54 40 1625 MILWAUKEE 6370 20 (SER A35A)
User Manual: MILWAUKEE 6370-20
Open the PDF directly: View PDF
.
Page Count: 2

54-40-1625
58-01-0085A35A
6370-20
FIG. PART NO. DESCRIPTION OF PART NO REQ.
102-04-0852 Bearing (1)
2 02-04-1050 Bearing (1)
3 02-50-0015 Needle Bearing (1)
4 05-71-0035 Screws (4)
5 05-78-0305 M3.5 x 0.6 x 7.00mm Pan Hd.Slt. T-15 (4)
6 05-88-9925 TS5 x 30mm Phillips Hd. Screw (4)
7 06-75-0035 5/16-18 X 9/16" Blade Screw (1)
8 06-75-5860 1/4-20 X 3/4" Hex Hd. Screw (1)
9 06-82-3792 8-32 x 3/8" Flat Head Taptite T-15 (3)
10 06-82-5314 10-24 X 1/2" Pan Hd. Taptite T-25 (15)
11 06-82-7270 8-16 X .625 Pan Hd. Slotted Plastite T-20 (13)
12 06-82-7453 8-16 X 2.25 Pan Hd. Slotted Plastite T20 (2)
13 10-20-0002 Warning Label, Inner Guard (1)
14 12-20-0230 Service Nameplate Kit (1)
15 16-62-1015 Armature (1)
16 18-62-1015 Field Assembly (1)
17 22-16-0060 Carbon Brush (2)
18 22-22-0260 Brush Holder (2)
19 22-64-0345 Cord (1)
20 22-84-0035 Fan (1)
21 23-52-0020 Brush Spring (2)
22 23-66-2115 Switch (1)
23 23-94-0010 Wire Assembly (Not Shown) (1)
24 28-14-0015 Gearcase (1)
25 28-20-0015 Collector Cover Plate (1)
26 28-20-0020 Collector Cover (1)
27 28-41-0015 Lower Guard (1)
28 31-05-0075 Fan Baffle (1)
29 31-15-0030 Motor Cover (1)
30 31-15-0035 Wire Cover (1)
31 31-44-0205 Handle Half, Left (1)
METAL CUTTING SAW May 2003
REVISED BULLETIN
SERVICE PARTS LIST
BULLETIN NO.
WIRING INSTRUCTION
DATE
SPECIFY CATALOG NO. AND SERIAL NO. WHEN ORDERING PARTS
SERIAL
NUMBER
CATALOG NO.
MILWAUKEE ELECTRIC TOOL CORPORATION
13135 W. LISBON RD., BROOKFIELD, WI 53005
Drwg. 2
00 EXAMPLE:
Component Parts (Small #)
Are Included When Ordering
The Assembly (Large #).
0
FIG. PART NO. DESCRIPTION OF PART NO REQ.
32 31-44-0215 Handle Half, Right (1)
33 31-44-0225 Front Handle (1)
34 31-50-0015 Motor Housing (1)
35 31-52-0015 Depth Lever (1)
36 31-52-0040 Lower Guard Lever (1)
37 34-60-0060 External Retaining Ring (1)
38 34-60-0400 E-Ring (1)
39 40-50-0045 Spring, Guard (1)
40 40-50-0315 Wrench Clip (1)
41 40-50-0345 Spindle Lock Spring (1)
42 40-50-0355 Torsion Spring (1)
43 42-38-0222 Bumper (1)
44 42-70-0050 Cover Clip (1)
45 42-96-0025 Bearing Cup (1)
46 43-34-0090 Inner Flange (1)
47 43-34-0095 Outer Flange (1)
48 43-50-0015 Glass Window (1)
49 43-54-0030 Inner Guard (1)
50 43-56-0015 Chip Guide Plate (1)
51 43-78-0025 Hub Assembly (1)
52 44-14-0015 Lower Guard Link (1)
53 44-20-0015 Spindle Lock (1)
54 44-20-0050 Latch Assembly (1)
55 44-52-0681 Grip (1)
56 44-60-0105 Front Latch Pin (1)
57 44-60-1180 Pivot Pin (1)
58 44-76-0210 Cord Protector (1)
59 44-86-0030 Window Retainer (1)
60 45-04-0485 Bumper Screw (1)
61 06-75-3970 Bolt (1)
62 45-08-0015 Depth Shaft (1)
63 45-08-0035 Shaft Lower Guard Lever (1)
64 45-14-0020 Lower Guard Sleeve (1)
65 45-16-0130 Shoe Assembly (1)
66 45-88-1545 Washer (1)
67 49-96-0345 6mm Hex Key (1)
68 06-82-5560 10-24 X 1/2" Truss Hd. Taptite T-25 (1)
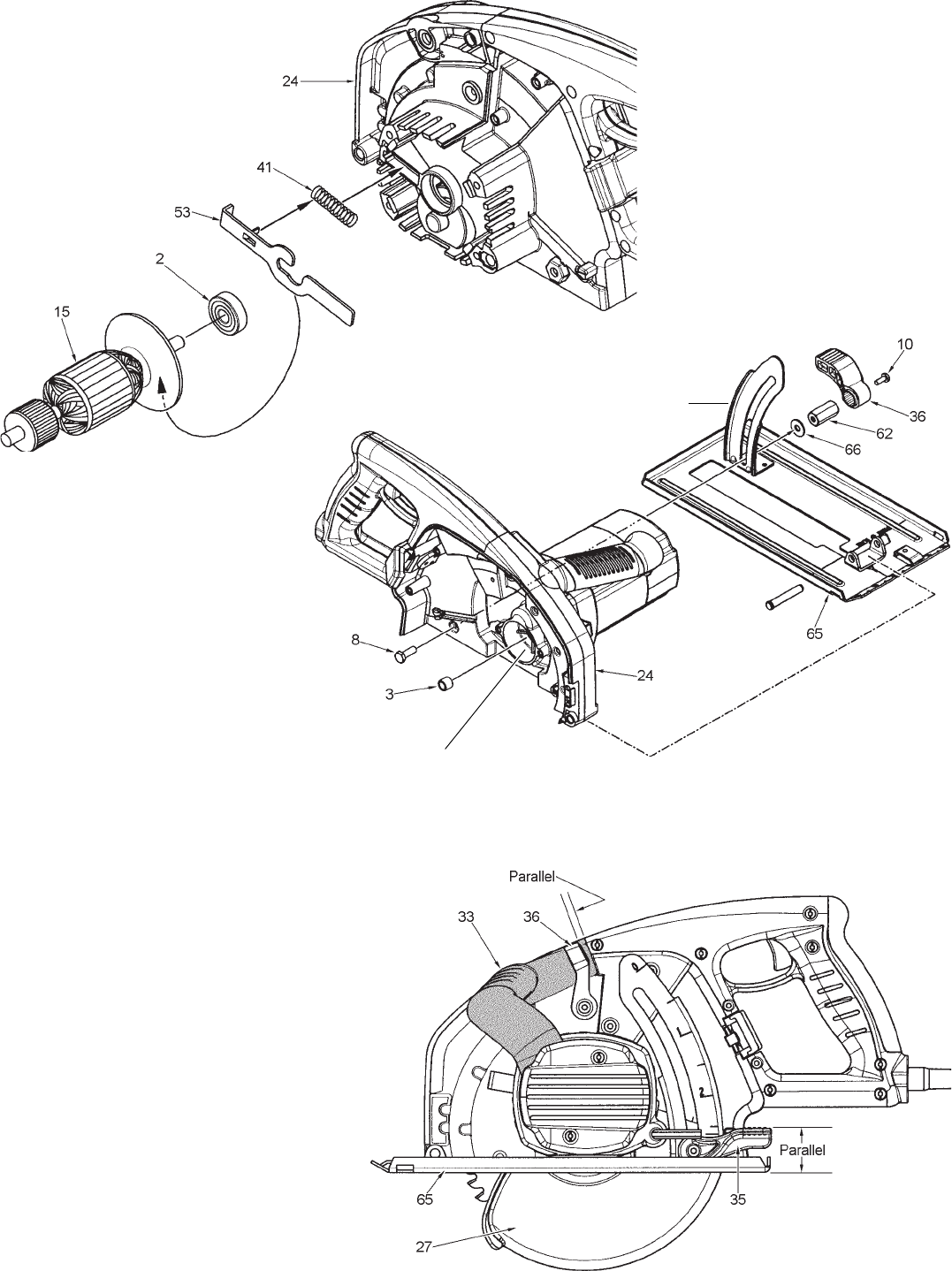
Orient the external retaining ring (37)
such that the beveled face is towards
the lower guard (27).
Place the bearing cup (45) into the motor housing (34)
prior to installing the armature (15).
SEE REVERSE SIDE
FOR LUBRICATION
AND SERVICE NOTES

Orient the textured gripping surface
of the lower guard lever (36) so it is
parallel (±20°) with the back edge of
the front handle (33), as shown.
When tight, the depth adjustment
lever (35) should be parallel (±20°)
with the shoe (65).
Functionally check the lower guard (27),
with the saw set at full depth of cut. Place
the saw upside down with the shoe (65)
horizontal. Retract the lower guard 100%.
Release the lower guard lever (36). The
guard should return in a brisk manner.
Place spindle lock spring (41) into the spring
retaining area on the gearcase (24), as
shown. Press ball bearing (2) to the
shoulder on the armature shaft (15).
Orient the spindle lock (53) onto the
armature shaft, inbetween the pressed
on bearing and the front of the fan,
as shown. Carefully insert the
armature pinion/bearing into
the gearcase. Align the
spindle lock with the
channel in the gearcase,
making sure that the tab
on the spindle lock
engages the front
of the spring.
Verify that the hex head bolt (8)
is fully seated in the gearcase (24)
while assembling the depth shaft (62),
as shown.
Press the bearing (3) flush to .015" subflush
to the gear cavity wall in the gearcase (24).
Orient the washer (66) such that
the rounded edge is towards
the depth rail of the shoe
assembly (65).
Apply .320 - .360 oz. Type "Y" Grease,
No. 49-08-5270, to gear bore of gearcase.
The grease should be directed toward the
pinion end of the armature.
depth rail