800 Gas/LPG Parts Manual (S/N 004000 ) Gas LP SN
User Manual:
Open the PDF directly: View PDF
.
Page Count: 540 [warning: Documents this large are best viewed by clicking the View PDF Link!]
- 800 Gas/LPG NA Parts Manual (004000- )
- HOW TO USE THIS MANUAL
- STANDARD PARTS
- Fig. 1 − General Recommended Maintenance Items
- Fig. 2 - Brushes, Replacement
- Fig. 3 - Main Frame Skirt and Seals Group
- Fig. 4 - Main Frame Left Brush Door Group
- Fig. 5 - Main Frame Right Brush Door Group
- Fig. 6 - Main Frame Operator Station Group
- Fig. 7 - Seat Group
- Fig. 8 - Main Frame Top Engine Cover and Horn Group
- Fig. 9 - Main Frame Rear Engine Door Group
- Fig. 10 - Main Frame Engine Side Door Group (004000-006999)
- Fig. 11 - Main Frame Engine Side Door Group (007000- )
- Fig. 12 - Hopper Lift Arms Group
- Fig. 13 - Hopper Lift Cylinders Group
- Fig. 14 - Hopper Group
- Fig. 15 - Hopper Door Group
- Fig. 16 - Hopper Cover Group
- Fig. 17 - Hopper Bumper Group
- Fig. 18 - Hopper Filter Shaker Group
- Fig. 19 - Hopper Pressure Switch Group
- Fig. 20 - Engine and Alternator Group (004000-004936)
- Fig. 21 - Engine Mount Group (004000-004936)
- Fig. 22 - Engine Group (004937-005999)
- Fig. 23 - Engine Group (006000-006999)
- Fig. 24 - Engine Group (007000- )
- Fig. 25 - Engine Alternator Group (004937-005999)
- Fig. 26 - Engine Alternator Group (006000-006999)
- Fig. 27 - Engine Alternator Group (007000- )
- Fig. 28 - Engine Oil Filter and Drain Group (004937- )
- Fig. 29 - Engine Carburetor and Governor Group, Gasoline (004000-004936)
- Fig. 30 - Engine Electronic Fuel Ignition Group, Gas (004937-005999)
- Fig. 31 - Engine Electronic Fuel Ignition Group, Gas (006000-006999)
- Fig. 32 - Engine Electronic Fuel Ignition Group, Gas (007000- )
- Fig. 33 - Engine Carburetor and Governor Group, LPG (004000-004936)
- Fig. 34 - Engine Vaporizer Group, LPG (004000-004818)
- Fig. 35 - Engine Vaporizer Group, LPG (004819-004936)
- Fig. 36 - Engine Electronic Fuel Ignition and Vaporizer Group, LPG (004937-005999)
- Fig. 37 - Engine Electronic Fuel Ignition and Vaporizer Group, LPG (006000-006999)
- Fig. 38 - Engine Electronic Fuel Ignition and Vaporizer Group, LPG (007000-007486)
- Fig. 39 - Engine EFI Group, LPG (007487- )
- Fig. 40 - Engine Vaporizer Group, LPG (007487- )
- Fig. 41 - Engine Air Cleaner Group (004000-004936)
- Fig. 42 - Engine Air Cleaner Group (004937-005999)
- Fig. 43 - Engine Air Cleaner Group, Gas (006000-006999)
- Fig. 44 - Engine Air Cleaner Group, Gas (007000- )
- Fig. 45 - Engine Air Cleaner Group, LPG (006000-006999)
- Fig. 46 - Engine Air Cleaner Group, LPG (007000- )
- Fig. 47 - Engine Muffler Group (004000-004936)
- Fig. 48 - Engine Muffler Group, Catalytic (004937-005999)
- Fig. 49 - Engine Muffler Group, Catalytic (006000-006999)
- Fig. 50 - Engine Muffler Group, Catalytic (007000- )
- Fig. 51 - Engine Fuel Tank Group, Gas (004000-004936)
- Fig. 52 - Engine Fuel Tank Group, Gas (004937-005999)
- Fig. 53 - Engine Fuel Tank Group, Gas (006000-006999)
- Fig. 54 - Engine Fuel Tank Group, Gas (007000- )
- Fig. 55 - Engine Fuel Tank Group, LPG (004000-004936)
- Fig. 56 - Engine Fuel Tank Group, LPG (004937-005999)
- Fig. 57 - Engine Fuel Tank Group, LPG (006000-006999)
- Fig. 58 - Engine Fuel Tank Group, LPG (007000- )
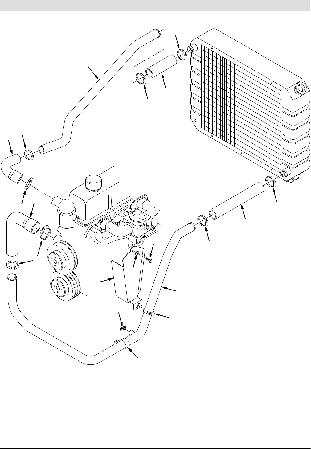
- Fig. 59 - Engine Radiator Hose Group (004000-004936)
- Fig. 60 - Engine Radiator Hose Group (004937-005999)
- Fig. 61 - Engine Radiator Hose Group (006000-006999)
- Fig. 62 - Engine Radiator Hose Group (007000- )
- Fig. 63 - Engine Radiator and Cooling Fan Group (004000-006308)
- Fig. 64 - Engine Radiator and Cooling Fan Group (006309-006999)
- Fig. 65 - Engine Radiator and Cooling Fan Group (007000- )
- Fig. 66 - Engine Battery Group (006000-006999)
- Fig. 67 - Engine Battery Group (007000- )
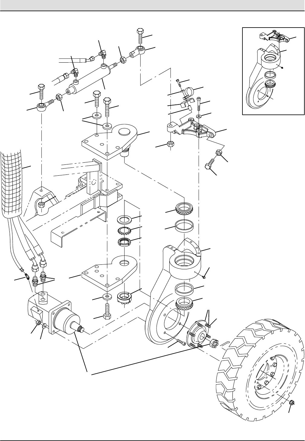
- Fig. 68 - Wheel Group, Rear Drive
- Fig. 69 - Wheels and Brakes Group, Front
- Fig. 70 - Wheel Assembly
- Fig. 71 - Brake Pedals Group
- Fig. 72 - Directional Pedal Group
- Fig. 73 - Hydraulic Pumps Group
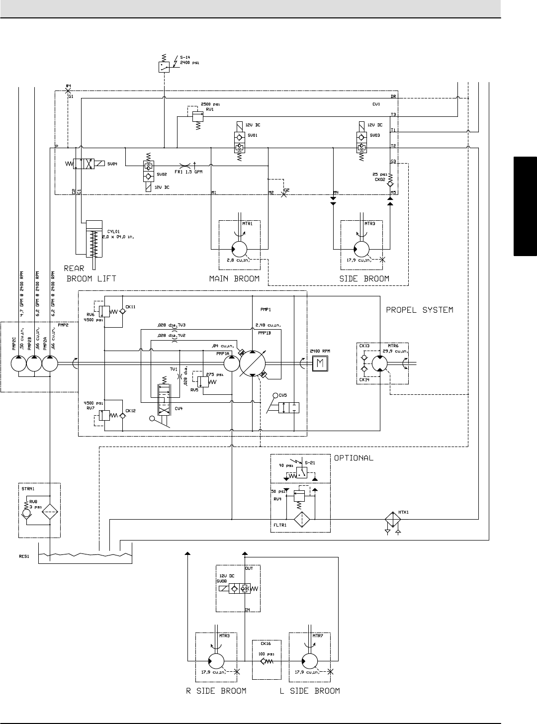
- Fig. 74 - Hydraulic Schematic
- Fig. 75 - Hydraulic Hose Group (004000-004936)
- Fig. 76 - Hydraulic Hose Group (004937- )
- Fig. 77 - Hydraulic Reservoir Group
- Fig. 78 - Hydraulic Filter and Cooler Group
- Fig. 79 - Hydraulic Solenoid Valve Group
- Fig. 80 - Hydraulic Lift Valve Group
- Fig. 81 - Side Brush Motor Group
- Fig. 82 - Side Brush Pivot Group
- Fig. 83 - Side Brush Lift Group
- Fig. 84 - Main Brush Drive Group
- Fig. 85 - Main Brush Lift Group
- Fig. 86 - Main Brush Adjustment Group
- Fig. 87 - Vacuum Fan Impeller Group
- Fig. 88 - Vacuum Fan Motor Group
- Fig. 89 - Steering Group
- Fig. 90 - Electrical Instrument Panel Assembly
- Fig. 91 - Electrical Circuit Breaker and Relay Group
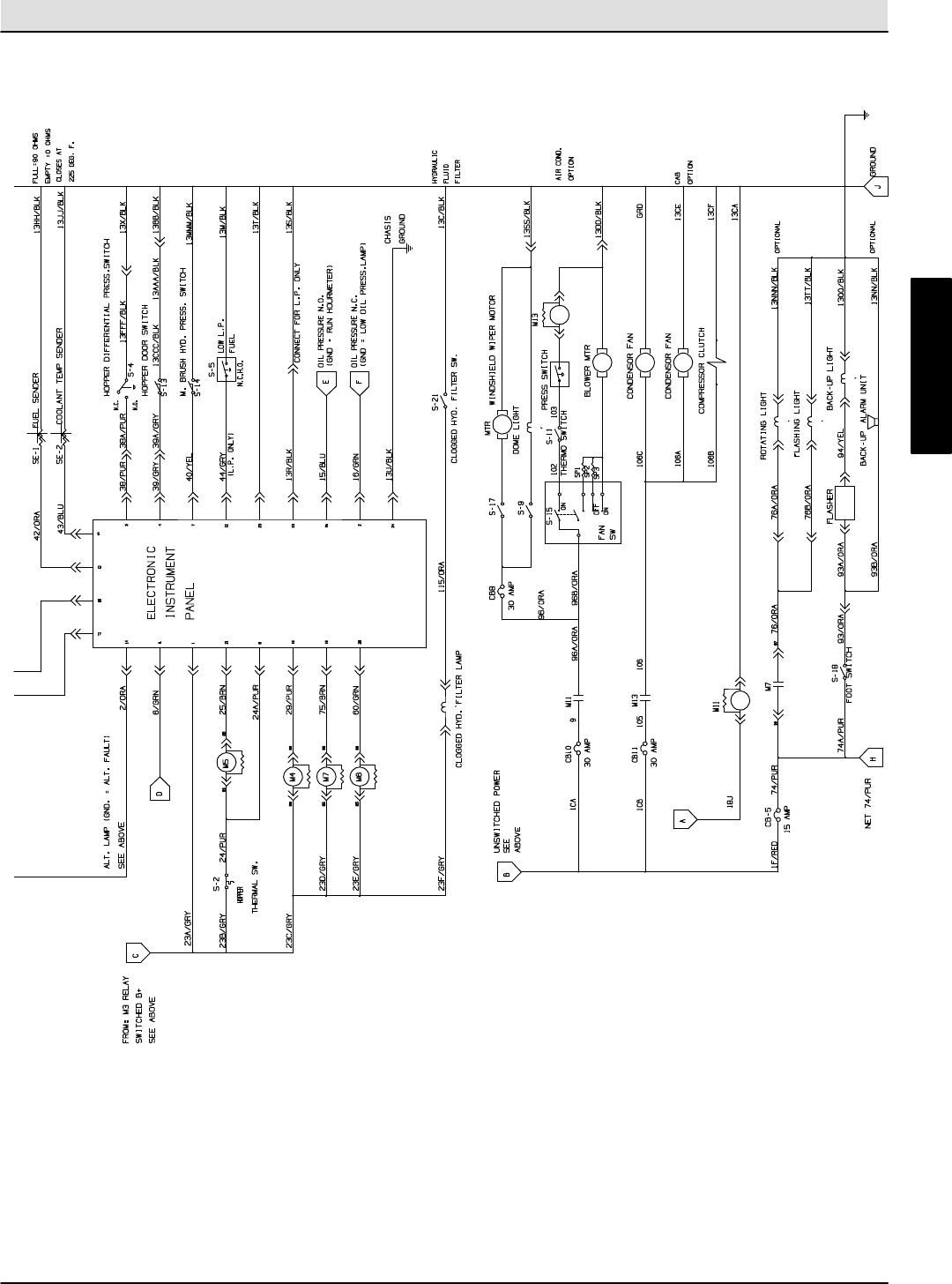
- Fig. 92 - Electrical Schematic (004000-004936)
- Fig. 93 - Electrical Schematic (004937-005999)
- Fig. 94 - Electrical Schematic (006000- )
- Fig. 95 - Wire Harnesses Group, Gas/LPG, Main (004000- 004274)
- Fig. 96 - Wire Harnesses Group, Gas/LPG, Hopper (004000- )
- Fig. 97 - Wire Harnesses Group, Gas/LPG, Tail Lights (004000- )
- Fig. 98 - Wire Harnesses Group, Gas/LPG, Main (004275-004936)
- Fig. 99 - Wire Harnesses Group, Gas/LPG, Main (004937- )
- Fig. 100 - Wire Harnesses Group, Gas/LPG Engine (006000-006999)
- Fig. 101 - Wire Harnesses Group, Gas/LPG Injectors (006000-006999)
- Fig. 102 - Wire Harnesses Group, Gas/LPG Engine (007000-007486)
- Fig. 103 - Wire Harnesses Group, Gas/LPG Engine (007487- )
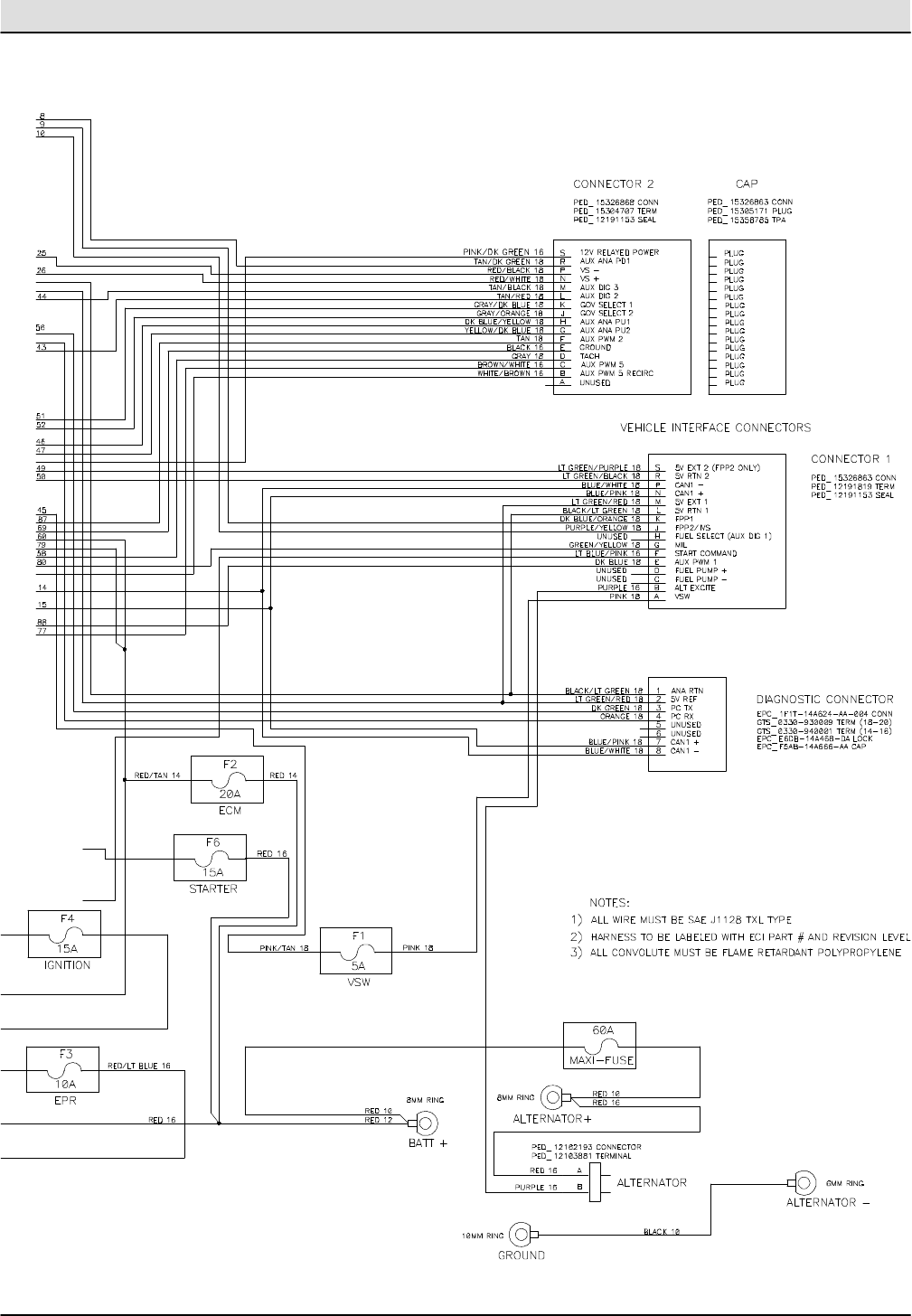
- Fig. 104 - Wire Harnesses Schematic, Gas Engine (007000- )
- Fig. 105 - Wire Harnesses Schematic, LPG Engine (007000- )
- Fig. 106 - Wire Harnesses Group, Gas/LPG Adaptor (006000-006999)
- Fig. 107 - Wire Harnesses Group, Gas/LPG Adaptor (007000- )
- Fig. 108 - Label Group
- OPTIONS
- Fig. 1 - Light Kit, Flashing, Overhead Guard (004000-008088)
- Fig. 2 - Light Kit, Flashing, Overhead Guard (008089- )
- Fig. 3 - Light Kit, Flashing, Cab (004000-008088)
- Fig. 4 - Light Kit, Flashing, Cab (008089- )
- Fig. 5 - Light Kit, Strobe, Overhead Guard (004000-008088)
- Fig. 6 - Light Kit, Strobe, Overhead Guard (008089- )
- Fig. 7 - Light Kit, Strobe, Cab (004000-008088)
- Fig. 8 - Light Kit, Strobe, Cab (008089- )
- Fig. 9 - Light Kit, Flashing, Low (004000-008088)
- Fig. 10 - Light Kit, Flashing, Low (008089- )
- Fig. 11 - Light Kit, Strobe, Low (004000-008088)
- Fig. 12 - Light Kit, Strobe, Low (008089- )
- Fig. 13 - Back-Up Alarm Kit (004000-008088)
- Fig. 14 - Back-Up Alarm Kit (008089- )
- Fig. 15 - Turn Signal Kit
- Fig. 16 - Overhead Guard Kit (004000-008088)
- Fig. 17 - Overhead Guard Kit (008089- )
- Fig. 18 - Hopper Floor Kit (004000-008088)
- Fig. 19 - Hopper Floor Kit (008089- )
- Fig. 20 - Bumper Assembly, SE (004000-008088)
- Fig. 21 - Bumper Assembly, SE (008089- )
- Fig. 22 - Side Brush Lift Group, L.H.
- Fig. 23 - Side Brush Motor Group, L.H.
- Fig. 24 - Side Brush Pivot Group, L.H.
- Fig. 25 - Side Brush Wire Harness Group, L.H.
- Fig. 26 - Side Brush Hydraulic Hose Group, L.H.
- Fig. 27 - Side Brush Light Kit, (004000-008088)
- Fig. 28 - Side Brush Light Kit, (008089- )
- Fig. 29 - Cab Kit
- Fig. 30 - Cab Mirror Kit (004000-008088)
- Fig. 31 - Cab Mirror Kit (008089- )
- Fig. 32 - Cab Seals Group
- Fig. 33 - Cab AC and Heater Box Group, Ford
- Fig. 34 - Cab AC and Heater Hose Group, Ford
- Fig. 35 - Cab AC Compressor Group, Ford
- Fig. 36 - Cab AC and Heater Box Group, GM (004937-008088)
- Fig. 37 - Cab AC and Heater Box Group, GM (008089- )
- Fig. 38 - Cab AC and Heater Hose Group, GM
- Fig. 39 - Cab AC Compressor Group, GM (004937-006999)
- Fig. 40 - Cab AC Compressor Group, GM (007000- )
- Fig. 41 - Cab Heater Box Group, Ford
- Fig. 42 - Cab Heater Hose Group, Ford
- Fig. 43 - Cab Heater Box Group, GM (004937 - 008088)
- Fig. 44 - Cab Heater Box Group, GM (008089 - )
- Fig. 45 - Cab Heater Hose Group, GM
- Fig. 46 - Alternator Group, SE, Ford
- Fig. 47 - Heavy Duty Alternator Kit, GM (004937-006999)
- Fig. 48 - Heavy Duty Alternator Kit, GM (007000- )
- Fig. 49 - Vacuum Wand Kit (004000-008088)
- Fig. 50 - Vacuum Wand Kit (008089- )
- Fig. 51 - Side Brush Dust Control Kit (004000-008088)
- Fig. 52 - Side Brush Dust Control Kit (008089- )
- Fig. 53 - Protectoseal Fuel Tank Cap Group
- Fig. 54 - Fire Extinguisher Kit
- Fig. 55 - Solid Tire and Rim Assembly
- Fig. 56 - Seat Belt Kit
- Fig. 57 - RFS Filter System Group
- Fig. 58 - Cab AC Drain Hose Kit
- Fig. 59 - Neutral Start Group
- Fig. 60 - Muffler Group, Non-Catalytic
- Fig. 61 - Documentation Group
- BREAKDOWNS
- Fig. 1 - Hydraulic Piston Pump Breakdown, 74163
- Fig. 2 - Hydraulic Piston Pump Breakdown, 74163
- Fig. 3 - Hydraulic Piston Pump Breakdown, 373404
- Fig. 4 - Hydraulic Piston Pump Breakdown, 373404
- Fig. 5 - Hydraulic Manual Control Breakdown, 74273
- Fig. 6 - Hydraulic Piston Pump Breakdown, 74164
- Fig. 7 - Hydraulic Piston Pump Breakdown, 74164
- Fig. 8 - Hydraulic Piston Pump Breakdown, 373405
- Fig. 9 - Hydraulic Piston Pump Breakdown, 373405
- Fig. 10 - Hydraulic Manual Control Breakdown, 373369
- Fig. 11 - Hydraulic Gear Pump Breakdown, 62561
- Fig. 12 - Hydraulic Gear Pump Breakdown, 373254
- Fig. 13 - Hydraulic Motor Breakdown, 63426
- Fig. 14 - Hydraulic Motor Breakdown, 22626
- Fig. 15 - Hydraulic Motor Breakdown, 373464
- Fig. 16 - Hydraulic Motor Breakdown, 53434
- Fig. 17 - Hydraulic Motor Breakdown, 79781
- Fig. 18 - Hydraulic Motor Breakdown, 19117
- Fig. 19 - Hydraulic Motor Breakdown, 63542
- Fig. 20 - Hydraulic Steering Valve Breakdown, 65242
- Fig. 21 - Hydraulic Solenoid Valve Breakdown, 84015
- Fig. 22 - Hydraulic Solenoid Valve Breakdown, 84016
- Fig. 23 - Hydraulic Valve Breakdown, 375563
- Fig. 24 - Hydraulic Solenoid Valve Breakdown, 84014
- Fig. 25 - Hydraulic Cylinder Breakdown, 53601
- Fig. 26 - Hydraulic Cylinder Breakdown, 1026719
- Fig. 27 - Cab Assembly
- Fig. 28 - Cab Door Assembly (000000-008088)
- Fig. 29 - Cab Door Assembly (008089- )
- Fig. 30 - Cab Insulation Group
- Fig. 31 - Cab Wire Harness Group
- Fig. 32 - AC Condenser Box Breakdown, 380625 (000000-008088)
- Fig. 33 - AC Condenser Box Breakdown, 9012898 (008089- )
- Fig. 34 - AC and Heater Box Breakdown, 380613 (000000-008088)
- Fig. 35 - AC and Heater Box Breakdown, 1073904 (008089- )
- Fig. 36 - Heater Box Breakdown, 380614 (000000-008088)
- Fig. 37 - Heater Box Breakdown, 1073905 (008089- )
- Fig. 38 - Brake Assy, Right Hand (R.h.) 77790
- Fig. 39 - Brake Assy, Left Hand (L.h.) 77770
- Fig. 40 - LPG EFI Breakdown, 371894
- Fig. 41 - LPG EFI Breakdown, 371895
- Fig. 42 - Gasoline EFI Breakdown, 371896
- Fig. 43 - Gasoline Electronic Fuel Ignition Breakdown, 371897
- Fig. 44 - Hydraulic Solenoid Valve Breakdown, 1049210
- Fig. 45 - Hydraulic Solenoid Valve Breakdown, 1049209
- Fig. 46 - Hydraulic Solenoid Valve Breakdown, 1049211
- 2.3L ENGINE BREAKDOWN
- Fig. 1 - Engine Block Group
- Fig. 2 - Gaskets Group
- Fig. 3 - Cylinder Head Group
- Fig. 4 - Cylinder Front Cover Group
- Fig. 5 - Starter Breakdown
- Fig. 6 - Oil Pan Group
- Fig. 7 - Crankshaft Group
- Fig. 8 - Manifolds Group
- Fig. 9 - Flywheel Group
- Fig. 10 - Camshaft And Sprocket Group
- Fig. 11 - Valve And Rocker Arm Cover Group
- Fig. 12 - Piston And Connecting Rod Group
- Fig. 13 - Water Pump, Thermostat and Fan Group
- Fig. 14 - Ignition Group
- 2.5L ENGINE BREAKDOWN
- Fig. 1 - Engine Block Group
- Fig. 2 - Gaskets Group
- Fig. 3 - Cylinder Head Group
- Fig. 4 - Cylinder Front Cover Group
- Fig. 5 - Starter Breakdown
- Fig. 6 - Oil Pan Group
- Fig. 7 - Crankshaft Group
- Fig. 8 - Manifolds Group
- Fig. 9 - Flywheel Group
- Fig. 10 - Camshaft And Sprocket Group
- Fig. 11 - Valve And Rocker Arm Cover Group
- Fig. 12 - Piston And Connecting Rod Group
- Fig. 13 - Water Pump, Thermostat and Fan Group
- Fig. 14 - Ignition Group
- 3.0L GM ENGINE BREAKDOWN, GASOLINE, LPG
- CROSS REFERENCE

80
0
(Gas/LPG
)
*330120*
Sweepe
r
Parts Manu
al
33012
0
Rev. 22 (7-2015
)
North America / International
(SN/ 004000−
)
For latest Parts manual or other
language Operator manual, visit:
www.tennantco.com/manuals

When ordering replacement parts, use the illustrated parts list section in this manual. Before ordering parts or supplies,
be sure to have your machine model number and serial number available. Only use TENNANT Company supplied or
equivalent parts. Parts and supplies may be ordered online, by phone, or mail from any authorized parts and service
center, distributor or from any of the manufacturer’s subsidiaries.
This machine will provide excellent service. However, the best results will be obtained at minimum costs if:
SThe machine is operated with reasonable care.
SThe machine is maintained regularly - per the machine maintenance instructions provided.
SThe machine is maintained with manufacturer supplied or equivalent parts.
MACHINE DATA
Please fill out at time of installation for future reference.
Model No. −
Serial No. −
Machine Options −
Sales Rep. −
Sales Rep. phone no. −
Customer Number −
Installation Date −
Tennant Company
PO Box 1452
Minneapolis, MN 55440
Phone: (800) 553−8033 or (763) 513−2850
www.tennantco.com
II Speed and Thermo−Sentry are trademarks of Tennant Company.
Specifications and parts are subject to change without notice.
Original instructions, Copyright E 1998−2000, 2002−2005, 2007−2011, 2013, 2014, 2015 TENNANT Company, Printed in U.S.A.

HOW TO USE THIS MANUAL
1-1
800 Gas/LPG 330120(9−97)
HOW TO USE THIS MANUAL
This section on HOW TO USE THIS MANUAL will
tell you how to:
− Find important machine information for
ordering correct repair parts.
− Find TENNANT part numbers.
− Order TENNANT parts and supplies.
IMPORTANT INFORMATION
When placing an order for parts, the machine
model and machine serial number are important.
Refer to the MACHINE DATA box which is filled
out during the installation of your machine. The
MACHINE DATA box is located on the inside of
the front cover of this manual.
The model number of your machine is on the side
of the machine.
The serial number of your machine is printed on
the machine data plate located as shown.

HOW TO USE THIS MANUAL
1-2 800 Gas/LPG 330120 (5−04)
FINDING A TENNANT PART NUMBER
This manual contains the following sections:
− HOW TO USE THIS MANUAL
− STANDARD PARTS
− OPTIONS
− BREAKDOWNS
− PERKINS ENGINE BREAKDOWN
− CAT ENGINE BREAKDOWN
− CROSS REFERENCE
The STANDARD PARTS section lists repair parts
for standard machines. They are grouped in this
general order:
− General wear parts.
− Machine frame and related parts.
− Machine propelling system.
− Sweeping components.
− Electrical parts.
The OPTION section lists repair parts of options.
The BREAKDOWN section lists available repair
parts of major components.
All sections in this manual consist of parts
illustrations and corresponding parts lists.
The parts illustrations are numbered with Ref
numbers which refer to corresponding parts lists.
The parts lists include a number of columns of
information:
−Ref − column refers to the reference number
on the parts illustration.
∇ − indicates the part is an assembly.
Y − indicates the part is included in the
assembly listed just before it.
−TENNANT Part No. − column lists the
TENNANT part number for the part.
−Serial Number − column indicates the set of
machines the part number is applicable to.
Serial numbers change when the machine
design has been modified. The most current
design of the machine is shown in the main
illustration, older designs are boxed in a
corner of the illustration.
−Description − column is a brief description
of the part.
−Qty. − column lists the quantity of that part
used in that area of the machine.

HOW TO USE THIS MANUAL
1-3
800 Gas/LPG 330120(9−97)
NOTE: If a service kit is installed on your
machine, be sure to keep the INSTRUCTION
BULLETIN which came with the kit. It contains
repair parts numbers needed for ordering future
parts.
NOTE: Fasteners used in this machine may be
metric or non-metric. Take care when replacing
hardware to replace with same thread size.
PLACING AN ORDER
Orders may be placed by phone, fax, or by mail.
Phone orders may need written confirmation.
Follow the steps below to insure prompt delivery:
1. Identify the model number of your machine.
2. Identify the serial number of your machine.
3. Find the part number of the part you need.
Do not order by page number or reference
number. If you are not able to find the part
number, call your TENNANT representative
for help or send the old part as a sample.
4. Determine the quantity of the part you need.
5. Provide the following company information:
− Company name
− Customer ID Number
− Shipping address
− Billing address
− First and last name of person ordering
parts
− Telephone number
− Purchase order number
6. Provide definitive shipping instructions.

HOW TO USE THIS MANUAL
1-4 800 Gas/LPG 330120 (9−97)
Any claim for loss or damage to a shipment in
transit should be filed promptly with the
transportation company making the delivery.
Shipments will be complete unless the packing list
or order acknowledgement indicates items back
ordered.
If parts received are suspected to be incorrect or
defective, please contact the TENNANT
representative from whom you ordered the part.
They will give authorization for return and/or
handle replacement shipments when required.

STANDARD PARTS
2-1
800 Gas/LPG 330120(3−2015)
SECTION 2
Contents Page
Fig. 1 − General Recommended
Maintenance Items 2−4................
Fig. 2 − Brushes, Replacement 2−5..............
Fig. 3 − Main Frame Skirt and Seals Group 2−6....
Fig. 4 − Main Frame Left Brush Door Group 2−8...
Fig. 5 − Main Frame Right Brush Door Group 2−10.
Fig. 6 − Main Frame Operator Station Group 2−12.
Fig. 7 − Seat Group 2−14.......................
Fig. 8 − Main Frame Top Engine Cover
and Horn Group 2−16.................
Fig. 9 − Main Frame Rear Engine Door Group 2−18
Fig. 10 − Main Frame Engine Side Door Group
(004000−006999) 2−20................
Fig. 11 − Main Frame Engine Side Door Group
(007000− ) 2−22................
Fig. 12 − Hopper Lift Arms Group 2−24............
Fig. 13 − Hopper Lift Cylinders Group 2−26........
Fig. 14 − Hopper Group 2−28....................
Fig. 15 − Hopper Door Group 2−30...............
Fig. 16 − Hopper Cover Group 2−32..............
Fig. 17 − Hopper Bumper Group 2−34.............
Fig. 18 − Hopper Filter Shaker Group 2−36........
Fig. 19 − Hopper Pressure Switch Group 2−38.....
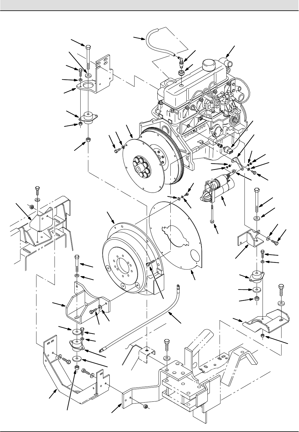
Fig. 20 − Engine and Alternator Group
(004000−004936) 2−40................
Fig. 21 − Engine Mount Group
(004000−004936) 2−42................
Fig. 22 − Engine Group (004937−005999) 2−44....
Fig. 23 − Engine Group (006000−006999) 2−46....
Fig. 24 − Engine Group (007000− ) 2−48...
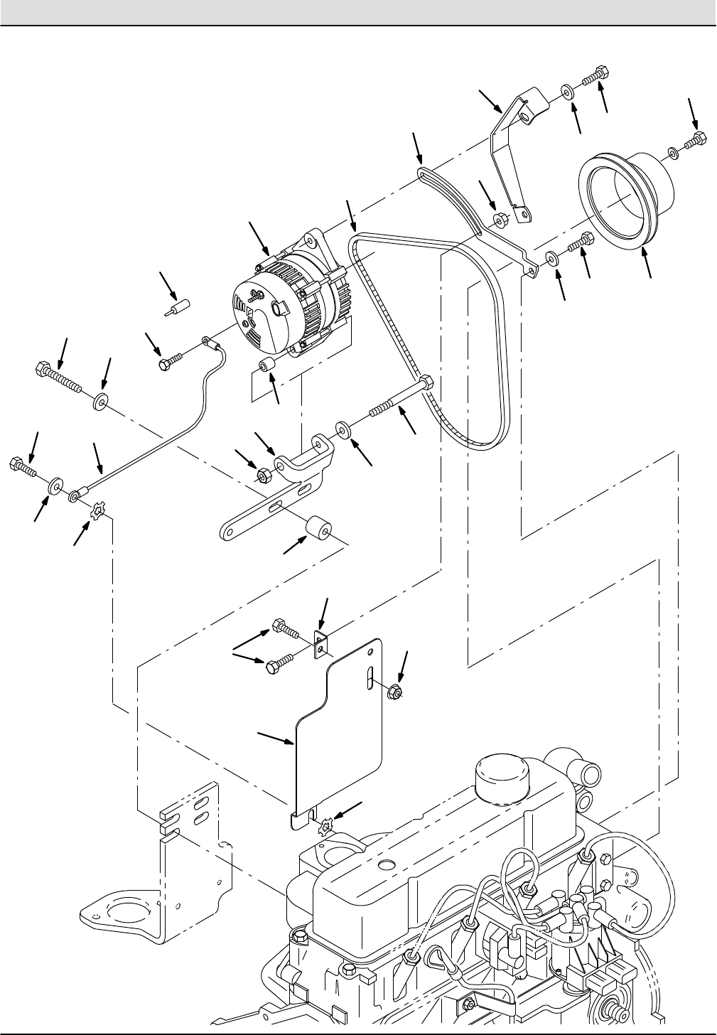
Fig. 25 − Engine Alternator Group
(004937−005999) 2−52................
Fig. 26 − Engine Alternator Group
(006000−006999) 2−54................
Fig. 27 − Engine Alternator Group
(007000− ) 2−56................
Fig. 28 − Engine Oil Filter and Drain Group
(004937− ) 2−58................
Fig. 29 − Engine Carburetor and Governor
Group, Gasoline (004000−004936) 2−60.
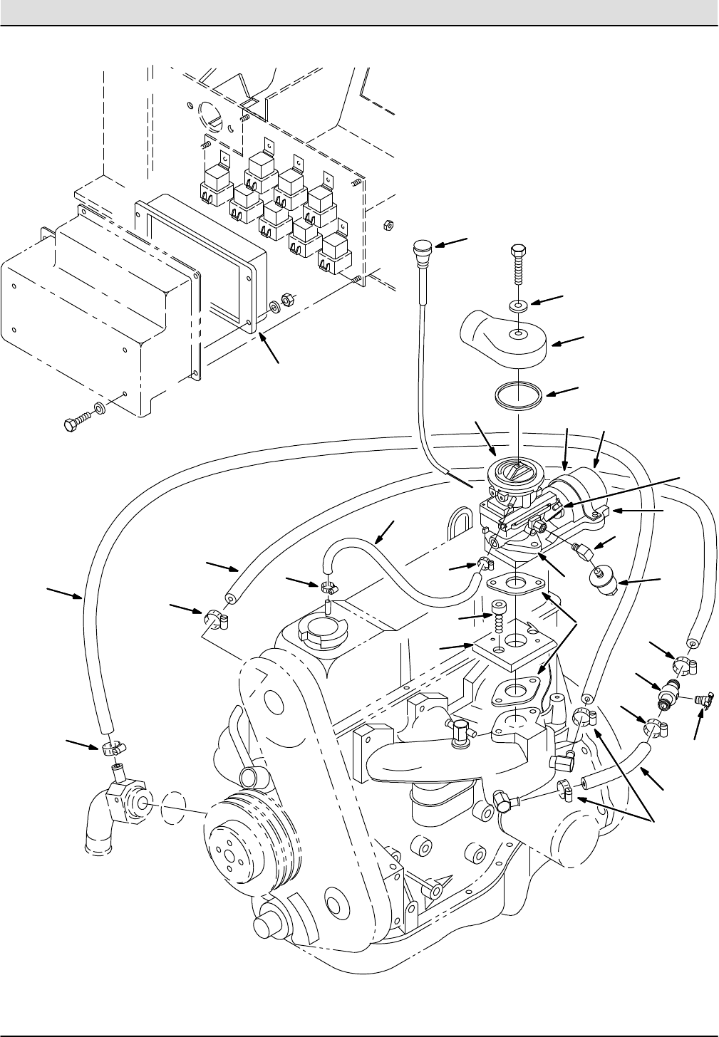
Fig. 30 − Engine Electronic Fuel Ignition
Group, Gas (004937−005999) 2−62.....
Fig. 31 − Engine Electronic Fuel Ignition
Group, Gas (006000−006999) 2−64.....
Fig. 32 − Engine Electronic Fuel Ignition
Group, Gas (007000− ) 2−66.....
Fig. 33 − Engine Carburetor and Governor
Group, LPG (004000−004936) 2−68.....
Fig. 34 − Engine Vaporizer Group, LPG
(004000−004818) 2−70................
Fig. 35 − Engine Vaporizer Group, LPG
(004819−004936) 2−72................
Contents Page
Fig. 36 − Engine Electronic Fuel Ignition and
Vaporizer Group, LPG
(004937−005999) 2−74................
Fig. 37 − Engine Electronic Fuel Ignition and
Vaporizer Group, LPG
(006000−006999) 2−78................
Fig. 38 − Engine Electronic Fuel Ignition and
Vaporizer Group, LPG
(007000−007486) 2−82................
Fig. 39 − Engine EFI Group, LPG
(007487− ) 2−86.................
Fig. 40 − Engine Vaporizer Group, LPG
(007487− ) 2−88.................
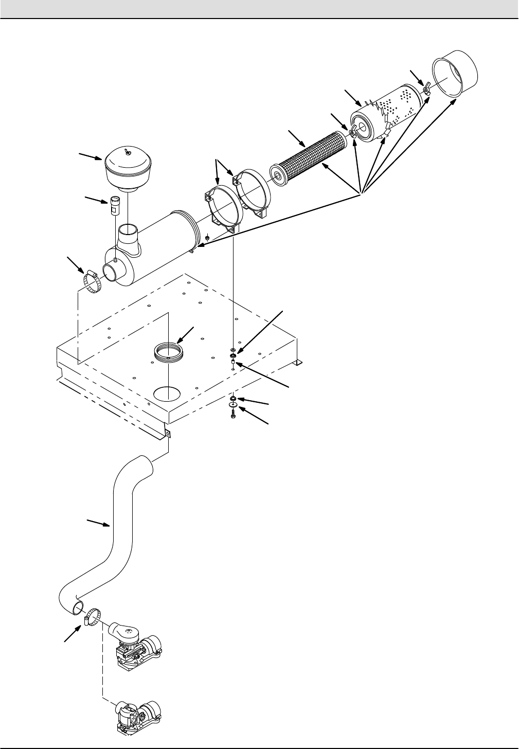
Fig. 41 − Engine Air Cleaner Group
(004000−004936) 2−90................
Fig. 42 − Engine Air Cleaner Group
(004937−005999) 2−92................
Fig. 43 − Engine Air Cleaner Group, Gas
(006000−006999) 2−94................
Fig. 44 − Engine Air Cleaner Group, Gas
(007000− ) 2−96................
Fig. 45 − Engine Air Cleaner Group, LPG
(006000−006999) 2−98................
Fig. 46 − Engine Air Cleaner Group, LPG
(007000− ) 2−100...............
Fig. 47 − Engine Muffler Group
(004000−004936) 2−102...............
Fig. 48 − Engine Muffler Group, Catalytic
(004937−005999) 2−104...............
Fig. 49 − Engine Muffler Group, Catalytic
(006000−006999) 2−106...............
Fig. 50 − Engine Muffler Group, Catalytic
(007000− ) 2−108...............
Fig. 51 − Engine Fuel Tank Group, Gas
(004000−004936) 2−110...............
Fig. 52 − Engine Fuel Tank Group, Gas
(004937−005999) 2−112...............
Fig. 53 − Engine Fuel Tank Group, Gas
(006000−006999) 2−114...............
Fig. 54 − Engine Fuel Tank Group, Gas
(007000− ) 2−116...............
Fig. 55 − Engine Fuel Tank Group, LPG
(004000−004936) 2−118...............
Fig. 56 − Engine Fuel Tank Group, LPG
(004937−005999) 2−120...............
Fig. 57 − Engine Fuel Tank Group, LPG
(006000−006999) 2−122...............
Fig. 58 − Engine Fuel Tank Group, LPG
(007000− ) 2−124...............
Fig. 59 − Engine Radiator Hose Group
(004000−004936) 2−126...............
Fig. 60 − Engine Radiator Hose Group
(004937−005999) 2−128...............

STANDARD PARTS
2-2 800 Gas/LPG 330120(7−2015)
Contents Page
Fig. 61 − Engine Radiator Hose Group
(006000−006999) 2−130...............
Fig. 62 − Engine Radiator Hose Group
(007000− ) 2−132...............
Fig. 63 − Engine Radiator and Cooling Fan
Group (004000−006308) 2−134.........
Fig. 64 − Engine Radiator and Cooling Fan
Group (006309−006999) 2−136.........
Fig. 65 − Engine Radiator and Cooling Fan
Group (007000− ) 2−138.........
Fig. 66 − Engine Battery Group
(006000−006999) 2−140...............
Fig. 67 − Engine Battery Group
(007000− ) 2−142...............
Fig. 68 − Wheel Group, Rear Drive 2−144.........
Fig. 69 − Wheels and Brakes Group, Front 2−146...
Fig. 70 − Wheel Assembly 2−148.................
Fig. 71 − Brake Pedals Group 2−150..............
Fig. 72 − Directional Pedal Group 2−152...........
Fig. 73 − Hydraulic Pumps Group 2−154...........
Fig. 74 − Hydraulic Schematic 2−156..............
Fig. 75 − Hydraulic Hose Group
(004000−004936) 2−158...............
Fig. 76 − Hydraulic Hose Group
(004937− ) 2−160.................
Fig. 77 − Hydraulic Reservoir Group 2−162........
Fig. 78 − Hydraulic Filter and Cooler Group 2−164..
Fig. 79 − Hydraulic Solenoid Valve Group 2−166....
Fig. 80 − Hydraulic Lift Valve Group 2−168.........
Fig. 81 − Side Brush Motor Group 2−170..........
Fig. 82 − Side Brush Pivot Group 2−172...........
Fig. 83 − Side Brush Lift Group 2−174.............
Fig. 84 − Main Brush Drive Group 2−178..........
Fig. 85 − Main Brush Lift Group 2−180............
Fig. 86 − Main Brush Adjustment Group 2−182.....
Fig. 87 − Vacuum Fan Impeller Group 2−184.......
Fig. 88 − Vacuum Fan Motor Group 2−186.........
Fig. 89 − Steering Group 2−188..................
Fig. 90 − Electrical Instrument Panel Assembly 2−190
Fig. 91 − Electrical Circuit Breaker and
Relay Group 2−192...................
Fig. 92 − Electrical Schematic
(004000−004936) 2−193...............
Fig. 93 − Electrical Schematic
(004937−005999) 2−197...............
Fig. 94 − Electrical Schematic (006000− ) 2−202
Fig. 95 − Wire Harnesses Group, Gas/LPG,
Main (004000− 004274) 2−208.........
Fig. 96 − Wire Harnesses Group, Gas/LPG,
Hopper (004000− ) 2−212.........
Fig. 97 − Wire Harnesses Group, Gas/LPG,
Tail Lights (004000− ) 2−213......
Fig. 98 − Wire Harnesses Group, Gas/LPG,
Main (004275−004936) 2−214..........
Fig. 99 − Wire Harnesses Group, Gas/LPG,
Main (004937− ) 2−218...........
Contents Page
Fig. 100 − Wire Harnesses Group, Gas/LPG
Engine (006000−006999) 2−223
Fig. 101 − Wire Harnesses Group, Gas/LPG
Injectors (006000−006999) 2−226.......
Fig. 102 − Wire Harnesses Group, Gas/LPG
Engine (007000−007486) 2−227........
Fig. 103 − Wire Harnesses Group, Gas/LPG
Engine (007487− ) 2−228.........
Fig. 104 − Wire Harnesses Schematic,
Gas Engine (007000− ) 2−229.....
Fig. 105 − Wire Harnesses Schematic,
LPG Engine (007000− ) 2−232....
Fig. 106 − Wire Harnesses Group, Gas/LPG
Adaptor (006000−006999) 2−236.......
Fig. 107 − Wire Harnesses Group, Gas/LPG
Adaptor (007000− ) 2−238........
Fig. 108 − Label Group 2−240....................

STANDARD PARTS
2-3
800 Gas/LPG 330120(10−2014)

STANDARD PARTS
800 Gas/LPG 330120 (3−2015)
2-4
09922 − 800,G,LP
Fig. 1 − General Recommended Maintenance Items
Ref. Part No. Serial Number Description Qty.
o77632 (004000− ) Maintenance Kit, Skirts 1
Y73870 (004000− ) Skirt, Brush Door 2
Y64788 (004000− ) Skirt, Brush Door 2
Y70453 (004000− ) Strip, Retainer, Skirt 2
Y62955 (004000− ) Skirt, Seal, Main Brush 1
Y62957 (004000− ) Channel, Retainer, Seal, Rear 1
Y62954 (004000− ) Blade, Deflector 1
Y62956 (004000− ) Strap, Retainer, Seal 1
Y43500 (004000− ) Chain, Link#2/0, 7Links 1
o79032 (004000− ) Maintenance Kit, Skirts 800 1
Y64919 (004000− ) Seal, Pan, Top 1
Y64920 (004000− ) Channel, Retainer 1
Y73654 (004000− ) Seal, Brush Comp, Side 2
Y73888 (004000− ) Skirt, Front, Indoor 2
o380709 (004000−004936 ) Maintenance Kit, 400HR 800/810 gas 1
Y39703−2 (004000−004936 ) Filter Element, Oil, Cont. Gas−SE 4
Y60846 (004000−004936 ) Spark Plug−10 FD 4
Y84883 (004000−004936 ) Valve, PCV 1
Y36050 (004000−004936 ) Filter, Fuel 2
Y60933 (004000−006999 ) Element, Filter, Air 1
Y60934 (004000−006999 ) Element, Filter, Air 1
o380710 (004000−004936 ) Maintenance Kit, 400HR 800/810 lpg 1
Y39703−2 (004000−004936 ) Filter Element, Oil, Cont. Gas−SE 4
Y60846 (004000−004936 ) Spark Plug−10 FD 4
Y84883 (004000−004936 ) Valve, PCV 1
Y60933 (004000−006999 ) Element, Filter, Air 1
Y60934 (004000−006999 ) Element, Filter, Air 1
o77634 (004000− ) Maintenance Kit, 800HR 800/810 1
Y34306 (004000− ) Breather, Hyd 40Mic NO DS 1
Y31613 (004000− ) Strainer−Hyd Suction 25−100−03 1
Y10664 (004000− ) Filter Assy, Spin−on 1
Y1057711 (004000− ) Oil, Hyd [El, Iso 100, 05gal] 3
1057710 (004000− ) Oil, Hyd [El, Iso 100, 01gal] 1
1057707 (004000− ) Oil, Hyd [El, Iso 32, 01gal] 1
1057708 (004000− ) Oil, Hyd [El, Iso 32, 05gal] 1
393934 (004937−006999 ) Sparkplug [Gm 3.0] 4
9006586 (007000− ) Sparkplug 4
372652 (007000− ) Element, Fltr, Air [Dn] 1
372651 (007000− ) Element, Fltr, Air 1
16411 (004000− ) Paint, Airdry, Off−White, 12oz 1
16412 (004000− ) Paint, Airdry, Teal, 12oz, Solid 1
377540 (004000− ) Paint, Airdry, Blk, 12oz 1
377538 (004000− ) Paint, Airdry, Gray, 12oz 1
377537 (004000− ) Paint, Airdry, Iron Gray, 12oz 1

STANDARD PARTS
2-5
800 Gas/LPG 330120 (5−09)
Fig. 2 − Brushes, Replacement
1
2
3
07628 − 800
Ref. Part No. Serial Number Description Qty.
1 35326 (004000− ) Brush−Sweep −Polypropylene 1
1 35324 (004000− ) Brush−Sweep −Polypropylene&Wire 1
1 35327 (004000− ) Brush−Sweep −Wire 1
1 35325 (004000− ) Brush−Outsd −Polypropylene 1
1 35336 (004000− ) Brush−Patrl −Nylon 1
1 35323 (004000− ) Brush−Sweep −Nylon (24SR) 1
1 66020 (004000− ) Brush−Sweep −Nylon (8DR) 1
2 370011 (004000− ) Brush, Swp, Wedge, Polypropylene 1
o 3 75011 (004000− ) Brush−Side Swp −Assy−Nylon 1
Y51021N (004000− ) Brush−Side Swp −Nylon 1
Y1042969 (004000− ) Hub, Drive, Brush, Side, 1.00b 8.8bc 1
Y39394 (004000− ) Screw, Hex, .31−09 X 1.25, Wood 5
o 3 75010 (004000− ) Brush−Side Swp −Assy−Flat Wire 1
Y51542 (004000− ) Brush−Side Swp −Flat Wire 1
Y1042969 (004000− ) Hub, Drive, Brush, Side, 1.00b 8.8bc 1
Y39394 (004000− ) Screw, Hex, .31−09 X 1.25, Wood 5
o 3 70649 (004000− ) Brush−Side Swp −Assy−Polypropylene 1
Y70538 (004000− ) Brush−Side Swp −Polypropylene 1
Y1042969 (004000− ) Hub, Drive, Brush, Side, 1.00b 8.8bc 1
Y39394 (004000− ) Screw, Hex, .31−09 X 1.25, Wood 5

STANDARD PARTS
800 Gas/LPG 330120 (2−11)
2-6
Fig. 3 − Main Frame Skirt and Seals Group
1
2
3
4
5
6
7
8
9
11
10
12
13
14
15
16
17
19
20
21
22
23
24
25
26
27
28
29
30
31
32
33
8
9
13
26
11
12
33
7
34
35
36
37
38
32
18
40 39
39
26
42
41

STANDARD PARTS
2-7
800 Gas/LPG 330120 (3−2015)
09800 − G,LP
Fig. 3 − Main Frame Skirt and Seals Group
Ref. Part No. Serial Number Description Qty.
1 77777 (004000−008088 ) Frame Wldt, Main [800l] 1
1 1073839 (008089− ) Frame Wldt, Main [800l Gray] 1
2 77782 (004000−008088 ) Panel Wldt, Rear, Rh 1
2 1073840 (008089− ) Panel Wldt, Rear, Rh [800 Gray] 1
3 77734 (004000−008088 ) Panel Wldt, Rear, Lh 1
3 1073838 (008089− ) Panel Wldt, Rear, Lh [800 Gray] 1
4 79680 (004000−006999 ) Bumper Wldt, Rear, Gas/Dsl 1
4 1028300 (007000−008088 ) Bumper Wldt, Rear, Gas/Dsl 1
4 1073805 (008089− ) Bumper Wldt, Rear, Gas/Dsl [800 Gray] 1
5 1032075 (007000−008088 ) Bumper Wldt, Rear, Lpg 1
5 1073807 (008089− ) Bumper Wldt, Rear, Lpg [800 Gray] 1
6 77680 (004000− ) Door, Bmpr, Lpg 1
6 1073836 (008089− ) Door, Bumper, Lpg [800 Gray] 1
7 77593 (004000− ) Bracket, Frame, 1.0 X 3.50w 2
8 86860 (004000− ) Washer, Thrust, 0.50b 0.87d 0.06w 4
9 36758 (004000− ) Bolt, Shld, .50d X 0.50, .38−16 2
10 70517 (004000−008088 ) Bracket, Pivot, Hinge, Door, Lpg 1
10 1073825 (008089− ) Bracket, Hinge, Door, Lpg [800 Gray] 1
11 63544 (004000−008088 ) Bumper, Corner, Mach 2
11 1073814 (008089− ) Bumper, Corner, Mach [800 Gray] 2
12 63663 (004000− ) Guide, Align, Bmpr, Pye 2
13 69904 (004000− ) Spring Assy Kit 1
14 62954 (004000− ) Skirt, Neo, .06, 08.00w 53.38l, 04/ Sl 1
15 62956 (004000− ) Retainer, Blade, Deflector 1
16 62955 (004000− ) Skirt, Neo, .18, 07.75w 54.75l, 05/ Sl 1
17 62957 (004000− ) Channel, .12, 1.5w 0.5 49.5l, 5/0.4h 1
18 21168 (004000− ) Plug, Hole, Rnd, 0.25h 0.8l, Brb, Nyl 5
19 74066 (004000− ) Insulation, Acstc, 1.0, 03.5 X 09.0 Cham 1
20 43500 (004000− ) Chain, Coil, Str, 2/0, 09.0l 07 Link 1
21 64919 (004000− ) Seal 1
22 64920 (004000− ) Retainer, Seal, Pan Top 1
23 73724 (004000− ) Shield, Dust, Front Firewall, Full 1
24 70843 (004000− ) Retainer, Shield, Dust, Rh 1
25 70844 (004000− ) Retainer, Shield, Dust, Lh 1
26 74064 (004000− ) Insulation, Acstc, 1.0, 01.5 X 04.0 4
27 73863 (004000− ) Insulation, Acstc, 1.0, 03.0 X 03.0 2
28 73862 (004000− ) Insulation, Acstc, 1.5, 04.0 X 04.0 2
29 74067 (004000− ) Insulation, Acstc, 1.0, 03.5 X 09.0 Cham 1
30 73645 (004000− ) Channel Wldt, Mtg 1
31 79010 (004000− ) Seal, Ure, 0.25, 0.50w 47.0l 1
o32 57941 (004000− ) Taillight, 12vdc, 6.0 X 2.5, Rwk 57940 2
Y45780 (004000− ) Lamp, 12vdc, 0.5a, 04cp [#1157] 1
33 87515 (004000− ) Grommet, Rbr, 0.50id, F/0.8h, .25 Matl 2
34 43363 (004000− ) Hook, S, .13d 1.0l 1
35 06121 (004000− ) Chain, Sash, 35, 06.0l 11 Link 1
36 79608 (004000− ) Pin, Hitch, .500d X 1.00l, Pl 1
37 74920 (004000− ) Grommet, Flexible, .25 06.0l 1
38 79670 (004000− ) Grommet, Flexible, .25 24.0l 1
39 79671 (004000− ) Weight, Counter, Gas/Lpg 1
40 86798 (004000− ) Tread, Non−Skid, 01.4w 12.0l 1
41 49263 (004000− ) Tie, Cable, Nyl, 11.4l .19w 3.0 Max D 1
42 361160 (004000− ) Molding, Trim, Pvc, .08−.11 01.0l 1

STANDARD PARTS
800 Gas/LPG 330120 (3−07)
2-8
Fig. 4 − Main Frame Left Brush Door Group
2
3
4
5
6
7
9
10
1
11
13
14
15
15
12
15
8
8
24
23
23
24
25
20
21
25
24
23
19
18
16
17
26
25
24
22

STANDARD PARTS
2-9
800 Gas/LPG 330120 (10−2014)
07583 − 800
Fig. 4 − Main Frame Left Brush Door Group
Ref. Part No. Serial Number Description Qty.
1 64801 (004000−008088 ) Door Wldt, Brush, Lh 1
1 1073817 (008089− ) Door Wldt, Brush, Lh [800 Gray] 1
2 73870 (004000− ) Skirt, Neo, .37, 07.50w 21.75l, 04/ Sl 1
3 70453 (004000− ) Retainer, Skirt, .12, 1.0w X 18.5l, Blk 1
4 58489 (004000− ) Latch 1
5 58898 (004000− ) Bolt, Latch, F/58489/58844 1
6 70809 (004000− ) Seal, Rbr, Clsd, 1.62, Door, Brush, Lh 1
7 73654 (004000− ) Seal, Brush, Side, Complt [800l] 1
8 21168 (004000− ) Plug, Hole, Rnd, 0.25h 0.8l, Brb, Nyl 5
9 21282 (004000− ) Retainer, Skirt, .08, 1.5w X 07.5l 1
10 70597 (004000− ) Retainer, Skirt, .07 1
11 73648 (004000− ) Retainer, Skirt, .12, 1.2w X 15.7l 1
12 64788 (004000− ) Skirt, Rbr, .25, 07.84w 13.50l, 03/ Sl 1
13 73888 (004000− ) Skirt, Rbr, .25, 07.45w 06.37l, 02/ Hole 1
14 74062 (004000− ) Insulation, Acstc, 1.5, 07.8 X 08.0 Ntch 1
15 41178 (004000− ) Washer, Flat, 0.25, Fendr 9
16 34323 (004000− ) Screw, Hex, .25−20 X 0.75, Nl 2
17 41185 (004000− ) Washer, Flat, Belleville, .25 2
18 39346 (004000− ) Washer, Flat, 0.44, Std 1
19 43955 (004000− ) Nut, Hex, Std, .44−14, 5 1
20 39283 (004000− ) Screw, Hex, M10 X 1.50 X 25, 8.8 3
21 32492 (004000− ) Washer, Flat, 0.38, Std 3
22 07792 (004000− ) Nut, Hex, Flng, M10 X 1.50 3
23 06944 (004000− ) Screw, Hex, M6 X 1.00 X 25, 8.8 5
24 32483 (004000− ) Washer, Flat, 0.25, Sae 14
25 08708 (004000− ) Nut, Hex, Lock, M6 X 1.00, Nl 11
26 06946 (004000− ) Screw, Hex, M6 X 1.00 X 35, 8.8 4

STANDARD PARTS
800 Gas/LPG 330120 (3−07)
2-10
Fig. 5 − Main Frame Right Brush Door Group
2
3
4
5
6
7
9
10
1
11
12
13
14
15
15
15
8
25
20
21
25
26
25
24
16
17
22
24
23
23
24
18
19

STANDARD PARTS
2-11
800 Gas/LPG 330120 (10−2014)
07584 − 800
Fig. 5 − Main Frame Right Brush Door Group
Ref. Part No. Serial Number Description Qty.
1 64802 (004000−008088 ) Door Wldt, Brush, Rh 1
1 1073818 (008089− ) Door Wldt, Brush, Rh [800 Gray] 1
2 73870 (004000− ) Skirt, Neo, .37, 07.50w 21.75l, 04/ Sl 1
3 70453 (004000− ) Retainer, Skirt, .12, 1.0w X 18.5l, Blk 1
4 58844 (004000− ) Latch 1
5 58898 (004000− ) Bolt, Latch, F/58489/58844 1
6 70808 (004000− ) Seal, Rbr, Clsd, 1.62, Door, Brush, Rh 1
7 73654 (004000− ) Seal, Brush, Side, Complt [800l] 1
8 21168 (004000− ) Plug, Hole, Rnd, 0.25h 0.8l, Brb, Nyl 5
9 21282 (004000− ) Retainer, Skirt, .08, 1.5w X 07.5l 1
10 70598 (004000− ) Retainer, Skirt, .07 1
11 73649 (004000− ) Retainer, Skirt, .12, 1.2w X 15.7l 1
12 64788 (004000− ) Skirt, Rbr, .25, 07.84w 13.50l, 03/ Sl 1
13 73888 (004000− ) Skirt, Rbr, .25, 07.45w 06.37l, 02/ Hole 1
14 74063 (004000− ) Insulation, Acstc, 1.5, 07.8 X 08.0 Cham 1
15 41178 (004000− ) Washer, Flat, 0.25, Fendr 9
16 34323 (004000− ) Screw, Hex, .25−20 X 0.75, Nl 2
17 41185 (004000− ) Washer, Flat, Belleville, .25 2
18 39346 (004000− ) Washer, Flat, 0.44, Std 1
19 43955 (004000− ) Nut, Hex, Std, .44−14, 5 1
20 39283 (004000− ) Screw, Hex, M10 X 1.50 X 25, 8.8 3
21 32492 (004000− ) Washer, Flat, 0.38, Std 3
22 07792 (004000− ) Nut, Hex, Flng, M10 X 1.50 3
23 06944 (004000− ) Screw, Hex, M6 X 1.00 X 25, 8.8 5
24 32483 (004000− ) Washer, Flat, 0.25, Sae 14
25 08708 (004000− ) Nut, Hex, Lock, M6 X 1.00, Nl 11
26 06946 (004000− ) Screw, Hex, M6 X 1.00 X 35, 8.8 4

STANDARD PARTS
800 Gas/LPG 330120 (3−2015)
2-12
Fig. 6 − Main Frame Operator Station Group
1
2
3
4
5
6
7
8
9
10
11
12
13
14
15
16
17
19
21
20
25 26
27
4
29
30
31
24
32 33 34
23
24
23
24
15
28
29
28
29
27
27
28
29
28 15
15
3
4
3
4
4
4
27
10
18
22

STANDARD PARTS
2-13
800 Gas/LPG 330120 (3−2015)
350667 − 800 G, LP
Fig. 6 − Main Frame Operator Station Group
Ref. Part No. Serial Number Description Qty.
1 380680 (004000−008088 ) Panel, Oprtr Station, W/ Label,[ 800l] 1
1 9012871 (008089− ) Panel, Oprtr Station, W/ Label[800 Gray] 1
2 63751 (004000− ) Bracket Wldt, Oprtr Station 1
3 51176 (004000− ) Isolator, Vib, .50d 4
4 04414 (004000− ) Washer, Flat, 0.53b 1.88d .12, Stl, Pl 8
5 64884 (004000−008088 ) Cover, Access, Oprtr Station, Side 1
5 1073819 (008089− ) Cover, Access, Oprtr Station, Side[Gray] 1
6 70450 (004000−004439 ) Cover, Access, Eng 1
6 375696 (004440−008088 ) Panel, Access, Eng, 27.0l X 10.8w 1
6 1073844 (008089− ) Panel, Access, Eng, 27.0l X 10.8w [Gray] 1
7 70756 (004000− ) Bumper, Rbr, 2.0d 0.75th .38−16 1
8 76495 (004000− ) Pad, Rbr, Floormat, .44 27.0w 28.3l 1
9 76888 (004000− ) Plug, Hole, Rnd, 1.25h .03−.12, Blk Nyl 1
10 1050781 (004000− ) Seal, Afmkt, Bulb, 90, 1.33 08ft 1
11 1050775 (004000− ) Seal, Afmkt, Bulb, Str, 0.58d 03ft 1
12 74081 (004000− ) Seal, Rbr, Open, 0.50, 1.00w 60.0l 1
13 79028 (004000− ) Seal, Rbr, Clsd, 0.50, 3.0w 04.0l 1/H 1
14 76492 (004000−008088 ) Strip, Stl, 0.12 01.00w 08.30l 1
14 1073831 (008089− ) Bar, Stl, 0.12, 01.00 X 08.32l[800 Gray] 1
15 75428 (004000− ) Plug, Hole, Rnd, 0.75h .03−.12, Blk Nyl 7
16 380728 (004000−008088 ) Cover, Side, Fuel, Gas, W/ Label [800] 1
16 9012857 (008089− ) Cover, Side, Fuel, Gas, W/ Label[800b/G] 1
17 70704 (004000−008088 ) Panel, Side, Lpg [800l] 1
17 1074280 (008089− ) Panel, Side, Fuel Filler, Lpg [Gray] 1
18 380692 (004000− ) Molding, Trim, Pvc, .08−.11 26.5l 1
19 23946 (004000− ) Insulation, Acstc, 1.0, 26.5 X 27.3 Ntch 1
20 33806 (004000− ) Plug, Hole, Rnd, 0.38h .03−.12, Nyl[Wht] 1
21 375698 (004000− ) Insulation, Acstc, 1.0, 25.0 X 09.9 1
22 62595−16 (007000− ) Molding, Trim, Pvc, .08−.11 08.5l 1
23 06943 (004000− ) Screw, Hex, M6 X 1.00 X 20, 8.8 9
24 19066 (004000− ) Washer, Flat, 0.25b 0.56d .05, Pl, 10 9
25 16931 (004000− ) Screw, Hex, M8 X 1.25 X 20, 8.8 4
26 39349 (004000− ) Washer, Flat, 0.31, Sae 4
27 06972 (004000− ) Screw, Hex, M12 X 1.75 X 60, 8.8 4
28 32493 (004000− ) Washer, Flat, 0.50, Std 4
29 08711 (004000− ) Nut, Hex, Lock, M12 X 1.75, Nl 4
30 32522 (004000− ) Nut, Hex, Jam, .38−16 1
31 06944 (004000− ) Screw, Hex, M6 X 1.00 X 25, 8.8 2
32 39277 (004000− ) Screw, Hex, M8 X 1.25 X 25, 8.8 2
33 41186 (004000− ) Washer, Flat, Belleville, .31 2
34 07791 (004000− ) Nut, Hex, Flng, M8 X 1.25 2

STANDARD PARTS
800 Gas/LPG 330120 (3−2015)
2-14
Fig. 7 − Seat Group
FRONT
1
2
3
4
5
6
7
8
9
10
11
12
13
14
15 16
12
3
12
15

STANDARD PARTS
2-15
800 Gas/LPG 330120 (3−2015)
356578 − ALL
Fig. 7 − Seat Group
Ref. Part No. Serial Number Description Qty.
o 1 63294 (004000− ) Seat, Suspension [Seats Inc] 1
Y 2 311336 (004000− ) Cs, Armrest, Blk 1
3 40716 (004000− ) Tube, 0.38id 0.62od 00.6l, Stl 2
4 54615 (004000− ) Arm Wldt, Safety, Sppt, Seat, .38d 10.1l 1
5 70478 (004000−008088 ) Support Wldt, Seat 1
5 1073824 (008089− ) Support Wldt, Seat [800 Gray] 1
6 44777 (004000− ) Seal, Rbr, Open, 0.31, 0.75w 14.8l Adh 1
7 62595−3 (004000− ) Molding, Trim, Pvc, .08−.11 05.8l 1
8 62595−2 (004000− ) Molding, Trim, Pvc, .08−.11 15.8l 1
9 76285 (004000− ) Insulation, Acstc, 2.3, 13.5 X 13.5 Ntch 2
10 39277 (004000− ) Screw, Hex, M8 X 1.25 X 25, 8.8 4
11 08709 (004000− ) Nut, Hex, Lock, M8 X 1.25, Nl 4
12 32491 (004000− ) Washer, Flat, 0.31, Std 10
13 06955 (004000− ) Screw, Hex, M8 X 1.25 X 35, 8.8 2
14 06943 (004000− ) Screw, Hex, M6 X 1.00 X 20, 8.8 1
15 19066 (004000− ) Washer, Flat, 0.25b 0.56d .05, Pl, 10 3
16 08708 (004000− ) Nut, Hex, Lock, M6 X 1.00, Nl 1

STANDARD PARTS
800 Gas/LPG 330120 (4−2014)
2-16
Fig. 8 − Main Frame Top Engine Cover and Horn Group
2
3
4
5
6
7
8
9
10
11
12
13
16
15
14
17
18
19
20
21
22
23
24 25
26
30
31
32
33
27
28
29
1
13
22 23
3
10
30
32
8
17
17
31
10
FRONT

STANDARD PARTS
2-17
800 Gas/LPG 330120 (10−2014)
350669 − G, LP
Fig. 8 − Main Frame Top Engine Cover and Horn Group
Ref. Part No. Serial Number Description Qty.
1 41141 (004000− ) Washer, Lock, Int−Ext, 0.31 1
2 380533 (004000− ) Tube Wldt, Brace, Cntr 1
3 380532 (004000− ) Bracket, Brace, Cntr 2
4 64278 (004000−008088 ) Panel Wldt, Lntl 1
4 1073815 (008089− ) Panel Wldt, Lintel [800 Gray] 1
5 64279 (004000− ) Bar, Flat, Stl 0.18, 01.00 X 15.0l 2
6 75303 (004000−008088 ) Door Wldt, Eng, Top [800] 1
6 1073827 (008089− ) Door Wldt, Eng, Top [800 B/Green] 1
7 76870 (004000− ) Insulation, Acstc, 0.8, 20.3 X 19.3 1
8 74040 (004000− ) Hinge 2
9 21131 (004000− ) Bracket Wldt, Gasspring 1
10 32491 (004000− ) Washer, Flat, 0.31, Std 3
11 39005 (004000− ) Pin, Cotter, .094 X 0.75 2
12 39284 (004000− ) Screw, Hex, M10 X 1.50 X 35, 8.8 4
13 32492 (004000− ) Washer, Flat, 0.38, Std 5
14 34323 (004000− ) Screw, Hex, .25−20 X 0.75, Nl 2
15 58844 (004000− ) Latch 1
16 32490 (004000− ) Washer, Flat, 0.25, Std 2
17 53461−2 (004000− ) Seal, Rbr, Open, 0.63, 0.63w 24.5l 1
18 75128 (004000− ) Spindle, Adjustment 1
19 369704 (004000− ) Horn, 12vdc, Dba [Wolo] 1
20 70284 (004000− ) Wire, 16ga 06.0l Blk .25qf /.31ring 1
21 75883 (004000− ) Arm, Safety, Sppt, Cover, Eng, .31d 14.5 1
22 06961 (006009− ) Screw, Hex, M10 X 1.5 2
23 32485 (004000− ) Washer, Flat, 0.38, Sae 2
24 03192 (004000− ) Screw, Hex, M10 X 1.50 X 30, 8.8 1
25 06969 (004000− ) Screw, Hex, M12 X 1.75 X 40, 8.8 4
26 32486 (004000− ) Washer Flat,0.50,Sae 4
27 1050787 (004000− ) Seal, Afmkt, Bulb, 90, 1.33 03ft 1
28 58366 (004000− ) Clamp, Cable, Stl, 1.25d X 1.00w, 1hole 1
29 07791 (004000− ) Nut, Hex, Flng, M8 X 1.25 1
30 06944 (004000− ) Screw, Hex, M6 X 1.00 X 25, 8.8 12
31 07790 (004000− ) Nut, Hex, Flng, M6 X 1.00 12
32 41185 (004000− ) Washer, Flat, Belleville, .25 12
33 16931 (004000− ) Screw, Hex, M8 X 1.25 X 20, 8.8 1

STANDARD PARTS
800 Gas/LPG 330120 (4−2014)
2-18
Fig. 9 − Main Frame Rear Engine Door Group
1
2
3
4
5
6
7
8
9
10
11
12
13
14
15
16
17
18
19
20
22
23
24
25
26
27
28
29
30
31
32
33
34
35
36 37
38
33
7
7
39
40
41
42
43
739
42
10
11
35 21
42
42 43
4
9
8
6
7
6
11
FRONT

STANDARD PARTS
2-19
800 Gas/LPG 330120 (10−2014)
356440 − G, LP
Fig. 9 − Main Frame Rear Engine Door Group
Ref. Part No. Serial Number Description Qty.
1 64312 (004000−008088 ) Lintel Wldt, Rear 1
1 1073816 (008089− ) Lintel Wldt, Rear [800 B/Green] 1
2 41345 (004000− ) Screw, Hex, M12 X 1.75 X 25, 8.8 1
3 41346 (004000− ) Screw, Hex, M12 X 1.75 X 30, 8.8 4
4 32486 (004000− ) Washer Flat,0.50,Sae 5
5 07793 (004000− ) Nut, Hex, Flng, M12 X 1.75 4
6 06944 (004000− ) Screw, Hex, M6 X 1.00 X 25, 8.8 5
7 41185 (004000− ) Washer, Flat, Belleville, .25 13
8 07790 (004000− ) Nut, Hex, Flng, M6 X 1.00 8
9 16931 (004000− ) Screw, Hex, M8 X 1.25 X 20, 8.8 5
10 32491 (004000− ) Washer, Flat, 0.31, Std 5
11 12271 (004000− ) Nut, U, M6 X 1.00 3
12 1050786 (004000− ) Seal, Afmkt, Bulb, 90, 1.33 02ft 1
13 21230 (004000− ) Bar, Sppt, Eng Cover 1
14 59192 (004000− ) Latch, Bolt 1
15 59661 (004000− ) Latch 1
16 375537 (004000− ) Insulation, Acstc, 0.5, 17.0 X 15.0 1
17 07791 (004000− ) Nut, Hex, Flng, M8 X 1.25 3
18 25046 (004000− ) Screw, Hex, .25−20 X 1.00, G5 2
19 06942 (004000− ) Screw, Hex, M6 X 1.00 X 16, 8.8 6
20 03192 (004000− ) Screw, Hex, M10 X 1.50 X 30, 8.8 3
21 32485 (004000− ) Washer, Flat, 0.38, Sae 3
22 1014456 (004000−008088 ) Panel Wldt, Cover, Eng, Top 1
22 1073804 (008089− ) Panel Wldt, Cover, Eng, Top[800 B/Green] 1
23 77711 (004000−008088 ) Cover, Eng, Top 1
23 1073837 (008089− ) Cover, Eng, Top [800 B/Green] 1
24 47958 (004000− ) Panel, Duct, Vacuum 1
25 375513 (004000− ) Bracket, Angle, Sppt, Hood 1
26 380761 (004000− ) Insulation, Acstc, 0.8, 18.0 X 15.0 C−O 1
27 380762 (004000− ) Insulation, Acstc, 0.8, 16.5 X 04.5 Cham 1
28 380763 (004000− ) Insulation, Acstc, 0.8, 15.5 X 05.0 1
29 380764 (004000− ) Insulation, Acstc, 0.8, 23.0 X 04.0 1
30 380760 (004000−008088 ) Panel, Corner, Cover, Eng 1
30 1073848 (008089− ) Panel, Corner, Cover, Eng [800 B/Green] 1
31 55845 (004000− ) Screw, Hex, M5 X 0.80 X 16, Fmg 1
32 82727 (004000− ) Plug, Hole, Rnd, 0.88h .03−.12, Blk Nyl 1
33 77399 (004000− ) Plug, Hole, Rnd, 0.24h 0.5l , Brb 11
34 41430 (004000− ) Nut, Hex, Lock, M10 X 1.5, Nl 3
35 06943 (004000− ) Screw, Hex, M6 X 1.00 X 20, 8.8 2
36 32486 (004000− ) Washer Flat,0.50,Sae 1
37 39313 (004000− ) Nut, Hex, Std, M12 X 1.75 1
38 48006 (004000−008088 ) Door Wldt, Access, Rear W/ Grill 1
38 1073811 (008089− ) Door Wldt, Access, Rear, W/ Grill [B/Gr] 1
39 51787 (004000− ) Bumper, Rbr, 0.6d 0.34th 0.3d Tip 3
40 65252 (004000− ) Plate, Strike 1
41 36192 (004000− ) Cable, Glv .13d 021.0l 330eye /330eye 1
42 19066 (004000− ) Washer, Flat, 0.25b 0.56d .05, Pl, 10 6
43 08708 (004000− ) Nut, Hex, Lock, M6 X 1.00, Nl 2

STANDARD PARTS
800 Gas/LPG 330120 (3−07)
2-20
Fig. 10 − Main Frame Engine Side Door Group (004000−006999)
1
2
3
4
5
6
7
9
8
4
10
12
11
12
11
14
13
15
16 17

STANDARD PARTS
2-21
800 Gas/LPG 330120 (10−2014)
350680 − ALL
Fig. 10 − Main Frame Engine Side Door Group (004000−006999)
Ref. Part No. Serial Number Description Qty.
1 23950 (004000−004408 ) Door Wldt, Eng, Side 1
2 64543 (004000−006999 ) Hinge Wldt, Door, Side, W/ Pin 1
3 70628 (004000−006999 ) Hinge Wldt, Side, W/ Pin 1
4 64545 (004000−006999 ) Hinge Wldt, W/ Tube 2
5 58489 (004000−006999 ) Latch 1
6 70407 (004000−006999 ) Angle, Bolt, Latch 1
7 59192 (004000−006999 ) Latch, Bolt 1
8 53461−2 (004000−006999 ) Seal, Rbr, Open, 0.63, 0.63w 24.5l 1
9 57820 (004000−006999 ) Seal, Bulb, 90, 1.33 .06−.09grip 048.0l 1
10 375695 (004409−006999 ) Door Wldt 1
11 375693 (004409−006999 ) Panel, Louver 4
12 06524 (004409−006999 ) Rivet, Blind, .196d X 0.62 X .38d, Alm 16
13 09258 (004903−006999 ) Screw, Pan, Phl, M6 X 1.00 X 40, 4.8 1
14 44851 (004903−006999 ) Bumper, Rbr, 1.5d 1.50th 0.28h 1
15 08708 (004903−006999 ) Nut, Hex, Lock, M6 X 1.00, Nl 1
16 32493 (004000−006999 ) Washer, Flat, 0.50, Std 1
17 39313 (004000−006999 ) Nut, Hex, Std, M12 X 1.75 1

STANDARD PARTS
800 Gas/LPG 330120 (4−08)
2-22
Fig. 11 − Main Frame Engine Side Door Group (007000− )
1
2
3
4
5
6
7
8
9
11
10
12
13
14
15
16
17 18
19
20 21
22
19
13
14

STANDARD PARTS
2-23
800 Gas/LPG 330120 (10−2014)
350680 − ALL
Fig. 11 − Main Frame Engine Side Door Group (007000− )
Ref. Part No. Serial Number Description Qty.
1 64543 (007000− ) Hinge Wldt, Door, Side, W/ Pin 1
2 70628 (007000− ) Hinge Wldt, Side, W/ Pin 1
3 64545 (007000− ) Hinge Wldt, W/ Tube 2
4 58489 (007000− ) Latch 1
5 70407 (007000−008088 ) Angle, Bolt, Latch 1
5 1073822 (008089− ) Angle, Bolt, Latch [800 Gray] 1
6 59192 (007000− ) Latch, Bolt 1
7 53461−2 (007000− ) Seal, Rbr, Open, 0.63, 0.63w 24.5l 1
8 57820 (007000− ) Seal, Bulb, 90, 1.33 .06−.09grip 048.0l 1
o 9 1046389 (007000−008088 ) Door Assy [800/810 08] 1
Y 9004327 (007000−008088 ) Screen Kit, Door, Side, Modif 1
o 9 9012879 (008089− ) Door Assy [800 B/Green] 1
Y 9004327 (008089− ) Screen Kit, Door, Side, Modif 1
10 09258 (007000− ) Screw, Pan, Phl, M6 X 1.00 X 40, 4.8 1
11 44851 (007000− ) Bumper, Rbr, 1.5d 1.50th 0.28h 1
12 08708 (007000− ) Nut, Hex, Lock, M6 X 1.00, Nl 1
13 06943 (007000− ) Screw, Hex, M6 X 1.00 X 20, 8.8 8
14 07790 (007000− ) Nut, Hex, Flng, M6 X 1.00 8
15 34323 (007000− ) Screw, Hex, .25−20 X 0.75, Nl 2
16 32490 (007000− ) Washer, Flat, 0.25, Std 2
17 32493 (007000− ) Washer, Flat, 0.50, Std 1
18 39313 (007000− ) Nut, Hex, Std, M12 X 1.75 1
19 41185 (007000− ) Washer, Flat, Belleville, .25 8
20 16931 (007000− ) Screw, Hex, M8 X 1.25 X 20, 8.8 2
21 32491 (007000− ) Washer, Flat, 0.31, Std 2
22 39311 (007000− ) Nut, Hex, Std, M8 X 1.25 2

STANDARD PARTS
800 Gas/LPG 330120 (12−05)
2-24
Fig. 12 − Hopper Lift Arms Group
1
2
3
4
6
15
7
8
9
10
11
12
13
14
2
3
4
4
4
8
8
8
6
7
9
10
13
5
15
5
4
16
17
17
16
16
16
17
17

STANDARD PARTS
2-25
800 Gas/LPG 330120 (3−2015)
07574 − JP, NA
Fig. 12 − Hopper Lift Arms Group
Ref. Part No. Serial Number Description Qty.
1 75861 (004000− ) Arm, Lift, Hppr, W/ Label [800l] 1
2 58293 (004000− ) Bushing, Sleeve, 1.51b 1.66d 1.00l, Tef 4
3 77463 (004000− ) Pin, 1.50d 07.4l, 1/.44h, Stl 2
4 58293 (004000− ) Bushing, Sleeve, 1.51b 1.66d 1.00l, Tef 8
5 83554 (004000− ) Plate, Retainer, Pin 4
6 83551 (004000− ) Pin Wldt 2
7 1053518 (004000− ) Arm, Lift, Hppr, Lower 2
8 57936 (004000− ) Bushing, Sleeve, 1.25b 1.41d 1.00l, Tef 2
9 83553 (004000− ) Pin Wldt 2
10 76470 (004000− ) Pin, 1.25d 05.4l, 1/.44h, Stl 2
11 380681 (004000− ) Arm, Safety, Hppr, W/ Label [800] 1
12 63926 (004000− ) Ring, Retaining, Ext, 1.50d, Hd 1
13 76471 (004000− ) Pin, 1.50d 06.9l, 1/.44h, Stl 2
14 59965 (004000− ) Switch, Snap, 15a No, Rlr 1
15 83549 (004000− ) Link, Head, Vacuum, Rh, .50 1.50w 23.0l 4
16 10959 (004000− ) Screw, Hex, M10 X 1.50 X 20, Nl, Ss 4
17 32492 (004000− ) Washer, Flat, 0.38, Std 4

STANDARD PARTS
800 Gas/LPG 330120 (12−05)
2-26
Fig. 13 − Hopper Lift Cylinders Group
2
3
4
56
7
8
9
10
11
12
14
15
17
18
9
11
15
17
14
1
16
20
13
20
16
19
13
1
20
16
20
19
14
16
21
22
21
22
21
22

STANDARD PARTS
2-27
800 Gas/LPG 330120 (10−2014)
07585 − ALL
Fig. 13 − Hopper Lift Cylinders Group
Ref. Part No. Serial Number Description Qty.
1 83553 (004000− ) Pin Wldt 2
2 1026719 (004000− ) Cylinder, Hyd, 4.0b 29.1l 14.50strk 2500 1
3 47512 (004000− ) Fitting, Hyd, E90, Jm06/Om08 1
4 55686 (004000− ) Fitting, Hyd, Str, Jm04/Om08 1
5 16456 (004000− ) Fitting, Hyd, Rst, Jf04/Jm04, .063 1
6 39210 (004000− ) Fitting, Hyd, E90, Jf04/Jm04 1
7 59866 (004000− ) Bushing, Sleeve, 1.25b 1.40d 1.00l, Fgl 1
8 63583 (004000− ) Pin, Grvd, 1.25d 03.50l 1
9 58359 (004000− ) Retainer, Ring 2
10 64156 (004000− ) Rod−End, 1.31−16 Fem 1.4h 1
11 57936 (004000− ) Bushing, Sleeve, 1.25b 1.41d 1.00l, Tef 2
12 83553 (004000− ) Pin Wldt 1
13 83554 (004000− ) Plate, Retainer, Pin 2
14 47638 (004000− ) Fitting, Hyd, E90, Jm04/Om06 4
15 63584 (004000− ) Pin, 1.00d 04.5l, 1/.38h, 1/M8x1.25, Stl 2
16 83555 (004000− ) Tube, 1.28id 1.50od 00.4l, Stl 4
17 67767 (004000− ) Clamp, Cable, Stl, 0.69d X 0.62w, 1hole 2
18 75891 (004000− ) Plate, Spacer 2
o19 1042110 (004000− ) Cylinder, Hyd, 2.0b 23.8l 14.90strk 2500 2
Y20 57936 (004000− ) Bushing, Sleeve, 1.25b 1.41d 1.00l, Tef 2
21 10959 (004000− ) Screw, Hex, M10 X 1.50 X 20, Nl, Ss 3
22 32492 (004000− ) Washer, Flat, 0.38, Std 3

STANDARD PARTS
800 Gas/LPG 330120 (4−08)
2-28
Fig. 14 − Hopper Group
1
2
3
4
5
17
7
89
10
11
12
13
14
15 16
18
2
6
19
20 21
21
20
16
23
27
22
23
22
24
26
22
22
23
30
31
23
22
24
23
2226
25
28
29
29
28
33
33
32
32
33
33

STANDARD PARTS
2-29
800 Gas/LPG 330120 (7−2015)
07573 − 800
Fig. 14 − Hopper Group
Ref. Part No. Serial Number Description Qty.
1 1074688 (004000− ) Hopper, Afmkt [800] 1
2 63665 (004000− ) Panel, Perma−Filter, Upper 2
3 63667 (004000− ) Seal, Dust 1
4 63668 (004000− ) Retainer, Seal, Dust, .12 X 0.8w X 48.4l 2
5 63669 (004000− ) Angle, Mtg, .19 1.00 X 1.00 48.4l 6/.30h 1
6 76474 (004000−008088 ) Panel, Hppr, Bottom, Lh 1
6 1073940 (008089− ) Panel, Hppr, Bottom, Lh [800 B/Green] 1
7 76384 (004000−008088 ) Panel, Hppr, Bottom, Rh 1
7 1073939 (008089− ) Panel, Hppr, Bottom, Rh [800 B/Green] 1
8 73678 (004000− ) Skirt, Neo, .18, 05.62w 48.37l, 06/ Sl 1
9 73679 (004000− ) Skirt, Neo, .12, 08.25w 48.37l, 06/ Sl 1
10 63647 (004000− ) Retainer, Skirt, .12, 3.2w X 48.2l, Blk 1
11 74046 (004000− ) Panel, Deflector, Dirt, Rh 1
12 74045 (004000− ) Panel, Deflector, Dirt, Lh 1
13 73772 (004000− ) Bracket, Mtg, Skirt 1
14 73771 (004000− ) Skirt, Neo, .12, Angle, 31.23l, 06/ Hole 1
15 73749 (004000− ) Retainer, Blade, Deflector, Front 1
16 79139 (004000− ) Retainer, Skirt, .12, 1.0w X 21.7l,White 2
17 70388 (004000− ) Cover, Duct, Inlet, Vacfan 1
18 74069 (004000− ) Cover, Access, Side Hppr 1
19 73887 (004000− ) Cover, Access, Front Hppr 1
20 79597 (004000− ) Seal, Ure, 0.88, 1.00w 43.3l Adh 2
21 79600 (004000− ) Seal, Ure, 0.88, 1.00w 18.1l Adh 2
22 01685 (004000− ) Washer, Flat, 0.38b 0.88d .08, Ss 27
23 08713 (004000− ) Nut, Hex, Lock, M8 X 1.25, Nl, Ss 22
24 09740 (004000− ) Screw, Hex, M8 X 1.25 X 20, Ss 18
25 79506 (004000− ) Screw, Flt, Soc, M8 X 1.25 X 30, Ss 3
26 09011 (004000− ) Screw, Hex, M8 X 1.25 X 30, Ss 6
27 07791 (004000− ) Nut, Hex, Flng, M8 X 1.25 15
28 74455 (004000− ) Screw, Hex, M6 X 1.00 X 12, Fmg 33
29 19066 (004000− ) Washer, Flat, 0.25b 0.56d .05, Pl, 10 33
30 39349 (004000− ) Washer, Flat, 0.31, Sae 4
31 08709 (004000− ) Nut, Hex, Lock, M8 X 1.25, Nl 4
32 06972 (004000− ) Screw, Hex, M12 X 1.75 X 60, 8.8 2
33 39313 (004000− ) Nut, Hex, Std, M12 X 1.75 4

STANDARD PARTS
800 Gas/LPG 330120 (10−2014)
2-30
Fig. 15 − Hopper Door Group
1
2
3
4
5
67
8
9
10
11
12
13
14
15
16
17
18
19
5
3
4
10
14
13
12
8
6
7
15 16
9
FRONT

STANDARD PARTS
2-31
800 Gas/LPG 330120 (10−2014)
07575 − ALL
Fig. 15 − Hopper Door Group
Ref. Part No. Serial Number Description Qty.
1 39210 (004000− ) Fitting, Hyd, E90, Jf04/Jm04 2
2 83618 (004000−008088 ) Door Wldt, Dump, Hppr, Front 1
2 1073841 (008089− ) Door Wldt, Dump, Hppr, Front [800 Gray] 1
3 79138 (004000− ) Tube, 0.53id 1.00od 01.4l, Stl [Q] 2
4 79596 (004000− ) Washer 4
5 35688 (004000− ) Bushing, Sleeve, 1.00b 1.25d 0.49l, Fgl 2
6 1041090 (004000− ) Cylinder, Hyd, 2.0b 12.0l 08.00strk 2500 2
7 82825 (004000− ) Fitting, Hyd, E90, Jm04/Om04, Long 2
8 77097 (004000− ) Fitting, Hyd, E90, Jm04/Om04 2
9 64893 (004000− ) Pin Wldt 2
10 21722 (004000− ) Pin, Clevis, 0.50d X 2.25l [1141 Stl] 2
11 75012 (004000− ) Bracket, Mtg, Ftg 1
12 34392 (004000− ) Fitting, Hyd, Tee, Jm04/Jm04/Jm04,Bh Br 2
13 32486 (004000− ) Washer Flat,0.50,Sae 4
14 08182 (004000− ) Pin, Cotter, .125 X 1.00 2
15 06973 (004000− ) Screw, Hex, M12 X 1.75 X 70, 8.8 2
16 08713 (004000− ) Nut, Hex, Lock, M8 X 1.25, Nl, Ss 2
17 39277 (004000− ) Screw, Hex, M8 X 1.25 X 25, 8.8 2
18 32491 (004000− ) Washer, Flat, 0.31, Std 2
19 16931 (004000− ) Screw, Hex, M8 X 1.25 X 20, 8.8 2

STANDARD PARTS
800 Gas/LPG 330120 (12−05)
2-32
Fig. 16 − Hopper Cover Group
2
3
4
5
6
7
8
9
10
1
11
12
13
14
15
16
17
18
22
20
21
19
23
24
25
12
2
2
3
4
5
6
8
9
11
13
15
20
23
24
25
24
26
27
28
36
35
29
29
30
30
31
31
32
32 33 34

STANDARD PARTS
2-33
800 Gas/LPG 330120 (10−2014)
07577 − NA
Fig. 16 − Hopper Cover Group
Ref. Part No. Serial Number Description Qty.
1 77388 (004000−008088 ) Bracket Wldt, Mtg, Headlight 2
1 1073832 (008089− ) Bracket Wldt, Mtg, Headlight [800 B/Gr] 2
2 51787 (004000− ) Bumper, Rbr, 0.6d 0.34th 0.3d Tip 4
3 70762 (004000−008088 ) Hinge Wldt 2
3 1073872 (008089− ) Hinge Wldt [800 Blue/Green] 2
4 04843 (004000− ) Bushing, Flng, 0.63b 0.72d 0.25l 4
5 70761 (004000− ) Tube, 0.44id 0.62od 02.4l, Stl 2
6 69906 (004000− ) Gasspring Assy, Eng Cover 2
7 77394 (004000−008088 ) Panel Wldt, Headlight 1
7 1073895 (008089− ) Panel Wldt, Headlight [800 B/Green] 1
8 70730 (004000− ) Hinge Wldt 2
9 74015 (004000− ) Tube, 0.34id 0.44od 00.5l, Stl 2
10 70742 (004000− ) Pin Wldt, Latch 1
11 58524 (004000− ) Headlight, 12vdc, 50watt 2
12 65278 (004000−008088 ) Cover Wldt, Hppr, Rh 1
12 1073820 (008089− ) Cover Wldt, Hppr, Rh [800 B/Green] 1
13 11747 (004000− ) Bushing, Snap−In, 0.31b 0.41d 0.14th Nyl 2
14 65281 (004000−008088 ) Cover Wldt, Hppr, Side, Lh 1
14 1073821 (008089− ) Cover Wldt, Hppr, Lh [800 B/Green] 1
15 01274 (004000− ) Spring, Extn, 0.96od 0.09wir 04.4l 2
16 79019 (004000− ) Latch 1
17 75047 (004000− ) Bracket, Mtg, Side Panl Rh [800l] 1
18 75046 (004000− ) Bracket, Mtg, Side Panl Lh [800l] 1
19 63378 (004000− ) Magnet, Drive Brush 1
20 79591 (004000− ) Bumper, Cover, Hppr 2
21 77400 (004000− ) Angle, Mtg 1
o22 21221 (004000−008088 ) Cover Assy, Hppr 1
Y23 375564 (004000−008088 ) Seal, Rbr, Clsd, 1.50, 2.00w 07.0l 2
Y24 375565 (004000−008088 ) Seal, Rbr, Clsd, 1.50, 2.00w 26.4l 3
Y25 375566 (004000−008088 ) Seal, Rbr, Clsd, 1.50, 2.00w 50.1l 3
Y26 381962 (004625−008088 ) Handle, Container 1
Y27 382726 (004625−008088 ) Screw, Pan, Phl, M6 X 1.00 X 25, 4.8 2
Y28 08708 (004625−008088 ) Nut, Hex, Lock, M6 X 1.00, Nl 2
o22 1073959 (008089− ) Cover Assy, Hppr [800 B/Green] 1
Y23 375564 (008089− ) Seal, Rbr, Clsd, 1.50, 2.00w 07.0l 2
Y24 375565 (008089− ) Seal, Rbr, Clsd, 1.50, 2.00w 26.4l 3
Y25 375566 (008089− ) Seal, Rbr, Clsd, 1.50, 2.00w 50.1l 3
Y26 381962 (008089− ) Handle, Container 1
Y27 382726 (008089− ) Screw, Pan, Phl, M6 X 1.00 X 25, 4.8 2
Y28 08708 (008089− ) Nut, Hex, Lock, M6 X 1.00, Nl 2
29 03193 (004000− ) Screw, Hex, M10 X 1.50 X 90, 8.8 2
30 41430 (004000− ) Nut, Hex, Lock, M10 X 1.5, Nl 2
31 16931 (004000− ) Screw, Hex, M8 X 1.25 X 20, 8.8 4
32 32491 (004000− ) Washer, Flat, 0.31, Std 4
33 12274 (004000− ) Screw, Hex, M6 X 1.00 X 20, 8.8, Nl 4
34 19066 (004000− ) Washer, Flat, 0.25b 0.56d .05, Pl, 10 4
35 16735 (004000− ) Screw, Hex, M8 X 1.25 X 16, 8.8 2
36 41186 (004000− ) Washer, Flat, Belleville, .31 2

STANDARD PARTS
800 Gas/LPG 330120 (9−97)
2-34
Fig. 17 − Hopper Bumper Group
2
3
4
5
6
7
1
7

STANDARD PARTS
2-35
800 Gas/LPG 330120 (10−2014)
09802 − ALL
Fig. 17 − Hopper Bumper Group
Ref. Part No. Serial Number Description Qty.
1 83547 (004000− ) Bumper Wldt, Sppt, Hppr, Rh 1
2 83548 (004000− ) Bumper Wldt, Sppt, Hppr, Lh 1
3 83620 (004000−008088 ) Bumper Wldt, Lh 1
3 1073842 (008089− ) Bumper Wldt, Lh [800 Gray] 1
4 83622 (004000−008088 ) Bumper Wldt, Rh 1
4 1073843 (008089− ) Bumper Wldt, Rh [800 Gray] 1
5 77523 (004000− ) Guard Wldt, Hppr 1
6 77516 (004000− ) Bracket Wldt, Mtg, Headlight 1
7 63671 (004000− ) Latch, Bmpr 2

STANDARD PARTS
800 Gas/LPG 330120 (12−05)
2-36
Fig. 18 − Hopper Filter Shaker Group
2
3
4
5
6
7
8
9
10
1
12
13
14
16
17
18
19
20
21
22
23
24
25
11
16
16
15
14
16
26
27
33
32
31
30
28
29

STANDARD PARTS
2-37
800 Gas/LPG 330120 (10−2014)
07576 − ALL
Fig. 18 − Hopper Filter Shaker Group
Ref. Part No. Serial Number Description Qty.
1 64580 (004000− ) Panel Wldt, Shakr 2
2 64874 (004000− ) Ferrule 8
3 64873 (004000− ) Disc, Stl, 0.06, 02.00d, 0.6h 8
4 48069 (004000− ) Element, Fltr, Air, 20.5d 10.8l 2
o 4 63297 (004000− ) Element, Fltr, Air 2
Y 5 63311 (004000− ) Screen, Fltr, 10.0 X 1
6 64618 (004000− ) Isolator, Vib, Ring, 1.9d 0.5l 1.3b 8
7 64621 (004000− ) Isolator, Vib, Bshg, 1.9d 0.9l .6b 1.16h 8
8 31999 (004000− ) Motor, Ele, 14vdc 1600rpm 0.04hp 2
9 64559 (004000− ) Clamp, Cable, Stl, 3.32d X 0.75w, 2hole 2
10 64567 (004000− ) Shaft, Eccentric 2
11 32006 (004000− ) Bearing, Needle, 1.13b 1.38d 0.75w 2
12 64394 (004000− ) Link, Eccentric 2
o13 77471 (004000− ) Bar Kit, Shakr, F/64374, Replmt 2
Y14 63233 (004000− ) Bushing, Sleeve, 0.50b 0.59d 0.50l, Bnz 2
Y15 63234 (004000− ) Tube, 0.38id 0.5ood 00.6l, Ss 1
Y16 59633 (004000− ) Washer, Thrust, 0.53b 1.00d 0.03w[Fbrgl] 4
Y17 58357 (004000− ) Bolt, Shld, .50d X 1.00, .38−16 2
18 64392 (004000− ) Spring, Dsl, 0.75od 0.38id 1.50l 4
19 64501 (004000− ) Ring Wldt, Shakr 2
20 64410 (004000− ) Guide, Fltr, Shakr, [800] 4
21 64500 (004000− ) Ring Wldt, Mtg, Fltr 2
22 70651 (004000− ) Ring, Retaining, Ext, 1.12d 2
23 21303 (004000− ) Seal Kit, Bulb, Shakr Panl [800l] 2
24 43555 (004000− ) Clamp, Hose, Wormdrive, 2.62−3.50d 2
25 73734 (004000− ) Boot, Bar, Shakr, Fltr [800l] 2
26 70650 (004000− ) Screw, Set, Soc, M8 X 1.25 X 12, Pl[45h] 2
27 32009 (004000− ) Bar, Shakr Stem 2
28 39284 (004000− ) Screw, Hex, M10 X 1.50 X 35, 8.8 8
29 32492 (004000− ) Washer, Flat, 0.38, Std 8
30 09028 (004000− ) Screw, Hex, M10 X 1.50 X 25, Ss 8
31 01686 (004000− ) Washer, Flat, 0.44b 1.00d .08, Ss 8
32 09164 (004000− ) Screw, Pan, Phl, M6 X 1.00 X 20, 4.8 2
33 08708 (004000− ) Nut, Hex, Lock, M6 X 1.00, Nl 2

STANDARD PARTS
800 Gas/LPG 330120 (9−97)
2-38
Fig. 19 − Hopper Pressure Switch Group
2
3
4
5
6
7
8
9
1
8
5
10

STANDARD PARTS
2-39
800 Gas/LPG 330120 (10−2014)
07626 − ALL
Fig. 19 − Hopper Pressure Switch Group
Ref. Part No. Serial Number Description Qty.
1 75465 (004000− ) Switch, Press, 0020psi Spdt 1
2 82739 (004000− ) Fitting, Brs, Breather [02mp] 1
3 40607 (004000− ) Fitting, Brs, Str, Bm03/Pm02 1
4 39923 (004000− ) Fitting, Brs, Str, Bm03/Bm03, Bh 1
5 34864 (004000− ) Strainrelief 2
6 73727 (004000− ) Hose, Vacuum, 0.16id X 009.5l 1
7 10632−4 (004000− ) Grommet, Rbr, 0.62id, F/0.9h, .06 Matl 1
8 49266 (004000− ) Tie, Cable, Nyl, 07.3l .19w 1.8 Max D 8
9 40678 (004000− ) Clamp, Cable, Stl, 0.44d X 0.62w, 1hole 2
10 43454 (004000− ) Washer, Flat, 0.34b 0.69d .06, Nyl 1

STANDARD PARTS
800 Gas/LPG 330120 (3−07)
2-40
Fig. 20 − Engine and Alternator Group (004000−004936)
1
2
3
4
5
6
7
8
9
10
11
14
15
16
20
1
2
13
18
17
21
22
19

STANDARD PARTS
2-41
800 Gas/LPG 330120 (10−2014)
10614 − G, LP
Fig. 20 − Engine and Alternator Group (004000−004936)
Ref. Part No. Serial Number Description Qty.
1 83652 (004000−004215 ) Engine Purch Kit, Lrg423 (See 2.3L Engine Brkdn) 1
1 1044235 (004216−004936 ) Engine [Ford, 2.5l Reman] (See 2.5L Engine Brkdn) 1
2 83664 (004000−004936 ) Sheave Assy, 02grv, 6.2pd [Hc38] 1
3 83729 (004000−004936 ) Adapter, Pump, Water, Mach 1
4 83731 (004000−004936 ) Panel, Mtg, Adapter, Water Pump [Ford] 1
5 385417 (004000−004936 ) Bracket Wldt, Mtg, Ignition Coil [Ford] 1
6 59375 (004000−004936 ) Molding, Trim, Extrusion, .062, 10.10l 1
7 21294 (004000−004936 ) Cover, Belt, Timing [Lsg423fd] 1
8 19774 (004000−004936 ) Hose, Vacuum, 0.16id X 015.6l 1
9 17414 (004000−004936 ) Fitting, Hyd, Str, Pf02/Pm04 1
10 1055106 (004000−004936 ) Switch, Press, 0006psi Dpdt 1
11 36165 (004000−004936 ) Send−Unit, Water, Temp, 06npt [Datcon] 1
12 83750 (004000−004936 ) Bracket Wldt, Mtg, Alternator 1
13 31038 (004000−004936 ) Angle, Mtg, Stl, .12 1.2 1.0 00.8l 1
14 31526 (004000−004936 ) Arm, Adj, Alternator, 5.0r [Curved] 1
o15 60559 (004000−004936 ) Alternator, 12vdc 050a Sealed Brush 1
Y61931 (004000−004936 ) Regulator, Alternator, 12vdc 1
Y86041 (004000−004936 ) Bearing, Ball, 0.67b 1.57d 0.47w 1
Y61529 (004000−004936 ) Kit, Brush, Alternator 1
Y61531 (004000−004936 ) Rectifier, Alternator 1
Y70160 (004000−004936 ) Pulley, Alternator 1
16 83692 (004000−004936 ) Belt, V, 46.4l, Cogged [Hc38] 1
17 74076 (004000−004936 ) Guard Wldt, Alternator, F/60559 1
18 82731 (004000−004936 ) Wire, 10ga 09.0l Blk .19ring /.41ring 1
19 630094 (004000−004936 ) Cap, Vinyl, 2.26 Id X 12.7lg, Blk 1
20 83853 (004000−004936 ) Cover Wldt, Pump, Oil [Lrg423] 1
21 61363 (004000−004936 ) Boot, Str, 0.12id 0.43id 0.25l, Blk 2
22 83747 (004000−004936 ) Bracket, Mtg, Ignition Module 1

STANDARD PARTS
800 Gas/LPG 330120 (11−02)
2-42
Fig. 21 − Engine Mount Group (004000−004936)
1
2
3
4
6
7
8
9
10 11
12
14 15
13
5
2
3
16
17

STANDARD PARTS
2-43
800 Gas/LPG 330120 (10−2014)
10612 − G, LP
Fig. 21 − Engine Mount Group (004000−004936)
Ref. Part No. Serial Number Description Qty.
1 83674 (004000−004936 ) Bracket Wldt, Mtg, Eng, Front, Rh 1
2 63695 (004000−004936 ) Isolator, Vib, Flng, 1.3h .5b 2/.39h 2
3 04414 (004000−004936 ) Washer, Flat, 0.53b 1.88d .12, Stl, Pl 2
4 385426 (004000−004936 ) Bracket, Mtg, Eng, Front, Rh [Ford] 1
5 57773 (004000−004936 ) Cable, 06ga 13.0l Blk 1
6 77430 (004000−004936 ) Bracket Wldt, Mtg, Eng, Rear 1
7 57048 (004000−004936 ) Washer, Flat, 0.53b 2.13d .11, Stl, Pl 1
8 63263 (004000−004936 ) Isolator, Vib, Flng, 1.3h .5b 2/.39h 1
9 77434 (004000−004936 ) Bracket, Mtg, Eng, Rear, Lh 1
10 77435 (004000−004936 ) Bracket, Mtg, Eng, Rear, Rh, Dsl 1
11 380598 (004000−004936 ) Bracket Wldt, Mtg, Eng 1
12 83673 (004000−004936 ) Panel, Spacer, Eng Mtg, Fr Rep.Bynone 1
13 63535 (004000−004215 ) Bracket Wldt, Mtg, Eng, Rear [2.3ford] 1
13 385412 (004216−004936 ) Channel Wldt, Mtg, Eng, Rear 1
14 35980 (004000−004936 ) Coupling, Drive, Flex, 10.3d /15tooth 1
15 83689 (004000−004215 ) Housing, Flywheel, Mach [Lrg 2.3, Ford] 1
15 385433 (004216−004936 ) Housing, Flywheel, Mach [Lrg 2.5, Ford] 1
16 14296 (004216−004936 ) Pin, Roll, .312d X 0.75l, .312/.318 3
17 375193 (004000−004936 ) Screw, Hex, M8 X 1.00 X 16, 10.9 6

STANDARD PARTS
800 Gas/LPG 330120 (12−03)
2-44
Fig. 22 − Engine Group (004937−005999)
5
2
6
3
1
4
7
8
9
10
12
13
15
16
17
18
19
20
21
11
14
22
23
24
28
30
29
26
32
33
30
29
43
32
24
25
29
30
34
35
37
42
32
31
39
27
24 25
24
25
40
25
41
36
44
38
44
45
40

STANDARD PARTS
2-45
800 Gas/LPG 330120 (3−2015)
353870 − 800, G, LP
Fig. 22 − Engine Group (004937−005999)
Ref. Part No. Serial Number Description Qty.
1 392561 (004937−005999 ) Engine, Gm, 3.0 Liter, Gas (See GM Engine Breakdown) 1
1 392563 (004937−005999 ) Engine, Gm, 3.0 Liter, Lpg (See GM Engine Breakdown) 1
2 393975 (004937−005999 ) Valve [Pcv] 1
3 393984 (004937−005999 ) Grommet 1
4 371507 (004937−005999 ) Plate, Drive 1
5 371508 (004937−005999 ) Bolt, Clutch 6
6 371509 (004937−005999 ) Washer, Lock, 0.38 11
7 371761 (004937−005999 ) Shield, Dust 1
8 19315 (004937−005999 ) Screw, Hex, .25−20 X 0.50, G5 8
9 371512 (004937−005999 ) Washer, Lock, 0.25 8
10 32483 (004937−005999 ) Washer, Flat, 0.25, Sae 8
11 371762 (004937−005999 ) Housing 1
12 55347 (004937−005999 ) Screw, Hex, .38−16 X 2.00, Fl 5
13 371516 (004937−005999 ) Starter, 12vdc [Gm] 1
14 371517 (004937−005999 ) Bracket, Starter 1
15 371518 (004937−005999 ) Bolt, Starter 1
16 50335 (004937−005999 ) Nut, Hex, Std, M5 X 0.80, 8 2
17 371519 (004937−005999 ) Washer, Lock, M5 1
18 07791 (004937−005999 ) Nut, Hex, Flng, M8 X 1.25 1
19 393994 (004937−005999 ) Washer, Lock, 0.31 1
20 54396 (004937−005999 ) Screw, Hex, .31−18 X 0.75, G5 1
21 371520 (004937−005999 ) Washer, Lock, #10 1
22 19311 (004937−005999 ) Nut, Hex, Std, #10−24 1
23 392622 (004937−005999 ) Bracket, Mtg, Eng, Rh 1
24 21197 (004937−005999 ) Screw, Hex, .38−16 X 1.00, G5 8
25 32492 (004937−005999 ) Washer, Flat, 0.38, Std 8
26 63695 (004937−005999 ) Isolator, Vib, Flng, 1.3h .5b 2/.39h 1
27 21198 (004937−005999 ) Screw, Hex, .38−16 X 1.25, G5 4
28 32425 (004937−005999 ) Adapter, Air−Intk, Gas/Lpg 2
29 06972 (004937−005999 ) Screw, Hex, M12 X 1.75 X 60, 8.8 4
30 32493 (004937−005999 ) Washer, Flat, 0.50, Std 4
31 04414 (004937−005999 ) Washer, Flat, 0.53b 1.88d .12, Stl, Pl 3
32 08711 (004937−005999 ) Nut, Hex, Lock, M12 X 1.75, Nl 4
33 392642 (004937−005999 ) Bracket, Mtg, Eng, Lh 1
34 1014411 (004937−005999 ) Channel Wldt, Mtg, Eng, Rear 1
35 77430 (004937−005999 ) Bracket Wldt, Mtg, Eng, Rear 1
36 77434 (004937−005999 ) Bracket, Mtg, Eng, Rear, Lh 1
37 77435 (004937−005999 ) Bracket, Mtg, Eng, Rear, Rh, Dsl 1
38 83674 (004937−005999 ) Bracket Wldt, Mtg, Eng, Front, Rh 1
39 63263 (004937−005999 ) Isolator, Vib, Flng, 1.3h .5b 2/.39h 1
40 57048 (004937−005999 ) Washer, Flat, 0.53b 2.13d .11, Stl, Pl 2
41 57773 (004937−005999 ) Cable, 06ga 13.0l Blk 1
42 393973 (004937−005999 ) Hose, Pvc, 18.0l 1
43 75768 (004937−005999 ) Isolator, Vib, Flng, 2.0h .5b 2/.41h 1
44 50902 (004937−005999 ) Nut, Hex, Lock, .38−16, Nl 4
45 371572 (004937−005999 ) Send−Unit, Press, Oil 1

STANDARD PARTS
800 Gas/LPG 330120 (4−08)
2-46
Fig. 23 − Engine Group (006000−006999)
5
2
6
3
1
4
7
8
9
10
12
13
15
16
17
18
19
20
21
11
14
22
23
24
28
30
29
26
32
33
30
29
43
32
24
25
29
30
34
35
37
42
32
31
39
27
24 25
24
25
40
25
41
36
44
38
44
40
46
45

STANDARD PARTS
2-47
800 Gas/LPG 330120 (10−2014)
353870 − 800, G, LP, GM, Impco
Fig. 23 − Engine Group (006000−006999)
Ref. Part No. Serial Number Description Qty.
1 385019 (006000−006999 ) Engine, Block, Long [Gm3.0l] (See GM Engine Break
down)
1
2 372457 (006000−006999 ) Bolt, Eye, Lift 1
3 372479 (006000−006999 ) Screw, Soc, .38−16 X 2.25, G5 1
4 372456 (006000−006999 ) Plate, Drive 1
5 371508 (006000−006999 ) Bolt, Clutch 6
6 371509 (006000−006999 ) Washer, Lock, 0.38 11
7 371761 (006000−006999 ) Shield, Dust 1
8 19315 (006000−006999 ) Screw, Hex, .25−20 X 0.50, G5 8
9 371512 (006000−006999 ) Washer, Lock, 0.25 8
10 32483 (006000−006999 ) Washer, Flat, 0.25, Sae 8
11 372458 (006000−006999 ) Housing, Flywheel [3.0l] 1
12 10831 (006000−006999 ) Screw, Soc, .38−16 X 1.25, Al 5
13 371516 (006000−006999 ) Starter, 12vdc [Gm] 1
14 372473 (006000−006999 ) Bracket, Starter 1
15 371518 (006000−006999 ) Bolt, Starter 1
16 50335 (006000−006999 ) Nut, Hex, Std, M5 X 0.80, 8 2
17 371519 (006000−006999 ) Washer, Lock, M5 1
18 07791 (006000−006999 ) Nut, Hex, Flng, M8 X 1.25 1
19 393994 (006000−006999 ) Washer, Lock, 0.31 1
20 54396 (006000−006999 ) Screw, Hex, .31−18 X 0.75, G5 1
21 371520 (006000−006999 ) Washer, Lock, #10 1
22 19311 (006000−006999 ) Nut, Hex, Std, #10−24 1
23 392622 (006000−006999 ) Bracket, Mtg, Eng, Rh 1
24 21197 (006000−006999 ) Screw, Hex, .38−16 X 1.00, G5 8
25 32492 (006000−006999 ) Washer, Flat, 0.38, Std 8
26 63695 (006000−006999 ) Isolator, Vib, Flng, 1.3h .5b 2/.39h 1
27 21198 (006000−006999 ) Screw, Hex, .38−16 X 1.25, G5 4
28 32425 (006000−006999 ) Adapter, Air−Intk, Gas/Lpg 2
29 06972 (006000−006999 ) Screw, Hex, M12 X 1.75 X 60, 8.8 4
30 32493 (006000−006999 ) Washer, Flat, 0.50, Std 4
31 04414 (006000−006999 ) Washer, Flat, 0.53b 1.88d .12, Stl, Pl 3
32 08711 (006000−006999 ) Nut, Hex, Lock, M12 X 1.75, Nl 4
33 392642 (006000−006999 ) Bracket, Mtg, Eng, Lh 1
34 1014411 (006000−006999 ) Channel Wldt, Mtg, Eng, Rear 1
35 77430 (006000−006999 ) Bracket Wldt, Mtg, Eng, Rear 1
36 77434 (006000−006999 ) Bracket, Mtg, Eng, Rear, Lh 1
37 77435 (006000−006999 ) Bracket, Mtg, Eng, Rear, Rh, Dsl 1
38 83674 (006000−006999 ) Bracket Wldt, Mtg, Eng, Front, Rh 1
39 63263 (006000−006999 ) Isolator, Vib, Flng, 1.3h .5b 2/.39h 1
40 57048 (006000−006999 ) Washer, Flat, 0.53b 2.13d .11, Stl, Pl 2
41 57773 (006000−006999 ) Cable, 06ga 13.0l Blk 1
42 372445 (006000−006999 ) Switch, Press, 7psi, Spdt 1
43 75768 (006000−006999 ) Isolator, Vib, Flng, 2.0h .5b 2/.41h 1
44 50902 (006000−006999 ) Nut, Hex, Lock, .38−16, Nl 4
45 372474 (006000−006999 ) Harness,Switch,Oil Press,Ground Wire 1
46 1018573 (006000−006999 ) Screw, Hex, .62−18 X 0.31 1

STANDARD PARTS
800 Gas/LPG 330120 (3−2015)
2-48
Fig. 24 − Engine Group (007000− )
FRONT
1
2
3
4
56
7
8
9
10
11
12
13
14
15
16
17
18
19 20
21
22
23
24
25
26
28
29
30
31
32
33
34
35
36
37
38
39
32
41
42
43
44
45
46
47
48
50
51
53
54
55
56
57
58
59 60
49
24 25
44
28
30
27
25 40
25
27
30
51
51
24 25
40
52 25
52
25
27
25
24
25
30
32
25
44
30

STANDARD PARTS
2-49
800 Gas/LPG 330120 (3−2015)
353870 − 800, G, LP, GM, Impco
Fig. 24 − Engine Group (007000− )
Ref. Part No. Serial Number Description Qty.
1 385019 (007000− ) Engine, Block, Long [Gm3.0l] (See GM Engine Break
down)
1
2 1034105 (007000− ) Hook, Lift [Gm3.0l 2007] 1
3 372479 (007000− ) Screw, Soc, .38−16 X 2.25, G5 1
4 372456 (007000− ) Plate, Drive 1
5 371508 (007000− ) Bolt, Clutch 6
6 371509 (007000− ) Washer, Lock, 0.38 11
7 371761 (007000− ) Shield, Dust 1
8 19315 (007000− ) Screw, Hex, .25−20 X 0.50, G5 8
9 371512 (007000− ) Washer, Lock, 0.25 8
10 32483 (007000− ) Washer, Flat, 0.25, Sae 8
11 372458 (007000− ) Housing, Flywheel [3.0l] 1
12 10831 (007000− ) Screw, Soc, .38−16 X 1.25, Al 5
13 371516 (007000− ) Starter, 12vdc [Gm] 1
14 372473 (007000− ) Bracket, Starter 1
15 371518 (007000− ) Bolt, Starter 1
16 50335 (007000− ) Nut, Hex, Std, M5 X 0.80, 8 2
17 371519 (007000− ) Washer, Lock, M5 1
18 07791 (007000− ) Nut, Hex, Flng, M8 X 1.25 1
19 393994 (007000− ) Washer, Lock, 0.31 1
20 54396 (007000− ) Screw, Hex, .31−18 X 0.75, G5 1
21 371520 (007000− ) Washer, Lock, #10 1
22 19311 (007000− ) Nut, Hex, Std, #10−24 1
23 1029375 (007000− ) Bracket, Mtg, Eng, Rh 1
24 21197 (007000− ) Screw, Hex, .38−16 X 1.00, G5 8
25 32492 (007000− ) Washer, Flat, 0.38, Std 13
26 63695 (007000− ) Isolator, Vib, Flng, 1.3h .5b 2/.39h 1
27 21198 (007000− ) Screw, Hex, .38−16 X 1.25, G5 4
28 06973 (007000− ) Screw, Hex, M12 X 1.75 X 70, 8.8 2
29 06972 (007000− ) Screw, Hex, M12 X 1.75 X 60, 8.8 1
30 32493 (007000− ) Washer, Flat, 0.50, Std 6
31 9013903 (007000− ) Pipe, Nipple [Gm3.0l] 1
32 08711 (007000− ) Nut, Hex, Lock, M12 X 1.75, Nl 6
33 1031961 (007000− ) Bracket, Mtg, Eng, Lh 1
34 1014411 (007000− ) Channel Wldt, Mtg, Eng, Rear 1
35 77430 (007000− ) Bracket Wldt, Mtg, Eng, Rear 1
36 77434 (007000− ) Bracket, Mtg, Eng, Rear, Lh 1
37 77435 (007000− ) Bracket, Mtg, Eng, Rear, Rh, Dsl 1
38 83674 (007000− ) Bracket Wldt, Mtg, Eng, Front, Rh 1
39 63263 (007000− ) Isolator, Vib, Flng, 1.3h .5b 2/.39h 1
40 57048 (007000− ) Washer, Flat, 0.53b 2.13d .11, Stl, Pl 2
41 57773 (007000− ) Cable, 06ga 13.0l Blk 1
42 372445 (007000− ) Switch, Press, 7psi, Spdt 1
43 75768 (007000− ) Isolator, Vib, Flng, 2.0h .5b 2/.41h 1
44 50902 (007000− ) Nut, Hex, Lock, .38−16, Nl 4

STANDARD PARTS
800 Gas/LPG 330120 (3−2015)
2-50
353870 − 800, G, LP, GM, Impco
Fig. 24 − Engine Group (007000− )
Ref. Part No. Serial Number Description Qty.
45 372474 (007000− ) Harness,Switch,Oil Press,Ground Wire 1
46 1018573 (007000− ) Screw, Hex, .62−18 X 0.31 1
47 1029334 (007000− ) Hook, Lift [Gm3.0l 2007] 1
48 06968 (007000− ) Screw, Hex, M12 X 1.75 X 35, 8.8 2
49 9010259 (007000− ) Sender, Oil, Press [Mit] 1
50 03192 (007000− ) Screw, Hex, M10 X 1.50 X 30, 8.8 2
51 41430 (007000− ) Nut, Hex, Lock, M10 X 1.5, Nl 6
52 39284 (007000− ) Screw, Hex, M10 X 1.50 X 35, 8.8 4
53 1030272 (007000− ) Housing, Thermostat [Gm3.0l 2007] 1
54 32485 (007000− ) Washer, Flat, 0.38, Sae 1
55 41142 (007000− ) Washer, Lock, Int−Ext, 0.38 2
56 69234 (007000− ) Clamp, Cable, Stl, 1.00d X 0.75w, 1hole 1
57 27980 (007000− ) Nut, Hex, Flng, .38−16 1
58 55347 (007000− ) Screw, Hex, .38−16 X 2.00, Fl 1
59 9013904 (007000− ) Fitting [Gm3.0l] 1
60 9013902 (007000− ) Pipe, Adapter [Gm30.0l] 1

STANDARD PARTS
2-51
800 Gas/LPG 330120 (3−07)

STANDARD PARTS
800 Gas/LPG 330120 (12−03)
2-52
Fig. 25 − Engine Alternator Group (004937−005999)
10
5
2
6
3
1
4
7
8
9
12
13
15
16
17
18
19
20
11
14
17
17
21
7
22

STANDARD PARTS
2-53
800 Gas/LPG 330120 (10−2014)
353869 − 800, G, LP
Fig. 25 − Engine Alternator Group (004937−005999)
Ref. Part No. Serial Number Description Qty.
1 64899 (004937−005999 ) Belt, V, 40.0l [3v, 1 1
2 61363 (004937−005999 ) Boot, Str, 0.12id 0.43id 0.25l, Blk 1
3 392611 (004937−005999 ) Alternator, 12vdc, 075a [Valeo] 1
4 1008094 (004937−005999 ) Bracket, Mtg, Alternator, Lower [Gm3.0l] 1
5 371526 (004937−005999 ) Sleeve, Alternator 1
6 371527 (004937−005999 ) Wire, Ground 1
7 371509 (004937−005999 ) Washer, Lock, 0.38 2
8 27991 (004937−005999 ) Screw, Hex, .38−16 X 2.25, G5 2
9 32492 (004937−005999 ) Washer, Flat, 0.38, Std 2
10 35756 (004937−005999 ) Tube, 0.50id 1.00od 01.0l, Stl, Pntd 2
11 371529 (004937−005999 ) Screw, .38−24 X 4.00 1
12 07592 (004937−005999 ) Screw, Hex, .31−24 X 0.75, G5 4
13 32485 (004937−005999 ) Washer, Flat, 0.38, Sae 1
14 371528 (004937−005999 ) Nut, Flng, .38−24 1
15 83581 (004937−005999 ) Guard, Belt, Alternator 1
16 76956 (004937−005999 ) Screw, Hex, .31−18 X 1.25, G5 1
17 393994 (004937−005999 ) Washer, Lock, 0.31 6
18 32491 (004937−005999 ) Washer, Flat, 0.31, Std 1
19 393998 (004937−005999 ) Pulley, Fan 1
20 1007162 (004937−005999 ) Arm, Adj, Alternator 1
21 371770 (004937−005999 ) Screw 1
22 42011 (004937−005999 ) Screw, Hex, 10−24 X 0.50, Ss 1

STANDARD PARTS
800 Gas/LPG 330120 (3−07)
2-54
Fig. 26 − Engine Alternator Group (006000−006999)
2
3
45
6
8
9
10
1
11
12
9
14
15
16
17
18
19
20
25
13
21
21
23
23
22
9
7
24
9

STANDARD PARTS
2-55
800 Gas/LPG 330120 (10−2014)
353869 − 800, G, LP
Fig. 26 − Engine Alternator Group (006000−006999)
Ref. Part No. Serial Number Description Qty.
1 393227 (006000−006999 ) Belt, V, 39.6l [3v, Hc41] 1
2 61363 (006000−006999 ) Boot, Str, 0.12id 0.43id 0.25l, Blk 1
3 392611 (006000−006999 ) Alternator, 12vdc, 075a [Valeo] 1
4 1008094 (006000−006999 ) Bracket, Mtg, Alternator, Lower [Gm3.0l] 1
5 371526 (006000−006999 ) Sleeve, Alternator 1
6 371527 (006000−006999 ) Wire, Ground 1
7 76955 (006000−006999 ) Screw, Hex, .31−18 X 1.00, G5 1
8 27991 (006000−006999 ) Screw, Hex, .38−16 X 2.25, G5 2
9 32485 (006000−006999 ) Washer, Flat, 0.38, Sae 5
10 35756 (006000−006999 ) Tube, 0.50id 1.00od 01.0l, Stl, Pntd 2
11 20177 (006000−006999 ) Screw, Hex, .38−16 X 4.00, G5 1
12 07592 (006000−006999 ) Screw, Hex, .31−24 X 0.75, G5 4
13 41186 (006000−006999 ) Washer, Flat, Belleville, .31 1
14 50902 (006000−006999 ) Nut, Hex, Lock, .38−16, Nl 1
15 83581 (006000−006999 ) Guard, Belt, Alternator 1
16 393998 (006000−006999 ) Pulley, Fan 1
17 1007162 (006000−006999 ) Arm, Adj, Alternator 1
18 1019513 (006000−006999 ) Plate, Shield, Heat 1
19 1008513 (006000−006999 ) Angle, Shield, Heat 1
20 16735 (006000−006999 ) Screw, Hex, M8 X 1.25 X 16, 8.8 2
21 07791 (006000−006999 ) Nut, Hex, Flng, M8 X 1.25 2
22 21195 (006000−006999 ) Screw, Hex, .38−16 X 0.75, G5 1
23 41142 (006000−006999 ) Washer, Lock, Int−Ext, 0.38 2
24 21197 (006000−006999 ) Screw, Hex, .38−16 X 1.00, G5 1
25 42011 (006000−006999 ) Screw, Hex, 10−24 X 0.50, Ss 1

STANDARD PARTS
800 Gas/LPG 330120 (4−08)
2-56
Fig. 27 − Engine Alternator Group (007000− )
1
2
3
4
5
6
7
8
9
9
10
11
12
13
14
15
16
17
18
19
20
21
22
23
24
9
23
13
925

STANDARD PARTS
2-57
800 Gas/LPG 330120 (10−2014)
353869 − 800, G, LP
Fig. 27 − Engine Alternator Group (007000− )
Ref. Part No. Serial Number Description Qty.
1 393227 (007000− ) Belt, V, 39.6l [3v, Hc41] 1
2 61363 (007000− ) Boot, Str, 0.12id 0.43id 0.25l, Blk 1
3 392611 (007000− ) Alternator, 12vdc, 075a [Valeo] 1
4 1008094 (007000− ) Bracket, Mtg, Alternator, Lower [Gm3.0l] 1
5 371526 (007000− ) Sleeve, Alternator 1
6 371527 (007000− ) Wire, Ground 1
7 76955 (007000− ) Screw, Hex, .31−18 X 1.00, G5 1
8 27991 (007000− ) Screw, Hex, .38−16 X 2.25, G5 2
9 32485 (007000− ) Washer, Flat, 0.38, Sae 6
10 35756 (007000− ) Tube, 0.50id 1.00od 01.0l, Stl, Pntd 2
11 20177 (007000− ) Screw, Hex, .38−16 X 4.00, G5 1
12 07592 (007000− ) Screw, Hex, .31−24 X 0.75, G5 4
13 41186 (007000− ) Washer, Flat, Belleville, .31 2
14 50902 (007000− ) Nut, Hex, Lock, .38−16, Nl 1
15 1008538 (007000− ) Bracket, Guard, Alternator, Hd [Gm3.0l] 1
16 393998 (007000− ) Pulley, Fan 1
17 1029649 (007000− ) Arm, Adjmt, Alternator 1
18 1030635 (007000− ) Shield, Heat, Alternator [2007] 1
19 32980 (007000− ) Washer, Lock, Int, 10 1
20 42011 (007000− ) Screw, Hex, 10−24 X 0.50, Ss 1
21 07791 (007000− ) Nut, Hex, Flng, M8 X 1.25 1
22 21195 (007000− ) Screw, Hex, .38−16 X 0.75, G5 1
23 41142 (007000− ) Washer, Lock, Int−Ext, 0.38 2
24 21197 (007000− ) Screw, Hex, .38−16 X 1.00, G5 1
25 371865 (007000− ) Washer, Flat, 0.31, Hardened 4

STANDARD PARTS
800 Gas/LPG 330120 (7−10)
2-58
Fig. 28 − Engine Oil Filter and Drain Group (004937− )
2
3
17
5
6
7
8
9
10 1
11
18
19
14
15
16
6
17
6
65
5
17
17
4
13
12

STANDARD PARTS
2-59
800 Gas/LPG 330120 (10−2014)
353874 − 800, G, LP
Fig. 28 − Engine Oil Filter and Drain Group (004937− )
Ref. Part No. Serial Number Description Qty.
1 393982 (004937− ) Element, Fltr, Oi 1
2 371503 (004937− ) Mount, Fltr, Remote 1
o 3 371504 (004937− ) Adapter, Fltr, Remote 1
Y 4 1032382 (004937− ) Seal, Org, .139 X 03.109 Id 1
5 371500 (004937− ) Fitting, E90 4
6 11399 (004937− ) Clamp, Hose, Wormdrive, 0.81−1.50d, .50w 4
7 371502 (004937− ) Hose, 0.50d X 41.00l 2
8 25046 (004937− ) Screw, Hex, .25−20 X 1.00, G5 2
9 19066 (004937− ) Washer, Flat, 0.25b 0.56d .05, Pl, 10 2
10 32981 (004937− ) Nut, Hex, Lock, .25−20, Nl 2
11 49934 (004937−006999 ) Fitting, Hyd, E90, Jm06/Pm06 1
12 76762 (004937−006999 ) Hose, Hyd, Low06, Jf06str/Jf06str, 026.0 1
13 19747 (004937−006999 ) Fitting, Hyd, Plug, Jm06 1
14 58366 (004937− ) Clamp, Cable, Stl, 1.25d X 1.00w, 1hole 1
15 12273 (004937− ) Screw, Hex, M8 X 1.25 X 20, Nl, Ss 1
16 01685 (004937− ) Washer, Flat, 0.38b 0.88d .08, Ss 1
17 371505 (004937− ) Fitting 4
18 9006633 (007000− ) Hose, Drain, Eng Oil 1
19 9006635 (007000− ) Fitting, Plug 1

STANDARD PARTS
800 Gas/LPG 330120 (11−02)
2-60
Fig. 29 − Engine Carburetor and Governor Group, Gasoline (004000−004936)
55
6
7
8
9
10
11
12
13
24, 25
20
19
2
4
4
3
4
4
15
4
14
1
16 17
18
21
22
23

STANDARD PARTS
2-61
800 Gas/LPG 330120 (10−2014)
10610 − G
Fig. 29 − Engine Carburetor and Governor Group, Gasoline (004000−004936)
Ref. Part No. Serial Number Description Qty.
1 30389 (004000−004936 ) Hose, Heater, 0.62id, 053.0l 1
2 13048 (004000−004936 ) Hose, Heater, 0.62id, 038.0l 1
3 60762 (004000−004936 ) Kit, Fi, Cab, [97] 1
4 63810 (004000−004936 ) Clamp, Hose, Wormdrive, 0.56−1.06d, .56w 6
5 43844 (004000−004936 ) Clamp, Hose, Wormdrive, 0.25−0.62d, .31w 2
6 70876 (004000−004309 ) Hose, Rbr, 0.38id 0.62od 21.0l 1
6 375718 (004310−004936 ) Hose, Rbr, Mold, 0.50id 0.38id [Epdm] 1
7 24924 (004000−004936 ) Washer, Flat, 0.28b 0.62d .06, Nyl 1
8 57934 (004000−004936 ) Adapter, Air−Intk, Carb, Gas 1
9 16738 (004000−004936 ) Gasket, Carb, .06, 2.62id 3.00od, Rbr 1
10 74443 (004000−004936 ) Gasket, Carb, .03, 1.18id, 2/2.5bc 2
11 83686 (004000−004936 ) Adapter, Mtg, Carb [Ford 2.3] 1
12 33951 (004000−004936 ) Screw, Soc, M6 X 1.00 X 20, 12.9 2
13 47313A (004000−004936 ) Cable, Cntrl, Choke, 67.1l, Knob 1
14 83580 (004000−004936 ) Fitting, Brs, Drain Cock 1
15 83578 (004000−004936 ) Tube, Bleed, Air, .62od 2.2l .12npt, Alm 1
o83678 (004000−004306 ) Governor Assy [Ford, 2.3 Gas, 800l] 1
Yo83639 (004000−004306 ) Governor, Gas 1
YY 16 78897 (004000−004306 ) Carburetor, Gas [F/ Lrg−423, Vent, Ze] 1
YY 17 83683 (004000−004306 ) Actuator, Govnr, Gas/Lpg 1
YY 18 83682 (004000−004306 ) Bracket, Mtg, Govnr 1
YY 19 11984 (004000−004306 ) Fitting, Pipe, E90, Pf02/Pm02 1
YY 20 36050 (004000−004306 ) Filter, Fuel, In−Line [02pm/08if] 1
YY 21 83685 (004000−004306 ) Strap, Mtg, Actuator, Govnr 1
YY 22 83684 (004000−004306 ) Linkage Kit, Govnr 1
YY 23 74443 (004000−004306 ) Gasket, Carb, .03, 1.18id, 2/2.5bc 1
Yo24 374127 (004000−004306 ) Control Kit, Govnr, Replmt [All Purpose] 1
YY 374625 (004000−004306 ) Plug Kit, Controlbox 2
o385415 (004307−004936 ) Governor Assy, Ford 2.5 Gas 1
Yo83639 (004307−004936 ) Governor, Gas 1
YY 16 385414 (004307−004936 ) Carburetor, Gas [F/ Lrg−425, Vent, Ze] 1
YY 17 83683 (004307−004936 ) Actuator, Govnr, Gas/Lpg 1
YY 18 83682 (004307−004936 ) Bracket, Mtg, Govnr 1
YY 19 11984 (004307−004936 ) Fitting, Pipe, E90, Pf02/Pm02 1
YY 20 36050 (004307−004936 ) Filter, Fuel, In−Line [02pm/08if] 1
YY 21 83685 (004307−004936 ) Strap, Mtg, Actuator, Govnr 1
YY 22 83684 (004307−004936 ) Linkage Kit, Govnr 1
YY 23 74443 (004307−004936 ) Gasket, Carb, .03, 1.18id, 2/2.5bc 1
YY 24 374127 ( xxxxxx−004936 ) Control Kit, Govnr, Replmt [All Purpose] 1
o25 1040835 (004307− xxxxxx ) Control, Govnr [All Purpose] 1
Y374625 (004307− xxxxxx )Plug Kit, Controlbox 2

STANDARD PARTS
800 Gas/LPG 330120 (4−08)
2-62
Fig. 30 − Engine Electronic Fuel Ignition Group, Gas (004937−005999)
2
3
4
5
6
7
8
9
10
1
11
12
13
14
15
14
2
2
2
7
16 17
18
19
20
21
22
23
24
25
26
27
28
30
29
31

STANDARD PARTS
2-63
800 Gas/LPG 330120 (3−2015)
353844 − 800, G
Fig. 30 − Engine Electronic Fuel Ignition Group, Gas (004937−005999)
Ref. Part No. Serial Number Description Qty.
1 371896 (004937−005999 ) Housing Assy, Throttle, Gas, [With Ecu] (See Breakdowns) 1
1 371897 (004937−005999 ) Housing Assy, Throttle, Gas, [Without Ecu] (See Break-
downs) 1
2 371538 (004937−005999 ) Clamp 5
3 371532 (004937−005999 ) Hose, Heater, 0.38id 1
4 392570 (004937−005999 ) Plate, Mtg, Reg 1
5 86824 (004937−005999 ) Clamp, Hose, Wormdrive, 0.50−1.06d, .50w 1
6 16387 (004937−005999 ) Hose, Fuel, 0.50id, 52.0l 1
7 11399 (004937−005999 ) Clamp, Hose, Wormdrive, 0.81−1.50d, .50w 2
8 9006591 (004937−005999 ) Sensor, Temp, Coolant 1
9 36165 (004937−005999 ) Send−Unit, Water, Temp, 06npt [Datcon] 1
10 47167 (004937−005999 ) Fitting, Brs, Str, Pf06/Pm08 1
11 371763 (004937−005999 ) Fitting, Hose 1
12 371765 (004937−005999 ) Hose 1
13 371766 (004937−005999 ) Fitting, Elbow 1
14 371767 (004937−005999 ) Spacer 4
15 769808 (004937−005999 ) Hose, Fuel, 0.38id, 18.0l 1
16 393905 (004937−005999 ))Nut, Manifold, Exhaust 8
17 393906 (004937−005999 ) Stud, Intake To Exhaust Manifold 2
18 393907 (004937−005999 ) Washer, Manifold, Exhaust −
19 393898 (004937−005999 ) Bolt 3
20 393908 (004937−005999 ) Stud, Intake Manifold To Cyl Head 1
21 393909 (004937−005999 ) Bolt, Intake Manifold −
22 393910 (004937−005999 ) Manifold, Intake 1
23 393911 (004937−005999 ) Fitting, Manifold, Intake 1
24 393912 (004937−005999 ) Gasket, Manifold, Exhaust 1
25 393913 (004937−005999 ) Manifold, Exhaust 1
26 393914 (004937−005999 ) Stud, Pipe, Exhaust 2
27 393915 (004937−005999 ) Clamp, Manifold 4
28 393916 (004937−005999 ) Gasket, Manifold, Intake 1
o29 371646 (004937−005999 ) Adapter Kit, Manifold 1
Y30 371647 (004937−005999 ) Gasket Kit, Manifold 1
31 371658 (004937−005999 ) Shield, Heat 1

STANDARD PARTS
800 Gas/LPG 330120 (8−08)
2-64
Fig. 31 − Engine Electronic Fuel Ignition Group, Gas (006000−006999)
2
3
4
5
6
7
8
9
10
1
12
16
17
15
14
18 19
20
21
22
23
24
25
26
27
28
29
30
13
11
11

STANDARD PARTS
2-65
800 Gas/LPG 330120 (3−2015)
354174 − 800, G
Fig. 31 − Engine Electronic Fuel Ignition Group, Gas (006000−006999)
Ref. Part No. Serial Number Description Qty.
1 372860 (006000−006999 ) Module, Ecu, Gas [Gm 3.0l] 1
2 372891 (006000−006999 ) Sensor, Temp, Coolant 1
3 372472 (006000−006999 ) Sensor, Temp 1
4 372483 (006000−006999 ) Valve [Pcv] 1
5 372489 (006000−006999 ) Hose, 9.5mm X 450mm [Pcv] 1
6 1013350 (006000−006999 ) Tray Wldt, Drip, Gas [3.0l] 1
7 372490 (006000−006999 ) Gasket, Carb 1
8 372466 (006000−006999 ) Stud, .38−16 X 1.2l 2
9 63810 (006000−006999 ) Clamp, Hose, Wormdrive, 0.56−1.06d, .56w 1
10 16387 (006000−006999 ) Hose, Fuel, 0.50id, 52.0l 1
11 372488 (006000−006999 ) Housing Assy, Throttle, Gas 1
12 384974 (006000−006999 ) Housing, Throttle, 40mm [Bosch] 1
13 372545 (006000−006999 ) Gasket, Body, Throttle [1.6l] 1
14 393984 (006000−006999 ) Grommet 1
15 372492 (006000−006999 ) Sensor, Spd, Timing Wheel [3.0l] 1
16 372493 (006000−006999 ) Sensor [Tmap] 1
17 372490 (006000−006999 ) Gasket, Carb 1
18 393905 (006000−006999 ))Nut, Manifold, Exhaust 8
19 393906 (006000−006999 ) Stud, Intake To Exhaust Manifold 2
20 393907 (006000−006999 ) Washer, Manifold, Exhaust −
21 393898 (006000−006999 ) Bolt 3
22 393908 (006000−006999 ) Stud, Intake Manifold To Cyl Head 1
23 393909 (006000−006999 ) Bolt, Intake Manifold −
24 393910 (006000−006999 ) Manifold, Intake 1
25 393911 (006000−006999 ) Fitting, Manifold, Intake 1
26 393912 (006000−006999 ) Gasket, Manifold, Exhaust 1
27 393913 (006000−006999 ) Manifold, Exhaust 1
28 393914 (006000−006999 ) Stud, Pipe, Exhaust 2
29 393915 (006000−006999 ) Clamp, Manifold 4
30 393916 (006000−006999 ) Gasket, Manifold, Intake 1

STANDARD PARTS
800 Gas/LPG 330120 (10−2013)
2-66
Fig. 32 − Engine Electronic Fuel Ignition Group, Gas (007000− )
33
22
23
27
1
2
3
4
5
6
68
9
10
11
12
13
14
15
16
17
18
35
41
26
32
25
29
28
30
9
34
6
31
36 37
6
41
41
25
10
39
40
38
42
42
42
24
19
7
20 21
43

STANDARD PARTS
2-67
800 Gas/LPG 330120 (10−2014)
354174 − G
Fig. 32 − Engine Electronic Fuel Ignition Group, Gas (007000− )
Ref. Part No. Serial Number Description Qty.
1 1032804 (007000−007486 ) Module, Ecu, Gas [Gm3.0l 2007] 1
1 1062362 (007487− ) Module, Ecu, Gas [Gm3.0L 2010] 1
2 385008 (007000− ) Bracket, Box, Relay 1
3 372470 (007000− ) Isolator, Box, Relay 2
4 25047 (007000− ) Screw, Hex, .25−20 X 1.25, G5 4
5 19315 (007000− ) Screw, Hex, .25−20 X 0.50, G5 2
6 32490 (007000− ) Washer, Flat, 0.25, Std 9
7 06948 (007000− ) Screw, Hex, M6 X 1.00 X 45, 8.8 4
8 19312 (007000− ) Nut, Hex, Std, .25−20 2
9 371877 (007000− ) Washer, Flat, 0.38, Hardened 5
10 27980 (007000− ) Nut, Hex, Flng, .38−16 3
11 371553 (007000− ) Screw, .38−16 X 1.00 1
12 371877 (007000− ) Washer, Flat, 0.38, Hardened 1
13 371509 (007000− ) Washer, Lock, 0.38 1
14 371875 (007000− ) Washer, Lock, Int / Ext, 0.38 1
15 9006589 (007000− ) Valve [Pc] 1
16 393984 (007000− ) Grommet 1
17 385001 (007000− ) Hose, Fuel, .38d, Rbr[16”L] 1
18 385002 (007000− ) Fitting, E90 1
19 9006591 (007000− ) Sensor, Temp, Coolant 1
20 385000 (007000− ) Fitting, Bshg 1
21 372472 (007000− ) Sensor, Temp 1
22 385007 (007000−007486 ) Screw, M6 X 10mm 2
23 385006 (007000−007486 ) Shield, Heat, Manifold 1
24 372545 (007000− ) Gasket, Body, Throttle [1.6l] 1
25 372466 (007000− ) Stud, .38−16 X 1.2l 2
26 385003 (007000− ) Gasket, Manifold, Intake 1
27 385004 (007000−007486 ) Manifold, Intake [2007] 1
28 10830 (007000− ) Screw, Soc, .38−16 X 1.00, Al 4
29 384985 (007000− ) Sensor [T Map] 1
30 19317 (007000− ) Screw, Hex, .25−20 X 0.75, G5 1
31 384974 (007000− ) Housing, Throttle, 40mm [Bosch] 1
32 1060653 (007000− ) Manifold, Exhaust [Gm3.0l] 1
33 32490 (007000−007486 ) Washer, Flat, 0.25, Std 4
34 9008194 (007487− ) Manifold, Intake [Gm3.0l 2010] 1
35 9008799 (007487− ) Shield, Heat [Gm3.0l 2010] 1
36 9008800 (007487− ) Shield, Heat [Gm3.0l 2010] 1
37 9008801 (007487− ) Shield, Heat [Gm3.0l 2010] 1
38 9008802 (007487− ) Shield, Heat, Alternator [Gm3.0l 10] 1
39 763025 (007487− ) Screw, Hex, M5 X 0.80 X 10, Fl 4
40 19065 (007487− ) Washer, Flat, 0.19b 0.44d .05, Pl, 08 4
41 87308 (007487− ) Screw, Hex, M6 X 1.00 X 12, 8.8 8
42 32483 (007487− ) Washer, Flat, 0.25, Sae 8
43 372492 (007000− ) Sensor, Spd, Timing Wheel [3.0l] 1

STANDARD PARTS
800 Gas/LPG 330120 (3−2015)
2-68
Fig. 33 − Engine Carburetor and Governor Group, LPG (004000−004936)
1
23
5
7
8
9
6
5
4
10
11
12
13
14
15

STANDARD PARTS
2-69
800 Gas/LPG 330120 (3−2015)
10618 − LP
Fig. 33 − Engine Carburetor and Governor Group, LPG (004000−004936)
Ref. Part No. Serial Number Description Qty.
1 33951 (004000−004936 ) Screw, Soc, M6 X 1.00 X 20, 12.9 2
2 83686 (004000−004936 ) Adapter, Mtg, Carb [Ford 2.3] 1
3 74443 (004000−004936 ) Gasket, Carb, .03, 1.18id, 2/2.5bc 2
4 70876 (004000−004309 ) Hose, Rbr, 0.38id 0.62od 21.0l 1
4 375718 (004310−004936 ) Hose, Rbr, Mold, 0.50id 0.38id [Epdm] 1
5 43844 (004000−004936 ) Clamp, Hose, Wormdrive, 0.25−0.62d, .31w 2
o83679 (004000−004936 ) Governor Assy [Ford, 2.3/2.5] Rep.Bynone 1
Yo83640 (004000−004936 ) Governor, Lpg 1
YY 6 73017 (004000−004936 ) Carburetor, Lpg [F/ Lrg−423, W/ Gasket] 1
YY 78881 (004000−004936 ) Carb Kit, Repair 1
YY 7 83683 (004000−004936 ) Actuator, Govnr, Gas/Lpg 1
YY 8 83682 (004000−004936 ) Bracket, Mtg, Govnr 1
YY 9 83684 (004000−004936 ) Linkage Kit, Govnr 1
YY 10 69097 (004000−004936 ) Fitting, Hyd, E90, Jm10/Pm06 1
YY 11 74443 (004000−004936 ) Gasket, Carb, .03, 1.18id, 2/2.5bc 1
YY 12 83685 (004000−004936 ) Strap, Mtg, Actuator, Govnr 1
YY 13 374127 (004000−004936 ) Control Kit, Govnr, Replmt [All Purpose] 1
YY 14 53029 (004000−004936 ) Fitting, Brs, E90, Em05/Pm02 1
Y15 74402 (004000−004936 ) Fitting, Brs, Str, .25−28/Spcl [Carb] 1

STANDARD PARTS
800 Gas/LPG 330120 (12−03)
2-70
Fig. 34 − Engine Vaporizer Group, LPG (004000−004818)
1
2
3
4
5
6
7
8
9
10
11
12
13
13
16
17
12
12
12
11
12
12
15
14
18 19
20

STANDARD PARTS
2-71
800 Gas/LPG 330120 (10−2014)
10616 − LP
Fig. 34 − Engine Vaporizer Group, LPG (004000−004818)
Ref. Part No. Serial Number Description Qty.
1 70849 (004000−004818 ) Bracket, Mtg, Vaporizer 1
o 2 374648 (004000−004818 ) Vaporizer / Reg, Lpg [Impco] 1
Y374649 (004000−004818 ) Vaporizer Kit, Replmt 1
o 3 73020 (004000−004818 ) Filter, Fuelock 1
Y65527 (004000−004818 ) Fuelock Kit, Replmt 1
4 15724 (004000−004818 ) Fitting, Hyd, Str, Jm06/Pm04 2
5 59808 (004000−004818 ) Fuelline, .38d 06sf/06sf, Stl 1
6 53268 (004000−004818 ) Fitting, Brs, Tee, Pf04/Pf04/Pm04, Br 1
7 17414 (004000−004818 ) Fitting, Hyd, Str, Pf02/Pm04 1
8 23156 (004000−004818 ) Switch, Press, 0070psi Spst Nc 12vdc 08a 1
9 40607 (004000−004818 ) Fitting, Brs, Str, Bm03/Pm02 1
10 34072 (004000−004818 ) Hose, Vacuum, 0.16id X 021.0l 1
11 51839 (004000−004818 ) Fitting, Brs, E90, Em10/Pm06 2
12 63810 (004000−004818 ) Clamp, Hose, Wormdrive, 0.56−1.06d, .56w 8
13 72979 (004000−004818 ) Hose, Heater, 0.62id, 020.0l 2
14 30389 (004000−004818 ) Hose, Heater, 0.62id, 053.0l 1
15 60726 (004000−004818 ) Hose, Heater, 0.62id, 015.0l Rep.Bynone 1
16 46611 (004000−004818 ) Fitting, Hyd, E90, Jm10/Pm08 1
17 60725 (004000−004818 ) Hose, Lpg, Med10, Jf14str/Jf14str, 028.0 1
18 83578 (004000−004818 ) Tube, Bleed, Air, .62od 2.2l .12npt, Alm 1
19 83580 (004000−004818 ) Fitting, Brs, Drain Cock 1
20 374615 (004000−004215 ) Wire Kit, Ground, Repair [2.3l Ford Lpg] 1

STANDARD PARTS
800 Gas/LPG 330120 (12−03)
2-72
Fig. 35 − Engine Vaporizer Group, LPG (004819−004936)
1
2
3
4
5
6
7
8
9
10
11
12
13
14
15
16
17
18 19
20
21
22
23
23
23
23
23
23

STANDARD PARTS
2-73
800 Gas/LPG 330120 (10−2014)
10616 − LP
Fig. 35 − Engine Vaporizer Group, LPG (004819−004936)
Ref. Part No. Serial Number Description Qty.
1 374154 (004819−004936 ) Angle, Mtg, .12 X 1 X 1 X 4.5l 1
2 07789 (004819−004936 ) Nut, Hex, Flng, M5 X 0.80 2
o 3 383170 (004819−004936 ) Controller Kit, Lpg, 12vdc 1
Y 383014 (004819−004936 ) Vaporizer Kit, Repair, F/383170 1
4 06942 (004819−004936 ) Screw, Hex, M6 X 1.00 X 16, 8.8 2
5 32483 (004819−004936 ) Washer, Flat, 0.25, Sae 2
6 32982 (004819−004936 ) Washer, Lock, Int, 0.25 2
7 27048 (004819−004936 ) Fitting, Brs, E90, Pf04/Pm04 1
8 17521 (004819−004936 ) Fitting, Pipe, Plug, Pm08, Sq Head 1
9 1043095 (004819−004936 ) Fitting, Brs, E45, Pf06/Pm06 1
10 27767 (004819−004936 ) Fitting, Brs, Str, Em10/Pm06 1
11 60726 (004819−004936 ) Hose, Heater, 0.62id, 015.0l Rep.Bynone 1
12 63810 (004819−004936 ) Clamp, Hose, Wormdrive, 0.56−1.06d, .56w 8
13 72979 (004819−004936 ) Hose, Heater, 0.62id, 020.0l 2
14 30389 (004819−004936 ) Hose, Heater, 0.62id, 053.0l 1
15 60726 (004819−004936 ) Hose, Heater, 0.62id, 015.0l Rep.Bynone 1
16 46611 (004819−004936 ) Fitting, Hyd, E90, Jm10/Pm08 1
17 60725 (004819−004936 ) Hose, Lpg, Med10, Jf14str/Jf14str, 028.0 1
18 83578 (004819−004936 ) Tube, Bleed, Air, .62od 2.2l .12npt, Alm 1
19 83580 (004819−004936 ) Fitting, Brs, Drain Cock 1
20 17414 (004819−004936 ) Fitting, Hyd, Str, Pf02/Pm04 1
21 23156 (004819−004936 ) Switch, Press, 0070psi Spst Nc 12vdc 08a 1
22 51839 (004819−004936 ) Fitting, Brs, E90, Em10/Pm06 1
23 63810 (004819−004936 ) Clamp, Hose, Wormdrive, 0.56−1.06d, .56w 8

STANDARD PARTS
800 Gas/LPG 330120 (4−08)
2-74
Fig. 36 − Engine Electronic Fuel Ignition and Vaporizer Group, LPG (004937−005999)
4
21
1
2
3
10
10
9
22
5
9
8
19
12
31
13
14
6
15
25
26
17
11
19
30
18
19
15
20
10
10
10
10
10
10
16
23
34
24
19
33
28
27
17
29
7
32
35 36
37
38
39
40
41
42
43
44
45
46
47
49
48
50

STANDARD PARTS
2-75
800 Gas/LPG 330120 (10−2014)
354329 − 800, LP
Fig. 36 − Engine Electronic Fuel Ignition and Vaporizer Group, LPG (004937−005999)
Ref. Part No. Serial Number Description Qty.
1 371894 (004937−005999 ) Housing Assy, Throttle, Lpg, [With Ecu] (See Breakdowns) 1
1 371895 (004937−005999 ) Housing Assy, Throttle, Lpg, [Without Ecu] (See Break-
downs) 1
2 392570 (004937−005999 ) Plate, Mtg, Reg 1
3 371749 (004937−005999 ) Vaporizer, Lpg 1
4 371754 (004937−005999 ) Fitting 1
5 371755 (004937−005999 ) Pipe 1
6 371750 (004937−005999 ) Regulator 1
7 371768 (004937−005999 ) Fitting 1
8 371757 (004937−005999 ) Fitting 1
9 393972 (004937−005999 ) Hose, Conv 1
10 11399 (004937−005999 ) Clamp, Hose, Wormdrive, 0.81−1.50d, .50w 8
11 371759 (004937−005999 ) Screw 8
12 371764 (004937−005999 ) Sensor, Temp, Water 1
13 36165 (004937−005999 ) Send−Unit, Water, Temp, 06npt [Datcon] 1
14 47167 (004937−005999 ) Fitting, Brs, Str, Pf06/Pm08 1
15 371767 (004937−005999 ) Spacer 4
16 371766 (004937−005999 ) Fitting, Elbow 1
17 769806 (004937−005999 ) Hose, Fuel, 0.38id, 21.0l 1
18 1017477 (004937−005999 ) Hose, Lpg, Med08, Jf08str/Jf08str, 037.5 1
19 1017272 (004937−005999 ) Fitting, Hyd, E90, Jm08/Pm04 4
20 150516 (004937−005999 ) Fitting, Brs, Str, Bm06/Pm04 1
21 1017239 (004937−005999 ) Fitting, Brs, Rst, Pf04/.69−16f, .063 1
22 1017598 (004937−005999 ) Fittting, Plstc, Str, Bm06/M.69−16 1
23 1017080 (004937−005999 ) Bracket, Fltr, Lpg [6600] 1
24 29570 (004937−005999 ) Washer, Flat, 0.28b 1.00d .06, Stl 2
25 1017476 (004937−005999 ) Hose, Lpg, Med08, Jf08str/Jf08str, 035.0 1
26 02247 (004937−005999 ) Fitting, Pipe, Plug, Pm04, Hex Soc 2
o27 1017500 (004937−005999 ) Filter, Fuel, Lpg [Coalescent] 1
Y28 372937 (004937−005999 ) Element, Fltr, Fuel, Lpg[Coalescent] 1
29 51305 (004937−005999 ) Fitting, Draincock, E90, .25npt 1
30 311828 (004937−005999 ) Cs, Fitting, Brs, Str, Pm08/Pf04 1
31 392258 (004937−005999 ) Hose, Pvc, Clr, 0.38id 0.56od 013.0l 1
32 64740 (004937−005999 ) Fitting, Plstc, Tee, Bm12/Bm12/Pf08, Br 1
33 1017662 (004937−005999 ) Label, Instr, Fltr Drain 1
34 19317 (004937−005999 ) Screw, Hex, .25−20 X 0.75, G5 2
130041 (004937−005999 ) Tie, Cable, Nyl, 11.5l .19w 6
35 393905 (004937−005999 ))Nut, Manifold, Exhaust 8
36 393906 (004937−005999 ) Stud, Intake To Exhaust Manifold 2
37 393907 (004937−005999 ) Washer, Manifold, Exhaust −
38 393898 (004937−005999 ) Bolt 3
39 393908 (004937−005999 ) Stud, Intake Manifold To Cyl Head 1
40 393909 (004937−005999 ) Bolt, Intake Manifold −
41 393910 (004937−005999 ) Manifold, Intake 1
42 393911 (004937−005999 ) Fitting, Manifold, Intake 1
43 393912 (004937−005999 ) Gasket, Manifold, Exhaust 1
44 393913 (004937−005999 ) Manifold, Exhaust 1
45 393914 (004937−005999 ) Stud, Pipe, Exhaust 2
46 393915 (004937−005999 ) Clamp, Manifold 4
47 393916 (004937−005999 ) Gasket, Manifold, Intake 1

STANDARD PARTS
800 Gas/LPG 330120 (10−2014)
2-76
354329 − 800, LP
Fig. 36 − Engine Electronic Fuel Ignition and Vaporizer Group, LPG (004937−005999)
Ref. Part No. Serial Number Description Qty.
o48 371646 (000000− ) Kit, Adaptor, Manifold 1
Y49 371647 (000000− ) Kit, Gasket, Manifold 1
50 371658 (000000− ) Shield, Heat 1

STANDARD PARTS
2-77
800 Gas/LPG 330120 (4−08)

STANDARD PARTS
800 Gas/LPG 330120 (4−08)
2-78
Fig. 37 − Engine Electronic Fuel Ignition and Vaporizer Group, LPG (006000−006999)
2
3
45
6
7
8
9
10
1
11
12 13
14 15
16
17
18
19
20
21
22
20
24
25
26
27
28
29
30
31
39
38
32
33
34
35
36
18
21
30
21
37
21
21
23
41
40
42
42
45
46
44
43
32
32
47
48
49
50
51
52
53
54
5
5
56
5
7
5
8
59
60

STANDARD PARTS
2-79
800 Gas/LPG 330120 (10−2014)
354175 − 800, LP
Fig. 37 − Engine Electronic Fuel Ignition and Vaporizer Group, LPG (006000−006999)
Ref. Part No. Serial Number Description Qty.
1 372859 (006000−006999 ) Module, Ecu, Lpg [Gm 3.0l] 1
2 372495 (006000−006999 ) Adapter, Intake, Lpg [3.0l] 1
3 372496 (006000−006999 ) Adapter, Valve, Fuel Trim 1
4 384974 (006000−006999 ) Housing, Throttle, 40mm [Bosch] 1
5 372498 (006000−006999 ) Sleeve, Throttle, Plstc [Bosch] 1
6 372899 (006000−006999 ) Housing Assy, Thr 1
7 372608 (006000−006999 ) Gasket 1
8 372612 (006000−006999 ) Adapter, Throttle Body 1
9 372493 (006000−006999 ) Sensor [Tmap] 1
10 372497 (006000−006999 ) Valve, Trim, Fuel, Lpg 1
11 372490 (006000−006999 ) Gasket, Carb 1
12 372500 (006000−006999 ) Regulator, Lpg 1
13 372501 (006000−006999 ) Valve, Trim, Press, Lpg 1
14 372611 (006000−006999 ) Fitting, Str, E90, .25npt 1
15 372610 (006000−006999 ) Fitting, Nipple, .25npt, Brs 1
o16 372503 (006000−006999 ) Valve, Fuelock, Lpg, Wire Connector 1
Y372615 (006000−006999 ) Filter Kit, Fuelock, Lpg 1
17 372577 (006000−006999 ) Spacer, Sppt, Fltr Lock Off 1
18 372518 (006000−006999 ) Isolator, Mtg, Vaporizer, Rbr 3
19 372515 (006000−006999 ) Fitting, Cap 1
20 372512 (006000−006999 ) Fitting, E70 2
21 63810 (006000−006999 ) Clamp, Hose, Wormdrive, 0.56−1.06d, .56w 5
22 372511 (006000−006999 ) Fitting, Hose, Vacuum, .25 1
23 372517 (006000−006999 ) Restrictor, Jet, Coolant 1
24 372510 (006000−006999 ) Fitting, E90 1
25 372507 (006000−006999 ) Hose, Balancing, Press, 045mm 1
26 372569 (006000−006999 ) Valve, Check 1
27 372506 (006000−006999 ) Hose, Balancing, Press, 680mm 1
28 372891 (006000−006999 ) Sensor, Temp, Coolant 1
29 372472 (006000−006999 ) Sensor, Temp 1
30 372514 (006000−006999 ) Fitting, Str 2
31 372484 (006000−006999 ) Seal, Org 1
32 372523 (006000−006999 ) Pin, Retainer 5
33 372483 (006000−006999 ) Valve [Pcv] 1
34 393984 (006000−006999 ) Grommet 1
35 372489 (006000−006999 ) Hose, 9.5mm X 450mm [Pcv] 1
36 372492 (006000−006999 ) Sensor, Spd, Timing Wheel [3.0l] 1
37 372545 (006000−006999 ) Gasket, Body, Throttle [1.6l] 1
38 372527 (006000−006999 ) Fitting, Pipe, Tee, Pf06/Pf06/Pm06 1
39 372526 (006000−006999 ) Fitting, Hose, 10hose/Pm06 1
40 372531 (006000−006999 ) Hose, Mold, .62 X 37.0 1
41 372528 (006000−006999 ) Hose, Mold, .62 To .75 1
42 372470 (006000−006999 ) Isolator, Box, Relay 2
43 372508 (006000−006999 ) Hose, Fuel, 165mm 1
44 372504 (006000−006999 ) Hose, Valve, Fuel Trim, 325mm 1
45 372516 (006000−006999 ) Fitting, Brs, Adapter 1
46 372505 (006000−006999 ) Hose, Valve, Press Trim, 405mm 1
47 393905 (006000−006999 ))Nut, Manifold, Exhaust 8
48 393906 (006000−006999 ) Stud, Intake To Exhaust Manifold 2
49 393907 (006000−006999 ) Washer, Manifold, Exhaust −
50 393898 (006000−006999 ) Bolt 3

STANDARD PARTS
800 Gas/LPG 330120 (10−2014)
2-80
354175 − 800, LP
Fig. 37 − Engine Electronic Fuel Ignition and Vaporizer Group, LPG (006000−006999)
Ref. Part No. Serial Number Description Qty.
51 393908 (006000−006999 ) Stud, Intake Manifold To Cyl Head 1
52 393909 (006000−006999 ) Bolt, Intake Manifold −
53 393910 (006000−006999 ) Manifold, Intake 1
54 393911 (006000−006999 ) Fitting, Manifold, Intake 1
55 393912 (006000−006999 ) Gasket, Manifold, Exhaust 1
56 393913 (006000−006999 ) Manifold, Exhaust 1
57 393914 (006000−006999 ) Stud, Pipe, Exhaust 2
58 393915 (006000−006999 ) Clamp, Manifold 4
59 393916 (006000−006999 ) Gasket, Manifold, Intake 1
60 9004539 (006000−006999 ) Clamp, Valve, Trim [Impco] 1

STANDARD PARTS
2-81
800 Gas/LPG 330120 (3−07)

STANDARD PARTS
800 Gas/LPG 330120 (10−2013)
2-82
Fig. 38 − Engine Electronic Fuel Ignition and Vaporizer Group, LPG (007000−007486)
12
3
4
56
6
7
8
9
10
11
12 13
14
15
16
17
18
19
20
21
20
22
23
24
24
25 26
25
27
28
9
29
30
6
31
32
33
34
35
36 37
38
39
40
41
42
43
44
45
45
45
46
47
48
4951
50
51
52
53
54
11
55
13
11
49
51
6
56

STANDARD PARTS
2-83
800 Gas/LPG 330120 (10−2014)
354175 − 800, LP
Fig. 38 − Engine Electronic Fuel Ignition and Vaporizer Group, LPG (007000−007486)
Ref. Part No. Serial Number Description Qty.
1 1032805 (007000−007486 ) Module, Ecu, Lpg [Gm3.0l 2007] 1
2 385008 (007000−007486 ) Bracket, Box, Relay 1
3 372470 (007000−007486 ) Isolator, Box, Relay 2
4 25047 (007000−007486 ) Screw, Hex, .25−20 X 1.25, G5 4
5 19315 (007000−007486 ) Screw, Hex, .25−20 X 0.50, G5 2
6 32490 (007000−007486 ) Washer, Flat, 0.25, Std 13
7 385016 (007000−007486 ) Screw, Soc, M6 X 1.00 X 70 4
8 19312 (007000−007486 ) Nut, Hex, Std, .25−20 2
9 371877 (007000−007486 ) Washer, Flat, 0.38, Hardened 5
10 27980 (007000−007486 ) Nut, Hex, Flng, .38−16 3
11 21197 (007000−007486 ) Screw, Hex, .38−16 X 1.00, G5 5
12 371877 (007000−007486 ) Washer, Flat, 0.38, Hardened 1
13 371509 (007000−007486 ) Washer, Lock, 0.38 5
14 371875 (007000−007486 ) Washer, Lock, Int / Ext, 0.38 1
15 9006589 (007000−007486 ) Valve [Pc] 1
16 393984 (007000−007486 ) Grommet 1
17 385001 (007000−007486 ) Hose, Fuel, .38d, Rbr[16”L] 1
18 385002 (007000−007486 ) Fitting, E90 1
19 384996 (007000−007486 ) Adapter, Valve, 400mm [Bosch] 1
20 385000 (007000−007486 ) Fitting, Bshg 2
21 372472 (007000−007486 ) Sensor, Temp 1
22 385007 (007000−007486 ) Screw, M6 X 10mm 2
23 385006 (007000−007486 ) Shield, Heat, Manifold 1
24 384979 (007000−007486 ) Clamp, Hose, Spring, 0.62d 2
25 372466 (007000−007486 ) Stud, .38−16 X 1.2l 2
26 385003 (007000−007486 ) Gasket, Manifold, Intake 1
27 385004 (007000−007486 ) Manifold, Intake [2007] 1
28 10830 (007000−007486 ) Screw, Soc, .38−16 X 1.00, Al 4
29 384985 (007000−007486 ) Sensor [T Map] 1
30 19317 (007000−007486 ) Screw, Hex, .25−20 X 0.75, G5 1
31 372579 (007000−007486 ) Plug, Hole, Injector 4
32 1060653 (007000−007486 ) Manifold, Exhaust [Gm3.0l] 1
33 372545 (007000−007486 ) Gasket, Body, Throttle [1.6l] 1
34 385012 (007000−007486 ) Valve, Lpg [Mixer] 1
35 1037313 (007000−007486 ) Gasket, Lpg, Adapter [Gm 2007] 1
36 385017 (007000−007486 ) Screw, Soc, #12−24 X 1.50 4
37 1037311 (007000−007486 ) Seal, Org, Mixer, Lpg 1
38 1037312 (007000−007486 ) Gasket, Lpg, Mixer [Gm 2007] 2
39 384974 (007000−007486 ) Housing, Throttle, 40mm [Bosch] 1
40 384973 (007000−007486 ) Hose, Supply, Gas, .25id 1
41 384971 (007000−007486 ) Cover, Hose 1
42 385014 (007000−007486 ) Bracket [Epr] 2
43 384986 (007000−007486 ) Isolator [Epr] 3
44 384977 (007000−007486 ) Regulator [Ep] 1
45 384978 (007000−007486 ) Fitting Kit [Epr] 1
46 385015 (007000−007486 ) Nut, Flng, M8 3
47 372529 (007000−007486 ) Fitting, Nipple, .25mal 1
48 384975 (007000−007486 ) Valve, Lock Off 1
49 372528 (007000−007486 ) Hose, Mold, .62 To .75 2
50 63810 (007000−007486 ) Clamp, Hose, Wormdrive, 0.56−1.06d, .56w 1

STANDARD PARTS
800 Gas/LPG 330120 (10−2014)
2-84
354175 − 800, LP
Fig. 38 − Engine Electronic Fuel Ignition and Vaporizer Group, LPG (007000−007486)
Ref. Part No. Serial Number Description Qty.
51 372539 (007000−007486 ) Clamp, Hose, 1.0 3
52 385011 (007000−007486 ) Fitting, E90 1
53 385013 (007000−007486 ) Hose, Mold [Epr To Mixer] 1
54 1041151 (007000−007486 ) Seal, Org, Sensor, Temp [Epr] 1
55 1041152 (007000−007486 ) Sensor, Temp [Epr 1
56 372492 (007000−007486 ) Sensor, Spd, Timing Wheel [3.0l] 1

STANDARD PARTS
2-85
800 Gas/LPG 330120 (2−11)

STANDARD PARTS
800 Gas/LPG 330120 (10−2013)
2-86
Fig. 39 − Engine EFI Group, LPG (007487− )
1
2
3
4
56
6
7
8
9
10
11
12
13
14
15
16
17
18
19
21
20
23
29
22
26
25
27
9
24
30
6
28
31 33
34
35
36
37
38
39 40
6
20
20
22
10
42
43
41
32
32
32
30
44

STANDARD PARTS
2-87
800 Gas/LPG 330120 (3−2015)
356227 − 800, LP
Fig. 39 − Engine EFI Group, LPG (007487− )
Ref. Part No. Serial Number Description Qty.
1 1062363 (007487− ) Module, Ecu, Lpg [Gm3.0L 2010] 1
2 385008 (007487− ) Bracket, Box, Relay 1
3 372470 (007487− ) Isolator, Box, Relay 2
4 25047 (007487− ) Screw, Hex, .25−20 X 1.25, G5 4
5 19315 (007487− ) Screw, Hex, .25−20 X 0.50, G5 2
6 32490 (007487− ) Washer, Flat, 0.25, Std 9
7 385016 (007487− ) Screw, Soc, M6 X 1.00 X 70 4
8 19312 (007487− ) Nut, Hex, Std, .25−20 2
9 371877 (007487− ) Washer, Flat, 0.38, Hardened 5
10 27980 (007487− ) Nut, Hex, Flng, .38−16 3
11 21197 (007487− ) Screw, Hex, .38−16 X 1.00, G5 5
12 371877 (007487− ) Washer, Flat, 0.38, Hardened 1
13 371509 (007487− ) Washer, Lock, 0.38 5
14 371875 (007487− ) Washer, Lock, Int / Ext, 0.38 1
15 9006589 (007487− ) Valve [Pc] 1
16 393984 (007487− ) Grommet 1
17 385001 (007487− ) Hose, Fuel, .38d, Rbr[16”L] 1
18 385002 (007487− ) Fitting, E90 1
19 9008803 (007487− ) Adapter, Valve, 400mm [Bosch] 1
20 87308 (007487− ) Screw, Hex, M6 X 1.00 X 12, 8.8 8
21 9008799 (007487− ) Shield, Heat [Gm3.0l 2010] 1
22 372466 (007487− ) Stud, .38−16 X 1.2l 2
23 385003 (007487− ) Gasket, Manifold, Intake 1
24 9008194 (007487− ) Manifold, Intake [Gm3.0l 2010] 1
25 10830 (007487− ) Screw, Soc, .38−16 X 1.00, Al 4
26 384985 (007487− ) Sensor [T Map] 1
27 19317 (007487− ) Screw, Hex, .25−20 X 0.75, G5 1
28 372579 (007487− ) Plug, Hole, Injector 4
29 1060653 (007487− ) Manifold, Exhaust [Gm3.0l] 1
30 9003391 (007487− ) Gasket Kit, Repair, Lpg [Gm1.6l 2007] 1
o31 9006618 (007487− ) Mixer , Lpg 1
Y9010634 (007487− ) Repair Kit, Mixer 1
32 32483 (007487− ) Washer, Flat, 0.25, Sae 8
33 385017 (007487− ) Screw, Soc, #12−24 X 1.50 4
34 384974 (007487− ) Housing, Throttle, 40mm [Bosch] 1
35 9008806 (007487− ) Regulator, Press, Electronic [Epr] 1
36 9008807 (007487− ) Fitting, Barb, 3/4” [Epr] 1
37 9007423 (007487− ) Nut,Flng,M05−0.8 4
38 9008808 (007487− ) Screw, Soc, M4 X 0.70 X 16 4
39 9008800 (007487− ) Shield, Heat [Gm3.0l 2010] 1
40 9008801 (007487− ) Shield, Heat [Gm3.0l 2010] 1
41 9008802 (007487− ) Shield, Heat, Alternator [Gm3.0l 10] 1
42 763025 (007487− ) Screw, Hex, M5 X 0.80 X 10, Fl 4
43 19065 (007487− ) Washer, Flat, 0.19b 0.44d .05, Pl, 08 4
44 372492 (007487− ) Sensor, Spd, Timing Wheel [3.0l] 1

STANDARD PARTS
800 Gas/LPG 330120 (10−2013)
2-88
Fig. 40 − Engine Vaporizer Group, LPG (007487− )
1
2
3
4
5
6
7
8
9
10
11
12
13
14
15
17
3
8
12
14
14
1
16
19
20
21
22
17
18
18

STANDARD PARTS
2-89
800 Gas/LPG 330120 (3−2015)
356228 − 800, LP
Fig. 40 − Engine Vaporizer Group, LPG (007487− )
Ref. Part No. Serial Number Description Qty.
1 385000 (007487− ) Fitting, Bshg 2
2 372472 (007487− ) Sensor, Temp 1
3 384979 (007487− ) Clamp, Hose, Spring, 0.62d 2
4 384971 (007487− ) Cover, Hose 1
5 9008809 (007487− ) Bracket, Mtg, Isolator [Gm3.0l 2010] 1
6 9008805 (007487− ) Isolator 3
7 9008193 (007487− ) Regulator 1
8 384978 (007487− ) Fitting Kit [Epr] 1
9 385015 (007487− ) Nut, Flng, M8 1
10 372529 (007487− ) Fitting, Nipple, .25mal 1
o11 9006620 (007487− ) Valve, Lock Off 1
Y9007380 (007487− ) Filter Kit, Fuelock,Lpg 1
12 372528 (007487− ) Hose, Mold, .62 To .75 2
13 63810 (007487− ) Clamp, Hose, Wormdrive, 0.56−1.06d, .56w 1
14 372539 (007487− ) Clamp, Hose, 1.0 3
15 385011 (007487− ) Fitting, E90 1
16 385013 (007487− ) Hose, Mold [Epr To Mixer] 1
17 87308 (007487− ) Screw, Hex, M6 X 1.00 X 12, 8.8 3
18 32483 (007487− ) Washer, Flat, 0.25, Sae 3
19 11442−1 (007487− ) Fitting, Hyd, E90, Spcl 1
20 9008804 (007487− ) Plate, Mtg [Epr] 1
21 21195 (007487− ) Screw, Hex, .38−16 X 0.75, G5 2
22 32485 (007487− ) Washer, Flat, 0.38, Sae 2

STANDARD PARTS
800 Gas/LPG 330120 (12−2003)
2-90
Fig. 41 − Engine Air Cleaner Group (004000−004936)
5
6
7
9
1
2
3
4
4
9
8
10 11
12
13
14

STANDARD PARTS
2-91
800 Gas/LPG 330120 (12−2003)
350700 − G, LP
Fig. 41 − Engine Air Cleaner Group (004000−004936)
Ref. Part No. Serial Number Description Qty.
o 1 48014 (004000−004936 ) Cleaner, Air Al Se 1
Y 2 60934 (004000−004936 ) Element, Air Cleaner 1
Y 3 60933 (004000−004936 ) Element, Filter Safety 1
Y 4 07562 (004000−004936 ) Nut,Wing .44−20 Special 2
5 76321 (004000−004936 ) Band,Mtg. 2
6 03026 (004000−004936 ) Indicator Service Air Filter 1
7 75666 (004000−004936 ) Filter, Pre−Cleaner, A/C 1
8 380592 (004000−004936 ) Hose, Molded 1
9 43555 (004000−004936 ) Clamp−Wormdrive, 1.62− 3.50D 2
10 380591 (004000−004936 ) Grommet, Rbr, 3.75Id F/ 4.0H . 1
11 54527 (004000−004936 ) Ring, Rubber 4
12 54528 (004000−004936 ) Bushing, Rubber 4
13 45177 (004000−004936 ) Sleeve 4
14 41178 (004000−004936 ) Washer, Fender 4

STANDARD PARTS
800 Gas/LPG 330120 (12−2003)
2-92
Fig. 42 − Engine Air Cleaner Group (004937−005999)
5
6
7
9
1
2
3
4
4
9
8
10 11
1213
14
9
17
19
18
16
15
19

STANDARD PARTS
2-93
800 Gas/LPG 330120 (12−2003)
353868 − G, LP
Fig. 42 − Engine Air Cleaner Group (004937−005999)
Ref. Part No. Serial Number Description Qty.
o 1 48014 (004937−005999 ) Cleaner, Air Al Se 1
Y 2 60934 (004937−005999 ) Element, Air Cleaner 1
Y 3 60933 (004937−005999 ) Element, Filter Safety 1
Y 4 07562 (004937−005999 ) Nut,Wing .44−20 Special 2
5 76321 (004937−005999 ) Band,Mtg. 2
6 03026 (004937−005999 ) Indicator Service Air Filter 1
7 75666 (004937−005999 ) Filter, Pre−Cleaner, A/C 1
8 393208 (004937−005999 ) Hose, Molded 1
9 43555 (004937−005999 ) Clamp−Wormdrive, 1.62− 3.50D 4
10 380591 (004937−005999 ) Grommet, Rbr, 3.75Id F/ 4.0H . 1
11 54527 (004937−005999 ) Ring, Rubber 4
12 54528 (004937−005999 ) Bushing, Rubber 4
13 45177 (004937−005999 ) Sleeve 4
14 41178 (004937−005999 ) Washer, Fender 4
15 393207 (004937−005999 ) Tube Wldt, Intake, 2.0d .38npt 1
16 393205 (004937−005999 ) Tube, Intake, 2.0d 04.0l 1
17 51839 (004937−005999 ) Fitting, Brs, E90, Em10/Pm06 1
18 72978 (004937−005999 ) Hose, Heater, 0.62id 13.0l 1
19 63810 (004937−005999 ) Clamp, Hose, Wormdrive, 0.56−1.06d 2

STANDARD PARTS
800 Gas/LPG 330120 (3−2007)
2-94
Fig. 43 − Engine Air Cleaner Group, Gas (006000−006999)
2
3
4
5
6
7
8
9
10
1
11
12
13
14
15
16
17
18
19
4
17
17
19
22
20
21

STANDARD PARTS
2-95
800 Gas/LPG 330120 (3−2007)
354176 − G
Fig. 43 − Engine Air Cleaner Group, Gas (006000−006999)
Ref. Part No. Serial Number Description Qty.
o 1 48014 (006000−006999 ) Cleaner, Air Al Se 1
Y 2 60934 (006000−006999 ) Element, Air Cleaner 1
Y 3 60933 (006000−006999 ) Element, Filter Safety 1
Y 4 07562 (006000−006999 ) Nut,Wing .44−20 Special 2
5 76321 (006000−006999 ) Band,Mtg. 2
6 03026 (006000−006999 ) Indicator Service Air Filter 1
7 75666 (006000−006999 ) Filter, Pre−Cleaner, A/C 1
8 393208 (006000−006999 ) Hose, Molded 1
9 43555 (006000−006999 ) Clamp−Wormdrive, 1.62− 3.50D 1
10 380591 (006000−006999 ) Grommet, Rbr, 3.75Id F/ 4.0H . 1
11 54527 (006000−006999 ) Ring, Rubber 4
12 54528 (006000−006999 ) Bushing, Rubber 4
13 45177 (006000−006999 ) Sleeve 4
14 41178 (006000−006999 ) Washer, Fender 4
15 1011780 (006000−006999 ) Tube Wldt, Tee 1
16 15543 (006000−006999 ) Hose, Rbr, 2.00id 2.50od 03.0l 1
17 83584 (006000−006999 ) Clamp, Hose, Wormdrive, 1.31−3.25d 1
18 13124 (006000−006999 ) Hose, Heater, 0.62id 18.0l 1
19 1011899 (006000−006999 ) Clamp, Hose, Spring Stl, 0.86d X 0.38w 2
20 06944 (006000−006999 ) Screw, Hex, M6 X 1.0 X 25, 8.8 1
21 32490 (006000−006999 ) Washer, Flat, 0.25 Std 1
22 08708 (006000−006999 ) Nut, Hex, Lock, M6 X 1.0, Nl 1

STANDARD PARTS
800 Gas/LPG 330120 (3−2007)
2-96
Fig. 44 − Engine Air Cleaner Group, Gas (007000− )
2
3
6
7
8
9
10
1
11
12
13
14
15
16
18
4
17
18
19
20
21
18
20
5

STANDARD PARTS
2-97
800 Gas/LPG 330120 (10−2014)
354176 − G
Fig. 44 − Engine Air Cleaner Group, Gas (007000− )
Ref. Part No. Serial Number Description Qty.
o 1 1013344 (007000− ) Filter Assy, Air, 3.0 Inlet 1
Y 2 372652 (007000− ) Element, Fltr, Air [Dn] 1
Y 3 372651 (007000− ) Element, Fltr, Air 1
4 1012754 (007000−008088 ) Bracket, Stand−Off, Fltr, Air 2
4 1073802 (008089− ) Bracket, Stand−Off, Fltr, Air [800 B/Gr] 2
5 1013366 (007000− ) Strap, Mtg, Fltr, Air, 7.17id 2
6 03026 (007000− ) Indicator, Service, Fltr, Air [20h20 Dn] 1
7 75666 (007000− ) Filter, Air, Pre−Cln, A/C 1
8 393208 (007000− ) Hose, Intake, Mold, Rwk 380592 1
9 1067656 (007000− ) Clamp, Hose, Wormdrive, 3.25−4.00d, .50w 1
10 380591 (007000− ) Grommet, Rbr, 3.25id, F/3.5h, .06 Matl 1
11 51560−5 (007000− ) Fitting, Brs, Str, Pm02, Service 1
12 06949 (007000− ) Screw, Hex, M6 X 1.0 X 50, 8.8 2
13 19066 (007000− ) Washer, Flat, #10 2
14 07791 (007000− ) Nut, Hex, Flng, M8 X 1.25 2
15 08709 (007000− ) Nut, Hex, Lock, M8 X 1.25, Nl 2
16 32491 (007000− ) Washer, Flat, 0.31, Std 2
17 1011780 (007000− ) Tube Wldt, Tee 1
18 83584 (007000− ) Clamp, Hose, Wormdrive, 2.25−3.25d, .50w 3
19 393373 (007000− ) Hose, Heater, 0.62id, 024.0l 1
20 1011899 (007000− ) Clamp, Hose, Spring Stl, 0.86d X 0.38w 2
21 76825 (007000− ) Hose, Rbr, E90, 2.00id 2.00id 03.5 03.5 1

STANDARD PARTS
800 Gas/LPG 330120 (3−2007)
2-98
Fig. 45 − Engine Air Cleaner Group, LPG (006000−006999)
2
3
4
5
6
7
8
9
10
1
11
1
2
13
1
4
15
16
19
18
17
4
17
9
17
22
20
21

STANDARD PARTS
2-99
800 Gas/LPG 330120 (3−2007)
353868 − LP
Fig. 45 − Engine Air Cleaner Group, LPG (006000−006999)
Ref. Part No. Serial Number Description Qty.
o 1 48014 (006000−006999 ) Cleaner, Air Al Se 1
Y 2 60934 (006000−006999 ) Element, Air Cleaner 1
Y 3 60933 (006000−006999 ) Element, Filter Safety 1
Y 4 07562 (006000−006999 ) Nut,Wing .44−20 Special 2
5 76321 (006000−006999 ) Band,Mtg. 2
6 03026 (006000−006999 ) Indicator Service Air Filter 1
7 75666 (006000−006999 ) Filter, Pre−Cleaner, A/C 1
8 1011702 (006000−006999 ) Hose, Molded 1
9 43555 (006000−006999 ) Clamp−Wormdrive, 1.62− 3.50D 1
10 380591 (006000−006999 ) Grommet, Rbr, 3.75Id F/ 4.0H . 1
11 54527 (006000−006999 ) Ring, Rubber 4
12 54528 (006000−006999 ) Bushing, Rubber 4
13 45177 (006000−006999 ) Sleeve 4
14 41178 (006000−006999 ) Washer, Fender 4
15 1011780 (006000−006999 ) Tube Wldt, Tee 1
16 15543 (006000−006999 ) Hose, Rbr, 2.00id 2.50od 03.0l 1
17 83584 (006000−006999 ) Clamp, Hose, Wormdrive, 1.31−3.25d, .50w 3
18 393373 (006000−006999 ) Hose, Heater, 0.62id 24.0l 1
19 1011899 (006000−006999 ) Clamp, Hose, Spring Stl, 0.86d X 0.38w 2
20 06944 (006000−006999 ) Screw, Hex, M6 X 1.0 X 25, 8.8 1
21 32490 (006000−006999 ) Washer, Flat, 0.25 Std 1
22 08708 (006000−006999 ) Nut, Hex, Lock, M6 X 1.0, Nl 1

STANDARD PARTS
800 Gas/LPG 330120 (2−2011)
2-100
Fig. 46 − Engine Air Cleaner Group, LPG (007000− )
21
1
2
3
4
5
6
7
8
9
10
11
12
13
14
15
16
17
18
18
19 20
18
20 22

STANDARD PARTS
2-101
800 Gas/LPG 330120 (10−2014)
353868 − LP
Fig. 46 − Engine Air Cleaner Group, LPG (007000− )
Ref. Part No. Serial Number Description Qty.
o 1 1013344 (007000− ) Filter Assy, Air, 3.0 Inlet 1
Y 2 372652 (007000− ) Element, Fltr, Air [Dn] 1
Y 3 372651 (007000− ) Element, Fltr, Air 1
4 1012754 (007000−008088 ) Bracket, Stand−Off, Fltr, Air 2
4 1073802 (008089− ) Bracket, Stand−Off, Fltr, Air [800 B/Gr] 2
5 1013366 (007000− ) Strap, Mtg, Fltr, Air, 7.17id 2
6 03026 (007000− ) Indicator, Service, Fltr, Air [20h20 Dn] 1
7 75666 (007000− ) Filter, Air, Pre−Cln, A/C 1
8 1011702 (007000− ) Hose, Intake, Mold, 3.00id 2.00id [Epdm] 1
9 1067656 (007000− ) Clamp, Hose, Wormdrive, 3.25−4.00d, .50w 1
10 380591 (007000− ) Grommet, Rbr, 3.25id, F/3.5h, .06 Matl 1
11 51560−5 (007000− ) Fitting, Brs, Str, Pm02, Service 1
12 06949 (007000− ) Screw, Hex, M6 X 1.0 X 50, 8.8 2
13 19066 (007000− ) Washer, Flat, #10 2
14 07791 (007000− ) Nut, Hex, Flng, M8 X 1.25 2
15 08709 (007000− ) Nut, Hex, Lock, M8 X 1.25, Nl 2
16 32491 (007000− ) Washer, Flat, 0.31, Std 2
17 1011780 (007000− ) Tube Wldt, Tee 1
18 83584 (007000− ) Clamp, Hose, Wormdrive, 2.25−3.25d, .50w 3
19 393373 (007000− ) Hose, Heater, 0.62id, 024.0l 1
20 1011899 (007000− ) Clamp, Hose, Spring Stl, 0.86d X 0.38w 2
21 1032032 (007000−007486 ) Hose, Intake, Mold, 2.00id [Epdm] 1
22 1062545 (007487− ) Hose, Intake, Mold, 2.0id X 2.26id[Epdm] 1

STANDARD PARTS
800 Gas/LPG 330120 (12−2003)
2-102
Fig. 47 − Engine Muffler Group (004000−004936)
2
3
7
4
85
6
1

STANDARD PARTS
2-103
800 Gas/LPG 330120 (12−2003)
07721 − G, LP, NA
Fig. 47 − Engine Muffler Group (004000−004936)
Ref. Part No. Serial Number Description Qty.
1 21138 (004000−004936 ) Bracket, Tail Pipe 1
2 70631 (004000−004936 ) Pipe Wldt, Exhaust, Gas/Lpg 1
3 76383 (004000−004936 ) Muffler, Exhaust 1
4 05881 (004000−004936 ) Clamp−Muffler,For 2.00 Od Tube 1
5 82661 (004000−004936 ) Isolator−Vibration .25−20 2
6 21136 (004000−004936 ) Bracket, Tail Pipe 1
7 70832 (004000−004936 ) Screen, Muffler 1
8 05880 (004000−004936 ) Clamp−Muffler,For 1.87 Od Tube 1

STANDARD PARTS
800 Gas/LPG 330120 (12−2003)
2-104
Fig. 48 − Engine Muffler Group, Catalytic (004937−005999)
2
3
4
5
6
7
8
9
10
1
11
4

STANDARD PARTS
2-105
800 Gas/LPG 330120 (12−2003)
353873 − G, LP, NA
Fig. 48 − Engine Muffler Group, Catalytic (004937−005999)
Ref. Part No. Serial Number Description Qty.
1 21138 (004937−005999 ) Bracket, Tail Pipe 1
2 393253 (004937−005999 ) Tube, Exhaust, 2.0d [Gm3.0] [800/810] 1
3 76383 (004937−005999 ) Muffler, Exhaust 1
4 05881 (004937−005999 ) Clamp−Muffler,For 2.00 Od Tube 2
5 82661 (004937−005999 ) Isolator−Vibration .25−20 2
6 21136 (004937−005999 ) Bracket, Tail Pipe 1
7 70832 (004937−005999 ) Screen, Muffler 1
8 05880 (004937−005999 ) Clamp−Muffler,For 1.87 Od Tube 1
9 371573 (004937−005999 ) Gasket 1
10 25014 (004937−005999 ) Nut, Hex, Std, .38−16 2
11 393252 (004937−005999 ) Tube, Exhaust, 2.0d [Gm3.0] [800/810] 1

STANDARD PARTS
800 Gas/LPG 330120 (3−2007)
2-106
Fig. 49 − Engine Muffler Group, Catalytic (006000−006999)
2
3
4
5
6
7
8
9
10
1
11
12
13
14
15
16 17
18
19
20
21
22
23
24
25
26
15
14
10
25
10
25
4

STANDARD PARTS
2-107
800 Gas/LPG 330120 (3−2007)
353873 − G, LP, NA
Fig. 49 − Engine Muffler Group, Catalytic (006000−006999)
Ref. Part No. Serial Number Description Qty.
1 21138 (006000−006999 ) Bracket, Tail Pipe 1
2 1011944 (006000−006999 ) Tube, Exhaust, 2.0d [Gm3.0] [800/810] 1
3 1011259 (006000−006999 ) Muffler, Catalytic [Gm 1.6/3.0] 1
4 24012 (006000−006999 ) Clamp, Muffler, 1.62d 2
5 1013588 (006000−006999 ) Isolator, Vib, Ring, 1.0d .25−20/.25−20 2
6 1012012 (006000−006999 ) Bracket, Tailpipe 1
7 1011216 (006000−006999 ) Gasket, Exhaust, 2 Hole, 3.4bc 1
8 1011959 (006000−006999 ) Tube, Exhaust, Rear 1
9 371573 (006000−006999 ) Gasket 1
10 25014 (006000−006999 ) Nut, Hex, Std, .38−16 4
11 1012990 (006000−006999 ) Bracket, Mtg, Heat Shield 1
12 1012999 (006000−006999 ) Shield, Heat 1
13 16735 (006000−006999 ) Screw, Hex, M8 X 1.25 X 16, 8.8 2
14 19312 (006000−006999 ) Nut, Hex, Std, .25−20 4
15 32982 (006000−006999 ) Washer, Lock, Int, 0.25 4
16 16931 (006000−006999 ) Screw, Hex, M8 X 1.25 X 20, 8.8 2
17 32491 (006000−006999 ) Washer, Flat, 0.31 Std 2
18 1013116 (006000−006999 ) Bracket, Isolator 1
19 1013031 (006000−006999 ) Isolator, Rubber 1
20 1013117 (006000−006999 ) Rod, Hanger, Isolator 1
21 1013113 (006000−006999 ) Bracket, Mtg, Isolator 1
22 03192 (006000−006999 ) Screw, Hex, M10 X 1.5 X 30, 8.8 2
23 08166 (006000−006999 ) Nut, Hex, Stover, M10 X 1.5 3
24 06962 (006000−006999 ) Screw, Hex, M10 X 1.5 X 45, 8.8 1
25 32492 (006000−006999 ) Washer, Flat, 0.38 Std 3
26 372491 (006000−006999 ) Sensor, Oxygen 1

STANDARD PARTS
800 Gas/LPG 330120 (7−2010)
2-108
Fig. 50 − Engine Muffler Group, Catalytic (007000− )
2
26
4
5
6
78
1
17
9
11
12
23
14 9
13 3
18
19
20
21
22
21
19
19
15
27
10
13
25 10
24
16
24
25
22
3
29
28

STANDARD PARTS
2-109
800 Gas/LPG 330120 (2−2011)
353873 − G, LP, NA
Fig. 50 − Engine Muffler Group, Catalytic (007000− )
Ref. Part No. Serial Number Description Qty.
1 1032083 (007000− ) Tube, Exhaust, Lower, [800/810, 2007] 1
2 76570 (007000− ) Screw, Hex, M8 X 1.25 X 30, 8.8 3
3 32491 (007000− ) Washer, Flat, 0.31, Std 5
4 1060286 (007000− ) Gasket, Flng, Exhaust [Gm3.0l] 1
5 1030502 (007000− ) Bracket, Tailpipe [800/810 2007] 1
6 1030501 (007000− ) Bracket, Tailpipe [800/810 2007] 1
7 1029996 (007000− ) Tube, Exhaust, Rear [Gm3.0l 800/810 07] 1
8 82661 (007000− ) Isolator, Vib, Ring, 1.0d .25−20/.25−20 2
9 19312 (007000− ) Nut, Hex, Std, .25−20 4
10 32982 (007000− ) Washer, Lock, Int, 0.25 4
11 24012 (007000− ) Clamp, Muffler, 1.62d 1
12 1028836 (007000− ) Shield, Heat 1
13 16931 (007000− ) Screw, Hex, M8 X 1.25 X 20, 8.8 4
14 1028835 (007000− ) Bracket, Mtg, Heat Shield 1
15 1030122 (007000− ) Link, 0.18, 1.5w 03.6l, 1/0.4h 1/0.3h 1
16 1030134 (007000− ) Bracket, Mtg, Isolator [800/810 07] 1
17 1013031 (007000− ) Isolator, Rbr 1
18 06962 (007000− ) Screw, Hex, M10 X 1.5 X 45, 8.8 1
19 08166 (007000− ) Nut, Hex, M10 X 1.50 [Stover] 5
20 1032142 (007000− ) Rod, Hanger, Isolator 1
21 32492 (007000− ) Washer, Flat, 0.38, Std 2
22 25014 (007000− ) Nut, Hex, Std, .38−16 2
23 1030533 (007000−007486 ) Muffler, Catalytic [Gm 3.0l 2007] 1
23 1062668 (007487− ) Muffler, Catalytic [Gm 3.0l 2010] 1
24 1011216 (007000− ) Gasket, Exhaust, 2hole, 3.4bc 2
25 39284 (007000− ) Screw, Hex, M10 X 1.5 X 35, 8.8 4
26 1028558 (007000− ) Sensor, Exhaust, Tailpipe 1
27 1028559 (007000−007486 ) Sensor, Oxygen [Gm 1.6l/3.0l 2007] 1
27 1028558 (007487− ) Sensor, Oxygen [Gm 1.6l/3.0l 2007] 1
28 1038293 (007000− ) Tube, Tailpipe 1
29 01706 (007000− ) Screw, Hex, #08−32 X 0.38, Tcut 1

STANDARD PARTS
800 Gas/LPG 330120 (12−2003)
2-110
Fig. 51 − Engine Fuel Tank Group, Gas (004000−004936)
1
2
3
4
6
7
8
9
10 11
12
13
14
15
16
17
17
5

STANDARD PARTS
2-111
800 Gas/LPG 330120 (12−2003)
10622 − G
Fig. 51 − Engine Fuel Tank Group, Gas (004000−004936)
Ref. Part No. Serial Number Description Qty.
o 1 76907 (004000−004936 ) Tank, Fuel 1
Y 2 48267 (004000−004936 ) Cap, Fuel 1
Y 3 21731 (004000−004936 ) Send Unit 1
Y 4 21732 (004000−004936 ) Gasket, 2.7D 1.5B.12T 5/ 2.1Bc 1
5 87396 (004000−004936 ) Strap Weldmt, Gas Tank 2
6 70477 (004000−004936 ) Plate, Mounting, Tank, Gas 1
7 78043 (004000−004936 ) Fitting−Brs Str 1
8 77558 (004000−004936 ) Fuelline, .312 Od 1
9 36050 (004000−004936 ) Filter, Fuel 1
10 59015 (004000−004936 ) Pump, Fuel 1
11 75854 (004000−004936 ) Bracket, Pump, Fuel 1
12 40585 (004000−004936 ) Ftg−Brs Str If05/Pm02 1
13 83644 (004000−004936 ) Fuelline, .312 Od 1
14 25610 (004000−004936 ) Ftg−Brs If05/If05 1
15 83643 (004000−004936 ) Tube Assy, Fuel .31Od 1
16 70173 (004000−004936 ) Hose, Fuelline, 10.0L 1
17 76736 (004000−004936 ) Clamp−Cable, 0.38Dia 0.62Wth 2

STANDARD PARTS
800 Gas/LPG 330120 (12−2003)
2-112
Fig. 52 − Engine Fuel Tank Group, Gas (004937−005999)
2
3
4
5
6
7
8
9
10
1
11
12
13
14
15
16
17
18
19
20
21
22
23
24
25
26
27 8
8
8
8
9
19 20

STANDARD PARTS
2-113
800 Gas/LPG 330120 (10−2013)
353871 − 800, G
Fig. 52 − Engine Fuel Tank Group, Gas (004937−005999)
Ref. Part No. Serial Number Description Qty.
o 1 76907 (004937−005999 ) Tank, Fuel, 14 Gas 14.7 13.0 19.0l 1
Y 2 48267 (004937−005999 ) Cap, Tank, Fuel, 2.3neck 2.6d 1
Y 3 21731 (004937−005999 ) Send−Unit 1
Y 4 21732 (004937−005999 ) Gasket, Send−Unit 1
5 87396 (004937−005999 ) Strap Wldt, Tank, .06th X 1.0w, 37.7l 2
6 70477 (004937−005999 ) Plate, Mtg, Tank, Gas 1
7 392629 (004937−005999 ) Fitting, Brs, Str, Bm05/Pm04 1
8 43844 (004937−005999 ) Clamp, Hose, Wormdrive, 0.25−0.62d 5
9 82509 (004937−005999 ) Hose, Fuel, 0.31id 11.0l 2
10 86328 (004937−005999 ) Clamp, Cable, Stl, 1.50d X 0.75w, 1h 1
11 371662 (004937−005999 ) Filter, Fuel 1
12 70767 (004937−005999 ) Bracket, Mtg, Fuelline 1
13 82510 (004937−005999 ) Hose, Fuel, 0.31id 14.0l 1
14 53029 (004937−005999 ) Fitting, Brs, E90, Em05/Pm02 1
15 371661 (004937−005999 ) Pump, Fuel, Gas 1
16 40585 (004937−005999 ) Fitting, Brs, Str, If05/Pm02 1
17 392594 (004937−005999 ) Fuelline, .31d 05if/05if 1
18 392593 (004937−005999 ) Fuelline, .31d 05if/05f 1
19 76736 (004937−005999 ) Clamp, Cable, Stl, 0.38d X 0.62w, 1h 4
20 25610 (004937−005999 ) Fitting, Brs, Str, If05/If05 3
21 75854 (004937−005999 ) Bracket, Pump, Fuel 1
22 392597 (004937−005999 ) Fuelline, .31d 05if/05if 1
23 15555−1 (004937−005999 ) Fitting, Brs, E90, If05/Pm02 1
24 393200 (004937−005999 ) Fuelline, .31d 05if/05if 1
25 392649 (004937−005999 ) Fuelline, .31d 05if/Bea 1
26 70173 (004937−005999 ) Hose, 0050, 04, Im05str /If05str , 10.0 1
27 41016 (004937−005999 ) Clamp, Cable, Stl, 2.25d X 1.0w, 1h 1

STANDARD PARTS
800 Gas/LPG 330120 (3−2007)
2-114
Fig. 53 − Engine Fuel Tank Group, Gas (006000−006999)
2
3
4
5
6
7
8
9
10
1
11
12
13
14
15
16
17
18
19
20
21
22
23
24
25 26
8
28
29
30
31
32
33
34
35
36
27
8
19
19
19
10

STANDARD PARTS
2-115
800 Gas/LPG 330120 (10−2013)
353871 − 800, G
Fig. 53 − Engine Fuel Tank Group, Gas (006000−006999)
Ref. Part No. Serial Number Description Qty.
o 1 1012110 (006000−006999 ) Tank, Fuel, 14 Gas 14.7 13.0 19.0 1
Y 2 48267 (006000−006999 ) Cap, Tank, Fuel, 2.3neck 2.6d 1
Y 3 21731 (006000−006999 ) Send−Unit, Fuel, Ohm 1
Y 4 21732 (006000−006999 ) Gasket, Sender, Fuel 1
5 87396 (006000−006999 ) Strap Wldt, Tank, .06th X 1.0w, 37.7l 2
6 70477 (006000−006999 ) Plate, Mtg, Tank, Gas 1
7 392629 (006000−006999 ) Fitting, Brs, Str, Pm04/Bm05 1
8 43844 (006000−006999 ) Clamp, Hose, Wormdrive, 0.25−0.62d 3
9 83591 (006000−006999 ) Hose, Fuel, 0.31id 16.0l 1
10 1011895 (006000−006999 ) Clamp, Cable, Stl, 2.00d X 0.75w, 1h 2
11 372440 (006000−006999 ) Fuel, Fltr [Gm 1.6l/3.0l] 1
12 1008988 (006000−006999 ) Bracket, Fltr, Fuel 1
13 1012250 (006000−006999 ) Fuelline, .31d Str/E90, Plstc 1
14 27048 (006000−006999 ) Fitting, Brs, E90, Pm04/Pf04 1
15 9006592 (006000−006999 ) Pump, Fuel 1
16 1012469 (006000−006999 ) Fuelline, .31d 05if/05jf Stl 1
17 1011943 (006000−006999 ) Fuelline, .31d 05if/Qm Stl 1
18 1011942 (006000−006999 ) Fuelline, .38d 06if/Bea Stl 1
19 76736 (006000−006999 ) Clamp, Cable, Stl, 0.38d X 0.62w, 1h 4
20 25610 (006000−006999 ) Fitting, Brs, Str, If05/If05 1
21 1012018 (006000−006999 ) Bracket, Pump, Fuel 1
22 1011941 (006000−006999 ) Fuelline, .38d 06if/06if Stl 1
23 54140 (006000−006999 ) Fitting, Brs, E90, If06/Pm04 1
24 392598 (006000−006999 ) Fitting, Brs, Str, If06/If06 1
25 1012248 (006000−006999 ) Fuelline, .31d Str/Str, Plstc 1
26 1013030 (006000−006999 ) Hose, Fuel, Jf06e90, 20.3l 1
27 32980 (006000−006999 ) Washer, Lock, Int, #10 1
28 09570 (006000−006999 ) Clamp, Cable, Stl, 0.9x1.8x0.62w, 1h 1
29 70173 (006000−006999 ) Hose, 0050, 04, Im05str /If05str , 10.0 1
30 1012677 (006000−006999 ) Fitting, Hyd, Str, Jm05/Om06 1
31 56690 (006000−006999 ) Fitting, Hyd, Str, Jm06/Om06 1
32 1013086 (006000−006999 ) Connector, Fuel, Qf 1
33 1014595 (006000−006999 ) Adaptor, Fuelline 1
34 42368 (006000−006999 ) Nut, Hex, Std, M4 X 0.7, 8 1
35 32978 (006000−006999 ) Washer, Lock, Int, #08 1
36 50335 (006000−006999 ) Nut, Hex, Std, M5 X 0.8, 8 1

STANDARD PARTS
800 Gas/LPG 330120 (3−2007)
2-116
Fig. 54 − Engine Fuel Tank Group, Gas (007000− )
2
3
4
9
6
5
29
1
14
20
18
7
10
20
22
16
26
11
23
12
24
22
31
21
19
26
21
8
25
13
30
28
8
15 17
22
5
17
22
16
8
15
27
32

STANDARD PARTS
2-117
800 Gas/LPG 330120 (7−2010)
353871 − 800, G
Fig. 54 − Engine Fuel Tank Group, Gas (007000− )
Ref. Part No. Serial Number Description Qty.
o 1 1029502 (007000− ) Tank, Fuel, 14.0gal, 14.66w 13.0hi 19.0l 1
Y 2 1033897 (007000− ) Gasket, Sender, Fuel 1
Y 3 1033899 (007000− ) Send−Unit, Fuel [800/810 2007] 1
Y 4 1032812 (007000− ) Cap, Fuel, Tank 1
5 1033746 (007000− ) Hose, Fuel, 0.31id [Evap Emission 07] 2
6 70477 (007000− ) Plate, Mtg, Tank, Gas 1
7 16931 (007000− ) Screw, Hex, M8 X 1.25 X 20, 8.8 4
8 32491 (007000− ) Washer, Flat, 0.31, Std 6
9 87396 (007000− ) Strap Wldt, Tank, 0.06 1.0w 37.7l 2
10 32483 (007000− ) Washer, Flat, 0.25, Sae 4
11 32981 (007000− ) Nut, Hex, Lock, .25−20, Nl 4
12 1030485 (007000− ) Fuelline, .31d E90, 05/06, Plstc 1
13 1013509 (007000− ) Fuelline, .31d Str/Str, Plstc [8200] 1
14 1034676 (007000− ) Fuelline, .31d Str/Str,Plstc[M20/T20 07] 1
15 1011895 (007000− ) Clamp, Cable, Stl, 2.00d X 0.75w, 1hole 1
16 16931 (007000− ) Screw, Hex, M8 X 1.25 X 20, 8.8 1
17 392629 (007000− ) Fitting, Brs, Str, Bm05/Pm04 2
18 06949 (007000− ) Screw, Hex, M6 X 1.0 X 50, 8.8 2
19 32490 (007000− ) Washer, Flat, 0.25, Std 2
20 9000355 (007000− ) Fitting, Brs, E90, Em05/Pm04 2
21 1019939 (007000− ) Connector, Fuel, E90, Qf 1
22 43844 (007000− ) Clamp, Hose, Wormdrive, 0.25−0.62d, .31w 4
23 372440 (007000− ) Filter, Fuel [Gm 1.6l/3.0l] 1
24 9006592 (007000− ) Pump, Fuel 1
25 1028924 (007000− ) Manifold, Gas, Relief, Valve 1
26 1029293 (007000− ) Fitting, Fuel, Str, 0.56−18 [07 Eng] 2
27 1029295 (007000− ) Fitting, Fuel, Str, 0.38−24 [07 Eng] 1
28 32980 (007000− ) Washer, Lock, Int, #10 1
29 42368 (007000− ) Nut, Hex, Std, M4 X 0.70, 8 1
30 32978 (007000− ) Washer, Lock, Int, #08 1
31 50335 (007000− ) Nut, Hex, Std, M5 X 0.80, 8 1
32 385009 (007000− ) Harness, Eng 1

STANDARD PARTS
800 Gas/LPG 330120 (12−2003)
2-118
Fig. 55 − Engine Fuel Tank Group, LPG (004000−004936)
2
3
4
56
7
8
912
1
11
12
13
14
15
16
17
18
19
10

STANDARD PARTS
2-119
800 Gas/LPG 330120 (12−2003)
07648 − LP, NA
Fig. 55 − Engine Fuel Tank Group, LPG (004000−004936)
Ref. Part No. Serial Number Description Qty.
1 70718 (004000−004936 ) Plate, Mtg 1
2 70719 (004000−004936 ) Angle, Mtg 1
3 70435 (004000−004936 ) Bracket Wldt, Tank, Lpg 1
4 58589 (004000−004936 ) Strap, Mtg.− Lp Tank 1
5 58590 (004000−004936 ) Strap, Tank Retainer − Lp 1
6 57297 (004000−004936 ) Strap, Hinge − Lp Tank Mtg 1
o 7 53400−1 (004000−004936 ) Latch Assy, Lpg Tank Mtg,W/Nut 1
Y 8 53400−4 (004000−004936 ) Nut, Adjustable, Lpg Tank Mtg 1
9 26496 (004000−004936 ) Coupling,Quickdisc, Lpg, Shwd 1
10 74089 (004000−004936 ) Plate Wldt. 1
11 22308−3 (004000−004936 ) Hose, Lpg, 4Lpg X 35.0Lg 1
12 47720 (004000−004936 ) Ftg−Hyd E45 Pm04/Pf04 2
13 56976A (004000−004936 ) Ftg−Tee Npt 04Pm− 04Pf− 04Pf 1
14 78122 (004000−004936 ) Ftg,Bulkhead .25Npt Wh W21204 1
15 27048 (004000−004936 ) Ftg−El90 Npt/Npt 04Pf/04Pm 1
16 24047 (004000−004936 ) Valve, Press Relief, Lpg Rego 1
17 11442−23 (004000−004936 ) Ftg−Str Npt/Npt S04Pf−04Pm 1
18 374158 (004000−004936 ) Hose, Lpg, 4Lpg X 40.0Lg 1
19 24928−1 (004000−004936 ) Tank−Lp, 33#,Liq,Both,Fill Ga 1

STANDARD PARTS
800 Gas/LPG 330120 (12−2003)
2-120
Fig. 56 − Engine Fuel Tank Group, LPG (004937−005999)
2
3
4
5
6
7
8
9
12
1
24
20
13
14
15
16
17
18
28
10
12
22
21
19
23
27
26
23
25
11
13

STANDARD PARTS
2-121
800 Gas/LPG 330120 (3−2005)
353872 − LP, NA
Fig. 56 − Engine Fuel Tank Group, LPG (004937−005999)
Ref. Part No. Serial Number Description Qty.
1 70718 (004937−005999 ) Plate, Mtg 1
2 70719 (004937−005999 ) Angle, Mtg 1
3 70435 (004937−005999 ) Bracket Wldt, Tank, Lpg 1
4 58589 (004937−005999 ) Strap, Mtg.− Lp Tank 1
5 58590 (004937−005999 ) Strap, Tank Retainer − Lp 1
6 57297 (004937−005999 ) Strap, Hinge − Lp Tank Mtg 1
o 7 53400−1 (004937−005999 ) Latch Assy, Lpg Tank Mtg,W/Nut 1
Y 8 53400−4 (004937−005999 ) Nut, Adjustable, Lpg Tank Mtg 1
9 26496 (004937−005999 ) Coupling,Quickdisc, Lpg, Shwd 1
10 74089 (004937−005999 ) Plate Wldt. 1
11 22308−3 (004937−005999 ) Hose, Lpg, 4Lpg X 35.0Lg 1
12 47720 (004937−005999 ) Ftg−Hyd E45 Pm04/Pf04 2
13 56976A (004937−005999 ) Ftg−Tee Npt 04Pm− 04Pf− 04Pf 2
14 78122 (004937−005999 ) Ftg,Bulkhead .25Npt Wh W21204 1
15 27048 (004937−005999 ) Ftg−El90 Npt/Npt 04Pf/04Pm 1
16 24047 (004937−005999 ) Valve, Press Relief, Lpg Rego 1
17 11442−23 (004937−005999 ) Ftg−Str Npt/Npt S04Pf−04Pm 1
18 22324 (004937−005999 ) Hose, Lpg, Med05, Pm04str/Sm04str, 31.0l 1
19 11442−1 (004937−005999 ) Fitting, Hyd, E90, Swivel Pf04/Pm04 1
o20 53395−2 (004937−005999 ) Filter, Fuelock, [Ballwin#4−2384b] 1
Y 48282 (004937−005999 ) Kit, Repair, Fuelock, Mv 310−6 1
21 12316 (004937−005999 ) Screw, Hex, M05 X 0.8 X 25, Ss 2
22 386063 (004937−005999 ) Washer, 0.25b 1.12d .12, Ss 2
23 47720 (004937−005999 ) Fitting, Hyd, E45, Pm04/Pf04 2
24 62865 (004937−005999 ) Hose, Lpg, Med05, Pm04str/Sm04str, 67.0l 1
25 50335 (004937−005999 ) Nut, Hex, Std, M05 X 0.8 2
26 17414 (004937−005999 ) Fitting, Pipe, Str, Pm04/Pf02 1
27 23156 (004937−005999 ) Switch, Press, 12vdc 08a Spst Nc 0070psi 1
28 24928−1 (004937−005999 ) Tank−Lp, 33#,Liq,Both,Fill Ga 1

STANDARD PARTS
800 Gas/LPG 330120 (3−2007)
2-122
Fig. 57 − Engine Fuel Tank Group, LPG (006000−006999)
2
3
4
5
6
7
8
9
10
1
11
12
13
14
15
16
17 18
19
20
21
12 17
33
27 28
27
22
23
29
23
22
26
24
22
23
22
23
25
22
23
24
24
34
30
32
31
30
32 31
33

STANDARD PARTS
2-123
800 Gas/LPG 330120 (3−2007)
353872 − LP, NA
Fig. 57 − Engine Fuel Tank Group, LPG (006000−006999)
Ref. Part No. Serial Number Description Qty.
1 70718 (006000−006999 ) Plate, Mtg 1
2 70719 (006000−006999 ) Angle, Mtg 1
3 70435 (006000−006999 ) Bracket Wldt, Tank, Lpg 1
4 58589 (006000−006999 ) Strap, Mtg.− Lp Tank 1
5 58590 (006000−006999 ) Strap, Tank Retainer − Lp 1
6 57297 (006000−006999 ) Strap, Hinge − Lp Tank Mtg 1
o 7 53400−1 (006000−006999 ) Latch Assy, Lpg Tank Mtg,W/Nut 1
Y 8 53400−4 (006000−006999 ) Nut, Adjustable, Lpg Tank Mtg 1
9 26496 (006000−006999 ) Coupling,Quickdisc, Lpg, Shwd 1
10 74089 (006000−006999 ) Plate Wldt. 1
11 374158 (006000−006999 ) Hose, Lpg, Med05, Pm04str/Sm04str, 46.0l 1
12 47720 (006000−006999 ) Ftg−Hyd E45 Pm04/Pf04 2
13 56976A (006000−006999 ) Ftg−Tee Npt 04Pm− 04Pf− 04Pf 2
14 78122 (006000−006999 ) Ftg,Bulkhead .25Npt Wh W21204 1
15 27048 (006000−006999 ) Ftg−El90 Npt/Npt 04Pf/04Pm 1
16 24047 (006000−006999 ) Valve, Press Relief, Lpg Rego 1
17 11442−1 (006000−006999 ) Fitting, Hyd, E90, Swivel Pf04/Pm04 2
18 22308−3 (006000−006527 ) Hose, Lpg, 4Lpg X 35.0Lg 1
18 19760 (006528−006999 ) Hose, Lpg, Med05, Pm04str/Sm04str, 055.0 1
19 17414 (006000−006999 ) Fitting, Pipe, Str, Pm04/Pf02 1
20 23156 (006000−006999 ) Switch, Press, 12vdc 08a Spst Nc 0070psi 1
21 24928−1 (006000−006999 ) Tank−Lp, 33#,Liq,Both,Fill Ga 1
22 16931 (006000−006999 ) Screw, Hex, M8 X 1.25 X 20, 8.8 11
23 32491 (006000−006999 ) Washer, Flat, 0.31, Std 11
24 08709 (006000−006999 ) Nut, Hex, Lock, M8 X 1.25, Nl 7
25 43611 (006000−006999 ) Washer, Flat, 0.39b 0.75d .06, Nyl 1
26 35707 (006000−006999 ) Screw, Hex, .38−16 X 3.00, G5 1
27 50902 (006000−006999 ) Nut, Hex, Lock, .38−16, Nl 2
28 20177 (006000−006999 ) Screw, Hex, .38−16 X 4.00, G5 1
29 07791 (006000−006999 ) Nut, Hex, Flng, M8 X 1.25 2
30 67767 (006528−006999 ) Clamp, Cable, Stl, 0.69d X 0.62w, 1hole 2
31 06942 (006528−006999 ) Screw, Hex, M6 X 1.0 X 16, 8.8 2
32 19066 (006528−006999 ) Washer, Flat, #10 2
33 07790 (006528−006999 ) Nut, Hex, Flng, M6 X 1.00 2
34 30407 (006528−006999 ) Clip, Keeper, Open 1

STANDARD PARTS
800 Gas/LPG 330120 (2−2011)
2-124
Fig. 58 − Engine Fuel Tank Group, LPG (007000− )
1
2
3
4
56
7
8
9
10
11
12
13
14
15
16
17 18
19
20
21
22
23
24
25
26
27
28
29 30
35
32
33
34
31
22
23
24
22
23
22
23
27
22
23 12
34
31
33 32

STANDARD PARTS
2-125
800 Gas/LPG 330120 (4−2008)
353872 − LP, NA
Fig. 58 − Engine Fuel Tank Group, LPG (007000− )
Ref. Part No. Serial Number Description Qty.
1 70718 (007000− ) Plate, Mtg 1
2 70719 (007000− ) Angle, Mtg 1
3 70435 (007000− ) Bracket Wldt, Tank, Lpg 1
4 58589 (007000− ) Strap, Mtg.− Lp Tank 1
5 58590 (007000− ) Strap, Tank Retainer − Lp 1
6 57297 (007000− ) Strap, Hinge − Lp Tank Mtg 1
o 7 53400−1 (007000− ) Latch Assy, Lpg Tank Mtg,W/Nut 1
Y 8 53400−4 (007000− ) Nut, Adjustable, Lpg Tank Mtg 1
9 26496 (007000− ) Coupling,Quickdisc, Lpg, Shwd 1
10 74089 (007000− ) Plate Wldt. 1
11 374158 (007000− ) Hose, Lpg, Med05, Pm04str/Sm04str, 46.0l 1
12 47720 (007000− ) Ftg−Hyd E45 Pm04/Pf04 2
13 56976A (007000− ) Ftg−Tee Npt 04Pm− 04Pf− 04Pf 2
14 78122 (007000− ) Ftg,Bulkhead .25Npt Wh W21204 1
15 27048 (007000− ) Ftg−El90 Npt/Npt 04Pf/04Pm 1
16 24047 (007000− ) Valve, Press Relief, Lpg Rego 1
17 11442−1 (007000− ) Fitting, Hyd, E90, Swivel Pf04/Pm04 2
18 62865 (007000− ) Hose, Lpg, Med05, Pm04str/Sm04str, 067.0 1
19 17414 (007000− ) Fitting, Pipe, Str, Pm04/Pf02 1
20 23156 (007000− ) Switch, Press, 12vdc 08a Spst Nc 0070psi 1
21 24928−1 (007000− ) Tank−Lp, 33#,Liq,Both,Fill Ga 1
22 16931 (007000− ) Screw, Hex, M8 X 1.25 X 20, 8.8 9
23 32491 (007000− ) Washer, Flat, 0.31, Std 9
24 08709 (007000− ) Nut, Hex, Lock, M8 X 1.25, Nl 7
25 43611 (007000− ) Washer, Flat, 0.39b 0.75d .06, Nyl 1
26 35707 (007000− ) Screw, Hex, .38−16 X 3.00, G5 1
27 50902 (007000− ) Nut, Hex, Lock, .38−16, Nl 2
28 20177 (007000− ) Screw, Hex, .38−16 X 4.00, G5 1
29 07791 (007000− ) Nut, Hex, Flng, M8 X 1.25 2
30 11442−23 (007000− ) Fitting, Pipe, Str, Pm04/Sf04 1
31 67767 (007000− ) Clamp, Cable, Stl, 0.69d X 0.62w, 1hole 2
32 06942 (007000− ) Screw, Hex, M6 X 1.0 X 16, 8.8 2
33 19066 (007000− ) Washer, Flat, #10 2
34 07790 (007000− ) Nut, Hex, Flng, M6 X 1.00 2
35 30407 (007000− ) Clip, Keeper, Open 1

STANDARD PARTS
800 Gas/LPG 330120 (12−2003)
2-126
Fig. 59 − Engine Radiator Hose Group (004000−004936)
2
3
4
5
7
8
1
2
2
2
2
2
2
2
6

STANDARD PARTS
2-127
800 Gas/LPG 330120 (12−2003)
07723 − G, LP
Fig. 59 − Engine Radiator Hose Group (004000−004936)
Ref. Part No. Serial Number Description Qty.
1 83690 (004000−004936 ) Hose, Radiator, Lower 1
2 11531 (004000−004936 ) Clamp−Wormdrive, 1.06− 2.00D 8
3 70754 (004000−004936 ) Tube, Coolant, 1.5od Lower 1
4 70635 (004000−004936 ) Hose, Rbr 1.50id 1.88od 12.0 L 1
5 70636 (004000−004936 ) Hose, Radiator, Upper 1
6 83691 (004000−004936 ) Tube, Radiator, Upper, Gas/Lpg 1
7 78750 (004000−004936 ) Hose, Rbr, 1.50id 1.88od 6.0 L 1
8 54911−32 (004000−004936 ) Drain Cock, .25npt 1

STANDARD PARTS
800 Gas/LPG 330120 (12−2003)
2-128
Fig. 60 − Engine Radiator Hose Group (004937−005999)
6
7
2
8
10
5
2
2
9
2
2
4
13
12
11
1
3
2
2

STANDARD PARTS
2-129
800 Gas/LPG 330120 (12−2003)
353875 − G, LP
Fig. 60 − Engine Radiator Hose Group (004937−005999)
Ref. Part No. Serial Number Description Qty.
1 392590 (004937−005999 ) Tube, Coolant, 1.5d W/.25npt Low, G/Lpg 1
2 11531 (004937−005999 ) Clamp, Hose, Wormdrive, 1.06−2.00d 8
3 393229 (004937−005999 ) Hose, Rbr, E120 1.50id 1.20id 06.4 2.7 1
4 83690 (004937−005999 ) Hose, Rbr, E90 1.50id 1.50id 09.4 6.3 1
5 392591 (004937−005999 ) Tube, Coolant, 1.5d Upper, Gas/Lpg 1
6 78750 (004937−005999 ) Hose, Rbr, 1.50id 1.88od 12.0l 1
7 74944 (004937−005999 ) Hose, Rbr, 1.50id 1.88od 06.0l 1
8 393216 (004937−005999 ) Plate, Shield, Heat, W/Label 1
9 54396 (004937−005999 ) Screw, Hex, .31−18 X 0.75, 5 1
10 32491 (004937−005999 ) Washer, Flat, .31 Std 1
11 79381 (004937−005999 ) Clamp, Hose, Wormdrive, 1.25−2.00d 1
12 53468 (004937−005999 ) Clamp, Cable, Stl, 1.75d X 1.00w, 1h 1
13 54911−32 (004937−005999 ) Fitting, Draincock, .25npt 1

STANDARD PARTS
800 Gas/LPG 330120 (3−2007)
2-130
Fig. 61 − Engine Radiator Hose Group (006000−006999)
6
7
2
8
10
5
2
2
9
2
2
4
13
12
11
1
3
2
2

STANDARD PARTS
2-131
800 Gas/LPG 330120 (3−2007)
353875 − G, LP
Fig. 61 − Engine Radiator Hose Group (006000−006999)
Ref. Part No. Serial Number Description Qty.
1 392590 (006000−006999 ) Tube, Coolant, 1.5d W/.25npt Low, G/Lpg 1
2 11531 (006000−006999 ) Clamp, Hose, Wormdrive, 1.06−2.00d 8
3 392647 (006000−006999 ) Hose, Coolant, 1.50id To 1.75id, Mold 1
4 393229 (006000−006171 ) Hose, Rbr, E120 1.50id 1.20id 05.0 05.2 1
4 1012737 (006172−006999 ) Hose, Rbr, E90 1.50id 1.62id 0.40 04.0 1
5 392591 (006000−006999 ) Tube, Coolant, 1.5d Upper, Gas/Lpg 1
6 78750 (006000−006999 ) Hose, Rbr, 1.50id 1.88od 06.0l 1
7 70635 (006000−006999 ) Hose, Rbr, 1.50id 1.88od 12.0l 1
8 9000360 (006000−006999 ) Plate, Shield, Heat, W/Label 1
9 54396 (006000−006999 ) Screw, Hex, .31−18 X 0.75, 5 1
10 32491 (006000−006999 ) Washer, Flat, .31 Std 1
11 79381 (006000−006999 ) Clamp, Hose, Wormdrive, 1.25−2.00d 1
12 53468 (006000−006999 ) Clamp, Cable, Stl, 1.75d X 1.00w, 1h 1
13 54911−32 (006000−006999 ) Fitting, Draincock, .25npt 1

STANDARD PARTS
800 Gas/LPG 330120 (2−2011)
2-132
Fig. 62 − Engine Radiator Hose Group (007000− )
6
7
2
8
10
5
2
2
9
16
2
4
13
12
1
3
2
15
2
10
9
14
17
11
19
18

STANDARD PARTS
2-133
800 Gas/LPG 330120 (2−11)
353875 − G, LP
Fig. 62 − Engine Radiator Hose Group (007000− )
Ref. Part No. Serial Number Description Qty.
1 392590 (007000− ) Tube, Coolant, 1.5d W/.25npt Low, G/Lpg 1
2 11531 (007000− ) Clamp, Hose, Wormdrive, 1.06−2.00d 8
3 392647 (007000− ) Hose, Coolant, 1.50id To 1.75id, Mold 1
4 380748 (007000− ) Hose, Rbr, E90, 1.50id 1.50id 06.3 04.5 1
5 1030189 (007000− ) Tube, Radiator, Upper [800gas/Lpg] 1
6 74944 (007000− ) Hose, Rbr, 1.50id 1.88od 04.0l 1
7 70635 (007000− ) Hose, Rbr, 1.50id 1.88od 12.0l 1
8 1029737 (007000− ) Shield Wldt, Heat, Manifold 1
9 06941 (007000− ) Screw, Hex, M6 X 1.0 X 10, 8.8 2
10 32483 (007000− ) Washer, Flat, 0.25, Sae 2
11 08708 (007000− ) Nut, Hex, Lock, M6 X 1.00, Nl 1
12 53468 (007000− ) Clamp, Cable, Stl, 1.75d X 1.00w, 1hole 1
13 54911−32 (007000− ) Fitting, Draincock, .25npt 1
14 51305 (007000− ) Fitting, Draincock, E90, .25npt 1
15 43844 (007000− ) Clamp, Hose, Wormdrive, 0.25−0.62d, .31w 1
16 41295 (007000− ) Hose, Pvc, Clr, 0.38id 0.56od 048.0l 1
17 62234 (007000− ) Handle, Valve, Cntrl 1
18 06944 (007000− ) Screw, Hex, M6 X 1.0 X 25, 8.8 1
19 32483 (007000− ) Washer, Flat, 0.25, Sae 1

STANDARD PARTS
800 Gas/LPG 330120 (12−05)
2-134
Fig. 63 − Engine Radiator and Cooling Fan Group (004000−006308)
1
2
3
4
5
7
8
9
10
11
12 13
14
15
16
17
18
19
38
21
5
5
56
6
9
13
22
23
6
6
29
27
29
29
27
25
24
24
25
27
27 28
24
24 25
25
27
26
24
24
25
25
29
27
29
33
42
39
43
35
42
41
40
34
37
36
26
28
31
26
27
20
32
30

STANDARD PARTS
2-135
800 Gas/LPG 330120 (3−2015)
350681 − NA, ALL
Fig. 63 − Engine Radiator and Cooling Fan Group (004000−006308)
Ref. Part No. Serial Number Description Qty.
1 48056 (004000−006308 ) Duct, Rear 1
2 1041739AM (004000−006308 ) Radiator 1
3 1045764 (004000−006308 ) Cap, Radiator, 14psi [Stant] 1
4 51305 (004000−006308 ) Drain Cock,.25Npt Wh#120 Angl 1
5 63818 (004000−006308 ) Seal, Duct 4
6 374230 (004000−006308 ) Seal, Ure, 0.38 0.75w 19.5l Adh 4
7 64621 (004000−006308 ) Bushing, Isolator 2
8 64618 (004000−006308 ) Ring, Isolator, Outer Rbr 2
9 58228 (004000−006308 ) Washer, Flat, 0.44b 2.00d .12, Stl, Pl 4
10 77452 (004000−006308 ) Spacer 2
11 9001070 (004000−006308 ) Shroud, Fan, Radiator, W/ Label [800l] 1
12 375511 (004000−006308 ) Bracket, L, 2.20,2.00, .18T,1. 1
13 51322 (004000−006308 ) Isolator−Vibration .31−18 3
14 1019188 (004000−006308 ) Channel, Mtg, Fan Motor 1
o15 63542 (004000−006308 ) Motor−Hyd, Gear In 10.0 (See Breakdowns) 1
Y00960 (004000−006308 ) Key, Sq, 0.12 X 0.12, 0.50l 1
16 47512 (004000−006308 ) Ftg−Hyd E90 Jm06/Om08 1
17 35586 (004000−004936 ) Fitting, Hyd, Tee, Jf06/Jm06/Jm06, Br 1
18 52402 (004000−006308 ) Ftg−Hyd Str Jm06/Om08 1
19 375586 (004000−006308 ) Fan, Radiator 1
20 380754 (004000−006183 ) Bracket, Mtg, Fltr, Oil, W/ Label [800l] 1
21 74082 (004000−006308 ) Nut−Hxlocnyln .31−24 Reg Pltd 1
22 02247 (004495−006308 ) Fitting, Plug 1
23 50960 (004937−006308 ) Fitting, Hyd, Str, Jm06/Om04 1
24 19313 (004000−006308 ) Nut, Hex, Std, .31−18 6
25 32984 (004000−006308 ) Washer, Lock, Int, 0.31 6
26 39277 (004000−006308 ) Screw, Hex, M8 X 1.25 X 25, 8.8 8
27 32491 (004000−006308 ) Washer, Flat, 0.31 Std 14
28 08709 (004000−006308 ) Nut, Hex, Lock, M8 X 1.25, Nl 7
29 16931 (004000−006308 ) Screw, Hex, M8 X 1.25 X 20, 8.8 9
30 87972 (004000−006183 ) Tank, Coolant, 03.5 03.0 06.5deep 1.0 Qt 1
31 382507 (004000−006183 ) Bracket, Mtg, Tank, Coolant F/87972 1
32 07790 (004000−006308 ) Nut, Hex, Flng, M6 X 1.0 2
33 27990 (004000−006308 ) Screw, Hex, .38−16 X 2.00, 5 2
34 50902 (004000−006308 ) Nut, Hex, Lock, .38−16, Nl 2
35 41186 (004000−006308 ) Washer, Belleville, .31 1
36 32492 (004000−006308 ) Washer, Flat, 0.38 Std 2
37 41430 (004000−006308 ) Nut, Hex, Lock, M10 X 1.5, Nl 2
38 9001183 (004000−006308 ) Bracket, Mtg, Fltr, Oil, W/Label [800l] 1
39 768897 (004000−006308 ) Tank, Coolant, 06.0 04.5 06.9deep 2.5 Qt 1
40 46800 (004000−006308 ) Pin, Clevis, 0.31 D X 0.75l 2
41 44906 (004000−006308 ) Pin, Hair Cotter, 0.69 D .092 Wir 2
42 32490 (004000−006308 ) Washer, Flat, 0.25 Std 4
43 63416 (004000−006308 ) Washer, Rbr, .12 0.31b 0.88d 2

STANDARD PARTS
800 Gas/LPG 330120 (3−2007)
2-136
Fig. 64 − Engine Radiator and Cooling Fan Group (006309−006999)
1
2
3
4
5
7
8
9
10
11
12 13
14
15
16
17
18
19
20
21
5
5
5
6
6
9
13
22
23
6
6
29
27
29
29
27
25
24
24
25
27
27 28
24
24 25
25
27
26
24
24
25
25
29
27
29
35
37
30
13
36
33
34
26
39
38
31
32
28

STANDARD PARTS
2-137
800 Gas/LPG 330120 (3−2015)
350681 − NA, ALL
Fig. 64 − Engine Radiator and Cooling Fan Group (006309−006999)
Ref. Part No. Serial Number Description Qty.
1 48056 (006309−006999 ) Duct, Rear 1
2 1041739AM (006309−006999 ) Radiator 1
3 1045764 (006309−006999 ) Cap, Radiator, 14psi [Stant] 1
4 51305 (006309−006999 ) Drain Cock,.25Npt Wh#120 Angl 1
5 63818 (006309−006999 ) Seal, Duct 4
6 374230 (006309−006999 ) Seal, Ure, 0.38 0.75w 19.5l Adh 4
7 64621 (006309−006999 ) Bushing, Isolator 2
8 64618 (006309−006999 ) Ring, Isolator, Outer Rbr 2
9 58228 (006309−006999 ) Washer, Flat, 0.44b 2.00d .12, Stl, Pl 4
10 77452 (006309−006999 ) Spacer 2
11 9001070 (006309−006999 ) Shroud, Fan, Radiator, W/ Label [800l] 1
12 375511 (006309−006999 ) Bracket, L, 2.20,2.00, .18T,1. 1
13 51322 (006309−006999 ) Isolator−Vibration .31−18 3
14 1019188 (006309−006999 ) Channel, Mtg, Fan Motor 1
o15 63542 (006309−006999 ) Motor−Hyd, Gear In 10.0 (See Breakdowns) 1
Y00960 (006309−006999 ) Key, Sq, 0.12 X 0.12, 0.50l 1
16 47512 (006309−006999 ) Ftg−Hyd E90 Jm06/Om08 1
17 35586 (006309−006999 ) Fitting, Hyd, Tee, Jf06/Jm06/Jm06, Br 1
18 52402 (006309−006999 ) Ftg−Hyd Str Jm06/Om08 1
19 375586 (006309−006999 ) Fan, Radiator 1
20 9001554 (006309−006999 ) Bracket, Mtg, Fltr, Oil, W/Label [800l] 1
21 74082 (006309−006999 ) Nut−Hxlocnyln .31−24 Reg Pltd 1
22 02247 (006309−006999 ) Fitting, Plug 1
23 50960 (006309−006999 ) Fitting, Hyd, Str, Jm06/Om04 1
24 19313 (006309−006999 ) Nut, Hex, Std, .31−18 6
25 32984 (006309−006999 ) Washer, Lock, Int, 0.31 6
26 39277 (006309−006999 ) Screw, Hex, M8 X 1.25 X 25, 8.8 8
27 32491 (006309−006999 ) Washer, Flat, 0.31 Std 14
28 08709 (006309−006999 ) Nut, Hex, Lock, M8 X 1.25, Nl 7
29 16931 (006309−006999 ) Screw, Hex, M8 X 1.25 X 20, 8.8 9
30 1023853 (006309−006999 ) Tank, Coolant, 04.7 03.3 4.7deep, 1liter 1
31 06943 (006309−006999 ) Screw, Hex, M6 X 1.0 X 20, 8.8 2
32 19066 (006309−006999 ) Washer, Flat, #10 2
33 07790 (006309−006999 ) Nut, Hex, Flng, M6 X 1.0 2
34 381391 (006309−006999 ) Hose, Drain, Overflow, Radiator 1
35 27990 (006309−006999 ) Screw, Hex, .38−16 X 2.00, 5 2
36 50902 (006309−006999 ) Nut, Hex, Lock, .38−16, Nl 2
37 41186 (006309−006999 ) Washer, Belleville, .31 1
38 32492 (006309−006999 ) Washer, Flat, 0.38 Std 2
39 41430 (006309−006999 ) Nut, Hex, Lock, M10 X 1.5, Nl 2

STANDARD PARTS
800 Gas/LPG 330120 (3−2015)
2-138
Fig. 65 − Engine Radiator and Cooling Fan Group (007000− )
FRONT
1
2
3
4
5
5
6
6
7
7
8
8
9
9
9
910
10
11
12 13
14
45
47
49
46
19
20
21
22
50
13
13
24
25
25
26 29
27
28
27
29 27
29
27
28
24
25
25 24
32 31
33
36
34
30
38
39
37
25
27
29
24
26 27
28
24
25 6
5
5
6
35
40
41
41
42
42
42
43
43
43
44
44
25
46
47
48
15
16
18
17
23

STANDARD PARTS
2-139
800 Gas/LPG 330120 (3−2015)
350681 − NA, ALL
Fig. 65 − Engine Radiator and Cooling Fan Group (007000− )
Ref. Part No. Serial Number Description Qty.
1 48056 (007000− ) Duct, Rear 1
2 1041739AM (007000− ) Radiator 1
3 1045764 (007000− ) Cap, Radiator, 14psi [Stant] 1
4 51305 (007000− ) Drain Cock,.25Npt Wh#120 Angl 1
5 63818 (007000− ) Seal, Duct 4
6 374230 (007000− ) Seal, Ure, 0.38 0.75w 19.5l Adh 4
7 64621 (007000− ) Bushing, Isolator 2
8 64618 (007000− ) Ring, Isolator, Outer Rbr 2
9 58228 (007000− ) Washer, Flat, 0.44b 2.00d .12, Stl, Pl 4
10 77452 (007000− ) Spacer 2
11 9006741 (007000−007400 ) Shroud Kit, Fan, Radiator [800/810] 1
11 1056213 (007401− ) Shroud Wldt, Fan, Radiator [800/810] 1
12 375511 (007000− ) Bracket, L, 2.20,2.00, .18T,1. 1
13 51322 (007000− ) Isolator−Vibration .31−18 3
14 1033344 (007000−007400 ) Bracket Wldt, Mtg, Motor [2007] 1
14 1051599 (007401− ) Bracket Wldt, Mtg, Motor 1
o15 63542 (007000−008108 ) Motor−Hyd, Gear In 10.0 (See Breakdowns) 1
Y00960 (007000−008108 ) Key, Sq, 0.12 X 0.12, 0.50l 1
16 47512 (007000−008108 ) Ftg−Hyd E90 Jm06/Om08 1
17 35586 (007000−008108 ) Fitting, Hyd, Tee, Jf06/Jm06/Jm06, Br 1
18 52402 (007000−008108 ) Ftg−Hyd Str Jm06/Om08 1
19 1033497 (007000− ) Fan, Cooling, 18.0d, 8 Blade, 0.5b Taper 1
20 9001554 (007000− ) Bracket, Mtg, Fltr, Oil, W/Label [800l] 1
21 74082 (007000−008108 ) Nut−Hxlocnyln .31−24 Reg Pltd 1
21 08165 (008109− ) Nut, Hex, Stover, M8 1
22 02247 (007000− ) Fitting, Plug 1
23 50960 (007000−008108 ) Fitting, Hyd, Str, Jm06/Om04 1
24 19313 (007000− ) Nut, Hex, Std, .31−18 6
25 41186 (007000− ) Washer, Belleville, .31 7
26 39277 (007000− ) Screw, Hex, M8 X 1.25 X 25, 8.8 8
27 32491 (007000− ) Washer, Flat, 0.31 Std 14
28 08709 (007000− ) Nut, Hex, Lock, M8 X 1.25, Nl 7
29 16931 (007000− ) Screw, Hex, M8 X 1.25 X 20, 8.8 9
30 1023853 (007000− ) Tank, Coolant, 04.7 03.3 4.7deep, 1liter 1
31 06943 (007000− ) Screw, Hex, M6 X 1.0 X 20, 8.8 2
32 19066 (007000− ) Washer, Flat, #10 2
33 07790 (007000− ) Nut, Hex, Flng, M6 X 1.0 2
34 381391 (007000− ) Hose, Drain, Overflow, Radiator 1
35 27990 (007000− ) Screw, Hex, .38−16 X 2.00, 5 2
36 50902 (007000− ) Nut, Hex, Lock, .38−16, Nl 2
37 06943 (007401− ) Screw, Hex, M6 X 1.00 X 20, 8.8 1
38 32492 (007000− ) Washer, Flat, 0.38 Std 2
39 41430 (007000− ) Nut, Hex, Lock, M10 X 1.5, Nl 2
40 1055893 (007401− ) Skirt, Cooling Fan [800/810] 1
41 09145 (007401− ) Screw, Pan, Phl, M6 X 1.00 X 16, 4.8 5
42 32490 (007401− ) Washer, Flat, 0.25, Std 6
43 08708 (007401− ) Nut, Hex, Lock, M6 X 1.00, Nl 6
44 763114 (007401− ) Tie, Cable, 11.3l, 2.75d Max 2
45 1071254 (008109− ) Motor, Hyd, Gear, Int 07.6 Bi−Dir 3000 1
46 56821 (008109− ) Fitting, Hyd, E90, Jm08/Om10 2
47 47753 (008109− ) Fitting, Hyd, Str, Jf08/Jm06 2
48 47504 (008109− ) Fitting, Hyd, E90, Jf06/Jm06 1
49 35586 (008109− ) Fitting, Hyd, Tee, Jf06/Jm06/Jm06, Br 1
50 77098 (008109− ) Fitting, Hyd, E90, Jm06/Om04 1

STANDARD PARTS
800 Gas/LPG 330120 (3−2007)
2-140
Fig. 66 − Engine Battery Group (006000−006999)
2
1
3
4
5
6
7
8
9
10
11
12
13

STANDARD PARTS
2-141
800 Gas/LPG 330120 (3−2007)
09819 − G, LP
Fig. 66 − Engine Battery Group (004000−006999)
Ref. Part No. Serial Number Description Qty.
1 77490 (004000−006999 ) Bracket, Mtg, Battery 1
2 77579 (004000−006999 ) Bracket, Battery 1
3 77602 (004000−006999 ) Battery, 12V, Wet 1
4 68869 (004000−006999 ) Cable Assy−Batt,Pos, 48.0, 2Ga 1
5 60293 (004000−006999 ) Wire, 42.0 Lg, 2Ga, Neg 1
6 1011655 (006000−006999 ) Bracket, Eng 1
7 07791 (006000−006999 ) Nut, Hex, Flng, M8 X 1.25 2
8 32491 (006000−006999 ) Washer, Flat, 0.31 Std 2
9 16931 (006000−006999 ) Screw, Hex, M8 X 1.25 X 20, 8.8 2
10 41186 (006000−006999 ) Washer, Belleville, .31 1
11 39277 (006000−006999 ) Screw, Hex, M8 X 1.25 X 25, 8.8 1
12 06946 (006000−006999 ) Screw, Hex, M6 X 1.0 X 35, 8.8 4
13 08708 (006000−006999 ) Nut, Hex, Lock, M 6 X 1.0, Nl 4

STANDARD PARTS
800 Gas/LPG 330120 (4−2014)
2-142
Fig. 67 − Engine Battery Group (007000− )
16
15
19
17
18
1
2
3
4
5
6
7
8
910
11
12
13
14
7

STANDARD PARTS
2-143
800 Gas/LPG 330120 (4−2014)
354090 − NA, ALL
Fig. 67 − Engine Battery Group (007000− )
Ref. Part No. Serial Number Description Qty.
1 1073034 (008015− ) Bracket Wldt, Mtg, Battery [800 G/Lp/D] 1
2 1073030 (008015− ) Bracket, Retainer, Battery [800 G/Lp/D] 1
3 1073553 (007000− ) Battery, Wet, 12vdc 1000cca 1
4 68869 (007000− ) Cable, Battery, 02ga 48.0l Red .41ring 1
5 34821 (007000− ) Cable, Battery, 02ga 36.0l Blk .38ring 1
6 07793 (007000− ) Nut, Hex, Flng, M12 X 1.75 2
7 16931 (007000− ) Screw, Hex, M8 X 1.25 X 20, 8.8 3
8 41186 (007000− ) Washer, Flat, Belleville, .31 2
9 06963 (007000− ) Screw, Hex, M10 X 1.5 X 60, 8.8 2
10 32492 (007000− ) Washer, Flat, 0.38, Std 2
11 06969 (007000− ) Screw, Hex, M12 X 1.75 X 40, 8.8 2
12 32486 (007000− ) Washer, Flat, 0.50, Sae 2
13 67366 (008015− ) Clamp, Cable, Stl, 1.0x2.0x0.62w, 1hole 1
14 32491 (008015− ) Washer, Flat, 0.31, Std 1
15 1012785 (007000−008014 ) Bracket Wldt, Mtg, Battery 1
16 1011788 (007000−008014 ) Bracket, Retainer, Battery 1
17 16931 (007000−008014 ) Screw, Hex, M8 X 1.25 X 20, 8.8 2
18 41186 (007000−008014 ) Washer, Flat, Belleville, .31 2
19 1011795 (007000−008014 ) Bracket, Retainer, Battery 1

STANDARD PARTS
800 Gas/LPG 330120 (2−2011)
2-144
Fig. 68 − Wheel Group, Rear Drive
6
8
1
2
3
4
5
35
7
36
9
10
11
12 13
14
15
16
17
18
19
20
21
22
23
24
25
26
27
28
29
30
31 32
33
29
30
17
18
34
37
38
39
40
41
12
33
41
34
29

STANDARD PARTS
2-145
800 Gas/LPG 330120 (7−2015)
07567 − ALL
Fig. 68 − Wheel Group, Rear Drive
Ref. Part No. Serial Number Description Qty.
1 63491 (004000− ) Pivot Wldt, Wheel 1
2 63471 (004000− ) Plate, Pivot, Wheel 1
3 63426 (004000−004206 ) Motor−Hyd Gear In (See Breakdowns) 1
3 22626 (004207−004936 ) Motor−Hyd Gear (See Breakdowns) 1
3 373464 (004937−007697 ) Motor−Hyd Gear (See Breakdowns) (Replaced by
1068905) 1
o 3 1068905 (007698− ) Motor, Hyd, Gear, Int 29.9 Bi−Dir 3000 1
Y9013665 (007698− ) Seal Kit, Front, Shaft 1
4 9008645 (004000−007467 ) Hose Kit, Rear Drive, Replmt 1
4 79872 (007468− ) Fitting, Hyd, Str, Fm12/Om16 2
5 34359 (004000−004936 ) Ftg−Hyd E45 Jm04/Om04 1
5 47522 (004937− ) Fitting, Hyd, E45, Jm06/Om06 1
6 63540 (004000−004033 ) Housing, Sppt, Wheel (Repl. by 375534) 1
6 21740 (004034−007529 ) House, Wheel 1
7 09718 (004000− ) Ftg, Grease.25−28Th 90 .75L 1
8 63543 (004000−004033 ) Bracket, Steering, Machining (Replaced by 375534) 1
8 375575 (004034−007529 ) Bracket, Steering, Machining 1
9 73733 (004000− ) Channel, Retainer 1
10 73731 (004000− ) Sleeve, .375B .62D1.06 Stl 1
11 53601 (004000−006460 ) Cylinder, Hyd, 2.0b,15.0l, (Replaced by1028492) (See
Breakdowns) 1
11 1028492 (006461− ) Cylinder, Hyd, 2.0b 15.0l 08.00strk 1500 1
12 56820 (004000− ) Ftg−Hyd E90 Jm06/Om06 2
13 64887 (004000− ) Balljoint, Rod End 1
14 64886 (004000− ) Balljoint, Rod End 1
o15 79140 (004000− ) Hub and Stud Assy. 1
Y16 79152 (004000− ) Stud, Wheel .56−18x2.13 6
17 51341 (004000− ) Bearing−Cone, 2.63Bore 0.87Wth 2
18 51340 (004000− ) Bearing−Cup , 4.33Dia 0.74Wth 2
19 369701 (004000− ) Washer,Lock Special 1
20 41073 (004000− ) Nut,Lock−Special 2.16−18Uns 1
21 375762 (004000− ) Washer 1
22 63496 (004000− ) Ring, Retainer, Lock 1
23 67767 (004000− ) Clamp, Cable 1
24 79153 (004000− ) Nut, Wheel Lug 6
25 82832 (004000− ) Sleeve, Nyl, 37, 25.0l 1
26 39305 (004000− ) Scr−soc .50−13x2.75 Alloypltd 4
27 375576 (004000− ) Scr−soc M12x1.75 60 4
28 06995 (004000− ) Screw, Hex, M20 X 2.5 X 70, 8.8 3
29 06993 (004000− ) Screw, Hex, M20 X 2.5 X 60, 8.8 7
30 39350 (004000− ) Washer, Flat, 0.75, Sae 10
31 32985 (004000− ) Nut, Hex, Lock, .50−13, Nl 4
32 32486 (004000− ) Washer, Flat, 0.50, Sae 4
33 54833 (004000− ) Screw, Hex, .75−10 X 2.50, G5 2
34 32987 (004000− ) Nut, Hex, Lock, .75−10, Nl 2
35 1071056 (007530− ) Housing, Sppt, Wheel, Rear 1
36 1053585 (007530− ) Bracket, Arm, Steering 1
37 07783 (004000− ) Nut, Hex, Std, M20 X 2.50, 8 1
38 39346 (004000− ) Washer, Flat, 0.44, Std 4
39 39278 (004000− ) Screw, Hex, M8 X 1.25 X 50, 8.8 1
40 32491 (004000− ) Washer, Flat, 0.31, Std 1
41 43958 (004000− ) Nut, Hex, Std, .75−16 2

STANDARD PARTS
800 Gas/LPG 330120 (3−2007)
2-146
Fig. 69 − Wheels and Brakes Group, Front
10
3
4
5
6
11
9
1
2
78
12
13

STANDARD PARTS
2-147
800 Gas/LPG 330120 (3−2007)
07568 − ALL
Fig. 69 − Wheels and Brakes Group, Front
Ref. Part No. Serial Number Description Qty.
1 77790 (004000− ) Brake Assy, Rh (See Breakdowns) 1
2 77770 (004000− ) Brake Assy, Lh (See Breakdowns) 1
3 17808 (004000− ) Bearing−Cup, 2.72Dia 0.59Wth 2
4 51338 (004000− ) Bearing−Cup, 2.56Dia 0.55Wth 2
5 51193 (004000− ) Bearing−Cone, 1.38Bore 0.72Wth 2
6 14242 (004000− ) Nut−Hxslot 1.00−20 Pltd 2
o 7 79151 (004000− ) Drum Assy, Brake 9/16 2
Y 8 79152 (004000− ) Stud, Wheel .56−18x2.13 6
9 79153 (004000− ) Nut, Wheel Lug, 9/16−18 12
10 17809 (004000− ) Bearing−Cone, 1.50Bore 0.75Wth 2
11 51373 (004000− ) Cap, Grease Black Paint 2
12 32598 (004000− ) Washer, Flat, 1.02b 1.75d .12, Stl 2
13 08180 (004000− ) Pin, Cotter, .125 X 2.00 2

STANDARD PARTS
800 Gas/LPG 330120 (10−2014)
2-148
Fig. 70 − Wheel Assembly
2
3
4
1
1
4
5

STANDARD PARTS
2-149
800 Gas/LPG 330120 (10−2014)
07621 − ALL
Fig. 70 − Wheel Assembly
Ref. Part No. Serial Number Description Qty.
o1064126 (004000− ) Tire & Rim Assy, Pneu 6.50−10 3
Y 1 1064125 (004000− ) Tire & Flap Assy 1
Y 2 64058 (004000− ) Tube, Inner 1
Y 3 45786 (004000− ) Cap, Valve Stem 1
Y 4 21672 (004000− ) Hub Assy 1
5 21259 (004000− ) Plate Wldt, Wheel Lock (CE Only) 6

STANDARD PARTS
800 Gas/LPG 330120 (12−05)
2-150
Fig. 71 − Brake Pedals Group
1
2
3
4
5
6
7
8
14
11
17
18
19
20
21
22
23
24
9
10
12
13
11
20
9
15
16 25
27
26
26
28
28

STANDARD PARTS
2-151
800 Gas/LPG 330120 (10−2014)
07602 − ALL
Fig. 71 − Brake Pedals Group
Ref. Part No. Serial Number Description Qty.
1 63295 (004000−008088 ) Pedal Wldt 1
1 1073812 (008089− ) Pedal Wldt, Brake [800 Gray] 1
2 51109 (004000− ) Pad 1
3 64635 (004000− ) Spacer 1
4 57311 (004000− ) Spacer−.50 Od X .055W X 1.0 1
5 70550 (004000− ) Rod Wldt, Push, Brake 1
o 6 64950 (004000− ) Cylinder, Master Brake 1
Y374240 (004000− ) Cap, Cyl Assy, Master Brake 1
7 76653 (004000− ) Pin, Clevis .375D X 1.000 Lg 1
8 51483 (004000− ) Ftg,Brass,Tee 06If− 02Pm− 06If 1
9 51562 (004000− ) Sleeve, .344B .50D .81 Cr.Anc 2
10 86034 (004000− ) Spacer, Brake 2
11 46236 (004000− ) Clamp−Cable, 0.25Dia 0.56Wth 4
12 76491 (004000− ) Bracket, Adjuster, Brake 1
13 76490 (004000− ) Rod−Thread, 2End M08X1.25X10Lg 1
14 79593 (004000− ) Tube Assy, Brake 1
15 79594 (004000− ) Tube Assy, Brake 1
16 375526 (004000− ) Insulation, S/Foam 1.0 Seal Brake Pedal 1
17 70506 (004000− ) Bar, Equalizer 1
18 64556 (004000− ) Cable, Brake, Park 1
19 64558 (004000− ) Cable, Brake, Park 1
20 65129 (004000− ) Clamp, Cable− Brake 2
21 75575 (004000− ) Spring, Tens,0.5Dx.06Wire 2.5L 1
22 31775 (004000− ) Molding, Trim 11−14Ga 4.0 1
23 74022 (004000− ) Strip, Retainer, Brake Cable 1
24 51545 (004000− ) Lever, Brake 1
25 380717 (004000− ) Insulation, Sound Foam 1
26 39279 (004000− ) Screw, Hex, M8 X 1.25 X 70, 8.8 2
27 32491 (004000− ) Washer, Flat, 0.31 Std 2
28 16735 (004000− ) Screw, Hex, M8 X 1.25 X 16, 8.8 4

STANDARD PARTS
800 Gas/LPG 330120 (3−2015)
2-152
Fig. 72 − Directional Pedal Group
27
1
23
4
5
6
7
8
9
10 11 12
13
14
15 16
17
18
19
20
21
22
23 24
25
26
46
29
29
30
53
32
33
34
36
37
37
40
41
42
43
48
44
45
47
28
31
39
17
35
37 38
54
50
50
54
54
37
49
14
51
52
35
FRONT

STANDARD PARTS
2-153
800 Gas/LPG 330120 (3−2015)
350684 − G, LP
Fig. 72 − Directional Pedal Group
Ref. Part No. Serial Number Description Qty.
1 380683 (004000−008088 ) Pedal, Propel, Lower, W/ Tread 1
1 9012874 (008089− ) Pedal, Propel, Lower, W/Tread [800 Gray] 1
2 84103 (004000−008088 ) Pedal, Propel, Upper, W/ Tread 1
2 9012859 (008089− ) Pedal, Propel, Upper, W/ Tread 1
3 82839 (004000− ) Tread, Non−Skid, 02.2w 11.5l 1
4 59668 (004000− ) Pin, Clevis, 0.50d X 4.50l 1
5 59672 (004000− ) Pin, Clevis, 0.37d X 4.50l 1
6 380566 (004000−008088 ) Panel Wldt, Access, Floor 1
6 1073847 (008089− ) Panel Wldt, Access, Floor [800 Gray] 1
7 76647 (004000− ) Pin, Clevis, 0.37d X 1.31l 1
8 76523 (004000− ) Screw, Set, Soc, M10 X 1.50 X 20 1
9 380567 (004000− ) Bracket Wldt, Mtg, Propel Cable 1
10 70747 (004000− ) Bellcrank Wldt, Pivot, Dir Cntrl 1
11 07449 (004000− ) Bushing, Sleeve, 0.62b 0.72d 0.50l, Fgl 1
12 74051 (004000− ) Tube, 0.41id 0.62od 00.5l, Stl [H/T] 1
13 86953 (004000− ) Ring, Retaining, Ext, 0.50d, Ss 1
14 54222 (004000− ) Spring, Extn, 1.00od 0.09wir 02.8l 2
15 70783 (004000− ) Cam Wldt, Limiter, Spd 1
16 82168 (004000− ) Pin, Clevis, 0.25d X 1.00l 1
17 41722 (004000− ) Washer, Flat, 0.52b 0.90d .07, Stl, Pl 2
18 70749 (004000− ) Cable, Pull, .09d 18.3l .25eye /.25−28 1
19 14595−1 (004000− ) Clevis, Adj, 0.25pin, 0.25−28 Rh, Pl 1
20 14605 (004000− ) Pin, Clevis, 0.25d X 0.75l 1
21 70725 (004000− ) Plate, Limiter, Spd 1
22 68866 (004000− ) Rod−End, 0.25−28rh Fem 0.25b [Ptfe] 1
23 1212666 (004000− ) Screw, Set, .25−28 X 1.00, Ss 1
24 380568 (004000− ) Bar, Hex, Stl 0.63, 00.88 .25−28 1
25 63292 (004000− ) Spring Assy, Centering, Lbs . Travel 1
26 63276 (004000− ) Cable, Push / Pull, 096.0l .25−28/.25−28 1
27 9001293 (004000−004034 ) Bracket Kit, Mtg, Cable, Replmt[800/810] 1
28 380514 (004000− ) Arm, Cntrl, Pintle 1
29 06943 (004000− ) Screw, Hex, M6 X 1.00 X 20, 8.8 3
30 07790 (004000− ) Nut, Hex, Flng, M6 X 1.00 2
31 1020982 (004035− ) Bracket, Mtg, Propel Cable 1
32 21198 (004000− ) Screw, Hex, .38−16 X 1.25, G5 2
33 32485 (004000− ) Washer, Flat, 0.38, Sae 2
34 68866 (004035− ) Rod−End, 0.25−28rh Fem 0.25b [Ptfe] 1
35 32899 (004000− ) Nut, Hex, Jam, .25−28 2
36 25046 (004035− ) Screw, Hex, .25−20 X 1.00, G5 1
37 32490 (004035− ) Washer, Flat, 0.25, Std 7
38 41169 (004035− ) Nut, Hex, Lock, .25−20, Nl, Ss 1
39 07805 (004000− ) Screw, Hex, M6 X 1.00 X 35, Ss 1
40 08712 (004000− ) Nut, Hex, Lock, M6 X 1.00, Nl, Ss 1
41 08085 (004000− ) Pin, Cotter, Hair, 0.31d .058 Wir 1
42 08346 (004000− ) Pin, Cotter, .125 X 0.75 2
43 12273 (004000− ) Screw, Hex, M8 X 1.25 X 20, Nl, Ss 9
44 39285 (004000− ) Screw, Hex, M10 X 1.50 X 40, 8.8 1
45 41430 (004000− ) Nut, Hex, Lock, M10 X 1.5, Nl 1
46 1017218 (004000− ) Washer, Flat, 0.32b 1.00d .12, Ss 7
47 79116 (004000− ) Seal, Dust 1
48 06969 (004000− ) Screw, Hex, M12 X 1.75 X 40, 8.8 2
49 39313 (004000− ) Nut, Hex, Std, M12 X 1.75 2
50 32492 (004000− ) Washer, Flat, 0.38, Std 2
51 19066 (004000− ) Washer, Flat, 0.25b 0.56d .05, Pl, 10 1
52 16931 (004000− ) Screw, Hex, M8 X 1.25 X 20, 8.8 2
53 32491 (004000− ) Washer, Flat, 0.31, Std 2
54 32486 (004000− ) Washer Flat,0.50,Sae 3

STANDARD PARTS
800 Gas/LPG 330120 (10−2014)
2-154
Fig. 73 − Hydraulic Pumps Group
FRONT
1
2
3
4
5
6
7
8
9
10
11
12
13
14
15
16
17
16

STANDARD PARTS
2-155
800 Gas/LPG 330120 (10−2014)
07597 − G, LP
Fig. 73 − Hydraulic Pumps Group
Ref. Part No. Serial Number Description Qty.
1 74163 (004000−004586 ) Pump−Hyd Piston V (See Breakdowns) 1
o 1 373404 (004587− ) Pump−Hyd Piston V (See Breakdowns) 1
Y 2 65145−1 (004000− ) O−Ring Gland 1
3 46481 (004000− ) Ftg−Hyd E90 Jm12/Om12 1
4 67310 (004000− ) Ftg−Hyd Str Jm12/Om16 1
5 62389 (004000− ) Ftg−Hyd Tee Jm12Jfjm 1
6 9008645 (004000−007467 ) Hose Kit, Rear Drive, Replmt 1
6 767407 (007468− ) Fitting, Hyd, E90, Fm12/Om16 2
7 62561 (004000−004936 ) Pump−Hyd Gear Ex (See Breakdowns) 1
7 373254 (004937− ) Pump−Hyd Gear Ex (See Breakdowns) 1
8 47508 (004000− ) Ftg−Hyd Str Jm06/Om10 1
9 56692 (004000− ) Ftg−Hyd Str Jm08/Om10 2
10 58858 (004000− ) Ftg−Hyd Str Jm20/Om20 1
11 19544 (004000− ) Ftg−Hyd E45 Jm20/Jf20 1
12 07934 (004000− ) Ftg−Hyd E45 Jm12/Jf12 1
13 07934 (004000−008014 ) Fitting, Hyd, E45, Jf12/Jm12 1
14 39810 (004000− ) Screw, Hex, .50−13 X 1.25, G5 2
15 32436 (004000− ) Fitting, Plug, .50−20 Hex [Perk] 2
16 50121 (008015− ) Sleeve, Nyl, 1.63id 08.0l 2
17 82830 (008015− ) Sleeve, Nyl, 1.63id 16.0l 1

STANDARD PARTS
800 Gas/LPG 330120 (12−2003)
2-156
Fig. 74 − Hydraulic Schematic
1 2 3 4 5 6

STANDARD PARTS
800 Gas/LPG 330120 (12−2003)
2-158
Fig. 75 − Hydraulic Hose Group (004000−004936)
4
C1
PB
1
2
3
4
5
6
7
8
9
10
11
12 13
14
15
16
17
18
19
20
21
22
23
23
24
25
26
27
28
29
30
31
32
33
34
35
39
37
38
36
19
20
5
4
1
40

STANDARD PARTS
2-159
800 Gas/LPG 330120 (10−2013)
07616 − 800
Fig. 75 − Hydraulic Hose Group (004000−004936)
Ref. Part No. Serial Number Description Qty.
1 65194 (004000−004936 ) Hose, Hyd, Med06, Jf06e90/Jf06str, 072.0 3
2 65197 (004000−004936 ) Hose, Hyd, Med08, Jf08e90/Jf08str, 062.0 1
3 65224 (004000−004936 ) Hose, Hyd, Med08, Jf08str/Jf08str, 066.0 1
4 65188 (004000−004936 ) Hose, Hyd, Med04, Jf04e90l/Jf04str,038.0 2
5 57173 (004000−004936 ) Hose, Hyd, Med04, Jf04e45/Jf04str, 034.0 2
6 76498 (004000−004936 ) Hose, Hyd, Tc04, Jf04str/Jf04str, 138.0 1
7 79642 (004000−004936 ) Hose, Hyd, Tc04, Jf04str/Jf04str, 142.0 1
8 21117 (004000−004936 ) Hose, Hyd, Tc04, Jf04str/Jf04str, 098.0 1
9 21119 (004000−004936 ) Hose, Hyd, Tc04, Jf04e90/Jf04str, 092.0 1
10 77641 (004000−004936 ) Hose, Hyd, Tc04, Jf04str/Jf04str, 114.0 1
11 77640 (004000−004936 ) Hose, Hyd, Tc04, Jf04str/Jf04str, 106.0 1
12 71552 (004000−004936 ) Hose, Hyd, Med06, Jf06e90/Jf06str, 046.0 1
13 55700 (004000−004936 ) Hose, Hyd, Med04, Jf04str/Jf04str, 026.0 1
14 82843 (004000−004936 ) Hose, Hyd, Med08, Jf08e90/Jf08str, 028.0 1
15 82820 (004000−004936 ) Hose, Hyd, Med08, Jf08e90/Jf08str, 034.0 1
16 65195 (004000−004936 ) Hose, Hyd, Med06, Jf06e90/Jf06str, 023.0 1
17 65212 (004000−004936 ) Hose, Hyd, Low06, Jf06e90/Jf06str, 060.0 1
18 65204 (004000−004936 ) Hose, Hyd, Med08, Jf08e45/Jf08str, 106.0 1
19 34355 (004000−004936 ) Hose, Hyd, Med08, Jf08e90/Jf08str, 040.0 2
20 57963 (004000−004936 ) Hose, Hyd, Med04, Jf04e90/Jf04str, 056.0 4
21 34379 (004000−004936 ) Hose, Hyd, Med04, Jf04e90/Jf04str, 072.0 1
22 65213 (004000−004936 ) Hose, Hyd, Low06, Jf06e90/Jf06str, 086.0 1
23 34360 (004000−004936 ) Hose, Hyd, Med08, Jf08e90/Jf08str, 058.0 2
24 33799 (004000−004936 ) Hose, Hyd, Med08, Jf08e45/Jf08str, 060.0 1
25 65199 (004000−004936 ) Hose, Hyd, Med12, Jf12e45/Jf12str, 074.0 1
26 01987 (004000−004936 ) Hose, Hyd, Med06, Jf06str/Jf06str, 027.0 1
27 16431 (004000−004936 ) Hose, Hyd, Med06, Jf06str/Jf06str, 022.0 1
28 82835 (004000−004936 ) Hose, Hyd, Low12, Jf12str/Jf12str, 038.0 1
29 76497 (004000−004936 ) Hose, Hyd, Med06, Jf06e45/Jf06str, 035.0 1
30 65191 (004000−004936 ) Hose, Hyd, Med06, Jf06e45/Jf06str, 112.0 1
31 57944 (004000−004936 ) Hose, Hyd, Med06, Jf06e90/Jf06str, 024.0 1
32 21729 (004000−004936 ) Hose, Hyd, Low04, Jf04e90/Jf04str, 066.0 2
33 65196 (004000−004936 ) Hose, Hyd, Low04, Jf04e90/Jf04str, 048.0 1
34 31563 (004000−004936 ) Hose, Hyd, Med06, Jf06e90/Jf06str, 060.0 1
35 9008645 (004000−004936 ) Hose Kit, Rear Drive, Replmt 1
36 65205 (004000−004936 ) Hose, Hyd, Low12, Jf12str/Jf12str, 027.0 1
37 65202 (004000−004936 ) Hose, Hyd, Low12, Jf12str/Jf12str, 016.0 1
38 77473 (004000−004936 ) Hose, Hyd, Suc20, Jf20e45/Jf20str, 022.5 1
39 380675 (004000−004936 ) Hose, Hyd, Low12, Jf12str/Jf12str, 020.0 1
40 02549 (004000−004936 ) Hose, Hyd, Low04, Jf04e90/Jf04str, 060.0 1

STANDARD PARTS
800 Gas/LPG 330120 (3−2015)
2-160
Fig. 76 − Hydraulic Hose Group (004937− )
FRONT
1
2
34
56
7
89
10
11
12 13
14
15
16
17
18
19
20
21
22
24
25
26
27
28
29
30
31
32
33
34
35
36
37
38
39
4
5
23
34
1
19
20

STANDARD PARTS
2-161
800 Gas/LPG 330120 (10−2014)
353877 − 800
Fig. 76 − Hydraulic Hose Group (004937− )
Ref. Part No. Serial Number Description Qty.
1 65194 (004937− ) Hose, Hyd, Med06, Jf06e90/Jf06str, 072.0 3
2 65197 (004937− ) Hose, Hyd, Med08, Jf08e90/Jf08str, 062.0 1
3 65224 (004937− ) Hose, Hyd, Med08, Jf08str/Jf08str, 066.0 1
4 65188 (004937− ) Hose, Hyd, Med04, Jf04e90l/Jf04str,038.0 2
5 57173 (004937− ) Hose, Hyd, Med04, Jf04e45/Jf04str, 034.0 2
6 76498 (004937− ) Hose, Hyd, Tc04, Jf04str/Jf04str, 138.0 1
7 79642 (004937− ) Hose, Hyd, Tc04, Jf04str/Jf04str, 142.0 1
8 21117 (004937− ) Hose, Hyd, Tc04, Jf04str/Jf04str, 098.0 1
9 21119 (004937− ) Hose, Hyd, Tc04, Jf04e90/Jf04str, 092.0 1
10 77641 (004937− ) Hose, Hyd, Tc04, Jf04str/Jf04str, 114.0 1
11 77640 (004937− ) Hose, Hyd, Tc04, Jf04str/Jf04str, 106.0 1
12 71552 (004937− ) Hose, Hyd, Med06, Jf06e90/Jf06str, 046.0 1
13 55700 (004937− ) Hose, Hyd, Med04, Jf04str/Jf04str, 026.0 1
14 82843 (004937− ) Hose, Hyd, Med08, Jf08e90/Jf08str, 028.0 1
15 82820 (004937− ) Hose, Hyd, Med08, Jf08e90/Jf08str, 034.0 1
16 65195 (004937− ) Hose, Hyd, Med06, Jf06e90/Jf06str, 023.0 1
17 65212 (004937− ) Hose, Hyd, Low06, Jf06e90/Jf06str, 060.0 1
18 65204 (004937−008014 ) Hose, Hyd, Med08, Jf08e45/Jf08str, 106.0 1
18 1073602 (008015− ) Hose, Hyd, Med08, Jf08e45/Jf08str, 112.0 1
19 34355 (004937− ) Hose, Hyd, Med08, Jf08e90/Jf08str, 040.0 2
20 57963 (004937− ) Hose, Hyd, Med04, Jf04e90/Jf04str, 056.0 4
21 34379 (004937− ) Hose, Hyd, Med04, Jf04e90/Jf04str, 072.0 1
22 65213 (004937− ) Hose, Hyd, Low06, Jf06e90/Jf06str, 086.0 1
23 34360 (004937− ) Hose, Hyd, Med08, Jf08e90/Jf08str, 058.0 2
24 33799 (004937− ) Hose, Hyd, Med08, Jf08e45/Jf08str, 060.0 1
25 65199 (004937− ) Hose, Hyd, Med12, Jf12e45/Jf12str, 074.0 1
26 01987 (004937− ) Hose, Hyd, Med06, Jf06str/Jf06str, 027.0 1
27 16431 (004937− ) Hose, Hyd, Med06, Jf06str/Jf06str, 022.0 1
28 82835 (004937−008014 ) Hose, Hyd, Low12, Jf12str/Jf12str, 038.0 1
28 1073603 (008015− ) Hose, Hyd, Med12, Jf12str/Jf12str, 031.0 1
29 76497 (004937− ) Hose, Hyd, Med06, Jf06e45/Jf06str, 035.0 1
30 65191 (004937−008014 ) Hose, Hyd, Med06, Jf06e45/Jf06str, 112.0 1
30 1073601 (008015− ) Hose, Hyd, Med06, Jf06e45/Jf06str, 118.0 1
31 57944 (004937− ) Hose, Hyd, Med06, Jf06e90/Jf06str, 024.0 1
32 21729 (004937− ) Hose, Hyd, Low04, Jf04e90/Jf04str, 066.0 2
33 31603 (004937− ) Hose, Hyd, Low06, Jf06e90/Jf06str, 052.0 1
34 31563 (004937− ) Hose, Hyd, Med06, Jf06e90/Jf06str, 060.0 2
35 9008645 (004937−007467 ) Hose Kit, Rear Drive, Replmt 1
35 1064170 (007468− ) Hose, Hyd, Tc12, Ff12e45/Ff12str, 045.0 2
36 65205 (004937−008014 ) Hose, Hyd, Low12, Jf12str/Jf12str, 027.0 1
36 1073858 (008015− ) Hose, Hyd, Low12, Jf12str/Jf12str, 030.0 1
37 65202 (004937−008014 ) Hose, Hyd, Low12, Jf12str/Jf12str, 016.0 1
37 1073858 (008015− ) Hose, Hyd, Low12, Jf12str/Jf12str, 030.0 1
38 77473 (004937− ) Hose, Hyd, Suc20, Jf20e45/Jf20str, 022.5 1
39 57568 (004937− ) Hose, Hyd, Low12, Jf12str/Jf12str, 018.0 1

STANDARD PARTS
800 Gas/LPG 330120 (10−2014)
2-162
Fig. 77 − Hydraulic Reservoir Group
1
2
3
4
5
6
7
8
9
10
11
12
13
14
15
16
17
17
18
19
20

STANDARD PARTS
2-163
800 Gas/LPG 330120 (10−2014)
07603 − ALL
Fig. 77 − Hydraulic Reservoir Group
Ref. Part No. Serial Number Description Qty.
o 1 380736 (004000− ) Tank Wldt, Hydraulic w/label 1
Yo 2 34306 (004000− ) Breather, Hyd 1
YY 3 61288 (004000− ) Gasket, Hyd Tank Breather 2
YY 4 70072 (004000− ) Breather Cap and Gasket 1
YY 5 70006 (004000− ) Gasket, Hyd Cap 1
Y 6 65215 (004000− ) Gauge, Sight Lh 1
7 42260 (004000− ) Ftg−Hyd Str Jm12/Om12 1
8 40514 (004000− ) Ftg−Hyd Tee Jm12Jmjf 1
9 76316 (004000− ) Ftg−Hyd Tee Jm06Jmom 1
10 57994 (004000− ) Ftg−Hyd E90 Special Jm12/Jf12 1
11 34390 (004000−004936 ) Ftg−Hyd Tee Jm04Jmom 1
12 39210 (004000−004936 ) Ftg−Hyd E90 Jm04/Jf04 1
13 31613 (004000− ) Strainer−Hyd Suction 25−100−03 1
14 58858 (004000− ) Ftg−Hyd Str Jm20/Om20 1
15 19459 (004000− ) Ftg−Hyd E90 1
16 33817 (004000− ) Ftg−Hyd Plg Om12 1
17 42215 (004937− ) Ftg−Hyd Tee Jm06Jmjf 2
18 55586 (004937− ) Fitting, Hyd, Str, Jm04/Om04 1
19 50121 (008015− ) Sleeve, Nyl, 1.63id 08.0l 1
20 82830 (008015− ) Sleeve, Nyl, 1.63id 16.0l 1

STANDARD PARTS
800 Gas/LPG 330120 (4−2014)
2-164
Fig. 78 − Hydraulic Filter and Cooler Group
1
23
4
5
6
7
8
9
11
12
13
2
3
3
10
10
11
3
10
4
7
11
FRONT

STANDARD PARTS
2-165
800 Gas/LPG 330120 (4−2014)
356441 − G, LP
Fig. 78 − Hydraulic Filter and Cooler Group
Ref. Part No. Serial Number Description Qty.
1 64419 (004000− ) Cooler, Hyd, 24gpm 400btu Of08 13x12x2 1
2 42260 (004000− ) Fitting, Hyd, Str, Jm12/Om12 2
3 51322 (004000− ) Isolator, Vib, Ring, 1.0d .31−18/.31−18 4
4 82830 (004000− ) Sleeve, Nyl, 1.63id 16.0l 3
o 5 10664 (004000− ) Filter Assy, Hyd, 10mic 035gpm, Spin−On 1
Y 6 65221 (004000− ) Element, Fltr, Oi 1
7 46481 (004000− ) Fitting, Hyd, E90, Jm12/Om12 2
8 65222 (004000− ) Send−Unit, Fltr, Hyd 1
9 32984 (004000− ) Washer, Lock, Int, 0.31 2
10 19313 (004000− ) Nut, Hex, Std, .31−18 6
11 32491 (004000− ) Washer, Flat, 0.31, Std 6
12 21195 (004000− ) Screw, Hex, .38−16 X 0.75, G5 2
13 41187 (004000− ) Washer, Flat, Belleville, .38 2

STANDARD PARTS
800 Gas/LPG 330120 (5−05)
2-166
Fig. 79 − Hydraulic Solenoid Valve Group
C1
T1
C2
T3
DR
M1
T2
SW
M2
P
M5
M4
G3
2
3
4
5
6
7
8
9
10
15
11
12
13
14
14
13
7
2
7
1
4
16 17
18
19

STANDARD PARTS
2-167
800 Gas/LPG 330120 (5−09)
07650 − 800
Fig. 79 − Hydraulic Solenoid Valve Group
Ref. Part No. Serial Number Description Qty.
1 32129 (004000− ) Scr Flt M8x1.25 20 3
2 44869 (004000− ) Ftg−Hyd Str Jm08/Om08 3
3 17980 (004000− ) Ftg−Hyd E90 Jm08/Jf08 1
4 44868 (004000− ) Ftg−Hyd E90 Jm08/Om08 2
5 45482 (004000− ) Ftg−Hyd Tee Jm08Jmjf 1
6 56690 (004000− ) Ftg−Hyd Str Jm06/Om06 1
7 77097 (004000− ) Ftg−Hyd E90 Jm04/Om04 3
8 59577 (004000− ) Ftg−Hyd Str Jm06Om06L 1
9 31605 (004000− ) Ftg−Hyd Str Jm08Om08L 1
10 77575 (004000− ) Switch Assy, Pressure, Hyd 1
11 57993 (004000− ) Ftg−Hyd Str Jm12Om12L 1
12 64228 (004000− ) Plate, Mtg, Valve, Solenoid 1
13 10911 (004000− ) Isolator, Vac Fan 2
14 06146 (004000− ) Bracket, Mounting 2
15 84014 (004000−007338 ) Valve−Hyd, Solenoid (See Breakdowns) 1
15 1049209 (007339− ) Valve, Cntrl, Hyd, Solenoid, 12vdc 08gpm (See Break-
downs) 1
16 19066 (004000− ) Washer, Flat, #10 4
17 06943 (004000− ) Screw, Hex, M6 X 1.0 X 20, 8.8 4
18 07790 (004000− ) Nut, Hex, Flng, M6 X 1.0 4
19 69234 (004000− ) Clamp, Cable, Stl, 1.00d X 0.75w, 1h 1

STANDARD PARTS
800 Gas/LPG 330120 (3−2005)
2-168
Fig. 80 − Hydraulic Lift Valve Group
IN
PB
C
E
A
F
D
OUT
4
5
29
1
13
14
1516
17
19
20
21
22
23
24
25
17
23
23
21
21
22
22
24
24
17
15
16
14
18
26
26
27
27
3
5
6
7
10
11
12
2
9
9
28
8

STANDARD PARTS
2-169
800 Gas/LPG 330120 (10−2014)
07613 − NA
Fig. 80 − Hydraulic Lift Valve Group
Ref. Part No. Serial Number Description Qty.
1 375563 (004000− ) Valve, Hyd Control Man (See Breakdowns) 1
2 47638 (004000− ) Fitting, Hyd, E90, Jm04/Om06 1
3 44869 (004000− ) Fitting, Hyd, Str, Jm08/Om08 1
4 49933 (004000− ) Fitting, Hyd, Tee, Jm08/Jm08/Om08, Br 1
5 17980 (004000− ) Fitting, Hyd, E90, Jf08/Jm08 2
6 47504 (004000− ) Fitting, Hyd, E90, Jf06/Jm06 1
7 42215 (004000− ) Fitting, Hyd, Tee, Jf06/Jm06/Jm06, Run 2
8 77488 (004000− ) Pin, Clevis, 0.19d X 0.63l 3
9 55685 (004000− ) Fitting, Hyd, Str, Jm04/Om06 3
10 52402 (004000− ) Fitting, Hyd, Str, Jm06/Om08 1
11 57411 (004000− ) Fitting, Hyd, Tee, Jf04/Jm04/Jm04, Br 1
12 57988 (004000− ) Fitting, Hyd, Tee, Jf04/Jm04/Jm04, Run 1
13 77485 (004000− ) Bracket Wldt, Mtg, Valve 1
14 62173 (004000− ) Isolator, Vib, Bshg, 1.4d 0.3l .4b 0.65h 3
15 62172 (004000− ) Isolator, Vib, Ring, 1.4d 0.3l 0.8b 3
16 64905 (004000− ) Tube, 0.26id 0.38od 00.6l, Stl, Pl 3
17 1014491 (004000− ) Washer, Flat, 0.28b 1.38d .12, Hrs Pl 5
18 77491 (004000−008088 ) Handle, Valve, Hyd, Rh 1
18 1073833 (008089− ) Handle, Valve, Hyd, Rh [800 Gray] 1
19 77492 (004000−008088 ) Handle, Valve, Hyd, Ctr 1
19 1073834 (008089− ) Handle, Valve, Hyd, Ctr [800 Gray] 1
20 77493 (004000−008088 ) Handle, Valve, Hyd, Lh 1
20 1073835 (008089− ) Handle, Valve, Hyd, Lh [800 Gray] 1
21 64434 (004000− ) Knob, Rnd, 2.00d 0.65l M6, Plstc 3
22 70827 (004000− ) Knob, Rnd, 2.00d 0.84l M6, Plstc 3
23 70847 (004000− ) Screw, Set, Soc, M6 X 1.00 X 20, Pl[45h] 3
24 36556 (004000− ) Bushing, Flng, 0.50b 0.56d 0.22l, Nyl 3
25 06474A (004000− ) Pin, Clevis, 0.50d X 3.50l 1
26 77498 (004000− ) Spacer 2
27 77499 (004000− ) Spacer 2
28 16455 (004000− ) Fitting, Hyd, Rst, Jf04/Jm04, .047 1
29 08085 (004000− ) Pin, Cotter, Hair, 0.31d .058 Wir 3

STANDARD PARTS
800 Gas/LPG 330120 (7−2015)
2-170
Fig. 81 − Side Brush Motor Group
24
24
FRONT
1
2
3
4
5
6
7
8
9
10
11
12
13
14
15
16
17
18
19
20
3
7
17
23
21
22

STANDARD PARTS
2-171
800 Gas/LPG 330120 (7−2015)
356597 − G, LP, NA
Fig. 81 − Side Brush Motor Group
Ref. Part No. Serial Number Description Qty.
1 79781 (004000−007797 ) Motor, Hyd, (See Breakdowns) (Replaced by 9009502) 1
1 1057338 (007798− ) Motor, Hyd, Gear, Int 17.9 Bi−Dir 2500 1
2 47508 (004000− ) Fitting, Hyd, Str, Jm06/Om10 2
3 42207 (004000− ) Fitting, Hyd, Str, Jm06/Jm08 2
4 65168 (004000−008088 ) Bracket Wldt, Mtg, Motor 1
4 1074288 (008089− ) Bracket Wldt, Mtg, Motor[800 Gray] 1
5 65174 (004000− ) Tube, 0.44id 0.62od 00.4l, Stl 5
6 06944 (004000− ) Screw, Hex, M6 X 1.00 X 25, 8.8 1
7 67366 (004000− ) Clamp, Cable, Stl, 1.0x2.0x0.62w, 1hole 1
8 84581 (004000− ) Pin Assy, Side Brush W/ Clip 1
9 75028 (004000− ) Sleeve, Nyl, 1.63id 65.0l 1
10 375401 ( xxxxxx− ) Cable, Glv .19d 020.3l .44ball /.50eye 1
11 375402 ( xxxxxx− ) Spring, Tors, 0.81id .09wir 0.3coil, Rh 1
12 1017898 ( xxxxxx− ) Hook, Cable, .44d Ball 1
13 375404 ( xxxxxx− ) Tube, 0.44id 0.75od 00.3l, Stl, Pl 1
14 36758 ( xxxxxx− )Bolt, Shld, .50d X 0.50, .38−16 1
15 32486 ( xxxxxx− ) Washer Flat,0.50,Sae 2
16 12459 (004000− ) Screw, Hex, M6 X 1.00 X 20, Fmg 1
17 41185 (004000− ) Washer, Flat, Belleville, .25 2
18 39284 (004000− ) Screw, Hex, M10 X 1.50 X 35, 8.8 1
19 41430 (004000− ) Nut, Hex, Lock, M10 X 1.5, Nl 4
20 32492 (004000− ) Washer, Flat, 0.38, Std 1
21 34195 (004000− ) Screw, Hex, .38−16 X 4
22 32485 (004000− ) Washer, Flat, 0.38, Sae 4
23 07790 (004000− ) Nut, Hex, Flng, M6 X 1.00 1
24 375400 (004000− xxxxxx )Cable Kit, Brush, Side, Rh, Ci [800l] 1

STANDARD PARTS
800 Gas/LPG 330120 (7−2015)
2-172
Fig. 82 − Side Brush Pivot Group
FRONT
1
2
3
4
56
7
8
9
10
11
12
13
14
16
17
18
19
20
21
22
23
24
25
26
27
28
29
30
31
32
33
34
35 36
37
38
39
33
40
35
33 34
15
35
15
3
10

STANDARD PARTS
2-173
800 Gas/LPG 330120 (7−2015)
356598 − G, LP, NA
Fig. 82 − Side Brush Pivot Group
Ref. Part No. Serial Number Description Qty.
1 391841 (004000−008088 ) Bracket Wldt, Mtg, Guard, Side Brush 1
1 1074293 (008089− ) Bracket Wldt, Mtg, Guard, Side Brush 1
2 21238 (004000−008088 ) Guard, Brush, Side .38th 2.0w [800] 1
2 1074286 (008089− ) Guard, Brush, Side .38th 2.0w [800] 1
3 65174 (004000− ) Tube, 0.44id 0.62od 00.4l, Stl 4
4 70521 (004000−008088 ) Arm Wldt, Pivot, Side Brush 1
4 1074291 (008089− ) Arm Wldt, Pivot, Side Brush [800 Gray] 1
5 70627 (004000− ) Bushing, Sleeve, 1.25b 1.40d 0.38l, Bnz 1
6 70526 (004000− ) Shaft, Pivot 1
7 70524 (004000− ) Washer, Flat, 1.30b 3.00d .06, Stl 1
8 70525 (004000− ) Washer, Flat, 0.71b 2.25d .19, Stl, Csk 1
9 36328 (004000− ) Washer, Flat, Belleville, .50 1
10 04761 (004000− ) Bushing, Flng, 0.50b 0.59d 0.38l 2
11 70431 (004000− ) Pin Wldt, Pivot, Brush, Side 1
12 70626 (004000− ) Bolt, Eye, M8 X 1.25 X 051mm, 05.50 Eye 2
13 65160 (004000− ) Spring, Extn, 1.00od 0.15wir 05.8l 2
14 65173 (004000−008088 ) Bracket Wldt, Spring 1
14 1074290 (008089− ) Bracket Wldt, Spring [800 Gray] 1
15 09770 (004000− ) Screw, Hex, M10 X 1.50 X 25, Nl, Ss 4
16 65180 (004000− ) Spring, Dsl, 1.00od 0.50id 1.70l 1
17 74059 (004000− ) Tube, 0.34id 1.00od 00.5l, Stl, Pl 1
18 74060 (004000−008088 ) Bracket, Guide, Arm, Side Brush, Rh 1
18 1074292 (008089− ) Bracket, Guide, Arm, Side Brush, Rh 1
19 07787 (004000− ) Nut, Hex, Std, M10 X 1.50, Ss 3
20 06537 (004000− ) Screw, Hex, M10 X 1.50 X 120, 8.8, Fl 1
21 76438 (004000− ) Screw, Hex, M10 X 1.50 X 90, 8.8, Fl 1
22 21215 (004000−008088 ) Bracket, Angle, Mtg, Side Brush 1
22 1074287 (008089− ) Bracket, Angle, Mtg, Side Brush 1
23 20192 (004000− ) Screw, Flt, Soc, .50−13 X 2.00, Al 1
24 32985 (004000− ) Nut, Hex, Lock, .50−13, Nl 1
25 09291 (004000− ) Screw, Hex, M10 X 1.50 X 20, Ss 1
26 39311 (004000− ) Nut, Hex, Std, M8 X 1.25 2
27 39312 (004000− ) Nut, Hex, Std, M10 X 1.50 1
28 08709 (004000− ) Nut, Hex, Lock, M8 X 1.25, Nl 1
29 32491 (004000− ) Washer, Flat, 0.31, Std 1
30 41342 (004000− ) Screw, Hex, M8 X 1.25 X 40, 8.8 1
31 06535 (004000− ) Screw, Flt, Soc, M10 X 1.50 X 35, 10.9 1
32 39284 (004000− ) Screw, Hex, M10 X 1.50 X 35, 8.8 2
33 07792 (004000− ) Nut, Hex, Flng, M10 X 1.50 8
34 09081 (004000− ) Screw, Flt, Soc, M10 X 1.50 X 25, 10.9 4
35 32485 (004000− ) Washer, Flat, 0.38, Sae 5
36 39283 (004000− ) Screw, Hex, M10 X 1.50 X 25, 8.8 2
37 41430 (004000− ) Nut, Hex, Lock, M10 X 1.5, Nl 4
38 65170 (004000−008088 ) Bracket Wldt, Pivot, Side Brush 1
38 1074289 (008089− ) Bracket Wldt, Pivot, Side Brush [Gray] 1
39 32492 (004000− ) Washer, Flat, 0.38, Std 6

STANDARD PARTS
800 Gas/LPG 330120 (12−2005)
2-174
Fig. 83 − Side Brush Lift Group
234
5
6
7
8
9
10
1
11
12
13
14
15
16
1
7
18
19
20
21
22
23
24
25
26
27
28
29
30
31
32
33
34
35
36
37
38
39
40
4
4
4
34
41
42
42
9
18
17
6
26
37
8
31
39
49
48
46
44
47
54
36
58
53
36
44 45
5
1
36
5049
36
55
56
57
57
52
36
36
36
44
44
43
43

STANDARD PARTS
2-175
800 Gas/LPG 330120 (10−2014)
07578 − G, LP
Fig. 83 − Side Brush Lift Group
Ref. Part No. Serial Number Description Qty.
1 77669 (004000− ) Plate Wldt 1
2 70532 (004000− ) Cable, Glv .25d 021.2l .63eye /.63eye 1
3 74391 (004000− ) Pulley Assy, Cable, 1.5 Dia 2
4 375416 (004000− xxxxxx ) Replacement Kit, Roller, Side Brush Lift 1
5 23936 (004000− ) Cable, Glv .25d 016.8l .64eye /.64eye 1
6 375415 ( xxxxxx− )Plate, Side Brush Roller 2
7 73737 (004000− ) Sleeve, .375B .75D .32 Stl 2
8 77584 (004000− ) Plate 2
9 74090 (004000− ) Bearing 2
10 77597 (004000− ) Sleeve, 0.406B 0.75D1.80 Stl 1
11 77727 (004000− ) Sleeve, .438B 1.00D .35 Stl 1
12 77459 (004000− ) Spacer 1
13 77601 (004000− ) Plate, Angle 1
14 77600 (004000− ) Sleeve,0.406B .750D .800 Stl 1
15 77097 (004000− ) Ftg−Hyd E90 Jm04/Om04 2
16 1041034 (004000− ) Cylinder, Hyd, 1.5b 06.3l 01.50strk 2500 1
17 51813 (004000− ) Pin,Clevis,0.37 Dia.X 2.12 Lg 2
18 08179 (004000− ) Pin, Cotter .094X1.00 2
19 21231 (004000− ) Plate 1
20 77605 (004000− ) Knob, Plastic 1
21 41131 (004000− ) Nut Low Crown .62−18 1
22 77682 (004000− ) Rod, Thread 1
23 65561 (004000− ) Switch Rocker Spst 1
24 57807 (004000− ) Cover, Rocker Switch Seal 1
25 57772 (004000− ) Plate−Cover 1
26 65174 (004000− ) Spacer 3
27 21109 (004000−004274 ) Plate, Cover 1
28 56820 (004000− ) Ftg−Hyd E90 1
29 84016 (004000−007338 ) Valve, Hyd Solenoid (See Breakdowns) 1
29 1049211 (007339− ) Valve, Cntrl, Hyd, Solenoid, 12vdc 06gpm (See Break-
downs) 1
30 77097 (004000− ) Ftg−Hyd E90 Jm04/Om04 2
31 56690 (004000− ) Ftg−Hyd str 3
32 47504 (004000− ) Ftg−Hyd E90 1
33 375666 (004275−008088 ) Plate, Cover 1
33 1073903 (008089− ) Panel, Cover, Brush Cntrl, Gas/Lpg[Gray] 1
34 80395 ( xxxxxx− )Sleeve, P/M, 0.496d 0.318b 0.65l 430ss 2
35 76570 ( xxxxxx− ) Screw, Hex, M8 X 1.25 X 30, 8.8 2
36 32492 ( xxxxxx− ) Washer, Flat, 0.38, Std 12
37 07791 ( xxxxxx− ) Nut, Hex, Flange, M8 X 1.25 2
38 41342 ( xxxxxx− ) Screw, Hex, M8 X 1.25 X 40, 8.8 2
39 33924 ( xxxxxx− )Washer, Flat, M10, Ss 2
40 12317 ( xxxxxx− ) Screw, Hex, M10 X 1.50 X 30, Ss 1
41 08714 ( xxxxxx− ) Nut, Hex, Lock, M10 X 1.5, Nl, Ss 1
42 222460 ( xxxxxx− ) Sleeve, P/M, 0.496d 0.318b 0.50l 430ss 2
43 06943 (004000− ) Screw, Hex, M6 X 1.0 X 20, 8.8 4
44 19066 (004000− ) Washer, Flat, #10 8
45 06548 (004000− ) Screw, Hex, M6 X 1.0 X 60, 8.8 2
46 63416 (004000− ) Washer, Rbr, .12 0.31b 0.88d 2
47 08708 (004000− ) Nut, Hex, Lock, M6 X 1.0, Nl 2
48 16931 (004000− ) Screw, Hex, M8 X 1.25 X 20, 8.8 2

STANDARD PARTS
800 Gas/LPG 330120 (5−2009)
2-176
07578 − G, LP
Fig. 83 − Side Brush Lift Group
Ref. Part No. Serial Number Description Qty.
49 32491 (004000− ) Washer, Flat, 0.31 Std 3
50 09010 (004000− ) Screw, Hex, M8 X 1.25 X 25, Ss 2
51 39283 (004000− ) Screw, Hex, M10 X 1.5 X 25, 8.8 2
52 07792 (004000− ) Nut, Hex, Flng, M10 X 1.5 2
53 39284 (004000− ) Screw, Hex, M10 X 1.5 X 35, 8.8 1
54 03193 (004000− ) Screw, Hex, M10 X 1.5 X 90, 8.8 1
55 06957 (004000− ) Screw, Hex, M8 X 1.25 X 60, 8.8 1
56 08709 (004000− ) Nut, Hex, Lock, M8 X 1.25, Nl 1
57 41430 (004000− ) Nut, Hex, Lock, M10 X 1.5, Nl 1
58 06965 (004000− ) Screw, Hex, M10 X 1.5 X 80, 8.8 1

STANDARD PARTS
2-177
800 Gas/LPG 330120 (12−2005)

STANDARD PARTS
800 Gas/LPG 330120 (2−2011)
2-178
Fig. 84 − Main Brush Drive Group
1
2
3
4
5
6
7
8
9
10
11
12
13
14
15
16
17
18
19
20
3
2
3
3
21
22
23
24
25
26
27
28
29
30
31
32
33
34
14
35
36
37
38
39

STANDARD PARTS
2-179
800 Gas/LPG 330120 (10−2013)
07569 − ALL
Fig. 84 − Main Brush Drive Group
Ref. Part No. Serial Number Description Qty.
1 63436 (004000− ) Shaft Wldt, Main Brush 1
2 51448 (004000− ) Bearing&Clr ,1.25B 2.44D 1.41W 2
3 51449 (004000− ) Flange,Brg,3 Hole 4
4 63541 (004000− ) Plate, Mtg, Latch 1
5 54878 (004000− ) Latch 1
6 63449 (004000− ) Arm Wldt, M Br, Idler 1
7 24899 (004000− ) Bearing−Ball,1.38B 2.83D 0.67W 1
8 30251 (004000− ) Shaft, Idler 1
9 55779 (004000− ) Plug Wldt, Idler 1
10 30252 (004000− ) Strip, Retainer, Bearing 1
11 30253 (004000− ) Plate, Seal 1
12 30255 (004000− ) Plug, Tube 1
13 63450 (004000− ) Arm Wldt, M Br, Motor 1
14 53434 (004000−007797 ) Motor−Hyd Gear In (See Breakdowns) (Replaced by
9009503) 1
14 1057337 (007798− ) Motor, Hyd, Gear, Int 02.8 Bi−Dir 2500 1
15 44869 (004000− ) Ftg−Hyd Str Jm08/Om08 2
16 07793 (004000− ) Nut, Hex, Flng, M12 X 1.75 2
17 87631 (004000−007797 ) Plug Weld, Brush Drive, Sweep 1
17 1057643 (007798− ) Plug Wldt, Drive, Brush 1
18 51564 (004000− ) Washer, .531B 1.75D .12Cr.Znc 1
19 64811 (004000− ) Bar Wldt, Brush Pressure 1
20 34330 (004000− ) Sleeve, Hyd 30” 1
21 75612 (004000− ) Screw, Set 1
22 55586 (004000− ) Ftg−Hyd Str Jm04/Om04 1
23 09120 (004000− ) Screw, Flt, M5 X 0.8 X 16, 10.9 4
24 12274 (004000− ) Screw, Hex, M6 X 1.0 X 20, 8.8, Nl 4
25 32483 (004000− ) Washer, Flat, 0.25 Sae 4
26 32895 (004000− ) Screw, Hex, .50−13 X 3.50, 5 1
27 36328 (004000− ) Washer, Belleville, .50 1
28 02931 (004000− ) Nut, Hex, Lock, .50−13, Nl, Ss 1
29 10819 (004000− ) Bolt, Carriage, .38−16 X 1.00 2
30 50902 (004000− ) Nut, Hex, Lock, .38−16, Nl 2
31 39283 (004000− ) Screw, Hex, M10 X 1.5 X 25, 8.8 4
32 07792 (004000− ) Nut, Hex, Flng, M10 X 1.5 4
33 06957 (004000− ) Screw, Hex, M8 X 1.25 X 60, 8.8 1
34 08709 (004000− ) Nut, Hex, Lock, M8 X 1.25, Nl 1
35 06968 (004000− ) Screw, Hex, M12 X 1.75 X 35, 8.8 1
36 41346 (004000− ) Screw, Hex, M12 X 1.75 X 30, 8.8 1
37 32486 (004000− ) Washer, Flat, 0.50 Sae 2
38 12316 (004000− ) Screw, Hex, M5 X 0.80 X 25, Ss 2
39 07514 (004000− ) Washer, Lock, Int, 10, Ss 2

STANDARD PARTS
800 Gas/LPG 330120 (12−2003)
2-180
Fig. 85 − Main Brush Lift Group
1
3
4
5
6
7
8
9
2
10 6
7
12
11

STANDARD PARTS
2-181
800 Gas/LPG 330120 (4−2008)
07579 − 800
Fig. 85 − Main Brush Lift Group
Ref. Part No. Serial Number Description Qty.
1 51534 (004000− ) Pin,Clevis,0.50 Dia.X 2.00 Lg 1
2 1012657 (004000− ) Rod, Thrd, 2 End .50−13 05.75 1
3 1038176 (004000− ) Cylinder, Hyd, 2.0b 08.0l 04.00strk 2500 1
4 77097 (004000− ) Ftg−Hyd E90 Jm04/Om04 1
5 34359 (004000− ) Ftg−Hyd E45 Jm04/Om04 1
6 33404 (004000− ) Spring, Tension 2
7 1012656 (004000− ) Tube, Mach, Retainer, Spring , 1.0d 1.7l 2
8 64233 (004000− ) Cable, Lift, Main Brush 1
9 65248 (004000− ) Bracket, Brush Lift, Main 2
10 65249 (004000− ) Tube, Spacer, Brush Lift 2
11 61969 (004275− ) Switch, Rocker, Dpdt 1
12 57807 (004275− ) Cover, Rocker Switch Seal 1

STANDARD PARTS
800 Gas/LPG 330120 (3−2007)
2-182
Fig. 86 − Main Brush Adjustment Group
2
3
4
5
6
1
7
7
8
9

STANDARD PARTS
2-183
800 Gas/LPG 330120 (3−2007)
09816 − ALL
Fig. 86 − Main Brush Adjustment Group
Ref. Part No. Serial Number Description Qty.
1 77578 (004000− ) Rod, Thread 1
2 77605 (004000− ) Knob, Plastic 1
3 51693 (004000− ) Sprng,Comp,0.87Idx.10Wire 2.5L 1
4 77580 (004000− ) Plate, Adj, Brush 1
5 79028 (004000− ) Seal, Rod, Adjuster 1
6 11716 (004000− ) Ftg, Grease.12 Npt 45 .88L 1
7 77583 (004000− ) Nut, Hex, Std, .62−18 3
8 15331 (004000− ) Washer, Flat, 0.62, Sae 2
9 41131 (004000− ) Nut, Low Crown, .62−18 1

STANDARD PARTS
800 Gas/LPG 330120 (3−2007)
2-184
Fig. 87 − Vacuum Fan Impeller Group
2
3
4
5
6
7
8
9
10
1
11
12
13
14
10
10
7
9
8
13
10
19
17
18
16
15
18
20
22
30
24
21
23
31
25
24
29
29
26
27
28

STANDARD PARTS
2-185
800 Gas/LPG 330120 (3−2015)
07590 − ALL
Fig. 87 − Vacuum Fan Impeller Group
Ref. Part No. Serial Number Description Qty.
1 77531 (004000−008108 ) Housing Wldt, Vac Fan, Rear 1
1 1074357 (008109− ) Housing Wldt, Vac Fan, Rear 1
2 75456 (004000− ) Shim .003Th 0.88Odx0.506Id 1
2 75456−1 (004000− ) Shim .005Th 0.88Odx0.506Id 1
2 75456−2 (004000− ) Shim .010Th 0.88Odx0.506Id 1
2 75456−3 (004000− ) Shim .020Th 0.88Odx0.506Id 3
2 75456−4 (004000− ) Shim .060Th 0.880Dxo.506Id 3
3 03922 (004000− ) Impeller 9.5 Dia. 18 Blade Mac 1
4 41130 (004000− ) Nut−Low Crown .50−20 Pltd 1
5 58114 (004000− ) Fan, Repair Kit, Reassembly 1
6 77532 (004000− ) Housing Wldt, Vac Fan, Front 1
7 64621 (004000− ) Bushing, Isolator 2
8 64618 (004000− ) Ring, Isolator, Outer Rbr 2
9 64299 (004000− ) Spacer 2
10 58228 (004000− ) Plate, Spring − Side Brush 4
11 70825 (004000− ) Bracket Wldt, Fan Inlet 1
12 21241 (004000− ) Gasket Kit, Vacfan, Replmt [800l] 1
13 73685 (004000− ) Clamp−Wormdrive, 3.62− 5.50D 2
14 73646 (004000− ) Hose, Fan Inlet 1
15 73650 (004000− ) Insulation, Acoustic, Fan 1
16 77553 (004000− ) Plate, Vac Fan 1
17 40870−8 (004000− ) Hose&cuff Assy, Vinyl4.0Idx50 1
18 23498 (004000− ) Clamp−Wormdrive, 2.63− 4.50D 2
19 08709 (004000− ) Nut, Hex, Lock, M8 X 1.25, Nl 1
20 375721 (004380− ) Bracket, Angle 1
21 69234 (004000− ) Clamp, Cable, Stl, 1.00d X 0.75w, 1h 1
22 763113 (004000− ) Tie, Cable, 20.0l, 6.00d Max 1
23 16931 (004000− ) Screw, Hex, M8 X 1.25 X 20, 8.8 1
24 32491 (004000− ) Washer, Flat, 0.31 Std 3
25 76570 (004000− ) Screw, Hex, M8 X 1.25 X 30, 8.8 2
26 06943 (004000− ) Screw, Hex, M6 X 1.0 X 20, 8.8 4
27 32483 (004000− ) Washer, Flat, 0.25, Sae 4
28 08708 (004000− ) Nut, Hex, Lock, M6 X 1.00, Nl 4
29 16930 (004000− ) Screw, Hex, M10 X 1.5 X 50, 8.8 2
30 41430 (004000− ) Nut, Hex, Lock, M10 X 1.5, Nl 2
31 32492 (004000− ) Washer, Flat, 0.38, Std 2

STANDARD PARTS
800 Gas/LPG 330120 (5−05)
2-186
Fig. 88 − Vacuum Fan Motor Group
3
4
5
11
12
26 27
FRONT
1
2
6
7
8
9
10
13
14
15
16
17
18 19
20
21
22
23
24
25
28
29
30
31
32
33
34
35
36
37
38
35
2
20
21

STANDARD PARTS
2-187
800 Gas/LPG 330120 (3−2015)
07607 − 800
Fig. 88 − Vacuum Fan Motor Group
Ref. Part No. Serial Number Description Qty.
1 54275A (004000− ) Bracket, Mounting Motor 1
2 54274 (004000− ) Isolator−Vibration,60 Lb.Ratng 4
3 19117 (004000−008108 ) Motor−Hyd Gear Ex (See Breakdowns) 1
4 77097 (004000−008108 ) Fitting, Hyd, E90, Jm04/Om04 1
5 56692 (004000−008108 ) Fitting, Hyd, Str, Jm08/Om10 1
6 56821 (004000− ) Fitting, Hyd, E90, Jm08/Om10 1
7 44869 (004000− ) Fitting, Hyd, Str, Jm08/Om08 1
8 42226 (004000− ) Fitting, Hyd, E45, Jm08/Om08 1
9 70775 (004000− ) Bracket, Mtg, Valve 1
10 05611 (004000− ) Isolator, Vibration 1
11 70810 (004000−008108 ) Insulation, Acoustic, Vac Fan 1
12 70790 (004000−008108 ) Plate, Retainer, Foam 1
13 84015 (004000−007338 ) Valve−Hyd, Solenoid (See Breakdowns) 1
13 1049210 (007339− ) Valve, Cntrl, Hyd, Solenoid, 12vdc 12gpm (See Break-
downs) 1
14 9012095 (008015− ) Sensor Assy, Thermal 1
15 82733 (004000− ) Gasket, Fire Switch 1
16 54862 (004000− ) Screw, Flt, Soc, .38−16 X 1.75, Al 4
17 39534 (004000− ) Screw, Flt, Soc, .25−20 X 1.00, Al 4
18 13248 (004000− ) Washer, Flat, 0.40b 1.12d .12, Stl, Pl 4
19 50902 (004000− ) Nut, Hex, Lock, .38−16, Nl 4
20 32984 (004000− ) Washer, Lock, Int, 0.31 2
21 19313 (004000− ) Nut, Hex, Std, .31−18 2
22 1071253 (008109− ) Motor, Hyd, Gear, Ext 0.17 Lh 3000 1
23 56821 (008109− ) Fitting, Hyd, E90, Jm08/Om10 1
24 55586 (008109− ) Fitting, Hyd, Str, Jm04/Om04 1
25 17980 (008109− ) Fitting, Hyd, E90, Jf08/Jm08 1
26 32490 (004000−008108 ) Washer, Flat, 0.25, Std 3
27 06942 (004000−008108 ) Screw, Hex, M6 X 1.00 X 16, 8.8 3
28 32981 (004000− ) Nut, Hex, Lock, .25−20, Nl 4
29 32483 (004000− ) Washer, Flat, 0.25, Sae 4
30 06952 (004000− ) Screw, Hex, M6 X 1.00 X 90, 8.8 2
31 19066 (004000− ) Washer, Flat, 0.25b 0.56d .05, Pl, 10 4
32 08708 (004000− ) Nut, Hex, Lock, M6 X 1.00, Nl 2
33 63416 (004000− ) Washer, Flat, 0.31b 0.88d .12, Rbr 2
34 76570 (004000− ) Screw, Hex, M8 X 1.25 X 30, 8.8 1
35 32491 (004000− ) Washer, Flat, 0.31, Std 2
36 08709 (004000− ) Nut, Hex, Lock, M8 X 1.25, Nl 1
37 09206 (004000− ) Screw, Hex, M4 X 0.70 X 12, 8.8 2
38 19065 (004000− ) Washer, Flat, 0.19b 0.44d .05, Pl, 08 2

STANDARD PARTS
800 Gas/LPG 330120 (10−2013)
2-188
Fig. 89 − Steering Group
1
2
3
4
5
6
7
9
10
11
12
13
14
15
16
17
18
19
20
21
22
23
24
25
27
28
29 30
26
27
25
27
6
6
25
26
26
25
24
25
8
21
12
5

STANDARD PARTS
2-189
800 Gas/LPG 330120 (10−2013)
07609 − ALL
Fig. 89 − Steering Group
Ref. Part No. Serial Number Description Qty.
1 64651 (004000− ) Rod, Latch, Steering, Tilt 1
2 70717 (004000− ) Ring,Retain,Ex,0.50Od,Heavy Dt 1
3 22290 (004000− ) Sprng,Comp,0.62Idx.06Wire 2.3L 1
4 64655 (004000− ) Channel, Mtg, Steering Latch 1
5 70709 (004000− ) Bearing, Flange .500B 2
6 47585 (004000− ) Bearing−Flange,2 Hole 0.50Bore 3
7 04706 (004000− ) Handle, Lift, Brush 1
8 64586 (004000− ) Bracket Wldt, Steering Tilt 1
o 9 64631 (004000− ) Column, Steering 12” 1
Y 74142 (004000− ) Boot 1
10 21195 (004000− ) Scr Hex .38−16X0.75 2
11 65242 (004000− ) Steer Control, Hyd (See Breakdowns) 1
12 56690 (004000− ) Ftg−Hyd Str Jm06/Om06 5
13 44078 (004000− ) Switch, Pushmom, Spst100A 12V 1
14 49263 (004000− ) Tie, Cable 3.00D Max 11.41Lg 3
o15 56398 (004000−007673 ) Wheel, Steering 1
Y70218 (004000−007673 ) Cap, Wheel, Steering 1
Y70219 (004000−007673 ) Insert, Wheel, Steering 1
o15 1058996 (007674− ) Wheel, Steering, 14.0d 0.81b 36tooth 1
Y768482 (007674− ) Cover, Wheel, Steering 1
16 70623 (004000− ) Plate, Mtg, Steering Boot 1
17 75968 (004000− ) Seal, Bearing 1
18 70622 (004000− ) Seal, Boot, Steering Column 1
19 56185 (004000− ) Nut−hx Jam M20x1.5 4 Pltd 1
20 72970 (004000− ) Rivet, Plastic .250Dx.898 4
21 32485 (004000− ) Washer, Flat, 0.38, Sae 4
22 27988 (004000− ) Screw, Hex, .38−16 X 1.50, G5 2
23 21195 (004000− ) Screw, Hex, .38−16 X 0.75, G5 2
24 11329 (004000− ) Screw, Hex, M6 X 1.00 X 16, Nl, Ss 4
25 19066 (004000− ) Washer, Flat, 0.25b 0.56d .05, Pl, 10 14
26 06943 (004000− ) Screw, Hex, M6 X 1.00 X 20, 8.8 4
27 08708 (004000− ) Nut, Hex, Lock, M6 X 1.00, Nl 6
28 32486 (004000− ) Washer Flat,0.50,Sae 1
29 39277 (004000− ) Screw, Hex, M8 X 1.25 X 25, 8.8 3
30 41186 (004000− ) Washer, Flat, Belleville, .31 3

STANDARD PARTS
800 Gas/LPG 330120 (3−2007)
2-190
Fig. 90 − Electrical Instrument Panel Assembly
2
3
4
5
6
7
8
9
10
1
11
12
17
14
1
15
19
16
21 13
11
20
18

STANDARD PARTS
2-191
800 Gas/LPG 330120 (10−2014)
09907 − G, LP
Fig. 90 − Electrical Instrument Panel Assembly
Ref. Part No. Serial Number Description Qty.
o59970 (004000− ) Replm Kit, Instr Panel 1
Y 1 59976 (004000− ) Replm Kit, Case 1
Y 2 59977 (004000− ) Replm Kit, Seal 1
Yo 3 59974 (004000− ) Replm Kit, Cir Board 1
YY 4 59978 (004000− ) Replm Kit, Hourmeter 1
Y 5 59979 (004000− ) Replm Kit, Touch Panel 1
Y 6 59971 (004000− ) Replm Kit, Lamp, Backlighting (Set of 8) 2
Y 7 56346 (004000− ) Replm Kit, Lamp, Fault (Set of 8) 1
8 10632−5 (004000− ) Grommet,Rbr,0.25Id,For .09Matl 4
9 61969 (004000−004274 ) Switch, Rocker, Dpdt 1
10 57807 (004000−004274 ) Cover, Rocker Switch Seal 1
o11 87536 (004000− ) Switch Ignition 1
Y12 87866 (004000− ) Key Set,Switch Ku 1
13 382516 (004000− ) Boot, Switch 1
14 79648 (004000− ) Seal, Handle, Valve 1
15 64141 (004000− ) Light, Indicator 14V Red 1.2x0.7 1
16 383165 (004322− ) Boot, Switch, Ignition 1
17 1012670 (004275−008088 ) Panel, Cover, Dash 1
17 1073801 (008089− ) Panel, Cover, Instmt [800 Gray] 1
18 56992 (004275−005999 ) Plugbutton 1
19 65245 (004000−004274 ) Panel, Cover, Dash 1
20 73736 (004000− ) Washer 1
21 1012185 (006000− ) Light, Check Eng, Amb, 14vdc 1

STANDARD PARTS
800 Gas/LPG 330120 (3−2015)
2-192
Fig. 91 − Electrical Circuit Breaker and Relay Group
1
2
3
7
8
9
10
11 12
13
14
16
17
1
15
15 13
14
13
1
13
12
10
See Carburator Group
4
4
5
6
6
07735 − G, LP
Ref. Part No. Serial Number Description Qty.
1 56186 (004000− ) Relay, Shrouded, 12 Vdc 8
2 70398 (004000− ) Plate, Mtg, Relay 1
3 70402 (004000− ) Cover, Relay Panel 1
4 57803 (004000−007289 ) Breaker−Circuit, 15 Resetbl 5
5 87583 (004000−007289 ) Breaker−Circuit, 2.5 Resetbl 1
6 57751 (004000−007289 ) Boot−Circuit Breaker 6
7 57167 (004000− ) Plugbtn .62H .03−.12 Blacknyl 3
8 70411 (004000−008088 ) Plate, Circuit Breaker 1
8 1073823 (008089− ) Plate, Circuitbreaker [800 Gray] 1
9 76888 (004000− ) Button, Plug 1.25H 1
10 1064188 (007290− ) Circuitbreaker, 15A, Restable 5
11 1064184 (007290− ) Circuitbreaker, 2.5A, Restable 1
12 1064191 (007290− ) Boot, Circuitbreaker 6
13 19066 (004000− ) Washer, Flat, 0.25b 0.56d .05, Pl, 10 10
14 06943 (004000− ) Screw, Hex, M6 X 1.00 X 20, 8.8 10
15 08708 (004000− ) Nut, Hex, Lock, M6 X 1.00, Nl 10
16 06942 (004000− ) Screw, Hex, M6 X 1.00 X 16, 8.8 4
17 07790 (004000− ) Nut, Hex, Flng, M6 X 1.00 4

STANDARD PARTS
2-193
800 Gas/LPG 330120 (10−02)
Fig. 92 − Electrical Schematic (004000−004936)
10502 − G, LP
13AC/BLK
C
A
72/ORA
73//WHTTAN/WHT
TAN/ORA
ALTERNATOR
LIGHT 2
TO EIP
2
1
RED/GRN
G
SPARK
PLUGS
18B/ORA
18S/ORA
18T/ORA
TO EIP
15A/BLU
H
13AB/BLK14/YEL SV−14
FUEL PUMP
87A
3087
FUEL
PUMP
RELAY
TO EIP
6/GRN
18R/ORA
TAN/ORA
A
N/U
N/U
18D/ORA
BLK
TAN/WHT
IGNITION
COIL
MODULE
GRY/RED
GRY/RED
YEL/BLK
9
10
11
1
7
12
2
3
4
6
8
ELECTRONIC
SPARK
CONTROL
CRANK
POSITION
SENSOR
ELECTRONIC
COOLANT
TEMPERATURE
SENSOR
ELECTRONIC
GOVERNOR
CONTROL
BOX
B
A
D
C
H
F
E
5
1H/RED
17/ORA
10/GRY
IGNITION SWITCH
S−10
( X INDICATES A
CLOSED CONTACT )
M12
85 86
START
STARTRUN
OFF
PREHEAT
X
XXX
XX
X
IGN.
19
30
BATT.
50
17
N/U
20/BLU
RUN/
ACC
18J/ORA18H/ORA
NEUTRAL START
SWITCH OPTION
10C/GRY 12A/BRN 12/BRN M1 STARTER RELAY COIL
S−3
GF
13DDD/BLK 13X/BLK
13EEE/BLK
13III/BLK
30B/GRY
L.H. SHAKER
R.H. SHAKER
30A/GRY
MTR
18C/ORA18/ORA
1G/RED
1D/RED
5/PUR
1/RED M1 STARTER RELAY
1A/RED OUT GND ALTERNATOR
BATTERY 13/BLK
STARTER MOTOR
13A/BLK
THROTTLE
ACTUATOR
SENSE
15A
M1
86/PUR
84/GRN
12/BRN
20A/BLU
12V
540 C.C.A.
1B/RED 2/ORA
55A MAX.
CHARGE
13E/BLK
8685 M3
86
85 13EE/BLK
CB−4
MTR
15A
B
1C/RED
1E/RED
15A
4/YEL HORN
HORN BUTTON
PB−1
11/PUR
CB−1
CB−2 87 M4 30 MTR
30/GRY
2.5A
CB−3 22/YEL 87 30
M3
GROUND
LINE
CAB
OPTION
TO ELECTRONIC
INSTRUMENT PANEL
C
E
3/BLU
UNSWITCHED POWER
23/GRY SWITCHED POWER
TO EIP
D
STARTER RELAY COIL
M2
ACC
LINE
83/BRN 85/BLU
SEPARATE

STANDARD PARTS
2-195
800 Gas/LPG 330120 (10−02)
Fig. 92 − Electrical Schematic (004000−004936)
10502 − G, LP
S−12
VAC FAN
SHUT OFF
33D/GRN
33C/GRN
13P/BLK
SV−10
SV−9 13I/BLK
M. BRUSH
LIFT
M11
13KKK/BLK
33B/GRN
33A/GRN
26B/PUR
26A/PUR
L.H. SIDE
BRUSH LIFT
MOV
R.H. SIDE
BRUSH LIFT
MOV
35/YEL
26/PUR
85
86
8730
13VV/BLK
SV−8
NCC
S−8
L.H. SIDE BRUSH
L.H. SIDE
BRUSH
MOV
21R/ORA20B/BLU CB−7
15 AMP
19B/GRY 19A/GRY 13D/BLK
SV−3
SV−4
MOV
NCC
S−7
R.H. SIDE BRUSH
33/GRN
MOV
R.H. SIDE
BRUSH 13N/BLK
N. O.
810 ONLY
31A/GRY
19C/GRY
28/BRN
28A/BRN28B/BRN
31B/GRY
13ZZ/BLK
MAIN/FRONT
BRUSH
8730
8685
8730
8685
MTR
M
CB
PM
J
P
PB
VM
POWER RELAY
MOTOR
CIRCUIT BREAKER
PERMANENT MAGNET
JACK−FEM. SOCKET
PLUG−MALE PIN
PUSHBUTTON
VOLTMETER
HM
SV
S
ACC
GND
C
N.O.
N.C.
HOURMETER
SOLENOID VALVE
SWITCH
ACCESSORY
GROUND CHASSIS
COMMON
NORMALLY OPEN
NORMALLY CLOSED
LEGEND
FU FUSE NOV METAL OXIDE VARISTOR
13C/BLK
7/PUR
SV−1
SV−5
SV−2
SV−6
FR. BRUSH
LIFT
MOV
B
A
C
19/GRY
31/GRY
FAN
MOV
13G/BLK
8730
M5
M10
S−1
37/YEL
M8
LITTER
BRUSH
MOV
MAIN
BRUSH
MOV
21D/ORA
21C/ORA
8730
M9
13F/BLK
21B/ORA
85 86
32/GRN21A/ORA
13Y/BLK
13W/BLK
13V/BLK27/YEL21/ORA20A/BLU CB−6
15 AMP
GROUND
LINE
ACC
LINE

STANDARD PARTS
800 Gas/LPG 330120 (10−02)
2-196
Fig. 92 − Electrical Schematic (004000−004936)
E
K
10502 − G, LP
J
J
K
38C/PUR
38A/PUR
38B/PUR TO RFS
CIRCUITRY
BOX
NOT
USED
FROM HOPPER
DIFFERENTIAL
PRESSURE
SWITCH #1
38B/PUR
SWITCHED
POWER
UNSWITCHED
POWER
J2−C
J2−B
J2−A
J1−A
J2−G
J2−F
J2−E
J2−D
J1−E
J1−D
J2−H
J1−C
J1−F
J1−B
P2−H
P1−F
P1−B
P2−D
P2−E
P2−F
P2−G
P1−A
P2−A
P2−B
P2−C
29/GRN23C/GRY M4
STD.
SHAKER
RELAY
85 86
VANE
MOTORS
MAX. 3.0
AMPS
2
PRESSURE
SETTING
CLOSES AT
6.5” H O
2
SHAKER
MOTORS
VOLT 13.6
HP .04
AMP 4.5
PRESSURE
SETTING
CLOSES AT
20” H O
13AQ/BLK
HOPPER DOOR SWITCH
RFS OPTION
13AL/BLK
13AJ/BLK
13AK/BLK
13AH/BLK
TO RFS
CIRCUITRY
BOX
FROM CB−4
CONTROL
POWER − FROM
KEY SWITCH
30C/GRY
30B/GRY
102B/GRY
102A/GRY102/GRY
101B/ORA
101A/ORA101/ORA
11G/PUR
107/BRN
108/GRN
11F/PUR
11E/PUR
MTR
RH SHAKER
MOTOR
11C/PUR
MTR
LH SHAKER
MOTOR
11B/PUR
13AS/BLK
13AR/BLK
M20
M19
R.H. SHAKER
MOTOR OVERRIDE
L.H. SHAKER
MOTOR OVERRIDE
LH SHAKER
RFS CONTROL
RH SHAKER
RFS CONTROL
8685
8685
CURB LIGHT
L.H. HEADLIGHT
R.H. HEADLIGHT
M20
M19
RH SHAKER
MOTOR OVERRIDE
LH SHAKER
MOTOR OVERRIDE
RH SHAKER
RFS CONTROL
LH SHAKER
RFS CONTROL
30
30
87
87
UNSWITCHED
POWER
IGNITION
SWITCH
S−10
ELECTRONIC
INSTRUMENT
PANEL
(RFS OPTION)
FOR STANDARD
EIP WIRING
11/PUR
S−22
18H/ORA
20A/BLU
H
H
18/ORA18P/ORA
18Q/ORA
SEPARATE
13AG/BLK11A/PUR11B/PUR 30A/GRY30/GRY
30
M4
87
CB−2
15A
1D/RED
M18
M17
13AT/BLK13AU/BLK 13X/BLK
13AQ/BLK
13AP/BLK
13AM/BLK
13AN/BLK
62F/YEL
62H/YEL
62G/YEL
IGN.
ACC 18C/ORA
START
15A
19
30
BATT.
50
17
20/BLU 8685 M3
CB−4 TO EIP
6/GRN
13BB/BLK
62A/YEL
62B/YEL74B/PUR M6 8730 62/YEL
87
87
30
30
106/BRN
105/YEL
104/BLU
103/GRN
13AE/BLK
13AF/BLK
18Q/ORA
13AD/BLK
M18
M17
85 86
8685
HOPPER DIFFERENTIAL
PRESSURE SWITCH #1
RH VANE
ACTUATOR MOTOR
LH VANE
ACTUATOR MOTOR
MTR POSITIVE
HERE = CLOSE
POSITIVE
HERE = CLOSE
HOPPER DIFFERENTIAL
PRESSURE SWITCH #2
MTR N.C.
C
N.O.
NOT
USED
NOT
USED
GRY
WHT
RED
ORA
BRN
YEL
BLU
BLK
GRN
TAN
PUR
PNK
RFS
CIRCUITRY
BOX
39A/GRY
38/PUR
39/GRY
3
13 5
4
7
12
23
22
2
15
24
11 S−13
GROUND
LINE
20
19
21
18
17
16
14
6
1
S−4
N.C.
C
N.O.

STANDARD PARTS
2-197
800 Gas/LPG 330120 (12−03)
Fig. 93 − Electrical Schematic (004937−005999)
1
2
3
5
4
393277 − 800, 810, G, Lp

STANDARD PARTS
800 Gas/LPG 330120 (4−08)
2-202
Fig. 94 − Electrical Schematic (006000− )
1
2
3
4
1014234 − G, LP

STANDARD PARTS
800 Gas/LPG 330120 (4−05)
2-208
Fig. 95 − Wire Harnesses Group, Gas/LPG, Main (004000− 004274)
1
Main Wire Harness

STANDARD PARTS
800 Gas/LPG 330120 (5−05)
2-212
Fig. 96 − Wire Harnesses Group, Gas/LPG, Hopper (004000− )
Hopper Wire Harness
1
351144 − G, LP
Ref. Part No. Serial Number Description Qty.
1 83695 (004000− ) Harness, Hopper 800/810 1

STANDARD PARTS
2-213
800 Gas/LPG 330120 (5−05)
Fig. 97 − Wire Harnesses Group, Gas/LPG, Tail Lights (004000− )
Tail Light Wire Harness
1
351145 − G, LP
Ref. Part No. Serial Number Description Qty.
1 70400 (004000− ) Harness, Turn/Rotate/Tail Lights 1

STANDARD PARTS
800 Gas/LPG 330120 (4−05)
2-214
Fig. 98 − Wire Harnesses Group, Gas/LPG, Main (004275−004936)
1
Main Wire Harness

STANDARD PARTS
800 Gas/LPG 330120 (4−05)
2-218
Fig. 99 − Wire Harnesses Group, Gas/LPG, Main (004937− )
1
Main Wire Harness

STANDARD PARTS
2-223
800 Gas/LPG 330120 (3−07)
Fig. 100 − Wire Harnesses Group, Gas/LPG Engine (006000−006999)
1

STANDARD PARTS
2-225
800 Gas/LPG 330120 (3−07)
Fig. 100 − Wire Harnesses Group, Gas/LPG Engine (006000−006999)
2
2
3
4
5
6
GM, G, LP
Ref. Part No. Serial Number Description Qty.
o 1 1011011 (006000−006999 ) Harness, Eng [3.0l, Gm, E−cntrl] 1
Y 2 57804 (006000−006999 ) Relay, 12vdc, 40a, Spdt 2
Y 3 394916 (006000−006999 ) Relay, 12vdc, 20a, Spdt 1
Y 4 372235 (006000−006999 ) Fuse, 5 Amp, [Min−5] 1
Y 5 372236 (006000−006999 ) Fuse, 15 Amp, [Min−15] 2
Y 6 372237 (006000−006999 ) Fuse, 20 Amp, [Min−20] 1

STANDARD PARTS
800 Gas/LPG 330120 (4−08)
2-226
Fig. 101 − Wire Harnesses Group, Gas/LPG Injectors (006000−006999)
2
1
Pressure Trim Valve and Black Connector, Valve Near Vaporize
r
Fuel Trim Valve and Red Connector, Valve Near Throttle Body
GM, G, LP
Ref. Part No. Serial Number Description Qty.
1 1011017 (006000−006999 ) Harness, Injector, Gas[3.0l Gm,E−Cntrl] 1
2 1011015 (006000−006999 ) Harness, Lpg Injector [3.0l, Gm,E−Cont] 1

STANDARD PARTS
2-227
800 Gas/LPG 330120 (2−11)
Fig. 102 − Wire Harnesses Group, Gas/LPG Engine (007000−007486)
1, 8
2, 9
3, 10
4, 11
5, 12
6, 137, 14
FUEK
PUMP
RELAY
POWER
RELAY
STARTER
RELAY
EMPTY
EMPTY
ALT
60 AMP
520
15 15
10 15
VSW ECM
FUEL PUMP IGNITION
EPR STARTER
GM, G, LP
Ref. Part No. Serial Number Description Qty.
o 385010 (007000−007486 ) Harness, Eng, Gas [3.0l 2007] 1
Y 1 394916 (007000−007486 ) Relay, 12vdc, 20a, Spdt 1
Y 2 57804 (007000−007486 ) Relay, 12vdc, 40a, Spdt 2
Y 3 372237 (007000−007486 ) Fuse, 20 Amp, [Min−20] 1
Y 4 372235 (007000−007486 ) Fuse, 5 Amp, [Min−5] 1
Y 5 372236 (007000−007486 ) Fuse, 15 Amp, [Min−15] 2
Y 6 384999 (007000−007486 ) Fuse, 10 Amp 1
Y 7 384998 (007000−007486 ) Fuse, 60 Amp 1
o 385018 (007000−007486 ) Harness, Eng, Lpg [3.0l 2007] 1
Y 8 394916 (007000−007486 ) Relay, 12vdc, 20a, Spdt 1
Y 9 57804 (007000−007486 ) Relay, 12vdc, 40a, Spdt 2
Y10 372237 (007000−007486 ) Fuse, 20 Amp, [Min−20] 1
Y11 372235 (007000−007486 ) Fuse, 5 Amp, [Min−5] 1
Y12 372236 (007000−007486 ) Fuse, 15 Amp, [Min−15] 2
Y13 384999 (007000−007486 ) Fuse, 10 Amp 1
Y14 384998 (007000−007486 ) Fuse, 60 Amp 1

STANDARD PARTS
800 Gas/LPG 330120 (2−11)
2-228
Fig. 103 − Wire Harnesses Group, Gas/LPG Engine (007487− )
1, 8
2, 9
3, 10
4, 11
5, 12
6, 137, 14
FUEK
PUMP
RELAY
POWER
RELAY
STARTER
RELAY
EMPTY
EMPTY
ALT
60 AMP
520
15 15
10 15
VSW ECM
FUEL PUMP IGNITION
EPR STARTER
GM, G, LP
Ref. Part No. Serial Number Description Qty.
o 1063654 (007487− ) Harness, Wire, Eng, Gas [Gm 3.0l 10] 1
Y 1 394916 (007487− ) Relay, 12vdc, 20a, Spdt 1
Y 2 57804 (007487− ) Relay, 12vdc, 40a, Spdt 2
Y 3 372237 (007487− ) Fuse, 20 Amp, [Min−20] 1
Y 4 372235 (007487− ) Fuse, 5 Amp, [Min−5] 1
Y 5 372236 (007487− ) Fuse, 15 Amp, [Min−15] 2
Y 6 384999 (007487− ) Fuse, 10 Amp 1
Y 7 384998 (007487− ) Fuse, 60 Amp 1
o 1063653 (007487− ) Harness, Wire, Eng, Lpg [Gm 3.0l 10] 1
Y 8 394916 (007487− ) Relay, 12vdc, 20a, Spdt 1
Y 9 57804 (007487− ) Relay, 12vdc, 40a, Spdt 2
Y10 372237 (007487− ) Fuse, 20 Amp, [Min−20] 1
Y11 372235 (007487− ) Fuse, 5 Amp, [Min−5] 1
Y12 372236 (007487− ) Fuse, 15 Amp, [Min−15] 2
Y13 384999 (007487− ) Fuse, 10 Amp 1
Y14 384998 (007487− ) Fuse, 60 Amp 1

STANDARD PARTS
2-229
800 Gas/LPG 330120 (3−07)
Fig. 104 − Wire Harnesses Schematic, Gas Engine (007000− )

STANDARD PARTS
800 Gas/LPG 330120 (3−07)
2-232
Fig. 105 − Wire Harnesses Schematic, LPG Engine (007000− )

STANDARD PARTS
2-235
800 Gas/LPG 330120 (2−11)

STANDARD PARTS
800 Gas/LPG 330120 (3−07)
2-236
Fig. 106 − Wire Harnesses Group, Gas/LPG Adaptor (006000−006999)
1

STANDARD PARTS
800 Gas/LPG 330120 (3−07)
2-238
Fig. 107 − Wire Harnesses Group, Gas/LPG Adaptor (007000− )
1

STANDARD PARTS
800 Gas/LPG 330120 (7−2015)
2-240
Fig. 108 − Label Group
2
3
1
4
4
5
6
08774 − 800, NA
Ref. Part No. Serial Number Description Qty.
1 59767 (004000− ) Label Set, Info & Hazard 1
2 70705 (004000− ) Label Set, Operational 800 1
3 70536 (004000−008088 ) Label, Numerals 800 2
3 1074549 (008089− ) Label, Model [800 Gray] 2
4 09806 (004000−008088 ) Label, Logo, 10.4l,Oval[Tennant,Blu/Grn] 2
5 1214251 (008089− ) Nameplate, Tennant, Domed, 10 Inch 1
6 86877 (008089− ) Label, Logo, 10.4L Sht/Clr [Tennant] 1

OPTIONS
3-1
800 Gas/LPG 330120 (7−2015)
SECTION 3
Contents Page
Fig. 1 − Light Kit, Flashing, Overhead Guard
(004000−008088) 3−2.................
Fig. 2 − Light Kit, Flashing, Overhead Guard
(008089− ) 3−4..................
Fig. 3 − Light Kit, Flashing, Cab (004000−008088)3−6
Fig. 4 − Light Kit, Flashing, Cab (008089− ) 3−8
Fig. 5 − Light Kit, Strobe, Overhead Guard
(004000−008088) 3−10................
Fig. 6 − Light Kit, Strobe, Overhead Guard
(008089− ) 3−12.................
Fig. 7 − Light Kit, Strobe, Cab (004000−008088)3−14
Fig. 8 − Light Kit, Strobe, Cab (008089− ) 3−16
Fig. 9 − Light Kit, Flashing, Low
(004000−008088) 3−18................
Fig. 10 − Light Kit, Flashing, Low
(008089− ) 3−20.................
Fig. 11 − Light Kit, Strobe, Low (004000−008088)3−22
Fig. 12 − Light Kit, Strobe, Low (008089− ) 3−24
Fig. 13 − Back−Up Alarm Kit
(004000−008088) 3−26................
Fig. 14 − Back−Up Alarm Kit
(008089− ) 3−28.................
Fig. 15 − Turn Signal Kit 3−30....................
Fig. 16 − Overhead Guard Kit (004000−008088) 3−32
Fig. 17 − Overhead Guard Kit (008089− ) 3−34
Fig. 18 − Hopper Floor Kit (004000−008088) 3−36..
Fig. 19 − Hopper Floor Kit (008089− ) 3−37...
Fig. 20 − Bumper Assembly, SE
(004000−008088) 3−38................
Fig. 21 − Bumper Assembly, SE
(008089− ) 3−39.................
Fig. 22 − Side Brush Lift Group, L.H. 3−40.........
Fig. 23 − Side Brush Group, L.H. 3−44............
Fig. 24 − Side Brush Pivot Group, L.H. 3−46.......
Fig. 25 − Side Brush Wire Harness Group, L.H. 3−48
Fig. 26 − Side Brush Hydraulic Hose Group, L.H.3−49
Fig. 27 − Side Brush Light Kit, (004000−008088) 3−50
Fig. 28 − Side Brush Light Kit, (008089− ) 3−52
Fig. 29 − Cab Kit 3−54..........................
Fig. 30 − Cab Mirror Kit (004000−008088) 3−56....
Fig. 31 − Cab Mirror Kit (008089− ) 3−58.....
Fig. 32 − Cab Seals Group 3−60.................
Fig. 33 − Cab AC and Heater Box Group, Ford 3−62
Fig. 34 − Cab AC and Heater Hose Group, Ford 3−64
Fig. 35 − Cab AC Compressor Group, Ford 3−66...
Contents Page
Fig. 36 − Cab AC and Heater Box Group,
GM (004937−008088) 3−68.............
Fig. 37 − Cab AC and Heater Box Group,
GM (008089− ) 3−70..............
Fig. 38 − Cab AC and Heater Hose Group, GM 3−72
Fig. 39 − Cab AC Compressor Group,
GM (004937−006999) 3−74.............
Fig. 40 − Cab AC Compressor Group,
GM (007000− ) 3−78............
Fig. 41 − Cab Heater Box Group, Ford 3−80.......
Fig. 42 − Cab Heater Hose Group, Ford 3−82......
Fig. 43 − Cab Heater Box Group,
GM (004937 − 008088) 3−84............
Fig. 44 − Cab Heater Box Group,
GM (008089 − ) 3−86.............
Fig. 45 − Cab Heater Hose Group, GM 3−88.......
Fig. 46 − Alternator Group, SE, Ford 3−90.........
Fig. 47 − Heavy Duty Alternator Kit,
GM (004937−006999) 3−92.............
Fig. 48 − Heavy Duty Alternator Kit,
GM (007000− ) 3−94............
Fig. 49 − Vacuum Wand Kit
(004000−008088) 3−96................
Fig. 50 − Vacuum Wand Kit
(008089− ) 3−98.................
Fig. 51 − Side Brush Dust Control Kit
(004000−008088) 3−100...............
Fig. 52 − Side Brush Dust Control Kit
(008089− ) 3−102................
Fig. 53 − Protectoseal Fuel Tank Cap Group 3−104.
Fig. 54 − Fire Extinguisher Kit 3−105..............
Fig. 55 − Solid Tire and Rim Assembly 3−106......
Fig. 56 − Seat Belt Kit 3−107.....................
Fig. 57 − RFS Filter System Group 3−108.........
Fig. 58 − Cab AC Drain Hose Kit 3−110...........
Fig. 59 − Neutral Start Group 3−112..............
Fig. 60 − Muffler Group, Non−Catalytic 3−113......
Fig. 61 − Documentation Group 3−114............

OPTIONS
800 Gas/LPG 330120 (10−2014)
3-2
Fig. 1 − Light Kit, Flashing, Overhead Guard (004000−008088)
1
2
3
4
5
6
7
8
9
10
11
12
13
14
15
16
17
18
19
20
15
22
21

OPTIONS
3-3
800 Gas/LPG 330120 (10−2014)
07654 − ALL
Fig. 1 − Light Kit, Flashing, Overhead Guard (004000−008088)
Ref. Part No. Serial Number Description Qty.
o73755 (004000−008088 ) Light Kit Flsh 800L Ohg 1
Yo 1 1017248 (007677−008088 ) Light, Flsh, Amb, 12−48vdc 1
YY 9000879 (007677−008088 ) Lens, Amb, F/ Strobe / Flasher 1
YY 9000846 (007677−008088 ) Lamp, Bulb, Flsh 1
Y 2 73899 (004000−008088 ) Bracket 1
Y 3 73898 (004000−008088 ) Panel 1
Y 4 10632−20 (004000−008088 ) Grommet,Rbr,0.38Id,For .06Matl 2
Y 5 74000 (004000−008088 ) Harness, Strobe/Flsh Light,Cab,Ohg 1
Y 6 1064050 (004000−008088 ) Duct, Afmkt, Vyl, 0.40 X 0.75 .25d, 04ft 1
Y 7 10632−4 (004000−008088 ) Grommet,Rbr,0.63Id,For .06Matl 1
Y 8 1070125 (007677−008088 ) Guard Wldt, Light, Strobe/Flsh 1
Y 9 55248 (004000−008088 ) Cable Tie Mount 1
Y10 49266 (004000−008088 ) Tie, Cable 1
Y11 56186 (004000−008088 ) Relay, Shrouded, 12V 1
Y12 09244 (007677−008088 ) Screw, Hex, M5 X 0.80 X 16, 8.8 2
Y13 32490 (004000−008088 ) Washer, Flat, 0.25, Std 2
Y14 07791 (004000−008088 ) Nut, Hex, Flng, M8 X 1.25 2
Y15 16931 (004000−008088 ) Screw, Hex, M8 X 1.25 X 20, 8.8 6
Y16 15675 (004000−008088 ) Screw, Hex, M8 X 1.25 X 16, Ss 4
Y17 39349 (004000−008088 ) Washer, Flat, 0.31, Sae 4
Y18 08709 (004000−008088 ) Nut, Hex, Lock, M8 X 1.25, Nl 4
Y19 19066 (007677−008088 ) Washer, Flat, 0.25b 0.56d .05, Pl, 10 2
Y20 06549 (007677−008088 ) Nut, Hex, Lock, M5 X 0.80, Nl 2
1027798 (007677−008088 ) Lens, Red, F/ Strobe / Flasher 1
1027800 (007677−008088 ) Lens, Blu, F/ Strobe / Flasher 1
o21 82063 (004000−007676 ) Light, Flashing, Amber, 12V−Re 1
Y58520 (004000−007676 ) Lens,Flashing Lite Fr207 Amber 1
Y45779 (004000−007676 ) Bulb, 12V 1
22 45272 (004000−007676 ) Guard Wldt, Lights, Strobe & Flsh 1
58518 (004000−007676 ) Lens,Flashing Lite Fr207 Red 1
58519 (004000−007676 ) Lens,Flashing Lite Fr207 Blue 1

OPTIONS
800 Gas/LPG 330120 (10−2014)
3-4
Fig. 2 − Light Kit, Flashing, Overhead Guard (008089− )
1
2
3
4
5
6
7
8
9
10
11
12
13
14
15
16
17
18
19
20
15

OPTIONS
3-5
800 Gas/LPG 330120 (10−2014)
07654 − ALL
Fig. 2 − Light Kit, Flashing, Overhead Guard (008089− )
Ref. Part No. Serial Number Description Qty.
o9012886 (008089− ) Light Kit, Flsh, Ohg, Ci [800 Gray] 1
Yo 1 1017248 (008089− ) Light, Flsh, Amb, 12−48vdc 1
YY 9000879 (008089− ) Lens, Amb, F/ Strobe / Flasher 1
YY 9000846 (008089− ) Lamp, Bulb, Flsh 1
Y 2 1073909 (008089− ) Bracket, Mtg, Lower, Light, Revl/Flsh 1
Y 3 1073894 (008089− ) Bracket, Mtg, Light [800 Gray] 1
Y 4 10632−20 (008089− ) Grommet,Rbr,0.38Id,For .06Matl 2
Y 5 74000 (008089− ) Harness, Strobe/Flsh Light,Cab,Ohg 1
Y 6 1064050 (008089− ) Duct, Afmkt, Vyl, 0.40 X 0.75 .25d, 04ft 1
Y 7 10632−4 (008089− ) Grommet,Rbr,0.63Id,For .06Matl 1
Y 8 1073934 (008089− ) Guard Wldt, Light, Revl/Flsh [800 Gray] 1
Y 9 55248 (008089− ) Cable Tie Mount 1
Y10 49266 (008089− ) Tie, Cable 1
Y11 56186 (008089− ) Relay, Shrouded, 12V 1
Y12 09244 (008089− ) Screw, Hex, M5 X 0.80 X 16, 8.8 2
Y13 32490 (008089− ) Washer, Flat, 0.25, Std 2
Y14 07791 (008089− ) Nut, Hex, Flng, M8 X 1.25 2
Y15 16931 (008089− ) Screw, Hex, M8 X 1.25 X 20, 8.8 6
Y16 15675 (008089− ) Screw, Hex, M8 X 1.25 X 16, Ss 4
Y17 39349 (008089− ) Washer, Flat, 0.31, Sae 4
Y18 08709 (008089− ) Nut, Hex, Lock, M8 X 1.25, Nl 4
Y19 19066 (008089− ) Washer, Flat, 0.25b 0.56d .05, Pl, 10 2
Y20 06549 (008089− ) Nut, Hex, Lock, M5 X 0.80, Nl 2
1027798 (008089− ) Lens, Red, F/ Strobe / Flasher 1
1027800 (008089− ) Lens, Blu, F/ Strobe / Flasher 1

OPTIONS
800 Gas/LPG 330120 (10−2014)
3-6
Fig. 3 − Light Kit, Flashing, Cab (004000−008088)
18
19
20
21
1
2
3
4
5
6
7
8
9
11
10
12
13
14
15
16
17
22
23

OPTIONS
3-7
800 Gas/LPG 330120 (10−2014)
07658 − ALL
Fig. 3 − Light Kit, Flashing, Cab (004000−008088)
Ref. Part No. Serial Number Description Qty.
o73751 (004000−008088 ) Light Kit Flsh 800L Cab 1
Yo 1 1017248 (007677−008088 ) Light, Flsh, Amb, 12−48vdc 1
YY 9000879 (007677−008088 ) Lens, Amb, F/ Strobe / Flasher 1
YY 9000846 (007677−008088 ) Lamp, Bulb, Flsh 1
Y 2 1064050 ( xxxxxx−008088 ) Duct, Afmkt, Vyl, 0.40 X 0.75 .25d, 04ft 1
Y 3 15675 (004000−008088 ) Screw, Hex, M8 X 1.25 X 16, Ss 4
Y 4 10632−20 (004000−008088 ) Grommet,Rbr,0.38Id,For .06Matl 1
Y 5 74000 (004000−008088 ) Harness, Strobe/Flsh Light,Cab,Ohg 1
Y 6 1064050 (004000−008088 ) Duct, Afmkt, Vyl, 0.40 X 0.75 .25d, 04ft 1
Y 7 1070125 (007677−008088 ) Guard Wldt, Light, Strobe/Flsh 1
Y 8 08709 (004000−008088 ) Nut, Hex, Lock, M8 X 1.25, Nl 4
Y 9 56186 (004000−008088 ) Relay, Shrouded, 12V 1
Y10 55248 (004000−008088 ) Cable Tie Mount 1
Y11 49266 (004000−008088 ) Tie, Cable 1
Y12 1066763 ( xxxxxx−008088 ) Bracket, Mtg, Light, Rotating 1
Y13 09028 ( xxxxxx−008088 )Screw, Hex, M10 X 1.50 X 25, Ss 2
Y14 32492 ( xxxxxx−008088 ) Washer, Flat, 0.38, Std 2
Y15 09244 (007677−008088 ) Screw, Hex, M5 X 0.80 X 16, 8.8 2
Y16 19066 (007677−008088 ) Washer, Flat, 0.25b 0.56d .05, Pl, 10 2
Y17 06549 (007677−008088 ) Nut, Hex, Lock, M5 X 0.80, Nl 2
1027798 (007677−008088 ) Lens, Red, F/ Strobe / Flasher 1
1027800 (007677−008088 ) Lens, Blu, F/ Strobe / Flasher 1
18 73899 (004000− xxxxxx ) Bracket 1
19 73898 (004000− xxxxxx ) Panel 1
20 10632−20 (004000− xxxxxx ) Grommet,Rbr,0.38Id,For .06Matl 1
21 29233 (004000− xxxxxx )Bumper, Rubber 4
o22 82063 (004000−007676 ) Light, Flashing, Amber, 12V−Re 1
Y58520 (004000−007676 ) Lens,Flashing Lite Fr207 Amber 1
Y45779 (004000−007676 ) Bulb, 12V 1
23 45272 (004000−007676 ) Guard Wldt, Lights, Strobe & Flsh 1
58518 (004000−007676 ) Lens,Flashing Lite Fr207 Red 1
58519 (004000−007676 ) Lens,Flashing Lite Fr207 Blue 1

OPTIONS
800 Gas/LPG 330120 (10−2014)
3-8
Fig. 4 − Light Kit, Flashing, Cab (008089− )
1
2
3
4
5
6
7
8
9
11
10
12
13
14
15
16
17

OPTIONS
3-9
800 Gas/LPG 330120 (10−2014)
07658 − ALL
Fig. 4 − Light Kit, Flashing, Cab (008089− )
Ref. Part No. Serial Number Description Qty.
o9012855 (008089− ) Light Kit, Flsh, Cab, Ci [800 Gray] 1
Yo 1 1017248 (008089− ) Light, Flsh, Amb, 12−48vdc 1
YY 9000879 (008089− ) Lens, Amb, F/ Strobe / Flasher 1
YY 9000846 (008089− ) Lamp, Bulb, Flsh 1
Y 2 1064050 (008089− ) Duct, Afmkt, Vyl, 0.40 X 0.75 .25d, 04ft 1
Y 3 15675 (008089− ) Screw, Hex, M8 X 1.25 X 16, Ss 4
Y 4 10632−20 (008089− ) Grommet,Rbr,0.38Id,For .06Matl 1
Y 5 74000 (008089− ) Harness, Strobe/Flsh Light,Cab,Ohg 1
Y 6 1064050 (008089− ) Duct, Afmkt, Vyl, 0.40 X 0.75 .25d, 04ft 1
Y 7 1073934 (008089− ) Guard Wldt, Light, Revl/Flsh [800 Gray] 1
Y 8 08709 (008089− ) Nut, Hex, Lock, M8 X 1.25, Nl 4
Y 9 56186 (008089− ) Relay, Shrouded, 12V 1
Y10 55248 (008089− ) Cable Tie Mount 1
Y11 49266 (008089− ) Tie, Cable 1
Y12 1073933 (008089− ) Bracket, Mtg, Light, Rotating [800 Gray] 1
Y13 09028 (008089− ) Screw, Hex, M10 X 1.50 X 25, Ss 2
Y14 32492 (008089− ) Washer, Flat, 0.38, Std 2
Y15 09244 (008089− ) Screw, Hex, M5 X 0.80 X 16, 8.8 2
Y16 19066 (008089− ) Washer, Flat, 0.25b 0.56d .05, Pl, 10 2
Y17 06549 (008089− ) Nut, Hex, Lock, M5 X 0.80, Nl 2
1027798 (008089− ) Lens, Red, F/ Strobe / Flasher 1
1027800 (008089− ) Lens, Blu, F/ Strobe / Flasher 1

OPTIONS
800 Gas/LPG 330120 (10−2014)
3-10
Fig. 5 − Light Kit, Strobe, Overhead Guard (004000−008088)
1
2
3
4
5
6
7
8
9
10
11
12
13
14
15
16
17
18
19
20
15
21
22

OPTIONS
3-11
800 Gas/LPG 330120 (10−2014)
07654/07656 − ALL
Fig. 5 − Light Kit, Strobe, Overhead Guard (004000−008088)
Ref. Part No. Serial Number Description Qty.
o73757 (004000−008088 ) Light Kit Strobe 800L Ohg 1
Yo 1 1017250 (007677−008088 ) Light, Strobe, Amb, 12−48vdc 1
YY 9000879 (007677−008088 ) Lens, Amb, F/ Strobe / Flasher 1
YY 9000845 (007677−008088 ) Lamp, Bulb, Strobe 1
Y 2 73899 (004000−008088 ) Bracket 1
Y 3 73898 (004000−008088 ) Panel 1
Y 4 10632−20 (004000−008088 ) Grommet,Rbr,0.38Id,For .06Matl 2
Y 5 74000 (004000−008088 ) Harness, Strobe/Flsh Light,Cab,Ohg 1
Y 6 1064050 (004000−008088 ) Duct, Afmkt, Vyl, 0.40 X 0.75 .25d, 04ft 1
Y 7 10632−4 (004000−008088 ) Grommet,Rbr,0.63Id,For .13Matl 1
Y 8 1070125 (007677−008088 ) Guard Wldt, Light, Strobe/Flsh 1
Y 9 55248 (004000−008088 ) Cable Tie Mount 1
Y10 49266 (004000−008088 ) Tie, Cable 1
Y11 56186 (004000−008088 ) Relay, Shrouded, 12V 1
Y12 09244 (007677−008088 ) Screw, Hex, M5 X 0.80 X 16, 8.8 2
Y13 32490 (004000−008088 ) Washer, Flat, 0.25, Std 2
Y14 07791 (004000−008088 ) Nut, Hex, Flng, M8 X 1.25 2
Y15 16931 (004000−008088 ) Screw, Hex, M8 X 1.25 X 20, 8.8 6
Y16 15675 (004000−008088 ) Screw, Hex, M8 X 1.25 X 16, Ss 4
Y17 39349 (004000−008088 ) Washer, Flat, 0.31, Sae 4
Y18 08709 (004000−008088 ) Nut, Hex, Lock, M8 X 1.25, Nl 4
Y19 19066 (007677−008088 ) Washer, Flat, 0.25b 0.56d .05, Pl, 10 2
Y20 06549 (007677−008088 ) Nut, Hex, Lock, M5 X 0.80, Nl 2
1027798 (007677−008088 ) Lens, Red, F/ Strobe / Flasher 1
1027800 (007677−008088 ) Lens, Blu, F/ Strobe / Flasher 1
o21 82200 (004000−007676 ) Light, Strobe.Amber 12V−Reworked 1
Y44681−1 (004000−007676 ) Lens, Strobe.Light,Amber 1
Y45779 (004000−007676 ) Bulb, 12V 1
Y22 45272 (004000−007676 ) Guard Wldt, Lights, Strobe & Flsh 1
44681 (004000−007676 ) Lens, Strobe.Light,Red 1
44681−2 (004000−007676 ) Lens, Strobe.Light,Blue 1

OPTIONS
800 Gas/LPG 330120 (10−2014)
3-12
Fig. 6 − Light Kit, Strobe, Overhead Guard (008089− )
1
2
3
4
5
6
7
8
9
10
11
12
13
14
15
16
17
18
19
20
15

OPTIONS
3-13
800 Gas/LPG 330120 (10−2014)
07654/07656 − ALL
Fig. 6 − Light Kit, Strobe, Overhead Guard (008089− )
Ref. Part No. Serial Number Description Qty.
o9012885 (008089− ) Light Kit, Strobe, Ohg, Ci [800l Gray] 1
Yo 1 1017250 (008089− ) Light, Strobe, Amb, 12−48vdc 1
YY 9000879 (008089− ) Lens, Amb, F/ Strobe / Flasher 1
YY 9000845 (008089− ) Lamp, Bulb, Strobe 1
Y 2 1073909 (008089− ) Bracket, Mtg, Lower, Light, Revl/Flsh 1
Y 3 1073894 (008089− ) Bracket, Mtg, Light [800 Gray] 1
Y 4 10632−20 (008089− ) Grommet,Rbr,0.38Id,For .06Matl 2
Y 5 74000 (008089− ) Harness, Strobe/Flsh Light,Cab,Ohg 1
Y 6 1064050 (008089− ) Duct, Afmkt, Vyl, 0.40 X 0.75 .25d, 04ft 1
Y 7 10632−4 (008089− ) Grommet,Rbr,0.63Id,For .13Matl 1
Y 8 1073934 (008089− ) Guard Wldt, Light, Revl/Flsh [800 Gray] 1
Y 9 55248 (008089− ) Cable Tie Mount 1
Y10 49266 (008089− ) Tie, Cable 1
Y11 56186 (008089− ) Relay, Shrouded, 12V 1
Y12 09244 (008089− ) Screw, Hex, M5 X 0.80 X 16, 8.8 2
Y13 32490 (008089− ) Washer, Flat, 0.25, Std 2
Y14 07791 (008089− ) Nut, Hex, Flng, M8 X 1.25 2
Y15 16931 (008089− ) Screw, Hex, M8 X 1.25 X 20, 8.8 6
Y16 15675 (008089− ) Screw, Hex, M8 X 1.25 X 16, Ss 4
Y17 39349 (008089− ) Washer, Flat, 0.31, Sae 4
Y18 08709 (008089− ) Nut, Hex, Lock, M8 X 1.25, Nl 4
Y19 19066 (008089− ) Washer, Flat, 0.25b 0.56d .05, Pl, 10 2
Y20 06549 (008089− ) Nut, Hex, Lock, M5 X 0.80, Nl 2
1027798 (008089− ) Lens, Red, F/ Strobe / Flasher 1
1027800 (008089− ) Lens, Blu, F/ Strobe / Flasher 1

OPTIONS
800 Gas/LPG 330120 (10−2014)
3-14
Fig. 7 − Light Kit, Strobe, Cab (004000−008088)
1
2
3
4
5
6
7
8
9
11
10
12
13
14
15
16
17
22
23
18
19
20
21

OPTIONS
3-15
800 Gas/LPG 330120 (10−2014)
07658/07660 − ALL
Fig. 7 − Light Kit, Strobe, Cab (004000−008088)
Ref. Part No. Serial Number Description Qty.
o73753 (004000−008088 ) Light Kit Strobe 800L Cab 1
Yo 1 1017250 (007677−008088 ) Light, Strobe, Amb, 12−48vdc 1
YY 9000879 (007677−008088 ) Lens, Amb, F/ Strobe / Flasher 1
YY 9000845 (007677−008088 ) Lamp, Bulb, Strobe 1
Y 2 1064050 ( xxxxxx−008088 ) Duct, Afmkt, Vyl, 0.40 X 0.75 .25d, 04ft 1
Y 3 15675 (004000−008088 ) Screw, Hex, M8 X 1.25 X 16, Ss 4
Y 4 10632−20 (004000−008088 ) Grommet,Rbr,0.38Id,For .06Matl 1
Y 5 74000 (004000−008088 ) Harness, Strobe/Flsh Light,Cab,Ohg 1
Y 6 1064050 (004000−008088 ) Duct, Afmkt, Vyl, 0.40 X 0.75 .25d, 04ft 1
Y 7 1070125 (004000− ) Guard Wldt, Light, Revl/Flsh 1
Y 8 08709 (004000−008088 ) Nut, Hex, Lock, M8 X 1.25, Nl 4
Y 9 56186 (004000−008088 ) Relay, Shrouded, 12V 1
Y10 55248 (004000−008088 ) Cable Tie Mount 1
Y11 49266 (004000−008088 ) Tie, Cable 1
Y12 1066763 ( xxxxxx−008088 ) Bracket, Mtg, Light, Rotating 1
Y13 09028 ( xxxxxx−008088 )Screw, Hex, M10 X 1.50 X 25, Ss 2
Y14 32492 ( xxxxxx−008088 ) Washer, Flat, 0.38, Std 2
Y15 09244 (007677−008088 ) Screw, Hex, M5 X 0.80 X 16, 8.8 2
Y16 19066 (007677−008088 ) Washer, Flat, 0.25b 0.56d .05, Pl, 10 2
Y17 06549 (007677−008088 ) Nut, Hex, Lock, M5 X 0.80, Nl 2
1027798 (007677−008088 ) Lens, Red, F/ Strobe / Flasher 1
1027800 (007677−008088 ) Lens, Blu, F/ Strobe / Flasher 1
18 73899 (004000− xxxxxx ) Bracket 1
19 73898 (004000− xxxxxx ) Panel 1
20 10632−20 (004000− xxxxxx ) Grommet,Rbr,0.38Id,For .06Matl 1
21 29233 (004000− xxxxxx )Bumper, Rubber 1
o22 82200 (004000−007676 ) Light, Strobe.Amber 12V−Reworked 1
Y44681−1 (004000−007676 ) Lens, Strobe.Light,Amber 1
Y45779 (004000−007676 ) Bulb, 12V 1
23 45272 (004000−007676 ) Guard Wldt, Lights, Strobe & Flsh 1
44681 (004000−007676 )Lens, Strobe Light, Red 1
44681−2 (004000−007676 )Lens, Strobe Light, Blue 1

OPTIONS
800 Gas/LPG 330120 (10−2014)
3-16
Fig. 8 − Light Kit, Strobe, Cab (008089− )
1
2
3
4
5
6
7
8
9
11
10
12
13
14
15
16
17

OPTIONS
3-17
800 Gas/LPG 330120 (10−2014)
07658/07660 − ALL
Fig. 8 − Light Kit, Strobe, Cab (008089− )
Ref. Part No. Serial Number Description Qty.
o9012856 (008089− ) Light Kit, Revl, Cab, Ci [800l Gray] 1
Yo 1 1017250 (008089− ) Light, Strobe, Amb, 12−48vdc 1
YY 9000879 (008089− ) Lens, Amb, F/ Strobe / Flasher 1
YY 9000845 (008089− ) Lamp, Bulb, Strobe 1
Y 2 1064050 (008089− ) Duct, Afmkt, Vyl, 0.40 X 0.75 .25d, 04ft 1
Y 3 15675 (008089− ) Screw, Hex, M8 X 1.25 X 16, Ss 4
Y 4 10632−20 (008089− ) Grommet,Rbr,0.38Id,For .06Matl 1
Y 5 74000 (008089− ) Harness, Strobe/Flsh Light,Cab,Ohg 1
Y 6 1064050 (008089− ) Duct, Afmkt, Vyl, 0.40 X 0.75 .25d, 04ft 1
Y 7 1073934 (008089− ) Guard Wldt, Light, Revl/Flsh [800 Gray] 1
Y 8 08709 (008089− ) Nut, Hex, Lock, M8 X 1.25, Nl 4
Y 9 56186 (008089− ) Relay, Shrouded, 12V 1
Y10 55248 (008089− ) Cable Tie Mount 1
Y11 49266 (008089− ) Tie, Cable 1
Y12 1073933 (008089− ) Bracket, Mtg, Light, Rotating [800 Gray] 1
Y13 09028 (008089− ) Screw, Hex, M10 X 1.50 X 25, Ss 2
Y14 32492 (008089− ) Washer, Flat, 0.38, Std 2
Y15 09244 (008089− ) Screw, Hex, M5 X 0.80 X 16, 8.8 2
Y16 19066 (008089− ) Washer, Flat, 0.25b 0.56d .05, Pl, 10 2
Y17 06549 (008089− ) Nut, Hex, Lock, M5 X 0.80, Nl 2
1027798 (008089− ) Lens, Red, F/ Strobe / Flasher 1
1027800 (008089− ) Lens, Blu, F/ Strobe / Flasher 1

OPTIONS
800 Gas/LPG 330120 (10−2014)
3-18
Fig. 9 − Light Kit, Flashing, Low (004000−008088)
15
1
2
3
4
5
6
7
8
9
10
11
12
13
14

OPTIONS
3-19
800 Gas/LPG 330120 (10−2014)
351133 − ALL
Fig. 9 − Light Kit, Flashing, Low (004000−008088)
Ref. Part No. Serial Number Description Qty.
o380643 (004000−008088 )Kit, Light, Flsh, Low 1
Y 1 31954 (004000−008088 )Pedestal Wldt, Light 1
Y 2 10632−9 (004000−008088 )Grommet, Rbr, 0.56 Id For .13mat 1
Y 3 10632−12 (004000−008088 )Grommet, Rbr, 0.38 Id For .12mat 1
Yo 4 1017248 (007677−008088 ) Light, Flsh, Amb, 12−48vdc 1
YY 9000879 (007677−008088 ) Lens, Amb, F/ Strobe / Flasher 1
YY 9000846 (007677−008088 ) Lamp, Bulb, Flsh 1
Y 5 380691 (004000−008088 )Harness, Alarm, Backup 1
Y 6 56186 (004000−008088 )Relay 12Vdc 40A Spdt 1
Y 7 55248 (004000−008088 )Cabletie Mount, Adhesive 2
Y 8 49266 (004000−008088 )Tie, Cable 1.75D Max 7.50Lg 2
Y 9 10632−4 (004000−008088 )Grommet 1
Y10 09244 (007677−008088 ) Screw, Hex, M5 X 0.80 X 16, 8.8 2
Y11 19066 (007677−008088 ) Washer, Flat, 0.25b 0.56d .05, Pl, 10 2
Y12 06549 (007677−008088 ) Nut, Hex, Lock, M5 X 0.80, Nl 2
Y13 06943 (004000−008088 )Screw, Hex, M6 X 1.00 X 20, 8.8 3
Y14 32982 (004000−008088 )Washer, Lock, Int, 0.25 3
1027798 (007677−008088 ) Lens, Red, F/ Strobe / Flasher 1
1027800 (007677−008088 ) Lens, Blu, F/ Strobe / Flasher 1
o15 82063 (004000−007676 )Light, Flashing Amb 12v−re 1
Y58520 (004000−007676 )Lens, Flashing Amb 12V 1
Y45779 (004000−007676 )Bulb 1
44681 (004000−007676 )Lens, Strobe Light, Red 1
44681−2 (004000−007676 )Lens, Strobe Light, Blue 1

OPTIONS
800 Gas/LPG 330120 (10−2014)
3-20
Fig. 10 − Light Kit, Flashing, Low (008089− )
1
2
3
4
5
6
7
8
9
10
11
12
13
14

OPTIONS
3-21
800 Gas/LPG 330120 (3−2015)
351133 − ALL
Fig. 10 − Light Kit, Flashing, Low (008089− )
Ref. Part No. Serial Number Description Qty.
o9012853 (008089− )Light Kit, Flsh, Ped, Ci [800 Gray] 1
Y 1 1073876 (008089− )Pedestal Wldt, Light [800 Gray] 1
Y 2 10632−9 (008089− )Grommet, Rbr, 0.56 Id For .13mat 1
Y 3 10632−12 (008089− )Grommet, Rbr, 0.38 Id For .12mat 1
Yo 4 1017248 (008089− ) Light, Flsh, Amb, 12−48vdc 1
YY 9000879 (008089− ) Lens, Amb, F/ Strobe / Flasher 1
YY 9000846 (008089− ) Lamp, Bulb, Flsh 1
Y 5 74000 (008089− )Harness, Light, Flsh, Revl, Cab 1
Y 6 56186 (008089− )Relay 12Vdc 40A Spdt 1
Y 7 55248 (008089− )Cabletie Mount, Adhesive 2
Y 8 49266 (008089− )Tie, Cable 1.75D Max 7.50Lg 2
Y 9 10632−4 (008089− )Grommet 1
Y10 09244 (008089− ) Screw, Hex, M5 X 0.80 X 16, 8.8 2
Y11 19066 (008089− ) Washer, Flat, 0.25b 0.56d .05, Pl, 10 2
Y12 06549 (008089− ) Nut, Hex, Lock, M5 X 0.80, Nl 2
Y13 06943 (008089− )Screw, Hex, M6 X 1.00 X 20, 8.8 3
Y14 32982 (008089− )Washer, Lock, Int, 0.25 3
1027798 (008089− ) Lens, Red, F/ Strobe / Flasher 1
1027800 (008089− ) Lens, Blu, F/ Strobe / Flasher 1

OPTIONS
800 Gas/LPG 330120 (10−2014)
3-22
Fig. 11 − Light Kit, Strobe, Low (004000−008088)
15
1
2
3
4
5
6
7
8
9
10
11
12
13
14

OPTIONS
3-23
800 Gas/LPG 330120 (10−2014)
351133/351135 − ALL
Fig. 11 − Light Kit, Strobe, Low (004000−008088)
Ref. Part No. Serial Number Description Qty.
o380644 (004000−008088 )Kit, Light, Strobe, Low 1
Y 1 31954 (004000−008088 )Pedestal Wldt, Light 1
Y 2 10632−9 (004000−008088 )Grommet, Rbr, 0.56 Id For .13mat 1
Y 3 10632−12 (004000−008088 )Grommet, Rbr, 0.38 Id For .12mat 1
Yo 4 1017250 (007677−008088 ) Light, Strobe, Amb, 12−48vdc 1
YY 9000879 (007677−008088 ) Lens, Amb, F/ Strobe / Flasher 1
YY 9000845 (007677−008088 ) Lamp, Bulb, Strobe 1
Y 5 380691 (004000−008088 )Harness, Alarm, Backup 1
Y 6 56186 (004000−008088 )Relay 12Vdc 40A Spdt 1
Y 7 55248 (004000−008088 )Cabletie Mount, Adhesive 2
Y 8 49266 (004000−008088 )Tie, Cable 1.75D Max 7.50Lg 2
Y 9 10632−4 (004000−008088 )Grommet 1
Y10 09244 (007677−008088 ) Screw, Hex, M5 X 0.80 X 16, 8.8 2
Y11 19066 (007677−008088 ) Washer, Flat, 0.25b 0.56d .05, Pl, 10 2
Y12 06549 (007677−008088 ) Nut, Hex, Lock, M5 X 0.80, Nl 2
Y13 06943 (004000−008088 )Screw, Hex, M6 X 1.00 X 20, 8.8 3
Y14 32982 (004000−008088 )Washer, Lock, Int, 0.25 3
1027798 (007677−008088 ) Lens, Red, F/ Strobe / Flasher 1
1027800 (007677−008088 ) Lens, Blu, F/ Strobe / Flasher 1
o15 82200 (004000−007676 )Light, Strobe Amber 12v−re 1
Y44681−1 (004000−007676 )Lens, Strobe Light, Amber 1
Y45779 (004000−007676 )Bulb 1
44681 (004000−007676 )Lens, Strobe Light, Red 1
44681−2 (004000−007676 )Lens, Strobe Light, Blue 1

OPTIONS
800 Gas/LPG 330120 (10−2013)
3-24
Fig. 12 − Light Kit, Strobe, Low (008089− )
1
2
3
4
5
6
7
8
9
10
11
12
13
14

OPTIONS
3-25
800 Gas/LPG 330120 (10−2013)
351133/351135 − ALL
Fig. 12 − Light Kit, Strobe, Low (008089− )
Ref. Part No. Serial Number Description Qty.
o9012854 (008089- ) Light Kit, Strobe, Ped, Ci [800l Gray] 1
Y 1 1073876 (008089- ) Pedestal Wldt, Light [800 Gray] 1
Y 2 10632−9 (008089- ) Grommet, Rbr, 0.56 Id For .13mat 1
Y 3 10632−12 (008089- ) Grommet, Rbr, 0.38 Id For .12mat 1
Yo 4 1017250 (008089- ) Light, Strobe, Amb, 12−48vdc 1
YY 9000879 (008089- )Lens, Amb, F/ Strobe / Flasher 1
YY 9000845 (008089- ) Lamp, Bulb, Strobe 1
Y 5 74000 (008089− )Harness, Light, Flsh, Revl, Cab 1
Y 6 56186 (008089- ) Relay 12Vdc 40A Spdt 1
Y 7 55248 (008089- ) Cabletie Mount, Adhesive 2
Y 8 49266 (008089- ) Tie, Cable 1.75D Max 7.50Lg 2
Y 9 10632−4 (008089- ) Grommet 1
Y10 09244 (008089- ) Screw, Hex, M5 X 0.80 X 16, 8.8 2
Y11 19066 (008089- ) Washer, Flat, 0.25b 0.56d .05, Pl, 10 2
Y12 06549 (008089- ) Nut, Hex, Lock, M5 X 0.80, Nl 2
Y13 06943 (008089- ) Screw, Hex, M6 X 1.00 X 20, 8.8 3
Y14 32982 (008089- ) Washer, Lock, Int, 0.25 3
1027798 (008089- ) Lens, Red, F/ Strobe / Flasher 1
1027800 (008089- ) Lens, Blu, F/ Strobe / Flasher 1

OPTIONS
800 Gas/LPG 330120 (10−2014)
3-26
Fig. 13 − Back−Up Alarm Kit (004000−008088)
1
2
3
4
5
6
7
8
910
11 12
13
13
14

OPTIONS
3-27
800 Gas/LPG 330120 (10−2014)
351137 − G/LP
Fig. 13 − Back−Up Alarm Kit (004000−008088)
Ref. Part No. Serial Number Description Qty.
o380640 (004000−008088 )Kit, Alarm, Backup 1
Yo 1 382978 (004000−008088 )Light, Spot 12V, 32cp 1
YY 393770 (004000−008088 )Lamp, 12VDC 55w 1
Y 2 9007131 (007519−008088 )Alarm Assy, Backup, 12/48vdc 1
Y 3 06943 (004000−008088 )Screw, Hex, M6 X 1.00 X 20, 8.8 3
Y 4 24576 (004000−008088 )Flasher, 12v 1
Y 5 59965 (004000−008088 )Switch Assy, Roller−no 1
Y 6 380691 (004000−008088 )Harness, Alarm, Back−up 1
Y 7 10632−4 (004000−008088 )Grommet 1
Y 8 55248 (004000−008088 )Mount, Tie 2
Y 9 49266 (004000−008088 )Tie, Cable 2
Y10 76385 (004000−008088 )Bracket 1
Y11 09206 (004000−008088 )Screw, Hex, M4 X 0.70 X 12, 8.8 2
Y12 19065 (004000−008088 )Washer, Flat, 08 2
Y13 32483 (004000−008088 )Washer, Flat, 0.25, Sae 3
14 61923 (004000−007518 )Horn, Back−up Alarm 1

OPTIONS
800 Gas/LPG 330120 (10−2014)
3-28
Fig. 14 − Back−Up Alarm Kit (008089− )
1
2
3
4
5
6
7
8
910
11 12
13
13

OPTIONS
3-29
800 Gas/LPG 330120 (10−2014)
351137 − G/LP
Fig. 13 − Back−Up Alarm Kit (008089− )
Ref. Part No. Serial Number Description Qty.
o9012890 (008089- ) Alarm Kit, Backup / A/V, Ci [800gray] 1
Yo 1 382978 (008089- ) Light, Spot 12V, 32cp 1
YY 393770 (008089- ) Lamp, 12VDC 55w 1
Y 2 9007131 (008089- ) Alarm Assy, Backup, 12/48vdc 1
Y 3 06943 (008089- ) Screw, Hex, M6 X 1.00 X 20, 8.8 3
Y 4 24576 (008089- ) Flasher, 12v 1
Y 5 59965 (008089- ) Switch Assy, Roller−no 1
Y 6 380691 (008089- ) Harness, Alarm, Back−up 1
Y 7 10632−4 (008089- ) Grommet 1
Y 8 55248 (008089- ) Mount, Tie 2
Y 9 49266 (008089- ) Tie, Cable 2
Y10 1073927 (008089- ) Bracket, Angle [Gray] 1
Y11 09206 (008089- ) Screw, Hex, M4 X 0.70 X 12, 8.8 2
Y12 19065 (008089- ) Washer, Flat, 08 2
Y13 32483 (008089- ) Washer, Flat, 0.25, Sae 3

OPTIONS
800 Gas/LPG 330120 (6−02)
3-30
Fig. 15 − Turn Signal Kit
1
2
3
4
5
6
7
8
9
11
12
13
14
9
9
10
13
15
9
13
13

OPTIONS
3-31
800 Gas/LPG 330120 (3−07)
353840 − ALL
Fig. 15 − Turn Signal Kit
Ref. Part No. Serial Number Description Qty.
o 380712 (004000− )Kit, Signal, Turn 1
Y 1 60751 (004000− )Signal Turn 1
Y 2 76423 (004000− )Harness, Directional 1
Y 3 61365 (004000− )Boot, 90deg .44id 0.62id 1.69l, Blk 1
Y 4 11531 (004000− )Clamp−Wormdrive, 0.81− 1.50D 1
Y 5 24576−1 (004000− )Bracket, Flasher 1
Y 6 31922 (004000− )Flasher Heavy Duty 1
Y 7 41139 (004000− )Washer−Loc Int−Ext 10 Pltd 1
Y 8 49266 (004000− )Tie, Cable 4
Yo 9 34848 (004000− )Light Assy Mark/Yel 12V− . A 4
YY 87948 (004000− )Bulb, #194 1
Y10 41140 (004000− )Washer−Loc Int−Ext .25 Pltd 8
Y11 06927 (004000− )Screw, Pan, M04 8
Y12 02850 (004000− )Nut, Hex, Lock 8
Y13 10632−5 (004000− )Grommet Rbr 0.25Id For .09Matl 5
Y14 10632−8 (004000− )Grommet,Rbr,0.75Id,For .13Matl 1
Y15 13959 (004000− )Switch 1

OPTIONS
800 Gas/LPG 330120 (10−2014)
3-32
Fig. 16 − Overhead Guard Kit (004000−008088)
1
2
3
4

OPTIONS
3-33
800 Gas/LPG 330120 (10−2014)
07652 − ALL
Fig. 16 − Overhead Guard Kit (004000−008088)
Ref. Part No. Serial Number Description Qty.
o70669 (004000−008088 ) Guard Kit, Overhead 1
Y 1 65258 (004000−008088 ) Guard Wldt, Overhead 1
Y 2 70454 (004000−008088 ) Bracket, Mtg, Ohg 1
Y 3 74007 (004000−008088 ) Foam, Insulation 1
Y 4 33806 (004000−008088 ) Plugbutton 6

OPTIONS
800 Gas/LPG 330120 (10−2014)
3-34
Fig. 17 − Overhead Guard Kit (008089− )
1
2
3
4

OPTIONS
3-35
800 Gas/LPG 330120 (10−2014)
07652 − ALL
Fig. 17 − Overhead Guard Kit (008089− )
Ref. Part No. Serial Number Description Qty.
o9012880 (008089− ) Ohg Kit, Ci [800l Gray] 1
Y 1 1073869 (008089− ) Guard Wldt, Ohg [800 Gray] 1
Y 2 1073877 (008089− ) Bracket, Mtg, Ohg [800 Gray] 1
Y 3 74007 (008089− ) Foam, Insulation 1
Y 4 33806 (008089− ) Plugbutton 6

OPTIONS
800 Gas/LPG 330120 (10−2014)
3-36
Fig. 18 − Hopper Floor Kit (004000−008088)
1
2
07668 − 800
Ref. Part No. Serial Number Description Qty.
o70686 (004000−008088 ) Hopper Floor Kit, St Stl 800 1
Y 1 77611 (004000−008088 ) Panel Wldt, Hopper, Floor, RH 1
Y 2 77613 (004000−008088 ) Panel Wldt, Hopper, Floor, LH 1

OPTIONS
3-37
800 Gas/LPG 330120 (10−2014)
Fig. 19 − Hopper Floor Kit (008089− )
1
2
07668 − 800
Ref. Part No. Serial Number Description Qty.
o9012892 (008089− ) Floor Kit, Hppr, Ssb, Ci [800lgray] 1
Y 1 1073946 (008089− ) Panel, Hppr, Bottom, Rh [800 B/Green Ss] 1
Y 2 1073947 (008089− ) Panel, Hppr, Bottom, Lh [800 B/Green Ss] 1

OPTIONS
800 Gas/LPG 330120 (10−2014)
3-38
Fig. 20 − Bumper Assembly, SE (004000−008088)
2
3
4
5
1
1
09909 − ALL
Ref. Part No. Serial Number Description Qty.
o83557 (004000−008088 ) Bumper Assy, Se 1
Y 1 70802 (004000−008088 ) Leg Wldt, Bumper, Se 2
Y 2 70793 (004000−008088 ) Brace Wldt, Bumper, Se 1
Y 3 70815 (004000−008088 ) Tube, Cross, Bumper, Se 1
Y 4 83626 (004000−008088 ) Bumper Wldt, Se, Rh, Front 1
Y 5 83627 (004000−008088 ) Bumper Wldt,Se, Lh, Front 1

OPTIONS
3-39
800 Gas/LPG 330120 (10−2014)
Fig. 21 − Bumper Assembly, SE (008089− )
2
3
4
5
1
1
09909 − ALL
Ref. Serial Number Description Qty.
o9012884 (008089− ) Bumper Kit, Se, Ci [800l Gray] 1
Y 1 1073879 (008089− ) Leg Wldt, Bmpr, Se [800 Gray] 2
Y 2 1073878 (008089− ) Brace Wldt, Bmpr, Se [800 Gray] 1
Y 3 1073843 (008089− ) Bumper Wldt, Rh [800 Gray] 1
Y 4 1073929 (008089− ) Bumper Wldt, Se, Rh, Front [Gray] 1
Y 5 1073950 (008089− ) Bumper Wldt, Se, Lh, Front [Gray] 1

OPTIONS
800 Gas/LPG 330120 (3−2015)
3-40
Fig. 22 − Side Brush Lift Group, L.H.
1
2
3
4
5
6
78
9
10
11
12
13
14
15
16
17
18
19
20
21
32
23
24
25
26
27
28
29
30
31
33
34
35
36
37
38
39 40
41
42
43
44
45
46
47
48
49
50 51
52
53
54
43 16
40
4
5
27
27
10
27
47
27
27
35
35
27 25
26
30
33 34
36
36
34
21
34
21
31
27
23
22
22

OPTIONS
3-41
800 Gas/LPG 330120 (3−2015)
07741 − ALL
Fig. 22 − Side Brush Lift Group, L.H.
Ref. Part No. Serial Number Description Qty.
1 77458 (004000− ) Bracket, Angle 1
2 77569 (004000− ) Plate Wldt 1
3 70532 (004000− ) Cable, Glv .25d 021.2l .63eye /.63eye 1
4 77584 (004000− ) Plate 2
5 74090 (004000− ) Bearing 2
6 77597 (004000− ) Sleeve, 0.406B 0.75D1.80 Stl 1
7 77727 (004000− ) Sleeve .438B 1.00D .35Stl 1
8 77459 (004000− ) Spacer 1
9 77783 (004000− ) Plate, Angle 1
10 77600 (004000− ) Sleeve, 0.406B .750D .800Stl 2
11 1041034 (004000− ) Cylinder, Hyd, 1.5b 06.3l 01.50strk 2500 1
12 51813 (004000− ) Pin,Clevis,0.37 Dia.X 2.12 Lg 2
13 77097 (004000− ) Ftg−Hyd E90 Jm04/Om04 4
14 84016 (004000−007338 ) Valve, Hyd, Solenoid (See Breakdowns) 1
14 1049211 (007339− ) Valve, Cntrl, Hyd, Solenoid, 12vdc 06gpm (See Break-
downs) 1
15 21231 (004000− ) Bracket, Side Brush, Valve 1
16 42215 (004000− ) Fitting, Hyd, Tee, Jf06/Jm06/Jm06, Run 2
17 56690 (004000− ) Ftg−Hyd Str Jm06/Om06 2
18 65561 (004000− ) Switch Rocker Spst 1
19 57807 (004000− ) Cover, Rocker Switch Seal 1
20 77738 (004000− ) Block 1
21 65174 (004000− ) Spacer 3
22 375416 (004000− xxxxxx ) Replacement Kit, Roller, Side Brush Lift 1
23 375415 ( xxxxxx− ) Plate, Side Brush, Roller 2
24 41186 (004000− ) Washer−Belleville .31 Pltd 2
25 73737 (004000− ) Sleeve, .375B .75D .32 Stl 2
26 74391 (004000− ) Pulley − Cable, 1.5 Dia 2
27 32492 (004000− ) Flat Washer, 3/8” Hard 14
28 46482 (004000− ) Ftg−Hyd Plg Om06 2
29 23936 (004000− ) Cable, Glv .25d 016.8l .64eye /.64eye 1
30 80395 ( xxxxxx− ) Sleeve 4
31 76570 ( xxxxxx− ) Screw, Hex m08 2
32 39311 (004000− ) Nut, Hex, Std, M8 X 1.25 1
33 07791 ( xxxxxx− ) Nut, Hex, Flange 2
34 33924 ( xxxxxx− ) Washer, Flat, M10, Ss 4
35 12317 ( xxxxxx− )Screw, Hex, M10 X 1.50 X 30, Ss 3
36 08714 ( xxxxxx− ) Nut, Hex, Lock, M10 X 1.5, Nl, Ss 3
37 06548 (004000− ) Screw, Hex, M6 X 1.0 X 60, 8.8 2
38 63416 (004000− ) Washer, Rbr, .12 0.31b 0.88d 2
39 08708 (004000− ) Nut, Hex, Lock, M6 X 1.0, Nl 2
40 19066 (004000− ) Washer, Flat, #10 4
41 16931 (004000− ) Screw, Hex, M8 X 1.25 X 20, 8.8 1
42 76570 (004000− ) Screw, Hex, M8 X 1.25 X 30, 8.8 1
43 32491 (004000− ) Washer, Flat, 0.31 Std 2
44 09010 (004000− ) Screw, Hex, M8 X 1.25 X 25, Ss 2
45 39283 (004000− ) Screw, Hex, M10 X 1.5 X 25, 8.8 2
46 07792 (004000− ) Nut, Hex, Flng, M10 X 1.5 2
47 41430 (004000− ) Nut, Hex, Lock, M10 X 1.5, Nl 2
48 39284 (004000− ) Screw, Hex, M10 X 1.5 X 35, 8.8 2

OPTIONS
800 Gas/LPG 330120 (3−2015)
3-42
07741 − ALL
Fig. 22 − Side Brush Lift Group, Side, L.H.
Ref. Part No. Serial Number Description Qty.
49 06965 (004000− ) Screw, Hex, M10 X 1.5 X 80, 8.8 1
50 03193 (004000− ) Screw, Hex, M10 X 1.5 X 90, 8.8 1
51 06957 (004000− ) Screw, Hex, M8 X 1.25 X 60, 8.8 1
52 08709 (004000− ) Nut, Hex, Lock, M8 X 1.25, Nl 1
53 77752 (004000− ) Screw, Hex, M16 X 2.0 X 70, 8.8, Fl 1
54 33342 (004000− ) Nut, Hex, Lock, M16 X 2.0, Nl 1

OPTIONS
3-43
800 Gas/LPG 330120 (12−05)

OPTIONS
800 Gas/LPG 330120 (7−2015)
3-44
Fig. 23 − Side Brush Motor Group, L.H.
37
FRONT
1
2
3
4
5
6
7
8
9
10
11
12
13
14
15
16
17
18 19
20
21
22
23
24
25
26 27
28
29
30
31
32
33
34
35
36
4
27
15
17
35
35
36

OPTIONS
3-45
800 Gas/LPG 330120 (7−2015)
356599 − G, LP, NA
Fig. 23 − Side Brush Motor Group, L.H.
Ref. Part No. Serial Number Description Qty.
1 79781 (004000−007797 ) Motor, Hyd Gear In 17.9 B 1500 (See Breakdowns)
(Replaced by 9009502) 1
1 1057338 (007798− ) Motor, Hyd, Gear, Int 17.9 Bi−Dir 2500 1
2 47508 (004000− ) Ftg−Hyd StrJm06/Om10 2
3 76461 (004000− ) Sleeve, Nylon #27 55.Ol 1
4 67366 (004000− ) Clamp, Cable, Stl, 1.0x2.0x0.62w, 1hole 2
5 75142 (004000−008088 ) Bracket, Mounting, Motor 1
5 1073921 (008089− ) Bracket Wldt, Mtg, Motor [Gray] 1
6 65174 (004000− ) Tube, 0.44id 0.62od 00.4l, Stl
7 06944 (004000− ) Screw, Hex, M6 X 1.0 X 25, 8.8 1
8 84015 (004000−007338 ) Valve−Hyd, Solenoid (See Breakdowns) 1
8 1049210 (007339− ) Valve, Cntrl, Hyd, Solenoid, 12vdc 12gpm (See Break-
downs) 1
9 47637 (004000− ) Ftg−Hyd Str Om08/Of06 1
10 67683 (004000− ) Ftg−Hyd Tee Jm06Omjm 1
11 44868 (004000− ) Ftg−Hyd E90 Jm08/Om08 1
12 45482 (004000− ) Ftg−Hyd Tee Jm08Jmjf 1
13 47753 (004000− ) Ftg−Hyd Str Jm06/Jf08 1
14 17980 (004000− ) Ftg−Hyd E90 Jm08/Jf08 1
15 63416 (004000− ) Washer, .310B .88D .12Rbr 4
16 84581 (004000− ) Pin Assy, .312X3.0 W/Lanyard 1
17 56690 (004000− ) Ftg−Hyd Str Jm06/Om06 2
18 79621 (004000− ) Check Valve, 100 Psi 1
19 79622 (004000−008088 ) Plate, Mtg, Check Valve 1
19 1073928 (008089− ) Plate, Mtg, Check Valve [Gray] 1
20 375403 (004000− ) Spring, Torsion 1
21 375401 ( xxxxxx− ) Cable 1
22 1017898 ( xxxxxx− )Hook, Cable, .44d Ball 1
23 375404 ( xxxxxx− ) Spacer 1
24 36758 ( xxxxxx− ) Bolt, Shld, .50d X 0.50, .38−16 1
25 32486 ( xxxxxx− ) Washer, Flat 2
26 12459 (004000− ) Screw, Hex, M6 X 1.0 X 20, Fmg 1
27 41185 (004000− ) Washer, Belleville, .25 2
28 39284 (004000− ) Screw, Hex, M10 X 1.5 X 35, 8.8 1
29 32485 (004000− ) Washer, Flat, 0.38 Sae 4
30 34195 (004000− ) Screw, Hex, .38−16 X 1.00, Nl 4
31 41430 (004000− ) Nut, Hex, Lock, M10 X 1.5, Nl 1
32 32492 (004000− ) Washer, Flat, 0.38 Std 1
33 07790 (004000− ) Nut, Hex, Flng, M6 X 1.00 1
34 06548 (004000− ) Screw, Hex, M6 X 1.00 X 60, 8.8 4
35 32490 (004000− ) Washer, Flat, 0.25, Std 6
36 08708 (004000− ) Nut, Hex, Lock, M6 X 1.00, Nl 4
37 375417 (004000− xxxxxx )Cable Kit, Brush, Side, Lh, Ci [800l] 1

OPTIONS
800 Gas/LPG 330120 (7−2015)
3-46
Fig. 24 − Side Brush Pivot Group, L.H.
FRONT
1
2
345
67
8
9
10
11
12
13
14
15
16
17
18
19
20
21
22
23
24
25
26
27
28
29
30
31
32
33
34 35
36 37
38
39
5
3
31
30
36
32
30
32

OPTIONS
3-47
800 Gas/LPG 330120 (7−2015)
356600 − G, LP, NA
Fig. 24 − Side Brush Pivot Group, L.H.
Ref. Part No. Serial Number Description Qty.
1 21250 (004000−008088 ) Guard Wldt, Sidebrush 1
1 1073938 (008089− ) Guard Wldt, Brush, Side [800 Gray] 1
2 21252 (004000−008088 ) Guard, Side Brush 1
2 1073889 (008089− ) Guard, Side, Brush [800 Gray] 1
3 65174 (004000− ) Tube, 0.44id 0.62od 00.4l, Stl 4
4 75099 (004000−008088 ) Bracket Wldt, Pivot 1
4 1073912 (008089− ) Bracket Wldt, Pivot [Gray] 1
5 04761 (004000− ) Bearing, Flange .875 Bore 2
6 74059 (004000− ) Spacer 1
7 75899 (004000−008088 ) Bracket, Angle 1
7 1074295 (008089− ) Bracket, Channel, Mtg [800 Gray] 1
8 75117 (004000−008088 ) Bracket Wldt, Lift 1
8 1073913 (008089− ) Bracket Wldt, Lift [Gray] 1
9 70627 (004000− ) Bearing 1
10 70526 (004000− ) Shaft, Pivot 1
11 70524 (004000− ) Washer, Flat, 1.30b 3.00d .06, Stl 1
12 70525 (004000− ) Washer, Flat, 0.71b 2.25d .19, Stl, Csk 1
13 36328 (004000− ) Washer, Flat, Belleville, .50 1
14 70431 (004000− ) Pin 1
15 70626 (004000− ) Bolt−Eye M8−1.25 2
16 65160 (004000− ) Spring, Extension 2
17 65173 (004000−008088 ) Bracket, Spring 1
17 1074290 (008089− ) Bracket, Spring [Gray] 1
18 65180 (004000− ) Spring, Comp 1
19 21251 (004000−008088 ) Plate, Angle 1
19 1074294 (008089− ) Bracket, Angle, Mtg, Guard, Side Brush 1
20 20192 (004000− ) Screw, Flt, Soc, .50−13 X 2.00, Al 1
21 32985 (004000− ) Nut, Hex, Lock, .50−13, Nl 1
22 09291 (004000− ) Screw, Hex, M10 X 1.5 X 20, Ss 1
23 39311 (004000− ) Nut, Hex, Std, M8 X 1.25 2
24 39312 (004000− ) Nut, Hex, Std, M10 X 1.5 1
25 08709 (004000− ) Nut, Hex, Lock, M8 X 1.25, Nl 1
26 32491 (004000− ) Washer, Flat, 0.31, Std 1
27 41342 (004000− ) Screw, Hex, M8 X 1.25 X 40, 8.8 1
28 06535 (004000− ) Screw, Flt, M10 X 1.5 X 35, 10.9 1
29 39284 (004000− ) Screw, Hex, M10 X 1.5 X 35, 8.8 2
30 07792 (004000− ) Nut, Hex, Flng, M10 X 1.5 6
31 09081 (004000− ) Screw, Flt, M10 X 1.5 X 25, 10.9 4
32 32485 (004000− ) Washer, Flat, 0.38 Sae 5
33 39283 (004000− ) Screw, Hex, M10 X 1.5 X 25, 8.8 2
34 41430 (004000− ) Nut, Hex, Lock, M10 X 1.5, Nl 4
35 32492 (004000− ) Washer, Flat, 0.38 Std 7
36 09770 (004000− ) Screw, Hex, M10 X 1.5 X 25, Ss, Nl 2
37 07787 (004000− ) Nut, Hex, Std, M10 X 1.5, Ss 3
38 76438 (004000− ) Screw, Hex, M10 X 1.5 X 90, 8.8, Fl 1
39 06537 (004000− ) Screw, Hex, M10 X 1.50 X 120, 8.8, Fl 1

OPTIONS
800 Gas/LPG 330120 (4−01)
3-48
Fig. 25 − Side Brush Wire Harness Group, L.H.
1
10501 − ALL
Ref. Part No. Serial Number Description Qty.
1 83699 (004000− ) Harness, Side Brush, L.H. 1

OPTIONS
3-49
800 Gas/LPG 330120 (3−2015)
Fig. 26 − Side Brush Hydraulic Hose Group, L.H.
5
1
2
4
3
4
3
6
6
08763 − 800
Ref. Part No. Serial Number Description Qty.
1 76684 (004000− ) Hose−Hyd Med 06 1
2 65194 (004000− ) Hose, Hyd, Med06, Jf06e90/Jf06str, 072.0 1
3 78998 (004000− ) Hose−Hyd Med 06 2
4 57963 (004000− ) Hose−Hyd Med 04 2
5 01999 (004000− ) Hose−Hyd Med 06 1
6 76461 (004000− ) Sleeve, Nyl, #27 55.0l 2

OPTIONS
800 Gas/LPG 330120 (10−2014)
3-50
Fig. 27 − Side Brush Light Kit, (004000−008088)
2
3
4
1
48
3
65
7
9

OPTIONS
3-51
800 Gas/LPG 330120 (10−2014)
08756 − ALL
Fig. 27 − Side Brush Light Kit, (004000−008088)
Ref. Part No. Serial Number Description Qty.
o70699 (004000−008088 ) Light Kit, Side Brush 1
Yo 1 382979 (004000−008088 ) Light, Spot, 12VDC 55w 1
YY 393770 (004000−008088 ) Lamp, 12VDC 55w 1
Y 2 76385 (004000−008088 ) Bracket, Angle 1
Y 3 30013 (004000−008088 ) Washer, Flat, 0.31 Fender 1
Y 4 41141 (004000−008088 ) Washer−Loc Int−Ext .31 Pltd 2
Y 5 32960 (004000−008088 ) Nut, Hex, Lock, .31−24, Nl 1
Y 6 16931 (004000−008088 ) Screw, Hex, M08 X 1.25 X 20, 8.8 1
Y 7 08709 (004000−008088 ) Nut, Hex, Lock, M08 X 1.25,Nl 1
Y 8 10632−5 (004000−008088 ) Grommet Rbr 0.25Id For .09Matl 1
Y 9 32668 (004000−008088 ) Connector, Ele, Plug, Femal, .156d 1

OPTIONS
800 Gas/LPG 330120 (10−2014)
3-52
Fig. 28 − Side Brush Light Kit, (008089− )
2
3
4
1
48
3
65
7
9

OPTIONS
3-53
800 Gas/LPG 330120 (10−2014)
08756 − ALL
Fig. 28 − Side Brush Light Kit, (008089− )
Ref. Part No. Serial Number Description Qty.
o9012891 (008089− ) Light Kit, Brush, Side, Ci [800gray] 1
Yo 1 382979 (008089− ) Light, Spot, 12VDC 55w 1
YY 393770 (008089− ) Lamp, 12VDC 55w 1
Y 2 1073927 (008089− ) Bracket, Angle [Gray] 1
Y 3 30013 (008089− ) Washer, Flat, 0.31 Fender 1
Y 4 41141 (008089− ) Washer−Loc Int−Ext .31 Pltd 2
Y 5 32960 (008089− ) Nut, Hex, Lock, .31−24, Nl 1
Y 6 16931 (008089− ) Screw, Hex, M08 X 1.25 X 20, 8.8 1
Y 7 08709 (008089− ) Nut, Hex, Lock, M08 X 1.25,Nl 1
Y 8 10632−5 (008089− ) Grommet Rbr 0.25Id For .09Matl 1
Y 9 32668 (008089− ) Connector, Ele, Plug, Femal, .156d 1

OPTIONS
800 Gas/LPG 330120 (10−2013)
3-54
Fig. 29 − Cab Kit
6
5
1
2
3
4
18
7
16
19
8
9
10
11
12
14
15
17
20
21
22
23
19
17
13
19

OPTIONS
3-55
800 Gas/LPG 330120 (10−2013)
351139 − G, LP
Fig. 29 − Cab Kit
NOTE: The Cab kit, TENNANT Part Number 380601 is for machines serial number 008088 and below and
includes Fig. 29, Fig. 30 and Fig. 32.
NOTE: The Cab kit, TENNANT Part Number 9012866 is for machines serial number 008089 and above and
includes Fig. 29, Fig. 31, and Fig. 32.
Ref. Part No. Serial Number Description Qty.
1 9007651 (004000−008088 ) Cab Assy, Oprtr [800] (See Breakdowns) 1
1 9012887 (008089− ) Cab Assy, Oprtr [800 Gray] 1
2 380634 (004000−008088 ) Cover, Cab Pressurizer 1
2 1073908 (008089− ) Cover, Pressrzr, Cab [Gray] 1
3 380635 (004000− ) Gasket, Cab Pressurizer 1
4 06943 (004000− ) Screw, Hex, M6 X 1.00 X 20, 8.8 4
5 57803 (004000−007289 ) Breaker−Circuit, 15 Resetable 1
6 57751 (004000−007289 ) Boot, Circuit Breaker 1
7 44851 (004000− ) Bumper, Rubber 1
8 76522 (004000− ) Tread, Rubber 1
9 41178 (004000− ) Washer−Flt .25 Fender 1
10 21246 (004000− ) Rivet, Plastic 1
11 77652 (004000− ) Insulation, Acstc, Side, Lower, .8t 1
12 76516 (004000− ) Insulation, Acstc, Front, Lower 1
13 1068383 (004000− ) Seal, Foam, 2.00 2.00w 37.0l, Adh 1
14 70620 (004000−008088 ) Cover Wldt, Fuel Inlet 1
14 1073870 (008089− ) Cover Wldt, Fuel Inlet [800 Gray] 1
15 70785 (004000− ) Plate Wldt, Inlet, Fuel (LPG Only) 1
16 70788 (004000−008088 ) Cover Wldt, Inlet, Fuel (LPG Only) 1
16 1073873 (008089− ) Cover, Cab, Lpg [800 Gray] 1
17 1015224 (004000− ) Seal, Afmkt, Ure, Adh, 0.38, 0.75w 01ft 2
18 32490 (004000− ) Washer, Flat, 0.25, Std 4
19 1015184 (004000− ) Seal, Afmkt, Ure, Adh, 0.50, 1.00w 03ft 6
20 1015182 (004000− ) Seal, Afmkt, Ure, Adh, 0.50, 1.00w 08ft 1
21 1064188 (007290− ) Circuitbreaker, 15A, Resetable 1
22 1064191 (007290− ) Boot, Circuitbreaker 1
23 07790 (004000− ) Nut, Hex, Flng, M6 X 1.00 2

OPTIONS
800 Gas/LPG 330120 (2−11)
3-56
Fig. 30 − Cab Mirror Kit (004000−008088)
1
2
3
4
5
6
7
8
9
10
11
12 13
14
15
16
4
10
10
15
17
18
19
20
21
22 23

OPTIONS
3-57
800 Gas/LPG 330120 (2−11)
08961 − ALL
Fig. 30 − Cab Mirror Kit (004000−008088)
NOTE: The Cab kit, TENNANT Part Number 380601 is for machines serial number 008088 and below and
includes Fig. 29, Fig. 30 and Fig. 32.
Ref. Part No. Serial Number Description Qty.
o76898 (004000−008088 ) Mirror Kit, Side Brush 1
Y 1 68445 (004000−008088 ) Mirror,8.0 Round,Convex 1
Y 2 75881 (004000−008088 ) Guard, Mirror 1
Y 3 1061949 (004000−008088 ) Bracket, Mirror, Mtg 1
Y 4 41434 (004000−008088 ) Bshg,Flange,0.62Bx0.68Od,Nylon 2
Y 5 70761 (004000−008088 ) Tube, 0.62D .44B 2.44, Stl 1
Y 6 12549 (004000−008088 ) Spring, Gas 80 Lb 1
Y 7 01691 (004000−008088 ) Nut, Hex, Std, .31−18, Ss 1
Y 8 01685 (004000−008088 ) Washer, Flat, 0.38b 0.88d .08, Ss 1
Y 9 03193 (004000−008088 ) Screw, Hex, M10 X 1.50 X 90, 8.8 1
Y10 32492 (004000−008088 ) Washer, Flat, 0.38, Std 1
Y11 07792 (004000−008088 ) Nut, Hex, Flng, M10 X 1.50 1
Y12 76099 (004000−008088 ) Screw, Hex, M8 X 1.25 X 25, Fmg 3
Y13 32491 (004000−008088 ) Washer, Flat, 0.31, Std 3
Y14 21195 (004000−008088 ) Screw, Hex, .38−16 X 0.75, G5 2
Y15 50902 (004000−008088 ) Nut, Hex, Lock, .38−16, Nl 2
Y16 43952 (004000−008088 ) Washer, Lock, Int, 0.31, Ss 1
Yo17 369786 (004000−008088 ) Mirror Assembly 1
YY 18 1050295 (004000−008088 ) Mirror, Convex, 0.50d 1
YY 19 49032 (004000−008088 ) Bracket, Mtg, Mirror 1
YY 20 74455 (004000−008088 ) Screw, Hex m06 2
YY 21 01691 (004000−008088 ) Nut, Hex, Std, .31−18, Ss 1
YY 22 43952 (004000−008088 ) Washer, Lock, Int, 0.31 Ss 1
YY 23 01685 (004000−008088 ) Washer, Flat, 0.31 Ss 1

OPTIONS
800 Gas/LPG 330120 (2−11)
3-58
Fig. 31 − Cab Mirror Kit (008089− )
1
2
3
4
5
6
7
8
9
10
11
12 13
14
15
16
4
10
10
15
17
18
19
20
21
22 23

OPTIONS
3-59
800 Gas/LPG 330120 (2−11)
08961 − ALL
Fig. 31 − Cab Mirror Kit (008089− )
NOTE: The Cab kit, TENNANT Part Number 9012866 is for machines serial number 008089 and above and
includes Fig. 29, Fig. 31, and Fig. 32.
Ref. Part No. Serial Number Description Qty.
o9012869 (008089− ) Mirror Kit, Brush, Side, Cab, Ci[800lgr] 1
Y 1 68445 (008089− ) Mirror,8.0 Round,Convex 1
Y 2 1073925 (008089− ) Guard, Mirror [Gray] 1
Y 3 1073932 (008089− ) Bracket, Mtg, Mirror [800 Gray] 1
Y 4 41434 (008089− ) Bshg,Flange,0.62Bx0.68Od,Nylon 2
Y 5 70761 (008089− ) Tube, 0.62D .44B 2.44, Stl 1
Y 6 12549 (008089− ) Spring, Gas 80 Lb 1
Y 7 01691 (008089− ) Nut, Hex, Std, .31−18, Ss 1
Y 8 01685 (008089− ) Washer, Flat, 0.38b 0.88d .08, Ss 1
Y 9 03193 (008089− ) Screw, Hex, M10 X 1.50 X 90, 8.8 1
Y10 32492 (008089− ) Washer, Flat, 0.38, Std 1
Y11 07792 (008089− ) Nut, Hex, Flng, M10 X 1.50 1
Y12 76099 (008089− ) Screw, Hex, M8 X 1.25 X 25, Fmg 3
Y13 32491 (008089− ) Washer, Flat, 0.31, Std 3
Y14 21195 (008089− ) Screw, Hex, .38−16 X 0.75, G5 2
Y15 50902 (008089− ) Nut, Hex, Lock, .38−16, Nl 2
Y16 43952 (008089− ) Washer, Lock, Int, 0.31, Ss 1
Yo17 369786 (008089− ) Mirror Assembly 1
YY 18 1050295 (008089− ) Mirror, Convex, 0.50d 1
YY 19 1073867 (008089− ) Bracket, Mtg, Mirror, Rearview[800 Gray] 1
YY 20 74455 (008089− ) Screw, Hex m06 2
YY 21 01691 (008089− ) Nut, Hex, Std, .31−18, Ss 1
YY 22 43952 (008089− ) Washer, Lock, Int, 0.31 Ss 1
YY 23 01685 (008089− ) Washer, Flat, 0.31 Ss 1

OPTIONS
800 Gas/LPG 330120 (12−05)
3-60
Fig. 32 − Cab Seals Group
1
2
3
4
5

OPTIONS
3-61
800 Gas/LPG 330120 (12−05)
354321 − ALL
Fig. 32 − Cab Seals Group
NOTE: The Cab kit, TENNANT Part Number 380601 is for machines serial number 008088 and below and
includes Fig. 29, Fig. 30 and Fig. 32.
NOTE: The Cab kit, TENNANT Part Number 9012866 is for machines serial number 008089 and above and
includes Fig. 29, Fig. 31, and Fig. 32.
Ref. Part No. Serial Number Description Qty.
1 1021969 (004000− ) Seal, Foam, .06t .25w 42.0l 1
2 1021968 (004000− ) Seal, Foam, .06t .25w 84.0l 1
3 1021937 (004000− ) Seal, Foam, .06t .25w 54.0l 1
4 1021966 (004000− ) Seal, Foam, .06t .25w 76.0l 1
5 1021951 (004000− ) Seal, Foam, .06t .25w 34.0l 1

OPTIONS
800 Gas/LPG 330120 (7−03)
3-62
Fig. 33 − Cab AC and Heater Box Group, Ford
2
3
4
5
6
7
8
9
10
1
11 12 13
14
15
16
17
19
20
21
22
18
19
18
19
18
19
9
18
19
18
18

OPTIONS
3-63
800 Gas/LPG 330120 (7−03)
354065 − G, LP
Fig. 33 − Cab AC and Heater Box Group, Ford
NOTE: AC/Heater kit, TENNANT Part Number 380574 includes Fig. 33, Fig. 34, and Fig. 35.
Ref. Part No. Serial Number Description Qty.
o 380576 (004000−004936 ) Heater & A/C, W/ Fan, Roof 1
Y 1 380613 (004000−004936 ) Box Assy, Heater, A/C (See Breakdowns) 1
Y 2 380689 (004000−004936 ) Filter, Panel, Heat−A/C 1
Y 3 380625 (004000−004936 ) Condenser, A/C, Roof (See Breakdowns) 1
Y 4 380630 (004000−004936 ) Gauge, Sight, A/C 1
Y 5 380684 (004000−004936 ) Hose, A/C, 06 09.0l 1
Y 6 380615 (004000−004936 ) Fitting, Elbow 2
Y 7 380663 (004000−004936 ) Label, Opertnl, Pull Heat 1
Y 8 380673 (004000−004936 ) Label, Caution 1
Y 9 380617 (004000−004936 ) Louver, Adj, Heat−A/C 2
Y10 380619 (004000−004936 ) Switch, 3 Pos, Blower, Heat 1
Y11 380661 (004000−004936 ) Knob, Rnd, Control, Heat−A/C 2
Y12 380662 (004000−004936 ) Label, Opertnl, Fan, Hi/Med/Low 1
Y13 380690 (004000−004936 ) Plate, Mtg, Switch, A/C 1
Y14 380624 (004000−004936 ) Switch, Thermo, A/C 1
Y15 380665 (004000−004936 ) Label, Opertnl, Temp 1
Y16 374134 (004000−004936 ) Hose Assy, Drain, A/C 1
Y17 374135 (004000−004936 ) Hose Assy, Drain, A/C 1
Y18 49266 (004000−004936 ) Tie, Cable, Nyl, 07.3l .19w 1.8 Max D 10
Y19 55248 (004000−004936 ) Mount, Cable Tie 10
20 56186 (004000−004936 ) Relay, 12vdc, 40a, Spdt N/O 2
21 374210 (004000−004936 ) Circuitbreaker, 20.0a, Thermal 2
22 77811 (004000−004936 ) Grommet, Cab, Harness, Wire 1

OPTIONS
800 Gas/LPG 330120 (7−03)
3-64
Fig. 34 − Cab AC and Heater Hose Group, Ford
A
B
B
C
D
A
D
C
1
D
C
2
34
5
6
7
8
9
10
1
11
12
13
14
15
16
17
18
19
20
21
22
13
1
1
20
1
1
1
1
10
11
8
9
1
2
3
1

OPTIONS
3-65
800 Gas/LPG 330120 (4−08)
354066 − G, LP
Fig. 34 − Cab AC and Heater Hose Group, Ford
NOTE: AC/Heater kit, TENNANT Part Number 380574 includes Fig. 33, Fig. 34, and Fig. 35.
Ref. Part No. Serial Number Description Qty.
1 63810 (004000−004936 ) Clamp, Hose, Wormdrive, 0.56−1.06d 8
2 380685 (004000−004936 ) Hose, A/C, 08 100.0l [R134] 1
3 380686 (004000−004480 ) Hose, A/C, 12 107.0l [R134] 1
3 375751 (004481−004936 ) Hose, A/C, 12 115.0l [R134] 1
4 375512 (004000−004936 ) Sleeve, Nyl, #33 65.0l 1
5 41016 (004000−004936 ) Clamp, Cable, Stl, 2.25d X 1.00w, 1h 1
6 43558A (004000−004936 ) Cable, Cntrl, Choke, 85/90l 1.4d Knob 1
7 380618 (004000−004374 ) Valve, Water, Heater, H, 10bm 1
8 380621 (004000−004936 ) Hose, Heater, 0.62id 80.0l 1
9 380620 (004000−004936 ) Hose, Heater, 0.62id 77.0l 1
10 72979 (004000−004718 ) Hose, Heater, 0.62id 20.0l 1
10 61870 (004719−004936 ) Hose, Heater, 0.62id 31.0l 1
11 72978 (004000−004718 ) Hose, Heater, 0.62id 13.0l 1
11 61869 (004719−004936 ) Hose, Heater, 0.62id 24.0l 1
12 763116 (004000−004936 ) Tie, Cable, Nyl, 15.3l . W 4.5 Max D 3
o375728 (004375−004936 ) Valve Assy, Ball, 3 Way, Em10/Em10/Em10 1
Y13 59901 (004375−004936 ) Fitting, Brs, Str, Em10/Pm08 2
Y14 31507 (004375−004936 ) Valve, Ball, 3−way, 08pf/08pf/08pf Brs 1
Y15 43242 (004375−004936 ) Swivel 1
Y16 1043352 (004375−004936 ) Clamp, Cable, Stl, 0.18d X 0.75w, 1hole 2
Y17 40573 (004375−004936 ) Fitting, Hyd, Str, Pm08/Pm08 1
Y18 45142 (004375−004936 ) Bolt, U, .25−20 X 2.00, 1.10id 1
Y19 374129 (004719−004936 ) Bracket, Mtg, Valve, Cntrl, Heater 1
Y20 30268 (004375−004936 ) Fitting, Brs, E90, Em10/Pm08 2
Y21 24450 (004375−004936 ) Fitting, Brs, Tee, Pf08/Pf08/Pf08 1
22 375726 (004375−004718 ) Bracket, Mtg, Valve,Control, Heater 1

OPTIONS
800 Gas/LPG 330120 (7−03)
3-66
Fig. 35 − Cab AC Compressor Group, Ford
1
2
3
4
4

OPTIONS
3-67
800 Gas/LPG 330120 (7−03)
350810 − G, LP
Fig. 35 − Cab AC Compressor Group, Ford
NOTE: AC/Heater kit, TENNANT Part Number 380574 includes Fig. 33, Fig. 34, and Fig. 35.
Ref. Part No. Serial Number Description Qty.
1 77674 (004000−004936 ) Compressor, A/C 1
2 380676 (004000− xxxxxx ) Belt, V, Hc41 41.1L 1
2 375729 ( xxxxxx−004936 ) Belt, V, Hc41 40.1L 1
3 380563 (004000−004936 ) Bracket, Belt, Guard, Ac 1
4 380697 (004000−004936 ) Link, Tension 2.4L 2

OPTIONS
800 Gas/LPG 330120 (10−2014)
3-68
Fig. 36 − Cab AC and Heater Box Group, GM (004937−008088)
2
3
4
5
6
7
8
9
10
1
11 12 13
14
15
16
17
19
20
21
22
18
19
18
19
18
19
9
18
19
18
18
24
23

OPTIONS
3-69
800 Gas/LPG 330120 (10−2014)
354065 − G, LP
Fig. 36 − Cab AC and Heater Box Group, GM (004937−008088)
NOTE: AC/Heater kit, TENNANT Part Number 374287 for machines serial number 006999 and below and
includes Fig. 36, Fig. 38, and .Fig. 39
NOTE: AC/Heater kit, TENNANT Part Number 900299 for machines serial number 007000−008088 includes
Fig. 36, Fig. 38, and .Fig. 40
Ref. Part No. Serial Number Description Qty.
o 380576 (004937−008088 ) Heater & A/C, W/ Fan, Roof 1
Y 1 380613 (004937−008088 ) Box Assy, Heater, A/C (See Breakdowns) 1
Y 2 380689 (004937−008088 ) Filter, Panel, Heat−A/C 1
Y 3 380625 (004937−008088 ) Condenser, A/C, Roof (See Breakdowns) 1
Y 4 380630 (004937−008088 ) Gauge, Sight, A/C 1
Y 5 380684 (004937−008088 ) Hose, A/C, 06 09.0l 1
Y 6 380615 (004937−008088 ) Fitting, Elbow 2
Y 7 380663 (004937−008088 ) Label, Opertnl, Pull Heat 1
Y 8 380673 (004937−008088 ) Label, Caution 1
Y 9 380617 (004937−008088 ) Louver, Adj, Heat−A/C 2
Y10 380619 (004937−008088 ) Switch, 3 Pos, Blower, Heat 1
Y11 380661 (004937−008088 ) Knob, Rnd, Control, Heat−A/C 2
Y12 380662 (004937−008088 ) Label, Opertnl, Fan, Hi/Med/Low 1
Y13 380690 (004937−008088 ) Plate, Mtg, Switch, A/C 1
Y14 380624 (004937−008088 ) Switch, Thermo, A/C 1
Y15 380665 (004937−008088 ) Label, Opertnl, Temp 1
Y16 374134 (004937−008088 ) Hose Assy, Drain, A/C 1
Y17 374135 (004937−008088 ) Hose Assy, Drain, A/C 1
Y18 49266 (004937−008088 ) Tie, Cable, Nyl, 07.3l .19w 1.8 Max D 10
Y19 55248 (004937−008088 ) Mount, Cable Tie 10
20 56186 (004937−008088 ) Relay, 12vdc, 40a, Spdt N/O 2
21 374210 (004937−008088 ) Circuitbreaker, 20.0a, Thermal 2
22 77811 (004937−008088 ) Grommet, Cab, Harness, Wire 1
23 32490 (004937−008088 ) Washer, Flat, 0.25 Std 12
24 12459 (004937−008088 ) Screw, Hex, M6 X 1.0 X 20, Fmg 12

OPTIONS
800 Gas/LPG 330120 (10−2014)
3-70
Fig. 37 − Cab AC and Heater Box Group, GM (008089− )
2
3
4
5
6
7
8
9
10
1
11 12 13
14
15
16
17
19
20
21
22
18
19
18
19
18
19
9
18
19
18
18
24
23

OPTIONS
3-71
800 Gas/LPG 330120 (3−2015)
354065 − G, LP
Fig. 37 − Cab AC and Heater Box Group, GM (008089− )
NOTE: AC/Heater kit, TENNANT Part Number 9012894 for machines serial number 008089 and above and
includes Fig. 37, Fig. 38, and .Fig. 40
Ref. Part No. Serial Number Description Qty.
o 9012893 (008089− ) Heater Assy, W/ A/C, Roof [R134, Gray] 1
Y 1 1073904 (008089− ) Heater, W/ A/C [Badger, Gray] (See Breakdowns) 1
Y 2 380689 (008089− ) Filter, Panel, Heat−A/C 1
Y 3 380625 (008089− ) Condenser, A/C, Roof (See Breakdowns) 1
Y 4 380630 (008089− ) Gauge, Sight, A/C 1
Y 5 380684 (008089− ) Hose, A/C, 06 09.0l 1
Y 6 380615 (008089− ) Fitting, Elbow 2
Y 7 380663 (008089− ) Label, Opertnl, Pull Heat 1
Y 8 380673 (008089− ) Label, Caution 1
Y 9 380617 (008089− ) Louver, Adj, Heat−A/C 2
Y10 380619 (008089− ) Switch, 3 Pos, Blower, Heat 1
Y11 380661 (008089− ) Knob, Rnd, Control, Heat−A/C 2
Y12 380662 (008089− ) Label, Opertnl, Fan, Hi/Med/Low 1
Y13 380690 (008089− ) Plate, Mtg, Switch, A/C 1
Y14 380624 (008089− ) Switch, Thermo, A/C 1
Y15 380665 (008089− ) Label, Opertnl, Temp 1
Y16 374134 (008089− ) Hose Assy, Drain, A/C 1
Y17 374135 (008089− ) Hose Assy, Drain, A/C 1
Y18 49266 (008089− ) Tie, Cable, Nyl, 07.3l .19w 1.8 Max D 10
Y19 55248 (008089− ) Mount, Cable Tie 10
20 56186 (008089− ) Relay, 12vdc, 40a, Spdt N/O 2
21 374210 (008089− ) Circuitbreaker, 20.0a, Thermal 2
22 77811 (008089− ) Grommet, Cab, Harness, Wire 1
23 32490 (008089− ) Washer, Flat, 0.25 Std 12
24 12459 (008089− ) Screw, Hex, M6 X 1.0 X 20, Fmg 12

OPTIONS
800 Gas/LPG 330120 (7−10)
3-72
Fig. 38 − Cab AC and Heater Hose Group, GM
BC
D
A
D
C
GAS LPG
A
B
2
3
4
5
6
7
8
8
10
1
11
12
13
14
15
16
17
18
19
20
21
22
23
24
25
26
1
2
3
7
5
1
1
8
8
13
1
1
10
11
22
22
22
12
1
1
20
1
25
24
26
28
27
29
29 9
9

OPTIONS
3-73
800 Gas/LPG 330120 (10−2014)
354064 − G, LP
Fig. 38 − Cab AC and Heater Hose Group, GM
NOTE: AC/Heater kit, TENNANT Part Number 374287 for machines serial number 006999 and below and
includes Fig. 36, Fig. 38, and .Fig. 39
NOTE: AC/Heater kit, TENNANT Part Number 900299 for machines serial number 007000−008088 includes
Fig. 36, Fig. 38, and .Fig. 40
NOTE: AC/Heater kit, TENNANT Part Number 9012894 for machines serial number 008089 and above and
includes Fig. 37, Fig. 38, and .Fig. 40
Ref. Part No. Serial Number Description Qty.
1 63810 (004937− ) Clamp, Hose, Wormdrive, 0.56−1.06d 8
2 1021799 (004937− ) Hose, A/C, 08, Str/E90, 112.0l [R134] 1
3 1021797 (004937− ) Hose, A/C, 12, Str/E90, 127.0l [R134] 1
4 375512 (004937− ) Sleeve, Nyl, #33 65.0l 1
5 41016 (004937− ) Clamp, Cable, Stl, 2.25d X 1.00w, 1h 2
6 43558A (004937− ) Cable, Cntrl, Choke, 85/90l 1.4d Knob 1
7 763116 (004937− ) Tie, Cable, Nyl, 15.3l . W 4.5 Max D 3
8 1016561 (004937− ) Hose, Afmkt, Rbr, Heater, 0.62id, 08ft 2
9 12459 (004937− ) Screw, Hex, M6 X 1.0 X 20, Fmg 2
10 1016556 (004937− ) Hose, Afmkt, Rbr, Heater, 0.62id, 03ft 1
11 1016560 (004937− ) Hose, Afmkt, Rbr, Heater, 0.62id, 02ft 1
12 393255 (004937− ) Fitting, Plstc, Tee, Bm12/Bm12/Bm12 1
o375728 (004937− ) Valve Assy, Ball, 3 Way, Em10/Em10/Em10 1
Y13 59901 (004937− ) Fitting, Brs, Str, Em10/Pm08 2
Y14 31507 (004937− ) Valve, Ball, 3−way, 08pf/08pf/08pf Brs 1
Y15 43242 (004937− ) Swivel 1
Y16 1043352 (004937− ) Clamp, Cable, Stl, 0.18d X 0.75w, 1hole 2
Y17 40573 (004937− ) Fitting, Hyd, Str, Pm08/Pm08 1
Y18 45142 (004937− ) Bolt, U, .25−20 X 2.00, 1.10id 1
Y19 374129 (004937− ) Bracket, Mtg, Valve, Cntrl, Heater 1
Y20 30268 (004937− ) Fitting, Brs, E90, Em10/Pm08 2
Y21 24450 (004937− ) Fitting, Brs, Tee, Pf08/Pf08/Pf08 1
22 11399 (004937− ) Clamp, Hose, Wormdrive, 0.81−1.50d 2
23 75197 (004937− ) Hose, Heater, 0.75id 04.0l 1
24 24450 (004937− ) Fitting, Brass, Tee 1
25 30268 (004937− ) Fitting, Brs, E90, Em10/Pm08 1
26 40573 (004937− ) Fitting, Hyd, Str, Pm08/Pm08 1
27 16930 (004937− ) Screw, Hex, M10 X 1.5 X 50, 8.8 1
28 32492 (004937− ) Washer, Flat, 0.38 Std 1
29 32490 (004937− ) Washer, Flat, 0.25 Std 2

OPTIONS
800 Gas/LPG 330120 (3−07)
3-74
Fig. 39 − Cab AC Compressor Group, GM (004937−006999)
43
44
40
45
48
7
49
50
42
1
1
1
12
13
6
4
16
17
18
19
20
21
22
23
24 25
26
27
28
29
30
31
32
33
34
35
36
13
48
49
41
44
46
47
49
48
10
32
38
39
46
46
43
40
46
32
15
14
4
8
6
5
337
9
8
6
2

OPTIONS
3-75
800 Gas/LPG 330120 (10−2014)
353878 − G, LP
Fig. 39 − Cab AC Compressor Group, GM (004937−006999)
NOTE: AC/Heater kit, TENNANT Part Number 374287 for machines serial number 006999 and below and
includes Fig. 36, Fig. 38, and .Fig. 39
Ref. Part No. Serial Number Description Qty.
1 393219 (004937−006999 ) Compressor, A/C 1
2 20177 (004937−006348 ) Screw, Hex, .38−16 X 4.00, 5 1
3 59156 (004937−006348 ) Nut, Hex, Lock, .38−16, Nl, Ss 1
4 73717 (004937−006348 ) Arm, Tension, A/C, .18 1.3w 4.2l 1
5 76570 (004937−006348 ) Screw, Hex, M8 X 1.25 X 30, 8.8 2
6 32491 (004937−006348 ) Washer, Flat, 0.31 Std 4
7 08709 (004937−006348 ) Nut, Hex, Lock, M8 X 1.25, Nl 2
8 16931 (004937−006348 ) Screw, Hex, M8 X 1.25 X 20, 8.8 4
9 64899 (004937−006348 ) Belt, V, [3v] 40.0l, 1only [Hc38] 1
10 1007343 (004937−006348 ) Bracket, Belt, Guard, A/C 1
11 1019513 (004937−006999 ) Plate, Shield, Heat 1
12 1008513 (004937−006999 ) Angle, Heat, Shield 1
13 39311 (004937−006999 ) Nut, Hex, Std, M08 X 1.25 2
14 393201 (004937−006999 ) Sheave, Aux, [Hc38], 1Grv 6.8od [Gm 3.0L] 1
15 39670 (004937−006999 ) Screw, Hex, .38−24 X 1.50, 5 3
16 392613 (004937−006348 ) Bracket Wldt, Mtg, A/C 1
17 75828 (004937−006999 ) Alternator, 12vdc, 100A [Brushless] 1
18 77555 (004937−006999 ) Sheave, [3L], 1Grv, 03.5Pd 0.67B 1
19 31525 (004937−006999 ) Wire, 10ga 16.0l Blk .38ring /.25ring 1
20 371509 (004937−006999 ) Washer, Lock, .38 1
21 39277 (004937−006999 ) Screw, Hex, M8 X 1.25 X 25, 8.8 1
22 393244 (004937−006999 ) Belt, V, [Hc41] 42.0l 1
23 1008512 (004937−006999 ) Bushing, Sleeve, .40b X .50d X 1.06l 1
24 34877 (004937−006999 ) Screw, Hex, M10 X 1.5 X 100, 8.8 1
25 07792 (004937−006999 ) Nut, Hex, Flng, M10 X 1.5 1
26 41186 (004937−006999 ) Washer, Belleville, .31 1
27 1008538 (004937−006999 ) Bracket, Guard, Alternator, Hd [Gm3.0l] 1
28 21237 (004937−006999 ) Screw, Hex, M4 X 0.7 X 6, 8.8 1
29 32978 (004937−006999 ) Washer, Lock, Int, #08 1
30 1008510 (004937−006999 ) Bracket, Mtg, Alternator, Hd,[Gm3.0l] 1
31 35756 (004937−006999 ) Tube, 01.00d 00.50b 01.0l Stl Pnt 2
32 32492 (004937−006999 ) Washer, Flat, 0.38 Std 4
33 27991 (004937−006999 ) Screw, Hex, .38−16 X 2.25, 5 2
34 1008519 (004937−006999 ) Arm, Alternator, Hd [Gm3.0l] 1
35 50902 (004937−006999 ) Nut, Hex, Lock, .38−16, Nl 2
36 04375 (004937−006999 ) Screw, Hex, M 8 X 1.25 X 40, Fl 1
37 32492 (004937−006348 ) Washer, Flat, 0.38 Std 6
38 06537 (004937−006999 ) Screw, Hex, M10 X 1.5 X 120, 8.8, Fl 2
39 1017085 (006349−006999 ) Bracket Wldt, Mtg, A/C 1
40 1017102 (006349−006999 ) Arm, Tens 2
41 1017292 (006349−006999 ) Tube, 00.75d 00.41b 03.3l Stl Pl 2
42 1017515 (006349−006999 ) Guard, Belt, A/C 1
43 07819 (006349−006999 ) Screw, Hex, M10 X 1.5 X 130, 8.8 2
44 08714 (006349−006999 ) Nut, Hex, Lock, M10 X 1.5, Nl, Ss 2

OPTIONS
800 Gas/LPG 330120 (10−2014)
3-76
353878 − G, LP
Fig. 39 − Cab AC Compressor Group, GM (004937−006999)
NOTE: AC/Heater kit, TENNANT Part Number 374287 for machines serial number 006999 and below and
includes Fig. 36, Fig. 38, and .Fig. 39
Ref. Part No. Serial Number Description Qty.
45 39283 (006349−006999 ) Screw, Hex, M10 X 1.5 X 25, 8.8 2
46 32485 (006349−006999 ) Washer, Flat, 0.38 Sae 6
47 41430 (006349−006999 ) Nut, Hex, Lock, M10 X 1.5, Nl 2
48 32491 (006349−006999 ) Washer, Flat, 0.31 Std 4
49 16931 (006349−006999 ) Screw, Hex, M8 X 1.25 X 20, 8.8 4
50 380544 (006349−006999 ) Belt, V, [3v] 38.5l [Hc38/41] 1

OPTIONS
3-77
800 Gas/LPG 330120 (12−05)

OPTIONS
800 Gas/LPG 330120 (5−09)
3-78
Fig. 40 − Cab AC Compressor Group, GM (007000− )
12
7
1
2
3
4
3
5
6
31
8
910
11
30
13
14
15
16
17
18
19
20
20
20
20
20
20
6
20
21 22
23
24
25
26
27
28
6
19
29
33
33
32
34
34 35
25
26
23
24

OPTIONS
3-79
800 Gas/LPG 330120 (10−2014)
353878 − G, LP
Fig. 40 − Cab AC Compressor Group, GM (007000− )
NOTE: AC/Heater kit, TENNANT Part Number 900299 for machines serial number 007000−008088 includes
Fig. 36, Fig. 38, and .Fig. 40
NOTE: AC/Heater kit, TENNANT Part Number 9012894 for machines serial number 008089 and above and
includes Fig. 37, Fig. 38, and .Fig. 40
Ref. Part No. Serial Number Description Qty.
1 1030582 (007000− ) Compressor, A/C [2007] 1
2 380544 (007000− ) Belt, V, 38.5l [Hc38] 1
3 1030762 (007000− ) Bracket, Guard, Alternator, Hd [800/810] 2
4 393201 (007000− ) Sheave, Aux, 1grv, 06.8od [Gm3.0l, Hc38] 1
5 39670 (007000− ) Screw, Hex, .38−24 X 1.50, G5 3
6 32492 (007000− ) Washer, Flat, 0.38, Std 7
7 1030657 (007000−007367 ) Bracket Wldt, Mtg, A/C [800 07] 1
8 1030627 (007000− ) Alternator, Se [800/810, 07] 1
9 77555 (007000− ) Sheave, 01grv, 03.5pd 0.67b [3l] 1
10 371526 (007000− ) Sleeve, Alternator 1
11 78772 (007000− ) Belt, V, 45.1l [Hc38] 1
12 1030654 (007000−007367 ) Bracket, Mtg, Alternator, Hd[800/810 07] 1
13 35756 (007000− ) Tube, 0.50id 1.00od 01.0l, Stl, Pntd 2
14 1030708 (007000− ) Arm, Adj, Alternator, Hd [800/810 07] 1
15 1032904 (007000− ) Shield, Heat, Alternator, Hd[800/810 07] 1
16 21237 (007000− ) Screw, Hex, M4 X 0.7 X 6, 8.8 1
17 32978 (007000− ) Washer, Lock, Int, #08 1
18 31525 (007000− ) Wire, 10ga 16.0l Blk .25ring /.38ring 1
19 50902 (007000− ) Nut, Hex, Lock, .38−16, Nl 3
20 32485 (007000− ) Washer, Flat, 0.38, Sae 8
21 20177 (007000− ) Screw, Hex, .38−16 X 4.00, G5 1
22 27992 (007000− ) Screw, Hex, .38−16 X 2.50, G5 2
23 04375 (007000− ) Screw, Hex, M8 X 1.25 X 40, 8.8, Fl 2
24 41186 (007000− ) Washer, Flat, Belleville, .31 2
25 32491 (007000− ) Washer, Flat, 0.31, Std 2
26 08709 (007000− ) Nut, Hex, Lock, M8 X 1.25, Nl 2
27 06966 (007000− ) Screw, Hex, M10 X 1.5 X 110, 8.8 1
28 21198 (007000− ) Screw, Hex, .38−16 X 1.25, G5 2
29 08714 (007000− ) Nut, Hex, Lock, M10 X 1.5, Nl, Ss 1
30 1051245 (007368− ) Bracket, Mtg, Alternator, Hd[800/810 07] 1
31 1050610 (007368− ) Bracket Wldt, Mtg, A/C [800 07] 1
32 1050584 (007368− ) Arm, Tens [2008] 1
33 39283 (007368− ) Screw, Hex, M10 X 1.50 X 25, 8.8 2
34 32485 (007368− ) Washer, Flat, 0.38, Sae 2
35 41430 (007368− ) Nut, Hex, Lock, M10 X 1.5, Nl 1

OPTIONS
800 Gas/LPG 330120 (7−03)
3-80
Fig. 41 − Cab Heater Box Group, Ford
2
3
4
6
7
8910
1
5
11
12
13
6

OPTIONS
3-81
800 Gas/LPG 330120 (7−03)
354068 − G, LP
Fig. 41 − Cab Heater Box Group, Ford
NOTE: Heater kit, TENNANT Part Number 380610 includes Fig. 41, and Fig. 42.
Ref. Part No. Serial Number Description Qty.
o 380612 (004000−004936 ) Heater & A/C, W/ Fan, Roof 1
Y 1 380614 (004000−004936 ) Box Assy, Heater, A/C (See Breakdowns) 1
Y 2 380689 (004000−004936 ) Filter, Panel, Heat−A/C 1
Y 3 380615 (004000−004936 ) Fitting, Elbow 2
Y 4 380663 (004000−004936 ) Label, Opertnl, Pull Heat 1
Y 5 56992 (004000−004936 ) Button, Plug, 0.50h .03−.12 [Black Nyl] 1
Y 6 380617 (004000−004936 ) Louver, Adj, Heat−A/C 2
Y 7 380619 (004000−004936 ) Switch, 3 Pos, Blower, Heat 1
Y 8 380661 (004000−004936 ) Knob, Rnd, Control, Heat−A/C 1
Y 9 380662 (004000−004936 ) Label, Opertnl, Fan, Hi/Med/Low 1
Y10 380690 (004000−004936 ) Plate, Mtg, Switch, A/C 1
11 56186 (004000−004936 ) Relay, 12vdc, 40a, Spdt N/O 1
12 374210 (004000−004936 ) Circuitbreaker, 20.0a, Thermal 1
13 77811 (004000−004936 ) Grommet, Cab, Harness, Wire 1

OPTIONS
800 Gas/LPG 330120 (7−03)
3-82
Fig. 42 − Cab Heater Hose Group, Ford
A
B
B
A
2
3
4
67
8
9
10
1
11
12
13
14
15
16
17
18
19
1
5
20
A
B
1
1
1
1
10
6
7
11
18
9
8

OPTIONS
3-83
800 Gas/LPG 330120 (10−2014)
354069 − G, LP
Fig. 42 − Cab Heater Hose Group, Ford
NOTE: Heater kit, TENNANT Part Number 380610 includes Fig. 41, and Fig. 42.
Ref. Part No. Serial Number Description Qty.
1 63810 (004000−004936 ) Clamp, Hose, Wormdrive, 0.56−1.06d 6
2 375512 (004000−004936 ) Sleeve, Nyl, #33 65.0l 1
3 41016 (004000−004936 ) Clamp, Cable, Stl, 2.25d X 1.00w, 1h 2
4 43558A (004000−004936 ) Cable, Cntrl, Choke, 85/90l 1.4d Knob 1
5 380618 (004000−004374 ) Valve, Water, Heater, H, 10bm 1
6 380621 (004000−004936 ) Hose, Heater, 0.62id 80.0l 1
7 380620 (004000−004936 ) Hose, Heater, 0.62id 77.0l 1
8 72979 (004000−004718 ) Hose, Heater, 0.62id 20.0l 1
8 61870 (004719−004936 ) Hose, Heater, 0.62id 31.0l 1
9 72978 (004000−004718 ) Hose, Heater, 0.62id 13.0l 1
9 61869 (004719−004936 ) Hose, Heater, 0.62id 24.0l 1
10 763116 (004000−004936 ) Tie, Cable, Nyl, 15.3l . W 4.5 Max D 3
o375728 (004375−004936 ) Valve Assy, Ball, 3 Way, Em10/Em10/Em10 1
Y11 59901 (004375−004936 ) Fitting, Brs, Str, Em10/Pm08 2
Y12 31507 (004375−004936 ) Valve, Ball, 3−way, 08pf/08pf/08pf Brs 1
Y13 43242 (004375−004936 ) Swivel 1
Y14 1043352 (004375−004936 ) Clamp, Cable, Stl, 0.18d X 0.75w, 1hole 2
Y15 40573 (004375−004936 ) Fitting, Hyd, Str, Pm08/Pm08 1
Y16 45142 (004375−004936 ) Bolt, U, .25−20 X 2.00, 1.10id 1
Y17 374129 (004719−004936 ) Bracket, Mtg, Valve, Cntrl, Heater 1
Y18 30268 (004375−004936 ) Fitting, Brs, E90, Em10/Pm08 2
Y19 24450 (004375−004936 ) Fitting, Brs, Tee, Pf08/Pf08/Pf08 1
20 375726 (004375−004718 ) Bracket, Mtg, Valve,Control, Heater 1

OPTIONS
800 Gas/LPG 330120 (10−2014)
3-84
Fig. 43 − Cab Heater Box Group, GM (004937 − 008088)
2
3
4
6
7
8910
1
5
11
12
13
6
14
15

OPTIONS
3-85
800 Gas/LPG 330120 (3−2015)
354068 − G, LP
Fig. 43 − Cab Heater Box Group, GM (004937−008088)
NOTE: Heater kit, TENNANT Part Number 374285 for machines serial number 004937−008088 includes Fig. 43,
and Fig. 45.
Ref. Part No. Serial Number Description Qty.
o 380612 (004937−008088 ) Heater & A/C, W/ Fan, Roof 1
Y 1 380614 (004937−008088 ) Box Assy, Heater, A/C (See Breakdowns) 1
Y 2 380689 (004937−008088 ) Filter, Panel, Heat−A/C 1
Y 3 380615 (004937−008088 ) Fitting, Elbow 2
Y 4 380663 (004937−008088 ) Label, Opertnl, Pull Heat 1
Y 5 56992 (004937−008088 ) Button, Plug, 0.50h .03−.12 [Black Nyl] 1
Y 6 380617 (004937−008088 ) Louver, Adj, Heat−A/C 2
Y 7 380619 (004937−008088 ) Switch, 3 Pos, Blower, Heat 1
Y 8 380661 (004937−008088 ) Knob, Rnd, Control, Heat−A/C 1
Y 9 380662 (004937−008088 ) Label, Opertnl, Fan, Hi/Med/Low 1
Y10 380690 (004937−008088 ) Plate, Mtg, Switch, A/C 1
11 56186 (004937−008088 ) Relay, 12vdc, 40a, Spdt N/O 1
12 374210 (004937−008088 ) Circuitbreaker, 20.0a, Thermal 1
13 77811 (004937−008088 ) Grommet, Cab, Harness, Wire 1
14 32490 (004937−008088 ) Washer, Flat, 0.25 Std 12
15 12459 (004937−008088 ) Screw, Hex, M6 X 1.0 X 20, Fmg 12

OPTIONS
800 Gas/LPG 330120 (10−2014)
3-86
Fig. 44 − Cab Heater Box Group, GM (008089 − )
2
3
4
6
7
8910
1
5
11
12
13
6
14
15

OPTIONS
3-87
800 Gas/LPG 330120 (10−2014)
354068 − G, LP
Fig. 44 − Cab Heater Box Group, GM (008089 − )
NOTE: Heater kit, TENNANT Part Number 9012894 for machines serial number 08089 and above includes
Fig. 44, and Fig. 45.
Ref. Part No. Serial Number Description Qty.
o 9012896 (008089− ) Heater / Pressrzr Assy, Roof [800 Gray] 1
Y 1 1073905 (008089− ) Heater [Badger, Gray] (See Breakdowns) 1
Y 2 380689 (008089− ) Filter, Panel, Heat−A/C 1
Y 3 380615 (008089− ) Fitting, Elbow 2
Y 4 380663 (008089− ) Label, Opertnl, Pull Heat 1
Y 5 56992 (008089− ) Button, Plug, 0.50h .03−.12 [Black Nyl] 1
Y 6 380617 (008089− ) Louver, Adj, Heat−A/C 2
Y 7 380619 (008089− ) Switch, 3 Pos, Blower, Heat 1
Y 8 380661 (008089− ) Knob, Rnd, Control, Heat−A/C 1
Y 9 380662 (008089− ) Label, Opertnl, Fan, Hi/Med/Low 1
Y10 380690 (008089− ) Plate, Mtg, Switch, A/C 1
11 56186 (008089− ) Relay, 12vdc, 40a, Spdt N/O 1
12 374210 (008089− ) Circuitbreaker, 20.0a, Thermal 1
13 77811 (008089− ) Grommet, Cab, Harness, Wire 1
14 32490 (008089− ) Washer, Flat, 0.25 Std 12
15 12459 (008089− ) Screw, Hex, M6 X 1.0 X 20, Fmg 12

OPTIONS
800 Gas/LPG 330120 (10−2014)
3-88
Fig. 45 − Cab Heater Hose Group, GM
C
D
D
C
GAS LPG
2
4
5
6
6
8
9
10
1
11
12
13
14
15
16
17
18
19
20
10
3
6
6
1
1
1
1
1
1
11
8
9
5
5
5
21
22
23
24
24
1
18
3
1
22
21
23
25 26
27
7
27
7

OPTIONS
3-89
800 Gas/LPG 330120 (10−2014)
354067 − G, LP
Fig. 45 − Cab Heater Hose Group, GM
NOTE: Heater kit, TENNANT Part Number 374285 for machines serial number 004937−008088 includes Fig. 43,
and Fig. 45.
NOTE: Heater kit, TENNANT Part Number 9012894 for machines serial number 08089 and above includes
Fig. 44, and Fig. 45.
Ref. Part No. Serial Number Description Qty.
1 63810 (004937− ) Clamp, Hose, Wormdrive, 0.56−1.06d 8
2 375512 (004937− ) Sleeve, Nyl, #33 65.0l 1
3 41016 (004937− ) Clamp, Cable, Stl, 2.25d X 1.00w, 1h 1
4 43558A (004937− ) Cable, Cntrl, Choke, 85/90l 1.4d Knob 1
5 11399 (004937− ) Clamp, Hose, Wormdrive, 0.81−1.50d 2
6 1016561 (004937− ) Hose, Afmkt, Rbr, Heater, 0.62id, 08ft 2
7 12459 (004937− ) Screw, Hex, M6 X 1.0 X 20, Fmg 2
8 1016556 (004937− ) Hose, Afmkt, Rbr, Heater, 0.62id, 03ft 1
9 1016560 (004937− ) Hose, Afmkt, Rbr, Heater, 0.62id, 02ft 1
10 763116 (004937− ) Tie, Cable, Nyl, 15.3l . W 4.5 Max D 3
o375728 (004937− ) Valve Assy, Ball, 3 Way, Em10/Em10/Em10 1
Y11 59901 (004937− ) Fitting, Brs, Str, Em10/Pm08 2
Y12 31507 (004937− ) Valve, Ball, 3−way, 08pf/08pf/08pf Brs 1
Y13 43242 (004937− ) Swivel 1
Y14 1043352 (004937− ) Clamp, Cable, Stl, 0.18d X 0.75w, 1hole 2
Y15 40573 (004937− ) Fitting, Hyd, Str, Pm08/Pm08 1
Y16 45142 (004937− ) Bolt, U, .25−20 X 2.00, 1.10id 1
Y17 374129 (004937− ) Bracket, Mtg, Valve, Cntrl, Heater 1
Y18 30268 (004937− ) Fitting, Brs, E90, Em10/Pm08 2
Y19 24450 (004937− ) Fitting, Brs, Tee, Pf08/Pf08/Pf08 1
20 75197 (004937− ) Hose, Heater, 0.75id 04.0l 1
21 24450 (004937− ) Fitting, Brass, Tee 1
22 30268 (004937− ) Fitting, Brs, E90, Em10/Pm08 1
23 40573 (004937− ) Fitting, Hyd, Str, Pm08/Pm08 1
24 393255 (004937− ) Fitting, Plstc, Tee, Bm12/Bm12/Bm12 1
25 16930 (004937− ) Screw, Hex, M10 X 1.5 X 50, 8.8 1
26 32492 (004937− ) Washer, Flat, 0.38 Std 1
27 32490 (004937− ) Washer, Flat, 0.25 Std 2

OPTIONS
800 Gas/LPG 330120 (4−01)
3-90
Fig. 46 − Alternator Group, SE, Ford
1
2
34
5

OPTIONS
3-91
800 Gas/LPG 330120 (4−01)
351151 − G, LP
Fig. 46 − Alternator Group, SE, Ford
Ref. Part No. Serial Number Description Qty.
o380702 (004000−004937 )Kit, Alternator, Hd, Gas/Lpg 1
Y 1 75828 (004000−004937 ) Alternator 1
Y 2 77555 (004000−004937 ) Sheave, Alternator, Se 1
Y 3 83641 (004000−004937 ) Belt, V 1
Y 4 31525 (004000−004937 ) Wire, Ground 1
Y 5 21223 (004000−004937 )Guard, Alternator 1

OPTIONS
800 Gas/LPG 330120 (3−07)
3-92
Fig. 47 − Heavy Duty Alternator Kit, GM (004937−006999)
3
2
4
5
67
8
9
1
11
1213
14
15
16 17
18
19
20
24
25
2
2
25
16
10
2
6
16
21
21
27
23

OPTIONS
3-93
800 Gas/LPG 330120 (3−07)
354061 − G, LP
Fig. 47 − Heavy Duty Alternator Kit, GM (004937−006999)
Ref. Part No. Serial Number Description Qty.
o 393241 (004937−006999 ) Kit, Ci, Alternator, Hd,Gas/Lpg,[Gm3.0l] 1
Y 1 75828 (004937−006999 ) Alternator, 12vdc, 100A [Brushless] 1
Y 2 77555 (004937−006999 ) Sheave, [3L], 1Grv, 03.5Pd 0.67B 1
Y 3 31525 (004937−006999 ) Wire, 10ga 16.0l Blk .38ring /.25ring 1
Y 4 371509 (004937−006999 ) Washer, Lock, .38 1
Y 5 39277 (004937−006999 ) Screw, Hex, M8 X 1.25 X 25, 8.8 1
Y 6 393244 (004937−006999 ) Belt, V, [Hc41] 42.0l 1
Y 7 371526 (004937−006999 ) Sleeve, Alternator 1
Y 8 20177 (004937−006999 ) Screw, Hex, .38−16 X 4.00, 5 1
Y 9 50902 (004937−006999 ) Nut, Hex, Lock, .38−16, Nl 1
Y10 21195 (004937−006999 ) Screw, Hex, .38−16 X 0.75, 5 1
Y11 1008538 (004937−006999 ) Bracket, Guard, Alternator, Hd [Gm3.0l] 1
Y12 21237 (004937−006999 ) Screw, Hex, M4 X 0.7 X 6, 8.8 1
Y13 32978 (004937−006999 ) Washer, Lock, Int, #08 1
Y14 1008094 (004937−006999 ) Bracket, Mtg, Alternator, Lower,[Gm3.0l] 1
Y15 07274 (004937−006999 ) Tube, 01.00d 00.44b 00.7l Stl Plt 2
Y16 32485 (004937−006999 ) Washer, Flat, .38 Sae 5
Y17 27990 (004937−006999 ) Screw, Hex, .38−16 X 2.25, 5 2
Y18 1008519 (004937−006999 ) Arm, Alternator, Hd [Gm3.0l] 1
Y19 50902 (004937−006999 ) Nut, Hex, Lock, .38−16, Nl 2
Y20 39277 (004937−006999 ) Screw, Hex, M8 X 1.25 X 25, 8.8 1
Y21 41142 (004937−006999 ) Washer, Lock, Int−ext, .38 2
Y22 16735 (004937−006999 ) Screw, Hex, M8 X 1.25 X 16, 8.8 2
Y23 1019513 (004937−006999 ) Plate, Shield, Heat 1
Y24 1008513 (004937−006999 ) Angle, Heat, Shield 1
Y25 07791 (004937−006999 ) Nut, Hex, Flng, M8 X 1.25 2
Y26 21197 (004937−006999 ) Screw, Hex, .38−16 X 1.00, 5 1
Y27 41186 (004937−006999 ) Washer, Belleville, .31 1

OPTIONS
800 Gas/LPG 330120 (3−07)
3-94
Fig. 48 − Heavy Duty Alternator Kit, GM (007000− )
2
4
5
6
71
11
13
14
15
16
17
3
18
20
10
8
21
12
19
14
9

OPTIONS
3-95
800 Gas/LPG 330120 (3−07)
354061 − G, LP
Fig. 48 − Heavy Duty Alternator Kit, GM (007000− )
Ref. Part No. Serial Number Description Qty.
o 9002915 (007000− ) Alternator Kit, Hd, Gas/Lpg, Ci[800/810] 1
Y 1 1030627 (007000− ) Alternator, Se [800/810, 07] 1
Y 2 77555 (007000− ) Sheave, 01grv, 03.5pd 0.67b [3l] 1
Y 3 1030762 (007000− ) Bracket, Guard, Alternator, Hd [800/810] 1
Y 4 78772 (007000− ) Belt, V, 45.1l [Hc38] 1
Y 5 1030654 (007000− ) Bracket, Mtg, Alternator, Hd[800/810 07] 1
Y 6 35756 (007000− ) Tube, 0.50id 1.00od 01.0l, Stl, Pntd 2
Y 7 1030708 (007000− ) Arm, Adj, Alternator, Hd [800/810 07] 1
Y 8 1032904 (007000− ) Shield, Heat, Alternator, Hd[800/810 07] 1
Y 9 21237 (007000− ) Screw, Hex, M4 X 0.7 X 6, 8.8 1
Y10 32978 (007000− ) Washer, Lock, Int, #08 1
Y11 371526 (007000− ) Sleeve, Alternator 1
Y12 31525 (007000− ) Wire, 10ga 16.0l Blk .25ring /.38ring 1
Y13 20177 (007000− ) Screw, Hex, .38−16 X 4.00, G5 1
Y14 32495 (007000− ) Washer, Flat, 0.75, Std 2
Y15 50902 (007000− ) Nut, Hex, Lock, .38−16, Nl 1
Y16 27992 (007000− ) Screw, Hex, .38−16 X 2.50, G5 2
Y17 32485 (007000− ) Washer, Flat, 0.38, Sae 2
Y18 04375 (007000− ) Screw, Hex, M8 X 1.25 X 40, 8.8, Fl 1
Y19 41186 (007000− ) Washer, Flat, Belleville, .31 1
Y20 32491 (007000− ) Washer, Flat, 0.31, Std 1
Y21 08709 (007000− ) Nut, Hex, Lock, M8 X 1.25, Nl 1

OPTIONS
800 Gas/LPG 330120 (10−2014)
3-96
Fig. 49 − Vacuum Wand Kit (004000−008088)
23
4
5
6
7
8
9
10
1
11
12 13
14
15
16
17
18
19
20
21
22
23
24
25
26
27
28
29
30
31
3
4
12
24

OPTIONS
3-97
800 Gas/LPG 330120 (10−2014)
07672 − ALL
Fig. 49 − Vacuum Wand Kit (004000−008088)
Ref. Part No. Serial Number Description Qty.
o70668 (004000−008088 ) Wand Kit, Vac 1
Y 1 73871 (004000−008088 ) Plate, Mounting, Vac Door 1
Y 2 75701 (004000−008088 ) Plate Wldt, Vac Door 1
Y 3 75876 (004000−008088 ) Seal, Foam Rbr, .19 .75W 47.1L 2
Y 4 75877 (004000−008088 ) Seal, Foam Rbr .19 .75W 8.43L 2
Y 5 21047 (004000−008088 ) Shaft 1
Y 6 82962 (004000−008088 ) Balljoint .375−24 Lh 1
Y 7 11676 (004000−008088 ) Stud, Adjustment 1
Y 8 51531 (004000−008088 ) Ball Joint .375−24 1
Y 9 23146 (004000−008088 ) Pin,Roll,.18Odx1.62L,.187/.192 1
Y10 19035 (004000−008088 ) Sprng,Comp,0.83Idx.07Wire 1.0L 1
Y11 21041 (004000−008088 ) Disk 1
Y12 04843 (004000−008088 ) Bearing, Flange .625 Bore 2
Y13 21054 (004000−008088 ) Box, Mounting, Lever, Vac 1
Y14 21104 (004000−008088 ) Panel, Cover 1
Y15 73880 (004000−008088 ) Plate 1
Y16 79646 (004000−008088 ) Plate, Latch 1
Y17 79647 (004000−008088 ) Angle 1
Y18 79644 (004000−008088 ) Handle 1
Y19 26565 (004000−008088 ) Knob,0.38−16,1.25Dia,Plastic 1
Y20 79674 (004000−008088 ) Seal 1
Y21 74074 (004000−008088 ) Adaptor Wldt, Vac Wand 1
Y22 54009 (004000−008088 ) Hose&2Cuff Assy,Vinyl2.0Id10Ft 1
Y23 54012 (004000−008088 ) Wand 1
Y24 36158 (004000−008088 ) Clip Finger Grip 8
Y25 42124 (004000−008088 ) Plug, Drain 1
Y26 374012 (004000−008088 ) Chain, Jack, #12, 08.5l 11 Links 1
Y27 26395−2 (004000−008088 ) Clamp−Cable, 0.38Dia 0.38Wth 1
Y28 76286 (004000−008088 ) Adaptor Wldt, Vac Wand 1
Y29 76338 (004000−008088 ) Bar, Prop 1
Y30 70659 (004000−008088 ) Grip, Handle, Flat 2
Y31 76406 (004000−008088 ) Label, Vac Wand 1

OPTIONS
800 Gas/LPG 330120 (10−2014)
3-98
Fig. 50 − Vacuum Wand Kit (008089− )
23
4
5
6
7
8
9
10
1
11
12 13
14
15
16
17
18
19
20
21
22
23
24
25
26
27
28
29
30
31
3
4
12
24

OPTIONS
3-99
800 Gas/LPG 330120 (10−2014)
07672 − ALL
Fig. 50 − Vacuum Wand Kit (008089− )
Ref. Part No. Serial Number Description Qty.
o9012878 (008089− ) Wand, Vacuum [800 Gray] 1
Y 1 73871 (008089− ) Plate, Mounting, Vac Door 1
Y 2 75701 (008089− ) Plate Wldt, Vac Door 1
Y 3 75876 (008089− ) Seal, Foam Rbr, .19 .75W 47.1L 2
Y 4 75877 (008089− ) Seal, Foam Rbr .19 .75W 8.43L 2
Y 5 21047 (008089− ) Shaft 1
Y 6 82962 (008089− ) Balljoint .375−24 Lh 1
Y 7 11676 (008089− ) Stud, Adjustment 1
Y 8 51531 (008089− ) Ball Joint .375−24 1
Y 9 23146 (008089− ) Pin,Roll,.18Odx1.62L,.187/.192 1
Y10 19035 (008089− ) Sprng,Comp,0.83Idx.07Wire 1.0L 1
Y11 21041 (008089− ) Disk 1
Y12 04843 (008089− ) Bearing, Flange .625 Bore 2
Y13 21054 (008089− ) Box, Mounting, Lever, Vac 1
Y14 21104 (008089− ) Panel, Cover 1
Y15 73880 (008089− ) Plate 1
Y16 79646 (008089− ) Plate, Latch 1
Y17 79647 (008089− ) Angle 1
Y18 79644 (008089− ) Handle 1
Y19 26565 (008089− ) Knob,0.38−16,1.25Dia,Plastic 1
Y20 79674 (008089− ) Seal 1
Y21 74074 (008089− ) Adaptor Wldt, Vac Wand 1
Y22 54009 (008089− ) Hose&2Cuff Assy,Vinyl2.0Id10Ft 1
Y23 1073868 (008089− ) Wand Wldt [800 Gray] 1
Y24 36158 (008089− ) Clip Finger Grip 8
Y25 42124 (008089− ) Plug, Drain 1
Y26 374012 (008089− ) Chain, Jack, #12, 08.5l 11 Links 1
Y27 26395−2 (008089− ) Clamp−Cable, 0.38Dia 0.38Wth 1
Y28 76286 (008089− ) Adaptor Wldt, Vac Wand 1
Y29 76338 (008089− ) Bar, Prop 1
Y30 70659 (008089− ) Grip, Handle, Flat 2
Y31 76406 (008089− ) Label, Vac Wand 1

OPTIONS
800 Gas/LPG 330120 (10−2014)
3-100
Fig. 51 − Side Brush Dust Control Kit (004000−008088)
1
2
3
4
5
6
7
8
9
10
11
12
13

OPTIONS
3-101
800 Gas/LPG 330120 (10−2014)
07678 − ALL
Fig. 51 − Side Brush Dust Control Kit (004000−008088)
Ref. Part No. Serial Number Description Qty.
o76100 (004000−008088 ) Dust Control Kit, Side Brush 1
Y 1 76036 (004000−008088 ) Skirt, Deflection 1
Y 2 76030 (004000−008088 ) Bracket, Mounting, Skirt 1
Y 3 76038 (004000−008088 ) Strip, Retainer, Skirt 1
Y 4 75901 (004000−008088 ) Skirt, Cover, Sbdc 1
Y 5 76049 (004000−008088 ) Skirt, Retainer 1
Y 6 77759 (004000−008088 ) Bracket Wldt 1
Y 7 75989 (004000−008088 ) Plate Wldt, Skirt 1
Y 8 76069 (004000−008088 ) Skirt, Cover, Sbdc 1
Y 9 76055 (004000−008088 ) Plate, Retainer 1
Y10 76074 (004000−008088 ) Skirt 1
Y11 76081 (004000−008088 ) Skirt 1
Y12 76084 (004000−008088 ) Bracket 1
Y13 77755 (004000−008088 ) Plate 1

OPTIONS
800 Gas/LPG 330120 (10−2014)
3-102
Fig. 52 − Side Brush Dust Control Kit (008089− )
1
2
3
4
5
6
7
8
9
10
11
12
13

OPTIONS
3-103
800 Gas/LPG 330120 (10−2014)
07678 − ALL
Fig. 52 − Side Brush Dust Control Kit (008089− )
Ref. Part No. Serial Number Description Qty.
o9012889 (008089− ) Dust Cntrl Kit, Side Brush, Ci[800lgray] 1
Y 1 76036 (008089− ) Skirt, Deflection 1
Y 2 76030 (008089− ) Bracket, Mounting, Skirt 1
Y 3 76038 (008089− ) Strip, Retainer, Skirt 1
Y 4 75901 (008089− ) Skirt, Cover, Sbdc 1
Y 5 1074310 (008089− ) Retainer, Skirt, .12, 2.0w X 54.5l 1
Y 6 1073949 (008089− ) Bracket Wldt, Mtg, Skirt, Sbdc[800 Gray] 1
Y 7 1073926 (008089− ) Plate Wldt, Skirt [Gray] 1
Y 8 76069 (008089− ) Skirt, Cover, Sbdc 1
Y 9 76055 (008089− ) Plate, Retainer 1
Y10 76074 (008089− ) Skirt 1
Y11 76081 (008089− ) Skirt 1
Y12 76084 (008089− ) Bracket 1
Y13 1073948 (008089− ) Plate, Skirt, Sbdc [800 Gray] 1

OPTIONS
800 Gas/LPG 330120 (4−01)
3-104
Fig. 53 − Protectoseal Fuel Tank Cap Group
1
07471 − ALL
Ref. Part No. Serial Number Description Qty.
1 02506−6 (004000− ) Gas Cap, Protectoseal 1

OPTIONS
3-105
800 Gas/LPG 330120 (4−01)
Fig. 54 − Fire Extinguisher Kit
1
07516 − JP, NA
Ref. Part No. Serial Number Description Qty.
o70692 (004000− ) Extinguisher Kit Fire 800 1
Y 1 25312 (004000− ) Extinguisher, Fire

OPTIONS
800 Gas/LPG 330120 (4−01)
3-106
Fig. 55 − Solid Tire and Rim Assembly
1
2
07666 − ALL
Ref. Part No. Serial Number Description Qty.
o 1 21671 (004000− ) Tire and Rim Assy, Solid 6.5 1
Y 2 63228 (004000− ) Tire, Solid 1

OPTIONS
3-107
800 Gas/LPG 330120 (4−01)
Fig. 56 − Seat Belt Kit
2
1
07674 − ALL
Ref. Part No. Serial Number Description Qty.
o70690 (004000− ) Seat Belt Kit 1
Y 1 30533 (004000− ) Belt, Seat 1
Y 2 87337 (004000− ) Latch, Door 1

OPTIONS
800 Gas/LPG 330120 (4−08)
3-108
Fig. 57 − RFS Filter System Group
1
2
34
5
6
7
8
9
10
11
12
13 14
15
16
17
18
19
20
21
22
23
24
25
26
27
28
28
29
29
30
31
32
33
34 35
36
36
37
36
29
35
17
43

OPTIONS
3-109
800 Gas/LPG 330120 (4−2014)
10229 − ALL
Fig. 57 − RFS Filter System Group
Ref. Part No. Serial Number Description Qty.
o79174 (004000− ) Rfs Kit 1
Y 1 79160 (004000− ) Duct Wldt, Rfs 2
Y 2 79156 (004000− ) Plate, Shutter 2
Y 3 79159 (004000− ) Shaft, Pivot 4
Y 4 11747 (004000− ) Bearing, Nylon 4
Y 5 79158 (004000− ) Coupling 2
Y 6 42011 (004000− ) Screw, Hex, 10−24 X 0.50, Ss 4
Y 7 79157 (004000− ) Bracket, Mounting, Gearmotor 2
Y 8 79170 (004000− ) Motor, Ele, Geared, 12Vdc 2
Y 9 79172 (004000− ) Seal, O−Ring .787Idx.210Th 2
Y10 79167 (004000− ) Seal 2
Y11 79155 (004000− ) Cover, Motor 2
Y12 79168 (004000− ) Seal 2
Y13 79177 (004000− ) Plate, Mounting, Rfs Control 1
Yo14 79176 (004000− ) Controller Assy, Rfs 1
YY 15 59954 (004000− ) Cover, Housing, Electrical 1
YY 16 59921 (004000− ) Gasket, Cover, Alum 1
Y17 56186 (004000− ) Relay, Shrouded, 12 Vdc 4
Y18 75465 (004000− ) Switch, Pressure 1
Y19 10632−4 (004000− ) Grommet,Rbr,0.62Id,For .06Matl 1
Y20 82739 (004000− ) Ftg, Breather 1
Y21 40607 (004000− ) Ftg,Brass,St Bm03/Pm02 1
Y22 21301 (004000− ) Hose, Vacuum, .16 Id X 76.0 Lg 1
Y23 39923 (004000− ) Ftg,Bulkhead−Barb Wh 1074X4 1
Y24 43454 (004000− ) Washer, .344B .69D .06Nylon 1
Y25 79169 (004000− ) Cover, Electrical 1
Y26 40678 (004000− ) Clamp,Cable .44D .62Wide 2
Y27 49266 (004000− ) Tie, Cable 1.75D Max 7.50Lg 12
Y28 34864 (004000− ) Strain,Relief 2
Y29 46236 (004000− ) Clamp−Cable, 0.25Dia 0.56Wth 3
Y30 79025 (004000− ) Harness, Motor, Duct 2
Y31 79026 (004000− ) Harness, Hopper, Rfs 1
Y83706 (004000− ) Harness, Rfs Jumper 1
Y32 70851 (004000− ) Seal, Urethane 1
Y44961 (004000− ) Tie, Cable 4.00 Max 14.50Lg 28
Y23935 (004000− ) Seal, Filter 2
Y1064188 (004000− ) Circuitbreaker, 15.0a, Resetable 2
Y33 49766 (004000− ) Screw, Hex, #08−32 X 0.38, Ss 8
Y34 02938 (004000− ) Washer, Lock, Int, 08 Ss 8
Y35 06932 (004000− ) Screw, Pan, M5 X 0.80 X 10, 4.8 8
Y36 74455 (004000− ) Screw, Hex, M6 X 1.0 X 12, Fmg 9
Y37 34738 (004000− ) Rivet, Blind, .125d X 0.32 X .25d, Stl 6

OPTIONS
800 Gas/LPG 330120 (6−02)
3-110
Fig. 58 − Cab AC Drain Hose Kit
3
1
4
4
3
3
3
3
3
4
2
4
4

OPTIONS
3-111
800 Gas/LPG 330120 (6−02)
353660 − ALL
Fig. 58 − Cab AC Drain Hose Kit
Ref. Part No. Serial Number Description Qty.
o 374133 (004000− ) Kit, Ci, Drain Hose, A/C 1
Y 1 374134 (004000− ) Hose Assy, Drain, A/C 1
Y 2 374135 (004000− ) Hose Assy, Drain, A/C 1
Y 3 49266 (004000− ) Tie, Cable, Nyl, 07.3l .19w 1.8 Max D 10
Y 4 55248 (004000− ) Mount, Cable Tie 10

OPTIONS
800 Gas/LPG 330120 (4−01)
3-112
Fig. 59 − Neutral Start Group
1
2
09831 − ALL
Ref. Part No. Serial Number Description Qty.
1 63407 (004000− ) Harness, Neutral, Start 1
2 74164 (004000−004586 ) Pump, Hyd Piston V 2.48 (See breakdowns) 1
2 373405 (004587− ) Pump, Hyd Piston V 2.48 (See breakdowns) 1

OPTIONS
3-113
800 Gas/LPG 330120 (4−08)
Fig. 60 − Muffler Group, Non−Catalytic
1
09831 − GM, G, LP
Ref. Part No. Serial Number Description Qty.
1 1012634 (006000−006999 ) Muffler, Exhaust 1

OPTIONS
800 Gas/LPG 330120 (4−2014)
3-114
Fig. 61 − Documentation Group
Ref. Part No. Serial Number Description Qty.
330120 (004000− ) Manual Pkg 800G 1
MM337 (004000− ) Manual, Service 800/810 1
393223 (004000− ) Manual, Service, Eng, [Gm 3.0L] 1
21791 (004000− ) Manual, Service FD (Lrg) 2.3L 1
385439 (004000− ) Manual, Service FD (Lrg) 2.5L 1
330122 (004000− ) Manual Op/Mt 800G Spanish 1
330123 (004000− ) Manual Op/Mt 800G French 1
1052092 (004000− ) Video, Oprtr, Training, Dvd [800] 1
9003927 (007000− ) Manual, Eng, Cd−Rom [Tier Ii,Gm3.0l] 1
To view, print, order, download the latest Parts manual, other language
Operator manuals, and Use and Care Guides (wall charts), visit:
www.tennantco.com/manual

BREAKDOWNS
4-1
800 Gas/LPG 330120 (3−2015)
SECTION 4
Contents Page
Fig. 1 − Hydraulic Piston Pump
Breakdown, 74163 4−2.................
Fig. 2 − Hydraulic Piston Pump
Breakdown, 74163 4−4.................
Fig. 3 − Hydraulic Piston Pump
Breakdown, 373404 4−6...............
Fig. 4 − Hydraulic Piston Pump
Breakdown, 373404 4−8...............
Fig. 5 − Hydraulic Manual Control
Breakdown, 74273 4−10................
Fig. 6 − Hydraulic Piston Pump
Breakdown, 74164 4−12................
Fig. 7 − Hydraulic Piston Pump
Breakdown, 74164 4−14................
Fig. 8 − Hydraulic Piston Pump
Breakdown, 373405 4−16..............
Fig. 9 − Hydraulic Piston Pump
Breakdown, 373405 4−18..............
Fig. 10 − Hydraulic Manual Control
Breakdown, 373369 4−20..............
Fig. 11 − Hydraulic Gear Pump
Breakdown, 62561 4−22................
Fig. 12 − Hydraulic Gear Pump
Breakdown, 373254 4−24..............
Fig. 13 − Hydraulic Motor Breakdown, 63426 4−26..
Fig. 14 − Hydraulic Motor Breakdown, 22626 4−28..
Fig. 15 − Hydraulic Motor Breakdown, 373464 4−30.
Fig. 16 − Hydraulic Motor Breakdown, 53434 4−32..
Fig. 17 − Hydraulic Motor Breakdown, 79781 4−33..
Fig. 18 − Hydraulic Motor Breakdown, 19117 4−34..
Fig. 19 − Hydraulic Motor Breakdown, 63542 4−35..
Fig. 20 − Hydraulic Steering Valve
Breakdown, 65242 4−36................
Fig. 21 − Hydraulic Solenoid Valve
Breakdown, 84015 4−38................
Fig. 22 − Hydraulic Solenoid Valve
Breakdown, 84016 4−39................
Fig. 23 − Hydraulic Valve Breakdown, 375563 4−40.
Fig. 24 − Hydraulic Solenoid Valve
Breakdown, 84014 4−42................
Fig. 25 − Hydraulic Cylinder Breakdown, 53601 4−44
Fig. 26 − Hydraulic Cylinder Breakdown,
1026719 4−45........................
Contents Page
Fig. 27 − Cab Assembly 4−46....................
Fig. 28 − Cab Door Assembly (000000−008088) 4−48
Fig. 29 − Cab Door Assembly (008089− ) 4−50
Fig. 30 − Cab Insulation Group 4−52
Fig. 31 − Cab Wire Harness Group 4−54
Fig. 32 − AC Condenser Box Breakdown,
380625 (000000−008088) 4−55.........
Fig. 33 − AC Condenser Box Breakdown,
9012898 (008089− ) 4−56.........
Fig. 34 − AC and Heater Box Breakdown,
380613 (000000−008088) 4−58.........
Fig. 35 − AC and Heater Box Breakdown,
1073904 (008089− ) 4−60.........
Fig. 36 − Heater Box Breakdown, 380614
(000000−008088) 4−62................
Fig. 37 − Heater Box Breakdown, 1073905
(008089− ) 4−64.................
Fig. 38 − Brake Assy, Right Hand (R.h.) 77790 4−66
Fig. 39 − Brake Assy, Left Hand (L.h.) 77770 4−68..
Fig. 40 − LPG EFI Breakdown, 371894 4−70.......
Fig. 41 − LPG EFI Breakdown, 371895 4−72.......
Fig. 42 − Gasoline EFI Breakdown, 371896 4−74...
Fig. 43 − Gasoline Electronic Fuel Ignition
Breakdown, 371897 4−76..............
Fig. 44 − Hydraulic Solenoid Valve
Breakdown, 1049210 4−78.............
Fig. 45 − Hydraulic Solenoid Valve
Breakdown, 1049209 4−80.............
Fig. 46 − Hydraulic Solenoid Valve
Breakdown, 1049211 4−82.............

BREAKDOWNS
800 Gas/LPG 330120 (4−08)
4-2
Fig. 1 − Hydraulic Piston Pump Breakdown, 74163
2
3
5
6
8
7
1
12
13
14
15
19
20
27
25
26
22
23
21
9
11
24
11
11
910
4
11
11
11
17
11
11
25
2
16
17
not sold separately
not sold separately
18
19

BREAKDOWNS
4-3
800 Gas/LPG 330120 (4−08)
10136 − ALL
Fig. 1 − Hydraulic Piston Pump Breakdown, 74163
NOTE: Piston Pump, TENNANT Part Number 74163, includes Fig. 1, Fig. 2 and Fig. 5.
Ref. Part No. Serial Number Description Qty.
1 74184 (000000− ) Nut, Jam 1
2 74223 (000000− ) Screw, Cap 8
3 61882 (000000− ) Rotating Kit 1
4 74253 (000000− ) Piston, Servo 1
5 74254 (000000− ) Follower, Piston 1
6 74256 (000000− ) Plate, Cover En 1
7 74257 (000000− ) Plate, Cover En 1
8 74258 (000000− ) Camplate S/A En 1
9 74240 (000000− ) Race, Bearing Ce 2
10 74210 (000000− ) Bearing 1
11 74283 (000000− ) Seal Kit, Pump En 1
12 74262 (000000− ) Screw, Cap En 6
o74263 (000000− ) Housing S/A En 1
Y13 79771 (000000− ) Housing En 1
Y14 37462 (000000− ) Bearing 1
Y15 79742 (000000− ) Plug S/A En 1
16 74273 (000000− ) Control, Manual (See Breakdowns) 1
17 74276 (000000− ) Orifice, Valve En 3
18 74280 (000000− ) Washer En 1
19 74281 (000000− ) Washer En 8
20 79747 (000000− ) Cap Screw En 2
21 74265 (000000− ) Shaft, Drive Sp En 1
22 74266 (000000− ) Nut En 1
23 74267 (000000− ) Lockwasher En 1
24 37460 (000000− ) Washer 1
25 13907 (000000− ) Plug #8 2
26 79779 (000000− ) Plug,#12 O−Ring Ph 1
27 74272 (000000− ) Arm, Control En 1

BREAKDOWNS
800 Gas/LPG 330120 (9−97)
4-4
Fig. 2 − Hydraulic Piston Pump Breakdown, 74163
1
2
3
4
5
7
8
11
12
13
14
10
16
17
18
20
21
22
6
2
2
1
19
15
20
9

BREAKDOWNS
4-5
800 Gas/LPG 330120 (9−97)
10136,09670 − ALL
Fig. 2 − Hydraulic Piston Pump Breakdown, 74163
NOTE: Piston Pump, TENNANT Part Number 74163, includes Fig. 1, Fig. 2 and Fig. 5.
Ref. Part No. Serial Number Description Qty.
1 74259 (000000− ) Relief Valve Sa En 2
2 74283 (000000− ) Seal Kit, Pump En 1
3 74260 (000000− ) Screw, Cap En 2
4 74261 (000000− ) Screw, Cap En 2
5 61886 (000000− ) Valve Plate 1
6 79708 (000000− ) Repair Info,Pmp En 1
o7 74264 (000000− ) Backplate S/A En 1
Y8 34159 (000000− ) Bearing 1
Y9 79748 (000000− ) Roll Pin En 1
10 74270 (000000− ) Key En 1
o11 74271 (000000− ) Charge Pmp Adap En 1
Y12 79749 (000000− ) Bushing En 1
Y13 79750 (000000− ) Plug En 1
Y14 79751 (000000− ) Shims En 1
Y15 79752 (000000− ) Spring En 1
Y16 79753 (000000− ) Poppet En 1
17 74274 (000000− ) Geroter,Ring In En 1
18 74275 (000000− ) Geroter,Ring Ot En 1
19 74277 (000000− ) Coupler En 1
20 74278 (000000− ) Ring, Retaining En 2
21 74279 (000000− ) Actuator, Valve En 1
22 74282 (000000− ) Washer En 4

BREAKDOWNS
800 Gas/LPG 330120 (4−01)
4-6
Fig. 3 − Hydraulic Piston Pump Breakdown, 373404
2
3
5
6
8
7
1
12
13
14
15
19
20
27
25
26
22
23
29
28
30
31
21
9
11
24
11
11
910
4
11
11
11
29
11
11
25
231
16
17
not sold separately
not sold separately
18

BREAKDOWNS
4-7
800 Gas/LPG 330120 (4−08)
10136 − ALL
Fig. 3 − Hydraulic Piston Pump Breakdown, 373404
NOTE: Piston Pump, TENNANT Part Number 373404, includes.Fig. 3, Fig. 4 and Fig. 5.
Ref. Part No. Serial Number Description Qty.
1 74184 (000000− ) Nut, Jam 1
2 74223 (000000− ) Screw, Cap 8
3 61882 (000000− ) Rotating Kit 1
4 373407 (000000− ) Piston, Servo 1
5 74254 (000000− ) Follower, Piston 1
6 74256 (000000− ) Plate, Cover En 1
7 74257 (000000− ) Plate, Cover En 1
8 74258 (000000− ) Camplate S/A En 1
9 74240 (000000− ) Race, Bearing Ce 2
10 74210 (000000− ) Bearing 1
11 74283 (000000− ) Seal Kit, Pump En 1
12 74262 (000000− ) Screw, Cap En 6
o373408 (000000− ) Housing S/A En 1
Y13 373409 (000000− ) Housing En 1
Y14 37462 (000000− ) Bearing 1
Y15 79742 (000000− ) Plug S/A En 1
o16 373410 (000000− ) Cradle Sub Assy En 1
Y17 373218 (000000− ) Dowel Bushing En 2
Y18 373414 (000000− ) Bushing En 1
Y19 373415 (000000− ) Cap Screw En 1
20 79747 (000000− ) Cap Screw En 2
21 74265 (000000− ) Shaft, Drive Sp En 1
22 74266 (000000− ) Nut En 1
23 74267 (000000− ) Lockwasher En 1
24 37460 (000000− ) Washer 1
25 13907 (000000− ) Plug #8 2
26 79779 (000000− ) Plug,#12 O−Ring Ph 1
27 74272 (000000− ) Arm, Control En 1
28 74273 (000000− ) Control, Manual (See Breakdowns) 1
29 74276 (000000− ) Orifice, Valve En 3
30 74280 (000000− ) Washer En 1
31 74281 (000000− ) Washer En 8

BREAKDOWNS
800 Gas/LPG 330120 (4−01)
4-8
Fig. 4 − Hydraulic Piston Pump Breakdown, 373404
1
2
3
4
5
7
8
11
12
13
14
10
16
17
18
20
21
22
6
2
2
1
19
15
20
9

BREAKDOWNS
4-9
800 Gas/LPG 330120 (4−01)
10136,09670 − ALL
Fig. 4 − Hydraulic Piston Pump Breakdown, 373404
NOTE: Piston Pump, TENNANT Part Number 373404, includes .Fig. 3, Fig. 4 and Fig. 5.
Ref. Part No. Serial Number Description Qty.
1 74259 (000000− ) Relief Valve Sa En 2
2 74283 (000000− ) Seal Kit, Pump En 1
3 373374 (000000− ) Screw, Cap En 2
4 373375 (000000− ) Screw, Cap En 2
5 61886 (000000− ) Valve Plate 1
6 373406 (000000− ) Repair Info,Pmp En 1
o7 373412 (000000− ) Backplate S/A En 1
Y8 34159 (000000− ) Bearing 1
Y9 79748 (000000− ) Roll Pin En 1
10 74270 (000000− ) Key En 1
o11 74271 (000000− ) Charge Pmp Adap En 1
Y12 79749 (000000− ) Bushing En 1
Y13 79750 (000000− ) Plug En 1
Y14 79751 (000000− ) Shims En 1
Y15 79752 (000000− ) Spring En 1
Y16 79753 (000000− ) Poppet En 1
17 74274 (000000− ) Geroter,Ring In En 1
18 74275 (000000− ) Geroter,Ring Ot En 1
19 74277 (000000− ) Coupler En 1
20 74278 (000000− ) Ring, Retaining En 2
21 373413 (000000− ) Actuator, Valve En 1
22 74282 (000000− ) Washer En 4

BREAKDOWNS
800 Gas/LPG 330120 (4−01)
4-10
Fig. 5 − Hydraulic Manual Control Breakdown, 74273
2
3
5
6
7
8
9
10
1
3
11
12
13
14
15
5
4

BREAKDOWNS
4-11
800 Gas/LPG 330120 (4−01)
10134 − ALL
Fig. 5 − Hydraulic Manual Control Breakdown, 74273
NOTE: Piston Pump, TENNANT Part Number 74163, includes Fig. 1, Fig. 2 and Fig. 5.
NOTE: Piston Pump, TENNANT Part Number 373404, includes .Fig. 3, Fig. 4 and Fig. 5.
Ref. Part No. Serial Number Description Qty.
o74273 (000000− ) Control, Manual 1
Y 1 79754 (000000− ) Housing,Control 1
Y 2 79755 (000000− ) Plug 1
Y 3 79776 (000000− ) Seal Kit,Cntrl 1
Y 4 79756 (000000− ) Ring, Retaining 1
Y 5 79757 (000000− ) Spring,Retainer 2
Y 6 79758 (000000− ) Spring, Cntr 1
Y 7 79759 (000000− ) Valve Spool 1
Y 8 79760 (000000− ) Screw, Set 1
Y 9 79761 (000000− ) Link, Feedback 1
Y10 79762 (000000− ) Dowel Pin 1
Y11 79763 (000000− ) Ring, Retaining 1
Y12 79764 (000000− ) Bell Crank 1
Y13 79765 (000000− ) Screw, Set 1
Y14 79766 (000000− ) Shaft, Input 1
Y15 79767 (000000− ) Pin, Headed 1

BREAKDOWNS
800 Gas/LPG 330120 (4−08)
4-12
Fig. 6 − Hydraulic Piston Pump Breakdown, 74164
2
3
5
6
8
7
1
12
13
14
15
20
27
25
26
22
23
17
16
18
19
21
9
11
24
11
11
9
10
4
11
11
11
17
11
11
25
219
not sold separately
not sold separately

BREAKDOWNS
4-13
800 Gas/LPG 330120 (4−08)
10136 − ALL
Fig. 6 − Hydraulic Piston Pump Breakdown, 74164
NOTE: Piston Pump, TENNANT Part Number 74164, includes Fig. 6, Fig. 7 and Fig. 10.
Ref. Part No. Serial Number Description Qty.
1 74184 (000000− ) Nut, Jam 1
2 74223 (000000− ) Screw, Cap 8
3 61882 (000000− ) Rotating Kit 1
4 74253 (000000− ) Piston, Servo 1
5 74254 (000000− ) Follower, Piston 1
6 74256 (000000− ) Plate, Cover En 1
7 74257 (000000− ) Plate, Cover En 1
8 74258 (000000− ) Camplate S/A En 1
9 74240 (000000− ) Race, Bearing Ce 2
10 74210 (000000− ) Bearing 1
11 74283 (000000− ) Seal Kit, Pump En 1
12 74262 (000000− ) Screw, Cap En 6
o74263 (000000− ) Housing S/A En 1
Y13 79771 (000000− ) Housing En 1
Y14 37462 (000000− ) Bearing 1
Y15 79742 (000000− ) Plug S/A En 1
16 373369 (000000− ) Control, Manual (See Breakdowns) 1
17 74276 (000000− ) Orifice, Valve En 3
18 74280 (000000− ) Washer En 1
19 74281 (000000− ) Washer En 8
20 79747 (000000− ) Cap Screw En 2
21 74265 (000000− ) Shaft, Drive Sp En 1
22 74266 (000000− ) Nut En 1
23 74267 (000000− ) Lockwasher En 1
24 37460 (000000− ) Washer 1
25 13907 (000000− ) Plug #8 2
26 79779 (000000− ) Plug,#12 O−Ring Ph 1
27 74272 (000000− ) Arm, Control En 1

BREAKDOWNS
800 Gas/LPG 330120 (4−01)
4-14
Fig. 7 − Hydraulic Piston Pump Breakdown, 74164
1
2
3
4
5
7
8
11
12
13
14
10
16
17
18
20
21
22
6
2
2
1
19
15
20
9

BREAKDOWNS
4-15
800 Gas/LPG 330120 (4−01)
10136,09670 − ALL
Fig. 7 − Hydraulic Piston Pump Breakdown, 74164
NOTE: Piston Pump, TENNANT Part Number 74164, includes Fig. 6, Fig. 7 and Fig. 10.
Ref. Part No. Serial Number Description Qty.
1 74259 (000000− ) Relief Valve Sa En 2
2 74283 (000000− ) Seal Kit, Pump En 1
3 74260 (000000− ) Screw, Cap En 2
4 74261 (000000− ) Screw, Cap En 2
5 61886 (000000− ) Valve Plate 1
6 79708 (000000− ) Repair Info,Pmp En 1
o7 74264 (000000− ) Backplate S/A En 1
Y8 34159 (000000− ) Bearing 1
Y9 79748 (000000− ) Roll Pin En 1
10 74270 (000000− ) Key En 1
o11 74271 (000000− ) Charge Pmp Adap En 1
Y12 79749 (000000− ) Bushing En 1
Y13 79750 (000000− ) Plug En 1
Y14 79751 (000000− ) Shims En 1
Y15 79752 (000000− ) Spring En 1
Y16 79753 (000000− ) Poppet En 1
17 74274 (000000− ) Geroter,Ring In En 1
18 74275 (000000− ) Geroter,Ring Ot En 1
19 74277 (000000− ) Coupler En 1
20 74278 (000000− ) Ring, Retaining En 2
21 74279 (000000− ) Actuator, Valve En 1
22 74282 (000000− ) Washer En 4

BREAKDOWNS
800 Gas/LPG 330120 (4−01)
4-16
Fig. 8 − Hydraulic Piston Pump Breakdown, 373405
2
3
5
6
8
7
1
12
13
14
15
19
20
27
25
26
22
23
29
28
30
31
21
9
11
24
11
11
9
10
4
11
11
11
29
11
11
25
231
16
17
not sold separately
not sold separately
18

BREAKDOWNS
4-17
800 Gas/LPG 330120 (4−08)
10136 − ALL
Fig. 8 − Hydraulic Piston Pump Breakdown, 373405
NOTE: Piston Pump, TENNANT Part Number 373405, includes Fig. 8, Fig. 9 and Fig. 10.
Ref. Part No. Serial Number Description Qty.
1 74184 (000000− ) Nut, Jam 1
2 74223 (000000− ) Screw, Cap 8
3 61882 (000000− ) Rotating Kit 1
4 373407 (000000− ) Piston, Servo 1
5 74254 (000000− ) Follower, Piston 1
6 74256 (000000− ) Plate, Cover En 1
7 74257 (000000− ) Plate, Cover En 1
8 74258 (000000− ) Camplate S/A En 1
9 74240 (000000− ) Race, Bearing Ce 2
10 74210 (000000− ) Bearing 1
11 74283 (000000− ) Seal Kit, Pump En 1
12 74262 (000000− ) Screw, Cap En 6
o373408 (000000− ) Housing S/A En 1
Y13 373409 (000000− ) Housing En 1
Y14 37462 (000000− ) Bearing 1
Y15 79742 (000000− ) Plug S/A En 1
o16 373410 (000000− ) Cradle Sub Assy En 1
Y17 373218 (000000− ) Dowel Bushing En 2
Y18 373414 (000000− ) Bushing En 1
Y19 373415 (000000− ) Cap Screw En 1
20 79747 (000000− ) Cap Screw En 2
21 74265 (000000− ) Shaft, Drive Sp En 1
22 74266 (000000− ) Nut En 1
23 74267 (000000− ) Lockwasher En 1
24 37460 (000000− ) Washer 1
25 13907 (000000− ) Plug #8 2
26 79779 (000000− ) Plug,#12 O−Ring Ph 1
27 74272 (000000− ) Arm, Control En 1
28 373369 (000000− ) Control, Manual (See Breakdowns) 1
29 74276 (000000− ) Orifice, Valve En 3
30 74280 (000000− ) Washer En 1
31 74281 (000000− ) Washer En 8

BREAKDOWNS
800 Gas/LPG 330120 (4−01)
4-18
Fig. 9 − Hydraulic Piston Pump Breakdown, 373405
1
2
3
4
5
7
8
11
12
13
14
10
16
17
18
20
21
22
6
2
2
1
19
15
20
9

BREAKDOWNS
4-19
800 Gas/LPG 330120 (4−01)
10136,09670 − ALL
Fig. 9 − Hydraulic Piston Pump Breakdown, 373405
NOTE: Piston Pump, TENNANT Part Number 373405, includes Fig. 8, Fig. 9 and Fig. 10.
Ref. Part No. Serial Number Description Qty.
1 74259 (000000− ) Relief Valve Sa En 2
2 74283 (000000− ) Seal Kit, Pump En 1
3 373374 (000000− ) Screw, Cap En 2
4 373375 (000000− ) Screw, Cap En 2
5 61886 (000000− ) Valve Plate 1
6 373406 (000000− ) Repair Info,Pmp En 1
o7 373412 (000000− ) Backplate S/A En 1
Y8 34159 (000000− ) Bearing 1
Y9 79748 (000000− ) Roll Pin En 1
10 74270 (000000− ) Key En 1
o11 74271 (000000− ) Charge Pmp Adap En 1
Y12 79749 (000000− ) Bushing En 1
Y13 79750 (000000− ) Plug En 1
Y14 79751 (000000− ) Shims En 1
Y15 79752 (000000− ) Spring En 1
Y16 79753 (000000− ) Poppet En 1
17 74274 (000000− ) Geroter,Ring In En 1
18 74275 (000000− ) Geroter,Ring Ot En 1
19 74277 (000000− ) Coupler En 1
20 74278 (000000− ) Ring, Retaining En 2
21 373413 (000000− ) Actuator, Valve En 1
22 74282 (000000− ) Washer En 4

BREAKDOWNS
800 Gas/LPG 330120 (4−01)
4-20
Fig. 10 − Hydraulic Manual Control Breakdown, 373369
2
3
5
6
7
8
9
10
1
3
11
12
13
14
15
5
4
3
3
16
17
18
19
20

BREAKDOWNS
4-21
800 Gas/LPG 330120 (4−01)
10139 − ALL
Fig. 10 − Hydraulic Manual Control Breakdown, 373369
NOTE: Piston Pump, TENNANT Part Number 74164, includes Fig. 6, Fig. 7 and Fig. 10.
NOTE: Piston Pump, TENNANT Part Number 373405, includes Fig. 8, Fig. 9 and Fig. 10.
Ref. Part No. Serial Number Description Qty.
o373369 (000000− ) Manual Control En 1
Y 1 79777 (000000− ) Housing,Control En 1
Y 2 79755 (000000− ) Plug En 1
Y 3 79776 (000000− ) Seal Kit,Cntrl En 1
Y 4 79756 (000000− ) Ring, Retaining En 1
Y 5 79757 (000000− ) Spring,Retainer En 2
Y 6 79758 (000000− ) Spring, Cntr En 1
Y 7 79772 (000000− ) Vlv Spool Wide En 1
Y 8 79760 (000000− ) Screw, Set En 1
Y 9 79761 (000000− ) Link, Feedback En 1
Y10 79762 (000000− ) Dowel Pin En 1
Y11 79763 (000000− ) Ring, Retaining En 1
Y12 79764 (000000− ) Bell Crank En 1
Y13 79765 (000000− ) Screw, Set En 1
Y14 79766 (000000− ) Shaft, Input En 1
Y15 79767 (000000− ) Pin, Headed En 1
Y16 373371 (000000− ) Adaptor,Neutral En 1
Y17 79774 (000000− ) Ball En 1
Y18 373372 (000000− ) Pin, Cntrl Assy En 1
Y19 79760 (000000− ) Screw, Set En 1
Y20 373373 (000000− ) Switch,Lockout En 1

BREAKDOWNS
800 Gas/LPG 330120 (4−01)
4-22
Fig. 11 − Hydraulic Gear Pump Breakdown, 62561
1
2
3
4
5
6
7
8
9
10
11
12
13
14
15
16
3
4
5
16
16
16
16
16
16
17

BREAKDOWNS
4-23
800 Gas/LPG 330120 (4−01)
07488,09670 − ALL
Fig. 11 − Hydraulic Gear Pump Breakdown, 62561
Ref. Part No. Serial Number Description Qty.
o62561 (000000− ) Pump, Hyd 1
Y 1 58242 (000000− ) Plate, Back 1
Y 2 74149 (000000− ) Plate, Front 1
Y 3 74150 (000000− ) Body Assy 2
Y 4 74151 (000000− ) Gear, Idler 2
Y 5 74152 (000000− ) Plate, Adapter 2
Y 6 74148 (000000− ) Gear, Slip Fit 1
Y 7 65226 (000000− ) Drive Gear Assembly 1
Y 8 74154 (000000− ) Screw, Cap 8
Y 9 74160 (000000− ) Key, Round 1
Y10 74157 (000000− ) Body Assembly 1
Y11 74153 (000000− ) Gear 1
Y12 74158 (000000− ) Gear, Idler 1
Y13 74156 (000000− ) Key, Round 1
Y14 74159 (000000− ) Washer 4
Y15 74161 (000000− ) Plug, O−ring 1
Y16 59305 (000000− ) Kit, Seal, Hyd, Pump 1
17 763483 (000000− ) Repair Info, Pump 1

BREAKDOWNS
800 Gas/LPG 330120 (5−05)
4-24
Fig. 12 − Hydraulic Gear Pump Breakdown, 373254
2
1
3
69
14
5
8
13
4
12
7
10
15
9
17
3
6
17
17
17
16
17
17
17
18
11

BREAKDOWNS
4-25
800 Gas/LPG 330120 (5−05)
09670 − All
Fig. 12 − Hydraulic Gear Pump Breakdown, 373254
Ref. Part No. Serial Number Description Qty.
o373254 (000000− ) Pump, Hyd, Gear, [Ex3] 0.66 [R] 3000 1
Y 1 373201 (000000− ) Plate, Front, Pump, Hyd 1
Y 2 373276 (000000− ) Plate, Back, Pump, Hyd 1
Y 3 373232 (000000− ) Housing 1
Y 4 373256 (000000− ) Body 2
Y 5 373457 (000000− ) Gear, Drive 1
Y 6 373211 (000000− ) Gear Assy, Idler 1
Y 7 373258 (000000− ) Gear, Idler 2
Y 8 74154 (000000− ) Screw, Cap, Motor, Hyd 8
Y 9 373235 (000000− ) Plate, Adaptor 2
Y10 373458 (000000− ) Key 1
Y11 71725 (000000− ) Plug, O−Ring 1
Y12 373259 (000000− ) Gear, [Slip Fit] 1
Y13 373284 (000000− ) Key 1
Y14 373242 (000000− ) Gear 1
Y15 373243 (000000− ) Washer 4
Y16 74161 (000000− ) Plug, O−Ring 1
Y17 373255 (000000− ) Kit, Seal, Pump 1
18 373207 (000000− ) Instr, Kit, Repair, Pump, Hyd 1

BREAKDOWNS
800 Gas/LPG 330120 (4−01)
4-26
Fig. 13 − Hydraulic Motor Breakdown, 63426
1
2
3
4
5
6
7
8
9
10
11
12
13
14
15
16
17
18
19
20
21
20
20
20
20
21
21

BREAKDOWNS
4-27
800 Gas/LPG 330120 (4−01)
01655 − ALL
Fig. 13 − Hydraulic Motor Breakdown, 63426
Ref. Part No. Serial Number Description Qty.
o63426 (000000− ) Motor, Propelling 1
Y 1 34180 (000000− ) Shaft and Brg 1
Y 2 74132 (000000− ) Housing, Brg 1
Y 3 74133 (000000− ) Retainer, Frt 1
Y 4 37943 (000000− ) Bolt 6
Y 5 34181 (000000− ) Drive 1
Y 6 34182 (000000− ) Gerotor Set 1
Y 7 34184 (000000− ) Valve Plate 1
Y 8 34183 (000000− ) Drive, Valve 1
Y 9 34185 (000000− ) Valve 1
Y10 34178 (000000− ) Spring 3
Y11 37723 (000000− ) Plate 1
Y12 74134 (000000− ) Housing Assy 1
Y13 37766 (000000− ) Ball 2
Y14 74137 (000000− ) Plug Assembly 2
Y15 34179 (000000− ) Spring 2
Y16 74135 (000000− ) Screw, Cap 2
Y17 74136 (000000− ) Screw, Cap 2
Y18 45622 (000000− ) Nut 1
Y19 45623 (000000− ) Key 1
Y20 40380 (000000− ) Seal Kit, Motor 1
Y21 65227 (000000− ) Seal Kit, Shaft 1

BREAKDOWNS
800 Gas/LPG 330120 (5−09)
4-28
Fig. 14 − Hydraulic Motor Breakdown, 22626
1
2
3
4
5
6
7
8
9
10
11
12
13
14
15
16
17
18
19
21
20
21
21
21
21
20
20
22
23

BREAKDOWNS
4-29
800 Gas/LPG 330120 (5−09)
01655,09670 − ALL
Fig. 14 − Hydraulic Motor Breakdown, 22626
Ref. Part No. Serial Number Description Qty.
o22626 (000000− ) Motor, Propelling 1
Y 1 22629 (000000− ) Shaft and Brg 1
Y 2 22630 (000000− ) Housing, Brg 1
Y 3 22636 (000000− ) Retainer, Frt 1
Y 4 37943 (000000− ) Bolt 6
Y 5 34181 (000000− ) Drive 1
Y 6 74214 (000000− ) Gerotor Set 1
Y 7 34184 (000000− ) Valve Plate 1
Y 8 34183 (000000− ) Drive, Valve 1
Y 9 34185 (000000− ) Valve 1
Y10 34178 (000000− ) Spring 3
Y11 37723 (000000− ) Plate 1
Y12 74134 (000000− ) Housing Assy 1
Y13 37766 (000000− ) Ball 2
Y14 74137 (000000− ) Plug Assembly 2
Y15 34179 (000000− ) Spring 2
Y16 74135 (000000− ) Screw, Cap 2
Y17 74136 (000000− ) Screw, Cap 2
Y18 45622 (000000− ) Nut 1
Y19 45623 (000000− ) Key 1
Yo20 22645 (000000− ) Seal Kit, Shaft 1
YY 21 22646 (000000− ) Seal Kit, Motor 1
YY 74220 (000000− ) Seal Kit, Rear 1
Y22 74098 (000000− ) Plug, O−Ring 1
23 74246 (000000− ) Repair Info, Motor 1

BREAKDOWNS
800 Gas/LPG 330120 (3−07)
4-30
Fig. 15 − Hydraulic Motor Breakdown, 373464
17
2
3
4
5
6
7
8
9
10,29
11
12
13
14
24
16
15
1
18
10,28
10,29
10,28
20
25
26
23
21
10
10,28
19
22
10,28
11
21
19
22
27
10,28
30
29

BREAKDOWNS
4-31
800 Gas/LPG 330120 (11−02)
ALL
Fig. 15 − Hydraulic Motor Breakdown, 373464
Ref. Part No. Serial Number Description Qty.
o373464 (000000− ) Motor, Hyd, Gear, [In] 29.9 B 3000 1
Y 1 22629 (000000− ) Shaft, Motor, Hyd 1
Y 2 22630 (000000− ) Housing, Bearing, Motor, Hyd 1
Y 3 22636 (000000− ) Retainer, Front, Motor, Hyd 1
Y 4 37943 (000000− ) Bolt, Motor, Hyd 6
Y 5 34181 (000000− ) Drive, Motor, Hyd 1
Y 6 74214 (000000− ) Geroler Set, Motor, Hyd 1
Y 7 34184 (000000− ) Plate, Valve, Motor, Hyd 1
Y 8 34183 (000000− ) Valve, Drive, Motor, Hyd 1
Y 9 373541 (000000− ) Valve 1
Y10 22646 (000000− ) Kit, Seal, Motor, Hyd 1
Y11 34178 (000000− ) Spring, Motor, Hyd 3
Y12 37723 (000000− ) Plate, Motor, Hyd 1
Y13 373549 (000000− ) Housing, Valve 1
Y14 74135 (000000− ) Screw, Cap, Motor, Hyd 2
Y15 74136 (000000− ) Screw, Cap, Motor, Hyd 2
Y16 45622 (000000− ) Nut, Motor, Hyd 1
Y17 45623 (000000− ) Key, Motor, Hyd 1
Y18 373542 (000000− ) Poppet 1
Y19 373291 (000000− ) Spring 2
Y20 373543 (000000− ) Piston 1
Y21 373226 (000000− ) Poppet, Pump, Hyd, Gear 2
Y22 373236 (000000− ) Sleeve, Dashpo, Pump, Hyd, Gear 2
Y23 373544 (000000− ) Plug 1
Y24 373545 (000000− ) Plug Assy 1
Y25 373546 (000000− ) Spring 1
Y26 373547 (000000− ) Plug Assy 1
Y27 373548 (000000− ) Shim 1
Y28 74220 (000000− ) Kit, Seal, Hyd, Motor 1
Y29 22645 (000000− ) Kit, Seal, Motor, Hyd 1
30 74246 (000000− ) Repair Info,Mtr Cl 1

BREAKDOWNS
800 Gas/LPG 330120 (4−01)
4-32
Fig. 16 − Hydraulic Motor Breakdown, 53434
1
2
3
4
56
7
8
9
11
1
05348 − ALL
Ref. Part No. Serial Number Description Qty.
o53434 (000000− ) Motor, Hydraulic 1
Y 1 61490 (000000− ) Seal Kit 1
Y 2 31354 (000000− ) Flange, Mounting 1
Yo 3 58278 (000000− ) Output Shaft Assembly 1
YY 4 45628 (000000− ) Bearing 1
YY 5 16695 (000000− ) Race, Thrust 1
Y 6 34176 (000000− ) Drive 1
Y 7 58270 (000000− ) Gerotor Set 1
Y 8 00500−15 (000000− ) Key, Woodruff 1
Y 9 39527 (000000− ) Nut, Slotted Hex 1

BREAKDOWNS
4-33
800 Gas/LPG 330120 (4−01)
Fig. 17 − Hydraulic Motor Breakdown, 79781
1
2
4
56
7
1
1
3
13
11
12
10
9
8
07716,09670 − ALL
Ref. Part No. Serial Number Description Qty.
o79781 (000000− ) Motor, Hydraulic 1
Y 1 61490 (000000− ) Seal Kit 1
Y 2 79782 (000000− ) Flange, Mounting 1
Y 3 16694 (000000− ) Shaft 1
Y 4 45628 (000000− ) Bearing Thrust 1
Y 5 16695 (000000− ) Race, Thrust 1
Y 6 31380 (000000− ) Drive 1
Y 7 31385 (000000− ) Gerotor Set 1
Y 8 37555 (000000− ) Screw 4
Y 9 74100 (000000− ) Housing 1
Y 10 74094 (000000− ) Spacer Plate 1
Y 11 74101 (000000− ) End Cap 1
Y 12 65232 (000000− ) Cap Screw 5
Y 13 74250 (000000− ) Repair Info, Motor 1

BREAKDOWNS
800 Gas/LPG 330120 (4−01)
4-34
Fig. 18 − Hydraulic Motor Breakdown, 19117
1
05190 − ALL
Ref. Part No. Serial Number Description Qty.
o 19117 (000000− ) Motor, Hydraulic 1
Y 1 00954 (000000− ) Key 1
Y 74233 (000000− ) Seal Kit 1

BREAKDOWNS
4-35
800 Gas/LPG 330120 (4−01)
Fig. 19 − Hydraulic Motor Breakdown, 63542
1
10556 − ALL
Ref. Part No. Serial Number Description Qty.
o 63542 (000000− ) Motor, Hydraulic 1
Y 1 00960 (000000− ) Key, Square 0.12 0.12 00.50 LG 1
Y 74233 (000000− ) Seal Kit, Hyd Mtr Gear 1

BREAKDOWNS
800 Gas/LPG 330120 (4−01)
4-36
Fig. 20 − Hydraulic Steering Valve Breakdown, 65242
1
2
3
4
5
6
7
8
11
11
11
11
Not sold seperately
O-ring Groove
Back Side
10 9
11
Not sold seperately
13
O-ring Groove
Back Side
O-ring Groove
Back Side
Not sold seperately
12

BREAKDOWNS
4-37
800 Gas/LPG 330120 (4−01)
09936−09670−ALL
Fig. 20 − Hydraulic Steering Valve Breakdown, 65242
Ref. Part No. Serial Number Description Qty.
o 65242 (000000− ) Steer Control Hyd#4 04.5 1300 1
Y 1 74174 (000000− ) Cap, Screw 6
Y 2 74194 (000000− ) Cap, End 1
Y 3 65235 (000000− ) Gerotor Set Cl 1
Y 4 74182 (000000− ) Plate, Wear 1
Y 5 58596 (000000− ) Drive 1
Y 6 74218 (000000− ) Pin 1
Y 7 74109 (000000− ) Race, Bearing 2
Y 8 74110 (000000− ) Bearing, Needle 1
Y 9 74112 (000000− ) Bushing, Seal 1
Y10 74111 (000000− ) Ring, Retainer 1
Y11 74190 (000000− ) Seal Kit, Scu 1
Y12 74195 (000000− ) Spring Kit 1
13 74251 (000000− ) Repair Info,Scu Cl 1

BREAKDOWNS
800 Gas/LPG 330120 (4−01)
4-38
Fig. 21 − Hydraulic Solenoid Valve Breakdown, 84015
1
2
3
4
5
4
07639 − ALL
Ref. Part No. Serial Number Description Qty.
o 84015 (000000− ) Valve − Hyd., Solenoid 1
Yo 1 79739 (000000− ) Valve Stem, N.D. 1
YY 2 79731 (000000− ) Nut, Cart., LNG. 1
YY 3 79711 (000000− ) Seal Kit, Cart. 1
YY 4 79740 (000000− ) Seal Kit, Coil 1
Y 5 21917 (000000− ) Coil, 12V W/Var 1

BREAKDOWNS
4-39
800 Gas/LPG 330120 (4−01)
Fig. 22 − Hydraulic Solenoid Valve Breakdown, 84016
1
3
4
5
6
7
8
8
8
42
10499 − ALL
Ref. Part No. Serial Number Description Qty.
o 84016 (000000− ) Valve, Hyd Control Solenoid 1
Yo 1 79719 (000000− ) Valve Stem 4W2P 1
YY 2 79728 (000000− ) Nut, Cart., Sht 1
YY 3 79711 (000000− ) Seal Kit, Cart 1
YY 4 79740 (000000− ) Seal Kit, Coil 1
Y 5 21917 (000000− ) Coil, 12V W/Var 1
Yo 6 74145 (000000− ) Cart, Pilot Cntr 1
YY 7 79711 (000000− ) Seal Kit, Cart 1
Y 8 13902 (000000− ) Plug, #2 O−Ring 3

BREAKDOWNS
800 Gas/LPG 330120 (4−01)
4-40
Fig. 23 − Hydraulic Valve Breakdown, 375563
1
17
Not sold seperately
2
3
4
5
6
7
8
9
10
11
12
13
14
15
16 16
16
16
16
CONTROL VALVE
Spool #1 Hopper Lift
Spool #2 Hopper Dump
Spool #3 Hopper Door
Spool
Spool
Spool #1
#2
#3

BREAKDOWNS
4-41
800 Gas/LPG 330120 (4−01)
10408,09670 − ALL
Fig. 23 − Hydraulic Valve Breakdown, 375563
Ref. Part No. Serial Number Description Qty.
o 375563 (000000− ) Valve, Hyd Control Man 1
Y 1 79822 (000000− ) Spacer En 3
Y 2 79786 (000000− ) Plunger En 3
Y 3 79787 (000000− ) Spring En 3
Y 4 79823 (000000− ) Plug Assy,Byd En 1
Y 5 79788 (000000− ) Bushing En 3
Y 6 79789 (000000− ) Cap Assembly En 3
Y 7 79790 (000000− ) Plug Assembly En 1
Y 8 79791 (000000− ) Poppet En 1
Y 9 79792 (000000− ) Retaining Rng En 3
Y10 79793 (000000− ) Shim .035 Thk En 1
Y10 79798 (000000− ) Shim .015 Thk En 1
Y10 79799 (000000− ) Shim .010 Thk En 1
Y11 79794 (000000− ) Washer En 3
Y12 79795 (000000− ) Plug & O−Ring En 3
Y13 79824 (000000− ) Spring En 3
Y14 79797 (000000− ) Spring En 1
Y15 13904 (000000− ) Plug Gage #6 1
Y16 79812 (000000− ) Seal Kit, Vlv En 1
Y17 79820 (000000− ) Instr. Valve Repair Info 1

BREAKDOWNS
800 Gas/LPG 330120 (4−01)
4-42
Fig. 24 − Hydraulic Solenoid Valve Breakdown, 84014
15 15
1
12
9
6
5
14
11
3
3
9
9
1
7
16
17
3
3
15
16
17
17
17
1
2
2
16
17
10
18
18
13
4
8
4
4
4
8
4
4

BREAKDOWNS
4-43
800 Gas/LPG 330120 (4−01)
07644 − 800
Fig. 24 − Hydraulic Solenoid Valve Breakdown, 84014
Ref. Part No. Serial Number Description Qty.
o 84014 (000000− ) Valve, Hyd Control Solenoid 1
Yo 1 79739 (000000− ) Valve Stem N.O. CP 3
YY 2 79731 (000000− ) Nut, Cart., LNG CP 1
YY 3 79711 (000000− ) Seal Kit, Cart CP 1
YY 4 79740 (000000− ) Seal Kit, Coil CP 1
Yo 5 79719 (000000− ) Valve Stem 4W2P CP 1
YY 6 79728 (000000− ) Nut, Cart., SHT CP 1
YY 7 79711 (000000− ) Seal Kit, Cart CP 1
YY 8 79740 (000000− ) Seal Kit, Coil CP 1
Y 9 21917 (000000− ) Coil 12V w/Var CP 4
Yo10 74146 (000000− ) Cart, Check Valve CP 1
YY 11 79711 (000000− ) Seal Kit, Cart CP 1
Yo12 65240 (000000− ) Cart, PSI CN CP 1
YY 13 79711 (000000− ) Seal Kit, Cart CP 1
Yo14 74268 (000000− ) Cart Flow Control CP 1
YY 15 79711 (000000− ) Seal Kit, Cart CP 1
Y16 13902 (000000− ) Plug #2 6
Y17 74098 (000000− ) Plug Gage #4 5
Y18 13904 (000000− ) Plug Gage #6 3

BREAKDOWNS
800 Gas/LPG 330120 (4−08)
4-44
Fig. 25 − Hydraulic Cylinder Breakdown, 53601
1
1
1
07494 − ALL
Ref. Part No. Serial Number Description Qty.
o 53601 (000000− ) Cylinder, Hyd, 2.0b,15.0l, Rep.By1028492 1
Y 1 04483 (000000− ) Seal Kit 1

BREAKDOWNS
4-45
800 Gas/LPG 330120 (3−07)
Fig. 26 − Hydraulic Cylinder Breakdown, 1026719
1
11
1
354486 − ALL
Ref. Part No. Serial Number Description Qty.
o 1026719 (000000− ) Cylinder, Hyd, 4.0b 29.1l 14.50strk 2500 1
Y 1 9001702 (000000− ) Seal Kit, Cyl, Hyd 1

BREAKDOWNS
800 Gas/LPG 330120 (10−2013)
4-46
Fig. 27 − Cab Assembly
1
2
3
4
5
6
7
8
9
10
38
39
14
15
16
17
20
19
18
21
22
23
24
25
26
27
28
30
31
29
13
39
31
37
34
34
35
36
33
32
24
26
26
26
26
26
26
11
12

BREAKDOWNS
4-47
800 Gas/LPG 330120 (10−2014)
353528 − ALL
Fig. 27 − Cab Assembly
NOTE: The Cab Assembly, TENNANT Part Number 9007651 includes Fig. 27, Fig. 28, Fig. 30, and .Fig. 31
NOTE: The Cab Assembly, TENNANT Part Number 9012887 includes Fig. 27, Fig. 29, Fig. 30, and .Fig. 31
Ref. Part No. Serial Number Description Qty.
1 1057434 (000000− ) Cab Wldt, 800 1
1 1073930 (000000− ) Cab Wldt [800 Gray] 1
2 1059997 (000000− ) Pane, Glass, Windshield 1
o 3 1062707 (000000− ) Pane Assy, Cab, Lh Side 1
Yo 4 1064896 (000000− ) Pane, Glass, Cab 1
YY 5 1068804 (000000− ) Latch Assy, Wndw [800 Cab] 1
Yo 6 1064895 (000000− ) Pane, Glass, Cab 1
YY 7 1068804 (000000− ) Latch Assy, Wndw [800 Cab] 1
Yo 8 21309 (000000− ) Frame, Pane, Cab, Side 1
YY 9 374765 (000000− ) Keeper, Latch, Pane 1
Y10 1069298 (000000− ) Seal Stop, Wndw 1
Y11 1069309 (000000− ) Seal, Wndw [Center Wipe] 1
Y12 1069305 (000000− ) Channel, Seal, Wndw 1
13 08712 (000000− ) Nut, Hex, Lock, M6 X 1.00, Nl, Ss 4
14 1058259 (000000− ) Latch Kit, Wndw, Cab, Rear 1
15 1062119 (000000− ) Ring, Wndw, Cab, Rear 1
16 1065921 (000000− ) Pin, Roll, .187 Dia. X .56 1
17 1061492 (000000− ) Seal, Door, Rbr, 14” Lg 1
18 311303 (000000− ) Motor, Ele, Wiper, 12vdc 1
19 1062083 (000000− ) Arm, Wiper, Windshield 1
20 1062084 (000000− ) Blade, Wiper, Windshield 1
21 1062092 (000000− ) Switch, Motor, Wiper, 12v 1
o22 76996 (000000− ) Light, Dome 12V 1
Y 374759 (000000− ) Lamp 1
23 380577 (000000− ) Harness, Cab (See Fig. 31)1
24 10632−14 (000000− ) Grommet, Rbr, 1.00id, F/1.4h, .12 Matl 2
25 50474 (000000− ) Terminal, Qm, .25 16−14ga, Blu, F−Ins 2
26 64757 (000000− ) Bumper, Rbr, Adh, 0.50d 0.14th 8
27 77812 (000000− ) Wire, Dome Light 2
28 380692 (000000− ) Molding, Trim (Gasoline only) 1
29 1030593 (000000− ) Seal, Afmkt, Bulb, 90, 0.75d F/11ga 08ft 1
30 374294 (000000− ) Latch, Keeper, Pane [J−dak] 1
31 63416 (000000− ) Washer, Flat, 0.31b 0.88d .12, Rbr 4
32 1066313 (000000− ) Plate, Sppt 1
33 1066314 (000000− ) Label, Opertnl, Switch, On−off 1
34 1066218 (000000− ) Washer, Flat, .28b 0.75d 1.80, Ne 4
35 1065954 (000000− ) Screw, Pan, Phl, M6 X 1.0 X 20, Blk 4
36 397779 (000000− ) Washer, Flat, 0.28b 1.00d .06, Stl, Blk 4
37 32483 (000000− ) Washer, Flat, 0.25, Sae 4
38 1060000 (000000− ) Glass, Pane, Windshield,800 Cab 1
39 1061468 (000000− ) Spacer, Nyl 4

BREAKDOWNS
800 Gas/LPG 330120 (10−2014)
4-48
Fig. 28 − Cab Door Assembly (000000−008088)
1
2
3
45
4
7
8
6
24
25
29
12
13
14
15
16
30
26
9
27
28
18
19
20
21
18
17
23
23
22
11
10

BREAKDOWNS
4-49
800 Gas/LPG 330120 (10−2014)
08784 − ALL
Fig. 28 − Cab Door Assembly (000000−008088)
NOTE: The Cab Assembly, TENNANT Part Number 9007651 includes Fig. 27, Fig. 28, Fig. 30, and .Fig. 31
Ref. Part No. Serial Number Description Qty.
o 9009006 (000000−008088 ) Door Assy, Cab, Replmt [800] 1
Y 1 1057885 (000000−008088 ) Door Wldt, Cab 1
Yo 2 1062708 (000000−008088 ) Pane Assy, Door, Cab, Rh Side 1
YY 3 1064893 (000000−008088 ) Pane, Glass, Door 1
YY 4 1068804 (000000−008088 ) Latch Assy, Wndw [800 Cab] 2
YY 5 1064894 (000000−008088 ) Pane, Glass, Door 1
YY 6 374294 (000000−008088 ) Latch, Keeper, Pane [J−dak] 1
YY 7 21313 (000000−008088 ) Frame, Pane, Door, Side 1
YY 8 374765 (000000−008088 ) Keeper, Latch, Pane 1
YY 9 1069298 (000000−008088 ) Seal Stop, Wndw 1
YY 10 1069309 (000000−008088 ) Seal, Wndw [Center Wipe] 2
YY 11 1069305 (000000−008088 ) Channel, Seal, Wndw 1
Y12 1058309 (000000−008088 ) Cover, Latch Assy, Door 1
Y13 1065909 (000000−008088 ) Insulation, Acstc, Door, Side 1
Y14 1058254 (000000−008088 ) Latch Assy, Door 1
Y21150 (000000−008088 ) Key Set 1
Y15 1061447 (000000−008088 ) Bracket, Latch, Sppt 2
Y16 1058256 (000000−008088 ) Lock Assy, Door 1
Y17 06933 (000000−008088 ) Screw, Pan, Phl, M5 X 0.80 X 16, 4.8 5
Y18 19066 (000000−008088 ) Washer, Flat, 0.25b 0.56d .05, Pl, 10 9
Y19 42011 (000000−008088 ) Screw, Hex, 10−24 X 0.50, Ss 4
Y20 32483 (000000−008088 ) Washer, Flat, 0.25, Sae 3
Y21 25046 (000000−008088 ) Screw, Hex, .25−20 X 1.00, G5 3
Y22 1030601 (000000−008088 ) Seal, Afmkt, Bulb, 90, 0.75d F/11ga 20ft 1
Y23 1062143 (000000−008088 ) Plate, Shim 2
Y24 1058258 (000000−008088 ) Clip, Retainer 2
Y25 1058257 (000000−008088 ) Link, Connecting 1
26 1061655 (000000−008088 ) Plate, Thrd 1
27 311336 (000000−008088 ) Armrest, Black 1
28 32492 (000000−008088 ) Washer, Flat, 0.38, Std 8
29 06961 (000000−008088 ) Screw, Hex, M10 X 1.5 8
30 58490 (000000−008088 ) Pin, Latch 1

BREAKDOWNS
800 Gas/LPG 330120 (10−2014)
4-50
Fig. 29 − Cab Door Assembly (008089− )
1
2
3
45
4
7
8
6
24
25
29
12
13
14
15
16
30
26
9
27
28
18
19
20
21
18
17
23
23
22
11
10

BREAKDOWNS
4-51
800 Gas/LPG 330120 (3−2015)
08784 − ALL
Fig. 29 − Cab Door Assembly (008089− )
NOTE: The Cab Assembly, TENNANT Part Number 9012887 includes Fig. 27, Fig. 29, Fig. 30, and .Fig. 31
Ref. Part No. Serial Number Description Qty.
o 9012899 (008089− ) Door Assy, Cab, Replmt [800gray] 1
Y 1 1073931 (008089− ) Door Wldt, Cab [800 Gray] 1
Yo 2 1062708 (008089− ) Pane Assy, Door, Cab, Rh Side 1
YY 3 1064893 (008089− ) Pane, Glass, Door 1
YY 4 1068804 (008089− ) Latch Assy, Wndw [800 Cab] 2
YY 5 1064894 (008089− ) Pane, Glass, Door 1
YY 6 374294 (008089− ) Latch, Keeper, Pane [J−dak] 1
YY 7 21313 (008089− ) Frame, Pane, Door, Side 1
YY 8 374765 (008089− ) Keeper, Latch, Pane 1
YY 9 1069298 (008089− ) Seal Stop, Wndw 1
YY 10 1069309 (008089− ) Seal, Wndw [Center Wipe] 2
YY 11 1069305 (008089− ) Channel, Seal, Wndw 1
Y12 1074539 (008089− ) Cover, Latch Assy, Door [800 Gray] 1
Y13 1065909 (008089− ) Insulation, Acstc, Door, Side 1
Y14 1058254 (008089− ) Latch Assy, Door 1
Y21150 (008089− ) Key Set 1
Y15 1061447 (008089− ) Bracket, Latch, Sppt 2
Y16 1058256 (008089− ) Lock Assy, Door 1
Y17 06933 (008089− ) Screw, Pan, Phl, M5 X 0.80 X 16, 4.8 5
Y18 19066 (008089− ) Washer, Flat, 0.25b 0.56d .05, Pl, 10 9
Y19 42011 (008089− ) Screw, Hex, 10−24 X 0.50, Ss 4
Y20 32483 (008089− ) Washer, Flat, 0.25, Sae 3
Y21 25046 (008089− ) Screw, Hex, .25−20 X 1.00, G5 3
Y22 1030601 (008089− ) Seal, Afmkt, Bulb, 90, 0.75d F/11ga 20ft 1
Y23 1062143 (008089− ) Plate, Shim 2
Y24 1058258 (008089− ) Clip, Retainer 2
Y25 1058257 (008089− ) Link, Connecting 1
26 1061655 (008089− ) Plate, Thrd 1
27 311336 (008089− ) Armrest, Black 1
28 32492 (008089− ) Washer, Flat, 0.38, Std 8
29 06961 (008089− ) Screw, Hex, M10 X 1.5 8
30 58490 (008089− ) Pin, Latch 1

BREAKDOWNS
800 Gas/LPG 330120 (10−2013)
4-52
Fig. 30 − Cab Insulation Group
1
2
3
4
5
6
7
8
9
10
11
12
11

BREAKDOWNS
4-53
800 Gas/LPG 330120 (10−2014)
08953 − ALL
Fig. 30 − Cab Insulation Group
NOTE: The Cab Assembly, TENNANT Part Number 9007651 includes Fig. 27, Fig. 28, Fig. 30, and .Fig. 31
NOTE: The Cab Assembly, TENNANT Part Number 9012887 includes Fig. 27, Fig. 29, Fig. 30, and .Fig. 31
Ref. Part No. Serial Number Description Qty.
1 77800 (000000− ) Insulation, Acstc, Cab Front 1
2 77801 (000000− ) Insulation, Acstc, Cab Rear 1
3 77802 (000000− ) Insulation, Acstc, Cab, Leg, Front 1
4 77803 (000000− ) Insulation, Acstc, Cab, Leg, Rear 1
5 77804 (000000− ) Insulation, Acstc, Cab, Leg, Front 1
6 77805 (000000− ) Insulation, Acstc, Cab, Leg, Rear 1
7 77806 (000000− ) Insulation, Acstc, Cab, Proj, Rear 1
8 77807 (000000− ) Insulation, Acstc, Cab, Proj, Front 1
9 77808 (000000− ) Insulation, Acstc, Cab, Proj, Side 1
10 77809 (000000− ) Insulation, Acstc, Cab, Proj, Upper 1
11 384156 (000000− ) Molding, Trim, Pvc, .18−.31 01.5l 2
12 1070055 (000000− ) Insulation, Acstc, Cab, Proj, Ls 1

BREAKDOWNS
800 Gas/LPG 330120 (10−2014)
4-54
Fig. 31 − Cab Wire Harness Group
1
NOTE: The Cab Assembly, TENNANT Part Number 9007651 includes Fig. 27, Fig. 28, Fig. 30, and .Fig. 31
NOTE: The Cab Assembly, TENNANT Part Number 9012887 includes Fig. 27, Fig. 29, Fig. 30, and .Fig. 31
351143 − ALL
Ref. Part No. Serial Number Description Qty.
1 380577 (000000− ) Harness, Cab, 800/810 1

BREAKDOWNS
4-55
800 Gas/LPG 330120 (3−2015)
Fig. 32 − AC Condenser Box Breakdown, 380625 (000000−008088)
1
2
3
4
5
6
7
8
9
10
3
3
3
350830 − ALL
Ref. Part No. Serial Number Description Qty.
o380625 (000000−008088 ) Condenser Assy, A/C 1
Y 1 380666 (000000−008088 ) Housing, Condenser 1
Y 2 380667 (000000−008088 ) Coil, Condenser 1
Y 3 380668 (000000−008088 ) Spacer, Condenser 6
Y 4 380669 (000000−008088 ) Fan, Condenser 2
Y 5 380670 (000000−008088 ) Foot, Fan 8
Y 6 380671 (000000−008088 ) Ftg, Shrader 1
Y 7 393349 (000000−008088 ) Switch, A/C [Binary] 1
Y 8 380627 (000000−008088 ) Dryer, Ac 1
Y 9 380628 (000000−008088 ) Bracket,A/C Dryer 1
Y10 380626 (000000−008088 ) Tube Asy,Cond/Dry 1

BREAKDOWNS
800 Gas/LPG 330120 (10−2014)
4-56
Fig. 33 − AC Condenser Box Breakdown, 9012898 (008089− )
1
2
3
4
5
6
7
8
9
10
3
3
3

BREAKDOWNS
4-57
800 Gas/LPG 330120 (3−2015)
350830 − ALL
Fig. 33 − AC Condenser Box Breakdown, 9012898 (008089− )
Ref. Part No. Serial Number Description Qty.
o9012898 (008089− ) Condenser, A/C, Roof [R134 Bd, Gray] 1
Y 1 1073906 (008089− ) Condenser, A/C [Badger Gray] 1
Y 2 380667 (008089− ) Coil, Condenser 1
Y 3 380668 (008089− ) Spacer, Condenser 6
Y 4 380669 (008089− ) Fan, Condenser 2
Y 5 380670 (008089− ) Foot, Fan 8
Y 6 380671 (008089− ) Ftg, Shrader 1
Y 7 393349 (008089− ) Switch, A/C [Binary] 1
Y 8 380627 (008089− ) Dryer, Ac 1
Y 9 380628 (008089− ) Bracket,A/C Dryer 1
Y10 380626 (008089− ) Tube Asy,Cond/Dry 1

BREAKDOWNS
800 Gas/LPG 330120 (3−2015)
4-58
Fig. 34 − AC and Heater Box Breakdown, 380613 (000000−008088)
1
1
1
2
3
4
5
67
8
1
9
10 9

BREAKDOWNS
4-59
800 Gas/LPG 330120 (3−2015)
350826 − ALL
Fig. 34 − AC and Heater Box Breakdown, 380613 (000000−008088)
Ref. Part No. Serial Number Description Qty.
o380613 (000000−008088 ) Box Assy, Heat/Ac 1
Y 1 388407 (000000−008088 ) Housing Assembly 1
Y 2 87579 (000000−008088 ) Latch, Tension 1
Y 3 380649 (000000−008088 ) Blower, Heat/Ac 1
Y 4 380650 (000000−008088 ) Heater Coil 1
Y 5 380651 (000000−008088 ) Coil, Evaporator 1
Y 6 380652 (000000−008088 ) Valve, Expansion 1
Y 7 380578 (000000−008088 ) A/C Hose#10 134A 1
Y 8 380579 (000000−008088 ) A/C Hose #6 134A 1
Y 9 380659 (000000−008088 ) Duck Bill 4
Y10 380616 (000000−008088 ) Gasket, Box/Cab 1

BREAKDOWNS
800 Gas/LPG 330120 (3−2015)
4-60
Fig. 35 − AC and Heater Box Breakdown, 1073904 (008089− )
1
1
1
2
3
4
5
67
8
1
9
10 9

BREAKDOWNS
4-61
800 Gas/LPG 330120 (3−2015)
350826 − ALL
Fig. 35 − AC and Heater Box Breakdown, 1073904 (008089− )
Ref. Part No. Serial Number Description Qty.
o1073904 (008089− ) Heater, W/ A/C [Badger, Gray] 1
Y 1 1073907 (008089− ) Housing, Heater [Badger, Gray] 1
Y 2 87579 (008089− ) Latch, Tension 1
Y 3 380649 (008089− ) Blower, Heat/Ac 1
Y 4 380650 (008089− ) Heater Coil 1
Y 5 380651 (008089− ) Coil, Evaporator 1
Y 6 380652 (008089− ) Valve, Expansion 1
Y 7 380578 (008089− ) A/C Hose#10 134A 1
Y 8 380579 (008089− ) A/C Hose #6 134A 1
Y 9 380659 (008089− ) Duck Bill 4
Y10 380616 (008089− ) Gasket, Box/Cab 1

BREAKDOWNS
800 Gas/LPG 330120 (3−2015)
4-62
Fig. 36 − Heater Box Breakdown, 380614 (000000−008088)
1
1
1
2
3
5
54
1
6
96
7
8

BREAKDOWNS
4-63
800 Gas/LPG 330120 (3−2015)
350828 − ALL
Fig. 36 − Heater Box Breakdown, 380614 (000000−008088)
Ref. Part No. Serial Number Description Qty.
o380614 (000000−008088 ) Box Assy, Heat 1
Y 1 388407 (000000−008088 ) Housing Assembly 1
Y 2 87579 (000000−008088 ) Latch, Tension 1
Y 3 380649 (000000−008088 ) Blower, Heat/Ac 1
Y 4 380650 (000000−008088 ) Heater Coil 1
Y 5 380660 (000000−008088 ) Brkt,Mtg,Htr Coil 2
Y 6 380659 (000000−008088 ) Duck Bill 4
Y 7 57167 (000000−008088 ) Plugbtn .62H .03−.12 Blacknyl 1
Y 8 82727 (000000−008088 ) Plugbtn .88H .03−.12 Blacknyl 1
Y 9 380616 (000000−008088 ) Gasket, Box/Cab 1

BREAKDOWNS
800 Gas/LPG 330120 (3−2015)
4-64
Fig. 37 − Heater Box Breakdown, 1073905 (008089− )
1
1
1
2
3
5
54
1
6
96
7
8

BREAKDOWNS
4-65
800 Gas/LPG 330120 (3−2015)
350828 − ALL
Fig. 37 − Heater Box Breakdown, 1073905 (008089− )
Ref. Part No. Serial Number Description Qty.
o1073905 (008089− ) Heater [Badger, Gray] 1
Y 1 1073907 (008089− ) Housing, Heater [Badger, Gray] 1
Y 2 87579 (008089− ) Latch, Tension 1
Y 3 380649 (008089− ) Blower, Heat/Ac 1
Y 4 380650 (008089− ) Heater Coil 1
Y 5 380660 (008089− ) Brkt,Mtg,Htr Coil 2
Y 6 380659 (008089− ) Duck Bill 4
Y 7 57167 (008089− ) Plugbtn .62H .03−.12 Blacknyl 1
Y 8 82727 (008089− ) Plugbtn .88H .03−.12 Blacknyl 1
Y 9 380616 (008089− ) Gasket, Box/Cab 1

BREAKDOWNS
800 Gas/LPG 330120 (12−05)
4-66
Fig. 38 − Brake Assy, Right Hand (R.h.) 77790
1
2
3
4
5
8
67
9
5
4
10 10
11
11

BREAKDOWNS
4-67
800 Gas/LPG 330120 (12−05)
353623 − ALL
Fig. 38 − Brake Assy, Right Hand (R.h.) 77790
Ref. Part No. Serial Number Description Qty.
o 77790 (000000− ) Brake Assy, Drum, Hyd, 08.8d 1.6w Rh 1
Y 1 77768 (000000− ) Backing Plate Rh 1
Y 2 70613 (000000− ) Shoe, Brake 1
Y 3 70612 (000000− ) Shoe, Brake 1
Y 4 21728 (000000− ) Spring 2
Y 5 70617 (000000− ) Spring 2
Y 6 70618 (000000− ) Spring 1
Y 7 70609 (000000− ) Cylinder, Wheel, Brake 1
Y 8 70603 (000000− ) Clamp, Hold Down 1
Y 9 70615 (000000− ) Adjuster, Manual 1
Y10 372950 (000000− ) Plug, Rbr, Rnd 2
Y11 372951 (000000− ) Plug, Plstc, Sq 2

BREAKDOWNS
800 Gas/LPG 330120 (12−05)
4-68
Fig. 39 − Brake Assy, Left Hand (L.h.) 77770
1
2
3
4
5
8
6
7
9
5
4
11
11
10
10

BREAKDOWNS
4-69
800 Gas/LPG 330120 (12−05)
353624 − ALL
Fig. 39 − Brake Assy, Left Hand (L.h.) 77770
Ref. Part No. Serial Number Description Qty.
o 77770 (000000− ) Brake Assy, Drum, Hyd, 08.0d 1.6w Lh 1
Y 1 77769 (000000− ) Plate, Backing 1
Y 2 70613 (000000− ) Shoe, Brake 1
Y 3 70611 (000000− ) Shoe, Brake 1
Y 4 21728 (000000− ) Spring 2
Y 5 70617 (000000− ) Spring 2
Y 6 70618 (000000− ) Spring 1
Y 7 70609 (000000− ) Cylinder, Wheel, Brake 1
Y 8 70603 (000000− ) Clamp, Hold Down 1
Y 9 70615 (000000− ) Adjuster, Manual 1
Y10 372950 (000000− ) Plug, Rbr, Rnd 2
Y11 372951 (000000− ) Plug, Plstc, Sq 2

BREAKDOWNS
800 Gas/LPG 330120 (4−08)
4-70
Fig. 40 − LPG EFI Breakdown, 371894
1
2
3
4
5
6
7
8
9
10
2
11

BREAKDOWNS
4-71
800 Gas/LPG 330120 (4−08)
353893 − 800, LP
Fig. 40 − LPG EFI Breakdown, 371894
Ref. Part No. Serial Number Description Qty.
o371894 (000000− ) Housing Assy, Throttle, Lpg, [With Ecu] 1
Yo 1 1017270 (000000− ) Injector, Fuel, Lpg [3.0l Gm] 8410 1
YY 2 371665 (000000− ) Kit, Org, Injector, Top And Bottom, Lpg 1
Y 3 371666 (000000− ) Fitting, Fuel Inlet, Lpg 1
Y 4 371651 (000000− ) Plate, Injector Mtg, W/ Screw 1
Y 5 371653 (000000− ) Sensor, Temp 1
Y371714 (000000− ) Kit, Connector, Coolant Sensor 1
Y371715 (000000− ) Kit, Connector, Sensor, [Iat] 1
Y 6 371654 (000000− ) Sensor, Manifold Press 1
Y371713 (000000− ) Kit, Connector, Sensor, [Map] 1
Y 7 9000823 (000000− ) Kit, Replmt, Controller 1
Y 8 391891 (000000− ) Plate, Mtg, W/ Screw, [Ecu], Lpg 1
Y 9 371669 (000000− ) Housing, Throttle, Lpg 1
Y371718 (000000− ) Kit, Connector, Govnr 1
Y10 371660 (000000− ) Fitting, Coolant Plug 1
Y11 10552 (000000− ) Fitting, Pipe, Plug, Pm02 Soc Head 1

BREAKDOWNS
800 Gas/LPG 330120 (4−08)
4-72
Fig. 41 − LPG EFI Breakdown, 371895
1
2
3
4
5
6
8
9
2
7

BREAKDOWNS
4-73
800 Gas/LPG 330120 (4−08)
353893 − 800, LP
Fig. 41 − LPG EFI Breakdown, 371895
Ref. Part No. Serial Number Description Qty.
o371895 (000000− ) Housing Assy, Throttle, Lpg, [Without Ecu] 1
Yo 1 1017270 (000000− ) Injector, Fuel, Lpg [3.0l Gm] 8410 1
YY 2 371665 (000000− ) Kit, Org, Injector, Top And Bottom, Lpg 1
Y 3 371666 (000000− ) Fitting, Fuel Inlet, Lpg 1
Y 4 371651 (000000− ) Plate, Injector Mtg, W/ Screw 1
Y 5 371653 (000000− ) Sensor, Temp 1
Y371714 (000000− ) Kit, Connector, Coolant Sensor 1
Y371715 (000000− ) Kit, Connector, Sensor, [Iat] 1
Y 6 371654 (000000− ) Sensor, Manifold Press 1
Y371713 (000000− ) Kit, Connector, Sensor, [Map] 1
Y 7 10552 (000000− ) Fitting, Pipe, Plug, Pm02 Soc Head 1
Y 8 371669 (000000− ) Housing, Throttle, Lpg 1
Y371718 (000000− ) Kit, Connector, Govnr 1
Y 9 371660 (000000− ) Fitting, Coolant Plug 1

BREAKDOWNS
800 Gas/LPG 330120 (4−08)
4-74
Fig. 42 − Gasoline EFI Breakdown, 371896
1
2
3
4
5
6
7
8
9
10
11
12

BREAKDOWNS
4-75
800 Gas/LPG 330120 (4−08)
800, G
Fig. 42 − Gasoline EFI Breakdown, 371896
Ref. Part No. Serial Number Description Qty.
o371896 (000000− ) Housing Assy, Throttle, Gas, [With Ecu] 1
Yo 1 371899 (000000− ) Injector, Gas, W/ Top And Bottom Org 1
YY 2 371649 (000000− ) Kit, Org, Injector And Reg, Gas 1
Y371716 (000000− ) Kit, Connector, Gas Injector 1
Y 3 371908 (000000− ) Kit, Reg, Gas Press 1
Y 4 371651 (000000− ) Plate, Injector Mtg, W/ Screw 1
Y 5 15555−2 (000000− ) Fitting, Brs, E90, If05/Pm04 1
Y371714 (000000− ) Kit, Connector, Coolant Sensor 1
Y371715 (000000− ) Kit, Connector, Sensor, [Iat] 1
Y 6 371653 (000000− ) Sensor, Temp 1
Y 7 371654 (000000− ) Sensor, Manifold Press 1
Y 8 371901 (000000− ) Control, Electonic, Gas 1
Y 9 391890 (000000− ) Plate, Mtg, W/ Screw, [Ecu], Gas 1
Y10 371902 (000000− ) Housing, Throttle, Gas 1
Y371718 (000000− ) Kit, Connector, Govnr 1
Y11 10552 (000000− ) Fitting, Pipe, Plug, Pm02 Soc Head 1
Y12 371660 (000000− ) Fitting, Coolant Plug 1

BREAKDOWNS
800 Gas/LPG 330120 (4−08)
4-76
Fig. 43 − Gasoline Electronic Fuel Ignition Breakdown, 371897
1
2
3
4
5
6
7
9
10
8

BREAKDOWNS
4-77
800 Gas/LPG 330120 (4−08)
800, 810, G
Fig. 43 − Gasoline Electronic Fuel Ignition Breakdown, 371897
Ref. Part No. Serial Number Description Qty.
o371897 (000000− ) Housing Assy, Throttle, Gas, [Without Ecu] 1
Yo 1 371899 (000000− ) Injector, Gas, W/ Top And Bottom Org 1
YY 2 371649 (000000− ) Kit, Org, Injector And Reg, Gas 1
Y371716 (000000− ) Kit, Connector, Gas Injector 1
Y 3 371908 (000000− ) Kit, Reg, Gas Press 1
Y 4 371651 (000000− ) Plate, Injector Mtg, W/ Screw 1
Y 5 15555−2 (000000− ) Fitting, Brs, E90, If05/Pm04 1
Y371714 (000000− ) Kit, Connector, Coolant Sensor 1
Y371715 (000000− ) Kit, Connector, Sensor, [Iat] 1
Y 6 371653 (000000− ) Sensor, Temp 1
Y 7 371654 (000000− ) Sensor, Manifold Press 1
Y 8 371660 (000000− ) Fitting, Coolant Plug 1
Y 9 371902 (000000− ) Housing, Throttle, Gas 1
Y371718 (000000− ) Kit, Connector, Govnr 1
Y10 10552 (000000− ) Fitting, Pipe, Plug, Pm02 Soc Head 1

BREAKDOWNS
800 Gas/LPG 330120 (5−09)
4-78
Fig. 44 − Hydraulic Solenoid Valve Breakdown, 1049210
1
2
4
3

BREAKDOWNS
4-79
800 Gas/LPG 330120 (5−09)
354903 − ALL
Fig. 44 − Hydraulic Solenoid Valve Breakdown, 1049210
Ref. Part No. Serial Number Description Qty.
o 1049210 (000000− ) Valve, Cntrl, Hyd, Solenoid, 12vdc 12gpm 1
Y 1 1050812 (000000− ) Stem, Valve, Hyd 1
Y 2 1050811 (000000− ) Nut, Valve, Cartridge 1
Y 3 1050780 (000000− ) Seal Kit, Cartridge 1
Y 4 1050809 (000000− ) Solenoid, Valve, Hyd, 36vdc 1

BREAKDOWNS
800 Gas/LPG 330120 (5−09)
4-80
Fig. 45 − Hydraulic Solenoid Valve Breakdown, 1049209
G1
G3
G2
SV1
SV2
SV4
CK2
RV1
FR
SV3
1
2
3
4
4
4
5
5
5
5
5
6
7
7
7
7
8
9
10
11
12
12
12
13 14
14
14 15
15
16
16
6
6

BREAKDOWNS
4-81
800 Gas/LPG 330120 (7−10)
354896 − 800
Fig. 45 − Hydraulic Solenoid Valve Breakdown, 1049209
Ref. Part No. Serial Number Description Qty.
o 1049209 (000000− ) Valve, Cntrl, Hyd, Solenoid, 12vdc 08gpm 1
Y 1 1050861 (000000− ) Solenoid, Valve, Hyd 1
Y 2 1050870 (000000− ) Seal Kit, Cartridge 1
Y 3 373584 (000000− ) Nut, Valve, Cartridge 1
Y 4 1050812 (000000− ) Stem, Valve, Hyd 3
Y 5 1050780 (000000− ) Seal Kit, Cartridge 1
Y 6 373585 (000000− ) Nut, Valve, Cartridge 3
Y 7 1050809 (000000− ) Solenoid, Valve, Hyd, 36vdc 4
Y 8 1050862 (000000− ) Valve, Cartridge, Relief 1
Y 9 1050863 (000000− ) Valve, Cartridge, Check 1
Y10 1050864 (000000− ) Valve, Cartridge, Flow Reg 1
Y11 1050871 (000000− ) Seal Kit, Cartridge 1
Y12 1050865 (000000− ) Fitting, Plug, Om02, Valve 5
Y13 1050866 (000000− ) Fitting, Plug, Om04, Valve 1
Y14 1050867 (000000− ) Fitting, Plug, Om06, Valve 3
Y15 1050868 (000000− ) Fitting, Plug, Om05, Valve 2
Y16 1050869 (000000− ) Fitting, Plug, Om04, Valve 3

BREAKDOWNS
800 Gas/LPG 330120 (5−09)
4-82
Fig. 46 − Hydraulic Solenoid Valve Breakdown, 1049211
1
2
3
4
7
6
5
354900 − ALL
Ref. Part No. Serial Number Description Qty.
o 1049211 (000000− ) Valve, Cntrl, Hyd, Solenoid, 12vdc 06gpm 1
Y 1 1050809 (000000− ) Solenoid, Valve, Hyd, 36vdc 1
Y 2 1050861 (000000− ) Solenoid, Valve, Hyd 1
Y 3 1050870 (000000− ) Seal Kit, Cartridge 1
Y 4 1050872 (000000− ) Valve, Cartridge, Check 1
Y 5 1050873 (000000− ) Fitting, Plug, Om06, Valve 1
Y 6 1051078 (000000− ) Nut, Valve, Cartridge 1
Y 7 1051079 (000000− ) Seal Kit, Cartridge 1

2.3L ENGINE BREAKDOWN
5-1
800 Gas/LPG 330120 (6−02)
SECTION 5
Contents Page
Fig. 1 − Engine Block Group 5-2..................
Fig. 2 − Gaskets Group 5-4......................
Fig. 3 − Cylinder Head Group 5-6.................
Fig. 4 − Cylinder Front Cover Group 5-7...........
Fig. 5 − Starter Breakdown 5-8...................
Fig. 6 − Oil Pan Group 5-10......................
Fig. 7 − Crankshaft Group 5-12..................
Fig. 8 − Manifolds Group 5-14....................
Fig. 9 − Flywheel Group 5-16....................
Fig. 10 − Camshaft And Sprocket Group 5-18.......
Fig. 11 − Valve And Rocker Arm Cover Group 5-20..
Fig. 12 − Piston And Connecting Rod Group 5-22...
Fig. 13 − Water Pump, Thermostat
and Fan Group 5-23...................
Fig. 14 − Ignition Group 5-24.....................

2.3L ENGINE BREAKDOWN
800 Gas/LPG 330120 (6−02)
5-2
Fig. 1 − Engine Block Group
3
1
2
4
5
6
7
8
9
10
11
12
13
14
15
16
17
18
19
20
8
6
21
21

2.3L ENGINE BREAKDOWN
5-3
800 Gas/LPG 330120 (12−05)
10525 − 800L, 8410, G, LP
Fig. 1 − Engine Block Group
Ref. Part No. Description Qty.
1 84875 )Cyl Block Assy (Short Block Assy) 1
o2 84876 Block Assy 1
Y3 73958 Dowel 2
Y4 73921 Plug−Std 2.078 1
Y4 73920 Plug .06 O/S −
Y5 84877 Plug, 1.50 Cup 4
Y6 73917 Plug 3/8 Npt 5
Y6 36268 Plug 1/4 Npt 2
Y7 54911−32 Draincock,End.Block 1
Y8 84878 Dowel,Frnt Cover 2
Y9 73975 Dowel 2
Y10 73950 Bolt M12 9
Y11 74516 Stud M12 1
Y12 84879 Baffle 1
13 84880 Bolt, M6X16.5mm 2
14 10723 Indicator,Oil 1
15 10724 Short Tube 1
16 84882 Separator 1
17 84883 Pcv Vlv Asy 1
18 84884 Hose 1
19 39703−2 Filter Element, Oil 1
20 84962 Insert−Oilfilt 1
21 54333 Clamp, Hose, Wormdrive 2

2.3L ENGINE BREAKDOWN
800 Gas/LPG 330120 (9−97)
5-4
Fig. 2 − Gaskets Group
1
3
4
5
6
7
8
9
10
11
13
14
15
2
11 1111
12

2.3L ENGINE BREAKDOWN
5-5
800 Gas/LPG 330120 (12−05)
10444 − 800L, 8410, G, LP
Fig. 2 − Gaskets Group
Ref. Part No. Description Qty.
o1 84885 )Gskt Kit,Lower 1
Y2 84886 Gskt,Frnt Cvr 1
Y3 84887 Gskt,Pmp/Putube 1
Y4 60833 Oil Seal, Front 1
Y5 84888 Seal, Rear 1
Y6 84889 Gasket,Oil Pan 1
Y7 37157 Gasket Oil 1
Y8 84983 Gskt,Water Pump 1
o9 84891 Gskt Kit,Upper 1
Y10 60806 Gasket, Head 1
Y11 84892 Seal,Valve Stem 8
Y12 84893 Gskt,Rockr Cvr 1
Y13 60833 Oil Seal, Front 1
Y14 74538 Gskt−Waterout 1
Y15 84894 Gskt,In.Manfld 1

2.3L ENGINE BREAKDOWN
800 Gas/LPG 330120 (12−05)
5-6
Fig. 3 − Cylinder Head Group
1
2
3
4
6
2
5
10445 − 800L, 8410, G, LP
Ref. Part No. Description Qty.
1 84907 )Head−W/O Valves 1
2 36268 Plug 1/4 Npt 2
3 84910 Plug,1.50 Cup 1
4 60806 Gasket, Head 1
5 73927 Bolt M12 10
6 60817 Bearing Cam, 4
6 73936 Bearing, .016 Camshaft −

2.3L ENGINE BREAKDOWN
5-7
800 Gas/LPG 330120 (12−05)
Fig. 4 − Cylinder Front Cover Group
1
2
3
4
5
7
8
9
10
11
12
13
5
6
10446 − 800L, 8410, G, LP
Ref. Part No. Description Qty.
1 84895 )Lower Cover 1
2 84896 Gskt,Front Cvr 1
3 84897 Inner Cover 1
4 84898 Outer Cover 1
5 74536 Plug 2
6 84899 Bolt, M8 X 17 Schd 1
7 84900 Stud,M8X51.0mm 1
8 84901 Nut, M6 1
9 84902 Scr&Wsh,M6X22.5 1
10 84903 Stud,M6X61.8mm 1
11 84904 Bolt,M6X37.5mm 3
12 84905 Sensor,Crnksft 1
13 84906 Screw,M6X22.5mm 1

2.3L ENGINE BREAKDOWN
800 Gas/LPG 330120 (9−98)
5-8
Fig. 5 − Starter Breakdown
2
3
4
5
6
7
8
10
13
14
15
16
17
18
19
20
21
22
24
25
1
9
23
11 12 10
10

2.3L ENGINE BREAKDOWN
5-9
800 Gas/LPG 330120 (12−05)
10523 − 800L, 8410, G, LP
Fig. 5 − Starter Breakdown
Ref. Part No. Description Qty.
o60938 )Motor, Starting, Perm Mag, 12V 1
Y1 79640 Retaining Ring 1
Y2 84999 Armature 1
Y3 79956 Washer 1
Y4 79628 Plate & Brg 1
Y5 79629 Brush Holder 1
Y6 79630 Lever 1
Y7 79631 Frame&Mag.As 1
Y8 79632 Bolt−Thru 2
Y9 79970 Term.Cover 1
Yo10 79633 Kit−Attaching 1
YY 11 79957 Nut&Washer,M8 1
Y12 370829 Solenoid 1
Y13 79634 Hsg W/Brg 1
Y14 79635 Bearing 1
Y15 79960 Planet Bearing 3
Y16 79961 Bearing 1
Y17 79962 Statnry Gear 1
Y18 79963 Retnr.Gear 1
Y19 79964 Seal 1
Y20 79965 Arm.Thr.Ball 1
Y21 79966 Gear Assy 3
Y22 79636 Ring−Drv.Stop 1
Y23 79967 Retainer 1
Y24 79638 Drive Assy 1
Y25 79969 Shft Asy,Output 1

2.3L ENGINE BREAKDOWN
800 Gas/LPG 330120 (9−97)
5-10
Fig. 6 − Oil Pan Group
3
4
5
6
7
8
9
10
11
12 13
14
15
16
17
18
19
20
12
21

2.3L ENGINE BREAKDOWN
5-11
800 Gas/LPG 330120 (12−05)
10522 − 800L, 8410, G, LP
Fig. 6 − Oil Pan Group
Ref. Part No. Description Qty.
1 84963 )Oil Pump 1
2 84964 O−Ring,2.375 1
3 84965 O−Ring−2.250 1
4 84966 Gskt,Oilpmp/Blk 1
5 84967 Bolt,M6X47.5mm 4
6 84968 Oil Pickup Tube 1
7 84969 Gskt,Pu Tube 1
8 84970 Bolt,M8X20.0mm 2
9 84971 Nut,M10 1
10 84972 Oil Pan Assy 1
11 84889 Gasket,Oil Pan 1
12 37127 Oil Plug 1
13 37157 Gasket Oil 1
14 84973 Bolt,M6X27.5mm 16
15 84974 Bolt,M6X52.5mm 2
16 84975 Oil Pan Spacer −
16 84976 Oil Pan Spacer −
16 84977 Oil Pan Spacer −
17 84978 Oil Pmp Sprkt 1
18 84979 Bolt,M10X40.0mm 1
19 74561 Washer 1
20 84980 Camsft.Sensor 1
21 84981 Bolt,M5X20.0M 2

2.3L ENGINE BREAKDOWN
800 Gas/LPG 330120 (5−09)
5-12
Fig. 7 − Crankshaft Group
1
2
3
45
6
6
7
8

2.3L ENGINE BREAKDOWN
5-13
800 Gas/LPG 330120 (5−09)
10526 − 800L, 8410, G, LP
Fig. 7 − Crankshaft Group
Ref. Part No. Description Qty.
1 84923 )Crankshaft Asy 1
2 84924 Crnksft Sprckt 1
3 84925 Crnkshaft Key 1
4 84926 Bolt,M14X55.0M 1
5 84927 Wash M15 1.53Od 1
6 1051175 Bearing Kit, Cshft, Std[F2.3/2.5l] 4
6 1051167 Bearing Kit, Cshft, .040[F2.3/2.5l] −
6 1051174 Bearing Kit, Cshft, .010[F2.3/2.5l] −
6 1051173 Bearing Kit, Cshft, .020[F2.3/2.5l] −
6 1051172 Bearing Kit, Cshft, .030[F2.3/2.5l] −
7 60833 Oil Seal, Front 1
8 84947 Crnksft Seal−Rear 1

2.3L ENGINE BREAKDOWN
800 Gas/LPG 330120 (9−98)
5-14
Fig. 8 − Manifolds Group
1
2
4
5
6
7
8
10
12
13
3
14
910
11
15
18
16 17

2.3L ENGINE BREAKDOWN
5-15
800 Gas/LPG 330120 (12−05)
10529 − 800L, 8410, G, LP
Fig. 8 − Manifolds Group
Ref. Part No. Description Qty.
1 84990 )Int.Manifold 1
2 84991 Gskt,Int.Mnfld 1
3 84992 Bolt,M8X25.0mm 7
4 74527 Vac.Fitting 1
5 74509 Exh.Manifold 1
6 84995 Gskt,Exh.Mnfld 1
7 84996 Bolt,M10X55.0M 6
8 84997 Plug, 1/2Npt 1
9 79972 Stud 1
10 79973 Nut M8−1.25 3
11 79974 Spacer 1
12 84985 Elbow,90 deg 2
13 36048 Gasket, Exh. Flange 1
14 73917 Plug 3/8 NPT 2
15 79976 Lifting Eye 1
16 21792 Spacer 1
17 21793 Spacer 1
18 21794 Stud 2

2.3L ENGINE BREAKDOWN
800 Gas/LPG 330120 (9−98)
5-16
Fig. 9 − Flywheel Group
1
2
3

2.3L ENGINE BREAKDOWN
800 Gas/LPG 330120 (9−97)
5-18
Fig. 10 − Camshaft And Sprocket Group
1
2
3
4
5
6
7
8
9
10
11
12
13
14
15

2.3L ENGINE BREAKDOWN
5-19
800 Gas/LPG 330120 (3−07)
10520 − 800L, 8410, G, LP
Fig. 10 − Camshaft And Sprocket Group
Ref. Part No. Description Qty.
1 84915 )Camshaft 1
2 84916 Rod 1
3 84917 Plug 1
4 73967 Tensioner, Arm 1
5 73970 Spring, Tension 1
6 84919 Bolt,Tens.Sprn 1
7 74552 Bolt 1
8 84978 Camshft Sprckt 1
9 84921 Pin, 1/4X.32 1
10 74545 Bolt M12X45 1
11 73937 Washer 1
12 84936 Timing Belt 1
13 73954 Plate 1
14 74548 Scr&Wash M6 2
15 60833 Oil Seal, Front 1

2.3L ENGINE BREAKDOWN
800 Gas/LPG 330120 (9−97)
5-20
Fig. 11 − Valve And Rocker Arm Cover Group
1
2
3
4
5
6
7
8
9
10
11
12
13
14

2.3L ENGINE BREAKDOWN
5-21
800 Gas/LPG 330120 (12−05)
10521 − 800L, 8410, G, LP
Fig. 11 − Valves And Rocker Arm Cover Group
Ref. Part No. Description Qty.
1 84950 )Tap.Assy−Valve 8
2 84951 Std.Exh.Valve 4
3 84952 Std.Int.Valve 4
4 84953 Valve Guide Bushing −
5 84954 Valve Spring 8
6 84955 Valve Spring Retainer 8
7 84956 Valve Spring Key 16
8 84957 Valve Rocker Arm 8
9 84958 Valve Stem Seal 8
10 370876 Valve Rocker Arm Cover 1
11 73995 Gasket,Rocker Cover 1
12 84961 Scr&Wsh,M6X15.0M 8
13 60836 Breather Cap 1
14 36164 Warning Label, Starter 1

2.3L ENGINE BREAKDOWN
800 Gas/LPG 330120 (5−09)
5-22
Fig. 12 − Piston And Connecting Rod Group
1
2
4
3
5
6
10447 − 800L, 8410, G, LP
Ref. Part No. Description Qty.
1 84911 )Piston, Std. 4
2 84913 Ring Set,Std. 2
3 60812 Bearing 8
3 73977 Brg−Conn.Rod −
3 73978 Brg−Conn.Rod −
3 73979 Brg−Conn.Rod −
3 73980 Brg−Conn.Rod −
3 73981 Brg−Conn.Rod −
3 73982 Brg−Conn.Rod −
o4 84914 Connecting Rd 4
Y5 60813 Nut, Conrod−8 8
Y6 60814 Bolt−Conrod−4 8

2.3L ENGINE BREAKDOWN
5-23
800 Gas/LPG 330120 (12−05)
Fig. 13 − Water Pump, Thermostat and Fan Group
1
2
7
8
6
11
12
5
4
10
13
9
4
13
3
10528 − 800L, 8410, G, LP
Ref. Part No. Description Qty.
o1 84982 )Water Pump 1
Y2 84983 Gskt,Water Pump 1
3 84984 Bolt,M8X53.0mm 1
4 84998 Stud 2
o5 73996 Water Outlet 1
Y6 74538 Gasket Water Outlet Connection 1
7 84988 Bolt,M8X18.0M 2
8 84987 Therm 190 W/Gsk 1
9 84994 Bolt, M8X12.0mm 1
10 36014 Sheave, Water Pump 1
11 84989 Temperature sensor 1
12 79975 O−Ring, Water Pump Adaptor 1
13 84993 Locknut 2

2.3L ENGINE BREAKDOWN
800 Gas/LPG 330120 (4−08)
5-24
Fig. 14 − Ignition Group
2
3
4
5
1
1
2
3
4
6
10524−350562 − 800L, 8410, G, LP
Ref. Part No. Description Qty.
1 83732 )Ignition Coil 1
2 9003676 Module Kit, Ignition, Replmt [Ford 2.3l] 1
3 83707 Wire Harness 1
4 60846 Spark Plug 4
5 83677 Wire Asy,Spark Plug 1
6 84882 Separator 1

2.5L ENGINE BREAKDOWN
6-1
800 Gas/LPG 330120 (6−02)
SECTION 6
Contents Page
Fig. 1 − Engine Block Group 6-2..................
Fig. 2 − Gaskets Group 6-4......................
Fig. 3 − Cylinder Head Group 6-6.................
Fig. 4 − Cylinder Front Cover Group 6-7...........
Fig. 5 − Starter Breakdown 6-8...................
Fig. 6 − Oil Pan Group 6-10......................
Fig. 7 − Crankshaft Group 6-12..................
Fig. 8 − Manifolds Group 6-14....................
Fig. 9 − Flywheel Group 6-16....................
Fig. 10 − Camshaft And Sprocket Group 6-18.......
Fig. 11 − Valve And Rocker Arm Cover Group 6-20..
Fig. 12 − Piston And Connecting Rod Group 6-22...
Fig. 13 − Water Pump, Thermostat and
Fan Group 6-23.......................
Fig. 14 − Ignition Group 6-24.....................

2.5L ENGINE BREAKDOWN
800 Gas/LPG 330120 (6−02)
6-2
Fig. 1 − Engine Block Group
3
1
2
4
6
7
8
9
10
11
12
13
14
15
16
17
18
19
8
6
4
5
20
20

2.5L ENGINE BREAKDOWN
6-3
800 Gas/LPG 330120 (12−05)
10525 − 800L, 8410, G, LP
Fig. 1 − Engine Block Group
Ref. Part No. Description Qty.
1 370847 )Cyl Block Assy (Short Block Assy) 1
∇2 370848 Block Assy 1
Y3 73958 Dowel 2
Y4 73921 Plug−Std 2.078 5
Y4 73920 Plug .06 O/S −
Y5 84879 Baffle 1
Y6 73917 Plug 3/8 Npt 5
Y6 36268 Plug 1/4 Npt 2
Y7 54911−32 Draincock,End.Block 1
Y8 84878 Dowel,Frnt Cover 2
Y9 370873 Dowel 2
Y10 73950 Bolt M12 9
Y11 74516 Stud M12 1
12 84962 Insert−Oilfilt 1
13 84880 Bolt, M6X16.5mm 2
14 370850 Indicator,Oil 1
15 10724 Short Tube 1
16 84882 Separator 1
17 84883 Pcv Vlv Asy 1
18 84884 Hose 1
19 39703−2 Filter Element, Oil 1
20 54333 Clamp, Hose, Wormdrive 2

2.5L ENGINE BREAKDOWN
800 Gas/LPG 330120 (9−98)
6-4
Fig. 2 − Gaskets Group
1
3
4
5
6
8
9
10
11
13
14
2
11 1111
12
7

2.5L ENGINE BREAKDOWN
6-5
800 Gas/LPG 330120 (12−05)
10444 − 800L, 8410, G, LP
Fig. 2 − Gaskets Group
Ref. Part No. Description Qty.
∇1 370851 )Gskt Kit,Lower 1
Y2 84896 Gskt,Frnt Cvr 1
Y3 84887 Gskt,Pmp/Putube 1
Y4 60833 Oil Seal, Front 1
Y5 60834 Seal, Rear 1
Y6 84889 Gasket,Oil Pan 1
Y7 84983 Gskt,Water Pump 1
∇8 84891 Gskt Kit,Upper 1
Y9 84991 Gskt,In.Manfld 1
Y10 60806 Gasket, Head 1
Y11 84958 Seal,Valve Stem 8
Y12 73995 Gskt,Rockr Cvr 1
Y13 60833 Oil Seal, Front 1
Y14 74538 Gskt−Waterout 1

2.5L ENGINE BREAKDOWN
800 Gas/LPG 330120 (12−05)
6-6
Fig. 3 − Cylinder Head Group
1
2
3
4
6
2
5
10445 − 800L, 8410, G, LP
Ref. Part No. Description Qty.
1 84907 )Head−W/O Valves 1
2 36268 Plug 1/4 Npt 2
3 84910 Plug,1.50 Cup 1
4 60806 Gasket, Head 1
5 73927 Bolt M12 10
6 60817 Bearing Cam, 4
6 73936 Bearing, .016 Camshaft −

2.5L ENGINE BREAKDOWN
6-7
800 Gas/LPG 330120 (12−05)
Fig. 4 − Cylinder Front Cover Group
1
2
3
4
5
7
8
9
10
11
12
13
5
6
10446 − 800L, 8410, G, LP
Ref. Part No. Description Qty.
1 84895 )Lower Cover 1
2 84896 Gskt,Front Cvr 1
3 84897 Inner Cover 1
4 84898 Outer Cover 1
5 74536 Plug 2
6 84899 Bolt, M8 X 17 Schd 1
7 84900 Stud,M8X51.0mm 1
8 84901 Nut, M6 1
9 84902 Scr&Wsh,M6X22.5 1
10 84903 Stud,M6X61.8mm 1
11 84904 Bolt,M6X37.5mm 3
12 84905 Sensor,Crnksft 1
13 84906 Screw,M6X22.5mm 1

2.5L ENGINE BREAKDOWN
800 Gas/LPG 330120 (9−98)
6-8
Fig. 5 − Starter Breakdown
2
3
4
5
6
7
8
10
13
14
15
16
17
18
19
20
21
22
24
25
1
9
23
11 12 10
10

2.5L ENGINE BREAKDOWN
6-9
800 Gas/LPG 330120 (12−05)
10523 − 800L, 8410, G, LP
Fig. 5 − Starter Breakdown
Ref. Part No. Description Qty.
∇60938 )Motor, Starting, Perm Mag, 12V 1
Y1 79640 Retaining Ring 1
Y2 84999 Armature 1
Y3 79956 Washer 1
Y4 79628 Plate & Brg 1
Y5 79629 Brush Holder 1
Y6 79630 Lever 1
Y7 79631 Frame&Mag.As 1
Y8 79632 Bolt−Thru 2
Y9 79970 Term.Cover 1
Y∇10 79633 Kit−Attaching 1
YY 11 79957 Nut&Washer,M8 1
Y12 370829 Solenoid 1
Y13 79634 Hsg W/Brg 1
Y14 79635 Bearing 1
Y15 79960 Planet Bearing 3
Y16 79961 Bearing 1
Y17 79962 Statnry Gear 1
Y18 79963 Retnr.Gear 1
Y19 79964 Seal 1
Y20 79965 Arm.Thr.Ball 1
Y21 79966 Gear Assy 3
Y22 79636 Ring−Drv.Stop 1
Y23 79967 Retainer 1
Y24 79638 Drive Assy 1
Y25 79969 Shft Asy,Output 1

2.5L ENGINE BREAKDOWN
800 Gas/LPG 330120 (2−06)
6-10
Fig. 6 − Oil Pan Group
3
4
5
6
7
8
9
10
11
12
14
15
16
17
18
19
12
13

2.5L ENGINE BREAKDOWN
6-11
800 Gas/LPG 330120 (12−05)
10522 − 800L, 8410, G, LP
Fig. 6 − Oil Pan Group
Ref. Part No. Description Qty.
1 84963 )Oil Pump 1
2 84964 O−Ring,2.375 1
3 84965 O−Ring−2.250 1
4 84966 Gskt,Oilpmp/Blk 1
5 84967 Bolt,M6X47.5mm 4
6 370852 Oil Pickup Tube 1
7 84969 Gskt,Pu Tube 1
8 84970 Bolt,M8X20.0mm 2
9 84971 Nut,M10 1
10 370853 Oil Pan Assy 1
11 84889 Gasket,Oil Pan 1
12 370854 Oil Plug 1
13 84981 Bolt,M5X20.0M 2
14 84973 Bolt,M6X27.5mm 16
15 84974 Bolt,M6X52.5mm 2
16 84975 Oil Pan Spacer −
16 84976 Oil Pan Spacer −
16 84977 Oil Pan Spacer −
17 84978 Oil Pmp Sprkt 1
18 84979 Bolt,M10X40.0mm 1
19 74561 Washer 1

2.5L ENGINE BREAKDOWN
800 Gas/LPG 330120 (5−09)
6-12
Fig. 7 − Crankshaft Group
1
2
3
45
6
7
8
6

2.5L ENGINE BREAKDOWN
6-13
800 Gas/LPG 330120 (5−09)
10526 − 800L, 8410, G, LP
Fig. 7 − Crankshaft Group
Ref. Part No. Description Qty.
1 370855 )Crankshaft Asy 1
2 84924 Crnksft Sprckt 1
3 84925 Crnkshaft Key 1
4 84926 Bolt,M14X55.0M 1
5 84927 Wash M15 1.53Od 1
6 1051175 Bearing Kit, Cshft, Std[F2.3/2.5l] 4
6 1051167 Bearing Kit, Cshft, .040[F2.3/2.5l] −
6 1051174 Bearing Kit, Cshft, .010[F2.3/2.5l] −
6 1051173 Bearing Kit, Cshft, .020[F2.3/2.5l] −
6 1051172 Bearing Kit, Cshft, .030[F2.3/2.5l] −
7 60833 Oil Seal, Front 1
8 60834 Crnksft Seal−Rear 1

2.5L ENGINE BREAKDOWN
800 Gas/LPG 330120 (9−98)
6-14
Fig. 8 − Manifolds Group
1
2
4
5
6
7
8
10
12
13
3
14
910
11
15
18
16 17

2.5L ENGINE BREAKDOWN
6-15
800 Gas/LPG 330120 (12−05)
10529 − 800L, 8410, G, LP
Fig. 8 − Manifolds Group
Ref. Part No. Description Qty.
1 84990 )Int.Manifold 1
2 84991 Gskt,Int.Mnfld 1
3 84992 Bolt,M8X25.0mm 7
4 74527 Vac.Fitting 1
5 74509 Exh.Manifold 1
6 84995 Gskt,Exh.Mnfld 1
7 84996 Bolt,M10X55.0M 6
8 84997 Plug, 1/2Npt 1
9 79972 Stud 1
10 79973 Nut M8−1.25 3
11 79974 Spacer 1
12 84985 Elbow,90 deg 2
13 36048 Gasket, Exh. Flange 1
14 73917 Plug 3/8 NPT 2
15 79976 Lifting Eye 1
16 21792 Spacer 1
17 21793 Spacer 1
18 21794 Stud 2

2.5L ENGINE BREAKDOWN
800 Gas/LPG 330120 (9−98)
6-16
Fig. 9 − Flywheel Group
1
2
3

2.5L ENGINE BREAKDOWN
800 Gas/LPG 330120 (9−98)
6-18
Fig. 10 − Camshaft And Sprocket Group
1
2
3
4
5
6
7
8
9
10
11
12
13
14
15

2.5L ENGINE BREAKDOWN
6-19
800 Gas/LPG 330120 (3−07)
10520 − 800L, 8410, G, LP
Fig. 10 − Camshaft And Sprocket Group
Ref. Part No. Description Qty.
1 84915 )Camshaft 1
2 84916 Rod 1
3 84917 Plug 1
4 73967 Tensioner, Arm 1
5 73970 Spring, Tension 1
6 84919 Bolt,Tens.Sprn 1
7 74552 Bolt 1
8 84978 Camshft Sprckt 1
9 84921 Pin, 1/4X.32 1
10 74545 Bolt M12X45 1
11 73937 Washer 1
12 84936 Timing Belt 1
13 73954 Plate 1
14 74548 Scr&Wash M6 2
15 60833 Oil Seal, Front 1

2.5L ENGINE BREAKDOWN
800 Gas/LPG 330120 (9−98)
6-20
Fig. 11 − Valve And Rocker Arm Cover Group
1
2
3
4
5
6
7
8
9
10
11
12
13
14

2.5L ENGINE BREAKDOWN
6-21
800 Gas/LPG 330120 (12−05)
10521 − 800L, 8410, G, LP
Fig. 11 − Valves And Rocker Arm Cover Group
Ref. Part No. Description Qty.
1 84950 )Tap.Assy−Valve 8
2 84951 Std.Exh.Valve 4
3 84952 Std.Int.Valve 4
4 84953 Valve Guide Bushing −
5 84954 Valve Spring 8
6 84955 Valve Spring Retainer 8
7 84956 Valve Spring Key 16
8 84957 Valve Rocker Arm 8
9 84958 Valve Stem Seal 8
10 370876 Valve Rocker Arm Cover 1
11 73995 Gasket,Rocker Cover 1
12 84961 Scr&Wsh,M6X15.0M 8
13 60836 Breather Cap 1
14 36164 Warning Label, Starter 1

2.5L ENGINE BREAKDOWN
800 Gas/LPG 330120 (12−05)
6-22
Fig. 12 − Piston And Connecting Rod Group
1
3
5
4
6
7
2
10447 − 800L, 8410, G, LP
Ref. Part No. Description Qty.
1 370888 )Piston, Std. 4
2 370889 Piston Pin 4
3 370890 Ring Set,Std. 2
4 370891 Bearing 8
∇5 370892 Connecting Rd 4
Y6 60813 Nut, Conrod−8 8
Y7 60814 Bolt−Conrod−4 8

2.5L ENGINE BREAKDOWN
6-23
800 Gas/LPG 330120 (12−05)
Fig. 13 − Water Pump, Thermostat and Fan Group
1
2
7
8
6
11
12
5
4
10
13
9
4
13
3
10528 − 800L, 8410, G, LP
Ref. Part No. Description Qty.
∇1 84982 )Water Pump 1
Y2 84983 Gskt,Water Pump 1
3 84984 Bolt,M8X53.0mm 1
4 84998 Stud 2
∇5 73996 Water Outlet 1
Y6 74538 Gasket Water Outlet Connection 1
7 84988 Bolt,M8X18.0M 2
8 84987 Therm 190 W/Gsk 1
9 84994 Bolt, M8X12.0mm 1
10 36014 Sheave, Water Pump 1
11 84989 Temperature sensor 1
12 79975 O−Ring, Water Pump Adaptor 1
13 84993 Locknut 2

2.5L ENGINE BREAKDOWN
800 Gas/LPG 330120 (3−07)
6-24
Fig. 14 − Ignition Group
2
4
5
1
1
2
3
4
3
6
10524−350562 − 800L, 8410, G, LP
Ref. Part No. Description Qty.
1 83732 )Ignition Coil 1
2 374274 Ignition Module Kit 1
3 84882 Separator 1
4 60846 Spark Plug 4
5 83677 Wire Asy,Spark Plug 1
6 370875 Harness, Wire, Eng 1

3.0L GM ENGINE BREAKDOWN, GASOLINE, LPG
7-1
800 Gas/LPG 330120 (3−07)
SECTION 7
Contents Page
Fig. 1 − Cylinder Head, Valves Group 7-2..........
Fig. 2 − Distributor and Ignition Group 7-4.........
Fig. 3 − Engine Block and Piston Group 7-6........
Fig. 4 − Oil Pump and Oil Pan Group 7-8..........
Fig. 5 − Crankshaft Group 7-10..................
Fig. 6 − Camshaft and Water Pump Group 7-12....

3.0L GM ENGINE BREAKDOWN, GASOLINE, LPG
7-2 800 Gas/LPG 330120 (10−2013)
Fig. 1 − Cylinder Head, Valves Group
1
2
3
4
5
6
7
8
9
10 11
12
13
14
15
16 17
18
19
20
21
22
2324
25
26
27
28
29
30
31 32
33
34
23
35

3.0L GM ENGINE BREAKDOWN, GASOLINE, LPG
7-3
800 Gas/LPG 330120 (10−2013)
G, LP
Fig. 1 − Cylinder Head, Valves Group
Ref. Part No. Description Qty.
1 393894 )Cap, Oil Filler 1
2 393824 Bolt −
3 393895 Reinforcement −
4 393896 Cover 1
5 393897 Gasket −
6 393898 Bolt 3
7 393899 Outlet For engine serial numbers (004937−006999) 1
8 393900 Thermostat 1
9 393901 Gasket 1
10 393902 Housing 1
11 393898 Bolt 3
12 393903 Bolt −
13 393904 Plug 2
14 393917 Gasket 1
15 393918 Plug −
16 393933 Gasket 1
17 393934 Sparkplug [Gm 3.0] 4
17 9006586 Sparkplug [Gm 3.0] 4
18 393935 Valve, Exhaust 4
19 393936 Valve, Intake 4
20 393937 Bracket 1
21 393938 Bolt 8
22 393951 Lifter 8
23 393952 Rod 8
24 393953 Stud, .003” O.S. 8
24 393954 Stud, .013” O.S. 8
25 393955 Sealer 8
26 393956 Head 1
27 393957 Spring 8
28 393958 Cap, Valve Spring 8
29 393959 Shield 12
30 393960 Arm Kit 8
31 393961 Ball 8
32 393962 Nut 8
33 393963 Key 16
34 393964 Rotator 4
35 393993 Grommet, Breather, Oil 1
Machine Serial number (004937−006999)
Machine Serial number (007000− )

3.0L GM ENGINE BREAKDOWN, GASOLINE, LPG
7-4 800 Gas/LPG 330120 (2−11)
Fig. 2 − Distributor and Ignition Group
1
2
3
4
5
6
7
8
9
10
11
12
13
14
15
16
17
18
1
9
20
21
22
23
24
25
26
27
28
29
30
31

3.0L GM ENGINE BREAKDOWN, GASOLINE, LPG
7-5
800 Gas/LPG 330120 (2−11)
G, LP
Fig. 2 − Distributor and Ignition Group
Ref. Part No. Description Qty.
o1 9006584 )Distributor 1
Y2 393919 Bolt 2
Y3 9006585 Cap, Distributor 1
Y4 393921 Rotor 1
Y5 393922 Shaft 1
Y6 393923 Retainer 1
Y7 393924 Sealer 1
Y8 393925 Housing 1
Y9 393926 Pin 1
Y10 393927 Module 1
Y11 393928 Bolt 2
Y12 393929 Pole Piece 1
Y13 393930 Coil 1
Y14 393931 Gear 1
Y15 393932 Pin 1
16 393940 Gasket 1
17 393941 Washer 1
18 393942 Clamp 1
19 393943 Wire 1
20 393898 Bolt 3
21 393945 Bolt, (HFH3/8−16x062 280 POR) 2
22 393946 Washer 2
23 393947 Retainer −
24 393948 Coil 1
24 9006587 Coil 1
25 393949 Wire 1
25 9006588 Wire, Coil 1
26 393950 Spark Plug Wires (Straight Boots) 1
26 9006583 Wire Set, Sparkplug (90 Degree Boots) 1
27 393965 Bracket, Top 1
28 393966 Bracket, Bottom 1
29 393967 Bolt −
30 393939 )Distributor 1
31 393920 Cap, Distributor 1
Machine Serial number (004937−006999)
Machine Serial number (007000− )

3.0L GM ENGINE BREAKDOWN, GASOLINE, LPG
7-6 800 Gas/LPG 330120 (7−03)
Fig. 3 − Engine Block and Piston Group
1
2
3
4
5
6
7
8
9
10
11
12
13 14
15
16
17
18
19
20
Part of
Main Block
21

3.0L GM ENGINE BREAKDOWN, GASOLINE, LPG
7-7
800 Gas/LPG 330120 (3−07)
G, LP
Fig. 3 − Engine Block and Piston Group
Ref. Part No. Description Qty.
1 393806 )Ring Kit, Std 4
1 393807 Ring Kit, .030” O.S. 4
2 393808 Piston, STD 4
2 393809 Piston, Hi−limit 4
2 393810 Piston, .020” O.S. 4
3 393811 Conn Rod 4
4 393812 Bolt 8
5 393813 Bearing Kit, Std 4
5 393814 Bearing Kit, .001 U.S. 4
6 393815 Nut, Conn Rod 8
7 393816 Bearing Kit 1
8 393832 Valve 1
9 393833 Pin 8
10 393882 Bolt 4
11 393883 Cover 1
12 393884 Pin 2
13 393662 Sealant, [Rtv], 03.35oz −
13 393663 Sealant, [Rtv], 05.00oz −
14 393886 Plug 1
15 393888 Plug 1
16 393889 Plug −
17 393890 Plug 1
18 372464 Tube, Ds 1
19 372251 Dipstick 1
20 393872 Bolt 10
21 393887 Engine, Partial (Includes block, pistons, rods, crankshaft, bearings, rear seal
gasket)
1

3.0L GM ENGINE BREAKDOWN, GASOLINE, LPG
7-8 800 Gas/LPG 330120 (10−02)
Fig. 4 − Oil Pump and Oil Pan Group
1
2
3
6
5
4
7
8
9
10
11
12
13
14
15
16
22
21
17
18
1
9
20

3.0L GM ENGINE BREAKDOWN, GASOLINE, LPG
7-9
800 Gas/LPG 330120 (12−05)
G, LP
Fig. 4 − Oil Pump and Oil Pan Group
Ref. Part No. Description Qty.
1 393848 )Nut −
2 393849 Washer −
3 393850 Bolt −
o 4 393853 Oil Pan 1
Y 5 393852 Gasket 1
Y 6 393851 Plug 1
7 393824 Bolt (1/4−20x1/2) 2
7 393850 Bolt (1/4−20x.62) 2
7 393854 Bolt (5/16−18x5/8) 12
8 393855 Screw 4
9 393849 Washer 4
10 393856 Cover 1
11 393857 Gasket 1
12 393858 Spring 1
13 393859 Plug 1
14 393860 Valve 1
15 393861 Bolt 3
16 393862 Gasket 1
17 393867 Bolt −
18 393868 Washer −
19 393869 Pin 1
20 393871 Screen, w/Tube 1
o20 393870 Screen, w/Suction Pipe 1
Y21 393865 Bracket 1
22 393863 Pump 1

3.0L GM ENGINE BREAKDOWN, GASOLINE, LPG
7-10 800 Gas/LPG 330120 (10−2014)
Fig. 5 − Crankshaft Group
1
2
3456
8
10
11
12
13
14
7
16 17
18
19
15
1
920

3.0L GM ENGINE BREAKDOWN, GASOLINE, LPG
7-11
800 Gas/LPG 330120 (10−2014)
G, LP
Fig. 5 − Crankshaft Group
Ref. Part No. Description Qty.
1 393837 )Bearing Kit, Std #1, 2, 3, 4 4
1 393838 Bearing Kit, .001” #1, 2, 3, 4 4
1 393839 Bearing Kit, .010” #1, 2, 3, 4 1
1 393840 Bearing Kit, .020” #1, 2, 3, 4 1
1 393841 Bearing Kit, .030” #1, 2, 3, 4 1
1 393836 Bearing Kit, Std #5 4
1 393834 Bearing Kit, .001” #5 4
1 393835 Bearing Kit, .025” #5 4
2 393826 Key 1
3 393842 Seal 1
4 393843 Gear 1
5 393844 Gasket 1
6 393845 Cover 1
7 393875 Bolt −
8 393846 Balancer 1
9 393881 Gear 1
10 393824 Bolt 8
11 393864 Nozzle 1
12 393866 Crankshaft 1
13 393873 Pin 1
14 393874 Housing 1
15 393880 Seal 1
16 393876 Bolt −
17 393877 Gasket 1
18 393878 Stud 1
19 393879 Stud 2
20 9009657 Seal, Pulley, Shaft 1

3.0L GM ENGINE BREAKDOWN, GASOLINE, LPG
7-12 800 Gas/LPG 330120 (12−05)
Fig. 6 − Camshaft and Water Pump Group
243
15
67
8
14
9
10
11
12
4
13
G, LP
Ref. Part No. Description Qty.
o 1 393820 )Water Pump 1
Y 2 393817 Gasket 1
4 393818 Cap 1
3 393819 Clamp 1
5 393821 Bolt 1
6 393822 Washer 1
7 393823 Bolt (1/4−20x1/12 Hex) 1
7 393824 Bolt (1/4−20x1/12) 3
8 393825 Bolt (5/16−18x1.5 Hex) 2
9 393827 Gear 1
o10 393828 Plate Kit 1
Y11 393829 Ring 3
12 393830 Bearing Kit 1
o13 393831 Camshaft 2
Y14 393826 Key 1

CROSS REFERENCE
8-1
800 Gas/LPG 330120 (7−2015)
SECTION 8
CONTENTS PAGE
PART NUMBER TO PAGE NUMBER CROSS REFERENCE LIST 8-2......................................
PART DESCRIPTION TO PAGE NUMBER CROSS REFERENCE LIST 8-19...............................

CROSS REFERENCE
8-2 800 Gas/LPG 330120 (7−2015)
PART NUMBER TO PAGE NUMBER CROSS REFERENCE LIST
Part Page
Number Number
MM337 3-114........
00500-15 4-32......
00954 4-34........
00960 2-135, 2-137, 2-139,........
4-35
01274 2-33........
01685 2-29, 2-59, 3-57,........
3-59
01686 2-37........
01691 3-57, 3-59........
01706 2-109........
01987 2-159, 2-161........
01999 3-49........
02247 2-75, 2-135, 2-137,........
2-139
02506-6 3-104.......
02549 2-159........
02850 3-31........
02931 2-179........
02938 3-109........
03026 2-91, 2-93, 2-95,........
2-97, 2-99, 2-101
03192 2-17, 2-19, 2-50,........
2-107
03193 2-33, 2-176, 3-42,........
3-57, 3-59
03922 2-185........
04375 3-75, 3-79, 3-95........
04414 2-13, 2-43, 2-45,........
2-47
04483 4-44........
04706 2-189........
04761 2-173, 3-47........
04843 2-33, 3-97, 3-99........
05611 2-187.........
05880 2-103, 2-105........
05881 2-103, 2-105........
06121 2-7........
06146 2-167........
06474A 2-169.......
06524 2-21........
06535 2-173, 3-47........
06537 2-173, 3-47, 3-75........
06548 2-175, 3-41, 3-45........
06549 3-3, 3-5, 3-7, 3-9,........
3-11, 3-13, 3-15,
3-17, 3-19, 3-21,
3-23, 3-25
06927 3-31........
06932 3-109........
06933 4-49, 4-51........
06941 2-133........
06942 2-19, 2-73, 2-123,........
2-125, 2-187, 2-192
Part Page
Number Number
06943 2-13, 2-15, 2-19,........
2-23, 2-137, 2-139,
2-153, 2-167, 2-175,
2-185, 2-189, 2-192,
3-19, 3-21, 3-23,
3-25, 3-27, 3-29,
3-55
06944 2-9, 2-11, 2-13,........
2-17, 2-19, 2-95,
2-99, 2-133, 2-171,
3-45
06946 2-9, 2-11, 2-141........
06948 2-67........
06949 2-97, 2-101, 2-117........
06952 2-187........
06955 2-15........
06957 2-176, 2-179, 3-42........
06961 2-17, 4-49, 4-51........
06962 2-107, 2-109........
06963 2-143........
06965 2-176, 3-42........
06966 3-79........
06968 2-50, 2-179........
06969 2-17, 2-143, 2-153........
06972 2-13, 2-29, 2-45,........
2-47, 2-49
06973 2-31, 2-49........
06993 2-145........
06995 2-145........
07274 3-93........
07449 2-153........
07514 2-179........
07562 2-91, 2-93, 2-95,........
2-99
07592 2-53, 2-55, 2-57........
07783 2-145........
07787 2-173, 3-47........
07789 2-73........
07790 2-17, 2-19, 2-23,........
2-123, 2-125, 2-135,
2-137, 2-139, 2-153,
2-167, 2-171, 2-192,
3-45, 3-55
07791 2-13, 2-17, 2-19,........
2-29, 2-45, 2-47,
2-49, 2-55, 2-57,
2-97, 2-101, 2-123,
2-125, 2-141, 2-175,
3-3, 3-5, 3-11, 3-13,
3-41, 3-93
07792 2-9, 2-11, 2-173,........
2-176, 2-179, 3-41,
3-47, 3-57, 3-59,
3-75
07793 2-19, 2-143, 2-179........
07805 2-153........
07819 3-75........
07934 2-155........
Part Page
Number Number
08085 2-153, 2-169........
08165 2-139........
08166 2-107, 2-109........
08179 2-175........
08180 2-147........
08182 2-31........
08346 2-153........
08708 2-9, 2-11, 2-15,........
2-19, 2-21, 2-23,
2-33, 2-37, 2-95,
2-99, 2-133, 2-139,
2-141, 2-175, 2-185,
2-187, 2-189, 2-192,
3-41, 3-45
08709 2-15, 2-29, 2-97,........
2-101, 2-123, 2-125,
2-135, 2-137, 2-139,
2-173, 2-176, 2-179,
2-185, 2-187, 3-3,
3-5, 3-7, 3-9, 3-11,
3-13, 3-15, 3-17,
3-42, 3-47, 3-51,
3-53, 3-75, 3-79,
3-95
08711 2-13, 2-45, 2-47,.........
2-49
08712 2-153, 4-47........
08713 2-29, 2-31........
08714 2-175, 3-41, 3-75,........
3-79
09010 2-176, 3-41........
09011 2-29.........
09028 2-37, 3-7, 3-9, 3-15,........
3-17
09081 2-173, 3-47........
09120 2-179........
09145 2-139........
09164 2-37........
09206 2-187, 3-27, 3-29........
09244 3-3, 3-5, 3-7, 3-9,........
3-11, 3-13, 3-15,
3-17, 3-19, 3-21,
3-23, 3-25
09258 2-21, 2-23........
09291 2-173, 3-47........
09570 2-115........
09718 2-145........
09740 2-29........
09770 2-173, 3-47........
09806 2-240........
1007162 2-53, 2-55.......
1007343 3-75.......
1008094 2-53, 2-55, 2-57,.......
3-93
1008510 3-75.......
1008512 3-75.......
1008513 2-55, 3-75, 3-93.......
1008519 3-75, 3-93.......

CROSS REFERENCE
8-3
800 Gas/LPG 330120 (7−2015)
Part Page
Number Number
1008538 2-57, 3-75, 3-93.......
1008988 2-115.......
1011011 2-225.......
1011015 2-226.......
1011017 2-226.......
1011216 2-107, 2-109.......
1011259 2-107.......
1011655 2-141.......
1011702 2-99, 2-101.......
1011780 2-95, 2-97, 2-99,.......
2-101
1011788 2-143.......
1011795 2-143.......
1011895 2-115, 2-117.......
1011899 2-95, 2-97, 2-99,.......
2-101
1011941 2-115.......
1011942 2-115.......
1011943 2-115.......
1011944 2-107.......
1011959 2-107.......
1012012 2-107.......
1012018 2-115.......
1012033 2-237.......
1012110 2-115.......
1012185 2-191.......
1012248 2-115.......
1012250 2-115.......
1012469 2-115.......
1012634 3-113.......
1012656 2-181.......
1012657 2-181.......
1012670 2-191.......
1012677 2-115.......
1012737 2-131.......
1012754 2-97, 2-101.......
1012785 2-143.......
1012990 2-107.......
1012999 2-107.......
1013030 2-115.......
1013031 2-107, 2-109.......
1013086 2-115.......
1013113 2-107.......
1013116 2-107.......
1013117 2-107.......
1013344 2-97, 2-101.......
1013350 2-65.......
1013366 2-97, 2-101.......
1013509 2-117.......
1013588 2-107.......
1014411 2-45, 2-47, 2-49.......
1014456 2-19.......
1014491 2-169.......
1014595 2-115.......
1015182 3-55.......
1015184 3-55.......
1015224 3-55.......
1016556 3-73, 3-89.......
1016560 3-73, 3-89.......
1016561 3-73, 3-89.......
Part Page
Number Number
1017080 2-75.......
1017085 3-75.......
1017102 3-75.......
1017218 2-153.......
1017239 2-75.......
1017248 3-3, 3-5, 3-7, 3-9,.......
3-19, 3-21
1017250 3-11, 3-13, 3-15,.......
3-17, 3-23, 3-25
1017270 4-71, 4-73.......
1017272 2-75.......
1017292 3-75.......
1017476 2-75.......
1017477 2-75.......
1017500 2-75.......
1017515 3-75.......
1017598 2-75.......
1017662 2-75.......
1017898 2-171, 3-45.......
1018573 2-47, 2-50.......
1019188 2-135, 2-137.......
1019513 2-55, 3-75, 3-93.......
1019939 2-117.......
1020982 2-153.......
1021797 3-73.......
1021799 3-73.......
1021937 3-61.......
1021951 3-61.......
1021966 3-61.......
1021968 3-61.......
1021969 3-61.......
1023853 2-137, 2-139.......
1026719 2-27, 4-45.......
1027798 3-3, 3-5, 3-7, 3-9,.......
3-11, 3-13, 3-15,
3-17, 3-19, 3-21,
3-23, 3-25
1027800 3-3, 3-5, 3-7, 3-9,.......
3-11, 3-13, 3-15,
3-17, 3-19, 3-21,
3-23, 3-25
1028300 2-7.......
1028492 2-145.......
1028558 2-109.......
1028559 2-109.......
1028835 2-109.......
1028836 2-109.......
1028924 2-117.......
1029293 2-117.......
1029295 2-117.......
1029334 2-50.......
1029375 2-49.......
1029502 2-117.......
1029649 2-57.......
1029737 2-133.......
1029996 2-109.......
1030122 2-109.......
1030134 2-109.......
1030189 2-133.......
1030272 2-50.......
Part Page
Number Number
1030485 2-117.......
1030501 2-109.......
1030502 2-109.......
1030533 2-109.......
1030582 3-79.......
1030593 4-47.......
1030601 4-49, 4-51.......
1030627 3-79, 3-95.......
1030635 2-57.......
1030654 3-79, 3-95.......
1030657 3-79.......
1030708 3-79, 3-95.......
1030762 3-79, 3-95.......
1031961 2-49.......
1032032 2-101.......
1032075 2-7.......
1032083 2-109.......
1032142 2-109.......
1032214 2-239.......
1032382 2-59.......
1032804 2-67.......
1032805 2-83.......
1032812 2-117.......
1032904 3-79, 3-95.......
1033344 2-139.......
1033497 2-139.......
1033746 2-117.......
1033897 2-117.......
1033899 2-117.......
1034105 2-49.......
1034676 2-117.......
1037311 2-83.......
1037312 2-83.......
1037313 2-83.......
1038176 2-181.......
1038293 2-109.......
1040835 2-61.......
1041034 2-175, 3-41.......
1041090 2-31.......
1041151 2-84.......
1041152 2-84.......
1041739AM 2-135, 2-137, 2-139....
1042110 2-27.......
1042969 2-5.......
1043095 2-73.......
1043352 3-65, 3-73, 3-83,.......
3-89
1044235 2-41.......
1045764 2-135, 2-137, 2-139.......
1046389 2-23.......
1049209 2-167, 4-81.......
1049210 2-187, 3-45, 4-79.......
1049211 2-175, 3-41, 4-82.......
1050295 3-57, 3-59.......
1050584 3-79.......
1050610 3-79.......
1050775 2-13.......
1050780 4-79, 4-81.......
1050781 2-13.......
1050786 2-19.......

CROSS REFERENCE
8-4 800 Gas/LPG 330120 (7−2015)
Part Page
Number Number
1050787 2-17.......
1050809 4-79, 4-81, 4-82.......
1050811 4-79.......
1050812 4-79, 4-81.......
1050861 4-81, 4-82.......
1050862 4-81.......
1050863 4-81.......
1050864 4-81.......
1050865 4-81.......
1050866 4-81.......
1050867 4-81.......
1050868 4-81.......
1050869 4-81.......
1050870 4-81, 4-82.......
1050871 4-81.......
1050872 4-82.......
1050873 4-82.......
1051078 4-82.......
1051079 4-82.......
1051167 5-13, 6-13.......
1051172 5-13, 6-13.......
1051173 5-13, 6-13.......
1051174 5-13, 6-13.......
1051175 5-13, 6-13.......
1051245 3-79.......
1051599 2-139.......
1052092 3-114.......
1053518 2-25.......
1053585 2-145.......
1055106 2-41.......
10552 4-71, 4-73, 4-75,........
4-77
1055893 2-139.......
1056213 2-139.......
1057337 2-179.......
1057338 2-171, 3-45.......
1057434 4-47.......
1057643 2-179.......
1057707 2-4.......
1057708 2-4.......
1057710 2-4.......
1057711 2-4.......
1057885 4-49.......
1058254 4-49, 4-51.......
1058256 4-49, 4-51.......
1058257 4-49, 4-51.......
1058258 4-49, 4-51.......
1058259 4-47.......
1058309 4-49.......
1058996 2-189.......
1059997 4-47.......
1060000 4-47.......
1060286 2-109.......
1060653 2-67, 2-83, 2-87.......
1061447 4-49, 4-51.......
1061468 4-47.......
1061492 4-47.......
1061655 4-49, 4-51.......
1061949 3-57.......
1062083 4-47.......
Part Page
Number Number
1062084 4-47.......
1062092 4-47.......
1062119 4-47.......
1062143 4-49, 4-51.......
1062362 2-67.......
1062363 2-87.......
1062545 2-101.......
1062668 2-109.......
1062707 4-47.......
1062708 4-49, 4-51.......
10632-12 3-19, 3-21, 3-23,......
3-25
10632-14 4-47......
10632-20 3-3, 3-5, 3-7, 3-9,......
3-11, 3-13, 3-15,
3-17
10632-4 2-39, 3-3, 3-5, 3-11,.......
3-13, 3-19, 3-21,
3-23, 3-25, 3-27,
3-29, 3-109
10632-5 2-191, 3-31, 3-51,.......
3-53
10632-8 3-31.......
10632-9 3-19, 3-21, 3-23,.......
3-25
1063653 2-228.......
1063654 2-228.......
1064050 3-3, 3-5, 3-7, 3-9,.......
3-11, 3-13, 3-15,
3-17
1064125 2-149.......
1064126 2-149.......
1064170 2-161.......
1064184 2-192.......
1064188 2-192, 3-55, 3-109.......
1064191 2-192, 3-55.......
1064893 4-49, 4-51.......
1064894 4-49, 4-51.......
1064895 4-47.......
1064896 4-47.......
1065909 4-49, 4-51.......
1065921 4-47.......
1065954 4-47.......
1066218 4-47.......
1066313 4-47.......
1066314 4-47.......
10664 2-4, 2-165........
1066763 3-7, 3-15.......
1067656 2-97, 2-101.......
1068383 3-55.......
1068804 4-47, 4-49, 4-51.......
1068905 2-145.......
1069298 4-47, 4-49, 4-51.......
1069305 4-47, 4-49, 4-51.......
1069309 4-47, 4-49, 4-51.......
1070055 4-53.......
1070125 3-3, 3-7, 3-11, 3-15.......
1071056 2-145.......
1071253 2-187.......
1071254 2-139.......
Part Page
Number Number
10723 5-3........
10724 5-3, 6-3........
1073030 2-143.......
1073034 2-143.......
1073553 2-143.......
1073601 2-161.......
1073602 2-161.......
1073603 2-161.......
1073801 2-191.......
1073802 2-97, 2-101.......
1073804 2-19.......
1073805 2-7.......
1073807 2-7.......
1073811 2-19.......
1073812 2-151.......
1073814 2-7.......
1073815 2-17.......
1073816 2-19.......
1073817 2-9.......
1073818 2-11.......
1073819 2-13.......
1073820 2-33.......
1073821 2-33.......
1073822 2-23.......
1073823 2-192.......
1073824 2-15.......
1073825 2-7.......
1073827 2-17.......
1073831 2-13.......
1073832 2-33.......
1073833 2-169.......
1073834 2-169.......
1073835 2-169.......
1073836 2-7.......
1073837 2-19.......
1073838 2-7.......
1073839 2-7.......
1073840 2-7.......
1073841 2-31.......
1073842 2-35.......
1073843 2-35, 3-39.......
1073844 2-13.......
1073847 2-153.......
1073848 2-19.......
1073858 2-161.......
1073867 3-59.......
1073868 3-99.......
1073869 3-35.......
1073870 3-55.......
1073872 2-33.......
1073873 3-55.......
1073876 3-21, 3-25.......
1073877 3-35.......
1073878 3-39.......
1073879 3-39.......
1073889 3-47.......
1073894 3-5, 3-13.......
1073895 2-33.......
1073903 2-175.......
1073904 3-71, 4-61.......

CROSS REFERENCE
8-5
800 Gas/LPG 330120 (7−2015)
Part Page
Number Number
1073905 3-87, 4-65.......
1073906 4-57.......
1073907 4-61, 4-65.......
1073908 3-55.......
1073909 3-5, 3-13.......
1073912 3-47.......
1073913 3-47.......
1073921 3-45.......
1073925 3-59.......
1073926 3-103.......
1073927 3-29, 3-53.......
1073928 3-45.......
1073929 3-39.......
1073930 4-47.......
1073931 4-51.......
1073932 3-59.......
1073933 3-9, 3-17.......
1073934 3-5, 3-9, 3-13, 3-17.......
1073938 3-47.......
1073939 2-29.......
1073940 2-29.......
1073946 3-37.......
1073947 3-37.......
1073948 3-103.......
1073949 3-103.......
1073950 3-39.......
1073959 2-33.......
1074280 2-13.......
1074286 2-173.......
1074287 2-173.......
1074288 2-171.......
1074289 2-173.......
1074290 2-173, 3-47.......
1074291 2-173.......
1074292 2-173.......
1074293 2-173.......
1074294 3-47.......
1074295 3-47.......
1074310 3-103.......
1074357 2-185.......
1074539 4-51.......
10819 2-179........
10830 2-67, 2-83, 2-87........
10831 2-47, 2-49........
10911 2-167.........
10959 2-25, 2-27........
11329 2-189.........
11399 2-59, 2-63, 2-75,.........
3-73, 3-89
11442-1 2-89, 2-121, 2-123,.......
2-125
11442-23 2-119, 2-121, 2-125......
11531 2-127, 2-129, 2-131,.........
2-133, 3-31
11676 3-97, 3-99.........
11716 2-183.........
11747 2-33, 3-109.........
11984 2-61.........
1212666 2-153.......
1214251 2-240.......
Part Page
Number Number
12271 2-19........
12273 2-59, 2-153........
12274 2-33, 2-179........
12316 2-121, 2-179........
12317 2-175, 3-41........
12459 2-171, 3-45, 3-69,........
3-71, 3-73, 3-85,
3-87, 3-89
12549 3-57, 3-59........
130041 2-75........
13048 2-61........
13124 2-95........
13248 2-187........
13902 4-39, 4-43........
13904 4-41, 4-43........
13907 4-3, 4-7, 4-13, 4-17........
13959 3-31........
14242 2-147........
14296 2-43........
14595-1 2-153.......
14605 2-153........
150516 2-75........
15331 2-183........
15543 2-95, 2-99........
15555-1 2-113.......
15555-2 4-75, 4-77.......
15675 3-3, 3-5, 3-7, 3-9,........
3-11, 3-13, 3-15,
3-17
15724 2-71........
16387 2-63, 2-65........
16411 2-4.........
16412 2-4........
16431 2-159, 2-161........
16455 2-169........
16456 2-27........
16694 4-33........
16695 4-32, 4-33........
16735 2-33, 2-55, 2-107,........
2-151, 3-93
16738 2-61........
16930 2-185, 3-73, 3-89........
16931 2-13, 2-17, 2-19,........
2-23, 2-31, 2-33,
2-107, 2-109, 2-117,
2-123, 2-125, 2-135,
2-137, 2-139, 2-141,
2-143, 2-153, 2-175,
2-185, 3-3, 3-5, 3-11,
3-13, 3-41, 3-51,
3-53, 3-75, 3-76
17414 2-41, 2-71, 2-73,........
2-121, 2-123, 2-125
17521 2-73........
17808 2-147........
17809 2-147........
17980 2-167, 2-169, 2-187,........
3-45
19035 3-97, 3-99........
Part Page
Number Number
19065 2-67, 2-87, 2-187,........
3-27, 3-29
19066 2-13, 2-15, 2-19,........
2-29, 2-33, 2-59,
2-97, 2-101, 2-123,
2-125, 2-137, 2-139,
2-153, 2-167, 2-175,
2-187, 2-189, 2-192,
3-3, 3-5, 3-7, 3-9,
3-11, 3-13, 3-15,
3-17, 3-19, 3-21,
3-23, 3-25, 3-41,
4-49, 4-51
19117 2-187, 4-34.........
19311 2-45, 2-47, 2-49.........
19312 2-67, 2-83, 2-87,........
2-107, 2-109
19313 2-135, 2-137, 2-139,........
2-165, 2-187
19315 2-45, 2-47, 2-49,........
2-67, 2-83, 2-87
19317 2-67, 2-75, 2-83,........
2-87
19459 2-163........
19544 2-155........
19747 2-59........
19760 2-123........
19774 2-41........
20177 2-55, 2-57, 2-123,........
2-125, 3-75, 3-79,
3-93, 3-95
20192 2-173, 3-47........
21041 3-97, 3-99........
21047 3-97, 3-99........
21054 3-97, 3-99........
21104 3-97, 3-99.........
21109 2-175.........
21117 2-159, 2-161.........
21119 2-159, 2-161.........
21131 2-17.........
21136 2-103, 2-105.........
21138 2-103, 2-105, 2-107.........
21150 4-49, 4-51.........
21168 2-7, 2-9, 2-11.........
21195 2-55, 2-57, 2-89,.........
2-165, 2-189, 3-57,
3-59, 3-93
21197 2-45, 2-47, 2-49,.........
2-55, 2-57, 2-83,
2-87, 3-93
21198 2-45, 2-47, 2-49,.........
2-153, 3-79
21215 2-173........
21221 2-33........
21223 3-91........
21230 2-19........
21231 2-175, 3-41........
21237 3-75, 3-79, 3-93,........
3-95
21238 2-173........

CROSS REFERENCE
8-6 800 Gas/LPG 330120 (7−2015)
Part Page
Number Number
21241 2-185........
21246 3-55........
21250 3-47........
21251 3-47........
21252 3-47........
21259 2-149........
21282 2-9, 2-11........
21294 2-41........
21301 3-109........
21303 2-37........
21309 4-47........
21313 4-49, 4-51........
21671 3-106........
21672 2-149........
21722 2-31........
21728 4-67, 4-69........
21729 2-159, 2-161........
21731 2-111, 2-113, 2-115........
21732 2-111, 2-113, 2-115........
21740 2-145........
21791 3-114........
21792 5-15, 6-15........
21793 5-15, 6-15........
21794 5-15, 6-15........
21917 4-38, 4-39, 4-43........
222460 2-175........
22290 2-189........
22308-3 2-119, 2-121, 2-123.......
22324 2-121........
22626 2-145, 4-29........
22629 4-29, 4-31........
22630 4-29, 4-31........
22636 4-29, 4-31........
22645 4-29, 4-31........
22646 4-29, 4-31........
23146 3-97, 3-99........
23156 2-71, 2-73, 2-121,........
2-123, 2-125
23498 2-185........
23935 3-109........
23936 2-175, 3-41........
23946 2-13........
23950 2-21........
24012 2-107, 2-109........
24047 2-119, 2-121, 2-123,........
2-125
24450 3-65, 3-73, 3-83,........
3-89
24576 3-27, 3-29........
24576-1 3-31.......
24899 2-179........
24924 2-61........
24928-1 2-119, 2-121, 2-123,.......
2-125
25014 2-105, 2-107, 2-109........
25046 2-19, 2-59, 2-153,........
4-49, 4-51
25047 2-67, 2-83, 2-87........
25312 3-105........
25610 2-111, 2-113, 2-115........
Part Page
Number Number
26395-2 3-97, 3-99.......
26496 2-119, 2-121, 2-123,........
2-125
26565 3-97, 3-99........
27048 2-73, 2-115, 2-119,........
2-121, 2-123, 2-125
27767 2-73........
27980 2-50, 2-67, 2-83,........
2-87
27988 2-189........
27990 2-135, 2-137, 2-139,........
3-93
27991 2-53, 2-55, 2-57,........
3-75
27992 3-79, 3-95........
29233 3-7, 3-15........
29570 2-75........
30013 3-51, 3-53........
30251 2-179........
30252 2-179........
30253 2-179........
30255 2-179........
30268 3-65, 3-73, 3-83,........
3-89
30389 2-61, 2-71, 2-73........
30407 2-123, 2-125........
30533 3-107........
31038 2-41........
311303 4-47........
311336 2-15, 4-49, 4-51........
311828 2-75........
31354 4-32........
31380 4-33........
31385 4-33........
31507 3-65, 3-73, 3-83,........
3-89
31525 3-75, 3-79, 3-91,........
3-93, 3-95
31526 2-41........
31563 2-159, 2-161........
31603 2-161........
31605 2-167........
31613 2-4, 2-163........
31775 2-151........
31922 3-31........
31954 3-19, 3-23........
31999 2-37........
32006 2-37........
32009 2-37........
32129 2-167........
32425 2-45, 2-47........
32436 2-155........
32483 2-9, 2-11, 2-45,........
2-47, 2-49, 2-67,
2-73, 2-87, 2-89,
2-117, 2-133, 2-179,
2-185, 2-187, 3-27,
3-29, 4-47, 4-49,
4-51
Part Page
Number Number
32485 2-17, 2-19, 2-50,........
2-53, 2-55, 2-57,
2-89, 2-153, 2-171,
2-173, 2-189, 3-45,
3-47, 3-76, 3-79,
3-93, 3-95
32486 2-17, 2-19, 2-31,........
2-143, 2-145, 2-153,
2-171, 2-179, 2-189,
3-45
32490 2-17, 2-23, 2-67,........
2-83, 2-87, 2-95,
2-99, 2-117, 2-135,
2-139, 2-153, 2-187,
3-3, 3-5, 3-11, 3-13,
3-45, 3-55, 3-69,
3-71, 3-73, 3-85,
3-87, 3-89
32491 2-15, 2-17, 2-19,........
2-23, 2-31, 2-33,
2-53, 2-97, 2-101,
2-107, 2-109, 2-117,
2-123, 2-125, 2-129,
2-131, 2-135, 2-137,
2-139, 2-141, 2-143,
2-145, 2-151, 2-153,
2-165, 2-176, 2-185,
2-187, 3-41, 3-47,
3-57, 3-59, 3-75,
3-76, 3-79, 3-95
32492 2-9, 2-11, 2-17,........
2-25, 2-27, 2-37,
2-45, 2-47, 2-49,
2-53, 2-107, 2-109,
2-135, 2-137, 2-139,
2-143, 2-153, 2-171,
2-173, 2-175, 2-185,
3-7, 3-9, 3-15, 3-17,
3-41, 3-45, 3-47,
3-57, 3-59, 3-73,
3-75, 3-79, 3-89,
4-49, 4-51
32493 2-13, 2-21, 2-23,........
2-45, 2-47, 2-49
32495 3-95........
32491, 2-173
32522 2-13........
32598 2-147........
32668 3-51, 3-53........
32895 2-179........
32899 2-153........
32960 3-51, 3-53........
32978 2-115, 2-117, 3-75,........
3-79, 3-93, 3-95
32980 2-57, 2-115, 2-117........
32981 2-59, 2-117, 2-187........
32982 2-73, 2-107, 2-109,........
3-19, 3-21, 3-23,
3-25

CROSS REFERENCE
8-7
800 Gas/LPG 330120 (7−2015)
Part Page
Number Number
32984 2-135, 2-137, 2-165,........
2-187
32985 2-145, 2-173, 3-47........
32987 2-145........
330120 3-114........
330122 3-114........
330123 3-114........
33342 3-42........
33404 2-181........
33799 2-159, 2-161........
33806 2-13, 3-33, 3-35........
33817 2-163........
33924 2-175, 3-41........
33951 2-61, 2-69........
34072 2-71........
34159 4-5, 4-9, 4-15, 4-19........
34176 4-32........
34178 4-27, 4-29, 4-31........
34179 4-27, 4-29........
34180 4-27........
34181 4-27, 4-29, 4-31........
34182 4-27........
34183 4-27, 4-29, 4-31........
34184 4-27, 4-29, 4-31........
34185 4-27, 4-29........
34195 2-171, 3-45........
34306 2-4, 2-163........
34323 2-9, 2-11, 2-17, 2-23........
34330 2-179........
34355 2-159, 2-161........
34359 2-145, 2-181........
34360 2-159, 2-161........
34379 2-159, 2-161........
34390 2-163........
34392 2-31........
34738 3-109........
34821 2-143........
34848 3-31........
34864 2-39, 3-109........
34877 3-75........
35323 2-5........
35324 2-5........
35325 2-5........
35326 2-5........
35327 2-5........
35336 2-5........
35586 2-135, 2-137, 2-139........
35688 2-31........
35707 2-123, 2-125........
35756 2-53, 2-55, 2-57,........
3-75, 3-79, 3-95
35980 2-43........
36014 5-23, 6-23........
36048 5-15, 6-15........
36050 2-4, 2-61, 2-111........
361160 2-7........
36158 3-97, 3-99........
36164 5-21, 6-21........
36165 2-41, 2-63, 2-75........
36192 2-19........
Part Page
Number Number
36268 5-3, 5-6, 6-3, 6-6........
36328 2-173, 2-179, 3-47........
36556 2-169........
36758 2-7, 2-171, 3-45........
369701 2-145........
369704 2-17........
369786 3-57, 3-59........
370011 2-5........
370102 5-17, 6-17........
370103 5-17........
370829 5-9, 6-9........
370847 6-3........
370848 6-3........
370850 6-3........
370851 6-5........
370852 6-11........
370853 6-11........
370854 6-11........
370855 6-13........
370873 6-3........
370875 6-24........
370876 5-21, 6-21........
370888 6-22........
370889 6-22........
370890 6-22........
370891 6-22........
370892 6-22........
37127 5-11........
371500 2-59........
371502 2-59........
371503 2-59........
371504 2-59........
371505 2-59........
371507 2-45........
371508 2-45, 2-47, 2-49........
371509 2-45, 2-47, 2-49,........
2-53, 2-67, 2-83,
2-87, 3-75, 3-93
371512 2-45, 2-47, 2-49........
371516 2-45, 2-47, 2-49........
371517 2-45........
371518 2-45, 2-47, 2-49........
371519 2-45, 2-47, 2-49........
371520 2-45, 2-47, 2-49........
371526 2-53, 2-55, 2-57,........
3-79, 3-93, 3-95
371527 2-53, 2-55, 2-57........
371528 2-53........
371529 2-53........
371532 2-63........
371538 2-63........
371553 2-67........
37157 5-5, 5-11........
371572 2-45........
371573 2-105, 2-107........
371646 2-63, 2-76........
371647 2-63, 2-76........
371649 4-75, 4-77........
371651 4-71, 4-73, 4-75,........
4-77
Part Page
Number Number
371653 4-71, 4-73, 4-75,........
4-77
371654 4-71, 4-73, 4-75,........
4-77
371658 2-63, 2-76........
371660 4-71, 4-73, 4-75,........
4-77
371661 2-113........
371662 2-113........
371665 4-71, 4-73........
371666 4-71, 4-73........
371669 4-71, 4-73........
371713 4-71, 4-73........
371714 4-71, 4-73, 4-75,........
4-77
371715 4-71, 4-73, 4-75,........
4-77
371716 4-75, 4-77........
371718 4-71, 4-73, 4-75,........
4-77
371749 2-75........
371750 2-75........
371754 2-75........
371755 2-75........
371757 2-75........
371759 2-75........
371761 2-45, 2-47, 2-49........
371762 2-45........
371763 2-63........
371764 2-75........
371765 2-63........
371766 2-63, 2-75........
371767 2-63, 2-75........
371768 2-75........
371770 2-53........
371865 2-57........
371875 2-67, 2-83, 2-87........
371877 2-67, 2-83, 2-87........
371894 2-75, 4-71........
371895 2-75, 4-73........
371896 2-63, 4-75........
371897 2-63, 4-77........
371899 4-75, 4-77........
371901 4-75........
371902 4-75, 4-77........
371908 4-75, 4-77........
371921 2-222........
372235 2-225, 2-227, 2-228........
372236 2-225, 2-227, 2-228........
372237 2-225, 2-227, 2-228........
372251 7-7........
372440 2-115, 2-117........
372445 2-47, 2-49........
372456 2-47, 2-49........
372457 2-47........
372458 2-47, 2-49........
372464 7-7........
372466 2-65, 2-67, 2-83,........
2-87

CROSS REFERENCE
8-8 800 Gas/LPG 330120 (7−2015)
Part Page
Number Number
372470 2-67, 2-79, 2-83,........
2-87
372472 2-65, 2-67, 2-79,........
2-83, 2-89
372473 2-47, 2-49........
372474 2-47, 2-50........
372479 2-47, 2-49........
372483 2-65, 2-79........
372484 2-79........
372488 2-65........
372489 2-65, 2-79........
372490 2-65, 2-79........
372491 2-107........
372492 2-65, 2-67, 2-79,........
2-84, 2-87
372493 2-65, 2-79........
372495 2-79........
372496 2-79........
372497 2-79........
372498 2-79........
372500 2-79........
372501 2-79........
372503 2-79........
372504 2-79........
372505 2-79........
372506 2-79........
372507 2-79........
372508 2-79........
372510 2-79........
372511 2-79........
372512 2-79........
372514 2-79........
372515 2-79........
372516 2-79........
372517 2-79........
372518 2-79........
372523 2-79........
372526 2-79........
372527 2-79........
372528 2-79, 2-83, 2-89........
372529 2-83, 2-89........
372531 2-79........
372539 2-84, 2-89........
372545 2-65, 2-67, 2-79,........
2-83
372569 2-79........
372577 2-79........
372579 2-83, 2-87........
372608 2-79........
372610 2-79........
372611 2-79........
372612 2-79........
372615 2-79........
372651 2-4, 2-97, 2-101........
372652 2-4, 2-97, 2-101........
372859 2-79........
372860 2-65........
372891 2-65, 2-79........
372899 2-79........
372937 2-75........
Part Page
Number Number
372950 4-67, 4-69........
372951 4-67, 4-69........
373201 4-25........
373207 4-25........
373211 4-25........
373218 4-7, 4-17........
373226 4-31........
373232 4-25........
373235 4-25........
373236 4-31........
373242 4-25........
373243 4-25........
373254 2-155, 4-25........
373255 4-25........
373256 4-25........
373258 4-25........
373259 4-25........
373276 4-25........
373284 4-25........
373291 4-31........
373369 4-13, 4-17, 4-21........
373371 4-21........
373372 4-21........
373373 4-21........
373374 4-9, 4-19........
373375 4-9, 4-19........
373404 2-155........
373405 3-112........
373406 4-9, 4-19........
373407 4-7, 4-17........
373408 4-7, 4-17........
373409 4-7, 4-17........
373410 4-7, 4-17........
373412 4-9, 4-19........
373413 4-9, 4-19........
373414 4-7, 4-17........
373415 4-7, 4-17........
373457 4-25........
373458 4-25........
373464 2-145, 4-31........
373541 4-31........
373542 4-31........
373543 4-31........
373544 4-31........
373545 4-31........
373546 4-31........
373547 4-31........
373548 4-31........
373549 4-31........
373584 4-81........
373585 4-81........
374012 3-97, 3-99........
374127 2-61, 2-69........
374129 3-65, 3-73, 3-83,........
3-89
374133 3-111........
374134 3-63, 3-69, 3-71,........
3-111
374135 3-63, 3-69, 3-71,........
3-111
Part Page
Number Number
374154 2-73........
374158 2-119, 2-123, 2-125........
374210 3-63, 3-69, 3-71,........
3-81, 3-85, 3-87
374230 2-135, 2-137, 2-139........
374240 2-151........
374274 6-24........
374294 4-47, 4-49, 4-51........
37460 4-3, 4-7, 4-13, 4-17........
374615 2-71........
37462 4-3, 4-7, 4-13, 4-17........
374625 2-61........
374648 2-71........
374649 2-71........
374759 4-47........
374765 4-47, 4-49, 4-51........
375193 2-43........
375400 2-171........
375401 2-171, 3-45........
375402 2-171........
375403 3-45........
375404 2-171, 3-45........
375415 2-175, 3-41........
375416 2-175, 3-41........
375417 3-45........
375511 2-135, 2-137, 2-139........
375512 3-65, 3-73, 3-83,........
3-89
375513 2-19........
375526 2-151........
375537 2-19........
37555 4-33........
375563 2-169, 4-41........
375564 2-33........
375565 2-33........
375566 2-33........
375575 2-145........
375576 2-145........
375586 2-135, 2-137........
375666 2-175........
375693 2-21........
375695 2-21........
375696 2-13........
375698 2-13........
375718 2-61, 2-69........
375721 2-185........
375726 3-65, 3-83........
375728 3-65, 3-73, 3-83,........
3-89
375729 3-67........
375751 3-65........
375762 2-145........
37723 4-27, 4-29, 4-31........
377537 2-4........
377538 2-4........
377540 2-4........
37766 4-27, 4-29........
37943 4-27, 4-29, 4-31........
380514 2-153........
380532 2-17........

CROSS REFERENCE
8-9
800 Gas/LPG 330120 (7−2015)
Part Page
Number Number
380533 2-17........
380544 3-76, 3-79........
380563 3-67........
380566 2-153........
380567 2-153........
380568 2-153........
380576 3-63, 3-69........
380577 4-47, 4-54........
380578 4-59, 4-61........
380579 4-59, 4-61........
380591 2-91, 2-93, 2-95,........
2-97, 2-99, 2-101
380592 2-91........
380598 2-43........
380612 3-81, 3-85........
380613 3-63, 3-69, 4-59........
380614 3-81, 3-85, 4-63........
380615 3-63, 3-69, 3-71,........
3-81, 3-85, 3-87
380616 4-59, 4-61, 4-63,........
4-65
380617 3-63, 3-69, 3-71,........
3-81, 3-85, 3-87
380618 3-65, 3-83........
380619 3-63, 3-69, 3-71,........
3-81, 3-85, 3-87
380620 3-65, 3-83........
380621 3-65, 3-83........
380624 3-63, 3-69, 3-71........
380625 3-63, 3-69, 3-71,........
4-55
380626 4-55, 4-57........
380627 4-55, 4-57........
380628 4-55, 4-57........
380630 3-63, 3-69, 3-71........
380634 3-55........
380635 3-55........
380640 3-27........
380643 3-19........
380644 3-23........
380649 4-59, 4-61, 4-63,........
4-65
380650 4-59, 4-61, 4-63,........
4-65
380651 4-59, 4-61........
380652 4-59, 4-61........
380659 4-59, 4-61, 4-63,........
4-65
380660 4-63, 4-65........
380661 3-63, 3-69, 3-71,........
3-81, 3-85, 3-87
380662 3-63, 3-69, 3-71,........
3-81, 3-85, 3-87
380663 3-63, 3-69, 3-71,........
3-81, 3-85, 3-87
380665 3-63, 3-69, 3-71........
380666 4-55........
380667 4-55, 4-57........
380668 4-55, 4-57........
380669 4-55, 4-57........
Part Page
Number Number
380670 4-55, 4-57........
380671 4-55, 4-57........
380673 3-63, 3-69, 3-71........
380675 2-159........
380676 3-67........
380680 2-13........
380681 2-25........
380683 2-153........
380684 3-63, 3-69, 3-71........
380685 3-65........
380686 3-65........
380689 3-63, 3-69, 3-71,........
3-81, 3-85, 3-87
380690 3-63, 3-69, 3-71,........
3-81, 3-85, 3-87
380691 3-19, 3-23, 3-27,........
3-29
380692 2-13, 4-47........
380697 3-67........
380702 3-91........
380709 2-4........
380710 2-4........
380712 3-31........
380717 2-151........
380728 2-13........
380736 2-163........
380748 2-133........
380754 2-135........
380760 2-19........
380761 2-19........
380762 2-19........
380763 2-19........
380764 2-19........
381391 2-137, 2-139........
381962 2-33........
382507 2-135........
382516 2-191........
382726 2-33........
382978 3-27, 3-29........
382979 3-51, 3-53........
383014 2-73........
383165 2-191........
383170 2-73........
384156 4-53........
384971 2-83, 2-89........
384973 2-83........
384974 2-65, 2-67, 2-79,........
2-83, 2-87
384975 2-83........
384977 2-83........
384978 2-83, 2-89........
384979 2-83, 2-89........
384985 2-67, 2-83, 2-87........
384986 2-83........
384996 2-83........
384998 2-227, 2-228........
384999 2-227, 2-228........
385000 2-67, 2-83, 2-89........
385001 2-67, 2-83, 2-87........
385002 2-67, 2-83, 2-87........
Part Page
Number Number
385003 2-67, 2-83, 2-87........
385004 2-67, 2-83........
385006 2-67, 2-83........
385007 2-67, 2-83........
385008 2-67, 2-83, 2-87........
385009 2-117........
385010 2-227........
385011 2-84, 2-89........
385012 2-83........
385013 2-84, 2-89........
385014 2-83........
385015 2-83, 2-89........
385016 2-83, 2-87........
385017 2-83, 2-87........
385018 2-227........
385019 2-49........
385412 2-43........
385414 2-61........
385415 2-61........
385417 2-41........
385426 2-43........
385433 2-43........
385439 3-114........
386063 2-121........
388407 4-59, 4-63........
39005 2-17........
391841 2-173........
391890 4-75........
391891 4-71........
39210 2-27, 2-31, 2-163........
392258 2-75........
392561 2-45........
392563 2-45........
392564 2-222........
392570 2-63, 2-75........
392590 2-129, 2-131, 2-133........
392591 2-129, 2-131........
392593 2-113........
392594 2-113........
392597 2-113........
392598 2-115........
392611 2-53, 2-55, 2-57........
392613 3-75........
392622 2-45, 2-47........
392629 2-113, 2-115, 2-117........
392642 2-45, 2-47........
392647 2-131, 2-133........
392649 2-113........
39277 2-13, 2-15, 2-31,........
2-135, 2-137, 2-139,
2-141, 2-189, 3-75,
3-93
39278 2-145........
39279 2-151........
39283 2-9, 2-11, 2-173,........
2-176, 2-179, 3-41,
3-47, 3-76, 3-79

CROSS REFERENCE
8-10 800 Gas/LPG 330120 (7−2015)
Part Page
Number Number
39284 2-17, 2-37, 2-50,........
2-109, 2-171, 2-173,
2-176, 3-41, 3-45,
3-47
39285 2-153........
39305 2-145........
39311 2-23, 2-173, 3-41,.........
3-47, 3-75
39312 2-173, 3-47........
39313 2-19, 2-21, 2-23,........
2-29, 2-153
393200 2-113........
393201 3-75, 3-79........
393205 2-93........
393207 2-93........
393208 2-93, 2-95, 2-97........
393216 2-129........
393219 3-75........
393223 3-114........
393227 2-55, 2-57........
393229 2-129, 2-131........
393241 3-93........
393244 3-75, 3-93........
393252 2-105........
393253 2-105........
393255 3-73, 3-89........
393349 4-55, 4-57........
393373 2-97, 2-99, 2-101........
39346 2-9, 2-11, 2-145........
39349 2-13, 2-29, 3-3, 3-5,........
3-11, 3-13
39350 2-145........
393662 7-7........
393663 7-7........
393770 3-27, 3-29, 3-51,........
3-53
393806 7-7........
393807 7-7........
393808 7-7........
393809 7-7........
393810 7-7........
393811 7-7........
393812 7-7........
393813 7-7........
393814 7-7........
393815 7-7........
393816 7-7........
393817 7-12........
393818 7-12........
393819 7-12........
393820 7-12........
393821 7-12........
393822 7-12........
393823 7-12........
393824 7-3, 7-9, 7-11, 7-12........
393825 7-12........
393826 7-11, 7-12........
393827 7-12........
393828 7-12........
393829 7-12........
Part Page
Number Number
393830 7-12........
393831 7-12........
393832 7-7........
393833 7-7........
393834 7-11........
393835 7-11........
393836 7-11........
393837 7-11........
393838 7-11........
393839 7-11........
393840 7-11........
393841 7-11........
393842 7-11........
393843 7-11........
393844 7-11........
393845 7-11........
393846 7-11........
393848 7-9........
393849 7-9........
393850 7-9........
393851 7-9........
393852 7-9........
393853 7-9........
393854 7-9........
393855 7-9........
393856 7-9........
393857 7-9........
393858 7-9........
393859 7-9........
393860 7-9........
393861 7-9........
393862 7-9........
393863 7-9........
393864 7-11........
393865 7-9........
393866 7-11........
393867 7-9........
393868 7-9........
393869 7-9........
393870 7-9........
393871 7-9........
393872 7-7........
393873 7-11........
393874 7-11........
393875 7-11........
393876 7-11........
393877 7-11........
393878 7-11........
393879 7-11........
393880 7-11........
393881 7-11........
393882 7-7........
393883 7-7........
393884 7-7........
393886 7-7........
393887 7-7........
393888 7-7........
393889 7-7........
393890 7-7........
393894 7-3........
Part Page
Number Number
393895 7-3........
393896 7-3........
393897 7-3........
393898 2-63, 2-65, 2-75,........
2-79, 7-3, 7-5
393899 7-3........
393900 7-3........
393901 7-3........
393902 7-3........
393903 7-3........
393904 7-3........
393905 2-63, 2-65, 2-75,........
2-79
393906 2-63, 2-65, 2-75,........
2-79
393907 2-63, 2-65, 2-75,........
2-79
393908 2-63, 2-65, 2-75,........
2-80
393909 2-63, 2-65, 2-75,........
2-80
393910 2-63, 2-65, 2-75,........
2-80
393911 2-63, 2-65, 2-75,........
2-80
393912 2-63, 2-65, 2-75,........
2-80
393913 2-63, 2-65, 2-75,........
2-80
393914 2-63, 2-65, 2-75,........
2-80
393915 2-63, 2-65, 2-75,........
2-80
393916 2-63, 2-65, 2-75,........
2-80
393917 7-3........
393918 7-3........
393919 7-5........
393920 7-5........
393921 7-5........
393922 7-5........
393923 7-5........
393924 7-5........
393925 7-5........
393926 7-5........
393927 7-5........
393928 7-5........
393929 7-5........
393930 7-5........
393931 7-5........
393932 7-5........
393933 7-3........
393934 2-4, 7-3........
393935 7-3........
393936 7-3........
393937 7-3........
393938 7-3........
393939 7-5........
39394 2-5........
393940 7-5........

CROSS REFERENCE
8-11
800 Gas/LPG 330120 (7−2015)
Part Page
Number Number
393941 7-5........
393942 7-5........
393943 7-5........
393945 7-5........
393946 7-5........
393947 7-5........
393948 7-5........
393949 7-5........
393950 7-5........
393951 7-3........
393952 7-3........
393953 7-3........
393954 7-3........
393955 7-3........
393956 7-3........
393957 7-3........
393958 7-3........
393959 7-3........
393960 7-3........
393961 7-3........
393962 7-3........
393963 7-3........
393964 7-3........
393965 7-5........
393966 7-5........
393967 7-5........
393968 2-47........
393972 2-75........
393973 2-45........
393975 2-45........
393982 2-59........
393984 2-45, 2-65, 2-67,........
2-79, 2-83, 2-87
393993 7-3........
393994 2-45, 2-47, 2-49,........
2-53
393998 2-53, 2-55, 2-57........
394916 2-225, 2-227, 2-228........
39527 4-32........
39534 2-187........
39670 3-75, 3-79........
39703-2 2-4, 5-3, 6-3.......
397779 4-47........
39810 2-155........
398315 2-217........
39923 2-39, 3-109........
40380 4-27........
40514 2-163........
40573 3-65, 3-73, 3-83,........
3-89
40585 2-111, 2-113........
40607 2-39, 2-71, 3-109........
40678 2-39, 3-109........
40716 2-15........
40870-8 2-185.......
41016 2-113, 3-65, 3-73,........
3-83, 3-89
41073 2-145........
41130 2-185.........
41131 2-175, 2-183.........
Part Page
Number Number
41139 3-31.........
41140 3-31.........
41141 2-17, 3-51, 3-53.........
41142 2-50, 2-55, 2-57,.........
3-93
41169 2-153.........
41178 2-9, 2-11, 2-91,.........
2-93, 2-95, 2-99,
3-55
41185 2-9, 2-11, 2-17,.........
2-19, 2-23, 2-171,
3-45
41186 2-13, 2-33, 2-55,.........
2-57, 2-135, 2-137,
2-139, 2-141, 2-143,
2-189, 3-41, 3-75,
3-79, 3-93, 3-95
41187 2-165.........
41295 2-133........
41342 2-173, 2-175, 3-47........
41345 2-19........
41346 2-19, 2-179........
41430 2-19, 2-33, 2-50,........
2-135, 2-137, 2-139,
2-153, 2-171, 2-173,
2-176, 2-185, 3-41,
3-45, 3-47, 3-76,
3-79
41434 3-57, 3-59........
41722 2-153........
42011 2-53, 2-55, 2-57,.........
3-109, 4-49, 4-51
42124 3-97, 3-99........
42207 2-171........
42215 2-163, 2-169, 3-41........
42226 2-187........
42260 2-163, 2-165........
42368 2-115, 2-117........
43242 3-65, 3-73, 3-83,........
3-89
43363 2-7........
43454 2-39, 3-109........
43500 2-4, 2-7........
43555 2-37, 2-91, 2-93,........
2-95, 2-99
43558A 3-65, 3-73, 3-83,.......
3-89
43611 2-123, 2-125.........
43844 2-61, 2-69, 2-113,........
2-115, 2-117, 2-133
43952 3-57, 3-59........
43955 2-9, 2-11........
43958 2-145........
44078 2-189........
44681 3-11, 3-15, 3-19,........
3-23
44681-1 3-11, 3-15, 3-23.......
44681-2 3-11, 3-15, 3-19,.......
3-23
44777 2-15........
Part Page
Number Number
44851 2-21, 2-23, 3-55........
44868 2-167, 3-45........
44869 2-167, 2-169, 2-179,........
2-187
44906 2-135........
44961 3-109........
45142 3-65, 3-73, 3-83,........
3-89
45177 2-91, 2-93, 2-95,........
2-99
45272 3-3, 3-7, 3-11, 3-15........
45482 2-167, 3-45........
45622 4-27, 4-29, 4-31........
45623 4-27, 4-29, 4-31........
45628 4-32, 4-33........
45779 3-3, 3-7, 3-11, 3-15,........
3-19, 3-23
45780 2-7........
45786 2-149........
46236 2-151, 3-109........
46481 2-155, 2-165........
46482 3-41........
46611 2-71, 2-73.........
46800 2-135........
47167 2-63, 2-75........
47313A 2-61.......
47504 2-139, 2-169, 2-175........
47508 2-155, 2-171, 3-45........
47512 2-27, 2-135, 2-137,........
2-139
47522 2-145........
47585 2-189........
47637 3-45........
47638 2-27, 2-169........
47720 2-119, 2-121, 2-123,........
2-125
47753 2-139, 3-45........
47958 2-19........
48006 2-19........
48014 2-91, 2-93, 2-95,........
2-99
48056 2-135, 2-137, 2-139........
48069 2-37........
48267 2-111, 2-113, 2-115........
48282 2-121........
49032 3-57........
49263 2-7, 2-189........
49266 2-39, 3-3, 3-5, 3-7,........
3-9, 3-11, 3-13, 3-15,
3-17, 3-19, 3-21,
3-23, 3-25, 3-27,
3-29, 3-31, 3-63,
3-69, 3-71, 3-109,
3-111
49766 3-109........
49933 2-169........
49934 2-59........
50121 2-155, 2-163........
50335 2-45, 2-47, 2-49,........
2-115, 2-117, 2-121

CROSS REFERENCE
8-12 800 Gas/LPG 330120 (7−2015)
Part Page
Number Number
50474 4-47........
50902 2-45, 2-47, 2-49,........
2-55, 2-57, 2-123,
2-125, 2-135, 2-137,
2-139, 2-179, 2-187,
3-57, 3-59, 3-75,
3-79, 3-93, 3-95
50960 2-135, 2-137, 2-139........
51021N 2-5.......
51109 2-151.........
51176 2-13.........
51193 2-147.........
51305 2-75, 2-133, 2-135,........
2-137, 2-139
51322 2-135, 2-137, 2-139,........
2-165
51338 2-147........
51340 2-145........
51341 2-145........
51373 2-147........
51448 2-179........
51449 2-179........
51483 2-151........
51531 3-97, 3-99........
51534 2-181........
51542 2-5........
51545 2-151........
51560-5 2-97, 2-101.......
51562 2-151........
51564 2-179........
51693 2-183........
51787 2-19, 2-33........
51813 2-175, 3-41........
51839 2-71, 2-73, 2-93........
52402 2-135, 2-137, 2-139,........
2-169
53029 2-69, 2-113........
53268 2-71........
53395-2 2-121.......
53400-1 2-119, 2-121, 2-123,.......
2-125
53400-4 2-119, 2-121, 2-123,.......
2-125
53434 2-179, 4-32........
53461-2 2-17, 2-21, 2-23.......
53468 2-129, 2-131, 2-133........
53601 2-145, 4-44........
54009 3-97, 3-99........
54012 3-97........
54140 2-115........
54222 2-153........
54274 2-187........
54275A 2-187.......
54333 5-3, 6-3........
54396 2-45, 2-47, 2-49,........
2-129, 2-131
54527 2-91, 2-93, 2-95,........
2-99
54528 2-91, 2-93, 2-95,........
2-99
Part Page
Number Number
54615 2-15........
54833 2-145........
54862 2-187........
54878 2-179........
54911-32 2-127, 2-129, 2-131,......
2-133, 5-3, 6-3
55248 3-3, 3-5, 3-7, 3-9,........
3-11, 3-13, 3-15,
3-17, 3-19, 3-21,
3-23, 3-25, 3-27,
3-29, 3-63, 3-69,
3-71, 3-111
55347 2-45, 2-50........
55586 2-163, 2-179, 2-187........
55685 2-169........
55686 2-27........
55700 2-159, 2-161........
55779 2-179........
55845 2-19........
56185 2-189........
56186 2-192, 3-3, 3-5, 3-7,........
3-9, 3-11, 3-13, 3-15,
3-17, 3-19, 3-21,
3-23, 3-25, 3-63,
3-69, 3-71, 3-81,
3-85, 3-87, 3-109
56346 2-191........
56398 2-189........
56690 2-115, 2-167, 2-175,........
2-189, 3-41, 3-45
56692 2-155, 2-187........
56820 2-145, 2-175........
56821 2-139, 2-187........
56976A 2-119, 2-121, 2-123,.......
2-125
56992 2-191, 3-81, 3-85,........
3-87
57048 2-43, 2-45, 2-47,........
2-49
57167 2-192, 4-63, 4-65........
57173 2-159, 2-161........
57297 2-119, 2-121, 2-123,........
2-125
57311 2-151.........
57411 2-169.........
57568 2-161........
57751 2-192, 3-55........
57772 2-175........
57773 2-43, 2-45, 2-47,........
2-49
57803 2-192, 3-55........
57804 2-225, 2-227, 2-228........
57807 2-175, 2-181, 2-191,........
3-41
57820 2-21, 2-23........
57934 2-61........
57936 2-25, 2-27........
57941 2-7........
57944 2-159, 2-161........
57963 2-159, 2-161, 3-49........
Part Page
Number Number
57988 2-169........
57993 2-167........
57994 2-163........
58114 2-185.........
58228 2-135, 2-137, 2-139,........
2-185
58242 4-23........
58270 4-32........
58278 4-32........
58293 2-25........
58357 2-37........
58359 2-27........
58366 2-17, 2-59........
58489 2-9, 2-21, 2-23........
58490 4-49, 4-51........
58518 3-3, 3-7........
58519 3-3, 3-7........
58520 3-3, 3-7, 3-19........
58524 2-33........
58589 2-119, 2-121, 2-123,........
2-125
58590 2-119, 2-121, 2-123,........
2-125
58596 4-37........
58844 2-11, 2-17........
58858 2-155, 2-163........
58898 2-9, 2-11........
59015 2-111........
59156 3-75........
59192 2-19, 2-21, 2-23........
59305 4-23........
59375 2-41........
59577 2-167........
59633 2-37........
59661 2-19........
59668 2-153........
59672 2-153........
59767 2-240........
59808 2-71........
59866 2-27........
59901 3-65, 3-73, 3-83,........
3-89
59921 3-109........
59954 3-109........
59965 2-25, 3-27, 3-29........
59970 2-191........
59971 2-191........
59974 2-191........
59976 2-191........
59977 2-191........
59978 2-191........
59979 2-191........
60293 2-141........
60559 2-41........
60725 2-71, 2-73........
60726 2-71, 2-73........
60751 3-31........
60762 2-61........
60806 5-5, 5-6, 6-5, 6-6........
60812 5-22........

CROSS REFERENCE
8-13
800 Gas/LPG 330120 (7−2015)
Part Page
Number Number
60813 5-22, 6-22........
60814 5-22, 6-22........
60817 5-6, 6-6........
60833 5-5, 5-13, 5-19, 6-5,........
6-13, 6-19
60834 6-5, 6-13........
60836 5-21, 6-21........
60846 2-4, 5-24, 6-24........
60933 2-4, 2-91, 2-93,........
2-95, 2-99
60934 2-4, 2-91, 2-93,........
2-95, 2-99
60938 5-9, 6-9........
61288 2-163........
61363 2-41, 2-53, 2-55,........
2-57
61365 3-31........
61490 4-32, 4-33........
61529 2-41........
61531 2-41........
61869 3-65, 3-83........
61870 3-65, 3-83........
61882 4-3, 4-7, 4-13, 4-17........
61886 4-5, 4-9, 4-15, 4-19........
61923 3-27........
61931 2-41........
61969 2-181, 2-191........
62172 2-169........
62173 2-169........
62234 2-133........
62389 2-155........
62561 2-155, 4-23........
62595-16 2-13......
62595-2 2-15.......
62595-3 2-15.......
62865 2-121, 2-125........
62954 2-4, 2-7........
62955 2-4, 2-7........
62956 2-4, 2-7........
62957 2-4, 2-7........
630094 2-41........
63228 3-106........
63233 2-37........
63234 2-37........
63263 2-43, 2-45, 2-47,........
2-49
63276 2-153........
63292 2-153........
63294 2-15........
63295 2-151........
63297 2-37........
63311 2-37.........
63378 2-33........
63407 3-112........
63416 2-135, 2-175, 2-187,........
3-41, 3-45, 4-47
63426 2-145, 4-27........
63436 2-179........
63449 2-179........
63450 2-179........
Part Page
Number Number
63471 2-145........
63491 2-145........
63496 2-145........
63535 2-43........
63540 2-145........
63541 2-179........
63542 2-135, 2-137, 2-139,........
4-35
63543 2-145........
63544 2-7........
63583 2-27........
63584 2-27........
63647 2-29........
63663 2-7........
63665 2-29........
63667 2-29........
63668 2-29........
63669 2-29........
63671 2-35........
63695 2-43, 2-45, 2-47,........
2-49
63751 2-13........
63810 2-61, 2-65, 2-71,........
2-73, 2-79, 2-83,
2-89, 2-93, 3-65,
3-73, 3-83, 3-89
63818 2-135, 2-137, 2-139........
63926 2-25........
64038 5-17, 6-17........
64058 2-149........
64141 2-191........
64156 2-27........
64228 2-167........
64233 2-181........
64278 2-17........
64279 2-17........
64299 2-185........
64312 2-19........
64392 2-37........
64394 2-37........
64410 2-37........
64419 2-165........
64434 2-169........
64500 2-37........
64501 2-37........
64543 2-21, 2-23........
64545 2-21, 2-23........
64556 2-151........
64558 2-151........
64559 2-37........
64567 2-37........
64580 2-37........
64586 2-189........
64618 2-37, 2-135, 2-137,........
2-139, 2-185
64621 2-37, 2-135, 2-137,........
2-139, 2-185
64631 2-189........
64635 2-151........
64651 2-189........
Part Page
Number Number
64655 2-189........
64740 2-75........
64757 4-47........
64788 2-4, 2-9, 2-11........
64801 2-9........
64802 2-11........
64811 2-179.........
64873 2-37........
64874 2-37........
64884 2-13........
64886 2-145........
64887 2-145........
64893 2-31........
64899 2-53, 3-75........
64905 2-169........
64919 2-4, 2-7........
64920 2-4, 2-7........
64950 2-151........
65129 2-151........
65145-1 2-155.......
65160 2-173, 3-47........
65168 2-171........
65170 2-173........
65173 2-173, 3-47........
65174 2-171, 2-173, 2-175,........
3-41, 3-45, 3-47
65180 2-173, 3-47........
65188 2-159, 2-161........
65191 2-159, 2-161........
65194 2-159, 2-161, 3-49........
65195 2-159, 2-161........
65196 2-159........
65197 2-159, 2-161........
65199 2-159, 2-161........
65202 2-159, 2-161........
65204 2-159, 2-161........
65205 2-159, 2-161........
65212 2-159, 2-161........
65213 2-159, 2-161........
65215 2-163........
65221 2-165........
65222 2-165........
65224 2-159, 2-161........
65226 4-23........
65227 4-27........
65232 4-33........
65235 4-37........
65240 4-43........
65242 2-189, 4-37........
65245 2-191........
65248 2-181........
65249 2-181........
65252 2-19........
65258 3-33........
65278 2-33........
65281 2-33........
65527 2-71........
65561 2-175, 3-41........
66020 2-5........
67310 2-155........

CROSS REFERENCE
8-14 800 Gas/LPG 330120 (7−2015)
Part Page
Number Number
67366 2-143, 2-171, 3-45........
67683 3-45........
67767 2-27, 2-123, 2-125,........
2-145
68445 3-57, 3-59........
68866 2-153........
68869 2-141, 2-143........
69097 2-69........
69234 2-50, 2-167, 2-185........
69904 2-7........
69906 2-33........
70006 2-163........
70072 2-163........
70160 2-41........
70173 2-111, 2-113, 2-115........
70218 2-189........
70219 2-189........
70284 2-17........
70388 2-29........
70398 2-192........
70400 2-213........
70402 2-192........
70407 2-21, 2-23........
70411 2-192.........
70431 2-173, 3-47........
70435 2-119, 2-121, 2-123,........
2-125
70450 2-13........
70453 2-4, 2-9, 2-11........
70454 3-33........
70477 2-111, 2-113, 2-115,........
2-117
70478 2-15........
70506 2-151........
70517 2-7........
70521 2-173........
70524 2-173, 3-47........
70525 2-173, 3-47........
70526 2-173, 3-47........
70532 2-175, 3-41........
70536 2-240........
70538 2-5........
70550 2-151........
70597 2-9........
70598 2-11........
70603 4-67, 4-69........
70609 4-67, 4-69........
70611 4-69.........
70612 4-67........
70613 4-67, 4-69........
70615 4-67, 4-69........
70617 4-67, 4-69........
70618 4-67, 4-69........
70620 3-55........
70622 2-189........
70623 2-189........
70626 2-173, 3-47........
70627 2-173, 3-47........
70628 2-21, 2-23........
70631 2-103........
Part Page
Number Number
70635 2-127, 2-131, 2-133........
70636 2-127........
70649 2-5........
70650 2-37........
70651 2-37........
70659 3-97, 3-99........
70668 3-97........
70669 3-33........
70686 3-36........
70690 3-107........
70692 3-105........
70699 3-51........
70704 2-13........
70705 2-240........
70709 2-189........
70717 2-189........
70718 2-119, 2-121, 2-123,........
2-125
70719 2-119, 2-121, 2-123,........
2-125
70725 2-153........
70730 2-33........
70742 2-33........
70747 2-153........
70749 2-153........
70754 2-127........
70756 2-13........
70761 2-33, 3-57, 3-59........
70762 2-33........
70767 2-113........
70775 2-187........
70783 2-153........
70785 3-55........
70788 3-55........
70790 2-187........
70793 3-38........
70802 3-38........
70808 2-11........
70809 2-9........
70810 2-187........
70815 3-38........
70825 2-185........
70827 2-169........
70832 2-103, 2-105........
70843 2-7........
70844 2-7........
70847 2-169........
70849 2-71........
70851 3-109........
70876 2-61, 2-69........
71552 2-159, 2-161........
71725 4-25........
72970 2-189........
72978 2-93, 3-65, 3-83........
72979 2-71, 2-73, 3-65,........
3-83
73017 2-69........
73020 2-71........
73645 2-7........
73646 2-185........
Part Page
Number Number
73648 2-9........
73649 2-11........
73650 2-185........
73654 2-4, 2-9, 2-11........
73678 2-29........
73679 2-29........
73685 2-185........
73717 3-75........
73724 2-7........
73727 2-39........
73731 2-145........
73733 2-145........
73734 2-37........
73736 2-191........
73737 2-175, 3-41........
73749 2-29........
73751 3-7........
73753 3-15........
73755 3-3........
73757 3-11........
73771 2-29........
73772 2-29........
73862 2-7........
73863 2-7........
73870 2-4, 2-9, 2-11........
73871 3-97, 3-99........
73880 3-97, 3-99........
73887 2-29........
73888 2-4, 2-9, 2-11........
73898 3-3, 3-7, 3-11, 3-15........
73899 3-3, 3-7, 3-11, 3-15........
73917 5-3, 5-15, 6-3, 6-15........
73920 5-3, 6-3........
73921 5-3, 6-3........
73927 5-6, 6-6........
73936 5-6, 6-6........
73937 5-19, 6-19........
73950 5-3, 6-3........
73954 5-19, 6-19........
73958 5-3, 6-3........
73967 5-19, 6-19........
73970 5-19, 6-19........
73975 5-3........
73977 5-22........
73978 5-22........
73979 5-22........
73980 5-22........
73981 5-22........
73982 5-22........
73995 5-21, 6-5, 6-21........
73996 5-23, 6-23........
74000 3-3, 3-5, 3-7, 3-9,........
3-11, 3-13, 3-15,
3-17, 3-21, 3-25
74007 3-33, 3-35........
74015 2-33........
74022 2-151........
74040 2-17........
74045 2-29........
74046 2-29........

CROSS REFERENCE
8-15
800 Gas/LPG 330120 (7−2015)
Part Page
Number Number
74051 2-153........
74059 2-173, 3-47........
74060 2-173........
74062 2-9........
74063 2-11........
74064 2-7........
74066 2-7........
74067 2-7........
74069 2-29........
74074 3-97, 3-99........
74076 2-41........
74081 2-13........
74082 2-135, 2-137, 2-139........
74089 2-119, 2-121, 2-123,........
2-125
74090 2-175, 3-41........
74094 4-33........
74098 4-29, 4-43........
74100 4-33........
74101 4-33........
74109 4-37........
74110 4-37.........
74111 4-37.........
74112 4-37.........
74132 4-27........
74133 4-27........
74134 4-27, 4-29........
74135 4-27, 4-29, 4-31........
74136 4-27, 4-29, 4-31........
74137 4-27, 4-29........
74142 2-189........
74145 4-39........
74146 4-43........
74148 4-23........
74149 4-23........
74150 4-23........
74151 4-23........
74152 4-23........
74153 4-23........
74154 4-23, 4-25........
74156 4-23........
74157 4-23........
74158 4-23........
74159 4-23........
74160 4-23........
74161 4-23, 4-25........
74163 2-155........
74164 3-112........
74174 4-37........
74182 4-37........
74184 4-3, 4-7, 4-13, 4-17........
74190 4-37........
74194 4-37........
74195 4-37........
74210 4-3, 4-7, 4-13, 4-17........
74214 4-29, 4-31........
74218 4-37........
74220 4-29, 4-31........
74223 4-3, 4-7, 4-13, 4-17........
74233 4-34, 4-35........
Part Page
Number Number
74240 4-3, 4-7, 4-13, 4-17........
74246 4-29, 4-31........
74250 4-33........
74251 4-37........
74253 4-3, 4-13........
74254 4-3, 4-7, 4-13, 4-17........
74256 4-3, 4-7, 4-13, 4-17........
74257 4-3, 4-7, 4-13, 4-17........
74258 4-3, 4-7, 4-13, 4-17........
74259 4-5, 4-9, 4-15, 4-19........
74260 4-5, 4-15........
74261 4-5, 4-15........
74262 4-3, 4-7, 4-13, 4-17........
74263 4-3, 4-13........
74264 4-5, 4-15........
74265 4-3, 4-7, 4-13, 4-17........
74266 4-3, 4-7, 4-13, 4-17........
74267 4-3, 4-7, 4-13, 4-17........
74268 4-43........
74270 4-5, 4-9, 4-15, 4-19........
74271 4-5, 4-9, 4-15, 4-19........
74272 4-3, 4-7, 4-13, 4-17........
74273 4-3, 4-7, 4-11........
74274 4-5, 4-9, 4-15, 4-19........
74275 4-5, 4-9, 4-15, 4-19........
74276 4-3, 4-7, 4-13, 4-17........
74277 4-5, 4-9, 4-15, 4-19........
74278 4-5, 4-9, 4-15, 4-19........
74279 4-5, 4-15........
74280 4-3, 4-7, 4-13, 4-17........
74281 4-3, 4-7, 4-13, 4-17........
74282 4-5, 4-9, 4-15, 4-19........
74283 4-3, 4-5, 4-7, 4-9,........
4-13, 4-15, 4-17,
4-19
74391 2-175, 3-41........
74402 2-69........
74443 2-61, 2-69........
74455 2-29, 3-57, 3-59,........
3-109
74509 5-15, 6-15........
74516 5-3, 6-3........
74527 5-15, 6-15........
74536 5-7, 6-7........
74538 5-5, 5-23, 6-5, 6-23........
74545 5-19, 6-19........
74548 5-19, 6-19........
74552 5-19, 6-19........
74561 5-11, 6-11........
74920 2-7........
74944 2-129, 2-133........
75010 2-5........
75011 2-5.........
75012 2-31........
75028 2-171........
75046 2-33........
75047 2-33........
75099 3-47........
75117 3-47.........
75128 2-17........
Part Page
Number Number
75142 3-45........
75197 3-73, 3-89........
75303 2-17........
75428 2-13........
75456 2-185........
75456-1 2-185.......
75456-2 2-185.......
75456-3 2-185.......
75456-4 2-185.......
75465 2-39, 3-109........
75575 2-151........
75612 2-179........
75666 2-91, 2-93, 2-95,........
2-97, 2-99, 2-101
75701 3-97, 3-99........
75768 2-45, 2-47, 2-49........
75828 3-75, 3-91, 3-93........
75854 2-111, 2-113........
75861 2-25........
75876 3-97, 3-99........
75877 3-97, 3-99........
75881 3-57........
75883 2-17........
75891 2-27........
75899 3-47........
75901 3-101, 3-103........
75968 2-189........
75989 3-101........
76030 3-101, 3-103........
76036 3-101, 3-103........
76038 3-101, 3-103........
76049 3-101........
76055 3-101, 3-103........
76069 3-101, 3-103........
76074 3-101, 3-103........
76081 3-101, 3-103........
76084 3-101, 3-103........
76099 3-57, 3-59........
76100 3-101........
76285 2-15........
76286 3-97, 3-99........
763025 2-67, 2-87........
763113 2-185........
763114 2-139........
763116 3-65, 3-73, 3-83,........
3-89
76316 2-163........
76321 2-91, 2-93, 2-95,........
2-99
76338 3-97, 3-99........
763483 4-23........
76383 2-103, 2-105........
76384 2-29........
76385 3-27, 3-51........
76406 3-97, 3-99........
76423 3-31........
76438 2-173, 3-47........
76461 3-45, 3-49........
76470 2-25........
76471 2-25........

CROSS REFERENCE
8-16 800 Gas/LPG 330120 (7−2015)
Part Page
Number Number
76474 2-29........
76487 2-29........
76490 2-151........
76491 2-151........
76492 2-13........
76495 2-13........
76497 2-159, 2-161........
76498 2-159, 2-161........
76516 3-55........
76522 3-55........
76523 2-153........
76570 2-109, 2-175, 2-185,........
2-187, 3-41, 3-75
76647 2-153........
76653 2-151........
76684 3-49........
76736 2-111, 2-113, 2-115........
767407 2-155........
76762 2-59........
76825 2-97........
768482 2-189........
76870 2-17........
76888 2-13, 2-192........
768897 2-135........
76898 3-57........
76907 2-111, 2-113........
76955 2-55, 2-57........
76956 2-53........
769806 2-75........
769808 2-63........
76996 4-47........
77097 2-31, 2-167, 2-175,........
2-181, 2-187, 3-41
77098 2-139........
77388 2-33........
77394 2-33........
77399 2-19........
77400 2-33........
77430 2-43, 2-45, 2-47,........
2-49
77434 2-43, 2-45, 2-47,........
2-49
77435 2-43, 2-45, 2-47,........
2-49
77452 2-135, 2-137, 2-139........
77458 3-41........
77459 2-175, 3-41........
77463 2-25........
77471 2-37........
77473 2-159, 2-161........
77485 2-169........
77488 2-169........
77490 2-141........
77491 2-169........
77492 2-169........
77493 2-169........
77498 2-169........
77499 2-169........
77516 2-35........
77523 2-35........
Part Page
Number Number
77531 2-185........
77532 2-185........
77553 2-185........
77555 3-75, 3-79, 3-91,........
3-93, 3-95
77558 2-111........
77569 3-41........
77575 2-167........
77578 2-183........
77579 2-141........
77580 2-183........
77583 2-183........
77584 2-175, 3-41........
77593 2-7........
77597 2-175, 3-41........
77600 2-175, 3-41........
77601 2-175........
77602 2-141........
77605 2-175, 2-183........
77611 3-36.........
77613 3-36........
77632 2-4........
77634 2-4........
77640 2-159, 2-161........
77641 2-159, 2-161........
77652 3-55........
77669 2-175........
77674 3-67........
77680 2-7........
77682 2-175........
77711 2-19.........
77727 2-175, 3-41........
77734 2-7........
77738 3-41........
77752 3-42........
77755 3-101........
77759 3-101........
77768 4-67........
77769 4-69........
77770 2-147, 4-69........
77777 2-7........
77782 2-7........
77783 3-41........
77790 2-147, 4-67........
77800 4-53........
77801 4-53........
77802 4-53........
77803 4-53........
77804 4-53........
77805 4-53........
77806 4-53........
77807 4-53........
77808 4-53........
77809 4-53........
77811 3-63, 3-69, 3-71,.........
3-81, 3-85, 3-87
77812 4-47........
78043 2-111........
78122 2-119, 2-121, 2-123,........
2-125
Part Page
Number Number
78750 2-127, 2-129, 2-131........
78772 3-79, 3-95........
78881 2-69........
78897 2-61........
78998 3-49........
79010 2-7........
79019 2-33........
79025 3-109........
79026 3-109........
79028 2-13, 2-183........
79032 2-4........
79116 2-153.........
79138 2-31........
79139 2-29........
79140 2-145........
79151 2-147........
79152 2-145, 2-147........
79153 2-145, 2-147........
79155 3-109........
79156 3-109........
79157 3-109........
79158 3-109........
79159 3-109........
79160 3-109........
79167 3-109........
79168 3-109........
79169 3-109........
79170 3-109........
79172 3-109........
79174 3-109........
79176 3-109........
79177 3-109........
79381 2-129, 2-131........
79506 2-29........
79591 2-33........
79593 2-151........
79594 2-151........
79596 2-31........
79597 2-29........
79600 2-29........
79608 2-7........
79621 3-45........
79622 3-45........
79628 5-9, 6-9........
79629 5-9, 6-9........
79630 5-9, 6-9........
79631 5-9, 6-9........
79632 5-9, 6-9........
79633 5-9, 6-9........
79634 5-9, 6-9........
79635 5-9, 6-9........
79636 5-9, 6-9........
79638 5-9, 6-9........
79640 5-9, 6-9........
79642 2-159, 2-161........
79644 3-97, 3-99........
79646 3-97, 3-99........
79647 3-97, 3-99........
79648 2-191........
79670 2-7........

CROSS REFERENCE
8-17
800 Gas/LPG 330120 (7−2015)
Part Page
Number Number
79671 2-7........
79674 3-97, 3-99........
79680 2-7........
79708 4-5, 4-15........
79711 4-38, 4-39, 4-43.........
79719 4-39, 4-43........
79728 4-39, 4-43........
79731 4-38, 4-43........
79739 4-38, 4-43........
79740 4-38, 4-39, 4-43........
79742 4-3, 4-7, 4-13, 4-17........
79747 4-3, 4-7, 4-13, 4-17........
79748 4-5, 4-9, 4-15, 4-19........
79749 4-5, 4-9, 4-15, 4-19........
79750 4-5, 4-9, 4-15, 4-19........
79751 4-5, 4-9, 4-15, 4-19........
79752 4-5, 4-9, 4-15, 4-19........
79753 4-5, 4-9, 4-15, 4-19........
79754 4-11........
79755 4-11, 4-21........
79756 4-11, 4-21........
79757 4-11, 4-21........
79758 4-11, 4-21........
79759 4-11........
79760 4-11, 4-21........
79761 4-11, 4-21........
79762 4-11, 4-21........
79763 4-11, 4-21........
79764 4-11, 4-21........
79765 4-11, 4-21........
79766 4-11, 4-21........
79767 4-11, 4-21........
79771 4-3, 4-13........
79772 4-21........
79774 4-21........
79776 4-11, 4-21........
79777 4-21........
79779 4-3, 4-7, 4-13, 4-17........
79781 2-171, 3-45, 4-33........
79782 4-33........
79786 4-41........
79787 4-41........
79788 4-41........
79789 4-41........
79790 4-41........
79791 4-41........
79792 4-41........
79793 4-41........
79794 4-41........
79795 4-41........
79797 4-41........
79798 4-41........
79799 4-41........
79812 4-41........
79820 4-41........
79822 4-41........
79823 4-41........
79824 4-41........
79872 2-145........
79956 5-9, 6-9........
Part Page
Number Number
79957 5-9, 6-9........
79960 5-9, 6-9........
79961 5-9, 6-9........
79962 5-9, 6-9........
79963 5-9, 6-9........
79964 5-9, 6-9........
79965 5-9, 6-9........
79966 5-9, 6-9........
79967 5-9, 6-9........
79969 5-9, 6-9........
79970 5-9, 6-9........
79972 5-15, 6-15........
79973 5-15, 6-15........
79974 5-15, 6-15........
79975 5-23, 6-23........
79976 5-15, 6-15........
80395 2-175, 3-41........
82063 3-3, 3-7, 3-19........
82168 2-153........
82200 3-11, 3-15, 3-23........
82509 2-113........
82510 2-113........
82661 2-103, 2-105, 2-109........
82727 2-19, 4-63, 4-65........
82731 2-41........
82733 2-187........
82739 2-39, 3-109........
82820 2-159, 2-161........
82825 2-31........
82830 2-155, 2-163, 2-165........
82832 2-145........
82835 2-159, 2-161........
82839 2-153........
82843 2-159, 2-161........
82962 3-97, 3-99........
83547 2-35........
83548 2-35........
83549 2-25........
83551 2-25........
83553 2-25, 2-27........
83554 2-25, 2-27........
83555 2-27........
83557 3-38........
83578 2-61, 2-71, 2-73........
83580 2-61, 2-71, 2-73........
83581 2-53, 2-55........
83584 2-95, 2-97, 2-99,........
2-101
83591 2-115........
83618 2-31........
83620 2-35........
83622 2-35........
83626 3-38........
83627 3-38........
83639 2-61........
83640 2-69........
83641 3-91........
83643 2-111........
83644 2-111........
83652 2-41........
Part Page
Number Number
83664 2-41........
83669 5-17, 6-17........
83673 2-43........
83674 2-43, 2-45, 2-47,........
2-49
83677 5-24, 6-24........
83678 2-61........
83679 2-69........
83682 2-61, 2-69........
83683 2-61, 2-69........
83684 2-61, 2-69........
83685 2-61, 2-69........
83686 2-61, 2-69........
83689 2-43........
83690 2-127, 2-129........
83691 2-127........
83692 2-41........
83693 2-211........
83695 2-212........
83699 3-48........
83706 3-109........
83707 5-24........
83729 2-41........
83731 2-41........
83732 5-24, 6-24........
83747 2-41........
83750 2-41........
83853 2-41........
84014 2-167, 4-43........
84015 2-187, 3-45, 4-38........
84016 2-175, 3-41, 4-39........
84103 2-153........
84581 2-171, 3-45........
84659 5-17, 6-17........
84875 5-3........
84876 5-3........
84877 5-3........
84878 5-3, 6-3........
84879 5-3, 6-3........
84880 5-3, 6-3........
84882 5-3, 5-24, 6-3, 6-24........
84883 2-4, 5-3, 6-3........
84884 5-3, 6-3........
84885 5-5........
84886 5-5........
84887 5-5, 6-5........
84888 5-5........
84889 5-5, 5-11, 6-5, 6-11........
84891 5-5, 6-5........
84892 5-5........
84893 5-5........
84894 5-5........
84895 5-7, 6-7........
84896 5-7, 6-5, 6-7........
84897 5-7, 6-7........
84898 5-7, 6-7........
84899 5-7, 6-7........
84900 5-7, 6-7........
84901 5-7, 6-7........
84902 5-7, 6-7........

CROSS REFERENCE
8-18 800 Gas/LPG 330120 (7−2015)
Part Page
Number Number
84903 5-7, 6-7........
84904 5-7, 6-7........
84905 5-7, 6-7........
84906 5-7, 6-7........
84907 5-6, 6-6........
84910 5-6, 6-6........
84911 5-22.........
84913 5-22........
84914 5-22........
84915 5-19, 6-19........
84916 5-19, 6-19........
84917 5-19, 6-19........
84919 5-19, 6-19........
84921 5-19, 6-19........
84923 5-13........
84924 5-13, 6-13........
84925 5-13, 6-13........
84926 5-13, 6-13........
84927 5-13, 6-13........
84936 5-19, 6-19........
84947 5-13........
84950 5-21, 6-21........
84951 5-21, 6-21........
84952 5-21, 6-21........
84953 5-21, 6-21........
84954 5-21, 6-21........
84955 5-21, 6-21........
84956 5-21, 6-21........
84957 5-21, 6-21........
84958 5-21, 6-5, 6-21........
84961 5-21, 6-21........
84962 5-3, 6-3........
84963 5-11, 6-11........
84964 5-11, 6-11........
84965 5-11, 6-11........
84966 5-11, 6-11........
84967 5-11, 6-11........
84968 5-11........
84969 5-11, 6-11........
84970 5-11, 6-11........
84971 5-11, 6-11........
84972 5-11........
84973 5-11, 6-11........
84974 5-11, 6-11........
84975 5-11, 6-11........
84976 5-11, 6-11........
84977 5-11, 6-11........
84978 5-11, 5-19, 6-11,........
6-19
84979 5-11, 6-11........
84980 5-11........
84981 5-11, 6-11........
84982 5-23, 6-23........
84983 5-5, 5-23, 6-5, 6-23........
84984 5-23, 6-23........
84985 5-15, 6-15........
84987 5-23, 6-23........
84988 5-23, 6-23........
84989 5-23, 6-23........
84990 5-15, 6-15........
Part Page
Number Number
84991 5-15, 6-5, 6-15........
84992 5-15, 6-15........
84993 5-23, 6-23........
84994 5-23, 6-23........
84995 5-15, 6-15........
84996 5-15, 6-15........
84997 5-15, 6-15........
84998 5-23, 6-23........
84999 5-9, 6-9........
86034 2-151........
86041 2-41........
86328 2-113........
86798 2-7........
86824 2-63........
86860 2-7........
86877 2-240........
86953 2-153........
87308 2-67, 2-87, 2-89........
87337 3-107........
87396 2-111, 2-113, 2-115,........
2-117
87515 2-7........
87536 2-191........
87579 4-59, 4-61, 4-63,........
4-65
87583 2-192........
87631 2-179........
87866 2-191........
87948 3-31........
87972 2-135........
9000355 2-117.......
9000360 2-131.......
9000823 4-71.......
9000845 3-11, 3-13, 3-15,.......
3-17, 3-23, 3-25
9000846 3-3, 3-5, 3-7, 3-9,.......
3-19, 3-21
9000879 3-3, 3-5, 3-7, 3-9,.......
3-11, 3-13, 3-15,
3-17, 3-19, 3-21,
3-23, 3-25
9001070 2-135, 2-137.......
9001183 2-135.......
9001293 2-153.......
9001554 2-137, 2-139.......
9001702 4-45.......
9002915 3-95.......
9003391 2-87.......
9003676 5-24.......
9003927 3-114.......
9004327 2-23.......
9004539 2-80.......
9006583 7-5.......
9006584 7-5.......
9006585 7-5.......
9006586 2-4, 7-3.......
9006587 7-5.......
9006588 7-5.......
9006589 2-67, 2-83, 2-87.......
9006591 2-63, 2-67.......
Part Page
Number Number
9006592 2-115, 2-117.......
9006618 2-87.......
9006620 2-89.......
9006633 2-59.......
9006635 2-59.......
9006741 2-139.......
9007131 3-27, 3-29.......
9007380 2-89.......
9007423 2-87.......
9007651 3-55.......
9008193 2-89.......
9008194 2-67, 2-87.......
9008645 2-145, 2-155, 2-159,.......
2-161
9008799 2-67, 2-87.......
9008800 2-67, 2-87.......
9008801 2-67, 2-87.......
9008802 2-67, 2-87.......
9008803 2-87.......
9008804 2-89.......
9008805 2-89.......
9008806 2-87.......
9008807 2-87.......
9008808 2-87.......
9008809 2-89.......
9009006 4-49.......
9009657 7-11.......
9010259 2-50.......
9010634 2-87.......
9012095 2-187.......
9012853 3-21.......
9012854 3-25.......
9012855 3-9.......
9012856 3-17.......
9012857 2-13.......
9012859 2-153.......
9012869 3-59.......
9012871 2-13.......
9012874 2-153.......
9012878 3-99.......
9012879 2-23.......
9012880 3-35.......
9012884 3-39.......
9012885 3-13.......
9012886 3-5.......
9012887 3-55.......
9012889 3-103.......
9012890 3-29.......
9012891 3-53.......
9012892 3-37.......
9012893 3-71.......
9012896 3-87.......
9012898 4-57.......
9012899 4-51.......
9013665 2-145.......
9013902 2-50.......
9013903 2-49.......
9013904 2-50.......
..............

CROSS REFERENCE
8-19
800 Gas/LPG 330120 (7−2015)
PART DESCRIPTION TO PAGE NUMBER CROSS REFERENCE LIST
A
A/C Hose #6 134A, 4-59, 4-61
A/C Hose#10 134A, 4-59, 4-61
Actuator, Govnr, Gas/Lpg, 2-61, 2-69
Actuator, Valve En, 4-5, 4-9, 4-15, 4-19
Adapter Kit, Manifold, 2-63
Adapter, Air-Intk, Carb, Gas, 2-61
Adapter, Air-Intk, Gas/Lpg, 2-45, 2-47
Adapter, Fltr, Remote, 2-59
Adapter, Intake, Lpg [3.0l], 2-79
Adapter, Mtg, Carb [Ford 2.3], 2-61, 2-69
Adapter, Pump, Water, Mach, 2-41
Adapter, Throttle Body, 2-79
Adapter, Valve, 400mm [Bosch], 2-83,
2-87
Adapter, Valve, Fuel Trim, 2-79
Adaptor Wldt, Vac Wand, 3-97, 3-99
Adaptor, Fuelline, 2-115
Adaptor,Neutral En, 4-21
Adjuster, Manual, 4-67, 4-69
Alarm Assy, Backup, 12/48vdc, 3-27, 3-29
Alarm Kit, Backup / A/V, Ci [800gray], 3-29
Alternator, 3-91
Alternator Kit, Hd, Gas/Lpg, Ci[800/810],
3-95
Alternator, 12vdc 050a Sealed Brush, 2-41
Alternator, 12vdc, 075a [Valeo], 2-53,
2-55, 2-57
Alternator, 12vdc, 100A [Brushless], 3-75,
3-93
Alternator, Se [800/810, 07], 3-79, 3-95
Angle, 3-97, 3-99
Angle, Bolt, Latch, 2-21, 2-23
Angle, Bolt, Latch [800 Gray], 2-23
Angle, Heat, Shield, 3-75, 3-93
Angle, Mtg, 2-33, 2-119, 2-121, 2-123,
2-125
Angle, Mtg, .12 X 1 X 1 X 4.5l, 2-73
Angle, Mtg, .19 1.00 X 1.00 48.4l 6/.30h,
2-29
Angle, Mtg, Stl, .12 1.2 1.0 00.8l, 2-41
Angle, Shield, Heat, 2-55
Arm Kit, 7-3
Arm Wldt, M Br, Idler, 2-179
Arm Wldt, M Br, Motor, 2-179
Arm Wldt, Pivot, Side Brush, 2-173
Arm Wldt, Pivot, Side Brush [800 Gray],
2-173
Arm Wldt, Safety, Sppt, Seat, .38d 10.1l,
2-15
Arm, Adj, Alternator, 2-53, 2-55
Arm, Adj, Alternator, 5.0r [Curved], 2-41
Arm, Adj, Alternator, Hd [800/810 07],
3-79, 3-95
Arm, Adjmt, Alternator, 2-57
Arm, Alternator, Hd [Gm3.0l], 3-75, 3-93
Arm, Cntrl, Pintle, 2-153
Arm, Control En, 4-3, 4-7, 4-13, 4-17
Arm, Lift, Hppr, Lower, 2-25
Arm, Lift, Hppr, W/ Label [800l], 2-25
Arm, Safety, Hppr, W/ Label [800], 2-25
Arm, Safety, Sppt, Cover, Eng, .31d 14.5,
2-17
Arm, Tens, 3-75
Arm, Tens [2008], 3-79
Arm, Tension, A/C, .18 1.3w 4.2l, 3-75
Arm, Wiper, Windshield, 4-47
Arm.Thr.Ball, 5-9, 6-9
Armature, 5-9, 6-9
Armrest, Black, 4-49, 4-51
B
Backing Plate Rh, 4-67
Backplate S/A En, 4-5, 4-9, 4-15, 4-19
Baffle, 5-3, 6-3
Balancer, 7-11
Ball, 4-27, 4-29, 7-3
Ball En, 4-21
Ball Joint .375-24, 3-97, 3-99
Balljoint .375-24 Lh, 3-97, 3-99
Balljoint, Rod End, 2-145
Band,Mtg., 2-91, 2-93, 2-95, 2-99
Bar Kit, Shakr, F/64374, Replmt, 2-37
Bar Wldt, Brush Pressure, 2-179
Bar, Equalizer, 2-151
Bar, Flat, Stl 0.18, 01.00 X 15.0l, 2-17
Bar, Hex, Stl 0.63, 00.88 .25-28, 2-153
Bar, Prop, 3-97, 3-99
Bar, Shakr Stem, 2-37
Bar, Sppt, Eng Cover, 2-19
Bar, Stl, 0.12, 01.00 X 08.32l[800 Gray],
2-13
Battery, 12V, Wet, 2-141
Battery, Wet, 12vdc 1000cca, 2-143
Bearing, 2-175, 3-41, 3-47, 4-3, 4-5,
4-7, 4-9, 4-13, 4-15, 4-17, 4-19,
4-32, 5-9, 5-22, 6-9, 6-22
Bearing Cam,, 5-6, 6-6
Bearing Kit, 7-7, 7-12
Bearing Kit, .001 U.S., 7-7
Bearing Kit, .001” #1, 2, 3, 4, 7-11
Bearing Kit, .001” #5, 7-11
Bearing Kit, .010” #1, 2, 3, 4, 7-11
Bearing Kit, .020” #1, 2, 3, 4, 7-11
Bearing Kit, .025” #5, 7-11
Bearing Kit, .030” #1, 2, 3, 4, 7-11
Bearing Kit, Cshft, .010[F2.3/2.5l], 5-13,
6-13
Bearing Kit, Cshft, .020[F2.3/2.5l], 5-13,
6-13
Bearing Kit, Cshft, .030[F2.3/2.5l], 5-13,
6-13
Bearing Kit, Cshft, .040[F2.3/2.5l], 5-13,
6-13
Bearing Kit, Cshft, Std[F2.3/2.5l], 5-13,
6-13
Bearing Kit, Std, 7-7
Bearing Kit, Std #1, 2, 3, 4, 7-11
Bearing Kit, Std #5, 7-11
Bearing Thrust, 4-33
Bearing-Ball,1.38B 2.83D 0.67W, 2-179
Bearing-Cone, 1.38Bore 0.72Wth, 2-147
Bearing-Cone, 1.50Bore 0.75Wth, 2-147
Bearing-Cone, 2.63Bore 0.87Wth, 2-145
Bearing-Cup , 4.33Dia 0.74Wth, 2-145
Bearing-Cup, 2.56Dia 0.55Wth, 2-147
Bearing-Cup, 2.72Dia 0.59Wth, 2-147
Bearing-Flange,2 Hole 0.50Bore, 2-189
Bearing, .016 Camshaft, 5-6, 6-6
Bearing, Ball, 0.67b 1.57d 0.47w, 2-41
Bearing, Flange .500B, 2-189
Bearing, Flange .625 Bore, 3-97, 3-99
Bearing, Flange .875 Bore, 3-47
Bearing, Needle, 4-37
Bearing, Needle, 1.13b 1.38d 0.75w, 2-37
Bearing, Nylon, 3-109
Bearing&Clr ,1.25B 2.44D 1.41W, 2-179
Bell Crank, 4-11
Bell Crank En, 4-21
Bellcrank Wldt, Pivot, Dir Cntrl, 2-153
Belt, Seat, 3-107
Belt, V, 3-91
Belt, V, [3v] 38.5l [Hc38/41], 3-76
Belt, V, [3v] 40.0l, 1only [Hc38], 3-75
Belt, V, [Hc41] 42.0l, 3-75, 3-93
Belt, V, 38.5l [Hc38], 3-79
Belt, V, 39.6l [3v, Hc41], 2-55, 2-57
Belt, V, 40.0l [3v, 1, 2-53
Belt, V, 45.1l [Hc38], 3-79, 3-95
Belt, V, 46.4l, Cogged [Hc38], 2-41
Belt, V, Hc41 40.1L, 3-67
Belt, V, Hc41 41.1L, 3-67
Blade, Deflector, 2-4
Blade, Wiper, Windshield, 4-47
Block, 3-41
Block Assy, 5-3, 6-3
Blower, Heat/Ac, 4-59, 4-61, 4-63, 4-65
Body, 4-25
Body Assembly, 4-23
Body Assy, 4-23
Bolt, 2-63, 2-65, 2-75, 2-79, 4-27, 4-29,
5-17, 5-19, 6-19, 7-3, 7-5, 7-7,
7-9, 7-11, 7-12
Bolt (1/4-20x.62), 7-9
Bolt (5/16-18x5/8), 7-9
Bolt (1/4-20x1/12 Hex), 7-12
Bolt (1/4-20x1/12), 7-12
Bolt (1/4-20x1/2), 7-9
Bolt (5/16-18x1.5 Hex), 7-12
Bolt M12, 5-3, 5-6, 6-3, 6-6
Bolt M12X45, 5-19, 6-19
Bolt-Conrod-4, 5-22, 6-22
Bolt-Eye M8-1.25, 3-47
Bolt-Thru, 5-9, 6-9
Bolt, (HFH3/8-16x062 280 POR), 7-5
Bolt, Carriage, .38-16 X 1.00, 2-179
Bolt, Clutch, 2-45, 2-47, 2-49
Bolt, Eye, Lift, 2-47
Bolt, Eye, M8 X 1.25 X 051mm, 05.50 Eye,
2-173

CROSS REFERENCE
8-20 800 Gas/LPG 330120 (7−2015)
Bolt, Intake Manifold, 2-63, 2-65, 2-75,
2-80
Bolt, Latch, F/58489/58844, 2-9, 2-11
Bolt, M6X16.5mm, 5-3, 6-3
Bolt, M8 X 17 Schd, 5-7, 6-7
Bolt, M8X12.0mm, 5-23, 6-23
Bolt, Motor, Hyd, 4-31
Bolt, Shld, .50d X 0.50, .38-16, 2-7,
2-171, 3-45
Bolt, Shld, .50d X 1.00, .38-16, 2-37
Bolt, Starter, 2-45, 2-47, 2-49
Bolt, U, .25-20 X 2.00, 1.10id, 3-65, 3-73,
3-83, 3-89
Bolt,M10X40.0mm, 5-11, 6-11
Bolt,M10X55.0M, 5-15, 6-15
Bolt,M10X58.0mm, 6-17
Bolt,M14X55.0M, 5-13, 6-13
Bolt,M5X20.0M, 5-11, 6-11
Bolt,M6X27.5mm, 5-11, 6-11
Bolt,M6X37.5mm, 5-7, 6-7
Bolt,M6X47.5mm, 5-11, 6-11
Bolt,M6X52.5mm, 5-11, 6-11
Bolt,M8X18.0M, 5-23, 6-23
Bolt,M8X20.0mm, 5-11, 6-11
Bolt,M8X25.0mm, 5-15, 6-15
Bolt,M8X53.0mm, 5-23, 6-23
Bolt,Tens.Sprn, 5-19, 6-19
Boot, 2-189
Boot-Circuit Breaker, 2-192
Boot, 90deg .44id 0.62id 1.69l, Blk, 3-31
Boot, Bar, Shakr, Fltr [800l], 2-37
Boot, Circuit Breaker, 3-55
Boot, Circuitbreaker, 2-192, 3-55
Boot, Str, 0.12id 0.43id 0.25l, Blk, 2-41,
2-53, 2-55, 2-57
Boot, Switch, 2-191
Boot, Switch, Ignition, 2-191
Box Assy, Heat, 4-63
Box Assy, Heat/Ac, 4-59
Box Assy, Heater, A/C (See Breakdowns),
3-63, 3-69, 3-81, 3-85
Box, Mounting, Lever, Vac, 3-97, 3-99
Brace Wldt, Bmpr, Se [800 Gray], 3-39
Brace Wldt, Bumper, Se, 3-38
Bracket, 3-3, 3-7, 3-11, 3-15, 3-27,
3-101, 3-103, 7-3, 7-9
Bracket [Epr], 2-83
Bracket Kit, Mtg, Cable, Replmt[800/810],
2-153
Bracket Wldt, 3-101
Bracket Wldt, Fan Inlet, 2-185
Bracket Wldt, Gasspring, 2-17
Bracket Wldt, Lift, 3-47
Bracket Wldt, Lift [Gray], 3-47
Bracket Wldt, Mtg, A/C, 3-75
Bracket Wldt, Mtg, A/C [800 07], 3-79
Bracket Wldt, Mtg, Alternator, 2-41
Bracket Wldt, Mtg, Battery, 2-143
Bracket Wldt, Mtg, Battery [800 G/Lp/D],
2-143
Bracket Wldt, Mtg, Eng, 2-43
Bracket Wldt, Mtg, Eng, Front, Rh, 2-43,
2-45, 2-47, 2-49
Bracket Wldt, Mtg, Eng, Rear, 2-43, 2-45,
2-47, 2-49
Bracket Wldt, Mtg, Eng, Rear [2.3ford],
2-43
Bracket Wldt, Mtg, Guard, Side Brush,
2-173
Bracket Wldt, Mtg, Headlight, 2-33, 2-35
Bracket Wldt, Mtg, Headlight [800 B/Gr],
2-33
Bracket Wldt, Mtg, Ignition Coil [Ford],
2-41
Bracket Wldt, Mtg, Motor, 2-139, 2-171
Bracket Wldt, Mtg, Motor [2007], 2-139
Bracket Wldt, Mtg, Motor [Gray], 3-45
Bracket Wldt, Mtg, Motor[800 Gray], 2-171
Bracket Wldt, Mtg, Propel Cable, 2-153
Bracket Wldt, Mtg, Skirt, Sbdc[800 Gray],
3-103
Bracket Wldt, Mtg, Valve, 2-169
Bracket Wldt, Oprtr Station, 2-13
Bracket Wldt, Pivot, 3-47
Bracket Wldt, Pivot [Gray], 3-47
Bracket Wldt, Pivot, Side Brush, 2-173
Bracket Wldt, Pivot, Side Brush [Gray],
2-173
Bracket Wldt, Spring, 2-173
Bracket Wldt, Spring [800 Gray], 2-173
Bracket Wldt, Steering Tilt, 2-189
Bracket Wldt, Tank, Lpg, 2-119, 2-121,
2-123, 2-125
Bracket, Bottom, 7-5
Bracket, Adjuster, Brake, 2-151
Bracket, Angle, 2-185, 3-41, 3-47, 3-51
Bracket, Angle [Gray], 3-29, 3-53
Bracket, Angle, Mtg, Guard, Side Brush,
3-47
Bracket, Angle, Mtg, Side Brush, 2-173
Bracket, Angle, Sppt, Hood, 2-19
Bracket, Arm, Steering, 2-145
Bracket, Battery, 2-141
Bracket, Belt, Guard, A/C, 3-75
Bracket, Belt, Guard, Ac, 3-67
Bracket, Box, Relay, 2-67, 2-83, 2-87
Bracket, Brace, Cntr, 2-17
Bracket, Brush Lift, Main, 2-181
Bracket, Channel, Mtg [800 Gray], 3-47
Bracket, Eng, 2-141
Bracket, Flasher, 3-31
Bracket, Fltr, Fuel, 2-115
Bracket, Fltr, Lpg [6600], 2-75
Bracket, Frame, 1.0 X 3.50w, 2-7
Bracket, Guard, Alternator, Hd [800/810],
3-79, 3-95
Bracket, Guard, Alternator, Hd [Gm3.0l],
2-57, 3-75, 3-93
Bracket, Guide, Arm, Side Brush, Rh,
2-173
Bracket, Hinge, Door, Lpg [800 Gray], 2-7
Bracket, Isolator, 2-107
Bracket, L, 2.20,2.00, .18T,1., 2-135,
2-137, 2-139
Bracket, Latch, Sppt, 4-49, 4-51
Bracket, Mirror, Mtg, 3-57
Bracket, Mounting, 2-167
Bracket, Mounting Motor, 2-187
Bracket, Mounting, Gearmotor, 3-109
Bracket, Mounting, Motor, 3-45
Bracket, Mounting, Skirt, 3-101, 3-103
Bracket, Mtg, Alternator, Hd,[Gm3.0l],
3-75
Bracket, Mtg, Alternator, Hd[800/810 07],
3-79, 3-95
Bracket, Mtg, Alternator, Lower [Gm3.0l],
2-53, 2-55, 2-57
Bracket, Mtg, Alternator, Lower,[Gm3.0l],
3-93
Bracket, Mtg, Battery, 2-141
Bracket, Mtg, Eng, Front, Rh [Ford], 2-43
Bracket, Mtg, Eng, Lh, 2-45, 2-47, 2-49
Bracket, Mtg, Eng, Rear, Lh, 2-43, 2-45,
2-47, 2-49
Bracket, Mtg, Eng, Rear, Rh, Dsl, 2-43,
2-45, 2-47, 2-49
Bracket, Mtg, Eng, Rh, 2-45, 2-47, 2-49
Bracket, Mtg, Fltr, Oil, W/ Label [800l],
2-135
Bracket, Mtg, Fltr, Oil, W/Label [800l],
2-135, 2-137, 2-139
Bracket, Mtg, Ftg, 2-31
Bracket, Mtg, Fuelline, 2-113
Bracket, Mtg, Govnr, 2-61, 2-69
Bracket, Mtg, Heat Shield, 2-107, 2-109
Bracket, Mtg, Ignition Module, 2-41
Bracket, Mtg, Isolator, 2-107
Bracket, Mtg, Isolator [800/810 07], 2-109
Bracket, Mtg, Isolator [Gm3.0l 2010], 2-89
Bracket, Mtg, Light [800 Gray], 3-5, 3-13
Bracket, Mtg, Light, Rotating, 3-7, 3-15
Bracket, Mtg, Light, Rotating [800 Gray],
3-9, 3-17
Bracket, Mtg, Lower, Light, Revl/Flsh, 3-5,
3-13
Bracket, Mtg, Mirror, 3-57
Bracket, Mtg, Mirror [800 Gray], 3-59
Bracket, Mtg, Mirror, Rearview[800 Gray],
3-59
Bracket, Mtg, Ohg, 3-33
Bracket, Mtg, Ohg [800 Gray], 3-35
Bracket, Mtg, Propel Cable, 2-153
Bracket, Mtg, Side Panl Lh [800l], 2-33
Bracket, Mtg, Side Panl Rh [800l], 2-33
Bracket, Mtg, Skirt, 2-29
Bracket, Mtg, Tank, Coolant F/87972,
2-135
Bracket, Mtg, Valve, 2-187
Bracket, Mtg, Valve, Cntrl, Heater, 3-65,
3-73, 3-83, 3-89
Bracket, Mtg, Valve,Control, Heater, 3-65,
3-83
Bracket, Mtg, Vaporizer, 2-71
Bracket, Pivot, Hinge, Door, Lpg, 2-7
Bracket, Pump, Fuel, 2-111, 2-113, 2-115
Bracket, Retainer, Battery, 2-143
Bracket, Retainer, Battery [800 G/Lp/D],
2-143
Bracket, Side Brush, Valve, 3-41

CROSS REFERENCE
8-21
800 Gas/LPG 330120 (7−2015)
Bracket, Spring, 3-47
Bracket, Spring [Gray], 3-47
Bracket, Stand-Off, Fltr, Air, 2-97, 2-101
Bracket, Stand-Off, Fltr, Air [800 B/Gr],
2-97, 2-101
Bracket, Starter, 2-45, 2-47, 2-49
Bracket, Steering, Machining, 2-145
Bracket, Steering, Machining (Replaced by
375534), 2-145
Bracket, Tail Pipe, 2-103, 2-105, 2-107
Bracket, Tailpipe, 2-107
Bracket, Tailpipe [800/810 2007], 2-109
Bracket, Top, 7-5
Bracket,A/C Dryer, 4-55, 4-57
Brake Assy, Drum, Hyd, 08.0d 1.6w Lh,
4-69
Brake Assy, Drum, Hyd, 08.8d 1.6w Rh,
4-67
Brake Assy, Lh (See Breakdowns), 2-147
Brake Assy, Rh (See Breakdowns), 2-147
Breaker-Circuit, 2.5 Resetbl, 2-192
Breaker-Circuit, 15 Resetbl, 2-192
Breaker-Circuit, 15 Resetable, 3-55
Breather Cap, 5-21, 6-21
Breather Cap and Gasket, 2-163
Breather, Hyd, 2-163
Breather, Hyd 40Mic NO DS, 2-4
Brg-Conn.Rod, 5-22
Brkt,Mtg,Htr Coil, 4-63, 4-65
Brush Holder, 5-9, 6-9
Brush-Outsd -Polypropylene, 2-5
Brush-Patrl -Nylon, 2-5
Brush-Side Swp -Assy-Nylon, 2-5
Brush-Side Swp -Assy-Polypropylene,
2-5
Brush-Side Swp -Nylon, 2-5
Brush-Side Swp -Polypropylene, 2-5
Brush-Side Swp -Assy-Flat Wire, 2-5
Brush-Side Swp -Flat Wire, 2-5
Brush-Sweep -Nylon (24SR), 2-5
Brush-Sweep -Nylon (8DR), 2-5
Brush-Sweep -Polypropylene, 2-5
Brush-Sweep -Polypropylene&Wire, 2-5
Brush-Sweep -Wire, 2-5
Brush, Swp, Wedge, Polypropylene, 2-5
Bshg,Flange,0.62Bx0.68Od,Nylon, 3-57,
3-59
Bulb, 3-19, 3-23
Bulb, #194, 3-31
Bulb, 12V, 3-3, 3-7, 3-11, 3-15
Bumper Assy, Se, 3-38
Bumper Kit, Se, Ci [800l Gray], 3-39
Bumper Wldt, Lh, 2-35
Bumper Wldt, Lh [800 Gray], 2-35
Bumper Wldt, Rear, Gas/Dsl, 2-7
Bumper Wldt, Rear, Gas/Dsl [800 Gray],
2-7
Bumper Wldt, Rear, Lpg, 2-7
Bumper Wldt, Rear, Lpg [800 Gray], 2-7
Bumper Wldt, Rh, 2-35
Bumper Wldt, Rh [800 Gray], 2-35, 3-39
Bumper Wldt, Se, Lh, Front [Gray], 3-39
Bumper Wldt, Se, Rh, Front, 3-38
Bumper Wldt, Se, Rh, Front [Gray], 3-39
Bumper Wldt, Sppt, Hppr, Lh, 2-35
Bumper Wldt, Sppt, Hppr, Rh, 2-35
Bumper Wldt,Se, Lh, Front, 3-38
Bumper, Corner, Mach, 2-7
Bumper, Corner, Mach [800 Gray], 2-7
Bumper, Cover, Hppr, 2-33
Bumper, Rbr, 0.6d 0.34th 0.3d Tip, 2-19,
2-33
Bumper, Rbr, 1.5d 1.50th 0.28h, 2-21,
2-23
Bumper, Rbr, 2.0d 0.75th .38-16, 2-13
Bumper, Rbr, Adh, 0.50d 0.14th, 4-47
Bumper, Rubber, 3-7, 3-15, 3-55
Bushing En, 4-7, 4-17
Bushing En, 4-5, 4-9, 4-15, 4-19, 4-41
Bushing, Flng, 0.50b 0.56d 0.22l, Nyl,
2-169
Bushing, Flng, 0.50b 0.59d 0.38l, 2-173
Bushing, Flng, 0.63b 0.72d 0.25l, 2-33
Bushing, Isolator, 2-135, 2-137, 2-139,
2-185
Bushing, Rubber, 2-91, 2-93, 2-95, 2-99
Bushing, Seal, 4-37
Bushing, Sleeve, .40b X .50d X 1.06l, 3-75
Bushing, Sleeve, 0.50b 0.59d 0.50l, Bnz,
2-37
Bushing, Sleeve, 0.62b 0.72d 0.50l, Fgl,
2-153
Bushing, Sleeve, 1.00b 1.25d 0.49l, Fgl,
2-31
Bushing, Sleeve, 1.25b 1.40d 0.38l, Bnz,
2-173
Bushing, Sleeve, 1.25b 1.40d 1.00l, Fgl,
2-27
Bushing, Sleeve, 1.25b 1.41d 1.00l, Tef,
2-25, 2-27
Bushing, Sleeve, 1.51b 1.66d 1.00l, Tef,
2-25
Bushing, Snap-In, 0.31b 0.41d 0.14th Nyl,
2-33
Button, Plug 1.25H, 2-192
Button, Plug, 0.50h .03-.12 [Black Nyl],
3-81, 3-85, 3-87
C
Cab Assy, Oprtr [800 Gray], 3-55
Cab Assy, Oprtr [800] (See Breakdowns),
3-55
Cab Wldt [800 Gray], 4-47
Cab Wldt, 800, 4-47
Cable, 3-45
Cable Assy-Batt,Pos, 48.0, 2Ga, 2-141
Cable Kit, Brush, Side, Lh, Ci [800l], 3-45
Cable Kit, Brush, Side, Rh, Ci [800l],
2-171
Cable Tie Mount, 3-3, 3-5, 3-7, 3-9,
3-11, 3-13, 3-15, 3-17
Cable, 06ga 13.0l Blk, 2-43, 2-45, 2-47,
2-49
Cable, Battery, 02ga 36.0l Blk .38ring,
2-143
Cable, Battery, 02ga 48.0l Red .41ring,
2-143
Cable, Brake, Park, 2-151
Cable, Cntrl, Choke, 67.1l, Knob, 2-61
Cable, Cntrl, Choke, 85/90l 1.4d Knob,
3-65, 3-73, 3-83, 3-89
Cable, Glv .13d 021.0l 330eye /330eye,
2-19
Cable, Glv .19d 020.3l .44ball /.50eye,
2-171
Cable, Glv .25d 016.8l .64eye /.64eye,
2-175, 3-41
Cable, Glv .25d 021.2l .63eye /.63eye,
2-175, 3-41
Cable, Lift, Main Brush, 2-181
Cable, Pull, .09d 18.3l .25eye /.25-28,
2-153
Cable, Push / Pull, 096.0l .25-28/.25-28,
2-153
Cabletie Mount, Adhesive, 3-19, 3-21,
3-23, 3-25
Cam Wldt, Limiter, Spd, 2-153
Camplate S/A En, 4-3, 4-7, 4-13, 4-17
Camsft.Sensor, 5-11
Camshaft, 5-19, 6-19, 7-12
Camshft Sprckt, 5-19, 6-19
Cap, 7-12
Cap Assembly En, 4-41
Cap Screw, 4-33
Cap Screw En, 4-3, 4-7, 4-13, 4-17
Cap, Cyl Assy, Master Brake, 2-151
Cap, Distributor, 7-5
Cap, End, 4-37
Cap, Fuel, 2-111
Cap, Fuel, Tank, 2-117
Cap, Grease Black Paint, 2-147
Cap, Oil Filler, 7-3
Cap, Radiator, 14psi [Stant], 2-135,
2-137, 2-139
Cap, Screw, 4-37
Cap, Tank, Fuel, 2.3neck 2.6d, 2-113,
2-115
Cap, Valve Spring, 7-3
Cap, Valve Stem, 2-149
Cap, Vinyl, 2.26 Id X 12.7lg, Blk, 2-41
Cap, Wheel, Steering, 2-189
Carb Kit, Repair, 2-69
Carburetor, Gas [F/ Lrg-423, Vent, Ze],
2-61
Carburetor, Gas [F/ Lrg-425, Vent, Ze],
2-61
Carburetor, Lpg [F/ Lrg-423, W/ Gasket],
2-69
Cart Flow Control CP, 4-43
Cart, Check Valve CP, 4-43
Cart, Pilot Cntr, 4-39
Cart, PSI CN CP, 4-43
Chain, Coil, Str, 2/0, 09.0l 07 Link, 2-7
Chain, Jack, #12, 08.5l 11 Links, 3-97,
3-99
Chain, Link#2/0, 7Links, 2-4
Chain, Sash, 35, 06.0l 11 Link, 2-7
Channel Wldt, Mtg, 2-7

CROSS REFERENCE
8-22 800 Gas/LPG 330120 (7−2015)
Channel Wldt, Mtg, Eng, Rear, 2-43,
2-45, 2-47, 2-49
Channel, .12, 1.5w 0.5 49.5l, 5/0.4h, 2-7
Channel, Mtg, Fan Motor, 2-135, 2-137
Channel, Mtg, Steering Latch, 2-189
Channel, Retainer, 2-4, 2-145
Channel, Retainer, Seal, Rear, 2-4
Channel, Seal, Wndw, 4-47, 4-49, 4-51
Charge Pmp Adap En, 4-5, 4-9, 4-15,
4-19
Check Valve, 100 Psi, 3-45
Circuitbreaker, 20.0a, Thermal, 3-63,
3-69, 3-71, 3-81, 3-85, 3-87
Circuitbreaker, 15.0a, Resetable, 3-109
Circuitbreaker, 15A, Resetable, 3-55
Circuitbreaker, 15A, Restable, 2-192
Circuitbreaker, 2.5A, Restable, 2-192
Clamp, 2-63, 7-5, 7-12
Clamp-Cable, 0.25Dia 0.56Wth, 2-151,
3-109
Clamp-Cable, 0.38Dia 0.38Wth, 3-97,
3-99
Clamp-Cable, 0.38Dia 0.62Wth, 2-111
Clamp-Muffler,For 1.87 Od Tube, 2-103,
2-105
Clamp-Muffler,For 2.00 Od Tube, 2-103,
2-105
Clamp-Wormdrive, 0.81- 1.50D, 3-31
Clamp-Wormdrive, 1.06- 2.00D, 2-127
Clamp-Wormdrive, 1.62- 3.50D, 2-91,
2-93, 2-95, 2-99
Clamp-Wormdrive, 2.63- 4.50D, 2-185
Clamp-Wormdrive, 3.62- 5.50D, 2-185
Clamp, Cable, 2-145
Clamp, Cable- Brake, 2-151
Clamp, Cable, Stl, 0.18d X 0.75w, 1hole,
3-65, 3-73, 3-83, 3-89
Clamp, Cable, Stl, 0.38d X 0.62w, 1h,
2-113, 2-115
Clamp, Cable, Stl, 0.44d X 0.62w, 1hole,
2-39
Clamp, Cable, Stl, 0.69d X 0.62w, 1hole,
2-27, 2-123, 2-125
Clamp, Cable, Stl, 0.9x1.8x0.62w, 1h,
2-115
Clamp, Cable, Stl, 1.00d X 0.75w, 1h,
2-167, 2-185
Clamp, Cable, Stl, 1.00d X 0.75w, 1hole,
2-50
Clamp, Cable, Stl, 1.0x2.0x0.62w, 1hole,
2-143, 2-171, 3-45
Clamp, Cable, Stl, 1.25d X 1.00w, 1hole,
2-17, 2-59
Clamp, Cable, Stl, 1.50d X 0.75w, 1h,
2-113
Clamp, Cable, Stl, 1.75d X 1.00w, 1h,
2-129, 2-131
Clamp, Cable, Stl, 1.75d X 1.00w, 1hole,
2-133
Clamp, Cable, Stl, 2.00d X 0.75w, 1h,
2-115
Clamp, Cable, Stl, 2.00d X 0.75w, 1hole,
2-117
Clamp, Cable, Stl, 2.25d X 1.00w, 1h,
3-65, 3-73, 3-83, 3-89
Clamp, Cable, Stl, 2.25d X 1.0w, 1h,
2-113
Clamp, Cable, Stl, 3.32d X 0.75w, 2hole,
2-37
Clamp, Hold Down, 4-67, 4-69
Clamp, Hose, 1.0, 2-84, 2-89
Clamp, Hose, Spring Stl, 0.86d X 0.38w,
2-95, 2-97, 2-99, 2-101
Clamp, Hose, Spring, 0.62d, 2-83, 2-89
Clamp, Hose, Wormdrive, 5-3, 6-3
Clamp, Hose, Wormdrive, 0.25-0.62d,
2-113, 2-115
Clamp, Hose, Wormdrive, 0.25-0.62d,
.31w, 2-61, 2-69, 2-117, 2-133
Clamp, Hose, Wormdrive, 0.50-1.06d,
.50w, 2-63
Clamp, Hose, Wormdrive, 0.56-1.06d,
2-93, 3-65, 3-73, 3-83, 3-89
Clamp, Hose, Wormdrive, 0.56-1.06d,
.56w, 2-61, 2-65, 2-71, 2-73, 2-79,
2-83, 2-89
Clamp, Hose, Wormdrive, 0.81-1.50d,
3-73, 3-89
Clamp, Hose, Wormdrive, 0.81-1.50d,
.50w, 2-59, 2-63, 2-75
Clamp, Hose, Wormdrive, 1.06-2.00d,
2-129, 2-131, 2-133
Clamp, Hose, Wormdrive, 1.25-2.00d,
2-129, 2-131
Clamp, Hose, Wormdrive, 1.31-3.25d,
2-95
Clamp, Hose, Wormdrive, 1.31-3.25d,
.50w, 2-99
Clamp, Hose, Wormdrive, 2.25-3.25d,
.50w, 2-97, 2-101
Clamp, Hose, Wormdrive, 2.62-3.50d,
2-37
Clamp, Hose, Wormdrive, 3.25-4.00d,
.50w, 2-97, 2-101
Clamp, Manifold, 2-63, 2-65, 2-75, 2-80
Clamp, Muffler, 1.62d, 2-107, 2-109
Clamp, Valve, Trim [Impco], 2-80
Clamp,Cable .44D .62Wide, 3-109
Cleaner, Air Al Se, 2-91, 2-93, 2-95, 2-99
Clevis, Adj, 0.25pin, 0.25-28 Rh, Pl,
2-153
Clip Finger Grip, 3-97, 3-99
Clip, Keeper, Open, 2-123, 2-125
Clip, Retainer, 4-49, 4-51
Coil, 7-5
Coil 12V w/Var CP, 4-43
Coil, 12V W/Var, 4-38, 4-39
Coil, Condenser, 4-55, 4-57
Coil, Evaporator, 4-59, 4-61
Column, Steering 12”, 2-189
Compressor, A/C, 3-67, 3-75
Compressor, A/C [2007], 3-79
Condenser Assy, A/C, 4-55
Condenser, A/C [Badger Gray], 4-57
Condenser, A/C, Roof (See Breakdowns),
3-63, 3-69, 3-71
Condenser, A/C, Roof [R134 Bd, Gray],
4-57
Conn Rod, 7-7
Connecting Rd, 5-22, 6-22
Connector, Ele, Plug, Femal, .156d, 3-51,
3-53
Connector, Fuel, E90, Qf, 2-117
Connector, Fuel, Qf, 2-115
Control Kit, Govnr, Replmt [All Purpose],
2-61, 2-69
Control, Electonic, Gas, 4-75
Control, Govnr [All Purpose], 2-61
Control, Manual, 4-11
Control, Manual (See Breakdowns), 4-3,
4-7, 4-13, 4-17
Controller Assy, Rfs, 3-109
Controller Kit, Lpg, 12vdc, 2-73
Cooler, Hyd, 24gpm 400btu Of08 13x12x2,
2-165
Coupler En, 4-5, 4-9, 4-15, 4-19
Coupling, 3-109
Coupling, Drive, Flex, 10.3d /15tooth, 2-43
Coupling,Quickdisc, Lpg, Shwd, 2-119,
2-121, 2-123, 2-125
Cover, 7-3, 7-7, 7-9, 7-11
Cover Assy, Hppr, 2-33
Cover Assy, Hppr [800 B/Green], 2-33
Cover Wldt, Fuel Inlet, 3-55
Cover Wldt, Fuel Inlet [800 Gray], 3-55
Cover Wldt, Hppr, Lh [800 B/Green], 2-33
Cover Wldt, Hppr, Rh, 2-33
Cover Wldt, Hppr, Rh [800 B/Green], 2-33
Cover Wldt, Hppr, Side, Lh, 2-33
Cover Wldt, Inlet, Fuel (LPG Only), 3-55
Cover Wldt, Pump, Oil [Lrg423], 2-41
Cover, Access, Eng, 2-13
Cover, Access, Front Hppr, 2-29
Cover, Access, Oprtr Station, Side, 2-13
Cover, Access, Oprtr Station, Side[Gray],
2-13
Cover, Access, Side Hppr, 2-29
Cover, Belt, Timing [Lsg423fd], 2-41
Cover, Cab Pressurizer, 3-55
Cover, Cab, Lpg [800 Gray], 3-55
Cover, Duct, Inlet, Vacfan, 2-29
Cover, Electrical, 3-109
Cover, Eng, Top, 2-19
Cover, Eng, Top [800 B/Green], 2-19
Cover, Hose, 2-83, 2-89
Cover, Housing, Electrical, 3-109
Cover, Latch Assy, Door, 4-49
Cover, Latch Assy, Door [800 Gray], 4-51
Cover, Motor, 3-109
Cover, Pressrzr, Cab [Gray], 3-55
Cover, Relay Panel, 2-192
Cover, Rocker Switch Seal, 2-175, 2-181,
2-191, 3-41
Cover, Side, Fuel, Gas, W/ Label [800],
2-13
Cover, Side, Fuel, Gas, W/ Label[800b/G],
2-13
Cover, Wheel, Steering, 2-189
Cradle Sub Assy En, 4-7, 4-17

CROSS REFERENCE
8-23
800 Gas/LPG 330120 (7−2015)
Crankshaft, 7-11
Crankshaft Asy, 5-13, 6-13
Crnksft Seal-Rear, 5-13, 6-13
Crnksft Sprckt, 5-13, 6-13
Crnkshaft Key, 5-13, 6-13
Cs, Armrest, Blk, 2-15
Cs, Fitting, Brs, Str, Pm08/Pf04, 2-75
Cyl Block Assy (Short Block Assy), 5-3,
6-3
Cylinder, Hyd, 1.5b 06.3l 01.50strk 2500,
2-175, 3-41
Cylinder, Hyd, 2.0b 08.0l 04.00strk 2500,
2-181
Cylinder, Hyd, 2.0b 12.0l 08.00strk 2500,
2-31
Cylinder, Hyd, 2.0b 15.0l 08.00strk 1500,
2-145
Cylinder, Hyd, 2.0b 23.8l 14.90strk 2500,
2-27
Cylinder, Hyd, 2.0b,15.0l, (Replaced
by1028492) (See Breakdowns),
2-145
Cylinder, Hyd, 2.0b,15.0l, Rep.By1028492,
4-44
Cylinder, Hyd, 4.0b 29.1l 14.50strk 2500,
2-27, 4-45
Cylinder, Master Brake, 2-151
Cylinder, Wheel, Brake, 4-67, 4-69
D
Dipstick, 7-7
Disc, Stl, 0.06, 02.00d, 0.6h, 2-37
Disk, 3-97, 3-99
Distributor, 7-5
Door Assy [800 B/Green], 2-23
Door Assy [800/810 08], 2-23
Door Assy, Cab, Replmt [800], 4-49
Door Assy, Cab, Replmt [800gray], 4-51
Door Wldt, 2-21
Door Wldt, Access, Rear W/ Grill, 2-19
Door Wldt, Access, Rear, W/ Grill [B/Gr],
2-19
Door Wldt, Brush, Lh, 2-9
Door Wldt, Brush, Lh [800 Gray], 2-9
Door Wldt, Brush, Rh, 2-11
Door Wldt, Brush, Rh [800 Gray], 2-11
Door Wldt, Cab, 4-49
Door Wldt, Cab [800 Gray], 4-51
Door Wldt, Dump, Hppr, Front, 2-31
Door Wldt, Dump, Hppr, Front [800 Gray],
2-31
Door Wldt, Eng, Side, 2-21
Door Wldt, Eng, Top [800 B/Green], 2-17
Door Wldt, Eng, Top [800], 2-17
Door, Bmpr, Lpg, 2-7
Door, Bumper, Lpg [800 Gray], 2-7
Dowel, 5-3, 6-3
Dowel Bushing En, 4-7, 4-17
Dowel Pin, 4-11
Dowel Pin En, 4-21
Dowel,Frnt Cover, 5-3, 6-3
Drain Cock, .25npt, 2-127
Drain Cock,.25Npt Wh#120 Angl, 2-135,
2-137, 2-139
Draincock,End.Block, 5-3, 6-3
Drive, 4-27, 4-29, 4-32, 4-33, 4-37
Drive Assy, 5-9, 6-9
Drive Gear Assembly, 4-23
Drive, Motor, Hyd, 4-31
Drive, Valve, 4-27, 4-29
Drum Assy, Brake 9/16, 2-147
Dryer, Ac, 4-55, 4-57
Duck Bill, 4-59, 4-61, 4-63, 4-65
Duct Wldt, Rfs, 3-109
Duct, Afmkt, Vyl, 0.40 X 0.75 .25d, 04ft,
3-3, 3-5, 3-7, 3-9, 3-11, 3-13, 3-15,
3-17
Duct, Rear, 2-135, 2-137, 2-139
Dust Cntrl Kit, Side Brush, Ci[800lgray],
3-103
Dust Control Kit, Side Brush, 3-101
E
Elbow,90 deg, 5-15, 6-15
Element, Air Cleaner, 2-91, 2-93, 2-95,
2-99
Element, Filter Safety, 2-91, 2-93, 2-95,
2-99
Element, Filter, Air, 2-4
Element, Fltr, Air, 2-4, 2-37, 2-97, 2-101
Element, Fltr, Air [Dn], 2-4, 2-97, 2-101
Element, Fltr, Air, 20.5d 10.8l, 2-37
Element, Fltr, Fuel, Lpg[Coalescent], 2-75
Element, Fltr, Oi, 2-59, 2-165
End Cap, 4-33
Engine [Ford, 2.5l Reman] (See 2.5L
Engine Brkdn), 2-41
Engine Purch Kit, Lrg423 (See 2.3L Engine
Brkdn), 2-41
Engine, Block, Long [Gm3.0l] (See GM
Engine Breakdown), 2-49
Engine, Gas/Lpg [GM 3.0L] (See GM
Engine Breakdown), 2-47
Engine, Gm, 3.0 Liter, Gas (See GM
Engine Breakdown), 2-45
Engine, Gm, 3.0 Liter, Lpg (See GM
Engine Breakdown), 2-45
Engine, Partial (Includes block, pistons,
rods, crankshaft, bearings, rear seal
gasket), 7-7
Exh.Manifold, 5-15, 6-15
Extinguisher Kit Fire 800, 3-105
Extinguisher, Fire, 3-105
F
Fan, Condenser, 4-55, 4-57
Fan, Cooling, 18.0d, 8 Blade, 0.5b Taper,
2-139
Fan, Radiator, 2-135, 2-137
Fan, Repair Kit, Reassembly, 2-185
Ferrule, 2-37
Filter Assy, Air, 3.0 Inlet, 2-97, 2-101
Filter Assy, Hyd, 10mic 035gpm, Spin-On,
2-165
Filter Assy, Spin-on, 2-4
Filter Element, Oil, 5-3, 6-3
Filter Element, Oil, Cont. Gas-SE, 2-4
Filter Kit, Fuelock, Lpg, 2-79
Filter Kit, Fuelock,Lpg, 2-89
Filter, Air, Pre-Cln, A/C, 2-97, 2-101
Filter, Fuel, 2-4, 2-111, 2-113
Filter, Fuel [Gm 1.6l/3.0l], 2-117
Filter, Fuel, In-Line [02pm/08if], 2-61
Filter, Fuel, Lpg [Coalescent], 2-75
Filter, Fuelock, 2-71
Filter, Fuelock, [Ballwin#4-2384b], 2-121
Filter, Panel, Heat-A/C, 3-63, 3-69, 3-71,
3-81, 3-85, 3-87
Filter, Pre-Cleaner, A/C, 2-91, 2-93,
2-95, 2-99
Fitting, 2-59, 2-75
Fitting [Gm3.0l], 2-50
Fitting Kit [Epr], 2-83, 2-89
Fitting-Brs Str, 2-111
Fitting, Barb, 3/4" [Epr], 2-87
Fitting, Brass, Tee, 3-73, 3-89
Fitting, Brs, Adapter, 2-79
Fitting, Brs, Breather [02mp], 2-39
Fitting, Brs, Drain Cock, 2-61, 2-71, 2-73
Fitting, Brs, E45, Pf06/Pm06, 2-73
Fitting, Brs, E90, Em05/Pm02, 2-113
Fitting, Brs, E90, Em10/Pm06, 2-93
Fitting, Brs, E90, Em10/Pm08, 3-65,
3-73, 3-83, 3-89
Fitting, Brs, E90, If05/Pm02, 2-113
Fitting, Brs, E90, If05/Pm04, 4-75, 4-77
Fitting, Brs, E90, Em05/Pm02, 2-69
Fitting, Brs, E90, Em05/Pm04, 2-117
Fitting, Brs, E90, Em10/Pm06, 2-71, 2-73
Fitting, Brs, E90, If06/Pm04, 2-115
Fitting, Brs, E90, Pf04/Pm04, 2-73
Fitting, Brs, E90, Pm04/Pf04, 2-115
Fitting, Brs, Rst, Pf04/.69-16f, .063, 2-75
Fitting, Brs, Str, Bm05/Pm04, 2-113
Fitting, Brs, Str, Em10/Pm08, 3-65, 3-73,
3-83, 3-89
Fitting, Brs, Str, If05/If05, 2-113
Fitting, Brs, Str, If05/Pm02, 2-113
Fitting, Brs, Str, .25-28/Spcl [Carb], 2-69
Fitting, Brs, Str, Bm03/Bm03, Bh, 2-39
Fitting, Brs, Str, Bm03/Pm02, 2-39, 2-71
Fitting, Brs, Str, Bm05/Pm04, 2-117
Fitting, Brs, Str, Bm06/Pm04, 2-75
Fitting, Brs, Str, Em10/Pm06, 2-73
Fitting, Brs, Str, If05/If05, 2-115
Fitting, Brs, Str, If06/If06, 2-115
Fitting, Brs, Str, Pf06/Pm08, 2-63, 2-75
Fitting, Brs, Str, Pm02, Service, 2-97,
2-101
Fitting, Brs, Str, Pm04/Bm05, 2-115
Fitting, Brs, Tee, Pf08/Pf08/Pf08, 3-65,
3-73, 3-83, 3-89
Fitting, Brs, Tee, Pf04/Pf04/Pm04, Br,
2-71
Fitting, Bshg, 2-67, 2-83, 2-89

CROSS REFERENCE
8-24 800 Gas/LPG 330120 (7−2015)
Fitting, Cap, 2-79
Fitting, Coolant Plug, 4-71, 4-73, 4-75,
4-77
Fitting, Draincock, .25npt, 2-129, 2-131,
2-133
Fitting, Draincock, E90, .25npt, 2-75,
2-133
Fitting, E70, 2-79
Fitting, E90, 2-59, 2-67, 2-79, 2-83,
2-84, 2-87, 2-89
Fitting, Elbow, 2-63, 2-75, 3-63, 3-69,
3-71, 3-81, 3-85, 3-87
Fitting, Fuel Inlet, Lpg, 4-71, 4-73
Fitting, Fuel, Str, 0.38-24 [07 Eng], 2-117
Fitting, Fuel, Str, 0.56-18 [07 Eng], 2-117
Fitting, Hose, 2-63
Fitting, Hose, 10hose/Pm06, 2-79
Fitting, Hose, Vacuum, .25, 2-79
Fitting, Hyd, E45, Jf12/Jm12, 2-155
Fitting, Hyd, E45, Jm06/Om06, 2-145
Fitting, Hyd, E45, Jm08/Om08, 2-187
Fitting, Hyd, E45, Pm04/Pf04, 2-121
Fitting, Hyd, E90, Fm12/Om16, 2-155
Fitting, Hyd, E90, Jf04/Jm04, 2-27, 2-31
Fitting, Hyd, E90, Jf06/Jm06, 2-139,
2-169
Fitting, Hyd, E90, Jf08/Jm08, 2-169,
2-187
Fitting, Hyd, E90, Jm04/Om04, 2-31,
2-187
Fitting, Hyd, E90, Jm04/Om04, Long, 2-31
Fitting, Hyd, E90, Jm04/Om06, 2-27,
2-169
Fitting, Hyd, E90, Jm06/Om04, 2-139
Fitting, Hyd, E90, Jm06/Om08, 2-27
Fitting, Hyd, E90, Jm06/Pm06, 2-59
Fitting, Hyd, E90, Jm08/Om10, 2-139,
2-187
Fitting, Hyd, E90, Jm08/Pm04, 2-75
Fitting, Hyd, E90, Jm10/Pm06, 2-69
Fitting, Hyd, E90, Jm10/Pm08, 2-71, 2-73
Fitting, Hyd, E90, Jm12/Om12, 2-165
Fitting, Hyd, E90, Spcl, 2-89
Fitting, Hyd, E90, Swivel Pf04/Pm04,
2-121, 2-123, 2-125
Fitting, Hyd, Plug, Jm06, 2-59
Fitting, Hyd, Rst, Jf04/Jm04, .047, 2-169
Fitting, Hyd, Rst, Jf04/Jm04, .063, 2-27
Fitting, Hyd, Str, Fm12/Om16, 2-145
Fitting, Hyd, Str, Jf08/Jm06, 2-139
Fitting, Hyd, Str, Jm04/Om04, 2-163,
2-187
Fitting, Hyd, Str, Jm04/Om06, 2-169
Fitting, Hyd, Str, Jm04/Om08, 2-27
Fitting, Hyd, Str, Jm05/Om06, 2-115
Fitting, Hyd, Str, Jm06/Jm08, 2-171
Fitting, Hyd, Str, Jm06/Om04, 2-135,
2-137, 2-139
Fitting, Hyd, Str, Jm06/Om06, 2-115
Fitting, Hyd, Str, Jm06/Om08, 2-169
Fitting, Hyd, Str, Jm06/Om10, 2-171
Fitting, Hyd, Str, Jm06/Pm04, 2-71
Fitting, Hyd, Str, Jm08/Om08, 2-169,
2-187
Fitting, Hyd, Str, Jm08/Om10, 2-187
Fitting, Hyd, Str, Jm12/Om12, 2-165
Fitting, Hyd, Str, Pf02/Pm04, 2-41, 2-71,
2-73
Fitting, Hyd, Str, Pm08/Pm08, 3-65, 3-73,
3-83, 3-89
Fitting, Hyd, Tee, Jf04/Jm04/Jm04, Br,
2-169
Fitting, Hyd, Tee, Jf04/Jm04/Jm04, Run,
2-169
Fitting, Hyd, Tee, Jf06/Jm06/Jm06, Br,
2-135, 2-137, 2-139
Fitting, Hyd, Tee, Jf06/Jm06/Jm06, Run,
2-169, 3-41
Fitting, Hyd, Tee, Jm04/Jm04/Jm04,Bh Br,
2-31
Fitting, Hyd, Tee, Jm08/Jm08/Om08, Br,
2-169
Fitting, Manifold, Intake, 2-63, 2-65, 2-75,
2-80
Fitting, Nipple, .25mal, 2-83, 2-89
Fitting, Nipple, .25npt, Brs, 2-79
Fitting, Pipe, E90, Pf02/Pm02, 2-61
Fitting, Pipe, Plug, Pm02 Soc Head, 4-71,
4-73, 4-75, 4-77
Fitting, Pipe, Plug, Pm04, Hex Soc, 2-75
Fitting, Pipe, Plug, Pm08, Sq Head, 2-73
Fitting, Pipe, Str, Pm04/Pf02, 2-121,
2-123, 2-125
Fitting, Pipe, Str, Pm04/Sf04, 2-125
Fitting, Pipe, Tee, Pf06/Pf06/Pm06, 2-79
Fitting, Plstc, Tee, Bm12/Bm12/Bm12,
3-73, 3-89
Fitting, Plstc, Tee, Bm12/Bm12/Pf08, Br,
2-75
Fitting, Plug, 2-59, 2-135, 2-137, 2-139
Fitting, Plug, .50-20 Hex [Perk], 2-155
Fitting, Plug, Om02, Valve, 4-81
Fitting, Plug, Om04, Valve, 4-81
Fitting, Plug, Om05, Valve, 4-81
Fitting, Plug, Om06, Valve, 4-81, 4-82
Fitting, Str, 2-79
Fitting, Str, E90, .25npt, 2-79
Fittting, Plstc, Str, Bm06/M.69-16, 2-75
Flange, Mounting, 4-32, 4-33
Flange,Brg,3 Hole, 2-179
Flasher Heavy Duty, 3-31
Flasher, 12v, 3-27, 3-29
Flat Washer, 3/8” Hard, 3-41
Floor Kit, Hppr, Ssb, Ci [800lgray], 3-37
Flywheel, 5-17, 6-17
Flywheel Ring Gear, 5-17
Foam, Insulation, 3-33, 3-35
Follower, Piston, 4-3, 4-7, 4-13, 4-17
Foot, Fan, 4-55, 4-57
Frame Wldt, Main [800l Gray], 2-7
Frame Wldt, Main [800l], 2-7
Frame, Pane, Cab, Side, 4-47
Frame, Pane, Door, Side, 4-49, 4-51
Frame&Mag.As, 5-9, 6-9
Ftg-Brs If05/If05, 2-111
Ftg-Brs Str If05/Pm02, 2-111
Ftg-El90 Npt/Npt 04Pf/04Pm, 2-119,
2-121, 2-123, 2-125
Ftg-Hyd E45 Jm04/Om04, 2-145, 2-181
Ftg-Hyd E45 Jm12/Jf12, 2-155
Ftg-Hyd E45 Jm20/Jf20, 2-155
Ftg-Hyd E45 Pm04/Pf04, 2-119, 2-121,
2-123, 2-125
Ftg-Hyd E90, 2-163, 2-175
Ftg-Hyd E90 Jm04/Om04, 2-175
Ftg-Hyd E90 Jm04/Jf04, 2-163
Ftg-Hyd E90 Jm04/Om04, 2-167, 2-175,
2-181, 3-41
Ftg-Hyd E90 Jm06/Om06, 2-145
Ftg-Hyd E90 Jm06/Om08, 2-135, 2-137,
2-139
Ftg-Hyd E90 Jm08/Jf08, 2-167, 3-45
Ftg-Hyd E90 Jm08/Om08, 2-167, 3-45
Ftg-Hyd E90 Jm12/Om12, 2-155
Ftg-Hyd E90 Special Jm12/Jf12, 2-163
Ftg-Hyd Plg Om06, 3-41
Ftg-Hyd Plg Om12, 2-163
Ftg-Hyd str, 2-175
Ftg-Hyd Str Jm12/Om16, 2-155
Ftg-Hyd Str Jm04/Om04, 2-179
Ftg-Hyd Str Jm06/Jf08, 3-45
Ftg-Hyd Str Jm06/Om06, 2-167, 2-189,
3-41, 3-45
Ftg-Hyd Str Jm06/Om08, 2-135, 2-137,
2-139
Ftg-Hyd Str Jm06/Om10, 2-155
Ftg-Hyd Str Jm06Om06L, 2-167
Ftg-Hyd Str Jm08/Om08, 2-167, 2-179
Ftg-Hyd Str Jm08/Om10, 2-155
Ftg-Hyd Str Jm08Om08L, 2-167
Ftg-Hyd Str Jm12/Om12, 2-163
Ftg-Hyd Str Jm12Om12L, 2-167
Ftg-Hyd Str Jm20/Om20, 2-155, 2-163
Ftg-Hyd Str Om08/Of06, 3-45
Ftg-Hyd StrJm06/Om10, 3-45
Ftg-Hyd Tee Jm04Jmom, 2-163
Ftg-Hyd Tee Jm06Jmjf, 2-163
Ftg-Hyd Tee Jm06Jmom, 2-163
Ftg-Hyd Tee Jm06Omjm, 3-45
Ftg-Hyd Tee Jm08Jmjf, 2-167, 3-45
Ftg-Hyd Tee Jm12Jfjm, 2-155
Ftg-Hyd Tee Jm12Jmjf, 2-163
Ftg-Str Npt/Npt S04Pf-04Pm, 2-119,
2-121
Ftg-Tee Npt 04Pm- 04Pf- 04Pf, 2-119,
2-121, 2-123, 2-125
Ftg, Breather, 3-109
Ftg, Grease.12 Npt 45 .88L, 2-183
Ftg, Grease.25-28Th 90 .75L, 2-145
Ftg, Shrader, 4-55, 4-57
Ftg,Brass,St Bm03/Pm02, 3-109
Ftg,Brass,Tee 06If- 02Pm- 06If, 2-151
Ftg,Bulkhead .25Npt Wh W21204, 2-119,
2-121, 2-123, 2-125
Ftg,Bulkhead-Barb Wh 1074X4, 3-109
Fuel, Fltr [Gm 1.6l/3.0l], 2-115
Fuelline, .31d 05if/05jf Stl, 2-115
Fuelline, .31d Str/E90, Plstc, 2-115

CROSS REFERENCE
8-25
800 Gas/LPG 330120 (7−2015)
Fuelline, .31d Str/Str, Plstc, 2-115
Fuelline, .312 Od, 2-111
Fuelline, .31d 05if/05f, 2-113
Fuelline, .31d 05if/05if, 2-113
Fuelline, .31d 05if/Bea, 2-113
Fuelline, .31d 05if/Qm Stl, 2-115
Fuelline, .31d E90, 05/06, Plstc, 2-117
Fuelline, .31d Str/Str, Plstc [8200], 2-117
Fuelline, .31d Str/Str,Plstc[M20/T20 07],
2-117
Fuelline, .38d 06if/06if Stl, 2-115
Fuelline, .38d 06if/Bea Stl, 2-115
Fuelline, .38d 06sf/06sf, Stl, 2-71
Fuelock Kit, Replmt, 2-71
Fuse, 10 Amp, 2-227, 2-228
Fuse, 15 Amp, [Min-15], 2-225, 2-227,
2-228
Fuse, 20 Amp, [Min-20], 2-225, 2-227,
2-228
Fuse, 5 Amp, [Min-5], 2-225, 2-227,
2-228
Fuse, 60 Amp, 2-227, 2-228
G
Gas Cap, Protectoseal, 3-104
Gasket, 2-79, 2-105, 2-107, 7-3, 7-5,
7-9, 7-11, 7-12
Gasket Kit, Manifold, 2-63
Gasket Kit, Repair, Lpg [Gm1.6l 2007],
2-87
Gasket Kit, Vacfan, Replmt [800l], 2-185
Gasket Oil, 5-5, 5-11
Gasket Water Outlet Connection, 5-23,
6-23
Gasket, 2.7D 1.5B.12T 5/ 2.1Bc, 2-111
Gasket, Body, Throttle [1.6l], 2-65, 2-67,
2-79, 2-83
Gasket, Box/Cab, 4-59, 4-61, 4-63, 4-65
Gasket, Cab Pressurizer, 3-55
Gasket, Carb, 2-65, 2-79
Gasket, Carb, .03, 1.18id, 2/2.5bc, 2-61,
2-69
Gasket, Carb, .06, 2.62id 3.00od, Rbr,
2-61
Gasket, Cover, Alum, 3-109
Gasket, Exh. Flange, 5-15, 6-15
Gasket, Exhaust, 2 Hole, 3.4bc, 2-107
Gasket, Exhaust, 2hole, 3.4bc, 2-109
Gasket, Fire Switch, 2-187
Gasket, Flng, Exhaust [Gm3.0l], 2-109
Gasket, Head, 5-5, 5-6, 6-5, 6-6
Gasket, Hyd Cap, 2-163
Gasket, Hyd Tank Breather, 2-163
Gasket, Lpg, Adapter [Gm 2007], 2-83
Gasket, Lpg, Mixer [Gm 2007], 2-83
Gasket, Manifold, Exhaust, 2-63, 2-65,
2-75, 2-80
Gasket, Manifold, Intake, 2-63, 2-65,
2-67, 2-75, 2-80, 2-83, 2-87
Gasket, Send-Unit, 2-113
Gasket, Sender, Fuel, 2-115, 2-117
Gasket,Oil Pan, 5-5, 5-11, 6-5, 6-11
Gasket,Rocker Cover, 5-21, 6-21
Gasspring Assy, Eng Cover, 2-33
Gauge, Sight Lh, 2-163
Gauge, Sight, A/C, 3-63, 3-69, 3-71
Gear, 4-23, 4-25, 7-5, 7-11, 7-12
Gear Assy, 5-9, 6-9
Gear Assy, Idler, 4-25
Gear, [Slip Fit], 4-25
Gear, Drive, 4-25
Gear, Idler, 4-23, 4-25
Gear, Ring [Fd], 6-17
Gear, Slip Fit, 4-23
Geroler Set, Motor, Hyd, 4-31
Geroter,Ring In En, 4-5, 4-9, 4-15, 4-19
Geroter,Ring Ot En, 4-5, 4-9, 4-15, 4-19
Gerotor Set, 4-27, 4-29, 4-32, 4-33
Gerotor Set Cl, 4-37
Glass, Pane, Windshield,800 Cab, 4-47
Governor Assy [Ford, 2.3 Gas, 800l], 2-61
Governor Assy [Ford, 2.3/2.5]
Rep.Bynone, 2-69
Governor Assy, Ford 2.5 Gas, 2-61
Governor, Gas, 2-61
Governor, Lpg, 2-69
Grip, Handle, Flat, 3-97, 3-99
Grommet, 2-45, 2-65, 2-67, 2-79, 2-83,
2-87, 3-19, 3-21, 3-23, 3-25, 3-27,
3-29
Grommet Rbr 0.25Id For .09Matl, 3-31,
3-51, 3-53
Grommet, Breather, Oil, 7-3
Grommet, Cab, Harness, Wire, 3-63,
3-69, 3-71, 3-81, 3-85, 3-87
Grommet, Flexible, .25 06.0l, 2-7
Grommet, Flexible, .25 24.0l, 2-7
Grommet, Rbr, 0.38 Id For .12mat, 3-19,
3-21, 3-23, 3-25
Grommet, Rbr, 0.50id, F/0.8h, .25 Matl,
2-7
Grommet, Rbr, 0.56 Id For .13mat, 3-19,
3-21, 3-23, 3-25
Grommet, Rbr, 0.62id, F/0.9h, .06 Matl,
2-39
Grommet, Rbr, 1.00id, F/1.4h, .12 Matl,
4-47
Grommet, Rbr, 3.25id, F/3.5h, .06 Matl,
2-97, 2-101
Grommet, Rbr, 3.75Id F/ 4.0H ., 2-91,
2-93, 2-95, 2-99
Grommet,Rbr,0.25Id,For .09Matl, 2-191
Grommet,Rbr,0.38Id,For .06Matl, 3-3,
3-5, 3-7, 3-9, 3-11, 3-13, 3-15,
3-17
Grommet,Rbr,0.62Id,For .06Matl, 3-109
Grommet,Rbr,0.63Id,For .06Matl, 3-3, 3-5
Grommet,Rbr,0.63Id,For .13Matl, 3-11,
3-13
Grommet,Rbr,0.75Id,For .13Matl, 3-31
Gskt Kit,Lower, 5-5, 6-5
Gskt Kit,Upper, 5-5, 6-5
Gskt-Waterout, 5-5, 6-5
Gskt,Exh.Mnfld, 5-15, 6-15
Gskt,Frnt Cvr, 5-5, 6-5
Gskt,Front Cvr, 5-7, 6-7
Gskt,In.Manfld, 5-5, 6-5
Gskt,Int.Mnfld, 5-15, 6-15
Gskt,Oilpmp/Blk, 5-11, 6-11
Gskt,Pmp/Putube, 5-5, 6-5
Gskt,Pu Tube, 5-11, 6-11
Gskt,Rockr Cvr, 5-5, 6-5
Gskt,Water Pump, 5-5, 5-23, 6-5, 6-23
Guard Kit, Overhead, 3-33
Guard Wldt, Alternator, F/60559, 2-41
Guard Wldt, Brush, Side [800 Gray], 3-47
Guard Wldt, Hppr, 2-35
Guard Wldt, Light, Revl/Flsh, 3-15
Guard Wldt, Light, Revl/Flsh [800 Gray],
3-5, 3-9, 3-13, 3-17
Guard Wldt, Light, Strobe/Flsh, 3-3, 3-7,
3-11
Guard Wldt, Lights, Strobe & Flsh, 3-3,
3-7, 3-11, 3-15
Guard Wldt, Ohg [800 Gray], 3-35
Guard Wldt, Overhead, 3-33
Guard Wldt, Sidebrush, 3-47
Guard, Alternator, 3-91
Guard, Belt, A/C, 3-75
Guard, Belt, Alternator, 2-53, 2-55
Guard, Brush, Side .38th 2.0w [800],
2-173
Guard, Mirror, 3-57
Guard, Mirror [Gray], 3-59
Guard, Side Brush, 3-47
Guard, Side, Brush [800 Gray], 3-47
Guide, Align, Bmpr, Pye, 2-7
Guide, Fltr, Shakr, [800], 2-37
H
Handle, 3-97, 3-99
Handle, Container, 2-33
Handle, Lift, Brush, 2-189
Handle, Valve, Cntrl, 2-133
Handle, Valve, Hyd, Ctr, 2-169
Handle, Valve, Hyd, Ctr [800 Gray], 2-169
Handle, Valve, Hyd, Lh, 2-169
Handle, Valve, Hyd, Lh [800 Gray], 2-169
Handle, Valve, Hyd, Rh, 2-169
Handle, Valve, Hyd, Rh [800 Gray], 2-169
Harness, Rfs Jumper, 3-109
Harness, Adapter, Eng, Gas/Lpg [Gm3.0l],
2-239
Harness, Adaptor [800/8410], 2-237
Harness, Alarm, Back-up, 3-27, 3-29
Harness, Alarm, Backup, 3-19, 3-23
Harness, Cab (See Fig. 31), 4-47
Harness, Cab, 800/810, 4-54
Harness, Directional, 3-31
Harness, Eng, 2-117
Harness, Eng [3.0l, Gm, E-cntrl], 2-225
Harness, Eng, Gas [3.0l 2007], 2-227
Harness, Eng, Lpg [3.0l 2007], 2-227
Harness, Gm 3.0 L Engine Harness, 2-222
Harness, Hopper 800/810, 2-212
Harness, Hopper, Rfs, 3-109

CROSS REFERENCE
8-26 800 Gas/LPG 330120 (7−2015)
Harness, Injector, Gas[3.0l Gm,E-Cntrl],
2-226
Harness, Light, Flsh, Revl, Cab, 3-21,
3-25
Harness, Lpg Injector [3.0l, Gm,E-Cont],
2-226
Harness, Main, Gas/LPG, Lrg, 2-211,
2-217, 2-222
Harness, Motor, Duct, 3-109
Harness, Neutral, Start, 3-112
Harness, Side Brush, L.H., 3-48
Harness, Strobe/Flsh Light,Cab,Ohg, 3-3,
3-5, 3-7, 3-9, 3-11, 3-13, 3-15,
3-17
Harness, Turn/Rotate/Tail Lights, 2-213
Harness, Wire, Eng, 6-24
Harness, Wire, Eng, Gas [Gm 3.0l 10],
2-228
Harness, Wire, Eng, Lpg [Gm 3.0l 10],
2-228
Harness,Switch,Oil Press,Ground Wire,
2-47, 2-50
Head, 7-3
Head-W/O Valves, 5-6, 6-6
Headlight, 12vdc, 50watt, 2-33
Heater [Badger, Gray], 4-65
Heater [Badger, Gray] (See Breakdowns),
3-87
Heater / Pressrzr Assy, Roof [800 Gray],
3-87
Heater & A/C, W/ Fan, Roof, 3-63, 3-69,
3-81, 3-85
Heater Assy, W/ A/C, Roof [R134, Gray],
3-71
Heater Coil, 4-59, 4-61, 4-63, 4-65
Heater, W/ A/C [Badger, Gray], 4-61
Heater, W/ A/C [Badger, Gray] (See
Breakdowns), 3-71
Hinge, 2-17
Hinge Wldt, 2-33
Hinge Wldt [800 Blue/Green], 2-33
Hinge Wldt, Door, Side, W/ Pin, 2-21,
2-23
Hinge Wldt, Side, W/ Pin, 2-21, 2-23
Hinge Wldt, W/ Tube, 2-21, 2-23
Hook, Cable, .44d Ball, 2-171, 3-45
Hook, Lift [Gm3.0l 2007], 2-49, 2-50
Hook, S, .13d 1.0l, 2-7
Hopper Floor Kit, St Stl 800, 3-36
Hopper Wldt [800/810], 2-29
Horn, 12vdc, Dba [Wolo], 2-17
Horn, Back-up Alarm, 3-27
Hose, 2-63, 5-3, 6-3
Hose Assy, Drain, A/C, 3-63, 3-69, 3-71,
3-111
Hose Kit, Rear Drive, Replmt, 2-145,
2-155, 2-159, 2-161
Hose-Hyd Med 04, 3-49
Hose-Hyd Med 06, 3-49
Hose, 0.50d X 41.00l, 2-59
Hose, 0050, 04, Im05str /If05str , 10.0,
2-113, 2-115
Hose, 9.5mm X 450mm [Pcv], 2-65, 2-79
Hose, A/C, 06 09.0l, 3-63, 3-69, 3-71
Hose, A/C, 08 100.0l [R134], 3-65
Hose, A/C, 08, Str/E90, 112.0l [R134],
3-73
Hose, A/C, 12 107.0l [R134], 3-65
Hose, A/C, 12 115.0l [R134], 3-65
Hose, A/C, 12, Str/E90, 127.0l [R134],
3-73
Hose, Afmkt, Rbr, Heater, 0.62id, 02ft,
3-73, 3-89
Hose, Afmkt, Rbr, Heater, 0.62id, 03ft,
3-73, 3-89
Hose, Afmkt, Rbr, Heater, 0.62id, 08ft,
3-73, 3-89
Hose, Balancing, Press, 045mm, 2-79
Hose, Balancing, Press, 680mm, 2-79
Hose, Conv, 2-75
Hose, Coolant, 1.50id To 1.75id, Mold,
2-131, 2-133
Hose, Drain, Eng Oil, 2-59
Hose, Drain, Overflow, Radiator, 2-137,
2-139
Hose, Fan Inlet, 2-185
Hose, Fuel, 0.31id [Evap Emission 07],
2-117
Hose, Fuel, .38d, Rbr[16"L], 2-67, 2-83,
2-87
Hose, Fuel, 0.31id 11.0l, 2-113
Hose, Fuel, 0.31id 14.0l, 2-113
Hose, Fuel, 0.31id 16.0l, 2-115
Hose, Fuel, 0.38id, 18.0l, 2-63
Hose, Fuel, 0.38id, 21.0l, 2-75
Hose, Fuel, 0.50id, 52.0l, 2-63, 2-65
Hose, Fuel, 165mm, 2-79
Hose, Fuel, Jf06e90, 20.3l, 2-115
Hose, Fuelline, 10.0L, 2-111
Hose, Heater, 0.38id, 2-63
Hose, Heater, 0.62id 13.0l, 2-93, 3-65,
3-83
Hose, Heater, 0.62id 18.0l, 2-95
Hose, Heater, 0.62id 20.0l, 3-65, 3-83
Hose, Heater, 0.62id 24.0l, 2-99, 3-65,
3-83
Hose, Heater, 0.62id 31.0l, 3-65, 3-83
Hose, Heater, 0.62id 77.0l, 3-65, 3-83
Hose, Heater, 0.62id 80.0l, 3-65, 3-83
Hose, Heater, 0.62id, 015.0l Rep.Bynone,
2-71, 2-73
Hose, Heater, 0.62id, 020.0l, 2-71, 2-73
Hose, Heater, 0.62id, 024.0l, 2-97, 2-101
Hose, Heater, 0.62id, 038.0l, 2-61
Hose, Heater, 0.62id, 053.0l, 2-61, 2-71,
2-73
Hose, Heater, 0.75id 04.0l, 3-73, 3-89
Hose, Hyd, Low04, Jf04e90/Jf04str, 048.0,
2-159
Hose, Hyd, Low04, Jf04e90/Jf04str, 060.0,
2-159
Hose, Hyd, Low04, Jf04e90/Jf04str, 066.0,
2-159, 2-161
Hose, Hyd, Low06, Jf06e90/Jf06str, 052.0,
2-161
Hose, Hyd, Low06, Jf06e90/Jf06str, 060.0,
2-159, 2-161
Hose, Hyd, Low06, Jf06e90/Jf06str, 086.0,
2-159, 2-161
Hose, Hyd, Low06, Jf06str/Jf06str, 026.0,
2-59
Hose, Hyd, Low12, Jf12str/Jf12str, 016.0,
2-159, 2-161
Hose, Hyd, Low12, Jf12str/Jf12str, 018.0,
2-161
Hose, Hyd, Low12, Jf12str/Jf12str, 020.0,
2-159
Hose, Hyd, Low12, Jf12str/Jf12str, 027.0,
2-159, 2-161
Hose, Hyd, Low12, Jf12str/Jf12str, 030.0,
2-161
Hose, Hyd, Low12, Jf12str/Jf12str, 038.0,
2-159, 2-161
Hose, Hyd, Med04, Jf04e45/Jf04str, 034.0,
2-159, 2-161
Hose, Hyd, Med04, Jf04e90/Jf04str, 056.0,
2-159, 2-161
Hose, Hyd, Med04, Jf04e90/Jf04str, 072.0,
2-159, 2-161
Hose, Hyd, Med04, Jf04e90l/Jf04str,038.0,
2-159, 2-161
Hose, Hyd, Med04, Jf04str/Jf04str, 026.0,
2-159, 2-161
Hose, Hyd, Med06, Jf06e45/Jf06str, 035.0,
2-159, 2-161
Hose, Hyd, Med06, Jf06e45/Jf06str, 112.0,
2-159, 2-161
Hose, Hyd, Med06, Jf06e45/Jf06str, 118.0,
2-161
Hose, Hyd, Med06, Jf06e90/Jf06str, 023.0,
2-159, 2-161
Hose, Hyd, Med06, Jf06e90/Jf06str, 024.0,
2-159, 2-161
Hose, Hyd, Med06, Jf06e90/Jf06str, 046.0,
2-159, 2-161
Hose, Hyd, Med06, Jf06e90/Jf06str, 060.0,
2-159, 2-161
Hose, Hyd, Med06, Jf06e90/Jf06str, 072.0,
2-159, 2-161, 3-49
Hose, Hyd, Med06, Jf06str/Jf06str, 022.0,
2-159, 2-161
Hose, Hyd, Med06, Jf06str/Jf06str, 027.0,
2-159, 2-161
Hose, Hyd, Med08, Jf08e45/Jf08str, 060.0,
2-159, 2-161
Hose, Hyd, Med08, Jf08e45/Jf08str, 106.0,
2-159, 2-161
Hose, Hyd, Med08, Jf08e45/Jf08str, 112.0,
2-161
Hose, Hyd, Med08, Jf08e90/Jf08str, 028.0,
2-159, 2-161
Hose, Hyd, Med08, Jf08e90/Jf08str, 034.0,
2-159, 2-161
Hose, Hyd, Med08, Jf08e90/Jf08str, 040.0,
2-159, 2-161
Hose, Hyd, Med08, Jf08e90/Jf08str, 058.0,
2-159, 2-161

CROSS REFERENCE
8-27
800 Gas/LPG 330120 (7−2015)
Hose, Hyd, Med08, Jf08e90/Jf08str, 062.0,
2-159, 2-161
Hose, Hyd, Med08, Jf08str/Jf08str, 066.0,
2-159, 2-161
Hose, Hyd, Med12, Jf12e45/Jf12str, 074.0,
2-159, 2-161
Hose, Hyd, Med12, Jf12str/Jf12str, 031.0,
2-161
Hose, Hyd, Suc20, Jf20e45/Jf20str, 022.5,
2-159, 2-161
Hose, Hyd, Tc04, Jf04e90/Jf04str, 092.0,
2-159, 2-161
Hose, Hyd, Tc04, Jf04str/Jf04str, 098.0,
2-159, 2-161
Hose, Hyd, Tc04, Jf04str/Jf04str, 106.0,
2-159, 2-161
Hose, Hyd, Tc04, Jf04str/Jf04str, 114.0,
2-159, 2-161
Hose, Hyd, Tc04, Jf04str/Jf04str, 138.0,
2-159, 2-161
Hose, Hyd, Tc04, Jf04str/Jf04str, 142.0,
2-159, 2-161
Hose, Hyd, Tc12, Ff12e45/Ff12str, 045.0,
2-161
Hose, Intake, Mold, 2.00id [Epdm], 2-101
Hose, Intake, Mold, 2.0id X 2.26id[Epdm],
2-101
Hose, Intake, Mold, 3.00id 2.00id [Epdm],
2-101
Hose, Intake, Mold, Rwk 380592, 2-97
Hose, Lpg, 4Lpg X 35.0Lg, 2-119, 2-121,
2-123
Hose, Lpg, 4Lpg X 40.0Lg, 2-119
Hose, Lpg, Med05, Pm04str/Sm04str,
055.0, 2-123
Hose, Lpg, Med05, Pm04str/Sm04str,
067.0, 2-125
Hose, Lpg, Med05, Pm04str/Sm04str,
31.0l, 2-121
Hose, Lpg, Med05, Pm04str/Sm04str,
46.0l, 2-123, 2-125
Hose, Lpg, Med05, Pm04str/Sm04str,
67.0l, 2-121
Hose, Lpg, Med08, Jf08str/Jf08str, 035.0,
2-75
Hose, Lpg, Med08, Jf08str/Jf08str, 037.5,
2-75
Hose, Lpg, Med10, Jf14str/Jf14str, 028.0,
2-71, 2-73
Hose, Mold [Epr To Mixer], 2-84, 2-89
Hose, Mold, .62 To .75, 2-79, 2-83, 2-89
Hose, Mold, .62 X 37.0, 2-79
Hose, Molded, 2-91, 2-93, 2-95, 2-99
Hose, Pvc, 18.0l, 2-45
Hose, Pvc, Clr, 0.38id 0.56od 013.0l, 2-75
Hose, Pvc, Clr, 0.38id 0.56od 048.0l,
2-133
Hose, Radiator, Lower, 2-127
Hose, Radiator, Upper, 2-127
Hose, Rbr 1.50id 1.88od 12.0 L, 2-127
Hose, Rbr, 0.38id 0.62od 21.0l, 2-61, 2-69
Hose, Rbr, 1.50id 1.88od 06.0l, 2-129,
2-131
Hose, Rbr, 1.50id 1.88od 12.0l, 2-129,
2-131, 2-133
Hose, Rbr, 1.50id 1.88od 04.0l, 2-133
Hose, Rbr, 1.50id 1.88od 6.0 L, 2-127
Hose, Rbr, 2.00id 2.50od 03.0l, 2-95,
2-99
Hose, Rbr, E120 1.50id 1.20id 05.0 05.2,
2-131
Hose, Rbr, E120 1.50id 1.20id 06.4 2.7,
2-129
Hose, Rbr, E90 1.50id 1.50id 09.4 6.3,
2-129
Hose, Rbr, E90 1.50id 1.62id 0.40 04.0,
2-131
Hose, Rbr, E90, 1.50id 1.50id 06.3 04.5,
2-133
Hose, Rbr, E90, 2.00id 2.00id 03.5 03.5,
2-97
Hose, Rbr, Mold, 0.50id 0.38id [Epdm],
2-61, 2-69
Hose, Supply, Gas, .25id, 2-83
Hose, Vacuum, .16 Id X 76.0 Lg, 3-109
Hose, Vacuum, 0.16id X 009.5l, 2-39
Hose, Vacuum, 0.16id X 015.6l, 2-41
Hose, Vacuum, 0.16id X 021.0l, 2-71
Hose, Valve, Fuel Trim, 325mm, 2-79
Hose, Valve, Press Trim, 405mm, 2-79
Hose&2Cuff Assy,Vinyl2.0Id10Ft, 3-97,
3-99
Hose&cuff Assy, Vinyl4.0Idx50, 2-185
House, Wheel, 2-145
Housing, 2-45, 4-25, 4-33, 7-3, 7-5,
7-11
Housing Assembly, 4-59, 4-63
Housing Assy, 4-27, 4-29
Housing Assy, Thr, 2-79
Housing Assy, Throttle, Gas, 2-65
Housing Assy, Throttle, Gas, [With Ecu],
4-75
Housing Assy, Throttle, Gas, [With Ecu]
(See Breakdowns), 2-63
Housing Assy, Throttle, Gas, [Without
Ecu], 4-77
Housing Assy, Throttle, Gas, [Without Ecu]
(See Breakdowns), 2-63
Housing Assy, Throttle, Lpg, [With Ecu],
4-71
Housing Assy, Throttle, Lpg, [With Ecu]
(See Breakdowns), 2-75
Housing Assy, Throttle, Lpg, [Without Ecu],
4-73
Housing Assy, Throttle, Lpg, [Without Ecu]
(See Breakdowns), 2-75
Housing En, 4-3, 4-7, 4-13, 4-17
Housing S/A En, 4-3, 4-7, 4-13, 4-17
Housing Wldt, Vac Fan, Front, 2-185
Housing Wldt, Vac Fan, Rear, 2-185
Housing, Bearing, Motor, Hyd, 4-31
Housing, Brg, 4-27, 4-29
Housing, Condenser, 4-55
Housing, Flywheel [3.0l], 2-47, 2-49
Housing, Flywheel, Mach [Lrg 2.3, Ford],
2-43
Housing, Flywheel, Mach [Lrg 2.5, Ford],
2-43
Housing, Heater [Badger, Gray], 4-61,
4-65
Housing, Sppt, Wheel (Repl. by 375534),
2-145
Housing, Sppt, Wheel, Rear, 2-145
Housing, Thermostat [Gm3.0l 2007], 2-50
Housing, Throttle, 40mm [Bosch], 2-65,
2-67, 2-79, 2-83, 2-87
Housing, Throttle, Gas, 4-75, 4-77
Housing, Throttle, Lpg, 4-71, 4-73
Housing, Valve, 4-31
Housing,Control, 4-11
Housing,Control En, 4-21
Hsg W/Brg, 5-9, 6-9
Hub and Stud Assy., 2-145
Hub Assy, 2-149
Hub, Drive, Brush, Side, 1.00b 8.8bc, 2-5
I
Ignition Coil, 5-24, 6-24
Ignition Module Kit, 6-24
Impeller 9.5 Dia. 18 Blade Mac, 2-185
Indicator Service Air Filter, 2-91, 2-93,
2-95, 2-99
Indicator, Service, Fltr, Air [20h20 Dn],
2-97, 2-101
Indicator,Oil, 5-3, 6-3
Injector, Fuel, Lpg [3.0l Gm] 8410, 4-71,
4-73
Injector, Gas, W/ Top And Bottom Org,
4-75, 4-77
Inner Cover, 5-7, 6-7
Insert-Oilfilt, 5-3, 6-3
Insert, Wheel, Steering, 2-189
Instr, Kit, Repair, Pump, Hyd, 4-25
Instr. Valve Repair Info, 4-41
Insulation, Acoustic, Fan, 2-185
Insulation, Acoustic, Vac Fan, 2-187
Insulation, Acstc, 0.5, 17.0 X 15.0, 2-19
Insulation, Acstc, 0.8, 15.5 X 05.0, 2-19
Insulation, Acstc, 0.8, 16.5 X 04.5 Cham,
2-19
Insulation, Acstc, 0.8, 18.0 X 15.0 C-O,
2-19
Insulation, Acstc, 0.8, 20.3 X 19.3, 2-17
Insulation, Acstc, 0.8, 23.0 X 04.0, 2-19
Insulation, Acstc, 1.0, 01.5 X 04.0, 2-7
Insulation, Acstc, 1.0, 03.0 X 03.0, 2-7
Insulation, Acstc, 1.0, 03.5 X 09.0 Cham,
2-7
Insulation, Acstc, 1.0, 25.0 X 09.9, 2-13
Insulation, Acstc, 1.0, 26.5 X 27.3 Ntch,
2-13
Insulation, Acstc, 1.5, 04.0 X 04.0, 2-7
Insulation, Acstc, 1.5, 07.8 X 08.0 Cham,
2-11
Insulation, Acstc, 1.5, 07.8 X 08.0 Ntch,
2-9
Insulation, Acstc, 2.3, 13.5 X 13.5 Ntch,
2-15

CROSS REFERENCE
8-28 800 Gas/LPG 330120 (7−2015)
Insulation, Acstc, Cab Front, 4-53
Insulation, Acstc, Cab Rear, 4-53
Insulation, Acstc, Cab, Leg, Front, 4-53
Insulation, Acstc, Cab, Leg, Rear, 4-53
Insulation, Acstc, Cab, Proj, Front, 4-53
Insulation, Acstc, Cab, Proj, Ls, 4-53
Insulation, Acstc, Cab, Proj, Rear, 4-53
Insulation, Acstc, Cab, Proj, Side, 4-53
Insulation, Acstc, Cab, Proj, Upper, 4-53
Insulation, Acstc, Door, Side, 4-49, 4-51
Insulation, Acstc, Front, Lower, 3-55
Insulation, Acstc, Side, Lower, .8t, 3-55
Insulation, S/Foam 1.0 Seal Brake Pedal,
2-151
Insulation, Sound Foam, 2-151
Int.Manifold, 5-15, 6-15
Isolator, 2-89
Isolator [Epr], 2-83
Isolator-Vibration .25-20, 2-103, 2-105
Isolator-Vibration .31-18, 2-135, 2-137,
2-139
Isolator-Vibration,60 Lb.Ratng, 2-187
Isolator, Box, Relay, 2-67, 2-79, 2-83,
2-87
Isolator, Mtg, Vaporizer, Rbr, 2-79
Isolator, Rbr, 2-109
Isolator, Rubber, 2-107
Isolator, Vac Fan, 2-167
Isolator, Vib, .50d, 2-13
Isolator, Vib, Bshg, 1.4d 0.3l .4b 0.65h,
2-169
Isolator, Vib, Bshg, 1.9d 0.9l .6b 1.16h,
2-37
Isolator, Vib, Flng, 1.3h .5b 2/.39h, 2-43,
2-45, 2-47, 2-49
Isolator, Vib, Flng, 2.0h .5b 2/.41h, 2-45,
2-47, 2-49
Isolator, Vib, Ring, 1.0d .25-20/.25-20,
2-107, 2-109
Isolator, Vib, Ring, 1.0d .31-18/.31-18,
2-165
Isolator, Vib, Ring, 1.4d 0.3l 0.8b, 2-169
Isolator, Vib, Ring, 1.9d 0.5l 1.3b, 2-37
Isolator, Vibration, 2-187
K
Keeper, Latch, Pane, 4-47, 4-49, 4-51
Key, 4-25, 4-27, 4-29, 4-34, 7-3, 7-11,
7-12
Key En, 4-5, 4-9, 4-15, 4-19
Key Set, 4-49, 4-51
Key Set,Switch Ku, 2-191
Key, Motor, Hyd, 4-31
Key, Round, 4-23
Key, Sq, 0.12 X 0.12, 0.50l, 2-135, 2-137,
2-139
Key, Square 0.12 0.12 00.50 LG, 4-35
Key, Woodruff, 4-32
Kit-Attaching, 5-9, 6-9
Kit, Adaptor, Manifold, 2-76
Kit, Alarm, Backup, 3-27
Kit, Alternator, Hd, Gas/Lpg, 3-91
Kit, Brush, Alternator, 2-41
Kit, Ci, Alternator, Hd,Gas/Lpg,[Gm3.0l],
3-93
Kit, Ci, Drain Hose, A/C, 3-111
Kit, Connector, Coolant Sensor, 4-71,
4-73, 4-75, 4-77
Kit, Connector, Gas Injector, 4-75, 4-77
Kit, Connector, Govnr, 4-71, 4-73, 4-75,
4-77
Kit, Connector, Sensor, [Iat], 4-71, 4-73,
4-75, 4-77
Kit, Connector, Sensor, [Map], 4-71, 4-73
Kit, Fi, Cab, [97], 2-61
Kit, Gasket, Manifold, 2-76
Kit, Light, Flsh, Low, 3-19
Kit, Light, Strobe, Low, 3-23
Kit, Org, Injector And Reg, Gas, 4-75,
4-77
Kit, Org, Injector, Top And Bottom, Lpg,
4-71, 4-73
Kit, Reg, Gas Press, 4-75, 4-77
Kit, Repair, Fuelock, Mv 310-6, 2-121
Kit, Replmt, Controller, 4-71
Kit, Seal, Hyd, Motor, 4-31
Kit, Seal, Hyd, Pump, 4-23
Kit, Seal, Motor, Hyd, 4-31
Kit, Seal, Pump, 4-25
Kit, Signal, Turn, 3-31
Knob, Plastic, 2-175, 2-183
Knob, Rnd, 2.00d 0.65l M6, Plstc, 2-169
Knob, Rnd, 2.00d 0.84l M6, Plstc, 2-169
Knob, Rnd, Control, Heat-A/C, 3-63,
3-69, 3-71, 3-81, 3-85, 3-87
Knob,0.38-16,1.25Dia,Plastic, 3-97, 3-99
L
Label Set, Info & Hazard, 2-240
Label Set, Operational 800, 2-240
Label, Caution, 3-63, 3-69, 3-71
Label, Instr, Fltr Drain, 2-75
Label, Logo, 10.4L Sht/Clr [Tennant],
2-240
Label, Logo, 10.4l,Oval[Tennant,Blu/Grn],
2-240
Label, Model [800 Gray], 2-240
Label, Numerals 800, 2-240
Label, Opertnl, Fan, Hi/Med/Low, 3-63,
3-69, 3-71, 3-81, 3-85, 3-87
Label, Opertnl, Pull Heat, 3-63, 3-69,
3-71, 3-81, 3-85, 3-87
Label, Opertnl, Switch, On-off, 4-47
Label, Opertnl, Temp, 3-63, 3-69, 3-71
Label, Vac Wand, 3-97, 3-99
Lamp, 4-47
Lamp, 12VDC 55w, 3-27, 3-29, 3-51,
3-53
Lamp, 12vdc, 0.5a, 04cp [#1157], 2-7
Lamp, Bulb, Flsh, 3-3, 3-5, 3-7, 3-9,
3-19, 3-21
Lamp, Bulb, Strobe, 3-11, 3-13, 3-15,
3-17, 3-23, 3-25
Latch, 2-9, 2-11, 2-17, 2-19, 2-21, 2-23,
2-33, 2-179
Latch Assy, Door, 4-49, 4-51
Latch Assy, Lpg Tank Mtg,W/Nut, 2-119,
2-121, 2-123, 2-125
Latch Assy, Wndw [800 Cab], 4-47, 4-49,
4-51
Latch Kit, Wndw, Cab, Rear, 4-47
Latch, Bmpr, 2-35
Latch, Bolt, 2-19, 2-21, 2-23
Latch, Door, 3-107
Latch, Keeper, Pane [J-dak], 4-47
Latch, Keeper, Pane [J-dak], 4-49, 4-51
Latch, Tension, 4-59, 4-61, 4-63, 4-65
Leg Wldt, Bmpr, Se [800 Gray], 3-39
Leg Wldt, Bumper, Se, 3-38
Lens, Amb, F/ Strobe / Flasher, 3-3, 3-5,
3-7, 3-9, 3-11, 3-13, 3-15, 3-17,
3-19, 3-21, 3-23, 3-25
Lens, Blu, F/ Strobe / Flasher, 3-3, 3-5,
3-7, 3-9, 3-11, 3-13, 3-15, 3-17,
3-19, 3-21, 3-23, 3-25
Lens, Flashing Amb 12V, 3-19
Lens, Red, F/ Strobe / Flasher, 3-3, 3-5,
3-7, 3-9, 3-11, 3-13, 3-15, 3-17,
3-19, 3-21, 3-23, 3-25
Lens, Strobe Light, Amber, 3-23
Lens, Strobe Light, Blue, 3-15, 3-19, 3-23
Lens, Strobe Light, Red, 3-15, 3-19, 3-23
Lens, Strobe.Light,Amber, 3-11, 3-15
Lens, Strobe.Light,Blue, 3-11
Lens, Strobe.Light,Red, 3-11
Lens,Flashing Lite Fr207 Amber, 3-3, 3-7
Lens,Flashing Lite Fr207 Blue, 3-3, 3-7
Lens,Flashing Lite Fr207 Red, 3-3, 3-7
Lever, 5-9, 6-9
Lever, Brake, 2-151
Lifter, 7-3
Lifting Eye, 5-15, 6-15
Light Assy Mark/Yel 12V- . A, 3-31
Light Kit Flsh 800L Cab, 3-7
Light Kit Flsh 800L Ohg, 3-3
Light Kit Strobe 800L Cab, 3-15
Light Kit Strobe 800L Ohg, 3-11
Light Kit, Brush, Side, Ci [800gray], 3-53
Light Kit, Flsh, Cab, Ci [800 Gray], 3-9
Light Kit, Flsh, Ohg, Ci [800 Gray], 3-5
Light Kit, Flsh, Ped, Ci [800 Gray], 3-21
Light Kit, Revl, Cab, Ci [800l Gray], 3-17
Light Kit, Side Brush, 3-51
Light Kit, Strobe, Ohg, Ci [800l Gray], 3-13
Light Kit, Strobe, Ped, Ci [800l Gray], 3-25
Light, Check Eng, Amb, 14vdc, 2-191
Light, Dome 12V, 4-47
Light, Flashing Amb 12v-re, 3-19
Light, Flashing, Amber, 12V-Re, 3-3, 3-7
Light, Flsh, Amb, 12-48vdc, 3-3, 3-5, 3-7,
3-9, 3-19, 3-21
Light, Indicator 14V Red 1.2x0.7, 2-191
Light, Spot 12V, 32cp, 3-27, 3-29
Light, Spot, 12VDC 55w, 3-51, 3-53
Light, Strobe Amber 12v-re, 3-23

CROSS REFERENCE
8-29
800 Gas/LPG 330120 (7−2015)
Light, Strobe, Amb, 12-48vdc, 3-11, 3-13,
3-15, 3-17, 3-23, 3-25
Light, Strobe.Amber 12V-Reworked, 3-11,
3-15
Link, 0.18, 1.5w 03.6l, 1/0.4h 1/0.3h,
2-109
Link, Connecting, 4-49, 4-51
Link, Eccentric, 2-37
Link, Feedback, 4-11
Link, Feedback En, 4-21
Link, Head, Vacuum, Rh, .50 1.50w 23.0l,
2-25
Link, Tension 2.4L, 3-67
Linkage Kit, Govnr, 2-61, 2-69
Lintel Wldt, Rear, 2-19
Lintel Wldt, Rear [800 B/Green], 2-19
Lock Assy, Door, 4-49, 4-51
Locknut, 5-23, 6-23
Lockwasher En, 4-3, 4-7, 4-13, 4-17
Louver, Adj, Heat-A/C, 3-63, 3-69, 3-71,
3-81, 3-85, 3-87
Lower Cover, 5-7, 6-7
M
Magnet, Drive Brush, 2-33
Maintenance Kit, 400HR 800/810 gas, 2-4
Maintenance Kit, 400HR 800/810 lpg, 2-4
Maintenance Kit, 800HR 800/810, 2-4
Maintenance Kit, Skirts, 2-4
Maintenance Kit, Skirts 800, 2-4
Manifold, Exhaust, 2-63, 2-65, 2-75, 2-80
Manifold, Exhaust [Gm3.0l], 2-67, 2-83,
2-87
Manifold, Gas, Relief, Valve, 2-117
Manifold, Intake, 2-63, 2-65, 2-75, 2-80
Manifold, Intake [2007], 2-67, 2-83
Manifold, Intake [Gm3.0l 2010], 2-67,
2-87
Manual Op/Mt 800G French, 3-114
Manual Control En, 4-21
Manual Op/Mt 800G Spanish, 3-114
Manual Pkg 800G, 3-114
Manual, Eng, Cd-Rom [Tier Ii,Gm3.0l],
3-114
Manual, Service 800/810, 3-114
Manual, Service FD (Lrg) 2.3L, 3-114
Manual, Service FD (Lrg) 2.5L, 3-114
Manual, Service, Eng, [Gm 3.0L], 3-114
Mirror Assembly, 3-57, 3-59
Mirror Kit, Brush, Side, Cab, Ci[800lgr],
3-59
Mirror Kit, Side Brush, 3-57
Mirror, Convex, 0.50d, 3-57, 3-59
Mirror,8.0 Round,Convex, 3-57, 3-59
Mixer , Lpg, 2-87
Module, 7-5
Module Kit, Ignition, Replmt [Ford 2.3l],
5-24
Module, Ecu, Gas [Gm 3.0l], 2-65
Module, Ecu, Gas [Gm3.0l 2007], 2-67
Module, Ecu, Gas [Gm3.0L 2010], 2-67
Module, Ecu, Lpg [Gm 3.0l], 2-79
Module, Ecu, Lpg [Gm3.0l 2007], 2-83
Module, Ecu, Lpg [Gm3.0L 2010], 2-87
Molding, Trim (Gasoline only), 4-47
Molding, Trim 11-14Ga 4.0, 2-151
Molding, Trim, Extrusion, .062, 10.10l,
2-41
Molding, Trim, Pvc, .08-.11 01.0l, 2-7
Molding, Trim, Pvc, .08-.11 05.8l, 2-15
Molding, Trim, Pvc, .08-.11 08.5l, 2-13
Molding, Trim, Pvc, .08-.11 15.8l, 2-15
Molding, Trim, Pvc, .08-.11 26.5l, 2-13
Molding, Trim, Pvc, .18-.31 01.5l, 4-53
Motor-Hyd Gear (See Breakdowns), 2-145
Motor-Hyd Gear (See Breakdowns)
(Replaced by 1068905), 2-145
Motor-Hyd Gear Ex (See Breakdowns),
2-187
Motor-Hyd Gear In (See Breakdowns),
2-145
Motor-Hyd Gear In (See Breakdowns)
(Replaced by 9009503), 2-179
Motor-Hyd, Gear In 10.0 (See
Breakdowns), 2-135, 2-137, 2-139
Motor, Ele, 14vdc 1600rpm 0.04hp, 2-37
Motor, Ele, Geared, 12Vdc, 3-109
Motor, Ele, Wiper, 12vdc, 4-47
Motor, Hyd Gear In 17.9 B 1500 (See
Breakdowns) (Replaced by 9009502),
3-45
Motor, Hyd, (See Breakdowns) (Replaced
by 9009502), 2-171
Motor, Hyd, Gear, [In] 29.9 B 3000, 4-31
Motor, Hyd, Gear, Ext 0.17 Lh 3000, 2-187
Motor, Hyd, Gear, Int 02.8 Bi-Dir 2500,
2-179
Motor, Hyd, Gear, Int 07.6 Bi-Dir 3000,
2-139
Motor, Hyd, Gear, Int 17.9 Bi-Dir 2500,
2-171, 3-45
Motor, Hyd, Gear, Int 29.9 Bi-Dir 3000,
2-145
Motor, Hydraulic, 4-32, 4-33, 4-34, 4-35
Motor, Propelling, 4-27, 4-29
Motor, Starting, Perm Mag, 12V, 5-9, 6-9
Mount, Cable Tie, 3-63, 3-69, 3-71, 3-111
Mount, Fltr, Remote, 2-59
Mount, Tie, 3-27, 3-29
Muffler, Catalytic [Gm 1.6/3.0], 2-107
Muffler, Catalytic [Gm 3.0l 2007], 2-109
Muffler, Catalytic [Gm 3.0l 2010], 2-109
Muffler, Exhaust, 2-103, 2-105, 3-113
N
Nameplate, Tennant, Domed, 10 Inch,
2-240
Nozzle, 7-11
Nut, 4-27, 4-29, 7-3, 7-9
Nut En, 4-3, 4-7, 4-13, 4-17
Nut Low Crown .62-18, 2-175
Nut M8-1.25, 5-15, 6-15
Nut-hx Jam M20x1.5 4 Pltd, 2-189
Nut-Hxlocnyln .31-24 Reg Pltd, 2-135,
2-137, 2-139
Nut-Hxslot 1.00-20 Pltd, 2-147
Nut-Low Crown .50-20 Pltd, 2-185
Nut, Adjustable, Lpg Tank Mtg, 2-119,
2-121, 2-123, 2-125
Nut, Cart., LNG CP, 4-43
Nut, Cart., LNG., 4-38
Nut, Cart., Sht, 4-39
Nut, Cart., SHT CP, 4-43
Nut, Conn Rod, 7-7
Nut, Conrod-8, 5-22, 6-22
Nut, Flng, .38-24, 2-53
Nut, Flng, M8, 2-83, 2-89
Nut, Hex, Flange, 3-41
Nut, Hex, Flange, M8 X 1.25, 2-175
Nut, Hex, Flng, .38-16, 2-50, 2-67, 2-83,
2-87
Nut, Hex, Flng, M10 X 1.5, 2-176, 2-179,
3-41, 3-47, 3-75
Nut, Hex, Flng, M10 X 1.50, 2-9, 2-11,
2-173, 3-57, 3-59
Nut, Hex, Flng, M12 X 1.75, 2-19, 2-143,
2-179
Nut, Hex, Flng, M5 X 0.80, 2-73
Nut, Hex, Flng, M6 X 1.0, 2-135, 2-137,
2-139, 2-167
Nut, Hex, Flng, M6 X 1.00, 2-17, 2-19,
2-23, 2-123, 2-125, 2-153, 2-171,
2-192, 3-45, 3-55
Nut, Hex, Flng, M8 X 1.25, 2-13, 2-17,
2-19, 2-29, 2-45, 2-47, 2-49, 2-55,
2-57, 2-97, 2-101, 2-123, 2-125,
2-141, 3-3, 3-5, 3-11, 3-13, 3-93
Nut, Hex, Jam, .25-28, 2-153
Nut, Hex, Jam, .38-16, 2-13
Nut, Hex, Lock, 3-31
Nut, Hex, Lock, .25-20, Nl, 2-59, 2-117,
2-187
Nut, Hex, Lock, .25-20, Nl, Ss, 2-153
Nut, Hex, Lock, .31-24, Nl, 3-51, 3-53
Nut, Hex, Lock, .38-16, Nl, 2-45, 2-47,
2-49, 2-55, 2-57, 2-123, 2-125,
2-135, 2-137, 2-139, 2-179, 2-187,
3-57, 3-59, 3-75, 3-79, 3-93, 3-95
Nut, Hex, Lock, .38-16, Nl, Ss, 3-75
Nut, Hex, Lock, .50-13, Nl, 2-145, 2-173,
3-47
Nut, Hex, Lock, .50-13, Nl, Ss, 2-179
Nut, Hex, Lock, .75-10, Nl, 2-145
Nut, Hex, Lock, M 6 X 1.0, Nl, 2-141
Nut, Hex, Lock, M08 X 1.25,Nl, 3-51, 3-53
Nut, Hex, Lock, M10 X 1.5, Nl, 2-19, 2-33,
2-50, 2-135, 2-137, 2-139, 2-153,
2-171, 2-173, 2-176, 2-185, 3-41,
3-45, 3-47, 3-76, 3-79
Nut, Hex, Lock, M10 X 1.5, Nl, Ss, 2-175,
3-41, 3-75, 3-79
Nut, Hex, Lock, M12 X 1.75, Nl, 2-13,
2-45, 2-47, 2-49
Nut, Hex, Lock, M16 X 2.0, Nl, 3-42

CROSS REFERENCE
8-30 800 Gas/LPG 330120 (7−2015)
Nut, Hex, Lock, M5 X 0.80, Nl, 3-3, 3-5,
3-7, 3-9, 3-11, 3-13, 3-15, 3-17,
3-19, 3-21, 3-23, 3-25
Nut, Hex, Lock, M6 X 1.0, Nl, 2-95, 2-99,
2-175, 3-41
Nut, Hex, Lock, M6 X 1.00, Nl, 2-9, 2-11,
2-15, 2-19, 2-21, 2-23, 2-33, 2-37,
2-133, 2-139, 2-185, 2-187, 2-189,
2-192, 3-45
Nut, Hex, Lock, M6 X 1.00, Nl, Ss, 2-153,
4-47
Nut, Hex, Lock, M8 X 1.25, Nl, 2-15, 2-29,
2-97, 2-101, 2-123, 2-125, 2-135,
2-137, 2-139, 2-173, 2-176, 2-179,
2-185, 2-187, 3-3, 3-5, 3-7, 3-9,
3-11, 3-13, 3-15, 3-17, 3-42, 3-47,
3-75, 3-79, 3-95
Nut, Hex, Lock, M8 X 1.25, Nl, Ss, 2-29,
2-31
Nut, Hex, M10 X 1.50 [Stover], 2-109
Nut, Hex, Std, .25-20, 2-67, 2-83, 2-87,
2-107, 2-109
Nut, Hex, Std, .31-18, 2-135, 2-137,
2-139, 2-165, 2-187
Nut, Hex, Std, .31-18, Ss, 3-57, 3-59
Nut, Hex, Std, .38-16, 2-105, 2-107,
2-109
Nut, Hex, Std, .44-14, 5, 2-9, 2-11
Nut, Hex, Std, .62-18, 2-183
Nut, Hex, Std, .75-16, 2-145
Nut, Hex, Std, #10-24, 2-45, 2-47, 2-49
Nut, Hex, Std, M05 X 0.8, 2-121
Nut, Hex, Std, M08 X 1.25, 3-75
Nut, Hex, Std, M10 X 1.5, 3-47
Nut, Hex, Std, M10 X 1.5, Ss, 3-47
Nut, Hex, Std, M10 X 1.50, 2-173
Nut, Hex, Std, M10 X 1.50, Ss, 2-173
Nut, Hex, Std, M12 X 1.75, 2-19, 2-21,
2-23, 2-29, 2-153
Nut, Hex, Std, M20 X 2.50, 8, 2-145
Nut, Hex, Std, M4 X 0.7, 8, 2-115
Nut, Hex, Std, M4 X 0.70, 8, 2-117
Nut, Hex, Std, M5 X 0.8, 8, 2-115
Nut, Hex, Std, M5 X 0.80, 8, 2-45, 2-47,
2-49, 2-117
Nut, Hex, Std, M8 X 1.25, 2-23, 2-173,
3-41, 3-47
Nut, Hex, Stover, M10 X 1.5, 2-107
Nut, Hex, Stover, M8, 2-139
Nut, Jam, 4-3, 4-7, 4-13, 4-17
Nut, Low Crown, .62-18, 2-183
Nut, M6, 5-7, 6-7
Nut, Manifold, Exhaust, 2-63, 2-65, 2-75,
2-79
Nut, Motor, Hyd, 4-31
Nut, Slotted Hex, 4-32
Nut, U, M6 X 1.00, 2-19
Nut, Valve, Cartridge, 4-79, 4-81, 4-82
Nut, Wheel Lug, 2-145
Nut, Wheel Lug, 9/16-18, 2-147
Nut,Flng,M05-0.8, 2-87
Nut,Lock-Special 2.16-18Uns, 2-145
Nut,M10, 5-11, 6-11
Nut,Wing .44-20 Special, 2-91, 2-93,
2-95, 2-99
Nut&Washer,M8, 5-9, 6-9
O
O-Ring Gland, 2-155
O-Ring-2.250, 5-11, 6-11
O-Ring, Water Pump Adaptor, 5-23, 6-23
O-Ring,2.375, 5-11, 6-11
Ohg Kit, Ci [800l Gray], 3-35
Oil Pan, 7-9
Oil Pan Assy, 5-11, 6-11
Oil Pan Spacer, 5-11, 6-11
Oil Pickup Tube, 5-11, 6-11
Oil Plug, 5-11, 6-11
Oil Pmp Sprkt, 5-11, 6-11
Oil Pump, 5-11, 6-11
Oil Seal, Front, 5-5, 5-13, 5-19, 6-5,
6-13, 6-19
Oil, Hyd [El, Iso 100, 01gal], 2-4
Oil, Hyd [El, Iso 100, 05gal], 2-4
Oil, Hyd [El, Iso 32, 01gal], 2-4
Oil, Hyd [El, Iso 32, 05gal], 2-4
Orifice, Valve En, 4-3, 4-7, 4-13, 4-17
Outer Cover, 5-7, 6-7
Outlet For engine serial numbers
(004937-006999), 7-3
Output Shaft Assembly, 4-32
P
Pad, 2-151
Pad, Rbr, Floormat, .44 27.0w 28.3l, 2-13
Paint, Airdry, Blk, 12oz, 2-4
Paint, Airdry, Gray, 12oz, 2-4
Paint, Airdry, Iron Gray, 12oz, 2-4
Paint, Airdry, Off-White, 12oz, 2-4
Paint, Airdry, Teal, 12oz, Solid, 2-4
Pane Assy, Cab, Lh Side, 4-47
Pane Assy, Door, Cab, Rh Side, 4-49,
4-51
Pane, Glass, Cab, 4-47
Pane, Glass, Door, 4-49, 4-51
Pane, Glass, Windshield, 4-47
Panel, 3-3, 3-7, 3-11, 3-15
Panel Wldt, Access, Floor, 2-153
Panel Wldt, Access, Floor [800 Gray],
2-153
Panel Wldt, Cover, Eng, Top, 2-19
Panel Wldt, Cover, Eng, Top[800 B/Green],
2-19
Panel Wldt, Headlight, 2-33
Panel Wldt, Headlight [800 B/Green], 2-33
Panel Wldt, Hopper, Floor, LH, 3-36
Panel Wldt, Hopper, Floor, RH, 3-36
Panel Wldt, Lintel [800 Gray], 2-17
Panel Wldt, Lntl, 2-17
Panel Wldt, Rear, Lh, 2-7
Panel Wldt, Rear, Lh [800 Gray], 2-7
Panel Wldt, Rear, Rh, 2-7
Panel Wldt, Rear, Rh [800 Gray], 2-7
Panel Wldt, Shakr, 2-37
Panel, Access, Eng, 27.0l X 10.8w, 2-13
Panel, Access, Eng, 27.0l X 10.8w [Gray],
2-13
Panel, Corner, Cover, Eng, 2-19
Panel, Corner, Cover, Eng [800 B/Green],
2-19
Panel, Cover, 3-97, 3-99
Panel, Cover, Brush Cntrl, Gas/Lpg[Gray],
2-175
Panel, Cover, Dash, 2-191
Panel, Cover, Instmt [800 Gray], 2-191
Panel, Deflector, Dirt, Lh, 2-29
Panel, Deflector, Dirt, Rh, 2-29
Panel, Duct, Vacuum, 2-19
Panel, Hppr, Bottom, Lh, 2-29
Panel, Hppr, Bottom, Lh [800 B/Green Ss],
3-37
Panel, Hppr, Bottom, Lh [800 B/Green],
2-29
Panel, Hppr, Bottom, Rh, 2-29
Panel, Hppr, Bottom, Rh [800 B/Green Ss],
3-37
Panel, Hppr, Bottom, Rh [800 B/Green],
2-29
Panel, Louver, 2-21
Panel, Mtg, Adapter, Water Pump [Ford],
2-41
Panel, Oprtr Station, W/ Label,[ 800l],
2-13
Panel, Oprtr Station, W/ Label[800 Gray],
2-13
Panel, Perma-Filter, Upper, 2-29
Panel, Side, Fuel Filler, Lpg [Gray], 2-13
Panel, Side, Lpg [800l], 2-13
Panel, Spacer, Eng Mtg, Fr Rep.Bynone,
2-43
Pcv Vlv Asy, 5-3, 6-3
Pedal Wldt, 2-151
Pedal Wldt, Brake [800 Gray], 2-151
Pedal, Propel, Lower, W/ Tread, 2-153
Pedal, Propel, Lower, W/Tread [800 Gray],
2-153
Pedal, Propel, Upper, W/ Tread, 2-153
Pedestal Wldt, Light, 3-19, 3-23
Pedestal Wldt, Light [800 Gray], 3-21,
3-25
Pin, 3-47, 4-37, 7-5, 7-7, 7-9, 7-11
Pin Assy, .312X3.0 W/Lanyard, 3-45
Pin Assy, Side Brush W/ Clip, 2-171
Pin Wldt, 2-25, 2-27, 2-31
Pin Wldt, Latch, 2-33
Pin Wldt, Pivot, Brush, Side, 2-173
Pin, 1.00d 04.5l, 1/.38h, 1/M8x1.25, Stl,
2-27
Pin, 1.25d 05.4l, 1/.44h, Stl, 2-25
Pin, 1.50d 06.9l, 1/.44h, Stl, 2-25
Pin, 1.50d 07.4l, 1/.44h, Stl, 2-25
Pin, 1/4X.32, 5-19, 6-19
Pin, Clevis .375D X 1.000 Lg, 2-151
Pin, Clevis, 0.19d X 0.63l, 2-169
Pin, Clevis, 0.25d X 0.75l, 2-153
Pin, Clevis, 0.25d X 1.00l, 2-153

CROSS REFERENCE
8-31
800 Gas/LPG 330120 (7−2015)
Pin, Clevis, 0.31 D X 0.75l, 2-135
Pin, Clevis, 0.37d X 1.31l, 2-153
Pin, Clevis, 0.37d X 4.50l, 2-153
Pin, Clevis, 0.50d X 2.25l [1141 Stl], 2-31
Pin, Clevis, 0.50d X 3.50l, 2-169
Pin, Clevis, 0.50d X 4.50l, 2-153
Pin, Cntrl Assy En, 4-21
Pin, Cotter .094X1.00, 2-175
Pin, Cotter, .094 X 0.75, 2-17
Pin, Cotter, .125 X 0.75, 2-153
Pin, Cotter, .125 X 1.00, 2-31
Pin, Cotter, .125 X 2.00, 2-147
Pin, Cotter, Hair, 0.31d .058 Wir, 2-153,
2-169
Pin, Grvd, 1.25d 03.50l, 2-27
Pin, Hair Cotter, 0.69 D .092 Wir, 2-135
Pin, Headed, 4-11
Pin, Headed En, 4-21
Pin, Hitch, .500d X 1.00l, Pl, 2-7
Pin, Latch, 4-49, 4-51
Pin, Retainer, 2-79
Pin, Roll, .187 Dia. X .56, 4-47
Pin, Roll, .312d X 0.75l, .312/.318, 2-43
Pin,Clevis,0.37 Dia.X 2.12 Lg, 2-175,
3-41
Pin,Clevis,0.50 Dia.X 2.00 Lg, 2-181
Pin,Roll,.18Odx1.62L,.187/.192, 3-97,
3-99
Pipe, 2-75
Pipe Wldt, Exhaust, Gas/Lpg, 2-103
Pipe, Adapter [Gm30.0l], 2-50
Pipe, Nipple [Gm3.0l], 2-49
Piston, 4-31
Piston Pin, 6-22
Piston, .020” O.S., 7-7
Piston, Hi-limit, 7-7
Piston, Servo, 4-3, 4-7, 4-13, 4-17
Piston, STD, 7-7
Piston, Std., 5-22, 6-22
Pivot Wldt, Wheel, 2-145
Planet Bearing, 5-9, 6-9
Plate, 2-175, 3-41, 3-97, 3-99, 3-101,
4-27, 4-29, 5-19, 6-19
Plate & Brg, 5-9, 6-9
Plate Kit, 7-12
Plate Wldt, 2-175, 3-41
Plate Wldt, Inlet, Fuel (LPG Only), 3-55
Plate Wldt, Skirt, 3-101
Plate Wldt, Skirt [Gray], 3-103
Plate Wldt, Vac Door, 3-97, 3-99
Plate Wldt, Wheel Lock (CE Only), 2-149
Plate Wldt., 2-119, 2-121, 2-123, 2-125
Plate-Cover, 2-175
Plate, Adapter, 4-23
Plate, Adaptor, 4-25
Plate, Adj, Brush, 2-183
Plate, Angle, 2-175, 3-41, 3-47
Plate, Back, 4-23
Plate, Back, Pump, Hyd, 4-25
Plate, Backing, 4-69
Plate, Circuit Breaker, 2-192
Plate, Circuitbreaker [800 Gray], 2-192
Plate, Cover, 2-175
Plate, Cover En, 4-3, 4-7, 4-13, 4-17
Plate, Drive, 2-45, 2-47, 2-49
Plate, Front, 4-23
Plate, Front, Pump, Hyd, 4-25
Plate, Injector Mtg, W/ Screw, 4-71, 4-73,
4-75, 4-77
Plate, Latch, 3-97, 3-99
Plate, Limiter, Spd, 2-153
Plate, Motor, Hyd, 4-31
Plate, Mounting, Rfs Control, 3-109
Plate, Mounting, Tank, Gas, 2-111
Plate, Mounting, Vac Door, 3-97, 3-99
Plate, Mtg, 2-119, 2-121, 2-123, 2-125
Plate, Mtg [Epr], 2-89
Plate, Mtg, Check Valve, 3-45
Plate, Mtg, Check Valve [Gray], 3-45
Plate, Mtg, Latch, 2-179
Plate, Mtg, Reg, 2-63, 2-75
Plate, Mtg, Relay, 2-192
Plate, Mtg, Steering Boot, 2-189
Plate, Mtg, Switch, A/C, 3-63, 3-69, 3-71,
3-81, 3-85, 3-87
Plate, Mtg, Tank, Gas, 2-113, 2-115,
2-117
Plate, Mtg, Valve, Solenoid, 2-167
Plate, Mtg, W/ Screw, [Ecu], Gas, 4-75
Plate, Mtg, W/ Screw, [Ecu], Lpg, 4-71
Plate, Pivot, Wheel, 2-145
Plate, Retainer, 3-101, 3-103
Plate, Retainer, Foam, 2-187
Plate, Retainer, Pin, 2-25, 2-27
Plate, Seal, 2-179
Plate, Shield, Heat, 2-55, 3-75, 3-93
Plate, Shield, Heat, W/Label, 2-129,
2-131
Plate, Shim, 4-49, 4-51
Plate, Shutter, 3-109
Plate, Side Brush Roller, 2-175
Plate, Side Brush, Roller, 3-41
Plate, Skirt, Sbdc [800 Gray], 3-103
Plate, Spacer, 2-27
Plate, Sppt, 4-47
Plate, Spring - Side Brush, 2-185
Plate, Strike, 2-19
Plate, Thrd, 4-49, 4-51
Plate, Vac Fan, 2-185
Plate, Valve, Motor, Hyd, 4-31
Plate, Wear, 4-37
Plug, 4-11, 4-31, 5-7, 5-19, 6-7, 6-19,
7-3, 7-7, 7-9
Plug .06 O/S, 5-3, 6-3
Plug & O-Ring En, 4-41
Plug #2, 4-43
Plug #8, 4-3, 4-7, 4-13, 4-17
Plug 1/4 Npt, 5-3, 5-6, 6-3, 6-6
Plug 3/8 Npt, 5-3, 5-15, 6-3, 6-15
Plug Assembly, 4-27, 4-29
Plug Assembly En, 4-41
Plug Assy, 4-31
Plug Assy,Byd En, 4-41
Plug En, 4-5, 4-9, 4-15, 4-19, 4-21
Plug Gage #4, 4-43
Plug Gage #6, 4-41, 4-43
Plug Kit, Controlbox, 2-61
Plug S/A En, 4-3, 4-7, 4-13, 4-17
Plug Weld, Brush Drive, Sweep, 2-179
Plug Wldt, Drive, Brush, 2-179
Plug Wldt, Idler, 2-179
Plug-Std 2.078, 5-3, 6-3
Plug, #2 O-Ring, 4-39
Plug, 1.50 Cup, 5-3
Plug, 1/2Npt, 5-15, 6-15
Plug, Drain, 3-97, 3-99
Plug, Hole, Injector, 2-83, 2-87
Plug, Hole, Rnd, 0.24h 0.5l , Brb, 2-19
Plug, Hole, Rnd, 0.25h 0.8l, Brb, Nyl, 2-7,
2-9, 2-11
Plug, Hole, Rnd, 0.38h .03-.12, Nyl[Wht],
2-13
Plug, Hole, Rnd, 0.75h .03-.12, Blk Nyl,
2-13
Plug, Hole, Rnd, 0.88h .03-.12, Blk Nyl,
2-19
Plug, Hole, Rnd, 1.25h .03-.12, Blk Nyl,
2-13
Plug, O-Ring, 4-23, 4-25, 4-29
Plug, Plstc, Sq, 4-67, 4-69
Plug, Rbr, Rnd, 4-67, 4-69
Plug, Tube, 2-179
Plug,#12 O-Ring Ph, 4-3, 4-7, 4-13,
4-17
Plug,1.50 Cup, 5-6, 6-6
Plugbtn .62H .03-.12 Blacknyl, 2-192
Plugbtn .62H .03-.12 Blacknyl, 4-63, 4-65
Plugbtn .88H .03-.12 Blacknyl, 4-63, 4-65
Plugbutton, 2-191, 3-33, 3-35
Plunger En, 4-41
Pole Piece, 7-5
Poppet, 4-31
Poppet En, 4-5, 4-9, 4-15, 4-19, 4-41
Poppet, Pump, Hyd, Gear, 4-31
Pulley - Cable, 1.5 Dia, 3-41
Pulley Assy, Cable, 1.5 Dia, 2-175
Pulley, Alternator, 2-41
Pulley, Fan, 2-53, 2-55, 2-57
Pump, 7-9
Pump-Hyd Gear Ex (See Breakdowns),
2-155
Pump-Hyd Piston V (See Breakdowns),
2-155
Pump, Fuel, 2-111, 2-115, 2-117
Pump, Fuel, Gas, 2-113
Pump, Hyd, 4-23
Pump, Hyd Piston V 2.48 (See
breakdowns), 3-112
Pump, Hyd, Gear, [Ex3] 0.66 [R] 3000,
4-25
R
Race, Bearing, 4-37
Race, Bearing Ce, 4-3, 4-7, 4-13, 4-17
Race, Thrust, 4-32, 4-33
Radiator, 2-135, 2-137, 2-139
Rear Plate, 5-17, 6-17
Rectifier, Alternator, 2-41

CROSS REFERENCE
8-32 800 Gas/LPG 330120 (7−2015)
Regulator, 2-75, 2-89
Regulator [Ep], 2-83
Regulator, Alternator, 12vdc, 2-41
Regulator, Lpg, 2-79
Regulator, Press, Electronic [Epr], 2-87
Reinforcement, 7-3
Relay 12Vdc 40A Spdt, 3-19, 3-21, 3-23,
3-25
Relay, 12vdc, 20a, Spdt, 2-225, 2-227,
2-228
Relay, 12vdc, 40a, Spdt, 2-225, 2-227,
2-228
Relay, 12vdc, 40a, Spdt N/O, 3-63, 3-69,
3-71, 3-81, 3-85, 3-87
Relay, Shrouded, 12 Vdc, 2-192, 3-109
Relay, Shrouded, 12V, 3-3, 3-5, 3-7, 3-9,
3-11, 3-13, 3-15, 3-17
Relief Valve Sa En, 4-5, 4-9, 4-15, 4-19
Repair Info, Motor, 4-29, 4-33
Repair Info, Pump, 4-23
Repair Info,Mtr Cl, 4-31
Repair Info,Pmp En, 4-5, 4-9, 4-15, 4-19
Repair Info,Scu Cl, 4-37
Repair Kit, Mixer, 2-87
Replacement Kit, Roller, Side Brush Lift,
2-175, 3-41
Replm Kit, Case, 2-191
Replm Kit, Cir Board, 2-191
Replm Kit, Flywheel, 5-17
Replm Kit, Hourmeter, 2-191
Replm Kit, Instr Panel, 2-191
Replm Kit, Lamp, Backlighting (Set of 8),
2-191
Replm Kit, Lamp, Fault (Set of 8), 2-191
Replm Kit, Seal, 2-191
Replm Kit, Touch Panel, 2-191
Restrictor, Jet, Coolant, 2-79
Retainer, 5-9, 6-9, 7-5
Retainer, Blade, Deflector, 2-7
Retainer, Blade, Deflector, Front, 2-29
Retainer, Front, Motor, Hyd, 4-31
Retainer, Frt, 4-27, 4-29
Retainer, Ring, 2-27
Retainer, Seal, Dust, .12 X 0.8w X 48.4l,
2-29
Retainer, Seal, Pan Top, 2-7
Retainer, Shield, Dust, Lh, 2-7
Retainer, Shield, Dust, Rh, 2-7
Retainer, Skirt, .07, 2-9, 2-11
Retainer, Skirt, .08, 1.5w X 07.5l, 2-9,
2-11
Retainer, Skirt, .12, 1.0w X 18.5l, Blk, 2-9,
2-11
Retainer, Skirt, .12, 1.0w X 21.7l,White,
2-29
Retainer, Skirt, .12, 1.2w X 15.7l, 2-9,
2-11
Retainer, Skirt, .12, 2.0w X 54.5l, 3-103
Retainer, Skirt, .12, 3.2w X 48.2l, Blk, 2-29
Retaining Ring, 5-9, 6-9
Retaining Rng En, 4-41
Retnr.Gear, 5-9, 6-9
Rfs Kit, 3-109
Ring, 7-12
Ring Kit, .030” O.S., 7-7
Ring Kit, Std, 7-7
Ring Set,Std., 5-22, 6-22
Ring Wldt, Mtg, Fltr, 2-37
Ring Wldt, Shakr, 2-37
Ring-Drv.Stop, 5-9, 6-9
Ring, Isolator, Outer Rbr, 2-135, 2-137,
2-139, 2-185
Ring, Retainer, 4-37
Ring, Retainer, Lock, 2-145
Ring, Retaining, 4-11
Ring, Retaining En, 4-5, 4-9, 4-15, 4-19,
4-21
Ring, Retaining, Ext, 0.50d, Ss, 2-153
Ring, Retaining, Ext, 1.12d, 2-37
Ring, Retaining, Ext, 1.50d, Hd, 2-25
Ring, Rubber, 2-91, 2-93, 2-95, 2-99
Ring, Wndw, Cab, Rear, 4-47
Ring,Retain,Ex,0.50Od,Heavy Dt, 2-189
Rivet, Blind, .125d X 0.32 X .25d, Stl,
3-109
Rivet, Blind, .196d X 0.62 X .38d, Alm,
2-21
Rivet, Plastic, 3-55
Rivet, Plastic .250Dx.898, 2-189
Rod, 5-19, 6-19, 7-3
Rod Wldt, Push, Brake, 2-151
Rod-End, 0.25-28rh Fem 0.25b [Ptfe],
2-153
Rod-End, 1.31-16 Fem 1.4h, 2-27
Rod-Thread, 2End M08X1.25X10Lg,
2-151
Rod, Hanger, Isolator, 2-107, 2-109
Rod, Latch, Steering, Tilt, 2-189
Rod, Thrd, 2 End .50-13 05.75, 2-181
Rod, Thread, 2-175, 2-183
Roll Pin En, 4-5, 4-9, 4-15, 4-19
Rotating Kit, 4-3, 4-7, 4-13, 4-17
Rotator, 7-3
Rotor, 7-5
S
Scr Flt M8x1.25 20, 2-167
Scr Hex .38-16X0.75, 2-189
Scr-soc .50-13x2.75 Alloypltd, 2-145
Scr-soc M12x1.75 60, 2-145
Scr&Wash M6, 5-19, 6-19
Scr&Wsh,M6X15.0M, 5-21, 6-21
Scr&Wsh,M6X22.5, 5-7, 6-7
Screen Kit, Door, Side, Modif, 2-23
Screen, Fltr, 10.0 X, 2-37
Screen, Muffler, 2-103, 2-105
Screen, w/Suction Pipe, 7-9
Screen, w/Tube, 7-9
Screw, 2-53, 2-75, 4-33, 7-9
Screw, .38-16 X 1.00, 2-67
Screw, .38-24 X 4.00, 2-53
Screw, Cap, 4-3, 4-7, 4-13, 4-17, 4-23,
4-27, 4-29
Screw, Cap En, 4-3, 4-5, 4-7, 4-9, 4-13,
4-15, 4-17, 4-19
Screw, Cap, Motor, Hyd, 4-25, 4-31
Screw, Flt, M10 X 1.5 X 25, 10.9, 3-47
Screw, Flt, M10 X 1.5 X 35, 10.9, 3-47
Screw, Flt, M5 X 0.8 X 16, 10.9, 2-179
Screw, Flt, Soc, .25-20 X 1.00, Al, 2-187
Screw, Flt, Soc, .38-16 X 1.75, Al, 2-187
Screw, Flt, Soc, .50-13 X 2.00, Al, 2-173,
3-47
Screw, Flt, Soc, M10 X 1.50 X 25, 10.9,
2-173
Screw, Flt, Soc, M10 X 1.50 X 35, 10.9,
2-173
Screw, Flt, Soc, M8 X 1.25 X 30, Ss, 2-29
Screw, Hex m06, 3-57, 3-59
Screw, Hex m08, 3-41
Screw, Hex, .25-20 X 0.50, G5, 2-45,
2-47, 2-49, 2-67, 2-83, 2-87
Screw, Hex, .25-20 X 0.75, G5, 2-67,
2-75, 2-83, 2-87
Screw, Hex, .25-20 X 0.75, Nl, 2-9, 2-11,
2-17, 2-23
Screw, Hex, .25-20 X 1.00, G5, 2-19,
2-59, 2-153, 4-49, 4-51
Screw, Hex, .25-20 X 1.25, G5, 2-67,
2-83, 2-87
Screw, Hex, .31-09 X 1.25, Wood, 2-5
Screw, Hex, .31-18 X 0.75, 5, 2-129,
2-131
Screw, Hex, .31-18 X 0.75, G5, 2-45,
2-47, 2-49
Screw, Hex, .31-18 X 1.00, G5, 2-55,
2-57
Screw, Hex, .31-18 X 1.25, G5, 2-53
Screw, Hex, .31-24 X 0.75, G5, 2-53,
2-55, 2-57
Screw, Hex, .38-16 X, 2-171
Screw, Hex, .38-16 X 0.75, 5, 3-93
Screw, Hex, .38-16 X 0.75, G5, 2-55,
2-57, 2-89, 2-165, 2-189, 3-57,
3-59
Screw, Hex, .38-16 X 1.00, 5, 3-93
Screw, Hex, .38-16 X 1.00, G5, 2-45,
2-47, 2-49, 2-55, 2-57, 2-83, 2-87
Screw, Hex, .38-16 X 1.00, Nl, 3-45
Screw, Hex, .38-16 X 1.25, G5, 2-45,
2-47, 2-49, 2-153, 3-79
Screw, Hex, .38-16 X 1.50, G5, 2-189
Screw, Hex, .38-16 X 2.00, 5, 2-135,
2-137, 2-139
Screw, Hex, .38-16 X 2.00, Fl, 2-45, 2-50
Screw, Hex, .38-16 X 2.25, 5, 3-75, 3-93
Screw, Hex, .38-16 X 2.25, G5, 2-53,
2-55, 2-57
Screw, Hex, .38-16 X 2.50, G5, 3-79,
3-95
Screw, Hex, .38-16 X 3.00, G5, 2-123,
2-125
Screw, Hex, .38-16 X 4.00, 5, 3-75, 3-93
Screw, Hex, .38-16 X 4.00, G5, 2-55,
2-57, 2-123, 2-125, 3-79, 3-95
Screw, Hex, .38-24 X 1.50, 5, 3-75
Screw, Hex, .38-24 X 1.50, G5, 3-79
Screw, Hex, .50-13 X 1.25, G5, 2-155

CROSS REFERENCE
8-33
800 Gas/LPG 330120 (7−2015)
Screw, Hex, .50-13 X 3.50, 5, 2-179
Screw, Hex, .62-18 X 0.31, 2-47, 2-50
Screw, Hex, .75-10 X 2.50, G5, 2-145
Screw, Hex, #08-32 X 0.38, Ss, 3-109
Screw, Hex, #08-32 X 0.38, Tcut, 2-109
Screw, Hex, 10-24 X 0.50, Ss, 2-53,
2-55, 2-57, 3-109, 4-49, 4-51
Screw, Hex, M 8 X 1.25 X 40, Fl, 3-75
Screw, Hex, M05 X 0.8 X 25, Ss, 2-121
Screw, Hex, M08 X 1.25 X 20, 8.8, 3-51,
3-53
Screw, Hex, M10 X 1.5, 2-17, 4-49, 4-51
Screw, Hex, M10 X 1.5 X 30, 8.8, 2-107
Screw, Hex, M10 X 1.5 X 45, 8.8, 2-107
Screw, Hex, M10 X 1.5 X 100, 8.8, 3-75
Screw, Hex, M10 X 1.5 X 110, 8.8, 3-79
Screw, Hex, M10 X 1.5 X 120, 8.8, Fl,
3-75
Screw, Hex, M10 X 1.5 X 130, 8.8, 3-75
Screw, Hex, M10 X 1.5 X 20, Ss, 3-47
Screw, Hex, M10 X 1.5 X 25, 8.8, 2-176,
2-179, 3-41, 3-47, 3-76
Screw, Hex, M10 X 1.5 X 25, Ss, Nl, 3-47
Screw, Hex, M10 X 1.5 X 35, 8.8, 2-109,
2-176, 3-41, 3-45, 3-47
Screw, Hex, M10 X 1.5 X 45, 8.8, 2-109
Screw, Hex, M10 X 1.5 X 50, 8.8, 2-185,
3-73, 3-89
Screw, Hex, M10 X 1.5 X 60, 8.8, 2-143
Screw, Hex, M10 X 1.5 X 80, 8.8, 2-176,
3-42
Screw, Hex, M10 X 1.5 X 90, 8.8, 2-176,
3-42
Screw, Hex, M10 X 1.5 X 90, 8.8, Fl, 3-47
Screw, Hex, M10 X 1.50 X 120, 8.8, Fl,
2-173, 3-47
Screw, Hex, M10 X 1.50 X 20, Nl, Ss,
2-25, 2-27
Screw, Hex, M10 X 1.50 X 20, Ss, 2-173
Screw, Hex, M10 X 1.50 X 25, 8.8, 2-9,
2-11, 2-173, 3-79
Screw, Hex, M10 X 1.50 X 25, Nl, Ss,
2-173
Screw, Hex, M10 X 1.50 X 25, Ss, 2-37,
3-7, 3-9, 3-15, 3-17
Screw, Hex, M10 X 1.50 X 30, 8.8, 2-17,
2-19, 2-50
Screw, Hex, M10 X 1.50 X 30, Ss, 2-175,
3-41
Screw, Hex, M10 X 1.50 X 35, 8.8, 2-17,
2-37, 2-50, 2-171, 2-173
Screw, Hex, M10 X 1.50 X 40, 8.8, 2-153
Screw, Hex, M10 X 1.50 X 90, 8.8, 2-33,
3-57, 3-59
Screw, Hex, M10 X 1.50 X 90, 8.8, Fl,
2-173
Screw, Hex, M12 X 1.75 X 25, 8.8, 2-19
Screw, Hex, M12 X 1.75 X 30, 8.8, 2-19,
2-179
Screw, Hex, M12 X 1.75 X 35, 8.8, 2-50,
2-179
Screw, Hex, M12 X 1.75 X 40, 8.8, 2-17,
2-143, 2-153
Screw, Hex, M12 X 1.75 X 60, 8.8, 2-13,
2-29, 2-45, 2-47, 2-49
Screw, Hex, M12 X 1.75 X 70, 8.8, 2-31,
2-49
Screw, Hex, M16 X 2.0 X 70, 8.8, Fl, 3-42
Screw, Hex, M20 X 2.5 X 60, 8.8, 2-145
Screw, Hex, M20 X 2.5 X 70, 8.8, 2-145
Screw, Hex, M4 X 0.7 X 6, 8.8, 3-75,
3-93
Screw, Hex, M4 X 0.7 X 6, 8.8, 3-79, 3-95
Screw, Hex, M4 X 0.70 X 12, 8.8, 2-187,
3-27, 3-29
Screw, Hex, M5 X 0.80 X 10, Fl, 2-67,
2-87
Screw, Hex, M5 X 0.80 X 16, 8.8, 3-3,
3-5, 3-7, 3-9, 3-11, 3-13, 3-15,
3-17, 3-19, 3-21, 3-23, 3-25
Screw, Hex, M5 X 0.80 X 16, Fmg, 2-19
Screw, Hex, M5 X 0.80 X 25, Ss, 2-179
Screw, Hex, M6 X 1.0 X 35, 8.8, 2-141
Screw, Hex, M6 X 1.0 X 10, 8.8, 2-133
Screw, Hex, M6 X 1.0 X 12, Fmg, 3-109
Screw, Hex, M6 X 1.0 X 16, 8.8, 2-123,
2-125
Screw, Hex, M6 X 1.0 X 20, 8.8, 2-137,
2-139, 2-167, 2-175, 2-185
Screw, Hex, M6 X 1.0 X 20, 8.8, Nl, 2-179
Screw, Hex, M6 X 1.0 X 20, Fmg, 3-45,
3-69, 3-71, 3-73, 3-85, 3-87, 3-89
Screw, Hex, M6 X 1.0 X 25, 8.8, 2-95,
2-99, 2-133, 3-45
Screw, Hex, M6 X 1.0 X 50, 8.8, 2-97,
2-101, 2-117
Screw, Hex, M6 X 1.0 X 60, 8.8, 2-175,
3-41
Screw, Hex, M6 X 1.00 X 12, 8.8, 2-67,
2-87, 2-89
Screw, Hex, M6 X 1.00 X 12, Fmg, 2-29
Screw, Hex, M6 X 1.00 X 16, 8.8, 2-19,
2-73, 2-187, 2-192
Screw, Hex, M6 X 1.00 X 16, Nl, Ss,
2-189
Screw, Hex, M6 X 1.00 X 20, 8.8, 2-13,
2-15, 2-19, 2-23, 2-139, 2-153,
2-189, 2-192, 3-19, 3-21, 3-23,
3-25, 3-27, 3-29, 3-55
Screw, Hex, M6 X 1.00 X 20, 8.8, Nl, 2-33
Screw, Hex, M6 X 1.00 X 20, Fmg, 2-171
Screw, Hex, M6 X 1.00 X 25, 8.8, 2-9,
2-11, 2-13, 2-17, 2-19, 2-171
Screw, Hex, M6 X 1.00 X 35, 8.8, 2-9,
2-11
Screw, Hex, M6 X 1.00 X 35, Ss, 2-153
Screw, Hex, M6 X 1.00 X 45, 8.8, 2-67
Screw, Hex, M6 X 1.00 X 60, 8.8, 3-45
Screw, Hex, M6 X 1.00 X 90, 8.8, 2-187
Screw, Hex, M8 X 1.00 X 16, 10.9, 2-43
Screw, Hex, M8 X 1.25 X 16, 8.8, 2-107
Screw, Hex, M8 X 1.25 X 20, 8.8, 2-107,
2-141, 3-75
Screw, Hex, M8 X 1.25 X 25, 8.8, 2-141,
3-75, 3-93
Screw, Hex, M8 X 1.25 X 16, 8.8, 2-33,
2-55, 2-151, 3-93
Screw, Hex, M8 X 1.25 X 16, Ss, 3-3, 3-5,
3-7, 3-9, 3-11, 3-13, 3-15, 3-17
Screw, Hex, M8 X 1.25 X 20, 8.8, 2-13,
2-17, 2-19, 2-23, 2-31, 2-33, 2-109,
2-117, 2-123, 2-125, 2-135, 2-137,
2-139, 2-143, 2-153, 2-175, 2-185,
3-3, 3-5, 3-11, 3-13, 3-41, 3-76
Screw, Hex, M8 X 1.25 X 20, Nl, Ss, 2-59,
2-153
Screw, Hex, M8 X 1.25 X 20, Ss, 2-29
Screw, Hex, M8 X 1.25 X 25, 8.8, 2-13,
2-15, 2-31, 2-135, 2-137, 2-139,
2-189, 3-93
Screw, Hex, M8 X 1.25 X 25, Fmg, 3-57,
3-59
Screw, Hex, M8 X 1.25 X 25, Ss, 2-176,
3-41
Screw, Hex, M8 X 1.25 X 30, 8.8, 2-109,
2-175, 2-185, 2-187, 3-41, 3-75
Screw, Hex, M8 X 1.25 X 30, Ss, 2-29
Screw, Hex, M8 X 1.25 X 35, 8.8, 2-15
Screw, Hex, M8 X 1.25 X 40, 8.8, 2-173,
2-175, 3-47
Screw, Hex, M8 X 1.25 X 40, 8.8, Fl, 3-79,
3-95
Screw, Hex, M8 X 1.25 X 50, 8.8, 2-145
Screw, Hex, M8 X 1.25 X 60, 8.8, 2-176,
2-179, 3-42
Screw, Hex, M8 X 1.25 X 70, 8.8, 2-151
Screw, M6 X 10mm, 2-67, 2-83
Screw, Pan, M04, 3-31
Screw, Pan, M5 X 0.80 X 10, 4.8, 3-109
Screw, Pan, Phl, M5 X 0.80 X 16, 4.8,
4-49, 4-51
Screw, Pan, Phl, M6 X 1.0 X 20, Blk, 4-47
Screw, Pan, Phl, M6 X 1.00 X 16, 4.8,
2-139
Screw, Pan, Phl, M6 X 1.00 X 20, 4.8,
2-37
Screw, Pan, Phl, M6 X 1.00 X 25, 4.8,
2-33
Screw, Pan, Phl, M6 X 1.00 X 40, 4.8,
2-21, 2-23
Screw, Set, 2-179, 4-11
Screw, Set En, 4-21
Screw, Set, .25-28 X 1.00, Ss, 2-153
Screw, Set, Soc, M10 X 1.50 X 20, 2-153
Screw, Set, Soc, M6 X 1.00 X 20, Pl[45h],
2-169
Screw, Set, Soc, M8 X 1.25 X 12, Pl[45h],
2-37
Screw, Soc, .38-16 X 1.00, Al, 2-67, 2-83,
2-87
Screw, Soc, .38-16 X 1.25, Al, 2-47, 2-49
Screw, Soc, .38-16 X 2.25, G5, 2-47,
2-49
Screw, Soc, #12-24 X 1.50, 2-83, 2-87
Screw, Soc, M4 X 0.70 X 16, 2-87
Screw, Soc, M6 X 1.00 X 20, 12.9, 2-61,
2-69
Screw, Soc, M6 X 1.00 X 70, 2-83, 2-87

CROSS REFERENCE
8-34 800 Gas/LPG 330120 (7−2015)
Screw,M6X22.5mm, 5-7, 6-7
Seal, 2-7, 3-97, 3-99, 3-109, 5-9, 6-9,
7-11
Seal Kit, 4-32, 4-33
Seal Kit, 4-34, 4-44
Seal Kit, Bulb, Shakr Panl [800l], 2-37
Seal Kit, Cart, 4-39
Seal Kit, Cart CP, 4-43
Seal Kit, Cart., 4-38
Seal Kit, Cartridge, 4-79, 4-81, 4-82
Seal Kit, Coil, 4-38, 4-39
Seal Kit, Coil CP, 4-43
Seal Kit, Cyl, Hyd, 4-45
Seal Kit, Front, Shaft, 2-145
Seal Kit, Hyd Mtr Gear, 4-35
Seal Kit, Motor, 4-27, 4-29
Seal Kit, Pump En, 4-3, 4-5, 4-7, 4-9,
4-13, 4-15, 4-17, 4-19
Seal Kit, Rear, 4-29
Seal Kit, Scu, 4-37
Seal Kit, Shaft, 4-27, 4-29
Seal Kit, Vlv En, 4-41
Seal Kit,Cntrl, 4-11
Seal Kit,Cntrl En, 4-21
Seal Stop, Wndw, 4-47, 4-49, 4-51
Seal, Afmkt, Bulb, 90, 0.75d F/11ga 08ft,
4-47
Seal, Afmkt, Bulb, 90, 0.75d F/11ga 20ft,
4-49, 4-51
Seal, Afmkt, Bulb, 90, 1.33 02ft, 2-19
Seal, Afmkt, Bulb, 90, 1.33 03ft, 2-17
Seal, Afmkt, Bulb, 90, 1.33 08ft, 2-13
Seal, Afmkt, Bulb, Str, 0.58d 03ft, 2-13
Seal, Afmkt, Ure, Adh, 0.38, 0.75w 01ft,
3-55
Seal, Afmkt, Ure, Adh, 0.50, 1.00w 03ft,
3-55
Seal, Afmkt, Ure, Adh, 0.50, 1.00w 08ft,
3-55
Seal, Bearing, 2-189
Seal, Boot, Steering Column, 2-189
Seal, Brush Comp, Side, 2-4
Seal, Brush, Side, Complt [800l], 2-9,
2-11
Seal, Bulb, 90, 1.33 .06-.09grip 048.0l,
2-21, 2-23
Seal, Door, Rbr, 14” Lg, 4-47
Seal, Duct, 2-135, 2-137, 2-139
Seal, Dust, 2-29, 2-153
Seal, Filter, 3-109
Seal, Foam Rbr .19 .75W 8.43L, 3-97,
3-99
Seal, Foam Rbr, .19 .75W 47.1L, 3-97,
3-99
Seal, Foam, .06t .25w 34.0l, 3-61
Seal, Foam, .06t .25w 42.0l, 3-61
Seal, Foam, .06t .25w 54.0l, 3-61
Seal, Foam, .06t .25w 76.0l, 3-61
Seal, Foam, .06t .25w 84.0l, 3-61
Seal, Foam, 2.00 2.00w 37.0l, Adh, 3-55
Seal, Handle, Valve, 2-191
Seal, O-Ring .787Idx.210Th, 3-109
Seal, Org, 2-79
Seal, Org, .139 X 03.109 Id, 2-59
Seal, Org, Mixer, Lpg, 2-83
Seal, Org, Sensor, Temp [Epr], 2-84
Seal, Pan, Top, 2-4
Seal, Pulley, Shaft, 7-11
Seal, Rbr, Clsd, 0.50, 3.0w 04.0l 1/H, 2-13
Seal, Rbr, Clsd, 1.50, 2.00w 07.0l, 2-33
Seal, Rbr, Clsd, 1.50, 2.00w 26.4l, 2-33
Seal, Rbr, Clsd, 1.50, 2.00w 50.1l, 2-33
Seal, Rbr, Clsd, 1.62, Door, Brush, Lh, 2-9
Seal, Rbr, Clsd, 1.62, Door, Brush, Rh,
2-11
Seal, Rbr, Open, 0.31, 0.75w 14.8l Adh,
2-15
Seal, Rbr, Open, 0.50, 1.00w 60.0l, 2-13
Seal, Rbr, Open, 0.63, 0.63w 24.5l, 2-17,
2-21, 2-23
Seal, Rear, 5-5, 6-5
Seal, Rod, Adjuster, 2-183
Seal, Ure, 0.25, 0.50w 47.0l, 2-7
Seal, Ure, 0.38 0.75w 19.5l Adh, 2-135,
2-137, 2-139
Seal, Ure, 0.88, 1.00w 18.1l Adh, 2-29
Seal, Ure, 0.88, 1.00w 43.3l Adh, 2-29
Seal, Urethane, 3-109
Seal, Wndw [Center Wipe], 4-47, 4-49,
4-51
Seal,Valve Stem, 5-5, 6-5
Sealant, [Rtv], 03.35oz, 7-7
Sealant, [Rtv], 05.00oz, 7-7
Sealer, 7-3, 7-5
Seat Belt Kit, 3-107
Seat, Suspension [Seats Inc], 2-15
Send Unit, 2-111
Send-Unit, 2-113
Send-Unit, Fltr, Hyd, 2-165
Send-Unit, Fuel [800/810 2007], 2-117
Send-Unit, Fuel, Ohm, 2-115
Send-Unit, Press, Oil, 2-45
Send-Unit, Water, Temp, 06npt [Datcon],
2-41, 2-63, 2-75
Sender, Oil, Press [Mit], 2-50
Sensor [T Map], 2-67, 2-83, 2-87
Sensor [Tmap], 2-65, 2-79
Sensor Assy, Thermal, 2-187
Sensor, Exhaust, Tailpipe, 2-109
Sensor, Manifold Press, 4-71, 4-73, 4-75,
4-77
Sensor, Oxygen, 2-107
Sensor, Oxygen [Gm 1.6l/3.0l 2007],
2-109
Sensor, Spd, Timing Wheel [3.0l], 2-65,
2-67, 2-79, 2-84, 2-87
Sensor, Temp, 2-65, 2-67, 2-79, 2-83,
2-89, 4-71, 4-73, 4-75, 4-77
Sensor, Temp [Epr, 2-84
Sensor, Temp, Coolant, 2-63, 2-65, 2-67,
2-79
Sensor, Temp, Water, 2-75
Sensor,Crnksft, 5-7, 6-7
Separator, 5-3, 5-24, 6-3, 6-24
Shaft, 3-97, 3-99, 4-33, 7-5
Shaft and Brg, 4-27, 4-29
Shaft Wldt, Main Brush, 2-179
Shaft, Drive Sp En, 4-3, 4-7, 4-13, 4-17
Shaft, Eccentric, 2-37
Shaft, Idler, 2-179
Shaft, Input, 4-11
Shaft, Input En, 4-21
Shaft, Motor, Hyd, 4-31
Shaft, Pivot, 2-173, 3-47, 3-109
Sheave Assy, 02grv, 6.2pd [Hc38], 2-41
Sheave, [3L], 1Grv, 03.5Pd 0.67B, 3-75,
3-93
Sheave, 01grv, 03.5pd 0.67b [3l], 3-79,
3-95
Sheave, Alternator, Se, 3-91
Sheave, Aux, [Hc38], 1Grv 6.8od [Gm
3.0L], 3-75
Sheave, Aux, 1grv, 06.8od [Gm3.0l, Hc38],
3-79
Sheave, Water Pump, 5-23, 6-23
Shft Asy,Output, 5-9, 6-9
Shield, 7-3
Shield Wldt, Heat, Manifold, 2-133
Shield, Dust, 2-45, 2-47, 2-49
Shield, Dust, Front Firewall, Full, 2-7
Shield, Heat, 2-63, 2-76, 2-107, 2-109
Shield, Heat [Gm3.0l 2010], 2-67, 2-87
Shield, Heat, Alternator [2007], 2-57
Shield, Heat, Alternator [Gm3.0l 10], 2-67,
2-87
Shield, Heat, Alternator, Hd[800/810 07],
3-79, 3-95
Shield, Heat, Manifold, 2-67, 2-83
Shim, 4-31
Shim .003Th 0.88Odx0.506Id, 2-185
Shim .005Th 0.88Odx0.506Id, 2-185
Shim .010 Thk En, 4-41
Shim .010Th 0.88Odx0.506Id, 2-185
Shim .015 Thk En, 4-41
Shim .020Th 0.88Odx0.506Id, 2-185
Shim .035 Thk En, 4-41
Shim .060Th 0.880Dxo.506Id, 2-185
Shims En, 4-5, 4-9, 4-15, 4-19
Shoe, Brake, 4-67, 4-69
Short Tube, 5-3, 6-3
Shroud Kit, Fan, Radiator [800/810], 2-139
Shroud Wldt, Fan, Radiator [800/810],
2-139
Shroud, Fan, Radiator, W/ Label [800l],
2-135, 2-137
Signal Turn, 3-31
Skirt, 3-101, 3-103
Skirt, Brush Door, 2-4
Skirt, Cooling Fan [800/810], 2-139
Skirt, Cover, Sbdc, 3-101, 3-103
Skirt, Deflection, 3-101, 3-103
Skirt, Front, Indoor, 2-4
Skirt, Neo, .06, 08.00w 53.38l, 04/ Sl, 2-7
Skirt, Neo, .12, 08.25w 48.37l, 06/ Sl, 2-29
Skirt, Neo, .12, Angle, 31.23l, 06/ Hole,
2-29
Skirt, Neo, .18, 05.62w 48.37l, 06/ Sl, 2-29
Skirt, Neo, .18, 07.75w 54.75l, 05/ Sl, 2-7

CROSS REFERENCE
8-35
800 Gas/LPG 330120 (7−2015)
Skirt, Neo, .37, 07.50w 21.75l, 04/ Sl, 2-9,
2-11
Skirt, Rbr, .25, 07.45w 06.37l, 02/ Hole,
2-9, 2-11
Skirt, Rbr, .25, 07.84w 13.50l, 03/ Sl, 2-9,
2-11
Skirt, Retainer, 3-101
Skirt, Seal, Main Brush, 2-4
Sleeve, 2-91, 2-93, 2-95, 2-99, 3-41
Sleeve .438B 1.00D .35Stl, 3-41
Sleeve, .344B .50D .81 Cr.Anc, 2-151
Sleeve, .375B .62D1.06 Stl, 2-145
Sleeve, .375B .75D .32 Stl, 2-175, 3-41
Sleeve, .438B 1.00D .35 Stl, 2-175
Sleeve, 0.406B .750D .800Stl, 3-41
Sleeve, 0.406B 0.75D1.80 Stl, 2-175,
3-41
Sleeve, Alternator, 2-53, 2-55, 2-57,
3-79, 3-93, 3-95
Sleeve, Dashpo, Pump, Hyd, Gear, 4-31
Sleeve, Hyd 30”, 2-179
Sleeve, Nyl, #27 55.0l, 3-49
Sleeve, Nyl, #33 65.0l, 3-65, 3-73, 3-83,
3-89
Sleeve, Nyl, 1.63id 08.0l, 2-155, 2-163
Sleeve, Nyl, 1.63id 16.0l, 2-155, 2-163,
2-165
Sleeve, Nyl, 1.63id 65.0l, 2-171
Sleeve, Nyl, 37, 25.0l, 2-145
Sleeve, Nylon #27 55.Ol, 3-45
Sleeve, P/M, 0.496d 0.318b 0.50l 430ss,
2-175
Sleeve, P/M, 0.496d 0.318b 0.65l 430ss,
2-175
Sleeve, Throttle, Plstc [Bosch], 2-79
Sleeve,0.406B .750D .800 Stl, 2-175
Solenoid, 5-9, 6-9
Solenoid, Valve, Hyd, 4-81, 4-82
Solenoid, Valve, Hyd, 36vdc, 4-79, 4-81,
4-82
Spacer, 2-63, 2-75, 2-135, 2-137, 2-139,
2-151, 2-169, 2-175, 2-185, 3-41,
3-45, 3-47, 5-15, 6-15
Spacer En, 4-41
Spacer Plate, 4-33
Spacer-.50 Od X .055W X 1.0, 2-151
Spacer, Brake, 2-151
Spacer, Condenser, 4-55, 4-57
Spacer, Nyl, 4-47
Spacer, Sppt, Fltr Lock Off, 2-79
Spark Plug, 5-24, 6-24
Spark Plug Wires (Straight Boots), 7-5
Spark Plug-10 FD, 2-4
Sparkplug, 2-4
Sparkplug [Gm 3.0], 2-4, 7-3
Spindle, Adjustment, 2-17
Spring, 4-27, 4-29, 4-31, 4-67, 4-69,
7-3, 7-9
Spring En, 4-41
Spring Assy Kit, 2-7
Spring Assy, Centering, Lbs . Travel,
2-153
Spring En, 4-5, 4-9, 4-15, 4-19, 4-41
Spring Kit, 4-37
Spring, Cntr, 4-11
Spring, Cntr En, 4-21
Spring, Comp, 3-47
Spring, Dsl, 0.75od 0.38id 1.50l, 2-37
Spring, Dsl, 1.00od 0.50id 1.70l, 2-173
Spring, Extension, 3-47
Spring, Extn, 0.96od 0.09wir 04.4l, 2-33
Spring, Extn, 1.00od 0.09wir 02.8l, 2-153
Spring, Extn, 1.00od 0.15wir 05.8l, 2-173
Spring, Gas 80 Lb, 3-57, 3-59
Spring, Motor, Hyd, 4-31
Spring, Tens,0.5Dx.06Wire 2.5L, 2-151
Spring, Tension, 2-181, 5-19, 6-19
Spring, Tors, 0.81id .09wir 0.3coil, Rh,
2-171
Spring, Torsion, 3-45
Spring,Retainer, 4-11
Spring,Retainer En, 4-21
Sprng,Comp,0.62Idx.06Wire 2.3L, 2-189
Sprng,Comp,0.83Idx.07Wire 1.0L, 3-97,
3-99
Sprng,Comp,0.87Idx.10Wire 2.5L, 2-183
Starter, 12vdc [Gm], 2-45, 2-47, 2-49
Statnry Gear, 5-9, 6-9
Std.Exh.Valve, 5-21, 6-21
Std.Int.Valve, 5-21, 6-21
Steer Control Hyd#4 04.5 1300, 4-37
Steer Control, Hyd (See Breakdowns),
2-189
Stem, Valve, Hyd, 4-79, 4-81
Strain,Relief, 3-109
Strainer-Hyd Suction 25-100-03, 2-4,
2-163
Strainrelief, 2-39
Strap Weldmt, Gas Tank, 2-111
Strap Wldt, Tank, .06th X 1.0w, 37.7l,
2-113, 2-115
Strap Wldt, Tank, 0.06 1.0w 37.7l, 2-117
Strap, Hinge - Lp Tank Mtg, 2-119, 2-121,
2-123, 2-125
Strap, Mtg, Actuator, Govnr, 2-61, 2-69
Strap, Mtg, Fltr, Air, 7.17id, 2-97, 2-101
Strap, Mtg.- Lp Tank, 2-119, 2-121,
2-123, 2-125
Strap, Retainer, Seal, 2-4
Strap, Tank Retainer - Lp, 2-119, 2-121,
2-123, 2-125
Strip, Retainer, Bearing, 2-179
Strip, Retainer, Brake Cable, 2-151
Strip, Retainer, Skirt, 2-4, 3-101, 3-103
Strip, Stl, 0.12 01.00w 08.30l, 2-13
Stud, 5-15, 5-23, 6-15, 6-23, 7-11
Stud M12, 5-3, 6-3
Stud, .003” O.S., 7-3
Stud, .013” O.S., 7-3
Stud, .38-16 X 1.2l, 2-65, 2-67, 2-83,
2-87
Stud, Adjustment, 3-97, 3-99
Stud, Intake Manifold To Cyl Head, 2-63,
2-65, 2-75, 2-80
Stud, Intake To Exhaust Manifold, 2-63,
2-65, 2-75, 2-79
Stud, Pipe, Exhaust, 2-63, 2-65, 2-75,
2-80
Stud, Wheel .56-18x2.13, 2-145, 2-147
Stud,M6X61.8mm, 5-7, 6-7
Stud,M8X51.0mm, 5-7, 6-7
Support Wldt, Seat, 2-15
Support Wldt, Seat [800 Gray], 2-15
Switch, 3-31
Switch Assy, Pressure, Hyd, 2-167
Switch Assy, Roller-no, 3-27, 3-29
Switch Ignition, 2-191
Switch Rocker Spst, 2-175, 3-41
Switch, 3 Pos, Blower, Heat, 3-63, 3-69,
3-71, 3-81, 3-85, 3-87
Switch, A/C [Binary], 4-55, 4-57
Switch, Motor, Wiper, 12v, 4-47
Switch, Press, 0006psi Dpdt, 2-41
Switch, Press, 0020psi Spdt, 2-39
Switch, Press, 0070psi Spst Nc 12vdc 08a,
2-71, 2-73
Switch, Press, 12vdc 08a Spst Nc 0070psi,
2-121, 2-123, 2-125
Switch, Press, 7psi, Spdt, 2-47, 2-49
Switch, Pressure, 3-109
Switch, Pushmom, Spst100A 12V, 2-189
Switch, Rocker, Dpdt, 2-181, 2-191
Switch, Snap, 15a No, Rlr, 2-25
Switch, Thermo, A/C, 3-63, 3-69, 3-71
Switch,Lockout En, 4-21
Swivel, 3-65, 3-73, 3-83, 3-89
T
Taillight, 12vdc, 6.0 X 2.5, Rwk 57940, 2-7
Tank Wldt, Hydraulic w/label, 2-163
Tank-Lp, 33#,Liq,Both,Fill Ga, 2-119,
2-121, 2-123, 2-125
Tank, Coolant, 03.5 03.0 06.5deep 1.0 Qt,
2-135
Tank, Coolant, 04.7 03.3 4.7deep, 1liter,
2-137, 2-139
Tank, Coolant, 06.0 04.5 06.9deep 2.5 Qt,
2-135
Tank, Fuel, 2-111
Tank, Fuel, 14 Gas 14.7 13.0 19.0l, 2-113
Tank, Fuel, 14 Gas 14.7 13.0 19.0, 2-115
Tank, Fuel, 14.0gal, 14.66w 13.0hi 19.0l,
2-117
Tap.Assy-Valve, 5-21, 6-21
Temperature sensor, 5-23, 6-23
Tensioner, Arm, 5-19, 6-19
Term.Cover, 5-9, 6-9
Terminal, Qm, .25 16-14ga, Blu, F-Ins,
4-47
Therm 190 W/Gsk, 5-23, 6-23
Thermostat, 7-3
Tie, Cable, 3-3, 3-5, 3-7, 3-9, 3-11,
3-13, 3-15, 3-17, 3-27, 3-29, 3-31
Tie, Cable 1.75D Max 7.50Lg, 3-19, 3-21,
3-23, 3-25, 3-109
Tie, Cable 3.00D Max 11.41Lg, 2-189
Tie, Cable 4.00 Max 14.50Lg, 3-109
Tie, Cable, 11.3l, 2.75d Max, 2-139

CROSS REFERENCE
8-36 800 Gas/LPG 330120 (7−2015)
Tie, Cable, 20.0l, 6.00d Max, 2-185
Tie, Cable, Nyl, 07.3l .19w 1.8 Max D,
2-39, 3-63, 3-69, 3-71, 3-111
Tie, Cable, Nyl, 11.4l .19w 3.0 Max D, 2-7
Tie, Cable, Nyl, 11.5l .19w, 2-75
Tie, Cable, Nyl, 15.3l . W 4.5 Max D,
3-65, 3-73, 3-83, 3-89
Timing Belt, 5-19, 6-19
Tire & Flap Assy, 2-149
Tire & Rim Assy, Pneu 6.50-10, 2-149
Tire and Rim Assy, Solid 6.5, 3-106
Tire, Solid, 3-106
Tray Wldt, Drip, Gas [3.0l], 2-65
Tread, Non-Skid, 01.4w 12.0l, 2-7
Tread, Non-Skid, 02.2w 11.5l, 2-153
Tread, Rubber, 3-55
Tube Assy, Brake, 2-151
Tube Assy, Fuel .31Od, 2-111
Tube Asy,Cond/Dry, 4-55, 4-57
Tube Wldt, Brace, Cntr, 2-17
Tube Wldt, Intake, 2.0d .38npt, 2-93
Tube Wldt, Tee, 2-95, 2-97, 2-99, 2-101
Tube, 0.26id 0.38od 00.6l, Stl, Pl, 2-169
Tube, 0.34id 0.44od 00.5l, Stl, 2-33
Tube, 0.34id 1.00od 00.5l, Stl, Pl, 2-173
Tube, 0.38id 0.5ood 00.6l, Ss, 2-37
Tube, 0.38id 0.62od 00.6l, Stl, 2-15
Tube, 0.41id 0.62od 00.5l, Stl [H/T], 2-153
Tube, 0.44id 0.62od 00.4l, Stl, 2-171,
2-173, 3-45, 3-47
Tube, 0.44id 0.62od 02.4l, Stl, 2-33
Tube, 0.44id 0.75od 00.3l, Stl, Pl, 2-171
Tube, 0.50id 1.00od 01.0l, Stl, Pntd, 2-53,
2-55, 2-57, 3-79, 3-95
Tube, 0.53id 1.00od 01.4l, Stl [Q], 2-31
Tube, 0.62D .44B 2.44, Stl, 3-57, 3-59
Tube, 00.75d 00.41b 03.3l Stl Pl, 3-75
Tube, 01.00d 00.44b 00.7l Stl Plt,
3-93
Tube, 01.00d 00.50b 01.0l Stl Pnt, 3-75
Tube, 1.28id 1.50od 00.4l, Stl, 2-27
Tube, Bleed, Air, .62od 2.2l .12npt, Alm,
2-61, 2-71, 2-73
Tube, Coolant, 1.5d Upper, Gas/Lpg,
2-129, 2-131
Tube, Coolant, 1.5d W/.25npt Low, G/Lpg,
2-129, 2-131, 2-133
Tube, Coolant, 1.5od Lower, 2-127
Tube, Cross, Bumper, Se, 3-38
Tube, Ds, 7-7
Tube, Exhaust, 2.0d [Gm3.0] [800/810],
2-105, 2-107
Tube, Exhaust, Lower, [800/810, 2007],
2-109
Tube, Exhaust, Rear, 2-107
Tube, Exhaust, Rear [Gm3.0l 800/810 07],
2-109
Tube, Inner, 2-149
Tube, Intake, 2.0d 04.0l, 2-93
Tube, Mach, Retainer, Spring , 1.0d 1.7l,
2-181
Tube, Radiator, Upper [800gas/Lpg],
2-133
Tube, Radiator, Upper, Gas/Lpg, 2-127
Tube, Spacer, Brush Lift, 2-181
Tube, Tailpipe, 2-109
V
Vac.Fitting, 5-15, 6-15
Valve, 4-27, 4-29, 4-31, 7-7, 7-9
Valve - Hyd., Solenoid, 4-38
Valve [Pc], 2-67, 2-83, 2-87
Valve [Pcv], 2-45, 2-65, 2-79
Valve Assy, Ball, 3 Way,
Em10/Em10/Em10, 3-65, 3-73,
3-83, 3-89
Valve Guide Bushing, 5-21, 6-21
Valve Plate, 4-5, 4-9, 4-15, 4-19, 4-27,
4-29
Valve Rocker Arm, 5-21, 6-21
Valve Rocker Arm Cover, 5-21, 6-21
Valve Spool, 4-11
Valve Spring, 5-21, 6-21
Valve Spring Key, 5-21, 6-21
Valve Spring Retainer, 5-21, 6-21
Valve Stem N.O. CP, 4-43
Valve Stem 4W2P, 4-39
Valve Stem 4W2P CP, 4-43
Valve Stem Seal, 5-21, 6-21
Valve Stem, N.D., 4-38
Valve-Hyd, Solenoid (See Breakdowns),
2-167, 2-187, 3-45
Valve, Ball, 3-way, 08pf/08pf/08pf Brs,
3-65, 3-73, 3-83, 3-89
Valve, Cartridge, Check, 4-81, 4-82
Valve, Cartridge, Flow Reg, 4-81
Valve, Cartridge, Relief, 4-81
Valve, Check, 2-79
Valve, Cntrl, Hyd, Solenoid, 12vdc 06gpm,
4-82
Valve, Cntrl, Hyd, Solenoid, 12vdc 06gpm
(See Breakdowns), 2-175, 3-41
Valve, Cntrl, Hyd, Solenoid, 12vdc 08gpm,
4-81
Valve, Cntrl, Hyd, Solenoid, 12vdc 08gpm
(See Breakdowns), 2-167
Valve, Cntrl, Hyd, Solenoid, 12vdc 12gpm,
4-79
Valve, Cntrl, Hyd, Solenoid, 12vdc 12gpm
(See Breakdowns), 2-187, 3-45
Valve, Drive, Motor, Hyd, 4-31
Valve, Exhaust, 7-3
Valve, Expansion, 4-59, 4-61
Valve, Fuelock, Lpg, Wire Connector, 2-79
Valve, Hyd Control Man, 4-41
Valve, Hyd Control Man (See
Breakdowns), 2-169
Valve, Hyd Control Solenoid, 4-39, 4-43
Valve, Hyd Solenoid (See Breakdowns),
2-175
Valve, Hyd, Solenoid (See Breakdowns),
3-41
Valve, Intake, 7-3
Valve, Lock Off, 2-83, 2-89
Valve, Lpg [Mixer], 2-83
Valve, PCV, 2-4
Valve, Press Relief, Lpg Rego, 2-119,
2-121, 2-123, 2-125
Valve, Trim, Fuel, Lpg, 2-79
Valve, Trim, Press, Lpg, 2-79
Valve, Water, Heater, H, 10bm, 3-65, 3-83
Vaporizer / Reg, Lpg [Impco], 2-71
Vaporizer Kit, Repair, F/383170, 2-73
Vaporizer Kit, Replmt, 2-71
Vaporizer, Lpg, 2-75
Video, Oprtr, Training, Dvd [800], 3-114
Vlv Spool Wide En, 4-21
W
Wand, 3-97
Wand Kit, Vac, 3-97
Wand Wldt [800 Gray], 3-99
Wand, Vacuum [800 Gray], 3-99
Warning Label, Starter, 5-21, 6-21
Wash M15 1.53Od, 5-13, 6-13
Washer, 2-31, 2-145, 2-191, 4-3, 4-7,
4-13, 4-17, 4-23, 4-25, 5-9, 5-11,
5-19, 6-9, 6-11, 6-19, 7-5, 7-9,
7-12
Washer , 7-9
Washer Flat,0.50,Sae, 2-17, 2-19, 2-31,
2-153, 2-171, 2-189
Washer En, 4-3, 4-5, 4-7, 4-9, 4-13,
4-15, 4-17, 4-19, 4-41
Washer-Belleville .31 Pltd, 3-41
Washer-Flt .25 Fender, 3-55
Washer-Loc Int-Ext .31 Pltd, 3-51, 3-53
Washer-Loc Int-Ext .25 Pltd, 3-31
Washer-Loc Int-Ext 10 Pltd, 3-31
Washer, .310B .88D .12Rbr, 3-45
Washer, .344B .69D .06Nylon, 3-109
Washer, .531B 1.75D .12Cr.Znc, 2-179
Washer, 0.25b 1.12d .12, Ss, 2-121
Washer, Belleville, .25, 3-45
Washer, Belleville, .31, 2-135, 2-137,
2-139, 2-141, 3-75, 3-93
Washer, Belleville, .50, 2-179
Washer, Fender, 2-91, 2-93, 2-95, 2-99
Washer, Flat, 3-45
Washer, Flat, .28b 0.75d 1.80, Ne, 4-47
Washer, Flat, .31 Std, 2-129, 2-131
Washer, Flat, .38 Sae, 3-93
Washer, Flat, #10, 2-97, 2-101, 2-123,
2-125, 2-137, 2-139, 2-167, 2-175,
3-41
Washer, Flat, 0.19b 0.44d .05, Pl, 08,
2-67, 2-87, 2-187
Washer, Flat, 0.25 Sae, 2-179
Washer, Flat, 0.25 Std, 2-95, 2-99, 2-135,
3-69, 3-71, 3-73, 3-85, 3-87, 3-89
Washer, Flat, 0.25, Fendr, 2-9, 2-11
Washer, Flat, 0.25, Sae, 2-9, 2-11, 2-45,
2-47, 2-49, 2-67, 2-73, 2-87, 2-89,
2-117, 2-133, 2-185, 2-187, 3-27,
3-29, 4-47, 4-49, 4-51

CROSS REFERENCE
8-37
800 Gas/LPG 330120 (7−2015)
Washer, Flat, 0.25, Std, 2-17, 2-23, 2-67,
2-83, 2-87, 2-117, 2-139, 2-153,
2-187, 3-3, 3-5, 3-11, 3-13, 3-45,
3-55
Washer, Flat, 0.25b 0.56d .05, Pl, 10,
2-13, 2-15, 2-19, 2-29, 2-33, 2-59,
2-153, 2-187, 2-189, 2-192, 3-3,
3-5, 3-7, 3-9, 3-11, 3-13, 3-15,
3-17, 3-19, 3-21, 3-23, 3-25, 4-49,
4-51
Washer, Flat, 0.28b 0.62d .06, Nyl, 2-61
Washer, Flat, 0.28b 1.00d .06, Stl, 2-75
Washer, Flat, 0.28b 1.00d .06, Stl, Blk,
4-47
Washer, Flat, 0.28b 1.38d .12, Hrs Pl,
2-169
Washer, Flat, 0.31 Fender, 3-51, 3-53
Washer, Flat, 0.31 Ss, 3-57, 3-59
Washer, Flat, 0.31 Std, 2-107, 2-135,
2-137, 2-139, 2-141, 2-151, 2-176,
2-185, 3-41, 3-75, 3-76
Washer, Flat, 0.31, Hardened, 2-57
Washer, Flat, 0.31, Sae, 2-13, 2-29, 3-3,
3-5, 3-11, 3-13
Washer, Flat, 0.31, Std, 2-15, 2-17, 2-19,
2-23, 2-31, 2-33, 2-53, 2-97, 2-101,
2-109, 2-117, 2-123, 2-125, 2-143,
2-145, 2-153, 2-165, 2-173, 2-187,
3-47, 3-57, 3-59, 3-79, 3-95
Washer, Flat, 0.31b 0.88d .12, Rbr, 2-187,
4-47
Washer, Flat, 0.32b 1.00d .12, Ss, 2-153
Washer, Flat, 0.34b 0.69d .06, Nyl, 2-39
Washer, Flat, 0.38 Sae, 3-45, 3-47, 3-76
Washer, Flat, 0.38 Std, 2-107, 2-135,
2-137, 2-139, 3-45, 3-47, 3-73,
3-75, 3-89
Washer, Flat, 0.38, Hardened, 2-67, 2-83,
2-87
Washer, Flat, 0.38, Sae, 2-17, 2-19, 2-50,
2-53, 2-55, 2-57, 2-89, 2-153,
2-171, 2-173, 2-189, 3-79, 3-95
Washer, Flat, 0.38, Std, 2-9, 2-11, 2-17,
2-25, 2-27, 2-37, 2-45, 2-47, 2-49,
2-53, 2-109, 2-143, 2-153, 2-171,
2-173, 2-175, 2-185, 3-7, 3-9, 3-15,
3-17, 3-57, 3-59, 3-79, 4-49, 4-51
Washer, Flat, 0.38b 0.88d .08, Ss, 2-29,
2-59, 3-57, 3-59
Washer, Flat, 0.39b 0.75d .06, Nyl, 2-123,
2-125
Washer, Flat, 0.40b 1.12d .12, Stl, Pl,
2-187
Washer, Flat, 0.44, Std, 2-9, 2-11, 2-145
Washer, Flat, 0.44b 2.00d .12, Stl, Pl,
2-135, 2-137, 2-139
Washer, Flat, 0.44b 1.00d .08, Ss, 2-37
Washer, Flat, 0.50 Sae, 2-179
Washer, Flat, 0.50, Sae, 2-143, 2-145
Washer, Flat, 0.50, Std, 2-13, 2-21, 2-23,
2-45, 2-47, 2-49
Washer, Flat, 0.52b 0.90d .07, Stl, Pl,
2-153
Washer, Flat, 0.53b 1.88d .12, Stl, Pl,
2-13, 2-43, 2-45, 2-47
Washer, Flat, 0.53b 2.13d .11, Stl, Pl,
2-43, 2-45, 2-47, 2-49
Washer, Flat, 0.62, Sae, 2-183
Washer, Flat, 0.71b 2.25d .19, Stl, Csk,
2-173, 3-47
Washer, Flat, 0.75, Sae, 2-145
Washer, Flat, 0.75, Std, 3-95
Washer, Flat, 08, 3-27, 3-29
Washer, Flat, 1.02b 1.75d .12, Stl, 2-147
Washer, Flat, 1.30b 3.00d .06, Stl, 2-173,
3-47
Washer, Flat, Belleville, .25, 2-9, 2-11,
2-17, 2-19, 2-23, 2-171
Washer, Flat, Belleville, .31, 2-13, 2-33,
2-55, 2-57, 2-143, 2-189, 3-79,
3-95
Washer, Flat, Belleville, .38, 2-165
Washer, Flat, Belleville, .50, 2-173, 3-47
Washer, Flat, M10, Ss, 2-175, 3-41
Washer, Lock, .38, 3-75, 3-93
Washer, Lock, #10, 2-45, 2-47, 2-49
Washer, Lock, 0.25, 2-45, 2-47, 2-49
Washer, Lock, 0.31, 2-45, 2-47, 2-49,
2-53
Washer, Lock, 0.38, 2-45, 2-47, 2-49,
2-53, 2-67, 2-83, 2-87
Washer, Lock, Int / Ext, 0.38, 2-67, 2-83,
2-87
Washer, Lock, Int-ext, .38, 3-93
Washer, Lock, Int-Ext, 0.31, 2-17
Washer, Lock, Int-Ext, 0.38, 2-50, 2-55,
2-57
Washer, Lock, Int, #08, 2-115, 2-117,
3-75, 3-79, 3-93, 3-95
Washer, Lock, Int, #10, 2-115, 2-117
Washer, Lock, Int, 0.25, 2-73, 2-107,
2-109, 3-19, 3-21, 3-23, 3-25
Washer, Lock, Int, 0.31, 2-135, 2-137,
2-165, 2-187
Washer, Lock, Int, 0.31 Ss, 3-57, 3-59
Washer, Lock, Int, 0.31, Ss, 3-57, 3-59
Washer, Lock, Int, 08 Ss, 3-109
Washer, Lock, Int, 10, 2-57
Washer, Lock, Int, 10, Ss, 2-179
Washer, Lock, M5, 2-45, 2-47, 2-49
Washer, Manifold, Exhaust, 2-63, 2-65,
2-75, 2-79
Washer, Rbr, .12 0.31b 0.88d, 2-135,
2-175, 3-41
Washer, Thrust, 0.50b 0.87d 0.06w, 2-7
Washer, Thrust, 0.53b 1.00d 0.03w[Fbrgl],
2-37
Washer,Lock Special, 2-145
Water Outlet, 5-23, 6-23
Water Pump, 5-23, 6-23, 7-12
Weight, Counter, Gas/Lpg, 2-7
Wheel, Steering, 2-189
Wheel, Steering, 14.0d 0.81b 36tooth,
2-189
Wire, 7-5
Wire Asy,Spark Plug, 5-24, 6-24
Wire Harness, 5-24
Wire Kit, Ground, Repair [2.3l Ford Lpg],
2-71
Wire Set, Sparkplug (90 Degree Boots),
7-5
Wire, 10ga 16.0l Blk .38ring /.25ring,
3-75, 3-93
Wire, 10ga 09.0l Blk .19ring /.41ring, 2-41
Wire, 10ga 16.0l Blk .25ring /.38ring, 3-79,
3-95
Wire, 16ga 06.0l Blk .25qf /.31ring, 2-17
Wire, 42.0 Lg, 2Ga, Neg, 2-141
Wire, Coil, 7-5
Wire, Dome Light, 4-47
Wire, Ground, 2-53, 2-55, 2-57, 3-91

CROSS REFERENCE
8-38 800 Gas/LPG 330120 (7−2015)





























