981 0600 Onan MDKC MDKD Series Marine Diesel Genset Installation Manual (05 1990)
User Manual: 981-0600 Onan MDKC MDKD series Marine Diesel Genset Installation manual (05-1990)
Open the PDF directly: View PDF
.
Page Count: 35
MDKC
MDKD
Diesel Series
Printed in U.S.A. 5-90
981-0600

Page 1 of 1
Supplement: 981-1054
Date: 12-05
Insert with: Installation Manual 981-0604 (09-96)
Installation Manual 981-0621 (05-00)
Installation Manual 981-0631B (05-04
)
Installation Manual 981-0636 (06-03)
Installation Manual 983-0600 (05-00)
Installation Manual 983-0601 (11-01)
This supplement transmits changes that reflect Federal and California standards for gasoline evaporative
emissions that become effective January 1, 2006. Please insert this sheet under the front cover of the manual.
The following items apply in addition to the requirements covered in the Fuel System or Fuel Connections
section of the generator set Installation Manual in which this Supplement is inserted:
1. Flexible Gasoline Hoses: The fuel hoses used inside the generator set meet the Federal and California
standards for gasoline evaporative emissions. The requirements also apply to the gasoline supply hose
between the tank and generator set. Special hose is required to meet these requirements for gasoline
generator sets sold in or used for commerce in the State of California. See your Onan Distributor.
2. Connecting Gasoline Hoses: Lubricants used when connecting fuel hoses can leave residues that can
clog fuel jets. Only use “soap-free” lubricants such as WD40.
CAUTION When connecting fuel hoses, only use soap-free lubricants such as WD40, which
runs through with the fuel without leaving residues that can clog fuel jets.
Redistribution or publication of this document,
by any means, is strictly prohibited.

Page 1 of 1
Supplement: 981-1054
Date: 12-05
Insert with: Installation Manual 981-0604 (09-96)
Installation Manual 981-0621 (05-00)
Installation Manual 981-0631B (05-04
)
Installation Manual 981-0636 (06-03)
Installation Manual 983-0600 (05-00)
Installation Manual 983-0601 (11-01)
This supplement transmits changes that reflect Federal and California standards for gasoline evaporative
emissions that become effective January 1, 2006. Please insert this sheet under the front cover of the manual.
The following items apply in addition to the requirements covered in the Fuel System or Fuel Connections
section of the generator set Installation Manual in which this Supplement is inserted:
1. Flexible Gasoline Hoses: The fuel hoses used inside the generator set meet the Federal and California
standards for gasoline evaporative emissions. The requirements also apply to the gasoline supply hose
between the tank and generator set. Special hose is required to meet these requirements for gasoline
generator sets sold in or used for commerce in the State of California. See your Onan Distributor.
2. Connecting Gasoline Hoses: Lubricants used when connecting fuel hoses can leave residues that can
clog fuel jets. Only use “soap-free” lubricants such as WD40.
CAUTION When connecting fuel hoses, only use soap-free lubricants such as WD40, which
runs through with the fuel without leaving residues that can clog fuel jets.

Copy and post these suggestions in potential hazard areas of the vessel.
Safety Precautions
Before operating the generator set, read the Operator’s
Manual and become familiar with it and your unit. Safe and ef-
ficient operation can be achieved only if the unit is properly
operated and maintained. Many accidents are caused by fail-
ure to follow fundamental rules and precautions.
Throughout this manual you will notice symbols which alert you
to potentially dangerous conditions to the operator, service per-
sonnel, or the equipment itself.
This symbol warns of immediate haz-
ards which will result in severe personal injury or
death.
This symbol refers to a hazard or unsafe
practice which can result in severe personal injury or
death.
This symbol refers to a hazard or unsafe
practice which can result in personal injury or prod-
uct or property damage.
FUEL, ENGINE OIL, AND FUMES ARE FLAMMABLE AND
TOXIC. Fire, explosion, and personal injury can result from im-
proper practices.
•Benzene and lead, found in some gasoline, have been
identified by some state and federal agencies as causing
cancer or reproductive toxicity. When checking, draining
or adding gasoline, take care not to ingest, breathe the
fumes, or contact gasoline.
•Used engine oils have been identified by some state or
federal agencies as causing cancer or reproductive toxic-
ity. When checking or changing engine oil, take care not to
ingest, breathe the fumes, or contact used oil.
•Do not fill fuel tanks with the engine running. Do not smoke
around the generator set area. Wipe up any oil or gas
spills. Do not leave oily rags in engine compartment or on
the generator set. Keep this and surrounding area clean.
•Inspect fuel system before each operation and periodically
while running.
•Equip the engine fuel supply with a positive fuel shutoff.
•Always disconnect the battery ground (−) lead first and re-
connect it last. Make sure you connect the battery correct-
ly. A direct short across the battery terminals can cause an
explosion. Do not smoke while servicing batteries. Hydro-
gen gas given off during charging is very explosive.
•Keep a fire extinguisher available in or near the engine
compartment and in other areas throughout the vessel.
Use the correct extinguisher for the area. For most types
of fires, an extinguisher rated ABC by the NFPA is avail-
able and suitable for use on all types of fires except alco-
hol.
EXHAUST GASES ARE DEADLY
•Provide adequate ventilation. Equip the bilge with a power
exhauster.
•Be sure propulsion and generator set engine exhaust sys-
tems are free of leaks. Perform thorough, periodic inspec-
tions of the exhaust system and repair leaks immediately.
Exhaust gases are deadly.
•Never sleep in the vessel with the generator set running
unless the vessel is equipped with an operating carbon
monoxide detector.
HOT COOLANT CAN CAUSE SEVERE PERSONAL
INJURY
•Hot coolant is under pressure. Do not loosen the coolant
pressure cap while the engine is hot. Let the engine cool
before opening the pressure cap.
MOVING PARTS CAN CAUSE SEVERE PERSONAL
INJURY OR DEATH
•Do not remove any belt guards or covers with the genera-
tor set running.
•Keep hands and loose clothing away from moving parts.
Do not wear jewelry while servicing any part of the genera-
tor set.
•Never step on the generator set (as when entering or leav-
ing the engine compartment). It can stress and break unit
components, possible resulting in dangerous operating
conditions. . . from leaking fuel, leaking exhaust fumes,
etc.
•Before performing any maintenance on the generator set,
disconnect its batteries to prevent accidental starting. do
not disconnect or connect battery cables if fuel vapors are
present. Ventilate the generator set compartment or bilge
thoroughly with the power exhauster.
ELECTRICAL SHOCK WILL CAUSE SEVERE
PERSONAL INJURY OR DEATH
•Do not make adjustments in the control panel or on engine
with unit running. High voltages are present. Work that
must be done while unit is running should be done only by
qualified service personnel standing on dry surfaces to re-
duce shock hazard.
•DO NOT CONNECT THE GENERATOR SET TO THE
PUBLIC UTILITY OR TO ANY OTHER ELECTRICAL
POWER SYSTEM. Electrocution or damage to property
can occur at a site remote from the boat where line or
equipment repairs are being made if the set is connected
to the power system. An approved transfer switch must be
used if more than one power source is to be made avail-
able to service the boat.
•Do not work on this equipment when mentally or physically
fatigued, or after consuming any alcohol or drug that
makes the operation of equipment unsafe.
Redistribution or publication of this document,
by any means, is strictly prohibited.

i
Table of Contents
SECTION TITLE PAGE. . . . . . . . . . . . . . . . . . . . . . . . . . . . . . . . . . . . . . . . . . . . . . . . . . . . . . . . . . . . . .
SAFETY PRECAUTIONS Inside Front Cover. . . . . . . . . . . . . . . . . . . . . . . . . . . . . . . . . . . .
1 INTRODUCTION 1-1. . . . . . . . . . . . . . . . . . . . . . . . . . . . . . . . . . . . . . . . . . . . . . . . . . . . . . . .
General 1-1. . . . . . . . . . . . . . . . . . . . . . . . . . . . . . . . . . . . . . . . . . . . . . . . . . . . . . . . . . . . . .
Installation Codes and Safety Recommendations 1-1. . . . . . . . . . . . . . . . . . . . . . . . . .
2 SPECIFICATIONS 2-1. . . . . . . . . . . . . . . . . . . . . . . . . . . . . . . . . . . . . . . . . . . . . . . . . . . . . . .
Generator Details 2-1. . . . . . . . . . . . . . . . . . . . . . . . . . . . . . . . . . . . . . . . . . . . . . . . . . . . . .
Engine Details 2-1. . . . . . . . . . . . . . . . . . . . . . . . . . . . . . . . . . . . . . . . . . . . . . . . . . . . . . . . .
3 LOCATION and MOUNTING 3-1. . . . . . . . . . . . . . . . . . . . . . . . . . . . . . . . . . . . . . . . . . . . . .
Location 3-1. . . . . . . . . . . . . . . . . . . . . . . . . . . . . . . . . . . . . . . . . . . . . . . . . . . . . . . . . . . . . .
Mounting 3-1. . . . . . . . . . . . . . . . . . . . . . . . . . . . . . . . . . . . . . . . . . . . . . . . . . . . . . . . . . . . .
Sound Attenuation Housing 3-1. . . . . . . . . . . . . . . . . . . . . . . . . . . . . . . . . . . . . . . . . . . . .
4 VENTILATION 4-1. . . . . . . . . . . . . . . . . . . . . . . . . . . . . . . . . . . . . . . . . . . . . . . . . . . . . . . . . .
General 4-1. . . . . . . . . . . . . . . . . . . . . . . . . . . . . . . . . . . . . . . . . . . . . . . . . . . . . . . . . . . . . .
Requirements 4-1. . . . . . . . . . . . . . . . . . . . . . . . . . . . . . . . . . . . . . . . . . . . . . . . . . . . . . . . .
Coast Guard and NFPA Requirements 4-1. . . . . . . . . . . . . . . . . . . . . . . . . . . . . . . . . . .
5 COOLING SYSTEM 5-1. . . . . . . . . . . . . . . . . . . . . . . . . . . . . . . . . . . . . . . . . . . . . . . . . . . . . .
General 5-1. . . . . . . . . . . . . . . . . . . . . . . . . . . . . . . . . . . . . . . . . . . . . . . . . . . . . . . . . . . . . .
Heat Exchanger Cooling 5-2. . . . . . . . . . . . . . . . . . . . . . . . . . . . . . . . . . . . . . . . . . . . . . . .
Keel Cooling 5-3. . . . . . . . . . . . . . . . . . . . . . . . . . . . . . . . . . . . . . . . . . . . . . . . . . . . . . . . . .
Combined Cooling Systems 5-3. . . . . . . . . . . . . . . . . . . . . . . . . . . . . . . . . . . . . . . . . . . . .
Cooling System Check 5-3. . . . . . . . . . . . . . . . . . . . . . . . . . . . . . . . . . . . . . . . . . . . . . . . .
6 EXHAUST SYSTEM 6-1. . . . . . . . . . . . . . . . . . . . . . . . . . . . . . . . . . . . . . . . . . . . . . . . . . . . .
General 6-1. . . . . . . . . . . . . . . . . . . . . . . . . . . . . . . . . . . . . . . . . . . . . . . . . . . . . . . . . . . . . .
Below Load-Waterline Installation 6-2. . . . . . . . . . . . . . . . . . . . . . . . . . . . . . . . . . . . . . . .
Above Load-Waterline Installation 6-4. . . . . . . . . . . . . . . . . . . . . . . . . . . . . . . . . . . . . . . .
7 FUEL SYSTEM 7-1. . . . . . . . . . . . . . . . . . . . . . . . . . . . . . . . . . . . . . . . . . . . . . . . . . . . . . . . . .
General 7-1. . . . . . . . . . . . . . . . . . . . . . . . . . . . . . . . . . . . . . . . . . . . . . . . . . . . . . . . . . . . . .
Fuel Lines 7-1. . . . . . . . . . . . . . . . . . . . . . . . . . . . . . . . . . . . . . . . . . . . . . . . . . . . . . . . . . . .
Siphon Protection 7-2. . . . . . . . . . . . . . . . . . . . . . . . . . . . . . . . . . . . . . . . . . . . . . . . . . . . . .
Fuel Tanks 7-2. . . . . . . . . . . . . . . . . . . . . . . . . . . . . . . . . . . . . . . . . . . . . . . . . . . . . . . . . . . .
Fuel System Test 7-3. . . . . . . . . . . . . . . . . . . . . . . . . . . . . . . . . . . . . . . . . . . . . . . . . . . . . .
8 ELECTRICAL SYSTEM 8-1. . . . . . . . . . . . . . . . . . . . . . . . . . . . . . . . . . . . . . . . . . . . . . . . . .
General 8-1. . . . . . . . . . . . . . . . . . . . . . . . . . . . . . . . . . . . . . . . . . . . . . . . . . . . . . . . . . . . . .
Load Connections 8-1. . . . . . . . . . . . . . . . . . . . . . . . . . . . . . . . . . . . . . . . . . . . . . . . . . . . .
Remote Controls 8-8. . . . . . . . . . . . . . . . . . . . . . . . . . . . . . . . . . . . . . . . . . . . . . . . . . . . . .
Battery 8-8. . . . . . . . . . . . . . . . . . . . . . . . . . . . . . . . . . . . . . . . . . . . . . . . . . . . . . . . . . . . . . .
Bonding 8-10. . . . . . . . . . . . . . . . . . . . . . . . . . . . . . . . . . . . . . . . . . . . . . . . . . . . . . . . . . . . .
9 FINAL INSTALLATION CHECKS 9-1. . . . . . . . . . . . . . . . . . . . . . . . . . . . . . . . . . . . . . . . . .
Installation Checks 9-1. . . . . . . . . . . . . . . . . . . . . . . . . . . . . . . . . . . . . . . . . . . . . . . . . . . . .
Initial Starting and Checks 9-1. . . . . . . . . . . . . . . . . . . . . . . . . . . . . . . . . . . . . . . . . . . . . .
Voltage Adjustment 9-1. . . . . . . . . . . . . . . . . . . . . . . . . . . . . . . . . . . . . . . . . . . . . . . . . . . .
Redistribution or publication of this document,
by any means, is strictly prohibited.

1-1
Section 1. Introduction
GENERAL
Each marine genset must be installed properly if it is to
operate reliable, quietly, and most importantly—safely.
Therefore, read this entire manual before starting the
installation. The manual should be used only as a guide,
as each installation must be considered on an individual
basis. For operation and maintenance procedures, refer
to the Operator’s Manual 981-0120 that accompanies
each genset.
Proper installation is very important. Requirements to
consider include:
•Adequate cooling air
•Adequate combustion air
•Discharge of exhaust gases
•Discharge of circulated air
•Electrical connections and bonding
•Fuel connections
•Sea water connection
•Accessibility for operation and servicing
•Level mounting surface
•Adequate support under mounting points
•Noise levels
INSTALLATION CODES AND SAFETY
RECOMMENDATIONS
The installation must follow recommendations of the
American Boat and Yacht Council (ABYC) and the Na-
tional Fire Protection Association (NFPA).
The installer should be familiar with the appropriate guid-
ance found in the following publications:
ABYC “
Safety Standards for Small Craft”
from:
ABYC
15 East 26th St.
New York, NY 10010
NFPA302
“Fire Protection Standard for Motor Craft”
from:
NFPA
470 Atlantic Ave.
Boston, MA 02210
USCG 33CFR183 from:
U.S. Government Printing Office
Washington, D.C. 20404
INCORRECT SERVICE OR REPLACEMENT OF PARTS CAN RESULT IN SEVERE
PERSONAL INJURY, DEATH, AND/OR EQUIPMENT DAMAGE. SERVICE PER-
SONNEL MUST BE QUALIFIED TO PERFORM ELECTRICAL AND/OR MECHANI-
CAL SERVICE.
Redistribution or publication of this document,
by any means, is strictly prohibited.

2-1
Section 2. Specifications
GENERATOR DETAILS
Type Onan, Revolving Field, 4-Pole, Brushless. . . . . . . . . . . . . . . . . . . . . . . . . . . . . . . . . . . . . . . . . . . . . . . .
Standby Ratings:
60 Hertz General Marine Rating, 8.0 MDKD-A, B, J, 1-phase 8.0 kW, 8.0 kVA at 1.0 PF. . . . . . . . . .
8.0 MDKD-L, 3-phase 8.0 kW, 10.0 kVA at 0.8 PF. . . . . . . . . . . . . .
4.0 MDKC-A, B, J, 1-phase 4.0 kW, 4.0 kVA at 1.0 PF. . . . . . . . . .
4.0 MDKC-L, 3-phase 4.0 kW, 5.0 kVA at 0.8 PF. . . . . . . . . . . . . . .
50 Hertz General Marine Rating, 6.5 MDKD-P, 1-phase 6.5 kW, 6.5 kVA at 1.0 PF. . . . . . . . . . . . . . .
6.5 MDKD-Z, 3-phase 6.5 kW, 8.1 kVA at 0.8 PF. . . . . . . . . . . . . . .
3.5 MDKC-P, 1-phase 3.5 kW, 3.5 kVA at 1.0 PF. . . . . . . . . . . . . . .
3.5 MDKC-Z, 3-phase 3.5 kW, 4.4 kVA at 0.8 PF. . . . . . . . . . . . . . .
Frequency Regulation, No-load To Full-load 5%. . . . . . . . . . . . . . . . . . . . . . . . . . . . . . . . . . . . . . . . . . . . . . . . .
AC Voltage Regulation:
Electronic Regulation ±2%. . . . . . . . . . . . . . . . . . . . . . . . . . . . . . . . . . . . . . . . . . . . . . . . . . . . . . . . . . . . . . . . . .
Magnetic Regulation ±5%. . . . . . . . . . . . . . . . . . . . . . . . . . . . . . . . . . . . . . . . . . . . . . . . . . . . . . . . . . . . . . . . . .
ENGINE DETAILS
Battery Charge Alternator Maximum Output (Regulated) 10 Amperes. . . . . . . . . . . . . . . . . . . . . . . . . . . . .
Battery Voltage 12 Volts. . . . . . . . . . . . . . . . . . . . . . . . . . . . . . . . . . . . . . . . . . . . . . . . . . . . . . . . . . . . . . . . . . . . . .
Battery Recommendation, Minimum Cranking Performance @ 0° F (-18° C) 360 Ampere. . . . . . . . . . . .
Engine Type Diesel, 3 Cylinder, Vertical In-Line. . . . . . . . . . . . . . . . . . . . . . . . . . . . . . . . . . . . . . . . . . . . . . . . .
Engine Speed, 60/50 Hertz 1800/1500 rpm. . . . . . . . . . . . . . . . . . . . . . . . . . . . . . . . . . . . . . . . . . . . . . . . . . . . .
Exhaust Outlet Size, ID 2 Inches. . . . . . . . . . . . . . . . . . . . . . . . . . . . . . . . . . . . . . . . . . . . . . . . . . . . . . . . . . . . . .
Fuel No.2 Diesel. . . . . . . . . . . . . . . . . . . . . . . . . . . . . . . . . . . . . . . . . . . . . . . . . . . . . . . . . . . . . . . . . . . . . . . . . . . .
Fuel Inlet Size 1/8-27 NPT, Female. . . . . . . . . . . . . . . . . . . . . . . . . . . . . . . . . . . . . . . . . . . . . . . . . . . . . . . . . . . .
Fuel Pump Lift (Self-priming) 4 ft (1.2 m). . . . . . . . . . . . . . . . . . . . . . . . . . . . . . . . . . . . . . . . . . . . . . . . . . . . . . .
Fuel Consumption, Average @ Full Load:
3.5 MDKC 0.42 gph (1.57 L/h). . . . . . . . . . . . . . . . . . . . . . . . . . . . . . . . . . . . . . . . . . . . . . . . . . . . . . . . . . . . . .
4.0 MDKC 0.50 gph (1.89 L/h). . . . . . . . . . . . . . . . . . . . . . . . . . . . . . . . . . . . . . . . . . . . . . . . . . . . . . . . . . . . . .
6.5 MDKD 0.75 gph (3.12 L/h). . . . . . . . . . . . . . . . . . . . . . . . . . . . . . . . . . . . . . . . . . . . . . . . . . . . . . . . . . . . . .
8.0 MDKD 0.90 gph (3.75 L/h). . . . . . . . . . . . . . . . . . . . . . . . . . . . . . . . . . . . . . . . . . . . . . . . . . . . . . . . . . . . . .
Cooling System:
Sea Water Flow Rate, New Pump
60 Hertz 2.5 gpm (9.5 lpm). . . . . . . . . . . . . . . . . . . . . . . . . . . . . . . . . . . . . . . . . . . . . . . . . . . . . . . . . . . . . . .
50 Hertz 3.0 gpm (11 lpm). . . . . . . . . . . . . . . . . . . . . . . . . . . . . . . . . . . . . . . . . . . . . . . . . . . . . . . . . . . . . . . .
Sea Water Pump Dry Lift, Maximum 3.0 feet (.91 liter). . . . . . . . . . . . . . . . . . . . . . . . . . . . . . . . . . . . . . . . .
Sea Water Pump Hose Inlet Size, ID0.75 in (19.0 mm)
Captive Coolant Flow Rate, Thermostat Open:
60 Hertz 2.7 gpm (10.2 L/min). . . . . . . . . . . . . . . . . . . . . . . . . . . . . . . . . . . . . . . . . . . . . . . . . . . . . . . . . . . .
50 Hertz 2.25 gpm (8.5 L/min). . . . . . . . . . . . . . . . . . . . . . . . . . . . . . . . . . . . . . . . . . . . . . . . . . . . . . . . . . . .
Heat Rejection @ Full Load:
3.5 MDKC 21,000 BTU/min. . . . . . . . . . . . . . . . . . . . . . . . . . . . . . . . . . . . . . . . . . . . . . . . . . . . . . . . . . . . . . .
4.0 MDKC 32,000 BTU/min. . . . . . . . . . . . . . . . . . . . . . . . . . . . . . . . . . . . . . . . . . . . . . . . . . . . . . . . . . . . . . .
6.5 MDKD 42,000 BTU/min. . . . . . . . . . . . . . . . . . . . . . . . . . . . . . . . . . . . . . . . . . . . . . . . . . . . . . . . . . . . . . .
8.0 MDKD 48,000 BTU/min. . . . . . . . . . . . . . . . . . . . . . . . . . . . . . . . . . . . . . . . . . . . . . . . . . . . . . . . . . . . . . .
Cooling System Capacity, Including Heat Exchanger 3 quarts (2.8 L). . . . . . . . . . . . . . . . . . . . . . . . . . . .
Total Air Per Minute Required (Cooling And Combustion):
3.5 MDKC 150 ft3/min (4.2 m3/min). . . . . . . . . . . . . . . . . . . . . . . . . . . . . . . . . . . . . . . . . . . . . . . . . . . . . . . . .
4.0 MDKC 170 ft3/min (4.8 m3/min). . . . . . . . . . . . . . . . . . . . . . . . . . . . . . . . . . . . . . . . . . . . . . . . . . . . . . . . .
6.5 MDKD 160 ft3/min (4.5 m3/min). . . . . . . . . . . . . . . . . . . . . . . . . . . . . . . . . . . . . . . . . . . . . . . . . . . . . . . . .
8.0 MDKD 180 ft3/min (5.1 m3/min). . . . . . . . . . . . . . . . . . . . . . . . . . . . . . . . . . . . . . . . . . . . . . . . . . . . . . . . .
Oil Capacity With Filter 4 qt. (3.8 L). . . . . . . . . . . . . . . . . . . . . . . . . . . . . . . . . . . . . . . . . . . . . . . . . . . . . . . . . . .
Redistribution or publication of this document,
by any means, is strictly prohibited.

3-1
Section 3. Location and Mounting
LOCATION
The genset location must be a well ventilated area, insu-
lated, close to the fuel supply and the center of electrical
load distribution. Usually those conditions are in the
same room or compartment as the propulsion engine.
However, a genset cannot be installed in the propulsion
engine compartment unless specific conditions are met.
USCG regulation 33CFR183 pertains to gasoline fuel
systems, and requires a genset operating in a gasoline
fuel environment to be ”ignition protected.” This means a
genset capable of operating in an explosive environment
without igniting that environment.
The MDKC/MDKD gensets are not “ignition protected”
and cannot be operated in a gasoline-fueled environ-
ment. They can, however, be operated in a diesel-fuel
environment.
Gasoline fire or explosion can result in
severe personal injury or death. Do not install a die-
sel generator set in the same room or compartment
of a gasoline propulsion engine or generator set.
The diesel unit may not be ignition protected and can
ignite gasoline fumes.
Select a location that will allow adequate space on all
sides for ventilation and servicing the set, preferably on
and parallel with the keel or vessel center line. Keep the
genset away from living quarters, and away from bilge
splash and vapors.
MOUNTING
The floor must be flat and give support directly under the
genset mounting points (Figure 3-3). A one inch (25 mm)
clearance around the unit is required to permit rocking on
its mounts without restraint. Additional space must be al-
lowed for proper air-ventilation for cooling and combus-
tion, as well as service access. Also, allow access for pe-
riodic maintenance such as oil fill, coolant fill, spark plug
replacement, etc. The entire exhaust system must be ac-
cessible so a periodic visual and audible check for leak-
age can be made by the operator.
Figure 3-1 shows the drip pan dimensions. Install two
hold-down clamps or two through-bolts to the drip pan on
both sides of the genset. Tighten the clamps securely to
the mounting base with bolts and flatwashers.
DIMENSIONS IN INCHES (MM)
2.4
(61)
3.2
(82)
18.5
(470)
9.0
(229)
15.4
(391)
17.7
(450)
9.5
(241)
23.3
(592)
FIGURE 3-1. DRIP PAN DIMENSIONS
Figure 3-3 on the following page shows the genset out-
line drawings. All pertinent dimensions and location of
hook-ups are shown.
SOUND ATTENUATING HOUSING
The Onan housing, shown in Figure 3-2, is an option
that is available for noise reduction. It is an insulated en-
closure that totally surrounds the genset. Openings are
provided for all external connections. Installation instruc-
tions are furnished with the housing. Contact the local
dealer or distributor for details.
M1529
FIGURE 3-2. SOUND ATTENUATING HOUSING
Redistribution or publication of this document,
by any means, is strictly prohibited.

3-2
DRY WEIGHT = 505 LBS.
DIMS. ARE IN INCHES
FIGURE 3-3. OUTLINE DRAWING
Redistribution or publication of this document,
by any means, is strictly prohibited.

4-1
Section 4. Ventilation
GENERAL
The installation of boat ventilation systems must meet all
Coast Guard and NFPA requirements. Establishing the
correct air flow quantity is particularly important with
small compartments under 1000 cubic feet (28 m3), or
installations in close quarters. Ventilation systems meet-
ing Coast Guard requirements for passenger vessels
(Table 4-1) will normally suffice for operation under all
conditions.
TABLE 4-1. PASSENGER VESSEL
VENTILATION REQUIREMENTS
SIZE OF MINUTES REQUIRED
COMPARTMENT TO EXCHANGE TOTAL
Cu. Ft. (m3) AIR VOLUME
Less than 500 (14) 2. . . . . . . . . . . . . . . . . . . .
500 to 1000 (14 to 28) 3. . . . . . . . . . . . . . . . . .
1000 to 1500 (28 to 42) 4. . . . . . . . . . . . . . . . . .
1500 and Up (42 and Up) 5. . . . . . . . . . . . . . . . .
REQUIREMENTS
Marine gensets must have air ventilation for three very
important reasons:
1. To remove flammable or other harmful gases.
Coast Guard regulations require power blowers in
the genset and propulsion engine rooms be run at
least four minutes prior to starting the engine and
during operation. The operator must also inspect the
engine room for the presence of fuel vapors prior to
starting, especially when gasoline fueled equipment
is used (see text under Coast Guard and NFPA Re-
quirements).
2. To provide engine combustion air and generator
cooling air. Coast Guard regulations require power
exhausters in all installations, and one blower in
each exhaust duct. Exhausters must have an air ca-
pacity 1 1/2 to 2 times the minimum genset total air
requirements (see Specifications section).
3. To control compartment temperature during
genset operation. This will avoid overheating
which can result in shutdown, engine and related
control component damage, and power loss. As a
general rule, the operating environment for a diesel
marine genset should not be maintained beyond a
maximum of 160° F (71° C). While marine gensets
can operate for extended periods at higher tempera-
tures, maintaining a lower maximum will result in bet-
ter performance and longer life. Often an operating
power blower is required to maintain temperature
when the genset is operating, especially when the
boat is not moving.
The compartment must have air inlets and outlets to pro-
vide this air. Inlet ducts should have cowls or equivalent
fittings of twice the area of the duct, larger if the opening is
screened. Do not use recessed or flushed inlets, or lou-
vered-transom outlets.
COAST GUARD AND
NFPA REQUIREMENTS
The Coast Guard requires diesel gensets have at least
one ventilation air inlet and one outlet. The total inlet area
must not be less than one square inch per foot (21.2
cm2/m) of boat beam.
A separate diesel tank compartment must be ventilated
with a large gooseneck vent, or by some similar means.
The ventilating system must meet current Coast Guard
and NFPA requirements.
Boats classified as pleasure vessels by the Coast Guard
must have sufficient ventilation to eliminate accumulation
of flammable gases. Boats under 65 feet (20 m) long
classified as passenger vessels require ventilation be
sufficient to change the compartment air within a given
time interval (Table 4-1).
For passenger vessels, the Coast Guard recommends a
mechanical exhausting system to meet the requirement
in Table 4-1. To prevent movement of fumes between liv-
ing quarters and any compartment containing an engine
or its exhaust system, seal all cracks, feed-through holes,
and conduit ends.
A carbon monoxide (CO) detector listed for marine use
should be installed in the living quarters of the vessel.
The many ventilation variables (such as wind shifts, boat
in motion, at dockside where there can be exhaust gas
from other vessels, etc.) make a CO detector an impor-
tant accessory.
Redistribution or publication of this document,
by any means, is strictly prohibited.

5-1
Section 5. Cooling System
GENERAL
Throughout this manual, flotation water drawn into the
boat for engine cooling is called sea water. Thus, confu-
sion is avoided with other generic terms describing water
origin and use.
The two types of marine cooling systems described in
this manual are
heat exchanger
and
keel cooling
. An ex-
planation of each system, and the advantages and disad-
vantages of each are covered in separate sections. The
heat exchanger system is used most often, and is stan-
dard on the MDKC/MDKD gensets.
System Plumbing
To adequately cool the genset under all conditions, the
plumbing system must be properly planned and installed.
Excess lengths of plumbing increases flow resistance
and results in reduced cooling. An air leak in the sea wa-
ter intake will reduce cooling, cause corrosion, and can
even destroy the neoprene impeller in the sea water
pump. The neoprene impeller must never be run dry, and
the pump should be primed before initial start.
The water line should have a minimum inside diameter of
0.75 inch (19 mm). For runs over 20 feet (5.2 m), in-
crease the line one pipe size for each additional 10 feet
(2.6 m) of length. Water lines can be either copper tubing
or flexible hose. Be sure a length of flexible hose is used
at the genset connection to allow set movement, and for
noise abatement.
Because sea water cannot be relied upon to always be
clean, Onan recommends a water strainer or filter to pro-
tect the engine cooling system. See Figure 5-1.
Onan has a hull strainer (furnished with some muffler
kits) that can be used with a flush through-hull fitting. The
strainer (Figure 5-1), installed with the slots parallel to the
keel, helps prevent pressure or vacuum when the boat is
underway. Always use a flush-type inlet with a hydrody-
namic marine muffler.
CS1312-1
CROSS−SECTION
VIEW
HULL
STRAINER
SEA
COCK
RECOMMENDED
WATER STRAINER
OR FILTER
FLUSH THRU−
HULL FITTING
TO
GENSET
FIGURE 5-1. SEA WATER INLET
Restriction in the sea water inlet line can
cause engine overheating and shutdown. The flush-
type, through-hull water inlet must have an opening
at least as large as the water inlet line.
Stagger the genset water inlet so it is not directly in line
with other inlets. Not doing so can reduce the amount of
sea water available to the genset when underway and
cause overheating. Never use scoop type water inlet fit-
tings with a hydrodynamic muffler.
DO NOT USE SCOOP TYPE WATER IN-
LET FITTINGS WITH A HYDRODYNAMIC MUFFLER.
Forward facing scoops can develop sufficient ram
pressure to force water past the generator set sea
water pump. This can flood the exhaust system and
the engine cylinders. This happens when the gener-
ator set is not running and the boat is underway.
Rear facing scoops develop vacuum which can im-
pede cooling water flow.
Redistribution or publication of this document,
by any means, is strictly prohibited.

5-2
HEAT EXCHANGER COOLING
This standard cooling system keeps sea water, and any
sediment deposits (salt, silt, etc.), away from the engine
cooling jacket. As a result, the engine water jacket stays
clean for optimum heat transfer. Figure 5-2 shows the
flow direction of sea water and captive water.
The sea water pump constantly renews the sea water
bath in the heat exchanger, and then dumps it into the ex-
haust elbow. The exhaust water flow cools the elbow,
connecting hoses, and muffler in the exhaust system.
The captive water is circulated by a pump through the en-
gine block, heat exchanger, and the exhaust manifold.
The captive water temperature and flow rate are con-
trolled by a thermostat. The captive cooling system
should always use a 50-50 mixture of ethylene glycol and
distilled water to help prevent corrosion. See the Installa-
tion Checkout section for filling instructions.
If a heat exchanger other than the Onan standard is
installed, several precautions are required as follows:
•The heat exchanger must properly cool the genset
under all load conditions. The Onan system is de-
signed to cool the set at full load with sea water inlet
temperatures up to 100° F (38° C). Extra margin
(10%) must be allowed for varying conditions of
pumps, coolant and scale build-up.
•Minimum captive water and sea water flow required
by the genset must be met. The heat exchanger will
also have minimum and maximum flow require-
ments which must be met for cooling at its capacity.
The genset requirements are listed in the Specifica-
tion section.
EXS1088-2
LEGEND
Sea Water Circulated
by Separate Pump
Captive Cooling Water
Circulated by Engine
Water Pump
HEATED
WATER FROM
EXHAUST MANIFOLD
HEAT EXCHANGER
SEA
WATER IN
SEA
WATER
PUMP
CAPTIVE WATER
PUMP
WATER TO
ENGINE
BLOCK THERMOSTAT
EXHAUST
MANIFOLD
EXHAUST
LINE HOSE
FIGURE 5-2. COOLANT FLOW, HEAT EXCHANGER COOLING SYSTEM
Redistribution or publication of this document,
by any means, is strictly prohibited.

5-3
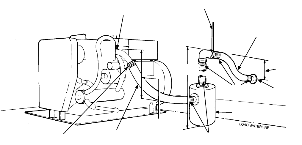
KEEL COOLING
Onan does not sell keel coolers. Because of the many
brands and applications, Onan does not recommend a
particular style keel cooler, or a manufacturer. Selection
and correct installation of the keel cooler and the dry-
stack exhaust system is the responsibility of the installer.
Onan has a kit available to adapt the MDKC/MDKD gen-
set to a keel cooler. An Instruction Sheet in the kit pro-
vides step-by-step installation procedures.
A coolant recovery tank with a pressure relief valve will be
required if not already on the genset. The tank is con-
nected into the captive cooling system (similar to an auto-
motive type), and keeps the coolant level full despite
temperature variations. Air in the cooling system is kept
at minimum and helps prevent corrosion and scale de-
posits.
Onan recommends that a keel cooler manufacturer be
consulted to select the proper keel cooler. Furnish the
manufacturer with the information in the Specification
section of this manual, and note these special require-
ments:
•The selected keel cooler must be sized to dissipate
engine-heat rejection at full load when the boat is not
moving, and when the sea water is at maximum en-
countered temperature.
•An extra margin of 10% must be allowed for varying
conditions of the captive coolant, pump, and scale
build-up.
Figure 5-3 shows coolant flow direction in and out of the
genset when connected for keel cooling.
COMBINED COOLING SYSTEMS
Onan does not recommend combining the genset cool-
ing system with the propulsion engine cooling system.
For the installer, this involves a great amount of experi-
ence and knowledge, as well as complete characteristics
of both the genset and the propulsion engines.
Some propulsion engines use scoop-
type water inlet fittings which must not be used on a
generator set with a hydrodynamic muffler. When
not operating, ram pressure may force water past the
generator set’s sea water pump and flood the ex-
haust system. From there it can flow back, flooding
the engine cylinders and possibly the engine
compartment.
R.H. SIDE VIEW CS1377
FROM KEEL
COOLER
TO KEEL
COOL−
ER
FIGURE 5-3. KEEL COOLING COOLANT FLOW DIRECTION
COOLING SYSTEM CHECK
Before initial operation, some cooling system checks
must be performed. These are outlined in the following
text.
Sea Water System
Before initial operation, the sea water pump should be
primed. This lubricates the neoprene impeller and pre-
vents dry operation, especially on above-water-line
installations. Prime the pump by removing the outlet
hose at the pump connection. Fill the pump with water
and replace components. When the genset is started,
check the exhaust outlet for delivery of water to the sys-
tem. Flow should be about as listed in the Specifications.
Do not operate the generator set if the
cooling system is faulty. Doing so can result in dam-
age to water-cooled exhaust system components
and engine.
Captive Water System
The genset has a high coolant-temperature shutdown
switch . This switch can prevent engine damage only if
the cooling system is kept clean and properly maintained.
A coolant-recovery tank kit is supplied with the genset
and must be connected per the instructions. Be sure the
system is full of coolant, and the recovery tank filled to the
COLD mark before delivery to the customer.
Redistribution or publication of this document,
by any means, is strictly prohibited.

5-4
Use a 50-50 mixture of ethylene glycol and distilled water
as an engine coolant—even when freezing temperatures
are not expected. In addition to lowering the freezing
point, it contains rust inhibitors that help prevent corro-
sion and scale.
Do not exceed a 50-50 mixture of ethyl-
ene glycol and water. A stronger mixture of ethylene
glycol will alter heat transfer properties of the cool-
ant.
Filling the Cooling System
Verify that all drain cocks are closed and all hose clamps
secure. Remove the cooling system pressure cap and
slowly fill the cooling system with the coolant mixture ref-
erenced in the preceeding paragraph.
Leave the pressure cap off and start the engine. As
trapped air is expelled, the coolant level will drop and
additional coolant should be added. Replace the pres-
sure cap when the coolant level is stable.
Gensets With Coolant Recovery Tank: Add coolant
mixture to the COLD mark. Operate the genset until nor-
mal operating temperature is maintained as observed on
the temperature gauge (option), or about 15 minutes of
operation. Shut off the genset and let it cool down. Add
coolant to the recovery tank until level stabilizes at the
COLD mark. This may require several operation cycles
until air is purged from the system.
Redistribution or publication of this document,
by any means, is strictly prohibited.

6-1
Section 6. Exhaust System
GENERAL
The installation of two water-cooled exhaust systems are
covered in this section. They are below-load waterline
and above-load waterline, and are covered under sepa-
rate headings. All marine water-cooled exhaust systems
must meet each of the following requirements.
Failure to meet these requirements and
any applicable codes can result in severe property
damage, personal injury or death.
•The entire exhaust system must be accessible so a
periodic visual and audible leakage-check can be
done by the operator.
•The exhaust system must be water cooled, and the
water injected as near to the genset as possible.
•The exhaust line must be installed to prevent back
flow of water to the engine under any conditions; and
the exhaust outlet must be above the load waterline.
Water backflow into the engine will damage it.
•The genset exhaust system must not be combined
with the exhaust system of another engine.
•A flexible section of marine exhaust hose must be
used near the engine to allow for engine movement
and vibration during operation. All exhaust system
hoses must be CERTIFIED for marine use.
•The exhaust system must be of sufficient size to pre-
vent excessive back pressure. See Back Pressure
data in this section.
•Make sure all sink, shower or other cabin drains are
properly trapped to prevent entrance of exhaust gas.
Backflow of water can cause severe en-
gine damage and possible flooding of the boat. Make
sure the hose from the exhaust manifold to the muf-
fler slopes a minimum of 1/2 inch per linear foot (42
mm/m). An uphill section between the exhaust man-
ifold and muffler can cause backflow of water and is
not permissible—NO EXCEPTIONS.
Be sure that the vertical rise of the exhaust hose mea-
sured from the bottom of the muffler to its peak is not
more than 48 inches (1.2 m) as shown in Figures 6-1 and
6-2. The vertical rise must not slope—it must be vertical
in relation to the base of the hydrodynamic muffler.
The exhaust tubing (on both above and below load-wa-
terline installations) must be pitched downward to the
through-hull outlet fitting at a minimum downgrade of 1/2
inch per linear foot (42 mm/m). There must also be a
12-inch (305 mm) minimum drop from this peak to the
through-hull outlet fitting as shown.
Provide adequate support for hose lengths to prevent
sagging, bending, and formation of water pockets. The
use of automotive-type pipe hangers will help stop noise
transmission to the boat hull.
Allow space between the marine muffler and its mounting
surface by using spacers under the mounting flanges.
This allows air circulation under the muffler and discour-
ages condensation.
Material
Use material recommended by ABYC in ”Safety Stan-
dard for Small Craft,” Section P1. The exhaust line must
be at least as large as the engine exhaust manifold outlet.
See the following section on Back Pressure.
Exhaust gas contains carbon monox-
ide, an odorless, colorless, highly-poisonous gas
that presents the hazard of severe personal injury or
death. Place special emphasis on the following:
•
Be sure the flexible exhaust hose is designed
and certified for marine exhaust-line use.
•
Use two clamps at each end of all flexible ex-
haust hose connections.
•
Do not make sharp bends in the exhaust hose.
•
Position exhaust outlet to prevent backflow of
exhaust gases into the vessel.
Use flexible hose designed and CERTIFIED for marine
exhaust-line use to ease installation, and for flexibility.
The muffler must be at the lowest point of the entire ex-
haust system. The muffler inlet should be at least 12
inches (305 mm) below the engine exhaust manifold out-
let. If this distance is less, backflow of water toward the
manifold is more likely.
Use two clamps at each end of exhaust hoses as shown
in Figures 6-1 and 6-2. The clamps must be corrosion re-
sistant metal, and a minimum of 1/2 inch (12.7 mm) wide.
They should be spaced at least one clamp-width apart,
and at least one clamp-width from the end of the hose.
Clamps depending solely on spring tension must not be
used.
Redistribution or publication of this document,
by any means, is strictly prohibited.

6-2
Back Pressure
Exhaust back pressure is an important measure of an ad-
equate exhaust system. If the exhaust installation re-
quires a long run of pipe (more than 30 feet [9 m] overall),
back pressure should be checked. Exhaust back pres-
sure of the genset should not exceed 3.0 inches (76 mm)
of mercury (10 kPa).
Increase the exhaust pipe diameter from the muffler to
the hull outlet one standard pipe size for every 10 feet (3
m) beyond 30 feet (9 m) of overall length.
Exhaust Cooling Water Injection
The neoprene impeller pump moves the sea water
through the cooling system and into the exhaust man-
ifold. The injected water cools the exhaust and prevents
exhaust system damage. A temperature operated
switch on the exhaust manifold shuts down the genset if
overheating occurs. The switch closes if temperature
reaches 221° to 239°F (105° to 115° C) and actuates the
Fault Reset breaker on the control panel.
If high exhaust-temperature shutdown occurs, the entire
exhaust system should be checked for any signs of over-
heating, especially the exhaust hoses. Replace defec-
tive components immediately, and do not operate the
genset until system is repaired.
Inhalation of exhaust gas can cause se-
vere personal injury or death. Do not operate the
generator set after a high exhaust temperature shut-
down until the entire exhaust system has been
checked and serviced as required.
DO NOT USE SCOOP TYPE WATER IN-
LET FITTINGS. Forward facing scoops can develop
sufficient ram pressure to force water past the gener-
ator set’s sea water pump. This can flood the ex-
haust system and the engine cylinders. This hap-
pens when the generator set is not running and the
boat is underway. Rear facing scoops develop vacu-
um which can impede cooling water flow.
BELOW LOAD-WATERLINE
INSTALLATION
Figure 6-1 shows details of a recommended below load-
waterline installation. Review and apply data from the
preceding GENERAL section, plus the following.
Siphon Break
Install a siphon break (anti-siphon) if the sea water injec-
tion port on the exhaust manifold is at or below the load-
waterline. The siphon break is a vacuum-operated vent
valve that opens the exhaust water discharge line to the
atmosphere when the engine is not operating. The open
vent valve prevents sea water (flotation water) from be-
ing siphoned into the exhaust manifold and engine cylin-
ders installed at or below load-waterline.
The siphon break hose ends connect to the exhaust el-
bow water-injection port and the sea water outlet on the
exhaust manifold.
Locate the siphon break in a vertical position at least 12
inches (305 mm) above the load-waterline. See Figure
6-1. Remote mounting is permissible within a 5 foot (1.5
m) radius of the injection port. The vertical position and
height of the valve must be maintained.
The siphon break must be mounted vertically with the
hose fitting pointing down. Use pipe strap material to se-
cure the assembly to the frame or bulkhead. Be sure the
slotted-opening in the siphon break valve is open to at-
mospheric pressure. The valve will not function if the
opening is closed in any way.
Failure to use a siphon break when the
exhaust manifold injection-port is at or below the
load-waterline will result in sea water damage to the
engine and possible flooding of the boat.
Redistribution or publication of this document,
by any means, is strictly prohibited.

6-3
EXS1088-1
1 FT. MIN
(305 MM)
1 FT. MIN
(305 MM)
TWO
CLAMPS
HANGER
HANGERS
SIPHON BREAK
(USED FOR AT− OR BELOW− LOAD−
WATERLINE INSTALLATIONS ONLY)
EXHAUST ELBOW
WATER INJECTION PORT
(NOT SHOWN)
TWO
CLAMPS TWO
CLAMPS
4 FT. MAX
(1.2 M)
HYDRODYNAMIC
MARINE MUFFLER
1 FT. (305 MM)
MINIMUM
MINIMUM DOWNGRADE
1/2 INCH/LINEAR FT.
(42 MM/M), SEE TEXT
FLEXIBLE MARINE
EXHAUST HOSE
MINIMUM DOWNGRADE
1/2 INCH/LINEAR FT.
(42 MM/M), SEE TEXT
FIGURE 6-1. BELOW LOAD-WATERLINE INSTALLATION
Redistribution or publication of this document,
by any means, is strictly prohibited.

6-4
ABOVE LOAD-WATERLINE INSTALLATION
Figure 6-2 shows a recommended above load-waterline
installation. A siphon break valve is not required with this
type installation. Review and apply data from the preced-
ing GENERAL section. Be sure the minimum drop and
downward pitch of exhaust runs are applied as shown,
and that all hose end connections have two clamps.
EXS1088-3
HANGER
TWO
CLAMPS
TWO
CLAMPS
TWO
CLAMPS
EXHAUST ELBOW
WATER INJECTION PORT
(NOT SHOWN)
MINIMUM DOWNGRADE
1/2 INCH/LINEAR FT.
(42 MM/M), SEE TEXT
1 FT. MIN
(305 MM)
EXHAUST AND COOL−
ING WATER OUTLET
HYDRODYNAMIC
MARINE MUFFLER
MINIMUM DOWNGRADE
1/2 INCH/LINEAR FT
(42 MM/M), SEE TEXT
4 FT. MAX
(1.2 M)
1 FT. (305 MM)
MINIMUM
FIGURE 6-2. ABOVE LOAD-WATERLINE INSTALLATION
Redistribution or publication of this document,
by any means, is strictly prohibited.

7-1
Section 7. Fuel System
GENERAL
In all diesel engine installations, fuel system cleanliness
is of utmost importance. Make every effort to prevent en-
trance of moisture or other contaminants. Carefully
clean all diesel fuel system components before installa-
tion and putting the genset into operation.
Dirt or water in the fuel system is the ma-
jor cause of diesel engine failure. A tiny piece of dirt,
or a few drops of water in the injection system can
stop the genset.
Fuel leakage in boats presents fire and
explosion hazards that can result in severe personal
injury or death. For this reason, it is important that
the material, design, construction and installation of
all fuel system components meet the highest possi-
ble standards. Use only products specified for ma-
rine application.
If the propulsion engine uses diesel fuel, it is possible to
use the same fuel tank for the genset. However, before
that decision is made, the following factors must be con-
sidered:
•Adequate fuel capacity for both engines. See Speci-
fications section for genset requirements.
•The fuel returned to the tank after cooling the injec-
tors is warm. To obtain maximum engine efficiency,
fuel delivered to the injectors must be cool. The fuel
tank volume must be adequate to cool the returned
fuel.
•Distance of tank from the genset. The pump self-
priming lift capacity is 48 inches (1.2 m). If this height
is exceeded, either an additional fuel pump or a
separate tank will be required.
FUEL LINES
Make sure all fuel lines are properly supported and con-
nections tightened securely. The line should be sup-
ported throughout its length with clips or straps spaced
no more than 14 inches (355 mm). Use an approved
pipe-joint compound acceptable for use with diesel fuel at
all thread fittings. Fuel distribution lines must have as
few connections as practicable, and be protected against
mechanical injury and vibration.
A flexible fuel line installed between the fuel tank and the
genset must meet USCG requirement 33CFR183.558
and be stamped ”USCG TYPE A”. There cannot be an
electrical connection between the hose end fittings. A
bad ground in the cranking circuit will cause a wire rein-
forced hose to become hot, and ignite the fuel during
cranking. If a metallic fuel line is run into the genset com-
partment, a length of flexible hose meeting the above
specifications must be installed to absorb vibration of the
genset.
Ignition of fuel can cause fire and se-
vere personal injury or death. Be sure the flexible
section of fuel line used at the generator set meets
USCG requirement 33CFR183.558 and is stamped
”USCG TYPE A”.
Leakage of fuel in or around the genera-
tor set compartment presents a hazard of fire or ex-
plosion and can cause severe personal injury or
death. Do not permit any flame, spark, cigarette, pilot
light, arcing equipment, or other ignition source near
the generator set. The ventilation system must pro-
vide a constant flow of air to safely expel all fuel va-
pors.
The fuel line should be run at- or above-level of the tank
top to a point close to the engine connection to prevent
siphoning. See Figure 7-1. A separate fuel line is recom-
mended for the genset as shown.
M1679
GENERATOR
SET
PROPULSION
ENGINE
FUEL
TANK
SERVICE SHUT−
OFF VALVE
SHUTOFF
FIGURE 7-1. INSTALLATION ABOVE TANK LEVEL
If a fuel tank is shared, a fuel line tee is not recom-
mended. A tee can cause erratic genset operation due to
fuel starvation. The genset’s fuel pump does not have
the capacity to overcome the draw of the propulsion-en-
gine fuel pump.
Redistribution or publication of this document,
by any means, is strictly prohibited.

7-2
This is true also of the return lines. Pressure from one en-
gine could be higher than the other and force return fuel
back into the lower-pressure engine injector. The return
line should enter the tank as far as possible from the sup-
ply lines. Maximum back pressure at the injector fuel re-
turn line fitting, shown in Figure 7-2, should not exceed 15
psi (103 kPa). This pressure is a function of fuel flow rate,
tank height, line size and length.
Never use galvanized or copper fuel
lines, fittings or fuel tanks with diesel fuel systems.
Condensation in the tank and lines combines with
the sulfur in diesel fuel to produce sulfuric acid. The
molecular structure of the copper or galvanized lines
or tanks reacts with the acid and contaminates the
fuel.
FUEL RETURN
LINE FITTING
INJECTION
PUMP
FUEL INLET
FITTING FUEL FILTER M-1526
FIGURE 7-2. ENGINE FUEL SYSTEM COMPONENTS
If the fuel tank fitting is large enough, a second, shorter
dip tube may be installed as shown in Figure 7-3. The re-
quired fittings can be built by a machine shop. Install an
anti-siphon device at the tank fitting as shown.
M1679-2
FUEL RETURN
LINE FITTING
FUEL LINE TO
PROPULSION
ENGINE ANTI−SIPHON
DEVICE FUEL LINE
TO GENSET
FIGURE 7-3. TWO FUEL LINES IN TANK FITTING
If the tank does not have an unused outlet, a new outlet
can be installed. The metal tank must be removed to
braze or weld a new outlet fitting. This procedure re-
quires the service of a welder familiar with the essential
safety measures.
Ignition of fuel vapors can cause severe
personal injury or death. Welding a fuel tank, empty
or not, is extremely dangerous! Vapors may ignite
causing an explosion and fire. Have welding done
only by experienced personnel.
SIPHON PROTECTION
When the fuel tank is installed above the engine level, an
anti-siphon device is needed to prevent siphoning if the
line breaks at a point below the fuel level. See Figure 7-4.
This device can be installed at the tank withdrawal fitting,
or at a location where the line from the tank will no longer
remain above the fuel tank top level. The device can be
either a mechanical check valve, or an electric valve with
mechanical override. The electric valve is connected to
open only when the engine fuel solenoid is on.
M1679-1
ANTI−SIPHON VALVE OR ELECTRICALLY
OPERATED FUEL STOP VALVE
FUEL TANK
GENERATOR
SET
PROPULSION
ENGINE
FIGURE 7-4. SIPHON PROTECTION
FUEL TANKS
A valve must be installed directly at the tank connection
to shut off fuel flow. This valve may be electrically or
manually operated. If electrically operated, it must be en-
Redistribution or publication of this document,
by any means, is strictly prohibited.

7-3
ergized only during engine operation, and have a manual
override to comply with USCG regulations. This electric
valve can be purchased from Onan and is listed in the
parts manual.
The manual valve must have an arrangement for operat-
ing it outside the compartment in which the tank is lo-
cated, preferable from above deck.
A USCG approved service shutoff valve must be installed
at the engine end of the fuel line under conditions listed
below. This valve stops fuel flow when the genset is serv-
iced.
•When fuel tanks are located in a compartment other
than the engine.
•When the engine and fuel tanks are separated more
than 12 feet (3.7 m).
If the propulsion engines and genset use different fuels, a
separate fuel tank will be required. Use only an approved
fuel tank designed for marine application. Be sure that
the compartment is well ventilated (see Ventilation Sys-
tem section). Fuel consumption data in the Specifica-
tions section is useful for determining the tank size.
When installing a separate tank, locate it as close as pos-
sible to the genset compartment. Be sure it is accessible
and can be removed for inspection.
Fuel starvation can cause marginal op-
eration of the generator set. Fiberglass fuel tanks
can present a problem if the fuel pickup tube is too
close to the tank bottom. Fiberglass fibers can settle
and form a mat with time. Make a diagonal cut on the
bottom of the pickup tube and install 1/2 to 2 inches
(13 to 51 mm) from the tank bottom.
Mount the fuel tank and secure into position. The NFPA
recommends that flat bottom tanks be installed on slatted
wooden platforms to help prevent moisture condensa-
tion. Cylindrical tanks should be set in chocks or cradles
and securely fastened.
Small fuel tanks can be suspended from deck beams.
Support and brace the tank to prevent any movement.
Line up braces with the tank internal baffle plates. Insu-
late all wood or metal surfaces from the tank surface with
a non-abrasive and non-absorbent material. Heavy rub-
ber-impregnated cotton fabric or oil- and acid-resistant
plastics work well.
Ignition of fuel when filling the tank can
result in severe personal injury or death. All metallic
fuel tanks MUST be electrically bonded to the boat
common ground. Also bond the filler neck or open-
ing to the tank if a hose is used between them. This
helps prevent static spark when filling that can ignite
the fuel.
Position the tank fill and vent pipes so fuel or vapor can-
not escape into the bilge. Run the vent and fill pipes from
separate openings in the tank. If the fill pipe has a flexible
section of fuel hose, install a separate grounding wire be-
tween the deck fuel plate and tank. Install the vent open-
ing as far from other hull opening as possible, and with a
gooseneck so water cannot enter. Install a flame arrester
on the vent opening.
FUEL SYSTEM TEST
After installation, test the fuel system for tightness per
USCG specification 33CFR183.542. Any leak must be
found and corrected before putting the fuel system into
service.
Redistribution or publication of this document,
by any means, is strictly prohibited.

8-1
Section 8. Electrical System
GENERAL
Installing the genset electrical system includes installing
line circuit breakers and connecting the load, installing
the remote start control (if used), and connecting the bat-
tery. The battery must always be connected last to avoid
accidental genset starting during the installation.
Accidental starting of the generator set
during installation creates a hazard of serious per-
sonal injury or death. Do not connect the starting
battery until instructed to.
All wiring must meet Coast Guard, NFPA, and all other
applicable codes. Have all wiring installed by a qualified
electrician. Wiring diagrams do not include customer-
added components.
Be sure to seal all openings made for wiring so exhaust or
fuel vapors cannot enter the living quarters. If flexible-
metal conduit is used, it must be sealed internally at the
end where it terminates within the junction box or panel-
board. Flexible-metal conduit is not vapor-tight along its
length due to its unique construction.
Inhalation of exhaust gas or ignition of
fuel vapor can cause severe personal injury or death.
Be sure to vapor-seal flexible metal conduit, and all
openings made during installation of the generator
set, with a silicone/rubber-based sealant.
Faulty electrical equipment can cause
shock and severe personal injury or death. Use only
approved power supply assemblies, and never re-
move the grounding pin from the power cord. No
ground, or an incorrect ground, can cause the vessel
to become electrically ”hot”.
LOAD CONNECTIONS
While at dock, most boats have a dockside connection for
use of commercial power. These installations must have
a transfer switch to isolate the genset and the commercial
power. The two power sources must never be connected
together. A single-phase, manual shoreline-transfer
switch is available from Onan for this function. See Fig-
ure 8-1.
Use a section of flexible conduit at the genset to absorb
movement and vibration. Flexible, multi-strand wire
must be used throughout to reduce the danger of break-
age due to boat movement or vibration. Grounding must
comply with wiring codes.
Non-Reconnectable Generators
The single-phase 120, 120/240-volt (115, 115/230-volt),
two- and three-wire connections are shown on the AC
wiring and schematic diagrams, Figures 8-2 and 8-3.
These generators are transformer regulated as shown.
The load leads are connected to the circuit breakers in
the control box (supplied on 60 hertz gensets).
When output is taken from two generator windings (such
as 120/240 volts), the load must be balanced across the
windings. Taking full load from one winding can cause
poor voltage regulation and damage to the equipment or
generator. A 220-, 230- or 240-volt load is connected
across both windings. The AC output breaker (not fur-
nished on 50 hertz gensets) must be sized according to
the AC output current.
International 50 hertz or 60 hertz generators can be con-
nected for 2-wire, single-phase, 220- or 240-volt output.
This is done by grounding lead L2, and lifting and insulat-
ing (by electrical tape or isolation terminal) lead L0 on
transformer-regulated generators. In these connections,
only the hot lead L1 is connected through the breaker trip;
and lead L2 is connected directly to ground (not through
the breaker trip).
*EQUIPMENT GROUNDING CONDUCTOR (GREEN)
GROUNDED NEUTRAL CONDUCTOR (WHITE)
UNGROUNDED CONDUCTOR (BLACK)
UNGROUNDED CONDUCTOR WHEN USED (BLACK)
FROM DOCKSIDE
POWER SOURCE
120 V
240 V
SWITCH, ONAN #300−0269: 2−POLE, 120 VOLT SYSTEMS
SWITCH, ONAN #300−0270: 3−POLE, 120/240 VOLT SYSTEMS
TO BRANCH CIRCUIT
PROTECTIVE DEVICES
OBSERVE NEGATIVE
GENERATOR SET
GROUND
GENERATOR
*EQUIPMENT GROUND IS NOT PART OF GENERATOR WIRING
MUST BE CUSTOMER INSTALLED IF REQUIRED.
SHORE−POWER DISCONNECT
CIRCUIT BREAKER
FIGURE 8-1. TYPICAL SINGLE-PHASE MANUAL SHORELINE-TRANSFER SWITCH CIRCUIT
Redistribution or publication of this document,
by any means, is strictly prohibited.

8-2
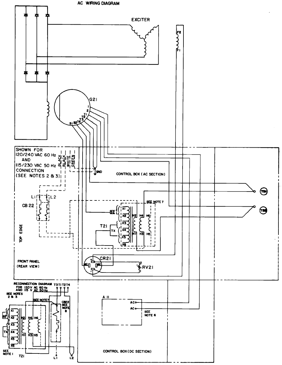
FIGURE 8-2. AC WIRING DIAGRAM, SINGLE-PHASE, TRANSFORMER REGULATION (PG. 1 OF 2)
Redistribution or publication of this document,
by any means, is strictly prohibited.

8-3
COMPONENT IDENTIFICATION
REF DES DESCRIPTION
A11 PCB Ass’y, Engine Monitor
CB22 Circuit Breaker, Load
CR21 Bridge Rectifier
G21 Generator, Ac
RV21 Suppressor Ass’y
TB1, 2 Standoff Insulator
T21 Transformer, Regulation
FIGURE 8-3. AC SCHEMATIC DIAGRAM, SINGLE-PHASE, TRANSFORMER REGULATION (PG. 2 OF 2)
Redistribution or publication of this document,
by any means, is strictly prohibited.

8-4
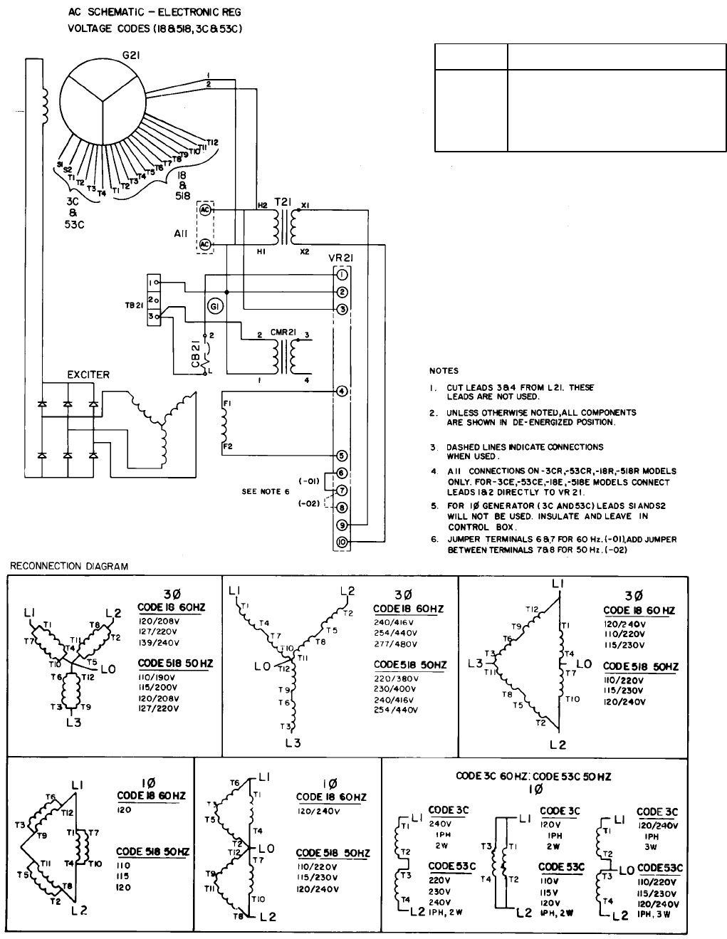
FIGURE 8-4. AC WIRING DIAGRAM, SINGLE- AND THREE-PHASE, ELECTRONIC REGULATION (PG. 1 OF 2)
Redistribution or publication of this document,
by any means, is strictly prohibited.

8-5
COMPONENT IDENTIFICATION
REF DES DESCRIPTION
A11 PCB Ass’y, Engine Monitor
CB21 Circuit Breaker, 3 Ampere
CB22 Circuit Breaker, Load
G21 Generator, AC
VR21 Voltage Regulator Ass’y
FIGURE 8-5. AC SCHEMATIC WIRING, SINGLE- AND THREE-PHASE, ELECTRONIC REGULATION (PG. 2 OF 2)
Redistribution or publication of this document,
by any means, is strictly prohibited.

8-6
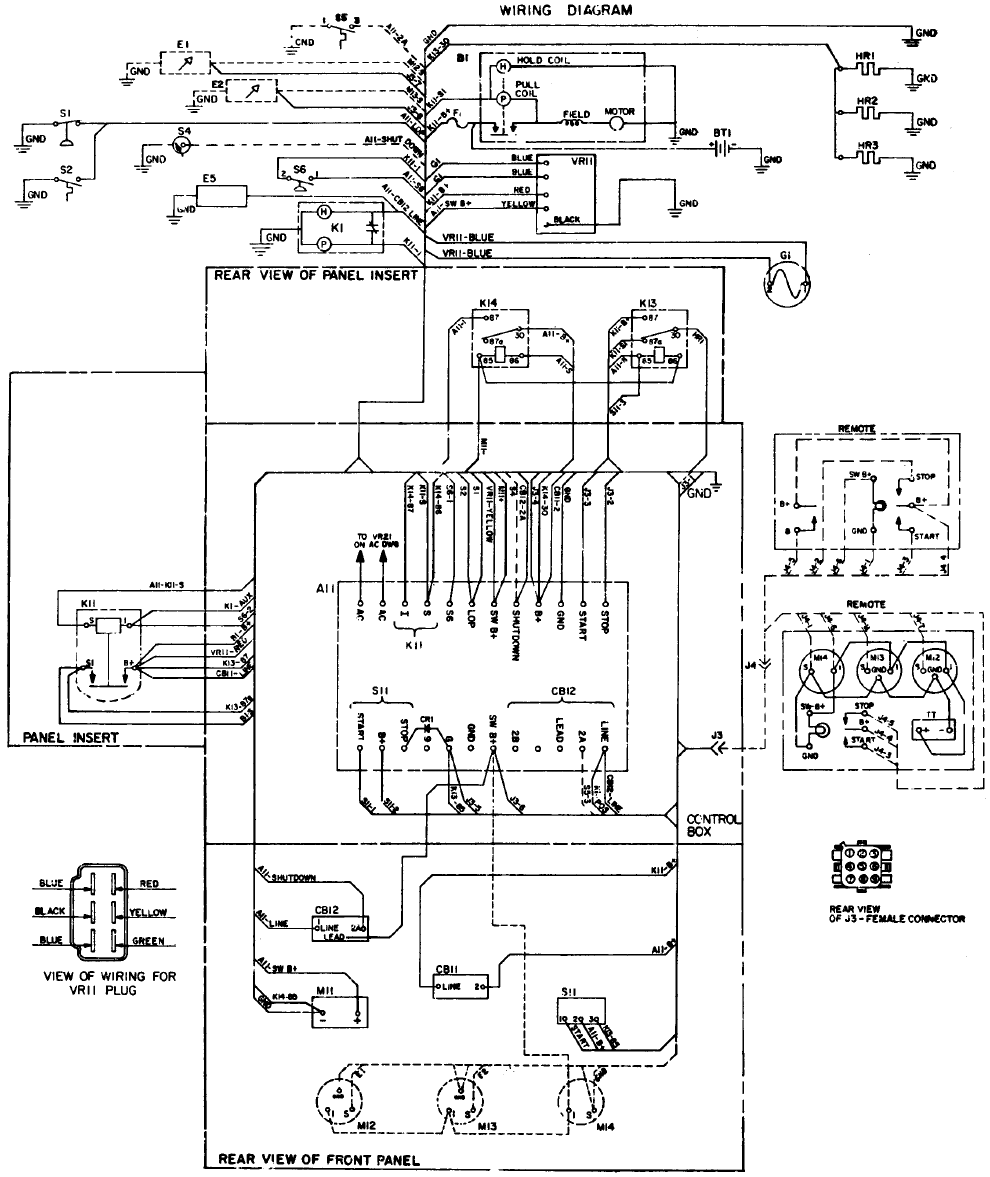
FIGURE 8-6. DC CONTROL WIRING DIAGRAM (PG. 1 OF 2)
Redistribution or publication of this document,
by any means, is strictly prohibited.

8-7
COMPONENT IDENTIFICATION
REF DES DESCRIPTION
A11 PCB Ass’y, Engine Monitor
A11-k12 Relay, Power
A11-k15 Relay, Starter Protection
A11-r1 Resistor, K12
A11-r2 Resistor, Lop Timing
B1 Starter & Solenoid
BT1 Battery, 12V
CB11 Circuit Breaker, Control
CB12 Circuit Breaker, Fault
CR1 Rectifier Ass’y, Stop
E1 Sender, Oil Pressure
E2 Sender, Coolant Temp
E5 Fuel Pump, Electric
F1 Fuse, 30 Ampere
G1 Alternator, Batt. Charge
HR1-3 Heater, Glow Plug
K1 Fuel Solenoid
K11 Relay, Start Solenoid
K13 Relay, Heater
K14 Relay, Fuel Solenoid
M11 Meter, Time Totalizing
M12 Gauge, Oil Pressure
M13 Gauge, Coolant Temp
M14 Voltmeter
S1 Switch, Low Oil Pressure
S2 Switch, High Coolant Temp
S4 Switch, Overspeed
S5 Switch, High Exhaust Temp
S6 Switch, Control Pwr. Latch
S11 Switch, Start/Stop
VR11 Regulator, Battery Charging
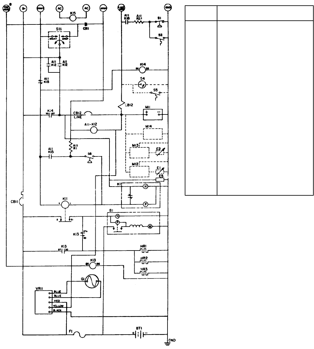
FIGURE 8-7. DC CONTROL SCHEMATIC DIAGRAM (PG. 2 OF 2)
Redistribution or publication of this document,
by any means, is strictly prohibited.

8-8
Reconnectable Generators
Reconnectable, multi-lead generators have wide ranges
of single- or three-phase voltages. These generators
have electronic regulation. The connections are shown
on the AC wiring and schematic diagrams, Figures 8-4
and 8-5.
REMOTE CONTROLS
Provision is made on the genset for connection of a re-
mote control panel. A 9-pin remote connector (J3) on the
control box connects to a connector (J4) on the remote
panel. See Figure 8-6. Onan has two remote kits (with or
without meters) complete with installation instructions.
Also available are complete harness assemblies with
end-connectors in 15-, 25-, and 45-foot (4.6, 7.6, and
13.7 m) lengths. Call the Onan dealer or distributor for
assistance in securing these items.
Additional control stations (without meters) can be added
if desired. The genset senders (temperature and oil pres-
sure) can each control only one meter. If the genset con-
trol box has meters, they must be disconnected to pre-
vent erroneous readings at the remote panel. The electri-
cal code does not allow the remote-control harness or
wiring to be routed in the same conduit with AC wiring.
Interchanging the connections shown
on the instruction sheet or the generator set wiring
diagram can cause equipment damage.
Be sure to seal all openings made for the wiring so ex-
haust or fuel vapors cannot enter the living quarters. If
flexible-metal conduit is used for remote wiring, it must be
sealed internally at the end where it terminates within the
junction box. Flexible-metal conduit is not vapor-tight
along its length due to its unique construction.
Inhalation of exhaust gas or ignition of
fuel vapor can cause severe personal injury or death.
Be sure to vapor-seal flexible metal conduit and all
openings made during installation of the generator
set with a silicone/rubber-based sealant.
BATTERY
General
Always use a battery at least as large as specified. The
battery should be installed close to the genset, prefer-
ably in a separate compartment. The compartment must
be well ventilated to prevent accumulation of explosive
battery gases.
Mount the battery in an acid resistant tray on a platform
above the floor. It must be secured to prevent shifting. If
mounted in an engine compartment, always install a non-
metallic cover to prevent battery damage and arcing from
accidentally dropped tools. Figure 8-8 shows a typical
battery tray and cover.
The ignition of diesel fuel or fumes can
result in severe personal injury or death. Connect
the generator set battery ground (-) lead only at the
location shown.
ES1103
FIGURE 8-8. TYPICAL BATTERY TRAY AND COVER
Maintenance free batteries definitely should be consid-
ered for marine application. The technology in these bat-
teries make them completely sealed and maintenance
free. They offer higher output ratings (CCA), and better
durability.
Leakage of fuel in or around the genera-
tor set compartment presents a hazard of fire or ex-
plosion that can cause severe personal injury or
death. Do not disconnect or connect battery cables
if fuel vapors are present. Ventilate the compartment
thoroughly with the bilge blowers or power exhaust-
ers.
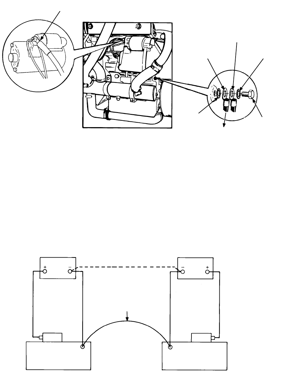
Using cable size specified in Table 8-1, connect the bat-
tery negative (-) lead to the genset at the location shown
in Figure 8-9. Failure to do so can cause arcing or resist-
ance in the cranking circuit. Connect the battery positive
(+) lead to the start solenoid as shown.
Connect the cables to the battery as shown, the negative
(-) battery terminal last. Be sure the battery connections
are clean and tight; then cover the battery terminals with
a dielectric grease to retard corrosion.
TABLE 8-1. BATTERY CABLE SIZE
REQUIREMENTS
(Maximum Length of One Cable)
Cable Size 2 1 0 00 000 0000
Length 4 ft 5 ft 7 ft 9 ft 11 ft 14 ft
(1.2 m) (1.5 m) (2.1 m) (2.7 m) (3.4 m) (4.3 m)
Redistribution or publication of this document,
by any means, is strictly prohibited.

8-9
ES1627-1
STARTER MOTOR
POSITIVE (+)
BATTERY CABLE
NEGATIVE (−)
BATTERY CABLE
COMMON BONDING
LEAD OR STRAP
TO VESSEL
COMMON BONDING
CONDUCTOR
EIT
LOCKWASHER M10 CAPSCREW
EIT
LOCKWASHER
FIGURE 8-9. BATTERY CABLE CONNECTIONS
Grounding
The genset requires the battery connected negative
ground. Most propulsion engines and vessel electrical
equipment have negative ground systems.
The genset and propulsion engine/s must be grounded in
accordance with USCG regulation 33C FR183.415. The
regulation requires a common ground conductor con-
nected between the genset and propulsion engine crank-
ing motor circuits. The conductor must be the same size
as the largest battery cable. See Figure 8-10.
BATTERY BATTERY
NOT
ACCEPTABLE
GENERATOR SET PROPULSION ENGINE
COMMON CONDUCTOR SAME
SIZE AS BATTERY CABLE
FIGURE 8-10. COMMON GROUND CONDUCTOR
Redistribution or publication of this document,
by any means, is strictly prohibited.

8-10
The conductor prevents accidental passage of cranking
current through the fuel systems and smaller electrical
conductors common to the engines. This can happen if a
cranking motor ground circuit becomes resistive or
opens from corrosion, vibration, bad cable, etc. Do not
connect the battery negative lead at a genset location
other than shown in Figure 8-9.
Improper ground can cause severe per-
sonal injury or death from fire or explosion. Be sure
to install a common ground conductor between all
on-board cranking circuits.
BONDING
The genset must be bonded to the vessel common-bond-
ing conductor with a bonding lead or strap attached to the
engine block (same location as the negative battery
cable). See Figure 8-9 for hardware used and the proper
assembly.
If a metallic fuel line is installed between the fuel tank and
the genset shutoff valve, it too must be bonded to the ves-
sel common-bonding conductor.
Redistribution or publication of this document,
by any means, is strictly prohibited.

9-1
Section 9. Final Installation Checks
INSTALLATION CHECKS
Before trying to start the genset, determine that the instal-
lation is complete by answering affirmatively the follow-
ing questions:
•Is the exhaust system secure and all connections
tight?
•Is a flexible section of exhaust hose used between
the genset and muffler?
•Is all exhaust hose certified for marine exhaust ap-
plication, and adequately supported and protected?
•Is the exhaust outlet terminated away from windows,
vents or other openings that might allow exhaust
gases to enter the vessel, or be pulled into the vessel
when in motion?
•Are the AC generator and load wires securely and
correctly connected to the circuit breaker?
•Are the battery cables connected correctly and se-
curely at the genset and battery?
•Has crankcase oil been added to the engine, and at
the correct level? See the Maintenance section of
the Operator’s Manual.
Oil, coolant, and fuel have been
drained from the engine at the factory prior to
shipment. Operation without oil and coolant will
damage the engine.
INITIAL STARTING AND CHECKS
Refer to the Operator’s Manual before trying to start the
genset. Make sure the fuel shutoff valve and sea water
cock are open. Operating the sea water pump without
water will ruin the neoprene impeller.
•Start the genset by holding the Start/Stop switch in
Start position. The genset should start within a few
seconds. If not, check fuel supply and shutoff
valve/s.
•Check water flow at the hull exhaust outlet, and op-
eration of the genset. Refer to Operator’s Manual for
proper parameters.
•Check the exhaust system for leaks—visually and
audibly. Note the security of the exhaust system
supports. If any leaks are found, shut down the gen-
set immediately and repair.
Exhaust gas is deadly. For this rea-
son, shut down the generator set immediately if
an exhaust leak or exhaust component needs
repair. Do not run the generator set until the ex-
haust system is repaired.
•Check the genset for fuel, oil and coolant leaks. If
any are found, shut down the genset and repair the
leak before making any more checks.
•Connect an accurate AC voltmeter and frequency
meter across two line terminals. Apply load to the
generator and check the output.
Output frequency is determined by engine speed and
normally does not require adjustment. Verify that fre-
quency is correct before making voltage adjustments.
Call an authorized Onan distributor or dealer for assis-
tance if needed.
VOLTAGE ADJUSTMENT
If the voltage is not within specs, it can be adjusted using
the following procedures for either Transformer or Elec-
tronic regulation.
High voltages within the control cabinet
can cause severe personal injury or death. Proceed
with care and do not touch electrical contacts with
any tool, clothing, jewelry or body part.
Magnetic Regulation
1. With the genset running, note if voltage needs to be
increased or decreased.
2. Stop the genset. Disconnect the negative (-) bat-
tery cable before proceeding.
Accidental starting of the genera-
tor set can cause severe personal injury or
death. Disconnect the negative (-) battery cable
before adjusting the regulator transformer taps.
3. Move taps of transformer T21 as shown on the chart
in Figure 8-3.
4. Reconnect the battery cable. Operate the genset
and recheck output voltage. If necessary, repeat the
above steps. The genset is now ready for operation.
Redistribution or publication of this document,
by any means, is strictly prohibited.

9-2
Electronic Regulation
1. With the genset operating, set the Voltage Adjust
potentiometer on the regulator board assembly
(Figure 9-1) for the correct nameplate voltage. Also
refer to Figures 8-4 and 8-5.
Do not adjust the Volts/Hz. Adjust
potentiometer as it may be difficult to reset for
proper operation. It is factory set using special
calibration equipment.
2. The genset is now ready for operation.
ES1388
VOLTAGE
ADJUST VOLTS/HZ
ADJUST
FIGURE 9-1. ELECTRONIC REGULATOR BOARD
Redistribution or publication of this document,
by any means, is strictly prohibited.

Notes
Redistribution or publication of this document,
by any means, is strictly prohibited.

Cummins Power Generation
1400 73rd Avenue N.E.
Minneapolis, MN 55432
763-574-5000
Fax: 763-528-7229
Cummins and Onan are registered trademarks of Cummins Inc.
Redistribution or publication of this document,
by any means, is strictly prohibited.