NEW Layout Manual OUTLINE American Dryer Corp. Clothes AD 30 30VPhase7Dual Timer
User Manual: American Dryer Corp. Clothes Dryer AD-30
Open the PDF directly: View PDF
.
Page Count: 28
- Safety Precautions
- Specifications
- Installation Procedures
- Unpacking/Setting Up
- Location Requirements
- Dryer Enclosure Requirements
- Fresh Air Supply Requirements
- Exhaust Requirements
- Electrical Information
- Gas Information
- Steam Information
- Preparation for Operation/Start-Up
- Preoperational Test
- Preoperational Instructions
- Shutdown Instructions
- Service/Parts Information
- Warranty Information
- Routine Maintenance
- Data Label Information
- Procedure for Functional Check of Replacement Components
- Manual Reset Burner Hi-Limit Instructions
- S.A.F.E. System

AD-30V Installation Manual
Phase 7 / Dual Timer / S.A.F.E. System
ADC Part No. 113229-4
American Dryer Corporation
88 Currant Road
Fall River MA 02720-4781 USA
Telephone: +1 (508) 678-9000 / Fax: +1 (508) 678-9447
e-mail: techsupport@amdry.com
www.amdry.com
WARNING: For your safety the information
in this manual must be followed to
minimize the risk of fire or explosion and
to prevent property damage, personal
injury or death.
— Do not store or use gasoline or other
flammable vapors and liquids in the
vicinity of this or any other appliance.
— WHAT TO DO IF YOU SMELL GAS:
●Do not try to light any appliance.
●Do not touch any electrical switch;
do not use any phone in your
building.
●Clear the room, building or area of
all occupants.
●Immediately call your gas supplier
from a neighbor’s phone. Follow
the gas supplier’s instructions.
●If you cannot reach your gas
supplier, call the fire department.
— Installation and service must be
performed by a qualified installer, service
agency or the gas supplier.
AVERTISSEMENT: Assurez-vous de bien
suivre les instructions données dans cette
notice pour réduire au minimum le risque
d’incendie ou d’explosion ou pour éviter
tout dommage matériel, toute blessure ou
la mort.
—Ne pas entreposer ni utiliser d’essence
ni d’autres vapeurs ou liquides
inflammables à proximité de cet
appareil ou de tout autre appareil.
—QUE FAIRE SI VOUS SENTEZ UNE
ODEUR DE GAZ:
●Ne pas tenter d’allumer d’appareils.
●Ne touchez à aucun interrupteur. Ne
pas vous servir des téléphones se
trouvant dans le bâtiment.
●Évacuez la pièce, le bâtiment ou la
zone.
●Appelez immédiatement votre
fournisseur de gaz depuis un voisin.
Suivez les instructions du fournisseur.
●Si vous ne pouvez rejoindre le
fournisseur de gaz, appelez le service
des incendies.
—L’installation et l’entretien doivent être
assurés par un installateur ou un
service d’entretien qualifié ou par le
fournisseur de gaz.

“IMPORTANT NOTE TO PURCHASER”
Information must be obtained from your local gas supplier on the
instructions to be followed if the user smells gas. These
instructions must be posted in a prominent location near the dryer.
FOR YOUR SAFETY
Do not store or use gasoline
or other flammable vapors
and liquids in the vicinity of
this or any other appliance.
POUR VOTRE SÉCURITÉ
Ne pas entreposer ni utiliser d’essence
ni d’autres vapeurs ou liquides
inflammables à proximité de cet
appareil ou de tout autre appareil.
We have tried to make this manual as complete as possible and hope you will find it useful. The manufacturer
reserves the right to make changes from time to time, without notice or obligation, in prices, specifications,
colors, and material, and to change or discontinue models. The illustrations included in this manual may
not depict your particular dryer exactly.
IMPORTANT
For your convenience, log the following information:
DATE OF PURCHASE ________________________________________________ MODEL NO. _____________________
RESELLER’S NAME __________________________________________________________________________________
SERIAL NUMBER(S) __________________________________________________________________________________
____________________________________________________________________________________________________
____________________________________________________________________________________________________
Replacement parts can be obtained from your reseller or the ADC factory. When ordering replacement parts
from the factory, you can FAX your order to ADC at +1 (508) 678-9447 or telephone your order directly to the
ADC Parts Department at +1 (508) 678-9000. Please specify the dryer model number and serial number in
addition to the description and part number, so that your order is processed accurately and promptly.
Retain This Manual in a Safe Place for Future Reference
This product embodies advanced concepts in engineering, design, and safety. If this product is properly
maintained, it will provide many years of safe, efficient, and trouble free operation.
Only qualified technicians should service this equipment.
OBSERVE ALL SAFETY PRECAUTIONS displayed on the equipment or specified in the installation
manual included with the dryer.
The following “FOR YOUR SAFETY” caution must be posted near the dryer in a prominent location.
AD-30V PH7

List of Acronyms _______________
D.M.S. Drill Measurement Size
HVAC Heating, Ventilating, and Air-Conditioning
in WC Inches of Water Column
L.C.D. Liquid Crystal Display
L.E.D. Light Emitting Diode
L.P. Liquid Propane
OSHA Occupational Safety
and Health Administration
R.M.A. Return Material Authorization
S.A.F.E. Sensor Activated Fire Extinguishing
UL Underwriters Laboratory
Table of Contents ___
IMPORTANT
You must disconnect and lockout the electric supply and
the gas supply or the steam supply before any covers or
guards are removed from the machine to allow access
for cleaning, adjusting, installation, or testing of any
equipment per OSHA standards.
Please observe all safety precautions displayed on the
equipment and/or specified in the installation manual
included with the dryer.
Before installation, check that the local distribution
conditions, nature of gas and pressure, and adjustment
of the appliances are compatible.
CAUTION
Dryer(s) should never be left unattended while in operation.
When discarding or storing your old clothes dryer,
remove the door.
Lorsque vous entreposez ou mettez votre sécheuse
au rebut, enlevez-en la porte.
“Caution: Label all wires prior to disconnection when
servicing controls. Wiring errors can cause improper
operation.”
«Attention: Au moment de l’entretien des commandes,
étiquetez tous les fils avant de les débrancher. Des erreurs
de câblage peuvent entraîner un fonctionnement inadéquat
et dangereux.»
WARNING
Children should not be allowed to play on or near the
dryer(s). Children should be supervised if near dryer(s)
in operation.
Under no circumstances should the dryer door switch(es),
lint door/drawer switch(es), or heat safety circuit(s) ever
be disabled.
The dryer must never be operated with any of the back
guards or service panels removed. Personal injury or fire
could result.
The dryer must never be operated without the lint filter/
screen in place, even if an external lint collection system
is used.
FOR YOUR SAFETY
Do not dry mop heads in the dryer. Do not use dryer in
the presence of dry cleaning fumes.
The dryers must not be installed or stored in an area where
it will be exposed to water and/or weather.
The wiring diagram for the dryer is located behind the
control panel.
Proposition 65
Use of this product could expose you to substances
from fuel combustion that contain chemicals
known to the State of California to cause cancer,
birth defects and other reproductive harm.
▲ WARNING
!
Safety Precautions ......................... 4
Specifications ................................. 5
Installation Procedures .................. 7
Unpacking/Setting Up ...................................7
Location Requirements ................................7
Dryer Enclosure Requirements ................... 7
Fresh Air Supply Requirements ...................8
Exhaust Requirements ................................. 8
Electrical Information ..................................10
Gas Information...........................................13
Steam Information .......................................15
Preparation for Operation/Start-Up .............17
Preoperational Test.....................................17
Preoperational Instructions ........................18
Shutdown Instructions ................................19
Service/Parts Information ............ 20
Service .........................................................20
Parts.............................................................20
Warranty Information ................... 20
Returning Warranty Cards ..........................20
Warranty.......................................................20
Returning Warranty Parts............................20
Routine Maintenance ................... 21
Cleaning ......................................................21
Adjustments ................................................21
Lubrication ...................................................21
Data Label Information................. 22
Procedure for Functional Check
of Replacement Components ....... 23
Manual Reset
Burner Hi-limit Instructions .......... 24
Phase 7 .......................................................24
Dual Timer ...................................................24
S.A.F.E. System .............................. 25

4 American Dryer Corp. 113229-4
Safety Precautions ___________________
Warning
For your safety, the information in this manual
must be followed to minimize the risk of fire or
explosion or to prevent property damage, personal injury,
or loss of life.
The dryer must never be operated with any of the back
guards, outer tops, or service panels removed. Personal
injury or fire could result.
Do not store or use gasoline or other flammable vapors
and liquids in the vicinity of this or any other appliance.
Purchaser and user should consult the local gas supplier
for proper instructions to be followed in the event the user
smells gas. The instructions should be posted in a
prominent location.
What To Do If You Smell Gas
• Do not try to light any appliance.
• Do not touch any electrical switch.
• Do not use any phone in your building.
• Clear the room, building, or area of all occupants.
• Immediately call your gas supplier from a neighbor’s
phone. Follow the gas supplier’s instructions.
• If you cannot reach your gas supplier, call the fire
department.
Installation and service must be performed by a qualified
installer, service agency, or gas supplier.
Dryers must be exhausted to the outdoors.
Although ADC produces a very versatile dryer, there are
some articles that, due to fabric composition or cleaning
method, should not be dried in it.
Warning
Dry only water washed fabrics. Do not dry
articles spotted or washed in dry cleaning
solvents, a combustible detergent, or “all purpose”
cleaner. Explosion could result.
Do not dry rags or articles coated or contaminated with
gasoline, kerosene, oil, paint, or wax. Explosion could
result.
Do not dry mop heads. Contamination by wax or
flammable solvents will create a fire hazard.
Do not use heat for drying articles that contain plastic,
foam, sponge rubber, or similarly textured rubber
materials. Drying in a heated tumbler may damage
plastics or rubber and may be a fire hazard.
A program should be established for the inspection and
cleaning of lint in the burner area, exhaust ductwork, and
area around the back of the dryer. The frequency of
inspection and cleaning can best be determined from
experience at each location.
Warning
The collection of lint in the burner area and
exhaust ductwork can create a potential fire
hazard.
For personal safety, the dryer must be electrically grounded
in accordance with local codes and/or the National Electrical
Code ANSI/NFPA NO. 70-LATEST EDITION or in Canada,
the Canadian Electrical Codes Parts 1 & 2 CSA C22.1-1990
or LATEST EDITION.
Note
Failure to electrically ground the dryer properly
will void the warranty.
Under no circumstances should the dryer door switch, lint
door switch, or heat safety circuit ever be disabled.
Warning
Personal injury or fire could result should the
dryer door switch, lint door switch, or heat safety
circuit ever be disabled.
This dryer is not to be used in the presence of dry cleaning
solvents or fumes.
Remove articles from the dryer as soon as the drying cycle
has been completed.
Warning
Articles left in the dryer after the drying and
cooling cycles have been completed can create
a fire hazard.
Read and follow all caution and direction labels attached to
the dryer.
For safety, proper operation, and optimum performance, the
dryer must not be operated with a load less than sixty-six
percent, 19 lb (8.61 kg) of its rated capacity.
Warning
You must disconnect and lock out the electric
supply and the gas supply or the steam supply
before any covers or guards are removed from the
machine to allow access for cleaning, adjusting,
installation, or testing of any equipment per OSHA
standards.
Important
Dryer must be installed in a location/
environment, which the ambient temperature
remains between 40º F (4.44º C) and 130º F (54.44º C).
!
!
!
!
!
!
!
!

113229-4 www.amdry.com 5
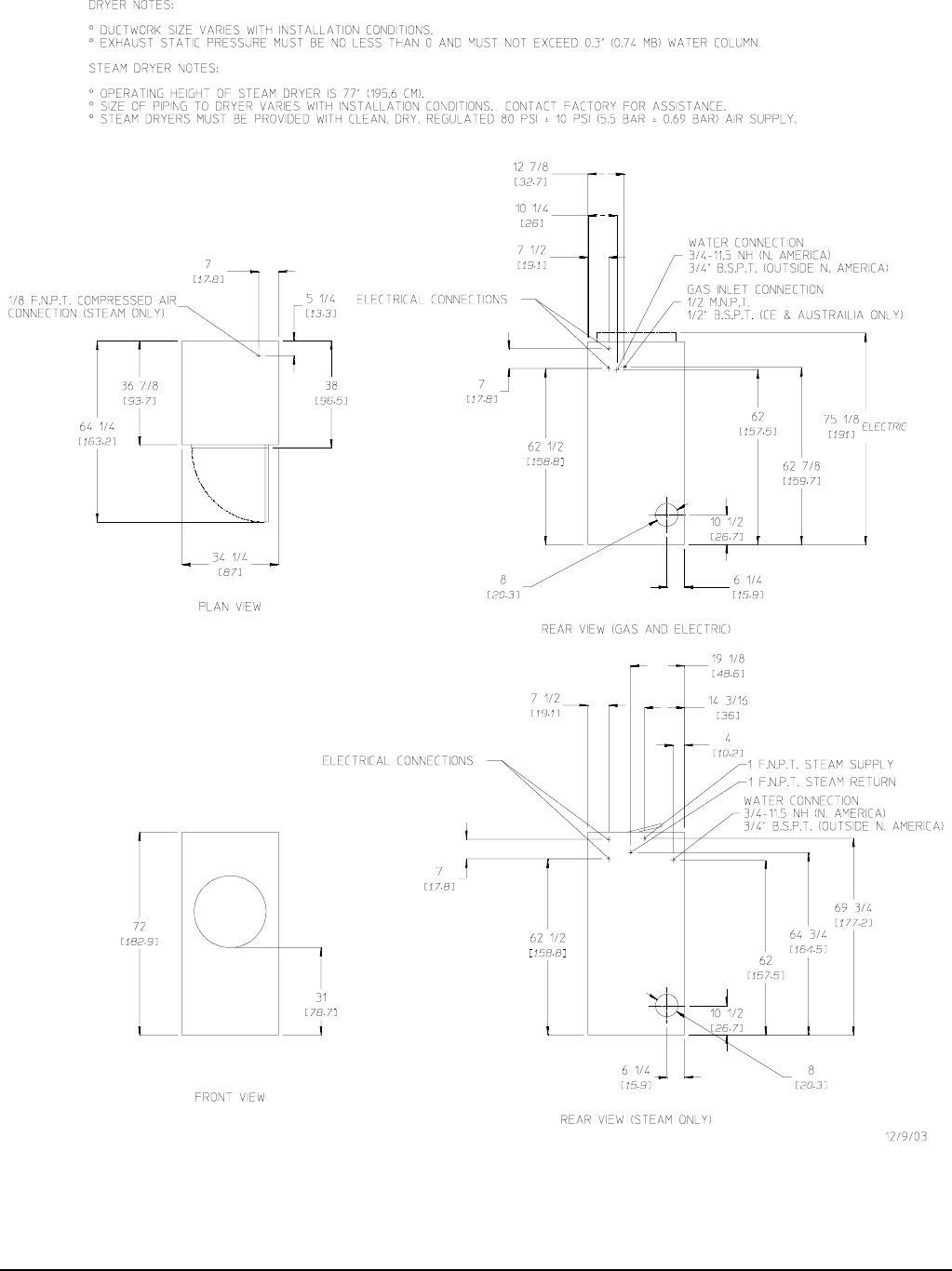
Specifications _____________________________________________________________________
)THGIEWYRD(YTICAPACMUMIXAMbl03 gk6.31
RETEMAIDRELBMUT”4/3-23 mc2.38
HTPEDRELBMUT ”8/5-52 mc1.56
EMULOVRELBMUTtfuc5.21 L6069.353
ROTOMEVIRD/RELBMUT
gnisreveR/gnisreveR-noN
ph2/1/ph2/1 *Wk373.0/Wk373.0
ROTOMNAF/REWOLB
gnisreveR/gnisreveR-noN
ph2/1/ph—*Wk373.0/Wk—
)RETEMAID(GNINEPOROOD ”2/1-12 mc16.45
THGIEHLLISROOD ”8/1-33 mc51.48
NOITCENNOCRETAW HN5.11-4/3
)aciremAhtroN(
.T.P.S.B”4/3
)aciremAhtroNedistuO(
RENIATNOC’04/’02REPSREYRD 62/21
KCURT’35/’84REPSREYRD 23/03
ELBALIAVAEGATLOV zH06/05w4,3,2ø3,1V084-021
THGIEWTENETAMIXORPPAbl435 gk242
THGIEWGNIPPIHSETAMIXORPPAbl175 gk952
WOLFRIA zH06 mfc064 mmc31
zH05 mfc383 mmc58.01
TUPNITAEHrh/utB000,001 rh/lack002,52
)RETEMAID(NOITCENNOCTSUAHXE ”8mc23.02
NOITCENNOCRIADESSERPMOC A/N
EMULOVRIADESSERPMOC A/N
NOITCENNOCEPIPTELNI .T.P.N.M”2/1
.T.P.S.B”2/1
)ylnOailartsuAdnaEC(
ELBALIAVAEGATLOV zH06/05w4,3,2ø3,1V064-802
THGIEWTENETAMIXORPPAbl435 gk242
THGIEWGNIPPIHSETAMIXORPPAbl175 gk952
WOLFRIA zH06 mfc064 mmc31
zH05 mfc383 mmc58.01
)RETEMAID(NOITCENNOCTSUAHXE ”8mc23.02
NOITCENNOCRIADESSERPMOC A/N
EMULOVRIADESSERPMOC A/N
EZISNEVO
Wkrh/utB rh/lack
02002,86 002,71
42009,18 006,02
ELBALIAVAEGATLOV zH06/05w4,3,2ø3,1V084-021
THGIEWTENETAMIXORPPAbl395 gk962
THGIEWGNIPPIHSETAMIXORPPAbl136 gk682
WOLFRIA zH06 mfc064 mmc31
zH05 mfc383 mmc58.01
NOITPMUSNOCMAETSrh/bl401 rh/gk2.74
ERUSSERPMAETSGNITAREPOxamisp521 rab6.8
)RETEMAID(NOITCENNOCTSUAHXE ”8mc23.02
NOITCENNOCRIADESSERPMOC .T.P.N.F”8/1
EMULOVRIADESSERPMOChfc5.0 hmc410.0
)DAOLLAMRON(REWOPESROHRELIOB phB0.3
NOITCENNOCYLPPUS .T.P.N.F”1
NOITCENNOCNRUTER .T.P.N.F”1
!
Gas
Electric
Steam**
Shaded areas are stated in metric equivalents 1/5/04
* Reversing dryer available with 3-phase (3ø) 1/2 hp (0.373 kW) motor standard.
** Specify air-operated or electromechanical steam damper system. Air-operated steam damper system must be provided with
clean, dry and regulated 80 psi ± 10 psi (5.51 bar ± 0.68 bar) air supply.
Note
The manufacturer reserves the right to make changes in specifications at any time without notice or obligation.

6 American Dryer Corp. 113229-4
Specifications _____________________________________________________________________

113229-4 www.amdry.com 7
!
Installation Procedures ______________
Installation should be performed by competent technicians
in accordance with local and state codes. In the absence of
these codes, the installation must conform to applicable
American National Standards: ANSI Z223.1-LATEST
EDITION (National Fuel Gas Code) or ANSI/NFPA NO. 70-
LATEST EDITION (National Electrical Code) or in Canada,
the installation must conform to applicable Canadian
Standards: CAN/CGA-B149.1-M91 (Natural Gas) or CAN/
CGA-B149.2-M91 (L.P. Gas) or LATEST EDITION (for General
Installation and Gas Plumbing) or Canadian Electrical
Codes Parts 1 & 2 CSA C22.1-1990 or LATEST EDITION (for
Electrical Connections).
Unpacking/Setting Up ________________
Remove protective shipping material (i.e., plastic wrap and
optional shipping box) from dryer.
Important
Dryer must be transported and handled in an
upright position at all times.
The dryer can be moved to its final location while still
attached to the skid or with the skid removed. To unskid the
dryer, locate and remove the four bolts securing the base of
the dryer to the wooden skid. Two are at the rear base
(remove the back panel for access), and two are located in
the bottom of the lint chamber. To remove the two bolts
located in the lint chamber area, remove the lint door.
With the skid removed, to make it easier to slide the dryer
into its final position, slightly lower all four leveling legs, so
that the dryer will slide on the legs instead of the base frame.
Leveling Dryer
The dryer is equipped with four leveling legs, one at each
corner of the base. Two are located at the rear of the dryer
base, and two are located in the lint chamber (coop). To
increase bearing life and improve efficiency, the dryer should
be tilted slightly to the rear.
Location Requirements ______________
Before installing the dryer, be sure the location conforms to
local codes and ordinances. In the absence of such codes
or ordinances the location must conform with the National
Fuel Gas Code ANSI.Z223.1 LATEST EDITION, or in Canada,
the installation must conform to applicable Canadian
Standards: CAN/CGA-B149.1-M91 (Natural Gas) or CAN/
CGA-B149.2-M91 (L.P. Gas) or LATEST EDITION (for General
Installation and Gas Plumbing).
The dryer must be installed on a sound level floor capable
of supporting its weight. Carpeting must be removed from
the floor area that the dryer is to rest on.
Important
“The dryer must be installed on noncombustible
floors only.”
The dryer must not be installed or stored in an area where it
will be exposed to water and/or weather.
The dryer is for use in noncombustible locations.
Provisions for adequate air supply must be provided as
noted in this manual (refer to Fresh Air Supply
Requirements).
Clearance provisions must be made from noncombustible
construction as noted in this manual (refer to Dryer
Enclosure Requirements).
Provisions must be made for adequate clearances for
servicing and for operation as noted in this manual (refer to
Dryer Enclosure Requirements).
Dryer must be exhausted to the outdoors as noted in this
manual (refer to Exhaust Requirements).
Dryer must be located in an area where correct exhaust
venting can be achieved as noted in this manual (refer to
Exhaust Requirements).
Important
Dryer should be located where a minimum
amount of exhaust duct will be necessary.
The dryer must be installed with a proper exhaust duct
connection to the outside.
The dryer must be installed with provisions for adequate
combustion and make-up air supply.
Caution
This dryer produces combustible lint and must
be exhausted to the outdoors. Every 6 months,
inspect the exhaust ducting and remove any lint buildup.
Important
Dryer must be installed in a location/
environment, which the ambient temperature
remains between 40º F (4.44º C) and 130º F (54.44º C).
Dryer Enclosure Requirements ______
Bulkheads and partitions should be made of
noncombustible materials and must be located a minimum
of 12-inches (30.48 cm) above the dryer’s outer top;
18-inches (45.72 cm) for steam dryers, except along the
front of the dryer, which may be closed if desired.
Note
Allowances must be made for opening the
control door.
With the exception of the floor, clearances shown are for
combustible construction.
X = 12-inch (30.48 cm) minimum, 24-inches (60.96 cm) is suggested for ease
of maintenance.
* 1-inch (2.54 cm) maximum for electric dryers.
** 18-inch (45.72 cm) minimum for steam dryers.
!
!
!
!
!

8 American Dryer Corp. 113229-4
!
!
!
!
!
!
!
Exhaust Requirements _______________
Exhaust ductwork should be designed and installed by a
qualified professional. Improperly sized ductwork will create
excessive back pressure, which results in slow drying,
increased use of energy, and shutdown of the burner by the
airflow (sail) switch, burner hi-limits, or lint chamber hi-limit
protector thermostat. The dryer must be installed with a
proper exhaust duct connection to the outside.
When possible, it is suggested to provide a separate (single)
exhaust duct for each dryer.
Caution
This dryer produces combustible lint and must
be exhausted to the outdoors.
Improperly sized or installed exhaust ductwork can create
a potential fire hazard.
Important
It is recommended that exhaust or booster fans
not be used in the exhaust ductwork system.
The exhaust ductwork should be laid out in such a way that
the ductwork travels as directly as possible to the outdoors
with as few turns as possible. The shape of the ductwork is
not critical as long as the minimum cross section area is
provided. Single or independent dryer venting is
recommended.
It is suggested that the use of 90° turns be avoided; use 30°
or 45° angles instead.
The ductwork should be smooth inside with no projections
from sheet metal screws or other obstructions, which will
collect lint. When adding ducts, the ducts to be added should
overlap the duct to which it is connected. All ductwork joints
must be taped to prevent moisture and lint from escaping
into the building. Additionally, inspection doors should be
installed at strategic points in the exhaust ductwork for
periodic inspection and cleaning.
Important
When connecting ductwork to the dryer exhaust
duct, be sure that when screws are used they do
not restrict the operation (both opening and closing) of the
damper.
Note
When the exhaust ductwork passes through a
wall, ceiling, or roof made of combustible
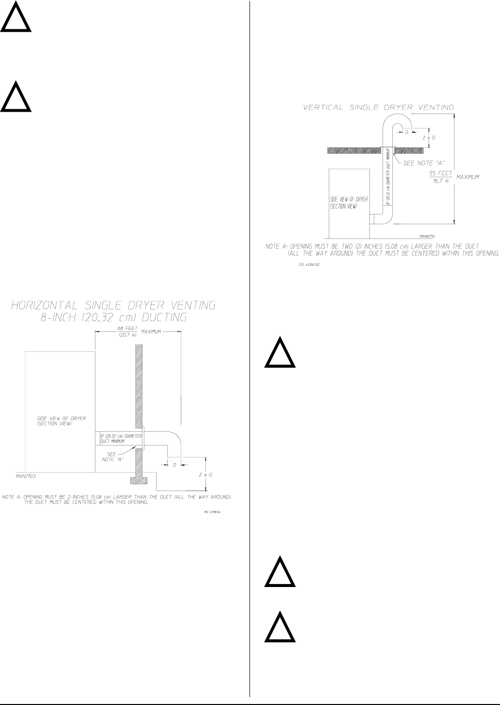
materials, the opening must be 2-inches (5.08 cm) larger
than the duct (all the way around). The duct must be
centered within this opening.
To protect the outside end of the horizontal ductwork from
the weather, a 90° elbow bent downward should be installed
where the exhaust exits the building. If the ductwork travels
vertically up through the roof, it should be protected from the
weather by using a 180° turn to point the opening downward.
In either case, allow at least twice the diameter of the duct
between the duct opening and the nearest obstruction (i.e.,
roof or ground level).
Note
Air considerations are important for proper and
efficient operation.
Dryers may be positioned sidewall to sidewall. However, a
1/16” (1.59 mm) minimum allowance must be made for
opening and closing of the control door. It is suggested that
the dryer be positioned about 2 feet (0.61 meters) away
from the nearest obstruction for ease of installation,
maintenance, and service (to be measured from the back
guard). Refer to the illustration on previous page for details.
Fresh Air Supply Requirements ______
The air supply (make-up air) must be given careful
consideration to ensure proper performance of each dryer.
An unrestricted source of air is necessary for each dryer. As
a general rule, an unrestricted air entrance from the outdoors
(atmosphere) of a minimum of 1-1/2 square feet (0.14
square meters) is required for each dryer. If registers or
louvers are installed over the openings, then the area must
be increased. It is not necessary to have separate
make-up air openings for each dryer. Common make-up
air openings are acceptable. However, they must be set up
in such a manner that the make-up air is distributed equally
to the dryers. The dryer must be installed with provisions
for adequate combustion and make-up air supply.
Example: For a bank of eight dryers, two unrestricted
openings measuring 3 feet by 2 feet (0.914 meters by 0.61
meters) are acceptable.
Important
Make-up air openings should not be located in
an area directly near where exhaust vents exit the
building.
Allowances must be made for remote or constricting
passageways or where dryers are located at excessive
altitudes or predominantly low pressure areas.
Important
Make-up air must be provided from a source free
of dry cleaning solvent fumes. Make-up air that is
contaminated by dry cleaning solvent fumes will result in
irreparable damage to the motors and other dryer
components.
Note
Component failure due to dry cleaning solvent
fumes will void the warranty.
!

113229-4 www.amdry.com 9
!Important
Do not use screens, louvers, or caps on the
outside opening of the exhaust ductwork.
Exhaust back pressure measured by a manometer at the
dryer exhaust duct area must be no less than 0 and must
not exceed 0.3 in WC (0.74 mb).
Note
As per the National Fuel Gas Code, “Exhaust
ducts for type 2 clothes dryers shall be
constructed of sheet metal or other noncombustible
material. Such ducts shall be equivalent in strength and
corrosion resistance to ducts made of galvanized sheet
steel not less than 26 gauges (0.0195-inches [0.50 mm])
thick.”
Single Dryer Venting
Horizontal Venting
When a single 8-inch (20.32 cm) horizontal vent is used,
the ductwork to the outlet cannot exceed 68 feet (20.7
meters), refer to Illus. A below. This calculation of 68 feet
(20.7 meters) compensates or allows for the use of a
maximum of only one elbow, (which is the outside outlet
protection).
Illus. A
!
!
!
!
Vertical Venting
When vertical single 8-inch (20.32 cm) venting is used (refer
to Illus. B below), the ductwork from the dryer to the outside
outlet cannot exceed 55 feet (16.7 meters). This calculation
compensates for the use of a maximum of three elbows
including the two elbows creating the 180° (turned
downward) outside outlet.
Illus. B
If the length of the duct run or quantity of elbows used
exceeds the above noted specifications, the cross-sectional
area of the ductwork must be increased in proportion to the
number of elbows or duct run added.
Important
For extended ductwork runs, the cross section
area of the duct can only be increased to an
extent. For extended ductwork runs, a professional HVAC
firm should be consulted for proper venting information.
Multiple Dryer (Common) Venting
If it is not feasible to provide separate exhaust ducts for
each dryer, ducts for individual dryers may be channeled
into a common main duct. Each dryer is provided with a
back draft damper. The individual ducts should enter the
bottom or side of the main duct at an angle not more than
45° in the direction of the airflow.
The main common duct may be any shape as long as the
minimum cross-sectional area is provided. The main duct
should be tapered with the diameter increasing before each
individual 8-inch (20.32 cm) duct is added (refer to Illus. C
for horizontal venting and Illus. D for vertical venting on the
following page).
Important
No more than four dryers maximum should be
connected to one main common duct with a
vertical run.
Note
Distance between dryer single ducts being
connected to the main common duct must be a
minimum of 34-1/4” (87 cm) dryer width.
Ductwork should be laid out in such a manner where
allowances are made at rear area of the dryer for removal
of rear service panels or guards.

10 American Dryer Corp. 113229-4
!
!
!
!
!
The illustrations below show the minimum cross section
area for multiple dryer venting. These figures must be
increased in proportion if the main duct run from the last
dryer to where it exhausts has numerous elbows or is
unusually long.
Important
For extended ductwork runs, the cross section
area of the duct can only be increased to an
extent. For extended ductwork runs, a professional HVAC
firm should be consulted for proper venting information.
Refer below for Multiple Dryer Horizontal Venting and Vertical
Venting examples/illustrations.
Horizontal Venting
Illus. C
!
!
!
Warning
Dryer must never be operated without the lint
filter/screen in place, even if an external lint
collection system is used.
Important
It is recommended that exhaust or booster fans
not be used in the exhaust ductwork system.
Vertical Venting
Illus. D
Electrical Information ________________
Electrical Requirements
All electrical connections must be made by a properly
licensed and competent electrician. This is to ensure that
the electrical installation is adequate and conforms to local
and state regulations or codes. In the absence of such
codes, all electrical connections, materials, and
workmanship must conform to the applicable requirements
of the National Electrical Code ANSI/NFPA NO. 70-LATEST
EDITION or in Canada, the Canadian Electrical Codes Parts
1 & 2 CSA C22.1-1990 or LATEST EDITION.
Important
Failure to comply with these codes or ordinances,
and/or the requirements stipulated in this manual
can result in personal injury or component failure.
Note
Component failure due to improper installation
will void the warranty.
Each dryer should be connected to an independently
protected branch circuit. The dryer must be connected with
copper wire only. Do not use aluminum wire, it could create
a fire hazard. The copper conductor wire/cable must be of
proper ampacity and insulation in accordance with electric
codes for making all service connections.
Note
The use of aluminum wire will void the warranty.
An individual ground circuit must be provided to each
dryer, do not daisy chain.
Component failure due to improper voltage application
will void the warranty.
The manufacturer reserves the right to make changes in
specifications at any time without notice or obligation.
Important
A separate protected circuit must be provided to
each dryer.
The dryer must be connected to the electric supply shown
on the data label. In the case of 208 VAC or 240 VAC, the
supply voltage must match the electric service
specifications of the data label exactly.
The wire size must be properly sized to handle the related
current.
Warning
208 VAC and 240 VAC are not the same. Any
damage done to dryer components due to
improper voltage connections will automatically void the
warranty.

113229-4 www.amdry.com 11
Electrical Service Specifications
Gas and Steam Models Only
* 3-Wire is available. 6/10/08
Electric Models Only
All electrically heated dryers must be connected to the
electric service shown on the dryer’s data label. The
connecting wires must be properly sized to handle the rated
current.
* 3-Wire is available. 6/10/08
SNOITACIFICEPSECIVRESLACIRTCELE
TNATROPMI :
SETON .A:
.B
.C
,gniredronehW.EMASEHTTONERACAV042/032DNACAV802 .egatlovtcaxeyficeps
tnerruc,yaledemit,tnemelelaudebtsumyehtdesuerasesufnehW esuftcerrocenimreted/etaluclaC.YLNO5KRro1KRssalc,gnitimil otsedoClacirtcelElanoitaNro/dnalacolrehtiegniylppayb,eulav .atadwardpmaecnailppadetsil epytevrucrotom)lairtsudni(citengam-lamrehterasrekaerbtiucriC otgnidroccaezisrekaerbtcerrocyfirev/etaluclac,srehtoroF.YLNO .desurekaerbfoepytdnagnitarwardpmaecnailppa .epytelop-3ebtsumsreyrd)ø3(esahp-3rofsrekaerbtiucriC
ECIVRES EGATLOV ESAHP ERIW ECIVRES WARDPMA.XORPPA TIUCRIC REKAERB
zH06zH05
GNISEREVER-NON
021 ø12 7.8 —51
802 ø12 5.5 —51
042 ø12 8.46.451
802 ø33 1.3 —51
042 ø33 3.32.451
004-083 ø34*—2.251
614 ø34*—3.251
084-064 ø33 1.2 —51
GNISREVER
802 ø33 0.5 —51
022 ø33—8.651
042 ø33 6.54.751
004-083 ø33—4.351
614 ø33—6.351
SNOITACIFICEPSECIVRESLACIRTCELE
TNATROPMI :
SETON .A:
.B
.C
,gniredronehW.EMASEHTTONERACAV042/032DNACAV802 .egatlovtcaxeyficeps
tnerruc,yaledemit,tnemelelaudebtsumyehtdesuerasesufnehW esuftcerrocenimreted/etaluclaC.YLNO5KRro1KRssalc,gnitimil otsedoClacirtcelElanoitaNro/dnalacolrehtiegniylppayb,eulav .atadwardpmaecnailppadetsil ,srehtoroF.YLNOepyt)lairtsudni(citengam-lamrehterasrekaerbtiucriC wardpmaecnailppaotgnidroccaezisrekaerbtcerrocyfirev/etaluclac .desurekaerbfoepytdnagnitar .epytelop-3ebtsumsreyrd)ø3(esahp-3rofsrekaerbtiucriC
ECIVRES EGATLOV ESAHP ERIW ECIVRES WARDPMA.XORPPA TIUCRIC REKAERB
zH06zH05
Wk02
802 ø12 201 —051
022 ø12 79—521
042 ø12 8888521
083 ø34*—5305
Wk22
004 ø34*—7305
064 ø33 03—04
Wk42
802 ø33 27—09
042 ø33 362608
083 ø33 04—05
083 ø34*—3406
614 ø34*—8305
Wk2.52
044 ø33 53—05
Grounding
A ground (earth) connection must be provided and installed
in accordance with state and local codes. In the absence of
these codes, grounding must conform to applicable
requirements of the National Electrical Code ANSI/NFPA NO.
70-LATEST EDITION, or in Canada, the installation must
conform to applicable Canada Standards: Canadian
Electrical Codes Parts 1 & 2 CSA C22.1-1990 or LATEST
EDITION. The ground connection may be to a proven earth
ground at the location service panel.
For added personal safety, when possible, it is suggested
that a separate ground wire (size per local codes) be
connected from the ground connection of the dryer to a
grounded cold water pipe. Do not ground to a gas pipe or
hot water pipe. The grounded cold water pipe must have
metal-to-metal connection all the way to the electrical ground.
If there are any nonmetallic interruptions, such as, a meter,
pump, plastic, rubber, or other insulating connectors, they
must be jumped out with a wire (size per local codes) and
securely clamped to bare metal at both ends.
Important
For personal safety and proper operation, the
dryer must be grounded.
Provisions are made for ground connection in each dryer at
the electrical service connection area.
Electrical Connections
A wiring diagram is located inside the control box for
connection data.
If local codes permit, power to the dryer can be made by the
use of a flexible UL listed power cord/pigtail (wire size must
conform to rating of dryer), or the dryer can be hard wired
directly to the service breaker panel. In both cases, a strain
relief must be installed where the wiring enters the dryer.
Gas and Steam Models Only
Important
A separate protected circuit must be provided to
each dryer.
!
!

12 American Dryer Corp. 113229-4
Single-Phase Electrical Lead Connections
Black
+
Positive
White or Red
+
Neutral
or L2
Green
+
Ground
Single-Phase (1ø)
Wiring Connections/Hookup
The electrical input connections on all single-phase (1ø)
gas dryers and steam dryers are made into the rear service
box located at the upper left area of the dryer.
For 110V Applications
For 208-240V Applications
A ground lug is provided in the rear electrical box to connect
your service ground.

113229-4 www.amdry.com 13
!
!
3-Phase (3ø) Wiring Connections/Hookup
The electrical connections on all 3-phase (3ø) gas and
steam dryers are made into the rear service box located at
the upper left area of the dryer. The electrical connections
are made at the power distribution block located in the
service box. The ground connection is made to the copper
lug, also provided in this box. To gain access, the service
box cover must be removed.
The electrical input connections are made at the electric
oven contactor located inside the assembly at the rear center
upper section of the dryer. The ground connection is made
to a copper lug also provided in this area. To gain access,
remove oven rear service cover.
Important
A strain relief must be used where the input
wiring enters the oven assembly.
Gas Information ______________________
It is your responsibility to have all plumbing connections
made by a qualified professional to ensure that the gas
plumbing installation is adequate and conforms to local
and state regulations or codes. In the absence of such
codes, all plumbing connections, materials, and
workmanship must conform to the applicable requirements
of the National Fuel Gas Code ANSI Z223.1-LATEST
EDITION, or in Canada, the Canadian Installation Codes
CAN/CGA-B149.1-M91 (Natural Gas) or CAN/CGA-B149.2-
M91 (L.P. Gas) or LATEST EDITION.
Important
Failure to comply with codes or ordinances, and/
or requirements in this manual, can result in
personal injury and improper operation of the dryer.
The dryer and its individual shutoff valves must be
disconnected from the gas supply piping system during
any pressure testing of that system at test pressures in
excess of 1/2 psig (3.5 kPa). The dryer must be isolated
from the gas supply piping system by closing its individual
manual shutoff valve during any pressure test of the gas
supply piping system at test pressures equal to or less
than 1/2 psig (3.5 kPa).
Important
Failure to isolate or disconnect the dryer from
supply as noted can cause irreparable damage
to the gas valve, which will void the warranty.
Warning
Fire or explosion could result due to failure of
isolating or disconnecting the gas supply as
noted.
The neutral will only be used on 4-wire service. This is
typical for 380-416V, 50 Hz.
Electrically Heated Models Only
The only electrical input connections to the dryer are the
3-phase (3ø) power leads (L1, L2, L3, and sometimes
neutral) and ground. Single-phase (1ø) power for the control
circuit and for any single-phase (1ø) motors (if present) is
done internally to the dryer by the factory at the oven contactor.
No single-phase (1ø) input connection is required on a
3-phase (3ø) dryer.
Caution
The dryer must be grounded. A ground lug has
been provided for this purpose.
Input connection wiring must be sized properly to handle
the dryer’s current draw. This information is printed on the
dryer’s data label.
!
!
!

14 American Dryer Corp. 113229-4
!
!
!
!
Gas Supply
The gas dryer installation must meet the American National
Standard...National Fuel Gas Code ANSI Z223.1-LATEST
EDITION, or in Canada, the Canadian Installation Codes
CAN/CGA-B149.1 M91 (Natural Gas) or CAN/CGA-B149.2-
M91 (L.P. Gas) or LATEST EDITION, as well as local codes
and ordinances and must be done by a qualified
professional.
Note
Undersized gas piping will result in ignition
problems, slow drying, increased use of energy,
and can create a safety hazard.
The dryer must be connected to the type of heat/gas indicated
on the data label. If this information does not agree with the
type of gas available, do not operate the dryer. Contact the
reseller who sold the dryer or contact the ADC factory.
Important
Any burner changes or conversions must be
made by a qualified professional.
The input ratings shown on the dryer data label are for
elevations up to 2,000 feet (610 meters), unless elevation
requirements of over 2,000 feet (610 meters) were specified
at the time the dryer order was placed with the factory. The
adjustment or conversion of dryers in the field for elevations
over 2,000 feet (610 meters) is made by changing each
burner orifice. If this conversion is necessary, contact the
reseller who sold the dryer or contact the ADC factory.
Important
This gas dryer is not provided with an internal gas
supply shutoff and an external gas supply shutoff
must be provided.
Technical Gas Data
Gas Specifications
Shaded areas are stated in metric equivalents
* Measured at outlet side of gas valve pressure tap when gas valve is on.
Gas Connections
Inlet connection ............... 1/2” N.P.T.
Inlet supply size .............. 1/2” Diameter Pipe (minimum)
Heat input (per dryer) ...... 100,000 Btu/hr (25,200 kcal/hr)
European Models ............ 95,000 Btu/hr (23,940 kcal/hr)
saGfoepyT
erusserPdlofinaM *erusserPeniL-nI
larutaN
ni5.3CWCWni0.21-0.6
bm7.8 bm9.92-29.41
diuqiL enaporP
CWni5.01CWni0.11
bm1.62 bm4.72
Natural Gas
Regulation is controlled by the dryer’s gas valve’s internal
regulator. Incoming supply pressure must be consistent
between a minimum of 6.0 in WC (14.92 mb) and a maximum
of 12.0 in WC (29.9 mb) pressure.
L.P. Gas
Dryers made for use with L.P. gas have the gas valve’s
internal pressure regulator blocked open so that the gas
pressure must be regulated upstream of the dryer. The
pressure measured at each gas valve pressure tap must
be a consistent 10.5 in WC (26.1 mb). There is no regulator
or regulation provided in an L.P. dryer. The pressure must
be regulated at the source (L.P. tank) or an external regulator
must be added to each dryer.
Shaded areas are stated in metric equivalents
* D.M.S. equivalents are as follows:
Natural Gas ....................#29 = 0.1360” (3.4540 mm).
L.P. Gas ..........................#46 = 0.0810” (2.0574 mm).
Natural Gas** ................. #30 = 0.1285” (3.2639 mm).
L.P. Gas** .......................#48 = 0.0760” (1.9304 mm).
**European Models Only
Piping Connections
All components/materials must conform to National Fuel
Gas Code Specifications ANSI Z223.1-LATEST EDITION, or
in Canada, CAN/CGA-B149.1-M91 (Natural Gas) or CAN/
CGA-B149.2-M91 (L.P. Gas) or LATEST EDITION (for General
Installation and Gas Plumbing), as well as local codes and
ordinances and must be done by a qualified professional.
It is important that gas pressure regulators meet applicable
pressure requirements, and that gas meters be rated for
the total amount of all the appliance Btu being supplied.
The dryer is provided with a 1/2” N.P.T. inlet pipe connection
extending out the back area of the burner box. The minimum
pipe size (supply line) to the dryer is 1/2” diameter. For
ease in servicing, the gas supply line of each dryer must
have its own shutoff valve.
The size of the main gas supply line (header) will vary
depending on the distance this line travels from the gas
meter or, in the case of L.P. gas, the supply tank, other
gas-operated appliances on the same line, etc. Specific
information regarding supply line size should be determined
by the gas supplier.
Note
Undersized gas supply piping can create a low or
inconsistent pressure, which will result in erratic
operation of the burner ignition system.
SAGFOEPYT
rh/utB gnitaR rh/lack gnitaR
larutaNenaporPdiuqiL
.ytQ.S.M.D *.oNtraP.ytQ.S.M.D *.oNtraP
000,001 002,52 292#028041264#608041
962288rebmuNtraPtiKnoisrevnoCenaporPdiuqiL
000,59
**
049,32 203#918041284#408041
591388rebmuNtraPtiKnoisrevnoCenaporPdiuqiL **

113229-4 www.amdry.com 15
!
!
Steam Information ___________________
It is your responsibility to have all plumbing connections
made by a qualified professional to ensure that the steam
plumbing installation is adequate and conforms with local
and state regulations or codes.
Care must be exercised when leveling steam dryers into
final position. After leveling the dryer, check the downward
pitch of the heat exchanger from front to rear with a level.
Likewise, check the downward pitch of the return condensate
manifold toward its outlet part. Absence of these downward
pitches will result in probable water hammer and premature
heat exchanger fracture and leakage.
The presence of condensate in the steam will cause water
hammer and subsequent heat exchanger failure. The steam
supply connection must be taken from the top of a
well-dripped steam main. If the supply run-out to the dryer
exceeds 20 feet (6.1 meters), it should be dripped just before
the control valve with a proper trap and dirt pocket.
Important
Failure to comply with the requirements
stipulated in this manual can result in component
failure, which will void the warranty.
Note
This dryer is manufactured with a pneumatic
(piston) damper system, which requires an
external supply of air (80 psi +/- 10 psi [5.51 bar +/- 0.68
bar]).
Steam Coil pH Level
The normal pH level for copper type steam coils must be
maintained between a value of 8.5 to 9.5. For steel type
steam coils the pH level must be maintained between a
value of 9.5 to 10.5. These limits are set to limit the acid
attack of the steam coils.
Important
Coil failure due to improper pH level will void the
warranty.
Steam Requirements
Shaded areas are stated in metric equivalents
* The minimum operating pressure for optimum results is 100 psig (689.47
kPa).
Installation Instructions
To ensure an adequate supply of steam is provided, be
sure that the steam supply lines and steam return lines are
sized and laid out as stipulated in this manual. Inadequate
steam supply lines and steam return lines or improper
steam plumbing will result in poor performance and can
cause component failure. Clean, dry steam must be
provided to the dryer.
Important
Steam coil failure due to water hammer by wet
steam will void the warranty.
The pressure of the condensate in the steam supply line
will cause water hammer and subsequent heat exchanger
(steam coil) failure. The steam supply connection into the
main supply line must be made with a minimum 10-inch
(25.4 cm) riser. This will prevent any condensate from
draining towards the dryer.
The steam supply line to the dryer must include a 12-inch
(30.48 cm) riser along with a drip trap and check valve. This
will prevent any condensate from entering the steam coil.
Flexible hoses or couplings must be used. The dryer
vibrates slightly when it runs and this will cause the steam
coil connections to crack if they are hard piped to the supply
and return mains.
Shutoff valves for each dryer should be installed in the
supply line, return line, and drip trap return line. This will
allow the dryer to be isolated from the supply main and the
return main if the dryer needs maintenance work.
Install an inverted bucket steam trap and check valve at
least 12-inches (30.48 cm) below the steam coil as close
to the coil as possible. A trap with a capacity of 350 lb (160
kg) of condensate per hour at 125 psi (8.61 bar) is needed
for each unit.
The supply line and the return line should be insulated.
This will save energy and provide for the safety of the operator
and maintenance personnel.
!
erusserPmaetSgnitarepO
mumixaMgisp521 *aPk48.168
)daoLlamroN(tupnItaeHphB0.3
)etamixorppA(noitpmusnoCrh/bl401 rh/gk2.74
!

16 American Dryer Corp. 113229-4
Water pockets in the supply line, caused by low points, will
provide wet steam to the coil possibly causing steam coil
damage. All horizontal runs of steam supply piping should
be pitched 1/4-inch (6.35 mm) for every 1 foot (0.30 meters)
back towards the steam supply header causing the
condensate in the line to drain to the header. Install a bypass
trap in any low point to eliminate wet steam.
Important
Flexible hoses/couplings must be used. Coil
failure due to hard plumbing connections will
void the warranty.
Steam Damper Air System Connections
This dryer is manufactured with a pneumatic (piston) damper
system, which requires an external supply of compressed
air. The air connection is made to the steam damper
solenoid valve, which is located at the rear inner top area of
the dryer just in front of the electric service relay box.
!
Air Requirements
There is no air requirement for dryers with the
electromechanical steam damper option.
Shaded areas are stated in metric equivalents
Air Connection
Air connection to system — 1/8” N.P.T.
Air Regulation
No air regulator or filtration is provided with the dryer. External
regulation/filtration of 80 psi (5.51 bar) must be provided. It
is suggested that a regulator/filter gauge arrangement be
added to the compressed air line just before the dryer
connection. This is necessary to ensure that correct and
clean air pressure is achieved.
Compressed Air Supply Air Pressure
Normal 80 psi 5.51 bar
Minimum Supply 70 psi 4.82 bar
Maximum Supply 90 psi 6.21 bar

113229-4 www.amdry.com 17
Steam Damper System Operation
The steam damper, as shown in the illustration below,
allows the coil to stay constantly charged eliminating
repeated expansion and contraction. When the damper is
opened, the air immediately passes through the already
hot coil, providing instant heat to start the drying process.
When the damper is closed, ambient air is drawn directly
into the tumbler, allowing a rapid cool down.
Diagram 1 shows the damper in the heating (open) mode,
allowing heat into the tumbler.
Diagram 2 shows the damper in the cool down (closed)
mode, pulling ambient air directly into the tumbler without
passing through the coils.
Note
With the dryer off or with no air supply, the steam
damper is in cool down mode as shown in
Diagram 2.
Steam Damper Air Piston (Flow Control)
Operation Adjustment
Damper operation was tested and adjusted prior to shipping
at 80 psi (5.51 bar). If damper air adjustment is necessary,
locate the flow control valve and make the necessary
adjustments as noted below.
Preparation For Operation/Start-Up __
The following items should be checked before attempting
to operate the dryer:
• Read all “Caution”, “Warning”, and “Direction” labels
attached to the dryer.
• Check incoming supply voltage to be sure that it is the
same as indicated on the dryer data label.
• Gas Models – check to ensure that the dryer is
connected to the type of heat/gas indicated on the dryer
data label.
• Gas and Electric Models – the sail switch damper
assembly was installed and adjusted at the factory prior
to shipping. However, each sail switch adjustment
must be checked to ensure that this important safety
control is functioning.
• Check bolts, nuts, screws, terminals, and fittings for
tightness and security.
• Gas Models – be sure that all gas shutoff valves are in
the open position.
• Check that all back guard panels and service box
covers have been replaced.
• Check the lint drawer to ensure that it is closed and
secured in place.
• Rotate the tumbler (drum) by hand to be sure it moves
freely.
• Steam Models – check to ensure that a clean, dry,
regulated air supply (80 psi [5.51 bar]) is on the dryer
(with air-operated damper system only).
• Steam Models – check to ensure all steam shutoff
valves are open.
• Steam Models – check steam damper operation.
• Check tumbler bearing setscrews to ensure that they
are all tight.
• Check vent is connected to the dryer and is exhausted
to the outdoors.
Preoperational Test __________________
All dryers are thoroughly tested and inspected before leaving
the factory. However, a preoperational test should be
performed before the dryer is publicly used. It is possible
that adjustments have changed in transit or due to marginal
location (installation) conditions.
Turn on electric power to the dryer.
Refer to the Operating Instructions for starting your particular
model dryer.
Gas Models Only
When a gas dryer is first started (during initial start-up), it
has a tendency not to ignite on the first ignition attempt.
This is because the gas supply piping is filled with air, so it
may take a few minutes for the air to be purged from the
lines.
Note
During the purging period, check to be sure that
all gas shutoff valves are open.
!
!

18 American Dryer Corp. 113229-4
Gas model dryers are equipped with an ignition system,
which has internal diagnostics. If ignition is not established
after one time, the heat circuit in the ignition module will
attempt two more ignitions (total of three ignition attempts).
If there is no flame after the third ignition attempt the module
will lock out until it is manually reset. To reset the ignition
system, open and close the main door and restart the dryer.
A gas pressure test should be taken at the gas valve
pressure tap of each dryer to ensure that the water column
pressure is correct and consistent.
Note
Water column pressure requirements (measured
at the pressure tap of the gas valve body):
Natural Gas .............. 3.5 in WC (8.7 mb)
L.P. Gas .................... 10.5 in WC (26.1 mb)
Important
There is no regulator provided in an L.P. dryer.
The water column pressure must be regulated at
the source (L.P. tank), or an external regulator must be
added to each dryer.
Make a complete operational check of all safety related
circuits:
• Door Switch(es)
• Hi-Limit Thermostats
• Cycling Thermostat
• Gas and Electric Models Only – Sail Switch
Note
The sail switch can be checked for proper
operation by opening the lint drawer. While
pushing the lint drawer switch in, start a drying cycle. The
heating unit should not activate (wait 30-seconds). If heat
does activate, make the necessary adjustments to the sail
switch.
Make a complete operational check of all operating controls.
Note
If computer program changes are required, refer
to the computer programming section of the
manual supplied with the dryer.
The dryer should be operated through one complete cycle
to ensure that no further adjustments are necessary and
that all components are functioning properly.
Tumbler Coating
The tumbler is treated with a protective coating. We suggest
dampening old garments or cloth material with a solution
of water and nonflammable mild detergent and tumbling
them in the tumbler to remove this coating.
Check the electric service phase sequence (3-phase [3ø]
models only). While the dryer is operating, check to see if
the blower wheel (impellor/fan) is rotating in the proper
direction. Looking from the front, the blower wheel (impellor/
fan) should spin in the clockwise direction. If it is, the phasing
is correct. If the phasing is incorrect, reverse two of the
three leads at connections L1, L2, and L3 of the power supply
to the dryer.
Important
If the blower wheel (impellor/fan) is rotating in the
wrong direction, it will drastically reduce drying
efficiency and it can also cause premature component
failure.
Preoperational Instructions _________
Coin Models
Microprocessor Controller (Computer)
• When the microprocessor controller (computer) is in
the ready state, the L.C.D. screen will display “READY,
INSERT $XX.XX (AMOUNT) TO START”.
• Insert coin(s). Once the correct “Amount to Start” has
been inserted, the L.C.D. will display “SELECT
TEMPERATURE”.
• Select temperature by pressing “HI”, “MED”, or “LO”.
The cycle will start and the L.C.D. will display the Dry
Cycle selected and the remaining time.
• The dryer will continue through the drying and cooling
cycles, until the vended time has expired.
• Upon completion of the drying and cooling cycles, the
tone (buzzer) will sound and the dryer will go into the
Anti-Wrinkle Mode for 99 minutes, or until the main door
has been opened.
Note
To stop dryer, open main door or pressing the
“PAUSE” key. Continuation of the cycle will
resume only after the door has been closed and any of
the three temperature selection is pressed.
Important
For more detailed information regarding the
microprocessor controller (computer) on your
dryer, refer to the microprocessor user’s manual included
with the dryer.
Mechanical Drop/
Rotary Coin Meter or Slide Coin Meter
• Insert coin and turn knob (rotary type meter), or for slide
meter unit, push in coin chute.
• Select Temperature.
• Push the “Start” button.
• To stop dryer, open the main door.
Non-Coin Models
• The L.E.D. display reads “Ready” (no cycle in progress).
• Press the letter on the keypad corresponding to the
cycle desired (i.e., key “D”).
• The dryer will then start. (I.E., blower, tumbler, and
heat.)
• The L.E.D. display will read “MANUAL DRYING CYCLE
D, 00:00 MIN REMAIN”.
• When the programmed drying time has expired, the
Phase 7 non-coin microprocessor controller (computer)
will proceed into the Cool Down Cycle.
!
!
!
!
!
!
!

113229-4 www.amdry.com 19
• Once the Cool Down Cycle begins at the end of the heat
cycle, the L.E.D. display will read “COOL DOWN TEMP
___/___ MINUTES REMAINING”. At the end of the heat
cycle, the dryer will shut off the heat and continue the
fan and tumbler until the Cool Down Time or
temperature is reached.
Note
“0-40” will require the “START/ENTER” key to be
pressed after the number is selected in order to
accept the selection and start drying.
Press and hold the “UP ARROW” to view the tumbler
temperature at any time.
The dryer can be stopped at any time by pressing the
“STOP/CLEAR” key, at this time the dryer will go into a
cycle pause. If the “STOP/CLEAR” key is pressed again
at this point, the cycle that was in progress will be
cancelled and returned to the “READY” state.
Press and hold the “DOWN ARROW” to view the tumbler
RPM.
Important
For more detailed information regarding the
microprocessor controller (computer) on your
dryer, refer to the microprocessor user’s manual included
with the dryer.
Dual Timer Dryers
• Turn drying timer knob for a time of 20 minutes.
• Select “High Temp”.
• Push “Push to Start” button.
• To stop dryer, open the main door.
Spin and dwell (stop) times are adjustable at the reversing
timer.
!
!
Reversing Timer Spin/Dwell Adjustments
Timer models have an electronic reversing timer in the
electrical service box, which is located in the upper left rear
area of the dryer.
Both the Dwell (stop) Time and the tumbler Spin Time are
adjustable by mode selection switches located on the
electronic timer (as noted in the illustration below).
Shutdown Instructions _______________
If the dryer is to be shutdown (taken out of service) for a
period of time, the following must be performed:
Discontinue power to the dryer either at the external
disconnect switch or the circuit breaker.
Discontinue the Heat Supply
Gas Models – discontinue the gas supply:
• Shut off external gas supply shutoff valve.
• Shut off internal gas supply shutoff valve located in the
gas valve burner area.
Steam Models – discontinue the steam supply.
• Shut off external (location furnished) shutoff valve.
• Shut off internal steam valves in the supply lines and
the return lines.
DNEGELGNIMIT
EMITNIPS
rebmuNnoitisoPtnemtsujdA12345
sdnoceSniemiT *030609021051
EMIT)POTS(LLEWD
rebmuNnoitisoPtnemtsujdA12345
sdnoceSniemiT *53.66.79.82.01
.dnoces-1-/+eranwohsseulaV*

20 American Dryer Corp. 113229-4
Service/Parts Information ____________
Service
Service must be performed by a qualified trained technician.
If service is required, contact the reseller from whom the
equipment was purchased. If the reseller cannot be contacted
or is unknown, contact the Service Department for a reseller
in your area.
Note
When contacting the Service Department, be sure
to give them the correct model number and serial
number so that your inquiry is handled in an expeditious
manner.
Parts
Replacement parts should be purchased from the reseller
from whom the equipment was purchased. If the reseller
cannot be contacted or is unknown, contact the Parts
Department for a reseller in your area. Parts may also be
purchased directly from the factory by calling the Parts
Department at +1 (508) 678-9000 or you may FAX in your
order at +1 (508) 678-9447.
Note
When ordering replacement parts from the reseller
or the manufacturer, be sure to give them the
correct model number and serial number so that your parts
order can be processed in an expeditious manner.
Warranty Information _________________
Returning Warranty Cards
Before any dryer leaves the factory test area, a warranty card
is placed on the inside of the main door glass. These warranty
cards are intended to serve the customer where we record
the individual installation date and warranty information to
better serve you should you file a warranty claim.
If a warranty card did not come with your dryer, contact the
Warranty Department or the Service Department at +1 (508)
678-9000.
Important
A separate warranty card must be completed and
returned for each individual dryer.
Note
Be sure to include the installation date when
returning the warranty card(s).
Warranty
For a copy of the commercial warranty covering your particular
dryer(s), contact the reseller from whom you purchased the
equipment and request a dryer warranty form. If the reseller
cannot be contacted or is unknown, warranty information can
be obtained from the factory by contacting the Warranty
Department at +1 (508) 678-9000.
Note
Whenever contacting the factory for warranty
information, be sure to have the dryer’s model
number and serial number available so that your inquiry
can be handled in an expeditious manner.
Returning Warranty Parts
All dryer or parts warranty claims or inquiries should be
addressed to the Warranty Parts Department. To expedite
processing, the following procedures must be followed:
No parts are to be returned without prior written authorization
R.M.A. from the factory.
Note
An R.M.A. is valid for only 30 days from date of
issue.
The R.M.A. issued by the factory, as well as any other
correspondence pertaining to the returned part(s), must be
included inside the package with the failed merchandise.
Each part must be tagged with the following information:
Model number and serial number of the dryer from which
part was removed.
Nature of failure (be specific).
Date of dryer installation.
Date of part failure.
Specify whether the part(s) being returned is for a credit,
replacement, or a refund.
Note
If a part is marked for a credit or a refund, the
invoice number covering the purchase of the
replacement part must be provided.
Warranty tags (Part No. 450064) are available at “no
charge” from ADC upon request.
The company returning the part(s) must clearly note the
complete company name and address on the outside of the
package.
All returns must be properly packaged to ensure that they
are not damaged in transit. Damage claims are the
responsibility of the shipper.
Important
No replacements, credits, or refunds will be
issued for merchandise damaged in transit.
All returns should be shipped to the factory in such a manner
that they are insured and a proof of delivery can be obtained
by the sender.
Shipping charges are not the responsibility of ADC. All returns
should be “prepaid” to the factory. Any “C.O.D.” or “COLLECT”
returns will not be accepted.
Important
No replacements, credits, or refunds will be
issued if the claim cannot be processed due to
insufficient information. The party filing the claim will be
notified in writing, either by “FAX” or “CERTIFIED MAIL –
Return Receipt Requested,” as to the information
necessary to process claim. If a reply is not received by
the Warranty Department within 30 days from the FAX/
letter date, then no replacements, credits, or refunds will
be issued, and the merchandise will be discarded.
!
!
!
!
!
!
!
!
!

113229-4 www.amdry.com 21
Routine Maintenance _________________
Cleaning
A program and/or schedule should be established for
periodic inspection, cleaning, and removal of lint from various
areas of the dryer, as well as throughout the ductwork
system. The frequency of cleaning can best be determined
from experience at each location. Maximum operating
efficiency is dependent upon proper airflow. The
accumulation of lint can restrict this airflow. If the guidelines
in this section are met, the dryer will provide many years of
efficient, trouble free, and most importantly, safe operation.
Warning
Lint from most fabrics is highly combustible. The
accumulation of lint can create a potential fire
hazard.
Keep dryer area clear and free from combustible
materials, gasoline, and other flammable vapors and
liquids.
Note
Suggested time intervals shown are for average
usage, which is considered 6 to 8 operational
(running) hours per day.
Important
Dryer produces combustible lint and must be
exhausted to the outdoors. Every 6 months,
inspect the exhaust ducting and remove any lint buildup.
Suggested Cleaning Schedule
Every Third or Fourth Load
Clean the lint screen every third or fourth load. A clogged lint
screen will cause poor dryer performance. The lint door/
drawer is located just below the loading door of the dryer.
Open the lint door/drawer, brush the lint off the lint screen,
and remove the lint. Inspect lint screen and replace if torn.
Note
The frequency of cleaning the lint screen can
best be determined from experience at each
location.
Weekly
Clean lint accumulation from lint chamber, thermostat, and
microprocessor temperature sensor (sensor bracket) area.
Warning
To avoid the hazard of electrical shock,
discontinue electrical supply to the dryer.
Steam Dryers
Clean the steam coil fins. It is suggested that compressed
air and a vacuum cleaner with brush attachment be used.
Warning
When cleaning steam coil fins, be careful not to
bend the fins. If fins are bent, straighten by using
a fin comb, which is available from local air-conditioning
supply houses.
90 Days
Inspect and remove lint accumulation in customer furnished
exhaust ductwork system and from dryer’s internal exhaust
ducting.
Warning
The accumulation of lint in the exhaust ductwork
can create a potential fire hazard.
Do not obstruct the flow of combustion and ventilation air.
Inspect and remove any lint accumulation, which can
cause the back draft damper to bind or stick.
Note
A back draft damper that is sticking partially
closed can result in slow drying and shutdown of
heat circuit safety switches or thermostats.
When cleaning the dryer cabinet(s), avoid using harsh
abrasives. A product intended for the cleaning of
appliances is recommended.
Adjustments
7 Days After Installation
and Every 6 Months Thereafter
Inspect bolts, nuts, screws, setscrews, grounding
connections, and nonpermanent gas connections (unions,
shutoff valves, and orifices). Motor and drive belts should
be examined. Cracked or seriously frayed belts should be
replaced. Tighten loose V-belts when necessary. Complete
operational check of controls and valves. Complete
operational check of all safety devices (door switches, lint
drawer switch, sail switch, burner, and hi-limit thermostats).
Lubrication
The motor bearings, idler bearings, and under normal/most
conditions the tumbler bearings are permanently lubricated.
It is physically possible to relubricate the tumbler bearings
if you choose to do so even though this practice is not
necessary. Use Shell Alvania #2 grease or its equivalent.
The tumbler bearings used in the dryer do not have a grease
fitting. Provisions are made in the bearing housing for the
addition of a grease fitting, which can be obtained
elsewhere, or from ADC by ordering kit P/N 882159 (includes
two fittings).
!
!
!
!
!
!
!
!

22 American Dryer Corp. 113229-4
Data Label Information ____________________________________________________________
When contacting American Dryer Corporation certain information is required to ensure proper service/parts information from
ADC. This information is on the data label affixed to the left side panel area behind the top control (access) door. When
contacting ADC please have the model number and serial number available.
1. Model Number – The model number is an ADC number, which describes the size of the dryer and the type of heat (gas,
electric, or steam).
2. Serial Number – The serial number allows ADC to gather information on your particular dryer.
3. Manufacturing Code Number – The manufacturing code number is a number issued by ADC, which describes all
possible options on your particular model.
4. Type of Heat – This describes the type of heat for your particular dryer: gas (either natural gas or L.P. gas), electric, or
steam.
5. Heat Input (for gas dryers) – This describes the heat input in British thermal units per hour (Btu/hr).
6. Orifice Size (for gas dryers) – Gives the number drill size used.
7. Electric Service – This describes the electric service for your particular model.
8. Gas Manifold Pressure (for gas dryers) – This describes the manifold pressure taken at the gas valve tap.

113229-4 www.amdry.com 23
Procedure for Functional Check
of Replacement Components ________
Microprocessor
Controller (Computer) Board
Phase 7 Coin Models
Upon completing installation of the replacement
microprocessor controller (computer) board, reestablish
power to the dryer.
Start the drying cycle by pressing any temperature selection
keys (HI, MED, or LO).
Verify that the applicable indicator lights on the
microprocessor controller (computer) board are lit. (Refer
to the illustration below.)
Phase 7 Non-Coin Models
Upon completing installation of the replacement
microprocessor controller (computer) board, reestablish
power to the dryer.
Start the drying cycle by pressing any of the preset cycles in
letters A-F.
Verify that the applicable indicator lights on the
microprocessor controller (computer) board are lit. (Refer
to the illustration below.)

24 American Dryer Corp. 113229-4
For Models with DSI Module (Type I)
Theory of Operation: Start the drying cycle. When the
gas burner ignites within the chosen trial for ignition time
(6-seconds), the flame sensor detects gas burner flame
and signals the DSI module to keep the gas valve open as
long as there is a call for heat. The DSI module will
“LOCKOUT” if the gas burner flame is not sensed at the end
of the trial for ignition period. The trial for ignition period will
be repeated for a total of 3 retries/trials (the initial try and 2
more retries/trials). If the flame is not sensed at the end of
the third retry/trial (inter-purge period of 30-seconds) the
DSI module will “LOCKOUT” (L.E.D. diagnostic indicator
flashes).
A steady L.E.D. indicator indicates normal operation. No
L.E.D. indicator indicates a power or an internal failure has
occurred.
For Models with DSI Module (Type II)
Theory of Operation: Start the drying cycle. When the
gas burner ignites within the chosen trial for ignition time
(8-seconds), the flame sensor detects gas burner flame
and signals the DSI module to keep the gas valve open as
long as there is a call for heat. The DSI module will
“LOCKOUT” if the gas burner flame is not sensed at the end
of the trial for ignition period. The trial for ignition period will
be repeated for a total of 3 retries/trials (the initial try and 2
more retries/trials). If the flame is not sensed at the end of
the third retry/trial (inter-purge period of 30-seconds), the
DSI module will “LOCKOUT” (a red L.E.D. diagnostic
indicator will flash).
An unlit red L.E.D. diagnostic indicator indicates normal
operation. A lit green L.E.D. diagnostic indicator indicates
dryer controller is calling for heat and that all interlocks have
been satisfied.
Manual Reset
Burner Hi-Limit Instructions __________
Phase 7
This dryer was manufactured with a manual reset burner
hi-limit thermostat, which is monitored by the Phase 7
computer. If the burner hi-limit is open prior to the start of
the drying cycle, the dryer will start momentarily and then
shut down, the Phase 7 computer will display “burner HIGH
LIMIT fault” with an audio indication.
If the burner hi-limit opens during a drying cycle, the Phase
7 computer will also display the same error code described
above, along with an audio indication. If the drum
temperature is above 100° F (38° C), the dryer will continue
to run with no heat for 3 minutes or until the drum
temperature has dropped below 100° F (38° C). The
“CLEAR/STOP” button on the Phase 7 keypad must be
pressed to clear the error condition. The open burner
hi-limit must be reset “manually” prior to the start of the next
cycle.
Dual Timer
This dryer was manufactured with a manual reset burner
hi-limit thermostat. If the burner hi-limit is open prior to the
start of the drying cycle, or during the cycle, the dryer will not
recognize the open state of the burner hi-limit and will start
or continue through the drying cycle with no heat. Manual
reset hi-limit must be reset manually.
This hi-temperature condition may be caused due to a
restricted exhaust, poor airflow, or improper burner
operation.
The location of the burner hi-limit is on the right side of the
burner box, looking at the burner from the back of the dryer.
Warning
Discontinue power to dryer before attempting to
reset hi-limit.
!

113229-4 www.amdry.com 25
S.A.F.E. System _______________________
The exclusive S.A.F.E. system will extinguish fires that may
start in the drying tumbler. A series of sensors positioned
throughout the tumbler and interfaced with the
microprocessor will trigger the S.A.F.E. system water jet(s)
to quickly extinguish the flames. The water jet(s) remain on
for 2 minutes and will automatically activate again if a fire
condition remains or reignites. While the water jet(s) are
activated, the tumbler will jog to move the water throughout
the load. The microprocessor will display that the system
was activated and will continue to display until the dryer is
attended to.
We have tried to make this manual as complete as possible
and hope you will find it useful. ADC reserves the right to
make changes from time to time, without notice or obligation,
in prices, specifications, colors, and material, and to change
or discontinue models.
Before You Start
Check Local Codes And Permits
Call your local water company or the proper municipal
authority for information regarding local codes.
Important
It is your responsibility to have all plumbing
connections made by a qualified professional to
ensure that the plumbing installation is adequate and
conforms to local, state, and federal regulations or codes.
It is the installer’s or owner’s responsibility to see that the
necessary or required water, water pressure, pipe size, or
connections are provided. The manufacturer assumes no
responsibility if the S.A.F.E. system is not connected,
installed, or maintained properly.
Installation
Requirements
The S.A.F.E. system must be supplied with a minimum water
pipe size of 1/2” and be provided with 40 psi +/- 20 psi (2.75
bar +/- 1.37 bar) of pressure. For use of optional manual
bypass, a second source with the same piping and pressure
requirements is required.
Flexible 1/2 feeds must be provided to avoid damage to
electric water solenoid valve by vibration.
!
Important
Flexible supply line/coupling must be used.
Solenoid valve failure due to hard plumbing
connections will void warranty.
If the rear area of the dryer, or the water supply is located in
an area where it will be exposed to cold/freezing
temperatures, provisions must be made to protect these
water lines from freezing.
Important
Appliance is to be connected to the water mains
using a new hose set and the old hose set should
not be reused.
Warning
If the water in the supply line or water solenoid
valve freezes, the S.A.F.E. system will be
inoperative!!
Water Connections
The water connection is made to the 3/4”-11.5 NH hose
adaptor of the electric water solenoid valve, located at the
rear upper midsection of the dryer.
The water solenoid valve has a 3/8” M.P.T. connection
supplied with a 3/4”-11.5 NH hose adaptor to provide the
minimum 1/2” supply (feed) line. Flexible supply line/
coupling must be used in an effort to avoid damaging the
electric water solenoid valve.
Note
The 3/4”-11.5 NH is a standard hose coupling
screw thread. It is not to be confused with 3/4”
N.P.T. The sealing of an NH connection is made with a
washer opposed to the mating threads of an N.P.T.
assembly. The two thread designs are not compatible.
Important
Flexible supply line/coupling must be used.
Solenoid valve failure due to hard plumbing
connections will void warranty. It is recommended that a
filter or strainer be installed in the water supply line.
!
!
!
!
!
Typical Water Supply

26 American Dryer Corp. 113229-4
Optional Manual Bypass
Provisions are made in the dryer S.A.F.E. system for the
installation of an optional manual bypass. Depending on
the model dryer, the connections for the manual bypass are
made at the “T” or “three way” fitting located in the outlet
supply side of the water solenoid valve. The use and
connections of this manual bypass are at the option or
discretion of the owner.
The water connection for the manual bypass is made to the
“T” or “three way” fitting, which has a 3/8” F.P.T. and a coupling
must be used to provide the minimum 1/2” supply (feed)
line.
If the rear area of the dryer, or the water supply is located in
an area where it will be exposed to cold/freezing
temperatures, provisions must be made to protect these
water lines from freezing.
Warning
If the water in the supply line or water solenoid
valve freezes, the S.A.F.E. system will be
inoperative!!
The manual ball cock shutoff valve must be located outside
of the dryer at a distance from the dryer where it is easily
accessible.
Electrical Requirements
Warning
Electrical power must be provided to the dryer at
all times. If the main electrical power supply to
the dryer is disconnected, the S.A.F.E. system is
inoperative!!
!
!
No independent external power source or supply connection
is necessary. The 24 volt power to operate the S.A.F.E.
system is accomplished internally in the dryer (from the
dryer controls).
S.A.F.E. System Theory of Operation
While the dryer is in an idle state, or 20-seconds after the
heat turns off, the Phase 7 control monitors the thermistor
probe, located in the top of the tumbler chamber, and records
the minimum temperature. If the minimum recorded
thermistor probe temperature is greater than 120° F (48° C)
and the control detects a 50° rise in temperature, this will
be the trip point and the S.A.F.E. system routine will activate.
While a drying cycle is in process and the heat has turned
on at least once, the Phase 7 control monitors the exhaust
temperature transducer. If the drying cycle temperature set
point is set greater than 160° F (71° C) and the control detects
an exhaust temperature rise 25° F greater than set point,
this will be the trip point and the S.A.F.E. system routine will
activate. If set point is below 160° F (71° C), the trip point
will be 185° F (85° C).
Once the S.A.F.E. system routine is activated, the control
will display “S.A.F.E. SYSTEM ACTIVATED” and water will be
injected into the tumbler chamber. Any time water is being
injected into the tumbler, the tumbler drive will turn the load
for 1-second every 15-seconds. This process will continue
for a minimum of 2 minutes. After the 2 minutes have
elapsed, the control will check if the temperature remained
above trip point; if so, the water will remain on. The control
will continue to check if the temperature is above trip point
every 30-seconds. If the water has been on for a constant
10 minutes, the water will be turned off, regardless of the
temperature, and the control will display “S.A.F.E. SYSTEM
WAS ACTIVATED”. If the temperature has dropped below
trip point, the control will turn off the water prior to 10 minutes.

113229-4 www.amdry.com 27
System Reset
After the microprocessor determines that the situation is
under control and shuts the water being injected into the
tumbler off, the microprocessor display will read “S.A.F.E.
SYSTEM WAS ACTIVATED”, and the horn/tone will sound
until reset manually.
Non-Coin – To reset the microprocessor once the control
displays “S.A.F.E. SYSTEM WAS ACTIVATED”, press the red
“STOP/CLEAR” key on the keypad.
Coin – To reset the microprocessor once the control
displays “S.A.F.E. SYSTEM WAS ACTIVATED”, press and hold
the red “PAUSE” key for 3-seconds on the keypad.
S.A.F.E. System Water Valve Check
The operation of the water solenoid valve can be tested to
ensure that the water supply system and valve are functional.
Before attempting a system check, be sure that all water
supply shutoff valves to the dryer are in the open position;
the dryer must be in the “Ready” mode with no cycle loaded
or in progress.
Non-Coin – Press and hold the red “STOP/CLEAR” key
(while in “Ready” mode and no cycle is in progress).
Press and hold the “A” key.
Water valve will open and water will be dispensed into
tumbler area as long as both keys are held.
The Phase 7 non-coin microprocessor controller (computer)
will prompt the user to perform a S.A.F.E. system valve check
at every 4000 hours to ensure proper functionality. At the
4000 hour mark, the control will wait for end of the cycle and
then will prompt the user to “PLEASE EMPTY TUMBLER,
THEN PRESS THE ‘STOP/CLEAR’ AND ‘A’ KEYS TO TEST
THE WATER VALVE”. When the “STOP/CLEAR” and ‘A’ keys
are pressed, the control will activate the S.A.F.E. system
water valve for 2-seconds, at which point the control will
prompt the user with the following message: “IF WATER
DID NOT TURN ON, CALL FOR SERVICE. THANK YOU.”
Note
The control will not let the user continue until the
valve test has been completed.
Coin – While the control is in the program mode, Press
and hold the “PAUSE” key for 3-seconds to get into the valve
test mode. Valve test mode: The control will display “PRESS
AND HOLD MEDIUM TO OPEN WATER VALVE”. When the
“MEDIUM” key is pressed, the control will activate the water
output.
S.A.F.E. System Diagnostics
Non-Coin – In the event that the Phase 7 non-coin
microprocessor controller (computer) detects a fault in the
S.A.F.E. system, the control will display the message
“S.A.F.E. SYSTEM DISABLED…READY”. To find out why the
S.A.F.E. system is disabling, press and hold the red “STOP/
CLEAR” and green “START” keys. This will cause the control
to display a diagnostic message, as detailed in the “S.A.F.E.
System Diagnostics Messages” section.
Coin – In the event that the Phase 7 microprocessor
controller (computer) detects a fault in the S.A.F.E. system,
the control will display the message “S.A.F.E. SYSTEM
DISABLED… READY, INSERT XX TO START”. To find out
the reason for the S.A.F.E. system disabling, press and hold
the red “PAUSE” and “LOW” keys. This will cause the control
to display a diagnostic message, as detailed in the following
section.
S.A.F.E. System Diagnostics Messages
Open Thermistor Probe
This message indicates that the S.A.F.E. system thermistor
probe either is not connected or is damaged. If this condition
is detected, the Phase 7 non-coin control will immediately
enter S.A.F.E. System Disabled mode.
Shorted Thermistor Probe
This message indicates that the S.A.F.E. system thermistor
probe is damaged or the wiring is shorted. If this condition
is detected, the Phase 7 non-coin control will immediately
enter S.A.F.E. System Disabled mode.
Disconnected Water Valve
This message indicates that the water valve is open or that
it is not connected to the control. If this condition is detected,
the Phase 7 non-coin control will continue to monitor the
condition for a period of 5 minutes before entering S.A.F.E.
System Disabled mode. Once the condition is corrected,
the control will continue to monitor the condition for 1 minute
before exiting S.A.F.E. System Disabled mode.
Shorted Water Valve
This message indicates that the water valve is shorted or
that the wiring to the valve is shorted. If this condition is
detected, the Phase 7 non-coin control will continue to
monitor the condition for a period of 5 minutes before
entering S.A.F.E. System Disabled mode. Once the condition
is corrected, the control will continue to monitor the condition
for 1 minute before exiting S.A.F.E. System Disabled mode.
Water Not Connected
This indicates that there is no water pressure at the water
valve. This will occur if water is not connected to the dryer, or
if there is low water pressure in the water line coming to the
dryer. This could also signify a defective pressure switch or
defective wiring to the pressure switch. If this condition is
detected, the Phase 7 non-coin control will continue to
monitor the condition for a period of 5 minutes before
entering S.A.F.E. System Disabled mode. Once the condition
is corrected, the control will continue to monitor the condition
for 1 minute before exiting S.A.F.E. System Disabled mode.
Starting A Cycle When Computer Is In
“S.A.F.E. System Is Disabled” Mode
Non-Coin – When the S.A.F.E. system is disabled, the user
can still start a cycle. However, when a cycle is started, the
control will display the following message: “S.A.F.E. SYSTEM
IS DISABLED. PRESS ‘START’ TO CONTINUE”. This
message will be displayed every time a cycle is started,
until the disabling condition has been corrected.
Coin – When the S.A.F.E. system is disabled, the user can
still start a cycle. Simply insert credit and select a cycle to
start.
!

ADC Part No. 113229 4 - 06/10/08 - 20