ATV312_programming_manual_EN_BBV46385_02 ATV312 Programming Manual
User Manual:
Open the PDF directly: View PDF .
Page Count: 126 [warning: Documents this large are best viewed by clicking the View PDF Link!]
- Important information
- Before you begin
- Documentation structure
- Software enhancements
- Steps for setting up the drive
- Setup - Preliminary Recommendations
- Factory configuration
- Basic functions
- Remote display terminal option, ATV31
- Remote graphic display terminal option, ATV61/ATV71
- Remote display terminal option, ATV12
- Structure of the parameter tables
- Compatibility of functions
- List of functions that can be assigned to inputs/outputs
- List of functions that can be assigned to the Network and Modbus control word bits
- Checklist
- Programming
- [SPEED REFERENCE] (rEF-) menu
- [SETTINGS] (SEt-) menu
- [MOTOR CONTROL] (drC-) menu
- [INPUTS / OUTPUTS CFG] (I-O-) menu
- [COMMAND] (CtL-) menu
- Control and reference channels
- Reference channel for [ACCESS LEVEL] (LAC) = [Level 1] (L1) or [Level 2] (L2)
- Control channel for [ACCESS LEVEL] (LAC) = [Level 1] (L1) or [Level 2] (L2)
- Reference channel for [ACCESS LEVEL] (LAC) = [Level 3] (L3)
- Control channel for [ACCESS LEVEL] (LAC) = [Level 3] (L3)
- Control channel for [ACCESS LEVEL] (LAC) = [Level 3] (L3)
- [COMMAND] (CtL-) menu
- [APPLICATION FUNCT.] (FUn-) menu
- [FAULT MANAGEMENT] (FLt-) menu
- [COMMUNICATION] (COM-) menu
- [MONITORING] (SUP-) menu
- Migration ATV31 - ATV312
- Diagnostics and troubleshooting
- Index of functions
- Index of parameter codes and customer settings

BBV46385
www.schneider-electric.com
2354235 11/2008
Altivar 312
Variable speed drives
for asynchronous motors
Programming manual
06/2010

BBV46385 06/2010 1
Contents
Important information _______________________________________________________________________________________ 4
Before you begin______________________________________________________________________________________________ 5
Documentation structure________________________________________________________________________________________ 7
Software enhancements________________________________________________________________________________________ 8
Steps for setting up the drive ____________________________________________________________________________________ 9
Setup - Preliminary Recommendations ___________________________________________________________________________ 10
Factory configuration _________________________________________________________________________________________ 11
Basic functions ______________________________________________________________________________________________ 12
Remote display terminal option, ATV31 ___________________________________________________________________________ 14
Remote graphic display terminal option, ATV61/ATV71_______________________________________________________________ 15
Remote display terminal option, ATV12 ___________________________________________________________________________ 19
Structure of the parameter tables ________________________________________________________________________________ 20
Compatibility of functions ______________________________________________________________________________________ 21
List of functions that can be assigned to inputs/outputs _______________________________________________________________ 23
List of functions that can be assigned to the Network and Modbus control word bits ________________________________________ 25
Checklist___________________________________________________________________________________________________ 26
Programming _______________________________________________________________________________________________ 27
[SPEED REFERENCE] (rEF-) menu _____________________________________________________________________________ 31
[SETTINGS] (SEt-) menu ______________________________________________________________________________________ 32
[MOTOR CONTROL] (drC-) menu _______________________________________________________________________________ 41
[INPUTS / OUTPUTS CFG] (I-O-) menu __________________________________________________________________________ 47
[COMMAND] (CtL-) menu______________________________________________________________________________________ 50
[COMMAND] (CtL-) menu______________________________________________________________________________________ 61
[APPLICATION FUNCT.] (FUn-) menu ___________________________________________________________________________ 62
[FAULT MANAGEMENT] (FLt-) menu ____________________________________________________________________________ 91
[COMMUNICATION] (COM-) menu ______________________________________________________________________________ 98
[MONITORING] (SUP-) menu _________________________________________________________________________________ 100
Migration ATV31 - ATV312____________________________________________________________________________________ 105
Diagnostics and troubleshooting________________________________________________________________________________ 106
Index of functions ___________________________________________________________________________________________ 111
Index of parameter codes and customer settings___________________________________________________________________ 112

4BBV46385 06/2010
Important information
NOTICE
Read these instructions carefully, and look at the equipment to become familiar with the device before trying to install, operate, or maintain
it. The following special messages may appear throughout this documentation or on the equipment to warn of potential hazards or to call
attention to information that clarifies or simplifies a procedure.
PLEASE NOTE
The word "drive" as used in this manual refers to the "controller portion" of the adjustable speed drive as defined by NEC.
Electrical equipment should be installed, operated, serviced, and maintained only by qualified personnel. No responsibility is assumed by
Schneider Electric for any consequences arising out of the use of this documentation.
© 2009 Schneider Electric. All rights reserved.
DANGER
DANGER indicates an imminently hazardous situation which, if not avoided, will result in death, serious injury or
equipment damage.
WARNING
WARNING indicates a potentially hazardous situation which, if not avoided, can result in death, serious injury or
equipment damage.
CAUTION
CAUTION indicates a potentially hazardous situation which, if not avoided, can result in injury or equipment damage.
CAUTION
CAUTION, used without the safety alert symbol, indicates a potentially hazardous situation which, if not avoided, can
result in equipment damage.
The addition of this symbol to a Danger or Warning safety label indicates that an electrical hazard exists, which will result in
personal injury if the instructions are not followed.
This is the safety alert symbol. It is used to alert you to potential personal injury hazards. Obey all safety messages that follow
this symbol to avoid possible injury or death.

BBV46385 06/2010 5
Before you begin
Read and understand these instructions before performing any procedure with this drive.
DANGER
HAZARD OF ELECTRIC SHOCK, EXPLOSION, OR ARC FLASH
• Read and understand this manual before installing or operating the Altivar 312 drive. Installation, adjustment, repair, and
maintenance must be performed by qualified personnel.
• The user is responsible for compliance with all international and national electrical code requirements with respect to grounding of
all equipment.
• Many parts of this drive, including the printed circuit boards, operate at the line voltage. DO NOT TOUCH. Use only electrically
insulated tools.
• DO NOT touch unshielded components or terminal strip screw connections with voltage present.
• DO NOT short across terminals PA/+ and PC/– or across the DC bus capacitors.
• Before repairing the variable speed drive:
- Disconnect all power, including external control power that may be present.
- Place a “DO NOT TURN ON” label on all power disconnects.
- Lock all power disconnects in the open position.
- WAIT 15 MINUTES to allow the DC bus capacitors to discharge.
- Measure the voltage of the DC bus between the PA/+ and PC/– terminals to ensure that the voltage is less than 42 Vdc.
- If the DC bus capacitors do not discharge completely, contact your local Schneider Electric representative. Do not repair
or operate the drive
• Install and close all covers before applying power or starting and stopping the drive.
Failure to follow these instructions will result in death or serious injury.
DANGER
UNINTENDED EQUIPMENT OPERATION
• Read and understand this manual before installing or operating the Altivar 312 drive.
• Any changes made to the parameter settings must be performed by qualified personnel.
Failure to follow these instructions will result in death or serious injury.
WARNING
DAMAGED EQUIPMENT
Do not install or operate any drive that appears damaged.
Failure to follow these instructions can result in death, serious injury, or equipment damage.

6BBV46385 06/2010
Before you begin
a) For additional information, refer to NEMA ICS 1.1 (latest edition), "Safety Guidelines for the Application, Installation, and Maintenance of
Solid State Control" and to NEMA ICS 7.1 (latest edition), "Safety Standards for Construction and Guide for Selection, Installation and
Operation of Adjustable-Speed Drive Systems".
WARNING
LOSS OF CONTROL
• The designer of any wiring diagram must take account of potential control channel failure modes and, for certain critical control
functions, incorporate a way of achieving a safe state during and after a channel failure. Examples of critical control functions are
emergency stop and overtravel stop.
• Separate or redundant control channels must be provided for critical control functions.
• System control paths may include communication links. Consideration must be given to the implications of unanticipated transmission
delays or failures of the link. a
Failure to follow these instructions can result in death, serious injury, or equipment damage.

BBV46385 06/2010 7
Documentation structure
The following Altivar 312 technical documents are available on the Schneider Electric website (www.schneider-electric.com) as well as on
the DVD-ROM (reference VW3A8200).
Installation Manual
This manual describes how to install and connect the drive.
Programming manual
This manual describes the functions and parameters of the drive's terminals and how to use them.
Quick Start
This document describes how to connect and configure the drive so that the motor can be started both quickly and easily for basic
applications. This document is supplied with the drive.
Manuals for Modbus, CANopen, etc.
These manuals describe the installation process, the bus or network connections, signaling, diagnostics and the configuration of parameters
specific to communication.
They also describe the communication services of the protocols.

8BBV46385 06/2010
Software enhancements
Since it was first marketed, the Altivar ATV 312 has been equipped with additional functions. Software version V5.1 IE 50 has now been
updatedto V5.1 IE 54. This documentation relates to version V5.1 IE 54.
The software version appears on the rating plate attached to the side of the drive.
Enhancements made to version V5.1 IE 54 in comparison to V5.1 IE 50
New possible configuration
- Remote configuration : By pressing the MODE button during 3 seconds, the drive switches automatically to Remote configuration.
The embedded Jog Dial works as a potentiometer (Fr1 = AIV1) and embedded RUN button is activated.
- Local configuration : It is possible to go back to Local configuration by pressing again the MODE button during 3 seconds (see
page 28)

BBV46385 06/2010 9
Steps for setting up the drive
3. Configure:
vThe nominal frequency of the motor
[Standard mot. freq] (bFr) page 41 if this is
not 50 Hz,
vThe motor parameters in the [MOTOR
CONTROL] (drC-) menu, page 41, only if
the factory configuration of the drive is
not suitable,
vThe application functions in the
[INPUTS / OUTPUTS CFG] (I-O-) menu,
page 47, the [COMMAND] (CtL-) menu,
page 50, and the [APPLICATION
FUNCT.] (FUn-) menu, page 62, only if
the factory configuration of the drive
is not suitable.
4. In the [SETTINGS] (SEt-) menu,
adjust the following
parameters:
v[Acceleration] (ACC), page 32 and
[Deceleration], (dEC) page 32,
v[Low speed] (LSP), page 33 and [High
speed] (HSP), page 33,
v[Mot. therm. current] (ItH), page 33.
2. Apply input power to the drive, but do not
give a run command.
Tips:
•Before beginning programming, complete the customer
setting tables, page 112.
•Use the [Restore config.] (FCS) parameter, page 46,
to return to the factory settings at any time.
• To locate the description of a function quickly, use the index
of functions on page 111.
• Before configuring a function, read carefully the "Function
compatibility" section on pages 21 and 22.
•Note:
The following operations must be performed for optimum
drive performance in terms of accuracy and response time:
-Enter the values indicated on the (motor) rating plate in
the [MOTOR CONTROL] (drC-) menu, page 41.
-Perform auto-tuning with the motor cold and connected
using the [Auto-tuning] (tun) parameter, page 43.
-Adjust the [FreqLoopGain] (FLG) parameter, page 33
and the [Fr.Loop.Stab] (StA) parameter, page 34.
INSTALLATION
1. Please refer to the Installation Manual.
PROGRAMMING
5. Start the drive.

10 BBV46385 06/2010
Setup - Preliminary Recommendations
Before powering up the drive
Before configuring the drive
Start-up
Note: When factory settings apply and during power-up/manual reset or after a stop command, the motor can only be powered once the
"forward", "reverse" and "DC injection stop" commands have been reset. If they have not been reset, the drive will display [Freewheel stop]
(nSt) but will not start. If the automatic restart function has been configured ([Automatic restart] (Atr) parameter in the [FAULT
MANAGEMENT] (FLt-) menu, page 91), these commands are taken into account without a reset (to zero) being necessary.
Line contactor
Using a motor with a lower rating or dispensing with a motor altogether
• With the factory settings, motor output phase loss detection is active ([Output Phase Loss] (OPL) = [YES] (YES), page 94). To avoid
having to use a motor with the same rating as the drive when testing the drive or during a maintenance phase, deactivate motor output
phase loss detection ([Output Phase Loss] (OPL) = [No] (nO)). This can prove particularly useful if very powerful drives are being
used.
•Set the [U/F mot 1 selected] (UFt) parameter, page 44, on [Cst. torque] (L) in the [MOTOR CONTROL] (drC-) menu.
DANGER
UNINTENDED EQUIPMENT OPERATION
Make sure that all logic inputs are inactive to avoid any unintended operation.
Failure to follow these instructions will result in death or serious injury.
DANGER
UNINTENDED EQUIPMENT OPERATION
• Read and understand this manual before installing or operating the ATV312 drive.
• Any changes made to the parameter settings must be performed by qualified personnel.
• Make sure that all logic inputs are inactive to avoid any unintended operation when parameters are being changed.
Failure to follow these instructions will result in death or serious injury.
CAUTION
RISK OF DAMAGE TO DRIVE
• Frequent use of the contactor will cause premature ageing of the filter capacitors.
• Do not have cycle times less than 60 seconds.
Failure to follow these instructions can result in equipment damage.
CAUTION
RISK OF DAMAGE TO MOTOR
Motor thermal protection will not be provided by the drive if the motor 's nominal current is 20% lower than that of the drive. Find an
alternative source of thermal protection.
Failure to follow these instructions can result in equipment damage.

BBV46385 06/2010 11
Factory configuration
Factory settings
The Altivar 312 is factory-set for the most common operating conditions:
• Display: drive ready [Ready] (rdY) with motor stopped, and motor frequency with motor running.
• The LI5 and LI6 and logic inputs, AI3 analog input, AOC analog output, and R2 relay are unaffected.
• Stop mode when fault detected: freewheel
Check whether the values above are compatible with the application. If necessary, the drive can be used without changing the settings.
(1)If you want to keep the drive's presettings to a minimum, select the macro configuration [Macro configuration] (CFG) = [Start/stop] (StS)
followed by [Restore config.] (FCS) = [Factory Set.] (InI) (page 46).
The [Start/stop] (StS) macro configuration is the same as the factory configuration, apart from the I/O assignment:
• Logic inputs:
- LI1, LI2 (reversing): 2-wire transition detection control, LI1 = run forward, LI2 = run reverse.
- LI3 to LI6: Inactive (not assigned).
• Analog inputs:
- AI1: Speed reference 0-10 V.
- AI2, AI3: Inactive (not assigned).
• Relay R1: The contact opens in the event of a detected fault (or drive off).
• Relay R2: Inactive (not assigned).
• Analog output AOC: 0-20 mA, inactive (not assigned).
Code Description Value Page
bFr [Standard mot. freq] [50Hz IEC] 41
tCC [2/3 wire control] [2 wire] (2C): 2-wire control 30
UFt [U/F mot 1 selected] [SVC] (n): Sensorless flux vector control for constant torque applications 44
ACC
DEC
[Acceleration]
[Deceleration] 3.00 seconds 63
LSP [Low speed] 0 Hz 33
HSP [High speed] 50 Hz 33
ItH [Mot. therm. current] Nominal motor current (value depending on drive rating) 33
SdC1 [Auto DC inj. level 1] 0.7 x nominal drive current, for 0.5 seconds 35
SFr [Switching freq.] 4 kHz 40
rrS [Reverse assign.] [LI2] (LI2): Logic input LI2 48
PS2 [2 preset speeds] [LI3] (LI3): Logic input LI3 73
PS4 [4 preset speeds] [LI4] (LI4): Logic input LI4 73
Fr1 [Ref.1 channel] [AI1] (AI1) - Analog input AI1 29
SA2 [Summing ref. 2] [AI2] (AI2) - Analog input AI2 71
r1 [R1 Assignment] [No drive flt] (FLt): The contact opens when a fault is detected or when the drive has
been switched off 49
brA [Dec ramp adapt.] [Yes] (YES): Function active (automatic adaptation of deceleration ramp) 64
Atr [Automatic restart] [No] (nO): Function inactive 91
Stt [Type of stop] [Ramp stop] (rMP): On ramp 66
CFG [Macro configuration] [Factory set.] (Std) (1) 45

12 BBV46385 06/2010
Basic functions
Drive thermal protection
Functions:
Thermal protection by PTC probe fitted on the heatsink or integrated in the power module.
Indirect protection of the drive against overloads by tripping in the event of an overcurrent. Typical tripping values:
- Motor current = 185% of nominal drive current: 2 seconds
- Motor current = 150% of nominal drive current: 60 seconds
Drive ventilation
The fan starts up when the drive is powered up then shuts down after 10 seconds if a run command has not been received.
The fan is powered automatically when the drive is unlocked (direction of operation + reference). It is powered down a few seconds after
the drive is locked (motor speed < 0.2 Hz and injection braking completed).
Time
(seconds)
Motor current/In drive

BBV46385 06/2010 13
Basic functions
Motor thermal protection
Function:
Thermal protection by calculating the I2t.
The protection takes account of self-cooled motors.
CAUTION
RISK OF DAMAGE TO MOTOR
External protection against overloads is required under the following circumstances:
• When the product is being switched on again, as there is no memory to record the motor thermal state
• When supplying more than one motor
• When supplying motors with ratings less than 0.2 times the nominal drive current
• When using motor switching
Failure to follow these instructions can result in equipment damage.
Tripping time t
in seconds
Motor current/
[Mot. therm. current] (ItH)

14 BBV46385 06/2010
Remote display terminal option, ATV31
This terminal is a local control unit which can be mounted on the door of the wall-mounted or floor-standing enclosure. It has a cable with
connectors, which is connected to the drive serial link (see the manual supplied with the terminal). Its display capabilities are practically
identical to those of the Altivar 312. With this terminal, however, up and down arrows are used for navigation rather than a jog dial. There
is also an access locking switch for the menus. There are three buttons for controlling the drive (1):
• FWD/REV: Reversal of the direction of rotation
• RUN: Motor run command
• STOP/RESET: Motor stop command or reset
Pressing the button a first time stops the motor, and if DC injection standstill braking is configured, pressing it a second time stops this
braking.
View of the front panel:: View of the rear panel :
Note: Protection via customer confidential code has priority over the switch.
Note:
• The remote terminal access locking switch also locks access by the drive keys.
• When the remote display terminal is disconnected, any locking remains active for the drive keys.
• The remote display terminal will only be active if the [Modbus baud rate] (tbr) parameter in the [COMMUNICATION] (COM-) menu,
page 98, still has its factory setting: [19.2 Kbps] (19.2).
(1)To activate the buttons on the remote display terminal, you first have to configure [HMI command] (LCC) = [Yes] (YES), page 61.
Saving and loading configurations
Up to four complete configurations for ATV312 drives without an option card can be stored on the remote display terminal. These
configurations can be saved, transported and transferred from one drive to another of the same rating. 4 different operations for the same
device can also be stored on the terminal.
See the [Saving config.] (SCS) and [Restore config.] (FCS) parameters in the [MOTOR CONTROL] (drC-) menu, pages 45 and 46, the
[INPUTS / OUTPUTS CFG] (I-O-) menu, pages 49 and 49, the [COMMAND] (CtL-) menu, pages 61 and 61, and the [APPLICATION
FUNCT.] (FUn-) menu, pages 90 and 90.
To transfer a configuration between an ATV31 and an ATV32, follow the procedure on page 90.
4-character
display
Connector
Access locking switch:
• Position:
[MONITORING] (SUP-) and [SPEED
REFERENCE] (rEF-) menus can be
accessed.
[SETTINGS] (SEt-), [MONITORING]
(SUP-) and [SPEED REFERENCE]
(rEF-) can be accessed.
• Position:
• Position: All menus can be accessed

BBV46385 06/2010 15
Remote graphic display terminal option, ATV61/ATV71
Description of the terminal
Thanks to the screen size of this graphic display terminal, which works with FLASH V1.1IE19 or higher and is part of the ATV71, it is possible
to display more detailed information than can be shown on an on-board display. It is connected in the same way as the ATV31 remote
display terminal.
Note: Keys 3, 4, 5 and 6 can be used to control the drive directly, if control via the terminal is activated.
To activate the buttons on the remote display terminal, you first have to configure [HMI command] (LCC) = [Yes] (YES), page 61.
1 Graphic display
2 Function keys:
F1: CODE
F2, F3: not used
F4: MODE
3 Button to stop/reset
4 Run button
5 Navigation button:
• Press (ENT): - To save the current value
- To enter the selected menu or parameter
• Turn CW/CCW: - To increase or decrease a value
- To go to the next or previous line
- To increase or decrease the reference if control via
the display terminal is activated
7 ESC button:cancels a value, a
parameter or a menu to return
to the previous selection
6 Button for reversing the direction
of rotation of the motor

16 BBV46385 06/2010
Remote graphic display terminal option, ATV61/ATV71 (continued)
Powering up the graphic display terminal for the first time
When powering up the graphic display terminal for the first time, the user has to select the required language.
Display after the graphic display terminal has been
powered up for the first time.
Select the language and press ENT.
The drive's rating details will now appear.
The [MAIN MENU]
follows automatically.
3 seconds
or ENT
Automatically switches to the [DRIVE MENU]
menu after 3 seconds.
Select the menu and press ENT.
LANGUAGE
English
Français
Deutsch
Espanol
Italiano
Chinese
Russian
Turkish
ATV312HU15M2
1.5kW/2HP 200V Single
MAIN MENU
DRIVE MENU
LANGUAGE
DRIVE MENU
SPEED REFERENCE
SETTINGS
MOTOR CONTROL
INPUTS / OUTPUTS CFG
COMMAND
Code Mode
APPLICATION FUNCT.
FAULT MANAGEMENT
COMMUNICATION

BBV46385 06/2010 17
Remote graphic display terminal option, ATV61/ATV71 (continued)
Powering up the drive for the first time
When powering up the drive for the first time, the user immediately accesses the 3 parameters below: [Standard mot. freq] (bFr), [Ref.1
channel] (Fr1), and [2/3 wire control] (tCC), page 30. .
Display after the drive has been powered up for the
first time.
The [MAIN MENU]
follows automatically.
3 seconds
Automatically switches to the [DRIVE MENU]
menu after 3 seconds.
Select the menu and press ENT.
ESC
The word "Ready" appears on the graphic display
terminal if you press the ESC key when in the
[DRIVE MENU].
ATV312HU15M2
1.5kW/2HP 200V Single
MAIN MENU
DRIVE MENU
LANGUAGE
DRIVE MENU
Standard mot. freq
2/3 wire control
Ref.1 channel
SPEED REFERENCE
SETTINGS
MOTOR CONTROL
INPUTS / OUTPUTS CFG
COMMAND
APPLICATION FUNCT.
FAULT MANAGEMENT
COMMUNICATION
DRIVE MENU
Ready
Code Mode

18 BBV46385 06/2010
Remote graphic display terminal option, ATV61/ATV71 (continued)
Subsequent power-ups
Display after powering up.
The [MAIN MENU]
follows automatically.
3 seconds
Automatically switches to the [DRIVE MENU]
menu after 3 seconds.
Select the menu and press ENT.
ESC
The word "Ready" appears on the graphic display
terminal if you press the ESC key when in the
[DRIVE MENU].
ATV312HU15M2
1.5kW/2HP 200V Single
MAIN MENU
DRIVE MENU
LANGUAGE
DRIVE MENU
SPEED REFERENCE
SETTINGS
MOTOR CONTROL
INPUTS / OUTPUTS CFG
COMMAND
Code Mode
APPLICATION FUNCT.
FAULT MANAGEMENT
COMMUNICATION
DRIVE MENU
Ready
Code Mode

BBV46385 06/2010 19
Remote display terminal option, ATV12
Description of the terminal
This terminal is a local control unit which can be mounted on the door of the wall-mounted or floor-standing enclosure. It has a cable with
connectors, which is connected to the drive serial link (see the manual supplied with the terminal). Its display capabilities are practically
identical to those of the Altivar 312. With this terminal, up and down arrows are used for navigation rather than a jog dial.
(1) If the drive is locked by a code ([PIN code 1] (COd), page 103), pressing the Mode key enables you to switch from the [MONITORING]
(SUP-) menu to the [SPEED REFERENCE] (rEF-) menu and vice versa.
To activate the buttons on the remote display terminal, you first have to configure [HMI command] (LCC) = [Yes] (YES), page 61.
1 Graphic display
2 MODE button (1): If [SPEED
REFERENCE] (rEF-) is displayed,
this will take you to the
[SETTINGS] (SEt-) menu. If not, it
will take you to the [SPEED
REFERENCE] (rEF-) menu.
3 ESC button
Used to quit a menu/parameter or
remove the currently displayed
value in order to revert
to the previous value
retained in the memory
4 RUN button
Executes the function
assuming it has been
configured
5 Navigation keys
6 ENT button
Used to save the current value or
access the selected menu/parameter
8 Button for reversing the direction
of rotation of the motor
7 STOP button
Used to stop the motor and
perform a reset

20 BBV46385 06/2010
Structure of the parameter tables
The parameter tables contained in the descriptions of the various menus are organized as follows.
Example :
APPLICATION FUNCT.] menu (Fun-)
Code Name/Description Adjustment
range Factory
setting
PI- b [PI regulator]
Note: The "PI regulator" function is incompatible with several functions (see page 21). It can only
be configured if these functions are unassigned, in particular the summing inputs (set [Summing
ref. 2] (SA2) to [No] (nO), page 71) and the preset speeds (set [2 preset speeds] (PS2) and
[4 preset speeds] (PS4) to [No] (nO), page 73) which will have been assigned as part of the
factory settings.
PIF M [PID feedback ass.] [Non] (nO)
no
AI1
A12
A13
v[Non] (nO): not assigned
v[AI1] (AI1): analog input AI1
v[AI2] (AI2): analog input AI2
v[AI3] (AI3): analog input AI3
5
2
3
1
4
6
8
7
1. Name of menu on 4-digit 7-segment display
2. Submenu code on 4-digit 7-segment display
3. Parameter code on 4-digit 7-segment display
4. Parameter value on 4-digit 7-segment display
5. Name of menu on ATV61/ATV71 graphic display terminal
6. Name of submenu on ATV61/ATV71 graphic display terminal
7. Name of parameter on ATV61/ATV71 graphic display terminal
8. Value of parameter on ATV61/ATV71 graphic display terminal

BBV46385 06/2010 21
Compatibility of functions
Incompatible functions
The following functions will be inaccessible or deactivated in the cases described below:
Automatic restart
This is only possible for the 2-wire level control type ([2/3 wire control] (tCC) = [2 wire] (2C) and [2 wire type] (tCt) = [Level] (LEL) or
[Fwd priority] (PFO)).
Catch on the fly
This is only possible for the 2-wire level control type ([2/3 wire control] (tCC) = [2 wire] (2C) and [2 wire type] (tCt) = [Level] (LEL) or
[Fwd priority] (PFO)).
This function is locked if automatic standstill injection has been configured as DC ([Auto DC injection] (AdC) = [Continuous] (Ct)).
Function compatibility table
The choice of application functions may be limited by the number of I/O and by the fact that some functions are incompatible with one
another. Functions which are not listed in this table are compatible.
If there is an incompatibility between functions, the first function configured will prevent the others being configured.
To configure a function, first check that functions which are incompatible with it are unassigned, especially those which are
assigned in the factory settings.
(1)Excluding special application with reference channel [Ref.2 channel] (Fr2) (see diagrams 53 and 55)
Priority functions (functions which cannot be active at the same time):
Stop functions take priority over run commands.
Speed references via logic command take priority over analog references.
Summing inputs (factory setting)
+/- speed (1)
Management of limit switches
Preset speeds (factory setting)
PI regulator
Jog operation
Brake control
DC injection stop
Fast stop
Freewheel stop
Summing inputs (factory setting) pApA
+/- speed (1) pppp
Management of limit switches p
Preset speeds (factory setting) Xp pA
PI regulator pppp pp
Jog operation Xp Xp p
Brake control pp p
DC injection stop p A
Fast stop A
Freewheel stop XX
pIncompatible functions Compatible functions Not applicable
XA
The function marked with the arrow takes priority over the other.

22 BBV46385 06/2010
Compatibility of functions
Logic and analog input application functions
Each of the functions on the following pages can be assigned to one of the inputs.
A single input can activate several functions at the same time (reverse and 2nd ramp for example). The user must therefore ensure that
these functions can be used at the same time.
The [MONITORING] (SUP-) menu ([[LOGIC INPUT CONF.]] (LIA-) parameter, page 104, and [[ANALOG INPUTS IMAGE]] (AIA-)
parameter, page 104) can be used to display the functions assigned to each input in order to check their compatibility.
Before assigning a reference, command or function to a logic or analog input, the user must check that this input has not already been
assigned in the factory settings and that no other input has been assigned to an incompatible or unwanted function.
• Example of incompatible function to be unassigned:
In order to use the "+speed/-speed" function, the preset speeds and summing input 2 must first be unassigned.
The table below lists the factory-set input assignments and the procedure for unassigning them.
Assigned input Function Code To unassign, set to: Page
LI2 Run reverse rrS nO 48
LI3 2 preset speeds PS2 nO 73
LI4 4 preset speeds PS4 nO 73
AI1 Reference 1 Fr1 Anything but AI1 58
LI1 Run forward tCC 2C or 3C 47
AI2 Summing input 2 SA2 nO 71

BBV46385 06/2010 23
List of functions that can be assigned to inputs/outputs
Logic inputs Page Code Factory setting
Not assigned - -LI5 - LI6
Run forward - -LI1
2 preset speeds 73 PS2 LI3
4 preset speeds 73 PS4 LI4
8 preset speeds 73 PS8
16 preset speeds 74 PS16
2 preset PI references 81 Pr2
4 preset PI references 82 Pr4
+ speed 78 USP
- speed 78 dSP
Jog operation 76 JOG
Ramp switching 64 rPS
2nd current limit switching 86 LC2
Fast stop via logic input 66 FSt
DC injection via logic input 67 dCI
Freewheel stop via logic input 68 nSt
Run reverse 48 rrS LI2
External fault 93 EtF
RESET 92 rSF
Forced local mode 99 FLO
Reference switching 59 rFC
Control channel switching 60 CCS
Motor switching 87 CHP
Forward limit switch 89 LAF
Reverse limit switch 89 LAr
Fault inhibition 96 InH
Analog inputs Page Code Factory setting
Not assigned - -AI3
Reference 1 58 Fr1 AI1
Reference 2 58 Fr2
Summing input 2 71 SA2 AI2
Summing input 3 71 SA3
PI regulator feedback 81 PIF

24 BBV46385 06/2010
List of functions that can be assigned to inputs/outputs
Analog/logic output Page Code Factory setting
Not assigned - -AOC/AOV
Motor current 48 OCr
Motor frequency 48 OFr
Motor torque 48 Otr
Power supplied by the drive 48 OPr
Drive detected fault (logic data) 48 FLt
Drive running (logic data) 48 rUn
Frequency threshold reached (logic data) 48 FtA
High speed (HSP) reached (logic data) 48 FLA
Current threshold reached (logic data) 48 CtA
Frequency reference reached (logic data) 48 SrA
Motor thermal threshold reached (logic data) 48 tSA
Brake sequence (logic data) 48 bLC
Relay Page Code Factory setting
Not assigned - -R2
Detected fault 49 FLt R1
Drive running 49 rUn
Frequency threshold reached 49 FtA
High speed (HSP) reached 49 FLA
Current threshold reached 49 CtA
Frequency reference reached 49 SrA
Motor thermal threshold reached 49 tSA
Brake sequence 49 bLC
Copy of the logic input 49 LI1 to LI6

BBV46385 06/2010 25
List of functions that can be assigned to the Network and
Modbus control word bits
Bits 11 to 15 of the control word Page Code
2 preset speeds 73 PS2
4 preset speeds 73 PS4
8 preset speeds 73 PS8
16 preset speeds 74 PS16
2 preset PI references 81 Pr2
4 preset PI references 82 Pr4
Ramp switching 64 rPS
2nd current limit switching 86 LC2
Fast stop via logic input 66 FSt
DC injection 67 dCI
External fault 93 EtF
Reference switching 59 rFC
Control channel switching 60 CCS
Motor switching 87 CHP

26 BBV46385 06/2010
Checklist
Carefully read the information contained in the programming, installation and simplified manuals, as well as the information in the catalog.
Before starting to use the drive, please check the following points relating to mechanical and electrical installations.
For the full range of documentation, please visit www.schneider-electric.com.
1. Mechanical installation (see the simplified and installation manuals)
• For details of the different installation types and recommendations concerning ambient temperature, please refer to the installation
instructions in the simplified or installation manuals.
• Install the drive vertically in accordance with the specifications. Please refer to the installation instructions in the simplified or
installation manuals.
• When using the drive, both the environmental conditions defined under standard 60721-3-3 and the levels defined in the catalog must
be respected.
• Install the required options for your application. Refer to the catalog for details.
2. Electrical installation (see the simplified and installation manuals)
• Ground the drive. See the sections on how to ground equipment in the simplified and installation manuals.
• Make sure the input supply voltage matches the nominal drive voltage and connect the line supply in accordance with the simplified
and installation manuals.
• Make sure you use appropriate input line fuses and circuit breakers. See the simplified and installation manuals.
• Arrange the cables for the control terminals as required (see the simplified and installation manuals). Separate the supply and control
cables in accordance with EMC compatibility rules.
• The ATV312ppppM2 and ATV312ppppN4 ranges include an EMC filter Using an IT jumper helps reduce leakage current. This is
explained in the paragraph about the internal EMC filter on the ATV312ppppM2 and the ATV312ppppN4 in the installation manual.
• Make sure the motor connections are right for the voltage (star, delta).
3. Using and starting up the drive
• Start the drive. [Standard mot. freq] (bFr), page 29, is displayed the first time the drive is powered up. Make sure the frequency defined
by frequency bFr (the factory setting is 50 Hz) matches the motor's frequency.
• When the drive is powered up for the first time, the [Ref.1 channel] (Fr1) parameter, page 29, and the [2/3 wire control] (tCC)
parameter, page 30, are displayed after [Standard mot. freq] (bFr). These parameters will need to be adjusted if you wish to control
the drive locally.
• When the drive is powered up subsequently, [Ready] (rdY) is displayed on the HMI.
•The [Restore config.] (FCS) function, page 46, is used to reinitialize the drive with the factory settings.

BBV46385 06/2010 27
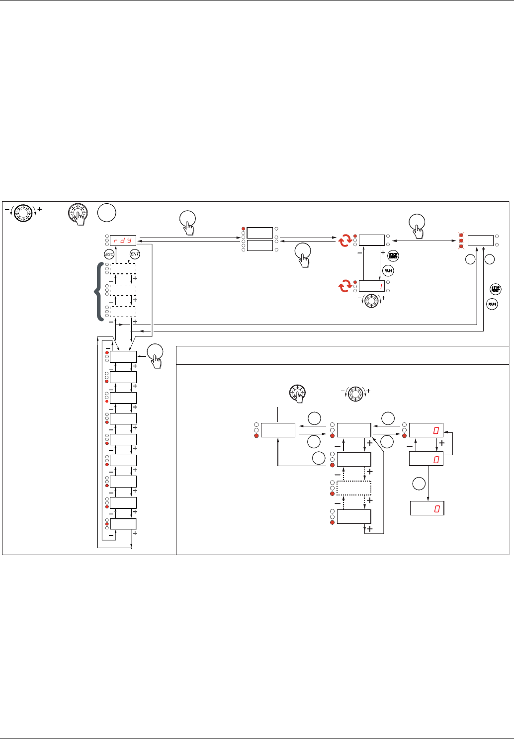
Programming
Description of the HMI
Functions of the display and the keys
Normal display, with no fault code displayed and no startup:
- : Displays the parameter selected in the [MONITORING] (SUP-) menu (default: motor frequency).
If the current is limited, the display flashes. In such cases, CLI will appear at the top left if an ATV61/ATV71 graphic display
terminal is connected to the drive.
-InIt: Initialization sequence
-rdY: Drive ready
-dCb: DC injection braking in progress
-nSt: Freewheel stop
-FSt: Fast stop
-tUn : Auto-tuning in progress
In the event of a detected fault, the display will flash to notify the user accordingly. If an ATV61/ATV71 graphic display terminal is
connected, the name of the detected fault will be displayed.
(1) If the drive is locked by a code ([PIN code 1] (COd), page 103), pressing the Mode key enables you to switch from the [MONITORING]
(SUP-) menu to the [SPEED REFERENCE] (rEF-) menu and vice versa. It is no longer possible to switch between LOCAL and REMOTE
configurations.
• 4 x 7 segment display
RUN button: Controls powering up of the
motor for forward running in LOCAL
configuration and in REMOTE configuration
if the [2/3 wire control] (tCC) parameter in the
[INPUTS /OUTPUTS CFG] (I-O-) menu is set
to [Local] (LOC), page 47 (could be
hidden by door if function disabled)
• Jog dial - can be used for
navigation by turning it clockwise
or counter-clockwise - pressing
the jog dial enables the user to
make a selection or confirm
information.
• Used to quit a menu or parameter
or to clear the value displayed in
order to revert to the value in the
memory
• In LOCAL configuration, 2s
press on ESC button switches
between the control/
programming modes
STOP/RESET button
• Enables detected fault to be reset
• Can be used to control motor stopping
-If [2/3 wire control] (tCC) is not set to
[Local] (LOC), freewheel stop
-If [2/3 wire control] (tCC) is set to [Local]
(LOC), stop on ramp or freewheel stop
during DC injection braking
• 2 CANopen status LEDs
• MON LED, illuminated if
[MONITORING] (SUP-)
menu is active
• CONF LED, illuminated if the
[SETTINGS] (SEt-),
[MOTOR CONTROL]
(drC-),[INPUTS / OUTPUTS
CFG] (I-O-), [COMMAND]
(CtL-), [APPLICATION
FUNCT] (FUn-), [FAULT
MANAGEMENT] (FLt-)
or [COMMUNICATION]
(COM-) menus are active
Functions as a potentiometer in
LOCAL configuration and in REMOTE
configuration if [Ref.1 channel] (Fr1-)
in the [COMMAND] (CtL-) menu is set
to [Image input AIV1] (AIV1)
MODE button (1): 3s press on
MODE button switches between the
REMOTE/LOCAL configurations.
If [SPEED REFERENCE] (rEF-) is
displayed, this will take you to the
[SETTINGS] (SEt-) menu. If not, it
will take you to the [SPEED
REFERENCE] (rEF-) menu.
• Load LED
• REF LED, illuminated if
[SPEED REFERENCE]
(rEF-) menu is active
Note1: In LOCAL configuration, the three Leds REF, MON,and CONF are blinking simultaneously in programming mode and are working
as a Led chaser in control mode.

28 BBV46385 06/2010
Programming
REMOTE and LOCAL configuration
The LOCAL configuration allows to activate automatically the embedded RUN button and the jog dial as a potentiometer.
In that configuration, the speed adjustment will also be effective on remote keypads. MODE button on ATV12 remote display terminal and
on ATV61/71 graphic display terminal (function key F4) is also active to switch from one configuration to another.
[Ref.1 channel] (Fr1) is set to [AI Virtual 1] (AIV1) and [2/3 wire control] (tCC) are set to [2 wire] (2C) when switching to LOCAL
configuration.
For parameters interdependencies reasons, switching from one configuration to another will change other parameters (for example : Input/
Output assignment will return to their factory value). Choose the configuration (REMOTE or LOCAL) before starting the parameters
adjustment of the drive.
Structure of the menus
On the 7-segment display, a dash after menu and submenu codes is used to differentiate them from parameter codes.
Examples: [APPLICATION FUNCT.] (FUn-) menu, [Acceleration] (ACC) parameter
bFr
Fr1
tCC
I-O-
CtL-
FUn-
FLt-
COM-
SUP-
SEt-
drC-
rEF-
LOC
35.
rdY
rEN
3s
MODE
MODE
3s
MODE
2s
ESC
rdY
[SPEED REFERENCE]
[SETTINGS]
[MOTOR CONTROL]
[INPUTS / OUTPUTS CFG]
[APPLICATION FUNCT.]
[COMMAND]
[FAULT MANAGEMENT]
[COMMUNICATION]
[MONITORING]
ESC ENT
[Output frequency] (Hz)
= ENT
= - +
SEt- ACC
dEC 26.
26.
15.
= ENT
SFr
ESC
ESC
ENT ENT
ENT
ESC
Parameter selection
These 3 parameters are
only visible at first power up
of the drive.
Settings can be changed
subsequently in menu:
drC- for bFr
CtL- for Fr1
I-O- for tCC.

BBV46385 06/2010 29
Programming
Configuring the [Standard mot. freq] (bFr), [2/3 wire control] (tCC), and
[Ref.1 channel] (Fr1) parameters
These parameters can only be modified when the drive is stopped and no run command is present.
Code Description Adjustment
range Factory
setting
bFr M [Standard mot. freq] [50Hz IEC] (50)
50
60
This parameter is only visible the first time the drive is powered up.
It can be modified at any time in the [MOTOR CONTROL] (drC-) menu.
[50Hz IEC] (50): 50 Hz
[60Hz NEMA] (60): 60 Hz
This parameter modifies the presets of the following parameters: [High speed] (HSP), page 33, [Freq.
threshold] (Ftd), page 39, [Rated motor freq.] (FrS), page 41, and [Max frequency] (tFr), page 44
Fr1 M [Ref.1 channel] [AI1] (AI1)
AI1
AI2
AI3
AIU1
UPdt
UPdH
LCC
Mdb
nEt
v[AI1] (AI1) - Analog input AI1
v[AI2] (AI2) - Analog input AI2
v[AI3] (AI3) - Analog input AI3
v[AI Virtual 1] (AIV1) - In terminal control mode, the jog dial functions as a potentiometer.
If [ACCESS LEVEL] (LAC) = [Level 2] (L2) or [Level 3] (L3), the following additional assignments are possible:
v[+/- SPEED] (UPdt): +/- speed reference via LI. See configuration page 78.
v[+/-spd HMI] (UPdH): +/- speed reference by turning the jog dial on the ATV312 keypad.
To use, display the frequency [Output frequency] (rFr), page 101. The +/- speed function via the keypad or
the terminal is controlled from the [MONITORING] (SUP-) menu by selecting the [Output frequency] (rFr)
parameter.
If [ACCESS LEVEL] (LAC) = [Level 3] (L3), the following additional assignments are possible:
v[HMI] (LCC) reference via the remote display terminal, [HMI Frequency ref.] (LFr) parameter in the
[SETTINGS] (SEt-) menu, page 32
v[Modbus] (Mdb): Reference via Modbus
v[Com. card] (nEt): Reference via network communication protocol

30 BBV46385 06/2010
Programming
Code Description Adjustment
range Factory
setting
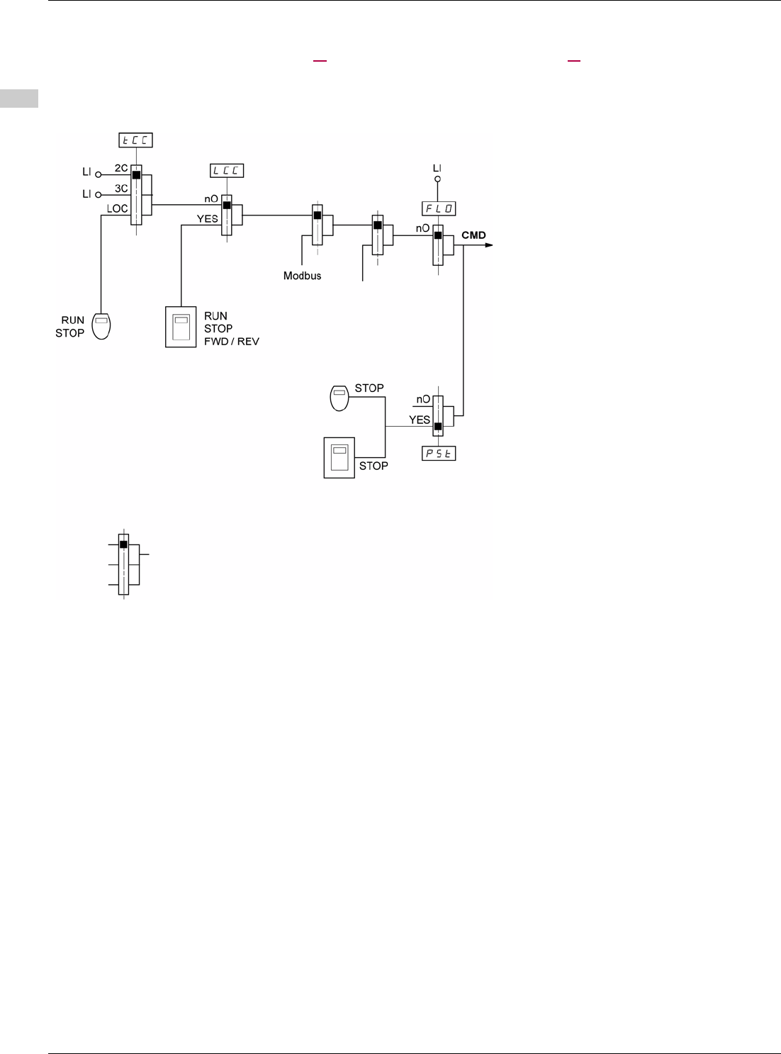
tCC M [2/3 wire control] [2 wire] (2C)
DANGER
UNINTENDED EQUIPMENT OPERATION
When the [2/3 wire control] (tCC) parameter is changed, the [Reverse assign.] (rrS) parameter, page 48, and the
[2 wire type] (tCt) parameter, page 47, and all the assignments involving the logic inputs will revert to their default
values.
Check that this change is compatible with the wiring diagram used.
Failure to follow these instructions will result in death or serious injury.
2C
3C
LOC
Control configuration:
v[2 wire] (2C): 2-wire control
v[3 wire] (3C): 3-wire control
v[Local] (LOC): Local control (RUN/STOP/RESET drive) (invisible if [ACCESS LEVEL] (LAC) = [Level 3] (L3),
page 58)
2-wire control: The open or closed state of the input controls running or stopping.
Wiring example:
LI1: Forward
LIx: Reverse
3-wire control (pulse control): A "forward" or "reverse" pulse is sufficient to control startup, a "stop" pulse is
sufficient to control stopping.
Wiring example:
LI1: Stop
LI2: Forward
LIx: Reverse
The jog dial (ENT) needs to be pressed and held down (for 2 s) to change the assignment for this parameter.
2 s
2 s

BBV46385 06/2010 31
[SPEED REFERENCE] (rEF-) menu
The [SPEED REFERENCE] (rEF-) menu displays [HMI Frequency ref.] (LFr), [Image input AIV1] (AIV1) or [Frequency ref.] (FrH) depending
on which control channel is active.
During local control, the HMI's jog dial functions as a potentiometer, making it possible to increase or reduce the reference value within
limits defined by the [Low speed] (LSP) and [High speed] (HSP) parameters.
When local control is deactivated, by the [Ref.1 channel] (Fr1) parameter, only the reference values are displayed. The value will be read-
only and can only be changed via the jog dial (the speed reference is supplied by an AI or another source).
The reference displayed will depend on how the drive has been configured.
Code Description Factory setting
LFr M [HMI Frequency ref.] 0 to 500 Hz
This parameter only appears if the function has been enabled.
It is used to change the speed reference from the remote control.
ENT does not have to be pressed to enable a change of reference.
AIU1 M [Image input AIV1] 0 to 100%
Used to amend the speed reference via the jog dial
FrH M [Frequency ref.] LSP to HSP Hz
This parameter is read-only. It enables you to display the speed reference applied to the motor, regardless of
which reference channel has been selected.
rEF-
SEt-
drC-
I-0-
CtL-
FUn-
FLt-
COM-
SUP-

32 BBV46385 06/2010
[SETTINGS] (SEt-) menu
The adjustment parameters can be modified with the drive running or stopped.
Note: Changes should preferably be made with the drive stopped.
Code Description Adjustment range Factory setting
LFr M [HMI Frequency ref.] 0 to HSP -
gThis parameter is displayed if [HMI command] (LCC) = [Yes] (YES), page 61 or if [Ref.1 channel] (Fr1)/[Ref.2
channel] (Fr2) = [HMI] (LCC) page 58, and if a remote display terminal is connected. In such cases, [HMI
Frequency ref.] (LFr) can also be accessed via the drive's keypad.
[HMI Frequency ref.] (LFr) is reinitialized to 0 when power is switched off.
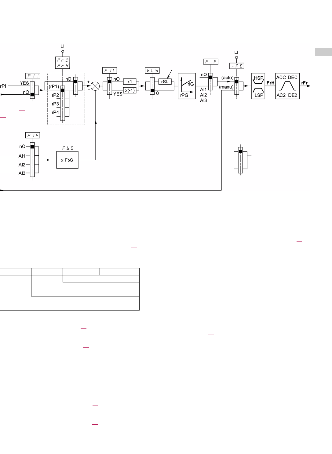
rPI
g
M [Internal PID ref.] 0.0 to 100% 0%
Parameter is only visible if [PID feedback ass.] (PIF) is not set to [No] (nO), page 81.
ACC M [Acceleration] In accordance with
Inr, page 63
3 s
Defined to accelerate from 0 to the nominal frequency [Rated motor freq.] (FrS) in the [MOTOR CONTROL]
(drC-) menu.
AC2 M [Acceleration 2] In accordance with
Inr, page 63
5 s
gParameter can be accessed if [Ramp 2 threshold] (Frt) > 0, page 64, or if [Ramp switch ass.] (rPS) is assigned,
page 64.
dE2 M [Deceleration 2] In accordance with
Inr, page 63
5 s
gParameter can be accessed if [Ramp 2 threshold] (Frt) > 0, page 64, or if [Ramp switch ass.] (rPS) is assigned,
page 64.
dEC M [Deceleration] In accordance with
Inr, page 63
3 s
Defined to decelerate from the nominal frequency [Rated motor freq.] (FrS) (parameter in the [MOTOR CONTROL]
(drC-)) menu to 0.
Check that the value for [Deceleration] (dEC) is not too low in relation to the load to be stopped.
gThese parameters only appear if the corresponding function has been selected in another menu. When the parameters can
also be accessed and set from within the configuration menu for the corresponding function, their description is detailed in
these menus, on the pages indicated, to aid programming.
Speed reference via the display terminal
Scaling factor for the [Cust. output value] (SPd1) parameter
rEF-
SEt-
drC-
I-0-
CtL-
FUn-
FLt-
COM-
SUP-

BBV46385 06/2010 33
[SETTINGS] (SEt-) menu
(1)In corresponds to the nominal drive current indicated in the Installation Manual and on the drive nameplate.
Code Description Adjustment
range Factory
setting
tA1 M [Begin Acc round] 0 to 100 10
gParameter can be accessed if the [Ramp type] (rPt) = [Customized] (CUS), page 62.
tA2 M [End Acc round] 0 to (100-tA1) 10
gParameter can be accessed if the [Ramp type] (rPt) = [Customized] (CUS), page 62.
tA3 M [Begin Dec round] 0 to 100 10
gParameter can be accessed if the [Ramp type] (rPt) = [Customized] (CUS), page 62.
tA4 M [End Dec round] 0 to (100-tA3) 10
gParameter can be accessed if the [Ramp type] (rPt) = [Customized] (CUS), page 62.
LSP M [Low speed] 0 to HSP 0
Motor frequency at min. reference
HSP M [High speed] LSP to tFr bFr
Motor frequency at max. reference: Ensure that this setting is appropriate for the motor and the application.
ItH M [Mot. therm. current] 0.2 to 1.5 In (1) In accordance
with the drive
rating
Set [Mot. therm. current] (ItH) to the nominal current indicated on the motor's rating plate.
If you wish to suppress thermal protection, see [Overload fault mgt] (OLL), page 94.
UFr M [IR compensation] 0 to 100% 20%
- For [U/F mot 1 selected] (UFt) = [SVC] (n) or [Energy sav.] (nLd), page 44: IR compensation
- For [U/F mot 1 selected] (UFt) = [Cst. torque] (L) or [Var. torque] (P), page 44: Voltage boost
Used to optimize the torque at very low speed (increase [IR compensation] (UFr) if the torque is insufficient).
Check that the value for [IR compensation] (UFr) is not too high when the motor is in a hot state otherwise some
instabilities can occur.
Note: Changing [U/F mot 1 selected] (UFt), page 44, will cause [IR compensation] (UFr) to return to its factory
setting (20%).
FLG
g
M [FreqLoopGain] 1 to 100% 20%
Parameter can only be accessed if [U/F mot 1 selected] (UFt) = [SVC] (n) or [Energy sav.] (nLd), page 44.
The FLG parameter adjusts the drive's ability to follow the speed ramp on the basis of the inertia of the machine
being driven.
Too high a gain may result in operating instability.
gThese parameters only appear if the corresponding function has been selected in another menu. When the parameters can
also be accessed and set from within the configuration menu for the corresponding function, their description is detailed in
these menus, on the pages indicated, to aid programming.
rEF-
SEt-
drC-
I-0-
CtL-
FUn-
FLt-
COM-
SUP-
FLG low FLG correct FLG high
In this case,
increase FLG.
In this case,
reduce FLG.

34 BBV46385 06/2010
[SETTINGS] (SEt-) menu
(1)In corresponds to the nominal drive current indicated in the Installation Manual and on the drive nameplate.
(2)Note: These settings are not related to the "automatic standstill DC injection" function.
Code Description Adjustment range Factory setting
StA M [Fr.Loop.Stab] 1 to 100% 20%
g
Parameter can only be accessed if [U/F mot 1 selected] (UFt) = [SVC] (n) or [Energy sav.] (nLd), page 44.
Used to adapt the return to steady state after a speed transient (acceleration or deceleration), according to the
dynamics of the machine.
Gradually increase the stability to avoid any overspeed.
SLP M [Slip compensation] 0 to 150% 100%
g
Parameter can only be accessed if [U/F mot 1 selected] (UFt) = [SVC] (n) or [Energy sav.] (nLd), page 44.
Adjusts the slip compensation around the value set by the nominal motor speed.
The speeds given on motor rating plates are not necessarily exact.
• If slip setting < actual slip: the motor is not rotating at the correct speed in steady state.
• If slip setting > actual slip: the motor is overcompensated and the speed is unstable.
IdC M [DC inject. level 1] (2) 0 to In (1) 0.7 In (1)
CAUTION
RISK OF DAMAGE TO THE MOTOR
• Check that the motor will withstand this current without overheating..
Failure to follow these instructions can result in equipment damage.
gParameter can be accessed if [Type of stop] (Stt) = [DC injection] (dCI), page 66, or if [DC injection assign.] (dCI)
is not set to [No] (nO), page 67.
After 5 seconds, the injection current is limited to 0.5 [Mot. therm. current] (ItH) if set to a higher value.
tdC M [DC injection time 2] (2) 0.1 to 30 s 0.5 s
CAUTION
RISK OF DAMAGE TO THE MOTOR
• Long periods of DC injection braking can cause overheating and damage the motor.
• Protect the motor by avoiding long periods of DC injection braking.
Failure to follow these instructions can result in equipment damage.
gParameter can be accessed if [Type of stop] (Stt) = [DC injection] (dCI) , page 66.
tdC1 M [Auto DC inj. time 1] 0.1 to 30 s 0.5 s
CAUTION
RISK OF DAMAGE TO THE MOTOR
• Long periods of DC injection braking can cause overheating and damage the motor.
• Protect the motor by avoiding long periods of DC injection braking.
Failure to follow these instructions can result in equipment damage.
gParameter can be accessed if [Auto DC injection] (AdC) is not set to [No] (nO), page 69.
gThese parameters only appear if the corresponding function has been selected in another menu. When the parameters can
also be accessed and set from within the configuration menu for the corresponding function, their description is detailed in
these menus, on the pages indicated, to aid programming.
rEF-
SEt-
drC-
I-0-
CtL-
FUn-
FLt-
COM-
SUP-
StA low StA correct StA high
In this case,
increase StA.
In this case,
reduce StA.

BBV46385 06/2010 35
[SETTINGS] (SEt-) menu
(1)In corresponds to the nominal drive current indicated in the Installation Manual and on the drive nameplate.
(2)Note: These settings are not related to the "automatic standstill DC injection" function.
Code Description Adjustment range Factory setting
SdC1 M [Auto DC inj. level 1] 0 to 1.2 In (1) 0.7 In (1)
CAUTION
RISK OF DAMAGE TO THE MOTOR
• Check that the motor will withstand this current without overheating.
Failure to follow these instructions can result in equipment damage.
gParameter can be accessed if [Auto DC injection] (AdC) is not set to [No] (nO), page 69.
Note: Check that the motor will withstand this current without overheating.
tdC2 M [Auto DC inj. time 2] 0 to 30 s 0 s
CAUTION
RISK OF DAMAGE TO THE MOTOR
• Long periods of DC injection braking can cause overheating and damage the motor.
• Protect the motor by avoiding long periods of DC injection braking.
Failure to follow these instructions can result in equipment damage.
gParameter can be accessed if [Auto DC injection] (AdC) is not set to [No] (nO), page 69.
SdC2 M [Auto DC inj. level 2] 0 to 1.2 In (1) 0.5 In (1)
CAUTION
RISK OF DAMAGE TO THE MOTOR
• Check that the motor will withstand this current without overheating.
Failure to follow these instructions can result in equipment damage.
gParameter can be accessed if [Auto DC injection] (AdC) is not set to [No] (nO), page 69.
Note: Check that the motor will withstand this current without overheating.
gThese parameters only appear if the corresponding function has been selected in another menu. When the parameters can
also be accessed and set from within the configuration menu for the corresponding function, their description is detailed in
these menus, on the pages indicated, to aid programming.

36 BBV46385 06/2010
[SETTINGS] (SEt-) menu
Code Description Adjustment range Factory setting
JPF M [Skip Frequency] 0 to 500 Hz 0 Hz
Helps to prevent prolonged operation at a frequency range of ± 1 Hz around [Skip Frequency] (JPF). This function
helps to prevent a critical speed which leads to resonance. Setting the function to 0 renders it inactive.
JF2 M [Skip Frequency 2] 1 to 500 Hz 0 Hz
Helps to prevent prolonged operation at a frequency range of ± 1 Hz around [Skip Frequency 2] (JF2). This
function helps to prevent a critical speed which leads to resonance. Setting the function to 0 renders it inactive.
JGF M [Jog frequency] 0 to 10 Hz 10 Hz
gParameter can be accessed if [JOG] (JOG) is not set to [No] (nO), page 76.
rPG M [PID prop. gain] 0.01 to 100 1
gParameter is only visible if [PID feedback ass.] (PIF) is not set to [No] (nO), page 81.
It provides dynamic performance when PI feedback is changing quickly.
rIG M [PID integral gain] 0.01 to 100/s 1
gParameter is only visible if [PID feedback ass.] (PIF) is not set to [No] (nO), page 81.
It provides static precision when PI feedback is changing slowly.
FbS M [PID fbk scale factor] 0.1 to 100 1
gParameter is only visible if [PID feedback ass.] (PIF) is not set to [No] (nO), page 81.
For adapting the process.
PIC M [PID correct. reverse] [No] (nO)
nO
YES
g
Parameter is only visible if [PID feedback ass.] (PIF) is not set to [No] (nO), page 81.
v[No] (nO): Normal
v[Yes] (YES): Reverse
rP2 M [Preset ref. PID 2] 0 to 100% 30%
gParameter is only visible if [PID feedback ass.] (PIF) is not set to [No] (nO), page 81, and if [2 preset PID ref.]
(Pr2), page 81, has been enabled by the input selection.
rP3 M [Preset ref. PID 3] 0 to 100% 60%
gParameter is only visible if [PID feedback ass.] (PIF) is not set to [No] (nO), page 81, and if [4 preset PID ref.]
(Pr4), page 82, has been enabled by the input selection.
rP4 M [Preset ref. PID 4] 0 to 100% 90%
gParameter is only visible if [PID feedback ass.] (PIF) is not set to [No] (nO), page 81, and if [4 preset PID ref.]
(Pr4), page 82, has been enabled by the input selection.
SP2 M [Preset speed 2] 0 to 500 Hz 10 Hz
gSee page 74.
gThese parameters only appear if the corresponding function has been selected in another menu. When the parameters can
also be accessed and set from within the configuration menu for the corresponding function, their description is detailed in
these menus, on the pages indicated, to aid programming.
rEF-
SEt-
drC-
I-0-
CtL-
FUn-
FLt-
COM-
SUP-

BBV46385 06/2010 37
[SETTINGS] (SEt-) menu
Code Description Adjustment
range Factory setting
SP3 M [Preset speed 3] 0 to 500 Hz 15 Hz
gSee page 74.
SP4 M [Preset speed 4] 0 to 500 Hz 20 Hz
gSee page 74.
SP5 M [Preset speed 5] 0 to 500 Hz 25 Hz
gSee page 74.
SP6 M [Preset speed 6] 0 to 500 Hz 30 Hz
gSee page 74.
SP7 M [Preset speed 7] 0 to 500 Hz 35 Hz
gSee page 74.
SP8 M [Preset speed 8] 0 to 500 Hz 40 Hz
gSee page 74.
SP9 M [Preset speed 9] 0 to 500 Hz 45 Hz
gSee page 74.
SP10 M [Preset speed 10] 0 to 500 Hz 50 Hz
gSee page 74.
SP11 M [Preset speed 11] 0 to 500 Hz 55 Hz
gSee page 75.
SP12 M [Preset speed 12] 0 to 500 Hz 60 Hz
gSee page 75.
SP13 M [Preset speed 13] 0 to 500 Hz 70 Hz
gSee page 75.
SP14 M [Preset speed 14] 0 to 500 Hz 80 Hz
gSee page 75.
SP15 M [Preset speed 15] 0 to 500 Hz 90 Hz
gSee page 75.
SP16 M [Preset speed 16] 0 to 500 Hz 100 Hz
gSee page 75.
gThese parameters only appear if the corresponding function has been selected in another menu. When the parameters can
also be accessed and set from within the configuration menu for the corresponding function, their description is detailed in
these menus, on the pages indicated, to aid programming.
rEF-
SEt-
drC-
I-0-
CtL-
FUn-
FLt-
COM-
SUP-

38 BBV46385 06/2010
[SETTINGS] (SEt-) menu
(1) In corresponds to the nominal drive current indicated in the Installation Manual and on the drive nameplate.
Code Description Adjustment
range Factory setting
CLI M [Current Limitation] 0.25 to 1.5 In (1) 1.5 In (1)
CAUTION
RISK OF DAMAGE TO THE MOTOR AND THE DRIVE
• Check that the motor will withstand this current, particularly in the case of permanent magnet synchronous motors,
which are susceptible to demagnetization.
• Check that the profile mission complies with the derating curve given in the installation manual.
Failure to follow these instructions can result in equipment damage.
Used to limit the torque and the temperature rise of the motor.
CL2 M [I Limit. 2 value] 0.25 to 1.5 In (1) 1.5 In (1)
CAUTION
RISK OF DAMAGE TO THE MOTOR AND THE DRIVE
• Check that the motor will withstand this current, particularly in the case of permanent magnet synchronous motors,
which are susceptible to demagnetization.
• Check that the profile mission complies with the derating curve given in the installation manual.
Failure to follow these instructions can result in equipment damage.
gParameter is only visible if [Current limit 2] (LC2) is not set to [No] (nO), page 86.
tLS M [Low speed time out] 0 to 999.9 s 0 (no time limit)
After operating at [Low speed] (LSP) for a given time, the motor is stopped automatically. The motor restarts if
the frequency reference is greater than the [Low speed] (LSP) and if a run command is still present.
Note: Value 0 corresponds to an unlimited period.
rSL M [PID wake up thresh.] 0 to 100% 0%
DANGER
UNINTENDED EQUIPMENT OPERATION
• Check that unintended restarts will not present any danger.
Failure to follow these instructions will result in death or serious injury
g
Parameter is only visible if [PID feedback ass.] (PIF) is not set to [No] (nO), page 81.
If the "PI" and "Low speed operating time" [Low speed time out] (tLS) functions, page 38, are configured at the
same time, the PI regulator may attempt to set a speed lower than [Low speed] (LSP).
This results in unsatisfactory operation, which consists of starting, operating at [Low speed] (LSP), then
stopping, and so on.
The [PID wake up thresh.] (rSL) parameter (restart error threshold) is used to set a minimum PID error threshold
for restarting after a stop at prolonged [Low speed] (LSP).
The function is inactive if [Low speed time out] (tLS) = 0.
gThese parameters only appear if the corresponding function has been selected in another menu. When the parameters can
also be accessed and set from within the configuration menu for the corresponding function, their description is detailed in
these menus, on the pages indicated, to aid programming.
rEF-
SEt-
drC-
I-0-
CtL-
FUn-
FLt-
COM-
SUP-

BBV46385 06/2010 39
[SETTINGS] (SEt-) menu
(1)In corresponds to the nominal drive current indicated in the Installation Manual and on the drive nameplate.
Code Description Adjustment
range Factory setting
UFr2 M [IR compensation 2] 0 to 100% 20%
g
For [U/F mot.2 selected] (UFt2) = [SVC] (n) or [Energy sav.] (nLd): IR compensation.
For [U/F mot.2 selected] (UFt2) = [Cst. torque] (L) or [Var. torque] (P): voltage boost.
Used to optimize the torque at very low speed (increase [IR compensation 2] (UFr2) if the torque is insufficient).
Check that the value for [IR compensation 2] (UFr2) is not too high when the motor is in a hot state otherwise some
instabilities can occur. Changing [U/F mot.2 selected] (UFt2) will cause [IR compensation 2] (UFr2) to return to its
factory setting (20%).
FLG2 M [FreqLoopGain 2] 0 to 100% 20%
g
Parameter can only be accessed if [U/F mot.2 selected] (UFT2) = [SVC] (n) or [Energy sav.] (nLd), page 88.
The [FreqLoopGain 2] (FLG2) parameter adjusts the drive's ability to follow the speed ramp on the basis of the
inertia of the machine being driven.
Too high a gain may result in operating instability.
StA2 M [Freq. loop stability 2] 0 to 100% 20%
g
Parameter can only be accessed if [U/F mot.2 selected] (UFT2) = [SVC] (n) or [Energy sav.] (nLd), page 88.
Used to adapt the return to steady state after a speed transient (acceleration or deceleration), according to the dynamics
of the machine.
Gradually increase the stability to avoid any overspeed.
SLP2 M [Slip compensation 2] 0 to 150% 100%
g
Parameter can only be accessed if [U/F mot.2 selected] (UFT2) = [SVC] (n) or [Energy sav.] (nLd), page 88.
Adjusts the slip compensation around the value set by the nominal motor speed.
The speeds given on motor rating plates are not necessarily exact.
• If slip setting < actual slip: The motor is not rotating at the correct speed in steady state.
• If slip setting > actual slip: The motor is overcompensated and the speed is unstable.
Ftd M [Freq. threshold] 0 to 500 Hz bFr
Threshold beyond which the contact on the relay ([R1 Assignment] (r1) or [R2 Assignment] (r2) = [Freq.Th.att.]
(FtA)) closes or output AOV = 10 V ([Analog./logic output] (dO) = [Freq. limit] (FtA)).
ttd M [Motor therm. level] 1 to 118% 100%
Threshold beyond which the contact on the relay ([R1 Assignment] (r1) or [R2 Assignment] (r2) = [Th.mot. att.]
(tSA)) closes or output AOV = 10 V ([Analog./logic output] (dO) = [Drv thermal] (tSA)).
Ctd M [Current threshold] 0 to 1.5 In (1) In (1)
Threshold beyond which the contact on the relay ([R1 Assignment] (r1) or [R2 Assignment] (r2) = [I attained] (CtA))
closes or output AOV = 10 V ([Analog./logic output] (dO) = [Current limit] (CtA)).
gThese parameters only appear if the corresponding function has been selected in another menu. When the parameters can
also be accessed and set from within the configuration menu for the corresponding function, their description is detailed in
these menus, on the pages indicated, to aid programming.
rEF-
SEt-
drC-
I-0-
CtL-
FUn-
FLt-
COM-
SUP-
FLG2 low FLG2 correct FLG2 high
In this case,
increase FLG2.In this case,
reduce FLG2.
StA2 low StA2 correct StA2 high
In this case,
increase StA2 In this case,
reduce StA2

40 BBV46385 06/2010
[SETTINGS] (SEt-) menu
(1)Parameter can also be accessed in the [MOTOR CONTROL] (drC-) menu.
Code Description Adjustment
range Factory setting
SdS M [Scale factor display] 0.1 to 200 30
Used to display a value in proportion to the output frequency [Output frequency] (rFr): the machine speed, the motor
speed, etc.
• If [Scale factor display] (SdS) y 1, [Cust. output value] (SPd1) is displayed (possible definition = 0.01)
•If 1 < [Scale factor display] (SdS) y 10, [Cust. output value] (SPd2) is displayed (possible definition = 0.1)
•If [Scale factor display] (SdS) > 10, [Cust. output value] (SPd3) is displayed (possible definition = 1)
•If [Scale factor display] (SdS) > 10 and [Scale factor display] (SdS) x [Output frequency] (rFr) > 9,999:
the display will show
[Cust. output value] (SPd3) = to 2 decimal places
example: for 24,223, display will show 24.22
-If [Scale factor display] (SdS) > 10 and [Scale factor display] (SdS) x [Output frequency] (rFr) > 65,535, display
locked at 65.54
Example: Display motor speed for
4-pole motor, 1,500 rpm at 50 Hz (synchronous speed):
[Scale factor display] (SdS) = 30
[Cust. output value] (SPd3) = 1,500 at [Output frequency] (rFr) = 50 Hz
SFr M [Switching freq.] (1) 2.0 to 16 kHz 4 kHz
Parameter can also be accessed in the [MOTOR CONTROL] (drC-) menu. The frequency can be adjusted to
reduce the noise generated by the motor.
If the frequency has been set to a value higher than 4 kHz, in the event of excessive temperature rise, the drive
will automatically reduce the switching frequency and increase it again once the temperature has returned to
normal.
rEF-
SEt-
drC-
I-0-
CtL-
FUn-
FLt-
COM-
SUP-
[Scale factor display] (SdS) x [Output frequency] (rFr)
1000

BBV46385 06/2010 41
[MOTOR CONTROL] (drC-) menu
With the exception of [Auto tuning] (tUn), which can power up the motor, parameters can only be changed in stop mode, with no run
command present.
On the optional ATV31 remote display terminal, this menu can be accessed with the switch in the position.
Drive performance can be optimized by:
- Entering the values given on the motor rating plate in the Drive menu
- Performing an auto-tune operation (on a standard asynchronous motor)
(1)In corresponds to the nominal drive current indicated in the Installation Manual and on the drive nameplate.
Code Description Adjustment
range Factory
setting
bFr M [Standard mot. freq] [50Hz IEC] (50)
50
60
[50Hz IEC] (50): 50 Hz: IEC
[60Hz NEMA] (60): 60 Hz: NEMA
This parameter modifies the presets of the following parameters: [High speed] (HSP), page 33, [Freq.
threshold] (Ftd), page 39, [Rated motor freq.] (FrS), page 41, and [Max frequency] (tFr), page 44.
UnS M [Rated motor volt.] In accordance
with the drive
rating
In accordance
with the drive
rating
Nominal motor voltage given on the rating plate. When the line voltage is lower than the nominal motor voltage,
set [Rated motor volt.] (UnS) to the same value as the line voltage for the drive terminals.
ATV312pppM2: 100 to 240 V
ATV312pppM3: 100 to 240 V
ATV312pppN4: 100 to 500 V
ATV312pppS6: 100 to 600 V
FrS M [Rated motor freq.] 10 to 500 Hz 50 Hz
Nominal motor frequency marked on the rating plate. The factory setting is 50 Hz, or 60 Hz if [Standard mot.
freq] (bFr) is set to 60 Hz.
Note: The ratio must not exceed the following values:
ATV312pppM2: 7 max.
ATV312pppM3: 7 max.
ATV312pppN4: 14 max.
ATV312pppS6: 17 max.
The factory setting is 50 Hz, or preset to 60 Hz if [Standard mot. freq] (bFr) is set to 60 Hz.
nCr M [Rated mot. current] 0.25 to 1.5 In (1) In accordance
with the drive
rating
Nominal motor current given on the rating plate.
Standard motor frequency
Return to factory settings/Restore configuration
rEF-
SEt-
drC-
I-0-
CtL-
FUn-
FLt-
COM-
SUP-
[Rated motor volt.] (UnS) (in volts)
[Rated motor freq.] (FrS) (in Hz)

42 BBV46385 06/2010
[MOTOR CONTROL] (drC-) menu
(1)Procedure:
- Check that the motor is cold.
- Disconnect the cables from the motor terminals.
- Measure the resistance between 2 of the motor terminals (U. V. W.) without modifying its connection.
- Use the jog dial to enter half the measured value.
- Increase the factory setting of [IR compensation] (UFr), page 33, to 100% rather than 20%.
Note: Do not use [Cold stator resist.] (rSC) if it is not set to [No] (nO) or = [Power on] (POn) with catch on the fly ([CATCH ON THE FLY]
(FLr-), page 93).
Code Description Adjustment range Factory setting
nSP M [Rated motor speed] 0 to 32,760 rpm In accordance
with the drive
rating
0 to 9,999 rpm then 10.00 to 32.76 krpm
If, rather than the nominal speed, the nameplate indicates the synchronous speed and the slip in Hz or as a
%, calculate the nominal speed as follows:
• Nominal speed = synchronous speed x
or
• Nominal speed = synchronous speed x (50 Hz motors)
or
• Nominal speed = synchronous speed x (60 Hz motors)
COS M [Motor 1 Cosinus Phi] 0.5 to 1 In accordance
with the drive
rating
Motor Cos Phi given on the motor rating plate
rSC M [Cold stator resist.] [No] (nO)
nO
InIt
8888
v[No] (nO): function inactive. For applications which do not require high performance or do not tolerate
automatic auto-tuning (passing a current through the motor) each time the drive is powered up.
v[Init] (InIt): activates the function. To improve low-speed performance whatever the thermal state of the motor.
vValue of cold state stator resistance used, in mΩ.
Note:
• It is strongly recommended that this function is activated for mechanical handling applications.
• The function should only be activated [Init] (InIt) when the motor is cold.
• When [Cold stator resist.] (rSC) = [Init] (InIt), the [Auto-tuning] (tUn) parameter is forced to [Power on] (POn).
At the next run command the stator resistance is measured with an auto-tune. The [Cold stator resist.] (rSC)
then changes to a value of (8888) and maintains it, [Auto-tuning] (tUn) is still forced to [Power on] (POn).
The [Cold stator resist.] (rSC) parameter remains at [Init] (InIt) as long as the measurement has not been
performed.
• Value 8888 can be forced or changed using the jog dial (1).
rEF-
SEt-
drC-
I-0-
CtL-
FUn-
FLt-
COM-
SUP-
100 - slip as a %
100
50 - slip in Hz
50
60 - slip in Hz
60

BBV46385 06/2010 43
[MOTOR CONTROL] (drC-) menu
Code Description Adjustment
range Factory setting
tUn M [Auto tuning] [No] (nO)
DANGER
HAZARD OF ELECTRIC SHOCK, EXPLOSION, OR ARC FLASH
• During auto-tuning the motor operates at nominal current.
• Do not work on the motor during auto-tuning.
Failure to follow these instructions will result in death or serious injury.
WARNING
LOSS OF CONTROL
• It is essential that the [Rated motor volt.] (UnS), [Rated motor freq.] (FrS), [Rated motor freq.] (nCr), [Rated
motor speed] (nSP) , [Motor 1 Cosinus Phi.] (COS) parameters are configured correctly before starting auto-
tuning.
• When one or more parameters have been changed after auto-tuning has been performed, [Auto-tuning] (tUn)
will return [No] (nO) and the procedure will have to be repeated.
Failure to follow these instructions will result in death, serious injury, or equipment damage.
nO
YES
dOnE
rUn
POn
LI1
to
LI6
v[No] (nO): Auto-tuning not performed
v[Yes] (YES): Auto-tuning is performed as soon as possible, then the parameter automatically changes to
[Done] (dOnE) or [No] (nO) in the event that Auto-tuning is not successful [AUTO TUNING FAULT] (tnF)
is displayed if [Autotune fault mgt] (tnL) = [Yes] (YES), page 95).
v[Done] (dOnE): Use of the values given the last time auto-tuning was performed
v[Drv running] (rUn): Auto-tuning is performed every time a run command is sent.
v[Power on] (POn): Auto-tuning is performed on every power-up.
v[LI1] to [LI16] (LI1) to (LI6): Auto-tuning is performed on the transition from 0 V 1 of a logic input assigned
to this function.
DANGER
HAZARD OF ELECTRIC SHOCK OR ARC FLASH
When [Auto tuning] (tUn) is set [Power on] (POn), Auto tune will be performed every time the power will be
switched on.
• Check this action will not endanger personnel or equipment in any way.
Failure to follow these instructions will result in death or serious injury.
Note:
[Auto-tuning] (tUn) is forced to [Power on] (POn) if [Cold stator resist.] (rSC) = [Init] (InIt).
Auto-tuning is only performed if no command has been activated. If a "freewheel stop" or "fast stop"
function is assigned to a logic input, this input must be set to 1 (active at 0).
Auto-tuning may take 1 to 2 seconds. Do not interrupt the process. Wait for the display to change to [Done]
(dOnE) or [No] (nO).
tUS M [Auto tuning state] [Not done] (tAb)
tAb
PEnd
PrOG
FAIL
dOnE
Strd
(For information only, cannot be modified)
v[Not done] (tAb): The default stator resistance value is used to control the motor.
v[Pending] (PEnd): Auto-tuning has been requested but not yet performed.
v[In Progress] (PrOG): Auto-tuning in progress.
v[Failed] (FAIL): Auto-tuning was unsuccessful.
v[Done] (dOnE): The stator resistance measured by the auto-tuning function is used to control the motor.
v[Entered R1] (Strd): The cold state stator resistance ([Cold stator resist.] (rSC) which is not set to [No]
(nO)) is used to control the motor.
rEF-
SEt-
drC-
I-0-
CtL-
FUn-
FLt-
COM-
SUP-

44 BBV46385 06/2010
[MOTOR CONTROL] (drC-) menu
(1)Parameter can also be accessed in the [SETTINGS] (SEt-) menu.
Code Description Adjustment
range Factory setting
UFt M [U/F mot 1 selected] [SVC] (n)
L
P
n
nLd
v[Cst. torque] (L): Constant torque for motors connected in parallel or special motors.
v[Var. torque] (P): Variable torque for pump and fan applications.
v[SVC] (n): Sensorless flux vector control for constant torque applications.
v[Energy sav.] (nLd): Energy saving, for variable torque applications not requiring high dynamics (behaves
in a similar way to the [Var. torque] (P) ratio with no load and the [SVC] (n) ratio on load).
nrd M [Noise reduction] [Yes] (YES)
YES
nO
v[Yes] (YES): Frequency with random modulation.
v[No] (nO): Fixed frequency.
Random frequency modulation helps to prevent any resonance which may occur at a fixed frequency.
SFr M [Switching freq.] (1) 2.0 to 16 kHz 4 kHz
The frequency can be adjusted to reduce the noise generated by the motor.
If the frequency has been set to a value higher than 4 kHz, in the event of excessive temperature rise, the
drive will automatically reduce the switching frequency and increase it again once the temperature has
returned to normal.
tFr M [Max frequency] 10 to 500 Hz 60 Hz
The factory setting is 60 Hz, or preset to 72 Hz if [Standard mot. freq] (bFr) is set to 60 Hz.
SrF M [Speed loop filter] [No] (nO):
nO
YES
v[No] (nO): The speed loop filter is active (helps to prevent the reference being exceeded).
v[Yes] (YES): The speed loop filter is suppressed (in position control applications, this reduces the response
time and the reference may be exceeded).
rEF-
SEt-
drC-
I-0-
CtL-
FUn-
FLt-
COM-
SUP-
Voltage
Frequency

BBV46385 06/2010 45
[MOTOR CONTROL] (drC-) menu
(1)[Saving config.] (SCS), [Macro configuration] (CFG), and [Restore config.] (FCS) can be accessed from several configuration menus,
but they apply to all menus and parameters.
(2)Parameter can also be accessed in the [SETTINGS] (SEt-) menu.
Code Description Adjustment range Factory setting
SCS M [Saving config.] (1) [No] (nO)
nO
StrI
v[No] (nO): Function inactive
v[Config 1] (Str1): Saves the current configuration (but not the result of auto-tuning) to EEPROM. [Saving
config.] (SCS) automatically switches to [No] (nO) as soon as the save has been performed. This function
is used to keep another configuration in reserve, in addition to the current configuration.
When drives leave the factory the current configuration and the backup configuration are both initialized
with the factory configuration.
• If the ATV31 remote display terminal option is connected to the drive, the following additional selection
options will appear: [File 1] (FIL1), [File 2] (FIL2), [File 3] (FIL3), [File 4] (FIL4) (files available in the
remote display terminal's EEPROM memory for saving the current configuration). They can be used to
store between 1 and 4 different configurations which can also be stored on or even transferred to other
drives of the same rating.
[Saving config.] (SCS) automatically switches to [No] (nO) as soon as the save has been performed.
CFG M [Macro configuration] (1) [Factory set.] (Std)
DANGER
UNINTENDED EQUIPMENT OPERATION
Check that the selected macro configuration is compatible with the wiring diagram used.
Failure to follow these instructions will result in death or serious injury.
StS
Std
Choice of source configuration.
v[Start/Stop] (StS): Start/stop configuration
Identical to the factory configuration apart from the I/O assignments:
• Logic inputs:
- LI1, LI2 (reversing): 2-wire transition detection control, LI1 = run forward, LI2 = run reverse
- LI3 to LI6: Inactive (not assigned)
• Analog inputs:
- AI1: Speed reference 0-10 V
- AI2, AI3: Inactive (not assigned)
• Relay R1: The contact opens in the event of a detected fault (or drive off).
• Relay R2: Inactive (not assigned)
• Analog output AOC: 0-20 mA, inactive (not assigned)
v[Factory set.] (Std): Factory configuration (see page 11).
Note: The assignment of [Macro configuration] (CFG) results directly in a return to the selected
configuration.
The jog dial (ENT) needs to be pressed and held down (for 2 s) to change the assignment for this parameter.
rEF-
SEt-
drC-
I-0-
CtL-
FUn-
FLt-
COM-
SUP-
2 s
2 s
2 s

46 BBV46385 06/2010
[MOTOR CONTROL] (drC-) menu
(1)[Saving config.] (SCS), [Macro configuration] (CFG), and [Restore config.] (FCS) can be accessed from several configuration menus,
but they apply to all menus and parameters.
(2)The following parameters are not modified by this function; they retain their configuration:
-[Standard mot. freq] (bFr), page 41
-[HMI command] (LCC), page 61
-[PIN code 1] (COd), (terminal access code), page 103
- The parameters in the [COMMUNICATION] (COM-) menu
- The parameters in the [MONITORING] (SUP-) menu
(3)Options [File 1] (FIL1) to [File 4] (FIL4) continue to be displayed on the drive, even after the ATV31 remote terminal has been
disconnected.
Code Description Adjustment range Factory setting
FCS M [Restore config.] (1) [No] (nO)
DANGER
UNINTENDED EQUIPMENT OPERATION
Check that the changes made to the current configuration are compatible with the wiring diagram used.
Failure to follow these instructions will result in death or serious injury.
nO
rECI
InI
v[No] (nO): Function inactive.
v[Internal 1] (rEC1): The current configuration becomes identical to the backup configuration previously
saved by [Saving config.] (SCS) = [Config 1] (Str1).
[Internal 1] (rEC1) is only visible if the backup has been carried out. [Restore config.] (FCS) automatically
switches to [No] (nO) as soon as this action has been performed.
v[Factory Set.] (InI): The current configuration is replaced by the configuration selected by the [Macro
configuration] (CFG) parameter (2). [Restore config.] (FCS) automatically switches to [No] (nO) as soon
as this action has been performed.
If the ATV31 remote display terminal option is connected to the drive (3), the following additional selection
options appear, as long as the corresponding files in the remote display terminal's EEPROM memory
have been loaded (0 to 4 files): [File 1] (FIL1), [File 2] (FIL2), [File 3] (FIL3), [File 4] (FIL4). They enable
the current configuration to be replaced with one of the 4 configurations that may be loaded on the remote
display terminal.
[Restore config.] (FCS) automatically switches to [No] (nO) as soon as this action has been performed.
Note: If nAd appears on the display briefly before the parameter switches to [No] (nO), this means that
the configuration transfer is not possible and has not been performed (different drive ratings, for
example). If ntr appears on the display briefly before the parameter switches to [No] (nO), this means
that an invalid configuration transfer has occurred and that the factory settings will need to be restored
using [Factory Set.] (InI).
In both cases, check the configuration to be transferred before trying again.
The jog dial (ENT) needs to be pressed and held down (for 2 s) to change the assignment for this parameter.
rEF-
SEt-
drC-
I-0-
CtL-
FUn-
FLt-
COM-
SUP-
2 s
2 s

BBV46385 06/2010 47
[INPUTS / OUTPUTS CFG] (I-O-) menu
The parameters can only be modified when the drive is stopped and no run command is present.
On the optional ATV31 remote display terminal, this menu can be accessed with the switch in the position.
Code Description Adjustment range Factory setting
tCC M [2/3 wire control] [2 wire] (2C)
See page 30.
tCt M [2 wire type] [Transition] (trn)
DANGER
UNINTENDED EQUIPMENT OPERATION
Check that the changes made to 2-wire control are compatible with the wiring diagram used.
Failure to follow these instructions will result in death or serious injury.
LEL
trn
PFO
Parameter can be accessed if [2/3 wire control] (tCC) = [2 wire] (2C), page 47.
v[Level] (LEL): State 0 or 1 is taken into account for run or stop.
v[Transition] (trn): A change of state (transition or edge) is necessary to initiate operation, in order to help
prevent accidental restarts after a break in the power supply.
v[Fwd priority] (PFO): State 0 or 1 is taken into account for run or stop, but the "forward" input takes priority
over the "reverse" input.
The jog dial (ENT) needs to be pressed and held down (for 2 s) to change the assignment for this parameter.
2-wire/3-wire control
Return to factory settings/Restore configuration
rEF-
SEt-
drC-
I-0-
CtL-
FUn-
FLt-
COM-
SUP-
2 s
2 s

48 BBV46385 06/2010
[INPUTS / OUTPUTS CFG] (I-O-) menu
Code Description Adjustment
range Factory setting
rrS M [Reverse assign.] [LI2] (LI2)
nO
LI1
LI2
LI3
LI4
LI5
LI6
If [Reverse assign.] (rrS) = [No] (nO), run reverse remains active by means of negative voltage on AI2, for
example.
v[No] (nO): Not assigned
v[LI1] (LI1): Logic input LI1
v[LI2] (LI2): Logic input LI2 can be accessed if [2/3 wire control] (tCC) = [2 wire] (2C), page 47.
v[LI3] (LI3): Logic input LI3
v[LI4] (LI4): Logic input LI4
v[LI5] (LI5): Logic input LI5
v[LI6] (LI6): Logic input LI6
CrL3 M [AI3 min. value] 0 to 20 mA 4 mA
CrH3 M [AI3 max. value] 4 to 20 mA 20 mA
These two parameters are used to configure the input for 0-20 mA, 4-20 mA, 20-4 mA, etc.
AO1t M [AO1 Type] [Current](0A)
0A
4A
10U
This parameter is not visible when a communication card is connected to the product.
v[Current] (0A): 0 - 20 mA configuration (use terminal AOC)
v[Cur. 4-20] (4A): 4 - 20 mA configuration (use terminal AOC)
v[Voltage] (10U): 0 - 10 V configuration (use terminal AOV)
dO M [Analog./logic output] [No] (nO)
nO
OCr
OFr
Otr
OPr
FLt
rUn
FtA
FLA
CtA
SrA
tSA
bLC
APL
This parameter is not visible when a communication card is connected to the product.
v[No] (nO): Not assigned
v[I motor] (OCr): Motor current. 20 mA or 10 V corresponds to twice the nominal drive current.
v[Motor freq.] (OFr): Motor frequency. 20 mA or 10 V corresponds to the maximum frequency [Max
frequency] (tFr), page 44.
v[Motor torq.] (Otr): Motor torque. 20 mA or 10 V corresponds to twice the nominal motor torque.
v[P. supplied] (OPr): Power supplied by the drive. 20 mA or 10 V corresponds to twice the nominal drive
power.
Making the following assignments (1) will transform the analog output to a logic output (see diagram in the
Installation Manual):
v[Drive fault] (FLt): Fault detected
v[Drv running] (rUn): Drive running
v[Freq. limit] (FtA): Frequency threshold reached ([Freq. threshold] (Ftd) parameter in the [SETTINGS] (SEt-)
menu, page 39)
v[HSP limit] (FLA): [High speed] (HSP) reached
v[I attained] (CtA): Current threshold reached ([Current threshold] (Ctd) parameter in the
[SETTINGS] (SEt-) menu, page 39)
v[Freq. ref.] (SrA): Frequency reference reached
v[Drv thermal] (tSA): Motor thermal threshold reached ([Motor therm. level] (ttd) parameter in the
[SETTINGS] (SEt-) menu, page 39)
v[Brake seq] (bLC): Brake sequence (for information, as this assignment can only be activated or deactivated
from the [APPLICATION FUNCT.] (FUn-) menu, page 85)
v[No 4-20mA] (APL): Loss of 4-20 mA signal, even if [4-20mA loss] (LFL) = [No] (nO), page 95
The logic output is in state 1 (24 V) when the selected assignment is active, with the exception of [Drive
fault] (FLt) (state 1 if the drive operation is normal).
Note: (1) With these assignments, configure [AO1 Type] (AO1t) = [Current] (OA).
rEF-
SEt-
drC-
I-0-
CtL-
FUn-
FLt-
COM-
SUP-
Frequency Frequency
Example:
20 - 4 mA

BBV46385 06/2010 49
[INPUTS / OUTPUTS CFG] (I-O-) menu
(1)[Saving config.] (SCS), [Macro configuration] (CFG), and [Restore config.] (FCS) can be accessed from several configuration menus,
but they apply to all menus and parameters.
Code Description Adjustment range Factory setting
r1 M [R1 Assignment] [No drive flt]
(FLt)
nO
FLt
rUn
FtA
FLA
CtA
SrA
tSA
APL
LI1
to
LI6
This parameter is not visible when a communication card is connected to the product.
v[No] (nO): Not assigned
v[No drive flt] (FLt): No drive detected fault
v[Drv running] (rUn): Drive running
v[Freq.Th.att.] (FtA): Frequency threshold reached ([Freq. threshold] (Ftd) parameter in the [SETTINGS]
(SEt-) menu, page 39)
v[HSP attain.] (FLA): [High speed] (HSP) reached
v[I attained] (CtA): Current threshold reached ([Current threshold] (Ctd) parameter in the
[SETTINGS] (SEt-) menu, page 39)
v[Freq.ref.att] (SrA): Frequency reference reached
v[Th.mot. att.] (tSA): Motor thermal threshold reached ([Motor therm. level] (ttd) parameter in the
[SETTINGS] (SEt-) menu, page 39)
v[4-20mA] (APL): Loss of 4-20 mA signal, even if [4-20mA loss] (LFL) = [No] (nO), page 95
v[LI1] to [LI6] (LI1) to (LI6): Returns the value of the selected logic input
The relay is energized when the selected assignment is active, with the exception of [No drive flt] (FLt)
(energized if the drive has not detected a fault).
r2 M [R2 Assignment] [No] (nO)
nO
FLt
rUn
FtA
FLA
CtA
SrA
tSA
bLC
APL
LI1
to
LI6
v[No] (nO): Not assigned
v[No drive flt] (FLt): No drive detected fault
v[Drv running] (rUn): Drive running
v[Freq.Th.att.] (FtA): Frequency threshold reached ([Freq. threshold] (Ftd) parameter in the [SETTINGS]
(SEt-) menu, page 39)
v[HSP attain.] (FLA): [High speed] (HSP) reached
v[I attained] (CtA): Current threshold reached ([Current threshold] (Ctd) parameter in the
[SETTINGS] (SEt-) menu, page 39)
v[Freq.ref.att] (SrA): Frequency reference reached
v[Th.mot. att.] (tSA): Motor thermal threshold reached ([Motor therm. level] (ttd) parameter in the
[SETTINGS] (SEt-) menu, page 39)
v[Brk control] (bLC): Brake sequence (for information, as this assignment can only be activated or
deactivated from the [APPLICATION FUNCT.] (FUn-)- menu, page 85)
v[4-20mA] (APL): Loss of 4-20 mA signal, even if [4-20mA loss] (LFL) = [No] (nO), page 95
v[LI1] to [LI6] (LI1)to (LI6): Returns the value of the selected logic input
The relay is energized when the selected assignment is active, with the exception of [No drive flt] (FLt)
(energized if the drive has not detected a fault).
SCS M [Saving config.] (1) nO
See page 45.
CFG M [Macro configuration] (1) Std
See page 45.
FCS M [Restore config.] (1) nO
See page 46.
The jog dial (ENT) needs to be pressed and held down (for 2 s) to change the assignment for this parameter.
rEF-
SEt-
drC-
I-0-
CtL-
FUn-
FLt-
COM-
SUP-
2 s
2 s
2 s
2 s

50 BBV46385 06/2010
[COMMAND] (CtL-) menu
The parameters can only be modified when the drive is stopped and no run command is present.
On the optional remote display terminal, this menu can be accessed with the switch in the position.
Control and reference channels
Run commands (forward, reverse, etc.) and references can be sent using the following channels:
The [ACCESS LEVEL] (LAC) parameter in the [COMMAND] (CtL-) menu, page 58, can be used to select priority modes for the control and
reference channels. It has 3 function levels:
Command CMD Reference rFr
tEr: Terminals (LI.) AIx: Terminals
LCC: Remote display terminal (RJ45 socket) LCC: ATV312 keypad or remote display terminal
LOC: Control via the keypad AIV1: Jog dial
Mdb: Modbus (RJ45 socket) Mdb: Modbus (RJ45 socket)
nEt: Network nEt: Network
•[ACCESS LEVEL] (LAC) =
[Level 1] (L1): Basic functions. The channels are managed in order of priority.
•[ACCESS LEVEL] (LAC) =
[Level 2] (L2):Provides the option of additional functions compared with [Level 1] (L1):
- +/- speed (motorized jog dial)
- Brake control
- 2nd current limit switching
- Motor switching
- Management of limit switches
•[ACCESS LEVEL] (LAC) =
[Level 3] (L3):Same functions as with [Level 2] (L2). Management of the control and reference channels is
configurable.
Function access level
Return to factory settings/Restore configuration
rEF-
SEt-
drC-
I-0-
CtL-
FUn-
FLt-
COM-
SUP-

BBV46385 06/2010 51
[COMMAND] (CtL-) menu
These channels can be combined in order of priority if [ACCESS LEVEL] (LAC) = [Level 1] (L1) or
[Level 2] (L2).
Highest priority to lowest priority: Forced local mode, Network, Modbus, Remote display terminal, Terminals/Keypad (from right to left in the
diagram below)
See the detailed block diagrams on pages 53 and 54.
• On ATV312 drives, in factory settings mode, control and reference are managed by the terminals.
• With a remote terminal display, if [HMI command] (LCC) = [Yes] (YES) ([COMMAND] (CtL-) menu), control and reference are managed
by the remote terminal display (reference via [HMI Frequency ref.] (LFr) in the [SETTINGS] (SEt-) menu).
The channels can be combined by configuration if [ACCESS LEVEL] (LAC) = [Level 3] (L3).
Combined control and reference ([Profile] (CHCF) parameter = [Not separ.] (SIM)):
The [Ref. 2 switching] (rFC) parameter can be used to select the [Ref.1 channel] (Fr1) or [Ref.2 channel] (Fr2) channel, or to configure a
logic input or a control word bit for remote switching of either one.
See the detailed block diagrams on pages 55 and 57.
rEF-
SEt-
drC-
I-0-
CtL-
FUn-
FLt-
COM-
SUP-
Terminals/Keypad
Remote display terminal Forced local modeNetwork
Control and reference
Selection of reference channel:
[Ref.1 channel] (Fr1) parameter
The control channel is
connected to the same
source.
Selection of reference
channel:
[Ref.2 channel] (Fr2)
parameter
The control channel is
connected to the same source.

52 BBV46385 06/2010
[COMMAND] (CtL-) menu
Separate control and reference ([Profile] (CHCF) parameter = [Separate] (SEP)):
Reference
The [Ref. 2 switching] (rFC) parameter can be used to select the [Ref.1 channel] (Fr1) or [Ref.2 channel] (Fr2) channel, or to configure a
logic input or a control word bit for remote switching of either one.
Control
The [Cmd switching] (CCS) parameter, page 60, can be used to select the [Cmd channel 1] (Cd1) or [Cmd channel 2] (Cd2) channel, or
to configure a logic input or a control bit for remote switching of either one.
See the detailed block diagrams on pages 55 and 56.
rEF-
SEt-
drC-
I-0-
CtL-
FUn-
FLt-
COM-
SUP-
Reference
Selection of reference
channel:
[Ref.1 channel] (Fr1)
parameter
Selection of reference
channel:
[Ref.2 channel] (Fr2)
parameter
Selection of control
channel: [Cmd channel 1]
(Cd1) parameter
Selection of control
channel:
[Cmd channel 2] (Cd2)
parameter
Control

BBV46385 06/2010 53
[COMMAND] (CtL-) menu
Reference channel for [ACCESS LEVEL] (LAC) = [Level 1] (L1) or [Level 2] (L2)
rEF-
SEt-
drC-
I-0-
CtL-
FUn-
FLt-
COM-
SUP-
+
speed
-
speed
+
speed
-
speed
Preset speeds
PI function
see page 79
Jog
operation
PI not assigned
PI assigned
Channel 1
Channel 2
Remote display
terminal
Ramps
Function can be accessed for
[ACCESS LEVEL] (LAC) = [Level 2] (L2)
"Modbus" or "Network" is selected online by
writing the appropriate control word (see the
specific bus documentation).
Note: In order to configure the +/- speed command ([Ref.1 channel]
(Fr1) = [+/- SPEED] (UPdt) or [+/-spd HMI] (UPdH)), the SA2/SA3
summing inputs and the preset speeds must be deconfigured
beforehand.
Reference A
Reference B
Network
Parameter:
The black square represents the
factory setting assignment.
Key:
Forced local mode

54 BBV46385 06/2010
[COMMAND] (CtL-) menu
Control channel for [ACCESS LEVEL] (LAC) = [Level 1] (L1) or [Level 2] (L2)
The [Forced local assign.] (FLO) parameter, page 99, the [HMI command] (LCC) parameter, page 61, and the selection of the Modbus bus
or network are common to the reference and control channels.
Example: If [HMI command] (LCC) = [Yes] (YES), the command and reference are given by the remote display terminal.
rEF-
SEt-
drC-
I-0-
CtL-
FUn-
FLt-
COM-
SUP-
(Stop Key
priority)
Remote display terminal
Parameter:
The black square represents
the factory setting assignment
Remote display
terminal
Keypad Keypad
Forward
Reverse
STOP
Key:
Network

BBV46385 06/2010 55
[COMMAND] (CtL-) menu
Reference channel for [ACCESS LEVEL] (LAC) = [Level 3] (L3)
rEF-
SEt-
drC-
I-0-
CtL-
FUn-
FLt-
COM-
SUP-
+
speed
-
speed
+
speed
-
speed
Preset speeds
PI function
see page 79
Jog
operation
PI not assigned
Forced local mode
Ramps
Parameter:
The black square represents the
factory setting assignment.
PI assigned
Remote
display
terminal
Remote
display
terminal
Key:
Channel 1
Channel 2
Note: In order to configure the +/- speed command ([Ref.1 channel] (Fr1) = [+/- SPEED]
(UPdt) or [+/-spd HMI] (UPdH)), the SA2/SA3 summing inputs and the preset speeds must
be deconfigured beforehand.
Note:
Jog operation is only
active when the
reference and control
are managed by the
terminals (ALp and LIp).
Reference A
Reference B
Remote
display
terminal
Remote
display
terminal

56 BBV46385 06/2010
[COMMAND] (CtL-) menu
Control channel for [ACCESS LEVEL] (LAC) = [Level 3] (L3)
Combined reference and control
The [Ref.1 channel] (Fr1) parameter, page 58, the [Ref.2 channel] (Fr2) parameter, page 58, the [Ref. 2 switching] (rFC) parameter, page
59, the [Forced local assign.] (FLO) parameter, page 99, and the [Forced local Ref.] (FLOC) parameter, page 99, are common to reference
and control. The control channel is therefore determined by the reference channel.
Example: If the [Ref.1 channel] (Fr1) reference = [AI1] (AI1) (analog input at the terminals), control is via LI (logic input at the terminals).
rEF-
SEt-
drC-
I-0-
CtL-
FUn-
FLt-
COM-
SUP-
(Stop Key priority)
Forced local mode
Parameter:
The black square represents
the factory setting assignment.
Forward
Reverse
STOP
Remote display terminal
Keypad
Remote display
terminal
Keypad
Remote display terminal
Keypad
Key:

BBV46385 06/2010 57
[COMMAND] (CtL-) menu
Control channel for [ACCESS LEVEL] (LAC) = [Level 3] (L3)
Mixed mode (separate reference and control)
The [Forced local assign.] (FLO) parameter, page 99, and the [Forced local Ref.] (FLOC) parameter, page 99, are common to reference
and control.
Example: If the reference is in forced local mode via [AI1] (AI1) (analog input at the terminals), control in forced local mode is via LI (logic
input at the terminals).
rEF-
SEt-
drC-
I-0-
CtL-
FUn-
FLt-
COM-
SUP-
(Stop Key
priority)
Forced local
mode
Parameter:
The black square represents
the factory setting assignment.
Forward
Reverse
STOP
Remote display terminal
Keypad
Remote display terminal
Keypad Remote display terminal
Keypad
Key:

58 BBV46385 06/2010
[COMMAND] (CtL-) menu
Note: There may be an incompatibility between functions (see the incompatibility table, page 21). In this case, the first function configured
will prevent the remainder being configured.
(1)NOTE:
• It is not possible to simultaneously assign [+/- SPEED] (UPdt) to [Ref.1 channel] (Fr1) or [Ref.2 channel] (Fr2), and [+/-spd HMI]
(UPdH) to [Ref.1 channel] (Fr1) or [Ref.2 channel] (Fr2). Only one of the [+/- SPEED] (UPdt)/[+/-spd HMI] (UPdH) assignments is
permitted on each reference channel.
• The +/- speed function in [Ref.1 channel] (Fr1) is incompatible with several functions (see page 21). It can only be configured if these
functions are unassigned, in particular the summing inputs (set [Summing ref. 2] (SA2) to [No] (nO), page 71) and the preset speeds
(set [2 preset speeds] (PS2) and [4 preset speeds] (PS4) to [No] (nO), page 73) which will have been assigned as part of the factory
settings.
•In [Ref.2 channel] (Fr2), the +/- speed function is compatible with the preset speeds, summing inputs, and the PI regulator.
Code Description Adjustment
range Factory setting
LAC M [ACCESS LEVEL] [Level 1] (L1)
DANGER
UNINTENDED EQUIPMENT OPERATION
• Assigning [ACCESS LEVEL] (LAC) to [Level 3] (L3) will restore the factory settings of the [Ref.1 channel] (Fr1)
parameter, page 58, the [Cmd channel 1] (Cd1) parameter, page 59, the [Profile] (CHCF) parameter, page 59,
and the [2/3 wire control] (tCC) parameter, page 47.
•[Level 3] (L3) can only be restored to [Level 2] (L2) or [Level 1] (L1), and [Level 2] (L2) can only be restored to
[Level 1] (L1) by means of a "factory setting" via [Restore config.] (FCS), page 46.
• Check that this change is compatible with the wiring diagram used.
Failure to follow these instructions will result in death or serious injury.
L1
L2
L3
v[Level 1] (L1): Access to standard functions and channel management in order of priority.
v[Level 2] (L2):Access to advanced functions in the [APPLICATION FUNCT.] (FUn-) menu:
- - +/- speed (motorized jog dial)
- Brake control
- 2nd current limit switching
- Motor switching
- Management of limit switches
v[Level 3] (L3): Access to advanced functions and management of mixed control modes
Fr1 M [Ref.1 channel] [AI1] (AI1)
See page 29.
Fr2 M [Ref.2 channel] [No] (nO)
nO
AI1
AI2
AI3
AIU1
UPdt
UpdH
LCC
Ndb
nEt
v[No] (nO): Not assigned
v[AI1] (AI1): Analog input AI1
v[AI2] (AI2): Analog input AI2
v[AI3] (AI3): Analog input AI3
v[AI Virtual 1] (AIV1): Jog dial
If [ACCESS LEVEL] (LAC) = [Level 2] (L2) or [Level 3] (L3), the following additional assignments are
possible:
v[+/-Speed] (UPdt): (1) +/- speed reference via LI. See configuration page 78.
v[+/-spd HMI] (UPdH): (1) +/- speed reference via the jog dial on the ATV312 keypad.
To use, display the frequency [Output frequency] (rFr), page 101. The +/- speed function via the keypad or
the terminal is controlled from the [MONITORING] (SUP-) menu by selecting the [Output frequency] (rFr)
parameter.
If [ACCESS LEVEL] (LAC) = [Level 3] (L3), the following additional assignments are possible:
v[HMI] (LCC): Reference via the remote display terminal, [HMI Frequency ref.] (LFr) parameter in the
[SETTINGS] (SEt-) menu, page 32.
v[Modbus] (Mdb): Reference via Modbus
v[Com. card] (nEt): Reference via network
The jog dial (ENT) needs to be pressed and held down (for 2 s) to change the assignment for this parameter.
rEF-
SEt-
drC-
I-0-
CtL-
FUn-
FLt-
COM-
SUP-
2 s
2 s

BBV46385 06/2010 59
[COMMAND] (CtL-) menu
Code Description Adjustment
range Factory setting
rFC M [Ref. 2 switching] [ch1 active] (Fr1)
Fr1
Fr2
LI1
LI2
LI3
LI4
LI5
LI6
C111
C112
C113
C114
C115
C211
C212
C213
C214
C215
The [Ref. 2 switching] (rFC) parameter can be used to select the [Ref.1 channel] (Fr1) or [Ref.2 channel] (Fr2)
channel, or to configure a logic input or a control word bit for remote switching of [Ref.1 channel] (Fr1) or [Ref.2
channel] (Fr2).
v[ch1 active] (Fr1): Reference = reference 1
v[ch1 active] (Fr2): Reference = reference 2
v[LI1] (LI1): Logic input LI1
v[LI2] (LI2): Logic input LI2
v[LI3] (LI3): Logic input LI3
v[LI4] (LI4): Logic input LI4
v[LI5] (LI5): Logic input LI5
v[LI6] (LI6): Logic input LI6
If [ACCESS LEVEL] (LAC) = [Level 3] (L3), the following additional assignments are possible:
v[C111] (C111): Bit 11 of Modbus control word
v[C112] (C112): Bit 12 of Modbus control word
v[C113] (C113): Bit 13 of Modbus control word
v[C114] (C114): Bit 14 of Modbus control word
v[C115] (C115): Bit 15 of Modbus control word
v[C211] (C211): Bit 11 of network control word
v[C212] (C212): Bit 12 of network control word
v[C213] (C213): Bit 13 of network control word
v[C214] (C214): Bit 14 of network control word
v[C215] (C215): Bit 15 of network control word
The reference can be switched with the drive running.
[Ref.1 channel] (Fr1) is active when the logic input or control word bit is at state 0.
[Ref.2 channel] (Fr2) is active when the logic input or control word bit is at state 1.
CHCF M [Profile]
(control channels separated from reference channels)
[Not separ.] (SIM)
SIN
SEP
Parameter can be accessed if [ACCESS LEVEL] (LAC) = [Level 3] (L3), page 58.
v[Not separ.] (SIM): Combined
v[Separate] (SEP): Separate
Cd1 M [Cmd channel 1] [Terminal] (tEr)
g
tEr
LOC
LCC
Ndb
nEt
Parameter can be accessed if [Profile] (CHCF) = [Separate] (SEP), page 59, and [ACCESS LEVEL] (LAC) =
[Level 3] (L3), page 58.
v[Terminal] (tEr): Control via terminals
v[Local] (LOC): Control via keypad
v[Remot. HMI] (LCC): Control via remote display terminal
v[Modbus] (Mdb): Control via Modbus
v[Com. card] (nEt): Control via the network
gThese parameters only appear if the corresponding function has been selected in another menu. When the parameters can
also be accessed and set from within the configuration menu for the corresponding function, their description is detailed in
these menus, on the pages indicated, to aid programming.
rEF-
SEt-
drC-
I-0-
CtL-
FUn-
FLt-
COM-
SUP-

60 BBV46385 06/2010
[COMMAND] (CtL-) menu
Code Description Adjustment range Factory setting
Cd2 M [Cmd channel 2] [Modbus] (Mdb)
g
tEr
LOC
LCC
Ndb
nEt
Parameter can be accessed if [Profile] (CHCF) = [Separate] (SEP), page 59, and [ACCESS LEVEL] (LAC)
= [Level 3] (L3), page 58.
v[Terminal] (tEr): Control via terminals
v[Local] (LOC): Control via keypad
v[Remot. HMI] (LCC): Control via remote display terminal
v[Modbus] (Mdb): Control via Modbus
v[Com. card (nEt): Control via the network
CCS M [Cmd switching] [ch1 active]
(Cd1)
g
Cd1
Cd2
LI1
LI2
LI3
LI4
LI5
LI6
C111
C112
C113
C114
C115
C211
C212
C213
C214
C215
Parameter can be accessed if [Profile] (CHCF) = [Separate] (SEP), page 59, and [ACCESS LEVEL] (LAC)
= [Level 3] (L3), page 58.
The [Cmd switching] (CCS) parameter can be used to select the [Cmd channel 1] (Cd1) or [Cmd channel
2] (Cd2) channel, or to configure a logic input or a control word bit for remote switching of [Cmd channel 1]
(Cd1) or [Cmd channel 2] (Cd2).
v[ch1 active] (Cd1): Control channel = channel 1
v[ch2 active] (Cd2): Control channel = channel 2
v[LI1] (LI1): Logic input LI1
v[LI2] (LI2): Logic input LI2
v[LI3] (LI3): Logic input LI3
v[LI4] (LI4): Logic input LI4
v[LI5] (LI5): Logic input LI5
v[LI6] (LI6): Logic input LI6
v[C111] (C111): Bit 11 of Modbus control word
v[C112] (C112): Bit 12 of Modbus control word
v[C113] (C113): Bit 13 of Modbus control word
v[C114] (C114): Bit 14 of Modbus control word
v[C115] (C115): Bit 15 of Modbus control word
v[C211] (C211): Bit 11 of network control word
v[C212] (C212): Bit 12 of network control word
v[C213] (C213): Bit 13 of network control word
v[C214] (C214): Bit 14 of network control word
v[C215] (C215): Bit 15 of network control word
Channel 1 is active when the input or control word bit is at state 0,
Channel 2 is active when the input or control word bit is at state 1.
COp M [Copy channel 1<>2]
(copy only in this direction)
[No] (nO)
DANGER
UNINTENDED EQUIPMENT OPERATION
Copying the command and/or reference can change the direction of rotation.
• Check that this is safe.
Failure to follow these instructions will result in death or serious injury.
nO
SP
Cd
ALL
Parameter can be accessed if [ACCESS LEVEL] (LAC) = [Level 3] (L3), page 58.
v[No] (nO): No copy
v[Reference] (SP): Copy reference
v[Command] (Cd): Copy control
v[Cmd + ref.] (ALL): Copy control and reference
• If channel 2 is controlled via the terminals, channel 1 control is not copied.
• If the channel 2 reference is set via AI1, AI2, AI3 or AIU1, the channel 1 reference is not copied.
• The reference copied is [Frequency ref.] (FrH) (before ramp), unless the channel 2 reference is set
via +/- speed.
In this case, the reference copied is [Output frequency] (rFr) (after ramp).
Note: Copying the control and/or reference can change the direction of rotation.
gThese parameters only appear if the corresponding function has been selected in another menu. When the parameters can
also be accessed and set from within the configuration menu for the corresponding function, their description is detailed in
these menus, on the pages indicated, to aid programming.
rEF-
SEt-
drC-
I-0-
CtL-
FUn-
FLt-
COM-
SUP-

BBV46385 06/2010 61
[COMMAND] (CtL-) menu
(1)[Saving config.] (SCS), [Macro configuration] (CFG), and [Restore config.] (FCS) can be accessed from several configuration menus,
but they apply to all menus and parameters.
Code Description Adjustment
range Factory setting
LCC M [HMI command] [No] (nO)
nO
YES
Parameter can only be accessed using a remote display terminal, and for [ACCESS LEVEL] (LAC) =
[Level 1] (L1) or [Level 2] (L2), page 58.
v[No] (nO): Function inactive
v[Yes] (YES): Enables control of the drive using the STOP/RESET, RUN and FWD/REV buttons on the
display terminal. Here, the speed reference is given by the [HMI Frequency ref.] (LFr) parameter in the
[SETTINGS] (SEt-) menu. Only the freewheel stop, fast stop and DC injection stop commands remain
active on the terminals. If the drive/terminal connection is cut or if the terminal has not been connected,
the drive detects a fault and locks in [MODBUS FAULT] (SLF).
PSt M [Stop Key priority] [Yes] (YES)
This parameter can be used to activate or deactivate the stop button on the drive and the remote terminals. The
stop button will be deactivated if the active control channel is different from that on the integrated display terminal or
remote terminals.
WARNING
LOSS OF CONTROL
You are going to disable the stop button located on the drive and remote display
Do not select "nO" unless exterior stopping methods exist.
Failure to follow these instructions can result in death, serious injury, or equipment damage.
nO
YES
v[No] (nO): Function inactive
v[Yes] (YES): STOP key priority
rOt M [Rotating direction] [Forward] (dFr)
dFr
drS
bOt
This parameter is only visible if [Ref.1 channel] (Fr1), page 29, or [Ref.2 channel] (Fr2), page 58, are
assigned to LCC or AI1.
Direction of operation authorized for the RUN key on the keypad or the RUN key on the remote display
terminal.
v[Forward] (dFr): Forward
v[Reverse] (drS): Reverse
v[Both] (bOt): Both directions are authorized.
SCS M [Saving config.] (1) nO
See page 45.
CFG M [Macro configuration] (1) Std
See page 45.
FCS M [Restore config.] (1) nO
See page 46.
The jog dial (ENT) needs to be pressed and held down (for 2 s) to change the assignment for this parameter.
rEF-
SEt-
drC-
I-0-
CtL-
FUn-
FLt-
COM-
SUP-
2 s
2 s
2 s
2 s
2 s

62 BBV46385 06/2010
[APPLICATION FUNCT.] (FUn-) menu
The parameters can only be modified when the drive is stopped and no run command is present.
On the optional remote display terminal, this menu can be accessed with the switch in the position.
Some functions have numerous parameters. In order to clarify programming and avoid having to scroll through endless parameters, these
functions have been grouped in submenus.
Like menus, submenus are identified by a dash after their code: for example.
Note: There may be an incompatibility between functions (see the incompatibility table, page 21). In this case, the first function configured
will prevent the remainder being configured.
Code Name/Description Adjustment range Factory setting
rPC- b [RAMPS]
rPt M [Ramp type] [Linear] (LIn)
LIn
S
U
CUS
Defines the shape of the acceleration and deceleration ramps
v[Linear] (LIn): Linear
v[S ramp] (S): S ramp
v[U ramp] (U): U ramp
v[Customized] (CUS): Customized
S ramps
The rounding coefficient is fixed,
where t2 = 0.6 x t1
and t1 = set ramp time.
The rounding coefficient is fixed,
where t2 = 0.5 x t1
and t1 = set ramp time.
tA1: Adjustable from 0 to 100% (of ACC or AC2)
tA2: Adjustable from 0 to (100% - tA1) (of ACC or AC2)
tA3: Adjustable from 0 to 100% (of dEC or dE2)
tA4: Adjustable from 0 to (100% - tA3) (of dEC or dE2)
Submenu
Submenu
rEF-
SEt-
drC-
I-0-
CtL-
FUn-
FLt-
COM-
SUP-
PSS-
GV
t
0
t2
t1
f (Hz)
GV
t
0
t2
t1
f (Hz)
GV
t
0
tA1 tA2 tA3 tA4
ACC ou AC2
f (Hz)
GV
t
0
dEC ou dE2
f (Hz)
GV
t
0
t2
t1
f (Hz)
GV
t
0
t2
t1
f (Hz)
U ramps
Customized ramps

BBV46385 06/2010 63
[APPLICATION FUNCT.] (FUn-) menu
(1)When values higher than 9,999 are displayed on the drive or on the remote display terminal, a point is inserted after the thousands digit.
Note:
This type of display can lead to confusion between values which have two digits after a decimal point and values higher than 9,999. Check
the value of the [Ramp increment] (Inr) parameter.
Example:
-If [Ramp increment] (Inr) = 0.01, the value 15.65 corresponds to a setting of 15.65 s.
-If [Ramp increment] (Inr) = 1, the value 15.65 corresponds to a setting of 15,650 s.
(2)Parameter can also be accessed in the [SETTINGS] (SEt-) menu.
Code Name/Description Adjustment range Factory
setting
rPC- b [RAMPS] (continued)
tA1 M [Begin Acc round] 0 to 100 10
gParameter can be accessed if the [Ramp type] (rPt) = [Customized] (CUS), page 62.
tA2 M [End Acc round] 0 to (100-tA1) 10
gParameter can be accessed if the [Ramp type] (rPt) = [Customized] (CUS), page 62.
tA3 M [Begin Dec round] 0 to 100 10
gParameter can be accessed if the [Ramp type] (rPt) = [Customized] (CUS), page 62.
tA4 M [End Dec round] 0 to (100-tA3) 10
gParameter can be accessed if the [Ramp type] (rPt) = [Customized] (CUS), page 62.
Inr M [Ramp increment] 0.01 - 0.1 - 1 0.1
0.01
0.1
1
v[0.01] (0.01): Ramp can be set between 0.05 s and 327.6 s.
v[0.1] (0.1): Ramp can be set between 0.1 s and 3,276 s.
v[1] (1): Ramp can be set between 1 s and 32,760 s (1).
This parameter applies to the [Acceleration] (ACC), [Deceleration] (dEC), [Acceleration 2] (AC2), and
[Deceleration 2] (dE2) parameters.
Note: Changing the [Ramp increment] (Inr) parameter causes the settings for the [Acceleration] (ACC),
[Deceleration] (dEC), [Acceleration 2] (AC2), and [Deceleration 2] (dE2) parameters to be modified as well.
ACC
dEC
M [Acceleration]
M [Deceleration]
(2) In accordance with
Inr, page 63
3 s
3 s
Defined to accelerate/decelerate between 0 and the nominal frequency [Rated motor freq.] (FrS)
(parameter in the [MOTOR CONTROL] (drC-) menu).
Check that the value for [Deceleration] (dEC) is not too low in relation to the load to be stopped.
gThese parameters only appear if the corresponding function has been selected in another menu. When the parameters can
also be accessed and set from within the configuration menu for the corresponding function, their description is detailed in
these menus, on the pages indicated, to aid programming.
rEF-
SEt-
drC-
I-0-
CtL-
FUn-
FLt-
COM-
SUP-

64 BBV46385 06/2010
[APPLICATION FUNCT.] (FUn-) menu
(1)Parameter can also be accessed in the [SETTINGS] (SEt-) menu.
Code Name/Description Adjustment range Factory
setting
rPC- b [RAMPS] (continued)
rPS M [Ramp switch ass.] [No] (nO)
nO
LI1
LI2
LI3
LI4
LI5
LI6
Cd11
Cd12
Cd13
Cd14
Cd15
This function remains active regardless of the control channel.
v[No] (nO): Not assigned
v[LI1] (LI1): Logic input LI1
v[LI2] (LI2): Logic input LI2
v[LI3] (LI3): Logic input LI3
v[LI4] (LI4): Logic input LI4
v[LI5] (LI5): Logic input LI5
v[LI6] (LI6): Logic input LI6
If [ACCESS LEVEL] (LAC) = [Level 3] (L3), the following assignments are possible:
v[CD11] (CD11): Bit 11 of the control word from a communication network
v[CD12] (CD12): Bit 12 of the control word from a communication network
v[CD13] (CD13): Bit 13 of the control word from a communication network
v[CD14] (CD14): Bit 14 of the control word from a communication network
v[CD15] (CD15): Bit 15 of the control word from a communication network
[Acceleration] (ACC) and [Deceleration] (dEC) are enabled when the logic input or control word bit is at state 0.
[Acceleration 2] (AC2) and [Deceleration 2] (dE2) are enabled when the logic input or control word bit is at
state 1.
Frt M [Ramp 2 threshold] 0 to 500 Hz 0 Hz
The 2nd ramp is switched if [Ramp 2 threshold]] (Frt) is not 0 (the value 0 corresponds to the inactive
function) and the output frequency is higher than [Ramp 2 threshold]] (Frt).
Threshold ramp switching can be combined with switching via LI or bit as follows:
AC2 M [Acceleration 2] (1) In accordance with
Inr, page 63
5
gParameter can be accessed if [Ramp 2 threshold] (Frt) > 0, page 64, or if [Ramp switch ass.] (rPS) is
assigned, page 64.
dE2 M [Deceleration 2] (1) In accordance with
Inr, page 63
5
gParameter can be accessed if [Ramp 2 threshold] (Frt) > 0, page 64, or if [Ramp switch ass.] (rPS) is
assigned, page 64.
brA M [Dec ramp adapt.] [Yes] (YES)
nO
YES
Activating this function automatically adapts the deceleration ramp, if this has been set at too low a value
for the inertia of the load.
v[No] (nO): Function inactive
v[Yes] (YES): Function active. The function is incompatible with applications requiring:
• Positioning on a ramp
• The use of a braking resistor (the resistor would not operate correctly)
[Dec ramp adapt.] (brA) is forced to [No] (nO) if brake control [Brake assignment] (bLC) is assigned, page 85.
gThese parameters only appear if the corresponding function has been selected in another menu. When the parameters can
also be accessed and set from within the configuration menu for the corresponding function, their description is detailed in
these menus, on the pages indicated, to aid programming.
rEF-
SEt-
drC-
I-0-
CtL-
FUn-
FLt-
COM-
SUP-
LI or bit Frequency Ramp
0
0
1
1
<Frt
>Frt
<Frt
>Frt
ACC, dEC
AC2, dE2
AC2, dE2
AC2, dE2

BBV46385 06/2010 65
[APPLICATION FUNCT.] (FUn-) menu
Code Name/Description Adjustment range Factory
setting
StC- b [STOP MODES]
Stt M [Type of stop] [Ramp stop]
(rMP)
rMP
FSt
nSt
dCI
Stop mode on disappearance of the run command or appearance of a stop command.
v[Ramp stop] (rMP): On ramp
v[Fast stop] (FSt): Fast stop
v[Freewheel] (nST): Freewheel stop
v[DC injection] (dCI): DC injection stop
FSt M [Fast stop] [No] (nO)
nO
LI1
LI2
LI3
LI4
LI5
LI6
Cd11
Cd12
Cd13
Cd14
Cd15
v[No] (nO): Not assigned
v[LI1] (LI1): Logic input LI1
v[LI2] (LI2): Logic input LI2
v[LI3] (LI3): Logic input LI3
v[LI4] (LI4): Logic input LI4
v[LI5] (LI5): Logic input LI5
v[LI6] (LI6): Logic input LI6
If [ACCESS LEVEL] (LAC) = [Level 3] (L3), the following assignments are possible:
v[CD11] (CD11): Bit 11 of the control word from a communication network
v[CD12] (CD12): Bit 12 of the control word from a communication network
v[CD13] (CD13): Bit 13 of the control word from a communication network
v[CD14] (CD14): Bit 14 of the control word from a communication network
v[CD15] (CD15): Bit 15 of the control word from a communication network
The stop is activated when the logic state of the input changes to 0 and the control word bit changes to 1.
The fast stop is a stop on a reduced ramp via the [Ramp divider] (dCF) parameter. If the input falls back to
state 1 and the run command is still active, the motor will only restart if 2-wire level control has been
configured [2/3 wire control] (tCC) = [2 wire] (2C), and [2 wire type] (tCt) = [Level] (LEL) or [Fwd priority]
(PFO), page 47). In other cases, a new run command must be sent.

66 BBV46385 06/2010
[APPLICATION FUNCT.] (FUn-) menu
Code Name/Description Adjustment
range Factory
setting
StC- b [STOP MODES](continued)
Stt M [Type of stop] [Ramp stop]
(rMP)
rMP
FSt
nSt
dCI
Stop mode on disappearance of the run command or appearance of a stop command.
v[Ramp stop] (rMP): On ramp
v[Fast stop] (FSt): Fast stop
v[Freewheel] (nST): Freewheel stop
v[DC injection] (dCI): DC injection stop
FSt M [Fast stop] [No] (nO)
nO
LI1
LI2
LI3
LI4
LI5
LI6
Cd11
Cd12
Cd13
Cd14
Cd15
v[No] (nO): Not assigned
v[LI1] (LI1): Logic input LI1
v[LI2] (LI2): Logic input LI2
v[LI3] (LI3): Logic input LI3
v[LI4] (LI4): Logic input LI4
v[LI5] (LI5): Logic input LI5
v[LI6] (LI6): Logic input LI6
If [ACCESS LEVEL] (LAC) = [Level 3] (L3), the following assignments are possible:
v[CD11] (CD11): Bit 11 of the control word from a communication network
v[CD12] (CD12): Bit 12 of the control word from a communication network
v[CD13] (CD13): Bit 13 of the control word from a communication network
v[CD14] (CD14): Bit 14 of the control word from a communication network
v[CD15] (CD15): Bit 15 of the control word from a communication network
The stop is activated when the logic state of the input changes to 0 and the control word bit changes to 1.
The fast stop is a stop on a reduced ramp via the [Ramp divider] (dCF) parameter. If the input falls back
to state 1 and the run command is still active, the motor will only restart if 2-wire level control has been
configured [2/3 wire control] (tCC) = [2 wire] (2C), and [2 wire type] (tCt) = [Level] (LEL) or [Fwd priority]
(PFO), page 47). In other cases, a new run command must be sent.
dCF M [Ramp divider] 0 to 10 4
gParameter can be accessed where [Type of stop] (Stt) = [Fast stop] (FSt), page 66, and where [Fast stop]
(FSt) is not [No] (nO), page 66.
Ensure that the reduced ramp is not too low in relation to the load to be stopped.
The value 0 corresponds to the minimum ramp.
gThese parameters only appear if the corresponding function has been selected in another menu. When the parameters can
also be accessed and set from within the configuration menu for the corresponding function, their description is detailed in
these menus, on the pages indicated, to aid programming.
rEF-
SEt-
drC-
I-0-
CtL-
FUn-
FLt-
COM-
SUP-

BBV46385 06/2010 67
[APPLICATION FUNCT.] (FUn-) menu
(1)Parameter can also be accessed in the [SETTINGS] (SEt-) menu.
(2)In corresponds to the nominal drive current indicated in the Installation Manual and on the drive nameplate.
(3)Note: These settings are not related to the "automatic standstill DC injection" function.
Code Name/Description Adjustment
range Factory
setting
StC- b [STOP MODES] (continued)
dCI M [DC injection assign.] [No] (nO)
WARNING
NO HOLDING TORQUE
• DC injection braking does not provide any holding torque at zero speed.
• DC injection braking does not work when there is a loss of power or when the drive detects a
fault.
• Where necessary, use a separate brake to maintain torque levels.
Failure to follow these instructions can result in death, serious injury, or equipment
damage.
nO
LI1
LI2
LI3
LI4
LI5
LI6
Cd11
Cd12
Cd13
Cd14
Cd15
Note1: This function is incompatible with the "Brake control" function (see page 21).
Note2: The DC injection stop is not effective when the drive is stopped with the JOG function activated.
v[No] (nO): Not assigned
v[LI1] (LI1): Logic input LI1
v[LI2] (LI2): Logic input LI2
v[LI3] (LI3): Logic input LI3
v[LI4] (LI4): Logic input LI4
v[LI5] (LI5): Logic input LI5
v[LI6] (LI6): Logic input LI6
If [ACCESS LEVEL] (LAC) = [Level 3] (L3), the following assignments are possible:
v[CD11] (CD11): Bit 11 of the control word from a communication network
v[CD12] (CD12): Bit 12 of the control word from a communication network
v[CD13] (CD13): Bit 13 of the control word from a communication network
v[CD14] (CD14): Bit 14 of the control word from a communication network
v[CD15] (CD15): Bit 15 of the control word from a communication network
Braking is activated when the logic state of the input or control word bit is at 1.
IdC M [DC inject. level 1] (1)(3) 0 to In (2) 0.7 In (2)
CAUTION
RISK OF DAMAGE TO MOTOR
• Check that the motor will withstand this current without overheating.
Failure to follow these instructions can result in equipment damage.
gParameter can be accessed if [Type of stop] (Stt) = [DC injection] (dCI), page 66, or if [DC injection assign.]
(dCI) is not set to [No] (nO), page 67.
After 5 seconds, the injection current is limited to 0.5 [Mot. therm. current] (ItH) if set to a higher value.
gThese parameters only appear if the corresponding function has been selected in another menu. When the parameters can
also be accessed and set from within the configuration menu for the corresponding function, their description is detailed in
these menus, on the pages indicated, to aid programming.
rEF-
SEt-
drC-
I-0-
CtL-
FUn-
FLt-
COM-
SUP-

68 BBV46385 06/2010
[APPLICATION FUNCT.] (FUn-) menu
(1)Parameter can also be accessed in the [SETTINGS] (SEt-) menu.
(2)In corresponds to the nominal drive current indicated in the Installation Manual and on the drive nameplate.
(3)Note: These settings are not related to the "automatic standstill DC injection" function.
Code Name/Description Adjustment
range Factory
setting
StC- b [STOP MODES] (continued)
tdC M [DC injection time 2] (1)(3) 0.1 to 30 s 0.5 s
CAUTION
RISK OF DAMAGE TO MOTOR
• Long periods of DC injection braking can cause overheating and damage the motor.
• Protect the motor by avoiding long periods of DC injection braking.
Failure to follow these instructions can result in equipment damage.
gParameter can be accessed if [Type of stop] (Stt) = [DC injection] (dCI) , page 66.
nSt M [Freewheel stop ass.] [No] (nO)
nO
LI1
LI2
LI3
LI4
LI5
LI6
v[No] (nO): Not assigned
v[LI1] (LI1): Logic input LI1
v[LI2] (LI2): Logic input LI2
v[LI3] (LI3): Logic input LI3
v[LI4] (LI4): Logic input LI4
v[LI5] (LI5): Logic input LI5
v[LI6] (LI6): Logic input LI6
The stop is activated when the logic state of the input is at 0. If the input falls back to state 1 and the run
command is still active, the motor will only restart if 2-wire level control has been configured. In other cases,
a new run command must be sent.
gThese parameters only appear if the corresponding function has been selected in another menu. When the parameters can
also be accessed and set from within the configuration menu for the corresponding function, their description is detailed in
these menus, on the pages indicated, to aid programming.

BBV46385 06/2010 69
[APPLICATION FUNCT.] (FUn-) menu
(1)Parameter can also be accessed in the [SETTINGS] (SEt-) menu.
(2)In corresponds to the nominal drive current indicated in the Installation Manual and on the drive nameplate.
Code Name/Description Adjustment
range Factory
setting
AdC- b [AUTO DC INJECTION]
AdC M [Auto DC injection] [Yes] (YES)
If set to [Continuous] (Ct), this parameter causes injection current to be generated, even when there is no run
command. This is not compatible with [Auto tuning] (tUn) = [Drv running] (rUn). this parameter can be changed at
any time.
DANGER
HAZARD OF ELECTRIC SHOCK, EXPLOSION, OR ARC FLASH
When [Auto DC injection] (AdC) = [Continuous] (Ct), the injection of current is done even if a run command
has not been sent.
• Check this action will not endanger personnel or equipment in any way
Failure to follow these instructions will result in death or serious injury.
WARNING
NO HOLDING TORQUE
• DC injection braking does not provide any holding torque at zero speed.
• DC injection braking does not work when there is a loss of power or when the drive detects a fault.
• Where necessary, use a separate brake to maintain torque levels.
Failure to follow these instructions can result in death, serious injury, or equipment damage.
nO
YES
Ct
v[No] (nO): No injection
v[Yes] (YES): Standstill injection for adjustable period
v[Continuous] (Ct): Continuous standstill injection
tdC1 M [Auto DC inj. time 1] (1) 0.1 to 30 s 0.5 s
CAUTION
RISK OF DAMAGE TO MOTOR
• Long periods of DC injection braking can cause overheating and damage the motor.
• Protect the motor by avoiding long periods of DC injection braking.
Failure to follow these instructions can result in equipment damage.
gParameter can be accessed if [Auto DC injection] (AdC) is not set to [No] (nO), page 69.
SdC1 M [Auto DC inj. level 1] (1) 0 to 1.2 In (2) 0.7 In (2)
CAUTION
RISK OF DAMAGE TO MOTOR
• Check that the motor will withstand this current without overheating.
Failure to follow these instructions can result in equipment damage.
gParameter can be accessed if [Auto DC injection] (AdC) is not set to [No] (nO), page 69.
Note: Check that the motor will withstand this current without overheating.
gThese parameters only appear if the corresponding function has been selected in another menu. When the parameters can
also be accessed and set from within the configuration menu for the corresponding function, their description is detailed in
these menus, on the pages indicated, to aid programming.
rEF-
SEt-
drC-
I-0-
CtL-
FUn-
FLt-
COM-
SUP-

70 BBV46385 06/2010
[APPLICATION FUNCT.] (FUn-) menu
(1)Parameter can also be accessed in the [SETTINGS] (SEt-) menu.
(2)In corresponds to the nominal drive current indicated in the Installation Manual and on the drive nameplate.
Code Name/Description Adjustment
range Factory
setting
AdC- b [AUTO DC INJECTION] (continued)
tdC2 M [Auto DC inj. time 2] (1) 0 to 30 s 0 s
CAUTION
RISK OF DAMAGE TO MOTOR
• Long periods of DC injection braking can cause overheating and damage the motor.
• Protect the motor by avoiding long periods of DC injection braking.
Failure to follow these instructions can result in equipment damage.
gParameter can be accessed if [Auto DC injection] (AdC) is not set to [No] (nO), page 69.
SdC2 M [Auto DC inj. level 2] (1) 0 to 1.2 In (2) 0.5 In (2)
CAUTION
RISK OF DAMAGE TO MOTOR
• Check that the motor will withstand this current without overheating.
Failure to follow these instructions can result in equipment damage.
gParameter can be accessed if [Auto DC injection] (AdC) is not set to [No] (nO), page 69.
gThese parameters only appear if the corresponding function has been selected in another menu. When the parameters can
also be accessed and set from within the configuration menu for the corresponding function, their description is detailed in
these menus, on the pages indicated, to aid programming.
rEF-
SEt-
drC-
I-0-
CtL-
FUn-
FLt-
COM-
SUP-
AdC SdC2 Operation
YES x
Ct ≠ 0
Ct = 0
Run command
Speed

BBV46385 06/2010 71
[APPLICATION FUNCT.] (FUn-) menu
Summing inputs
See the complete block diagrams on pages 53 and 55.
Code Name/Description Adjustment
range Factory
setting
SAI- b [SUMMING INPUTS]
Can be used to sum one or two inputs to the [Ref.1 channel] (Fr1) reference only.
Note: The "Summing inputs" function may be incompatible with other functions (see page 21).
SA2 M [Summing ref. 2] [AI2] (AI2)
nO
AI1
AI2
AI3
AIU1
LCC
Ndb
nEt
v[No] (nO): Not assigned
v[AI1] (AI1): Analog input AI1
v[AI2] (AI2): Analog input AI2
v[AI3] (AI3): Analog input AI3
v[AI Virtual 1] (AIV1): Jog dial
If [ACCESS LEVEL] (LAC) = [Level 3] (L3), the following assignments are possible:
v[HMI] (LCC): Reference via the remote display terminal, [HMI Frequency ref.] (LFr) parameter in the
[SETTINGS] (SEt-) menu, page 32.
v[Modbus] (Mdb): Reference via Modbus
v[Com. card] (nEt): Reference via network
SA3 M [Summing ref. 3] [No] (nO)
nO
AI1
AI2
AI3
AIU1
LCC
Ndb
nEt
v[No] (nO): Not assigned
v[AI1] (AI1): Analog input AI1
v[AI2] (AI2): Analog input AI2
v[AI3] (AI3): Analog input AI3
v[AI Virtual 1] (AIV1): Jog dial
If [ACCESS LEVEL] (LAC) = [Level 3] (L3), the following assignments are possible:
v[HMI] (LCC): Reference via the remote display terminal, [HMI Frequency ref.] (LFr) parameter in the
[SETTINGS] (SEt-) menu, page 32.
v[Modbus] (Mdb): Reference via Modbus
v[Com. card] (nEt): Reference via network
rEF-
SEt-
drC-
I-0-
CtL-
FUn-
FLt-
COM-
SUP-
Note:
AI2 is a ± 10 V input which can be used for subtraction by summing
a negative signal.

72 BBV46385 06/2010
[APPLICATION FUNCT.] (FUn-) menu
Preset speeds
2, 4, 8 or 16 speeds can be preset, requiring 1, 2, 3 or 4 logic inputs respectively.
The following assignment order must be observed: [2 preset speeds] (PS2), then [4 preset speeds] (PS4), then [8 preset speeds] (PS8),
then [16 preset speeds] (PS16).
Combination table for preset speed inputs
(1)See the block diagrams on page 53 and page 55: Reference 1 = (SP1).
Note: If Fr1 = LCC and rPI= nO, then PI reference (%) = 10 * AI (Hz) / 15
16 speeds
LI (PS16)
8 speeds
LI (PS8)
4 speeds
LI (PS4)
2 speeds
LI (PS2)
Speed reference
0 0 0 0 Reference (1)
0001 SP2
0010 SP3
0011 SP4
0100 SP5
0101 SP6
0110 SP7
0111 SP8
1000 SP9
1001 SP10
1010 SP11
1011 SP12
1100 SP13
1101 SP14
1110 SP15
1111 SP16
rEF-
SEt-
drC-
I-0-
CtL-
FUn-
FLt-
COM-
SUP-

BBV46385 06/2010 73
[APPLICATION FUNCT.] (FUn-) menu
Code Name/Description Adjustment
range Factory setting
PSS- b [PRESET SPEEDS]
Note: The "Preset speeds" function may be incompatible with other functions (see page 21).
PS2 M [2 preset speeds] [LI3] (LI3)
nO
LI1
LI2
LI3
LI4
LI5
LI6
Cd11
Cd12
Cd13
Cd14
Cd15
Selecting the assigned logic input activates the function.
v[No] (nO): Not assigned
v[LI1] (LI1): Logic input LI1
v[LI2] (LI2): Logic input LI2
v[LI3] (LI3): Logic input LI3
v[LI4] (LI4): Logic input LI4
v[LI5] (LI5): Logic input LI5
v[LI6] (LI6): Logic input LI6
If [ACCESS LEVEL] (LAC) = [Level 3] (L3), the following assignments are possible:
v[CD11] (CD11): Bit 11 of the control word from a communication network
v[CD12] (CD12): Bit 12 of the control word from a communication network
v[CD13] (CD13): Bit 13 of the control word from a communication network
v[CD14] (CD14): Bit 14 of the control word from a communication network
v[CD15] (CD15): Bit 15 of the control word from a communication network
PS4 M [4 preset speeds] [LI4] (LI4)
nO
LI1
LI2
LI3
LI4
LI5
LI6
Cd11
Cd12
Cd13
Cd14
Cd15
Selecting the assigned logic input activates the function.
Ensure that [2 preset speeds] (PS2) has been assigned before assigning [4 preset speeds] (PS4).
v[No] (nO): Not assigned
v[LI1] (LI1): Logic input LI1
v[LI2] (LI2): Logic input LI2
v[LI3] (LI3): Logic input LI3
v[LI4] (LI4): Logic input LI4
v[LI5] (LI5): Logic input LI5
v[LI6] (LI6): Logic input LI6
If [ACCESS LEVEL] (LAC) = [Level 3] (L3), the following assignments are possible:
v[CD11] (CD11): Bit 11 of the control word from a communication network
v[CD12] (CD12): Bit 12 of the control word from a communication network
v[CD13] (CD13): Bit 13 of the control word from a communication network
v[CD14] (CD14): Bit 14 of the control word from a communication network
v[CD15] (CD15): Bit 15 of the control word from a communication network
PS8 M [8 preset speeds] [No] (nO)
nO
LI1
LI2
LI3
LI4
LI5
LI6
Cd11
Cd12
Cd13
Cd14
Cd15
Selecting the assigned logic input activates the function.
Ensure that [4 preset speeds] (PS4) has been assigned before assigning [8 preset speeds] (PS8).
v[No] (nO): Not assigned
v[LI1] (LI1): Logic input LI1
v[LI2] (LI2): Logic input LI2
v[LI3] (LI3): Logic input LI3
v[LI4] (LI4): Logic input LI4
v[LI5] (LI5): Logic input LI5
v[LI6] (LI6): Logic input LI6
If [ACCESS LEVEL] (LAC) = [Level 3] (L3), the following assignments are possible:
v[CD11] (CD11): Bit 11 of the control word from a communication network
v[CD12] (CD12): Bit 12 of the control word from a communication network
v[CD13] (CD13): Bit 13 of the control word from a communication network
v[CD14] (CD14): Bit 14 of the control word from a communication network
v[CD15] (CD15): Bit 15 of the control word from a communication network
rEF-
SEt-
drC-
I-0-
CtL-
FUn-
FLt-
COM-
SUP-

74 BBV46385 06/2010
[APPLICATION FUNCT.] (FUn-) menu
(1)Parameter can also be accessed in the [SETTINGS] (SEt-) menu. This parameter will depend on how many speeds have been
configured.
(2)Reminder: The speed remains limited by the [High speed] (HSP) parameter, page 33.
Code Name/Description Adjustment
range Factory
setting
PSS- b [PRESET SPEEDS] (continued)
PS16 M [16 preset speeds] [No] (nO)
nO
LI1
LI2
LI3
LI4
LI5
LI6
Cd11
Cd12
Cd13
Cd14
Cd15
Selecting the assigned logic input activates the function.
Ensure that [8 preset speeds] (PS8) has been assigned before assigning [16 preset speeds] (PS16).
v[No] (nO): Not assigned
v[LI1] (LI1): Logic input LI1
v[LI2] (LI2): Logic input LI2
v[LI3] (LI3): Logic input LI3
v[LI4] (LI4): Logic input LI4
v[LI5] (LI5): Logic input LI5
v[LI6] (LI6): Logic input LI6
If [ACCESS LEVEL] (LAC) = [Level 3] (L3), the following assignments are possible:
v[CD11] (CD11): Bit 11 of the control word from a communication network
v[CD12] (CD12): Bit 12 of the control word from a communication network
v[CD13] (CD13): Bit 13 of the control word from a communication network
v[CD14] (CD14): Bit 14 of the control word from a communication network
v[CD15] (CD15): Bit 15 of the control word from a communication network
SP2
gM [Preset speed 2] (1) 0.0 to 500.0 Hz (2) 10 Hz
SP3
gM [Preset speed 3] (1) 0.0 to 500.0 Hz (2) 15 Hz
SP4
gM [Preset speed 4] (1) 0.0 to 500.0 Hz (2) 20 Hz
SP5
gM [Preset speed 5] (1) 0.0 to 500.0 Hz (2) 25 Hz
SP6
gM [Preset speed 6] (1) 0.0 to 500.0 Hz (2) 30 Hz
SP7
gM [Preset speed 7] (1) 0.0 to 500.0 Hz (2) 35 Hz
SP8
gM [Preset speed 8] (1) 0.0 to 500.0 Hz (2) 40 Hz
SP9
gM [Preset speed 9] (1) 0.0 to 500.0 Hz (2) 45 Hz
SP10
gM [Preset speed 10] (1) 0.0 to 500.0 Hz (2) 50 Hz
gThese parameters only appear if the corresponding function has been selected in another menu. When the parameters can
also be accessed and set from within the configuration menu for the corresponding function, their description is detailed in
these menus, on the pages indicated, to aid programming.
rEF-
SEt-
drC-
I-0-
CtL-
FUn-
FLt-
COM-
SUP-

BBV46385 06/2010 75
[APPLICATION FUNCT.] (FUn-) menu
(1)Parameter can also be accessed in the [SETTINGS] (SEt-) menu. This parameter will depend on how many speeds have been
configured.
(2)Reminder: The speed remains limited by the [High speed] (HSP) parameter, page 33.
Code Name/Description Adjustment
range Factory
setting
PSS- b [PRESET SPEEDS] (continued)
SP11
gM [Preset speed 11] (1) 0.0 to 500.0 Hz (2) 55 Hz
SP12
gM [Preset speed 12] (1) 0.0 to 500.0 Hz (2) 60 Hz
SP13
gM [Preset speed 13] (1) 0.0 to 500.0 Hz (2) 70 Hz
SP14
gM [Preset speed 14] (1) 0.0 to 500.0 Hz (2) 80 Hz
SP15
gM [Preset speed 15] (1) 0.0 to 500.0 Hz (2) 90 Hz
SP16
gM [Preset speed 16] (1) 0.0 to 500.0 Hz (2) 100 Hz
gThese parameters only appear if the corresponding function has been selected in another menu. When the parameters can
also be accessed and set from within the configuration menu for the corresponding function, their description is detailed in
these menus, on the pages indicated, to aid programming.
rEF-
SEt-
drC-
I-0-
CtL-
FUn-
FLt-
COM-
SUP-

76 BBV46385 06/2010
[APPLICATION FUNCT.] (FUn-) menu
(1)Parameter can also be accessed in the [SETTINGS] (SEt-) menu.
Code Name/Description Adjustment
range Factory setting
JOG- b [JOG]
Note: The "Jog operation" function may be incompatible with other functions (see page 21).
JOG M [JOG] [No] (nO)
nO
LI1
LI2
LI3
LI4
LI5
LI6
Selecting the assigned logic input activates the function.
v[No] (nO): Not assigned
v[LI1] (LI1): Logic input LI1
v[LI2] (LI2): Logic input LI2
v[LI3] (LI3): Logic input LI3
v[LI4] (LI4): Logic input LI4
v[LI5] (LI5): Logic input LI5
v[LI6] (LI6): Logic input LI6
Example: 2-wire control operation ([2/3 wire control] (tCC) = [2 wire] (2C))
JGF M [Jog frequency] (1) 0 to 10 Hz 10 Hz
gParameter can be accessed if [JOG] (JOG) is not set to [No] (nO), page 76.
gThese parameters only appear if the corresponding function has been selected in another menu. When the parameters can
also be accessed and set from within the configuration menu for the corresponding function, their description is detailed in
these menus, on the pages indicated, to aid programming.
rEF-
SEt-
drC-
I-0-
CtL-
FUn-
FLt-
COM-
SUP-
Ramp forced to 0.1 s
Reference
JGF reference
JGF reference
LI (JOG)
Forward
Reverse
Ramp dEC/dE2Motor
frequency
u 0.5 s

BBV46385 06/2010 77
[APPLICATION FUNCT.] (FUn-) menu
+/- speed
Function can only be accessed if [ACCESS LEVEL] (LAC) = [Level 2] (L2) or [Level 3] (L3), page 58.
Two types of operation are available.
1. Use of single action buttons: Two logic inputs are required in addition to the direction(s) of operation.
The input assigned to the "+ speed" command increases the speed, the input assigned to the "- speed" command decreases
the speed.
Note:
If the "+ speed" and "- speed" commands are activated at the same time, "- speed" will be given priority.
2. Use of double action buttons: Only one logic input assigned to "+ speed" is required.
+/- speed with double action buttons:
Description: 1 button pressed twice for each direction of rotation. Each action closes a contact.
Wiring example:
LI1: Forward
LIx: Reverse
LIy: + speed
This type of +/- speed is incompatible with 3-wire control.
Whichever type of operation is selected, the max. speed is set by the [High speed] (HSP) parameter, page 33.
Note:
If the reference is switched via [Ref. 2 switching] (rFC), page 59, from one reference channel to any other reference channel with "+/- speed",
the value of the [Output frequency] (rFr) reference (after ramp) is copied at the same time. This prevents the speed being incorrectly reset
to zero when switching takes place.
Released
(- speed)
1st press
(speed maintained)
2nd press
(+ speed)
Forward button – a a and b
Reverse button – c c and d
rEF-
SEt-
drC-
I-0-
CtL-
FUn-
FLt-
COM-
SUP-
ATV312
control terminals
Motor frequency
LSP
Forward
0
2nd press
1st press
Reverse
0
2nd press
1st press
0
LSP

78 BBV46385 06/2010
[APPLICATION FUNCT.] (FUn-) menu
Code Name/Description Adjustment
range Factory
setting
UPd- b [+/- SPEED]
(motorized jog dial)
Function can only be accessed if [ACCESS LEVEL] (LAC) = [Level 2] (L2) or [Level 3] (L3), and [+/-spd HMI]
(UPdH) or [+/- SPEED] (UPdt) selected, page 58.
Note: The "+/- speed" function is incompatible with several functions (see page 21). It can only be configured
if these functions are unassigned, in particular the summing inputs (set [Summing ref. 2] (SA2) to [No] (nO),
page 71) and the preset speeds (set [2 preset speeds] (PS2) and [4 preset speeds] (PS4) to [No] (nO),
page 73) which will have been assigned as part of the factory settings.
USP M [+ speed assignment] [No] (nO)
g
nO
LI1
LI2
LI3
LI4
LI5
LI6
Parameter accessible for [+/- SPEED] (UPdt) only. Selecting the assigned logic input activates the
function.
v[No] (nO): Not assigned
v[LI1] (LI1): Logic input LI1
v[LI2] (LI2): Logic input LI2
v[LI3] (LI3): Logic input LI3
v[LI4] (LI4): Logic input LI4
v[LI5] (LI5): Logic input LI5
v[LI6] (LI6): Logic input LI6
dSP M [-Speed assignment] [No] (nO)
g
nO
LI1
LI2
LI3
LI4
LI5
LI6
Parameter accessible for [+/- SPEED] (UPdt) only. Selecting the assigned logic input activates the
function.
v[No] (nO): Not assigned
v[LI1] (LI1): Logic input LI1
v[LI2] (LI2): Logic input LI2
v[LI3] (LI3): Logic input LI3
v[LI4] (LI4): Logic input LI4
v[LI5] (LI5): Logic input LI5
v[LI6] (LI6): Logic input LI6
Str M [Reference saved] [No] (nO)
g
nO
rAN
EEP
Associated with the "+/- speed" function, this parameter can be used to save the reference:
• When the run commands disappear (saved to RAM)
• When the line supply or the run commands disappear (saved to EEPROM)
Therefore, the next time the drive starts up, the speed reference is the last reference saved.
v[No] (nO): No saving
v[RAM] (rAM): Saving in RAM
v[EEprom] (EEP): Saving in EEPROM
gThese parameters only appear if the corresponding function has been selected in another menu. When the parameters can
also be accessed and set from within the configuration menu for the corresponding function, their description is detailed in
these menus, on the pages indicated, to aid programming.
rEF-
SEt-
drC-
I-0-
CtL-
FUn-
FLt-
COM-
SUP-

BBV46385 06/2010 79
[APPLICATION FUNCT.] (FUn-) menu
PI regulator
Block diagram
The function is activated by assigning an analog input to the PI feedback (measurement).
PI feedback:
PI feedback must be assigned to one of these analog inputs, AI1, AI2, or AI3.
PI reference:
The PI reference can be assigned to the following parameters in order of priority:
- Preset references via logic inputs, [Preset ref. PID 2] (rP2), [Preset ref. PID 3] (rP3), and [Preset ref. PID 4] (rP4), page 82
- Internal reference [Internal PID ref.] (rPI), page 83
- Reference [Ref.1 channel] (Fr1), page 58
Combination table for preset PI references
Parameters can also be accessed in the [SETTINGS] (SEt-) menu:
•[Internal PID ref.] (rPI), page 32
•[Preset ref. PID 2] (rP2), [Preset ref. PID 3] (rP3), and [Preset ref. PID 4] (rP4), page 36
•[PID prop. gain] (rPG), page 36
•[PID integral gain] (rIG), page 36
•[PID fbk scale factor] (FbS), page 36:
The [PID fbk scale factor] (FbS) parameter can be used to scale the reference according to the variation range for PI feedback (sensor
rating).
Example: Regulating pressure
PI reference (process) 0-5 bar (0-100%)
Rating of pressure sensor 0-10 bar
[PID fbk scale factor] (FbS) = max. sensor scaling/max. process
[PID fbk scale factor] (FbS) = 10/5= 2
•[PID wake up thresh.] (rSL), page 38:
Can be used to set the PI error threshold above which the PI regulator will be reactivated (wake-up) after a stop due to the max. time
threshold being exceeded at low speed [Low speed time out] (tLS)
•[PID correct. reverse] (PIC), page 36: If [PID correct. reverse] (PIC) = [No] (nO), the speed of the motor will increase when the error
is positive (example: pressure control with a compressor). If [PID correct. reverse] (PIC) = [Yes] (YES), the speed of the motor will
decrease when the error is positive (example: temperature control using a cooling fan).
LI (Pr4) LI (Pr2) Pr2 = nO Reference
rPI or Fr1
00 rPI or Fr1
01 rP2
10 rP3
11 rP4
rEF-
SEt-
drC-
I-0-
CtL-
FUn-
FLt-
COM-
SUP-
Internal
reference
Reference A
Pages 53 and
55
Reference B
Pages 53 and 55
Preset PI
references
Error
inversion
Restart error
threshold
(wake-up)
Gains
Ramps
Parameter:
The black rectangle
represents the factory
setting assignment.
Key:
PI
feed-
back

80 BBV46385 06/2010
[APPLICATION FUNCT.] (FUn-) menu
"Manual - Automatic" operation with PI
This function combines the PI regulator and [Ref. 2 switching] (rFC) reference switching, page 59. The speed reference is given by
[Ref.2 channel] (Fr2) or by the PI function, depending on the state of the logic input.
Setting up the PI regulator
1. Configuration in PI mode
See the block diagram on page 79.
2. Perform a test in factory settings mode (in most cases, this will be sufficient).
To optimize the drive, adjust [PID prop. gain.] (rPG) or [PID integral gain] (rIG) gradually and independently, and observe the effect on
the PI feedback in relation to the reference.
3. If the factory settings are unstable or the reference is incorrect:
Perform a test with a speed reference in manual mode (without PI regulator) and with the drive on load for the speed range of the system:
- In steady state, the speed must be stable and comply with the reference, and the PI feedback signal must be stable.
- In transient state, the speed must follow the ramp and stabilize quickly, and the PI feedback must follow the speed.
If this is not the case, see the settings for the drive and/or sensor signal and cabling.
Switch to PI mode.
Set [Dec ramp adapt.] (brA) to no (no auto-adaptation of the ramp).
Set the [Acceleration] (ACC) and [Deceleration] (dEC) speed ramps to the minimum level permitted by the mechanics without triggering an
[OVERBRAKING] (ObF) fault.
Set the integral gain [PID integral gain] (rIG) to the minimum level.
Observe the PI feedback and the reference.
Switch the drive ON/OFF repeatedly or quickly vary the load or reference a number of times.
Set the proportional gain [PID prop. gain] (rPG) in order to ascertain a good compromise between response time and stability in transient
phases (slight overshoot and 1 to 2 oscillations before stabilizing).
If the reference varies from the preset value in steady state, gradually increase the integral gain [PID integral gain] (rIG), reduce the
proportional gain [PID prop. gain] (rPG) in the event of instability (pump applications), and find a compromise between response time and
static precision (see diagram).
Perform in-production tests over the whole reference range.
The oscillation frequency depends on the system dynamics.
Parameter Rise time Overshoot Stabilization
time Static error
[PID prop. gain] (rPG)
=
[PID integral gain] (rIG)
rEF-
SEt-
drC-
I-0-
CtL-
FUn-
FLt-
COM-
SUP-
Regulated
value
Proportional
gain
rPG high
Overshoot
Stabilization time
rPG low
Static error
Rise time Time
Integral
gain
rIG high
rIG low
rPG and rIG correct
Time
Time
Reference
Reference
Reference

BBV46385 06/2010 81
[APPLICATION FUNCT.] (FUn-) menu
(1)Parameter(s) can also be accessed in the [SETTINGS] (SEt-) menu.
Code Name/Description Adjustment
range Factory
setting
PI- b [PI REGULATOR]
Note: The "PI regulator" function is incompatible with several functions (see page 21).
It can only be configured if these functions are unassigned, in particular the summing inputs (set [Summing
ref. 2] (SA2) to [No] (nO), page 71) and the preset speeds (set [2 preset speeds] (PS2) and [4 preset speeds]
(PS4) to [No] (nO), page 73) which will have been assigned as part of the factory settings.
PIF M [PID feedback ass.] [No] (nO)
nO
AI1
AI2
AI3
v[No] (nO): Not assigned
v[AI1] (AI1): Analog input AI1
v[AI2] (AI2): Analog input AI2
v[AI3] (AI3): Analog input AI3
rPG M [PID prop. gain] (1) 0.01 to 100 1
gParameter is only visible if [PID feedback ass.] (PIF) is not set to [No] (nO), page 81.
It provides dynamic performance when PI feedback is changing quickly.
rIG M [PID integral gain] (1) 0.01 to 100 1
gParameter is only visible if [PID feedback ass.] (PIF) is not set to [No] (nO), page 81.
It provides static precision when PI feedback is changing slowly.
FbS M [PID fbk scale factor] (1) 0.1 to 100 1
gParameter is only visible if [PID feedback ass.] (PIF) is not set to [No] (nO), page 81.
For adapting the process.
PIC M [PID correct. reverse] [No] (nO)
g
nO
YES
Parameter is only visible if [PID feedback ass.] (PIF) is not set to [No] (nO), page 81.
v[No] (nO): Normal
v[Yes] (YES): Reverse
Pr2 M [2 preset PID ref.] [No] (nO)
g
nO
LI1
LI2
LI3
LI4
LI5
LI6
Cd11
Cd12
Cd13
Cd14
Cd15
Parameter is only visible if [PID feedback ass.] (PIF) is not set to [No] (nO), page 81.
Selecting the assigned logic input activates the function.
v[No] (nO): Not assigned
v[LI1] (LI1): Logic input LI1
v[LI2] (LI2): Logic input LI2
v[LI3] (LI3): Logic input LI3
v[LI4] (LI4): Logic input LI4
v[LI5] (LI5): Logic input LI5
v[LI6] (LI6): Logic input LI6
If [ACCESS LEVEL] (LAC) = [Level 3] (L3), the following assignments are possible:
v[CD11] (CD11): Bit 11 of the control word from a communication network
v[CD12] (CD12): Bit 12 of the control word from a communication network
v[CD13] (CD13): Bit 13 of the control word from a communication network
v[CD14] (CD14): Bit 14 of the control word from a communication network
v[CD15] (CD15): Bit 15 of the control word from a communication network
gThese parameters only appear if the corresponding function has been selected in another menu. When the parameters can
also be accessed and set from within the configuration menu for the corresponding function, their description is detailed in
these menus, on the pages indicated, to aid programming.
rEF-
SEt-
drC-
I-0-
CtL-
FUn-
FLt-
COM-
SUP-

82 BBV46385 06/2010
[APPLICATION FUNCT.] (FUn-) menu
(1)Parameter(s) can also be accessed in the [SETTINGS] (SEt-) menu.
Code Name/Description Adjustment
range Factory
setting
PI- b [PI REGULATOR] (continued)
Pr4 M [4 preset PID ref.] [No] (nO)
g
nO
LI1
LI2
LI3
LI4
LI5
LI6
Cd11
Cd12
Cd13
Cd14
Cd15
Parameter is only visible if [PID feedback ass.] (PIF) is not set to [No] (nO), page 81.
Selecting the assigned logic input activates the function.
Make sure that [2 preset PID ref.] (Pr2), page 81, has been assigned before assigning [4 preset PID ref.]
(Pr4).
v[No] (nO): Not assigned
v[LI1] (LI1): Logic input LI1
v[LI2] (LI2): Logic input LI2
v[LI3] (LI3): Logic input LI3
v[LI4] (LI4): Logic input LI4
v[LI5] (LI5): Logic input LI5
v[LI6] (LI6): Logic input LI6
If [ACCESS LEVEL] (LAC) = [Level 3] (L3), the following assignments are possible:
v[CD11] (CD11): Bit 11 of the control word from a communication network
v[CD12] (CD12): Bit 12 of the control word from a communication network
v[CD13] (CD13): Bit 13 of the control word from a communication network
v[CD14] (CD14): Bit 14 of the control word from a communication network
v[CD15] (CD15): Bit 15 of the control word from a communication network
rP2 M [Preset ref. PID 2] (1) 0 to 100% 30%
gSee page 36.
rP3 M [Preset ref. PID 3] (1) 0 to 100% 60%
gSee page 36.
rP4 M [Preset ref. PID 4] (1) 0 to 100% 90%
gSee page 36.
gThese parameters only appear if the corresponding function has been selected in another menu. When the parameters can
also be accessed and set from within the configuration menu for the corresponding function, their description is detailed in
these menus, on the pages indicated, to aid programming.
rEF-
SEt-
drC-
I-0-
CtL-
FUn-
FLt-
COM-
SUP-

BBV46385 06/2010 83
[APPLICATION FUNCT.] (FUn-) menu
(1)Parameter(s) can also be accessed in the [SETTINGS] (SEt-) menu.
Code Name/Description Adjustment
range Factory
setting
PI- b [PI REGULATOR] (continued)
rSL M [PID wake up thresh.] (1) 0 to 100% 0%
DANGER
UNINTENDED EQUIPMENT OPERATION
• Check that unintended restarts will not present any danger.
Failure to follow these instructions will result in death or serious injury.
g
If the "PI" and "Low speed operating time" [Low speed time out] (tLS) (page 38) are configured at the same
time, the PI regulator may attempt to set a speed lower than[Low speed] (LSP).
This results in unsatisfactory operation, which consists of starting, operating at [Low speed] (LSP), then
stopping, and so on.
The rSL (restart error threshold) parameter can be used to set a minimum PI error threshold
for restarting after a stop at prolonged [Low speed] (LSP).
The function is inactive if [Low speed time out] (tLS) = 0.
PII M [Act. internal PID ref.] [No] (nO)
g
nO
YES
v[No] (nO): The reference for the PI regulator is [Ref.1 channel] (Fr1), except for [+/-spd HMI] (UPdH) and
[+/- SPEED] (UPdt) (+/- speed cannot be used as a reference for the PI regulator).
v[Yes] (YES): The reference for the PI regulator is provided internally via the [Internal PID ref.] (rPI)
parameter.
rPI M [Internal PID ref.] (1) 0 to 100% 0%
gParameter is only visible if [PID feedback ass.] (PIF) is not set to [No] (nO), page 81.
gThese parameters only appear if the corresponding function has been selected in another menu. When the parameters can
also be accessed and set from within the configuration menu for the corresponding function, their description is detailed in
these menus, on the pages indicated, to aid programming.

84 BBV46385 06/2010
[APPLICATION FUNCT.] (FUn-) menu
Brake control
Function can only be accessed if [ACCESS LEVEL] (LAC) = [Level 2] (L2) or [Level 3] (L3) (page 53).
This function, which can be assigned to relay R2 or logic output AOC, enables the drive to manage an electromagnetic brake.
Principle
Synchronize brake release with the build-up of torque during startup and brake engage at zero speed on stopping, to help prevent jolting.
Brake sequence
Recommended brake control settings:
1. [Brake release freq] (brL), page 85:
- Horizontal movement: Set to 0.
- Vertical movement: Set to a frequency equal to the nominal motor slip in Hz.
2. [Brake release I FW] (Ibr), page 85:
- Horizontal movement: Set to 0.
- Vertical movement: Preset the nominal current of the motor then adjust it in order to help prevent jolting on start-up, making sure
that the maximum load is held when the brake is released.
3. [Brake Release time] (brt), page 85:
Adjust according to the type of brake. It is the time required for the mechanical brake to release.
4. [Brake engage freq] (bEn), page 85:
- Horizontal movement: Set to 0.
- Vertical movement: Set to a frequency equal to the nominal motor slip in Hz. Note: Max. [Brake engage freq] (bEn) = [Low speed]
(LSP); this means an appropriate value must be set in advance for [Low speed] (LSP).
5. [Brake engage time] (bEt), page 85:
Adjust according to the type of brake. It is the time required for the mechanical brake to engage.
6. [Brake impulse] (bIP), page 85:
- Horizontal movement: Set to [No] (nO).
- Vertical movement: Set to [Yes] (YES) and check that the motor torque direction for "run forward" control corresponds to the
upward direction of the load. If necessary, reverse two motor phases. This parameter generates motor torque in an upward
direction regardless of the direction of operation commanded in order to maintain the load whilst the brake is releasing.
rEF-
SEt-
drC-
I-0-
CtL-
FUn-
FLt-
COM-
SUP-
State of brake Engaged Released Engaged
Motor speed
Speed reference
Speed
reference
Motor frequency
Motor current
Relay R2 or logic output AOC
LI forward or reverse
Settings which can be accessed in the
application functions [APPLICATION
FUNCT.] (FUn-) menu:
• Brake release frequency [Brake
release freq] (brL)
• Brake release current
[Brake release I FW] (Ibr)
• Brake release time delay [Brake
Release time] (brt)
• Brake engage frequency [Brake
engage freq] (bEn)
• Brake engage time delay [Brake
engage time] (bEt)
• Brake release pulse [Brake
impulse] (bIP)

BBV46385 06/2010 85
[APPLICATION FUNCT.] (FUn-) menu
(1)In corresponds to the nominal drive current indicated in the Installation Manual and on the drive nameplate.
Code Name/Description Adjustment
range Factory
setting
bLC- b [BRAKE LOGIC CONTROL]
Function can only be accessed if [ACCESS LEVEL] (LAC) = [Level 2] (L2) or [Level 3] (L3), page 58.
Note: This function may be incompatible with other functions (see page 21).
bLC M [Brake assignment] [No] (nO)
nO
r2
dO
v[No] (nO): Not assigned
v[R2] (r2): Relay R2
v[DO] (dO): Logic output AOC
If [Brake assignment] (bLC) is assigned, the [Catch on the fly] (FLr) parameter, page 93, and the [Dec ramp
adapt.] (brA) parameter, page 64, are forced to [No] (nO), and the [Output Phase Loss] (OPL) parameter,
page 94, is forced to [Yes] (YES).
[Brake assignment] (bLC) is forced to [No] (nO) if [Output Phase Loss] (OPL) = [Output cut] (OAC), page 94.
brL M [Brake release freq] 0.0 to 10.0 Hz In accordance
with the drive
rating
gBrake release frequency.
Ibr M [Brake release I FW] 0 to 1.36 In (1) In accordance
with the drive
rating
gBrake release current threshold for ascending or forward movement.
brt M [Brake Release time] 0 to 5 s 0.5 s
gBrake release time delay.
LSP M [Low speed] 0 to HSP
(page 33)
0 LSP
gMotor frequency at min. reference.
This parameter can also be changed in the [SETTINGS] (SEt-) menu, page 33.
bEn M [Brake engage freq] nO - 0 to LSP nO
g
nO
0
to
LSP
vNot set
vAdjustment range in Hz
If [Brake assignment] (bLC) is assigned and [Brake engage freq] (bEn) remains set to [No] (nO), the drive
will lock in [BRAKE CONTROL FAULT] (bLF) mode on the first run command.
bEt M [Brake engage time] 0 to 5 s 0.5 s
gBrake engage time (brake response time).
bIP M [Brake impulse] [No] (nO)
nO
YES
g
v[No] (nO): Whilst the brake is releasing, the motor torque direction corresponds to the direction of rotation
commanded.
v[Yes] (YES): Whilst the brake is releasing, the motor torque direction is forward, regardless of the direction
of operation commanded.
Note: Check that the motor torque direction for "run forward" control corresponds to the upward direction of
the load. If necessary, reverse two motor phases.
gThese parameters only appear if the corresponding function has been selected in another menu. When the parameters can
also be accessed and set from within the configuration menu for the corresponding function, their description is detailed in
these menus, on the pages indicated, to aid programming.
rEF-
SEt-
drC-
I-0-
CtL-
FUn-
FLt-
COM-
SUP-

86 BBV46385 06/2010
[APPLICATION FUNCT.] (FUn-) menu
(1)Parameter can also be accessed in the [SETTINGS] (SEt-) menu.
(2)In corresponds to the nominal drive current indicated in the Installation Manual and on the drive nameplate.
Code Name/Description Adjustment
range Factory
setting
LC2- b [CURRENT LIMITATION 2]
Function can only be accessed if [ACCESS LEVEL] (LAC) = [Level 2] (L2) or [Level 3] (L3), page 58.
LC2 M [Current limit 2] [No] (nO)
nO
LI1
LI2
LI3
LI4
LI5
LI6
Cd11
Cd12
Cd13
Cd14
Cd15
Selecting the assigned logic input activates the function.
v[No] (nO): Not assigned
v[LI1] (LI1): Logic input LI1
v[LI2] (LI2): Logic input LI2
v[LI3] (LI3): Logic input LI3
v[LI4] (LI4): Logic input LI4
v[LI5] (LI5): Logic input LI5
v[LI6] (LI6): Logic input LI6
If [ACCESS LEVEL] (LAC) = [Level 3] (L3), the following assignments are possible:
v[CD11] (CD11): Bit 11 of the control word from a communication network
v[CD12] (CD12): Bit 12 of the control word from a communication network
v[CD13] (CD13): Bit 13 of the control word from a communication network
v[CD14] (CD14): Bit 14 of the control word from a communication network
v[CD15] (CD15): Bit 15 of the control word from a communication network
[Current Limitation] (CLI) is enabled when the logic input or control word bit is at state 0 ([SETTINGS]
(SEt-) menu, page 38).
[I Limit. 2 value] (CL2) is enabled when the logic input or control word bit is at state 1.
CL2 M [I Limit. 2 value] (1) 0.25 to 1.5 In (2) 1.5 In (2)
gSee page 38.
gThese parameters only appear if the corresponding function has been selected in another menu. When the parameters can
also be accessed and set from within the configuration menu for the corresponding function, their description is detailed in
these menus, on the pages indicated, to aid programming.
rEF-
SEt-
drC-
I-0-
CtL-
FUn-
FLt-
COM-
SUP-

BBV46385 06/2010 87
[APPLICATION FUNCT.] (FUn-) menu
Code Name/Description Adjustment
range Factory setting
CHP- b [SWITCHING MOTOR]
Function can only be accessed if [ACCESS LEVEL] (LAC) = [Level 2] (L2) or [Level 3] (L3), page 58.
CHP M [Motor switching] [No] (nO)
nO
LI1
LI2
LI3
LI4
LI5
LI6
Cd11
Cd12
Cd13
Cd14
Cd15
v[No] (nO): Not assigned
v[LI1] (LI1): Logic input LI1
v[LI2] (LI2): Logic input LI2
v[LI3] (LI3): Logic input LI3
v[LI4] (LI4): Logic input LI4
v[LI5] (LI5): Logic input LI5
v[LI6] (LI6): Logic input LI6
If [ACCESS LEVEL] (LAC) = [Level 3] (L3), the following assignments are possible:
v[CD11] (CD11): Bit 11 of the control word from a communication network
v[CD12] (CD12): Bit 12 of the control word from a communication network
v[CD13] (CD13): Bit 13 of the control word from a communication network
v[CD14] (CD14): Bit 14 of the control word from a communication network
v[CD15] (CD15): Bit 15 of the control word from a communication network
LI or bit = 0: Motor 1
LI or bit = 1: Motor 2
Note:
• If this function is used, the auto-tuning function, page 43, is not active on motor 2.
• Changes to parameters are only taken into account when the drive is locked.
CAUTION
RISK OF DAMAGE TO MOTOR
The motor switching function disables motor thermal protection.
The use of external overload protection is required when using motor switching.
Failure to follow these instructions can result in equipment damage.
UnS2 M [Nom. mot. 2 volt.] In accordance
with the drive
rating
In accordance
with the drive
rating
gATV312pppM2: 100 to 240 V
ATV312pppM3: 100 to 240 V
ATV312pppN4: 100 to 500 V
ATV312pppS6: 100 to 600 V
FrS2 M [Nom. motor 2 freq.] 10 to 500 Hz 50 Hz
g
Note:
The ratio must not exceed the following values:
ATV312pppM2: 7 max.
ATV312pppM3: 7 max.
ATV312pppN4: 14 max.
ATV312pppS6: 17 max.
The factory setting is 50 Hz, or preset to 60 Hz if [Standard mot. freq] (bFr) is set to 60 Hz.
gThese parameters only appear if the corresponding function has been selected in another menu. When the parameters can
also be accessed and set from within the configuration menu for the corresponding function, their description is detailed in
these menus, on the pages indicated, to aid programming.
rEF-
SEt-
drC-
I-0-
CtL-
FUn-
FLt-
COM-
SUP-
[Rated motor volt.] (UnS) (in volts)
[Rated motor freq.] (FrS) (in Hz)

88 BBV46385 06/2010
[APPLICATION FUNCT.] (FUn-) menu
(1)Parameter can also be accessed in the [SETTINGS] (SEt-) menu.
(2)In corresponds to the nominal drive current indicated in the Installation Manual and on the drive nameplate.
Code Name/Description Adjustment
range Factory setting
CHP- b [SWITCHING MOTOR] (continued)
nCr2 M [Nom. mot. 2 current] 0.25 to 1.5 In
(2)
In accordance
with the drive
rating
gNominal motor 2 current given on the rating plate.
nSP2 M [Nom. mot. 2 speed] 0 to 32,760 rpm In accordance
with the drive
rating
g
0 to 9,999 rpm then 10.00 to 32.76 krpm
If, rather than the nominal speed, the nameplate indicates the synchronous speed and the slip in Hz or as
a %, calculate the nominal speed as follows:
• Nominal speed = synchronous speed x
or
• Nominal speed = synchronous speed x (50 Hz motors)
or
• Nominal speed = synchronous speed x (60 Hz motors)
COS2 M [Motor 2 Cosinus Phi] 0.5 to 1 In accordance
with the drive
rating
gCos Phi given on the rating plate of motor 2.
UFt2 M [U/F mot.2 selected] [SVC] (n)
L
P
n
nLd
g
v[Cst. torque] (L): Constant torque for motors connected in parallel or special motors
v[Var. torque] (P): Variable torque for pump and fan applications
v[SVC] (n): Sensorless flux vector control for constant torque applications
v[Energy sav.] (nLd): Energy saving, for variable torque applications not requiring high dynamics (behaves
in a similar way to the P ratio at no load and the n ratio on load)
UFr2 M [IR compensation 2] (1) 0 to 100% 20%
gSee page 39.
FLG2 M [FreqLoopGain 2] (1) 1 to 100% 20%
gSee page 39.
StA2 M [Freq. loop stability 2] (1) 1 to 100% 20%
gSee page 39.
SLP2 M [Slip compensation 2] (1) 0 to 150% 100%
gSee page 39.
gThese parameters only appear if the corresponding function has been selected in another menu. When the parameters can
also be accessed and set from within the configuration menu for the corresponding function, their description is detailed in
these menus, on the pages indicated, to aid programming.
rEF-
SEt-
drC-
I-0-
CtL-
FUn-
FLt-
COM-
SUP-
100 - slip as a %
100
50 - slip in Hz
50
60 - slip in Hz
60
L
UnS
FrS
n
P
Voltage
Frequency

BBV46385 06/2010 89
[APPLICATION FUNCT.] (FUn-) menu
Management of limit switches
Function can only be accessed if [ACCESS LEVEL] (LAC) = [Level 2] (L2) or [Level 3] (L3), page 58.
This function can be used to manage the operation of one or two series limit switches (non-reversing or reversing).
- Assignment of one or two logic inputs (forward limit switch, reverse limit switch)
- Selection of the stop type (on ramp, fast or freewheel)
Following a stop, the motor is permitted to restart in the opposite direction only.
- The stop is performed when the input is in state 0. The direction of operation is authorized in state 1.
Restarting after stop caused by a limit switch
• Send a run command in the other direction (when control is via the terminals, if [2/3 wire control] (tCC) = [2 wire] (2C) and [2 wire
type] (tCt) = [Transition] (trn), first remove all the run commands).
or
• Invert the reference sign, remove all the run commands then send a run command in the same direction as before the stop caused
by a limit switch.
Code Name/Description Adjustment
range Factory
setting
LSt- b [LIMIT SWITCHES]
Function can only be accessed if [ACCESS LEVEL] (LAC) = [Level 2] (L2) or [Level 3] (L3), page 58.
Note: This function is incompatible with the "PI regulator" function (see page 21).
LAF M [Stop FW limit sw.] [No] (nO)
nO
LI1
LI2
LI3
LI4
LI5
LI6
v[No] (nO): Not assigned
v[LI1] (LI1): Logic input LI1
v[LI2] (LI2): Logic input LI2
v[LI3] (LI3): Logic input LI3
v[LI4] (LI4): Logic input LI4
v[LI5] (LI5): Logic input LI5
v[LI6] (LI6): Logic input LI6
LAr M [Stop RV limit sw.] [No] (nO)
g
nO
LI1
LI2
LI3
LI4
LI5
LI6
v[No] (nO): Not assigned
v[LI1] (LI1): Logic input LI1
v[LI2] (LI2): Logic input LI2
v[LI3] (LI3): Logic input LI3
v[LI4] (LI4): Logic input LI4
v[LI5] (LI5): Logic input LI5
v[LI6] (LI6): Logic input LI6
LAS M [Stop type] [Freewheel]
(nSt)
g
rMP
FSt
nSt
Parameter can be accessed if [Stop FW limit sw.] (LAF), page 89, or [Stop RV limit sw.] (LAr), page 89, is
assigned.
v[Ramp stop] (rMP): On ramp
v[Fast stop] (FSt): Fast stop
v[Freewheel] (nSt): Freewheel stop
gThese parameters only appear if the corresponding function has been selected in another menu. When the parameters can
also be accessed and set from within the configuration menu for the corresponding function, their description is detailed in
these menus, on the pages indicated, to aid programming.
rEF-
SEt-
drC-
I-0-
CtL-
FUn-
FLt-
COM-
SUP-

90 BBV46385 06/2010
[APPLICATION FUNCT.] (FUn-) menu
(1) [Saving config.] (SCS), [Macro configuration] (CFG), and [Restore config.] (FCS) can be accessed from several configuration menus,
but they apply to all menus and parameters.
Code Name/Description Adjustment
range Factory setting
ArE M [Select ATV31 conf.] [No] (nO)
nO
31E
31A
This parameter is invisible if a communication option is present. It is only used to transfer a configuration
via a loader tool or an ATV31 remote terminal.
[Select ATV31 conf.] (ArE) can be used during a transfer between an ATV31 and ATV312 to specify the
type of ATV31 (ATV31 or ATV31ppppppA). See page 105 Configuration transfer between an ATV31
and an ATV312 for more details about compatible loader tools.
Note : The transfer can't be done from an ATV31 to an ATV312 with a communication option board
v[No] (nO): Transfer between two ATV312
Note1: PowerSuite is only compatible with ATV312 using the standard input/output control board.
Note2: Transfer between 2 drives is only possible if they have the same communication board.
v[ATV31 std] (31E): Transfer from an ATV31 to an ATV312. Set ARE = 31E to download a configuration
from a European ATV31.
v[ATV31...A] (31A): Transfer from an ATV31ppppppA to an ATV312. Set ARE = 31A to download a
configuration from an Asian ATV31.
Procedure for transferring a configuration:
•Set [Select ATV31 conf.] (ArE) to the required value.
• Perform the configuration transfer.
• Once the transfer is complete, turn the drive off.
• Power the drive up again to initialize the configuration.
• The parameter is restored to its factory setting.
SCS M [Saving config.] (1) [No] (nO)
See page 45.
CFG M [Macro configuration] (1) [Factory set.] (Std)
See page 45.
FCS M [Restore config.] (1) [No] (nO)
See page 46.
The jog dial (ENT) needs to be pressed and held down (for 2 s) to change the assignment for this parameter.
rEF-
SEt-
drC-
I-0-
CtL-
FUn-
FLt-
COM-
SUP-
2 s
2 s
2 s
2 s

BBV46385 06/2010 91
[FAULT MANAGEMENT] (FLt-) menu
The parameters can only be modified when the drive is stopped and no run command is present.
On the optional remote display terminal, this menu can be accessed with the switch in the position.
Code Description Adjustment
range Factory
setting
Atr M [Automatic restart] [No] (nO)
DANGER
UNINTENDED EQUIPMENT OPERATION
• The automatic restart can only be used on machines or installations which do not pose any danger to either
personnel or equipment.
• If the automatic restart is activated, R1 will only indicate a fault has been detected once the time-out period for the
restart sequence has expired.
• The equipment must be used in compliance with national and regional safety regulations.
Failure to follow these instructions will result in death or serious injury.
nO
YES
The motor's automatic restart function will only be active in 2-wire level control ([2/3 wire control] (tCC) =
[2 wire] (2C), and [2 wire type] (tCt) = [Level] (LEL) or [Fwd priority] (PFO)).
v[No] (nO): Function inactive
v[Yes] (YES): Automatic restart if the fault has been cleared and the other operating conditions permit the
restart. The restart is performed by a series of automatic attempts separated by increasingly longer waiting
periods: 1 s, 5 s, 10 s, then 1 min for subsequent ones.
If the restart has not taken place once the [Max. restart time] (tAr) configurable time has elapsed, the
procedure is aborted and the drive remains locked until it is turned off and then on again.
This function is possible with the following conditions:
[NETWORK FAULT] (CnF): Communication detected fault on the communication card
[CANopen com.] (COF): CANopen communication detected fault
[External] (EPF): External fault
[4-20mA] (LFF): 4-20 mA loss
[Overbraking] (ObF): DC bus overvoltage
[Drive overheat] (OHF): Drive overheating
[Motor overload] (OLF): Motor overload
[Mot. phase] (OPF): Motor phase loss
[Mains overvoltage] (OSF): Line supply overvoltage
[Mains phase loss] (PHF): Line phase loss
[MODBUS FAULT] (SLF): Modbus communication
Relay R1 remains activated if this function is active. The speed reference and the operating direction must
be maintained.
Automatic restart
Operating time reset to zero
rEF-
SEt-
drC-
I-0-
CtL-
FUn-
FLt-
COM-
SUP-

92 BBV46385 06/2010
[FAULT MANAGEMENT] (FLt-) menu
Code Description Adjustment
range Factory
setting
tAr M [Max. restart time] [5 min] (5)
g
5
10
30
1h
2h
3h
Ct
Parameter is only visible if [Automatic restart] (Atr) = [Yes] (YES).
It can be used to limit the number of consecutive restarts in the event of a recurrent detected fault.
v[5 min] (5): 5 minutes
v[10 min] (10): 10 minutes
v[30 min] (30): 30 minutes
v[1 hour] (1h): 1 hour
v[2 hours] (2h): 2 hours
v[3 hours] (3h): 3 hours
v[Unlimited] (Ct): Unlimited (except for [MOTOR PHASE LOSS] (OPF) and [INPUT PHASE LOSS] (PHF);
the max. duration of the restart process is limited to 3 hours)
rSF M [Fault reset] [No] (nO)
nO
LI1
LI2
LI3
LI4
LI5
LI6
v[No] (nO): Not assigned
v[LI1] (LI1): Logic input LI1
v[LI2] (LI2): Logic input LI2
v[LI3] (LI3): Logic input LI3
v[LI4] (LI4): Logic input LI4
v[LI5] (LI5): Logic input LI5
v[LI6] (LI6): Logic input LI6
gThese parameters only appear if the corresponding function has been selected in another menu. When the parameters can
also be accessed and set from within the configuration menu for the corresponding function, their description is detailed in
these menus, on the pages indicated, to aid programming.
rEF-
SEt-
drC-
I-0-
CtL-
FUn-
FLt-
COM-
SUP-

BBV46385 06/2010 93
[FAULT MANAGEMENT] (FLt-) menu
Code Description Adjustment
range Factory
setting
FLr M [Catch on the fly] [No] (nO)
nO
YES
Used to enable a smooth restart if the run command is maintained after the following events:
- Loss of line supply or simple power off
- Reset of current drive or automatic restart
- Freewheel stop
The speed given by the drive resumes from the estimated speed of the motor at the time of the restart, then
follows the ramp to the reference speed.
This function requires 2-wire control ( [2/3 wire control] (tCC) = [2 wire] (2C)) with [2 wire type] (tCt) = [Level]
(LEL) or [Fwd priority] (PFO).
v[No] (nO): Function inactive
v[Yes] (YES): Function active
When the function is operational, it activates at each run command, resulting in a slight delay
(1 second max.).
[Catch on the fly] (FLr) is forced to [No] (nO) if brake control [Brake assignment] (bLC) is assigned, page 85.
EtF M [External fault ass.] [No] (nO)
nO
LI1
LI2
LI3
LI4
LI5
LI6
Cd11
Cd12
Cd13
Cd14
Cd15
v[No] (nO): Not assigned
v[LI1] (LI1): Logic input LI1
v[LI2] (LI2): Logic input LI2
v[LI3] (LI3): Logic input LI3
v[LI4] (LI4): Logic input LI4
v[LI5] (LI5): Logic input LI5
v[LI6] (LI6): Logic input LI6
If [ACCESS LEVEL] (LAC) = [Level 3] (L3), the following assignments are possible:
v[CD11] (CD11): Bit 11 of the control word from a communication network
v[CD12] (CD12): Bit 12 of the control word from a communication network
v[CD13] (CD13): Bit 13 of the control word from a communication network
v[CD14] (CD14): Bit 14 of the control word from a communication network
v[CD15] (CD15): Bit 15 of the control word from a communication network
LEt M [External fault config] [Active high]
(HIG)
LO
HIG
v[Active low] (LO): The external fault is detected when the logic input assigned to [External fault ass.] (EtF)
changes to state 0.
Note: In this case, [External fault ass.] (EtF) cannot be assigned to a control word bit from a communication
network.
v[Active high] (HIG): The external fault is detected when the logic input or the bit assigned to [External fault
ass.] (EtF) changes to state 1.
Note: Where [External fault config] (LEt) = [Active high] (HIG), [External fault ass.] (EtF) is assigned to a
control word bit from a communication network, and where there is no [External fault ass.] (EtF) fault
detection, switching to [External fault config] (LEt) = [Active low] (LO) triggers [External fault ass.] (EtF) fault
detection. In this case, it is necessary to turn the drive off and then back on again.
EPL M [External fault mgt] [Freewheel]
(YES)
nO
YES
rNP
FSt
v[Ignore] (nO): Ignore
v[Freewheel] (YES): Detected fault management with freewheel stop
v[Ramp stop] (rMP): Detected fault management with stop on ramp
v[Fast stop] (FSt): Detected fault management with fast stop
rEF-
SEt-
drC-
I-0-
CtL-
FUn-
FLt-
COM-
SUP-

94 BBV46385 06/2010
[FAULT MANAGEMENT] (FLt-) menu
Code Description Adjustment
range Factory setting
OPL M [Output Phase Loss] [Yes] (YES)
DANGER
HAZARD OF ELECTRIC SHOCK, EXPLOSION, OR ARC FLASH
If [Output Phase Loss] (OPL) is set to nO loss of cable is not detected
• Check this action will not endanger personnel or equipment in any way
Failure to follow these instructions will result in death or serious injury.
nO
YES
OAC
v[No] (nO): Function inactive
v[Yes] (YES): Tripping on the [MOTOR PHASE LOSS] (OPF)
v[Output cut] (OAC): No tripping on a [MOTOR PHASE LOSS] (OPF), but management of the output voltage
in order to avoid an overcurrent when the link with the motor is re-established and catch on the fly performed
even if [Catch on the fly] (FLr) = [No] (nO). To be used with output contactor.
[Output Phase Loss] (OPL) is forced to [Yes] (YES) if [Brake assignment] (bLC) is not set to [No] (nO),
page 85.
IPL M [Input phase loss] [Yes] (YES)
nO
YES
This parameter is only accessible on 3-phase drives.
v[No] (nO): Ignore
v[Yes] (YES): Detected fault management with fast stop
OHL M [Overtemp fault mgt] [Freewheel]
(YES)
CAUTION
RISK OF DAMAGE TO THE MOTOR
Inhibiting drive overheating fault detection results in the drive not being protected. This invalidates the warranty.
• Check that the possible consequences do not present any risk.
Failure to follow these instructions can result in equipment damage.
nO
YES
rNP
FSt
v[Ignore] (nO): Ignore
v[Freewheel] (YES): Detected fault management with freewheel stop
v[Ramp stop] (rMP): Detected fault management with stop on ramp
v[Fast stop] (FSt): Detected fault management with fast stop
OLL M [Overload fault mgt] [Freewheel]
(YES)
CAUTION
RISK OF DAMAGE TO THE MOTOR
If [Overload fault mgt] is set to nO, motor thermal protection is no longuer provided by the drive. Provide an
alternative means of thermal protection.
Failure to follow these instructions can result in equipment damage.
nO
YES
rNP
FSt
v[Ignore] (nO): Ignore
v[Freewheel] (YES): Detected fault management with freewheel stop
v[Ramp stop] (rMP): Detected fault management with stop on ramp
v[Fast stop] (FSt): Detected fault management with fast stop
rEF-
SEt-
drC-
I-0-
CtL-
FUn-
FLt-
COM-
SUP-

BBV46385 06/2010 95
[FAULT MANAGEMENT] (FLt-) menu
Code Description Adjustment
range Factory setting
SLL M [Modbus fault mgt] [Fast stop]
(FSt)
WARNING
LOSS OF CONTROL
If [Modbus fault mgt] (SLL) = [Ignore] (n0), communication control will be inhibited. For safety reasons,
inhibiting the communication fault detection should be restricted to the debug phase or to special applications.
Failure to follow these instructions can result in death, serious injury, or equipment damage.
nO
YES
rNP
FSt
v[Ignore] (nO): Ignore
v[Freewheel] (YES): Detected fault management with freewheel stop
v[Ramp stop] (rMP): Detected fault management with stop on ramp
v[Fast stop] (FSt): Detected fault management with fast stop
This parameter does not apply to PowerSuite and SoMove software.
COL M [CANopen fault mgt] [Fast stop] (FSt)
WARNING
LOSS OF CONTROL
If [CANopen fault mgt] (COL) = [Ignore] (n0), communication control will be inhibited. For safety reasons,
inhibiting the communication fault detection should be restricted to the debug phase or to special applications.
Failure to follow these instructions can result in death, serious injury, or equipment damage.
nO
YES
rNP
FSt
v[Ignore] (nO): Ignore
v[Freewheel] (YES): Detected fault management with freewheel stop
v[Ramp stop] (rMP): Detected fault management with stop on ramp
v[Fast stop] (FSt): Detected fault management with fast stop
tnL M [Autotune fault mgt] [Yes] (YES)
nO
YES
This parameter can be used to manage drive behavior in the event that auto-tuning is unsuccessful [AUTO
TUNING FAULT] (tnF)
v[No] (nO): Ignored (the drive reverts to the factory settings)
v[Yes] (YES): Detected fault management with drive locked
If [Cold stator resist.] (rSC), page 42, is not set to [No] (nO), [Autotune fault mgt] (tnL) is forced to [Yes]
(YES).
LFL M [4-20mA loss] [Freewheel]
(YES)
nO
YES
LFF
rLS
rNP
FSt
v[Ignore] (nO): Ignored (only possible value if [AI3 min. value] (CrL3) y 3 mA, page 48)
v[Freewheel] (YES): Detected fault management with freewheel stop
v[fallback spd] (LFF): The drive switches to the fallback speed ([fallback spd] (LFF) parameter).
v[Spd maint.] (rLS): The drive maintains the speed at which it was operating when the loss was detected.
This speed is saved and stored as a reference until the fault has disappeared.
v[Ramp stop] (rMP): Detected fault management with stop on ramp
v[Fast stop] (FSt): Detected fault management with fast stop
Note: Before setting [4-20mA loss] (LFL) to [fallback spd] (LFF) check the connection of input AI3.
If [4-20mA loss] (LFL) = [fallback spd] (LFF) or [Spd maint.] (rLS), no code is displayed.
LFF M [Fallback speed] 0 to 500 Hz 10 Hz
Fallback speed setting in the event of a [4-20mA loss] (LFL).
rEF-
SEt-
drC-
I-0-
CtL-
FUn-
FLt-
COM-
SUP-

96 BBV46385 06/2010
[FAULT MANAGEMENT] (FLt-) menu
Code Description Adjustment
range Factory
setting
drn M [Derated operation] [No] (nO)
nO
YES
Lowers the tripping threshold of [Undervoltage] (USF): in order to operate on line supplies with 50%
voltage drops.
v[No] (nO): Function inactive
v[Yes] (YES): Function active
In this case, drive performance is derated.
CAUTION
RISK OF DAMAGE TO DRIVE
When [Derated operation] (drn) = [Yes] (YES), use a line choke (see catalog).
Failure to follow these instructions can result in equipment damage.
StP M [UnderV. prevention] [No] (nO)
nO
NNS
rMP
FSt
This function can be used to control the type of stop where there is a loss of line supply.
v[No] (nO): Locking of the drive and freewheel stopping of the motor
v[DC Maintain] (MMS): This stop mode uses the inertia to maintain the drive power supply as long as
possible.
v[Ramp stop] (rMP): Stop according to the valid ramp ([Deceleration] (dEC) or [Deceleration 2] (dE2))
v[Fast stop] (FSt): Fast stop, the stopping time depends on the inertia and the braking ability of the drive.
InH M [Fault inhibit assign.] [No] (nO)
DANGER
LOSS OF PERSONNEL AND EQUIPMENT PROTECTION
• Enabling the fault inhibition parameter [Fault inhibit assign.] (inH) will disable the drive controller protection
features.
• InH should not be enabled for typical applications of this equipment.
• InH should be enabled only in extraordinary situations where a thorough risk analysis demonstrates that the
presence of adjustable speed drive protection poses a greater risk than personnel injury or equipment damage.
Failure to follow these instructions will result in death or serious injury.
nO
LI1
LI2
LI3
LI4
LI5
LI6
This function disables drive protection for the following detected faults:
SLF, CnF, EPF, CrF, LFF, OHF, OBF, OLF, OSF, OPF, PHF, SOF, tnF, COF, bLF
v[No] (nO): Not assigned
v[LI1] (LI1): Logic input LI1
v[LI2] (LI2): Logic input LI2
v[LI3] (LI3): Logic input LI3
v[LI4] (LI4): Logic input LI4
v[LI5] (LI5): Logic input LI5
v[LI6] (LI6): Logic input LI6
The logic inputs are active in the high state.
The jog dial (ENT) needs to be pressed and held down (for 2 s) to change the assignment for this parameter.
rEF-
SEt-
drC-
I-0-
CtL-
FUn-
FLt-
COM-
SUP-
2 s
2 s
2 s

BBV46385 06/2010 97
[FAULT MANAGEMENT] (FLt-) menu
Code Description Adjustment
range Factory
setting
rPr M [Operating t. reset] [No] (nO)
nO
rtH
v[No] (nO): No
v[rst. runtime] (rtH): Operating time reset to zero
The [Operating t. reset] (rPr) parameter automatically returns to [No] (nO) after resetting to 0.
rp M [Product reset] [No] (nO)
DANGER
UNINTENDED EQUIPMENT OPERATION
You are going to reset the drive.
• Check this action will not endanger personnel or equipment in any way.
Failure to follow these instructions will result in death or serious injury.
nO
YES
v[No] (nO): No
v[Yes] (YES): Yes
The jog dial (ENT) needs to be pressed and held down (for 2 s) to change the assignment for this parameter.
2 s
2 s

98 BBV46385 06/2010
[COMMUNICATION] (COM-) menu
The parameters can only be modified when the drive is stopped and no run command is present. Modifications to the [Modbus Address]
(Add), [Modbus baud rate] (tbr), [Modbus format] (tFO), [CANopen address] (AdCO), and [CANopen bit rate] (bdCO) parameters are not
taken into account until the drive has been switched off and back on again.
On the optional ATV31 remote display terminal, this menu can be accessed with the switch in the position.
Code Description Adjustment
range Factory
setting
Add M [Modbus Address] 1 to 247 1
Modbus address for the drive.
tbr M [Modbus baud rate] 19,200 bps
4.8
9.6
19.2
Modbus transmission speed
v[4.8 Kbps] (4.8): 4,800 bits/second
v[9.6 Kbps] (9.6): 9,600 bits/second
v[19.2 Kbps] (19.2): 19,200 bits/second (Note: This is the only value which supports the use of the remote
display terminal.)
tFO M [Modbus format] [8-E-1] (8E1)
8O1
8E1
8n1
8n2
v[8-O-1] (8O1): 8 data bits, odd parity, 1 stop bit
v[8-E-1] (8E1): 8 data bits, even parity, 1 stop bit (Note: This is the only value which supports the use of the
remote display terminal.)
v[8-N-1] (8n2): 8 data bits, no parity, 1 stop bit
v[8-N-2] (8n2): 8 data bits, no parity, 2 stop bits
ttO M [Modbus time out] 0.1 to 30 s 10 s
AdCO M [CANopen address] 0 to 127 0
CANopen address for the drive.
bdCO M [CANopen bit rate] 125 bps
10.0
20.0
50.0
125.0
250.0
500.0
1000
Modbus transmission speed
v[10 kbps] (10.0): 10 kbps
v[20 kbps] (20.0): 20 kbps
v[50 kbps] (50.0): 50 kbps
v[125 kbps] (125.0): 125 kbps
v[250 kbps] (250.0): 250 kbps
v[500 kbps] (500.0): 500 kbps
v[1 Mbps] (1000): 1000 kbps
ErCO M [Error code] -
0
1
2
3
4
vNo error
vBus off
vLife time
vCAN overrun
vHeartbeat
rEF-
SEt-
drC-
I-0-
CtL-
FUn-
FLt-
COM-
SUP-

BBV46385 06/2010 99
[COMMUNICATION] (COM-) menu
Code Description Adjustment
range Factory
setting
FLO M [Forced local assign.] [No] (nO)
nO
LI1
LI2
LI3
LI4
LI5
LI6
v[No] (nO): Not assigned
v[LI1] (LI1): Logic input LI1
v[LI2] (LI2): Logic input LI2
v[LI3] (LI3): Logic input LI3
v[LI4] (LI4): Logic input LI4
v[LI5] (LI5): Logic input LI5
v[LI6] (LI6): Logic input LI6
In forced local mode, the terminals and the display terminal regain control of the drive.
FLOC M [Forced local Ref.] [AI1] (AI1)
g
AI1
AI2
AI3
AIU1
LCC
Parameter can only be accessed if [ACCESS LEVEL] (LAC) = [Level 3] (L3), page 58.
In forced local mode, only the speed reference is taken into account. PI functions, summing inputs, etc. are
not active.
See the diagrams on pages 55 to 57.
v[AI1] (AI1): Analog input AI1, logic inputs LI
v[AI2] (AI2): Analog input AI2, logic inputs LI
v[AI3] (AI3): Analog input AI3, logic inputs LI
v[AI Virtual 1] (AIV1): Jog dial, RUN/STOP buttons
v[HMI] (HMI): Remote display terminal: [HMI Frequency ref.] (LFr) reference, page 32, RUN/STOP/FWD/
REV buttons
gThese parameters only appear if the corresponding function has been selected in another menu. When the parameters can
also be accessed and set from within the configuration menu for the corresponding function, their description is detailed in
these menus, on the pages indicated, to aid programming.
rEF-
SEt-
drC-
I-0-
CtL-
FUn-
FLt-
COM-
SUP-

100 BBV46385 06/2010
[MONITORING] (SUP-) menu
The parameters can be accessed with the drive running or stopped.
On the optional remote display terminal, this menu can be accessed with the switch in any position.
Some functions have numerous parameters. In order to clarify programming and avoid having to scroll through endless parameters, these
functions have been grouped in submenus.
Like menus, submenus are identified by a dash after their code: for example.
When the drive is running, the value displayed is that of one of the monitoring parameters. By default, the value displayed is the output
frequency applied to the motor ([Output frequency] (rFr) parameter).
While the value of the new monitoring parameter required is being displayed, press and hold down the jog dial (ENT) again (for 2 seconds)
to confirm the change of monitoring parameter and store it. From then on, it is the value of this parameter that will be displayed during
operation (even after powering down).
"Unless the new choice is confirmed by pressing and holding down ENT again, the display will revert to the previous parameter after
powering down.
Note: After the drive has been turned off or following a loss of line supply, the parameter displayed is the drive status ([Ready] (rdY), for
example).
The selected parameter is displayed following a run command.
rEF-
SEt-
drC-
I-0-
CtL-
FUn-
FLt-
COM-
SUP-
Submenu
LIA-

BBV46385 06/2010 101
[MONITORING] (SUP-) menu
Code Description Variation range
LFr M [HMI Frequency ref.] 0 to 500 Hz
gFrequency reference for control via built-in display terminal or remote display terminal.
rPI M [Internal PID ref.] 0 to 100%
gInternal PID reference
Parameter is only visible if [PID feedback ass.] (PIF) is not set to [No] (nO), page 81.
FrH M [Frequency ref.] 0 to 500 Hz
Frequency reference before ramp (absolute value).
rFr M [Output frequency] - 500 Hz to + 500 Hz
This parameter is also used for the +/- speed function using the jog dial on the keypad or display terminal.
It displays and validates operation (see page 58). In the event of a loss of line supply, [Output frequency]
(rFr) is not stored and the +/- speed function must be re-enabled in [MONITORING] (SUP-) and [Output
frequency] (rFr).
SPd1
or
SPd2
or
SPd3
M [Cust. output value]
[Cust. output value] (SPd1), [Cust. output value] (SPd2) or [Cust. output value] (SPd3) depending on the
[Scale factor display] (SdS) parameter, page 40 ([Cust. output value] (SPd3) in the factory setting)
LCr M [Motor current]
Estimation of current in the motor
Opr M [Motor power]
100% = nominal motor power, calculated using the parameters entered in the [MOTOR CONTROL]
(drC-) menu
ULn M [Mains voltage]
This parameter gives the line voltage via the DC bus, both in motor mode or when the motor is stopped.
tHr M [Motor thermal state]
100% = nominal thermal state
118% = "OLF" threshold (drive overload)
tHd M [Drv. Therm att.]
100% = nominal thermal state
118% = "OHF" threshold (drive overheating)
gThese parameters only appear if the corresponding function has been selected in another menu. When the parameters can
also be accessed and set from within the configuration menu for the corresponding function, their description is detailed in
these menus, on the pages indicated, to aid programming.
rEF-
SEt-
drC-
I-0-
CtL-
FUn-
FLt-
COM-
SUP-

102 BBV46385 06/2010
[MONITORING] (SUP-) menu
Code Description Variation range
LFt M [Last fault occurred]
bLF
CFF
CFI
CnF
COF
CrF
EEF
EPF
IF1
IF2
IF3
IF4
LFF
nOF
ObF
OCF
OHF
OLF
OPF
OSF
PHF
SCF
SLF
SOF
tnF
USF
v[Brake control] (bLF): Brake control detected fault
v[Incorrect config.] (CFF): Incorrect configuration (parameters)
v[Invalid config.] (CFI): Invalid configuration (parameters)
v[NETWORK FAULT] (CnF): Communication detected fault on the communication card
v[CANopen com.] (COF): Communication detected fault line 2 (CANopen)
v[Capa.charg] (CrF): Capacitor precharge detected fault
v[EEPROM] (EEF): EEPROM memory detected fault
v[External] (EPF): External fault
v[INTERNAL FAULT] (IF1): Unknown rating
v[INTERNAL FAULT] (IF2): HMI card not recognized or incompatible/display absent
v[INTERNAL FAULT] (IF3): EEPROM detected fault
v[INTERNAL FAULT] (IF4): Industrial EEPROM detected fault
v[4-20mA] (LFF): 4-20 mA loss
v[No fault] (nOF): No fault code saved
v[Overbraking] (ObF): DC bus overvoltage
v[Overcurrent] (OCF): Overcurrent
v[Drive overheat] (OHF): Drive overheating
v[Motor overload] (OLF): Motor overload
v[Mot. phase] (OPF): Motor phase loss
v[Mains overvoltage] (OSF): Line supply overvoltage
v[Mains phase loss] (PHF): Line phase loss
v[Mot. short circuit] (SCF): Motor short-circuit (phase, ground)
v[Modbus] (SLF): Modbus communication detected fault
v[Overspeed] (SOF): Motor overspeed
v[Auto-tuning] (tnF): Auto-tuning detected fault
v[Undervoltage] (USF): Line supply undervoltage
Otr M [Motor torque]
100% = nominal motor torque, calculated using the parameters entered in the [MOTOR CONTROL]
(drC-) menu.
rtH M [Run time] 0 to 65,530 hours
Total time the motor has been powered up: 0 to 9,999 (hours), then 10.00 to 65.53 (kilo-hours).
Can be reset to zero by the [Operating t. reset] (rPr) parameter in the [FAULT MANAGEMENT] (FLt-)
menu, page 97.
rEF-
SEt-
drC-
I-0-
CtL-
FUn-
FLt-
COM-
SUP-

BBV46385 06/2010 103
[MONITORING] (SUP-) menu
Code Description Variation range
COd M [PIN code 1]
0FF
On
8888
Enables the drive configuration to be protected using an access code.
When access is locked by means of a code, only the parameters in the [MONITORING]
(SUP-) and [SPEED REFERENCE] (rEF-) menus can be accessed. The MODE button can be used to
switch between menus.
Note: Before entering a code, do not forget to make a careful note of it.
v[OFF] (OFF): No access locking codes
• To lock access, enter a code (2 to 9,999). The display can be incremented using the jog dial. Then
press ENT. [ON] (On) appears on the screen to indicate that access has been locked.
v[ON] (On): A code is locking access (2 to 9,999).
•To unlock access, enter the code (incrementing the display using the jog dial) and press ENT. The
code remains on the display and access is unlocked until the next time the drive is turned off. Access
will be locked again the next time the drive is turned on.
•If an incorrect code is entered, the display changes to [ON] (On), and access remains locked.
vAccess is unlocked (the code remains on the screen).
•To reactivate locking with the same code when access has been unlocked, return to [ON] (On)
using the jog dial and then press ENT. [ON] (On) remains on the screen to indicate that access has
been locked.
•To lock access with a new code when access has been unlocked, enter the new code (increment
the display using the jog dial) and then press ENT. On appears on the screen to indicate that access
has been locked.
•To clear locking when access has been unlocked, return to [OFF] (OFF) using the jog dial and then
press ENT. [OFF] (OFF) remains on the display. Access is unlocked and will remain so until the next
restart.
tUS M [Auto tuning state]
tAb
PEnd
PrOG
FAIL
dOnE
Strd
v[Not done] (tAb): The default stator resistance value is used to control the motor.
v[Pending] (PEnd): Auto-tuning has been requested but not yet performed.
v[In Progress] (PrOG): Auto-tuning in progress.
v[Failed] (FAIL): Auto-tuning was unsuccessful.
v[Done] (dOnE): The stator resistance measured by the auto-tuning function is used to control the motor.
v[Entered R1] (Strd): The cold state stator resistance ([Cold stator resist.] (rSC) which is not set to [No]
(nO)) is used to control the motor.
UdP M [Drv.Soft.Ver]
This parameter gives the software version for the drive.
Example: 1102 = V1.1 IE02
O1Ct M [OPT1 card type]
nO
dnt
PbS
This parameter is only visible if an option card is present.
It is used to visualize the name of the option currently present.
No card, CANopen card or DaisyChain card (these cards are unable to send their names to the
ATV312)
DeviceNet card
Profibus card
CnF M [Network fault]
Option card fault code
This parameter is read-only and is only visible if an option card is present.
The fault code remains saved in the parameter, even if the cause disappears. The parameter is reset
after the drive is disconnected and then reconnected. The values of this parameter depend on the
network card. Consult the manual for the corresponding card.
rEF-
SEt-
drC-
I-0-
CtL-
FUn-
FLt-
COM-
SUP-

104 BBV46385 06/2010
[MONITORING] (SUP-) menu
Code Name/Description Adjustment
range Factory
setting
LIA- b [LOGIC INPUT CONF.]
LI1A
LI2A
LI3A
LI4A
LI5A
LI6A
Can be used to display the functions assigned to each input. If no functions have been assigned, [No] (nO)
is displayed. The jog dial can be used to scroll through all the functions. If a number of functions have been
assigned to the same input, check that they are compatible.
LIS Can be used to display the state of logic inputs (display segment assignment: high = 1, low = 0)
Example above: LI1 and LI6 are at 1; LI2 to LI5 are at 0.
AIA- b [ANALOG INPUTS IMAGE]
AI1A
AI2A
AI3A
Can be used to display the functions assigned to each input. If no functions have been assigned, [No] (nO)
is displayed. The jog dial can be used to scroll through all the functions. If a number of functions have been
assigned to the same input, check that they are compatible.
rEF-
SEt-
drC-
I-0-
CtL-
FUn-
FLt-
COM-
SUP-
State 1
State 0 LI1 LI2 LI3 LI4 LI5 LI6

BBV46385 06/2010 105
Migration ATV31 - ATV312
The ATV312 is compatible with the ATV31.
To retrieve the configuration of the ATV31, simply transfer the configuration from the ATV31 to the ATV312. See below Configuration
transfer between an ATV31 and an ATV312
Dimensions
For all sizes, the ATV312 is 6 mm less deep than the ATV31ppppppA.
Replacing an ATV31ppppppA with an ATV312
Note: Position of the logic input switch
On the ATV31ppppppA, the logic input switch was set to "Sink" in the factory setting.
On the ATV312, it is set to "Source" in the factory setting.
Set the switch to match the setting on the product being replaced. For more information, see the "Control terminals" chapter in the
Installation Manual.
Note: Position of the IT jumper
There was no integrated EMC filter on the ATV31ppppppA. For details on how to deactivate the integrated EMC filter on the ATV312, see
the "Operation with IT connection" chapter in the Installation Manual.
ATV312 used in LOCAL configuration (see page 27) uses the Jog Dial as a potentiometer and RUN button is activated. This is a similar
way of working than ATV31ppppppA. When the drive is powered up for the first time, the two parameters shown below appear after
[Standard mot. freq] (bFr). They need to be set as follows:
[Ref.1 channel] (Fr1), page 29, to [AI Virtual 1] (AIV1)
[2/3 wire control] (tCC), page 30, to [Local] (LOC)
The following parameters can be used subsequently to return to the other HMI version:
[Ref.1 channel] (Fr1) in the [COMMAND] (CtL-) menu
[2/3 wire control] (tCC) in the [INPUTS / OUTPUTS CFG] (I-O-) menu
Factory settings
As well as the differences in terms of control by potentiometer, the following differences apply between the factory settings for the
ATV31ppppppA and those of the ATV312:
Configuration transfer between an ATV31 and an ATV312 (using the ATV31 remote
terminal or a loader tool)
Compatible loader tools are :
• Multi-Loader V1.10 and higher,
• Simple-Loader V1.3 and higher,
• SoMove V1.1.11.1 and higher,
• SoMove Mobile V2.0 and higher,
• PowerSuite 2.6 Patch1 and higher.
Note: The transfer can't be done from an ATV31 to an ATV312 with a communication option board.
A new [Select ATV31 conf.] (ArE) parameter has been added to the [APPLICATION FUNCT.] (FUn-) menu.
It can be used to specify the ATV31 type (ATV31 or ATV31ppppppA) during transfers between an ATV31 and ATV312.
Values of the [Select ATV31 conf.] (ArE) parameter:
•[No] (nO), factory setting, transfer between two ATV312
•[ATV31...A] (31A), transfer from ATV31ppppppA to ATV312
•[ATV31 std] (31E), transfer from ATV31 to ATV312
To perform a configuration transfer, see the procedure on page 90.
Parameter ATV31ppppppAATV312
[2/3 wire control] (tCC) Local control LOC [2 wire] (2C)
[Ref.1 channel] (Fr1) Analog input AIP AI1
[Cmd channel 1] (Cd1) Local control LOC tEr
[Reverse assign.] (rrS) [No] (nO) (if [2/3 wire control] (tCC) = [Local] (LOC))LI2
[Forced local Ref.] (FLOC) AIP jog dial AIU1
[Select ATV31 conf.] (ArE) Parameter does not exist on the ATV31 [No] (nO)

106 BBV46385 06/2010
Diagnostics and troubleshooting
Drive does not start, no code displayed
• If the display does not light up, check the power supply to the drive and check the wiring of inputs AI1 and AI2 and the connection to
the RJ45 connector.
• The assignment of the "Fast stop" or "Freewheel stop" functions will prevent the drive from starting if the corresponding logic inputs
are not powered up. The ATV312 then displays [Freewheel stop] (nSt) or [Fast stop] (FSt). This is normal since these functions are
active at zero so that the drive will be stopped if there is a wire break.
• Check that the run command input(s) have been actuated in accordance with the chosen control mode (the [2/3 wire control] (tCC)
parameter in the [INPUTS / OUTPUTS CFG] (I-O-) menu, page 47).
• If an input is assigned to the limit switch function and this input is at zero, the drive can only be started up by sending a command for
the opposite direction (see page 89).
• If the reference channel (page 53) or the control channel (page 54) is assigned to a communication network, when the power supply
is connected, the drive will display [Freewheel stop] (nSt) and remain in stop mode until the communication bus sends a command.
• If the LED on the DC bus is lit and nothing appears on the display, check that there is no short-circuit on the 10 V power supply.
• If the drive displays [Ready] (rdy) and refuses to start, check that there is no short-circuit on the 10 V power supply and check the
wiring of inputs AI1 and AI2 and the connection to the RJ45 connector.
• In the factory setting, the "RUN" button is inactive. Set the [Ref.1 channel] (Fr1) parameter, page 29 , and the [Cmd channel 1] (Cd1)
parameter, page 59, to control the drive locally.
Fault detection codes which require a power reset after the fault is cleared
The cause of the fault must be removed before resetting by cycling power to the drive.
[PRECHARGE FAULT] (CrF), [OVERSPEED] (SOF), [AUTO-TUNING FAULT] (tnF), and [BRAKE CONTROL FAULT] (bLF) can also be
reset remotely using a logic input (the [Fault reset] (rSF) parameter in the [FAULT MANAGEMENT] (FLt-) menu, page 92).
Code Name Probable cause Remedy
bLF [BRAKE CONTROL
FAULT]
• Brake release current not reached
• Brake engage frequency threshold
[Brake engage freq] (bEn) = [No]
(nO) (not set) whereas the brake
control [Brake assignment] (bLC) is
assigned
• Check the drive/motor connection.
• Check the motor windings.
• Check the [Brake release I FW] (Ibr) setting in the
[APPLICATION FUNCT.] (FUn-) menu, page 85.
• Apply the recommended settings for [Brake engage
freq] (bEn), pages 84 and 85.
CrF [PRECHARGE
FAULT]
• Precharge relay control or damaged
precharge resistor
• Replace the drive.
EEF [EEPROM FAULT] • Internal memory • Check the environment (electromagnetic
compatibility)
• Replace the drive.
IF1 [INTERNAL
FAULT]
• Unknown rating • Replace the drive.
• Restart the drive.
• Contact a Schneider Electric representative.
IF2 [INTERNAL
FAULT]
• HMI card not recognized
• HMI card incompatible
• No display present
IF3 [INTERNAL
FAULT]
•EEPROM
IF4 [INTERNAL
FAULT]
• Industrial EEPROM

BBV46385 06/2010 107
Diagnostics and troubleshooting (continued)
Fault detection codes which require a power reset after the fault is cleared
(continued)
Fault detection codes that can be reset with the automatic restart function after the
cause has disappeared
See the [Automatic restart] (Atr) function, page 91.
These detected faults can also be reset by turning the drive off then on again or by means of a logic input (the [Fault reset] (rSF) parameter,
page 92, in the [FAULT MANAGEMENT] (FLt-) menu, page 91).
Code Name Probable cause Remedy
OCF [OVERCURRENT] • Parameters in the [SETTINGS]
(SEt-) and [MOTOR CONTROL]
(drC-) menus are incorrect.
• Inertia or load too high
• Mechanical locking
• Check the parameters in [SETTINGS] (SEt-) , page
32, and [MOTOR CONTROL] (drC-) page 41.
• Check the size of the motor/drive/load.
• Check the state of the mechanism.
SCF [MOTOR SHORT
CIRCUIT]
• Short-circuit or grounding at the
drive output
• Significant ground leakage current at
the drive output if several motors are
connected in parallel
• Check the cables connecting the drive to the motor,
and the motor insulation.
• Reduce the switching frequency
• Connect chokes in series with the motor
SOF [OVERSPEED] • Instability or
• Driving load too high
• Check the motor, gain and stability parameters
• Add a braking resistor
• Check the size of the motor/drive/load.
tnF [AUTO TUNING
FAULT]
• Special motor or motor whose power
is not suitable for the drive
• Motor not connected to the drive
• Use the L ratio or the [Var. torque] (P) ratio (see [U/F
mot 1 selected] (UFt), page 44).
• Check that the motor is present during auto-tuning.
• If an output contactor is being used, close it during
auto-tuning.
Code Name Probable cause Remedy
CnF [NETWORK FAULT] • Communication detected fault on the
communication card
• Check the environment (electromagnetic
compatibility)
• Check the wiring.
• Check the time out.
• Replace the option card.
• See the [CANopen fault mgt] (COL) parameter
page 95 to define the stop mode with a (CnF).
COF [CANopen FAULT] • Interruption in communication on the
CANopen bus
• Check the communication bus
• Refer to the relevant product documentation.
EPF [EXTERNAL FAULT] • Depending on user • Depending on user
LFF [4-20mA LOSS] • Loss of the 4-20 mA reference on
input AI3
• Check the connection on input AI3.
ObF [OVERBRAKING] • Braking too sudden
or driving load
• Increase the deceleration time
• Install a braking resistor if necessary.
• Activate the [Dec ramp adapt.] (bra) function,
page 64, if it is compatible with the application.
OHF [DRIVE OVERHEAT] • Drive temperature too high • Check the motor load, the drive ventilation and the
environment. Wait for the drive to cool before
restarting.

108 BBV46385 06/2010
Diagnostics and troubleshooting (continued)
Fault detection codes that can be reset with the automatic restart function after the
cause has disappeared (continued)
Code Name Probable cause Remedy
OLF [MOTOR OVERLOAD] • Triggered by excessive motor
current
•[Cold stator resist.] (rSC) parameter
value incorrect
• Check the [Mot. therm. current] (ItH) setting, page
33, of the motor thermal protection, check the
motor load. Wait for the drive to cool before
restarting.
• Remeasure [Cold stator resist.] (rSC), page 42.
OPF [MOTOR PHASE
LOSS]
• Loss of one phase at drive output
• Output contactor open
• Motor not connected or motor power
too low
• Instantaneous instability in the motor
current
• Check the connections from the drive to the motor.
• If an output contactor is being used, set [Output
Phase Loss] (OPL) to [Output cut] (OAC) ([FAULT
MANAGEMENT] (FLt-) menu, page 94).
• Test on a low-power motor or without a motor: In
factory settings mode, motor output phase loss
detection is active ([Output Phase Loss] (OPL) =
[Yes] (YES)). To check the drive in a test or
maintenance environment without having to
switch to a motor with the same rating as the drive
(particularly useful in the case of high-power
drives), deactivate motor phase loss detection
([Output Phase Loss] (OPL) = [No] (nO)).
• Check and optimize the [IR compensation] (UFr),
[Rated motor volt.] (UnS), and [Rated mot. current]
(nCr) parameters, and perform an [Auto tuning]
(tUn) operation, page 43.
OSF [MAINS
OVERVOLTAGE]
• Line voltage is too high.
• Disturbed line supply
• Check the line voltage.
PHF [INPUT PHASE LOSS] • Drive incorrectly supplied or a fuse
blown
• Failure of one phase
• Three-phase ATV312 used on a
single-phase line supply
• Unbalanced load
This protection only operates with the drive
on load
• Check the power connection and the fuses.
• Reset
• Use a three-phase line supply.
• Disable the detection by setting [Input phase loss]
(IPL) = [No] (nO) ([FAULT MANAGEMENT] (FLt-)
menu, page 94).
SLF [MODBUS FAULT] • Interruption in communication on the
Modbus bus
• Remote display terminal enabled
([HMI command] (LCC) = [Yes]
(YES), page 61) and terminal
disconnected.
• Check the communication bus
• Refer to the relevant product documentation.
• Check the link with the remote display terminal.

BBV46385 06/2010 109
Diagnostics and troubleshooting (continued)
Fault detection codes that are reset as soon as their cause disappears
Code Name Probable cause Remedy
CFF [INCORRECT
CONFIG.]
• The current configuration is
inconsistent.
• Addition or removal of an option
• Return to factory settings or retrieve the backup
configuration, if it is valid. See the [Restore config.]
(FCS) parameter, page 46.
CFI [INVALID CONFIG] • Invalid configuration
The configuration loaded in the
drive via the serial link is
inconsistent
• Check the configuration loaded previously.
• Load a consistent configuration.
USF [UNDERVOLTAGE] • Insufficient line supply
• Transient voltage dip
• Damaged precharge resistor
• Check the voltage and the voltage parameter.
Tripping threshold in [UNDERVOLTAGE] (USF)
ATV312ppppM2: 160 V
ATV312ppppM3: 160 V
ATV312ppppN4: 300 V
ATV312ppppS6: 430 V
• Replace the drive.

110 BBV46385 06/2010
Diagnostics and troubleshooting (continued)
Fault detection codes displayed on the ATV12 remote display terminal
(1) Flashing
Code Name Description
InIt:Initialization in
progress
• The microcontroller is initializing.
• Search underway for communication configuration
COM.E
(1)
Communication error • Time out detected fault (50 ms)
• This message is displayed after 20 attempts at communication.
A-17
(1)
Alarm button • A button has been held down for more than 10 seconds.
• The keypad is disconnected.
• The "keypad" wakes up when a button is pressed.
cLr
(1)
Confirmation of
detected fault reset
• This is displayed when the STOP button is pressed once during a remote terminal detected
fault.
dEU.E
(1)
Drive disparity • The drive brand does not match that of the remote terminal.
rOM.E
(1)
ROM anomaly • The remote terminal detects a ROM anomaly on the basis of checksum calculation.
rAM.E
(1)
RAM anomaly • The remote terminal detects a RAM anomaly.
CPU.E
(1)
Other detected faults • Other detected faults

BBV46385 06/2010 111
Index of functions
[+/- SPEED] 77
[2/3 wire control] 47
[ACCESS LEVEL] 58
[Analog./logic output] 48
[Auto DC injection] 69
[Automatic restart] 91
[Auto tuning] 43
Brake control 84
[CANopen address] 98
[Catch on the fly] 93
[Cmd switching] 60
Control and reference channels 50
[Current limit 2] 86
[Current Limitation] 38
[DC injection assign.] 67
[Dec ramp adapt.] 64
Drive thermal protection 12
Drive ventilation 12
[Fast stop] 66
[Fault reset] 92
[Forced local assign.] 99
[Freewheel stop ass.] 68
[JOG] 76
Management of limit switches 89
[Modbus Address] 98
[Mot. therm. current] 33
Motor thermal protection 13
PI regulator 79
Preset speeds 72
[R1 Assignment] 49
[R2 Assignment] 49
[RAMPS] 62
[Ramp switch ass.] 64
[Ref. 2 switching] 59
Return to factory settings/Restore configuration 46
Saving the configuration 45
[Skip Frequency] 36
[STOP MODES](continued) 66
[SUMMING INPUTS] 71
[Switching freq.] 40
[SWITCHING MOTOR] 87
[U/F mot 1 selected] 44

112 BBV46385 06/2010
Index of parameter codes and customer settings
Code Page Name Unit Value/Possible function Factory
setting Customer
setting
AC2 32
64 [Acceleration 2] sIn accordance
with Inr -5
ACC 32
63 [Acceleration] sIn accordance
with Inr -3
AdC 69 [Auto DC injection] -
nO
YES
Ct
[No]: No injection
[Yes]: Standstill injection for adjustable period
[Continuous]: Continuous standstill injection
YES
AdCO 98 [CANopen address] -0 to 127 -0
Add 98 [Modbus Address] -1 to 247 -1
AI1A 104 [AI1 assignment] ----
AI2A 104 [AI2 assignment] ----
AI3A 104 [AI3 assignment] ----
AIU1 31 [Image input AIV1] %0 to 100 --
AO1t 48 [AO1 Type] -
0A
4A
10U
[Current]: Configuration 0 - 20 mA
[Cur. 4-20]: Configuration 4 - 20 mA
[Voltage]: Configuration 0 - 10 V
0
ArE 90 [Select ATV31 conf.]
nO
31A
31E
[No]: Transfer between two ATV312
[ATV31...A]: Transfer from an ATV31ppppppA to an
ATV312
[ATV31 std] : Transfer from an ATV31 to an ATV312
nO
Atr 91 [Automatic restart] -nO
YES
[No]: Function inactive
[Yes]: Automatic restart nO
bdCO 98 [CANopen bit rate] kbps
10.0
20.0
50.0
125.0
250.0
500.0
1000
[10 kbps]: 10 kbps
[20 kbps]: 20 kbps
[50 kbps]: 50 kbps
[125 kbps]: 125 kbps
[250 kbps]: 250 kbps
[500 kbps]: 500 kbps
[1 Mbps]: 1000 kbps
125.0
bEn 85 [Brake engage freq] -nO
0 to LSP
Not set
Adjustment range in Hz nO
bEt 85 [Brake engage time] s0 to 5-0.5
bFr 29
41 [Standard mot. freq] Hz 50
60
[50Hz IEC]
[60Hz NEMA] 50
bIP 85 [Brake impulse] -
nO
YES
[No]: Motor torque during brake release in the direction
of rotation requested
[Yes]: Motor torque during brake release in forward
rotation
nO
bLC 85 [Brake assignment] -
nO
r2
dO
[No]: Not assigned
[R2]: Relay R2
[DO]: Logic output AOC
nO
brA 64 [Dec ramp adapt.] -nO
YES
[No]: Function inactive
[Yes]: Function active YES
brL 85 [Brake release freq] Hz 0.0 to 10.0 -
In accordance
with the drive
rating
brt 85 [Brake Release time] s0 to 5-0.5

BBV46385 06/2010 113
Index of parameter codes and customer settings
Code Page Name Unit Value/Possible function Factory
setting Customer
setting
CCS 60 [Cmd switching] -
Cd1
Cd2
LI1
LI2
LI3
LI4
LI5
LI6
C111
C112
C113
C114
C115
C211
C212
C213
C214
C215
[ch1 active] : Control channel = channel 1
[ch2 active] : Control channel = channel 2
[LI1]: Logic input LI1
[LI2]: Logic input LI2
[LI3]: Logic input LI3
[LI4]: Logic input LI4
[LI5]: Logic input LI5
[LI6]: Logic input LI6
[C111]: Bit 11 of Modbus control word
[C112]: Bit 12 of Modbus control word
[C113]: Bit 13 of Modbus control word
[C114]: Bit 14 of Modbus control word
[C115]: Bit 15 of Modbus control word
[C211]: Bit 11 of network control word
[C212]: Bit 12 of network control word
[C213]: Bit 13 of network control word
[C214]: Bit 14 of network control word
[C215]: Bit 15 of network control word
Cd1
Cd1 59 [Cmd channel 1] -
tEr
LOC
LCC
Ndb
nEt
[Terminal]: Control via terminals
[Local]: Control via keypad
[Remot. HMI]: Control via remote display terminal
[Modbus]: Control via Modbus
[Network]: Control via the network
tEr
Cd2 60 [Cmd channel 2] -
tEr
LOC
LCC
Ndb
nEt
[Terminal]: Control via terminals
[Local]: Control via keypad
[Remot. HMI]: Control via remote display terminal
[Modbus]: Control via Modbus
[Network]: Control via the network
Mdb
CFG
45
49
61
90
[Macro configuration] -
StS
Std
[Start/Stop]: Start/stop configuration
[Factory set.]: Factory configuration Std
CHCF 59 [Profile] -SIN
SEP
[Not separ.]: Combined
[Separate]: Separate SIM
CHP 87 [Motor switching] -
nO
LI1
LI2
LI3
LI4
LI5
LI6
Cd11
Cd12
Cd13
Cd14
Cd15
[No]: Not assigned
[LI1]: Logic input LI1
[LI2]: Logic input LI2
[LI3]: Logic input LI3
[LI4]: Logic input LI4
[LI5]: Logic input LI5
[LI6]: Logic input LI6
[CD11]: Bit 11 of the control word from a communication
network
[CD12]: Bit 12 of the control word from a communication
network
[CD13]: Bit 13 of the control word from a communication
network
[CD14]: Bit 14 of the control word from a communication
network
[CD15]: Bit 15 of the control word from a communication
network
nO
CLI 38 [Current Limitation] In 0.25 to 1.5 -1.5
CL2 38
86 [I Limit. 2 value] In 0.25 to 1.5 -1.5
CnF 103 [Network fault] ----
COd 103 [PIN code 1] -
0FF
On
8888
[OFF]: No code is locking access
[ON]:
A code is locking access.
Access is unlocked.
-

114 BBV46385 06/2010
Index of parameter codes and customer settings
Code Page Name Unit Value/Possible function Factory
setting Customer
setting
COL 95 [CANopen fault mgt] -
nO
YES
rNP
FSt
[Ignore]: Ignore
[Freewheel]: Detected fault management with
freewheel stop
[Ramp stop]: Detected fault management with stop
on ramp
[Fast stop]: Detected fault management with fast
stop
YES
COp 60 [Copy channel 1<>2] -
nO
SP
Cd
ALL
[No]: No copy
[Reference]: Copy reference
[Command]: Copy command
[Cmd + ref.] : Copy command and reference
nO
COS 42 [Motor 1 Cosinus Phi] -0.5 to 1-
In accordance
with the drive
rating
COS2 88 [Motor 2 Cosinus Phi] -0.5 to 1-
In accordance
with the drive
rating
CrH3 48 [AI3 max. value] mA 4 to 20 -20
CrL3 48 [AI3 min. value] mA 0 to 20 -4
Ctd 39 [Current threshold] In 0 to 1.5 -1
dCF 66 [Differential current fault] -0 to 10 -4
dCI 67 [DC injection assign.] -
nO
LI1
LI2
LI3
LI4
LI5
LI6
Cd11
Cd12
Cd13
Cd14
Cd15
[No]: Not assigned
[LI1]: Logic input LI1
[LI2]: Logic input LI2
[LI3]: Logic input LI3
[LI4]: Logic input LI4
[LI5]: Logic input LI5
[LI6]: Logic input LI6
[CD11]: Bit 11 of the control word from a
communication network
[CD12]: Bit 12 of the control word from a
communication network
[CD13]: Bit 13 of the control word from a
communication network
[CD14]: Bit 14 of the control word from a
communication network
[CD15]: Bit 15 of the control word from a
communication network
nO
dE2 32
64 [Deceleration 2] s
In
accordance
with Inr
-5
dEC 32
63 [[Deceleration] s
In
accordance
with Inr
-3
dO 48 [Analog./logic output] -
nO
OCr
OFr
Otr
OPr
FLt
rUn
FtA
FLA
CtA
SrA
tSA
bLC
APL
[No]: Not assigned
[I motor]: Motor current
[Motor freq.]: Motor frequency
[Motor torq.]: Motor torque
[P. supplied]: Power supplied by the drive
[Drive fault]: Detected fault.
[Drv running]: Drive running
[Freq. limit]: Frequency threshold reached
[HSP limit]: High speed reached
[Brake seq.]: Current threshold reached
[Freq. ref.]: Frequency reference reached
[Drv thermal]: Motor thermal threshold reached
[Brake seq.]: Brake sequence
[No 4-20mA]: Loss of 4-20 mA signal
nO
drn 96 [Derated operation] -nO
YES
[No]: Function inactive
[Yes]: Function active nO

BBV46385 06/2010 115
Index of parameter codes and customer settings
Code Page Name Unit Value/Possible function Factory
setting Customer
setting
dSP 78 [-Speed assignment] -
nO
LI1
LI2
LI3
LI4
LI5
LI6
[No]: Not assigned
[LI1]: Logic input LI1
[LI2]: Logic input LI2
[LI3]: Logic input LI3
[LI4]: Logic input LI4
[LI5]: Logic input LI5
[LI6]: Logic input LI6
nO
EPL 93 [External fault mgt] -
nO
YES
rNP
FSt
[Ignore]: Ignore
[Freewheel]: Detected fault management with
freewheel stop
[Ramp stop]]: Detected fault management with stop on
ramp
[Fast stop]: Detected fault management with fast stop
YES
ErCO 98 [Error code] -
0
1
2
3
4
No error
Bus off
Life time
CAN overrun
Heartbeat
-
EtF 93 [External fault ass.] -
nO
LI1
LI2
LI3
LI4
LI5
LI6
Cd11
Cd12
Cd13
Cd14
Cd15
[No]: Not assigned
[LI1]: Logic input LI1
[LI2]: Logic input LI2
[LI3]: Logic input LI3
[LI4]: Logic input LI4
[LI5]: Logic input LI5
[LI6]: Logic input LI6
[CD11]: Bit 11 of the control word from a
communication network
[CD12]: Bit 12 of the control word from a
communication network
[CD13]: Bit 13 of the control word from a
communication network
[CD14]: Bit 14 of the control word from a
communication network
[CD15]: Bit 15 of the control word from a
communication network
nO
FbS 36
81 [PID fbk scale factor] -0.1 to
100 -1
FCS
46
49
61
90
[Restore config.] -
nO
rECI
InI
[NO]: Function inactive
[Internal]: The current configuration becomes identical
to the backup configuration previously saved by SCS
= StrI.
[Factory Set.]: Current configuration replaced by the
configuration selected by the CFG parameter.
nO
FLG 33 [FreqLoopGain] %1 to 100 -20
FLG2 39
88 [FreqLoopGain 2] %1 to 100 -20
FLO 99 [Forced local assign.] -
nO
LI1
LI2
LI3
LI4
LI5
LI6
[No]: Not assigned
[LI1]: Logic input LI1
[LI2]: Logic input LI2
[LI3]: Logic input LI3
[LI4]: Logic input LI4
[LI5]: Logic input LI5
[LI6]: Logic input LI6
nO
FLOC 99 [Forced local Ref.] -
AI1
AI2
AI3
AIUI
LCC
[AI1]: Analog input AI1, logic inputs LI
[AI2]: Analog input AI2, logic inputs LI
[AI3]: Analog input AI3, logic inputs LI
[Network AI]: Jog dial, RUN/STOP buttons
[HMI]: Remote display terminal, RUN/STOP/FWD/
REV buttons
AI1
FLr 93 [Catch on the fly] -nO
YES
[No]: Function inactive
[Yes]: Function active nO

116 BBV46385 06/2010
Index of parameter codes and customer settings
Code Page Name Unit Value/Possible function Factory
setting Customer
setting
Fr1 29
58 [Ref.1 channel] -
AI1
AI2
AI3
AIU1
UPdt
UpdH
LCC
Ndb
nEt
[AI1]: Analog input AI1
[AI2]: Analog input AI2
[AI3]: Analog input AI3
[Network AI]: Jog dial
[+/-Speed]: +/- speed reference via LI
[+/-spd HMI]: +/- speed reference using the jog dial on
the ATV312 keypad
[HMI]: Reference via the remote display terminal
[Modbus]: Reference via Modbus
[Network]: Reference via network
AI1
Fr2 58 [Ref.2 channel] -
nO
AI1
AI2
AI3
AIU1
UPdt
UpdH
LCC
Ndb
nEt
[No]: Not assigned
[AI1]: Analog input AI1
[AI2]: Analog input AI2
[AI3]: Analog input AI3
[Network AI]: Jog dial
[+/-Speed]: +/- speed reference via LI
[+/-spd HMI]: +/- speed reference using the jog dial on
the ATV312 keypad
[HMI]: Reference via the remote display terminal
[Modbus]: Reference via Modbus
[Network]: Reference via network
nO
FrH 101 [Frequency ref.] Hz 0 to 500 --
FrS 41 [Rated motor freq.] Hz 10 to 500 -50
FrS2 87 [Nom. motor 2 freq.] Hz 10 to 500 -50
Frt 64 [Ramp 2 threshold] Hz 0 to 500 -0
FSt 66 [Fast stop] -
nO
LI1
LI2
LI3
LI4
LI5
LI6
Cd11
Cd12
Cd13
Cd14
Cd15
[No]: Not assigned
[LI1]: Logic input LI1
[LI2]: Logic input LI2
[LI3]: Logic input LI3
[LI4]: Logic input LI4
[LI5]: Logic input LI5
[LI6]: Logic input LI6
[CD11]: Bit 11 of the control word from a communication
network
[CD12]: Bit 12 of the control word from a communication
network
[CD13]: Bit 13 of the control word from a communication
network
[CD14]: Bit 14 of the control word from a communication
network
[CD15]: Bit 15 of the control word from a communication
network
nO
Ftd 39 [Freq. threshold] Hz 0 to 500 -bFr
HSP 33 [High speed] Hz LSP to tFr -bFr
Ibr 85 [Brake release I FW] In 0 to 1.36 -
In accordance
with the drive
rating
IdC 34
67 [DC inject. level 1] In 0 to In - 0.7
InH 96 [Fault inhibit assign.] -
nO
LI1
LI2
LI3
LI4
LI5
LI6
[No]: Not assigned
[LI1]: Logic input LI1
[LI2]: Logic input LI2
[LI3]: Logic input LI3
[LI4]: Logic input LI4
[LI5]: Logic input LI5
[LI6]: Logic input LI6
nO

BBV46385 06/2010 117
Index of parameter codes and customer settings
Code Page Name Unit Value/Possible function Factory
setting Customer
setting
Inr 63 [Ramp increment] -
0.01
0.1
1
[0.01]: Ramp can be set between 0.05 s and 327.6 s.
[0.1]: Ramp can be set between 0.1 s and 3,276 s.
[1]: Ramp can be set between 1 s and 32,760 s.
0.1
IPL 94 [Input phase loss] -nO
YES
[No]: Ignore
[Yes]: Detected fault management with fast stop YES
ItH 33 [Mot. therm. current] In 0.2 to 1.5 -
In accordance
with the
drive rating
JF2 36 [Skip Frequency 2] Hz 1 to 500 -0
JGF 36
76 [Jog frequency] Hz 0 to 10 -10
JOG 76 [JOG] -
nO
LI1
LI2
LI3
LI4
LI5
LI6
[No]: Not assigned
[LI1]: Logic input LI1
[LI2]: Logic input LI2
[LI3]: Logic input LI3
[LI4]: Logic input LI4
[LI5]: Logic input LI5
[LI6]: Logic input LI6
nO
JPF 36 [Skip Frequency] Hz 0 to 500 -0
LAC 58 [ACCESS LEVEL] -
L1
L2
L3
[Level 1]: Access to standard functions
[Level 2]: Access to advanced functions in the FUn-
menu
[Level 3]: Access to advanced functions and management of
mixed control modes
L1
LAF 89 [Stop FW limit sw.] -
nO
LI1
LI2
LI3
LI4
LI5
LI6
[No]: Not assigned
[LI1]: Logic input LI1
[LI2]: Logic input LI2
[LI3]: Logic input LI3
[LI4]: Logic input LI4
[LI5]: Logic input LI5
[LI6]: Logic input LI6
nO
LAr 89 [Stop RV limit sw.] -
nO
LI1
LI2
LI3
LI4
LI5
LI6
[No]: Not assigned
[LI1]: Logic input LI1
[LI2]: Logic input LI2
[LI3]: Logic input LI3
[LI4]: Logic input LI4
[LI5]: Logic input LI5
[LI6]: Logic input LI6
nO
LAS 89 [Stop type] -
rMP
FSt
nSt
[Ramp stop]: On ramp
[Fast stop]: Fast stop
[Freewheel]: Freewheel stop
nSt
LC2 86 [Current limit 2] -
nO
LI1
LI2
LI3
LI4
LI5
LI6
Cd11
Cd12
Cd13
Cd14
Cd15
[No]: Not assigned
[LI1]: Logic input LI1
[LI2]: Logic input LI2
[LI3]: Logic input LI3
[LI4]: Logic input LI4
[LI5]: Logic input LI5
[LI6]: Logic input LI6
[CD11]: Bit 11 of the control word from a communication
network
[CD12]: Bit 12 of the control word from a communication
network
[CD13]: Bit 13 of the control word from a communication
network
[CD14]: Bit 14 of the control word from a communication
network
[CD15]: Bit 15 of the control word from a communication
network
nO
LCC 61 [HMI command] -
nO
YES
[No]: Function inactive
[Yes]: Enables control of the drive using the STOP/RESET,
RUN and FWD/REV buttons on the display terminal
nO
LCr 101 [Motor current] A---

118 BBV46385 06/2010
Index of parameter codes and customer settings
Code Page Name Unit Value/Possible function Factory
setting Customer
setting
LEt 93 [External fault config] -
LO
HIG
[Active low]: The external fault is detected when the
logic input assigned to EtF changes to state 0.
[Active high]: The external fault is detected when the
logic input or bit assigned to EtF changes to state 1.
HIG
LFF 95 [Fallback speed] Hz 0 to 500 -10
LFL 95 [4-20mA loss] -
nO
YES
LFF
rLS
rNP
FSt
[Ignore]: Ignore
[Freewheel]: Detected fault management with
freewheel stop
[fallback spd]: The drive switches to the fallback speed.
[Spd maint.]: The drive maintains the speed at which it
was operating when the fault occurred.
[Ramp stop]: Detected fault management with stop on
ramp
[Fast stop] : Detected fault management with fast stop
YES
LFr 32
101 [HMI Frequency ref.] -0 to HSP --
LFt 102 [Last fault occurred] -
bLF
CFF
CFI
CnF
COF
CrF
EEF
EPF
IF1
IF2
IF3
IF4
LFF
nOF
ObF
OCF
OHF
OLF
OPF
OSF
PHF
SCF
SLF
SOF
tnF
USF
[Brake control]: Brake control detected fault
[Incorrect config.]: Incorrect configuration
[Invalid config.]: Invalid configuration
[NETWORK FAULT]: Communication detected fault on the communication card
[CANopen com.]: Communication detected fault line 2 (CANopen)
[Capa.charg]: Capacitor precharge detected fault
[EEPROM]: EEPROM memory detected fault
[External]: External fault
[INTERNAL FAULT]: Unknown rating
[INTERNAL FAULT]: HMI card not recognized or incompatible/display absent
[INTERNAL FAULT]: EEPROM detected fault
[INTERNAL FAULT]: Industrial EEPROM detected fault
[4-20mA]: 4-20 mA loss
[No fault]: No fault code saved
[Overbraking]: DC bus overvoltage
[Overcurrent]: Overcurrent
[Drive overheat]: Drive overheating
[Motor overload]: Motor overload
[Mot. phase]: Motor phase loss
[Mains overvoltage]: Line supply overvoltage
[Mains phase loss]: Line phase loss
[Mot. short circuit]: Motor short-circuit (phase, ground)
[Modbus]: Modbus communication detected fault
[Overspeed]: Motor overspeed
[Auto-tuning]: Auto-tuning detected fault
[Undervoltage]: Line supply undervoltage
LI1A 104 [Config.LI1] --
LI2A 104 [Config.LI2] --
LI3A 104 [Config.LI3] --
LI4A 104 [Config.LI4] --
LI5A 104 [Config.LI5] --
LI6A 104 [Config.LI6] --
LSP 33
85 [Low speed] Hz 0 to HSP -0
nCr 41 [Rated mot. current] In 0.25 to 1.5 -
In accordance
with the
drive rating
nCr2 88 [Nom. mot. 2 current] In 0.25 to 1.5 -
In accordance
with the
drive rating
nrd 44 [Noise reduction] -YES
nO
[Yes]: Frequency with random modulation
[No]: Fixed frequency YES

BBV46385 06/2010 119
Index of parameter codes and customer settings
Code Page Name Unit Value/Possible function Factory
setting Customer
setting
nSP 42 [Rated motor speed] rpm 0 to 32,760 -
In accordance
with the
drive rating
nSP2 88 [Nom. mot. 2 speed] rpm 0 to 32,760 -
In accordance
with the
drive rating
nSt 68 [Freewheel stop ass.] -
nO
LI1
LI2
LI3
LI4
LI5
LI6
[No]: Not assigned
[LI1]: Logic input LI1
[LI2]: Logic input LI2
[LI3]: Logic input LI3
[LI4]: Logic input LI4
[LI5]: Logic input LI5
[LI6]: Logic input LI6
nO
O1Ct 103 [OPT1 card type] -YES
OHL 94 [Overtemp fault mgt] -
nO
YES
rNP
FSt
[Ignore]: Ignore
[Freewheel]: Detected fault management with freewheel
stop
[Ramp stop]: Detected fault management with stop on
ramp
[Fast stop]: Detected fault management with fast stop
YES
OLL 94 [Overload fault mgt] -
nO
YES
rNP
FSt
[Ignore]: Ignore
[Freewheel]: Detected fault management with freewheel
stop
[Ramp stop]: Detected fault management with stop on
ramp
[Fast stop]: Detected fault management with fast stop
YES
OPL 94 [Output Phase Loss] -
nO
YES
OAC
[No]: Function inactive
[Yes]: Tripping on OPF
[Output cut]: No tripping on [MOTOR PHASE LOSS]
(OPF), but output voltage is managed
YES
Opr 101 [Motor power] %---
Otr 102 [Motor torque] %---
PIC 36
81 [PID correct. reverse] -nO
YES
[No]: Normal
[Yes]: Reverse nO
PIF 81 [PID feedback ass.] -
nO
AI1
AI2
AI3
[No]: Not assigned
[AI1]: Analog input AI1
[AI2]: Analog input AI2
[AI3]: Analog input AI3
nO
PII 83 [Act. internal PID ref.] -
nO
YES
[No]: The reference for the PI regulator is Fr1, except
for UPdH and UPdt.
[Yes]: The reference for the PI regulator is provided
internally via the rPI parameter.
nO
Pr2 81 [2 preset PID ref.] -
nO
LI1
LI2
LI3
LI4
LI5
LI6
Cd11
Cd12
Cd13
Cd14
Cd15
[No]: Not assigned
[LI1]: Logic input LI1
[LI2]: Logic input LI2
[LI3]: Logic input LI3
[LI4]: Logic input LI4
[LI5]: Logic input LI5
[LI6]: Logic input LI6
[CD11]: Bit 11 of the control word from a communication
network
[CD12]: Bit 12 of the control word from a communication
network
[CD13]: Bit 13 of the control word from a communication
network
[CD14]: Bit 14 of the control word from a communication
network
[CD15]: Bit 15 of the control word from a communication
network
nO

120 BBV46385 06/2010
Index of parameter codes and customer settings
Code Page Name Unit Value/Possible function Factory
setting Customer
setting
Pr4 82 [4 preset PID ref.] -
nO
LI1
LI2
LI3
LI4
LI5
LI6
Cd11
Cd12
Cd13
Cd14
Cd15
[No]: Not assigned
[LI1]: Logic input LI1
[LI2]: Logic input LI2
[LI3]: Logic input LI3
[LI4]: Logic input LI4
[LI5]: Logic input LI5
[LI6]: Logic input LI6
[CD11]: Bit 11 of the control word from a communication network
[CD12]: Bit 12 of the control word from a communication network
[CD13]: Bit 13 of the control word from a communication network
[CD14]: Bit 14 of the control word from a communication network
[CD15]: Bit 15 of the control word from a communication network
nO
PS16 74 [16 preset speeds] -
nO
LI1
LI2
LI3
LI4
LI5
LI6
Cd11
Cd12
Cd13
Cd14
Cd15
[No]: Not assigned
[LI1]: Logic input LI1
[LI2]: Logic input LI2
[LI3]: Logic input LI3
[LI4]: Logic input LI4
[LI5]: Logic input LI5
[LI6]: Logic input LI6
[CD11]: Bit 11 of the control word from a communication network
[CD12]: Bit 12 of the control word from a communication network
[CD13]: Bit 13 of the control word from a communication network
[CD14]: Bit 14 of the control word from a communication network
[CD15]: Bit 15 of the control word from a communication network
nO
PS2 73 [2 preset speeds] -
nO
LI1
LI2
LI3
LI4
LI5
LI6
Cd11
Cd12
Cd13
Cd14
Cd15
[No]: Not assigned
[LI1]: Logic input LI1
[LI2]: Logic input LI2
[LI3]: Logic input LI3
[LI4]: Logic input LI4
[LI5]: Logic input LI5
[LI6]: Logic input LI6
[CD11]: Bit 11 of the control word from a communication network
[CD12]: Bit 12 of the control word from a communication network
[CD13]: Bit 13 of the control word from a communication network
[CD14]: Bit 14 of the control word from a communication network
[CD15]: Bit 15 of the control word from a communication network
LI3
PS4 73 [4 preset speeds] -
nO
LI1
LI2
LI3
LI4
LI5
LI6
Cd11
Cd12
Cd13
Cd14
Cd15
[No]: Not assigned
[LI1]: Logic input LI1
[LI2]: Logic input LI2
[LI3]: Logic input LI3
[LI4]: Logic input LI4
[LI5]: Logic input LI5
[LI6]: Logic input LI6
[CD11]: Bit 11 of the control word from a communication network
[CD12]: Bit 12 of the control word from a communication network
[CD13]: Bit 13 of the control word from a communication network
[CD14]: Bit 14 of the control word from a communication network
[CD15]: Bit 15 of the control word from a communication network
LI4
PS8 73 [8 preset speeds] -
nO
LI1
LI2
LI3
LI4
LI5
LI6
Cd11
Cd12
Cd13
Cd14
Cd15
[No]: Not assigned
[LI1]: Logic input LI1
[LI2]: Logic input LI2
[LI3]: Logic input LI3
[LI4]: Logic input LI4
[LI5]: Logic input LI5
[LI6]: Logic input LI6
[CD11]: Bit 11 of the control word from a communication network
[CD12]: Bit 12 of the control word from a communication network
[CD13]: Bit 13 of the control word from a communication network
[CD14]: Bit 14 of the control word from a communication network
[CD15]: Bit 15 of the control word from a communication network
nO
PSt 61 [[Stop Key priority]] -nO
YES
[No]: Function inactive
[Yes]: STOP key priority YES

BBV46385 06/2010 121
Index of parameter codes and customer settings
Code Page Name Unit Value/Possible function Factory
setting Customer
setting
r1 49 [R1 Assignment] -
nO
FLt
rUn
FtA
FLA
CtA
SrA
tSA
APL
LI1 to LI6
[No]: Not assigned
[No drive flt]: No drive detected fault
[Drv running] : Drive running
[Freq.Th.att.]: Frequency threshold reached
[HSP attain.] : High speed reached
[I attained] : Current threshold reached
[Freq.ref.att]: Frequency reference reached
[Th.mot. att.]: Motor thermal threshold reached
[4-20mA]: Loss of 4-20 mA signal
[LI1] to [LI6]: Returns the value of the selected logic input
FLt
r2 49 [R2 Assignment]
nO
FLt
rUn
FtA
FLA
CtA
SrA
tSA
bLC
APL
LI1 to LI6
[No]: Not assigned
[No drive flt]: No drive detected fault
[Drv running] : Drive running
[Freq.Th.att.]: Frequency threshold reached
[HSP attain.] : High speed reached
[I attained] : Current threshold reached
[Freq.ref.att]: Frequency reference reached
[Th.mot. att.]: Motor thermal threshold reached
[Brk control]: Brake sequence
[4-20mA]: Loss of 4-20 mA signal
[LI1] to [LI6]: Returns the value of the selected logic input
nO
rFC 59 [Ref. 2 switching] -
Fr1
Fr2
LI1
LI2
LI3
LI4
LI5
LI6
C111
C112
C113
C114
C115
C211
C212
C213
C214
C215
[ch1 active] : Reference 1
[ch2 active] : Reference 2
[LI1]: Logic input LI1
[LI2]: Logic input LI2
[LI3]: Logic input LI3
[LI4]: Logic input LI4
[LI5]: Logic input LI5
[LI6]: Logic input LI6
[C111]: Bit 11 of Modbus control word
[C112]: Bit 12 of Modbus control word
[C113]: Bit 13 of Modbus control word
[C114]: Bit 14 of Modbus control word
[C115]: Bit 15 of Modbus control word
[C211]: Bit 11 of network control word
[C212]: Bit 12 of network control word
[C213]: Bit 13 of network control word
[C214]: Bit 14 of network control word
[C215]: Bit 15 of network control word
Fr1
rFr 101 [Output frequency] Hz -500 to +500 --
rIG 36
81 [PID integral gain] -0.01 to 100 -1
rOt 61 [Rotating direction] -
dFr
drS
bOt
[Forward]: Forward
[Reverse]: Reverse
[Both]: Both directions are authorized.
dFr
rp 97 [Product reset] -nO
YES
[No]: No
[Yes]: Yes nO
rP2 36
82 [Preset ref. PID 2] %0 to 100 -30
rp3 36
82 [Preset ref. PID 3] %0 to 100 -60
rp4 36
82 [Preset ref. PID 4] %0 to 100 -90
rPG 36
81 [PID prop. gain] -0.01 to 100 -1
rPI
32
83
101
[Internal PID ref.] %0 to 100 -0
rPr 97 [Operating t. reset] -nO
rtH
[No]: No
[rst. runtime]: Operating time reset to zero nO

122 BBV46385 06/2010
Index of parameter codes and customer settings
Code Page Name Unit Value/Possible function Factory
setting Customer
setting
rPS 64 [Ramp switch ass.] -
nO
LI1
LI2
LI3
LI4
LI5
LI6
Cd11
Cd12
Cd13
Cd14
Cd15
[No]: Not assigned
[LI1]: Logic input LI1
[LI2]: Logic input LI2
[LI3]: Logic input LI3
[LI4]: Logic input LI4
[LI5]: Logic input LI5
[LI6]: Logic input LI6
[CD11]: Bit 11 of the control word from a communication network
[CD12]: Bit 12 of the control word from a communication network
[CD13]: Bit 13 of the control word from a communication network
[CD14]: Bit 14 of the control word from a communication network
[CD15]: Bit 15 of the control word from a communication network
nO
rPt 62 [Ramp type] -
LIn
S
U
CUS
[Linear]: Linear
[S ramp]: S ramp
[U ramp]: U ramp
[Customized]: Customized
LIn
rrS 48 [Reverse assign.] -
nO
LI1
LI2
LI3
LI4
LI5
LI6
[No]: Not assigned
[LI1]: Logic input LI1
[LI2]: Logic input LI2 can be accessed if tCC = 2C.
[LI3]: Logic input LI3
[LI4]: Logic input LI4
[LI5]: Logic input LI5
[LI6]: Logic input LI6
LI2
rSC 42 [Cold stator resist.] -
nO
InIt
8888
[NO]: Function inactive
[Init]: Activates the function
Value of cold state stator resistance used
nO
rSF 92 [Fault reset] -
nO
LI1
LI2
LI3
LI4
LI5
LI6
[No]: Not assigned
[LI1]: Logic input LI1
[LI2]: Logic input LI2
[LI3]: Logic input LI3
[LI4]: Logic input LI4
[LI5]: Logic input LI5
[LI6]: Logic input LI6
nO
rSL 38
83 [PID wake up thresh.] %0
to 100 -0
rtH 102 [Run time] Time -- -
SA2 71 [Summing ref. 2] -
nO
AI1
AI2
AI3
AIU1
LCC
Ndb
nEt
[No]: Not assigned
[AI1]: Analog input AI1
[AI2]: Analog input AI2
[AI3]: Analog input AI3
[Network AI]: Jog dial
[HMI]: Reference via the remote display terminal
[Modbus]: Reference via Modbus
[Network]: Reference via network
AI2
SA3 71 [Summing ref. 3] -
nO
AI1
AI2
AI3
AIU1
LCC
Ndb
nEt
[No]: Not assigned
[AI1]: Analog input AI1
[AI2]: Analog input AI2
[AI3]: Analog input AI3
[Network AI]: Jog dial
[HMI]: Reference via the remote display terminal
[Modbus]: Reference via Modbus
[Network]: Reference via network
nO
SCS
45
49
61
90
[Saving config.] -
nO
StrI
[No]: Function inactive
[Config 1] : Saves the current configuration to EEPROM nO
SdC1 35
69 [Auto DC inj. level 1] In 0
to 1.2 -0.7
SdC2 35
70 [Auto DC inj. level 2] In 0
to 1.2 -0.5
SdS 40 [Scale factor display] -0.1
to 200 -30

BBV46385 06/2010 123
Index of parameter codes and customer settings
Code Page Name Unit Value/Possible function Factory
setting Customer
setting
SFr 40
44 [Switching freq.] kHz 2.0 to 16 -4
SLL 95 [Modbus fault mgt] -
nO
YES
rNP
FSt
[Ignore]: Ignore
[Freewheel]: Detected fault management with freewheel stop.
[Ramp stop]: Detected fault management with stop on ramp
[Fast stop]: Detected fault management with fast stop
YES
SLP 34 [Slip compensation] %0 to 150 -100
SLP2 39
88 [Slip compensation 2] %0 to 150 -100
SP10 37
74 [Preset speed 10] Hz 0 to 500 -50
SP11 37
75 [Preset speed 11] Hz 0 to 500 -55
SP12 37
75 [Preset speed 12] Hz 0 to 500 -60
SP13 37
75 [Preset speed 13] Hz 0 to 500 -70
SP14 37
75 [Preset speed 14] Hz 0 to 500 -80
SP15 37
75 [Preset speed 15] Hz 0 to 500 -90
SP16 37
75 [Preset speed 16] Hz 0 to 500 -100
SP2 36
74 [Preset speed 2] Hz 0 to 500 -10
SP3 37
74 [Preset speed 3] Hz 0 to 500 -15
SP4 37
74 [Preset speed 4] Hz 0 to 500 -20
SP5 37
74 [Preset speed 5] Hz 0 to 500 -25
SP6 37
74 [Preset speed 6] Hz 0 to 500 -30
SP7 37
74 [Preset speed 7] Hz 0 to 500 -35
SP8 37
74 [Preset speed 8] Hz 0 to 500 -40
SP9 37
74 [Preset speed 9] Hz 0 to 500 -45
SPd1 101 [Cust. output value] ----
SPd2 101 [Cust. output value] ----
SPd3 101 [Cust. output value] ----
SrF 44 [Speed loop filter] -nO
YES
[No]: Filter remains active
[Yes]: Filter suppressed nO
StA 34 [Fr.Loop.Stab] %1 to 100 -20
StA2 39
88 [Freq. loop stability 2] %0 to 100 -20

124 BBV46385 06/2010
Index of parameter codes and customer settings
Code Page Name Unit Value/Possible function Factory
setting Customer
setting
StP 96 [UnderV. prevention] -
nO
NNS
rMP
FSt
[No]: Locking of the drive and freewheel stopping of the motor
[DC Maintain]: Stop mode using inertia to maintain the drive
power supply as long as possible
[Ramp stop]: Stop according to the valid ramp
[Fast stop]: Fast stop
nO
Str 78 [Reference saved] -
nO
rAN
EEP
[No]: No saving
[RAM]: Saving in RAM
[EEprom]: Saving in EEPROM
nO
Stt 66 [Type of stop] -
rMP
FSt
nSt
dCI
[Ramp stop]: On ramp
[Fast stop]: Fast stop
[Freewheel]: Freewheel stop
[DC injection]: DC injection stop
rMP
tA1 33
63 [Begin Acc round] %0 to 100 -10
tA2 33
63 [End Acc round] %0 to
(100-tA1)-10
tA3 33
63 [Begin Dec round] %0 to 100 -10
tA4 33
63 [End Dec round] %0 to
(100-tA3)-10
tAr 92 [Max. restart time] -
5
10
30
1h
2h
3h
Ct
[5 minutes]: 5 minutes
[10 minutes]: 10 minutes
[30 minutes]: 30 minutes
[1 hour]: 1 hour
[2 hours]: 2 hours
[3 hours]: 3 hours
[Unlimited]: Unlimited
5
tbr 98 [Modbus baud rate] bps
4.8
9.6
19.2
[4.8 Kbps]: 4,800 bits/second
[9.6 Kbps]: 9600 bits/second
[19.2 Kbps]: 19,200 bits/second
19.2
tCC 30
47 [2/3 wire control] -
2C
3C
LOC
[2 wire]: 2-wire control
[3 wire]: 3-wire control
[Local]: Local control (drive RUN/STOP/RESET)
2C
tCt 47 [2 wire type] -
LEL
trn
PFO
[Level]: State 0 or 1
[Transition]: Change of state (transition or edge)
[Fwd priority]: State 0 or 1, "forward" input takes priority over
the "reverse" input
trn
tdC 34
68 [DC injection time 2] s0.1 to 30 -0.5
tdC1 34
69 [Auto DC inj. time 1] s0.1 to 30 -0.5
tdC2 35
70 [Auto DC inj. time 2] s0 to 30 -0
tFO 98 [Modbus format] -
8O1
8E1
8n1
8n2
[8-O-1]: 8 data bits, odd parity, 1 stop bit
[8-E-1]: 8 data bits, even parity, 1 stop bit
[8-N-1]: 8 data bits, no parity, 1 stop bit
[8-N-2]: 8 data bits, no parity, 2 stop bits
8E1
tFr 44 [Max frequency] Hz 10 to 500 -60
tHd 101 [Drv. Therm att.] ----
tHr 101 [Motor thermal state] ----
tLS 38 [Low speed time out] s0 to 999.9 -0

BBV46385 06/2010 125
Index of parameter codes and customer settings
Code Page Name Unit Value/Possible function Factory
setting Customer
setting
tnL 95 [Autotune fault mgt] -nO
YES
[No]: Ignore
[Yes]: Detected fault management with drive locked YES
ttd 39 [Motor therm. level] %1 to 118 -100
ttO 98 [Modbus time out] s0.1 to 30 -10
tUn 43 [Auto tuning] -
nO
YES
dOnE
rUn
POn
LI1 to LI6
[No]: Auto-tuning not performed
[Yes]: Auto-tuning performed as soon as possible
[Done]: Use of the values given the last time auto-tuning
was performed
[Drv running]: Auto-tuning performed every time a run
command is sent
[Power on]: Auto-tuning performed on every power-up
[LI1] to [LI6]: Auto-tuning performed on the transition from
0 V 1 of a logic input assigned to this function
nO
tUS 43
103 [Auto tuning state] -
tAb
PEnd
PrOG
FAIL
dOnE
Strd
[Not done]: Default stator resistance value used to control
the motor
[Pending]: Auto-tuning requested but not yet performed
[In progress]: Auto-tuning in progress
[Failed]: Auto-tuning failed
[Done]: Stator resistance measured by the auto-tuning
function used to control the motor
[Entered R1]: Cold state stator resistance used to control
the motor
tAb
UdP 103 [Drv.Soft.Ver] ----
UFr 33 [IR compensation] %0 to 100 -20
UFr2 39
88
[IR compensation
2] %0 to 100 -20
UFt 44 [U/F mot 1
selected] -
L
P
n
nLd
[Cst. torque]: Constant torque
[Var. torque] : Variable torque
[SVC]: Flux vector control
[Energy sav.]: Energy saving
n
UFt2 88 [U/F mot.2
selected] -
L
P
n
nLd
[Cst. torque]: Constant torque
[Var. torque] : Variable torque
[SVC]: Flux vector control
[Energy sav.]: Energy saving
n
ULn 101 [Mains voltage] V---
UnS 41 [Rated motor volt.] V--
In accordance
with the
drive rating
UnS2 87 [Nom. mot. 2 volt.] V--
In accordance
with the
drive rating
ATV312_programming_manual_EN_BBV46385_02
06/2010