ATmega164A; ATmega164PA; ATmega324A, ATmega324PA, ATmega644A, ATmega644PA, ATmega1284, ATmega1284P ATmega324 Manual
User Manual:
Open the PDF directly: View PDF
.
Page Count: 659 [warning: Documents this large are best viewed by clicking the View PDF Link!]
- Features
- 1. Pin configurations
- 2. Overview
- 3. Resources
- 4. About code examples
- 5. Data retention
- 6. Capacitive touch sensing
- 7. AVR CPU Core
- 8. AVR memories
- 9. System clock and clock options
- 9.1 Clock systems and their distribution
- 9.2 Clock Sources
- 9.3 Low Power Crystal Oscillator
- 9.4 Full swing Crystal Oscillator
- 9.5 Low Frequency Crystal Oscillator
- 9.6 Calibrated Internal RC Oscillator
- 9.7 128kHz internal oscillator
- 9.8 External clock
- 9.9 Timer/Counter Oscillator
- 9.10 Clock Output Buffer
- 9.11 System Clock Prescaler
- 9.12 Register description
- 10. Power management and sleep modes
- 11. System Control and Reset
- 12. Interrupts
- 13. External Interrupts
- 13.1 Overview
- 13.2 Register description
- 13.2.1 EICRA – External Interrupt Control Register A
- 13.2.2 EIMSK – External Interrupt Mask Register
- 13.2.3 EIFR –External Interrupt Flag Register
- 13.2.4 PCICR – Pin Change Interrupt Control Register
- 13.2.5 PCIFR – Pin Change Interrupt Flag Register
- 13.2.6 PCMSK3 – Pin Change Mask Register 3
- 13.2.7 PCMSK2 – Pin Change Mask Register 2
- 13.2.8 PCMSK1 – Pin Change Mask Register 1
- 13.2.9 PCMSK0 – Pin Change Mask Register 0
- 14. I/O-Ports
- 14.1 Overview
- 14.2 Ports as General Digital I/O
- 14.3 Alternate Port Functions
- Register description
- 14.3.5 MCUCR – MCU Control Register
- 14.3.6 PORTA – Port A Data Register
- 14.3.7 DDRA – Port A Data Direction Register
- 14.3.8 PINA – Port A Input Pins Address
- 14.3.9 PORTB – Port B Data Register
- 14.3.10 DDRB – Port B Data Direction Register
- 14.3.11 PINB – Port B Input Pins Address
- 14.3.12 PORTC – Port C Data Register
- 14.3.13 DDRC – Port C Data Direction Register
- 14.3.14 PINC – Port C Input Pins Address
- 14.3.15 PORTD – Port D Data Register
- 14.3.16 DDRD – Port D Data Direction Register
- 14.3.17 PIND – Port D Input Pins Address
- 15. 8-bit Timer/Counter0 with PWM
- 15.1 Features
- 15.2 Overview
- 15.3 Timer/Counter Clock Sources
- 15.4 Counter Unit
- 15.5 Output Compare unit
- 15.6 Compare Match Output unit
- 15.7 Modes of operation
- 15.8 Timer/Counter Timing diagrams
- 15.9 Register description
- 15.9.1 TCCR0A – Timer/Counter Control Register A
- 15.9.2 TCCR0B – Timer/Counter Control Register B
- 15.9.3 TCNT0 – Timer/Counter Register
- 15.9.4 OCR0A – Output Compare Register A
- 15.9.5 OCR0B – Output Compare Register B
- 15.9.6 TIMSK0 – Timer/Counter Interrupt Mask Register
- 15.9.7 TIFR0 – Timer/Counter 0 Interrupt Flag Register
- 16. 16-bit Timer/Counter1 and Timer/Counter3(1) with PWM
- 16.1 Features
- 16.2 Overview
- 16.3 Accessing 16-bit Registers
- 16.4 Timer/Counter Clock Sources
- 16.5 Prescaler Reset
- 16.6 Counter Unit
- 16.7 Input Capture Unit
- 16.8 Output Compare units
- 16.9 Compare Match Output unit
- 16.10 Modes of Operation
- 16.11 Timer/Counter Timing diagrams
- 16.12 Register description
- 16.12.1 TCCRnA – Timer/Counter n Control Register A
- 16.12.2 TCCRnB – Timer/Counter n Control Register B
- 16.12.3 TCCRnC – Timer/Counter n Control Register C
- 16.12.4 TCNT1H and TCNT1L –Timer/Counter1
- 16.12.5 TCNT3H and TCNT3L –Timer/Counter3
- 16.12.6 OCR1AH and OCR1AL – Output Compare Register1 A
- 16.12.7 OCR1BH and OCR1BL – Output Compare Register1 B
- 16.12.8 OCR3AH and OCR3AL – Output Compare Register3 A
- 16.12.9 OCR3BH and OCR3BL – Output Compare Register3 B
- 16.12.10 ICR1H and ICR1L – Input Capture Register 1
- 16.12.11 ICR3H and ICR3L – Input Capture Register 3
- 16.12.12 TIMSK1 – Timer/Counter1 Interrupt Mask Register
- 16.12.13 TIMSK3 – Timer/Counter3 Interrupt Mask Register
- 16.12.14 TIFR1 – Timer/Counter1 Interrupt Flag Register
- 16.12.15 TIFR3 – Timer/Counter3 Interrupt Flag Register
- 17. 8-bit Timer/Counter2 with PWM and asynchronous operation
- 17.1 Features
- 17.2 Overview
- 17.3 Timer/Counter clock sources
- 17.4 Counter unit
- 17.5 Output Compare unit
- 17.6 Compare Match Output unit
- 17.7 Modes of operation
- 17.8 Timer/Counter Timing diagrams
- 17.9 Asynchronous Operation of Timer/Counter2
- 17.10 Timer/Counter Prescaler
- 17.11 Register description
- 17.11.1 TCCR2A – Timer/Counter Control Register A
- 17.11.2 TCCR2B – Timer/Counter Control Register B
- 17.11.3 TCNT2 – Timer/Counter Register
- 17.11.4 OCR2A – Output Compare Register A
- 17.11.5 OCR2B – Output Compare Register B
- 17.11.6 ASSR – Asynchronous Status Register
- 17.11.7 TIMSK2 – Timer/Counter2 Interrupt Mask Register
- 17.11.8 TIFR2 – Timer/Counter2 Interrupt Flag Register
- 17.11.9 GTCCR – General Timer/Counter Control Register
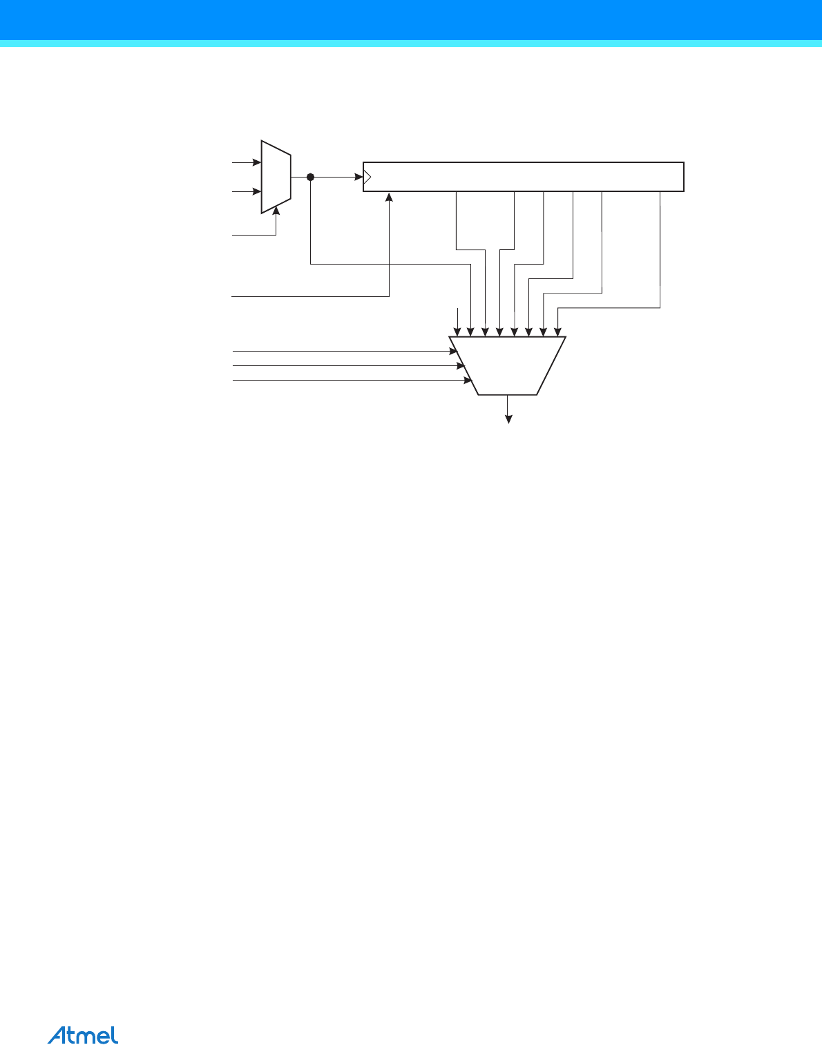
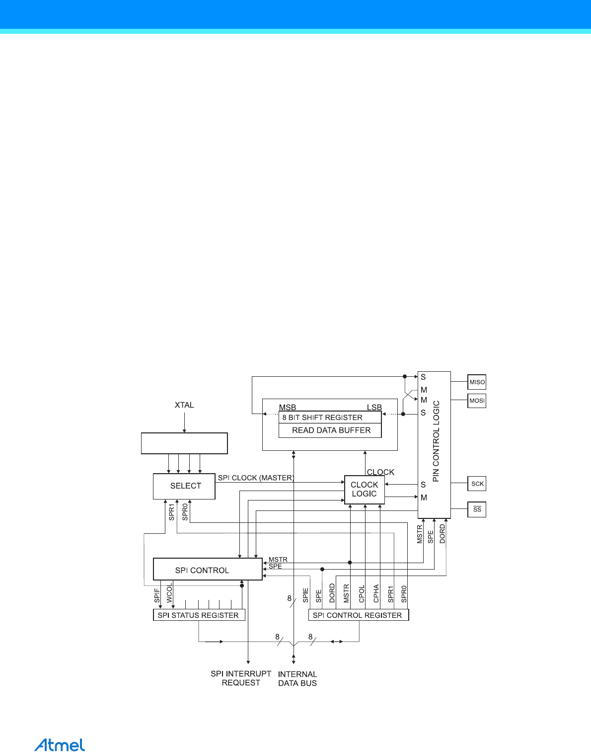
- 18. SPI – Serial Peripheral Interface
- 19. USART
- 19.1 Features
- 19.2 USART1 and USART0
- 19.3 Overview
- 19.4 Clock Generation
- 19.5 Frame formats
- 19.6 USART Initialization
- 19.7 Data Transmission – The USART Transmitter
- 19.8 Data Reception – The USART Receiver
- 19.9 Asynchronous Data Reception
- 19.10 Multi-processor Communication mode
- 19.11 Register description
- 19.12 Examples of Baud Rate Setting
- 20. USART in SPI mode
- 21. Two-wire Serial Interface
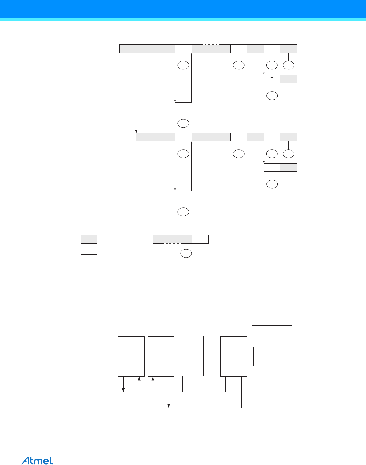
- 22. AC - Analog Comparator
- 23. ADC - Analog-to-digital converter
- 24. JTAG interface and on-chip debug system
- 25. IEEE 1149.1 (JTAG) Boundary-scan
- 26. Boot loader support – read-while-write self-programming
- 26.1 Features
- 26.2 Overview
- 26.3 Application and Boot Loader Flash Sections
- 26.4 Read-While-Write and No Read-While-Write Flash Sections
- 26.5 Boot Loader Lock Bits
- 26.6 Entering the Boot Loader Program
- 26.7 Addressing the Flash During Self-Programming
- 26.8 Self-Programming the Flash
- 26.8.1 Performing Page Erase by SPM
- 26.8.2 Filling the Temporary Buffer (Page Loading)
- 26.8.3 Performing a Page Write
- 26.8.4 Using the SPM Interrupt
- 26.8.5 Consideration While Updating BLS
- 26.8.6 Prevent Reading the RWW Section During Self-Programming
- 26.8.7 Setting the Boot Loader Lock Bits by SPM
- 26.8.8 EEPROM Write Prevents Writing to SPMCSR
- 26.8.9 Reading the Fuse and Lock Bits from Software
- 26.8.10 Reading the Signature Row from Software
- 26.8.11 Preventing Flash Corruption
- 26.8.12 Programming Time for Flash when Using SPM
- 26.8.13 Simple Assembly Code Example for a Boot Loader
- 26.8.14 Atmel ATmega164A/ATmega164PA Boot Loader Parameters
- 26.8.15 Atmel ATmega324A/ATmega324PA Boot Loader Parameters
- 26.8.16 Atmel ATmega644A/ATmega644PA Boot Loader parameters
- 26.8.17 Atmel ATmega1284/ATmega1284P Boot Loader parameters
- 26.9 Register description
- 27. Memory programming
- 27.1 Program And Data Memory Lock Bits
- 27.2 Fuse bits
- 27.3 Signature Bytes
- 27.4 Calibration byte
- 27.5 Page Size
- 27.6 Parallel Programming Parameters, Pin Mapping, and Commands
- 27.7 Parallel programming
- 27.7.1 Enter Programming mode
- 27.7.2 Considerations for Efficient Programming
- 27.7.3 Chip Erase
- 27.7.4 Programming the Flash
- 27.7.5 Programming the EEPROM
- 27.7.6 Reading the Flash
- 27.7.7 Reading the EEPROM
- 27.7.8 Programming the Fuse Low Bits
- 27.7.9 Programming the Fuse High Bits
- 27.7.10 Programming the Extended Fuse Bits
- 27.7.11 Programming the Lock Bits
- 27.7.12 Reading the Fuse and Lock Bits
- 27.7.13 Reading the Signature Bytes
- 27.7.14 Reading the Calibration Byte
- 27.7.15 Parallel Programming Characteristics
- 27.8 Serial downloading
- 27.9 Serial Programming Instruction set
- 27.10 Programming via the JTAG Interface
- 27.10.1 Programming Specific JTAG Instructions
- 27.10.2 AVR_RESET (0xC)
- 27.10.3 PROG_ENABLE (0x4)
- 27.10.4 PROG_COMMANDS (0x5)
- 27.10.5 PROG_PAGELOAD (0x6)
- 27.10.6 PROG_PAGEREAD (0x7)
- 27.10.7 Data Registers
- 27.10.8 Reset Register
- 27.10.9 Programming Enable Register
- 27.10.10 Programming Command Register
- 27.10.11 Flash Data Byte Register
- 27.10.12 Programming Algorithm
- 27.10.13 Entering Programming Mode
- 27.10.14 Leaving Programming Mode
- 27.10.15 Performing Chip Erase
- 27.10.16 Programming the Flash
- 27.10.17 Reading the Flash
- 27.10.18 Programming the EEPROM
- 27.10.19 Reading the EEPROM
- 27.10.20 Programming the Fuses
- 27.10.21 Programming the Lock Bits
- 27.10.22 Reading the Fuses and Lock Bits
- 27.10.23 Reading the Signature Bytes
- 27.10.24 Reading the Calibration Byte
- 28. Electrical characteristics (TA = -40°C to 85°C)
- 28.1 DC Characteristics
- 28.1.1 Atmel ATmega164A DC characteristics
- 28.1.2 Atmel ATmega164PA DC characteristics
- 28.1.3 Atmel ATmega324A DC characteristics
- 28.1.4 Atmel ATmega324PA DC characteristics
- 28.1.5 Atmel ATmega644A DC characteristics
- 28.1.6 Atmel ATmega644PA DC characteristics
- 28.1.7 Atmel ATmega1284 DC characteristics
- 28.1.8 Atmel ATmega1284P DC characteristics
- 28.2 Speed grades
- 28.3 Clock characteristics
- 28.4 System and reset characteristics
- 28.5 External interrupts characteristics
- 28.6 SPI timing characteristics
- 28.7 Two-wire Serial Interface Characteristics
- 28.8 ADC characteristics
- 28.1 DC Characteristics
- 29. Electrical Characteristics - TA = -40°C to 105°C
- 30. Typical characteristics -TA = -40°C to 85°C
- 30.1 Atmel ATmega164A typical characteristics - TA = -40°C to 85°C
- 30.1.1 Active supply current
- 30.1.2 Idle supply current
- 30.1.3 Supply current of I/O modules
- 30.1.4 Power-down supply current
- 30.1.5 Power-save supply current
- 30.1.6 Standby supply current
- 30.1.7 Pin pull-up
- 30.1.8 Pin driver strength
- 30.1.9 Pin threshold and hysteresis
- 30.1.10 BOD threshold
- 30.1.11 Internal oscillator speed
- 30.1.12 Current consumption of peripheral units
- 30.1.13 Current consumption in reset and reset pulsewidth
- 30.2 Atmel ATmega164PA typical characteristics - TA = -40°C to 85°C
- 30.2.1 Active supply current
- 30.2.2 Idle supply current
- 30.2.3 Supply current of I/O modules
- 30.2.4 Power-down supply current
- 30.2.5 Power-save supply current
- 30.2.6 Standby supply current
- 30.2.7 Pin pull-up
- 30.2.8 Pin driver strength
- 30.2.9 Pin threshold and hysteresis
- 30.2.10 BOD threshold
- 30.2.11 Internal oscillator speed
- 30.2.12 Current consumption of peripheral units
- 30.2.13 Current consumption in reset and reset pulsewidth
- 30.3 Atmel ATmega324A typical characteristics - TA = -40°C to 85°C
- 30.3.1 Active supply current
- 30.3.2 Idle supply current
- 30.3.3 Supply current of I/O modules
- 30.3.4 Power-down supply current
- 30.3.5 Power-save supply current
- 30.3.6 Standby supply current
- 30.3.7 Pin pull-up
- 30.3.8 Pin driver strength
- 30.3.9 Pin threshold and hysteresis
- 30.3.10 BOD threshold
- 30.3.11 Internal oscillator speed
- 30.3.12 Current consumption of peripheral units
- 30.3.13 Current consumption in reset and reset pulsewidth
- 30.4 Atmel ATmega324PA typical characteristics - TA = -40°C to 85°C
- 30.4.1 Active supply current
- 30.4.2 Idle supply current
- 30.4.3 Supply current of I/O modules
- 30.4.4 Power-down Supply Current
- 30.4.5 Power-save supply current
- 30.4.6 Standby supply current
- 30.4.7 Pin pull-up
- 30.4.8 Pin driver strength
- 30.4.9 Pin threshold and hysteresis
- 30.4.10 BOD threshold
- 30.4.11 Internal oscillator speed
- 30.4.12 Current consumption of peripheral units
- 30.4.13 Current consumption in reset and reset pulsewidth
- 30.5 Atmel ATmega644A typical characteristics - TA = -40°C to 85°C
- 30.5.1 Active supply current
- 30.5.2 Idle supply current
- 30.5.3 Supply current of I/O modules
- 30.5.4 Power-down supply current
- 30.5.5 Power-save supply current
- 30.5.6 Standby supply current
- 30.5.7 Pin pull-up
- 30.5.8 Pin driver strength
- 30.5.9 Pin threshold and hysteresis
- 30.5.10 BOD threshold
- 30.5.11 Internal oscillator speed
- 30.5.12 Current consumption of peripheral units
- 30.5.13 Current consumption in reset and reset pulsewidth
- 30.6 ATmega644PA typical characteristics - TA = -40°C to 85°C
- 30.6.1 Active supply current
- 30.6.2 Idle supply current
- 30.6.3 Supply current of I/O modules
- 30.6.4 Power-down supply current
- 30.6.5 Power-save supply current
- 30.6.6 Standby supply current
- 30.6.7 Pin pull-up
- 30.6.8 Pin driver strength
- 30.6.9 Pin threshold and hysteresis
- 30.6.10 BOD threshold
- 30.6.11 Internal oscillator speed
- 30.6.12 Current consumption of peripheral units
- 30.6.13 Current consumption in reset and reset pulsewidth
- 30.7 ATmega1284 typical characteristics - TA = -40°C to 85°C
- 30.7.1 Active supply current
- 30.7.2 Idle supply current
- 30.7.3 Supply current of I/O modules
- 30.7.4 Power-down supply current
- 30.7.5 Power-save supply current
- 30.7.6 Standby supply current
- 30.7.7 Pin pull-up
- 30.7.8 Pin driver strength
- 30.7.9 Pin threshold and hysteresis
- 30.7.10 BOD threshold
- 30.7.11 Internal oscillator speed
- 30.7.12 Current consumption of peripheral units
- 30.7.13 Current consumption in reset and reset pulsewidth
- 30.8 ATmega1284P typical characteristics - TA = -40°C to 85°C
- 30.8.1 Active supply current
- 30.8.2 Idle supply current
- 30.8.3 Supply current of I/O modules
- 30.8.4 Power-down supply current
- 30.8.5 Power-save supply current
- 30.8.6 Standby supply current
- 30.8.7 Pin pull-up
- 30.8.8 Pin driver strength
- 30.8.9 Pin threshold and hysteresis
- 30.8.10 BOD threshold
- 30.8.11 Internal oscillator speed
- 30.8.12 Current consumption of peripheral units
- 30.8.13 Current consumption in reset and reset pulsewidth
- 30.1 Atmel ATmega164A typical characteristics - TA = -40°C to 85°C
- 31. Typical Characteristics - TA = -40°C to 105°C
- 31.1 ATmega164PA Typical Characteristics - TA = -40°C to 105°C
- 31.1.1 Active supply current
- 31.1.2 Idle supply current
- 31.1.3 Power-down supply current
- 31.1.4 Pin pull-up
- 31.1.5 Pin driver strength
- 31.1.6 Pin threshold and hysteresis
- 31.1.7 BOD threshold
- 31.1.8 Internal oscillator speed
- 31.1.9 Current consumption of peripheral units
- 31.1.10 Current consumption in reset and reset pulsewidth
- 31.2 ATmega324PA Typical Characteristics - TA = -40°C to 105°C
- 31.2.1 Active Supply Current
- 31.2.2 Idle Supply Current
- 31.2.3 Power-down Supply Current
- 31.2.4 Pin Pull-up
- 31.2.5 Pin Driver Strength
- 31.2.6 Pin Threshold and Hysteresis
- 31.2.7 BOD Threshold
- 31.2.8 Internal Oscillator Speed
- 31.2.9 Current Consumption of Peripheral Units
- 31.2.10 Current Consumption in Reset and Reset Pulsewidth
- 31.3 ATmega644PA Typical Characteristics - TA = -40°C to 105°C
- 31.3.1 Active Supply Current
- 31.3.2 Idle Supply Current
- 31.3.3 Power-down Supply Current
- 31.3.4 Pin Pull-up
- 31.3.5 Pin Driver Strength
- 31.3.6 Pin Threshold and Hysteresis
- 31.3.7 BOD Threshold
- 31.3.8 Internal Oscillator Speed
- 31.3.9 Current Consumption of Peripheral Units
- 31.3.10 Current Consumption in Reset and Reset Pulsewidth
- 31.4 ATmega1284P typical characteristics - TA = -40°C to 105°C
- 31.4.1 Active supply current
- 31.4.2 Idle supply current
- 31.4.3 Power-down supply current
- 31.4.4 Power-save supply current
- 31.4.5 Pin pull-up
- 31.4.6 Pin driver strength
- 31.4.7 Pin threshold and hysteresis
- 31.4.8 BOD threshold
- 31.4.9 Internal oscillator speed
- 31.4.10 Current consumption of peripheral units
- 31.4.11 Current consumption in reset and reset pulsewidth
- 31.1 ATmega164PA Typical Characteristics - TA = -40°C to 105°C
- 32. Register summary
- 33. Instruction set summary
- 34. Ordering information
- 35. Packaging information
- 36. Errata
- 37. Datasheet revision history

Atmel-8272G-AVR-01/2015
Features
-High-performance, low-power 8-bit Atmel® AVR® Microcontroller
-Advanced RISC architecture
̶131 powerful Instructions – most single-clock cycle execution
̶32 × 8 general purpose working registers
̶Fully static operation
̶Up to 20MIPS throughput at 20MHz
̶On-chip 2-cycle multiplier
-High endurance non-volatile memory segments
̶16/32/64/128KBytes of In-System Self-programmable Flash program memory
̶512/1K/2K/4KBytes EEPROM
̶1/2/4/16KBytes Internal SRAM
̶Write/Erase Cycles: 10,000 Flash/ 100,000 EEPROM
̶Data retention: 20 years at 85°C/ 100 years at 25°C(1)
̶Optional Boot Code Section with Independent Lock Bits
-In-System Programming by On-chip Boot Program
-True Read-While-Write Operation
̶Programming Lock for Software Security
-Atmel QTouch® library support
̶Capacitive touch buttons, sliders and wheels
̶QTouch and QMatrix acquisition
̶Up to 64 sense channels
-JTAG (IEEE std. 1149.1 Compliant) Interface
̶Boundary-scan Capabilities According to the JTAG Standard
̶Extensive On-chip Debug Support
̶Programming of Flash, EEPROM, Fuses, and Lock Bits through the JTAG
Interface
-Peripheral Features
̶Two 8-bit Timer/Counters with Separate Prescalers and Compare Modes
̶One/two 16-bit Timer/Counter with Separate Prescaler, Compare Mode, and
Capture Mode
̶Real Time Counter with Separate Oscillator
̶Six PWM Channels
̶8-channel, 10-bit ADC
-Differential mode with selectable gain at 1×, 10× or 200×
̶Byte-oriented Two-wire Serial Interface
̶Two Programmable Serial USART
̶Master/Slave SPI Serial Interface
ATmega164A/164PA/324A/324PA/644A/644PA/1284/1284P
8-bit Atmel Microcontroller with 16/32/64/128K Bytes
In-System Programmable Flash
DATASHEET

2
ATmega164A/164PA/324A/324PA/644A/644PA/1284/1284P [DATASHEET]
Atmel-8272G-AVR-01/2015
̶Programmable Watchdog Timer with Separate On-chip Oscillator
̶On-chip Analog Comparator
̶Interrupt and Wake-up on Pin Change
-Special Microcontroller Features
̶Power-on Reset and Programmable Brown-out Detection
̶Internal Calibrated RC Oscillator
̶External and Internal Interrupt Sources
̶Six Sleep Modes: Idle, ADC Noise Reduction, Power-save, Power-down, Standby and Extended Standby
-I/O and Packages
̶32 Programmable I/O Lines
̶40-pin PDIP, 44-lead TQFP, 44-pad VQFN/QFN/MLF
̶44-pad DRQFN
– 49-ball VFBGA
-Operating Voltages
̶1.8 - 5.5V
-Speed Grades
̶0 - 4MHz @ 1.8 - 5.5V
̶0 - 10MHz @ 2.7 - 5.5V
̶0 - 20MHz @ 4.5 - 5.5V
-Power Consumption at 1MHz, 1.8V, 25C
̶Active: 0.4mA
̶Power-down Mode: 0.1µA
̶Power-save Mode: 0.6µA (Including 32kHz RTC)
Note: 1. See ”Data retention” on page 9 for details.

3
ATmega164A/164PA/324A/324PA/644A/644PA/1284/1284P [DATASHEET]
Atmel-8272G-AVR-01/2015
1. Pin configurations
1.1 Pinout - PDIP/TQFP/VQFN/QFN/MLF for
ATmega164A/164PA/324A/324PA/644A/644PA/1284/1284P
Figure 1-1. Pinout.
Note: The large center pad underneath the VQFN/QFN/MLF package should be soldered to ground on the board to
ensure good mechanical stability.
(PCINT8/XCK0/T0) PB0
(PCINT9/CLKO/T1) PB1
(PCINT10/INT2/AIN0) PB2
(PCINT11/OC0A/AIN1) PB3
(PCINT12/OC0B/SS) PB4
(PCINT13/ICP3/MOSI) PB5
(PCINT14/OC3A/MISO) PB6
(PCINT15/OC3B/SCK) PB7
RESET
VCC
GND
XTAL2
XTAL1
(PCINT24/RXD0/T3*) PD0
(PCINT25/TXD0) PD1
(PCINT26/RXD1/INT0) PD2
(PCINT27/TXD1/INT1) PD3
(PCINT28/XCK1/OC1B) PD4
(PCINT29/OC1A) PD5
(PCINT30/OC2B/ICP) PD6
PA0 (ADC0/PCINT0)
PA1 (ADC1/PCINT1)
PA2 (ADC2/PCINT2)
PA3 (ADC3/PCINT3)
PA4 (ADC4/PCINT4)
PA5 (ADC5/PCINT5)
PA6 (ADC6/PCINT6)
PA7 (ADC7/PCINT7)
AREF
GND
AVCC
PC7 (TOSC2/PCINT23)
PC6 (TOSC1/PCINT22)
PC5 (TDI/PCINT21)
PC4 (TDO/PCINT20)
PC3 (TMS/PCINT19)
PC2 (TCK/PCINT18)
PC1 (SDA/PCINT17)
PC0 (SCL/PCINT16)
PD7 (OC2A/PCINT31)
PA4 (ADC4/PCINT4)
PA5 (ADC5/PCINT5)
PA6 (ADC6/PCINT6)
PA7 (ADC7/PCINT7)
AREF
GND
AVCC
PC7 (TOSC2/PCINT23)
PC6 (TOSC1/PCINT22)
PC5 (TDI/PCINT21)
PC4 (TDO/PCINT20)
(PCINT13/ICP3/MOSI) PB5
(PCINT14/OC3A/MISO) PB6
(PCINT15/OC3B/SCK) PB7
RESET
VCC
GND
XTAL2
XTAL1
(PCINT24/RXD0/T3*) PD0
(PCINT25/TXD0) PD1
(PCINT26/RXD1/INT0) PD2
(PCINT27/TXD1/INT1) PD3
(PCINT28/XCK1/OC1B) PD4
(PCINT29/OC1A) PD5
(PCINT30/OC2B/ICP) PD6
(PCINT31/OC2A) PD7
VCC
GND
(PCINT16/SCL) PC0
(PCINT17/SDA) PC1
(PCINT18/TCK) PC2
(PCINT19/TMS) PC3
PB4 (SS/OC0B/PCINT12)
PB3 (AIN1/OC0A/PCINT11)
PB2 (AIN0/INT2/PCINT10)
PB1 (T1/CLKO/PCINT9)
PB0 (XCK0/T0/PCINT8)
GND
VCC
PA0 (ADC0/PCINT0)
PA1 (ADC1/PCINT1)
PA2 (ADC2/PCINT2)
PA3 (ADC3/PCINT3)
TQFP/QFN/MLF
*T3 is only available for ATmega1284/1284P

4
ATmega164A/164PA/324A/324PA/644A/644PA/1284/1284P [DATASHEET]
Atmel-8272G-AVR-01/2015
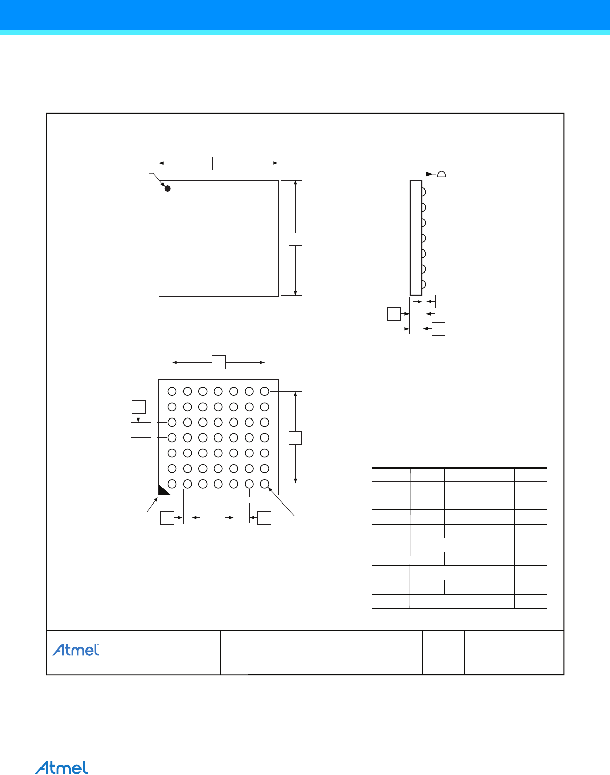
1.2 Pinout - DRQFN for Atmel ATmega164A/164PA/324A/324PA
Figure 1-2. DRQFN - pinout.
Table 1-1. DRQFN - pinout.
A1 PB5 A7 PD3 A13 PC4 A19 PA3
B1 PB6 B6 PD4 B11 PC5 B16 PA2
A2 PB7 A8 PD5 A14 PC6 A20 PA1
B2 RESET B7 PD6 B12 PC7 B17 PA0
A3 VCC A9 PD7 A15 AVCC A21 VCC
B3 GND B8 VCC B13 GND B18 GND
A4 XTAL2 A10 GND A16 AREF A22 PB0
B4 XTAL1 B9 PC0 B14 PA7 B19 PB1
A5 PD0 A11 PC1 A17 PA6 A23 PB2
B5 PD1 B10 PC2 B15 PA5 B20 PB3
A6 PD2 A12 PC3 A18 PA4 A24 PB4
Top view Bottom view
A1
B1
A2
B2
A3
B3
A4
B4
A5
B5
A6
A18
B15
A17
B14
A16
B13
A15
B12
A14
B11
A13
A12
B10
A11
B9
A10
B8
A9
B7
A8
B6
A7
A24
B20
A23
B19
A22
B18
A21
B17
A20
B16
A19
A18
B15
A17
B14
A16
B13
A15
B12
A14
B11
A13
A1
B1
A2
B2
A3
B3
A4
B4
A5
B5
A6
A7
B6
A8
B7
A9
B8
A10
B9
A11
B10
A12
A19
B16
A20
B17
A21
B18
A22
B19
A23
B20
A24

5
ATmega164A/164PA/324A/324PA/644A/644PA/1284/1284P [DATASHEET]
Atmel-8272G-AVR-01/2015
1.3 Pinout - VFBGA for Atmel ATmega164A/164PA/324A/324PA
Figure 1-3. VFBGA - pinout.
2. Overview
The Atmel ATmega164A/164PA/324A/324PA/644A/644PA/1284/1284P is a low-power CMOS 8-bit
microcontroller based on the AVR enhanced RISC architecture. By executing powerful instructions in a single
clock cycle, the ATmega164A/164PA/324A/324PA/644A/644PA/1284/1284P achieves throughputs
approaching 1 MIPS per MHz allowing the system designer to optimize power consumption versus processing
speed.
Table 1-2. BGA - pinout.
1234567
AGND PB4 PB2 GND VCC PA2 GND
BPB6 PB5 PB3 PB0 PA0 PA3 PA5
CVCC RESET PB7 PB1 PA1 PA6 AREF
DGND XTAL2 PD0 GND PA4 PA7 GND
EXTAL1 PD1 PD5 PD7 PC5 PC7 AVCC
FPD2 PD3 PD6 PC0 PC2 PC4 PC6
GGND PD4 VCC GND PC1 PC3 GND
A
B
C
D
E
F
G
1234567
A
B
C
D
E
F
G
7654321
Top view Bottom view

6
ATmega164A/164PA/324A/324PA/644A/644PA/1284/1284P [DATASHEET]
Atmel-8272G-AVR-01/2015
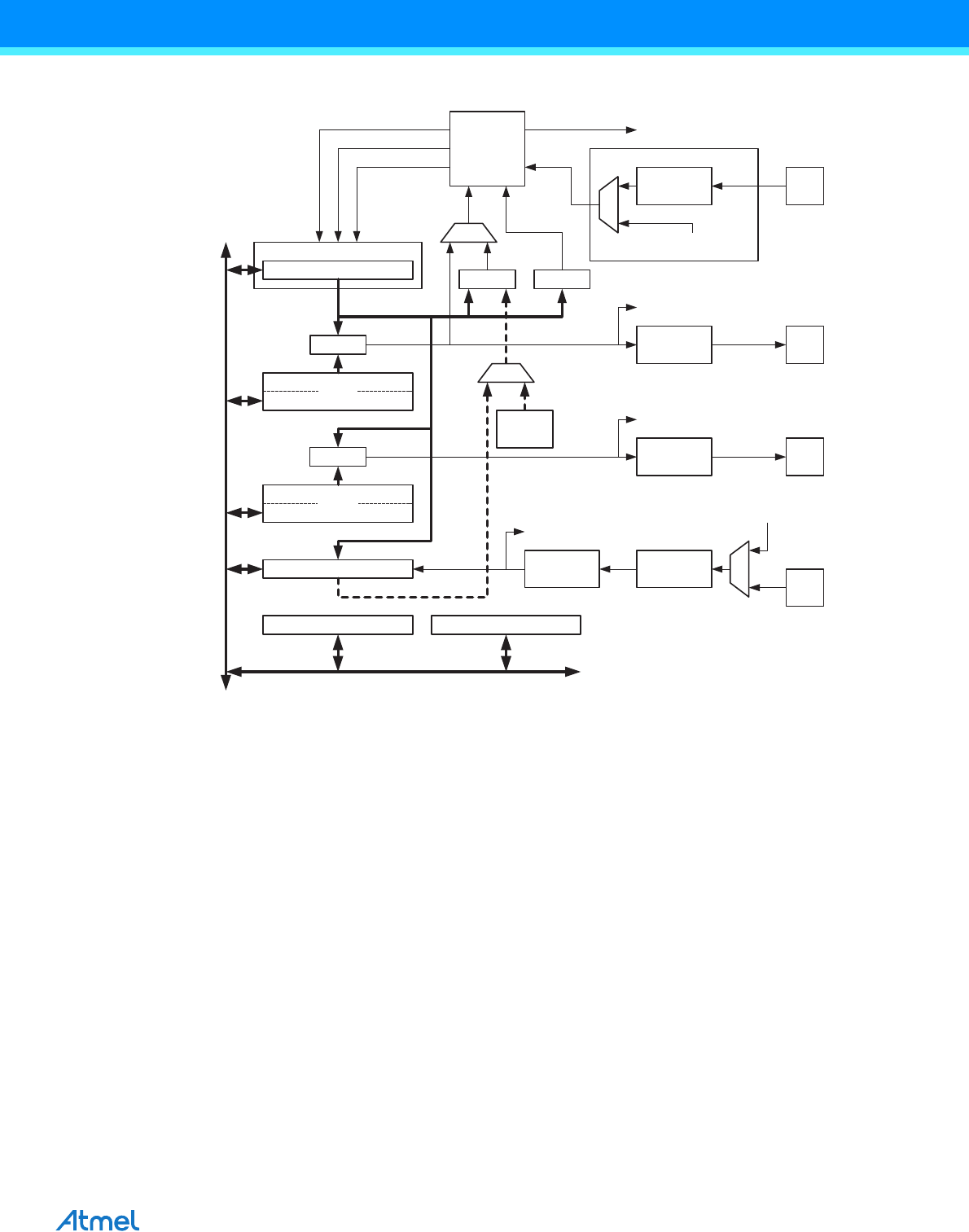
2.1 Block diagram
Figure 2-1. Block diagram.
The AVR core combines a rich instruction set with 32 general purpose working registers. All the 32 registers are
directly connected to the Arithmetic Logic Unit (ALU), allowing two independent registers to be accessed in one
single instruction executed in one clock cycle. The resulting architecture is more code efficient while achieving
throughputs up to ten times faster than conventional CISC microcontrollers.
The Atmel ATmega164A/164PA/324A/324PA/644A/644PA/1284/1284P provide the following features:
16/32/64/128Kbytes of In-System Programmable Flash with Read-While-Write capabilities, 512/1K/2K/4Kbytes
EEPROM, 1/2/4/16Kbytes SRAM, 32 general purpose I/O lines, 32 general purpose working registers, Real
Time Counter (RTC), three (four for ATmega1284/1284P) flexible Timer/Counters with compare modes and
PWM, 2 USARTs, a byte oriented two-wire Serial Interface, a 8-channel, 10-bit ADC with optional differential
input stage with programmable gain, programmable Watchdog Timer with Internal Oscillator, an SPI serial port,
IEEE std. 1149.1 compliant JTAG test interface, also used for accessing the On-chip Debug system and
programming and six software selectable power saving modes. The Idle mode stops the CPU while allowing the
SRAM, Timer/Counters, SPI port, and interrupt system to continue functioning. The Power-down mode saves
the register contents but freezes the Oscillator, disabling all other chip functions until the next interrupt or
Hardware Reset. In Power-save mode, the asynchronous timer continues to run, allowing the user to maintain a
CPU
GND
VCC
RESET
Power
Supervision
POR / BOD &
RESET
Watchdog
Oscillator
Watchdog
Timer
Oscillator
Circuits /
Clock
Generation
XTAL1
XTAL2
PORT A (8)
PORT D (8)
PD7..0
PORT C (8)
PC5..0
TWI
SPI
EEPROM
JTAG/OCD
16bit T/C 1
8bit T/C 2
8bit T/C 0
SRAMFLASH
USART 0
Internal
Bandgap reference
Analog
Comparator
A/D
Converter
PA7..0
PORT B (8)
PB7..0
USART 1
TOSC1/PC6TOSC2/PC7
16bit T/C 1
16bit T/C 3*
* Only available in ATmega1284/1284P

7
ATmega164A/164PA/324A/324PA/644A/644PA/1284/1284P [DATASHEET]
Atmel-8272G-AVR-01/2015
timer base while the rest of the device is sleeping. The ADC Noise Reduction mode stops the CPU and all I/O
modules except Asynchronous Timer and ADC, to minimize switching noise during ADC conversions. In
Standby mode, the Crystal/Resonator Oscillator is running while the rest of the device is sleeping. This allows
very fast start-up combined with low power consumption. In Extended Standby mode, both the main Oscillator
and the Asynchronous Timer continue to run.
Atmel offers the QTouch® library for embedding capacitive touch buttons, sliders and wheels functionality into
AVR microcontrollers. The patented charge-transfer signal acquisition offers robust sensing and includes fully
debounced reporting of touch keys and includes Adjacent Key Suppression® (AKS™) technology for
unambiguous detection of key events. The easy-to-use QTouch Suite toolchain allows you to explore, develop
and debug your own touch applications.
The device is manufactured using Atmel’s high-density nonvolatile memory technology. The On-chip ISP Flash
allows the program memory to be reprogrammed in-system through an SPI serial interface, by a conventional
nonvolatile memory programmer, or by an On-chip Boot program running on the AVR core. The boot program
can use any interface to download the application program in the application Flash memory. Software in the
Boot Flash section will continue to run while the Application Flash section is updated, providing true Read-
While-Write operation. By combining an 8-bit RISC CPU with In-System Self-Programmable Flash on a
monolithic chip, the Atmel ATmega164A/164PA/324A/324PA/644A/644PA/1284/1284P is a powerful
microcontroller that provides a highly flexible and cost effective solution to many embedded control applications.
The ATmega164A/164PA/324A/324PA/644A/644PA/1284/1284P is supported with a full suite of program and
system development tools including: C compilers, macro assemblers, program debugger/simulators, in-circuit
emulators, and evaluation kits.
2.2 Comparison between ATmega164A, ATmega164PA, ATmega324A, ATmega324PA,
ATmega644A, ATmega644PA, ATmega1284 and ATmega1284P
2.3 Pin Descriptions11
2.3.1 VC
Digital supply voltage.
2.3.2 GND
Ground.
Table 2-1. Differences between ATmega164A, ATmega164PA, ATmega324A, ATmega324PA, ATmega644A,
ATmega644PA, ATmega1284 and ATmega1284P.
Device Flash EEPROM RAM Units
ATmega164A 16K 512 1K
bytes
ATmega164PA 16K 512 1K
ATmega324A 32K 1K 2K
ATmega324PA 32K 1K 2K
ATmega644A 64K 2K 4K
ATmega644PA 64K 2K 4K
ATmega1284 128K 4K 16K
ATmega1284P 128K 4K 16K

8
ATmega164A/164PA/324A/324PA/644A/644PA/1284/1284P [DATASHEET]
Atmel-8272G-AVR-01/2015
2.3.3 Port A (PA7:PA0)
Port A serves as analog inputs to the Analog-to-digital Converter.
Port A also serves as an 8-bit bi-directional I/O port with internal pull-up resistors (selected for each bit). The
Port A output buffers have symmetrical drive characteristics with both high sink and source capability. As inputs,
Port A pins that are externally pulled low will source current if the pull-up resistors are activated. The Port A pins
are tri-stated when a reset condition becomes active, even if the clock is not running.
Port A also serves the functions of various special features of the Atmel
ATmega164A/164PA/324A/324PA/644A/644PA/1284/1284P as listed on page 79.
2.3.4 Port B (PB7:PB0)
Port B is an 8-bit bi-directional I/O port with internal pull-up resistors (selected for each bit). The Port B output
buffers have symmetrical drive characteristics with both high sink and source capability. As inputs, Port B pins
that are externally pulled low will source current if the pull-up resistors are activated. The Port B pins are tri-
stated when a reset condition becomes active, even if the clock is not running.
Port B also serves the functions of various special features of the
ATmega164A/164PA/324A/324PA/644A/644PA/1284/1284P as listed on page 80.
2.3.5 Port C (PC7:PC0)
Port C is an 8-bit bi-directional I/O port with internal pull-up resistors (selected for each bit). The Port C output
buffers have symmetrical drive characteristics with both high sink and source capability. As inputs, Port C pins
that are externally pulled low will source current if the pull-up resistors are activated. The Port C pins are tri-
stated when a reset condition becomes active, even if the clock is not running.
Port C also serves the functions of the JTAG interface, along with special features of the Atmel
ATmega164A/164PA/324A/324PA/644A/644PA/1284/1284P as listed on page 83.
2.3.6 Port D (PD7:PD0)
Port D is an 8-bit bi-directional I/O port with internal pull-up resistors (selected for each bit). The Port D output
buffers have symmetrical drive characteristics with both high sink and source capability. As inputs, Port D pins
that are externally pulled low will source current if the pull-up resistors are activated. The Port D pins are tri-
stated when a reset condition becomes active, even if the clock is not running.
Port D also serves the functions of various special features of the
ATmega164A/164PA/324A/324PA/644A/644PA/1284/1284P as listed on page 86.
2.3.7 RESET
Reset input. A low level on this pin for longer than the minimum pulse length will generate a reset, even if the
clock is not running. The minimum pulse length is given in ”” on page 325. Shorter pulses are not guaranteed to
generate a reset.
2.3.8 XTAL1
Input to the inverting Oscillator amplifier and input to the internal clock operating circuit.
2.3.9 XTAL2
Output from the inverting Oscillator amplifier.
2.3.10 AVCC
AVCC is the supply voltage pin for Port A and the Analog-to-digital Converter. It should be externally connected
to VCC, even if the ADC is not used. If the ADC is used, it should be connected to VCC through a low-pass filter.
2.3.11 AREF
This is the analog reference pin for the Analog-to-digital Converter.

9
ATmega164A/164PA/324A/324PA/644A/644PA/1284/1284P [DATASHEET]
Atmel-8272G-AVR-01/2015
3. Resources
A comprehensive set of development tools, application notes and datasheets are available for download on
http://www.atmel.com/avr.
4. About code examples
This documentation contains simple code examples that briefly show how to use various parts of the device. Be
aware that not all C compiler vendors include bit definitions in the header files and interrupt handling in C is
compiler dependent. Please confirm with the C compiler documentation for more details.
The code examples assume that the part specific header file is included before compilation. For I/O registers
located in extended I/O map, "IN", "OUT", "SBIS", "SBIC", "CBI", and "SBI" instructions must be replaced with
instructions that allow access to extended I/O. Typically "LDS" and "STS" combined with "SBRS", "SBRC",
"SBR", and "CBR".
Note: 1.
5. Data retention
Reliability Qualification results show that the projected data retention failure rate is much less than 1 PPM over
20 years at 85°C or 100 years at 25°C.
6. Capacitive touch sensing
The Atmel QTouch Library provides a simple to use solution to realize touch sensitive interfaces on most Atmel
AVR microcontrollers. The QTouch Library includes support for the QTouch and QMatrix acquisition methods.
Touch sensing can be added to any application by linking the appropriate Atmel QTouch Library for the AVR
Microcontroller. This is done by using a simple set of APIs to define the touch channels and sensors, and then
calling the touch sensing API’s to retrieve the channel information and determine the touch sensor states.
The QTouch Library is FREE and downloadable from the Atmel website at the following location:
www.atmel.com/qtouchlibrary. For implementation details and other information, refer to the Atmel QTouch
Library User Guide - also available for download from the Atmel website.

10
ATmega164A/164PA/324A/324PA/644A/644PA/1284/1284P [DATASHEET]
Atmel-8272G-AVR-01/2015
7. AVR CPU Core
7.1 Overview
This section discusses the AVR core architecture in general. The main function of the CPU core is to ensure
correct program execution. The CPU must therefore be able to access memories, perform calculations, control
peripherals, and handle interrupts.
Figure 7-1. Block diagram of the AVR architecture.
In order to maximize performance and parallelism, the AVR uses a Harvard architecture – with separate
memories and buses for program and data. Instructions in the program memory are executed with a single level
pipelining. While one instruction is being executed, the next instruction is pre-fetched from the program memory.
This concept enables instructions to be executed in every clock cycle. The program memory is In-System
Reprogrammable Flash memory.
The fast-access Register File contains 32 x 8-bit general purpose working registers with a single clock cycle
access time. This allows single-cycle Arithmetic Logic Unit (ALU) operation. In a typical ALU operation, two
Flash
Program
Memory
Instruction
Register
Instruction
Decoder
Program
Counter
Control Lines
32 x 8
General
Purpose
Registrers
ALU
Status
and Control
I/O Lines
EEPROM
Data Bus 8-bit
Data
SRAM
Direct Addressing
Indirect Addressing
Interrupt
Unit
SPI
Unit
Watchdog
Timer
Analog
Comparator
I/O Module 2
I/O Module1
I/O Module n

11
ATmega164A/164PA/324A/324PA/644A/644PA/1284/1284P [DATASHEET]
Atmel-8272G-AVR-01/2015
operands are output from the Register File, the operation is executed, and the result is stored back in the
Register File – in one clock cycle.
Six of the 32 registers can be used as three 16-bit indirect address register pointers for Data Space addressing
– enabling efficient address calculations. One of the these address pointers can also be used as an address
pointer for look up tables in Flash program memory. These added function registers are the 16-bit X-, Y-, and Z-
register, described later in this section.
The ALU supports arithmetic and logic operations between registers or between a constant and a register.
Single register operations can also be executed in the ALU. After an arithmetic operation, the Status Register is
updated to reflect information about the result of the operation.
Program flow is provided by conditional and unconditional jump and call instructions, able to directly address the
whole address space. Most AVR instructions have a single 16-bit word format. Every program memory address
contains a 16- or 32-bit instruction.
Program Flash memory space is divided in two sections, the Boot Program section and the Application Program
section. Both sections have dedicated Lock bits for write and read/write protection. The SPM instruction that
writes into the Application Flash memory section must reside in the Boot Program section.
During interrupts and subroutine calls, the return address Program Counter (PC) is stored on the Stack. The
Stack is effectively allocated in the general data SRAM, and consequently the Stack size is only limited by the
total SRAM size and the usage of the SRAM. All user programs must initialize the SP in the Reset routine
(before subroutines or interrupts are executed). The Stack Pointer (SP) is read/write accessible in the I/O space.
The data SRAM can easily be accessed through the five different addressing modes supported in the AVR
architecture.
The memory spaces in the AVR architecture are all linear and regular memory maps.
A flexible interrupt module has its control registers in the I/O space with an additional Global Interrupt Enable bit
in the Status Register. All interrupts have a separate Interrupt Vector in the Interrupt Vector table. The interrupts
have priority in accordance with their Interrupt Vector position. The lower the Interrupt Vector address, the
higher the priority.
The I/O memory space contains 64 addresses for CPU peripheral functions as Control Registers, SPI, and other
I/O functions. The I/O Memory can be accessed directly, or as the Data Space locations following those of the
Register File, 0x20 - 0x5F. In addition, the ATmega164A/164PA/324A/324PA/644A/644PA/1284/1284P has
Extended I/O space from 0x60 - 0xFF in SRAM where only the ST/STS/STD and LD/LDS/LDD instructions can
be used.
7.2 ALU – Arithmetic Logic Unit
The high-performance AVR ALU operates in direct connection with all the 32 general purpose working registers.
Within a single clock cycle, arithmetic operations between general purpose registers or between a register and
an immediate are executed. The ALU operations are divided into three main categories – arithmetic, logical, and
bit-functions. Some implementations of the architecture also provide a powerful multiplier supporting both
signed/unsigned multiplication and fractional format. See the “Instruction Set” section for a detailed description.
7.3 Status Register
The Status Register contains information about the result of the most recently executed arithmetic instruction.
This information can be used for altering program flow in order to perform conditional operations. Note that the
Status Register is updated after all ALU operations, as specified in the Instruction Set Reference. This will in
many cases remove the need for using the dedicated compare instructions, resulting in faster and more
compact code.
The Status Register is not automatically stored when entering an interrupt routine and restored when returning
from an interrupt. This must be handled by software.

12
ATmega164A/164PA/324A/324PA/644A/644PA/1284/1284P [DATASHEET]
Atmel-8272G-AVR-01/2015
7.3.1 SREG – Status Register
The AVR Status Register – SREG – is defined as:
• Bit 7 – I: Global Interrupt Enable
The Global Interrupt Enable bit must be set for the interrupts to be enabled. The individual interrupt enable
control is then performed in separate control registers. If the Global Interrupt Enable Register is cleared, none of
the interrupts are enabled independent of the individual interrupt enable settings. The I-bit is cleared by
hardware after an interrupt has occurred, and is set by the RETI instruction to enable subsequent interrupts.
The I-bit can also be set and cleared by the application with the SEI and CLI instructions, as described in the
instruction set reference.
• Bit 6 – T: Bit Copy Storage
The Bit Copy instructions BLD (Bit LoaD) and BST (Bit STore) use the T-bit as source or destination for the
operated bit. A bit from a register in the Register File can be copied into T by the BST instruction, and a bit in T
can be copied into a bit in a register in the Register File by the BLD instruction.
• Bit 5 – H: Half Carry Flag
The Half Carry Flag H indicates a Half Carry in some arithmetic operations. Half Carry Is useful in BCD
arithmetic. See the “Instruction Set Description” for detailed information.
• Bit 4 – S: Sign Bit, S = N V
The S-bit is always an exclusive or between the Negative Flag N and the Two’s Complement Overflow Flag V.
See the “Instruction Set Description” for detailed information.
• Bit 3 – V: Two’s Complement Overflow Flag
The Two’s Complement Overflow Flag V supports two’s complement arithmetic. See the “Instruction Set
Description” for detailed information.
• Bit 2 – N: Negative Flag
The Negative Flag N indicates a negative result in an arithmetic or logic operation. See the “Instruction Set
Description” for detailed information.
• Bit 1 – Z: Zero Flag
The Zero Flag Z indicates a zero result in an arithmetic or logic operation. See the “Instruction Set Description”
for detailed information.
• Bit 0 – C: Carry Flag
The Carry Flag C indicates a carry in an arithmetic or logic operation. See the “Instruction Set Description” for
detailed information.
Bit 76543210
0x3F (0x5F) I T H S V N Z C SREG
Read/Write R/W R/W R/W R/W R/W R/W R/W R/W
Initial Value00000000

13
ATmega164A/164PA/324A/324PA/644A/644PA/1284/1284P [DATASHEET]
Atmel-8272G-AVR-01/2015
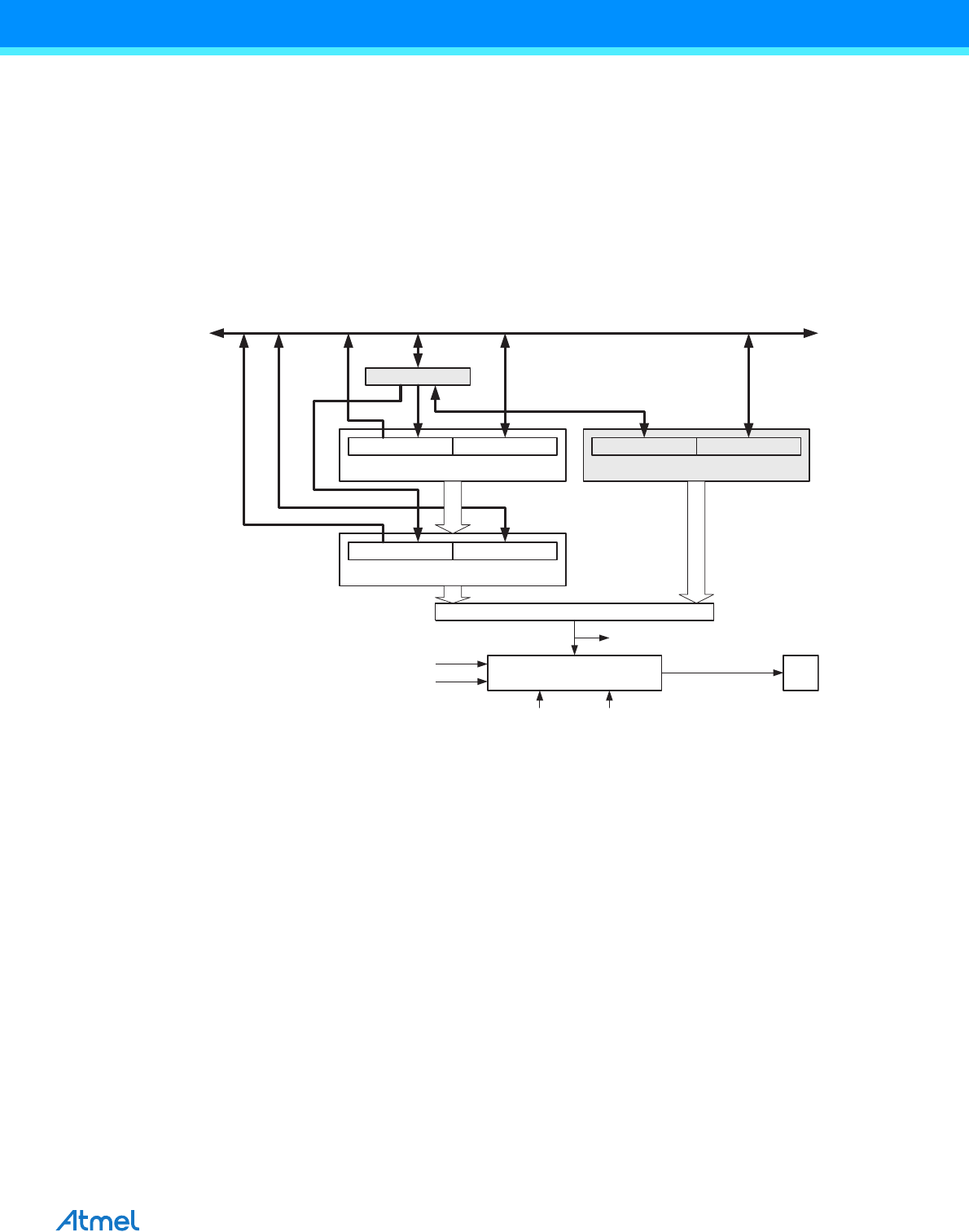
7.4 General Purpose Register File
The Register File is optimized for the AVR Enhanced RISC instruction set. In order to achieve the required
performance and flexibility, the following input/output schemes are supported by the Register File:
-One 8-bit output operand and one 8-bit result input
-Two 8-bit output operands and one 8-bit result input
-Two 8-bit output operands and one 16-bit result input
-One 16-bit output operand and one 16-bit result input
Figure 7-2 shows the structure of the 32 general purpose working registers in the CPU.
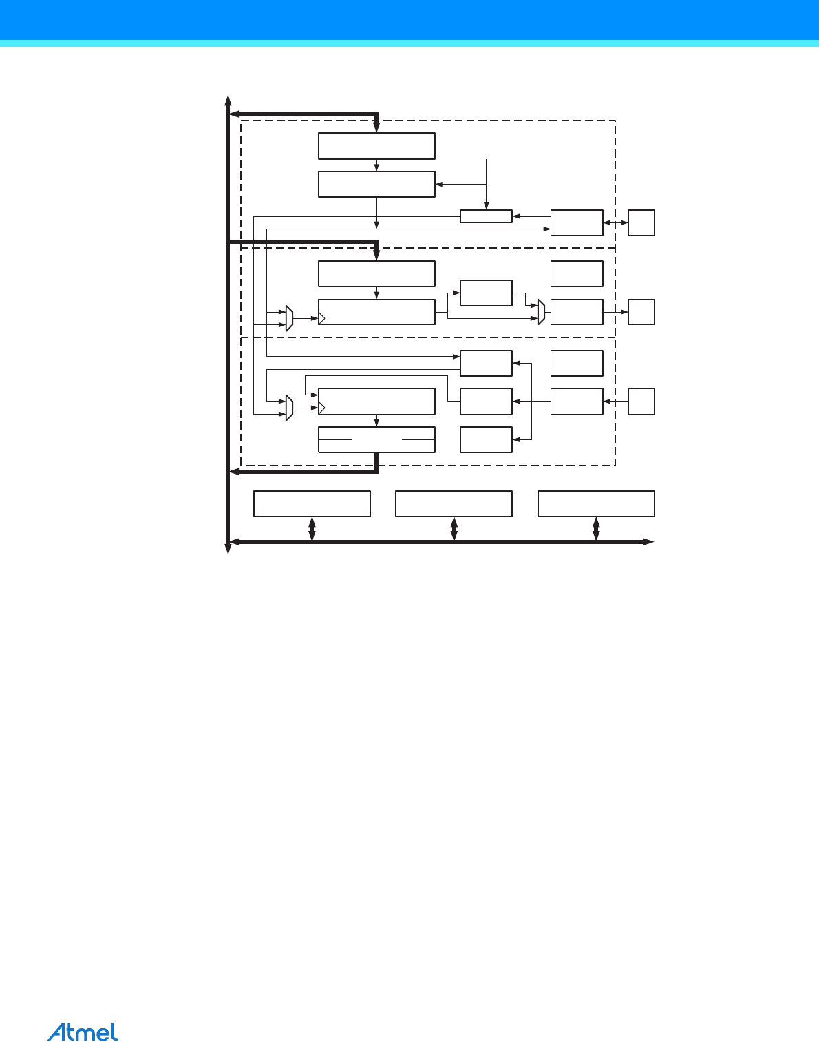
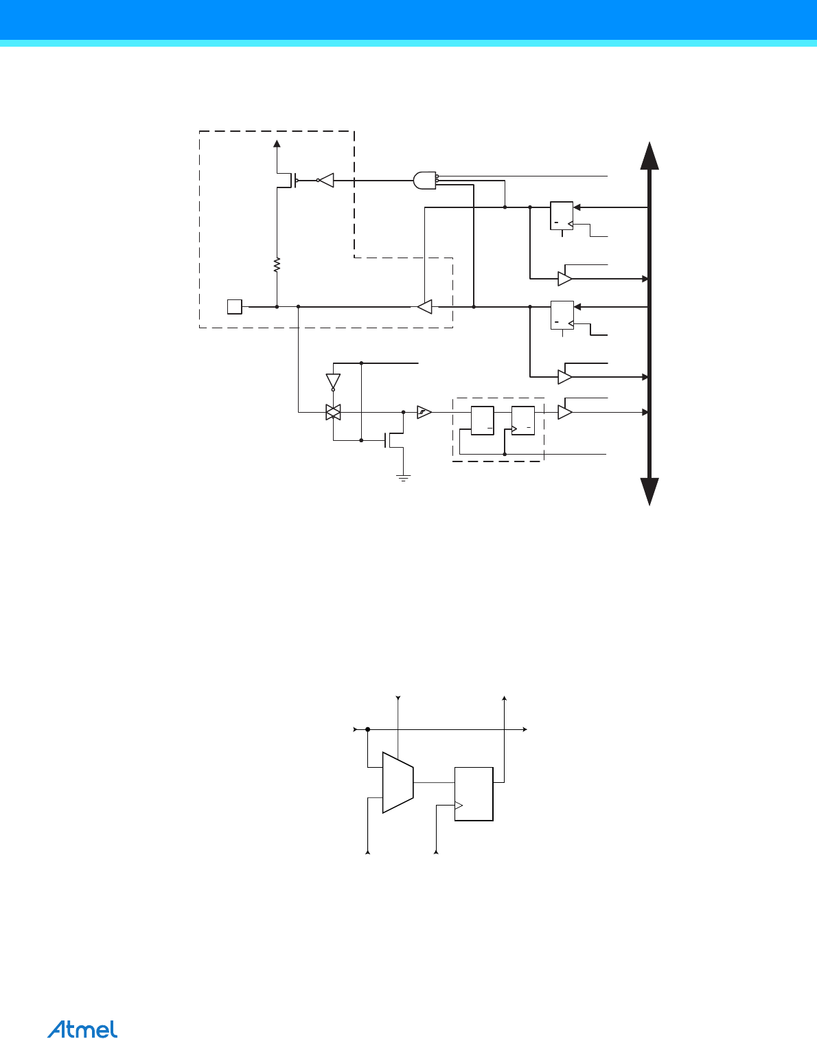
Figure 7-2. AVR CPU General Purpose Working Registers.
Most of the instructions operating on the Register File have direct access to all registers, and most of them are
single cycle instructions.
As shown in Figure 7-2, each register is also assigned a data memory address, mapping them directly into the
first 32 locations of the user Data Space. Although not being physically implemented as SRAM locations, this
memory organization provides great flexibility in access of the registers, as the X-, Y- and Z-pointer registers
can be set to index any register in the file.
7 0 Addr.
R0 0x00
R1 0x01
R2 0x02
…
R13 0x0D
General R14 0x0E
Purpose R15 0x0F
Working R16 0x10
Registers R17 0x11
…
R26 0x1A X-register Low Byte
R27 0x1B X-register High Byte
R28 0x1C Y-register Low Byte
R29 0x1D Y-register High Byte
R30 0x1E Z-register Low Byte
R31 0x1F Z-register High Byte

14
ATmega164A/164PA/324A/324PA/644A/644PA/1284/1284P [DATASHEET]
Atmel-8272G-AVR-01/2015
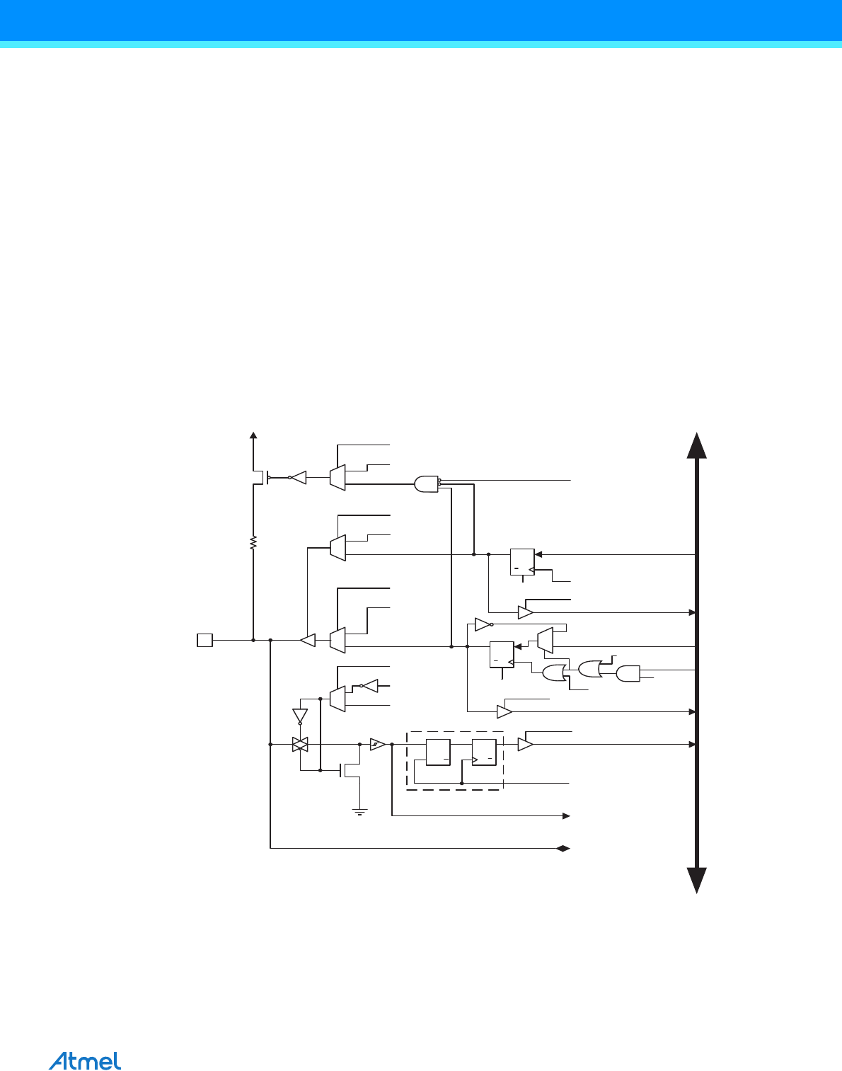
7.4.1 The X-register, Y-register, and Z-register
The registers R26..R31 have some added functions to their general purpose usage. These registers are 16-bit
address pointers for indirect addressing of the data space. The three indirect address registers X, Y, and Z are
defined as described in Figure 7-3.
Figure 7-3. The X-, Y-, and Z-registers.
In the different addressing modes these address registers have functions as fixed displacement, automatic
increment, and automatic decrement (see the instruction set reference for details).
7.5 Stack Pointer
The Stack is mainly used for storing temporary data, for storing local variables and for storing return addresses
after interrupts and subroutine calls. Note that the Stack is implemented as growing from higher to lower
memory locations. The Stack Pointer Register always points to the top of the Stack. The Stack Pointer points to
the data SRAM Stack area where the Subroutine and Interrupt Stacks are located. A Stack PUSH command will
decrease the Stack Pointer.
The Stack in the data SRAM must be defined by the program before any subroutine calls are executed or
interrupts are enabled. Initial Stack Pointer value equals the last address of the internal SRAM and the Stack
Pointer must be set to point above start of the SRAM, see Figure 8-2 on page 21.
See Table 7-1 for Stack Pointer details.
The AVR Stack Pointer is implemented as two 8-bit registers in the I/O space. The number of bits actually used
is implementation dependent, see Table 7-2 on page 15. Note that the data space in some implementations of
the AVR architecture is so small that only SPL is needed. In this case, the SPH Register will not be present.
15 XH XL 0
X-register 7 0 7 0
R27 (0x1B) R26 (0x1A)
15 YH YL 0
Y-register 7 0 7 0
R29 (0x1D) R28 (0x1C)
15 ZH ZL 0
Z-register 7 0 7 0
R31 (0x1F) R30 (0x1E)
Table 7-1. Stack Pointer instructions.
Instruction Stack pointer Description
PUSH Decremented by 1 Data is pushed onto the stack
CALL
ICALL
RCALL
Decremented by 2 Return address is pushed onto the stack with a subroutine call or
interrupt
POP Incremented by 1 Data is popped from the stack
RET
RETI
Incremented by 2 Return address is popped from the stack with return from
subroutine or return from interrupt

15
ATmega164A/164PA/324A/324PA/644A/644PA/1284/1284P [DATASHEET]
Atmel-8272G-AVR-01/2015
7.5.1 SPH and SPL – Stack Pointer High and Stack pointer Low
Note: 1. Initial values respectively for the ATmega164A/164PA/324A/324PA/644A/644PA/1284/1284P.
7.5.2 RAMPZ – Extended Z-pointer Register for ELPM/SPM(1)
For ELPM/SPM instructions, the Z-pointer is a concatenation of RAMPZ, ZH, and ZL, as shown in Figure 7-4 on
page 15. Note that LPM is not affected by the RAMPZ setting.
Figure 7-4. The Z-pointer used by ELPM and SPM.
The actual number of bits is implementation dependent. Unused bits in an implementation will always read as
zero. For compatibility with future devices, be sure to write these bits to zero.
Note: 1. RAMPZ is only valid for ATmega1284/ATmega1284P.
7.6 Instruction Execution Timing
This section describes the general access timing concepts for instruction execution. The AVR CPU is driven by
the CPU clock clkCPU, directly generated from the selected clock source for the chip. No internal clock division is
used.
Figure 7-5 on page 16 shows the parallel instruction fetches and instruction executions enabled by the Harvard
architecture and the fast-access Register File concept. This is the basic pipelining concept to obtain up to 1
MIPS per MHz with the corresponding unique results for functions per cost, functions per clocks, and functions
per power-unit.
Bit 151413121110 9 8
0x3E (0x5E) – – – SP12 SP11 SP10 SP9 SP8 SPH
0x3D (0x5D) SP7 SP6 SP5 SP4 SP3 SP2 SP1 SP0 SPL
76543210
Read/Write R R R R/W R/W R/W R/W R/W
R/W R/W R/W R/W R/W R/W R/W R/W
Initial Value 0 0 0 0/0(1) 0/1(1) 1/0(1) 00
11111111
Table 7-2. Stack Pointer size
Device Stack Pointer size
ATmega164A/ATmega164PA SP[10:0]
ATmega324A/ATmega324PA SP[11:0]
ATmega644A/ATmega644PA SP[12:0]
ATmega1284/ATmega1284P SP[13:0]
Bit 765432 1 0
0x3B (0x5B) RAMPZ7 RAMPZ6 RAMPZ5 RAMPZ4 RAMPZ3 RAMPZ2 RAMPZ1 RAMPZ0 RAMPZ
Read/Write R/W R/W R/W R/W R/W R/W R/W R/W
Initial Value 0 0 0 0 0 0 0 0
Bit (Individually) 7 0 7 0 7 0
RAMPZ ZH ZL
Bit (Z-pointer) 23 16 15 8 7 0

16
ATmega164A/164PA/324A/324PA/644A/644PA/1284/1284P [DATASHEET]
Atmel-8272G-AVR-01/2015
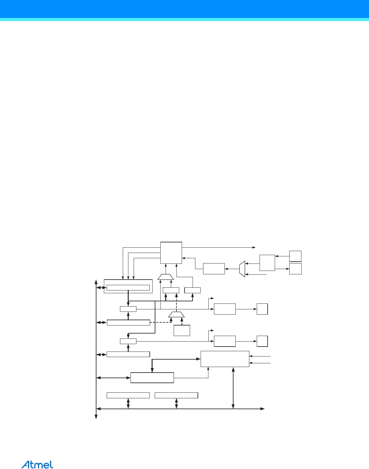
Figure 7-5. The Parallel Instruction Fetches and Instruction Executions.
Figure 7-6 shows the internal timing concept for the Register File. In a single clock cycle an ALU operation using
two register operands is executed, and the result is stored back to the destination register.
Figure 7-6. Single Cycle ALU operation.
7.7 Reset and interrupt handling
The AVR provides several different interrupt sources. These interrupts and the separate Reset Vector each
have a separate program vector in the program memory space. All interrupts are assigned individual enable bits
which must be written logic one together with the Global Interrupt Enable bit in the Status Register in order to
enable the interrupt. Depending on the Program Counter value, interrupts may be automatically disabled when
Boot Lock bits BLB02 or BLB12 are programmed. This feature improves software security. See the section
”Memory programming” on page 287 for details.
The lowest addresses in the program memory space are by default defined as the Reset and Interrupt Vectors.
The complete list of vectors is shown in ”Interrupts” on page 61. The list also determines the priority levels of the
different interrupts. The lower the address the higher is the priority level. RESET has the highest priority, and
next is INT0 – the External Interrupt Request 0. The Interrupt Vectors can be moved to the start of the Boot
Flash section by setting the IVSEL bit in the MCU Control Register (MCUCR). Refer to ”Interrupts” on page 61
for more information. The Reset Vector can also be moved to the start of the Boot Flash section by
programming the BOOTRST Fuse, see ”Memory programming” on page 287.
When an interrupt occurs, the Global Interrupt Enable I-bit is cleared and all interrupts are disabled. The user
software can write logic one to the I-bit to enable nested interrupts. All enabled interrupts can then interrupt the
current interrupt routine. The I-bit is automatically set when a Return from Interrupt instruction – RETI – is
executed.
There are basically two types of interrupts. The first type is triggered by an event that sets the Interrupt Flag. For
these interrupts, the Program Counter is vectored to the actual Interrupt Vector in order to execute the interrupt
handling routine, and hardware clears the corresponding Interrupt Flag. Interrupt Flags can also be cleared by
clk
1st Instruction Fetch
1st Instruction Execute
2nd Instruction Fetch
2nd Instruction Execute
3rd Instruction Fetch
3rd Instruction Execute
4th Instruction Fetch
T1 T2 T3 T4
CPU
Total Execution Time
Register Operands Fetch
ALU Operation Execute
Result Write Back
T1 T2 T3 T4
clkCPU

17
ATmega164A/164PA/324A/324PA/644A/644PA/1284/1284P [DATASHEET]
Atmel-8272G-AVR-01/2015
writing a logic one to the flag bit position(s) to be cleared. If an interrupt condition occurs while the
corresponding interrupt enable bit is cleared, the Interrupt Flag will be set and remembered until the interrupt is
enabled, or the flag is cleared by software. Similarly, if one or more interrupt conditions occur while the Global
Interrupt Enable bit is cleared, the corresponding Interrupt Flag(s) will be set and remembered until the Global
Interrupt Enable bit is set, and will then be executed by order of priority.
The second type of interrupts will trigger as long as the interrupt condition is present. These interrupts do not
necessarily have Interrupt Flags. If the interrupt condition disappears before the interrupt is enabled, the
interrupt will not be triggered.
When the AVR exits from an interrupt, it will always return to the main program and execute one more
instruction before any pending interrupt is served.
Note that the Status Register is not automatically stored when entering an interrupt routine, nor restored when
returning from an interrupt routine. This must be handled by software.
When using the CLI instruction to disable interrupts, the interrupts will be immediately disabled. No interrupt will
be executed after the CLI instruction, even if it occurs simultaneously with the CLI instruction. The following
example shows how this can be used to avoid interrupts during the timed EEPROM write sequence.
When using the SEI instruction to enable interrupts, the instruction following SEI will be executed before any
pending interrupts, as shown in this example.
Assembly Code Example
in r16, SREG ; store SREG
value
cli ; disable interrupts during timed
sequence
sbi EECR, EEMPE ; start
EEPROM write
sbi EECR, EEPE
out SREG, r16 ; restore
SREG value (I-bit)
C Code Example
char cSREG;
cSREG = SREG; /* store
SREG value */
/* disable interrupts during timed sequence */
__disable_interrupt();
EECR |= (1<<EEMPE); /* start EEPROM write */
EECR |= (1<<EEPE);
SREG = cSREG; /* restore SREG value (I-bit) */
Assembly Code Example
sei ; set Global Interrupt Enable
sleep ; enter sleep, waiting for interrupt
; note: will enter sleep before any pending
; interrupt(s)
C Code Example
__enable_interrupt(); /* set Global Interrupt Enable */
__sleep(); /* enter sleep, waiting for interrupt */
/* note: will enter sleep before any pending interrupt(s) */

18
ATmega164A/164PA/324A/324PA/644A/644PA/1284/1284P [DATASHEET]
Atmel-8272G-AVR-01/2015
7.7.1 Interrupt response time
The interrupt execution response for all the enabled AVR interrupts is four clock cycles minimum. After four
clock cycles the program vector address for the actual interrupt handling routine is executed. During these four
clock cycle period, the Program Counter is pushed onto the Stack. The vector is normally a jump to the interrupt
routine, and this jump takes three clock cycles. If an interrupt occurs during execution of a multi-cycle
instruction, this instruction is completed before the interrupt is served. If an interrupt occurs when the MCU is in
sleep mode, the interrupt execution response time is increased by four clock cycles. This increase comes in
addition to the start-up time from the selected sleep mode.
A return from an interrupt handling routine takes four clock cycles. During these four clock cycles, the Program
Counter (three bytes) is popped back from the Stack, the Stack Pointer is incremented by two, and the I-bit in
SREG is set.

19
ATmega164A/164PA/324A/324PA/644A/644PA/1284/1284P [DATASHEET]
Atmel-8272G-AVR-01/2015
8. AVR memories
8.1 Overview
This section describes the different memories in the Atmel
ATmega164A/164PA/324A/324PA/644A/644PA/1284/1284P. The AVR architecture has two main memory
spaces, the Data Memory and the Program Memory space. In addition, the
ATmega164A/164PA/324A/324PA/644A/644PA/1284/1284P features an EEPROM Memory for data storage.
All three memory spaces are linear and regular.
8.2 In-System Reprogrammable Flash Program Memory
The ATmega164A/164PA/324A/324PA/644A/644PA/1284/1284P contains 16/32/64/128Kbytes On-chip In-
System Reprogrammable Flash memory for program storage. Since all AVR instructions are 16 or 32 bits wide,
the Flash is organized as 32/64 x 16. For software security, the Flash Program memory space is divided into
two sections, Boot Program section and Application Program section.
The Flash memory has an endurance of at least 10,000 write/erase cycles. The
ATmega164A/164PA/324A/324PA/644A/644PA/1284/1284P Program Counter (PC) is 15/16 bits wide, thus
addressing the 32/64K program memory locations. The operation of Boot Program section and associated Boot
Lock bits for software protection are described in detail in ”Memory programming” on page 287. ”Memory
programming” on page 287 contains a detailed description on Flash data serial downloading using the SPI pins
or the JTAG interface.
Constant tables can be allocated within the entire program memory address space (see the LPM – Load
Program Memory instruction description.
Timing diagrams for instruction fetch and execution are presented in ”Instruction Execution Timing” on page 15.

20
ATmega164A/164PA/324A/324PA/644A/644PA/1284/1284P [DATASHEET]
Atmel-8272G-AVR-01/2015
Figure 8-1. Program memory map.
8.3 SRAM data memory
Figure 8-2 shows how the ATmega164A/164PA/324A/324PA/644A/644PA/1284/1284P SRAM Memory is
organized.
The ATmega164A/164PA/324A/324PA/644A/644PA/1284/1284P is a complex microcontroller with more
peripheral units than can be supported within the 64 location reserved in the Opcode for the IN and OUT
instructions. For the Extended I/O space from $060 - $FF in SRAM, only the ST/STS/STD and LD/LDS/LDD
instructions can be used.
The first 4,352 Data Memory locations address both the Register File, the I/O Memory, Extended I/O Memory,
and the internal data SRAM. The first 32 locations address the Register file, the next 64 location the standard
I/O Memory, then 160 locations of Extended I/O memory and the next 4,096 locations address the internal data
SRAM.
The five different addressing modes for the data memory cover: Direct, Indirect with Displacement, Indirect,
Indirect with Pre-decrement, and Indirect with Post-increment. In the Register file, registers R26 to R31 feature
the indirect addressing pointer registers.
The direct addressing reaches the entire data space.
The Indirect with Displacement mode reaches 63 address locations from the base address given by the Y- or Z-
register.
When using register indirect addressing modes with automatic pre-decrement and post-increment, the address
registers X, Y, and Z are decremented or incremented.
Application Flash Section
Boot Flash Section
Program Memory
0x0000
0x1FFF/0x3FFF/0x7FFF/0xFFFF

21
ATmega164A/164PA/324A/324PA/644A/644PA/1284/1284P [DATASHEET]
Atmel-8272G-AVR-01/2015
The 32 general purpose working registers, 64 I/O registers, 160 Extended I/O Registers and
the 1024/2048/4096 bytes of internal data SRAM in the Atmel
ATmega164A/164PA/324A/324PA/644A/644PA/1284/1284P are all accessible through all these addressing
modes. The Register File is described in ”General Purpose Register File” on page 13.
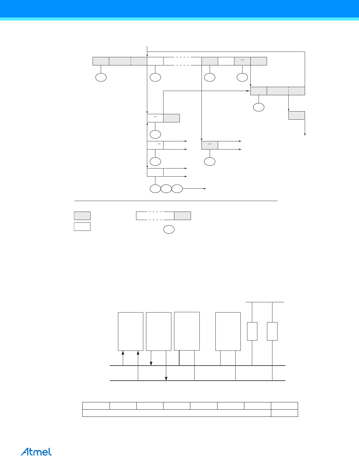
Figure 8-2. Data Memory Map for ATmega164A/164PA/324A/324PA/644A/644PA/1284/1284P.
8.3.1 Data memory access times
This section describes the general access timing concepts for internal memory access. The internal data SRAM
access is performed in two clkCPU cycles as described in Figure 8-3.
Figure 8-3. On-chip data SRAM access cycles.
32 Registers
64 I/O Registers
Internal SRAM
(
1024/2048/4096/16384x 8)
0x0000 - 0x001F
0x0020 - 0x005F
0x04FF/0x08FF/0x10FF /0x40F
F
0x0060 - 0x00FF
Data Memory
160 Ext I/O Reg. 0x0100
clk
WR
RD
Data
Data
Address Address valid
T1 T2 T3
Compute Address
Read Write
CPU
Memory Access Instruction Next Instruction

22
ATmega164A/164PA/324A/324PA/644A/644PA/1284/1284P [DATASHEET]
Atmel-8272G-AVR-01/2015
8.4 EEPROM data memory
The ATmega164A/164PA/324A/324PA/644A/644PA/1284/1284P contains 512/1K/2K/4Kbytes of data
EEPROM memory. It is organized as a separate data space, in which single bytes can be read and written. The
EEPROM has an endurance of at least 100,000 write/erase cycles. The access between the EEPROM and the
CPU is described in the following, specifying the EEPROM Address Registers, the EEPROM Data Register, and
the EEPROM Control Register.
For a detailed description of SPI, JTAG and Parallel data downloading to the EEPROM, see page 291, page
301 and page 306 respectively.
8.4.1 EEPROM Read/Write Access
The EEPROM Access Registers are accessible in the I/O space. See ”Register Description” on page 24 for
details.
The write access time for the EEPROM is given in Table 8-2 on page 26. A self-timing function, however, lets
the user software detect when the next byte can be written. If the user code contains instructions that write the
EEPROM, some precautions must be taken. In heavily filtered power supplies, VCC is likely to rise or fall slowly
on power-up/down. This causes the device for some period of time to run at a voltage lower than specified as
minimum for the clock frequency used. See Section “8.4.2” on page 22 for details on how to avoid problems in
these situations.
In order to prevent unintentional EEPROM writes, a specific write procedure must be followed. Refer to the
description of the EEPROM Control Register for details on this.
When the EEPROM is read, the CPU is halted for four clock cycles before the next instruction is executed.
When the EEPROM is written, the CPU is halted for two clock cycles before the next instruction is executed.
8.4.2 Preventing EEPROM corruption
During periods of low VCC, the EEPROM data can be corrupted because the supply voltage is too low for the
CPU and the EEPROM to operate properly. These issues are the same as for board level systems using
EEPROM, and the same design solutions should be applied.
An EEPROM data corruption can be caused by two situations when the voltage is too low. First, a regular write
sequence to the EEPROM requires a minimum voltage to operate correctly. Secondly, the CPU itself can
execute instructions incorrectly, if the supply voltage is too low.
EEPROM data corruption can easily be avoided by following this design recommendation:
Keep the AVR RESET active (low) during periods of insufficient power supply voltage. This can be done by
enabling the internal Brown-out Detector (BOD). If the detection level of the internal BOD does not match the
needed detection level, an external low VCC reset Protection circuit can be used. If a reset occurs while a write
operation is in progress, the write operation will be completed provided that the power supply voltage is
sufficient.

23
ATmega164A/164PA/324A/324PA/644A/644PA/1284/1284P [DATASHEET]
Atmel-8272G-AVR-01/2015
8.5 I/O memory
The I/O space definition of the Atmel
ATmega164A/164PA/324A/324PA/644A/644PA/1284/1284P is shown in ”Register summary” on page 628.
All ATmega164A/164PA/324A/324PA/644A/644PA/1284/1284P I/Os and peripherals are placed in the I/O
space. All I/O locations may be accessed by the LD/LDS/LDD and ST/STS/STD instructions, transferring data
between the 32 general purpose working registers and the I/O space. I/O Registers within the address range
0x00 - 0x1F are directly bit-accessible using the SBI and CBI instructions. In these registers, the value of single
bits can be checked by using the SBIS and SBIC instructions. Refer to the instruction set section for more
details. When using the I/O specific commands IN and OUT, the I/O addresses 0x00 - 0x3F must be used.
When addressing I/O Registers as data space using LD and ST instructions, 0x20 must be added to these
addresses. The ATmega164A/164PA/324A/324PA/644A/644PA/1284/1284P is a complex microcontroller with
more peripheral units than can be supported within the 64 location reserved in Opcode for the IN and OUT
instructions. For the Extended I/O space from 0x60 - 0xFF in SRAM, only the ST/STS/STD and LD/LDS/LDD
instructions can be used.
For compatibility with future devices, reserved bits should be written to zero if accessed. Reserved I/O memory
addresses should never be written.
Some of the Status Flags are cleared by writing a logical one to them. Note that, unlike most other AVRs, the
CBI and SBI instructions will only operate on the specified bit, and can therefore be used on registers containing
such Status Flags. The CBI and SBI instructions work with registers 0x00 to 0x1F only.
The I/O and peripherals control registers are explained in later sections.
The ATmega164A/164PA/324A/324PA/644A/644PA/1284/1284P contains three General Purpose I/O
Registers, see ”Register Description” on page 24. These registers can be used for storing any information, and
they are particularly useful for storing global variables and Status Flags. General Purpose I/O Registers within
the address range 0x00 - 0x1F are directly bit-accessible using the SBI, CBI, SBIS, and SBIC instructions.

24
ATmega164A/164PA/324A/324PA/644A/644PA/1284/1284P [DATASHEET]
Atmel-8272G-AVR-01/2015
8.6 Register Description
8.6.1 EEARH and EEARL – The EEPROM Address Register
• Bits 15:12 – Reserved
These bits are reserved bits in the Atmel
ATmega164A/164PA/324A/324PA/644A/644PA/1284/1284P and will always read as zero.
• Bits 11:0 – EEAR8:0: EEPROM Address
The EEPROM Address Registers – EEARH and EEARL specify the EEPROM address in the
512/1K/2K/4Kbytes EEPROM space. The EEPROM data bytes are addressed linearly between 0 and
511/1023/2047/4096. The initial value of EEAR is undefined. A proper value must be written before the
EEPROM may be accessed.
8.6.2 EEDR – The EEPROM Data Register
• Bits 7:0 – EEDR7:0: EEPROM Data
For the EEPROM write operation, the EEDR Register contains the data to be written to the EEPROM in the
address given by the EEAR Register. For the EEPROM read operation, the EEDR contains the data read out
from the EEPROM at the address given by EEAR.
8.6.3 EECR – The EEPROM Control Register
• Bits 7:6 – Reserved
These bits are reserved bits in the ATmega164A/164PA/324A/324PA/644A/644PA/1284/1284P and will always
read as zero.
• Bits 5:4 – EEPM1 and EEPM0: EEPROM Programming Mode Bits
The EEPROM Programming mode bit setting defines which programming action that will be triggered when
writing EEPE. It is possible to program data in one atomic operation (erase the old value and program the new
value) or to split the Erase and Write operations in two different operations. The Programming times for the
Bit 15141312 11 10 9 8
0x22 (0x42) –––– EEAR11 EEAR10 EEAR9 EEAR8 EEARH
0x21 (0x41) EEAR7 EEAR6 EEAR5 EEAR4 EEAR3 EEAR2 EEAR1 EEAR0 EEARL
7654 3 2 10
Read/Write R R R R R/W R/W R/W R/W
R/W R/W R/W R/W R/W R/W R/W R/W
Initial Value 0 0 0 0 X X X X
XXXXX XXX
Bit 76543210
0x20 (0x40) MSB LSB EEDR
Read/Write R/W R/W R/W R/W R/W R/W R/W R/W
Initial Value00000000
Bit 76543210
0x1F (0x3F) –– EEPM1 EEPM0 EERIE EEMPE EEPE EERE EECR
Read/Write R R R/W R/W R/W R/W R/W R/W
Initial Value 0 0 X X 0 0 X 0

25
ATmega164A/164PA/324A/324PA/644A/644PA/1284/1284P [DATASHEET]
Atmel-8272G-AVR-01/2015
different modes are shown in Table 8-1 on page 25. While EEPE is set, any write to EEPMn will be ignored.
During reset, the EEPMn bits will be reset to 0b00 unless the EEPROM is busy programming.
• Bit 3 – EERIE: EEPROM Ready Interrupt Enable
Writing EERIE to one enables the EEPROM Ready Interrupt if the I bit in SREG is set. Writing EERIE to zero
disables the interrupt. The EEPROM Ready interrupt generates a constant interrupt when EEPE is cleared.
• Bit 2 – EEMPE: EEPROM Master Programming Enable
The EEMPE bit determines whether setting EEPE to one causes the EEPROM to be written. When EEMPE is
set, setting EEPE within four clock cycles will write data to the EEPROM at the selected address If EEMPE is
zero, setting EEPE will have no effect. When EEMPE has been written to one by software, hardware clears the
bit to zero after four clock cycles. See the description of the EEPE bit for an EEPROM write procedure.
• Bit 1 – EEPE: EEPROM Programming Enable
The EEPROM Write Enable Signal EEPE is the write strobe to the EEPROM. When address and data are
correctly set up, the EEPE bit must be written to one to write the value into the EEPROM. The EEMPE bit must
be written to one before a logical one is written to EEPE, otherwise no EEPROM write takes place. The
following procedure should be followed when writing the EEPROM (the order of steps 3 and 4 is not essential):
1. Wait until EEPE becomes zero.
2. Wait until SPMEN in SPMCSR becomes zero.
3. Write new EEPROM address to EEAR (optional).
4. Write new EEPROM data to EEDR (optional).
5. Write a logical one to the EEMPE bit while writing a zero to EEPE in EECR.
6. Within four clock cycles after setting EEMPE, write a logical one to EEPE.
The EEPROM can not be programmed during a CPU write to the Flash memory. The software must check that
the Flash programming is completed before initiating a new EEPROM write. Step 2 is only relevant if the
software contains a Boot Loader allowing the CPU to program the Flash. If the Flash is never being updated by
the CPU, step 2 can be omitted. See ”Memory programming” on page 287 for details about Boot programming.
Caution: An interrupt between step 5 and step 6 will make the write cycle fail, since the EEPROM Master Write
Enable will time-out. If an interrupt routine accessing the EEPROM is interrupting another EEPROM access, the
EEAR or EEDR Register will be modified, causing the interrupted EEPROM access to fail. It is recommended to
have the Global Interrupt Flag cleared during all the steps to avoid these problems.
When the write access time has elapsed, the EEPE bit is cleared by hardware. The user software can poll this
bit and wait for a zero before writing the next byte. When EEPE has been set, the CPU is halted for two cycles
before the next instruction is executed.
Table 8-1. EEPROM Mode Bits.
EEPM1 EEPM0 Programming time Operation
0 0 3.4ms Erase and Write in one operation (Atomic Operation)
0 1 1.8ms Erase Only
1 0 1.8ms Write Only
1 1 – Reserved for future use

26
ATmega164A/164PA/324A/324PA/644A/644PA/1284/1284P [DATASHEET]
Atmel-8272G-AVR-01/2015
• Bit 0 – EERE: EEPROM Read Enable
The EEPROM Read Enable Signal EERE is the read strobe to the EEPROM. When the correct address is set
up in the EEAR Register, the EERE bit must be written to a logic one to trigger the EEPROM read. The
EEPROM read access takes one instruction, and the requested data is available immediately. When the
EEPROM is read, the CPU is halted for four cycles before the next instruction is executed.
The user should poll the EEPE bit before starting the read operation. If a write operation is in progress, it is
neither possible to read the EEPROM, nor to change the EEAR Register.
The calibrated Oscillator is used to time the EEPROM accesses. Table 8-2 on page 26 lists the typical
programming time for EEPROM access from the CPU.
Table 8-2. EEPROM programming time.
Symbol Number of calibrated RC oscillator cycles Typical programming time
EEPROM write
(from CPU) 26,368 3.3ms

27
ATmega164A/164PA/324A/324PA/644A/644PA/1284/1284P [DATASHEET]
Atmel-8272G-AVR-01/2015
The following code examples show one assembly and one C function for writing to the EEPROM. The examples
assume that interrupts are controlled (e.g. by disabling interrupts globally) so that no interrupts will occur during
execution of these functions. The examples also assume that no Flash Boot Loader is present in the software. If
such code is present, the EEPROM write function must also wait for any ongoing SPM command to finish.
Note: 1. See “About code examples” on page 9.
Assembly Code Example (1)
EEPROM_write:
; Wait for completion of previous write
sbic EECR,EEPE
rjmp EEPROM_write
; Set up address (r18:r17) in address register
out EEARH, r18
out EEARL, r17
; Write data (r16) to Data Register
out EEDR,r16
; Write logical one to EEMPE
sbi EECR,EEMPE
; Start eeprom write by setting EEPE
sbi EECR,EEPE
ret
C Code Example (1)
void EEPROM_write(unsigned int uiAddress, unsigned char ucData)
{
/* Wait for completion of previous write */
while(EECR & (1<<EEPE))
;
/* Set up address and Data Registers */
EEAR = uiAddress;
EEDR = ucData;
/* Write logical one to EEMPE */
EECR |= (1<<EEMPE);
/* Start eeprom write by setting EEPE */
EECR |= (1<<EEPE);
}

28
ATmega164A/164PA/324A/324PA/644A/644PA/1284/1284P [DATASHEET]
Atmel-8272G-AVR-01/2015
The next code examples show assembly and C functions for reading the EEPROM. The examples assume that
interrupts are controlled so that no interrupts will occur during execution of these functions.
Note: 1. See “About code examples” on page 9.
Assembly Code Example (1)
EEPROM_read:
; Wait for completion of previous write
sbic EECR,EEPE
rjmp EEPROM_read
; Set up address (r18:r17) in address register
out EEARH, r18
out EEARL, r17
; Start eeprom read by writing EERE
sbi EECR,EERE
; Read data from Data Register
in r16,EEDR
ret
C Code Example (1)
unsigned char EEPROM_read(unsigned int uiAddress)
{
/* Wait for completion of previous write */
while(EECR & (1<<EEPE))
;
/* Set up address register */
EEAR = uiAddress;
/* Start eeprom read by writing EERE */
EECR |= (1<<EERE);
/* Return data from Data Register */
return EEDR;
}

29
ATmega164A/164PA/324A/324PA/644A/644PA/1284/1284P [DATASHEET]
Atmel-8272G-AVR-01/2015
8.6.4 GPIOR2 – General Purpose I/O Register 2
8.6.5 GPIOR1 – General Purpose I/O Register 1
8.6.6 GPIOR0 – General Purpose I/O Register 0
Note: 1. SRWn1 = SRW11 (upper sector) or SRW01 (lower sector), SRWn0 = SRW10 (upper sector) or SRW00 (lower
sector). The ALE pulse in period T4 is only present if the next instruction accesses the RAM (internal or
external).
Bit 76543210
0x2B (0x4B) MSB LSB GPIOR2
Read/Write R/W R/W R/W R/W R/W R/W R/W R/W
Initial Value00000000
Bit 76543210
0x2A (0x4A) MSB LSB GPIOR1
Read/Write R/W R/W R/W R/W R/W R/W R/W R/W
Initial Value00000000
Bit 76543210
0x1E (0x3E) MSB LSB GPIOR0
Read/Write R/W R/W R/W R/W R/W R/W R/W R/W
Initial Value00000000

30
ATmega164A/164PA/324A/324PA/644A/644PA/1284/1284P [DATASHEET]
Atmel-8272G-AVR-01/2015
9. System clock and clock options
9.1 Clock systems and their distribution
Figure 9-1 presents the principal clock systems in the AVR and their distribution. All of the clocks need not be
active at a given time. In order to reduce power consumption, the clocks to modules not being used can be
halted by using different sleep modes, as described in ”Power management and sleep modes” on page 42. The
clock systems are detailed below.
Figure 9-1. Clock distribution.
9.1.1 CPU Clock – clkCPU
The CPU clock is routed to parts of the system concerned with operation of the AVR core. Examples of such
modules are the General Purpose Register File, the Status Register and the data memory holding the Stack
Pointer. Halting the CPU clock inhibits the core from performing general operations and calculations.
9.1.2 I/O Clock – clkI/O
The I/O clock is used by the majority of the I/O modules, like Timer/Counters, SPI, and USART. The I/O clock is
also used by the External Interrupt module, but note that some external interrupts are detected by asynchronous
logic, allowing such interrupts to be detected even if the I/O clock is halted. Also note that start condition
detection in the USI module is carried out asynchronously when clkI/O is halted, TWI address recognition in all
sleep modes.
General I/O
Modules
Asynchronous
Timer/Counter CPU Core RAM
clk
I/O
clk
ASY
AVR Clock
Control Unit
clk
CPU
Flash and
EEPROM
clk
FLASH
Source clock
Watchdog Timer
Watchdog
Oscillator
Reset Logic
Clock
Multiplexer
Watchdog clock
Calibrated RC
Oscillator
Timer/Counter
Oscillator Crystal
Oscillator Low-frequency
Crystal Oscillator
External Clock
ADC
clk
ADC
System Clock
Prescaler

31
ATmega164A/164PA/324A/324PA/644A/644PA/1284/1284P [DATASHEET]
Atmel-8272G-AVR-01/2015
9.1.3 Flash Clock – clkFLASH
The Flash clock controls operation of the Flash interface. The Flash clock is usually active simultaneously with
the CPU clock.
9.1.4 Asynchronous Timer Clock – clkASY
The Asynchronous Timer clock allows the Asynchronous Timer/Counter to be clocked directly from an external
clock or an external 32kHz clock crystal. The dedicated clock domain allows using this Timer/Counter as a real-
time counter even when the device is in sleep mode.
9.1.5 ADC Clock – clkADC
The ADC is provided with a dedicated clock domain. This allows halting the CPU and I/O clocks in order to
reduce noise generated by digital circuitry. This gives more accurate ADC conversion results.
9.2 Clock Sources
The device has the following clock source options, selectable by Flash Fuse bits as shown below. The clock
from the selected source is input to the AVR clock generator, and routed to the appropriate modules.
Note: 1. For all fuses “1” means unprogrammed while “0” means programmed.
9.2.1 Default Clock Source
The device is shipped with internal RC oscillator at 8.0MHz and with the fuse CKDIV8 programmed, resulting in
1.0MHz system clock. The startup time is set to maximum and time-out period enabled. (CKSEL = "0010", SUT
= "10", CKDIV8 = "0"). The default setting ensures that all users can make their desired clock source setting
using any available programming interface.
9.2.2 Clock Startup Sequence
Any clock source needs a sufficient VCC to start oscillating and a minimum number of oscillating cycles before it
can be considered stable.
To ensure sufficient VCC, the device issues an internal reset with a time-out delay (tTOUT) after the device reset is
released by all other reset sources. ”On-chip Debug System” on page 46 describes the start conditions for the
internal reset. The delay (tTOUT) is timed from the Watchdog Oscillator and the number of cycles in the delay is
set by the SUTx and CKSELx fuse bits. The selectable delays are shown in Table 9-2. The frequency of the
Watchdog Oscillator is voltage dependent as shown in ”Typical characteristics -TA = -40°C to 85°C” on page
336.
Table 9-1. Device clocking options select (1).
Device Clocking Option CKSEL3..0
Low Power Crystal Oscillator 1111 - 1000
Full Swing Crystal Oscillator 0111 - 0110
Low Frequency Crystal Oscillator 0101 - 0100
Internal 128kHz RC Oscillator 0011
Calibrated Internal RC Oscillator 0010
External Clock 0000
Reserved 0001

32
ATmega164A/164PA/324A/324PA/644A/644PA/1284/1284P [DATASHEET]
Atmel-8272G-AVR-01/2015
Main purpose of the delay is to keep the AVR in reset until it is supplied with minimum Vcc. The delay will not
monitor the actual voltage and it will be required to select a delay longer than the Vcc rise time. If this is not
possible, an internal or external Brown-Out Detection circuit should be used. A BOD circuit will ensure sufficient
Vcc before it releases the reset, and the time-out delay can be disabled. Disabling the time-out delay without
utilizing a Brown-Out Detection circuit is not recommended.
The oscillator is required to oscillate for a minimum number of cycles before the clock is considered stable. An
internal ripple counter monitors the oscillator output clock, and keeps the internal reset active for a given
number of clock cycles. The reset is then released and the device will start to execute. The recommended
oscillator start-up time is dependent on the clock type, and varies from 6 cycles for an externally applied clock to
32K cycles for a low frequency crystal.
The start-up sequence for the clock includes both the time-out delay and the start-up time when the device
starts up from reset. When starting up from Power-save or Power-down mode, Vcc is assumed to be at a
sufficient level and only the start-up time is included.
9.2.3 Clock source connections
The pins XTAL1 and XTAL2 are input and output, respectively, of an inverting amplifier which can be configured
for use as an On-chip Oscillator, as shown in Figure 9-2 on page 32. Either a quartz crystal or a ceramic
resonator may be used.
C1 and C2 should always be equal for both crystals and resonators. The optimal value of the capacitors
depends on the crystal or resonator in use, the amount of stray capacitance, and the electromagnetic noise of
the environment. For ceramic resonators, the capacitor values given by the manufacturer should be used.
Figure 9-2. Crystal oscillator connections.
Table 9-2. Number of Watchdog Oscillator Cycles.
Typical time-out (VCC = 5.0V) Typical time-out (VCC = 3.0V) Number of cycles
0ms 0ms 0
4.1ms 4.3ms 512
65ms 69ms 8K (8,192)
XTAL2
XTAL1
GND
C2
C1

33
ATmega164A/164PA/324A/324PA/644A/644PA/1284/1284P [DATASHEET]
Atmel-8272G-AVR-01/2015
9.3 Low Power Crystal Oscillator
This Crystal Oscillator is a low power oscillator, with reduced voltage swing on the XTAL2 output. It gives the
lowest power consumption, but is not capable of driving other clock inputs, and may be more susceptible to
noise in noisy environments. In these cases, refer to the ”Full swing Crystal Oscillator” on page 34.
Some initial guidelines for choosing capacitors for use with crystals are given in Table 9-3. The crystal should be
connected as described in ”Clock source connections” on page 32.
The Low Power Oscillator can operate in three different modes, each optimized for a specific frequency range.
The operating mode is selected by the fuses CKSEL3..1 as shown in Table 9-3.
Notes: 1. If the crystal frequency exceeds the specification of the device (depends on VCC), the CKDIV8 Fuse can be
programmed in order to divide the internal frequency by 8. It must be ensured that the resulting divided clock
meets the frequency specification of the device.
2. This is the recommended CKSEL settings for the different frequency ranges.
3. This option should not be used with crystals, only with ceramic resonators.
The CKSEL0 Fuse together with the SUT1..0 Fuses select the start-up times as shown in Table 9-4.
Notes: 1. These options should only be used when not operating close to the maximum frequency of the device, and
only if frequency stability at start-up is not important for the application. These options are not suitable for
crystals.
Table 9-3. Low Power Crystal Oscillator Operating Modes (1).
Frequency Range [MHz] CKSEL3..1 (2) Recommended Range for Capacitors C1 and C2 [pF]
0.4 - 0.9 100 (3) –
0.9 - 3.0 101 12 - 22
3.0 - 8.0 110 12 - 22
8.0 - 16.0 111 12 - 22
Table 9-4. Start-up Times for the Low Power Crystal Oscillator Clock Selection.
Oscillator source /
power conditions
Start-up time from
power-down and
power-save
Additional delay
from reset
(VCC = 5.0V) CKSEL0 SUT1..0
Ceramic resonator, fast
rising power 258CK 14CK + 4.1ms(1) 000
Ceramic resonator, slowly
rising power 258CK 14CK + 65ms(1) 001
Ceramic resonator, BOD
enabled 1K CK 14CK(2) 010
Ceramic resonator, fast
rising power 1K CK 14CK + 4.1ms(2) 011
Ceramic resonator, slowly
rising power 1K CK 14CK + 65ms(2) 100
Crystal Oscillator, BOD
enabled 16K CK 14CK 101
Crystal Oscillator, fast
rising power 16K CK 14CK + 4.1ms 110
Crystal Oscillator, slowly
rising power 16K CK 14CK + 65ms 111

34
ATmega164A/164PA/324A/324PA/644A/644PA/1284/1284P [DATASHEET]
Atmel-8272G-AVR-01/2015
2. These options are intended for use with ceramic resonators and will ensure frequency stability at start-up. They
can also be used with crystals when not operating close to the maximum frequency of the device, and if
frequency stability at start-up is not important for the application.
9.4 Full swing Crystal Oscillator
This Crystal Oscillator is a full swing oscillator, with rail-to-rail swing on the XTAL2 output. This is useful for
driving other clock inputs and in noisy environments. The current consumption is higher than the ”Low Power
Crystal Oscillator” on page 33. Note that the Full Swing Crystal Oscillator will only operate for Vcc = 2.7 - 5.5
volts.
Some initial guidelines for choosing capacitors for use with crystals are given in Table 9-6. The crystal should be
connected as described in ”Clock source connections” on page 32.
The operating mode is selected by the fuses CKSEL3..1 as shown in Table 9-5.
Notes: 1. If the crystal frequency exceeds the specification of the device (depends on VCC), the CKDIV8 Fuse can be
programmed in order to divide the internal frequency by 8. It must be ensured that the resulting divided clock
meets the frequency specification of the device.
Notes: 1. These options should only be used when not operating close to the maximum frequency of the device, and
only if frequency stability at start-up is not important for the application. These options are not suitable for
crystals.
2. These options are intended for use with ceramic resonators and will ensure frequency stability at start-up. They
can also be used with crystals when not operating close to the maximum frequency of the device, and if
frequency stability at start-up is not important for the application.
Table 9-5. Full Swing Crystal Oscillator Operating Modes.
Frequency range (1) [MHz] CKSEL3..1 Recommended Range for Capacitors C1 and C2 [pF]
0.4 - 20 011 12 - 22
Table 9-6. Start-up times for the Full Swing Crystal Oscillator Clock Selection.
Oscillator source /
power conditions
Start-up time from
power-down and
power-save
Additional delay
from reset
(VCC = 5.0V) CKSEL0 SUT1..0
Ceramic resonator,
fast rising power 258CK 14CK + 4.1ms(1) 000
Ceramic resonator,
slowly rising power 258CK 14CK + 65ms(1) 001
Ceramic resonator,
BOD enabled 1K CK 14CK(2) 010
Ceramic resonator,
fast rising power 1K CK 14CK + 4.1ms(2) 011
Ceramic resonator,
slowly rising power 1K CK 14CK + 65ms(2) 100
Crystal Oscillator,
BOD enabled 16K CK 14CK 101
Crystal Oscillator,
fast rising power 16K CK 14CK + 4.1ms 110
Crystal Oscillator,
slowly rising power 16K CK 14CK + 65ms 111

35
ATmega164A/164PA/324A/324PA/644A/644PA/1284/1284P [DATASHEET]
Atmel-8272G-AVR-01/2015
9.5 Low Frequency Crystal Oscillator
The Low-frequency Crystal Oscillator is optimized for use with a 32.768kHz watch crystal. When selecting
crystals, load capacitance and crystal’s Equivalent Series Resistance, ESR must be taken into consideration.
Both values are specified by the crystal vendor. Atmel
ATmega164A/164PA/324A/324PA/644A/644PA/1284/1284P oscillator is optimized for very low power
consumption, and thus when selecting crystals, see Table 9-7 on page 35 for maximum ESR recommendations
on 9pF and 12.5pF crystals.
Note: 1. Maximum ESR is typical value based on characterization.
The Low-frequency Crystal Oscillator provides an internal load capacitance, see Table on page 35 at each
TOSC pin.
The capacitance (Ce + Ci) needed at each TOSC pin can be calculated by using:
where:
Ce - is optional external capacitors as described in Figure 9-2 on page 32
Ci - is the pin capacitance in Table 9-8 on page 35
CL - is the load capacitance for a 32.768kHz crystal specified by the crystal vendor.
CS - is the total stray capacitance for one TOSC pin.
Crystals specifying load capacitance (CL) higher than the ones given in the Table 9-8 on page 35, require
external capacitors applied as described in Figure 9-2 on page 32.
Figure 9-3. Crystal oscillator connections.
Crystals specifying load capacitance (CL) higher than listed in Table 9-8 on page 35, require external capacitors
applied as described in Figure 9-2 on page 32.
To find suitable load capacitance for a 32.768kHz crysal, please consult the crystal datasheet.
Table 9-7. Maximum ESR Recommendation for 32.768kHz Watch Crystal.
Crystal CL [pF] Max ESR [k](1)
9.0 65
12.5 30
Table 9-8. Capacitance for Low-frequency oscillator.
Device 32kHz osc. type Cap (Xtal1/Tosc1) Cap (Xtal2/Tosc2)
ATmega164A/164PA/324A/324PA/
644A/644PA/1284/1284P
System osc. 18pF 8pF
Timer osc. 6pF 6pF
Ce Ci+2CLCs
–=

36
ATmega164A/164PA/324A/324PA/644A/644PA/1284/1284P [DATASHEET]
Atmel-8272G-AVR-01/2015
When this oscillator is selected, start-up times are determined by the SUT Fuses and CKSEL0 as shown in
Table 9-9.
Note: 1. These options should only be used if frequency stability at start-up is not important for the application.
9.6 Calibrated Internal RC Oscillator
By default, the Internal RC Oscillator provides an approximate 8MHz clock. Though voltage and temperature
dependent, this clock can be very accurately calibrated by the user. See Table 28-10 on page 325 and ”Internal
oscillator speed” on page 381 and page 433 for more details. The device is shipped with the CKDIV8 Fuse
programmed. See ”System Clock Prescaler” on page 39 for more details.
This clock may be selected as the system clock by programming the CKSEL Fuses as shown in Table 9-10. If
selected, it will operate with no external components. During reset, hardware loads the pre-programmed
calibration value into the OSCCAL Register and thereby automatically calibrates the RC Oscillator. The
accuracy of this calibration is shown as Factory calibration in Table 28-10 on page 325.
By changing the OSCCAL register from SW, see ”OSCCAL – Oscillator Calibration Register” on page 40, it is
possible to get a higher calibration accuracy than by using the factory calibration. The accuracy of this
calibration is shown as User calibration in Table 28-10 on page 325.
When this Oscillator is used as the chip clock, the Watchdog Oscillator will still be used for the Watchdog Timer
and for the Reset Time-out. For more information on the pre-programmed calibration value, see the section
”Calibration byte” on page 290.
Notes: 1. The device is shipped with this option selected.
2. If 8MHz frequency exceeds the specification of the device (depends on VCC), the CKDIV8 Fuse can be
programmed in order to divide the internal frequency by 8.
Table 9-9. Start-up times for the Low Frequency Crystal Oscillator Clock Selection.
Power conditions
Start-up time from
power-down and
power-save
Additional delay
from reset
(VCC = 5.0V) CKSEL0 SUT1..0
BOD enabled 1K CK 14CK(1) 000
Fast rising power 1K CK 14CK + 4.1ms(1) 001
Slowly rising power 1K CK 14CK + 65ms(1) 010
Reserved 011
BOD enabled 32K CK 14CK 100
Fast rising power 32K CK 14CK + 4.1ms 101
Slowly rising power 32K CK 14CK + 65ms 110
Reserved 111
Table 9-10. Internal Calibrated RC Oscillator Operating Modes.
Frequency range (2) [MHz] CKSEL3..0
7.3 - 8.1 0010 (1)

37
ATmega164A/164PA/324A/324PA/644A/644PA/1284/1284P [DATASHEET]
Atmel-8272G-AVR-01/2015
When this Oscillator is selected, start-up times are determined by the SUT Fuses as shown in Table 9-11 on
page 37.
Note: 1. The device is shipped with this option selected.
9.7 128kHz internal oscillator
The 128kHz internal Oscillator is a low power Oscillator providing a clock of 128kHz. The frequency is nominal
at 3V and 25C. This clock may be select as the system clock by programming the CKSEL Fuses to “0011” as
shown in Table 9-12.
Note: 1. Note that the 128kHz oscillator is a very low power clock source, and is not designed for high accuracy.
When this clock source is selected, start-up times are determined by the SUT Fuses as shown in Table 9-13.
Table 9-11. Start-up times for the Internal Calibrated RC Oscillator clock selection.
Power conditions
Start-up time from power-
down and power-save
Additional delay from
reset (VCC = 5.0V) SUT1..0
BOD enabled 6CK 14CK 00
Fast rising power 6CK 14CK + 4.1ms 01
Slowly rising power 6CK 14CK + 65ms 10(1)
Reserved 11
Table 9-12. 128kHz Internal Oscillator Operating Modes (2).
Nominal frequency CKSEL3..0
128kHz 0011
Table 9-13. Start-up times for the 128kHz internal oscillator.
Power conditions
Start-up time from power-
down and power-save
Additional delay from
reset SUT1..0
BOD enabled 6CK 14CK 00
Fast rising power 6CK 14CK + 4ms 01
Slowly rising power 6CK 14CK + 64ms 10
Reserved 11

38
ATmega164A/164PA/324A/324PA/644A/644PA/1284/1284P [DATASHEET]
Atmel-8272G-AVR-01/2015
9.8 External clock
To drive the device from an external clock source, XTAL1 should be driven as shown in Figure 9-4. To run the
device on an external clock, the CKSEL Fuses must be programmed to “0000”.
Figure 9-4. External clock drive configuration.
When this clock source is selected, start-up times are determined by the SUT Fuses as shown in Table 9-15.
When applying an external clock, it is required to avoid sudden changes in the applied clock frequency to
ensure stable operation of the MCU. A variation in frequency of more than 2% from one clock cycle to the next
can lead to unpredictable behavior. If changes of more than 2% is required, ensure that the MCU is kept in
Reset during the changes.
Note that the System Clock Prescaler can be used to implement run-time changes of the internal clock
frequency while still ensuring stable operation. Refer to ”System Clock Prescaler” on page 39 for details.
9.9 Timer/Counter Oscillator
Atmel ATmega164A/164PA/324A/324PA/644A/644PA/1284/1284P uses the same type of crystal oscillator for
Low-frequency Crystal Oscillator and Timer/Counter Oscillator. See ”Low Frequency Crystal Oscillator” on page
35 for details on the oscillator and crystal requirements.
The device can operate its Timer/Counter2 from an external 32.768kHz watch crystal or a external clock source.
See ”Clock source connections” on page 32 for details.
Applying an external clock source to TOSC1 can be done if EXTCLK in the ASSR Register is written to logic
one. See ”The Output Compare Register B contains an 8-bit value that is continuously compared with the
counter value (TCNT2). A match can be used to generate an Output Compare interrupt, or to generate a
Table 9-14. Crystal oscillator clock frequency.
Nominal frequency CKSEL3..0
0 - 20MHz 0000
Table 9-15. Start-up rimes for the external clock selection.
Power conditions
Start-up time from power-
down and power-save
Additional delay from
reset (VCC = 5.0V) SUT1..0
BOD enabled 6CK 14CK 00
Fast rising power 6CK 14CK + 4.1ms 01
Slowly rising power 6CK 14CK + 65ms 10
Reserved 11
NC
EXTERNAL
CLOCK
SIGNAL
XTAL2
XTAL1
GND

39
ATmega164A/164PA/324A/324PA/644A/644PA/1284/1284P [DATASHEET]
Atmel-8272G-AVR-01/2015
waveform output on the OC2B pin.” on page 155 for further description on selecting external clock as input
instead of a 32.768kHz watch crystal.
9.10 Clock Output Buffer
The device can output the system clock on the CLKO pin. To enable the output, the CKOUT Fuse has to be
programmed. This mode is suitable when the chip clock is used to drive other circuits on the system. The clock
also will be output during reset, and the normal operation of I/O pin will be overridden when the fuse is
programmed. Any clock source, including the internal RC Oscillator, can be selected when the clock is output on
CLKO. If the System Clock Prescaler is used, it is the divided system clock that is output.
9.11 System Clock Prescaler
The ATmega164A/164PA/324A/324PA/644A/644PA/1284/1284P has a system clock prescaler, and the system
clock can be divided by setting the ”CLKPR – Clock Prescale Register” on page 40. This feature can be used to
decrease the system clock frequency and the power consumption when the requirement for processing power is
low. This can be used with all clock source options, and it will affect the clock frequency of the CPU and all
synchronous peripherals. clkI/O, clkADC, clkCPU, and clkFLASH are divided by a factor as shown in Table 9-16 on
page 41.
When switching between prescaler settings, the System Clock Prescaler ensures that no glitches occurs in the
clock system. It also ensures that no intermediate frequency is higher than neither the clock frequency
corresponding to the previous setting, nor the clock frequency corresponding to the new setting.
The ripple counter that implements the prescaler runs at the frequency of the undivided clock, which may be
faster than the CPU's clock frequency. Hence, it is not possible to determine the state of the prescaler - even if
it were readable, and the exact time it takes to switch from one clock division to the other cannot be exactly
predicted. From the time the CLKPS values are written, it takes between T1 + T2 and T1 + 2 × T2 before the
new clock frequency is active. In this interval, 2 active clock edges are produced. Here, T1 is the previous clock
period, and T2 is the period corresponding to the new prescaler setting.
To avoid unintentional changes of clock frequency, a special write procedure must be followed to change the
CLKPS bits:
1. Write the Clock Prescaler Change Enable (CLKPCE) bit to one and all other bits in CLKPR to zero.
2. Within four cycles, write the desired value to CLKPS while writing a zero to CLKPCE.
Interrupts must be disabled when changing prescaler setting to make sure the write procedure is not interrupted.

40
ATmega164A/164PA/324A/324PA/644A/644PA/1284/1284P [DATASHEET]
Atmel-8272G-AVR-01/2015
9.12 Register description
9.12.1 OSCCAL – Oscillator Calibration Register
• Bits 7:0 – CAL7:0: Oscillator Calibration Value
The Oscillator Calibration Register is used to trim the Calibrated Internal RC Oscillator to remove process
variations from the oscillator frequency. A pre-programmed calibration value is automatically written to this
register during chip reset, giving the Factory calibrated frequency as specified in Table 28-10 on page 325. The
application software can write this register to change the oscillator frequency. The oscillator can be calibrated to
frequencies as specified in Table 28-10 on page 325. Calibration outside that range is not guaranteed.
Note that this oscillator is used to time EEPROM and Flash write accesses, and these write times will be
affected accordingly. If the EEPROM or Flash are written, do not calibrate to more than 8.8MHz. Otherwise, the
EEPROM or Flash write may fail.
The CAL7 bit determines the range of operation for the oscillator. Setting this bit to 0 gives the lowest frequency
range, setting this bit to 1 gives the highest frequency range. The two frequency ranges are overlapping, in other
words a setting of OSCCAL = 0x7F gives a higher frequency than OSCCAL = 0x80.
The CAL6..0 bits are used to tune the frequency within the selected range. A setting of 0x00 gives the lowest
frequency in that range, and a setting of 0x7F gives the highest frequency in the range.
9.12.2 CLKPR – Clock Prescale Register
• Bit 7 – CLKPCE: Clock Prescaler Change Enable
The CLKPCE bit must be written to logic one to enable change of the CLKPS bits. The CLKPCE bit is only
updated when the other bits in CLKPR are simultaneously written to zero. CLKPCE is cleared by hardware four
cycles after it is written or when CLKPS bits are written. Rewriting the CLKPCE bit within this time-out period
does neither extend the time-out period, nor clear the CLKPCE bit.
• Bits 3:0 – CLKPS3:0: Clock Prescaler Select Bits 3 - 0
These bits define the division factor between the selected clock source and the internal system clock. These bits
can be written run-time to vary the clock frequency to suit the application requirements. As the divider divides
the master clock input to the MCU, the speed of all synchronous peripherals is reduced when a division factor is
used. The division factors are given in Table 9-16 on page 41.
The CKDIV8 Fuse determines the initial value of the CLKPS bits. If CKDIV8 is unprogrammed, the CLKPS bits
will be reset to “0000”. If CKDIV8 is programmed, CLKPS bits are reset to “0011”, giving a division factor of 8 at
start up. This feature should be used if the selected clock source has a higher frequency than the maximum
frequency of the device at the present operating conditions. Note that any value can be written to the CLKPS
bits regardless of the CKDIV8 Fuse setting. The Application software must ensure that a sufficient division factor
Bit 76543210
(0x66) CAL7 CAL6 CAL5 CAL4 CAL3 CAL2 CAL1 CAL0 OSCCAL
Read/Write R/W R/W R/W R/W R/W R/W R/W R/W
Initial Value Device Specific Calibration Value
Bit 76543210
(0x61) CLKPCE – – – CLKPS3 CLKPS2 CLKPS1 CLKPS0 CLKPR
Read/Write R/W R R R R/W R/W R/W R/W
Initial Value 0 0 0 0 See Bit Description

41
ATmega164A/164PA/324A/324PA/644A/644PA/1284/1284P [DATASHEET]
Atmel-8272G-AVR-01/2015
is chosen if the selected clock source has a higher frequency than the maximum frequency of the device at the
present operating conditions. The device is shipped with the CKDIV8 Fuse programmed.
Table 9-16. Clock prescaler select.
CLKPS3 CLKPS2 CLKPS1 CLKPS0 Clock division factor
0000 1
0001 2
0010 4
0011 8
0100 16
0101 32
0110 64
0111 128
1000 256
1001 Reserved
1010 Reserved
1011 Reserved
1100 Reserved
1101 Reserved
1110 Reserved
1111 Reserved

42
ATmega164A/164PA/324A/324PA/644A/644PA/1284/1284P [DATASHEET]
Atmel-8272G-AVR-01/2015
10. Power management and sleep modes
10.1 Overview
Sleep modes enable the application to shut down unused modules in the MCU, thereby saving power. The AVR
provides various sleep modes allowing the user to tailor the power consumption to the application’s
requirements.
When enabled, the Brown-out Detector (BOD) actively monitors the power supply voltage during the sleep
periods. To further save power, it is possible to disable the BOD in some sleep modes. See ”BOD disable(1)” on
page 43 for more details.
10.2 Sleep Modes
Figure 9-1 on page 30 presents the different clock systems in the Atmel
ATmega164A/164PA/324A/324PA/644A/644PA/1284/1284P, and their distribution. The figure is helpful in
selecting an appropriate sleep mode. Table 10-1 shows the different sleep modes, their wake up sources and
BOD disable ability.
Notes: 1. Only recommended with external crystal or resonator selected as clock source.
2. If Timer/Counter2 is running in asynchronous mode.
To enter any of the sleep modes, the SE bit in SMCR must be written to logic one and a SLEEP instruction must
be executed. The SM2, SM1, and SM0 bits in the SMCR Register select which sleep mode will be activated by
the SLEEP instruction. See Table 10-2 on page 47 for a summary.
If an enabled interrupt occurs while the MCU is in a sleep mode, the MCU wakes up. The MCU is then halted for
four cycles in addition to the start-up time, executes the interrupt routine, and resumes execution from the
instruction following SLEEP. The contents of the Register File and SRAM are unaltered when the device wakes
up from sleep. If a reset occurs during sleep mode, the MCU wakes up and executes from the Reset Vector.
Table 10-1. Active Clock Domains and Wake-up Sources in the Different Sleep Modes.
Active Clock Domains Oscillators Wake-up Sources
Software
BOD Disdable
Sleep Mode
clkCPU
clkFLASH
clkIO
clkADC
clkASY
Main Clock
Source
Timer Osc
Enabled
INT2:0 and
TWI Address
Timer2
SPM/
ADC
WDT Interrupt
Other I/O
Idle X X X X X(2) XXXXXXX
ADCNRM X X X X(2) X X X(
2) XXX
Power-down X X X X
Power-save X X(2) X X X X X
Standby(1) X X X X X
Extended
Standby
X(
2) X X(2) X X X X X

43
ATmega164A/164PA/324A/324PA/644A/644PA/1284/1284P [DATASHEET]
Atmel-8272G-AVR-01/2015
10.3 BOD disable(1)
When the Brown-out Detector (BOD) is enabled by BODLEVEL fuses, Table 27-3 on page 288, the BOD is
actively monitoring the power supply voltage during a sleep period. To save power, it is possible to disable the
BOD by software for some of the sleep modes, see Table 10-1 on page 42. The sleep mode power consumption
will then be at the same level as when BOD is globally disabled by fuses. If BOD is disabled in software, the
BOD function is turned off immediately after entering the sleep mode. Upon wake-up from sleep, BOD is
automatically enabled again. This ensures safe operation in case the VCC level has dropped during the sleep
period.
When the BOD has been disabled, the wake-up time from sleep mode will be approximately 60 µs to ensure
that the BOD is working correctly before the MCU continues executing code.
BOD disable is controlled by bit 6, BODS (BOD Sleep) in the control register MCUCR, see ”MCUCR – MCU
Control Register” on page 48. Writing this bit to one turns off the BOD in relevant sleep modes, while a zero in
this bit keeps BOD active. Default setting keeps BOD active, that is, BODS set to zero.
Writing to the BODS bit is controlled by a timed sequence and an enable bit, see ”MCUCR – MCU Control
Register” on page 48.
Note: 1. Only available in the Atmel ATmega164PA/324PA/644PA/1284P.
10.4 Idle mode
When the SM2..0 bits are written to 000, the SLEEP instruction makes the MCU enter Idle mode, stopping the
CPU but allowing the SPI, USART, Analog Comparator, ADC, two-wire Serial Interface, Timer/Counters,
Watchdog, and the interrupt system to continue operating. This sleep mode basically halts clkCPU and clkFLASH,
while allowing the other clocks to run.
Idle mode enables the MCU to wake up from external triggered interrupts as well as internal ones like the Timer
Overflow and USART Transmit Complete interrupts. If wake-up from the Analog Comparator interrupt is not
required, the Analog Comparator can be powered down by setting the ACD bit in the Analog Comparator
Control and Status Register – ACSR. This will reduce power consumption in Idle mode. If the ADC is enabled, a
conversion starts automatically when this mode is entered.
10.5 ADC Noise Reduction mode
When the SM2..0 bits are written to 001, the SLEEP instruction makes the MCU enter ADC Noise Reduction
mode, stopping the CPU but allowing the ADC, the external interrupts, two-wire Serial Interface address match,
Timer/Counter2 and the Watchdog to continue operating (if enabled). This sleep mode basically halts clkI/O,
clkCPU, and clkFLASH, while allowing the other clocks to run.
This improves the noise environment for the ADC, enabling higher resolution measurements. If the ADC is
enabled, a conversion starts automatically when this mode is entered. Apart form the ADC Conversion
Complete interrupt, only an External Reset, a Watchdog System Reset, a Watchdog interrupt, a Brown-out
Reset, a two-wire serial interface interrupt, a Timer/Counter2 interrupt, an SPM/EEPROM ready interrupt, an
external level interrupt on INT7:4 or a pin change interrupt can wakeup the MCU from ADC Noise Reduction
mode.

44
ATmega164A/164PA/324A/324PA/644A/644PA/1284/1284P [DATASHEET]
Atmel-8272G-AVR-01/2015
10.6 Power-down mode
When the SM2..0 bits are written to 010, the SLEEP instruction makes the MCU enter Power-down mode. In
this mode, the external Oscillator is stopped, while the external interrupts, the two-wire Serial Interface, and the
Watchdog continue operating (if enabled). Only an External Reset, a Watchdog Reset, a Brown-out Reset, two-
wire Serial Interface address match, an external interrupt on INT2:0, or a pin change interrupt can wake up the
MCU. This sleep mode basically halts all generated clocks, allowing operation of asynchronous modules only.
Note that if a level triggered interrupt is used for wake-up from Power-down mode, the changed level must be
held for some time to wake up the MCU. Refer to ”External Interrupts” on page 67 for details.
When waking up from Power-down mode, there is a delay from the wake-up condition occurs until the wake-up
becomes effective. This allows the clock to restart and become stable after having been stopped. The wake-up
period is defined by the same CKSEL Fuses that define the Reset Time-out period, as described in ”Clock
Sources” on page 31.
10.7 Power-save mode
When the SM2:0 bits are written to 011, the SLEEP instruction makes the MCU enter Power-save mode. This
mode is identical to Power-down, with one exception:
If Timer/Counter2 is enabled, it will keep running during sleep. The device can wake up from either Timer
Overflow or Output Compare event from Timer/Counter2 if the corresponding Timer/Counter2 interrupt enable
bits are set in TIMSK2, and the Global Interrupt Enable bit in SREG is set.
If Timer/Counter2 is not running, Power-down mode is recommended instead of Power-save mode.
The Timer/Counter2 can be clocked both synchronously and asynchronously in Power-save mode. If the
Timer/Counter2 is not using the asynchronous clock, the Timer/Counter Oscillator is stopped during sleep. If the
Timer/Counter2 is not using the synchronous clock, the clock source is stopped during sleep. Note that even if
the synchronous clock is running in Power-save, this clock is only available for the Timer/Counter2.
10.8 Standby mode
When the SM2..0 bits are 110 and an external crystal/resonator clock option is selected, the SLEEP instruction
makes the MCU enter Standby mode. This mode is identical to Power-down with the exception that the
Oscillator is kept running. From Standby mode, the device wakes up in six clock cycles.33
10.9 Extended Standby mode
When the SM2..0 bits are 111 and an external crystal/resonator clock option is selected, the SLEEP instruction
makes the MCU enter Extended Standby mode. This mode is identical to Power-save mode with the exception
that the Oscillator is kept running. From Extended Standby mode, the device wakes up in six clock cycles.

45
ATmega164A/164PA/324A/324PA/644A/644PA/1284/1284P [DATASHEET]
Atmel-8272G-AVR-01/2015
10.10 Power Reduction Register
The Power Reduction Register (PRR), see ”PRR0 – Power Reduction Register 0” on page 48, provides a
method to stop the clock to individual peripherals to reduce power consumption. The current state of the
peripheral is frozen and the I/O registers can not be read or written. Resources used by the peripheral when
stopping the clock will remain occupied, hence the peripheral should in most cases be disabled before stopping
the clock. Waking up a peripheral, which is done by clearing the bit in PRR, puts the peripheral in the same state
as before shutdown.
Peripheral shutdown can be used in Idle mode and Active mode to significantly reduce the overall power
consumption. In all other sleep modes, the clock is already stopped.
10.11 Minimizing Power Consumption
There are several issues to consider when trying to minimize the power consumption in an AVR controlled
system. In general, sleep modes should be used as much as possible, and the sleep mode should be selected
so that as few as possible of the device’s functions are operating. All functions not needed should be disabled.
In particular, the following modules may need special consideration when trying to achieve the lowest possible
power consumption.
10.11.1 Analog to Digital Converter
If enabled, the ADC will be enabled in all sleep modes. To save power, the ADC should be disabled before
entering any sleep mode. When the ADC is turned off and on again, the next conversion will be an extended
conversion. Refer to ”ADC - Analog-to-digital converter” on page 235 for details on ADC operation.
10.11.2 Analog Comparator
When entering Idle mode, the Analog Comparator should be disabled if not used. When entering ADC Noise
Reduction mode, the Analog Comparator should be disabled. In other sleep modes, the Analog Comparator is
automatically disabled. However, if the Analog Comparator is set up to use the Internal Voltage Reference as
input, the Analog Comparator should be disabled in all sleep modes. Otherwise, the Internal Voltage Reference
will be enabled, independent of sleep mode. Refer to ”AC - Analog Comparator” on page 232 for details on how
to configure the Analog Comparator.
10.11.3 Brown-out Detector
If the Brown-out Detector is not needed by the application, this module should be turned off. If the Brown-out
Detector is enabled by the BODLEVEL Fuses, it will be enabled in all sleep modes, and hence, always consume
power. In the deeper sleep modes, this will contribute significantly to the total current consumption. Refer to
”Brown-out Detection” on page 53 for details on how to configure the Brown-out Detector.
10.11.4 Internal Voltage Reference
The Internal Voltage Reference will be enabled when needed by the Brown-out Detection, the Analog
Comparator or the ADC. If these modules are disabled as described in the sections above, the internal voltage
reference will be disabled and it will not be consuming power. When turned on again, the user must allow the
reference to start up before the output is used. If the reference is kept on in sleep mode, the output can be used
immediately. Refer to ”Internal Voltage Reference” on page 54 for details on the start-up time.
10.11.5 Watchdog Timer
If the Watchdog Timer is not needed in the application, the module should be turned off. If the Watchdog Timer
is enabled, it will be enabled in all sleep modes, and hence, always consume power. In the deeper sleep modes,
this will contribute significantly to the total current consumption. Refer to ”Watchdog Timer” on page 55 for
details on how to configure the Watchdog Timer.

46
ATmega164A/164PA/324A/324PA/644A/644PA/1284/1284P [DATASHEET]
Atmel-8272G-AVR-01/2015
10.11.6 Port Pins
When entering a sleep mode, all port pins should be configured to use minimum power. The most important is
then to ensure that no pins drive resistive loads. In sleep modes where both the I/O clock (clkI/O) and the ADC
clock (clkADC) are stopped, the input buffers of the device will be disabled. This ensures that no power is
consumed by the input logic when not needed. In some cases, the input logic is needed for detecting wake-up
conditions, and it will then be enabled. Refer to the section ”Digital Input Enable and Sleep Modes” on page 76
for details on which pins are enabled. If the input buffer is enabled and the input signal is left floating or have an
analog signal level close to VCC/2, the input buffer will use excessive power.
For analog input pins, the digital input buffer should be disabled at all times. An analog signal level close to
VCC/2 on an input pin can cause significant current even in active mode. Digital input buffers can be disabled by
writing to the Digital Input Disable Registers (DIDR1 and DIDR0). Refer to ”DIDR1 – Digital Input Disable
Register 1” on page 234 and ”DIDR0 – Digital Input Disable Register 0” on page 253 for details.
10.11.7 On-chip Debug System
If the On-chip debug system is enabled by the OCDEN Fuse and the chip enters sleep mode, the main clock
source is enabled, and hence, always consumes power. In the deeper sleep modes, this will contribute
significantly to the total current consumption.
There are three alternative ways to disable the OCD system:
-Disable the OCDEN Fuse
-Disable the JTAGEN Fuse
-Write one to the JTD bit in MCUCR

47
ATmega164A/164PA/324A/324PA/644A/644PA/1284/1284P [DATASHEET]
Atmel-8272G-AVR-01/2015
10.12 Register description
10.12.1 SMCR – Sleep Mode Control Register
The Sleep Mode Control Register contains control bits for power management.
• Bits 3, 2, 1 – SM2:0: Sleep Mode Select Bits 2, 1, and 0
These bits select between the five available sleep modes as shown in Table 10-2.
Note: 1. Standby modes are only recommended for use with external crystals or resonators.
• Bit 0 – SE: Sleep Enable
The SE bit must be written to logic one to make the MCU enter the sleep mode when the SLEEP instruction is
executed. To avoid the MCU entering the sleep mode unless it is the programmer’s purpose, it is recommended
to write the Sleep Enable (SE) bit to one just before the execution of the SLEEP instruction and to clear it
immediately after waking up.
Bit 76543210
0x33 (0x53) –––– SM2 SM1 SM0 SE SMCR
Read/Write R R R R R/W R/W R/W R/W
Initial Value00000000
Table 10-2. Sleep mode select.
SM2 SM1 SM0 Sleep mode
0 0 0 Idle
0 0 1 ADC Noise Reduction
0 1 0 Power-down
0 1 1 Power-save
1 0 0 Reserved
1 0 1 Reserved
1 1 0 Standby(1)
1 1 1 Extended Standby(1)

48
ATmega164A/164PA/324A/324PA/644A/644PA/1284/1284P [DATASHEET]
Atmel-8272G-AVR-01/2015
10.12.2 MCUCR – MCU Control Register
Note: 1. Only available in the Atmel ATmega164PA/324PA/644PA/1284P.
• Bit 6 – BODS: BOD Sleep
The BODS bit must be written to logic one in order to turn off BOD during sleep, see Table 10-1 on page 42.
Writing to the BODS bit is controlled by a timed sequence and an enable bit, BODSE in MCUCR. To disable
BOD in relevant sleep modes, both BODS and BODSE must first be set to one. Then, to set the BODS bit,
BODS must be set to one and BODSE must be set to zero within four clock cycles.
The BODS bit is active three clock cycles after it is set. A sleep instruction must be executed while BODS is
active in order to turn off the BOD for the actual sleep mode. The BODS bit is automatically cleared after three
clock cycles.
• Bit 5 – BODSE: BOD Sleep Enable
BODSE enables setting of BODS control bit, as explained in BODS bit description. BOD disable is controlled by
a timed sequence.
10.12.3 PRR0 – Power Reduction Register 0
• Bit 7 – PRTWI: Power Reduction TWI
Writing a logic one to this bit shuts down the TWI by stopping the clock to the module. When waking up the TWI
again, the TWI should be re initialized to ensure proper operation.
• Bit 6 – PRTIM2: Power Reduction Timer/Counter2
Writing a logic one to this bit shuts down the Timer/Counter2 module in synchronous mode (AS2 is 0). When the
Timer/Counter2 is enabled, operation will continue like before the shutdown.
• Bit 5 – PRTIM0: Power Reduction Timer/Counter0
Writing a logic one to this bit shuts down the Timer/Counter0 module. When the Timer/Counter0 is enabled,
operation will continue like before the shutdown.
• Bit 4 – PRUSART1: Power Reduction USART1
Writing a logic one to this bit shuts down the USART1 by stopping the clock to the module. When waking up the
USART1 again, the USART1 should be reinitialized to ensure proper operation.
• Bit 3 – PRTIM1: Power Reduction Timer/Counter1
Writing a logic one to this bit shuts down the Timer/Counter1 module. When the Timer/Counter1 is enabled,
operation will continue like before the shutdown.
Bit 7 6 5 4 3 2 1 0
0x35 (0x55) JTD BODS(1) BODSE(1) PUD – – IVSEL IVCE MCUCR
Read/Write R/W R/W R/W R/W R R R/W R/W
Initial Value 0 0 0 0 0 0 0 0
Bit 76543210
(0x64) PRTWI PRTIM2 PRTIM0 PRUSART1 PRTIM1 PRSPI PRUSART0 PRADC PRR0
Read/Write R/W R/W R/W R/W R/W R/W R/W R/W
Initial Value 0 0 0 0 0 0 0 0

49
ATmega164A/164PA/324A/324PA/644A/644PA/1284/1284P [DATASHEET]
Atmel-8272G-AVR-01/2015
• Bit 2 – PRSPI: Power Reduction Serial Peripheral Interface
Writing a logic one to this bit shuts down the Serial Peripheral Interface by stopping the clock to the module.
When waking up the SPI again, the SPI should be re initialized to ensure proper operation.
• Bit 1 – PRUSART0: Power Reduction USART0
Writing a logic one to this bit shuts down the USART0 by stopping the clock to the module. When waking up the
USART0 again, the USART0 should be reinitialized to ensure proper operation.
• Bit 0 – PRADC: Power Reduction ADC
Writing a logic one to this bit shuts down the ADC. The ADC must be disabled before shut down. The analog
comparator cannot use the ADC input MUX when the ADC is shut down.
10.12.4 PRR1 – Power Reduction Register 1
• Bit 7:1 – Reserved
• Bit 0 – PRTIM3: Power Reduction Timer/Counter3
Writing a logic one to this bit shuts down the Timer/Counter3 module. When the Timer/Counter3 is enabled,
operation will continue like before the shutdown.
Bit 76543210
(0x65) ––––––– PRTIM3 PRR1
Read/WriteRRRRRRRR/W
Initial Value00000000

50
ATmega164A/164PA/324A/324PA/644A/644PA/1284/1284P [DATASHEET]
Atmel-8272G-AVR-01/2015
11. System Control and Reset
11.1 Resetting the AVR
During reset, all I/O Registers are set to their initial values, and the program starts execution from the Reset
Vector. The instruction placed at the Reset Vector must be a JMP – Absolute Jump – instruction to the reset
handling routine. If the program never enables an interrupt source, the Interrupt Vectors are not used, and
regular program code can be placed at these locations. This is also the case if the Reset Vector is in the
Application section while the Interrupt Vectors are in the Boot section or vice versa. The circuit diagram in Figure
11-1 on page 51 shows the reset logic. ”” on page 325 defines the electrical parameters of the reset circuitry.
The I/O ports of the AVR are immediately reset to their initial state when a reset source goes active. This does
not require any clock source to be running.
After all reset sources have gone inactive, a delay counter is invoked, stretching the internal reset. This allows
the power to reach a stable level before normal operation starts. The time-out period of the delay counter is
defined by the user through the SUT and CKSEL Fuses. The different selections for the delay period are
presented in ”Clock Sources” on page 31.
11.1.1 Reset Sources
The Atmel ATmega164A/164PA/324A/324PA/644A/644PA/1284/1284P has five sources of reset:
-Power-on Reset. The MCU is reset when the supply voltage is below the Power-on Reset threshold
(VPOT).
-External Reset. The MCU is reset when a low level is present on the RESET pin for longer than the
minimum pulse length.
-Watchdog Reset. The MCU is reset when the Watchdog Timer period expires and the Watchdog is
enabled.
-Brown-out Reset. The MCU is reset when the supply voltage VCC is below the Brown-out Reset threshold
(VBOT) and the Brown-out Detector is enabled.
-JTAG AVR Reset. The MCU is reset as long as there is a logic one in the Reset Register, one of the scan
chains of the JTAG system. Refer to the section ”IEEE 1149.1 (JTAG) Boundary-scan” on page 260 for
details.

51
ATmega164A/164PA/324A/324PA/644A/644PA/1284/1284P [DATASHEET]
Atmel-8272G-AVR-01/2015
Figure 11-1. Reset logic.
11.1.2 Power-on Reset
A Power-on Reset (POR) pulse is generated by an On-chip detection circuit. The detection level is defined in ””
on page 325. The POR is activated whenever VCC is below the detection level. The POR circuit can be used to
trigger the start-up Reset, as well as to detect a failure in supply voltage.
A Power-on Reset (POR) circuit ensures that the device is reset from Power-on. Reaching the Power-on Reset
threshold voltage invokes the delay counter, which determines how long the device is kept in RESET after VCC
rise. The RESET signal is activated again, without any delay, when VCC decreases below the detection level.
Figure 11-2. MCU Start-up, RESET Tied to VCC.
MCU Status
Register (MCUSR)
Brown-out
Reset Circuit
BODLEVEL [2..0]
Delay Counters
CKSEL[3:0]
CK
TIMEOUT
WDRF
BORF
EXTRF
PORF
DATA BUS
Clock
Generator
SPIKE
FILTER
Pull-up Resistor
JTRF
JTAG Reset
Register
Watchdog
Oscillator
SUT[1:0]
Power-on Reset
Circuit
V
RESET
TIME-OUT
INTERNAL
RESET
t
TOUT
V
POT
V
RST
CC

52
ATmega164A/164PA/324A/324PA/644A/644PA/1284/1284P [DATASHEET]
Atmel-8272G-AVR-01/2015
Figure 11-3. MCU Start-up, RESET Extended Externally.
11.1.3 External Reset
An External Reset is generated by a low level on the RESET pin. Reset pulses longer than the minimum pulse
width (see ”” on page 325) will generate a reset, even if the clock is not running. Shorter pulses are not
guaranteed to generate a reset. When the applied signal reaches the Reset Threshold Voltage – VRST – on its
positive edge, the delay counter starts the MCU after the Time-out period – tTOUT – has expired.
Figure 11-4. External Reset During Operation
RESET
TIME-OUT
INTERNAL
RESET
t
TOUT
V
POT
V
RST
VCC
CC

53
ATmega164A/164PA/324A/324PA/644A/644PA/1284/1284P [DATASHEET]
Atmel-8272G-AVR-01/2015
11.1.4 Brown-out Detection
ATmega164A/164PA/324A/324PA/644A/644PA/1284/1284P has an On-chip Brown-out Detection (BOD) circuit
for monitoring the VCC level during operation by comparing it to a fixed trigger level. The trigger level for the BOD
can be selected by the BODLEVEL Fuses. The trigger level has a hysteresis to ensure spike free Brown-out
Detection. The hysteresis on the detection level should be interpreted as VBOT+ = VBOT + VHYST/2 and VBOT- =
VBOT - VHYST/2.
When the BOD is enabled, and VCC decreases to a value below the trigger level (VBOT- in Figure 11-5 on page
53), the Brown-out Reset is immediately activated. When VCC increases above the trigger level (VBOT+ in Figure
11-5 on page 53), the delay counter starts the MCU after the Time-out period tTOUT has expired.
The BOD circuit will only detect a drop in VCC if the voltage stays below the trigger level for longer than tBOD
given in ”” on page 325.
Figure 11-5. Brown-out Reset during operation.
11.1.5 Watchdog Reset
When the Watchdog times out, it will generate a short reset pulse of one CK cycle duration. On the falling edge
of this pulse, the delay timer starts counting the Time-out period tTOUT. Refer to ”Watchdog Timer” on page 55
for details on operation of the Watchdog Timer.
Figure 11-6. Watchdog Reset during operation.
VCC
RESET
TIME-OUT
INTERNAL
RESET
VBOT-
VBOT+
tTOUT
CK
CC

54
ATmega164A/164PA/324A/324PA/644A/644PA/1284/1284P [DATASHEET]
Atmel-8272G-AVR-01/2015
11.2 Internal Voltage Reference
ATmega164A/164PA/324A/324PA/644A/644PA/1284/1284P features an internal bandgap reference. This
reference is used for Brown-out Detection, and it can be used as an input to the Analog Comparator or the ADC.
11.2.1 Voltage Reference Enable Signals and Start-up Time
The voltage reference has a start-up time that may influence the way it should be used. The start-up time is
given in ”” on page 325. To save power, the reference is not always turned on. The reference is on during the
following situations:
1. When the BOD is enabled (by programming the BODLEVEL [2:0] Fuse).
2. When the bandgap reference is connected to the Analog Comparator (by setting the ACBG bit in ACSR).
3. When the ADC is enabled.
Thus, when the BOD is not enabled, after setting the ACBG bit or enabling the ADC, the user must always allow
the reference to start up before the output from the Analog Comparator or ADC is used. To reduce power
consumption in Power-down mode, the user can avoid the three conditions above to ensure that the reference
is turned off before entering Power-down mode.

55
ATmega164A/164PA/324A/324PA/644A/644PA/1284/1284P [DATASHEET]
Atmel-8272G-AVR-01/2015
11.3 Watchdog Timer
11.3.1 Features
•Clocked from separate On-chip Oscillator
•Three operating modes
– Interrupt
– System Reset
– Interrupt and System Reset
•Selectable Time-out period from 16ms to 8s
•Possible Hardware fuse Watchdog always on (WDTON) for fail-safe mode
11.3.2 Overview
Atmel ATmega164A/164PA/324A/324PA/644A/644PA/1284/1284P has an Enhanced Watchdog Timer (WDT).
The WDT is a timer counting cycles of a separate on-chip 128kHz oscillator. The WDT gives an interrupt or a
system reset when the counter reaches a given time-out value. In normal operation mode, it is required that the
system uses the WDR - Watchdog Timer Reset - instruction to restart the counter before the time-out value is
reached. If the system doesn't restart the counter, an interrupt or system reset will be issued.
Figure 11-7. Watchdog Timer.
In Interrupt mode, the WDT gives an interrupt when the timer expires. This interrupt can be used to wake the
device from sleep-modes, and also as a general system timer. One example is to limit the maximum time
allowed for certain operations, giving an interrupt when the operation has run longer than expected. In System
Reset mode, the WDT gives a reset when the timer expires. This is typically used to prevent system hang-up in
case of runaway code. The third mode, Interrupt and System Reset mode, combines the other two modes by
first giving an interrupt and then switch to System Reset mode. This mode will for instance allow a safe
shutdown by saving critical parameters before a system reset.
The Watchdog always on (WDTON) fuse, if programmed, will force the Watchdog Timer to System Reset mode.
With the fuse programmed the System Reset mode bit (WDE) and Interrupt mode bit (WDIE) are locked to 1
and 0 respectively. To further ensure program security, alterations to the Watchdog set-up must follow timed
sequences. The sequence for clearing WDE and changing time-out configuration is as follows:
128kHz
OSCILLATOR
OSC/2K
OSC/4K
OSC/8K
OSC/16K
OSC/32K
OSC/64K
OSC/128K
OSC/256K
OSC/512K
OSC/1024K
WDP0
WDP1
WDP2
WDP3
WATCHDOG
RESET
WDE
WDIF
WDIE
MCU RESET
INTERRUPT

56
ATmega164A/164PA/324A/324PA/644A/644PA/1284/1284P [DATASHEET]
Atmel-8272G-AVR-01/2015
1. In the same operation, write a logic one to the Watchdog change enable bit (WDCE) and WDE. A logic
one must be written to WDE regardless of the previous value of the WDE bit.
2. Within the next four clock cycles, write the WDE and Watchdog prescaler bits (WDP) as desired, but with
the WDCE bit cleared. This must be done in one operation.
The following code example shows one assembly and one C function for turning off the Watchdog Timer. The
example assumes that interrupts are controlled (for example, by disabling interrupts globally) so that no
interrupts will occur during the execution of these functions.
Notes: 1. The example code assumes that the part specific header file is included.
2. In the example code IN and OUT instruction is used for access the I/O memory space above the IN and OUT
address limit (IN and OUT limit is 0x00 to 0x3F).
Note: If the Watchdog is accidentally enabled, for example by a runaway pointer or brown-out condition, the
device will be reset and the Watchdog Timer will stay enabled. If the code is not set up to handle the Watchdog,
this might lead to an eternal loop of time-out resets. To avoid this situation, the application software should
Assembly Code Example (1)(2)
WDT_off:
; Turn off global interrupt
cli
; Reset Watchdog Timer
wdr
; Clear WDRF in MCUSR
lds r16, MCUSR
andi r16, ~(1<<WDRF)
out MCUSR, r16
; Write logical one to WDCE and WDE
; Keep old prescaler setting to prevent unintentional
time-out
ldi r16, WDTCSR
ori r16, (1<<WDCE) | (1<<WDE)
sts WDTCSR, r16
; Turn off WDT
ldi r16, (0<<WDE)
sts WDTCSR, r16
; Turn on global interrupt
sei
ret
C Code Example (1)
void WDT_off(void)
{
__disable_interrupt();
__watchdog_reset();
/* Clear WDRF in MCUSR */
MCUSR &= ~(1<<WDRF);
/* Write logical one to WDCE and WDE */
/* Keep old prescaler setting to prevent unintentional
time-out */
WDTCSR |= (1<<WDCE) | (1<<WDE);
/* Turn off WDT */
WDTCSR = 0x00;
__enable_interrupt();
}

57
ATmega164A/164PA/324A/324PA/644A/644PA/1284/1284P [DATASHEET]
Atmel-8272G-AVR-01/2015
always clear the Watchdog System Reset Flag (WDRF) and the WDE control bit in the initialization routine,
even if the Watchdog is not in use.
The following code example shows one assembly and one C function for changing the time-out value of the
Watchdog Timer.
Note: 1. The example code assumes that the part specific header file is included.
Note: The Watchdog Timer should be reset before any change of the WDP bits, since a change in the WDP bits
can result in a time-out when switching to a shorter time-out period.
Assembly Code Example (1)
WDT_Prescaler_Change:
; Turn off global interrupt
cli
; Reset Watchdog Timer
wdr
; Start timed sequence
lds r16, WDTCSR
ori r16, (1<<WDCE) | (1<<WDE)
sts WDTCSR, r16
; -- Got four cycles to set the new values from here -
; Set new prescaler(time-out) value = 64K cycles (~0.5 s)
ldi r16, (1<<WDE) | (1<<WDP2) | (1<<WDP0)
sts WDTCSR, r16
; -- Finished setting new values, used 2 cycles -
; Turn on global interrupt
sei
ret
C Code Example (1)
void WDT_Prescaler_Change(void)
{
__disable_interrupt();
__watchdog_reset();
/* Start timed equence */
WDTCSR |= (1<<WDCE) | (1<<WDE);
/* Set new prescaler(time-out) value = 64K cycles (~0.5
s) */
WDTCSR = (1<<WDE) | (1<<WDP2) | (1<<WDP0);
__enable_interrupt();
}

58
ATmega164A/164PA/324A/324PA/644A/644PA/1284/1284P [DATASHEET]
Atmel-8272G-AVR-01/2015
11.4 Register description
11.4.1 MCUSR – MCU Status Register
The MCU Status Register provides information on which reset source caused an MCU reset.
• Bit 4 – JTRF: JTAG Reset Flag
This bit is set if a reset is being caused by a logic one in the JTAG Reset Register selected by the JTAG
instruction AVR_RESET. This bit is reset by a Power-on Reset, or by writing a logic zero to the flag.
• Bit 3 – WDRF: Watchdog Reset Flag
This bit is set if a Watchdog Reset occurs. The bit is reset by a Power-on Reset, or by writing a logic zero to the
flag.
• Bit 2 – BORF: Brown-out Reset Flag
This bit is set if a Brown-out Reset occurs. The bit is reset by a Power-on Reset, or by writing a logic zero to the
flag.
• Bit 1 – EXTRF: External Reset Flag
This bit is set if an External Reset occurs. The bit is reset by a Power-on Reset, or by writing a logic zero to the
flag.
• Bit 0 – PORF: Power-on Reset Flag
This bit is set if a Power-on Reset occurs. The bit is reset only by writing a logic zero to the flag.
To make use of the Reset Flags to identify a reset condition, the user should read and then Reset the MCUSR
as early as possible in the program. If the register is cleared before another reset occurs, the source of the reset
can be found by examining the Reset Flags.
Bit 76543210
0x34 (0x54) – – – JTRF WDRF BORF EXTRF PORF MCUSR
Read/Write R R R R/W R/W R/W R/W R/W
Initial Value 0 0 0 See Bit Description

59
ATmega164A/164PA/324A/324PA/644A/644PA/1284/1284P [DATASHEET]
Atmel-8272G-AVR-01/2015
11.4.2 WDTCSR – Watchdog Timer Control Register
• Bit 7 - WDIF: Watchdog Interrupt Flag
This bit is set when a time-out occurs in the Watchdog Timer and the Watchdog Timer is configured for interrupt.
WDIF is cleared by hardware when executing the corresponding interrupt handling vector. Alternatively, WDIF is
cleared by writing a logic one to the flag. When the I-bit in SREG and WDIE are set, the Watchdog Time-out
Interrupt is executed.
• Bit 6 - WDIE: Watchdog Interrupt Enable
When this bit is written to one and the I-bit in the Status Register is set, the Watchdog Interrupt is enabled. If
WDE is cleared in combination with this setting, the Watchdog Timer is in Interrupt Mode, and the
corresponding interrupt is executed if time-out in the Watchdog Timer occurs.
If WDE is set, the Watchdog Timer is in Interrupt and System Reset Mode. The first time-out in the Watchdog
Timer will set WDIF. Executing the corresponding interrupt vector will clear WDIE and WDIF automatically by
hardware (the Watchdog goes to System Reset Mode). This is useful for keeping the Watchdog Timer security
while using the interrupt. To stay in Interrupt and System Reset Mode, WDIE must be set after each interrupt.
This should however not be done within the interrupt service routine itself, as this might compromise the safety-
function of the Watchdog System Reset mode. If the interrupt is not executed before the next time-out, a System
Reset will be applied.
• Bit 4 - WDCE: Watchdog Change Enable
This bit is used in timed sequences for changing WDE and prescaler bits. To clear the WDE bit, and/or change
the prescaler bits, WDCE must be set.
Once written to one, hardware will clear WDCE after four clock cycles.
• Bit 3 - WDE: Watchdog System Reset Enable
WDE is overridden by WDRF in MCUSR. This means that WDE is always set when WDRF is set. To clear
WDE, WDRF must be cleared first. This feature ensures multiple resets during conditions causing failure, and a
safe start-up after the failure.
Bit 76543210
(0x60) WDIF WDIE WDP3 WDCE WDE WDP2 WDP1 WDP0 WDTCSR
Read/Write R/W R/W R/W R/W R/W R/W R/W R/W
Initial Value 0 0 0 0 X 0 0 0
Table 11-1. Watchdog Timer configuration.
WDTON WDE WDIE Mode Action on time-out
1 0 0 Stopped None
1 0 1 Interrupt Mode Interrupt
1 1 0 System Reset Mode Reset
1 1 1 Interrupt and System Reset
Mode
Interrupt, then go to System
Reset Mode
0 x x System Reset Mode Reset

60
ATmega164A/164PA/324A/324PA/644A/644PA/1284/1284P [DATASHEET]
Atmel-8272G-AVR-01/2015
• Bit 5, 2:0 - WDP3:0: Watchdog Timer Prescaler 3, 2, 1 and 0
The WDP3:0 bits determine the Watchdog Timer prescaling when the Watchdog Timer is running. The different
prescaling values and their corresponding time-out periods are shown in Table 11-2 on page 60.
.
Table 11-2. Watchdog Timer Prescale Select.
WDP3 WDP2 WDP1 WDP0
Number of WDT oscillator
cycles
Typical time-out at
VCC = 5.0V
0000 2K (2048) cycles 16ms
0001 4K (4096) cycles 32ms
0010 8K (8192) cycles 64ms
0011 16K (16384) cycles 0.125s
0100 32K (32768) cycles 0.25s
0101 64K (65536) cycles 0.5s
0110 128K (131072) cycles 1.0s
0111 256K (262144) cycles 2.0s
1000 512K (524288) cycles 4.0s
10011024K (1048576) cycles 8.0s
1010
Reserved
1011
1100
1101
1110
1111

61
ATmega164A/164PA/324A/324PA/644A/644PA/1284/1284P [DATASHEET]
Atmel-8272G-AVR-01/2015
12. Interrupts
12.1 Overview
This section describes the specifics of the interrupt handling as performed in Atmel
ATmega164A/164PA/324A/324PA/644A/644PA/1284/1284P. For a general explanation of the AVR interrupt
handling, refer to ”Reset and interrupt handling” on page 16.
12.2 Interrupt Vectors in ATmega164A/164PA/324A/324PA/644A/644PA/1284/1284P
Table 12-1. Reset and Interrupt Vectors.
Vector
no.
Program
address (2) Source Interrupt definition
1$0000(1) RESET External Pin, Power-on Reset, Brown-out Reset,
Watchdog Reset, and JTAG AVR Reset
2$0002 INT0 External Interrupt Request 0
3$0004 INT1 External Interrupt Request 1
4$0006 INT2 External Interrupt Request 2
5$0008 PCINT0 Pin Change Interrupt Request 0
6$000A PCINT1 Pin Change Interrupt Request 1
7$000C PCINT2 Pin Change Interrupt Request 2
8$000E PCINT3 Pin Change Interrupt Request 3
9$0010 WDT Watchdog Time-out Interrupt
10 $0012 TIMER2_COMPA Timer/Counter2 Compare Match A
11 $0014 TIMER2_COMPB Timer/Counter2 Compare Match B
12 $0016 TIMER2_OVF Timer/Counter2 Overflow
13 $0018 TIMER1_CAPT Timer/Counter1 Capture Event
14 $001A TIMER1_COMPA Timer/Counter1 Compare Match A
15 $001C TIMER1_COMPB Timer/Counter1 Compare Match B
16 $001E TIMER1_OVF Timer/Counter1 Overflow
17 $0020 TIMER0_COMPA Timer/Counter0 Compare Match A
18 $0022 TIMER0_COMPB Timer/Counter0 Compare match B
19 $0024 TIMER0_OVF Timer/Counter0 Overflow
20 $0026 SPI_STC SPI Serial Transfer Complete
21 $0028 USART0_RX USART0 Rx Complete
22 $002A USART0_UDRE USART0 Data Register Empty
23 $002C USART0_TX USART0 Tx Complete
24 $002E ANALOG_COMP Analog Comparator
25 $0030 ADC ADC Conversion Complete
26 $0032 EE_READY EEPROM Ready

62
ATmega164A/164PA/324A/324PA/644A/644PA/1284/1284P [DATASHEET]
Atmel-8272G-AVR-01/2015
Notes: 1. When the BOOTRST Fuse is programmed, the device will jump to the Boot Loader address at reset, see
”Memory programming” on page 287.
2. When the IVSEL bit in MCUCR is set, Interrupt Vectors will be moved to the start of the Boot Flash Section.
The address of each Interrupt Vector will then be the address in this table added to the start address of the
Boot Flash Section.
3. Applies only to Atmel ATmega1284P.
Table 12-2 shows reset and Interrupt Vectors placement for the various combinations of BOOTRST and IVSEL
settings. If the program never enables an interrupt source, the Interrupt Vectors are not used, and regular
program code can be placed at these locations. This is also the case if the Reset Vector is in the Application
section while the Interrupt Vectors are in the Boot section or vice versa.
Note: 1. The Boot Reset Address is shown in Table 26-10 on page 282. For the BOOTRST Fuse “1” means
unprogrammed while “0” means programmed.
27 $0034 TWI two-wire Serial Interface
28 $0036 SPM_READY Store Program Memory Ready
29 $0038 USART1_RX USART1 Rx Complete
30 $003A USART1_UDRE USART1 Data Register Empty
31 $003C USART1_TX USART1 Tx Complete
32 $003E TIMER3_CAPT(3) Timer/Counter3 Capture Event
33 $0040 TIMER3_COMPA(3) Timer/Counter3 Compare Match A
34 $0042 TIMER3_COMPB(3) Timer/Counter3 Compare Match B
35 $0044 TIMER3_OVF(3) Timer/Counter3 Overflow
Table 12-2. Reset and Interrupt Vectors placement (1).
BOOTRST IVSEL Reset Address Interrupt Vectors Start Address
1 0 0x0000 0x0002
1 1 0x0000 Boot Reset Address + 0x0002
0 0 Boot Reset Address 0x0002
0 1 Boot Reset Address Boot Reset Address + 0x0002
Table 12-1. Reset and Interrupt Vectors. (Continued)
Vector
no.
Program
address (2) Source Interrupt definition

63
ATmega164A/164PA/324A/324PA/644A/644PA/1284/1284P [DATASHEET]
Atmel-8272G-AVR-01/2015
The most typical and general program setup for the Reset and Interrupt Vector Addresses in Atmel
ATmega164A/164PA/324A/324PA/644A/644PA/1284/1284P is:
Address Labels Code Comments
0x0000 jmp RESET ; Reset
0x0002 jmp INT0 ; IRQ0
0x0004 jmp INT1 ; IRQ1
0x0006 jmp INT2 ; IRQ2
0x0008 jmp PCINT0 ; PCINT0
0x000A jmp PCINT1 ; PCINT1
0x000C jmp PCINT2 ; PCINT2
0x000E jmp PCINT3 ; PCINT3
0x0010 jmp WDT ; Watchdog Timeout
0x0012 jmp TIM2_COMPA ; Timer2 CompareA
0x0014 jmp TIM2_COMPB ; Timer2 CompareB
0x0016 jmp TIM2_OVF ; Timer2 Overflow
0x0018 jmp TIM1_CAPT ; Timer1 Capture
0x001A jmp TIM1_COMPA ; Timer1 CompareA
0x001C jmp TIM1_COMPB ; Timer1 CompareB
0x001E jmp TIM1_OVF ; Timer1 Overflow
0x0020 jmp TIM0_COMPA ; Timer0 CompareA
0x0022 jmp TIM0_COMPB ; Timer0 CompareB
0x0024 jmp TIM0_OVF ; Timer0 Overflow
0x0026 jmp SPI_STC ; SPI Transfer Complete
0x0028 jmp USART0_RXC ; USART0 RX Complete
0x002A jmp USART0_UDRE ; USART0,UDR Empty
0x002C jmp USART0_TXC ; USART0 TX Complete
0x002E jmp ANA_COMP ; Analog Comparator
0x0030 jmp ADC ; ADC Conversion Complete
0x0032 jmp EE_RDY ; EEPROM Ready
0x0034 jmp TWI ; two-wire Serial
0x0036 jmp SPM_RDY ; SPM Ready
0x0038 jmp USART1_RXC ; USART1 RX Complete
0x003A jmp USART1_UDRE ; USART1,UDR Empty
0x003C jmp USART1_TXC ; USART1 TX Complete
0x003E jmp TIM3_CAPT ; Timer3 Capture(1)
0x0040 jmp TIM3_COMPA ; Timer3 Compare(1)
0x0042 jmp TIM3_COMPB ; Timer3 CompareB(1)
0x0044 jmp TIM3_OVF ; Timer3 Overflow(1)

64
ATmega164A/164PA/324A/324PA/644A/644PA/1284/1284P [DATASHEET]
Atmel-8272G-AVR-01/2015
Notes: 1. Applies only to Atmel ATmega1284P.
When the BOOTRST Fuse is unprogrammed, the Boot section size set to 8K bytes and the IVSEL bit in the
MCUCR Register is set before any interrupts are enabled, the most typical and general program setup for the
Reset and Interrupt Vector Addresses is:
Address Labels CodeComments
0x00000 RESET: ldir16,high(RAMEND); Main
program start
0x00001 outSPH,r16; Set Stack
Pointer to top of RAM
0x00002 ldir16,low(RAMEND)
0x00003 outSPL,r16
0x00004 sei; Enable interrupts
0x00005 <instr> xxx
;
.org 0x1F002
0x1F002 jmpEXT_INT0; IRQ0 Handler
0x1F004 jmpEXT_INT1; IRQ1 Handler
... ......;
0x1FO36 jmpSPM_RDY; SPM Ready
Handler
When the BOOTRST Fuse is programmed and the Boot section size set to 8K bytes, the most typical and
general program setup for the Reset and Interrupt Vector Addresses is:
Address Labels CodeComments
.org 0x0002
0x00002 jmpEXT_INT0; IRQ0 Handler
0x00004 jmpEXT_INT1; IRQ1 Handler
... ......;
0x00036 jmpSPM_RDY; SPM Ready
Handler
;
.org 0x1F000
0x1F000 RESET: ldir16,high(RAMEND); Main
program start
0x1F001 outSPH,r16; Set Stack
Pointer to top of RAM
0x1F002 ldir16,low(RAMEND)
;
0x0046 RESET: ldi r16,high(RAMEND) ; Main program start
0x0047 out SPH,r16 ; Set Stack Pointer to top of RAM
0x0048 ldi r16,low(RAMEND)
0x0049 out SPL,r16
0x004A sei ; Enable interrupts
0x004B <instr> xxx
... ... ... ...

65
ATmega164A/164PA/324A/324PA/644A/644PA/1284/1284P [DATASHEET]
Atmel-8272G-AVR-01/2015
0x1F003 outSPL,r16
0x1F004 sei; Enable interrupts
0x1F005 <instr> xxx
When the BOOTRST Fuse is programmed, the Boot section size set to 8K bytes and the IVSEL bit in the
MCUCR Register is set before any interrupts are enabled, the most typical and general program setup for the
Reset and Interrupt Vector Addresses is:
Address Labels CodeComments
;
.org 0x1F000
0x1F000 jmpRESET; Reset handler
0x1F002 jmpEXT_INT0; IRQ0 Handler
0x1F004 jmpEXT_INT1; IRQ1 Handler
... ......;
0x1F036 jmpSPM_RDY; SPM Ready
Handler
;
0x1F03E RESET: ldir16,high(RAMEND); Main
program start
0x1F03F outSPH,r16; Set Stack
Pointer to top of RAM
0x1F040 ldir16,low(RAMEND)
0x1F041 outSPL,r16
0x1F042 sei; Enable interrupts
0x1FO43 <instr> xxx
12.2.1 Moving Interrupts Between Application and Boot Space
The General Interrupt Control Register controls the placement of the Interrupt Vector table.
12.3 Register description
12.3.1 MCUCR – MCU Control Register
Note: 1. Only available in the Atmel ATmega164PA/324PA/644PA/1284P.
• Bit 1 – IVSEL: Interrupt Vector Select
When the IVSEL bit is cleared (zero), the Interrupt Vectors are placed at the start of the Flash memory. When
this bit is set (one), the Interrupt Vectors are moved to the beginning of the Boot Loader section of the Flash.
The actual address of the start of the Boot Flash Section is determined by the BOOTSZ Fuses. Refer to the
section ”Memory programming” on page 287 for details. To avoid unintentional changes of Interrupt Vector
tables, a special write procedure must be followed to change the IVSEL bit:
a. Write the Interrupt Vector Change Enable (IVCE) bit to one.
1. Within four cycles, write the desired value to IVSEL while writing a zero to IVCE.
Interrupts will automatically be disabled while this sequence is executed. Interrupts are disabled in the cycle
IVCE is set, and they remain disabled until after the instruction following the write to IVSEL. If IVSEL is not
Bit 76543210
0x35 (0x55) JTD BODS(1) BODSE(1) PUD –– IVSEL IVCE MCUCR
Read/Write R/W R/W R/W R/W R R R/W R/W
Initial Value 0 0 0 0 0 0 0 0

66
ATmega164A/164PA/324A/324PA/644A/644PA/1284/1284P [DATASHEET]
Atmel-8272G-AVR-01/2015
written, interrupts remain disabled for four cycles. The I-bit in the Status Register is unaffected by the automatic
disabling.
Note: If Interrupt Vectors are placed in the Boot Loader section and Boot Lock bit BLB02 is programmed, interrupts are
disabled while executing from the Application section. If Interrupt Vectors are placed in the Application section and
Boot Lock bit BLB12 is programed, interrupts are disabled while executing from the Boot Loader section. Refer to
the section ”Memory programming” on page 287 for details on Boot Lock bits.
• Bit 0 – IVCE: Interrupt Vector Change Enable
The IVCE bit must be written to logic one to enable change of the IVSEL bit. IVCE is cleared by hardware four
cycles after it is written or when IVSEL is written. Setting the IVCE bit will disable interrupts, as explained in the
IVSEL description above. See the following Code Example.
Assembly Code Example
Move_interrupts:
; Get MCUCR
in r16, MCUCR
mov r17, r16
; Enable change of Interrupt Vectors
ori r16, (1<<IVCE)
out MCUCR, r16
; Move interrupts to Boot Flash section
ori r17, (1<<IVSEL)
out MCUCR, r17
ret
C Code Example
void Move_interrupts(void)
{
uchar temp;
/* GET MCUCR*/
temp = MCUCR;
/* Enable change of Interrupt Vectors */
MCUCR = temp|(1<<IVCE);
/* Move interrupts to Boot Flash section */
MCUCR = temp|(1<<IVSEL);
}

67
ATmega164A/164PA/324A/324PA/644A/644PA/1284/1284P [DATASHEET]
Atmel-8272G-AVR-01/2015
13. External Interrupts
13.1 Overview
The External Interrupts are triggered by the INT2:0 pin or any of the PCINT31:0 pins. Observe that, if enabled,
the interrupts will trigger even if the INT2:0 or PCINT31:0 pins are configured as outputs. This feature provides
a way of generating a software interrupt.
The Pin change interrupt PCI3 will trigger if any enabled PCINT31:24 pin toggle, Pin change interrupt PCI2 will
trigger if any enabled PCINT23:16 pin toggles, Pin change interrupt PCI1 if any enabled PCINT15:8 toggles and
Pin change interrupts PCI0 will trigger if any enabled PCINT7:0 pin toggles. PCMSK3, PCMSK2, PCMSK1 and
PCMSK0 Registers control which pins contribute to the pin change interrupts. Pin change interrupts on
PCINT31:0 are detected asynchronously. This implies that these interrupts can be used for waking the part also
from sleep modes other than Idle mode.
In order for a pin change interrupt (PCINT) to be generated, the device must have an active I/O clock. As shown
in Table 10-1 on page 42, the I/O clock domain is active in Idle Mode, but not in deeper sleep modes. In sleep
modes deeper than Idle Mode, a toggled pin must remain in its toggled state until the device has fully woken up.
See Section 9. ”System clock and clock options” on page 30 for wake up times. If the pin toggles back to its
initial state during wake up, the device will still complete the procedure, but will not generate an interrupt once
awake.
The External Interrupts can be triggered by a falling or rising edge or a low level. This is set up as indicated in
the specification for the External Interrupt Control Registers – EICRA (INT2:0). When the external interrupt is
enabled and is configured as level triggered, the interrupt will trigger as long as the pin is held low. Low level
interrupts and the edge interrupt on INT2:0 are detected asynchronously. This implies that these interrupts can
be used for waking the part also from sleep modes other than Idle mode. The I/O clock is halted in all sleep
modes except Idle mode.
Note that if a level triggered interrupt is used for wake-up from Power-down, the required level must be held long
enough for the MCU to complete the wake-up to trigger the level interrupt. If the level disappears before the end
of the Start-up Time, the MCU will still wake up, but no interrupt will be generated. The start-up time is defined
by the SUT and CKSEL Fuses as described in ”System clock and clock options” on page 30.
13.2 Register description
13.2.1 EICRA – External Interrupt Control Register A
The External Interrupt Control Register A contains control bits for interrupt sense control.
• Bits 7:6 – Reserved
These bits are reserved in the ATmega164A/164PA/324A/324PA/644A/644PA/1284/1284P, and will always
read as zero.
• Bits 5:0 – ISC21, ISC20 – ISC00, ISC00: External Interrupt 2 - 0 Sense Control Bits
The External Interrupts 2 - 0 are activated by the external pins INT2:0 if the SREG I-flag and the corresponding
interrupt mask in the EIMSK is set. The level and edges on the external pins that activate the interrupts are
Bit 76543210
(0x69) –– ISC21 ISC20 ISC11 ISC10 ISC01 ISC00 EICRA
Read/Write R R R/W R/W R/W R/W R/W R/W
Initial Value00000000

68
ATmega164A/164PA/324A/324PA/644A/644PA/1284/1284P [DATASHEET]
Atmel-8272G-AVR-01/2015
defined in Table 13-1. Edges on INT2:INT0 are registered asynchronously. Pulses on INT2:0 pins wider than
the minimum pulse width given in ”External interrupts characteristics” on page 326 will generate an interrupt.
Shorter pulses are not guaranteed to generate an interrupt. If low level interrupt is selected, the low level must
be held until the completion of the currently executing instruction to generate an interrupt. If enabled, a level
triggered interrupt will generate an interrupt request as long as the pin is held low. When changing the ISCn bit,
an interrupt can occur. Therefore, it is recommended to first disable INTn by clearing its Interrupt Enable bit in
the EIMSK Register. Then, the ISCn bit can be changed. Finally, the INTn interrupt flag should be cleared by
writing a logical one to its Interrupt Flag bit (INTFn) in the EIFR Register before the interrupt is re-enabled.
Note: 1. n = 2, 1 or 0.
When changing the ISCn1/ISCn0 bits, the interrupt must be disabled by clearing its Interrupt Enable bit in the
EIMSK Register. Otherwise an interrupt can occur when the bits are changed.
13.2.2 EIMSK – External Interrupt Mask Register
• Bits 2:0 – INT2:0: External Interrupt Request 2 - 0 Enable
When an INT2:0 bit is written to one and the I-bit in the Status Register (SREG) is set (one), the corresponding
external pin interrupt is enabled. The Interrupt Sense Control bits in the External Interrupt Control Register,
EICRA, defines whether the external interrupt is activated on rising or falling edge or level sensed. Activity on
any of these pins will trigger an interrupt request even if the pin is enabled as an output. This provides a way of
generating a software interrupt.
13.2.3 EIFR –External Interrupt Flag Register
• Bits 2:0 – INTF2:0: External Interrupt Flags 2 - 0
When an edge or logic change on the INT2:0 pin triggers an interrupt request, INTF2:0 becomes set (one). If the
I-bit in SREG and the corresponding interrupt enable bit, INT2:0 in EIMSK, are set (one), the MCU will jump to
the interrupt vector. The flag is cleared when the interrupt routine is executed. Alternatively, the flag can be
cleared by writing a logical one to it. These flags are always cleared when INT2:0 are configured as level
interrupt. Note that when entering sleep mode with the INT2:0 interrupts disabled, the input buffers on these
pins will be disabled. This may cause a logic change in internal signals which will set the INTF2:0 flags. See
”Digital Input Enable and Sleep Modes” on page 76 for more information.
Table 13-1. Interrupt Sense Control (1).
ISCn1 ISCn0 Description
0 0 The low level of INTn generates an interrupt request
0 1 Any edge of INTn generates asynchronously an interrupt request
1 0 The falling edge of INTn generates asynchronously an interrupt request
1 1 The rising edge of INTn generates asynchronously an interrupt request
Bit 76543210
0x1D (0x3D) ––––– INT2 INT1 IINT0 EIMSK
Read/Write RRRRRR/WR/WR/W
Initial Value00000000
Bit 76543210
0x1C (0x3C) – – – – – INTF2 INTF1 IINTF0 EIFR
Read/WriteR/WRRRRR/WR/WR/W
Initial Value00000000

69
ATmega164A/164PA/324A/324PA/644A/644PA/1284/1284P [DATASHEET]
Atmel-8272G-AVR-01/2015
13.2.4 PCICR – Pin Change Interrupt Control Register
• Bit 3 – PCIE3: Pin Change Interrupt Enable 3
When the PCIE3 bit is set (one) and the I-bit in the Status Register (SREG) is set (one), pin change interrupt 3 is
enabled. Any change on any enabled PCINT31:24 pin will cause an interrupt. The corresponding interrupt of Pin
Change Interrupt Request is executed from the PCI3 Interrupt Vector. PCINT31:24 pins are enabled individually
by the PCMSK3 Register.
• Bit 2 – PCIE2: Pin Change Interrupt Enable 2
When the PCIE2 bit is set (one) and the I-bit in the Status Register (SREG) is set (one), pin change interrupt 2 is
enabled. Any change on any enabled PCINT23:16 pin will cause an interrupt. The corresponding interrupt of Pin
Change Interrupt Request is executed from the PCI2 Interrupt Vector. PCINT23:16 pins are enabled individually
by the PCMSK2 Register.
• Bit 1 – PCIE1: Pin Change Interrupt Enable 1
When the PCIE1 bit is set (one) and the I-bit in the Status Register (SREG) is set (one), pin change interrupt 1 is
enabled. Any change on any enabled PCINT15:8 pin will cause an interrupt. The corresponding interrupt of Pin
Change Interrupt Request is executed from the PCI1 Interrupt Vector. PCINT15:8 pins are enabled individually
by the PCMSK1 Register.
• Bit 0 – PCIE0: Pin Change Interrupt Enable 0
When the PCIE0 bit is set (one) and the I-bit in the Status Register (SREG) is set (one), pin change interrupt 0 is
enabled. Any change on any enabled PCINT7:.0 pin will cause an interrupt. The corresponding interrupt of Pin
Change Interrupt Request is executed from the PCI0 Interrupt Vector. PCINT7:0 pins are enabled individually by
the PCMSK0 Register.
13.2.5 PCIFR – Pin Change Interrupt Flag Register
• Bit 3– PCIF3: Pin Change Interrupt Flag 3
When a logic change on any PCINT31:24 pin triggers an interrupt request, PCIF3 becomes set (one). If the I-bit
in SREG and the PCIE3 bit in PCICR are set (one), the MCU will jump to the corresponding Interrupt Vector.
The flag is cleared when the interrupt routine is executed. Alternatively, the flag can be cleared by writing a
logical one to it.
• Bit 2 – PCIF2: Pin Change Interrupt Flag 2
When a logic change on any PCINT23:16 pin triggers an interrupt request, PCIF2 becomes set (one). If the I-bit
in SREG and the PCIE2 bit in PCICR are set (one), the MCU will jump to the corresponding Interrupt Vector.
The flag is cleared when the interrupt routine is executed. Alternatively, the flag can be cleared by writing a
logical one to it.
Bit 76543210
(0x68) –––– PCIE3 PCIE2 PCIE1 PCIE0 PCICR
Read/Write R R R R R/W R/W R/W R/W
Initial Value00000000
Bit 76543210
0x1B (0x3B) –– PCIF3 PCIF2 PCIF1 PCIF0 PCIFR
Read/Write R R R R R/W R/W R/W R/W
Initial Value00000000

70
ATmega164A/164PA/324A/324PA/644A/644PA/1284/1284P [DATASHEET]
Atmel-8272G-AVR-01/2015
• Bit 1 – PCIF1: Pin Change Interrupt Flag 1
When a logic change on any PCINT15:8 pin triggers an interrupt request, PCIF1 becomes set (one). If the I-bit
in SREG and the PCIE1 bit in PCICR are set (one), the MCU will jump to the corresponding Interrupt Vector.
The flag is cleared when the interrupt routine is executed. Alternatively, the flag can be cleared by writing a
logical one to it.
• Bit 0 – PCIF0: Pin Change Interrupt Flag 0
When a logic change on any PCINT7:0 pin triggers an interrupt request, PCIF0 becomes set (one). If the I-bit in
SREG and the PCIE0 bit in PCICR are set (one), the MCU will jump to the corresponding Interrupt Vector. The
flag is cleared when the interrupt routine is executed. Alternatively, the flag can be cleared by writing a logical
one to it.
13.2.6 PCMSK3 – Pin Change Mask Register 3
• Bit 7:0 – PCINT31:24: Pin Change Enable Mask 31:24
Each PCINT31:24-bit selects whether pin change interrupt is enabled on the corresponding I/O pin. If
PCINT31:24 is set and the PCIE3 bit in PCICR is set, pin change interrupt is enabled on the corresponding I/O
pin. If PCINT31:24 is cleared, pin change interrupt on the corresponding I/O pin is disabled.
13.2.7 PCMSK2 – Pin Change Mask Register 2
• Bit 7:0 – PCINT23:16: Pin Change Enable Mask 23..16
Each PCINT23:16-bit selects whether pin change interrupt is enabled on the corresponding I/O pin. If
PCINT23:16 is set and the PCIE2 bit in PCICR is set, pin change interrupt is enabled on the corresponding I/O
pin. If PCINT23:16 is cleared, pin change interrupt on the corresponding I/O pin is disabled.
13.2.8 PCMSK1 – Pin Change Mask Register 1
• Bit 7:0 – PCINT15:8: Pin Change Enable Mask 15..8
Each PCINT15:8-bit selects whether pin change interrupt is enabled on the corresponding I/O pin. If PCINT15:8
is set and the PCIE1 bit in PCICR is set, pin change interrupt is enabled on the corresponding I/O pin. If
PCINT15:8 is cleared, pin change interrupt on the corresponding I/O pin is disabled.
Bit 76543210
(0x73) PCINT31 PCINT30 PCINT29 PCINT28 PCINT27 PCINT26 PCINT25 PCINT24 PCMSK3
Read/Write R/W R/W R/W R/W R/W R/W R/W R/W
Initial Value 0 0 0 0 0 0 0 0
Bit 76543210
(0x6D) PCINT23 PCINT22 PCINT21 PCINT20 PCINT19 PCINT18 PCINT17 PCINT16 PCMSK2
Read/Write R/W R/W R/W R/W R/W R/W R/W R/W
Initial Value 0 0 0 0 0 0 0 0
Bit 76543210
(0x6C) PCINT15 PCINT14 PCINT13 PCINT12 PCINT11 PCINT10 PCINT9 PCINT8 PCMSK1
Read/Write R/W R/W R/W R/W R/W R/W R/W R/W
Initial Value 0 0 0 0 0 0 0 0

71
ATmega164A/164PA/324A/324PA/644A/644PA/1284/1284P [DATASHEET]
Atmel-8272G-AVR-01/2015
13.2.9 PCMSK0 – Pin Change Mask Register 0
• Bit 7:0 – PCINT7:0: Pin Change Enable Mask 7..0
Each PCINT7:0 bit selects whether pin change interrupt is enabled on the corresponding I/O pin. If PCINT7:0 is
set and the PCIE0 bit in PCICR is set, pin change interrupt is enabled on the corresponding I/O pin. If PCINT7..0
is cleared, pin change interrupt on the corresponding I/O pin is disabled.
Bit 76543210
(0x6B) PCINT7 PCINT6 PCINT5 PCINT4 PCINT3 PCINT2 PCINT1 PCINT0 PCMSK0
Read/Write R/W R/W R/W R/W R/W R/W R/W R/W
Initial Value 0 0 0 0 0 0 0 0

72
ATmega164A/164PA/324A/324PA/644A/644PA/1284/1284P [DATASHEET]
Atmel-8272G-AVR-01/2015
14. I/O-Ports
14.1 Overview
All AVR ports have true Read-Modify-Write functionality when used as general digital I/O ports. This means that
the direction of one port pin can be changed without unintentionally changing the direction of any other pin with
the SBI and CBI instructions. The same applies when changing drive value (if configured as output) or
enabling/disabling of pull-up resistors (if configured as input). Each output buffer has symmetrical drive
characteristics with both high sink and source capability. The pin driver is strong enough to drive LED displays
directly. All port pins have individually selectable pull-up resistors with a supply-voltage invariant resistance. All
I/O pins have protection diodes to both VCC and Ground as indicated in Figure 14-1. Refer to ”Electrical
characteristics (TA = -40°C to 85°C)” on page 318 for a complete list of parameters.
Figure 14-1. I/O pin equivalent schematic.
All registers and bit references in this section are written in general form. A lower case “x” represents the
numbering letter for the port, and a lower case “n” represents the bit number. However, when using the register
or bit defines in a program, the precise form must be used. For example, PORTB3 for bit no. 3 in Port B, here
documented generally as PORTxn. The physical I/O Registers and bit locations are listed in ”Register
description” on page 89.
Three I/O memory address locations are allocated for each port, one each for the Data Register – PORTx, Data
Direction Register – DDRx, and the Port Input Pins – PINx. The Port Input Pins I/O location is read only, while
the Data Register and the Data Direction Register are read/write. However, writing a logic one to a bit in the
PINx Register, will result in a toggle in the corresponding bit in the Data Register. In addition, the Pull-up Disable
– PUD bit in MCUCR disables the pull-up function for all pins in all ports when set.
Using the I/O port as General Digital I/O is described in ”Ports as General Digital I/O” on page 73. Most port pins
are multiplexed with alternate functions for the peripheral features on the device. How each alternate function
interferes with the port pin is described in ”Alternate Port Functions” on page 77. Refer to the individual module
sections for a full description of the alternate functions.
Note that enabling the alternate function of some of the port pins does not affect the use of the other pins in the
port as general digital I/O.
Cpin
Logic
Rpu
See Figure
"General Digital I/O" for
Details
Pxn

73
ATmega164A/164PA/324A/324PA/644A/644PA/1284/1284P [DATASHEET]
Atmel-8272G-AVR-01/2015
14.2 Ports as General Digital I/O
The ports are bi-directional I/O ports with optional internal pull-ups. Figure 14-2 shows a functional description of
one I/O-port pin, here generically called Pxn.
Figure 14-2. General digital I/O (1).
Note: 1. WRx, WPx, WDx, RRx, RPx, and RDx are common to all pins within the same port. clkI/O, SLEEP, and PUD are
common to all ports.
14.2.1 Configuring the Pin
Each port pin consists of three register bits: DDxn, PORTxn, and PINxn. As shown in ”Register description” on
page 89, the DDxn bits are accessed at the DDRx I/O address, the PORTxn bits at the PORTx I/O address, and
the PINxn bits at the PINx I/O address.
The DDxn bit in the DDRx Register selects the direction of this pin. If DDxn is written logic one, Pxn is
configured as an output pin. If DDxn is written logic zero, Pxn is configured as an input pin.
If PORTxn is written logic one when the pin is configured as an input pin, the pull-up resistor is activated. To
switch the pull-up resistor off, PORTxn has to be written logic zero or the pin has to be configured as an output
pin. The port pins are tri-stated when reset condition becomes active, even if no clocks are running.
If PORTxn is written logic one when the pin is configured as an output pin, the port pin is driven high (one). If
PORTxn is written logic zero when the pin is configured as an output pin, the port pin is driven low (zero).
14.2.2 Toggling the pin
Writing a logic one to PINxn toggles the value of PORTxn, independent on the value of DDRxn. Note that the
SBI instruction can be used to toggle one single bit in a port.
clk
RPx
RRx
RDx
WDx
PUD
SYNCHRONIZER
WDx: WRITE DDRx
WRx: WRITE PORTx
RRx: READ PORTx REGISTER
RPx: READ PORTx PIN
PUD: PULLUP DISABLE
clkI/O: I/O CLOCK
RDx: READ DDRx
D
L
Q
Q
RESET
RESET
Q
Q
D
Q
QD
CLR
PORTxn
Q
Q D
CLR
DDxn
PINxn
DATA BUS
SLEEP
SLEEP: SLEEP CONTROL
Pxn
I/O
WPx
0
1
WRx
WPx: WRITE PINx REGISTER

74
ATmega164A/164PA/324A/324PA/644A/644PA/1284/1284P [DATASHEET]
Atmel-8272G-AVR-01/2015
14.2.3 Switching between input and output
When switching between tri-state ({DDxn, PORTxn} = 0b00) and output high ({DDxn, PORTxn} = 0b11), an
intermediate state with either pull-up enabled {DDxn, PORTxn} = 0b01) or output low ({DDxn, PORTxn} = 0b10)
must occur. Normally, the pull-up enabled state is fully acceptable, as a high-impedant environment will not
notice the difference between a strong high driver and a pull-up. If this is not the case, the PUD bit in the
MCUCR Register can be set to disable all pull-ups in all ports.
Switching between input with pull-up and output low generates the same problem. The user must use either the
tri-state ({DDxn, PORTxn} = 0b00) or the output high state ({DDxn, PORTxn} = 0b11) as an intermediate step.
Table 14-1 summarizes the control signals for the pin value.
14.2.4 Reading the Pin Value
Independent of the setting of Data Direction bit DDxn, the port pin can be read through the PINxn Register bit.
As shown in Figure 14-2, the PINxn Register bit and the preceding latch constitute a synchronizer. This is
needed to avoid metastability if the physical pin changes value near the edge of the internal clock, but it also
introduces a delay. Figure 14-3 shows a timing diagram of the synchronization when reading an externally
applied pin value. The maximum and minimum propagation delays are denoted tpd,max and tpd,min respectively.
Figure 14-3. Synchronization when reading an externally applied pin value.
Consider the clock period starting shortly after the first falling edge of the system clock. The latch is closed when
the clock is low, and goes transparent when the clock is high, as indicated by the shaded region of the “SYNC
LATCH” signal. The signal value is latched when the system clock goes low. It is clocked into the PINxn
Register at the succeeding positive clock edge. As indicated by the two arrows tpd,max and tpd,min, a single
Table 14-1. Port pin configurations.
DDxn PORTxn
PUD
(in MCUCR) I/O Pull-up Comment
0 0 X Input No Tri-state (Hi-Z)
0 1 0 Input Yes Pxn will source current if ext. pulled low.
0 1 1 Input No Tri-state (Hi-Z)
1 0 X Output No Output Low (Sink)
1 1 X Output No Output High (Source)
XXX in r17, PINx
0x00 0xFF
INSTRUCTIONS
SYNC LATCH
PINxn
r17
XXX
SYSTEM CLK
t
pd, max
t
pd, min

75
ATmega164A/164PA/324A/324PA/644A/644PA/1284/1284P [DATASHEET]
Atmel-8272G-AVR-01/2015
signal transition on the pin will be delayed between ½ and 1½ system clock period depending upon the time of
assertion.
When reading back a software assigned pin value, a nop instruction must be inserted as indicated in Figure 14-
4. The out instruction sets the “SYNC LATCH” signal at the positive edge of the clock. In this case, the delay tpd
through the synchronizer is 1 system clock period.
Figure 14-4. Synchronization when reading a software assigned pin value.
The following code example shows how to set port B pins 0 and 1 high, 2 and 3 low, and define the port pins
from 4 to 7 as input with pull-ups assigned to port pins 6 and 7. The resulting pin values are read back again, but
as previously discussed, a nop instruction is included to be able to read back the value recently assigned to
some of the pins.
out PORTx, r16 nop in r17, PINx
0xFF
0x00 0xFF
SYSTEM CLK
r16
INSTRUCTIONS
SYNC LATCH
PINxn
r17
t
pd

76
ATmega164A/164PA/324A/324PA/644A/644PA/1284/1284P [DATASHEET]
Atmel-8272G-AVR-01/2015
Note: 1. For the assembly program, two temporary registers are used to minimize the time from pull-ups are set on pins
0, 1, 6, and 7, until the direction bits are correctly set, defining bit 2 and 3 as low and redefining bits 0 and 1 as
strong high drivers.
14.2.5 Digital Input Enable and Sleep Modes
As shown in Figure 14-2, the digital input signal can be clamped to ground at the input of the schmitt-trigger. The
signal denoted SLEEP in the figure, is set by the MCU Sleep Controller in Power-down mode, Power-save
mode, and Standby mode to avoid high power consumption if some input signals are left floating, or have an
analog signal level close to VCC/2.
SLEEP is overridden for port pins enabled as external interrupt pins. If the external interrupt request is not
enabled, SLEEP is active also for these pins. SLEEP is also overridden by various other alternate functions as
described in ”Alternate Port Functions” on page 77.
If a logic high level (“one”) is present on an asynchronous external interrupt pin configured as “Interrupt on
Rising Edge, Falling Edge, or Any Logic Change on Pin” while the external interrupt is not enabled, the
corresponding External Interrupt Flag will be set when resuming from the above mentioned Sleep mode, as the
clamping in these sleep mode produces the requested logic change.
Assembly Code Example (1)
...
; Define pull-ups and set outputs high
; Define directions for port pins
ldi
r16,(1<<PB7)|(1<<PB6)|(1<<PB1)|(1<<PB0)
ldi
r17,(1<<DDB3)|(1<<DDB2)|(1<<DDB1)|(1<<DDB0)
out PORTB,r16
out DDRB,r17
; Insert nop for synchronization
nop
; Read port pins
in r16,PINB
...
C Code Example
unsigned char i;
...
/* Define pull-ups and set outputs high */
/* Define directions for port pins */
PORTB = (1<<PB7)|(1<<PB6)|(1<<PB1)|(1<<PB0);
DDRB = (1<<DDB3)|(1<<DDB2)|(1<<DDB1)|(1<<DDB0);
/* Insert nop for synchronization*/
__no_operation();
/* Read port pins */
i = PINB;
...

77
ATmega164A/164PA/324A/324PA/644A/644PA/1284/1284P [DATASHEET]
Atmel-8272G-AVR-01/2015
14.2.6 Unconnected Pins
If some pins are unused, it is recommended to ensure that these pins have a defined level. Even though most of
the digital inputs are disabled in the deep sleep modes as described above, floating inputs should be avoided to
reduce current consumption in all other modes where the digital inputs are enabled (Reset, Active mode, and
Idle mode).
The simplest method to ensure a defined level of an unused pin, is to enable the internal pull-up. In this case,
the pull-up will be disabled during reset. If low power consumption during reset is important, it is recommended
to use an external pull-up or pull-down. Connecting unused pins directly to VCC or GND is not recommended,
since this may cause excessive currents if the pin is accidentally configured as an output.
14.3 Alternate Port Functions
Most port pins have alternate functions in addition to being general digital I/Os. Figure 14-5 shows how the port
pin control signals from the simplified Figure 14-2 on page 73 can be overridden by alternate functions. The
overriding signals may not be present in all port pins, but the figure serves as a generic description applicable to
all port pins in the AVR microcontroller family.
Figure 14-5. Alternate port functions (1).
Note: 1. WRx, WPx, WDx, RRx, RPx, and RDx are common to all pins within the same port. clkI/O, SLEEP, and PUD are
common to all ports. All other signals are unique for each pin.
clk
RPx
RRx
WRx
RDx
WDx
PUD
SYNCHRONIZER
WDx: WRITE DDRx
WRx: WRITE PORTx
RRx: READ PORTx REGISTER
RPx: READ PORTx PIN
PUD: PULLUP DISABLE
clk
I/O
: I/O CLOCK
RDx: READ DDRx
D
L
Q
Q
SET
CLR
0
1
0
1
0
1
DIxn
AIOxn
DIEOExn
PVOVxn
PVOExn
DDOVxn
DDOExn
PUOExn
PUOVxn
PUOExn: Pxn PULL-UP OVERRIDE ENABLE
PUOVxn: Pxn PULL-UP OVERRIDE VALUE
DDOExn: Pxn DATA DIRECTION OVERRIDE ENABLE
DDOVxn: Pxn DATA DIRECTION OVERRIDE VALUE
PVOExn: Pxn PORT VALUE OVERRIDE ENABLE
PVOVxn: Pxn PORT VALUE OVERRIDE VALUE
DIxn: DIGITAL INPUT PIN n ON PORTx
AIOxn: ANALOG INPUT/OUTPUT PIN n ON PORTx
RESET
RESET
Q
QD
CLR
Q
QD
CLR
Q
Q
D
CLR
PINxn
PORTxn
DDxn
DATA BUS
0
1
DIEOVxn
SLEEP
DIEOExn: Pxn DIGITAL INPUT-ENABLE OVERRIDE ENABLE
DIEOVxn: Pxn DIGITAL INPUT-ENABLE OVERRIDE VALUE
SLEEP: SLEEP CONTROL
Pxn
I/O
0
1
PTOExn
PTOExn: Pxn, PORT TOGGLE OVERRIDE ENABLE
WPx: WRITE PINx
WPx

78
ATmega164A/164PA/324A/324PA/644A/644PA/1284/1284P [DATASHEET]
Atmel-8272G-AVR-01/2015
Table 14-2 summarizes the function of the overriding signals. The pin and port indexes from Figure 14-5 are not
shown in the succeeding tables. The overriding signals are generated internally in the modules having the
alternate function.
The following subsections shortly describe the alternate functions for each port, and relate the overriding signals
to the alternate function. Refer to the alternate function description for further details.
Table 14-2. Generic description of overriding signals for alternate functions.
Signal name Full name Description
PUOE Pull-up Override
Enable
If this signal is set, the pull-up enable is controlled by the PUOV
signal. If this signal is cleared, the pull-up is enabled when
{DDxn, PORTxn, PUD} = 0b010.
PUOV Pull-up Override
Value
If PUOE is set, the pull-up is enabled/disabled when PUOV is
set/cleared, regardless of the setting of the DDxn, PORTxn,
and PUD Register bits.
DDOE Data Direction
Override Enable
If this signal is set, the Output Driver Enable is controlled by the
DDOV signal. If this signal is cleared, the Output driver is
enabled by the DDxn Register bit.
DDOV Data Direction
Override Value
If DDOE is set, the Output Driver is enabled/disabled when
DDOV is set/cleared, regardless of the setting of the DDxn
Register bit.
PVOE Port Value
Override Enable
If this signal is set and the Output Driver is enabled, the port
value is controlled by the PVOV signal. If PVOE is cleared, and
the Output Driver is enabled, the port Value is controlled by the
PORTxn Register bit.
PVOV Port Value
Override Value
If PVOE is set, the port value is set to PVOV, regardless of the
setting of the PORTxn Register bit.
PTOE Port Toggle
Override Enable If PTOE is set, the PORTxn Register bit is inverted.
DIEOE
Digital Input
Enable Override
Enable
If this bit is set, the Digital Input Enable is controlled by the
DIEOV signal. If this signal is cleared, the Digital Input Enable
is determined by MCU state (Normal mode, sleep mode).
DIEOV
Digital Input
Enable Override
Value
If DIEOE is set, the Digital Input is enabled/disabled when
DIEOV is set/cleared, regardless of the MCU state (Normal
mode, sleep mode).
DI Digital Input
This is the Digital Input to alternate functions. In the figure, the
signal is connected to the output of the schmitt trigger but
before the synchronizer. Unless the Digital Input is used as a
clock source, the module with the alternate function will use its
own synchronizer.
AIO Analog
Input/Output
This is the Analog Input/output to/from alternate functions. The
signal is connected directly to the pad, and can be used bi-
directionally.

79
ATmega164A/164PA/324A/324PA/644A/644PA/1284/1284P [DATASHEET]
Atmel-8272G-AVR-01/2015
14.3.1 Alternate Functions of Port A
The Port A pins with alternate functions are shown in Table 14-3.
• ADC7:0/PCINT7:0 – Port A, Bit 7:0
ADC7:0, Analog to Digital Converter, Channels 7:0.
PCINT7:0, Pin Change Interrupt source 7:0: The PA7:0 pins can serve as external interrupt sources.
Table 14-4 on page 79 and Table 14-5 on page 80 relate the alternate functions of Port A to the overriding
signals shown in Figure 14-5 on page 77.
Table 14-3. Port A pins alternate functions.
Port pin Alternate function
PA7 ADC7 (ADC input channel 7)
PCINT7 (Pin Change Interrupt 7)
PA6 ADC6 (ADC input channel 6)
PCINT6 (Pin Change Interrupt 6)
PA5 ADC5 (ADC input channel 5)
PCINT5 (Pin Change Interrupt 5)
PA4 ADC4 (ADC input channel 4)
PCINT4 (Pin Change Interrupt 4)
PA3 ADC3 (ADC input channel 3)
PCINT3 (Pin Change Interrupt 3)
PA2 ADC2 (ADC input channel 2)
PCINT2 (Pin Change Interrupt 2)
PA1 ADC1 (ADC input channel 1)
PCINT1 (Pin Change Interrupt 1)
PA0 ADC0 (ADC input channel 0)
PCINT0 (Pin Change Interrupt 0)
Table 14-4. Overriding Signals for Alternate Functions in PA7:PA4.
Signal
name
PA7/ADC7/
PCINT7
PA6/ADC6/
PCINT6
PA5/ADC5/
PCINT5
PA4/ADC4/
PCINT4
PUOE 0 0 0 0
PUOV 0 0 0 0
DDOE 0 0 0 0
DDOV 0 0 0 0
PVOE 0 0 0 0
PVOV 0 0 0 0
DIEOE PCINT7 • PCIE0 +
ADC7D
PCINT6 • PCIE0 +
ADC6D
PCINT5 • PCIE0 +
ADC5D
PCINT4 • PCIE0 +
ADC4D
DIEOV PCINT7 • PCIE0 PCINT6 • PCIE0 PCINT5 • PCIE0 PCINT4 • PCIE0
DI PCINT7 INPUT PCINT6 INPUT PCINT5 INPUT PCINT4 INPUT
AIO ADC7 INPUT ADC6 INPUT ADC5 INPUT ADC4 INPUT

80
ATmega164A/164PA/324A/324PA/644A/644PA/1284/1284P [DATASHEET]
Atmel-8272G-AVR-01/2015
14.3.2 Alternate Functions of Port B
The Port B pins with alternate functions are shown in Table 14-6.
Table 14-5. Overriding Signals for Alternate Functions in PA3:PA0.
Signal
Name
PA3/ADC3/
PCINT3
PA2/ADC2/
PCINT2
PA1/ADC1/
PCINT1
PA0/ADC0/
PCINT0
PUOE 0 0 0 0
PUOV 0 0 0 0
DDOE 0 0 0 0
DDOV 0 0 0 0
PVOE 0 0 0 0
PVOV 0 0 0 0
DIEOE PCINT3 • PCIE0 +
ADC3D
PCINT2 • PCIE0 +
ADC2D
PCINT1 • PCIE0 +
ADC1D
PCINT0 • PCIE0 +
ADC0D
DIEOV PCINT3 • PCIE0 PCINT2 • PCIE0 PCINT1 • PCIE0 PCINT0 • PCIE0
DI PCINT3 INPUT PCINT2 INPUT PCINT1 INPUT PCINT0 INPUT
AIO ADC3 INPUT ADC2 INPUT ADC1 INPUT ADC0 INPUT
Table 14-6. Port B pins alternate functions.
Port Pin Alternate Functions
PB7
SCK (SPI Bus Master clock input)
OC3B (Timer/Counter 3 Output Compare Match B Output)
PCINT15 (Pin Change Interrupt 15)
PB6
MISO (SPI Bus Master Input/Slave Output)
OC3A (Timer/Counter 3 Output Compare Match A Output)
PCINT14 (Pin Change Interrupt 14)
PB5
MOSI (SPI Bus Master Output/Slave Input)
ICP3 (Timer/Counter3 Input Capture Trigger)
PCINT13 (Pin Change Interrupt 13)
PB4
SS (SPI Slave Select input)
OC0B (Timer/Counter 0 Output Compare Match B Output)
PCINT12 (Pin Change Interrupt 12)
PB3
AIN1 (Analog Comparator Negative Input)
OC0A (Timer/Counter 0 Output Compare Match A Output)
PCINT11 (Pin Change Interrupt 11)
PB2
AIN0 (Analog Comparator Positive Input)
INT2 (External Interrupt 2 Input)
PCINT10 (Pin Change Interrupt 10)
PB1
T1 (Timer/Counter 1 External Counter Input)
CLKO (Divided System Clock Output)
PCINT9 (Pin Change Interrupt 9)
PB0
T0 (Timer/Counter 0 External Counter Input)
XCK0 (USART0 External Clock Input/Output)
PCINT8 (Pin Change Interrupt 8)

81
ATmega164A/164PA/324A/324PA/644A/644PA/1284/1284P [DATASHEET]
Atmel-8272G-AVR-01/2015
The alternate pin configuration is as follows:
• SCK/OC3B/PCINT15 – Port B, Bit 7
SCK: Master Clock output, Slave Clock input pin for SPI channel. When the SPI is enabled as a slave, this pin is
configured as an input regardless of the setting of DDB7. When the SPI0 is enabled as a master, the data
direction of this pin is controlled by DDB7. When the pin is forced to be an input, the pull-up can still be
controlled by the PORTB7 bit.
OC3B, Output Compare Match B output: The PB7 pin can serve as an external output for the Timer/Counter3
Output Compare. The pin has to be configured as an output (DDB7 set “one”) to serve this function. The OC3B
pin is also the output pin for the PWM mode timer function.
PCINT15, Pin Change Interrupt source 15: The PB7 pin can serve as an external interrupt source.
• MISO/OC3A/PCINT14 – Port B, Bit 6
MISO: Master Data input, Slave Data output pin for SPI channel. When the SPI is enabled as a master, this pin
is configured as an input regardless of the setting of DDB6. When the SPI is enabled as a slave, the data
direction of this pin is controlled by DDB6. When the pin is forced to be an input, the pull-up can still be
controlled by the PORTB6 bit.
OC3A, Output Compare Match A output: The PB6 pin can serve as an external output for the Timer/Counter0
Output Compare. The pin has to be configured as an output (DDB6 set “one”) to serve this function. The OC3A
pin is also the output pin for the PWM mode timer function.
PCINT14, Pin Change Interrupt source 14: The PB6 pin can serve as an external interrupt source.
• MOSI/ICP3/PCINT13 – Port B, Bit 5
MOSI: SPI Master Data output, Slave Data input for SPI channel. When the SPI is enabled as a slave, this pin is
configured as an input regardless of the setting of DDB5. When the SPI is enabled as a master, the data
direction of this pin is controlled by DDB5. When the pin is forced to be an input, the pull-up can still be
controlled by the PORTB5 bit.
ICP3, Input Capture Pin 3: The PB5 pin can act as an input capture pin for Timer/Counter3.
PCINT13, Pin Change Interrupt source 13: The PB5 pin can serve as an external interrupt source.
•SS
/OC0B/PCINT12 – Port B, Bit 4
SS: Slave Port Select input. When the SPI is enabled as a slave, this pin is configured as an input regardless of
the setting of DDB4. As a slave, the SPI is activated when this pin is driven low. When the SPI is enabled as a
master, the data direction of this pin is controlled by DDB4. When the pin is forced to be an input, the pull-up can
still be controlled by the PORTB4 bit.
OC0B, Output Compare Match B output: The PB4 pin can serve as an external output for the Timer/Counter0
Output Compare. The pin has to be configured as an output (DDB4 set “one”) to serve this function. The OC0B
pin is also the output pin for the PWM mode timer function.
PCINT12, Pin Change Interrupt source 12: The PB4 pin can serve as an external interrupt source.
• AIN1/OC0A/PCINT11, Bit 3
AIN1, Analog Comparator Negative input. This pin is directly connected to the negative input of the Analog
Comparator.
OC0A, Output Compare Match A output: The PB3 pin can serve as an external output for the Timer/Counter0
Output Compare. The pin has to be configured as an output (DDB3 set “one”) to serve this function. The OC0A
pin is also the output pin for the PWM mode timer function.
PCINT11, Pin Change Interrupt source 11: The PB3 pin can serve as an external interrupt source.

82
ATmega164A/164PA/324A/324PA/644A/644PA/1284/1284P [DATASHEET]
Atmel-8272G-AVR-01/2015
• AIN0/INT2/PCINT10, Bit 2
AIN0, Analog Comparator Positive input. This pin is directly connected to the positive input of the Analog
Comparator.
INT2, External Interrupt source 2. The PB2 pin can serve as an External Interrupt source to the MCU.
PCINT10, Pin Change Interrupt source 10: The PB2 pin can serve as an external interrupt source.
• T1/CLKO/PCINT9, Bit 1
T1, Timer/Counter1 counter source.
CLKO, Divided System Clock: The divided system clock can be output on the PB1 pin. The divided system clock
will be output if the CKOUT Fuse is programmed, regardless of the PORTB1 and DDB1 settings. It will also be
output during reset.
PCINT9, Pin Change Interrupt source 9: The PB1 pin can serve as an external interrupt source.
• T0/XCK0/PCINT8, Bit 0
T0, Timer/Counter0 counter source.
XCK0, USART0 External clock. The Data Direction Register (DDB0) controls whether the clock is output (DDD0
set “one”) or input (DDD0 cleared). The XCK0 pin is active only when the USART0 operates in Synchronous
mode.
PCINT8, Pin Change Interrupt source 8: The PB0 pin can serve as an external interrupt source.
Table 14-7 and Table 14-8 relate the alternate functions of Port B to the overriding signals shown in Figure 14-5
on page 77. SPI MSTR INPUT and SPI SLAVE OUTPUT constitute the MISO signal, while MOSI is divided into
SPI MSTR OUTPUT and SPI SLAVE INPUT.
Table 14-7. Overriding Signals for Alternate Functions in PB7:PB4.
Signal
name
PB7/SCK/
PCINT15
PB6/MISO/
PCINT14
PB5/MOSI/
PCINT13
PB4/SS/OC0B/
PCINT12
PUOE SPE • MSTR SPE • MSTR SPE • MSTR SPE • MSTR
PUOV PORTB7 • PUD PORTB14 • PUD PORTB13 • PUD PORTB12 • PUD
DDOE SPE • MSTR SPE • MSTR SPE • MSTR SPE • MSTR
DDOV 0 0 0 0
PVOE SPE • MSTR SPE • MSTR SPE • MSTR OC0A ENABLE
PVOV SCK OUTPUT SPI SLAVE
OUTPUT SPI MSTR OUTPUT OC0A
DIEOE PCINT15 • PCIE1 PCINT14 • PCIE1 PCINT13 • PCIE1 PCINT12 • PCIE1
DIEOV 1 1 1 1
DI SCK INPUT
PCINT17 INPUT
SPI MSTR INPUT
PCINT14 INPUT
SPI SLAVE INPUT
PCINT13 INPUT
SPI SS
PCINT12 INPUT
AIO – – – –

83
ATmega164A/164PA/324A/324PA/644A/644PA/1284/1284P [DATASHEET]
Atmel-8272G-AVR-01/2015
14.3.3 Alternate Functions of Port C
The Port C pins with alternate functions are shown in Table 14-9.
• TOSC2/PCINT23 – Port C, Bit7
TOSC2, Timer Oscillator pin 2. The PC7 pin can serve as an external interrupt source to the MCU.
PCINT23, Pin Change Interrupt source 23: The PC7 pin can serve as an external interrupt source.
Table 14-8. Overriding Signals for Alternate Functions in PB3:PB0.
Signal
name
PB3/AIN1/OC0B/
PCINT11
PB2/AIN0/INT2/
PCINT10
PB1/T1/CLKO/PCI
NT9
PB0/T0/XCK/
PCINT8
PUOE 0 0 0 0
PUOV 0 0 0 0
DDOE 00CKOUT 0
DDOV 00CKOUT 0
PVOE OC0B ENABLE 0CKOUT 0
PVOV OC0B 0CLK I/O 0
DIEOE PCINT11 • PCIE1 INT2 ENABLE
PCINT10 • PCIE1 PCINT9 • PCIE1 PCINT8 • PCIE1
DIEOV 1 1 1 1
DI PCINT11 INPUT INT2 INPUT
PCINT10 INPUT
T1 INPUT
PCINT9 INPUT
T0 INPUT
PCINT8 INPUT
AIO AIN1 INPUT AIN0 INPUT – –
Table 14-9. Port C pins alternate functions.
Port pin Alternate function
PC7 TOSC2 (Timer Oscillator pin 2)
PCINT23 (Pin Change Interrupt 23)
PC6 TOSC1 (Timer Oscillator pin 1)
PCINT22 (Pin Change Interrupt 22)
PC5 TDI (JTAG Test Data Input)
PCINT21 (Pin Change Interrupt 21)
PC4 TDO (JTAG Test Data Output)
PCINT20 (Pin Change Interrupt 20)
PC3 TMS (JTAG Test Mode Select)
PCINT19 (Pin Change Interrupt 19)
PC2 TCK (JTAG Test Clock)
PCINT18 (Pin Change Interrupt 18)
PC1 SDA (two-wire Serial Bus Data Input/Output Line)
PCINT17 (Pin Change Interrupt 17)
PC0 SCL (two-wire Serial Bus Clock Line)
PCINT16 (Pin Change Interrupt 16)

84
ATmega164A/164PA/324A/324PA/644A/644PA/1284/1284P [DATASHEET]
Atmel-8272G-AVR-01/2015
• TOSC1/PCINT22 – Port C, Bit 6
TOSC1, Timer Oscillator pin 1. The PC6 pin can serve as an external interrupt source to the MCU.
PCINT22, Pin Change Interrupt source 22: The PC6 pin can serve as an external interrupt source.
• TDI/PCINT21 – Port C, Bit 5
TDI, JTAG Test Data Input.
PCINT21, Pin Change Interrupt source 21: The PC5 pin can serve as an external interrupt source.
• TDO/PCINT20 – Port C, Bit 4
TDO, JTAG Test Data Output.
PCINT20, Pin Change Interrupt source 20: The PC4 pin can serve as an external interrupt source.
• TMS/PCINT19 – Port C, Bit 3
TMS, JTAG Test Mode Select.
PCINT19, Pin Change Interrupt source 19: The PC3 pin can serve as an external interrupt source.
• TCK/PCINT18 – Port C, Bit 2
TCK, JTAG Test Clock.
PCINT18, Pin Change Interrupt source 18: The PC2 pin can serve as an external interrupt source.
• SDA/PCINT17 – Port C, Bit 1
SDA, two-wire Serial Bus Data Input/Output Line.
PCINT17, Pin Change Interrupt source 17: The PC1 pin can serve as an external interrupt source.
• SCL/PCINT16 – Port C, Bit 0
SCL, two-wire Serial Bus Clock Line.
PCINT16, Pin Change Interrupt source 16: The PC0 pin can serve as an external interrupt source.
Table 14-10 and Table 14-11 relate the alternate functions of Port C to the overriding signals shown in Figure
14-5 on page 77.

85
ATmega164A/164PA/324A/324PA/644A/644PA/1284/1284P [DATASHEET]
Atmel-8272G-AVR-01/2015
Table 14-10. Overriding Signals for Alternate Functions in PC7:PC4.
Signal
name
PC7/TOSC2/
PCINT23
PC6/TOSC1/
PCINT22
PC5/TDI/
PCINT21
PC4/TDO/
PCINT20
PUOE AS2 • EXCLK AS2 JTAGEN JTAGEN
PUOV 0 0 1 1
DDOE AS2 • EXCLK AS2 JTAGEN JTAGEN
DDOV 0 0 0 SHIFT_IR +
SHIFT_DR
PVOE 0 0 0 JTAGEN
PVOV 0 0 0 TDO
DIEOE AS2 • EXCLK +
PCINT23 • PCIE2
AS2 +
PCINT22 • PCIE2
JTAGEN +
PCINT21 • PCIE2
JTAGEN +
PCINT20 • PCIE2
DIEOV AS2 EXCLK + AS2 JTAGEN JTAGEN
DI PCINT23 INPUT PCINT22 INPUT PCINT21 INPUT PCINT20 INPUT
AIO T/C2 OSC OUTPUT T/C2 OSC
INPUT TDI INPUT –
Table 14-11. Overriding Signals for Alternate Functions in PC3:PC0.
Signal
name
PC3/TMS/
PCINT19
PC2/TCK/
PCINT18
PC1/SDA/
PCINT17
PC0/SCL/
PCINT16
PUOE JTAGEN JTAGEN TWEN TWEN
PUOV 11PORTC1 • PUD PORTC0 • PUD
DDOE JTAGEN JTAGEN TWEN TWEN
DDOV 0 0 0 0
PVOE 00TWEN TWEN
PVOV 00SDA OUT SCL OUT
DIEOE JTAGEN +
PCINT19 • PCIE2
JTAGEN +
PCINT18 • PCIE2 PCINT17 • PCIE2 PCINT16 • PCIE2
DIEOV JTAGEN JTAGEN 1 1
DI PCINT19 INPUT PCINT18 INPUT PCINT17 INPUT PCINT16 INPUT
AIO TMS INPUT TCK INPUT SDA INPUT SCL INPUT

86
ATmega164A/164PA/324A/324PA/644A/644PA/1284/1284P [DATASHEET]
Atmel-8272G-AVR-01/2015
14.3.4 Alternate Functions of Port D
The Port D pins with alternate functions are shown in Table 14-12.
The alternate pin configuration is as follows:
• OC2A/PCINT31 – Port D, Bit 7
OC2A, Output Compare Match A output: The PD7 pin can serve as an external output for the Timer/Counter2
Output Compare A. The pin has to be configured as an output (DDD7 set (one)) to serve this function. The
OC2A pin is also the output pin for the PWM mode timer function.
PCINT31, Pin Change Interrupt Source 31:The PD7 pin can serve as an external interrupt source.
• ICP1/OC2B/PCINT30 – Port D, Bit 6
ICP1, Input Capture Pin 1: The PD6 pin can act as an input capture pin for Timer/Counter1.
OC2B, Output Compare Match B output: The PD6 pin can serve as an external output for the Timer/Counter2
Output Compare B. The pin has to be configured as an output (DDD6 set (one)) to serve this function. The
OC2B pin is also the output pin for the PWM mode timer function.
PCINT30, Pin Change Interrupt Source 30: The PD6 pin can serve as an external interrupt source.
• OC1A/PCINT29 – Port D, Bit 5
OC1A, Output Compare Match A output: The PD5 pin can serve as an external output for the Timer/Counter1
Output Compare A. The pin has to be configured as an output (DDD5 set (one)) to serve this function. The
OC1A pin is also the output pin for the PWM mode timer function.
PCINT29, Pin Change Interrupt Source 29: The PD5 pin can serve as an external interrupt source.
Table 14-12. Port D pins alternate functions.
Port pin Alternate function
PD7 OC2A (Timer/Counter2 Output Compare Match A Output)
PCINT31 (Pin Change Interrupt 31)
PD6
ICP1 (Timer/Counter1 Input Capture Trigger)
OC2B (Timer/Counter2 Output Compare Match B Output)
PCINT30 (Pin Change Interrupt 30)
PD5 OC1A (Timer/Counter1 Output Compare Match A Output)
PCINT29 (Pin Change Interrupt 29)
PD4
OC1B (Timer/Counter1 Output Compare Match B Output)
XCK1 (USART1 External Clock Input/Output)
PCINT28 (Pin Change Interrupt 28)
PD3
INT1 (External Interrupt1 Input)
TXD1 (USART1 Transmit Pin)
PCINT27 (Pin Change Interrupt 27)
PD2
INT0 (External Interrupt0 Input)
RXD1 (USART1 Receive Pin)
PCINT26 (Pin Change Interrupt 26)
PD1 TXD0 (USART0 Transmit Pin)
PCINT25 (Pin Change Interrupt 25)
PD0
RXD0 (USART0 Receive Pin)
PCINT24 (Pin Change Interrupt 24)
T3 (Timer/Counter 3 External Counter Input)

87
ATmega164A/164PA/324A/324PA/644A/644PA/1284/1284P [DATASHEET]
Atmel-8272G-AVR-01/2015
• OC1B/XCK1/PCINT28 – Port D, Bit 4
OC1B, Output Compare Match B output: The PB4 pin can serve as an external output for the Timer/Counter1
Output Compare B. The pin has to be configured as an output (DDD4 set (one)) to serve this function. The
OC1B pin is also the output pin for the PWM mode timer function.
XCK1, USART1 External clock. The Data Direction Register (DDB4) controls whether the clock is output (DDD4
set “one”) or input (DDD4 cleared). The XCK4 pin is active only when the USART1 operates in Synchronous
mode.
PCINT28, Pin Change Interrupt Source 28: The PD4 pin can serve as an external interrupt source.
• INT1/TXD1/PCINT27 – Port D, Bit 3
INT1, External Interrupt source 1. The PD3 pin can serve as an external interrupt source to the MCU.
TXD1, Transmit Data (Data output pin for the USART1). When the USART1 Transmitter is enabled, this pin is
configured as an output regardless of the value of DDD3.
PCINT27, Pin Change Interrupt Source 27: The PD3 pin can serve as an external interrupt source.
• INT0/RXD1/PCINT26 – Port D, Bit 2
INT0, External Interrupt source 0. The PD2 pin can serve as an external interrupt source to the MCU.
RXD1, RXD0, Receive Data (Data input pin for the USART1). When the USART1 receiver is enabled this pin is
configured as an input regardless of the value of DDD2. When the USART forces this pin to be an input, the
pull-up can still be controlled by the PORTD2 bit.
PCINT26, Pin Change Interrupt Source 26: The PD2 pin can serve as an external interrupt source.
• TXD0/PCINT25 – Port D, Bit 1
TXD0, Transmit Data (Data output pin for the USART0). When the USART0 Transmitter is enabled, this pin is
configured as an output regardless of the value of DDD1.
PCINT25, Pin Change Interrupt Source 25: The PD1 pin can serve as an external interrupt source.
• RXD0/T3/PCINT24 – Port D, Bit 0
RXD0, Receive Data (Data input pin for the USART0). When the USART0 receiver is enabled this pin is
configured as an input regardless of the value of DDD0. When the USART forces this pin to be an input, the
pull-up can still be controlled by the PORTD0 bit.
T3, Timer/Counter3 counter source (only for ATmega1284/1284P).
PCINT24, Pin Change Interrupt Source 24: The PD0 pin can serve as an external interrupt source.
Table 14-13 on page 88 and Table 14-14 on page 88 relate the alternate functions of Port D to the overriding
signals shown in Figure 14-5 on page 77.

88
ATmega164A/164PA/324A/324PA/644A/644PA/1284/1284P [DATASHEET]
Atmel-8272G-AVR-01/2015
Note: 1. When enabled, the two-wire Serial Interface enables Slew-Rate controls on the output pins PD0 and PD1. This
is not shown in this table. In addition, spike filters are connected between the AIO outputs shown in the port
figure and the digital logic of the TWI module.
Table 14-13. Overriding Signals for Alternate Functions PD7:PD4.
Signal name
PD7/OC2A/
PCINT31
PD6/ICP1/
OC2B/
PCINT30
PD5/OC1A/
PCINT29
PD4/OC1B/XCK1/
PCINT28
PUOE 0000
PUOV 0000
DDOE 0000
DDOV 0000
PVOE OC2A ENABLE OC2B ENABLE OC1A ENABLE OC1B ENABLE
PVOV OCA2A OC2B OC1A OC1B
DIEOE PCINT31 • PCIE3 PCINT30 • PCIE3 PCINT29 • PCIE3 PCINT28 • PCIE3
DIEOV 1111
DI PCINT31 INPUT ICP1 INPUT
PCINT30 INPUT PCINT29 INPUT PCINT28 INPUT
AIO ––––
Table 14-14. Overriding Signals for Alternate Functions in PD3:PD0 (1).
Signal name
PD3/INT1/TXD1/
PCINT27
PD2/INT0/RXD1/
PCINT26
PD1/TXD0/
PCINT25
PD0/RXD0/
PCINT27
PUOE TXEN1 RXEN1 TXEN0 RXEN1
PUOV 0PORTD2 • PUD 0PORTD0 • PUD
DDOE TXEN1 RXEN1 TXEN0 RXEN1
DDOV 1 0 1 0
PVOE TXEN1 0TXEN0 0
PVOV TXD1 0TXD0 0
DIEOE INT1 ENABLE
PCINT27 • PCIE3
INT2 ENABLE
PCINT26 • PCIE3 PCINT25 • PCIE3 PCINT24 • PCIE3
DIEOV 1 1 1 1
DI INT1 INPUT
PCINT27 INPUT
INT0 INPUT
RXD1
PCINT26 INPUT
PCINT25 INPUT RXD0
PCINT24 INPUT
AIO – – – –

89
ATmega164A/164PA/324A/324PA/644A/644PA/1284/1284P [DATASHEET]
Atmel-8272G-AVR-01/2015
Register description
14.3.5 MCUCR – MCU Control Register
Note: 1. Only available in the Atmel ATmega164PA/324PA/644PA/1284P.
• Bit 4 – PUD: Pull-up Disable
When this bit is written to one, the pull-ups in the I/O ports are disabled even if the DDxn and PORTxn Registers
are configured to enable the pull-ups ({DDxn, PORTxn} = 0b01). See ”Configuring the Pin” on page 73 for more
details about this feature.
14.3.6 PORTA – Port A Data Register
14.3.7 DDRA – Port A Data Direction Register
14.3.8 PINA – Port A Input Pins Address
14.3.9 PORTB – Port B Data Register
14.3.10 DDRB – Port B Data Direction Register
Bit 7 6 5 4 3 2 1 0
0x35 (0x55) JTD BODS(1) BODSE(1) PUD – – IVSEL IVCE MCUCR
Read/Write R/W R/W R/W R/W R R R/W R/W
Initial Value 0 0 0 0 0 0 0 0
Bit 76543210
0x02 (0x22) PORTA7 PORTA6 PORTA5 PORTA4 PORTA3 PORTA2 PORTA1 PORTA0 PORTA
Read/Write R/W R/W R/W R/W R/W R/W R/W R/W
Initial Value00000000
Bit 76543210
0x01 (0x21) DDA7 DDA6 DDA5 DDA4 DDA3 DDA2 DDA1 DDA0 DDRA
Read/Write R/W R/W R/W R/W R/W R/W R/W R/W
Initial Value00000000
Bit 76543210
0x00 (0x20) PINA7 PINA6 PINA5 PINA4 PINA3 PINA2 PINA1 PINA0 PINA
Read/Write R/W R/W R/W R/W R/W R/W R/W R/W
Initial Value N/A N/A N/A N/A N/A N/A N/A N/A
Bit 76543210
0x05 (0x25) PORTB7 PORTB6 PORTB5 PORTB4 PORTB3 PORTB2 PORTB1 PORTB0 PORTB
Read/Write R/W R/W R/W R/W R/W R/W R/W R/W
Initial Value00000000
Bit 76543210
0x04 (0x24) DDB7 DDB6 DDB5 DDB4 DDB3 DDB2 DDB1 DDB0 DDRB
Read/Write R/W R/W R/W R/W R/W R/W R/W R/W
Initial Value00000000

90
ATmega164A/164PA/324A/324PA/644A/644PA/1284/1284P [DATASHEET]
Atmel-8272G-AVR-01/2015
14.3.11 PINB – Port B Input Pins Address
14.3.12 PORTC – Port C Data Register
14.3.13 DDRC – Port C Data Direction Register
14.3.14 PINC – Port C Input Pins Address
14.3.15 PORTD – Port D Data Register
14.3.16 DDRD – Port D Data Direction Register
14.3.17 PIND – Port D Input Pins Address
Bit 76543210
0x03 (0x23) PINB7 PINB6 PINB5 PINB4 PINB3 PINB2 PINB1 PINB0 PINB
Read/Write R/W R/W R/W R/W R/W R/W R/W R/W
Initial Value N/A N/A N/A N/A N/A N/A N/A N/A
Bit 76543210
0x08 (0x28) PORTC7 PORTC6 PORTC5 PORTC4 PORTC3 PORTC2 PORTC1 PORTC0 PORTC
Read/Write R/W R/W R/W R/W R/W R/W R/W R/W
Initial Value00000000
Bit 76543210
0x07 (0x27) DDC7 DDC6 DDC5 DDC4 DDC3 DDC2 DDC1 DDC0 DDRC
Read/Write R/W R/W R/W R/W R/W R/W R/W R/W
Initial Value00000000
Bit 76543210
0x06 (0x26) PINC7 PINC6 PINC5 PINC4 PINC3 PINC2 PINC1 PINC0 PINC
Read/Write R/W R/W R/W R/W R/W R/W R/W R/W
Initial Value N/A N/A N/A N/A N/A N/A N/A N/A
Bit 76543210
0x0B (0x2B) PORTD7 PORTD6 PORTD5 PORTD4 PORTD3 PORTD2 PORTD1 PORTD0 PORTD
Read/Write R/W R/W R/W R/W R/W R/W R/W R/W
Initial Value00000000
Bit 76543210
0x0A (0x2A) DDD7 DDD6 DDD5 DDD4 DDD3 DDD2 DDD1 DDD0 DDRD
Read/Write R/W R/W R/W R/W R/W R/W R/W R/W
Initial Value00000000
Bit 76543210
0x09 (0x29) PIND7 PIND6 PIND5 PIND4 PIND3 PIND2 PIND1 PIND0 PIND
Read/Write R/W R/W R/W R/W R/W R/W R/W R/W
Initial Value N/A N/A N/A N/A N/A N/A N/A N/A

91
ATmega164A/164PA/324A/324PA/644A/644PA/1284/1284P [DATASHEET]
Atmel-8272G-AVR-01/2015
15. 8-bit Timer/Counter0 with PWM
15.1 Features
•Two independent output compare units
•Double buffered output compare registers
•Clear timer on compare match (auto reload)
•Glitch free, phase correct Pulse Width Modulator (PWM)
•Variable PWM Period
•Frequency generator
•Three independent interrupt sources (TOV0, OCF0A, and OCF0B)
15.2 Overview
Timer/Counter0 is a general purpose 8-bit Timer/Counter module, with two independent Output Compare Units,
and with PWM support. It allows accurate program execution timing (event management) and wave generation.
A simplified block diagram of the 8-bit Timer/Counter is shown in Figure 15-1. For the actual placement of I/O
pins, see ”Pin configurations” on page 3. CPU accessible I/O Registers, including I/O bits and I/O pins, are
shown in bold. The device-specific I/O Register and bit locations are listed in the ”Register description” on page
101.
Figure 15-1. 8-bit Timer/Counter block diagram.
15.2.1 Registers
The Timer/Counter (TCNT0) and Output Compare Registers (OCR0A and OCR0B) are 8-bit registers. Interrupt
request (abbreviated to Int.Req. in the figure) signals are all visible in the Timer Interrupt Flag Register (TIFR0).
All interrupts are individually masked with the Timer Interrupt Mask Register (TIMSK0). TIFR0 and TIMSK0 are
not shown in the figure.
The Timer/Counter can be clocked internally, via the prescaler, or by an external clock source on the T0 pin.
The Clock Select logic block controls which clock source and edge the Timer/Counter uses to increment (or
Clock Select
Timer/Counter
DATA BUS
OCRnA
OCRnB
=
=
TCNTn
Waveform
Generation
Waveform
Generation
OCnA
OCnB
=
Fixed
TOP
Value
Control Logic
=
0
TOP BOTTOM
Count
Clear
Direction
TOVn
(Int.Req.)
OCnA
(Int.Req.)
OCnB
(Int.Req.)
TCCRnA TCCRnB
Tn
Edge
Detector
( From Prescaler )
clk
Tn

92
ATmega164A/164PA/324A/324PA/644A/644PA/1284/1284P [DATASHEET]
Atmel-8272G-AVR-01/2015
decrement) its value. The Timer/Counter is inactive when no clock source is selected. The output from the Clock
Select logic is referred to as the timer clock (clkT0).
The double buffered Output Compare Registers (OCR0A and OCR0B) are compared with the Timer/Counter
value at all times. The result of the compare can be used by the Waveform Generator to generate a PWM or
variable frequency output on the Output Compare pins (OC0A and OC0B). See Section “15.5” on page 93 for
details. The Compare Match event will also set the Compare Flag (OCF0A or OCF0B) which can be used to
generate an Output Compare interrupt request.
15.2.2 Definitions
Many register and bit references in this section are written in general form. A lower case “n” replaces the
Timer/Counter number, in this case 0. A lower case “x” replaces the Output Compare Unit, in this case Compare
Unit A or Compare Unit B. However, when using the register or bit defines in a program, the precise form must
be used, that is, TCNT0 for accessing Timer/Counter0 counter value and so on.
The definitions in Table 15-1 are also used extensively throughout the document.
15.3 Timer/Counter Clock Sources
The Timer/Counter can be clocked by an internal or an external clock source. The clock source is selected by
the Clock Select logic which is controlled by the Clock Select (CS02:0) bits located in the Timer/Counter Control
Register (TCCR0B). For details on clock sources and prescaler, see ”Timer/Counter Prescaler” on page 150.
15.4 Counter Unit
The main part of the 8-bit Timer/Counter is the programmable bi-directional counter unit. Figure 15-2 shows a
block diagram of the counter and its surroundings.
Figure 15-2. Counter Unit block diagram.
Signal description (internal signals):
count Increment or decrement TCNT0 by 1.
direction Select between increment and decrement.
clear Clear TCNT0 (set all bits to zero).
Table 15-1. Definitions.
BOTTOM The counter reaches the BOTTOM when it becomes 0x00.
MAX The counter reaches its MAXimum when it becomes 0xFF (decimal 255).
TOP
The counter reaches the TOP when it becomes equal to the highest value in the
count sequence. The TOP value can be assigned to be the fixed value 0xFF
(MAX) or the value stored in the OCR0A Register. The assignment is
dependent on the mode of operation.
DATA BUS
TCNTn Control Logic
count
TOVn
(Int.Req.)
Clock Select
top
Tn
Edge
Detector
( From Prescaler )
clk
Tn
bottom
direction
clear

93
ATmega164A/164PA/324A/324PA/644A/644PA/1284/1284P [DATASHEET]
Atmel-8272G-AVR-01/2015
clkTnTimer/Counter clock, referred to as clkT0 in the following.
top Signalize that TCNT0 has reached maximum value.
bottom Signalize that TCNT0 has reached minimum value (zero).
Depending of the mode of operation used, the counter is cleared, incremented, or decremented at each timer
clock (clkT0). clkT0 can be generated from an external or internal clock source, selected by the Clock Select bits
(CS02:0). When no clock source is selected (CS02:0 = 0) the timer is stopped. However, the TCNT0 value can
be accessed by the CPU, regardless of whether clkT0 is present or not. A CPU write overrides (has priority over)
all counter clear or count operations.
The counting sequence is determined by the setting of the WGM01 and WGM00 bits located in the
Timer/Counter Control Register (TCCR0A) and the WGM02 bit located in the Timer/Counter Control Register B
(TCCR0B). There are close connections between how the counter behaves (counts) and how waveforms are
generated on the Output Compare outputs OC0A and OC0B. For more details about advanced counting
sequences and waveform generation, see ”Modes of operation” on page 95.
The Timer/Counter Overflow Flag (TOV0) is set according to the mode of operation selected by the WGM02:0
bits. TOV0 can be used for generating a CPU interrupt.
15.5 Output Compare unit
The 8-bit comparator continuously compares TCNT0 with the Output Compare Registers (OCR0A and
OCR0B). Whenever TCNT0 equals OCR0A or OCR0B, the comparator signals a match. A match will set the
Output Compare Flag (OCF0A or OCF0B) at the next timer clock cycle. If the corresponding interrupt is
enabled, the Output Compare Flag generates an Output Compare interrupt. The Output Compare Flag is
automatically cleared when the interrupt is executed. Alternatively, the flag can be cleared by software by writing
a logical one to its I/O bit location. The Waveform Generator uses the match signal to generate an output
according to operating mode set by the WGM02:0 bits and Compare Output mode (COM0x1:0) bits. The max
and bottom signals are used by the Waveform Generator for handling the special cases of the extreme values in
some modes of operation (”Modes of operation” on page 95).
Figure 15-3 shows a block diagram of the Output Compare unit.
Figure 15-3. Output Compare unit, block diagram.
OCFnx (Int.Req.)
= (8-bit Comparator )
OCRnx
OCnx
DATA BUS
TCNTn
WGMn1:0
Waveform Generator
top
FOCn
COMnX1:0
bottom

94
ATmega164A/164PA/324A/324PA/644A/644PA/1284/1284P [DATASHEET]
Atmel-8272G-AVR-01/2015
The OCR0x Registers are double buffered when using any of the Pulse Width Modulation (PWM) modes. For
the normal and Clear Timer on Compare (CTC) modes of operation, the double buffering is disabled. The
double buffering synchronizes the update of the OCR0x Compare Registers to either top or bottom of the
counting sequence. The synchronization prevents the occurrence of odd-length, non-symmetrical PWM pulses,
thereby making the output glitch-free.
The OCR0x Register access may seem complex, but this is not case. When the double buffering is enabled, the
CPU has access to the OCR0x Buffer Register, and if double buffering is disabled the CPU will access the
OCR0x directly.
15.5.1 Force Output Compare
In non-PWM waveform generation modes, the match output of the comparator can be forced by writing a one to
the Force Output Compare (FOC0x) bit. Forcing Compare Match will not set the OCF0x Flag or reload/clear the
timer, but the OC0x pin will be updated as if a real Compare Match had occurred (the COM0x1:0 bits settings
define whether the OC0x pin is set, cleared or toggled).
15.5.2 Compare Match Blocking by TCNT0 Write
All CPU write operations to the TCNT0 Register will block any Compare Match that occur in the next timer clock
cycle, even when the timer is stopped. This feature allows OCR0x to be initialized to the same value as TCNT0
without triggering an interrupt when the Timer/Counter clock is enabled.
15.5.3 Using the Output Compare Unit
Since writing TCNT0 in any mode of operation will block all Compare Matches for one timer clock cycle, there
are risks involved when changing TCNT0 when using the Output Compare Unit, independently of whether the
Timer/Counter is running or not. If the value written to TCNT0 equals the OCR0x value, the Compare Match will
be missed, resulting in incorrect waveform generation. Similarly, do not write the TCNT0 value equal to
BOTTOM when the counter is down-counting.
The setup of the OC0x should be performed before setting the Data Direction Register for the port pin to output.
The easiest way of setting the OC0x value is to use the Force Output Compare (FOC0x) strobe bits in Normal
mode. The OC0x Registers keep their values even when changing between Waveform Generation modes.
Be aware that the COM0x1:0 bits are not double buffered together with the compare value. Changing the
COM0x1:0 bits will take effect immediately.
15.6 Compare Match Output unit
The Compare Output mode (COM0x1:0) bits have two functions. The Waveform Generator uses the COM0x1:0
bits for defining the Output Compare (OC0x) state at the next Compare Match. Also, the COM0x1:0 bits control
the OC0x pin output source. Figure 15-4 shows a simplified schematic of the logic affected by the COM0x1:0 bit
setting. The I/O Registers, I/O bits, and I/O pins in the figure are shown in bold. Only the parts of the general I/O
Port Control Registers (DDR and PORT) that are affected by the COM0x1:0 bits are shown. When referring to
the OC0x state, the reference is for the internal OC0x Register, not the OC0x pin. If a system reset occur, the
OC0x Register is reset to “0”.

95
ATmega164A/164PA/324A/324PA/644A/644PA/1284/1284P [DATASHEET]
Atmel-8272G-AVR-01/2015
Figure 15-4. Compare Match Output unit, schematic.
The general I/O port function is overridden by the Output Compare (OC0x) from the Waveform Generator if
either of the COM0x1:0 bits are set. However, the OC0x pin direction (input or output) is still controlled by the
Data Direction Register (DDR) for the port pin. The Data Direction Register bit for the OC0x pin (DDR_OC0x)
must be set as output before the OC0x value is visible on the pin. The port override function is independent of
the Waveform Generation mode.
The design of the Output Compare pin logic allows initialization of the OC0x state before the output is enabled.
Note that some COM0x1:0 bit settings are reserved for certain modes of operation. See Section “15.9” on page
101.
15.6.1 Compare Output Mode and Waveform Generation
The Waveform Generator uses the COM0x1:0 bits differently in Normal, CTC, and PWM modes. For all modes,
setting the COM0x1:0 = 0 tells the Waveform Generator that no action on the OC0x Register is to be performed
on the next Compare Match. For compare output actions in the non-PWM modes refer to Table 15-2 on page
101. For fast PWM mode, refer to Table 15-3 on page 101, and for phase correct PWM refer to Table 15-4 on
page 102.
A change of the COM0x1:0 bits state will have effect at the first Compare Match after the bits are written. For
non-PWM modes, the action can be forced to have immediate effect by using the FOC0x strobe bits.
15.7 Modes of operation
The mode of operation, that is, the behavior of the Timer/Counter and the Output Compare pins, is defined by
the combination of the Waveform Generation mode (WGM02:0) and Compare Output mode (COM0x1:0) bits.
The Compare Output mode bits do not affect the counting sequence, while the Waveform Generation mode bits
do. The COM0x1:0 bits control whether the PWM output generated should be inverted or not (inverted or non-
inverted PWM). For non-PWM modes the COM0x1:0 bits control whether the output should be set, cleared, or
toggled at a Compare Match (See Section “16.9” on page 118).
For detailed timing information see ”Timer/Counter Timing diagrams” on page 99.
15.7.1 Normal mode
The simplest mode of operation is the Normal mode (WGM02:0 = 0). In this mode the counting direction is
always up (incrementing), and no counter clear is performed. The counter simply overruns when it passes its
PORT
DDR
DQ
DQ
OCnx
Pin
OCnx
DQ
Waveform
Generator
COMnx1
COMnx0
0
1
DATA B U S
FOCn
clk
I/O

96
ATmega164A/164PA/324A/324PA/644A/644PA/1284/1284P [DATASHEET]
Atmel-8272G-AVR-01/2015
maximum 8-bit value (TOP = 0xFF) and then restarts from the bottom (0x00). In normal operation the
Timer/Counter Overflow Flag (TOV0) will be set in the same timer clock cycle as the TCNT0 becomes zero. The
TOV0 Flag in this case behaves like a ninth bit, except that it is only set, not cleared. However, combined with
the timer overflow interrupt that automatically clears the TOV0 Flag, the timer resolution can be increased by
software. There are no special cases to consider in the Normal mode, a new counter value can be written
anytime.
The Output Compare Unit can be used to generate interrupts at some given time. Using the Output Compare to
generate waveforms in Normal mode is not recommended, since this will occupy too much of the CPU time.
15.7.2 Clear Timer on Compare Match (CTC) mode
In Clear Timer on Compare or CTC mode (WGM02:0 = 2), the OCR0A Register is used to manipulate the
counter resolution. In CTC mode the counter is cleared to zero when the counter value (TCNT0) matches the
OCR0A. The OCR0A defines the top value for the counter, hence also its resolution. This mode allows greater
control of the Compare Match output frequency. It also simplifies the operation of counting external events.
The timing diagram for the CTC mode is shown in Figure 15-5. The counter value (TCNT0) increases until a
Compare Match occurs between TCNT0 and OCR0A, and then counter (TCNT0) is cleared.
Figure 15-5. CTC mode, timing diagram.
An interrupt can be generated each time the counter value reaches the TOP value by using the OCF0A Flag. If
the interrupt is enabled, the interrupt handler routine can be used for updating the TOP value. However,
changing TOP to a value close to BOTTOM when the counter is running with none or a low prescaler value must
be done with care since the CTC mode does not have the double buffering feature. If the new value written to
OCR0A is lower than the current value of TCNT0, the counter will miss the Compare Match. The counter will
then have to count to its maximum value (0xFF) and wrap around starting at 0x00 before the Compare Match
can occur.
For generating a waveform output in CTC mode, the OC0A output can be set to toggle its logical level on each
Compare Match by setting the Compare Output mode bits to toggle mode (COM0A1:0 = 1). The OC0A value
will not be visible on the port pin unless the data direction for the pin is set to output. The waveform generated
will have a maximum frequency of fOC0 = fclk_I/O/2 when OCR0A is set to zero (0x00). The waveform frequency is
defined by the following equation:
The N variable represents the prescale factor (1, 8, 64, 256, or 1024).
As for the Normal mode of operation, the TOV0 Flag is set in the same timer clock cycle that the counter counts
from MAX to 0x00.
TCNTn
OCn
(Toggle)
OCnx Interrupt Flag Set
1 4
Period
2 3
(COMnx1:0 = 1)
fOCnx
fclk_I/O
2N1OCRnx+
--------------------------------------------------=

97
ATmega164A/164PA/324A/324PA/644A/644PA/1284/1284P [DATASHEET]
Atmel-8272G-AVR-01/2015
15.7.3 Fast PWM mode
The fast Pulse Width Modulation or fast PWM mode (WGM02:0 = 3 or 7) provides a high frequency PWM
waveform generation option. The fast PWM differs from the other PWM option by its single-slope operation. The
counter counts from BOTTOM to TOP then restarts from BOTTOM. TOP is defined as 0xFF when WGM2:0 = 3,
and OCR0A when WGM2:0 = 7. In non-inverting Compare Output mode, the Output Compare (OC0x) is cleared
on the Compare Match between TCNT0 and OCR0x, and set at BOTTOM. In inverting Compare Output mode,
the output is set on Compare Match and cleared at BOTTOM. Due to the single-slope operation, the operating
frequency of the fast PWM mode can be twice as high as the phase correct PWM mode that use dual-slope
operation. This high frequency makes the fast PWM mode well suited for power regulation, rectification, and
DAC applications. High frequency allows physically small sized external components (coils, capacitors), and
therefore reduces total system cost.
In fast PWM mode, the counter is incremented until the counter value matches the TOP value. The counter is
then cleared at the following timer clock cycle. The timing diagram for the fast PWM mode is shown in Figure
15-6. The TCNT0 value is in the timing diagram shown as a histogram for illustrating the single-slope operation.
The diagram includes non-inverted and inverted PWM outputs. The small horizontal line marks on the TCNT0
slopes represent Compare Matches between OCR0x and TCNT0.
Figure 15-6. Fast PWM mode, timing diagram.
The Timer/Counter Overflow Flag (TOV0) is set each time the counter reaches TOP. If the interrupt is enabled,
the interrupt handler routine can be used for updating the compare value.
In fast PWM mode, the compare unit allows generation of PWM waveforms on the OC0x pins. Setting the
COM0x1:0 bits to two will produce a non-inverted PWM and an inverted PWM output can be generated by
setting the COM0x1:0 to three: Setting the COM0A1:0 bits to one allows the OC0A pin to toggle on Compare
Matches if the WGM02 bit is set. This option is not available for the OC0B pin (See Table 15-3 on page 101).
The actual OC0x value will only be visible on the port pin if the data direction for the port pin is set as output. The
PWM waveform is generated by setting (or clearing) the OC0x Register at the Compare Match between OCR0x
and TCNT0, and clearing (or setting) the OC0x Register at the timer clock cycle the counter is cleared (changes
from TOP to BOTTOM).
The PWM frequency for the output can be calculated by the following equation:
The N variable represents the prescale factor (1, 8, 64, 256, or 1024).
TCNTn
OCRnx Update and
TOVn Interrupt Flag Set
1
Period 2 3
OCnx
OCnx
(COMnx1:0 = 2)
(COMnx1:0 = 3)
OCRnx Interrupt Flag Set
4 5 6 7
fOCnxPWM
fclk_I/O
N256
------------------=

98
ATmega164A/164PA/324A/324PA/644A/644PA/1284/1284P [DATASHEET]
Atmel-8272G-AVR-01/2015
The extreme values for the OCR0A Register represents special cases when generating a PWM waveform
output in the fast PWM mode. If the OCR0A is set equal to BOTTOM, the output will be a narrow spike for each
MAX+1 timer clock cycle. Setting the OCR0A equal to MAX will result in a constantly high or low output
(depending on the polarity of the output set by the COM0A1:0 bits.)
A frequency (with 50% duty cycle) waveform output in fast PWM mode can be achieved by setting OC0x to
toggle its logical level on each Compare Match (COM0x1:0 = 1). The waveform generated will have a maximum
frequency of fOC0 = fclk_I/O/2 when OCR0A is set to zero. This feature is similar to the OC0A toggle in CTC mode,
except the double buffer feature of the Output Compare unit is enabled in the fast PWM mode.
15.7.4 Phase Correct PWM mode
The phase correct PWM mode (WGM02:0 = 1 or 5) provides a high resolution phase correct PWM waveform
generation option. The phase correct PWM mode is based on a dual-slope operation. The counter counts
repeatedly from BOTTOM to TOP and then from TOP to BOTTOM. TOP is defined as 0xFF when WGM2:0 = 1,
and OCR0A when WGM2:0 = 5. In non-inverting Compare Output mode, the Output Compare (OC0x) is cleared
on the Compare Match between TCNT0 and OCR0x while upcounting, and set on the Compare Match while
down-counting. In inverting Output Compare mode, the operation is inverted. The dual-slope operation has
lower maximum operation frequency than single slope operation. However, due to the symmetric feature of the
dual-slope PWM modes, these modes are preferred for motor control applications.
In phase correct PWM mode the counter is incremented until the counter value matches TOP. When the
counter reaches TOP, it changes the count direction. The TCNT0 value will be equal to TOP for one timer clock
cycle. The timing diagram for the phase correct PWM mode is shown on Figure 15-7. The TCNT0 value is in the
timing diagram shown as a histogram for illustrating the dual-slope operation. The diagram includes non-
inverted and inverted PWM outputs. The small horizontal line marks on the TCNT0 slopes represent Compare
Matches between OCR0x and TCNT0.
Figure 15-7. Phase Correct PWM mode, timing diagram.
The Timer/Counter Overflow Flag (TOV0) is set each time the counter reaches BOTTOM. The Interrupt Flag
can be used to generate an interrupt each time the counter reaches the BOTTOM value.
In phase correct PWM mode, the compare unit allows generation of PWM waveforms on the OC0x pins. Setting
the COM0x1:0 bits to two will produce a non-inverted PWM. An inverted PWM output can be generated by
TOVn Interrupt Flag Set
OCnx Interrupt Flag Set
1 2 3
TCNTn
Period
OCnx
OCnx
(COMnx1:0 = 2)
(COMnx1:0 = 3)
OCRnx Update

99
ATmega164A/164PA/324A/324PA/644A/644PA/1284/1284P [DATASHEET]
Atmel-8272G-AVR-01/2015
setting the COM0x1:0 to three: Setting the COM0A0 bits to one allows the OC0A pin to toggle on Compare
Matches if the WGM02 bit is set. This option is not available for the OC0B pin (See Table 15-4 on page 102).
The actual OC0x value will only be visible on the port pin if the data direction for the port pin is set as output. The
PWM waveform is generated by clearing (or setting) the OC0x Register at the Compare Match between OCR0x
and TCNT0 when the counter increments, and setting (or clearing) the OC0x Register at Compare Match
between OCR0x and TCNT0 when the counter decrements. The PWM frequency for the output when using
phase correct PWM can be calculated by the following equation:
The N variable represents the prescale factor (1, 8, 64, 256, or 1024).
The extreme values for the OCR0A Register represent special cases when generating a PWM waveform output
in the phase correct PWM mode. If the OCR0A is set equal to BOTTOM, the output will be continuously low and
if set equal to MAX the output will be continuously high for non-inverted PWM mode. For inverted PWM the
output will have the opposite logic values.
At the very start of period 2 in Figure 15-7 OCnx has a transition from high to low even though there is no
Compare Match. The point of this transition is to guarantee symmetry around BOTTOM. There are two cases
that give a transition without Compare Match.
-OCR0A changes its value from MAX, like in Figure 15-7. When the OCR0A value is MAX the OCn pin
value is the same as the result of a down-counting Compare Match. To ensure symmetry around
BOTTOM the OCn value at MAX must correspond to the result of an up-counting Compare Match.
-The timer starts counting from a value higher than the one in OCR0A, and for that reason misses the
Compare Match and hence the OCn change that would have happened on the way up.
15.8 Timer/Counter Timing diagrams
The Timer/Counter is a synchronous design and the timer clock (clkT0) is therefore shown as a clock enable
signal in the following figures. The figures include information on when Interrupt Flags are set. Figure 15-8
contains timing data for basic Timer/Counter operation. The figure shows the count sequence close to the MAX
value in all modes other than phase correct PWM mode.
Figure 15-8. Timer/Counter Timing diagram, no prescaling.
Figure 15-9 on page 100 shows the same timing data, but with the prescaler enabled.
fOCnxPCPWM
fclk_I/O
N510
------------------=
clk
Tn
(clkI/O/1)
TOVn
clk
I/O
TCNTn MAX - 1 MAX BOTTOM BOTTOM + 1

100
ATmega164A/164PA/324A/324PA/644A/644PA/1284/1284P [DATASHEET]
Atmel-8272G-AVR-01/2015
Figure 15-9. Timer/Counter Timing diagram, with prescaler (fclk_I/O/8).
Figure 15-10 shows the setting of OCF0B in all modes and OCF0A in all modes except CTC mode and PWM
mode, where OCR0A is TOP.
Figure 15-10. Timer/Counter Timing diagram, setting of OCF0x, with prescaler (fclk_I/O/8).
Figure 15-11 shows the setting of OCF0A and the clearing of TCNT0 in CTC mode and fast PWM mode where
OCR0A is TOP.
Figure 15-11. Timer/Counter Timing diagram, Clear Timer on Compare Match mode, with prescaler (fclk_I/O/8).
TOVn
TCNTn MAX - 1 MAX BOTTOM BOTTOM + 1
clk
I/O
clk
Tn
(clkI/O/8)
OCFnx
OCRnx
TCNTn
OCRnx Value
OCRnx - 1 OCRnx OCRnx + 1 OCRnx + 2
clkI/O
clkTn
(clk
I/O
/8)
OCFnx
OCRnx
TCNTn
(CTC)
TOP
TOP - 1 TOP BOTTOM BOTTOM + 1
clkI/O
clkTn
(clk
I/O
/8)

101
ATmega164A/164PA/324A/324PA/644A/644PA/1284/1284P [DATASHEET]
Atmel-8272G-AVR-01/2015
15.9 Register description
15.9.1 TCCR0A – Timer/Counter Control Register A
• Bits 7:6 – COM0A1:0: Compare Match Output A Mode
These bits control the Output Compare pin (OC0A) behavior. If one or both of the COM0A1:0 bits are set, the
OC0A output overrides the normal port functionality of the I/O pin it is connected to. However, note that the Data
Direction Register (DDR) bit corresponding to the OC0A pin must be set in order to enable the output driver.
When OC0A is connected to the pin, the function of the COM0A1:0 bits depends on the WGM02:0 bit setting.
Table 15-2 shows the COM0A1:0 bit functionality when the WGM02:0 bits are set to a normal or CTC mode
(non-PWM).
Table 15-3 shows the COM0A1:0 bit functionality when the WGM01:0 bits are set to fast PWM mode.
Note: 1. A special case occurs when OCR0A equals TOP and COM0A1 is set. In this case, the Compare Match is
ignored, but the set or clear is done at BOTTOM. See ”Fast PWM mode” on page 97 for more details.
Table 15-4 on page 102 shows the COM0A1:0 bit functionality when the WGM02:0 bits are set to phase correct
PWM mode.
Bit 7 6 5 4 3 2 1 0
0x24 (0x44) COM0A1 COM0A0 COM0B1 COM0B0 – – WGM01 WGM00 TCCR0A
Read/Write R/W R/W R/W R/W R R R/W R/W
Initial Value 0 0 0 0 0 0 0 0
Table 15-2. Compare Output mode, non-PWM mode.
COM0A1 COM0A0 Description
0 0 Normal port operation, OC0A disconnected
0 1 Toggle OC0A on Compare Match
1 0 Clear OC0A on Compare Match
1 1 Set OC0A on Compare Match
Table 15-3. Compare Output mode, Fast PWM mode (1).
COM0A1 COM0A0 Description
0 0 Normal port operation, OC0A disconnected.
0 1 WGM02 = 0: Normal Port Operation, OC0A Disconnected.
WGM02 = 1: Toggle OC0A on Compare Match.
1 0 Clear OC0A on Compare Match, set OC0A at BOTTOM,
(non-inverting mode).
1 1 Set OC0A on Compare Match, clear OC0A at BOTTOM,
(inverting mode).

102
ATmega164A/164PA/324A/324PA/644A/644PA/1284/1284P [DATASHEET]
Atmel-8272G-AVR-01/2015
Note: 1. A special case occurs when OCR0A equals TOP and COM0A1 is set. In this case, the Compare Match is
ignored, but the set or clear is done at TOP. See ”Phase Correct PWM mode” on page 98 for more details.
• Bits 5:4 – COM0B1:0: Compare Match Output B mode
These bits control the Output Compare pin (OC0B) behavior. If one or both of the COM0B1:0 bits are set, the
OC0B output overrides the normal port functionality of the I/O pin it is connected to. However, note that the Data
Direction Register (DDR) bit corresponding to the OC0B pin must be set in order to enable the output driver.
When OC0B is connected to the pin, the function of the COM0B1:0 bits depends on the WGM02:0 bit setting.
Table 15-2 on page 101 shows the COM0A1:0 bit functionality when the WGM02:0 bits are set to a normal or
CTC mode (non-PWM).
Table 15-6 shows the COM0B1:0 bit functionality when the WGM02:0 bits are set to fast PWM mode.
Note: 1. A special case occurs when OCR0B equals TOP and COM0B1 is set. In this case, the Compare Match is
ignored, but the set or clear is done at BOTTOM. See ”Fast PWM mode” on page 97 for more details.
Table 15-4. Compare Output mode, Phase Correct PWM mode (1).
COM0A1 COM0A0 Description
0 0 Normal port operation, OC0A disconnected.
0 1 WGM02 = 0: Normal Port Operation, OC0A Disconnected.
WGM02 = 1: Toggle OC0A on Compare Match.
1 0 Clear OC0A on Compare Match when up-counting. Set OC0A on
Compare Match when down-counting.
1 1 Set OC0A on Compare Match when up-counting. Clear OC0A on
Compare Match when down-counting.
Table 15-5. Compare Output mode, non-PWM mode.
COM0B1 COM0B0 Description
0 0 Normal port operation, OC0B disconnected.
0 1 Toggle OC0B on Compare Match
1 0 Clear OC0B on Compare Match
1 1 Set OC0B on Compare Match
Table 15-6. Compare Output mode, Fast PWM mode (1).
COM0B1 COM0B0 Description
0 0 Normal port operation, OC0B disconnected.
0 1 Reserved
1 0 Clear OC0B on Compare Match, set OC0B at BOTTOM,
(non-inverting mode).
1 1 Set OC0B on Compare Match, clear OC0B at BOTTOM,
(inverting mode).

103
ATmega164A/164PA/324A/324PA/644A/644PA/1284/1284P [DATASHEET]
Atmel-8272G-AVR-01/2015
Table 15-7 on page 103 shows the COM0B1:0 bit functionality when the WGM02:0 bits are set to phase correct
PWM mode.
Note: 1. A special case occurs when OCR0B equals TOP and COM0B1 is set. In this case, the Compare Match is
ignored, but the set or clear is done at TOP. See ”Phase Correct PWM mode” on page 98 for more details.
• Bits 3:2 – Reserved
These bits are reserved bits in the Atmel
ATmega164A/164PA/324A/324PA/644A/644PA/1284/1284P and will always read as zero.
• Bits 1:0 – WGM01:0: Waveform Generation mode
Combined with the WGM02 bit found in the TCCR0B Register, these bits control the counting sequence of the
counter, the source for maximum (TOP) counter value, and what type of waveform generation to be used, see
Table 15-8 on page 103. Modes of operation supported by the Timer/Counter unit are: Normal mode (counter),
Clear Timer on Compare Match (CTC) mode, and two types of Pulse Width Modulation (PWM) modes (see
”Modes of Operation” on page 119).
Notes: 1. MAX = 0xFF
2. BOTTOM = 0x00
Table 15-7. Compare Output mode, Phase Correct PWM mode (1).
COM0B1 COM0B0 Description
0 0 Normal port operation, OC0B disconnected.
0 1 Reserved
1 0 Clear OC0B on Compare Match when up-counting. Set OC0B on
Compare Match when down-counting.
1 1 Set OC0B on Compare Match when up-counting. Clear OC0B on
Compare Match when down-counting.
Table 15-8. Waveform Generation mode bit description.
Mode WGM2 WGM1 WGM0
Timer/Counter
mode of
operation TOP
Update of
OCRx at
TOV Flag
set on (1)(2)
0 0 0 0 Normal 0xFF Immediate MAX
1 0 0 1 PWM, Phase
Correct 0xFF TOP BOTTOM
2 0 1 0 CTC OCRA Immediate MAX
3 0 1 1 Fast PWM 0xFF BOTTOM MAX
4 1 0 0 Reserved – – –
5 1 0 1 PWM, Phase
Correct OCRA TOP BOTTOM
6 1 1 0 Reserved – – –
7 1 1 1 Fast PWM OCRA BOTTOM TOP

104
ATmega164A/164PA/324A/324PA/644A/644PA/1284/1284P [DATASHEET]
Atmel-8272G-AVR-01/2015
15.9.2 TCCR0B – Timer/Counter Control Register B
• Bit 7 – FOC0A: Force Output Compare A
The FOC0A bit is only active when the WGM bits specify a non-PWM mode.
However, for ensuring compatibility with future devices, this bit must be set to zero when TCCR0B is written
when operating in PWM mode. When writing a logical one to the FOC0A bit, an immediate Compare Match is
forced on the Waveform Generation unit. The OC0A output is changed according to its COM0A1:0 bits setting.
Note that the FOC0A bit is implemented as a strobe. Therefore it is the value present in the COM0A1:0 bits that
determines the effect of the forced compare.
A FOC0A strobe will not generate any interrupt, nor will it clear the timer in CTC mode using OCR0A as TOP.
The FOC0A bit is always read as zero.
• Bit 6 – FOC0B: Force Output Compare B
The FOC0B bit is only active when the WGM bits specify a non-PWM mode.
However, for ensuring compatibility with future devices, this bit must be set to zero when TCCR0B is written
when operating in PWM mode. When writing a logical one to the FOC0B bit, an immediate Compare Match is
forced on the Waveform Generation unit. The OC0B output is changed according to its COM0B1:0 bits setting.
Note that the FOC0B bit is implemented as a strobe. Therefore it is the value present in the COM0B1:0 bits that
determines the effect of the forced compare.
A FOC0B strobe will not generate any interrupt, nor will it clear the timer in CTC mode using OCR0B as TOP.
The FOC0B bit is always read as zero.
• Bits 5:4 – Reserved
These bits are reserved and will always read as zero.
• Bit 3 – WGM02: Waveform Generation Mode
See the description in the ”TCCR0A – Timer/Counter Control Register A” on page 101.
• Bits 2:0 – CS02:0: Clock Select
The three Clock Select bits select the clock source to be used by the Timer/Counter.
Bit 7 6 5 4 3 2 1 0
0x25 (0x45) FOC0A FOC0B – – WGM02 CS02 CS01 CS00 TCCR0B
Read/Write W W R R R/W R/W R/W R/W
Initial Value 0 0 0 0 0 0 0 0
Table 15-9. Clock Select bit description.
CS02 CS01 CS00 Description
0 0 0 No clock source (Timer/Counter stopped)
0 0 1 clkI/O/(No prescaling)
0 1 0 clkI/O/8 (From prescaler)
0 1 1 clkI/O/64 (From prescaler)
1 0 0 clkI/O/256 (From prescaler)

105
ATmega164A/164PA/324A/324PA/644A/644PA/1284/1284P [DATASHEET]
Atmel-8272G-AVR-01/2015
If external pin modes are used for the Timer/Counter0, transitions on the T0 pin will clock the counter even if the
pin is configured as an output. This feature allows software control of the counting.
15.9.3 TCNT0 – Timer/Counter Register
The Timer/Counter Register gives direct access, both for read and write operations, to the Timer/Counter unit 8-
bit counter. Writing to the TCNT0 Register blocks (removes) the Compare Match on the following timer clock.
Modifying the counter (TCNT0) while the counter is running, introduces a risk of missing a Compare Match
between TCNT0 and the OCR0x Registers.
15.9.4 OCR0A – Output Compare Register A
The Output Compare Register A contains an 8-bit value that is continuously compared with the counter value
(TCNT0). A match can be used to generate an Output Compare interrupt, or to generate a waveform output on
the OC0A pin.
15.9.5 OCR0B – Output Compare Register B
The Output Compare Register B contains an 8-bit value that is continuously compared with the counter value
(TCNT0). A match can be used to generate an Output Compare interrupt, or to generate a waveform output on
the OC0B pin.
15.9.6 TIMSK0 – Timer/Counter Interrupt Mask Register
• Bits 7:3 – Reserved
These bits are reserved and will always read as zero.
1 0 1 clkI/O/1024 (From prescaler)
1 1 0 External clock source on T0 pin. Clock on falling edge.
1 1 1 External clock source on T0 pin. Clock on rising edge.
Table 15-9. Clock Select bit description. (Continued)
CS02 CS01 CS00 Description
Bit 76543210
0x26 (0x46) TCNT0[7:0] TCNT0
Read/Write R/W R/W R/W R/W R/W R/W R/W R/W
Initial Value00000000
Bit 76543210
0x27 (0x47) OCR0A[7:0] OCR0A
Read/Write R/W R/W R/W R/W R/W R/W R/W R/W
Initial Value00000000
Bit 76543210
0x28 (0x48) OCR0B[7:0] OCR0B
Read/Write R/W R/W R/W R/W R/W R/W R/W R/W
Initial Value00000000
Bit 76543210
(0x6E) ––––– OCIE0B OCIE0A TOIE0 TIMSK0
Read/Write R R R R R R/W R/W R/W
Initial Value00000000

106
ATmega164A/164PA/324A/324PA/644A/644PA/1284/1284P [DATASHEET]
Atmel-8272G-AVR-01/2015
• Bit 2 – OCIE0B: Timer/Counter Output Compare Match B Interrupt Enable
When the OCIE0B bit is written to one, and the I-bit in the Status Register is set, the Timer/Counter Compare
Match B interrupt is enabled. The corresponding interrupt is executed if a Compare Match in Timer/Counter
occurs, that is, when the OCF0B bit is set in the Timer/Counter Interrupt Flag Register – TIFR0.
• Bit 1 – OCIE0A: Timer/Counter0 Output Compare Match A Interrupt Enable
When the OCIE0A bit is written to one, and the I-bit in the Status Register is set, the Timer/Counter0 Compare
Match A interrupt is enabled. The corresponding interrupt is executed if a Compare Match in Timer/Counter0
occurs, that is, when the OCF0A bit is set in the Timer/Counter 0 Interrupt Flag Register – TIFR0.
• Bit 0 – TOIE0: Timer/Counter0 Overflow Interrupt Enable
When the TOIE0 bit is written to one, and the I-bit in the Status Register is set, the Timer/Counter0 Overflow
interrupt is enabled. The corresponding interrupt is executed if an overflow in Timer/Counter0 occurs, that is,
when the TOV0 bit is set in the Timer/Counter 0 Interrupt Flag Register – TIFR0.
15.9.7 TIFR0 – Timer/Counter 0 Interrupt Flag Register
• Bits 7:3 – Reserved
These bits are reserved and will always read as zero.
• Bit 2 – OCF0B: Timer/Counter 0 Output Compare B Match Flag
The OCF0B bit is set when a Compare Match occurs between the Timer/Counter and the data in OCR0B –
Output Compare Register0 B. OCF0B is cleared by hardware when executing the corresponding interrupt
handling vector. Alternatively, OCF0B is cleared by writing a logic one to the flag. When the I-bit in SREG,
OCIE0B (Timer/Counter Compare B Match Interrupt Enable), and OCF0B are set, the Timer/Counter Compare
Match Interrupt is executed.
• Bit 1 – OCF0A: Timer/Counter 0 Output Compare A Match Flag
The OCF0A bit is set when a Compare Match occurs between the Timer/Counter0 and the data in OCR0A –
Output Compare Register0. OCF0A is cleared by hardware when executing the corresponding interrupt
handling vector. Alternatively, OCF0A is cleared by writing a logic one to the flag. When the I-bit in SREG,
OCIE0A (Timer/Counter0 Compare Match Interrupt Enable), and OCF0A are set, the Timer/Counter0 Compare
Match Interrupt is executed.
• Bit 0 – TOV0: Timer/Counter0 Overflow Flag
The bit TOV0 is set when an overflow occurs in Timer/Counter0. TOV0 is cleared by hardware when executing
the corresponding interrupt handling vector. Alternatively, TOV0 is cleared by writing a logic one to the flag.
When the SREG I-bit, TOIE0 (Timer/Counter0 Overflow Interrupt Enable), and TOV0 are set, the
Timer/Counter0 Overflow interrupt is executed.
The setting of this flag is dependent of the WGM02:0 bit setting. Refer to Table 15-8, ”Waveform Generation
mode bit description.” on page 103.
Bit 76543210
0x15 (0x35) –––––OCF0BOCF0ATOV0 TIFR0
Read/Write R R R R R R/W R/W R/W
Initial Value00000000

107
ATmega164A/164PA/324A/324PA/644A/644PA/1284/1284P [DATASHEET]
Atmel-8272G-AVR-01/2015
16. 16-bit Timer/Counter1 and Timer/Counter3(1) with PWM
Note: 1. Timer/Counter3 is only available in ATmega1284/1284P
16.1 Features
•True 16-bit design (that is, allows 16-bit PWM)
•Two independent Output Compare units
•Double Buffered Output Compare Registers
•One Input Capture unit
•Input Capture Noise Canceler
•Clear Timer on Compare Match (Auto Reload)
•Glitch-free, Phase Correct Pulse Width Modulator (PWM)
•Variable PWM Period
•Frequency Generator
•External Event Counter
•Four independent interrupt Sources (TOV1, OCF1A, OCF1B, and ICF1)
16.2 Overview
The 16-bit Timer/Counter unit allows accurate program execution timing (event management), wave generation,
and signal timing measurement.
Most register and bit references in this section are written in general form. A lower case “n” replaces the
Timer/Counter number, and a lower case “x” replaces the Output Compare unit channel. However, when using
the register or bit defines in a program, the precise form must be used, that is, TCNT1 for accessing
Timer/Counter1 counter value and so on.
A simplified block diagram of the 16-bit Timer/Counter is shown in Figure 16-1. For the actual placement of I/O
pins, see ”Pin configurations” on page 3. CPU accessible I/O Registers, including I/O bits and I/O pins, are
shown in bold. The device-specific I/O Register and bit locations are listed in the ”Register description” on page
128.
The PRTIM1 bit in ”PRR0 – Power Reduction Register 0” on page 48 must be written to zero to enable
Timer/Counter1 module.

108
ATmega164A/164PA/324A/324PA/644A/644PA/1284/1284P [DATASHEET]
Atmel-8272G-AVR-01/2015
Figure 16-1. 16-bit Timer/Counter block diagram (Note:).
Note: Refer to Figure 1-1 on page 3 and ”Alternate Port Functions” on page 77 for Timer/Counter1 pin placement and
description.
16.2.1 Registers
The Timer/Counter (TCNTn), Output Compare Registers (OCRnA/B/C), and Input Capture Register (ICRn) are
all 16-bit registers. Special procedures must be followed when accessing the 16-bit registers. These procedures
are described in the section ”Accessing 16-bit Registers” on page 109. The Timer/Counter Control Registers
(TCCRnA/B/C) are 8-bit registers and have no CPU access restrictions. Interrupt requests (abbreviated to
Int.Req. in the figure) signals are all visible in the Timer Interrupt Flag Register (TIFRn). All interrupts are
individually masked with the Timer Interrupt Mask Register (TIMSKn). TIFRn and TIMSKn are not shown in the
figure.
The Timer/Counter can be clocked internally, via the prescaler, or by an external clock source on the Tn pin.
The Clock Select logic block controls which clock source and edge the Timer/Counter uses to increment (or
decrement) its value. The Timer/Counter is inactive when no clock source is selected. The output from the Clock
Select logic is referred to as the timer clock (clkTn).
The double buffered Output Compare Registers (OCRnA/B/C) are compared with the Timer/Counter value at all
time. The result of the compare can be used by the Waveform Generator to generate a PWM or variable
frequency output on the Output Compare pin (OCnA/B/C). See Section “16.8” on page 115. The compare match
event will also set the Compare Match Flag (OCFnA/B/C) which can be used to generate an Output Compare
interrupt request.
Clock Select
Timer/Counter
DATA B U S
OCRnA
OCRnB
ICRn
=
=
TCNTn
Waveform
Generation
Waveform
Generation
OCnA
OCnB
Noise
Canceler
ICPn
=
Fixed
TOP
Values
Edge
Detector
Control Logic
=
0
TOP BOTTOM
Count
Clear
Direction
TOVn
(Int.Req.)
OCnA
(Int.Req.)
OCnB
(Int.Req.)
ICFn (Int.Req.)
TCCRnA TCCRnB
( From Analog
Comparator Ouput )
Tn
Edge
Detector
( From Prescaler )
clk
Tn

109
ATmega164A/164PA/324A/324PA/644A/644PA/1284/1284P [DATASHEET]
Atmel-8272G-AVR-01/2015
The Input Capture Register can capture the Timer/Counter value at a given external (edge triggered) event on
either the Input Capture pin (ICPn) or on the Analog Comparator pins (See Section “22.” on page 232) The Input
Capture unit includes a digital filtering unit (Noise Canceler) for reducing the chance of capturing noise spikes.
The TOP value, or maximum Timer/Counter value, can in some modes of operation be defined by either the
OCRnA Register, the ICRn Register, or by a set of fixed values. When using OCRnA as TOP value in a PWM
mode, the OCRnA Register can not be used for generating a PWM output. However, the TOP value will in this
case be double buffered allowing the TOP value to be changed in run time. If a fixed TOP value is required, the
ICRn Register can be used as an alternative, freeing the OCRnA to be used as PWM output.
16.2.2 Definitions
The following definitions are used extensively throughout the section:
16.3 Accessing 16-bit Registers
The TCNTn, OCRnA/B/C, and ICRn are 16-bit registers that can be accessed by the AVR CPU via the 8-bit
data bus. The 16-bit register must be byte accessed using two read or write operations. Each 16-bit timer has a
single 8-bit register for temporary storing of the high byte of the 16-bit access. The same temporary register is
shared between all 16-bit registers within each 16-bit timer. Accessing the low byte triggers the 16-bit read or
write operation. When the low byte of a 16-bit register is written by the CPU, the high byte stored in the
temporary register, and the low byte written are both copied into the 16-bit register in the same clock cycle.
When the low byte of a 16-bit register is read by the CPU, the high byte of the 16-bit register is copied into the
temporary register in the same clock cycle as the low byte is read.
Not all 16-bit accesses uses the temporary register for the high byte. Reading the OCRnA/B/C 16-bit registers
does not involve using the temporary register.
To do a 16-bit write, the high byte must be written before the low byte. For a 16-bit read, the low byte must be
read before the high byte.
The following code examples show how to access the 16-bit Timer Registers assuming that no interrupts
updates the temporary register. The same principle can be used directly for accessing the OCRnA/B/C and
ICRn Registers. Note that when using “C”, the compiler handles the 16-bit access.
Table 16-1. Definitions.
BOTTOM The counter reaches the BOTTOM when it becomes 0x0000.
MAX The counter reaches its MAXimum when it becomes 0xFFFF (decimal 65535).
TOP
The counter reaches the TOP when it becomes equal to the highest value in the count
sequence. The TOP value can be assigned to be one of the fixed values: 0x00FF, 0x01FF,
or 0x03FF, or to the value stored in the OCRnA or ICRn Register. The assignment is
dependent of the mode of operation.

110
ATmega164A/164PA/324A/324PA/644A/644PA/1284/1284P [DATASHEET]
Atmel-8272G-AVR-01/2015
Note: 1. The example code assumes that the part specific header file is included.
For I/O Registers located in extended I/O map, “IN”, “OUT”, “SBIS”, “SBIC”, “CBI”, and “SBI” instructions must
be replaced with instructions that allow access to extended I/O. Typically “LDS” and “STS” combined with
“SBRS”, “SBRC”, “SBR”, and “CBR”.
The assembly code example returns the TCNTn value in the r17:r16 register pair.
It is important to notice that accessing 16-bit registers are atomic operations. If an interrupt occurs between the
two instructions accessing the 16-bit register, and the interrupt code updates the temporary register by
accessing the same or any other of the 16-bit Timer Registers, then the result of the access outside the interrupt
will be corrupted. Therefore, when both the main code and the interrupt code update the temporary register, the
main code must disable the interrupts during the 16-bit access.
Assembly Code Examples (1)
...
; Set TCNTn to 0x01FF
ldi r17,0x01
ldi r16,0xFF
out TCNTnH,r17
out TCNTnL,r16
; Read TCNTn into r17:r16
in r16,TCNTnL
in r17,TCNTnH
...
C Code Examples (1)
unsigned int i;
...
/* Set TCNTn to 0x01FF */
TCNTn = 0x1FF;
/* Read TCNTn into i */
i = TCNTn;
...

111
ATmega164A/164PA/324A/324PA/644A/644PA/1284/1284P [DATASHEET]
Atmel-8272G-AVR-01/2015
The following code examples show how to do an atomic read of the TCNTn Register contents. Reading any of
the OCRnA/B/C or ICRn Registers can be done by using the same principle.
Note: 1. The example code assumes that the part specific header file is included.
For I/O Registers located in extended I/O map, “IN”, “OUT”, “SBIS”, “SBIC”, “CBI”, and “SBI” instructions must
be replaced with instructions that allow access to extended I/O. Typically “LDS” and “STS” combined with
“SBRS”, “SBRC”, “SBR”, and “CBR”.
The assembly code example returns the TCNTn value in the r17:r16 register pair.
Assembly Code Example (1)
TIM16_ReadTCNTn:
; Save global interrupt flag
in r18,SREG
; Disable interrupts
cli
; Read TCNTn into r17:r16
in r16,TCNTnL
in r17,TCNTnH
; Restore global interrupt flag
out SREG,r18
ret
C Code Example (1)
unsigned int TIM16_ReadTCNTn( void )
{
unsigned char sreg;
unsigned int i;
/* Save global interrupt flag */
sreg = SREG;
/* Disable interrupts */
_CLI();
/* Read TCNTn into i */
i = TCNTn;
/* Restore global interrupt flag */
SREG = sreg;
return i;
}

112
ATmega164A/164PA/324A/324PA/644A/644PA/1284/1284P [DATASHEET]
Atmel-8272G-AVR-01/2015
The following code examples show how to do an atomic write of the TCNTn Register contents. Writing any of
the OCRnA/B/C or ICRn Registers can be done by using the same principle.
Note: 1. The example code assumes that the part specific header file is included.
For I/O Registers located in extended I/O map, “IN”, “OUT”, “SBIS”, “SBIC”, “CBI”, and “SBI” instructions must
be replaced with instructions that allow access to extended I/O. Typically “LDS” and “STS” combined with
“SBRS”, “SBRC”, “SBR”, and “CBR”.
The assembly code example requires that the r17:r16 register pair contains the value to be written to TCNTn.
16.3.1 Reusing the Temporary High Byte Register
If writing to more than one 16-bit register where the high byte is the same for all registers written, then the high
byte only needs to be written once. However, note that the same rule of atomic operation described previously
also applies in this case.
16.4 Timer/Counter Clock Sources
The Timer/Counter can be clocked by an internal or an external clock source. The clock source is selected by
the Clock Select logic which is controlled by the Clock Select (CSn2:0) bits located in the Timer/Counter control
Register B (TCCRnB). For details on clock sources and prescaler, see ”Timer/Counter Prescaler” on page 150.
16.5 Prescaler Reset
The prescaler is free running, that is, operates independently of the clock select logic of the Timer/Counter, and
it is shared by Timer/Counter1 and Timer/Counter0. Since the prescaler is not affected by the Timer/Counter’s
clock select, the state of the prescaler will have implications for situations where a prescaled clock is used. One
example of prescaling artifacts occurs when the timer is enabled and clocked by the prescaler (6 > CSn2:0 > 1).
Assembly Code Example (1)
TIM16_WriteTCNTn:
; Save global interrupt flag
in r18,SREG
; Disable interrupts
cli
; Set TCNTn to r17:r16
out TCNTnH,r17
out TCNTnL,r16
; Restore global interrupt flag
out SREG,r18
ret
C Code Example (1)
void TIM16_WriteTCNTn( unsigned int i )
{
unsigned char sreg;
unsigned int i;
/* Save global interrupt flag */
sreg = SREG;
/* Disable interrupts */
_CLI();
/* Set TCNTn to i */
TCNTn = i;
/* Restore global interrupt flag */
SREG = sreg;
}

113
ATmega164A/164PA/324A/324PA/644A/644PA/1284/1284P [DATASHEET]
Atmel-8272G-AVR-01/2015
The number of system clock cycles from when the timer is enabled to the first count occurs can be from 1 to
N+1 system clock cycles, where N equals the prescaler divisor (8, 64, 256, or 1024). It is possible to use the
Prescaler Reset for synchronizing the Timer/Counter to program execution. However, care must be taken if the
other Timer/Counter that shares the same prescaler also uses prescaling. A prescaler reset will affect the
prescaler period for all Timer/Counters it is connected to.
16.6 Counter Unit
The main part of the 16-bit Timer/Counter is the programmable 16-bit bi-directional counter unit. Figure 16-2
shows a block diagram of the counter and its surroundings.
Figure 16-2. Counter unit block diagram.
Signal description (internal signals):
Count Increment or decrement TCNTn by 1.
Direction Select between increment and decrement.
Clear Clear TCNTn (set all bits to zero).
clkTnTimer/Counter clock.
TOP Signalize that TCNTn has reached maximum value.
BOTTOM Signalize that TCNTn has reached minimum value (zero).
The 16-bit counter is mapped into two 8-bit I/O memory locations: Counter High (TCNTnH) containing the upper
eight bits of the counter, and Counter Low (TCNTnL) containing the lower eight bits. The TCNTnH Register can
only be indirectly accessed by the CPU. When the CPU does an access to the TCNTnH I/O location, the CPU
accesses the high byte temporary register (TEMP). The temporary register is updated with the TCNTnH value
when the TCNTnL is read, and TCNTnH is updated with the temporary register value when TCNTnL is written.
This allows the CPU to read or write the entire 16-bit counter value within one clock cycle via the 8-bit data bus.
It is important to notice that there are special cases of writing to the TCNTn Register when the counter is
counting that will give unpredictable results. The special cases are described in the sections where they are of
importance.
Depending on the mode of operation used, the counter is cleared, incremented, or decremented at each timer
clock (clkTn). The clkTn can be generated from an external or internal clock source, selected by the Clock Select
bits (CSn2:0). When no clock source is selected (CSn2:0 = 0) the timer is stopped. However, the TCNTn value
can be accessed by the CPU, independent of whether clkTn is present or not. A CPU write overrides (has priority
over) all counter clear or count operations.
The counting sequence is determined by the setting of the Waveform Generation mode bits (WGMn3:0) located
in the Timer/Counter Control Registers A and B (TCCRnA and TCCRnB). There are close connections between
how the counter behaves (counts) and how waveforms are generated on the Output Compare outputs OCnx.
For more details about advanced counting sequences and waveform generation, see ”Modes of Operation” on
page 119.
TEMP (8-bit)
DATA BUS (8-bit)
TCNTn (16-bit Counter)
TCNTnH (8-bit) TCNTnL (8-bit) Control Logic
Count
Clear
Direction
TOVn
(Int.Req.)
Clock Select
TOP BOTTOM
Tn
Edge
Detector
( From Prescaler )
clk
Tn

114
ATmega164A/164PA/324A/324PA/644A/644PA/1284/1284P [DATASHEET]
Atmel-8272G-AVR-01/2015
The Timer/Counter Overflow Flag (TOVn) is set according to the mode of operation selected by the WGMn3:0
bits. TOVn can be used for generating a CPU interrupt.
16.7 Input Capture Unit
The Timer/Counter incorporates an Input Capture unit that can capture external events and give them a time-
stamp indicating time of occurrence. The external signal indicating an event, or multiple events, can be applied
via the ICPn pin or alternatively, via the analog-comparator unit. The time-stamps can then be used to calculate
frequency, duty-cycle, and other features of the signal applied. Alternatively the time-stamps can be used for
creating a log of the events.
The Input Capture unit is illustrated by the block diagram shown in Figure 16-3. The elements of the block
diagram that are not directly a part of the Input Capture unit are gray shaded. The small “n” in register and bit
names indicates the Timer/Counter number.
Figure 16-3. Input Capture unit block diagram.
When a change of the logic level (an event) occurs on the Input Capture pin (ICPn), alternatively on the Analog
Comparator output (ACO), and this change confirms to the setting of the edge detector, a capture will be
triggered. When a capture is triggered, the 16-bit value of the counter (TCNTn) is written to the Input Capture
Register (ICRn). The Input Capture Flag (ICFn) is set at the same system clock as the TCNTn value is copied
into ICRn Register. If enabled (ICIEn = 1), the Input Capture Flag generates an Input Capture interrupt. The
ICFn Flag is automatically cleared when the interrupt is executed. Alternatively the ICFn Flag can be cleared by
software by writing a logical one to its I/O bit location.
Reading the 16-bit value in the Input Capture Register (ICRn) is done by first reading the low byte (ICRnL) and
then the high byte (ICRnH). When the low byte is read the high byte is copied into the high byte temporary
register (TEMP). When the CPU reads the ICRnH I/O location it will access the TEMP Register.
The ICRn Register can only be written when using a Waveform Generation mode that utilizes the ICRn Register
for defining the counter’s TOP value. In these cases the Waveform Generation mode (WGMn3:0) bits must be
set before the TOP value can be written to the ICRn Register. When writing the ICRn Register the high byte
must be written to the ICRnH I/O location before the low byte is written to ICRnL.
For more information on how to access the 16-bit registers refer to ”Accessing 16-bit Registers” on page 109.
ICFn (Int.Req.)
Analog
Comparator
WRITE ICRn (16-bit Register)
ICRnH (8-bit)
Noise
Canceler
ICPn
Edge
Detector
TEMP (8-bit)
DATA BUS
(8-bit)
ICRnL (8-bit)
TCNTn (16-bit Counter)
TCNTnH (8-bit) TCNTnL (8-bit)
ACIC* ICNC ICES
ACO*

115
ATmega164A/164PA/324A/324PA/644A/644PA/1284/1284P [DATASHEET]
Atmel-8272G-AVR-01/2015
16.7.1 Input Capture Trigger Source
The main trigger source for the Input Capture unit is the Input Capture pin (ICPn). Timer/Counter1 can
alternatively use the Analog Comparator output as trigger source for the Input Capture unit. The Analog
Comparator is selected as trigger source by setting the Analog Comparator Input Capture (ACIC) bit in the
Analog Comparator Control and Status Register (ACSR). Be aware that changing trigger source can trigger a
capture. The Input Capture Flag must therefore be cleared after the change.
Both the Input Capture pin (ICPn) and the Analog Comparator output (ACO) inputs are sampled using the same
technique as for the Tn pin (Figure 16-1 on page 108). The edge detector is also identical. However, when the
noise canceler is enabled, additional logic is inserted before the edge detector, which increases the delay by
four system clock cycles. Note that the input of the noise canceler and edge detector is always enabled unless
the Timer/Counter is set in a Waveform Generation mode that uses ICRn to define TOP.
An Input Capture can be triggered by software by controlling the port of the ICPn pin.
16.7.2 Noise Canceler
The noise canceler improves noise immunity by using a simple digital filtering scheme. The noise canceler input
is monitored over four samples, and all four must be equal for changing the output that in turn is used by the
edge detector.
The noise canceler is enabled by setting the Input Capture Noise Canceler (ICNCn) bit in Timer/Counter Control
Register B (TCCRnB). When enabled the noise canceler introduces additional four system clock cycles of delay
from a change applied to the input, to the update of the ICRn Register. The noise canceler uses the system
clock and is therefore not affected by the prescaler.
16.7.3 Using the Input Capture unit
The main challenge when using the Input Capture unit is to assign enough processor capacity for handling the
incoming events. The time between two events is critical. If the processor has not read the captured value in the
ICRn Register before the next event occurs, the ICRn will be overwritten with a new value. In this case the result
of the capture will be incorrect.
When using the Input Capture interrupt, the ICRn Register should be read as early in the interrupt handler
routine as possible. Even though the Input Capture interrupt has relatively high priority, the maximum interrupt
response time is dependent on the maximum number of clock cycles it takes to handle any of the other interrupt
requests.
Using the Input Capture unit in any mode of operation when the TOP value (resolution) is actively changed
during operation, is not recommended.
Measurement of an external signal’s duty cycle requires that the trigger edge is changed after each capture.
Changing the edge sensing must be done as early as possible after the ICRn Register has been read. After a
change of the edge, the Input Capture Flag (ICFn) must be cleared by software (writing a logical one to the I/O
bit location). For measuring frequency only, the clearing of the ICFn Flag is not required (if an interrupt handler
is used).
16.8 Output Compare units
The 16-bit comparator continuously compares TCNTn with the Output Compare Register (OCRnx). If TCNT
equals OCRnx the comparator signals a match. A match will set the Output Compare Flag (OCFnx) at the next
timer clock cycle. If enabled (OCIEnx = 1), the Output Compare Flag generates an Output Compare interrupt.
The OCFnx Flag is automatically cleared when the interrupt is executed. Alternatively the OCFnx Flag can be
cleared by software by writing a logical one to its I/O bit location. The Waveform Generator uses the match
signal to generate an output according to operating mode set by the Waveform Generation mode (WGMn3:0)
bits and Compare Output mode (COMnx1:0) bits. The TOP and BOTTOM signals are used by the Waveform

116
ATmega164A/164PA/324A/324PA/644A/644PA/1284/1284P [DATASHEET]
Atmel-8272G-AVR-01/2015
Generator for handling the special cases of the extreme values in some modes of operation (See “Modes of
Operation” on page 119).
A special feature of Output Compare unit A allows it to define the Timer/Counter TOP value (i.e., counter
resolution). In addition to the counter resolution, the TOP value defines the period time for waveforms generated
by the Waveform Generator.
Figure 16-4 shows a block diagram of the Output Compare unit. The small “n” in the register and bit names
indicates the device number (n = n for Timer/Counter n), and the “x” indicates Output Compare unit (A/B/C). The
elements of the block diagram that are not directly a part of the Output Compare unit are gray shaded.
Figure 16-4. Output Compare unit, block diagram.
The OCRnx Register is double buffered when using any of the twelve Pulse Width Modulation (PWM) modes.
For the Normal and Clear Timer on Compare (CTC) modes of operation, the double buffering is disabled. The
double buffering synchronizes the update of the OCRnx Compare Register to either TOP or BOTTOM of the
counting sequence. The synchronization prevents the occurrence of odd-length, non-symmetrical PWM pulses,
thereby making the output glitch-free.
The OCRnx Register access may seem complex, but this is not case. When the double buffering is enabled, the
CPU has access to the OCRnx Buffer Register, and if double buffering is disabled the CPU will access the
OCRnx directly. The content of the OCR1x (Buffer or Compare) Register is only changed by a write operation
(the Timer/Counter does not update this register automatically as the TCNT1 and ICR1 Register). Therefore
OCR1x is not read via the high byte temporary register (TEMP). However, it is a good practice to read the low
byte first as when accessing other 16-bit registers. Writing the OCRnx Registers must be done via the TEMP
Register since the compare of all 16 bits is done continuously. The high byte (OCRnxH) has to be written first.
When the high byte I/O location is written by the CPU, the TEMP Register will be updated by the value written.
Then when the low byte (OCRnxL) is written to the lower eight bits, the high byte will be copied into the upper 8-
bits of either the OCRnx buffer or OCRnx Compare Register in the same system clock cycle.
For more information of how to access the 16-bit registers refer to ”Accessing 16-bit Registers” on page 109.
OCFnx (Int.Req.)
= (16-bit Comparator )
OCRnx Buffer (16-bit Register)
OCRnxH Buf. (8-bit)
OCnx
TEMP (8-bit)
DATA BUS (8-bit)
OCRnxL Buf. (8-bit)
TCNTn (16-bit Counter)
TCNTnH (8-bit) TCNTnL (8-bit)
COMnx1:0WGMn3:0
OCRnx (16-bit Register)
OCRnxH (8-bit) OCRnxL (8-bit)
Waveform Generator
TOP
BOTTOM

117
ATmega164A/164PA/324A/324PA/644A/644PA/1284/1284P [DATASHEET]
Atmel-8272G-AVR-01/2015
16.8.1 Force Output Compare
In non-PWM Waveform Generation modes, the match output of the comparator can be forced by writing a one
to the Force Output Compare (FOCnx) bit. Forcing compare match will not set the OCFnx Flag or reload/clear
the timer, but the OCnx pin will be updated as if a real compare match had occurred (the COMn1:0 bits settings
define whether the OCnx pin is set, cleared or toggled).
16.8.2 Compare Match Blocking by TCNTn Write
All CPU writes to the TCNTn Register will block any compare match that occurs in the next timer clock cycle,
even when the timer is stopped. This feature allows OCRnx to be initialized to the same value as TCNTn without
triggering an interrupt when the Timer/Counter clock is enabled.
16.8.3 Using the Output Compare Unit
Since writing TCNTn in any mode of operation will block all compare matches for one timer clock cycle, there
are risks involved when changing TCNTn when using any of the Output Compare channels, independent of
whether the Timer/Counter is running or not. If the value written to TCNTn equals the OCRnx value, the
compare match will be missed, resulting in incorrect waveform generation. Do not write the TCNTn equal to
TOP in PWM modes with variable TOP values. The compare match for the TOP will be ignored and the counter
will continue to 0xFFFF. Similarly, do not write the TCNTn value equal to BOTTOM when the counter is
downcounting.
The setup of the OCnx should be performed before setting the Data Direction Register for the port pin to output.
The easiest way of setting the OCnx value is to use the Force Output Compare (FOCnx) strobe bits in Normal
mode. The OCnx Register keeps its value even when changing between Waveform Generation modes.
Be aware that the COMnx1:0 bits are not double buffered together with the compare value. Changing the
COMnx1:0 bits will take effect immediately.

118
ATmega164A/164PA/324A/324PA/644A/644PA/1284/1284P [DATASHEET]
Atmel-8272G-AVR-01/2015
16.9 Compare Match Output unit
The Compare Output mode (COMnx1:0) bits have two functions. The Waveform Generator uses the COMnx1:0
bits for defining the Output Compare (OCnx) state at the next compare match. Secondly the COMnx1:0 bits
control the OCnx pin output source. Figure 16-5 shows a simplified schematic of the logic affected by the
COMnx1:0 bit setting. The I/O Registers, I/O bits, and I/O pins in the figure are shown in bold. Only the parts of
the general I/O Port Control Registers (DDR and PORT) that are affected by the COMnx1:0 bits are shown.
When referring to the OCnx state, the reference is for the internal OCnx Register, not the OCnx pin. If a system
reset occur, the OCnx Register is reset to “0”.
Figure 16-5. Compare Match Output unit, schematic.
The general I/O port function is overridden by the Output Compare (OCnx) from the Waveform Generator if
either of the COMnx1:0 bits are set. However, the OCnx pin direction (input or output) is still controlled by the
Data Direction Register (DDR) for the port pin. The Data Direction Register bit for the OCnx pin (DDR_OCnx)
must be set as output before the OCnx value is visible on the pin. The port override function is generally
independent of the Waveform Generation mode, but there are some exceptions. Refer to Table 16-2, Table 16-
3 and Table 16-4 for details.
The design of the Output Compare pin logic allows initialization of the OCnx state before the output is enabled.
Note that some COMnx1:0 bit settings are reserved for certain modes of operation. See “Register description”
on page 128.
The COMnx1:0 bits have no effect on the Input Capture unit.
PORT
DDR
DQ
DQ
OCnx
Pin
OCnx
DQ
Waveform
Generator
COMnx1
COMnx0
0
1
DATA BU S
FOCnx
clk
I/O

119
ATmega164A/164PA/324A/324PA/644A/644PA/1284/1284P [DATASHEET]
Atmel-8272G-AVR-01/2015
16.9.1 Compare Output Mode and Waveform Generation
The Waveform Generator uses the COMnx1:0 bits differently in normal, CTC, and PWM modes. For all modes,
setting the COMnx1:0 = 0 tells the Waveform Generator that no action on the OCnx Register is to be performed
on the next compare match. For compare output actions in the non-PWM modes refer to Table 16-2 on page
128. For fast PWM mode refer to Table 16-3 on page 128, and for phase correct and phase and frequency
correct PWM refer to Table 16-4 on page 129.
A change of the COMnx1:0 bits state will have effect at the first compare match after the bits are written. For
non-PWM modes, the action can be forced to have immediate effect by using the FOCnx strobe bits.
16.10 Modes of Operation
The mode of operation, that is, the behavior of the Timer/Counter and the Output Compare pins, is defined by
the combination of the Waveform Generation mode (WGMn3:0) and Compare Output mode (COMnx1:0) bits.
The Compare Output mode bits do not affect the counting sequence, while the Waveform Generation mode bits
do. The COMnx1:0 bits control whether the PWM output generated should be inverted or not (inverted or non-
inverted PWM). For non-PWM modes the COMnx1:0 bits control whether the output should be set, cleared or
toggle at a compare match (See “Compare Match Output unit” on page 118).
For detailed timing information refer to ”Timer/Counter Timing diagrams” on page 126.
16.10.1 Normal mode
The simplest mode of operation is the Normal mode (WGMn3:0 = 0). In this mode the counting direction is
always up (incrementing), and no counter clear is performed. The counter simply overruns when it passes its
maximum 16-bit value (MAX = 0xFFFF) and then restarts from the BOTTOM (0x0000). In normal operation the
Timer/Counter Overflow Flag (TOVn) will be set in the same timer clock cycle as the TCNTn becomes zero. The
TOVn Flag in this case behaves like a 17th bit, except that it is only set, not cleared. However, combined with
the timer overflow interrupt that automatically clears the TOVn Flag, the timer resolution can be increased by
software. There are no special cases to consider in the Normal mode, a new counter value can be written
anytime.
The Input Capture unit is easy to use in Normal mode. However, observe that the maximum interval between
the external events must not exceed the resolution of the counter. If the interval between events are too long,
the timer overflow interrupt or the prescaler must be used to extend the resolution for the capture unit.
The Output Compare units can be used to generate interrupts at some given time. Using the Output Compare to
generate waveforms in Normal mode is not recommended, since this will occupy too much of the CPU time.
16.10.2 Clear Timer on Compare Match (CTC) mode
In Clear Timer on Compare or CTC mode (WGMn3:0 = 4 or 12), the OCRnA or ICRn Register are used to
manipulate the counter resolution. In CTC mode the counter is cleared to zero when the counter value (TCNTn)
matches either the OCRnA (WGMn3:0 = 4) or the ICRn (WGMn3:0 = 12). The OCRnA or ICRn define the top
value for the counter, hence also its resolution. This mode allows greater control of the compare match output
frequency. It also simplifies the operation of counting external events.
The timing diagram for the CTC mode is shown in Figure 16-6. The counter value (TCNTn) increases until a
compare match occurs with either OCRnA or ICRn, and then counter (TCNTn) is cleared.

120
ATmega164A/164PA/324A/324PA/644A/644PA/1284/1284P [DATASHEET]
Atmel-8272G-AVR-01/2015
Figure 16-6. CTC mode, timing diagram.
An interrupt can be generated at each time the counter value reaches the TOP value by either using the OCFnA
or ICFn Flag according to the register used to define the TOP value. If the interrupt is enabled, the interrupt
handler routine can be used for updating the TOP value. However, changing the TOP to a value close to
BOTTOM when the counter is running with none or a low prescaler value must be done with care since the CTC
mode does not have the double buffering feature. If the new value written to OCRnA or ICRn is lower than the
current value of TCNTn, the counter will miss the compare match. The counter will then have to count to its
maximum value (0xFFFF) and wrap around starting at 0x0000 before the compare match can occur. In many
cases this feature is not desirable. An alternative will then be to use the fast PWM mode using OCRnA for
defining TOP (WGMn3:0 = 15) since the OCRnA then will be double buffered.
For generating a waveform output in CTC mode, the OCnA output can be set to toggle its logical level on each
compare match by setting the Compare Output mode bits to toggle mode (COMnA1:0 = 1). The OCnA value will
not be visible on the port pin unless the data direction for the pin is set to output (DDR_OCnA = 1). The
waveform generated will have a maximum frequency of fOCnA = fclk_I/O/2 when OCRnA is set to zero (0x0000).
The waveform frequency is defined by the following equation:
The N variable represents the prescaler factor (1, 8, 64, 256, or 1024).
As for the Normal mode of operation, the TOVn Flag is set in the same timer clock cycle that the counter counts
from MAX to 0x0000.
16.10.3 Fast PWM mode
The fast Pulse Width Modulation or fast PWM mode (WGMn3:0 = 5, 6, 7, 14, or 15) provides a high frequency
PWM waveform generation option. The fast PWM differs from the other PWM options by its single-slope
operation. The counter counts from BOTTOM to TOP then restarts from BOTTOM. In non-inverting Compare
Output mode, the Output Compare (OCnx) is cleared on the compare match between TCNTn and OCRnx, and
set at BOTTOM. In inverting Compare Output mode output is set on compare match and cleared at BOTTOM.
Due to the single-slope operation, the operating frequency of the fast PWM mode can be twice as high as the
phase correct and phase and frequency correct PWM modes that use dual-slope operation. This high frequency
makes the fast PWM mode well suited for power regulation, rectification, and DAC applications. High frequency
allows physically small sized external components (coils, capacitors), hence reduces total system cost.
The PWM resolution for fast PWM can be fixed to 8-, 9-, or 10-bit, or defined by either ICRn or OCRnA. The
minimum resolution allowed is 2-bit (ICRn or OCRnA set to 0x0003), and the maximum resolution is 16-bit
(ICRn or OCRnA set to MAX). The PWM resolution in bits can be calculated by using the following equation:
TCNTn
OCnA
(Toggle)
OCnA Interrupt Flag Set
or ICFn Interrupt Flag Set
(Interrupt on TOP)
1 4
Period
2 3
(COMnA1:0 = 1)
fOCnA
fclk_I/O
2N1OCRnA+
---------------------------------------------------=
RFPWM
TOP 1+log
2log
-----------------------------------=

121
ATmega164A/164PA/324A/324PA/644A/644PA/1284/1284P [DATASHEET]
Atmel-8272G-AVR-01/2015
In fast PWM mode the counter is incremented until the counter value matches either one of the fixed values
0x00FF, 0x01FF, or 0x03FF (WGMn3:0 = 5, 6, or 7), the value in ICRn (WGMn3:0 = 14), or the value in OCRnA
(WGMn3:0 = 15). The counter is then cleared at the following timer clock cycle. The timing diagram for the fast
PWM mode is shown in Figure 16-7. The figure shows fast PWM mode when OCRnA or ICRn is used to define
TOP. The TCNTn value is in the timing diagram shown as a histogram for illustrating the single-slope operation.
The diagram includes non-inverted and inverted PWM outputs. The small horizontal line marks on the TCNTn
slopes represent compare matches between OCRnx and TCNTn. The OCnx Interrupt Flag will be set when a
compare match occurs.
Figure 16-7. Fast PWM mode, timing diagram.
The Timer/Counter Overflow Flag (TOVn) is set each time the counter reaches TOP. In addition the OCnA or
ICFn Flag is set at the same timer clock cycle as TOVn is set when either OCRnA or ICRn is used for defining
the TOP value. If one of the interrupts are enabled, the interrupt handler routine can be used for updating the
TOP and compare values.
When changing the TOP value the program must ensure that the new TOP value is higher or equal to the value
of all of the Compare Registers. If the TOP value is lower than any of the Compare Registers, a compare match
will never occur between the TCNTn and the OCRnx. Note that when using fixed TOP values the unused bits
are masked to zero when any of the OCRnx Registers are written.
The procedure for updating ICRn differs from updating OCRnA when used for defining the TOP value. The ICRn
Register is not double buffered. This means that if ICRn is changed to a low value when the counter is running
with none or a low prescaler value, there is a risk that the new ICRn value written is lower than the current value
of TCNTn. The result will then be that the counter will miss the compare match at the TOP value. The counter
will then have to count to the MAX value (0xFFFF) and wrap around starting at 0x0000 before the compare
match can occur. The OCRnA Register however, is double buffered. This feature allows the OCRnA I/O location
to be written anytime. When the OCRnA I/O location is written the value written will be put into the OCRnA
Buffer Register. The OCRnA Compare Register will then be updated with the value in the Buffer Register at the
next timer clock cycle the TCNTn matches TOP. The update is done at the same timer clock cycle as the
TCNTn is cleared and the TOVn Flag is set.
Using the ICRn Register for defining TOP works well when using fixed TOP values. By using ICRn, the OCRnA
Register is free to be used for generating a PWM output on OCnA. However, if the base PWM frequency is
actively changed (by changing the TOP value), using the OCRnA as TOP is clearly a better choice due to its
double buffer feature.
In fast PWM mode, the compare units allow generation of PWM waveforms on the OCnx pins. Setting the
COMnx1:0 bits to two will produce a non-inverted PWM and an inverted PWM output can be generated by
setting the COMnx1:0 to three (see Table on page 128). The actual OCnx value will only be visible on the port
TCNTn
OCRnx/TOP Update and
TOVn Interrupt Flag Set and
OCnA Interrupt Flag Set
or ICFn Interrupt Flag Set
(Interrupt on TOP)
1 7
Period
2 3 4 5 6 8
OCnx
OCnx
(COMnx1:0 = 2)
(COMnx1:0 = 3)

122
ATmega164A/164PA/324A/324PA/644A/644PA/1284/1284P [DATASHEET]
Atmel-8272G-AVR-01/2015
pin if the data direction for the port pin is set as output (DDR_OCnx). The PWM waveform is generated by
setting (or clearing) the OCnx Register at the compare match between OCRnx and TCNTn, and clearing (or
setting) the OCnx Register at the timer clock cycle the counter is cleared (changes from TOP to BOTTOM).
The PWM frequency for the output can be calculated by the following equation:
The N variable represents the prescaler divider (1, 8, 64, 256, or 1024).
The extreme values for the OCRnx Register represents special cases when generating a PWM waveform
output in the fast PWM mode. If the OCRnx is set equal to BOTTOM (0x0000) the output will be a narrow spike
for each TOP+1 timer clock cycle. Setting the OCRnx equal to TOP will result in a constant high or low output
(depending on the polarity of the output set by the COMnx1:0 bits.)
A frequency (with 50% duty cycle) waveform output in fast PWM mode can be achieved by setting OCnA to
toggle its logical level on each compare match (COMnA1:0 = 1). This applies only if OCR1A is used to define
the TOP value (WGM13:0 = 15). The waveform generated will have a maximum frequency of fOCnA = fclk_I/O/2
when OCRnA is set to zero (0x0000). This feature is similar to the OCnA toggle in CTC mode, except the double
buffer feature of the Output Compare unit is enabled in the fast PWM mode.
16.10.4 Phase Correct PWM mode
The phase correct Pulse Width Modulation or phase correct PWM mode (WGMn3:0 = 1, 2, 3, 10, or 11)
provides a high resolution phase correct PWM waveform generation option. The phase correct PWM mode is,
like the phase and frequency correct PWM mode, based on a dual-slope operation. The counter counts
repeatedly from BOTTOM (0x0000) to TOP and then from TOP to BOTTOM. In non-inverting Compare Output
mode, the Output Compare (OCnx) is cleared on the compare match between TCNTn and OCRnx while
upcounting, and set on the compare match while downcounting. In inverting Output Compare mode, the
operation is inverted. The dual-slope operation has lower maximum operation frequency than single slope
operation. However, due to the symmetric feature of the dual-slope PWM modes, these modes are preferred for
motor control applications.
The PWM resolution for the phase correct PWM mode can be fixed to 8-, 9-, or 10-bit, or defined by either ICRn
or OCRnA. The minimum resolution allowed is 2-bit (ICRn or OCRnA set to 0x0003), and the maximum
resolution is 16-bit (ICRn or OCRnA set to MAX). The PWM resolution in bits can be calculated by using the
following equation:
In phase correct PWM mode the counter is incremented until the counter value matches either one of the fixed
values 0x00FF, 0x01FF, or 0x03FF (WGMn3:0 = 1, 2, or 3), the value in ICRn (WGMn3:0 = 10), or the value in
OCRnA (WGMn3:0 = 11). The counter has then reached the TOP and changes the count direction. The TCNTn
value will be equal to TOP for one timer clock cycle. The timing diagram for the phase correct PWM mode is
shown on Figure 16-8. The figure shows phase correct PWM mode when OCRnA or ICRn is used to define
TOP. The TCNTn value is in the timing diagram shown as a histogram for illustrating the dual-slope operation.
The diagram includes non-inverted and inverted PWM outputs. The small horizontal line marks on the TCNTn
slopes represent compare matches between OCRnx and TCNTn. The OCnx Interrupt Flag will be set when a
compare match occurs.
fOCnxPWM
fclk_I/O
N1TOP+
-----------------------------------=
RPCPWM
TOP 1+log
2log
-----------------------------------=

123
ATmega164A/164PA/324A/324PA/644A/644PA/1284/1284P [DATASHEET]
Atmel-8272G-AVR-01/2015
Figure 16-8. Phase Correct PWM mode, timing diagram.
The Timer/Counter Overflow Flag (TOVn) is set each time the counter reaches BOTTOM. When either OCRnA
or ICRn is used for defining the TOP value, the OCnA or ICFn Flag is set accordingly at the same timer clock
cycle as the OCRnx Registers are updated with the double buffer value (at TOP). The Interrupt Flags can be
used to generate an interrupt each time the counter reaches the TOP or BOTTOM value.
When changing the TOP value the program must ensure that the new TOP value is higher or equal to the value
of all of the Compare Registers. If the TOP value is lower than any of the Compare Registers, a compare match
will never occur between the TCNTn and the OCRnx. Note that when using fixed TOP values, the unused bits
are masked to zero when any of the OCRnx Registers are written. As the third period shown in Figure 16-8
illustrates, changing the TOP actively while the Timer/Counter is running in the phase correct mode can result in
an unsymmetrical output. The reason for this can be found in the time of update of the OCRnx Register. Since
the OCRnx update occurs at TOP, the PWM period starts and ends at TOP. This implies that the length of the
falling slope is determined by the previous TOP value, while the length of the rising slope is determined by the
new TOP value. When these two values differ the two slopes of the period will differ in length. The difference in
length gives the unsymmetrical result on the output.
It is recommended to use the phase and frequency correct mode instead of the phase correct mode when
changing the TOP value while the Timer/Counter is running. When using a static TOP value there are practically
no differences between the two modes of operation.
In phase correct PWM mode, the compare units allow generation of PWM waveforms on the OCnx pins. Setting
the COMnx1:0 bits to two will produce a non-inverted PWM and an inverted PWM output can be generated by
setting the COMnx1:0 to three (See Table on page 129). The actual OCnx value will only be visible on the port
pin if the data direction for the port pin is set as output (DDR_OCnx). The PWM waveform is generated by
setting (or clearing) the OCnx Register at the compare match between OCRnx and TCNTn when the counter
increments, and clearing (or setting) the OCnx Register at compare match between OCRnx and TCNTn when
the counter decrements. The PWM frequency for the output when using phase correct PWM can be calculated
by the following equation:
The N variable represents the prescaler divider (1, 8, 64, 256, or 1024).
OCRnx/TOP Update and
OCnA Interrupt Flag Set
or ICFn Interrupt Flag Set
(Interrupt on TOP)
1 2 3 4
TOVn Interrupt Flag Set
(Interrupt on Bottom)
TCNTn
Period
OCnx
OCnx
(COMnx1:0 = 2)
(COMnx1:0 = 3)
fOCnxPCPWM
fclk_I/O
2NTOP
----------------------------=

124
ATmega164A/164PA/324A/324PA/644A/644PA/1284/1284P [DATASHEET]
Atmel-8272G-AVR-01/2015
The extreme values for the OCRnx Register represent special cases when generating a PWM waveform output
in the phase correct PWM mode. If the OCRnx is set equal to BOTTOM the output will be continuously low and
if set equal to TOP the output will be continuously high for non-inverted PWM mode. For inverted PWM the
output will have the opposite logic values. If OCR1A is used to define the TOP value (WGM13:0 = 11) and
COM1A1:0 = 1, the OC1A output will toggle with a 50% duty cycle.
16.10.5 Phase and Frequency Correct PWM mode
The phase and frequency correct Pulse Width Modulation, or phase and frequency correct PWM mode
(WGMn3:0 = 8 or 9) provides a high resolution phase and frequency correct PWM waveform generation option.
The phase and frequency correct PWM mode is, like the phase correct PWM mode, based on a dual-slope
operation. The counter counts repeatedly from BOTTOM (0x0000) to TOP and then from TOP to BOTTOM. In
non-inverting Compare Output mode, the Output Compare (OCnx) is cleared on the compare match between
TCNTn and OCRnx while upcounting, and set on the compare match while downcounting. In inverting Compare
Output mode, the operation is inverted. The dual-slope operation gives a lower maximum operation frequency
compared to the single-slope operation. However, due to the symmetric feature of the dual-slope PWM modes,
these modes are preferred for motor control applications.
The main difference between the phase correct, and the phase and frequency correct PWM mode is the time
the OCRnx Register is updated by the OCRnx Buffer Register, (see Figure 16-8 and Figure 16-9).
The PWM resolution for the phase and frequency correct PWM mode can be defined by either ICRn or OCRnA.
The minimum resolution allowed is 2-bit (ICRn or OCRnA set to 0x0003), and the maximum resolution is 16-bit
(ICRn or OCRnA set to MAX). The PWM resolution in bits can be calculated using the following equation:
In phase and frequency correct PWM mode the counter is incremented until the counter value matches either
the value in ICRn (WGMn3:0 = 8), or the value in OCRnA (WGMn3:0 = 9). The counter has then reached the
TOP and changes the count direction. The TCNTn value will be equal to TOP for one timer clock cycle. The
timing diagram for the phase correct and frequency correct PWM mode is shown on Figure 16-9. The figure
shows phase and frequency correct PWM mode when OCRnA or ICRn is used to define TOP. The TCNTn
value is in the timing diagram shown as a histogram for illustrating the dual-slope operation. The diagram
includes non-inverted and inverted PWM outputs. The small horizontal line marks on the TCNTn slopes
represent compare matches between OCRnx and TCNTn. The OCnx Interrupt Flag will be set when a compare
match occurs.
RPFCPWM
TOP 1+log
2log
-----------------------------------=

125
ATmega164A/164PA/324A/324PA/644A/644PA/1284/1284P [DATASHEET]
Atmel-8272G-AVR-01/2015
Figure 16-9. Phase and Frequency Correct PWM mode, timing diagram.
The Timer/Counter Overflow Flag (TOVn) is set at the same timer clock cycle as the OCRnx Registers are
updated with the double buffer value (at BOTTOM). When either OCRnA or ICRn is used for defining the TOP
value, the OCnA or ICFn Flag set when TCNTn has reached TOP. The Interrupt Flags can then be used to
generate an interrupt each time the counter reaches the TOP or BOTTOM value.
When changing the TOP value the program must ensure that the new TOP value is higher or equal to the value
of all of the Compare Registers. If the TOP value is lower than any of the Compare Registers, a compare match
will never occur between the TCNTn and the OCRnx.
As Figure 16-9 shows the output generated is, in contrast to the phase correct mode, symmetrical in all periods.
Since the OCRnx Registers are updated at BOTTOM, the length of the rising and the falling slopes will always
be equal. This gives symmetrical output pulses and is therefore frequency correct.
Using the ICRn Register for defining TOP works well when using fixed TOP values. By using ICRn, the OCRnA
Register is free to be used for generating a PWM output on OCnA. However, if the base PWM frequency is
actively changed by changing the TOP value, using the OCRnA as TOP is clearly a better choice due to its
double buffer feature.
In phase and frequency correct PWM mode, the compare units allow generation of PWM waveforms on the
OCnx pins. Setting the COMnx1:0 bits to two will produce a non-inverted PWM and an inverted PWM output can
be generated by setting the COMnx1:0 to three (See Table 16-4 on page 129). The actual OCnx value will only
be visible on the port pin if the data direction for the port pin is set as output (DDR_OCnx). The PWM waveform
is generated by setting (or clearing) the OCnx Register at the compare match between OCRnx and TCNTn
when the counter increments, and clearing (or setting) the OCnx Register at compare match between OCRnx
and TCNTn when the counter decrements. The PWM frequency for the output when using phase and frequency
correct PWM can be calculated by the following equation:
The N variable represents the prescaler divider (1, 8, 64, 256, or 1024).
The extreme values for the OCRnx Register represents special cases when generating a PWM waveform
output in the phase correct PWM mode. If the OCRnx is set equal to BOTTOM the output will be continuously
low and if set equal to TOP the output will be set to high for non-inverted PWM mode. For inverted PWM the
OCRnx/TOP Updateand
TOVn Interrupt Flag Set
(Interrupt on Bottom)
OCnA Interrupt Flag Set
or ICFn Interrupt Flag Set
(Interrupt on TOP)
1 2 3 4
TCNTn
Period
OCnx
OCnx
(COMnx1:0 = 2)
(COMnx1:0 = 3)
fOCnxPFCPWM
fclk_I/O
2NTOP
----------------------------=

126
ATmega164A/164PA/324A/324PA/644A/644PA/1284/1284P [DATASHEET]
Atmel-8272G-AVR-01/2015
output will have the opposite logic values. If OCR1A is used to define the TOP value (WGM13:0 = 9) and
COM1A1:0 = 1, the OC1A output will toggle with a 50% duty cycle.
16.11 Timer/Counter Timing diagrams
The Timer/Counter is a synchronous design and the timer clock (clkTn) is therefore shown as a clock enable
signal in the following figures. The figures include information on when Interrupt Flags are set, and when the
OCRnx Register is updated with the OCRnx buffer value (only for modes utilizing double buffering). Figure 16-
10 shows a timing diagram for the setting of OCFnx.
Figure 16-10. Timer/Counter Timing diagram, setting of OCFnx, no prescaling.
Figure 16-11 shows the same timing data, but with the prescaler enabled.
Figure 16-11. Timer/Counter Timing diagram, setting of OCFnx, with prescaler (fclk_I/O/8).
Figure 16-12 shows the count sequence close to TOP in various modes. When using phase and frequency
correct PWM mode the OCRnx Register is updated at BOTTOM. The timing diagrams will be the same, but
TOP should be replaced by BOTTOM, TOP-1 by BOTTOM+1 and so on. The same renaming applies for modes
that set the TOVn Flag at BOTTOM.
clkTn
(clk
I/O
/1)
OCFnx
clkI/O
OCRnx
TCNTn
OCRnx Value
OCRnx - 1 OCRnx OCRnx + 1 OCRnx + 2
OCFnx
OCRnx
TCNTn
OCRnx Value
OCRnx - 1 OCRnx OCRnx + 1 OCRnx + 2
clk
I/O
clk
Tn
(clkI/O/8)

127
ATmega164A/164PA/324A/324PA/644A/644PA/1284/1284P [DATASHEET]
Atmel-8272G-AVR-01/2015
Figure 16-12. Timer/Counter Timing diagram, no prescaling.
Figure 16-13 shows the same timing data, but with the prescaler enabled.
Figure 16-13. Timer/Counter Timing diagram, with prescaler (fclk_I/O/8).
TOVn (FPWM)
and ICFn (if used
as TOP)
OCRnx
(Update at TOP)
TCNTn
(CTC and FPWM)
TCNTn
(PC and PFC PWM) TOP - 1 TOP TOP - 1 TOP - 2
Old OCRnx Value New OCRnx Value
TOP - 1 TOP BOTTOM BOTTOM + 1
clk
Tn
(clk
I/O
/1)
clk
I/O
TOVn (FPWM)
and ICFn (if used
as TOP)
OCRnx
(Update at TOP)
TCNTn
(CTC and FPWM)
TCNTn
(PC and PFC PWM) TOP - 1 TOP TOP - 1 TOP - 2
Old OCRnx Value New OCRnx Value
TOP - 1 TOP BOTTOM BOTTOM + 1
clk
I/O
clk
Tn
(clk
I/O
/8)

128
ATmega164A/164PA/324A/324PA/644A/644PA/1284/1284P [DATASHEET]
Atmel-8272G-AVR-01/2015
16.12 Register description
16.12.1 TCCRnA – Timer/Counter n Control Register A
• Bit 7:6 – COMnA1:0: Compare Output Mode for Channel A
• Bit 5:4 – COMnB1:0: Compare Output Mode for Channel B
The COMnA1:0 and COMnB1:0 control the Output Compare pins (OCnA and OCnB respectively) behavior. If
one or both of the COMnA1:0 bits are written to one, the OCnA output overrides the normal port functionality of
the I/O pin it is connected to. If one or both of the COMnB1:0 bit are written to one, the OCnB output overrides
the normal port functionality of the I/O pin it is connected to. However, note that the Data Direction Register
(DDR) bit corresponding to the OCnA or OCnB pin must be set in order to enable the output driver.
When the OCnA or OCnB is connected to the pin, the function of the COMnx1:0 bits is dependent of the
WGMn3:0 bits setting. Table 16-2 on page 128 shows the COMnx1:0 bit functionality when the WGMn3:0 bits
are set to a Normal or a CTC mode (non-PWM).
Table 16-3 on page 128 shows the COMnx1:0 bit functionality when the WGMn3:0 bits are set to the fast PWM
mode.
Note: 1. A special case occurs when OCRnA/OCRnB equals TOP and COMnA1/COMnB1 is set. In this case the
compare match is ignored, but the set or clear is done at BOTTOM. See Section “16.10.3” on page 120 for
more details.
Bit 7 6 5 4 3210
(0x80) COMnA1 COMnA0 COMnB1 COMnB0 – – WGMn1 WGMn0 TCCRnA
Read/Write R/W R/W R/W R/W R R R/W R/W
Initial Value 0 0 0 0 0 0 0 0
Table 16-2. Compare Output mode, non-PWM.
COMnA1/COMnB1 COMnA0/COMnB0 Description
0 0 Normal port operation, OCnA/OCnB disconnected.
0 1 Toggle OCnA/OCnB on Compare Match.
1 0 Clear OCnA/OCnB on Compare Match (Set output to
low level).
1 1 Set OCnA/OCnB on Compare Match (Set output to
high level).
Table 16-3. Compare Output mode, fast PWM (1).
COMnA1/COMnB1 COMnA0/COMnB0 Description
0 0 Normal port operation, OCnA/OCnB disconnected.
0 1
WGMn3:0 = 14 or 15: Toggle OC1A on Compare
Match, OC1B disconnected (normal port operation).
For all other WGM1 settings, normal port operation,
OC1A/OC1B disconnected.
1 0 Clear OCnA/OCnB on Compare Match, set
OCnA/OCnB at BOTTOM (non-inverting mode)
1 1 Set OCnA/OCnB on Compare Match, clear
OCnA/OCnB at BOTTOM (inverting mode)

129
ATmega164A/164PA/324A/324PA/644A/644PA/1284/1284P [DATASHEET]
Atmel-8272G-AVR-01/2015
Table 16-4 on page 129 shows the COMnx1:0 bit functionality when the WGMn3:0 bits are set to the phase
correct or the phase and frequency correct, PWM mode.
Note: 1. A special case occurs when OCRnA/OCRnB equals TOP and COMnA1/COMnB1 is set. See Section “16.10.4”
on page 122 for more details.
• Bit 1:0 – WGMn1:0: Waveform Generation Mode
Combined with the WGMn3:2 bits found in the TCCRnB Register, these bits control the counting sequence of
the counter, the source for maximum (TOP) counter value, and what type of waveform generation to be used,
see Table 16-5 on page 130. Modes of operation supported by the Timer/Counter unit are: Normal mode
(counter), Clear Timer on Compare match (CTC) mode, and three types of Pulse Width Modulation (PWM)
modes. (See Section “16.10” on page 119).
Table 16-4. Compare Output mode, phase correct and phase and frequency correct PWM (1).
COMnA1/COMnB1 COMnA0/COMnB0 Description
0 0 Normal port operation, OCnA/OCnB disconnected.
0 1
WGMn3:0 = 9 or 11: Toggle OCnA on Compare
Match, OCnB disconnected (normal port operation).
For all other WGM1 settings, normal port operation,
OC1A/OC1B disconnected.
1 0
Clear OCnA/OCnB on Compare Match when up-
counting. Set OCnA/OCnB on Compare Match when
downcounting.
1 1
Set OCnA/OCnB on Compare Match when up-
counting. Clear OCnA/OCnB on Compare Match
when downcounting.

130
ATmega164A/164PA/324A/324PA/644A/644PA/1284/1284P [DATASHEET]
Atmel-8272G-AVR-01/2015
Note: 1. The CTCn and PWMn1:0 bit definition names are obsolete. Use the WGMn2:0 definitions. However, the functionality
and location of these bits are compatible with previous versions of the timer.
16.12.2 TCCRnB – Timer/Counter n Control Register B
• Bit 7 – ICNCn: Input Capture Noise Canceler
Setting this bit (to one) activates the Input Capture Noise Canceler. When the noise canceler is activated, the
input from the Input Capture pin (ICPn) is filtered. The filter function requires four successive equal valued
samples of the ICPn pin for changing its output. The Input Capture is therefore delayed by four Oscillator cycles
when the noise canceler is enabled.
• Bit 6 – ICESn: Input Capture Edge Select
This bit selects which edge on the Input Capture pin (ICPn) that is used to trigger a capture event. When the
ICESn bit is written to zero, a falling (negative) edge is used as trigger, and when the ICESn bit is written to one,
a rising (positive) edge will trigger the capture.
When a capture is triggered according to the ICESn setting, the counter value is copied into the Input Capture
Register (ICRn). The event will also set the Input Capture Flag (ICFn), and this can be used to cause an Input
Capture Interrupt, if this interrupt is enabled.
Table 16-5. Waveform Generation mode bit description (1).
Mode WGMn3
WGMn2
(CTCn)
WGMn1
(PWMn1)
WGMn0
(PWMn0)
Timer/Counter mode of
operation TOP
Update of
OCRnx at
TOVn flag
set on
00000Normal 0xFFFF Immediate MAX
10001PWM, Phase Correct, 8-bit 0x00FF TOP BOTTOM
20010PWM, Phase Correct, 9-bit 0x01FF TOP BOTTOM
30011PWM, Phase Correct, 10-bit 0x03FF TOP BOTTOM
40100CTC OCRnA Immediate MAX
50101Fast PWM, 8-bit 0x00FF BOTTOM TOP
60110Fast PWM, 9-bit 0x01FF BOTTOM TOP
70111Fast PWM, 10-bit 0x03FF BOTTOM TOP
81000PWM, Phase and Frequency
Correct ICRn BOTTOM BOTTOM
91001PWM, Phase and Frequency
Correct OCRnA BOTTOM BOTTOM
10 1010PWM, Phase Correct ICRn TOP BOTTOM
11 1011PWM, Phase Correct OCRnA TOP BOTTOM
12 1100CTC ICRn Immediate MAX
13 1101(Reserved) – – –
14 1110Fast PWM ICRn BOTTOM TOP
15 1111Fast PWM OCRnA BOTTOM TOP
Bit 7654 3210
(0x81) ICNCn ICESn – WGMn3 WGMn2 CSn2 CSn1 CSn0 TCCRnB
Read/Write R/W R/W R R/W R/W R/W R/W R/W
Initial Value 0 0 0 0 0 0 0 0

131
ATmega164A/164PA/324A/324PA/644A/644PA/1284/1284P [DATASHEET]
Atmel-8272G-AVR-01/2015
When the ICRn is used as TOP value (see description of the WGMn3:0 bits located in the TCCRnA and the
TCCRnB Register), the ICPn is disconnected and consequently the Input Capture function is disabled.
• Bit 5 – Reserved
This bit is reserved for future use. For ensuring compatibility with future devices, this bit must be written to zero
when TCCRnB is written.
• Bit 4:3 – WGMn3:2: Waveform Generation Mode
See “TCCRnA – Timer/Counter n Control Register A description on page 128.
• Bit 2:0 – CSn2:0: Clock Select
The three Clock Select bits select the clock source to be used by the Timer/Counter, see Figure 16-10 and
Figure 16-11.
If external pin modes are used for the Timer/Countern, transitions on the Tn pin will clock the counter even if the
pin is configured as an output. This feature allows software control of the counting.
16.12.3 TCCRnC – Timer/Counter n Control Register C
• Bit 7 – FOCnA: Force Output Compare for Channel A
• Bit 6 – FOCnB: Force Output Compare for Channel B
The FOCnA/FOCnB bits are only active when the WGMn3:0 bits specifies a non-PWM mode. However, for
ensuring compatibility with future devices, these bits must be set to zero when TCCRnA is written when
operating in a PWM mode. When writing a logical one to the FOCnA/FOCnB bit, an immediate compare match
is forced on the Waveform Generation unit. The OCnA/OCnB output is changed according to its COMnx1:0 bits
setting. Note that the FOCnA/FOCnB bits are implemented as strobes. Therefore it is the value present in the
COMnx1:0 bits that determine the effect of the forced compare.
A FOCnA/FOCnB strobe will not generate any interrupt nor will it clear the timer in Clear Timer on Compare
match (CTC) mode using OCRnA as TOP.
The FOCnA/FOCnB bits are always read as zero.
Table 16-6. Clock Select bit description.
CSn2 CSn1 CSn0 Description
000No clock source (Timer/Counter stopped).
001clkI/O/1 (No prescaling)
010clkI/O/8 (From prescaler)
011clkI/O/64 (From prescaler)
100clkI/O/256 (From prescaler)
101clkI/O/1024 (From prescaler)
110External clock source on Tn pin. Clock on falling edge.
111External clock source on Tn pin. Clock on rising edge.
Bit 7654 3210
(0x82) FOCnA FOCnB – – – – – – TCCRnC
Read/Write R/W R/W R R R R R R
Initial Value 0 0 0 0 0 0 0 0

132
ATmega164A/164PA/324A/324PA/644A/644PA/1284/1284P [DATASHEET]
Atmel-8272G-AVR-01/2015
16.12.4 TCNT1H and TCNT1L –Timer/Counter1
The two Timer/Counter I/O locations (TCNT1H and TCNT1L, combined TCNT1) give direct access, both for
read and for write operations, to the Timer/Counter unit 16-bit counter. To ensure that both the high and low
bytes are read and written simultaneously when the CPU accesses these registers, the access is performed
using an 8-bit temporary High Byte Register (TEMP). This temporary register is shared by all the other 16-bit
registers. See “Accessing 16-bit Registers” on page 109.
Modifying the counter (TCNT1) while the counter is running introduces a risk of missing a compare match
between TCNT1 and one of the OCRnx Registers.
Writing to the TCNT1 Register blocks (removes) the compare match on the following timer clock for all compare
units.
16.12.5 TCNT3H and TCNT3L –Timer/Counter3
The two Timer/Counter I/O locations (TCNT3H and TCNT3L, combined TCNT3) give direct access, both for
read and for write operations, to the Timer/Counter unit 16-bit counter. To ensure that both the high and low
bytes are read and written simultaneously when the CPU accesses these registers, the access is performed
using an 8-bit temporary High Byte Register (TEMP). This temporary register is shared by all the other 16-bit
registers. See “Accessing 16-bit Registers” on page 109.
Modifying the counter (TCNT3) while the counter is running introduces a risk of missing a compare match
between TCNT3 and one of the OCRnx Registers.
Writing to the TCNT3 Register blocks (removes) the compare match on the following timer clock for all compare
units.
16.12.6 OCR1AH and OCR1AL – Output Compare Register1 A
16.12.7 OCR1BH and OCR1BL – Output Compare Register1 B
The Output Compare Registers contain a 16-bit value that is continuously compared with the counter value
(TCNT1). A match can be used to generate an Output Compare interrupt, or to generate a waveform output on
the OCnx pin.
Bit 76543210
(0x85) TCNT1[15:8] TCNT1H
(0x84) TCNT1[7:0] TCNT1L
Read/Write R/W R/W R/W R/W R/W R/W R/W R/W
Initial Value00000000
Bit 76543210
(0x95) TCNT3[15:8] TCNT3H
(0x94) TCNT3[7:0] TCNT3L
Read/Write R/W R/W R/W R/W R/W R/W R/W R/W
Initial Value00000000
Bit 76543210
(0x89) OCR1A[15:8] OCR1AH
(0x88) OCR1A[7:0] OCR1AL
Read/Write R/W R/W R/W R/W R/W R/W R/W R/W
Initial Value00000000
Bit 76543210
(0x8B) OCR1B[15:8] OCR1BH
(0x8A) OCR1B[7:0] OCR1BL
Read/Write R/W R/W R/W R/W R/W R/W R/W R/W
Initial Value00000000

133
ATmega164A/164PA/324A/324PA/644A/644PA/1284/1284P [DATASHEET]
Atmel-8272G-AVR-01/2015
The Output Compare Registers are 16-bit in size. To ensure that both the high and low bytes are written
simultaneously when the CPU writes to these registers, the access is performed using an 8-bit temporary High
Byte Register (TEMP). This temporary register is shared by all the other 16-bit registers. See “Accessing 16-bit
Registers” on page 109.
16.12.8 OCR3AH and OCR3AL – Output Compare Register3 A
16.12.9 OCR3BH and OCR3BL – Output Compare Register3 B
The Output Compare Registers contain a 16-bit value that is continuously compared with the counter value
(TCNT3). A match can be used to generate an Output Compare interrupt, or to generate a waveform output on
the OCnx pin.
The Output Compare Registers are 16-bit in size. To ensure that both the high and low bytes are written
simultaneously when the CPU writes to these registers, the access is performed using an 8-bit temporary High
Byte Register (TEMP). This temporary register is shared by all the other 16-bit registers. See “Accessing 16-bit
Registers” on page 109.
16.12.10ICR1H and ICR1L – Input Capture Register 1
The Input Capture is updated with the counter (TCNT1) value each time an event occurs on the ICPn pin (or
optionally on the Analog Comparator output for Timer/Counter1). The Input Capture can be used for defining the
counter TOP value.
The Input Capture Register is 16-bit in size. To ensure that both the high and low bytes are read simultaneously
when the CPU accesses these registers, the access is performed using an 8-bit temporary High Byte Register
(TEMP). This temporary register is shared by all the other 16-bit registers. See “Accessing 16-bit Registers” on
page 109.
16.12.11ICR3H and ICR3L – Input Capture Register 3
Bit 76543210
(0x99) OCR3A[15:8] OCR3AH
(0x98) OCR3A[7:0] OCR3AL
Read/Write R/W R/W R/W R/W R/W R/W R/W R/W
Initial Value00000000
Bit 76543210
(0x9B) OCR3B[15:8] OCR3BH
(0x9A) OCR3B[7:0] OCR3BL
Read/Write R/W R/W R/W R/W R/W R/W R/W R/W
Initial Value00000000
Bit 76543210
(0x87) ICR1[15:8] ICR1H
(0x86) ICR1[7:0] ICR1L
Read/Write R/W R/W R/W R/W R/W R/W R/W R/W
Initial Value00000000
Bit 76543210
(0x97) ICR3[15:8] ICR3H
(0x96) ICR3[7:0] ICR3L
Read/Write R/W R/W R/W R/W R/W R/W R/W R/W
Initial Value00000000

134
ATmega164A/164PA/324A/324PA/644A/644PA/1284/1284P [DATASHEET]
Atmel-8272G-AVR-01/2015
The Input Capture is updated with the counter (TCNT3) value each time an event occurs on the ICPn pin (or
optionally on the Analog Comparator output for Timer/Counter3). The Input Capture can be used for defining the
counter TOP value.
The Input Capture Register is 16-bit in size. To ensure that both the high and low bytes are read simultaneously
when the CPU accesses these registers, the access is performed using an 8-bit temporary High Byte Register
(TEMP). This temporary register is shared by all the other 16-bit registers. See “Accessing 16-bit Registers” on
page 109.
16.12.12TIMSK1 – Timer/Counter1 Interrupt Mask Register
• Bit 7:6 – Reserved
These bits are unused and will always read as zero.
• Bit 5 – ICIE1: Timer/Counter1, Input Capture Interrupt Enable
When this bit is written to one, and the I-flag in the Status Register is set (interrupts globally enabled), the
Timer/Counter1 Input Capture interrupt is enabled. The corresponding Interrupt Vector (see “Interrupts” on page
61) is executed when the ICF1 Flag, located in TIFR1, is set.
• Bit 4:3 – Reserved
These bits are unused and will always read as zero.
• Bit 2 – OCIE1B: Timer/Counter1, Output Compare B Match Interrupt Enable
When this bit is written to one, and the I-flag in the Status Register is set (interrupts globally enabled), the
Timer/Counter1 Output Compare B Match interrupt is enabled. The corresponding Interrupt Vector (see
“Interrupts” on page 61) is executed when the OCF1B Flag, located in TIFR1, is set.
• Bit 1 – OCIE1A: Timer/Counter1, Output Compare A Match Interrupt Enable
When this bit is written to one, and the I-flag in the Status Register is set (interrupts globally enabled), the
Timer/Counter1 Output Compare A Match interrupt is enabled. The corresponding Interrupt Vector (see
“Interrupts” on page 61) is executed when the OCF1A Flag, located in TIFR1, is set.
• Bit 0 – TOIE1: Timer/Counter1, Overflow Interrupt Enable
When this bit is written to one, and the I-flag in the Status Register is set (interrupts globally enabled), the
Timer/Counter1 Overflow interrupt is enabled. The corresponding Interrupt Vector (See Section “11.3” on page
55) is executed when the TOV1 Flag, located in TIFR1, is set.
16.12.13TIMSK3 – Timer/Counter3 Interrupt Mask Register
• Bit 7:6 – Reserved
These bits are unused and will always read as zero.
Bit 765432 10
(0x6F) ––ICIE1–– OCIE1B OCIE1A TOIE1 TIMSK1
Read/Write R R R/W R R R/W R/W R/W
Initial Value000000 00
Bit 765432 10
(0x71) ––ICIE3–– OCIE3B OCIE3A TOIE3 TIMSK3
Read/Write R R R/W R R R/W R/W R/W
Initial Value000000 00

135
ATmega164A/164PA/324A/324PA/644A/644PA/1284/1284P [DATASHEET]
Atmel-8272G-AVR-01/2015
• Bit 5 – ICIE3: Timer/Counter3, Input Capture Interrupt Enable
When this bit is written to one, and the I-flag in the Status Register is set (interrupts globally enabled), the
Timer/Counter1 Input Capture interrupt is enabled. The corresponding Interrupt Vector (See “Interrupts” on
page 61) is executed when the ICF3 Flag, located in TIFR3, is set.
• Bit 4:3 – Reserved
These bits are unused and will always read as zero.
• Bit 2 – OCIE3B: Timer/Counter3, Output Compare B Match Interrupt Enable
When this bit is written to one, and the I-flag in the Status Register is set (interrupts globally enabled), the
Timer/Counter3 Output Compare B Match interrupt is enabled. The corresponding Interrupt Vector (See
“Interrupts” on page 61) is executed when the OCF3B Flag, located in TIFR3, is set.
• Bit 1 – OCIE3A: Timer/Counter3, Output Compare A Match Interrupt Enable
When this bit is written to one, and the I-flag in the Status Register is set (interrupts globally enabled), the
Timer/Counter3 Output Compare A Match interrupt is enabled. The corresponding Interrupt Vector (See
“Interrupts” on page 61) is executed when the OCF3A Flag, located in TIFR3, is set.
• Bit 0 – TOIE3: Timer/Counter3, Overflow Interrupt Enable
When this bit is written to one, and the I-flag in the Status Register is set (interrupts globally enabled), the
Timer/Counter3 Overflow interrupt is enabled. The corresponding Interrupt Vector (See “Watchdog Timer” on
page 55) is executed when the TOV3 Flag, located in TIFR3, is set.
16.12.14TIFR1 – Timer/Counter1 Interrupt Flag Register
• Bit 7:6 – Reserved
These bits are unused and will always read as zero.
• Bit 5 – ICF1: Timer/Counter1, Input Capture Flag
This flag is set when a capture event occurs on the ICP1 pin. When the Input Capture Register (ICR1) is set by
the WGMn3:0 to be used as the TOP value, the ICF1 Flag is set when the counter reaches the TOP value.
ICF1 is automatically cleared when the Input Capture Interrupt Vector is executed. Alternatively, ICF1 can be
cleared by writing a logic one to its bit location.
• Bit 4:3 – Reserved
These bits are unused and will always read as zero.
• Bit 2 – OCF1B: Timer/Counter1, Output Compare B Match Flag
This flag is set in the timer clock cycle after the counter (TCNT1) value matches the Output Compare Register B
(OCR1B).
Note that a Forced Output Compare (FOC1B) strobe will not set the OCF1B Flag.
OCF1B is automatically cleared when the Output Compare Match B Interrupt Vector is executed. Alternatively,
OCF1B can be cleared by writing a logic one to its bit location.
Bit 76543210
0x16 (0x36) ––ICF1–– OCF1B OCF1A TOV1 TIFR1
Read/Write R R R/W R R R/W R/W R/W
Initial Value00000000

136
ATmega164A/164PA/324A/324PA/644A/644PA/1284/1284P [DATASHEET]
Atmel-8272G-AVR-01/2015
• Bit 1 – OCF1A: Timer/Counter1, Output Compare A Match Flag
This flag is set in the timer clock cycle after the counter (TCNT1) value matches the Output Compare Register A
(OCR1A).
Note that a Forced Output Compare (FOC1A) strobe will not set the OCF1A Flag.
OCF1A is automatically cleared when the Output Compare Match A Interrupt Vector is executed. Alternatively,
OCF1A can be cleared by writing a logic one to its bit location.
• Bit 0 – TOV1: Timer/Counter1, Overflow Flag
The setting of this flag is dependent of the WGMn3:0 bits setting. In Normal and CTC modes, the TOV1 Flag is
set when the timer overflows. Refer to Table 16-5 on page 130 for the TOV1 Flag behavior when using another
WGMn3:0 bit setting.
TOV1 is automatically cleared when the Timer/Counter1 Overflow Interrupt Vector is executed. Alternatively,
TOV1 can be cleared by writing a logic one to its bit location.
16.12.15TIFR3 – Timer/Counter3 Interrupt Flag Register
• Bit 7:6 – Reserved
These bits are unused and will always read as zero.
• Bit 5 – ICF3: Timer/Counter3, Input Capture Flag
This flag is set when a capture event occurs on the ICP3 pin. When the Input Capture Register (ICR1) is set by
the WGMn3:0 to be used as the TOP value, the ICF3 Flag is set when the counter reaches the TOP value.
ICF3 is automatically cleared when the Input Capture Interrupt Vector is executed. Alternatively, ICF3 can be
cleared by writing a logic one to its bit location.
• Bit 4:3 – Reserved
These bits are unused and will always read as zero.
• Bit 2 – OCF3B: Timer/Counter3, Output Compare B Match Flag
This flag is set in the timer clock cycle after the counter (TCNT3) value matches the Output Compare Register B
(OCR3B).
Note that a Forced Output Compare (FOC3B) strobe will not set the OCF3B Flag.
OCF3B is automatically cleared when the Output Compare Match B Interrupt Vector is executed. Alternatively,
OCF3B can be cleared by writing a logic one to its bit location.
• Bit 1 – OCF3A: Timer/Counter3, Output Compare A Match Flag
This flag is set in the timer clock cycle after the counter (TCNT3) value matches the Output Compare Register A
(OCR3A).
Note that a Forced Output Compare (FOC3A) strobe will not set the OCF3A Flag.
OCF3A is automatically cleared when the Output Compare Match A Interrupt Vector is executed. Alternatively,
OCF3A can be cleared by writing a logic one to its bit location.
Bit 76543210
0x18 (0x38) ––ICF3–– OCF3B OCF3A TOV3 TIFR3
Read/Write R R R/W R R R/W R/W R/W
Initial Value00000000

137
ATmega164A/164PA/324A/324PA/644A/644PA/1284/1284P [DATASHEET]
Atmel-8272G-AVR-01/2015
• Bit 0 – TOV3: Timer/Counter1, Overflow Flag
The setting of this flag is dependent of the WGMn3:0 bits setting. In Normal and CTC modes, the TOV3 Flag is
set when the timer overflows. Refer to Table 16-5 on page 130 for the TOV3 Flag behavior when using another
WGMn3:0 bit setting.
TOV3 is automatically cleared when the Timer/Counter3 Overflow Interrupt Vector is executed. Alternatively,
TOV3 can be cleared by writing a logic one to its bit location.

138
ATmega164A/164PA/324A/324PA/644A/644PA/1284/1284P [DATASHEET]
Atmel-8272G-AVR-01/2015
17. 8-bit Timer/Counter2 with PWM and asynchronous operation
17.1 Features
•Single channel counter
•Clear Timer on Compare Match (Auto Reload)
•Glitch-free, phase correct Pulse Width Modulator (PWM)
•Frequency generator
•10-bit clock prescaler
•Overflow and Compare Match Interrupt Sources (TOV2, OCF2A and OCF2B)
•Allows clocking from external 32kHz watch crystal independent of the I/O clock
17.2 Overview
Timer/Counter2 is a general purpose, single channel, 8-bit Timer/Counter module.
A simplified block diagram of the 8-bit Timer/Counter is shown in Figure 16-12.. For the actual placement of I/O
pins, see ”Pin configurations” on page 3. CPU accessible I/O Registers, including I/O bits and I/O pins, are
shown in bold. The device-specific I/O Register and bit locations are listed in the ”Register description” on page
151.
The Power Reduction Timer/Counter2 bit, PRTIM2, in ”PRR0 – Power Reduction Register 0” on page 48 must
be written to zero to enable Timer/Counter2 module.
Figure 17-1. 8-bit Timer/Counter block diagram.
Timer/Counter
DATA BUS
OCRnA
OCRnB
=
=
TCNTn
Waveform
Generation
Waveform
Generation
OCnA
OCnB
=
Fixed
TOP
Value
Control Logic
=
0
TOP BOTTOM
Count
Clear
Direction
TOVn
(Int.Req.)
OCnA
(Int.Req.)
OCnB
(Int.Req.)
TCCRnA TCCRnB
clk
Tn
ASSRn
Synchronization Unit
Prescaler
T/C
Oscillator
clk
I/O
clk
ASY
asynchronous mode
select (ASn)
Synchronized Status flags
TOSC1
TOSC2
Status flags
clk
I/O

139
ATmega164A/164PA/324A/324PA/644A/644PA/1284/1284P [DATASHEET]
Atmel-8272G-AVR-01/2015
17.2.1 Registers
The Timer/Counter (TCNT2) and Output Compare Register (OCR2A and OCR2B) are 8-bit registers. Interrupt
request (abbreviated to Int.Req.) signals are all visible in the Timer Interrupt Flag Register (TIFR2). All interrupts
are individually masked with the Timer Interrupt Mask Register (TIMSK2). TIFR2 and TIMSK2 are not shown in
the figure.
The Timer/Counter can be clocked internally, via the prescaler, or asynchronously clocked from the TOSC1/2
pins, as detailed later in this section. The asynchronous operation is controlled by the Asynchronous Status
Register (ASSR). The Clock Select logic block controls which clock source the Timer/Counter uses to increment
(or decrement) its value. The Timer/Counter is inactive when no clock source is selected. The output from the
Clock Select logic is referred to as the timer clock (clkT2).
The double buffered Output Compare Register (OCR2A and OCR2B) are compared with the Timer/Counter
value at all times. The result of the compare can be used by the Waveform Generator to generate a PWM or
variable frequency output on the Output Compare pins (OC2A and OC2B). See “Output Compare unit” on page
140 for details. The compare match event will also set the Compare Flag (OCF2A or OCF2B) which can be
used to generate an Output Compare interrupt request.
17.2.2 Definitions
Many register and bit references in this document are written in general form. A lower case “n” replaces the
Timer/Counter number, in this case 2. However, when using the register or bit defines in a program, the precise
form must be used, that is, TCNT2 for accessing Timer/Counter2 counter value and so on.
The definitions in Table 17-1 are also used extensively throughout the section.
17.3 Timer/Counter clock sources
The Timer/Counter can be clocked by an internal synchronous or an external asynchronous clock source. The
clock source clkT2 is by default equal to the MCU clock, clkI/O. When the AS2 bit in the ASSR Register is written
to logic one, the clock source is taken from the Timer/Counter Oscillator connected to TOSC1 and TOSC2. For
details on asynchronous operation, see ”ASSR – Asynchronous Status Register” on page 155. For details on
clock sources and prescaler, see ”Timer/Counter Prescaler” on page 150.
Table 17-1. Definitions.
BOTTOM The counter reaches the BOTTOM when it becomes zero (0x00).
MAX The counter reaches its MAXimum when it becomes 0xFF (decimal 255).
TOP
The counter reaches the TOP when it becomes equal to the highest value in the
count sequence. The TOP value can be assigned to be the fixed value 0xFF
(MAX) or the value stored in the OCR2A Register. The assignment is
dependent on the mode of operation.

140
ATmega164A/164PA/324A/324PA/644A/644PA/1284/1284P [DATASHEET]
Atmel-8272G-AVR-01/2015
17.4 Counter unit
The main part of the 8-bit Timer/Counter is the programmable bi-directional counter unit. Figure 17-2 shows a
block diagram of the counter and its surrounding environment.
Figure 17-2. Counter Unit block diagram.
Signal description (internal signals):
count Increment or decrement TCNT2 by 1.
direction Selects between increment and decrement.
clear Clear TCNT2 (set all bits to zero).
clkTn Timer/Counter clock, referred to as clkT2 in the following.
top Signalizes that TCNT2 has reached maximum value.
bottom Signalizes that TCNT2 has reached minimum value (zero).
Depending on the mode of operation used, the counter is cleared, incremented, or decremented at each timer
clock (clkT2). clkT2 can be generated from an external or internal clock source, selected by the Clock Select bits
(CS22:0). When no clock source is selected (CS22:0 = 0) the timer is stopped. However, the TCNT2 value can
be accessed by the CPU, regardless of whether clkT2 is present or not. A CPU write overrides (has priority over)
all counter clear or count operations.
The counting sequence is determined by the setting of the WGM21 and WGM20 bits located in the
Timer/Counter Control Register (TCCR2A) and the WGM22 located in the Timer/Counter Control Register B
(TCCR2B). There are close connections between how the counter behaves (counts) and how waveforms are
generated on the Output Compare outputs OC2A and OC2B. For more details about advanced counting
sequences and waveform generation, see ”Modes of operation” on page 143.
The Timer/Counter Overflow Flag (TOV2) is set according to the mode of operation selected by the WGM22:0
bits. TOV2 can be used for generating a CPU interrupt.
17.5 Output Compare unit
The 8-bit comparator continuously compares TCNT2 with the Output Compare Register (OCR2A and OCR2B).
Whenever TCNT2 equals OCR2A or OCR2B, the comparator signals a match. A match will set the Output
Compare Flag (OCF2A or OCF2B) at the next timer clock cycle. If the corresponding interrupt is enabled, the
Output Compare Flag generates an Output Compare interrupt. The Output Compare Flag is automatically
cleared when the interrupt is executed. Alternatively, the Output Compare Flag can be cleared by software by
writing a logical one to its I/O bit location. The Waveform Generator uses the match signal to generate an output
according to operating mode set by the WGM22:0 bits and Compare Output mode (COM2x1:0) bits. The max
and bottom signals are used by the Waveform Generator for handling the special cases of the extreme values in
some modes of operation (see ”Modes of operation” on page 143).
Figure 16-10 on page 126 shows a block diagram of the Output Compare unit.
DATA BUS
TCNTn Control Logic
count
TOVn
(Int.Req.)
topbottom
direction
clear
TOSC1
T/C
Oscillator
TOSC2
Prescaler
clk
I/O
clk Tn

141
ATmega164A/164PA/324A/324PA/644A/644PA/1284/1284P [DATASHEET]
Atmel-8272G-AVR-01/2015
Figure 17-3. Output Compare unit, block diagram.
The OCR2x Register is double buffered when using any of the Pulse Width Modulation (PWM) modes. For the
Normal and Clear Timer on Compare (CTC) modes of operation, the double buffering is disabled. The double
buffering synchronizes the update of the OCR2x Compare Register to either top or bottom of the counting
sequence. The synchronization prevents the occurrence of odd-length, non-symmetrical PWM pulses, thereby
making the output glitch-free.
The OCR2x Register access may seem complex, but this is not case. When the double buffering is enabled, the
CPU has access to the OCR2x Buffer Register, and if double buffering is disabled the CPU will access the
OCR2x directly.
17.5.1 Force Output Compare
In non-PWM waveform generation modes, the match output of the comparator can be forced by writing a one to
the Force Output Compare (FOC2x) bit. Forcing compare match will not set the OCF2x Flag or reload/clear the
timer, but the OC2x pin will be updated as if a real compare match had occurred (the COM2x1:0 bits settings
define whether the OC2x pin is set, cleared or toggled).
17.5.2 Compare Match Blocking by TCNT2 Write
All CPU write operations to the TCNT2 Register will block any compare match that occurs in the next timer clock
cycle, even when the timer is stopped. This feature allows OCR2x to be initialized to the same value as TCNT2
without triggering an interrupt when the Timer/Counter clock is enabled.
17.5.3 Using the Output Compare Unit
Since writing TCNT2 in any mode of operation will block all compare matches for one timer clock cycle, there
are risks involved when changing TCNT2 when using the Output Compare channel, independently of whether
the Timer/Counter is running or not. If the value written to TCNT2 equals the OCR2x value, the compare match
will be missed, resulting in incorrect waveform generation. Similarly, do not write the TCNT2 value equal to
BOTTOM when the counter is downcounting.
The setup of the OC2x should be performed before setting the Data Direction Register for the port pin to output.
The easiest way of setting the OC2x value is to use the Force Output Compare (FOC2x) strobe bit in Normal
mode. The OC2x Register keeps its value even when changing between Waveform Generation modes.
OCFnx (Int.Req.)
= (8-bit Comparator )
OCRnx
OCnx
DATA BUS
TCNTn
WGMn1:0
Waveform Generator
top
FOCn
COMnX1:0
bottom

142
ATmega164A/164PA/324A/324PA/644A/644PA/1284/1284P [DATASHEET]
Atmel-8272G-AVR-01/2015
Be aware that the COM2x1:0 bits are not double buffered together with the compare value. Changing the
COM2x1:0 bits will take effect immediately.
17.6 Compare Match Output unit
The Compare Output mode (COM2x1:0) bits have two functions. The Waveform Generator uses the COM2x1:0
bits for defining the Output Compare (OC2x) state at the next compare match. Also, the COM2x1:0 bits control
the OC2x pin output source. Figure 17-4 shows a simplified schematic of the logic affected by the COM2x1:0 bit
setting. The I/O Registers, I/O bits, and I/O pins in the figure are shown in bold. Only the parts of the general I/O
Port Control Registers (DDR and PORT) that are affected by the COM2x1:0 bits are shown. When referring to
the OC2x state, the reference is for the internal OC2x Register, not the OC2x pin.
Figure 17-4. Compare Match Output unit, schematic.
The general I/O port function is overridden by the Output Compare (OC2x) from the Waveform Generator if
either of the COM2x1:0 bits are set. However, the OC2x pin direction (input or output) is still controlled by the
Data Direction Register (DDR) for the port pin. The Data Direction Register bit for the OC2x pin (DDR_OC2x)
must be set as output before the OC2x value is visible on the pin. The port override function is independent of
the Waveform Generation mode.
The design of the Output Compare pin logic allows initialization of the OC2x state before the output is enabled.
Note that some COM2x1:0 bit settings are reserved for certain modes of operation. See ”Register description”
on page 151.
17.6.1 Compare Output Mode and Waveform Generation
The Waveform Generator uses the COM2x1:0 bits differently in normal, CTC, and PWM modes. For all modes,
setting the COM2x1:0 = 0 tells the Waveform Generator that no action on the OC2x Register is to be performed
on the next compare match. For compare output actions in the non-PWM modes refer to Table 17-5 on page
152. For fast PWM mode, refer to Table 17-6 on page 152, and for phase correct PWM refer to Table 17-7 on
page 153.
A change of the COM2x1:0 bits state will have effect at the first compare match after the bits are written. For
non-PWM modes, the action can be forced to have immediate effect by using the FOC2x strobe bits.
PORT
DDR
DQ
DQ
OCnx
Pin
OCnx
DQ
Waveform
Generator
COMnx1
COMnx0
0
1
DATA BUS
FOCnx
clk
I/O

143
ATmega164A/164PA/324A/324PA/644A/644PA/1284/1284P [DATASHEET]
Atmel-8272G-AVR-01/2015
17.7 Modes of operation
The mode of operation, that is, the behavior of the Timer/Counter and the Output Compare pins, is defined by
the combination of the Waveform Generation mode (WGM22:0) and Compare Output mode (COM2x1:0) bits.
The Compare Output mode bits do not affect the counting sequence, while the Waveform Generation mode bits
do. The COM2x1:0 bits control whether the PWM output generated should be inverted or not (inverted or non-
inverted PWM). For non-PWM modes the COM2x1:0 bits control whether the output should be set, cleared, or
toggled at a compare match (See “Compare Match Output unit” on page 142).
For detailed timing information refer to ”Timer/Counter Timing diagrams” on page 147.
17.7.1 Normal Mode
The simplest mode of operation is the Normal mode (WGM22:0 = 0). In this mode the counting direction is
always up (incrementing), and no counter clear is performed. The counter simply overruns when it passes its
maximum 8-bit value (TOP = 0xFF) and then restarts from the bottom (0x00). In normal operation the
Timer/Counter Overflow Flag (TOV2) will be set in the same timer clock cycle as the TCNT2 becomes zero. The
TOV2 Flag in this case behaves like a ninth bit, except that it is only set, not cleared. However, combined with
the timer overflow interrupt that automatically clears the TOV2 Flag, the timer resolution can be increased by
software. There are no special cases to consider in the Normal mode, a new counter value can be written
anytime.
The Output Compare unit can be used to generate interrupts at some given time. Using the Output Compare to
generate waveforms in Normal mode is not recommended, since this will occupy too much of the CPU time.
17.7.2 Clear Timer on Compare Match (CTC) Mode
In Clear Timer on Compare or CTC mode (WGM22:0 = 2), the OCR2A Register is used to manipulate the
counter resolution. In CTC mode the counter is cleared to zero when the counter value (TCNT2) matches the
OCR2A. The OCR2A defines the top value for the counter, hence also its resolution. This mode allows greater
control of the compare match output frequency. It also simplifies the operation of counting external events.
The timing diagram for the CTC mode is shown in Table 17-5 on page 143. The counter value (TCNT2)
increases until a compare match occurs between TCNT2 and OCR2A, and then counter (TCNT2) is cleared.
Figure 17-5. CTC mode, timing diagram.
An interrupt can be generated each time the counter value reaches the TOP value by using the OCF2A Flag. If
the interrupt is enabled, the interrupt handler routine can be used for updating the TOP value. However,
changing TOP to a value close to BOTTOM when the counter is running with none or a low prescaler value must
be done with care since the CTC mode does not have the double buffering feature. If the new value written to
OCR2A is lower than the current value of TCNT2, the counter will miss the compare match. The counter will
then have to count to its maximum value (0xFF) and wrap around starting at 0x00 before the compare match
can occur.
TCNTn
OCnx
(Toggle)
OCnx Interrupt Flag Set
1 4
Period 2 3
(COMnx1:0 = 1)

144
ATmega164A/164PA/324A/324PA/644A/644PA/1284/1284P [DATASHEET]
Atmel-8272G-AVR-01/2015
For generating a waveform output in CTC mode, the OC2A output can be set to toggle its logical level on each
compare match by setting the Compare Output mode bits to toggle mode (COM2A1:0 = 1). The OC2A value will
not be visible on the port pin unless the data direction for the pin is set to output. The waveform generated will
have a maximum frequency of fOC2A = fclk_I/O/2 when OCR2A is set to zero (0x00). The waveform frequency is
defined by the following equation:
The N variable represents the prescale factor (1, 8, 32, 64, 128, 256, or 1024).
As for the Normal mode of operation, the TOV2 Flag is set in the same timer clock cycle that the counter counts
from MAX to 0x00.
17.7.3 Fast PWM mode
The fast Pulse Width Modulation or fast PWM mode (WGM22:0 = 3 or 7) provides a high frequency PWM
waveform generation option. The fast PWM differs from the other PWM option by its single-slope operation. The
counter counts from BOTTOM to TOP then restarts from BOTTOM. TOP is defined as 0xFF when WGM22:0 =
3, and OCR2A when WGM22:0 = 7. In non-inverting Compare Output mode, the Output Compare (OC2x) is
cleared on the compare match between TCNT2 and OCR2x, and set at BOTTOM. In inverting Compare Output
mode, the output is set on compare match and cleared at BOTTOM. Due to the single-slope operation, the
operating frequency of the fast PWM mode can be twice as high as the phase correct PWM mode that uses
dual-slope operation. This high frequency makes the fast PWM mode well suited for power regulation,
rectification, and DAC applications. High frequency allows physically small sized external components (coils,
capacitors), and therefore reduces total system cost.
In fast PWM mode, the counter is incremented until the counter value matches the TOP value. The counter is
then cleared at the following timer clock cycle. The timing diagram for the fast PWM mode is shown in Figure
17-6 on page 144. The TCNT2 value is in the timing diagram shown as a histogram for illustrating the single-
slope operation. The diagram includes non-inverted and inverted PWM outputs. The small horizontal line marks
on the TCNT2 slopes represent compare matches between OCR2x and TCNT2.
Figure 17-6. Fast PWM mode, timing diagram.
The Timer/Counter Overflow Flag (TOV2) is set each time the counter reaches TOP. If the interrupt is enabled,
the interrupt handler routine can be used for updating the compare value.
fOCnx
fclk_I/O
2N1OCRnx+
--------------------------------------------------=
TCNTn
OCRnx Update and
TOVn Interrupt Flag Set
1
Period
2 3
OCnx
OCnx
(COMnx1:0 = 2)
(COMnx1:0 = 3)
OCRnx Interrupt Flag Set
4 5 6 7

145
ATmega164A/164PA/324A/324PA/644A/644PA/1284/1284P [DATASHEET]
Atmel-8272G-AVR-01/2015
In fast PWM mode, the compare unit allows generation of PWM waveforms on the OC2x pin. Setting the
COM2x1:0 bits to two will produce a non-inverted PWM and an inverted PWM output can be generated by
setting the COM2x1:0 to three. TOP is defined as 0xFF when WGM2:0 = 3, and OCR2A when WGM2:0 = 7
(See Table 17-3 on page 151). The actual OC2x value will only be visible on the port pin if the data direction for
the port pin is set as output. The PWM waveform is generated by setting (or clearing) the OC2x Register at the
compare match between OCR2x and TCNT2, and clearing (or setting) the OC2x Register at the timer clock
cycle the counter is cleared (changes from TOP to BOTTOM).
The PWM frequency for the output can be calculated by the following equation:
The N variable represents the prescale factor (1, 8, 32, 64, 128, 256, or 1024).
The extreme values for the OCR2A Register represent special cases when generating a PWM waveform output
in the fast PWM mode. If the OCR2A is set equal to BOTTOM, the output will be a narrow spike for each MAX+1
timer clock cycle. Setting the OCR2A equal to MAX will result in a constantly high or low output (depending on
the polarity of the output set by the COM2A1:0 bits.)
A frequency (with 50% duty cycle) waveform output in fast PWM mode can be achieved by setting OC2x to
toggle its logical level on each compare match (COM2x1:0 = 1). The waveform generated will have a maximum
frequency of foc2 = fclk_I/O/2 when OCR2A is set to zero. This feature is similar to the OC2A toggle in CTC mode,
except the double buffer feature of the Output Compare unit is enabled in the fast PWM mode.
17.7.4 Phase Correct PWM mode
The phase correct PWM mode (WGM22:0 = 1 or 5) provides a high resolution phase correct PWM waveform
generation option. The phase correct PWM mode is based on a dual-slope operation. The counter counts
repeatedly from BOTTOM to TOP and then from TOP to BOTTOM. TOP is defined as 0xFF when WGM22:0 =
1, and OCR2A when WGM22:0 = 5. In non-inverting Compare Output mode, the Output Compare (OC2x) is
cleared on the compare match between TCNT2 and OCR2x while upcounting, and set on the compare match
while downcounting. In inverting Output Compare mode, the operation is inverted. The dual-slope operation has
lower maximum operation frequency than single slope operation. However, due to the symmetric feature of the
dual-slope PWM modes, these modes are preferred for motor control applications.
In phase correct PWM mode the counter is incremented until the counter value matches TOP. When the
counter reaches TOP, it changes the count direction. The TCNT2 value will be equal to TOP for one timer clock
cycle. The timing diagram for the phase correct PWM mode is shown on Figure 17-7. The TCNT2 value is in the
timing diagram shown as a histogram for illustrating the dual-slope operation. The diagram includes non-
inverted and inverted PWM outputs. The small horizontal line marks on the TCNT2 slopes represent compare
matches between OCR2x and TCNT2.
fOCnxPWM
fclk_I/O
N256
------------------=

146
ATmega164A/164PA/324A/324PA/644A/644PA/1284/1284P [DATASHEET]
Atmel-8272G-AVR-01/2015
Figure 17-7. Phase Correct PWM mode, timing diagram.
The Timer/Counter Overflow Flag (TOV2) is set each time the counter reaches BOTTOM. The Interrupt Flag
can be used to generate an interrupt each time the counter reaches the BOTTOM value.
In phase correct PWM mode, the compare unit allows generation of PWM waveforms on the OC2x pin. Setting
the COM2x1:0 bits to two will produce a non-inverted PWM. An inverted PWM output can be generated by
setting the COM2x1:0 to three. TOP is defined as 0xFF when WGM2:0 = 3, and OCR2A when WGM2:0 = 7
(See Table 17-4 on page 152). The actual OC2x value will only be visible on the port pin if the data direction for
the port pin is set as output. The PWM waveform is generated by clearing (or setting) the OC2x Register at the
compare match between OCR2x and TCNT2 when the counter increments, and setting (or clearing) the OC2x
Register at compare match between OCR2x and TCNT2 when the counter decrements. The PWM frequency
for the output when using phase correct PWM can be calculated by the following equation:
The N variable represents the prescale factor (1, 8, 32, 64, 128, 256, or 1024).
The extreme values for the OCR2A Register represent special cases when generating a PWM waveform output
in the phase correct PWM mode. If the OCR2A is set equal to BOTTOM, the output will be continuously low and
if set equal to MAX the output will be continuously high for non-inverted PWM mode. For inverted PWM the
output will have the opposite logic values.
At the very start of period 2 in Figure 17-7 on page 146 OCnx has a transition from high to low even though
there is no Compare Match. The point of this transition is to guarantee symmetry around BOTTOM. There are
two cases that give a transition without Compare Match.
-OCR2A changes its value from MAX, like in Figure 17-7 on page 146. When the OCR2A value is MAX the
OCn pin value is the same as the result of a down-counting compare match. To ensure symmetry around
BOTTOM the OCn value at MAX must correspond to the result of an up-counting Compare Match
-The timer starts counting from a value higher than the one in OCR2A, and for that reason misses the
Compare Match and hence the OCn change that would have happened on the way up
TOVn Interrupt Flag Set
OCnx Interrupt Flag Set
1 2 3
TCNTn
Period
OCnx
OCnx
(COMnx1:0 = 2)
(COMnx1:0 = 3)
OCRnx Update
fOCnxPCPWM
fclk_I/O
N510
------------------=

147
ATmega164A/164PA/324A/324PA/644A/644PA/1284/1284P [DATASHEET]
Atmel-8272G-AVR-01/2015
17.8 Timer/Counter Timing diagrams
The following figures show the Timer/Counter in synchronous mode, and the timer clock (clkT2) is therefore
shown as a clock enable signal. In asynchronous mode, clkI/O should be replaced by the Timer/Counter
Oscillator clock. The figures include information on when Interrupt Flags are set. Figure 17-8 on page 147
contains timing data for basic Timer/Counter operation. The figure shows the count sequence close to the MAX
value in all modes other than phase correct PWM mode.
Figure 17-8. Timer/Counter Timing diagram, no prescaling.
Figure 17-9 on page 147 shows the same timing data, but with the prescaler enabled.
Figure 17-9. Timer/Counter Timing diagram, with prescaler (fclk_I/O/8).
Figure 17-10 on page 148 shows the setting of OCF2A in all modes except CTC mode.
clk
Tn
(clk
I/O/1)
TOVn
clk
I/O
TCNTn MAX - 1 MAX BOTTOM BOTTOM + 1
TOVn
TCNTn MAX - 1 MAX BOTTOM BOTTOM + 1
clk
I/O
clk
Tn
(clk
I/O
/8)

148
ATmega164A/164PA/324A/324PA/644A/644PA/1284/1284P [DATASHEET]
Atmel-8272G-AVR-01/2015
Figure 17-10. Timer/Counter Timing diagram, setting of OCF2A, with prescaler (fclk_I/O/8).
Figure 17-11 on page 148 shows the setting of OCF2A and the clearing of TCNT2 in CTC mode.
Figure 17-11. Timer/Counter Timing diagram, Clear Timer on Compare Match mode, with prescaler (fclk_I/O/8).
17.9 Asynchronous Operation of Timer/Counter2
When Timer/Counter2 operates asynchronously, some considerations must be taken.
-Warning: When switching between asynchronous and synchronous clocking of Timer/Counter2, the Timer
Registers TCNT2, OCR2x, and TCCR2x might be corrupted. A safe procedure for switching clock source
is:
a. Disable the Timer/Counter2 interrupts by clearing OCIE2x and TOIE2.
2. Select clock source by setting AS2 as appropriate.
3. Write new values to TCNT2, OCR2x, and TCCR2x.
4. To switch to asynchronous operation: Wait for TCN2UB, OCR2xUB, and TCR2xUB.
5. Clear the Timer/Counter2 Interrupt Flags.
6. Enable interrupts, if needed.
-The CPU main clock frequency must be more than four times the Oscillator frequency
-When writing to one of the registers TCNT2, OCR2x, or TCCR2x, the value is transferred to a temporary
register, and latched after two positive edges on TOSC1. The user should not write a new value before the
contents of the temporary register have been transferred to its destination. Each of the five mentioned
OCFnx
OCRnx
TCNTn
OCRnx Value
OCRnx - 1 OCRnx OCRnx + 1 OCRnx + 2
clkI/O
clkTn
(clk
I/O
/8)
OCFnx
OCRnx
TCNTn
(CTC)
TOP
TOP - 1 TOP BOTTOM BOTTOM + 1
clkI/O
clkTn
(clk
I/O
/8)

149
ATmega164A/164PA/324A/324PA/644A/644PA/1284/1284P [DATASHEET]
Atmel-8272G-AVR-01/2015
registers have their individual temporary register, which means that e.g. writing to TCNT2 does not disturb
an OCR2x write in progress. To detect that a transfer to the destination register has taken place, the
Asynchronous Status Register – ASSR has been implemented
-When entering Power-save or ADC Noise Reduction mode after having written to TCNT2, OCR2x, or
TCCR2x, the user must wait until the written register has been updated if Timer/Counter2 is used to wake
up the device. Otherwise, the MCU will enter sleep mode before the changes are effective. This is
particularly important if any of the Output Compare2 interrupt is used to wake up the device, since the
Output Compare function is disabled during writing to OCR2x or TCNT2. If the write cycle is not finished,
and the MCU enters sleep mode before the corresponding OCR2xUB bit returns to zero, the device will
never receive a compare match interrupt, and the MCU will not wake up
-If Timer/Counter2 is used to wake the device up from Power-save or ADC Noise Reduction mode,
precautions must be taken if the user wants to re-enter one of these modes: The interrupt logic needs one
TOSC1 cycle to be reset. If the time between wake-up and re-entering sleep mode is less than one
TOSC1 cycle, the interrupt will not occur, and the device will fail to wake up. If the user is in doubt whether
the time before re-entering Power-save or ADC Noise Reduction mode is sufficient, the following
algorithm can be used to ensure that one TOSC1 cycle has elapsed:
a. Write a value to TCCR2x, TCNT2, or OCR2x.
7. Wait until the corresponding Update Busy Flag in ASSR returns to zero.
8. Enter Power-save or ADC Noise Reduction mode.
-When the asynchronous operation is selected, the 32.768kHz Oscillator for Timer/Counter2 is always
running, except in Power-down and Standby modes. After a Power-up Reset or wake-up from Power-
down or Standby mode, the user should be aware of the fact that this Oscillator might take as long as one
second to stabilize. The user is advised to wait for at least one second before using Timer/Counter2 after
power-up or wake-up from Power-down or Standby mode. The contents of all Timer/Counter2 Registers
must be considered lost after a wake-up from Power-down or Standby mode due to unstable clock signal
upon start-up, no matter whether the Oscillator is in use or a clock signal is applied to the TOSC1 pin
-Description of wake up from Power-save or ADC Noise Reduction mode when the timer is clocked
asynchronously: When the interrupt condition is met, the wake up process is started on the following cycle
of the timer clock, that is, the timer is always advanced by at least one before the processor can read the
counter value. After wake-up, the MCU is halted for four cycles, it executes the interrupt routine, and
resumes execution from the instruction following SLEEP
-Reading of the TCNT2 Register shortly after wake-up from Power-save may give an incorrect result.
Since TCNT2 is clocked on the asynchronous TOSC clock, reading TCNT2 must be done through a
register synchronized to the internal I/O clock domain. Synchronization takes place for every rising
TOSC1 edge. When waking up from Power-save mode, and the I/O clock (clkI/O) again becomes active,
TCNT2 will read as the previous value (before entering sleep) until the next rising TOSC1 edge. The
phase of the TOSC clock after waking up from Power-save mode is essentially unpredictable, as it
depends on the wake-up time. The recommended procedure for reading TCNT2 is thus as follows:
a. Write any value to either of the registers OCR2x or TCCR2x.
9. Wait for the corresponding Update Busy Flag to be cleared.
10. Read TCNT2.
-During asynchronous operation, the synchronization of the Interrupt Flags for the asynchronous timer
takes 3 processor cycles plus one timer cycle. The timer is therefore advanced by at least one before the
processor can read the timer value causing the setting of the Interrupt Flag. The Output Compare pin is
changed on the timer clock and is not synchronized to the processor clock

150
ATmega164A/164PA/324A/324PA/644A/644PA/1284/1284P [DATASHEET]
Atmel-8272G-AVR-01/2015
17.10 Timer/Counter Prescaler
Figure 17-12. Prescaler for Timer/Counter2.
The clock source for Timer/Counter2 is named clkT2S. clkT2S is by default connected to the main system I/O
clock clkIO. By setting the AS2 bit in ASSR, Timer/Counter2 is asynchronously clocked from the TOSC1 pin.
This enables use of Timer/Counter2 as a Real Time Counter (RTC). When AS2 is set, pins TOSC1 and TOSC2
are disconnected from Port C. A crystal can then be connected between the TOSC1 and TOSC2 pins to serve
as an independent clock source for Timer/Counter2. The Oscillator is optimized for use with a 32.768kHz
crystal. By setting the EXCLK bit in the ASSR a 32kHz external clock can be applied. See ”ASSR –
Asynchronous Status Register” on page 155 for details.
For Timer/Counter2, the possible prescaled selections are: clkT2S/8, clkT2S/32, clkT2S/64, clkT2S/128, clkT2S/256,
and clkT2S/1024. Additionally, clkT2S as well as 0 (stop) may be selected. Setting the PSRASY bit in GTCCR
resets the prescaler. This allows the user to operate with a predictable prescaler.
10-BIT T/C PRESCALER
TIMER/COUNTER2 CLOCK SOURCE
clkI/O clkT2S
TOSC1
AS2
CS20
CS21
CS22
clk
T2S
/8
clk
T2S
/64
clk
T2S
/128
clk
T2S
/1024
clk
T2S
/256
clk
T2S
/32
0
PSRASY
Clear
clkT2

151
ATmega164A/164PA/324A/324PA/644A/644PA/1284/1284P [DATASHEET]
Atmel-8272G-AVR-01/2015
17.11 Register description
17.11.1 TCCR2A – Timer/Counter Control Register A
• Bits 7:6 – COM2A1:0: Compare Match Output A Mode
These bits control the Output Compare pin (OC2A) behavior. If one or both of the COM2A1:0 bits are set, the
OC2A output overrides the normal port functionality of the I/O pin it is connected to. However, note that the Data
Direction Register (DDR) bit corresponding to the OC2A pin must be set in order to enable the output driver.
When OC2A is connected to the pin, the function of the COM2A1:0 bits depends on the WGM22:0 bit setting.
Table 17-2 shows the COM2A1:0 bit functionality when the WGM22:0 bits are set to a normal or CTC mode
(non-PWM).
Table 17-3 shows the COM2A1:0 bit functionality when the WGM21:0 bits are set to fast PWM mode.
Note: 1. A special case occurs when OCR2A equals TOP and COM2A1 is set. In this case, the Compare Match is
ignored, but the set or clear is done at BOTTOM. See ”Fast PWM mode” on page 144 for more details.
Table 17-4 shows the COM2A1:0 bit functionality when the WGM22:0 bits are set to phase correct PWM mode.
Bit 7 6 5 4 3 210
(0xB0) COM2A1 COM2A0 COM2B1 COM2B0 – – WGM21 WGM20 TCCR2A
Read/Write R/W R/W R/W R/W R R R/W R/W
Initial Value 0 0 0 0 0 0 0 0
Table 17-2. Compare Output mode, non-PWM mode.
COM2A1 COM2A0 Description
0 0 Normal port operation, OC2A disconnected.
0 1 Toggle OC2A on Compare Match
1 0 Clear OC2A on Compare Match
1 1 Set OC2A on Compare Match
Table 17-3. Compare Output mode, fast PWM mode (1).
COM2A1 COM2A0 Description
0 0 Normal port operation, OC2A disconnected.
0 1 WGM22 = 0: Normal Port Operation, OC0A Disconnected.
WGM22 = 1: Toggle OC2A on Compare Match.
1 0 Clear OC2A on Compare Match, set OC2A at BOTTOM,
(non-inverting mode).
1 1 Set OC2A on Compare Match, clear OC2A at BOTTOM,
(inverting mode).

152
ATmega164A/164PA/324A/324PA/644A/644PA/1284/1284P [DATASHEET]
Atmel-8272G-AVR-01/2015
Note: 1. A special case occurs when OCR2A equals TOP and COM2A1 is set. In this case, the Compare Match is
ignored, but the set or clear is done at TOP. See ”Phase Correct PWM mode” on page 145 for more details.
• Bits 5:4 – COM2B1:0: Compare Match Output B Mode
These bits control the Output Compare pin (OC2B) behavior. If one or both of the COM2B1:0 bits are set, the
OC2B output overrides the normal port functionality of the I/O pin it is connected to. However, note that the Data
Direction Register (DDR) bit corresponding to the OC2B pin must be set in order to enable the output driver.
When OC2B is connected to the pin, the function of the COM2B1:0 bits depends on the WGM22:0 bit setting.
Table 17-5 shows the COM2B1:0 bit functionality when the WGM22:0 bits are set to a normal or CTC mode
(non-PWM).
Table 17-6 shows the COM2B1:0 bit functionality when the WGM22:0 bits are set to fast PWM mode.
Note: 1. A special case occurs when OCR2B equals TOP and COM2B1 is set. In this case, the Compare Match is
ignored, but the set or clear is done at BOTTOM. See ”Fast PWM mode” on page 144 for more details.
Table 17-4. Compare Output mode, phase correct PWM mode (1).
COM2A1 COM2A0 Description
0 0 Normal port operation, OC2A disconnected.
0 1 WGM22 = 0: Normal Port Operation, OC2A Disconnected.
WGM22 = 1: Toggle OC2A on Compare Match.
1 0 Clear OC2A on Compare Match when up-counting. Set OC2A on
Compare Match when down-counting.
1 1 Set OC2A on Compare Match when up-counting. Clear OC2A on
Compare Match when down-counting.
Table 17-5. Compare Output mode, non-PWM mode.
COM2B1 COM2B0 Description
0 0 Normal port operation, OC2B disconnected.
0 1 Toggle OC2B on Compare Match
1 0 Clear OC2B on Compare Match
1 1 Set OC2B on Compare Match
Table 17-6. Compare Output mode, fast PWM mode (1).
COM2B1 COM2B0 Description
0 0 Normal port operation, OC2B disconnected.
0 1 Reserved
1 0 Clear OC2B on Compare Match, set OC2B at BOTTOM,
(non-inverting mode).
1 1 Set OC2B on Compare Match, clear OC2B at BOTTOM,
(inverting mode).

153
ATmega164A/164PA/324A/324PA/644A/644PA/1284/1284P [DATASHEET]
Atmel-8272G-AVR-01/2015
Table 17-7 shows the COM2B1:0 bit functionality when the WGM22:0 bits are set to phase correct PWM mode.
Note: 1. A special case occurs when OCR2B equals TOP and COM2B1 is set. In this case, the Compare Match is
ignored, but the set or clear is done at TOP. See ”Phase Correct PWM mode” on page 145 for more details.
• Bits 3:2 – Reserved
These bits are reserved and will always read as zero.
• Bits 1:0 – WGM21:0: Waveform Generation Mode
Combined with the WGM22 bit found in the TCCR2B Register, these bits control the counting sequence of the
counter, the source for maximum (TOP) counter value, and what type of waveform generation to be used, see
Table 17-8. Modes of operation supported by the Timer/Counter unit are: Normal mode (counter), Clear Timer
on Compare Match (CTC) mode, and two types of Pulse Width Modulation (PWM) modes (see ”Modes of
operation” on page 143).
Notes: 1. MAX= 0xFF
2. BOTTOM= 0x00
17.11.2 TCCR2B – Timer/Counter Control Register B
Table 17-7. Compare Output mode, phase correct PWM mode (1).
COM2B1 COM2B0 Description
0 0 Normal port operation, OC2B disconnected.
0 1 Reserved
1 0 Clear OC2B on Compare Match when up-counting. Set OC2B on
Compare Match when down-counting.
1 1 Set OC2B on Compare Match when up-counting. Clear OC2B on
Compare Match when down-counting.
Table 17-8. Waveform Generation mode bit description.
Mode WGM2 WGM1 WGM0
Timer/Counter
Mode of
Operation TOP
Update of
OCRx at
TOV Flag
Set on(1)(2)
0 0 0 0 Normal 0xFF Immediate MAX
1 0 0 1 PWM, Phase
Correct 0xFF TOP BOTTOM
2 0 1 0 CTC OCRA Immediate MAX
3 0 1 1 Fast PWM 0xFF BOTTOM MAX
4 1 0 0 Reserved – – –
5 1 0 1 PWM, Phase
Correct OCRA TOP BOTTOM
6 1 1 0 Reserved – – –
7 1 1 1 Fast PWM OCRA BOTTOM TOP
Bit 7 6 5 4 3 2 1 0
(0xB1) FOC2A FOC2B – – WGM22 CS22 CS21 CS20 TCCR2B
Read/Write W W R R R/W R/W R/W R/W
Initial Value 0 0 0 0 0 0 0 0

154
ATmega164A/164PA/324A/324PA/644A/644PA/1284/1284P [DATASHEET]
Atmel-8272G-AVR-01/2015
• Bit 7 – FOC2A: Force Output Compare A
The FOC2A bit is only active when the WGM bits specify a non-PWM mode.
However, for ensuring compatibility with future devices, this bit must be set to zero when TCCR2B is written
when operating in PWM mode. When writing a logical one to the FOC2A bit, an immediate Compare Match is
forced on the Waveform Generation unit. The OC2A output is changed according to its COM2A1:0 bits setting.
Note that the FOC2A bit is implemented as a strobe. Therefore it is the value present in the COM2A1:0 bits that
determines the effect of the forced compare.
A FOC2A strobe will not generate any interrupt, nor will it clear the timer in CTC mode using OCR2A as TOP.
The FOC2A bit is always read as zero.
• Bit 6 – FOC2B: Force Output Compare B
The FOC2B bit is only active when the WGM bits specify a non-PWM mode.
However, for ensuring compatibility with future devices, this bit must be set to zero when TCCR2B is written
when operating in PWM mode. When writing a logical one to the FOC2B bit, an immediate Compare Match is
forced on the Waveform Generation unit. The OC2B output is changed according to its COM2B1:0 bits setting.
Note that the FOC2B bit is implemented as a strobe. Therefore it is the value present in the COM2B1:0 bits that
determines the effect of the forced compare.
A FOC2B strobe will not generate any interrupt, nor will it clear the timer in CTC mode using OCR2B as TOP.
The FOC2B bit is always read as zero.
• Bits 5:4 – Reserved
These bits are reserved and will always read as zero.
• Bit 3 – WGM22: Waveform Generation Mode
See the description in the ”TCCR2A – Timer/Counter Control Register A” on page 151.
• Bit 2:0 – CS22:0: Clock Select
The three Clock Select bits select the clock source to be used by the Timer/Counter, see Table 17-9 on page
154.
17.11.3 TCNT2 – Timer/Counter Register
Table 17-9. Clock Select bit description.
CS22 CS21 CS20 Description
0 0 0 No clock source (Timer/Counter stopped).
0 0 1 clkT2S/(No prescaling)
0 1 0 clkT2S/8 (From prescaler)
0 1 1 clkT2S/32 (From prescaler)
1 0 0 clkT2S/64 (From prescaler)
1 0 1 clkT2S/128 (From prescaler)
1 1 0 clkT2S/256 (From prescaler)
1 1 1 clkT2S/1024 (From prescaler)
Bit 76543210
(0xB2) TCNT2[7:0] TCNT2
Read/Write R/W R/W R/W R/W R/W R/W R/W R/W
Initial Value00000000

155
ATmega164A/164PA/324A/324PA/644A/644PA/1284/1284P [DATASHEET]
Atmel-8272G-AVR-01/2015
The Timer/Counter Register gives direct access, both for read and write operations, to the Timer/Counter unit 8-
bit counter. Writing to the TCNT2 Register blocks (removes) the Compare Match on the following timer clock.
Modifying the counter (TCNT2) while the counter is running, introduces a risk of missing a Compare Match
between TCNT2 and the OCR2x Registers.
17.11.4 OCR2A – Output Compare Register A
The Output Compare Register A contains an 8-bit value that is continuously compared with the counter value
(TCNT2). A match can be used to generate an Output Compare interrupt, or to generate a waveform output on
the OC2A pin.
17.11.5 OCR2B – Output Compare Register B
The Output Compare Register B contains an 8-bit value that is continuously compared with the counter value
(TCNT2). A match can be used to generate an Output Compare interrupt, or to generate a waveform output on
the OC2B pin.
17.11.6 ASSR – Asynchronous Status Register
• Bit 6 – EXCLK: Enable External Clock Input
When EXCLK is written to one, and asynchronous clock is selected, the external clock input buffer is enabled
and an external clock can be input on Timer Oscillator 1 (TOSC1) pin instead of a 32kHz crystal. Writing to
EXCLK should be done before asynchronous operation is selected. Note that the crystal Oscillator will only run
when this bit is zero.
• Bit 5 – AS2: Asynchronous Timer/Counter2
When AS2 is written to zero, Timer/Counter2 is clocked from the I/O clock, clkI/O. When AS2 is written to one,
Timer/Counter2 is clocked from a crystal Oscillator connected to the Timer Oscillator 1 (TOSC1) pin. When the
value of AS2 is changed, the contents of TCNT2, OCR2A, OCR2B, TCCR2A and TCCR2B might be corrupted.
• Bit 4 – TCN2UB: Timer/Counter2 Update Busy
When Timer/Counter2 operates asynchronously and TCNT2 is written, this bit becomes set. When TCNT2 has
been updated from the temporary storage register, this bit is cleared by hardware. A logical zero in this bit
indicates that TCNT2 is ready to be updated with a new value.
• Bit 3 – OCR2AUB: Output Compare Register2 Update Busy
When Timer/Counter2 operates asynchronously and OCR2A is written, this bit becomes set. When OCR2A has
been updated from the temporary storage register, this bit is cleared by hardware. A logical zero in this bit
indicates that OCR2A is ready to be updated with a new value.
Bit 76543210
(0xB3) OCR2A[7:0] OCR2A
Read/Write R/W R/W R/W R/W R/W R/W R/W R/W
Initial Value00000000
Bit 76543210
(0xB4) OCR2B[7:0] OCR2B
Read/Write R/W R/W R/W R/W R/W R/W R/W R/W
Initial Value00000000
Bit 7 6 5 4 3 2 1 0
(0xB6) – EXCLK AS2 TCN2UB OCR2AUB OCR2BUB TCR2AUB TCR2BUB ASSR
Read/Write R R/W R/W R R R R R
Initial Value 0 0 0 0 0 0 0 0

156
ATmega164A/164PA/324A/324PA/644A/644PA/1284/1284P [DATASHEET]
Atmel-8272G-AVR-01/2015
• Bit 2 – OCR2BUB: Output Compare Register2 Update Busy
When Timer/Counter2 operates asynchronously and OCR2B is written, this bit becomes set. When OCR2B has
been updated from the temporary storage register, this bit is cleared by hardware. A logical zero in this bit
indicates that OCR2B is ready to be updated with a new value.
• Bit 1 – TCR2AUB: Timer/Counter Control Register2 Update Busy
When Timer/Counter2 operates asynchronously and TCCR2A is written, this bit becomes set. When TCCR2A
has been updated from the temporary storage register, this bit is cleared by hardware. A logical zero in this bit
indicates that TCCR2A is ready to be updated with a new value.
• Bit 0 – TCR2BUB: Timer/Counter Control Register2 Update Busy
When Timer/Counter2 operates asynchronously and TCCR2B is written, this bit becomes set. When TCCR2B
has been updated from the temporary storage register, this bit is cleared by hardware. A logical zero in this bit
indicates that TCCR2B is ready to be updated with a new value.
If a write is performed to any of the five Timer/Counter2 Registers while its update busy flag is set, the updated
value might get corrupted and cause an unintentional interrupt to occur.
The mechanisms for reading TCNT2, OCR2A, OCR2B, TCCR2A and TCCR2B are different. When reading
TCNT2, the actual timer value is read. When reading OCR2A, OCR2B, TCCR2A and TCCR2B the value in the
temporary storage register is read.
17.11.7 TIMSK2 – Timer/Counter2 Interrupt Mask Register
• Bit 2 – OCIE2B: Timer/Counter2 Output Compare Match B Interrupt Enable
When the OCIE2B bit is written to one and the I-bit in the Status Register is set (one), the Timer/Counter2
Compare Match B interrupt is enabled. The corresponding interrupt is executed if a compare match in
Timer/Counter2 occurs, that is, when the OCF2B bit is set in the Timer/Counter 2 Interrupt Flag Register –
TIFR2.
• Bit 1 – OCIE2A: Timer/Counter2 Output Compare Match A Interrupt Enable
When the OCIE2A bit is written to one and the I-bit in the Status Register is set (one), the Timer/Counter2
Compare Match A interrupt is enabled. The corresponding interrupt is executed if a compare match in
Timer/Counter2 occurs, that is, when the OCF2A bit is set in the Timer/Counter 2 Interrupt Flag Register –
TIFR2.
• Bit 0 – TOIE2: Timer/Counter2 Overflow Interrupt Enable
When the TOIE2 bit is written to one and the I-bit in the Status Register is set (one), the Timer/Counter2
Overflow interrupt is enabled. The corresponding interrupt is executed if an overflow in Timer/Counter2 occurs,
that is, when the TOV2 bit is set in the Timer/Counter2 Interrupt Flag Register – TIFR2.
17.11.8 TIFR2 – Timer/Counter2 Interrupt Flag Register
Bit 76543 2 1 0
(0x70) ––––– OCIE2B OCIE2A TOIE2 TIMSK2
Read/Write R R R R R R/W R/W R/W
Initial Value 0 0 0 0 0 0 0 0
Bit 76543210
0x17 (0x37) ––––– OCF2B OCF2A TOV2 TIFR2
Read/Write RRRRRR/WR/WR/W
Initial Value00000000

157
ATmega164A/164PA/324A/324PA/644A/644PA/1284/1284P [DATASHEET]
Atmel-8272G-AVR-01/2015
• Bit 2 – OCF2B: Output Compare Flag 2 B
The OCF2B bit is set (one) when a compare match occurs between the Timer/Counter2 and the data in OCR2B
– Output Compare Register2. OCF2B is cleared by hardware when executing the corresponding interrupt
handling vector. Alternatively, OCF2B is cleared by writing a logic one to the flag. When the I-bit in SREG,
OCIE2B (Timer/Counter2 Compare match Interrupt Enable), and OCF2B are set (one), the Timer/Counter2
Compare match Interrupt is executed.
• Bit 1 – OCF2A: Output Compare Flag 2 A
The OCF2A bit is set (one) when a compare match occurs between the Timer/Counter2 and the data in OCR2A
– Output Compare Register2. OCF2A is cleared by hardware when executing the corresponding interrupt
handling vector. Alternatively, OCF2A is cleared by writing a logic one to the flag. When the I-bit in SREG,
OCIE2A (Timer/Counter2 Compare match Interrupt Enable), and OCF2A are set (one), the Timer/Counter2
Compare match Interrupt is executed.
• Bit 0 – TOV2: Timer/Counter2 Overflow Flag
The TOV2 bit is set (one) when an overflow occurs in Timer/Counter2. TOV2 is cleared by hardware when
executing the corresponding interrupt handling vector. Alternatively, TOV2 is cleared by writing a logic one to
the flag. When the SREG I-bit, TOIE2A (Timer/Counter2 Overflow Interrupt Enable), and TOV2 are set (one),
the Timer/Counter2 Overflow interrupt is executed. In PWM mode, this bit is set when Timer/Counter2 changes
counting direction at 0x00.
17.11.9 GTCCR – General Timer/Counter Control Register
• Bit 7 – TSM: Timer/Counter Synchronization mode
Writing the TSM bit to one, activates the Timer/Counter Synchronization mode. In this mode, the value that is
written to the PSRASY and PSRSYNC bits is kept, hence keeping the corresponding prescaler reset signals
asserted. This ensures that the corresponding Timer/Counters are halted and can be configured to the same
value without the risk of one of them advancing during configuration. When the TSM bit is written to zero, the
PSRASY and PSRSYNC bits are cleared by hardware, and the Timer/Counters start counting simultaneously.
• Bit 1 – PSRASY: Prescaler Reset Timer/Counter2
When this bit is one, the Timer/Counter2 prescaler will be reset. This bit is normally cleared immediately by
hardware. If the bit is written when Timer/Counter2 is operating in asynchronous mode, the bit will remain one
until the prescaler has been reset. The bit will not be cleared by hardware if the TSM bit is set. Refer to the
description of the “Bit 7 – TSM: Timer/Counter Synchronization Mode” on this page for a description of the
Timer/Counter Synchronization mode.
• Bit 0 – PSRSYNC: Prescaler Reset
When this bit is one, Timer/Counter1 and Timer/Counter0 prescaler will be Reset. This bit is normally cleared
immediately by hardware, except if the TSM bit is set. Note that Timer/Counter1 and Timer/Counter0 share the
same prescaler and a reset of this prescaler will affect both timers.
Bit 7 6 5 4 3 2 1 0
0x23 (0x43) TSM – – – – – PSRASY PSRSYNC GTCCR
Read/Write R/W R R R R R R/W R/W
Initial Value 0 0 0 0 0 0 0 0

158
ATmega164A/164PA/324A/324PA/644A/644PA/1284/1284P [DATASHEET]
Atmel-8272G-AVR-01/2015
18. SPI – Serial Peripheral Interface
18.1 Features
•Full-duplex, three-wire synchronous data transfer
•Master or Slave operation
•LSB first or MSB first data transfer
•Seven programmable bit rates
•End of Transmission Interrupt flag
•Write Collision flag protection
•Wake-up from Idle mode
•Double speed (CK/2) Master SPI mode
18.2 Overview
The Serial Peripheral Interface (SPI) allows high-speed synchronous data transfer between the Atmel
ATmega164A/164PA/324A/324PA/644A/644PA/1284/1284P and peripheral devices or between several AVR
devices.
USART can also be used in Master SPI mode, see ”USART in SPI mode” on page 194.
The Power Reduction SPI bit, PRSPI, in ”PRR0 – Power Reduction Register 0” on page 48 must be written to
zero to enable SPI module.
Figure 18-1. SPI block diagram (1).
Note: 1. Refer to Figure 1-1 on page 3, and Table 14-6 on page 80 for SPI pin placement.
SPI2X
SPI2X
DIVIDER
/2/4/8/16/32/64/128

159
ATmega164A/164PA/324A/324PA/644A/644PA/1284/1284P [DATASHEET]
Atmel-8272G-AVR-01/2015
The interconnection between Master and Slave CPUs with SPI is shown in Figure 18-2. The system consists of
two shift Registers, and a Master clock generator. The SPI Master initiates the communication cycle when
pulling low the Slave Select SS pin of the desired Slave. Master and Slave prepare the data to be sent in their
respective shift Registers, and the Master generates the required clock pulses on the SCK line to interchange
data. Data is always shifted from Master to Slave on the Master Out – Slave In, MOSI, line, and from Slave to
Master on the Master In – Slave Out, MISO, line. After each data packet, the Master will synchronize the Slave
by pulling high the Slave Select, SS, line.
When configured as a Master, the SPI interface has no automatic control of the SS line. This must be handled
by user software before communication can start. When this is done, writing a byte to the SPI Data Register
starts the SPI clock generator, and the hardware shifts the eight bits into the Slave. After shifting one byte, the
SPI clock generator stops, setting the end of Transmission Flag (SPIF). If the SPI Interrupt Enable bit (SPIE) in
the SPCR Register is set, an interrupt is requested. The Master may continue to shift the next byte by writing it
into SPDR, or signal the end of packet by pulling high the Slave Select, SS line. The last incoming byte will be
kept in the Buffer Register for later use.
When configured as a Slave, the SPI interface will remain sleeping with MISO tri-stated as long as the SS pin is
driven high. In this state, software may update the contents of the SPI Data Register, SPDR, but the data will not
be shifted out by incoming clock pulses on the SCK pin until the SS pin is driven low. As one byte has been
completely shifted, the end of Transmission Flag, SPIF is set. If the SPI Interrupt Enable bit, SPIE, in the SPCR
Register is set, an interrupt is requested. The Slave may continue to place new data to be sent into SPDR
before reading the incoming data. The last incoming byte will be kept in the Buffer Register for later use.
Figure 18-2. SPI Master-slave interconnection.
The system is single buffered in the transmit direction and double buffered in the receive direction. This means
that bytes to be transmitted cannot be written to the SPI Data Register before the entire shift cycle is completed.
When receiving data, however, a received character must be read from the SPI Data Register before the next
character has been completely shifted in. Otherwise, the first byte is lost.
In SPI Slave mode, the control logic will sample the incoming signal of the SCK pin. To ensure correct sampling
of the clock signal, the minimum low and high periods should be:
Low period: longer than two CPU clock cycles.
High period: longer than two CPU clock cycles.
When the SPI is enabled, the data direction of the MOSI, MISO, SCK, and SS pins is overridden according to
Table 18-1. For more details on automatic port overrides, refer to ”Alternate Port Functions” on page 77.
SHIFT
ENABLE

160
ATmega164A/164PA/324A/324PA/644A/644PA/1284/1284P [DATASHEET]
Atmel-8272G-AVR-01/2015
Note: 1. See ”Alternate Functions of Port B” on page 80 for a detailed description of how to define the direction of the
user defined SPI pins.
The following code examples show how to initialize the SPI as a Master and how to perform a simple
transmission. DDR_SPI in the examples must be replaced by the actual Data Direction Register controlling the
SPI pins. DD_MOSI, DD_MISO and DD_SCK must be replaced by the actual data direction bits for these pins.
For example, if MOSI is placed on pin PB5, replace DD_MOSI with DDB5 and DDR_SPI with DDRB.
Table 18-1. SPI pin overrides (1).
Pin Direction, Master SPI Direction, Slave SPI
MOSI User Defined Input
MISO Input User Defined
SCK User Defined Input
SS User Defined Input
Assembly Code Example (1)
SPI_MasterInit:
; Set MOSI and SCK output, all others input
ldi r17,(1<<DD_MOSI)|(1<<DD_SCK)
out DDR_SPI,r17
; Enable SPI, Master, set clock rate fck/16
ldi r17,(1<<SPE)|(1<<MSTR)|(1<<SPR0)
out SPCR,r17
ret
SPI_MasterTransmit:
; Start transmission of data (r16)
out SPDR,r16
Wait_Transmit:
; Wait for transmission complete
sbis SPSR,SPIF
rjmp Wait_Transmit
ret
C Code Example (1)
void SPI_MasterInit(void)
{
/* Set MOSI and SCK output, all others input */
DDR_SPI = (1<<DD_MOSI)|(1<<DD_SCK);
/* Enable SPI, Master, set clock rate fck/16 */
SPCR = (1<<SPE)|(1<<MSTR)|(1<<SPR0);
}
void SPI_MasterTransmit(char cData)
{
/* Start transmission */
SPDR = cData;
/* Wait for transmission complete */
while(!(SPSR & (1<<SPIF)))
;
}

161
ATmega164A/164PA/324A/324PA/644A/644PA/1284/1284P [DATASHEET]
Atmel-8272G-AVR-01/2015
Note: 1. See “About code examples” on page 9.
The following code examples show how to initialize the SPI as a Slave and how to perform a simple reception.
Note: 1. See “About code examples” on page 9.
Assembly Code Example (1)
SPI_SlaveInit:
; Set MISO output, all others input
ldi r17,(1<<DD_MISO)
out DDR_SPI,r17
; Enable SPI
ldi r17,(1<<SPE)
out SPCR,r17
ret
SPI_SlaveReceive:
; Wait for reception complete
sbis SPSR,SPIF
rjmp SPI_SlaveReceive
; Read received data and return
in r16,SPDR
ret
C Code Example (1)
void SPI_SlaveInit(void)
{
/* Set MISO output, all others input */
DDR_SPI = (1<<DD_MISO);
/* Enable SPI */
SPCR = (1<<SPE);
}
char SPI_SlaveReceive(void)
{
/* Wait for reception complete */
while(!(SPSR & (1<<SPIF)))
;
/* Return Data Register */
return SPDR;
}

162
ATmega164A/164PA/324A/324PA/644A/644PA/1284/1284P [DATASHEET]
Atmel-8272G-AVR-01/2015
18.3 SS pin functionality
18.3.1 Slave mode
When the SPI is configured as a Slave, the Slave Select (SS) pin is always input. When SS is held low, the SPI
is activated, and MISO becomes an output if configured so by the user. All other pins are inputs. When SS is
driven high, all pins are inputs, and the SPI is passive, which means that it will not receive incoming data. Note
that the SPI logic will be reset once the SS pin is driven high.
The SS pin is useful for packet/byte synchronization to keep the slave bit counter synchronous with the master
clock generator. When the SS pin is driven high, the SPI slave will immediately reset the send and receive logic,
and drop any partially received data in the Shift Register.
18.3.2 Master mode
When the SPI is configured as a Master (MSTR in SPCR is set), the user can determine the direction of the SS
pin.
If SS is configured as an output, the pin is a general output pin which does not affect the SPI system. Typically,
the pin will be driving the SS pin of the SPI Slave.
If SS is configured as an input, it must be held high to ensure Master SPI operation. If the SS pin is driven low by
peripheral circuitry when the SPI is configured as a Master with the SS pin defined as an input, the SPI system
interprets this as another master selecting the SPI as a slave and starting to send data to it. To avoid bus
contention, the SPI system takes the following actions:
1. The MSTR bit in SPCR is cleared and the SPI system becomes a Slave. As a result of the SPI becoming
a Slave, the MOSI and SCK pins become inputs.
2. The SPIF Flag in SPSR is set, and if the SPI interrupt is enabled, and the I-bit in SREG is set, the interrupt
routine will be executed.
Thus, when interrupt-driven SPI transmission is used in Master mode, and there exists a possibility that SS is
driven low, the interrupt should always check that the MSTR bit is still set. If the MSTR bit has been cleared by
a slave select, it must be set by the user to re-enable SPI Master mode.
18.4 Data modes
There are four combinations of SCK phase and polarity with respect to serial data, which are determined by
control bits CPHA and CPOL. The SPI data transfer formats are shown in Figure 18-3 on page 163 and Figure
18-4 on page 163. Data bits are shifted out and latched in on opposite edges of the SCK signal, ensuring
sufficient time for data signals to stabilize. This is clearly seen by summarizing Table 18-3 on page 164 and
Table 18-4 on page 164, as done in Table 18-2 on page 163

163
ATmega164A/164PA/324A/324PA/644A/644PA/1284/1284P [DATASHEET]
Atmel-8272G-AVR-01/2015
Figure 18-3. SPI transfer format with CPHA = 0.
Figure 18-4. SPI transfer format with CPHA = 1.
Table 18-2. SPI modes.
SPI Mode Conditions Leading Edge Trailing Edge
0CPOL=0, CPHA=0 Sample (Rising) Setup (Falling)
1CPOL=0, CPHA=1 Setup (Rising) Sample (Falling)
2CPOL=1, CPHA=0 Sample (Falling) Setup (Rising)
3CPOL=1, CPHA=1 Setup (Falling) Sample (Rising)
Bit 1
Bit 6
LSB
MSB
SCK (CPOL = 0)
mode 0
SAMPLE I
MOSI/MISO
CHANGE 0
MOSI PIN
CHANGE 0
MISO PIN
SCK (CPOL = 1)
mode 2
SS
MSB
LSB
Bit 6
Bit 1
Bit 5
Bit 2
Bit 4
Bit 3
Bit 3
Bit 4
Bit 2
Bit 5
MSB first (DORD = 0)
LSB first (DORD = 1)
SCK (CPOL = 0)
mode 1
SAMPLE I
MOSI/MISO
CHANGE 0
MOSI PIN
CHANGE 0
MISO PIN
SCK (CPOL = 1)
mode 3
SS
MSB
LSB
Bit 6
Bit 1
Bit 5
Bit 2
Bit 4
Bit 3
Bit 3
Bit 4
Bit 2
Bit 5
Bit 1
Bit 6
LSB
MSB
MSB first (DORD = 0)
LSB first (DORD = 1)

164
ATmega164A/164PA/324A/324PA/644A/644PA/1284/1284P [DATASHEET]
Atmel-8272G-AVR-01/2015
18.5 Register description
18.5.1 SPCR – SPI Control Register
• Bit 7 – SPIE: SPI Interrupt Enable
This bit causes the SPI interrupt to be executed if SPIF bit in the SPSR Register is set and the if the Global
Interrupt Enable bit in SREG is set.
• Bit 6 – SPE: SPI Enable
When the SPE bit is written to one, the SPI is enabled. This bit must be set to enable any SPI operations.
• Bit 5 – DORD: Data Order
When the DORD bit is written to one, the LSB of the data word is transmitted first.
When the DORD bit is written to zero, the MSB of the data word is transmitted first.
• Bit 4 – MSTR: Master/Slave Select
This bit selects Master SPI mode when written to one, and Slave SPI mode when written logic zero. If SS is
configured as an input and is driven low while MSTR is set, MSTR will be cleared, and SPIF in SPSR will
become set. The user will then have to set MSTR to re-enable SPI Master mode.
• Bit 3 – CPOL: Clock Polarity
When this bit is written to one, SCK is high when idle. When CPOL is written to zero, SCK is low when idle.
Refer to Figure 18-3 and Figure 18-4 for an example. The CPOL functionality is summarized below:
• Bit 2 – CPHA: Clock Phase
The settings of the Clock Phase bit (CPHA) determine if data is sampled on the leading (first) or trailing (last)
edge of SCK. Refer to Figure 18-3 and Figure 18-4 for an example. The CPOL functionality is summarized
below:
Bit 76543210
0x2C (0x4C) SPIE SPE DORD MSTR CPOL CPHA SPR1 SPR0 SPCR
Read/Write R/W R/W R/W R/W R/W R/W R/W R/W
Initial Value00000000
Table 18-3. CPOL functionality.
CPOL Leading Edge Trailing Edge
0Rising Falling
1Falling Rising
Table 18-4. CPHA functionality.
CPHA Leading Edge Trailing Edge
0Sample Setup
1Setup Sample

165
ATmega164A/164PA/324A/324PA/644A/644PA/1284/1284P [DATASHEET]
Atmel-8272G-AVR-01/2015
• Bits 1:0 – SPR1, SPR0: SPI Clock Rate Select 1 and 0
These two bits control the SCK rate of the device configured as a Master. SPR1 and SPR0 have no effect on
the Slave. The relationship between SCK and the Oscillator Clock frequency fosc is shown in the following table:
18.5.2 SPSR – SPI Status Register
• Bit 7 – SPIF: SPI Interrupt Flag
When a serial transfer is complete, the SPIF Flag is set. An interrupt is generated if SPIE in SPCR is set and
global interrupts are enabled. If SS is an input and is driven low when the SPI is in Master mode, this will also
set the SPIF Flag. SPIF is cleared by hardware when executing the corresponding interrupt handling vector.
Alternatively, the SPIF bit is cleared by first reading the SPI Status Register with SPIF set, then accessing the
SPI Data Register (SPDR).
• Bit 6 – WCOL: Write COLlision Flag
The WCOL bit is set if the SPI Data Register (SPDR) is written during a data transfer. The WCOL bit (and the
SPIF bit) are cleared by first reading the SPI Status Register with WCOL set, and then accessing the SPI Data
Register.
• Bit 5:1 – Reserved
These bits are reserved and will always read as zero.
• Bit 0 – SPI2X: Double SPI Speed Bit
When this bit is written logic one the SPI speed (SCK Frequency) will be doubled when the SPI is in Master
mode (see Table 18-5). This means that the minimum SCK period will be two CPU clock periods. When the SPI
is configured as Slave, the SPI is only guaranteed to work at fosc/4 or lower.
The SPI interface on the Atmel ATmega164A/164PA/324A/324PA/644A/644PA/1284/1284P is also used for
program memory and EEPROM downloading or uploading. See page 301 for serial programming and
verification.
Table 18-5. Relationship between SCK and the oscillator frequency.
SPI2X SPR1 SPR0 SCK Frequency
0 0 0 fosc/4
0 0 1 fosc/16
0 1 0 fosc/64
0 1 1 fosc/128
1 0 0 fosc/2
1 0 1 fosc/8
1 1 0 fosc/32
1 1 1 fosc/64
Bit 76543210
0x2D (0x4D) SPIF WCOL ––––– SPI2X SPSR
Read/Write RRRRRRRR/W
Initial Value00000000

166
ATmega164A/164PA/324A/324PA/644A/644PA/1284/1284P [DATASHEET]
Atmel-8272G-AVR-01/2015
18.5.3 SPDR – SPI Data Register
The SPI Data Register is a read/write register used for data transfer between the Register File and the SPI Shift
Register. Writing to the register initiates data transmission. Reading the register causes the Shift Register
Receive buffer to be read.
Bit 76543210
0x2E (0x4E) MSB LSB SPDR
Read/Write R/W R/W R/W R/W R/W R/W R/W R/W
Initial ValueXXXXXXXXUndefined

167
ATmega164A/164PA/324A/324PA/644A/644PA/1284/1284P [DATASHEET]
Atmel-8272G-AVR-01/2015
19. USART
19.1 Features
•Full duplex operation (independent serial receive and transmit registers)
•Asynchronous or synchronous operation
•Master or Slave clocked synchronous operation
•High resolution baud rate generator
•Supports Serial Frames with 5, 6, 7, 8, or 9 data bits and 1 or 2 stop bits
•Odd or even parity generation and parity check supported by hardware
•Data OverRun detection
•Framing Error detection
•Noise filtering includes False Start bit detection and Digital Low Pass Filter
•Three separate interrupts on TX complete, TX Data Register Empty and RX Complete
•Multi-processor Communication mode
•Double Speed Asynchronous Communication mode
19.2 USART1 and USART0
The Atmel ATmega164A/164PA/324A/324PA/644A/644PA/1284/1284P has two USART’s, USART0 and
USART1.
The functionality for all USART’s is described below, most register and bit references in this section are written
in general form. A lower case “n” replaces the USART number.
USART0 and USART1 have different I/O registers as shown in ”Register summary” on page 628.
19.3 Overview
The Universal Synchronous and Asynchronous serial Receiver and Transmitter (USART) is a highly flexible
serial communication device.
A simplified block diagram of the USART Transmitter is shown in Figure 19-1 on page 168. CPU accessible I/O
Registers and I/O pins are shown in bold.
The Power Reduction USART0 bit, PRUSART0, in ”PRR0 – Power Reduction Register 0” on page 48 must be
disabled by writing a logical zero to it.
The Power Reduction USART1 bit, PRUSART1, in ”PRR1 – Power Reduction Register 1” on page 49 must be
disabled by writing a logical zero to it.

168
ATmega164A/164PA/324A/324PA/644A/644PA/1284/1284P [DATASHEET]
Atmel-8272G-AVR-01/2015
Figure 19-1. USART block diagram (1).
Note: 1. See Figure 1-1 on page 3 and ”Alternate Port Functions” on page 77 for USART pin placement.
The dashed boxes in the block diagram separate the three main parts of the USART (listed from the top): Clock
Generator, Transmitter and Receiver. Control Registers are shared by all units. The Clock Generation logic
consists of synchronization logic for external clock input used by synchronous slave operation, and the baud
rate generator. The XCKn (Transfer Clock) pin is only used by synchronous transfer mode. The Transmitter
consists of a single write buffer, a serial Shift Register, Parity Generator and Control logic for handling different
serial frame formats. The write buffer allows a continuous transfer of data without any delay between frames.
The Receiver is the most complex part of the USART module due to its clock and data recovery units. The
recovery units are used for asynchronous data reception. In addition to the recovery units, the Receiver includes
a Parity Checker, Control logic, a Shift Register and a two level receive buffer (UDRn). The Receiver supports
the same frame formats as the Transmitter, and can detect Frame Error, Data OverRun and Parity Errors.
19.4 Clock Generation
The Clock Generation logic generates the base clock for the Transmitter and Receiver. The USARTn supports
four modes of clock operation: Normal asynchronous, Double Speed asynchronous, Master synchronous and
Slave synchronous mode. The UMSELn bit in USART Control and Status Register C (UCSRnC) selects
between asynchronous and synchronous operation. Double Speed (asynchronous mode only) is controlled by
the U2Xn found in the UCSRnA Register. When using synchronous mode (UMSELn = 1), the Data Direction
Register for the XCKn pin (DDR_XCKn) controls whether the clock source is internal (Master mode) or external
(Slave mode). The XCKn pin is only active when using synchronous mode.
Figure 19-2 shows a block diagram of the clock generation logic.
PARITY
GENERATOR
UBRR[H:L]
UDR (Transmit)
UCSRA UCSRB UCSRC
BAUD RATE GENERATOR
TRANSMIT SHIFT REGISTER
RECEIVE SHIFT REGISTER RxD
TxD
PIN
CONTROL
UDR (Receive)
PIN
CONTROL
XCK
DATA
RECOVERY
CLOCK
RECOVERY
PIN
CONTROL
TX
CONTROL
RX
CONTROL
PARITY
CHECKER
DATA BUS
OSC
SYNC LOGIC
Clock Generator
Transmitter
Receiver

169
ATmega164A/164PA/324A/324PA/644A/644PA/1284/1284P [DATASHEET]
Atmel-8272G-AVR-01/2015
Figure 19-2. Clock Generation Logic, block diagram.
Signal description:
txclk Transmitter clock (Internal Signal).
rxclk Receiver base clock (Internal Signal).
xcki Input from XCK pin (internal Signal). Used for synchronous slave operation.
xcko Clock output to XCK pin (Internal Signal). Used for synchronous master
operation.
fOSC XTAL pin frequency (System Clock).
19.4.1 Internal Clock Generation – The Baud Rate Generator
Internal clock generation is used for the asynchronous and the synchronous master modes of operation. The
description in this section refers to Figure 19-2 on page 169.
The USART Baud Rate Register (UBRRn) and the down-counter connected to it function as a programmable
prescaler or baud rate generator. The down-counter, running at system clock (fosc), is loaded with the UBRRn
value each time the counter has counted down to zero or when the UBRRnL Register is written. A clock is
generated each time the counter reaches zero. This clock is the baud rate generator clock output (=
fosc/(UBRRn+1)). The Transmitter divides the baud rate generator clock output by 2, 8, or 16 depending on
mode. The baud rate generator output is used directly by the Receiver’s clock and data recovery units.
However, the recovery units use a state machine that uses 2, 8, or 16 states depending on mode set by the
state of the UMSELn, U2Xn and DDR_XCKn bits.
Table 19-1 on page 170 contains equations for calculating the baud rate (in bits per second) and for calculating
the UBRRn value for each mode of operation using an internally generated clock source.
Note: 1. The baud rate is defined to be the transfer rate in bit per second (bps)
BAUDBaud rate (in bits per second, bps).
fOSCSystem Oscillator clock frequency.
UBRRnContents of the UBRRnH and UBRRnL Registers, (0-4095).
Some examples of UBRRn values for some system clock frequencies are found in Table 19-9 on page 190.
Prescaling
Down-Counter /2
UBRR
/4 /2
fosc
UBRR+1
Sync
Register
OSC
XCK
Pin
txclk
U2X
UMSEL
DDR_XCK
0
1
0
1
xcki
xcko
DDR_XCK rxclk
0
1
1
0
Edge
Detector
UCPOL

170
ATmega164A/164PA/324A/324PA/644A/644PA/1284/1284P [DATASHEET]
Atmel-8272G-AVR-01/2015
19.4.2 Double Speed Operation (U2Xn)
The transfer rate can be doubled by setting the U2Xn bit in UCSRnA. Setting this bit only has effect for the
asynchronous operation. Set this bit to zero when using synchronous operation.
Setting this bit will reduce the divisor of the baud rate divider from 16 to 8, effectively doubling the transfer rate
for asynchronous communication. Note however that the Receiver will in this case only use half the number of
samples (reduced from 16 to 8) for data sampling and clock recovery, and therefore a more accurate baud rate
setting and system clock are required when this mode is used. For the Transmitter, there are no downsides.
19.4.3 External Clock
External clocking is used by the synchronous slave modes of operation. The description in this section refers to
Figure 19-2 on page 169 for details.
External clock input from the XCKn pin is sampled by a synchronization register to minimize the chance of meta-
stability. The output from the synchronization register must then pass through an edge detector before it can be
used by the Transmitter and Receiver. This process introduces a two CPU clock period delay and therefore the
maximum external XCKn clock frequency is limited by the following equation:
Note that fosc depends on the stability of the system clock source. It is therefore recommended to add some
margin to avoid possible loss of data due to frequency variations.
Table 19-1. Equations for calculating baud rate register setting.
Operating mode
Equation for calculating baud
rate (1)
Equation for calculating UBRR
value
Asynchronous Normal
mode (U2Xn = 0)
Asynchronous Double
Speed mode (U2Xn = 1)
Synchronous Master
mode
BAUD fOSC
16 UBRRn1+
------------------------------------------=
UBRRnfOSC
16BAUD
------------------------1–=
BAUD fOSC
8UBRRn1+
---------------------------------------=
UBRRnfOSC
8BAUD
-------------------- 1–=
BAUD fOSC
2UBRRn1+
---------------------------------------=
UBRRnfOSC
2BAUD
-------------------- 1–=
fXCK
fOSC
4
-----------

171
ATmega164A/164PA/324A/324PA/644A/644PA/1284/1284P [DATASHEET]
Atmel-8272G-AVR-01/2015
19.4.4 Synchronous Clock Operation
When synchronous mode is used (UMSELn = 1), the XCKn pin will be used as either clock input (Slave) or clock
output (Master). The dependency between the clock edges and data sampling or data change is the same. The
basic principle is that data input (on RxDn) is sampled at the opposite XCKn clock edge of the edge the data
output (TxDn) is changed.
Figure 19-3. Synchronous mode XCKn timing.
The UCPOLn bit UCRSC selects which XCKn clock edge is used for data sampling and which is used for data
change. As Figure 19-3 on page 171 shows, when UCPOLn is zero the data will be changed at rising XCKn
edge and sampled at falling XCKn edge. If UCPOLn is set, the data will be changed at falling XCKn edge and
sampled at rising XCKn edge.
19.5 Frame formats
A serial frame is defined to be one character of data bits with synchronization bits (start and stop bits), and
optionally a parity bit for error checking. The USART accepts all 30 combinations of the following as valid frame
formats:
-One start bit
-5, 6, 7, 8, or 9 data bits
-No, even, or odd parity bit
-One or two stop bits
A frame starts with the start bit followed by the least significant data bit. Then the next data bits, up to a total of
nine, are succeeding, ending with the most significant bit. If enabled, the parity bit is inserted after the data bits,
before the stop bits. When a complete frame is transmitted, it can be directly followed by a new frame, or the
communication line can be set to an idle (high) state. Figure 19-4 on page 171 illustrates the possible
combinations of the frame formats. Bits inside brackets are optional.
Figure 19-4. Frame formats.
StStart bit, always low.
(n)Data bits (0 to 8).
PParity bit. Can be odd or even.
RxD / TxD
XCK
RxD / TxD
XCK
UCPOL = 0
UCPOL = 1
Sample
Sample
10 2 3 4 [5] [6] [7] [8] [P]St Sp1 [Sp2] (St / IDLE)(IDLE)
FRAME

172
ATmega164A/164PA/324A/324PA/644A/644PA/1284/1284P [DATASHEET]
Atmel-8272G-AVR-01/2015
SpStop bit, always high.
IDLENo transfers on the communication line (RxDn or TxDn). An IDLE line
must be high.
The frame format used by the USART is set by the UCSZn2:0, UPMn1:0 and USBSn bits in UCSRnB and
UCSRnC. The Receiver and Transmitter use the same setting. Note that changing the setting of any of these
bits will corrupt all ongoing communication for both the Receiver and Transmitter.
The USART Character SiZe (UCSZn2:0) bits select the number of data bits in the frame. The USART Parity
mode (UPMn1:0) bits enable and set the type of parity bit. The selection between one or two stop bits is done by
the USART Stop Bit Select (USBSn) bit. The Receiver ignores the second stop bit. An FE (Frame Error) will
therefore only be detected in the cases where the first stop bit is zero.
19.5.1 Parity Bit Calculation
The parity bit is calculated by doing an exclusive-or of all the data bits. If odd parity is used, the result of the
exclusive or is inverted. The relation between the parity bit and data bits is as follows:
PevenParity bit using even parity.
PoddParity bit using odd parity.
dnData bit n of the character.
If used, the parity bit is located between the last data bit and first stop bit of a serial frame.
19.6 USART Initialization
The USART has to be initialized before any communication can take place. The initialization process normally
consists of setting the baud rate, setting frame format and enabling the Transmitter or the Receiver depending
on the usage. For interrupt driven USART operation, the Global Interrupt Flag should be cleared and the
USART interrupts should be disabled.
Before doing a re-initialization with changed baud rate or frame format, be sure that there are no ongoing
transmissions during the period the registers are changed. The TXCn Flag can be used to check that the
Transmitter has completed all transfers, and the RXC Flag can be used to check that there are no unread data
in the receive buffer. Note that the TXCn Flag must be cleared before each transmission (before UDRn is
written) if it is used for this purpose.
The following simple USART initialization code examples show one assembly and one C function that are equal
in functionality. The examples assume asynchronous operation using polling (no interrupts enabled) and a fixed
Peven dn1–d3d2d1d00
Podd
dn1–d3d2d1d01
=
=

173
ATmega164A/164PA/324A/324PA/644A/644PA/1284/1284P [DATASHEET]
Atmel-8272G-AVR-01/2015
frame format. The baud rate is given as a function parameter. For the assembly code, the baud rate parameter
is assumed to be stored in the r17:r16 Registers.
Note: 1. See “About code examples” on page 9.
More advanced initialization routines can be made that include frame format as parameters, disable interrupts
and so on. However, many applications use a fixed setting of the baud and control registers, and for these types
of applications the initialization code can be placed directly in the main routine, or be combined with initialization
code for other I/O modules.
19.7 Data Transmission – The USART Transmitter
The USART Transmitter is enabled by setting the Transmit Enable (TXEN) bit in the UCSRnB Register. When
the Transmitter is enabled, the normal port operation of the TxDn pin is overridden by the USART and given the
function as the Transmitter’s serial output. The baud rate, mode of operation and frame format must be set up
once before doing any transmissions. If synchronous operation is used, the clock on the XCKn pin will be
overridden and used as transmission clock.
19.7.1 Sending Frames with 5 to 8 Data Bit
A data transmission is initiated by loading the transmit buffer with the data to be transmitted. The CPU can load
the transmit buffer by writing to the UDRn I/O location. The buffered data in the transmit buffer will be moved to
the Shift Register when the Shift Register is ready to send a new frame. The Shift Register is loaded with new
data if it is in idle state (no ongoing transmission) or immediately after the last stop bit of the previous frame is
transmitted. When the Shift Register is loaded with new data, it will transfer one complete frame at the rate
given by the Baud Register, U2Xn bit or by XCKn depending on mode of operation.
The following code examples show a simple USART transmit function based on polling of the Data Register
Empty (UDREn) Flag. When using frames with less than eight bits, the most significant bits written to the UDRn
Assembly Code Example (1)
USART_Init:
; Set baud rate
out UBRRnH, r17
out UBRRnL, r16
; Enable receiver and transmitter
ldi r16, (1<<RXENn)|(1<<TXENn)
out UCSRnB,r16
; Set frame format: 8data, 2stop bit
ldi r16, (1<<USBSn)|(3<<UCSZn0)
out UCSRnC,r16
ret
C Code Example (1)
void USART_Init( unsigned int baud )
{
/* Set baud rate */
UBRRnH = (unsigned char)(baud>>8);
UBRRnL = (unsigned char)baud;
/* Enable receiver and transmitter */
UCSRnB = (1<<RXENn)|(1<<TXENn);
/* Set frame format: 8data, 2stop bit */
UCSRnC = (1<<USBSn)|(3<<UCSZn0);
}

174
ATmega164A/164PA/324A/324PA/644A/644PA/1284/1284P [DATASHEET]
Atmel-8272G-AVR-01/2015
are ignored. The USART has to be initialized before the function can be used. For the assembly code, the data
to be sent is assumed to be stored in Register R16.
Note: 1. See “About code examples” on page 9.
The function simply waits for the transmit buffer to be empty by checking the UDREn Flag, before loading it with
new data to be transmitted. If the Data Register Empty interrupt is utilized, the interrupt routine writes the data
into the buffer.
19.7.2 Sending Frames with 9 Data Bit
If 9-bit characters are used (UCSZn = 7), the ninth bit must be written to the TXB8 bit in UCSRnB before the low
byte of the character is written to UDRn. The following code examples show a transmit function that handles 9-
bit characters. For the assembly code, the data to be sent is assumed to be stored in registers R17:R16.
Assembly Code Example (1)
USART_Transmit:
; Wait for empty transmit buffer
sbis UCSRnA,UDREn
rjmp USART_Transmit
; Put data (r16) into buffer, sends the data
out UDRn,r16
ret
C Code Example (1)
void USART_Transmit( unsigned char data )
{
/* Wait for empty transmit buffer */
while ( !( UCSRnA & (1<<UDREn)) )
;
/* Put data into buffer, sends the data */
UDRn = data;
}

175
ATmega164A/164PA/324A/324PA/644A/644PA/1284/1284P [DATASHEET]
Atmel-8272G-AVR-01/2015
Notes: 1. These transmit functions are written to be general functions. They can be optimized if the contents of the
UCSRnB is static. For example, only the TXB8 bit of the UCSRnB Register is used after initialization.
2. See “About code examples” on page 9.
The ninth bit can be used for indicating an address frame when using multi processor communication mode or
for other protocol handling as for example synchronization.
19.7.3 Transmitter Flags and Interrupts
The USART Transmitter has two flags that indicate its state: USART Data Register Empty (UDREn) and
Transmit Complete (TXCn). Both flags can be used for generating interrupts.
The Data Register Empty (UDREn) Flag indicates whether the transmit buffer is ready to receive new data. This
bit is set when the transmit buffer is empty, and cleared when the transmit buffer contains data to be transmitted
that has not yet been moved into the Shift Register. For compatibility with future devices, always write this bit to
zero when writing the UCSRnA Register.
When the Data Register Empty Interrupt Enable (UDRIEn) bit in UCSRnB is written to one, the USART Data
Register Empty Interrupt will be executed as long as UDREn is set (provided that global interrupts are enabled).
UDREn is cleared by writing UDRn. When interrupt-driven data transmission is used, the Data Register Empty
interrupt routine must either write new data to UDRn in order to clear UDREn or disable the Data Register
Empty interrupt, otherwise a new interrupt will occur once the interrupt routine terminates.
The Transmit Complete (TXCn) Flag bit is set one when the entire frame in the Transmit Shift Register has been
shifted out and there are no new data currently present in the transmit buffer. The TXCn Flag bit is automatically
cleared when a transmit complete interrupt is executed, or it can be cleared by writing a one to its bit location.
The TXCn Flag is useful in half-duplex communication interfaces (like the RS-485 standard), where a
Assembly Code Example (1)(2)
USART_Transmit:
; Wait for empty transmit buffer
sbis UCSRnA,UDREn
rjmp USART_Transmit
; Copy 9th bit from r17 to TXB8
cbi UCSRnB,TXB8
sbrc r17,0
sbi UCSRnB,TXB8
; Put LSB data (r16) into buffer, sends the data
out UDRn,r16
ret
C Code Example (1)(2)
void USART_Transmit( unsigned int data )
{
/* Wait for empty transmit buffer */
while ( !( UCSRnA & (1<<UDREn))) )
;
/* Copy 9th bit to TXB8 */
UCSRnB &= ~(1<<TXB8);
if ( data & 0x0100 )
UCSRnB |= (1<<TXB8);
/* Put data into buffer, sends the data */
UDRn = data;
}

176
ATmega164A/164PA/324A/324PA/644A/644PA/1284/1284P [DATASHEET]
Atmel-8272G-AVR-01/2015
transmitting application must enter receive mode and free the communication bus immediately after completing
the transmission.
When the Transmit Compete Interrupt Enable (TXCIEn) bit in UCSRnB is set, the USART Transmit Complete
Interrupt will be executed when the TXCn Flag becomes set (provided that global interrupts are enabled). When
the transmit complete interrupt is used, the interrupt handling routine does not have to clear the TXCn Flag, this
is done automatically when the interrupt is executed.
19.7.4 Parity Generator
The Parity Generator calculates the parity bit for the serial frame data. When parity bit is enabled (UPMn1 = 1),
the transmitter control logic inserts the parity bit between the last data bit and the first stop bit of the frame that is
sent.
19.7.5 Disabling the Transmitter
The disabling of the Transmitter (setting the TXEN to zero) will not become effective until ongoing and pending
transmissions are completed, that is, when the Transmit Shift Register and Transmit Buffer Register do not
contain data to be transmitted. When disabled, the Transmitter will no longer override the TxDn pin.
19.8 Data Reception – The USART Receiver
The USART Receiver is enabled by writing the Receive Enable (RXENn) bit in the
UCSRnB Register to one. When the Receiver is enabled, the normal pin operation of the RxDn pin is overridden
by the USART and given the function as the Receiver’s serial input. The baud rate, mode of operation and
frame format must be set up once before any serial reception can be done. If synchronous operation is used,
the clock on the XCKn pin will be used as transfer clock.
19.8.1 Receiving Frames with 5 to 8 Data Bits
The Receiver starts data reception when it detects a valid start bit. Each bit that follows the start bit will be
sampled at the baud rate or XCKn clock, and shifted into the Receive Shift Register until the first stop bit of a
frame is received. A second stop bit will be ignored by the Receiver. When the first stop bit is received, that is, a
complete serial frame is present in the Receive Shift Register, the contents of the Shift Register will be moved
into the receive buffer. The receive buffer can then be read by reading the UDRn I/O location.
The following code example shows a simple USART receive function based on polling of the Receive Complete
(RXCn) Flag. When using frames with less than eight bits the most significant bits of the data read from the
UDRn will be masked to zero. The USART has to be initialized before the function can be used.

177
ATmega164A/164PA/324A/324PA/644A/644PA/1284/1284P [DATASHEET]
Atmel-8272G-AVR-01/2015
Note: 1. See “About code examples” on page 9.
The function simply waits for data to be present in the receive buffer by checking the RXCn Flag, before reading
the buffer and returning the value.
19.8.2 Receiving Frames with 9 Data Bits
If 9-bit characters are used (UCSZn=7) the ninth bit must be read from the RXB8n bit in UCSRnB before
reading the low bits from the UDRn. This rule applies to the FEn, DORn and UPEn Status Flags as well. Read
status from UCSRnA, then data from UDRn. Reading the UDRn I/O location will change the state of the receive
buffer FIFO and consequently the TXB8n, FEn, DORn and UPEn bits, which all are stored in the FIFO, will
change.
The following code example shows a simple USART receive function that handles both nine bit characters and
the status bits.
Assembly Code Example (1)
USART_Receive:
; Wait for data to be received
sbis UCSRnA, RXCn
rjmp USART_Receive
; Get and return received data from buffer
in r16, UDRn
ret
C Code Example (1)
unsigned char USART_Receive( void )
{
/* Wait for data to be received */
while ( !(UCSRnA & (1<<RXCn)) )
;
/* Get and return received data from buffer */
return UDRn;
}

178
ATmega164A/164PA/324A/324PA/644A/644PA/1284/1284P [DATASHEET]
Atmel-8272G-AVR-01/2015
Note: 1. See “About code examples” on page 9.
The receive function example reads all the I/O Registers into the Register File before any computation is done.
This gives an optimal receive buffer utilization since the buffer location read will be free to accept new data as
early as possible.
Assembly Code Example (1)
USART_Receive:
; Wait for data to be received
sbis UCSRnA, RXCn
rjmp USART_Receive
; Get status and 9th bit, then data from buffer
in r18, UCSRnA
in r17, UCSRnB
in r16, UDRn
; If error, return -1
andi r18,(1<<FEn)|(1<<DORn)|(1<<UPEn)
breq USART_ReceiveNoError
ldi r17, HIGH(-1)
ldi r16, LOW(-1)
USART_ReceiveNoError:
; Filter the 9th bit, then return
lsr r17
andi r17, 0x01
ret
C Code Example (1)
unsigned int USART_Receive( void )
{
unsigned char status, resh, resl;
/* Wait for data to be received */
while ( !(UCSRnA & (1<<RXCn)) )
;
/* Get status and 9th bit, then data */
/* from buffer */
status = UCSRnA;
resh = UCSRnB;
resl = UDRn;
/* If error, return -1 */
if ( status & (1<<FEn)|(1<<DORn)|(1<<UPEn) )
return -1;
/* Filter the 9th bit, then return */
resh = (resh >> 1) & 0x01;
return ((resh << 8) | resl);
}

179
ATmega164A/164PA/324A/324PA/644A/644PA/1284/1284P [DATASHEET]
Atmel-8272G-AVR-01/2015
19.8.3 Receive Compete Flag and Interrupt
The USART Receiver has one flag that indicates the Receiver state.
The Receive Complete (RXCn) Flag indicates if there are unread data present in the receive buffer. This flag is
one when unread data exist in the receive buffer, and zero when the receive buffer is empty (i.e., does not
contain any unread data). If the Receiver is disabled (RXENn = 0), the receive buffer will be flushed and
consequently the RXCn bit will become zero.
When the Receive Complete Interrupt Enable (RXCIEn) in UCSRnB is set, the USART Receive Complete
interrupt will be executed as long as the RXCn Flag is set (provided that global interrupts are enabled). When
interrupt-driven data reception is used, the receive complete routine must read the received data from UDRn in
order to clear the RXCn Flag, otherwise a new interrupt will occur once the interrupt routine terminates.
19.8.4 Receiver Error Flags
The USART Receiver has three Error Flags: Frame Error (FEn), Data OverRun (DORn) and Parity Error
(UPEn). All can be accessed by reading UCSRnA. Common for the Error Flags is that they are located in the
receive buffer together with the frame for which they indicate the error status. Due to the buffering of the Error
Flags, the UCSRnA must be read before the receive buffer (UDRn), since reading the UDRn I/O location
changes the buffer read location. Another equality for the Error Flags is that they can not be altered by software
doing a write to the flag location. However, all flags must be set to zero when the UCSRnA is written for upward
compatibility of future USART implementations. None of the Error Flags can generate interrupts.
The Frame Error (FEn) Flag indicates the state of the first stop bit of the next readable frame stored in the
receive buffer. The FEn Flag is zero when the stop bit was correctly read (as one), and the FEn Flag will be one
when the stop bit was incorrect (zero). This flag can be used for detecting out-of-sync conditions, detecting
break conditions and protocol handling. The FEn Flag is not affected by the setting of the USBSn bit in UCSRnC
since the Receiver ignores all, except for the first, stop bits. For compatibility with future devices, always set this
bit to zero when writing to UCSRnA.
The Data OverRun (DORn) Flag indicates data loss due to a receiver buffer full condition. A Data OverRun
occurs when the receive buffer is full (two characters), it is a new character waiting in the Receive Shift Register,
and a new start bit is detected. If the DORn Flag is set there was one or more serial frame lost between the
frame last read from UDRn, and the next frame read from UDRn. For compatibility with future devices, always
write this bit to zero when writing to UCSRnA. The DORn Flag is cleared when the frame received was
successfully moved from the Shift Register to the receive buffer.
The Parity Error (UPEn) Flag indicates that the next frame in the receive buffer had a Parity Error when
received. If Parity Check is not enabled the UPEn bit will always be read zero. For compatibility with future
devices, always set this bit to zero when writing to UCSRnA. For more details see ”Parity Bit Calculation” on
page 172 and ”Parity Checker” on page 179.
19.8.5 Parity Checker
The Parity Checker is active when the high USART Parity mode (UPMn1) bit is set. Type of Parity Check to be
performed (odd or even) is selected by the UPMn0 bit. When enabled, the Parity Checker calculates the parity
of the data bits in incoming frames and compares the result with the parity bit from the serial frame. The result of
the check is stored in the receive buffer together with the received data and stop bits. The Parity Error (UPEn)
Flag can then be read by software to check if the frame had a Parity Error.
The UPEn bit is set if the next character that can be read from the receive buffer had a Parity Error when
received and the Parity Checking was enabled at that point (UPMn1 = 1). This bit is valid until the receive buffer
(UDRn) is read.

180
ATmega164A/164PA/324A/324PA/644A/644PA/1284/1284P [DATASHEET]
Atmel-8272G-AVR-01/2015
19.8.6 Disabling the Receiver
In contrast to the Transmitter, disabling of the Receiver will be immediate. Data from ongoing receptions will
therefore be lost. When disabled (that is, the RXENn is set to zero) the Receiver will no longer override the
normal function of the RxDn port pin. The Receiver buffer FIFO will be flushed when the Receiver is disabled.
Remaining data in the buffer will be lost
19.8.7 Flushing the Receive Buffer
The receiver buffer FIFO will be flushed when the Receiver is disabled, that is, the buffer will be emptied of its
contents. Unread data will be lost. If the buffer has to be flushed during normal operation, due to for instance an
error condition, read the UDRn I/O location until the RXCn Flag is cleared. The following code example shows
how to flush the receive buffer.
Note: 1. See “About code examples” on page 9.
19.9 Asynchronous Data Reception
The USART includes a clock recovery and a data recovery unit for handling asynchronous data reception. The
clock recovery logic is used for synchronizing the internally generated baud rate clock to the incoming
asynchronous serial frames at the RxDn pin. The data recovery logic samples and low pass filters each
incoming bit, thereby improving the noise immunity of the Receiver. The asynchronous reception operational
range depends on the accuracy of the internal baud rate clock, the rate of the incoming frames, and the frame
size in number of bits.
19.9.1 Asynchronous Clock Recovery
The clock recovery logic synchronizes internal clock to the incoming serial frames. Figure 19-5 illustrates the
sampling process of the start bit of an incoming frame. The sample rate is 16 times the baud rate for Normal
mode, and eight times the baud rate for Double Speed mode. The horizontal arrows illustrate the
synchronization variation due to the sampling process. Note the larger time variation when using the Double
Speed mode (U2Xn = 1) of operation. Samples denoted zero are samples done when the RxDn line is idle (that
is, no communication activity).
Assembly Code Example (1)
USART_Flush:
sbis UCSRnA, RXCn
ret
in r16, UDRn
rjmp USART_Flush
C Code Example (1)
void USART_Flush( void )
{
unsigned char dummy;
while ( UCSRnA & (1<<RXCn) ) dummy = UDRn;
}

181
ATmega164A/164PA/324A/324PA/644A/644PA/1284/1284P [DATASHEET]
Atmel-8272G-AVR-01/2015
Figure 19-5. Start bit sampling.
When the clock recovery logic detects a high (idle) to low (start) transition on the RxDn line, the start bit
detection sequence is initiated. Let sample 1 denote the first zero-sample as shown in the figure. The clock
recovery logic then uses samples 8, 9, and 10 for Normal mode, and samples 4, 5, and 6 for Double Speed
mode (indicated with sample numbers inside boxes on the figure), to decide if a valid start bit is received. If two
or more of these three samples have logical high levels (the majority wins), the start bit is rejected as a noise
spike and the Receiver starts looking for the next high to low-transition. If however, a valid start bit is detected,
the clock recovery logic is synchronized and the data recovery can begin. The synchronization process is
repeated for each start bit.
19.9.2 Asynchronous Data Recovery
When the receiver clock is synchronized to the start bit, the data recovery can begin. The data recovery unit
uses a state machine that has 16 states for each bit in Normal mode and eight states for each bit in Double
Speed mode. Figure 19-6 shows the sampling of the data bits and the parity bit. Each of the samples is given a
number that is equal to the state of the recovery unit.
Figure 19-6. Sampling of Data and Parity bit.
The decision of the logic level of the received bit is taken by doing a majority voting of the logic value to the three
samples in the center of the received bit. The center samples are emphasized on the figure by having the
sample number inside boxes. The majority voting process is done as follows: If two or all three samples have
high levels, the received bit is registered to be a logic 1. If two or all three samples have low levels, the received
bit is registered to be a logic 0. This majority voting process acts as a low pass filter for the incoming signal on
the RxDn pin. The recovery process is then repeated until a complete frame is received. Including the first stop
bit. Note that the Receiver only uses the first stop bit of a frame.
Figure 19-7 on page 181 shows the sampling of the stop bit and the earliest possible beginning of the start bit of
the next frame.
Figure 19-7. Stop Bit Sampling and Next Start Bit Sampling.
12345678 9 10 11 12 13 14 15 16 12
STARTIDLE
00
BIT 0
3
1234 5 678120
RxD
Sample
(U2X = 0)
Sample
(U2X = 1)
12345678 9 10 11 12 13 14 15 16 1
BIT n
1234 5 6781
RxD
Sample
(U2X = 0)
Sample
(U2X = 1)
12345678 9 10 0/1 0/1 0/1
STOP 1
1234 5 6 0/1
RxD
Sample
(U2X = 0)
Sample
(U2X = 1)
(A) (B) (C)

182
ATmega164A/164PA/324A/324PA/644A/644PA/1284/1284P [DATASHEET]
Atmel-8272G-AVR-01/2015
The same majority voting is done to the stop bit as done for the other bits in the frame. If the stop bit is
registered to have a logic 0 value, the Frame Error (FEn) Flag will be set.
A new high to low transition indicating the start bit of a new frame can come right after the last of the bits used
for majority voting. For Normal Speed mode, the first low level sample can be at point marked (A) in Figure 19-7
on page 181. For Double Speed mode the first low level must be delayed to (B). (C) marks a stop bit of full
length. The early start bit detection influences the operational range of the Receiver.
19.9.3 Asynchronous Operational Range
The operational range of the Receiver is dependent on the mismatch between the received bit rate and the
internally generated baud rate. If the Transmitter is sending frames at too fast or too slow bit rates, or the
internally generated baud rate of the Receiver does not have a similar (see Table 19-2 on page 183) base
frequency, the Receiver will not be able to synchronize the frames to the start bit.
The following equations can be used to calculate the ratio of the incoming data rate and internal receiver baud
rate.
DSum of character size and parity size (D = 5 to 10 bit).
SSamples per bit. S = 16 for Normal Speed mode and S = 8 for Double Speed
mode.
SFFirst sample number used for majority voting. SF = 8 for normal speed and SF = 4
for Double Speed mode.
SMMiddle sample number used for majority voting. SM = 9 for normal speed and
SM= 5 for Double Speed mode.
Rslow is the ratio of the slowest incoming data rate that can be accepted in relation to the
receiver baud rate. Rfast is the ratio of the fastest incoming data rate that can be
accepted in relation to the receiver baud rate.
Table 19-2 on page 183 and Table 19-3 on page 183 list the maximum receiver baud rate error that can be
tolerated. Note that Normal Speed mode has higher toleration of baud rate variations.
Rslow
D1+S
S1–DSSF
++
-------------------------------------------=
Rfast
D2+S
D1+SS
M
+
-----------------------------------=

183
ATmega164A/164PA/324A/324PA/644A/644PA/1284/1284P [DATASHEET]
Atmel-8272G-AVR-01/2015
The recommendations of the maximum receiver baud rate error was made under the assumption that the
Receiver and Transmitter equally divides the maximum total error.
There are two possible sources for the receivers baud rate error. The Receiver’s system clock (XTAL) will
always have some minor instability over the supply voltage range and the temperature range. When using a
crystal to generate the system clock, this is rarely a problem, but for a resonator the system clock may differ
more than 2% depending of the resonators tolerance. The second source for the error is more controllable. The
baud rate generator can not always do an exact division of the system frequency to get the baud rate wanted. In
this case an UBRR value that gives an acceptable low error can be used if possible.
19.10 Multi-processor Communication mode
Setting the Multi-processor Communication mode (MPCMn) bit in UCSRnA enables a filtering function of
incoming frames received by the USART Receiver. Frames that do not contain address information will be
ignored and not put into the receive buffer. This effectively reduces the number of incoming frames that has to
be handled by the CPU, in a system with multiple MCUs that communicate via the same serial bus. The
Transmitter is unaffected by the MPCMn setting, but has to be used differently when it is a part of a system
utilizing the Multi-processor Communication mode.
If the Receiver is set up to receive frames that contain 5 to 8 data bits, then the first stop bit indicates if the frame
contains data or address information. If the Receiver is set up for frames with nine data bits, then the ninth bit
(RXB8n) is used for identifying address and data frames. When the frame type bit (the first stop or the ninth bit)
is one, the frame contains an address. When the frame type bit is zero the frame is a data frame.
The Multi-processor Communication mode enables several slave MCUs to receive data from a master MCU.
This is done by first decoding an address frame to find out which MCU has been addressed. If a particular slave
MCU has been addressed, it will receive the following data frames as normal, while the other slave MCUs will
ignore the received frames until another address frame is received.
Table 19-2. Recommended Maximum Receiver Baud Rate Error for Normal Speed Mode (U2Xn = 0).
D
# (Data+Parity Bit) Rslow [%] Rfast [%]
Maximum total error
[%]
Recommended max.
receiver error [%]
593.20 106.67 +6.67/-6.8 ±3.0
694.12 105.79 +5.79/-5.88 ±2.5
794.81 105.11 +5.11/-5.19 ±2.0
895.36 104.58 +4.58/-4.54 ±2.0
995.81 104.14 +4.14/-4.19 ±1.5
10 96.17 103.78 +3.78/-3.83 ±1.5
Table 19-3. Recommended Maximum Receiver Baud Rate Error for Double Speed Mode (U2Xn = 1).
D
# (Data+Parity Bit) Rslow [%] Rfast [%]
Maximum total error
[%]
Recommended max.
receiver error [%]
594.12 105.66 +5.66/-5.88 ±2.5
694.92 104.92 +4.92/-5.08 ±2.0
795.52 104,35 +4.35/-4.48 ±1.5
896.00 103.90 +3.90/-4.00 ±1.5
996.39 103.53 +3.53/-3.61 ±1.5
10 96.70 103.23 +3.23/-3.30 ±1.0

184
ATmega164A/164PA/324A/324PA/644A/644PA/1284/1284P [DATASHEET]
Atmel-8272G-AVR-01/2015
19.10.1 Using MPCMn
For an MCU to act as a master MCU, it can use a 9-bit character frame format (UCSZn = 7). The ninth bit
(TXB8n) must be set when an address frame (TXB8n = 1) or cleared when a data frame (TXB = 0) is being
transmitted. The slave MCUs must in this case be set to use a 9-bit character frame format.
The following procedure should be used to exchange data in Multi-processor Communication mode:
1. All Slave MCUs are in Multi-processor Communication mode (MPCMn in UCSRnA is set).
2. The Master MCU sends an address frame, and all slaves receive and read this frame. In the Slave MCUs,
the RXCn Flag in UCSRnA will be set as normal.
3. Each Slave MCU reads the UDRn Register and determines if it has been selected. If so, it clears the
MPCMn bit in UCSRnA, otherwise it waits for the next address byte and keeps the MPCMn setting.
4. The addressed MCU will receive all data frames until a new address frame is received. The other Slave
MCUs, which still have the MPCMn bit set, will ignore the data frames.
5. When the last data frame is received by the addressed MCU, the addressed MCU sets the MPCMn bit
and waits for a new address frame from master. The process then repeats from 2.
Using any of the 5- to 8-bit character frame formats is possible, but impractical since the Receiver must change
between using n and n+1 character frame formats. This makes full-duplex operation difficult since the
Transmitter and Receiver uses the same character size setting. If 5- to 8-bit character frames are used, the
Transmitter must be set to use two stop bit (USBSn = 1) since the first stop bit is used for indicating the frame
type.
Do not use Read-Modify-Write instructions (SBI and CBI) to set or clear the MPCMn bit. The MPCMn bit shares
the same I/O location as the TXCn Flag and this might accidentally be cleared when using SBI or CBI
instructions.

185
ATmega164A/164PA/324A/324PA/644A/644PA/1284/1284P [DATASHEET]
Atmel-8272G-AVR-01/2015
19.11 Register description
19.11.1 UDRn – USART I/O Data Register n
The USART Transmit Data Buffer Register and USART Receive Data Buffer Registers share the same I/O
address referred to as USART Data Register or UDRn. The Transmit Data Buffer Register (TXB) will be the
destination for data written to the UDRn Register location. Reading the UDRn Register location will return the
contents of the Receive Data Buffer Register (RXB).
For 5-, 6-, or 7-bit characters the upper unused bits will be ignored by the Transmitter and set to zero by the
Receiver.
The transmit buffer can only be written when the UDREn Flag in the UCSRnA Register is set. Data written to
UDRn when the UDREn Flag is not set, will be ignored by the USART Transmitter. When data is written to the
transmit buffer, and the Transmitter is enabled, the Transmitter will load the data into the Transmit Shift Register
when the Shift Register is empty. Then the data will be serially transmitted on the TxDn pin.
The receive buffer consists of a two level FIFO. The FIFO will change its state whenever the receive buffer is
accessed. Due to this behavior of the receive buffer, do not use Read-Modify-Write instructions (SBI and CBI)
on this location. Be careful when using bit test instructions (SBIC and SBIS), since these also will change the
state of the FIFO.
19.11.2 UCSRnA – USART Control and Status Register A
• Bit 7 – RXCn: USART Receive Complete
This flag bit is set when there are unread data in the receive buffer and cleared when the receive buffer is empty
(that is, does not contain any unread data). If the Receiver is disabled, the receive buffer will be flushed and
consequently the RXCn bit will become zero. The RXCn Flag can be used to generate a Receive Complete
interrupt (see description of the RXCIEn bit).
• Bit 6 – TXCn: USART Transmit Complete
This flag bit is set when the entire frame in the Transmit Shift Register has been shifted out and there are no
new data currently present in the transmit buffer (UDRn). The TXCn Flag bit is automatically cleared when a
transmit complete interrupt is executed, or it can be cleared by writing a one to its bit location. The TXCn Flag
can generate a Transmit Complete interrupt (see description of the TXCIEn bit).
• Bit 5 – UDREn: USART Data Register Empty
The UDREn Flag indicates if the transmit buffer (UDRn) is ready to receive new data. If UDREn is one, the
buffer is empty, and therefore ready to be written. The UDREn Flag can generate a Data Register Empty
interrupt (see description of the UDRIEn bit).UDREn is set after a reset to indicate that the Transmitter is ready.
Bit 76543210
RXB[7:0] UDRn (Read)
TXB[7:0] UDRn (Write)
Read/Write R/W R/W R/W R/W R/W R/W R/W R/W
Initial Value00000000
Bit 76543210
RXCn TXCn UDREn FEn DORn UPEn U2Xn MPCMn UCSRnA
Read/Write R R/W R R R R R/W R/W
Initial Value 0 0 1 0 0 0 0 0

186
ATmega164A/164PA/324A/324PA/644A/644PA/1284/1284P [DATASHEET]
Atmel-8272G-AVR-01/2015
• Bit 4 – FEn: Frame Error
This bit is set if the next character in the receive buffer had a Frame Error when received. I.e., when the first stop
bit of the next character in the receive buffer is zero. This bit is valid until the receive buffer (UDRn) is read. The
FEn bit is zero when the stop bit of received data is one. Always set this bit to zero when writing to UCSRnA.
• Bit 3 – DORn: Data OverRun
This bit is set if a Data OverRun condition is detected. A Data OverRun occurs when the receive buffer is full
(two characters), it is a new character waiting in the Receive Shift Register, and a new start bit is detected. This
bit is valid until the receive buffer (UDRn) is read. Always set this bit to zero when writing to UCSRnA.
• Bit 2 – UPEn: USART Parity Error
This bit is set if the next character in the receive buffer had a Parity Error when received and the Parity Checking
was enabled at that point (UPMn1 = 1). This bit is valid until the receive buffer (UDRn) is read. Always set this
bit to zero when writing to UCSRnA.
• Bit 1 – U2Xn: Double the USART Transmission Speed
This bit only has effect for the asynchronous operation. Write this bit to zero when using synchronous operation.
Writing this bit to one will reduce the divisor of the baud rate divider from 16 to 8 effectively doubling the transfer
rate for asynchronous communication.
• Bit 0 – MPCMn: Multi-processor Communication Mode
This bit enables the Multi-processor Communication mode. When the MPCMn bit is written to one, all the
incoming frames received by the USART Receiver that do not contain address information will be ignored. The
Transmitter is unaffected by the MPCMn setting. For more detailed information see ”Multi-processor
Communication mode” on page 183.
19.11.3 UCSRnB – USART Control and Status Register n B
• Bit 7 – RXCIEn: RX Complete Interrupt Enable n
Writing this bit to one enables interrupt on the RXCn Flag. A USART Receive Complete interrupt will be
generated only if the RXCIEn bit is written to one, the Global Interrupt Flag in SREG is written to one and the
RXCn bit in UCSRnA is set.
• Bit 6 – TXCIEn: TX Complete Interrupt Enable n
Writing this bit to one enables interrupt on the TXCn Flag. A USART Transmit Complete interrupt will be
generated only if the TXCIEn bit is written to one, the Global Interrupt Flag in SREG is written to one and the
TXCn bit in UCSRnA is set.
• Bit 5 – UDRIEn: USART Data Register Empty Interrupt Enable n
Writing this bit to one enables interrupt on the UDREn Flag. A Data Register Empty interrupt will be generated
only if the UDRIEn bit is written to one, the Global Interrupt Flag in SREG is written to one and the UDREn bit in
UCSRnA is set.
Bit 76543210
RXCIEn TXCIEn UDRIEn RXENn TXENn UCSZn2 RXB8n TXB8n UCSRnB
Read/Write R/W R/W R/W R/W R/W R/W R R/W
Initial Value 0 0 0 0 0 0 0 0

187
ATmega164A/164PA/324A/324PA/644A/644PA/1284/1284P [DATASHEET]
Atmel-8272G-AVR-01/2015
• Bit 4 – RXENn: Receiver Enable n
Writing this bit to one enables the USART Receiver. The Receiver will override normal port operation for the
RxDn pin when enabled. Disabling the Receiver will flush the receive buffer invalidating the FEn, DORn, and
UPEn Flags.
• Bit 3 – TXENn: Transmitter Enable n
Writing this bit to one enables the USART Transmitter. The Transmitter will override normal port operation for
the TxDn pin when enabled. The disabling of the Transmitter (writing TXENn to zero) will not become effective
until ongoing and pending transmissions are completed, i.e., when the Transmit Shift Register and Transmit
Buffer Register do not contain data to be transmitted. When disabled, the Transmitter will no longer override the
TxDn port.
• Bit 2 – UCSZn2: Character Size n
The UCSZn2 bits combined with the UCSZn1:0 bit in UCSRnC sets the number of data bits (Character SiZe) in
a frame the Receiver and Transmitter use.
• Bit 1 – RXB8n: Receive Data Bit 8 n
RXB8n is the ninth data bit of the received character when operating with serial frames with nine data bits. Must
be read before reading the low bits from UDRn.
• Bit 0 – TXB8n: Transmit Data Bit 8 n
TXB8n is the ninth data bit in the character to be transmitted when operating with serial frames with nine data
bits. Must be written before writing the low bits to UDRn.
19.11.4 UCSRnC – USART Control and Status Register n C
• Bits 7:6 – UMSELn1:0 USART Mode Select
These bits select the mode of operation of the USARTn as shown in Table 19-4.
Note: 1. See ”USART in SPI mode” on page 194 for full description of the Master SPI Mode (MSPIM) operation
• Bits 5:4 – UPMn1:0: Parity Mode
These bits enable and set type of parity generation and check. If enabled, the Transmitter will automatically
generate and send the parity of the transmitted data bits within each frame. The Receiver will generate a parity
value for the incoming data and compare it to the UPMn setting. If a mismatch is detected, the UPEn Flag in
UCSRnA will be set.
Bit 7 6 5 4 3 2 1 0
UMSELn1 UMSELn0 UPMn1 UPMn0 USBSn UCSZn1 UCSZn0 UCPOLn UCSRnC
Read/Write R/W R/W R/W R/W R/W R/W R/W R/W
Initial Value 0 0 0 0 0 1 1 0
Table 19-4. UMSELn bits settings.
UMSELn1 UMSELn0 Mode
0 0 Asynchronous USART
0 1 Synchronous USART
1 0 (Reserved)
1 1 Master SPI (MSPIM)(1)

188
ATmega164A/164PA/324A/324PA/644A/644PA/1284/1284P [DATASHEET]
Atmel-8272G-AVR-01/2015
• Bit 3 – USBSn: Stop Bit Select
This bit selects the number of stop bits to be inserted by the Transmitter. The Receiver ignores this setting.
• Bit 2:1 – UCSZn1:0: Character Size
The UCSZn1:0 bits combined with the UCSZn2 bit in UCSRnB sets the number of data bits (Character SiZe) in
a frame the Receiver and Transmitter use.
Table 19-5. UPMn bits settings.
UPMn1 UPMn0 Parity Mode
0 0 Disabled
0 1 Reserved
1 0 Enabled, Even Parity
1 1 Enabled, Odd Parity
Table 19-6. USBS bit settings.
USBSn Stop bit(s)
01-bit
12-bit
Table 19-7. UCSZn bits settings.
UCSZn2 UCSZn1 UCSZn0 Character Size
0005-bit
0016-bit
0107-bit
0118-bit
100Reserved
101Reserved
110Reserved
1119-bit

189
ATmega164A/164PA/324A/324PA/644A/644PA/1284/1284P [DATASHEET]
Atmel-8272G-AVR-01/2015
• Bit 0 – UCPOLn: Clock Polarity
This bit is used for synchronous mode only. Write this bit to zero when asynchronous mode is used. The
UCPOLn bit sets the relationship between data output change and data input sample, and the synchronous
clock (XCKn).
19.11.5 UBRRnL and UBRRnH – USART Baud Rate Registers
• Bit 15:12 – Reserved
These bits are reserved for future use. For compatibility with future devices, these bit must be written to zero
when UBRRH is written.
• Bit 11:0 – UBRR11:0: USART Baud Rate Register
This is a 12-bit register which contains the USART baud rate. The UBRRH contains the four most significant
bits, and the UBRRL contains the eight least significant bits of the USART baud rate. Ongoing transmissions by
the Transmitter and Receiver will be corrupted if the baud rate is changed. Writing UBRRL will trigger an
immediate update of the baud rate prescaler.
Table 19-8. UCPOLn bit settings.
UCPOLn
Transmitted data changed (output of
TxDn pin)
Received data sampled (input on RxDn
pin)
0Rising XCKn Edge Falling XCKn Edge
1Falling XCKn Edge Rising XCKn Edge
Bit 151413121110 9 8
–––– UBRR[11:8] UBRRnH
UBRR[7:0] UBRRnL
76543210
Read/Write RRRRR/WR/WR/WR/W
R/W R/W R/W R/W R/W R/W R/W R/W
Initial Value00000000
00000000

190
ATmega164A/164PA/324A/324PA/644A/644PA/1284/1284P [DATASHEET]
Atmel-8272G-AVR-01/2015
19.12 Examples of Baud Rate Setting
For standard crystal and resonator frequencies, the most commonly used baud rates for asynchronous
operation can be generated by using the UBRR settings in Table 19-9 to Table 19-12. UBRR values which yield
an actual baud rate differing less than 0.5% from the target baud rate, are bold in the table. Higher error ratings
are acceptable, but the Receiver will have less noise resistance when the error ratings are high, especially for
large serial frames (see ”Asynchronous Operational Range” on page 182). The error values are calculated
using the following equation:
Error[%] BaudRateClosest Match
BaudRate
-------------------------------------------------------- 1–
100%=
Table 19-9. Examples of UBRRn settings for commonly used oscillator frequencies.
Baud
rate
[bps]
fosc = 1.0000MHz fosc = 1.8432MHz fosc = 2.0000MHz
U2Xn = 0 U2Xn = 1 U2Xn = 0 U2Xn = 1 U2Xn = 0 U2Xn = 1
UBRR Error UBRR Error UBRR Error UBRR Error UBRR Error UBRR Error
2400 25 0.2% 51 0.2% 47 0.0% 95 0.0% 51 0.2% 103 0.2%
4800 12 0.2% 25 0.2% 23 0.0% 47 0.0% 25 0.2% 51 0.2%
9600 6-7.0% 12 0.2% 11 0.0% 23 0.0% 12 0.2% 25 0.2%
14.4k 38.5% 8-3.5% 70.0% 15 0.0% 8-3.5% 16 2.1%
19.2k 28.5% 6-7.0% 50.0% 11 0.0% 6-7.0% 12 0.2%
28.8k 18.5% 38.5% 30.0% 70.0% 38.5% 8-3.5%
38.4k 1-18.6% 28.5% 20.0% 50.0% 28.5% 6-7.0%
57.6k 08.5% 18.5% 10.0% 30.0% 18.5% 38.5%
76.8k ––1-18.6% 1-25.0% 20.0% 1-18.6% 28.5%
115.2k ––08.5% 00.0% 10.0% 08.5% 18.5%
230.4k ––––––00.0% – – – –
250k ––––––––––00.0%
Max. (1) 62.5kbps 125kbps 115.2kbps 230.4kbps 125kbps 250kbps
1. UBRR = 0, Error = 0.0%.

191
ATmega164A/164PA/324A/324PA/644A/644PA/1284/1284P [DATASHEET]
Atmel-8272G-AVR-01/2015
Table 19-10. Examples of UBRRn settings for commonly used oscillator frequencies. (Continued)
Baud
rate
[bps]
fosc = 3.6864MHz fosc = 4.0000MHz fosc = 7.3728MHz
U2Xn = 0 U2Xn = 1 U2Xn = 0 U2Xn = 1 U2Xn = 0 U2Xn = 1
UBRR Error UBRR Error UBRR Error UBRR Error UBRR Error UBRR Error
2400 95 0.0% 191 0.0% 103 0.2% 207 0.2% 191 0.0% 383 0.0%
4800 47 0.0% 95 0.0% 51 0.2% 103 0.2% 95 0.0% 191 0.0%
9600 23 0.0% 47 0.0% 25 0.2% 51 0.2% 47 0.0% 95 0.0%
14.4k 15 0.0% 31 0.0% 16 2.1% 34 -0.8% 31 0.0% 63 0.0%
19.2k 11 0.0% 23 0.0% 12 0.2% 25 0.2% 23 0.0% 47 0.0%
28.8k 70.0% 15 0.0% 8-3.5% 16 2.1% 15 0.0% 31 0.0%
38.4k 50.0% 11 0.0% 6-7.0% 12 0.2% 11 0.0% 23 0.0%
57.6k 30.0% 70.0% 38.5% 8-3.5% 70.0% 15 0.0%
76.8k 20.0% 50.0% 28.5% 6-7.0% 50.0% 11 0.0%
115.2k 10.0% 30.0% 18.5% 38.5% 30.0% 70.0%
230.4k 00.0% 10.0% 08.5% 18.5% 10.0% 30.0%
250k 0-7.8% 1-7.8% 00.0% 10.0% 1-7.8% 3-7.8%
0.5M ––0-7.8% – – 0 0.0% 0-7.8% 1-7.8%
1M ––––––––––0-7.8%
Max. (1) 230.4kbps 460.8kbps 250kbps 0.5Mbps 460.8kbps 921.6kbps
1. UBRR = 0, Error = 0.0%.

192
ATmega164A/164PA/324A/324PA/644A/644PA/1284/1284P [DATASHEET]
Atmel-8272G-AVR-01/2015
Table 19-11. Examples of UBRRn settings for commonly used oscillator frequencies. (Continued)
Baud
rate
[bps]
fosc = 8.0000MHz fosc = 11.0592MHz fosc = 14.7456MHz
U2Xn = 0 U2Xn = 1 U2Xn = 0 U2Xn = 1 U2Xn = 0 U2Xn = 1
UBRR Error UBRR Error UBRR Error UBRR Error UBRR Error UBRR Error
2400 207 0.2% 416 -0.1% 287 0.0% 575 0.0% 383 0.0% 767 0.0%
4800 103 0.2% 207 0.2% 143 0.0% 287 0.0% 191 0.0% 383 0.0%
9600 51 0.2% 103 0.2% 71 0.0% 143 0.0% 95 0.0% 191 0.0%
14.4k 34 -0.8% 68 0.6% 47 0.0% 95 0.0% 63 0.0% 127 0.0%
19.2k 25 0.2% 51 0.2% 35 0.0% 71 0.0% 47 0.0% 95 0.0%
28.8k 16 2.1% 34 -0.8% 23 0.0% 47 0.0% 31 0.0% 63 0.0%
38.4k 12 0.2% 25 0.2% 17 0.0% 35 0.0% 23 0.0% 47 0.0%
57.6k 8-3.5% 16 2.1% 11 0.0% 23 0.0% 15 0.0% 31 0.0%
76.8k 6-7.0% 12 0.2% 80.0% 17 0.0% 11 0.0% 23 0.0%
115.2k 38.5% 8-3.5% 50.0% 11 0.0% 70.0% 15 0.0%
230.4k 18.5% 38.5% 20.0% 50.0% 30.0% 70.0%
250k 10.0% 30.0% 2-7.8% 5-7.8% 3-7.8% 65.3%
0.5M 00.0% 10.0% – – 2 -7.8% 1-7.8% 3-7.8%
1M ––00.0% ––––0-7.8% 1-7.8%
Max. (1) 0.5Mbps 1Mbps 691.2kbps 1.3824Mbps 921.6kbps 1.8432Mbps
1. UBRR = 0, Error = 0.0%.

193
ATmega164A/164PA/324A/324PA/644A/644PA/1284/1284P [DATASHEET]
Atmel-8272G-AVR-01/2015
Table 19-12. Examples of UBRRn settings for commonly used oscillator frequencies. (Continued)
Baud
rate
[bps]
fosc = 16.0000MHz fosc = 18.4320MHz fosc = 20.0000MHz
U2Xn = 0 U2Xn = 1 U2Xn = 0 U2Xn = 1 U2Xn = 0 U2Xn = 1
UBRR Error UBRR Error UBRR Error UBRR Error UBRR Error UBRR Error
2400 416 -0.1% 832 0.0% 479 0.0% 959 0.0% 520 0.0% 1041 0.0%
4800 207 0.2% 416 -0.1% 239 0.0% 479 0.0% 259 0.2% 520 0.0%
9600 103 0.2% 207 0.2% 119 0.0% 239 0.0% 129 0.2% 259 0.2%
14.4k 68 0.6% 138 -0.1% 79 0.0% 159 0.0% 86 -0.2% 173 -0.2%
19.2k 51 0.2% 103 0.2% 59 0.0% 119 0.0% 64 0.2% 129 0.2%
28.8k 34 -0.8% 68 0.6% 39 0.0% 79 0.0% 42 0.9% 86 -0.2%
38.4k 25 0.2% 51 0.2% 29 0.0% 59 0.0% 32 -1.4% 64 0.2%
57.6k 16 2.1% 34 -0.8% 19 0.0% 39 0.0% 21 -1.4% 42 0.9%
76.8k 12 0.2% 25 0.2% 14 0.0% 29 0.0% 15 1.7% 32 -1.4%
115.2k 8-3.5% 16 2.1% 90.0% 19 0.0% 10 -1.4% 21 -1.4%
230.4k 38.5% 8-3.5% 40.0% 90.0% 48.5% 10 -1.4%
250k 30.0% 70.0% 4-7.8% 82.4% 40.0% 90.0%
0.5M 10.0% 30.0% – – 4 -7.8% – – 4 0.0%
1M 00.0% 10.0% ––––––––
Max. (1) 1Mbps 2Mbps 1.152Mbps 2.304Mbps 1.25Mbps 2.5Mbps
1. UBRR = 0, Error = 0.0%.

194
ATmega164A/164PA/324A/324PA/644A/644PA/1284/1284P [DATASHEET]
Atmel-8272G-AVR-01/2015
20. USART in SPI mode
20.1 Features
•Full duplex, three-wire synchronous data transfer
•Master Operation
•Supports all four SPI modes of operation (Mode 0, 1, 2, and 3)
•LSB first or MSB first data transfer (configurable data order)
•Queued operation (double buffered)
•High resolution baud rate generator
•High speed operation (fXCKmax = fCK/2)
•Flexible interrupt generation
20.2 Overview
The Universal Synchronous and Asynchronous serial Receiver and Transmitter (USART) can be set to a master
SPI compliant mode of operation.
Setting both UMSELn1:0 bits to one enables the USART in MSPIM logic. In this mode of operation the SPI
master control logic takes direct control over the USART resources. These resources include the transmitter
and receiver shift register and buffers, and the baud rate generator. The parity generator and checker, the data
and clock recovery logic, and the RX and TX control logic is disabled. The USART RX and TX control logic is
replaced by a common SPI transfer control logic. However, the pin control logic and interrupt generation logic is
identical in both modes of operation.
The I/O register locations are the same in both modes. However, some of the functionality of the control
registers changes when using MSPIM.
20.3 Clock Generation
The Clock Generation logic generates the base clock for the Transmitter and Receiver. For USART MSPIM
mode of operation only internal clock generation (i.e. master operation) is supported. The Data Direction
Register for the XCKn pin (DDR_XCKn) must therefore be set to one (i.e. as output) for the USART in MSPIM to
operate correctly. Preferably the DDR_XCKn should be set up before the USART in MSPIM is enabled (i.e.
TXENn and RXENn bit set to one).
The internal clock generation used in MSPIM mode is identical to the USART synchronous master mode. The
baud rate or UBRRn setting can therefore be calculated using the same equations, see Table 20-1:
Note: 1. The baud rate is defined to be the transfer rate in bit per second (bps).
BAUDBaud rate (in bits per second, bps).
fOSCSystem oscillator clock frequency.
UBRRnContents of the UBRRnH and UBRRnL registers, (0-4095).
Table 20-1. Equations for calculating baud rate register setting.
Operating mode
Equation for calculating baud
rate (1)
Equation for calculating UBRRn
value
Synchronous Master
mode
BAUD fOSC
2UBRRn1+
---------------------------------------=
UBRRnfOSC
2BAUD
-------------------- 1–=

195
ATmega164A/164PA/324A/324PA/644A/644PA/1284/1284P [DATASHEET]
Atmel-8272G-AVR-01/2015
20.4 SPI Data Modes and Timing
There are four combinations of XCKn (SCK) phase and polarity with respect to serial data, which are
determined by control bits UCPHAn and UCPOLn. The data transfer timing diagrams are shown in Figure 20-1.
Data bits are shifted out and latched in on opposite edges of the XCKn signal, ensuring sufficient time for data
signals to stabilize. The UCPOLn and UCPHAn functionality is summarized in Table 20-2. Note that changing
the setting of any of these bits will corrupt all ongoing communication for both the Receiver and Transmitter.
Figure 20-1. UCPHAn and UCPOLn data transfer timing diagrams.
20.5 Frame Formats
A serial frame for the MSPIM is defined to be one character of eight data bits. The USART in MSPIM mode has
two valid frame formats:
-8-bit data with MSB first
-8-bit data with LSB first
A frame starts with the least or most significant data bit. Then the next data bits, up to a total of eight, are
succeeding, ending with the most or least significant bit accordingly. When a complete frame is transmitted, a
new frame can directly follow it, or the communication line can be set to an idle (high) state.
The UDORDn bit in UCSRnC sets the frame format used by the USART in MSPIM mode. The Receiver and
Transmitter use the same setting. Note that changing the setting of any of these bits will corrupt all ongoing
communication for both the Receiver and Transmitter.
16-bit data transfer can be achieved by writing two data bytes to UDRn. A UART transmit complete interrupt will
then signal that the 16-bit value has been shifted out.
20.5.1 USART MSPIM Initialization
The USART in MSPIM mode has to be initialized before any communication can take place. The initialization
process normally consists of setting the baud rate, setting master mode of operation (by setting DDR_XCKn to
one), setting frame format and enabling the Transmitter and the Receiver. Only the transmitter can operate
Table 20-2. UCPOLn and UCPHAn functionality.
UCPOLn UCPHAn SPI mode Leading edge Trailing edge
0 0 0 Sample (Rising) Setup (Falling)
0 1 1 Setup (Rising) Sample (Falling)
1 0 2 Sample (Falling) Setup (Rising)
1 1 3 Setup (Falling) Sample (Rising)
XCK
Data setup (TXD)
Data sample (RXD)
XCK
Data setup (TXD)
Data sample (RXD)
XCK
Data setup (TXD)
Data sample (RXD)
XCK
Data setup (TXD)
Data sample (RXD)
UCPOL=0 UCPOL=1
UCPHA=0 UCPHA=1

196
ATmega164A/164PA/324A/324PA/644A/644PA/1284/1284P [DATASHEET]
Atmel-8272G-AVR-01/2015
independently. For interrupt driven USART operation, the Global Interrupt Flag should be cleared (and thus
interrupts globally disabled) when doing the initialization.
Note: To ensure immediate initialization of the XCKn output the baud-rate register (UBRRn) must be zero at the time the
transmitter is enabled. Contrary to the normal mode USART operation the UBRRn must then be written to the
desired value after the transmitter is enabled, but before the first transmission is started. Setting UBRRn to zero
before enabling the transmitter is not necessary if the initialization is done immediately after a reset since UBRRn is
reset to zero.
Before doing a re-initialization with changed baud rate, data mode, or frame format, be sure that there is no
ongoing transmissions during the period the registers are changed. The TXCn Flag can be used to check that
the Transmitter has completed all transfers, and the RXCn Flag can be used to check that there are no unread
data in the receive buffer. Note that the TXCn Flag must be cleared before each transmission (before UDRn is
written) if it is used for this purpose.
The following simple USART initialization code examples show one assembly and one C function that are equal
in functionality. The examples assume polling (no interrupts enabled). The baud rate is given as a function
parameter. For the assembly code, the baud rate parameter is assumed to be stored in the r17:r16 registers.

197
ATmega164A/164PA/324A/324PA/644A/644PA/1284/1284P [DATASHEET]
Atmel-8272G-AVR-01/2015
Note: 1. See “About code examples” on page 9.
20.6 Data Transfer
Using the USART in MSPI mode requires the Transmitter to be enabled, that is, the TXENn bit in the UCSRnB
register is set to one. When the Transmitter is enabled, the normal port operation of the TxDn pin is overridden
and given the function as the Transmitter's serial output. Enabling the receiver is optional and is done by setting
the RXENn bit in the UCSRnB register to one. When the receiver is enabled, the normal pin operation of the
RxDn pin is overridden and given the function as the Receiver's serial input. The XCKn will in both cases be
used as the transfer clock.
After initialization the USART is ready for doing data transfers. A data transfer is initiated by writing to the UDRn
I/O location. This is the case for both sending and receiving data since the transmitter controls the transfer
Assembly Code Example (1)
USART_Init:
clr r18
out UBRRnH,r18
out UBRRnL,r18
; Setting the XCKn port pin as output, enables master
mode.
sbi XCKn_DDR, XCKn
; Set MSPI mode of operation and SPI data mode 0.
ldi r18,
(1<<UMSELn1)|(1<<UMSELn0)|(0<<UCPHAn)|(0<<UCPOLn)
out UCSRnC,r18
; Enable receiver and transmitter.
ldi r18, (1<<RXENn)|(1<<TXENn)
out UCSRnB,r18
; Set baud rate.
; IMPORTANT: The Baud Rate must be set after the
transmitter is enabled!
out UBRRnH, r17
out UBRRnL, r18
ret
C Code Example(1)
void USART_Init( unsigned int baud )
{
UBRRn = 0;
/* Setting the XCKn port pin as output, enables master
mode. */
XCKn_DDR |= (1<<XCKn);
/* Set MSPI mode of operation and SPI data mode 0. */
UCSRnC =
(1<<UMSELn1)|(1<<UMSELn0)|(0<<UCPHAn)|(0<<UCPOLn);
/* Enable receiver and transmitter. */
UCSRnB = (1<<RXENn)|(1<<TXENn);
/* Set baud rate. */
/* IMPORTANT: The Baud Rate must be set after the
transmitter is enabled */
UBRRn = baud;
}

198
ATmega164A/164PA/324A/324PA/644A/644PA/1284/1284P [DATASHEET]
Atmel-8272G-AVR-01/2015
clock. The data written to UDRn is moved from the transmit buffer to the shift register when the shift register is
ready to send a new frame.
Note: To keep the input buffer in sync with the number of data bytes transmitted, the UDRn register must be read once for
each byte transmitted. The input buffer operation is identical to normal USART mode, i.e. if an overflow occurs the
character last received will be lost, not the first data in the buffer. This means that if four bytes are transferred, byte
1 first, then byte 2, 3, and 4, and the UDRn is not read before all transfers are completed, then byte 3 to be received
will be lost, and not byte 1.
The following code examples show a simple USART in MSPIM mode transfer function based on polling of the
Data Register Empty (UDREn) Flag and the Receive Complete (RXCn) Flag. The USART has to be initialized
before the function can be used. For the assembly code, the data to be sent is assumed to be stored in Register
R16 and the data received will be available in the same register (R16) after the function returns.
The function simply waits for the transmit buffer to be empty by checking the UDREn Flag, before loading it with
new data to be transmitted. The function then waits for data to be present in the receive buffer by checking the
RXCn Flag, before reading the buffer and returning the value.
Note: 1. See “About code examples” on page 9.
20.6.1 Transmitter and Receiver Flags and Interrupts
The RXCn, TXCn, and UDREn flags and corresponding interrupts in USART in MSPIM mode are identical in
function to the normal USART operation. However, the receiver error status flags (FE, DOR, and PE) are not in
use and is always read as zero.
Assembly Code Example (1)
USART_MSPIM_Transfer:
; Wait for empty transmit buffer
sbis UCSRnA, UDREn
rjmp USART_MSPIM_Transfer
; Put data (r16) into buffer, sends the data
out UDRn,r16
; Wait for data to be received
USART_MSPIM_Wait_RXCn:
sbis UCSRnA, RXCn
rjmp USART_MSPIM_Wait_RXCn
; Get and return received data from buffer
in r16, UDRn
ret
C Code Example (1)
unsigned char USART_Receive( void )
{
/* Wait for empty transmit buffer */
while ( !( UCSRnA & (1<<UDREn)) );
/* Put data into buffer, sends the data */
UDRn = data;
/* Wait for data to be received */
while ( !(UCSRnA & (1<<RXCn)) );
/* Get and return received data from buffer */
return UDRn;
}

199
ATmega164A/164PA/324A/324PA/644A/644PA/1284/1284P [DATASHEET]
Atmel-8272G-AVR-01/2015
20.6.2 Disabling the Transmitter or Receiver
The disabling of the transmitter or receiver in USART in MSPIM mode is identical in function to the normal
USART operation.
20.7 AVR USART MSPIM vs. AVR SPI
The USART in MSPIM mode is fully compatible with the AVR SPI regarding:
-Master mode timing diagram.
-The UCPOLn bit functionality is identical to the SPI CPOL bit
-The UCPHAn bit functionality is identical to the SPI CPHA bit
-The UDORDn bit functionality is identical to the SPI DORD bit
However, since the USART in MSPIM mode reuses the USART resources, the use of the USART in MSPIM
mode is somewhat different compared to the SPI. In addition to differences of the control register bits, and that
only master operation is supported by the USART in MSPIM mode, the following features differ between the two
modules:
-The USART in MSPIM mode includes (double) buffering of the transmitter. The SPI has no buffer
-The USART in MSPIM mode receiver includes an additional buffer level
-The SPI WCOL (Write Collision) bit is not included in USART in MSPIM mode
-The SPI double speed mode (SPI2X) bit is not included. However, the same effect is achieved by setting
UBRRn accordingly
-Interrupt timing is not compatible
-Pin control differs due to the master only operation of the USART in MSPIM mode
A comparison of the USART in MSPIM mode and the SPI pins is shown in Table 20-3 on page 199.
Table 20-3. Comparison of USART in MSPIM mode and SPI pins.
USART_MSPIM SPI Comment
TxDn MOSI Master Out only
RxDn MISO Master In only
XCKn SCK (Functionally identical)
(N/A) SS Not supported by USART in MSPIM

200
ATmega164A/164PA/324A/324PA/644A/644PA/1284/1284P [DATASHEET]
Atmel-8272G-AVR-01/2015
20.8 Register description
The following section describes the registers used for SPI operation using the USART.
20.8.1 UDRn – USART MSPIM I/O Data Register
The function and bit description of the USART data register (UDRn) in MSPI mode is identical to normal USART
operation. See “UDRn – USART I/O Data Register n” on page 185.
20.8.2 UCSRnA – USART MSPIM Control and Status Register n A
• Bit 7 – RXCn: USART Receive Complete
This flag bit is set when there are unread data in the receive buffer and cleared when the receive buffer is empty
(that is, does not contain any unread data). If the Receiver is disabled, the receive buffer will be flushed and
consequently the RXCn bit will become zero. The RXCn Flag can be used to generate a Receive Complete
interrupt (see description of the RXCIEn bit).
• Bit 6 – TXCn: USART Transmit Complete
This flag bit is set when the entire frame in the Transmit Shift Register has been shifted out and there are no
new data currently present in the transmit buffer (UDRn). The TXCn Flag bit is automatically cleared when a
transmit complete interrupt is executed, or it can be cleared by writing a one to its bit location. The TXCn Flag
can generate a Transmit Complete interrupt (see description of the TXCIEn bit).
• Bit 5 – UDREn: USART Data Register Empty
The UDREn Flag indicates if the transmit buffer (UDRn) is ready to receive new data. If UDREn is one, the
buffer is empty, and therefore ready to be written. The UDREn Flag can generate a Data Register Empty
interrupt (see description of the UDRIE bit). UDREn is set after a reset to indicate that the Transmitter is ready.
• Bit 4:0 – Reserved in MSPI mode
When in MSPI mode, these bits are reserved for future use. For compatibility with future devices, these bits
must be written to zero when UCSRnA is written.
20.8.3 UCSRnB – USART MSPIM Control and Status Register n B
• Bit 7 – RXCIEn: RX Complete Interrupt Enable
Writing this bit to one enables interrupt on the RXCn Flag. A USART Receive Complete interrupt will be
generated only if the RXCIEn bit is written to one, the Global Interrupt Flag in SREG is written to one and the
RXCn bit in UCSRnA is set.
Bit 7 6 5 4 3 2 1 0
RXCn TXCn UDREn – – – – –UCSRnA
Read/Write R/W R/W R/W R R R R R
Initial Value 0 0 0 0 0 1 1 0
Bit 7 6543210
RXCIEn TXCIEn UDRIE RXENn TXENn ––– UCSRnB
Read/Write R/W R/W R/W R/W R/W R R R
Initial Value 0 0 0 0 0 1 1 0

201
ATmega164A/164PA/324A/324PA/644A/644PA/1284/1284P [DATASHEET]
Atmel-8272G-AVR-01/2015
• Bit 6 – TXCIEn: TX Complete Interrupt Enable
Writing this bit to one enables interrupt on the TXCn Flag. A USART Transmit Complete interrupt will be
generated only if the TXCIEn bit is written to one, the Global Interrupt Flag in SREG is written to one and the
TXCn bit in UCSRnA is set.
• Bit 5 – UDRIE: USART Data Register Empty Interrupt Enable
Writing this bit to one enables interrupt on the UDREn Flag. A Data Register Empty interrupt will be generated
only if the UDRIE bit is written to one, the Global Interrupt Flag in SREG is written to one and the UDREn bit in
UCSRnA is set.
• Bit 4 – RXENn: Receiver Enable
Writing this bit to one enables the USART Receiver in MSPIM mode. The Receiver will override normal port
operation for the RxDn pin when enabled. Disabling the Receiver will flush the receive buffer. Only enabling the
receiver in MSPI mode (i.e. setting RXENn=1 and TXENn=0) has no meaning since it is the transmitter that
controls the transfer clock and since only master mode is supported.
• Bit 3 – TXENn: Transmitter Enable
Writing this bit to one enables the USART Transmitter. The Transmitter will override normal port operation for
the TxDn pin when enabled. The disabling of the Transmitter (writing TXENn to zero) will not become effective
until ongoing and pending transmissions are completed, that is, when the Transmit Shift Register and Transmit
Buffer Register do not contain data to be transmitted. When disabled, the Transmitter will no longer override the
TxDn port.
• Bit 2:0 – Reserved in MSPI mode
When in MSPI mode, these bits are reserved for future use. For compatibility with future devices, these bits
must be written to zero when UCSRnB is written.
20.8.4 UCSRnC – USART MSPIM Control and Status Register n C
• Bit 7:6 – UMSELn1:0: USART Mode Select
These bits select the mode of operation of the USART as shown in Table 20-4. See ”UCSRnC – USART Control
and Status Register n C” on page 187 for full description of the normal USART operation. The MSPIM is
enabled when both UMSELn bits are set to one. The UDORDn, UCPHAn, and UCPOLn can be set in the same
write operation where the MSPIM is enabled.
Bit 7 6 5 4 3 2 1 0
UMSELn1 UMSELn0 – – – UDORDn UCPHAn UCPOLn UCSRnC
Read/Write R/W R/W R R R R/W R/W R/W
Initial Value 0 0 0 0 0 1 1 0
Table 20-4. UMSELn bits settings.
UMSELn1 UMSELn0 Mode
0 0 Asynchronous USART
0 1 Synchronous USART
1 0 (Reserved)
1 1 Master SPI (MSPIM)

202
ATmega164A/164PA/324A/324PA/644A/644PA/1284/1284P [DATASHEET]
Atmel-8272G-AVR-01/2015
• Bit 5:3 – Reserved in MSPI mode
When in MSPI mode, these bits are reserved for future use. For compatibility with future devices, these bits
must be written to zero when UCSRnC is written.
• Bit 2 – UDORDn: Data Order
When set to one the LSB of the data word is transmitted first. When set to zero the MSB of the data word is
transmitted first. Refer to ”Frame Formats” on page 195 for details.
• Bit 1 – UCPHAn: Clock Phase
The UCPHAn bit setting determine if data is sampled on the leasing edge (first) or tailing (last) edge of XCKn.
Refer to ”SPI Data Modes and Timing” on page 195 for details.
• Bit 0 – UCPOLn: Clock Polarity
The UCPOLn bit sets the polarity of the XCKn clock. The combination of the UCPOLn and UCPHAn bit settings
determine the timing of the data transfer. Refer to ”SPI Data Modes and Timing” on page 195 for details.
20.8.5 UBRRnL and UBRRnH –USART MSPIM Baud Rate Registers
The function and bit description of the baud rate registers in MSPI mode is identical to normal USART operation.
See ”UBRRnL and UBRRnH – USART Baud Rate Registers” on page 189.

203
ATmega164A/164PA/324A/324PA/644A/644PA/1284/1284P [DATASHEET]
Atmel-8272G-AVR-01/2015
21. Two-wire Serial Interface
21.1 Features
•Simple yet powerful and flexible communication interface, only two bus lines needed
•Both Master and Slave operation supported
•Device can operate as transmitter or receiver
•7-bit address space allows up to 128 different Slave addresses
•Multi-master arbitration support
•Up to 400kHz data transfer speed
•Slew-rate limited output drivers
•Noise suppression circuitry rejects spikes on bus lines
•Fully programmable Slave address with General Call support
•Address recognition causes wake-up when AVR is in Sleep mode
21.2 Two-wire Serial Interface bus definition
The Two-wire Serial Interface (TWI) is ideally suited for typical microcontroller applications. The TWI protocol
allows the systems designer to interconnect up to 128 different devices using only two bi-directional bus lines,
one for clock (SCL) and one for data (SDA). The only external hardware needed to implement the bus is a single
pull-up resistor for each of the TWI bus lines. All devices connected to the bus have individual addresses, and
mechanisms for resolving bus contention are inherent in the TWI protocol.
Figure 21-1. TWI bus interconnection.
21.2.1 TWI Terminology
The following definitions are frequently encountered in this section.
Device 1 Device 2 Device 3 Device n
SDA
SCL
........ R1 R2
V
CC
Table 21-1. TWI terminology.
Term Description
Master The device that initiates and terminates a transmission. The Master also generates the
SCL clock.
Slave The device addressed by a Master.
Transmitter The device placing data on the bus.
Receiver The device reading data from the bus.

204
ATmega164A/164PA/324A/324PA/644A/644PA/1284/1284P [DATASHEET]
Atmel-8272G-AVR-01/2015
The Power Reduction TWI bit, PRTWI bit in ”PRR0 – Power Reduction Register 0” on page 48 must be written
to zero to enable the two-wire Serial Interface.
21.2.2 Electrical Interconnection
As depicted in Figure 21-1, both bus lines are connected to the positive supply voltage through pull-up resistors.
The bus drivers of all TWI-compliant devices are open-drain or open-collector. This implements a wired-AND
function which is essential to the operation of the interface. A low level on a TWI bus line is generated when one
or more TWI devices output a zero. A high level is output when all TWI devices trim-state their outputs, allowing
the pull-up resistors to pull the line high. Note that all AVR devices connected to the TWI bus must be powered
in order to allow any bus operation.
The number of devices that can be connected to the bus is only limited by the bus capacitance limit of 400pF
and the 7-bit slave address space. A detailed specification of the electrical characteristics of the TWI is given in
”SPI timing characteristics” on page 327. Two different sets of specifications are presented there, one relevant
for bus speeds below 100kHz, and one valid for bus speeds up to 400kHz.
21.3 Data Transfer and Frame Format
21.3.1 Transferring Bits
Each data bit transferred on the TWI bus is accompanied by a pulse on the clock line. The level of the data line
must be stable when the clock line is high. The only exception to this rule is for generating start and stop
conditions.
Figure 21-2. Data validity.
21.3.2 START and STOP Conditions
The Master initiates and terminates a data transmission. The transmission is initiated when the Master issues a
START condition on the bus, and it is terminated when the Master issues a STOP condition. Between a START
and a STOP condition, the bus is considered busy, and no other master should try to seize control of the bus. A
special case occurs when a new START condition is issued between a START and STOP condition. This is
referred to as a REPEATED START condition, and is used when the Master wishes to initiate a new transfer
without relinquishing control of the bus. After a REPEATED START, the bus is considered busy until the next
STOP. This is identical to the START behavior, and therefore START is used to describe both START and
REPEATED START for the remainder of this datasheet, unless otherwise noted. As depicted below, START
and STOP conditions are signalled by changing the level of the SDA line when the SCL line is high.
SDA
SCL
Data Stable Data Stable
Data Change

205
ATmega164A/164PA/324A/324PA/644A/644PA/1284/1284P [DATASHEET]
Atmel-8272G-AVR-01/2015
Figure 21-3. START, REPEATED START and STOP conditions.
21.3.3 Address Packet Format
All address packets transmitted on the TWI bus are 9 bits long, consisting of 7 address bits, one READ/WRITE
control bit and an acknowledge bit. If the READ/WRITE bit is set, a read operation is to be performed, otherwise
a write operation should be performed. When a Slave recognizes that it is being addressed, it should
acknowledge by pulling SDA low in the ninth SCL (ACK) cycle. If the addressed Slave is busy, or for some other
reason can not service the Master’s request, the SDA line should be left high in the ACK clock cycle. The Master
can then transmit a STOP condition, or a REPEATED START condition to initiate a new transmission. An
address packet consisting of a slave address and a READ or a WRITE bit is called SLA+R or SLA+W,
respectively.
The MSB of the address byte is transmitted first. Slave addresses can freely be allocated by the designer, but
the address 0000 000 is reserved for a general call.
When a general call is issued, all slaves should respond by pulling the SDA line low in the ACK cycle. A general
call is used when a Master wishes to transmit the same message to several slaves in the system. When the
general call address followed by a Write bit is transmitted on the bus, all slaves set up to acknowledge the
general call will pull the SDA line low in the ack cycle. The following data packets will then be received by all the
slaves that acknowledged the general call. Note that transmitting the general call address followed by a Read bit
is meaningless, as this would cause contention if several slaves started transmitting different data.
All addresses of the format 1111 xxx should be reserved for future purposes.
Figure 21-4. Address packet format.
21.3.4 Data Packet Format
All data packets transmitted on the TWI bus are nine bits long, consisting of one data byte and an acknowledge
bit. During a data transfer, the Master generates the clock and the START and STOP conditions, while the
Receiver is responsible for acknowledging the reception. An Acknowledge (ACK) is signalled by the Receiver
pulling the SDA line low during the ninth SCL cycle. If the Receiver leaves the SDA line high, a NACK is
signalled. When the Receiver has received the last byte, or for some reason cannot receive any more bytes, it
SDA
SCL
START STOPREPEATED START
STOP START
SDA
SCL
START
12 789
Addr MSB Addr LSB R/W ACK

206
ATmega164A/164PA/324A/324PA/644A/644PA/1284/1284P [DATASHEET]
Atmel-8272G-AVR-01/2015
should inform the Transmitter by sending a NACK after the final byte. The MSB of the data byte is transmitted
first.
Figure 21-5. Data packet format.
21.3.5 Combining Address and Data Packets into a Transmission
A transmission basically consists of a START condition, a SLA+R/W, one or more data packets and a STOP
condition. An empty message, consisting of a START followed by a STOP condition, is illegal. Note that the
Wired-ANDing of the SCL line can be used to implement handshaking between the Master and the Slave. The
Slave can extend the SCL low period by pulling the SCL line low. This is useful if the clock speed set up by the
Master is too fast for the Slave, or the Slave needs extra time for processing between the data transmissions.
The Slave extending the SCL low period will not affect the SCL high period, which is determined by the Master.
As a consequence, the Slave can reduce the TWI data transfer speed by prolonging the SCL duty cycle.
Figure 21-6 on page 206 shows a typical data transmission. Note that several data bytes can be transmitted
between the SLA+R/W and the STOP condition, depending on the software protocol implemented by the
application software.
Figure 21-6. Typical data transmission.
21.4 Multi-master Bus Systems, Arbitration and Synchronization
The TWI protocol allows bus systems with several masters. Special concerns have been taken in order to
ensure that transmissions will proceed as normal, even if two or more masters initiate a transmission at the
same time. Two problems arise in multi-master systems:
-An algorithm must be implemented allowing only one of the masters to complete the transmission. All
other masters should cease transmission when they discover that they have lost the selection process.
This selection process is called arbitration. When a contending master discovers that it has lost the
12 789
Data MSB Data LSB ACK
Aggregate
SDA
SDA from
Transmitter
SDA from
Receiver
SCL from
Master
SLA+R/W Data Byte
STOP, REPEATED
START or Next
Data Byte
12 789
Data Byte
Data MSB Data LSB ACK
SDA
SCL
START
12 789
Addr MSB Addr LSB R/W ACK
SLA+R/W STOP

207
ATmega164A/164PA/324A/324PA/644A/644PA/1284/1284P [DATASHEET]
Atmel-8272G-AVR-01/2015
arbitration process, it should immediately switch to Slave mode to check whether it is being addressed by
the winning master. The fact that multiple masters have started transmission at the same time should not
be detectable to the slaves, that is the data being transferred on the bus must not be corrupted
-Different masters may use different SCL frequencies. A scheme must be devised to synchronize the serial
clocks from all masters, in order to let the transmission proceed in a lockstep fashion. This will facilitate
the arbitration process
The wired-ANDing of the bus lines is used to solve both these problems. The serial clocks from all masters will
be wired-ANDed, yielding a combined clock with a high period equal to the one from the Master with the
shortest high period. The low period of the combined clock is equal to the low period of the Master with the
longest low period. Note that all masters listen to the SCL line, effectively starting to count their SCL high and
low time-out periods when the combined SCL line goes high or low, respectively.
Figure 21-7. SCL synchronization between multiple masters.
Arbitration is carried out by all masters continuously monitoring the SDA line after outputting data. If the value
read from the SDA line does not match the value the Master had output, it has lost the arbitration. Note that a
Master can only lose arbitration when it outputs a high SDA value while another Master outputs a low value. The
losing Master should immediately go to Slave mode, checking if it is being addressed by the winning Master.
The SDA line should be left high, but losing masters are allowed to generate a clock signal until the end of the
current data or address packet. Arbitration will continue until only one Master remains, and this may take many
bits. If several masters are trying to address the same Slave, arbitration will continue into the data packet.
TA
low
TA
high
SCL from
Master A
SCL from
Master B
SCL Bus
Line
TB
low
TB
high
Masters Start
Counting Low Period
Masters Start
Counting High Period

208
ATmega164A/164PA/324A/324PA/644A/644PA/1284/1284P [DATASHEET]
Atmel-8272G-AVR-01/2015
Figure 21-8. Arbitration between two masters.
Note that arbitration is not allowed between:
-A REPEATED START condition and a data bit
-A STOP condition and a data bit
-A REPEATED START and a STOP condition
It is the user software’s responsibility to ensure that these illegal arbitration conditions never occur. This implies
that in multi-master systems, all data transfers must use the same composition of SLA+R/W and data packets.
In other words: All transmissions must contain the same number of data packets, otherwise the result of the
arbitration is undefined.
SDA from
Master A
SDA from
Master B
SDA Line
Synchronized
SCL Line
START Master A Loses
Arbitration, SDAA SDA

209
ATmega164A/164PA/324A/324PA/644A/644PA/1284/1284P [DATASHEET]
Atmel-8272G-AVR-01/2015
21.5 Overview of the TWI Module
The TWI module is comprised of several submodules, as shown in Figure 21-9. All registers drawn in a thick line
are accessible through the AVR data bus.
Figure 21-9. Overview of the TWI module.
21.5.1 SCL and SDA pins
These pins interface the AVR TWI with the rest of the MCU system. The output drivers contain a slew-rate
limiter in order to conform to the TWI specification. The input stages contain a spike suppression unit removing
spikes shorter than 50ns. Note that the internal pull-ups in the AVR pads can be enabled by setting the PORT
bits corresponding to the SCL and SDA pins, as explained in the I/O Port section. The internal pull-ups can in
some systems eliminate the need for external ones.
21.5.2 Bit Rate Generator unit
This unit controls the period of SCL when operating in a Master mode. The SCL period is controlled by settings
in the TWI Bit Rate Register (TWBR) and the Prescaler bits in the TWI Status Register (TWSR). Slave operation
does not depend on Bit Rate or Prescaler settings, but the CPU clock frequency in the Slave must be at least 16
times higher than the SCL frequency. Note that slaves may prolong the SCL low period, thereby reducing the
average TWI bus clock period. The SCL frequency is generated according to the following equation:
TWI Unit
Address Register
(TWAR)
Address Match Unit
Address Comparator
Control Unit
Control Register
(TWCR)
Status Register
(TWSR)
State Machine and
Status control
SCL
Slew-rate
Control
Spike
Filter
SDA
Slew-rate
Control
Spike
Filter
Bit Rate Generator
Bit Rate Register
(TWBR)
Prescaler
Bus Interface Unit
START / STOP
Control
Arbitration detection Ack
Spike Suppression
Address/Data Shift
Register (TWDR)

210
ATmega164A/164PA/324A/324PA/644A/644PA/1284/1284P [DATASHEET]
Atmel-8272G-AVR-01/2015
-TWBR = Value of the TWI Bit Rate Register
-TWPS = Value of the prescaler bits in the TWI Status Register
Note: Pull-up resistor values should be selected according to the SCL frequency and the capacitive bus line load. See
two-wire Serial Bus Requirements in Table 28-16 on page 328 for value of pull-up resistor.
21.5.3 Bus Interface unit
This unit contains the Data and Address Shift Register (TWDR), a START/STOP Controller and Arbitration
detection hardware. The TWDR contains the address or data bytes to be transmitted, or the address or data
bytes received. In addition to the 8-bit TWDR, the Bus Interface Unit also contains a register containing the
(N)ACK bit to be transmitted or received. This (N)ACK Register is not directly accessible by the application
software. However, when receiving, it can be set or cleared by manipulating the TWI Control Register (TWCR).
When in Transmitter mode, the value of the received (N)ACK bit can be determined by the value in the TWSR.
The START/STOP Controller is responsible for generation and detection of START, REPEATED START, and
STOP conditions. The START/STOP controller is able to detect START and STOP conditions even when the
AVR MCU is in one of the sleep modes, enabling the MCU to wake up if addressed by a Master.
If the TWI has initiated a transmission as Master, the Arbitration Detection hardware continuously monitors the
transmission trying to determine if arbitration is in process. If the TWI has lost an arbitration, the Control Unit is
informed. Correct action can then be taken and appropriate status codes generated.
21.5.4 Address Match unit
The Address Match unit checks if received address bytes match the seven-bit address in the TWI Address
Register (TWAR). If the TWI General Call Recognition Enable (TWGCE) bit in the TWAR is written to one, all
incoming address bits will also be compared against the General Call address. Upon an address match, the
Control Unit is informed, allowing correct action to be taken. The TWI may or may not acknowledge its address,
depending on settings in the TWCR. The Address Match unit is able to compare addresses even when the AVR
MCU is in sleep mode, enabling the MCU to wake up if addressed by a Master.
21.5.5 Control unit
The Control unit monitors the TWI bus and generates responses corresponding to settings in the TWI Control
Register (TWCR). When an event requiring the attention of the application occurs on the TWI bus, the TWI
Interrupt Flag (TWINT) is asserted. In the next clock cycle, the TWI Status Register (TWSR) is updated with a
status code identifying the event. The TWSR only contains relevant status information when the TWI Interrupt
Flag is asserted. At all other times, the TWSR contains a special status code indicating that no relevant status
information is available. As long as the TWINT Flag is set, the SCL line is held low. This allows the application
software to complete its tasks before allowing the TWI transmission to continue.
The TWINT Flag is set in the following situations:
-After the TWI has transmitted a START/REPEATED START condition
-After the TWI has transmitted SLA+R/W
-After the TWI has transmitted an address byte
-After the TWI has lost arbitration
-After the TWI has been addressed by own slave address or general call
-After the TWI has received a data byte
-After a STOP or REPEATED START has been received while still addressed as a Slave
-When a bus error has occurred due to an illegal START or STOP condition
SCL frequency CPU Clock frequency
16 2(TWBR) 4TWPS
+
-----------------------------------------------------------=

211
ATmega164A/164PA/324A/324PA/644A/644PA/1284/1284P [DATASHEET]
Atmel-8272G-AVR-01/2015
21.6 Using the TWI
The AVR TWI is byte-oriented and interrupt based. Interrupts are issued after all bus events, like reception of a
byte or transmission of a START condition. Because the TWI is interrupt-based, the application software is free
to carry on other operations during a TWI byte transfer. Note that the TWI Interrupt Enable (TWIE) bit in TWCR
together with the Global Interrupt Enable bit in SREG allow the application to decide whether or not assertion of
the TWINT Flag should generate an interrupt request. If the TWIE bit is cleared, the application must poll the
TWINT Flag in order to detect actions on the TWI bus.
When the TWINT Flag is asserted, the TWI has finished an operation and awaits application response. In this
case, the TWI Status Register (TWSR) contains a value indicating the current state of the TWI bus. The
application software can then decide how the TWI should behave in the next TWI bus cycle by manipulating the
TWCR and TWDR Registers.
Figure 21-10 is a simple example of how the application can interface to the TWI hardware. In this example, a
Master wishes to transmit a single data byte to a Slave. This description is quite abstract, a more detailed
explanation follows later in this section. A simple code example implementing the desired behavior is also
presented.
Figure 21-10. Interfacing the application to the TWI in a typical transmission.
1. The first step in a TWI transmission is to transmit a START condition. This is done by writing a specific
value into TWCR, instructing the TWI hardware to transmit a START condition. Which value to write is
described later on. However, it is important that the TWINT bit is set in the value written. Writing a one to
TWINT clears the flag. The TWI will not start any operation as long as the TWINT bit in TWCR is set.
Immediately after the application has cleared TWINT, the TWI will initiate transmission of the START
condition.
2. When the START condition has been transmitted, the TWINT Flag in TWCR is set, and TWSR is updated
with a status code indicating that the START condition has successfully been sent.
3. The application software should now examine the value of TWSR, to make sure that the START condition
was successfully transmitted. If TWSR indicates otherwise, the application software might take some
special action, like calling an error routine. Assuming that the status code is as expected, the application
must load SLA+W into TWDR. Remember that TWDR is used both for address and data. After TWDR has
been loaded with the desired SLA+W, a specific value must be written to TWCR, instructing the TWI
hardware to transmit the SLA+W present in TWDR. Which value to write is described later on. However, it
is important that the TWINT bit is set in the value written. Writing a one to TWINT clears the flag. The TWI
will not start any operation as long as the TWINT bit in TWCR is set. Immediately after the application has
cleared TWINT, the TWI will initiate transmission of the address packet.
START SLA+W A Data A STOP
1. Application
writes to TWCR to
initiate
transmission of
START
2. TWINT set.
Status code indicates
START condition sent
4. TWINT set.
Status code indicates
SLA+W sent, ACK
received
6. TWINT set.
Status code indicates
data sent, ACK received
3. Check TWSR to see if START was
sent. Application loads SLA+W into
TWDR, and loads appropriate control
signals into TWCR, makin sure that
TWINT is written to one,
and TWSTA is written to zero.
5. Check TWSR to see if SLA+W was
sent and ACK received.
Application loads data into TWDR, and
loads appropriate control signals into
TWCR, making sure that TWINT is
written to one
7. Check TWSR to see if data was sent
and ACK received.
Application loads appropriate control
signals to send STOP into TWCR,
making sure that TWINT is written to one
TWI bus
Indicates
TWINT set
Application
Action
TWI
Hardware
Action

212
ATmega164A/164PA/324A/324PA/644A/644PA/1284/1284P [DATASHEET]
Atmel-8272G-AVR-01/2015
4. When the address packet has been transmitted, the TWINT Flag in TWCR is set, and TWSR is updated
with a status code indicating that the address packet has successfully been sent. The status code will also
reflect whether a Slave acknowledged the packet or not.
5. The application software should now examine the value of TWSR, to make sure that the address packet
was successfully transmitted, and that the value of the ACK bit was as expected. If TWSR indicates
otherwise, the application software might take some special action, like calling an error routine. Assuming
that the status code is as expected, the application must load a data packet into TWDR. Subsequently, a
specific value must be written to TWCR, instructing the TWI hardware to transmit the data packet present
in TWDR. Which value to write is described later on. However, it is important that the TWINT bit is set in
the value written. Writing a one to TWINT clears the flag. The TWI will not start any operation as long as
the TWINT bit in TWCR is set. Immediately after the application has cleared TWINT, the TWI will initiate
transmission of the data packet.
6. When the data packet has been transmitted, the TWINT Flag in TWCR is set, and TWSR is updated with
a status code indicating that the data packet has successfully been sent. The status code will also reflect
whether a Slave acknowledged the packet or not.
7. The application software should now examine the value of TWSR, to make sure that the data packet was
successfully transmitted, and that the value of the ACK bit was as expected. If TWSR indicates otherwise,
the application software might take some special action, like calling an error routine. Assuming that the
status code is as expected, the application must write a specific value to TWCR, instructing the TWI
hardware to transmit a STOP condition. Which value to write is described later on. However, it is important
that the TWINT bit is set in the value written. Writing a one to TWINT clears the flag. The TWI will not start
any operation as long as the TWINT bit in TWCR is set. Immediately after the application has cleared
TWINT, the TWI will initiate transmission of the STOP condition. Note that TWINT is NOT set after a
STOP condition has been sent.
Even though this example is simple, it shows the principles involved in all TWI transmissions. These can be
summarized as follows:
-When the TWI has finished an operation and expects application response, the TWINT Flag is set. The
SCL line is pulled low until TWINT is cleared
-When the TWINT Flag is set, the user must update all TWI Registers with the value relevant for the next
TWI bus cycle. As an example, TWDR must be loaded with the value to be transmitted in the next bus
cycle
-After all TWI Register updates and other pending application software tasks have been completed, TWCR
is written. When writing TWCR, the TWINT bit should be set. Writing a one to TWINT clears the flag. The
TWI will then commence executing whatever operation was specified by the TWCR setting
In the following an assembly and C implementation of the example is given. Note that the code below assumes
that several definitions have been made, for example by using include-files.

213
ATmega164A/164PA/324A/324PA/644A/644PA/1284/1284P [DATASHEET]
Atmel-8272G-AVR-01/2015
Table 21-2. Assembly code and C code examples
Assembly code example C example Comments
1
ldi
r16,
(1<<TWINT)|(1<<TWSTA)
|
(1<<TWEN)
out
TWCR, r16
TWCR =
(1<<TWINT)|(1<<TWSTA
)|
(1<<TWEN) Send START condition
2
wait1:
in
r16,TWCR
sbrs
r16,TWINT
rjmp
wait1
while (!(TWCR &
(1<<TWINT)))
;Wait for TWINT Flag set. This
indicates that the START
condition has been transmitted
3
in
r16,TWSR
andi
r16, 0xF8
cpi
r16, START
brne
ERROR
if ((TWSR & 0xF8) !=
START)
ERROR();
Check value of TWI Status
Register. Mask prescaler bits. If
status different from START go to
ERROR
ldi
r16, SLA_W
out
TWDR, r16
ldi
r16, (1<<TWINT) |
(1<<TWEN)
out
TWCR, r16
TWDR = SLA_W;
TWCR = (1<<TWINT) |
(1<<TWEN); Load SLA_W into TWDR
Register. Clear TWINT bit in
TWCR to start transmission of
address
4
wait2:
in
r16,TWCR
sbrs
r16,TWINT
rjmp
wait2
while (!(TWCR &
(1<<TWINT)))
;Wait for TWINT Flag set. This
indicates that the SLA+W has
been transmitted, and
ACK/NACK has been received.

214
ATmega164A/164PA/324A/324PA/644A/644PA/1284/1284P [DATASHEET]
Atmel-8272G-AVR-01/2015
21.7 Transmission modes
The TWI can operate in one of four major modes. These are named Master Transmitter (MT), Master Receiver
(MR), Slave Transmitter (ST) and Slave Receiver (SR). Several of these modes can be used in the same
application. As an example, the TWI can use MT mode to write data into a TWI EEPROM, MR mode to read the
data back from the EEPROM. If other masters are present in the system, some of these might transmit data to
the TWI, and then SR mode would be used. It is the application software that decides which modes are legal.
The following sections describe each of these modes. Possible status codes are described along with figures
detailing data transmission in each of the modes. These figures contain the following abbreviations:
S:START condition
Rs:REPEATED START condition
5
in
r16,TWSR
andi
r16, 0xF8
cpi
r16, MT_SLA_ACK
brne
ERROR
if ((TWSR & 0xF8) !=
MT_SLA_ACK)
ERROR();
Check value of TWI Status
Register. Mask prescaler bits. If
status different from
MT_SLA_ACK go to ERROR
ldi
r16, DATA
out
TWDR, r16
ldi
r16, (1<<TWINT) |
(1<<TWEN)
out
TWCR, r16
TWDR = DATA;
TWCR = (1<<TWINT) |
(1<<TWEN);
Load DATA into TWDR Register.
Clear TWINT bit in TWCR to start
transmission of data
6
wait3:
in
r16,TWCR
sbrs
r16,TWINT
rjmp
wait3
while (!(TWCR &
(1<<TWINT)))
;Wait for TWINT Flag set. This
indicates that the DATA has been
transmitted, and ACK/NACK has
been received.
7
in
r16,TWSR
andi
r16, 0xF8
cpi
r16, MT_DATA_ACK
brne
ERROR
if ((TWSR & 0xF8) !=
MT_DATA_ACK)
ERROR();
Check value of TWI Status
Register. Mask prescaler bits. If
status different from
MT_DATA_ACK go to ERROR
ldi
r16,
(1<<TWINT)|(1<<TWEN)|
(1<<TWSTO)
out
TWCR, r16
TWCR =
(1<<TWINT)|(1<<TWEN)
|
(1<<TWSTO); Transmit STOP condition
Table 21-2. Assembly code and C code examples
Assembly code example C example Comments

215
ATmega164A/164PA/324A/324PA/644A/644PA/1284/1284P [DATASHEET]
Atmel-8272G-AVR-01/2015
R:Read bit (high level at SDA)
W:Write bit (low level at SDA)
A:Acknowledge bit (low level at SDA)
A:Not acknowledge bit (high level at SDA)
Data: 8-bit data byte
P:STOP condition
SLA:Slave Address
In Figure 21-12 on page 217 to Figure 21-18 on page 225, circles are used to indicate that the TWINT Flag is
set. The numbers in the circles show the status code held in TWSR, with the prescaler bits masked to zero. At
these points, actions must be taken by the application to continue or complete the TWI transfer. The TWI
transfer is suspended until the TWINT Flag is cleared by software.
When the TWINT Flag is set, the status code in TWSR is used to determine the appropriate software action. For
each status code, the required software action and details of the following serial transfer are given in Table 21-3
on page 216 to Table 21-6 on page 224. Note that the prescaler bits are masked to zero in these tables.
21.7.1 Master Transmitter mode
In the Master Transmitter mode, a number of data bytes are transmitted to a Slave Receiver (see Figure 21-11
on page 215). In order to enter a Master mode, a START condition must be transmitted. The format of the
following address packet determines whether Master Transmitter or Master Receiver mode is to be entered. If
SLA+W is transmitted, MT mode is entered, if SLA+R is transmitted, MR mode is entered. All the status codes
mentioned in this section assume that the prescaler bits are zero or are masked to zero.
Figure 21-11. Data transfer in Master Transmitter mode.
A START condition is sent by writing the following value to TWCR:
TWEN must be set to enable the two-wire Serial Interface, TWSTA must be written to one to transmit a START
condition and TWINT must be written to one to clear the TWINT Flag. The TWI will then test the two-wire Serial
Bus and generate a START condition as soon as the bus becomes free. After a START condition has been
transmitted, the TWINT Flag is set by hardware, and the status code in TWSR will be 0x08 (see Table 21-3 on
page 216). In order to enter MT mode, SLA+W must be transmitted. This is done by writing SLA+W to TWDR.
Thereafter the TWINT bit should be cleared (by writing it to one) to continue the transfer. This is accomplished
by writing the following value to TWCR:
TWCR TWINT TWEA TWSTA TWSTO TWWC TWEN –TWIE
value 1 X10X10 X
TWCR TWINT TWEA TWSTA TWSTO TWWC TWEN –TWIE
value 1 X00X10 X
Device 1
MASTER
TRANSMITTER
Device 2
SLAVE
RECEIVER
Device 3 Device n
SDA
SCL
........
R1 R2
VCC

216
ATmega164A/164PA/324A/324PA/644A/644PA/1284/1284P [DATASHEET]
Atmel-8272G-AVR-01/2015
When SLA+W have been transmitted and an acknowledgement bit has been received, TWINT is set again and
a number of status codes in TWSR are possible. Possible status codes in Master mode are 0x18, 0x20, or 0x38.
The appropriate action to be taken for each of these status codes is detailed in Table 21-3 on page 216.
When SLA+W has been successfully transmitted, a data packet should be transmitted. This is done by writing
the data byte to TWDR. TWDR must only be written when TWINT is high. If not, the access will be discarded,
and the Write Collision bit (TWWC) will be set in the TWCR Register. After updating TWDR, the TWINT bit
should be cleared (by writing it to one) to continue the transfer. This is accomplished by writing the following
value to TWCR:
This scheme is repeated until the last byte has been sent and the transfer is ended by generating a STOP
condition or a repeated START condition. A STOP condition is generated by writing the following value to
TWCR:
A REPEATED START condition is generated by writing the following value to TWCR:
After a repeated START condition (state 0x10) the two-wire Serial Interface can access the same Slave again,
or a new Slave without transmitting a STOP condition. Repeated START enables the Master to switch between
Slaves, Master Transmitter mode and Master Receiver mode without losing control of the bus.
TWCR TWINT TWEA TWSTA TWSTO TWWC TWEN –TWIE
value 1 X00X10 X
TWCR TWINT TWEA TWSTA TWSTO TWWC TWEN –TWIE
value 1 X01X10 X
TWCR TWINT TWEA TWSTA TWSTO TWWC TWEN –TWIE
value 1 X10X10 X
Table 21-3. Status codes for Master Transmitter mode.
Status Code
(TWSR)
Prescaler Bits
are 0
Status of the two-wire Serial
Bus and two-wire Serial Inter-
face Hardware
Application Software Response
Next Action Taken by TWI Hardware
To/from TWDR To TWCR
STA STO TWIN
T
TWE
A
0x08 A START condition has been
transmitted
Load SLA+W 0 0 1 X SLA+W will be transmitted;
ACK or NOT ACK will be received
0x10 A repeated START condition
has been transmitted
Load SLA+W or
Load SLA+R
0
0
0
0
1
1
X
X
SLA+W will be transmitted;
ACK or NOT ACK will be received
SLA+R will be transmitted;
Logic will switch to Master Receiver mode
0x18 SLA+W has been transmitted;
ACK has been received
Load data byte or
No TWDR action or
No TWDR action or
No TWDR action
0
1
0
1
0
0
1
1
1
1
1
1
X
X
X
X
Data byte will be transmitted and ACK or NOT ACK will
be received
Repeated START will be transmitted
STOP condition will be transmitted and
TWSTO Flag will be reset
STOP condition followed by a START condition will be
transmitted and TWSTO Flag will be reset
0x20 SLA+W has been transmitted;
NOT ACK has been received
Load data byte or
No TWDR action or
No TWDR action or
No TWDR action
0
1
0
1
0
0
1
1
1
1
1
1
X
X
X
X
Data byte will be transmitted and ACK or NOT ACK will
be received
Repeated START will be transmitted
STOP condition will be transmitted and
TWSTO Flag will be reset
STOP condition followed by a START condition will be
transmitted and TWSTO Flag will be reset

217
ATmega164A/164PA/324A/324PA/644A/644PA/1284/1284P [DATASHEET]
Atmel-8272G-AVR-01/2015
Figure 21-12. Formats and states in the Master Transmitter mode.
0x28 Data byte has been transmit-
ted;
ACK has been received
Load data byte or
No TWDR action or
No TWDR action or
No TWDR action
0
1
0
1
0
0
1
1
1
1
1
1
X
X
X
X
Data byte will be transmitted and ACK or NOT ACK will
be received
Repeated START will be transmitted
STOP condition will be transmitted and
TWSTO Flag will be reset
STOP condition followed by a START condition will be
transmitted and TWSTO Flag will be reset
0x30 Data byte has been transmit-
ted;
NOT ACK has been received
Load data byte or
No TWDR action or
No TWDR action or
No TWDR action
0
1
0
1
0
0
1
1
1
1
1
1
X
X
X
X
Data byte will be transmitted and ACK or NOT ACK will
be received
Repeated START will be transmitted
STOP condition will be transmitted and
TWSTO Flag will be reset
STOP condition followed by a START condition will be
transmitted and TWSTO Flag will be reset
0x38 Arbitration lost in SLA+W or
data bytes
No TWDR action or
No TWDR action
0
1
0
0
1
1
X
X
two-wire Serial Bus will be released and not addressed
Slave mode entered
A START condition will be transmitted when the bus
becomes free
Table 21-3. Status codes for Master Transmitter mode.
S SLA W A DATA A P
$08 $18 $28
R SLA W
$10
AP
$20
P
$30
A or A
$38
A
Other master
continues
A or A
$38
Other master
continues
R
A
$68
Other master
continues
$78 $B0
To corresponding
states in slave mode
MT
MR
Successfull
transmission
to a slave
receiver
Next transfer
started with a
repeated start
condition
Not acknowledge
received after the
slave address
Not acknowledge
received after a data
byte
Arbitration lost in slave
address or data byte
Arbitration lost and
addressed as slave
DATA A
n
From master to slave
From slave to master
Any number of data bytes
and their associated acknowledge bits
This number (contained in TWSR) corresponds
to a defined state of the Two-Wire Serial Bus. The
prescaler bits are zero or masked to zero
S

218
ATmega164A/164PA/324A/324PA/644A/644PA/1284/1284P [DATASHEET]
Atmel-8272G-AVR-01/2015
21.7.2 Master Receiver mode
In the Master Receiver mode, a number of data bytes are received from a Slave Transmitter (Slave see Figure
21-13 on page 218). In order to enter a Master mode, a START condition must be transmitted. The format of the
following address packet determines whether Master Transmitter or Master Receiver mode is to be entered. If
SLA+W is transmitted, MT mode is entered, if SLA+R is transmitted, MR mode is entered. All the status codes
mentioned in this section assume that the prescaler bits are zero or are masked to zero.
Figure 21-13. Data transfer in Master Receiver mode.
A START condition is sent by writing the following value to TWCR:
TWEN must be written to one to enable the two-wire Serial Interface, TWSTA must be written to one to transmit
a START condition and TWINT must be set to clear the TWINT Flag. The TWI will then test the two-wire Serial
Bus and generate a START condition as soon as the bus becomes free. After a START condition has been
transmitted, the TWINT Flag is set by hardware, and the status code in TWSR will be 0x08 (See Table 21-3 on
page 216). In order to enter MR mode, SLA+R must be transmitted. This is done by writing SLA+R to TWDR.
Thereafter the TWINT bit should be cleared (by writing it to one) to continue the transfer. This is accomplished
by writing the following value to TWCR:
When SLA+R have been transmitted and an acknowledgement bit has been received, TWINT is set again and a
number of status codes in TWSR are possible. Possible status codes in Master mode are 0x38, 0x40, or 0x48.
The appropriate action to be taken for each of these status codes is detailed in Table 21-4 on page 219.
Received data can be read from the TWDR Register when the TWINT Flag is set high by hardware. This
scheme is repeated until the last byte has been received. After the last byte has been received, the MR should
inform the ST by sending a NACK after the last received data byte. The transfer is ended by generating a STOP
condition or a repeated START condition. A STOP condition is generated by writing the following value to
TWCR:
A REPEATED START condition is generated by writing the following value to TWCR:
TWCR TWINT TWEA TWSTA TWSTO TWWC TWEN –TWIE
value 1 X10X10 X
TWCR TWINT TWEA TWSTA TWSTO TWWC TWEN –TWIE
value 1 X00X10 X
TWCR TWINT TWEA TWSTA TWSTO TWWC TWEN –TWIE
value 1 X01X10 X
TWCR TWINT TWEA TWSTA TWSTO TWWC TWEN –TWIE
value 1 X10X10 X
Device 1
MASTER
RECEIVER
Device 2
SLAVE
TRANSMITTER
Device 3 Device n
SDA
SCL
........ R1 R2
V
CC

219
ATmega164A/164PA/324A/324PA/644A/644PA/1284/1284P [DATASHEET]
Atmel-8272G-AVR-01/2015
After a repeated START condition (state 0x10) the two-wire Serial Interface can access the same Slave again,
or a new Slave without transmitting a STOP condition. Repeated START enables the Master to switch between
Slaves, Master Transmitter mode and Master Receiver mode without losing control over the bus.
Table 21-4. Status codes for Master Receiver mode.
Status Code
(TWSR)
Prescaler Bits
are 0
Status of the two-wire Serial
Bus and two-wire Serial Inter-
face Hardware
Application Software Response
Next Action Taken by TWI Hardware
To/from TWDR
To TWCR
STA STO TWIN
T
TWE
A
0x08 A START condition has been
transmitted
Load SLA+R 0 0 1 X SLA+R will be transmitted
ACK or NOT ACK will be received
0x10 A repeated START condition
has been transmitted
Load SLA+R or
Load SLA+W
0
0
0
0
1
1
X
X
SLA+R will be transmitted
ACK or NOT ACK will be received
SLA+W will be transmitted
Logic will switch to Master Transmitter mode
0x38 Arbitration lost in SLA+R or
NOT ACK bit
No TWDR action or
No TWDR action
0
1
0
0
1
1
X
X
two-wire Serial Bus will be released and not addressed
Slave mode will be entered
A START condition will be transmitted when the bus
becomes free
0x40 SLA+R has been transmitted;
ACK has been received
No TWDR action or
No TWDR action
0
0
0
0
1
1
0
1
Data byte will be received and NOT ACK will be
returned
Data byte will be received and ACK will be returned
0x48 SLA+R has been transmitted;
NOT ACK has been received
No TWDR action or
No TWDR action or
No TWDR action
1
0
1
0
1
1
1
1
1
X
X
X
Repeated START will be transmitted
STOP condition will be transmitted and TWSTO Flag
will be reset
STOP condition followed by a START condition will be
transmitted and TWSTO Flag will be reset
0x50 Data byte has been received;
ACK has been returned
Read data byte or
Read data byte
0
0
0
0
1
1
0
1
Data byte will be received and NOT ACK will be
returned
Data byte will be received and ACK will be returned
0x58 Data byte has been received;
NOT ACK has been returned
Read data byte or
Read data byte or
Read data byte
1
0
1
0
1
1
1
1
1
X
X
X
Repeated START will be transmitted
STOP condition will be transmitted and TWSTO Flag
will be reset
STOP condition followed by a START condition will be
transmitted and TWSTO Flag will be reset

220
ATmega164A/164PA/324A/324PA/644A/644PA/1284/1284P [DATASHEET]
Atmel-8272G-AVR-01/2015
Figure 21-14. Formats and states in the Master Receiver mode.
21.7.3 Slave Receiver mode
In the Slave Receiver mode, a number of data bytes are received from a Master Transmitter (see Figure 21-15).
All the status codes mentioned in this section assume that the prescaler bits are zero or are masked to zero.
Figure 21-15. Data transfer in Slave Receiver mode.
To initiate the Slave Receiver mode, TWAR and TWCR must be initialized as follows:
S SLA R A DATA A
$08 $40 $50
SLA R
$10
AP
$48
A or A
$38
Other master
continues
$38
Other master
continues
W
A
$68
Other master
continues
$78 $B0
To corresponding
states in slave mode
MR
MT
Successfull
reception
from a slave
receiver
Next transfer
started with a
repeated start
condition
Not acknowledge
received after the
slave address
Arbitration lost in slave
address or data byte
Arbitration lost and
addressed as slave
DATA A
n
From master to slave
From slave to master
Any number of data bytes
and their associated acknowledge bits
This number (contained in TWSR) corresponds
to a defined state of the Two-Wire Serial Bus. The
prescaler bits are zero or masked to zero
PDATA A
$58
A
R
S
TWAR TWA6 TWA5 TWA4 TWA3 TWA2 TWA1 TWA0 TWGCE
value Device’s Own Slave Address
Device 3 Device n
SDA
SCL
........
R1 R2
V
CC
Device 2
MASTER
TRANSMITTER
Device 1
SLAVE
RECEIVER

221
ATmega164A/164PA/324A/324PA/644A/644PA/1284/1284P [DATASHEET]
Atmel-8272G-AVR-01/2015
The upper seven bits are the address to which the two-wire Serial Interface will respond when addressed by a
Master. If the LSB is set, the TWI will respond to the general call address (0x00), otherwise it will ignore the
general call address.
TWEN must be written to one to enable the TWI. The TWEA bit must be written to one to enable the
acknowledgement of the device’s own slave address or the general call address. TWSTA and TWSTO must be
written to zero.
When TWAR and TWCR have been initialized, the TWI waits until it is addressed by its own slave address (or
the general call address if enabled) followed by the data direction bit. If the direction bit is “0” (write), the TWI will
operate in SR mode, otherwise ST mode is entered. After its own slave address and the write bit have been
received, the TWINT Flag is set and a valid status code can be read from TWSR. The status code is used to
determine the appropriate software action. The appropriate action to be taken for each status code is detailed in
Table 21-5 on page 222. The Slave Receiver mode may also be entered if arbitration is lost while the TWI is in
the Master mode (see states 0x68 and 0x78).
If the TWEA bit is reset during a transfer, the TWI will return a “Not Acknowledge” (“1”) to SDA after the next
received data byte. This can be used to indicate that the Slave is not able to receive any more bytes. While
TWEA is zero, the TWI does not acknowledge its own slave address. However, the two-wire Serial Bus is still
monitored and address recognition may resume at any time by setting TWEA. This implies that the TWEA bit
may be used to temporarily isolate the TWI from the two-wire Serial Bus.
In all sleep modes other than Idle mode, the clock system to the TWI is turned off. If the TWEA bit is set, the
interface can still acknowledge its own slave address or the general call address by using the two-wire Serial
Bus clock as a clock source. The part will then wake up from sleep and the TWI will hold the SCL clock low
during the wake up and until the TWINT Flag is cleared (by writing it to one). Further data reception will be
carried out as normal, with the AVR clocks running as normal. Observe that if the AVR is set up with a long start-
up time, the SCL line may be held low for a long time, blocking other data transmissions.
Note that the two-wire Serial Interface Data Register – TWDR does not reflect the last byte present on the bus
when waking up from these Sleep modes.
TWCR TWINT TWEA TWSTA TWSTO TWWC TWEN –TWIE
value 0100010 X

222
ATmega164A/164PA/324A/324PA/644A/644PA/1284/1284P [DATASHEET]
Atmel-8272G-AVR-01/2015
Table 21-5. Status codes for Slave Receiver mode.
Status Code
(TWSR)
Prescaler Bits
are 0
Status of the two-wire Serial Bus
and two-wire Serial Interface
Hardware
Application Software Response
Next Action Taken by TWI Hardware
To/from TWDR
To TWCR
STA STO TWIN
T
TWE
A
0x60 Own SLA+W has been received;
ACK has been returned
No TWDR action or
No TWDR action
X
X
0
0
1
1
0
1
Data byte will be received and NOT ACK will be
returned
Data byte will be received and ACK will be returned
0x68 Arbitration lost in SLA+R/W as
Master; own SLA+W has been
received; ACK has been returned
No TWDR action or
No TWDR action
X
X
0
0
1
1
0
1
Data byte will be received and NOT ACK will be
returned
Data byte will be received and ACK will be returned
0x70 General call address has been
received; ACK has been returned
No TWDR action or
No TWDR action
X
X
0
0
1
1
0
1
Data byte will be received and NOT ACK will be
returned
Data byte will be received and ACK will be returned
0x78 Arbitration lost in SLA+R/W as
Master; General call address has
been received; ACK has been
returned
No TWDR action or
No TWDR action
X
X
0
0
1
1
0
1
Data byte will be received and NOT ACK will be
returned
Data byte will be received and ACK will be returned
0x80 Previously addressed with own
SLA+W; data has been received;
ACK has been returned
Read data byte or
Read data byte
X
X
0
0
1
1
0
1
Data byte will be received and NOT ACK will be
returned
Data byte will be received and ACK will be returned
0x88 Previously addressed with own
SLA+W; data has been received;
NOT ACK has been returned
Read data byte or
Read data byte or
Read data byte or
Read data byte
0
0
1
1
0
0
0
0
1
1
1
1
0
1
0
1
Switched to the not addressed Slave mode;
no recognition of own SLA or GCA
Switched to the not addressed Slave mode;
own SLA will be recognized;
GCA will be recognized if TWGCE = “1”
Switched to the not addressed Slave mode;
no recognition of own SLA or GCA;
a START condition will be transmitted when the bus
becomes free
Switched to the not addressed Slave mode;
own SLA will be recognized;
GCA will be recognized if TWGCE = “1”;
a START condition will be transmitted when the bus
becomes free
0x90 Previously addressed with
general call; data has been re-
ceived; ACK has been returned
Read data byte or
Read data byte
X
X
0
0
1
1
0
1
Data byte will be received and NOT ACK will be
returned
Data byte will be received and ACK will be returned
0x98 Previously addressed with
general call; data has been
received; NOT ACK has been
returned
Read data byte or
Read data byte or
Read data byte or
Read data byte
0
0
1
1
0
0
0
0
1
1
1
1
0
1
0
1
Switched to the not addressed Slave mode;
no recognition of own SLA or GCA
Switched to the not addressed Slave mode;
own SLA will be recognized;
GCA will be recognized if TWGCE = “1”
Switched to the not addressed Slave mode;
no recognition of own SLA or GCA;
a START condition will be transmitted when the bus
becomes free
Switched to the not addressed Slave mode;
own SLA will be recognized;
GCA will be recognized if TWGCE = “1”;
a START condition will be transmitted when the bus
becomes free
0xA0 A STOP condition or repeated
START condition has been
received while still addressed as
Slave
No action 0
0
1
1
0
0
0
0
1
1
1
1
0
1
0
1
Switched to the not addressed Slave mode;
no recognition of own SLA or GCA
Switched to the not addressed Slave mode;
own SLA will be recognized;
GCA will be recognized if TWGCE = “1”
Switched to the not addressed Slave mode;
no recognition of own SLA or GCA;
a START condition will be transmitted when the bus
becomes free
Switched to the not addressed Slave mode;
own SLA will be recognized;
GCA will be recognized if TWGCE = “1”;
a START condition will be transmitted when the bus
becomes free

223
ATmega164A/164PA/324A/324PA/644A/644PA/1284/1284P [DATASHEET]
Atmel-8272G-AVR-01/2015
Figure 21-16. Formats and states in the Slave Receiver mode.
21.7.4 Slave Transmitter mode
In the Slave Transmitter mode, a number of data bytes are transmitted to a Master Receiver (see Figure 21-17).
All the status codes mentioned in this section assume that the prescaler bits are zero or are masked to zero.
Figure 21-17. Data transfer in Slave Transmitter mode.
S SLA W A DATA A
$60 $80
$88
A
$68
Reception of the own
slave address and one or
more data bytes. All are
acknowledged
Last data byte received
is not acknowledged
Arbitration lost as master
and addressed as slave
Reception of the general call
address and one or more data
bytes
Last data byte received is
not acknowledged
n
From master to slave
From slave to master
Any number of data bytes
and their associated acknowledge bits
This number (contained in TWSR) corresponds
to a defined state of the Two-Wire Serial Bus. The
prescaler bits are zero or masked to zero
P or SDATA A
$80 $A0
P or SA
ADATAA
$70 $90
$98
A
$78
P or SDATA A
$90 $A0
P or SA
General Call
Arbitration lost as master and
addressed as slave by general call
DATA A
Device 3 Device n
SDA
SCL
........
R1 R2
V
CC
Device 2
MASTER
RECEIVER
Device 1
SLAVE
TRANSMITTER

224
ATmega164A/164PA/324A/324PA/644A/644PA/1284/1284P [DATASHEET]
Atmel-8272G-AVR-01/2015
To initiate the Slave Transmitter mode, TWAR and TWCR must be initialized as follows:
The upper seven bits are the address to which the two-wire Serial Interface will respond when addressed by a
Master. If the LSB is set, the TWI will respond to the general call address (0x00), otherwise it will ignore the
general call address.
TWEN must be written to one to enable the TWI. The TWEA bit must be written to one to enable the
acknowledgement of the device’s own slave address or the general call address. TWSTA and TWSTO must be
written to zero.
When TWAR and TWCR have been initialized, the TWI waits until it is addressed by its own slave address (or
the general call address if enabled) followed by the data direction bit. If the direction bit is “1” (read), the TWI will
operate in ST mode, otherwise SR mode is entered. After its own slave address and the write bit have been
received, the TWINT Flag is set and a valid status code can be read from TWSR. The status code is used to
determine the appropriate software action. The appropriate action to be taken for each status code is detailed in
Table 21-6 on page 224. The Slave Transmitter mode may also be entered if arbitration is lost while the TWI is
in the Master mode (see state 0xB0).
If the TWEA bit is written to zero during a transfer, the TWI will transmit the last byte of the transfer. State 0xC0
or state 0xC8 will be entered, depending on whether the Master Receiver transmits a NACK or ACK after the
final byte. The TWI is switched to the not addressed Slave mode, and will ignore the Master if it continues the
transfer. Thus the Master Receiver receives all “1” as serial data. State 0xC8 is entered if the Master demands
additional data bytes (by transmitting ACK), even though the Slave has transmitted the last byte (TWEA zero
and expecting NACK from the Master).
While TWEA is zero, the TWI does not respond to its own slave address. However, the two-wire Serial Bus is
still monitored and address recognition may resume at any time by setting TWEA. This implies that the TWEA
bit may be used to temporarily isolate the TWI from the two-wire Serial Bus.
In all sleep modes other than Idle mode, the clock system to the TWI is turned off. If the TWEA bit is set, the
interface can still acknowledge its own slave address or the general call address by using the two-wire Serial
Bus clock as a clock source. The part will then wake up from sleep and the TWI will hold the SCL clock will low
during the wake up and until the TWINT Flag is cleared (by writing it to one). Further data transmission will be
carried out as normal, with the AVR clocks running as normal. Observe that if the AVR is set up with a long start-
up time, the SCL line may be held low for a long time, blocking other data transmissions.
Note that the two-wire Serial Interface Data Register – TWDR does not reflect the last byte present on the bus
when waking up from these sleep modes.
TWAR TWA6 TWA5 TWA4 TWA3 TWA2 TWA1 TWA0 TWGCE
value Device’s Own Slave Address
TWCR TWINT TWEA TWSTA TWSTO TWWC TWEN –TWIE
value 0100010 X
Table 21-6. Status codes for Slave Transmitter mode.
Status Code
(TWSR)
Prescaler
Bits
are 0
Status of the two-wire Serial Bus
and two-wire Serial Interface
Hardware
Application Software Response
Next Action Taken by TWI Hardware
To/from TWDR
To TWCR
STA STO TWIN
T
TWE
A
0xA8 Own SLA+R has been received;
ACK has been returned
Load data byte or
Load data byte
X
X
0
0
1
1
0
1
Last data byte will be transmitted and NOT ACK should
be received
Data byte will be transmitted and ACK should be re-
ceived
0xB0 Arbitration lost in SLA+R/W as
Master; own SLA+R has been
received; ACK has been returned
Load data byte or
Load data byte
X
X
0
0
1
1
0
1
Last data byte will be transmitted and NOT ACK should
be received
Data byte will be transmitted and ACK should be re-
ceived

225
ATmega164A/164PA/324A/324PA/644A/644PA/1284/1284P [DATASHEET]
Atmel-8272G-AVR-01/2015
Figure 21-18. Formats and states in the Slave Transmitter mode.
21.7.5 Miscellaneous States
There are two status codes that do not correspond to a defined TWI state, see Table 21-7.
Status 0xF8 indicates that no relevant information is available because the TWINT Flag is not set. This occurs
between other states, and when the TWI is not involved in a serial transfer.
Status 0x00 indicates that a bus error has occurred during a two-wire Serial Bus transfer. A bus error occurs
when a START or STOP condition occurs at an illegal position in the format frame. Examples of such illegal
positions are during the serial transfer of an address byte, a data byte, or an acknowledge bit. When a bus error
occurs, TWINT is set. To recover from a bus error, the TWSTO Flag must set and TWINT must be cleared by
0xB8 Data byte in TWDR has been
transmitted; ACK has been
received
Load data byte or
Load data byte
X
X
0
0
1
1
0
1
Last data byte will be transmitted and NOT ACK should
be received
Data byte will be transmitted and ACK should be re-
ceived
0xC0 Data byte in TWDR has been
transmitted; NOT ACK has been
received
No TWDR action or
No TWDR action or
No TWDR action or
No TWDR action
0
0
1
1
0
0
0
0
1
1
1
1
0
1
0
1
Switched to the not addressed Slave mode;
no recognition of own SLA or GCA
Switched to the not addressed Slave mode;
own SLA will be recognized;
GCA will be recognized if TWGCE = “1”
Switched to the not addressed Slave mode;
no recognition of own SLA or GCA;
a START condition will be transmitted when the bus
becomes free
Switched to the not addressed Slave mode;
own SLA will be recognized;
GCA will be recognized if TWGCE = “1”;
a START condition will be transmitted when the bus
becomes free
0xC8 Last data byte in TWDR has been
transmitted (TWEA = “0”); ACK
has been received
No TWDR action or
No TWDR action or
No TWDR action or
No TWDR action
0
0
1
1
0
0
0
0
1
1
1
1
0
1
0
1
Switched to the not addressed Slave mode;
no recognition of own SLA or GCA
Switched to the not addressed Slave mode;
own SLA will be recognized;
GCA will be recognized if TWGCE = “1”
Switched to the not addressed Slave mode;
no recognition of own SLA or GCA;
a START condition will be transmitted when the bus
becomes free
Switched to the not addressed Slave mode;
own SLA will be recognized;
GCA will be recognized if TWGCE = “1”;
a START condition will be transmitted when the bus
becomes free
Table 21-6. Status codes for Slave Transmitter mode.
S SLA R A DATA A
$A8 $B8
A
$B0
Reception of the own
slave address and one or
more data bytes
Last data byte transmitted.
Switched to not addressed
slave (TWEA = '0')
Arbitration lost as master
and addressed as slave
n
From master to slave
From slave to master
Any number of data bytes
and their associated acknowledge bits
This number (contained in TWSR) corresponds
to a defined state of the Two-Wire Serial Bus. The
prescaler bits are zero or masked to zero
P or SDATA
$C0
DATA A
A
$C8
P or SAll 1's
A

226
ATmega164A/164PA/324A/324PA/644A/644PA/1284/1284P [DATASHEET]
Atmel-8272G-AVR-01/2015
writing a logic one to it. This causes the TWI to enter the not addressed Slave mode and to clear the TWSTO
Flag (no other bits in TWCR are affected). The SDA and SCL lines are released, and no STOP condition is
transmitted.
21.7.6 Combining several TWI modes
In some cases, several TWI modes must be combined in order to complete the desired action. Consider for
example reading data from a serial EEPROM. Typically, such a transfer involves the following steps:
1. The transfer must be initiated.
2. The EEPROM must be instructed what location should be read.
3. The reading must be performed.
4. The transfer must be finished.
Note that data is transmitted both from Master to Slave and vice versa. The Master must instruct the Slave what
location it wants to read, requiring the use of the MT mode. Subsequently, data must be read from the Slave,
implying the use of the MR mode. Thus, the transfer direction must be changed. The Master must keep control
of the bus during all these steps, and the steps should be carried out as an atomical operation. If this principle is
violated in a multimaster system, another Master can alter the data pointer in the EEPROM between steps 2
and 3, and the Master will read the wrong data location. Such a change in transfer direction is accomplished by
transmitting a REPEATED START between the transmission of the address byte and reception of the data.
After a REPEATED START, the Master keeps ownership of the bus. The following figure shows the flow in this
transfer.
Figure 21-19. Combining several TWI modes to access a serial EEPROM.
21.8 Multi-master Systems and Arbitration
If multiple masters are connected to the same bus, transmissions may be initiated simultaneously by one or
more of them. The TWI standard ensures that such situations are handled in such a way that one of the masters
will be allowed to proceed with the transfer, and that no data will be lost in the process. An example of an
arbitration situation is depicted below, where two masters are trying to transmit data to a Slave Receiver.
Table 21-7. Miscellaneous states.
Status Code
(TWSR)
Prescaler Bits
are 0
Status of the two-wire Serial
Bus and two-wire Serial Inter-
face Hardware
Application Software Response
Next Action Taken by TWI Hardware
To/from TWDR
To TWCR
STA STO TWIN
T
TWE
A
0xF8 No relevant state information
available; TWINT = “0”
No TWDR action No TWCR action Wait or proceed current transfer
0x00 Bus error due to an illegal
START or STOP condition
No TWDR action 0 1 1 X Only the internal hardware is affected, no STOP condi-
tion is sent on the bus. In all cases, the bus is released
and TWSTO is cleared.
Master Transmitter Master Receiver
S = START Rs = REPEATED START P = STOP
Transmitted from master to slave Transmitted from slave to master
S SLA+W A ADDRESS A Rs SLA+R A DATA A P

227
ATmega164A/164PA/324A/324PA/644A/644PA/1284/1284P [DATASHEET]
Atmel-8272G-AVR-01/2015
Figure 21-20. An Arbitration example.
Several different scenarios may arise during arbitration, as described below:
-Two or more masters are performing identical communication with the same Slave. In this case, neither
the Slave nor any of the masters will know about the bus contention
-Two or more masters are accessing the same Slave with different data or direction bit. In this case,
arbitration will occur, either in the READ/WRITE bit or in the data bits. The masters trying to output a one
on SDA while another Master outputs a zero will lose the arbitration. Losing masters will switch to not
addressed Slave mode or wait until the bus is free and transmit a new START condition, depending on
application software action
-Two or more masters are accessing different slaves. In this case, arbitration will occur in the SLA bits.
Masters trying to output a one on SDA while another Master outputs a zero will lose the arbitration.
Masters losing arbitration in SLA will switch to Slave mode to check if they are being addressed by the
winning Master. If addressed, they will switch to SR or ST mode, depending on the value of the
READ/WRITE bit. If they are not being addressed, they will switch to not addressed Slave mode or wait
until the bus is free and transmit a new START condition, depending on application software action
This is summarized in Figure 21-21. Possible status values are given in circles.
Figure 21-21. Possible status codes caused by Arbitration.
Device 1
MASTER
TRANSMITTER
Device 2
MASTER
TRANSMITTER
Device 3
SLAVE
RECEIVER
Device n
SDA
SCL
........
R1 R2
V
CC
Own
Address / General Call
received
Arbitration lost in SLA
TWI bus will be released and not addressed slave mode will be entered
A START condition will be transmitted when the bus becomes free
No
Arbitration lost in Data
Direction
Ye s
Write
Data byte will be received and NOT ACK will be returned
Data byte will be received and ACK will be returned
Last data byte will be transmitted and NOT ACK should be received
Data byte will be transmitted and ACK should be received
Read
B0
68/78
38
SLASTART Data STOP

228
ATmega164A/164PA/324A/324PA/644A/644PA/1284/1284P [DATASHEET]
Atmel-8272G-AVR-01/2015
21.9 Register description
21.9.1 TWBR – TWI Bit Rate Register
• Bits 7:0 – TWI Bit Rate Register
TWBR selects the division factor for the bit rate generator. The bit rate generator is a frequency divider which
generates the SCL clock frequency in the Master modes. See ”Bit Rate Generator unit” on page 209 for
calculating bit rates.
21.9.2 TWCR – TWI Control Register
The TWCR is used to control the operation of the TWI. It is used to enable the TWI, to initiate a Master access
by applying a START condition to the bus, to generate a Receiver acknowledge, to generate a stop condition,
and to control halting of the bus while the data to be written to the bus are written to the TWDR. It also indicates
a write collision if data is attempted written to TWDR while the register is inaccessible.
• Bit 7 – TWINT: TWI Interrupt Flag
This bit is set by hardware when the TWI has finished its current job and expects application software response.
If the I-bit in SREG and TWIE in TWCR are set, the MCU will jump to the TWI Interrupt Vector. While the TWINT
Flag is set, the SCL low period is stretched. The TWINT Flag must be cleared by software by writing a logic one
to it. Note that this flag is not automatically cleared by hardware when executing the interrupt routine. Also note
that clearing this flag starts the operation of the TWI, so all accesses to the TWI Address Register (TWAR), TWI
Status Register (TWSR), and TWI Data Register (TWDR) must be complete before clearing this flag.
• Bit 6 – TWEA: TWI Enable Acknowledge Bit
The TWEA bit controls the generation of the acknowledge pulse. If the TWEA bit is written to one, the ACK
pulse is generated on the TWI bus if the following conditions are met:
1. The device’s own slave address has been received.
2. A general call has been received, while the TWGCE bit in the TWAR is set.
3. A data byte has been received in Master Receiver or Slave Receiver mode.
By writing the TWEA bit to zero, the device can be virtually disconnected from the two-wire Serial Bus
temporarily. Address recognition can then be resumed by writing the TWEA bit to one again.
• Bit 5 – TWSTA: TWI START Condition Bit
The application writes the TWSTA bit to one when it desires to become a Master on the two-wire Serial Bus.
The TWI hardware checks if the bus is available, and generates a START condition on the bus if it is free.
However, if the bus is not free, the TWI waits until a STOP condition is detected, and then generates a new
START condition to claim the bus Master status. TWSTA must be cleared by software when the START
condition has been transmitted.
Bit 76543210
(0xB8) TWBR7 TWBR6 TWBR5 TWBR4 TWBR3 TWBR2 TWBR1 TWBR0 TWBR
Read/Write R/W R/W R/W R/W R/W R/W R/W R/W
Initial Value00000000
Bit 76543210
(0xBC) TWINT TWEA TWSTA TWSTO TWWC TWEN – TWIE TWCR
Read/Write R/W R/W R/W R/W R R/W R R/W
Initial Value00000000

229
ATmega164A/164PA/324A/324PA/644A/644PA/1284/1284P [DATASHEET]
Atmel-8272G-AVR-01/2015
• Bit 4 – TWSTO: TWI STOP Condition Bit
Writing the TWSTO bit to one in Master mode will generate a STOP condition on the two-wire Serial Bus. When
the STOP condition is executed on the bus, the TWSTO bit is cleared automatically. In Slave mode, setting the
TWSTO bit can be used to recover from an error condition. This will not generate a STOP condition, but the TWI
returns to a well-defined unaddressed Slave mode and releases the SCL and SDA lines to a high impedance
state.
• Bit 3 – TWWC: TWI Write Collision Flag
The TWWC bit is set when attempting to write to the TWI Data Register – TWDR when TWINT is low. This flag
is cleared by writing the TWDR Register when TWINT is high.
• Bit 2 – TWEN: TWI Enable Bit
The TWEN bit enables TWI operation and activates the TWI interface. When TWEN is written to one, the TWI
takes control over the I/O pins connected to the SCL and SDA pins, enabling the slew-rate limiters and spike
filters. If this bit is written to zero, the TWI is switched off and all TWI transmissions are terminated, regardless of
any ongoing operation.
• Bit 1 – Reserved
This bit is a reserved bit and will always read as zero.
• Bit 0 – TWIE: TWI Interrupt Enable
When this bit is written to one, and the I-bit in SREG is set, the TWI interrupt request will be activated for as long
as the TWINT Flag is high.
21.9.3 TWSR – TWI Status Register
• Bits 7:3 – TWS: TWI Status
These 5 bits reflect the status of the TWI logic and the two-wire Serial Bus. The different status codes are
described ”Transmission modes” on page 214. Note that the value read from TWSR contains both the 5-bit
status value and the 2-bit prescaler value. The application designer should mask the prescaler bits to zero when
checking the Status bits. This makes status checking independent of prescaler setting. This approach is used in
this datasheet, unless otherwise noted.
• Bit 2 – Reserved
This bit is reserved and will always read as zero.
• Bits 1:0 – TWPS: TWI Prescaler Bits
These bits can be read and written, and control the bit rate prescaler.
Bit 76543210
(0xB9) TWS7 TWS6 TWS5 TWS4 TWS3 – TWPS1 TWPS0 TWSR
Read/Write RRRRRRR/WR/W
Initial Value11111000

230
ATmega164A/164PA/324A/324PA/644A/644PA/1284/1284P [DATASHEET]
Atmel-8272G-AVR-01/2015
To calculate bit rates, see ”Bit Rate Generator unit” on page 209. The value of TWPS1..0 is used in the
equation.
21.9.4 TWDR – TWI Data Register
In Transmit mode, TWDR contains the next byte to be transmitted. In Receive mode, the TWDR contains the
last byte received. It is writable while the TWI is not in the process of shifting a byte. This occurs when the TWI
Interrupt Flag (TWINT) is set by hardware. Note that the Data Register cannot be initialized by the user before
the first interrupt occurs. The data in TWDR remains stable as long as TWINT is set. While data is shifted out,
data on the bus is simultaneously shifted in. TWDR always contains the last byte present on the bus, except
after a wake up from a sleep mode by the TWI interrupt. In this case, the contents of TWDR is undefined. In the
case of a lost bus arbitration, no data is lost in the transition from Master to Slave. Handling of the ACK bit is
controlled automatically by the TWI logic, the CPU cannot access the ACK bit directly.
• Bits 7:0 – TWD: TWI Data Register
These eight bits constitute the next data byte to be transmitted, or the latest data byte received on the two-wire
Serial Bus.
21.9.5 TWAR – TWI (Slave) Address Register
The TWAR should be loaded with the 7-bit Slave address (in the seven most significant bits of TWAR) to which
the TWI will respond when programmed as a Slave Transmitter or Receiver, and not needed in the Master
modes. In multimaster systems, TWAR must be set in masters which can be addressed as Slaves by other
Masters.
The LSB of TWAR is used to enable recognition of the general call address (0x00). There is an associated
address comparator that looks for the slave address (or general call address if enabled) in the received serial
address. If a match is found, an interrupt request is generated.
• Bits 7:1 – TWA: TWI (Slave) Address Register
These seven bits constitute the slave address of the TWI unit.
Table 21-8. TWI Bit Rate Prescaler.
TWPS1 TWPS0 Prescaler value
001
014
1016
1164
Bit 76543210
(0xBB) TWD7 TWD6 TWD5 TWD4 TWD3 TWD2 TWD1 TWD0 TWDR
Read/Write R/W R/W R/W R/W R/W R/W R/W R/W
Initial Value11111111
Bit 76543210
(0xBA) TWA6 TWA5 TWA4 TWA3 TWA2 TWA1 TWA0 TWGCE TWAR
Read/Write R/W R/W R/W R/W R/W R/W R/W R/W
Initial Value11111110

231
ATmega164A/164PA/324A/324PA/644A/644PA/1284/1284P [DATASHEET]
Atmel-8272G-AVR-01/2015
• Bit 0 – TWGCE: TWI General Call Recognition Enable Bit
If set, this bit enables the recognition of a General Call given over the two-wire Serial Bus.
21.9.6 TWAMR – TWI (Slave) Address Mask Register
• Bits 7:1 – TWAM: TWI Address Mask
The TWAMR can be loaded with a 7-bit Slave Address mask. Each of the bits in TWAMR can mask (disable)
the corresponding address bit in the TWI Address Register (TWAR). If the mask bit is set to one then the
address match logic ignores the compare between the incoming address bit and the corresponding bit in TWAR.
Figure 21-22 shows the address match logic in detail.
Figure 21-22. TWI address match logic, block diagram.
• Bit 0 – Reserved
This bit is reserved and will always read as zero.
Bit 76543210
(0xBD) TWAM[6:0] –TWAMR
Read/Write R/W R/W R/W R/W R/W R/W R/W R
Initial Value00000000
Addre
ss
Match
Address Bit Comparator 0
Address Bit Comparator 6..1
TWAR0
TWAMR0
Address
Bit 0

232
ATmega164A/164PA/324A/324PA/644A/644PA/1284/1284P [DATASHEET]
Atmel-8272G-AVR-01/2015
22. AC - Analog Comparator
22.1 Overview
The Analog Comparator compares the input values on the positive pin AIN0 and negative pin AIN1. When the
voltage on the positive pin AIN0 is higher than the voltage on the negative pin AIN1, the Analog Comparator
output, ACO, is set. The comparator’s output can be set to trigger the Timer/Counter1 Input Capture function. In
addition, the comparator can trigger a separate interrupt, exclusive to the Analog Comparator. The user can
select Interrupt triggering on comparator output rise, fall or toggle. A block diagram of the comparator and its
surrounding logic is shown in Figure 22-1.
The Power Reduction ADC bit, PRADC, in ”PRR0 – Power Reduction Register 0” on page 48 must be disabled
by writing a logical zero to be able to use the ADC input MUX.
Figure 22-1. Analog Comparator block diagram (2).
Notes: 1. See Table 22-1 on page 232.
2. Refer to Figure 1-1 on page 3 and Table 14-5 on page 80 for Analog Comparator pin placement.
22.2 Analog Comparator Multiplexed Input
It is possible to select any of the ADC7..0 pins to replace the negative input to the Analog Comparator. The ADC
multiplexer is used to select this input, and consequently, the ADC must be switched off to utilize this feature. If
the Analog Comparator Multiplexer Enable bit (ACME in ADCSRB) is set and the ADC is switched off (ADEN in
ADCSRA is zero), MUX2..0 in ADMUX select the input pin to replace the negative input to the Analog
Comparator, as shown in Table 22-1 on page 232. If ACME is cleared or ADEN is set, AIN1 is applied to the
negative input to the Analog Comparator.
ACBG
BANDGAP
REFERENCE
ADC MULTIPLEXER
OUTPUT
ACME
ADEN
(1)
Table 22-1. Analog Comparator Mulitiplexed input.
ACME ADEN MUX2..0 Analog Comparator negative input
0 x xxx AIN1
1 1 xxx AIN1
1 0 000 ADC0
1 0 001 ADC1
1 0 010 ADC2

233
ATmega164A/164PA/324A/324PA/644A/644PA/1284/1284P [DATASHEET]
Atmel-8272G-AVR-01/2015
22.3 Register description
22.3.1 ADCSRB – ADC Control and Status Register B
• Bit 6 – ACME: Analog Comparator Multiplexer Enable
When this bit is written logic one and the ADC is switched off (ADEN in ADCSRA is zero), the ADC multiplexer
selects the negative input to the Analog Comparator. When this bit is written logic zero, AIN1 is applied to the
negative input of the Analog Comparator. For a detailed description of this bit, see ”Analog Comparator
Multiplexed Input” on page 232.
22.3.2 ACSR – Analog Comparator Control and Status Register
• Bit 7 – ACD: Analog Comparator Disable
When this bit is written logic one, the power to the Analog Comparator is switched off. This bit can be set at any
time to turn off the Analog Comparator. This will reduce power consumption in Active and Idle mode. When
changing the ACD bit, the Analog Comparator Interrupt must be disabled by clearing the ACIE bit in ACSR.
Otherwise an interrupt can occur when the bit is changed.
• Bit 6 – ACBG: Analog Comparator Bandgap Select
When this bit is set, a fixed bandgap reference voltage replaces the positive input to the Analog Comparator.
When this bit is cleared, AIN0 is applied to the positive input of the Analog Comparator. When bandgap
reference is used as input to the Analog Comparator, it will take a certain time for the voltage to stabilize. If not
stabilized, the first conversion may give wrong value. See ”Internal Voltage Reference” on page 54.
• Bit 5 – ACO: Analog Comparator Output
The output of the Analog Comparator is synchronized and then directly connected to ACO. The synchronization
introduces a delay of 1 - 2 clock cycles.
• Bit 4 – ACI: Analog Comparator Interrupt Flag
This bit is set by hardware when a comparator output event triggers the interrupt mode defined by ACIS1 and
ACIS0. The Analog Comparator interrupt routine is executed if the ACIE bit is set and the I-bit in SREG is set.
1 0 011 ADC3
1 0 100 ADC4
1 0 101 ADC5
1 0 110 ADC6
1 0 111 ADC7
Table 22-1. Analog Comparator Mulitiplexed input. (Continued)
ACME ADEN MUX2..0 Analog Comparator negative input
Bit 7 6543210
(0x7B) – ACME – – - ADTS2 ADTS1 ADTS0 ADCSRB
Read/Write R R/W R R R R/W R/W R/W
Initial Value 0 0 0 0 0 0 0 0
Bit 76543210
0x30 (0x50) ACD ACBG ACO ACI ACIE ACIC ACIS1 ACIS0 ACSR
Read/Write R/W R/W R R/W R/W R/W R/W R/W
Initial Value00N/A00000

234
ATmega164A/164PA/324A/324PA/644A/644PA/1284/1284P [DATASHEET]
Atmel-8272G-AVR-01/2015
ACI is cleared by hardware when executing the corresponding interrupt handling vector. Alternatively, ACI is
cleared by writing a logic one to the flag.
• Bit 3 – ACIE: Analog Comparator Interrupt Enable
When the ACIE bit is written logic one and the I-bit in the Status Register is set, the Analog Comparator interrupt
is activated. When written logic zero, the interrupt is disabled.
• Bit 2 – ACIC: Analog Comparator Input Capture Enable
When written logic one, this bit enables the input capture function in Timer/Counter1 to be triggered by the
Analog Comparator. The comparator output is in this case directly connected to the input capture front-end
logic, making the comparator utilize the noise canceler and edge select features of the Timer/Counter1 Input
Capture interrupt. When written logic zero, no connection between the Analog Comparator and the input
capture function exists. To make the comparator trigger the Timer/Counter1 Input Capture interrupt, the ICIE1
bit in the Timer Interrupt Mask Register (TIMSK1) must be set.
• Bits 1:0 – ACIS1:ACIS0: Analog Comparator Interrupt Mode Select
These bits determine which comparator events that trigger the Analog Comparator interrupt. The different
settings are shown in Table 22-2.
When changing the ACIS1/ACIS0 bits, the Analog Comparator Interrupt must be disabled by clearing its
Interrupt Enable bit in the ACSR Register. Otherwise an interrupt can occur when the bits are changed.
22.3.3 DIDR1 – Digital Input Disable Register 1
• Bit 1:0 – AIN1D:AIN0D: AIN1:AIN0 Digital Input Disable
When this bit is written logic one, the digital input buffer on the AIN1/0 pin is disabled. The corresponding PIN
Register bit will always read as zero when this bit is set. When an analog signal is applied to the AIN1/0 pin and
the digital input from this pin is not needed, this bit should be written logic one to reduce power consumption in
the digital input buffer.
Table 22-2. ACIS1/ACIS0 settings.
ACIS1 ACIS0 Interrupt mode
0 0 Comparator Interrupt on Output Toggle.
0 1 Reserved
1 0 Comparator Interrupt on Falling Output Edge.
1 1 Comparator Interrupt on Rising Output Edge.
Bit 76543210
(0x7F) – – – – – – AIN1D AIN0D DIDR1
Read/Write RRRRRRR/WR/W
Initial Value00000000

235
ATmega164A/164PA/324A/324PA/644A/644PA/1284/1284P [DATASHEET]
Atmel-8272G-AVR-01/2015
23. ADC - Analog-to-digital converter
23.1 Features
•10-bit resolution
•0.5LSB integral non-linearity
•±2LSB absolute accuracy
•13 - 260µs conversion time
•Up to 15kSPS at maximum resolution
•Eight multiplexed single ended input channels
•Differential mode with selectable gain at 1×, 10×, or 200×
•Optional left adjustment for ADC result readout
•0 - VCC ADC input voltage range
•2.7 - VCC differential ADC voltage range
•Selectable 2.56V or 1.1V ADC reference voltage
•Free Running or Single Conversion mode
•ADC start conversion by auto triggering on interrupt sources
•Interrupt on ADC conversion complete
•Sleep mode noise canceler
Note: 1. The differential input channels are not tested for devices in PDIP package. This feature is only guaranteed to
work for devices in TQFP, VQFN/QFN/MLF, VFBGA and DRQFN packages.
23.2 Overview
The Atmel ATmega164A/164PA/324A/324PA/644A/644PA/1284/1284P features a 10-bit successive
approximation ADC. The ADC is connected to an 8-channel Analog Multiplexer which allows 8 single-ended
voltage inputs constructed from the pins of Port A. The single-ended voltage inputs refer to 0V (GND).
The device also supports 16 differential voltage input combinations. Two of the differential inputs (ADC1, ADC0
and ADC3, ADC2) are equipped with a programmable gain stage. This provides amplification steps of 0 dB (1×),
20 dB (10×), or 46 dB (200×) on the differential input voltage before the A/D conversion. Seven differential
analog input channels share a common negative terminal (ADC1), while any other ADC input can be selected
as the positive input terminal. If 1× or 10× gain is used, 8-bit resolution can be expected. If 200× gain is used, 6-
bit resolution can be expected. Note that internal references of 1.1V should not be used on 10× and 200× gain.
The ADC contains a Sample and Hold circuit which ensures that the input voltage to the ADC is held at a
constant level during conversion. A block diagram of the ADC is shown in Figure 23-1 on page 236.
The ADC has a separate analog supply voltage pin, AVCC. AVCC must not differ more than ±0.3V from VCC. See
the paragraph ”ADC Noise Canceler” on page 242 on how to connect this pin.
Internal reference voltages of nominally 1.1V, 2.56V, or AVCC are provided On-chip. The voltage reference may
be externally decoupled at the AREF pin by a capacitor for better noise performance. If VCC is below 2.1V,
internal voltage reference of 1.1V should not be used on single ended channels.

236
ATmega164A/164PA/324A/324PA/644A/644PA/1284/1284P [DATASHEET]
Atmel-8272G-AVR-01/2015
Figure 23-1. Analog-to-digital Converter block schematic.
23.3 Operation
The ADC converts an analog input voltage to a 10-bit digital value through successive approximation. The
minimum value represents GND and the maximum value represents the voltage on the AREF pin minus 1LSB.
Optionally, AVCC or an internal 2.56V reference voltage may be connected to the AREF pin by writing to the
REFSn bits in the ADMUX Register. The internal voltage reference may thus be decoupled by an external
capacitor at the AREF pin to improve noise immunity.
The analog input channel and differential gain are selected by writing to the MUX bits in ADMUX. Any of the
ADC input pins, as well as GND and a fixed bandgap voltage reference, can be selected as single ended inputs
to the ADC. A selection of ADC input pins can be selected as positive and negative inputs to the differential gain
amplifier.
If differential channels are selected, the differential gain stage amplifies the voltage difference between the
selected input channel pair by the selected gain factor. This amplified value then becomes the analog input to
the ADC. If single ended channels are used, the gain amplifier is bypassed altogether.
ADC CONVERSION
COMPLETE IRQ
8-BIT DATABUS
15 0
ADIE
ADATE
ADSC
ADEN
ADIF
ADIF
MUX[4:0]
ADPS[2:0]
SAMPLE & HOLD
COMPARATOR
INTERNAL
REFERENCE
(1.1V/2.56V)
AVCC
REFS[1:0]
ADLAR
CHANNEL SELECTION
ADC[9:0]
ADC
MULTIPLEXER
OUTPUT
GAIN
AMPLIFIER
AREF
BANDGAP (1.1V)
REFERENCE
GND
CONVERSION LOGIC
ADC CTRL & STATUS
REGISTER B (ADCSRB)
ADC CTRL & STATUS
REGISTER A (ADCSRA)
PRESCALER
ADC MULTIPLEXER
SELECT (ADMUX)
MUX DECODER
DIFF / GAIN SELECT
ADC DATA REGISTER
(ADCH/ADCL)
ADC[2:0]
TRIGGER
SELECT
START
INTERRUPT
FLAGS
ADTS[2:0]
+
-
NEG
INPUT
MUX
POS
INPUT
MUX
ADC[7:0]
+
-
10-bit DAC

237
ATmega164A/164PA/324A/324PA/644A/644PA/1284/1284P [DATASHEET]
Atmel-8272G-AVR-01/2015
The ADC is enabled by setting the ADC Enable bit, ADEN in ADCSRA. Voltage reference and input channel
selections will not go into effect until ADEN is set. The ADC does not consume power when ADEN is cleared, so
it is recommended to switch off the ADC before entering power saving sleep modes.
The ADC generates a 10-bit result which is presented in the ADC Data Registers, ADCH and ADCL. By default,
the result is presented right adjusted, but can optionally be presented left adjusted by setting the ADLAR bit in
ADMUX.
If the result is left adjusted and no more than 8-bit precision is required, it is sufficient to read ADCH. Otherwise,
ADCL must be read first, then ADCH, to ensure that the content of the Data Registers belongs to the same
conversion. Once ADCL is read, ADC access to Data Registers is blocked. This means that if ADCL has been
read, and a conversion completes before ADCH is read, neither register is updated and the result from the
conversion is lost. When ADCH is read, ADC access to the ADCH and ADCL Registers is re-enabled.
The ADC has its own interrupt which can be triggered when a conversion completes. When ADC access to the
Data Registers is prohibited between reading of ADCH and ADCL, the interrupt will trigger even if the result is
lost.
23.4 Starting a conversion
A single conversion is started by writing a logical one to the ADC Start Conversion bit, ADSC. This bit stays high
as long as the conversion is in progress and will be cleared by hardware when the conversion is completed. If a
different data channel is selected while a conversion is in progress, the ADC will finish the current conversion
before performing the channel change.
Alternatively, a conversion can be triggered automatically by various sources. Auto Triggering is enabled by
setting the ADC Auto Trigger Enable bit, ADATE in ADCSRA. The trigger source is selected by setting the ADC
Trigger Select bits, ADTS in ADCSRB (see description of the ADTS bits for a list of the trigger sources). When a
positive edge occurs on the selected trigger signal, the ADC prescaler is reset and a conversion is started. This
provides a method of starting conversions at fixed intervals. If the trigger signal still is set when the conversion
completes, a new conversion will not be started. If another positive edge occurs on the trigger signal during
conversion, the edge will be ignored. Note that an Interrupt Flag will be set even if the specific interrupt is
disabled or the global interrupt enable bit in SREG is cleared. A conversion can thus be triggered without
causing an interrupt. However, the Interrupt Flag must be cleared in order to trigger a new conversion at the
next interrupt event.
Figure 23-2. ADC auto trigger logic.
Using the ADC Interrupt Flag as a trigger source makes the ADC start a new conversion as soon as the ongoing
conversion has finished. The ADC then operates in Free Running mode, constantly sampling and updating the
ADC Data Register. The first conversion must be started by writing a logical one to the ADSC bit in ADCSRA. In
ADSC
ADIF
SOURCE 1
SOURCE n
ADTS[2:0]
CONVERSION
LOGIC
PRESCALER
START CLKADC
.
.
.
.EDGE
DETECTOR
ADATE

238
ATmega164A/164PA/324A/324PA/644A/644PA/1284/1284P [DATASHEET]
Atmel-8272G-AVR-01/2015
this mode the ADC will perform successive conversions independently of whether the ADC Interrupt Flag, ADIF
is cleared or not.
If Auto Triggering is enabled, single conversions can be started by writing ADSC in ADCSRA to one. ADSC can
also be used to determine if a conversion is in progress. The ADSC bit will be read as one during a conversion,
independently of how the conversion was started.
23.5 Prescaling and Conversion Timing
Figure 23-3. ADC prescaler.
By default, the successive approximation circuitry requires an input clock frequency between 50kHz and
200kHz to get maximum resolution. If a lower resolution than 10 bits is needed, the input clock frequency to the
ADC can be higher than 200kHz to get a higher sample rate.
The ADC module contains a prescaler, which generates an acceptable ADC clock frequency from any CPU
frequency above 100kHz. The prescaling is set by the ADPS bits in ADCSRA. The prescaler starts counting
from the moment the ADC is switched on by setting the ADEN bit in ADCSRA. The prescaler keeps running for
as long as the ADEN bit is set, and is continuously reset when ADEN is low.
When initiating a single ended conversion by setting the ADSC bit in ADCSRA, the conversion starts at the
following rising edge of the ADC clock cycle. See ”Differential Gain Channels” on page 240 for details on
differential conversion timing.
A normal conversion takes 13 ADC clock cycles. The first conversion after the ADC is switched on (ADEN in
ADCSRA is set) takes 25 ADC clock cycles in order to initialize the analog circuitry.
When the bandgap reference voltage is used as input to the ADC, it will take a certain time for the voltage to
stabilize. If not stabilized, the first value read after the first conversion may be wrong.
The actual sample-and-hold takes place 1.5 ADC clock cycles after the start of a normal conversion and 13.5
ADC clock cycles after the start of a first conversion. When a conversion is complete, the result is written to the
ADC Data Registers, and ADIF is set. In single conversion mode, ADSC is cleared simultaneously. The
software may then set ADSC again, and a new conversion will be initiated on the first rising ADC clock edge.
When Auto Triggering is used, the prescaler is reset when the trigger event occurs. This assures a fixed delay
from the trigger event to the start of conversion. In this mode, the sample-and-hold takes place 2 ADC clock
cycles after the rising edge on the trigger source signal. Three additional CPU clock cycles are used for
synchronization logic.
When using Differential mode, along with Auto Trigging from a source other than the ADC Conversion
Complete, each conversion will require 25 ADC clocks. This is because the ADC must be disabled and re-
enabled after every conversion.
7-BIT ADC PRESCALER
ADC CLOCK SOURCE
CK
ADPS0
ADPS1
ADPS2
CK/128
CK/2
CK/4
CK/8
CK/16
CK/32
CK/64
Reset
ADEN
START

239
ATmega164A/164PA/324A/324PA/644A/644PA/1284/1284P [DATASHEET]
Atmel-8272G-AVR-01/2015
In Free Running mode, a new conversion will be started immediately after the conversion completes, while
ADSC remains high. For a summary of conversion times, see Table 23-1 on page 240.
Figure 23-4. ADC Timing diagram, first conversion (Single Conversion mode).
Figure 23-5. ADC Timing diagram, single conversion.
Figure 23-6. ADC Timing diagram, auto triggered conversion.
MSB of Result
LSB of Result
ADC Clock
ADSC
Sample & Hold
ADIF
ADCH
ADCL
Cycle Number
ADEN
1212
13 14 15 16 17 18 1920 21 22 23 24 25 1 2
First Conversion Next
Conversion
3
MUX and REFS
Update MUX and REFS
Update
Conversion
Complete
12 3 4 5 6 7 8 910 11 12 13
MSB of Result
LSB of Result
ADC Clock
ADSC
ADIF
ADCH
ADCL
Cycle Number 12
One Conversion Next Conversion
3
Sample & Hold
MUX and REFS
Update
Conversion
Complete MUX and REFS
Update
12345678910 11 12 13
MSB of Result
LSB of Result
ADC Clock
Trigger
Source
ADIF
ADCH
ADCL
Cycle Number 12
One Conversion Next Conversion
Conversion
Complete
Prescaler
Reset
ADATE
Prescaler
Reset
Sample & Hold
MUX and REFS
Update

240
ATmega164A/164PA/324A/324PA/644A/644PA/1284/1284P [DATASHEET]
Atmel-8272G-AVR-01/2015
Figure 23-7. ADC Timing diagram, free running conversion.
23.5.1 Differential Gain Channels
When using differential gain channels, certain aspects of the conversion need to be taken into consideration.
Note that the differential channels should not be used with an AREF < 2V.
Differential conversions are synchronized to the internal clock CKADC2 equal to half the ADC clock. This
synchronization is done automatically by the ADC interface in such a way that the sample-and-hold occurs at a
specific phase of CKADC2. A conversion initiated by the user (that is, all single conversions, and the first free
running conversion) when CKADC2 is low will take the same amount of time as a single ended conversion (13
ADC clock cycles from the next prescaled clock cycle). A conversion initiated by the user when CKADC2 is high
will take 14 ADC clock cycles due to the synchronization mechanism. In Free Running mode, a new conversion
is initiated immediately after the previous conversion completes, and since CKADC2 is high at this time, all
automatically started (that is, all but the first) free running conversions will take 14 ADC clock cycles.
The gain stage is optimized for a bandwidth of 4kHz at all gain settings. Higher frequencies may be subjected to
non-linear amplification. An external low-pass filter should be used if the input signal contains higher frequency
components than the gain stage bandwidth. Note that the ADC clock frequency is independent of the gain stage
bandwidth limitation. For example, the ADC clock period may be 6µs, allowing a channel to be sampled at
12kSPS, regardless of the bandwidth of this channel.
If differential gain channels are used and conversions are started by Auto Triggering, the ADC must be switched
off between conversions. When Auto Triggering is used, the ADC prescaler is reset before the conversion is
started. Since the gain stage is dependent of a stable ADC clock prior to the conversion, this conversion will not
be valid. By disabling and then re-enabling the ADC between each conversion (writing ADEN in ADCSRA to “0”
then to “1”), only extended conversions are performed. The result from the extended conversions will be valid.
See ”Prescaling and Conversion Timing” on page 238 for timing details.
Table 23-1. ADC conversion time.
Condition
Sample & Hold (cycles
from start of conversion) Conversion time (cycles)
First conversion 14.5 25
Normal conversions, single ended 1.5 13
Auto Triggered conversions 213.5
Normal conversions, differential 1.5/2.5 13/14
11 12 13
MSB of Result
LSB of Result
ADC Clock
ADSC
ADIF
ADCH
ADCL
Cycle Number 12
One Conversion Next Conversion
34
Conversion
Complete
Sample & Hold
MUX and REFS
Update

241
ATmega164A/164PA/324A/324PA/644A/644PA/1284/1284P [DATASHEET]
Atmel-8272G-AVR-01/2015
23.6 Changing Channel or Reference Selection
The MUXn and REFS1:0 bits in the ADMUX Register are single buffered through a temporary register to which
the CPU has random access. This ensures that the channels and reference selection only takes place at a safe
point during the conversion. The channel and reference selection is continuously updated until a conversion is
started. Once the conversion starts, the channel and reference selection is locked to ensure a sufficient
sampling time for the ADC. Continuous updating resumes in the last ADC clock cycle before the conversion
completes (ADIF in ADCSRA is set). Note that the conversion starts on the following rising ADC clock edge after
ADSC is written. The user is thus advised not to write new channel or reference selection values to ADMUX until
one ADC clock cycle after ADSC is written.
If Auto Triggering is used, the exact time of the triggering event can be indeterministic. Special care must be
taken when updating the ADMUX Register, in order to control which conversion will be affected by the new
settings.
If both ADATE and ADEN is written to one, an interrupt event can occur at any time. If the ADMUX Register is
changed in this period, the user cannot tell if the next conversion is based on the old or the new settings.
ADMUX can be safely updated in the following ways:
1.When ADATE or ADEN is cleared.
2.During conversion, minimum one ADC clock cycle after the trigger event.
3.After a conversion, before the Interrupt Flag used as trigger source is cleared.
When updating ADMUX in one of these conditions, the new settings will affect the next ADC conversion.
Special care should be taken when changing differential channels. Once a differential channel has been
selected, the gain stage may take as much as 125µs to stabilize to the new value. Thus conversions should not
be started within the first 125µs after selecting a new differential channel. Alternatively, conversion results
obtained within this period should be discarded.
The same settling time should be observed for the first differential conversion after changing ADC reference (by
changing the REFS1:0 bits in ADMUX).
23.6.1 ADC Input Channels
When changing channel selections, the user should observe the following guidelines to ensure that the correct
channel is selected:
In Single Conversion mode, always select the channel before starting the conversion. The channel selection
may be changed one ADC clock cycle after writing one to ADSC. However, the simplest method is to wait for the
conversion to complete before changing the channel selection.
In Free Running mode, always select the channel before starting the first conversion. The channel selection
may be changed one ADC clock cycle after writing one to ADSC. However, the simplest method is to wait for the
first conversion to complete, and then change the channel selection. Since the next conversion has already
started automatically, the next result will reflect the previous channel selection. Subsequent conversions will
reflect the new channel selection.
When switching to a differential gain channel, the first conversion result may have a poor accuracy due to the
required settling time for the automatic offset cancellation circuitry. The user should preferably disregard the first
conversion result.
23.6.2 ADC Voltage Reference
The reference voltage for the ADC (VREF) indicates the conversion range for the ADC. Single ended channels
that exceed VREF will result in codes close to 0x3FF. VREF can be selected as either AVCC, internal 2.56V
reference, or external AREF pin.

242
ATmega164A/164PA/324A/324PA/644A/644PA/1284/1284P [DATASHEET]
Atmel-8272G-AVR-01/2015
AVCC is connected to the ADC through a passive switch. The internal 2.56V reference is generated from the
internal bandgap reference (VBG) through an internal amplifier. In either case, the external AREF pin is directly
connected to the ADC, and the reference voltage can be made more immune to noise by connecting a capacitor
between the AREF pin and ground. VREF can also be measured at the AREF pin with a high impedant voltmeter.
Note that VREF is a high impedant source, and only a capacitive load should be connected in a system.
If the user has a fixed voltage source connected to the AREF pin, the user may not use the other reference
voltage options in the application, as they will be shorted to the external voltage. If no external voltage is applied
to the AREF pin, the user may switch between AVCC and 2.56V as reference selection. The first ADC
conversion result after switching reference voltage source may be inaccurate, and the user is advised to discard
this result.
If differential channels are used, the selected reference should not be closer to AVCC than indicated in Table
28-17 on page 330.
23.7 ADC Noise Canceler
The ADC features a noise canceler that enables conversion during sleep mode to reduce noise induced from
the CPU core and other I/O peripherals. The noise canceler can be used with ADC Noise Reduction and Idle
mode. To make use of this feature, the following procedure should be used:
a. Make sure that the ADC is enabled and is not busy converting. Single Conversion Mode must be
selected and the ADC conversion complete interrupt must be enabled.
11. Enter ADC Noise Reduction mode (or Idle mode). The ADC will start a conversion once the CPU
has been halted.
12. If no other interrupts occur before the ADC conversion completes, the ADC interrupt will wake up
the CPU and execute the ADC Conversion Complete interrupt routine. If another interrupt wakes up
the CPU before the ADC conversion is complete, that interrupt will be executed, and an ADC
Conversion Complete interrupt request will be generated when the ADC conversion completes. The
CPU will remain in active mode until a new sleep command is executed.
Note that the ADC will not be automatically turned off when entering other sleep modes than Idle mode and
ADC Noise Reduction mode. The user is advised to write zero to ADEN before entering such sleep modes to
avoid excessive power consumption. If the ADC is enabled in such sleep modes and the user wants to perform
differential conversions, the user is advised to switch the ADC off and on after waking up from sleep to prompt
an extended conversion to get a valid result.
23.7.1 Analog Input Circuitry
The Analog Input Circuitry for single ended channels is illustrated in Figure 23-8 on page 243 An analog source
applied to ADCn is subjected to the pin capacitance and input leakage of that pin, regardless of whether that
channel is selected as input for the ADC. When the channel is selected, the source must drive the S/H capacitor
through the series resistance (combined resistance in the input path).
The ADC is optimized for analog signals with an output impedance of approximately 10k or less. If such a
source is used, the sampling time will be negligible. If a source with higher impedance is used, the sampling
time will depend on how long time the source needs to charge the S/H capacitor, with can vary widely. The user
is recommended to only use low impedant sources with slowly varying signals, since this minimizes the required
charge transfer to the S/H capacitor.
If differential gain channels are used, the input circuitry looks somewhat different, although source impedances
of a few hundred k or less is recommended.

243
ATmega164A/164PA/324A/324PA/644A/644PA/1284/1284P [DATASHEET]
Atmel-8272G-AVR-01/2015
Signal components higher than the Nyquist frequency (fADC/2) should not be present for either kind of channels,
to avoid distortion from unpredictable signal convolution. The user is advised to remove high frequency
components with a low-pass filter before applying the signals as inputs to the ADC.
Figure 23-8. Analog input circuitry.
23.7.2 Analog Noise Canceling Techniques
Digital circuitry inside and outside the device generates EMI which might affect the accuracy of analog
measurements. If conversion accuracy is critical, the noise level can be reduced by applying the following
techniques:
a. Keep analog signal paths as short as possible. Make sure analog tracks run over the analog ground
plane, and keep them well away from high-speed switching digital tracks.
13. The AVCC pin on the device should be connected to the digital VCC supply voltage via an LC
network as shown in Figure 23-9.
14. Use the ADC noise canceler function to reduce induced noise from the CPU.
15. If any ADC port pins are used as digital outputs, it is essential that these do not switch while a
conversion is in progress.
ADCn
IIH
1..100 kΩ
CS/H= 14 pF
VCC/2
IIL

244
ATmega164A/164PA/324A/324PA/644A/644PA/1284/1284P [DATASHEET]
Atmel-8272G-AVR-01/2015
Figure 23-9. ADC Power Connections
23.7.3 Offset Compensation Schemes
The gain stage has a built-in offset cancellation circuitry that nulls the offset of differential measurements as
much as possible. The remaining offset in the analog path can be measured directly by selecting the same
channel for both differential inputs. This offset residue can be then subtracted in software from the
measurement results. Using this kind of software based offset correction, offset on any channel can be reduced
below one LSB.
23.7.4 ADC Accuracy Definitions
An n-bit single-ended ADC converts a voltage linearly between GND and VREF in 2n steps (LSBs). The lowest
code is read as 0, and the highest code is read as 2n-1.
Several parameters describe the deviation from the ideal behavior:
-Offset: The deviation of the first transition (0x000 to 0x001) compared to the ideal transition (at 0.5LSB).
Ideal value: 0LSB
GND
VCC
PA0 (ADC0)
PA1 (ADC1)
PA2 (ADC2)
PA3 (ADC3)
PA4 (ADC4)
PA5 (ADC5)
PA6 (ADC6)
PA7 (ADC7)
AREF
AVCC
GND
PC7
10μH
100nF Analog Ground Plane

245
ATmega164A/164PA/324A/324PA/644A/644PA/1284/1284P [DATASHEET]
Atmel-8272G-AVR-01/2015
Figure 23-10. Offset error.
-Gain Error: After adjusting for offset, the Gain Error is found as the deviation of the last transition (0x3FE
to 0x3FF) compared to the ideal transition (at 1.5LSB below maximum). Ideal value: 0LSB
Figure 23-11. Gain error.
-Integral Non-linearity (INL): After adjusting for offset and gain error, the INL is the maximum deviation of
an actual transition compared to an ideal transition for any code. Ideal value: 0 LSB
Output Code
V
REF
Input Voltage
Ideal ADC
Actual ADC
Offset
Error
Output Code
VREF Input Voltage
Ideal ADC
Actual ADC
Gain
Error

246
ATmega164A/164PA/324A/324PA/644A/644PA/1284/1284P [DATASHEET]
Atmel-8272G-AVR-01/2015
Figure 23-12. Integral non-linearity (INL).
-Differential Non-linearity (DNL): The maximum deviation of the actual code width (the interval between
two adjacent transitions) from the ideal code width (1LSB). Ideal value: 0LSB
Figure 23-13. Differential non-linearity (DNL).
-Quantization Error: Due to the quantization of the input voltage into a finite number of codes, a range of
input voltages (1LSB wide) will code to the same value. Always ±0.5LSB
-Absolute Accuracy: The maximum deviation of an actual (unadjusted) transition compared to an ideal
transition for any code. This is the compound effect of Offset, Gain Error, Differential Error, Non-linearity,
and Quantization Error. Ideal value: ±0.5LSB
Output Code
VREF Input Voltage
Ideal ADC
Actual ADC
INL
Output Code
0x3FF
0x000
0VREF Input Voltage
DNL
1 LSB

247
ATmega164A/164PA/324A/324PA/644A/644PA/1284/1284P [DATASHEET]
Atmel-8272G-AVR-01/2015
23.8 ADC Conversion Result
After the conversion is complete (ADIF is high), the conversion result can be found in the ADC Result Registers
(ADCL, ADCH).
For single ended conversion, the result is
where VIN is the voltage on the selected input pin and VREF the selected voltage reference (see Table 23-3 on
page 249 and Table 23-4 on page 249). 0x000 represents analog ground, and 0x3FF represents the selected
reference voltage minus one LSB.
If differential channels are used, the result is
where VPOS is the voltage on the positive input pin, VNEG the voltage on the negative input pin, GAIN the
selected gain factor, and VREF the selected voltage reference. The result is presented in two’s complement form,
from 0x200 (-512d) through 0x1FF (+511d). Note that if the user wants to perform a quick polarity check of the
results, it is sufficient to read the MSB of the result (ADC9 in ADCH). If this bit is one, the result is negative, and
if this bit is zero, the result is positive. Figure 23-14 on page 247 shows the decoding of the differential input
range.
Table 23-2 on page 248 shows the resulting output codes if the differential input channel pair (ADCn - ADCm) is
selected with a gain of GAIN and a reference voltage of VREF.
Figure 23-14. Differential measurement range.
ADC VIN 1024
VREF
--------------------------=
ADC VPOS VNEG
–GAIN 512
VREF
------------------------------------------------------------------------=
0
Output Code
0x1FF
0x000
V
REF
/GAIN Differential Input
Voltage (Volts)
0x3FF
0x200
- V
REF
/GAIN

248
ATmega164A/164PA/324A/324PA/644A/644PA/1284/1284P [DATASHEET]
Atmel-8272G-AVR-01/2015
Example:
ADMUX = 0xED (ADC3 - ADC2, 10× gain, 2.56V reference, left adjusted result)
Voltage on ADC3 is 300mV, voltage on ADC2 is 500mV.
ADCR = 512 × 10 × (300 - 500) / 2560 = -400 = 0x270
ADCL will thus read 0x00, and ADCH will read 0x9C. Writing zero to ADLAR right adjusts the result:
ADCL = 0x70, ADCH = 0x02.
Table 23-2. Correlation between input voltage and output codes.
VADCn Read code Corresponding decimal value
VADCm + VREF/GAIN 0x1FF 511
VADCm + 0.999VREF/GAIN 0x1FF 511
VADCm + 0.998VREF/GAIN 0x1FE 510
... ... ...
VADCm + 0.001VREF/GAIN 0x001 1
VADCm 0x000 0
VADCm - 0.001VREF/GAIN 0x3FF -1
... ... ...
VADCm - 0.999VREF/GAIN 0x201 -511
VADCm - VREF/GAIN 0x200 -512

249
ATmega164A/164PA/324A/324PA/644A/644PA/1284/1284P [DATASHEET]
Atmel-8272G-AVR-01/2015
23.9 Register description
23.9.1 ADMUX – ADC Multiplexer Selection Register
• Bit 7:6 – REFS1:0: Reference Selection Bits
These bits select the voltage reference for the ADC, as shown in Table 23-3. If these bits are changed during a
conversion, the change will not go in effect until this conversion is complete (ADIF in ADCSRA is set). The
internal voltage reference options may not be used if an external reference voltage is being applied to the AREF
pin.
Note: If differential channels are selected, only 2.56V should be used as Internal Voltage Reference.
• Bit 5 – ADLAR: ADC Left Adjust Result
The ADLAR bit affects the presentation of the ADC conversion result in the ADC Data Register. Write one to
ADLAR to left adjust the result. Otherwise, the result is right adjusted. Changing the ADLAR bit will affect the
ADC Data Register immediately, regardless of any ongoing conversions. For a complete description of this bit,
see ”ADCL and ADCH – The ADC Data Register” on page 251.
• Bits 4:0 – MUX4:0: Analog Channel and Gain Selection Bits
The value of these bits selects which combination of analog inputs are connected to the ADC. These bits also
select the gain for the differential channels. See Table 23-4 on page 249 for details. If these bits are changed
during a conversion, the change will not go in effect until this conversion is complete (ADIF in ADCSRA is set).
Bit 76543210
(0x7C) REFS1 REFS0 ADLAR MUX4 MUX3 MUX2 MUX1 MUX0 ADMUX
Read/Write R/W R/W R/W R/W R/W R/W R/W R/W
Initial Value00000000
Table 23-3. Voltage Reference Selections for ADC
REFS1 REFS0 Voltage Reference Selection
0 0 AREF, Internal Vref turned off
0 1 AVCC with external capacitor at AREF pin
1 0 Internal 1.1V Voltage Reference with external capacitor at AREF pin
1 1 Internal 2.56V Voltage Reference with external capacitor at AREF pin
Table 23-4. Input channel and gain selections.
MUX4..0
Single ended
input Positive differential input Negative differential input Gain
00000 ADC0
00001 ADC1
00010 ADC2
00011 ADC3 N/A
00100 ADC4
00101 ADC5
00110 ADC6
00111 ADC7
01000 ADC0 ADC0 10×

250
ATmega164A/164PA/324A/324PA/644A/644PA/1284/1284P [DATASHEET]
Atmel-8272G-AVR-01/2015
Note: 1. The differential input channels are not tested for devices in PDIP Package. This feature is only guaranteed to
work for devices in TQFP and VQFN/QFN/MLF Packages.
23.9.2 ADCSRA – ADC Control and Status Register A
• Bit 7 – ADEN: ADC Enable
Writing this bit to one enables the ADC. By writing it to zero, the ADC is turned off. Turning the ADC off while a
conversion is in progress, will terminate this conversion.
• Bit 6 – ADSC: ADC Start Conversion
In Single Conversion mode, write this bit to one to start each conversion. In Free Running Mode, write this bit to
one to start the first conversion. The first conversion after ADSC has been written after the ADC has been
01001 ADC1 ADC0 10×
01010(1) ADC0 ADC0 200×
01011(1) ADC1 ADC0 200×
01100 ADC2 ADC2 10×
01101 ADC3 ADC2 10×
01110(1) ADC2 ADC2 200×
01111(1) ADC3 ADC2 200×
10000 ADC0 ADC1 1×
10001 ADC1 ADC1 1×
10010 N/A ADC2 ADC1 1×
10011 ADC3 ADC1 1×
10100 ADC4 ADC1 1×
10101 ADC5 ADC1 1×
10110 ADC6 ADC1 1×
10111 ADC7 ADC1 1×
11000 ADC0 ADC2 1×
11001 ADC1 ADC2 1×
11010 ADC2 ADC2 1×
11011 ADC3 ADC2 1×
11100 ADC4 ADC2 1×
11101 ADC5 ADC2 1×
11110 1.1V (VBG)N/A
11111 0 V (GND)
Table 23-4. Input channel and gain selections. (Continued)
MUX4..0
Single ended
input Positive differential input Negative differential input Gain
Bit 76543210
(0x7A) ADEN ADSC ADATE ADIF ADIE ADPS2 ADPS1 ADPS0 ADCSRA
Read/Write R/W R/W R/W R/W R/W R/W R/W R/W
Initial Value00000000

251
ATmega164A/164PA/324A/324PA/644A/644PA/1284/1284P [DATASHEET]
Atmel-8272G-AVR-01/2015
enabled, or if ADSC is written at the same time as the ADC is enabled, will take 25 ADC clock cycles instead of
the normal 13. This first conversion performs initialization of the ADC.
ADSC will read as one as long as a conversion is in progress. When the conversion is complete, it returns to
zero. Writing zero to this bit has no effect.
• Bit 5 – ADATE: ADC Auto Trigger Enable
When this bit is written to one, Auto Triggering of the ADC is enabled. The ADC will start a conversion on a
positive edge of the selected trigger signal. The trigger source is selected by setting the ADC Trigger Select bits,
ADTS in ADCSRB.
• Bit 4 – ADIF: ADC Interrupt Flag
This bit is set when an ADC conversion completes and the Data Registers are updated. The ADC Conversion
Complete Interrupt is executed if the ADIE bit and the I-bit in SREG are set. ADIF is cleared by hardware when
executing the corresponding interrupt handling vector. Alternatively, ADIF is cleared by writing a logical one to
the flag. Beware that if doing a Read-Modify-Write on ADCSRA, a pending interrupt can be disabled. This also
applies if the SBI and CBI instructions are used.
• Bit 3 – ADIE: ADC Interrupt Enable
When this bit is written to one and the I-bit in SREG is set, the ADC Conversion Complete Interrupt is activated.
• Bits 2:0 – ADPS2:0: ADC Prescaler Select Bits
These bits determine the division factor between the XTAL frequency and the input clock to the ADC.
23.9.3 ADCL and ADCH – The ADC Data Register
ADLA
R
=
0
Table 23-5. ADC prescaler selections.
ADPS2 ADPS1 ADPS0 Division factor
0 0 0 2
0 0 1 2
0 1 0 4
0 1 1 8
100 16
101 32
110 64
111 128
Bit 151413121110 9 8
(0x79) –––––– ADC9 ADC8 ADCH
(0x78) ADC7 ADC6 ADC5 ADC4 ADC3 ADC2 ADC1 ADC0 ADCL
76543210
Read/Write RRRRRRRR
RRRRRRRR
Initial Value00000000
00000000

252
ATmega164A/164PA/324A/324PA/644A/644PA/1284/1284P [DATASHEET]
Atmel-8272G-AVR-01/2015
ADLA
R
=
1
When an ADC conversion is complete, the result is found in these two registers. If differential channels are
used, the result is presented in two’s complement form.
When ADCL is read, the ADC Data Register is not updated until ADCH is read. Consequently, if the result is left
adjusted and no more than 8-bit precision is required, it is sufficient to read ADCH. Otherwise, ADCL must be
read first, then ADCH.
The ADLAR bit in ADMUX, and the MUXn bits in ADMUX affect the way the result is read from the registers. If
ADLAR is set, the result is left adjusted. If ADLAR is cleared (default), the result is right adjusted.
• ADC9:0: ADC Conversion Result
These bits represent the result from the conversion, as detailed in ”ADC Conversion Result” on page 247.
23.9.4 ADCSRB – ADC Control and Status Register B
Bit 151413121110 9 8
(0x79) ADC9 ADC8 ADC7 ADC6 ADC5 ADC4 ADC3 ADC2 ADCH
(0x78) ADC1 ADC0 ––––––ADCL
76543210
Read/Write RRRRRRRR
RRRRRRRR
Initial Value00000000
00000000
Bit 765 4 3210
(0x7B) –ACME ––– ADTS2 ADTS1 ADTS0 ADCSRB
Read/Write R R/W R R R R/W R/W R/W
Initial Value 0 0 0 0 0 0 0 0

253
ATmega164A/164PA/324A/324PA/644A/644PA/1284/1284P [DATASHEET]
Atmel-8272G-AVR-01/2015
• Bit 7, 5:3 – Reserved
These bits are reserved for future use in the Atmel
ATmega164A/164PA/324A/324PA/644A/644PA/1284/1284P. For ensuring compatibility with future devices,
these bits must be written zero when ADCSRB is written.
• Bit 2:0 – ADTS2:0: ADC Auto Trigger Source
If ADATE in ADCSRA is written to one, the value of these bits selects which source will trigger an ADC
conversion. If ADATE is cleared, the ADTS[2:0] settings will have no effect. A conversion will be triggered by the
rising edge of the selected Interrupt Flag. Note that switching from a trigger source that is cleared to a trigger
source that is set, will generate a positive edge on the trigger signal. If ADEN in ADCSRA is set, this will start a
conversion. Switching to Free Running mode (ADTS[2:0]=0) will not cause a trigger event, even if the ADC
Interrupt Flag is set.
23.9.5 DIDR0 – Digital Input Disable Register 0
• Bit 7:0 – ADC7D..ADC0D: ADC7:0 Digital Input Disable
When this bit is written logic one, the digital input buffer on the corresponding ADC pin is disabled. The
corresponding PIN Register bit will always read as zero when this bit is set. When an analog signal is applied to
the ADC7:0 pin and the digital input from this pin is not needed, this bit should be written logic one to reduce
power consumption in the digital input buffer.
Table 23-6. ADC auto trigger source selections.
ADTS2 ADTS1 ADTS0 Trigger source
000Free Running mode
001Analog Comparator
010External Interrupt Request 0
011Timer/Counter0 Compare Match A
100Timer/Counter0 Overflow
101Timer/Counter1 Compare Match B
110Timer/Counter1 Overflow
111Timer/Counter1 Capture Event
Bit 76543210
(0x7E) ADC7D ADC6D ADC5D ADC4D ADC3D ADC2D ADC1D ADC0D DIDR0
Read/Write R/W R/W R/W R/W R/W R/W R/W R/W
Initial Value00000000

254
ATmega164A/164PA/324A/324PA/644A/644PA/1284/1284P [DATASHEET]
Atmel-8272G-AVR-01/2015
24. JTAG interface and on-chip debug system
24.1 Features
•JTAG (IEEE std. 1149.1 Compliant) interface
•Boundary-scan capabilities according to the IEEE std. 1149.1 (JTAG) standard
•Debugger access to:
– All internal peripheral units
– Internal and external RAM
– The internal register file
– Program counter
– EEPROM and flash memories
•Extensive on-chip debug support for break conditions, including:
– AVR break instruction
– Break on change of program memory flow
– Single step break
– Program memory break points on single address or address range
– Data memory break points on single address or address range
•Programming of Flash, EEPROM, Fuses, and Lock Bits through the JTAG Interface
•On-chip Debugging Supported by Atmel AVR Studio®
24.2 Overview
The AVR IEEE std. 1149.1 compliant JTAG interface can be used for
-Testing PCBs by using the JTAG Boundary-scan capability
-Programming the non-volatile memories, Fuses and Lock bits
-On-chip debugging
A brief description is given in the following sections. Detailed descriptions for Programming via the JTAG
interface, and using the Boundary-scan Chain can be found in the sections ”Programming via the JTAG
Interface” on page 306 and ”IEEE 1149.1 (JTAG) Boundary-scan” on page 260, respectively. The On-chip
Debug support is considered being private JTAG instructions, and distributed within Atmel and to selected third
party vendors only.
Figure 24-1 shows a block diagram of the JTAG interface and the On-chip Debug system. The TAP Controller is
a state machine controlled by the TCK and TMS signals. The TAP Controller selects either the JTAG Instruction
Register or one of several Data Registers as the scan chain (Shift Register) between the TDI – input and TDO –
output. The Instruction Register holds JTAG instructions controlling the behavior of a Data Register.
The ID-Register, Bypass Register, and the Boundary-scan Chain are the Data Registers used for board-level
testing. The JTAG Programming Interface (actually consisting of several physical and virtual Data Registers) is
used for serial programming via the JTAG interface. The Internal Scan Chain and Break Point Scan Chain are
used for On-chip debugging only.
24.3 TAP – Test Access Port
The JTAG interface is accessed through four of the AVR’s pins. In JTAG terminology, these pins constitute the
Test Access Port – TAP. These pins are:
-TMS: Test mode select. This pin is used for navigating through the TAP-controller state machine
-TCK: Test Clock. JTAG operation is synchronous to TCK

255
ATmega164A/164PA/324A/324PA/644A/644PA/1284/1284P [DATASHEET]
Atmel-8272G-AVR-01/2015
-TDI: Test Data In. Serial input data to be shifted in to the Instruction Register or Data Register (Scan
Chains)
-TDO: Test Data Out. Serial output data from Instruction Register or Data Register
The IEEE std. 1149.1 also specifies an optional TAP signal; TRST – Test ReSeT – which is not provided.
When the JTAGEN Fuse is unprogrammed, these four TAP pins are normal port pins, and the TAP controller is
in reset. When programmed, the input TAP signals are internally pulled high and the JTAG is enabled for
Boundary-scan and programming. The device is shipped with this fuse programmed.
For the On-chip Debug system, in addition to the JTAG interface pins, the RESET pin is monitored by the
debugger to be able to detect external reset sources. The debugger can also pull the RESET pin low to reset the
whole system, assuming only open collectors on the reset line are used in the application.
Figure 24-1. Block diagram.
TAP
CONTROLLER
TDI
TDO
TCK
TMS
FLASH
MEMORY
AVR CPU
DIGITAL
PERIPHERAL
UNITS
JTAG / AVR CORE
COMMUNICATION
INTERFACE
BREAKPOINT
UNIT FLOW CONTROL
UNIT
OCD STATUS
AND CONTROL
INTERNAL
SCAN
CHAIN
M
U
X
INSTRUCTION
REGISTER
ID
REGISTER
BYPASS
REGISTER
JTAG PROGRAMMING
INTERFACE
PC
Instruction
Address
Data
BREAKPOINT
SCAN CHAIN
ADDRESS
DECODER
ANALOG
PERIPHERIAL
UNITS
I/O PORT 0
I/O PORT n
BOUNDARY SCAN CHAIN
Analog inputs
Control & Clock lines
DEVICE BOUNDARY

256
ATmega164A/164PA/324A/324PA/644A/644PA/1284/1284P [DATASHEET]
Atmel-8272G-AVR-01/2015
Figure 24-2. TAP controller state diagram.
24.4 TAP controller
The TAP controller is a 16-state finite state machine that controls the operation of the Boundary-scan circuitry,
JTAG programming circuitry, or On-chip Debug system. The state transitions depicted in Figure 24-2 depend on
the signal present on TMS (shown adjacent to each state transition) at the time of the rising edge at TCK. The
initial state after a Power-on Reset is Test-Logic-Reset.
As a definition in this document, the LSB is shifted in and out first for all Shift Registers.
Assuming Run-Test/Idle is the present state, a typical scenario for using the JTAG interface is:
-At the TMS input, apply the sequence 1, 1, 0, 0 at the rising edges of TCK to enter the Shift Instruction
Register – Shift-IR state. While in this state, shift the four bits of the JTAG instructions into the JTAG
Instruction Register from the TDI input at the rising edge of TCK. The TMS input must be held low during
input of the three LSBs in order to remain in the Shift-IR state. The MSB of the instruction is shifted in
when this state is left by setting TMS high. While the instruction is shifted in from the TDI pin, the captured
IR-state 0x01 is shifted out on the TDO pin. The JTAG Instruction selects a particular Data Register as
path between TDI and TDO and controls the circuitry surrounding the selected Data Register.
-Apply the TMS sequence 1, 1, 0 to re-enter the Run-Test/Idle state. The instruction is latched onto the
parallel output from the Shift Register path in the Update-IR state. The Exit-IR, Pause-IR, and Exit2-IR
states are only used for navigating the state machine
Test-Logic-Reset
Run-Test/Idle
Shift-DR
Exit1-DR
Pause-DR
Exit2-DR
Update-DR
Select-IR Scan
Capture-IR
Shift-IR
Exit1-IR
Pause-IR
Exit2-IR
Update-IR
Select-DR Scan
Capture-DR
0
1
011 1
00
00
11
10
1
1
0
1
0
0
10
1
1
0
1
0
0
00
11

257
ATmega164A/164PA/324A/324PA/644A/644PA/1284/1284P [DATASHEET]
Atmel-8272G-AVR-01/2015
-At the TMS input, apply the sequence 1, 0, 0 at the rising edges of TCK to enter the Shift Data Register –
Shift-DR state. While in this state, upload the selected Data Register (selected by the present JTAG
instruction in the JTAG Instruction Register) from the TDI input at the rising edge of TCK. In order to
remain in the Shift-DR state, the TMS input must be held low during input of all bits except the MSB. The
MSB of the data is shifted in when this state is left by setting TMS high. While the Data Register is shifted
in from the TDI pin, the parallel inputs to the Data Register captured in the Capture-DR state is shifted out
on the TDO pin
-Apply the TMS sequence 1, 1, 0 to re-enter the Run-Test/Idle state. If the selected Data Register has a
latched parallel-output, the latching takes place in the Update-DR state. The Exit-DR, Pause-DR, and
Exit2-DR states are only used for navigating the state machine
As shown in the state diagram, the Run-Test/Idle state need not be entered between selecting JTAG instruction
and using Data Registers, and some JTAG instructions may select certain functions to be performed in the Run-
Test/Idle, making it unsuitable as an Idle state.
Note: Independent of the initial state of the TAP Controller, the Test-Logic-Reset state can always be entered by holding
TMS high for five TCK clock periods.
For detailed information on the JTAG specification, refer to the literature listed in ”Bibliography” on page 259.
24.5 Using the Boundary-scan Chain
A complete description of the Boundary-scan capabilities are given in the section ”IEEE 1149.1 (JTAG)
Boundary-scan” on page 260.
24.6 Using the On-chip Debug System
As shown in Figure 24-1 on page 255, the hardware support for On-chip Debugging consists mainly of
-A scan chain on the interface between the internal AVR CPU and the internal peripheral units
-Break Point unit
-Communication interface between the CPU and JTAG system
All read or modify/write operations needed for implementing the Debugger are done by applying AVR
instructions via the internal AVR CPU Scan Chain. The CPU sends the result to an I/O memory mapped location
which is part of the communication interface between the CPU and the JTAG system.
The Break Point Unit implements Break on Change of Program Flow, Single Step Break, two Program Memory
Break Points, and two combined Break Points. Together, the four Break Points can be configured as either:
-Four single Program Memory Break Points
-Three single Program Memory Break Point + one single Data Memory Break Point
-Two single Program Memory Break Points + two single Data Memory Break Points
-Two single Program Memory Break Points + one Program Memory Break Point with mask (“range Break
Point”)
-Two single Program Memory Break Points + one Data Memory Break Point with mask (“range Break
Point”)
A debugger, like the Atmel AVR Studio, may however use one or more of these resources for its internal
purpose, leaving less flexibility to the end-user.
A list of the On-chip Debug specific JTAG instructions is given in ”On-chip Debug Specific JTAG Instructions” on
page 258.
The JTAGEN Fuse must be programmed to enable the JTAG Test Access Port. In addition, the OCDEN Fuse
must be programmed and no Lock bits must be set for the On-chip debug system to work. As a security feature,
the On-chip debug system is disabled when either of the LB1 or LB2 Lock bits are set. Otherwise, the On-chip
debug system would have provided a back-door into a secured device.

258
ATmega164A/164PA/324A/324PA/644A/644PA/1284/1284P [DATASHEET]
Atmel-8272G-AVR-01/2015
The AVR Studio enables the user to fully control execution of programs on an AVR device with On-chip Debug
capability, AVR In-Circuit Emulator, or the built-in AVR Instruction Set Simulator. AVR Studio® supports source
level execution of Assembly programs assembled with Atmel Corporation’s AVR Assembler and C programs
compiled with third party vendors’ compilers.
AVR Studio runs under Microsoft® Windows® 95/98/2000 and Microsoft Windows NT®.
For a full description of the AVR Studio, please refer to the AVR Studio User Guide. Only highlights are
presented in this document.
All necessary execution commands are available in AVR Studio, both on source level and on disassembly level.
The user can execute the program, single step through the code either by tracing into or stepping over
functions, step out of functions, place the cursor on a statement and execute until the statement is reached, stop
the execution, and reset the execution target. In addition, the user can have an unlimited number of code Break
Points (using the BREAK instruction) and up to two data memory Break Points, alternatively combined as a
mask (range) Break Point.
24.7 On-chip Debug Specific JTAG Instructions
The On-chip debug support is considered being private JTAG instructions, and distributed within Atmel® and to
selected third party vendors only. Instruction opcodes are listed for reference.
24.7.1 PRIVATE0; 0x8
Private JTAG instruction for accessing On-chip debug system.
24.7.2 PRIVATE1; 0x9
Private JTAG instruction for accessing On-chip debug system.
24.7.3 PRIVATE2; 0xA
Private JTAG instruction for accessing On-chip debug system.
24.7.4 PRIVATE3; 0xB
Private JTAG instruction for accessing On-chip debug system.
24.8 Using the JTAG Programming Capabilities
Programming of AVR parts via JTAG is performed via the 4-pin JTAG port, TCK, TMS, TDI, and TDO. These
are the only pins that need to be controlled/observed to perform JTAG programming (in addition to power pins).
It is not required to apply 12V externally. The JTAGEN Fuse must be programmed and the JTD bit in the
MCUCR Register must be cleared to enable the JTAG Test Access Port.
The JTAG programming capability supports:
-Flash programming and verifying
-EEPROM programming and verifying
-Fuse programming and verifying
-Lock bit programming and verifying
The Lock bit security is exactly as in parallel programming mode. If the Lock bits LB1 or LB2 are programmed,
the OCDEN Fuse cannot be programmed unless first doing a chip erase. This is a security feature that ensures
no back-door exists for reading out the content of a secured device.
The details on programming through the JTAG interface and programming specific JTAG instructions are given
in the section ”Programming via the JTAG Interface” on page 306.

259
ATmega164A/164PA/324A/324PA/644A/644PA/1284/1284P [DATASHEET]
Atmel-8272G-AVR-01/2015
24.9 Bibliography
For more information about general Boundary-scan, the following literature can be consulted:
-IEEE: IEEE Std. 1149.1-1990. IEEE Standard Test Access Port and Boundary-scan Architecture, IEEE,
1993
-Colin Maunder: The Board Designers Guide to Testable Logic Circuits, Addison-Wesley, 1992
24.10 Register description
24.10.1 OCDR – On-chip Debug Register
The OCDR Register provides a communication channel from the running program in the microcontroller to the
debugger. The CPU can transfer a byte to the debugger by writing to this location. At the same time, an internal
flag; I/O Debug Register Dirty – IDRD – is set to indicate to the debugger that the register has been written.
When the CPU reads the OCDR Register the seven LSB will be from the OCDR Register, while the MSB is the
IDRD bit. The debugger clears the IDRD bit when it has read the information.
In some AVR devices, this register is shared with a standard I/O location. In this case, the OCDR Register can
only be accessed if the OCDEN Fuse is programmed, and the debugger enables access to the OCDR Register.
In all other cases, the standard I/O location is accessed.
Refer to the debugger documentation for further information on how to use this register.
Bit 7 6543210
0x31 (0x51) MSB/IDRD LSB OCDR
Read/Write R/W R/W R/W R/W R/W R/W R/W R/W
Initial Value 0 0 0 0 0 0 0 0

260
ATmega164A/164PA/324A/324PA/644A/644PA/1284/1284P [DATASHEET]
Atmel-8272G-AVR-01/2015
25. IEEE 1149.1 (JTAG) Boundary-scan
25.1 Features
•JTAG (IEEE std. 1149.1 compliant) interface
•Boundary-scan capabilities according to the JTAG standard
•Full scan of all port functions as well as analog circuitry having off-chip connections
•Supports the optional IDCODE instruction
•Additional public AVR_RESET instruction to reset the AVR
25.2 Overview
The Boundary-scan chain has the capability of driving and observing the logic levels on the digital I/O pins, as
well as the boundary between digital and analog logic for analog circuitry having off-chip connections. At system
level, all ICs having JTAG capabilities are connected serially by the TDI/TDO signals to form a long Shift
Register. An external controller sets up the devices to drive values at their output pins, and observe the input
values received from other devices. The controller compares the received data with the expected result. In this
way, Boundary-scan provides a mechanism for testing interconnections and integrity of components on Printed
Circuits Boards by using the four TAP signals only.
The four IEEE 1149.1 defined mandatory JTAG instructions IDCODE, BYPASS, SAMPLE/PRELOAD, and
EXTEST, as well as the AVR specific public JTAG instruction AVR_RESET can be used for testing the Printed
Circuit Board. Initial scanning of the Data Register path will show the ID-Code of the device, since IDCODE is
the default JTAG instruction. It may be desirable to have the AVR device in reset during test mode. If not reset,
inputs to the device may be determined by the scan operations, and the internal software may be in an
undetermined state when exiting the test mode. Entering reset, the outputs of any port pin will instantly enter the
high impedance state, making the HIGHZ instruction redundant. If needed, the BYPASS instruction can be
issued to make the shortest possible scan chain through the device. The device can be set in the reset state
either by pulling the external RESET pin low, or issuing the AVR_RESET instruction with appropriate setting of
the Reset Data Register.
The EXTEST instruction is used for sampling external pins and loading output pins with data. The data from the
output latch will be driven out on the pins as soon as the EXTEST instruction is loaded into the JTAG IR-
Register. Therefore, the SAMPLE/PRELOAD should also be used for setting initial values to the scan ring, to
avoid damaging the board when issuing the EXTEST instruction for the first time. SAMPLE/PRELOAD can also
be used for taking a snapshot of the external pins during normal operation of the part.
The JTAGEN Fuse must be programmed and the JTD bit in the I/O Register MCUCR must be cleared to enable
the JTAG Test Access Port.
When using the JTAG interface for Boundary-scan, using a JTAG TCK clock frequency higher than the internal
chip frequency is possible. The chip clock is not required to run.

261
ATmega164A/164PA/324A/324PA/644A/644PA/1284/1284P [DATASHEET]
Atmel-8272G-AVR-01/2015
25.3 Data Registers
The Data Registers relevant for Boundary-scan operations are:
-Bypass Register
-Device Identification Register
-Reset Register
-Boundary-scan Chain
25.3.1 Bypass Register
The Bypass Register consists of a single Shift Register stage. When the Bypass Register is selected as path
between TDI and TDO, the register is reset to 0 when leaving the Capture-DR controller state. The Bypass
Register can be used to shorten the scan chain on a system when the other devices are to be tested.
25.3.2 Device Identification Register
Figure 25-1 shows the structure of the Device Identification Register.
Figure 25-1. The format of the device identification register.
Version
Version is a 4-bit number identifying the revision of the component. The JTAG version number follows the
revision of the device. Revision A is 0x0, revision B is 0x1 and so on.
Part Number
The part number is a 16-bit code identifying the component. The JTAG Part Number for Atmel
ATmega164A/164PA/324A/324PA/644A/644PA/1284/1284P is listed in Table 27-6 on page 290.
Manufacturer ID
The Manufacturer ID is a 11-bit code identifying the manufacturer. The JTAG manufacturer ID for ATMEL is
listed in Table 27-6 on page 290.
25.3.3 Reset Register
The Reset Register is a test Data Register used to reset the part. Since the AVR tri-states Port Pins when reset,
the Reset Register can also replace the function of the unimplemented optional JTAG instruction HIGHZ.
A high value in the Reset Register corresponds to pulling the external Reset low. The part is reset as long as
there is a high value present in the Reset Register. Depending on the fuse settings for the clock options, the part
will remain reset for a reset time-out period (refer to ”Clock Sources” on page 31) after releasing the Reset
Register. The output from this Data Register is not latched, so the reset will take place immediately, as shown in
Figure 25-2 on page 262.
MSB LSB
Bit 31 28 27 12 11 1 0
Device ID Version Part Number Manufacturer ID 1
4 bits 16 bits 11 bits 1-bit

262
ATmega164A/164PA/324A/324PA/644A/644PA/1284/1284P [DATASHEET]
Atmel-8272G-AVR-01/2015
Figure 25-2. Reset register.
25.3.4 Boundary-scan Chain
The Boundary-scan Chain has the capability of driving and observing the logic levels on the digital I/O pins, as
well as the boundary between digital and analog logic for analog circuitry having off-chip connections.
See ”Boundary-scan Chain” on page 263 for a complete description.
25.4 Boundary-scan Specific JTAG Instructions
The Instruction Register is 4-bit wide, supporting up to 16 instructions. Listed below are the JTAG instructions
useful for Boundary-scan operation. Note that the optional HIGHZ instruction is not implemented, but all outputs
with tri-state capability can be set in high-impedant state by using the AVR_RESET instruction, since the initial
state for all port pins is tri-state.
As a definition in this datasheet, the LSB is shifted in and out first for all Shift Registers.
The OPCODE for each instruction is shown behind the instruction name in hex format. The text describes which
Data Register is selected as path between TDI and TDO for each instruction.
25.4.1 EXTEST; 0x0
Mandatory JTAG instruction for selecting the Boundary-scan Chain as Data Register for testing circuitry
external to the AVR package. For port-pins, Pull-up Disable, Output Control, Output Data, and Input Data are all
accessible in the scan chain. For Analog circuits having off-chip connections, the interface between the analog
and the digital logic is in the scan chain. The contents of the latched outputs of the Boundary-scan chain is
driven out as soon as the JTAG IR-Register is loaded with the EXTEST instruction.
The active states are:
-Capture-DR: Data on the external pins are sampled into the Boundary-scan Chain
-Shift-DR: The Internal Scan Chain is shifted by the TCK input
-Update-DR: Data from the scan chain is applied to output pins
DQ
From
TDI
ClockDR · AVR_RESET
To
TDO
From Other Internal and
External Reset Sources
Internal reset

263
ATmega164A/164PA/324A/324PA/644A/644PA/1284/1284P [DATASHEET]
Atmel-8272G-AVR-01/2015
25.4.2 IDCODE; 0x1
Optional JTAG instruction selecting the 32-bit ID-Register as Data Register. The ID-Register consists of a
version number, a device number and the manufacturer code chosen by JEDEC. This is the default instruction
after power-up.
The active states are:
-Capture-DR: Data in the IDCODE Register is sampled into the Boundary-scan Chain
-Shift-DR: The IDCODE scan chain is shifted by the TCK input
25.4.3 SAMPLE_PRELOAD; 0x2
Mandatory JTAG instruction for pre-loading the output latches and taking a snap-shot of the input/output pins
without affecting the system operation. However, the output latches are not connected to the pins. The
Boundary-scan Chain is selected as Data Register.
The active states are:
-Capture-DR: Data on the external pins are sampled into the Boundary-scan Chain
-Shift-DR: The Boundary-scan Chain is shifted by the TCK input
-Update-DR: Data from the Boundary-scan chain is applied to the output latches. However, the output
latches are not connected to the pins
25.4.4 AVR_RESET; 0xC
The AVR specific public JTAG instruction for forcing the AVR device into the Reset mode or releasing the JTAG
reset source. The TAP controller is not reset by this instruction. The one bit Reset Register is selected as Data
Register. Note that the reset will be active as long as there is a logic “one” in the Reset Chain. The output from
this chain is not latched.
The active states are:
-Shift-DR: The Reset Register is shifted by the TCK input
25.4.5 BYPASS; 0xF
Mandatory JTAG instruction selecting the Bypass Register for Data Register.
The active states are:
-Capture-DR: Loads a logic “0” into the Bypass Register
-Shift-DR: The Bypass Register cell between TDI and TDO is shifted
25.5 Boundary-scan Chain
The Boundary-scan chain has the capability of driving and observing the logic levels on the digital I/O pins, as
well as the boundary between digital and analog logic for analog circuitry having off-chip connection.
25.5.1 Scanning the Digital Port Pins
Figure 25-3 on page 264 shows the Boundary-scan Cell for a bi-directional port pin. The pull-up function is
disabled during Boundary-scan when the JTAG IC contains EXTEST or SAMPLE_PRELOAD. The cell consists
of a bi-directional pin cell that combines the three signals Output Control - OCxn, Output Data - ODxn, and Input
Data - IDxn, into only a two-stage Shift Register. The port and pin indexes are not used in the following
description:

264
ATmega164A/164PA/324A/324PA/644A/644PA/1284/1284P [DATASHEET]
Atmel-8272G-AVR-01/2015
The Boundary-scan logic is not included in the figures in the datasheet. Figure 25-4 shows a simple digital port
pin as described in the section ”I/O-Ports” on page 72. The Boundary-scan details from Figure 25-3 replaces the
dashed box in Figure 25-4 on page 265.
When no alternate port function is present, the Input Data - ID - corresponds to the PINxn Register value (but ID
has no synchronizer), Output Data corresponds to the PORT Register, Output Control corresponds to the Data
Direction - DD Register, and the Pull-up Enable - PUExn - corresponds to logic expression PUD · DDxn ·
PORTxn.
Digital alternate port functions are connected outside the dotted box in Figure 25-4 on page 265 to make the
scan chain read the actual pin value. For analog function, there is a direct connection from the external pin to
the analog circuit. There is no scan chain on the interface between the digital and the analog circuitry, but some
digital control signal to analog circuitry are turned off to avoid driving contention on the pads.
When JTAG IR contains EXTEST or SAMPLE_PRELOAD the clock is not sent out on the port pins even if the
CKOUT fuse is programmed. Even though the clock is output when the JTAG IR contains SAMPLE_PRELOAD,
the clock is not sampled by the boundary scan.
Figure 25-3. Boundary-scan cell for bi-directional port pin with pull-up function.
DQ DQ
G
0
1
0
1
DQ DQ
G
0
1
0
1
0
1
Port Pin (PXn)
Vcc
EXTEST
To Next Cell
ShiftDR
Output Control (OC)
Output Data (OD)
Input Data (ID)
From Last Cell UpdateDRClockDR
FF1 LD1
LD0FF0
0
1
Pull-up Enable (PUE)

265
ATmega164A/164PA/324A/324PA/644A/644PA/1284/1284P [DATASHEET]
Atmel-8272G-AVR-01/2015
Figure 25-4. General Port Pin schematic diagram.
25.5.2 Scanning the RESET Pin
The RESET pin accepts 5V active low logic for standard reset operation, and 12V active high logic for High
Voltage Parallel programming. An observe-only cell as shown in Figure 25-5 is inserted for the 5V reset signal.
Figure 25-5. Observe-only cell.
CLK
RPx
RRx
WRx
RDx
WDx
PUD
SYNCHRONIZER
WDx: WRITE DDRx
WRx: WRITE PORTx
RRx: READ PORTx REGISTER
RPx: READ PORTx PIN
PUD: PULLUP DISABLE
CLK : I/O CLOCK
RDx: READ DDRx
D
L
Q
Q
RESET
RESET
Q
Q
D
Q
QD
CLR
PORTxn
Q
QD
CLR
DDxn
PINxn
DATA BUS
SLEEP
SLEEP: SLEEP CONTROL
Pxn
I/O
I/O
See Boundary-scan
Description for Details!
PUExn
OCxn
ODxn
IDxn
PUExn: PULLUP ENABLE for pin Pxn
OCxn: OUTPUT CONTROL for pin Pxn
ODxn: OUTPUT DATA to pin Pxn
IDxn: INPUT DATA from pin Pxn
0
1
DQ
From
Previous
Cell
ClockDR
ShiftDR
To
Next
Cell
From System Pin To System Logic
FF1

266
ATmega164A/164PA/324A/324PA/644A/644PA/1284/1284P [DATASHEET]
Atmel-8272G-AVR-01/2015
25.6 Atmel ATmega164A/164PA/324A/324PA/644A/644PA/1284/1284P Boundary-scan order
Table 25-1 shows the Scan order between TDI and TDO when the Boundary-scan chain is selected as data
path. Bit 0 is the LSB; the first bit scanned in, and the first bit scanned out. The scan order follows the pin-out
order as far as possible. Therefore, the bits of Port A and Port K is scanned in the opposite bit order of the other
ports. Exceptions from the rules are the Scan chains for the analog circuits, which constitute the most significant
bits of the scan chain regardless of which physical pin they are connected to. In Figure 25-3 on page 264, PXn.
Data corresponds to FF0, PXn. Control corresponds to FF1, PXn. Bit 4, 5, 6, and 7 of Port F is not in the scan
chain, since these pins constitute the TAP pins when the JTAG is enabled.
Table 25-1. ATmega164A/164PA/324A/324PA/644A/644PA/1284/1284P Boundary-scan order.
Bit number Signal name Module
56 PB0.Data
Port B
55 PB0.Control
54 PB1.Data
53 PB1.Control
52 PB2.Data
51 PB2.Control
50 PB3.Data
49 PB3.Control
48 PB4.Data
47 PB4.Control
46 PB5.Data
45 PB5.Control
44 PB6.Data
43 PB6.Control
42 PB7.Data
41 PB7.Control
40 RSTT Reset Logic (Observe Only)
39 PD0.Data
Port D
38 PD0.Control
37 PD1.Data
36 PD1.Control
35 PD2.Data
34 PD2.Control
33 PD3.Data
32 PD3.Control
31 PD4.Data
30 PD4.Control
29 PD5.Data
28 PD5.Control

267
ATmega164A/164PA/324A/324PA/644A/644PA/1284/1284P [DATASHEET]
Atmel-8272G-AVR-01/2015
25.7 Boundary-scan Description Language Files
Boundary-scan Description Language (BSDL) files describe Boundary-scan capable devices in a standard
format used by automated test-generation software. The order and function of bits in the Boundary-scan Data
Register are included in this description. BSDL files are available for Atmel
ATmega164A/164PA/324A/324PA/644A/644PA/1284/1284P.
27 PD6.Data
26 PD6.Control
25 PD7.Data
24 PD7.Control
23 PC0.Data
Port C
22 PC0.Control
21 PC1.Data
20 PC1.Control
19 PC6.Data
18 PC6.Control
17 PC7.Data
16 PC7.Control
15 PA7.Data
14 PA7.Control
Port A
13 PA6.Data
12 PA6.Control
11 PA5.Data
10 PA5.Control
9PA4.Data
8PA4.Control
7PA3.Data
6PA3.Control
5PA2.Data
4PA2.Control
3PA1.Data
2PA1.Control
1PA0.Data
0PA0.Control
Table 25-1. ATmega164A/164PA/324A/324PA/644A/644PA/1284/1284P Boundary-scan order. (Continued)
Bit number Signal name Module

268
ATmega164A/164PA/324A/324PA/644A/644PA/1284/1284P [DATASHEET]
Atmel-8272G-AVR-01/2015
25.8 Register description
25.8.1 MCUCR – MCU Control Register
The MCU Control Register contains control bits for general MCU functions.
Note: 1. Only available in the Atmel ATmega164PA/324PA/644PA/1284P.
• Bits 7 – JTD: JTAG Interface Disable
When this bit is zero, the JTAG interface is enabled if the JTAGEN Fuse is programmed. If this bit is one, the
JTAG interface is disabled. In order to avoid unintentional disabling or enabling of the JTAG interface, a timed
sequence must be followed when changing this bit: The application software must write this bit to the desired
value twice within four cycles to change its value. Note that this bit must not be altered when using the On-chip
Debug system.
25.8.2 MCUSR – MCU Status Register
The MCU Status Register provides information on which reset source caused an MCU reset.
• Bit 4 – JTRF: JTAG Reset Flag
This bit is set if a reset is being caused by a logic one in the JTAG Reset Register selected by the JTAG
instruction AVR_RESET. This bit is reset by a Power-on Reset, or by writing a logic zero to the flag.
Bit 76 5 43210
0x35 (0x55) JTD BODS(1) BODSE(1) PUD – – IVSEL IVCE MCUCR
Read/Write R/W R/W R/W R/W R R R/W R/W
Initial Value 0 0 0 0 0 0 0 0
Bit 76543210
0x34 (0x54) – – –JTRFWDRF BORF EXTRF PORF MCUSR
Read/Write R R R R/W R/W R/W R/W R/W
Initial Value 0 0 0 See Bit Description

269
ATmega164A/164PA/324A/324PA/644A/644PA/1284/1284P [DATASHEET]
Atmel-8272G-AVR-01/2015
26. Boot loader support – read-while-write self-programming
26.1 Features
•Read-while-write self-programming
•Flexible boot memory size
•High security (separate Boot Lock bits for a flexible protection)
•Separate fuse to select reset vector
•Optimized page (1) size
•Code efficient algorithm
•Efficient read-modify-write support
Note: 1. A page is a section in the Flash consisting of several bytes (see Table 27-7 on page 290) used during program-
ming. The page organization does not affect normal operation.
26.2 Overview
The Boot Loader Support provides a real Read-While-Write Self-Programming mechanism for downloading and
uploading program code by the MCU itself. This feature allows flexible application software updates controlled
by the MCU using a Flash-resident Boot Loader program. The Boot Loader program can use any available data
interface and associated protocol to read code and write (program) that code into the Flash memory, or read the
code from the program memory. The program code within the Boot Loader section has the capability to write
into the entire Flash, including the Boot Loader memory. The Boot Loader can thus even modify itself, and it can
also erase itself from the code if the feature is not needed anymore. The size of the Boot Loader memory is
configurable with fuses and the Boot Loader has two separate sets of Boot Lock bits which can be set
independently. This gives the user a unique flexibility to select different levels of protection.
26.3 Application and Boot Loader Flash Sections
The Flash memory is organized in two main sections, the Application section and the Boot Loader section (see
Figure 26-2 on page 272). The size of the different sections is configured by the BOOTSZ Fuses as shown in
Table 26-10 on page 282 and Figure 26-2 on page 272. These two sections can have different level of
protection since they have different sets of Lock bits.
26.3.1 Application Section
The Application section is the section of the Flash that is used for storing the application code. The protection
level for the Application section can be selected by the application Boot Lock bits (Boot Lock bits 0), see Table
26-2 on page 273. The Application section can never store any Boot Loader code since the SPM instruction is
disabled when executed from the Application section.
26.3.2 BLS – Boot Loader Section
While the Application section is used for storing the application code, the The Boot Loader software must be
located in the BLS since the SPM instruction can initiate a programming when executing from the BLS only. The
SPM instruction can access the entire Flash, including the BLS itself. The protection level for the Boot Loader
section can be selected by the Boot Loader Lock bits (Boot Lock bits 1), see Table 26-3 on page 273.

270
ATmega164A/164PA/324A/324PA/644A/644PA/1284/1284P [DATASHEET]
Atmel-8272G-AVR-01/2015
26.4 Read-While-Write and No Read-While-Write Flash Sections
Whether the CPU supports Read-While-Write or if the CPU is halted during a Boot Loader software update is
dependent on which address that is being programmed. In addition to the two sections that are configurable by
the BOOTSZ Fuses as described above, the Flash is also divided into two fixed sections, the Read-While-Write
(RWW) section and the No Read-While-Write (NRWW) section. The limit between the RWW- and NRWW
sections is given in Table 26-1 and Figure 26-1 on page 271. The main difference between the two sections is:
-When erasing or writing a page located inside the RWW section, the NRWW section can be read during
the operation
-When erasing or writing a page located inside the NRWW section, the CPU is halted during the entire
operation
Note that the user software can never read any code that is located inside the RWW section during a Boot
Loader software operation. The syntax “Read-While-Write section” refers to which section that is being
programmed (erased or written), not which section that actually is being read during a Boot Loader software
update.
26.4.1 RWW – Read-While-Write Section
If a Boot Loader software update is programming a page inside the RWW section, it is possible to read code
from the Flash, but only code that is located in the NRWW section. During an on-going programming, the
software must ensure that the RWW section never is being read. If the user software is trying to read code that
is located inside the RWW section (that is, by load program memory, call, or jump instructions or an interrupt)
during programming, the software might end up in an unknown state. To avoid this, the interrupts should either
be disabled or moved to the Boot Loader section. The Boot Loader section is always located in the NRWW
section. The RWW Section Busy bit (RWWSB) in the Store Program Memory Control and Status Register
(SPMCSR) will be read as logical one as long as the RWW section is blocked for reading. After a programming
is completed, the RWWSB must be cleared by software before reading code located in the RWW section. See
Section “26.9.1” on page 285 for details on how to clear RWWSB.
26.4.2 NRWW – No Read-While-Write Section
The code located in the NRWW section can be read when the Boot Loader software is updating a page in the
RWW section. When the Boot Loader code updates the NRWW section, the CPU is halted during the entire
Page Erase or Page Write operation.
Table 26-1. Read-while-write features.
Which section does the Z-pointer
address during the programming?
Which section can be
read during
programming?
Is the CPU
halted?
Read-while-write
supported?
RWW Section NRWW Section No Yes
NRWW Section None Yes No

271
ATmega164A/164PA/324A/324PA/644A/644PA/1284/1284P [DATASHEET]
Atmel-8272G-AVR-01/2015
Figure 26-1. Read-While-Write vs. No Read-While-Write.
Read-While-Write
(RWW) Section
No Read-While-Write
(NRWW) Section
Z-pointer
Addresses RWW
Section
Z-pointer
Addresses NRWW
Section
CPU is Halted
During the Operation
Code Located in
NRWW Section
Can be Read During
the Operation

272
ATmega164A/164PA/324A/324PA/644A/644PA/1284/1284P [DATASHEET]
Atmel-8272G-AVR-01/2015
Figure 26-2. Memory sections.
Note: 1. The parameters in the figure above are given in Table 26-10 on page 282.
26.5 Boot Loader Lock Bits
If no Boot Loader capability is needed, the entire Flash is available for application code. The Boot Loader has
two separate sets of Boot Lock bits which can be set independently. This gives the user a unique flexibility to
select different levels of protection.
The user can select:
-To protect the entire Flash from a software update by the MCU
-To protect only the Boot Loader Flash section from a software update by the MCU
-To protect only the Application Flash section from a software update by the MCU
-Allow software update in the entire Flash
See Table 26-2 on page 273 and Table 26-3 on page 273 for further details. The Boot Lock bits can be set in
software and in Serial or Parallel Programming mode, but they can be cleared by a Chip Erase command only.
The general Write Lock (Lock Bit mode 2) does not allow the programming of the Flash memory by SPM
instruction. Similarly, the general Read/Write Lock (Lock Bit mode 3) does not allow reading nor writing by
(E)LPM/SPM, if it is attempted.
0x0000
Flashend
Program Memory
BOOTSZ = '11'
Application Flash Section
Boot Loader Flash Section Flashend
Program Memory
BOOTSZ = '10'
0x0000
Program Memory
BOOTSZ = '01'
Program Memory
BOOTSZ = '00'
Application Flash Section
Boot Loader Flash Section
0x0000
Flashend
Application Flash Section
Flashend
End RWW
Start NRWW
Application Flash Section
Boot Loader Flash Section
Boot Loader Flash Section
End RWW
Start NRWW
End RWW
Start NRWW
0x0000
End RWW, End Application
Start NRWW, Start Boot Loader
Application Flash SectionApplication Flash Section
Application Flash Section
Read-While-Write SectionNo Read-While-Write Section Read-While-Write SectionNo Read-While-Write Section
Read-While-Write SectionNo Read-While-Write SectionRead-While-Write SectionNo Read-While-Write Section
End Application
Start Boot Loader
End Application
Start Boot Loader
End Application
Start Boot Loader

273
ATmega164A/164PA/324A/324PA/644A/644PA/1284/1284P [DATASHEET]
Atmel-8272G-AVR-01/2015
Note: 1. “1” means unprogrammed, “0” means programmed.
Note: 1. “1” means unprogrammed, “0” means programmed.
26.6 Entering the Boot Loader Program
Entering the Boot Loader takes place by a jump or call from the application program. This may be initiated by a
trigger such as a command received via USART, or SPI interface. Alternatively, the Boot Reset Fuse can be
programmed so that the Reset Vector is pointing to the Boot Flash start address after a reset. In this case, the
Boot Loader is started after a reset. After the application code is loaded, the program can start executing the
application code. Note that the fuses cannot be changed by the MCU itself. This means that once the Boot
Reset Fuse is programmed, the Reset Vector will always point to the Boot Loader Reset and the fuse can only
be changed through the serial or parallel programming interface.
Note: 1. “1” means unprogrammed, “0” means programmed.
Table 26-2. Boot Lock Bit0 protection modes (application section) (1).
BLB0 Mode BLB02 BLB01 Protection
1 1 1 No restrictions for SPM or (E)LPM accessing the Application
section.
2 1 0 SPM is not allowed to write to the Application section.
3 0 0
SPM is not allowed to write to the Application section, and
(E)LPM executing from the Boot Loader section is not allowed to
read from the Application section. If Interrupt Vectors are placed
in the Boot Loader section, interrupts are disabled while
executing from the Application section.
4 0 1
(E)LPM executing from the Boot Loader section is not allowed to
read from the Application section. If Interrupt Vectors are placed
in the Boot Loader section, interrupts are disabled while
executing from the Application section.
Table 26-3. Boot Lock Bit1 protection modes (boot loader section) (1).
BLB1 Mode BLB12 BLB11 Protection
1 1 1 No restrictions for SPM or (E)LPM accessing the Boot Loader
section.
2 1 0 SPM is not allowed to write to the Boot Loader section.
3 0 0
SPM is not allowed to write to the Boot Loader section, and
(E)LPM executing from the Application section is not allowed to
read from the Boot Loader section. If Interrupt Vectors are
placed in the Application section, interrupts are disabled while
executing from the Boot Loader section.
4 0 1
(E)LPM executing from the Application section is not allowed to
read from the Boot Loader section. If Interrupt Vectors are
placed in the Application section, interrupts are disabled while
executing from the Boot Loader section.
Table 26-4. Boot Reset fuse (1).
BOOTRST Reset address
1Reset Vector = Application Reset (address 0x0000)
0Reset Vector = Boot Loader Reset (see Table 26-10 on page 282)

274
ATmega164A/164PA/324A/324PA/644A/644PA/1284/1284P [DATASHEET]
Atmel-8272G-AVR-01/2015
26.7 Addressing the Flash During Self-Programming
The Z-pointer is used to address the SPM commands. The Z pointer consists of the Z-registers ZL and ZH in the
register file, and RAMPZ in the I/O space. The number of bits actually used is implementation dependent. Note
that the RAMPZ register is only implemented when the program space is larger than 64K bytes.
Note: 1. Apply only to ATmega1284/1284P
Since the Flash is organized in pages (see Table 27-7 on page 290), the Program Counter can be treated as
having two different sections. One section, consisting of the least significant bits, is addressing the words within
a page, while the most significant bits are addressing the pages. This is shown in Figure 26-3. Note that the
Page Erase and Page Write operations are addressed independently. Therefore it is of major importance that
the Boot Loader software addresses the same page in both the Page Erase and Page Write operation. Once a
programming operation is initiated, the address is latched and the Z-pointer can be used for other operations.
The LPM instruction use the Z-pointer to store the address. Since this instruction addresses the Flash byte-by-
byte, also bit Z0 of the Z-pointer is used.
Figure 26-3. Addressing the flash during SPM (1).
Note: 1. The different variables used in Figure 26-3 are listed in Table 26-12 on page 282.
Bit 2322212019181716
15 14 13 12 11 10 9 8
RAMPZ(1) RAMPZ7 RAMPZ6 RAMPZ5 RAMPZ4 RAMPZ3 RAMPZ2 RAMPZ1 RAMPZ0
ZH (R31) Z15 Z14 Z13 Z12 Z11 Z10 Z9 Z8
ZL (R30) Z7 Z6 Z5 Z4 Z3 Z2 Z1 Z0
76543210
PROGRAM MEMORY
0115
Z - REGISTER
BIT
0
ZPAGEMSB
WORD ADDRESS
WITHIN A PAGE
PAGE ADDRESS
WITHIN THE FLASH
ZPCMSB
INSTRUCTION WORD
PAGE PCWORD[PAGEMSB:0]:
00
01
02
PAGEEND
PAGE
PCWORDPCPAGE
PCMSB PAGEMSB
PROGRAM
COUNTER

275
ATmega164A/164PA/324A/324PA/644A/644PA/1284/1284P [DATASHEET]
Atmel-8272G-AVR-01/2015
26.8 Self-Programming the Flash
The program memory is updated in a page by page fashion. Before programming a page with the data stored in
the temporary page buffer, the page must be erased. The temporary page buffer is filled one word at a time
using SPM and the buffer can be filled either before the Page Erase command or between a Page Erase and a
Page Write operation:
Alternative 1, fill the buffer before a Page Erase
-Fill temporary page buffer
-Perform a Page Erase
-Perform a Page Write
Alternative 2, fill the buffer after Page Erase
-Perform a Page Erase
-Fill temporary page buffer
-Perform a Page Write
If only a part of the page needs to be changed, the rest of the page must be stored (for example in the
temporary page buffer) before the erase, and then be rewritten. When using alternative 1, the Boot Loader
provides an effective Read-Modify-Write feature which allows the user software to first read the page, do the
necessary changes, and then write back the modified data. If alternative 2 is used, it is not possible to read the
old data while loading since the page is already erased. The temporary page buffer can be accessed in a
random sequence. It is essential that the page address used in both the Page Erase and Page Write operation
is addressing the same page. See ”Simple Assembly Code Example for a Boot Loader” on page 279 for an
assembly code example.
26.8.1 Performing Page Erase by SPM
To execute Page Erase, set up the address in the Z-pointer, write “X0000011” to SPMCSR and execute SPM
within four clock cycles after writing SPMCSR. The data in R1 and R0 is ignored. The page address must be
written to PCPAGE in the Z-register. Other bits in the Z-pointer will be ignored during this operation.
-Page Erase to the RWW section: The NRWW section can be read during the Page Erase
-Page Erase to the NRWW section: The CPU is halted during the operation
Note: If an interrupt occurs in the time sequence, the four cycle access cannot be guaranteed. In order to ensure atomic
operation, you should disable interrupts before writing to SPMCSR.
26.8.2 Filling the Temporary Buffer (Page Loading)
To write an instruction word, set up the address in the Z-pointer and data in R1:R0, write “00000001” to
SPMCSR and execute SPM within four clock cycles after writing SPMCSR. The content of PCWORD in the Z-
register is used to address the data in the temporary buffer. The temporary buffer will auto-erase after a Page
Write operation or by writing the RWWSRE bit in SPMCSR. It is also erased after a system reset. Note that it is
not possible to write more than one time to each address without erasing the temporary buffer.
If the EEPROM is written in the middle of an SPM Page Load operation, all data loaded will be lost.
26.8.3 Performing a Page Write
To execute Page Write, set up the address in the Z-pointer, write “X0000101” to SPMCSR and execute SPM
within four clock cycles after writing SPMCSR. The data in R1 and R0 is ignored. The page address must be
written to PCPAGE. Other bits in the Z-pointer must be written to zero during this operation.
-Page Write to the RWW section: The NRWW section can be read during the Page Write
-Page Write to the NRWW section: The CPU is halted during the operation

276
ATmega164A/164PA/324A/324PA/644A/644PA/1284/1284P [DATASHEET]
Atmel-8272G-AVR-01/2015
26.8.4 Using the SPM Interrupt
If the SPM interrupt is enabled, the SPM interrupt will generate a constant interrupt when the SPMEN bit in
SPMCSR is cleared. This means that the interrupt can be used instead of polling the SPMCSR Register in
software. When using the SPM interrupt, the Interrupt Vectors should be moved to the BLS section to avoid that
an interrupt is accessing the RWW section when it is blocked for reading. How to move the interrupts is
described in ”Interrupts” on page 61.
26.8.5 Consideration While Updating BLS
Special care must be taken if the user allows the Boot Loader section to be updated by leaving Boot Lock bit11
unprogrammed. An accidental write to the Boot Loader itself can corrupt the entire Boot Loader, and further
software updates might be impossible. If it is not necessary to change the Boot Loader software itself, it is
recommended to program the Boot Lock bit11 to protect the Boot Loader software from any internal software
changes.
26.8.6 Prevent Reading the RWW Section During Self-Programming
During Self-Programming (either Page Erase or Page Write), the RWW section is always blocked for reading.
The user software itself must prevent that this section is addressed during the self programming operation. The
RWWSB in the SPMCSR will be set as long as the RWW section is busy. During Self-Programming the Interrupt
Vector table should be moved to the BLS as described in ”Interrupts” on page 61, or the interrupts must be
disabled. Before addressing the RWW section after the programming is completed, the user software must clear
the RWWSB by writing the RWWSRE. See ”Simple Assembly Code Example for a Boot Loader” on page 279
for an example.
26.8.7 Setting the Boot Loader Lock Bits by SPM
To set the Boot Loader Lock bits and general lock bits, write the desired data to R0, write “X0001001” to
SPMCSR and execute SPM within four clock cycles after writing SPMCSR.
See Table 26-2 and Table 26-3 for how the different settings of the Boot Loader bits affect the Flash access.
If bits 5..0 in R0 are cleared (zero), the corresponding Boot Lock bit will be programmed if an SPM instruction is
executed within four cycles after BLBSET and SPMEN are set in SPMCSR. The Z-pointer is don’t care during
this operation, but for future compatibility it is recommended to load the Z-pointer with 0x0001 (same as used for
reading the lOck bits). For future compatibility it is also recommended to set bits 7 and 6 in R0 to “1” when writing
the Lock bits. When programming the Lock bits the entire Flash can be read during the operation.
26.8.8 EEPROM Write Prevents Writing to SPMCSR
Note that an EEPROM write operation will block all software programming to Flash. Reading the Fuses and
Lock bits from software will also be prevented during the EEPROM write operation. It is recommended that the
user checks the status bit (EEPE) in the EECR Register and verifies that the bit is cleared before writing to the
SPMCSR Register.
26.8.9 Reading the Fuse and Lock Bits from Software
It is possible to read both the Fuse and Lock bits from software. To read the Lock bits, load the Z-pointer with
0x0001 and set the BLBSET and SPMEN bits in SPMCSR. When an (E)LPM instruction is executed within
three CPU cycles after the BLBSET and SPMEN bits are set in SPMCSR, the value of the Lock bits will be
loaded in the destination register. The BLBSET and SPMEN bits will auto-clear upon completion of reading the
Lock bits or if no (E)LPM instruction is executed within three CPU cycles or no SPM instruction is executed
Bit 76543210
R0 1 1 BLB12 BLB11 BLB02 BLB01 LB2 LB1

277
ATmega164A/164PA/324A/324PA/644A/644PA/1284/1284P [DATASHEET]
Atmel-8272G-AVR-01/2015
within four CPU cycles. When BLBSET and SPMEN are cleared, (E)LPM will work as described in the
Instruction set Manual.
The algorithm for reading the Fuse Low byte is similar to the one described above for reading the Lock bits. To
read the Fuse Low byte, load the Z-pointer with 0x0000 and set the BLBSET and SPMEN bits in SPMCSR.
When an (E)LPM instruction is executed within three cycles after the BLBSET and SPMEN bits are set in the
SPMCSR, the value of the Fuse Low byte (FLB) will be loaded in the destination register as shown below. Refer
to Table 27-5 on page 289 for a detailed description and mapping of the Fuse Low byte.
Similarly, when reading the Fuse High byte, load 0x0003 in the Z-pointer. When an (E)LPM instruction is
executed within three cycles after the BLBSET and SPMEN bits are set in the SPMCSR, the value of the Fuse
High byte (FHB) will be loaded in the destination register as shown below. Refer to Table 27-4 on page 289 for
detailed description and mapping of the Fuse High byte.
When reading the Extended Fuse byte, load 0x0002 in the Z-pointer. When an (E)LPM instruction is executed
within three cycles after the BLBSET and SPMEN bits are set in the SPMCSR, the value of the Extended Fuse
byte (EFB) will be loaded in the destination register as shown below. Refer to Table 27-3 on page 288 for
detailed description and mapping of the Extended Fuse byte.
Fuse and Lock bits that are programmed, will be read as zero. Fuse and Lock bits that are unprogrammed, will
be read as one.
26.8.10 Reading the Signature Row from Software
To read the Signature Row from software, load the Z-pointer with the signature byte address given in Table 26-
5 on page 277 and set the SIGRD and SPMEN bits in SPMCSR. When an LPM instruction is executed within
three CPU cycles after the SIGRD and SPMEN bits are set in SPMCSR, the signature byte value will be loaded
in the destination register. The SIGRD and SPMEN bits will auto-clear upon completion of reading the Signature
Row Lock bits or if no LPM instruction is executed within three CPU cycles. When SIGRD and SPMEN are
cleared, LPM will work as described in the Instruction set Manual.
Note: All other addresses are reserved for future use.
Bit 76543210
Rd –– BLB12 BLB11 BLB02 BLB01 LB2 LB1
Bit 76543210
Rd FLB7 FLB6 FLB5 FLB4 FLB3 FLB2 FLB1 FLB0
Bit 76543210
Rd FHB7 FHB6 FHB5 FHB4 FHB3 FHB2 FHB1 FHB0
Bit 76543210
Rd – – – – – EFB2 EFB1 EFB0
Table 26-5. Signature Row addressing.
Signature byte Z-Pointer address
Device Signature Byte 1 0x0000
Device Signature Byte 2 0x0002
Device Signature Byte 3 0x0004
RC Oscillator Calibration Byte 0x0001

278
ATmega164A/164PA/324A/324PA/644A/644PA/1284/1284P [DATASHEET]
Atmel-8272G-AVR-01/2015
26.8.11 Preventing Flash Corruption
During periods of low VCC, the Flash program can be corrupted because the supply voltage is too low for the
CPU and the Flash to operate properly. These issues are the same as for board level systems using the Flash,
and the same design solutions should be applied.
A Flash program corruption can be caused by two situations when the voltage is too low. First, a regular write
sequence to the Flash requires a minimum voltage to operate correctly. Secondly, the CPU itself can execute
instructions incorrectly, if the supply voltage for executing instructions is too low.
Flash corruption can easily be avoided by following these design recommendations (one is sufficient):
1. If there is no need for a Boot Loader update in the system, program the Boot Loader Lock bits to prevent
any Boot Loader software updates.
2. Keep the AVR RESET active (low) during periods of insufficient power supply voltage. This can be done
by enabling the internal Brown-out Detector (BOD) if the operating voltage matches the detection level. If
not, an external low VCC reset protection circuit can be used. If a reset occurs while a write operation is in
progress, the write operation will be completed provided that the power supply voltage is sufficient.
3. Keep the AVR core in Power-down sleep mode during periods of low VCC. This will prevent the CPU from
attempting to decode and execute instructions, effectively protecting the SPMCSR Register and thus the
Flash from unintentional writes.
26.8.12 Programming Time for Flash when Using SPM
The calibrated RC Oscillator is used to time Flash accesses. Table 26-6 on page 278 shows the typical
programming time for Flash accesses from the CPU.
Note: 1. Minimum and maximum programming times is per individual operation.
Table 26-6. SPM programming time (1).
Symbol Min. programming time Max. programming time
Flash write (Page Erase, Page Write, and
write Lock bits by SPM) 3.7ms 4.5ms

279
ATmega164A/164PA/324A/324PA/644A/644PA/1284/1284P [DATASHEET]
Atmel-8272G-AVR-01/2015
26.8.13 Simple Assembly Code Example for a Boot Loader
;-the routine writes one page of data from RAM to Flash
; the first data location in RAM is pointed to by the Y pointer
; the first data location in Flash is pointed to by the Z-pointer
;-error handling is not included
;-the routine must be placed inside the Boot space
; (at least the Do_spm sub routine). Only code inside NRWW section can
; be read during Self-Programming (Page Erase and Page Write).
;-registers used: r0, r1, temp1 (r16), temp2 (r17), looplo (r24),
; loophi (r25), spmcrval (r20)
; storing and restoring of registers is not included in the routine
; register usage can be optimized at the expense of code size
;-It is assumed that either the interrupt table is moved to the Boot
; loader section or that the interrupts are disabled.
.equ PAGESIZEB = PAGESIZE*2 ;PAGESIZEB is page size in
BYTES, not words
.org SMALLBOOTSTART
Write_page:
; Page Erase
ldi spmcrval, (1<<PGERS) | (1<<SPMEN)
call Do_spm
; re-enable the RWW section
ldi spmcrval, (1<<RWWSRE) | (1<<SPMEN)
call Do_spm
; transfer data from RAM to Flash page buffer
ldi looplo, low(PAGESIZEB) ;init loop variable
ldi loophi, high(PAGESIZEB) ;not required for
PAGESIZEB<=256
Wrloop:
ld r0, Y+
ld r1, Y+
ldi spmcrval, (1<<SPMEN)
call Do_spm
adiw ZH:ZL, 2
sbiw loophi:looplo, 2 ;use subi for
PAGESIZEB<=256
brne Wrloop
; execute Page Write
subi ZL, low(PAGESIZEB) ;restore pointer
sbci ZH, high(PAGESIZEB) ;not required for
PAGESIZEB<=256
ldi spmcrval, (1<<PGWRT) | (1<<SPMEN)
call Do_spm
; re-enable the RWW section
ldi spmcrval, (1<<RWWSRE) | (1<<SPMEN)
call Do_spm
; read back and check, optional
ldi looplo, low(PAGESIZEB) ;init loop variable

280
ATmega164A/164PA/324A/324PA/644A/644PA/1284/1284P [DATASHEET]
Atmel-8272G-AVR-01/2015
ldi loophi, high(PAGESIZEB) ;not required for
PAGESIZEB<=256
subi YL, low(PAGESIZEB) ;restore pointer
sbci YH, high(PAGESIZEB)
Rdloop:
lpm r0, Z+
ld r1, Y+
cpse r0, r1
jmp Error
sbiw loophi:looplo, 1 ;use subi for
PAGESIZEB<=256
brne Rdloop
; return to RWW section
; verify that RWW section is safe to read
Return:
in temp1, SPMCSR
sbrs temp1, RWWSB ; If RWWSB is set, the RWW
section is not ready yet
ret
; re-enable the RWW section
ldi spmcrval, (1<<RWWSRE) | (1<<SPMEN)
call Do_spm
rjmp Return
Do_spm:
; check for previous SPM complete
Wait_spm:
in temp1, SPMCSR
sbrc temp1, SPMEN
rjmp Wait_spm
; input: spmcrval determines SPM action
; disable interrupts if enabled, store status
in temp2, SREG
cli
; check that no EEPROM write access is present
Wait_ee:
sbic EECR, EEPE
rjmp Wait_ee
; SPM timed sequence
out SPMCSR, spmcrval
spm
; restore SREG (to enable interrupts if originally enabled)
out SREG, temp2
ret

281
ATmega164A/164PA/324A/324PA/644A/644PA/1284/1284P [DATASHEET]
Atmel-8272G-AVR-01/2015
26.8.14 Atmel ATmega164A/ATmega164PA Boot Loader Parameters
In Table 26-7 through Table 26-9, the parameters used in the description of the Self-Programming are given.
Note: 1. The different BOOTSZ Fuse configurations are shown in Figure 26-2 on page 272.
Note: 1. For details about these two section, see ”NRWW – No Read-While-Write Section” on page 270 and ”RWW – Read-
While-Write Section” on page 270.
Note: 1. Z0: should be zero for all SPM commands, byte select for the (E)LPM instruction.
See ”Addressing the Flash During Self-Programming” on page 274 for details about the use of Z-pointer during Self-
Programming.
Table 26-7. Boot size configuration (1).
BOOTSZ1 BOOTSZ0 Boot size Pages
Application
flash section
Boot loader
flash section
End
application
section
Boot reset
address
(start boot
loader section)
1 1 128 words 20x0000 - 0x1F7F 0x1F80 - 0x1FFF 0x1F7F 0x1F80
1 0 256 words 40x0000 - 0x1EFF 0x1F00 - 0x1FFF 0x1EFF 0x1F00
0 1 512 words 80x0000 - 0x1DFF 0x1E00 - 0x1FFF 0x1DFF 0x1E00
0 0 1024 words 16 0x0000 - 0x1BFF 0x1C00 - 0x1FFF 0x1BFF 0x1C00
Table 26-8. Read-While-Write limit (1).
Section Pages Address
Read-While-Write section (RWW) 112 0x0000 - 0x1BFF
No Read-While-Write section (NRWW) 16 0x1C00 - 0x1FFF
Table 26-9. Explanation of different variables used in Figure 26-3 on page 274 and the mapping to the Z-pointer.
Variable
Corresponding
Z-value Description (1)
PCMSB 12 Most significant bit in the Program Counter. (The Program Counter is 13 bits
PC[12:0])
PAGEMSB 5Most significant bit which is used to address the words within one page (64
words in a page requires seven bits PC [5:0]).
ZPCMSB Z13 Bit in Z-pointer that is mapped to PCMSB. Because Z0 is not used, the
ZPCMSB equals PCMSB + 1.
ZPAGEMSB Z6 Bit in Z-pointer that is mapped to PCMSB. Because Z0 is not used, the
ZPAGEMSB equals PAGEMSB + 1.
PCPAGE PC[12:6] Z14:Z7 Program Counter page address: Page select, for Page Erase and Page Write
PCWORD PC[5:0] Z6:Z1 Program Counter word address: Word select, for filling temporary buffer (must
be zero during Page Write operation)

282
ATmega164A/164PA/324A/324PA/644A/644PA/1284/1284P [DATASHEET]
Atmel-8272G-AVR-01/2015
26.8.15 Atmel ATmega324A/ATmega324PA Boot Loader Parameters
In Table 26-10 through Table 26-12, the parameters used in the description of the Self-Programming are given.
Note: 1. The different BOOTSZ Fuse configurations are shown in Figure 26-2 on page 272.
Note: 1. For details about these two section, see ”NRWW – No Read-While-Write Section” on page 270 and ”RWW – Read-
While-Write Section” on page 270.
Note: 1. Z0: should be zero for all SPM commands, byte select for the (E)LPM instruction.
See ”Addressing the Flash During Self-Programming” on page 274 for details about the use of Z-pointer during Self-
Programming.
Table 26-10. Boot size configuration (1).
BOOTSZ1 BOOTSZ0 Boot size Pages
Application
flash section
Boot loader
flash section
End
application
section
Boot reset
address
(start boot
loader section)
1 1 256 words 40x0000 - 0x3EFF 0x3F00 - 0x3FFF 0x3EFF 0x3F00
1 0 512 words 80x0000 - 0x1DFF 0x3E00 - 0x3FFF 0x3DFF 0x3E00
0 1 1024 words 16 0x0000 - 0x1BFF 0x3C00 - 0x3FFF 0x3BFF 0x3C00
0 0 2048 words 32 0x0000 - 0x37FF 0x3800 - 0x3FFF 0x37FF 0x3800
Table 26-11. Read-While-Write limit (1).
Section Pages Address
Read-While-Write section (RWW) 224 0x0000 - 0x37FF
No Read-While-Write section (NRWW) 32 0x3800 - 0x3FFF
Table 26-12. Explanation of different variables used in Figure 26-3 on page 274 and the mapping to the Z-pointer.
Variable
Corresponding
Z-value Description (1)
PCMSB 13 Most significant bit in the Program Counter. (The Program Counter is 14 bits
PC[13:0])
PAGEMSB 5Most significant bit which is used to address the words within one page (64
words in a page requires six bits PC [5:0]).
ZPCMSB Z14 Bit in Z-pointer that is mapped to PCMSB. Because Z0 is not used, the
ZPCMSB equals PCMSB + 1.
ZPAGEMSB Z7 Bit in Z-pointer that is mapped to PCMSB. Because Z0 is not used, the
ZPAGEMSB equals PAGEMSB + 1.
PCPAGE PC[13:6] Z14:Z7 Program Counter page address: Page select, for Page Erase and Page Write
PCWORD PC[5:0] Z6:Z1 Program Counter word address: Word select, for filling temporary buffer (must
be zero during Page Write operation)

283
ATmega164A/164PA/324A/324PA/644A/644PA/1284/1284P [DATASHEET]
Atmel-8272G-AVR-01/2015
26.8.16 Atmel ATmega644A/ATmega644PA Boot Loader parameters
In Table 26-13 through Table 26-15, the parameters used in the description of the Self-Programming are given.
Note: 1. The different BOOTSZ Fuse configurations are shown in Figure 26-2 on page 272.
Note: 1. For details about these two section, see ”NRWW – No Read-While-Write Section” on page 270 and ”RWW – Read-
While-Write Section” on page 270.
Note: 1. Z0: should be zero for all SPM commands, byte select for the (E)LPM instruction.
See ”Addressing the Flash During Self-Programming” on page 274 for details about the use of Z-pointer during Self-
Programming.
Table 26-13. Boot size configuration (1).
BOOTSZ1 BOOTSZ0 Boot size Pages
Application
flash section
Boot loader
flash section
End
application
section
Boot reset
address
(start boot
loader section)
1 1 512 words 40x0000 - 0x7DFF 0x7E00 - 0x7FFF 0x7DFF 0x7E00
1 0 1024 words 80x0000 - 0x7BFF 0x7C00 - 0x7FFF 0x7BFF 0x7C00
0 1 2048 words 16 0x0000 - 0x77FF 0x7800 - 0x7FFF 0x77FF 0x7800
0 0 4096 words 32 0x0000 - 0x6FFF 0x7000 - 0x7FFF 0x6FFF 0x7000
Table 26-14. Read-While-Write limit (1).
Section Pages Address
Read-While-Write section (RWW) 224 0x0000 - 0x6FFF
No Read-While-Write section (NRWW) 32 0x7000 - 0x7FFF
Table 26-15. Explanation of different variables used in Figure 26-3 on page 274 and the mapping to the Z-pointer.
Variable
Corresponding
Z-value Description (1)
PCMSB 14 Most significant bit in the Program Counter. (The Program Counter is 14 bits
PC[14:0])
PAGEMSB 6Most significant bit which is used to address the words within one page (128
words in a page requires seven bits PC [6:0]).
ZPCMSB Z15 Bit in Z-pointer that is mapped to PCMSB. Because Z0 is not used, the
ZPCMSB equals PCMSB + 1.
ZPAGEMSB Z7 Bit in Z-pointer that is mapped to PCMSB. Because Z0 is not used, the
ZPAGEMSB equals PAGEMSB + 1.
PCPAGE PC[14:7] Z15:Z8 Program Counter page address: Page select, for Page Erase and Page Write
PCWORD PC[6:0] Z7:Z1 Program Counter word address: Word select, for filling temporary buffer (must
be zero during Page Write operation)

284
ATmega164A/164PA/324A/324PA/644A/644PA/1284/1284P [DATASHEET]
Atmel-8272G-AVR-01/2015
26.8.17 Atmel ATmega1284/ATmega1284P Boot Loader parameters
In Table 26-16 through Table 26-18, the parameters used in the description of the Self-Programming are given.
Note: 1. The different BOOTSZ Fuse configurations are shown in Figure 26-2 on page 272.
Note: 1. For details about these two section, see ”NRWW – No Read-While-Write Section” on page 270 and ”RWW – Read-
While-Write Section” on page 270.
Note: 1. Z0: should be zero for all SPM commands, byte select for the (E)LPM instruction.
See ”Addressing the Flash During Self-Programming” on page 274 for details about the use of Z-pointer during Self-
Programming.
Table 26-16. Boot size configuration (1).
BOOTSZ1 BOOTSZ0 Boot size Pages
Application
flash section
Boot loader
flash section
End application
section
Boot reset
address
(start boot
loader section)
1 1 512 words 40x0000 - 0xFDFF 0xFE00 - 0xFFFF 0xFDFF 0xFE00
1 0 1024 words 80x0000 - 0xFBFF 0xFC00 - 0xFFFF 0xFBFF 0xFC00
0 1 2048 words 16 0x0000 - 0xF7FF 0xF800 - 0xFFFF 0xF7FF 0xF800
0 0 4096 words 32 0x0000 - 0xEFFF 0xF000 - 0xFFFF 0xEFFF 0xF000
Table 26-17. Read-While-Write limit (1).
Section Pages Address
Read-While-Write section (RWW) 480 0x0000 - 0xEFFF
No Read-While-Write section (NRWW) 32 0xF000 - 0xFFFF
Table 26-18. Explanation of different variables used in Figure 26-3 on page 274 and the mapping to the Z-pointer.
Variable
Corresponding
Z-value Description (1)
PCMSB 15 Most significant bit in the Program Counter. (The Program Counter is 16 bits
PC[15:0])
PAGEMSB 6Most significant bit which is used to address the words within one page (128
words in a page requires seven bits PC [6:0]).
ZPCMSB Z16 Bit in Z-pointer that is mapped to PCMSB. Because Z0 is not used, the ZPCMSB
equals PCMSB + 1.
ZPAGEMSB Z7 Bit in Z-pointer that is mapped to PCMSB. Because Z0 is not used, the
ZPAGEMSB equals PAGEMSB + 1.
PCPAGE PC[15:7] Z16:Z8 Program Counter page address: Page select, for Page Erase and Page Write
PCWORD PC[6:0] Z7:Z1 Program Counter word address: Word select, for filling temporary buffer (must be
zero during Page Write operation)

285
ATmega164A/164PA/324A/324PA/644A/644PA/1284/1284P [DATASHEET]
Atmel-8272G-AVR-01/2015
26.9 Register description
26.9.1 SPMCSR – Store Program Memory Control and Status Register
The Store Program Memory Control and Status Register contains the control bits needed to control the Boot
Loader operations.
• Bit 7 – SPMIE: SPM Interrupt Enable
When the SPMIE bit is written to one, and the I-bit in the Status Register is set (one), the SPM ready interrupt
will be enabled. The SPM ready Interrupt will be executed as long as the SPMEN bit in the SPMCSR Register is
cleared.
• Bit 6 – RWWSB: Read-While-Write Section Busy
When a Self-Programming (Page Erase or Page Write) operation to the RWW section is initiated, the RWWSB
will be set (one) by hardware. When the RWWSB bit is set, the RWW section cannot be accessed. The
RWWSB bit will be cleared if the RWWSRE bit is written to one after a Self-Programming operation is
completed. Alternatively the RWWSB bit will automatically be cleared if a page load operation is initiated.
• Bit 5 – SIGRD: Signature Row Read
If this bit is written to one at the same time as SPMEN, the next LPM instruction within three clock cycles will
read a byte from the signature row into the destination register. see ”Reading the Signature Row from Software”
on page 277 for details. An SPM instruction within four cycles after SIGRD and SPMEN are set will have no
effect. This operation is reserved for future use and should not be used.
• Bit 4 – RWWSRE: Read-While-Write Section Read Enable
When programming (Page Erase or Page Write) to the RWW section, the RWW section is blocked for reading
(the RWWSB will be set by hardware). To re-enable the RWW section, the user software must wait until the
programming is completed (SPMEN will be cleared). Then, if the RWWSRE bit is written to one at the same
time as SPMEN, the next SPM instruction within four clock cycles re-enables the RWW section. The RWW
section cannot be re-enabled while the Flash is busy with a Page Erase or a Page Write (SPMEN is set). If the
RWWSRE bit is written while the Flash is being loaded, the Flash load operation will abort and the data loaded
will be lost.
• Bit 3 – BLBSET: Boot Lock Bit Set
If this bit is written to one at the same time as SPMEN, the next SPM instruction within four clock cycles sets
Boot Lock bits, according to the data in R0. The data in R1 and the address in the Z-pointer are ignored. The
BLBSET bit will automatically be cleared upon completion of the Lock bit set, or if no SPM instruction is
executed within four clock cycles.
An (E)LPM instruction within three cycles after BLBSET and SPMEN are set in the SPMCSR Register, will read
either the Lock bits or the Fuse bits (depending on Z0 in the Z-pointer) into the destination register. See
”Reading the Fuse and Lock Bits from Software” on page 276 for details.
• Bit 2 – PGWRT: Page Write
If this bit is written to one at the same time as SPMEN, the next SPM instruction within four clock cycles
executes Page Write, with the data stored in the temporary buffer. The page address is taken from the high part
of the Z-pointer. The data in R1 and R0 are ignored. The PGWRT bit will auto-clear upon completion of a Page
Bit 7 6 5 4 3 2 1 0
0x37 (0x57) SPMIE RWWSB SIGRD RWWSRE BLBSET PGWRT PGERS SPMEN SPMCSR
Read/Write R/W R R/W R/W R/W R/W R/W R/W
Initial Value 0 0 0 0 0 0 0 0

286
ATmega164A/164PA/324A/324PA/644A/644PA/1284/1284P [DATASHEET]
Atmel-8272G-AVR-01/2015
Write, or if no SPM instruction is executed within four clock cycles. The CPU is halted during the entire Page
Write operation if the NRWW section is addressed.
• Bit 1 – PGERS: Page Erase
If this bit is written to one at the same time as SPMEN, the next SPM instruction within four clock cycles
executes Page Erase. The page address is taken from the high part of the Z-pointer. The data in R1 and R0 are
ignored. The PGERS bit will auto-clear upon completion of a Page Erase, or if no SPM instruction is executed
within four clock cycles. The CPU is halted during the entire Page Write operation if the NRWW section is
addressed.
• Bit 0 – SPMEN: Store Program Memory Enable
This bit enables the SPM instruction for the next four clock cycles. If written to one together with either
RWWSRE, BLBSET, PGWRT’ or PGERS, the following SPM instruction will have a special meaning, see
description above. If only SPMEN is written, the following SPM instruction will store the value in R1:R0 in the
temporary page buffer addressed by the Z-pointer. The LSB of the Z-pointer is ignored. The SPMEN bit will
auto-clear upon completion of an SPM instruction, or if no SPM instruction is executed within four clock cycles.
During Page Erase and Page Write, the SPMEN bit remains high until the operation is completed.
Writing any other combination than “10001”, “01001”, “00101”, “00011”, or “00001” in the lower five bits will have
no effect.
Note: Only one SPM instruction should be active at any time.

287
ATmega164A/164PA/324A/324PA/644A/644PA/1284/1284P [DATASHEET]
Atmel-8272G-AVR-01/2015
27. Memory programming
27.1 Program And Data Memory Lock Bits
The Atmel ATmega164A/164PA/324A/324PA/644A/644PA/1284/1284P provides six Lock bits which can be left
unprogrammed (“1”) or can be programmed (“0”) to obtain the additional features listed in Table 27-2. The Lock
bits can only be erased to “1” with the Chip Erase command.
Note: 1. “1” means unprogrammed, “0” means programmed.
Table 27-1. Lock Bit byte (1).
Lock Bit byte Bit no. Description Default value
7 – 1 (unprogrammed)
6 – 1 (unprogrammed)
BLB12 5Boot Lock bit 1 (unprogrammed)
BLB11 4Boot Lock bit 1 (unprogrammed)
BLB02 3Boot Lock bit 1 (unprogrammed)
BLB01 2Boot Lock bit 1 (unprogrammed)
LB2 1Lock bit 1 (unprogrammed)
LB1 0Lock bit 1 (unprogrammed)
Table 27-2. Lock Bit protection modes (1)(2).
Memory Lock bits Protection type
LB Mode LB2 LB1
1 1 1 No memory lock features enabled.
2 1 0
Further programming of the Flash and EEPROM is disabled in
Parallel and Serial Programming mode. The Fuse bits are
locked in both Serial and Parallel Programming mode. (1)
3 0 0
Further programming and verification of the Flash and EEPROM
is disabled in Parallel, JTAG and Serial Programming mode.
The Boot Lock bits and Fuse bits are locked in both Serial and
Parallel Programming mode. (1)
BLB0 Mode BLB02 BLB01
1 1 1 No restrictions for SPM or (E)LPM accessing the Application
section.
2 1 0 SPM is not allowed to write to the Application section.
3 0 0
SPM is not allowed to write to the Application section, and
(E)LPM executing from the Boot Loader section is not allowed to
read from the Application section. If Interrupt Vectors are placed
in the Boot Loader section, interrupts are disabled while
executing from the Application section.
4 0 1
(E)LPM executing from the Boot Loader section is not allowed to
read from the Application section. If Interrupt Vectors are placed
in the Boot Loader section, interrupts are disabled while
executing from the Application section.

288
ATmega164A/164PA/324A/324PA/644A/644PA/1284/1284P [DATASHEET]
Atmel-8272G-AVR-01/2015
Notes: 1. Program the Fuse bits and Boot Lock bits before programming the LB1 and LB2.
2. “1” means unprogrammed, “0” means programmed.
27.2 Fuse bits
The Atmel ATmega164A/164PA/324A/324PA/644A/644PA/1284/1284P has four Fuse bytes. Table 27-3 -
Table 27-5 describe briefly the functionality of all the fuses and how they are mapped into the Fuse bytes. Note
that the fuses are read as logical zero, “0”, if they are programmed.
Note: 1. See ”” on page 325 for BODLEVEL Fuse decoding.
BLB1 Mode BLB12 BLB11
1 1 1 No restrictions for SPM or (E)LPM accessing the Boot Loader
section.
2 1 0 SPM is not allowed to write to the Boot Loader section.
3 0 0
SPM is not allowed to write to the Boot Loader section, and
(E)LPM executing from the Application section is not allowed to
read from the Boot Loader section. If Interrupt Vectors are
placed in the Application section, interrupts are disabled while
executing from the Boot Loader section.
4 0 1
(E)LPM executing from the Application section is not allowed to
read from the Boot Loader section. If Interrupt Vectors are
placed in the Application section, interrupts are disabled while
executing from the Boot Loader section.
Table 27-2. Lock Bit protection modes (1)(2). (Continued)
Memory Lock bits Protection type
Table 27-3. Extended Fuse byte
Fuse low byte Bit no. Description Default value
– 7 – 1
– 6 – 1
– 5 – 1
– 4 – 1
– 3 – 1
BODLEVEL2 (1) 2Brown-out Detector trigger level 1 (unprogrammed)
BODLEVEL1 (1) 1Brown-out Detector trigger level 1 (unprogrammed)
BODLEVEL0 (1) 0Brown-out Detector trigger level 1 (unprogrammed)

289
ATmega164A/164PA/324A/324PA/644A/644PA/1284/1284P [DATASHEET]
Atmel-8272G-AVR-01/2015
Note: 1. The SPIEN Fuse is not accessible in serial programming mode.
2. The default value of BOOTSZ1..0 results in maximum Boot Size. See Table 26-10 on page 282 for details.
3. See ”WDTCSR – Watchdog Timer Control Register” on page 59 for details.
4. Never ship a product with the OCDEN Fuse programmed regardless of the setting of Lock bits and JTAGEN
Fuse. A programmed OCDEN Fuse enables some parts of the clock system to be running in all sleep modes.
This may increase the power consumption.
Note: 1. The default value of SUT1..0 results in maximum start-up time for the default clock source. See ”” on page 325
for details.
2. The default setting of CKSEL3..0 results in internal RC Oscillator @ 8MHz. See Table 9-1 on page 31 for
details.
3. The CKOUT Fuse allow the system clock to be output on PORTB1. See ”Clock Output Buffer” on page 39 for
details.
4. See ”System Clock Prescaler” on page 39 for details.
The status of the Fuse bits is not affected by Chip Erase. Note that the Fuse bits are locked if Lock bit1 (LB1) is
programmed. Program the Fuse bits before programming the Lock bits.
Table 27-4. Fuse High byte.
Fuse High byte Bit no. Description Default value
OCDEN (4) 7Enable OCD 1 (unprogrammed, OCD
disabled)
JTAGEN 6Enable JTAG 0 (programmed, JTAG enabled)
SPIEN (1) 5Enable Serial Program and Data
Downloading
0 (programmed, SPI prog.
enabled)
WDTON (3) 4Watchdog Timer always on 1 (unprogrammed)
EESAVE 3EEPROM memory is preserved
through the Chip Erase
1 (unprogrammed, EEPROM
not preserved)
BOOTSZ1 2Select Boot Size (see Table 27-9 on
page 292 for details) 0 (programmed) (2)
BOOTSZ0 1Select Boot Size (see Table 27-9 on
page 292 for details) 0 (programmed) (2)
BOOTRST 0Select Reset Vector 1 (unprogrammed)
Table 27-5. Fuse Low byte.
Fuse Low byte Bit no. Description Default value
CKDIV8 (4) 7Divide clock by 8 0 (programmed)
CKOUT (3) 6Clock output 1 (unprogrammed)
SUT1 5Select start-up time 1 (unprogrammed) (1)
SUT0 4Select start-up time 0 (programmed) (1)
CKSEL3 3Select Clock source 0 (programmed) (2)
CKSEL2 2Select Clock source 0 (programmed) (2)
CKSEL1 1Select Clock source 1 (unprogrammed) (2)
CKSEL0 0Select Clock source 0 (programmed) (2)

290
ATmega164A/164PA/324A/324PA/644A/644PA/1284/1284P [DATASHEET]
Atmel-8272G-AVR-01/2015
27.2.1 Latching of Fuses
The fuse values are latched when the device enters programming mode and changes of the fuse values will
have no effect until the part leaves Programming mode. This does not apply to the EESAVE Fuse which will
take effect once it is programmed. The fuses are also latched on Power-up in Normal mode.
27.3 Signature Bytes
All Atmel microcontrollers have a three-byte signature code which identifies the device. This code can be read in
both serial and parallel mode, also when the device is locked. The three
bytes reside in a separate address space.
For the Atmel ATmega164A/164PA/324A/324PA/644A/644PA/1284/1284P the signature bytes are given in
Table 27-6.
27.4 Calibration byte
The ATmega164A/164PA/324A/324PA/644A/644PA/1284/1284P has a byte calibration value for the internal
RC Oscillator. This byte resides in the high byte of address 0x000 in the signature address space. During reset,
this byte is automatically written into the OSCCAL Register to ensure correct frequency of the calibrated RC
Oscillator.
27.5 Page Size
Table 27-6. Device and JTAG ID.
Part
Signature bytes address JTAG
0x000 0x001 0x002 Part number Manufacture ID
ATmega164A 0x1E 0x94 0x0F 940A 0x1F
ATmega164PA 0x1E 0x94 0x0A 940A 0x1F
ATmega324A 0x1E 0x95 0x15 9511 0x1F
ATmega324PA 0x1E 0x95 0x11 9511 0x1F
ATmega644A 0x1E 0x96 0x09 960A 0x1F
ATmega644PA 0x1E 0x96 0x0A 960A 0x1F
ATmega1284 0x1E 0x97 0x06 9705 0x1F
ATmega1284P 0x1E 0x97 0x05 9705 0x1F
Table 27-7. Number of words in a page and number of pages in the flash.
Device Flash size Page size PCWORD No. of pages PCPAGE PCMSB
ATmega164A/ATmega164PA 8K words (16KBytes) 64 words PC[5:0] 128 PC[12:6] 12
ATmega324A/ATmega324PA 16K words (32KBytes) 64 words PC[5:0] 256 PC[13:6] 13
ATmega644A/ATmega644PA 32K words (64KBytes) 128 words PC[6:0] 256 PC[14:7] 14
ATmega1284/ATmega1284P 64K words (128KBytes) 128 words PC[6:0] 512 PC[15:7] 15

291
ATmega164A/164PA/324A/324PA/644A/644PA/1284/1284P [DATASHEET]
Atmel-8272G-AVR-01/2015
27.6 Parallel Programming Parameters, Pin Mapping, and Commands
This section describes how to parallel program and verify Flash Program memory, EEPROM
Data memory, Memory Lock bits, and Fuse bits in the Atmel
ATmega164A/164PA/324A/324PA/644A/644PA/1284/1284P. Pulses are assumed to be at least 250ns unless
otherwise noted.
27.6.1 Signal Names
In this section, some pins of the ATmega164A/164PA/324A/324PA/644A/644PA/1284/1284P are referenced by
signal names describing their functionality during parallel programming, see Figure 27-1 and Figure 27-9 on
page 292. Pins not described in the following table are referenced by pin names.
The XA1/XA0 pins determine the action executed when the XTAL1 pin is given a positive pulse. The bit coding
is shown in Table 27-12 on page 292.
When pulsing WR or OE, the command loaded determines the action executed. The different commands are
shown in Table 27-13 on page 293.
Figure 27-1. Parallel programming (1).
Note: 1. Unused Pins should be left floating.
Table 27-8. Number of words in a page and number of pages in the EEPROM.
Device EEPROM size Page size PCWORD No. of pages PCPAGE EEAMSB
ATmega164A/ATmega164PA 512bytes 4 bytes EEA[1:0] 128 EEA[8:2] 8
ATmega324A/ATmega324PA 1KBytes 4 bytes EEA[1:0] 256 EEA[9:2] 9
ATmega644A/ATmega644PA 2KBytes 8 bytes EEA[2:0] 256 EEA[10:2] 10
ATmega1284/ATmega1284P 4KBytes 8 bytes EEA[2:0] 512 EEA[11:3] 11
VCC
+5V
GND
XTAL1
PD1
PD2
PD3
PD4
PD5
PD6
PB7 - PB0
DATA
RESET
PD7
+12 V
BS1
XA0
XA1
OE
RDY/BSY
PAGEL
PA0
WR
BS2
AVCC
+5V

292
ATmega164A/164PA/324A/324PA/644A/644PA/1284/1284P [DATASHEET]
Atmel-8272G-AVR-01/2015
,
Table 27-9. Pin name mapping.
Signal name in
programming mode Pin name I/O Function
RDY/BSY PD1 O0: Device is busy programming, 1: Device is ready for
new command.
OE PD2 IOutput Enable (Active low).
WR PD3 IWrite Pulse (Active low).
BS1 PD4 IByte Select 1.
XA0 PD5 IXTAL Action Bit 0
XA1 PD6 IXTAL Action Bit 1
PAGEL PD7 IProgram Memory and EEPROM data Page Load.
BS2 PA0 IByte Select 2.
DATA PB7-0 I/O Bi-directional Data bus (Output when OE is low).
Table 27-10. BS2 and BS1 encoding.
BS2 BS1
Flash / EEPROM
address
Flash data
loading / reading
Fuse
programming
Reading fuse
and lock bits
00Low Byte Low Byte Low Byte Fuse Low Byte
01High Byte High Byte High Byte Lockbits
10Extended High
Byte Reserved Extended Byte Extended Fuse
Byte
11Reserved Reserved Reserved Fuse High Byte
Table 27-11. Pin values used to enter Programming mode.
Pin Symbol Value
PAGEL Prog_enable[3] 0
XA1 Prog_enable[2] 0
XA0 Prog_enable[1] 0
BS1 Prog_enable[0] 0
Table 27-12. XA1 and XA0 enoding.
XA1 XA0 Action when XTAL1 is pulsed
0 0 Load Flash or EEPROM Address (High or low address byte determined
by BS2 and BS1)
0 1 Load Data (High or Low data byte for Flash determined by BS1)
1 0 Load Command
1 1 No Action, Idle

293
ATmega164A/164PA/324A/324PA/644A/644PA/1284/1284P [DATASHEET]
Atmel-8272G-AVR-01/2015
27.7 Parallel programming
27.7.1 Enter Programming mode
The following algorithm puts the device in parallel programming mode:
1. Apply 4.5 - 5.5V between VCC and GND.
2. Set RESET to “0” and toggle XTAL1 at least six times.
3. Set the Prog_enable pins listed in Table 27-11 on page 292 to “0000” and wait at least 100ns.
4. Apply 11.5 - 12.5V to RESET. Any activity on Prog_enable pins within 100ns after +12V has been applied
to RESET, will cause the device to fail entering programming mode.
5. Wait at least 50µs before sending a new command.
27.7.2 Considerations for Efficient Programming
The loaded command and address are retained in the device during programming. For efficient programming,
the following should be considered.
-The command needs only be loaded once when writing or reading multiple memory locations
-Skip writing the data value 0xFF, that is the contents of the entire EEPROM (unless the EESAVE Fuse is
programmed) and Flash after a Chip Erase
-Address high byte needs only be loaded before programming or reading a new 256 word window in Flash
or 256 byte EEPROM. This consideration also applies to Signature bytes reading
27.7.3 Chip Erase
The Chip Erase will erase the Flash and EEPROM (1) memories plus Lock bits. The Lock bits are not reset until
the program memory has been completely erased. The Fuse bits are not changed. A Chip Erase must be
performed before the Flash and/or EEPROM are reprogrammed.
Note: 1. The EEPRPOM memory is preserved during Chip Erase if the EESAVE Fuse is programmed.
Load Command “Chip Erase”
1. Set XA1, XA0 to “10”. This enables command loading.
2. Set BS1 to “0”.
3. Set DATA to “1000 0000”. This is the command for Chip Erase.
Table 27-13. Command byte bit encoding.
Command byte Command executed
1000 0000 Chip Erase
0100 0000 Write Fuse bits
0010 0000 Write Lock bits
0001 0000 Write Flash
0001 0001 Write EEPROM
0000 1000 Read Signature Bytes and Calibration byte
0000 0100 Read Fuse and Lock bits
0000 0010 Read Flash
0000 0011 Read EEPROM

294
ATmega164A/164PA/324A/324PA/644A/644PA/1284/1284P [DATASHEET]
Atmel-8272G-AVR-01/2015
4. Give XTAL1 a positive pulse. This loads the command.
5. Give WR a negative pulse. This starts the Chip Erase. RDY/BSY goes low.
6. Wait until RDY/BSY goes high before loading a new command.
27.7.4 Programming the Flash
The Flash is organized in pages, see Table 27-7 on page 290. When programming the Flash, the program data
is latched into a page buffer. This allows one page of program data to be programmed simultaneously. The
following procedure describes how to program the entire Flash memory:
A. Load Command “Write Flash”
1. Set XA1, XA0 to “10”. This enables command loading.
2. Set BS1 to “0”.
3. Set DATA to “0001 0000”. This is the command for Write Flash.
4. Give XTAL1 a positive pulse. This loads the command.
B. Load Address Low byte (Address bits 7..0)
1. Set XA1, XA0 to “00”. This enables address loading.
2. Set BS2, BS1 to “00”. This selects the address low byte.
3. Set DATA = Address low byte (0x00 - 0xFF).
4. Give XTAL1 a positive pulse. This loads the address low byte.
C. Load Data Low Byte
1. Set XA1, XA0 to “01”. This enables data loading.
2. Set DATA = Data low byte (0x00 - 0xFF).
3. Give XTAL1 a positive pulse. This loads the data byte.
D. Load Data High Byte
1. Set BS1 to “1”. This selects high data byte.
2. Set XA1, XA0 to “01”. This enables data loading.
3. Set DATA = Data high byte (0x00 - 0xFF).
4. Give XTAL1 a positive pulse. This loads the data byte.
E. Latch Data
1. Set BS1 to “1”. This selects high data byte.
2. Give PAGEL a positive pulse. This latches the data bytes. (See Figure 27-3 on page 296 for signal
waveforms)
F. Repeat B through E until the entire buffer is filled or until all data within the page is loaded.
While the lower bits in the address are mapped to words within the page, the higher bits address the pages
within the FLASH. This is illustrated in Figure 27-2 on page 295. Note that if less than eight bits are required to
address words in the page (pagesize < 256), the most significant bit(s) in the address low byte are used to
address the page when performing a Page Write.
G. Load Address High byte (Address bits15..8)
1. Set XA1, XA0 to “00”. This enables address loading.
2. Set BS2, BS1 to “01”. This selects the address high byte.
3. Set DATA = Address high byte (0x00 - 0xFF).
4. Give XTAL1 a positive pulse. This loads the address high byte.
H. Load Address Extended High byte (Address bits 23..16)

295
ATmega164A/164PA/324A/324PA/644A/644PA/1284/1284P [DATASHEET]
Atmel-8272G-AVR-01/2015
1. Set XA1, XA0 to “00”. This enables address loading.
2. Set BS2, BS1 to “10”. This selects the address extended high byte.
3. Set DATA = Address extended high byte (0x00 - 0xFF).
4. Give XTAL1 a positive pulse. This loads the address high byte.
I. Program Page
1. Set BS2, BS1 to “00”.
2. Give WR a negative pulse. This starts programming of the entire page of data. RDY/BSY goes low.
3. Wait until RDY/BSY goes high (See Figure 27-3 on page 296 for signal waveforms).
J. Repeat B through I until the entire Flash is programmed or until all data has been programmed.
K. End Page Programming
1. 1. Set XA1, XA0 to “10”. This enables command loading.
2. Set DATA to “0000 0000”. This is the command for No Operation.
3. Give XTAL1 a positive pulse. This loads the command, and the internal write signals are reset.
Figure 27-2. Addressing the flash, which is organized in pages (1).
Note: 1. PCPAGE and PCWORD are listed in Table 27-7 on page 290.
PROGRAM MEMORY
WORD ADDRESS
WITHIN A PAGE
PAGE ADDRESS
WITHIN THE FLASH
INSTRUCTION WORD
PAGE PCWORD[PAGEMSB:0]:
00
01
02
PAGEEND
PAGE
PCWORDPCPAGE
PCMSB PAGEMSB
PROGRAM
COUNTER

296
ATmega164A/164PA/324A/324PA/644A/644PA/1284/1284P [DATASHEET]
Atmel-8272G-AVR-01/2015
Figure 27-3. Programming the flash waveforms (1).
Note: 1. “XX” is don’t care. The letters refer to the programming description above.
27.7.5 Programming the EEPROM
The EEPROM is organized in pages, see Table 27-8 on page 291. When programming the EEPROM, the
program data is latched into a page buffer. This allows one page of data to be programmed simultaneously. The
programming algorithm for the EEPROM data memory is as follows (refer to ”Programming the Flash” on page
294 for details on Command, Address and Data loading):
1. A: Load Command “0001 0001”.
2. G: Load Address High Byte (0x00 - 0xFF).
3. B: Load Address Low Byte (0x00 - 0xFF).
4. C: Load Data (0x00 - 0xFF).
5. E: Latch data (give PAGEL a positive pulse).
K: Repeat 3 through 5 until the entire buffer is filled.
L: Program EEPROM page.
1. Set BS2, BS1 to “00”.
2. Give WR a negative pulse. This starts programming of the EEPROM page. RDY/BSY goes low.
3. Wait until to RDY/BSY goes high before programming the next page (See Figure 27-4 on page 297 for
signal waveforms).
RDY/BSY
WR
OE
RESET +12V
PAGEL
BS2
0x10 ADDR. LOW ADDR. HIGH
DATA DATA LOW DATA HIGH ADDR. LOW DATA LOW DATA HIGH
XA1
XA0
BS1
XTAL1
XX XX XX
ABCDEBCDEG
F
ADDR. EXT.H
HI

297
ATmega164A/164PA/324A/324PA/644A/644PA/1284/1284P [DATASHEET]
Atmel-8272G-AVR-01/2015
Figure 27-4. Programming the EEPROM waveforms.
27.7.6 Reading the Flash
The algorithm for reading the Flash memory is as follows (refer to ”Programming the Flash” on page 294 for
details on Command and Address loading):
1. A: Load Command “0000 0010”.
2. H: Load Address Extended Byte (0x00- 0xFF).
3. G: Load Address High Byte (0x00 - 0xFF).
4. B: Load Address Low Byte (0x00 - 0xFF).
5. Set OE to “0”, and BS1 to “0”. The Flash word low byte can now be read at DATA.
6. Set BS to “1”. The Flash word high byte can now be read at DATA.
7. Set OE to “1”.
27.7.7 Reading the EEPROM
The algorithm for reading the EEPROM memory is as follows (refer to ”Programming the Flash” on page 294 for
details on Command and Address loading):
1. A: Load Command “0000 0011”.
2. G: Load Address High Byte (0x00 - 0xFF).
3. B: Load Address Low Byte (0x00 - 0xFF).
4. Set OE to “0”, and BS1 to “0”. The EEPROM Data byte can now be read at DATA.
5. Set OE to “1”.
27.7.8 Programming the Fuse Low Bits
The algorithm for programming the Fuse Low bits is as follows (refer to ”Programming the Flash” on page 294
for details on Command and Data loading):
1. A: Load Command “0100 0000”.
2. C: Load Data Low Byte. Bit n = “0” programs and bit n = “1” erases the Fuse bit.
3. Give WR a negative pulse and wait for RDY/BSY to go high.
RDY/BSY
WR
OE
RESET +12V
PAGEL
BS2
0x11 ADDR. HIGH
DATA ADDR. LOW DATA ADDR. LOW DATA XX
XA1
XA0
BS1
XTAL1
XX
AGBCEB C EL
K

298
ATmega164A/164PA/324A/324PA/644A/644PA/1284/1284P [DATASHEET]
Atmel-8272G-AVR-01/2015
27.7.9 Programming the Fuse High Bits
The algorithm for programming the Fuse High bits is as follows (refer to ”Programming the Flash” on page 294
for details on Command and Data loading):
1. A: Load Command “0100 0000”.
2. C: Load Data Low Byte. Bit n = “0” programs and bit n = “1” erases the Fuse bit.
3. Set BS2, BS1 to “01”. This selects high data byte.
4. Give WR a negative pulse and wait for RDY/BSY to go high.
5. Set BS2, BS1 to “00”. This selects low data byte.
27.7.10 Programming the Extended Fuse Bits
The algorithm for programming the Extended Fuse bits is as follows (refer to ”Programming the Flash” on page
294 for details on Command and Data loading):
1. 1. A: Load Command “0100 0000”.
2. 2. C: Load Data Low Byte. Bit n = “0” programs and bit n = “1” erases the Fuse bit.
3. 3. Set BS2, BS1 to “10”. This selects extended data byte.
4. 4. Give WR a negative pulse and wait for RDY/BSY to go high.
5. 5. Set BS2, BS1 to “00”. This selects low data byte.
Figure 27-5. Programming the FUSES waveforms.
27.7.11 Programming the Lock Bits
The algorithm for programming the Lock bits is as follows (refer to ”Programming the Flash” on page 294 for
details on Command and Data loading):
1. A: Load Command “0010 0000”.
2. C: Load Data Low Byte. Bit n = “0” programs the Lock bit. If LB mode 3 is programmed (LB1 and LB2 is
programmed), it is not possible to program the Boot Lock bits by any External Programming mode.
3. Give WR a negative pulse and wait for RDY/BSY to go high.
The Lock bits can only be cleared by executing Chip Erase.
RDY/BSY
WR
OE
RESET +12V
PAGEL
0x40
DATA
DATA XX
XA1
XA0
BS1
XTAL1
AC
0x40 DATA XX
AC
Write Fuse Low byte Write Fuse high byte
0x40 DATA XX
AC
Write Extended Fuse byte
BS2

299
ATmega164A/164PA/324A/324PA/644A/644PA/1284/1284P [DATASHEET]
Atmel-8272G-AVR-01/2015
27.7.12 Reading the Fuse and Lock Bits
The algorithm for reading the Fuse and Lock bits is as follows (refer to ”Programming the Flash” on page 294 for
details on Command loading):
1. A: Load Command “0000 0100”.
2. Set OE to “0”, and BS2, BS1 to “00”. The status of the Fuse Low bits can now be read at DATA (“0” means
programmed).
3. Set OE to “0”, and BS2, BS1 to “11”. The status of the Fuse High bits can now be read at DATA (“0”
means programmed).
4. Set OE to “0”, and BS2, BS1 to “10”. The status of the Extended Fuse bits can now be read at DATA (“0”
means programmed).
5. Set OE to “0”, and BS2, BS1 to “01”. The status of the Lock bits can now be read at DATA (“0” means
programmed).
6. Set OE to “1”.
Figure 27-6. Mapping between BS1, BS2 and the Fuse and Lock bits during read.
27.7.13 Reading the Signature Bytes
The algorithm for reading the Signature bytes is as follows (refer to ”Programming the Flash” on page 294 for
details on Command and Address loading):
1. A: Load Command “0000 1000”.
2. B: Load Address Low Byte (0x00 - 0x02).
3. Set OE to “0”, and BS to “0”. The selected Signature byte can now be read at DATA.
4. Set OE to “1”.
27.7.14 Reading the Calibration Byte
The algorithm for reading the Calibration byte is as follows (refer to ”Programming the Flash” on page 294 for
details on Command and Address loading):
1. A: Load Command “0000 1000”.
2. B: Load Address Low Byte, 0x00.
3. Set OE to “0”, and BS1 to “1”. The Calibration byte can now be read at DATA.
4. Set OE to “1”.
Lock Bits 0
1
BS2
Fuse High Byte
0
1
BS1
DATA
Fuse Low Byte 0
1
BS2
Extended Fuse Byte

300
ATmega164A/164PA/324A/324PA/644A/644PA/1284/1284P [DATASHEET]
Atmel-8272G-AVR-01/2015
27.7.15 Parallel Programming Characteristics
Notes: 1. tWLRH is valid for the Write Flash, Write EEPROM, Write Fuse bits and Write Lock bits commands.
2. tWLRH_CE is valid for the Chip Erase command.
Table 27-14. Parallel programming characteristics, VCC = 5V ±10%.
Symbol Parameter Min. Typ. Max. Units
VPP Programming Enable Voltage 11.5 12.5 V
IPP Programming Enable Current 250 A
tDVXH Data and Control Valid before XTAL1 High 67
ns
tXLXH XTAL1 Low to XTAL1 High 200
tXHXL XTAL1 Pulse Width High 150
tXLDX Data and Control Hold after XTAL1 Low 67
tXLWL XTAL1 Low to WR Low 0
tXLPH XTAL1 Low to PAGEL high 0
tPLXH PAGEL low to XTAL1 high 150
tBVPH BS1 Valid before PAGEL High 67
tPHPL PAGEL Pulse Width High 150
tPLBX BS1 Hold after PAGEL Low 67
tWLBX BS2/1 Hold after WR Low 67
tPLWL PAGEL Low to WR Low 67
tBVWL BS2/1 Valid to WR Low 67
tWLWH WR Pulse Width Low 150
tWLRL WR Low to RDY/BSY Low 0 1 s
tWLRH WR Low to RDY/BSY High(1) 3.7 4.5
mstWLRH_CE WR Low to RDY/BSY High for Chip Erase(2) 7.5 9
tXLOL XTAL1 Low to OE Low 0
ns
tBVDV BS1 Valid to DATA valid 0250
tOLDV OE Low to DATA Valid 250
tOHDZ OE High to DATA Tri-stated 250

301
ATmega164A/164PA/324A/324PA/644A/644PA/1284/1284P [DATASHEET]
Atmel-8272G-AVR-01/2015
Figure 27-7. Parallel programming timing, including some general timing requirements.
Figure 27-8. Parallel programming timing, loading sequence with timing requirements (1).
Note: 1. The timing requirements shown in Figure 27-7 (that is, tDVXH, tXHXL, and tXLDX) also apply to loading operation.
Figure 27-9. Parallel programming timing, reading sequence (within the same page) with timing requirements (1).
Note: 1. The timing requirements shown in Figure 27-7 (that is, tDVXH, tXHXL, and tXLDX) also apply to reading operation.
27.8 Serial downloading
Both the Flash and EEPROM memory arrays can be programmed using a serial programming bus while RESET
is pulled to GND. The serial programming interface consists of pins SCK, MOSI (input) and MISO (output). After
RESET is set low, the Programming Enable instruction needs to be executed first before program/erase
Data & Contol
(DATA, XA0/1, BS1, BS2)
XTAL1
t
XHXL
t
WLWH
t
DVXH
t
XLDX
t
PLWL
t
WLRH
WR
RDY/BSY
PAGEL
t
PHPL
t
PLBX
t
BVPH
t
XLWL
t
WLBX
t
BVWL
WLRL
XTAL1
PAGEL
t
PLXH
XLXH
tt
XLPH
ADDR0 (Low Byte) DATA (Low Byte) DATA (High Byte) ADDR1 (Low Byte)
DATA
BS1
XA0
XA1
LOAD ADDRESS
(LOW BYTE) LOAD DATA
(LOW BYTE) LOAD DATA
(HIGH BYTE)
LOAD DATA
LOAD ADDRESS
(LOW BYTE)
XTAL1
OE
ADDR0 (Low Byte) DATA (Low Byte) DATA (High Byte) ADDR1 (Low Byte)
DATA
BS1
XA0
XA1
LOAD ADDRESS
(LOW BYTE) READ DATA
(LOW BYTE) READ DATA
(HIGH BYTE) LOAD ADDRESS
(LOW BYTE)
t
BVDV
t
OLDV
t
XLOL
t
OHDZ

302
ATmega164A/164PA/324A/324PA/644A/644PA/1284/1284P [DATASHEET]
Atmel-8272G-AVR-01/2015
operations can be executed. NOTE, in Table 27-15, the pin mapping for serial programming is listed. Not all
packages use the SPI pins dedicated for the internal Serial Peripheral Interface - SPI.
27.8.1 Serial Programming Pin Mapping
Figure 27-10. Serial programming and verify (1).
Notes: 1. If the device is clocked by the internal oscillator, it is no need to connect a clock source to the XTAL1 pin.
2. VCC - 0.3V < AVCC < VCC + 0.3V, however, AVCC should always be within 1.8 - 5.5V.
When programming the EEPROM, an auto-erase cycle is built into the self-timed programming operation (in the
Serial mode ONLY) and there is no need to first execute the Chip Erase instruction. The Chip Erase operation
turns the content of every memory location in both the Program and EEPROM arrays into 0xFF.
Depending on CKSEL Fuses, a valid clock must be present. The minimum low and high periods for the serial
clock (SCK) input are defined as follows:
Low:>2 CPU clock cycles for fck <12MHz, 3 CPU clock cycles for fck 12MHz.
High:>2 CPU clock cycles for fck <12MHz, 3 CPU clock cycles for fck 12MHz.
27.8.2 Serial Programming Algorithm
When writing serial data to the Atmel
ATmega164A/164PA/324A/324PA/644A/644PA/1284/1284P, data is clocked on the rising edge of SCK.
When reading data from the ATmega164A/164PA/324A/324PA/644A/644PA/1284/1284P, data is clocked on
the falling edge of SCK. See Figure 27-12 for timing details.
To program and verify the ATmega164A/164PA/324A/324PA/644A/644PA/1284/1284P in the serial
programming mode, the following sequence is recommended (see four byte instruction formats in Table 27-17):
1. Power-up sequence:
Apply power between VCC and GND while RESET and SCK are set to “0”. In some systems, the pro-
Table 27-15. Pin mapping serial programming.
Symbol
Pins
(PDIP-40)
Pins
(TQFP/MLF-44) I/O Description
MOSI PB5 PB5 ISerial Data in
MISO PB6 PB6 OSerial Data out
SCK PB7 PB7 ISerial Clock
VCC
GND
XTAL1
SCK
MISO
MOSI
RESET
+1.8 - 5.5V
AVCC
+1.8 - 5.5V
(2)

303
ATmega164A/164PA/324A/324PA/644A/644PA/1284/1284P [DATASHEET]
Atmel-8272G-AVR-01/2015
grammer can not guarantee that SCK is held low during power-up. In this case, RESET must be given a
positive pulse of at least two CPU clock cycles duration after SCK has been set to “0”.
2. Wait for at least 20ms and enable serial programming by sending the Programming Enable serial
instruction to pin MOSI.
3. The serial programming instructions will not work if the communication is out of synchronization. When in
sync. the second byte (0x53), will echo back when issuing the third byte of the Programming Enable
instruction. Whether the echo is correct or not, all four bytes of the instruction must be transmitted. If the
0x53 did not echo back, give RESET a positive pulse and issue a new Programming Enable command.
4. The Flash is programmed one page at a time. The memory page is loaded one byte at a time by supplying
the seven LSB of the address and data together with the Load Program Memory Page instruction. To
ensure correct loading of the page, the data low byte must be loaded before data high byte is applied for a
given address. The Program Memory Page is stored by loading the Write Program Memory Page
instruction with the address lines 15..8. Before issuing this command, make sure the instruction Load
Extended Address Byte has been used to define the MSB of the address. The extended address byte is
stored until the command is re-issued, that is, the command needs only be issued for the first page, and
when crossing the 64KWord boundary. If polling (RDY/BSY) is not used, the user must wait at least
tWD_FLASH before issuing the next page. (See Table 27-16.) Accessing the serial programming interface
before the Flash write operation completes can result in incorrect programming.
5. The EEPROM array is programmed one byte at a time by supplying the address and data together with
the appropriate Write instruction. An EEPROM memory location is first automatically erased before new
data is written. If polling is not used, the user must wait at least tWD_EEPROM before issuing the next byte.
(See Table 27-16.) In a chip erased device, no 0xFFs in the data file(s) need to be programmed.
6. Any memory location can be verified by using the Read instruction which returns the content at the
selected address at serial output MISO. When reading the Flash memory, use the instruction Load
Extended Address Byte to define the upper address byte, which is not included in the Read Program
Memory instruction. The extended address byte is stored until the command is re-issued, that is, the
command needs only be issued for the first page, and when crossing the 64KWord boundary.
7. At the end of the programming session, RESET can be set high to commence normal operation.
8. Power-off sequence (if needed):
Set RESET to “1”.
Turn VCC power off.
Table 27-16. Minimum wait delay before writing the next flash or EEPROM location.
Symbol Minimum wait delay
tWD_FLASH 4.5ms
tWD_EEPROM 3.6ms
tWD_ERASE 9.0ms

304
ATmega164A/164PA/324A/324PA/644A/644PA/1284/1284P [DATASHEET]
Atmel-8272G-AVR-01/2015
27.9 Serial Programming Instruction set
Table 27-17 and Figure 27-11 on page 305 describes the Instruction set.
Notes: 1. Not all instructions are applicable for all parts.
2. a = address.
3. Bits are programmed ‘0’, unprogrammed ‘1’.
4. To ensure future compatibility, unused Fuses and Lock bits should be unprogrammed (‘1’).
5. Refer to the corresponding section for Fuse and Lock bits, Calibration and Signature bytes and Page size.
6. Instructions accessing program memory use a word address. This address may be random within the page
range.
Note: See http://www.atmel.com/avr for Application Notes regarding programming and programmers.
If the LSB in RDY/BSY data byte out is ‘1’, a programming operation is still pending. Wait until this bit returns ‘0’
before the next instruction is carried out.
Table 27-17. Serial programming instruction set (hexadecimal values).
Instruction/operation
Instruction format
Byte 1 Byte 2 Byte 3 Byte 4
Programming Enable $AC $53 $00 $00
Chip Erase (Program Memory/EEPROM) $AC $80 $00 $00
Poll RDY/BSY $F0 $00 $00 data byte out
Load Instructions
Load Extended Address byte (1) $4D $00 Extended addr $00
Load Program Memory Page, High byte $48 $00 addr LSB high data byte in
Load Program Memory Page, Low byte $40 $00 addr LSB low data byte in
Load EEPROM Memory Page (page access) $C1 $00 0000 000aa (2) data byte in
Read Instructions (5)
Read Program Memory, High byte $28 addr MSB addr LSB high data byte out
Read Program Memory, Low byte $20 addr MSB addr LSB low data byte out
Read EEPROM Memory $A0 0000 00aa (2) aaaa aaaa (2) data byte out
Read Lock bits (3) $58 $00 $00 data byte out
Read Signature Byte $30 $00 0000 000aa (2) data byte out
Read Fuse bits (3) $50 $00 $00 data byte out
Read Fuse High bits (3) $58 $08 $00 data byte out
Read Extended Fuse Bits (3) $50 $08 $00 data byte out
Read Calibration Byte $38 $00 $00 data byte out
Write Instructions (5)
Write Program Memory Page (6) $4C addr MSB addr LSB $00
Write EEPROM Memory $C0 0000 00aa (2) aaaa aaaa (2) data byte in
Write EEPROM Memory Page (page access) $C2 0000 00aa (2) aaaa aa00 (2) $00
Write Lock bits (3)(4) $AC $E0 $00 data byte in
Write Fuse bits (3)(4) $AC $A0 $00 data byte in
Write Fuse High bits (3)(4) $AC $A8 $00 data byte in
Write Extended Fuse Bits (3)(4) $AC $A4 $00 data byte in

305
ATmega164A/164PA/324A/324PA/644A/644PA/1284/1284P [DATASHEET]
Atmel-8272G-AVR-01/2015
Within the same page, the low data byte must be loaded prior to the high data byte.
After data is loaded to the page buffer, program the EEPROM page, see Figure 27-11.
Figure 27-11. Serial programming instruction example.
Byte 1 Byte 2 Byte 3 Byte 4
Adr MSB Adr LSB
Bit 15 B 0
Serial Programming Instruction
Program Memory/
EEPROM Memory
Page 0
Page 1
Page 2
Page N-1
Page Buffer
Write Program Memory Page/
Write EEPROM Memory Page
Load Program Memory Page (High/Low Byte)/
Load EEPROM Memory Page (page access)
Byte 1 Byte 2 Byte 3 Byte 4
Bit 15 B 0
Adr MSB Adr LSB
Page Offset
Page Number
Adr
dr M
r MS
SB
A
A
Adr
dr LS
LSB
SB

306
ATmega164A/164PA/324A/324PA/644A/644PA/1284/1284P [DATASHEET]
Atmel-8272G-AVR-01/2015
27.9.1 Serial Programming Characteristics
For characteristics of the Serial Programming module see “SPI timing characteristics” on page 327.
Figure 27-12. Serial programming waveforms.
27.10 Programming via the JTAG Interface
Programming through the JTAG interface requires control of the four JTAG specific pins: TCK, TMS, TDI, and
TDO. Control of the reset and clock pins is not required.
To be able to use the JTAG interface, the JTAGEN Fuse must be programmed. The device is default shipped
with the fuse programmed. In addition, the JTD bit in MCUCR must be cleared. Alternatively, if the JTD bit is set,
the external reset can be forced low. Then, the JTD bit will be cleared after two chip clocks, and the JTAG pins
are available for programming. This provides a means of using the JTAG pins as normal port pins in Running
mode while still allowing In-System Programming via the JTAG interface. Note that this technique can not be
used when using the JTAG pins for Boundary-scan or On-chip Debug. In these cases the JTAG pins must be
dedicated for this purpose.
During programming the clock frequency of the TCK Input must be less than the maximum frequency of the
chip. The System Clock Prescaler can not be used to divide the TCK Clock Input into a sufficiently low
frequency.
As a definition in this datasheet, the LSB is shifted in and out first of all Shift Registers.
27.10.1 Programming Specific JTAG Instructions
The Instruction Register is 4-bit wide, supporting up to 16 instructions. The JTAG instructions useful for
programming are listed below.
The OPCODE for each instruction is shown behind the instruction name in hex format. The text describes which
Data Register is selected as path between TDI and TDO for each instruction.
The Run-Test/Idle state of the TAP controller is used to generate internal clocks. It can also be used as an idle
state between JTAG sequences. The state machine sequence for changing the instruction word is shown in
Figure 27-13 on page 307.
MSB
MSB
LSB
LSB
SERIAL CLOCK INPUT
(SCK)
SERIAL DATA INPUT
(MOSI)
(MISO)
SAMPLE
SERIAL DATA OUTPUT

307
ATmega164A/164PA/324A/324PA/644A/644PA/1284/1284P [DATASHEET]
Atmel-8272G-AVR-01/2015
Figure 27-13. State machine sequence for changing the instruction word.
27.10.2 AVR_RESET (0xC)
The AVR specific public JTAG instruction for setting the AVR device in the Reset mode or taking the device out
from the Reset mode. The TAP controller is not reset by this instruction. The one bit Reset Register is selected
as Data Register. Note that the reset will be active as long as there is a logic “one” in the Reset Chain. The
output from this chain is not latched.
The active states are:
-Shift-DR: The Reset Register is shifted by the TCK input
27.10.3 PROG_ENABLE (0x4)
The AVR specific public JTAG instruction for enabling programming via the JTAG port. The 16-bit Programming
Enable Register is selected as Data Register. The active states are the following:
-Shift-DR: The programming enable signature is shifted into the Data Register
-Update-DR: The programming enable signature is compared to the correct value, and Programming
mode is entered if the signature is valid
27.10.4 PROG_COMMANDS (0x5)
The AVR specific public JTAG instruction for entering programming commands via the JTAG port. The 15-bit
Programming Command Register is selected as Data Register. The active states are the following:
Test-Logic-Reset
Run-Test/Idle
Shift-DR
Exit1-DR
Pause-DR
Exit2-DR
Update-DR
Select-IR Scan
Capture-IR
Shift-IR
Exit1-IR
Pause-IR
Exit2-IR
Update-IR
Select-DR Scan
Capture-DR
0
1
011 1
00
00
11
10
1
1
0
1
0
0
10
1
1
0
1
0
0
00
11

308
ATmega164A/164PA/324A/324PA/644A/644PA/1284/1284P [DATASHEET]
Atmel-8272G-AVR-01/2015
-Capture-DR: The result of the previous command is loaded into the Data Register
-Shift-DR: The Data Register is shifted by the TCK input, shifting out the result of the previous command
and shifting in the new command
-Update-DR: The programming command is applied to the Flash inputs
-Run-Test/Idle: One clock cycle is generated, executing the applied command
27.10.5 PROG_PAGELOAD (0x6)
The AVR specific public JTAG instruction to directly load the Flash data page via the JTAG port. An 8-bit Flash
Data Byte Register is selected as the Data Register. This is physically the eight LSBs of the Programming
Command Register. The active states are the following:
-Shift-DR: The Flash Data Byte Register is shifted by the TCK input
-Update-DR: The content of the Flash Data Byte Register is copied into a temporary register. A write
sequence is initiated that within 11 TCK cycles loads the content of the temporary register into the Flash
page buffer. The AVR automatically alternates between writing the low and the high byte for each new
Update-DR state, starting with the low byte for the first Update-DR encountered after entering the
PROG_PAGELOAD command. The Program Counter is pre-incremented before writing the low byte,
except for the first written byte. This ensures that the first data is written to the address set up by
PROG_COMMANDS, and loading the last location in the page buffer does not make the program counter
increment into the next page
27.10.6 PROG_PAGEREAD (0x7)
The AVR specific public JTAG instruction to directly capture the Flash content via the JTAG port. An 8-bit Flash
Data Byte Register is selected as the Data Register. This is physically the eight LSBs of the Programming
Command Register. The active states are the following:
-Capture-DR: The content of the selected Flash byte is captured into the Flash Data Byte Register. The
AVR automatically alternates between reading the low and the high byte for each new Capture-DR state,
starting with the low byte for the first Capture-DR encountered after entering the PROG_PAGEREAD
command. The Program Counter is post-incremented after reading each high byte, including the first read
byte. This ensures that the first data is captured from the first address set up by PROG_COMMANDS,
and reading the last location in the page makes the program counter increment into the next page
-Shift-DR: The Flash Data Byte Register is shifted by the TCK input
27.10.7 Data Registers
The Data Registers are selected by the JTAG instruction registers described in section ”Programming Specific
JTAG Instructions” on page 306. The Data Registers relevant for programming operations are:
-Reset Register
-Programming Enable Register
-Programming Command Register
-Flash Data Byte Register
27.10.8 Reset Register
The Reset Register is a Test Data Register used to reset the part during programming. It is required to reset the
part before entering Programming mode.
A high value in the Reset Register corresponds to pulling the external reset low. The part is reset as long as
there is a high value present in the Reset Register. Depending on the Fuse settings for the clock options, the
part will remain reset for a Reset Time-out period (refer to ”Clock Sources” on page 31) after releasing the Reset

309
ATmega164A/164PA/324A/324PA/644A/644PA/1284/1284P [DATASHEET]
Atmel-8272G-AVR-01/2015
Register. The output from this Data Register is not latched, so the reset will take place immediately, as shown in
Figure 25-2 on page 262.
27.10.9 Programming Enable Register
The Programming Enable Register is a 16-bit register. The contents of this register is compared to the
programming enable signature, binary code 0b1010_0011_0111_0000. When the contents of the register is
equal to the programming enable signature, programming via the JTAG port is enabled. The register is reset to
0 on Power-on Reset, and should always be reset when leaving Programming mode.
Figure 27-14. Programming enable register.
27.10.10Programming Command Register
The Programming Command Register is a 15-bit register. This register is used to serially shift in programming
commands, and to serially shift out the result of the previous command, if any. The JTAG Programming
Instruction Set is shown in Table 27-18 on page 310. The state sequence when shifting in the programming
commands is illustrated in Figure 27-16 on page 313.
Figure 27-15. Programming command register.
TDI
TDO
D
A
T
A
=DQ
ClockDR & PROG_ENABLE
Programming Enable
0xA370
TDI
TDO
S
T
R
O
B
E
S
A
D
D
R
E
S
S
/
D
A
T
A
Flash
EEPROM
Fuses
Lock Bits

310
ATmega164A/164PA/324A/324PA/644A/644PA/1284/1284P [DATASHEET]
Atmel-8272G-AVR-01/2015
Table 27-18. JTAG programming instruction.
Set a = address high bits, b = address low bits, c = address extended bits, H = 0 - Low byte, 1 - High Byte, o =
data out, i = data in, x = don’t care.
Instruction TDI sequence TDO sequence Notes
1a. Chip Erase
0100011_10000000
0110001_10000000
0110011_10000000
0110011_10000000
xxxxxxx_xxxxxxxx
xxxxxxx_xxxxxxxx
xxxxxxx_xxxxxxxx
xxxxxxx_xxxxxxxx
1b. Poll for Chip Erase Complete 0110011_10000000 xxxxxox_xxxxxxxx (2)
2a. Enter Flash Write 0100011_00010000 xxxxxxx_xxxxxxxx
2b. Load Address Extended High Byte 0001011_cccccccc xxxxxxx_xxxxxxxx (10)
2c. Load Address High Byte 0000111_aaaaaaaa xxxxxxx_xxxxxxxx
2d. Load Address Low Byte 0000011_bbbbbbbb xxxxxxx_xxxxxxxx
2e. Load Data Low Byte 0010011_iiiiiiii xxxxxxx_xxxxxxxx
2f. Load Data High Byte 0010111_iiiiiiii xxxxxxx_xxxxxxxx
2g. Latch Data
0110111_00000000
1110111_00000000
0110111_00000000
xxxxxxx_xxxxxxxx
xxxxxxx_xxxxxxxx
xxxxxxx_xxxxxxxx
(1)
2h. Write Flash Page
0110111_00000000
0110101_00000000
0110111_00000000
0110111_00000000
xxxxxxx_xxxxxxxx
xxxxxxx_xxxxxxxx
xxxxxxx_xxxxxxxx
xxxxxxx_xxxxxxxx
(1)
2i. Poll for Page Write Complete 0110111_00000000 xxxxxox_xxxxxxxx (2)
3a. Enter Flash Read 0100011_00000010 xxxxxxx_xxxxxxxx
3b. Load Address Extended High Byte 0001011_cccccccc xxxxxxx_xxxxxxxx (10)
3c. Load Address High Byte 0000111_aaaaaaaa xxxxxxx_xxxxxxxx
3d. Load Address Low Byte 0000011_bbbbbbbb xxxxxxx_xxxxxxxx
3e. Read Data Low and High Byte
0110010_00000000
0110110_00000000
0110111_00000000
xxxxxxx_xxxxxxxx
xxxxxxx_oooooooo
xxxxxxx_oooooooo
Low byte
High byte
4a. Enter EEPROM Write 0100011_00010001 xxxxxxx_xxxxxxxx
4b. Load Address High Byte 0000111_aaaaaaaa xxxxxxx_xxxxxxxx (10)
4c. Load Address Low Byte 0000011_bbbbbbbb xxxxxxx_xxxxxxxx
4d. Load Data Byte 0010011_iiiiiiii xxxxxxx_xxxxxxxx
4e. Latch Data
0110111_00000000
1110111_00000000
0110111_00000000
xxxxxxx_xxxxxxxx
xxxxxxx_xxxxxxxx
xxxxxxx_xxxxxxxx
(1)

311
ATmega164A/164PA/324A/324PA/644A/644PA/1284/1284P [DATASHEET]
Atmel-8272G-AVR-01/2015
4f. Write EEPROM Page
0110011_00000000
0110001_00000000
0110011_00000000
0110011_00000000
xxxxxxx_xxxxxxxx
xxxxxxx_xxxxxxxx
xxxxxxx_xxxxxxxx
xxxxxxx_xxxxxxxx
(1)
4g. Poll for Page Write Complete 0110011_00000000 xxxxxox_xxxxxxxx (2)
5a. Enter EEPROM Read 0100011_00000011 xxxxxxx_xxxxxxxx
5b. Load Address High Byte 0000111_aaaaaaaa xxxxxxx_xxxxxxxx (10)
5c. Load Address Low Byte 0000011_bbbbbbbb xxxxxxx_xxxxxxxx
5d. Read Data Byte
0110011_bbbbbbbb
0110010_00000000
0110011_00000000
xxxxxxx_xxxxxxxx
xxxxxxx_xxxxxxxx
xxxxxxx_oooooooo
6a. Enter Fuse Write 0100011_01000000 xxxxxxx_xxxxxxxx
6b. Load Data Low Byte (6) 0010011_iiiiiiii xxxxxxx_xxxxxxxx (3)
6c. Write Fuse Extended Byte
0111011_00000000
0111001_00000000
0111011_00000000
0111011_00000000
xxxxxxx_xxxxxxxx
xxxxxxx_xxxxxxxx
xxxxxxx_xxxxxxxx
xxxxxxx_xxxxxxxx
(1)
6d. Poll for Fuse Write Complete 0111011_00000000 xxxxxox_xxxxxxxx (2)
6e. Load Data Low Byte (7) 0010011_iiiiiiii xxxxxxx_xxxxxxxx (3)
6f. Write Fuse High Byte
0110111_00000000
0110101_00000000
0110111_00000000
0110111_00000000
xxxxxxx_xxxxxxxx
xxxxxxx_xxxxxxxx
xxxxxxx_xxxxxxxx
xxxxxxx_xxxxxxxx
(1)
6g. Poll for Fuse Write Complete 0110111_00000000 xxxxxox_xxxxxxxx (2)
6h. Load Data Low Byte (7) 0010011_iiiiiiii xxxxxxx_xxxxxxxx (3)
6i. Write Fuse Low Byte
0110011_00000000
0110001_00000000
0110011_00000000
0110011_00000000
xxxxxxx_xxxxxxxx
xxxxxxx_xxxxxxxx
xxxxxxx_xxxxxxxx
xxxxxxx_xxxxxxxx
(1)
6j. Poll for Fuse Write Complete 0110011_00000000 xxxxxox_xxxxxxxx (2)
7a. Enter Lock Bit Write 0100011_00100000 xxxxxxx_xxxxxxxx
7b. Load Data Byte (9) 0010011_11iiiiii xxxxxxx_xxxxxxxx (4)
7c. Write Lock Bits
0110011_00000000
0110001_00000000
0110011_00000000
0110011_00000000
xxxxxxx_xxxxxxxx
xxxxxxx_xxxxxxxx
xxxxxxx_xxxxxxxx
xxxxxxx_xxxxxxxx
(1)
7d. Poll for Lock Bit Write complete 0110011_00000000 xxxxxox_xxxxxxxx (2)
Table 27-18. JTAG programming instruction. (Continued)
Set (Continued) a = address high bits, b = address low bits, c = address extended bits, H = 0 - Low byte, 1 -
High Byte, o = data out, i = data in, x = don’t care.
Instruction TDI sequence TDO sequence Notes

312
ATmega164A/164PA/324A/324PA/644A/644PA/1284/1284P [DATASHEET]
Atmel-8272G-AVR-01/2015
Notes: 1. This command sequence is not required if the seven MSB are correctly set by the previous command sequence (which is
normally the case).
2. Repeat until o = “1”.
3. Set bits to “0” to program the corresponding Fuse, “1” to unprogram the Fuse.
4. Set bits to “0” to program the corresponding Lock bit, “1” to leave the Lock bit unchanged.
5. “0” = programmed, “1” = unprogrammed.
6. The bit mapping for Fuses Extended byte is listed in Table 27-3 on page 288.
7. The bit mapping for Fuses High byte is listed in Table 27-4 on page 289.
8. The bit mapping for Fuses Low byte is listed in Table 27-5 on page 289.
9. The bit mapping for Lock bits byte is listed in Table 27-1 on page 287.
10. Address bits exceeding PCMSB and EEAMSB (Table 27-7 and Table 27-8) are don’t care.
11. All TDI and TDO sequences are represented by binary digits (0b...).
8a. Enter Fuse/Lock Bit Read 0100011_00000100 xxxxxxx_xxxxxxxx
8b. Read Extended Fuse Byte (6) 0111010_00000000
0111011_00000000
xxxxxxx_xxxxxxxx
xxxxxxx_oooooooo
8c. Read Fuse High Byte (7) 0111110_00000000
0111111_00000000
xxxxxxx_xxxxxxxx
xxxxxxx_oooooooo
8d. Read Fuse Low Byte (8) 0110010_00000000
0110011_00000000
xxxxxxx_xxxxxxxx
xxxxxxx_oooooooo
8e. Read Lock Bits (9) 0110110_00000000
0110111_00000000
xxxxxxx_xxxxxxxx
xxxxxxx_xxoooooo (5)
8f. Read Fuses and Lock Bits
0111010_00000000
0111110_00000000
0110010_00000000
0110110_00000000
0110111_00000000
xxxxxxx_xxxxxxxx
xxxxxxx_oooooooo
xxxxxxx_oooooooo
xxxxxxx_oooooooo
xxxxxxx_oooooooo
(5)
Fuse Ext. byte
Fuse High byte
Fuse Low byte
Lock bits
9a. Enter Signature Byte Read 0100011_00001000 xxxxxxx_xxxxxxxx
9b. Load Address Byte 0000011_bbbbbbbb xxxxxxx_xxxxxxxx
9c. Read Signature Byte 0110010_00000000
0110011_00000000
xxxxxxx_xxxxxxxx
xxxxxxx_oooooooo
10a. Enter Calibration Byte Read 0100011_00001000 xxxxxxx_xxxxxxxx
10b. Load Address Byte 0000011_bbbbbbbb xxxxxxx_xxxxxxxx
10c. Read Calibration Byte 0110110_00000000
0110111_00000000
xxxxxxx_xxxxxxxx
xxxxxxx_oooooooo
11a. Load No Operation Command 0100011_00000000
0110011_00000000
xxxxxxx_xxxxxxxx
xxxxxxx_xxxxxxxx
Table 27-18. JTAG programming instruction. (Continued)
Set (Continued) a = address high bits, b = address low bits, c = address extended bits, H = 0 - Low byte, 1 -
High Byte, o = data out, i = data in, x = don’t care.
Instruction TDI sequence TDO sequence Notes

313
ATmega164A/164PA/324A/324PA/644A/644PA/1284/1284P [DATASHEET]
Atmel-8272G-AVR-01/2015
Figure 27-16. State machine sequence for changing/reading the data word.
27.10.11Flash Data Byte Register
The Flash Data Byte Register provides an efficient way to load the entire Flash page buffer before executing
Page Write, or to read out/verify the content of the Flash. A state machine sets up the control signals to the
Flash and senses the strobe signals from the Flash, thus only the data words need to be shifted in/out.
The Flash Data Byte Register actually consists of the 8-bit scan chain and a 8-bit temporary register. During
page load, the Update-DR state copies the content of the scan chain over to the temporary register and initiates
a write sequence that within 11 TCK cycles loads the content of the temporary register into the Flash page
buffer. The AVR automatically alternates between writing the low and the high byte for each new Update-DR
state, starting with the low byte for the first Update-DR encountered after entering the PROG_PAGELOAD
command. The Program Counter is pre-incremented before writing the low byte, except for the first written byte.
This ensures that the first data is written to the address set up by PROG_COMMANDS, and loading the last
location in the page buffer does not make the Program Counter increment into the next page.
During Page Read, the content of the selected Flash byte is captured into the Flash Data Byte Register during
the Capture-DR state. The AVR automatically alternates between reading the low and the high byte for each
new Capture-DR state, starting with the low byte for the first Capture-DR encountered after entering the
PROG_PAGEREAD command. The Program Counter is post-incremented after reading each high byte,
including the first read byte. This ensures that the first data is captured from the first address set up by
PROG_COMMANDS, and reading the last location in the page makes the program counter increment into the
next page.
Test-Logic-Reset
Run-Test/Idle
Shift-DR
Exit1-DR
Pause-DR
Exit2-DR
Update-DR
Select-IR Scan
Capture-IR
Shift-IR
Exit1-IR
Pause-IR
Exit2-IR
Update-IR
Select-DR Scan
Capture-DR
0
1
011 1
00
00
11
10
1
1
0
1
0
0
10
1
1
0
1
0
0
00
11

314
ATmega164A/164PA/324A/324PA/644A/644PA/1284/1284P [DATASHEET]
Atmel-8272G-AVR-01/2015
Figure 27-17. Flash data byte register.
The state machine controlling the Flash Data Byte Register is clocked by TCK. During normal operation in which
eight bits are shifted for each Flash byte, the clock cycles needed to navigate through the TAP controller
automatically feeds the state machine for the Flash Data Byte Register with sufficient number of clock pulses to
complete its operation transparently for the user. However, if too few bits are shifted between each Update-DR
state during page load, the TAP controller should stay in the Run-Test/Idle state for some TCK cycles to ensure
that there are at least 11 TCK cycles between each Update-DR state.
27.10.12Programming Algorithm
All references below of type “1a”, “1b”, and so on, refer to Table 27-18 on page 310.
27.10.13Entering Programming Mode
1. Enter JTAG instruction AVR_RESET and shift 1 in the Reset Register.
2. Enter instruction PROG_ENABLE and shift 0b1010_0011_0111_0000 in the Programming Enable
Register.
27.10.14Leaving Programming Mode
1. Enter JTAG instruction PROG_COMMANDS.
2. Disable all programming instructions by using no operation instruction 11a.
3. Enter instruction PROG_ENABLE and shift 0b0000_0000_0000_0000 in the programming Enable
Register.
4. Enter JTAG instruction AVR_RESET and shift 0 in the Reset Register.
27.10.15Performing Chip Erase
1. Enter JTAG instruction PROG_COMMANDS.
2. Start Chip Erase using programming instruction 1a.
3. Poll for Chip Erase complete using programming instruction 1b, or wait for tWLRH_CE (refer to Table 27-14
on page 300).
TDI
TDO
D
A
T
A
Flash
EEPROM
Fuses
Lock Bits
STROBES
ADDRESS
State
Machine

315
ATmega164A/164PA/324A/324PA/644A/644PA/1284/1284P [DATASHEET]
Atmel-8272G-AVR-01/2015
27.10.16Programming the Flash
Before programming the Flash a Chip Erase must be performed, see “Performing Chip Erase” on page 314.
1. Enter JTAG instruction PROG_COMMANDS.
2. Enable Flash write using programming instruction 2a.
3. Load address Extended High byte using programming instruction 2b.
4. Load address High byte using programming instruction 2c.
5. Load address Low byte using programming instruction 2d.
6. Load data using programming instructions 2e, 2f, and 2g.
7. Repeat steps 5 and 6 for all instruction words in the page.
8. Write the page using programming instruction 2h.
9. Poll for Flash write complete using programming instruction 2i, or wait for tWLRH (refer to Table 27-14 on
page 300).
10. Repeat steps 3 to 9 until all data have been programmed.
A more efficient data transfer can be achieved using the PROG_PAGELOAD instruction:
1. Enter JTAG instruction PROG_COMMANDS.
2. Enable Flash write using programming instruction 2a.
3. Load the page address using programming instructions 2b, 2c, and 2d. PCWORD (refer to Table 27-7 on
page 290) is used to address within one page and must be written as 0.
4. Enter JTAG instruction PROG_PAGELOAD.
5. Load the entire page by shifting in all instruction words in the page byte-by-byte, starting with the LSB of
the first instruction in the page and ending with the MSB of the last instruction in the page. Use Update-
DR to copy the contents of the Flash Data Byte Register into the Flash page location and to auto-
increment the Program Counter before each new word.
6. Enter JTAG instruction PROG_COMMANDS.
7. Write the page using programming instruction 2h.
8. Poll for Flash write complete using programming instruction 2i, or wait for tWLRH (refer to Table 27-14 on
page 300).
9. Repeat steps 3 to 8 until all data have been programmed.
27.10.17Reading the Flash
1. Enter JTAG instruction PROG_COMMANDS.
2. Enable Flash read using programming instruction 3a.
3. Load address using programming instructions 3b, 3c, and 3d.
4. Read data using programming instruction 3e.
5. Repeat steps 3 and 4 until all data have been read.
A more efficient data transfer can be achieved using the PROG_PAGEREAD instruction:
1. Enter JTAG instruction PROG_COMMANDS.
2. Enable Flash read using programming instruction 3a.
3. Load the page address using programming instructions 3b, 3c, and 3d. PCWORD (refer to Table 27-7 on
page 290) is used to address within one page and must be written as 0.
4. Enter JTAG instruction PROG_PAGEREAD.
5. Read the entire page (or Flash) by shifting out all instruction words in the page (or Flash), starting with the
LSB of the first instruction in the page (Flash) and ending with the MSB of the last instruction in the page
(Flash). The Capture-DR state both captures the data from the Flash, and also auto-increments the

316
ATmega164A/164PA/324A/324PA/644A/644PA/1284/1284P [DATASHEET]
Atmel-8272G-AVR-01/2015
program counter after each word is read. Note that Capture-DR comes before the shift-DR state. Hence,
the first byte which is shifted out contains valid data.
6. Enter JTAG instruction PROG_COMMANDS.
7. Repeat steps 3 to 6 until all data have been read.
27.10.18Programming the EEPROM
Before programming the EEPROM a Chip Erase must be performed, See “Performing Chip Erase” on page
314.
1. Enter JTAG instruction PROG_COMMANDS.
2. Enable EEPROM write using programming instruction 4a.
3. Load address High byte using programming instruction 4b.
4. Load address Low byte using programming instruction 4c.
5. Load data using programming instructions 4d and 4e.
6. Repeat steps 4 and 5 for all data bytes in the page.
7. Write the data using programming instruction 4f.
8. Poll for EEPROM write complete using programming instruction 4g, or wait for tWLRH (refer to Table 27-14
on page 300).
9. Repeat steps 3 to 8 until all data have been programmed.
Note that the PROG_PAGELOAD instruction can not be used when programming the EEPROM.
27.10.19Reading the EEPROM
1. Enter JTAG instruction PROG_COMMANDS.
2. Enable EEPROM read using programming instruction 5a.
3. Load address using programming instructions 5b and 5c.
4. Read data using programming instruction 5d.
5. Repeat steps 3 and 4 until all data have been read.
Note that the PROG_PAGEREAD instruction can not be used when reading the EEPROM.
27.10.20Programming the Fuses
1. Enter JTAG instruction PROG_COMMANDS.
2. Enable Fuse write using programming instruction 6a.
3. Load data high byte using programming instructions 6b. A bit value of “0” will program the corresponding
fuse, a “1” will unprogram the fuse.
4. Write Fuse High byte using programming instruction 6c.
5. Poll for Fuse write complete using programming instruction 6d, or wait for tWLRH (refer to Table 27-14 on
page 300).
6. Load data low byte using programming instructions 6e. A “0” will program the fuse, a “1” will unprogram
the fuse.
7. Write Fuse low byte using programming instruction 6f.
8. Poll for Fuse write complete using programming instruction 6g, or wait for tWLRH (refer to Table 27-14 on
page 300).
27.10.21Programming the Lock Bits
1. Enter JTAG instruction PROG_COMMANDS.
2. Enable Lock bit write using programming instruction 7a.

317
ATmega164A/164PA/324A/324PA/644A/644PA/1284/1284P [DATASHEET]
Atmel-8272G-AVR-01/2015
3. Load data using programming instructions 7b. A bit value of “0” will program the corresponding lock bit, a
“1” will leave the lock bit unchanged.
4. Write Lock bits using programming instruction 7c.
5. Poll for Lock bit write complete using programming instruction 7d, or wait for tWLRH (refer to Table 27-14
on page 300).
27.10.22Reading the Fuses and Lock Bits
1. Enter JTAG instruction PROG_COMMANDS.
2. Enable Fuse/Lock bit read using programming instruction 8a.
3. To read all Fuses and Lock bits, use programming instruction 8e.
To only read Fuse High byte, use programming instruction 8b.
To only read Fuse Low byte, use programming instruction 8c.
To only read Lock bits, use programming instruction 8d.
27.10.23Reading the Signature Bytes
1. Enter JTAG instruction PROG_COMMANDS.
2. Enable Signature byte read using programming instruction 9a.
3. Load address 0x00 using programming instruction 9b.
4. Read first signature byte using programming instruction 9c.
5. Repeat steps 3 and 4 with address 0x01 and address 0x02 to read the second and third signature bytes,
respectively.
27.10.24Reading the Calibration Byte
1. Enter JTAG instruction PROG_COMMANDS.
2. Enable Calibration byte read using programming instruction 10a.
3. Load address 0x00 using programming instruction 10b.
4. Read the calibration byte using programming instruction 10c.

318
ATmega164A/164PA/324A/324PA/644A/644PA/1284/1284P [DATASHEET]
Atmel-8272G-AVR-01/2015
28. Electrical characteristics (TA = -40°C to 85°C)
Absolute maximum ratings*
28.1 DC Characteristics
Operating temperature ...................................-55C to +125C*NOTICE: Stresses beyond those listed under “Absolute
Maximum Ratings” may cause permanent dam-
age to the device. This is a stress rating only and
functional operation of the device at these or
other conditions beyond those indicated in the
operational sections of this specification is not
implied. Exposure to absolute maximum rating
conditions for extended periods may affect
device reliability.
Storage temperature.......................................-65°C to +150°C
Voltage on any pin except RESET
with respect to ground ............................... -0.5V to VCC + 0.5V
Voltage on RESET with respect to ground ...... -0.5V to +13.0V
Maximum operating voltage ..............................................6.0V
DC current per I/O pin ..................................................40.0mA
DC current VCC and GND pins...................................200.0mA
Table 28-1. TA = -40C to 85C, VCC = 1.8V to 5.5V (unless otherwise noted).
Symbol Parameter Condition Min. Typ. Max. Units
VIL
Input Low Voltage,
Except XTAL1 and Reset
pin
VCC = 1.8V - 2.4V
VCC = 2.4V - 5.5V
-0.5
-0.5
0.2VCC(1)
0.3VCC(1)
V
VIL1
Input Low Voltage,
XTAL1 pin VCC = 1.8V - 5.5V -0.5 0.1VCC(1)
VIL2
Input Low Voltage,
RESET pin VCC = 1.8V - 5.5V -0.5 0.1VCC(1)
VIH
Input High Voltage,
Except XTAL1 and
RESET pins
VCC = 1.8V - 2.4V
VCC = 2.4V - 5.5V
0.7VCC(2)
0.6VCC(2)
VCC + 0.5
VCC + 0.5
VIH1
Input High Voltage,
XTAL1 pin
VCC = 1.8V - 2.4V
VCC = 2.4V - 5.5V
0.8VCC(2)
0.7VCC(2)
VCC + 0.5
VCC + 0.5
VIH2
Input High Voltage,
RESET pin VCC = 1.8V - 5.5V 0.9VCC(2) VCC + 0.5
VOL Output Low Voltage(3) IOL = 20mA, VCC = 5V
IOL = 10mA, VCC = 3V
0.9
0.6
VOH Output High Voltage(4) IOH = -20mA, VCC = 5V
IOH = -10mA, VCC = 3V
4.2
2.3
IIL
Input Leakage
Current I/O Pin
VCC = 5.5V, pin low
(absolute value) 1
µA
IIH
Input Leakage
Current I/O Pin
VCC = 5.5V, pin high
(absolute value) 1
RRST Reset Pull-up Resistor 30 60 k
RPU I/O Pin Pull-up Resistor 20 50

319
ATmega164A/164PA/324A/324PA/644A/644PA/1284/1284P [DATASHEET]
Atmel-8272G-AVR-01/2015
Notes: 1. “Max.” means the highest value where the pin is guaranteed to be read as low.
2. “Min.” means the lowest value where the pin is guaranteed to be read as high.
3. Although each I/O port can sink more than the test conditions (20mA at VCC = 5V, 10mA at VCC = 3V) under steady state
conditions (non-transient), the following must be observed:
1.)The sum of all IOL, for ports PB0-PB7, XTAL2, PD0-PD7 should not exceed 100mA.
2.)The sum of all IOH, for ports PA0-PA3, PC0-PC7 should not exceed 100mA.
If IOL exceeds the test condition, VOL may exceed the related specification. Pins are not guaranteed to sink current
greater than the listed test condition.
4. Although each I/O port can source more than the test conditions (20mA at VCC = 5V, 10mA at VCC = 3V) under steady
state conditions (non-transient), the following must be observed:
1.)The sum of all IOL, for ports PB0-PB7, XTAL2, PD0-PD7 should not exceed 100mA.
2.)The sum of all IOH, for ports PA0-PA3, PC0-PC7 should not exceed 100mA.
If IOH exceeds the test condition, VOH may exceed the related specification. Pins are not guaranteed to source current
greater than the listed test condition.
VACIO
Analog Comparator
Input Offset Voltage
VCC = 5V
Vin = VCC/2 <10 40 mV
IACLK
Analog Comparator
Input Leakage Current
VCC = 5V
Vin = VCC/2 -50 50 nA
tACID
Analog Comparator
Propagation Delay
VCC = 2.7V
VCC = 4.0V
750
500 ns
Table 28-1. TA = -40C to 85C, VCC = 1.8V to 5.5V (unless otherwise noted). (Continued)
Symbol Parameter Condition Min. Typ. Max. Units

320
ATmega164A/164PA/324A/324PA/644A/644PA/1284/1284P [DATASHEET]
Atmel-8272G-AVR-01/2015
Notes: 1. All bits set in the ”PRR0 – Power Reduction Register 0” on page 48.
2. Typical values at 25C. Maximum values are test limits in production.
3. The current consumption values include input leakage current.
Notes: 1. All bits set in the ”PRR0 – Power Reduction Register 0” on page 48.
2. Typical values at 25C. Maximum values are test limits in production.
3. The current consumption values include input leakage current.
28.1.1 Atmel ATmega164A DC characteristics
Table 28-2. TA = -40C to 85C, VCC = 1.8V to 5.5V (unless otherwise noted).
Symbol Parameter Condition Min. Typ.(2) Max. Units
ICC
Power Supply Current (1)
Active 1MHz, VCC = 2V 0.3 0.55
mA
Active 4MHz, VCC = 3V 1.4 3.5
Active 8MHz, VCC = 5V 4.8 12
Idle 1MHz, VCC = 2V 0.07 0.5
Idle 4MHz, VCC = 3V 0.25 1.5
Idle 8MHz, VCC = 5V 1.0 5.5
Power-save mode (3)
32kHz TOSC enabled,
VCC = 1.8V 0.5
µA
32kHz TOSC enabled,
VCC = 3V 0.6
Power-down mode (3) WDT enabled, VCC = 3V 5.0 15
WDT disabled, VCC = 3V 0.17 3.0
28.1.2 Atmel ATmega164PA DC characteristics
Table 28-3. TA = -40C to 85C, VCC = 1.8V to 5.5V (unless otherwise noted).
Symbol Parameter Condition Min. Typ. (2) Max. Units
ICC
Power Supply Current (1)
Active 1MHz, VCC = 2V 0.3 0.5
mA
Active 4MHz, VCC = 3V 1.4 2.7
Active 8MHz, VCC = 5V 4.8 9.0
Idle 1MHz, VCC = 2V 0.07 0.15
Idle 4MHz, VCC = 3V 0.25 0.7
Idle 8MHz, VCC = 5V) 1.0 5.0
Power-save mode (3)
32kHz TOSC enabled,
VCC = 1.8V 0.5
µA
32kHz TOSC enabled,
VCC = 3V 0.6
Power-down mode (3) WDT enabled, VCC = 3V 5.0 8.0
WDT disabled, VCC = 3V 0.17 2.0

321
ATmega164A/164PA/324A/324PA/644A/644PA/1284/1284P [DATASHEET]
Atmel-8272G-AVR-01/2015
Notes: 1. All bits set in the ”PRR0 – Power Reduction Register 0” on page 48.
2. Typical values at 25C. Maximum values are test limits in production.
3. The current consumption values include input leakage current.
Notes: 1. All bits set in the ”PRR0 – Power Reduction Register 0” on page 48.
2. Typical values at 25C. Maximum values are test limits in production.
3. The current consumption values include input leakage current.
28.1.3 Atmel ATmega324A DC characteristics
Table 28-4. TA = -40C to 85C, VCC = 1.8V to 5.5V (unless otherwise noted).
Symbol Parameter Condition Min. Typ. (2) Max. Units
ICC
Power Supply Current (1)
Active 1MHz, VCC = 2V 0.3 0.55
mA
Active 4MHz, VCC = 3V 1.5 3.5
Active 8MHz, VCC = 5V 5.2 12
Idle 1MHz, VCC = 2V 0.06 0.5
Idle 4MHz, VCC = 3V 0.35 1.5
Idle 8MHz, VCC = 5V 1.3 5.5
Power-save mode (3)
32kHz TOSC enabled,
VCC = 1.8V 0.5
µA
32kHz TOSC enabled,
VCC = 3V 0.6
Power-down mode (3) WDT enabled, VCC = 3V 4.2 15
WDT disabled, VCC = 3V 0.15 3.0
28.1.4 Atmel ATmega324PA DC characteristics
Table 28-5. TA = -40C to 85C, VCC = 1.8V to 5.5V (unless otherwise noted)
Symbol Parameter Condition Min. Typ. (2) Max. Units
ICC
Power Supply Current (1)
Active 1MHz, VCC = 2V 0.3 0.5
mA
Active 4MHz, VCC = 3V 1.5 2.7
Active 8MHz, VCC = 5V 5.2 9
Idle 1MHz, VCC = 2V 0.06 0.15
Idle 4MHz, VCC = 3V 0.35 0.7
Idle 8MHz, VCC = 5V 1.3 5.0
Power-save mode (3)
32kHz TOSC enabled,
VCC = 1.8V 0.5
µA
32kHz TOSC enabled,
VCC = 3V 0.6
Power-down mode (3) WDT enabled, VCC = 3V 4.2 8.0
WDT disabled, VCC = 3V 0.15 2.0

322
ATmega164A/164PA/324A/324PA/644A/644PA/1284/1284P [DATASHEET]
Atmel-8272G-AVR-01/2015
Notes: 1. All bits set in the ”PRR0 – Power Reduction Register 0” on page 48.
2. Typical values at 25C. Maximum values are test limits in production.
3. The current consumption values include input leakage current.
Notes: 1. All bits set in the ”PRR0 – Power Reduction Register 0” on page 48.
2. Typical values at 25C. Maximum values are test limits in production.
3. The current consumption values include input leakage current.
28.1.5 Atmel ATmega644A DC characteristics
Table 28-6. TA = -40C to 85C, VCC = 1.8V to 5.5V (unless otherwise noted).
Symbol Parameter Condition Min. Typ. (2) Max. Units
ICC
Power Supply Current (1)
Active 1MHz, VCC = 2V 0.38 0.5
mA
Active 4MHz, VCC = 3V 1.8 2.7
Active 8MHz, VCC = 5V 5.6 9.0
Idle 1MHz, VCC = 2V 0.06 0.15
Idle 4MHz, VCC = 3V 0.2 0.7
Idle 8MHz, VCC = 5V 1.1 2.5
Power-save mode (3)
32kHz TOSC enabled,
VCC = 1.8V 0.5
µA
32kHz TOSC enabled,
VCC = 3V 0.6
Power-down mode (3) WDT enabled, VCC = 3V 4.2 20
WDT disabled, VCC = 3V 0.15 3.0
28.1.6 Atmel ATmega644PA DC characteristics
Table 28-7. TA = -40C to 85C, VCC = 1.8V to 5.5V (unless otherwise noted).
Symbol Parameter Condition Min. Typ. (2) Max. Units
ICC
Power Supply Current (1)
Active 1MHz, VCC = 2V 0.38 0.5
mA
Active 4MHz, VCC = 3V 1.8 2.7
Active 8MHz, VCC = 5V 5.6 9.0
Idle 1MHz, VCC = 2V 0.06 0.15
Idle 4MHz, VCC = 3V 0.2 0.7
Idle 8MHz, VCC = 5V 1.1 4.0
Power-save mode (3)
32kHz TOSC enabled,
VCC = 1.8V 0.5
µA
32kHz TOSC enabled,
VCC = 3V 0.6
Power-down mode (3) WDT enabled, VCC = 3V 4.2 8.0
WDT disabled, VCC = 3V 0.15 2.0

323
ATmega164A/164PA/324A/324PA/644A/644PA/1284/1284P [DATASHEET]
Atmel-8272G-AVR-01/2015
Notes: 1. All bits set in the ”PRR0 – Power Reduction Register 0” on page 48.
2. Typical values at 25C. Maximum values are test limits in production.
3. The current consumption values include input leakage current.
Notes: 1. All bits set in the ”PRR0 – Power Reduction Register 0” on page 48.
2. Typical values at 25C. Maximum values are test limits in production.
3. The current consumption values include input leakage current.
28.1.7 Atmel ATmega1284 DC characteristics
Table 28-8. TA = -40C to 85C, VCC = 1.8V to 5.5V (unless otherwise noted).
Symbol Parameter Condition Min. Typ. (2) Max. Units
ICC
Power Supply Current (1)
Active 1MHz, VCC = 2V 0.38 0.55
mA
Active 4MHz, VCC = 3V 1.8 3.5
Active 8MHz, VCC = 5V 5.6 12
Idle 1MHz, VCC = 2V 0.06 0.5
Idle 4MHz, VCC = 3V 0.2 1.5
Idle 8MHz, VCC = 5V 1.1 5.5
Power-save mode (3)
32kHz TOSC enabled,
VCC = 1.8V 0.5
µA
32kHz TOSC enabled,
VCC = 3V 0.6
Power-down mode (3) WDT enabled, VCC = 3V 4.2 15
WDT disabled, VCC = 3V 0.15 3.0
28.1.8 Atmel ATmega1284P DC characteristics
Table 28-9. TA = -40C to 85C, VCC = 1.8V to 5.5V (unless otherwise noted).
Symbol Parameter Condition Min. Typ. (2) Max. Units
ICC
Power Supply Current (1)
Active 1MHz, VCC = 2V 0.38 0.5
mA
Active 4MHz, VCC = 3V 1.8 2.9
Active 8MHz, VCC = 5V 5.6 9.0
Idle 1MHz, VCC = 2V 0.06 0.15
Idle 4MHz, VCC = 3V 0.2 0.7
Idle 8MHz, VCC = 5V 1.1 5.0
Power-save mode (3)
32kHz TOSC enabled,
VCC = 1.8V 0.5
µA
32kHz TOSC enabled,
VCC = 3V 0.6
Power-down mode (3) WDT enabled, VCC = 3V 4.2 10
WDT disabled, VCC = 3V 0.15 5

324
ATmega164A/164PA/324A/324PA/644A/644PA/1284/1284P [DATASHEET]
Atmel-8272G-AVR-01/2015
28.2 Speed grades
Maximum frequency is depending on VCC. As shown in Figure 28-1, the maximum frequency vs. VCC curve is
linear between 1.8V < VCC < 2.7V and between 2.7V < VCC < 4.5V.
Figure 28-1. Maximum frequency vs. VCC, ATmega164A/164PA/324A/324PA/644A/644PA/1284/1284P.
4MHz
1.8V 2.7V 4.5V
10MHz
20MHz
5.5V
Safe operating area

325
ATmega164A/164PA/324A/324PA/644A/644PA/1284/1284P [DATASHEET]
Atmel-8272G-AVR-01/2015
28.3 Clock characteristics
Notes: 1. Voltage range for Atmel ATmega164A/164PA/324A/324PA/644A/644PA/1284/1284P.
28.3.1 External clock drive waveforms
Figure 28-2. External clock drive waveforms.
28.3.2 External clock drive
Table 28-10. Calibration accuracy of internal RC oscillator.
Frequency VCC Temperature Calibration accuracy
Factory calibration 8.0MHz 3V 25C±10%
User calibration 7.3 - 8.1MHz 1.8 - 5.5V (1) -40C - 85C±1%
V
IL1
V
IH1
Table 28-11. External clock drive.
Symbol Parameter
VCC = 1.8 - 5.5V VCC = 2.7 - 5.5V VCC = 4.5 - 5.5V
UnitsMin. Max. Min. Max. Min. Max.
1/tCLCL Oscillator Frequency 0 4 0 10 020 MHz
tCLCL Clock Period 250 100 50
nstCHCX High Time 100 40 20
tCLCX Low Time 100 40 20
tCLCH Rise Time 2.0 1.6 0.5 s
tCHCL Fall Time 2.0 1.6 0.5
tCLCL
Change in period from one
clock cycle to the next 2 2 2 %

326
ATmega164A/164PA/324A/324PA/644A/644PA/1284/1284P [DATASHEET]
Atmel-8272G-AVR-01/2015
28.4 System and reset characteristics
Notes: 1. The Power-on Reset will not work unless the supply voltage has been below VPOT (falling).
Note: 1. VBOT may be below nominal minimum operating voltage for some devices. For devices where this is the case, the device
is tested down to VCC = VBOT during the production test. This guarantees that a Brown-Out Reset will occur before VCC
drops to a voltage where correct operation of the microcontroller is no longer guaranteed. The test is performed using
BODLEVEL = 101 and BODLEVEL = 110.
28.5 External interrupts characteristics
Table 28-12. Reset, Brown-out and Internal Voltage Reference characteristics.
Symbol Parameter Condition Min. Typ. Max. Units
VPOT
Power-on Reset Threshold Voltage (rising) 1.1 1.4 1.6
VPower-on Reset Threshold Voltage (falling) (1) 0.6 1.3 1.6
VRST RESET Pin Threshold Voltage 0.2VCC 0.9VCC
tRST Minimum pulse width on RESET Pin 2.5 µs
VHYST Brown-out Detector Hysteresis 50 mV
tBOD Min Pulse Width on Brown-out Reset 2µs
VBG Bandgap reference voltage VCC= 2.7V, TA = 25C1.0 1.1 1.2 V
tBG Bandgap reference start-up time VCC= 2.7V, TA = 25C40 70 µs
IBG Bandgap reference current consumption VCC= 2.7V, TA = 25C10 µA
Table 28-13. BODLEVEL fuse coding (1).
BODLEVEL 2:0 Fuses Min. VBOT Typ. VBOT Max. VBOT Units
111 BOD disabled
110 1.7 1.8 2.0
V101 2.5 2.7 2.9
100 4.1 4.3 4.5
011
Reserved
010
001
000
Table 28-14. Asynchronous external interrupt characteristics.
Symbol Parameter Condition Min. Typ. Max. Units
tINT Minimum pulse width for asynchronous external interrupt 50 ns

327
ATmega164A/164PA/324A/324PA/644A/644PA/1284/1284P [DATASHEET]
Atmel-8272G-AVR-01/2015
28.6 SPI timing characteristics
See Figure 28-3 on page 327 and Figure 28-4 on page 328 for details.
Note: 1. In SPI Programming mode the minimum SCK high/low period is:
- 2 tCLCL for fCK < 12MHz
- 3 tCLCL for fCK > 12MHz
Figure 28-3. SPI interface timing requirements (Master mode).
Table 28-15. SPI timing parameters.
Description Mode Min. Typ. Max. Unit
1SCK period Master See Table 18-5 on
page 165
ns
2SCK high/low Master 50% duty cycle
3Rise/Fall time Master 3.6
4Setup Master 10
5Hold Master 10
6Out to SCK Master 0.5 × tsck
7SCK to out Master 10
8SCK to out high Master 10
9SS low to out Slave 15
10 SCK period Slave 4 × tck
11 SCK high/low (1) Slave 2 × tck
12 Rise/Fall time Slave 1600
13 Setup Slave 10
14 Hold Slave tck
15 SCK to out Slave 15
16 SCK to SS high Slave 20
17 SS high to tri-state Slave 10
18 SS low to SCK Slave 20
MOSI
(Data Output)
SCK
(CPOL = 1)
MISO
(Data Input)
SCK
(CPOL = 0)
SS
MSB LSB
LSBMSB
...
...
61
22
345
8
7

328
ATmega164A/164PA/324A/324PA/644A/644PA/1284/1284P [DATASHEET]
Atmel-8272G-AVR-01/2015
Figure 28-4. SPI interface timing requirements (Slave mode).
28.7 Two-wire Serial Interface Characteristics
Table 28-16 describes the requirements for devices connected to the two-wire Serial Bus. The Atmel
ATmega164A/164PA/324A/324PA/644A/644PA/1284/1284P two-wire Serial Interface meets or exceeds these require-
ments under the noted conditions.
Timing symbols refer to Figure 28-5.
MISO
(Data Output)
SCK
(CPOL = 1)
MOSI
(Data Input)
SCK
(CPOL = 0)
SS
MSB LSB
LSBMSB
...
...
10
11 11
1213 14
17
15
9
X
16
Table 28-16. two-wire serial bus requirements.
Symbol Parameter Condition Min. Max. Units
VIL Input Low-voltage -0.5 0.3VCC
V
VIH Input High-voltage 0.7 VCC VCC + 0.5
Vhys (1) Hysteresis of Schmitt Trigger Inputs 0.05 VCC (2) –
VOL (1) Output Low-voltage 3mA sink current 00.4
tr (1) Rise Time for both SDA and SCL 20 + 0.1Cb (2)(3) 300
nstof (1) Output Fall Time from VIHmin to VILmax 10pF < Cb < 400pF (3) 20 + 0.1Cb (2)(3) 250
tSP (1) Spikes Suppressed by Input Filter 050 (2)
IiInput Current each I/O Pin 0.1VCC < Vi < 0.9VCC -10 10 µA
Ci (1) Capacitance for each I/O Pin –10 pF
fSCL SCL Clock Frequency fCK(4) > max(16fSCL, 250kHz)(5) 0400 kHz
Rp Value of Pull-up resistor
fSCL 100kHz
fSCL > 100kHz
tHD;STA
Hold Time (repeated) START
Condition
fSCL 100kHz 4.0 –
µs
fSCL > 100kHz 0.6 –
tLOW Low Period of the SCL Clock fSCL 100kHz 4.7 –
fSCL > 100kHz 1.3 –
VCC 0.4V–
3mA
----------------------------
1000ns
Cb
-------------------
VCC 0.4V–
3mA
----------------------------
300ns
Cb
----------------

329
ATmega164A/164PA/324A/324PA/644A/644PA/1284/1284P [DATASHEET]
Atmel-8272G-AVR-01/2015
Notes: 1. In Atmel ATmega164A/164PA/324A/324PA/644A/644PA/1284/1284P, this parameter is characterized and not 100%
tested.
2. Required only for fSCL > 100kHz.
3. Cb = capacitance of one bus line in pF.
4. fCK = CPU clock frequency.
5. This requirement applies to all Atmel ATmega32 two-wire Serial Interface operation. Other devices connected to the two-
wire Serial Bus need only obey the general fSCL requirement.
Figure 28-5. Two-wire serial bus timing.
tHIGH High period of the SCL clock fSCL 100kHz 4.0 –
µs
fSCL > 100kHz 0.6 –
tSU;STA
Set-up time for a repeated START
condition
fSCL 100kHz 4.7 –
fSCL > 100kHz 0.6 –
tHD;DAT Data hold time fSCL 100kHz 03.45
fSCL > 100kHz 00.9
tSU;DAT Data setup time fSCL 100kHz 250 –ns
fSCL > 100kHz 100 –
tSU;STO Setup time for STOP condition fSCL 100kHz 4.0 –
µs
fSCL > 100kHz 0.6 –
tBUF
Bus free time between a STOP and
START condition
fSCL 100kHz 4.7 –
fSCL > 100kHz 1.3 –
Table 28-16. two-wire serial bus requirements. (Continued)
Symbol Parameter Condition Min. Max. Units
t
SU;STA
t
LOW
t
HIGH
t
LOW
t
of
t
HD;STA
t
HD;DAT
t
SU;DAT
t
SU;STO
t
BUF
SCL
SDA
t
r

330
ATmega164A/164PA/324A/324PA/644A/644PA/1284/1284P [DATASHEET]
Atmel-8272G-AVR-01/2015
28.8 ADC characteristics
Notes: 1. Values are guidelines only.
Table 28-17. ADC characteristics, single ended channel.
Symbol Parameter Condition Min. (1) Typ. (1) Max. (1) Units
Resolution Single Ended Conversion 10 Bits
Absolute accuracy (Including
INL, DNL, quantization error,
gain and offset error)
Single Ended Conversion
VREF = 4V, VCC = 4V,
ADC clock = 200kHz
1.9
LSB
Single Ended Conversion
VREF = 4V, VCC = 4V,
ADC clock = 1MHz
3.25
Single Ended Conversion
VREF = 4V, VCC = 4V,
ADC clock = 200kHz
Noise Reduction Mode
1.9
Single Ended Conversion
VREF = 4V, VCC = 4V,
ADC clock = 1MHz
Noise Reduction Mode
3.25
Integral Non-Linearity (INL)
Single Ended Conversion
VREF = 4V, VCC = 4V,
ADC clock = 200kHz
1.1
Differential Non-Linearity (DNL)
Single Ended Conversion
VREF = 4V, VCC = 4V,
ADC clock = 200kHz
0.3
Gain Error
Single Ended Conversion
VREF = 4V, VCC = 4V,
ADC clock = 200kHz
1.6
Offset Error
Single Ended Conversion
VREF = 4V, VCC = 4V,
ADC clock = 200kHz
-1.5
Conversion Time Free Running Conversion 13 260 µs
Clock Frequency Single Ended Conversion 50 1000 kHz
AVCC Analog Supply Voltage VCC - 0.3 VCC + 0.3
VVREF Reference Voltage 1.0 AVCC
VIN Input Voltage GND VREF
Input Bandwidth 38.5 kHz
VINT1 Internal Voltage Reference 1.1V 1.0 1.1 1.2 V
VINT2 Internal Voltage Reference 2.56V, VCC > 2.7V 2.33 2.56 2.79
RREF Reference Input Resistance 32 k
RAIN Analog Input Resistance 100 M

331
ATmega164A/164PA/324A/324PA/644A/644PA/1284/1284P [DATASHEET]
Atmel-8272G-AVR-01/2015
Table 28-18. ADC characteristics, differential channels.
Symbol Parameter Condition Min. (1) Typ. (1) Max. (1) Units
Resolution
Gain = 1× 10
BitsGain = 10× 10
Gain = 200× 7
Absolute Accuracy (Including INL,
DNL Quantization Error and Offset
Error)
Gain = 1×
VCC = 5V, VREF = 4V
ADC clock = 200kHz
19
LSB
Gain = 10×
VCC = 5V, VREF = 4V
ADC clock = 200kHz
19
Gain = 200×
VCC = 5V, VREF = 4V
ADC clock = 200kHz
12
Integral Non-linearity (INL)
Gain = 1×
VCC = 5V, VREF = 4V
ADC clock = 200kHz
2
Gain = 10×
VCC = 5V, VREF = 4V
ADC clock = 200kHz
4
Gain = 200×
VCC = 5V, VREF = 4V
ADC clock = 200kHz
11
Differential Non-linearity (DNL)
Gain = 1×
VCC = 5V, VREF = 4V
ADC clock = 200kHz
1
Gain = 10×
VCC = 5V, VREF = 4V
ADC clock = 200kHz
1.5
Gain = 200×
VCC = 5V, VREF = 4V
ADC clock = 200kHz
11

332
ATmega164A/164PA/324A/324PA/644A/644PA/1284/1284P [DATASHEET]
Atmel-8272G-AVR-01/2015
Note: 1. Values are guidelines only.
Gain Error
Gain = 1×
VCC = 5V, VREF = 4V
ADC clock = 200kHz
18
LSB
Gain = 10×
VCC = 5V, VREF = 4V
ADC clock = 200kHz
19
Gain = 200×
VCC = 5V, VREF = 4V
ADC clock = 200kHz
1.5
Offset Error
Gain = 1×
VCC = 5V, VREF = 4V
ADC clock = 200kHz
-1
Gain = 10×
VCC = 5V, VREF = 4V
ADC clock = 200kHz
-1
Gain = 200×
VCC = 5V, VREF = 4V
ADC clock = 200kHz
1
Conversion Time 13 260 µs
Clock Frequency 50 1000 kHz
AVCC Analog Supply Voltage VCC - 0.3 VCC + 0.3
VVREF Reference Voltage 2.0 AVCC - 0.5
VIN Input Differential Voltage 0AVCC
ADC Conversion Output -511 511 LSB
Input Bandwidth 4kHz
VINT1 Internal Voltage Reference 1.1V 1.0 1.1 1.2 V
VINT2 Internal Voltage Reference 2.56V 2.33 2.56 2.79
RREF Reference Input Resistance 32 k
Table 28-18. ADC characteristics, differential channels. (Continued)
Symbol Parameter Condition Min. (1) Typ. (1) Max. (1) Units

333
ATmega164A/164PA/324A/324PA/644A/644PA/1284/1284P [DATASHEET]
Atmel-8272G-AVR-01/2015
29. Electrical Characteristics - TA = -40°C to 105°C
Absolute Maximum Ratings*
29.1 DC Characteristics
Operating Temperature ..................................-55C to +125C*NOTICE: Stresses beyond those listed under “Absolute
Maximum Ratings” may cause permanent dam-
age to the device. This is a stress rating only and
functional operation of the device at these or
other conditions beyond those indicated in the
operational sections of this specification is not
implied. Exposure to absolute maximum rating
conditions for extended periods may affect
device reliability.
Storage Temperature......................................-65°C to +150°C
Voltage on any Pin except RESET
with respect to Ground ................................-0.5V to VCC+0.5V
Voltage on RESET with respect to Ground .....-0.5V to +13.0V
Maximum Operating Voltage .............................................6.0V
DC Current per I/O Pin ................................................40.0 mA
DC Current VCC and GND Pins.................................200.0 mA
TA = -40C to 105C, VCC = 1.8V to 5.5V (unless otherwise noted)
Symbol Parameter Condition Min. Typ. Max. Units
VIL
Input Low Voltage,
Except XTAL1 and Reset
pin
VCC = 1.8V - 2.4V
VCC = 2.4V - 5.5V
-0.5
-0.5
0.2VCC(1)
0.3VCC(1) V
VIL1
Input Low Voltage,
XTAL1 pin VCC = 1.8V - 5.5V -0.5 0.1VCC(1) V
VIL2
Input Low Voltage,
RESET pin VCC = 1.8V - 5.5V -0.5 0.1VCC(1) V
VIH
Input High Voltage,
Except XTAL1 and
RESET pins
VCC = 1.8V - 2.4V
VCC = 2.4V - 5.5V
0.7VCC(2)
0.6VCC(3)
VCC + 0.5
VCC + 0.5 V
VIH1
Input High Voltage,
XTAL1 pin
VCC = 1.8V - 2.4V
VCC = 2.4V - 5.5V
0.8VCC(2)
0.7VCC(2)
VCC + 0.5
VCC + 0.5 V
VIH2
Input High Voltage,
RESET pin VCC = 1.8V - 5.5V 0.9VCC(2) VCC + 0.5 V
VOL
Output Low Voltage(3),
Port B (except RESET)
IOL =10 mA, VCC = 5V
IOL =5 mA, VCC = 3V
1.0
0.7 V
VOH
Output High Voltage(4),
Port B (except RESET)
IOH = -20 mA, VCC = 5V
IOH = -10 mA, VCC = 3V
4.0
2.1 V
IIL
Input Leakage
Current I/O Pin 1µA
IIH
Input Leakage
Current I/O Pin 1µA
RRST Reset Pull-up Resistor 30 60 k
RPU I/O Pin Pull-up Resistor 20 50 k
VACIO
Analog Comparator
Input Offset Voltage
VCC = 5V
Vin = VCC/2 40 mV
IACLK
Analog Comparator
Input Leakage Current
VCC = 5V
Vin = VCC/2 -50 50 nA

334
ATmega164A/164PA/324A/324PA/644A/644PA/1284/1284P [DATASHEET]
Atmel-8272G-AVR-01/2015
Note: 1. “Max" means the highest value where the pin is guaranteed to be read as low
2. “Min" means the lowest value where the pin is guaranteed to be read as high
3. Although each I/O port can sink more than the test conditions (20mA at VCC = 5V, 10mA at VCC = 3V) under steady
state conditions (non-transient), the following must be observed:
1.)The sum of all IOL, for ports PB0-PB7, XTAL2, PD0-PD7 should not exceed 100 mA.
2.)The sum of all IOL, for ports PA0-PA3, PC0-PC7 should not exceed 100 mA.
If IOL exceeds the test condition, VOL may exceed the related specification. Pins are not guaranteed to sink current
greater than the listed test condition.
4. Although each I/O port can source more than the test conditions (20mA at VCC = 5V, 10mA at VCC = 3V) under steady
state conditions (non-transient), the following must be observed:
1.)The sum of all IOH, for ports PB0-PB7, XTAL2, PD0-PD7 should not exceed 100 mA.
2.)The sum of all IOH, for ports PA0-PA3, PC0-PC7 should not exceed 100 mA.
If IOH exceeds the test condition, VOH may exceed the related specification. Pins are not guaranteed to source current
greater than the listed test condition.
Notes: 1. All bits set in the ”PRR0 – Power Reduction Register 0” on page 48
2. The current consumption values include input leakage current.
Notes: 1. All bits set in the ”PRR0 – Power Reduction Register 0” on page 48
2. The current consumption values include input leakage current.
29.1.1 ATmega164PA DC Characteristics
Table 29-1. TA = -40C to 105C, VCC = 1.8V to 5.5V (unless otherwise noted)
Symbol Parameter Condition Min. Typ. Max. Units
ICC
Power Supply Current(1)
Active 1 MHz, VCC = 2V 0.7 mA
Active 4 MHz, VCC = 3V 3 mA
Active 8 MHz, VCC = 5V 11 mA
Idle 1 MHz, VCC = 2V 0.17 mA
Idle 4 MHz, VCC = 3V 0.85 mA
Idle 8 MHz, VCC = 5V 6 mA
Power-down mode(2) WDT enabled, VCC = 3V 15 µA
WDT disabled, VCC = 3V 5 µA
29.1.2 ATmega324PA DC Characteristics
Table 29-2. TA = -40C to 105C, VCC = 1.8V to 5.5V (unless otherwise noted)
Symbol Parameter Condition Min. Typ. Max. Units
ICC
Power Supply Current(1)
Active 1 MHz, VCC = 2V 0.7 mA
Active 4 MHz, VCC = 3V 3 mA
Active 8 MHz, VCC = 5V 11 mA
Idle 1 MHz, VCC = 2V 0.17 mA
Idle 4 MHz, VCC = 3V 0.85 mA
Idle 8 MHz, VCC = 5V 6 mA
Power-down mode(2) WDT enabled, VCC = 3V 15 µA
WDT disabled, VCC = 3V 5 µA

335
ATmega164A/164PA/324A/324PA/644A/644PA/1284/1284P [DATASHEET]
Atmel-8272G-AVR-01/2015
Notes: 1. All bits set in the ”PRR0 – Power Reduction Register 0” on page 48
The current consumption values include input leakage current.
2. The current consumption values include input leakage current
Notes: 1. All bits set in the ”PRR0 – Power Reduction Register 0” on page 48
2. The current consumption values include input leakage current.
29.1.3 ATmega644PA DC Characteristics
Table 29-3. TA = -40C to 105C, VCC = 1.8V to 5.5V (unless otherwise noted)
Symbol Parameter Condition Min. Typ. Max. Units
ICC
Power Supply Current(1)
Active 1 MHz, VCC = 2V 0.7 mA
Active 4 MHz, VCC = 3V 3 mA
Active 8 MHz, VCC = 5V 11 mA
Idle 1 MHz, VCC = 2V 0.17 mA
Idle 4 MHz, VCC = 3V 0.85 mA
Idle 8 MHz, VCC = 5V 6 mA
Power-down mode(2) WDT enabled, VCC = 3V 15 µA
WDT disabled, VCC = 3V 5 µA
29.1.4 ATmega1284P DC Characteristics
Table 29-4. TA = -40C to 105C, VCC = 1.8V to 5.5V (unless otherwise noted)
Symbol Parameter Condition Min. Typ. Max. Units
ICC
Power Supply Current(1)
Active 1 MHz, VCC = 2V 0.8 mA
Active 4 MHz, VCC = 3V 3 mA
Active 8 MHz, VCC = 5V 11 mA
Idle 1 MHz, VCC = 2V 0.17 mA
Idle 4 MHz, VCC = 3V 0.85 mA
Idle 8 MHz, VCC = 5V 6 mA
Power-down mode(2) WDT enabled, VCC = 3V 18 µA
WDT disabled, VCC = 3V 13 µA

336
ATmega164A/164PA/324A/324PA/644A/644PA/1284/1284P [DATASHEET]
Atmel-8272G-AVR-01/2015
30. Typical characteristics -TA = -40°C to 85°C
The following charts show typical behavior. These figures are not tested during manufacturing. All current
consumption measurements are performed with all I/O pins configured as inputs and with internal pull-ups
enabled. A sine wave generator with rail-to-rail output is used as clock source.
All Active- and Idle current consumption measurements are done with all bits in the PRR registers set and thus,
the corresponding I/O modules are turned off. Also the Analog Comparator is disabled during these
measurements. The power consumption in Power-down mode is independent of clock selection.
The current consumption is a function of several factors such as: operating voltage, operating frequency,
loading of I/O pins, switching rate of I/O pins, code executed and ambient temperature. The dominating factors
are operating voltage and frequency.
The current drawn from capacitive loaded pins may be estimated (for one pin) as CL × VCC × f where CL = load
capacitance, VCC = operating voltage and f = average switching frequency of I/O pin.
The parts are characterized at frequencies higher than test limits. Parts are not guaranteed to function properly
at frequencies higher than the ordering code indicates.
The difference between current consumption in Power-down mode with Watchdog Timer enabled and Power-
down mode with Watchdog Timer disabled represents the differential current drawn by the Watchdog Timer.
30.1 Atmel ATmega164A typical characteristics - TA = -40°C to 85°C
30.1.1 Active supply current
Figure 30-1. ATmega164A: Active supply current vs. low frequency (0.1 - 1.0MHz).
5.5V
5.0V
4.5V
4.0V
3.3V
2.7V
1.8V
0
0.2
0.4
0.6
0.8
1.0
1.2
0 0.1 0.2 0.30.4 0.5 0.6 0.7 0.80.91.0
Frequency [MHz]
ICC [mA]

337
ATmega164A/164PA/324A/324PA/644A/644PA/1284/1284P [DATASHEET]
Atmel-8272G-AVR-01/2015
Figure 30-2. ATmega164A: Active supply current vs. frequency (1 - 20MHz).
Figure 30-3. Atmel ATmega164A: Active supply current vs. VCC (internal RC oscillator, 8MHz).
5.5V
5.0V
4.5V
0
2
4
6
8
10
12
0246810 12 14 16 1820
Frequency [MHz]
ICC [mA]
1.8V
2.7V
3.3V
4.0V
85°C
25°C
-40°C
0
1
2
3
4
5
6
VCC [V]
ICC [mA]
1.5 4.03.53.02.52.0 5.55.04.5

338
ATmega164A/164PA/324A/324PA/644A/644PA/1284/1284P [DATASHEET]
Atmel-8272G-AVR-01/2015
Figure 30-4. Atmel ATmega164A: Active supply current vs. VCC (internal RC oscillator, 1MHz).
Figure 30-5. Atmel ATmega164A: Active supply current vs. VCC (internal RC oscillator, 128kHz).
85°C
25°C
-40°C
0
0.2
0.4
0.6
0.8
1.0
1.2
VCC [V]
ICC [mA]
1.5 4.03.53.02.52.0 5.55.04.5
85°C
25°C
-40°C
0
0.05
0.10
0.15
0.20
0.25
VCC [V]
ICC [mA]
1.5 4.03.53.02.52.0 5.55.04.5

339
ATmega164A/164PA/324A/324PA/644A/644PA/1284/1284P [DATASHEET]
Atmel-8272G-AVR-01/2015
30.1.2 Idle supply current
Figure 30-6. Atmel ATmega164A: Idle supply current vs. VCC (0.1 - 1.0MHz).
Figure 30-7. Atmel ATmega164A: Idle supply current vs. VCC (1 - 20MHz).
5.5V
5.0V
4.5V
4.0V
3.3V
2.7V
1.8V
0
0.05
0.10
0.15
0.20
Frequency [MHz]
ICC [mA]
0 0.50.40.30.20.1 0.80.70.6 1.00.9
5.5V
5.0V
4.5V
0
0.5
1.0
1.5
2.0
2.5
3.0
0246810 12 14 16 1820
Frequency [MHz]
ICC [mA]
1.8V
2.7V
3.3V
4.0V

340
ATmega164A/164PA/324A/324PA/644A/644PA/1284/1284P [DATASHEET]
Atmel-8272G-AVR-01/2015
Figure 30-8. Atmel ATmega164A: Idle supply current vs. VCC (internal RC oscillator, 8MHz).
Figure 30-9. Atmel ATmega164A: Idle supply current vs. VCC (internal RC oscillator, 1MHz).
85°C
25°C
-40°C
0
0.2
0.4
0.6
0.8
1.0
1.2
VCC [V]
ICC [mA]
1.5 4.03.53.02.52.0 5.55.04.5
85°C
25°C
-40°C
0
0.05
0.10
0.15
0.20
0.25
0.30
0.35
VCC [V]
ICC [mA]
1.5 4.03.53.02.52.0 5.55.04.5

341
ATmega164A/164PA/324A/324PA/644A/644PA/1284/1284P [DATASHEET]
Atmel-8272G-AVR-01/2015
Figure 30-10. Atmel ATmega164A: Idle supply current vs. VCC (internal RC oscillator, 128kHz).
85°C
25°C
-40°C
0
0.02
0.04
0.06
0.08
0.10
0.12
VCC [V]
ICC [mA]
1.5 4.03.53.02.52.0 5.55.04.5

342
ATmega164A/164PA/324A/324PA/644A/644PA/1284/1284P [DATASHEET]
Atmel-8272G-AVR-01/2015
30.1.3 Supply current of I/O modules
The tables and formulas below can be used to calculate the additional current consumption for the different I/O
modules in Active and Idle mode. The enabling or disabling of the I/O modules are controlled by the Power
Reduction Register. See ”PRR0 – Power Reduction Register 0” on page 48 for details.
It is possible to calculate the typical current consumption based on the numbers from Table 30-4 on page 368
for other VCC and frequency settings than listed in Table 30-3 on page 368.
Exam
p
l
e
Calculate the expected current consumption in idle mode with TIMER1, ADC, and SPI enabled at VCC = 2.0V
and F = 1MHz. From Table 30-4 on page 368, third column, we see that we need to add 8.8% for the TIMER1,
20.9% for the ADC, and 13.8% for the SPI module. Reading from Figure 30-55 on page 365, we find that the
idle current consumption is ~0.073mA at VCC = 2.0V and F = 1MHz. The total current consumption in idle mode
with TIMER1, ADC, and SPI enabled, gives:
Table 30-1. Additional current consumption for the different I/O modules (absolute values).
PRR bit Typical numbers
VCC = 2V, F = 1MHz VCC = 3V, F = 4MHz VCC = 5V, F = 8MHz
PRUSART1 3.1µA 20.9µA 96.7µA
PRUSART0 2.9µA 21.6µA 101µA
PRTWI 6.1µA 44µA 205.8µA
PRTIM2 5.9µA 40.1µA 182µA
PRTIM1 3.7µA 26.1µA 113.2µA
PRTIM0 1.4µA 9.4µA 38.8µA
PRADC 11.7µA 55.5µA 249.5µA
PRSPI 5.1µA 37.9µA 195.5µA
Table 30-2. Additional current consumption (percentage) in Active and Idle mode.
PRR bit
Additional current consumption
compared to Active with external
clock (see Figure 30-50 on page
363 and Figure 30-51 on page
363)
Additional current consumption
compared to Idle with external
clock (see Figure 30-55 on page
365 and Figure 30-56 on page
366)
PRUSART1 1.5%7.4%
PRUSART0 1.5%7.5%
PRTWI 3.2%15.4%
PRTIM2 2.9%14.0%
PRTIM1 1.8%8.8%
PRTIM0 0.7%3.1%
PRADC 4.4%20.9%
PRSPI 2.9%13.8%
ICCtotal 0.073 mA (1+ 0.088 + 0.209 + 0.138)0.10 mA

343
ATmega164A/164PA/324A/324PA/644A/644PA/1284/1284P [DATASHEET]
Atmel-8272G-AVR-01/2015
30.1.4 Power-down supply current
Figure 30-11. Atmel ATmega164A: Power-down supply current vs. VCC (watchdog timer disabled).
Figure 30-12. Atmel ATmega164A: Power-down supply current vs. VCC (watchdog timer enabled).
85°C
25°C
-40°C
0
0.2
0.4
0.6
0.8
1.0
1.2
1.4
1.6
VCC [V]
ICC [µA]
1.5 4.03.53.02.52.0 5.55.04.5
85°C
25°C
-40°C
0
2
4
6
8
10
VCC [V]
ICC [µA]
1.5 4.03.53.02.52.0 5.55.04.5

344
ATmega164A/164PA/324A/324PA/644A/644PA/1284/1284P [DATASHEET]
Atmel-8272G-AVR-01/2015
30.1.5 Power-save supply current
Figure 30-13. Atmel ATmega164A: Power-save supply current vs. VCC (watchdog timer disabled and 32kHz crystal
oscillator running).
30.1.6 Standby supply current
Figure 30-14. Atmel ATmega164A: Standby supply current vs. VCC (watchdog timer disabled).
25°C
0
0.3
0.6
0.9
1.2
1.5
1.8
VCC [V]
ICC [µA]
1.5 4.03.53.02.52.0 5.55.04.5
6MHz_xtal
6MHz_res
4MHz_xtal
4MHz_res
450kHz_res
2MHz_xtal
2MHz_res
1MHz_res
0
0.02
0.04
0.06
0.08
0.10
0.12
0.14
0.16
0.18
0.20
VCC [V]
ICC [mA]
1.5 4.03.53.02.52.0 5.55.04.5

345
ATmega164A/164PA/324A/324PA/644A/644PA/1284/1284P [DATASHEET]
Atmel-8272G-AVR-01/2015
30.1.7 Pin pull-up
Figure 30-15. Atmel ATmega164A: I/O pin pull-up resistor current vs. Input voltage (VCC = 1.8V).
Figure 30-16. Atmel ATmega164A: I/O pin pull-up resistor current vs. input voltage (VCC = 2.7V).
85°C
25°C
-40°C
0
5
10
15
20
25
30
35
40
45
50
VOP [V]
IOP [µA]
0 1.00.80.60.40.2 1.61.41.2 2.01.8
85°C
25°C
-40°C
0
10
20
30
40
50
60
70
80
VOP [V]
IOP [µA]
0 1.00.5 2.01.5 3.02.5

346
ATmega164A/164PA/324A/324PA/644A/644PA/1284/1284P [DATASHEET]
Atmel-8272G-AVR-01/2015
Figure 30-17. Atmel ATmega164A: I/O pin pull-up resistor current vs. input voltage (VCC = 5V).
Figure 30-18. Atmel ATmega164A: Reset pull-up resistor current vs. reset pin voltage (VCC =1.8V).
85°C
25°C
-40°C
0
20
40
60
80
100
120
140
0123456
VOP [V]
IOP [µA]
85°C
25°C
-40°C
0
5
10
15
20
25
30
35
VRESET [V]
IRESET [µA]
0 1.00.5 2.01.5

347
ATmega164A/164PA/324A/324PA/644A/644PA/1284/1284P [DATASHEET]
Atmel-8272G-AVR-01/2015
Figure 30-19. Atmel ATmega164A: Reset pull-up resistor current vs. reset pin voltage (VCC =2.7V).
Figure 30-20. Atmel ATmega164A: Reset pull-up resistor current vs. reset pin voltage
(VCC = 5V).
85°C
25°C
-40°C
0
10
20
30
40
50
60
VRESET [V]
IRESET [µA]
0 1.00.5 2.01.5 3.02.5
85°C
25°C
-40°C
0
20
40
60
80
100
120
0123456
VRESET [V]
IRESET [µA]

348
ATmega164A/164PA/324A/324PA/644A/644PA/1284/1284P [DATASHEET]
Atmel-8272G-AVR-01/2015
30.1.8 Pin driver strength
Figure 30-21. Atmel ATmega164A: I/O pin output voltage vs. sink current (VCC = 3V).
Figure 30-22. Atmel ATmega164A: I/O pin output voltage vs. sink current (VCC = 5V).
85°C
25°C
-40°C
0
0.2
0.4
0.6
0.8
1.0
04812 16 20
IOL [mA]
VOL [V]
85°C
25°C
-40°C
0
0.1
0.2
0.3
0.4
0.5
0.6
04812 16 20
IOL [mA]
VOL [V]

349
ATmega164A/164PA/324A/324PA/644A/644PA/1284/1284P [DATASHEET]
Atmel-8272G-AVR-01/2015
Figure 30-23. Atmel ATmega164A: I/O pin output voltage vs. source current (VCC = 3V).
Figure 30-24. Atmel ATmega164A: I/O pin output voltage vs. source current (VCC = 5V).
85°C
25°C
-40°C
0
0.5
1.0
1.5
2.0
2.5
3.0
3.5
04812 16 20
IOH [mA]
VOH [V]
85°C
25°C
-40°C
4.3
4.4
4.5
4.6
4.7
4.8
4.9
5.0
5.1
04812 16 20
IOH [mA]
VOH [V]

350
ATmega164A/164PA/324A/324PA/644A/644PA/1284/1284P [DATASHEET]
Atmel-8272G-AVR-01/2015
30.1.9 Pin threshold and hysteresis
Figure 30-25. Atmel ATmega164A: I/O pin input threshold vs. VCC (VIH I/O pin read as ‘1’).
Figure 30-26. Atmel ATmega164A: I/O pin input threshold vs. VCC (VIL, I/O pin read as ‘0’).
85°C
25°C
-40°C
0
0.5
1.0
1.5
2.0
2.5
3.0
VCC [V]
Threshold [V]
1.5 4.03.53.02.52.0 5.55.04.5
85°C
25°C
-40°C
0
0.5
1.0
1.5
2.0
2.5
VCC [V]
Threshold [V]
1.5 4.03.53.02.52.0 5.55.04.5

351
ATmega164A/164PA/324A/324PA/644A/644PA/1284/1284P [DATASHEET]
Atmel-8272G-AVR-01/2015
Figure 30-27. Atmel ATmega164A: I/O pin input hysteresis vs. VCC.
Figure 30-28. Atmel ATmega164A: Reset pin input threshold vs. VCC (VIH I/O pin read as ‘1’).
85°C
25°C
-40°C
0
0.1
0.2
0.3
0.4
0.5
0.6
VCC [V]
Input hysteresis [mV]
1.5 4.03.53.02.52.0 5.55.04.5
85°C
25°C
-40°C
0
0.5
1.0
1.5
2.0
2.5
VCC [V]
Threshold [V]
1.5 4.03.53.02.52.0 5.55.04.5

352
ATmega164A/164PA/324A/324PA/644A/644PA/1284/1284P [DATASHEET]
Atmel-8272G-AVR-01/2015
Figure 30-29. Atmel ATmega164A: Reset pin input threshold vs. VCC (VIL, I/O pin read as ‘0’).
Figure 30-30. Atmel ATmega164A: Reset pin input hysteresis vs. VCC.
85°C
25°C
-40°C
0
0.5
1.0
1.5
2.0
2.5
VCC [V]
Threshold [V]
1.5 4.03.53.02.52.0 5.55.04.5
85°C
25°C
-40°C
0
0.1
0.2
0.3
0.4
0.5
0.6
0.7
VCC [V]
Input hysteresis [mV]
1.5 4.03.53.02.52.0 5.55.04.5

353
ATmega164A/164PA/324A/324PA/644A/644PA/1284/1284P [DATASHEET]
Atmel-8272G-AVR-01/2015
30.1.10 BOD threshold
Figure 30-31. Atmel ATmega164A: BOD threshold vs. temperature (VBOT = 4.3V).
Figure 30-32. Atmel ATmega164A: BOD threshold vs. temperature (VBOT = 2.7V).
Rising Vcc
Falling Vcc
4.20
4.22
4.24
4.26
4.28
4.30
4.32
4.34
-50 -40 -30 -20 -10 0 10 20 30405060708090
Temperature [°C]
Threshold [V]
Rising Vcc
Falling Vcc
2.66
2.68
2.70
2.72
2.74
2.76
2.78
-50 -40 -30 -20 -10 0 10 20 30405060708090
Temperature [°C]
Threshold [V]

354
ATmega164A/164PA/324A/324PA/644A/644PA/1284/1284P [DATASHEET]
Atmel-8272G-AVR-01/2015
Figure 30-33. Atmel ATmega164A: BOD threshold vs. temperature (VBOT = 1.8V).
Figure 30-34. Atmel ATmega164A: Calibrated bandgap voltage vs. VCC.
Rising Vcc
Falling Vcc
1.80
1.805
1.810
1.815
1.820
1.825
1.830
1.835
1.840
1.845
1.850
-50 -40 -30 -20 -10 0 10 20 30405060708090
Temperature [°C]
Threshold [V]
85°C
25°C
-40°C
1.091
1.093
1.095
1.097
1.099
1.101
1.103
1.105
1.107
1.109
VCC [V]
Bandgap voltage [V]
1.5 4.03.53.02.52.0 5.55.04.5

355
ATmega164A/164PA/324A/324PA/644A/644PA/1284/1284P [DATASHEET]
Atmel-8272G-AVR-01/2015
Figure 30-35. Atmel ATmega164A: Bandgap voltage vs. temperature.
30.1.11 Internal oscillator speed
Figure 30-36. Atmel ATmega164A: Watchdog oscillator frequency vs. temperature.
5.5V
1.8V
3.6V
2.7V
1.067
1.069
1.071
1.073
1.075
1.077
1.079
1.081
1.083
1.085
1.087
-40 -30 -20 -10 0 10 20 30405060708090
Temperature [°C]
Bandgap voltage [V]
4.5V
5.5V
4.0V
3.3V
2.7V
2.1V
120
122
124
126
128
130
132
134
-50 -40 -30 -20 -10 0 10 20 30405060708090
Temperature [°C]
FRC [kHz]

356
ATmega164A/164PA/324A/324PA/644A/644PA/1284/1284P [DATASHEET]
Atmel-8272G-AVR-01/2015
Figure 30-37. Atmel ATmega164A: Watchdog oscillator frequency vs. VCC.
Figure 30-38. Atmel ATmega164A: Calibrated 8MHz RC oscillator vs. VCC.
85°C
25°C
-40°C
120
123
126
129
132
135
VCC [V]
FRC [kHz]
1.5 4.03.53.02.52.0 5.55.04.5
85°C
25°C
-40°C
7.2
7.4
7.6
7.8
8.0
8.2
8.4
VCC [V]
FRC [MHz]
1.5 4.03.53.02.52.0 5.55.04.5

357
ATmega164A/164PA/324A/324PA/644A/644PA/1284/1284P [DATASHEET]
Atmel-8272G-AVR-01/2015
Figure 30-39. Atmel ATmega164A: Calibrated 8MHz RC oscillator vs. temperature.
Figure 30-40. Atmel ATmega164A: Calibrated 8MHz RC oscillator vs. OSCCAL value.
5.0V
3.0V
7.7
7.8
7.9
8.0
8.1
8.2
8.3
-50 -40 -30 -20 -10 0 10 20 30405060708090
Temperature [°C]
FRC [MHz]
85°C
25°C
-40°C
0
2
4
6
8
10
12
14
16
016324864 8096112128144 160 176 192208224 240 256
OSCCAL [X1]
FRC [MHz]

358
ATmega164A/164PA/324A/324PA/644A/644PA/1284/1284P [DATASHEET]
Atmel-8272G-AVR-01/2015
30.1.12 Current consumption of peripheral units
Figure 30-41. Atmel ATmega164A: ADC current vs. VCC (AREF = AVCC).
Figure 30-42. Atmel ATmega164A: Analog comparator current vs. VCC.
85°C
25°C
-40°C
0
40
80
120
160
200
240
280
320
VCC [V]
ICC [µA]
1.5 4.03.53.02.52.0 5.55.04.5
85°C
25°C
-40°C
0
10
20
30
40
50
60
70
80
90
100
VCC [V]
ICC [µA]
1.5 4.03.53.02.52.0 5.55.04.5

359
ATmega164A/164PA/324A/324PA/644A/644PA/1284/1284P [DATASHEET]
Atmel-8272G-AVR-01/2015
Figure 30-43. Atmel ATmega164A: AREF external reference current vs. VCC.
Figure 30-44. Atmel ATmega164A: Brownout detector current vs. VCC.
85°C
25°C
-40°C
0
40
80
120
160
200
VCC [V]
ICC [µA]
1.5 4.03.53.02.52.0 5.55.04.5
85°C
25°C
-40°C
0
3
6
9
12
15
18
21
24
27
VCC [V]
ICC [µA]
1.5 4.03.53.02.52.0 5.55.04.5

360
ATmega164A/164PA/324A/324PA/644A/644PA/1284/1284P [DATASHEET]
Atmel-8272G-AVR-01/2015
Figure 30-45. Atmel ATmega164A: Programming current vs. VCC.
Figure 30-46. Atmel ATmega164A: Watchdog timer current vs. VCC.
85°C
25°C
-40°C
0
2
4
6
8
10
12
VCC [V]
ICC [mA]
1.5 4.03.53.02.52.0 5.55.04.5
85°C
25°C
-40°C
0
1
2
3
4
5
6
7
8
9
VCC [V]
ICC [µA]
1.5 4.03.53.02.52.0 5.55.04.5

361
ATmega164A/164PA/324A/324PA/644A/644PA/1284/1284P [DATASHEET]
Atmel-8272G-AVR-01/2015
30.1.13 Current consumption in reset and reset pulsewidth
Figure 30-47. Atmel ATmega164A: Reset supply current vs. low frequency (0.1 - 1.0MHz).
Figure 30-48. Atmel ATmega164A: Reset supply current vs. frequency (1 - 20MHz).
5.5V
5.0V
4.5V
4.0V
3.3V
2.7V
1.8V
0
0.02
0.04
0.06
0.08
0.10
Frequency [MHz]
ICC [mA]
0 0.40.2 0.80.6 1.0
5.5V
5.0V
4.5V
0
0.3
0.6
0.9
1.2
1.5
1.8
0246810 12 14 16 1820
Frequency [MHz]
ICC [mA]
1.8V
2.7V
3.3V
4.0V

362
ATmega164A/164PA/324A/324PA/644A/644PA/1284/1284P [DATASHEET]
Atmel-8272G-AVR-01/2015
Figure 30-49. Atmel ATmega164A: Minimum reset pulsewidth vs. VCC.
85°C
25°C
-40°C
0
200
400
600
800
1000
1200
1400
1600
VCC [V]
Pulsewidth [ns]
1.5 4.03.53.02.52.0 5.55.04.5

363
ATmega164A/164PA/324A/324PA/644A/644PA/1284/1284P [DATASHEET]
Atmel-8272G-AVR-01/2015
30.2 Atmel ATmega164PA typical characteristics - TA = -40°C to 85°C
30.2.1 Active supply current
Figure 30-50. Atmel ATmega164PA: Active supply current vs. low frequency (0.1 - 1.0MHz).
Figure 30-51. Atmel ATmega164PA: Active supply current vs. frequency (1 - 20MHz).
5.5V
5.0V
4.5V
4.0V
3.3V
2.7V
1.8V
0
0.2
0.4
0.6
0.8
1.0
1.2
0 0.1 0.2 0.30.4 0.5 0.6 0.7 0.80.91.0
Frequency [MHz]
ICC [mA]
5.5V
5.0V
4.5V
0
2
4
6
8
10
12
0246810 12 14 16 1820
Frequency [MHz]
ICC [mA]
1.8V
2.7V
3.3V
4.0V

364
ATmega164A/164PA/324A/324PA/644A/644PA/1284/1284P [DATASHEET]
Atmel-8272G-AVR-01/2015
Figure 30-52. Atmel ATmega164PA: Active supply current vs. VCC (internal RC oscillator, 8MHz).
Figure 30-53. Atmel ATmega164PA: Active supply current vs. VCC (internal RC oscillator, 1MHz).
85°C
25°C
-40°C
0
1
2
3
4
5
6
VCC [V]
ICC [mA]
1.5 4.03.53.02.52.0 5.55.04.5
85°C
25°C
-40°C
0
0.2
0.4
0.6
0.8
1.0
1.2
VCC [V]
ICC [mA]
1.5 4.03.53.02.52.0 5.55.04.5

365
ATmega164A/164PA/324A/324PA/644A/644PA/1284/1284P [DATASHEET]
Atmel-8272G-AVR-01/2015
Figure 30-54. Atmel ATmega164PA: Active supply current vs. VCC (internal RC oscillator, 128kHz).
30.2.2 Idle supply current
Figure 30-55. Atmel ATmega164PA: Idle supply current vs. VCC (0.1 - 1.0MHz).
85°C
25°C
-40°C
0
0.05
0.10
0.15
0.20
0.25
VCC [V]
ICC [mA]
1.5 4.03.53.02.52.0 5.55.04.5
5.5V
5.0V
4.5V
4.0V
3.3V
2.7V
1.8V
0
0.05
0.10
0.15
0.20
Frequency [MHz]
ICC [mA]
0 0.50.40.30.20.1 0.80.70.6 1.00.9

366
ATmega164A/164PA/324A/324PA/644A/644PA/1284/1284P [DATASHEET]
Atmel-8272G-AVR-01/2015
Figure 30-56. Atmel ATmega164PA: Idle supply current vs. VCC (1 - 20MHz).
Figure 30-57. Atmel ATmega164PA: Idle supply current vs. VCC (internal RC oscillator, 8MHz).
5.5V
5.0V
4.5V
0
0.5
1.0
1.5
2.0
2.5
3.0
0246810 12 14 16 1820
Frequency [MHz]
ICC [mA]
1.8V
2.7V
3.3V
4.0V
85°C
25°C
-40°C
0
0.2
0.4
0.6
0.8
1.0
1.2
VCC [V]
ICC [mA]
1.5 4.03.53.02.52.0 5.55.04.5

367
ATmega164A/164PA/324A/324PA/644A/644PA/1284/1284P [DATASHEET]
Atmel-8272G-AVR-01/2015
Figure 30-58. Atmel ATmega164PA: Idle supply current vs. VCC (internal RC oscillator, 1MHz).
Figure 30-59. Atmel ATmega164PA: Idle supply current vs. VCC (internal RC oscillator, 128kHz).
85°C
25°C
-40°C
0
0.05
0.10
0.15
0.20
0.25
0.30
0.35
VCC [V]
ICC [mA]
1.5 4.03.53.02.52.0 5.55.04.5
85°C
25°C
-40°C
0
0.02
0.04
0.06
0.08
0.10
0.12
VCC [V]
ICC [mA]
1.5 4.03.53.02.52.0 5.55.04.5

368
ATmega164A/164PA/324A/324PA/644A/644PA/1284/1284P [DATASHEET]
Atmel-8272G-AVR-01/2015
30.2.3 Supply current of I/O modules
The tables and formulas below can be used to calculate the additional current consumption for the different I/O
modules in Active and Idle mode. The enabling or disabling of the I/O modules are controlled by the Power
Reduction Register. See ”PRR0 – Power Reduction Register 0” on page 48 for details.
It is possible to calculate the typical current consumption based on the numbers from Table 30-4 on page 368
for other VCC and frequency settings than listed in Table 30-3 on page 368.
Exam
p
l
e
Calculate the expected current consumption in idle mode with TIMER1, ADC, and SPI enabled at VCC = 2.0V
and F = 1MHz. From Table 30-4 on page 368, third column, we see that we need to add 8.8% for the TIMER1,
20.9% for the ADC, and 13.8% for the SPI module. Reading from Figure 30-55 on page 365, we find that the
idle current consumption is ~0.073mA at VCC = 2.0V and F = 1MHz. The total current consumption in idle mode
with TIMER1, ADC, and SPI enabled, gives:
Table 30-3. Additional current consumption for the different I/O modules (absolute values).
PRR bit Typical numbers
VCC = 2V, F = 1MHz VCC = 3V, F = 4MHz VCC = 5V, F = 8MHz
PRUSART1 3.1µA 20.9µA 96.7µA
PRUSART0 2.9µA 21.6µA 101µA
PRTWI 6.1µA 44µA 205.8µA
PRTIM2 5.9µA 40.1µA 182µA
PRTIM1 3.7µA 26.1µA 113.2µA
PRTIM0 1.4µA 9.4µA 38.8µA
PRADC 11.7µA 55.5µA 249.5µA
PRSPI 5.1µA 37.9µA 195.5µA
Table 30-4. Additional current consumption (percentage) in Active and Idle mode.
PRR bit
Additional current consumption
compared to Active with external
clock (see Figure 30-50 on page
363 and Figure 30-51 on page
363)
Additional current consumption
compared to Idle with external
clock (see Figure 30-55 on page
365 and Figure 30-56 on page
366)
PRUSART1 1.5%7.4%
PRUSART0 1.5%7.5%
PRTWI 3.2%15.4%
PRTIM2 2.9%14.0%
PRTIM1 1.8%8.8%
PRTIM0 0.7%3.1%
PRADC 4.4%20.9%
PRSPI 2.9%13.8%
ICCtotal 0.073mA (1+ 0.088 + 0.209 + 0.138)0.105mA

369
ATmega164A/164PA/324A/324PA/644A/644PA/1284/1284P [DATASHEET]
Atmel-8272G-AVR-01/2015
30.2.4 Power-down supply current
Figure 30-60. Atmel ATmega164PA: Power-down supply current vs. VCC (watchdog timer disabled).
Figure 30-61. Atmel ATmega164PA: Power-down supply current vs. VCC (watchdog timer enabled).
85°C
25°C
-40°C
0
0.2
0.4
0.6
0.8
1.0
1.2
1.4
1.6
VCC [V]
ICC [µA]
1.5 4.03.53.02.52.0 5.55.04.5
85°C
25°C
-40°C
0
2
4
6
8
10
VCC [V]
ICC [µA]
1.5 4.03.53.02.52.0 5.55.04.5

370
ATmega164A/164PA/324A/324PA/644A/644PA/1284/1284P [DATASHEET]
Atmel-8272G-AVR-01/2015
30.2.5 Power-save supply current
Figure 30-62. Atmel ATmega164PA: Power-save supply current vs. VCC (watchdog timer disabled and 32kHz
crystal oscillator running).
30.2.6 Standby supply current
Figure 30-63. Atmel ATmega164PA: Standby supply current vs. VCC (watchdog timer disabled).
25°C
0
0.3
0.6
0.9
1.2
1.5
1.8
VCC [V]
ICC [µA]
1.5 4.03.53.02.52.0 5.55.04.5
6MHz_xtal
6MHz_res
4MHz_xtal
4MHz_res
450kHz_res
2MHz_xtal
2MHz_res
1MHz_res
0
0.02
0.04
0.06
0.08
0.10
0.12
0.14
0.16
0.18
0.20
VCC [V]
ICC [mA]
1.5 4.03.53.02.52.0 5.55.04.5

371
ATmega164A/164PA/324A/324PA/644A/644PA/1284/1284P [DATASHEET]
Atmel-8272G-AVR-01/2015
30.2.7 Pin pull-up
Figure 30-64. Atmel ATmega164PA: I/O pin pull-up resistor current vs. input voltage (VCC = 1.8V).
Figure 30-65. Atmel ATmega164PA: I/O pin pull-up resistor current vs. input voltage (VCC = 2.7V).
85°C
25°C
-40°C
0
5
10
15
20
25
30
35
40
45
50
VOP [V]
IOP [µA]
0 1.00.80.60.40.2 1.61.41.2 2.01.8
85°C
25°C
-40°C
0
10
20
30
40
50
60
70
80
VOP [V]
IOP [µA]
0 1.00.5 2.01.5 3.02.5

372
ATmega164A/164PA/324A/324PA/644A/644PA/1284/1284P [DATASHEET]
Atmel-8272G-AVR-01/2015
Figure 30-66. Atmel ATmega164PA: I/O pin pull-up resistor current vs. input voltage (VCC = 5V).
Figure 30-67. Atmel ATmega164PA: Reset pull-up resistor current vs. reset pin voltage (VCC =1.8V).
85°C
25°C
-40°C
0
20
40
60
80
100
120
140
0123456
VOP [V]
IOP [µA]
85°C
25°C
-40°C
0
5
10
15
20
25
30
35
VRESET [V]
IRESET [µA]
0 1.00.5 2.01.5

373
ATmega164A/164PA/324A/324PA/644A/644PA/1284/1284P [DATASHEET]
Atmel-8272G-AVR-01/2015
Figure 30-68. Atmel ATmega164PA: Reset pull-up resistor current vs. reset pin voltage (VCC =2.7V).
Figure 30-69. Atmel ATmega164PA: Reset pull-up resistor current vs. reset pin voltage (VCC = 5V).
85°C
25°C
-40°C
0
10
20
30
40
50
60
VRESET [V]
IRESET [µA]
0 1.00.5 2.01.5 3.02.5
85°C
25°C
-40°C
0
20
40
60
80
100
120
0123456
VRESET [V]
IRESET [µA]

374
ATmega164A/164PA/324A/324PA/644A/644PA/1284/1284P [DATASHEET]
Atmel-8272G-AVR-01/2015
30.2.8 Pin driver strength
Figure 30-70. Atmel ATmega164PA: I/O pin output voltage vs. sink current (VCC = 3V).
Figure 30-71. Atmel ATmega164PA: I/O pin output voltage vs. sink current (VCC = 5V).
85°C
25°C
-40°C
0
0.2
0.4
0.6
0.8
1.0
04812 16 20
IOL [mA]
VOL [V]
85°C
25°C
-40°C
0
0.1
0.2
0.3
0.4
0.5
0.6
04812 16 20
IOL [mA]
VOL [V]

375
ATmega164A/164PA/324A/324PA/644A/644PA/1284/1284P [DATASHEET]
Atmel-8272G-AVR-01/2015
Figure 30-72. Atmel ATmega164PA: I/O pin output voltage vs. source current (VCC = 3V).
Figure 30-73. Atmel ATmega164PA: I/O pin output voltage vs. source current (VCC = 5V).
85°C
25°C
-40°C
0
0.5
1.0
1.5
2.0
2.5
3.0
3.5
04812 16 20
IOH [mA]
VOH [V]
85°C
25°C
-40°C
4.3
4.4
4.5
4.6
4.7
4.8
4.9
5.0
5.1
04812 16 20
IOH [mA]
VOH [V]

376
ATmega164A/164PA/324A/324PA/644A/644PA/1284/1284P [DATASHEET]
Atmel-8272G-AVR-01/2015
30.2.9 Pin threshold and hysteresis
Figure 30-74. Atmel ATmega164PA: I/O pin input threshold vs. VCC (VIH , I/O pin read as ‘1’).
Figure 30-75. Atmel ATmega164PA: I/O pin input threshold vs. VCC (VIL, I/O pin read as ‘0’).
85°C
25°C
-40°C
0
0.5
1.0
1.5
2.0
2.5
3.0
VCC [V]
Threshold [V]
1.5 4.03.53.02.52.0 5.55.04.5
85°C
25°C
-40°C
0
0.5
1.0
1.5
2.0
2.5
VCC [V]
Threshold [V]
1.5 4.03.53.02.52.0 5.55.04.5

377
ATmega164A/164PA/324A/324PA/644A/644PA/1284/1284P [DATASHEET]
Atmel-8272G-AVR-01/2015
Figure 30-76. Atmel ATmega164PA: I/O pin input hysteresis vs. VCC.
Figure 30-77. Atmel ATmega164PA: Reset pin input threshold vs. VCC (VIH , I/O pin read as ‘1’).
85°C
25°C
-40°C
0
0.1
0.2
0.3
0.4
0.5
0.6
VCC [V]
Input hysteresis [mV]
1.5 4.03.53.02.52.0 5.55.04.5
85°C
25°C
-40°C
0
0.5
1.0
1.5
2.0
2.5
VCC [V]
Threshold [V]
1.5 4.03.53.02.52.0 5.55.04.5

378
ATmega164A/164PA/324A/324PA/644A/644PA/1284/1284P [DATASHEET]
Atmel-8272G-AVR-01/2015
Figure 30-78. Atmel ATmega164PA: Reset pin input threshold vs. VCC (VIL, I/O pin read as ‘0’).
Figure 30-79. Atmel ATmega164PA: Reset pin input hysteresis vs. VCC.
85°C
25°C
-40°C
0
0.5
1.0
1.5
2.0
2.5
VCC [V]
Threshold [V]
1.5 4.03.53.02.52.0 5.55.04.5
85°C
25°C
-40°C
0
0.1
0.2
0.3
0.4
0.5
0.6
0.7
VCC [V]
Input hysteresis [mV]
1.5 4.03.53.02.52.0 5.55.04.5

379
ATmega164A/164PA/324A/324PA/644A/644PA/1284/1284P [DATASHEET]
Atmel-8272G-AVR-01/2015
30.2.10 BOD threshold
Figure 30-80. Atmel ATmega164PA: BOD threshold vs. temperature (VBOT = 4.3V).
Figure 30-81. Atmel ATmega164PA: BOD threshold vs. temperature (VBOT = 2.7V).
Rising Vcc
Falling Vcc
4.20
4.22
4.24
4.26
4.28
4.30
4.32
4.34
-50 -40 -30 -20 -10 0 10 20 30405060708090
Temperature [°C]
Threshold [V]
Rising Vcc
Falling Vcc
2.66
2.68
2.70
2.72
2.74
2.76
2.78
-50 -40 -30 -20 -10 0 10 20 30405060708090
Temperature [°C]
Threshold [V]

380
ATmega164A/164PA/324A/324PA/644A/644PA/1284/1284P [DATASHEET]
Atmel-8272G-AVR-01/2015
Figure 30-82. Atmel ATmega164PA: BOD threshold vs. temperature (VBOT = 1.8V).
Figure 30-83. Atmel ATmega164PA: Calibrated bandgap voltage vs. VCC.
Rising Vcc
Falling Vcc
1.80
1.805
1.810
1.815
1.820
1.825
1.830
1.835
1.840
1.845
1.850
-50 -40 -30 -20 -10 0 10 20 30405060708090
Temperature [°C]
Threshold [V]
85°C
25°C
-40°C
1.091
1.093
1.095
1.097
1.099
1.101
1.103
1.105
1.107
1.109
VCC [V]
Bandgap voltage [V]
1.5 4.03.53.02.52.0 5.55.04.5

381
ATmega164A/164PA/324A/324PA/644A/644PA/1284/1284P [DATASHEET]
Atmel-8272G-AVR-01/2015
Figure 30-84. Atmel ATmega164PA: Bandgap voltage vs. temperature.
30.2.11 Internal oscillator speed
Figure 30-85. Atmel ATmega164PA: Watchdog oscillator frequency vs. temperature.
5.5V
1.8V
3.6V
2.7V
1.067
1.069
1.071
1.073
1.075
1.077
1.079
1.081
1.083
1.085
1.087
-40 -30 -20 -10 0 10 20 30405060708090
Temperature [°C]
Bandgap voltage [V]
4.5V
5.5V
4.0V
3.3V
2.7V
2.1V
120
122
124
126
128
130
132
134
-50 -40 -30 -20 -10 0 10 20 30405060708090
Temperature [°C]
FRC [kHz]

382
ATmega164A/164PA/324A/324PA/644A/644PA/1284/1284P [DATASHEET]
Atmel-8272G-AVR-01/2015
Figure 30-86. Atmel ATmega164PA: Watchdog oscillator frequency vs. VCC.
Figure 30-87. Atmel ATmega164PA: Calibrated 8MHz RC oscillator vs. VCC.
85°C
25°C
-40°C
120
123
126
129
132
135
VCC [V]
FRC [kHz]
1.5 4.03.53.02.52.0 5.55.04.5
85°C
25°C
-40°C
7.2
7.4
7.6
7.8
8.0
8.2
8.4
VCC [V]
FRC [MHz]
1.5 4.03.53.02.52.0 5.55.04.5

383
ATmega164A/164PA/324A/324PA/644A/644PA/1284/1284P [DATASHEET]
Atmel-8272G-AVR-01/2015
Figure 30-88. Atmel ATmega164PA: Calibrated 8MHz RC oscillator vs. temperature.
Figure 30-89. Atmel ATmega164PA: Calibrated 8MHz RC oscillator vs. OSCCAL value.
5.0V
3.0V
7.7
7.8
7.9
8.0
8.1
8.2
8.3
-50 -40 -30 -20 -10 0 10 20 30405060708090
Temperature [°C]
FRC [MHz]
85°C
25°C
-40°C
0
2
4
6
8
10
12
14
16
016324864 8096112128144 160 176 192208224 240 256
OSCCAL [X1]
FRC [MHz]

384
ATmega164A/164PA/324A/324PA/644A/644PA/1284/1284P [DATASHEET]
Atmel-8272G-AVR-01/2015
30.2.12 Current consumption of peripheral units
Figure 30-90. Atmel ATmega164PA: ADC current vs. VCC (AREF = AVCC).
Figure 30-91. Atmel ATmega164PA: Analog comparator current vs. VCC.
85°C
25°C
-40°C
0
40
80
120
160
200
240
280
320
VCC [V]
ICC [µA]
1.5 4.03.53.02.52.0 5.55.04.5
85°C
25°C
-40°C
0
10
20
30
40
50
60
70
80
90
100
VCC [V]
ICC [µA]
1.5 4.03.53.02.52.0 5.55.04.5

385
ATmega164A/164PA/324A/324PA/644A/644PA/1284/1284P [DATASHEET]
Atmel-8272G-AVR-01/2015
Figure 30-92. Atmel ATmega164PA: AREF external reference current vs. VCC.
Figure 30-93. Atmel ATmega164PA: Brownout detector current vs. VCC.
85°C
25°C
-40°C
0
40
80
120
160
200
VCC [V]
ICC [µA]
1.5 4.03.53.02.52.0 5.55.04.5
85°C
25°C
-40°C
0
3
6
9
12
15
18
21
24
27
VCC [V]
ICC [µA]
1.5 4.03.53.02.52.0 5.55.04.5

386
ATmega164A/164PA/324A/324PA/644A/644PA/1284/1284P [DATASHEET]
Atmel-8272G-AVR-01/2015
Figure 30-94. Atmel ATmega164PA: Programming current vs. VCC.
Figure 30-95. Atmel ATmega164PA: Watchdog timer current vs. VCC.
85°C
25°C
-40°C
0
2
4
6
8
10
12
VCC [V]
ICC [mA]
1.5 4.03.53.02.52.0 5.55.04.5
85°C
25°C
-40°C
0
1
2
3
4
5
6
7
8
9
VCC [V]
ICC [µA]
1.5 4.03.53.02.52.0 5.55.04.5

387
ATmega164A/164PA/324A/324PA/644A/644PA/1284/1284P [DATASHEET]
Atmel-8272G-AVR-01/2015
30.2.13 Current consumption in reset and reset pulsewidth
Figure 30-96. Atmel ATmega164PA: Reset supply current vs. low frequency (0.1 - 1.0MHz).
Figure 30-97. Atmel ATmega164PA: Reset supply current vs. frequency (1 - 20MHz).
5.5V
5.0V
4.5V
4.0V
3.3V
2.7V
1.8V
0
0.02
0.04
0.06
0.08
0.10
Frequency [MHz]
ICC [mA]
0 0.40.2 0.80.6 1.0
5.5V
5.0V
4.5V
0
0.3
0.6
0.9
1.2
1.5
1.8
0246810 12 14 16 1820
Frequency [MHz]
ICC [mA]
1.8V
2.7V
3.3V
4.0V

388
ATmega164A/164PA/324A/324PA/644A/644PA/1284/1284P [DATASHEET]
Atmel-8272G-AVR-01/2015
Figure 30-98. Atmel ATmega164PA: Minimum reset pulsewidth vs. VCC.
85°C
25°C
-40°C
0
200
400
600
800
1000
1200
1400
1600
VCC [V]
Pulsewidth [ns]
1.5 4.03.53.02.52.0 5.55.04.5

389
ATmega164A/164PA/324A/324PA/644A/644PA/1284/1284P [DATASHEET]
Atmel-8272G-AVR-01/2015
30.3 Atmel ATmega324A typical characteristics - TA = -40°C to 85°C
30.3.1 Active supply current
Figure 30-99. Atmel ATmega324A: Active supply current vs. low frequency (0.1 - 1.0MHz).
Figure 30-100. Atmel ATmega324A: Active supply current vs. frequency (1 - 20MHz).
5.5V
5.0V
4.5V
4.0V
3.3V
2.7V
1.8V
0
0.2
0.4
0.6
0.8
1.0
1.2
Frequency [MHz]
I
CC
[mA]
0 0.50.40.30.20.1 0.80.70.6 1.00.9
5.5V
5.0V
4.5V
0
2
4
6
8
10
12
14
0246810 12 14 16 1820
Frequency [MHz]
I
CC
[mA]
1.8V
2.7V
3.3V
4.0V

390
ATmega164A/164PA/324A/324PA/644A/644PA/1284/1284P [DATASHEET]
Atmel-8272G-AVR-01/2015
Figure 30-101. Atmel ATmega324A: Active supply current vs. VCC (internal RC oscillator, 8MHz).
Figure 30-102. Atmel ATmega324A: Active supply current vs. VCC (internal RC oscillator, 1MHz).
85°C
25°C
-40°C
0
1
2
3
4
5
6
7
V
CC
[V]
I
CC
[mA]
1.5 4.03.53.02.52.0 5.55.04.5
85°C
25°C
-40°C
0
0.4
0.8
1.2
1.6
V
CC
[V]
I
CC
[mA]
1.5 4.03.53.02.52.0 5.55.04.5

391
ATmega164A/164PA/324A/324PA/644A/644PA/1284/1284P [DATASHEET]
Atmel-8272G-AVR-01/2015
Figure 30-103. Atmel ATmega324A: Active supply current vs. VCC (internal RC oscillator, 128kHz).
30.3.2 Idle supply current
Figure 30-104. Atmel ATmega324A: Idle supply current vs. VCC (0.1 - 1.0MHz).
85°C
25°C
-40°C
0
0.05
0.10
0.15
0.20
0.25
V
CC
[V]
ICC [mA]
1.5 4.03.53.02.52.0 5.55.04.5
5.0V
4.5V
4.0V
3.3V
2.7V
1.8V
0
0.05
0.10
0.15
0.20
0.25
Frequency [MHz]
I
CC
[mA]
5.5V
0 0.50.40.30.20.1 0.80.70.6 1.00.9

392
ATmega164A/164PA/324A/324PA/644A/644PA/1284/1284P [DATASHEET]
Atmel-8272G-AVR-01/2015
Figure 30-105. Atmel ATmega324A: Idle supply current vs. VCC (1 - 20MHz).
Figure 30-106. Atmel ATmega324A: Idle supply current vs. VCC (internal RC oscillator, 8MHz).
5.5V
5.0V
4.5V
0
1
2
3
4
0246810 12 14 16 1820
Frequency [MHz]
ICC [mA]
1.8V
2.7V
3.3V
4.0V
85°C
25°C
-40°C
0
0.3
0.6
0.9
1.2
1.5
1.8
V
CC
[V]
I
CC
[mA]
1.5 4.03.53.02.52.0 5.55.04.5

393
ATmega164A/164PA/324A/324PA/644A/644PA/1284/1284P [DATASHEET]
Atmel-8272G-AVR-01/2015
Figure 30-107. Atmel ATmega324A: Idle supply current vs. VCC (internal RC oscillator, 1MHz).
Figure 30-108. Atmel ATmega324A: Idle supply current vs. VCC (internal RC oscillator, 128kHz).
85°C
25°C
-40°C
0
0.1
0.2
0.3
0.4
0.5
0.6
VCC [V]
I
CC
[mA]
1.5 4.03.53.02.52.0 5.55.04.5
85°C
25°C
-40°C
0
0.02
0.04
0.06
0.08
0.10
0.12
VCC [V]
ICC [mA]
1.5 4.03.53.02.52.0 5.55.04.5

394
ATmega164A/164PA/324A/324PA/644A/644PA/1284/1284P [DATASHEET]
Atmel-8272G-AVR-01/2015
30.3.3 Supply current of I/O modules
The tables and formulas below can be used to calculate the additional current consumption for the different I/O
modules in Active and Idle mode. The enabling or disabling of the I/O modules are controlled by the Power
Reduction Register. See ”PRR0 – Power Reduction Register 0” on page 48 for details.
It is possible to calculate the typical current consumption based on the numbers from Table 30-8 on page 420
for other VCC and frequency settings than listed in Table 30-7 on page 420.
Exam
p
l
e
Calculate the expected current consumption in idle mode with TIMER1, ADC, and SPI enabled at VCC = 2.0V
and F = 1MHz. From Table 30-8 on page 420, third column, we see that we need to add 6.0% for the TIMER1,
14.8% for the ADC, and 10.3% for the SPI module. Reading from Figure 30-153 on page 417, we find that the
idle current consumption is ~0.078mA at VCC = 2.0V and F = 1MHz. The total current consumption in idle mode
with TIMER1, ADC, and SPI enabled, gives:
Table 30-5. Additional current consumption for the different I/O modules (absolute values).
PRR bit Typical numbers in
VCC = 2V, F = 1MHz VCC = 3V, F = 4MHz VCC = 5V, F = 8MHz
PRUSART1 3.1µA 21.5µA 100.0µA
PRUSART0 3.0µA 21.0µA 98.2µA
PRTWI 6.4µA 45.7µA 214.5µA
PRTIM2 5.6µA 37.7µA 165.8µA
PRTIM1 3.6µA 24.8µA 107.0µA
PRTIM0 1.7µA 10.4µA 43.2µA
PRADC 11.8µA 59.2µA 257.0µA
PRSPI 5.3µA 40.1µA 206.8µA
Table 30-6. Additional current consumption (percentage) in Active and Idle mode.
PRR bit
Additional current consumption
compared to Active with external
clock (see Figure 30-148 on page
415 and Figure 30-149 on page
415)
Additional current consumption
compared to Idle with external
clock (see Figure 30-153 on page
417 and Figure 30-154 on page
418)
PRUSART1 1.4% 5.3%
PRUSART0 1.4% 5.2%
PRTWI 3.0% 11.3%
PRTIM2 2.5% 9.1%
PRTIM1 1.6% 6.0%
PRTIM0 0.7% 2.5%
PRADC 4.2% 14.8%
PRSPI 2.7% 10.3%
ICCtotal 0.078mA (1+ 0.060 + 0.148 + 0.103)0.102mA

395
ATmega164A/164PA/324A/324PA/644A/644PA/1284/1284P [DATASHEET]
Atmel-8272G-AVR-01/2015
30.3.4 Power-down supply current
Figure 30-109. Atmel ATmega324A: Power-down supply current vs. VCC (watchdog timer disabled).
Figure 30-110. Atmel ATmega324A: Power-down supply current vs. VCC (watchdog timer enabled).
85°C
25°C
-40°C
0
0.2
0.4
0.6
0.8
1.0
1.2
VCC [V]
ICC [µA]
1.5 4.03.53.02.52.0 5.55.04.5
85°C
25°C
-40°C
0
2
4
6
8
10
V
CC
[V]
I
CC
[µA]
1.5 4.03.53.02.52.0 5.55.04.5

396
ATmega164A/164PA/324A/324PA/644A/644PA/1284/1284P [DATASHEET]
Atmel-8272G-AVR-01/2015
30.3.5 Power-save supply current
Figure 30-111. Atmel ATmega324A: Power-save supply current vs. VCC (watchdog timer disabled and 32kHz crystal
oscillator running).
30.3.6 Standby supply current
Figure 30-112. Atmel ATmega324A: Standby supply current vs. VCC (watchdog timer disabled).
WATCHDOG TIMER DISABLED and 32 kHz CRYSTAL OSCILLATOR RUNNING
85°C
25°C
-40°C
0
0.50
1.00
1.50
2.00
2.50
V
CC
[V]
I
CC
[µA]
1.5 4.03.53.02.52.0 5.55.04.5
6MHz_xtal
6MHz_res
4MHz_xtal
4MHz_res
450kHz_res
2MHz_xtal
2MHz_res
0
0.02
0.04
0.06
0.08
0.10
0.12
0.14
0.16
0.18
V
CC
[V]
I
CC
[mA]
1.5 4.03.53.02.52.0 5.55.04.5

397
ATmega164A/164PA/324A/324PA/644A/644PA/1284/1284P [DATASHEET]
Atmel-8272G-AVR-01/2015
30.3.7 Pin pull-up
Figure 30-113. Atmel ATmega324A: I/O pin pull-up resistor current vs. input voltage (VCC = 1.8V).
Figure 30-114. Atmel ATmega324A: I/O pin pull-up resistor current vs. input voltage (VCC = 2.7V).
85°C
25°C
-40°C
0
10
20
30
40
50
V
OP [V]
I
OP
[µA]
00.80.2 1.41.0 2.01.6 1.81.20.60.4
85°C
25°C
-40°C
0
10
20
30
40
50
60
70
80
V
OP
[V]
I
OP
[µA]
0 1.00.5 2.01.5 3.02.5

398
ATmega164A/164PA/324A/324PA/644A/644PA/1284/1284P [DATASHEET]
Atmel-8272G-AVR-01/2015
Figure 30-115. Atmel ATmega324A: I/O pin pull-up resistor current vs. input voltage (VCC = 5V).
Figure 30-116. Atmel ATmega324A: Reset pull-up resistor current vs. reset pin voltage (VCC =1.8V).
85°C
25°C
-40°C
0
20
40
60
80
100
120
140
0123456
V
OP
[V]
I
OP
[µA]
85°C
25°C
-40°C
0
5
10
15
20
25
30
35
VRESET [V]
IRESET [µA]
0 1.00.80.60.40.2 1.61.41.2 2.0
1.8

399
ATmega164A/164PA/324A/324PA/644A/644PA/1284/1284P [DATASHEET]
Atmel-8272G-AVR-01/2015
Figure 30-117. Atmel ATmega324A: Reset pull-up resistor current vs. reset pin voltage (VCC =2.7V).
Figure 30-118. Atmel ATmega324A: Reset pull-up resistor current vs. reset pin voltage (VCC = 5V).
85°C
25°C
-40°C
0
10
20
30
40
50
60
VRESET [V]
IRESET [µA]
0 1.00.5 2.01.5 3.02.5
85°C
25°C
-40°C
0
20
40
60
80
100
120
0123456
V
RESET
[V]
I
RESET
[µA]

400
ATmega164A/164PA/324A/324PA/644A/644PA/1284/1284P [DATASHEET]
Atmel-8272G-AVR-01/2015
30.3.8 Pin driver strength
Figure 30-119. Atmel ATmega324A: I/O pin output voltage vs. sink current (VCC = 3V).
Figure 30-120. Atmel ATmega324A: I/O pin output voltage vs. sink current (VCC = 5V).
85°C
25°C
-40°C
0
0.2
0.4
0.6
0.8
1.0
5811 14 17 20
I
OL [mA]
VOL [V]
85°C
25°C
-40°C
0
0.1
0.2
0.3
0.4
0.5
0.6
5811 14 17 20
I
OL
[mA]
V
OL
[V]

401
ATmega164A/164PA/324A/324PA/644A/644PA/1284/1284P [DATASHEET]
Atmel-8272G-AVR-01/2015
Figure 30-121. Atmel ATmega324A: I/O pin output voltage vs. source current (VCC = 3V).
Figure 30-122. Atmel ATmega324A: I/O pin output voltage vs. source current (VCC = 5V).
85°C
25°C
-40°C
0
0.5
1.0
1.5
2.0
2.5
3.0
5811 14 17 20
IOH [mA]
VOH [V]
85°C
25°C
-40°C
4.3
4.4
4.5
4.6
4.7
4.8
4.9
5811 14 17 20
I
OH [mA]
VOH [V]

402
ATmega164A/164PA/324A/324PA/644A/644PA/1284/1284P [DATASHEET]
Atmel-8272G-AVR-01/2015
30.3.9 Pin threshold and hysteresis
Figure 30-123. Atmel ATmega324A: I/O pin input threshold vs. VCC (VIH , I/O pin read as ‘1’).
Figure 30-124. Atmel ATmega324A: I/O pin input threshold vs. VCC (VIL, I/O pin read as ‘0’).
85°C
25°C
-40°C
0
0.5
1.0
1.5
2.0
2.5
3.0
VCC [V]
Threshold [V]
1.5 4.03.53.02.52.0 5.55.04.5
85°C
25°C
-40°C
0
0.5
1.0
1.5
2.0
2.5
V
CC
[V]
Threshold [V]
1.5 4.03.53.02.52.0 5.55.04.5

403
ATmega164A/164PA/324A/324PA/644A/644PA/1284/1284P [DATASHEET]
Atmel-8272G-AVR-01/2015
Figure 30-125. Atmel ATmega324A: I/O pin input hysteresis vs. VCC.
Figure 30-126. Atmel ATmega324A: Reset pin input threshold vs. VCC (VIH , I/O pin read as ‘1’).
85°C
25°C
-40°C
0
0.1
0.2
0.3
0.4
0.5
0.6
V
CC
[V]
Input hysteresis [mV]
1.5 4.03.53.02.52.0 5.55.04.5
,
85°C
25°C
-40°C
0
0.5
1.0
1.5
2.0
2.5
V
CC
[V]
Threshold [V]
1.5 4.03.53.02.52.0 5.55.04.5

404
ATmega164A/164PA/324A/324PA/644A/644PA/1284/1284P [DATASHEET]
Atmel-8272G-AVR-01/2015
Figure 30-127. Atmel ATmega324A: Reset pin input threshold vs. VCC (VIL, I/O pin read as ‘0’).
Figure 30-128. Atmel ATmega324A: Reset pin input hysteresis vs. VCC.
85°C
25°C
-40°C
0
0.5
1.0
1.5
2.0
2.5
VCC [V]
Threshold [V]
1.5 4.03.53.02.52.0 5.55.04.5
85°C
25°C
-40°C
0
0.1
0.2
0.3
0.4
0.5
0.6
0.7
V
CC
[V]
Input hysteresis [mV]
1.5 4.03.53.02.52.0 5.55.04.5

405
ATmega164A/164PA/324A/324PA/644A/644PA/1284/1284P [DATASHEET]
Atmel-8272G-AVR-01/2015
30.3.10 BOD threshold
Figure 30-129. Atmel ATmega324A: BOD threshold vs. temperature (VBOT = 4.3V).
Figure 30-130. Atmel ATmega324A: BOD threshold vs. temperature (VBOT = 2.7V).
Rising Vcc
Falling Vcc
4.28
4.30
4.32
4.34
4.36
4.38
4.40
-40 -20 0 20 40 60 80100
Temperature [°C]
Threshold [V]
Rising Vcc
Falling Vcc
2.66
2.68
2.70
2.72
2.74
2.76
2.78
2.80
-40 -20 0 20 40 60 80100
Temperature [°C]
Threshold [V]

406
ATmega164A/164PA/324A/324PA/644A/644PA/1284/1284P [DATASHEET]
Atmel-8272G-AVR-01/2015
Figure 30-131. Atmel ATmega324A: BOD threshold vs. temperature (VBOT = 1.8V).
Figure 30-132. Atmel ATmega324A: Calibrated bandgap voltage vs. VCC.
Rising Vcc
Falling Vcc
1.76
1.78
1.80
1.82
1.84
1.86
-40 -20 0 20 40 60 80 100
Temperature [°C]
Threshold [V]
85°C
25°C
-40°C
1.076
1.078
1.080
1.082
1.084
1.086
1.088
1.090
1.092
1.094
1.096
1.098
Vcc [V]
Bandgap voltage [V]
1.5 4.03.53.02.52.0 5.55.04.5

407
ATmega164A/164PA/324A/324PA/644A/644PA/1284/1284P [DATASHEET]
Atmel-8272G-AVR-01/2015
Figure 30-133. Atmel ATmega324A: Bandgap voltage vs. temperature.
30.3.11 Internal oscillator speed
Figure 30-134. Atmel ATmega324A: Watchdog oscillator frequency vs. temperature.
1.077
1.079
1.081
1.083
1.085
1.087
1.089
1.091
1.093
1.095
1.097
-40 -30 -20 -10 0 10 20 30405060708090
Temperature [°C]
Bandgap voltage [V]
5.5V
1.8V
3.6V
2.7V
4.5V
5.5V
4.0V
3.3V
2.7V
2.1V
110
113
116
119
122
-40 -20 0 20 40 60 80 100
Temperature [°C]
FRC [kHz]

408
ATmega164A/164PA/324A/324PA/644A/644PA/1284/1284P [DATASHEET]
Atmel-8272G-AVR-01/2015
Figure 30-135. Atmel ATmega324A: Watchdog oscillator frequency vs. VCC.
Figure 30-136. Atmel ATmega324A: Calibrated 8MHz RC oscillator vs. VCC.
85°C
25°C
-40°C
111
114
117
120
123
V
CC
[V]
F
RC
[kHz]
1.5 4.03.53.02.52.0 5.55.04.5
85°C
25°C
-40°C
7.0
7.4
7.8
8.2
8.6
V
CC [V]
FRC [MHz]
1.5 4.03.53.02.52.0 5.55.04.5

409
ATmega164A/164PA/324A/324PA/644A/644PA/1284/1284P [DATASHEET]
Atmel-8272G-AVR-01/2015
Figure 30-137. Atmel ATmega324A: Calibrated 8MHz RC oscillator vs. temperature.
Figure 30-138. Atmel ATmega324A: Calibrated 8MHz RC oscillator vs. OSCCAL value.
5.0V
3.0V
7.4
7.7
8.0
8.3
8.6
-40 -20 0 20 40 60 80 100
Temperature [°C]
F
RC
[MHz]
85°C
25°C
-40°C
0
2
4
6
8
10
12
14
16
016324864 8096 112 128144 160 176 192208224 240 256
OSCCAL (X1)
F
RC
[MHz]

410
ATmega164A/164PA/324A/324PA/644A/644PA/1284/1284P [DATASHEET]
Atmel-8272G-AVR-01/2015
30.3.12 Current consumption of peripheral units
Figure 30-139. Atmel ATmega324A: ADC current vs. VCC (AREF = AVCC).
Figure 30-140. Atmel ATmega324A: Analog comparator current vs. VCC.
85°C
25°C
-40°C
0
50
100
150
200
250
300
V
CC
[V]
I
CC
[µA]
1.5 4.03.53.02.52.0 5.55.04.5
85°C
25°C
-40°C
0
10
20
30
40
50
60
70
80
90
V
CC
[V]
I
CC
[µA]
1.5 4.03.53.02.52.0 5.55.04.5

411
ATmega164A/164PA/324A/324PA/644A/644PA/1284/1284P [DATASHEET]
Atmel-8272G-AVR-01/2015
Figure 30-141. Atmel ATmega324A: AREF external reference current vs. VCC.
Figure 30-142. Atmel ATmega324A: Brownout detector current vs. VCC.
85°C
25°C
-40°C
0
40
80
120
160
200
VCC [V]
I
CC
[µA]
1.5 4.03.53.02.52.0 5.55.04.5
85°C
25°C
-40°C
0
5
10
15
20
25
V
CC
[V]
I
CC
[µA]
1.5 4.03.53.02.52.0 5.55.04.5

412
ATmega164A/164PA/324A/324PA/644A/644PA/1284/1284P [DATASHEET]
Atmel-8272G-AVR-01/2015
Figure 30-143. Atmel ATmega324A: Programming current vs. VCC.
Figure 30-144. Atmel ATmega324A: Watchdog timer current vs. VCC.
85°C
25°C
-40°C
0
2
4
6
8
10
12
14
V
CC
[V]
I
CC
[mA]
1.5 4.03.53.02.52.0 5.55.04.5
85°C
25°C
-40°C
1
3
5
7
9
V
CC
[V]
I
CC
[µA]
1.5 4.03.53.02.52.0 5.55.04.5

413
ATmega164A/164PA/324A/324PA/644A/644PA/1284/1284P [DATASHEET]
Atmel-8272G-AVR-01/2015
30.3.13 Current consumption in reset and reset pulsewidth
Figure 30-145. Atmel ATmega324A: Reset supply current vs. low frequency (0.1 - 1.0MHz).
Figure 30-146. Atmel ATmega324A: Reset supply current vs. frequency (1 - 20MHz).
5.5V
5.0V
4.5V
4.0V
3.3V
2.7V
1.8V
0
0.02
0.04
0.06
0.08
0.10
0.12
0.14
Frequency [MHz]
I
CC
[mA]
0 0.50.40.30.20.1 0.80.70.6 1.00.9
5.5V
5.0V
4.5V
0
0.5
1.0
1.5
2.0
2.5
0246810 12 14 16 1820
Frequency [MHz]
I
CC
[mA]
4.0V
3.3V
1.8V
2.7V

414
ATmega164A/164PA/324A/324PA/644A/644PA/1284/1284P [DATASHEET]
Atmel-8272G-AVR-01/2015
Figure 30-147. Atmel ATmega324A: Minimum reset pulsewidth vs. VCC.
85°C
25°C
-40°C
0
300
600
900
1200
1500
1800
V
CC
[V]
Pulsewidth [ns]
1.5 4.03.53.02.52.0 5.55.04.5

415
ATmega164A/164PA/324A/324PA/644A/644PA/1284/1284P [DATASHEET]
Atmel-8272G-AVR-01/2015
30.4 Atmel ATmega324PA typical characteristics - TA = -40°C to 85°C
30.4.1 Active supply current
Figure 30-148. Atmel ATmega324PA: Active supply current vs. low frequency (0.1 - 1.0MHz).
Figure 30-149. Atmel ATmega324PA: Active supply current vs. frequency (1 - 20MHz).
5.5V
5.0V
4.5V
4.0V
3.3V
2.7V
1.8V
0
0.2
0.4
0.6
0.8
1.0
1.2
Frequency [MHz]
I
CC
[mA]
0 0.50.40.30.20.1 0.80.70.6 1.00.9
5.5V
5.0V
4.5V
0
2
4
6
8
10
12
14
0246810 12 14 16 1820
Frequency [MHz]
I
CC
[mA]
1.8V
2.7V
3.3V
4.0V

416
ATmega164A/164PA/324A/324PA/644A/644PA/1284/1284P [DATASHEET]
Atmel-8272G-AVR-01/2015
Figure 30-150. Atmel ATmega324PA: Active supply current vs. VCC (internal RC oscillator, 8MHz).
Figure 30-151. Atmel ATmega324PA: Active supply current vs. VCC (internal RC oscillator, 1MHz).
85°C
25°C
-40°C
0
1
2
3
4
5
6
7
V
CC
[V]
I
CC
[mA]
1.5 4.03.53.02.52.0 5.55.04.5
85°C
25°C
-40°C
0
0.4
0.8
1.2
1.6
V
CC
[V]
I
CC
[mA]
1.5 4.03.53.02.52.0 5.55.04.5

417
ATmega164A/164PA/324A/324PA/644A/644PA/1284/1284P [DATASHEET]
Atmel-8272G-AVR-01/2015
Figure 30-152. Atmel ATmega324PA: Active supply current vs. VCC (internal RC oscillator, 128kHz).
30.4.2 Idle supply current
Figure 30-153. Atmel ATmega324PA: Idle supply current vs. VCC (0.1 - 1.0MHz).
85°C
25°C
-40°C
0
0.05
0.10
0.15
0.20
0.25
V
CC
[V]
ICC [mA]
1.5 4.03.53.02.52.0 5.55.04.5
5.0V
4.5V
4.0V
3.3V
2.7V
1.8V
0
0.05
0.10
0.15
0.20
0.25
Frequency [MHz]
I
CC
[mA]
5.5V
0 0.50.40.30.20.1 0.80.70.6 1.00.9

418
ATmega164A/164PA/324A/324PA/644A/644PA/1284/1284P [DATASHEET]
Atmel-8272G-AVR-01/2015
Figure 30-154. Atmel ATmega324PA: Idle supply current vs. VCC (1 - 20MHz).
Figure 30-155. Atmel ATmega324PA: Idle supply current vs. VCC (internal RC oscillator, 8MHz).
5.5V
5.0V
4.5V
0
1
2
3
4
0246810 12 14 16 1820
Frequency [MHz]
ICC [mA]
1.8V
2.7V
3.3V
4.0V
85°C
25°C
-40°C
0
0.3
0.6
0.9
1.2
1.5
1.8
V
CC
[V]
I
CC
[mA]
1.5 4.03.53.02.52.0 5.55.04.5

419
ATmega164A/164PA/324A/324PA/644A/644PA/1284/1284P [DATASHEET]
Atmel-8272G-AVR-01/2015
Figure 30-156. Atmel ATmega324PA: Idle supply current vs. VCC (internal RC oscillator, 1MHz).
Figure 30-157. Atmel ATmega324PA: Idle supply current vs. VCC (internal RC oscillator, 128kHz).
85°C
25°C
-40°C
0
0.1
0.2
0.3
0.4
0.5
0.6
VCC [V]
I
CC
[mA]
1.5 4.03.53.02.52.0 5.55.04.5
85°C
25°C
-40°C
0
0.02
0.04
0.06
0.08
0.10
0.12
VCC [V]
ICC [mA]
1.5 4.03.53.02.52.0 5.55.04.5

420
ATmega164A/164PA/324A/324PA/644A/644PA/1284/1284P [DATASHEET]
Atmel-8272G-AVR-01/2015
30.4.3 Supply current of I/O modules
The tables and formulas below can be used to calculate the additional current consumption for the different I/O
modules in Active and Idle mode. The enabling or disabling of the I/O modules are controlled by the Power
Reduction Register. See ”PRR0 – Power Reduction Register 0” on page 48 for details.
It is possible to calculate the typical current consumption based on the numbers from Table 30-8 on page 420
for other VCC and frequency settings than listed in Table 30-7 on page 420.
Exam
p
l
e
Calculate the expected current consumption in idle mode with TIMER1, ADC, and SPI enabled at VCC = 2.0V
and F = 1MHz. From Table 30-8 on page 420, third column, we see that we need to add 6.0% for the TIMER1,
14.8% for the ADC, and 10.3% for the SPI module. Reading from Figure 30-153 on page 417, we find that the
idle current consumption is ~0.078mA at VCC = 2.0V and F = 1MHz. The total current consumption in idle mode
with TIMER1, ADC, and SPI enabled, gives:
Table 30-7. Additional current consumption for the different I/O modules (absolute values).
PRR bit Typical numbers in
VCC = 2V, F = 1MHz VCC = 3V, F = 4MHz VCC = 5V, F = 8MHz
PRUSART1 3.1µA 21.5µA 100.0µA
PRUSART0 3.0µA 21.0µA 98.2µA
PRTWI 6.4µA 45.7µA 214.5µA
PRTIM2 5.6µA 37.7µA 165.8µA
PRTIM1 3.6µA 24.8µA 107.0µA
PRTIM0 1.7µA 10.4µA 43.2µA
PRADC 11.8µA 59.2µA 257.0µA
PRSPI 5.3µA 40.1µA 206.8µA
Table 30-8. Additional current consumption (percentage) in Active and Idle mode.
PRR bit
Additional current consumption
compared to Active with external
clock (see Figure 30-148 on page
415 and Figure 30-149 on page
415)
Additional current consumption
compared to Idle with external
clock (see Figure 30-153 on page
417 and Figure 30-154 on page
418)
PRUSART1 1.4% 5.3%
PRUSART0 1.4% 5.2%
PRTWI 3.0% 11.3%
PRTIM2 2.5% 9.1%
PRTIM1 1.6% 6.0%
PRTIM0 0.7% 2.5%
PRADC 4.2% 14.8%
PRSPI 2.7% 10.3%
ICCtotal 0.078mA (1+ 0.060 + 0.148 + 0.103)0.102mA

421
ATmega164A/164PA/324A/324PA/644A/644PA/1284/1284P [DATASHEET]
Atmel-8272G-AVR-01/2015
30.4.4 Power-down Supply Current
Figure 30-158. Atmel ATmega324PA: Power-down supply current vs. VCC (watchdog timer disabled).
Figure 30-159. Atmel ATmega324PA: Power-down supply current vs. VCC (watchdog timer enabled).
85°C
25°C
-40°C
0
0.2
0.4
0.6
0.8
1.0
1.2
VCC [V]
ICC [µA]
1.5 4.03.53.02.52.0 5.55.04.5
85°C
25°C
-40°C
0
2
4
6
8
10
V
CC
[V]
I
CC
[µA]
1.5 4.03.53.02.52.0 5.55.04.5

422
ATmega164A/164PA/324A/324PA/644A/644PA/1284/1284P [DATASHEET]
Atmel-8272G-AVR-01/2015
30.4.5 Power-save supply current
Figure 30-160. Atmel ATmega324PA: Power-save supply current vs. VCC (watchdog timer disabled and 32kHz
crystal oscillator running).
30.4.6 Standby supply current
Figure 30-161. Atmel ATmega324PA: Standby supply current vs. VCC (watchdog timer disabled).
WATCHDOG TIMER DISABLED and 32 kHz CRYSTAL OSCILLATOR RUNNING
85°C
25°C
-40°C
0
0.50
1.00
1.50
2.00
2.50
V
CC
[V]
I
CC
[µA]
1.5 4.03.53.02.52.0 5.55.04.5
6MHz_xtal
6MHz_res
4MHz_xtal
4MHz_res
450kHz_res
2MHz_xtal
2MHz_res
0
0.02
0.04
0.06
0.08
0.10
0.12
0.14
0.16
0.18
V
CC
[V]
I
CC
[mA]
1.5 4.03.53.02.52.0 5.55.04.5

423
ATmega164A/164PA/324A/324PA/644A/644PA/1284/1284P [DATASHEET]
Atmel-8272G-AVR-01/2015
30.4.7 Pin pull-up
Figure 30-162. Atmel ATmega324PA: I/O pin pull-up resistor current vs. input voltage (VCC = 1.8V).
Figure 30-163. Atmel ATmega324PA: I/O pin pull-up resistor current vs. input voltage (VCC = 2.7V).
85°C
25°C
-40°C
0
10
20
30
40
50
V
OP [V]
I
OP
[µA]
00.80.2 1.41.0 2.01.6 1.81.20.60.4
85°C
25°C
-40°C
0
10
20
30
40
50
60
70
80
V
OP
[V]
I
OP
[µA]
0 1.00.5 2.01.5 3.02.5

424
ATmega164A/164PA/324A/324PA/644A/644PA/1284/1284P [DATASHEET]
Atmel-8272G-AVR-01/2015
Figure 30-164. Atmel ATmega324PA: I/O pin pull-up resistor current vs. input voltage (VCC = 5V).
Figure 30-165. Atmel ATmega324PA: Reset pull-up resistor current vs. reset pin voltage (VCC =1.8V).
85°C
25°C
-40°C
0
20
40
60
80
100
120
140
0123456
V
OP
[V]
I
OP
[µA]
85°C
25°C
-40°C
0
5
10
15
20
25
30
35
VRESET [V]
IRESET [µA]
0 1.00.80.60.40.2 1.61.41.2 2.0
1.8

425
ATmega164A/164PA/324A/324PA/644A/644PA/1284/1284P [DATASHEET]
Atmel-8272G-AVR-01/2015
Figure 30-166. Atmel ATmega324PA: Reset pull-up resistor current vs. reset pin voltage (VCC =2.7V).
Figure 30-167. Atmel ATmega324PA: Reset pull-up resistor current vs. reset pin voltage (VCC = 5V).
85°C
25°C
-40°C
0
10
20
30
40
50
60
VRESET [V]
IRESET [µA]
0 1.00.5 2.01.5 3.02.5
85°C
25°C
-40°C
0
20
40
60
80
100
120
0123456
V
RESET
[V]
I
RESET
[µA]

426
ATmega164A/164PA/324A/324PA/644A/644PA/1284/1284P [DATASHEET]
Atmel-8272G-AVR-01/2015
30.4.8 Pin driver strength
Figure 30-168. Atmel ATmega324PA: I/O pin output voltage vs. sink current (VCC = 3V).
Figure 30-169. Atmel ATmega324PA: I/O pin output voltage vs. sink current (VCC = 5V).
85°C
25°C
-40°C
0
0.2
0.4
0.6
0.8
1.0
5811 14 17 20
I
OL [mA]
VOL [V]
85°C
25°C
-40°C
0
0.1
0.2
0.3
0.4
0.5
0.6
5811 14 17 20
I
OL
[mA]
V
OL
[V]

427
ATmega164A/164PA/324A/324PA/644A/644PA/1284/1284P [DATASHEET]
Atmel-8272G-AVR-01/2015
Figure 30-170. Atmel ATmega324PA: I/O pin output voltage vs. source current (VCC = 3V).
Figure 30-171. Atmel ATmega324PA: I/O pin output voltage vs. source current (VCC = 5V).
85°C
25°C
-40°C
0
0.5
1.0
1.5
2.0
2.5
3.0
5811 14 17 20
IOH [mA]
VOH [V]
85°C
25°C
-40°C
4.3
4.4
4.5
4.6
4.7
4.8
4.9
5811 14 17 20
I
OH [mA]
VOH [V]

428
ATmega164A/164PA/324A/324PA/644A/644PA/1284/1284P [DATASHEET]
Atmel-8272G-AVR-01/2015
30.4.9 Pin threshold and hysteresis
Figure 30-172. Atmel ATmega324PA: I/O pin input threshold vs. VCC (VIH , I/O pin read as ‘1’).
Figure 30-173. Atmel ATmega324PA: I/O pin input threshold vs. VCC (VIL, I/O pin read as ‘0’).
85°C
25°C
-40°C
0
0.5
1.0
1.5
2.0
2.5
3.0
VCC [V]
Threshold [V]
1.5 4.03.53.02.52.0 5.55.04.5
85°C
25°C
-40°C
0
0.5
1.0
1.5
2.0
2.5
V
CC
[V]
Threshold [V]
1.5 4.03.53.02.52.0 5.55.04.5

429
ATmega164A/164PA/324A/324PA/644A/644PA/1284/1284P [DATASHEET]
Atmel-8272G-AVR-01/2015
Figure 30-174. Atmel ATmega324PA: I/O pin input hysteresis vs. VCC.
Figure 30-175. Atmel ATmega324PA: Reset pin input threshold vs. VCC (VIH , I/O pin read as ‘1’).
85°C
25°C
-40°C
0
0.1
0.2
0.3
0.4
0.5
0.6
V
CC
[V]
Input hysteresis [mV]
1.5 4.03.53.02.52.0 5.55.04.5
,
85°C
25°C
-40°C
0
0.5
1.0
1.5
2.0
2.5
V
CC
[V]
Threshold [V]
1.5 4.03.53.02.52.0 5.55.04.5

430
ATmega164A/164PA/324A/324PA/644A/644PA/1284/1284P [DATASHEET]
Atmel-8272G-AVR-01/2015
Figure 30-176. Atmel ATmega324PA: Reset pin input threshold vs. VCC (VIL, I/O pin read as ‘0’).
Figure 30-177. Atmel ATmega324PA: Reset pin input hysteresis vs. VCC.
85°C
25°C
-40°C
0
0.5
1.0
1.5
2.0
2.5
VCC [V]
Threshold [V]
1.5 4.03.53.02.52.0 5.55.04.5
85°C
25°C
-40°C
0
0.1
0.2
0.3
0.4
0.5
0.6
0.7
V
CC
[V]
Input hysteresis [mV]
1.5 4.03.53.02.52.0 5.55.04.5

431
ATmega164A/164PA/324A/324PA/644A/644PA/1284/1284P [DATASHEET]
Atmel-8272G-AVR-01/2015
30.4.10 BOD threshold
Figure 30-178. Atmel ATmega324PA: BOD threshold vs. temperature (VBOT = 4.3V).
Figure 30-179. Atmel ATmega324PA: BOD threshold vs. temperature (VBOT = 2.7V).
Rising Vcc
Falling Vcc
4.28
4.30
4.32
4.34
4.36
4.38
4.40
-40 -20 0 20 40 60 80100
Temperature [°C]
Threshold [V]
Rising Vcc
Falling Vcc
2.66
2.68
2.70
2.72
2.74
2.76
2.78
2.80
-40 -20 0 20 40 60 80100
Temperature [°C]
Threshold [V]

432
ATmega164A/164PA/324A/324PA/644A/644PA/1284/1284P [DATASHEET]
Atmel-8272G-AVR-01/2015
Figure 30-180. Atmel ATmega324PA: BOD threshold vs. temperature (VBOT = 1.8V).
Figure 30-181. Atmel ATmega324PA: Calibrated bandgap voltage vs. VCC.
Rising Vcc
Falling Vcc
1.76
1.78
1.80
1.82
1.84
1.86
-40 -20 0 20 40 60 80 100
Temperature [°C]
Threshold [V]
85°C
25°C
-40°C
1.076
1.078
1.080
1.082
1.084
1.086
1.088
1.090
1.092
1.094
1.096
1.098
Vcc [V]
Bandgap voltage [V]
1.5 4.03.53.02.52.0 5.55.04.5

433
ATmega164A/164PA/324A/324PA/644A/644PA/1284/1284P [DATASHEET]
Atmel-8272G-AVR-01/2015
Figure 30-182. Atmel ATmega324PA: Bandgap voltage vs. temperature.
30.4.11 Internal oscillator speed
Figure 30-183. Atmel ATmega324PA: Watchdog oscillator frequency vs. temperature.
1.077
1.079
1.081
1.083
1.085
1.087
1.089
1.091
1.093
1.095
1.097
-40 -30 -20 -10 0 10 20 30405060708090
Temperature [°C]
Bandgap voltage [V]
5.5V
1.8V
3.6V
2.7V
4.5V
5.5V
4.0V
3.3V
2.7V
2.1V
110
113
116
119
122
-40 -20 0 20 40 60 80 100
Temperature [°C]
FRC [kHz]

434
ATmega164A/164PA/324A/324PA/644A/644PA/1284/1284P [DATASHEET]
Atmel-8272G-AVR-01/2015
Figure 30-184. Atmel ATmega324PA: Watchdog oscillator frequency vs. VCC.
Figure 30-185. Atmel ATmega324PA: Calibrated 8MHz RC oscillator vs. VCC.
85°C
25°C
-40°C
111
114
117
120
123
V
CC
[V]
F
RC
[kHz]
1.5 4.03.53.02.52.0 5.55.04.5
85°C
25°C
-40°C
7.0
7.4
7.8
8.2
8.6
V
CC [V]
FRC [MHz]
1.5 4.03.53.02.52.0 5.55.04.5

435
ATmega164A/164PA/324A/324PA/644A/644PA/1284/1284P [DATASHEET]
Atmel-8272G-AVR-01/2015
Figure 30-186. Atmel ATmega324PA: Calibrated 8MHz RC oscillator vs. temperature.
Figure 30-187. Atmel ATmega324PA: Calibrated 8MHz RC oscillator vs. OSCCAL value.
5.0V
3.0V
7.4
7.7
8.0
8.3
8.6
-40 -20 0 20 40 60 80 100
Temperature [°C]
F
RC
[MHz]
85°C
25°C
-40°C
0
2
4
6
8
10
12
14
16
016324864 8096 112 128144 160 176 192208224 240 256
OSCCAL (X1)
F
RC
[MHz]

436
ATmega164A/164PA/324A/324PA/644A/644PA/1284/1284P [DATASHEET]
Atmel-8272G-AVR-01/2015
30.4.12 Current consumption of peripheral units
Figure 30-188. Atmel ATmega324PA: ADC current vs. VCC (AREF = AVCC).
Figure 30-189. Atmel ATmega324PA: Analog comparator current vs. VCC.
85°C
25°C
-40°C
0
50
100
150
200
250
300
V
CC
[V]
I
CC
[µA]
1.5 4.03.53.02.52.0 5.55.04.5
85°C
25°C
-40°C
0
10
20
30
40
50
60
70
80
90
V
CC
[V]
I
CC
[µA]
1.5 4.03.53.02.52.0 5.55.04.5

437
ATmega164A/164PA/324A/324PA/644A/644PA/1284/1284P [DATASHEET]
Atmel-8272G-AVR-01/2015
Figure 30-190. Atmel ATmega324PA: AREF external reference current vs. VCC.
Figure 30-191. Atmel ATmega324PA: Brownout detector current vs. VCC.
85°C
25°C
-40°C
0
40
80
120
160
200
VCC [V]
I
CC
[µA]
1.5 4.03.53.02.52.0 5.55.04.5
85°C
25°C
-40°C
0
5
10
15
20
25
V
CC
[V]
I
CC
[µA]
1.5 4.03.53.02.52.0 5.55.04.5

438
ATmega164A/164PA/324A/324PA/644A/644PA/1284/1284P [DATASHEET]
Atmel-8272G-AVR-01/2015
Figure 30-192. Atmel ATmega324PA: Programming current vs. VCC.
Figure 30-193. Atmel ATmega324PA: Watchdog timer current vs. VCC.
85°C
25°C
-40°C
0
2
4
6
8
10
12
14
V
CC
[V]
I
CC
[mA]
1.5 4.03.53.02.52.0 5.55.04.5
85°C
25°C
-40°C
1
3
5
7
9
V
CC
[V]
I
CC
[µA]
1.5 4.03.53.02.52.0 5.55.04.5

439
ATmega164A/164PA/324A/324PA/644A/644PA/1284/1284P [DATASHEET]
Atmel-8272G-AVR-01/2015
30.4.13 Current consumption in reset and reset pulsewidth
Figure 30-194. Atmel ATmega324PA: Reset supply current vs. low frequency (0.1 - 1.0MHz).
Figure 30-195. Atmel ATmega324PA: Reset supply current vs. frequency (1 - 20MHz).
5.5V
5.0V
4.5V
4.0V
3.3V
2.7V
1.8V
0
0.02
0.04
0.06
0.08
0.10
0.12
0.14
Frequency [MHz]
I
CC
[mA]
0 0.50.40.30.20.1 0.80.70.6 1.00.9
5.5V
5.0V
4.5V
0
0.5
1.0
1.5
2.0
2.5
0246810 12 14 16 1820
Frequency [MHz]
I
CC
[mA]
4.0V
3.3V
1.8V
2.7V

440
ATmega164A/164PA/324A/324PA/644A/644PA/1284/1284P [DATASHEET]
Atmel-8272G-AVR-01/2015
Figure 30-196. Atmel ATmega324PA: Minimum reset pulsewidth vs. VCC.
85°C
25°C
-40°C
0
300
600
900
1200
1500
1800
V
CC
[V]
Pulsewidth [ns]
1.5 4.03.53.02.52.0 5.55.04.5

441
ATmega164A/164PA/324A/324PA/644A/644PA/1284/1284P [DATASHEET]
Atmel-8272G-AVR-01/2015
30.5 Atmel ATmega644A typical characteristics - TA = -40°C to 85°C
30.5.1 Active supply current
Figure 30-197. Atmel ATmega644A: Active supply current vs. low frequency (0.1 - 1.0MHz).
Figure 30-198. Atmel ATmega644A: Active supply current vs. frequency (1 - 20MHz).
5.5V
5.0V
4.5V
4.0V
3.3V
2.7V
1.8V
0
0.2
0.4
0.6
0.8
1.0
1.2
Frequency [MHz]
ICC [mA]
0 0.50.40.30.20.1 0.80.70.6 1.00.9
0
2
4
6
8
10
12
14
0246810 12 14 16 1820
Frequency [MHz]
I
CC
[mA]
5.5V
5.0V
4.5V
4.0V
3.3V
1.8V
2.7V

442
ATmega164A/164PA/324A/324PA/644A/644PA/1284/1284P [DATASHEET]
Atmel-8272G-AVR-01/2015
Figure 30-199. Atmel ATmega644A: Active supply current vs. VCC (internal RC oscillator, 8MHz).
Figure 30-200. Atmel ATmega644A: Active supply current vs. VCC (internal RC oscillator, 1MHz).
0
1
2
3
4
5
6
7
V
CC
[V]
I
CC
[mA]
85°C
25°C
-40°C
1.5 4.03.53.02.52.0 5.55.04.5
85°C
25°C
-40°C
0
0.2
0.4
0.6
0.8
1.0
1.2
1.4
VCC [V]
ICC [mA]
1.5 4.03.53.02.52.0 5.55.04.5

443
ATmega164A/164PA/324A/324PA/644A/644PA/1284/1284P [DATASHEET]
Atmel-8272G-AVR-01/2015
Figure 30-201. Atmel ATmega644A: Active supply current vs. VCC (internal RC oscillator, 128kHz).
30.5.2 Idle supply current
Figure 30-202. Atmel ATmega644A: Idle supply current vs. VCC (0.1 - 1.0MHz).
85°C
25°C
-40°C
0.06
0.08
0.10
0.12
0.14
0.16
0.18
0.20
0.22
VCC [V]
ICC [mA]
1.5 4.03.53.02.52.0 5.55.04.5
5.5V
5.0V
4.5V
4.0V
3.3V
2.7V
1.8V
0
0.04
0.08
0.12
0.16
0.20
0.24
Frequency [MHz]
ICC [mA]
0 0.50.40.30.20.1 0.80.70.6 1.00.9

444
ATmega164A/164PA/324A/324PA/644A/644PA/1284/1284P [DATASHEET]
Atmel-8272G-AVR-01/2015
Figure 30-203. Atmel ATmega644A: Idle supply current vs. VCC (1 - 20MHz).
Figure 30-204. Atmel ATmega644A: Idle supply current vs. VCC (internal RC oscillator, 8MHz).
5.5V
5.0V
4.5V
0
0.5
1.0
1.5
2.0
2.5
3.0
0246810 12 14 16 1820
Frequency [MHz]
I
CC
[mA]
3.3V
4.0V
1.8V
2.7V
85°C
25°C
-40°C
0
0.2
0.4
0.6
0.8
1.0
1.2
1.4
VCC [V]
ICC [mA]
1.5 4.03.53.02.52.0 5.55.04.5

445
ATmega164A/164PA/324A/324PA/644A/644PA/1284/1284P [DATASHEET]
Atmel-8272G-AVR-01/2015
Figure 30-205. Atmel ATmega644A: Idle supply current vs. VCC (internal RC oscillator, 1MHz).
Figure 30-206. Atmel ATmega644A: Idle supply current vs. VCC (internal RC oscillator, 128kHz).
85°C
25°C
-40°C
0
0.05
0.10
0.15
0.20
0.25
0.30
0.35
VCC [V]
ICC [mA]
1.5 4.03.53.02.52.0 5.55.04.5
85°C
25°C
-40°C
0
0.02
0.04
0.06
0.08
0.10
0.12
VCC [V]
ICC [mA]
1.5 4.03.53.02.52.0 5.55.04.5

446
ATmega164A/164PA/324A/324PA/644A/644PA/1284/1284P [DATASHEET]
Atmel-8272G-AVR-01/2015
30.5.3 Supply current of I/O modules
The tables and formulas below can be used to calculate the additional current consumption for the different I/O
modules in Active and Idle mode. The enabling or disabling of the I/O modules are controlled by the Power
Reduction Register. See ”PRR0 – Power Reduction Register 0” on page 48 for details.
It is possible to calculate the typical current consumption based on the numbers from Table 30-12 on page 472
for other VCC and frequency settings than listed in Table 30-11 on page 472.
Exam
p
l
e
Calculate the expected current consumption in idle mode with TIMER1, ADC, and SPI enabled at VCC = 2.0V
and F = 1MHz. From Table 30-12 on page 472, third column, we see that we need to add 9.1% for the TIMER1,
17.9% for the ADC, and 12.4% for the SPI module. Reading from Figure 30-251 on page 469, we find that the
idle current consumption is ~0.078mA at VCC = 2.0V and F = 1MHz. The total current consumption in idle mode
with TIMER1, ADC, and SPI enabled, gives:
Table 30-9. Additional Current Consumption for the different I/O modules (absolute values).
PRR bit Typical numbers in
VCC = 2V, F = 1MHz VCC = 3V, F = 4MHz VCC = 5V, F = 8MHz
PRUSART1 5.9µA 37.3µA 149µA
PRUSART0 6.7µA 40µA 157.1µA
PRTWI 9.5µA 58.9µA 239.5µA
PRTIM2 12µA 74.3µA 297.6µA
PRTIM1 6.6µA 41.4µA 170.3µA
PRTIM0 3.1µA 19.5µA 78.6µA
PRADC 16.2µA 75.4µA 301.4µA
PRSPI 9.3µA 56.6µA 226.3µA
Table 30-10. Additional current consumption (percentage) in Active and Idle mode.
PRR bit
Additional current consumption
compared to Active with external
clock (see Figure 30-246 on page
467 and Figure 30-247 on page
467)
Additional current consumption
compared to Idle with external
clock (see Figure 30-251 on page
469 and Figure 30-252 on page
470)
PRUSART1 1.6% 8.1%
PRUSART0 1.8% 8.8%
PRTWI 2.6% 12.9%
PRTIM2 3.3% 16.3%
PRTIM1 1.9% 9.1%
PRTIM0 0.9% 4.3%
PRADC 3.65% 17.9%
PRSPI 2.5% 12.4%
ICCtotal 0.070mA (1+ 0.091 + 0.179 + 0.124)0.091mA

447
ATmega164A/164PA/324A/324PA/644A/644PA/1284/1284P [DATASHEET]
Atmel-8272G-AVR-01/2015
30.5.4 Power-down supply current
Figure 30-207. Atmel ATmega644A: Power-down supply current vs. VCC (watchdog timer disabled).
Figure 30-208. Atmel ATmega644A: Power-down supply current vs. VCC (watchdog timer enabled).
85°C
25°C
-40°C
0
0.5
1.0
1.5
2.0
2.5
V
CC
[V]
I
CC
[µA]
1.5 4.03.53.02.52.0 5.55.04.5
85°C
25°C
-40°C
3
4
5
6
7
8
9
V
CC
[V]
I
CC
[µA]
1.5 4.03.53.02.52.0 5.55.04.5

448
ATmega164A/164PA/324A/324PA/644A/644PA/1284/1284P [DATASHEET]
Atmel-8272G-AVR-01/2015
30.5.5 Power-save supply current
Figure 30-209. Atmel ATmega644A: Power-save supply current vs. VCC (watchdog timer disabled and 32kHz crystal
oscillator running).
30.5.6 Standby supply current
Figure 30-210. Atmel ATmega644A: Standby supply current vs. VCC (watchdog timer disabled).
85°C
25°C
-40°C
0
0.5
1.0
1.5
2.0
2.5
V
CC
[V]
Icc [µA]
1.5 4.03.53.02.52.0 5.55.04.5
6MHz_xtal
6MHz_res
4MHz_xtal
4MHz_res
450kHz_res
2MHz_xtal
2MHz_res
1MHz_res
0
0.02
0.04
0.06
0.08
0.10
0.12
0.14
0.16
1.7 2.2 2.7 3.2 3.7 4.2 4.7 5.2
V
CC
[V]
ICC [mA]

449
ATmega164A/164PA/324A/324PA/644A/644PA/1284/1284P [DATASHEET]
Atmel-8272G-AVR-01/2015
30.5.7 Pin pull-up
Figure 30-211. Atmel ATmega644A: I/O pin pull-up resistor current vs. input voltage (VCC = 1.8V).
Figure 30-212. Atmel ATmega644A: I/O pin pull-up resistor current vs. input voltage (VCC = 2.7V).
85°C
25°C
-40°C
0
5
10
15
20
25
30
35
40
45
50
V
OP
[V]
I
OP
[µA]
0 1.00.80.60.40.2 1.61.41.2 1.8
0
10
20
30
40
50
60
70
80
VOP [V]
IOP [µA]
85°C
25°C
-40°C
0 2.52.01.51.00.5 3.0

450
ATmega164A/164PA/324A/324PA/644A/644PA/1284/1284P [DATASHEET]
Atmel-8272G-AVR-01/2015
Figure 30-213. Atmel ATmega644A: I/O pin pull-up resistor current vs. input voltage (VCC = 5V).
Figure 30-214. Atmel ATmega644A: Reset pull-up resistor current vs. reset pin voltage (VCC =1.8V).
25°C
0
20
40
60
80
100
120
140
V
OP
[V]
I
OP
[µA]
85°C
-40°C
0 2.52.01.51.00.5 4.03.53.0 5.04.5
g p g( )
0
5
10
15
20
25
30
35
VRESET [V]
I
RESET
[µA]
85°C
25°C
-40°C
0 1.00.80.60.40.2 1.61.41.2 1.82.0

451
ATmega164A/164PA/324A/324PA/644A/644PA/1284/1284P [DATASHEET]
Atmel-8272G-AVR-01/2015
Figure 30-215. Atmel ATmega644A: Reset pull-up resistor current vs. reset pin voltage (VCC =2.7V).
Figure 30-216. Atmel ATmega644A: Reset pull-up resistor current vs. reset pin voltage (VCC =5V).
0
10
20
30
40
50
60
VRESET [V]
I
RESET
[µA]
85°C
25°C
-40°C
0 2.52.01.51.00.5 3.0
85°C
25°C
-40°C
0
20
40
60
80
100
120
012345
VRESET [V]
IRESET [µA]

452
ATmega164A/164PA/324A/324PA/644A/644PA/1284/1284P [DATASHEET]
Atmel-8272G-AVR-01/2015
30.5.8 Pin driver strength
Figure 30-217. Atmel ATmega644A: I/O pin output voltage vs. sink current (VCC = 3V).
Figure 30-218. Atmel ATmega644A: I/O pin output voltage vs. sink current (VCC = 5V).
85°C
25°C
-40°C
0
0.1
0.2
0.3
0.4
0.5
0.6
0.7
0.8
0.9
0246810 12 14 16 1820
I
OL [mA]
V
OL
[V]
85°C
25°C
-40°C
0
0.1
0.2
0.3
0.4
0.5
0.6
0246810 12 14 16 1820
I
OL
[mA]
V
OL
[V]

453
ATmega164A/164PA/324A/324PA/644A/644PA/1284/1284P [DATASHEET]
Atmel-8272G-AVR-01/2015
Figure 30-219. Atmel ATmega644A: I/O pin output voltage vs. source current (VCC = 3V).
Figure 30-220. Atmel ATmega644A: I/O pin output voltage vs. source current (VCC = 5V).
85°C
25°C
-40°C
0
0.5
1.0
1.5
2.0
2.5
3.0
3.5
0246810 12 14 16 1820
I
OH
[mA]
V
OH
[V]
85°C
25°C
-40°C
4.3
4.4
4.5
4.6
4.7
4.8
4.9
5.0
5.1
0246810 12 14 16 1820
IOH [mA]
V
OH
[V]

454
ATmega164A/164PA/324A/324PA/644A/644PA/1284/1284P [DATASHEET]
Atmel-8272G-AVR-01/2015
30.5.9 Pin threshold and hysteresis
Figure 30-221. Atmel ATmega644A: I/O pin input threshold vs. VCC (VIH , I/O pin read as ‘1’).
Figure 30-222. Atmel ATmega644A: I/O pin input threshold vs. VCC (VIL, I/O pin read as ‘0’).
85°C
25°C
-40°C
0
0.5
1.0
1.5
2.0
2.5
3.0
VCC [V]
Threshold [V]
1.5 4.03.53.02.52.0 5.55.04.5
85°C
25°C
-40°C
0
0.5
1.0
1.5
2.0
2.5
VCC [V]
Threshold [V]
1.5 4.03.53.02.52.0 5.55.04.5

455
ATmega164A/164PA/324A/324PA/644A/644PA/1284/1284P [DATASHEET]
Atmel-8272G-AVR-01/2015
Figure 30-223. Atmel ATmega644A: I/O pin input hysteresis vs. VCC.
Figure 30-224. Atmel ATmega644A: Reset pin input threshold vs. VCC (VIH , I/O pin read as ‘1’).
85°C
25°C
-40°C
0.20
0.25
0.30
0.35
0.40
0.45
0.50
0.55
0.60
VCC [V]
Input Hysteresis [mV]
1.5 4.03.53.02.52.0 5.55.04.5
85°C
25°C
-40°C
0
0.5
1.0
1.5
2.0
2.5
V
CC
[V]
Threshold [V]
1.5 4.03.53.02.52.0 5.55.04.5

456
ATmega164A/164PA/324A/324PA/644A/644PA/1284/1284P [DATASHEET]
Atmel-8272G-AVR-01/2015
Figure 30-225. Atmel ATmega644A: Reset pin input threshold vs. VCC (VIL, I/O pin read as ‘0’).
Figure 30-226. Atmel ATmega644A: Reset pin input hysteresis vs. VCC.
85°C
25°C
-40°C
0
0.5
1.0
1.5
2.0
2.5
VCC [V]
Threshold [V]
1.5 4.03.53.02.52.0 5.55.04.5
85°C
25°C
-40°C
0
0.1
0.2
0.3
0.4
0.5
0.6
0.7
V
CC
[V]
Input hysteresis [mV]
1.5 4.03.53.02.52.0 5.55.04.5

457
ATmega164A/164PA/324A/324PA/644A/644PA/1284/1284P [DATASHEET]
Atmel-8272G-AVR-01/2015
30.5.10 BOD threshold
Figure 30-227. Atmel ATmega644A: BOD threshold vs. temperature (VBOT = 4.3V).
Figure 30-228. Atmel ATmega644A: BOD threshold vs. temperature (VBOT = 2.7V).
Rising Vcc
Falling Vcc
4.20
4.23
4.26
4.29
4.32
4.35
-50 -40 -30 -20 -10 0 10 20 30405060708090
Temperature [°C]
Threshold [V]
Rising Vcc
Falling Vcc
2.65
2.67
2.69
2.71
2.73
2.75
2.77
-50 -40 -30 -20 -10 0 10 20 30405060708090 100
Temperature
[°C]
Threshold [V]

458
ATmega164A/164PA/324A/324PA/644A/644PA/1284/1284P [DATASHEET]
Atmel-8272G-AVR-01/2015
Figure 30-229. Atmel ATmega644A: BOD threshold vs. temperature (VBOT = 1.8V).
Figure 30-230. Atmel ATmega644A: Calibrated bandgap voltage vs. VCC.
Rising Vcc
Falling Vcc
1.76
1.77
1.78
1.79
1.80
1.81
1.82
1.83
1.84
-50 -40 -30 -20 -10 0 10 20 30405060708090100
Temperature
[°C]
Threshold [V]
85°C
25°C
-40°C
1.066
1.068
1.070
1.072
1.074
1.076
1.078
1.080
1.082
1.084
1.086
VCC [V]
Bandgap voltage [V]
1.5 4.03.53.02.52.0 5.55.04.5

459
ATmega164A/164PA/324A/324PA/644A/644PA/1284/1284P [DATASHEET]
Atmel-8272G-AVR-01/2015
Figure 30-231. Atmel ATmega644A: Bandgap voltage vs. temperature.
30.5.11 Internal oscillator speed
Figure 30-232. Atmel ATmega644A: Watchdog oscillator frequency vs. temperature.
1.067
1.069
1.071
1.073
1.075
1.077
1.079
1.081
1.083
1.085
1.087
-40 -30 -20 -10 0 10 20 30405060708090
Temperature [°C]
Bandgap voltage [V]
5.5V
1.8V
3.6V
2.7V
4.5V
5.5V
4.0V
3.3V
2.7V
2.1V
108
109
110
111
112
113
114
115
116
117
118
119
-40 -30 -20 -10 0 10 20 304050607080
Temperature
[°C]
FRC [kHz]

460
ATmega164A/164PA/324A/324PA/644A/644PA/1284/1284P [DATASHEET]
Atmel-8272G-AVR-01/2015
Figure 30-233. Atmel ATmega644A: Watchdog oscillator frequency vs. VCC.
Figure 30-234. Atmel ATmega644A: Calibrated 8MHz RC oscillator vs. VCC.
108
109
110
111
112
113
114
115
116
117
118
119
VCC [V]
F
RC
[kHz]
85°C
25°C
-40°C
1.5 4.03.53.02.52.0 5.55.04.5
7.2
7.4
7.6
7.8
8.0
8.2
8.4
V
CC
[V]
F
RC
[MHz]
85°C
25°C
-40°C
4.03.53.02.52.0 5.55.04.5

461
ATmega164A/164PA/324A/324PA/644A/644PA/1284/1284P [DATASHEET]
Atmel-8272G-AVR-01/2015
Figure 30-235. Atmel ATmega644A: Calibrated 8MHz RC oscillator vs. temperature.
Figure 30-236. Atmel ATmega644A: Calibrated 8MHz RC oscillator vs. OSCCAL value.
5.0V
3.0V
7.6
7.7
7.8
7.9
8.0
8.1
8.2
8.3
8.4
-40 -30 -20 -10 0 10 20 30405060708090 100 110 120
Temperature [°C]
F
RC
[MHz]
85°C
25°C
-40°C
0
2
4
6
8
10
12
14
16
016324864 8096112128144 160 176 192208224 240
OSCCAL [X1]
F
RC
[MHz]

462
ATmega164A/164PA/324A/324PA/644A/644PA/1284/1284P [DATASHEET]
Atmel-8272G-AVR-01/2015
30.5.12 Current consumption of peripheral units
Figure 30-237. Atmel ATmega644A: ADC current vs. VCC (AREF = AVCC).
Figure 30-238. Atmel ATmega644A: Analog comparator current vs. VCC.
85°C
25°C
-40°C
0
50
100
150
200
250
VCC [V]
ICC [µA]
1.5 4.03.53.02.52.0 5.04.5
20
30
40
50
60
70
80
90
V
CC
[V]
I
CC
[µA]
-40°C
85°C
25°C
1.5 4.03.53.02.52.0 5.55.04.5

463
ATmega164A/164PA/324A/324PA/644A/644PA/1284/1284P [DATASHEET]
Atmel-8272G-AVR-01/2015
Figure 30-239. Atmel ATmega644A: AREF external reference current vs. VCC.
Figure 30-240. Atmel ATmega644A: Brownout detector current vs. VCC.
85°C
25°C
-40°C
0
40
80
120
160
200
V
CC
[V]
I
CC
[µA]
1.5 4.03.53.02.52.0 5.55.04.5
85°C
25°C
-40°C
12
14
16
18
20
22
24
V
CC
[V]
I
CC
[µA]
4.03.53.02.52.0 5.55.04.5

464
ATmega164A/164PA/324A/324PA/644A/644PA/1284/1284P [DATASHEET]
Atmel-8272G-AVR-01/2015
Figure 30-241. Atmel ATmega644A: Programming current vs. VCC.
Figure 30-242. Atmel ATmega644A: Watchdog timer current vs. VCC.
85°C
25°C
-40°C
0
2
4
6
8
10
12
14
16
VCC [V]
ICC [mA]
1.5 4.03.53.02.52.0 5.55.04.5
85°C
25°C
-40°C
0
1
2
3
4
5
6
7
8
9
V
CC
[V]
I
CC
[µA]
1.5 4.03.53.02.52.0 5.55.04.5

465
ATmega164A/164PA/324A/324PA/644A/644PA/1284/1284P [DATASHEET]
Atmel-8272G-AVR-01/2015
30.5.13 Current consumption in reset and reset pulsewidth
Figure 30-243. Atmel ATmega644A: Reset supply current vs. low frequency (0.1 - 1.0MHz).
Figure 30-244. Atmel ATmega644A: Reset supply current vs. frequency (1 - 20MHz).
5.5V
5.0V
4.5V
4.0V
3.3V
2.7V
1.8V
0
0.02
0.04
0.06
0.08
0.10
Frequency [MHz]
ICC [mA]
0 0.50.40.30.20.1 0.80.70.6 1.00.9
5.5V
5.0V
4.5V
0
0.25
0.50
0.75
1.00
1.25
1.50
1.75
2.00
0246810 12 14 16 1820
Frequency [MHz]
ICC [mA]
1.8V
2.7V
3.3V
4.0V

466
ATmega164A/164PA/324A/324PA/644A/644PA/1284/1284P [DATASHEET]
Atmel-8272G-AVR-01/2015
Figure 30-245. Atmel ATmega644A: Minimum reset pulsewidth vs. VCC.
85°C
25°C
-40°C
0
200
400
600
800
1000
1200
1400
1600
1800
VCC [V]
Pulsewidth [ns]
1.5 4.03.53.02.52.0 5.55.04.5

467
ATmega164A/164PA/324A/324PA/644A/644PA/1284/1284P [DATASHEET]
Atmel-8272G-AVR-01/2015
30.6 ATmega644PA typical characteristics - TA = -40°C to 85°C
30.6.1 Active supply current
Figure 30-246. Atmel ATmega644PA: Active supply current vs. low frequency (0.1 - 1.0MHz).
Figure 30-247. Atmel ATmega644PA: Active supply current vs. frequency (1 - 20MHz).
5.5V
5.0V
4.5V
4.0V
3.3V
2.7V
1.8V
0
0.2
0.4
0.6
0.8
1.0
1.2
Frequency [MHz]
ICC [mA]
0 0.50.40.30.20.1 0.80.70.6 1.00.9
0
2
4
6
8
10
12
14
0246810 12 14 16 1820
Frequency [MHz]
I
CC
[mA]
5.5V
5.0V
4.5V
4.0V
3.3V
1.8V
2.7V

468
ATmega164A/164PA/324A/324PA/644A/644PA/1284/1284P [DATASHEET]
Atmel-8272G-AVR-01/2015
Figure 30-248. Atmel ATmega644PA: Active supply current vs. VCC (internal RC oscillator, 8MHz).
Figure 30-249. Atmel ATmega644PA: Active supply current vs. VCC (internal RC oscillator, 1MHz).
0
1
2
3
4
5
6
7
V
CC
[V]
I
CC
[mA]
85°C
25°C
-40°C
1.5 4.03.53.02.52.0 5.55.04.5
85°C
25°C
-40°C
0
0.2
0.4
0.6
0.8
1.0
1.2
1.4
VCC [V]
ICC [mA]
1.5 4.03.53.02.52.0 5.55.04.5

469
ATmega164A/164PA/324A/324PA/644A/644PA/1284/1284P [DATASHEET]
Atmel-8272G-AVR-01/2015
Figure 30-250. Atmel ATmega644PA: Active supply current vs. VCC (internal RC oscillator, 128kHz).
30.6.2 Idle supply current
Figure 30-251. Atmel ATmega644PA: Idle supply current vs. VCC (0.1 - 1.0MHz).
85°C
25°C
-40°C
0.06
0.08
0.10
0.12
0.14
0.16
0.18
0.20
0.22
VCC [V]
ICC [mA]
1.5 4.03.53.02.52.0 5.55.04.5
5.5V
5.0V
4.5V
4.0V
3.3V
2.7V
1.8V
0
0.04
0.08
0.12
0.16
0.20
0.24
Frequency [MHz]
ICC [mA]
0 0.50.40.30.20.1 0.80.70.6 1.00.9

470
ATmega164A/164PA/324A/324PA/644A/644PA/1284/1284P [DATASHEET]
Atmel-8272G-AVR-01/2015
Figure 30-252. Atmel ATmega644PA: Idle supply current vs. VCC (1 - 20MHz).
Figure 30-253. Atmel ATmega644PA: Idle supply current vs. VCC (internal RC oscillator, 8MHz).
5.5V
5.0V
4.5V
0
0.5
1.0
1.5
2.0
2.5
3.0
0246810 12 14 16 1820
Frequency [MHz]
I
CC
[mA]
3.3V
4.0V
1.8V
2.7V
85°C
25°C
-40°C
0
0.2
0.4
0.6
0.8
1.0
1.2
1.4
VCC [V]
ICC [mA]
1.5 4.03.53.02.52.0 5.55.04.5

471
ATmega164A/164PA/324A/324PA/644A/644PA/1284/1284P [DATASHEET]
Atmel-8272G-AVR-01/2015
Figure 30-254. Atmel ATmega644PA: Idle supply current vs. VCC (internal RC oscillator, 1MHz).
Figure 30-255. Atmel ATmega644PA: Idle supply current vs. VCC (internal RC oscillator, 128kHz).
85°C
25°C
-40°C
0
0.05
0.10
0.15
0.20
0.25
0.30
0.35
VCC [V]
ICC [mA]
1.5 4.03.53.02.52.0 5.55.04.5
85°C
25°C
-40°C
0
0.02
0.04
0.06
0.08
0.10
0.12
VCC [V]
ICC [mA]
1.5 4.03.53.02.52.0 5.55.04.5

472
ATmega164A/164PA/324A/324PA/644A/644PA/1284/1284P [DATASHEET]
Atmel-8272G-AVR-01/2015
30.6.3 Supply current of I/O modules
The tables and formulas below can be used to calculate the additional current consumption for the different I/O
modules in Active and Idle mode. The enabling or disabling of the I/O modules are controlled by the Power
Reduction Register. See ”PRR0 – Power Reduction Register 0” on page 48 for details.
It is possible to calculate the typical current consumption based on the numbers from Table 30-12 on page 472
for other VCC and frequency settings than listed in Table 30-11 on page 472.
Exam
p
l
e
Calculate the expected current consumption in idle mode with TIMER1, ADC, and SPI enabled at VCC = 2.0V
and F = 1MHz. From Table 30-12 on page 472, third column, we see that we need to add 9.1% for the TIMER1,
17.9% for the ADC, and 12.4% for the SPI module. Reading from Figure 30-251 on page 469, we find that the
idle current consumption is ~0.078mA at VCC = 2.0V and F = 1MHz. The total current consumption in idle mode
with TIMER1, ADC, and SPI enabled, gives:
Table 30-11. Additional current consumption for the different I/O modules (absolute values).
PRR bit Typical numbers in
VCC = 2V, F = 1MHz VCC = 3V, F = 4MHz VCC = 5V, F = 8MHz
PRUSART1 5.9µA 37.3µA 149µA
PRUSART0 6.7µA 40µA 157.1µA
PRTWI 9.5µA 58.9µA 239.5µA
PRTIM2 12µA 74.3µA 297.6µA
PRTIM1 6.6µA 41.4µA 170.3µA
PRTIM0 3.1µA 19.5µA 78.6µA
PRADC 16.2µA 75.4µA 301.4µA
PRSPI 9.3µA 56.6µA 226.3µA
Table 30-12. Additional current consumption (percentage) in Active and Idle mode.
PRR bit
Additional current consumption
compared to Active with external
clock (see Figure 30-246 on page
467 and Figure 30-247 on page
467)
Additional current consumption
compared to Idle with external
clock (see Figure 30-251 on page
469 and Figure 30-252 on page
470)
PRUSART1 1.6% 8.1%
PRUSART0 1.8% 8.8%
PRTWI 2.6% 12.9%
PRTIM2 3.3% 16.3%
PRTIM1 1.9% 9.1%
PRTIM0 0.9% 4.3%
PRADC 3.65% 17.9%
PRSPI 2.5% 12.4%
ICCtotal 0.070mA (1+ 0.091 + 0.179 + 0.124)0.091mA

473
ATmega164A/164PA/324A/324PA/644A/644PA/1284/1284P [DATASHEET]
Atmel-8272G-AVR-01/2015
30.6.4 Power-down supply current
Figure 30-256. Atmel ATmega644PA: Power-down supply current vs. VCC (watchdog timer disabled).
Figure 30-257. Atmel ATmega644PA: Power-down supply current vs. VCC (watchdog timer enabled).
85°C
25°C
-40°C
0
0.5
1.0
1.5
2.0
2.5
V
CC
[V]
I
CC
[µA]
1.5 4.03.53.02.52.0 5.55.04.5
85°C
25°C
-40°C
3
4
5
6
7
8
9
V
CC
[V]
I
CC
[µA]
1.5 4.03.53.02.52.0 5.55.04.5

474
ATmega164A/164PA/324A/324PA/644A/644PA/1284/1284P [DATASHEET]
Atmel-8272G-AVR-01/2015
30.6.5 Power-save supply current
Figure 30-258. Atmel ATmega644PA: Power-save supply current vs. VCC (watchdog timer disabled and 32kHz
crystal oscillator running).
30.6.6 Standby supply current
Figure 30-259. Atmel ATmega644PA: Standby supply current vs. VCC (watchdog timer disabled).
85°C
25°C
-40°C
0
0.5
1.0
1.5
2.0
2.5
V
CC
[V]
Icc [µA]
1.5 4.03.53.02.52.0 5.55.04.5
6MHz_xtal
6MHz_res
4MHz_xtal
4MHz_res
450kHz_res
2MHz_xtal
2MHz_res
1MHz_res
0
0.02
0.04
0.06
0.08
0.10
0.12
0.14
0.16
1.7 2.2 2.7 3.2 3.7 4.2 4.7 5.2
V
CC
[V]
ICC [mA]

475
ATmega164A/164PA/324A/324PA/644A/644PA/1284/1284P [DATASHEET]
Atmel-8272G-AVR-01/2015
30.6.7 Pin pull-up
Figure 30-260. Atmel ATmega644PA: I/O pin pull-up resistor current vs. input voltage (VCC = 1.8V).
Figure 30-261. Atmel ATmega644PA: I/O pin pull-up resistor current vs. input voltage (VCC = 2.7V).
85°C
25°C
-40°C
0
5
10
15
20
25
30
35
40
45
50
V
OP
[V]
I
OP
[µA]
0 1.00.80.60.40.2 1.61.41.2 1.8
0
10
20
30
40
50
60
70
80
VOP [V]
IOP [µA]
85°C
25°C
-40°C
0 2.52.01.51.00.5 3.0

476
ATmega164A/164PA/324A/324PA/644A/644PA/1284/1284P [DATASHEET]
Atmel-8272G-AVR-01/2015
Figure 30-262. Atmel ATmega644PA: I/O pin pull-up resistor current vs. input voltage (VCC = 5V).
Figure 30-263. Atmel ATmega644PA: Reset pull-up resistor current vs. reset pin voltage (VCC =1.8V).
25°C
0
20
40
60
80
100
120
140
V
OP
[V]
I
OP
[µA]
85°C
-40°C
0 2.52.01.51.00.5 4.03.53.0 5.04.5
g p g( )
0
5
10
15
20
25
30
35
VRESET [V]
I
RESET
[µA]
85°C
25°C
-40°C
0 1.00.80.60.40.2 1.61.41.2 1.82.0

477
ATmega164A/164PA/324A/324PA/644A/644PA/1284/1284P [DATASHEET]
Atmel-8272G-AVR-01/2015
Figure 30-264. Atmel ATmega644PA: Reset pull-up resistor current vs. reset pin voltage (VCC =2.7V).
Figure 30-265. Atmel ATmega644PA: Reset pull-up resistor current vs. reset pin voltage (VCC =5V).
0
10
20
30
40
50
60
VRESET [V]
I
RESET
[µA]
85°C
25°C
-40°C
0 2.52.01.51.00.5 3.0
85°C
25°C
-40°C
0
20
40
60
80
100
120
012345
VRESET [V]
IRESET [µA]

478
ATmega164A/164PA/324A/324PA/644A/644PA/1284/1284P [DATASHEET]
Atmel-8272G-AVR-01/2015
30.6.8 Pin driver strength
Figure 30-266. Atmel ATmega644PA: I/O pin output voltage vs. sink current (VCC = 3V).
Figure 30-267. Atmel ATmega644PA: I/O pin output voltage vs. sink current (VCC = 5V).
85°C
25°C
-40°C
0
0.1
0.2
0.3
0.4
0.5
0.6
0.7
0.8
0.9
0246810 12 14 16 1820
I
OL [mA]
V
OL
[V]
85°C
25°C
-40°C
0
0.1
0.2
0.3
0.4
0.5
0.6
0246810 12 14 16 1820
I
OL
[mA]
V
OL
[V]

479
ATmega164A/164PA/324A/324PA/644A/644PA/1284/1284P [DATASHEET]
Atmel-8272G-AVR-01/2015
Figure 30-268. Atmel ATmega644PA: I/O pin output voltage vs. source current (VCC = 3V).
Figure 30-269. Atmel ATmega644PA: I/O pin output voltage vs. source current (VCC = 5V).
85°C
25°C
-40°C
0
0.5
1.0
1.5
2.0
2.5
3.0
3.5
0246810 12 14 16 1820
I
OH
[mA]
V
OH
[V]
85°C
25°C
-40°C
4.3
4.4
4.5
4.6
4.7
4.8
4.9
5.0
5.1
0246810 12 14 16 1820
IOH [mA]
V
OH
[V]

480
ATmega164A/164PA/324A/324PA/644A/644PA/1284/1284P [DATASHEET]
Atmel-8272G-AVR-01/2015
30.6.9 Pin threshold and hysteresis
Figure 30-270. Atmel ATmega644PA: I/O pin input threshold vs. VCC (VIH , I/O pin read as ‘1’).
Figure 30-271. Atmel ATmega644PA: I/O pin input threshold vs. VCC (VIL, I/O pin read as ‘0’).
85°C
25°C
-40°C
0
0.5
1.0
1.5
2.0
2.5
3.0
VCC [V]
Threshold [V]
1.5 4.03.53.02.52.0 5.55.04.5
85°C
25°C
-40°C
0
0.5
1.0
1.5
2.0
2.5
VCC [V]
Threshold [V]
1.5 4.03.53.02.52.0 5.55.04.5

481
ATmega164A/164PA/324A/324PA/644A/644PA/1284/1284P [DATASHEET]
Atmel-8272G-AVR-01/2015
Figure 30-272. Atmel ATmega644PA: I/O pin input hysteresis vs. VCC
Figure 30-273. Atmel ATmega644PA: Reset pin input threshold vs. VCC (VIH , I/O pin read as ‘1’).
85°C
25°C
-40°C
0.20
0.25
0.30
0.35
0.40
0.45
0.50
0.55
0.60
VCC [V]
Input Hysteresis [mV]
1.5 4.03.53.02.52.0 5.55.04.5
85°C
25°C
-40°C
0
0.5
1.0
1.5
2.0
2.5
V
CC
[V]
Threshold [V]
1.5 4.03.53.02.52.0 5.55.04.5

482
ATmega164A/164PA/324A/324PA/644A/644PA/1284/1284P [DATASHEET]
Atmel-8272G-AVR-01/2015
Figure 30-274. Atmel ATmega644PA: Reset pin input threshold vs. VCC (VIL, I/O pin read as ‘0’).
Figure 30-275. Atmel ATmega644PA: Reset pin input hysteresis vs. VCC.
85°C
25°C
-40°C
0
0.5
1.0
1.5
2.0
2.5
VCC [V]
Threshold [V]
1.5 4.03.53.02.52.0 5.55.04.5
85°C
25°C
-40°C
0
0.1
0.2
0.3
0.4
0.5
0.6
0.7
V
CC
[V]
Input hysteresis [mV]
1.5 4.03.53.02.52.0 5.55.04.5

483
ATmega164A/164PA/324A/324PA/644A/644PA/1284/1284P [DATASHEET]
Atmel-8272G-AVR-01/2015
30.6.10 BOD threshold
Figure 30-276. Atmel ATmega644PA: BOD threshold vs. temperature (VBOT = 4.3V).
Figure 30-277. Atmel ATmega644PA: BOD threshold vs. temperature (VBOT = 2.7V).
Rising Vcc
Falling Vcc
4.20
4.23
4.26
4.29
4.32
4.35
-50 -40 -30 -20 -10 0 10 20 30405060708090
Temperature [°C]
Threshold [V]
Rising Vcc
Falling Vcc
2.65
2.67
2.69
2.71
2.73
2.75
2.77
-50 -40 -30 -20 -10 0 10 20 30405060708090 100
Temperature
[°C]
Threshold [V]

484
ATmega164A/164PA/324A/324PA/644A/644PA/1284/1284P [DATASHEET]
Atmel-8272G-AVR-01/2015
Figure 30-278. Atmel ATmega644PA: BOD threshold vs. temperature (VBOT = 1.8V).
Figure 30-279. Atmel ATmega644PA: Calibrated bandgap voltage vs. VCC.
Rising Vcc
Falling Vcc
1.76
1.77
1.78
1.79
1.80
1.81
1.82
1.83
1.84
-50 -40 -30 -20 -10 0 10 20 30405060708090100
Temperature
[°C]
Threshold [V]
85°C
25°C
-40°C
1.066
1.068
1.070
1.072
1.074
1.076
1.078
1.080
1.082
1.084
1.086
VCC [V]
Bandgap voltage [V]
1.5 4.03.53.02.52.0 5.55.04.5

485
ATmega164A/164PA/324A/324PA/644A/644PA/1284/1284P [DATASHEET]
Atmel-8272G-AVR-01/2015
Figure 30-280. Atmel ATmega324PA: Bandgap voltage vs. temperature.
30.6.11 Internal oscillator speed
Figure 30-281. Atmel ATmega644PA: Watchdog oscillator frequency vs. temperature.
1.067
1.069
1.071
1.073
1.075
1.077
1.079
1.081
1.083
1.085
1.087
-40 -30 -20 -10 0 10 20 30405060708090
Temperature [°C]
Bandgap voltage [V]
5.5V
1.8V
3.6V
2.7V
4.5V
5.5V
4.0V
3.3V
2.7V
2.1V
108
109
110
111
112
113
114
115
116
117
118
119
-40 -30 -20 -10 0 10 20 304050607080
Temperature
[°C]
FRC [kHz]

486
ATmega164A/164PA/324A/324PA/644A/644PA/1284/1284P [DATASHEET]
Atmel-8272G-AVR-01/2015
Figure 30-282. Atmel ATmega644PA: Watchdog oscillator orequency vs. VCC.
Figure 30-283. Atmel ATmega644PA: Calibrated 8MHz RC oscillator vs. VCC.
108
109
110
111
112
113
114
115
116
117
118
119
VCC [V]
F
RC
[kHz]
85°C
25°C
-40°C
1.5 4.03.53.02.52.0 5.55.04.5
7.2
7.4
7.6
7.8
8.0
8.2
8.4
V
CC
[V]
F
RC
[MHz]
85°C
25°C
-40°C
4.03.53.02.52.0 5.55.04.5

487
ATmega164A/164PA/324A/324PA/644A/644PA/1284/1284P [DATASHEET]
Atmel-8272G-AVR-01/2015
Figure 30-284. Atmel ATmega644PA: Calibrated 8MHz RC oscillator vs. temperature.
Figure 30-285. Atmel ATmega644PA: Calibrated 8MHz RC oscillator vs. OSCCAL value.
5.0V
3.0V
7.6
7.7
7.8
7.9
8.0
8.1
8.2
8.3
8.4
-40 -30 -20 -10 0 10 20 30405060708090 100 110 120
Temperature [°C]
F
RC
[MHz]
85°C
25°C
-40°C
0
2
4
6
8
10
12
14
16
016324864 8096112128144 160 176 192208224 240
OSCCAL [X1]
F
RC
[MHz]

488
ATmega164A/164PA/324A/324PA/644A/644PA/1284/1284P [DATASHEET]
Atmel-8272G-AVR-01/2015
30.6.12 Current consumption of peripheral units
Figure 30-286. Atmel ATmega644PA: ADC current vs. VCC (AREF = AVCC).
Figure 30-287. Atmel ATmega644PA: Analog comparator current vs. VCC.
85°C
25°C
-40°C
0
50
100
150
200
250
VCC [V]
ICC [µA]
1.5 4.03.53.02.52.0 5.04.5
20
30
40
50
60
70
80
90
V
CC
[V]
I
CC
[µA]
-40°C
85°C
25°C
1.5 4.03.53.02.52.0 5.55.04.5

489
ATmega164A/164PA/324A/324PA/644A/644PA/1284/1284P [DATASHEET]
Atmel-8272G-AVR-01/2015
Figure 30-288. Atmel ATmega644PA: AREF external reference current vs. VCC.
Figure 30-289. Atmel ATmega644PA: Brownout detector current vs. VCC.
85°C
25°C
-40°C
0
40
80
120
160
200
V
CC
[V]
I
CC
[µA]
1.5 4.03.53.02.52.0 5.55.04.5
85°C
25°C
-40°C
12
14
16
18
20
22
24
V
CC
[V]
I
CC
[µA]
4.03.53.02.52.0 5.55.04.5

490
ATmega164A/164PA/324A/324PA/644A/644PA/1284/1284P [DATASHEET]
Atmel-8272G-AVR-01/2015
Figure 30-290. Atmel ATmega644PA: Programming current vs. VCC.
Figure 30-291. Atmel ATmega644PA: Watchdog timer current vs. VCC.
85°C
25°C
-40°C
0
2
4
6
8
10
12
14
16
VCC [V]
ICC [mA]
1.5 4.03.53.02.52.0 5.55.04.5
85°C
25°C
-40°C
0
1
2
3
4
5
6
7
8
9
V
CC
[V]
I
CC
[µA]
1.5 4.03.53.02.52.0 5.55.04.5

491
ATmega164A/164PA/324A/324PA/644A/644PA/1284/1284P [DATASHEET]
Atmel-8272G-AVR-01/2015
30.6.13 Current consumption in reset and reset pulsewidth
Figure 30-292. Atmel ATmega644PA: Reset supply current vs. low frequency (0.1 - 1.0MHz).
Figure 30-293. Atmel ATmega644PA: Reset supply current vs. frequency (1 - 20MHz).
5.5V
5.0V
4.5V
4.0V
3.3V
2.7V
1.8V
0
0.02
0.04
0.06
0.08
0.10
Frequency [MHz]
ICC [mA]
0 0.50.40.30.20.1 0.80.70.6 1.00.9
5.5V
5.0V
4.5V
0
0.25
0.50
0.75
1.00
1.25
1.50
1.75
2.00
0246810 12 14 16 1820
Frequency [MHz]
ICC [mA]
1.8V
2.7V
3.3V
4.0V

492
ATmega164A/164PA/324A/324PA/644A/644PA/1284/1284P [DATASHEET]
Atmel-8272G-AVR-01/2015
Figure 30-294. Atmel ATmega644PA: Minimum reset pulsewidth vs. VCC.
85°C
25°C
-40°C
0
200
400
600
800
1000
1200
1400
1600
1800
VCC [V]
Pulsewidth [ns]
1.5 4.03.53.02.52.0 5.55.04.5

493
ATmega164A/164PA/324A/324PA/644A/644PA/1284/1284P [DATASHEET]
Atmel-8272G-AVR-01/2015
30.7 ATmega1284 typical characteristics - TA = -40°C to 85°C
30.7.1 Active supply current
Figure 30-295. Atmel ATmega1284: Active supply current vs. low frequency (0.1 - 1.0MHz).
Figure 30-296. Atmel ATmega1284: Active supply current vs. frequency (1 - 20MHz).
5.5V
5.0V
4.5V
4.0V
3.3V
2.7V
1.8V
0
0.2
0.4
0.6
0.8
1.0
1.2
1.4
1.6
Frequency [MHz]
ICC [mA]
0 0.50.40.30.20.1 0.80.70.6 1.00.9
5.5V
5.0V
4.5V
0
2
4
6
8
10
12
14
16
18
20
0246810 12 14 16 1820
Frequency [MHz]
ICC [mA]
4.0V
3.3V
2.7V
1.8V

494
ATmega164A/164PA/324A/324PA/644A/644PA/1284/1284P [DATASHEET]
Atmel-8272G-AVR-01/2015
Figure 30-297. Atmel ATmega1284: Active supply current vs. VCC (internal RC oscillator, 8MHz).
Figure 30-298. Atmel ATmega1284: Active supply current vs. VCC (internal RC oscillator, 1MHz).
85°C
25°C
-40°C
0
1
2
3
4
5
6
7
8
9
VCC [V]
ICC [mA]
1.5 4.03.53.02.52.0 5.55.04.5
85°C
25°C
-40°C
0
0.3
0.6
0.9
1.2
1.5
1.8
VCC [V]
ICC [mA]
1.5 4.03.53.02.52.0 5.55.04.5

495
ATmega164A/164PA/324A/324PA/644A/644PA/1284/1284P [DATASHEET]
Atmel-8272G-AVR-01/2015
Figure 30-299. Atmel ATmega1284: Active supply current vs. VCC (internal RC oscillator, 128kHz).
30.7.2 Idle supply current
Figure 30-300. Atmel ATmega1284: Idle supply current vs. low frequency (0.1 - 1.0MHz).
85°C
25°C
-40°C
0
0.04
0.08
0.12
0.16
0.20
0.24
0.28
VCC [V]
ICC [mA]
1.5 4.03.53.02.52.0 5.55.04.5
5.5V
5.0V
4.5V
4.0V
3.6V
2.7V
1.8V
0
0.03
0.06
0.09
0.12
0.15
0.18
0.21
0.24
Frequency [MHz]
ICC [mA]
0 0.50.40.30.20.1 0.80.70.6 1.00.9

496
ATmega164A/164PA/324A/324PA/644A/644PA/1284/1284P [DATASHEET]
Atmel-8272G-AVR-01/2015
Figure 30-301. Atmel ATmega1284: Idle supply current vs. frequency (1 - 20MHz).
Figure 30-302. Atmel ATmega1284: Idle supply current vs. VCC (internal RC oscillator, 8MHz).
5.5V
5.0V
4.5V
0
0.5
1.0
1.5
2.0
2.5
3.0
0246810 12 14 16 1820
Frequency [MHz]
ICC [mA]
1.8V
2.7V 3.3V
4.0V
85°C
25°C
-40°C
0
0.2
0.4
0.6
0.8
1.0
1.2
1.4
VCC [V]
ICC [mA]
1.5 4.03.53.02.52.0 5.55.04.5

497
ATmega164A/164PA/324A/324PA/644A/644PA/1284/1284P [DATASHEET]
Atmel-8272G-AVR-01/2015
Figure 30-303. Atmel ATmega1284: Idle supply current vs. VCC (internal RC oscillator, 1MHz).
Figure 30-304. Atmel ATmega1284: Idle supply current vs. VCC (internal RC oscillator, 128kHz).
85°C
25°C
-40°C
0
0.06
0.12
0.18
0.24
0.30
0.36
0.42
VCC [V]
ICC [mA]
1.5 4.03.53.02.52.0 5.55.04.5
85°C
25°C
-40°C
0
0.02
0.04
0.06
0.08
0.10
0.12
VCC [V]
ICC [mA]
1.5 4.03.53.02.52.0 5.55.04.5

498
ATmega164A/164PA/324A/324PA/644A/644PA/1284/1284P [DATASHEET]
Atmel-8272G-AVR-01/2015
30.7.3 Supply current of I/O modules
The tables and formulas below can be used to calculate the additional current consumption for the different I/O
modules in Active and Idle mode. The enabling or disabling of the I/O modules are controlled by the Power
Reduction Register. See ”PRR0 – Power Reduction Register 0” on page 48 for details.
It is possible to calculate the typical current consumption based on the numbers from Table 30-12 on page 472
for other VCC and frequency settings than listed in Table 30-11 on page 472.
Exam
p
l
e
Calculate the expected current consumption in idle mode with TIMER1, ADC, and SPI enabled at VCC = 2.0V
and F = 1MHz. From Table 30-12 on page 472, third column, we see that we need to add 8.0% for the TIMER1,
19.8% for the ADC, and 13.2% for the SPI module. Reading from Figure 30-301 on page 496, we find that the
idle current consumption is ~0.075mA at VCC = 2.0V and F = 1MHz. The total current consumption in idle mode
with TIMER1, ADC, and SPI enabled, gives:
Table 30-13. Additional current consumption for the different I/O modules (absolute values).
PRR bit Typical numbers in
VCC = 2V, F = 1MHz VCC = 3V, F = 4MHz VCC = 5V, F = 8MHz
PRUSART1 3.0µA 19.2µA 87.7µA
PRUSART0 2.9µA 19.2µA 88.5µA
PRTWI 7.5µA 49.3µA 230.3µA
PRTIM3 4.0µA 24.7µA 105.5µA
PRTIM2 6.0µA 39.7µA 176.3µA
PRTIM1 4.2µA 26.4µA 113.7µA
PRTIM0 1.7µA 11.6µA 54.3µA
PRADC 13.5µA 54.7µA 273µA
PRSPI 5.7µA 40.6µA 212.2µA
Table 30-14. Additional current consumption (percentage) in Active and Idle mode.
PRR bit
Additional current consumption
compared to Active with external
clock (see Figure 30-295 on page 493
and Figure 30-296 on page 493)
Additional current consumption
compared to Idle with external clock
(see Figure 30-300 on page 495 and
Figure 30-301 on page 496)
PRUSART1 0.9% 6.0%
PRUSART0 0.9% 6.0%
PRTWI 2.3% 15.4%
PRTIM3 1.1% 7.5%
PRTIM2 1.8% 12.1%
PRTIM1 1.2% 8.0%
PRTIM0 0.5% 3.6%
PRTADC 3.0% 19.8%
PRSPI 2.0% 13.2%
ICCtotal 0.075mA (1+ 0.08 + 0.198 + 0.132)0.106mA

499
ATmega164A/164PA/324A/324PA/644A/644PA/1284/1284P [DATASHEET]
Atmel-8272G-AVR-01/2015
30.7.4 Power-down supply current
Figure 30-305. Atmel ATmega1284: Power-down supply current vs. VCC (watchdog timer disabled).
Figure 30-306. Atmel ATmega1284: Power-down supply current vs. VCC (watchdog timer enabled).
85°C
25°C
-40°C
0
0.5
1.0
1.5
2.0
2.5
3.0
3.5
4.0
VCC [V]
ICC [µA]
1.5 4.03.53.02.52.0 5.55.04.5
85°C
25°C
-40°C
3.0
3.8
4.6
5.4
6.2
7.0
7.8
8.6
9.4
10.2
11.0
VCC [V]
ICC [µA]
1.5 4.03.53.02.52.0 5.55.04.5

500
ATmega164A/164PA/324A/324PA/644A/644PA/1284/1284P [DATASHEET]
Atmel-8272G-AVR-01/2015
30.7.5 Power-save supply current
Figure 30-307. Atmel ATmega1284: Power-save supply current vs. VCC (watchdog timer disabled and 32kHz crystal
oscillator running).
30.7.6 Standby supply current
Figure 30-308. Atmel ATmega1284: Standby supply current vs. VCC (watchdog timer disabled).
85°C
25°C
-40°C
0
0.5
1.0
1.5
2.0
2.5
3.0
3.5
4.0
4.5
5.0
VCC [V]
ICC [µA]
1.5 4.03.53.02.52.0 5.55.04.5
6MHz_xtal
6MHz_res
4MHz_xtal
4MHz_res
450kHz_res
2MHz_xtal
2MHz_res
1MHz_res
0
0.05
0.10
0.15
0.20
0.25
VCC [V]
ICC [mA]
1.5 4.03.53.02.52.0 5.55.04.5

501
ATmega164A/164PA/324A/324PA/644A/644PA/1284/1284P [DATASHEET]
Atmel-8272G-AVR-01/2015
30.7.7 Pin pull-up
Figure 30-309. Atmel ATmega1284: I/O pin pull-up resistor current vs. input voltage (VCC = 1.8V).
Figure 30-310. Atmel ATmega1284: I/O pin pull-up resistor current vs. input voltage (VCC = 2.7V).
85°C
25°C
-40°C
0
5
10
15
20
25
30
35
V
RESET
[V]
I
RESET
[µA]
0 1.00.80.60.40.2 1.61.41.2 1.8
85°C
25°C
-40°C
0
10
20
30
40
50
60
70
80
VOP [V]
IOP [µA]
0 2.52.01.51.00.5 3.0

502
ATmega164A/164PA/324A/324PA/644A/644PA/1284/1284P [DATASHEET]
Atmel-8272G-AVR-01/2015
Figure 30-311. Atmel ATmega1284: I/O pin pull-up resistor current vs. input voltage (VCC = 5V).
Figure 30-312. Atmel ATmega1284: Reset Pull-up Resistor Current vs. Reset Pin Voltage (VCC =1.8V)
85°C
25°C
-40°C
0
20
40
60
80
100
120
140
VOP [V]
IOP [µA]
0 2.52.01.51.00.5 4.03.53.0 5.04.5
85°C
25°C
-40°C
0
5
10
15
20
25
30
35
V
RESET
[V]
I
RESET
[µA]
0 1.00.80.60.40.2 1.61.41.2 1.8

503
ATmega164A/164PA/324A/324PA/644A/644PA/1284/1284P [DATASHEET]
Atmel-8272G-AVR-01/2015
Figure 30-313. Atmel ATmega1284: Reset pull-up resistor current vs. reset pin voltage (VCC =2.7V).
Figure 30-314. Atmel ATmega1284: Reset pull-up resistor current vs. reset pin voltage (VCC =5V).
85°C
25°C
-40°C
0
10
20
30
40
50
60
VRESET [V]
IRESET [µA]
0 2.52.01.51.00.5 3.0
85°C
25°C
-40°C
0
20
40
60
80
100
120
VRESET [V]
I
RESET
[µA]
0 2.52.01.51.00.5 4.03.53.0 5.04.5

504
ATmega164A/164PA/324A/324PA/644A/644PA/1284/1284P [DATASHEET]
Atmel-8272G-AVR-01/2015
30.7.8 Pin driver strength
Figure 30-315. Atmel ATmega1284: I/O pin output voltage vs. sink current (VCC = 2.7V).
Figure 30-316. Atmel ATmega1284: I/O pin output voltage vs. sink current (VCC = 3V).
85°C
25°C
-40°C
0
0.2
0.4
0.6
0.8
1.0
1.2
0246810 12 14 16 1820
IOL [mA]
VOL [V]
85°C
25°C
-40°C
0
0.1
0.2
0.3
0.4
0.5
0.6
0.7
0.8
0.9
0246810 12 14 16 1820
IOL [mA]
VOL [V]

505
ATmega164A/164PA/324A/324PA/644A/644PA/1284/1284P [DATASHEET]
Atmel-8272G-AVR-01/2015
Figure 30-317. Atmel ATmega1284: I/O pin output voltage vs. sink current (VCC = 5V).
Figure 30-318. Atmel ATmega1284: I/O pin output voltage vs. source current (VCC = 2.7V).
85°C
25°C
-40°C
0
0.1
0.2
0.3
0.4
0.5
0.6
0246810 12 14 16 1820
IOL [mA]
VOL [V]
85°C
25°C
-40°C
0
0.5
1.0
1.5
2.0
2.5
3.0
0246810 12 14 16 1820
IOH [mA]
VOH [V]

506
ATmega164A/164PA/324A/324PA/644A/644PA/1284/1284P [DATASHEET]
Atmel-8272G-AVR-01/2015
Figure 30-319. Atmel ATmega1284: I/O pin output voltage vs. source current (VCC = 3V).
30.7.9 Pin threshold and hysteresis
Figure 30-320. Atmel ATmega1284: I/O pin input threshold vs. VCC (VIH , I/O pin read as ‘1’).
85°C
25°C
-40°C
0
0.5
1.0
1.5
2.0
2.5
3.0
3.5
0246810 12 14 16 1820
IOH [mA]
VOH [V]
85°C
25°C
-40°C
0
0.5
1.0
1.5
2.0
2.5
3.0
VCC [V]
Threshold [V]
1.5 4.03.53.02.52.0 5.55.04.5

507
ATmega164A/164PA/324A/324PA/644A/644PA/1284/1284P [DATASHEET]
Atmel-8272G-AVR-01/2015
Figure 30-321. Atmel ATmega1284: I/O pin input threshold vs. VCC (VIL, I/O pin read as ‘0’).
Figure 30-322. Atmel ATmega1284: I/O pin input hysteresis vs. VCC.
85°C
25°C
-40°C
0
0.5
1.0
1.5
2.0
2.5
VCC [V]
Threshold [V]
1.5 4.03.53.02.52.0 5.55.04.5
85°C
25°C
-40°C
0.25
0.30
0.35
0.40
0.45
0.50
0.55
0.60
VCC [V]
Input hysteresis [mV]
1.5 4.03.53.02.52.0 5.55.04.5

508
ATmega164A/164PA/324A/324PA/644A/644PA/1284/1284P [DATASHEET]
Atmel-8272G-AVR-01/2015
Figure 30-323. Atmel ATmega1284: Reset pin input threshold vs. VCC (VIH , I/O pin read as ‘1’).
Figure 30-324. Atmel ATmega1284: Reset pin input threshold vs. VCC (VIL, I/O pin read as ‘0’).
85°C
25°C
-40°C
0
0.5
1.0
1.5
2.0
2.5
VCC [V]
Threshold [V]
1.5 4.03.53.02.52.0 5.55.04.5
85°C
25°C
-40°C
0
0.5
1.0
1.5
2.0
2.5
VCC (V)
Threshold (V)
1.5 4.03.53.02.52.0 5.55.04.5

509
ATmega164A/164PA/324A/324PA/644A/644PA/1284/1284P [DATASHEET]
Atmel-8272G-AVR-01/2015
Figure 30-325. Atmel ATmega1284: Reset pin input hysteresis vs. VCC.
30.7.10 BOD threshold
Figure 30-326. Atmel ATmega1284: BOD threshold vs. temperature (VBOT = 4.3V).
85°C
25°C
-40°C
0
0.1
0.2
0.3
0.4
0.5
0.6
VCC [V]
Input hysteresis [mV]
1.5 4.03.53.02.52.0 5.55.04.5
Rising Vcc
Falling Vcc
4.23
4.25
4.27
4.29
4.31
4.33
4.35
4.37
-50 -40 -30 -20 -10 0 10 20 30405060708090
Temperature [°C]
Threshold [V]

510
ATmega164A/164PA/324A/324PA/644A/644PA/1284/1284P [DATASHEET]
Atmel-8272G-AVR-01/2015
Figure 30-327. Atmel ATmega1284: BOD threshold vs. temperature (VBOT = 2.7V).
Figure 30-328. Atmel ATmega1284: BOD threshold vs. temperature (VBOT = 1.8V).
Rising Vcc
Falling Vcc
2.66
2.68
2.70
2.72
2.74
2.76
2.78
-50 -40 -30 -20 -10 0 10 20 30405060708090
Temperature [°C]
Threshold [V]
Rising Vcc
Falling Vcc
1.78
1.79
1.80
1.81
1.82
1.83
1.84
-50 -40 -30 -20 -10 0 10 20 30405060708090
Temperature [°C]
Threshold [V]

511
ATmega164A/164PA/324A/324PA/644A/644PA/1284/1284P [DATASHEET]
Atmel-8272G-AVR-01/2015
Figure 30-329. Atmel ATmega1284: Calibrated bandgap voltage vs. VCC.
Figure 30-330. Atmel ATmega1284: Bandgap voltage vs. temperature.
85°C
25°C
-40°C
1.090
1.095
1.100
1.105
1.110
1.115
1.120
Vcc [V]
Bandgap voltage [V]
1.5 4.03.53.02.52.0 5.55.04.5
5.5V
5.0V
3.3V
1.8V
1.090
1.095
1.100
1.105
1.110
1.115
1.120
-40 -30 -20 -10 0 10 20 30405060708090
Temperature [°C]
Bandgap voltage [V]

512
ATmega164A/164PA/324A/324PA/644A/644PA/1284/1284P [DATASHEET]
Atmel-8272G-AVR-01/2015
30.7.11 Internal oscillator speed
Figure 30-331. Atmel ATmega1284: Watchdog oscillator frequency vs. temperature.
Figure 30-332. Atmel ATmega1284: Watchdog oscillator frequency vs. VCC.
5.5V
4.0V
3.3V
2.7V
113
114
115
116
117
118
119
120
121
122
123
-40 -30 -20 -10 0 10 20 30405060708090
Temperature [°C]
FRC [kHz]
85°C
25°C
-40°C
114
116
118
120
122
124
VCC [V]
FRC [kHz]
4.03.53.02.52.0 5.55.04.5

513
ATmega164A/164PA/324A/324PA/644A/644PA/1284/1284P [DATASHEET]
Atmel-8272G-AVR-01/2015
Figure 30-333. Atmel ATmega1284: Calibrated 8MHz RC oscillator vs. VCC.
Figure 30-334. Atmel ATmega1284: Calibrated 8MHz RC oscillator vs. temperature.
85°C
25°C
-40°C
7.2
7.4
7.6
7.8
8.0
8.2
8.4
8.6
V
CC
[V]
FRC [MHz]
1.5 4.03.53.02.52.0 5.55.04.5
3.3V
2.7V
1.8V
7.5
7.6
7.7
7.8
7.9
8.0
8.1
8.2
8.3
-40 -30 -20 -10 0 10 20 30405060708090
Temperature [°C]
FRC [MHz]
5.5V

514
ATmega164A/164PA/324A/324PA/644A/644PA/1284/1284P [DATASHEET]
Atmel-8272G-AVR-01/2015
Figure 30-335. Atmel ATmega1284: Calibrated 8MHz RC oscillator vs. OSCCAL value.
30.7.12 Current consumption of peripheral units
Figure 30-336. Atmel ATmega1284: ADC current vs. VCC (AREF = AVCC).
85°C
25°C
-40°C
0
2
4
6
8
10
12
14
16
016324864 8096 112 128144 160 176 192208224 240 256
OSCCAL [X1]
FRC [MHz]
85°C
25°C
-40°C
100
120
140
160
180
200
220
240
260
280
VCC [V]
ICC [µA]
1.5 4.03.53.02.52.0 5.55.04.5

515
ATmega164A/164PA/324A/324PA/644A/644PA/1284/1284P [DATASHEET]
Atmel-8272G-AVR-01/2015
Figure 30-337. Atmel ATmega1284: Analog comparator current vs. VCC.
Figure 30-338. Atmel ATmega1284: AREF external reference current vs. VCC.
85°C
25°C
-40°C
25
35
45
55
65
75
85
VCC [V]
ICC [µA]
1.5 4.03.53.02.52.0 5.55.04.5
85°C
25°C
-40°C
60
80
100
120
140
160
180
200
VCC [V]
ICC [µA]
1.5 4.03.53.02.52.0 5.55.04.5

516
ATmega164A/164PA/324A/324PA/644A/644PA/1284/1284P [DATASHEET]
Atmel-8272G-AVR-01/2015
Figure 30-339. Atmel ATmega1284: Brownout detector current vs. VCC.
Figure 30-340. Atmel ATmega1284: Programming current vs. VCC.
85°C
25°C
-40°C
13
15
17
19
21
23
25
VCC [V]
ICC [µA]
1.5 4.03.53.02.52.0 5.55.04.5
85°C
25°C
-40°C
0
2
4
6
8
10
12
14
VCC [V]
ICC [mA]
1.5 4.03.53.02.52.0 5.55.04.5

517
ATmega164A/164PA/324A/324PA/644A/644PA/1284/1284P [DATASHEET]
Atmel-8272G-AVR-01/2015
Figure 30-341. Atmel ATmega1284: Watchdog timer current vs. VCC.
30.7.13 Current consumption in reset and reset pulsewidth
Figure 30-342. Atmel ATmega1284: Reset supply current vs. low frequency (0.1 - 1.0MHz).
85°C
25°C
-40°C
1.5
2.5
3.5
4.5
5.5
6.5
7.5
8.5
VCC [V]
ICC [µA]
1.5 4.03.53.02.52.0 5.55.04.5
5.5V
5.0V
4.5V
4.0V
3.3V
2.7V
1.8V
0
0.02
0.04
0.06
0.08
0.10
Frequency [MHz]
ICC [mA]
0 0.50.40.30.20.1 0.80.70.6 1.00.9

518
ATmega164A/164PA/324A/324PA/644A/644PA/1284/1284P [DATASHEET]
Atmel-8272G-AVR-01/2015
Figure 30-343. Atmel ATmega1284: Reset supply current vs. frequency (1 - 20MHz).
Figure 30-344. Atmel ATmega1284: Minimum reset pulsewidth vs. VCC.
5.5V
5.0V
4.5V
0
0.2
0.4
0.6
0.8
1.0
1.2
1.4
1.6
0246810 12 14 16 1820
Frequency [MHz]
ICC [mA]
4.0V
3.3V
2.7V
1.8V
85°C
25°C
-40°C
0
200
400
600
800
1000
1200
1400
1600
1800
VCC [V]
Pulsewidth [ns]
1.5 4.03.53.02.52.0 5.55.04.5

519
ATmega164A/164PA/324A/324PA/644A/644PA/1284/1284P [DATASHEET]
Atmel-8272G-AVR-01/2015
30.8 ATmega1284P typical characteristics - TA = -40°C to 85°C
30.8.1 Active supply current
Figure 30-345. Atmel ATmega1284P: Active supply current vs. low frequency (0.1 - 1.0MHz).
Figure 30-346. Atmel ATmega1284P: Active supply current vs. frequency (1 - 20MHz).
5.5V
5.0V
4.5V
4.0V
3.3V
2.7V
1.8V
0
0.2
0.4
0.6
0.8
1.0
1.2
1.4
1.6
Frequency [MHz]
ICC [mA]
0 0.50.40.30.20.1 0.80.70.6 1.00.9
5.5V
5.0V
4.5V
0
2
4
6
8
10
12
14
16
18
20
0246810 12 14 16 1820
Frequency [MHz]
ICC [mA]
4.0V
3.3V
2.7V
1.8V

520
ATmega164A/164PA/324A/324PA/644A/644PA/1284/1284P [DATASHEET]
Atmel-8272G-AVR-01/2015
Figure 30-347. Atmel ATmega1284P: Active supply current vs. VCC (internal RC oscillator, 8MHz).
Figure 30-348. Atmel ATmega1284P: Active supply current vs. VCC (internal RC oscillator, 1MHz).
85°C
25°C
-40°C
0
1
2
3
4
5
6
7
8
9
VCC [V]
ICC [mA]
1.5 4.03.53.02.52.0 5.55.04.5
85°C
25°C
-40°C
0
0.3
0.6
0.9
1.2
1.5
1.8
VCC [V]
ICC [mA]
1.5 4.03.53.02.52.0 5.55.04.5

521
ATmega164A/164PA/324A/324PA/644A/644PA/1284/1284P [DATASHEET]
Atmel-8272G-AVR-01/2015
Figure 30-349. Atmel ATmega1284P: Active supply current vs. VCC (internal RC oscillator, 128kHz).
30.8.2 Idle supply current
Figure 30-350. Atmel ATmega1284P: Idle supply current vs. low frequency (0.1 - 1.0MHz).
85°C
25°C
-40°C
0
0.04
0.08
0.12
0.16
0.20
0.24
0.28
VCC [V]
ICC [mA]
1.5 4.03.53.02.52.0 5.55.04.5
5.5V
5.0V
4.5V
4.0V
3.6V
2.7V
1.8V
0
0.03
0.06
0.09
0.12
0.15
0.18
0.21
0.24
Frequency [MHz]
ICC [mA]
0 0.50.40.30.20.1 0.80.70.6 1.00.9

522
ATmega164A/164PA/324A/324PA/644A/644PA/1284/1284P [DATASHEET]
Atmel-8272G-AVR-01/2015
Figure 30-351. Atmel ATmega1284P: Idle supply current vs. frequency (1 - 20MHz).
Figure 30-352. Atmel ATmega1284P: Idle supply current vs. VCC (internal RC oscillator, 8MHz).
5.5V
5.0V
4.5V
0
0.5
1.0
1.5
2.0
2.5
3.0
0246810 12 14 16 1820
Frequency [MHz]
ICC [mA]
1.8V
2.7V 3.3V
4.0V
85°C
25°C
-40°C
0
0.2
0.4
0.6
0.8
1.0
1.2
1.4
VCC [V]
ICC [mA]
1.5 4.03.53.02.52.0 5.55.04.5

523
ATmega164A/164PA/324A/324PA/644A/644PA/1284/1284P [DATASHEET]
Atmel-8272G-AVR-01/2015
Figure 30-353. Atmel ATmega1284P: Idle supply current vs. VCC (internal RC oscillator, 1MHz).
Figure 30-354. Atmel ATmega1284P: Idle supply current vs. VCC (internal RC oscillator, 128kHz).
85°C
25°C
-40°C
0
0.06
0.12
0.18
0.24
0.30
0.36
0.42
VCC [V]
ICC [mA]
1.5 4.03.53.02.52.0 5.55.04.5
85°C
25°C
-40°C
0
0.02
0.04
0.06
0.08
0.10
0.12
VCC [V]
ICC [mA]
1.5 4.03.53.02.52.0 5.55.04.5

524
ATmega164A/164PA/324A/324PA/644A/644PA/1284/1284P [DATASHEET]
Atmel-8272G-AVR-01/2015
30.8.3 Supply current of I/O modules
The tables and formulas below can be used to calculate the additional current consumption for the different I/O
modules in Active and Idle mode. The enabling or disabling of the I/O modules are controlled by the Power
Reduction Register. See ”PRR0 – Power Reduction Register 0” on page 48 for details.
It is possible to calculate the typical current consumption based on the numbers from Table 30-12 on page 472
for other VCC and frequency settings than listed in Table 30-11 on page 472.
Exam
p
l
e
Calculate the expected current consumption in idle mode with TIMER1, ADC, and SPI enabled at VCC = 2.0V
and F = 1MHz. From Table 30-12 on page 472, third column, we see that we need to add 8.0% for the TIMER1,
19.8% for the ADC, and 13.2% for the SPI module. Reading from Figure 30-301 on page 496, we find that the
idle current consumption is ~0.075 mA at VCC = 2.0V and F = 1MHz. The total current consumption in idle mode
with TIMER1, ADC, and SPI enabled, gives:
Table 30-15. Additional current consumption for the different I/O modules (absolute values).
PRR bit Typical numbers in
VCC = 2V, F = 1MHz VCC = 3V, F = 4MHz VCC = 5V, F = 8MHz
PRUSART1 3.0µA 19.2µA 87.7µA
PRUSART0 2.9µA 19.2µA 88.5µA
PRTWI 7.5µA 49.3µA 230.3µA
PRTIM3 4.0µA 24.7µA 105.5µA
PRTIM2 6.0µA 39.7µA 176.3µA
PRTIM1 4.2µA 26.4µA 113.7µA
PRTIM0 1.7µA 11.6µA 54.3µA
PRADC 13.5µA 54.7µA 273µA
PRSPI 5.7µA 40.6µA 212.2µA
Table 30-16. Additional Current Consumption (percentage) in Active and Idle mode
PRR bit
Additional current consumption
compared to Active with external
clock (see Figure 30-295 on page 493
and Figure 30-296 on page 493)
Additional current consumption
compared to Idle with external clock
(see Figure 30-300 on page 495 and
Figure 30-301 on page 496)
PRUSART1 0.9% 6.0%
PRUSART0 0.9% 6.0%
PRTWI 2.3% 15.4%
PRTIM3 1.1% 7.5%
PRTIM2 1.8% 12.1%
PRTIM1 1.2% 8.0%
PRTIM0 0.5% 3.6%
PRTADC 3.0% 19.8%
PRSPI 2.0% 13.2%
ICCtotal 0.075 mA (1+ 0.08 + 0.198 + 0.132)0.106 mA

525
ATmega164A/164PA/324A/324PA/644A/644PA/1284/1284P [DATASHEET]
Atmel-8272G-AVR-01/2015
30.8.4 Power-down supply current
Figure 30-355. Atmel ATmega1284P: Power-down supply current vs. VCC (watchdog timer disabled).
Figure 30-356. Atmel ATmega1284P: Power-down supply current vs. VCC (watchdog timer enabled).
85°C
25°C
-40°C
0
0.5
1.0
1.5
2.0
2.5
3.0
3.5
4.0
VCC [V]
ICC [µA]
1.5 4.03.53.02.52.0 5.55.04.5
85°C
25°C
-40°C
3.0
3.8
4.6
5.4
6.2
7.0
7.8
8.6
9.4
10.2
11.0
VCC [V]
ICC [µA]
1.5 4.03.53.02.52.0 5.55.04.5

526
ATmega164A/164PA/324A/324PA/644A/644PA/1284/1284P [DATASHEET]
Atmel-8272G-AVR-01/2015
30.8.5 Power-save supply current
Figure 30-357. Atmel ATmega1284P: Power-save supply current vs. VCC (watchdog timer disabled and 32kHz crystal
oscillator running).
30.8.6 Standby supply current
Figure 30-358. Atmel ATmega1284P: Standby supply current vs. VCC (watchdog timer disabled).
85°C
25°C
-40°C
0
0.5
1.0
1.5
2.0
2.5
3.0
3.5
4.0
4.5
5.0
VCC [V]
ICC [µA]
1.5 4.03.53.02.52.0 5.55.04.5
6MHz_xtal
6MHz_res
4MHz_xtal
4MHz_res
450kHz_res
2MHz_xtal
2MHz_res
1MHz_res
0
0.05
0.10
0.15
0.20
0.25
VCC [V]
ICC [mA]
1.5 4.03.53.02.52.0 5.55.04.5

527
ATmega164A/164PA/324A/324PA/644A/644PA/1284/1284P [DATASHEET]
Atmel-8272G-AVR-01/2015
30.8.7 Pin pull-up
Figure 30-359. Atmel ATmega1284P: I/O pin pull-up resistor current vs. input voltage (VCC = 1.8V).
Figure 30-360. Atmel ATmega1284P: I/O pin pull-up resistor current vs. input voltage (VCC = 2.7V).
85°C
25°C
-40°C
0
5
10
15
20
25
30
35
V
RESET
[V]
I
RESET
[µA]
0 1.00.80.60.40.2 1.61.41.2 1.8
85°C
25°C
-40°C
0
10
20
30
40
50
60
70
80
VOP [V]
IOP [µA]
0 2.52.01.51.00.5 3.0

528
ATmega164A/164PA/324A/324PA/644A/644PA/1284/1284P [DATASHEET]
Atmel-8272G-AVR-01/2015
Figure 30-361. Atmel ATmega1284P: I/O pin pull-up resistor current vs. input voltage (VCC = 5V).
Figure 30-362. Atmel ATmega1284P: Reset pull-up resistor current vs. reset pin voltage (VCC =1.8V).
85°C
25°C
-40°C
0
20
40
60
80
100
120
140
VOP [V]
IOP [µA]
0 2.52.01.51.00.5 4.03.53.0 5.04.5
85°C
25°C
-40°C
0
5
10
15
20
25
30
35
V
RESET
[V]
I
RESET
[µA]
0 1.00.80.60.40.2 1.61.41.2 1.8

529
ATmega164A/164PA/324A/324PA/644A/644PA/1284/1284P [DATASHEET]
Atmel-8272G-AVR-01/2015
Figure 30-363. Atmel ATmega1284P: Reset pull-up resistor current vs. reset pin voltage (VCC =2.7V).
Figure 30-364. Atmel ATmega1284P: Reset pull-up resistor current vs. reset pin voltage (VCC =5V).
85°C
25°C
-40°C
0
10
20
30
40
50
60
VRESET [V]
IRESET [µA]
0 2.52.01.51.00.5 3.0
85°C
25°C
-40°C
0
20
40
60
80
100
120
VRESET [V]
I
RESET
[µA]
0 2.52.01.51.00.5 4.03.53.0 5.04.5

530
ATmega164A/164PA/324A/324PA/644A/644PA/1284/1284P [DATASHEET]
Atmel-8272G-AVR-01/2015
30.8.8 Pin driver strength
Figure 30-365. Atmel ATmega1284P: I/O pin output voltage vs. sink current (VCC = 2.7V).
Figure 30-366. Atmel ATmega1284P: I/O pin output voltage vs. sink current (VCC = 3V).
85°C
25°C
-40°C
0
0.2
0.4
0.6
0.8
1.0
1.2
0246810 12 14 16 1820
IOL [mA]
VOL [V]
85°C
25°C
-40°C
0
0.1
0.2
0.3
0.4
0.5
0.6
0.7
0.8
0.9
0246810 12 14 16 1820
IOL [mA]
VOL [V]

531
ATmega164A/164PA/324A/324PA/644A/644PA/1284/1284P [DATASHEET]
Atmel-8272G-AVR-01/2015
Figure 30-367. Atmel ATmega1284P: I/O pin output voltage vs. sink current (VCC = 5V).
Figure 30-368. Atmel ATmega1284P: I/O pin output voltage vs. source current (VCC = 2.7V).
85°C
25°C
-40°C
0
0.1
0.2
0.3
0.4
0.5
0.6
0246810 12 14 16 1820
IOL [mA]
VOL [V]
85°C
25°C
-40°C
0
0.5
1.0
1.5
2.0
2.5
3.0
0246810 12 14 16 1820
IOH [mA]
VOH [V]

532
ATmega164A/164PA/324A/324PA/644A/644PA/1284/1284P [DATASHEET]
Atmel-8272G-AVR-01/2015
Figure 30-369. Atmel ATmega1284P: I/O pin output voltage vs. source current (VCC = 3V).
30.8.9 Pin threshold and hysteresis
Figure 30-370. Atmel ATmega1284P: I/O pin input threshold vs. VCC (VIH , I/O pin read as ‘1’).
85°C
25°C
-40°C
0
0.5
1.0
1.5
2.0
2.5
3.0
3.5
0246810 12 14 16 1820
IOH [mA]
VOH [V]
85°C
25°C
-40°C
0
0.5
1.0
1.5
2.0
2.5
3.0
VCC [V]
Threshold [V]
1.5 4.03.53.02.52.0 5.55.04.5

533
ATmega164A/164PA/324A/324PA/644A/644PA/1284/1284P [DATASHEET]
Atmel-8272G-AVR-01/2015
Figure 30-371. Atmel ATmega1284P: I/O pin input threshold vs. VCC (VIL, I/O pin read as ‘0’).
Figure 30-372. Atmel ATmega1284P: I/O pin input hysteresis vs. VCC.
85°C
25°C
-40°C
0
0.5
1.0
1.5
2.0
2.5
VCC [V]
Threshold [V]
1.5 4.03.53.02.52.0 5.55.04.5
85°C
25°C
-40°C
0.25
0.30
0.35
0.40
0.45
0.50
0.55
0.60
VCC [V]
Input hysteresis [mV]
1.5 4.03.53.02.52.0 5.55.04.5

534
ATmega164A/164PA/324A/324PA/644A/644PA/1284/1284P [DATASHEET]
Atmel-8272G-AVR-01/2015
Figure 30-373. Atmel ATmega1284P: Reset pin input threshold vs. VCC (VIH , I/O pin read as ‘1’).
Figure 30-374. Atmel ATmega1284P: Reset pin input threshold vs. VCC (VIL, I/O pin read as ‘0’).
85°C
25°C
-40°C
0
0.5
1.0
1.5
2.0
2.5
VCC [V]
Threshold [V]
1.5 4.03.53.02.52.0 5.55.04.5
85°C
25°C
-40°C
0
0.5
1.0
1.5
2.0
2.5
VCC (V)
Threshold (V)
1.5 4.03.53.02.52.0 5.55.04.5

535
ATmega164A/164PA/324A/324PA/644A/644PA/1284/1284P [DATASHEET]
Atmel-8272G-AVR-01/2015
Figure 30-375. Atmel ATmega1284P: Reset pin input hysteresis vs. VCC.
30.8.10 BOD threshold
Figure 30-376. Atmel ATmega1284P: BOD threshold vs. temperature (VBOT = 4.3V).
85°C
25°C
-40°C
0
0.1
0.2
0.3
0.4
0.5
0.6
VCC [V]
Input hysteresis [mV]
1.5 4.03.53.02.52.0 5.55.04.5
Rising Vcc
Falling Vcc
4.23
4.25
4.27
4.29
4.31
4.33
4.35
4.37
-50 -40 -30 -20 -10 0 10 20 30405060708090
Temperature [°C]
Threshold [V]

536
ATmega164A/164PA/324A/324PA/644A/644PA/1284/1284P [DATASHEET]
Atmel-8272G-AVR-01/2015
Figure 30-377. Atmel ATmega1284P: BOD threshold vs. temperature (VBOT = 2.7V).
Figure 30-378. Atmel ATmega1284P: BOD threshold vs. temperature (VBOT = 1.8V).
Rising Vcc
Falling Vcc
2.66
2.68
2.70
2.72
2.74
2.76
2.78
-50 -40 -30 -20 -10 0 10 20 30405060708090
Temperature [°C]
Threshold [V]
Rising Vcc
Falling Vcc
1.78
1.79
1.80
1.81
1.82
1.83
1.84
-50 -40 -30 -20 -10 0 10 20 30405060708090
Temperature [°C]
Threshold [V]

537
ATmega164A/164PA/324A/324PA/644A/644PA/1284/1284P [DATASHEET]
Atmel-8272G-AVR-01/2015
Figure 30-379. Atmel ATmega1284P: Calibrated bandgap voltage vs. VCC.
Figure 30-380. Atmel ATmega1284P: Bandgap voltage vs. temperature.
85°C
25°C
-40°C
1.090
1.095
1.100
1.105
1.110
1.115
1.120
Vcc [V]
Bandgap voltage [V]
1.5 4.03.53.02.52.0 5.55.04.5
5.5V
5.0V
3.3V
1.8V
1.090
1.095
1.100
1.105
1.110
1.115
1.120
-40 -30 -20 -10 0 10 20 30405060708090
Temperature [°C]
Bandgap voltage [V]

538
ATmega164A/164PA/324A/324PA/644A/644PA/1284/1284P [DATASHEET]
Atmel-8272G-AVR-01/2015
30.8.11 Internal oscillator speed
Figure 30-381. Atmel ATmega1284P: Watchdog oscillator frequency vs. temperature.
Figure 30-382. Atmel ATmega1284P: Watchdog oscillator frequency vs. VCC.
5.5V
4.0V
3.3V
2.7V
113
114
115
116
117
118
119
120
121
122
123
-40 -30 -20 -10 0 10 20 30405060708090
Temperature [°C]
FRC [kHz]
85°C
25°C
-40°C
114
116
118
120
122
124
VCC [V]
FRC [kHz]
4.03.53.02.52.0 5.55.04.5

539
ATmega164A/164PA/324A/324PA/644A/644PA/1284/1284P [DATASHEET]
Atmel-8272G-AVR-01/2015
Figure 30-383. Atmel ATmega1284P: Calibrated 8MHz RC oscillator vs. VCC.
Figure 30-384. Atmel ATmega1284P: Calibrated 8MHz RC oscillator vs. temperature.
85°C
25°C
-40°C
7.2
7.4
7.6
7.8
8.0
8.2
8.4
8.6
V
CC
[V]
FRC [MHz]
1.5 4.03.53.02.52.0 5.55.04.5
3.3V
2.7V
1.8V
7.5
7.6
7.7
7.8
7.9
8.0
8.1
8.2
8.3
-40 -30 -20 -10 0 10 20 30405060708090
Temperature [°C]
FRC [MHz]
5.5V

540
ATmega164A/164PA/324A/324PA/644A/644PA/1284/1284P [DATASHEET]
Atmel-8272G-AVR-01/2015
Figure 30-385. Atmel ATmega1284P: Calibrated 8MHz RC oscillator vs. OSCCAL value.
30.8.12 Current consumption of peripheral units
Figure 30-386. Atmel ATmega1284P: ADC current vs. VCC (AREF = AVCC).
85°C
25°C
-40°C
0
2
4
6
8
10
12
14
16
016324864 8096 112 128144 160 176 192208224 240 256
OSCCAL [X1]
FRC [MHz]
85°C
25°C
-40°C
100
120
140
160
180
200
220
240
260
280
VCC [V]
ICC [µA]
1.5 4.03.53.02.52.0 5.55.04.5

541
ATmega164A/164PA/324A/324PA/644A/644PA/1284/1284P [DATASHEET]
Atmel-8272G-AVR-01/2015
Figure 30-387. Atmel ATmega1284P: Analog comparator current vs. VCC.
Figure 30-388. Atmel ATmega1284P: AREF external reference current vs. VCC.
85°C
25°C
-40°C
25
35
45
55
65
75
85
VCC [V]
ICC [µA]
1.5 4.03.53.02.52.0 5.55.04.5
85°C
25°C
-40°C
60
80
100
120
140
160
180
200
VCC [V]
ICC [µA]
1.5 4.03.53.02.52.0 5.55.04.5

542
ATmega164A/164PA/324A/324PA/644A/644PA/1284/1284P [DATASHEET]
Atmel-8272G-AVR-01/2015
Figure 30-389. Atmel ATmega1284P: Brownout detector current vs. VCC.
Figure 30-390. Atmel ATmega1284P: Programming current vs. VCC.
85°C
25°C
-40°C
13
15
17
19
21
23
25
VCC [V]
ICC [µA]
1.5 4.03.53.02.52.0 5.55.04.5
85°C
25°C
-40°C
0
2
4
6
8
10
12
14
VCC [V]
ICC [mA]
1.5 4.03.53.02.52.0 5.55.04.5

543
ATmega164A/164PA/324A/324PA/644A/644PA/1284/1284P [DATASHEET]
Atmel-8272G-AVR-01/2015
Figure 30-391. Atmel ATmega1284P: Watchdog timer current vs. VCC.
30.8.13 Current consumption in reset and reset pulsewidth
Figure 30-392. Atmel ATmega1284P: Reset supply current vs. low frequency (0.1 - 1.0MHz).
85°C
25°C
-40°C
1.5
2.5
3.5
4.5
5.5
6.5
7.5
8.5
VCC [V]
ICC [µA]
1.5 4.03.53.02.52.0 5.55.04.5
5.5V
5.0V
4.5V
4.0V
3.3V
2.7V
1.8V
0
0.02
0.04
0.06
0.08
0.10
Frequency [MHz]
ICC [mA]
0 0.50.40.30.20.1 0.80.70.6 1.00.9

544
ATmega164A/164PA/324A/324PA/644A/644PA/1284/1284P [DATASHEET]
Atmel-8272G-AVR-01/2015
Figure 30-393. Atmel ATmega1284P: Reset supply current vs. frequency (1 - 20MHz).
Figure 30-394. Atmel ATmega1284P: Minimum reset pulsewidth vs. VCC.
5.5V
5.0V
4.5V
0
0.2
0.4
0.6
0.8
1.0
1.2
1.4
1.6
0246810 12 14 16 1820
Frequency [MHz]
ICC [mA]
4.0V
3.3V
2.7V
1.8V
85°C
25°C
-40°C
0
200
400
600
800
1000
1200
1400
1600
1800
VCC [V]
Pulsewidth [ns]
1.5 4.03.53.02.52.0 5.55.04.5

545
ATmega164A/164PA/324A/324PA/644A/644PA/1284/1284P [DATASHEET]
Atmel-8272G-AVR-01/2015
31. Typical Characteristics - TA = -40°C to 105°C
The following charts show typical behavior. These figures are not tested during manufacturing. All current con-
sumption measurements are performed with all I/O pins configured as inputs and with internal pull-ups enabled.
A sine wave generator with rail-to-rail output is used as clock source.
All Active- and Idle current consumption measurements are done with all bits in the PRR registers set and thus,
the corresponding I/O modules are turned off. Also the Analog Comparator is disabled during these measure-
ments. The power consumption in Power-down mode is independent of clock selection.
The current consumption is a function of several factors such as: operating voltage, operating frequency, load-
ing of I/O pins, switching rate of I/O pins, code executed and ambient temperature. The dominating factors are
operating voltage and frequency.
The current drawn from capacitive loaded pins may be estimated (for one pin) as CL*VCC*f where CL = load
capacitance, VCC = operating voltage and f = average switching frequency of I/O pin.
The parts are characterized at frequencies higher than test limits. Parts are not guaranteed to function properly
at frequencies higher than the ordering code indicates.
The difference between current consumption in Power-down mode with Watchdog Timer enabled and Power-
down mode with Watchdog Timer disabled represents the differential current drawn by the Watchdog Timer.

546
ATmega164A/164PA/324A/324PA/644A/644PA/1284/1284P [DATASHEET]
Atmel-8272G-AVR-01/2015
31.1 ATmega164PA Typical Characteristics - TA = -40°C to 105°C
31.1.1 Active supply current
Figure 31-1. Atmel ATmega164PA: Active supply current vs. VCC (internal RC oscillator, 8MHz).
Figure 31-2. Atmel ATmega164PA: Active supply current vs. VCC (internal RC oscillator, 1MHz).
,
&&
>P$@
9
&&
>9@
>&@
,
&&
>P$@
9
&&
>9@
>&@

547
ATmega164A/164PA/324A/324PA/644A/644PA/1284/1284P [DATASHEET]
Atmel-8272G-AVR-01/2015
Figure 31-3. Atmel ATmega164PA: Active supply current vs. VCC (internal RC oscillator, 128kHz).
31.1.2 Idle supply current
Figure 31-4. Atmel ATmega164PA: Idle supply current vs. VCC (internal RC oscillator, 8MHz).
,
&&
>P$@
9
&&
>9@
>&@
,
&&
>P$@
9
&&
>9@
,QWHUQDO5&RVF0+]
>&@

548
ATmega164A/164PA/324A/324PA/644A/644PA/1284/1284P [DATASHEET]
Atmel-8272G-AVR-01/2015
Figure 31-5. Atmel ATmega164PA: Idle supply current vs. VCC (internal RC oscillator, 1MHz).
Figure 31-6. Atmel ATmega164PA: Idle supply current vs. VCC (internal RC oscillator, 128kHz).
,
&&
>P$@
9
&&
>9@
>&@
>&@
,
&&
>P$@
9
&&
>9@

549
ATmega164A/164PA/324A/324PA/644A/644PA/1284/1284P [DATASHEET]
Atmel-8272G-AVR-01/2015
31.1.3 Power-down supply current
Figure 31-7. Atmel ATmega164PA: Power-down supply current vs. VCC (watchdog timer disabled).
Figure 31-8. Atmel ATmega164PA: Power-down supply current vs. VCC (watchdog timer enabled).
,
&&
>X$@
9
&&
>9@
>&@
,
&&
>X$@
9
&&
>9@
>&@

550
ATmega164A/164PA/324A/324PA/644A/644PA/1284/1284P [DATASHEET]
Atmel-8272G-AVR-01/2015
31.1.4 Pin pull-up
Figure 31-9. Atmel ATmega164PA: I/O pin pull-up resistor current vs. input voltage (VCC = 1.8V).
Figure 31-10. Atmel ATmega164PA: I/O pin pull-up resistor current vs. input voltage (VCC = 2.7V).
,
23
>X$@
9
23
>9@
>&@
,
23
>X$@
9
23
>9@
>&@

551
ATmega164A/164PA/324A/324PA/644A/644PA/1284/1284P [DATASHEET]
Atmel-8272G-AVR-01/2015
Figure 31-11. Atmel ATmega164PA: I/O pin pull-up resistor current vs. input voltage (VCC = 5V).
Figure 31-12. Atmel ATmega164PA: Reset pull-up resistor current vs. reset pin voltage (VCC =1.8V).
,
23
>X$@
9
23
>9@
>&@
,
5(6(7
>X$@
9
5(6(7
>9@
9FF 9
>&@

552
ATmega164A/164PA/324A/324PA/644A/644PA/1284/1284P [DATASHEET]
Atmel-8272G-AVR-01/2015
Figure 31-13. Atmel ATmega164PA: Reset pull-up resistor current vs. reset pin voltage (VCC =2.7V).
Figure 31-14. Atmel ATmega164PA: Reset pull-up resistor current vs. reset pin voltage (VCC = 5V).
,
5(6(7
>X$@
9
5(6(7
>9@
>&@
,
5(6(7
>X$@
9
5(6(7
>9@
>&@

553
ATmega164A/164PA/324A/324PA/644A/644PA/1284/1284P [DATASHEET]
Atmel-8272G-AVR-01/2015
31.1.5 Pin driver strength
Figure 31-15. Atmel ATmega164PA: I/O pin output voltage vs. sink current (VCC = 3V).
Figure 31-16. Atmel ATmega164PA: I/O pin output voltage vs. sink current (VCC = 5V).
9
2/
>9@
,
2/
>P$@
>&@
9
2/
>9@
,
2/
>P$@

554
ATmega164A/164PA/324A/324PA/644A/644PA/1284/1284P [DATASHEET]
Atmel-8272G-AVR-01/2015
Figure 31-17. Atmel ATmega164PA: I/O pin output voltage vs. source current (VCC = 3V).
Figure 31-18. Atmel ATmega164PA: I/O pin output voltage vs. source current (VCC = 5V).
9
2+
>9@
,
2+
>P$@
>&@
9
2+
>9@
,
2+
>P$@
9FF 9
>&@

555
ATmega164A/164PA/324A/324PA/644A/644PA/1284/1284P [DATASHEET]
Atmel-8272G-AVR-01/2015
31.1.6 Pin threshold and hysteresis
Figure 31-19. Atmel ATmega164PA: I/O pin input threshold vs. VCC (VIH , I/O pin read as ‘1’).
Figure 31-20. Atmel ATmega164PA: I/O pin input threshold vs. VCC (VIL, I/O pin read as ‘0’).
7KUHVKROG>9@
9
&&
>9@
>&@
7KUHVKROG>9@
9
&&
>9@
>&@

556
ATmega164A/164PA/324A/324PA/644A/644PA/1284/1284P [DATASHEET]
Atmel-8272G-AVR-01/2015
Figure 31-21. Atmel ATmega164PA: I/O pin input hysteresis vs. VCC.
Figure 31-22. Atmel ATmega164PA: Reset pin input threshold vs. VCC (VIH , I/O pin read as ‘1’).
,QSXW+\VWHUHVLV>P9@
9
&&
>9@
>&@
7KUHVKROG>9@
9
&&
>9@
9, + ,2 S L Q UHDG DV
>&@

557
ATmega164A/164PA/324A/324PA/644A/644PA/1284/1284P [DATASHEET]
Atmel-8272G-AVR-01/2015
Figure 31-23. Atmel ATmega164PA: Reset pin input threshold vs. VCC (VIL, I/O pin read as ‘0’).
Figure 31-24. Atmel ATmega164PA: Reset pin input hysteresis vs. VCC.
7KUHVKROG>9@
9
&&
>9@
>&@
,QSXW+\VWHUHVLV>P9@
9
&&
>9@
>&@

558
ATmega164A/164PA/324A/324PA/644A/644PA/1284/1284P [DATASHEET]
Atmel-8272G-AVR-01/2015
31.1.7 BOD threshold
Figure 31-25. Atmel ATmega164PA: BOD threshold vs. temperature (VBOT = 4.3V).
Figure 31-26. Atmel ATmega164PA: BOD threshold vs. temperature (VBOT = 2.7V).
7KUHVKROG>9@
7HPSHUDWXUH>&@
5LVLQJ9FF
)DOOLQJ9FF
7K UHVKROG>9
7HPSHUDWXUH>&@
5LVLQJ9FF
)DOOLQJ9FF

559
ATmega164A/164PA/324A/324PA/644A/644PA/1284/1284P [DATASHEET]
Atmel-8272G-AVR-01/2015
Figure 31-27. Atmel ATmega164PA: BOD threshold vs. temperature (VBOT = 1.8V).
Figure 31-28. Atmel ATmega164PA: Calibrated bandgap voltage vs. VCC.
7KUHVKROG>9@
7HPSHUDWXUH>&@
5LVLQJ9FF
)DOOLQJ9FF
%DQ GJ DS9ROWDJH>9@
9FF >9@
>&@

560
ATmega164A/164PA/324A/324PA/644A/644PA/1284/1284P [DATASHEET]
Atmel-8272G-AVR-01/2015
Figure 31-29. Atmel ATmega164PA: Bandgap voltage vs. temperature.
31.1.8 Internal oscillator speed
Figure 31-30. Atmel ATmega164PA: Watchdog oscillator frequency vs. temperature.
%DQG J DS9ROWDJH9
7HPSHUDWXUH
>&@
>9@
)
5&
N+]@
7HPSHUDWXUH>&@
>9@

561
ATmega164A/164PA/324A/324PA/644A/644PA/1284/1284P [DATASHEET]
Atmel-8272G-AVR-01/2015
Figure 31-31. Atmel ATmega164PA: Watchdog oscillator frequency vs. VCC.
Figure 31-32. Atmel ATmega164PA: Calibrated 8MHz RC oscillator vs. VCC.
)
5&
>N+]@
9
&&
>9@
>&@
)
5&
>0+]@
9
&&
>9@
>&@

562
ATmega164A/164PA/324A/324PA/644A/644PA/1284/1284P [DATASHEET]
Atmel-8272G-AVR-01/2015
Figure 31-33. Atmel ATmega164PA: Calibrated 8MHz RC oscillator vs. temperature.
Figure 31-34. Atmel ATmega164PA: Calibrated 8MHz RC oscillator vs. OSCCAL value.
)
5&
>0+]@
7HPSHUDWXUH>&@
9
9
)
5&
>0+]@
26& &$/>;@
>&@

563
ATmega164A/164PA/324A/324PA/644A/644PA/1284/1284P [DATASHEET]
Atmel-8272G-AVR-01/2015
31.1.9 Current consumption of peripheral units
Figure 31-35. Atmel ATmega164PA: ADC current vs. VCC (AREF = AVCC).
Figure 31-36. Atmel ATmega164PA: Analog comparator current vs. VCC.
,
&&
>X$@
9
&&
>9@
,
&&
>X$@
9
&&
>9@
>&@

564
ATmega164A/164PA/324A/324PA/644A/644PA/1284/1284P [DATASHEET]
Atmel-8272G-AVR-01/2015
Figure 31-37. Atmel ATmega164PA: AREF external reference current vs. VCC.
Figure 31-38. Atmel ATmega164PA: Brownout detector current vs. VCC.
,
&&
>X$@
9
&&
>9@
>&@
,
&&
>X$@
9
&&
>9@
>&@

565
ATmega164A/164PA/324A/324PA/644A/644PA/1284/1284P [DATASHEET]
Atmel-8272G-AVR-01/2015
Figure 31-39. Atmel ATmega164PA: Programming current vs. VCC.
Figure 31-40. Atmel ATmega164PA: Watchdog timer current vs. VCC.
,
&&
>P$@
9
&&
>9@
>&@
,
&&
>X$@
9
&&
>9@

566
ATmega164A/164PA/324A/324PA/644A/644PA/1284/1284P [DATASHEET]
Atmel-8272G-AVR-01/2015
31.1.10 Current consumption in reset and reset pulsewidth
Figure 31-41. Atmel ATmega164PA: Minimum reset pulsewidth vs. VCC.
31.2 ATmega324PA Typical Characteristics - TA = -40°C to 105°C
31.2.1 Active Supply Current
Figure 31-42. Active Supply Current vs. VCC (Internal RC Oscillator, 8 MHz)
3XOVHZLGWK>QV@
9
&&
>9@
105 °C
85 °C
25 °C
-40 °C
0
1
2
3
4
5
6
7
1.5 2 2.5 3 3.5 4 4.5 5 5.5
VCC (V)
ICC (mA)

567
ATmega164A/164PA/324A/324PA/644A/644PA/1284/1284P [DATASHEET]
Atmel-8272G-AVR-01/2015
Figure 31-43. Active Supply Current vs. VCC (Internal RC Oscillator, 1 MHz)
Figure 31-44. Active Supply Current vs. VCC (Internal RC Oscillator, 128 kHz)
105 °C
85 °C
25 °C
-40 °C
0
0.2
0.4
0.6
0.8
1
1.2
1.4
1.6
1.5 2 2.5 3 3.5 4 4.5 5 5.5
VCC (V)
ICC (mA)
105 °C
85 °C
25 °C
-40 °C
0
0.05
0.1
0.15
0.2
0.25
1.5 2 2.5 3 3.5 4 4.5 5 5.5
VCC (V)
ICC (mA)

568
ATmega164A/164PA/324A/324PA/644A/644PA/1284/1284P [DATASHEET]
Atmel-8272G-AVR-01/2015
31.2.2 Idle Supply Current
Figure 31-45. Idle Supply Current vs. VCC (Internal RC Oscillator, 8 MHz)
Figure 31-46. Idle Supply Current vs. VCC (Internal RC Oscillator, 1 MHz)
105 °C
85 °C
25 °C
-40 °C
0
0.2
0.4
0.6
0.8
1
1.2
1.4
1.6
1.8
1.5 2 2.5 3 3.5 4 4.5 5 5.5
VCC (V)
ICC (mA)
105 °C
85 °C
25 °C
-40 °C
0
0.1
0.2
0.3
0.4
0.5
0.6
0.7
1.5 2 2.5 3 3.5 4 4.5 5 5.5
VCC (V)
ICC (mA)

569
ATmega164A/164PA/324A/324PA/644A/644PA/1284/1284P [DATASHEET]
Atmel-8272G-AVR-01/2015
Figure 31-47. Idle Supply Current vs. VCC (Internal RC Oscillator, 128 kHz)
31.2.3 Power-down Supply Current
Figure 31-48. Power-down Supply Current vs. VCC (Watchdog Timer Disabled)
105 °C
85 °C
25 °C
-40 °C
0
0.02
0.04
0.06
0.08
0.1
0.12
1.5 2 2.5 3 3.5 4 4.5 5 5.5
VCC (V)
ICC (mA)
105 °C
85 °C
25 °C
-40 °C
0
0.5
1
1.5
2
2.5
3
1.5 2 2.5 3 3.5 4 4.5 5 5.5
VCC (V)
ICC (uA)

570
ATmega164A/164PA/324A/324PA/644A/644PA/1284/1284P [DATASHEET]
Atmel-8272G-AVR-01/2015
Figure 31-49. Power-down Supply Current vs. VCC (Watchdog Timer Enabled)
31.2.4 Pin Pull-up
Figure 31-50. I/O Pin Pull-up Resistor Current vs. Input Voltage (VCC = 1.8V)
105 °C
85 °C
25 °C
-40 °C
0
2
4
6
8
10
1.5 2 2.5 3 3.5 4 4.5 5 5.5
VCC (V)
ICC (uA)
105 °C
85 °C
25 °C
-40 °C
0
5
10
15
20
25
30
35
40
45
50
0 0.2 0.4 0.6 0.8 1 1.2 1.4 1.6 1.8 2
VOP (V)
IOP (uA)

571
ATmega164A/164PA/324A/324PA/644A/644PA/1284/1284P [DATASHEET]
Atmel-8272G-AVR-01/2015
Figure 31-51. I/O Pin Pull-up Resistor Current vs. Input Voltage (VCC = 2.7V)
Figure 31-52. I/O Pin Pull-up Resistor Current vs. Input Voltage (VCC = 5V)
105 °C
85 °C
25 °C
-40 °C
0
10
20
30
40
50
60
70
80
0 0.5 1 1.5 2 2.5 3
VOP (V)
IOP (uA)
105 °C
85 °C
25 °C
-40 °C
0
20
40
60
80
100
120
140
0 0.5 1 1.5 2 2.5 3 3.5 4 4.5 5
VOP (V)
IOP (uA)

572
ATmega164A/164PA/324A/324PA/644A/644PA/1284/1284P [DATASHEET]
Atmel-8272G-AVR-01/2015
Figure 31-53. Reset Pull-up Resistor Current vs. Reset Pin Voltage (VCC = 1.8V)
Figure 31-54. Reset Pull-up Resistor Current vs. Reset Pin Voltage (VCC = 2.7V)
105 °C
85 °C
25 °C
-40 °C
0
5
10
15
20
25
30
35
0 0.2 0.4 0.6 0.8 1 1.2 1.4 1.6 1.8
VRESET (V)
IRESET (uA)
105 °C
85 °C
25 °C
-40 °C
0
10
20
30
40
50
60
0 0.5 1 1.5 2 2.5 3
VRESET (V)
IRESET (uA)

573
ATmega164A/164PA/324A/324PA/644A/644PA/1284/1284P [DATASHEET]
Atmel-8272G-AVR-01/2015
Figure 31-55. Reset Pull-up Resistor Current vs. Reset Pin Voltage (VCC = 5V)
31.2.5 Pin Driver Strength
Figure 31-56. I/O Pin Output Voltage vs. Sink Current (VCC = 3V)
105 °C
85 °C
25 °C
-40 °C
0
20
40
60
80
100
120
012345
VRESET (V)
IRESET (uA)
105 °C
85 °C
25 °C
-40 °C
0
0.1
0.2
0.3
0.4
0.5
0.6
0.7
0.8
0.9
1
0 4 8 12 16 20
Load current (mA)
VOL (V)

574
ATmega164A/164PA/324A/324PA/644A/644PA/1284/1284P [DATASHEET]
Atmel-8272G-AVR-01/2015
Figure 31-57. I/O Pin Output Voltage vs. Sink Current (VCC = 5V)
Figure 31-58. I/O Pin Output Voltage vs. Source Current (VCC = 3V)
105 °C
85 °C
25 °C
-40 °C
0
0.1
0.2
0.3
0.4
0.5
0.6
048121620
Load current (mA)
VOL (V)
105 °C
85 °C
25 °C
-40 °C
0
0.5
1
1.5
2
2.5
3
3.5
048121620
Load current (mA)
VOH (V)

575
ATmega164A/164PA/324A/324PA/644A/644PA/1284/1284P [DATASHEET]
Atmel-8272G-AVR-01/2015
Figure 31-59. I/O Pin Output Voltage vs. Source Current (VCC = 5V)
31.2.6 Pin Threshold and Hysteresis
Figure 31-60. I/O Pin Input Threshold vs. VCC (VIH , I/O Pin Read as ‘1’)
105 °C
85 °C
25 °C
-40 °C
4.3
4.4
4.5
4.6
4.7
4.8
4.9
5
048121620
Load current (mA)
VOH (V)
105 °C
85 °C
25 °C
-40 °C
0
0.5
1
1.5
2
2.5
3
1.5 2 2.5 3 3.5 4 4.5 5 5.5
VCC (V)
Threshold (V)

576
ATmega164A/164PA/324A/324PA/644A/644PA/1284/1284P [DATASHEET]
Atmel-8272G-AVR-01/2015
Figure 31-61. I/O Pin Input Threshold vs. VCC (VIL, I/O Pin Read as ‘0’)
Figure 31-62. I/O Pin Input Hysteresis vs. VCC
105 °C
85 °C
25 °C
-40 °C
0
0.5
1
1.5
2
2.5
1.5 2 2.5 3 3.5 4 4.5 5 5.5
VCC (V)
Threshold (V)
105 °C
85 °C
25 °C
-40 °C
0
0.1
0.2
0.3
0.4
0.5
0.6
1.5 2 2.5 3 3.5 4 4.5 5 5.5
VCC (V)
Input Hysteresis (mV)

577
ATmega164A/164PA/324A/324PA/644A/644PA/1284/1284P [DATASHEET]
Atmel-8272G-AVR-01/2015
Figure 31-63. Reset Pin Input Threshold vs. VCC (VIH , I/O Pin Read as ‘1’)
Figure 31-64. Reset Pin Input Threshold vs. VCC (VIL, I/O Pin Read as ‘0’)
105 °C
85 °C
25 °C
-40 °C
0
0.5
1
1.5
2
2.5
1.5 2 2.5 3 3.5 4 4.5 5 5.5
VCC (V)
Threshold (V)
105 °C
85 °C
25 °C
-40 °C
0
0.5
1
1.5
2
2.5
1.5 2 2.5 3 3.5 4 4.5 5 5.5
VCC (V)
Threshold (V)

578
ATmega164A/164PA/324A/324PA/644A/644PA/1284/1284P [DATASHEET]
Atmel-8272G-AVR-01/2015
Figure 31-65. Reset Pin Input Hysteresis vs. VCC
31.2.7 BOD Threshold
Figure 31-66. BOD Threshold vs. Temperature (VCC = 4.3V)
105 °C
85 °C
25 °C
-40 °C
0
0.1
0.2
0.3
0.4
0.5
0.6
0.7
1.5 2 2.5 3 3.5 4 4.5 5 5.5
VCC (V)
Input Hysteresis (mV)
Rising Vcc
Falling Vcc
4.28
4.3
4.32
4.34
4.36
4.38
4.4
-40 -30 -20 -10 0 10 20 30 40 50 60 70 80 90 100 110
Temperature (°C)
Threshold (V)

579
ATmega164A/164PA/324A/324PA/644A/644PA/1284/1284P [DATASHEET]
Atmel-8272G-AVR-01/2015
Figure 31-67. BOD Threshold vs. Temperature (VCC = 2.7V)
Figure 31-68. BOD Threshold vs. Temperature (VCC = 1.8V)
Rising Vcc
Falling Vcc
2.67
2.69
2.71
2.73
2.75
2.77
2.79
-40 -30 -20 -10 0 10 20 30 40 50 60 70 80 90 100 110
Temperature (°C)
Threshold (V)
Falling Vcc
Rising Vcc
1.78
1.79
1.8
1.81
1.82
1.83
1.84
1.85
-40 -30 -20 -10 0 10 20 30 40 50 60 70 80 90 100 110
Temperature (°C)
Threshold (V)

580
ATmega164A/164PA/324A/324PA/644A/644PA/1284/1284P [DATASHEET]
Atmel-8272G-AVR-01/2015
31.2.8 Internal Oscillator Speed
Figure 31-69. Watchdog Oscillator Frequency vs. Temperature
Figure 31-70. Watchdog Oscillator Frequency vs. VCC
5.5 V
4.0 V
3.3 V
2.7 V
1.8 V
108
110
112
114
116
118
120
122
-40 -30 -20 -10 0 10 20 30 40 50 60 70 80 90 100 110
Temperature (°C)
FRC (kHz)
105 °C
85 °C
25 °C
-40 °C
106
108
110
112
114
116
118
120
122
1.5 2 2.5 3 3.5 4 4.5 5 5.5
VCC (V)
FRC (kHz)

581
ATmega164A/164PA/324A/324PA/644A/644PA/1284/1284P [DATASHEET]
Atmel-8272G-AVR-01/2015
Figure 31-71. Calibrated 8 MHz RC Oscillator vs. VCC
Figure 31-72. Calibrated 8 MHz RC Oscillator vs. Temperature
105 °C
85 °C
25 °C
-40 °C
7.2
7.4
7.6
7.8
8
8.2
8.4
8.6
1.522.533.544.555.5
VCC (V)
FRC (MHz)
5.0 V
3.0 V
7.2
7.4
7.6
7.8
8
8.2
8.4
8.6
-40 -30 -20 -10 0 10 20 30 40 50 60 70 80 90 100 110
Temperature (°C)
F
RC
(MHz)

582
ATmega164A/164PA/324A/324PA/644A/644PA/1284/1284P [DATASHEET]
Atmel-8272G-AVR-01/2015
Figure 31-73. Calibrated 8 MHz RC Oscillator vs. OSCCAL Value
31.2.9 Current Consumption of Peripheral Units
Figure 31-74. ADC Current vs. VCC (AREF = AVCC)
25 °C
-40 °C
0
2
4
6
8
10
12
14
0 16 32 48 64 80 96 112 128 144 160 176 192 208 224 240 256
OSCCAL (X1)
FRC (MHz)
85 °C
105 °C
105 °C
85 °C
25 °C
-40 °C
0
50
100
150
200
250
300
1.5 2 2.5 3 3.5 4 4.5 5 5.5
VCC (V)
ICC (uA)

583
ATmega164A/164PA/324A/324PA/644A/644PA/1284/1284P [DATASHEET]
Atmel-8272G-AVR-01/2015
Figure 31-75. Analog Comparator Current vs. VCC
Figure 31-76. AREF External Reference Current vs. VCC
105 °C
85 °C
25 °C
-40 °C
0
10
20
30
40
50
60
70
80
90
1.522.533.544.555.5
VCC (V)
ICC (uA)
105 °C
85 °C
25 °C
-40 °C
0
40
80
120
160
200
1.5 2 2.5 3 3.5 4 4.5 5 5.5
VCC (V)
ICC (uA)

584
ATmega164A/164PA/324A/324PA/644A/644PA/1284/1284P [DATASHEET]
Atmel-8272G-AVR-01/2015
Figure 31-77. Brownout Detector Current vs. VCC
Figure 31-78. Programming Current vs. VCC
105 °C
85 °C
25 °C
-40 °C
0
5
10
15
20
25
30
1.522.533.544.555.5
VCC (V)
ICC (uA)
105 °C
85 °C
25 °C
-40 °C
0
2
4
6
8
10
12
14
1.522.533.544.555.5
VCC (V)
ICC (mA)

585
ATmega164A/164PA/324A/324PA/644A/644PA/1284/1284P [DATASHEET]
Atmel-8272G-AVR-01/2015
Figure 31-79. Watchdog Timer Current vs. VCC
31.2.10 Current Consumption in Reset and Reset Pulsewidth
Figure 31-80. Minimum Reset Pulsewidth vs. Vcc
105 °C
85 °C
25 °C
-40 °C
0
1
2
3
4
5
6
7
8
9
1.5 2 2.5 3 3.5 4 4.5 5 5.5
VCC (V)
ICC (uA)
105 °C
85 °C
25 °C
-40 °C
0
300
600
900
1200
1500
1800
1.5 2 2.5 3 3.5 4 4.5 5 5.5
V
CC
(V)
Pulsewidth (ns)

586
ATmega164A/164PA/324A/324PA/644A/644PA/1284/1284P [DATASHEET]
Atmel-8272G-AVR-01/2015
31.3 ATmega644PA Typical Characteristics - TA = -40°C to 105°C
31.3.1 Active Supply Current
Figure 31-81. Active Supply Current vs. VCC (Internal RC Oscillator, 8 MHz)
Figure 31-82. Active Supply Current vs. VCC (Internal RC Oscillator, 1 MHz)
105 °C
85 °C
25 °C
-40 °C
0
1
2
3
4
5
6
7
1.5 2 2.5 3 3.5 4 4.5 5 5.5
VCC (V)
ICC (mA)
105 °C
85 °C
25 °C
-40 °C
0
0.2
0.4
0.6
0.8
1
1.2
1.4
1.5 2 2.5 3 3.5 4 4.5 5 5.5
VCC (V)
ICC (mA)

587
ATmega164A/164PA/324A/324PA/644A/644PA/1284/1284P [DATASHEET]
Atmel-8272G-AVR-01/2015
Figure 31-83. Active Supply Current vs. VCC (Internal RC Oscillator, 128 kHz)
31.3.2 Idle Supply Current
Figure 31-84. Idle Supply Current vs. VCC (Internal RC Oscillator, 8 MHz)
105 °C
85 °C
25 °C
-40 °C
0
0.03
0.06
0.09
0.12
0.15
0.18
0.21
0.24
1.5 2 2.5 3 3.5 4 4.5 5 5.5
VCC (V)
ICC (mA)
105 °C
85 °C
25 °C
-40 °C
0
0.2
0.4
0.6
0.8
1
1.2
1.4
1.522.533.544.555.5
VCC (V)
ICC (mA)

588
ATmega164A/164PA/324A/324PA/644A/644PA/1284/1284P [DATASHEET]
Atmel-8272G-AVR-01/2015
Figure 31-85. Idle Supply Current vs. VCC (Internal RC Oscillator, 1 MHz)
Figure 31-86. Idle Supply Current vs. VCC (Internal RC Oscillator, 128 kHz)
105 °C
85 °C
25 °C
-40 °C
0
0.06
0.12
0.18
0.24
0.3
0.36
1.5 2 2.5 3 3.5 4 4.5 5 5.5
VCC (V)
ICC (mA)
105 °C
85 °C
25 °C
-40 °C
0
0.06
0.12
0.18
0.24
0.3
0.36
1.5 2 2.5 3 3.5 4 4.5 5 5.5
VCC (V)
ICC (mA)

589
ATmega164A/164PA/324A/324PA/644A/644PA/1284/1284P [DATASHEET]
Atmel-8272G-AVR-01/2015
31.3.3 Power-down Supply Current
Figure 31-87. Power-down Supply Current vs. VCC (Watchdog Timer Disabled)
Figure 31-88. Power-down Supply Current vs. VCC (Watchdog Timer Enabled)
105 °C
85 °C
25 °C
-40 °C
0
1
2
3
4
5
6
1.5 2 2.5 3 3.5 4 4.5 5 5.5
VCC (V)
ICC (uA)
105 °C
85 °C
25 °C
-40 °C
0
2
4
6
8
10
12
14
1.5 2 2.5 3 3.5 4 4.5 5 5.5
VCC (V)
ICC (uA)

590
ATmega164A/164PA/324A/324PA/644A/644PA/1284/1284P [DATASHEET]
Atmel-8272G-AVR-01/2015
31.3.4 Pin Pull-up
Figure 31-89. I/O Pin Pull-up Resistor Current vs. Input Voltage (VCC = 1.8V)
Figure 31-90. I/O Pin Pull-up Resistor Current vs. Input Voltage (VCC = 2.7V)
0
10
20
30
40
50
0 0.2 0.4 0.6 0.8 1 1.2 1.4 1.6 1.8
VOP (V)
IOP (uA)
105 °C
85 °C
25 °C
-40 °C
105 °C
85 °C
25 °C
-40 °C
0
10
20
30
40
50
60
70
80
0 0.3 0.6 0.9 1.2 1.5 1.8 2.1 2.4 2.7
VOP (V)
IOP (uA)

591
ATmega164A/164PA/324A/324PA/644A/644PA/1284/1284P [DATASHEET]
Atmel-8272G-AVR-01/2015
Figure 31-91. I/O Pin Pull-up Resistor Current vs. Input Voltage (VCC = 5V)
Figure 31-92. Reset Pull-up Resistor Current vs. Reset Pin Voltage (VCC = 1.8V)
0
20
40
60
80
100
120
140
00.511.522.533.544.55
VOP (V)
IOP (uA)
105 °C
85 °C
25 °C
-40 °C
105 °C
85 °C
25 °C
-40 °C
0
5
10
15
20
25
30
35
0 0.2 0.4 0.6 0.8 1 1.2 1.4 1.6 1.8
VRESET (V)
IRESET (uA)

592
ATmega164A/164PA/324A/324PA/644A/644PA/1284/1284P [DATASHEET]
Atmel-8272G-AVR-01/2015
Figure 31-93. Reset Pull-up Resistor Current vs. Reset Pin Voltage (VCC = 2.7V)
Figure 31-94. Reset Pull-up Resistor Current vs. Reset Pin Voltage (VCC = 5V)
0
10
20
30
40
50
60
0 0.5 1 1.5 2 2.5 3
VRESET (V)
IRESET (uA)
105 °C
85 °C
25 °C
-40 °C
105 °C
85 °C
25 °C
-40 °C
0
10
20
30
40
50
60
70
80
90
100
110
0 0.5 1 1.5 2 2.5 3 3.5 4 4.5 5
VRESET (V)
IRESET (uA)

593
ATmega164A/164PA/324A/324PA/644A/644PA/1284/1284P [DATASHEET]
Atmel-8272G-AVR-01/2015
31.3.5 Pin Driver Strength
Figure 31-95. I/O Pin Output Voltage vs. Sink Current (VCC = 3V)
Figure 31-96. I/O Pin Output Voltage vs. Sink Current (VCC = 5V)
105 °C
85 °C
25 °C
-40 °C
0
0.1
0.2
0.3
0.4
0.5
0.6
0.7
0.8
0.9
1
02468101214161820
Load current (mA)
VOL (V)
105 °C
85 °C
25 °C
-40 °C
0
0.1
0.2
0.3
0.4
0.5
0.6
02468101214161820
Load current (mA)
VOL (V)

594
ATmega164A/164PA/324A/324PA/644A/644PA/1284/1284P [DATASHEET]
Atmel-8272G-AVR-01/2015
Figure 31-97. I/O Pin Output Voltage vs. Source Current (VCC = 3V)
Figure 31-98. I/O Pin Output Voltage vs. Source Current (VCC = 5V)
105 °C
85 °C
25 °C
-40 °C
1.7
1.9
2.1
2.3
2.5
2.7
2.9
3.1
0 2 4 6 8 10 12 14 16 18 20
Load current (mA)
VOH (V)
105 °C
85 °C
25 °C
-40 °C
4.3
4.4
4.5
4.6
4.7
4.8
4.9
5
5.1
0 2 4 6 8 10 12 14 16 18 20
Load current (mA)
VOH (V)

595
ATmega164A/164PA/324A/324PA/644A/644PA/1284/1284P [DATASHEET]
Atmel-8272G-AVR-01/2015
31.3.6 Pin Threshold and Hysteresis
Figure 31-99. I/O Pin Input Threshold vs. VCC (VIH , I/O Pin Read as ‘1’)
Figure 31-100. I/O Pin Input Threshold vs. VCC (VIL, I/O Pin Read as ‘0’)
105 °C
85 °C
25 °C
-40 °C
0.6
0.9
1.2
1.5
1.8
2.1
2.4
2.7
3
1.5 2 2.5 3 3.5 4 4.5 5 5.5
VCC (V)
Threshold (V)
105 °C
85 °C
25 °C
-40 °C
0
0.5
1
1.5
2
2.5
1.5 2 2.5 3 3.5 4 4.5 5 5.5
VCC (V)
Threshold (V)

596
ATmega164A/164PA/324A/324PA/644A/644PA/1284/1284P [DATASHEET]
Atmel-8272G-AVR-01/2015
Figure 31-101. I/O Pin Input Hysteresis vs. VCC
Figure 31-102. Reset Pin Input Threshold vs. VCC (VIH , I/O Pin Read as ‘1’)
105 °C
85 °C
25 °C
-40 °C
0
0.1
0.2
0.3
0.4
0.5
0.6
1.5 2 2.5 3 3.5 4 4.5 5 5.5
VCC (V)
Input Hysteresis (mV)
105 °C
85 °C
25 °C
-40 °C
0.6
0.9
1.2
1.5
1.8
2.1
2.4
1.5 2 2.5 3 3.5 4 4.5 5 5.5
VCC (V)
Threshold (V)

597
ATmega164A/164PA/324A/324PA/644A/644PA/1284/1284P [DATASHEET]
Atmel-8272G-AVR-01/2015
Figure 31-103. Reset Pin Input Threshold vs. VCC (VIL, I/O Pin Read as ‘0’)
Figure 31-104. Reset Pin Input Hysteresis vs. VCC
105 °C
85 °C
25 °C
-40 °C
0.3
0.6
0.9
1.2
1.5
1.8
2.1
2.4
1.5 2 2.5 3 3.5 4 4.5 5 5.5
VCC (V)
Threshold (V)
105 °C
85 °C
25 °C
-40 °C
0
0.1
0.2
0.3
0.4
0.5
0.6
0.7
1.5 2 2.5 3 3.5 4 4.5 5 5.5
VCC (V)
Input Hysteresis (mV)

598
ATmega164A/164PA/324A/324PA/644A/644PA/1284/1284P [DATASHEET]
Atmel-8272G-AVR-01/2015
31.3.7 BOD Threshold
Figure 31-105. BOD Threshold vs. Temperature (VCC = 4.3V)
Figure 31-106. BOD Threshold vs. Temperature (VCC = 2.7V)
Rising Vcc
Falling Vcc
4.25
4.27
4.29
4.31
4.33
4.35
4.37
-40 -30 -20 -10 0 10 20 30 40 50 60 70 80 90 100 110
Temperature (°C)
Threshold (V)
Rising Vcc
Falling Vcc
2.655
2.675
2.695
2.715
2.735
2.755
2.775
-40 -30 -20 -10 0 10 20 30 40 50 60 70 80 90 100 110
Temperature (°C)
Threshold (V)

599
ATmega164A/164PA/324A/324PA/644A/644PA/1284/1284P [DATASHEET]
Atmel-8272G-AVR-01/2015
Figure 31-107. BOD Threshold vs. Temperature (VCC = 1.8V)
31.3.8 Internal Oscillator Speed
Figure 31-108. Watchdog Oscillator Frequency vs. Temperature
Rising Vcc
Falling Vcc
1.775
1.785
1.795
1.805
1.815
1.825
-40 -30 -20 -10 0 10 20 30 40 50 60 70 80 90 100 110
Temperature (°C)
Threshold (V)
5.5 V
4.5 V
3.3 V
2.1 V
106
108
110
112
114
116
118
120
-40 -30 -20 -10 0 10 20 30 40 50 60 70 80 90 100 110
Temperature (°C)
FRC (kHz)

600
ATmega164A/164PA/324A/324PA/644A/644PA/1284/1284P [DATASHEET]
Atmel-8272G-AVR-01/2015
Figure 31-109. Watchdog Oscillator Frequency vs. VCC
Figure 31-110. Calibrated 8 MHz RC Oscillator vs. VCC
105 °C
85 °C
25 °C
-40 °C
106
108
110
112
114
116
118
120
2 2.5 3 3.5 4 4.5 5 5.5
VCC (V)
FRC (kHz)
105 °C
85 °C
25 °C
-40 °C
7.5
7.6
7.7
7.8
7.9
8
8.1
8.2
8.3
8.4
22.533.544.555.5
VCC (V)
FRC (MHz)

601
ATmega164A/164PA/324A/324PA/644A/644PA/1284/1284P [DATASHEET]
Atmel-8272G-AVR-01/2015
Figure 31-111. Calibrated 8 MHz RC Oscillator vs. Temperature
Figure 31-112. Calibrated 8 MHz RC Oscillator vs. OSCCAL Value
5.5 V
4.5 V
3.6 V
2.7 V
1.8 V
7.4
7.5
7.6
7.7
7.8
7.9
8
8.1
8.2
8.3
8.4
-40 -30 -20 -10 0 10 20 30 40 50 60 70 80 90 100 110
Temperature (°C)
FRC (MHz)
105 °C
85 °C
25 °C
-40 °C
0
2
4
6
8
10
12
14
16
0 16 32 48 64 80 96 112 128 144 160 176 192 208 224 240 256
OSCCAL (X1)
FRC (MHz)

602
ATmega164A/164PA/324A/324PA/644A/644PA/1284/1284P [DATASHEET]
Atmel-8272G-AVR-01/2015
31.3.9 Current Consumption of Peripheral Units
Figure 31-113. ADC Current vs. VCC (AREF = AVCC)
Figure 31-114. Analog Comparator Current vs. VCC
105 °C
85 °C
25 °C
-40 °C
100
125
150
175
200
225
250
1.5 2 2.5 3 3.5 4 4.5 5 5.5
VCC (V)
ICC (uA)
105 °C
85 °C
25 °C
-40 °C
30
40
50
60
70
80
90
1.5 2 2.5 3 3.5 4 4.5 5 5.5
VCC (V)
ICC (uA)

603
ATmega164A/164PA/324A/324PA/644A/644PA/1284/1284P [DATASHEET]
Atmel-8272G-AVR-01/2015
Figure 31-115. AREF External Reference Current vs. VCC
Figure 31-116. Brownout Detector Current vs. VCC
105 °C
85 °C
25 °C
-40 °C
0
25
50
75
100
125
150
175
200
1.5 2 2.5 3 3.5 4 4.5 5 5.5
VCC (V)
ICC (uA)
105 °C
85 °C
25 °C
-40 °C
10
13
16
19
22
25
1.5 2 2.5 3 3.5 4 4.5 5 5.5
VCC (V)
ICC (uA)

604
ATmega164A/164PA/324A/324PA/644A/644PA/1284/1284P [DATASHEET]
Atmel-8272G-AVR-01/2015
Figure 31-117. Programming Current vs. VCC
Figure 31-118. Watchdog Timer Current vs. VCC
105 °C
85 °C
25 °C
-40 °C
0
2
4
6
8
10
12
14
16
1.5 2 2.5 3 3.5 4 4.5 5 5.5
VCC (V)
ICC (mA)
105 °C
85 °C
25 °C
-40 °C
0
1
2
3
4
5
6
7
8
1.5 2 2.5 3 3.5 4 4.5 5 5.5
VCC (V)
ICC (uA)

605
ATmega164A/164PA/324A/324PA/644A/644PA/1284/1284P [DATASHEET]
Atmel-8272G-AVR-01/2015
31.3.10 Current Consumption in Reset and Reset Pulsewidth
Figure 31-119. Minimum Reset Pulsewidth vs. Vcc
31.4 ATmega1284P typical characteristics - TA = -40°C to 105°C
31.4.1 Active supply current
Figure 31-120. Atmel ATmega1284P: Active supply current vs. VCC (internal RC oscillator, 8MHz)
105 °C
85 °C
25 °C
-40 °C
0
200
400
600
800
1000
1200
1400
1600
1800
1.5 2 2.5 3 3.5 4 4.5 5 5.5
VCC (V)
Pulsewidth (ns)
&
&
&
&
,
&&
>P$@
9
&&
>9@

606
ATmega164A/164PA/324A/324PA/644A/644PA/1284/1284P [DATASHEET]
Atmel-8272G-AVR-01/2015
Figure 31-121. Atmel ATmega1284P: Active supply current vs. VCC (internal RC oscillator, 1MHz)
.
Figure 31-122. Atmel ATmega1284P: Active supply current vs. VCC (internal RC oscillator, 128kHz)
.
,
&&
>P$@
9
&&
>9@
>&@
,
&&
>P$@
9
&&
>9@
&
>&@
,
&&
>P$@
9
&&
>9@
&
>&@

607
ATmega164A/164PA/324A/324PA/644A/644PA/1284/1284P [DATASHEET]
Atmel-8272G-AVR-01/2015
31.4.2 Idle supply current
Figure 31-123. Atmel ATmega1284P: Idle supply current vs. VCC (internal RC oscillator, 8MHz).
Figure 31-124. Atmel ATmega1284P: Idle supply current vs. VCC (internal RC oscillator, 1MHz).
&
&
&
&
,
&&
>P$@
9
&&
>9@
,
&&
>P$@
9
&&
>9@
>&@

608
ATmega164A/164PA/324A/324PA/644A/644PA/1284/1284P [DATASHEET]
Atmel-8272G-AVR-01/2015
Figure 31-125. Atmel ATmega1284P: Idle supply current vs. VCC (internal RC oscillator, 128kHz).
,
&&
>P$@
9
&&
>9@
>&@

609
ATmega164A/164PA/324A/324PA/644A/644PA/1284/1284P [DATASHEET]
Atmel-8272G-AVR-01/2015
31.4.3 Power-down supply current
Figure 31-126. Atmel ATmega1284P: Power-down supply current vs. VCC (watchdog timer disabled).
Figure 31-127. Atmel ATmega1284P: Power-down supply current vs. VCC (watchdog timer enabled).
&
&
&
&
,
&&
>X$@
9
&&
>9@
,
&&
>X$@
9
&&
>9@
>&@

610
ATmega164A/164PA/324A/324PA/644A/644PA/1284/1284P [DATASHEET]
Atmel-8272G-AVR-01/2015
31.4.4 Power-save supply current
Figure 31-128. Atmel ATmega1284P: Power-save supply current vs. VCC (watchdog timer disabled and 32kHz crystal
oscillator running).
31.4.5 Pin pull-up
Figure 31-129. Atmel ATmega1284P: I/O pin pull-up resistor current vs. input voltage (VCC = 1.8V).
>&@
7<7>
DD
*<">
DD
,
23
>X$@
9
23
>9@
>&@

611
ATmega164A/164PA/324A/324PA/644A/644PA/1284/1284P [DATASHEET]
Atmel-8272G-AVR-01/2015
Figure 31-130. Atmel ATmega1284P: I/O pin pull-up resistor current vs. input voltage (VCC = 2.7V).
Figure 31-131. Atmel ATmega1284P: I/O pin pull-up resistor current vs. input voltage (VCC = 5V).
,
23
>X$@
9
23
>9@
>&@
,
23
>X$`
9
23
>9@
>&@

612
ATmega164A/164PA/324A/324PA/644A/644PA/1284/1284P [DATASHEET]
Atmel-8272G-AVR-01/2015
Figure 31-132. Atmel ATmega1284P: Reset pull-up resistor current vs. reset pin voltage (VCC =1.8V).
Figure 31-133. Atmel ATmega1284P: Reset pull-up resistor current vs. reset pin voltage (VCC =2.7V).
,
5( 6 (7
>X$@
9
5(6( 7
>9@
>&@
,
5( 6 (7
>X$@
9
5(6( 7
>9@
>&@

613
ATmega164A/164PA/324A/324PA/644A/644PA/1284/1284P [DATASHEET]
Atmel-8272G-AVR-01/2015
Figure 31-134. Atmel ATmega1284P: Reset pull-up resistor current vs. reset pin voltage (VCC =5V).
,
5( 6 (7
>X$@
9
5(6( 7
>9@
>&@

614
ATmega164A/164PA/324A/324PA/644A/644PA/1284/1284P [DATASHEET]
Atmel-8272G-AVR-01/2015
31.4.6 Pin driver strength
Figure 31-135. Atmel ATmega1284P: I/O pin output voltage vs. sink current (VCC = 2.7V)
Figure 31-136. Atmel ATmega1284P: I/O pin output voltage vs. sink current (VCC = 3V).
9
2/
>9@
,>P$@
>&@
2/
9
2/
>9@
,>P$@
>&@
2/

615
ATmega164A/164PA/324A/324PA/644A/644PA/1284/1284P [DATASHEET]
Atmel-8272G-AVR-01/2015
Figure 31-137. Atmel ATmega1284P: I/O pin output voltage vs. sink current (VCC = 5V).
Figure 31-138. Atmel ATmega1284P: I/O pin output voltage (VOH) vs. source current (VCC = 2.7V).
9
2/
>9@
,>P$@
>&@
2/
9
2+
>9@
,>P$@
>&@
2+

616
ATmega164A/164PA/324A/324PA/644A/644PA/1284/1284P [DATASHEET]
Atmel-8272G-AVR-01/2015
Figure 31-139. Atmel ATmega1284P: I/O pin output voltage vs. source current (VCC = 3V).
31.4.7 Pin threshold and hysteresis
Figure 31-140. Atmel ATmega1284P: I/O pin input threshold vs. VCC (VIH , I/O pin read as ‘1’).
9
2+
>9@
, >P$@
>&@
2+
7K UHVKROG>9@
9
&&
>9@
>&@

617
ATmega164A/164PA/324A/324PA/644A/644PA/1284/1284P [DATASHEET]
Atmel-8272G-AVR-01/2015
Figure 31-141. Atmel ATmega1284P: I/O pin input threshold vs. VCC (VIL, I/O pin read as ‘0’).
Figure 31-142. Atmel ATmega1284P: I/O pin input hysteresis vs. VCC
7K UHVKROG>9@
9
&&
>9@
>&@
,QSXW+\VWHUHVLVP9
9
&&
>9@
>&@

618
ATmega164A/164PA/324A/324PA/644A/644PA/1284/1284P [DATASHEET]
Atmel-8272G-AVR-01/2015
Figure 31-143. Atmel ATmega1284P: Reset pin input threshold vs. VCC (VIH , I/O pin read as ‘1’).
Figure 31-144. Atmel ATmega1284P: Reset pin input threshold vs. VCC (VIL, I/O pin read as ‘0’).
7K UHVKROG>9@
9
&&
>9@
>&@
7K UHVKROG>9@
9
&&
>9@
>&@

619
ATmega164A/164PA/324A/324PA/644A/644PA/1284/1284P [DATASHEET]
Atmel-8272G-AVR-01/2015
Figure 31-145. Atmel ATmega1284P: Reset pin input hysteresis vs. VCC.
31.4.8 BOD threshold
Figure 31-146. Atmel ATmega1284P: BOD threshold vs. temperature (VBOT = 4.3V).
,QSXW+\VWHUHVLV>P9@
9
&&
>9@
>&@
7KUHVKROG>9@
7HPSHUDWXUH>
&@
5LVLQJ9FF
)DOOLQJ9FF

620
ATmega164A/164PA/324A/324PA/644A/644PA/1284/1284P [DATASHEET]
Atmel-8272G-AVR-01/2015
Figure 31-147. Atmel ATmega1284P: BOD threshold vs. temperature (VBOT = 2.7V).
Figure 31-148. Atmel ATmega1284P: BOD threshold vs. temperature (VBOT = 1.8V).
7KUHVKROG>9@
7HPSHUDWXUH>
&@
5LVLQJ9FF
)DOOLQJ9FF
7KUHVKROG>9@
7HPSHUDWXUH>
&@
5LVLQJ9FF
)DOOLQJ9FF

621
ATmega164A/164PA/324A/324PA/644A/644PA/1284/1284P [DATASHEET]
Atmel-8272G-AVR-01/2015
Figure 31-149. Atmel ATmega1284P: Calibrated bandgap voltage vs. VCC.
Figure 31-150. Atmel ATmega1284P: Bandgap voltage vs. temperature.
%DQ G JDS9R OWDJH>9@
9FF >9@
>&@
%DQ G JDS9R OWDJH>9@
7HPSHUDWXUH>
&@
>
9
@

622
ATmega164A/164PA/324A/324PA/644A/644PA/1284/1284P [DATASHEET]
Atmel-8272G-AVR-01/2015
31.4.9 Internal oscillator speed
Figure 31-151. Atmel ATmega1284P: Watchdog oscillator frequency vs. temperature.
Figure 31-152. Atmel ATmega1284P: Watchdog oscillator frequency vs. VCC.
)
5&
>N+]@
7HPSHUDWXUH
>&@
>9@
)
5&
>N+]@
7HPSHUDWXUH
>&@
>9@

623
ATmega164A/164PA/324A/324PA/644A/644PA/1284/1284P [DATASHEET]
Atmel-8272G-AVR-01/2015
Figure 31-153. Atmel ATmega1284P: Calibrated 8MHz RC oscillator vs. VCC.
Figure 31-154. Atmel ATmega1284P: Calibrated 8MHz RC oscillator vs. temperature.
)
5&
>0+]@
9
&&
>9@
>&@
)
5&
>0+]@
7HPSHUDWXUH
>&@
>9@

624
ATmega164A/164PA/324A/324PA/644A/644PA/1284/1284P [DATASHEET]
Atmel-8272G-AVR-01/2015
Figure 31-155. Atmel ATmega1284P: Calibrated 8MHz RC oscillator vs. OSCCAL value.
31.4.10 Current consumption of peripheral units
Figure 31-156. Atmel ATmega1284P: ADC current vs. VCC (AREF = AVCC).
)
5&
>0+]@
26& &$/>;@
>&@
,
&&
>X$@
9
&&
>9@
>&@

625
ATmega164A/164PA/324A/324PA/644A/644PA/1284/1284P [DATASHEET]
Atmel-8272G-AVR-01/2015
Figure 31-157. Atmel ATmega1284P: Analog comparator current vs. VCC.
Figure 31-158. Atmel ATmega1284P: AREF external reference current vs. VCC. (V)
,
&&
>X$
@
9
&&
>9@
>&@
,
&&
>X$@
9
&&
>9@
>&@

626
ATmega164A/164PA/324A/324PA/644A/644PA/1284/1284P [DATASHEET]
Atmel-8272G-AVR-01/2015
Figure 31-159. Atmel ATmega1284P: Brownout detector current vs. VCC.
Figure 31-160. Atmel ATmega1284P: Programming current vs. VCC.
,
&&
>X$@
9
&&
>&@
>9@
,
&&
>P$@
9
&&
>9@
>&@

627
ATmega164A/164PA/324A/324PA/644A/644PA/1284/1284P [DATASHEET]
Atmel-8272G-AVR-01/2015
Figure 31-161. Atmel ATmega1284P: Watchdog timer current vs. VCC.
31.4.11 Current consumption in reset and reset pulsewidth
Figure 31-162. Atmel ATmega1284P: Minimum reset pulsewidth vs. VCC.
,
&&
>X$@
9
&&
>9@
3XOVHZLG WK>QV@
9
&&
>9@
>&@

628
ATmega164A/164PA/324A/324PA/644A/644PA/1284/1284P [DATASHEET]
Atmel-8272G-AVR-01/2015
32. Register summary
Address Name Bit 7 Bit 6 Bit 5 Bit 4 Bit 3 Bit 2 Bit 1 Bit 0 Page
(0xFF) Reserved - - - - - - -
(0xFE) Reserved - - - - - - - -
(0xFD) Reserved - - - - - - - -
(0xFC) Reserved - - - - - - - -
(0xFB) Reserved - - - - - - -
(0xFA) Reserved - - - - - - - -
(0xF9) Reserved - - - - - - -
(0xF8) Reserved - - - - - - - -
(0xF7) Reserved - - - - - - - -
(0xF6) Reserved - - - - - - - -
(0xF5) Reserved - - - - - - -
(0xF4) Reserved - - - - - - - -
(0xF3) Reserved - - - - - - - -
(0xF2) Reserved - - - - - - - -
(0xF1) Reserved - - - - - - -
(0xF0) Reserved - - - - - - - -
(0xEF) Reserved - - - - - - -
(0xEE) Reserved - - - - - - - -
(0xED) Reserved - - - - - - - -
(0xEC) Reserved - - - - - - - -
(0xEB) Reserved - - - - - - -
(0xEA) Reserved - - - - - - - -
(0xE9) Reserved - - - - - - - -
(0xE8) Reserved - - - - - - - -
(0xE7) Reserved - - - - - - -
(0xE6) Reserved - - - - - - - -
(0xE5) Reserved - - - - - - - -
(0xE4) Reserved - - - - - - - -
(0xE3) Reserved - - - - - - -
(0xE2) Reserved - - - - - - - -
(0xE1) Reserved - - - - - - -
(0xE0) Reserved - - - - - - -
(0xDF) Reserved - - - - - - - -
(0xDE) Reserved - - - - - - - -
(0xDD) Reserved - - - - - - - -
(0xDC) Reserved - - - - - - -
(0xDB) Reserved - - - - - - - -
(0xDA) Reserved - - - - - - - -
(0xD9) Reserved - - - - - - - -
(0xD8) Reserved - - - - - - - -
(0xD7) Reserved - - - - - - - -
(0xD6) Reserved - - - - - - - -
(0xD5) Reserved - - - - - - - -
(0xD4) Reserved - - - - - - - -
(0xD3) Reserved - - - - - - - -
(0xD2) Reserved - - - - - - - -
(0xD1) Reserved - - - - - - - -
(0xD0) Reserved - - - - - - - -
(0xCF) Reserved - - - - - - - -
(0xCE) UDR1 USART1 I/O Data Register 185
(0xCD) UBRR1H - - - - USART1 Baud Rate Register High Byte 189/202
(0xCC) UBRR1L USART1 Baud Rate Register Low Byte 189/202
(0xCB) Reserved - - - - - - - -
(0xCA) UCSR1C UMSEL11 UMSEL10 UPM11 UPM10 USBS1 UCSZ11/UDORD0(5) UCSZ10/UCPHA0(5) UCPOL1 187/201
(0xC9) UCSR1B RXCIE1 TXCIE1 UDRIE1 RXEN1 TXEN1 UCSZ12 RXB81 TXB81 186/200
(0xC8) UCSR1A RXC1 TXC1 UDRE1 FE1 DOR1 UPE1 U2X1 MPCM1 185/200
(0xC7) Reserved - - - - - - - -
(0xC6) UDR0 USART0 I/O Data Register 185
(0xC5) UBRR0H - - - - USART0 Baud Rate Register High Byte 189/202
(0xC4) UBRR0L USART0 Baud Rate Register Low Byte 189/202
(0xC3) Reserved - - - - - - - -
(0xC2) UCSR0C UMSEL01 UMSEL00 UPM01 UPM00 USBS0 UCSZ01/UDORD0(5) UCSZ00/UCPHA0(5) UCPOL0 187/201
(0xC1) UCSR0B RXCIE0 TXCIE0 UDRIE0 RXEN0 TXEN0 UCSZ02 RXB80 TXB80 186/200

629
ATmega164A/164PA/324A/324PA/644A/644PA/1284/1284P [DATASHEET]
Atmel-8272G-AVR-01/2015
(0xC0) UCSR0A RXC0 TXC0 UDRE0 FE0 DOR0 UPE0 U2X0 MPCM0 185/200
(0xBF) Reserved - - - - - - - -
(0xBE) Reserved - - - - - - - -
(0xBD) TWAMR TWAM6 TWAM5 TWAM4 TWAM3 TWAM2 TWAM1 TWAM0 -231
(0xBC) TWCR TWINT TWEA TWSTA TWSTO TWWC TWEN -TWIE228
(0xBB) TWDR two-wire Serial Interface Data Register 230
(0xBA) TWAR TWA6 TWA5 TWA4 TWA3 TWA2 TWA1 TWA0 TWGCE 231
(0xB9) TWSR TWS7 TWS6 TWS5 TWS4 TWS3 - TWPS1 TWPS0 229
(0xB8) TWBR two-wire Serial Interface Bit Rate Register 228
(0xB7) Reserved - - - - - - - -
(0xB6) ASSR - EXCLK AS2 TCN2UB OCR2AUB OCR2BUB TCR2AUB TCR2BUB 155
(0xB5) Reserved - - - - - - - -
(0xB4) OCR2B Timer/Counter2 Output Compare Register B 155
(0xB3) OCR2A Timer/Counter2 Output Compare Register A 155
(0xB2) TCNT2 Timer/Counter2 (8 Bit) 154
(0xB1) TCCR2B FOC2A FOC2B -- WGM22 CS22 CS21 CS20 153
(0xB0) TCCR2A COM2A1 COM2A0 COM2B1 COM2B0 --WGM21WGM20151
(0xAF) Reserved - - - - - - - -
(0xAE) Reserved - - - - - - - -
(0xAD) Reserved - - - - - - - -
(0xAC) Reserved - - - - - - - -
(0xAB) Reserved - - - - - - - -
(0xAA) Reserved - - - - - - - -
(0xA9) Reserved - - - - - - - -
(0xA8) Reserved - - - - - - - -
(0xA7) Reserved - - - - - - - -
(0xA6) Reserved - - - - - - - -
(0xA5) Reserved - - - - - - - -
(0xA4) Reserved - - - - - - - -
(0xA3) Reserved - - - - - - - -
(0xA2) Reserved - - - - - - - -
(0xA1) Reserved - - - - - - - -
(0xA0) Reserved - - - - - - - -
(0x9F) Reserved - - - - - - - -
(0x9E) Reserved - - - - - - - -
(0x9D) Reserved - - - - - - - -
(0x9C) Reserved - - - - - - - -
(0x9B) OCR3BH Timer/Counter3 - Output Compare Register B High Byte(7) 132
(0x9A) OCR3BL Timer/Counter3 - Output Compare Register B Low Byte(7) 132
(0x99) OCR3AH Timer/Counter3 - Output Compare Register A High Byte(7) 132
(0x98) OCR3AL Timer/Counter3 - Output Compare Register A Low Byte(7) 132
(0x97) ICR3H Timer/Counter3 - Input Capture Register High Byte(7) 133
(0x96) ICR3L Timer/Counter3 - Input Capture Register Low Byte(7) 133
(0x95) TCNT3H Timer/Counter3 - Counter Register High Byte(7) 132
(0x94) TCNT3L Timer/Counter3 - Counter Register Low Byte(7) 132
(0x93) Reserved - - - - - - - -
(0x92) TCCR3C FOC3A FOC3B - - - - - - 131
(0x91) TCCR3B ICNC3 ICES3 - WGM33 WGM32 CS32 CS31 CS30 130
(0x90) TCCR3A COM3A1 COM3A0 COM3B1 COM3B0 --WGM31WGM30128
(0x8F) Reserved - - - - - - - -
(0x8E) Reserved - - - - - - - -
(0x8D) Reserved - - - - - - - -
(0x8C) Reserved - - - - - - - -
(0x8B) OCR1BH Timer/Counter1 - Output Compare Register B High Byte 132
(0x8A) OCR1BL Timer/Counter1 - Output Compare Register B Low Byte 132
(0x89) OCR1AH Timer/Counter1 - Output Compare Register A High Byte 132
(0x88) OCR1AL Timer/Counter1 - Output Compare Register A Low Byte 132
(0x87) ICR1H Timer/Counter1 - Input Capture Register High Byte 133
(0x86) ICR1L Timer/Counter1 - Input Capture Register Low Byte 133
(0x85) TCNT1H Timer/Counter1 - Counter Register High Byte 132
(0x84) TCNT1L Timer/Counter1 - Counter Register Low Byte 132
(0x83) Reserved - - - - - - - -
(0x82) TCCR1C FOC1A FOC1B - - - - - - 131
(0x81) TCCR1B ICNC1 ICES1 - WGM13 WGM12 CS12 CS11 CS10 130
(0x80) TCCR1A COM1A1 COM1A0 COM1B1 COM1B0 --WGM11WGM10128
(0x7F) DIDR1 - - - - - -AIN1DAIN0D234
(0x7E) DIDR0 ADC7D ADC6D ADC5D ADC4D ADC3D ADC2D ADC1D ADC0D 253
(0x7D) Reserved - - - - - - - -
Address Name Bit 7 Bit 6 Bit 5 Bit 4 Bit 3 Bit 2 Bit 1 Bit 0 Page

630
ATmega164A/164PA/324A/324PA/644A/644PA/1284/1284P [DATASHEET]
Atmel-8272G-AVR-01/2015
(0x7C) ADMUX REFS1 REFS0 ADLAR MUX4 MUX3 MUX2 MUX1 MUX0 249
(0x7B) ADCSRB -ACME - - - ADTS2 ADTS1 ADTS0 233
(0x7A) ADCSRA ADEN ADSC ADATE ADIF ADIE ADPS2 ADPS1 ADPS0 250
(0x79) ADCH ADC Data Register High byte 251
(0x78) ADCL ADC Data Register Low byte 251
(0x77) Reserved - - - - - - - -
(0x76) Reserved - - - - - - - -
(0x75) Reserved - - - - - - - -
(0x74) Reserved - - - - - - - -
(0x73) PCMSK3 PCINT31 PCINT30 PCINT29 PCINT28 PCINT27 PCINT26 PCINT25 PCINT24 70
(0x72) Reserved - - - - - - - -
(0x71) TIMSK3 --ICIE3 -- OCIE3B OCIE3A TOIE3 134
(0x70) TIMSK2 - - - - - OCIE2B OCIE2A TOIE2 156
(0x6F) TIMSK1 --ICIE1 -- OCIE1B OCIE1A TOIE1 134
(0x6E) TIMSK0 - - - - - OCIE0B OCIE0A TOIE0 105
(0x6D) PCMSK2 PCINT23 PCINT22 PCINT21 PCINT20 PCINT19 PCINT18 PCINT17 PCINT16 70
(0x6C) PCMSK1 PCINT15 PCINT14 PCINT13 PCINT12 PCINT11 PCINT10 PCINT9 PCINT8 70
(0x6B) PCMSK0 PCINT7 PCINT6 PCINT5 PCINT4 PCINT3 PCINT2 PCINT1 PCINT0 71
(0x6A) Reserved - - - - - - - -
(0x69) EICRA -- ISC21 ISC20 ISC11 ISC10 ISC01 ISC00 67
(0x68) PCICR - - - - PCIE3 PCIE2 PCIE1 PCIE0 69
(0x67) Reserved - - - - - - - -
(0x66) OSCCAL Oscillator Calibration Register 40
(0x65) PRR1 - - - - - - ---PRTIM349
(0x64) PRR0 PRTWI PRTIM2 PRTIM0 PRUSART1 PRTIM1 PRSPI PRUSART0 PRADC 48
(0x63) Reserved - - - - - - - -
(0x62) Reserved - - - - - - - -
(0x61) CLKPR CLKPCE - - - CLKPS3 CLKPS2 CLKPS1 CLKPS0 40
(0x60) WDTCSR WDIF WDIE WDP3 WDCE WDE WDP2 WDP1 WDP0 59
0x3F (0x5F) SREG I T H S V N Z C 11
0x3E (0x5E) SPH SP15 SP14 SP13 SP12 SP11 SP10 SP9 SP8 12
0x3D (0x5D) SPL SP7 SP6 SP5 SP4 SP3 SP2 SP1 SP0 12
0x3C (0x5C) Reserved - - - - - - - -
0x3B (0x5B) Reserved - - - - - - - -
0x3A (0x5A) Reserved - - - - - - - -
0x39 (0x59) Reserved - - - - - - - -
0x38 (0x58) Reserved - - - - - - - -
0x37 (0x57) SPMCSR SPMIE RWWSB SIGRD RWWSRE BLBSET PGWRT PGERS SPMEN 285
0x36 (0x56) Reserved - - - - - - - -
0x35 (0x55) MCUCR JTD BODS(6) BODSE(6) PUD -- IVSEL IVCE 89/268
0x34 (0x54) MCUSR - - - JTRF WDRF BORF EXTRF PORF 58/268
0x33 (0x53) SMCR - - - - SM2 SM1 SM0 SE 47
0x32 (0x52) Reserved - - - - - - - -
0x31 (0x51) OCDR On-Chip Debug Register 259
0x30 (0x50) ACSR ACD ACBG ACO ACI ACIE ACIC ACIS1 ACIS0 250
0x2F (0x4F) Reserved - - - - - - - -
0x2E (0x4E) SPDR SPI 0 Data Register 166
0x2D (0x4D) SPSR SPIF0 WCOL0 - - - - -SPI2X0165
0x2C (0x4C) SPCR SPIE0 SPE0 DORD0 MSTR0 CPOL0 CPHA0 SPR01 SPR00 164
0x2B (0x4B) GPIOR2 General Purpose I/O Register 2 29
0x2A (0x4A) GPIOR1 General Purpose I/O Register 1 29
0x29 (0x49) Reserved - - - - - - - -
0x28 (0x48) OCR0B Timer/Counter0 Output Compare Register B 105
0x27 (0x47) OCR0A Timer/Counter0 Output Compare Register A 105
0x26 (0x46) TCNT0 Timer/Counter0 (8 Bit) 105
0x25 (0x45) TCCR0B FOC0A FOC0B -- WGM02 CS02 CS01 CS00 104
0x24 (0x44) TCCR0A COM0A1 COM0A0 COM0B1 COM0B0 --WGM01WGM00105
0x23 (0x43) GTCCR TSM - - - - - PSRASY PSRSYNC 157
0x22 (0x42) EEARH - - - - EEPROM Address Register High Byte 24
0x21 (0x41) EEARL EEPROM Address Register Low Byte 24
0x20 (0x40) EEDR EEPROM Data Register 24
0x1F (0x3F) EECR -- EEPM1 EEPM0 EERIE EEMPE EEPE EERE 24
0x1E (0x3E) GPIOR0 General Purpose I/O Register 0 29
0x1D (0x3D) EIMSK - - - - - INT2 INT1 INT0 68
0x1C (0x3C) EIFR - - - - - INTF2 INTF1 INTF0 68
0x1B (0x3B) PCIFR - - - - PCIF3 PCIF2 PCIF1 PCIF0 69
0x1A (0x3A) Reserved - - - - - - - -
0x19 (0x39) Reserved - - - - - - - -
Address Name Bit 7 Bit 6 Bit 5 Bit 4 Bit 3 Bit 2 Bit 1 Bit 0 Page

631
ATmega164A/164PA/324A/324PA/644A/644PA/1284/1284P [DATASHEET]
Atmel-8272G-AVR-01/2015
Notes: 1. For compatibility with future devices, reserved bits should be written to zero if accessed. Reserved I/O memory
addresses should never be written.
2. I/O registers within the address range $00 - $1F are directly bit-accessible using the SBI and CBI instructions. In these
registers, the value of single bits can be checked by using the SBIS and SBIC instructions.
3. Some of the status flags are cleared by writing a logical one to them. Note that the CBI and SBI instructions will operate
on all bits in the I/O register, writing a one back into any flag read as set, thus clearing the flag. The CBI and SBI
instructions work with registers 0x00 to 0x1F only.
4. When using the I/O specific commands IN and OUT, the I/O addresses $00 - $3F must be used. When addressing I/O
registers as data space using LD and ST instructions, $20 must be added to these addresses.
The ATmega164A/164PA/324A/324PA/644A/644PA/1284/1284P is a complex microcontroller with more peripheral units
than can be supported within the 64 location reserved in Opcode for the IN and OUT instructions. For the Extended I/O
space from $60 - $FF, only the ST/STS/STD and LD/LDS/LDD instructions can be used.
5. USART in SPI Master Mode.
6. Only available in the ATmega164PA/324PA/644PA/1284P.
7. Only available in the ATmega1284/1284P
0x18 (0x38) TIFR3 --ICF3 -- OCF3B OCF3A TOV3 136
0x17 (0x37) TIFR2 - - - - - OCF2B OCF2A TOV2 156
0x16 (0x36) TIFR1 --ICF1 -- OCF1B OCF1A TOV1 135
0x15 (0x35) TIFR0 - - - - - OCF0B OCF0A TOV0 106
0x14 (0x34) Reserved - - - - - - - -
0x13 (0x33) Reserved - - - - - - - -
0x12 (0x32) Reserved - - - - - - - -
0x11 (0x31) Reserved - - - - - - - -
0x10 (0x30) Reserved - - - - - - - -
0x0F (0x2F) Reserved - - - - - - - -
0x0E (0x2E) Reserved - - - - - - - -
0x0D (0x2D) Reserved - - - - - - - -
0x0C (0x2C) Reserved - - - - - - - -
0x0B (0x2B) PORTD PORTD7 PORTD6 PORTD5 PORTD4 PORTD3 PORTD2 PORTD1 PORTD0 90
0x0A (0x2A) DDRD DDD7 DDD6 DDD5 DDD4 DDD3 DDD2 DDD1 DDD0 90
0x09 (0x29) PIND PIND7 PIND6 PIND5 PIND4 PIND3 PIND2 PIND1 PIND0 90
0x08 (0x28) PORTC PORTC7 PORTC6 PORTC5 PORTC4 PORTC3 PORTC2 PORTC1 PORTC0 90
0x07 (0x27) DDRC DDC7 DDC6 DDC5 DDC4 DDC3 DDC2 DDC1 DDC0 90
0x06 (0x26) PINC PINC7 PINC6 PINC5 PINC4 PINC3 PINC2 PINC1 PINC0 90
0x05 (0x25) PORTB PORTB7 PORTB6 PORTB5 PORTB4 PORTB3 PORTB2 PORTB1 PORTB0 89
0x04 (0x24) DDRB DDB7 DDB6 DDB5 DDB4 DDB3 DDB2 DDB1 DDB0 89
0x03 (0x23) PINB PINB7 PINB6 PINB5 PINB4 PINB3 PINB2 PINB1 PINB0 90
0x02 (0x22) PORTA PORTA7 PORTA6 PORTA5 PORTA4 PORTA3 PORTA2 PORTA1 PORTA0 89
0x01 (0x21) DDRA DDA7 DDA6 DDA5 DDA4 DDA3 DDA2 DDA1 DDA0 89
0x00 (0x20) PINA PINA7 PINA6 PINA5 PINA4 PINA3 PINA2 PINA1 PINA0 89
Address Name Bit 7 Bit 6 Bit 5 Bit 4 Bit 3 Bit 2 Bit 1 Bit 0 Page

632
ATmega164A/164PA/324A/324PA/644A/644PA/1284/1284P [DATASHEET]
Atmel-8272G-AVR-01/2015
33. Instruction set summary
Mnemonics Operands Description Operation Flags #Clocks
ARITHMETIC AND LOGIC INSTRUCTIONS
ADD Rd, Rr Add two Registers Rd Rd + Rr Z,C,N,V,H 1
ADC Rd, Rr Add with Carry two Registers Rd Rd + Rr + C Z,C,N,V,H 1
ADIW Rdl,K Add Immediate to Word Rdh:Rdl Rdh:Rdl + K Z,C,N,V,S 2
SUB Rd, Rr Subtract two Registers Rd Rd - Rr Z,C,N,V,H 1
SUBI Rd, K Subtract Constant from Register Rd Rd - K Z,C,N,V,H 1
SBC Rd, Rr Subtract with Carry two Registers Rd Rd - Rr - C Z,C,N,V,H 1
SBCI Rd, K Subtract with Carry Constant from Reg. Rd Rd - K - C Z,C,N,V,H 1
SBIW Rdl,K Subtract Immediate from Word Rdh:Rdl Rdh:Rdl - K Z,C,N,V,S 2
AND Rd, Rr Logical AND Registers Rd Rd Rr Z,N,V 1
ANDI Rd, K Logical AND Register and Constant Rd Rd K Z,N,V 1
OR Rd, Rr Logical OR Registers Rd Rd v Rr Z,N,V 1
ORI Rd, K Logical OR Register and Constant Rd Rd v K Z,N,V 1
EOR Rd, Rr Exclusive OR Registers Rd Rd Rr Z,N,V 1
COM Rd One’s Complement Rd 0xFF Rd Z,C,N,V 1
NEG Rd Two’s Complement Rd 0x00 Rd Z,C,N,V,H 1
SBR Rd,K Set Bit(s) in Register Rd Rd v K Z,N,V 1
CBR Rd,K Clear Bit(s) in Register Rd Rd (0xFF - K) Z,N,V 1
INC Rd Increment Rd Rd + 1 Z,N,V 1
DEC Rd Decrement Rd Rd 1 Z,N,V 1
TST Rd Test for Zero or Minus Rd Rd Rd Z,N,V 1
CLR Rd Clear Register Rd Rd Rd Z,N,V 1
SER Rd Set Register Rd 0xFF None 1
MUL Rd, Rr Multiply Unsigned R1:R0 Rd x Rr Z,C 2
MULS Rd, Rr Multiply Signed R1:R0 Rd x Rr Z,C 2
MULSU Rd, Rr Multiply Signed with Unsigned R1:R0 Rd x Rr Z,C 2
FMUL Rd, Rr Fractional Multiply Unsigned R1:R0 (Rd x Rr) << 1 Z,C 2
FMULS Rd, Rr Fractional Multiply Signed R1:R0 (Rd x Rr) << 1 Z,C 2
FMULSU Rd, Rr Fractional Multiply Signed with Unsigned R1:R0 (Rd x Rr) << 1 Z,C 2
BRANCH INSTRUCTIONS
RJMP k Relative Jump PC PC + k + 1 None 2
IJMP Indirect Jump to (Z) PC Z None 2
JMP k Direct Jump PC k None 3
RCALL k Relative Subroutine Call PC PC + k + 1 None 3
ICALL Indirect Call to (Z) PC Z None 3
CALL k Direct Subroutine Call PC k None 4
RET Subroutine Return PC STACK None 4
RETI Interrupt Return PC STACK I 4
CPSE Rd,Rr Compare, Skip if Equal if (Rd = Rr) PC PC + 2 or 3 None 1/2/3
CP Rd,Rr Compare Rd Rr Z, N,V,C,H 1
CPC Rd,Rr Compare with Carry Rd Rr C Z, N,V,C,H 1
CPI Rd,K Compare Register with Immediate Rd K Z, N,V,C,H 1
SBRC Rr, b Skip if Bit in Register Cleared if (Rr(b)=0) PC PC + 2 or 3 None 1/2/3
SBRS Rr, b Skip if Bit in Register is Set if (Rr(b)=1) PC PC + 2 or 3 None 1/2/3
SBIC P, b Skip if Bit in I/O Register Cleared if (P(b)=0) PC PC + 2 or 3 None 1/2/3
SBIS P, b Skip if Bit in I/O Register is Set if (P(b)=1) PC PC + 2 or 3 None 1/2/3
BRBS s, k Branch if Status Flag Set if (SREG(s) = 1) then PCPC+k + 1 None 1/2
BRBC s, k Branch if Status Flag Cleared if (SREG(s) = 0) then PCPC+k + 1 None 1/2
BREQ k Branch if Equal if (Z = 1) then PC PC + k + 1 None 1/2
BRNE k Branch if Not Equal if (Z = 0) then PC PC + k + 1 None 1/2
BRCS k Branch if Carry Set if (C = 1) then PC PC + k + 1 None 1/2
BRCC k Branch if Carry Cleared if (C = 0) then PC PC + k + 1 None 1/2
BRSH k Branch if Same or Higher if (C = 0) then PC PC + k + 1 None 1/2
BRLO k Branch if Lower if (C = 1) then PC PC + k + 1 None 1/2
BRMI k Branch if Minus if (N = 1) then PC PC + k + 1 None 1/2
BRPL k Branch if Plus if (N = 0) then PC PC + k + 1 None 1/2
BRGE k Branch if Greater or Equal, Signed if (N V= 0) then PC PC + k + 1 None 1/2
BRLT k Branch if Less Than Zero, Signed if (N V= 1) then PC PC + k + 1 None 1/2
BRHS k Branch if Half Carry Flag Set if (H = 1) then PC PC + k + 1 None 1/2
BRHC k Branch if Half Carry Flag Cleared if (H = 0) then PC PC + k + 1 None 1/2
BRTS k Branch if T Flag Set if (T = 1) then PC PC + k + 1 None 1/2
BRTC k Branch if T Flag Cleared if (T = 0) then PC PC + k + 1 None 1/2
BRVS k Branch if Overflow Flag is Set if (V = 1) then PC PC + k + 1 None 1/2

633
ATmega164A/164PA/324A/324PA/644A/644PA/1284/1284P [DATASHEET]
Atmel-8272G-AVR-01/2015
BRVC k Branch if Overflow Flag is Cleared if (V = 0) then PC PC + k + 1 None 1/2
BRIE k Branch if Interrupt Enabled if ( I = 1) then PC PC + k + 1 None 1/2
BRID k Branch if Interrupt Disabled if ( I = 0) then PC PC + k + 1 None 1/2
BIT AND BIT-TEST INSTRUCTIONS
SBI P,b Set Bit in I/O Register I/O(P,b) 1 None 2
CBI P,b Clear Bit in I/O Register I/O(P,b) 0 None 2
LSL Rd Logical Shift Left Rd(n+1) Rd(n), Rd(0) 0 Z,C,N,V 1
LSR Rd Logical Shift Right Rd(n) Rd(n+1), Rd(7) 0 Z,C,N,V 1
ROL Rd Rotate Left Through Carry Rd(0)C,Rd(n+1) Rd(n),CRd(7) Z,C,N,V 1
ROR Rd Rotate Right Through Carry Rd(7)C,Rd(n) Rd(n+1),CRd(0) Z,C,N,V 1
ASR Rd Arithmetic Shift Right Rd(n) Rd(n+1), n=0..6 Z,C,N,V 1
SWAP Rd Swap Nibbles Rd(3..0)Rd(7..4),Rd(7..4)Rd(3..0) None 1
BSET s Flag Set SREG(s) 1 SREG(s) 1
BCLR s Flag Clear SREG(s) 0 SREG(s) 1
BST Rr, b Bit Store from Register to T T Rr(b) T 1
BLD Rd, b Bit load from T to Register Rd(b) T None 1
SEC Set Carry C 1C1
CLC Clear Carry C 0 C 1
SEN Set Negative Flag N 1N1
CLN Clear Negative Flag N 0 N 1
SEZ Set Zero Flag Z 1Z1
CLZ Clear Zero Flag Z 0 Z 1
SEI Global Interrupt Enable I 1I1
CLI Global Interrupt Disable I 0 I 1
SES Set Signed Test Flag S 1S1
CLS Clear Signed Test Flag S 0 S 1
SEV Set Twos Complement Overflow. V 1V1
CLV Clear Twos Complement Overflow V 0 V 1
SET Set T in SREG T 1T1
CLT Clear T in SREG T 0 T 1
SEH Set Half Carry Flag in SREG H 1H1
CLH Clear Half Carry Flag in SREG H 0 H 1
DATA TRANSFER INSTRUCTIONS
MOV Rd, Rr Move Between Registers Rd Rr None 1
MOVW Rd, Rr Copy Register Word Rd+1:Rd Rr+1:Rr None 1
LDI Rd, K Load Immediate Rd K None 1
LD Rd, X Load Indirect Rd (X) None 2
LD Rd, X+ Load Indirect and Post-Inc. Rd (X), X X + 1 None 2
LD Rd, - X Load Indirect and Pre-Dec. X X - 1, Rd (X) None 2
LD Rd, Y Load Indirect Rd (Y) None 2
LD Rd, Y+ Load Indirect and Post-Inc. Rd (Y), Y Y + 1 None 2
LD Rd, - Y Load Indirect and Pre-Dec. Y Y - 1, Rd (Y) None 2
LDD Rd,Y+q Load Indirect with Displacement Rd (Y + q) None 2
LD Rd, Z Load Indirect Rd (Z) None 2
LD Rd, Z+ Load Indirect and Post-Inc. Rd (Z), Z Z+1 None 2
LD Rd, -Z Load Indirect and Pre-Dec. Z Z - 1, Rd (Z) None 2
LDD Rd, Z+q Load Indirect with Displacement Rd (Z + q) None 2
LDS Rd, k Load Direct from SRAM Rd (k) None 2
ST X, Rr Store Indirect (X) Rr None 2
ST X+, Rr Store Indirect and Post-Inc. (X) Rr, X X + 1 None 2
ST - X, Rr Store Indirect and Pre-Dec. X X - 1, (X) Rr None 2
ST Y, Rr Store Indirect (Y) Rr None 2
ST Y+, Rr Store Indirect and Post-Inc. (Y) Rr, Y Y + 1 None 2
ST - Y, Rr Store Indirect and Pre-Dec. Y Y - 1, (Y) Rr None 2
STD Y+q,Rr Store Indirect with Displacement (Y + q) Rr None 2
ST Z, Rr Store Indirect (Z) Rr None 2
ST Z+, Rr Store Indirect and Post-Inc. (Z) Rr, Z Z + 1 None 2
ST -Z, Rr Store Indirect and Pre-Dec. Z Z - 1, (Z) Rr None 2
STD Z+q,Rr Store Indirect with Displacement (Z + q) Rr None 2
STS k, Rr Store Direct to SRAM (k) Rr None 2
LPM Load Program Memory R0 (Z) None 3
LPM Rd, Z Load Program Memory Rd (Z) None 3
LPM Rd, Z+ Load Program Memory and Post-Inc Rd (Z), Z Z+1 None 3
SPM Store Program Memory (Z) R1:R0 None -
IN Rd, P In Port Rd P None 1
OUT P, Rr Out Port P Rr None 1
PUSH Rr Push Register on Stack STACK Rr None 2
POP Rd Pop Register from Stack Rd STACK None 2
Mnemonics Operands Description Operation Flags #Clocks

634
ATmega164A/164PA/324A/324PA/644A/644PA/1284/1284P [DATASHEET]
Atmel-8272G-AVR-01/2015
MCU CONTROL INSTRUCTIONS
NOP No Operation None 1
SLEEP Sleep (see specific descr. for Sleep function) None 1
WDR Watchdog Reset (see specific descr. for WDR/timer) None 1
BREAK Break For On-chip Debug Only None N/A
Mnemonics Operands Description Operation Flags #Clocks

635
ATmega164A/164PA/324A/324PA/644A/644PA/1284/1284P [DATASHEET]
Atmel-8272G-AVR-01/2015
34. Ordering information
34.1 Atmel ATmega164A
Notes: 1. This device can also be supplied in wafer form. Please contact your local Atmel sales office for detailed ordering
information and minimum quantities.
2. Pb-free packaging, complies to the European Directive for Restriction of Hazardous Substances (RoHS directive). Also
Halide free and fully Green.
3. For Speed vs. VCC see ”Speed grades” on page 324.
4. NiPdAu Lead Finish.
5. Tape & Reel.
Speed [MHz] (3) Power supply Ordering code (2) Package (1) Operational range
20 1.8 - 5.5V
ATmega164A-AU
ATmega164A-AUR(5)
ATmega164A-PU
ATmega164A-MU
ATmega164A-MUR(5)
ATmega164A-MCH(4)
ATmega164A-MCHR(4)(5)
ATmega164A-CU
ATmega164A-CUR(5)
44A
44A
40P6
44M1
44M1
44MC
44MC
49C2
49C2
Industrial
(-40oC to 85oC)
Package Type
44A 44-lead, Thin (1.0mm) Plastic Gull Wing Quad Flat Package (TQFP)
40P6 40-pin, 0.600” Wide, Plastic Dual Inline Package (PDIP)
44M1 44-pad, 7 × 7 × 1.0mm body, lead pitch 0.50mm, Thermally Enhanced Plastic Very Thin Quad Flat No-Lead (VQFN)
44MC 44-lead (2-row Staggered), 5 × 5 × 1.0mm body, 2.60 × 2.60mm Exposed Pad, Quad Flat No-Lead Package (QFN)
49C2 49-ball, (7 × 7 Array) 0.65mm Pitch, 5 × 5 × 1mm, Very Thin, Fine-Pitch Ball Grid Array Package (VFBGA)

636
ATmega164A/164PA/324A/324PA/644A/644PA/1284/1284P [DATASHEET]
Atmel-8272G-AVR-01/2015
34.2 Atmel ATmega164PA
Notes: 1. This device can also be supplied in wafer form. Please contact your local Atmel sales office for detailed ordering
information and minimum quantities.
2. Pb-free packaging, complies to the European Directive for Restriction of Hazardous Substances (RoHS directive). Also
Halide free and fully Green.
3. For Speed vs. VCC see ”Speed grades” on page 324.
4. NiPdAu Lead Finish.
5. Tape & Reel.
Speed [MHz] (3) Power supply Ordering code (2) Package (1) Operational range
20 1.8 - 5.5V
ATmega164PA-AU
ATmega164PA-AUR(5)
ATmega164PA-PU
ATmega164PA-MU
ATmega164PA-MUR(5)
ATmega164PA-MCH(4)
ATmega164PA-MCHR(4)(5)
ATmega164PA-CU
ATmega164PA-CUR(5)
44A
44A
40P6
44M1
44M1
44MC
44MC
49C2
49C2
Industrial
(-40oC to 85oC)
20 1.8 - 5.5V
ATmega164PA-AN
ATmega164PA-ANR(5)
ATmega164PA-PN
ATmega164PA-MN
ATmega164PA-MNR(5)
44A
44A
40P6
44M1
44M1
Industrial
(-40oC to 105oC)
Package Type
44A 44-lead, Thin (1.0mm) Plastic Gull Wing Quad Flat Package (TQFP)
40P6 40-pin, 0.600” Wide, Plastic Dual Inline Package (PDIP)
44M1 44-pad, 7 × 7 × 1.0mm body, lead pitch 0.50mm, Thermally Enhanced Plastic Very Thin Quad Flat No-Lead (VQFN)
44MC 44-lead (2-row Staggered), 5 × 5 × 1.0mm body, 2.60 × 2.60mm Exposed Pad, Quad Flat No-Lead Package (QFN)
49C2 49-ball, (7 × 7 Array) 0.65mm Pitch, 5 × 5 × 1mm, Very Thin, Fine-Pitch Ball Grid Array Package (VFBGA)

637
ATmega164A/164PA/324A/324PA/644A/644PA/1284/1284P [DATASHEET]
Atmel-8272G-AVR-01/2015
34.3 Atmel ATmega324A
Notes: 1. This device can also be supplied in wafer form. Please contact your local Atmel sales office for detailed ordering
information and minimum quantities.
2. Pb-free packaging, complies to the European Directive for Restriction of Hazardous Substances (RoHS directive). Also
Halide free and fully Green.
3. For Speed vs. VCC see ”Speed grades” on page 324.
4. NiPdAu Lead Finish.
5. Tape & Reel.
Speed [MHz] (3) Power supply Ordering code (2) Package (1) Operational range
20 1.8 - 5.5V
ATmega324A-AU
ATmega324A-AUR(5)
ATmega324A-PU
ATmega324A-MU
ATmega324A-MUR(5)
ATmega324A-MCH(4)
ATmega324A-MCHR(4)(5)
ATmega324A-CU
ATmega324A-CUR(5)
44A
44A
40P6
44M1
44M1
44MC
44MC
49C2
49C2
Industrial
(-40oC to 85oC)
Package Type
44A 44-lead, Thin (1.0mm) Plastic Gull Wing Quad Flat Package (TQFP)
40P6 40-pin, 0.600” Wide, Plastic Dual Inline Package (PDIP)
44M1 44-pad, 7 × 7 × 1.0mm body, lead pitch 0.50mm, Thermally Enhanced Plastic Very Thin Quad Flat No-Lead (VQFN)
44MC 44-lead (2-row Staggered), 5 × 5 × 1.0mm body, 2.60 × 2.60mm Exposed Pad, Quad Flat No-Lead Package (QFN)
49C2 49-ball, (7 × 7 Array) 0.65mm Pitch, 5 × 5 × 1mm, Very Thin, Fine-Pitch Ball Grid Array Package (VFBGA)

638
ATmega164A/164PA/324A/324PA/644A/644PA/1284/1284P [DATASHEET]
Atmel-8272G-AVR-01/2015
34.4 Atmel ATmega324PA
Notes: 1. This device can also be supplied in wafer form. Please contact your local Atmel sales office for detailed ordering
information and minimum quantities.
2. Pb-free packaging, complies to the European Directive for Restriction of Hazardous Substances (RoHS directive). Also
Halide free and fully Green.
3. For Speed vs. VCC see ”Speed grades” on page 324.
4. NiPdAu Lead Finish.
5. Tape & Reel.
Speed [MHz] (3) Power supply Ordering code (2) Package (1) Operational range
20 1.8 - 5.5V
ATmega324PA-AU
ATmega324PA-AUR(5)
ATmega324PA-PU
ATmega324PA-MU
ATmega324PA-MUR(5)
ATmega324PA-MCH(4)
ATmega324PA-MCHR(4)(5)
ATmega324PA-CU
ATmega324PA-CUR(5)
44A
44A
40P6
44M1
44M1
44MC
44MC
49C2
49C2
Industrial
(-40oC to 85oC)
20 1.8 - 5.5V
ATmega324PA-AN
ATmega324PA-ANR(5)
ATmega324PA-PN
ATmega324PA-MN
ATmega324PA-MNR(5)
44A
44A
40P6
44M1
44M1
Industrial
(-40oC to 105oC)
Package Type
44A 44-lead, Thin (1.0mm) Plastic Gull Wing Quad Flat Package (TQFP)
40P6 40-pin, 0.600” Wide, Plastic Dual Inline Package (PDIP)
44M1 44-pad, 7 × 7 × 1.0mm body, lead pitch 0.50mm, Thermally Enhanced Plastic Very Thin Quad Flat No-Lead (VQFN)
44MC 44-lead (2-row Staggered), 5 × 5 × 1.0mm body, 2.60 × 2.60mm Exposed Pad, Quad Flat No-Lead Package (QFN)
49C2 49-ball, (7 × 7 Array) 0.65mm Pitch, 5 × 5 × 1mm, Very Thin, Fine-Pitch Ball Grid Array Package (VFBGA)

639
ATmega164A/164PA/324A/324PA/644A/644PA/1284/1284P [DATASHEET]
Atmel-8272G-AVR-01/2015
34.5 Atmel ATmega644A
Notes: 1. This device can also be supplied in wafer form. Please contact your local Atmel sales office for detailed ordering
information and minimum quantities.
2. Pb-free packaging, complies to the European Directive for Restriction of Hazardous Substances (RoHS directive). Also
Halide free and fully Green.
3. For Speed vs. VCC see ”Speed grades” on page 324.
4. Taper & Reel.
Speed [MHz](3) Power supply Ordering code(2) Package(1) Operational range
20 1.8 - 5.5V
ATmega644A-AU
ATmega644A-AUR(4)
ATmega644A-PU
ATmega644A-MU
ATmega644A-MUR(4)
44A
44A
40P6
44M1
44M1
Industrial
(-40oC to 85oC)
Package Type
44A 44-lead, Thin (1.0mm) Plastic Gull Wing Quad Flat Package (TQFP)
40P6 40-pin, 0.600” Wide, Plastic Dual Inline Package (PDIP)
44M1 44-pad, 7 × 7 × 1.0mm body, lead pitch 0.5 mm, Thermally Enhanced Plastic Very Thin Quad Flat No-Lead (VQFN)

640
ATmega164A/164PA/324A/324PA/644A/644PA/1284/1284P [DATASHEET]
Atmel-8272G-AVR-01/2015
34.6 Atmel ATmega644PA
Notes: 1. This device can also be supplied in wafer form. Please contact your local Atmel sales office for detailed ordering
information and minimum quantities.
2. Pb-free packaging, complies to the European Directive for Restriction of Hazardous Substances (RoHS directive). Also
Halide free and fully Green.
3. For Speed vs. VCC see ”Speed grades” on page 324.
4. Taper & Reel.
Speed [MHz] (3) Power supply Ordering code (2) Package (1) Operational range
20 1.8 - 5.5V
ATmega644PA-AU
ATmega644PA-AUR(4)
ATmega644PA-PU
ATmega644PA-MU
ATmega644PA-MUR(4)
44A
44A
40P6
44M1
44M1
Industrial
(-40oC to 85oC)
20 1.8 - 5.5V
ATmega644PA-AN
ATmega644PA-ANR(4)
ATmega644PA-PN
ATmega644PA-MN
ATmega644PA-MNR(4)
44A
44A
40P6
44M1
44M1
Industrial
(-40oC to 105oC)
Package Type
44A 44-lead, Thin (1.0mm) Plastic Gull Wing Quad Flat Package (TQFP)
40P6 40-pin, 0.600” Wide, Plastic Dual Inline Package (PDIP)
44M1 44-pad, 7 × 7 × 1.0mm body, lead pitch 0.50mm, Thermally Enhanced Plastic Very Thin Quad Flat No-Lead (VQFN)

641
ATmega164A/164PA/324A/324PA/644A/644PA/1284/1284P [DATASHEET]
Atmel-8272G-AVR-01/2015
34.7 Atmel ATmega1284
Notes: 1. This device can also be supplied in wafer form. Please contact your local Atmel sales office for detailed ordering
information and minimum quantities.
2. Pb-free packaging, complies to the European Directive for Restriction of Hazardous Substances (RoHS directive). Also
Halide free and fully Green.
3. For Speed vs. VCC see ”Speed grades” on page 324.
4. Tape & Reel.
Speed [MHz](3) Power supply Ordering code(2) Package(1) Operational range
20 1.8 - 5.5V
ATmega1284-AU
ATmega1284-AUR(4)
ATmega1284-PU
ATmega1284-MU
ATmega1284-MUR(4)
44A
44A
40P6
44M1
44M1
Industrial
(-40oC to 85oC)
Package Type
44A 44-lead, Thin (1.0mm) Plastic Gull Wing Quad Flat Package (TQFP)
40P6 40-pin, 0.600” Wide, Plastic Dual Inline Package (PDIP)
44M1 44-pad, 7 × 7 × 1.0mm body, lead pitch 0.50mm, Quad Flat No-Lead/Micro Lead Frame Package (QFN/MLF)

642
ATmega164A/164PA/324A/324PA/644A/644PA/1284/1284P [DATASHEET]
Atmel-8272G-AVR-01/2015
34.8 Atmel ATmega1284P
Notes: 1. This device can also be supplied in wafer form. Please contact your local Atmel sales office for detailed ordering
information and minimum quantities.
2. Pb-free packaging, complies to the European Directive for Restriction of Hazardous Substances (RoHS directive). Also
Halide free and fully Green.
3. For Speed vs. VCC see ”Speed grades” on page 324.
4. Tape & Reel.
Speed [MHz] (3) Power supply Ordering code (2) Package (1) Operational range
20 1.8 - 5.5V
ATmega1284P-AU
ATmega1284P-AUR(4)
ATmega1284P-PU
ATmega1284P-MU
ATmega1284P-MUR(4)
44A
44A
40P6
44M1
44M1
Industrial
(-40oC to 85oC)
20 1.8 - 5.5V
ATmega1284P-AN
ATmega1284P-ANR(4)
ATmega1284P-PN
ATmega1284P-MN
ATmega1284P-MNR(4)
44A
44A
40P6
44M1
44M1
Industrial
(-40oC to 105oC)
Package Type
44A 44-lead, Thin (1.0mm) Plastic Gull Wing Quad Flat Package (TQFP)
40P6 40-pin, 0.600” Wide, Plastic Dual Inline Package (PDIP)
44M1 44-pad, 7 × 7 × 1.0mm body, lead pitch 0.50mm, Quad Flat No-Lead/Micro Lead Frame Package (QFN/MLF)

643
ATmega164A/164PA/324A/324PA/644A/644PA/1284/1284P [DATASHEET]
Atmel-8272G-AVR-01/2015
35. Packaging information
35.1 44A
44A, 44-lead, 10 x 10mm body size, 1.0mm body thickness,
0.8 mm lead pitch, thin profile plastic quad flat package (TQFP) C
44A
06/02/2014
PIN 1 IDENTIFIER
0°~7°
PIN 1
L
C
A1 A2 A
D1
D
e
E1 E
B
COMMON DIMENSIONS
(Unit of Measure = mm)
SYMBOL MIN NOM MAX NOTE
Notes:
1. This package conforms to JEDEC reference MS-026, Variation ACB.
2. Dimensions D1 and E1 do not include mold protrusion. Allowable
protrusion is 0.25mm per side. Dimensions D1 and E1 are maximum
plastic body size dimensions including mold mismatch.
3. Lead coplanarity is 0.10mm maximum.
A – – 1.20
A1 0.05 – 0.15
A2 0.95 1.00 1.05
D 11.75 12.00 12.25
D1 9.90 10.00 10.10 Note 2
E 11.75 12.00 12.25
E1 9.90 10.00 10.10 Note 2
B 0.30 0.37 0.45
C 0.09 (0.17) 0.20
L 0.45 0.60 0.75
e 0.80 TYP

644
ATmega164A/164PA/324A/324PA/644A/644PA/1284/1284P [DATASHEET]
Atmel-8272G-AVR-01/2015
35.2 40P6
PIN
1
E1
A1
B
REF
E
B1
C
L
SEATING PLANE
A
0º ~ 15º
D
e
eB
COMMON DIMENSIONS
(Unit of Measure = mm)
SYMBOL MIN NOM MAX NOTE
A – – 4.826
A1 0.381 – –
D 52.070 – 52.578 Note 2
E 15.240 – 15.875
E1 13.462 – 13.970 Note 2
B 0.356 – 0.559
B1 1.041 – 1.651
L 3.048 – 3.556
C 0.203 – 0.381
eB 15.494 – 17.526
e 2.540 TYP
1. This package conforms to JEDEC reference MS-011, Variation AC.
2. Dimensions D and E1 do not include mold Flash or Protrusion.
Mold Flash or Protrusion shall not exceed 0.25mm (0.010
"
).
Notes:
40P6, 40-lead (0.600"/15.24mm Wide) Plastic Dual
Inline Package (PDIP) 40P6 C
13/02/2014

645
ATmega164A/164PA/324A/324PA/644A/644PA/1284/1284P [DATASHEET]
Atmel-8272G-AVR-01/2015
TITLE DRAWING NO.GPC REV.
Package Drawing Contact:
packagedrawings@atmel.com 44M1ZWS H
44M1, 44-pad, 7 x 7 x 1.0mm body, lead
pitch 0.50mm, 5.20mm exposed pad, thermally
enhanced plastic very thin quad flat no
lead package (VQFN)
02/13/2014
COMMON DIMENSIONS
(Unit of Measure = mm)
SYMBOL MIN NOM MAX NOTE
A 0.80 0.90 1.00
A1 – 0.02 0.05
A3 0.20 REF
b 0.18 0.23 0.30
D
D2 5.00 5.20 5.40
6.90 7.00 7.10
6.90 7.00 7.10
E
E2 5.00 5.20 5.40
e 0.50 BSC
L 0.59 0.64 0.69
K 0.20 0.26 0.41
Note: JEDEC Standard MO-220, Fig . 1 (S AW Singulation) VKKD-3 .
TOP VIE W
SIDE VIEW
B OT TOM VIE W
D
E
Marked Pin# 1 I D
E2
D2
be
Pin #1 Co rner
L
A1
A3
A
SE ATING PLAN E
Pin #1
Triangle
Pin #1
Cham fer
(C 0.30)
Option A
Option B
Pin #1
Notch
(0.20 R)
Option C
K
K
1
2
3
35.3 44M1

646
ATmega164A/164PA/324A/324PA/644A/644PA/1284/1284P [DATASHEET]
Atmel-8272G-AVR-01/2015
35.4 44MC
TITLE DRA WING NO . REV .
Package Drawing Contact:
packagedrawings@atmel.com 44MC A
9/13/07
D2
E2
LL
B15
A18
B11
A13
B10
A12
B6
A7
A6
B5
B1
B20
A1
A24
eT
L
b
R0.20 0.40
eR
A19
B16
eT/2
SIDE VIEW
A1
A
y
C
D
E
Pin 1 ID
TOP VIEW
BOTTOM VIEW
Note: 1. The terminal #1 ID is a Laser-marked Feature.
COMMON DIMENSIONS
(Unit of Measure = mm)
SYMBOL MIN NOM MAX NOTE
A 0.80 0.90 1.00
A1 0.00 0.02 0.05
b 0.18 0.23 0.30
C 0.20 REF
D 4.90 5.00 5.10
D2 2.55 2.60 2.65
E 4.90 5.00 5.10
E2 2.55 2.60 2.65
eT – 0.70 –
eR – 0.40 –
K 0.45 – –
L 0.30 0.35 0.40
y 0.00 – 0.075
44MC, 44QFN (2-Row Staggered), 5 x 5 x 1.00 mm Body,
2.60 x 2.60 mm Exposed Pad, Quad Flat No Lead Package

647
ATmega164A/164PA/324A/324PA/644A/644PA/1284/1284P [DATASHEET]
Atmel-8272G-AVR-01/2015
35.5 49C2
TITLE DRAWING NO.GPC REV.
Package Drawing Contact:
packagedrawings@atmel.com 49C2CBD A
49C2, 49-ball (7 x 7 array), 0.65mm pitch,
5.0 x 5.0 x 1.0mm, very thin, ne-pitch
ball grid array package (VFBGA)
3/14/08
COMMON DIMENSIONS
(Unit of Measure = mm)
SYMBOL MIN NOM MAX NOTE
A – – 1.00
A1 0.20 – –
A2 0.65 – –
D 4.90 5.00 5.10
D1 3.90 BSC
E 4.90 5.00 5.10
E1 3.90 BSC
b 0.30 0.35 0.40
e 0.65 BSC
TOP VIEW
SIDE VIEW
A1 BALL ID
G
F
E
D
C
B
A
12 3 4 5 6 7
A
A1
A2
D
E
0.10
E1
D1
49 - Ø0.35 ±0.05
e
A1 BALL CORNER
BOTTOM VIEW
b e

648
ATmega164A/164PA/324A/324PA/644A/644PA/1284/1284P [DATASHEET]
Atmel-8272G-AVR-01/2015
36. Errata
36.1 Errata for ATmega164A
36.1.1 Rev. E
No known Errata.
36.2 Errata for ATmega164PA
36.2.1 Rev. E
No known Errata.
36.3 Errata for ATmega324A
36.3.1 Rev. F
No known Errata.
36.4 Errata for ATmega324PA
36.4.1 Rev. F
No known Errata.
36.5 Errata for ATmega644A
36.5.1 Rev. F
No known Errata.
36.6 Errata for ATmega644PA
36.6.1 Rev. F
No known Errata.
36.7 Errata for ATmega1284
36.7.1 Rev. B
No known Errata.
36.8 Errata for ATmega1284P
36.8.1 Rev. B
No known Errata.

649
ATmega164A/164PA/324A/324PA/644A/644PA/1284/1284P [DATASHEET]
Atmel-8272G-AVR-01/2015
37. Datasheet revision history
Please note that the referring page numbers in this section are referred to this document. The referring revision
in this section are referring to the document revision.
37.1 Rev. 8272G - 01/2015
37.2 Rev. 8272F - 08/2014
37.3 Rev. 8272E - 04/2013
1. Updated Table 1-2 on page 5, Table 8-1 on page 25, Table 10-1 on page 42, Table 14-3 on page 79, Table 19-4
on page 187, Table 19-11 on page 192 and Table 28-16 on page 328 for formatting consistency errors
2.
Updated ”Ordering information” on page 635:
̶Added ordering information for ATmega164PA @105C; ATmega324PA @ 105C; ATmega324PA
@105C; ATmega644PA @ 105C and ATmega1284P @ 105C
3. Updated the ”Packaging information” on page 643:
̶Replaced the drawing ”44M1” on page 645 by a correct package
1. Updated text in Section 13.2.8 ”PCMSK1 – Pin Change Mask Register 1” on page 70 to: “If PCINT15:8 is set and
the PCIE1 bit in PCICR is set, pin change interrupt is enabled on the corresponding I/O pin.”
2. Corrected description of PAGEMSB in Table 26-9 on page 281. The device has 64 words in a page and not 128.
3. Corrected description of PAGEMSB in Table 26-12 on page 282. PAGESMB is 5 and the device has 64 words in a
page and not 128. The page require six bits and not seven.
4. Corrected values in Table 26-16 on page 284. PAGEMSB is 6. ZPAGEMSB is Z7 and PCPAGE is Z15:Z8
5. Corrected value for PCPAGE in Table 27-7 on page 290. The correct value is PC[14:7]
6. Updated description in Table 17-2 on page 151 to “Normal port operation, OC2A disconnected.”
7.
Updated Assembly code examples on for ”Watchdog Timer” on page 55. and onwards
“out WDTCSR, r16” changed to “sts WDTCSR, r16”
“in r16, WDTCSR” changed to “lds r16, WDTCSR”
“idi r16, WDTCSR” changed to “lds r16, WDTCSR”
8. Updated addresses 0x65 and 0x64 in Section 32. ”Register summary” on page 628.
9. Removed notes 5 and 6 from Table 28-16 on page 328.
10.
Corrected values in Section 33. ”Instruction set summary” on page 632.Changed clock values for RCALL and
ICALL to 2, for Call, Ret and RETI to 4. Also changed values in Section 7.7.1 ”Interrupt response time” on page
18.
11. Address for reset label and onwards changed in Interrupt Vector Addresses.
12. Updated layout, footer and back page according to template 0205/2014
1. Updated Figure 1-1 on page 3 and Figure 2-1 on page 6: T3 and T/C3 only available in ATmega1284/1284P.
2. Updated descriptive text on page 6 to indicate that ATmega1284/1284P has four T/Cs.
3. Updated the Assembly code example for WDT_off (p.56) following the ej# 705736.

650
ATmega164A/164PA/324A/324PA/644A/644PA/1284/1284P [DATASHEET]
Atmel-8272G-AVR-01/2015
37.4 Rev. 8272D - 05/12
37.5 Rev. 8272C - 06/11
37.6 Rev. 8272B - 05/11
4. Added note in ”16-bit Timer/Counter1 and Timer/Counter3(1) with PWM” on page 107.
5. Added ”Prescaler Reset” on page 112.
6. Corrected three typo for Waveform generation mode (WGM) instead of MGM.
7. Updated Table 23-6 on page 253. ADC Auto Trigger Source Selections, ADTS=0b011, the statement is
Timer/Counter0 Compare Match A.
8. Updated Table 27-18 on page 310. Command for 6d Poll for Fuse Write Complete: 0111011_00000000
9. Updated the table notes of the Table 28-1 on page 318.
10. Updated ”Register summary” on page 628. Added table note 7: Only available in ATmega1284/1284P.
1. Updated ”Power-down mode” on page 44.
2. Updated ”Overview” on page 67.
3. Corrected references for Bit 2, Bit 1, and Bit 0 in Section ”UCSRnC – USART MSPIM Control and Status Register
n C” on page 201.
4. Several small corrections throughout the whole document made according to the template
5. Notes in Table 27-17 on page 304 have been corrected
6. Note (1) in Table 28-3 on page 320 is added
1. Updated ”Atmel ATmega1284P DC characteristics” on page 323.
1. Added Atmel QTouch Library Support and QTouch Sensing Capability Features.
2. Replaced the Figure 1-1 on page 3 by an updated “Pinout.” that includes Timer/Counter3.
3. Replaced the Figure 7-1 on page 10 by an updated “Block diagram of the AVR architecture.” that includes
Timer/Counter3.
4. Added ”RAMPZ – Extended Z-pointer Register for ELPM/SPM(1)” on page 15.
5. Added ”PRR1 – Power Reduction Register 1” on page 49.
6. Renamed PRR to ”PRR0 – Power Reduction Register 0” on page 48.
7. Updated ”PCIFR – Pin Change Interrupt Flag Register” on page 69. PCICR replaces EIMSR in the PCIF3, PCIF2,
PCIF1 and PCIF0 bit description.
8. Updated ”PCMSK3 – Pin Change Mask Register 3” on page 70. PCIE3 replaces PCIE2 in the bit description.
9. Updated ”Alternate Functions of Port B” on page 80 to include Timer/Counter3
10. Updated ”Alternate Functions of Port D” on page 86 to include Timer/Counter3
11. Added ”TCNT3H and TCNT3L –Timer/Counter3” on page 132
12. Added ”OCR3AH and OCR3AL – Output Compare Register3 A” on page 133
13. Added ”OCR3BH and OCR3BL – Output Compare Register3 B” on page 133
14. Added ”TIMSK3 – Timer/Counter3 Interrupt Mask Register” on page 134
15. Updated All “SPI – Serial Peripheral Interface” “Register description” to reflect ATmega1284 and ATmega1284P.
16. Updated ”Addressing the Flash During Self-Programming” on page 274 to include RAMPZ register.

651
ATmega164A/164PA/324A/324PA/644A/644PA/1284/1284P [DATASHEET]
Atmel-8272G-AVR-01/2015
37.7 Rev. 8272A - 01/10
17. Updated Table 27-16 on page 303. tWD_EEPROM is 3.6ms instead of 9ms.
18. BODS and BODSE bits denoted as R/W
19. Description of external pin modes below table 16-9 removed.
20. Updated ”Register summary” on page 628 to include Timer/Counter3.
21. Updated the datasheet with Atmel new style guide.
1. Initial revision (Based on the ATmega164PA/324PA/644PA/1284P datasheet 8252G-AVR-11/09 and on the
ATmega644 datasheet 2593N-AVR-09/09).
2. Changes done:
̶Non-picoPower devices added: ATmega164A/324A/644A/1284
̶Updated Table 2-1 on page 7
̶Updated Table 10-1 on page 42
̶Updated ”Sleep Modes” on page 42 and ”BOD disable(1)” on page 43
̶Updated ”Register description” on page 67
̶Updated ”USART” on page 167 and ”USART in SPI mode” on page 194
̶Updated ”Signature Bytes” on page 290 and ”Page Size” on page 290
̶Added ”DC Characteristics” on page 318 for non-picoPower devices.
̶Added ”Atmel ATmega164A typical characteristics - TA = -40°C to 85°C” on page 336
̶Added ”Atmel ATmega324A typical characteristics - TA = -40°C to 85°C” on page 389
̶Added ”Atmel ATmega644A typical characteristics - TA = -40°C to 85°C” on page 441
̶Added ”ATmega1284 typical characteristics - TA = -40°C to 85°C” on page 493
̶Added ”Ordering information” on page 635 for non-picoPower devices
̶Added ”Errata for ATmega164A” on page 648
̶Added ”Errata for ATmega324A” on page 648
̶Added ”Errata for ATmega644PA” on page 648
̶Added ”Errata for ATmega1284” on page 648

652
ATmega164A/164PA/324A/324PA/644A/644PA/1284/1284P [DATASHEET]
Atmel-8272G-AVR-01/2015

i
ATmega164A/164PA/324A/324PA/644A/644PA/1284/1284P [DATASHEET]
Atmel-8272G-AVR-01/2015
Table of Contents
Features . . . . . . . . . . . . . . . . . . . . . . . . . . . . . . . . . . . . . . . . . . . . . . . . . . . . . . . . . . . . . . . . . . . . . . . . . . . . . . . 1
1. Pin configurations . . . . . . . . . . . . . . . . . . . . . . . . . . . . . . . . . . . . . . . . . . . . . . . . . . . . . . . . . . . . . . . . 3
1.1 Pinout - PDIP/TQFP/VQFN/QFN/MLF for ATmega164A/164PA/324A/324PA/644A/644PA/1284/1284P 3
1.2 Pinout - DRQFN for Atmel ATmega164A/164PA/324A/324PA . . . . . . . . . . . . . . . . . . . . . . . . . . . . . 4
1.3 Pinout - VFBGA for Atmel ATmega164A/164PA/324A/324PA . . . . . . . . . . . . . . . . . . . . . . . . . . . . . . 5
2. Overview . . . . . . . . . . . . . . . . . . . . . . . . . . . . . . . . . . . . . . . . . . . . . . . . . . . . . . . . . . . . . . . . . . . . . . . . . . 5
2.1 Block diagram . . . . . . . . . . . . . . . . . . . . . . . . . . . . . . . . . . . . . . . . . . . . . . . . . . . . . . . . . . . . . . . . . . . 6
2.2 Comparison between ATmega164A, ATmega164PA, ATmega324A, ATmega324PA, ATmega644A,
ATmega644PA, ATmega1284 and ATmega1284P
. . . . . . . . . . . . . . . . . . . . . . . . . . . . . . . . . . . . . . . . . . . . . . . . . . . . . . . . . . . . . . . . . . . . . . . . . . . . . . 7
2.3 Pin Descriptions11 . . . . . . . . . . . . . . . . . . . . . . . . . . . . . . . . . . . . . . . . . . . . . . . . . . . . . . . . . . . . . . . 7
3. Resources . . . . . . . . . . . . . . . . . . . . . . . . . . . . . . . . . . . . . . . . . . . . . . . . . . . . . . . . . . . . . . . . . . . . . . . . 9
4. About code examples . . . . . . . . . . . . . . . . . . . . . . . . . . . . . . . . . . . . . . . . . . . . . . . . . . . . . . . . . . . . . 9
5. Data retention . . . . . . . . . . . . . . . . . . . . . . . . . . . . . . . . . . . . . . . . . . . . . . . . . . . . . . . . . . . . . . . . . . . . . 9
6. Capacitive touch sensing . . . . . . . . . . . . . . . . . . . . . . . . . . . . . . . . . . . . . . . . . . . . . . . . . . . . . . . . . 9
7. AVR CPU Core . . . . . . . . . . . . . . . . . . . . . . . . . . . . . . . . . . . . . . . . . . . . . . . . . . . . . . . . . . . . . . . . . . . 10
7.1 Overview . . . . . . . . . . . . . . . . . . . . . . . . . . . . . . . . . . . . . . . . . . . . . . . . . . . . . . . . . . . . . . . . . . . . . . 10
7.2 ALU – Arithmetic Logic Unit . . . . . . . . . . . . . . . . . . . . . . . . . . . . . . . . . . . . . . . . . . . . . . . . . . . . . . . 11
7.3 Status Register . . . . . . . . . . . . . . . . . . . . . . . . . . . . . . . . . . . . . . . . . . . . . . . . . . . . . . . . . . . . . . . . . 11
7.4 General Purpose Register File . . . . . . . . . . . . . . . . . . . . . . . . . . . . . . . . . . . . . . . . . . . . . . . . . . . . . 13
7.5 Stack Pointer. . . . . . . . . . . . . . . . . . . . . . . . . . . . . . . . . . . . . . . . . . . . . . . . . . . . . . . . . . . . . . . . . . . 14
7.6 Instruction Execution Timing. . . . . . . . . . . . . . . . . . . . . . . . . . . . . . . . . . . . . . . . . . . . . . . . . . . . . . . 15
7.7 Reset and interrupt handling. . . . . . . . . . . . . . . . . . . . . . . . . . . . . . . . . . . . . . . . . . . . . . . . . . . . . . . 16
8. AVR memories . . . . . . . . . . . . . . . . . . . . . . . . . . . . . . . . . . . . . . . . . . . . . . . . . . . . . . . . . . . . . . . . . . . 19
8.1 Overview . . . . . . . . . . . . . . . . . . . . . . . . . . . . . . . . . . . . . . . . . . . . . . . . . . . . . . . . . . . . . . . . . . . . . . 19
8.2 In-System Reprogrammable Flash Program Memory. . . . . . . . . . . . . . . . . . . . . . . . . . . . . . . . . . . . 19
8.3 SRAM data memory . . . . . . . . . . . . . . . . . . . . . . . . . . . . . . . . . . . . . . . . . . . . . . . . . . . . . . . . . . . . . 20
8.4 EEPROM data memory . . . . . . . . . . . . . . . . . . . . . . . . . . . . . . . . . . . . . . . . . . . . . . . . . . . . . . . . . . 22
8.5 I/O memory . . . . . . . . . . . . . . . . . . . . . . . . . . . . . . . . . . . . . . . . . . . . . . . . . . . . . . . . . . . . . . . . . . . . 23
8.6 Register Description . . . . . . . . . . . . . . . . . . . . . . . . . . . . . . . . . . . . . . . . . . . . . . . . . . . . . . . . . . . . . 24
9. System clock and clock options . . . . . . . . . . . . . . . . . . . . . . . . . . . . . . . . . . . . . . . . . . . . . . . . . 30
9.1 Clock systems and their distribution . . . . . . . . . . . . . . . . . . . . . . . . . . . . . . . . . . . . . . . . . . . . . . . . . 30
9.2 Clock Sources. . . . . . . . . . . . . . . . . . . . . . . . . . . . . . . . . . . . . . . . . . . . . . . . . . . . . . . . . . . . . . . . . . 31
9.3 Low Power Crystal Oscillator . . . . . . . . . . . . . . . . . . . . . . . . . . . . . . . . . . . . . . . . . . . . . . . . . . . . . . 33
9.4 Full swing Crystal Oscillator . . . . . . . . . . . . . . . . . . . . . . . . . . . . . . . . . . . . . . . . . . . . . . . . . . . . . . . 34
9.5 Low Frequency Crystal Oscillator . . . . . . . . . . . . . . . . . . . . . . . . . . . . . . . . . . . . . . . . . . . . . . . . . . . 35
9.6 Calibrated Internal RC Oscillator . . . . . . . . . . . . . . . . . . . . . . . . . . . . . . . . . . . . . . . . . . . . . . . . . . . 36
9.7 128kHz internal oscillator . . . . . . . . . . . . . . . . . . . . . . . . . . . . . . . . . . . . . . . . . . . . . . . . . . . . . . . . . 37
9.8 External clock . . . . . . . . . . . . . . . . . . . . . . . . . . . . . . . . . . . . . . . . . . . . . . . . . . . . . . . . . . . . . . . . . . 38
9.9 Timer/Counter Oscillator . . . . . . . . . . . . . . . . . . . . . . . . . . . . . . . . . . . . . . . . . . . . . . . . . . . . . . . . . . 38
9.10 Clock Output Buffer. . . . . . . . . . . . . . . . . . . . . . . . . . . . . . . . . . . . . . . . . . . . . . . . . . . . . . . . . . . . . . 39
9.11 System Clock Prescaler . . . . . . . . . . . . . . . . . . . . . . . . . . . . . . . . . . . . . . . . . . . . . . . . . . . . . . . . . . 39

ii
ATmega164A/164PA/324A/324PA/644A/644PA/1284/1284P [DATASHEET]
Atmel-8272G-AVR-01/2015
9.12 Register description . . . . . . . . . . . . . . . . . . . . . . . . . . . . . . . . . . . . . . . . . . . . . . . . . . . . . . . . . . . . . 40
10. Power management and sleep modes . . . . . . . . . . . . . . . . . . . . . . . . . . . . . . . . . . . . . . . . . . . 42
10.1 Overview . . . . . . . . . . . . . . . . . . . . . . . . . . . . . . . . . . . . . . . . . . . . . . . . . . . . . . . . . . . . . . . . . . . . . . 42
10.2 Sleep Modes . . . . . . . . . . . . . . . . . . . . . . . . . . . . . . . . . . . . . . . . . . . . . . . . . . . . . . . . . . . . . . . . . . . 42
10.3 BOD disable(1) . . . . . . . . . . . . . . . . . . . . . . . . . . . . . . . . . . . . . . . . . . . . . . . . . . . . . . . . . . . . . . . . . . 43
10.4 Idle mode . . . . . . . . . . . . . . . . . . . . . . . . . . . . . . . . . . . . . . . . . . . . . . . . . . . . . . . . . . . . . . . . . . . . . 43
10.5 ADC Noise Reduction mode . . . . . . . . . . . . . . . . . . . . . . . . . . . . . . . . . . . . . . . . . . . . . . . . . . . . . . . 43
10.6 Power-down mode . . . . . . . . . . . . . . . . . . . . . . . . . . . . . . . . . . . . . . . . . . . . . . . . . . . . . . . . . . . . . . 44
10.7 Power-save mode . . . . . . . . . . . . . . . . . . . . . . . . . . . . . . . . . . . . . . . . . . . . . . . . . . . . . . . . . . . . . . . 44
10.8 Standby mode. . . . . . . . . . . . . . . . . . . . . . . . . . . . . . . . . . . . . . . . . . . . . . . . . . . . . . . . . . . . . . . . . . 44
10.9 Extended Standby mode. . . . . . . . . . . . . . . . . . . . . . . . . . . . . . . . . . . . . . . . . . . . . . . . . . . . . . . . . . 44
10.10 Power Reduction Register . . . . . . . . . . . . . . . . . . . . . . . . . . . . . . . . . . . . . . . . . . . . . . . . . . . . . . . . 45
10.11 Minimizing Power Consumption . . . . . . . . . . . . . . . . . . . . . . . . . . . . . . . . . . . . . . . . . . . . . . . . . . . . 45
10.12 Register description . . . . . . . . . . . . . . . . . . . . . . . . . . . . . . . . . . . . . . . . . . . . . . . . . . . . . . . . . . . . . 47
11. System Control and Reset . . . . . . . . . . . . . . . . . . . . . . . . . . . . . . . . . . . . . . . . . . . . . . . . . . . . . . . 50
11.1 Resetting the AVR . . . . . . . . . . . . . . . . . . . . . . . . . . . . . . . . . . . . . . . . . . . . . . . . . . . . . . . . . . . . . . 50
11.2 Internal Voltage Reference . . . . . . . . . . . . . . . . . . . . . . . . . . . . . . . . . . . . . . . . . . . . . . . . . . . . . . . . 54
11.3 Watchdog Timer . . . . . . . . . . . . . . . . . . . . . . . . . . . . . . . . . . . . . . . . . . . . . . . . . . . . . . . . . . . . . . . . 55
11.4 Register description . . . . . . . . . . . . . . . . . . . . . . . . . . . . . . . . . . . . . . . . . . . . . . . . . . . . . . . . . . . . . 58
12. Interrupts . . . . . . . . . . . . . . . . . . . . . . . . . . . . . . . . . . . . . . . . . . . . . . . . . . . . . . . . . . . . . . . . . . . . . . . . 61
12.1 Overview . . . . . . . . . . . . . . . . . . . . . . . . . . . . . . . . . . . . . . . . . . . . . . . . . . . . . . . . . . . . . . . . . . . . . . 61
12.2 Interrupt Vectors in ATmega164A/164PA/324A/324PA/644A/644PA/1284/1284P . . . . . . . . . . . . . 61
12.3 Register description . . . . . . . . . . . . . . . . . . . . . . . . . . . . . . . . . . . . . . . . . . . . . . . . . . . . . . . . . . . . . 65
13. External Interrupts . . . . . . . . . . . . . . . . . . . . . . . . . . . . . . . . . . . . . . . . . . . . . . . . . . . . . . . . . . . . . . . 67
13.1 Overview . . . . . . . . . . . . . . . . . . . . . . . . . . . . . . . . . . . . . . . . . . . . . . . . . . . . . . . . . . . . . . . . . . . . . . 67
13.2 Register description . . . . . . . . . . . . . . . . . . . . . . . . . . . . . . . . . . . . . . . . . . . . . . . . . . . . . . . . . . . . . 67
14. I/O-Ports . . . . . . . . . . . . . . . . . . . . . . . . . . . . . . . . . . . . . . . . . . . . . . . . . . . . . . . . . . . . . . . . . . . . . . . . . 72
14.1 Overview . . . . . . . . . . . . . . . . . . . . . . . . . . . . . . . . . . . . . . . . . . . . . . . . . . . . . . . . . . . . . . . . . . . . . . 72
14.2 Ports as General Digital I/O . . . . . . . . . . . . . . . . . . . . . . . . . . . . . . . . . . . . . . . . . . . . . . . . . . . . . . . 73
14.3 Alternate Port Functions . . . . . . . . . . . . . . . . . . . . . . . . . . . . . . . . . . . . . . . . . . . . . . . . . . . . . . . . . . 77
14.4 Register description . . . . . . . . . . . . . . . . . . . . . . . . . . . . . . . . . . . . . . . . . . . . . . . . . . . . . . . . . . . . . 89
15. 8-bit Timer/Counter0 with PWM . . . . . . . . . . . . . . . . . . . . . . . . . . . . . . . . . . . . . . . . . . . . . . . . . . 91
15.1 Features . . . . . . . . . . . . . . . . . . . . . . . . . . . . . . . . . . . . . . . . . . . . . . . . . . . . . . . . . . . . . . . . . . . . . . 91
15.2 Overview . . . . . . . . . . . . . . . . . . . . . . . . . . . . . . . . . . . . . . . . . . . . . . . . . . . . . . . . . . . . . . . . . . . . . . 91
15.3 Timer/Counter Clock Sources. . . . . . . . . . . . . . . . . . . . . . . . . . . . . . . . . . . . . . . . . . . . . . . . . . . . . . 92
15.4 Counter Unit . . . . . . . . . . . . . . . . . . . . . . . . . . . . . . . . . . . . . . . . . . . . . . . . . . . . . . . . . . . . . . . . . . . 92
15.5 Output Compare unit. . . . . . . . . . . . . . . . . . . . . . . . . . . . . . . . . . . . . . . . . . . . . . . . . . . . . . . . . . . . . 93
15.6 Compare Match Output unit . . . . . . . . . . . . . . . . . . . . . . . . . . . . . . . . . . . . . . . . . . . . . . . . . . . . . . . 94
15.7 Modes of operation . . . . . . . . . . . . . . . . . . . . . . . . . . . . . . . . . . . . . . . . . . . . . . . . . . . . . . . . . . . . . . 95
15.8 Timer/Counter Timing diagrams . . . . . . . . . . . . . . . . . . . . . . . . . . . . . . . . . . . . . . . . . . . . . . . . . . . . 99
15.9 Register description . . . . . . . . . . . . . . . . . . . . . . . . . . . . . . . . . . . . . . . . . . . . . . . . . . . . . . . . . . . . 101
16. 16-bit Timer/Counter1 and Timer/Counter3(1) with PWM . . . . . . . . . . . . . . . . . . . . . . . . 107
16.1 Features . . . . . . . . . . . . . . . . . . . . . . . . . . . . . . . . . . . . . . . . . . . . . . . . . . . . . . . . . . . . . . . . . . . . . 107
16.2 Overview . . . . . . . . . . . . . . . . . . . . . . . . . . . . . . . . . . . . . . . . . . . . . . . . . . . . . . . . . . . . . . . . . . . . . 107
16.3 Accessing 16-bit Registers . . . . . . . . . . . . . . . . . . . . . . . . . . . . . . . . . . . . . . . . . . . . . . . . . . . . . . . 109

iii
ATmega164A/164PA/324A/324PA/644A/644PA/1284/1284P [DATASHEET]
Atmel-8272G-AVR-01/2015
16.4 Timer/Counter Clock Sources. . . . . . . . . . . . . . . . . . . . . . . . . . . . . . . . . . . . . . . . . . . . . . . . . . . . . 112
16.5 Prescaler Reset . . . . . . . . . . . . . . . . . . . . . . . . . . . . . . . . . . . . . . . . . . . . . . . . . . . . . . . . . . . . . . . 112
16.6 Counter Unit . . . . . . . . . . . . . . . . . . . . . . . . . . . . . . . . . . . . . . . . . . . . . . . . . . . . . . . . . . . . . . . . . . 113
16.7 Input Capture Unit . . . . . . . . . . . . . . . . . . . . . . . . . . . . . . . . . . . . . . . . . . . . . . . . . . . . . . . . . . . . . . 114
16.8 Output Compare units. . . . . . . . . . . . . . . . . . . . . . . . . . . . . . . . . . . . . . . . . . . . . . . . . . . . . . . . . . . 115
16.9 Compare Match Output unit . . . . . . . . . . . . . . . . . . . . . . . . . . . . . . . . . . . . . . . . . . . . . . . . . . . . . . 118
16.10 Modes of Operation . . . . . . . . . . . . . . . . . . . . . . . . . . . . . . . . . . . . . . . . . . . . . . . . . . . . . . . . . . . . 119
16.11 Timer/Counter Timing diagrams . . . . . . . . . . . . . . . . . . . . . . . . . . . . . . . . . . . . . . . . . . . . . . . . . . . 126
16.12 Register description . . . . . . . . . . . . . . . . . . . . . . . . . . . . . . . . . . . . . . . . . . . . . . . . . . . . . . . . . . . . 128
17. 8-bit Timer/Counter2 with PWM and asynchronous operation . . . . . . . . . . . . . . . . . . 138
17.1 Features . . . . . . . . . . . . . . . . . . . . . . . . . . . . . . . . . . . . . . . . . . . . . . . . . . . . . . . . . . . . . . . . . . . . . 138
17.2 Overview . . . . . . . . . . . . . . . . . . . . . . . . . . . . . . . . . . . . . . . . . . . . . . . . . . . . . . . . . . . . . . . . . . . . . 138
17.3 Timer/Counter clock sources . . . . . . . . . . . . . . . . . . . . . . . . . . . . . . . . . . . . . . . . . . . . . . . . . . . . . 139
17.4 Counter unit . . . . . . . . . . . . . . . . . . . . . . . . . . . . . . . . . . . . . . . . . . . . . . . . . . . . . . . . . . . . . . . . . . 140
17.5 Output Compare unit. . . . . . . . . . . . . . . . . . . . . . . . . . . . . . . . . . . . . . . . . . . . . . . . . . . . . . . . . . . . 140
17.6 Compare Match Output unit . . . . . . . . . . . . . . . . . . . . . . . . . . . . . . . . . . . . . . . . . . . . . . . . . . . . . . 142
17.7 Modes of operation . . . . . . . . . . . . . . . . . . . . . . . . . . . . . . . . . . . . . . . . . . . . . . . . . . . . . . . . . . . . . 143
17.8 Timer/Counter Timing diagrams . . . . . . . . . . . . . . . . . . . . . . . . . . . . . . . . . . . . . . . . . . . . . . . . . . . 147
17.9 Asynchronous Operation of Timer/Counter2 . . . . . . . . . . . . . . . . . . . . . . . . . . . . . . . . . . . . . . . . . 148
17.10 Timer/Counter Prescaler. . . . . . . . . . . . . . . . . . . . . . . . . . . . . . . . . . . . . . . . . . . . . . . . . . . . . . . . . 150
17.11 Register description . . . . . . . . . . . . . . . . . . . . . . . . . . . . . . . . . . . . . . . . . . . . . . . . . . . . . . . . . . . . 151
18. SPI – Serial Peripheral Interface . . . . . . . . . . . . . . . . . . . . . . . . . . . . . . . . . . . . . . . . . . . . . . . . 158
18.1 Features . . . . . . . . . . . . . . . . . . . . . . . . . . . . . . . . . . . . . . . . . . . . . . . . . . . . . . . . . . . . . . . . . . . . . 158
18.2 Overview . . . . . . . . . . . . . . . . . . . . . . . . . . . . . . . . . . . . . . . . . . . . . . . . . . . . . . . . . . . . . . . . . . . . . 158
18.3 SS pin functionality . . . . . . . . . . . . . . . . . . . . . . . . . . . . . . . . . . . . . . . . . . . . . . . . . . . . . . . . . . . . . 162
18.4 Data modes. . . . . . . . . . . . . . . . . . . . . . . . . . . . . . . . . . . . . . . . . . . . . . . . . . . . . . . . . . . . . . . . . . . 162
18.5 Register description . . . . . . . . . . . . . . . . . . . . . . . . . . . . . . . . . . . . . . . . . . . . . . . . . . . . . . . . . . . . 164
19. USART . . . . . . . . . . . . . . . . . . . . . . . . . . . . . . . . . . . . . . . . . . . . . . . . . . . . . . . . . . . . . . . . . . . . . . . . . . 167
19.1 Features . . . . . . . . . . . . . . . . . . . . . . . . . . . . . . . . . . . . . . . . . . . . . . . . . . . . . . . . . . . . . . . . . . . . . 167
19.2 USART1 and USART0 . . . . . . . . . . . . . . . . . . . . . . . . . . . . . . . . . . . . . . . . . . . . . . . . . . . . . . . . . . 167
19.3 Overview . . . . . . . . . . . . . . . . . . . . . . . . . . . . . . . . . . . . . . . . . . . . . . . . . . . . . . . . . . . . . . . . . . . . . 167
19.4 Clock Generation . . . . . . . . . . . . . . . . . . . . . . . . . . . . . . . . . . . . . . . . . . . . . . . . . . . . . . . . . . . . . . 168
19.5 Frame formats. . . . . . . . . . . . . . . . . . . . . . . . . . . . . . . . . . . . . . . . . . . . . . . . . . . . . . . . . . . . . . . . . 171
19.6 USART Initialization . . . . . . . . . . . . . . . . . . . . . . . . . . . . . . . . . . . . . . . . . . . . . . . . . . . . . . . . . . . . 172
19.7 Data Transmission – The USART Transmitter . . . . . . . . . . . . . . . . . . . . . . . . . . . . . . . . . . . . . . . . 173
19.8 Data Reception – The USART Receiver. . . . . . . . . . . . . . . . . . . . . . . . . . . . . . . . . . . . . . . . . . . . . 176
19.9 Asynchronous Data Reception . . . . . . . . . . . . . . . . . . . . . . . . . . . . . . . . . . . . . . . . . . . . . . . . . . . . 180
19.10 Multi-processor Communication mode . . . . . . . . . . . . . . . . . . . . . . . . . . . . . . . . . . . . . . . . . . . . . . 183
19.11 Register description . . . . . . . . . . . . . . . . . . . . . . . . . . . . . . . . . . . . . . . . . . . . . . . . . . . . . . . . . . . . 185
19.12 Examples of Baud Rate Setting . . . . . . . . . . . . . . . . . . . . . . . . . . . . . . . . . . . . . . . . . . . . . . . . . . . 190
20. USART in SPI mode . . . . . . . . . . . . . . . . . . . . . . . . . . . . . . . . . . . . . . . . . . . . . . . . . . . . . . . . . . . . . 194
20.1 Features . . . . . . . . . . . . . . . . . . . . . . . . . . . . . . . . . . . . . . . . . . . . . . . . . . . . . . . . . . . . . . . . . . . . . 194
20.2 Overview . . . . . . . . . . . . . . . . . . . . . . . . . . . . . . . . . . . . . . . . . . . . . . . . . . . . . . . . . . . . . . . . . . . . . 194
20.3 Clock Generation . . . . . . . . . . . . . . . . . . . . . . . . . . . . . . . . . . . . . . . . . . . . . . . . . . . . . . . . . . . . . . 194
20.4 SPI Data Modes and Timing . . . . . . . . . . . . . . . . . . . . . . . . . . . . . . . . . . . . . . . . . . . . . . . . . . . . . . 195
20.5 Frame Formats . . . . . . . . . . . . . . . . . . . . . . . . . . . . . . . . . . . . . . . . . . . . . . . . . . . . . . . . . . . . . . . . 195
20.6 Data Transfer . . . . . . . . . . . . . . . . . . . . . . . . . . . . . . . . . . . . . . . . . . . . . . . . . . . . . . . . . . . . . . . . . 197
20.7 AVR USART MSPIM vs. AVR SPI . . . . . . . . . . . . . . . . . . . . . . . . . . . . . . . . . . . . . . . . . . . . . . . . . 199

iv
ATmega164A/164PA/324A/324PA/644A/644PA/1284/1284P [DATASHEET]
Atmel-8272G-AVR-01/2015
20.8 Register description . . . . . . . . . . . . . . . . . . . . . . . . . . . . . . . . . . . . . . . . . . . . . . . . . . . . . . . . . . . . 200
21. Two-wire Serial Interface . . . . . . . . . . . . . . . . . . . . . . . . . . . . . . . . . . . . . . . . . . . . . . . . . . . . . . . . 203
21.1 Features . . . . . . . . . . . . . . . . . . . . . . . . . . . . . . . . . . . . . . . . . . . . . . . . . . . . . . . . . . . . . . . . . . . . . 203
21.2 Two-wire Serial Interface bus definition . . . . . . . . . . . . . . . . . . . . . . . . . . . . . . . . . . . . . . . . . . . . . 203
21.3 Data Transfer and Frame Format . . . . . . . . . . . . . . . . . . . . . . . . . . . . . . . . . . . . . . . . . . . . . . . . . . 204
21.4 Multi-master Bus Systems, Arbitration and Synchronization . . . . . . . . . . . . . . . . . . . . . . . . . . . . . 206
21.5 Overview of the TWI Module. . . . . . . . . . . . . . . . . . . . . . . . . . . . . . . . . . . . . . . . . . . . . . . . . . . . . . 209
21.6 Using the TWI . . . . . . . . . . . . . . . . . . . . . . . . . . . . . . . . . . . . . . . . . . . . . . . . . . . . . . . . . . . . . . . . . 211
21.7 Transmission modes. . . . . . . . . . . . . . . . . . . . . . . . . . . . . . . . . . . . . . . . . . . . . . . . . . . . . . . . . . . . 214
21.8 Multi-master Systems and Arbitration . . . . . . . . . . . . . . . . . . . . . . . . . . . . . . . . . . . . . . . . . . . . . . . 226
21.9 Register description . . . . . . . . . . . . . . . . . . . . . . . . . . . . . . . . . . . . . . . . . . . . . . . . . . . . . . . . . . . . 228
22. AC - Analog Comparator . . . . . . . . . . . . . . . . . . . . . . . . . . . . . . . . . . . . . . . . . . . . . . . . . . . . . . . . 232
22.1 Overview . . . . . . . . . . . . . . . . . . . . . . . . . . . . . . . . . . . . . . . . . . . . . . . . . . . . . . . . . . . . . . . . . . . . . 232
22.2 Analog Comparator Multiplexed Input. . . . . . . . . . . . . . . . . . . . . . . . . . . . . . . . . . . . . . . . . . . . . . . 232
22.3 Register description . . . . . . . . . . . . . . . . . . . . . . . . . . . . . . . . . . . . . . . . . . . . . . . . . . . . . . . . . . . . 233
23. ADC - Analog-to-digital converter . . . . . . . . . . . . . . . . . . . . . . . . . . . . . . . . . . . . . . . . . . . . . . . 235
23.1 Features . . . . . . . . . . . . . . . . . . . . . . . . . . . . . . . . . . . . . . . . . . . . . . . . . . . . . . . . . . . . . . . . . . . . . 235
23.2 Overview . . . . . . . . . . . . . . . . . . . . . . . . . . . . . . . . . . . . . . . . . . . . . . . . . . . . . . . . . . . . . . . . . . . . . 235
23.3 Operation . . . . . . . . . . . . . . . . . . . . . . . . . . . . . . . . . . . . . . . . . . . . . . . . . . . . . . . . . . . . . . . . . . . . 236
23.4 Starting a conversion . . . . . . . . . . . . . . . . . . . . . . . . . . . . . . . . . . . . . . . . . . . . . . . . . . . . . . . . . . . 237
23.5 Prescaling and Conversion Timing . . . . . . . . . . . . . . . . . . . . . . . . . . . . . . . . . . . . . . . . . . . . . . . . . 238
23.6 Changing Channel or Reference Selection. . . . . . . . . . . . . . . . . . . . . . . . . . . . . . . . . . . . . . . . . . . 241
23.7 ADC Noise Canceler. . . . . . . . . . . . . . . . . . . . . . . . . . . . . . . . . . . . . . . . . . . . . . . . . . . . . . . . . . . . 242
23.8 ADC Conversion Result . . . . . . . . . . . . . . . . . . . . . . . . . . . . . . . . . . . . . . . . . . . . . . . . . . . . . . . . . 247
23.9 Register description . . . . . . . . . . . . . . . . . . . . . . . . . . . . . . . . . . . . . . . . . . . . . . . . . . . . . . . . . . . . 249
24. JTAG interface and on-chip debug system . . . . . . . . . . . . . . . . . . . . . . . . . . . . . . . . . . . . . 254
24.1 Features . . . . . . . . . . . . . . . . . . . . . . . . . . . . . . . . . . . . . . . . . . . . . . . . . . . . . . . . . . . . . . . . . . . . . 254
24.2 Overview . . . . . . . . . . . . . . . . . . . . . . . . . . . . . . . . . . . . . . . . . . . . . . . . . . . . . . . . . . . . . . . . . . . . . 254
24.3 TAP – Test Access Port . . . . . . . . . . . . . . . . . . . . . . . . . . . . . . . . . . . . . . . . . . . . . . . . . . . . . . . . . 254
24.4 TAP controller . . . . . . . . . . . . . . . . . . . . . . . . . . . . . . . . . . . . . . . . . . . . . . . . . . . . . . . . . . . . . . . . . 256
24.5 Using the Boundary-scan Chain . . . . . . . . . . . . . . . . . . . . . . . . . . . . . . . . . . . . . . . . . . . . . . . . . . . 257
24.6 Using the On-chip Debug System. . . . . . . . . . . . . . . . . . . . . . . . . . . . . . . . . . . . . . . . . . . . . . . . . . 257
24.7 On-chip Debug Specific JTAG Instructions. . . . . . . . . . . . . . . . . . . . . . . . . . . . . . . . . . . . . . . . . . . 258
24.8 Using the JTAG Programming Capabilities . . . . . . . . . . . . . . . . . . . . . . . . . . . . . . . . . . . . . . . . . . 258
24.9 Bibliography . . . . . . . . . . . . . . . . . . . . . . . . . . . . . . . . . . . . . . . . . . . . . . . . . . . . . . . . . . . . . . . . . . 259
24.10 Register description . . . . . . . . . . . . . . . . . . . . . . . . . . . . . . . . . . . . . . . . . . . . . . . . . . . . . . . . . . . . 259
25. IEEE 1149.1 (JTAG) Boundary-scan . . . . . . . . . . . . . . . . . . . . . . . . . . . . . . . . . . . . . . . . . . . . . 260
25.1 Features . . . . . . . . . . . . . . . . . . . . . . . . . . . . . . . . . . . . . . . . . . . . . . . . . . . . . . . . . . . . . . . . . . . . . 260
25.2 Overview . . . . . . . . . . . . . . . . . . . . . . . . . . . . . . . . . . . . . . . . . . . . . . . . . . . . . . . . . . . . . . . . . . . . . 260
25.3 Data Registers . . . . . . . . . . . . . . . . . . . . . . . . . . . . . . . . . . . . . . . . . . . . . . . . . . . . . . . . . . . . . . . . 261
25.4 Boundary-scan Specific JTAG Instructions. . . . . . . . . . . . . . . . . . . . . . . . . . . . . . . . . . . . . . . . . . . 262
25.5 Boundary-scan Chain . . . . . . . . . . . . . . . . . . . . . . . . . . . . . . . . . . . . . . . . . . . . . . . . . . . . . . . . . . . 263
25.6 Atmel ATmega164A/164PA/324A/324PA/644A/644PA/1284/1284P Boundary-scan order. . . . . . 266
25.7 Boundary-scan Description Language Files . . . . . . . . . . . . . . . . . . . . . . . . . . . . . . . . . . . . . . . . . . 267
25.8 Register description . . . . . . . . . . . . . . . . . . . . . . . . . . . . . . . . . . . . . . . . . . . . . . . . . . . . . . . . . . . . 268
26. Boot loader support – read-while-write self-programming . . . . . . . . . . . . . . . . . . . . . . 269

v
ATmega164A/164PA/324A/324PA/644A/644PA/1284/1284P [DATASHEET]
Atmel-8272G-AVR-01/2015
26.1 Features . . . . . . . . . . . . . . . . . . . . . . . . . . . . . . . . . . . . . . . . . . . . . . . . . . . . . . . . . . . . . . . . . . . . . 269
26.2 Overview . . . . . . . . . . . . . . . . . . . . . . . . . . . . . . . . . . . . . . . . . . . . . . . . . . . . . . . . . . . . . . . . . . . . . 269
26.3 Application and Boot Loader Flash Sections . . . . . . . . . . . . . . . . . . . . . . . . . . . . . . . . . . . . . . . . . 269
26.4 Read-While-Write and No Read-While-Write Flash Sections . . . . . . . . . . . . . . . . . . . . . . . . . . . . . 270
26.5 Boot Loader Lock Bits. . . . . . . . . . . . . . . . . . . . . . . . . . . . . . . . . . . . . . . . . . . . . . . . . . . . . . . . . . . 272
26.6 Entering the Boot Loader Program . . . . . . . . . . . . . . . . . . . . . . . . . . . . . . . . . . . . . . . . . . . . . . . . . 273
26.7 Addressing the Flash During Self-Programming. . . . . . . . . . . . . . . . . . . . . . . . . . . . . . . . . . . . . . . 274
26.8 Self-Programming the Flash . . . . . . . . . . . . . . . . . . . . . . . . . . . . . . . . . . . . . . . . . . . . . . . . . . . . . . 275
26.9 Register description . . . . . . . . . . . . . . . . . . . . . . . . . . . . . . . . . . . . . . . . . . . . . . . . . . . . . . . . . . . . 285
27. Memory programming . . . . . . . . . . . . . . . . . . . . . . . . . . . . . . . . . . . . . . . . . . . . . . . . . . . . . . . . . . 287
27.1 Program And Data Memory Lock Bits. . . . . . . . . . . . . . . . . . . . . . . . . . . . . . . . . . . . . . . . . . . . . . . 287
27.2 Fuse bits . . . . . . . . . . . . . . . . . . . . . . . . . . . . . . . . . . . . . . . . . . . . . . . . . . . . . . . . . . . . . . . . . . . . . 288
27.3 Signature Bytes. . . . . . . . . . . . . . . . . . . . . . . . . . . . . . . . . . . . . . . . . . . . . . . . . . . . . . . . . . . . . . . . 290
27.4 Calibration byte . . . . . . . . . . . . . . . . . . . . . . . . . . . . . . . . . . . . . . . . . . . . . . . . . . . . . . . . . . . . . . . . 290
27.5 Page Size . . . . . . . . . . . . . . . . . . . . . . . . . . . . . . . . . . . . . . . . . . . . . . . . . . . . . . . . . . . . . . . . . . . . 290
27.6 Parallel Programming Parameters, Pin Mapping, and Commands. . . . . . . . . . . . . . . . . . . . . . . . . 291
27.7 Parallel programming . . . . . . . . . . . . . . . . . . . . . . . . . . . . . . . . . . . . . . . . . . . . . . . . . . . . . . . . . . . 293
27.8 Serial downloading . . . . . . . . . . . . . . . . . . . . . . . . . . . . . . . . . . . . . . . . . . . . . . . . . . . . . . . . . . . . . 301
27.9 Serial Programming Instruction set. . . . . . . . . . . . . . . . . . . . . . . . . . . . . . . . . . . . . . . . . . . . . . . . . 304
27.10 Programming via the JTAG Interface . . . . . . . . . . . . . . . . . . . . . . . . . . . . . . . . . . . . . . . . . . . . . . . 306
28. Electrical characteristics (TA = -40°C to 85°C) . . . . . . . . . . . . . . . . . . . . . . . . . . . . . . . . . . 318
28.1 DC Characteristics . . . . . . . . . . . . . . . . . . . . . . . . . . . . . . . . . . . . . . . . . . . . . . . . . . . . . . . . . . . . . 318
28.2 Speed grades . . . . . . . . . . . . . . . . . . . . . . . . . . . . . . . . . . . . . . . . . . . . . . . . . . . . . . . . . . . . . . . . . 324
28.3 Clock characteristics . . . . . . . . . . . . . . . . . . . . . . . . . . . . . . . . . . . . . . . . . . . . . . . . . . . . . . . . . . . . 325
28.4 System and reset characteristics . . . . . . . . . . . . . . . . . . . . . . . . . . . . . . . . . . . . . . . . . . . . . . . . . . 326
28.5 External interrupts characteristics. . . . . . . . . . . . . . . . . . . . . . . . . . . . . . . . . . . . . . . . . . . . . . . . . . 326
28.6 SPI timing characteristics . . . . . . . . . . . . . . . . . . . . . . . . . . . . . . . . . . . . . . . . . . . . . . . . . . . . . . . . 327
28.7 Two-wire Serial Interface Characteristics . . . . . . . . . . . . . . . . . . . . . . . . . . . . . . . . . . . . . . . . . . . . 328
28.8 ADC characteristics . . . . . . . . . . . . . . . . . . . . . . . . . . . . . . . . . . . . . . . . . . . . . . . . . . . . . . . . . . . . 330
29. Electrical Characteristics - TA = -40°C to 105°C . . . . . . . . . . . . . . . . . . . . . . . . . . . . . . . . . 333
29.1 DC Characteristics . . . . . . . . . . . . . . . . . . . . . . . . . . . . . . . . . . . . . . . . . . . . . . . . . . . . . . . . . . . . . 333
30. Typical characteristics -TA = -40°C to 85°C . . . . . . . . . . . . . . . . . . . . . . . . . . . . . . . . . . . . . 336
30.1 Atmel ATmega164A typical characteristics - TA = -40°C to 85°C. . . . . . . . . . . . . . . . . . . . . . . . . . 336
30.2 Atmel ATmega164PA typical characteristics - TA = -40°C to 85°C . . . . . . . . . . . . . . . . . . . . . . . . 363
30.3 Atmel ATmega324A typical characteristics - TA = -40°C to 85°C. . . . . . . . . . . . . . . . . . . . . . . . . . 389
30.4 Atmel ATmega324PA typical characteristics - TA = -40°C to 85°C . . . . . . . . . . . . . . . . . . . . . . . . 415
30.5 Atmel ATmega644A typical characteristics - TA = -40°C to 85°C. . . . . . . . . . . . . . . . . . . . . . . . . . 441
30.6 ATmega644PA typical characteristics - TA = -40°C to 85°C . . . . . . . . . . . . . . . . . . . . . . . . . . . . . 467
30.7 ATmega1284 typical characteristics - TA = -40°C to 85°C . . . . . . . . . . . . . . . . . . . . . . . . . . . . . . . 493
30.8 ATmega1284P typical characteristics - TA = -40°C to 85°C. . . . . . . . . . . . . . . . . . . . . . . . . . . . . . 519
31. Typical Characteristics - TA = -40°C to 105°C . . . . . . . . . . . . . . . . . . . . . . . . . . . . . . . . . . . 545
31.1 ATmega164PA Typical Characteristics - TA = -40°C to 105°C . . . . . . . . . . . . . . . . . . . . . . . . . . . 546
31.2 ATmega324PA Typical Characteristics - TA = -40°C to 105°C . . . . . . . . . . . . . . . . . . . . . . . . . . . 566
31.3 ATmega644PA Typical Characteristics - TA = -40°C to 105°C . . . . . . . . . . . . . . . . . . . . . . . . . . . 586
31.4 ATmega1284P typical characteristics - TA = -40°C to 105°C. . . . . . . . . . . . . . . . . . . . . . . . . . . . . 605
32. Register summary . . . . . . . . . . . . . . . . . . . . . . . . . . . . . . . . . . . . . . . . . . . . . . . . . . . . . . . . . . . . . . 628

vi
ATmega164A/164PA/324A/324PA/644A/644PA/1284/1284P [DATASHEET]
Atmel-8272G-AVR-01/2015
33. Instruction set summary . . . . . . . . . . . . . . . . . . . . . . . . . . . . . . . . . . . . . . . . . . . . . . . . . . . . . . . . 632
34. Ordering information . . . . . . . . . . . . . . . . . . . . . . . . . . . . . . . . . . . . . . . . . . . . . . . . . . . . . . . . . . . 635
34.1 Atmel ATmega164A . . . . . . . . . . . . . . . . . . . . . . . . . . . . . . . . . . . . . . . . . . . . . . . . . . . . . . . . . . . . 635
34.2 Atmel ATmega164PA . . . . . . . . . . . . . . . . . . . . . . . . . . . . . . . . . . . . . . . . . . . . . . . . . . . . . . . . . . . 636
34.3 Atmel ATmega324A . . . . . . . . . . . . . . . . . . . . . . . . . . . . . . . . . . . . . . . . . . . . . . . . . . . . . . . . . . . . 637
34.4 Atmel ATmega324PA . . . . . . . . . . . . . . . . . . . . . . . . . . . . . . . . . . . . . . . . . . . . . . . . . . . . . . . . . . . 638
34.5 Atmel ATmega644A . . . . . . . . . . . . . . . . . . . . . . . . . . . . . . . . . . . . . . . . . . . . . . . . . . . . . . . . . . . . 639
34.6 Atmel ATmega644PA . . . . . . . . . . . . . . . . . . . . . . . . . . . . . . . . . . . . . . . . . . . . . . . . . . . . . . . . . . . 640
34.7 Atmel ATmega1284 . . . . . . . . . . . . . . . . . . . . . . . . . . . . . . . . . . . . . . . . . . . . . . . . . . . . . . . . . . . . 641
34.8 Atmel ATmega1284P . . . . . . . . . . . . . . . . . . . . . . . . . . . . . . . . . . . . . . . . . . . . . . . . . . . . . . . . . . . 642
35. Packaging information . . . . . . . . . . . . . . . . . . . . . . . . . . . . . . . . . . . . . . . . . . . . . . . . . . . . . . . . . . 643
35.1 44A . . . . . . . . . . . . . . . . . . . . . . . . . . . . . . . . . . . . . . . . . . . . . . . . . . . . . . . . . . . . . . . . . . . . . . . . . 643
35.2 40P6 . . . . . . . . . . . . . . . . . . . . . . . . . . . . . . . . . . . . . . . . . . . . . . . . . . . . . . . . . . . . . . . . . . . . . . . . 644
35.3 44M1 . . . . . . . . . . . . . . . . . . . . . . . . . . . . . . . . . . . . . . . . . . . . . . . . . . . . . . . . . . . . . . . . . . . . . . . . 645
35.4 44MC . . . . . . . . . . . . . . . . . . . . . . . . . . . . . . . . . . . . . . . . . . . . . . . . . . . . . . . . . . . . . . . . . . . . . . . 646
35.5 49C2 . . . . . . . . . . . . . . . . . . . . . . . . . . . . . . . . . . . . . . . . . . . . . . . . . . . . . . . . . . . . . . . . . . . . . . . 647
36. Errata . . . . . . . . . . . . . . . . . . . . . . . . . . . . . . . . . . . . . . . . . . . . . . . . . . . . . . . . . . . . . . . . . . . . . . . . . . . 648
36.1 Errata for ATmega164A . . . . . . . . . . . . . . . . . . . . . . . . . . . . . . . . . . . . . . . . . . . . . . . . . . . . . . . . . 648
36.2 Errata for ATmega164PA . . . . . . . . . . . . . . . . . . . . . . . . . . . . . . . . . . . . . . . . . . . . . . . . . . . . . . . . 648
36.3 Errata for ATmega324A . . . . . . . . . . . . . . . . . . . . . . . . . . . . . . . . . . . . . . . . . . . . . . . . . . . . . . . . . 648
36.4 Errata for ATmega324PA . . . . . . . . . . . . . . . . . . . . . . . . . . . . . . . . . . . . . . . . . . . . . . . . . . . . . . . . 648
36.5 Errata for ATmega644A . . . . . . . . . . . . . . . . . . . . . . . . . . . . . . . . . . . . . . . . . . . . . . . . . . . . . . . . . 648
36.6 Errata for ATmega644PA . . . . . . . . . . . . . . . . . . . . . . . . . . . . . . . . . . . . . . . . . . . . . . . . . . . . . . . . 648
36.7 Errata for ATmega1284 . . . . . . . . . . . . . . . . . . . . . . . . . . . . . . . . . . . . . . . . . . . . . . . . . . . . . . . . . 648
36.8 Errata for ATmega1284P . . . . . . . . . . . . . . . . . . . . . . . . . . . . . . . . . . . . . . . . . . . . . . . . . . . . . . . . 648
37. Datasheet revision history . . . . . . . . . . . . . . . . . . . . . . . . . . . . . . . . . . . . . . . . . . . . . . . . . . . . . . 649
37.1 Rev. 8272G - 01/2015. . . . . . . . . . . . . . . . . . . . . . . . . . . . . . . . . . . . . . . . . . . . . . . . . . . . . . . . . . . 649
37.2 Rev. 8272F - 08/2014 . . . . . . . . . . . . . . . . . . . . . . . . . . . . . . . . . . . . . . . . . . . . . . . . . . . . . . . . . . . 649
37.3 Rev. 8272E - 04/2013 . . . . . . . . . . . . . . . . . . . . . . . . . . . . . . . . . . . . . . . . . . . . . . . . . . . . . . . . . . . 649
37.4 Rev. 8272D - 05/12. . . . . . . . . . . . . . . . . . . . . . . . . . . . . . . . . . . . . . . . . . . . . . . . . . . . . . . . . . . . . 650
37.5 Rev. 8272C - 06/11. . . . . . . . . . . . . . . . . . . . . . . . . . . . . . . . . . . . . . . . . . . . . . . . . . . . . . . . . . . . . 650
37.6 Rev. 8272B - 05/11 . . . . . . . . . . . . . . . . . . . . . . . . . . . . . . . . . . . . . . . . . . . . . . . . . . . . . . . . . . . . . 650
37.7 Rev. 8272A - 01/10 . . . . . . . . . . . . . . . . . . . . . . . . . . . . . . . . . . . . . . . . . . . . . . . . . . . . . . . . . . . . . 651

X
XXX
XX
Atmel Corporation 1600 Technology Drive, San Jose, CA 95110 USAT: (+1)(408) 441.0311F: (+1)(408) 436.4200|www.atmel.com
© 2015 Atmel Corporation. / Rev.: Atmel-8272G-AVR-Document-Title-or-Devices-Filename-Datasheet_01/2015.
Atmel®, Atmel logo and combinations thereof, Enabling Unlimited Possibilities, and others are registered trademarks or trademarks of Atmel Corporation in U.S. and
other countries. Other terms and product names may be trademarks of others.
DISCLAIMER: The information in this document is provided in connection with Atmel products. No license, express or implied, by estoppel or otherwise, to any intellectual property right
is granted by this document or in connection with the sale of Atmel products. EXCEPT AS SET FORTH IN THE ATMEL TERMS AND CONDITIONS OF SALES LOCATED ON THE
ATMEL WEBSITE, ATMEL ASSUMES NO LIABILITY WHATSOEVER AND DISCLAIMS ANY EXPRESS, IMPLIED OR STATUTORY WARRANTY RELATING TO ITS PRODUCTS
INCLUDING, BUT NOT LIMITED TO, THE IMPLIED WARRANTY OF MERCHANTABILITY, FITNESS FOR A PARTICULAR PURPOSE, OR NON-INFRINGEMENT. IN NO EVENT
SHALL ATMEL BE LIABLE FOR ANY DIRECT, INDIRECT, CONSEQUENTIAL, PUNITIVE, SPECIAL OR INCIDENTAL DAMAGES (INCLUDING, WITHOUT LIMITATION, DAMAGES
FOR LOSS AND PROFITS, BUSINESS INTERRUPTION, OR LOSS OF INFORMATION) ARISING OUT OF THE USE OR INABILITY TO USE THIS DOCUMENT, EVEN IF ATMEL HAS
BEEN ADVISED OF THE POSSIBILITY OF SUCH DAMAGES. Atmel makes no representations or warranties with respect to the accuracy or completeness of the contents of this
document and reserves the right to make changes to specifications and products descriptions at any time without notice. Atmel does not make any commitment to update the information
contained herein. Unless specifically provided otherwise, Atmel products are not suitable for, and shall not be used in, automotive applications. Atmel products are not intended,
authorized, or warranted for use as components in applications intended to support or sustain life.
SAFETY-CRITICAL, MILITARY, AND AUTOMOTIVE APPLICATIONS DISCLAIMER: Atmel products are not designed for and will not be used in connection with any applications where
the failure of such products would reasonably be expected to result in significant personal injury or death (“Safety-Critical Applications”) without an Atmel officer's specific written
consent. Safety-Critical Applications include, without limitation, life support devices and systems, equipment or systems for the operation of nuclear facilities and weapons systems.
Atmel products are not designed nor intended for use in military or aerospace applications or environments unless specifically designated by Atmel as military-grade. Atmel products are
not designed nor intended for use in automotive applications unless specifically designated by Atmel as automotive-grade.