Alios Things Developer Kit Hardware User's Guide V1.0 0607
User Manual:
Open the PDF directly: View PDF
.
Page Count: 55

Alios Things Developer Kit Hardware
User's Guide
STM32L496VGx 开发板使用说明
Revision 1.0
2018 年6月5日

www.notioni.com
- 1 -
目 录
1.
概述
..............................................................................................................................................
- 3 -
1.1
工具包概述
.......................................................................................................................
- 3 -
1.2
系统要求
...........................................................................................................................
- 4 -
1.3
开发工具
...........................................................................................................................
- 4 -
2. STM32L496VGx
开发主板
...........................................................................................................
- 5 -
2.1
特性
....................................................................................................................................
- 5 -
2.2
开发板硬件信息
..............................................................................................................
- 6 -
2.3
开发板框架
........................................................................................................................
- 8 -
2.4 MCU
主板外设接口介绍
.................................................................................................
- 9 -
3.
主板电源部分
...........................................................................................................................
- 21 -
4
.下载
...........................................................................................................................................
- 22 -
5 Pinout Configurations6 Pins Configuration
...............................................................................
- 24 -
7 Clock Tree Configuration
.............................................................................................................
- 28 -
8 GPIO configuration
......................................................................................................................
- 29 -
9 Camera
结构图
...........................................................................................................................
- 33 -
10 LCD
结构图
............................................................................................................................
- 34 -
11 Layout Mark
:
...........................................................................................................................
- 35 -
附录
1 AT
命令
............................................................................................................................
- 37 -
附录
2 PCIe Pin
定义
.....................................................................................................................
- 53 -

www.notioni.com
- 2 -
修订记录
版本
日期
作者
变更描述
1.0
2018.06.05
Notion
初始版本
;
适用于硬件
A20 V1.2

www.notioni.com
- 3 -
1.
概述
1.1
工具包概述
这是一款由上海诺行信息技术有限公司基于STM32L496VGx(本文 MCU 代替)
设计的高性能物联网开发板。用于提供给开发者评估,设计相关物联网的应用
产品。本文档将简要介绍开发板的硬件开发工具包,MCU 开发主板的特性,各
个主要接口外设信息,以及协助使用者做物联网的开发设计事项。
开发板功能区分布图:
图1-1 开发板功能区分布

www.notioni.com
- 4 -
1.2
系统要求
Windows
○
R
OS(7,8 and 10),Linux
○
R
64-bits or macOS
○
R
USB Type-A to Micro USB cable
Stereo headset line
1.3
开发工具
Kei
○
R
:MDK-ARM
IARTM:EWARM
GCC-base IDEs includeing free SW4STM32 from AC6

www.notioni.com
- 5 -
2. STM32L496VGx
开发主板
2.1
特性
开 发 板 是 基 于 STM32L496VGTx 芯 片 研 发 的 一 款 物 联 网 开 发 板 ,
STM32L496VGTx 这款芯片具有高性能、低功耗的特点。其内核为 ARM 32 位
Cortex-M4 CPU,最高 80MHZ 的主频率,1MB 的闪存,320KB 的SRAM,最多支
持136 个高速 IO 口,还支持 SPI,CAN,I2C,I2S,USB,UART 等常用的外设接口。
特性:
•
CPU: STM32L496VGTx, 80MHz
•
存储: 1MB Flash, 320KB SRAM
•
Wi-Fi:- 2.4G,802.11b/g/n 协议
-支持 OTA 升级
-支持一键配网
•
音频:带麦克风,带耳机,支持语音识
别功能,
•
传感器:
- 3D 加速度传感器
-陀螺仪感应器
-磁力计传感器
-压力传感器
-温湿度传感器
-光线传感器
-距离传感器
•
摄像头:支持8-bits并行接口的摄像
头,像素为0.3M;分辨率640*480;
•
主板供电:通过USB 5V供电或者外部
5V供电;也可以单独3V供电;
•
显示屏: 1.3’ TFT ,240*240分辨率;
•
支持红外发送和红外接收;
•
LED 灯:
-三色 RGB LED ,侦测 WIFI 状态;
-上电指示 LED,绿色;
-下载指示 LED ,橙色;
-三个用户定义 LED ,橙色
•
系统: Ali-OS Things
•
USB 支持OTG 功能,
•
On-board ST-Link/V2
•
PCIe: 支持外接USB 接口的LTE模块;
也支持UART 接口的Zigbee、
Lora、NB模块;
•
按键:一个复位按键,三个功能按键
•
SD卡:系统支持最大32Gb的SD 卡存储
扩展;
•
电源特性

www.notioni.com
- 6 -
Micro USB 接口,5V 供电
内部有 5V 转3V 的DCDC, 和1.8V LDO
MCU 供电电压为 3V,系统 IO 电压也为 3V
XTAL
8MHz
32.768KHz
调试接口
USB 转ST-Link
开发板给使用者预留很多通用接口:
Zigbee/LoRa 接口,
I2C 接口
ADC 差分/单端接口
Arduino 接口
SPI 接口
2.2
开发板硬件信息
开发板实物正面图:

www.notioni.com
- 7 -
图2-1 开发板正面图
开发板背面图:
图2-2 开发板背面图

www.notioni.com
- 8 -
2.3
开发板框架
开发板的系统框图如图 2-3:
图2-3 开发板框图
电路连接关系如下:系统由 USB 5V 供电,经过 DCDC 降压至 3 V 给系统大
部分器件供电,为系统主要电源。MCU 由STM32F103 的MCO 提供 8MHz;LED
灯、按键连接至 MCU 的GPIO;Audio codec(芯唐电子 ISD9160 方案)连接至
MCU 的I2S 接口,控制信号走 I2C4;ACC/Gyro-sensor 和电子罗盘连接至 MCU
的I2C4 接口上,PL-sensor、压力传感器、温湿度传感器是接在 MCU 的I2C2 上。
MCU 支持外接 8bit Camera, 同时 I2C3 也用来走 Camera 控制信号;开发板自带
1.44’ LCD,属于 SPI 4-line 接口;WI-FI module 采用的是 BK7231 芯片方案,与
MCU 通过 UART 接口通讯,板载 WI-FI 天线。开发板支持 USB OTG 接口,同时
也支持PCIe 接口的LTE 模块(USB 接口形式),但是MCU 自身只有一个USB PHY,
所以 USB OTG 和LTE 模块在开发板上是通过软件配置做二选一。LTE 模块供电
是3.8V, 中间加了一个5V-3.8V 的DCDC。STMF103 的晶振是 8MHz 和32.768KHz,

www.notioni.com
- 9 -
然后输出MCO 8MHz 给STM32L496,Audio Codec 也需要挂一个32.768KHz 晶体。
2.4 MCU
主板外设接口介绍
MCU 主板使用到的主要外设接口有:8bits 并行 DCMI(Digital camera
interface) 接口,4-Line SPI 接口,SDMMC 接口,I2C 接口,UART 接口,USB
接口,I2S audio 接口,还有若干 GPIO 配置。图 2-4 为STM32L496VGTx 的系统
框图:
图2-4 STM32L496 BLOC
DCMI 接口
MCU 自身带一个 DCMI 接口,支持接入 8-bits 至14bits 的并行数据口,其最
大速率可以支持到 54MB/s。开发板套件配的 Camera 是由深圳影领电子有限公
司提供的 YL-F170066-0329.采用的是 8bits 数据接口,通过 24Pin BTB 连接器外

www.notioni.com
- 10 -
接一个 Camera 模组。Camera 配置通过 I2C3 接入 MCU,地址为 0x78/0x79。BTB
连接器的接口定义如下表:
Pin NO.
Pin Name
DESCRIPTION
1
D5
Parallel data5
2
AGND
Connect to GND
3
D1
Parallel data1
4
AVDD3V
Power supply(3V)
5
PCLK
pixel clock
6
D2
Parallel data2
7
D7
Parallel data7
8
D3
Parallel data3
9
D0
Parallel data0
10
VCC18_NC
数字电源 1.8V,模组内部提供,可以悬空
11
IOVCC3V
IO Power supply(3V)
12
MCLK
Main clock for sensor module
13
STBY
模组待机/低功耗模式
14
D6
Parallel data6
15
DGND
GND
16
D4
Parallel data4
17
NC
Not connect
18
HSYNC
场同步时钟
19
SDA
I2C 接口,地址:0x78/0x79
20
SCL
21
RST
模组复位信号
22
VSYNC
帧同步信号
23
VCC/NC
悬空
24
GND
GND
表2-1 Camera 接口定义
USB 接口
开发板有两个 USB 接口,一个为 USB ST-link 接口,作用为软件下载/调试/
系 统 供 电 输 入 口 。 另 一 个 为 USB OTG , 用 户 可 以 外 接 USB 设 备 , 支 持
1000mA,USB2.0 设备接入。USB 接口截图如图 2-5:

www.notioni.com
- 11 -
图2-5 USB 接口截图
USB ST-Link(USB1) 接口除了给系统提供电源之外,还是开发板的下载接
口,与STM32F103 的USB 接口相连接,插入 PC 之后会映射出一个 COM 口设备,
用来下载 MCU 的软件,也可以用来打印调试信息。
STM32F103 与MCU 之间是通过 SWD 接口相连接,其原理图如图 2-6 所示。
USB 数据线连接至 PC,用来进行 MCU 开发板和 PC 端之间的交互,打印开发板
的调试信息、下载 MCU 程序。
图2-6 SWD 下载调试串口
PCIe 模块
开发板中还带有一个 PCIe 卡槽,用来做模块(LTE 模块,Zigbee/Lora/NB-IoT 模
块)接入,其安装方式参考图 2-7。

www.notioni.com
- 12 -
图2-7 LTE 模块
LTE 模块由上海诺行信息技术有限公司提供,采用 Marvell 的MP1802 作为 CPU,
具有传输速率高,功耗低,尺寸小等特点。模块支持多个 Band,能兼容移动/联通
/电信多种 SIM 卡实现 LTE 网络接入。LTE 模块与 USB OTG 同时挂在 MCU 的USB 外
设下,只能做二选一,不可以同时工作。LTE 模块与 MCU 之间通过 USB 接口通讯,
MCU 提供给模块一个 RESET 控制信号。模块供电可以通过 J408 来选择 3V 和3.3V,
具体 Pin 定义请参考原理图 2.8,也可以参考 PCIe 的Pin 定义说明。J403 是预留给
LTE-module 下载软件使用,当跳线帽选择 ST-link(默认配置),USB 连接器是直接
与MCU 接通,当跳线帽是选择 Module ,USB 连机器是与模块的 USB 接通,就
可以做模块软件的升级;模块还附带有 SIM 卡接口,图 2-8 为其接口原理图。

www.notioni.com
- 13 -
图2-8 PCIe 接口原理图
PCIe 接口还支持接入 Zigbee/Lora/NB-IoT 模块,具体请参考 Pin 定义。
按键
开发板带有三个功能按键,和一个系统 Reset 按键。功能按键可以提供给使
用者做功能定义开发,都是使用 GPIO 口,方向为输入,低电平有效。
复位按键是直接接入 STM32F103 和MCU 的硬件复位 Pin,按下复位按键,
系统自动重启复位。图 2-9 为复位按键

www.notioni.com
- 14 -
图2-9 复位按键
LED 指示灯
MCU 开发板总计有 6个LED 灯,其中有 1个电源指示 LED(绿色) 灯上电
就被点亮,1个下载调试 LED 灯(橙色)上电也常亮,当下载的时候会闪烁,3
个提供给用户定义的 LED 灯,都是接入 MCU 的GPIO ,拉低 IO 口即可点亮。开发
板还有一个三色 LED 灯,是有 WI-FI 模块控制的 LED 灯。
电源 LED 灯在 USB 供电正常之后会常亮,如果插入 USB 之后电源 LED 没有
被点亮,证明 USB 供电异常。其原理图如图 2-10。
图2-10 电源和调试 LED 灯
4-Line SPI 接口
4-Line SPI 是LCD 显示屏的接口,其电路原理图接口定义如图 2-7 所示。开发
板套件中包含有一个 FPC 材质的 LCD 屏幕,选用的为深圳市禹龙现代电子有限
公司的 H144TS121F, 出厂时候就已经装配好。其 Pin 定义如下表格,详情请参考
附录。
NO.
SYMBOL
Description

www.notioni.com
- 15 -
1
GND
GND
2
LEDK
LED backlight input (Cathode)
3
LEDA
LED anode, 背光电压为 3V
4
GND
GND
5
RESET
Reset LCD
6
NC
NC
7
SDA
SPI Data input/output
8
SCL
SPI Clock
9
VCC
3V Digital power
10
IOVCC
3V Logic power
11
CS
Chip select
12
GND
GND
13-16
NC
NC
17-18
GND
GND
表2-2 OLED 显示屏接口原理图
传感器
MCU 开发板为了丰富用户开发,提供有 8个sensor,其中 light &proximity
sensor,pressure 传感器,H&T 传感器是接在 MCU 的I2C2,G-sensor 和Compass
sensor 是接在 MCU 的I2C4 上。开发板上的 MCU 总共使用了 3组I2C,具体接口
和I2C 地址分配请参考下面表格
I2C
Sensor
IC
Address(8bit)
I2C2
Humidity and Temp Sensor
SHTC1
0xE0/E1
PL Sensor
LTR-553ALS-WA
0x46/47
Press Sensor
BMP280
0xEE/EF
I2C4
Audio
ISD9160
TBD
G-sensor/Gyro
LSM6DSL
0xD4/D5
Compass
MMC3680KJ
0x60/61
I2C3
Camera
GC0329
0x78/0x79
表2-3 I2C 分配以及地址
I2S audio 接口
Audio 部分是采用芯唐电子的 ISD9160 方案。ISD9160 是一款非常优秀,支
持audio 录制以及播放,内嵌 ARMCotex-M0 的低功耗微控芯片。最高处理速度
可以达到 50MHz,有 145KB Flash 和12KB 的SRAM,具备支持多种常用的外设

www.notioni.com
- 16 -
接口。ISD9160 的内部框图如图 2-11 所示。芯唐电子的 audio 方案除了正常语
音功能外,还支持云端存储方式的语音识别功能。
图2-11 ISD9160 框图
STM32L496VGT 本身具有两个 SAI(Serial audio interface) 接口,在本开发板
中使用了 SAI2, 并且配置成 I2S 协议与 ISD9160 通讯。此语音模块的带一个外置
的Mic 做语音录制,带 3.5mm 标准耳机插座,支持 CTIA 标准耳机(不支持耳机
麦克功能)。Audio 模块与主板沟通除了 I2S,还需要 I2C 做指令控制,I2C 地
址为软件配置。Audio 部分原理框图如图 2-12:

www.notioni.com
- 17 -
图2-12 Audio 模块原理框图
WI-FI 模块
WIFI 模块采用的是由上海诺行生产的 MW31 模块。这是一款功能齐全、
集成度高、功耗低的低成本嵌入式 WI-FI 模组。模块采用 BK7231 方案实现
WI-FI 无线网络接入。该模块是具有丰富的外围控制接口,支持
IEEE802.11b/g/n 无线标准协议栈。本模组具有非常低的软关机电流和睡
眠电流,同时支持内部定时唤醒以及外部中断唤醒,所以对需要节能减排
等要求的各类应用无线的场合都是最佳的选择。模块由上海诺行信息技术有
限公司设计,其外形如图 2-13,与主板采用邮票孔方式焊接。
图2-13 WI-FI 模块外形图

www.notioni.com
- 18 -
WI-FI 模块与 MCU 之间采用的是 UART 接口通讯。MCU 通过下发 AT 指令,
可以控制模块连接到 WI-FI AP,实现网络接入,将 sensor 以及其他数据上传到
Ali 云端。AT 指令请参考附录表格,模块接口的 Pin 定义如图 2-14:
图2-14 WI-FI 模块 pin 定义
SDMMC 接口
MCU 的SDMMC 接口兼容 MMC V4.2 接口规格,能支持 1-bits,4-bits,8-bits
三种不同的数据总线。在 8bits 模式下,最高数据传输速率支持 48MHz。开发
板支持外挂 4bits 模式的 SD 卡。如图 2-15 为SD 卡接口原理图:
图2-15 SD 卡接口原理图

www.notioni.com
- 19 -
扩展接口(Arduino 接口)
目前开发板有给用户预留很多扩展接口在开发板背面。有预留 Uart4,
I2C3,SPI2,ADC,PWM,以及一些 GPIO ,供用户自定义开发使用。定义如图 2-16
图2-16 扩展接口定义图
目前在开发板上,Arduino 接口和 Camera ,TF 卡,PCIE 接口是复用的。当
用户使用 Arduino 接口时候,请注意:
当使用 Arduino PD7 时候,需要将 Security 功能关闭;
当使用 Arduino 接口的 Uart4 时候,需要将 Lora/NB 模块断电(J408 去掉
跳线帽);
当使用 Arduino 接口的 I2C3 时候需要软件关闭 Camera 和TF 卡功能;
当使用 Arduino 接口的 SPI 接口的时候需要将 Camera 功能关闭 。
下面表格 2-4 是Arduino 使用的 Pin 定义。
位号
Arduino 接口
Pin Name
说明
J901
ADC_IN3
PC2
可配置 成 ADC 输入,也可配置成
GPIO
ADC_IN4
PC3
PC7
PC7
与Camera D1 复用
PC12
PC12
与MMC CLK 复用
PD1
PD1
PD7
PD7
与Security CLK 复用
J903
RX/PA1
PA1
Uart4 接口, 与 PCIe 上Lora、NB 模

www.notioni.com
- 20 -
块接口复用
TX/PA0
PA0
PD14
PD14
PWM/PE6
PE6
与Camera D7 复用
PD11
PD11
PWM/PE5
PE5
与Camera D6 复用
PWM/PE4
PE4
与Camera D4 复用
PE0
PE0
与Camera D2 复用
J904
SCL
PC0
I2C3 , 但 是 注 意 和 Camera 的I2C3
(PC0/PC1)区分;
SDA
PC9
AVDD
3.3V
GND
GND
SCK
PA9
SPI2;与Camera 复用;
MISO
PD3
MOSI
PC1
CS
PD0
PC10
PC10
PC11
PC11
J902
VIN
5V
5V 输出
GND
GND
GND
GND
5V_NC
5V
J905 跳线帽短接之后,可以对外供
电5V,否则悬空;
3V3
3.3V
3.3V 输出
NRST
Reset
Reset MCU
IOREF
3V
IO 电平 3V,输出
NC
Float
悬空
表2-4 Arduino 接口定义说明
表格 2-4 中,没有特别说明的,都是 GPIO 口,请用户自定义配置。
另外说明,A20V12 版本中 J903 的前两个丝印是 RX/PA3,TX/PA2,对应的
是Uart2; 但是在 A20V13 版本中改成 RX/PA1,TX/PA0 对应的是 Uart4(由于
A20V13 增加了 Security ,Uart2 被占用),请使用时候注意这个改动。
Camera 使用的 I2C3 是PC0/PC1,在添加 Arduino 接口的时候,由于 PC1 被
SPI2 占用,将 I2C3 更换成 PC0/PC9(Camera 不变),所以,若用户需要使用这个
外接的 I2C3,请重新配置这个接口。

www.notioni.com
- 21 -
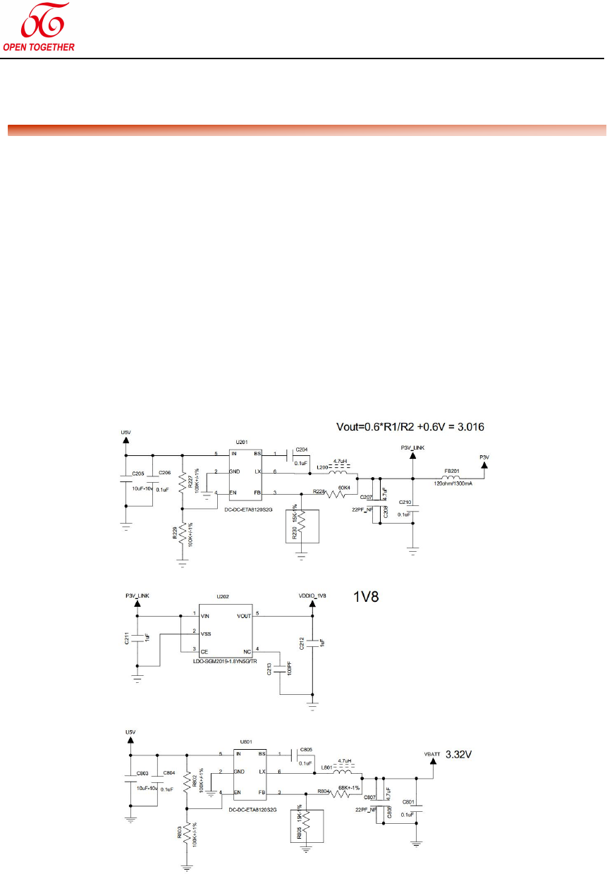
3.
主板电源部分
开发板上除了温湿度传感器的供电电压为 1.8V 和PCIe 模组供电为 3.3V,其
他IC 供电电压为 3V,所以我们需要将输入的 5V 电压转换成 3组电,3V,3.3V
和1.8V。
5V 转换至 3 V 和3.3V,都是采用的是 ETA8120 降压 DC/DC。ETA8120 是一
颗高效率的可调节输出的降压 DC/DC,支持轻载高效,输出最大电流为 2A,
SOT23-6 的通用封装。
3V 经过 LDO 转换至 1.8V,采用的是 SGM2019 LDO,输出最大电流为 0.3A。
1.8V 只供给温湿度传感器使用,需要的电流较小。
图3-1 电源原理图

www.notioni.com
- 22 -
4
.下载
下载之前,需要先安装 STM32 ST-LINK Utility。安装完成之后,将开发板通过
Micro USB Cable 与PC 连接之后,按照提示安装 ST 驱动,安装之后如果在设备
管理器中能找到 ST 端口,证明驱动安装成功,如图 4-1。
图4-1 安装 ST 设备驱动
然后打开 STM32 ST-LINK Utility,先通过 File Open file 加载需要下载的
Bin 文件,然后点击 Target Connect,正常时候会提示 connect 成功,如图 4-2
所示。提示成功之后,证明软件下载环境已经配置好,请通过 Target Program,
在弹出的对话框中点击 Start 直接下载,如图 4-3 所示。下载时候调试 LED 灯
应该是持续闪烁,直到退出下载(关闭 ST-LINK Utility)。

www.notioni.com
- 23 -
图4-2 下载 connect 成功图
图4-3 STM32 ST-LINK Utility 程序下载软件

www.notioni.com
- 24 -
5 Pinout Configurations

www.notioni.com
- 25 -
6 Pins Configuration

www.notioni.com
- 26 -

www.notioni.com
- 27 -

www.notioni.com
- 28 -
7 Clock Tree Configuration

www.notioni.com
- 29 -
8 GPIO configuration

www.notioni.com
- 30 -

www.notioni.com
- 31 -

www.notioni.com
- 32 -

www.notioni.com
- 33 -
9 Camera
结构图

www.notioni.com
- 34 -
10 LCD
结构图

www.notioni.com
- 35 -
11 Layout Mark
:

www.notioni.com
- 36 -

www.notioni.com
- 37 -
附录
1 AT
命令
本文将详细描述每个 AT 指令的语法格式,功能及使用,若无特别指明,此指
令仅适用于 Wi-Fi 模式。
所有指令均为立即生效,无需特殊指令进行保存,AT 指令 可以通过超级终
端等串口调试程序进行输入,也可以通过编程输入。
AT 指令格式
AT 指令采用基于 ASCII 码的命令行,格式如下:
1 格式说明
a) <>:表示必须包含的部分
b) []:表示可选的部分
2.命令格式
AT+<CMD>[op][para-1,para-2,para-3,......]\r
a)
AT+: 命令消息前缀
b)
CMD: 指令字符串
c)
[op]: 指令操作符。可以是:
o
1
、"=": 表示参数设置,或查询指定参数
o
2
、"?": 表示查询系统参数
o
3
、"无":表示执行指令
o
4
、"=?"
:
表示查询用户设置的参数
d)
[para-n]: 表示设置的参数值,或指定查询的参数
e)
\r: 回车结束符,
ASCII
码
0x0d
3.回应消息格式
[\r\n][+CMD:][para-1,para-2,para-3,......]<\r\n><STATUS><\r\n>
a)
\r :回车结束符,
ASCII
码:
0x0d

www.notioni.com
- 38 -
b)
\n :换行符,
ASCII
码:
0x0a
c)
[+CMD:] :相应的命令字符串
d)
[para-n] :查询时返回的参数
e)
[STATUS] :指令执行成功与否,有两种情况:
o(
1
)OK: 表示正确执行
;
o(
2
)ERROR: 表示执行出错。
AT 指令详细
1. 基本 AT 指令
序
号
命令
描述
1
AT+FWVER
查询固件版本号
2
AT+SYSTIME
查询系统运行时间
3
AT+MEMFREE
查询系统剩余空间大小
4
AT+FACTORY
恢复模块出厂设置
5
AT+REBOOT
重启模块
6
AT+FLASHLOCK
开启或关闭 FLASH 锁
7
AT+WEVENT
开启或关闭以 +WEVENT 为前缀的事件消息通知
8
AT+CIPEVENT
开启或关闭以 +CIPEVENT 为前缀的事件消息通知
9
AT+STANDBY
进入休眠模式
AT+FWVER
功能:查询固件版本号。
指令:
AT+FWVER?
响应:
+FWVER:<fwver>
参数:
fwver:固件版本号
AT+SYSTIME
功能:查询系统运行时间。
指令:
AT+SYSTIME?
响应:
+SYSTIME:<systime>
OK
参数:
systime:系统运行时间,单位:毫秒(ms)

www.notioni.com
- 39 -
AT+MEMFREE
功能:查询系统剩余空间大小。
指令:
AT+MEMFREE?
响应:
+MEMFREE:<storage>
OK
参数:
storage:存储空间大小,单位:字节(Byte)
AT+FACTORY
功能:恢复 模块出厂设置。
指令:
AT+FACTORY
响应:
OK
参数:
无
说明:
立即重启,生效
AT+REBOOT
功能:重启模块。
指令:
AT+REBOOT
响应:
OK
参数:
无
AT+FLASHLOCK
功能:FLASH 锁指令
查询指令:
AT+FLASHLOCK?
响应:
+FLASHLOCK:<mode>
OK
参数:
请参考设置指令参数

www.notioni.com
- 40 -
设置指令:
AT+FLASHLOCK=<mode>
响应:
OK
参数:
mode:ON:开启; OFF:关闭; 开始 FLASHLOCK 后,参
数将不再保存
AT+WEVENT
功能:开启或关闭以 +WEVENT 为前缀的事件消息通知。
查询指令:
AT+WEVENT?
响应:
+WEVENT=<state>
OK
参数:
请参考设置指令参数
设置指令:
AT+WEVENT=<state>
响应:
OK
参数:
state:ON, 表示开启通知功能;OFF,表示关闭通知功能
说明:
立即生效
AT+CIPEVENT
功能:开启或关闭以 +CIPEVENT 为前缀的事件消息通知。
查询指令:
AT+CIPEVENT?
响应:
+CIPEVENT=<state>
OK
参数:
请参考设置指令参数
设置指令:
AT+CIPEVENT=<state>
响应:
OK
参数:
state:ON, 表示开启 CIPEVENT 通知功能; OFF,表示关闭 CIPEVENT
通知功能。
说明:
立即生效。 注意:用户若采用 “透传 工作模式,必须首先关闭该
事件通知功能。
AT+STANDBY

www.notioni.com
- 41 -
功能:进入模块休眠工作模式,需 STANDBY 管脚唤醒,可参考相应型号模块
的数据手册管脚定义内容。
查询指令:
AT+STANDBY
响应:
OK
参数:
无
说明:
立即生效。必须使用 STANDBY 管脚进行唤醒后,才能响应 AT 指令。
2.UART 管理指令
序号
命令
描述
1
AT+UART
查询/设置 UART 串口参数
2
AT+UARTFOMAT
查询/设置 UART 自动触发长度和触发时间
3
AT+UARTE
查询/设置 UART 串口回显状态
AT+UART
功能:查询/设置 串口参数。
查询指令:
AT+UART?
响应:
+UART:<baud_rate>,<data_bits>,<stop_bit>,<parity>,<flow_control>
OK
参数:
请参考设置指令参数
设置指令:
AT+UART=<baud_rate>,<data_bits>,<parity>,<stop_bit>,<flow_control>
响应:
OK
参数:
band_rate:波特率,可以是: 4800,9600,14400,19200,38400,57600,
115200,230400,460800,921600 bps
data_bits:数据位,可以是:7,8
stop_bit:停止位,可以是: 1,2
parity:校验位,可以是: NONE:无校验; ODD:奇校验; EVEN:偶校验
flow_control: 流控,可以是:NONE:无流控; CTS:使能 CTS 流控; RCS:
使能 RTS 流控; CTSRTS:使能 CTSRTS 流控
说明:
立即生效
AT+UARTFOMAT

www.notioni.com
- 42 -
功能:查询 /设置 自动成帧触发长度和触发时间(Wi-Fi/BT 均支持)
查询指令:
AT+UARTFOMAT?
响应:
+UARTFOMAT:<length>,<time>
OK
参数:
请参考设置指令参数
设置指令:
AT+UARTFOMAT=<length>,<time>
响应:
OK
参数:
length:自动成帧触发长度,单位: Byte, 范围:1-1024, 默认:1024。
time:自动成帧触发时间,单位: ms, 范围:50-500,默认:100。
说明:
在命令控制模式下,自动成帧触发长度的最小值是 65,立即生效。
AT+UARTE
功能:查询 /设置 串口指令是否开启回显功能。
查询指令:
AT+UARTE?
响应:
+UARTE:<option>
OK
参数:
请参考设置指令参数
设置指令:
AT+UARTE=<option>
响应:
OK
参数:
option:ON, 表示开启回显功能; OFF,表示关闭回显功能。
说明:
立即生效。
3.WiFi 管理指令
序号
命令
描述
1
AT+WFVER
查询射频固件版本号
2
AT+WMAC
查询 MAC 地址
3
AT+WSCANOPT
查询/设置 WiFi 扫描类型
4
AT+WSCAN
启动 WiFi 扫描功能
5
AT+WDHCP
查询/设置 是否使能 DHCP 功能
6
AT+WSAPIP
查询/设置 Soft_AP 模式的 IP 地址,子网掩码和网关
7
AT+WSAP
查询/设置 Soft_AP 模式的名称和密码,并启动 AP

www.notioni.com
- 43 -
8
AT+WSAPQ
关闭 AP
9
AT+WSAPS
查询当前 AP 状态
10
AT+WJAPIP
查询/设置 Station 模式的 IP 地址,子网掩码和网关
11
AT+WJAP
查询/设置 Station 模式 AP 名称和密码,并连接 AP
12
AT+WJAPQ
断开 AP 的连接
13
AT+WJAPS
查询当前 Station 连接状态
AT+WFVER
功能:查询 射频驱动版本
指令:
AT+WFVER
响应:
+WFVER:<fver>
OK
参数:
fver:射频固件版本
说明:
立即生效。
AT+WMAC
功能 :查询 模块 MAC 地址
指令:
AT+WMAC
响应:
+WMAC:<mac>
OK
参数:
mac:模块的 MAC 地址
说明:
MAC 地址格式:XX:XX:XX:XX:XX:XX
AT+WSCANOPT
功能:查询/设置 WiFi 扫描类型
查询指令:
AT+WSCANOPT\r
响应:
+WSCANOPT:<option>
OK
参数:
请参考设置指令参数说明。
设置指令:
AT+WSCANOPT=<option>

www.notioni.com
- 44 -
响应:
OK
参数:
option:0, 表示 normal,普通扫描; 1,表示 advanced,高级扫描。
说明:
普通扫描结果仅包含 ssid 和信号强度,高级扫描结果包含 ssid, bssid, 加密
方式,信道和信号强度 。立即生效。
AT+WSCAN
功能:扫描指定 ssid 的或所有的 AP
扫 描 指 定
ssid 的AP 的
指令:
AT+WSCAN=<ssid>
响应:
若扫描类型为普通扫描,即:option=0 , 返
回: +WSCAN:<number>\r\n<ssid>,<rssi>
若扫描类型为高级扫描,即:option=1 ,返回:
+WSCAN:<number>\r\n<ssid>,<bssid>,<en>,<channe>,<rssi>
参数:
请参考扫描所有 AP 指令参数。
扫 描 所 有 AP
的指令:
AT+WSCAN
响应:
+WSCAN:<number>
<ssid>,[bssid],[en],[channe],<rssi>
参数:
number:扫描到的 AP 的数目。普通扫描和高级扫描均打印该参数。
ssid:扫描到的 AP 的 ssid。普通扫描和高级扫描均打印该参数
bssid:扫描到的 AP 的 bssid。当高级扫描时,打印该参数。
en:扫描到的 AP 的 加密方式。当高级扫描时,打印该参数。
channel:扫描到的 AP 的 信道。当高级扫描时,打印该参数。
rssi:扫描到的 AP 的信号强度
AT+WDHCP
功能:查询/设置 是否开启 DHCP 功能
查询指令:
AT+WDHCP?
响应:
+WDHCP:<option>
参数:
请参考设置指令参数
设置指令:
AT+WDHCP=<option>
响应:
OK
参数:
option:ON,表示启动 DHCP 功能;OFF,表示关闭 DHCP 功能
说明:
立即生效

www.notioni.com
- 45 -
AT+WSPIP
功能:查询/设置 模块在 Soft_AP 模式时 的 IP 地址
查询指令:
AT+WSAPIP?
响应:
+WSAPIP:<ip>,<netmask>,<gateway>
参数:
请参考设置指令参数
设置指令:
AT+WSAPIP=<ip>[,<netmask>,<gateway>]
响应:
OK
参数:
ip:Soft_AP 的IP 地址
netmask:子网掩码
gateway:网关地址
说明:
立即生效。模块出厂各参数默认为 0。
AT+WSAP
功能:查询/设置 Soft_AP 的名称及密码,并启动。
查询指令:
AT+WSAP=?
响应:
+WSAP:<ssid>,<key>
参数:
请参考设置指令参数
设置指令:
AT+WSAP=<ssid>,<key>
响应:
OK
参数:
ssid:Soft_AP 的ssid 名称,最大 32 位。
key:Soft_AP 的 密码,最大 64 位。当长度小于 8位时,加密方式:OPEN。
大于 8位时,加密方式:WPA。
说明:
立即生效。模块出厂参数默认均为 0。
AT+WSAPQ
功能:关闭当前的 Soft_AP 模式。
指令:
AT+WSAPQ
响应:
OK

www.notioni.com
- 46 -
参数:
无
说明:
立即生效。
AT+WSAPS
功能:查看当前 Soft_AP 的启动状态。
指令:
AT+WSAPS
响应:
+WSAPS:<state>
参数:
state:AP_UP, 表示成功创建 Soft_AP;AP_DOWN,表示该 Soft_AP 已关
闭。
说明:
立即生效。
AT+WJAPIP
功能:查询/设置 模块在 Station 模式时的 IP 地址。
查询指令:
AT+WJAPIP?
响应:
+WJAPIP:<ip>,<network>,<gateway>,<dns>
参数:
请参考设置指令参数
设置指令:
AT+WJAPIP=<ip>,<network>,<gateway>[,<dns>]
响应:
OK
参数:
ip: 模块做 Station 时的 IP 地址
network:子网掩码
gateway: 网关地址
dns: 域名
说明:
模块重启生效。当模块未成功连接 AP 时,各参数默认为 0。
AT+WJAP
功能:查询已设置的,在 Station 模式,要接入的 AP 的名称和密码。
查询指令:
AT+WJAP=?
响应:
+WJAP:<ssid>,<key>
参数:
ssid:Station 模式要接入的 AP 名称

www.notioni.com
- 47 -
key:Station 模式要接入的 AP 密码
功能:查询当前 WiFi 连接状态,包括:接入的 AP 的SSID,MAC 地址,
通道号,信号强度。
查询指令:
AT+WJAP?
响应:
+WJAP:<ssid>,<bssid>,<channel>,<rssi>
参数:
ssid: 已连接的 AP 的ssid
bssid: 已连接的 AP 的MAC 地址
channel:已连接的 AP 的信道号
rssi: 已连接的 AP 的信号强度
说明
当模块未成功连接 AP 时,各参数默认为 0。
功能:设置 Station 模式要接入的 AP 的名称和密码。
设置指令:
AT+WJAP=<ssid>,<key>
响应:
OK
参数:
ssid:Station 模式要接入的 AP 名称
key:Station 模式要接入的 AP 密码
说明:
立即生效。
AT+WJAPQ
功能:关闭当前的 Station 模式
指令:
AT+WJAPQ
响应:
OK
参数:
无
说明:
立即生效。
AT+WJAPS
功能:查看当前 Station 模式的连接状态
指令:
AT+WJAPS
响应:
+WJAPS:<state>

www.notioni.com
- 48 -
参数:
state:STATION_UP, 表示成功连接 AP;STATION_DOWN,表示连接 AP 失败;
CONNECTING,表示正在连接中。
注意:当未连接成功时,返回错误码。0:代表未知的错误;1:代表密码错误;
2:代表找不到 SSID
说明:
立即生效。
4.TCP/UDP 通信指令
序号
指令
功能
1
AT+SSLCERTGET
获取 SSL 证书
2
AT+SSLCERTSET
设置 SSL 证书
3
AT+CIPDOMAIN
域名解析
4
AT+CIPAUTOCONN
查询/设置指定 id 连接是否为自动连接
5
AT+CIPSSLOPT
设置指定 id 连接的 ssl 参数
6
AT+CIPSTART
启动一个指定 id 的连接
7
AT+CIPSTOP
断开一个指定 id 的连接
8
AT+CIPSTATUS
查询指定 id 的连接状态
9
AT+CIPSEND
通过串口向指定 id 的连接发送数据
10
AT+CIPSENDRAW
指令模式跳转至透传模式
11
AT+CIPRECV
接收 WiFi 数据至用户串口
12
AT+CIPRECVCFG
查询/设置 WiFi 数据发送至用户串口,通过指令模式,
还是透传模式
AT+SSLCERTGET
功能:获取 SSL 证书类型。
指令:
AT+SSLCERTGET=<type>
响应:
+SSLCERTGET:cert
OK
参数:
type:0,代表根证书;1,代表客户端证书;2,代表私钥;3,代表证书吊销
列表
说明:
立即生效。
AT+SSLCERTSET
功能:设置 SSL 证书类型。

www.notioni.com
- 49 -
指令:
AT+SSLCERTSET=<type>
响应:
>
参数:
type:0,代表根证书;1,代表客户端证书;2,代表私钥;3,代表证书吊销列
表
说明:
立即生效。返回>后,传递证书文件,在证书末尾追加 Ctrl+Z(ASCII 码是 0x1A,
不属于证书的一部分),作为证书传递结束符。
AT+CIPDOMAIN
功能:域名解析。
指令:
AT+CIPDOMAIN=<domain>
响应:
+CIPDOMAIN:<number>
<ip>
参数:
number:IP 地址的个数
ip:IP 地址
说明:
立即生效。
AT+CIPAUTOCONN
功能:查询/设置指定 id 连接是否为自动连接。
查询指令:
AT+CIPAUTOCONN=<id>
响应:
+CIPAUTOCONN:<option>
OK
参数:
请参考设置指令参数
设置指令:
AT+CIPAUTOCONN=<id>,<option>
响应:
OK
参数:
id: 指定连接的 id 号
option:0,表示关闭自动连接;1,表示开启自动连接。
说明:
立即生效。出厂默认为 1。
AT+CIPSSLOPT

www.notioni.com
- 50 -
功能:设置指定 id 连接的 SSL 参数。
设置指令:
AT+CIPSSLOPT=<id>,<isSSLRoot>,<isSSLClient>[,isSSLCrl]
响应:
OK
参数:
id: 指定连接的 id 号
isSSLRoot:0,不验证根证书;1,验证根根证书
isSSLClient:0,不验证客户端证书;1,验证客户端证书
isSSLCrl:0,不验证证书吊销列表;1,验证证书吊销列表
AT+CIPSTART
功能:启动一个连接
指令:
AT+CIPSTART=<id>,<type>,[domain],[remote_port],[local_port]
响应:
OK
参数:
id: 指定连接的 id 号,范围:0 - 4,即 最多可创建 5个连接。
tpye:连接类型,包括:tcp_server,tcp_client,ssl_client, udp_broadcast,
udp_unicast。分别如下:
1. 当type 为tcp_server 时,参数为:id,tcp_server,local_port;
2. 当type 为tcp_client 时,参数为:
id,tcp_client,domain,remote_port[,local_port];
3. 当type 为ssl_client 时,参数为:
id,ssl_client,domain,remote_port[,local_port];
4. 当type 为udp_broadcast 时,参数为:
id,udp_broadcast,domain,remote_port,local_port;
5. 当type 为udp_unicast 时,参数为:
id,udp_unicast,domain,remote_port,local_port。
domain:目标服务器的 IP 或域名。当 type 为tcp_server 时,不需要该参
数。
remote_port:远程端口。
local_port: 本地端口。当 type 为tcp_client 或ssl_client 时,该参数为
指定本地端口
说明:
立即生效。注意:当前 id 的连接,如果不是关闭状态,再次设置并连接时,
无法成功执行,返回:ERROR。更改任何一个 id 的参数前,必须要手动关闭,
即执行指令:AT+CIPSTOP=id\r,才能正确设置并连接。

www.notioni.com
- 51 -
AT+CIPSTOP
功能:断开一个指定 id 的连接。
指令:
AT+CIPSTOP=<id>[,<remote_port>]
响应:
OK
参数:
id: 指定连接的 id 号。
说明:
立即生效。
AT+CIPSTATUS
功能:查询指定 id 的连接状态。
指令:
AT+CIPSTATUS=<id>
响应:
+CIPSTATUS:<type>,<status>
参数:
type : 指 定 id 的 连 接 类 型 , 包 括 :
tcp_server,tcp_client,udp_broadcast,udp_unicast,ssl_client。
status:start , 初 始 化 ;connecting ,正在连接;connected , 已 经 连
接;disconnected,断开连接;stop,停止连接
说明:
立即生效。
AT+CIPSEND
功能:发送 WiFi 数据至用户串口。
指令:
AT+CIPSEND=<id>[,<remote_port>],<data_length>
响应:
>等待输入指定长度的 date 数据,1分钟内输入有效。
参数:
id: 指定 id 的连接 。
remote_port: 连接的远程端口号。
data_length:数据长度。单位:byte 字节。
说明:
立即生效。
AT+CIPSENDRAW
功能:由 AT 指令模式跳转至透传模式。
指令:
AT+CIPSENDRAW
响应:
OK

www.notioni.com
- 52 -
参数:
无
说明:
立即生效。
AT+CIPRECV
功能:接收 WiFi 数据至用户串口。
指令:
AT+CIPRECV=<id>[,port]
响应:
+CIPRECV=<len>,<data>
OK
参数:
id:指定 id 号 的连接
port: 指定连接的 本地端口号
len:接收数据长度,单位:byte 字节
data:数据
说明:
立即生效。
AT+CIPRECVCFG
功能:查询/设置 WiFi 数据发送至用户串口的配置参数。
查询指令:
AT+CIPRECVCFG?
响应:
+CIPRECVCFG:<recv mode>
OK
参数:
请参考设置指令参数。
说明:
立即生效。
设置指令:
AT+CIPRECVCFG=<recv mode>
响应:
OK
参数:
recv mode:0,表示 cmd 指令模式,需通过指令 AT+CIPRECV 接收;1,表示
raw 透传模式,表示自动接收。
说明:
立即生效。

www.notioni.com
- 53 -
附录
2 PCIe Pin
定义
Hardware PIN Define
PIN
NO.
Mini PCIe Signal
Name
A20 Net Name
Remarks
1
WAKE#
NC
3
COEX1
NC
5
COEX2
NC
7
CLKREQ#
NC
9
GND
GND
GND
11
REFCLK-
PE8_ZG_GPIO1
Bi-directional GPIO ;3V IO level;
13
REFCLK+
NC
15
GND
GND
GND
17
Reserved(UIM_C8)
CP_RXD
LTE module CP RX,reserved for debug; 1.8V level
19
Reserved(UIM_C4)
CP_TXD
LTE module CP TX,reserved for debug;1.8V level
21
GND
GND
GND
23
PERn0
NC
25
PERp0
NC
27
GND
GND
GND
29
GND
GND
GND
31
PETn0
NC
33
PETp0
NC
35
GND
GND
GND
37
GND
GND
GND
39
+3.3Vaux
VBATT
3.3V Power Supply
41
+3.3Vaux
VBATT
3.3V Power Supply
43
GND
GND
GND
45
Reserved
NC
47
Reserved
NC
49
Reserved
NC
51
Reserved
NC
2
3.3Vaux
VBATT
3.3V Power Supply
4
GND
GND
GND
6
1.5V
NC
8
UIM_PWR
USIM_POWER
SIM POWER(1.8/3V),Supplied inside.
10
UIM_DATA
USIM_DATA
SIM DATA
12
UIM_CLK
USIM_CLK
SIM DATA
14
UIM_RESET
USIM_RESET
SIM Reset

www.notioni.com
- 54 -
16
UIM_VPP
NC
18
GND
GND
GND
20
W_DISABLE#
NC
22
RESET#
GPIO/RESET
3V IO,reset the module,LOW active
24
+3.3Vaux
VBATT
3.3V Power Supply
26
GND
GND
GND
28
+1.5V
PE12_ZG_GPIO2
Bi-directional GPIO ;3V IO level;;3V IO level;
30
SMB_CLK
PA2_ZG_TX
UART_TX(Connect to Module RX)
32
SMB_DATA
PA3_ZG_RX
UART_RX(Connect to Module TX)
34
GND
GND
GND
36
USB_D-
USB_DM
USB_DM, USB2.0
38
USB_D+
USB_DP
USB_DP, USB2.0
40
GND
GND
GND
42
LED_WWAN#
NC
44
LED_WLAN#
NC
46
LED_WPAN#
NC
48
+1.5V
3V
Extend 3V,Default NC
50
GND
GND
GND
52
+3.3Vaux
VBATT
3.3V Power Supply
设计说明:
1. 红色标识 pin 为 Mini-PCIe 工作必须使用的 Pin(外设模块除电源、地、Reset 外不可
以使用这些 pin 脚)
2. 黄色标识为引出给外设模块控制接口;GPIO_1、GPIO_2、GPIO_RST/UART_TX/RX 在开发
板侧均为 3V 电平,确保接口电平一致,如果外设模块侧不同,请注意电平转换
3. 绿色标识 Pin48,主板对外的 3V 供电(主要给需要 3V 供电的模块:NB、Lora、Zigbee、
Wifi&BT)
外设模块的供电选用 3V 供电,这样外设模块的 IO 电平就可以跟开发板保持一致;如果
外设模块的 IO 电平为 1.8V 或者 2.8V 的,供电电压可以根据模块负载电流和供电电压自
行选择 3V3 或者 3V
电气特性:3V3 最大负载电流支持 2A
3V 最大负载电流支持 1A
4. 开发板端已经预留 3V3/3V 电源接口的跳线帽,控制电源断开和连通
5. 外设模块包括:NB、Lora、Zigbee、Wifi&BT、LTE、GSM 等