DR34SM Double Revolving Oven DR 34 BKI DR34 Spm
User Manual: Double Revolving Oven DR-34
Open the PDF directly: View PDF
.
Page Count: 39

CS-TM-021.01 Revised 3/26/13
Double Revolving Oven
MODEL DR-34
Service Manual
Serial Numbers 100482 and Higher
CS-TM-021.01 Revised 3/26/13
BKI LIMITED WARRANTY
2812 Grandview Dr. • Simpsonville, SC 29680 • USA
(864) 963-3471 • Toll Free: (800) 927-6887 • Fax: (864) 963-5316
WHAT IS
COVERED
This warranty covers defects in material and workmanship under normal use, and applies
only to the original purchaser providing that:
T
he equipment has not been accidentally or intentionally damaged, altered or misused;
The equipment is properly installed, adjusted, operated and maintained in accordance
with national and local codes, and in accordance with the installation and operating
instructions provided with this product.
The serial number rating plate affixed to the equipment has not been defaced or
removed.
WHO IS
COVERED
This
warranty
is
extended
to the original
purchaser
and applies only
to
equipment purchased
for use in the U.S.A.
COVERAGE PERIOD
Warranty claims must be received in writing by BKI within one (1) year from
date of installation or within one (1) year and three (3) months from data of
shipment from the factory, whichever comes first.
COB Models: One (1) Year limited parts and labor.
COM Models: Two (2) Year limited parts and labor. COM convection ovens also have
a two (2) year door warranty.
CO1 Models: Two (2) Year limited parts and labor. Five (5) Year limited door
warranty.
BevLes Products: Two (2) Year limited parts and labor.
Warranty period begins the date of dealer invoice to customer or ninety (90) days
after shipment date from BKI, whichever comes first.
WARRANTY COVERAGE
This
warranty
covers on-site labor, parts and
reasonable
travel
time
and travel
e
xpenses
of the
authorized
service
representative
up
to
(100) miles
round
trip and (2)
hours
travel time and
performed
during
regular,
weekday
business
hours.
EXCEPTIONS
Any exceptions must be pre-approved in advance and in writing by BKI. The
extended door warranty on convection ovens years 3 through 5 is a parts only warranty and
does not include labor, travel, mileage or any other charges.
EXCLUSIONS
Negligence
or acts of
God,
Thermostat
calibrations
after (30) days
from
equipment
installation
date,
Air and g
as
adjustments,
Light
bulbs,
Glass doors and
door
adjustments,
Fuses,
Adjustments
to
burner
flames and
cleaning
of
pilot
burners,
Tightening
of screws
or
fasteners,
Failures
caused
by erratic
voltages
or gas
suppliers,
Unauthorized
repair by
anyone
other
than
a BKI F
actory
Authorized
Service Center,
Damage
in
shipment,
Alteration,
misuse or
improper
installation,
Thermostats
and safety valves with
broken
capillary tubes,
Freight
–
other
than
normal UPS charges,
Ordinary
wear and
tear,
Failure to follow
installation
and/or
operating
instructions,
Events
beyond
control
of the
company.
INSTALLATION
Leveling, as well as
proper
installation
and check out of all
new
equipment
-
per
appropriate installation
and use materials – is t
he
responsibility of the
dealer
or
installer, not the
manufacturer.
REPLACEMENT PARTS
BKI
genuine
Factory OEM parts receive a (90) day
materials
warranty
effective from the
date of
installation
by a BKI F
actory
Authorized
Service
Center.

Double Revolving Oven Table of Contents
1
Table of Contents
Table of Contents ........................................................................................................................................1
Introduction..................................................................................................................................................2
Safety Precautions ....................................................................................................................................2
Safety Signs and Messages .................................................................................................................2
Safe Work Practices .............................................................................................................................3
Safety Decals........................................................................................................................................5
Health And Sanitation Practices ...............................................................................................................6
Food Handling.......................................................................................................................................6
Storage Of Raw Meats .........................................................................................................................6
Coding Cooked Foods ..........................................................................................................................6
Storage Of Prepared Foods..................................................................................................................6
Installation....................................................................................................................................................7
Unpacking and Handling ...........................................................................................................................7
Location and Clearance ............................................................................................................................7
Wiring ........................................................................................................................................................7
Replacement Parts ......................................................................................................................................8
Assemblies................................................................................................................................................8
Electrical Components ............................................................................................................................21
Mechanical Components.........................................................................................................................23
Accessories.............................................................................................................................................25
Wiring Diagrams ........................................................................................................................................26
Notes...........................................................................................................................................................35

Double Revolving Oven Introduction
2
Introduction
The Double Revolving Oven is a compact, attractive and functional unit utilizing a double revolving
mechanism that ensures fast and even product cooking. It contains removable components and doors on
both sides for easy accessibility, maintenance and cleaning. A touch pad controller and switches are
provided to allow for quick setup and operation of the unit.
The BKI name and trademark on this unit assures you of the finest in design and engineering -- that it has
been built with care and dedication -- using the best materials available. Attention to the operating
instructions regarding proper installation, operation, and maintenance will result in long lasting
dependability to insure the highest profitable return on your investment.
PLEASE READ THIS ENTIRE MANUAL BEFORE OPERATING THE UNIT. If
you have any questions, please contact your BKI Distributor. If they are unable to
answer your questions, contact the BKI Technical Service Department, toll free:
1-800-927-6887. Outside the U.S., call 1-864-963-3471.
Safety Precautions
Always follow recommended safety precautions listed in this manual. Below is the safety alert symbol.
When you see this symbol on your equipment, be alert to the potential for personal injury or property
damage.
Safety Signs and Messages
The following Safety signs and messages are placed in this manual to provide instructions and identify
specific areas where potential hazards exist and special precautions should be taken. Know and
understand the meaning of these instructions, signs, and messages. Damage to the equipment, death or
serious injury to you or other persons may result if these messages are not followed.
This message indicates an imminently hazardous situation which, if not avoided,
will result in death or serious injury.
This message indicates a potentially hazardous situation, which, if not avoided,
could result in death or serious injury.
This message indicates a potentially hazardous situation, which, if not avoided,
may result in minor or moderate injury. It may also be used to alert against unsafe
practices.
This message is used when special information, instructions or identification are
required relating to procedures, equipment, tools, capacities and other special
data.

Double Revolving Oven Introduction
3
Safe Work Practices
Wear Safe Clothing Appropriate To
Your Job
Always wear your insulated mitts when handling hot racks
or touch any hot metal surface. If you lose or damage
your mitts, you can buy new ones at your local restaurant
equipment supply store or from your local BKI Distributor.
Never wear loose clothing such as neckties or scarves
while operating this equipment. Keep loose hair tied back
or in a hair net while operating this equipment.
Always wear appropriate personal protection equipment
during the cleaning process to guard against possible
injury from hot cleaning solution.
Beware of High Voltage
This equipment uses high voltage. Serious injury can
occur if you or any untrained or unauthorized person
installs, services, or repairs this equipment. Always use
an Authorized Service agent to service your equipment.
Keep this manual with the Equipment
This manual is an important part of your equipment.
Always keep it near for easy access.
If you need to replace this manual, contact:
BKI
Technical Services Department
2812 Grandview Drive
Simpsonville, S.C. 29680
Or call toll free: 1-800-927-6887
Outside the U.S., call 864-963-3471
Protect Children
Keep children away from this equipment. Children may
not understand that this equipment is dangerous for them
and others.
NEVER allow children to play near or operate your
equipment.

Double Revolving Oven Introduction
4
Keep Safety Labels Clean and in Good
Condition
Do not remove or cover any safety labels on your
equipment. Keep all safety labels clean and in good
condition. Replace any damaged or missing safety labels.
Refer to the Safety Labels section for illustration and
location of safety labels on this unit.
If you need a new safety label, obtain the number of the
specific label illustrated on page 5, then contact:
BKI
Technical Services Department
2812 Grandview Drive
Simpsonville, S.C. 29680
Or call toll free: 1-800-927-6887
Outside the U.S., call 864-963-3471
Be Prepared for Emergencies
Be prepared for fires, injuries, or other emergencies.
Keep a first aid kit and a fire extinguisher near the
equipment. You must use a 40-pound Type BC fire
extinguisher and keep it within 25 feet of your equipment.
Keep emergency numbers for doctors, ambulance
services, hospitals, and the fire department near your
telephone.
Know your responsibilities as an
Employer
• Make certain your employees know how to operate the
equipment.
• Make certain your employees are aware of the safety
precautions on the equipment and in this manual.
• Make certain that you have thoroughly trained your
employees about operating the equipment safely.
• Make certain the equipment is in proper working
condition. If you make unauthorized modifications to
the equipment, you will reduce the function and safety
of the equipment.

Double Revolving Oven Introduction
5
Safety Decals

Double Revolving Oven Introduction
6
Health And Sanitation Practices
BKI Rotisserie Ovens are manufactured to comply with health regulations and are tested and certified to
UL
, cUL
, and NSF
standards. You must operate the equipment properly using only quality products
and use meat thermometers to insure meats are thoroughly cooked.
Food Handling
• Wash hands thoroughly in warm, soapy water after handling raw poultry or meats.
• Clean and sanitize all utensils and surfaces that have been in contact with raw products. Clean
and sanitize the meat forks or baskets between cooking.
• Never place cooked meats on the same surfaces used to prepare raw meats, unless the area
has been thoroughly cleaned and sanitized.
Storage Of Raw Meats
• Designate an area or shelf strictly for the storage of all raw meats to be used in the rotisserie.
• Raw product must always be stored at temperatures below 38° F. (3° C.).
• Never store or mix raw foods above cooked foods, as this is a health hazard. The drippings from
raw foods contaminate cooked or processed foods.
• All chicken and chicken parts to be stored overnight must be thoroughly iced down and
refrigerated.
Coding Cooked Foods
All products cooked during the day should be sold the same day.
NOTE: It is not the intent of the rotisserie program to have unsold merchandise at the end of the cooking
day. Follow your company’s procedures for the handling of any leftover product.
Storage Of Prepared Foods
• Cold foods should be kept at or below 38° F. (3° C.).
• Hot foods must be maintained to meet local health codes, usually a minimum 145° F. (63° C.).

Double Revolving Oven Installation
7
Installation
Serious injury, equipment damage or death could result if attempting to install this
oven yourself. Ensure that an authorized BKI service agent install the oven.
Unpacking and Handling
It is the owners’ responsibility to file all freight claims with the delivering truck line. Inspect all cartons and
crates for damage as soon as they arrive. If damage to cartons or crates is found, or if a shortage is
found, note this on the bill of lading (all copies) prior to signing.
If damage is found when the equipment is opened, immediately call the delivering truck line and follow up
the call with a written report indicating concealed damage to your shipment. Ask for an immediate
inspection of your concealed damage item. Packaging material MUST be retained to show the inspector
from the truck line.
Remove all packing from the interior and exterior of the oven.
Location and Clearance
Place the oven no less than 10.5" (26.7 cm.) to combustible surfaces at the rear of the machine, and 1"
(2.54 cm.) on the sides.
Wiring
Electrocution, equipment failure or property damage could result if an unlicensed
electrician performs the electrical installation. Ensure that a licensed electrician
perform the electrical installation in accordance with local codes, or in the absence
of local codes, with the National Electrical Code, ANSI NFPA 70-20XX.
This unit, when installed by an authorized BKI service agent, must be wired for use in accordance with all
applicable local, state, and federal codes. For specific electrical requirements and connections refer to the
wiring diagram attached to the unit or provided in the Service Manual.

Double Revolving Oven Replacement Parts
8
Replacement Parts
Use the information in this section to identify replacement parts. To order replacement parts, call your
local BKI sales and service representative. Before calling, please note the serial number on the rating tag
affixed to the unit.
Assemblies
Description Assembly # Figure # Table #
BEARING REPLACEMENT KIT AN9513560S Figure 1 Table 1
CONTROLLER W/ DECAL, 300° F AN9514390S Figure 2 Table 2
CONTROLLER W/ DECAL, 325° F AN9513280S Figure 2 Table 2
CONTROLLER W/ DECAL, CELSIUS AN9514850S Figure 2 Table 2
COOLING FAN AB95148400 Figure 3 Table 3
MOTOR PLATE (208V) AB95148000 Figure 4 Table 4
DOOR, CUSTOMER SIDE AC95124900 Figure 5 Table 5
DOOR, OPERATOR SIDE AC95124600 Figure 6 Table 6
DRIVE ROTOR AB95147500 Figure 7 Table 7
MOTOR PLATE (220-240V) AB95148100 Figure 8 Table 8
ROTOR/SHAFT AN9514780S Figure 9 Table 9
Figure 1. Bearing Replacement Kit

Double Revolving Oven Replacement Parts
9
Table 1. Bearing Replacement Kit Parts
ITEM # PART # QTY DESCRIPTION
1 B0241 5 BEARING, .75 ID X 1. OD .813 L
2 FT0366 5 RETAINING RING, PLANETARY GEAR
3 FT0367 5 SHIM, PLANETARY GEAR DR34
4 WSH256 5 WASHER, THRUST .765ID X 1.25OD
5 WSH257 5 WASHER, THRUST .765ID X 1.25OD

Double Revolving Oven Replacement Parts
10
Figure 2. Controller w/ Decal
Table 2. Controller w/ Decal Parts
ITEM # PART # QTY DESCRIPTION
1 N0274 1 DECAL, DR34 CONTROLLER
2 CP0028*
OR
CP0020*
OR
CP0026
1 CONTROLLER, 300° F
OR
CONTROLLER, 325° F
OR
CONTROLLER, CELSIUS
* - These units can be converted in the field to read the temperature in degrees Celsius. Please contact
BKI Technical Services for instructions.

Double Revolving Oven Replacement Parts
11
Figure 3. Cooling Fan
Table 3. Cooling Fan Parts
ITEM # PART # QTY DESCRIPTION
1 FB95126202 1 FAN PLENUM, DR
2 FN0014 1 FAN, 230V NMB 3115FS23WB30
3 FA95129702 1 AIR DEFLECTOR, DR
4 SCR315 4 SCREW, 6-32 X 2 RD HD SLTD
5 WSH089 10 WASHER, #6 INT LOCK ZINC PLATED
6 NUT048 6 NUT, 6-32 HEX ZINC PLTD
7 F0243 3 TERMINAL, 1/4" QUICK CONNECT

Double Revolving Oven Replacement Parts
12
Figure 4. Motor Plate (208V)
Table 4. Motor Plate (208V) Parts
ITEM # PART # QTY DESCRIPTION
1 PN95147900 1 MOTOR MOUNT PLATE PAINTED
2 M0086 1 MOTOR, 208V .48/.5A BALDOR
3 TB0068 1 TERM BLOCK END PLATE
4 TB0066 3 TERM BLOCK 2 CONDUCTOR CTR
5 TB0064 1 TERM BLOCK 4 CONDUCTOR CTR
6 TP0037 0.25 TAPE, 7/8 DBL SIDE 3M6381 WHITE
7 F0079 2 THREAD INSERT 1/4-20 STEEL
8 FT0032 2 COLLAR, 3/8" LSC-6 RB
9 MA95124402 1 MOTOR MOUNT HINGE PIN, DR
10 PN95124300 1 DR MOTOR MOUNT CHANNEL HINGE
11 S0129 1 SPROCKET, FLGD,H32-5M-25,.625
12 SCR058 4 SCREW, 1/4-20 X 1/2 HEX CAP
13 WSH044 4 WASHER, 1/4 LOCK ZINC PLTD

Double Revolving Oven Replacement Parts
13
Figure 5. Customer Side Door

Double Revolving Oven Replacement Parts
14
Table 5. Customer Side Door Parts
ITEM # PART # QTY DESCRIPTION
1 WB95121000 1 DOOR TOP WELD DR
2 WB95122300 1 DOOR TOP COVER WELD, DR
3 SCR138 8 SCREW, 10 X 1/2 PHIL TR HD
4 L0103 1 LATCH, MAGNETIC COMPOSITE
5 SCR390 4 SCREW, 10-24 X 1-1/2 SOC FLAT HD
6 WC95122900 1 DOOR FRAME WELD, CUST DR-34
7 WB95122100 1 DOOR BOTTOM WELDMENT DR
8 FB95122203 1 DOOR BOTTOM COVER DR
9 B0231 2 BEARING, BRONZE W/ FLANGE
10 SCR030 8 SCREW, 10-24 X 1/2 PHIL RD HD
11 WSH093 2 WASHER, #10 LOCK
12 SCR160 2 SCREW, 10-24 X 1 1/2 SLTD RD
13 NUT131 2 NUT, 10-24 SS 18-8 HEX
14 SCR316 2 SCREW, 10-24 X 1/2 SELF TAP
15 FB95133003 4 MTG BRACKET, DR DOOR FRAME
16 MA95124700 4 DOOR SIDE GLASS TRIM, DR
17 MA95124800 2 DOOR FRONT GLASS TRIM, DR
18 FB95120903 2 DOOR TRIM, DR
19 SCR359 8 SCREW, 10 X 1/2 TYPE B PHIL
20 EA0067 2 EXTRUSION, DOOR 21.562 DR
21 GL0176 1 GLASS, 21 13/32 X 27 13/32
22 GT0004 6 GASKET, LG. U BLACK
23 GL0194 2 GLASS, SIDE DOOR DR34
24 WSH091 8 WASHER, 3/16 FLAT
25 H0069 2 HINGE, DOOR DR

Double Revolving Oven Replacement Parts
15
Figure 6. Operator Side Door

Double Revolving Oven Replacement Parts
16
Table 6. Operator Side Door Parts
ITEM # PART # QTY DESCRIPTION
1 WB95121000 1 DOOR TOP WELD DR
2 WB95122300 1 DOOR TOP COVER WELD, DR
3 SCR138 8 SCREW, 10 X 1/2 PHIL TR HD
4 L0103 1 LATCH, MAGNETIC COMPOSITE
5 SCR390 4 SCREW, 10-24 X 1-1/2 SOC FLAT HD
6 WC95123500 1 DOOR FRAME WELD OPER DR34
7 WB95122100 1 DOOR BOTTOM WELDMENT DR
8 FB95122203 1 DOOR BOTTOM COVER DR
9 B0231 2 BEARING, BRONZE W/ FLANGE
10 SCR030 8 SCREW, 10-24 X 1/2 PHIL RD HD
11 WSH093 2 WASHER, #10 LOCK
12 SCR160 2 SCREW, 10-24 X 1 1/2 SLTD RD
13 NUT131 2 NUT, 10-24 SS 18-8 HEX
14 SCR316 2 SCREW, 10-24 X 1/2 SELF TAP
15 FB95133003 4 MTG BRACKET, DR DOOR FRAME
16 MA95124700 4 DOOR SIDE GLASS TRIM, DR
17 MA95124800 2 DOOR FRONT GLASS TRIM, DR
18 FB95120903 2 DOOR TRIM, DR
19 SCR359 8 SCREW, 10 X 1/2 TYPE B PHIL
20 EA0067 2 EXTRUSION, DOOR 21.562 DR
21 GL0276 1 GLASS, W/HEAT BARRIER DR34
22 GT0004 11 GASKET, LG. U BLACK
23 GL0194 2 GLASS, SIDE DOOR DR34
24 WSH091 8 WASHER, 3/16 FLAT
25 H0069 2 HINGE, DOOR DR

Double Revolving Oven Replacement Parts
17
Figure 7. Drive Rotor

Double Revolving Oven Replacement Parts
18
Table 7. Drive Rotor Parts
ITEM # PART # QTY DESCRIPTION
1 RO0029 1 ROTOR, DRIVE SPINNING DR34
2 H0067 5 HUB, PLANETARY GEAR 951
3 SCR411 15 SCREW, 10-24 X 1/2 PHIL RD HD
4 WSH093 15 WASHER, #10 LOCK
5 G0103 5 GEAR, PLANETARY(5) 6 DIA PITCH
6 FT0366 5 RETAINING RING, PLANETARY GEAR
7 FT0367 5 SHIM, PLANETARY GEAR DR34
8 WSH256 5 WASHER, THRUST .765ID X 1.25OD
9 WSH257 5 WASHER, THRUST .765ID X 1.25OD
10 B0241 5 BEARING, .75 ID X 1. OD .813 L
11 FC0002 1 COUPLING, FEMALE 4" 951
12 SCR384 2 SCREW, 5/16-18 X 1/2 S/S HEX
13 WSH260 2 WASHER, 5/16 S/S LOCKWASHER
14 NUT131 15 NUT, 10-24 SS 18-8 HEX

Double Revolving Oven Replacement Parts
19
Figure 8. Motor Plate (220-240V)
Table 8. Motor Plate (220-240V) Parts
ITEM # PART # QTY DESCRIPTION
1 PN95147900 1 MOTOR MOUNT PLATE PAINTED
2 M0087 1 MOTOR, 110-120/220-240 .94/.55 AMP
3 TB0068 1 TERM BLOCK END PLATE
4 TB0066 4 TERM BLOCK 2 CONDUCTOR CTR
5 TB0064 1 TERM BLOCK 4 CONDUCTOR CTR
6 TP0037 0.25 TAPE, 7/8 DBL SIDE 3M6381 WHITE
7 F0079 2 THREAD INSERT 1/4-20 STEEL
8 FT0032 2 COLLAR, 3/8" LSC-6 RB
9 MA95124402 1 MOTOR MOUNT HINGE PIN, DR
10 PN95124300 1 DR MOTOR MOUNT CHANNEL HINGE
11 S0129 1 SPROCKET, FLGD,H32-5M-25,.625
12 SCR058 4 SCREW, 1/4-20 X 1/2 HEX CAP
13 WSH044 4 WASHER, 1/4 LOCK ZINC PLTD

Double Revolving Oven Replacement Parts
20
Figure 9. Rotor/Shaft
Table 9. Rotor/Shaft Parts
ITEM # PART # QTY DESCRIPTION
1 AN95132900 1 ROTOR SHAFT/MALE CPLG DR
2 F0077 1 ROLL PIN, 5/32 X 1 1/8
3 H0068 1 HUB, ROTOR 4" DIA 951
4 RO0030 1 ROTOR, PASSIVE SPINNING DR
5 SCR364 2 SCREW, 1/4-20 X 1/4 SOC SET
6 SCR384 2 SCREW, 5/16-18 X 1/2 S/S HEX
7 WSH045 2 WASHER, 5/16 LOCK ZINC PLTD

Double Revolving Oven Replacement Parts
21
Electrical Components
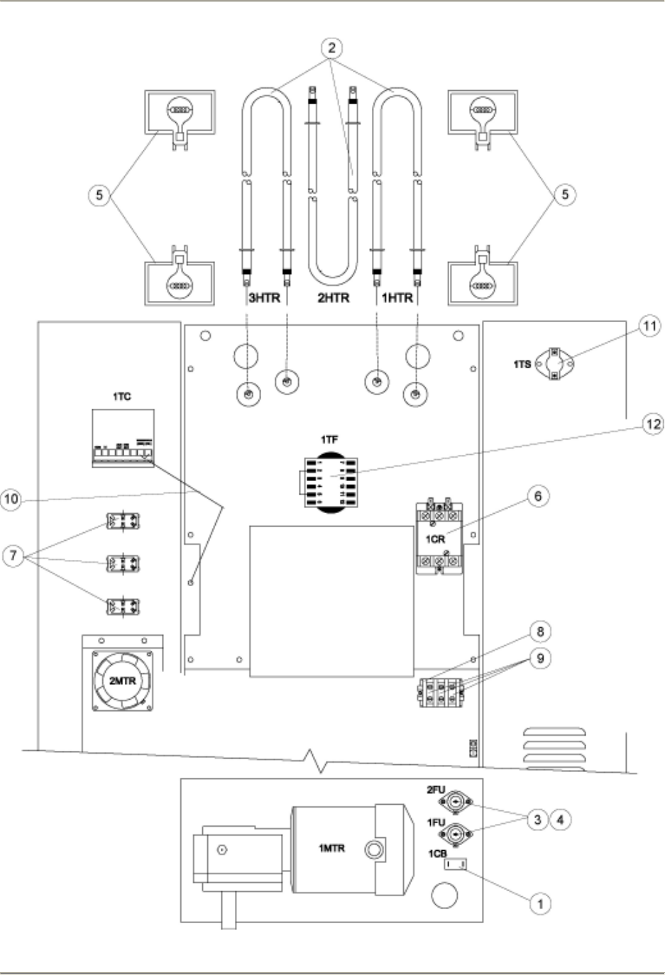
Description Component # Figure # Item #
BREAKER, CIRCUIT .6 AMP 250V CB0059 10 1
CALROD, 208V 2000W
OR
CALROD, 240V 2000W
C0290
OR
C0291
10 2
FUSE HOLDER, 15A 300V HPF-EE FH0001 10 3
FUSE, 15A 300V SC15 TIME DELAY F0097 10 4
LAMPHOLDER W/BULB 12V 20W (OSRAM)
LENS, REPLACEMENT FOR LH0024 LAMP
BULB, 20W 12V G4HALOGEN OSRAM 66428
LH0024
LN0001
B0562
10
5
RELAY, 3 POLE 42CF35AG R0148 10 6
SWITCH, DPST 15A RED LITE 250V S0111 10 7
TERM BLOCK END SECTION TB0002 10 8
TERM BLOCK MDM10/3 70A 600V
OR
TERM BLOCK MDM10/4 70A 600V
TB0081
OR
TB0082
10 9
THERMOCOUPLE, TYPE K T-2016 T0085 10 10
THERMOSTAT, HI LIMIT 2E253B T0057 10 11
TRANSFORMER, 115/230 PRI 80VA TF0043 10 12

Double Revolving Oven Replacement Parts
22
Figure 10. Electrical Components

Double Revolving Oven Replacement Parts
23
Mechanical Components
Description Component # Figure # Item #
BELT, SYNCHRONOUS 985-5M-25 B0502 11 1
INNER CENTER ELEMENT BRACKET FB95128102 11 2
OUTER CENTER ELEMENT BRACKET FB95128002 11 3
CALROD RETAINER FB95116302 11 4
CLIP, SUN GEAR RETAINING LZ0005 11 5
GREASE DRAWER WELDMENT WB95125800 11 6
GASKET, DOOR HANDLE G0314 11 7
GEAR, SUN 951 57 TEETH G0102 11 8
GUARD, DR34 DOOR TRIM G0104 11 9
HUB, ROTOR 4" DIA 951 H0068 11 10
BRACKET, CALROD HOLDER AND BRACKET B0459B 11 11
LEG, INSERT TYPE FOR 2" TUBE L0045 11 12
PROBE GUARD FA95128202 11 13
ROTOR SHIM FA95134202 11 14
SCREW, 10-24 X 3/4 KNURLED BRT SCR121 11 15
SHAFT SEAT FT0391 11 16
SPROCKET, UNFLGD,MTO H96-5M-25 S0130 11 17
TERM BLOCK 6H12-TSCU-F TB0001 11 18
TERM BLOCK, 1 POLE CERAMIC F0358 11 19
TERMINAL GROUNDING LUG F0111 11 20
PAN, BOTTOM FB95103303 11 21
Figure 11. Mechanical Components
1 2 3
4 5 6

Double Revolving Oven Replacement Parts
24
Figure 11. Mechanical Components - Continued
7 8 9
10 11 12
13 14 15
16 17 18
19 20 21

Double Revolving Oven Replacement Parts
25
Accessories
Description Accessory # Figure # Item #
BASKET, MEAT LARGE CLAMSHELL MB0015 12 1
BASKET, MEAT SM CLAMSHELL MB0011 12 2
INSULATED MITT 13" G0052 12 3
MEAT FORK ASSY SB9536 12 4
MEAT FORK ASSY, TURKEY SB9537 12 5
VEE SPIT 26.563" MF0021 12 6
Figure 12. Accessories
1 2 3
4 5 6

Double Revolving Oven Wiring Diagrams
26
Wiring Diagrams
Refer to the table below to find the wiring diagram associated with your unit.
Wiring Diagram Figure # Page #
220V, 240V, 208V, 3 Phase
Figure 13 27
240/415V, 220/380V, 3 Phase
Figure 14 29
220V, 240V, 208V, 1 Phase
Figure 15 31
240/415V, 220/380V, 1 Phase
Figure 16 33

Double Revolving Oven Wiring Diagrams
27
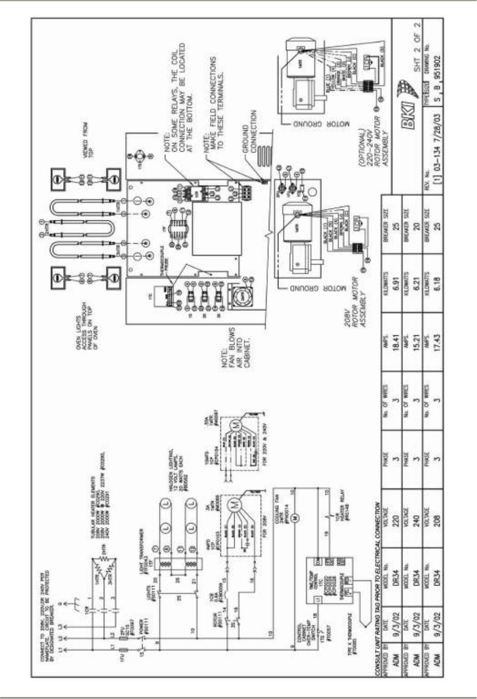
Figure 13. 220V, 240V, 208V, 3 Phase (Sheet 1 of 2)

Double Revolving Oven Wiring Diagrams
28
Figure 13. 220V, 240V, 208V, 3 Phase (Sheet 2 of 2)

Double Revolving Oven Wiring Diagrams
29
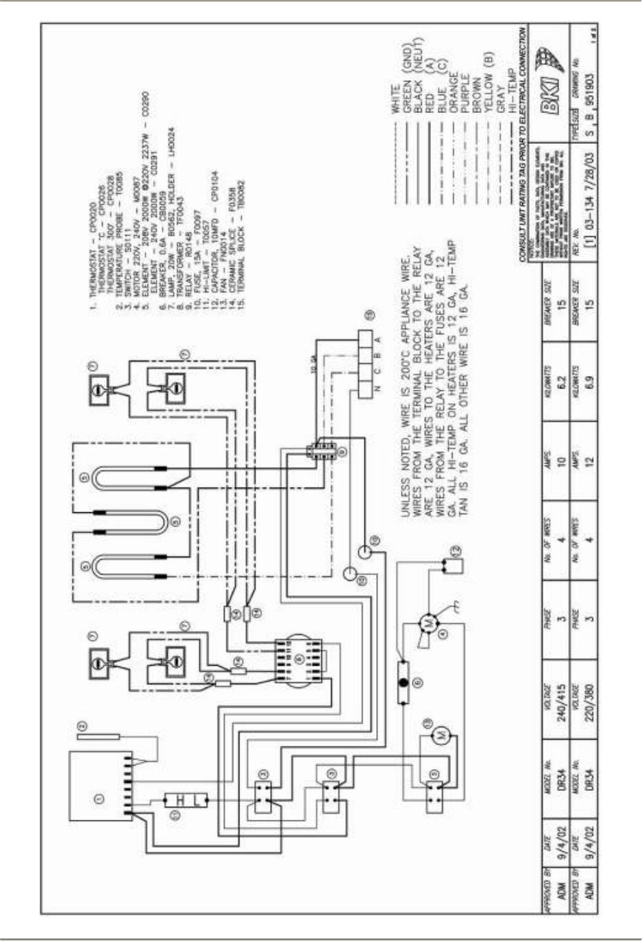
Figure 14. 240/415V, 220/380V, 3 Phase (Sheet 1 of 2)

Double Revolving Oven Wiring Diagrams
30
Figure 14. 240/415V, 220/380V, 3 Phase (Sheet 2 of 2)

Double Revolving Oven Wiring Diagrams
31
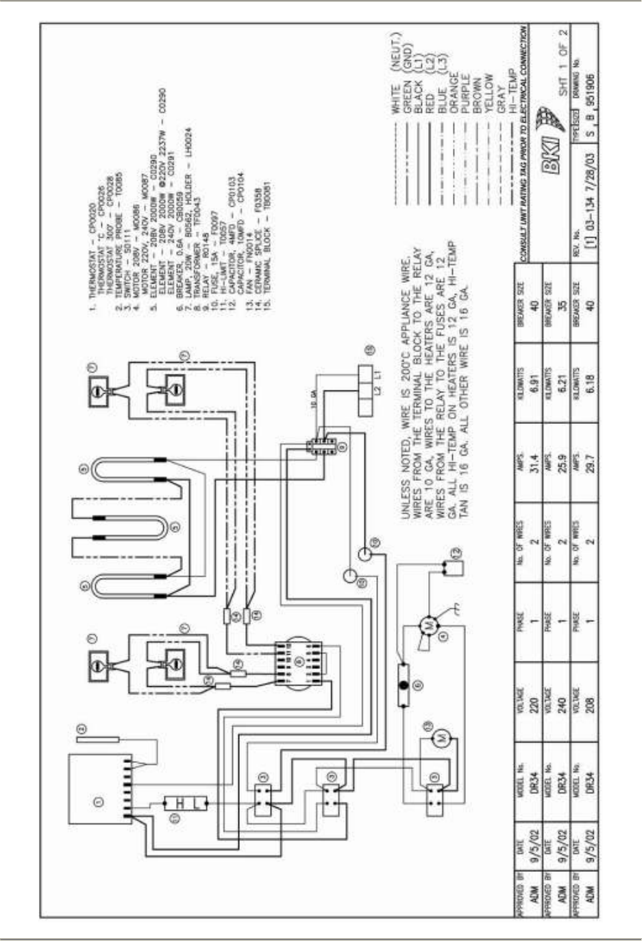
Figure 15. 220V, 240V, 208V, 1 Phase (Sheet 1 of 2)

Double Revolving Oven Wiring Diagrams
32
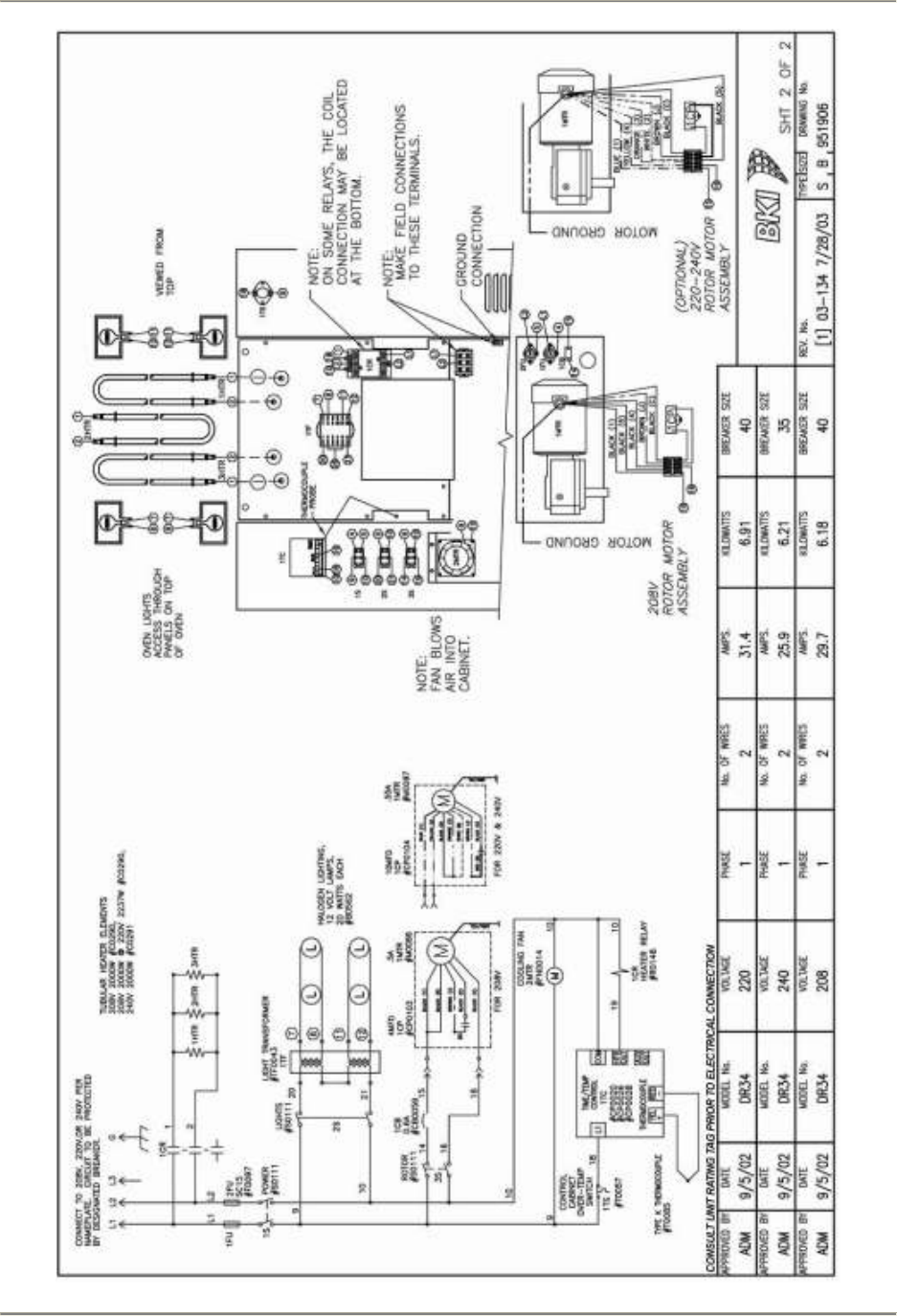
Figure 15. 220V, 240V, 208V, 1 Phase (Sheet 2 of 2)

Double Revolving Oven Wiring Diagrams
33
Figure 16. 240/415V, 220/380V, 1 Phase (Sheet 1 of 2)

Double Revolving Oven Wiring Diagrams
34
Figure 16. 240/415V, 220/380V, 1 Phase (Sheet 2 of 2)

Double Revolving Oven Note
35
Note

CS-TM-021.01 Revised 3/26/13
2812 Grandview Dr., Simpsonville, S.C. 29680, USA
http://www.bkideas.com
Made and printed in the U.S.A
LI0194/0407

Double Revolving Oven Note
2
REVISION HISTORY
REVISION DATE REVISED BY DESCRIPTION
01 03/26/13 KW Initial Release-Supersedes all previous
releases