Bosch CAN Users Guide
Bosch_CAN_Users_Guide
User Manual:
Open the PDF directly: View PDF
.
Page Count: 45
- 1. About this Document
- 2. Functional Description
- 3. Programmer’s Model
- 3.1 Hardware Reset Description
- 3.2 CAN Protocol Related Registers
- 3.3 Message Interface Register Sets
- 3.4 Message Handler Registers
- 4. CAN Application
- 4.1 Management of Message Objects
- 4.2 Message Handler State Machine
- 4.3 Configuration of a Transmit Object
- 4.4 Updating a Transmit Object
- 4.5 Configuration of a Receive Object
- 4.6 Handling of Received Messages
- 4.7 Configuration of a FIFO Buffer
- 4.8 Reception of Messages with FIFO Buffers
- 4.9 Handling of Interrupts
- 4.10 Configuration of the Bit Timing
- 5. CPU Interface
- 6. Appendix

User’s Manual
BOSCH - 2/45 -
Revision 1.2C_CAN
06.06.00
manual_cover.fm
Copyright Notice and Proprietary Information
Copyright © 1998, 1999 Robert Bosch GmbH. All rights reserved. This software and manual are owned
by Robert Bosch GmbH, and may be used only as authorized in the license agreement controlling such
use. No part of this publication may be reproduced, transmitted, or translated, in any form or by any
means, electronic, mechanical, manual, optical, or otherwise, without prior written permission of Robert
Bosch GmbH, or as expressly provided by the license agreement.
Disclaimer
ROBERT BOSCH GMBH, MAKES NO WARRANTY OF ANY KIND, EXPRESS OR IMPLIED,
WITH REGARD TO THIS MATERIAL, INCLUDING, BUT NOT LIMITED TO, THE IMPLIED
WARRANTIES OF MERCHANTABILITY AND FITNESS FOR A PARTICULAR PURPOSE.
ROBERT BOSCH GMBH, RESERVES THE RIGHT TO MAKE CHANGES WITHOUT FURTHER
NOTICE TO THE PRODUCTS DESCRIBED HEREIN. ROBERT BOSCH GMBH DOES NOT
ASSUME ANY LIABILITY ARISING OUT OF THE APPLICATION OR USE OF ANY PRODUCT
OR CIRCUIT DESCRIBED HEREIN.

User’s Manual
BOSCH - 3/45 -
Revision 1.2C_CAN
06.06.00
manualTOC.fm
C_CAN . . . . . . . . . . . . . . . . . . . . . . . . . . . . . . . . . . . . . . . . . 1
1. About this Document . . . . . . . . . . . . . . . . . . . . . . . . . . . . . . . . . . . . . . . . 5
1.1. Change Control . . . . . . . . . . . . . . . . . . . . . . . . . . . . . . . . . . . . . . . . . . . . . . . . . . . . .5
1.1.1. Current Status . . . . . . . . . . . . . . . . . . . . . . . . . . . . . . . . . . . . . . . . . . . . . . . . .5
1.1.2. Change History . . . . . . . . . . . . . . . . . . . . . . . . . . . . . . . . . . . . . . . . . . . . . . . .5
1.2. Conventions . . . . . . . . . . . . . . . . . . . . . . . . . . . . . . . . . . . . . . . . . . . . . . . . . . . . . . .5
1.3. Scope . . . . . . . . . . . . . . . . . . . . . . . . . . . . . . . . . . . . . . . . . . . . . . . . . . . . . . . . . . . . .5
1.4. References . . . . . . . . . . . . . . . . . . . . . . . . . . . . . . . . . . . . . . . . . . . . . . . . . . . . . . . .5
1.5. Terms and Abbreviations . . . . . . . . . . . . . . . . . . . . . . . . . . . . . . . . . . . . . . . . . . . . .6
2. Functional Description . . . . . . . . . . . . . . . . . . . . . . . . . . . . . . . . . . . . . . . 7
2.1. Functional Overview . . . . . . . . . . . . . . . . . . . . . . . . . . . . . . . . . . . . . . . . . . . . . . . . .7
2.2. Block Diagram . . . . . . . . . . . . . . . . . . . . . . . . . . . . . . . . . . . . . . . . . . . . . . . . . . . . . .8
2.3. Operating Modes . . . . . . . . . . . . . . . . . . . . . . . . . . . . . . . . . . . . . . . . . . . . . . . . . . .9
2.3.1. Software Initialisation . . . . . . . . . . . . . . . . . . . . . . . . . . . . . . . . . . . . . . . . . . .9
2.3.2. CAN Message Transfer . . . . . . . . . . . . . . . . . . . . . . . . . . . . . . . . . . . . . . . . . .9
2.3.3. Disabled Automatic Retransmission . . . . . . . . . . . . . . . . . . . . . . . . . . . . . . .10
2.3.4. Test Mode . . . . . . . . . . . . . . . . . . . . . . . . . . . . . . . . . . . . . . . . . . . . . . . . . . .10
2.3.5. Silent Mode . . . . . . . . . . . . . . . . . . . . . . . . . . . . . . . . . . . . . . . . . . . . . . . . . .10
2.3.6. Loop Back Mode . . . . . . . . . . . . . . . . . . . . . . . . . . . . . . . . . . . . . . . . . . . . . .11
2.3.7. Loop Back combined with Silent Mode . . . . . . . . . . . . . . . . . . . . . . . . . . . . .11
2.3.8. Basic Mode . . . . . . . . . . . . . . . . . . . . . . . . . . . . . . . . . . . . . . . . . . . . . . . . . .12
2.3.9. Software control of Pin CAN_TX . . . . . . . . . . . . . . . . . . . . . . . . . . . . . . . . . .12
3. Programmer’s Model . . . . . . . . . . . . . . . . . . . . . . . . . . . . . . . . . . . . . . . . 13
3.1. Hardware Reset Description . . . . . . . . . . . . . . . . . . . . . . . . . . . . . . . . . . . . . . . . .14
3.2. CAN Protocol Related Registers . . . . . . . . . . . . . . . . . . . . . . . . . . . . . . . . . . . . . .14
3.2.1. CAN Control Register (addresses 0x01 & 0x00) . . . . . . . . . . . . . . . . . . . . . .14
3.2.2. Status Register (addresses 0x03 & 0x02) . . . . . . . . . . . . . . . . . . . . . . . . . . .15
3.2.2.1. Status Interrupts . . . . . . . . . . . . . . . . . . . . . . . . . . . . . . . . . . . . . . . . . . . . . .16
3.2.3. Error Counter (addresses 0x05 & 0x04) . . . . . . . . . . . . . . . . . . . . . . . . . . . .16
3.2.4. Bit Timing Register (addresses 0x07 & 0x06) . . . . . . . . . . . . . . . . . . . . . . . .16
3.2.5. Test Register (addresses 0x0B & 0x0A) . . . . . . . . . . . . . . . . . . . . . . . . . . . .17
3.2.6. BRP Extension Register (addresses 0x0D & 0x0C) . . . . . . . . . . . . . . . . . . .18
3.3. Message Interface Register Sets . . . . . . . . . . . . . . . . . . . . . . . . . . . . . . . . . . . . . .18
3.3.1. IFx Command Request Registers . . . . . . . . . . . . . . . . . . . . . . . . . . . . . . . . .19
3.3.2. IFx Command Mask Registers . . . . . . . . . . . . . . . . . . . . . . . . . . . . . . . . . . .19
3.3.2.1. Direction = Write . . . . . . . . . . . . . . . . . . . . . . . . . . . . . . . . . . . . . . . . . . . . .19
3.3.2.2. Direction = Read . . . . . . . . . . . . . . . . . . . . . . . . . . . . . . . . . . . . . . . . . . . . . .20
3.3.3. IFx Message Buffer Registers . . . . . . . . . . . . . . . . . . . . . . . . . . . . . . . . . . . .21
3.3.3.1. IFx Mask Registers . . . . . . . . . . . . . . . . . . . . . . . . . . . . . . . . . . . . . . . . . . . .21
3.3.3.2. IFx Arbitration Registers . . . . . . . . . . . . . . . . . . . . . . . . . . . . . . . . . . . . . . .21
3.3.3.3. IFx Message Control Registers . . . . . . . . . . . . . . . . . . . . . . . . . . . . . . . . . . .21
3.3.3.4. IFx Data A and Data B Registers . . . . . . . . . . . . . . . . . . . . . . . . . . . . . . . . .21
3.3.4. Message Object in the Message Memory . . . . . . . . . . . . . . . . . . . . . . . . . . .22

User’s Manual
BOSCH - 4/45 -
Revision 1.2C_CAN
06.06.00
manualTOC.fm
3.4. Message Handler Registers . . . . . . . . . . . . . . . . . . . . . . . . . . . . . . . . . . . . . . . . . .24
3.4.1. Interrupt Register (addresses 0x09 & 0x08) . . . . . . . . . . . . . . . . . . . . . . . . .24
3.4.2. Transmission Request Registers . . . . . . . . . . . . . . . . . . . . . . . . . . . . . . . . .25
3.4.3. New Data Registers . . . . . . . . . . . . . . . . . . . . . . . . . . . . . . . . . . . . . . . . . . .25
3.4.4. Interrupt Pending Registers . . . . . . . . . . . . . . . . . . . . . . . . . . . . . . . . . . . . .26
3.4.5. Message Valid 1 Register . . . . . . . . . . . . . . . . . . . . . . . . . . . . . . . . . . . . . . .26
4. CAN Application . . . . . . . . . . . . . . . . . . . . . . . . . . . . . . . . . . . . . . . . . . . 27
4.1. Management of Message Objects . . . . . . . . . . . . . . . . . . . . . . . . . . . . . . . . . . . . .27
4.2. Message Handler State Machine . . . . . . . . . . . . . . . . . . . . . . . . . . . . . . . . . . . . . .27
4.2.1. Data Transfer from / to Message RAM . . . . . . . . . . . . . . . . . . . . . . . . . . . . .27
4.2.2. Transmission of Messages . . . . . . . . . . . . . . . . . . . . . . . . . . . . . . . . . . . . . .28
4.2.3. Acceptance Filtering of Received Messages . . . . . . . . . . . . . . . . . . . . . . . .29
4.2.3.1. Reception of Data Frame . . . . . . . . . . . . . . . . . . . . . . . . . . . . . . . . . . . . . . .29
4.2.3.2. Reception of Remote Frame . . . . . . . . . . . . . . . . . . . . . . . . . . . . . . . . . . . . .29
4.2.4. Receive / Transmit Priority . . . . . . . . . . . . . . . . . . . . . . . . . . . . . . . . . . . . . .30
4.3. Configuration of a Transmit Object . . . . . . . . . . . . . . . . . . . . . . . . . . . . . . . . . . .30
4.4. Updating a Transmit Object . . . . . . . . . . . . . . . . . . . . . . . . . . . . . . . . . . . . . . . . . .30
4.5. Configuration of a Receive Object . . . . . . . . . . . . . . . . . . . . . . . . . . . . . . . . . . . .31
4.6. Handling of Received Messages . . . . . . . . . . . . . . . . . . . . . . . . . . . . . . . . . . . . . .31
4.7. Configuration of a FIFO Buffer . . . . . . . . . . . . . . . . . . . . . . . . . . . . . . . . . . . . . . .32
4.8. Reception of Messages with FIFO Buffers . . . . . . . . . . . . . . . . . . . . . . . . . . . . . .32
4.8.1. Reading from a FIFO Buffer . . . . . . . . . . . . . . . . . . . . . . . . . . . . . . . . . . . . .32
4.9. Handling of Interrupts . . . . . . . . . . . . . . . . . . . . . . . . . . . . . . . . . . . . . . . . . . . . . .34
4.10. Configuration of the Bit Timing . . . . . . . . . . . . . . . . . . . . . . . . . . . . . . . . . . . . . .34
4.10.1. Bit Time and Bit Rate . . . . . . . . . . . . . . . . . . . . . . . . . . . . . . . . . . . . . . . . . .35
4.10.2. Propagation Time Segment . . . . . . . . . . . . . . . . . . . . . . . . . . . . . . . . . . . . .36
4.10.3. Phase Buffer Segments and Synchronisation . . . . . . . . . . . . . . . . . . . . . . .37
4.10.4. Oscillator Tolerance Range . . . . . . . . . . . . . . . . . . . . . . . . . . . . . . . . . . . . .39
4.10.5. Configuration of the CAN Protocol Controller . . . . . . . . . . . . . . . . . . . . . . . .40
4.10.6. Calculation of the Bit Timing Parameters . . . . . . . . . . . . . . . . . . . . . . . . . . .41
4.10.6.1.Example for Bit Timing at high Baudrate . . . . . . . . . . . . . . . . . . . . . . . . . .42
4.10.6.2.Example for Bit Timing at low Baudrate . . . . . . . . . . . . . . . . . . . . . . . . . . .42
5. CPU Interface . . . . . . . . . . . . . . . . . . . . . . . . . . . . . . . . . . . . . . . . . . . . . . 43
5.1. Customer Interface . . . . . . . . . . . . . . . . . . . . . . . . . . . . . . . . . . . . . . . . . . . . . . . . .43
5.2. Timing of the WAIT output signal . . . . . . . . . . . . . . . . . . . . . . . . . . . . . . . . . . . . .44
5.3. Interrupt Timing . . . . . . . . . . . . . . . . . . . . . . . . . . . . . . . . . . . . . . . . . . . . . . . . . . .44
6. Appendix . . . . . . . . . . . . . . . . . . . . . . . . . . . . . . . . . . . . . . . . . . . . . . . . . 45
6.1. List of Figures . . . . . . . . . . . . . . . . . . . . . . . . . . . . . . . . . . . . . . . . . . . . . . . . . . . . .45

User’s Manual
BOSCH - 5/45 -
Revision 1.2C_CAN
06.06.00
manual_about.fm
1. About this Document
1.1 Change Control
1.1.1 Current Status
Revision 1.2
1.1.2 Change History
Issue Date By Change
Draft 17.12.98 C. Horst First Draft
Draft 07.04.99 C. Horst DAR Mode added
Draft 20.04.99 C. Horst Signal names modified
Revision 1.0 28.09.99 C. Horst Revised version
Revision 1.1 10.12.99 C. Horst BRP Extension Register added
Revision 1.2 06.06.00 F. Hartwich Document restructured
1.2 Conventions
The following conventions are used within this User’s Manual.
Helvetica bold Names of bits and signals
Helvetica italic
States of bits and signals
1.3 Scope
This document describes the C_CAN module and its features from the application
programmer’s point of view.
All information necessary to integrate the C_CAN module into an user-defined ASIC is located
in the ‘Module Integration Guide’.
1.4 References
This document refers to the following documents.
Ref Author(s) Title
1 FV/SLN1 CAN Specification Revision 2.0
2 K8/EIS1 Module Integration Guide
3 K8/EIS1 VHDL Reference CAN User’s Manual
4 ISO ISO 11898-1 “Controller Area Network (CAN) - Part 1:
Data link layer and physical signalling”
manual_about.fm

User’s Manual
BOSCH - 6/45 -
Revision 1.2C_CAN
06.06.00
manual_about.fm
1.5 Terms and Abbreviations
This document uses the following terms and abbreviations.
Term Meaning
CAN Controller Area Network
BSP Bit Stream Processor
BTL Bit Timing Logic
CRC Cyclic Redundancy Check Register
DLC Data Length Code
EML Error Management Logic
FSM Finite State Machine
TTCAN Time Triggered CAN

User’s Manual
BOSCH - 7/45 -
Revision 1.2C_CAN
06.06.00
manual_funct_descr.fm
2. Functional Description
2.1 Functional Overview
The C_CAN is a CAN module that can be integrated as stand-alone device or as part of an
ASIC. It is described in VHDL on RTL level, prepared for synthesis. It consists of the
components (see figure 1) CAN Core, Message RAM, Message Handler, Control Registers,
and Module Interface.
The CAN_Core performs communication according to the CAN protocol version 2.0 part A
and B. The bit rate can be programmed to values up to 1MBit/s depending on the used
technology. For the connection to the physical layer additional transceiver hardware is
required.
For communication on a CAN network, individual Message Objects are configured. The
Message Objects and Identifier Masks for acceptance filtering of received messages are
stored in the Message RAM.
All functions concerning the handling of messages are implemented in the Message Handler.
Those functions are the acceptance filtering, the transfer of messages between the CAN Core
and the Message RAM, and the handling of transmission requests as well as the generation of
the module interrupt.
The register set of the C_CAN can be accessed directly by an external CPU via the module
interface. These registers are used to control/configure the CAN Core and the Message
Handler and to access the Message RAM.
The Module Interfaces delivered with the C_CAN module can easily be replaced by a
customized module interface adapted to the needs of the user.
The C_CAN implements the following features:
•Supports CAN protocol version 2.0 part A and B
•Bit rates up to 1 MBit/s
•32 Message Objects
•Each Message Object has its own identifier mask
•Programmable FIFO mode (concatenation of Message Objects)
•Maskable interrupt
•Disabled Automatic Retransmission mode for Time Triggered CAN applications
•Programmable loop-back mode for self-test operation
•8-bit non-multiplex Motorola HC08 compatible module interface
•two 16-bit module interfaces to the AMBA APB bus from ARM
manual_funct_descr.fm

User’s Manual
BOSCH - 8/45 -
Revision 1.2C_CAN
06.06.00
manual_funct_descr.fm
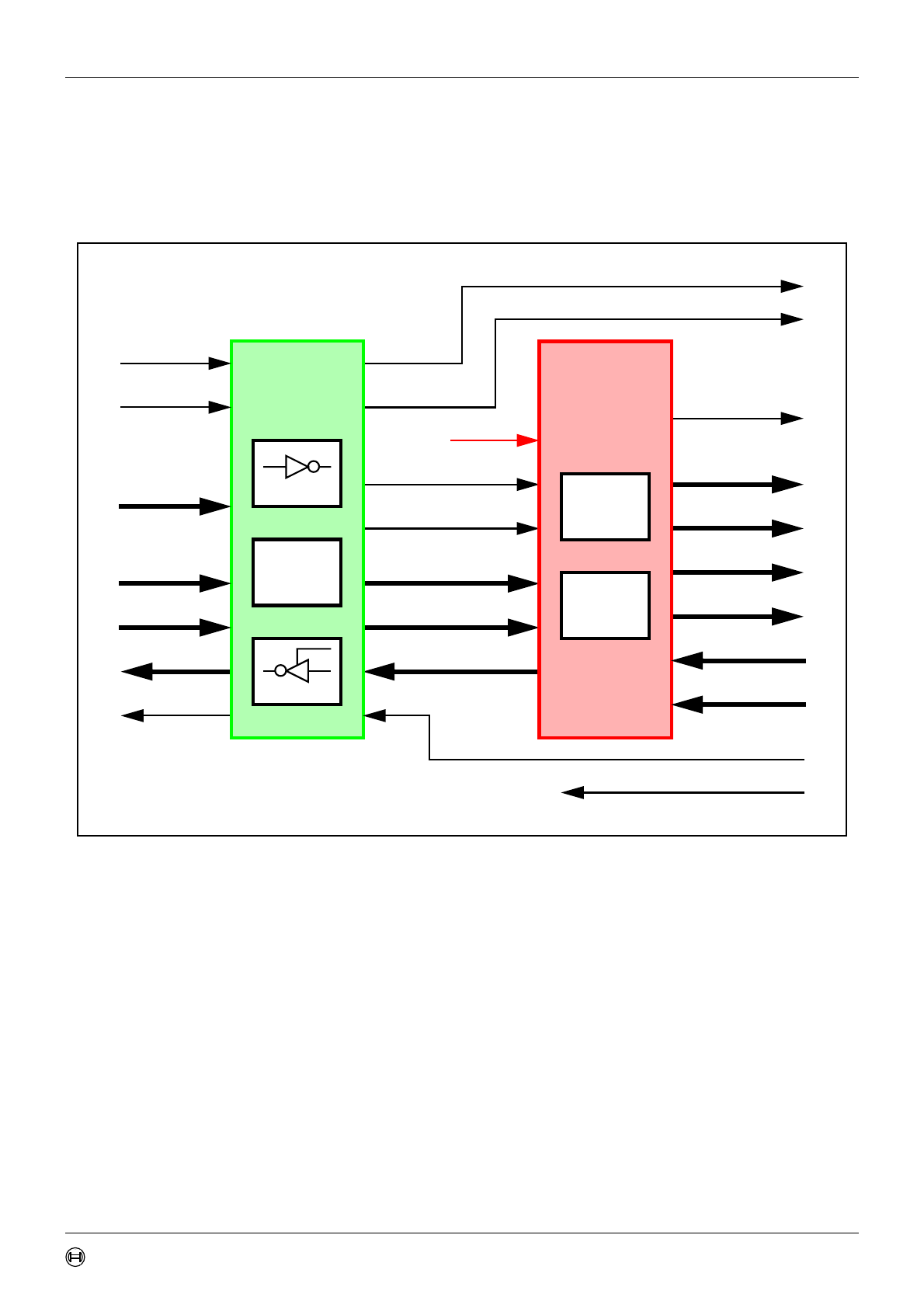
2.2 Block Diagram
The design consists of the following functional blocks (see figure 1):
CAN Core
CAN Protocol Controller and Rx/Tx Shift Register for serial/parallel conversion of messages.
Message RAM
Stores Message Objects and Identifier Masks.
Registers
All registers used to control and to configure the C_CAN module.
Message Handler
State Machine that controls the data transfer between the Rx/Tx Shift Register of the CAN
Core and the Message RAM as well as the generation of interrupts as programmed in the
Control and Configuration Registers.
Module Interface
Up to now the C_CAN module is delivered with three different interfaces. An 8-bit interface for
the Motorola HC08 controller and two 16-bit interfaces to the AMBA APB bus from ARM. They
can easily be replaced by a user-defined module interface.
Figure 1: Block Diagram of the C_CAN
C_CAN
CAN Core
Registers
Module Interface
Message Handler
CAN_TX CAN_RX
Message RAM
DataIN
Interrupt
Clock
Reset
Address(7:0)
Control
CAN_WAIT_B
DataOUT

User’s Manual
BOSCH - 9/45 -
Revision 1.2C_CAN
06.06.00
manual_funct_descr.fm
2.3 Operating Modes
2.3.1 Software Initialisation
The software initialization is started by setting the bit Init in the CAN Control Register, either
by software or by a hardware reset, or by going
Bus_Off
.
While Init is set, all message transfer from and to the CAN bus is stopped, the status of the
CAN bus output CAN_TX is
recessive
(HIGH). The counters of the EML are unchanged.
Setting Init does not change any configuration register.
To initialize the CAN Controller, the CPU has to set up the Bit Timing Register and each
Message Object. If a Message Object is not needed, it is sufficient to set it’s MsgVal bit to not
valid. Otherwise, the whole Message Object has to be initialized.
Access to the Bit Timing Register and to the BRP Extension Register for the configuration of
the bit timing is enabled when both bits Init and CCE in the CAN Control Register are set.
Resetting Init (by CPU only) finishes the software initialisation. Afterwards the Bit Stream
Processor BSP (see section 4.10 on page 34) synchronizes itself to the data transfer on the
CAN bus by waiting for the occurrence of a sequence of 11 consecutive
recessive
bits (≡
Bus
Idle
) before it can take part in bus activities and starts the message transfer.
The initialization of the Message Objects is independent of Init and can be done on the fly, but
the Message Objects should all be configured to particular identifiers or set to not valid before
the BSP starts the message transfer.
To change the configuration of a Message Object during normal operation, the CPU has to
start by setting MsgVal to not valid. When the configuration is completed, MsgVal is set to
valid again.
2.3.2 CAN Message Transfer
Once the C_CAN is initialized and Init is reset to zero, the C_CAN’s CAN Core synchronizes
itself to the CAN bus and starts the message transfer.
Received messages are stored into their appropriate Message Objects if they pass the
Message Handler’s acceptance filtering. The whole message including all arbitration bits, DLC
and eight data bytes is stored into the Message Object. If the Identifier Mask is used, the
arbitration bits which are masked to “don’t care” may be overwritten in the Message Object.
The CPU may read or write each message any time via the Interface Registers, the Message
Handler guarantees data consistency in case of concurrent accesses.
Messages to be transmitted are updated by the CPU. If a permanent Message Object
(arbitration and control bits set up during configuration) exists for the message, only the data
bytes are updated and then TxRqst bit with NewDat bit are set to start the transmission. If
several transmit messages are assigned to the same Message Object (when the number of
Message Objects is not sufficient), the whole Message Object has to be configured before the
transmission of this message is requested.
The transmission of any number of Message Objects may be requested at the same time, they
are transmitted subsequently according to their internal priority. Messages may be updated or
set to not valid any time, even when their requested transmission is still pending. The old data
will be discarded when a message is updated before its pending transmission has started.
Depending on the configuration of the Message Object, the transmission of a message may
be requested autonomously by the reception of a remote frame with a matching identifier.

User’s Manual
BOSCH - 10/45 -
Revision 1.2C_CAN
06.06.00
manual_funct_descr.fm
2.3.3 Disabled Automatic Retransmission
According to the CAN Specification (see ISO11898, 6.3.3 Recovery Management), the
C_CAN provides means for automatic retransmission of frames that have lost arbitration or
that have been disturbed by errors during transmission. The frame transmission service will
not be confirmed to the user before the transmission is successfully completed. By default,
this means for automatic retransmission is enabled. It can be disabled to enable the C_CAN to
work within a Time Triggered CAN (TTCAN, see ISO11898-1) environment.
The Disabled Automatic Retransmission mode is enabled by programming bit DAR in the CAN
Control Register to
one
. In this operation mode the programmer has to consider the different
behaviour of bits TxRqst and NewDat in the Control Registers of the Message Buffers:
•When a transmission starts bit TxRqst of the respective Message Buffer is reset, while bit
NewDat remains set.
•When the transmission completed successfully bit NewDat is reset.
When a transmission failed (lost arbitration or error) bit NewDat remains set. To restart the
transmission the CPU has to set TxRqst back to
one
.
2.3.4 Test Mode
The Test Mode is entered by setting bit Test in the CAN Control Register to
one
. In Test Mode
the bits Tx1,Tx0,LBack,Silent and Basic in the Test Register are writable. Bit Rx monitors
the state of pin CAN_RX and therefore is only readable. All Test Register functions are
disabled when bit Test is reset to zero.
2.3.5 Silent Mode
The CAN Core can be set in Silent Mode by programming the Test Register bit Silent to
one
.
In Silent Mode, the C_CAN is able to receive valid data frames and valid remote frames, but it
sends only
recessive
bits on the CAN bus and it cannot start a transmission. If the CAN Core
is required to send a
dominant
bit (ACK bit, overload flag, active error flag), the bit is rerouted
internally so that the CAN Core monitors this
dominant
bit, although the CAN bus may remain
in
recessive
state. The Silent Mode can be used to analyse the traffic on a CAN bus without
affecting it by the transmission of
dominant
bits (Acknowledge Bits, Error Frames). Figure 2
shows the connection of signals CAN_TX and CAN_RX to the CAN Core in Silent Mode.
Figure 2: CAN Core in Silent Mode
In ISO 11898-1, the Silent Mode is called the Bus Monitoring Mode.
CAN_TX CAN_RX
Tx Rx
CAN Core
C_CAN
•
•
=1

User’s Manual
BOSCH - 11/45 -
Revision 1.2C_CAN
06.06.00
manual_funct_descr.fm
2.3.6 Loop Back Mode
The CAN Core can be set in Loop Back Mode by programming the Test Register bit LBack to
one
. In Loop Back Mode, the CAN Core treats its own transmitted messages as received
messages and stores them (if they pass acceptance filtering) into a Receive Buffer. Figure 3
shows the connection of signals CAN_TX and CAN_RX to the CAN Core in Loop Back Mode.
Figure 3: CAN Core in Loop Back Mode
This mode is provided for self-test functions. To be independent from external stimulation, the
CAN Core ignores acknowledge errors (recessive bit sampled in the acknowledge slot of a data/
remote frame) in Loop Back Mode. In this mode the CAN Core performs an internal feedback
from its Tx output to its Rx input. The actual value of the CAN_RX input pin is disregarded by
the CAN Core. The transmitted messages can be monitored at the CAN_TX pin.
2.3.7 Loop Back combined with Silent Mode
It is also possible to combine Loop Back Mode and Silent Mode by programming bits LBack
and Silent to
one
at the same time. This mode can be used for a “Hot Selftest”, meaning the
C_CAN can be tested without affecting a running CAN system connected to the pins CAN_TX
and CAN_RX. In this mode the CAN_RX pin is disconnected from the CAN Core and the
CAN_TX pin is held
recessive
. Figure 4 shows the connection of signals CAN_TX and
CAN_RX to the CAN Core in case of the combination of Loop Back Mode with Silent Mode.
Figure 4: CAN Core in Loop Back combined with Silent Mode
CAN_TX CAN_RX
Tx Rx
CAN Core
C_CAN
•
•
CAN_TX CAN_RX
Tx Rx
CAN Core
C_CAN
•
•
=1

User’s Manual
BOSCH - 12/45 -
Revision 1.2C_CAN
06.06.00
manual_funct_descr.fm
2.3.8 Basic Mode
The CAN Core can be set in Basic Mode by programming the Test Register bit Basic to
one
.
In this mode the C_CAN module runs without the Message RAM.
The IF1 Registers are used as Transmit Buffer. The transmission of the contents of the IF1
Registers is requested by writing the Busy bit of the IF1 Command Request Register to ‘1’.
The IF1 Registers are locked while the Busy bit is set. The Busy bit indicates that the
transmission is pending.
As soon the CAN bus is idle, the IF1 Registers are loaded into the shift register of the CAN
Core and the transmission is started. When the transmission has completed, the Busy bit is
reset and the locked IF1 Registers are released.
A pending transmission can be aborted at any time by resetting the Busy bit in the IF1
Command Request Register while the IF1 Registers are locked. If the CPU has reset the Busy
bit, a possible retransmission in case of lost arbitration or in case of an error is disabled.
The IF2 Registers are used as Receive Buffer. After the reception of a message the contents
of the shift register is stored into the IF2 Registers, without any acceptance filtering.
Additionally, the actual contents of the shift register can be monitored during the message
transfer. Each time a read Message Object is initiated by writing the Busy bit of the IF2
Command Request Register to ‘1’, the contents of the shift register is stored into the IF2
Registers.
In Basic Mode the evaluation of all Message Object related control and status bits and of the
control bits of the IFx Command Mask Registers is turned off. The message number of the
Command request registers is not evaluated. The NewDat and MsgLst bits of the IF2
Message Control Register retain their function, DLC3-0 will show the received DLC, the other
control bits will be read as ‘0’.
In Basic Mode the ready output CAN_WAIT_B is disabled (always ‘1’).
2.3.9 Software control of Pin CAN_TX
Four output functions are available for the CAN transmit pin CAN_TX. Additionally to its
default function – the serial data output – it can drive the CAN Sample Point signal to monitor
CAN_Core’s bit timing and it can drive constant dominant or recessive values. The last two
functions, combined with the readable CAN receive pin CAN_RX, can be used to check the
CAN bus’ physical layer.
The output mode of pin CAN_TX is selected by programming the Test Register bits Tx1 and
Tx0 as described in section 3.2.5 on page 17.
The three test functions for pin CAN_TX interfere with all CAN protocol functions. CAN_TX
must be left in its default function when CAN message transfer or any of the test modes Loop
Back Mode, Silent Mode, or Basic Mode are selected.

User’s Manual
BOSCH - 13/45 -
Revision 1.2C_CAN
06.06.00
manual_prog_model.fm
3. Programmer’s Model
The C_CAN module allocates an address space of 256 bytes. The registers are organized as
16-bit registers, with the high byte at the odd address and the low byte at the even address.
The two sets of interface registers (IF1 and IF2) control the CPU access to the Message RAM.
They buffer the data to be transferred to and from the RAM, avoiding conflicts between CPU
accesses and message reception/transmission.
Figure 5: C_CAN Register Summary
Address Name Reset Value Note
CAN Base + 0x00 CAN Control Register 0x0001
CAN Base + 0x02 Status Register 0x0000
CAN Base + 0x04 Error Counter 0x0000 read only
CAN Base + 0x06 Bit Timing Register 0x2301 write enabled by CCE
CAN Base + 0x08 Interrupt Register 0x0000 read only
CAN Base + 0x0A Test Register 0x00 & 0b
r
0000000 1) write enabled by Test
CAN Base + 0x0C BRP Extension Register 0x0000 write enabled by CCE
CAN Base + 0x0E — reserved — 3)
CAN Base + 0x10 IF1 Command Request 0x0001
CAN Base + 0x12 IF1 Command Mask 0x0000
CAN Base + 0x14 IF1 Mask 1 0xFFFF
CAN Base + 0x16 IF1 Mask 2 0xFFFF
CAN Base + 0x18 IF1 Arbitration 1 0x0000
CAN Base + 0x1A IF1 Arbitration2 0x0000
CAN Base + 0x1C IF1 Message Control 0x0000
CAN Base + 0x1E IF1 Data A 1 0x0000
CAN Base + 0x20 IF1 Data A 2 0x0000
CAN Base + 0x22 IF1 Data B 1 0x0000
CAN Base + 0x24 IF1 Data B 2 0x0000
CAN Base + 0x28 - 0x3E — reserved — 3)
CAN Base + 0x40 - 0x54 IF2 Registers see note 2) same as IF1 Registers
CAN Base + 0x56 - 0x7E — reserved — 3)
CAN Base + 0x80 Transmission Request 1 0x0000 read only
CAN Base + 0x82 Transmission Request 2 0x0000 read only
CAN Base + 0x84 - 0x8E — reserved — 3)
CAN Base + 0x90 New Data 1 0x0000 read only
CAN Base + 0x92 New Data 2 0x0000 read only
CAN Base + 0x94 - 0x9E — reserved — 3)
CAN Base + 0xA0 Interrupt Pending 1 0x0000 read only
CAN Base + 0xA2 Interrupt Pending 2 0x0000 read only
CAN Base + 0xA4 - 0xAE — reserved — 3)
CAN Base + 0xB0 Message Valid 1 0x0000 read only
CAN Base + 0xB2 Message Valid 2 0x0000 read only
CAN Base + 0xB4 - 0xBE — reserved — 3)
1) r signifies the actual value of the CAN_RX pin.
2) The two sets of Message Interface Registers - IF1 and IF2 - have identical functions.
3) Reserved bits are read as ’0’ except for IFx Mask 2 Register where they are read as ’1’

User’s Manual
BOSCH - 14/45 -
Revision 1.2C_CAN
06.06.00
manual_prog_model.fm
3.1 Hardware Reset Description
After hardware reset, the registers of the C_CAN hold the values described in figure 5.
Additionally the
busoff
state is reset and the output CAN_TX is set to
recessive
(HIGH). The
value 0x0001 (Init = ‘1’) in the CAN Control Register enables the software initialisation. The
C_CAN does not influence the CAN bus until the CPU resets Init to ‘0’.
The data stored in the Message RAM is not affected by a hardware reset. After power-on, the
contents of the Message RAM is undefined.
3.2 CAN Protocol Related Registers
These registers are related to the CAN protocol controller in the CAN Core. They control the
operating modes and the configuration of the CAN bit timing and provide status information.
3.2.1 CAN Control Register (addresses 0x01 & 0x00)
Test Test Mode Enable
one
Test Mode.
zero
Normal Operation.
CCE Configuration Change Enable
one
The CPU has write access to the Bit Timing Register (while Init =
one
).
zero
The CPU has no write access to the Bit Timing Register.
DAR Disable Automatic Retransmission
one
Automatic Retransmission disabled.
zero
Automatic Retransmission of disturbed messages enabled.
EIE Error Interrupt Enable
one
Enabled - A change in the bits BOff or EWarn in the Status Register will
generate an interrupt.
zero
Disabled - No Error Status Interrupt will be generated.
SIE Status Change Interrupt Enable
one
Enabled - An interrupt will be generated when a message transfer is suc-
cessfully completed or a CAN bus error is detected.
zero
Disabled - No Status Change Interrupt will be generated.
IE Module Interrupt Enable
one
Enabled - Interrupts will set IRQ_B to LOW. IRQ_B remains LOW until all
pending interrupts are processed.
zero
Disabled - Module Interrupt IRQ_B is always HIGH.
Init Initialization
one
Initialization is started.
zero
Normal Operation.
Note :
The
busoff
recovery sequence (see CAN Specification Rev. 2.0) cannot be shortened
by setting or resetting Init. If the device goes
busoff
, it will set Init of its own accord, stopping
all bus activities. Once Init has been cleared by the CPU, the device will then wait for 129
1514131211109876543210
res res res res res res res res Test CCE DAR res EIE SIE IE Init
rrrrrrrrrwrwrwrrwrwrwrw

User’s Manual
BOSCH - 15/45 -
Revision 1.2C_CAN
06.06.00
manual_prog_model.fm
occurrences of
Bus Idle
(129 * 11 consecutive
recessive
bits) before resuming normal
operations. At the end of the busoff recovery sequence, the Error Management Counters will
be reset.
During the waiting time after the resetting of Init, each time a sequence of 11
recessive
bits
has been monitored, a Bit0Error code is written to the Status Register, enabling the CPU to
readily check up whether the CAN bus is stuck at
dominant
or continuously disturbed and to
monitor the proceeding of the busoff recovery sequence.
3.2.2 Status Register (addresses 0x03 & 0x02)
BOff Busoff Status
one
The CAN module is in busoff state.
zero
The CAN module is not busoff.
EWarn Warning Status
one
At least one of the error counters in the EML has reached the error warn-
ing limit of 96.
zero
Both error counters are below the error warning limit of 96.
EPass Error Passive
one
The CAN Core is in the
error passive
state as defined in the CAN Specifi-
cation.
zero
The CAN Core is
error active
.
RxOk Received a Message Successfully
one
Since this bit was last reset (to zero) by the CPU, a message has been
successfully received (independent of the result of acceptance filtering).
zero
Since this bit was last reset by the CPU, no message has been success-
fully received. This bit is never reset by the CAN Core.
TxOk Transmitted a Message Successfully
one
Since this bit was last reset by the CPU, a message has been success-
fully (error free and acknowledged by at least one other node) transmitted.
zero
Since this bit was reset by the CPU, no message has been successfully
transmitted. This bit is never reset by the CAN Core.
LEC Last Error Code (Type of the last error to occur on the CAN bus)
0No Error
1
Stuff Error : More than 5 equal bits in a sequence have occurred in a part
of a received message where this is not allowed.
2
Form Error : A fixed format part of a received frame has the wrong for-
mat.
3
AckError : The message this CAN Core transmitted was not acknowl-
edged by another node.
4
Bit1Error : During the transmission of a message (with the exception of
the arbitration field), the device wanted to send a
recessive
level (bit of
logical value ‘1’), but the monitored bus value was
dominant
.
1514131211109876543210
res res res res res res res res BOff EWarn EPass RxOk TxOk LEC
rrrrrrrrrrrrwrw rw

User’s Manual
BOSCH - 16/45 -
Revision 1.2C_CAN
06.06.00
manual_prog_model.fm
5
Bit0Error : During the transmission of a message (or acknowledge bit, or
active error flag, or overload flag), the device wanted to send a
dominant
level (data or identifier bit logical value ‘0’), but the monitored Bus value
was
recessive
. During
busoff
recovery this status is set each time a
sequence of 11
recessive
bits has been monitored. This enables the CPU
to monitor the proceeding of the busoff recovery sequence (indicating the
bus is not stuck at
dominant
or continuously disturbed).
6
CRCError : The CRC check sum was incorrect in the message received,
the CRC received for an incoming message does not match with the cal-
culated CRC for the received data.
7 unused : When the LEC shows the value ‘7’, no CAN bus event was
detected since the CPU wrote this value to the LEC.
The LEC field holds a code which indicates the type of the last error to occur on the CAN bus.
This field will be cleared to ‘0’ when a message has been transferred (reception or transmis-
sion) without error. The unused code ‘7’ may be written by the CPU to check for updates.
3.2.2.1 Status Interrupts
A Status Interrupt is generated by bits BOff and EWarn (Error Interrupt) or by RxOk,TxOk,
and LEC (Status Change Interrupt) assumed that the corresponding enable bits in the CAN
Control Register are set. A change of bit EPass or a write to RxOk,TxOk,orLEC will never
generate a Status Interrupt.
Reading the Status Register will clear the Status Interrupt value (8000h) in the Interrupt
Register, if it is pending.
3.2.3 Error Counter (addresses 0x05 & 0x04)
RP Receive Error Passive
one
The Receive Error Counter has reached the
error passive
level as defined
in the CAN Specification.
zero
The Receive Error Counter is below the
error passive
level.
REC6-0 Receive Error Counter
Actual state of the Receive Error Counter. Values between 0 and 127.
TEC7-0 Transmit Error Counter
Actual state of the Transmit Error Counter. Values between 0 and 255.
3.2.4 Bit Timing Register (addresses 0x07 & 0x06)
TSeg1 The time segment before the sample point
0x01-0x0F
valid values for TSeg1 are [ 1 … 15 ]. The actual interpretation
by the hardware of this value is such that one more than the
value programmed here is used.
1514131211109876543210
RP REC6-0 TEC7-0
rr r
1514131211109876543210
res TSeg2 TSeg1 SJW BRP
rrw rw rw rw

User’s Manual
BOSCH - 17/45 -
Revision 1.2C_CAN
06.06.00
manual_prog_model.fm
TSeg2 The time segment after the sample point
0x0-0x7
valid values for TSeg2 are [ 0 … 7 ]. The actual interpretation by
the hardware of this value is such that one more than the value
programmed here is used.
SJW (Re)Synchronisation Jump Width
0x0-0x3
Valid programmed values are 0-3. The actual interpretation by
the hardware of this value is such that one more than the value
programmed here is used.
BRP Baud Rate Prescaler
0x01-0x3F
The value by which the oscillator frequency is divided for gener-
ating the bit time quanta. The bit time is built up from a multiple
of this quanta. Valid values for the Baud Rate Prescaler are
[ 0 … 63 ]. The actual interpretation by the hardware of this
value is such that one more than the value programmed here is
used.
Note: With a module clock CAN_CLK of 8 MHz, the reset value of 0x2301 configures the
C_CAN for a bit rate of 500 kBit/s. The registers are only writable if bits CCE and Init in the
CAN Control Register are set.
3.2.5 Test Register (addresses 0x0B & 0x0A)
Rx Monitors the actual value of the CAN_RX Pin
one
The CAN bus is recessive (CAN_RX = ‘1’).
zero
The CAN bus is dominant (CAN_RX = ‘0’).
Tx1-0 Control of CAN_TX pin
00
Reset value, CAN_TX is controlled by the CAN Core.
01
Sample Point can be monitored at CAN_TX pin.
10
CAN_TX pin drives a dominant (‘0’) value.
11
CAN_TX pin drives a recessive (‘1’) value.
LBack Loop Back Mode
one
Loop Back Mode is enabled.
zero
Loop Back Mode is disabled.
Silent Silent Mode
one
The module is in Silent Mode
zero
Normal operation.
Basic Basic Mode
one
IF1 Registers used as Tx Buffer, IF2 Registers used as Rx Buffer.
zero
Basic Mode disabled.
Write access to the Test Register is enabled by setting bit Test in the CAN Control Register.
The different test functions may be combined, but Tx1-0 ≠ “00” disturbs message transfer.
1514131211109876543210
res res res res res res res res Rx Tx1 Tx0 LBack Silent Basic res res
rrrrrrrrrrwrwrwrwrwrr

User’s Manual
BOSCH - 18/45 -
Revision 1.2C_CAN
06.06.00
manual_prog_model.fm
3.2.6 BRP Extension Register (addresses 0x0D & 0x0C)
BRPE Baud Rate Prescaler Extension
0x00-0x0F By programming BRPE the Baud Rate Prescaler can be
extended to values up to 1023. The actual interpretation by the
hardware is that one more than the value programmed by BRPE
(MSBs) and BRP (LSBs) is used.
3.3 Message Interface Register Sets
There are two sets of Interface Registers which are used to control the CPU access to the
Message RAM. The Interface Registers avoid conflicts between CPU access to the Message
RAM and CAN message reception and transmission by buffering the data to be transferred. A
complete Message Object (see chapter 3.3.4) or parts of the Message Object may be
transferred between the Message RAM and the IFx Message Buffer registers (see chapter
3.3.3) in one single transfer.
The function of the two interface register sets is identical (except for test mode Basic). They
can be used the way that one set of registers is used for data transfer to the Message RAM
while the other set of registers is used for the data transfer from the Message RAM, allowing
both processes to be interrupted by each other. Figure 6 gives an overview of the two Interface
Register sets.
Each set of Interface Registers consists of Message Buffer Registers controlled by their own
Command Registers. The Command Mask Register specifies the direction of the data transfer
and which parts of a Message Object will be transferred. The Command Request Register is
used to select a Message Object in the Message RAM as target or source for the transfer and
to start the action specified in the Command Mask Register.
Figure 6: IF1 and IF2 Message Interface Register Sets
1514131211109876543210
res res res res res res res res res res res res BRPE
rrrrrrrrrrrr rw
Address IF1 Register Set Address IF1 Register Set
CAN Base + 0x10 IF1 Command Request CAN Base + 0x40 IF2 Command Request
CAN Base + 0x12 IF1 Command Mask CAN Base + 0x42 IF2 Command Mask
CAN Base + 0x14 IF1 Mask 1 CAN Base + 0x44 IF2 Mask 1
CAN Base + 0x16 IF1 Mask 2 CAN Base + 0x46 IF2 Mask 2
CAN Base + 0x18 IF1 Arbitration 1 CAN Base + 0x48 IF2 Arbitration 1
CAN Base + 0x1A IF1 Arbitration 2 CAN Base + 0x4A IF2 Arbitration 2
CAN Base + 0x1C IF1 Message Control CAN Base + 0x4C IF2 Message Control
CAN Base + 0x1E IF1 Data A 1 CAN Base + 0x4E IF2 Data A 1
CAN Base + 0x20 IF1 Data A 2 CAN Base + 0x50 IF2 Data A 2
CAN Base + 0x22 IF1 Data B 1 CAN Base + 0x52 IF2 Data B 1
CAN Base + 0x24 IF1 Data B 2 CAN Base + 0x54 IF2 Data B 2

User’s Manual
BOSCH - 19/45 -
Revision 1.2C_CAN
06.06.00
manual_prog_model.fm
3.3.1 IFx Command Request Registers
A message transfer is started as soon as the CPU has written the message number to the
Command Request Register. With this write operation the Busy bit is automatically set to ‘1’
and signal CAN_WAIT_B is pulled LOW to notify the CPU that a transfer is in progress. After a
wait time of 3 to 6 CAN_CLK periods, the transfer between the Interface Register and the
Message RAM has completed. The Busy bit is set back to zero and CAN_WAIT_B is set back
to HIGH (see figure 5.2 on page 44).
Busy Busy Flag
one
set to one when writing to the IFx Command Request Register
zero
reset to zero when read/write action has finished.
Message Number
0x01-0x20
Valid Message Number, the Message Object in the Message
RAM is selected for data transfer.
0x00
Not a valid Message Number, interpreted as
0x20
.
0x21-0x3F
Not a valid Message Number, interpreted as
0x01-0x1F
.
Note: When a Message Number that is not valid is written into the Command Request
Register, the Message Number will be transformed into a valid value and that Message
Object will be transferred.
3.3.2 IFx Command Mask Registers
The control bits of the IFx Command Mask Register specify the transfer direction and select
which of the IFx Message Buffer Registers are source or target of the data transfer.
.WR/RD Write / Read
one
Write: Transfer data from the selected Message Buffer Registers to the
Message Object addressed by the Command Request Register.
zero
Read: Transfer data from the Message Object addressed by the Com-
mand Request Register into the selected Message Buffer Registers.
The other bits of IFx Command Mask Register have different functions depending on the
transfer direction :
3.3.2.1 Direction = Write
Mask Access Mask Bits
one
transfer Identifier Mask + MDir + MXtd to Message Object.
zero
Mask bits unchanged.
IF1 Command Request Register
(addresses 0x11 & 0x10) 1514131211109876543210
Busy res res res res res res res res res Message Number
IF2 Command Request Register
(addresses 0x41 & 0x40) Busy res res res res res res res res res Message Number
r rrrrrrrrr rw
IF2 Command Mask Register
(addresses 0x13 & 0x12)
15 14 13 12 11 10 9 8 7 6 5 4 3 2 1 0
res WR/RD Mask Arb Control ClrIntPnd TxRqst/
NewDat Data A Data B
IF2 Command Mask Register
(addresses 0x43 & 0x42) res WR/RD Mask Arb Control ClrIntPnd TxRqst/
NewDat Data A Data B
r r r r r r r r rw rw rw rw rw rw rw rw

User’s Manual
BOSCH - 20/45 -
Revision 1.2C_CAN
06.06.00
manual_prog_model.fm
Arb Access Arbitration Bits
one
transfer Identifier + Dir + Xtd + MsgVal to Message Object.
zero
Arbitration bits unchanged.
Control Access Control Bits
one
transfer Control Bits to Message Object.
zero
Control Bits unchanged.
ClrIntPnd Clear Interrupt Pending Bit
Note :
When writing to a Message Object, this bit is ignored.
TxRqst/NewDatAccess Transmission Request Bit
one
set TxRqst bit
zero
TxRqst bit unchanged
Note :
If a transmission is requested by programming bit TxRqst/NewDat in the IFx
Command Mask Register, bit TxRqst in the IFx Message Control Register will be ignored.
Data A Access Data Bytes 0-3
one
transfer Data Bytes 0-3 to Message Object.
zero
Data Bytes 0-3 unchanged.
Data B Access Data Bytes 4-7
one
transfer Data Bytes 4-7 to Message Object.
zero
Data Bytes 4-7 unchanged.
3.3.2.2 Direction = Read
Mask Access Mask Bits
one
transfer Identifier Mask + MDir + MXtd to IFx Message Buffer Register.
zero
Mask bits unchanged.
Arb Access Arbitration Bits
one
transfer Identifier + Dir + Xtd + MsgVal to IFx Message Buffer Register.
zero
Arbitration bits unchanged.
Control Access Control Bits
one
transfer Control Bits to IFx Message Buffer Register.
zero
Control Bits unchanged.
ClrIntPnd Clear Interrupt Pending Bit
one
clear IntPnd bit in the Message Object.
zero
IntPnd bit remains unchanged.
TxRqst/NewDatAccess New Data Bit
one
clear NewDat bit in the Message Object.
zero
NewDat bit remains unchanged.
Note :
A read access to a Message Object can be combined with the reset of the control bits
IntPnd and NewDat. The values of these bits transferred to the IFx Message Control Register
always reflect the status before resetting these bits.
Data A Access Data Bytes 0-3
one
transfer Data Bytes 0-3 to IFx Message Buffer Register.
zero
Data Bytes 0-3 unchanged.
Data B Access Data Bytes 4-7
one
transfer Data Bytes 4-7 to IFx Message Buffer Register.
zero
Data Bytes 4-7 unchanged.

User’s Manual
BOSCH - 21/45 -
Revision 1.2C_CAN
06.06.00
manual_prog_model.fm
3.3.3 IFx Message Buffer Registers
The bits of the Message Buffer registers mirror the Message Objects in the Message RAM.
The function of the Message Objects bits is described in chapter 3.3.3.
3.3.3.1 IFx Mask Registers
3.3.3.2 IFx Arbitration Registers
3.3.3.3 IFx Message Control Registers
3.3.3.4 IFx Data A and Data B Registers
The data bytes of CAN messages are stored in the IFx Message Buffer Registers in the
following order:
In a CAN Data Frame, Data(0) is the first, Data(7) is the last byte to be transmitted or received.
In CAN’s serial bit stream, the MSB of each byte will be transmitted first.
IF1 Mask 1 Register
(addresses 0x15 & 0x14) 15 14 131211109876543210
Msk15-0
IF1 Mask 2 Register
(addresses 0x17 & 0x16) MXtd MDir res Msk28-16
IF2 Mask 1 Register
(addresses 0x45 & 0x44) Msk15-0
IF2 Mask 2 Register
(addresses 0x47 & 0x46) MXtd MDir res Msk28-16
rw rw r rwrwrwrwrwrwrwrwrwrwrwrwrw
IF1 Arbitration 1 Register
(addresses 0x19 & 0x18) 15 14 131211109876543210
ID5-0
IF1 Arbitration 2 Register
(addresses 0x1B & 0x1A) MsgVal Xtd Dir ID28-16
IF2 Arbitration 1 Register
(addresses 0x49 & 0x48) ID15-0
IF2 Arbitration 2 Register
(addresses 0x4B & 0x4A) MsgVal Xtd Dir ID28-16
rw rw rw rw rw rw rw rw rw rw rw rw rw rw rw rw
IF1 Message Control Register
(addresses 0x1D & 0x1C) 15 14 13 12 11 10 9 8 7 6 5 4 3 2 1 0
NewDat MsgLst IntPnd UMask TxIE RxIE RmtEn TxRqst EoB res res res DLC3-0
IF2 Message Control Register
(addresses 0x4D & 0x4C) NewDat MsgLst IntPnd UMask TxIE RxIE RmtEn TxRqst EoB res res res DLC3-0
rw rw rw rw rw rw rw rw rw r r r rw
15 14 13 12 11 10 9 8 7 6 5 4 3 2 1 0
IF1 Message Data A1 (addresses 0x1F & 0x1E) Data(1) Data(0)
IF1 Message Data A2 (addresses 0x21 & 0x20) Data(3) Data(2)
IF1 Message Data B1 (addresses 0x23 & 0x22) Data(5) Data(4)
IF1 Message Data B2 (addresses 0x25 & 0x24) Data(7) Data(6)
IF2 Message Data A1 (addresses 0x4F & 0x4E) Data(1) Data(0)
IF2 Message Data A2 (addresses 0x51 & 0x50) Data(3) Data(2)
IF2 Message Data B1 (addresses 0x53 & 0x52) Data(5) Data(4)
IF2 Message Data B2 (addresses 0x55 & 0x54) Data(7) Data(6)
rw rw

User’s Manual
BOSCH - 22/45 -
Revision 1.2C_CAN
06.06.00
manual_prog_model.fm
3.3.4 Message Object in the Message Memory
There are 32 Message Objects in the Message RAM. To avoid conflicts between CPU access
to the Message RAM and CAN message reception and transmission, the CPU cannot directly
access the Message Objects, these accesses are handled via the IFx Interface Registers.
Figure 7 gives an overview of the two structure of a Message Object.
Figure 7: Structure of a Message Object in the Message Memory
MsgVal Message Valid
one
The Message Object is configured and should be considered by the Mes-
sage Handler.
zero
The Message Object is ignored by the Message Handler.
Note :
The CPU must reset the MsgVal bit of all unused Messages Objects during the
initialization before it resets bit Init in the CAN Control Register. This bit must also be reset
before the identifier Id28-0, the control bits Xtd,Dir, or the Data Length Code DLC3-0 are
modified, or if the Messages Object is no longer required.
UMask Use Acceptance Mask
one
Use Mask (Msk28-0, MXtd, and MDir) for acceptance filtering
zero
Mask ignored.
Note :
If the UMask bit is set to
one
, the Message Object’s mask bits have to be programmed
during initialization of the Message Object before MsgVal is set to
one
.
ID28-0 Message Identifier
ID28 - ID0 29-bit Identifier (“Extended Frame”).
ID28 - ID18 11-bit Identifier (“Standard Frame”).
Msk28-0 Identifier Mask
one
The corresponding identifier bit is used for acceptance filtering.
zero
The corresponding bit in the identifier of the message object cannot inhibit
the match in the acceptance filtering.
Xtd Extended Identifier
one
The 29-bit (“extended”) Identifier will be used for this Message Object.
zero
The 11-bit (“standard”) Identifier will be used for this Message Object.
MXtd Mask Extended Identifier
one
The extended identifier bit (IDE) is used for acceptance filtering.
zero
The extended identifier bit (IDE) has no effect on the acceptance filtering
Note :
When 11-bit (“standard”) Identifiers are used for a Message Object, the identifiers of
received Data Frames are written into bits ID28 to ID18. For acceptance filtering, only these
bits together with mask bits Msk28 to Msk18 are considered.
Message Object
UMask Msk28-0 MXtd MDir EoB NewDat MsgLst RxIE TxIE IntPnd RmtEn TxRqst
MsgVal ID28-0 Xtd Dir DLC3-0 Data 0 Data 1 Data 2 Data 3 Data 4 Data 5 Data 6 Data 7

User’s Manual
BOSCH - 23/45 -
Revision 1.2C_CAN
06.06.00
manual_prog_model.fm
Dir Message Direction
one
Direction =
transmit
:OnTxRqst, the respective Message Object is trans-
mitted as a Data Frame. On reception of a Remote Frame with matching
identifier, the TxRqst bit of this Message Object is set (if RmtEn =
one
).
zero
Direction =
receive
:OnTxRqst, a Remote Frame with the identifier of this
Message Object is transmitted. On reception of a Data Frame with match-
ing identifier, that message is stored in this Message Object.
MDir Mask Message Direction
one
The message direction bit (Dir) is used for acceptance filtering.
zero
The message direction bit (Dir) has no effect on the acceptance filtering.
The Arbitration Registers ID28-0,Xtd, and Dir are used to define the identifier and type of
outgoing messages and are used (together with the mask registers Msk28-0,MXtd, and
MDir) for acceptance filtering of incoming messages. A received message is stored into the
valid Message Object with matching identifier and Direction=
receive
(Data Frame) or
Direction=
transmit
(Remote Frame). Extended frames can be stored only in Message Objects
with Xtd =
one
, standard frames in Message Objects with Xtd =
zero
. If a received message
(Data Frame or Remote Frame) matches with more than one valid Message Object, it is stored
into that with the lowest message number. For details see chapter 4.2.3 Acceptance Filtering
of Received Messages.
EoB End of Buffer
one
Single Message Object or last Message Object of a FIFO Buffer.
zero
Message Object belongs to a FIFO Buffer and is not the last Message
Object of that FIFO Buffer.
Note :
This bit is used to concatenate two ore more Message Objects (up to 32) to build a
FIFO Buffer. For single Message Objects (not belonging to a FIFO Buffer) this bit must
always be set to one. For details on the concatenation of Message Objects see chapter 4.7.
NewDat New Data
one
The Message Handler or the CPU has written new data into the data por-
tion of this Message Object.
zero
No new data has been written into the data portion of this Message Object
by the Message Handler since last time this flag was cleared by the CPU.
MsgLst Message Lost (only valid for Message Objects with direction =
receive
)
one
The Message Handler stored a new message into this object when New-
Dat was still set, the CPU has lost a message.
zero
No message lost since last time this bit was reset by the CPU.
RxIE Receive Interrupt Enable
one
IntPnd will be set after a successful reception of a frame.
zero
IntPnd will be left unchanged after a successful reception of a frame.
TxIE Transmit Interrupt Enable
one
IntPnd will be set after a successful transmission of a frame.
zero
IntPnd
will be
left unchanged after the successful transmission of a frame.
IntPnd Interrupt Pending
one
This message object is the source of an interrupt. The Interrupt Identifier
in the Interrupt Register will point to this message object if there is no
other interrupt source with higher priority.
zero
This message object is not the source of an interrupt.

User’s Manual
BOSCH - 24/45 -
Revision 1.2C_CAN
06.06.00
manual_prog_model.fm
RmtEn Remote Enable
one
At the reception of a Remote Frame, TxRqst is set.
zero
At the reception of a Remote Frame, TxRqst is left unchanged.
TxRqst Transmit Request
one
The transmission of this Message Object is requested and is not yet done.
zero
This Message Object is not waiting for transmission.
DLC3-0 Data Length Code
0-8
Data Frame has 0-8 data bytes.
9-15
Data Frame has 8 data bytes
Note :
The Data Length Code of a Message Object must be defined the same as in all the
corresponding objects with the same identifier at other nodes. When the Message Handler
stores a data frame, it will write the DLC to the value given by the received message.
Data 0 1st data byte of a CAN Data Frame
Data 1 2nd data byte of a CAN Data Frame
Data 2 3rd data byte of a CAN Data Frame
Data 3 4th data byte of a CAN Data Frame
Data 4 5th data byte of a CAN Data Frame
Data 5 6th data byte of a CAN Data Frame
Data 6 7th data byte of a CAN Data Frame
Data 7 8th data byte of a CAN Data Frame
Note :
Byte Data 0 is the first data byte shifted into the shift register of the CAN Core during a
reception, byte Data 7 is the last. When the Message Handler stores a Data Frame, it will write
all the eight data bytes into a Message Object. If the Data Length Code is less than 8, the
remaining bytes of the Message Object will be overwritten by non specified values.
3.4 Message Handler Registers
All Message Handler registers are read-only. Their contents (TxRqst,NewDat,IntPnd, and
MsgVal bits of each Message Object and the Interrupt Identifier) is status information provided
by the Message Handler FSM.
3.4.1 Interrupt Register (addresses 0x09 & 0x08)
IntId15-0 Interrupt Identifier (the number here indicates the source of the interrupt)
0x0000 No interrupt is pending.
0x0001-0x0020
Number of Message Object which caused the interrupt.
0x0021-0x7FFF
unused.
0x8000 Status Interrupt.
0x8001-0xFFFF
unused
If several interrupts are pending, the CAN Interrupt Register will point to the pending interrupt
with the highest priority, disregarding their chronological order. An interrupt remains pending
until the CPU has cleared it. If IntId is different from 0x0000 and IE is set, the interrupt line to
1514131211109876543210
IntId15-8 IntId7-0
rr

User’s Manual
BOSCH - 25/45 -
Revision 1.2C_CAN
06.06.00
manual_prog_model.fm
the CPU, IRQ_B, is active. The interrupt line remains active until IntId is back to value 0x0000
(the cause of the interrupt is reset) or until IE is reset.
The Status Interrupt has the highest priority. Among the message interrupts, the Message
Object’ s interrupt priority decreases with increasing message number.
A message interrupt is cleared by clearing the Message Object’s IntPnd bit. The Status
Interrupt is cleared by reading the Status Register.
3.4.2 Transmission Request Registers
TxRqst32-1Transmission Request Bits (of all Message Objects)
one
The transmission of this Message Object is requested and is not yet done.
zero
This Message Object is not waiting for transmission.
These registers hold the TxRqst bits of the 32 Message Objects. By reading out the TxRqst
bits, the CPU can check for which Message Object a Transmission Request is pending. The
TxRqst bit of a specific Message Object can be set/reset by the CPU via the IFx Message
Interface Registers or by the Message Handler after reception of a Remote Frame or after a
successful transmission.
3.4.3 New Data Registers
NewDat32-1New Data Bits (of all Message Objects)
one
The Message Handler or the CPU has written new data into the data por-
tion of this Message Object.
zero
No new data has been written into the data portion of this Message Object
by the Message Handler since last time this flag was cleared by the CPU.
MsgLstThese registers hold the NewDat bits of the 32 Message Objects. By reading out the
NewDat bits, the CPU can check for which Message Object the data portion was updated.
The NewDat bit of a specific Message Object can be set/reset by the CPU via the IFx
Message Interface Registers or by the Message Handler after reception of a Data Frame or
after a successful transmission.
Transmission Request 1 Register
(addresses 0x81 & 0x80) 1514131211109876543210
TxRqst16-9 TxRqst8-1
Transmission Request 2 Register
(addresses 0x83 & 0x82) TxRqst32-25 TxRqst24-17
rr
New Data 1 Register
(addresses 0x91 & 0x90) 1514131211109876543210
NewDat16-9 NewDat8-1
New Data 2 Register
(addresses 0x93 & 0x92) NewDat32-25 NewDat24-17
rr

User’s Manual
BOSCH - 26/45 -
Revision 1.2C_CAN
06.06.00
manual_prog_model.fm
3.4.4 Interrupt Pending Registers
IntPnd32-1 Interrupt Pending Bits (of all Message Objects)
one
This message object is the source of an interrupt.
zero
This message object is not the source of an interrupt.
These registers hold the IntPnd bits of the 32 Message Objects. By reading out the IntPnd
bits, the CPU can check for which Message Object an interrupt is pending. The IntPnd bit of a
specific Message Object can be set/reset by the CPU via the IFx Message Interface Registers
or by the Message Handler after reception or after a successful transmission of a frame. This
will also affect the value of IntId in the Interrupt Register.
3.4.5 Message Valid 1 Register
MsgVal32-1Message Valid Bits (of all Message Objects)
one
This Message Object is configured and should be considered by the Mes-
sage Handler.
zero
This Message Object is ignored by the Message Handler.
These registers hold the MsgVal bits of the 32 Message Objects. By reading out the MsgVal
bits, the CPU can check which Message Object is valid. The MsgVal bit of a specific Message
Object can be set/reset by the CPU via the IFx Message Interface Registers.
Interrupt Pending 1 Register
(addresses 0xA1 & 0xA0) 1514131211109876543210
IntPnd16-9 IntPnd8-1
Interrupt Pending 2 Register
(addresses 0xA3 & 0xA2) IntPnd32-25 IntPnd24-17
rr
Message Valid 1 Register
(addresses 0xB1 & 0xB0) 1514131211109876543210
MsgVal16-9 MsgVal8-1
Message Valid 2 Register
(addresses 0xB3 & 0xB2) MsgVal32-25 MsgVal24-17
rr

User’s Manual
BOSCH - 27/45 -
Revision 1.2C_CAN
06.06.00
manual_can_application.fm
4. CAN Application
4.1 Management of Message Objects
The configuration of the Message Objects in the Message RAM will (with the exception of the
bits MsgVal,NewDat,IntPnd, and TxRqst) not be affected by resetting the chip. All the
Message Objects must be initialized by the CPU or they must be not valid (MsgVal = ‘0’) and
the bit timing must be configured before the CPU clears the Init bit in the CAN Control
Register.
The configuration of a Message Object is done by programming Mask, Arbitration, Control and
Data field of one of the two interface register sets to the desired values. By writing to the
corresponding IFx Command Request Register, the IFx Message Buffer Registers are loaded
into the addressed Message Object in the Message RAM.
When the Init bit in the CAN Control Register is cleared, the CAN Protocol Controller state
machine of the CAN_Core and the Message Handler State Machine control the C_CAN’s
internal data flow. Received messages that pass the acceptance filtering are stored into the
Message RAM, messages with pending transmission request are loaded into the CAN_Core’s
Shift Register and are transmitted via the CAN bus.
The CPU reads received messages and updates messages to be transmitted via the IFx
Interface Registers. Depending on the configuration, the CPU is interrupted on certain CAN
message and CAN error events.
4.2 Message Handler State Machine
The Message Handler controls the data transfer between the Rx/Tx Shift Register of the CAN
Core, the Message RAM and the IFx Registers.
The Message Handler FSM controls the following functions:
•Data Transfer from IFx Registers to the Message RAM
•Data Transfer from Message RAM to the IFx Registers
•Data Transfer from Shift Register to the Message RAM
•Data Transfer from Message RAM to Shift Register
•Data Transfer from Shift Register to the Acceptance Filtering unit
•Scanning of Message RAM for a matching Message Object
•Handling of TxRqst flags.
•Handling of interrupts.
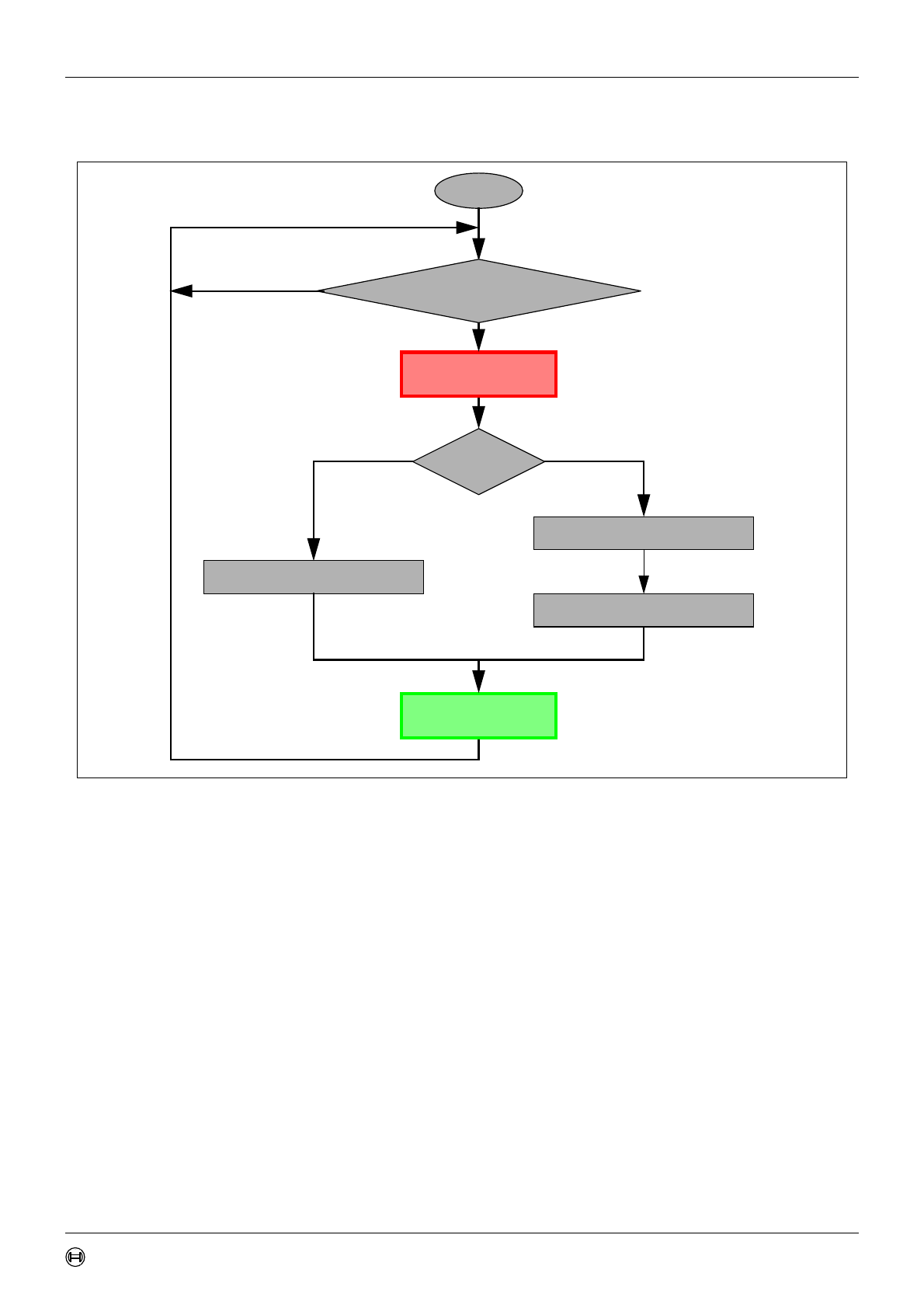
4.2.1 Data Transfer from / to Message RAM
When the CPU initiates a data transfer between the IFx Registers and Message RAM, the
Message Handler sets the Busy bit in the respective Command Register to ‘1’. After the
transfer has completed, the Busy bit is set back to ‘0’ (see figure 8).
The respective Command Mask Register specifies whether a complete Message Object or
only parts of it will be transferred. Due to the structure of the Message RAM it is not possible to
write single bits/bytes of one Message Object, it is always necessary to write a complete
Message Object into the Message RAM. Therefore the data transfer from the IFx Registers to
the Message RAM requires of a read-modify-write cycle. First that parts of the Message
manual_can_application.fm

User’s Manual
BOSCH - 28/45 -
Revision 1.2C_CAN
06.06.00
manual_can_application.fm
Object that are not to be changes are read from the Message RAM and then the complete
contents of the Message Buffer Registers are into the Message Object.
Figure 8: Data Transfer between IFx Registers and Message RAM
After the partial write of a Message Object, that Message Buffer Registers that are not
selected in the Command Mask Register will set to the actual contents of the selected
Message Object.
After the partial read of a Message Object, that Message Buffer Registers that are not
selected in the Command Mask Register will be left unchanged.
4.2.2 Transmission of Messages
If the shift register of the CAN Core cell is ready for loading and if there is no data transfer
between the IFx Registers and Message RAM, the MsgVal bits in the Message Valid Register
TxRqst bits in the Transmission Request Register are evaluated. The valid Message Object
with the highest priority pending transmission request is loaded into the shift register by the
Message Handler and the transmission is started. The Message Object’s NewDat bit is reset.
After a successful transmission and if no new data was written to the Message Object
(NewDat = ‘0’) since the start of the transmission, the TxRqst bit will be reset. If TxIE is set,
IntPnd will be set after a successful transmission. If the C_CAN has lost the arbitration or if an
error occurred during the transmission, the message will be retransmitted as soon as the CAN
START
WR/RD = 1
Busy = 0
Busy = 1
Read Message Object to IFx
Write IFx to Message RAM
Read Message Object to IFx
No Yes
CAN_WAIT_B = 0
CAN_WAIT_B = 1
Write Command Request Register
No
Yes

User’s Manual
BOSCH - 29/45 -
Revision 1.2C_CAN
06.06.00
manual_can_application.fm
bus is free again. If meanwhile the transmission of a message with higher priority has been
requested, the messages will be transmitted in the order of their priority.
4.2.3 Acceptance Filtering of Received Messages
When the arbitration and control field (Identifier + IDE + RTR + DLC) of an incoming message
is completely shifted into the Rx/Tx Shift Register of the CAN Core, the Message Handler
FSM starts the scanning of the Message RAM for a matching valid Message Object.
To scan the Message RAM for a matching Message Object, the Acceptance Filtering unit is
loaded with the arbitration bits from the CAN Core shift register. Then the arbitration and mask
fields (including MsgVal,UMask,NewDat, and EoB) of Message Object 1 are loaded into the
Acceptance Filtering unit and compared with the arbitration field from the shift register. This is
repeated with each following Message Object until a matching Message Object is found or
until the end of the Message RAM is reached.
If a match occurs, the scanning is stopped and the Message Handler FSM proceeds
depending on the type of frame (Data Frame or Remote Frame) received.
4.2.3.1 Reception of Data Frame
The Message Handler FSM stores the message from the CAN Core shift register into the
respective Message Object in the Message RAM. Not only the data bytes, but all arbitration
bits and the Data Length Code are stored into the corresponding Message Object. This is
implemented to keep the data bytes connected with the identifier even if arbitration mask
registers are used.
The NewDat bit is set to indicate that new data (not yet seen by the CPU) has been received.
The CPU should reset NewDat when it reads the Message Object. If at the time of the
reception the NewDat bit was already set, MsgLst is set to indicate that the previous data
(supposedly not seen by the CPU) is lost. If the RxIE bit is set, the IntPnd bit is set, causing
the Interrupt Register to point to this Message Object.
The TxRqst bit of this Message Object is reset to prevent the transmission of a Remote
Frame, while the requested Data Frame has just been received.
4.2.3.2 Reception of Remote Frame
When a Remote Frame is received, three different configurations of the matching Message
Object have to be considered:
1) Dir = ‘1’ (direction =
transmit
), RmtEn = ‘1’, UMask = ‘1’ or ’0’
At the reception of a matching Remote Frame, the TxRqst bit of this Message Object is set.
The rest of the Message Object remains unchanged.
2) Dir = ‘1’ (direction =
transmit
), RmtEn = ‘0’, UMask = ’0’
At the reception of a matching Remote Frame, the TxRqst bit of this Message Object remains
unchanged; the Remote Frame is ignored.
3) Dir = ‘1’ (direction =
transmit
), RmtEn = ‘0’, UMask = ’1’
At the reception of a matching Remote Frame, the TxRqst bit of this Message Object is reset.
The arbitration and control field (Identifier + IDE + RTR + DLC) from the shift register is stored
into the Message Object in the Message RAM and the NewDat bit of this Message Object is
set. The data field of the Message Object remains unchanged; the Remote Frame is treated
similar to a received Data Frame.

User’s Manual
BOSCH - 30/45 -
Revision 1.2C_CAN
06.06.00
manual_can_application.fm
4.2.4 Receive / Transmit Priority
The receive/transmit priority for the Message Objects is attached to the message number.
Message Object 1 has the highest priority, while Message Object 32 has the lowest priority. If
more than one transmission request is pending, they are serviced due to the priority of the
corresponding Message Object.
4.3 Configuration of a Transmit Object
Figure 9 shows how a Transmit Object should be initialised.
Figure 9: Initialisation of a Transmit Object
The Arbitration Registers (ID28-0 and Xtd bit) are given by the application. They define the
identifier and type of the outgoing message. If an 11-bit Identifier (“Standard Frame”) is used,
it is programmed to ID28 - ID18,ID17 - ID0 can then be disregarded.
If the TxIE bit is set, the IntPnd bit will be set after a successful transmission of the Message
Object.
If the RmtEn bit is set, a matching received Remote Frame will cause the TxRqst bit to be set;
the Remote Frame will autonomously be answered by a Data Frame.
The Data Registers (DLC3-0,Data0-7) are given by the application, TxRqst and RmtEn may
not be set before the data is valid.
The Mask Registers (Msk28-0,UMask,MXtd, and MDir bits) may be used (UMask=’1’) to
allow groups of Remote Frames with similar identifiers to set the TxRqst bit. For details see
section 4.2.3.2, handle with care. The Dir bit should not be masked.
4.4 Updating a Transmit Object
The CPU may update the data bytes of a Transmit Object any time via the IFx Interface
registers, neither MsgVal nor TxRqst have to be reset before the update.
Even if only a part of the data bytes are to be updated, all four bytes of the corresponding IFx
Data A Register or IFx Data B Register have to be valid before the content of that register is
transferred to the Message Object. Either the CPU has to write all four bytes into the IFx Data
Register or the Message Object is transferred to the IFx Data Register before the CPU writes
the new data bytes.
When only the (eight) data bytes are updated, first 0x0087 is written to the Command Mask
Register and then the number of the Message Object is written to the Command Request
Register, concurrently updating the data bytes and setting TxRqst.
To prevent the reset of TxRqst at the end of a transmission that may already be in progress
while the data is updated, NewDat has to be set together with TxRqst. For details see section
section 4.2.2.
When NewDat is set together with TxRqst,NewDat will be reset as soon as the new
transmission has started.
MsgVal Arb Data Mask EoB Dir NewDat MsgLst RxIE TxIE IntPnd RmtEn TxRqst
1 appl. appl. appl. 1 1 0 0 0 appl. 0 appl. 0

User’s Manual
BOSCH - 31/45 -
Revision 1.2C_CAN
06.06.00
manual_can_application.fm
4.5 Configuration of a Receive Object
Figure 9 shows how a Receive Object should be initialised.
Figure 10: Initialisation of a Receive Object
The Arbitration Registers (ID28-0 and Xtd bit) are given by the application. They define the
identifier and type of accepted received messages. If an 11-bit Identifier (“Standard Frame”) is
used, it is programmed to ID28 -ID18,ID17 -ID0 can then be disregarded. When a Data
Frame with an 11-bit Identifier is received, ID17 - ID0 will be set to ‘0’.
If the RxIE bit is set, the IntPnd bit will be set when a received Data Frame is accepted and
stored in the Message Object.
The Data Length Code (DLC3-0) is given by the application. When the Message Handler
stores a Data Frame in the Message Object, it will store the received Data Length Code and
eight data bytes. If the Data Length Code is less than 8, the remaining bytes of the Message
Object will be overwritten by non specified values.
The Mask Registers (Msk28-0,UMask,MXtd, and MDir bits) may be used (UMask=’1’) to
allow groups of Data Frames with similar identifiers to be accepted. For details see section
4.2.3.1. The Dir bit should not be masked in typical applications.
4.6 Handling of Received Messages
The CPU may read a received message any time via the IFx Interface registers, the data
consistency is guaranteed by the Message Handler state machine.
Typically the CPU will write first 0x007F to the Command Mask Register and then the number
of the Message Object to the Command Request Register. That combination will transfer the
whole received message from the Message RAM into the Message Buffer Register.
Additionally, the bits NewDat and IntPnd are cleared in the Message RAM (not in the
Message Buffer).
If the Message Object uses masks for acceptance filtering, the arbitration bits show which of
the matching messages has been received.
The actual value of NewDat shows whether a new message has been received since last time
this Message Object was read. The actual value of MsgLst shows whether more than one
message has been received since last time this Message Object was read. MsgLst will not be
automatically reset.
By means of a Remote Frame, the CPU may request another CAN node to provide new data
for a receive object. Setting the TxRqst bit of a receive object will cause the transmission of a
Remote Frame with the receive object’s identifier. This Remote Frame triggers the other CAN
node to start the transmission of the matching Data Frame. If the matching Data Frame is
received before the Remote Frame could be transmitted, the TxRqst bit is automatically reset.
MsgVal Arb Data Mask EoB Dir NewDat MsgLst RxIE TxIE IntPnd RmtEn TxRqst
1 appl. appl. appl. 1 0 0 0 appl. 0 0 0 0

User’s Manual
BOSCH - 32/45 -
Revision 1.2C_CAN
06.06.00
manual_can_application.fm
4.7 Configuration of a FIFO Buffer
With the exception of the EoB bit, the configuration of Receive Objects belonging to a FIFO
Buffer is the same as the configuration of a (single) Receive Object, see section 4.5.
To concatenate two or more Message Objects into a FIFO Buffer, the identifiers and masks (if
used) of these Message Objects have to be programmed to matching values. Due to the
implicit priority of the Message Objects, the Message Object with the lowest number will be
the first Message Object of the FIFO Buffer. The EoB bit of all Message Objects of a FIFO
Buffer except the last have to be programmed to
zero
. The EoB bits of the last Message
Object of a FIFO Buffer is set to
one
, configuring it as the End of the Block.
4.8 Reception of Messages with FIFO Buffers
Received messages with identifiers matching to a FIFO Buffer are stored into a Message
Object of this FIFO Buffer starting with the Message Object with the lowest message number.
When a message is stored into a Message Object of a FIFO Buffer the NewDat bit of this
Message Object is set. By setting NewDat while EoB is
zero
the Message Object is locked for
further write accesses by the Message Handler until the CPU has written the NewDat bit back
to
zero
.
Messages are stored into a FIFO Buffer until the last Message Object of this FIFO Buffer is
reached. If none of the preceding Message Objects is released by writing NewDat to
zero
, all
further messages for this FIFO Buffer will be written into the last Message Object of the FIFO
Buffer and therefore overwrite previous messages.
4.8.1 Reading from a FIFO Buffer
When the CPU transfers the contents of Message Object to the IFx Message Bugger registers
by writing its number to the IFx Command Request Register, the corresponding Command
Mask Register should be programmed the way that bits NewDat and IntPnd are reset to
zero
(TxRqst/NewDat = ‘1’ and ClrIntPnd = ‘1’). The values of these bits in the Message Control
Register always reflect the status before resetting the bits.
To assure the correct function of a FIFO Buffer, the CPU should read out the Message Objects
starting at the FIFO Object with the lowest message number.
Figure 11 shows how a set of Message Objects which are concatenated to a FIFO Buffer can
be handled by the CPU.

User’s Manual
BOSCH - 33/45 -
Revision 1.2C_CAN
06.06.00
manual_can_application.fm
Figure 11: CPU Handling of a FIFO Buffer
Read Interrupt Pointer
START
case Interrupt Pointer
0x8000h else 0x0000h
Status Change END
MessageNum = Interrupt Pointer
Write MessageNum to IFx Command Request
(Read Message to IFx Registers,
Reset NewDat = 0,
Reset IntPnd = 0)
Read IFx Message Control
NewDat = 1
Read Data from IFx Data A,B
EoB = 1
MessageNum = MessageNum + 1
Yes
No
Yes
No
Message Interrupt
Interrupt Handling

User’s Manual
BOSCH - 34/45 -
Revision 1.2C_CAN
06.06.00
manual_can_application.fm
4.9 Handling of Interrupts
If several interrupts are pending, the CAN Interrupt Register will point to the pending interrupt
with the highest priority, disregarding their chronological order. An interrupt remains pending
until the CPU has cleared it.
The Status Interrupt has the highest priority. Among the message interrupts, the Message
Object’ s interrupt priority decreases with increasing message number.
A message interrupt is cleared by clearing the Message Object’s IntPnd bit. The Status
Interrupt is cleared by reading the Status Register.
The interrupt identifier IntId in the Interrupt Register indicates the cause of the interrupt. When
no interrupt is pending, the register will hold the value
zero
. If the value of the Interrupt
Register is different from
zero
, then there is an interrupt pending and, if IE is set, the interrupt
line to the CPU, IRQ_B, is active. The interrupt line remains active until the Interrupt Register
is back to value
zero
(the cause of the interrupt is reset) or until IE is reset.
The value 0x8000 indicates that an interrupt is pending because the CAN Core has updated
(not necessarily changed) the Status Register (Error Interrupt or Status Interrupt). This
interrupt has the highest priority. The CPU can update (reset) the status bits RxOk,TxOk and
LEC, but a write access of the CPU to the Status Register can never generate or reset an
interrupt.
All other values indicate that the source of the interrupt is one of the Message Objects, IntId
points to the pending message interrupt with the highest interrupt priority.
The CPU controls whether a change of the Status Register may cause an interrupt (bits EIE
and SIE in the CAN Control Register) and whether the interrupt line becomes active when the
Interrupt Register is different from
zero
(bit IE in the CAN Control Register). The Interrupt
Register will be updated even when IE is reset.
The CPU has two possibilities to follow the source of a message interrupt. First it can follow
the IntId in the Interrupt Register and second it can poll the Interrupt Pending Register (see
section 3.4.4).
An interrupt service routine reading the message that is the source of the interrupt may read
the message and reset the Message Object’s IntPnd at the same time (bit ClrIntPnd in the
Command Mask Register). When IntPnd is cleared, the Interrupt Register will point to the next
Message Object with a pending interrupt.
4.10 Configuration of the Bit Timing
Even if minor errors in the configuration of the CAN bit timing do not result in immediate
failure, the performance of a CAN network can be reduced significantly.
In many cases, the CAN bit synchronisation will amend a faulty configuration of the CAN bit
timing to such a degree that only occasionally an error frame is generated. In the case of
arbitration however, when two or more CAN nodes simultaneously try to transmit a frame, a
misplaced sample point may cause one of the transmitters to become error passive.
The analysis of such sporadic errors requires a detailed knowledge of the CAN bit
synchronisation inside a CAN node and of the CAN nodes’ interaction on the CAN bus.

User’s Manual
BOSCH - 35/45 -
Revision 1.2C_CAN
06.06.00
manual_can_application.fm
4.10.1 Bit Time and Bit Rate
CAN supports bit rates in the range of lower than 1 kBit/s up to 1000 kBit/s. Each member of
the CAN network has its own clock generator, usually a quartz oscillator. The timing parameter
of the bit time (i.e. the reciprocal of the bit rate) can be configured individually for each CAN
node, creating a common bit rate even though the CAN nodes’ oscillator periods (fosc)maybe
different.
The frequencies of these oscillators are not absolutely stable, small variations are caused by
changes in temperature or voltage and by deteriorating components. As long as the variations
remain inside a specific oscillator tolerance range (df), the CAN nodes are able to compensate
for the different bit rates by resynchronising to the bit stream.
According to the CAN specification, the bit time is divided into four segments (see figure 12).
The Synchronisation Segment, the Propagation Time Segment, the Phase Buffer Segment 1,
and the Phase Buffer Segment 2. Each segment consists of a specific, programmable number
of time quanta (see Table 1). The length of the time quantum (tq), which is the basic time unit
of the bit time, is defined by the CAN controller’s system clock fsys and the Baud Rate
Prescaler (BRP) : tq= BRP / fsys. The C_CAN’s system clock fsys is the frequency of its
CAN_CLK input.
The Synchronisation Segment Sync_Seg is that part of the bit time where edges of the CAN
bus level are expected to occur; the distance between an edge that occurs outside of
Sync_Seg and the Sync_Seg is called the phase error of that edge. The Propagation Time
Segment Prop_Seg is intended to compensate for the physical delay times within the CAN
network. The Phase Buffer Segments Phase_Seg1 and Phase_Seg2 surround the Sample
Point. The (Re-)Synchronisation Jump Width (SJW) defines how far a resynchronisation may
move the Sample Point inside the limits defined by the Phase Buffer Segments to compensate
for edge phase errors.
Figure 12: Bit Timing
Parameter Range Remark
BRP [1 .. 32] defines the length of the time quantum tq
Sync_Seg 1 tqfixed length, synchronisation of bus input to system clock
Prop_Seg [1 .. 8] tqcompensates for the physical delay times
Phase_Seg1 [1 .. 8] tqmay be lengthened temporarily by synchronisation
Phase_Seg2 [1 .. 8] tqmay be shortened temporarily by synchronisation
SJW [1 .. 4] tqmay not be longer than either Phase Buffer Segment
This table describes the minimum programmable ranges required by the CAN protocol
Table 1 : Parameters of the CAN Bit Time
1 Time Quantum
(t
q)
Sync_ Prop_Seg Phase_Seg1 Phase_Seg2
Sample Point
Nominal CAN Bit Time
Seg

User’s Manual
BOSCH - 36/45 -
Revision 1.2C_CAN
06.06.00
manual_can_application.fm
A given bit rate may be met by different bit time configurations, but for the proper function of
the CAN network the physical delay times and the oscillator’s tolerance range have to be
considered.
4.10.2 Propagation Time Segment
This part of the bit time is used to compensate physical delay times within the network. These
delay times consist of the signal propagation time on the bus and the internal delay time of the
CAN nodes.
Any CAN node synchronised to the bit stream on the CAN bus will be out of phase with the
transmitter of that bit stream, caused by the signal propagation time between the two nodes.
The CAN protocol’s non-destructive bitwise arbitration and the dominant acknowledge bit
provided by receivers of CAN messages require that a CAN node transmitting a bit stream
must also be able to receive dominant bits transmitted by other CAN nodes that are
synchronised to that bit stream. The example in figure 13 shows the phase shift and
propagation times between two CAN nodes.
Figure 13: The Propagation Time Segment
In this example, both nodes A and B are transmitters performing an arbitration for the CAN
bus. The node A has sent its Start of Frame bit less than one bit time earlier than node B,
therefore node B has synchronised itself to the received edge from recessive to dominant.
Since node B has received this edge delay(A_to_B) after it has been transmitted, B’s bit timing
segments are shifted with regard to A. Node B sends an identifier with higher priority and so it
will win the arbitration at a specific identifier bit when it transmits a dominant bit while node A
transmits a recessive bit. The dominant bit transmitted by node B will arrive at node A after the
delay(B_to_A).
Due to oscillator tolerances, the actual position of node A’s Sample Point can be anywhere
inside the nominal range of node A’s Phase Buffer Segments, so the bit transmitted by node B
must arrive at node A before the start of Phase_Seg1. This condition defines the length of
Prop_Seg.
If the edge from recessive to dominant transmitted by node B would arrive at node A after the
start of Phase_Seg1, it could happen that node A samples a recessive bit instead of a
dominant bit, resulting in a bit error and the destruction of the current frame by an error flag.
Sync_Seg Prop_Seg Phase_Seg1 Phase_Seg2
Node B
Node A
Delay A_to_B Delay B_to_A
Prop_Seg >= Delay A_to_B + Delay B_to_A
Prop_Seg >= 2 • [max(node output delay+ bus line delay + node input delay)]
Delay A_to_B >= node output delay(A) + bus line delay(A→B) + node input delay(B)

User’s Manual
BOSCH - 37/45 -
Revision 1.2C_CAN
06.06.00
manual_can_application.fm
The error occurs only when two nodes arbitrate for the CAN bus that have oscillators of
opposite ends of the tolerance range and that are separated by a long bus line; this is an
example of a minor error in the bit timing configuration (Prop_Seg to short) that causes
sporadic bus errors.
Some CAN implementations provide an optional 3 Sample Mode The C_CAN does not. In this
mode, the CAN bus input signal passes a digital low-pass filter, using three samples and a
majority logic to determine the valid bit value. This results in an additional input delay of 1 tq,
requiring a longer Prop_Seg.
4.10.3 Phase Buffer Segments and Synchronisation
The Phase Buffer Segments (Phase_Seg1 and Phase_Seg2) and the Synchronisation Jump
Width (SJW) are used to compensate for the oscillator tolerance. The Phase Buffer Segments
may be lengthened or shortened by synchronisation.
Synchronisations occur on edges from recessive to dominant, their purpose is to control the
distance between edges and Sample Points.
Edges are detected by sampling the actual bus level in each time quantum and comparing it
with the bus level at the previous Sample Point. A synchronisation may be done only if a
recessive bit was sampled at the previous Sample Point and if the actual time quantum’s bus
level is dominant.
An edge is synchronous if it occurs inside of Sync_Seg, otherwise the distance between edge
and the end of Sync_Seg is the edge phase error, measured in time quanta. If the edge occurs
before Sync_Seg, the phase error is negative, else it is positive.
Two types of synchronisation exist : Hard Synchronisation and Resynchronisation. A Hard
Synchronisation is done once at the start of a frame; inside a frame only Resynchronisations
occur.
•Hard Synchronisation
After a hard synchronisation, the bit time is restarted with the end of Sync_Seg, regardless of
the edge phase error. Thus hard synchronisation forces the edge which has caused the hard
synchronisation to lie within the synchronisation segment of the restarted bit time.
•Bit Resynchronisation
Resynchronisation leads to a shortening or lengthening of the bit time such that the position
of the sample point is shifted with regard to the edge.
When the phase error of the edge which causes Resynchronisation is positive, Phase_Seg1
is lengthened. If the magnitude of the phase error is less than SJW, Phase_Seg1 is length-
ened by the magnitude of the phase error, else it is lengthened by SJW.
When the phase error of the edge which causes Resynchronisation is negative, Phase_Seg2
is shortened. If the magnitude of the phase error is less than SJW, Phase_Seg2 is shortened
by the magnitude of the phase error, else it is shortened by SJW.
When the magnitude of the phase error of the edge is less than or equal to the programmed
value of SJW, the results of Hard Synchronisation and Resynchronisation are the same. If the
magnitude of the phase error is larger than SJW, the Resynchronisation cannot compensate
the phase error completely, an error of (phase error - SJW) remains.
Only one synchronisation may be done between two Sample Points. The Synchronisations
maintain a minimum distance between edges and Sample Points, giving the bus level time to
stabilize and filtering out spikes that are shorter than (Prop_Seg + Phase_Seg1).

User’s Manual
BOSCH - 38/45 -
Revision 1.2C_CAN
06.06.00
manual_can_application.fm
Apart from noise spikes, most synchronisations are caused by arbitration. All nodes
synchronise “hard” on the edge transmitted by the “leading” transceiver that started
transmitting first, but due to propagation delay times, they cannot become ideally
synchronised. The “leading” transmitter does not necessarily win the arbitration, therefore the
receivers have to synchronise themselves to different transmitters that subsequently “take the
lead” and that are differently synchronised to the previously “leading” transmitter. The same
happens at the acknowledge field, where the transmitter and some of the receivers will have to
synchronise to that receiver that “takes the lead” in the transmission of the dominant
acknowledge bit.
Synchronisations after the end of the arbitration will be caused by oscillator tolerance, when
the differences in the oscillator’s clock periods of transmitter and receivers sum up during the
time between synchronisations (at most ten bits). These summarized differences may not be
longer than the SJW, limiting the oscillator’s tolerance range.
The examples in figure 14 show how the Phase Buffer Segments are used to compensate for
phase errors. There are three drawings of each two consecutive bit timings. The upper
drawing shows the synchronisation on a “late” edge, the lower drawing shows the
synchronisation on an “early” edge, and the middle drawing is the reference without
synchronisation.
Figure 14: Synchronisation on “late” and “early” Edges
In the first example an edge from recessive to dominant occurs at the end of Prop_Seg. The
edge is “late” since it occurs after the Sync_Seg. Reacting to the “late” edge, Phase_Seg1 is
lengthened so that the distance from the edge to the Sample Point is the same as it would
have been from the Sync_Seg to the Sample Point if no edge had occurred. The phase error
of this “late” edge is less than SJW, so it is fully compensated and the edge from dominant to
recessive at the end of the bit, which is one nominal bit time long, occurs in the Sync_Seg.
In the second example an edge from recessive to dominant occurs during Phase_Seg2. The
edge is “early” since it occurs before a Sync_Seg. Reacting to the “early” edge, Phase_Seg2 is
shortened and Sync_Seg is omitted, so that the distance from the edge to the Sample Point is
the same as it would have been from an Sync_Seg to the Sample Point if no edge had
recessive
dominant
recessive
dominant
Sync_Seg Prop_Seg Phase_Seg1 Phase_Seg2
“late” Edge
“early” Edge
Rx-Input
Rx-Input
Sample-Point Sample-Point
Sample-PointSample-Point
Sample-Point Sample-Point

User’s Manual
BOSCH - 39/45 -
Revision 1.2C_CAN
06.06.00
manual_can_application.fm
occurred. As in the previous example, the magnitude of this “early” edge’s phase error is less
than SJW, so it is fully compensated.
The Phase Buffer Segments are lengthened or shortened temporarily only; at the next bit time,
the segments return to their nominal programmed values.
In these examples, the bit timing is seen from the point of view of the CAN implementation’s
state machine, where the bit time starts and ends at the Sample Points. The state machine
omits Sync_Seg when synchronising on an “early” edge because it cannot subsequently
redefine that time quantum of Phase_Seg2 where the edge occurs to be the Sync_Seg.
The examples in figure 15 show how short dominant noise spikes are filtered by
synchronisations. In both examples the spike starts at the end of Prop_Seg and has the length
of (Prop_Seg + Phase_Seg1).
In the first example, the Synchronisation Jump Width is greater than or equal to the phase
error of the spike’s edge from recessive to dominant. Therefore the Sample Point is shifted
after the end of the spike; a recessive bus level is sampled.
In the second example, SJW is shorter than the phase error, so the Sample Point cannot be
shifted far enough; the dominant spike is sampled as actual bus level.
Figure 15: Filtering of Short Dominant Spikes
4.10.4 Oscillator Tolerance Range
The oscillator tolerance range was increased when the CAN protocol was developed from
version 1.1 to version 1.2 (version 1.0 was never implemented in silicon). The option to
synchronise on edges from dominant to recessive became obsolete, only edges from
recessive to dominant are considered for synchronisation. The only CAN controllers to
implement protocol version 1.1 have been Intel 82526 and Philips 82C200, both are
superseded by successor products. The protocol update to version 2.0 (A and B) had no
influence on the oscillator tolerance.
The tolerance range df for an oscillator’s frequency fosc around the nominal frequency fnom
with depends on the proportions of Phase_Seg1, Phase_Seg2,
recessive
dominant
Sync_Seg Prop_Seg Phase_Seg1 Phase_Seg2
Spike
Rx-Input
Sample-Point Sample-Point
Sample-PointSample-Point
recessive
dominant
Spike
Rx-Input
SJW ≥ Phase Error
SJW < Phase Error
1df–()fnom
•fosc 1df+()fnom
•≤≤

User’s Manual
BOSCH - 40/45 -
Revision 1.2C_CAN
06.06.00
manual_can_application.fm
SJW, and the bit time. The maximum tolerance df is the defined by two conditions (both shall
be met) :
It has to be considered that SJW may not be larger than the smaller of the Phase Buffer
Segments and that the Propagation Time Segment limits that part of the bit time that may be
used for the Phase Buffer Segments.
The combination Prop_Seg = 1 and Phase_Seg1 = Phase_Seg2 = SJW = 4 allows the
largest possible oscillator tolerance of 1.58%. This combination with a Propagation Time
Segment of only 10% of the bit time is not suitable for short bit times; it can be used for bit
rates of up to 125 kBit/s (bit time = 8 µs) with a bus length of 40 m.
4.10.5 Configuration of the CAN Protocol Controller
In most CAN implementations and also in the C_CAN, the bit timing configuration is
programmed in two register bytes. The sum of Prop_Seg and Phase_Seg1 (as TSEG1) is
combined with Phase_Seg2 (as TSEG2) in one byte, SJW and BRP are combined in the other
byte (see figure 16).
In these bit timing registers, the four components TSEG1, TSEG2, SJW, and BRP have to be
programmed to a numerical value that is one less than its functional value; so instead of
values in the range of [1..n], values in the range of [0..n-1] are programmed. That way, e.g.
SJW (functional range of [1..4]) is represented by only two bits.
Therefore the length of the bit time is (programmed values) [TSEG1 + TSEG2 + 3] tqor
(functional values) [Sync_Seg + Prop_Seg + Phase_Seg1 + Phase_Seg2] tq.
Figure 16: Structure of the CAN Core’s CAN Protocol Controller
The data in the bit timing registers are the configuration input of the CAN protocol controller.
The Baud Rate Prescaler (configured by BRP) defines the length of the time quantum, the
I: df
min
Phase_Seg1 Phase_Seg2,()
2 13 bit_time Phase_Seg2–•()•
---------------------------------------------------------------------------------------
≤
II: df SJW
20 bit_time•
---------------------------------
≤
Sample_Point
Bit_to_send
Sync_Mode
Bus_Off
Scaled_Clock (tq)
System Clock
Receive_Data
Transmit_Data
Control
Received_Message
Send_Message
Status
Bit
Timing
Logic
Baudrate_
Prescaler
Sampled_Bit
Configuration (TSEG1, TSEG2, SJW)
Configuration (BRP)
Shift-Register
Received_Data_Bit
Next_Data_Bit
Control
Bit Stream Processor
IPT

User’s Manual
BOSCH - 41/45 -
Revision 1.2C_CAN
06.06.00
manual_can_application.fm
basic time unit of the bit time; the Bit Timing Logic (configured by TSEG1, TSEG2, and SJW)
defines the number of time quanta in the bit time.
The processing of the bit time, the calculation of the position of the Sample Point, and
occasional synchronisations are controlled by the BTL state machine, which is evaluated once
each time quantum. The rest of the CAN protocol controller, the Bit Stream Processor (BSP)
state machine is evaluated once each bit time, at the Sample Point.
The Shift Register serializes the messages to be sent and parallelizes received messages. Its
loading and shifting is controlled by the BSP.
The BSP translates messages into frames and vice versa. It generates and discards the
enclosing fixed format bits, inserts and extracts stuff bits, calculates and checks the CRC
code, performs the error management, and decides which type of synchronisation is to be
used. It is evaluated at the Sample Point and processes the sampled bus input bit. The time
after the Sample point that is needed to calculate the next bit to be sent (e.g. data bit, CRC bit,
stuff bit, error flag, or idle) is called the Information Processing Time (IPT).
The IPT is application specific but may not be longer than 2 tq; the C_CAN’s IPT is 0 tq. Its
length is the lower limit of the programmed length of Phase_Seg2. In case of a synchronisa-
tion, Phase_Seg2 may be shortened to a value less than IPT, which does not affect bus timing.
4.10.6 Calculation of the Bit Timing Parameters
Usually, the calculation of the bit timing configuration starts with a desired bit rate or bit time.
The resulting bit time (1/bit rate) must be an integer multiple of the system clock period.
The bit time may consist of 4 to 25 time quanta, the length of the time quantum tqis defined by
the Baud Rate Prescaler with tq= (Baud Rate Prescaler)/fsys. Several combinations may lead
to the desired bit time, allowing iterations of the following steps.
First part of the bit time to be defined is the Prop_Seg. Its length depends on the delay times
measured in the system. A maximum bus length as well as a maximum node delay has to be
defined for expandible CAN bus systems. The resulting time for Prop_Seg is converted into
time quanta (rounded up to the nearest integer multiple of tq).
The Sync_Seg is 1 tqlong (fixed), leaving (bit time – Prop_Seg – 1) tqfor the two Phase Buffer
Segments. If the number of remaining tqis even, the Phase Buffer Segments have the same
length, Phase_Seg2 =Phase_Seg1, else Phase_Seg2 =Phase_Seg1 + 1.
The minimum nominal length of Phase_Seg2 has to be regarded as well. Phase_Seg2 may
not be shorter than the CAN controller’s Information Processing Time, which is, depending on
the actual implementation, in the range of [0..2] tq.
The length of the Synchronisation Jump Width is set to its maximum value, which is the
minimum of 4 and Phase_Seg1.
The oscillator tolerance range necessary for the resulting configuration is calculated by the
formulas given in section 4.10.4
If more than one configuration is possible, that configuration allowing the highest oscillator
tolerance range should be chosen.
CAN nodes with different system clocks require different configurations to come to the same
bit rate. The calculation of the propagation time in the CAN network, based on the nodes with
the longest delay times, is done once for the whole network.
The CAN system’s oscillator tolerance range is limited by that node with the lowest tolerance
range.

User’s Manual
BOSCH - 42/45 -
Revision 1.2C_CAN
06.06.00
manual_can_application.fm
The calculation may show that bus length or bit rate have to be decreased or that the oscillator
frequencies’ stability has to be increased in order to find a protocol compliant configuration of
the CAN bit timing.
The resulting configuration is written into the Bit Timing Register :
(Phase_Seg2-1)&(Phase_Seg1+Prop_Seg-1)&(SynchronisationJumpWidth-1)&(Prescaler-1)
4.10.6.1 Example for Bit Timing at high Baudrate
In this example, the frequency of CAN_CLK is 10 MHz, BRP is 0, the bit rate is 1 MBit/s.
tq100 ns = tCAN_CLK
delay of bus driver 50 ns
delay of receiver circuit 30 ns
delay of bus line (40m) 220 ns
tProp 600 ns = 6 • tq
tSJW 100 ns = 1 • tq
tTSeg1 700 ns = tProp + tSJW
tTSeg2 200 ns = Information Processing Time + 1 • tq
tSync-Seg 100 ns = 1 • tq
bit time 1000 ns = tSync-Seg + tTSeg1 + tTSeg2
tolerance for CAN_CLK 0.39 % =
=
In this example, the concatenated bit time parameters are (2-1)3&(7-1)4&(1-1)2&(1-1)6, the Bit
Timing Register is programmed to= 0x1600.
4.10.6.2 Example for Bit Timing at low Baudrate
In this example, the frequency of CAN_CLK is 2 MHz, BRP is 1, the bit rate is 100 KBit/s.
tq1µs=2•t
CAN_CLK
delay of bus driver 200 ns
delay of receiver circuit 80 ns
delay of bus line (40m) 220 ns
tProp 1µs=1•t
q
tSJW 4µs=4•t
q
tTSeg1 5µs=t
Prop + tSJW
tTSeg2 4µs = Information Processing Time + 3 • tq
tSync-Seg 1µs=1•t
q
bit time 10 µs=t
Sync-Seg + tTSeg1 + tTSeg2
tolerance for CAN_CLK 1.58 % =
=
In this example, the concatenated bit time parameters are (4-1)3&(5-1)4&(4-1)2&(2-1)6, the Bit
Timing Register is programmed to= 0x34C1.
min PB
1
PB
2,()
2 13 bit time PB2–×()×
----------------------------------------------------------------
0.1µ
s
2131µ
s
0.2µ
s
–×()×
-----------------------------------------------------------
min PB
1
PB
2,()
2 13 bit time
PB
2–×()×
-----------------------------------------------------------------
4µ
s
21310µ
s
4µ
s
–×()×
----------------------------------------------------------

User’s Manual
BOSCH - 43/45 -
Revision 1.2C_CAN
06.06.00
manual_cpu_ifc.fm
5. CPU Interface
The interface of the C_CAN module consist of two parts (see figure 17). The Generic Interface
which is a fix part of the C_CAN module and the Customer Interface which can be adapted to
the customers requirements.
Figure 17: Structure of the module interface
5.1 Customer Interface
The purpose of the Customer Interface is to adapt the timings of the module-external signals
to the timing requirements of the module and to buffer and drive the external signals. Number
and names of the module pins depend on the Customer Interface used with the actual
implementation.
The Customer Interface also supplies the clock and reset signals for the module.
The minimum clock frequency required to operate the C_CAN module with a bit rate of
1 MBit/s is 8 MHz. The maximum clock frequency is dependent on synthesis constraints and
on the technology which is used for synthesis. The read / write timing of the C_CAN module
depends on the Customer Interface used with the actual implementation.
Up to now three different Customer Interfaces are available for the C_CAN module. An 8-bit
interface for the Motorola HC08 controller and two 16-bit interfaces to the AMBA APB bus from
Customer Generic
Clock
Reset
DataIN
Address(7:0)
CAN_WR_B
CAN_ADDR
CAN_DATA_IN
CAN_DATA_OUT
Interrupt
CAN_WAIT_B
CAN_RESET
RD_STATUS_REG_LOW
WR_<regx>_LOW
regx
WR_<regx>_HIGH
Interface Interface
Address
Decode
MUX
<regx>_LOW_DIN
regy
<regx>_HIGH_DIN
CAN_SELECT
Buffers
Drivers
Control
Data Bus
Control
CAN_INT
DataOUT
CAN_CLK
DB_W (generic)
manual_cpu_ifc.fm

User’s Manual
BOSCH - 44/45 -
Revision 1.2C_CAN
06.06.00
manual_cpu_ifc.fm
ARM. A detailed description of these interfaces can be found in the Module Integration Guide.,
also describing how to build a new Customer Interface for other CPUs.
5.2 Timing of the WAIT output signal
Figure 18 shows the timing at the modules WAIT output pin CAN_WAIT_B with respect to the
modules internal clock CAN_CLK. The number of clock cycles needed for a transfer between
the IFx Registers and the Message RAM can vary between 3 and 6 clock cycles depending on
the state of the Message Handler (idle, scan Message RAM, load/store shift register, ...).
Figure 18: Timing of WAIT output signal CAN_WAIT_B
5.3 Interrupt Timing
Figure 19 shows the timing at the modules interrupt pin CAN_INT (active low) with respect to
the modules internal clock CAN_CLK.
Figure 19: Timing of interrupt signal CAN_INT
3 - 6 CAN_CLK Cycles
CAN_CLK
CAN_WAIT_B
Write IFx
Command Request Register
Busy = ‘1’
Requested Data loaded
into IFx Registers
Busy = ‘0’
CAN_CLK
CAN_INT
Enabled Interrupt Flag set
while IE = ‘1’ Reset Interrupt Flag
or write IE = ‘0’

User’s Manual
BOSCH - 45/45 -
Revision 1.2C_CAN
06.06.00
manual_appendix.fm
6. Appendix
6.1 List of Figures
Figure 1: Block Diagram of the C_CAN . . . . . . . . . . . . . . . . . . . . . . . . . . . . . . . . . . . . . . . . 8
Figure 2: CAN Core in Silent Mode . . . . . . . . . . . . . . . . . . . . . . . . . . . . . . . . . . . . . . . . . . 10
Figure 3: CAN Core in Loop Back Mode . . . . . . . . . . . . . . . . . . . . . . . . . . . . . . . . . . . . . . 11
Figure 4: CAN Core in Loop Back combined with Silent Mode . . . . . . . . . . . . . . . . . . . . . 11
Figure 5: C_CAN Register Summary . . . . . . . . . . . . . . . . . . . . . . . . . . . . . . . . . . . . . . . . . 13
Figure 6: IF1 and IF2 Message Interface Register Sets. . . . . . . . . . . . . . . . . . . . . . . . . . . 18
Figure 7: Structure of a Message Object in the Message Memory. . . . . . . . . . . . . . . . . . . 22
Figure 8: Data Transfer between IFx Registers and Message RAM . . . . . . . . . . . . . . . . . 28
Figure 9: Initialisation of a Transmit Object . . . . . . . . . . . . . . . . . . . . . . . . . . . . . . . . . . . .30
Figure 10: Initialisation of a Receive Object . . . . . . . . . . . . . . . . . . . . . . . . . . . . . . . . . . . . . 31
Figure 11: CPU Handling of a FIFO Buffer. . . . . . . . . . . . . . . . . . . . . . . . . . . . . . . . . . . . . .33
Figure 12: Bit Timing. . . . . . . . . . . . . . . . . . . . . . . . . . . . . . . . . . . . . . . . . . . . . . . . . . . . . . .35
Figure 13: The Propagation Time Segment . . . . . . . . . . . . . . . . . . . . . . . . . . . . . . . . . . . . . 36
Figure 14: Synchronisation on “late” and “early” Edges . . . . . . . . . . . . . . . . . . . . . . . . . . . . 38
Figure 15: Filtering of Short Dominant Spikes . . . . . . . . . . . . . . . . . . . . . . . . . . . . . . . . . . .39
Figure 16: Structure of the CAN Core’s CAN Protocol Controller. . . . . . . . . . . . . . . . . . . . . 40
Figure 17: Structure of the module interface . . . . . . . . . . . . . . . . . . . . . . . . . . . . . . . . . . . . 43
Figure 18: Timing of WAIT output signal CAN_WAIT_B . . . . . . . . . . . . . . . . . . . . . . . . . . . 44
Figure 19: Timing of interrupt signal CAN_INT. . . . . . . . . . . . . . . . . . . . . . . . . . . . . . . . . . . 44
EOF
manual_appendix.fm
