Cessna_310_C310L C310N_1967 1968_Service Manual_v1967 Cessna 310 C310L C310N 1967 1968 Service Manual V1967
User Manual: Cessna_310_C310L-C310N_1967-1968_ServiceManual_v1967
Open the PDF directly: View PDF
.
Page Count: 579 [warning: Documents this large are best viewed by clicking the View PDF Link!]
- Cover
- Table of Contents
- 1. General Information
- 2. Ground Handling, Servicing and Inspection
- 3. Airframe
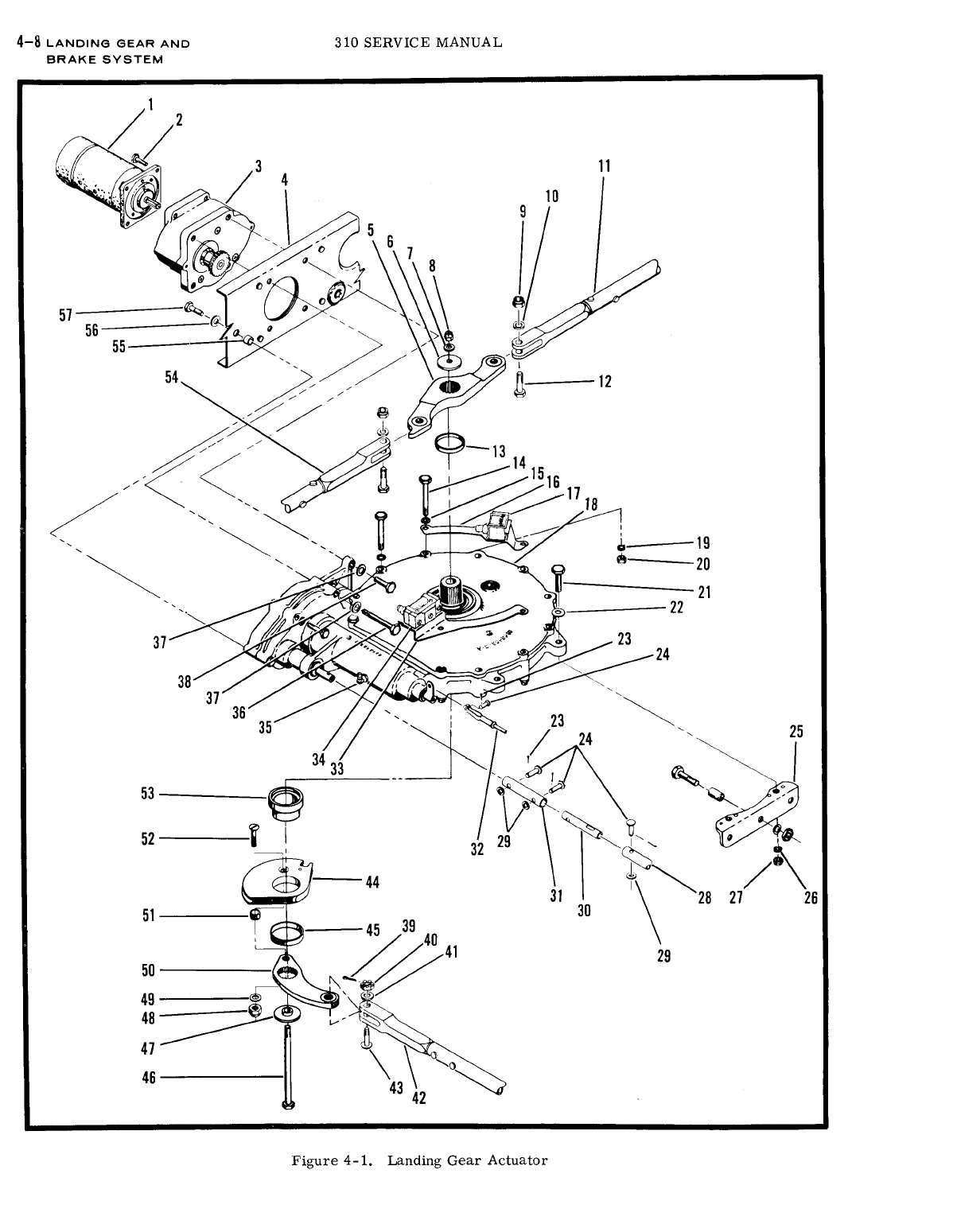
- 4. Landing Gear and Brake System
- 5. Control Column, Aileron and Trim Control Systems
- 6. Elevator and Trim Control Systems
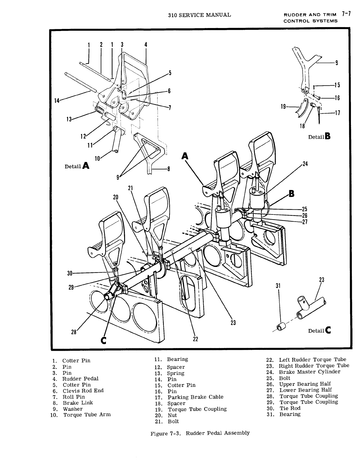
- 7. Rudder and Trim Control Systems
- 8. Flap Control System
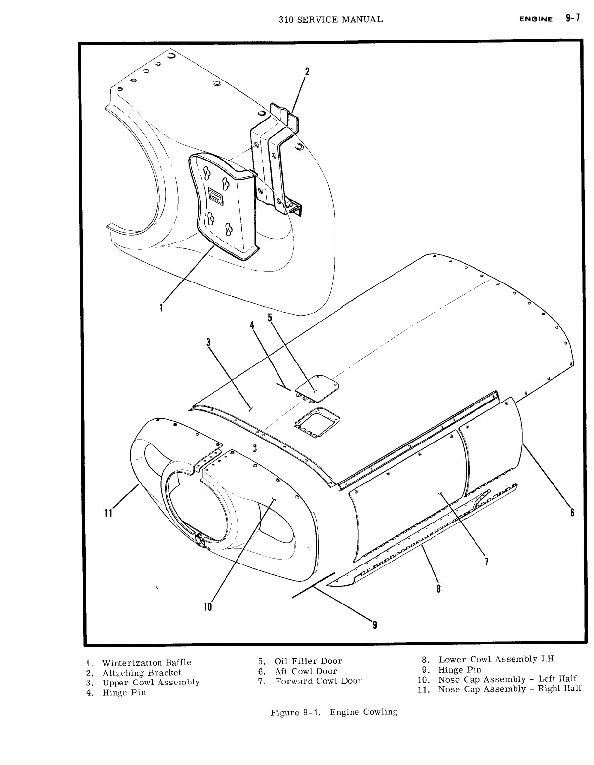
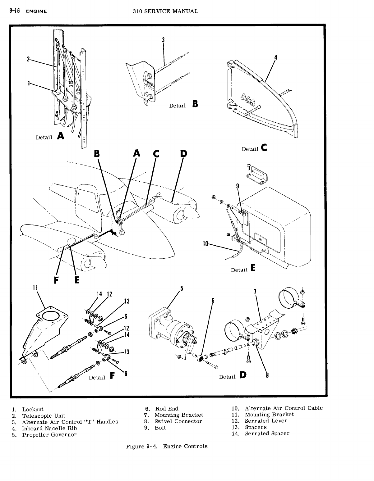
- 9. Engine
- 10. Propeller System
- 11. Fuel System
- 12. Instruments and Related Systems
- 13. Utility and Optional Systems
- 14. Electrical Systems
- 15. Electronics Systems
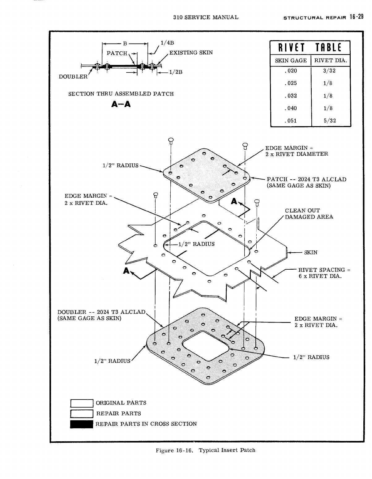
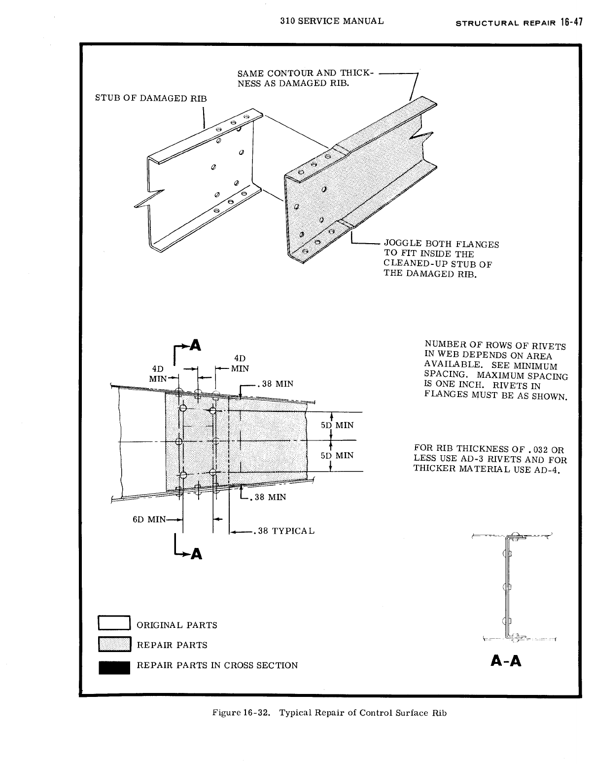
- 16. Structural Repair

Courtesy of Bomar Flying Service
www.bomar.biz
CESSNA 310 Service Manual 1967 thru 1968
REVISION INFORMATION - 01/08/2002
This product is sold “as is”. The end-user is responsible for determining the
accuracy of the information provided by this product and for obtaining any
revision(s) affecting the information provided by this product. The user should
contact the aircraft manufacturer for revision information. The following information
is provided for your convenience. It is believed to be accurate however the
accuracy of the following information is not guaranteed.
The original date of this service manual is November 1967.
No changes or revisions have been incorporated into the 1967-1968 Cessna 310
service manual on this .pdf file.
The service manual does not include the following revision(s):
Temporary Revision Number 1, dated April 16, 1993
The reason for the revision:
¾ Added FAA approval statement to Title page.
¾ Corrected figure 1-6 for bolt removal during lubrication of landing gear
actuator.
¾ Added inspection time limits for emergency exit window.
¾ Relocate oxygen system component inspection time limits from Section 12
to Section 2.
¾ Corrected flap actuator and gearbox overhaul time limits.
¾ Corrected engine compartment rubber hose replacement time limits.
Temporary Revision Number 2, dated November 12, 1993
The reason for the revision:
¾ Corrected inspection time limits for emergency exit window.
¾ Corrected overhaul time limits for landing gear.
¾ To add nose landing gear trunnion pivot bearing lubrication.
Temporary Revision Number 3, dated June 15, 1999
The reason for the revision:
¾ Added inspection time limits/replacement of check valve manifold.
Temporary Revision Number 4, dated December 15, 1999
The reason for the revision:
¾ Revised propeller mounting nut torque information.
End of revision information.


This page intentionally left blank.



















Courtesy of Bomar Flying Service
www.bomar.biz










This page intentionally left blank.





This page intentionally left blank.



















































This page intentionally left blank.































































This page intentionally left blank.















This page intentionally left blank.































This page intentionally left blank.











This page intentionally left blank.























This page intentionally left blank.





































This page intentionally left blank.



This page intentionally left blank.

















This page intentionally left blank.























































This page intentionally left blank.



This page intentionally left blank.





This page intentionally left blank.



















































This page intentionally left blank.
This page intentionally left blank.








































This page intentionally left blank.















This page intentionally left blank.

















This page intentionally left blank.























This page intentionally left blank.

























This page intentionally left blank.

































