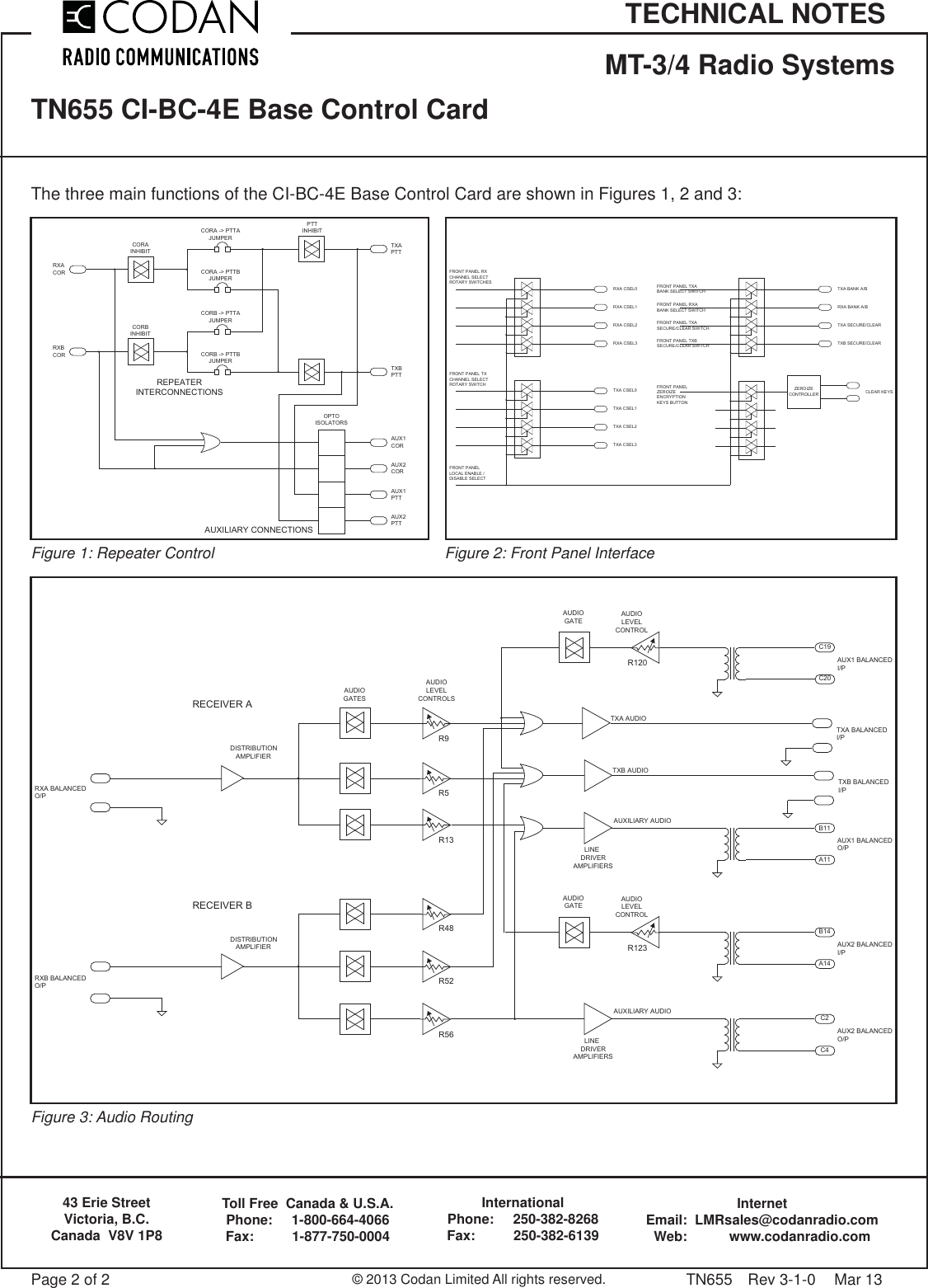
TN655 3 1 CI BC 4E Control Card Codan Base
User Manual: 6. Controllers | LMR & HF Radio | Codan Radio
Open the PDF directly: View PDF
.
Page Count: 2


User Manual: 6. Controllers | LMR & HF Radio | Codan Radio
Open the PDF directly: View PDF
.
Page Count: 2

