TN655 3 1 CI BC 4E Control Card Codan Base
User Manual: 6. Controllers | LMR & HF Radio | Codan Radio
Open the PDF directly: View PDF
.
Page Count: 2

TN655 Rev 3-1-0 Mar 13
TN655 CI-BC-4E Base Control Card
MT-3/4 Radio Systems
TECHNICAL NOTES
Page 1 of 2
© 2013 Codan Limited All rights reserved.
43 Erie Street
Victoria, B.C.
Canada V8V 1P8
Toll Free Canada & U.S.A.
Phone: 1-800-664-4066
Fax: 1-877-750-0004
International
Phone: 250-382-8268
Fax: 250-382-6139
Internet
Email: LMRsales@codanradio.com
Web: www.codanradio.com
The CI-BC-4E base control card is a plug-in module which provides audio routing, COR and PTT routing and front
panel control for an MT-4 base station radio system. The base control card includes the following features:
• jumper selectable audio routing, PTT, and muting.
• low power analog and CMOS control circuitry.
• true balanced 600 inputs and outputs for external equipment connection.
• optically isolated inputs and outputs for control by external equipment.
• front panel control of channel and bank select for receiver and transmitter.
• front panel selection of clear / secure (encrypted) operation and clear keys operation.
• front panel selection of local or remote control of base station functions.
• suitable for Type 2 E&M signalling.
The MT-4 receiver and transmitter modules all connect to the CI-BC-4E base control card via the back panel
motherboard. There is no front panel RJ45 connection between the MT-4 receivers, transmitters and base control
card.
The CI-BC-4E base control card module circuitry consists of three main functional blocks:
(1) The repeater control circuit allows all the common COR / PTT routing combinations for dual
base-repeater systems.
(2) Front panel interface allows for user control of transmitter and receiver functions, including
encryption operation.
(3) Audio routing circuitry is for the active level control and distribution of receiver and transmitter
audio signals. The CI-BC-4E is designed for applications where interface to external equipment is
required. All audio and control inputs/outputs are isolated by transformers and opto-isolators on
the CI-BC-4E.
CI-BC-4E External Audio Input: 600 , -25 dBm to 0 dBm adjustable
CI-BC-4E External Audio Output: 600 , -20 dBm to +3 dBm adjustable
CI-BC-4E Internal Audio Input: 4.7 K, -25 dBm to +3 dBm adjustable
2
1
5
4
3
67
8
11
10
9
FUNCTION
12
SYSTEM REGULATOR
MADE IN CANADA
VOL METER
+
-
ON
OFF
SPKR
INT
EXT
EXT
SPKR
ANTENNA A
RX A
TX A
TRANSMITTER
CNTL
BUS
MIC RF OUT
AD
ANALOG
DIGITAL
NORM
OFF
KEY TX
MICMODE
REF
IN
USB
FREQUENCY (MHz)
MADE IN CANADA
MODEL # CODE
RECEIVER
NORM
SQ. DISABLE
OFF
CNTL
BUS
AD
RF NI
REF
IN
USB
FREQUENCY (MHz)
MADE IN CANADA
MODEL # CODE
P25 BASE
CONTROL
BNK
PULL DOWN
TO REMOVE
5
9
13
RX A
A
B
BNK
5
9
13
TX A
A
B
TX A TX B
Secure
Clear
Zeroize
Key
Local
Disable
Enable
P25 BASE
CONTROL
BNK
PULL DOWN
TO REMOVE
5
9
13
RX A
A
B
BNK
5
9
13
TX A
A
B
TX A TX B
Secure
Clear
Zeroize
Key
Local
Disable
Enable

TN655 CI-BC-4E Base Control Card
MT-3/4 Radio Systems
TECHNICAL NOTES
TN655 Rev 3-1-0 Mar 13Page 2 of 2 © 2013 Codan Limited All rights reserved.
43 Erie Street
Victoria, B.C.
Canada V8V 1P8
Toll Free Canada & U.S.A.
Phone: 1-800-664-4066
Fax: 1-877-750-0004
International
Phone: 250-382-8268
Fax: 250-382-6139
Internet
Email: LMRsales@codanradio.com
Web: www.codanradio.com
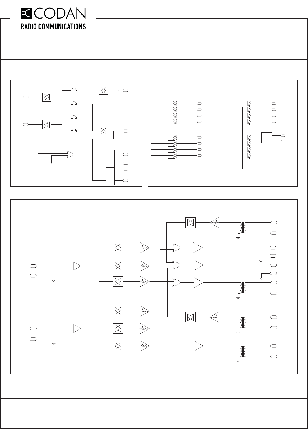
The three main functions of the CI-BC-4E Base Control Card are shown in Figures 1, 2 and 3:
Figure 1: Repeater Control Figure 2: Front Panel Interface
Figure 3: Audio Routing
RXA
COR
CORA
INHIBIT
TXA
PTT
PTT
INHIBIT
CORA -> PTTA
JUMPER
CORA -> PTTB
JUMPER
RXB
COR
CORB
INHIBIT
TXB
PTT
CORB -> PTTA
JUMPER
CORB -> PTTB
JUMPER
AUX1
COR
AUX1
PTT
AUX2
PTT
AUX2
COR
OPTO
ISOLATORS
AUXILIARY CONNECTIONS
REPEATER
INTERCONNECTIONS
FRONT PANEL RX
CHANNEL SELECT
ROTARY SWITCHES
RXA CSEL0
RXA CSEL1
RXA CSEL2
RXA CSEL3
FRONT PANEL TX
CHANNEL SELECT
ROTARY SWITCH
TXA CSEL0
TXA CSEL1
TXA CSEL2
TXA CSEL3
FRONT PANEL TXA
BANK SELECT SWITCH TXA BANK A/B
RXA BANK A/B
TXA SECURE/CLEAR
TXB SECURE/CLEAR
FRONT PANEL RXA
BANK SELECT SWITCH
FRONT PANEL TXA
SECURE/CLEAR SWITCH
FRONT PANEL TXB
SECURE/CLEAR SWITCH
FRONT PANEL
ZEROIZE
ENCRYPTION
KEYS BUTTON
CLEAR KEYS
ZEROIZE
CONTROLLER
FRONT PANEL
LOCAL ENABLE /
DISABLE SELECT
DISTRIBUTION
AMPLIFIER
AUDIO
GATES
AUDIO
LEVEL
CONTROLS
TXA AUDIO
TXB AUDIO
AUXILIARY AUDIO
TXA BALANCED
I/P
TXB BALANCED
I/P
AUX1 BALANCED
O/P
LINE
DRIVER
AMPLIFIERS
AUX1 BALANCED
I/P
AUDIO
GATE
AUDIO
LEVEL
CONTROL
DISTRIBUTION
AMPLIFIER
AUXILIARY AUDIO
AUX2 BALANCED
O/P
LINE
DRIVER
AMPLIFIERS
AUX2 BALANCED
I/P
AUDIO
GATE
AUDIO
LEVEL
CONTROL
RECEIVER A
RECEIVER B
RXA BALANCED
O/P
RXB BALANCED
O/P
R13
R5
R9
R52
R56
R48
R120
R123
A11
B11
C4
C2
C19
C20
B14
A14