TRM_PSoC5 Cypress PSo C5LP Technical Reference Manual
User Manual:
Open the PDF directly: View PDF
.
Page Count: 452 [warning: Documents this large are best viewed by clicking the View PDF Link!]
- PSoC 5LP TRM
- Contents Overview
- Contents
- Section A: Overview
- Section B: CPU System
- Top Level Architecture
- 4. Cortex™-M3 Microcontroller
- 5. PSoC 5LP Cache Controller
- 6. PHUB and DMAC
- 7. Interrupt Controller
- Section C: Memory
- Section D: System Wide Resources
- Top Level Architecture
- 14. Clocking System
- 14.1 Features
- 14.2 Block Diagram
- 14.3 Clock Sources
- 14.4 Clock Distribution
- 14.5 Low-Power Mode Operation
- 14.6 Clock Naming Summary
- 15. Power Supply and Monitoring
- 16. Low-Power Modes
- 17. Watchdog Timer
- 18. Reset
- 19. I/O System
- 19.1 Features
- 19.2 Block Diagrams
- 19.3 How It Works
- 19.3.1 Usage Modes and Configuration
- 19.3.2 I/O Drive Modes
- 19.3.3 Slew Rate Control
- 19.3.4 Digital I/O Controlled by Port Register
- 19.3.5 Digital I/O Controlled Through DSI
- 19.3.6 Analog I/O
- 19.3.7 LCD Drive
- 19.3.8 CapSense
- 19.3.9 External Memory Interface (EMIF)
- 19.3.10 SIO Functions and Features
- 19.3.11 Special Functionality
- 19.3.12 I/O Port Reconfiguration
- 19.3.13 Power Up I/O Configuration
- 19.3.14 Overvoltage Tolerance
- 19.3.15 I/O Power Supply
- 19.3.16 Sleep Mode Behavior
- 19.3.17 Low-power Behavior
- 19.4 Port Interrupt Controller Unit
- 19.5 Register Summary
- 20. Flash, Configuration Protection
- Section E: Digital System
- Top Level Architecture
- 21. Universal Digital Blocks (UDBs)
- 22. UDB Array and Digital System Interconnect
- 23. Controller Area Network (CAN)
- 24. USB
- 25. Timer, Counter, and PWM
- 26. I2C
- 27. Digital Filter Block (DFB)
- Section F: Analog System
- Top Level Architecture
- 28. Switched Capacitor/Continuous Time
- 29. Analog Routing
- 30. Comparators
- 31. Opamp
- 32. LCD Direct Drive
- 33. CapSense
- 34. Temperature Sensor
- 35. Digital-to-Analog Converter
- 36. Precision Reference
- 37. Delta Sigma Converter
- 38. Successive Approximation Register ADC
- Section G: Program and Debug
- Glossary
- Index

PSoC 5LP TRM
PSoC® 5LP Architecture TRM
(Technical Reference Manual)
Document No. 001-78426 Rev. *F
May 31, 2017
Cypress Semiconductor
198 Champion Court
San Jose, CA 95134-1709
Phone (USA): 800.858.1810
Phone (Intnl): 408.943.2600
http://www.cypress.com

2 PSoC 5LP Architecture TRM, Document No. 001-78426 Rev. *F
Copyrights
Copyrights
© Cypress Semiconductor Corporation, 2012-2016. This document is the property of Cypress Semiconductor Corporation
and its subsidiaries, including Spansion LLC ("Cypress"). This document, including any software or firmware included or refer-
enced in this document ("Software"), is owned by Cypress under the intellectual property laws and treaties of the United
States and other countries worldwide. Cypress reserves all rights under such laws and treaties and does not, except as spe-
cifically stated in this paragraph, grant any license under its patents, copyrights, trademarks, or other intellectual property
rights. If the Software is not accompanied by a license agreement and you do not otherwise have a written agreement with
Cypress governing the use of the Software, then Cypress hereby grants you a personal, non-exclusive, nontransferable
license (without the right to sublicense) (1) under its copyright rights in the Software (a) for Software provided in source code
form, to modify and reproduce the Software solely for use with Cypress hardware products, only internally within your organi-
zation, and (b) to distribute the Software in binary code form externally to end users (either directly or indirectly through resell-
ers and distributors), solely for use on Cypress hardware product units, and (2) under those claims of Cypress's patents that
are infringed by the Software (as provided by Cypress, unmodified) to make, use, distribute, and import the Software solely
for use with Cypress hardware products. Any other use, reproduction, modification, translation, or compilation of the Software
is prohibited.
TO THE EXTENT PERMITTED BY APPLICABLE LAW, CYPRESS MAKES NO WARRANTY OF ANY KIND, EXPRESS OR
IMPLIED, WITH REGARD TO THIS DOCUMENT OR ANY SOFTWARE OR ACCOMPANYING HARDWARE, INCLUDING,
BUT NOT LIMITED TO, THE IMPLIED WARRANTIES OF MERCHANTABILITY AND FITNESS FOR A PARTICULAR PUR-
POSE. To the extent permitted by applicable law, Cypress reserves the right to make changes to this document without fur-
ther notice. Cypress does not assume any liability arising out of the application or use of any product or circuit described in
this document. Any information provided in this document, including any sample design information or programming code, is
provided only for reference purposes. It is the responsibility of the user of this document to properly design, program, and test
the functionality and safety of any application made of this information and any resulting product. Cypress products are not
designed, intended, or authorized for use as critical components in systems designed or intended for the operation of weap-
ons, weapons systems, nuclear installations, life-support devices or systems, other medical devices or systems (including
resuscitation equipment and surgical implants), pollution control or hazardous substances management, or other uses where
the failure of the device or system could cause personal injury, death, or property damage ("Unintended Uses"). A critical
component is any component of a device or system whose failure to perform can be reasonably expected to cause the failure
of the device or system, or to affect its safety or effectiveness. Cypress is not liable, in whole or in part, and you shall and
hereby do release Cypress from any claim, damage, or other liability arising from or related to all Unintended Uses of Cypress
products. You shall indemnify and hold Cypress harmless from and against all claims, costs, damages, and other liabilities,
including claims for personal injury or death, arising from or related to any Unintended Uses of Cypress products.
Cypress, the Cypress logo, Spansion, the Spansion logo, and combinations thereof, WICED, PSoC, CapSense, EZ-USB, F-
RAM, and Traveo are trademarks or registered trademarks of Cypress in the United States and other countries. For a more
complete list of Cypress trademarks, visit cypress.com. Other names and brands may be claimed as property of their respec-
tive owners.

PSoC 5LP Architecture TRM, Document No. 001-78426 Rev. *F 3
Contents Overview
Section A: Overview 21
1. Introduction ........................................................................................................... 23
2. Getting Started ......................................................................................................29
3. Document Construction ......................................................................................... 31
Section B: CPU System 35
4. Cortex™-M3 Microcontroller ..................................................................................37
5. PSoC 5LP Cache Controller.................................................................................. 51
6. PHUB and DMAC .................................................................................................. 55
7. Interrupt Controller ................................................................................................ 73
Section C: Memory 83
8. Nonvolatile Latch...................................................................................................85
9. SRAM ................................................................................................................... 89
10. Flash Program Memory..........................................................................................93
11. EEPROM............................................................................................................... 95
12. EMIF ..................................................................................................................... 97
13. Memory Map ....................................................................................................... 105
Section D: System Wide Resources 107
14. Clocking System.................................................................................................. 109
15. Power Supply and Monitoring .............................................................................. 125
16. Low-Power Modes ............................................................................................... 135
17. Watchdog Timer .................................................................................................. 141
18. Reset .................................................................................................................. 143
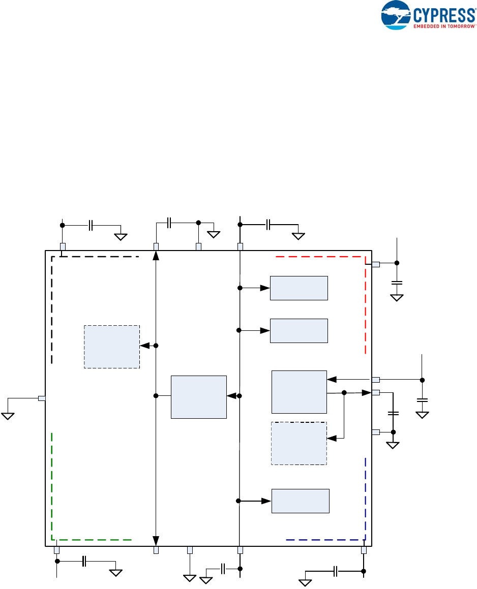
19. I/O System .......................................................................................................... 151
20. Flash, Configuration Protection............................................................................ 167
Section E: Digital System 173
21. Universal Digital Blocks (UDBs) ........................................................................... 175
22. UDB Array and Digital System Interconnect ......................................................... 217
23. Controller Area Network (CAN) ............................................................................ 225
24. USB .................................................................................................................... 241
25. Timer, Counter, and PWM .................................................................................... 257
26. I2C ...................................................................................................................... 273
27. Digital Filter Block (DFB) ..................................................................................... 287

4 PSoC 5LP Architecture TRM, Document No. 001-78426 Rev. *F
Contents Overview
Section F: Analog System 303
28. Switched Capacitor/Continuous Time................................................................... 305
29. Analog Routing ................................................................................................... 319
30. Comparators ....................................................................................................... 335
31. Opamp................................................................................................................ 341
32. LCD Direct Drive ................................................................................................. 345
33. CapSense ........................................................................................................... 359
34. Temperature Sensor............................................................................................ 365
35. Digital-to-Analog Converter ................................................................................. 369
36. Precision Reference............................................................................................ 373
37. Delta Sigma Converter ........................................................................................ 377
38. Successive Approximation Register ADC............................................................. 397
Section G: Program and Debug 401
39. Test Controller .................................................................................................... 403
40. Cortex-M3 Debug and Trace................................................................................ 415
41. Nonvolatile Memory Programming ....................................................................... 423
Glossary 429
Index 445

PSoC 5LP Architecture TRM, Document No. 001-78426 Rev. *F 5
Contents
Section A: Overview 21
Document Revision History ..............................................................................................................21
1. Introduction 23
1.1 Top Level Architecture............................................................................................................23
1.2 Features..................................................................................................................................25
1.3 CPU System ...........................................................................................................................25
1.3.1 Processor...............................................................................................................25
1.3.2 Interrupt Controller.................................................................................................25
1.3.3 DMA Controller ......................................................................................................25
1.3.4 Cache Controller....................................................................................................25
1.4 Memory...................................................................................................................................25
1.5 System Wide Resources ........................................................................................................26
1.5.1 I/O Interfaces .........................................................................................................26
1.5.2 Internal Clock Generators......................................................................................26
1.5.3 Power Supply.........................................................................................................26
1.5.3.1 Boost Converter .....................................................................................26
1.5.3.2 Sleep Modes ..........................................................................................26
1.6 Digital System.........................................................................................................................26
1.7 Analog System........................................................................................................................27
1.7.1 Delta Sigma ADC...................................................................................................27
1.7.2 Successive Approximation Register ADC..............................................................27
1.7.3 Digital Filter Block ..................................................................................................27
1.7.4 Digital-to-Analog Converters..................................................................................27
1.7.5 Additional Analog Subsystem Components...........................................................27
1.8 Program and Debug ...............................................................................................................27
2. Getting Started 29
2.1 Support ...................................................................................................................................29
2.2 Product Upgrades...................................................................................................................29
2.3 Development Kits ...................................................................................................................29
3. Document Construction 31
3.1 Major Sections ........................................................................................................................31
3.2 Documentation Conventions ..................................................................................................31
3.2.1 Register Conventions.............................................................................................31
3.2.2 Numeric Naming ....................................................................................................31
3.2.3 Units of Measure....................................................................................................32
3.2.4 Acronyms...............................................................................................................32
Section B: CPU System 35
Top Level Architecture .....................................................................................................................35

6 PSoC 5LP Architecture TRM, Document No. 001-78426 Rev. *F
4. Cortex™-M3 Microcontroller 37
4.1 Features .................................................................................................................................37
4.2 How it Works ..........................................................................................................................39
4.2.1 Registers ...............................................................................................................39
4.2.1.1 Special Registers ...................................................................................41
4.2.2 Operating Modes ...................................................................................................42
4.2.3 Pipelining ...............................................................................................................43
4.2.4 Thumb-2 Instruction Set ........................................................................................43
4.2.4.1 Data Processing Operations ..................................................................43
4.2.4.2 Load Store Operations...........................................................................44
4.2.4.3 Branch Operations .................................................................................44
4.2.4.4 Instruction Barrier and Memory Barrier Instructions...............................44
4.2.4.5 Saturation Operations ............................................................................44
4.2.5 SysTick Timer ........................................................................................................44
4.2.6 Debug and Trace:..................................................................................................45
4.3 Memory Map...........................................................................................................................45
4.3.1 Bus Interface to SRAM Memory ............................................................................45
4.4 Exceptions..............................................................................................................................46
4.4.1 Priority Definitions..................................................................................................47
4.4.2 Fault Exceptions ....................................................................................................47
4.4.3 System Call Exceptions.........................................................................................48
4.5 Nested Vector Interrupt Controller (NVIC)..............................................................................48
4.5.1 Basic Interrupt Configuration .................................................................................49
4.5.1.1 Example Procedures in Setting Up an Interrupt.....................................49
4.5.2 Nested Interrupts ...................................................................................................49
4.5.3 Tail-Chaining Interrupts..........................................................................................49
4.5.4 Late Arrivals...........................................................................................................49
4.5.5 Interrupt Latency....................................................................................................50
4.5.6 Faults Related to Interrupts ...................................................................................50
5. PSoC 5LP Cache Controller 51
5.1 Features .................................................................................................................................51
5.2 Block Diagram ........................................................................................................................51
5.3 Cache Enabling and Disabling ...............................................................................................52
5.4 Code Protection and Security.................................................................................................52
5.5 Invalidating the Cache Line ....................................................................................................52
5.5.1 Measuring Cache Hits or Misses...........................................................................52
5.6 Cache Induced Flash Low-power Mode.................................................................................52
5.7 Sleep Mode Behavior .............................................................................................................52
5.8 Cache Limitations...................................................................................................................53
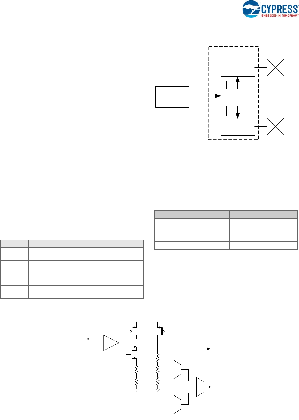
6. PHUB and DMAC 55
6.1 PHUB......................................................................................................................................55
6.1.1 Features ................................................................................................................55
6.1.2 Block Diagram .......................................................................................................55
6.1.3 How It Works .........................................................................................................56
6.1.4 Arbiter ....................................................................................................................57
6.2 DMA Controller.......................................................................................................................57
6.2.1 Local Memory ........................................................................................................57
6.2.2 How the DMAC Works...........................................................................................57
6.2.2.1 Interspoke Transfers ..............................................................................58
6.2.2.2 Intraspoke Transfer................................................................................59
6.2.2.3 Handling Multiple DMA Channels ..........................................................60

PSoC 5LP Architecture TRM, Document No. 001-78426 Rev. *F 7
6.2.2.4 DMA Channel Priority.............................................................................60
6.2.2.5 DMA Latency in case of Nonideal Conditions ........................................63
6.2.2.6 Request per Burst Bit .............................................................................68
6.2.2.7 Work Sep Bit ..........................................................................................69
6.3 DMA Transaction Modes ........................................................................................................69
6.3.1 Simple DMA...........................................................................................................69
6.3.2 Auto Repeat DMA..................................................................................................69
6.3.3 Ping Pong DMA .....................................................................................................69
6.3.4 Circular DMA..........................................................................................................69
6.3.5 Indexed DMA .........................................................................................................69
6.3.6 Scatter Gather DMA...............................................................................................70
6.3.7 Packet Queuing DMA ............................................................................................70
6.3.8 Nested DMA...........................................................................................................70
6.4 Register List ...........................................................................................................................71
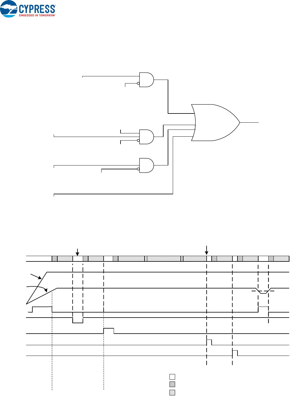
7. Interrupt Controller 73
7.1 Features..................................................................................................................................73
7.2 Block Diagram ........................................................................................................................73
7.3 How It Works ..........................................................................................................................74
7.3.1 Enabling Interrupts.................................................................................................74
7.3.2 Pending Interrupts..................................................................................................75
7.3.3 Interrupt Priority .....................................................................................................75
7.3.4 Level versus Pulse Interrupt ..................................................................................76
7.3.5 Interrupt Execution.................................................................................................76
7.4 PSoC 5LP Interrupt Controller Features.................................................................................77
7.4.1 Active Interrupts.....................................................................................................78
7.4.2 Interrupt Nesting ....................................................................................................78
7.4.3 Interrupt Vector Addresses ....................................................................................80
7.4.4 Tail Chaining ..........................................................................................................80
7.4.5 Late Arrival Interrupts.............................................................................................80
7.4.6 Exceptions .............................................................................................................81
7.4.7 Interrupt Masking ...................................................................................................81
7.5 Interrupt Controller and Power Modes....................................................................................81
Section C: Memory 83
Top Level Architecture .....................................................................................................................83
8. Nonvolatile Latch 85
8.1 Features..................................................................................................................................85
8.2 Device Configuration NV Latch...............................................................................................85
8.2.1 PRTxRDM[1:0].......................................................................................................85
8.2.2 XRESMEN .............................................................................................................86
8.2.3 DEBUG_EN ...........................................................................................................86
8.2.4 CFGSPEED ...........................................................................................................86
8.2.5 DPS[1:0].................................................................................................................86
8.2.6 ECCEN ..................................................................................................................86
8.2.7 DIG_PHS_DLY[3:0] ...............................................................................................86
8.3 Write Once NV Latch..............................................................................................................86
8.4 Programming NV Latch ..........................................................................................................87
8.5 Sleep Mode Behavior .............................................................................................................87
9. SRAM 89
9.1 Features..................................................................................................................................89
9.2 Block Diagram ........................................................................................................................89

8 PSoC 5LP Architecture TRM, Document No. 001-78426 Rev. *F
9.3 How It Works ..........................................................................................................................91
10. Flash Program Memory 93
10.1 Features .................................................................................................................................93
10.2 Block Diagram ........................................................................................................................93
10.3 How It Works ..........................................................................................................................94
10.4 Flash Memory Access Arbitration...........................................................................................94
10.5 ECC Error Detection and Interrupts........................................................................................94
11. EEPROM 95
11.1 Features .................................................................................................................................95
11.2 Block Diagram ........................................................................................................................95
11.3 How It Works ..........................................................................................................................96
12. EMIF 97
12.1 Features .................................................................................................................................97
12.2 Block Diagram ........................................................................................................................97
12.3 How It Works ..........................................................................................................................98
12.3.1 List of EMIF Registers ...........................................................................................98
12.3.2 External Memory Support......................................................................................98
12.3.3 Sleep Mode Behavior ..........................................................................................101
12.4 EMIF Timing .........................................................................................................................102
12.5 Using EMIF with Memory-Mapped Peripherals....................................................................104
12.6 Additional Configuration Guidelines .....................................................................................104
12.6.1 Address Bus Configuration..................................................................................104
12.6.2 Data Bus Configuration........................................................................................104
12.6.3 16-bit Memory Transfers......................................................................................104
12.6.4 8-bit Memory Transfers........................................................................................104
13. Memory Map 105
13.1 Features ...............................................................................................................................105
13.2 Block Diagram ......................................................................................................................105
13.3 How It Works ........................................................................................................................105
13.3.1 PSoC 5LP Memory Map......................................................................................106
Section D: System Wide Resources 107
Top Level Architecture ...................................................................................................................107
14. Clocking System 109
14.1 Features ...............................................................................................................................109
14.2 Block Diagram ......................................................................................................................110
14.3 Clock Sources ......................................................................................................................110
14.3.1 Internal Oscillators............................................................................................... 110
14.3.1.1 Internal Main Oscillator ........................................................................110
14.3.1.2 Internal Low-Speed Oscillator..............................................................111
14.3.2 External Oscillators.............................................................................................. 112
14.3.2.1 MHz Crystal Oscillator.........................................................................112
14.3.2.2 32.768 kHz Crystal Oscillator...............................................................113
14.3.3 Oscillator Summary ............................................................................................. 114
14.3.4 DSI Clocks........................................................................................................... 114
14.3.5 Phase-Locked Loop............................................................................................. 114
14.4 Clock Distribution..................................................................................................................116
14.4.1 Master Clock Mux................................................................................................ 117
14.4.2 USB Clock ........................................................................................................... 117

PSoC 5LP Architecture TRM, Document No. 001-78426 Rev. *F 9
14.4.3 Clock Dividers......................................................................................................118
14.4.3.1 Single Cycle Pulse Mode .....................................................................119
14.4.3.2 50% Duty Cycle Mode..........................................................................119
14.4.3.3 Early Phase Option ..............................................................................120
14.4.4 Clock Synchronization .........................................................................................120
14.4.5 Phase Selection and Control ...............................................................................120
14.4.6 Divider Update .....................................................................................................121
14.4.7 Power Gating of Clock Outputs............................................................................122
14.4.8 System Clock.......................................................................................................122
14.4.9 Asynchronous Clocks ..........................................................................................122
14.5 Low-Power Mode Operation.................................................................................................122
14.6 Clock Naming Summary.......................................................................................................123
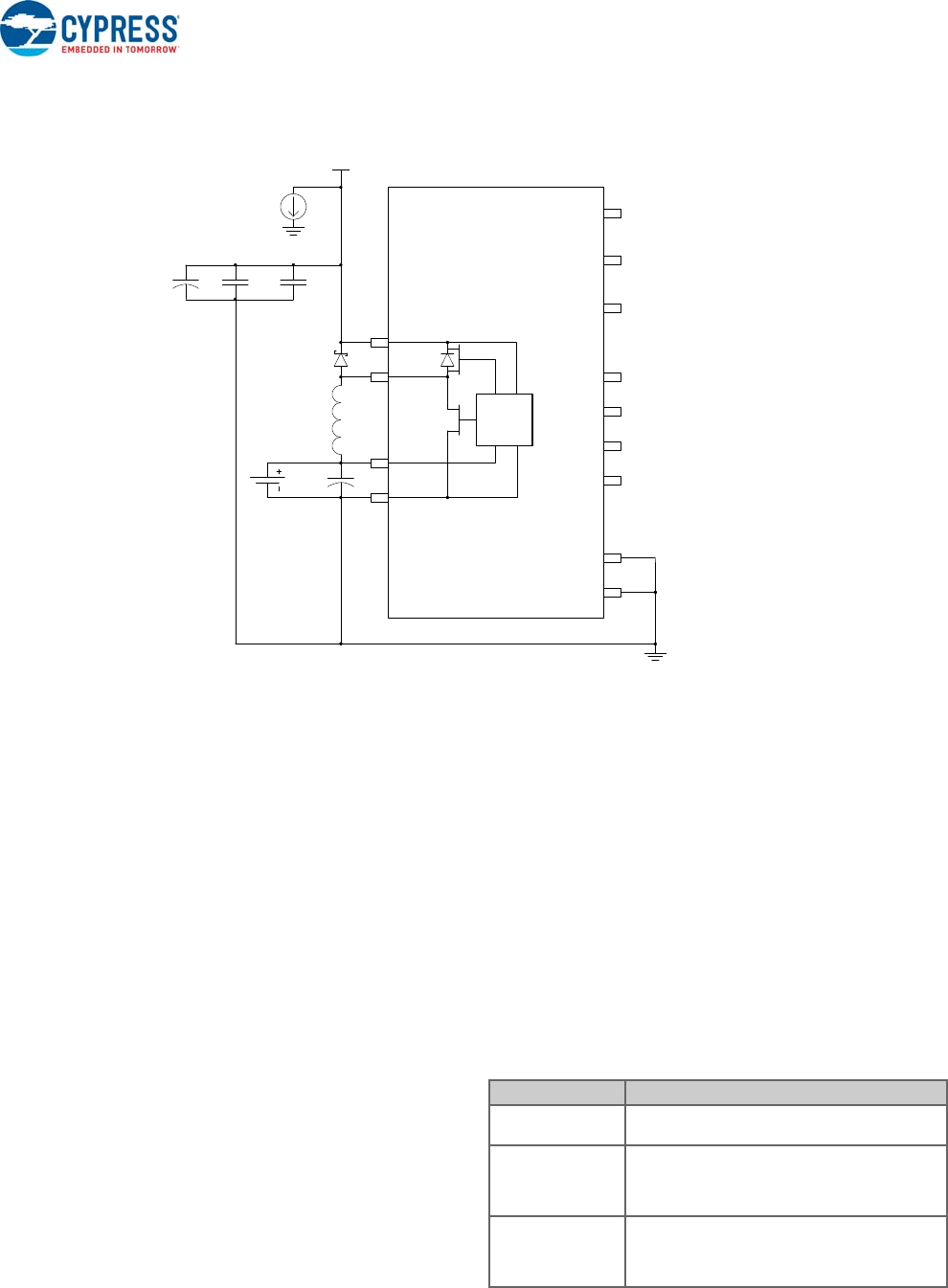
15. Power Supply and Monitoring 125
15.1 Features................................................................................................................................125
15.2 Block Diagram ......................................................................................................................126
15.3 How It Works ........................................................................................................................127
15.3.1 Regulator Summary.............................................................................................127
15.3.1.1 Internal Regulators...............................................................................127
15.3.1.2 Sleep Regulator....................................................................................127
15.3.1.3 Hibernate Regulator .............................................................................127
15.3.2 Boost Converter...................................................................................................127
15.3.2.1 Operating Modes..................................................................................129
15.3.2.2 Status Monitoring .................................................................................130
15.3.2.3 Boost Firmware Requirements.............................................................130
15.3.2.4 Boost Design Process..........................................................................130
15.3.3 Voltage Monitoring ...............................................................................................131
15.3.3.1 Low-Voltage Interrupt...........................................................................131
15.3.3.2 High Voltage Interrupt ..........................................................................132
15.3.3.3 Processing a Low/High Voltage Detect Interrupt..................................132
15.3.3.4 Reset on a Voltage Monitoring Interrupt...............................................132
15.4 Register Summary................................................................................................................133
16. Low-Power Modes 135
16.1 Features................................................................................................................................135
16.2 Active Mode..........................................................................................................................136
16.2.1 Entering Active Mode...........................................................................................136
16.2.2 Exiting Active Mode .............................................................................................136
16.3 Alternative Active Mode........................................................................................................137
16.3.1 Entering Alternative Active Mode.........................................................................137
16.3.2 Exiting Alternative Active Mode ...........................................................................137
16.4 Sleep Mode...........................................................................................................................137
16.4.1 Entering Sleep Mode ...........................................................................................137
16.4.2 Exiting Sleep Mode..............................................................................................137
16.5 Hibernate Mode ....................................................................................................................137
16.5.1 Entering Hibernate Mode.....................................................................................138
16.5.2 Exiting Hibernate Mode........................................................................................138
16.6 Timers...................................................................................................................................138
16.6.1 Central Timewheel (CTW)....................................................................................138
16.6.2 Fast Timewheel (FTW).........................................................................................138
16.7 Register List .........................................................................................................................139

10 PSoC 5LP Architecture TRM, Document No. 001-78426 Rev. *F
17. Watchdog Timer 141
17.1 Features ...............................................................................................................................141
17.2 Block Diagram ......................................................................................................................141
17.3 How It Works ........................................................................................................................142
17.3.1 Enabling and Disabling the WDT.........................................................................142
17.3.2 Setting the WDT Time Period and Clearing the WDT .........................................142
17.3.3 Operation in Low-Power Modes ..........................................................................142
17.3.4 Watchdog Protection Settings .............................................................................142
17.4 Register List .........................................................................................................................142
18. Reset 143
18.1 Reset Sources......................................................................................................................143
18.1.1 Voltage Monitor Resets........................................................................................143
18.1.1.1 Initial Power-On Reset (IPOR).............................................................143
18.1.1.2 Precise Low-Voltage Reset (PRES).....................................................143
18.1.1.3 Low-Voltage Interrupt/Reset (LVI)........................................................143
18.1.1.4 Hibernate Reset (HRES)......................................................................143
18.1.2 External Reset (XRES)........................................................................................143
18.1.3 Software Initiated Reset (SRES) .........................................................................144
18.1.4 Watchdog Reset (WRES)....................................................................................144
18.1.5 Identifying Reset Sources....................................................................................144
18.1.5.1 Preservation of Reset Status ...............................................................144
18.2 Reset Diagram......................................................................................................................145
18.3 Reset Summary....................................................................................................................146
18.4 Boot Process and Timing .....................................................................................................147
18.4.1 Manufacturing Configuration NV Latch................................................................148
18.4.1.1 Device Configuration NV Latch............................................................148
18.4.2 Boot Phase ..........................................................................................................148
18.4.3 User Mode ...........................................................................................................149
18.5 Register List .........................................................................................................................149
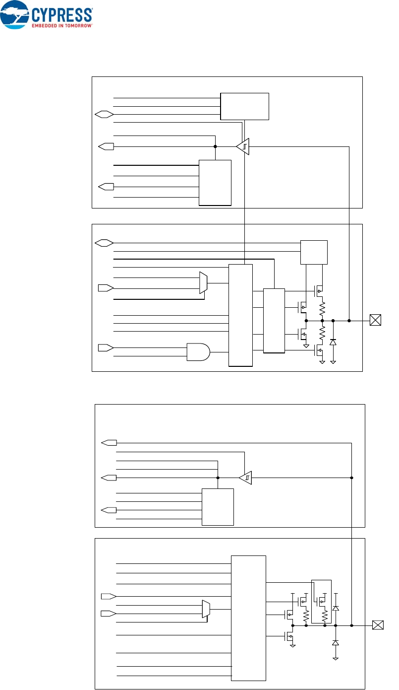
19. I/O System 151
19.1 Features ...............................................................................................................................151
19.2 Block Diagrams ....................................................................................................................152
19.3 How It Works ........................................................................................................................154
19.3.1 Usage Modes and Configuration .........................................................................154
19.3.2 I/O Drive Modes...................................................................................................154
19.3.2.1 Drive Mode on Reset ...........................................................................155
19.3.2.2 High Impedance Analog.......................................................................155
19.3.2.3 High Impedance Digital........................................................................155
19.3.2.4 Resistive Pull Up or Resistive Pull Down.............................................155
19.3.2.5 Open Drain, Drives High and Drives Low ............................................156
19.3.2.6 Strong Drive .........................................................................................156
19.3.2.7 Resistive Pull Up and Pull Down..........................................................156
19.3.3 Slew Rate Control................................................................................................156
19.3.4 Digital I/O Controlled by Port Register.................................................................156
19.3.4.1 Port Configuration Registers................................................................156
19.3.4.2 Pin Wise Configuration Register Alias .................................................156
19.3.4.3 Port Wide Configuration Register Alias................................................157
19.3.5 Digital I/O Controlled Through DSI ......................................................................158
19.3.5.1 DSI Output ...........................................................................................158
19.3.5.2 DSI Input ..............................................................................................158
19.3.5.3 DSI for Output Enable Control .............................................................158

PSoC 5LP Architecture TRM, Document No. 001-78426 Rev. *F 11
19.3.6 Analog I/O............................................................................................................159
19.3.7 LCD Drive ............................................................................................................159
19.3.8 CapSense ............................................................................................................159
19.3.9 External Memory Interface (EMIF).......................................................................160
19.3.10 SIO Functions and Features................................................................................160
19.3.10.1 Regulated Output Level........................................................................160
19.3.10.2 Adjustable Input Level ..........................................................................160
19.3.10.3 Hot Swap..............................................................................................161
19.3.11 Special Functionality ............................................................................................161
19.3.12 I/O Port Reconfiguration ......................................................................................162
19.3.13 Power Up I/O Configuration.................................................................................162
19.3.14 Overvoltage Tolerance.........................................................................................162
19.3.15 I/O Power Supply.................................................................................................163
19.3.16 Sleep Mode Behavior...........................................................................................163
19.3.17 Low-power Behavior ............................................................................................163
19.4 Port Interrupt Controller Unit.................................................................................................163
19.4.1 Features...............................................................................................................163
19.4.2 Interrupt Controller Block Diagram.......................................................................163
19.4.3 Function and Configuration..................................................................................164
19.5 Register Summary................................................................................................................165
20. Flash, Configuration Protection 167
20.1 Flash Protection....................................................................................................................167
20.2 Device Security.....................................................................................................................168
20.3 Configuration Segment Protection........................................................................................168
20.3.1 Locking/Unlocking Segment Configuration Register............................................169
20.3.2 Locking and Protecting Segments .......................................................................169
20.3.3 Example...............................................................................................................171
20.4 Frequently Asked Questions About Flash Protection and Device Security ..........................171
Section E: Digital System 173
Top Level Architecture ...................................................................................................................174
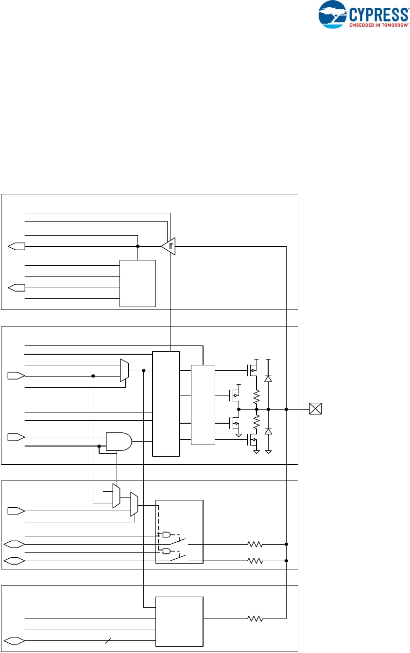
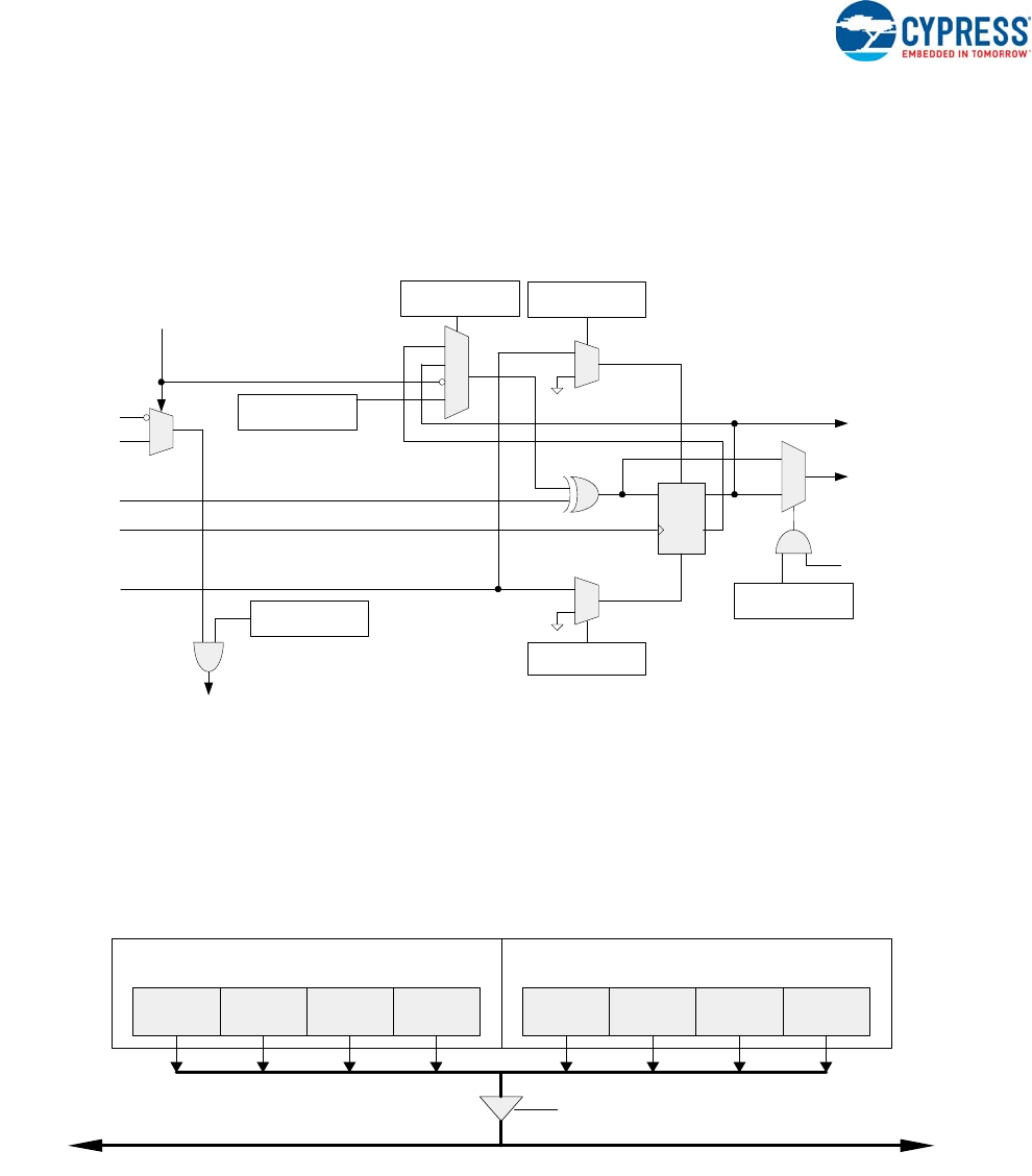
21. Universal Digital Blocks (UDBs) 175
21.1 Features................................................................................................................................175
21.2 Block Diagram ......................................................................................................................175
21.3 How It Works ........................................................................................................................176
21.3.1 PLDs ....................................................................................................................176
21.3.1.1 PLD Macrocells ....................................................................................177
21.3.1.2 PLD Carry Chain ..................................................................................179
21.3.1.3 PLD Configuration................................................................................179
21.3.2 Datapath ..............................................................................................................179
21.3.2.1 Overview ..............................................................................................181
21.3.2.2 Datapath FIFOs....................................................................................182
21.3.2.3 FIFO Status..........................................................................................189
21.3.2.4 Datapath ALU.......................................................................................189
21.3.2.5 Datapath Inputs and Multiplexing .........................................................192
21.3.2.6 CRC/PRS Support................................................................................192
21.3.2.7 Datapath Outputs and Multiplexing ......................................................195
21.3.2.8 Datapath Parallel Inputs and Outputs ..................................................197
21.3.2.9 Datapath Chaining................................................................................197
21.3.2.10 Dynamic Configuration RAM ................................................................198
21.3.3 Status and Control Module...................................................................................199

12 PSoC 5LP Architecture TRM, Document No. 001-78426 Rev. *F
21.3.3.1 Status and Control Mode .....................................................................200
21.3.3.2 Control Register Operation ..................................................................202
21.3.3.3 Parallel Input/Output Mode ..................................................................203
21.3.3.4 Counter Mode ......................................................................................204
21.3.3.5 Sync Mode ...........................................................................................205
21.3.3.6 Status and Control Clocking.................................................................205
21.3.3.7 Auxiliary Control Register.....................................................................205
21.3.3.8 Status and Control Register Summary.................................................206
21.3.4 Reset and Clock Control Module.........................................................................206
21.3.4.1 Clock Control........................................................................................207
21.3.4.2 Reset Control .......................................................................................209
21.3.4.3 UDB POR Initialization.........................................................................211
21.3.5 UDB Addressing ..................................................................................................212
21.3.5.1 Working Register Address Space ........................................................212
21.3.5.2 Configuration Register Address Space................................................214
21.3.5.3 UDB Configuration Address Space......................................................214
21.3.5.4 Routing Configuration Address Space.................................................214
21.3.6 System Bus Access Coherency ..........................................................................215
21.3.6.1 Simultaneous System Bus Access.......................................................215
21.3.6.2 Coherent Accumulator Access (Atomic Reads and Writes).................215
21.4 UDB Working Register Reference........................................................................................216
22. UDB Array and Digital System Interconnect 217
22.1 Features ...............................................................................................................................217
22.2 Block Diagram ......................................................................................................................217
22.3 How It Works ........................................................................................................................218
22.4 UDB Array System Interface ...............................................................................................220
22.4.1 UDB Array POR Initialization...............................................................................220
22.4.2 UDB POR Configuration Sequence ....................................................................221
22.4.2.1 Quadrant Route Disable ......................................................................222
22.4.3 UDB Sleep and Power Control ...........................................................................222
22.4.4 UDB Register References and Address Mapping ...............................................222
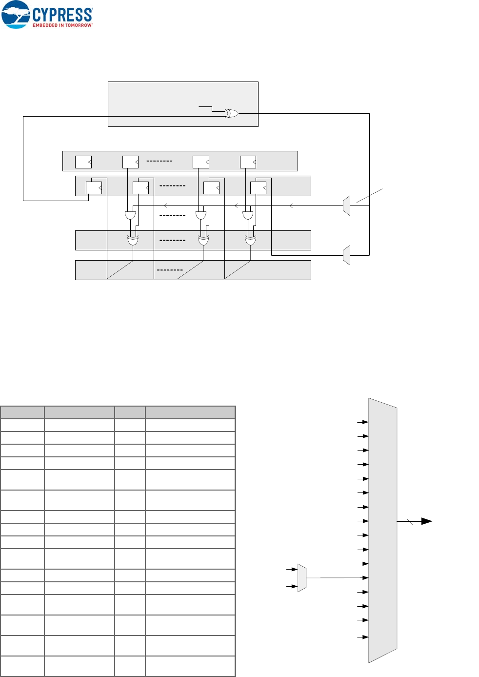
23. Controller Area Network (CAN) 225
23.1 Features ...............................................................................................................................225
23.2 Block Diagram ......................................................................................................................226
23.3 CAN Message Frames .........................................................................................................226
23.3.1 Data Frames........................................................................................................226
23.3.1.1 Standard Data Frame...........................................................................226
23.3.1.2 Extended Data Frame..........................................................................227
23.3.2 Remote Frame.....................................................................................................228
23.3.3 Error Frame .........................................................................................................228
23.3.4 Overload Frame...................................................................................................228
23.4 Transmitting Messages in CAN............................................................................................228
23.4.1 Message Arbitration.............................................................................................230
23.4.2 Message Transmit Process .................................................................................230
23.4.3 Message Abort ....................................................................................................231
23.4.4 Transmitting Extended Data Frames ...................................................................231
23.5 Receiving Messages in CAN................................................................................................231
23.5.1 Message Receive Process ..................................................................................232
23.5.2 Acceptance Filter.................................................................................................232
23.5.2.1 Example ...............................................................................................232
23.5.3 DeviceNet Filtering ..............................................................................................234

PSoC 5LP Architecture TRM, Document No. 001-78426 Rev. *F 13
23.5.4 Filtering of Extended Data Frames ......................................................................234
23.5.5 Receiver Message Buffer Linking ........................................................................235
23.6 Remote Frames....................................................................................................................235
23.6.1 Transmitting a Remote Frame by the Requesting Node......................................236
23.6.2 Receiving a Remote Frame .................................................................................236
23.6.3 RTR Auto Reply...................................................................................................236
23.6.4 Remote Frames in Extended Format...................................................................236
23.7 Bit Time Configuration ..........................................................................................................236
23.7.1 Allowable Bit Rates and System Clock (CLK_BUS) ............................................236
23.7.2 Setting Bit Rate TSEG1 and TSEG2 ...................................................................237
23.7.2.1 Example ...............................................................................................238
23.8 Error Handling and Interrupts in CAN ...................................................................................238
23.8.1 Types of Errors.....................................................................................................238
23.8.1.1 BIT Error...............................................................................................238
23.8.1.2 FORM Error..........................................................................................238
23.8.1.3 ACKNOWLEDGE Error ........................................................................238
23.8.1.4 CRC Error.............................................................................................238
23.8.1.5 STUFF Error.........................................................................................239
23.8.2 Error States in CAN..............................................................................................239
23.8.3 Interrupt Sources in CAN.....................................................................................239
23.9 Operating Modes in CAN......................................................................................................240
23.9.1 Listen Only Mode.................................................................................................240
23.9.2 Run/Stop Mode ....................................................................................................240
24. USB 241
24.1 Features................................................................................................................................241
24.2 Block Diagram ......................................................................................................................242
24.2.1 Serial Interface Engine (SIE) ...............................................................................243
24.2.2 Arbiter ..................................................................................................................244
24.2.2.1 SIE Interface Module............................................................................244
24.2.2.2 CPU Interface Block .............................................................................244
24.2.2.3 Memory Interface .................................................................................244
24.2.2.4 DMA Interface ......................................................................................244
24.2.2.5 Arbiter Logic .........................................................................................244
24.2.2.6 Synchronization Block ..........................................................................245
24.3 How it Works.........................................................................................................................245
24.3.1 Operating Frequency ...........................................................................................245
24.3.2 Operating Voltage ................................................................................................245
24.3.3 Transceiver ..........................................................................................................245
24.3.4 Endpoints.............................................................................................................245
24.3.5 Transfer Types .....................................................................................................246
24.3.6 Interrupts..............................................................................................................246
24.4 Logical Transfer Modes ........................................................................................................246
24.4.1 Store and Forward Mode .....................................................................................248
24.4.1.1 No DMA Access ...................................................................................248
24.4.1.2 Manual DMA Access............................................................................249
24.4.2 Cut Through Mode...............................................................................................251
24.4.3 Control Endpoint Logical Transfer........................................................................253
24.5 PS/2 and CMOS I/O Modes..................................................................................................254
24.6 Register List .........................................................................................................................255
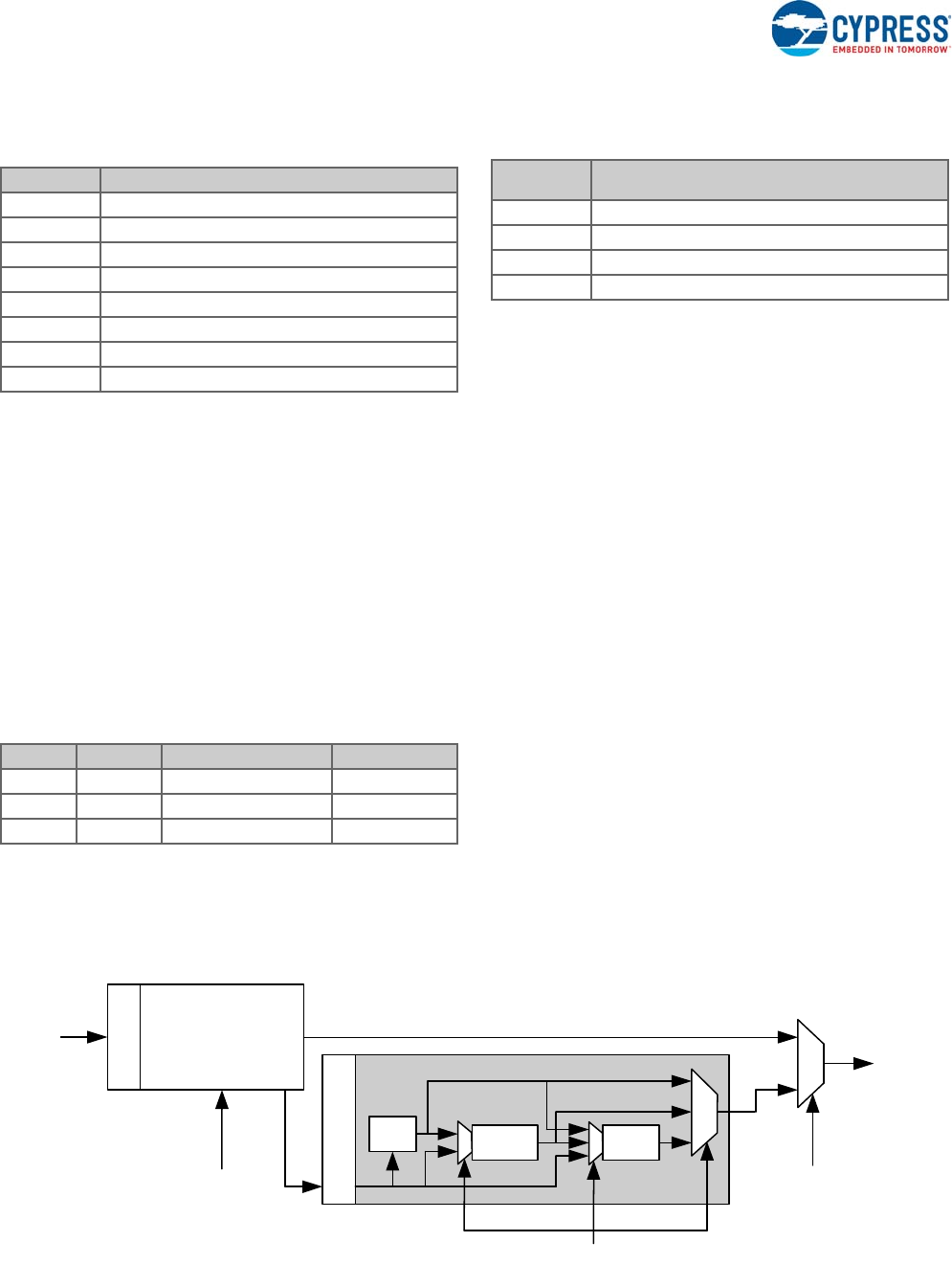
25. Timer, Counter, and PWM 257
25.1 Features................................................................................................................................257

14 PSoC 5LP Architecture TRM, Document No. 001-78426 Rev. *F
25.2 Block Diagram ......................................................................................................................257
25.3 How It Works ........................................................................................................................258
25.3.1 Clock Selection....................................................................................................258
25.3.2 Enabling and Disabling Block ..............................................................................259
25.3.3 Input Signal Characteristics.................................................................................259
25.3.3.1 Enable Signal.......................................................................................260
25.3.3.2 Capture Signal .....................................................................................260
25.3.3.3 Timer Reset Signal...............................................................................262
25.3.3.4 Kill Signal .............................................................................................262
25.3.4 Operating Modes .................................................................................................263
25.3.4.1 Timer Mode – Free Run Mode.............................................................263
25.3.4.2 Gated Timer Mode ...............................................................................264
25.3.4.3 Pulse-width Modulator Mode................................................................268
25.3.4.4 One Shot Mode....................................................................................271
25.3.5 Interrupt Enabling ................................................................................................271
25.3.6 Sleep Mode Behavior ..........................................................................................272
25.4 Register Listing.....................................................................................................................272
26. I2C273
26.1 Features ...............................................................................................................................273
26.2 Background Information .......................................................................................................274
26.2.1 I2C Bus Description .............................................................................................274
26.2.2 Typical I2C Data Transfer ....................................................................................274
26.3 How It Works ........................................................................................................................274
26.3.1 Bus Stalling (Clock Stretching) ............................................................................275
26.3.2 System Management Bus ...................................................................................275
26.3.3 Pin Connections ..................................................................................................275
26.3.4 I2C Interrupts.......................................................................................................275
26.3.5 Control by Registers ............................................................................................275
26.3.6 Operating the I2C Interface..................................................................................275
26.3.6.1 Slave Mode ..........................................................................................277
26.3.6.2 Master Mode ........................................................................................278
26.3.6.3 Multi-Master Mode ...............................................................................279
26.4 Hardware Address Compare................................................................................................279
26.5 Wake from Sleep..................................................................................................................279
26.6 Slave Mode Transfer Examples ...........................................................................................280
26.6.1 Slave Receive......................................................................................................281
26.6.2 Slave Transmit.....................................................................................................282
26.7 Master Mode Transfer Examples .........................................................................................283
26.7.1 Single Master Receive.........................................................................................283
26.7.2 Single Master Transmit........................................................................................284
26.8 Multi-Master Mode Transfer Examples.................................................................................285
26.8.1 Multi-Master, Slave Not Enabled .........................................................................285
26.8.2 Multi-Master, Slave Enabled................................................................................286
27. Digital Filter Block (DFB) 287
27.1 Features ...............................................................................................................................287
27.2 Block Diagram ......................................................................................................................287
27.3 How It Works ........................................................................................................................288
27.3.1 Controller .............................................................................................................288
27.3.1.1 FSM RAM.............................................................................................289
27.3.1.2 Program Counter..................................................................................290
27.3.1.3 Control Store........................................................................................290

PSoC 5LP Architecture TRM, Document No. 001-78426 Rev. *F 15
27.3.1.4 Next State Decoder..............................................................................290
27.3.2 Datapath ..............................................................................................................291
27.3.2.1 MAC .....................................................................................................292
27.3.2.2 ALU ......................................................................................................292
27.3.2.3 Shifter and Rounder .............................................................................292
27.3.3 Address Calculation Unit......................................................................................293
27.3.4 Bus Interface and Register Descriptions..............................................................293
27.3.4.1 Streaming Mode...................................................................................293
27.3.4.2 Block Transfer Modes ..........................................................................294
27.3.4.3 Result Handling....................................................................................295
27.3.4.4 Data Alignment.....................................................................................297
27.3.4.5 DMA and Semaphores.........................................................................297
27.3.4.6 DSI Routed Inputs and Outputs ...........................................................297
27.4 DFB Instruction Set...............................................................................................................298
27.5 Usage Model.........................................................................................................................301
Section F: Analog System 303
Top Level Architecture ...................................................................................................................304
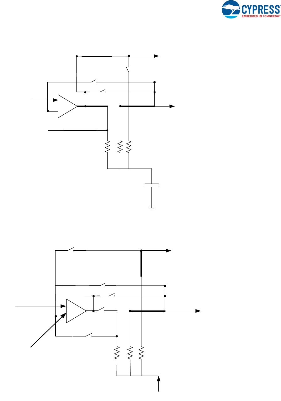
28. Switched Capacitor/Continuous Time 305
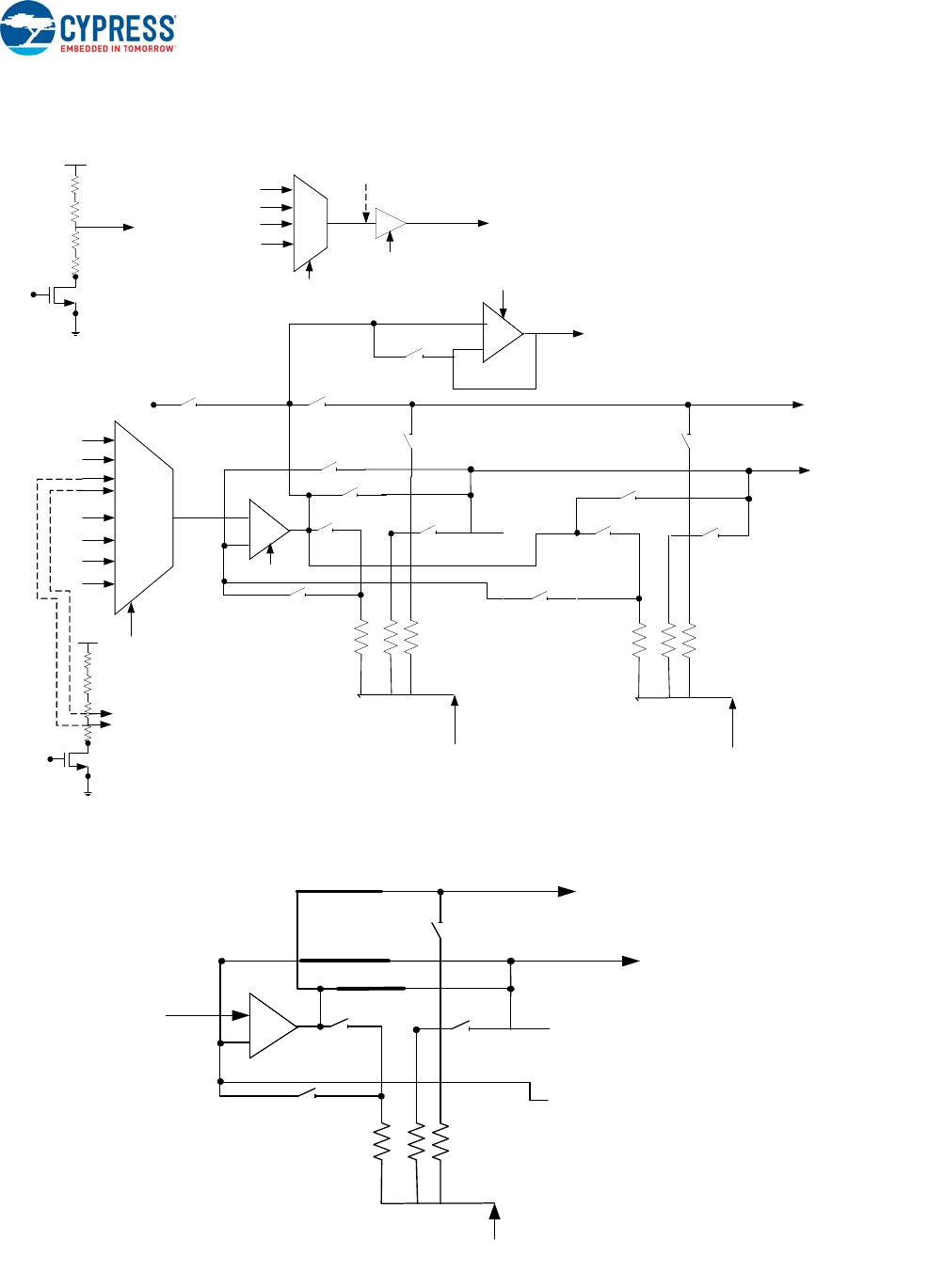
28.1 Features................................................................................................................................305
28.2 Block Diagram ......................................................................................................................305
28.3 How it Works.........................................................................................................................307
28.3.1 Operational Mode of Block is Set.........................................................................307
28.4 Naked Opamp.......................................................................................................................307
28.4.1 Bandwidth/Stability Control ..................................................................................307
28.4.1.1 BIAS_CONTROL..................................................................................307
28.4.1.2 SC_COMP[1:0].....................................................................................308
28.4.1.3 SC_REDC[1:0] .....................................................................................308
28.5 Continuous Time Unity Gain Buffer ......................................................................................309
28.6 Continuous Time Programmable Gain Amplifier ..................................................................309
28.7 Continuous Time Transimpedance Amplifier........................................................................310
28.8 Continuous Time Mixer.........................................................................................................312
28.9 Sampled Mixer......................................................................................................................313
28.10 Delta Sigma Modulator .........................................................................................................315
28.10.1 First-Order Modulator, Incremental Mode............................................................316
28.11 Track and Hold Amplifier ......................................................................................................317
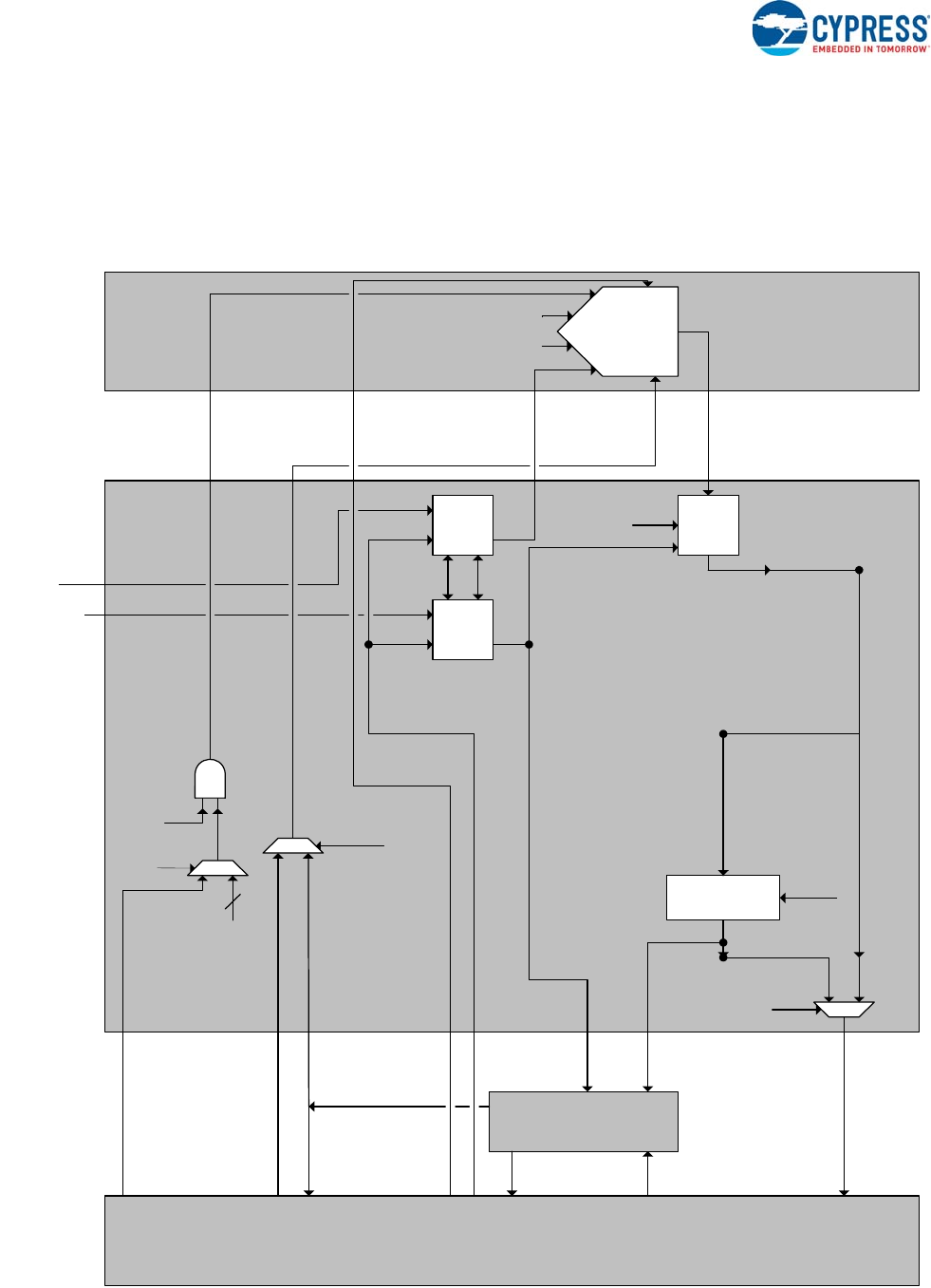
29. Analog Routing 319
29.1 Features................................................................................................................................319
29.2 Block Diagram ......................................................................................................................319
29.3 How it Works.........................................................................................................................322
29.3.1 Analog Globals (AGs) ..........................................................................................322
29.3.2 Analog Mux Bus (AMUXBUS)..............................................................................322
29.3.3 Liquid Crystal Display Bias Bus (LCDBUS) .........................................................322
29.3.4 Analog Local Bus (abus)......................................................................................324
29.3.5 Switches and Multiplexers ...................................................................................324
29.3.5.1 Control of Analog Switches ..................................................................324
29.4 Analog Resource Blocks – Routing and Interface ................................................................326
29.4.1 Digital-to-Analog Converter (DAC).......................................................................327
29.4.2 Comparator..........................................................................................................328
29.4.3 Delta Sigma Modulator (DSM).............................................................................329
29.4.4 Switched Capacitor..............................................................................................330

16 PSoC 5LP Architecture TRM, Document No. 001-78426 Rev. *F
29.4.5 Opamp.................................................................................................................331
29.4.6 Low-Pass Filter (LPF)..........................................................................................331
29.5 Low-Power Analog Routing Considerations.........................................................................332
29.5.1 Mitigating Analog Routes with Degraded Low-power Signal Integrity .................332
29.6 Analog Routing Register Summary ......................................................................................333
30. Comparators 335
30.1 Features ...............................................................................................................................335
30.2 Block Diagram ......................................................................................................................335
30.3 How it Works ........................................................................................................................336
30.3.1 Input Configuration ..............................................................................................336
30.3.2 Power Configuration ............................................................................................336
30.3.3 Output Configuration ...........................................................................................336
30.3.4 Hysteresis............................................................................................................337
30.3.5 Wake Up..............................................................................................................337
30.3.6 Comparator Clock................................................................................................337
30.3.7 Offset Trim ...........................................................................................................337
30.3.8 Register Summary...............................................................................................339
31. Opamp 341
31.1 Features ..............................................................................................................................341
31.2 Block Diagram ......................................................................................................................342
31.3 How it Works ........................................................................................................................342
31.3.1 Input and Output Configuration ...........................................................................342
31.3.2 Power Configuration ............................................................................................342
31.3.3 Buffer Configuration.............................................................................................343
31.3.4 Register Summary...............................................................................................343
32. LCD Direct Drive 345
32.1 Features ...............................................................................................................................345
32.2 LCD System Operational Modes..........................................................................................345
32.3 LCD Always Active ...............................................................................................................346
32.3.1 Functional Description .........................................................................................347
32.3.1.1 LCD DAC .............................................................................................347
32.3.1.2 LCD Driver Block..................................................................................348
32.3.1.3 UDB......................................................................................................351
32.3.1.4 DMA .....................................................................................................351
32.4 LCD Low-Power Mode .........................................................................................................351
32.4.1 Functional Description .........................................................................................352
32.4.1.1 LCD Timer............................................................................................352
32.4.1.2 UDB......................................................................................................352
32.4.1.3 DMA .....................................................................................................353
32.4.1.4 LCD DAC and Driver: Low Power Feature...........................................353
32.4.2 Timing Diagram for LCD Low-Power Mode.........................................................355
32.5 LCD Usage Models ..............................................................................................................357
33. CapSense 359
33.1 Features ...............................................................................................................................359
33.2 Block Diagram ......................................................................................................................359
33.3 How It Works ........................................................................................................................360
33.3.1 Reference Driver .................................................................................................360
33.3.2 Low-pass Filter ....................................................................................................360
33.3.3 Analog Mux Bus ..................................................................................................360
33.3.4 GPIO Configuration for CapSense ......................................................................360

PSoC 5LP Architecture TRM, Document No. 001-78426 Rev. *F 17
33.3.5 Other Resources..................................................................................................361
33.4 CapSense Delta Sigma Algorithm ........................................................................................362
34. Temperature Sensor 365
34.1 Features................................................................................................................................365
34.2 Block Diagram ......................................................................................................................365
34.3 How It Works ........................................................................................................................366
34.4 Command and Status Interface ............................................................................................366
34.4.1 Status Codes........................................................................................................366
34.4.2 Temperature Sensor Commands.........................................................................366
34.4.2.1 Get Temperature ..................................................................................366
34.4.2.2 Setup Temperature Sensor..................................................................367
34.4.2.3 Disable Temperature Sensor ...............................................................368
35. Digital-to-Analog Converter 369
35.1 Features................................................................................................................................369
35.2 Block Diagram ......................................................................................................................369
35.3 How It Works ........................................................................................................................370
35.3.1 Current DAC ........................................................................................................370
35.3.2 Voltage DAC ........................................................................................................370
35.3.3 Output Routing Options .......................................................................................370
35.3.4 Making a Higher Resolution DAC ........................................................................371
35.4 Register List .........................................................................................................................372
36. Precision Reference 373
36.1 Block Diagram ......................................................................................................................373
36.2 How It Works ........................................................................................................................373
37. Delta Sigma Converter 377
37.1 Features................................................................................................................................377
37.2 Block Diagram ......................................................................................................................377
37.3 How It Works ........................................................................................................................378
37.3.1 Input Buffer ..........................................................................................................378
37.3.2 Delta Sigma Modulator .......................................................................................379
37.3.2.1 Clock Selection.....................................................................................380
37.3.2.2 Capacitance Configuration ...................................................................380
37.3.2.3 Gain Configuration ...............................................................................381
37.3.2.4 Power Configuration.............................................................................382
37.3.2.5 Other Configuration Options.................................................................386
37.3.2.6 Quantizer..............................................................................................386
37.3.2.7 Reference Options ...............................................................................386
37.3.2.8 Reference for DSM: Usage Guidelines ................................................389
37.3.3 Analog Interface...................................................................................................390
37.3.3.1 Conversion of Thermometric Code to Two’s Complement...................391
37.3.3.2 Modulation Input...................................................................................391
37.3.3.3 Clock Selection and Synchronization...................................................391
37.3.4 Decimator.............................................................................................................391
37.3.4.1 Shifters .................................................................................................391
37.3.4.2 CIC Filter ..............................................................................................392
37.3.4.3 Post Processing Filter ..........................................................................392
37.3.5 ADC Conversion Time .........................................................................................393
37.3.6 Coherency Protection ..........................................................................................393
37.3.6.1 Protecting Writes (Gain/Offset) with Coherency Checking...................393
37.3.6.2 Protecting Reads (Output Sample) with Coherency Checking.............394

18 PSoC 5LP Architecture TRM, Document No. 001-78426 Rev. *F
37.3.7 Modes of Operation .............................................................................................394
38. Successive Approximation Register ADC 397
38.1 Features ...............................................................................................................................397
38.2 How It Works ........................................................................................................................398
38.2.1 Input Selection.....................................................................................................398
38.2.2 Clock Selection....................................................................................................398
38.2.3 Input Sampling.....................................................................................................398
38.2.4 Power Modes.......................................................................................................398
38.2.5 Reference Selection ............................................................................................398
38.2.6 Operational Modes ..............................................................................................399
38.2.7 SAR ADC Output.................................................................................................400
Section G: Program and Debug 401
Top Level Architecture ...................................................................................................................401
39. Test Controller 403
39.1 Features ...............................................................................................................................403
39.2 Block Diagram ......................................................................................................................403
39.3 Background Information .......................................................................................................404
39.3.1 JTAG Interface.....................................................................................................404
39.3.2 Serial Wire Debug Interface ................................................................................407
39.4 How It Works ........................................................................................................................409
39.4.1 JTAG Interface Implementation ...........................................................................409
39.4.2 SWD Interface Implementation............................................................................ 411
39.4.3 Acquiring the Debug Port ....................................................................................412
39.4.4 Cortex M3 DAP Access Criteria ..........................................................................412
39.4.5 Device Programming ...........................................................................................413
39.4.6 Boundary Scan ....................................................................................................413
39.4.7 Boundary Scan Pin Order....................................................................................413
40. Cortex-M3 Debug and Trace 415
40.1 Features ...............................................................................................................................415
40.2 How It Works ........................................................................................................................416
40.2.1 Test Controller (TC) .............................................................................................416
40.2.2 PSoC 5LP JTAG Instructions...............................................................................417
40.2.2.1 Debug Port and Access Port Registers................................................417
40.2.2.2 Test Controller Interface Pins...............................................................417
40.2.3 TRACEPORT.......................................................................................................417
40.3 Core Debug ..........................................................................................................................417
40.3.1 Enabling the Debug .............................................................................................417
40.3.2 Halting .................................................................................................................417
40.3.3 Stepping...............................................................................................................417
40.3.4 Accessing PSoC Memory and Registers.............................................................417
40.4 System Debug......................................................................................................................418
40.4.1 Flash Patch and Breakpoint (FPB) Unit...............................................................418
40.4.2 Data Watchpoint and Trace (DWT)......................................................................419
40.4.3 Instrumentation Trace Macrocell (ITM)................................................................419
40.4.4 Embedded Trace Macrocell (ETM)......................................................................419
40.5 Tracing Interface...................................................................................................................420
40.5.1 Single Wire Viewer ..............................................................................................420
40.5.1.1 Enabling SWV......................................................................................421
40.5.1.2 Communicating with SWV....................................................................421
40.5.2 TRACEPORT.......................................................................................................421

PSoC 5LP Architecture TRM, Document No. 001-78426 Rev. *F 19
40.5.2.1 Enabling TRACEPORT ........................................................................421
40.5.2.2 Communicating with TRACEPORT......................................................421
40.5.3 Using Multiple Interfaces Simultaneously ............................................................421
41. Nonvolatile Memory Programming 423
41.1 Features................................................................................................................................423
41.2 Block Diagram ......................................................................................................................423
41.3 How It Works ........................................................................................................................424
41.3.1 Commands...........................................................................................................424
41.3.1.1 Command Code Descriptions ..............................................................425
41.3.1.2 Command Failure Codes .....................................................................426
41.3.2 Register Summary ...............................................................................................426
41.3.3 Flash Protection Settings .....................................................................................427
Glossary 429
Index 445

20 PSoC 5LP Architecture TRM, Document No. 001-78426 Rev. *F

PSoC 5LP Architecture TRM, Document No. 001-78426 Rev. *F 21
Section A: Overview
This document encompasses the PSoC® 5LP family of devices. In conjunction with the device datasheet and PSoC 5LP Reg-
isters TRM, it contains complete and detailed information about how to design with the IP blocks that construct a PSoC 5LP
device. This document describes the analog and digital architecture, and helps to better understand the features of the
device.
This section consists of the following chapters:
■Introduction chapter on page 23
■Getting Started chapter on page 29
■Document Construction chapter on page 31
See the PSoC® 5LP Registers TRM (Technical Reference Manual) for complete register sets.
Document Revision History
Table 1-1. PSoC® 5LP Architecture TRM (Technical Reference Manual) Revision History
Revision Issue Date Origin of
Change Description of Change
** 09/25/2012 VVSK Initial version of the PSoC 5LP Architecture TRM
*A 11/21.2012 VVSK
Updated use of bypass capacitor for reference voltage (section 38.2.5 Reference Selection)
Added information on the effect of changing pin modes (section 19.3.2 I/O Modes)
Updated Tables 20-3 to 20-6
Added sections 18.1.2 Low-Voltage Reset and High-Voltage Reset and 18.1.6.1 Preservation of Reset Status; updates
to 15.3.3. Voltage Monitoring
Added information on accessing DAP with third-party tools (section 8.2.5 DPS[1:0]
*B 06/18/2013 ANTO
Added 18.1.2 Low-Voltage Reset and High- Voltage Reset and 18.1.6.1 Preservation of Reset Status; updates to
15.3.3. Voltage Monitoring. Added information on effect of changing pin modes in section 19.3.2 I/O Modes. Added
information on accessing DAP with third-party tools in section 8.2.5. Added a note to sections 10.3 and 11.3. Updated
section 25.3.4.1 (Period register setting to EN = 1).
Updated Figure 14-1 and Tables 20-3 to 20-6. Modified the Datapath Top Level Diagram
Updates to PHUB and DMAC chapters
*C 09/26/2013 ANTO
Updated Drive Modes diagram in the I/O System chapter on page 151.
Corrected section 14.3.2.2 32.768 kHz Crystal Oscillator to mention the active mode operating current.
Removed the comparator as a wakeup source from hibernate in section 16.5.2 Exiting Hibernate Mode.
Corrected FTW register name in section 16.6.2 Fast Timewheel (FTW).
Updated Successive Approximation Register ADC chapter on page 397
*D 07/02/2015 GJV
Clarified device behavior in multiple sections
Updated figures 6-2, 6-3, 18-1, 23-13, 25-4, and 28-1.
Updated tables 4-2, 7-3, 37-1, and 41-2; added tables 18-2 and 21-6.
*E 10/14/2016 GJV
Updated logo and copyright disclaimer.
Added CAN initialization note to section 23.4.2 step #1.
Removed AltAct to Sleep transition from figure 16-1.
Removed switches between OpAmp outputs and pins in Figure 29-11.
Corrected Trace Port bitfields in Figure 40-4.
Fixed broken link to PSoC 5LP Programming Specification.
*F 05/31/2017 SHEA Updated logo and copyright information.

22 PSoC 5LP Architecture TRM, Document No. 001-78426 Rev. *F
Section A: Overview

PSoC 5LP Architecture TRM, Document No. 001-78426 Rev. *F 23
1. Introduction
With a unique array of configurable digital and analog blocks, the Programmable System-on-Chip (PSoC®) is a true system-
level solution, offering a modern method of signal acquisition, processing, and control with exceptional accuracy, high band-
width, and superior flexibility. Its analog capability spans the range from thermocouples (DC voltages) to ultrasonic signals.
PSoC 5LP (CY8C58LP, CY8C56LP, CY8C54LP, CY8C52LP) families are fully scalable 32-bit PSoC platform devices that
have these characteristics:
■High-performance, configurable digital system that supports a wide range of communication interfaces, such as USB, I2C,
and CAN
■High-precision, high-performance analog system with up to 20-bit ADC, DACs, comparators, opamps, and programmable
blocks to create PGAs, TIAs, mixers, and so on
■Easily configurable logic array
■Flexible routing to all pins
■High-performance, 32-bit ARM Cortex-M3 core
■PSoC Creator, an integrated development environment software
This document describes PSoC 5LP devices in detail. Using this information, designers can easily create system-level
designs, using a rich library of prebuilt components, or custom verilog, and a schematic entry tool that uses the standard
design blocks. PSoC 5LP devices provide unparalleled opportunities for analog and digital bill of materials (BOM) integration,
while easily accommodating last-minute design changes.
For a discussion of the registers of the PSoC 5LP device, see Cypress document 001-82120, the PSoC 5LP Registers TRM.
It lists all the registers in mapping tables in address order.
1.1 Top Level Architecture
Figure 1-1 on page 24 shows the major components of PSoC 5LP devices. The PSoC 5LP device uses the 32-bit Cortex M3
core.

24 PSoC 5LP Architecture TRM, Document No. 001-78426 Rev. *F
Introduction
Figure 1-1. Top Level Architecture for PSoC 5LP Devices
Digital
Filter
Block
ANALOG SYSTEM
LCD Direct
Drive
CapSense
Temperature
Sensor
N x
Opamp
+
–
Auxiliary
ADC
ADCs
N x DAC
N x SAR
ADC
N x
DEL SIG
ADC
N x SC/CT Blocks
(TIA, PGA, Mixer, etc.)
N x
CMP
+
–
CAN
2.0 I2C
Master/Slave
Universal Digital Block Array (N x UDB)
N x
Timer,
Counter,
PWM
FS USB
2.0
SYSTEM WIDE
RESOURCES
DIGITAL SYSTEM
Program
Debug,
Trace
Boundary
Scan
Program,
Debug
Cortex-M3 CPU Interrupt
Controller
PHUB
DMA
SRAM
FLASH
EEPROM
EMIF
CPU SYSTEMMEMORY SYSTEM
SYSTEM BUS
Digital Interconnect
Analog Interconnect
1.71 to
5.5 V
0.5 to 5.5 V
(Optional)
4 to 25 MHz
(Optional)
Xtal
Osc
32.768 kHz
(Optional)
RTC
Timer
IMO
Clock Tree
WDT
and
Wake
ILO
Clocking System
1.8-V LDO
SMP
POR and
LVD
Sleep
Power
Power Management
System
USB
PHY
D+
D-
3 per
Opamp
GPIOs GPIOsGPIOs
GPIOs
GPIOs
GPIOs SIO
GPIOsSIOs
UDB
UDB
UDB
UDB
UDB
UDB
UDB UDB
UDB
UDB UDB UDB
UART
Logic
12-Bit PWM
8-Bit SPI
12-Bit SPI Logic
8-Bit
Timer
16-Bit PRS
UDB
8-Bit
Timer
Quadrature Decoder 16-Bit PWM
Sequencer
Usage Example for UDB
UDB
UDB UDB
I2C Slave

PSoC 5LP Architecture TRM, Document No. 001-78426 Rev. *F 25
Introduction
1.2 Features
PSoC 5LP devices have these major components. See
Figure 1-1 on page 24.
■Cortex-M3 central processing unit (CPU) with a nested
vectored interrupt controller and a high-performance
DMA controller
■Several types of memory elements including SRAM,
flash, and EEPROM
■System integration features, such as clocking, a feature-
rich power system, and versatile programmable inputs
and outputs
■Digital system that includes configurable universal digital
blocks (UDBs) and specific function peripherals, such as
CAN and USB
■Analog subsystem that includes configurable switched
capacitor (SC) and continuous time (CT) blocks, up to
20-bit Delta Sigma converters, 8-bit DACs that can be
configured for 12-bit operation, more than one SAR
ADC, comparators, PGAs, and more
■Programming and debug system through JTAG, serial
wire debug (SWD), and single wire viewer (SWV)
1.3 CPU System
1.3.1 Processor
The PSoC 5LP CPU subsystem is built around a 32-bit three
stage pipelined ARM Cortex-M3 processor running up to 80
MHz. The PSoC 5LP instruction set is the same as the
Thumb-2 instruction set available on standard Cortex- M3
devices.
1.3.2 Interrupt Controller
The CPU subsystem includes a programmable Nested Vec-
tored Interrupt Controller (NVIC), DMA (Direct Memory
Access) controller, flash cache ECC, and RAM. The NVIC of
PSoC 5LP devices provide low latency by allowing the CPU
to vector directly to the first address of the interrupt service
routine, bypassing the jump instruction required by other
architectures.
The PSoC 5LP interrupt controller also offers a few
advanced interrupt management capabilities, such as inter-
rupt tail chaining to improve stack management with multiple
pending interrupts providing lower latency.
1.3.3 DMA Controller
The DMA controller allows peripherals to exchange data
without CPU involvement. This allows the CPU to run
slower, save power, or use its cycles to improve the perfor-
mance of firmware algorithms.
1.3.4 Cache Controller
In PSoC 5LP devices, the flash cache also reduces system
power consumption by reducing the frequency with which
flash is accessed. The processor speed itself is configurable
allowing for active power consumption tuned for specific
applications.
1.4 Memory
The PSoC nonvolatile subsystem consists of flash, byte-
writable EEPROM, and nonvolatile configuration options.
The CPU can reprogram individual blocks of flash, enabling
boot loaders. An Error Correcting Code (ECC) can enable
high-reliability applications.
A powerful and flexible protection model allows you to selec-
tively lock blocks of memory for read and write protection,
securing sensitive information. The byte-writable EEPROM
is available on-chip for the storage of application data. Addi-
tionally, selected configuration options, such as boot speed
and pin drive mode, are stored in nonvolatile memory, allow-
ing settings to become active immediately after power-on-
reset (POR).

26 PSoC 5LP Architecture TRM, Document No. 001-78426 Rev. *F
Introduction
1.5 System Wide Resources
The individual elements of system wide resources are dis-
cussed in these sections.
1.5.1 I/O Interfaces
PSoC 5LP devices have three I/O types:
■General Purpose Input/Output (GPIO) – Every GPIO
has analog I/O, digital I/O, LCD drive, CapSense®, flexi-
ble interrupt, and slew rate control capability. All I/Os
have a large number of drive modes that are set at POR.
PSoC 5LP devices also provide up to four individual I/O
voltage domains through the VDDIO pins.
■Special Input/Output (SIO) – The SIOs on PSoC 5LP
devices allow setting VOH independently of VDDIO
when used as outputs. When SIOs are in input mode,
they are high impedance, even when the device is not
powered or when the pin voltage goes above the supply
voltage. This makes the SIO ideal for use on an I2C bus
where the PSoC 5LP devices are not powered, even
though other devices on the bus are powered. The SIO
pins also have high-current sink capability for applica-
tions such as LED drive.
■USB Input/Output (USBIO) – For devices with Full-
Speed USB, the USB physical interface is also provided
(USBIO). When not using USB, these pins can be used
for limited digital functionality and device programming.
1.5.2 Internal Clock Generators
PSoC devices incorporate flexible internal clock generators,
designed for high stability and factory-trimmed for absolute
accuracy. The internal main oscillator (IMO) is the master
clock base for the system with 1% absolute accuracy at
3 MHz. The IMO can be configured to run from 3 MHz up to
48 MHz. Multiple clock derivatives are generated from the
main clock frequency to meet application needs.
PSoC 5LP devices provide a PLL to generate system clock
frequencies up to the maximum operating frequency of the
device (80 MHz). The PLL can be driven from the IMO, an
external crystal, or an external reference clock. The devices
also contain a separate, very low power internal low-speed
oscillator (ILO) for the sleep and watchdog timers. The ILO
provides two primary outputs, 1 kHz and 100 kHz. A 32.768-
kHz external watch crystal is also supported for use in real-
time clock (RTC) applications. The clocks, together with pro-
grammable clock dividers, provide the flexibility to integrate
most timing requirements.
1.5.3 Power Supply
PSoC 5LP devices support extensive supply operating
ranges from 1.7 V to 5.5 V, allowing operation from regu-
lated supplies such as 1.8 ± 5%, 2.5 V ± 10%, 3.3 V ± 10%,
5.0 V ± 10%, or directly from a wide range of battery types.
1.5.3.1 Boost Converter
The PSoC platform provides an integrated high-efficiency
synchronous boost converter that is used to power the
device from supply voltages as low as 0.5 V. This converter
enables the device to power directly from a single battery or
solar cell. You can employ the boost converter to generate
other voltages required by the device, such as a 3.3-V sup-
ply for LCD glass drive. The boost output is available on the
VBOOST pin, allowing other devices in the application to
draw power from the PSoC device.
1.5.3.2 Sleep Modes
The PSoC platform supports five low-power sleep modes,
from the lowest current RAM retention mode (hibernation) to
the full function active mode. A 1.0-A RTC mode runs the
optional 32.768-kHz watch crystal continuously to drive the
RTC timer that is used to maintain RTC. Power to all major
functional blocks, including the programmable digital and
analog peripherals, is controlled independently by firmware.
This function allows low-power background processing
when some peripherals are not in use.
1.6 Digital System
The digital subsystems of PSoC 5LP devices provide these
devices their first half of unique configurability.
The subsystem connects a digital signal from any peripheral
to any pin through the Digital System Interconnect (DSI). It
also provides functional flexibility through an array of small,
fast, low-power universal digital blocks (UDBs).
Each UDB contains Programmable Array Logic (PAL) and
Programmable Logic Device (PLD) functionality, together
with a small state machine engine to support a wide variety
of peripherals.
In addition to the flexibility of the UDB array, PSoC devices
provide configurable digital blocks targeted at specific func-
tions.
These blocks include 16-bit timer/counter/PWM blocks, I2C
slave/master/multi-master, Full Speed USB, and CAN 2.0b.
See the device datasheet for a list of available specific func-
tion digital blocks.

PSoC 5LP Architecture TRM, Document No. 001-78426 Rev. *F 27
Introduction
1.7 Analog System
The PSoC analog subsystem provides the device the sec-
ond half of its unique configurability. All analog performance
is based on a highly accurate absolute voltage reference.
The configurable analog subsystem includes:
■Analog muxes
■Comparators
■Voltage references
■Opamps
■Mixers
■Transimpedance amplifiers (TIA)
■Analog-to-digital converters (ADC)
■Digital-to-analog converters (DAC)
■Digital filter block (DFB)
All GPIO pins can route analog signals into and out of the
device, using the internal analog bus. This feature allows
the device to interface up to 62 discrete analog signals.
1.7.1 Delta Sigma ADC
The heart of the analog subsystem is a fast, accurate, con-
figurable Delta Sigma ADC. With less than 100 µV offset, a
gain error of ±0.1%, integral nonlinearity (INL) less than 1
LSB, differential nonlinearity (DNL) less than 0.5 LSB, and
signal-to-noise ratio (SNR) better than 90 dB (Delta Sigma)
in 16-bit mode, this converter addresses a wide variety of
precision analog applications, including some of the most
demanding sensors.
1.7.2 Successive Approximation
Register ADC
Another type of ADC seen on PSoC 5LP devices is the Suc-
cessive Approximation Register (SAR) ADC. Featuring 12-
bit conversions at up to 1 Msps, it offers low nonlinearity, low
offset errors, and an SNR better than 70 dB; it is well suited
for a variety of higher-speed analog applications. Some
PSoC devices offer both types of ADC and can have multi-
ple instances of each. See the device datasheet for specific
details.
1.7.3 Digital Filter Block
The ADC output can optionally feed the programmable digi-
tal filter block (DFB) via DMA without CPU intervention. The
DFB can be configured to perform IIR and FIR digital filters
and a variety of user defined custom functions. The DFB
can implement filters with up to 64 taps.
1.7.4 Digital-to-Analog Converters
Four high-speed voltage or current DACs support 8-bit out-
put signals at waveform frequencies up to 8 MHz and can
be routed out of any GPIO pin. These DACs can be com-
bined together to create a higher resolution 12-bit DAC.
Higher resolution voltage DAC outputs are created using the
UDB array to create a pulse width modulated (PWM) DAC of
up to 10 bits, at up to 48 kHz. The digital DACs in each UDB
support PWM, PRS, or Delta Sigma algorithms with pro-
grammable widths.
1.7.5 Additional Analog Subsystem
Components
In addition to the ADCs, DACs, and the DFB, the analog
subsystem provides components such as multiple compara-
tors, uncommitted opamps, and configurable switched
capacitor/continuous time (SC/CT) blocks supporting tran-
simpedance amplifiers, programmable gain amplifiers, and
mixers.
1.8 Program and Debug
JTAG (4-wire) or serial wire debugger (SWD) (2-wire) inter-
faces are used for programming and debug. The 1-wire sin-
gle wire viewer (SWV) can also be used for “printf” style
debugging. By combining SWD and SWV, you can imple-
ment a full debugging interface with just three pins.
These standard interfaces enable debugging or program-
ming the PSoC device with a variety of hardware solutions
from Cypress or third party vendors.
PSoC 5LP devices support on-chip break points, and an
instruction and data trace memory for debug. The
PSoC 5LP device offers many more advanced debugging
features, such as Flash patch breakpoint capability to
update instructions without reprogramming, fast “printf” style
debugging using the Trace Port Interface Unit (TPIU) mod-
ule, clock cycle counting capability, and various other fea-
tures with Data Watchpoint and Trace (DWT) modules.
JTAG also supports standard JTAG scan chains for board
level test and chaining multiple JTAG devices.

28 PSoC 5LP Architecture TRM, Document No. 001-78426 Rev. *F
Introduction

PSoC 5LP Architecture TRM, Document No. 001-78426 Rev. *F 29
2. Getting Started
The quickest path to understanding any PSoC® device is to read the device datasheet and use PSoC Designer™ or
PSoC Creator™ integrated development environments (IDE) software. This technical reference manual helps to understand
the details of the PSoC 5LP integrated circuit and its implementation.
For the most up-to-date ordering, packaging, or electrical specification information, refer to the individual PSoC device’s data-
sheet or go to http://www.cypress.com/psoc.
2.1 Support
Free support for PSoC products is available online at http://www.cypress.com. Resources include Training Seminars, Discus-
sion Forums, Application Notes, PSoC Consultants, TightLink Technical Support Email/Knowledge Base, and Application
Support Technicians.
Applications assistance can be reached at http://www.cypress.com/support/ or by phone at: 1-800-541-4736.
2.2 Product Upgrades
Cypress provides scheduled upgrades and version enhancements for PSoC Creator free of charge. Upgrades are available
from your distributor on CD-ROM, or download them directly from http://www.cypress.com under the Software option. Also
provided are critical updates to system documentation under the Documentation tab.
2.3 Development Kits
Development kits are available from Digi-Key, Avnet, Arrow, and Future. The Cypress Online Store contains development
kits, C compilers, and the accessories you need to successfully develop PSoC projects. Go to the Cypress Online Store web
site at http://www.cypress.com/shop/. Under Product Categories click PSoC (Programmable System-on-Chip) to view a cur-
rent list of available items.

30 PSoC 5LP Architecture TRM, Document No. 001-78426 Rev. *F
Getting Started

PSoC 5LP Architecture TRM, Document No. 001-78426 Rev. *F 31
3. Document Construction
The following sections include these topics:
■Section B: CPU System on page 35
■Section C: Memory on page 83
■Section D: System Wide Resources on page 107
■Section E: Digital System on page 173
■Section F: Analog System on page 303
■Section G: Program and Debug on page 401
3.1 Major Sections
For ease of use, information is organized into sections and chapters that are divided according to device functionality.
■Sections – Presents the top-level architecture, how to get started and conventions and overview information about any
particular area that help inform the reader about the construction and organization of the product.
■Chapter – Presents the chapters specific to some individual aspect of the section topic. These are the detailed implemen-
tation and use information for some aspect of the integrated circuit.
■Glossary – Defines the specialized terminology used in this technical reference manual. Glossary terms are presented in
bold, italic font throughout.
■PSoC® 5LP Registers TRM (Technical Reference Manual) – Supply all device register details summarized in the techni-
cal reference manual. These are additional documents.
3.2 Documentation Conventions
There are only four distinguishing font types used in this document, besides those found in the headings.
■The first is the use of italics when referencing a document title or file name.
■The second is the use of bold italics when referencing a term described in the Glossary of this document.
■The third is the use of Times New Roman font, distinguishing equation examples.
■The fourth is the use of Courier New font, distinguishing code examples.
3.2.1 Register Conventions
Register conventions are detailed in the PSoC® 5LP Registers TRM (Technical Reference Manual).
3.2.2 Numeric Naming
Hexadecimal numbers are represented with all letters in uppercase with an appended lowercase ‘h’ (for example, ‘14h’ or
‘3Ah’) and hexadecimal numbers may also be represented by a ‘0x’ prefix, the C coding convention. Binary numbers have an
appended lowercase ‘b’ (for example, 01010100b’ or ‘01000011b’). Numbers not indicated by an ‘h’ or ‘b’ are decimal.

32 PSoC 5LP Architecture TRM, Document No. 001-78426 Rev. *F
Document Construction
3.2.3 Units of Measure
This table lists the units of measure used in this document.
3.2.4 Acronyms
This table lists the acronyms that are used in this document
Table 3-1. Units of Measure
Symbol Unit of Measure
°C degrees Celsius
dB decibels
fF femtofarads
Hz Hertz
kkilo, 1000
Kkilo, 2^10
KB 1024 bytes, or approximately one thousand bytes
Kbit 1024 bits
kHz kilohertz (32.000)
kkilohms
MHz megahertz
Mmegaohms
µA microamperes
µF microfarads
µs microseconds
µV microvolts
µVrms microvolts root-mean-square
mA milliamperes
ms milliseconds
mV millivolts
nA nanoamperes
ns nanoseconds
nV nanovolts
ohms
pF picofarads
pp peak-to-peak
ppm parts per million
SPS samples per second
sigma: one standard deviation
Vvolts
Table 3-2. Acronyms
Symbol Unit of Measure
ABUS analog output bus
AC alternating current
ADC analog-to-digital converter
API application programming interface
APOR analog power-on reset
BC broadcast clock
BIFC bit implemented functioning connection
BINC bit implemented no connection
BOM bill of materials
BR bit rate
BRA bus request acknowledge
BRQ bus request
CAN controller area network
CBUS comparator bus
CI carry in
CMP compare
CMRR common mode rejection ratio
CO carry out
CPU central processing unit
CRC cyclic redundancy check
CT continuous time
DAC digital-to-analog converter
DAP debug access port on ARM Cortex™-M3 of PSoC 5LP
DC direct current
DFB digital filter block
DI digital or data input
DMA direct memory access
DMAC direct memory access controller
DNL differential nonlinearity
DO digital or data output
DSI digital signal interface
ECO external crystal oscillator
EEPROM electrically erasable programmable read only memory
EMIF external memory interface
FB feedback
FSR full scale range
GIE global interrupt enable
GPIO general purpose I/O
I2Cinter-integrated circuit
ICE In-circuit emulator
IDE integrated development environment
ILO internal low-speed oscillator
IMO internal main oscillator
INL integral nonlinearity
I/O input/output
IOR I/O read
IOW I/O write
IRES initial power on reset
IRA interrupt request acknowledge
IRQ interrupt request
ISR interrupt service routine
ISSP In-system serial programming
IVR interrupt vector read
LFSR linear feedback shift register
Table 3-2. Acronyms (continued)
Symbol Unit of Measure

PSoC 5LP Architecture TRM, Document No. 001-78426 Rev. *F 33
Document Construction
LRb last received bit
LRB last received byte
LSb least significant bit
LSB least significant byte
LUT lookup table
MISO master-in-slave-out
MOSI master-out-slave-in
MSb most significant bit
MSB most significant byte
NVIC nested vectored interrupt controller on Cortex-M3 of
PSoC 5LP
PC program counter
PCH program counter high
PCL program counter low
PD power down
PGA programmable gain amplifier
PHUB peripheral hub
PICU port interrupt control unit
PM power management
PMA PSoC memory arbiter
POR power-on reset
PPOR precision power-on reset
PRS pseudo random sequence
PSoC®Programmable System-on-Chip
PSRAM pseudo SRAM
PSRR power supply rejection ratio
PSSDC power system sleep duty cycle
PVT process voltage temperature
PWM pulse-width modulator
RAM random-access memory
RAS row address strobe
RETI return from interrupt
RO relaxation oscillator
ROM read only memory
RW read/write
SAR successive approximation register
SC switched capacitor
SIE serial interface engine
SIO special I/O
SE0 single-ended zero
SNR signal-to-noise ratio
SOF start of frame
SOI start of instruction
SP stack pointer
SPD sequential phase detector
SPI serial peripheral interconnect
SPIM serial peripheral interconnect master
Table 3-2. Acronyms (continued)
Symbol Unit of Measure
SPIS serial peripheral interconnect slave
SRAM static random-access memory
SROM supervisory read only memory
SSADC single slope ADC
SSC supervisory system call
SWD single wire debug
SWV single wire viewer
TC terminal count
TD transaction descriptors
TIA transimpedance amplifier
UDB universal digital block
USB universal serial bus
USBIO USB I/O
VCO voltage controlled oscillator
WDT watchdog timer
WDR watchdog reset
XRES_N external reset, active low
Table 3-2. Acronyms (continued)
Symbol Unit of Measure

34 PSoC 5LP Architecture TRM, Document No. 001-78426 Rev. *F
Document Construction

PSoC 5LP Architecture TRM, Document No. 001-78426 Rev. *F 35
Section B: CPU System
The PSoC 5LP CPU subsystem is built around a 32-bit three stage pipelined ARM Cortex-M3 processor running up to
80 MHz.
This section includes the following chapters:
■Cortex™-M3 Microcontroller chapter on page 37
■PHUB and DMAC chapter on page 55
■Interrupt Controller chapter on page 73
Top Level Architecture
CPU System Block Diagram
PSoC 5LP CPU System Block Diagram
PROGRAM
and DEBUG
Cortex M3 CPU Interrupt
Controller
PHUB
DMA
CPU SYSTEM
MEMORY
SYSTEM
System Bus
PROGRAM
and DEBUG
8051 or
Cortex M3 CPU Interrupt
Controller
PHUB
DMA
Cache
Controller
CPU SYSTEM
MEMORY
SYSTEM
System Bus

36 PSoC 5LP Architecture TRM, Document No. 001-78426 Rev. *F
Section B: CPU System

PSoC 5LP Architecture TRM, Document No. 001-78426 Rev. *F 37
4. Cortex™-M3 Microcontroller
The PSoC 5LP ARM Cortex-M3 core is a high performance, low-power 32-bit Central Processing Unit (CPU). It has an effi-
cient Harvard 3-stage pipeline core, a fixed 4 GB memory map, and supports the 16/32-bit Thumb-2 instruction set. The Cor-
tex-M3 also features hardware divide instructions and low-latency ISR (Interrupt Service Routine) entry and exit.
The Cortex-M3 processor includes a number of other components that are tightly linked to the CPU core. These include a
Nested Vectored Interrupt Controller (NVIC), a SYSTICK timer, and numerous debug and trace blocks.
This section gives an overview of the Cortex-M3 processor. For further details please see the ARM Cortex-M3 Technical Ref-
erence Manual available at http://www.arm.com. Figure 5-1 shows a diagram of the Cortex-M3 and its interface to different
blocks on the device.
4.1 Features
■Three stage pipelining operating at 1.25 DMIPS/MHz. This helps to increase execution speed or reduce power.
■Supports Thumb-2 instruction set:
❐The Thumb-2 instruction set supports complex operations with both 16- and 32-bit instructions
❐Atomic bit level read and write instructions
❐Support for unaligned memory access
■Improved code density, ensuring efficient use of memory.
■Easy to use, ease of programmability and debugging:
❐Ensures easier migration from 8- and 16-bit processors
■Nested Vectored Interrupt Controller (NVIC) unit to support interrupts and exceptions:
❐Helps to achieve rapid interrupt response
■Extensive debug support including:
❐Serial Wire Debug Port (SWD-DP), Serial Wire JTAG Debug Port (SWJ-DP)
❐Break points
❐Flash patch
❐Instruction tracing
❐Code tracing

38 PSoC 5LP Architecture TRM, Document No. 001-78426 Rev. *F
Cortex™-M3 Microcontroller
Figure 4-1. PSoC 5LP Cortex-M3 Block Diagram
The bus interfaces in the Cortex-M3 are based on AHB-Lite
(Advanced High Performance Bus-Lite) and the APB
(Advanced Peripheral Bus) protocols.
The bus interfaces available in the Cortex-M3 are:
■I-Code Bus for instruction fetches
■D-Code Bus for data fetches
■System Bus for instruction and data fetches in memory
regions 0x20000000 to 0xDFFFFFFF and 0xE0100000
to 0xFFFFFFFF
■External Private Peripheral Bus used to debug compo-
nents
■Debug Access Port used to connect the debug interface
blocks such as SWJ-DP
Nested
Vectored
Interrupt
Controller
(NVIC)
Debug Block
(Serial and
JTAG)
Embedded
Trace Module
(ETM)
Trace Port
Interface Unit
(TPIU)
Interrupt Inputs
JTAG/SWD Trace Pins:
5 for TRACEPORT or
1 for SWV mode
Cortex M3 CPU Core
I-Bus S-Bus
D-Bus
256 KB
ECC
Flash
Cache
32 KB
SRAM
DMA AHB Bridge & Bus Matrix
PHUB
GPIO &
EMIF Prog.
Digital Prog.
Analog Special
Functions
Peripherals
AHB Spokes
AHB AHB
AHB
Bus
Matrix
Cortex M3 Wrapper
C-Bus
Data
Watchpoint and
Trace (DWT)
Instrumentation
Trace Module
(ITM)
Flash Patch
and Breakpoint
(FPB)
Bus
Matrix
32 KB
SRAM
Bus
Matrix

PSoC 5LP Architecture TRM, Document No. 001-78426 Rev. *F 39
Cortex™-M3 Microcontroller
4.2 How it Works
The Cortex-M3 is a 32-bit processor with a 32-bit data path,
32-bit register, and a 32-bit memory interface. It supports
both 16-bit and 32-bit instructions in the Thumb-2 instruction
set. Because the Cortex-M3 does not support the ARM
instruction set, it is not backward compatible with the ARM7
processor.
The processor supports two operating modes: a single cycle
32-bit multiplication instruction, and hardware divide instruc-
tions.
4.2.1 Registers
The Cortex-M3 has 16 32-bit registers (Figure 4-2). They
are:
■R0 to R12 - general purpose registers
❐R0 to R7 – can be accessed by all instructions
❐R8 to R12 – can be accessed by all 32-bit and some
16-bit instructions
■R13 – Stack Pointer (SP). There are two stack pointers,
with only one available at a time. The SP is always 32-bit
word aligned; bits [1:0] are always ignored and consid-
ered to be ‘0’.
■R14 – Link register. Stores the return program counter
during function calls.
■R15 – Program counter. This register can be written to
control program flow.

40 PSoC 5LP Architecture TRM, Document No. 001-78426 Rev. *F
Cortex™-M3 Microcontroller
Figure 4-2. Cortex-M3 Registers
R0
R1
R2
R3
R4
R5
R6
R7
R8
R9
R10
R11
R12
R13 (MSP)
R14
R15
R13 (PSP)
General Purpose Register
General Purpose Register
General Purpose Register
General Purpose Register
General Purpose Register
General Purpose Register
General Purpose Register
General Purpose Register
General Purpose Register
General Purpose Register
General Purpose Register
General Purpose Register
General Purpose Register
Main Stack Pointer (MSP),
Process Stack Pointer (PSP)
Link Register
Program Counter
Low Registers
High Registers

PSoC 5LP Architecture TRM, Document No. 001-78426 Rev. *F 41
Cortex™-M3 Microcontroller
4.2.1.1 Special Registers
The special registers can be accessed only using special instructions and cannot be used for normal data processing. Cortex-
M3 supports three sets of special registers:
Figure 4-3. Cortex-M3 Special Registers
Program Status Registers
These registers consist of:
■Application Program Status Register (APSR)
■Interrupt Program Status Register (IPSR)
■Execution Program Status Register (EPSR)
These registers provide ALU flags (zero, carry), execution status, and current executing interrupt number. The three PSRs
can be accessed separately or collectively, using the special instructions MSR and MRS. They can be collectively addressed
as xPSR.
Figure 4-4. Cortex-M3 Program Status Registers
Where:
■N – Negative Flag
■Z – Zero Flag
■C – Carry/Borrow Flag
■V – Overflow Flag
■Q – Sticky Saturation Flag
■ICI / IT – Interrupt-Continual Instruction (ICI) bits / IF-
THEN instruction status bit
■T – Thumb-2 Instruction. Always set to 1. Clearing this
results in an exception
■Exception Number – Indicates which exception the pro-
cessor is currently handling
Interrupt Mask Registers
■PRIMASK – Used to disable all interrupts except the
Nonmaskable Interrupt (NMI) and HardFault
■FAULTMASK – Used to disable all interrupts except NMI
■BASEPRI – Used to disable interrupts of specified or
lower priority levels.
These registers are used by the NVIC to mask an interrupt
or exception.
xPSR
PRIMASK
FAULTMASK
BASEPRI
CONTROL
Program Status registers
Interrupt Mask registers
Control register
Special registers
31 30 29 28 27 26:25 24 23:20 19:16 15:10 98 : 0
N Z C V Q ICI/IT T-- -- ICI/IT - Exception Number
xPSR

42 PSoC 5LP Architecture TRM, Document No. 001-78426 Rev. *F
Cortex™-M3 Microcontroller
Control Register
This register controls the stack pointer selection and the
privilege level of the processor. It has only two bits:
CONTROL[0]
‘0’ Privileged in Thread Mode
‘1’ User state in Thread mode
CONTROL[1]
‘0’ Default stack is used
‘1’ Alternate stack is used
4.2.2 Operating Modes
The Cortex-M3 supports two privilege levels:
■Privileged – Code has no limit to resources
■User – Code has some limits to the resources
Privilege level can be controlled using the control register.
When the code is in user level, it cannot access the debug
resources and certain important registers.
In addition to the privilege levels, the processor supports two
types of operating modes:
■Thread Mode – Thread mode is used by all normal
applications. During the thread mode the Process Stack
Pointer (PSP) is used. The thread mode can exist in
both privileged level and user level. Switching from privi-
leged level to user level can be done by just writing to
the control register but the reverse cannot be done.
When an exception occurs, the system is automatically
taken to privileged level and at the exit of the exception it
comes back to the user level. Restoring to the privileged
level can be done only by going through an exception
handler that programs the control register for the privi-
leged mode.
■Handle Mode – Handle mode is used by OS kernel and
exception handlers. During this mode, the main stack
pointer (MSP) is used. The handle mode can exist only
in the privileged level.
Figure 4-5. Operating Modes
Thread Mode
Handle Moden/a
Privilege Level
User Privileged
Handle Mode: running an interrupt service routine
Thread Mode: running background code

PSoC 5LP Architecture TRM, Document No. 001-78426 Rev. *F 43
Cortex™-M3 Microcontroller
Figure 4-6. Operating Mode Transitions
4.2.3 Pipelining
The three stage pipelining includes:
■Fetch – The instruction is fetched from memory
■Decode – Generating the addresses and branch predic-
tion
■Execute – Instruction execution based on the address
and branches
The branch prediction unit is enhanced so that it gives
nearly no ALU usage penalty.
Pipelining can give zero to two wait states when executing
an instruction.
4.2.4 Thumb-2 Instruction Set
The Cortex-M3 supports a wide range of 16- and 32-bit
instructions. It does not support all ARM instructions, includ-
ing:
■Branch with link and exchange state
■Switch endian
■Certain coprocessor instructions
■Hint instructions
■DSP instructions
■Change process instructions
The instruction includes these data processing operations:
■Multiply and divide
■Bit
■Shift
■Load store
■Branch
■Barrier
■Exception generating
■System
■Saturation
■Miscellaneous
Cortex-M3 supports unique instructions. The following table
is a summary of the important instructions:
The following sections detail some of the instruction types.
For the entire summary of the instruction set, refer to the
Cortex-M3 Technical Reference Manual available at http://
infocenter.arm.com/help/topic/com.arm.doc.ddi0337e/
DDI0337E_cortex_m3_r1p1_trm.pdf.
4.2.4.1 Data Processing Operations
The Cortex-M3 provides many different instructions for data
processing. A few basics are introduced here. Many data
operation instructions can have multiple instruction formats.
Privileged Thread
Mode
User Thread Mode
Privileged Handle
Mode
Program
Control
Register
Exception
Entry / Exit
Exception
Entry / Exit
Default
Table 4-1. Cortex-M3 Unique Instructions
Instruction Functionality
MSR, MRS To access special registers
IT IF-THEN instruction supporting up to 4 succeed-
ing instructions
CBZ, CBNZ Compare and then branch
SDIV, UDIV Signed and Unsigned Divide
REV, REVH, REVSH Reverse the byte order in data word, upper half
word, lower half word, respectively
RBIT Reverses bit order in a data word
SXTB, SXTH, UXTB,
UXTH Extend a byte or half word into a word
BFC, BFI
BFC - Clears any number of adjacent bits in any
position
BFI – Copies any number of bits from any register
to another register to any mentioned location
UBFX, SBFX Unsigned and signed bit field extract instructions
LDRD, STRD Transfer 2 words of data from or into 2 registers
TBB, TBH Table Branch Byte and Table Branch Halfword for
branch tables

44 PSoC 5LP Architecture TRM, Document No. 001-78426 Rev. *F
Cortex™-M3 Microcontroller
The Cortex-M3 supports arithmetic functions ADD, SUB
(subtract), MUL (multiply), and UDIV/SDIV (unsigned and
signed divide).
The Cortex-M3 supports 32-bit multiply instructions and mul-
tiply accumulate instructions that give 64-bit results. These
instructions support signed or unsigned values.
Another group of data processing instructions are logical
operations such as AND, ORR (or), EOR (exclusive OR),
and rotate and shift functions. In some cases the rotate
operation can be combined with other operations.
Another group of data processing instructions is used for
reversing data bytes in a register. These instructions are
usually used for conversion between little endian and big
endian data.
The last group of data processing instructions is for bit field
processing. Instructions such as BFC, BFI, SBFX, and
UBFX are used to clear, set, and copy bits with sign exten-
sion or zero extension.
4.2.4.2 Load Store Operations
One of the most basic functions in a processor is transfer of
data. In the Cortex-M3, data transfers can be one of the fol-
lowing types:
■Moving data between register and register
■Moving data between memory and register
■Moving data between special register and register
■Moving an immediate data value into a register
The command to move data between registers is MOV
(move). For example, moving data from register R3 to regis-
ter R8 looks like this:
MOV R8, R3
Another instruction can generate the negative value of the
original data; it is called MVN (move negative).
The basic instructions for accessing memory are Load and
Store. Load (LDR) transfers data from memory to registers,
and Store transfers data from registers to memory. The
transfers can be in different data sizes (byte, half word,
word, and double word).
Multiple Load and Store operations can be combined into
single instructions called LDM (Load Multiple) and STM
(Store Multiple).
ARM processors also support memory accesses with pre-
indexing and post-indexing. Two other types of memory
operation are stack PUSH and stack POP.
The Cortex-M3 has a number of special registers. To access
these registers, use the instructions MRS and MSR.
4.2.4.3 Branch Operations
The branch operations include:
■Call and Unconditional branch instructions
■Decision and Conditional branch instructions
■Combined Compare and Conditional Branch
■Conditional Branching using IT instructions
The IT (IF-THEN) instruction block is very useful for han-
dling small conditional code. It avoids branch penalties
because there is no change to program flow. It can provide a
maximum of four conditionally executed instructions with
one condition check.
4.2.4.4 Instruction Barrier and Memory
Barrier Instructions
The Cortex-M3 supports a number of barrier instructions.
These instructions are needed with complex memory sys-
tems. In some cases, if memory barrier instructions are not
used, race conditions can occur.
There are three barrier instructions in the Cortex-M3:
■DMB (Data Memory Barrier) – Ensures that all memory
accesses are completed before new memory access is
committed. For example, when you do a data write fol-
lowed immediately by a read on a dual port memory, if
the memory write is buffered, the DMB instruction can be
used to ensure the read gets the updated value.
■DSB (Data Synchronization Barrier) – Ensures that all
memory accesses are completed before the next
instruction is executed
■ISB (Instruction Synchronization Barrier) – Flushes the
pipeline and ensures that all previous instructions are
completed before executing new instructions
4.2.4.5 Saturation Operations
The Cortex-M3 supports two instructions that provide signed
and unsigned saturation operations: SSAT and USAT (for
signed data type and unsigned data type, respectively).
Saturation is commonly used in signal processing, for exam-
ple, in signal amplification.
The saturation operation does not prevent the distortion of
the signal, but the amount of distortion is greatly reduced in
the signal waveform.
4.2.5 SysTick Timer
The SysTick timer is integrated with the NVIC and generates
the SYSTICK interrupt. This interrupt can be used for task
management in a real time system. The timer has a reload
register with 24 bits available to use as a countdown value.

PSoC 5LP Architecture TRM, Document No. 001-78426 Rev. *F 45
Cortex™-M3 Microcontroller
The timer can take an internal clock (the free running clock
on the CM3 processor) or an external clock through the
STCLK. In PSoC 5LP devices use one of three sources as,
ILO (1 kHz), ILO_100 (100 kHz), or the SYSCLK (BUSCLK).
4.2.6 Debug and Trace:
The Cortex-M3 provides a wide range of debugging compo-
nents. The debug unit is tightly linked with the core.
The important features of the debug and trace are:
■Debug access to all memory and registers in the system
including Cortex-M3 register bank when the core is run-
ning, halted, or held in reset.
■Serial Wire Debug Port (SW-DP) and Serial Wire JTAG
Debug Port (SWJ-DP) debug access.
■Flash Patch and Breakpoint (FPB) unit for implementing
breakpoints and code patches.
■Data Watchpoint and Trace (DWT) unit for implementing
watchpoints, data tracing, and system profiling.
■Support for six breakpoints and four watchpoints.
■Instrumentation Trace Macrocell (ITM) for support of
printf style debugging.
■Embedded Trace Macrocell (ETM) for instruction trace.
■Trace Port Interface Unit (TPIU) for bridging to a Trace
Port Analyzer (TPA).
The Cortex-M3 supports a separate debug and trace inter-
face. The debug interface uses the APB (Access Port Bus),
which supports both JTAG and SWD. The trace interface
uses the TPIU (Trace Port Interface Unit).
For further details about the debug and trace feature, see
the Test Controller chapter on page 403 and the Cortex-M3
Debug and Trace chapter on page 415.
4.3 Memory Map
The Cortex-M3 has a linear 32-bit (4 GB) address space, as
shown in Figure 4-7. See also the Memory Map chapter on
page 105.
The address space includes two bit-band alias regions, one
for the SRAM space and the other for the Peripherals space.
Accesses to a bit-band alias region affect individual bits in
the corresponding bit-band region. For example, writing a 1
to address 0x22000000 sets bit 0 of address 0x20000000,
and writing a 0 to address 0x42000004 clears bit 1 of
address 0x40000000. Reading address 0x22000008 returns
a 1 or 0, depending on the value of bit 2 of address
0x20000000.
The processor supports unaligned accesses. Unlike aligned
access where the data can be situated only at even
addresses, the unaligned accesses support data operations
at odd addresses also. Unaligned accesses have limitations.
Some instructions cannot support unaligned accesses.
You can execute code from within the code, SRAM, or the
external RAM space.
The Cortex-M3 uses little-endian format.
4.3.1 Bus Interface to SRAM Memory
The 64 KB of SRAM in PSoC 5LP is split into two 32 KB of
SRAM. The SRAM can be accessed by the C-Bus, S-Bus,
and the PHUB's DMA. The priority decoder gives a higher
priority to the C-Bus in the upper 32 KB of SRAM, whereas
the PHUB DMA takes a higher priority in the lower 32 KB of
SRAM. The upper and lower halves of SRAM can be
accessed simultaneously but with different buses.

46 PSoC 5LP Architecture TRM, Document No. 001-78426 Rev. *F
Cortex™-M3 Microcontroller
Figure 4-7. Cortex-M3 Memory Map
4.4 Exceptions
The Cortex-M3 provides a feature-packed exception archi-
tecture that supports a number of system exceptions and
external interrupts. Exceptions are numbered 1 to 15 for
system exceptions and 16 and above for external interrupt
inputs. PSoC 5LP architecture supports 32 external inter-
rupts.
The exceptions are handled by the NVIC.
Code
SRAM
Peripherals
External RAM
External Device
Private Peripheral Bus:
Internal
Private Peripheral Bus:
Debug/External
Vendor Specific
0x00000000
0x1FFFFFFF
0x20000000
0x3FFFFFFF
0x40000000
0x5FFFFFFF
0x60000000
0x9FFFFFFF
0xA0000000
0xDFFFFFFF
0xE0000000
0xE003FFFF
0xE0040000
0xE00FFFFF
0xE0100000
0xFFFFFFFF
1 GB
1 GB
0.5 GB
0.5 GB
0.5 GB
Bit-Band Alias
Bit-Band region
0x20000000
0x20100000
0x21FFFFFF
0x22000000
0x23FFFFFF
32 MB
31 MB
1 MB
Bit-Band Alias
Bit-Band region
0x40000000
0x40100000
0x41FFFFFF
0x42000000
0x43FFFFFF
32 MB
31 MB
1 MB
Reserved
NVIC
Reserved
FPB
DWT
ITM
0xE0000000
0xE0001000
0xE0002000
0xE0003000
0xE000DFFF
0xE000F000
0xE003FFFF
ROM Table
External Private
Peripheral Bus
ETM
TPIU
0xE0040000
0xE0041000
0xE0042000
0xE00FF000
0xE00FEFFF

PSoC 5LP Architecture TRM, Document No. 001-78426 Rev. *F 47
Cortex™-M3 Microcontroller
Most of the exceptions have programmable priority, and a few have fixed priority. Table 4-2 shows the list of exceptions avail-
able in the Cortex-M3:
The value of the current running exception is indicated by
the special register IPSR or from the NVIC's Interrupt Con-
trol State Register (the VECTACTIVE field).
Interrupts are a subset of exceptions. So exceptions are
handled the same way as an interrupt. The exception han-
dler for each exception is stored in the interrupt vector table.
The vector table begins with the exception handler and is
followed by the interrupt service routine addresses. The vec-
tor table pointer is dynamically changeable. Also, if the vec-
tor table is in SRAM, then vectors can be dynamically
changeable.
4.4.1 Priority Definitions
In the Cortex-M3, whether and when an exception can be
carried out can be affected by the priority of the exception. A
higher priority (smaller number in priority level) exception
can preempt a lower priority (larger number in priority level)
exception; this is the nested exception/interrupt scenario.
From the above table, you can see that some of the excep-
tions (reset, NMI, and hard fault) have fixed priority levels.
They are negative numbers to indicate that they are higher
priority than other exceptions. Other exceptions have pro-
grammable priority levels.
4.4.2 Fault Exceptions
A number of system exceptions are useful for fault handling.
There are several categories of faults:
■Bus faults
■Memory Management Faults
■Usage Faults
■Hard Faults
The faults can be enabled by setting the corresponding bits
in the handler control and state register. The reason for a
particular fault is updated in the corresponding status regis-
ter (for example, BFSR register for bus fault, MFSR for
memory management fault, UFSR for Usage Fault, HFSR
for Hard Fault). These registers can be read to know the
exact reason for fault.
When these types of faults (except vector fetches) take
place, and if the corresponding exception handler is enabled
and no other exceptions with the same or higher priority are
running, the fault exception handler will be executed. If the
exception handler is enabled but at the same time the core
receives another exception handler/interrupt with higher pri-
ority, this fault exception handler will be pending and will be
executed after the high priority exception/interrupt has com-
pleted its execution.
If the fault handler is not enabled or when the fault happens
in an exception handler that has the same or higher priority
than the current fault handler, the hard fault handler will be
executed instead.
Bus Faults
Table 4-2. PSoC 5LP Exceptions
Interrupt
Number Exception Type Priority Comment
1 Reset -3 (highest) Not programmable Reset
2 NMI -2 Not programmable Non-Maskable Interrupt
3 Hard Fault -1 Not Programmable All fault conditions if the corresponding handler is not enabled
4 Reserved NA –
5 Bus Fault Programmable Bus error occurs when AHB interface receives an error response from a
bus slave (also called prefetch abort if it is an instruction fetch or data
abort if it is a data access)
6 Usage Fault Programmable Exceptions due to program error
7 Reserved NA –
8 Reserved NA –
9 Reserved NA –
10 Reserved NA –
11 SVCall Programmable System Service Call
12 Debug Monitor Programmable Debug monitor (watchpoints, breakpoints, external debug request)
13 Reserved NA –
14 PendSV Programmable Pendable request for system device
15 SYSTICK Programmable System Tick Timer

48 PSoC 5LP Architecture TRM, Document No. 001-78426 Rev. *F
Cortex™-M3 Microcontroller
Bus faults are produced when an error response is received
during a transfer on the AHB interfaces. It can happen dur-
ing prefetch, data read/write, or during stacking and un-
stacking operations.
Memory Management Faults
Memory management faults can be caused by certain illegal
accesses, including the following:
■Trying to execute code from non-executable memory
regions
■Writing to read-only regions
■Access in the user state to a region defined as privileged
access only
Usage Faults
Usage faults can be caused by a number of things, including
the following:
■Undefined instructions
■Coprocessor instructions (the Cortex-M3 processor does
not support a coprocessor, but it is possible to use the
fault exception mechanism to run software compiled for
other Cortex processors via coprocessor emulation)
■Trying to switch to the ARM state (software can use this
faulting mechanism to test whether the processor on
which it runs supports ARM code; because the Cortex-
M3 does not support the ARM state, a usage fault takes
place if there is an attempt to switch)
■Invalid interrupt return (link register contains invalid/
incorrect values)
■Unaligned memory accesses using multiple load or store
instructions
It is also possible, by setting up certain control bits in the
NVIC, to generate usage faults for:
■Divide by zero
■Any unaligned memory accesses
Hard Faults
The hard fault handler can be caused by:
■Usage faults, bus faults, and memory management
faults if their handler cannot be executed.
■Bus faults during vector fetch (reading of a vector table
during exception handling).
4.4.3 System Call Exceptions
SVC (System Service Call) and PendSV (Pended System
Call) are two exceptions targeted at software and operating
systems.
SVC
SVC is for generating system function calls. It can be config-
ured to generate an interrupt. This interrupt can be used for
task management in a realtime system. SVC is generated
using the SVC instruction.
PendSV
PendSV works with SVC in the OS. Although SVC (by SVC
instruction) cannot be pended (an application calling SVC
will expect the required task to be done immediately),
PendSV can be pended and is useful for an OS to pend an
exception so that an action can be performed after other
important tasks are completed. PendSV is generated by
writing ‘1’ to the NVIC PendSV pending register. A typical
use of PendSV is context switching.
SysTick Timer Exception
The SysTick Timer exception takes the vector number 15.
Cortex-M3 supports a 24-bit down counter. This timer is very
useful to perform task management where the software can
be handled inside the timer interrupt.
The SYSTICK Timer can be used to generate interrupts. It
has a dedicated exception type and exception vector. It
makes porting operating systems and software easier
because t he process is the same across different Cortex-
M3 products.
The SYSTICK Timer is controlled by four registers. Of the
four registers, TICKINT is used to enable or disable the
timer exception.
4.5 Nested Vector Interrupt
Controller (NVIC)
The Nested Vectored Interrupt Controller, or NVIC, is an
integral part of the Cortex-M3 processor. It is closely linked
to the Cortex-M3 CPU core logic. Its control registers are
accessible as memory-mapped devices. Besides control
registers and control logic for interrupt processing, the NVIC
also contains control registers for the SYSTICK Timer, and
debugging controls.
Following are the important features of the NVIC:
■Supports 32 interrupts and 16 exceptions.
■Configurable priority levels.
■Dynamic reprioritization of interrupts.
■Support for nested interrupts
■Programmable interrupt vector
■Supports tail-chaining and late arrival interrupts. This
enables back-to-back interrupt processing without the

PSoC 5LP Architecture TRM, Document No. 001-78426 Rev. *F 49
Cortex™-M3 Microcontroller
overhead of state saving and restoration between inter-
rupts.
■Processor state automatically saved upon interrupt
entry, and restored upon interrupt exit, with no instruc-
tion overhead.
4.5.1 Basic Interrupt Configuration
Each external interrupt has several associated registers.
■Enable and Clear Enable
■Set Pending and Clear Pending
■Priority Level
■Active Status
■Exception-masking registers (PRIMASK, FAULTMASK,
and BASEPRI)
■Vector Table Offset
The interrupt enable and clear enable registers are 32-bit
registers. They are used to enable/disable an interrupt. An
interrupt that is waiting for the CPU execution sets the pend-
ing bit in the set pending register. After the interrupt is exe-
cuted by the CPU, the interrupt is cleared automatically by
setting the clear-pending register. The interrupts can take
priorities 0 to 7. The priorities are configured using the 3-bit
priority registers. They can be dynamically configured during
run time.
The Active Status register stores the details of the interrupt
currently active. A bit set in this register indicates that the
corresponding interrupt is currently active. An interrupt is
called active if it is currently executed by the CPU or if it is
already nested and put to the stack. After the interrupt exe-
cution is complete, the active status bit of the interrupt is
automatically cleared. With PSoC 5LP devices, the
addresses of the interrupt service routine are stored in the
Interrupt vector table. The interrupt vector table can be
located either in RAM or ROM. The position of the vector
table is controlled using the Vector Table Offset register.
The exception masking registers, PRIMASK, FAULTMASK
and BASEPRI, are special registers used to mask the inter-
rupts and exceptions.
■PRIMASK – When set, all interrupts except NMI and
Fault interrupts are masked
■FAULTMASK – When set, all interrupts except NMI are
masked
■BASEPRI – Masks all interrupts at the specified priority
and lower priorities
4.5.1.1 Example Procedures in Setting Up
an Interrupt
Here is a simple example procedure for setting up an inter-
rupt:
1. Copy the Hard Fault and NMI handlers to a new vector
table location if vector table relocation is required. (In
simple applications, this might not be needed.)
2. The Vector Table Offset register should also be set up to
get the vector table ready (optional).
3. Set up the interrupt vector for the interrupt. Because the
vector table may have been relocated, read the Vector
Table Offset register; then calculate the correct memory
location for your interrupt handler. This step might not be
needed if the vector is hardcoded in ROM.
4. Set up the priority level for the interrupt.
5. Enable the interrupt.
4.5.2 Nested Interrupts
Nested interrupt support is built into the Cortex-M3 proces-
sor core and the NVIC. The nesting is done based on the
priority of the interrupts. When the processor is handling an
exception, all other exceptions with the same or lower prior-
ity will be blocked. When a high priority interrupt occurs, the
low priority interrupt is nested and the high priority interrupt
completes the execution. Because automatic hardware
stacking and unstacking is done, nesting is done without risk
of losing data in registers. Cortex-M3 uses the main stack to
store the nesting interrupt details; therefore, ensure suffi-
cient stack space is available.
Reentrant exceptions are not supported in the Cortex-M3.
4.5.3 Tail-Chaining Interrupts
The Cortex-M3 uses a number of methods to improve inter-
rupt latency. Tail-chaining is one such method.
When an exception takes place but the processor is han-
dling another exception of the same or higher priority, the
exception will be pended. When the processor has finished
executing the current exception handler, instead of POP, the
registers go back into the stack and PUSH it back in again,
skipping the unstacking and the stacking. In this way the
timing gap between the two exception handlers is greatly
reduced.
4.5.4 Late Arrivals
Another feature that improves interrupt performance is late
arrival exception handling. When an exception takes place
and the processor has started the stacking process, and if
during this delay a new exception arrives with higher pre-

50 PSoC 5LP Architecture TRM, Document No. 001-78426 Rev. *F
Cortex™-M3 Microcontroller
emption priority, the late arrival exception will be processed
first.
For example, if Exception #1 (lower priority) takes place a
few cycles before Exception #2 (higher priority), the proces-
sor will behave such that Handler #2 is executed as soon as
the stacking completes. After this the Handler #1 will be exe-
cuted.
4.5.5 Interrupt Latency
The term interrupt latency refers to the delay from the start
of the interrupt request to the start of interrupt handler exe-
cution.
■In the Cortex-M3 processor, if the memory system has
zero latency, and provided that the bus system design
allows vector fetch and stacking to happen at the same
time, the interrupt latency can be as low as 12 cycles.
This includes stacking the registers, vector fetch, and
fetching instructions for the interrupt handler. However,
this depends on memory access wait states and a few
other factors.
■For tail-chaining interrupts, because there is no need to
carry out stacking operations, the latency of switching
from one exception handler to another exception handler
can be as low as 6 cycles.
■When the processor is executing a multi-cycle instruc-
tion such as divide, load double, or store double, the
instruction can be abandoned and restarted after the
interrupt handler completes.
■To reduce exception latency, the Cortex-M3 processor
allows exceptions in the middle of multiple load and
store instructions (LDM/STM). If the LDM/STM instruc-
tion is executing, the current memory accesses will be
completed, and the next register number will be saved in
the stacked xPSR (ICI bits). After the exception handler
completes, the multiple load/store will resume from the
point at which the transfer stopped.
4.5.6 Faults Related to Interrupts
Faults (bus fault, memory fault) can happen during the fol-
lowing stages of interrupt execution:
■Stacking
■Unstacking
■Vector Fetches

PSoC 5LP Architecture TRM, Document No. 001-78426 Rev. *F 51
5. PSoC 5LP Cache Controller
The cache block is an Instruction cache only. It services instruction fetches from the CPU. It stores lines of code from the
flash in its internal buffer for fast accesses made by the CPU at a later time.
5.1 Features
■Instruction cache
■Direct mapped
■1 KB, 4-way set associative cache memory
■Registers for measuring cache hit/miss ratios
■Error correction code (ECC) support
■Error logging and interrupt generation
■Designed to put flash into sleep automatically to save power
5.2 Block Diagram
Figure 5-1 shows the system interaction with the cache block as well as the cache interfaces and data/instruction flow.
Figure 5-1. Cache Interfaces
CPU
Cache Control RAM PHUB
FLASH SPC EMIF
External
Memory
Flash Interface
1
2
4
5
3
11

52 PSoC 5LP Architecture TRM, Document No. 001-78426 Rev. *F
PSoC 5LP Cache Controller
5.3 Cache Enabling and
Disabling
To enable the cache, set the DISABLE bit (Bit 0) of
CACHE.CC_CTL register t to 0.
5.4 Code Protection and
Security
The ECC block is responsible for error detection and correc-
tion. The cache gets the error status from the ECC block for
requested fills from the flash. The error status gets logged
into software visible registers in the cache. An uncorrectable
error will prevent the fill data from being written into the
cache RAM and causes entire line to be invalidated.
ECC_ADDR[0:28] field of CACHE.ECC_CORR register
gives the flash address where error was detected; this
address field is valid only when INT_VALID field of this reg-
ister is set to 1. Interrupt can also be generated on ECC cor-
rection by setting INT_ENB bit of CACHE.ECC_CORR
register.
If ECC correction fails, then the flash address where error
happened can be obtained from CACHE.ECC_ERR regis-
ter.
ECC data in flash will change every time a write is done to
the corresponding flash row. When a flash region is read,
the corresponding ECC data will be used for error checking.
The error checking is dynamic and happens every time the
cache reads from the flash; this means, the comparison is
for the latest data written to flash.
5.5 Invalidating the Cache Line
Software can invalidate all cached data associated with an
interface by setting the Flush bit (Bit 2) of CACHE.CC_CTL
register. Invalidate takes effect in 1 cycle and affects all
lines.
5.5.1 Measuring Cache Hits or Misses
The CACHE.HITMISS register provides two 16-bit counters
that count the number of cache hits and misses. To measure
the cache performance, reset the HITMISS register to 0 at
the start of the block of code to measure. Then the code is
executed and at the end of the code under measurement,
the HITMISS register should be read. The cache hit ratio
can be computed as-
Cache hit ratio = the number of cache hits (HIT-
MISS[31:16])/Number of cache misses (HITMISS[15:0])
5.6 Cache Induced Flash Low-
power Mode
Flash is put to low-power mode when the cache predicts
that a flash access is not needed in the near future, based
on reaching a programmed number of sequential hits. This
feature helps to reduce the overall power consumption of
the device. The threshold value of sequential hits can be
programmed in LP_MODE bits of CACHE.CC_CTL register.
To put the FLASH into low-power mode immediately,
LP_MODE bits should be set to 0. This should be done
when executing code from SRAM.
5.7 Sleep Mode Behavior
When the device wakes up from low-power modes, all
cache data and tags are invalidated. However, all the cache
registers (where cache settings are made) maintain their
state and are not reset. The cache will be refilled as the
CPU begins fetching instructions.
Cache status on system reset:
On reset, cache is invalidated and begins to fill with the first
request from the CPU.
Table 5-1. Cache Operational Interfaces
Interface Function
1 CPU sends instruction fetch request through this interface to the cache and eventually receives back the instruction
2 When the CPU instruction fetch that gets a hit in the cache, it is retrieved from the cache memory (RAM) through this interface.
3CPU instruction fetch (interface #1) that gets a miss in the cache is translated into one fetch request from the FLASH. The FLASH access time
is much larger than the Cache RAM access time, up to 4 CPU clock cycles.
4Instructions returned from the FLASH are cached through this interface for later CPU use. Note that requests from the PHUB interface are
never cached.
5The CPU can read and write data using this interface. The internal cache registers and RAM are also accessible and FLASH contents are
readable using this interface through PHUB’s special register spoke.

PSoC 5LP Architecture TRM, Document No. 001-78426 Rev. *F 53
PSoC 5LP Cache Controller
5.8 Cache Limitations
All instructions are assumed to be in the flash. There is no
direct path from the cache to the external memory. Instruc-
tions from the external memory must be explicitly moved
into the flash by software, before they can be used by the
CPU.
Cache coherency is the software's responsibility; no hard-
ware mechanism exists to ensure coherency. If the software
modifies the FLASH or memory contents, it also needs to
invalidate the cache and ensure the new instruction is
fetched into the cache.

54 PSoC 5LP Architecture TRM, Document No. 001-78426 Rev. *F
PSoC 5LP Cache Controller

PSoC 5LP Architecture TRM, Document No. 001-78426 Rev. *F 55
6. PHUB and DMAC
PSoC® 5LP devices use a high-performance bus for peripheral access and bulk data transfer. The high-performance bus and
the associated central controller are known as the peripheral hub (PHUB). The PHUB is a programmable and configurable
central bus backbone within a PSoC 5LP device that ties the various on-chip system elements together. It consists of multiple
spokes; each spoke is connected to one or more peripheral blocks. The PHUB also includes a direct memory access control-
ler (DMAC), which is used for data transfer. The DMAC supports multiple DMA channels.
There are two bus masters (blocks that can initiate bus traffic) in PSoC 5LP devices. These are the DMAC and the CPU. An
arbiter in the PHUB is responsible for arbitrating requests from the CPU and the DMAC. Upon receiving a request from the
microcontroller or the DMAC, the PHUB relays the request to the appropriate peripheral spoke.
6.1 PHUB
PHUB manages arbitration between the CPU and DMAC.
6.1.1 Features
The PHUB has the following features:
■Industry-standard Advanced Microcontroller Bus Architecture High-performance Bus (AMBA-HB) lite protocol
■8 spokes connected to various peripherals
■8-/16-/32-bit data-width support
■Peripherals of various address widths connected to the same spoke
■Includes programmable DMAC with 24 direct memory access (DMA) channels
■Byte order and data width difference translation
6.1.2 Block Diagram
Figure 6-1 on page 56 is the block diagram of the PHUB. The DMAC is also shown.

56 PSoC 5LP Architecture TRM, Document No. 001-78426 Rev. *F
PHUB and DMAC
Figure 6-1. PHUB Block Diagram
6.1.3 How It Works
The PHUB is used to connect the CPU to memory and
peripherals, including SRAM, flash, EEPROM, analog sub-
system, digital blocks, digital filter block, and others.
The PHUB connects to the peripherals using a spoke. There
are eight spokes. Each spoke connects to one or more
peripherals. Each spoke is configured for:
■Address width – The address width of a spoke depends
on the maximum number of addresses required for the
peripherals connected to the spoke.
■Data width – The data width of a spoke can be 16 or
32 bits. Eight-bit data transfer can be performed on 16-
and 32-bit spokes.
■Number of peripherals – This depends on the device
architecture. Each spoke is usually connected to multiple
peripherals.
Table 6-1 shows the address width, data width, and periph-
erals connected to each spoke in the PSoC 5LP device.
■The peripherals connected to each spoke can have data
widths longer than the spoke. For example, a Delta-
Sigma ADC can support up to 20-bit data although it is
placed in the 16-bit spoke (spoke 03).
In this case, the PHUB uses an internal FIFO to accom-
modate the width differences during data transfer.
DMAC
CHn
CSRs
CHn
CSRs
Channel[n]
Config/
Status
Spoke Arbitration
Local Spoke /
PHUB
Config/Status
Local
Memory
CPU
Interface
SRAM
PHUB
CPU
Spokes to Peripherals
Spoke 0
Channel
Arbitration
TDMEM
CFGMEM
Table 6-1. Spoke Configuration
Spoke Address
Width
(in bits)
Data
Width
(in bits) Peripheral Names
01432SRAM
19 16 I/O interface, port interrupt control unit
(PICU), external memory interface (EMIF)
219 32 PHUB local spoke, power management,
clock, serial wire viewer (SWV), EEPROM
3 11 16 Delta-sigma ADC, analog interface
410 16 USB, CAN, fixed-function I2C, fixed-function
timers
5 11 32 Digital filter block (DFB)
617 16 UDB set 0 registers (including DSI, configu-
ration, and control registers), UDB interface
717 16 UDB set 1 registers (including DSI, configu-
ration, and control registers)

PSoC 5LP Architecture TRM, Document No. 001-78426 Rev. *F 57
PHUB and DMAC
■One peripheral can extend across multiple spokes. In
this case, the peripheral will have different address
spaces that are connected to each spoke.
For example, Table 6-1 shows that UDB registers extend
across two spokes. UDB registers can be accessed in
8-bit mode and also in 16-bit mode. In this case, the 8-bit
mode access needs a different address space than the
16-bit mode access though they reside in the same
spoke.
■Peripherals of different data widths can be connected to
a single spoke.
An example of this is spoke 3, which is connected to the
analog interface (digital-to-analog converter) and delta-
sigma ADC. The delta-sigma ADC can support up to
20-bit data, and the digital-to-analog converter register is
8-bit.
■Spoke 0 is connected to SRAM. The CPU can access
the SRAM without going through the PHUB. The DMAC
accesses the SRAM through PHUB.
The spoke address width, data width, and peripherals are
fixed in a device and cannot be changed. The spoke and the
peripheral details affect the time required for data transfer.
interspoke and intraspoke transfers take different amounts
of time.
The effects of spoke data width, and interspoke and intra-
spoke transfer, on latency of data transfer are explained in
6.1.4 Arbiter.
6.1.4 Arbiter
The PHUB receives data read or write requests from either
the CPU or the DMAC. The PHUB processes each request
to determine which spoke and peripheral should be
accessed, and then manages the data access.
When the DMAC and CPU initiate transactions in the PHUB
at the same time, the arbiter decides which request has pri-
ority. The priority can be configured for every spoke except
spoke 0. Spoke 0 is accessed only by the DMAC because
the CPU has a separate interface to SRAM. You can config-
ure priority using the “spk_cpu_pri” bits in the PHUB_CFG
register.
When the CPU and DMAC access different spokes simulta-
neously, both accesses are independent and arbitration is
not necessary. This enables a multiprocessing environment.
The exception is the SRAM, which has direct access by the
CPU and PHUB. In this case, there is no arbitration required
for SRAM. This helps to reduce the SRAM latency access.
The arbitration issues when the CPU and DMA want to
access the same spoke simultaneously are detailed in fur-
ther sections.
6.2 DMA Controller
The DMA Controller (DMAC) transfers data between mem-
ory and peripherals.
■Uses the PHUB for data transfer
■Includes 24 DMA channels
■Includes 128 transaction descriptors (TD)
■Eight levels of priority per channel
■Transactions can be triggered by any digitally routable
signal, the CPU, or another DMA channel
■Transactions can be stalled or canceled
■Each transaction can be from 1 to 64 KB
■Large transactions can be broken into smaller bursts of 1
to 127 bytes with Intraspoke burst count restricted to
16.
■Each channel can be configured to generate an interrupt
at the end of transfer
■Supports byte swapping, for conversion between big-
endian and little-endian formats
■Handles data-width differences
6.2.1 Local Memory
As shown in Figure 6-1 on page 56, the PHUB includes local
memory to store configuration data. The local memories are
called
■Configuration memory (CFGMEM)
■Transaction descriptor memory (TDMEM)
The PHUB also includes a 16-byte FIFO for data handling
during data transfers.
The CGFMEM is used to store the DMA channel configura-
tion data. There are two registers: CFGMEMn.CFG0 and
CFGMEMn.CFG1 (where n can be from 0 to 23) for each
channel. Each register is 32 bits, so the size of CFGMEM is
8 bytes × 24 channels = 192 bytes.
The TDMEM is used to store the TD configuration data,
which includes the number of bytes to transfer, source
address, destination address, next TD, and other configura-
tion data. Each TD has two registers: TDMEMn.ORIG_TD0
and TDMEMn.ORIG_TD1. Each register is 32 bits, so the
size of TDMEM is 8 bytes × 128 TDs = 1 KB of memory.
The local memory is accessed through the local spoke of
the PHUB (see Table 6-1 on page 56).
6.2.2 How the DMAC Works
The DMAC is one of the bus masters for PHUB. The DMAC
can perform the following data transfers:

58 PSoC 5LP Architecture TRM, Document No. 001-78426 Rev. *F
PHUB and DMAC
■Memory to memory
■Memory to peripheral
■Peripheral to memory
■Peripheral to peripheral
Any DMA channel goes through the following phases to per-
form data transfers:
■Arbitration phase
■Fetch phase
■Source engine phase
■Destination engine phase
■Write back phase
The total time required for a DMA transfer depends on the
time taken for each phase. The DMA transfer can be either
an intraspoke DMA transfer or interspoke DMA transfer
In an intraspoke transfer, the data transfer happens within
the same spoke. This transfer makes use of the internal
FIFO.
■Arbitration phase
The DMAC selects which DMA channel to process
based on the priority.
■Fetch phase
The DMAC fetches the TD and DMA channel details
from the configuration registers.
■Source engine phase
The source engine selects the spoke to which the source
peripheral is connected. When the spoke is available for
data transfer, the data transfer from the source begins.
■Destination engine phase
This phase selects the spoke on which the destination
peripheral is available. When the spoke is available, the
data collected in the source engine phase is transferred
to the destination peripheral.
■Write back phase
This phase is the completion phase were the TD and
DMA channel configurations are updated after data
transfer.
Ideal conditions for data transfer are:
■Single requestor
■CPU doesn't interrupt the fetch phase
■Both source and destination spoke are readily available
■Source spoke and destination spoke are of same width
■Source and destination address start at even addressing
■Transfer count is a multiple of burst count
■Burst count matches the spoke width
The number of bursts for transfer (N) =
Transfer count Spoke width
6.2.2.1 Interspoke Transfers
The timing diagram for an interspoke transfer under ideal
conditions is shown in Figure 6-2.
Figure 6-2. Interspoke Transfer Cycle Timing
The total number of cycles for data transfer in the case of interspoke DMA transfers is the sum of cycles required for each
phase.
Total cycle time = Arbitration phase time (1) + Fetch phase (1) + Source Engine phase (N + 3) + Destination engine phase (0,
because it happens in parallel with the source engine phase) + Write back phase (1)
Control 1 Control 2 Control 3 Control 4 Control N
Control 1 Control 2 Control N-2
Bus Clock
Arbitration Phase
Fetch Phase
Source Engine
Phase
Destination Engine
Phase
Write Back
Phase
Data 1 Data 2 Data 3 Data N-1 Data N
Control Cycles
Data Cycles
Data 1 Data N-3
Control N-1
Data N-2 Data N-1
Control Cycles
Data Cycles
DMA request
latch phase
Control N
Data N

PSoC 5LP Architecture TRM, Document No. 001-78426 Rev. *F 59
PHUB and DMAC
Total cycle time = N + 6 cycles (where N = Transfer count Spoke width)
Example
You want to move five samples of 16-bit ADC data to memory.
Notes
■The ADC (decimator) is connected to spoke 3 which is a 16-bit spoke.
■Memory is in Spoke 0, which is a 32-bit spoke)
The DMA configuration includes:
■DMA channel burst count (configured in CFGMEMn.CFG0) = 2
■TD transfer count (configured in TDMEMn.ORIG_TD0) = 2 bytes × 5 samples = 10
■TD configuration includes an Increment Destination Address to copy data to an array in the memory (configured in
TDMEMn.ORIG_TD0)
■N = Transfer count Spoke width = 10 2 = 5
For more information about the DMA configuration, refer to the PHUB registers in the PSoC 5LP Registers TRM.
The source engine phase needs N + 3 cycles = 8 cycles.
Total cycle time required for interspoke transfer is N + 6 = 5 + 6 = 11 cycles.
6.2.2.2 Intraspoke Transfer
The timing diagram for intraspoke transfer under ideal conditions is shown in Figure 6-3.
Figure 6-3. Intraspoke Transfer Cycle Timing
The total number of cycles for data transfer in the case of intraspoke DMA transfer is the sum of the cycles required for each
phase.
Total cycle time = Arbitration phase time (1) + Fetch phase (1) + Source engine phase (N + 1) + Destination engine
phase (N + 1) + Write back phase (1)
Total cycle time = 2N + 5 cycles (where N = Transfer count Spoke width)
Intraspoke DMA transfer burst count should be limited to 16. In intraspoke DMA transfers, because the source and destina-
tion reside in the same spoke, the 16-byte internal FIFO of the PHUB is used as an intermediate buffer. When the FIFO is full,
the PHUB waits for the FIFO to be emptied and the destination engine to read the data, and then fills the next set of data. This
is the reason why the destination engine phase cannot happen in parallel with the source engine phase.
Example
Bus Clock
Arbitration Phase
Fetch Phase
Write Back
Phase
DMA request
latch phase
Control 1 Control 2 Control 3 Control N
Control 2 Control 3 Control N-1
Source Engine
Phase
Destination Engine
Phase
Data 1 Data 2 Data N-1 Data N
Control Cycles
Data Cycles
Data 2 Data N-2
Control 1
Data 1
Control N
Data N-1 Data N
Control Cycles
Data Cycles

60 PSoC 5LP Architecture TRM, Document No. 001-78426 Rev. *F
PHUB and DMAC
You want to move four 32-bit data words from one SRAM location to another SRAM location.
Notes
■SRAM lies in spoke 0, which is a 32-bit spoke.
■In this case, both source and destination is SRAM.
The DMA configuration includes:
■Burst count (configured in CFGMEMn.CFG0) 4
■Transfer count (configured in TDMEMn.ORIG_TD0) 4bytes × 4words = 16
■TD configuration includes increment source address and increment destination address to copy data from one array to
another (configured in TDMEMn.ORIG_TD0)
■N = Transfer count Spoke width = 16 4 = 4
The source and destination engine phase needs
2N + 2 cycles = (2 × 4) + 2 cycles = 10 cycles
Total cycle time required for intraspoke transfer is 2N + 5 = (2 × 4 + 5) = 13 cycles
6.2.2.3 Handling Multiple DMA Channels
The DMAC can perform phases in parallel. This helps to reduce the latency for executing data transfer. When multiple chan-
nels need to execute, the channels can be pipelined.
Figure 6-4 shows processing of two DMA channels that were requested at the same time. The figure shows only the inter-
spoke transfer. The same is applicable also for intraspoke transfer.
Figure 6-4. Multiple DMA Channel Processing
6.2.2.4 DMA Channel Priority
Each channel can take a priority from 0 to 7 with 0 being the
highest priority.
The DMAC supports two different methods to handle the pri-
ority: simple priority, and grant allocation fairness algorithm.
The priority handling method can be changed by writing to
register PHUB.CFG bit “simple_pri” (bit 23).
■Simple Priority: This method handles the channels like
any normal priority algorithm where a high priority chan-
nel can interrupt a low priority channel
■Grant allocation Fairness algorithm: In this method, the
channel 0 and 1 take highest priority and no other prior-
ity can interrupt the channels with priority 0 and 1. A
DMA Channel of priority 0 and priority 1 occupy the bus
100%. Rest of the priorities share the bus based on the
number of channels requested at that time. Because pri-
ority 0 has higher priority than 1, priority 0 can interrupt
priority 1.
Bus Clock
Arbitration phase for
Channel 1
Fetch phase for
Channel 1
Source Engine
Phase for Channel 1
Destination Engine
Phase for Channel 1
Write back
Phase for Channel 1
Arbitration phase for
Channel 2
Fetch phase for
Channel 2
Source Engine
Phase for Channel 2
Destination Engine
Phase for Channel 2
Write Back phase for
Channel 2
Command Data Control Data Control Burst = 1 Burst = 2 Burst = N
Burst = 1 Burst = 2 Burst = N
Command Data Control Data Control Burst = 1 Burst = 2 Burst = N
Burst = 1 Burst = 2 Burst = N

PSoC 5LP Architecture TRM, Document No. 001-78426 Rev. *F 61
PHUB and DMAC
In both the cases, a DMA channel of low priority can be
interrupted by a high priority channel only during the source
engine phase
Under ideal conditions the Arbitration phase takes one
cycle.
Examples using the Grant allocation Fairness Algorithm
Scenario 1
DMAC is free. Channel A with Priority 0 comes
Figure 6-5. Priority 0 and Idle DMAC
Scenario 2
DMAC is free. Channel B with Priority 1 is executing. Channel A with Priority 0 comes
Figure 6-6. Priority 0 and Priority 1
Scenario 3
DMAC is free. Channel B with Priority 2 is executing. Channel A with Priority 0/1 comes
Figure 6-7. Priority 0/1 and Other Low Priority
Scenario 4
DMAC is free. Channel B with Priority 3 is executing. Channel A with Priority 2 comes
Channel A
Priority 0 Arbitration Fetch Data Transfer Write Back
Bus Clock
100 % Bus Use
Arbitration Fetch Data Transfer
Bus Clock
100 % Bus Use before
Interruption and after high
Priority Channel Completion
Channel B
Priority 1
Burst 1
Data Transfer
Burst 2
Write Back
Request for Channel A
(Priority 0) arrives
Arbitration Fetch Data
Transfer
Channel A
Priority 0
Burst 1
Data Transfer
Burst M
Data Transfer
Burst 3
Data Transfer
Burst N
Write Back
100 % usage of bus
Channel A completed
Channel B resumes Channel B completed
Arbitration Fetch Data Transfer
Bus Clock
100 % Bus Use before
Interruption and after High
Priority Channel Completion
Channel B
Priority 2
Burst 1
Data Transfer
Burst 2
Write Back
Request for Channel A
(Priority 0/ 1) arrives
Arbitration Fetch Data
Transfer
Channel A
Priority 0/ 1
Burst 1
Data Transfer
Burst M
Data Transfer
Burst 3
Data Transfer
Burst N
Write Back
100 % Bus Use
Channel A completed
Channel B resumes Channel B completed

62 PSoC 5LP Architecture TRM, Document No. 001-78426 Rev. *F
PHUB and DMAC
Figure 6-8. Lower Priority Channels with Grant Allocation
The channels with priorities 2-7 are given access according
to Table 6-2.
When DMA channels of varied priority request for DMAC at
a time, 100 percent of bus bandwidth will be allocated for
channels of priority 0 or 1.
Table 6-2 applies only if DMA channels with priorities 2 to 7
request simultaneously. Otherwise, the DMA channel with
higher priority is given more access than Table 6-2 shows.
Figure 6-9 shows a channel priority wheel that describes
how the next 63 requests are handled if all channels with
priorities 2 to 7 request simultaneously.
If a channel with priority 2 to 7 is NOT requesting, the slots
of the missing channel priority are used by the channel with
the highest priority. In that case, channels with higher priority
get more access than Figure 6-9 shows.
Figure 6-9. DMA Channel Priority Wheel
Because there are as many 24 DMA channels but only 8 pri-
ority levels, there can be multiple channels taking the same
priority levels.
DMAC uses the Round Robin method to handle DMA Chan-
nels with same priority. In case of Round Robin algorithm,
the DMA channel which was not executed recently takes a
higher priority. The execution of same priority DMA channels
when round robin algorithm is enabled depends on
■The last time when the channel was enabled
■If the last time is the same for 2 channels, then DMA
Channel with lower number takes higher priority
Arbitration Fetch Data Transfer
Bus Clock
Channel B
Priority 3
Burst 1
Data Transfer
Burst 2
Request for Channel A
(Priority 2) Arrives
Arbitration Fetch Data
Transfer
Channel A
Priority 2
Burst 1
Data Transfer
Burst 3
Data Transfer
Burst 2
Data Transfer
Burst 3
Data Transfer
Burst 4
Channel A and B
share the bus
Data Transfer
Burst 4
Data Transfer
Burst 5
The sharing of bus goes on
until either of the channels
completes the data transfer
Channel A gets more share of
the bus because of it’s priority
Table 6-2. Priority Levels and Bus Allocation
Priority Level Bus Allocation Percentage
250
325
4 12.5
56.3
63.1
71.5
2
222222
2
2
2
2
2
2
2
2
2
2
2
2
2
2
2
2
2
2
2
2
2
2
2
2
2
3
3
3
3
3
3
33
3
3
3
3
3
3
3
3
4
4
4
4
4
4
4
4
5
5
5
5
6
6
7
DMA Channel
priority wheel
Channel
Request

PSoC 5LP Architecture TRM, Document No. 001-78426 Rev. *F 63
PHUB and DMAC
Figure 6-10. Round Robin Scheduling
6.2.2.5 DMA Latency in case of Nonideal
Conditions
The previous section explained the latency in case of ideal
condition. But in real time, the ideal condition rarely exists.
This section explains the latency calculation in case of non-
ideal conditions. The latency calculation in case of nonideal
conditions cannot be explained using formula as against the
ideal condition.
Multiple Requestors
In real time system the PHUB will be requested by multiple
channels and by CPU also.
If there are multiple DMA channels sending request at the
same time, the arbitration phase will take 2 cycles instead of
the ideal 1 cycle
CPU Interrupts with Fetch Phase
The fetch phase ideally takes only 1 cycle for the PHUB to
access the configuration registers through the PHUB local
spoke. When CPU interrupts the fetch phase, the latency
depends on when the CPU releases the configuration regis-
ters. Typically CPU takes 2 cycles for the access of configu-
ration registers.
Also, there might be some high priority DMA channel in the
Fetch phase. These scenarios will also add to the DMA
Channel execution latency.
Source and Destination Spokes in Use
The source and destination for a particular DMA Channel
should be free for the channel to use it. In real time, a
source or destination spoke may be already used by CPU or
another DMA channel
When source and destination spoke is already in use, the
PHUB does the arbitration. The following flow chart shows
the arbitration mechanism.
Ch 1
All Channels have the
same priority X
Ch 2 Ch 3 Ch 4
Ch 5
Last executed
time (t)
Ch 4 Ch 5 Ch 3 Ch 2 Ch 1
Order of
execution

64 PSoC 5LP Architecture TRM, Document No. 001-78426 Rev. *F
PHUB and DMAC
Figure 6-11. DMA Channel Arbitration
This latency is not measurable and depends on the real time
situation where same spoke can be accessed by multiple
resources.
Source and destination peripherals are not Ready
When the source or the destination peripheral is not ready to
send or receive data, then the DMA channel has to wait till it
is ready. In case of source peripheral not ready, the DMA
channel will wait for the source peripheral to become ready
In case of destination peripheral not ready, the DMA channel
will use the 16 byte FIFO of the PHUB. It reads the data
from the source and fills it in the FIFO till the destination
peripheral is ready. Thus the internal 16 byte FIFO is used
during intra-spoke transfer and also during the conditions
where the source and destination peripherals are no ready.
Source and destination spoke are of different width
The spoke widths play a very important role in latency.
There are chances that the source spoke might be smaller
than the destination spoke and vice versa. In this case the
burst count also plays an important role. Let's see some
examples for this condition
Scenario 1 (Interspoke: 16 bit spoke to 32 bit spoke; Burst of
2)
■Source: 16 bit spoke (ADC)
■Destination: 32 bit spoke (DFB)
■Burst count: 2 (for 16 bit ADC data)
Is CPU using
the spoke
Is it a CPU
Priority spoke
DMA channel accesses
the spoke
Latency depends on CPU
processing time
Current burst for
CPU is completed
CPU process is
interrupted
DMA channel
accesses the
spoke
DMA Channel
completes transfer
Spoke released
for the DMA
Has the CPU
released the spoke?
Does Channel B have high
Priority
Is the burst
completed for
Channel B
Latency depends on burst
length of the other DMA
channel
The Channel A accesses
the spoke
Current burst for
Channel B is
completed
Channel B is
interrupted
Channel A
accesses the
spoke
Channel A
completes transfer
Yes
Channel B using spoke
No
Yes
No
Yes
Yes
No
No
Yes
Assume Channel A is the DMA
Channel trying to access the spoke

PSoC 5LP Architecture TRM, Document No. 001-78426 Rev. *F 65
PHUB and DMAC
Figure 6-12. Data Transfer between 16-bit and 32-bit Spoke
Scenario 2 (Interspoke: 16 bit spoke to 32 bit spoke; Burst of 4)
■Source: 16 bit spoke (ADC)
■Destination: 32 bit spoke (DFB)
■Burst count: 4 (for 20 bit ADC data)
Figure 6-13. Data Transfer Between 16 bit and 32 bit Spoke
Scenario 3 (Interspoke: 32 bit spoke to 16 bit spoke; Burst of 4)
■Source: 32 bit spoke (Memory)
■Destination: 16 bit spoke (UDB peripheral)
■Burst count: 4
Figure 6-14. Data Transfer Between 16 bit and 32 bit Spoke
Scenario 4 (Interspoke: 16 bit spoke to 16 bit spoke; Burst of 2)
■Source: 16 bit spoke
16 bit spoke
Peripheral A (16
bit data) 32 bit spoke Peripheral B
2 Bytes 2 Bytes 2 Bytes
Bus clock
Burst Count = 2
16 bit spoke
Peripheral A (32
bit data) 32 bit spoke Peripheral B
2 Bytes
2 Bytes
Bus clock
Burst Count = 4
Source address incremented
by source spoke width to read
the next 2 bytes of data
SourceAddr++
32 bit spoke
Peripheral A (32
bit data) 16 bit spoke Peripheral B (32
bit data)
2 Bytes
2 Bytes
Bus clock
Burst Count = 4
Destination address
incremented by destination
spoke width to write the next 2
bytes of data
DestAddr++

66 PSoC 5LP Architecture TRM, Document No. 001-78426 Rev. *F
PHUB and DMAC
■Destination: 16 bit spoke
■Burst count: 2
Figure 6-15. Data Transfer Between Two 16 bit Spoke
Scenario 5 (Interspoke: 16 bit spoke to 16 bit spoke; Burst of 4)
■Source: 16 bit spoke
■Destination: 16 bit spoke
■Burst count: 4
Figure 6-16. Data Transfer Between Two 16 bit Spoke
Scenario 6 (Intraspoke: 16 bit spoke; Burst of 1)
■Source and destination: Same spoke (16 bit)
■Burst count: 1
16 bit spoke
Peripheral A (16
bit data) 16 bit spoke Peripheral B (16
bit data)
2 Bytes 2 Bytes
Bus clock
Burst Count = 2
16 bit spoke
Peripheral A (32
bit data) 16 bit spoke Peripheral B (32
bit data)
2 Bytes
2 Bytes
Bus clock
Burst Count = 4
Source and Destination
address incremented by their
spoke widths to read and write
the next 2 bytes of data
SourceAddr++,
DestAddr++

PSoC 5LP Architecture TRM, Document No. 001-78426 Rev. *F 67
PHUB and DMAC
Figure 6-17. Intraspoke Data Transfer
Scenario 6 (Intraspoke: 16 bit spoke; Burst of 2)
■Source and destination: Same spoke (16 bit) ■Burst count: 2
Figure 6-18. Intraspoke Data Transfer
16 bit spoke
Peripheral A (8 bit
data)
Peripheral B (8 bit
data)
Bus clock
Burst Count = 1
1 Byte to PHUB FIFO
PHUB FIFO to Destination
Data read and write using
intermediate PHUB FIFO
16 bit spoke
Peripheral A (16
bit data)
Peripheral B (16
bit data)
Bus clock
Burst Count = 2
2 Bytes to PHUB FIFO
PHUB FIFO to Destination
Data read and write using
intermediate PHUB FIFO

68 PSoC 5LP Architecture TRM, Document No. 001-78426 Rev. *F
PHUB and DMAC
Source and destination address do not have even addressing
The address of the source and destination play a very important role in deciding the latency. The AHB protocol supports read-
ing from even addresses.
Use this notation for a 32 bit spoke.
Figure 6-19. Addressing in 32 bit Spoke
Figure 6-20. Addressing in 16 bit Spoke
Scenario 1: 32 bit spoke, Burst count of 4, Address begins at Byte 1
Figure 6-21. Odd Addressing in 32-Bit Spoke
As seen from the above figure, when the even addressing is not met, the bus cycle increases. In ideal condition where the
address begins at Byte 0, a single cycle is sufficient to read all the 4 bytes.
Scenario 2: 16 bit spoke, Burst count of 2, Address begins at Byte 1
Figure 6-22. Odd Addressing In 16 bit Spoke
6.2.2.6 Request per Burst Bit
Address n Byte 0 Byte 1 Byte 2 Byte 3
Address n + 1 Byte 0 Byte 1 Byte 2 Byte 3
Address n Byte 0 Byte 1
Address n + 1 Byte 0 Byte 1
Data Read cycles
for Burst = 4
Byte 1
Byte 2 and 3
Byte 0 of
Addr + 1
Bus Clock
Byte 1
Byte 0 of
Addr + 1
Bus Clock
Data Read cycles
for Burst = 2

PSoC 5LP Architecture TRM, Document No. 001-78426 Rev. *F 69
PHUB and DMAC
The data to be transferred can be split into multiple burst -
each of same size. This feature is useful under the following
situations:
■When the user doesn't want to hog the bus with a single
channel which has huge data to transfer
■When the user needs to control the transfer times
The “Request per bit” is bit 7 in CFGMEMn.CFG0 register.
This bit is available for individual channel. When this bit is
set, the DMA needs a request to transfer the next burst of
data. When this bit is set, the DMA channel should go
through the whole process from Arbitration phase till Write
back phase for every burst. Thus the “Request per bit”
parameter will significantly increase the transfer time
6.2.2.7 Work Sep Bit
The “work_sep” bit is bit 5 of the CHn.BASIC_CFG register.
This bit is available for individual channel. When this bit is
cleared, a TD mapped to that particular DMA channel can-
not restore its initial configuration after the data transfer. The
TD will retain its last source address, destination address
and transfer count details at the end of transfer.
When this bit is set, a TD mapped to that particular DMA
channel restores its initial configuration after the data trans-
fer. This is very useful when the TD should be repeated.
When the “work_sep” bit is set, DMA uses a separate pro-
cessing area to store the TD configuration details.
6.3 DMA Transaction Modes
The DMA channels can be chained to perform complex
operation. Similarly TDs can be nested or chained to per-
form complex operations. Chaining of TDs is done using the
bit “next_td_ptr” in TDMEMn.ORID_TD0 register. This flexi-
bility of the DMA channel and TD helps to create both sim-
ple and complex cases
General use cases might include the following types
6.3.1 Simple DMA
A single TD is used to transfer data between two peripherals
or memory locations.
Figure 6-23. Simple DMA Transfer
6.3.2 Auto Repeat DMA
A static pattern is repetitively read from system memory and
written to a peripheral. This is done with a single TD that
chain to itself.
Figure 6-24. Auto Repeat DMA
6.3.3 Ping Pong DMA
Double buffering is used to allow one buffer to be filled by
one client, while another client is consuming the data previ-
ously received in the other buffer. In its simplest form, this is
done by chaining two TDs together where each TD calls the
opposite TD when complete.
Figure 6-25. Ping Pong DMA
6.3.4 Circular DMA
This is similar to ping pong DMA except that it contains
more than two buffers. In this case, there are multiple TDs
where after the last TD is complete it chains back to the first
TD.
Figure 6-26. Circular DMA
6.3.5 Indexed DMA
An external master requires access to locations on the sys-
tem bus as if those locations were shared memory.
DMA Channel A TD A
TD ADMA Channel A
TD ADMA Channel A
TD B
TD ADMA Channel A
TD B
TD C
TD D

70 PSoC 5LP Architecture TRM, Document No. 001-78426 Rev. *F
PHUB and DMAC
Example: If a peripheral was configured as an SPI or I2C
slave where an address is received by the external master,
that address becomes an index or offset into the internal
system bus memory space. This is accomplished with an ini-
tial “address fetch” TD that reads the target address location
from the peripheral and writes that value into a subsequent
TD in the chain. This causes the TD chain to be modified
during the process. When the “address fetch” TD completes,
it can move onto the next TD, which has the new address
information embedded in it. This TD carries out the data
transfer with the address location requested by the external
master.
Figure 6-27. Indexed DMA
6.3.6 Scatter Gather DMA
Multiple noncontiguous sources or destinations are required
to effectively carry out an overall DMA transaction.
Example: A packet can be required to be transmitted off of
the device and the packet elements, including the header,
payload, and trailer exist in various non-continuous loca-
tions in memory. Scatter-gather DMA allows the segments
to concatenate together by using multiple TDs in a chain
that gathers data from multiple locations.
A similar concept applies for the reception of data onto the
device. Certain parts of the received data may need to be
scattered to various locations in memory for software- pro-
cessing convenience. Each TD in the chain specifies the
location for each discrete element in the chain.
6.3.7 Packet Queuing DMA
This is similar to scatter gather DMA, but it specifically con-
notes packet protocols whereby there can be separate con-
figuration, data, and status phases associated with sending
or receiving a packet.
Example: To transmit a packet, a memory mapped configu-
ration register can be written inside a peripheral specifying
the overall length of the ensuing data phase. This configura-
tion information can be setup by the CPU anywhere in sys-
tem memory and copied with a simple TD to the peripheral.
After the configuration phase, a data phase TD (or a series
of data phase TDs) can begin (potentially using scatter
gather). After the data phase TDs finish, a status phase TD
can be invoked that reads some memory mapped status
information from the peripheral and copies it to a location in
system memory specified by the CPU for later inspection.
Multiple sets of configuration/data/status phase sub-chains
can be strung together to create larger chains that transmit
multiple packets in this way. A similar concept exists in the
opposite direction for the reception of the packets.
6.3.8 Nested DMA
One TD can modify another TD, as the TD configuration
space is memory mapped, just as any other peripheral.
Example: A first TD loads a second TDs configuration and
then calls the second TD. The second TD moves data as
required by the application. When complete, the second TD
calls the first TD, which again updates the second TDs con-
figuration. This process repeats as often as necessary.
TD B
DMA Channel A
TD C
TD D
TD E
TD A
Index

PSoC 5LP Architecture TRM, Document No. 001-78426 Rev. *F 71
PHUB and DMAC
6.4 Register List
Table 6-3. PHUB and DMA Register List
Register Name Comments Features
PHUB_CFG PHUB General Configuration register Specifies prune_clock delay, number of wait states, allocation fairness
algorithm, priority, priority spoke, CPU_CLOCK_EN setting
PHUB_ERR PHUB Error Detection register
PHUB detects the following errors:
1. Bus Timeout
2. Unpopulated address access
3. Peripheral AHB ERROR response
If the error was detected as a result of a CPU access then PHUB will
send an AHB ERROR response to the CPU. If the error was detected as
a result of either a CPU or DMA access then PHUB will set the corre-
sponding bit in the following ERR register.
PHUB_ERR_ADDR PHUB Error Address register Contains the address that caused an error to trigger
PHUB_CH[0..23]_BASIC_CFG Channel Basic Configuration register Sets basic channel configurations in gates inside PHUB
PHUB_CH[0..23]_ACTION Channel Action register Sets action for each channel
PHUB_CH[0..23]_BASIC_STATUS Channel Basic Status register Provides status information in gates inside PHUB
PHUB_CFGMEM[0..23]_CFG0 PHUB Channel Configuration register 0 Each channel has some configuration information stored in RAM. This
configuration information is called CHn_CFG0/1.
CHn_CFG0/1 are stored in CFGMEM at {CH_NUM[5:0], 000}.
PHUB_CFGMEM[0..23]_CFG1 PHUB Channel Configuration register 1
PHUB_TDMEM[0..127]_ORIG_TD0 PHUB Original Transaction Descriptor 0 Each channel has a TD chain (as short as one TD in length) that pro-
vides instructions to the DMAC for carrying out a DMA sequence for the
channel. The TD chain is comprised of one or more CHn_ORIG_TD0/1
TDs.
DMAC accesses the CHn_ORIG_TD0/1 chain from TDMEM and the
address in TDMEM of the current TD in the chain is {TD_PTR[7:0], 000}.
PHUB_TDMEM[0..127]_ORIG_TD1 PHUB Original Transaction Descriptor 1

72 PSoC 5LP Architecture TRM, Document No. 001-78426 Rev. *F
PHUB and DMAC

PSoC 5LP Architecture TRM, Document No. 001-78426 Rev. *F 73
7. Interrupt Controller
The Interrupt Controller provides the mechanism for hardware resources to change the program address to a new location
independent of the current execution in the main code. The interrupt controller also handles continuation of the interrupted
code being executed after the completion of the interrupt service routine.
7.1 Features
The following are features of the interrupt controller:
■Supports 32 interrupt lines
■Programmable interrupt vector
■Configurable priority levels from 0 to 7
■Support for dynamic change of priority levels
■Support for individual enable/ disable of each interrupt
■Nesting of interrupts
■Multiple sources for each interrupt line (can be either fixed function, UDB, or from DMA)
■Supports both level trigger and pulse trigger
■Tail chaining, late arrivals and exceptions are supported in PSoC 5LP devices
7.2 Block Diagram
Figure 7-1 is a block diagram of the interrupt controller.
Figure 7-1. Interrupt Controller Block Diagram
Interrupt
Controller
0
Interrupt
Signals
1
2
31
CPU
16-bit Interrupt Vector
Address (IAV)
Interrupt Request (IRQ)
Acknowledgment for
Interrupt Entry (IRA)
Acknowledgment for
Interrupt Exit (IRC)

74 PSoC 5LP Architecture TRM, Document No. 001-78426 Rev. *F
Interrupt Controller
7.3 How It Works
The interrupt controller supports 32 interrupt signals. The interrupt signal can come from one of the three sources (see
Figure 7-2):
■Fixed function block
■DMA channels
■UDB blocks
The interrupt signal routing is very flexible with PSoC 5LP architecture. The interrupt lines pass through a multiplexer. The
mux selects one among the following: Fixed function IRQ (Interrupt request), UDB IRQ with level, UDB IRQ with Edge, and
DMA IRQ. The IDMUX.IRQ_CTL register is used to configure the mux for the IRQ selection.
Figure 7-2. Interrupt and DMA Processing in the IDMUX
The interrupt controller unit prioritizes and sends the request
to the CPU for execution. The list of interrupt sources and
the corresponding interrupt number is available in the device
datasheet.
7.3.1 Enabling Interrupts
The interrupt controller provides features to enable and dis-
able individual interrupt lines. The Enable register (SETEN)
and the Clear Enable register (CLREN), respectively, enable
and disable the interrupt lines. Each bit in the register corre-
sponds to an interrupt line; these registers enable and dis-
able interrupts and read the enable status of interrupts. The
register that is updated latest (SETEN or CLREN register)
determines the interrupt enable status. Table 7-1 shows the
status of bits during read and write.
DMA termout (IRQs)
DMA
Controller
Interrupt
Controller
Fixed Function IRQs
Edge
Detect
UDB IRQs
UDB Array
Fixed Function DRQs
UDB DRQs
0
1
2
3
0
1
2
Edge
Detect
Table 7-1. Bit Status During Read and Write
Register Operation Bit
Value Comment
SETEN
Write 1 To enable the interrupt
0 No effect
Read 1 Interrupt is enabled
0 Interrupt is disabled
CLREN
Write 1 To disable the interrupt
0 No effect
Read 1 Interrupt is enabled
0 Interrupt is disabled

PSoC 5LP Architecture TRM, Document No. 001-78426 Rev. *F 75
Interrupt Controller
7.3.2 Pending Interrupts
When the interrupt controller receives the interrupt signal, it
sets the pending bit.
“Set Pending register” (SETPEND) and the “Clear Pending
register” (CLRPEND) also allow the pending bit to be set
and cleared through software. Each bit in the register corre-
sponds to an interrupt line. The pending bit status can be
read by reading these registers. For both pulse/level inter-
rupts, the pending bit is cleared immediately upon receiving
the acknowledgement from the CPU on interrupt entry
(IRA). For pulse interrupts, the pending bit can be set again
by arrival of a new pulse interrupt on the same line after the
IRA. But for level interrupt, the interrupt controller checks
the status of the interrupt line when it receives the acknowl-
edgement from the CPU on interrupt exit (IRC). During that
time, if the interrupt line is still asserted, the pending bit is
reset. If there is no assertion on the interrupt line, the pend-
ing bit remains in cleared state.
The pending register can also be written by software. When
the software writes a 1 to the pending bit, it activates the
interrupt. When software clears the pending bit, the interrupt
does not occur. When the software request to clear a pend-
ing bit and hardware request to set the pending bit occurs
simultaneously, the hardware request takes the higher
priority.
Setting of the pending bit when the same bit is already set
results in only one execution of the interrupt. The pending bit
can be updated regardless of whether or not the corre-
sponding enable bit is set. If the enable bit is not set, the
interrupt line will be pended until the interrupt is enabled,
unless the user clears the bit. It is advisable to check the
state of the pending bit before enabling the interrupt. The
choice is left to the user, of whether to set the pending bit
before or after the enable bit is set, for enabling the corre-
sponding interrupt.
7.3.3 Interrupt Priority
The interrupt controller provides a priority handling feature
to help a user assign priority for each interrupt. Characteris-
tics of this feature are as follows:
■Eight levels of interrupt priorities from 0 to 7.
■Priority level 0 is highest and level 7 is lowest.
■Priority levels set using the Interrupt Priority Registers
PRI_[x].
■Support of dynamic configuration of priority levels – A
change of priority level of an interrupt on the fly does not
affect the current execution of the same interrupt; it
takes effect for the next assertion.
Priority handling is very important in the following cases:
■Case 1 – If an interrupt (INT B) is asserted when another
interrupt (INT A) is being executed, there are three pos-
sibilities with unique handling sequences:
❐If INT A has lower priority than INT B:
1.INT A is stopped at the point of execution.
2.The details of INT A are pushed to the stack, and
INT B begins to execute.
3.After the execution of INT B, INT A execution is
resumed from the point of its interruption.
❐If INT A has higher priority than INT B:
1.INT B has to wait until INT A is executed.
2.After the execution of INT A, INT B can start exe-
cution.
❐If INT A and INT B have equal priority:
1.If INT A is being executed; INT B has to wait until
INT A is executed. After the execution of INT A,
INT B can start execution.
2.If INT B is being executed; INT A has to wait until
INT B is executed. After the execution of INT B,
INT A can start execution.
■Case 2 – During the simultaneous occurrence of inter-
rupts:
❐If INT A has lower priority than INT B, then INT B
wins arbitration and begins to execute.
❐If INT A has higher priority than INT B, then INT A
wins arbitration and begins to execute.
❐If INT A and INT B have equal priority, then the inter-
rupt with the lower index number wins arbitration and
begins to execute.
Table 7-2. Pending Bit Status
Register Operation Bit
Value Comment
SETPEND
Write 1 To put an interrupt to pending
0 No effect
Read 1 Interrupt is pending
0 Interrupt is not pending
CLRPEND
Write 1 To clear a pending interrupt
0 No effect
Read 1 Interrupt is pending
0 Interrupt is not pending

76 PSoC 5LP Architecture TRM, Document No. 001-78426 Rev. *F
Interrupt Controller
7.3.4 Level versus Pulse Interrupt
The interrupt controller supports both Level and Pulse inter-
rupts. The interrupt controller includes the Pulse detection
logic, which detects the rising edge on the interrupt line. The
pulse detection logic pends the interrupt bit whenever it
detects the rising edge. The interrupt controller detects any
assertion in the interrupt signal and executes the interrupt
as follows:
■Level Interrupt – With level interrupts, the interrupt
request bit in the corresponding peripheral register must
be cleared by the firmware inside the interrupt service
routine. If the interrupt request bit in the peripheral regis-
ter is set, it results in a level high signal on the interrupt
line. At the interrupt exit, if the interrupt request bit is set
in the peripheral register, the interrupt pending bit is set
again and the interrupt is processed again if it is
enabled.
■Pulse Interrupt – A pulse occurs at the interrupt line.
The low to high edge of the pulse sets the pending bit
and the corresponding interrupt is executed. If the pulse
occurs while the pending bit is already set, the second
pulse has no effect, because the pending bit is already
set. The Pending bit is automatically cleared by the inter-
rupt controller at ISR entry. However, if the pulse comes
while the interrupt is currently active, the interrupt pend-
ing bit is set again, and the interrupt is executed again.
7.3.5 Interrupt Execution
The interrupt controller controls both Level and Pulse inter-
rupt in the following sequence:
1. Interrupt execution corresponding to the interrupt signal
requires the interrupt to be enabled (assuming priority
and interrupt vector address are programmed already).
2. When an assertion occurs in the interrupt signal, the
pending bit corresponding to the interrupt number is set
in the pending register, indicating that the interrupt is
waiting for its execution.
3. The Priority Decoding unit reads the priority and deter-
mines when the interrupt can be executed.
4. The interrupt controller sends the interrupt request to the
CPU, along with the interrupt vector address for execu-
tion.
5. The CPU receives the request.
6. Interrupt Entry (IRA) – The CPU acknowledges the
interrupt entry. The next assertion in the same interrupt
line can be detected only after the interrupt entry. Any
assertions before that are ignored. The interrupt control-
ler clears the pending bit upon receiving the acknowl-
edgement.
7. The current interrupt number and its priority are pushed
to the interrupt controller stack by the interrupt controller.
8. Interrupt Exit (IRC) – When interrupt execution is com-
pleted, the processor is free to address the next request.
The CPU acknowledges the interrupt exit. At the inter-
rupt exit, the interrupt context (that is, interrupt number
and priority) is popped from the stack.
Figure 7-3 lists the basic operations during an interrupt sig-
nal assertion and its handling.

PSoC 5LP Architecture TRM, Document No. 001-78426 Rev. *F 77
Interrupt Controller
Figure 7-3. Interrupt Signal Assertion and Handling
7.4 PSoC 5LP Interrupt
Controller Features
Because PSoC 5LP architecture is based on the Cortex-M3
core, it has additional features supported by the Cortex-M3
core. In PSoC 5LP devices, the interrupt controller is a part
of the Cortex-M3 core. For more detailed information about
the PSoC 5LP Interrupt Controller, see the ARM Cortex-M3
Technical Reference Manual available at http://
www.arm.com.
Assertion on the
interrupt Line
Set of Pending Bit
Send to Priority
Decoding Unit
Send request to CPU
(with IRQ and IVA)
IRA sent by CPU (INTC pushes Interrupt
details to its stack)
Interrupt Exit acknowledgment (IRC)
from CPU (INTC pops interrupt details
from the stack)
Is this the highest
priority Interrupt?
Yes
No
CPU accepts
request
Pending bit cleared
for Pulse and Level
Interrupt
Interrupt line is checked
in case of Level interrupt.
If interrupt line has a high
level, the pending bit is
sent again.
Wait until all
high priority
interrupts
finish
Interrupt execution

78 PSoC 5LP Architecture TRM, Document No. 001-78426 Rev. *F
Interrupt Controller
7.4.1 Active Interrupts
An active interrupt is the one being executed currently. The
interrupt priority and interrupt number of the active interrupt
are stored in the CPU stack. Whenever an interrupt begins
to execute, the interrupt priority and number are pushed to
the stack. The contents of the stack can be read to find the
Active Interrupt details. With PSoC 5LP devices, the CPU
stack is used. There are two stacks accessed using two dif-
ferent stack pointers: The Process Stack Pointer (PSP) and
the Main Stack Pointer (MSP).
Cortex-M3 can be configured to use two stacks. When it is
configured to use both the stacks, the first interrupt uses the
PSP or the MSP to store interrupt details, depending on
which is currently active. The stack grows downwards. A
nested interrupt uses only MSP to store the details. When it
is not configured to use two stacks, only the MSP is used.
PSoC 5LP devices also support an ACTIVE register to store
the active status of the interrupt. Its characteristics are:
■Each bit in the register indicates the active state of the
corresponding interrupt.
■When the bit is set to 1 in the ACTIVE register, the inter-
rupt is active. When the bit is set to 0, the interrupt is cur-
rently inactive.
■When the current running interrupt is suspended due to
a high priority interrupt, the state of the current running
interrupt is maintained as “Active” because it continues
its execution after execution of the high priority interrupt.
■The active state of the bit is cleared only after execution
of the interrupt.
PSoC 5LP devices also supports exceptions other than
interrupts. The ACTIVE bits correspond only to interrupts
and not to exceptions. The active status details of excep-
tions are stored in the Exception Status register. Exception
Status registers are not only used to read the active status
but also to enable exceptions.
7.4.2 Interrupt Nesting
Nesting of an interrupt occurs when a high priority interrupt
is asserted during a low priority interrupt execution. With
PSoC 5LP architecture, only the CPU stack is available to
store all nesting interrupt details.
■Current interrupt number, current interrupt priority
■Program counter, PSR, R0 to R3, R12 and LR
■Depending on the application, other registers from R4 to
R11
The CPU stack grows down while the CPU handles push
and pop.
The configuration controls how you use PSP and MSP. If
both stacks are used, the Process Stack Pointer or Main
Stack Pointer, which ever is currently active, is used by the
first interrupt. All other nested interrupts use only the MSP. If
only one stack is configured for use, the interrupt details are
stored in the MSP. The sequence is:
1. When the high priority interrupt comes during the execu-
tion of the low priority interrupt, the interrupt controller
sends a request to the CPU and low priority interrupt
execution is stopped by the CPU at that point.
2. The details, such as instruction pointer and other gen-
eral purpose registers for the low priority interrupt, are
pushed to the stack. (The stack used depends on nest-
ing. It can be either MSP or PSP as explained previ-
ously).
3. The number of nesting supported depends on the avail-
ability of stack space. Because system stack is used, the
user should ensure that sufficient stack space is avail-
able. Insufficient stack space causes undetermined
results. After the stack push for the low priority is done,
the details of the current active interrupt (high priority
interrupt) is stored in the CPU stack. The high priority
interrupt executes.
4. After the higher priority interrupt has executed, the inter-
rupt details of the high priority interrupt are popped from
the stack. Following this, the details of the low priority
interrupt (PC and other register details) are popped from
the stack. The low priority interrupt continues its execu-
tion from the point of suspension.
5. Because the push and pop of stack is handled by the
hardware, there is minimum latency; no instruction is
involved in the operation.
Figure 7-4 on page 79 shows a timing diagram of the regis-
ter states during the nesting operation.

PSoC 5LP Architecture TRM, Document No. 001-78426 Rev. *F 79
Interrupt Controller
Figure 7-4. Register Timing During Nesting
In Figure 7-4, INT A is suspended, and the high priority interrupt INT B is executed. During nesting, the INT A is pushed to the
stack. During execution of INT B, INT C occurs. So INT B is pushed, and INT C is executed. After INT C is executed, INT B is
popped and executed. After INT B is executed, the stack is popped. When an interrupt begins to execute, interrupt informa-
tion is stored in the stack; when it completes, the stack is popped. The use of both PSP and MSP is shown. It is assumed that
PSP is active during the first interrupt and that the first active interrupt uses the PSP.
Assertion of INT A
Assertion of INT B
Execution of
INT A Execution of
INT B Continuation
of INT A
Stacking of
INT A Un-stacking
of
INT A
INT B details
PSP MSP
Assertion of INT C
Stacking of
INT B
Un-stacking
of
INT B
Execution of
INT C Continuation
of INT B
Register state before all
executions
XX XX
PSP MSP
Register state during
execution of INT A
INT A Details
XX
PSP MSP
Register state after
Stacking of INT A and
execution of INT B
INT A Details INT A Details INT C details
PSP MSP
INT B details
and other
registers
Register state after
Stacking of INT B and
execution of INT C
Register state after
un-Stacking of INT A and
execution of INT A
XX
PSP MSP
INT A Details
PSP MSP
Register state after
un-Stacking of INT B and
execution of INT B
INT A Details INT B details
Register state after
all executions
XX XX
PSP MSP
Other register
details of
INT A
Other register
details of
INT A
Other register
details of
INT A

80 PSoC 5LP Architecture TRM, Document No. 001-78426 Rev. *F
Interrupt Controller
7.4.3 Interrupt Vector Addresses
PSoC 5LP architecture has a feature that allows a user to
specify the interrupt service routine for every interrupt line.
The call of the interrupt service routine corresponding to an
interrupt line is not a branch instruction. The address of the
interrupt service routine is stored in the vector table, which
results in the direct call of the routine. This method of execu-
tion prevents latency in the call of the interrupt service rou-
tine.
When interrupt assertion occurs, the following sequence
occurs:
1. The address of the interrupt service routine is taken from
the interrupt vector table and is executed.
2. The list of interrupt vector addresses is stored in the vec-
tor table.
The interrupt service routine address is programmable
and is stored in the vector table. The vector table is a
location in the memory and has a base address; the
other vector addresses are accessed as offset from the
base address. By default, the vector table is at location
0x00 in the ROM.
The base address of the vector table can be changed;
the vector table can be moved, either in the ROM itself
or to the RAM. Each vector address is 32 bits long; when
moving the vector table, the user should ensure that
there is enough space to hold the supported 4-byte
addresses for the 32 interrupt lines
3. PSoC 5LP devices contain the Vector Table Offset regis-
ter that contains two data:
Position of vector table in ROM/RAM.
Offset value from the start ROM or RAM region. This off-
set value acts as the base address for the vector table.
4. When the vector table is moved, the boot image should
contain the stack pointer value, Reset vector, NMI vec-
tor, and hard Fault vector, because these are required
for the beginning of execution of code.
5. Because the vector address is 32 bits long, the LSB is
filled with 0x01, and the MSB contains the correspond-
ing 24-bit ISR address to be executed. The presence of
0x01 in the LSB indicates Thumb instructions.
6. During the interrupt signal assertion, the address of the
interrupt service routine (the Interrupt Vector Address
(IVA)) is retrieved from this table and given to the CPU
for execution of the interrupt.
7. Because PSoC 5LP devices also support exceptions,
the vector table has the address corresponding to the 15
exceptions followed by the interrupt service routine
addresses.
7.4.4 Tail Chaining
Tail chaining is the process used to reduce interrupt latency.
When a new interrupt assertion occurs at the same time as
another interrupt being executed with the same or higher
priority, the following sequence occurs:
1. The new interrupt with a lower priority is pended.
2. After the current interrupt is executed, the details of the
current interrupt in the stack are not popped.
3. The details of the new interrupt are pushed to the stack
and the new interrupt begins its execution.
4. After the execution of the new interrupt, details of the
new interrupt and the previous interrupt are popped from
the stack.
Because stacking and unstacking are avoided between the
two, interrupts, latency is greatly reduced. Tail chaining can
save a maximum of six cycles.
7.4.5 Late Arrival Interrupts
A late arrival interrupt occurs when another interrupt is being
pushed to the stack for execution. Another feature reduces
interrupt latency by handling such late arrival interrupts.
The following sequence describes the process:
1. A low priority interrupt is asserted.
2. The details of the low priority interrupt are being pushed
to the stack, when a high priority interrupt assertion hap-
pens.
3. After the stacking of the low priority interrupt, the high
priority interrupt is stacked and executed, instead of the
low priority interrupt.
4. After execution of the high priority interrupt, the low prior-
ity interrupt is executed.

PSoC 5LP Architecture TRM, Document No. 001-78426 Rev. *F 81
Interrupt Controller
7.4.6 Exceptions
PSoC 5LP architecture supports 15 different exceptions, as shown in Table 7-3.
These exceptions are used to handle fault conditions that can occur in the system. Exceptions can have fixed priority or con-
figurable priority. Exceptions are handled in the same manner as interrupts. The State register is used to enable or disable
exceptions.
7.4.7 Interrupt Masking
PSoC 5LP architecture supports special methods to mask
interrupts and exceptions, preventing them from execution.
Any new assertions in the interrupt lines are detected and
pended until the interrupts are unmasked.
Masking of interrupts is different from enabling or disabling.
When masked, the interrupt is blocked for some time, even
though it is enabled. This feature is useful when it is neces-
sary to protect some critical section of code. When interrupts
are masked, pending interrupts are not executed, even
though the interrupts are enabled in the enable register. The
interrupts are executed only when masking is cleared.
PSoC 5LP devices have special registers to provide mask-
ing facilities, including:
■PRIMASK – When the bit in the PRIMASK register is
set, all interrupts and exceptions except NMI and Hard
fault are blocked.
■FAULTMASK – When the bit in the FAULTMASK regis-
ter is set, all interrupts and exceptions except NMI are
blocked.
■BASEPRI – When interrupts below a certain priority
level must be masked, the priority number can be speci-
fied in the BASEPRI register. All interrupts with a priority
number equal to or less than the priority level specified
in the BASEPRI register are masked.
7.5 Interrupt Controller and
Power Modes
The CPU core (Cortex-M3) can execute even when the
power or clock for the Interrupt Controller is switched off. In
this case, care should be taken during entry/ exit into differ-
Table 7-3. PSoC 5LP Exceptions
Interrupt
Number Exception Type Priority Comments
1 Reset -3 (highest) not programmable Reset
2 NMI -2 not programmable Non-Maskable Interrupt
3 Hard Fault -1 not programmable All fault conditions if the corresponding handler is not enabled
4 Reserved NA –
5 Bus Fault Programmable Bus error; occurs when AHB interface receives an error response from a bus
slave (also called prefetch abort if it is an instruction fetch or data abort if it is
a data access)
6 Usage Fault Programmable Exceptions due to program error
7 Reserved NA --
8 Reserved NA --
9 Reserved NA --
10 Reserved NA --
11 SVCall Programmable System Service Call
12 Debug Monitor Programmable Debug monitor (watchpoints, breakpoints, external debug request)
13 Reserved NA --
14 PendSV Programmable Pendable request for system device
15 SYSTICK Programmable System Tick Timer

82 PSoC 5LP Architecture TRM, Document No. 001-78426 Rev. *F
Interrupt Controller
ent low-power modes (alternate active, sleep and hiber-
nate).
On PSoC 5LP, an interrupt signal coming from a wakeup
source should not be passed through the "Edge Detect"
logic shown in Figure 7-2. The interrupt signal should be
passed directly to the interrupt controller. This is a require-
ment only for sleep and hibernate power mode wakeup
sources. Alternate active mode wakeup sources can have
their interrupt signals either passing directly to the interrupt
controller, or through the edge detect logic.
Follow these steps before switching off the Interrupt Control-
ler clock.
1. Clear all pending interrupts and disable all interrupts in
Interrupt Controller.
2. NOP.
3. Disable the Global Interrupt bit.
4. Turn OFF the clock for Interrupt Controller in the
CLOCK_EN bit in the INTC.CLOCK_EN register.
It is preferred not to operate any Interrupt related functions
when the clock to the interrupt controller is not available.
When an Interrupt Service routine is executed by the CPU
when the clock to the interrupt controller is switched off, the
CPU should make sure the clock for the Interrupt Controller
is re-enabled before the exit from the ISR (to process the
IRC signal). If this is not taken care, it will lead to undefined
behavior.
When returning from the lower power mode or wants to con-
tinue in the alternate active mode, follow these steps:
1. Clock must be available to Interrupt Controller
2. Enable the Global interrupt bit
3. Enable the required interrupts in the Interrupt Controller
The CPU can run when the interrupt controller clock is
switched off only during active and alternate active modes.
When the user wants to switch from alternate active to
Active mode when the Interrupt controller clock is switched
off.
a. Follow the steps mentioned above to switch off the
clock for the Interrupt controller
b. Now the CPU can run any code that doesn't involve
the Interrupt functionality.
c. Switch to the active state whenever required
d. To switch to active mode only on wake up on inter-
rupt, then the CPU should keep polling the
PM.MODE_CSR register to find when the system
should switch to active mode.
e. When switching back to active mode, follow the pro-
cedures mentioned above for switching from low-
power mode to active mode.

PSoC 5LP Architecture TRM, Document No. 001-78426 Rev. *F 83
Section C: Memory
The PSoC® nonvolatile subsystem consists of flash, byte-writable EEPROM, and nonvolatile configuration options. The CPU
can reprogram individual blocks of flash, enabling boot loaders. An Error Correcting Code (ECC) can enable high reliability
applications.
A powerful and flexible protection model allows the user to selectively lock blocks of memory for read and write protection,
securing sensitive information. The byte-writable EEPROM is available on-chip for the storage of application data. Addition-
ally, selected configuration options, such as boot speed and pin drive mode, are stored in nonvolatile memory, allowing set-
tings to become active immediately after power on reset (POR).
This section encompasses the following chapters:
■Nonvolatile Latch chapter on page 85
■SRAM chapter on page 89
■Flash Program Memory chapter on page 93
■EEPROM chapter on page 95
■EMIF chapter on page 97
■Memory Map chapter on page 105
■Cache chapter on page 147
Top Level Architecture
(Block diagram here taken from main block diagram in Introduction.)
Memory Block Diagram
SRAM
FLASH
EEPROM
EMIF
CPU
SYSTEM
MEMORY SYSTEM
System Bus

84 PSoC 5LP Architecture TRM, Document No. 001-78426 Rev. *F
Section C: Memory

PSoC 5LP Architecture TRM, Document No. 001-78426 Rev. *F 85
8. Nonvolatile Latch
A Nonvolatile Latch (NVL or NV latch) is an array of programmable, nonvolatile memory elements whose outputs are stable at
low voltage. It is used to configure the device at Power on Reset. Each bit in the array consists of a volatile latch paired with a
nonvolatile cell. On POR release nonvolatile cell outputs are loaded to volatile latches and the volatile latch drives the output
of the NVL.
8.1 Features
NV latches include:
■A 4x8-bit NV latch for device configuration
■A 4x8-bit Write Once NV latch for device security
8.2 Device Configuration NV Latch
Device configuration NV latches allow configuration of PSoC® device parts before the CPU reset is released. For example,
the user may configure each I/O port to be in one of four drive modes before CPU reset is released. Device configuration NV
latch values have lower endurance and must be written in a narrower temperature window. Programming temperature range
and endurance are traded off to meet the low voltage and wide temperature requirements. For endurance, retention, and tem-
perature specs for NV latches see the specific device datasheet. The Device Configuration NV Latch register map is shown in
Table 8-1.
8.2.1 PRTxRDM[1:0]
Port Reset Drive mode NVL bits enable selection of one of four drive modes to be in effect between the release of POR and
the configuration of the device by user firmware. These four drive modes are a subset of the drive modes available by writing
to the port drive mode registers. See the I/O System chapter on page 151 for more details. The following is a summary of the
four NVL drive mode settings:
■00b – High impedance analog
■01b – High impedance digital
■10b – Resistive pull up
■11b – Resistive pull down
Table 8-1. Device Configuration Register Map
Register
Address 7 6 5 4 3 2 1 0
0x00 PRT3RDM[1:0] PRT2RDM[1:0] PRT1RDM[1:0] PRT0RDM[1:0]
0x01 PRT12RDM[1:0] PRT6RDM[1:0] PRT5RDM[1:0] PRT4RDM[1:0]
0x02 XRESMEN DEBUG_EN Reserved PRT15RDM[1:0]
0x03 DIG_PHS_DLY[3:0] ECCEN DPS[1:0] CFGSPEED

86 PSoC 5LP Architecture TRM, Document No. 001-78426 Rev. *F
Nonvolatile Latch
8.2.2 XRESMEN
GPIO pin (P1[2]) may be configured as an external reset
(XRES) pin. The configuration of that pin is controlled with
this NVL bit:
■0 – GPIO
■1 – XRES
8.2.3 DEBUG_EN
The Debug Enable bit allows access to the on-chip debug-
ger and allows programming, either in JTAG or SWD mode,
without having to acquire the device in test mode. JTAG or
SWD can be selected by the Debug Port Select (DPS) bits.
When DEBUG_EN is not set, it is required to enter test
mode to gain debugger access and enable device program-
ming.
■0 – Debug Disabled (no debugger access except after
test acquire)
■1 – Debug Enabled (debugger access with or without
test acquire)
8.2.4 CFGSPEED
The Configuration Speed NVL bit determines if the IMO
defaults to a fast or slow speed. See the Clocking
System chapter on page 109 for more details. This configu-
ration is intended to balance the need for rapid boot and
configuration against peak power consumption.
■0 – Slow (12 MHz IMO frequency)
■1 – Fast (48 MHz IMO frequency)
8.2.5 DPS[1:0]
Debug Port Select NVL bits allow the user to select a
debugging port interface that is active after POR is released.
If the debug port’s disabled setting is used, the acquire func-
tions of the test controller must be used to activate the
debug port. See the Test Controller chapter on page 403 for
more details. These NVL bits do not enable the debugger
logic; they enable only the physical interface. The only way
to enable the debug logic is for the user's firmware or config-
uration to write the debugger enable bit.
■00b – 5-wire JTAG
■01b – 4-wire JTAG
■10b – SWD (single wire debug)
■11b – Debug ports disabled
For programming and debugging using third-party tools, the
Debug Port Select should be configured for either the SWD
or JTAG settings as applicable. Do not select the ‘Debug
ports disabled’ setting while programming or debugging
using the third-party tools.
8.2.6 ECCEN
For devices that support an Error Correcting Code (ECC) in
the flash, this NVL bit is used to set whether ECC is
enabled. See the Flash Program Memory chapter on
page 93 for more details.
■0 – ECC disabled
■1 – ECC enabled
8.2.7 DIG_PHS_DLY[3:0]
This bit selects the digital clock phase delay in 1 ns incre-
ments. See the Clocking System chapter on page 109 for
more details,
■0x00 – Clock disabled
■0x01 – 2.5 ns delay
■0x02 – 3.5 ns delay
■…
■0X0A – 11.5 ns delay
■0x0B – 12.5 ns delay
■0x0C – Clock disabled
■0X0D – Clock disabled
■0X0E – Clock disabled
■0X0F – Clock disabled
8.3 Write Once NV Latch
The Write Once (WO) latch is a type of nonvolatile latch.
The cell itself is an NVL with additional logic wrapped
around it. Each WO latch device contains 4 bytes (32 bits) of
data. The wrapper outputs a 1 if a super-majority (28 of 32)
of its bits match a pre-determined pattern (0x50536F43) and
it outputs a 0 if this majority is not reached. When the output
is 1, the Write Once NV latch locks the part out of Debug
and Test modes; it also permanently gates off the ability to
erase or alter the contents of the latch. Matching of all bits is
intentionally not required, so that single (or few) bit failures
do not deassert the WO latch output. The state of the NV
latch bits after wafer processing is truly random with no ten-
dency toward 1 or 0.
The WOL only locks the part when the correct 32-bit key
(0x50536F43) is loaded into the NVL's volatile memory, pro-
grammed into the NVL's nonvolatile cells, and the part is
reset. The output of the WOL is only sampled on reset and
used to disable the access.

PSoC 5LP Architecture TRM, Document No. 001-78426 Rev. *F 87
Nonvolatile Latch
This precaution prevents anyone from reading, erasing, or
altering the content of the internal memory.
The user can write the key in WOL to lock out external
access only if no flash protection is set. However, after set-
ting the values in the WOL, a user still has access to the part
until it is reset. Therefore a user can write the key into the
WOL, program the flash protection data, and then reset the
part to lock it. See the Flash, Configuration
Protection chapter on page 167 for details on flash protec-
tion.
8.4 Programming NV Latch
The volatile latch is intended to be initialized from a nonvola-
tile memory cell at POR release. NV Latches are configured
by writing to the volatile cells of the array and then program-
ming the volatile cell data into the nonvolatile cells (Write
Nonvolatile Cell Mode). See the Nonvolatile Memory
Programming chapter on page 423 for more details on NV
latch programming sequence.
NVL programming is done through a simple command/sta-
tus register interface. Commands and data are sent as a
series of bytes to either SPC_CPU_DATA or
SPC_DMA_DATA, depending on the source of the com-
mand. Response data is read via the same register to which
the command was sent. The following commands are used
to program NVLs:
■Command 0x00 – Load Byte
Loads a single byte of data into the volatile cells at the
given address.
■Command 0x10 – Read Byte
Reads a single byte of data from volatile cells at the
given address.
■Command 0x06 – Write User NVL
Writes all nonvolatile cells in a User NVL with the corre-
sponding values in its volatile latches.
■Command 0x03 – Read User NVL
Reads a single byte of data from nonvolatile cells at the
given address. Note that when this command is exe-
cuted, all of the bytes are transferred from nonvolatile
cells to the volatile cells of the array.
8.5 Sleep Mode Behavior
NV latches remain powered up during sleep, but they stay in
an idle state, not allowing any direct reads or writes. During
sleep, the outputs of the NVLs remain stable.
If the device is protected with a WO
latch setting, Cypress cannot perform
failure analysis and, therefore, cannot
accept RMAs from customers. The WO
latch can be read via the SWD to electri-
cally identify protected parts.

88 PSoC 5LP Architecture TRM, Document No. 001-78426 Rev. *F
Nonvolatile Latch

PSoC 5LP Architecture TRM, Document No. 001-78426 Rev. *F 89
9. SRAM
PSoC® 5LP devices include on-chip SRAM.
9.1 Features
PSoC 5LP SRAM has these features:
■Organized as up to 16 blocks of 4 KB each, for CY8C55 family.
■Code can be executed out of portions of SRAM, for CY8C55 family.
■8-, 16-, or 32-bit accesses.
■Zero wait state accesses.
■Arbitration of SRAM accesses by the CPU and the DMA controller.
■Different blocks can be accessed simultaneously by the CPU and the DMA controller.
9.2 Block Diagram

90 PSoC 5LP Architecture TRM, Document No. 001-78426 Rev. *F
SRAM
Figure 9-1 shows CY8C55 family SRAM accesses.
Figure 9-1. CY8C55 Family SRAM Accesses
Figure 9-2 shows internal SRAM organization for the CY8C55 family.
Figure 9-2. CY8C55 Family SRAM Organization
Cortex-M3
CPU
PHUB
Peripheral
Peripheral
SRAM
32
32
SRAM BANK0
(32 KB)
Lower SRAM
SRAM BANK1
(32 KB)
Upper SRAM
CPUIF
PHUBIF
SRAM
PHUB
Cortex-M3
CPU

PSoC 5LP Architecture TRM, Document No. 001-78426 Rev. *F 91
SRAM
9.3 How It Works
The CY8C55 family has up to 64 KB SRAM implemented as
sixteen 4 KB blocks. All 64 KB are accessible by the Cortex-
M3 CPU and by the PHUB DMA controller in normal opera-
tion. The SRAM is further organized as two 32 KB memory
banks, centered at address 0x20000000. This allows
access to both SRAM banks with either the c-Bus (Cortex-
M3 I and D buses) or the s-Bus (Cortex-M3 system bus).
Code can be executed from all SRAM below address
0x20000000.
The PHUB can use SRAM as a DMA source or target.
All data paths to SRAM are 32 bits wide.
The CPU has a direct connection to SRAM without going
through the PHUB. In addition to faster SRAM access by the
CPU, this allows for simultaneous accesses to SRAM by
both the CPU and the PHUB DMA controller, because
SRAM is physically implemented as multiple separate
blocks. If the CPU and the PHUB are accessing separate
blocks, they both have simultaneous unimpeded access.
In case of contention, the following applies:
■CY8C55 family – In most cases, the Cortex-M3 CPU has
priority over the PHUB for all SRAM.
The SRAM responds to CPU and PHUB accesses with zero
wait states for both reads and writes as long as the access
does not lose priority arbitration. Arbitration is done on a
cycle-by-cycle basis at the time of SRAM access. The losing
master is held off until the winning master has finished
accessing the SRAM block; the losing master gains access
on the cycle immediately after.
SRAM data is maintained during all low-power and sleep
modes. At reset, the SRAM contents are not initialized; they
power up as unknown values.

92 PSoC 5LP Architecture TRM, Document No. 001-78426 Rev. *F
SRAM

PSoC 5LP Architecture TRM, Document No. 001-78426 Rev. *F 93
10. Flash Program Memory
PSoC® 5LP include on-chip flash memory. Additional flash is available for either error correction bytes or data storage.
10.1 Features
PSoC 5LP flash memory has the following features:
■Organized in rows, where each row contains 256 data bytes plus 32 bytes for either error correcting codes (ECC) or data
storage.
■For PSoC 5LP architecture: CY8C55 Family, organized as either one block of 128 or 256 rows, or as multiple blocks of
256 rows each.
■Stores CPU program and bulk or nonvolatile data
■For PSoC 5LP architecture: CY8C55 Family, 8-, 16-, or 32-bit read accesses.
■Programmable with a simple command / status register interface (see Nonvolatile Memory Programming chapter on
page 423).
■Four levels of protection (see Nonvolatile Memory Programming chapter on page 423 and Flash, Configuration
Protection chapter on page 167).
10.2 Block Diagram
Figure 10-1 is a block diagram of the flash programming system.
Figure 10-1. Flash Block Diagram
Test Controller (TC)
Debug on-Chip (DOC) CPU
PHUB
Flash
Programming
Interface
EEPROM NVL

94 PSoC 5LP Architecture TRM, Document No. 001-78426 Rev. *F
Flash Program Memory
10.3 How It Works
Flash memory provides nonvolatile storage for firmware,
device configuration data, bulk data storage, ECC data, fac-
tory configuration data, and protection information.
Flash memory contains two regions – a main region, and a
much smaller, extended region. All user data is stored in the
main region, including ECC data. Factory configuration and
user-defined protection data are stored in the extended
region, also known as the hidden rows of flash.
For each row, protection bits control whether the flash can
be read or written by external debug devices and whether it
can be reprogrammed by a boot loader. For more informa-
tion see the Nonvolatile Memory Programming chapter on
page 423 and Flash, Configuration Protection chapter on
page 167.
Flash can be read by both the CPU and the DMA controller.
Flash is erased in 64-row sectors or in its entirety, and it is
programmed in rows. Erase and programming operations
are done by a programming system, using a simple com-
mand/status register interface. For more information see the
Nonvolatile Memory Programming chapter on page 423.
Note It can take as much as 20 milliseconds to write to
EEPROM or flash. During this time the device should not be
reset; otherwise, unexpected changes may be made to por-
tions of EEPROM or flash. The reset sources (see Reset
Sources on page 143) include XRES pin, software reset,
and watchdog; make sure that these are not inadvertently
activated. Also, configure the low-voltage detect circuits to
generate an interrupt instead of a reset.
Note When writing FLASH on PSoC 5LP devices, it is pos-
sible for data in the instruction cache to become stale, thus
the cache data does not correlate to the data just written to
FLASH. A call to CyFlushCache() is required to invalidate
the data in cache and force fresh information to be loaded
from FLASH.
10.4 Flash Memory Access
Arbitration
Flash memory can be accessed either by the cache control-
ler or the nonvolatile memory programming interface (sys-
tem performance controller (SPC)). Cache controller can
perform only flash read operations while the SPC can per-
form both read and write operations on the flash memory.
There is an internal arbitration mechanism to facilitate flash
memory access by both the cache and the SPC. Flash
memory is organized as flash arrays. PSoC 5LP can have
up to four flash arrays, where each flash array size can be
up to 64 KB. The SPC and the cache controller cannot
simultaneously access the flash memory locations. If the
cache controller tries to access the flash at the same time as
the SPC, then it must wait until the SPC completes its flash
access operation. The CPU, which accesses the flash mem-
ory through the cache controller, is also halted until the
cache is filled with the code to be executed from the flash
memory. Similarly, if SPC tries to access the flash array at
the same time as the cache controller, then it must wait until
the cache controller completes its access operation.
10.5 ECC Error Detection and
Interrupts
The ECC detects conditions that may interfere with software
operation. The information is logged into individual interrupt
registers that become latched until the software clears the
corresponding valid bit. All interrupt sources within the ECC
are passed through a mask condition; then, they are
reduced into a single interrupt request to the Interrupt Con-
troller unit.
When the software is notified about an existing interrupt in
the ECC, the following sequence occurs:
1. The software reads the Interrupt Status register
CACHE_INT_SR that provides the valid bits of all inter-
rupts in a single read operation.
2. The software examines individual interrupt registers for
more log information (CACHE_INT_LOG[0..5]).
3. Stored log information is cleared on read of registers.
4. After clearing of log information, the status register
(CACHE_INT_SR) is automatically cleared, because it is
a collection of valid bits of the log registers.
Logging is always enabled; reporting may be disabled
through the Interrupt Mask Register (CACHE_INT_MSK).
The following conditions are detected by the hardware and
logged as potential interrupt sources:
■ECC – Single Bit – A single bit error was encountered
during a fill operation and was fixed.
■ECC – Multi Bit – A multi-bit error was encountered dur-
ing a fill operation, but it cannot be corrected.
■Attempted Flash Write – If a write to flash through the
PHUB is attempted.

PSoC 5LP Architecture TRM, Document No. 001-78426 Rev. *F 95
11. EEPROM
PSoC® 5LP devices have on-chip EEPROM memory. This family offers devices that range from 512 bytes to 2 kilobytes.
11.1 Features
PSoC 5LP EEPROM memory has the following features:
■Organized in rows, where each row contains 16 bytes
■Organized as one block of 32, 64, or 128 rows, depending on the device
■Stores nonvolatile data
■Write and erase using SPC commands
■Byte read access by CPU or DMA using the PHUB
■Programmable with a simple command/status register interface (see Nonvolatile Memory Programming chapter on
page 423)
11.2 Block Diagram
There is no block diagram associated with EEPROM.

96 PSoC 5LP Architecture TRM, Document No. 001-78426 Rev. *F
EEPROM
11.3 How It Works
EEPROM memory provides nonvolatile storage for user data. EEPROM write and erase operation is done using SPC com-
mands. It may be read by both the CPU and the DMA controller, using the PHUB. All read accesses are 8-bit.
If a PHUB access is attempted while the SPC is in control of EEPROM, a System Fault Interrupt is generated to the interrupt
controller and the bit EEPROM_error is set in SPC_EE_ERR[0]. When set, this bit remains set until it is read from the PHUB.
EEPROM can be taken in and out of sleep mode by setting the bit EE_SLEEP_REQ in SPC_FM_EE_CR[4], as shown in
Table 11-1. Before a PHUB access of EEPROM is done, set the firmware EEPROM request bit AHB_EE_REQ in
SPC_EE_SCR[0], then poll for the EEPROM acknowledge bit EE_AHB_ACK in SPC_EE_SCR[1] to be set. Before a PHUB
access of EEPROM is done, firmware should set the EEPROM request bit AHB_EE_REQ in SPC_EE_SCR[0], then poll for
the EEPROM acknowledge bit EE_AHB_ACK in SPC_EE_SCR[1] to be set.
It is also possible to check the current sleep status of the EEPROM by reading the bit EE_AWAKE in SPC_FM_EE_CR[5], as
shown in Table 11-2.
EEPROM is erased in 64-row sectors, or in its entirety, and is programmed in rows. Erase, programming and read operations
are done by a programming system using a simple command/status register interface. For more information see Nonvolatile
Memory Programming chapter on page 423. Contention priority between the cache controller and the programming system
can be controlled by the bit EE_Priority, in SPC.FM_EE_CR[1], as shown in Table 11-3.
Note It can take as much as 20 milliseconds to write to EEPROM or flash. During this time the device should not be reset;
otherwise, unexpected changes may be made to portions of EEPROM or flash. The reset sources (see Reset Sources on
page 143) include XRES pin, software reset, and watchdog; make sure that these are not inadvertently activated. Also, con-
figure the low-voltage detect circuits to generate an interrupt instead of a reset.
Table 11-1. Bit Settings for EE_SLEEP_REQ in SPC_FM_EE_CR[4]
Setting Description
0 (default) Wake up EEPROM
1 Put EEPROM to sleep
Table 11-2. Bit Settings for EE_AWAKE in SPC_FM_EE_CR[5]
Setting Description
0 EEPROM is asleep
1 (default) EEPROM is awake
Table 11-3. Bit Settings for EE_Priority, in SPC.FM_EE_CR[1]
Setting Description
0 (default) PHUB has priority
1 Programming system has priority

PSoC 5LP Architecture TRM, Document No. 001-78426 Rev. *F 97
12. EMIF
PSoC® 5LP architecture provide an external memory interface (EMIF) for connecting to external memory devices and periph-
eral devices. The connection allows read and write access to the devices. The EMIF operates in conjunction with UDBs, I/O
ports, and other PSoC 5LP components to generate the necessary address, data, and control signals.
The EMIF does not intercept address data between the PHUB and the I/O ports. It only generates the required control signals
to latch the address and data at the ports. The EMIF generates a clock to run external synchronous and asynchronous mem-
ories. It can generate four different clock frequencies, which are the bus clock divided by 1, 2, 3, or 4.
12.1 Features
The EMIF supports four types of external memory: synchronous SRAM, asynchronous SRAM, cellular RAM/PSRAM, and
NOR flash. External memory can be accessed via the ARM Cortex-M3 external RAM space; up to 24 address bits can be
used. The memory can be 8 or 16 bits wide.
12.2 Block Diagram
Figure 12-1 is the EMIF block diagram.
Figure 12-1. EMIF Block Diagram
CPU PHUB
DMAC
EMIF
Port Logic
Address Ports
Data Ports
Address
Read / Write Data
AHB Bus
AD
DQ
CLK
WRn
CEn
ADSCn
OEn
ZZ_
External Memory
Custom
UDB Logic
EM_Clock
EM_WRn
EM_CEn
EM_ADSCn
EM_OEn
EM_Sleep
Xmem_wr
Xmem_rd
Udb_Ready
DSI
UDB
Control Port
no_udb mode
udb mode
Addr[23:0]
Data[15:0]
PSoC 5LP
6
16
24
16
24
6
3

98 PSoC 5LP Architecture TRM, Document No. 001-78426 Rev. *F
EMIF
12.3 How It Works
The address component of the EMIF uses up to three I/O
ports. The I/O ports used for external memory address are
selected by configuring the 3-bit portEmifCfg field in the
PRT*_CTL register. The register can be configured so that
the port is selected as either the most significant byte, the
middle byte, or the least significant byte of the address. (See
the I/O System chapter on page 151 for details of the
PRT*_CTL register.)
The data component of the EMIF uses one or two I/O ports.
The I/O port or ports used for external memory data are
selected by configuring the 3-bit portEmifCfg field in the
PRT*_CTL register. The register can be configured so that
the port is selected as either the most significant byte or the
least significant byte of the data. (See the I/O
System chapter on page 151 for details of the PRT*_CTL
register.)
The control component of the EMIF uses a single I/O port.
The I/O port used for external memory control is selected by
configuring the 3-bit portEmifCfg field in the PRT*_CTL reg-
ister. The I/O port must be further configured by setting the
byPass bit in the PRT*_BYP register. This allows the EMIF
to drive the pins. The control signals are sent from the EMIF
to the I/O port over the digital signal interface (DSI).
12.3.1 List of EMIF Registers
This table lists EMIF registers.
12.3.2 External Memory Support
Table 12-2 on page 101 shows how different external mem-
ory types can be connected to the PSoC 5LP devices.
Address lines use up to three I/O ports. Data lines use one
or two ports, depending on whether the external memory is
x8 or x16. Control lines use 3 to 6 pins on one I/O port.
Spare pins on the address and data ports are not available
for any other purpose. Spare pins on the control port are
available for other purposes.
Table 12-1. EMIF Registers
Register Usage
EMIF_NO_UDB
Controls whether a synchronous or asynchro-
nous RAM is supported, versus a custom
memory interface requiring additional UDB
logic.
EMIF_RP_WAIT_STATES Number of additional wait states used in a
read operation.
EMIF_MEM_DWN Puts the external memory into a power down
state.
EMIF_MEMCLK_DIV
Sets the clock divider for the external memory
clock frequency, which can equal the bus
clock frequency divided by 1, 2, 3 or 4. Note
that the external memory clock frequency can-
not exceed 33 MHz.
EMIF_CLOCK_EN Enables/disables the clock for the EMIF block,
effectively turning the block on or off.
EMIF_EM_TYPE Controls whether to generate control signals
for a synchronous or asynchronous SRAM in
NO_UDB mode.
EMIF_WP_WAIT_STATES Number of additional wait states used in a
write operation.

PSoC 5LP Architecture TRM, Document No. 001-78426 Rev. *F 99
EMIF
Figure 12-2. Synchronous SRAM
PSoC 5LP
Control
Port
Data
Hi
Port
Data
LO
Port
ADDR
Hi Port
ADDR
MID
Port
ADDR
LO
Port
Synchronous SRAM (such as CY7C1342H)
[7:0]
[7:0]
[7:0]
[0]
[7:0]
[7:1]
CE -
OE -
WE -
ADSC -
EM-Clock
EM-Sleep
A0–A7
A8–A15
A16
D0–D7
D8–D15
CE1
OE
GW
Unused
Spare
ADSC
CLK
ZZ
Vddd
ADSA
ADV
CE2
BWE
CE3
BWA
BWB
Mode
2

100 PSoC 5LP Architecture TRM, Document No. 001-78426 Rev. *F
EMIF
Figure 12-3. Asynchronous SRAM
PSoC
Control Port
Data
Hi
Port
Data
LO
Port
ADDR
Hi Port
ADDR
MID
Port
ADDR
LO
Port
Asynchronous SRAM or Flash (such as CY7C1041D)
[7:0]
[7:0]
[7:0]
[1:0]
[7:0]
[7:2]
CE -
OE -
WE -
ADSC -
EM-Clock
EM-Sleep
A0 – A7
A8 – A15
A16, A17
D0 – D7
D8 – D15
CE
OE
WE
Unused
Unused
Unused
Spare
2

PSoC 5LP Architecture TRM, Document No. 001-78426 Rev. *F 101
EMIF
12.3.3 Sleep Mode Behavior
All EMIF registers keep their value during sleep mode. The
MEM_DWN register controls external memory sleep mode;
the external control signal ZZ is asserted or deasserted. If
an external memory access happens when MEM_DWN is
set, ZZ is not asserted until after the current transfer is com-
pleted. ZZ is deasserted when the MEM_DWN register is
cleared; it then takes two external memory clock cycles for
the memory to wake up.
To completely turn off the EMIF block, clear the CLOCK_EN
register.
Table 12-2. External Memory Connections to PSoC 5LP Devices
PSoC 5LP Connection Synchronous SRAM
Ex: CY7C1342H Asynchronous SRAM
Ex: CY7C1041D Pseudo SRAM
Ex: CYK256K16MCCB NOR Flash
Ex: Intel 28F800C3
3 I/O PORTs A0 - A16 A0 - A17 A0 - A17 A0 - A18
2 I/O PORTs D0 - D15 D0 - D15 D0 - D15 D0 - D15
1 I/O PORT pin: EM_CE CE1 CE CE CE
1 I/O PORT pin: EM_OE OE OE OE OE
1 I/O PORT pin: EM_WE GW WE WE WE
1 I/O PORT pin: EM_ADSC ADSC
1 I/O PORT pin: EM_CLOCK CLK
1 I/O PORT pin: EM_SLEEP ZZ RPa
tie high ADSP WP
tie high ADV
tie high CE2
tie high BWE
tie low CE3
tie low BWA BHE BHE
tie low BWB BLE BLE
tie low MODE
a. RP is opposite polarity from the ZZ signal on the synchronous SRAM. Either add an inverter to the EM_SLEEP signal or program the EMIF_MEM_DOWN
register with the opposite polarity.

102 PSoC 5LP Architecture TRM, Document No. 001-78426 Rev. *F
EMIF
12.4 EMIF Timing
The EMIF is clocked by bus clock – the same signal that
clocks the CPU and the PHUB. Within the EMIF block, the
bus clock can be divided by 1, 2, 3, or 4; the output is the
EM_CLOCK signal to the external memory IC.
The following table shows the number of PHUB wait states
generated by the EMIF depending on how much the input
clock is divided.
The EMIF.WAIT_STATES register can also be used to add
up to seven more wait states.
An important limitation is that the maximum I/O rate of
PSoC 5LP GPIO pins is 33 MHz. This makes the maximum
frequency of EM_CLOCK 33 MHz. The following table
shows limitations of EM_CLOCK frequency relative to the
bus clock:
The maximum frequency of the bus clock is 80 MHz for
PSoC 5LP devices. In most cases, EMIF_MEMCLK_DIV
must be used to divide EM_CLOCK to a frequency less than
or equal to 33 MHz.
Given the above restriction on EM_CLOCK frequency, and
the relation of EM_CLOCK to EM_ADSC-, EM_CE-, and
EM_WE-, it can be seen that the minimum pulse widths of
these signals is 30.3 ns.
Figure 12-4. Synchronous Write Cycle Timing
Table 12-3. PHUB Wait States Generated by EMIF
EM_CLOCK =
Bus Clock Divided By Read Wait States Write Wait States
112
234
356
478
Table 12-4. Limitations of EM_CLOCK Relative to Bus
Clock
Bus Clock Frequency EM_CLOCK = Bus Clock Divided By
< 33 MHz 1, 2, 3, or 4
33 - 66 MHz 2, 3, or 4
> 66 MHz 3 or 4
Address
Data
EM_Clock
EM_CEn
EM_Addr
EM_OEn
EM_Data
EM_ADSCn

PSoC 5LP Architecture TRM, Document No. 001-78426 Rev. *F 103
EMIF
Figure 12-5. Synchronous Read Cycle Timing
Figure 12-6. Asynchronous Write Cycle Timing
Figure 12-7. Asynchronous Read Cycle Timing
Address
Data
EM_Clock
EM_CEn
EM_Addr
EM_OEn
EM_Data
EM_ADSCn
Address
Data
EM_Addr
EM_CEn
EM_OEn
EM_WEn
EM_Data
EM_Addr
EM_CEn
EM_OEn
EM_Data
EM_WEn
Address
Data

104 PSoC 5LP Architecture TRM, Document No. 001-78426 Rev. *F
EMIF
12.5 Using EMIF with Memory-
Mapped Peripherals
The EMIF can also be used with external peripheral devices
that have a bus interface similar to asynchronous memory
devices, that is, they address, data, CE-, WE-, and OE-. The
speed of the interface must be considered in the same man-
ner as described above. The maximum data bus size is 16
bits, and the minimum address bus size is 8 bits. If multiple
external memory and peripheral devices are used, address
decoding to the multiple device selects may become com-
plex and must be given careful consideration.
12.6 Additional Configuration
Guidelines
The PHUB assumes all peripherals including external mem-
ory are byte addressable. Port logic is natively 16 bits wide,
so care must be taken when setting up communication with
either an 8 or 16 bit external memory. The following section
describes some guidelines to configure the port pins and set
up the memory access methods (either CPU or DMA) for
optimal performance.
12.6.1 Address Bus Configuration
Configure three of the available ports as output EMIF
address ports. Because PHUB peripherals are byte
addressable regardless of the external memory data bus
size, up to 2^24 bytes of external memory can be accessed.
If an 8-bit memory is used, up to 24-bit address lines can be
directly connected to the memory. If a 16-bit memory is
used, the LSB address line (A0) of the memory chip should
be connected to the second address line (A1) of the PSoC
and the LSB address line (A0) of the PSoC should be
ignored. This is because the PHUB increments the address
by 2 while doing 16-bit transactions.
12.6.2 Data Bus Configuration
For 16 bit memories, two ports should be configured as bidi-
rectional EMIF data ports. For 8bit memories, only one port
should be configured as a bidirectional EMIF data port.
12.6.3 16-bit Memory Transfers
DMA Transfers: For DMA transfers to/from 16bit external
memory, odd burst counts are not supported because 8 bit
transfers are not supported on a 16bit interface.
CPU Transfers: With the 32 bit ARM M3 processor in
PSoC 5LP, 16-bit memory can be directly accessed by the
CPU. The only limitation here is the PSoC 5LP cannot initi-
ate 8 bit transfers to 16-bit memories and should not initiate
unaligned 16-bit or 32-bit transfers to an external memory,
as the processor may convert these into multiple 8 bit
aligned accesses. However, 32 or 16-bit aligned transfers
are handled correctly by the processor and PHUB.
12.6.4 8-bit Memory Transfers
DMA Transfers: For DMA transfers to/from an 8 bit external
memory, the burst count should always be 1, irrespective of
the transfer count. For example, if the burst count is set as 2
to transfer two bytes to external memory, the PHUB will try
to do a 16-bit transfer in a single burst instead of breaking
the transfer down into two individual transfers with the 8-bit
memory.

PSoC 5LP Architecture TRM, Document No. 001-78426 Rev. *F 105
13. Memory Map
All PSoC® 5LP memory (flash, EEPROM, Nonvolatile Latch, and SRAM) and all registers are accessible by the CPU, DMA
controller, and in most cases by the debug systems. This chapter contains an overall map of the addresses of the memories
and registers.
13.1 Features
The PSoC 5LP memory map has the following features:
■ARM Cortex-M3 32-bit linear address space, with regions for code, SRAM, peripherals, external RAM, and CPU internal
registers.
■Flash is mapped to the Cortex-M3 code region.
■Half of SRAM is mapped to the code region, the other half to the SRAM bitband region.
■SRAM mapped to the code region is also accessible by DMA in the SRAM bitband region.
■External memory (see the EMIF chapter on page 97) is mapped to the external RAM region.
■All other memories, and all registers, are accessed in the Cortex-M3 peripheral bitband region.
13.2 Block Diagram
There is no block diagram associated with the memory map.
13.3 How It Works
The PSoC 5LP memory maps are detailed in the following sections. For additional information see the PSoC® 5LP Registers
TRM (Technical Reference Manual).

106 PSoC 5LP Architecture TRM, Document No. 001-78426 Rev. *F
Memory Map
13.3.1 PSoC 5LP Memory Map
The ARM Cortex-M3 has a fixed address map allowing access to peripherals using simple memory access instructions. The
32-bit (4 GB) address space is divided into the regions shown in Table 13-1. Note that code can be executed from the code,
SRAM, and external RAM regions.
The PSoC 5LP address map is shown in Table 13-2. For more information see the Cortex-M3 chapter.
Table 13-1. PSoC 5LP Memory Map
Address Range Size Use
0x00000000 – 0x1FFFFFFF 0.5 GB Program code. Includes the exception vector table at power up, which starts at address 0
0x20000000 – 0x3FFFFFFF 0.5 GB SRAM. This includes a 1 MByte bit-band region starting at 0x20000000, and a 32 Mbyte bit-band alias
region starting at 0x22000000.
0x40000000 – 0x5FFFFFFF 0.5 GB Peripherals. This includes a 1 MByte bit-band region starting at 0x40000000, and a 32 Mbyte bit-band
alias region starting at 0x42000000.
0x60000000 – 0x9FFFFFFF 1 GB External RAM
0xA0000000 – 0xDFFFFFFF 1 GB External peripherals
0xE0000000 – 0xFFFFFFFF 0.5 GB Internal peripherals, including the NVIC and debug and trace modules
Table 13-2. PSoC 5LP Address Map
Address Range Purpose
0x0000 0000 – 0x0003 FFFF Up to 256 KB Flash
0x1FFF 8000 – 0x1FFF FFFF Up to 32 KB SRAM in code region
0x2000 0000 – 0x2000 7FFF Up to 32 KB SRAM in SRAM region
0x2000 8000 – 0x2000 FFFF Alias of address range 0x1FFF 8000 – 0x1FFF FFFF, accessible by DMA
0x4000 4000 – 0x4000 42FF Clocking, PLLs, and oscillators
0x4000 4300 – 0x4000 43FF Power management
0x4000 4500 – 0x4000 45FF Ports interrupt control
0x4000 4700 – 0x4000 47FF Flash programming interface
0x4000 4900 – 0x4000 49FF I2C controller
0x4000 4E00 – 0x4000 4EFF Decimator
0x4000 4F00 – 0x4000 4FFF Fixed timer/counter/PWMs
0x4000 5000 – 0x4000 51FF General purpose I/Os
0x4000 5300 – 0x4000 530F Output port select register
0x4000 5400 – 0x4000 54FF External memory interface control registers
0x4000 5800 – 0x4000 5FFF Analog subsystem interface
0x4000 6000 – 0x4000 60FF USB controller
0x4000 6400 – 0x4000 6FFF UDB configuration
0x4000 7000 – 0x4000 7FFF PHUB configuration
0x4000 8000 – 0x4000 87FF EEPROM
0x4000 A000 – 0x4000 A400 CAN
0x4000 C000 – 0x4000 C800 Digital filter block
0x4001 0000 – 0x4001 FFFF Digital interconnect configuration
0x4800 0000 – 0x4800 7FFF Flash ECC bytes
0x6000 0000 – 0x60FF FFFF External Memory Interface (EMIF)
0xE000 0000 – 0xE00F FFFF Cortex-M3 PPB registers, including NVIC, debug, and trace

PSoC 5LP Architecture TRM, Document No. 001-78426 Rev. *F 107
Section D: System Wide Resources
The System Wide Resources section details three types of I/O, internal clock generators, power supply, boost converter, and
sleep modes.
This section contains these chapters:
■Clocking System chapter on page 109
■Power Supply and Monitoring chapter on page 125
■Low-Power Modes chapter on page 135
■Watchdog Timer chapter on page 141
■Reset chapter on page 143
■Auxiliary ADC chapter on page 179
■I/O System chapter on page 151
■Flash, Configuration Protection chapter on page 167
Top Level Architecture
System Wide Resources Block Diagram
SYSTEM WIDE RESOURCES
Clock Tree
WDT
and
Wake
Clocking System
1.8V LDO
POR and
LVD Sleep
Power
Power Management System
Xtal
Osc
IMO
RTC
Timer ILO
SMP
System Bus

108 PSoC 5LP Architecture TRM, Document No. 001-78426 Rev. *F
Section D: System Wide Resources

PSoC 5LP Architecture TRM, Document No. 001-78426 Rev. *F 109
14. Clocking System
The clocking system provides clocks for the entire device. It allows the user to trade off current, frequency, and accuracy. A
wide range of frequencies can be generated, using multiple sources of clock inputs combined with the ability to set divide val-
ues.
14.1 Features
The clock system includes these clock resources:
■Four internal clock sources increase system integration:
❐3 to 74.7 MHz internal main oscillator (IMO) ±1% at 3 MHz
❐1 kHz, 33 kHz, 100 kHz internal low-speed oscillator (ILO) outputs
❐48 MHz clock doubler output for USB, sourced from IMO, MHz External Crystal Oscillator (MHzECO), and Digital Sys-
tem Interconnect (DSI)
❐24 to 80 MHz fractional Phase-Locked Loop (PLL) sourced from IMO, MHzECO, and DSI
■Clock generated using a DSI signal from an external I/O pin or other logic
■Two external clock sources provide high precision clocks:
❐4 to 25 MHz External Crystal Oscillator (MHzECO)
❐32.768 kHz External Crystal Oscillator (kHzECO) for real-time clock (RTC)
■Dedicated 16-bit divider for bus clock
■Eight individually sourced 16-bit clock dividers for the digital system peripherals
■Four individually sourced 16-bit clock dividers with skew for the analog system peripherals
■IMO has a USB mode that synchronizes to USB host traffic, requiring no external crystal for USB. (USB equipped parts
only)

110 PSoC 5LP Architecture TRM, Document No. 001-78426 Rev. *F
Clocking System
14.2 Block Diagram
Figure 14-1 gives a generic view of the Clocking System in PSoC 5LP devices.
Figure 14-1. Clocking System Block
The components of the clocking system block diagram are
defined as follows:
■Internal main oscillator (IMO)
■Internal Low-speed Oscillator (ILO)
■A 4 to 25 MHz External Crystal Oscillator (MHzECO)
■A 32 kHz External Crystal Oscillator (kHzECO)
■Digital System Interconnect (DSI) signal, which can be
derived from the clocks developed in UDBs or off-chip
clocks routed through pins
■A PLL to boost the clock frequency of some select inter-
nal and external sources
■Five types of clock outputs:
❐Digital clocks
❐Analog clocks
❐Special purpose clocks
❐System clock
❐USB clock
14.3 Clock Sources
Clock sources for the device are classified as internal oscil-
lators and external crystal oscillators. There is an option of
using a PLL or a frequency doubler to derive higher fre-
quency outputs from existing clocks. Signals can be routed
from the DSI and used as clocks in the clock trees.
14.3.1 Internal Oscillators
PSoC devices have two internal oscillators: the internal
main oscillator (IMO) and the internal low-speed oscillator
(ILO).
14.3.1.1 Internal Main Oscillator
The IMO operates with no external components and outputs
a stable clock, clk_imo, at a variety of user-selectable fre-
quencies: 3, 6, 12, 24, 48, 62.6, and 74.7 MHz. Frequencies
are selected using the register FASTCLK_IMO_CR[2:0].
The clock accuracy is 1% typical at 3 MHz and it varies with
frequency. See the device datasheet for IMO accuracy spec-
ification.
Clock Doubler
The block has one additional clock output. A doubled clock,
IMOCLKX2 outputs a clock at twice the frequency of the
input clock. The doubler is enabled by register bit
FASTCLK_IMO_CR[4]. The doubler can also take clock
inputs (XCLK) other than IMO and have a DSI or MHzECO
as input. This feature is enabled by the bit
FASTCLK_IMO_CR[5]. The DSI / MHzECO can be selected
in the CLKDIST_CR[6] register bit.
4 MHz - 25
MHz ECO
3 MHz – 74.7
MHz IMO 32.768 kHz
ECO 1/33/100 kHz
ILO
s
k
e
w
7
7
Digital (User)
Clock Mux and
16-Bit Divider
Analog (User)
Clock Mux and
16-Bit Divider
Bus Clock Divider
16-Bit
48 MHz
Doubler
24 - 80
MHz PLL
Master
Clock Mux
External I/O
or DSI
0 MHz - 33 MHz
x8
clk_sync_d
0
clk_imo
1
clk_xtal
2
clk_ilo
3
clk_pll
4
clk_32k
5
clk_dsi_glb
6
...
x4
...
clk_imo
clk_xtal
clk_pll
clk_dsi_glb
clk_sync_d
clk_32k
clk_ilo
dsi_d[n] dsi_a[n]
clk_sync_a[n]
dsi_clkin
8-bit Clock
Divider
clk_imo2x
USB Clk Mux +
Div2
clk_imo2x
clk_imo
clk_pll
clk_dsi_glb

PSoC 5LP Architecture TRM, Document No. 001-78426 Rev. *F 111
Clocking System
The clock distribution register CLKDIST_CR[5:4] is respon-
sible for selecting between IMO or IMO × 2 outputs.
Figure 14-2 is a summary block diagram of the IMO.
Note The output of the clock doubler should only be used
for clocking the USB block. It should not be used to clock
any other peripherals in the device.
Fast-Start IMO (FIMO)
An alternate mode of the IMO is available for fast start-up
out of sleep modes. This fast-start IMO (FIMO) mode pro-
vides a clock output within 1 µs after exiting the power down
state. The fast-start IMO uses a special fast bias circuit that
is stable more quickly than the high accuracy bias that is
used during normal operation. This fast bias is less accurate
than the normal bias, resulting in a less accurate clock fre-
quency. The normal, high-accuracy bias is always used
when running user code.
During the transition from FIMO to regular IMO, glitches can
occur if the frequency selection for the two configurations
are not the same. Stated explicitly, at the transition,
FASTCLK_IMO_CR[2:0] should match
PWRSYS_WAKE_TR1[2:0].
NVL Frequency Selection
Upon entering the boot phase of startup, the IMO frequency
and a portion of its trim are set using values stored in user
NVLs. This allows the user to select a faster clock frequency
for a portion of device startup. The top two bits of IMO trim
stored in the IMO_TR2 register are populated from the NVL
register MNVL_FIMO_TRIM[1:0]. The frequency selection
bits in register FASTCLK_IMO_CR[2:0] have their most sig-
nificant bit populated using NVL register
CNVL_CFGSPEED. The NVL register will set the frequency
to 12 MHz when set to 0, and 48 MHz when set to 1. This
NVL selection will be overwritten during firmware startup
with a more complete frequency selection and trim.
Note 48-MHz startup should not be selected in devices with
a maximum operating frequency rating below 48 MHz.
Figure 14-2. IMO Block Diagram
14.3.1.2 Internal Low-Speed Oscillator
The ILO produces two primary independent output clocks
with no external components and with very low power con-
sumption. These two outputs operate at nominal frequen-
cies of 1 kHz and 100 kHz. The two clocks run
independently, are not synchronized to each other, and can
be enabled or disabled together or independently. The 1 kHz
clock is typically used for a background central timewheel
and also for the watchdog timer. The 100 kHz clock can pro-
vide a low-power system clock, or it can be used to time
intervals such as for sleep mode entry and exit. A third 33-
kHz clock output is available — a divide-by-3 of the 100 kHz
output.
In addition to the multiplexed output that can enter the clock
distribution, the output clocks route to the following func-
tions:
■clk_ilo1K – to the central timewheel (also called the
sleep timer) and watchdog timer. See the Low-Power
Modes chapter on page 135 for more details.
■clk_ilo100K – to the fast timewheel.
This oscillator operates at very low current and is, therefore,
the best fit for use in low-power modes. The two sources,
1 kHz and 100 kHz, can be enabled and disabled, using the
SLOWCLK_ILO_CR0[1] and SLOWCLK_ILO_CR0[2],
respectively. SLOWCLK_ILO_CR0[5] enables the divide by
3 to create the 33 kHz output. The out puts from the ILO can
be routed to the clock distribution network.
CLKDIST_CR[3:2] is responsible for this selection.
Figure 14-3 is a summary block diagram of the ILO. There
are dedicated routes for some of the clock outputs that are
not shown in the figure.
Osc
(3/6/12/
24/48/
62.6/74.7
MHz) Doubler
IMOCLK
IMOCLK X 2
CLK
MUX
XCLK
FASTCLK_IMO_CR[2:0]
FASTCLK_IMO_CR[5]
FASTCLK_IMO_CR[4]
IMO
SRC
MUX
dsi_clkin
clk_eco_Mhz
CLKDIST_CR[6]
IMO
OUT
MUX
CLKDIST_CR[5:4]
clk_imo

112 PSoC 5LP Architecture TRM, Document No. 001-78426 Rev. *F
Clocking System
Figure 14-3. ILO Block Diagram
The ILO clocks are all disabled in the Hibernate mode.
SLOWCLK_ILO_CR0[4] is the power down mode bit gov-
erning the wakeup speeds of the device. Setting the bit
slows down the startup, but it provides a low-power opera-
tion.
14.3.2 External Oscillators
PSoC devices have two external crystal oscillators: the MHz
Crystal Oscillator (MHzECO) and the 32.768 kHz Crystal
Oscillator (kHzECO).
14.3.2.1 MHz Crystal Oscillator
The 4-25 MHz external crystal oscillator MHzECO circuit
provides for precision clock signals. The block supports a
variety of fundamental mode parallel resonance crystals.
When used in conjunction with the on-chip PLL, a wide
range of precision clock frequencies can be synthesized, up
to 80 MHz.
The crystal pins are shared with a standard I/O function
(GPIO / LCD / Analog Global), which must be tristated to
operate the crystal oscillator with an attached external crys-
tal.
The crystal output routes to the clock distribution network as
a clock source option, and it can also route through the IMO
doubler to produce doubled frequencies, if the crystal fre-
quency is in the valid range for the doubler.
The oscillator allows for a wide range of crystal types and
frequencies. Startup times vary with frequency and crystal
quality. The xcfg bits of the FASTCLK_XMHZ_CFG0[4:0]
register are used to match the oscillator settings to the crys-
tal. The oscillator can be enabled by
FASTCLK_XMHZ_CSR[0].
Figure 14-4 is a block diagram of the MHzECO.
Figure 14-4. MHzECO Block Diagram
Figure 14-5. MHzECO Oscillator Fault Recovery
BIAS
ILO
Out
Mux
CLKDIST_CR[3:2]
1 kHz Osc
100 kHz Osc
Divide by 3
SLOWCLK_ILO_CR0[2]
SLOWCLK_ILO_CR0[1]
SLOWCLK_ILO_CR0[5]
clk_ilo1K
clk_ilo33K
clk_ilo100K
Xop
4-25 MHz
Crystal
Oscillator
clk_eco_MHz
4-25 MHz
Crystal
Load
Capacitors
External
Components
Xip
Xosc Out
clk_eco_MHz
FASTCLK_XMHZ_CSR[7] Xerr and Xprot
MHz XOSC
clk_imo
FASTCLK_XMHZ_CSR[6]

PSoC 5LP Architecture TRM, Document No. 001-78426 Rev. *F 113
Clocking System
Fault Recovery
The block contains an option to detect crystal oscillator fail-
ure. Clock failure is detected by comparing the amplitude of
the XIn signal to a user-selectable voltage. This voltage is
selected using the "vref_sel_wd" bits in the register
FASTCLK_XMHZ_CFG1. The clock failure can occur due to
environmental conditions (such as moisture) that affect the
crystal and cause oscillators to stop. Clock failure status is
indicated by the clock error status bit
(FASTCLK_XMHZ_CSR[7]).
If the FASTCLK_XMHZ_CSR[6] bit is set, the fault recovery
option is enabled. In this case, when the crystal oscillator
fails, the crystal oscillator output is driven low. The IMO is
enabled (if it is not already running), and the IMO output
routes through the crystal oscillator output mux. It takes six
IMO cycles after error signal assertion for the IMO to appear
outside of the block. In this way, the system can continue to
operate through a crystal fault. This functionality is illus-
trated in Figure 14-5.
Low-power Operation
The MHz crystal oscillator does not operate in the SLEEP
and HIBERNATE modes. This means that you need to dis-
able the oscillator to enter SLEEP and HIBERNATE modes.
The 32 kHz crystal oscillator can be kept active, for precise
timing (RTC), in SLEEP mode. If the MHz crystal oscillator is
not disabled when the device is put into any of these modes,
the mode entry is skipped, and the code continues to exe-
cute in active mode. Because this clock must be disabled to
enter SLEEP mode, a typical approach is to switch clock
trees to the IMO source and then disable the crystal oscilla-
tor (and the PLL also, if it is on). Then SLEEP or HIBER-
NATE mode can be entered. After waking up from a sleep
mode, the crystal oscillator can be reenabled and used as a
clock source when stable.
14.3.2.2 32.768 kHz Crystal Oscillator
The 32.768 kHz external crystal oscillator kHzECO circuit
produces a precision timing signal at very low power. The
circuit uses an inexpensive external 32.768 kHz crystal and
associated load capacitors that can be used to produce a
real time clock. Current consumption can be much less than
1µA.
This clock routes to the clock distribution network as an
input clock source and also to the RTC timer. This oscillator
is one of the clock sources available to the clock distribution
logic. The kHzECO is enabled and disabled by the register
SLOWCLK_X32_CR[0]. Figure 14-6 is a block diagram of
the kHzECO.
Figure 14-6. kHzECO Block Diagram
Low-power Operation
The oscillator operates at two power levels, depending on
the state of the LPM bit (SLOWCLK_X32_CR[1]) and the
device sleep mode status. In Active mode, by default, the
oscillator is configured for high-power mode, which con-
sumes 1-3 µA and minimizes sensitivity to noise. If the LPM
mode is set for a low-power mode, the oscillator goes into
low power only when the device goes to SLEEP/HIBER-
NATE. If LP_ALLOW (SLOWCLK_X32_CFG[7]) is set, the
oscillator enters low-power mode immediately when the
LPM bit is set.
When enabled, the oscillator does not stabilize instantly, and
requires some time to oscillate consistently. The ANA_STAT
(SLOWCLK_X32_CR[5]) bit indicates whether oscillation is
stable after measuring the waveform’s amplitude. The oscil-
lator must always be started in high power mode to avoid
excessively long startup delays.
Real Time Clock
One of the major uses of the kHzECO oscillator is for RTC
implementation. The block level illustration of the RTC
implementation is shown in Figure 14-7.
The RTC timing is derived from the 32 kHz external crystal
oscillator, as shown in Figure 14-7. Therefore, for the func-
tioning of the RTC, the 32 kHz external crystal must be
enabled through the register SLOWCLK_X32_CR[0]. The
generated 32 kHz is divided to achieve a one pulse per sec-
ond. The register PM_TW_CFG2[4] enables one pulse per
second functionality.
By enabling the bit PM_TW_CFG2[5], the RTC generates
an interrupt every second. The interrupt is routed through
the DSI and is brought out as an interrupt. See the UDB
Array and Digital System Interconnect chapter on page 217
for more details on usage. RTC functionality is available for
use in all power modes except the Hibernate mode.
Xo
32 kHz
Crystal
Oscillator
clk_eco_kHz
32 kHz
Crystal
Load
Capacitors
External
Components
Xi

114 PSoC 5LP Architecture TRM, Document No. 001-78426 Rev. *F
Clocking System
Figure 14-7. RTC Implementation
14.3.3 Oscillator Summary
A summary of the oscillator output frequency ratings is listed
in Table 14-1.
14.3.4 DSI Clocks
Signals can be routed from the Digital Signal Interconnect
(DSI) and used as clocks in the clock trees. The sources of
these clocks include:
■Clocks developed in UDBs
■Off-chip clocks routed through pins
■Clock outputs from the clock distribution; fed directly
back into the network through the routing fabric
14.3.5 Phase-Locked Loop
The on-chip Phase-Locked Loop (PLL) can be used to boost
the clock frequency of the selected clock input (that is, IMO,
MHzECO, and DSI clock) to run the device at maximum
operating frequency. The PLL can synthesize clock frequen-
cies in the range of 24 – 80 MHz. Its input and feedback
dividers allow fine enough resolution to create many desired
system clock frequencies. The PLL output routes to the
clock distribution network as one of the possible input
sources. The PLL is shown in Figure 14-8.
The PLL uses a 4-bit input divider Q (FASTCLK_PLL_Q) on
the reference clock and an 8-bit feedback divider P
(FASTCLK_PLL_P). The outputs of these two dividers are
compared and locked, resulting in an output frequency that
is P/Q times the input reference clock. The PLL achieves
frequency lock in less than 250 µs, and provides a bit that
shows lock status (FASTCLK_PLL_SR[0]). When lock is
achieved, the PLL output clock can be routed into the clock
trees. Note that when a PLL parameter is changed or the
PLL is enabled or disabled, it takes four bus clock cycles
(50 µs) for the corresponding status to be reflected in the
FASTCLK_PLL_SR[0] status bit. Additionally, the
FASTCLK_PLL_SR[0] bit is not updated while the PLL is
disabled. This delay must be incorporated in the firmware
before reading the status bit.
The PLL's charge pump current (Icp) can be configured
using bits 6:4 of register FASTCLK_PLL_CFG1. This bit-
field must be set to 0x01 (2 µA) when the output frequency
67 MHz. It must be set to 0x02 (3 µA) when the output fre-
quency is > 67 MHz.
The PLL takes inputs from the IMO, the crystal oscillator
MHzECO, or the DSI, which can be an external clock.
Low-power Operation
The PLL must be disabled before going into SLEEP/HIBER-
NATE mode. This allows clean entry into SLEEP/HIBER-
NATE and wakeup. The PLL can be reenabled after wakeup
and when it is locked; then it can be used as a system clock.
The device is designed not to go into SLEEP/HIBERNATE
mode if the PLL is enabled when mode entry is attempted.
(Execution continues without entering SLEEP/HIBERNATE
mode in this case.)
Divide by
32768
En
PM_TW_CFG2[4] PM_TW_CFG2[5]
SLOWCLK_X32_CR[0]
32 kHz ECO
32 kHz
Crystal
To Clock
Distribution
Generates a
one-pps
Interrupt
clk_eco_kHz
Table 14-1. Oscillator Summary
Source Fmin Fmax
IMO 3 MHz 74.7 MHz
ILO 1 kHz 100 kHz
MHzECO 4 MHz 25 MHz
kHzECO 32.768 kHz
PLL 24 MHz 80 MHz

PSoC 5LP Architecture TRM, Document No. 001-78426 Rev. *F 115
Clocking System
Figure 14-8. PLL Block Diagram
clk_imo
clk_eco_Mhz
dsi_clkin
CLK
MUX Filter and
VCO
P-Divider
8 Bits
(4-256)
FASTCLK_PLL_P
Q-Divider
4 Bits
(1-16)
FASTCLK_PLL_QPFD UP
DOWN
PLL
clk_pll
To Clock
Distribution
Lock Detect
FASTCLK_SR[0]

116 PSoC 5LP Architecture TRM, Document No. 001-78426 Rev. *F
Clocking System
14.4 Clock Distribution
All of the clock sources discussed are distributed into the various domains of the device through clock distribution logic.
Figure shows a block diagram of the clock distribution system.
Figure 14-9. Clock Distribution System
All of the clocks available in the device are routed across the
device through digital and analog clock dividers. There are
certain peripherals that require specific clock source for its
operation. For example, Watchdog Timer (WDT) requires
internal low-speed oscillator (ILO). In such cases, the corre-
sponding clock source is directly routed to the peripheral.
PLL
Prescale
DigitalPhaseMux
Ana3 Phase
Mux Ana2 Phase
Mux Ana1 Phase
Mux
Ana0 Phase
Mux
clk_sync_d
PLL Mux
Phase
mod
clk_sync
IMO
clk_imo
dsi_a0
USB CLK
MUX clk_usb
clk_sync_a1 clk_ sync_a0
11
Master Clock
Mux
clk_imo2x
clk_pll
dsi_gp
dsi_clkin
16-Bit
Divide
resync
dig-resync
Ph-Sel
clk_sync_a2
clk_sync_a3
Ph-Sel
Ph-Sel
Ph-Sel
clk_d_ff0
clk_d1
clk_d2
clk_d3
clk_d4
clk_d5
clk_d7
clk_d6
clk_d_ff3
clk_d_ff4
clk_d_ff5
clk_d_ff6
clk_d_ff7
clk_d_ff1
clk_d_ff2
resync
resync
dig-resync
dig-resync
dig-resync
16-Bit
Divide
resync
16-Bit
Divide
resync
16-Bit
Divide
resync
16-Bit
Divide
resync
16-Bit
Divide
resync
16-Bit
Divide
resync
16-Bit
Divide
resync
16-Bit
Divide
resync
16-Bit
Divide
resync
16-Bit
Divide
16-Bit
Divide
16-Bit
Divide
resync
s8misc_delay_top
dsi_g
clk_xtal
clk_spc
48 MHz
36 MHz
clk_bus
4-25 MHz
XTAL
33 kHz
Watch
XTAL
ILO
1, 33, 100
kHz
clk_d0
dsi_a1
dsi_a2
dsi_a3
dsi_d0
dsi_d1
dsi_d2
dsi_d3
dsi_d4
dsi_d5
dsi_d6
dsi_d7
clk_ad0
clk_a0
clk_ad1
clk_a1
clk_ad2
clk_a2
clk_ad3
clk_a3
8-bit divider
3 - 74.7 MHz

PSoC 5LP Architecture TRM, Document No. 001-78426 Rev. *F 117
Clocking System
The clock distribution can be considered to be a combina-
tion of the following clock trees.
■System clocks
■Digital clocks
■Analog clocks
■USB clock
The clock distribution provides a set of eight dividers for the
digital clock tree and four analog clock dividers for the ana-
log clock tree. All of the clock sources come as input options
for all of the clock dividers through eight input mux. Also, the
divider outputs are synchronized to their respective domain
clocks.
A Master Clock Mux is available for distributing the sync
clocks. There are options to provide delay on the digital sync
clock. All eight digital dividers are synchronized to the same
digital clock, but each of the analog clock divider outputs
can be synchronized to analog clocks of different delays.
The clock distribution also is responsible for the generation
of the major clock domains in the device, such as the Sys-
tem clock, bus clock, and others.
14.4.1 Master Clock Mux
The Master Clock Mux, shown in Figure 14-10, selects one
clock from among the PLL, selected IMO output, the MHz
crystal oscillator, and the DSI input (dsi_clkin). This clock
source feeds the phase mod circuit to produce skewed
clocks that are selected by the digital and analog phase mux
blocks. The Master Clock Mux provides the re-sync clocks
for the network: clk_sync_dig and the analog system clocks,
clk_sync_a. The master clock must be configured to be the
fastest clock in the system. The master clock also provides
a mechanism for switching the clock source for multiple
clock trees instantaneously, while maintaining clock align-
ments. For systems that must maintain known clock rela-
tionships, clock trees select the clk_sync_dig (or
clk_sync_a*) clock as their input source.
Therefore, when the source is changed (for example, when
moving from the IMO source initially to a new PLL- synthe-
sized frequency), all clocks change together through the
Master Clock Mux output. The Master Clock Mux contains
an 8-bit divider to generate lower frequency clocks,
(CLKDIST_MSTR0[7:0]). It outputs an approximately 50%
clock.
Figure 14-10. Master Clock Mux
14.4.2 USB Clock
The USB clock domain is unique because it can operate largely asynchronously from the main clock network. The USB logic
contains a synchronous bus interface to the device while being able to run on a potentially asynchronous clock to process
USB data. For full speed USB, the clock must have an accuracy of ±0.25%.
The USB Clock Mux, shown in Figure 14-11, provides the clock to the USB logic.
CLKDIST_MSTR1_SRC_SEL[1:0]
DQ clk_sync
8-Bit Divider
(1-256)
CLKDIST_MSTR0
Divide-by-1
clk_pll
clk_imo
clk_eco_MHz
dsi_clkin

118 PSoC 5LP Architecture TRM, Document No. 001-78426 Rev. *F
Clocking System
Figure 14-11. USB Clock Mux
The USB clock mux selects the USB clock from these clock
sources.
■imo1x (these options are available inside the IMO block):
❐48 MHz DSI clock subjected to the accuracy of the
source of the clock
■imo2x (these options are available inside the IMO block):
❐24 MHz crystal with doubler
❐24 MHz IMO with doubler with USB lock
❐24 MHz DSI input with doubler
■clk_pll:
❐Crystal with PLL to generate 48 MHz
❐IMO with PLL to generate 48 MHz
❐DSI input with PLL to generate 48 MHz
■DSI input:
❐48 MHz
In this situation, any of the choices can produce a valid
48 MHz clock for the USB. If the internal main oscillator is
selected, it must be run with the oscillator locking function
enabled, in which case it self tunes to the required USB
accuracy when USB traffic arrives at the device.
USB Mode Operation
This device works with an automatic clock frequency locking
circuit for USB operation. This design allows for small fre-
quency adjustments based on measurements of the incom-
ing USB timing (frame markers) versus the IMO clock rate.
With this clock locking loop, the clock frequency can stay
within spec for the USB Full Speed mode (±0.25% accu-
rate). The IMO must be operated at 24 MHz for proper clock
locking, with the doubler supplying 48 MHz for USB logic.
The USB locking feature for the IMO can be enabled by the
register bit FASTCLK_IMO_CR[6].
Alternately, a 24 MHz crystal controlled clock doubled to 48
MHz can be supplied for Full Speed USB operation. Other
crystal frequencies, such as 4 MHz can be used with the
PLL to synthesize the necessary 48 MHz.
Valid frequency for the PLL output, in this case, is 48 MHz.
The DSI signal, dsi_glb_div[0], provides another DSI signal
choice in addition to the clk_imo option above. As with the
PLL, this clock must have USB accuracy and be 48 MHz.
14.4.3 Clock Dividers
Clock dividers form the main part of the clock distribution module and are used to divide and synchronize clock domains. Var-
ious clock sources and divider modes may be used together to generate many frequencies with some control over the duty
cycle, as depicted in Figure 14-12.
IMOCLK
IMOCLKX2
CLKDIST_UCFG_SRC_SEL[1:0]
PLL
DSI Divide-by-2
clk_usb
CLKDIST_UCFG_DIV2
dsi_glb_div[0]

PSoC 5LP Architecture TRM, Document No. 001-78426 Rev. *F 119
Clocking System
Figure 14-12. Divider Implementation
The divider automatically reloads its divide count after
reaching the terminal count of zero. The divider count is set
in the register CLKDIST_DCFG[0..7]_CFG0/1 for digital
dividers and CLKDIST_ACFG[0..3]_CFG0/1 for analog
dividers. The counter is driven by the clock source selected
from an 8-input mux, and the source selection is done in the
register CLKDIST_DCFG[0..7]_CFG2[2:0] for digital divid-
ers and CLKDIST_ACFG[0..7]_CFG2[2:0] for analog divid-
ers. There are two divider output modes: single-cycle pulse
and 50% duty cycle.
In either output mode, a divide value of 0 causes the divider
to be bypassed, giving a divide by 1. In this case, the input
clock is passed to the output after a resync, if the sync
option is selected (see Clock Synchronization on page 120).
For a load value of M, the total period of the output clock is
N = M + 1 cycles (of the selected input clock). For example,
a load value of 4 gives a 5-cycle long output clock period.
Divider outputs can each be configured to give one of four
waveforms, as described below.
14.4.3.1 Single Cycle Pulse Mode
In Single Cycle Pulse mode, by default, the divider gener-
ates a single high pulse clock at either the cycle after the ter-
minal (zero) count or the half-count, and is otherwise low.
This produces an output clock that is high for one cycle of
the input clock, resulting in a 1-of-N duty cycle clock. This is
illustrated in Figure 14-12.
14.4.3.2 50% Duty Cycle Mode
In 50% Duty Cycle mode, the output produces a clock that
has an approximate 50% duty cycle, depending on whether
the total number of counter cycles is even or odd. The 50%
clock rising edge occurs at the equivalent rising edge loca-
tion of the 1/N clock.
For a count of M, there are N = M + 1 input clock cycles in
the divider period. If M is odd, the total cycle count N is
even, allowing for a nominal 50% duty cycle. The clock is
high for the first (M + 1)/2 cycles, and then goes low for the
remaining (M + 1)/2 cycles.
If M is even, the total cycle count is odd, which means that
the output clock is high longer than it is low (in standard
phase mode). Specifically, it is high for the first (M/2) + 1
cycles and then low for the remaining M/2 cycles. This is
illustrated in Figure 14-12 on page 119 for M = 3 and M = 4.
The CLKDIST_DCFG[x]_CFG2[4] or
CLKDIST_ACFG[x]_CFG2[4] bit in the configuration register
for each clock output can be set high to provide the 50%
duty cycle mode. An exact 50% duty cycle cannot be guar-
anteed in all cases, as it depends on the phase and fre-
quency differences between the output clock and the sync
clock.
Start (enable)
32
Divide-by-4 Example (M=3)
Start (enable)
Divide-by-5 Example (M=4)
Single Cycle Mode, Std. Phase
50% Mode, Std. Phase
Single Cycle Mode, Early Phase
50% Mode, Early Phase
Source Clock
Single Cycle Mode, Std. Phase
50% Mode, Std. Phase
Single Cycle Mode, Early Phase
50% Mode, Early Phase
Source Clock
32103210
3210 321 044

120 PSoC 5LP Architecture TRM, Document No. 001-78426 Rev. *F
Clocking System
14.4.3.3 Early Phase Option
In addition to the two duty cycle choices, the outputs can be
phase shifted to either go high after the terminal count, or at
the half-period cycle. The default is referred to as Standard
phase, with the rising edge of the output after the terminal
count.
The other option is called the Early Phase because the out-
put can be shifted earlier in time to an approximate count,
which is one-half of the divide value. The
CLKDIST_DCFG_CFG2[5] or CLKDIST_ACFG_CFG2[5] bit
in the configuration register for each clock output can be set
high to give the Early Phase mode, with the rising edge near
the half count.
Analog clock dividers are similar in their architecture to digi-
tal dividers. However, they have an extra resync circuit to
synchronize the analog clock to the digital domain clocks.
Therefore, each of the analog dividers also has an output
synchronized with the digital domain. This clock is synchro-
nized to the output of the digital phase mux. The digital syn-
chronized analog divider output is called clk_ad. This divider
is useful for clean communication between analog and digi-
tal domain.
14.4.4 Clock Synchronization
All digital and analog divider outputs can be synchronized to
the clk_sync_dig signals (CLKDIST_DCFG[x]_CFG2[3] or
CLKDIST_ACFG[x]_CFG2[3]), as shown in Figure 14-13.
Each digital divider can be synchronized to the digital phase
mux output by setting the sync bit
(CLKDIST_DCFG[x]_CFG2[3]). The phase delay for the dig-
ital divider is based on the phase shift field of Nonvolatile
Latch (NVL) bits DIG_PHS_DLY[3:0].
Each of the four analog dividers can be synchronized to four
distinct phase shifted clocks. The phase on the respective
analog dividers sync clocks can be provided in the
PHASE_DLY field (CLKDIST_ACFG[x]_CFG3[3:0]). The
analog clocks become synchronized when the SYNC bit is
set (CLKDIST_ACFG[x]_CFG2[3]). These divided clocks
synchronized to the analog clocks are called clk_a.
The output of each clock tree provides for selection of one of
four output clocks:
■Resynchronized clock – A clock running at a maximum
rate of clk_sync/2 is resynchronized by the phase
delayed clk_sync. This output is activated by setting the
sync bit.
■Phase delayed clk_sync (such as clk_sync_dig) –
The clock tree runs at the same rate as clk_sync, but just
outputs this clock with proper phase delay. Note that the
input clock source is ignored in this case. The output
buffer is designed to match the final sync flop delay.
■Unsynchronized divided clock – This produces an
asynchronous clock, subject to the limitations described
in Asynchronous Clocks on page 122. This mode is
applicable when the sync bit is reset and the divider has
a nonzero divide value.
■Bypassed clock source – This routes the clock trees
selected source to the output without going through the
divider. This happens when the divider value is set to 0
and sync bit is reset. As in the previous case, this also
produces an asynchronous clock.
Note The clock divider output used by fixed-function blocks
has not been delayed to match the clock output used by the
UDB array and are therefore asynchronous. To avoid STA
warnings and other potential problems, always put a Sync
Component between fixed blocks and UDB Components.
Figure 14-13. Resync Option Diagram
14.4.5 Phase Selection and Control
To keep the environment quiet in the analog processing domain, a phase difference must exist between the analog and digital
system clocks. For this reason, in PSoC devices, a delay chain circuit provides taps to control the phase for the digital and
analog clocks. This delay chain provides up to a 10 ns phase adjustment with nominal steps of 0.5 ns. The phase shifter is
shown in Figure 14-14.
D Q
clkout _ sel
Clock
tree
output
clock source Divider
Asynchronous clocks (limited use)
D QD Q
(or clk_sync_a0-a3)
clk_sync_d

PSoC 5LP Architecture TRM, Document No. 001-78426 Rev. *F 121
Clocking System
Figure 14-14. Phase Shifter
The phase shifter consists of a chain of (nominally) 0.5 ns
buffers connected in cascade, with the output of each buffer
ported out of the circuit (21 outputs). The input to this chain
is clk_sync from the master clock divider. Five 5-bit muxes
select the sync clock to drive the resync circuits. One is
clk_sync_dig for the digital clock dividers (clk_bus and all
digital clock dividers). The other four are independent delay
selections, one for each analog divider. The selected phase
value is defined in NVL bits for the digital and
ACFG[n]_CLKDIST_ACFG_CFG3}_PHASE_DLY for the
analog clocks.
The clk_sync_dig phase shift selection must be applied at
power up through NVL settings, because changing its value
can cause clock glitching; the clk_bus clock should not be
stopped for such a change. The analog phase shift selec-
tions can be made dynamically, because their output clocks
can be disabled during any phase shift change.
Outputs in the delay chain may have increased jitter. The
expectation is that, in systems that need a low-jitter analog
clock, the undelayed output (first tap) is selected because it
has the lowest jitter.
14.4.6 Divider Update
To allow for clean updates of the dividers while running, and
to align the starting point for a group of dividers, a load
enable mechanism is provided. When a clock is running, it
automatically reloads its count value on the terminal count.
If a new value is loaded during countdown of the counter,
this new value is loaded at the end of the count, and the
next output clock period uses the new value. Because the
divide value is 16 bits, there is a possibility that, when updat-
ing this register with two 8-bit writes, the full update might
not complete when the terminal count occurs. This leads to
an unexpected period being reloaded.
To avoid this problem, a 16-bit shadow value (contained in
registers {CLKDIST_WRK0*} and {CLKDIST_WRK1*})
allows atomic loads of the dividers, so the 16-bit dividers
can be safely updated dynamically (while running). The
shadow value can be loaded with two separate 8-bit opera-
tions.
The mask registers ({CLKDIST_DMASK*} and
{CLKDIST_AMASK*}) allow the user to select the target
dividers for this shadow value. When the load bit,
{CLKDIST_LD}_LOAD, register is written with a 1, all divid-
ers selected in the mask registers have their period count
updated to the shadow value. (If the divider is not enabled, it
0 ns
Ana2
CLKDIST_ACFG[2]_CFG3[3:0]
Ana3
Ana0
Ana1
CLKDIST_ACFG[3]_CFG3[3:0]
CLKDIST_ACFG[1_CFG3[3:0]
CLKDIST_ACFG[0]_CFG3[3:0]
Digital
Phase DIG_PHS_DLY[3:0]
Clk_sync
Clk_sync_a0
Clk_sync_a1
Clk_sync_a2
Clk_sync_a3
Clk_sync_dig
Phase Delay Chain
0.5 ns
1 ns
1.5 ns

122 PSoC 5LP Architecture TRM, Document No. 001-78426 Rev. *F
Clocking System
is safe to do partial writes directly to the divider period regis-
ter without using the shadow register.)
To align clocks, the mask registers are used again, but this
time, they select dividers for auto-alignment. When the
{CLKDIST_LD}_SYNC_EN bit register is written with a 1, all
dividers selected in mask registers start (or re-start)
together. If the dividers are already enabled, they immedi-
ately reload and continue counting from this value. If they
are not enabled, writing the SYNC_EN bit also sets any cor-
responding enable bits in the divider enable registers
({PM_ACT_CFG*}), and the dividers begin counting.
Writing a 1 to both of the {CLKDIST_LD}_LOAD and
{CLKDIST_LD}_SYNC_EN bits can combine these two
operations. This causes all selected dividers to load the
shadow register value into their count value, to set all
selected divider register enables (if not already enabled),
and then to start (or restart) with this setting. The sync load-
ing feature is not supported for clocks that are asynchro-
nous to clk_bus. For instance, an external clock coming
from the DSI that is not generated from clk_bus cannot have
its divide value changed on the fly reliably. Glitching or tran-
sient improper divider loads may occur in this scenario.
The clock hardware does not support changing the clock
divider from N > 1 to N = 1 when the clock is enabled
because it can produce illegal clock pulses. If the clock
divider must be changed to N = 1, the respective clock
divider en_clk_d bit in the PM_ACT_CFG2 register must
first be disabled before making the change and then re-
enabled after the clock divider change is complete.
14.4.7 Power Gating of Clock Outputs
Clock trees may be gated off (disabled). These gating sig-
nals come from the power manager, which contains a regis-
ter, {PM_ACT_CFG1, PM_ACT_CFG2*}, to allow user
selection of trees to enable or disable.
When a clock tree is disabled, its divider is reset so that
when reenabled, it reloads its count value. That is, the
divider counters do not pause and hold their counts when
disabled; they always start over with the latest configured
divide count when reenabled.
14.4.8 System Clock
The System Clock is derived from the clk_sync_dig, which is
a phase shifted version of clk_sync. The System Clock, also
named clk_bus, is the clock that drives the PHUB and asso-
ciated bus logic. This must be the fastest synchronous clock
that outputs to the system. There is an option for a 16-bit
divider on the clk_sync_dig to generate the clk_bus
CLKDIST_BCFG1/2. This also has the same resynchroniza-
tion options as the other digital dividers.
14.4.9 Asynchronous Clocks
Generally, all clocks used in the device must be derived
from the same source, or synchronized to the main clk_sync
clock. However there are possible exceptions:
■A signal that comes on-chip routes through a GPIO,
routes to the UDB array, interacts only with self-con-
tained UDB functions, and routes out of the device.
■Similar to the previous, but the signal routes to the inter-
rupt controller instead of off-chip. The interrupt controller
is able to handle arbitrarily phased events.
■USB operation with the IMO locking to USB traffic.
Although unlikely, in this case, the rest of the device may
run off of a different clock, because the USB circuitry
contains its own clk_bus synchronous interface, even if
its USB clock is not synchronous.
14.5 Low-Power Mode Operation
During sleep modes, clock network outputs are gated off,
and most clock sources are disabled automatically by the
power manager. The low frequency (kHz) clocks may still
run, and various clocks are configured by the power man-
ager to support wakeup and buzz modes. See the Low-
Power Modes chapter on page 135 for more details.
The system will not go into a sleep mode if either the MHz
crystal oscillator or the PLL are enabled. If either of these
clocks are enabled, the part will simply continue execution
without entering a sleep mode. Therefore, to enter a sleep
mode when using either the MHz crystal oscillator or PLL,
the user must configure the part to run from the IMO and
then disable those clock sources. When entering and exiting
low-power modes, the IMO should be set to 12 MHz with a
post divide of 1. To achieve robust clocking into and out of
sleep and hibernate modes, the clocks and clock dividers
must be sequenced in firmware. This will also meet the
wake up time specifications. PSoC Creator provides APIs to
do this sequencing both before entering and after exiting
low-power modes.

PSoC 5LP Architecture TRM, Document No. 001-78426 Rev. *F 123
Clocking System
14.6 Clock Naming Summary
Table 14-2 lists clock signals and their descriptions.
Table 14-2. Clock Signals
Clock Signal Description
clk_sync_d Synchronization clock from the Master clock mux used to
synchronize the dividers in the distribution
dsi_clkin Clocks that are taken as input into the clock distribution
from DSI
clk_bus Bus clock for all peripherals
clk_d[0:7] Output clock from the seven digital dividers
clk_ad[0:3] Output clock from the four analog dividers synchronized to
the digital domain clock
clk_a[0:3] Output clock from the four analog dividers synchronized to
the analog synchronization clock
clk_usb Clock for USB block
clk_imo2x Output of the doubler in the IMO block
clk_imo IMO output clock
clk_ilo1k 1 kHz output from ILO
clk_ilo100k 100 kHz output from ILO
clk_ilo33k 33 kHz output from ILO
clk_eco_ kHz 32.768 kHz output from the kHz ECO
clk_eco_ MHz 4-25 MHz output of the MHz ECO
clk_pll PLL output
dsi_glb_div DSI global clock source to USB block

124 PSoC 5LP Architecture TRM, Document No. 001-78426 Rev. *F
Clocking System

PSoC 5LP Architecture TRM, Document No. 001-78426 Rev. *F 125
15. Power Supply and Monitoring
PSoC® 5LP devices have separate external analog and digital supply pins, labeled Vdda and Vddd, respectively. The devices
have two internal 1.8 V regulators that provide the digital (Vccd) and analog (Vcca) supplies for the internal core logic. The
output pins of the regulators (Vccd and Vcca) have very specific capacitor requirements that are listed in the datasheet.
15.1 Features
These regulators are available:
■Analog regulator for the analog domain supply
■Digital regulator for the digital domain supply
■Sleep regulator for the sleep domain
■I2C regulator to power the I2C logic
■Hibernate regulator to supply keep-alive power for state retention during hibernate mode

126 PSoC 5LP Architecture TRM, Document No. 001-78426 Rev. *F
Power Supply and Monitoring
15.2 Block Diagram
The power system consists of separate analog, digital, and I/O supply pins, labeled Vdda, Vddd, and Vddiox, respectively. It
also includes two internal 1.8-V regulators that provide the digital (Vccd) and analog (Vcca) supplies for the internal core
logic. The output pins of the regulators and the Vddio pins must have capacitors connected, as shown in Figure 15-1. The
power system also contains a sleep regulator, an I2C regulator, and a hibernate regulator.
Vdda must be greater than or equal to all other power supply pins (Vddd, Vddios) in PSoC LP. This power supply condition is
required for the proper ON/OFF condition of the analog switches inside the device, and also for the implementation of the
internal level switching logic when signals transition between multiple supply voltage domains.
Figure 15-1. Power Domain Block Diagram
Vssb
Vssd
Vddio1 Vddio2
Vddio0
Vddio3
Vccd
Vddd
Vssd
Vccd
Vddd
Vssa
Vcca
Vdda
Digital
Regulators
Analog
Regulator
Analog
Domain
Digital
Domain
I2C
Regulator
Sleep
Regulator
Hibernate
Regulator
I/O Supply I/O Supply
I/O SupplyI/O Supply
.
Vddio2
Vddio0
Vddio3Vddio1
0.1 µF
0.1 µF
0.1 µF
0.1 µF
Vddd
Vddd
1µF
1µF
Vdda
0.1 µF
0.1 µF
0.1 µF

PSoC 5LP Architecture TRM, Document No. 001-78426 Rev. *F 127
Power Supply and Monitoring
15.3 How It Works
The regulators shown in Figure 15-1 power the various
domains of the device. All regulators, except the analog reg-
ulator, draw their input power from the Vddd pin supply.
15.3.1 Regulator Summary
Digital and analog regulators are active during the active or
alternate device active modes.They go into a low-power
mode of operation in sleep or hibernate mode. The sleep
and hibernate regulators are designed to fulfill power
requirements in the low-power modes of the device.
15.3.1.1 Internal Regulators
For external supplies from 1.8 V to 5.5 V, regulators are
powered and the supply is provided through the Vddd/ Vdda
pins. An external cap of ~1 µF is connected to the Vccd and
Vcca pins.
For the 1.71 V < Vcc < 1.89 V external supply, power up the
device with Vccd/Vcca pins. In this mode, short the Vddd pin
to Vccd and short the Vdda pin to Vcca. The internal regula-
tor remains powered by default. After power up, disable the
regulators, using the register PWRSYS.CR0 to reduce
power consumption.
15.3.1.2 Sleep Regulator
The sleep regulator supplies power to these circuits during
the device sleep mode.
■32 kHz ECO
■ILO
■RTC Timer
■WDT
■Central Timewheel (CTW)
■Fast Timewheel (FTW)
15.3.1.3 Hibernate Regulator
The hibernate regulator, whose output is called Keep-Alive
power (VpwrKA), powers domains of the device responsible
for the state retention in hibernate mode. The VpwrKA is
shorted to the active domain during active mode.
15.3.2 Boost Converter
PSoC devices also have a boost converter that accepts an
input voltage supplied by a battery or other source; it pro-
duces a selectable, higher output voltage than the input volt-
age. Applications that use a supply voltage of less than
1.71 V, such as solar panels or single cell battery supplies,
may use the on-chip boost converter to generate a minimum
of 1.8-V supply voltage. The boost converter may also be
used in any system that requires a higher operating voltage
than the supply provides, such as driving a 5.0-V LCD glass
in a 3.3-V system. With the addition of an inductor, Schottky
diode, and capacitors, it produces a selectable output volt-
age sourcing enough current to operate the PSoC and other
onboard components.
The boost converter accepts an input voltage VBAT from
0.5 V to 3.6 V, and can start up with VBAT as low as 0.5 V.
The converter provides a user-configurable output voltage
of 1.8 V to 5.0 V (VOUT) in 100-mV increments by setting
BOOST_CR0[4:0]. VBAT is typically less than VOUT; if VBAT
is greater than or equal to VOUT, then VOUT will be slightly
less than VBAT due to resistive losses in the boost converter.
The block can deliver up to 50 mA (IBOOST) depending on
configuration to both the PSoC device and external compo-
nents. The sum of all current sinks in the design including
the PSoC device, PSoC I/O pin loads, and external compo-
nent loads must be less than the IBOOST specified maximum
current.
Four pins are associated with the boost converter: VBAT,
VSSB, VBOOST, and IND. The boosted output voltage is
sensed at the VBOOST pin and must be connected directly
to the chip's supply inputs: VDDA, VDDD, and VDDIO, if
used to power the PSoC device.
The boost converter requires four components in addition to
those required in a non-boost design, as shown in
Figure 15-2. A 22-uF capacitor (CBAT) is required close to
the VBAT pin to provide local bulk storage of the battery volt-
age and provide regulator stability. A diode between the bat-
tery and VBAT pin should not be used for reverse polarity
protection because the diodes forward voltage drop reduces
the VBAT voltage. Between the VBAT and IND pins, an
inductor of 4.7 uH, 10 uH, or 22 uH is required. The inductor
value can be optimized to increase the boost converter effi-
ciency based on input voltage, output voltage, temperature,
and current. Inductor size is determined by following the
design guidance located in this section and the device data-
sheets electrical specifications. The inductor must be placed
within 1 cm of the VBAT and IND pins and have a minimum
saturation current of 750 mA. Between the IND and
VBOOST pins, a Schottky diode must be placed within 1 cm
of the pins. The Schottky diode should have a forward cur-
rent rating of at least 1.0 A and a reverse voltage of at least
20 V. A 22-uF bulk capacitor (CBOOST) must be connected
close to VBOOST to provide regulator output stability. It is
important to sum the total capacitance connected to the
VBOOST pin and ensure the maximum CBOOST specifica-
tion is not exceeded. All capacitors must be rated for a mini-
mum of 10 V to minimize capacitive losses due to voltage
de-rating.

128 PSoC 5LP Architecture TRM, Document No. 001-78426 Rev. *F
Power Supply and Monitoring
Figure 15-2. Application of Boost Converter Powering PSoC Device
The boost converter may also generate a supply that is not
used directly by the PSoC device. An example of this use
case is boosting a 1.8-V supply to 4.0 V to drive a white
LED. If the boost converter is not supplying the PSoC
devices VDDA, VDDD, and VDDIO, it must comply with the
same design rules as supplying the PSoC device, but with a
change to the bulk capacitor requirements. A parallel
arrangement 22 uF, 1.0 uF, and 0.1 uF capacitors are all
required on the Vout supply and must be placed within 1 cm
of the VBOOST pin to ensure regulator stability.
VBOOST
VBAT
VSSB
IND
VDDD
VDDA
VDDIO0
VSSA
VSSD
Boost
Logic VDDIO1
VDDIO2
VDDIO3
0.1 µF
0.1 µF
0.1 µF
0.1 µF
22 µF
0.1 µF
0.1 µF
1.0 µF
1.0 µF
22 µF
4.7 µH
10 µH
22 µH
Schottky, 1A
VDDD 0.1 µF 1.0 µF
All components and values are required
0.5–3.6 V
PSoC
External
Load

PSoC 5LP Architecture TRM, Document No. 001-78426 Rev. *F 129
Power Supply and Monitoring
Figure 15-3. Application of Boost Converter not Powering PSoC Device
The boost converter is enabled or disabled by the register
bit, BOOST_CR1[3]. The device provides the option of
changing the boost output voltage by writing into the
BOOST_CR0[4:0] register. By default, at startup the boost
converter is enabled and configured for a 1.8-V output. If the
boost converter is not used in a given application, tie the
VBAT, VSSB, and VBOOST pins to ground and leave the
IND pin unconnected.
15.3.2.1 Operating Modes
The boost converter can be operated in two different modes:
active and standby selected by the BOOST_CR0[6:5] regis-
ter.
Active mode is the normal mode of operation where the
boost regulator actively generates a regulated output volt-
age. In active mode, the switching frequency is set to 400
kHz using an oscillator integrated into the boost converter
and is not synchronized to any other clock. The output volt-
age is continuously monitored and supervisory data pro-
vided in BOOST_SR[4:0]. This register provides supervisory
data against the output voltage selected.
In standby mode, the boost oscillator and most boost func-
tions are disabled, thus reducing power consumption of the
boost circuit. In standby mode, only minimal power is pro-
vided, typically < 5 µA to power the PSoC device in sleep
mode. The processor can determine when to use the thump
bit BOOST_CR0[7] to switch the transistor on for a 1-µs
pulse when the voltage falls below the nominal voltage.
In boost standby mode, the external 32-kHz crystal can be
used to trigger inductor boost pulses on the rising and falling
edge of the clock when the output voltage is less than the
configured value. This is called automatic thump mode
(ATM). To enable ATM, set the BOOST_CR2[0] bit and
select the external 32-kHz crystal clock by setting
BOOST_CR1[1:0] to 0x3.
The boost typically draws 250 µA in active mode and 25 µA
in standby mode. The boost operating modes must be used
in conjunction with chip power modes to minimize total
power consumption. Table 15-1 lists the boost power modes
available in different chip power modes.
VBOOST
VBAT
VSSB
IND
VDDD
VDDA
VDDIO0
VSSA
VSSD
Boost
Logic VDDIO1
VDDIO2
VDDIO3
22 µF
4.7 µH
10 µH
22 µH
Schottky, 1A
VDDD
All components and values are required
0.5–3.6 V
22 µF 0.1 µF1.0 µF
VDDA, VDDD, and
VDDIO connections
per section 6.2
Power System.
VOUT
PSoC
External
Load
Table 15-1. Chip and Boost Power Modes Compatibility
Chip Power Modes Boost Power Modes
Active or alternate
active mode Boost must be operated in its active mode.
Sleep mode
Boost can be operated in either active or standby
mode. In boost standby mode, the chip must wake
up periodically for chip active-mode refresh or thump
and return to sleep.
Hibernate mode
Boost can only be operated in its active mode. How-
ever, it is recommended not to use boost in chip
hibernate mode due to high current consumption in
boost active mode.

130 PSoC 5LP Architecture TRM, Document No. 001-78426 Rev. *F
Power Supply and Monitoring
15.3.2.2 Status Monitoring
Status monitoring for input and output voltages of the boost
converter is available in the status register BOOST_SR.
Output Voltage Monitor - The BOOST_SR[4:0] register
provides status of the output voltage against the set nominal
output voltage.
Bit 4: ov - Above overvoltage threshold (nominal + 50 mV).
Bit 3: vhi - Above high regulation threshold (nominal
+25 mV).
Bit 2: vnom - Above nominal threshold (nominal).
Bit 1: vlo - Below low regulation threshold (nominal -25 mV).
Bit 0: uv - Below under-voltage limit (nominal -50 mV).
The boost converter generates a power manager interrupt
when an under-voltage event occurs. This interrupt can be
configured to wake the chip from Alternate Active or Sleep
mode. If an under-voltage event occurs, BOOST_SR2[0] will
be set to '1' until the register is read or a reset event occurs.
To propagate the under-voltage condition to the interrupt
controller to trigger an ISR, the BOOST_CR4[0] bit must be
set.
15.3.2.3 Boost Firmware Requirements
To ensure boost inrush current is within specification at
startup, the Enable Fast IMO During Startup value must be
unchecked in the PSoC Creator IDE. The Enable Fast IMO
During Startup option is found in PSoC Creator in the
design-wide resources (cydwr) file System tab. Unchecking
this option configures the device to run at 12 MHz versus 48
MHz during startup while configuring the device. The slower
clock speed results in reduced current draw through the
boost circuit during the critical startup phase.
When the bus clock is configured to a frequency greater
than 24 MHz, the boost configuration registers -
BOOST_CR0, BOOST_CR1, BOOST_CR2, and
BOOST_CR3 - must be read with two consecutive read
operations, discarding the result from the first read. It is not
allowed to access any other boost configuration register
between two reads of a boost configuration register, but it is
acceptable to access non-boost registers. To avoid this situ-
ation, boost registers should not be read in both main code
as well as an ISR, or interrupts should be disabled when
reading these four registers. This requirement of reading the
control registers twice is to avoid a timing issue in accessing
these registers. Writing of the boost registers can however
occur at any clock rate with a single write instruction.
On startup, the boost regulator uses an internal low preci-
sion reference to ensure the device can boot up to at least
1.71 V. To meet datasheet specifications, the boost must
switch to the devices precision voltage reference that is
external to the boost block. The external precision reference
is selected by setting the BOOST_CR2[3] bit. The external
reference is automatically selected in the device boot code
generated by the PSoC Creator IDE.
15.3.2.4 Boost Design Process
Correct operation of the boost converter requires specific
component values determined for each design's unique
operating conditions. The CBAT capacitor, inductor, Schottky
diode, and CBOOST capacitor components are required with
the values specified in the datasheet electrical specifica-
tions. The only variable component value is the inductor
LBOOST, which is sized primarily for correct operation of the
boost across operating conditions and secondarily for effi-
ciency. Additional operating region constraints exist for
VOUT, VBAT, IOUT, and TA.
Follow these steps to determine the boost converter operat-
ing parameters and LBOOST value.
1. Choose desired VBAT, VOUT, TA, and IOUT operating con-
dition ranges for the application.
2. Determine if VBAT and VOUT ranges fit the boost operat-
ing range based on the TA range over VBAT and VOUT
chart. If the operating ranges are not met, modify the
operating conditions or use an external boost regulator.
3. Determine if the desired ambient temperature (TA) range
fits the ambient temperature operating range based on
the TA range over VBAT and VOUT chart. If the tempera-
ture range is not met, modify the operating conditions
and return to step 2, or use an external boost regulator.
4. Determine if the desired output current (IOUT) range fits
the output current operating range based on the IOUT
range over VBAT and VOUT chart. If the output current
range is not met, modify the operating conditions and
return to step 2, or use an external boost regulator.
5. Find the allowed inductor values based on the LBOOST
values over VBAT and VOUT chart.
6. Based on the allowed inductor values, inductor dimen-
sions, inductor cost, boost efficiency, and VRIPPLE,
choose the optimum inductor value for the system. Typi-
cal values for boost efficiency and VRIPPLE are provided
in the Efficiency vs VBAT and VRIPPLE vs VBAT charts.
In general, if high efficiency and low VRIPPLE are most
important, then the highest allowed inductor value
should be used. If low inductor cost or small inductor
size are most important, then one of the smaller allowed
inductor values should be used. If the allowed induc-
tor(s) efficiency, VRIPPLE, cost, or dimensions are not
acceptable for the application, then an external boost
regulator should be used.

PSoC 5LP Architecture TRM, Document No. 001-78426 Rev. *F 131
Power Supply and Monitoring
15.3.3 Voltage Monitoring
The device has two circuits for detecting voltages that deviate from the selected threshold on the external digital / analog sup-
plies:
■Low-Voltage Interrupt (LVI) – The LVI circuit generates an interrupt when it detects a voltage below the set value.
■High-Voltage Interrupt (HVI) – The HVI circuit generates an interrupt when it detects a voltage above the set value.
The basic block diagram of voltage monitoring is shown in Figure 15-4.
Figure 15-4. Voltage Monitoring Block Diagram
15.3.3.1 Low-Voltage Interrupt
The LVI circuit generates an interrupt when it detects a volt-
age below the set value. These low-voltage monitors are off
by default, but the trip level for the LVI can be set in the reg-
ister RESET_CR0 from 1.7 V to 5.45 V in steps of 250 mV.
The LVI circuit has a persistent status register bit in
RESET_SR0 that is set until cleared by the user by reading
from the register. Note that the LVI status bits in
RESET_SR0 will be reset to ‘0’ when a device reset occurs
due to a POR, LVI, or HVI condition. This bit is useful only
when the LVI is configured as an interrupt source because
an LVI reset also clears this bit. This bit is set whenever the
voltage goes below the set value. There is distinct monitor-
ing for low voltage on the analog and digital supply. The
analog low-voltage interrupt (LVIA), enabled by
RESET_CR1[1] and RESET_CR0[7:4], sets the LVIA
threshold. The digital low-voltage interrupt (LVID), enabled
by RESET_CR1[0] and RESET_CR0[3:0], sets the LVID
threshold. Apart from this, when the voltage monitoring is
enabled and the corresponding PRES bit is also enabled in
RESET_CR3[7:6], the low-voltage condition triggers a cor-
responding reset. Both the LVIA and LVID resets are
enabled by default. Note that the LVI reset will continuously
occur as long as the LVI voltage condition persists. The user
code configures the LVI for reset. When low-voltage condi-
tion occurs after this configuration is done, the device is
reset once and the user code starts executing from flash
address zero. Again, when the CPU reaches the code that
configures LVI for reset and the voltage is still low, the
device will be reset again. This continuous cycle of device
reset occurs until the low-voltage condition is no longer
present.
The interrupt is generated only when the corresponding bit
in the RESET_CR1 register is set and the corresponding
bits in RESET_CR3[7:6] cleared. Even if the interrupt output
is not used to generate a processor interrupt, the status reg-
isters are updated by the circuit whenever LVI functions are
enabled. In addition, the real-time status of each LVI circuit
is available and captured in a real-time status register bit in
RESET_SR2, so you can determine if an under/over voltage
condition is still in effect. Similar to the reset condition, the
LVI interrupt is continuously triggered until the voltage goes
above the low-voltage trip point.
The low-voltage detect (LVD) events, comprising LVIA and
LVID, can also be used to cause a device to wake up from
sleep or standby modes. When the Vddx (Vdda and/or
Vddd) drops below the threshold, an interrupt is generated
on wakeup. The interrupt is generated due to the LVD status
Digital LVI (DLVI)
Triplevel = RESET_CR0[3:0]
VdddVdda
AHVI
Interrupt Controller
Analog LVI (ALVI)
Triplevel = RESET_CR0[7:4]
RESET_CR1[1] RESET_CR1[2] RESET_CR1[0]
RESET_CR1[3]

132 PSoC 5LP Architecture TRM, Document No. 001-78426 Rev. *F
Power Supply and Monitoring
bits being set in the RESET_SR0 register. In sleep mode, if
the Vddx drops to the LVI trip point threshold, the device will
wake up but may not always generate an interrupt due to
the LVD status bits not being set. There is no effect on CPU
or other subsystem performance. See the device datasheet
for information on the voltage threshold settings.
15.3.3.2 High Voltage Interrupt
The HVI circuit generates an interrupt when it detects a volt-
age above the fixed, safe operating value of 5.75 V on the
external analog supply. There is just one HVI for both analog
and digital supplies. The selection between monitoring the
digital or analog supply is done by the RESET_CR1[3] bit,
the default selection is for the Vdda supply. These high-volt-
age monitors are off by default, but this feature can be
enabled in the register RESET_CR1[2].
The HVI circuit has a persistent status register bit in
RESET_SR0 that is set until it is cleared by the user by
reading or writing to the register. Note that the HVI status
bits in RESET_SR0 will be reset to ‘0’ when a device reset
occurs due to a POR, LVI, or HVI condition. This bit is useful
only when the HVI is configured as an interrupt source
because an HVI reset also clears this bit. This bit is set
when the analog voltage value goes beyond the threshold
value. Note that the HVI reset will continuously occur as
long as the HVI voltage condition persists. The user code
configures the HVI for reset. When high-voltage condition
occurs after this configuration is done, the device is reset
once and the user code starts executing from flash address
zero. Again, when the CPU reaches the code that config-
ures HVI for reset and the voltage is still high, the device will
be reset again. This continuous cycle of device reset occurs
until the high-voltage condition is no longer present.
The interrupt is generated only when the corresponding bit
in the register RESET_CR1[2] is unmasked. Even if the
interrupt output is not used to generate a processor inter-
rupt, the status registers are updated by the circuit when-
ever HVI functions are enabled. In addition the real-time
output of each HVI circuit is available and captured in a real-
time register bit in RESET_SR2, so you can determine if an
overvoltage condition is still in effect. Similar to the LVIA/
LVID events, HVIA event is also available in active and
standby modes. The HVIA interrupt can return the chip to
active mode from standby mode. Similar to the reset condi-
tion, the HVI interrupt is continuously triggered until the volt-
age goes below the high-voltage trip point.
15.3.3.3 Processing a Low/High Voltage
Detect Interrupt
Both LVI and HVI circuits cause the same interrupt output
signal, which is made available to the Interrupt Controller.
Further execution of the interrupt depends on the enable
status for the interrupt line in the Interrupt Controller. After
the interrupt occurs, the user code can interrogate status
registers to determine which LVI or HVI circuit detected an
under- or over-voltage condition.
The actual interrupt output (LVD) is an OR function of the
three persistent status register bits corresponding to LVI-D,
LVI-A, and HVI. Therefore, to clear the interrupt, the ISR
must clear these three register bits.
The LVI and HVI interrupts are prone to a glitch when they
are enabled. Exercise caution in the firmware to avoid any
interrupt generated by the voltage detection circuitry at the
moment when voltage detection is being enabled. One way
to achieve this is by disabling the LVD interrupt before
enabling the voltage detection and enabling it after some
time, which avoids the potential glitch caused while
enabling.
During sleep mode, LVI and HVI circuits may be buzzed
(periodically activated). If an interrupt occurs during buzzing,
the system will first go through its wakeup sequence; then
the interrupt is recognized and serviced.
With the LVI configured as an interrupt, if the low-voltage
condition and a soft reset (such as software reset, watchdog
reset, segment reset) occur simultaneously, there is a
chance that the low-voltage condition persists when the
device resets due to the soft reset source. This will result in
the low-voltage condition causing a hard reset as well. If a
hard reset occurs, it results in the clearing of the soft reset
status register bits in RESET_SR0 and RESET_SR1. The
implication is that any soft reset occurring in conjunction
with the LVI interrupt event will not be properly reflected in
the RESET_SR0, RESET_SR1 status registers. However,
there will be no impact on any other device operation; the
device will undergo the normal sequence after the reset
occurs. This behavior is applicable for the HVI interrupt as
well.
15.3.3.4 Reset on a Voltage Monitoring
Interrupt
The ALVI and DLVI can be configured to directly reset the
device by setting the corresponding bits in
RESET_CR3[7:6]. When this bit is set to ‘1’ along with the
RESET_CR1[0/1] set to ‘1’, the corresponding LVI becomes
an additional reset source through the PRES reset path.
When this bit is cleared to ‘0’ along with the RESET_CR1[0/
1] set to ‘1’, the corresponding LVI is only used as an inter-
rupt source. If the RESET_CR1[0/1] is cleared to ‘0’, the bit
state (either a zero or a one) has no impact on the reset or
interrupt functionality.

PSoC 5LP Architecture TRM, Document No. 001-78426 Rev. *F 133
Power Supply and Monitoring
The LVI glitch mentioned in 15.3.3.3 Processing a Low/High
Voltage Detect Interrupt triggers a system reset if the LVI
monitor is enabled after enabling the LVI reset (the LVI reset
is enabled by default). To avoid this, disable the LVI reset by
clearing the corresponding bits in RESET_CR3[7:6] before
enabling the LVI monitor.
Note that the LVI reset will not hold the device in reset until
the voltage goes above the set value. When the LVI circuit
detects a low voltage, reset is asserted. The reset is then
released even if the voltage is still below the LVI set value.
15.4 Register Summary
Table 15-2. Power Supply Register Summary
Register Function
PWRSYS_CR0 Regulator control
PWRSYS_CR1 Analog regulator control
BOOST_CR0 Boost Thump, voltage selection and mode select
BOOST_CR1 Boost enable and control
BOOST_CR2 Boost control
BOOST_CR3 Boost PWM duty cycle
BOOST_SR Boost status
RESET_CR0 LVI trip value setting
RESET_CR1 Voltage monitoring control
RESET_SR0 voltage monitoring status
RESET_SR2 Real-time voltage monitoring status

134 PSoC 5LP Architecture TRM, Document No. 001-78426 Rev. *F
Power Supply and Monitoring

PSoC 5LP Architecture TRM, Document No. 001-78426 Rev. *F 135
16. Low-Power Modes
The PSoC® 5LP devices feature a set of four power modes with a goal of reducing the average power consumption of the
device.
16.1 Features
The PSoC 5LP power mode features, in order of decreasing
power consumption, are:
■Active
■Low Power Active
■Alternative Active
■Sleep
■Hibernate
Active and alternative active are the main processing
modes, and the list of enabled peripherals is programmable
for each mode. The user can enter Active or Alternative
Active manually or automatically alternate between them
using Low Power Active (LPA) mode. LPA mode uses the
Internal Low Speed Oscillator (ILO) and the Internal Main
Oscillator (IMO) to schedule the alternation.
Sleep and hibernate modes are used when processing is
not necessary for an extended time. All subsystems are
automatically disabled in these two modes, regardless of the
settings in the active template register. Some subsystems
have an additional available bit [PM_Avail_CRx] that can
mark a subsystem as unused and prevent it from waking
back up. This reduces the power overhead of waking up the
part, in that not all subsystems are repowered.
The allowable transitions between power modes are illus-
trated in Figure 16-1.
Figure 16-1. State Diagram of Allowable Power Mode Transitions
Active
Manual
Hibernate
Alternate
Active
Sleep

136 PSoC 5LP Architecture TRM, Document No. 001-78426 Rev. *F
Low-Power Modes
The various power modes reduce power by affecting the fol-
lowing resources:
■Regulators for the digital and analog supply in the device
■Clocks such as the IMO, ILO, and external crystal oscil-
lator (ECO32K, ECOM)
■Central processing unit (CPU) and all other peripherals
Power savings, resume time, and supported wakeup
sources depend on the particular mode. The four global
power-reducing modes are described in Table 16-1 and are
listed in decreasing order of power consumption.
a. On PSoC 5LP, an interrupt signal coming from a wakeup source should not be passed through the "Edge Detect" logic shown in Figure 7-2 on page 74. The
interrupt signal should be passed directly to the interrupt controller. This is a requirement only for sleep and hibernate power mode wakeup sources. Alternate
active mode wakeup sources can have their interrupt signals either passing directly to the interrupt controller, or through the edge detect logic.
16.2 Active Mode
Active mode is the primary power mode of the PSoC device.
This mode provides the option to use every possible sub-
system/peripheral in the device. All of the clocks in the
device are available for use in this mode.
Each power-controllable subsystem is enabled or disabled
in active mode, using the active power configuration tem-
plate bits [PM_ACT_CFGx registers]. This is a set of 14 reg-
isters in which each bit is allocated to enable/disable a
distinct power controllable subsystem. When a subsystem is
disabled, the clocks are gated and/or analog bias currents
are reduced.
Firmware may be used to dynamically enable or disable
subsystems by setting or clearing bits in the active configu-
ration template. It is possible for the CPU to disable itself,
while the rest of the system remains in active mode. The
CPU active mode bit is not sticky; therefore the CPU is
always awakened whenever the system returns to active
mode.
16.2.1 Entering Active Mode
Any wakeup event, any reset, or writing 0 into
PM_MODE_CSR[2:0] register while in alternate active
mode transitions the device into active mode. When a
wakeup event occurs in alternate active/sleep/hibernate
mode, the global mode always returns to active and the
CPU is automatically enabled, regardless of its template set-
tings. Active mode is the default global power mode upon
boot.
16.2.2 Exiting Active Mode
A register write into PM_MODE_CSR[2:0] can transition to
another mode. Firmware must ensure the SPC Idle bit in the
SPC_SR[1] register is '1' prior to writing to the
Table 16-1. Power Consumption-Reducing Modes
Power Modes Description Entry Condition Wakeup Source Active Clocks Regulator
Active Primary mode of opera-
tion, all peripherals avail-
able (programmable)
Wakeup, reset, manual
register entry Any interrupt Any (programmable) All regulators available.
Digital and analog regula-
tors can be disabled if
external regulation used.
Alternate Active
Similar to Active mode,
and is typically config-
ured to have fewer
peripherals active to
reduce power. One pos-
sible configuration is to
use the UDBs for pro-
cessing, with the CPU
turned off
Manual register entry Any interrupt Any (programmable) All regulators available.
Digital and analog regula-
tors can be disabled if
external regulation used.
Sleep All subsystems automati-
cally disabled Manual register entry Comparator, PICU,
I2C, RTC, CTWa
ILO/kHzECO
Both digital and analog
regulators buzzed.
Digital and analog regula-
tors can be disabled if
external regulation used.
Hibernate
All subsystems automati-
cally disabled
Lowest power consum-
ing mode with all periph-
erals and internal
regulators disabled,
except hibernate regula-
tor is enabled
Configuration and mem-
ory contents retained
Manual register entry Comparator, PICUa
Only hibernate regulator
active.

PSoC 5LP Architecture TRM, Document No. 001-78426 Rev. *F 137
Low-Power Modes
PM_MODE_CSR[2:0] register to ensure any SPC com-
mands have completed. Any pending wakeup source pre-
vents the device from exiting active mode.
16.3 Alternative Active Mode
Alternative active mode is similar to active mode in most of
its functionality. Alternative active mode also has its own
additional set of subsystem template bits
[PM_STBY_CFGx], which determine whether a subsystem
is enabled or disabled. This mode is made available for
quick transitions between active and an alternate low-power
mode.
For example, you can write to the template bits to disable
CPU and enable certain peripherals to operate in alternate
active mode. While in alternate active mode, if any interrupt
is generated, the device automatically transitions to active
mode and begins executing the firmware in active mode.
16.3.1 Entering Alternative Active Mode
To enter alternative active mode, write into
[PM_MODE_CSR]. Firmware must ensure the SPC Idle bit
in the SPC_SR[1] register is '1' before writing to the
PM_MODE_CSR[2:0] register.
The essential difference between active and alternative
active mode is that the device cannot wake up from sleep/
hibernate mode into the alternative active mode.
16.3.2 Exiting Alternative Active Mode
Any interrupt or write to the [PM_MODE_CSR] register can
return the system to active mode.
16.4 Sleep Mode
Sleep mode powers down the CPU and other internal cir-
cuitry to reduce power consumption. System supervisory
services, such as the central timewheel, RTC, and WDT
remain active.
When a wakeup event occurs, the system reactivates in a
single phase and returns to active mode. The analog and
digital LDO regulators are disabled during sleep mode. If the
core supplies are configured for internal regulation, a weak
keeper is used to hold the external capacitors at 1.8 V (nom-
inal). Both regulators can be periodically activated (buzzed)
to provide supervisory features for voltage monitoring and
brownout detect (LVI, HVI, and PPOR). Buzzing is not
required if these supervisory services are not used.
The buzz rate is programmable using the {PWR-
SYS.BUZZ_TR} register. The response time of the LVI, HVI,
and PPOR depends on the buzz rate. Selecting a higher
buzz rate improves the response time at the cost of
increased average power consumption. If the keepers are
disabled, then the buzz rate should be set high enough to
ensure that the external capacitors remain within a tightly
bound voltage range. It is not fatal if the capacitor dis-
charges below the desired voltage boundary. However, this
increases wake time because the LDOs must charge the
capacitor before it can enter active mode.
16.4.1 Entering Sleep Mode
Sleep mode is entered by writing the appropriate code into
PM_MODE_CSR[2:0]. Firmware must ensure the SPC Idle
bit in the SPC_SR[1] register is '1' before writing to the
PM_MODE_CSR[2:0] register. Entry must be from a state
where the CPU is available (active). The system ignores any
request to enter sleep mode for the first 1 ms after POR.
16.4.2 Exiting Sleep Mode
Only PICU interrupts, comparator wakeup, supervisory
interrupts, or resets wake up the system. At wakeup, the
system activates all previously available domains from
active mode template and begins executing the firmware in
active mode.
16.5 Hibernate Mode
Hibernate mode consumes/dissipates the lowest power, and
nearly all internal functions are disabled. There is no buzz-
ing, and the external capacitors are permitted to discharge.
The hibernate-regulator is always active to generate the
keep-alive voltage (Vpwrka) used to retain the system state.
See 15.3.3 Voltage Monitoring on page 131.
Configuration state and all memory contents are preserved
in hibernate mode. GPIOs configured as digital outputs
maintain their previous values, and pin interrupt settings are
preserved. The voltage used to retain state is lower than the
nominal core voltage.
In hibernate mode, voltage is monitored with a lower degree
of precision than in the other power modes. The hibernate
mode has a higher probability of having soft errors. Hence
for safety critical applications the MFGCFG.PWR-
SYS.HIB.TR1[7] can be programmed to prevent hibernate
mode. When this bit is asserted, the command to hibernate
will put the system into sleep mode. This is important when
there are chances of an accidental entry into hibernate
mode and the watchdog is disabled.
To achieve an extremely low current, a hibernate regulator
with limited capacity is used. This limits the frequency of any
signal present on the input pins - no GPIO should toggle at a

138 PSoC 5LP Architecture TRM, Document No. 001-78426 Rev. *F
Low-Power Modes
rate greater than 10 kHz while in hibernate mode. Because
hibernate mode is intended to implement a dormant state in
the application, this is not a practical limitation. Any system
that has signals toggling at high rates in low-power modes
can use the sleep mode without seeing a significant differ-
ence in total power consumption.
16.5.1 Entering Hibernate Mode
Hibernate mode is entered by a write into
PM_MODE_CSR[2:0]. Firmware must ensure the SPC Idle
bit in the SPC_SR[1] register is '1' before writing to the
PM_MODE_CSR[2:0] register. The extremely low current
hibernate regulator requires at least 1 ms to start up after a
reset. During this time, the system ignores requests to enter
hibernate mode.
16.5.2 Exiting Hibernate Mode
Return from hibernate mode can occur only in response to a
PICU, comparator, or reset event. The digital, analog, and
sleep regulators are disabled in hibernate mode. Upon
wakeup, the system activates all previously available
domains, unless the {PM_MODE_CFG1[2]} field is set.
16.6 Timers
The PSoC power manager provides timers to facilitate
advanced power management. Each of these timers are
clocked off the low-speed clocking resources available on
the chip: the ILO and 32-kHz crystal oscillator. Both of these
oscillators have startup times associated with them. Ensure
that firmware driven timer initialization occurs quickly after
reset.
The output of these oscillators is considered unreliable dur-
ing the specified startup time. User code should be authored
to ensure that this unreliable clocking is accounted for. The
best way to achieve this is to keep the timer disabled during
the startup period. For the central timewheel, fast time-
wheel, and one pulse-per-Second timers, this is achieved
with the associated enable bits in the PM.TW_CFG2 regis-
ter. For the Watchdog timer, this is achieved with a watch-
dog clear followed by a watchdog reset enable (see the
Watchdog Timer chapter on page 141).
The ILO is automatically started upon power up and wake
from hibernate. The ILO and 32-kHz crystal oscillator may
also be stopped and restarted by user firmware. In this case,
the user code must also account for oscillator startup time.
Timers and timewheels schedule events. They can be pro-
grammed to generate periodic interrupts for timing or to
wake the system from a low-power mode.
16.6.1 Central Timewheel (CTW)
The central timewheel (CTW) is a 1-kHz, free-running, 13-bit
counter clocked by the ILO. The CTW is always available,
except in hibernate mode and when the CPU is stopped dur-
ing debug on-chip (DoC) mode. The main functions of the
CTW are:
■Buzzing during sleep mode
■Waking up the device from a low-power mode
■Watchdog timer (WDT)
■General timing purposes
CTW settings are programmable, using
PM_TW_CFG1[3:0].
Although the CTW is free-running, separate settings are
used for the wakeup and watchdog timeouts. The CTW can
be programmed, using the {PM_TW_CFG2[2]} registers, to
wake the system periodically and optionally issue an inter-
rupt by programming the bit {PM_TW_CFG2[3]}.
16.6.2 Fast Timewheel (FTW)
The fast timewheel (FTW) is a 100-kHz, 5-bit counter
clocked by the ILO, which can also be used to wake the sys-
tem from alternative active mode only. The FTW settings are
programmable, using PM_TW_CFG0[4:0]; the counter auto-
matically resets when the terminal count is reached. The
FTW enables flexible, periodic wakeups of the CPU at a
higher rate than the rate allowed using the CTW. To wake
up on the FTW, write into register PM_TW_CFG2[0]. If the
associated FTW interrupt is enabled using
PM_TW_CFG2[1], an interrupt is generated each time the
terminal count is reached.

PSoC 5LP Architecture TRM, Document No. 001-78426 Rev. *F 139
Low-Power Modes
16.7 Register List
Table 16-2. Low-Power Modes Register List
Register Name Description
General Registers
PM_ACT_CFGx Active mode template
PM_STBY_CFGx Alternate Active mode template
PM_AVAIL_CRx Available settings for limited Active mode transition
PM_AVAIL_SRx Availability Status register
PM_MODE_CFG0 Not used
PM_MODE_CFG1 Interrupt and settings for low-power modes
PM_MODE_CSR Power Mode Control and Status register
PM_INT_SR Power Mode Interrupt Status register
PM_TW_CFG0 Fast Timewheel (FTW) Configuration register
PM_TW_CFG1 Central Timewheel (CTW) Configuration register
PM_TW_CFG2 Configuration settings for CTW and FTW

140 PSoC 5LP Architecture TRM, Document No. 001-78426 Rev. *F
Low-Power Modes

PSoC 5LP Architecture TRM, Document No. 001-78426 Rev. *F 141
17. Watchdog Timer
The watchdog timer (WDT) circuit automatically reboots the system in the event of an unexpected execution path. This timer
must be serviced periodically. If not, the CPU resets after a specified period of time. After the WDT is enabled, it cannot be
disabled except during a reset event. This is done to prevent any errant code from disabling the WDT reset function. To use
the WDT function, enable the WDT function during the startup code.
17.1 Features
The WDT has the following features:
■Protection settings to prevent accidental corruption of the WDT
■Optionally-protected servicing (feeding) of the WDT
■A configurable low-power mode to reduce servicing requirements during sleep mode
■A status bit for the watchdog event that shows the status even after a watchdog reset
17.2 Block Diagram
Figure 17-1 is a block diagram of the WDT circuit.
Figure 17-1. Watchdog Timer Circuit
Watchdog
Counter
(3 Counts)
ILO 2 Ticks
16 Ticks
128 Ticks
1024 Ticks
1 kHz
4 ms – 6 ms
32 ms – 48 ms
256 ms – 384 ms
2.048 sec - 3.072 sec
Clear Enable
PM_WDT_CR PM_WDT_CFG[4]
PM_WDT_CFG[1:0]
Central Timewheel
Watchdog Reset

142 PSoC 5LP Architecture TRM, Document No. 001-78426 Rev. *F
Watchdog Timer
17.3 How It Works
The WDT circuit asserts a hardware reset to the device after
a preprogrammed interval, unless it is periodically serviced
in firmware. The system restarts if an unexpected execution
path is taken through the code and the preprogrammed
interval times out. It can also restart the system from the
CPU halt state.
The WDT timeout is between two and three programmable
tap periods, based on the free-running Central Timewheel.
See the PSoC® 5LP Registers TRM (Technical Reference
Manual).
Each time the central timewheel crosses the programmed
tap point, the Watchdog counter increments. When the
counter reaches three, a Watchdog reset is asserted, and
the counter is reset. When the WDT is serviced in software,
the counter is reset to zero.
The time between servicing and the first tap crossing is usu-
ally less than the complete tap period; therefore, program
the software to service the WDT within two tap periods.
Actual WDT timeouts may differ slightly from nominal,
caused by inaccuracy of the ILO frequency.
17.3.1 Enabling and Disabling the WDT
The WDT is enabled by setting the PM_WDT_CFG[4] regis-
ter bit. After this bit is set, it cannot be cleared again except
by a reset event. This is done so that errant code cannot
accidentally disable the watchdog.
You must either re-enable the Watchdog function at startup
after a reset occurs or include code to re-enable the function
should a reset occur, allowing a dynamic choice whether to
enable the Watchdog.
A status bit (RESET_SR0[3]) becomes set on the occur-
rence of a Watchdog reset. This bit remains set until cleared
by the user, by reading or writing to the register, or until a
POR reset. All other resets leave this bit untouched.
17.3.2 Setting the WDT Time Period and
Clearing the WDT
Select a tap from the central timewheel using the register
PM_WDT_CFG[1:0]. Based on the tap selected, the WDT is
timed at various periods, shown in Figure 17-1 on page 141.
The WDT counts until reaching three, based on the tap from
the central timewheel. If the firmware does not clear the
WDT before this time, a Watchdog reset is initiated.
To prevent an automatic reset, the WDT must be periodi-
cally serviced by firmware. In the default mode, this is
accomplished by writing any value to the PM_WDT_CR
field. It is a good idea to service the WDT in a firmware main
loop, that is, not in an interrupt handler. If the WDT is ser-
viced in an interrupt handler, and the main loop code goes
astray, the WDT may never generate a reset because the
interrupt may still be active, causing the interrupt handler to
continue to service the WDT.
17.3.3 Operation in Low-Power Modes
A configurable low-power mode of the WDT reduces servic-
ing requirements during sleep mode. The register
PM_WDT_CFG[6:5] governs the low-power mode for the
WDT.
If the WDT is enabled, two bits define how the WDT
behaves when the part enters Sleep/Idle/Hibtimers (low-
power) mode. The default is 01; the system will automati-
cally use the longest WDT interval when Sleep/Idle/Hibtim-
ers mode is entered, so software is not burdened with
waking just to feed the WDT. This is true regardless of the
value programmed in the wdt_interval register. Upon
wakeup, the interval will remain at the highest setting until
the WDT is fed the first time. A feeding at this point will
cause the interval to automatically return to the normal set-
ting (value in wdt_interval). If this field is set to NOCHANGE
('00'), the system does not change the interval and does not
feed the WDT when entering Sleep/Idle/Hibtimers mode. If
DISABLED (wdt_lpmode=11), the WDT is turned off when
Sleep/Idle/Hibtimers mode is entered and remains disabled
until the first feeding by the user after active mode is reen-
tered.
17.3.4 Watchdog Protection Settings
Using the MLOGIC_SEG_CR and MLOGIC_SEG_CFG0
registers, the WDT registers are protected from accidental
corruption as follows:
■Clear, low-power enable, and Watchdog enable regis-
ters are protected as segment 0 as one-time system set-
tings.
■The servicing of WDT clear is protected in segment 1 as
a reconfigurable system setting.
See 20.3 Configuration Segment Protection on page 168.
17.4 Register List
Table 17-1. Reset Register List
Register Name Comments
PM_WDT_CFG Configuration register for Watchdog
PM_WDT_CR Watchdog clear
RESET_SRO Persistent Status register for Watchdog reset

PSoC 5LP Architecture TRM, Document No. 001-78426 Rev. *F 143
18. Reset
PSoC® 5LP architecture supports several types of resets, enable power-on reset, user-supplied external or software resets,
and recovery from errant code operation.
18.1 Reset Sources
PSoC 5LP supports a number of hard and soft resets. Hard
resets such as power-on reset completely reset the device.
Soft resets are similar but do not reset certain register bits;
see the Register TRM for details.
Resets sources include:
■IPOR (hard): power-on reset
■PRES (hard): internal regulators low-voltage monitor
reset
■HRES (hard): supply low-voltage monitor reset for sleep
and hibernate modes
■XRES (hard): external source activates reset pin
■LVI (soft): supply low-voltage monitor for active mode,
can generate interrupt or reset
■SRES (soft): software reset, by setting a register bit
■WRES (soft): watchdog reset
18.1.1 Voltage Monitor Resets
PSoC 5LP provides a number of power supply voltage mon-
itor reset sources.
18.1.1.1 Initial Power-On Reset (IPOR)
At initial power on, IPOR monitors the supply voltages
VDDD, VDDA, VCCD, and VCCA. The trip level is not precise. It
is set to approximately 1 volt, which is below the lowest
specified operating voltage but high enough for the internal
circuits to be reset and to hold their reset state. The monitor
generates a reset pulse that is at least 150 ns wide. It may
be much wider if one or more of the voltages ramps up
slowly.
In addition to power-on, all hard resets start an IPOR
sequence.
The analog and digital regulator trim is forced when the
IPOR circuit is in reset to provide the regulator a known trim
value while the NVLs are loading. The IPOR asserts during
power up until VDDA, VDDD, VCCA, and VCCD are above the
IPOR threshold. It also asserts for several hundred nano-
seconds after the asserting edge of a PRES or XRES event.
A small excursion on VCCA or VCCD may be seen due to this
IPOR pulse.
18.1.1.2 Precise Low-Voltage Reset (PRES)
This circuit monitors the VCCX outputs of the analog and dig-
ital regulators. The regulator outputs are compared to a pre-
cise reference voltage. Software can disable the analog
regulator, which also disables the analog portion of PRES.
The digital portion of PRES cannot be disabled.
PRES disabled automatically in sleep and hibernate modes,
with one exception: During sleep mode the regulators are
periodically activated (buzzed) to provide supervisory ser-
vices and reduce wakeup time. At these times PRES is also
buzzed to allow periodic regulator monitoring.
18.1.1.3 Low-Voltage Interrupt/Reset (LVI)
These circuits detect when VDDA and VDDD go below a pro-
grammable voltage, and generate either an interrupt or a
reset. See section 15.3.3 Voltage Monitoring on page 131
for details.
18.1.1.4 Hibernate Reset (HRES)
During hibernate and sleep, an ultra-low-power supply mon-
itor circuit is used to issue a reset if the voltage on the exter-
nal digital supply drops to the point that SRAM and register
state information may be lost.
See the Power Supply and Monitoring chapter on page 125
for details on the configuration of the LVI and HVI reset
sources.
18.1.2 External Reset (XRES)
External reset is available on a dedicated XRES pin on
some devices, as well as a shared GPIO pin P1[2] on all
devices. The shared pin supports low pin count parts that do

144 PSoC 5LP Architecture TRM, Document No. 001-78426 Rev. *F
Reset
not have a dedicated XRES pin. The shared pin is available
through a programmable NV latch setting, and is configured
during the boot phase immediately after power-up. See the
Nonvolatile Latch chapter on page 85 for details.
The external reset is active low; an internal pull-up resistor is
provided for both dedicated and shared pins. Either pin (if
P1[2] is configured) holds the part in reset while the pin is
held low.
XRES is active during sleep and hibernate modes.
18.1.3 Software Initiated Reset (SRES)
Software initiated reset (SRES) is a mechanism that allows
a software-driven reset. The RESET_CR2 register forces a
device reset when a ‘1’ is written into bit 0. This setting can
be made by firmware or with a DMA.
The RESET_SR0[5] status bit is set by a software reset.
This bit remains set until cleared by the user or until a hard
reset.
18.1.4 Watchdog Reset (WRES)
The watchdog timer (WDT) detects errant code by causing a
reset if the watchdog timer is not cleared within the user-
specified time limit. See the Watchdog Timer chapter on
page 141.
Enable the WDT by setting the PM_WDT_CFG[4] register
bit. After this bit is set, it cannot be cleared again except by
a reset event.
The RESET_SR0[3] status bit is set by a watchdog reset.
This bit remains set until cleared by the user or until a hard
reset.
18.1.5 Identifying Reset Sources
When the device comes out of reset, it is beneficial to know
the cause of the reset. This is achieved in the device
through the registers RESET_SR0 and RESET_SR1.
These two registers have specific status bits allocated for
the various reset sources, except POR and XRES. The bits
are set on the occurrence of the corresponding reset, and
remain set after the reset, until cleared by the user or a
device reset occurs due to one of the below mentioned
sources.
The RESET_SR0 register contains status bits for all soft
reset sources. The register also has two general-purpose
bits. These bits are persistent through soft resets. They can
be cleared by firmware, or by a hard reset.
18.1.5.1 Preservation of Reset Status
The device reset caused due to XRES, IPOR, PRES, LVI,
and HVI sources clear the contents of the RESET_SR0 and
RESET_SR1 registers. These sources are referred to as
hard reset sources because they reset all the registers. The
remaining reset sources, which include software reset,
watchdog reset, and segment reset preserve the status of
the RESET_SR0 and RESET_SR1 registers. For example,
if an LVI reset and a software reset occur simultaneously,
the LVI reset will clear the status bit corresponding to the
software reset, making it impossible to detect a software
reset condition. Also, the status bits corresponding to PRES,
LVI, and HVI in RESET_SR0 and RESET_SR1 registers are
meaningless because the respective reset conditions are
hard resets, which clear all the register bits. The status bits
corresponding to LVI and HVI will however be required when
they are configured as interrupt sources instead of reset
sources.
Note PSoC Creator reads and preserves the RESET_SR0
register during boot before executing the code in main().
Refer to the “Preservation of Reset Status” section of the
PSoC 3/PSoC 5LP System Reference Guide for more infor-
mation.

PSoC 5LP Architecture TRM, Document No. 001-78426 Rev. *F 145
Reset
18.2 Reset Diagram
Figure 18-1 is a simplified logic diagram of the RESET module. Any active source of reset will make the system reset.
Figure 18-1. Logic Diagram of the RESET Module
Figure 18-2 shows the operation of various RESETs with the change in Vdd/Vcc. The diagram also shows the functioning of
RESETs in a normal power-up.
Figure 18-2. Resets Resulting from Various Reset Sources
IPOR, POR
WRES
Hibernate
WRES_ENA
Hibernate
Hibernate
SRES
XRES
System
RESET
CPU State
XRES
Vddd/
Vdda Pin
Core
Vccd/Vcca
POR
HRES
WRES
SRES
Trip
Level
Reset held until XRES is released
User Code Runs
Reset
Boot
Legend

146 PSoC 5LP Architecture TRM, Document No. 001-78426 Rev. *F
Reset
18.3 Reset Summary
All reset sources and their triggers/effects are described in Table 18-1 and Table 18-2.
Notes
■PRES, LPCOMP, and HBR can be disabled through RESET_CR4 and RESET_CR5 register settings, but generate resets
by default.
■JTAG is enabled if customer NVL setting in CNVL_DPS[1:0] is set or if Port 1 pins are actively configured to JTAG.
Table 18-1. Reset Sources and Triggers
POR WRES SRES XRES
Trigger Vccd <1.6 V WDT not written in time window RESET_CR2[0] set External XRES pin active
Enable by Default? Yes No No Yes (nonvolatile latch setting)
Block Power 50 µA <1 µA 0 0
Sleep Mode Operation Buzzed Not in Hibernate No Yes
Table 18-2. Reset Effects
RESET TYPE
SYSTEM RESET
NVL RELOAD
DEVICE CONFIG
OPENS BOOTWINDOW
HV & ANA DISABLED
GPSW[1:0] CLEARED
IPOR KEY CLEARED
TC RESET
reset_hard (hard reset)
IPOR (Digital and Analog, Internal and External)
XXXXXXXX
PRES (Digital and Analog)
XRES (JTAG disabled or hibernate mode)
Hibernate Reset (HBR)
reset_all (soft reset)
Software Reset (SWR)
XXXX
Watchdog Reset (WDR)
XRES (JTAG enabled)
checksum reset (CKSUMR)
Segment Reset (SEGR)
Power Domain Reset

PSoC 5LP Architecture TRM, Document No. 001-78426 Rev. *F 147
Reset
18.4 Boot Process and Timing
The boot process trims and configures the silicon to its ideal state before the first line of the user code is executed. The
PSoC® 5LPlife cycle consists of reset, boot, and user phases. Figure 18-3 gives a brief view of these phases.
Figure 18-3. Boot Process
The process from supply voltage stabilization to user code
entry is shown in Figure 18-4. After the voltage is high
enough, the NVL data load is initiated. The NVL load takes
care of loading configuration data stored in the NV latches.
The maximum time for this NVL load is 10 s from the time
of initiation. This resets the I/Os to the NVL drive mode set-
tings as well as setting the other Configuration data for the
device. At this point, the device enters the reset state. The
two types of NVL loads are explained in 18.4.1 Manufactur-
ing Configuration NV Latch.
If the external reset pin (XRES) is asserted low, the device
stays in the reset state. If the external reset pin (XRES) is
not asserted and all the voltages are at their correct operat-
ing values, it triggers the reset hold off circuitry to bring the
device out of the reset state.
The IMO clock is then started in a fast IMO (FIMO) mode,
which is a faster startup version of the IMO. The reset hold-
off counter continues to hold the device in reset until other
systems, such as band-gap and precision resets stabilize.
The length of the hold off is approximately 20 s to allow
enough time for these circuits to stabilize. If the band-gap or
precision reset blocks are not ready or there is a problem
with any of these devices stabilizing by the end of the hold-
off counter, a fresh reset cycle is initiated and the hold-off
counter is restarted. If there are no problems, the hold-off
counter completes and the device is released from reset.
After releasing from reset, the IMO is switched to either
12 MHz or 48 MHz, the system bus clock is started and the
boot cycle begins. Until now, the bus clock is fed from the
FIMO, which has lesser accuracy compared to the IMO.
After the reset is released, it moves into the IMO, which is
more precise. The boot phase is explained in section 18.4.3
User Mode. During this boot configuration time, if there is no
toggling of the external pins P1_0 and P1_1 and the config-
uration finishes, the system moves into the user mode. Tog-
gling P1_0 and P1_1 implies a debug port acquire is being
attempted which must trigger a debug port entry.
Reset
Holds the part in reset
until the operating
conditions are stable. NV
Latch configuration
happens here
Boot
Configuration loaded
from reserved area in
Flash.
Debug port acquire
happens here
User Mode
CPU active. Start running code from
Address 0.
Loads configuration based on PSoC
creator generated code.

148 PSoC 5LP Architecture TRM, Document No. 001-78426 Rev. *F
Reset
Figure 18-4. Power Up Reset Boot User Mode Cycle
In this phase, two types of NV latches are loaded to set
reset states and trims in the device. The two types of the
configuration, explained in sections 18.4.1 Manufacturing
Configuration NV Latch and 18.4.1.1 Device Configuration
NV Latch, occur simultaneously in the reset phase.
18.4.1 Manufacturing Configuration NV
Latch
There are some circuits that must receive part specific trim
values before the device comes out of reset. Manufacturing
NV latches provide these trim values. An example of this cir-
cuit is the power-on-reset. This circuit is responsible for
holding the device in reset until a safe supply voltage is
reached. The POR circuit requires a trim value, which is
stored in an NV latch. The NV latch's output is stable at
approximately 1 V while the lowest operating voltage in the
PSoC® 5LPplatform is 1.71 V.
18.4.1.1 Device Configuration NV Latch
Device configuration is similar to manufacturing configura-
tion NV in that it occurs while the device is in reset; however,
it differs in that customers select optional configuration set-
tings not trim values for circuits. Manufacturing configuration
and device configuration occur in parallel. One example of a
device configuration is the NV latches that determine the I/O
drive modes during reset, which determine the reset state of
the drive mode registers.
18.4.2 Boot Phase
Though many device settings are done using NV latch dur-
ing the preboot process, there are other trim values that
require to be written during the boot process. These values
are stored in reserved space in the flash memory (I/O
System chapter on page 151) and the boot process takes
care of moving this data to the corresponding blocks. This
loading of the configuration happens using the DMA and
PHUB. A DMA channel fetches the configuration bytes from
the flash and places them in the SRAM. This move to SRAM
causes indeterminate data to be present in SRAM
addresses 0 through 127 after boot is complete. The check-
sum block does a checksum to determine integrity. After the
data is verified, it is then transferred using the DMA to the
corresponding configuration register. If the checksum fails, it
triggers a system reset.
Note that some circuits have mode dependent trim values,
for example the IMO's trim value depends on the speed set-
ting of the IMO. For circuits with mode dependent trim val-
ues, the boot process loads the trim value that matches the
default mode. When the user's firmware or configuration
changes the mode, the firmware also retrieves the correct
Internal
Vddd / Vdda Pins
Core Vccd / Vcca
IPORXA
BG + Precision RESET
Boot User Mode
Reset
System_ resets
IMO
FIMO
~20us
IMO, Either 12 MHz or 48MHz
READY
reset_ holdoff_ counter count = 0 counting Counter expired
clk_bus
Boot Window Open
Checksum Done
Configuration writes
Configuration readsBoot Configuration Data
NV Manufacturing Configuration ValidNVL Data
XRES

PSoC 5LP Architecture TRM, Document No. 001-78426 Rev. *F 149
Reset
trim value corresponding to the modes from the tables
stored in flash and writes them to the appropriate register.
The CPU halts until boot completes, therefore, you cannot
use the CPU to complete the boot process. The PHUB,
DMA, and a special checksum block are used to move the
manufacturing configuration data from the flash to the
appropriate registers. These three blocks work together to
accomplish these objectives:
■Minimize boot time, giving you the quickest path to firm-
ware execution
■Provide a data integrity check on the manufacturing con-
figuration data
■Provide flexibility in the order and addresses to which
manufacturing configuration data is written
When the boot process is complete, the device enters the
user mode where the user code starts executing.
18.4.3 User Mode
When the boot phase is complete, the device enters the
user mode to enable firmware code execution. This is where
code execution starts for the startup/configuration code
developed by PSoC Creator. Only after executing this part
of the PSoC Creator generated code does the code execu-
tion reach the main().
18.5 Register List
Table 18-3. Reset Register List
Register Name Comments
RESET_CR2
RESET_SR0 Persistent status bits for WRES, SRES, XRES, and so on
RESET_SR1 Persistent status bits for Segment reset, PRES
RESET_SR2 Real-time Reset Status

150 PSoC 5LP Architecture TRM, Document No. 001-78426 Rev. *F
Reset

PSoC 5LP Architecture TRM, Document No. 001-78426 Rev. *F 151
19. I/O System
The I/O system provides the interface between the CPU core and peripheral components to the outside world. The flexibility
of PSoC® devices and the capability of its I/O to route any signal to any pin greatly simplifies circuit design and board layout.
There are two types of I/O pins on every device, general purpose I/O (GPIO) and special I/O (SIO); those with USB provide a
third type. Both GPIO and SIO provide similar digital functionality. The primary differences are their analog capability and
drive strength. Devices that include USB also provide two USBIO pins that support specific USB functionality as well as spe-
cialized general purpose capability.
All I/O pins are available for use as digital inputs and outputs for both the CPU and digital peripherals. In addition, all I/O pins
can generate an interrupt. All GPIO pins can be used for analog input, CapSense®, and LCD segment drive, while SIO pins
are used for voltages in excess of Vdda and for programmable output voltages and input thresholds.
19.1 Features
The PSoC I/O system has these features, depending on the pin type.
Supported by both GPIO and SIO pins:
■User programmable I/O state and drive mode on device reset
■Flexible drive modes
■Support level and edge interrupts on pin basis
■Slew rate control
■Supports CMOS and low voltage TTL input thresholds
■Separate port read and write registers
■Separate I/O supplies and voltages for up to four groups of I/O
Provided only on the GPIO pins:
■Supports LCD drive
■Supports CapSense
■Supports JTAG interface
■Analog input and output capability
■8 mA sink and 4 mA source current
■Ports can be configured to support EMIF address and data
Provided only on SIO pins:
■Hot swap capability (5 V tolerance at any operating Vdd)
■Single enable and differential input with programmable threshold
■Regulated output voltage level option
■Overvoltage tolerance up to 5.5 V
■Higher drive strength than GPIO
■25 mA sink and 4 mA source current

152 PSoC 5LP Architecture TRM, Document No. 001-78426 Rev. *F
I/O System
USBIO features:
■USB 2.0 compliant I/O
■25 mA source/24 mA sink current
19.2 Block Diagrams
Figure 19-1, Figure 19-2 on page 153, and Figure 19-3 on page 153 are block diagrams of three main categories of I/Os:
GPIO, SIO, and USBIO, respectively. Each diagram emphasizes the main blocks that drive the system, as well as the signals
and register settings that control the main blocks.
Figure 19-1. GPIO Block Diagram
Drive
Logic
PRT[x]DM0
PRT[x]DR
PIN
Digital Output Path
Digital Input Path
PRT[x]SLW
LCD
Logic & MUX
PRT[x]DM1
PRT[x]DM2
PRT[x]LCD_EN
PRT[x]LCD_COM_SEG
Analog
Analog Mux
Analog Global
Digital System Output
0
1
PRT[x]BYP
PRT[x]BIE
Bidirectional Control
Capsense Global Control
Switches
Pin Interrupt Signal
Digital System Input
PRT[x]PS
PRT[x]CTL
Input Buffer Disable
Display
Data
Interrupt
Logic
PICU[x]INTTYPE[y]
PICU[x]INTSTAT
Vddio
Vddio Vddio
Slew
Cntl
LCD Bias Bus 5
PRT[x]AMUX
PRT[x]AG
1
CAPS[x]CFG1
OE
In
PRT[x]SYNC_OUT
PRT[x]DBL_SYNC_IN
PICU[x]INTSTAT
Naming Convention
‘x’ = Port Number
‘y’ = Pin Number
0
10
1

PSoC 5LP Architecture TRM, Document No. 001-78426 Rev. *F 153
I/O System
Figure 19-2. SIO Block Diagram
Figure 19-3. USBIO Block Diagram
Drive
Logic
PRT[x]DM0
PRT[x]DR
PIN
Digital Output Path
Digital Input Path
PRT[x]SLW
PRT[x]DM1
PRT[x]DM2
Digital System Output
0
1
PRT[x]BYP
PRT[x]BIE
Bidirectional Control
Pin Interrupt Signal
Digital System Input
PRT[x]PS
Input Buffer Disable
Interrupt
Logic
PICU[x]INTTYPE[y]
PICU[x]INTSTAT
Slew
Cntl
OE
In
PRT[x]SYNC_OUT
PRT[x]DBL_SYNC_IN
PICU[x]INTSTAT
PRT[x]SIO_DIFF Buffer
Thresholds
Driver
Vhigh
PRT[x]SIO_CFG
PRT[x]SIO_HYST_EN
Naming Convention
‘x’ = Port Number
‘y’ = Pin Number
Reference Level
Reference Level
Drive
Logic
PRT[15]DR 1[7,6]
PIN
Digital Output Path
Digital Input Path
Digital System Output
0
1
PRT[15]BYP
Pin Interrupt Signal
Digital System Input
USBIO_CR1[0,1]
Interrupt
Logic
PICU[15]INTTYPE[y]
PICU[15]INTSTAT
In
PRT[15]DBL_SYNC_IN
PICU[15]INTSTAT
Naming Convention
‘y’ = Pin Number
Vddd VdddVddd
5 k 1.5 k
D+ pin only
PRT[15]DM1[6]
USBIO_CR1[5] USB or I/O
D+ 1.5 k
D+ 5 k
D+ Open
Drain
PRT[15]SYNC_OUT
USB SIE Control for USB Mode
USB Receiver Circuitry
Vddd
PRT[15]PS[6,7]
USBIO_CR1[2]
D- 5 k
PRT[15]DM1[7]
D- Open
Drain
PR T[15]DM0[6]
PR T[15]DM0[7]

154 PSoC 5LP Architecture TRM, Document No. 001-78426 Rev. *F
I/O System
19.3 How It Works
PSoC I/Os provide:
■Digital input sensing
■Digital output drive
■Pin interrupts
■Connectivity for analog inputs and outputs
■Connectivity for LCD segment drive and EMIF
■Access to internal peripherals:
❐Directly for defined ports
❐Through the universal digital blocks (UDB) via the
Digital System Interconnect (DSI)
The I/Os are arranged into ports, with up to eight pins per
port. Some of the I/O pins are multiplexed with special func-
tions (USB, debug port, crystal oscillator). Special functions
are enabled using control registers associated with the spe-
cific functions. For example, the Crystal Oscillator control
register enables the crystal oscillator function for the I/O pin
multiplexed with the crystal oscillator function.
19.3.1 Usage Modes and Configuration
Because of the variety of I/O capabilities, it is necessary to
understand the modes thoroughly and the configuration for
each function.
19.3.2 I/O Drive Modes
Each GPIO and SIO pin is individually configurable into one
of the eight drive modes listed in Table 19-1 and shown in
Figure 19-4, which depicts a simplified pin view based on
each of the eight drive modes.
The I/O pin drive state is based on the port data register
value (DR) or on a DSI signal, if bypass mode is selected.
The actual I/O pin voltage is determined by a combination of
the DR value, the selected drive mode, and the load at the
pin. The state of the pin can be read from the Port Status
register (PS) or routed to a DSI signal, or both. Three config-
uration bits are used for each pin (DM[2:0]) and set in the
PRTxDM[2:0] registers. When the drive mode of a pin is
changed, it is possible that the input buffer may be turned-off
for a short period during the drive mode transition. There-
fore, pin interrupts should be disabled while changing pin
configuration.
Table 19-1. I/O Drive Modes
Mode
Number Drive Mode PRTxDM2
DM2
PRTxDM1
DM1
PRTxDM0
DM0 Data = 1 Data = 0
0 High Impedance Analog 0 0 0 High Z High Z
1 High Impedance Digital 0 0 1 High Z High Z
2 Resistive Pull Up 0 1 0 Res 1 (5k) Strong 0
3 Resistive Pull Down 0 1 1 Strong 1 Res 0 (5k)
4 Open Drain, Drives Low 1 0 0 High Z Strong 0
5 Open Drain, Drives High 1 0 1 Strong 1 High Z
6 Strong Drive 1 1 0 Strong 1 Strong 0
7 Resistive Pull Up and Down 1 1 1 Res 1 (5k) Res 0 (5k)

PSoC 5LP Architecture TRM, Document No. 001-78426 Rev. *F 155
I/O System
Figure 19-4. I/O Drive Mode Diagram
19.3.2.1 Drive Mode on Reset
The factory drive mode default is high impedance analog
mode, which is appropriate for most designs. The Drive
Mode on Reset feature allows the user to change the factory
default to any of the four listed drive modes if the application
requires faster configuration to low or high logic levels. The
Reset drive mode is set at POR release. The Drive Mode on
Reset setting is a port wide setting and is not set per pin.
Each pin is individually configured during the device configu-
ration step after POR release; this setting overwrites the
reset drive mode. The Resistive Pull Up Drive Mode on
Reset also sets the Port Data Register to 0xFF to ensure the
port is pulled up; all other modes leave the Data Register
0x00.
■High impedance analog
■High impedance digital
■Resistive pull up
■Resistive pull down
See the Nonvolatile Latch chapter on page 85 for details.
19.3.2.2 High Impedance Analog
High Impedance Analog mode is the default reset state;
both output driver and digital input buffer are turned off. This
state prevents a floating voltage from causing a current to
flow into the I/O digital input buffer. This drive mode is rec-
ommended for pins that are floating or that support an ana-
log voltage. High impedance analog pins cannot be used for
digital inputs. Reading the pin state register returns a 0x00
regardless of the data register value.
To achieve the lowest device current in sleep modes, all I/
Os must either be configured to the high impedance analog
mode, or they must have their pins driven to a power supply
rail (ground) by the PSoC device or by external circuitry.
19.3.2.3 High Impedance Digital
High Impedance Digital mode is the standard high imped-
ance (High Z) state recommended for digital inputs. In this
state, the input buffer is enabled for digital signal input.
19.3.2.4 Resistive Pull Up or Resistive Pull
Down
Resistive modes provide a series resistance in one of the
data states and strong drive in the other. Pins can be used
for digital input and output in these modes. Interfacing to
mechanical switches is a common application for these
modes. If a pull up is needed with the Resistive Pull Up
Drive mode, a 1 must be written to that pin’s Data Register
bit. If a pull down is required with the Resistive Pull Down
Out
In Pin Out
In Pin Out
In Pin Out
In Pin
Out
In Pin Out
In Pin Out
In Pin Out
In Pin
0. High Impedance
Analog 1. High Impedance
Digital 2. Resistive Pull Up 3. Resistive Pull Down
4. Open Drain,
Drives Low 5. Open Drain,
Drives High 6. Strong Drive 7. Resistive Pull Up
and Pull Down
Vdd Vdd
Vdd Vdd Vdd
An An An An
AnAnAnAn
The ‘Out’ connection is driven from either the Digital System (when the Digital Output terminal is connected) or the Data Register
(when HW connection is disabled).
The ‘In’ connection drives the Pin State register, and the Digital System if the Digital Input terminal is enabled and connected.
The ‘An’ connection connects to the Analog System.

156 PSoC 5LP Architecture TRM, Document No. 001-78426 Rev. *F
I/O System
Drive mode, a 0 must be written to that pin’s Data Register
bit.
19.3.2.5 Open Drain, Drives High and Drives
Low
Open Drain modes provide high impedance in one of the
data states and strong drive in the other. Pins are used for
digital input and output in these modes. A common applica-
tion for these modes is driving I2C bus signal lines.
19.3.2.6 Strong Drive
The Strong Drive mode is the standard digital output mode
for pins; it provides a strong CMOS output drive in both high
and low states. Strong drive mode pins must not be used as
inputs under normal circumstances. This mode is often used
to drive digital output signals or external FETs.
19.3.2.7 Resistive Pull Up and Pull Down
The Resistive Pull Up and Pull Down mode is a single mode
and is similar to the Resistive Pull Up and Resistive Pull
Down modes, except that, in the single mode, the pin is
always in series with a resistor. The high data state is pull up
while the low data state is pull down. This mode is used
when the bus is driven by other signals that may cause
shorts.
19.3.3 Slew Rate Control
GPIO and SIO pins have fast and slow output slew rate
options for strong drive modes – not resistive drive modes.
The fast slew rate is for signals between 1 MHz and
33 MHz.
Because it results in reduced EMI, the slow option is recom-
mended for signals that are not speed critical – generally
less than 1 MHz. Slew rate is individually configurable for
each pin and is set by the PRTxSLW registers.
19.3.4 Digital I/O Controlled by Port
Register
The Port Control registers (see Table 19-2 on page 156)
have separate configuration bit for each port pins. In addi-
tion to port control registers, the device also provides regis-
ter for port-wide and pin wise configuration.
The port wide configuration register writes the same config-
uration for all the port pins in a single write. This is useful to
configure all the port pins to a specific configuration.
The pin wise configuration register writes to all configuration
bits for a specific I/O pin in a single write. This is useful to
configure individual port pins to a specific configuration.
Outputs are driven from the CPU by writing to the port data
registers (PRTx_DR) Digital inputs are read by the CPU
through the pin state registers (PRTx_PS}).
19.3.4.1 Port Configuration Registers
Table 19-2 lists port control registers.
19.3.4.2 Pin Wise Configuration Register
Alias
The port pin configuration registers (PRTxPC0 through
PRTxPC7) access several configuration or status bits of a
single I/O port pin at once, as shown in Figure 19-5 on
page 157.
Figure 19-5 shows an example of a read from
{PRT*_PC[4]}. Bit four of the port control registers associ-
ated with the port configuration register is read and driven
onto the data bus.
Table 19-2. Functional Registers Accessed through Pin and
Port Configuration Registers
Address Description
PRT[0..11]_BYP A bit set in this register connects the corresponding
port pin to the Digital System Interconnect (DSI),
and disconnects it from the DR register.
PRT[0..11]_SLW Each bit controls the output edge rate of the corre-
sponding port pin – fast edge rate mode (Slew=0) or
slow edge rate mode (Slew=1)
PRT[0..11]_BIE
Each bit set controls the bidirectional mode of the
corresponding port pin.
0 = Output always enabled
1 = Output Enable controlled by DSI input
PRT[0..11]_PS This register reads the logical pin state for the corre-
sponding GPIO port.
PRT[0..11]_DM[0..2]
The combined value of these registers –
PRTx_DM2, PRTx_DM1, and PRTx_DM0 – deter-
mines the unique drive mode of each pin in a GPIO
port.
PRT[0..11]_DR Data written to this register specifies the high
(Data=1) or low (Data=0) state for the GPIO pin at
each bit location of the selected port.

PSoC 5LP Architecture TRM, Document No. 001-78426 Rev. *F 157
I/O System
Figure 19-5. Effect of a Read of the Pin Configuration Register {PRT*_PC[4]}
19.3.4.3 Port Wide Configuration Register
Alias
The Port Configuration Register accesses several available
configuration registers on a port-wide basis with a single bit
write.
This register PRT*_PRT aliases a subset of the configura-
tion registers, allowing the user to configure a complete port
in a single write.
Figure 19-6. {PRT*.PRT} Write Example
Data Output – (Port 3 DR)
Drive Mode 0 – (Port 3 DM0)
Drive Mode 1 – (Port 3 DM1)
Drive Mode 2 – (Port 3 DM2)
Pin Input State – (Port 3 PS)
Bidirectional Enable – (Port 3 BIE)
Slow Slew Rate – (Port 3 SLW)
Data Register Bypass – (Port 3 BYP)
Bit0Bit1Bit2Bit3Bit4Bit5Bit6Bit7
Pin 7 Pin 6 Pin 5 Pin 4 Pin 3 Pin 1 Pin 0Pin 2
Pin 7 Pin 6 Pin 5 Pin 4 Pin 3 Pin 1 Pin 0Pin 2
Pin 7 Pin 6 Pin 5 Pin 4 Pin 3 Pin 1 Pin 0Pin 2
Pin 7 Pin 6 Pin 5 Pin 4 Pin 3 Pin 1 Pin 0Pin 2
Pin 7 Pin 6 Pin 5 Pin 4 Pin 3 Pin 1 Pin 0Pin 2
Pin 7 Pin 6 Pin 5 Pin 4 Pin 3 Pin 1 Pin 0Pin 2
Pin 7 Pin 6 Pin 5 Pin 4 Pin 3 Pin 1 Pin 0Pin 2
Pin 7 Pin 6 Pin 5 Pin 4 Pin 3 Pin 1 Pin 0Pin 2
Port Pin Configuration – Port 3, Pin 2 BYP SLW BIE PS DM2 DM0 DRDM1
Write
Data bus
PRT[x].DM0
PRT[x].DM1
PRT[x].DM2
PRT[x].BIE
PRT[x].SLW
bit [1]
bit [2]
bit [3]
bit [5]
bit [6]
70
70
70
70
70
8
write
PRT[x].PRT
1
1
1
1
1
PRT[x].BYP
bit [7]
70
1

158 PSoC 5LP Architecture TRM, Document No. 001-78426 Rev. *F
I/O System
19.3.5 Digital I/O Controlled Through DSI
GPIO, USBIO, and SIO pins are connected to the internal
peripheral blocks through the UDB via the digital system
interconnect (DSI). Any peripheral connected to the UDB
can be connected to any I/O pin through the DSI.
Each port has 20 unique connections to the UDB through
DSI: eight inputs, eight outputs, and four output control sig-
nals.
19.3.5.1 DSI Output
The bypass register {PRTx_BYP} selects either the selected
DSI output signal or the data register (PRTx_DR) to drive
the port pin.
Mapping of the DSI signal to the output pin is illustrated in
Figure 19-7 on page 158.
Together, output select registers PRTx_OUT_SEL1 and
PRTx_OUT_SEL0 select the DSI output signal to drive the
corresponding output port pin.
Figure 19-7. Digital System Input to Pad Selection
19.3.5.2 DSI Input
The port pin input is directly connected to the UDB array
through DSI for routing the input to various internal periph-
eral blocks. The control for these port inputs are at the DSI
inputs. See the Universal Digital Blocks (UDBs) chapter on
page 175 for port-to-DSI connections.
19.3.5.3 DSI for Output Enable Control
High-speed bidirectional capability is provided through the
{PRT*_BIE} register. When this mode is enabled and the
auxiliary control signal is high, the I/O pin immediately goes
into a High Z output drive state with input buffer enabled.
When this signal is low (or returns low), the I/O pin assumes
the pin state configured through the {PRT*_DM[2]},
{PRT*_DM[1]}, and {PRT*_DM[0]} registers. This allows fast
turnaround of the I/O pin. Four DSI control signals are avail-
able for dynamic drive control of the pins. Mapping of the
DSI control signal to port pin output enable is shown in
Figure 19-8 on page 159.
Together, dynamic output enable select registers
PRTx_OE_SEL1 and PRTx_OE_SEL0 select the DSI con-
trol signal for each port pin.
PRT[x]_DR[7:0]
PRT[x]_BYP[7:0] Port Logic Control
GPIO
in
GPIO
in
GPIO
in
GPIO
in
GPIO
in
GPIO
in
GPIO
in
GPIO
in
DSI[4]
DSI[5]
DSI[6]
DSI[7]
DSI[0]
DSI[1]
DSI[2]
DSI[3]
PRT[x]_OUT_SEL1[0], PRT[x]_OUT_SEL0[0]
Px[0] Px[1] Px[2] Px[3] Px[4] Px[5] Px[6] Px[7]
PRT[x]_OUT_SEL1[1], PRT[x]_OUT_SEL0[1]
PRT[x]_OUT_SEL1[2], PRT[x]_OUT_SEL0[2]
PRT[x]_OUT_SEL1[3], PRT[x]_OUT_SEL0[3]
PRT[x].OUT_SEL1[4],PRT[x].OUT_SEL0[4]
PRT[x]_OUT_SEL1[5], PRT[x]_OUT_SEL0[5]
PRT[x]_OUT_SEL1[6], PRT[x]_OUT_SEL0[6]
PRT[x]_OUT_SEL1[7], PRT[x]_OUT_SEL0[7]
Lower
Nibble
DSI IN
Upper
Nibble
DSI IN

PSoC 5LP Architecture TRM, Document No. 001-78426 Rev. *F 159
I/O System
Figure 19-8. Mapping of DSI Control Signal to Port Pin Output Enable
19.3.6 Analog I/O
The only way that analog signals can pass to and from the
PSoC core is through GPIO.
To connect a pin to an internal analog resource through ana-
log global bus or analog mux line, each GPIO connects to
one of the analog global lines and to one of the analog mux
lines. The switches that connect the I/O pin to Analog global
lines and analog mux line are configured by the {PRT*_AG}
and {PRT*_AMUX} registers.
See the Analog Routing chapter on page 319 for a descrip-
tion of the analog global network configuration. Selected
pins provide direct connections to specific analog features,
such as DACs or uncommitted opamps.
For analog I/O pins, the drive mode should be configured to
High Z Analog in most situations, which disables the input
buffer. The input buffer can also be disabled using the port
input disable (PRTx_INP_DIS) register. The buffer should
remain enabled to allow simultaneous use of the pin as a
digital input and analog input or output.
19.3.7 LCD Drive
All GPIO pins can be configured for LCD drive capabilities.
{PRT*_LCD_EN} registers are used to enable individual
pins for LCD drive. {PRT*_LCD_COM_SEG} registers are
used to select whether a pin is set as a common or segment
drive pin.
In LCD mode, the GPIO pins are configured into a High Z
output mode, allowing the LCD drivers to control the pin
state.
19.3.8 CapSense
All GPIO pins can be used to create CapSense buttons and
sliders. The primary analog bus for CapSense is the AMUX-
BUS, which has two nets (AMUXBUSL and AMUXBUSR)
for two simultaneous sensing operations. These can also be
shorted to form a single net that connects to all GPIOs. See
the CapSense chapter on page 359 for more information.
PRT[x]_BIE[7:0]
PORT LOGIC
CONTROL
Px[0] Px[1] Px[2] Px[3] Px[4] Px[5] Px[6] Px[7]
GPIO
oe
GPIO
oe
GPIO
oe
GPIO
oe
GPIO
oe
GPIO
oe
GPIO
oe
GPIO
oe
dsi_oe[0]
PRT[x]_OE_SEL1[0], PRT[x]_OE_SEL0[0]
PRT[x]_OE_SEL1[1], PRT[x]_OE_SEL0[1]
PRT[x]_OE_SEL1[2], PRT[x]_OE_SEL0[2]
PRT[x]_OE_SEL1[3], PRT[x]_OE_SEL0[3]
PRT[x]_OE_SEL1[4], PRT[x]_OE_SEL0[4]
PRT[x]_OE_SEL1[5], PRT[x]_OE_SEL0[5]
PRT[x]_OE_SEL1[6], PRT[x]_OE_SEL0[6]
PRT[x]_OE_SEL1[7], PRT[x]_OE_SEL0[7]
dsi_oe[1]
dsi_oe[2]
dsi_oe[3]
Dynamic
Output Control
from UDB

160 PSoC 5LP Architecture TRM, Document No. 001-78426 Rev. *F
I/O System
19.3.9 External Memory Interface (EMIF)
The EMIF uses the port interface and the UDB to connect to
external memory. When in EMIF mode, the ports directly
pass to the pads the address and data out from the PHUB.
Data reads from the EMIF pass through the port to the
PHUB. See the EMIF chapter on page 97 for more informa-
tion.
19.3.10 SIO Functions and Features
GPIO and SIO provide similar digital functionality. The pri-
mary differences are in their analog capability and drive
strength. This section describes adjustable input and output
level and hot swap features that are available only with SIO.
19.3.10.1 Regulated Output Level
SIO port pins support the ability to provide a regulated high
output level. This can be useful for interfacing to external
signals with voltages lower than the SIO Vddio. This regu-
lated output sets the Voh for the SIO pair. The SIO are
grouped into pairs. Each pair shares the same reference
generator, thus the regulated output level applies for both
pins.
Configuration is provided for each SIO pair through the
{PRT*_SIO_CFG} registers, as shown in the following table.
Figure 19-9. SIO Configuration Diagram
19.3.10.2 Adjustable Input Level
SIO pins support a differential input mode with programma-
ble thresholds. The SIO pair input buffer voltage levels are
set by the vref_sel and vtrip_sel bits of the
{PRT*_SIO_DIFF} register. See the following table.
Figure 19-10. SIO Reference Voltage
Table 19-3. SIO Input and Output Configuration
vreg_en[y] ibuf_sel[y] Mode Description
00
Single Ended Input Buffer
Non-Regulated Output Buffer
01
Differential Input Buffer
Non-Regulated Output Buffer
10
Single Ended Input Buffer
Regulated Output Buffer
11
Differential Input Buffer
Regulated Output Buffer
Table 19-4. SIO Differential Input Buffer Reference Voltage
Selection
vref_sel[y] vtrip_sel[y] Mode Description
0 0 0.5 × vddio
0 1 0.4 × vddio
1 0 0.5 × vohref
1 1 vohref
SIO
Reference
Generator
SIO
ANALOG
Global
SIO Pair
PRT[x]SIO_DIFF
PRT[x]SIO_CFG
R
R
vinref
R
4
R
5
R
vohref
vtrip_sel
0
1
0
1
vtrip_sel 0
1
voutref
vddio
vgnd
vref_sel
vreg_en | (ibuf_sel*vref_sel) ibuf_sel *(vohref | vref_sel)
vddio
(From Analog Global)
(To Output Buffer)
(To Input Buffer)

PSoC 5LP Architecture TRM, Document No. 001-78426 Rev. *F 161
I/O System
19.3.10.3 Hot Swap
SIO pins support hot swap capability. It is possible to con-
nect to another system without loading the signals con-
nected to the SIO pins and without applying power to the
PSoC device.
The unpowered PSoC device can maintain a high imped-
ance load to the external device while preventing the PSoC
device from being powered through a GPIO pin’s protection
diode.
19.3.11 Special Functionality
Special purpose capability may uniquely exist on some pins
such as:
■4 to 25 MHz crystal input and output
■32 kHz crystal input and output
■Test modes
■I2C
■SPI
■CAN
■USB
Special functions and peripherals such as I2C, crystal oscil-
lators, USB, XRES, JTAG TAP, SWD, high-current DAC out-
puts, VREF inputs, and high drive analog output buffers have
fixed pin assignments.
The I2C block supports three pin assignment options: SIO
pin pair P12[0:1], SIO pin pair P12[4:5], or any GPIO / SIO
pin pair routed via the DSI.
System reset (XRES, active low, resistive pull up) functional-
ity is supported on either the dedicated XRES pin or the
P1[2] GPIO. The IEEE 1149.1 JTAG TAP five pin interface
may be enabled on the P1[0:1,3:5] pins.
Serial wire debug is supported over the USBIO pins
(P15[6:7]) or the same pins as TMS / TCK (P1[0:1]). Analog
function fixed pin assignments include two pairs of VIDAC
outputs to support high-current mode, two VREF inputs, and
four sets of analog output buffer pins. The “left side” VIDAC
and analog buffer pins are assigned to port 0 and are avail-
able on all package options. The “right side” VIDAC and lin-
ear buffer pins are assigned to port 3 and are available on
all package options.
Table 19-5. Fixed Pin Assignments
Function Signal Name Pad # Pad
Name Pad Type TQPF 100 QFN 68 99 CSP Comment
I2C
SCL 4 P12[4] SIO 4 3 H6 SIO pair on Vio2
SDA 5 P12[5] SIO 5 4 K7
SCL 61 P12[0] SIO 53 38 C3 SIO pair on Vio3
SDA 62 P12[1] SIO 54 39 C4
MHz ECO Xo 49 P15[0] GPIO / Xtal 42 27 D1
Xi 50 P15[1] GPIO / Xtal 43 28 D2
32 kHz ECO Xo 62 P15[2] GPIO / Xtal 55 40 E3
Xi 63 P15[3] GPIO / Xtal 56 41 E4
FS USB D+ 39 P15[6] USBIO 35 22 G2
D- 40 P15[7] USBIO 36 23 F2
XRES XRES 19 XRES XRES 15 10 – Fixed function XRES/TSTRST pin
26 P1[2] GPIO 22 13 H3 XRES/TSTRST
IEEE 1149.1
JTAG TAP
TMS 24 P1[0] GPIO 20 11 H4
TCK 25 P1[1] GPIO 21 12 J3
TDO 26 P1[3] GPIO 23 14 J2
TDI 28 P1[4] GPIO 24 15 G4
nTRST 29 P1[5] GPIO 25 16 G3
Serial Wire
Debug
SWDIO 24 P1[0] GPIO 20 11 H4 SWD on GPIO pins option
39 P15[6] USBIO 35 22 G2 SWD on USB pins option
SWDCK 25 P1[1] GPIO 21 12 J3 SWD on GPIO pins option
40 P15[7] USBIO 36 23 F2 SWD on USB pins option
SWO 27 P1[3] GPIO 23 14 J2

162 PSoC 5LP Architecture TRM, Document No. 001-78426 Rev. *F
I/O System
19.3.12 I/O Port Reconfiguration
Care must be taken not to lose the current configuration dur-
ing reconfiguration of pins when the device is connected
directly to a digital peripheral. The I/O pins should hold their
current configurations during a reconfiguration. If the ports
are driven by the data registers, configuration maintenance
is automatic.
However, if the ports are bypassed and driven by the DSI,
the current value must be read and written to the data regis-
ter ({PRT*_DR}) before initiating reconfiguration. Saving of
the current configuration occurs as follows:
1. The software reads the GPIO / SIO pin state,
{PRT*_PS}.
2. The software writes this value into the data registers,
{PRT*_DR}.
3. I/O ports driven by the DSI must be driven by the data
register by de-asserting the bypass register value,
{PRT*_BYP}.
At this point, it is safe to reconfigure the device. When
reconfiguration is complete, the I/O sources can be driven
by the DSI by setting the {PRT*_BYP} register value.
19.3.13 Power Up I/O Configuration
By default, all I/Os power up in a known state, either driving
a 0, driving a 1, or set to High Z. Input buffers are disabled
during power up. The value set in the nonvolatile (NV)
latches determines the value driving each port.
A pair of NV latches is associated with each I/O port; these
latches serve two functions:
■Latch values configure the pins on a port-wide basis dur-
ing power up.
■Latch values load reset values for the drive mode and
data registers to correctly configure the port, when
IPOR_disabled is deasserted.
See the Nonvolatile Latch chapter on page 85 for more
information.
If the NVLs are set to 0x00 for the port, by default all I/Os
reset to the High Impedance Analog state but are repro-
grammable on a port-by-port basis. They can be reset as
High Impedance Analog, Pull Down, or Pull Up, based on
the requirements of the application.
19.3.14 Overvoltage Tolerance
All I/O pins provide an overvoltage (Vddio < Vin < Vdda) toler-
ance feature at any operating voltage. Limitations include
the following:
■No current limitations for the SIO pins, because they
present a high impedance load to the external circuit.
■GPIO pins must be limited to 100 µA, using a current
limiting resistor. Outside the current limitation, GPIO pins
clamp the pin voltage to approximately one diode above
the Vddio supply.
VIDAC High Cur-
rent Output
Abuffer0L 82 P0[6] GPIO 78 55 B9
Abuffer1L 83 P0[7] GPIO 79 56 D8
Abuffer0R 51 P3[0] GPIO 44 29 C1
Abuffer1R 52 P3[1] GPIO 45 30 C2
External Vref Extref0 78 P0[3] GPIO 74 51 D6
Extref1 53 P3[2] GPIO 46 31 D3
Analog Linear
Output Buffer
Abuf0+ 77 P0[2] GPIO 73 50 A8
Abuf0- 78 P0[3] GPIO 74 51 D6
Abuf0out 76 P0[1] GPIO 72 49 C6
Abuf1- 55 P3[4] GPIO 48 33 B4
Abuf1+ 56 P3[5] GPIO 49 34 A2
Abuf1out 58 P3[6] GPIO 51 36 B2
Abuf2+ 80 P0[4] GPIO 76 53 D7
Abuf2- 81 P0[5] GPIO 77 54 E7
Abuf2out 75 P0[0] GPIO 71 48 B6
Abuf3- 53 P3[2] GPIO 46 31 D3
Abuf3+ 54 P3[3] GPIO 47 32 D4
Abuf3out 59 P3[7] GPIO 52 37 B3
Table 19-5. Fixed Pin Assignments (continued)
Function Signal Name Pad # Pad
Name Pad Type TQPF 100 QFN 68 99 CSP Comment

PSoC 5LP Architecture TRM, Document No. 001-78426 Rev. *F 163
I/O System
A common application for this feature is connection to a bus
such as I2C, where different devices are running from differ-
ent supply voltages. In the I2C case, the PSoC device is
configured into the Open Drain, Drives Low mode using an
SIO pin. This allows an external pull up to pull the I2C bus
voltage above the pin’s Vddio supply. For example, the PSoC
device can operate at 1.8 V, and an external device can run
from 5 V. The SIO pin’s VIH and VIL levels are determined by
the associated Vddio supply pin.
The I/O pin must be configured into a High Impedance drive
mode, Open Drain Low mode, or Resistive Pull Down mode,
for overvoltage tolerance to work properly.
Absolute maximum ratings for the device must be observed
for all I/O pins.
19.3.15 I/O Power Supply
The Vddio supply must be less than or equal to the voltage
on the device’s Vdda pin. This feature allows users to pro-
vide different I/O interface levels for different pins on the
device. See the datasheet to determine Vddio capability for a
given device and pin.
SIO port pins support an additional regulated high output
capability, as discussed in 19.3.10.2 Adjustable Input Level.
19.3.16 Sleep Mode Behavior
The GPIO/SIO pad will maintain the current pin state during
sleep modes. Port pin interrupts remain active in all sleep
modes, allowing the PSoC device to wake from an exter-
nally generated interrupt.
19.3.17 Low-power Behavior
In all low-power modes, I/O pins retain their states until the
part is awakened and changed or reset. To awaken the part,
use a pin interrupt, because the port interrupt logic contin-
ues to function in all low-power modes.
19.4 Port Interrupt Controller Unit
This section describes the functions of the port interrupt
controller unit (PICU) for PSoC I/O.
19.4.1 Features
The features of the PICU are as follows:
■All eight pins in each port interface with their own PICU
and associated interrupt vector
■Pin status bits provide easy determination of interrupt
source down to the pin level
■Rising/falling/either edge interrupts are handled
■Pin interrupts can be individually enabled or disabled
■Interfaces to the PHUB for read and write into its regis-
ters
■Sends out a single interrupt request (PIRQ) signal to the
interrupt controller
19.4.2 Interrupt Controller Block Diagram
Figure 19-11 is a block diagram of the PICU showing the
function of control signal generation and data manipulation
blocks. These blocks send appropriate control signals to
interrupt-generating pin logic blocks, simultaneously record-
ing these signals in status and snap registers.

164 PSoC 5LP Architecture TRM, Document No. 001-78426 Rev. *F
I/O System
Figure 19-11. PICU Block Diagram
19.4.3 Function and Configuration
Each pin of the port can be configured independently to gen-
erate interrupt on rising edge, falling edge, or either edge.
Level sensitive interrupts are not directly supported. UDB
provides this functionality to the system when needed. This
configuration is done by writing into the interrupt type regis-
ter corresponding to each pin. The sequence is as follows:
1. Depending on the configured mode for each pin, when-
ever the selected edge occurs on a pin, its correspond-
ing status bit in the status register is set to ‘1’, and an
interrupt request is sent to the interrupt controller.
2. Status bits that have ‘1’ are cleared upon a read of the
status register. Other bits of the status register can still
respond to incoming interrupt sources.
3. If an interrupt is pending, and the status register is being
read, all of the incoming events on the same interrupt
source (GPIO) are blocked until the read is complete.
However, all of the other interrupt sources that were not
pending an interrupt in status register are not blocked.
4. Each PICU has a wakeup_in input and a wakeup_out
output signal. The wakeup_in signal in a PICU is ORed
together with other pin interrupts to generate a
wakeup_out signal, as shown in Figure 19-11.
5. All of the PICUs are daisy chained together to generate
a final wakeup signal that goes to the power manager.
Pin1
Logic
Pin 0
Logic
Pin 3
Logic
Pin 2
Logic
Pin 5
Logic
Pin 4
Logic
Pin 7
Logic
Pin 6
Logic
PHUB
From GPIO Pin
PHUB Interface
PIRQ
From GPIO Pin
From GPIO Pin
From GPIO Pin
From GPIO Pin
From GPIO Pin
From GPIO Pin
From GPIO Pin
wakeup_in wakeup_out
Status
Register
Snap Shot
Register
Logical OR To Interrupt Controller Input

PSoC 5LP Architecture TRM, Document No. 001-78426 Rev. *F 165
I/O System
19.5 Register Summary
Registers shown in Table 19-6 are associated with a single
I/O port and are specific to both the GPIO and SIO ports.
Table 19-7 shows registers specific to a GPIO port.
Table 19-8 shows registers specific to an SIO port.
Registers shown in Table 19-9 involve DSI bit selection.
These registers are associated with all I/O ports and are
located within the port logic.
Table 19-10 shows the register associated with the PICU.
Table 19-6. GPIO and SIO Port Registers
Address Description
{PRT*_DR}
The Port Data Output register sets the data output
state for the corresponding GPIO port. It is aliased to
continuous address space in the PRT*_DR_ALIASED
registers.
{PRT*_PS}
The Port Pin State register reads the logical pin state
for the corresponding GPIO port. It is aliased to contin-
uous address space in the PRT*_PS_ALIASED regis-
ters.
{PRT*_DM*} The Port Drive Mode registers ({PRT*_DM[0]},
{PRT*_DM[1]}, and (PRT*_DM[2]}) specify the drive
mode for I/O pins.
{PRT*_SLW} The Port Slew Control register sets the slew rate for
pin outputs.
{PRT*_BYP} The Port Bypass register selects port output data from
either the data output register or digital global input.
(PRT*_BIE} The Port Bidirectional Enable register enables
dynamic bidirectional mode at any pin.
{PRT*_INP_DIS} The Port Input buffer disable allows the user to over-
ride the input buffer default drive mode settings.
{PRT*_BIT_MSK} Mask of which bits within the {PRT*_DR} and
{PRT*_PS} are accessible via read / writes to
{PRT*_DR_ALIAS} and reads of {PRT*_PS_ALIAS}.
{PRT*_AG} The Analog global control enable register selects on a
pin-by-pin basis whether to connect the pin to the ana-
log global bus.
{PRT*_AMUX} The Analog Global Multiplexer Register selects on a
pin-by-pin basis whether to connect the pin to the ana-
log mux bus.
{PRT*_PRT}
The Port Configuration Register allows configuration
of several configuration bits of the entire I/O port simul-
taneously. This register aliases the port functional reg-
isters on a port-wide basis.
{PRT*_PC*}
The Port Pin Configuration Registers ({PRT*_PC[0]
through {PRT*_PC[7]}) access several configuration or
status bits of a single I/O port pin simultaneously.
These registers alias the functional registers on a pin-
by-pin basis.
{PRT*_DR_ALIAS}
Aliased port data. Allows read / write access to
{PRT*_DR} if {PRT*_BIT_MSK} is set. Allows access
to all port data registers as a contiguous block simplify-
ing DMA access.
{PRT*_PS_ALIAS}
Aliased port data. Allows read access to {PRT*_PS} if
{PRT*_BIT_MSK} is set. Allows access to all port state
registers as a contiguous block simplifying DMA
access.
Table 19-7. GPIO Registers
Address Description
{PRT*_CTL} Port-wide configuration register. This contains
the portEmifCfg[2:0] and port-wide vtrip_sel for
the corresponding GPIO register.
{PRT*_LCD_COM_SEG} LCD com_seg setting. This selects common or
segment mode when the LCD is enabled.
{PRT*_LCD_EN} LCD enable, allows port pins not connected to
LCD to be used for other functions.
Table 19-8. SIO Port Registers
Address Description
{PRT*_SIO_DIFF} Differential input buffer reference voltage
select, 2 bits per SIO pair.
{PRT*_SIO_CFG} Input buffer enable and Output buffer Configu-
ration, 2 bits per SIO pair.
{PRT*_SIO_HYST_EN} Differential hysteresis enable.
Table 19-9. DSI Selection Registers
Address Description
{PRT*_OUT_SEL*} Data output from UDB to Digital System Array
Input Select registers. There are two select
lines per port pin.
{PRT*_OE_SEL*} UDB set dynamic Output Enable control select.
There are two select lines per port pin.
{PRT*_DBL_SYNC_IN}
The Port Double Sync In register enables syn-
chronization of the data in from the port before
driving the digital system interconnect (DSI) sig-
nals to the UDB.
{PRT*_SYNC_OUT}
The Port Sync Out register enables synchroni-
zation of the data in from the UDB digital sys-
tem interconnect (DSI) using the existing
{PRT*_DR} register.
Table 19-10. PICU-Associated Registers
Address Description
{PICU*_INTTYPE*} This register defines the interrupt type to config-
ure the pin interrupt – 1 register for each pin
{PICU*_INTSTAT} Status register provides information on currently
posted interrupts – 1 register for each PICU
{PICU*_SNAP}
The Port Snapshot register provides informa-
tion on the state of the input pins at the most
recent read to the status (INTSTAT) register – 1
register for each PICU

166 PSoC 5LP Architecture TRM, Document No. 001-78426 Rev. *F
I/O System

PSoC 5LP Architecture TRM, Document No. 001-78426 Rev. *F 167
20. Flash, Configuration Protection
PSoC® 5LP devices offer a host of flash and configuration protection options and device security features that can be lever-
aged to meet the security and protection requirements of an application. These requirements range from protecting configura-
tion settings or flash data to locking the entire device from external access. The following section discusses in detail these
features together with their usage cases.
20.1 Flash Protection
The objective of flash protection is to prevent access or modification to the flash contents. The only nonvolatile (NV) storage
on a PSoC 5LP device that has protection options is the flash; there are no EEPROM and NV latch protection options. Flash
memory in PSoC 5LP architecture is organized as flash arrays. Depending on the flash memory size, there can be one or
more than one flash array. Each flash array can have a maximum of 256 rows. Each flash array row has 256 bytes of data.
PSoC 5LP architecture offer customers the ability to assign one of four protection levels to each row of flash in a device. For
each flash array, flash protection bits are stored in a hidden row in that array. In the hidden row, two protection bits per row are
packed into a byte, so each byte in the hidden row has protection settings for four flash rows. The flash rows are ordered so
that the first two bits in the hidden row correspond to the protection settings of flash row 0 (see Figure 20-1). See the Flash
Program Memory chapter on page 93 to learn more about flash memory organization in PSoC 5LP devices.
Figure 20-1. Flash Protection Bit Structure
Protection is cumulative in that modes have successively higher protection levels and include the lower protection modes.
Flash protection can only be set once. To change flash protection settings after they are set, the flash contents must be com-
pletely erased and reprogrammed, then the protection levels can be set again. See the Nonvolatile Memory
Programming chapter on page 423 for erasing and programming flash. Table 20-1 shows the protection modes.
Table 20-1. Flash Protection Modes
Mode Description In PSoC Creator Reada
a. Applies to Test Controller and Read commands, and cache data fetches. Cache code fetches are always allowed.
External Writeb
b. Test controller/3rd party programmers.
Internal Writec
c. Boot loading or writes due to firmware execution.
00 Unprotected U - Unprotected Yes Yes Yes
01 Read Protect F - Factory Upgrade No Yes Yes
10 Disable External Write R - Field Upgrade No No Yes
11 Disable Internal Write W - Full Protection No No No
Row 0
Bits [0:1] Row 1
Bits [2:3] Row 3
Bits [6:7]
Row 2
Bits [4:5]
Byte 0 in Flash Hidden Row 0: Contains protection
bits for Flash rows 0 through 3
Row 4
Bits [0:1] Row 5
Bits [2:3] Row 7
Bits [6:7]
Row 6
Bits [4:5]
Byte 1 in Flash Hidden Row 0: Contains protection
bits for Flash rows 4 through 7

168 PSoC 5LP Architecture TRM, Document No. 001-78426 Rev. *F
Flash, Configuration Protection
When a read/write/erase operation is done for a row, the
corresponding protection bits are checked. The command is
executed only if allowed under the current protection mode.
If the command is not allowed, then the command fails.
As shown in Table 20-1, four flash protection levels are
available for every row of flash in a device. A customer may
choose any one of these protection levels independent of
the protection choice for all other rows in the flash.
The following list provides a few additional details on the
features and use cases for each of these protection levels.
■ 00 – No Protection
■ 01 – Read Protect
No external device can read a flash block that is read
protected.
The SPC Read commands cannot be used to read a
block that is read protected.
Only the processor and the PHUB can access a block of
flash that is read protected.
Offers only read protection.
■10 – External Write Protection
No external device can erase or write a row of flash that
is external write protected.
Includes all Read Protect restrictions.
Boot loaders work at this protection level.
■11 – Fully Protected
The processor cannot erase or write a block of flash that
is fully protected.
Includes all protections from lower levels of flash data
protection.
This level is used when a block of flash should never be
modified by an internal process or external device.
Note that when the debug controller is enabled, it can read
the entire flash memory regardless of the flash protection
setting. Therefore, if flash protection is required, the debug
controller also needs to be disabled.
20.2 Device Security
The objective of device security is to prevent the PSoC 5LP
device in an application from being used as a host to com-
promise the application. The device security feature is
enabled by writing to the Write Once (WO) latch.
The WO latch is a type of nonvolatile latch. When the output
is ‘1’, the Write Once NVL locks the part out of Debug and
Test modes; it also permanently gates off the ability to erase
or alter the contents of the latch.
The user can write a correct 32-bit key (0x50536F43) into
the WO latch to disable the part from entering into Debug
and Test modes. This precaution prevents anyone from
erasing or altering the content of the internal memory.
If the device is protected with a WO latch setting, Cypress
cannot perform failure analysis and, therefore, cannot
accept an RMA from customers. The WO latch is read out
via serial wire debug (SWD) to electrically identify protected
parts. The user writes the key in the WO latch to lock out
external access only if no flash protection is set. However,
after setting the values in the WO latch, a user still has
access to the device until it is reset. The output of the WOL
is only sampled upon reset. Therefore, you can write the key
into the WO latch, program the flash protection data, and
then reset the part to lock it.
See the Nonvolatile Memory Programming chapter on
page 423 for information about writing to the Write Once
(WO) nonvolatile latch.
20.3 Configuration Segment
Protection
Part of the PSoC platform’s value to customers is its ability
to change the functionality of the device in real time. Chang-
ing the functionality can be as simple as enabling an exter-
nal crystal or as dramatic as changing the functionality of
UDBs from timers to CRC generators. Based on the applica-
tion needs, the customer may also want to protect certain
Configuration registers.
Not all configuration registers need the same level of secu-
rity and protection. Hence, the configuration registers are
grouped into four segments, with registers assigned to a
segment based on the presumed application use cases. The
registers under each of the four segments are listed in
Table 20-3 to Table 20-6. The device registers that are not
listed in these tables do not have any segment protection.
This is to ensure that the protection logic is supported only
on important registers, thereby saving chip area where the
protection logic is not required.
Segment 0. One time system settings. This segment has
system registers that are configured only once during pro-
gram execution. The registers in this segment come under
the following broad categories:
■Power System
■Reset
■Watchdog
■Internal low speed oscillator (ILO)
Segment 1. Reconfigurable system settings. This segment
has registers that can be reconfigured during program exe-

PSoC 5LP Architecture TRM, Document No. 001-78426 Rev. *F 169
Flash, Configuration Protection
cution. The registers in this segment come under the follow-
ing broad categories:
■LVI Detect
■Voltage regulators
■Power Manager
■Wakeup Sources
■Boost Converter
Segment 2. UDB array configuration registers.
■All UDB array configuration registers, such as the clock
selection and datapath input/output multiplexer selec-
tion, come under this segment.
Segment 3. Analog interface (Registers related to analog
interface configuration).
It must be noted that Segment 0 registers can be configured
either as the one time configurable or reconfigurable type.
The same applies to Segment 1 and Segment 2 registers as
well. But as a best practice, it is advisable to set Segment 0
registers as one time configurable. The settings for the rest
of the segments depend on application requirements. To
find out the segment to which a register is allocated, see the
segment field for the register in the PSoC® 5LP Registers
TRM (Technical Reference Manual).
Write access to the Configuration registers in various seg-
ments is enabled using the Segment Configuration register
(MLOGIC_SEG_CFG0). Write access to the Segment Con-
figuration register (MLOGIC_SEG_CFG0) is enabled using
the Segment Control register (MLOGIC_SEG_CR).
20.3.1 Locking/Unlocking Segment
Configuration Register
The 8-bit Segment Control register (MLOGIC_SEG_CR) is
used to control write access to the Segment Configuration
register (MLOGIC_SEG_CFG0) bits. By default, write
access to the Segment Configuration register is disabled.
Attempted writes will appear to execute normally, but the
contents of the register will remain unchanged.
Segment configuration write access is enabled by writing
0xB5 to the Segment Control register and is disabled by
writing 0xB4 to the Segment Control register. Upon device
reset, the Segment Control register resets to the locked
state and disables write to the Segment Configuration regis-
ter.
When illegal values (values other then 0xB4 and 0xB5) are
written to the Segment Control register, it causes a device
reset and is indicated by the Segment reset (SEGRS) bit in
Reset Status (RESET_SR1) register. The segment reset bit
remains set until cleared by the user or POR.
20.3.2 Locking and Protecting Segments
The 8-bit Segment Configuration register
(MLOGIC_SEG_CFG0) holds a pair of bits for each seg-
ment (Segment 0 to Segment 3) that are used to regulate
access to the Configuration registers in that segment. The
pair consists of one protect bit and one lock bit; these bits
operate independently of each other.
Protect Bit. The segment protect (LOCK_PROTECT_x) bit
controls the ability to write the segment’s lock bit.
If the segment protect bit is ‘0’, the segment’s lock bit can be
written as a ‘0’ or ‘1’ at anytime. If the protect bit is ‘1’, the
segment’s lock bit cannot be modified.
The segment protect (LOCK_PROTECT_x) bit is a write-to1
once bit. It cannot change from a ‘1’ to a ‘0’ except as a
result of a hardware reset, such as a POR or XRES. For one
time configuration of a segment, it must be locked and pro-
tected after configuration.
Lock Bit. The segment lock (LOCK_x) bit controls the write
access to the Configuration registers in the segment. Setting
the LOCK_x bit prevents write access to the Control regis-
ters; clearing the lock bit allows a write.
For dynamic configuration of a segment, it must not be pro-
tected and can be locked after every configuration.
Table 20-2 describes the behavior for different protect and
lock bit settings.
Table 20-2. Protect and Lock Bit Settings
Protect/Lock Bits Description
00b The Configuration registers are not protected and
not locked. They can be written at anytime.
01b
The Configuration registers are not protected but
locked. This is used to temporarily lock the configu-
ration and is used in the case of dynamic reconfig-
uration.
10b The Configuration register are protected and not
locked. They can be written at anytime.
11b The Configuration registers are protected and
locked. This is used for one time configuration.

170 PSoC 5LP Architecture TRM, Document No. 001-78426 Rev. *F
Flash, Configuration Protection
Table 20-3. Segment 0: One Time System Settings
Category Register Names PHUB Address
Reset
RESET_CR3 0x46F7
RESET_CR4 0x46F8
RESET_CR5 0x47F9
RESET_TR 0x46FB
RESET_IPOR_CR0 0x46F0
RESET_IPOR_CR1 0x46F1
RESET_IPOR_CR2 0x46F2
RESET_IPOR_CR3 0x46F3
Power System
PWRSYS_HIB_TR0 0x4680
PWRSYS_HIB_TR1 0x4681
PWRSYS_I2C_TR 0x4682
PWRSYS_SLP_TR 0x4683
PWRSYS_BUZZ_TR 0x4684
PWRSYS_WAKE_TR0 0x4685
PWRSYS_WAKE_TR1 0x4686
PWRSYS_BREF_TR 0x4687
PWRSYS_BG_TR 0x4688
PWRSYS_WAKE_TR2 0x4689
PWRSYS_WAKE_TR3 0x468a
PWRSYS_CR0 0x4330
ILO
ILO_TR0 0x4690
ILO_TR1 0x4691
SLOWCLK_ILO_CR0 0x4300
Watchdog PM_WDT_CFG 0x4383
Table 20-4. Segment 1: Reconfigurable System Settings
Category Register Names PHUB Address
LVI Detect
RESET_CR0 0x46F4
RESET_CR1 0x46F5
RESET_CR2 0x46F6
Volt Regulators PWRSYS_CR1 0x4331
Power Manager
PM_TW_CFG0 0x4380
PM_TW_CFG1 0x4381
PM_TW_CFG2 0x4382
PM_WDT_CR 0x4384
PM_MODE_CFG0 0x4391
PM_MODE_CFG1 0x4392
PM_MODE_CSR 0x4393
Wakeup Sources PM_WAKEUP_CFG0 0x4398
PM_WAKEUP_CFG1 0x4399
Boost
BOOST_CR0 0x4320
BOOST_CR1 0x4321
BOOST_CR2 0x4322
BOOST_CR3 0x4323
Fast Clock
FASTCLK_* 0x4200-0x42FF
IMO_* 0x46A0-0x46A7
XMHZ_TR 0x46A8
FLASH LPM CACHE_CR1 0x4801
Table 20-5. Segment 2: UDB Array
Category Register Names PHUB Address
UDB Config UCFG_* 0x10000-
0x150FF
Table 20-6. Segment 3: Analog Interface
Category Register Names PHUB Address
Analog Interface Rout-
ing and Configuration
Registers 0x5800-0x5FFF
Analog Interface Trim
Registers 0x4600-0x467F

PSoC 5LP Architecture TRM, Document No. 001-78426 Rev. *F 171
Flash, Configuration Protection
20.3.3 Example
The device peripherals are enabled/disabled by the
PM_ACT_CFG* registers in Active mode. These registers
are mapped in Segment1. The following steps explain the
procedure to configure these registers and then lock the
configuration information so that runaway code does not
overwrite the values.
1. Write 0xB5 to the Segment Control register
(MLOGIC_SEG_CR) to enable the write access to the
Segment Configuration register.
2. Clear the lock bit for Segment 1 to get write access to
the Configuration registers in Segment 1. This is done by
clearing the lock bit corresponding to Segment 1, which
is MLOGIC_SEG_CFG0[2]. Here, it is assumed that the
protect bit for this segment, MLOGIC_SEG_CFG0[3], is
not set. If the protect bit has been set by the user, the
lock bit cannot be modified, other than by a device reset.
3. Write to the Active Power Mode Template registers
(PM_ACT_CFG*) to enable/disable the required periph-
erals.
4. Set the lock bit (MLOGIC_SEG_CFG0[2]) and clear the
protect bit (MLOGIC_SEG_CFG0[3]) for Segment 1 in
the Segment Configuration register
(MLOGIC_SEG_CFG0).
5. Write 0xB4 to the Segment Control register to disable
the write access to the Segment Configuration register.
20.4 Frequently Asked Questions About Flash Protection and Device
Security
Question 1. How do I decide on the flash protection level needed for the application?
The protection settings for flash memory must be set based on the following criteria:
■If the application warrants the need for a field upgrade, then set the Disable External Write mode for the flash rows that
are going to be updated in the field. This allows you to use the bootloader application to update the flash using communi-
cation interfaces such as I2C and USB.
■If the application code must be protected from being copied or modified to protect IP, the flash security level for the rows
containing the IP code must be set to Full Protection mode.
Question 2. Is it possible to modify the flash protection settings that have already been set?
It is not possible to directly alter the flash protection setting. The only way to change the flash protection settings is to com-
pletely erase the entire flash memory using the Erase All command, reprogram the flash memory, and then set the new pro-
tection settings. See the Nonvolatile Memory Programming chapter on page 423 to learn more about flash erase/program
commands.
Question 3. Is it possible to reprogram a flash memory that is configured with Full Protection?
The only way to reprogram the fully protected rows is to erase the entire flash memory using the Erase All command, repro-
gram the flash memory, and then set the new protection settings as described in Question 2 above.
Question 4. Is it necessary to enable protection for the entire flash memory, or only the for the region of flash memory that
the application uses?
It is sufficient to configure flash security for memory regions that are used by the application, leaving the unused locations
unprotected, provided that there is no possibility of the program execution going to the unprotected region. If there is a possi-
bility of code executing from the unprotected region (due to, for instance, function calls), malicious code can be written in the
unprotected region to read the flash data in the fully protected region. Remember that internal read is permitted in all protec-
tion modes; therefore, it is always a good practice to set protection for the entire flash memory.

172 PSoC 5LP Architecture TRM, Document No. 001-78426 Rev. *F
Flash, Configuration Protection
Question 5. Is it ever necessary to configure different protection settings for different memory regions?
Yes, depending on the application requirements. Different flash rows may need different protection settings. A typical exam-
ple is the case of field upgrade using the bootloader component. The portion of flash that needs to be upgraded in the field
with bootloadable code must be configured in External Write Protect mode. The remaining flash memory (base code or boot-
loader code, unused flash memory) can be set to Full Protection.
Question 6. Are flash protection settings obeyed in Debug mode?
The Read Protection setting is not obeyed in Debug mode, which means the flash memory can be read regardless of flash
protection setting. The Write Protection setting is still intact. Setting Full Protection makes it impossible to write to the flash
memory in Debug mode.
Because the Debug mode is used during the application development phase, there is no need to protect the flash. After the
application development phase is over, and code has been finalized, the user can disable the debug feature.
Question 7. What is device security?
Device security is the feature in PSoC 5LP architecture that prevents the device from entering Debug and Test modes. To
enable device security, write a 32-bit key (0x50536F43) into the Write Once (WO) latch. After writing this key, the device can-
not be reprogrammed by entering test mode. Entering debug mode while using JTAG boundary scan is also not possible.
This prevents external access to registers and nonvolatile memory. See Device Security on page 168 of this chapter to learn
more about device security.
Question 8. What are the risks associated with enabling device security?
If the device is protected with a WO latch setting, Cypress cannot perform failure analysis and, therefore, cannot accept
RMAs from customers. The WO latch can be read via the SWD to electrically identify protected parts.
Question 9. Are device security and flash protection interrelated or independent?
The answer is both. While flash protection settings and device security are configured independently, enabling device security
does not allow external read or write of flash memory, regardless of the flash protection settings. There is one important
exception. Even with device security enabled, it is still possible to update the flash memory using a bootloader application,
provided the flash memory is not fully protected.
Question 10. Is it possible to implement OTP (one time programmable) functionality such that flash content can never be
altered after it is programmed?
The Full Protection setting for flash memory, along with the device security feature can prevent the flash from ever being mod-
ified. This combination is the highest level of security setting available in PSoC 5LP devices. The steps to do this are given
below
1. Erase the entire flash memory using the Erase All command
2. Reprogram the flash content.
3. Write a 32-bit key (0x50536F43) into the WO latch to enable device security.
4. Set flash Protection setting to Full Protection.
5. Reset the part to lock it.

PSoC 5LP Architecture TRM, Document No. 001-78426 Rev. *F 173
Section E: Digital System
The digital subsystems of PSoC® 5LP architecture provides these devices their first half of unique configurability. The subsys-
tem connects a digital signal from any peripheral to any pin through the Digital System Interconnect (DSI). It also provides
functional flexibility through an array of small, fast, low-power universal digital blocks (UDBs).
PSoC Creator™ provides a library of pre-built and tested standard peripherals that are mapped onto the UDB array by the
tool (UART, SPI, LIN, PRS, CRC, timer, counter, PWM, AND, OR, and so on). Nonstandard peripherals are easily imple-
mented using a Hardware Description Language (HDL) such as Verilog. Each UDB contains Programmable Array Logic
(PAL) and Programmable Logic Device (PLD) functionality, together with a small state machine engine to support a wide vari-
ety of peripherals.
In addition to the flexibility of the UDB array, PSoC devices provide configurable digital blocks targeted at specific functions.
These blocks can include 16-bit timer/counter/PWM blocks, I2C slave/master/multi-master, Full Speed USB, and CAN 2.0b.
See the device datasheet for a list of available specific function digital blocks.
This section encompasses the following chapters:
■Universal Digital Blocks (UDBs) chapter on page 175
■UDB Array and Digital System Interconnect chapter on page 217
■Controller Area Network (CAN) chapter on page 225
■USB chapter on page 241
■Timer, Counter, and PWM chapter on page 257
■I2C chapter on page 273
■Digital Filter Block (DFB) chapter on page 287

174 PSoC 5LP Architecture TRM, Document No. 001-78426 Rev. *F
Section E: Digital System
Top Level Architecture
Digital System Block Diagram
CAN
2.0
Universal Digital Block Array (N x UDB)
N x
Timer
Counter
PWM
DIGITAL SYSTEM
D+
D-
UART
Logic
12-Bit PWM
I2C Slave 8-Bit SPI
12-Bit SPI Logic
16-Bit PRS
8-Bit Timer Quadrature Decoder 16-Bit
PWM
Usage Example for UDB
I2C
Master/Slave
FS
USB 2.0
USB
PHY
UDB UDB
UDB UDB
UDBUDB
UDB UDB
UDB
Sequencer
UDB
UDB
UDB
8-Bit Timer
UDB UDB
UDB UDB
System Bus

PSoC 5LP Architecture TRM, Document No. 001-78426 Rev. *F 175
21. Universal Digital Blocks (UDBs)
This chapter shows how the PSoC® 5LP universal digital blocks (UDBs) enable the development of programmable digital
peripheral functions. The UDB architecture provides balance between configuration granularity and efficient implementation;
UDBs consist of a combination of uncommitted logic similar to programmable logic devices (PLDs), structured logic (data-
paths), and a flexible routing scheme.
21.1 Features
■For optimal flexibility, each UDB contains several components:
❐ALU-based 8-bit datapath (DP) with an 8-word instruction store and multiple registers and FIFOs
❐Two PLDs, each with 12 inputs, eight product terms and four macrocell outputs
❐Control and status modules
❐Clock and reset modules
■PSoC 5LP contains an array of up to 24 UDBs
■Flexible routing through the UDB array
■Portions of UDBs can be shared or chained to enable larger functions
■Flexible implementations of multiple digital functions, including timers, counters, PWM (with dead band generator), UART,
I2C, SPI, and CRC generation/checking
21.2 Block Diagram
Figure 21-1 on page 176 illustrates the UDB as a construct containing a pair of basic PLD logic blocks, a datapath, and con-
trol, status, clock and reset functions.

176 PSoC 5LP Architecture TRM, Document No. 001-78426 Rev. *F
Universal Digital Blocks (UDBs)
Figure 21-1. UDB Block Diagram
21.3 How It Works
The major components of a UDB are:
■PLDs (2) – These blocks take inputs from the routing
channel and form registered or combinational sum-of-
products logic to implement state machines, control for
datapath operations, conditioning inputs, and driving
outputs.
■Datapath – This block contains a dynamically program-
mable ALU, four registers, two FIFOs, comparators, and
condition generation.
■Control and Status – These modules provide a way for
CPU firmware to interact and synchronize with UDB
operation. Control registers drive internal routing, and
status registers read internal routing.
■Reset and Clock Control – These modules provide
clock selection and enabling, and reset selection, for the
other blocks in the UDB.
■Chaining Signals – The PLDs and datapath have
chaining signals that enable neighboring blocks to be
linked, to create higher precision functions.
■Routing Channel – UDBs are connected to the routing
channel through a programmable switch matrix for con-
nections between blocks in one UDB, and to all other
UDBs in the array. Routing is covered in detail in the
UDB Array and Digital System Interconnect chapter on
page 217.
■System Bus Interface – All registers and RAM in each
UDB are mapped into the system address space and are
accessible by the CPU and DMA as both 8-bit and 16-bit
data.
21.3.1 PLDs
There are two “12C4” PLDs in each UDB. PLD blocks,
shown in Figure 21-2 on page 177, can be used to imple-
ment state machines, perform input or output data condition-
ing, and to create lookup tables (LUTs). PLDs may also be
configured to perform arithmetic functions, sequence the
datapath, and generate status. General purpose RTL can be
synthesized and mapped to the PLD blocks. This section
presents an overview of the PLD design.
A PLD has 12 inputs which feed across eight product terms
(PT) in the AND array. In a given product term, the true (T)
or complement (C) of the input can be selected. The output
of the PTs are inputs into the OR array. The 'C' in 12C4 indi-
cates that the OR terms are constant across all inputs, and
each OR input can programmatically access any or all of the
PTs. This structure gives maximum flexibility and ensures
that all inputs and outputs are permutable.
PLD
12C4
(8 PTs)
PLD
12C4
(8 PTs)
Datapath
Clock
and Reset
Control
Routing Channel
Status and
Control
Datapath
Chaining
PLD
Chaining

PSoC 5LP Architecture TRM, Document No. 001-78426 Rev. *F 177
Universal Digital Blocks (UDBs)
Figure 21-2. PLD 12C4 Structure
21.3.1.1 PLD Macrocells
The macrocell architecture is shown in Figure 21-3 on
page 178. The output drives the routing array, and can be
registered or combinational. The registered modes are D
Flip-Flop with true or inverted input, and Toggle Flip-Flop on
input high or low. The output register can be set or reset for
purposes of initialization, or asynchronously during opera-
tion under control of a routed signal.
PT0
IN0
IN1
IN2
IN3
IN4
IN5
IN6
IN7
IN8
IN9
IN10
IN11
TC TC TC TC TC TC TC TC
TC TC TC TC TC TC TC TC
TC TC TC TC TC TC TC TC
TC TC TC TC TC TC TC TC
TC TC TC TC TC TC TC TC
TC TC TC TC TC TC TC TC
TC TC TC TC TC TC TC TC
TC TC TC TC TC TC TC TC
TC TC TC TC TC TC TC TC
TC TC TC TC TC TC TC TC
TC TC TC TC TC TC TC TC
TC TC TC TC TC TC TC TC
PT1
PT2
PT3
PT4
PT5
PT6
PT7
TTTTTTTT
TTTTTTTT
TTTTTTTT
TTTTTTTT
AND
Array
OR
Array
MC0
MC1
MC2
OUT0
OUT1
OUT2
OUT3
MC3
Carry In
Carry Out

178 PSoC 5LP Architecture TRM, Document No. 001-78426 Rev. *F
Universal Digital Blocks (UDBs)
Figure 21-3. Macrocell Architecture
PLD Macrocell Read Only Register
In addition to driving the routing array, the outputs of the macrocells from both PLDs are mapped into the address space as an
8-bit read only register, which can be accessed by the CPU or DMA.
Figure 21-4. PLD Macrocell Read Only Register
set
res
DQ
QB
From OR gate
out
0
1
0
1
2
3
reset
selin
Output Bypass (BYP)
0: Registered
1: Combinational
XOR Feedback (XORFB)
00: D FF
01: Arithmetic (Carry)
10: T FF on high
11: T FF on low Set Select (SSEL)
0: Set not used
1: Set from input
Reset Select (RSEL)
0: Set not used
1: Set from input
0
1
0
1
Carry Out Enable (COEN)
0:Carry Out disabled
1: Carry Out enabled
Constant (CONST)
0: D FF true in
1: D FF inverted in
selout
(to next MC)
(from prev MC)
BYP
RSEL
SSEL
COEN
CONST
0
1
clk
To macrocell
read-only register
cpt0
cpt1
pld_en
XORFB[1:0]
PLD0PLD1
MC3 MC2 MC1 MC0MC3 MC2 MC1 MC0
RD MC (Read Only)
01234567
System Bus

PSoC 5LP Architecture TRM, Document No. 001-78426 Rev. *F 179
Universal Digital Blocks (UDBs)
21.3.1.2 PLD Carry Chain
PLDs are chained together in UDB address order. As shown
in Figure 21-5 the carry chain input “selin” is routed from the
previous UDB in the chain, through each macrocell in both
of the PLDs, and then to the next UDB as the carry chain out
“selout”. To support the efficient mapping of arithmetic func-
tions, special product terms are generated and used in the
macrocell in conjunction with the carry chain.
Figure 21-5. PLD Carry Chain and Special Product Term Inputs
21.3.1.3 PLD Configuration
Each PLD appears to the CPU or DMA as a 16-bit wide
RAM. The AND array has 12 X 8 X 2 bits, or 24 bytes, for
programming, and the OR array has 4 x 8 bits, or 4 bytes,
for programming. In addition, each macrocell has one con-
figuration byte, resulting in 32 total configuration bytes per
PLD. Because each UDB contains two PLDs, there are 64
total PLD configuration bytes per UDB. See UDB Configura-
tion Address Space on page 214 for more information.
21.3.2 Datapath
The datapath, shown in Figure 21-6 below, contains an 8-bit
single-cycle ALU, with associated compare and condition
generation circuits. A datapath may be chained with
datapaths in neighboring UDBs to achieve higher precision
functions. The datapath includes a small dynamic configura-
tion RAM, which can dynamically select the operation to
perform in a given cycle.
The datapath is optimized to implement typical embedded
functions such as timers, counters, PWMs, PRS, CRC, shift-
ers and dead band generators. The addition of add and sub-
tract functions allow support for digital delta-sigma
operations.
selin
MC0
{PT1,PT0}
MC1
{PT3,PT2}
MC2
{PT5,PT4}
MC3
{PT7,PT6}
MC0
{PT1,PT0}
cpt1,cpt0
MC1
{PT3,PT2}
MC2
{PT5,PT4}
MC3
{PT7,PT6}
selout
PLD0PLD1
To the next
PLD block
in the chain
cpt1,cpt0cpt1,cpt0cpt1,cpt0 cpt1,cpt0cpt1,cpt0 cpt1,cpt0cpt1,cpt0
From previous
PLD block in
the chain

180 PSoC 5LP Architecture TRM, Document No. 001-78426 Rev. *F
Universal Digital Blocks (UDBs)
Figure 21-6. Datapath Top Level
F0
F1
ZDET
ALU
ci
z0iz0
co_msb
CMP <
CMP ==
cl0i
ce1i
cl0
ce1
A1 A0
A0
CMP == ce0ice0
A0 D0
CMP < cl1icl1
FFDET ff0iff0
sol_msb
sil
sir
sor
ZDET z1iz1
FFDET ff1iff1
OVDET
ov_msb
A1
A0 A1
co_msb co_msb-1
ci
si
8x16
Dynamic
Configuration
RAM
16
d0_ld
d1_ld
f0_ld
f1_ld
D1 A0
A0
A1
D0
D1
8-bits
parallel I/O
PI
Accumulators
Sink
Source
cfb_en
co_msb_reg
sol_msb_reg sor_reg
cmsbi cmsbo
cmsb
Alu
srca srcb
cfbo cfbi
Mask
out
amask
Shift
co_msb-1
PO
cmask0
cmask1
8
Data Registers
In/Out FIFOs
f1_blk_stat
14 213 12 11 3
4
5678910 1
Output Mux (6 - 16 to 1)
0
ce0
cl0
z0
ff0
ce1
cl1
z1
ff1
ov_msb
co_msb
cmsb
sor
sol_msb f0_bus_stat
f0_blk_stat
dp_out[5:0]
6
Output Mux
Input Mux
Conditions
8
8
8-bit Datapath
dp_in[5:0]
Input Mux
(9 6-to-1)
rad2
rad1
rad0
Configuration
RAM
f1_bus_stat
f0_blk_stat
f0_bus_stat
15
f1_bus_stat
f1_blk_stat

PSoC 5LP Architecture TRM, Document No. 001-78426 Rev. *F 181
Universal Digital Blocks (UDBs)
21.3.2.1 Overview
The following sections present an overview description of
key datapath features:
Dynamic Configuration
Dynamic configuration is the ability to change the datapath
function and interconnect on a cycle-by-cycle basis, under
sequencer control. This is implemented using the configura-
tion RAM, which stores eight unique configurations. The
address input to this RAM can be routed from any block
connected to the routing fabric, most typically PLD logic, I/O
pins, or other datapaths.
ALU
The ALU can perform eight general-purpose functions:
increment, decrement, add, subtract, AND, OR, XOR, and
PASS. Function selection is controlled by the configuration
RAM on a cycle-by-cycle basis. Independent shift (left, right,
nibble swap) and masking operations are available at the
output of the ALU.
Conditionals
Each datapath has two comparators, with bit masking
options, which can be configured to select a variety of data-
path register inputs for comparison. Other detectable condi-
tions include all zeros, all ones, and overflow. These
conditions form the primary datapath output selects to be
routed to the digital routing fabric or inputs to other func-
tions.
Built in CRC/PRS
The datapath has built-in support for single-cycle Cyclic
Redundancy Check (CRC) computation and Pseudo Ran-
dom Sequence (PRS) generation of arbitrary width and arbi-
trary polynomial specification. To achieve longer than 8-bit
CRC/PRS widths, signals may be chained between dat-
apaths. This feature is controlled dynamically, and therefore
can be interleaved with other functions.
Variable MSB
The most significant bit of an arithmetic and shift function
can be programmatically specified. This supports variable
width CRC/PRS functions and, in conjunction with ALU out-
put masking, can implement arbitrary width timers, counters,
and shift blocks.
Input/Output FIFOs
Each datapath contains two 4-byte FIFOs, which can be
individually configured for direction as an input buffer (CPU
or DMA writes to the FIFO, datapath internals read the
FIFO), or an output buffer (datapath internals write to the
FIFO, the CPU or DMA reads from the FIFO). These FIFOs
generate status that can be routed to interact with sequenc-
ers, interrupt, or DMA requests.
Chaining
The datapath can be configured to chain conditions and sig-
nals with neighboring datapaths. Shift, carry, capture, and
other conditional signals can be chained to form higher pre-
cision arithmetic, shift, and CRC/PRS functions.
Time Multiplexing
In applications that are oversampled, or do not need the
highest clock rates, the single ALU block in the datapath can
be efficiently shared between two sets of registers and con-
dition generators. ALU and shift outputs are registered and
can be used as inputs in subsequent cycles. Usage exam-
ples include support for 16-bit functions in one (8-bit) data-
path, or interleaving a CRC generation operation with a data
shift operation.
Datapath Inputs
The datapath has three types of inputs: configuration, con-
trol, and serial and parallel data. The configuration inputs
select the dynamic configuration RAM address. The control
inputs load the data registers from the FIFOs and capture
accumulator outputs into the FIFOs. Serial data inputs
include shift in and carry in. A parallel data input port allows
up to eight bits of data to be brought in from routing.
Datapath Outputs
There are a total of 16 signals generated in the datapath.
Some of these signals are conditional signals (for example,
compares), some are status signals (for example, FIFO sta-
tus), and the rest are data signals (for example, shift out).
These 16 signals are multiplexed into the six datapath out-
puts and then driven to the routing matrix. By default the
outputs are single synchronized (pipelined). A combinational
output option is also available for these outputs.

182 PSoC 5LP Architecture TRM, Document No. 001-78426 Rev. *F
Universal Digital Blocks (UDBs)
Datapath Working Registers
Each datapath module has six 8-bit working registers. All
registers are readable and writable by CPU or DMA:
21.3.2.2 Datapath FIFOs
FIFO Modes and Configurations
Each FIFO has a variety of operation modes and configura-
tions available:
Figure 21-7 shows the possible FIFO configurations con-
trolled by the input/output modes. The TX/RX mode has one
FIFO in input mode and the other in output mode. The pri-
mary usage example of this configuration is SPI. The dual
capture configuration provides independent capture of A0
and A1, or two separately controlled captures of either A0 or
A1. Finally, the dual buffer mode can provide buffered peri-
ods and compares, or two independent periods/compares.
Table 21-1. Datapath Working Registers
Type Name Description
Accumulator A0, A1
The accumulators may be both a source and a
destination for the ALU. They may also be loaded
from a Data register or a FIFO. The accumulators
typically contain the current value of a function,
such as a count, CRC, or shift. These registers
are nonretention; they lose their values in sleep
and are reset to 0x00 on wakeup.
Data D0, D1
The Data registers typically contain constant data
for a function, such as a PWM compare value,
timer period, or CRC polynomial. These registers
retain their values across sleep intervals.
FIFOs F0, F1
The two 4-byte FIFOs provide both a source and
a destination for buffered data. The FIFOs can be
configured as both input buffers, both output buf-
fers, or as one input buffer and one output buffer.
Status signals indicate the read and write status
of these registers. Usage examples include buff-
ered TX and RX data in the SPI or UART and
buffered PWM compare and buffered timer
period data. These registers are nonretention;
they lose their values in sleep and are reset to
0x00 on wakeup.
Table 21-2. FIFO Modes and Configurations
Mode Description
Input/Output
In input mode the CPU or DMA writes to the FIFO and the
data is read and consumed by the datapath internals. In
output mode the FIFO is written to by the datapath internals
and is read and consumed by the CPU or DMA
Single Buffer The FIFO operates as a single buffer with no status. Data
written to the FIFO is immediately available for reading, and
can be overwritten at anytime.
Level/Edge The control to load the FIFO from the datapath internals
can be either level or edge triggered.
Normal/Fast
The control to load the FIFO from the datapath source is
sampled on the currently selected datapath clock (normal)
or the bus clock (fast). This allows captures to occur at the
highest rate in the system (bus clock), independent of the
datapath clock.
Software
Capture
When this mode is enabled, and the FIFO is in output
mode, a read by the CPU or DMA of the associated accu-
mulator (A0 for F0, A1 for F1) initiates a synchronous trans-
fer of the accumulator value into the FIFO. The captured
value may then be immediately read from the FIFO. If
chaining is enabled, the operation follows the chain to the
MS block for atomic reads by datapaths of multi-byte val-
ues.
Asynch
When the datapath is being clocked asynchronously to the
bus clock, the FIFO status signals can be routed to the rest
of the datapath either directly, single sampled to the DP
clock, or double sampled in the case of an asynchronous
DP clock
Independent
Clock Polarity Each FIFO has a control bit to invert polarity of the FIFO
clock with respect to the datapath clock.
Table 21-2. FIFO Modes and Configurations

PSoC 5LP Architecture TRM, Document No. 001-78426 Rev. *F 183
Universal Digital Blocks (UDBs)
Figure 21-7. FIFO Configurations
Figure 21-8 shows a detailed view of the FIFO sources and sinks.
Figure 21-8. FIFO Sources and Sinks
System Bus
F0
F1
System Bus
A0/A1/ALU
D0/D1
A0/A1/ALU
System Bus
F1
A0/A1/ALU
F0
D0
System Bus
F1
A0
D1
A1
F0
TX/RX Dual Capture Dual Buffer
FIFO F1
D1
A1
UDB Local Data Bus
FIFO F0
D0
A0
A0
A0
A1
A1
ALU
ALU

184 PSoC 5LP Architecture TRM, Document No. 001-78426 Rev. *F
Universal Digital Blocks (UDBs)
When the FIFO is in input mode, the source is the system bus and the sinks are the Dx and Ax registers. When in output
mode, the sources include the Ax registers and the ALU, and the sink is the system bus. The multiplexer selection is statically
set in UDB configuration register CFG15 as shown in the following table for the F0_INSEL[1:0] or F1_INSEL[1:0]:
FIFO Status
Each FIFO generates two status signals, “bus” and “block,” which are sent to the UDB routing through the datapath output
multiplexer. The “bus” status can be used to assert an interrupt or DMA request to read/write the FIFO. The “block” status is
primarily intended to provide the FIFO state to the UDB internals. The meanings of the status bits depend on the configured
direction (Fx_INSEL[1:0]) and the FIFO level bits. The FIFO level bits (Fx_LVL) are set in the Auxiliary Control Working regis-
ter in working register space. Options are shown in the following table:
FIFO Illustrated Operation
Figure 21-9 on page 185 illustrates a typical sequence of reads and writes and the associated status generation. Although the
figure shows reads and writes occurring at different times, a read and write can also occur simultaneously.
Table 21-3. FIFO Multiplexer Set in UDB Configuration Register
Fx_INSEL[1:0] Description
00 Input Mode - System bus writes the FIFO, FIFO output destination is Ax or Dx.
01 Output Mode - FIFO input source is A0, FIFO output destination is the system bus.
10 Output Mode - FIFO input source is A1, FIFO output destination is the system bus.
11 Output Mode - FIFO input source is the ALU output, FIFO output destination is the system bus.
Table 21-4. FIFO Status Options
Fx_INSEL[1:0] Fx_LVL Status Signal Description
Input 0 Not Full Bus Status Asserted when there is room for at least 1 byte in the FIFO.
Input 1 At Least Half Empty Bus Status Asserted when there is room for at least 2 bytes in the FIFO.
Input NA Empty Block Status Asserted when there are no bytes left in the FIFO. When not empty, the datapath
internals may consume bytes. When empty the datapath may idle or generate an
underrun condition.
Output 0 Not Empty Bus Status Asserted when there is at least 1 byte available to be read from the FIFO.
Output 1 At Least Half Full Bus Status Asserted when there are at least 2 bytes available to be read from the FIFO.
Output NA Full Block Status Asserted when the FIFO is full. When not full, the datapath internals may write
bytes to the FIFO. When full, the datapath may idle or generate an overrun condi-
tion.

PSoC 5LP Architecture TRM, Document No. 001-78426 Rev. *F 185
Universal Digital Blocks (UDBs)
Figure 21-9. Detailed FIFO Operation Sinks
FIFO Fast Mode (FIFO FAST)
When the FIFO is configured for output, the FIFO load operation normally uses the currently selected datapath clock for sam-
pling the write signal. As shown in Figure 21-10, with the FIFO fast mode set, the bus clock can be optionally selected for this
operation. Used in conjunction with edge sensitive mode, this operation reduces the latency of accumulator-to-FIFO transfer
from the resolution of the DP clock to the resolution of the bus clock, which can be much higher. This allows the CPU or DMA
to read the captured result in the FIFO with minimal latency.
As shown in Figure 21-10, the fast load operation is independent of the currently selected datapath clock, however, using the
bus clock may cause higher power consumption.
Figure 21-10. FIFO Fast Configuration Sinks
WR_PTR
RD_PTR RD_PTR
Reset Write 2 bytes
Empty = 1
At Least Half Empty = 1
D0
D1
Full = 0
At Least Half Full = 0
Empty = 0
At Least Half Empty = 1
Full = 0
At Least Half Full = 1
Write 2 more bytes
Empty = 0
At Least Half Empty = 0
Full = 1
At Least Half Full = 1
D0
D1
D2
D3
WR_PTR
WR_PTR
RD_PTR
Read 3 bytes
Empty = 0
At Least Half Empty = 1
Full = 0
At Least Half Full = 0
X
X
X
D3
RD_PTR
WR_PTR
Write 2 bytes
Empty = 0
At Least Half Empty = 0
Full = 0
At Least Half Full = 1
D4
D5
X
D3
RD_PTR
WR_PTR
Read 2 bytes
Empty = 0
At Least Half Empty = 1
Full = 0
At Least Half Full = 0
X
D5
X
X
RD_PTR
WR_PTR
Read 1 bytes
Empty = 1
At Least Half Empty = 1
Full = 0
At Least Half Full = 0
X
X
X
X
RD_PTR
WR_PTR
FIFO
(In Output Mode)
DP clk
bus clk
DP Operation
fx_ld
FIFO Fast
0
1
bus clk
digital
clocks
UDB DP
Clock Mux
Write

186 PSoC 5LP Architecture TRM, Document No. 001-78426 Rev. *F
Universal Digital Blocks (UDBs)
FIFO Edge/Level Write Mode
There are two modes for writing the FIFO from the datapath.
In the first mode, data is synchronously transferred from the
accumulators to the FIFOs. The control for that write
(FX_LD) is typically generated from a state machine or con-
dition that is synchronous to the datapath clock. The FIFO
will be written in any cycle where the input load control is a
'1'. In the second mode, the FIFO is used to capture the
value of the accumulator in response to a positive edge of
the FX_LD signal. In this mode the duty cycle of the wave-
form is arbitrary (however, it must be at least one datapath
clock cycle in width). An example of this mode is capturing
the value of the accumulator using an external pin input as a
trigger. The limitation of this mode is that the input control
must revert to '0' for at least one cycle before another posi-
tive edge is detected.
Figure 21-11 shows the edge detect option on the FX_LD
control input. One bit for this option sets the mode for both
FIFOs in a UDB. Note that edge detection is sampled at the
rate of the selected FIFO clock.
Figure 21-11. Edge Detect Option for Internal FIFO Write Sinks
FIFO Software Capture Mode
A common and important requirement is to allow the CPU or DMA the ability to reliably read the contents of an accumulator
during normal operation. This is done with software capture and is enabled by setting the FIFO Cap configuration bit. This bit
applies to both FIFOs in a UDB, but is only operational when a FIFO is in output mode. When using software capture, F0
should be set to load from A0 and F1 from A1.
As shown in Figure 21-12, reading the accumulator triggers a write to the FIFO from that accumulator. This signal is chained
so that a read of a given byte simultaneously captures accumulators in all chained UDBs. This allows an 8-bit processor to
reliably read 16 bits or more simultaneously. The data returned in the read of the accumulator should be ignored; the captured
value may be read from the FIFOs immediately.
The routed FX_LD signal, which generates a FIFO load, is ORed with the software capture signal; the results can be unpre-
dictable when both hardware and software capture are used at the same time. As a general rule these functions should be
mutually exclusive, however, hardware and software capture can be used simultaneously with the following settings:
■FIFO capture clocking mode is set to FIFO FAST
■FIFO write mode is set to FIFO EDGE
With these settings, hardware and software capture work essentially the same and in any given bus clock cycle, either signal
asserted initiates a capture.
It is also recommended to clear the target FIFO in firmware (ACTL register) before initiating a software capture. This initializes
the FIFO read and write pointers to a known state.
FF
0
1
fx_ld (from Routing)
FIFO Edge
fx_write
0
1
FIFO Fast
dp_clk
bus_clk

PSoC 5LP Architecture TRM, Document No. 001-78426 Rev. *F 187
Universal Digital Blocks (UDBs)
Figure 21-12. Software Capture Configuration
FIFO Control Bits
There are four bits in the Auxiliary Control register that may
be used to control the FIFO during normal operation.
The FIFO0 CLR and FIFO1 CLR bits are used to reset or
flush the FIFO. When a '1' is written to one of these bits, the
associated FIFO is reset. The bit must be written back to '0'
for FIFO operation to continue. If the bit is left asserted, the
given FIFO is disabled and operates as a one byte buffer
without status. Data can be written to the FIFO; the data is
immediately available for reading and can be overwritten at
anytime. Data direction using the Fx INSEL[1:0] configura-
tion bits is still valid.
The FIFO0 LVL and FIFO1 LVL bits control the level at
which the 4-byte FIFO asserts bus status (when the bus is
either reading or writing to the FIFO) to be asserted. The
meaning of FIFO bus status depends on the configured
direction, as shown in the table below.
FIFO Asynchronous Operation
Figure 21-13 illustrates the concept of asynchronous FIFO
operation. As an example, assume F0 is set for input mode
and F1 is set for output mode, which is a typical configura-
tion for TX and RX registers.
On the TX side, the datapath state machine uses "empty" to
determine if there are any bytes available to consume.
Empty is set synchronously to the DP state machine, but is
cleared asynchronously due to a bus write. When cleared,
the status is synchronized back to the DP state machine.
On the RX side, the datapath state machine uses “full” to
determine whether there is a space left to write to the FIFO.
Full is set synchronously to the DP state machine, but is
cleared asynchronously due to a bus read. When cleared,
the status is synchronized back to the DP state machine.
A single FIFO ASYNCH bit is used to enable this synchroni-
zation method; when set it applies to both FIFOs. It is only
capxi (chaining in) capx (chaining out)
read ax
Chain X
FIFO Cap
fx_write
fx_ld
bus clk
(FIFO FAST)
FIFO EDGE
0
1
Table 21-5. FIFO Level Control Bits
FIFOx
LVL
Input Mode
(Bus is Writing FIFO)
Output Mode
(Bus is Reading FIFO)
0Not Full
At least 1 byte can be written
Not Empty
At least 1 byte can be read
1At Least Half Empty
At least 2 bytes can be written
At Least Half Full
At least 2 bytes can be read

188 PSoC 5LP Architecture TRM, Document No. 001-78426 Rev. *F
Universal Digital Blocks (UDBs)
applied to the block status, as it is assumed that bus status
is naturally synchronized by the interrupt process.
FIFO Overflow Operation
Use FIFO status signaling to safely implement both internal
(datapath) and external (CPU or DMA) reads and writes.
There is no built-in protection from underflow and overflow
conditions. If the FIFO is full, and subsequent writes occur
(overflow), the new data overwrites the front of the FIFO (the
data currently being output, the next data to read). If the
FIFO is empty, and subsequent reads occur (underflow), the
read value is undefined. FIFO pointers remain accurate
regardless of underflow and overflow.
Figure 21-13. FIFO Asynchronous Operation
FIFO Clock Inversion Option
Each FIFO has a control bit called Fx CK INV that controls
the polarity of the FIFO clock, with respect to the polarity of
the DP clock. By default the FIFO operates at the same
polarity as the DP clock. When this bit is set, the FIFO oper-
ates at the opposite polarity as the DP clock. This provides
support for “both clock edge” communication protocols,
such as SPI.
FIFO Dynamic Control
Normally, the FIFOs are configured statically in either input
or output mode. As an alternative, each FIFO can be config-
ured into a mode where the direction is controlled dynami-
cally, that is, by routed signals. One configuration bit per
FIFO (Fx DYN) enables the mode. Figure 21-14 on
page 189 shows the configurations available in dynamic
FIFO mode.
Table 21-6. FIFO Block Status Synchronization Options
ASYNC ADD SYNC Operation Usage Model
0 0 Synchronous to
bus clock
CPU read/write status changes
occur at bus clock resolution. Can
be used for minimum latency if bus
clock timing can be met.
01 Re-sampled
from bus clock
to DP clock
This should be the default synchro-
nous operating mode. When the
CPU read/write status changes are
synchronously re-sampled with the
currently selected DP clock. Gives
a full cycle of DP clock setup time
to the UDB logic.
1 0 Reserved –
11
Double syn-
chronized from
bus clock to DP
clock
When a free running asynchronous
DP clock is in use, this setting can
be used to double synchronize the
CPU read and write actions to the
DP clock.
System Bus
F0 (TX)
F1 (RX)
System Bus
Datapath Process
(Asynch)
blk_stat
Synch to
DP
blk_stat
Synch to
DP
empty
full
set
DP clk
dq
async
1
0Empty to
DP state
machine
empty
set
DP clk
dq
async
1
0Full to
DP state
machine
full
Asynchronously cleared
by bus write,
sycnhyronously set by
DP read
Asynchronously cleared
by bus read,
sycnhyronously set by
DP write

PSoC 5LP Architecture TRM, Document No. 001-78426 Rev. *F 189
Universal Digital Blocks (UDBs)
Figure 21-14. FIFO Dynamic Mode
In internal access mode, the datapath can read and write
the FIFO. In this configuration, the Fx INSEL bits must be
configured to select the source for the FIFO writes. Fx
INSEL = 0 (CPU bus source) is invalid in this mode; they
can only be 1, 2 or 3 (A0, A1, or ALU). Note that the only
read access is to the associated accumulator; the data reg-
ister destination is not available in this mode.
In external access mode, the CPU or DMA can both read
and write the FIFO.
The configuration between internal and external access is
dynamically switchable using datapath routing signals. The
datapath input signals d0_load and d1_load are used for
this control. Note that in the dynamic control mode, d0_load
and d1_load are not available for their normal use in loading
the D0/D1 registers from F0/F1. The dx_load signals can be
driven by any routed signal, including constants.
In one usage example, starting with external access
(dx_load == 1), the CPU or DMA can write one or more
bytes of data to the FIFO. Then toggling to internal access
(dx_load == 0), the datapath can perform operations on the
data. Then toggling back to external access, the CPU or
DMA can read the result of the computation.
Because the Fx INSEL must always be set to 01, 10 or 11
(A0, A1, or ALU), which is “output mode” in normal opera-
tion, the FIFO status signals have the following definitions
(also dependent on Fx LVL control):
Because the datapath and CPU may both write and read the
FIFO, these signals are no longer considered “block” and
“bus” status. The blk_stat signal is used for write status, and
the bus_stat signal is used for read status.
21.3.2.3 FIFO Status
There are four FIFO status signals, two for each FIFO:
fifo0_bus_stat, fifo0_blk_stat, fifo1_bus_stat and
fifo1_blk_stat. The meaning of these signals depends on the
direction of the given FIFO, which is determined by static
configuration. FIFO status is covered in detail in section
21.3.2.2 Datapath FIFOs on page 182.
21.3.2.4 Datapath ALU
The ALU core consists of three independent 8-bit program-
mable functions, which include an arithmetic/logic unit, a
shifter unit, and a mask unit.
FIFO Fx
Ax
Internal Access
A0
A1
ALU
UDB Local Data Bus
FIFO Fx
UDB Local Data Bus
External Access
Table 21-7. FIFO Status
Status Signal Meaning Fx LVL = 0 Fx LVL = 1
fx_blk_stat Write Status FIFO full FIFO full
fx_bus_stat Read Status FIFO not empty At least ½ full

190 PSoC 5LP Architecture TRM, Document No. 001-78426 Rev. *F
Universal Digital Blocks (UDBs)
Arithmetic and Logic Operation
The ALU functions, which are configured dynamically by the
dynamic configuration RAM, are shown in the following
table:
Carry In
The carry in is used in arithmetic operations. There is a
default carry in value for certain functions as shown in
Table 21-9.
In addition to this default arithmetic mode for carry opera-
tion, there are three additional carry options. The CI SELA
and CI SELB configuration bits determine the carry in for a
given cycle. Dynamic configuration RAM selects either the A
or B configuration on a cycle-by-cycle basis. The options are
defined in Table 21-10.
When a routed carry is used, the meaning with respect to
each arithmetic function is shown in Table 21-11. Note that
in the case of the decrement and subtract functions, the
carry is active low (inverted).
Carry Out
The carry out is a selectable datapath output and is derived
from the currently defined MSB position, which is statically
programmable. This value is also chained to the next most
significant block as an optional carry in. Note that in the
case of decrement and subtract functions, the carry out is
inverted.
Carry Structure
Options for carry in, and for MSB selection for carry out gen-
eration, are shown in Figure 21-15 on page 191. The regis-
tered carry out value may be selected as the carry in for a
subsequent arithmetic operation. This feature can be used
to implement higher precision functions in multiple cycles.
Table 21-8. ALU Functions
Func[2:0] Function Operation
000 PASS srca
001 INC ++srca
010 DEC --srca
011 ADD srca + srcb
100 SUB srca - srcb
101 XOR srca ^ srcb
110 AND srca & srcb
111 OR srca | srcb
Table 21-9. Carry In Functions
Function Operation Default Carry In Implementation
INC ++srca srca + 00h + ci, where ci is forced to 1
DEC --srca srca + ffh + ci, where ci is forced to 0
ADD srca + srcb srca + srcb + ci, where ci is forced to 0
SUB srca - srcb srca + ~srcb + ci, where ci is forced to 1
Table 21-10. Additional Carry In Functions
CI SEL A
CI SEL B Carry Mode Description
00 Default Default arithmetic mode as described
in Table 21-9.
01 Registered
Carry Flag, result of the carry from
the previous cycle. This mode is used
to implement add with carry and sub-
tract with borrow operations. It can be
used in successive cycles to emulate
a double precision operation.
10 Routed
Carry is generated elsewhere and
routed to this input. This mode can
be used to implement controllable
counters.
11 Chained
Carry is chained from the previous
datapath. This mode can be used to
implement single cycle operations of
higher precision involving two or
more datapaths.
Table 21-11. Routed Carry In Functions
Function Carry In
Polarity
Carry In
Active
Carry In
Inactive
INC True ++srca srca
DEC Inverted --srca srca
ADD True (srca + srcb) + 1 srca + srcb
SUB Inverted (srca - srcb) - 1 (srca - srcb)
Table 21-12. Carry Out Functions
Function Carry Out
Polarity
Carry Out
Active
Carry Out
Inactive
INC True ++srca == 0 srca
DEC Inverted --srca == -1 srca
ADD True srca + srcb > 255 srca + srcb
SUB Inverted srca - srcb < 0 (srca - srcb)

PSoC 5LP Architecture TRM, Document No. 001-78426 Rev. *F 191
Universal Digital Blocks (UDBs)
Figure 21-15. Carry Operation
Shift Operation
The shift operation occurs independently of the ALU opera-
tion, according to Table 21-13
A shift out value is available as a datapath output. Both shift
out right (sor) and shift out left (sol_msb) share that output
selection. A static configuration bit (SHIFT SEL in register
CFG15) determines which shift output is used as a datapath
output. When no shift is occurring, the sor and sol_msb sig-
nal is defined as the LSB or MSB of the ALU function,
respectively.
The SI SELA and SI SELB configuration bits determine the
shift in data for a given operation. Dynamic configuration
RAM selects the A or B configuration on a cycle-by-cycle
basis. Shift in data is only valid for left and right shift; it is not
used for pass and nibble swap. The selections and usage
apply to both left and right shift directions and are shown in
Table 21-14.
The shift out left data comes from the currently defined MSB
position, and the data that is shifted in from the left (in a shift
right operation) goes into the currently defined MSB posi-
tion. Both shift out data (left or right) are registered and can
be used in a subsequent cycle. This feature can be used to
implement a higher precision shift in multiple cycles.
Figure 21-16. Shift Operation
co_msb
(to DP output mux)
ci
Selected MSB
Arithmetic ALU Function
(inc, dec, add, sub)
Default function value
Chained (from prev datapath)
Routed (from interconnect)
Registered (from co_msb_reg)
ALU
Bit 0
ALU
Bit 1
ALU
Bit 2
ALU
Bit 3
ALU
Bit 4
ALU
Bit 5
ALU
Bit 6
ALU
Bit 7
co_msb_reg
Table 21-13. Shift Operation Functions
Shift[1:0] Function
00 Pass
01 Shift Left
10 Shift Right
11 Nibble Swap
Table 21-14. Shift In Functions
SI SEL A
SI SEL B Shift In Source Description
00 Default/Arithmetic
The default input is the value of the
DEF SI configuration bit (fixed 1 or
0). However, if the MSB SI bit is set,
then the default input is the currently
defined MSB (for right shift only).
01 Registered
The shift in value is driven by the cur-
rent registered shift out value (from
the previous cycle). The shift left
operation uses the last shift out left
value. The shift right operation uses
the last shift out right value.
10 Routed Shift in is selected from the routing
channel (the SI input).
11 Chained
Shift in left is routed from the right
datapath neighbor and shift in right is
routed from the left datapath neigh-
bor.
3 2 1 07 6 5 4
shift in left (sil)
shift out left (sol_m sb)
(to DP output mux) shift in right (sir)
shift out right (sor)
(to DP output mux)
Selected MSB
Shift right or shift left
D efau lt (tie value)
Registered (sor_reg)
Chained (from next Datapath)
Routed (from interconnect)
Default (tie va lue)
Chained (from prev Datapath)
Routed (from interconnect)
Registered (from sol_m sb_reg)
sor_reg
sol_msb_reg
sil
Select default value or
arithmetic shift

192 PSoC 5LP Architecture TRM, Document No. 001-78426 Rev. *F
Universal Digital Blocks (UDBs)
Note that the bits that are isolated by the MSB selection are
still shifted. In the example shown, bit 7 still shifts in the sil
value on a right shift and bit 5 shifts in bit 4 on a left shift.
The shift out either right or left from the isolated bits is lost.
ALU Masking Operation
An 8-bit mask register in the UDB static configuration regis-
ter space defines the masking operation. In this operation,
the output of the ALU is masked (ANDed) with the value in
the mask register. A typical use for the ALU mask function is
to implement free-running timers and counters in power of
two resolutions.
21.3.2.5 Datapath Inputs and Multiplexing
The datapath has a total of nine inputs as shown in Table
24-16, including six inputs from the channel routing. These
consist of the configuration RAM address, FIFO and data
register load control signals, and the data inputs shift in and
carry in. As shown in Figure 21-17, each input has a 6-to-1 multi-
plexer, therefore, all inputs are permutable. Inputs are han-
dled in one of two ways, either level sensitive or edge
sensitive. RAM address, shift in and data in values are level
sensitive; FIFO and data register load signals are edge sen-
sitive.
Figure 21-17. Datapath Input Select
21.3.2.6 CRC/PRS Support
The datapath can support Cyclic Redundancy Checking
(CRC) and Pseudo Random Sequence (PRS) generation.
Chaining signals are routed between datapath blocks to
support CRC/PRS bit lengths of longer than 8 bits.
The most significant bit (MSB) of the most significant block
in the CRC/PRS computation is selected and routed (and
chained across blocks) to the least significant block. The
MSB is then XORed with the data input (SI data) to provide
the feedback (FB) signal. The FB signal is then routed (and
chained across blocks) to the most significant block. This
feedback value is used in all blocks to gate the XOR of the
polynomial (from the Data0 or Data1 register) with the cur-
rent accumulator value.
Figure 21-18 shows the structural configuration for the CRC
operation. The PRS configuration is identical except that the
shift in (SI) is tied to '0'. In the PRS configuration, D0 or D1
contain the polynomial value, while A0 or A1 contain the ini-
tial (seed) value and the CRC residual value at the end of
the computation.
To enable CRC operation, the CFB_EN bit in the dynamic
configuration RAM must be set to '1'. This enables the AND
of SRCB ALU input with the CRC feedback signal. When set
to zero, the feedback signal is driven to '1', which allows for
normal arithmetic operation. Dynamic control of this bit on a
cycle-by-cycle basis gives the capability to interleave a
CRC/PRS operation with other arithmetic operations.
Table 21-15. Datapath Inputs
Input Description
RAD2
RAD1
RAD0
Asynchronous dynamic configuration RAM address. There are
eight 16-bit words, which are user programmable. Each word
contains the datapath control bits for the current cycle.
Sequences of instructions can be controlled by these address
inputs.
F0 LD
F1 LD
When asserted in a given cycle, the selected FIFO is loaded
with data from one of the A0 or A1 accumulators or from the
output of the ALU. The source is selected by the Fx
INSEL[1:0] configuration bits. This input is edge sensitive. It is
sampled at the datapath clock; when a '0' to '1' transition is
detected, a load occurs at the subsequent clock edge.
D0 LD
D1 LD
When asserted in a given cycle, the Dx register is loaded from
associated FIFO Fx. This input is edge sensitive. It is sampled
at the datapath clock; when a '0' to '1' transition is detected, a
load occurs at the subsequent clock edge.
SI This is a data input value that can be used for either shift in left
or shift in right.
CI This is the carry in value used when the carry in select control
is set to "routed carry."
{0, dp_in[5:0], 0} rad0
(similar for rad1, rad2, si, ci)
CFGx
RAD0 MUX[2:0]
f0_ld
(similar for f1_ld, d0_ld, d1_ld)
CFGx
F0 LD MUX[2:0]
{0, dp_in[5:0], 0}
These inputs are
edge sensitive

PSoC 5LP Architecture TRM, Document No. 001-78426 Rev. *F 193
Universal Digital Blocks (UDBs)
Figure 21-18. CRC Functional Structure
CRC/PRS Chaining
Figure 21-19 illustrates an example of CRC/PRS chaining across three UDBs. This scenario can support a 17- to 24-bit oper-
ation. The chaining control bits are set according to the position of the datapath in the chain as shown.
Figure 21-19. CRC/PRS Chaining Configuration
How the CRC/PRS feedback signal (cfbo, cfbi) is chained:
■If a given block is the least significant block, then the
feedback signal is generated in that block from the built-
in logic that takes the shift in from the right (sir) and
XORs it with the MSB signal. (For PRS, the "sir" signal is
tied to '0'.)
■If a given block is not the least significant block, the
CHAIN FB configuration bit must be set and the feed-
back is chained from the previous block in the chain.
How the CRC/PRS MSB signal (cmsbo, cmsbi) is chained:
■If a given block is the most significant block, the MSB bit
(according to the polynomial selected) is configured
using the MSB_SEL configuration bits.
■If a given block is not the most significant block, the
CHAIN MSB configuration bit must be set and the MSB
signal is chained from the next block in the chain.
CRC/PRS Polynomial Specification
As an example of how to configure the polynomial for pro-
gramming into the associated D0/D1 register, consider the
CCITT CRC-16 polynomial, which is defined as x16 + x12
+x5 + 1. The method for deriving the data format from the
polynomial is shown in Figure 21-20.
The X0 term is inherently always '1' and therefore does not
need to be programmed. For each of the remaining terms in
the polynomial, a '1' is set in the appropriate position in the
alignment shown.
Note This polynomial format is slightly different from the
format normally specified in HEX. For example, the CCITT
CRC16 polynomial is typically denoted as 1021H. To con-
vert to the format required for datapath operation, shift right
by one and add a '1' in the MSB bit. In this case, the correct
polynomial value to load into the D0 or D1 register is 8810H
SI
(shift in)
D0/D1
(POLY)
A0/A1
(CRC)
ALU
(XOR)
SHIFTER
(LEFT)
MSB
(most significant bit) FB
(feedback)
srcasrcb Tie input to
zero for PRS
operation
CHAIN MSB = 1
CHAIN FB = 1CHAIN FB = 1
UDB 1
cmsbi
cfbo
cmsbo
cfbi
cmsbi
cfbo
cmsbo
cfbi
UDB 0
CHAIN MSB = 1
UDB 2
cmsbi
cfbo
cmsbo
cfbi
Set msb_sel
sir CRC data in

194 PSoC 5LP Architecture TRM, Document No. 001-78426 Rev. *F
Universal Digital Blocks (UDBs)
Figure 21-20. CCITT CRC16 Polynomial Format
Example CRC/PRS Configuration
The following is a summary of CRC/PRS configuration
requirements, assuming that D0 is the polynomial and the
CRC/PRS is computed in A0:
1. Select a suitable polynomial (example above) and write
it into D0.
2. Select a suitable seed value (for example, all zeros for
CRC, all ones for PRS) and write it into A0.
3. Configure chaining if necessary as described above.
4. Select the MSB position as defined in the polynomial
from the MSB_SEL static configuration register bits and
set the MSB_EN register bit.
5. Configure the dynamic configuration RAM word fields:
a. Select D0 as the ALU "SRCB" (ALU B Input Source)
b. Select A0 as the ALU "SRCA" (ALU A Input Source)
c. Select "XOR" for the ALU function
d. Select "SHIFT LEFT" for the SHIFT function
e. Select "CFB_EN" to enable the support for CRC/
PRS
f. Select ALU as the A0 write source
If a CRC operation, configure "shift in right" for input data
from routing and supply input on each clock. If a PRS opera-
tion, tie "shift in right" to '0'.
Clocking the UDB with this configuration generates the
required CRC or outputs the MSB, which may be output to
the routing for the PRS sequence.
External CRC/PRS Mode
A static configuration bit may be set (EXT CRCPRS) to
enable support for external computation of a CRC or PRS.
As shown in Figure 21-21, computation of the CRC feed-
back is done in a PLD block. When the bit is set, the CRC
feedback signal is driven directly from the CI (Carry In) data-
path input selection mux, bypassing the internal computa-
tion. The figure shows a simple configuration that supports
up to an 8-bit CRC or PRS. Normally the built-in circuitry is
used, but this feature gives the capability for more elaborate
configurations, such as up to a 16-bit CRC/PRS function in
one UDB using time division multiplexing.
In this mode, the dynamic configuration RAM bit CFB_EN
still controls whether the CRC feedback signal is ANDed
with the SRCB ALU input. Therefore, as with the built-in
CRC/PRS operation, the function can be interleaved with
other functions if desired.
0000100000010001
X0
X1
X2
X3
X4
X5
X6
X7
X8
X9
X10
X11
X12
X13
X14
X15
X16
CCITT 16-Bit Polynomial is 0x8810
X16 X12 X51
++ +

PSoC 5LP Architecture TRM, Document No. 001-78426 Rev. *F 195
Universal Digital Blocks (UDBs)
Figure 21-21. External CRC/PRS Mode
21.3.2.7 Datapath Outputs and Multiplexing
Conditions are generated from the registered accumulator
values, ALU outputs, and FIFO status. These conditions can
be driven to the digital routing for use in other UDB blocks,
for use as interrupts or DMA requests, or to I/O pins. The 16
possible conditions are shown in the table below:
There are a total of six datapath outputs. As shown in
Figure 21-22, each output has a 16-1 multiplexer that allows
any of these 16 signals to be routed to any of the datapath
outputs.
Figure 21-22. Output Mux Connections
SI
(shift in)
D0/D1
(POLY)
A0/A1
(CRC)
ALU
(XOR)
SHIFTER
(LEFT)
MSB
(Most Significant Bit) FB
(feedback)
srcasrcb
Tie shift in to
zero for PRS
operation
CI Mux
PLD
DP Inputs
RoutingRouting
SI Mux
When the
EXT_CRCPRS bit is
set, the CI selection
drives the CRC
feedback line.
Table 21-16. Datapath Condition Generation
Name Condition Chain? Description
ce0 Compare Equal Y A0 == D0
cl0 Compare Less Than Y A0 < D0
z0 Zero Detect Y A0 == 00h
ff0 Ones Detect Y A0 = FFh
ce1 Compare Equal Y A1 or A0 == D1 or A0
(dynamic selection)
cl1 Compare Less Than Y A1 or A0 < D1 or A0
(dynamic selection)
z1 Zero Detect Y A1 == 00h
ff1 Ones Detect Y A1 == FFh
ov_msb Overflow N Carry(msb) ^ Carry(msb-1)
co_msb Carry Out Y Carry out of MSB defined
bit
cmsb CRC MSB Y MSB of CRC/PRS function
so Shift Out Y Selection of shift output
f0_blk_stat FIFO0 Block Status N Definition depends on FIFO
configuration
f1_blk_stat FIFO1 Block Status N Definition depends on FIFO
configuration
f0_bus_stat FIFO0 Bus Status N Definition depends on FIFO
configuration
f1_bus_stat FIFO1 Bus Status N Definition depends on FIFO
configuration
14 213 12 11 3
4
5678910 1
Output Mux (6 - 16 to 1)
0
ce0
cl0
z0
ff0
ce1
cl1
z1
ff1
ov_msb
co_msb
cmsb
sor
sol_msb f0_blk_stat
f1_blk_stat
dp_out[5:0]
6
Output Mux
15
f0_bus_stat
f1_bus_stat

196 PSoC 5LP Architecture TRM, Document No. 001-78426 Rev. *F
Universal Digital Blocks (UDBs)
Compares
There are two compares, one of which has fixed sources
(Compare 0) and the other has dynamically selectable
sources (Compare 1). Each compare has an 8-bit statically
programmed mask register, which enables the compare to
occur in a specified bit field. By default, the masking is off
(all bits are compared) and must be enabled.
Comparator 1 inputs are dynamically configurable. As
shown in the table below, there are four options for Compar-
ator 1, which applies to both the "less than" and the "equal"
conditions. The CMP SELA and CMP SELB configuration
bits determine the possible compare configurations. A
dynamic RAM bit selects one of the A or B configurations on
a cycle-by-cycle basis.
Compare 0 and Compare 1 are independently chainable to
the conditions generated in the previous datapath (in
addressing order). Whether to chain compares or not is stat-
ically specified in UDB configuration registers. Figure 21-23
illustrates compare equal chaining, which is just an ANDing
of the compare equal in this block with the chained input
from the previous block.
Figure 21-23. Compare Equal Chaining
Figure 21-24 illustrates compare less than chaining. In this case, the “less than” is formed by the compare less than output in
this block, which is unconditional. This is ORed with the condition where this block is equal, and the chained input from the
previous block is asserted as less than.
Figure 21-24. Compare Less Than Chaining
Table 21-17. Compare Configuration
CMP SEL A
CMP SEL B Comparator 1 Compare Configuration
00 A1 Compare to D1
01 A1 Compare to A0
10 A0 Compare to D1
11 A0 Compare to A0
CFGx
CCHAIN0
Compare Equal
ce0i
(from chaining)
ce0
(to routing
and chaining)
CFGx
CCHAIN0
Compare
Less Than
cl0i
(from chaining)
cl0
(to routing
and chaining)
Compare
Equal

PSoC 5LP Architecture TRM, Document No. 001-78426 Rev. *F 197
Universal Digital Blocks (UDBs)
All Zeros and All Ones Detect
Each accumulator has dedicated all zeros detect and all
ones detect. These conditions are statically chainable as
specified in UDB configuration registers. Whether to chain
these conditions is statically specified in UDB configuration
registers. Chaining of zero detect is the same concept as
the compare equal. Successive chained data is ANDed if
the chaining is enabled.
Overflow
Overflow is defined as the XOR of the carry into the MSB
and the carry out of the MSB. The computation is done on
the currently defined MSB as specified by the MSB_SEL
bits. This condition is not chainable, however the computa-
tion is valid when done in the most significant datapath of a
multi-precision function as long as the carry is chained
between blocks.
21.3.2.8 Datapath Parallel Inputs and Outputs
As shown in Figure 21-25, the datapath Parallel In (PI) and
Parallel Out (PO) signals give limited capability to bring
routed data into and out of the Datapath. Parallel Out sig-
nals are always available for routing as the ALU asrc selec-
tion between A0 and A1.
Figure 21-25. Datapath Parallel In/Out
Parallel In needs to be selected for input to the ALU. There
are two options, static operation or dynamic operation. For
static operation, the PI SEL bit forces the ALU asrc to be PI.
The PI DYN bit is used to enable the PI dynamic operation.
When it is enabled, and assuming the PI SEL is 0, the PI
multiplexer may then be controlled by the CFB_EN dynamic
control bit. The primary function of the CFB_EN bit is to
enable PRS/CRC functionality.
21.3.2.9 Datapath Chaining
Each datapath block contains an 8-bit ALU, which is
designed to chain carries, shifted data, capture triggers, and
conditional signals to the nearest neighbor datapaths, to
create higher precision arithmetic functions and shifters.
These chaining signals, which are dedicated signals, allow
single-cycle 16-, 24- and 32-bit functions to be efficiently
implemented without the timing uncertainty of channel rout-
ing resources. In addition, the capture chaining supports the
ability to perform an atomic read of the accumulators in
chained blocks. As shown in Figure 21-21, all generated
conditional and capture signals chain in the direction of least
significant to most significant blocks. Shift left also chains
from least to most significant. Shift right chains from most to
least significant. The CRC/PRS chaining signal for feedback
chains least to most significant; the MSB output chains from
most to least significant.
Alu
PI[7:0] A1[7:0]A0[7:0]
ASRC[7:0]
PI SEL
(static config bit)
PI DYN
(static config bit)
CFB_EN
01
PO[7:0]

198 PSoC 5LP Architecture TRM, Document No. 001-78426 Rev. *F
Universal Digital Blocks (UDBs)
Figure 21-26. Datapath Chaining Flow
21.3.2.10 Dynamic Configuration RAM
Each datapath contains a 16 bit-by-8 word dynamic configu-
ration RAM, which is shown in Figure 21-27. The purpose of
this RAM is to control the datapath configuration bits on a
cycle-by-cycle basis, based on the clock selected for that
datapath. This RAM has synchronous read and write ports
for purposes of loading the configuration via the system bus.
An additional asynchronous read port is provided as a fast
path to output these 16-bit words as control bits to the data-
path. The asynchronous address inputs are selected from
datapath inputs and can be generated from any of the possi-
ble signals on the channel routing, including I/O pins, PLD
outputs, control block outputs, or other datapath outputs.
The primary purpose of the asynchronous read path is to
provide a fast single-cycle decode of datapath control bits.
Figure 21-27. Configuration RAM I/O
The fields of this dynamic configuration RAM word are shown in the following tables. A description of the usage of each field
follows.
UDB1
CE0
CL0
Z0
FF0
CE1
CL1
Z1
FF1
CO_MSB
SOL_MSB
SIL
CE0i
CL0i
Z0i
FF0i
CE1i
CL1i
Z1i
FF1i
CI
SIR
SOR
CMSBI CMSBO
UDB0
CE0
CL0
Z0
FF0
CE1
CL1
Z1
FF1
CO_MSB
SOL_MSB
SIL
CE0i
CL0i
Z0i
FF0i
CE1i
CL1i
Z1i
FF1i
CI
SIR
SOR
CMSBI CMSBO
UDB2
CE0
CL0
Z0
FF0
CE1
CL1
Z1
FF1
CO_MSB
SOL_MSB
SIL
CE0i
CL0i
Z0i
FF0i
CE1i
CL1i
Z1i
FF1i
CI
SIR
SOR
CMSBI CMSBO
0
0
0
0
0
0
0
0
0
0
0
0
CFBI CFBI CFBICFBOCFBOCFBO 0
CAP0
CAP1
CAP0i
CAP1i
CAP0
CAP1
CAP0i
CAP1i
CAP0
CAP1
CAP0i
CAP1i
0
0
Register Address 15 14 13 12 11 10 9 8
CFGRAM 61h - 6Fh
(Odd) FUNC[2:0] SRCA SRCB[1:0] SHIFT[1:0]
Register Address 7 6 5 4 3 2 1 0
CFGRAM 60h - 6Eh
(Even) A0 WRSRC[1:0] A1 WRSRC[1:0] CFB EN CI SEL SI SEL CMPSEL
16 Bit-by-8 Word RAM
Array
Read/Write
Address
Decoder
bus_addr
[2:0]
Wr Ctrl
wrl
wrh
Read Only
Address Decoder
rad[2:0]
Datapath Control
Inputs
bus_data[15:0]
R/W
Read
16
Config RAM
dyn_cfg_ram
[15:0]
16
RO
Read
16
rd
dpram
UDB Local Bus

PSoC 5LP Architecture TRM, Document No. 001-78426 Rev. *F 199
Universal Digital Blocks (UDBs)
21.3.3 Status and Control Module
A high level view of the Status and Control module is shown in Figure 21-28. The Control register drives into the routing to
provide firmware control inputs to UDB operation. The Status register read from routing provides firmware a method of moni-
toring the state of UDB operation.
Figure 21-28. Status and Control Registers
Table 21-18. Dynamic Configuration Quick Reference
Field Bits Parameter Values
FUNC[2:0] 3 ALU Function
000 PASS
001 INC SRCA
010 DEC SRCA
011 ADD
100 SUB
101 XOR
110 AND
111 OR
SRCA 1 ALU A Input Source 0 A0
1 A1
SRCB 2 ALU B Input Source
00 D0
01 D1
10 A0
11 A1
SHIFT[1:0] 2 SHIFT Function
00 PASS
01 Left Shift
10 Right Shift
11 Nibble Swap
A0 WR
SRC[1:0] 2 A0 Write Source
00 None
01 ALU
10 D0
11 F0
A1 WR
SRC[1:0] 2 A1 Write Source
00 None
01 ALU
10 D1
11 F1
CFB EN 1 CRC Feedback Enable 0 Enable
1 Disable
CI SEL 1 Carry In Configuration Select 0 ConfigA
1 ConfigBa
SI SEL 1 Shift In Configuration Select 0 ConfigA
1 ConfigBa
CMP SEL 1 Compare Configuration Select 0 ConfigA
1 ConfigBa
a. For CI, SI, and CMP, the RAM fields select between two predefined static settings. See Static Register Configuration.
Routing Channel
8-Bit Status Register
(Read Only) 8-Bit Control Register
(Write/Read)
System Bus

200 PSoC 5LP Architecture TRM, Document No. 001-78426 Rev. *F
Universal Digital Blocks (UDBs)
A more detailed view of the Status and Control module is shown in Figure 21-29. The primary purpose of this block is to coor-
dinate CPU firmware interaction with internal UDB operation. However, due to its rich connectivity to the routing matrix, this
block may be configured to perform other functions.
Figure 21-29. Status and Control Module
Modes of operation include:
■Status Input – The state of routing signals can be input
and captured as status and read by the CPU or DMA.
■Control Output – The CPU or DMA can write to the
control register to drive the state of the routing.
■Parallel Input – To datapath parallel input.
■Parallel Output – From datapath parallel output.
■Counter Mode – In this mode, the control register oper-
ates as a 7-bit down counter with programmable period
and automatic reload. Routing inputs can be configured
to control both the enable and reload of the counter.
When this mode is enabled, control register operation is
not available.
■Sync Mode – In this mode, the status register operates
as a 4-bit double synchronizer. When this mode is
enabled, status register operation is not available.
21.3.3.1 Status and Control Mode
When operating in status and control mode, this module
functions as a status register, interrupt mask register, and
control register in the configuration shown in Figure 21-30
on page 201.
Interrupt
Gen
sc_out[7:0]
From
Datapath
Parallel
Output
(po[7:0])
To
Datapath
Parallel
Input
(pi[7:0])
8
8
sc_io_out[2:0]
INT
{sc_io_in[3:0],sc_in[3:0]}
7-Bit
Down Count
7-Bit
Period Register
(same as Mask)
8-Bit
Status Register
7-Bit
Mask Register
(same as Period)
8-Bit
Control Register
Status and Control Module
Horizontal Channel Routing
8
8
EN/LD CTL
7
TC CNT
8
CFGx
SC OUT
CTL[1:0]
CFGx
INT MD
8
3
4-Bit Sync
4
CFGx
SYNC MD
88
sc_io_out[3]
sc_in[3:0]

PSoC 5LP Architecture TRM, Document No. 001-78426 Rev. *F 201
Universal Digital Blocks (UDBs)
Figure 21-30. Status and Control Operation
Status Register Operation
One 8-bit, read only status register is available for each
UDB. Inputs to this register come from any signal in the digi-
tal routing fabric. The Status register is nonretention; it loses
its state across sleep intervals and is reset to 0x00 on
wakeup. Each bit can be independently programmed to
operate in one of two ways, as shown below:
An important feature of the status register clearing operation
is to note that the clear of status is only applied to the bits
that are set. This allows other bits that are not set to con-
tinue to capture status, so that a coherent view of the pro-
cess can be maintained.
Transparent Status Read
By default, a CPU read of this register transparently reads
the state of the associated routing net. This mode can be
used for a transient state that is computed and registered
internally in the UDB.
Sticky Status, with Clear on Read
In this mode, the status register inputs are sampled on each
cycle of the status and control clock. If the signal is high in a
given sample, it is captured in the status bit and remains
high, regardless of the subsequent state of the input. When
the CPU or DMA reads the status register the bit is cleared.
The status register clearing is independent of mode and
occurs even if the UDB clock is disabled; it is based on the
bus clock and occurs as part of the read operation.
Status Latching During Read
Figure 21-31 on page 202 shows the structure of the status
read logic. The sticky status register is followed by a latch,
which latches the status register data and holds it stable
during the duration of the read cycle, regardless of the num-
ber of wait states in a given read.
8-Bit Status
Register
sc_out[7:0]
7-Bit Mask
Register
Read
Write
Reset
{sc_io_in[3:0],sc_in[3:0]
8
Read
Only
(Routed Reset
from Reset and Clock
Control Block
8-Bit Control
Register
Read
Write
8
System Bus
sc_io_out[3]
7 7
7
00: Read Transparently
01: Sticky, Clear on Read
CFGx
STAT MD[7:0]
CFGx
INT MD
ACTL
INT EN
SC OUT CTL bits must
be set to select Control
register bits for output
CFGx
SC OUT
CTL[1:0]
INT
Table 21-19. Status Register
STAT MD Description
0Transparent read. A read returns the current value of the
routed signal.
1Sticky, clear on read. A high on the input is sampled and cap-
tured. It is cleared when the register is read.

202 PSoC 5LP Architecture TRM, Document No. 001-78426 Rev. *F
Universal Digital Blocks (UDBs)
Figure 21-31. Status Read Logic
Interrupt Generation
In most functions, interrupt generation is tied to the setting of
status bits. As shown in Figure 21-31, this feature is built
into the status register logic as the masking and OR reduc-
tion of status. Only the lower 7 bits of status input can be
used with the built-in interrupt generation circuitry. The most
significant bit is typically used as the interrupt output and
may be routed to the interrupt controller through the digital
routing. In this configuration, the MSB of the status register
is read as the state of the interrupt bit.
21.3.3.2 Control Register Operation
One 8-bit control register is available for each UDB. This
operates as a standard read/write register on the system
bus, where the output of these register bits are selectable as
drivers into the digital routing fabric.
The Control register is nonretention; it loses its contents
across sleep intervals and is reset to 0x00 on wakeup.
Control Register Operating Modes
There are three available modes that may be configured on
a bit-by-bit basis. The configuration is controlled by the con-
catenation of the bits of the two 8-bit registers
CTL_MD1[7:0] and CTL_MD0[7:0]. For example
{CTL_MD1[0],CTL_MD0[0]} controls the mode for Control
Register bit 0, as shown in Figure 21-20.
Control Register Direct Mode
The default mode is Direct mode. As shown in Figure 21-32,
when the Control Register is written by the CPU or DMA the
output of the control register is driven directly to the routing
on that write cycle.
Figure 21-32. Control Register Direct Mode
Control Register Sync Mode
In Sync mode, as shown in Figure 21-33, the control register
output is driven by a re-sampling register clocked by the cur-
rently selected Status and Control (SC) clock. This allows
the timing of the output to be controlled by the selected SC
clock, rather than the bus clock.
Figure 21-33. Control Register Sync Mode
Control Register Pulse Mode
Pulse mode is similar to Sync mode in that the control bit is
re-sampled by the SC clock; the pulse starts on the first SC
clock cycle following the bus write cycle. The output of the
control bit is asserted for one full SC clock cycle. At the end
of this clock cycle, the control bit is automatically reset.
With this mode of operation, firmware can write a 1 to a con-
trol register bit to generate a pulse. After it is written as a 1 it
Status and
Control Clock
from Routing
UDB Local Bus
DQ
AR
Sticky/!Transparent
0
1
Sticky Status
Register
EN
DQ
Read Latch
Status Register
Read
End of Status
Register Read
Table 21-20. Mode for Control Register Bit 0
CTL MD Description
00 Direct mode
01 Sync mode
10 (reserved)
11 Pulse mode
Bus
Write
Clock
Data Bus To
Routing
SC CLK
Bus
Write
Clock
Data Bus To
Routing

PSoC 5LP Architecture TRM, Document No. 001-78426 Rev. *F 203
Universal Digital Blocks (UDBs)
will be read back by firmware as a 1 until the completion of
the pulse, after which it will be read back as a 0. The firm-
ware can then write another 1 to start another pulse. A new
pulse cannot be generated until the previous one is com-
pleted. Therefore the maximum frequency of pulse genera-
tion is every other SC clock cycle.
Control Register Reset
The control register has two reset modes, controlled by the
EXT RES configuration bit, as shown in Figure 21-34. When
EXT RES is 0 (the default) then in sync or pulse mode the
routed reset input resets the synced output but not the
actual control bit. When EXT RES is 1 then the routed reset
input resets both the control bit and the synced output.
Figure 21-34. Control Register Reset
21.3.3.3 Parallel Input/Output Mode
In this mode, the status and control routing is connected to
the datapath parallel in and parallel out signals. To enable
this mode, the SC OUT configuration bits are set to select
datapath parallel out. The parallel input connection is always
available, but these routing connections are shared with the
status register inputs, counter control inputs, and the inter-
rupt output.
Figure 21-35. Parallel Input/Output Mode
SC CLK
Bus
Write
Clock
Data Bus
To
Routing
Bit by Bit
CFG
0
1
EXT RES
Routed Reset
res res
Static configuration
bit
sc_out[7:0]
8
8
Datapath
po[7:0] pi[7:0]
Datapath
Parallel Out Datapath
Parallel In
SC OUT CTL bits must
be set to select
datapath parallel out bits
for output to routing.
The INT MD and SYNC
MD control bits should
be cleared to enable
SC_IO bits to input mode.
{sc_io_in[3:0], sc_in[3:0]}

204 PSoC 5LP Architecture TRM, Document No. 001-78426 Rev. *F
Universal Digital Blocks (UDBs)
21.3.3.4 Counter Mode
As shown in Figure 21-36, when the block is in counter
mode, a 7-bit down counter is exposed for use by UDB inter-
nal operation or firmware applications. This counter has the
following features:
■A 7-bit read/write period register.
■A 7-bit read/write count register. It can be accessed only
when the counter is disabled.
■Automatic reload of the period to the count register on
terminal count (0).
■A firmware control bit in the Auxiliary Control Working
register called CNT START, to start and stop the coun-
ter. (This is an overriding enable and must be set for
optional routed enable to be operational.)
■Selectable bits from the routing for optional dynamic
control of the counter enable and load functions:
❐EN, routed enable to start or stop counting.
❐LD, routed load signal to force the reload of period.
When this signal is asserted, it overrides a pending
terminal count. It is level sensitive and continues to
load the period while asserted.
■The 7-bit count may be driven to the routing fabric as
sc_out[6:0].
■The terminal count may be driven to the routing fabric as
sc_out[7].
■In default mode the terminal count is registered. In alter-
nate mode the terminal count is combinational.
■In default mode, the routed enable, if used, must be
asserted for routed load to operate. In alternate mode
the routed enable and routed load signals operate inde-
pendently.
To enable the counter mode, the SC_OUT_CTl[1:0] bits
must be set to counter output. In this mode the normal oper-
ation of the control register is not available. The status regis-
ter can still be used for read operations, but should not be
used to generate an interrupt because the mask register is
reused as the counter period register. The Period register is
retention and will maintain its state across sleep intervals.
For a period of N clocks, the period value of N-1 should be
loaded. N = 1 (period of 0) is not supported as a clock divide
value, and will result in the terminal count output of a con-
stant 1.The use of SYNC mode depends on whether or not
the dynamic control inputs (LD/EN) are used. If they are not
used, SYNC mode is unaffected. If they are used, SYNC
mode is unavailable.
Figure 21-36. Counter Mode
sc_out[6:0]
7-Bit Period
Register
4
7-Bit Counter
7
Zero
Detect
sc_out[7]
EN
4
LD
0: Reload is only controlled by terminal count
1: Reload is also controlled by routing
CFGx
ROUTE LD
CFGx
ROUTE EN
0: Enable is only controlled by firmware
1: Enable is also controlled by routing
CFGx
LD SEL[1:0]
Terminal
Count
(TC)
RES
CFGx
EN SEL[1:0]
ACTL
CNT START
Routed Reset from
Reset and Clock
Control Block
SC OUT CTL bits must be set
to select the counter output
as the selected output to
routing.
The INT MD and SYNC
MD bits should be
cleared to configure the
SC_IO bits to input mode.
Read
Only*
P3B Bus System Bus
Read
Write
*Current count value is
only readable when
not enabled.
{sc_io_in[3:0], sc_in[3:0]}
8
[3:0][7:4]

PSoC 5LP Architecture TRM, Document No. 001-78426 Rev. *F 205
Universal Digital Blocks (UDBs)
21.3.3.5 Sync Mode
As shown in Figure 21-37, the status register can operate as
a 4-bit double synchronizer, clocked by the current SC_CLK,
when the SYNC MD bit is set. This mode may be used to
implement local synchronization of asynchronous signals,
such as GPIO inputs. When enabled, the signals to be syn-
chronized are selected from SC_IN[3:0], the outputs are
driven to the SC_IO_OUT[3:0] pins, and SYNC MD auto-
matically puts the SC_IO pins into output mode. When in
this mode, the normal operation of the status register is not
available, and the status sticky bit mode is forced off,
regardless of the control settings for this mode. The control
register is not affected by the mode. The counter can still be
used with limitations. No dynamic inputs (LD/EN) to the
counter can be enabled in this mode.
Figure 21-37. Sync Mode
21.3.3.6 Status and Control Clocking
The status and control registers require a clock selection for
any of the following operating modes:
■Status register with any bit set to sticky, clear on read
mode.
■Control register in counter mode.
■Sync mode.
The clock for this is allocated in the reset and clock control
module. See 21.3.4 Reset and Clock Control Module on
page 206.
21.3.3.7 Auxiliary Control Register
The read-write Auxiliary Control register is a special register
that controls fixed function hardware in the UDB. This regis-
ter allows CPU or DMA to dynamically control the interrupt,
FIFO, and counter operation. The register bits and descrip-
tions are:
FIFO0 Clear, FIFO1 Clear
The FIFO0 CLR and FIFO1 CLR bits are used to reset the
state of the associated FIFO. When a '1' is written to these
bits, the state of the associated FIFO is cleared. These bits
must be written back to '0' to allow FIFO operation to con-
tinue. When these bits are left asserted, the FIFOs operate
as simple one-byte buffers, without status.
FIFO0 Level, FIFO1 Level
The FIFO0 LVL and FIFO1 LVL bits control the level at
which the 4-byte FIFO asserts bus status (when the bus is
either reading or writing to the FIFO) to be asserted. The
meaning of FIFO bus status depends on the configured
direction, as shown in the table below.
Interrupt Enable
When the status register’s generation logic is enabled, the
INT EN bit gates the resulting interrupt signal.
Count Start
The CNT START bit may be used to enable and disable the
counter (only valid when the SC_OUT_CTL[1:0] bits are
configured for counter output mode).
sc_io_out[3:0]
Sync Module (Status Register)
Digital Routing
4
CFGx
SYNC MD
sc_in[3:0]
01234567
4
Auxiliary Control Register
7 6 5 4 3 2 1 0
CNT
START INT EN FIFO1
LVL FIFO0
LVL FIFO1
CLR FIFO0
CLR
Table 21-21. FIFO Level Control Bits
FIFOx
LVL
Input Mode
(Bus is Writing FIFO)
Output Mode
(Bus is Reading FIFO)
0Not Full
At least 1 byte can be written
Not Empty
At least 1 byte can be read
1At Least Half Empty
At least 2 bytes can be written
At Least Half Full
At least 2 bytes can be read

206 PSoC 5LP Architecture TRM, Document No. 001-78426 Rev. *F
Universal Digital Blocks (UDBs)
21.3.3.8 Status and Control Register
Summary
The table below summarizes the function of the status and
control registers. Note that the control and mask registers
are shared with the count and period registers and the
meaning of these registers is mode dependent.
21.3.4 Reset and Clock Control Module
The primary function of the reset and clock block is to select
a clock from the available global system clocks or bus clock
for each of the PLDs, the datapath, and the status and con-
trol block. It also supplies dynamic and firmware-based
resets to the UDB blocks. As shown in Figure 21-38, there
are four clock control blocks, and one reset block. Four
inputs are available for use from the routing matrix
(RC_IN[3:0]). Each clock control block can select a clock
enable source from these routing inputs, and there is also a
multiplexer to select one of the routing inputs to be used as
an external clock source. As shown, the external clock
source selection can be optionally synchronized. There are
a total of 10 clocks that can be selected for each UDB com-
ponent: 8 global digital clocks, bus clock, and the selected
external clock (ext clk). Any of the routed input signals
(rc_in) can be used as either a level sensitive or edge sensi-
tive enable. The reset function of this block provides a
routed reset for the PLD blocks and SC counter, and a firm-
ware reset capability to each block to support reconfigura-
tion.
The bus clock input to the reset and clock control is distinct
from the system bus clock. This clock is called
“bus_clk_app” because it is gated just like the other global
digital clocks and used for UDB applications. The system
bus clock is only used for I/O access and is automatically
gated, per access. The datapath clock generator produces
three clocks: one for the datapath in general, and one for
each of the FIFOs.
Table 21-22. Status, Control Register Function Summary
Mode Control/Count Status/SYNC Mask/Period
Control Control Out Status In or SYNC Status Mask
Count Count Out Count Perioda
a. Note that in counter mode, the mask register is operating as a period
register and cannot function as a mask register. Therefore, interrupt out-
put is not available when counter mode is enabled.
Status Control Out or Count Out Status In Status Mask
SYNC SYNC NAb
b. Note that in SYNC mode, the status register function is not available, and
therefore, the mask register is unusable. However, it can be used as a
period register for count mode.

PSoC 5LP Architecture TRM, Document No. 001-78426 Rev. *F 207
Universal Digital Blocks (UDBs)
Figure 21-38. Reset and Clock Control
21.3.4.1 Clock Control
Figure 21-39 illustrates one instance of the clock selection and enable circuit. There are four of these circuits in each UDB:
one for each of the PLD blocks, one for the datapath, and one for the status and control block. The main components of this
circuit are a global clock selection multiplexer, clock inversion, clock enable selection multiplexer, clock enable inversion, and
edge detect logic.
PLD0
Clock
Select/Enable pld0_clk (to PLD0)rc_in[3:0]
pld1_clk (to PLD1)
dp_clk (to Datapath)
sc_clk (to Status and Control)
cnt_routed_ reset (to SC counter)
sc_reset (firmware/system reset)
bus_clk_app, gclks[7:0]
dp_reset (firmware/system reset)
CFGx
EXT CLK SEL[1:0]
2
global_enable
PLD1
Clock
Select/Enable
DP
Clock
Select/Enable
SC
Clock
Select/Enable
rc_in_gated[3:0]
ext_clk
rc_in_gated[3:0]
sysreset
From channel routing
pld0_reset (firmware/system reset)
pld1_reset (firmware/system reset)
Reset
Select/Enable
mf
CFGx
EXT SYNC
bus_clk
f0_clk (to FIFO0)
f1_clk (to FIFO1)

208 PSoC 5LP Architecture TRM, Document No. 001-78426 Rev. *F
Universal Digital Blocks (UDBs)
Figure 21-39. Clock Select/Enable Control
Clock Selection
There are eight global digital clocks routed to all UDBs; any
of these clocks may be selected. Global digital clocks are
the output of user selectable clock dividers. See the Clock-
ing System chapter on page 109. Another selection is bus
clock, which is the highest frequency in the system. Called
“bus_clk_app,” this signal is routed separately from the sys-
tem bus clock. In addition, an external routing signal can be
selected as a clock input to support direct-clocked functions
such as SPI. Because application functions are mapped to
arbitrary boundaries across UDBs, individual clock selection
for each UDB subcomponent block supports a fine granular-
ity of programming.
Clock Inversion
The selected clock may be optionally inverted. This limits
the maximum frequency of operation due to the existence of
one half cycle timing paths. Simultaneous bus writes and
internal writes (for example writing a new count value while
a counter is counting) are not supported when the internal
clock is inverted and the same frequency as bus clock. This
limitation affects A0, A1, D0, D1, and the Control register in
counter mode.
Clock Enable Selection
The clock enable signal may be routed to any synchronous
signal and can be selected from any of the four inputs from
the routing matrix that are available to this block.
Clock Enable Inversion
The clock enable signal may be optionally inverted. This
feature allows the clock enable to be generated in any
polarity.
Clock Enable Mode
By default, the clock enable is OFF. After configuring the tar-
get block operation, software can set the mode to one of the
following using the CFGxEN MODE[1:0] register shown in
Figure 21-39.
Clock Enable Usage
There are two general usage scenarios for the clock enable.
Firmware Enable – It is assumed that most functions
require a firmware clock enable to start and stop the func-
tion. Because the boundary of a function mapped into the
UDB array is arbitrary–it may span multiple UDBs and/or
portions of UDBs–there must be a way to enable a given
function atomically. This is typically implemented from a bit
Latch
CFGx
CK SEL[3:0]
{bus_clk_app,ext_clk, gclk[7:0]}
clk
Clock Select
0000: gclk[0] 0100: gclk[4]
0001: gclk[1] 0101: gclk[5]
0010: gclk[2] 0110: gclk[6]
0011: gclk[3] 0111: gclk[7]
1000: ext_clk
1001: bus_clk_app
CFGx
EN SEL[1:0]
Enable Select
00: rc_in[0]
01: rc_in[1]
10: rc_in[2]
11: rc_in[3]
CFGx
EN INV
2
Enable Invert
0: true
1: inverted
4Clock Invert
0: true
1: inverted
rc_in_gated[3:0] FF
CFGx
EN MODE[1:0]
Enable Mode
00: off
01: on
10: positive edge
11: level
11
0
2
2
0
1
CFGx
CK INV
2
0
1
0
3
2
Table 21-23. Clock Enable Mode
Clock Enable
Mode Description
OFF Clock is OFF.
ON Clock is ON. The selected global clock is free running.
Positive Edge A gated clock is generated on each positive edge detect of
the clock enable input. Maximum frequency of enable
input is the selected global clock divided by two.
Level Clocks are generated while the clock enable input is high
('1').

PSoC 5LP Architecture TRM, Document No. 001-78426 Rev. *F 209
Universal Digital Blocks (UDBs)
in a control register routed to one or more clock enable
inputs. This scenario also supports the case where applica-
tions require multiple, unrelated blocks to be enabled simul-
taneously.
Emulated Local Clock Generation – This feature allows
local clocks to be generated by UDBs, and distributed to
other UDBs in the array by using a synchronous clock
enable implementation scheme, rather than directly clocking
from one UDB to another. Using the positive edge feature of
the clock enable mode eliminates restrictions on the duty
cycle of the clock enable waveform.
Special FIFO Clocking
The datapath FIFOs have special clocking considerations.
By default, the FIFO clocks follow the same configuration as
the datapath clock. However, the FIFOs have special control
bits that alter the clock configuration:
■Each FIFO clock can be inverted with respect to the
selected datapath clock polarity.
■When FIFO FAST mode is set, the bus clock overrides
the datapath clock selection normally in use by the FIFO.
21.3.4.2 Reset Control
There are two modes of reset control: legacy mode and
standard mode. The modes are controlled by the ALT RES
bit in each UDB configuration register CFG31. The default
for this bit is 0 (legacy mode); it is recommended that it be
set to 1 for standard mode. Standard mode has greater
granularity - routed resets can be used by individual blocks
within the UDB. Contact Cypress for information on legacy
mode reset.
PLD Reset Control
Figure 21-40 shows the PLD reset system.
Figure 21-40. PLD Reset Structure
Datapath Reset Control
Figure 21-41 shows the datapath reset system. The routed reset is applied to all datapath registers and states except the data
registers D0 and D1. The data registers are retention registers. The FIFO data is unknown after reset because it is RAM
based.
CFGx
PLD0 RES SEL[1:0]
Reset Select
00: rc_in[0]
01: rc_in[1]
10: rc_in[2]
11: rc_in[3]
2
CFGx
PLD0 RES POL
Reset Invert
0: true
1: inverted
rc_in[3:0]
set
res
DQ
QB
SSEL
0
1
0
1
RSEL
SSEL
PLD
Macrocell
M
C
PLD0
M
C
M
C
M
C
routed
reset
System
Reset
M
C
PLD1
M
C
M
C
M
C
sysreset
pld_routed_reset

210 PSoC 5LP Architecture TRM, Document No. 001-78426 Rev. *F
Universal Digital Blocks (UDBs)
Figure 21-41. Datapath Reset Structure
CFGx
DP RES SEL[1:0]
Reset Select
00: rc_in[0]
01: rc_in[1]
10: rc_in[2]
11: rc_in[3]
2
CFGx
DP RES POL
Reset Invert
0: true
1: inverted
rc_in[3:0]
sysrese
t
CFGx
EN RES DP
Carry Out
Register
Shift Out
Left
Register
Output
Sync
Registers
RES
Shift Out
Right Register
Accumulator
Accumulators
RES
Accumulator
Data Registers
RES
RES
RES
RES
FIFO0 Status
RES
FIFO1 Status
RES
ACTL
F0 CLR
ACTL
F1 CLR
sysreset_ret

PSoC 5LP Architecture TRM, Document No. 001-78426 Rev. *F 211
Universal Digital Blocks (UDBs)
Status and Control Reset Control
Figure 21-42 shows the status and control block reset system. The status and control/count registers share the routed reset,
however they are individually enabled. The mask/period and auxiliary control registers are retention registers.
Figure 21-42. Status and Control Reset Control
21.3.4.3 UDB POR Initialization
Register and State Initialization
Routing Initialization
On POR, the state of input and output routing is as follows:
■All outputs from the UDB that drive into the routing
matrix are held at '0'.
■All drivers out of the routing and into UDB inputs are ini-
tially gated to '0'.
As a result of this initialization, conflicting drive states on the
routing are avoided and initial configuration occurs in an
order-independent sequence.
CFGx
DP RES SEL[1:0]
Reset Select
00: rc_in[0]
01: rc_in[1]
10: rc_in[2]
11: rc_in[3]
2
CFGx
DP RES POL
Reset Invert
0: true
1: inverted
rc_in[3:0]
sysreset
CFGx
EN RES DP
Carry Out
Register
Shift Out
Left
Register
Output
Sync
Registers
RES
Shift Out
Right
Register
Accumulator
Accumulators
RES
Accumulator
Data Registers
RES
RES
RES
RES
FIFO0 Status
RES
All elements of the Datapath are reset by the
selected DP routed reset signal, EXCEPT the
Data Registers
FIFO1 Status
RES
ACTL
F0 CLR
ACTL
F1 CLR
sysreset_ret
Table 21-24. UDB POR State Initialization
State Element State Element POR State
Configuration Latches CFG 0 - 31 0
Ax, Dx, CTL, ACTL, MSK Accumulators, data registers,
auxiliary control register,
mask register 0
ST, MC Status and macrocell read
only registers 0
DP CFG RAM & Fx (FIFOs) Datapath configuration RAM
and FIFO RAM Unknown
PLD RAM PLD configuration RAM Unknown

212 PSoC 5LP Architecture TRM, Document No. 001-78426 Rev. *F
Universal Digital Blocks (UDBs)
21.3.5 UDB Addressing
There are three unique address spaces in a UDB pair:
■8-Bit Working Registers – A bus master that can only
access 8 bits of data per bus cycle can use this address
space to read or write any UDB working register. These
are the registers with which the CPU and DMA interact
during normal operation.
■16-Bit Working Registers – A bus master with 16-bit
capability, such as the DMA or the PSoC 5LP Cortex-
M3, can access 16 bits per bus cycle to facilitate the
data transfer of functions that are inherently 16 bits or
greater. Although this address space is mapped into a
different area than the 8-bit space, the same registers
are accessed, two registers at a time.
■8- or 16-Bit Configuration Registers – These registers
configure the UDB to perform a function. When config-
ured, they are normally left in a static state during opera-
tion. These registers maintain their state through sleep.
21.3.5.1 Working Register Address Space
Working registers are accessed during normal operation
and include accumulators, data registers, FIFOs, status and
control registers, mask register, and the auxiliary control
register.
Figure 21-43 shows the register map for one UDB.
On the right in Figure 21-43 is the 16-bit address, which is
always even aligned. The UDB number is 5 bits instead of 4,
due to the even address alignment. The upper 4 bits is still
the register number.
Figure 21-43. UDB Working Registers
8-Bit Working Register Access
In this mode, all UDB registers are accessed on byte-
aligned addresses. In 8-bit register access mode, as shown
in Figure 21-44, all data bytes written to the UDBs are
aligned with the low byte of the 16-bit UDB bus.
Only one byte at a time can be accessed in this mode.
Figure 21-44. 8-Bit Working Register Access
A0
1xh
UDB Working Base +
0xh
A1
D0
D1
F0
F1
ST
CTL/CNT
MSK/PER
ACTL
MC
2xh
3xh
4xh
5xh
6xh
7xh
8xh
9xh
Axh
Bxh
2xh
4xh
6xh
8xh
Axh
Cxh
Exh
10xh
12xh
14xh
16xh
0xh
8-Bit
Addresses
16-Bit
Addresses
A0
UDB 1
A1
A0
UDB 0
A1
A0
UDB 2
A1
Low byteLow byteLow byte
16-Bit UDB Array Data Bus

PSoC 5LP Architecture TRM, Document No. 001-78426 Rev. *F 213
Universal Digital Blocks (UDBs)
16-Bit Working Register Address Space
The 16-bit address space is designed for efficient DMA access and to provide support for CPU firmware access in processors
that can support it, such as the Cortex-M3 in PSoC 5LP. There are two modes of 16-bit register access, the “default” mode
and the “concat” mode. As shown in Figure 21-45, the default mode accesses a given register in UDB 'i' in the lower byte and
the same register in UDB 'i+1' in the upper byte. This makes 16-bit data handling efficient in neighboring UDBs (address
order) that are configured as a 16-bit function.
Figure 21-45. 16-Bit Working Register Default Access Mode
In concat mode, the registers of a single UDB are concate-
nated to form 16-bit registers as shown in Figure 21-46. In
this mode, the 16-bit UDB array data bus has access to
pairs of registers in the UDB in the format shown in the fig-
ure. For example, an access at A0 accesses A0 in the low
byte and A1 in the high byte.
Figure 21-46. 16-Bit Working Register Concat Access
Mode
There is a limitation in the use of DMA with respect to the
16-bit working register address space. It is inefficient for use
when the function is greater than 16 bits. This is because
the addressing overlaps, as shown in Table 21-25.
When the DMA transfers 16 bits to address 0, the lower and
upper bytes are written to UDB0 and UDB1, respectively. On
the next 16 bit DMA transfer at address 2, you overwrite the
value in UDB1 with the lower byte of that transfer.
To avoid having to provide redundant data organization in
memory buffers to support this addressing, it is recom-
mended that 8-bit DMA transfers in the 8-bit working space
be used for functions over 16 bits.
A0
UDB 1
A1
A0
UDB 0
A1
A0
UDB 2
A1
Low byte
16-Bit UDB Array Data Bus
16 bits at
UDB 0
High byte Low byte High byte Low byte
16 bits at
UDB 1
16 bits at
UDB 2
A1
UDB i
A0
16 bits at
UDB i
16-Bit UDB Array Data Bus
D1 D0
F1 F0
CTL/CNT ST
ACTL MSK/PER
00h MC
Low byteHigh byte
Table 21-25. Optimized Address Space for 16-Bit UDB
Function
Address Upper Byte Goes Lower Byte Goes
0 UDB1 UDB0
2 UDB2 UDB1
4 UDB3 UDB2

214 PSoC 5LP Architecture TRM, Document No. 001-78426 Rev. *F
Universal Digital Blocks (UDBs)
21.3.5.2 Configuration Register Address
Space
Configuration is done at the UDB pair level. A UDB pair con-
sists of two UDBs and an associated routing channel, as
shown in Figure 21-47.
Figure 21-47. UDB Pair Configuration Address Map
21.3.5.3 UDB Configuration Address Space
Figure 21-48 shows the address map for configuration of a
given UDB. As shown, this UDB configuration space is repli-
cated for the two UDBs in the UDB pair. There are 128 bytes
(7 bits of address) reserved for each UDB configuration,
which is organized in 16-bit width. There are individual byte
write enables for this address space to support both 16- and
8-bit access. Note that 16-bit access on odd boundaries is
not supported. Reads always return 16 bits in configuration
space, and the byte not required can be ignored.
Figure 21-48. UDB Configuration Address Space
21.3.5.4 Routing Configuration Address
Space
UDB routing configuration consists of embedded RAM bits
to control the state of transmission gate switches, segmen-
tation, and input/output buffers. For more information, see
the UDB Array and Digital System Interconnect chapter on
page 217.
UDB Pair k Routing
256 bytes
UDB i
128 bytes
100h
80h
UDB Pair k Base + 0
UDB i+1
128 bytes UDB Pair k
512 bytes
200h
Dynamic Configuration RAM
(16 bytes)
(8 words x 16 bits)
(MS Byte) (LS byte)
PLD0/PLD1
64 bytes
(32 words x 16 bits)
UDB Config Registers
(32 bytes)
(16 words x 16 bits)
00h
40h
60h
Reserved
(16 bytes)
70h
80h
128
bytes
Write
High Byte Write
Low Byte
Read Word
(16 bits)

PSoC 5LP Architecture TRM, Document No. 001-78426 Rev. *F 215
Universal Digital Blocks (UDBs)
21.3.6 System Bus Access Coherency
UDB registers have dual access modes:
■System bus access, where the CPU or DMA is reading or writing a UDB register.
■UDB internal access, where the UDB function is updating or using the contents of a register.
21.3.6.1 Simultaneous System Bus Access
The following table lists the possible simultaneous access events and required behavior:
21.3.6.2 Coherent Accumulator Access
(Atomic Reads and Writes)
The UDB accumulators are the primary target of data com-
putation. Therefore, reading these registers directly during
normal operation gives an undefined result, as indicated in
the table above). However, there is built-in support for
atomic reads in the form of software capture, which is imple-
mented across chained blocks. In this usage model, a read
of the least significant accumulator transfers the data from
all chained blocks to their associated FIFOs. This operation
is explained in FIFO Software Capture Mode on page 186.
Atomic writes to the accumulator can be implemented pro-
grammatically. Individual writes can be performed to the
input FIFOs, and then the status signal of the last FIFO writ-
ten can be routed to all associated blocks and simultane-
ously transfer the FIFO data into the Dx or Ax registers.
Table 21-26. Simultaneous System Bus Access
Register UDB Write
Bus Write UDB Write
Bus Read UDB Read
Bus Write UDB Read
Bus Read
Ax Undefined result Not allowed directlya, b
a. The Ax registers can be safely read by using software capture feature of the FIFOs.
b. The Dx registers can only be written to dynamically by the FIFOs. When this mode is programmed, direct read of the Dx registers is not allowed.
UDB reads previous value Current value is read
by both
Dx
Fx Not supported (UDB and bus must be
opposite access) If FIFO status flags are used, no simultaneous read/write at the same location is
possible
Not supported (UDB
and bus must be
opposite access)
ST NA, bus does not write Bus reads previous value NA, UDB does not read
CTL NA, UDB does not write
UDB reads previous value Current value is read
by both
CNT Undefined result Not allowed directlyc
c. The CNT register can only be safely read when it is disabled. An alternative for dynamically reading the CNT value is to route the output to the SC register
(in transparent mode).
ACTL
NA, UDB does not writeMSK
PER
MC (RO) NA, bus does not write Not allowed directlyd
d. MC register bits can also be routed to the status register (in transparent mode) inputs for safe reading.
NA, bus does not write

216 PSoC 5LP Architecture TRM, Document No. 001-78426 Rev. *F
Universal Digital Blocks (UDBs)
21.4 UDB Working Register Reference
All registers except the FIFO are cleared upon any system reset. The FIFO status is cleared, but FIFO data is random. These
registers are not retention registers so they must be reset upon wakeup from a power cut-off sequence.
Register 8-Bit
Address 16-Bit
Address 7 6 5 4 3 2 1 0
Datapath Registers
A0 0xh 00xh A0[7:0]
(Accumulator 0 Value)
A1 1xh 02xh A1[7:0]
(Accumulator 1 Value)
D0 2xh 04xh D0[7:0]
(Data Register 0)
D1 3xh 06xh D1[7:0]
(Data Register 1)
F0 4xh 08xh F0[7:0]
(FIFO 0)
F1 5xh 0Axh F1[7:0]
(FIFO 1)
Status and Control Registers
ST 6xh 0Cxh ST[7:0]
(Status Register)
CTL/CNT 7xh 0Exh CTL[7:0] / CNT[6:0]
(Control / Count Register)
MSK/PER 8xh 10xh MSK[6:0] / PER[6:0]
(Interrupt Mask / Period Register)
Auxiliary Control Register
ACTL 9xh 12xh CNT START INT EN FIFO1 LVL FIFO0 LVL FIFO1 CLR FIFO0 CLR
PLD Macrocell Register
MC Axh 14xh PLD1 MC[3:0] PLD0 MC[3:0]

PSoC 5LP Architecture TRM, Document No. 001-78426 Rev. *F 217
22. UDB Array and Digital System Interconnect
This chapter describes the structure of the UDB Array and Digital System Interconnect (DSI). Universal digital blocks (UDBs)
are organized in the form of a two-dimensional array with programmable interconnect provided by the DSI. In addition to con-
necting UDB components, the DSI routing also provides connection between other hardware resources on the device, such
as I/O pins, interrupts, and fixed function blocks.
22.1 Features
■Offers a homogeneous array of UDBs which provide flexible function mapping
■Provides array level interconnect routing between the components of the UDB hardware
■Provides device level interconnect routing between UDBs, device peripherals, and I/O pins
22.2 Block Diagram
Figure 22-1 illustrates the programmable digital architecture for PSoC 5LP.
Figure 22-1. Programmable Digital Architecture
UDB
UDB
UDB
UDB
UDB
UDB
UDB
UDB
UDB
UDB
UDB
UDB
UDB
UDB
UDB
UDB
IO Port
Digital Core System
and Fixed Function Peripherals
UDB Array
UDB Array
IO Port IO Port
IO Port
DSI Routing Interface
DSI Routing Interface
INT/DMA
Routing INT/DMA
Controller
Digital Core System
and Fixed Function Peripherals

218 PSoC 5LP Architecture TRM, Document No. 001-78426 Rev. *F
UDB Array and Digital System Interconnect
The main components of this system are:
■UDB Array:- UDB blocks are arrayed within a matrix of
programmable interconnect. UDB pairs consisting of 2
UDBs are the basic building blocks of the UDB array.
UDB pairs are tiled to create an array. UDB pairs can
connect with neighboring UDB pairs in seamless fashion
■DSI- Routing interface tiled at top and bottom of UDB
array core. Provides general purpose programmable
routing between device peripherals, including UDBs, I/
Os and fixed function blocks.
■System Interface (not shown)- Built in 8/16-bit bus inter-
face with parallel access to all registers to support fast
configuration. Also provides clock distribution and clock
gating functionality.
The following section explain in detail the DSI routing and
System Interface.
22.3 How It Works
The purpose of the DSI is to provide general purpose pro-
grammable connectivity across the device. Peripherals and
system blocks that require connectivity are routed to this
interface at the UDB array, which allows connections into
the core of the array or directly between device peripherals.
Signals in this category include:
■Interrupt requests from all digital peripherals in the sys-
tem
■DMA requests from all digital peripherals in the system
■Digital peripheral data signals that need flexible routing
to I/Os
■Digital peripheral data signals that need connections to
UDBs
■Connections to the interrupt and DMA controllers
■Connection to I/O pins
■Connection to analog system digital signals
Figure 22-2 and Figure 22-4 show some examples of the
device peripherals that are connected to this interface,
including UDBs, I/Os, analog peripherals, interrupts, DMA,
and fixed function peripherals.
Figure 22-2. DSI Example Connections to the Interrupt and DMA Controller
UDB
UDB
UDB
UDB
UDB
CAN
Interrupt
Controller
DMA
Controller REQ
CAN Interrupt
request
UDB DMA Request
USB
REQ
USB DMA
request
DSI Routing Interface
UDB
UDB Interrupt
Request

PSoC 5LP Architecture TRM, Document No. 001-78426 Rev. *F 219
UDB Array and Digital System Interconnect
Figure 22-3. DSI Example Connections between Peripherals, I/O Pins, and UDBs
UDB
UDB
UDB
UDB
UDB
DSI Routing Interface
I/O
Pin
UDB
SDA
IN SDA
OUT SDA
IN SDA
OUT
I/O
Pin
I2C
TC
Timer
I/O
Pin EN

220 PSoC 5LP Architecture TRM, Document No. 001-78426 Rev. *F
UDB Array and Digital System Interconnect
22.4 UDB Array System Interface
The system interface consists of infrastructure blocks that
distribute and interface the device system bus to the UDB
array bus and to the UDB blocks, the DSI channel routing,
and the UDB pair channel routing. Depending on the config-
uration of the array, there is one or more AHB interfaces that
connect to PHUB spokes providing an interface to the UDB
array system bus. Both 8-bit and 16-bit bus access is sup-
ported. The system interface also provides support for clock
distribution and gating for the digital global clocks and bus
clock. A gated clock tree distribution is implemented to allow
only those clocks that are in use to be activated.
Following are the system interface components:
■AHB Interface – Connects to a standard PHUB spoke
and provides support for up to 1 bank of UDBs (16).
Controls array wait states and translates AHB signaling
into array register and routing configuration access con-
trol.
■DSI Channel IF – Interfaces the UDB array bus to the
DSI routing channel for writing and reading configura-
tion.
■UDB Local IF – Interfaces the UDB array bus to the
UDB blocks for registers and RAM access, and provides
local clock gating.
■UDB Pair Channel – Interfaces the UDB array bus to
the pair routing channel for writing and reading configu-
ration.
■Bank IF – Contains the master clock gating and bank
wide configuration interface signals.
■8-Bit WAIT_CFG Register – Sets the read and write
wait states for working and configuration registers.
■4-Bit BANK_CTL Register – Contains global bank con-
trol bits.
❐One bit to globally enable all DSI inputs. On POR, all
DSI inputs are gated off until the DSI channel is con-
figured. This bit globally enables DSI inputs to drive
the routing.
❐One to disable all UDB status register clear-on-read
function for debug support.
❐One to put the embedded DP RAM into test mode for
DFT support.
❐One to put the bank into global write mode, also for
DFT support.
There are eight digital global clocks, plus the application bus
clock, routed to each bank of UDBs. The UDB local interface
blocks contain clock gating control registers, which must be
set by configuration firmware to enable clock distribution.
There are four registers in each block:
■8-Bit MDCLK_EN (Master Digital Clock Enable) – This
register individually enables the digital global clocks at
the input to the UDB array.
■1-Bit MBCLK_EN (Master Bus Clock Enable) – This
register individually enables the application bus clock at
the input to the UDB array.
■8-Bit DCLK_ENx (Quadrant Digital Clock Enable) – This
register individually enables the digital global clocks to
the associated quadrant (4 UDBs) of the UDB array.
■1-Bit BCLK_ENx (Quadrant Bus Clock Enable) – This
register individually enables the bus clock to the associ-
ated quadrant (4 UDBs) of the UDB array. It also con-
tains bits to put the associated routing channel RAM into
global write mode.
22.4.1 UDB Array POR Initialization
The key aspects of POR initialization are summarized as fol-
lows.
■All UDB clocks are gated off. There are three levels of
clock gating configuration: one at the UDB level for each
individual block clock control and a set of registers at the
array level that controls master and quadrant clock gat-
ing.
■The state of all drivers into the routing matrix is gated to
‘0’ with a global routing enable control. This includes
UDB block outputs, DSI inputs, and segmentation buf-
fers. Because the routing is initialized to a random state,
the state of routing nets will be either ‘0’ or ‘Z’.
■The inputs of all routing output buffers, including seg-
mentation buffers, are gated to ‘0’ with a global routing
enable control. This prevents floating routes from caus-
ing high power states. This also drives the buffer outputs
to ‘0’ and that is the state for all DSI outputs.
■Configuration can occur in an order-independent way.
When configuration is complete, each bank of UDBs has
a global routing enable which is asserted to activate the
connections (forced gating is disabled).
■After routing is enabled, a global clock enable bit (bank
enable) can be set (residing in the power manager)
which then enables clocking in the array. The bank
enable bit prevents any spurious operation until the
array is completely configured.

PSoC 5LP Architecture TRM, Document No. 001-78426 Rev. *F 221
UDB Array and Digital System Interconnect
22.4.2 UDB POR Configuration Sequence
The previous section documented the POR state for the UDB array. From this initial state, configuration will proceed in the
order shown in Figure 22-4.
Figure 22-4. POR Configuration Sequence
Routing configuration is random,
but due to the fact that routing
and clocking is disabled, array is
in a benign state.
Configure routing, PLD RAM, Datapath
RAM, and Datapath CFG registers in
the UDB blocks. Also can configure
working registers if desired.
Configuration is order independent.
Now that routing and UDB block
configuration is done, you can enable
clock configuration input to use the
routed enable for the clock. The clock
trees are still gated off.
Routing between blocks and initial DSI
outputs are enabled.
The set of clocks to enable is
determined by how clocks are allocated
in the array. Enabling only clocks that
are used reduces the UDB array power.
This does not actually enable the
clocks. There is a global clock enable
for the UDB array in the power
manager block (Step 6).
There is one bit per bank (in one
register) in the Power Manager register
set. This allows for a global atomic
clock enable for the entire UDB array.
Need to start from the sources and
work forward to avoid temporary high
current states. Need to include a
routed enable to implement an atomic
firmware enable.
Configuration Engine Performs These Steps
Step 1
POR
Step 2
Configure Array
Step 3
Enable Clock
Configuration to
Input Routed Clock
Enable
Step 4
Enable Quadrant
Clock Enables and
Then Global Clock
Enables
Step 5
Enable Routing
Step 6
Enable the UDB
Bank Enable Bit in
the Power Manager
Step 7 - Done.
User Can Write to
Firmware Enable
Bits in Control
Register to Start
Functions

222 PSoC 5LP Architecture TRM, Document No. 001-78426 Rev. *F
UDB Array and Digital System Interconnect
22.4.2.1 Quadrant Route Disable
To support fast bring up of initial functionality, the Quadrant
Bus Clock Enable register contains a bit called Route Dis-
able to disable the routing for the associated UDB quadrant
(2 UDB pairs). By default, this bit is cleared and is not dis-
abling the routing. If this bit is set to ‘1’ during initial configu-
ration, the associated channel routing RAM does not need
to be configured. The global route enable bit can be set and
this routing will remain in a benign state. Routing configura-
tion for this quadrant can occur at a future time when this bit
can be cleared to ‘0’ to enable the routing (assuming that
the global route enable bit is set).
22.4.3 UDB Sleep and Power Control
The UDB array has support for low-power operation in the
form of a sleep control input and power switch control
inputs. All static configurations are on the “keep-alive”
domain which retains state during a sleep/power down
period. However, all application level working registers,
including the accumulators, the data registers, the FIFO,
control and status registers, etc., lose their state and must
be reinitialized on power up. Nonretention registers and
FIFO state are reset after a sleep period to insure a good ini-
tial state.
22.4.4 UDB Register References and
Address Mapping
UDB registers are classified as shown in the Figure 22-5.
There are five address spaces: one for 8-bit working regis-
ters (registers that are accessed during normal operation),
one for 16-bit working registers, and three for configuration.
Each bank of UDBs is on a separate spoke, so a total of 6
select lines are generated from the PHUB to support the
UDB array. The working registers are on the main 64K page
(Page 0). The configuration registers have their own page
(Page 1). Details of these registers are located in the
PSoC® 5LP Registers TRM (Technical Reference Manual).
Figure 22-5. UDB Register Mapping
UDB Registers
8-Bit Working 16-Bit Working
Working
Registers
Default Access
Concatinated
Configuration
Registers
UDB Bank Array DSI Interface
Configuration Bank Control
UDB Pair
Configuration
UDB Channel
Interface
Configuration

PSoC 5LP Architecture TRM, Document No. 001-78426 Rev. *F 223
UDB Array and Digital System Interconnect
Figure 22-6 shows the register mapping for working and configuration registers of UDB and DSI.
Figure 22-6. UDB Array Base Addresses
6400h
6500h
6800h
6A00h
Address Page 0
0000h
2000h
Address Page 1
6600h
6700h
6C00h
6E00h
7000h
1000h
3000h
4000h
4800h
5000h5000h
5010h
5020h
5100h
8K Bytes
32 Bytes
512
Bytes
1K Bytes
8-Bit
Working
Register
Address
Space
16-Bit
Working
Register
Address
Space
UDB Array
Configuration
Space
(maximum used:
13K)
DSI
Configuration Space
(maximum used:
4K)
Bank
Configuration
Space
5200h
256
Bytes
Interrupt
and DMA
Configuration
3K Bytes
Bank 0
8-Bit
Working Registers
Bank 1
8-Bit
Working Registers
Bank 0
16-Bit
Working Registers
Bank 1
16-Bit
Working Registers
Reserved
Reserved
Reserved
Reserved
Bank 0
Array Configuration
Bank 1
Array Configuration
Reserved
Reserved
DSI Configuration
Reserved
Bank 1 Control
Reserved
Reserved
INT/DMA
Configuration
Reserved
Bank 0 Control

224 PSoC 5LP Architecture TRM, Document No. 001-78426 Rev. *F
UDB Array and Digital System Interconnect

PSoC 5LP Architecture TRM, Document No. 001-78426 Rev. *F 225
23. Controller Area Network (CAN)
The CAN peripheral is a fully functional Controller Area Network (CAN) supporting communication baud rates up to 1 Mbps.
The CAN controller is CAN2.0A and CAN2.0B compliant per the ISO-11898 specification. The CAN protocol was originally
designed for automotive applications with a focus on a high level of fault detection and recovery. This ensures high communi-
cation reliability at a low cost. Because of its success in automotive applications, CAN is used as a standard communication
protocol for motion oriented embedded control applications (CANOpen) and factory automation applications (DeviceNet). The
CAN features allow the efficient implementation of higher level protocols without affecting the performance of the microcon-
troller CPU.
Figure 23-1. CAN Bus System Implementation
23.1 Features
■Compliant with CAN2.0A/B protocol specification:
❐Standard and extended frames
❐Remote Transmission Request (RTR) support
❐Programmable bit rate up to 1 Mbps
■Receive path:
❐16 receive message buffers
❐16 acceptance filters and acceptance masks
❐DeviceNet addressing support
❐Option to link multiple receive buffers to form a hardware FIFO
■Transmit path:
❐Eight transmit message buffers
❐Programmable priority for each transmit message buffer
■CAN Transmit (Tx), Receive (Rx), and EN can be routed to any I/O
■Listen Only mode for auto baud detection
■Ability to wake up the device from Sleep mode on bus activity
CAN Drivers
CAN Controller
CAN Transceiver
PSOC
CAN Node 1 CAN Node 2 CAN Node n
RX
EN
TX
CAN_H CAN_L CAN_LCAN_H CAN_H CAN_L
CAN Bus

226 PSoC 5LP Architecture TRM, Document No. 001-78426 Rev. *F
Controller Area Network (CAN)
23.2 Block Diagram
To transmit a message, the host controller stores a message in the transmit message buffer and informs the transmit mes-
sage handler which transmits the message. When a message is received, it is stored in the memory buffer and the host con-
troller can process it on demand. The transmission and reception are mainly governed by the status and configuration
registers. The various interrupts of the CAN module are handled by the interrupt controller unit. Figure 23-2 illustrates this
process.
Figure 23-2. CAN Block Diagram
23.3 CAN Message Frames
In CAN the transmission and reception of messages are
governed by four main frame types:
■Data frames
■Remote frame
■Error frame
■Overload frame
23.3.1 Data Frames
Data frames are mainly used to transfer data between trans-
mitter and receiver. CAN supports mainly two types of data
frames: Standard Data Frame and Extended Data Frame.
For a CAN frame, '0' is referred to as the dominant bit and '1'
as a recessive bit.
23.3.1.1 Standard Data Frame
The standard data frame for CAN is illustrated in Figure 23-3
on page 227.
Advanced
Peripheral
Bus
(APB)
Coupler
Memory
Buffer
(SRAM)
Memory
Arbiter
Receive
Message
Handler
Transmit
Message
Handler
Interrupt
Controller
Status and
Configuration
Control and
Command
CAN
Framer
CAN Module
CAN
Bus
TO
CPU/PHUB

PSoC 5LP Architecture TRM, Document No. 001-78426 Rev. *F 227
Controller Area Network (CAN)
Figure 23-3. Standard Data Frame
Start of frame. The beginning of a data frame is indicated
by the start of frame bit. It is a single dominant bit.
Identifier. For a basic CAN data frame, the identifier is 11
bits long. It is mainly used to filter the data at the receiver
side.
Remote Transmission Request Bit (RTR). Set the RTR
bit '0' (dominant) for a data frame and set to '1' (recessive)
for a remote frame. The identifier and RTR bit are known as
the Arbitration Field.
Extended Identifier Bit (IDE). This bit must be a ‘0’ (domi-
nant for a standard data frame and a ‘1’ (recessive) for
extended CAN data frame.
R0. Reserved bit.
Data Length Code (DLC). These 4 bits indicate the num-
ber of data bytes in the data field. The IDE, R0, and DLC
bits constitute the Control Field.
Data Field. This field contains the message data. It is of
variable length and can have a maximum of 8 bytes.
Cyclic Redundancy Check (CRC). Frame checking is car-
ried out by the method of cyclic redundancy check (CRC).
The field consists of a 15-bit CRC code followed by a CRC
delimiter.
Acknowledgement Field (ACK). The ACK field is two bits
long and recessive by default. When a receiver receives a
message correctly, it overwrites the ACK field with a domi-
nant bit.
End of Frame. The end of every frame is indicated by End
of Frame field and it consists of seven recessive bits.
23.3.1.2 Extended Data Frame
The extended CAN frame format is illustrated in Figure 23-4. The extended CAN has a 29-bit identifier. It is arranged as an
11-bit identifier field and an 18-bit identifier field separated by a Substitute Remote Request (SRR) bit and an IDE bit. The
SRR bit is in the same position as the RTR bit in the standard frame, and is recessive. The IDE bit is set for extended frames.
The Control Field of the extended data frame has an additional reserve bit ‘R1’ compared to the standard data frame.
Figure 23-4. Extended Data Frame
Start of
Frame
Arbitration Field
Identifier
(11 Bits) RTR
Control Field
IDE DLC
(4 Bits) CRC
Field ACK
Field End of
Frame
Interframe
Space Interframe
Space
R0 Data
(Maximum 8
Bytes)
Start of
Frame
Identifier
(11 Bits) SRR RTR DLC
(4 Bits) CRC
Field ACK
Field End of
Frame
Interframe
Space Interframe
Space
IDE Identifier
(18 Bits) R1 R0 Data
(Maximum
8 Bytes)
Control Field
Arbitration Field

228 PSoC 5LP Architecture TRM, Document No. 001-78426 Rev. *F
Controller Area Network (CAN)
23.3.2 Remote Frame
The CAN bus allows a destination node to request data from
the source by sending a Remote Frame. There are two dif-
ferences between a Data Frame and a Remote Frame.
First, the RTR bit is transmitted as a recessive bit in the
remote Frame. Second, there is no Data Field in the Remote
Frame.
For extended remote frame, the SRR bit is also transmitted
as a recessive bit.
Interframe Space. Interframe space separates the data
frames and remote frames from the preceding frames.
23.3.3 Error Frame
The Error frame is generated by a node when it detects any
bus error. The error frame consists of an error flag and error
delimiter. The error flag are classified into two types: error
active flag and error passive flag.
Error Active Flag. When an error active station detects an
error it sends six dominant bits as an active error flag. The
format of the error flag thus violates the rule of bit stuffing
thereby forcing all other nodes to send out error flags result-
ing in a series of six to twelve dominant bits on the bus.
Error Passive Flag. An error passive flag consists of six
recessive bits. When an error passive station detects an
error it sends a passive error flag. A passive error does not
affect any other nodes and the error is detected only if the
transmitting node detects a bus error. The Error Delimiter
consists of eight recessive bits.
23.3.4 Overload Frame
The overload frame (EOF) consists of an overload flag and
an overload delimiter. CAN supports reactive overload
frame which is activated when the following conditions
occur:
■Detection of a dominant bit during first two bits of inter-
mission
■Detection of a dominant bit in the last bit of EOF by a
receiver
■Detection of a dominant bit by any node at the last bit of
error delimiter or overload delimiter
23.4 Transmitting Messages in CAN
The CAN module supports eight transmit message holding buffers. An internal priority arbiter selects the message according
to the chosen arbitration scheme. The arbitration scheme is either a round robin or fixed priority scheme. When a message is
transmitted or when there is a message arbitration loss, the priority arbiter re-evaluates the message priority of the next mes-
sage. The receive message buffers can also transmit remote transmit requests, which are explained later in this chapter.

PSoC 5LP Architecture TRM, Document No. 001-78426 Rev. *F 229
Controller Area Network (CAN)
Figure 23-5. Transmit (Tx) Block Diagram
ABP
Bus
Coupler
TxMESSAGE1
TxMESSAGE0
TxMESSAGE7
RxMESSAGE1
RxMESSAGE0
RxMESSAGE15
Priority
Arbiter
CAN
Framer
TxREQ
TxREQ
TxREQ
RTR REQ
RTR REQ
RTR REQ
To
CPU/PHUB
CAN
Bus
CAN Module

230 PSoC 5LP Architecture TRM, Document No. 001-78426 Rev. *F
Controller Area Network (CAN)
23.4.1 Message Arbitration
The priority arbiter supports a round robin and fixed priority
arbitration. The arbitration mode is selected using the con-
figuration register.
Round Robin. In a round robin scheme, Buffer 0 is
selected first, then Buffer 1 and so on till Buffer 7, and it con-
tinues again with Buffer 0 thus forming a cycle. A particular
buffer is only selected if its TxREQ flag is set. This scheme
guarantees that all buffers receive the same probability to
send a message.
Fixed Priority. Buffer 0 has the highest priority. Designate
Buffer 0 as the buffer for critical messages to guarantee that
message is sent first. Priority arbitration is selected using
the CFG_ARBITER bit in the Configuration register
(CAN_CSR_CFG[12]).
Note RTR reply messages have higher priority than Tx
messages. If there are multiple Tx messages in the trans-
mission queue of the CAN block while an RTR message is
received, it completes transmission of the next Tx message
before sending the RTR reply.
23.4.2 Message Transmit Process
Figure 23-6 shows the registers associated with a message
that is transmitted.
The main steps in transmitting a standard data frame are:
1. Write the message into an empty transmit message
holding buffer. An empty buffer is indicated by TxREQ
flag equal to zero. PSoC 5LP CAN block initialization
must be complete before starting any message trans-
mission on the CAN bus. If initialization is not complete
before the first CAN message, the device may fail to
comply with the CAN start up synchronization wait
period.
a. For standard data frame, write '0' (dominant) to the
RTR and IDE bit.
b. Write the DLC bits appropriately to specify the num-
ber of data bytes to be transferred. The maximum
number of data bytes is limited to eight. Data bytes
with MSb (most significant bit) first in each byte are
written in D0, D1…D7 locations.
c. The 11-bit message identifiers are written to the
ID[31:21] bit field.
2. Choose an appropriate priority arbitration scheme. The
internal message priority arbiter selects the message
according to the chosen arbitration scheme.
3. Request transmission by setting the respective TxREQ
flag to ‘1’.
4. The TxREQ flag remains set as long as the message
transmit request is pending. The content of the message
buffer must not be changed while the TxREQ flag is set.
After the message is transmitted, the TxREQ flag is cleared
and the TX_MSG interrupt status bit
[CAN_CSR_INT_SR[11] in the interrupt status register
CAN_CSR_INT_SR is asserted. The interrupt status bit is
only asserted if the TxINT ENBL (CAN_TX[n]_CMD[2]) is
set to ‘1’.
Figure 23-6. Transmit (Tx) Message Registers
Reserved
[31:24] WPN2
[23] Reserved 1
[22]
RTR
[21] IDE
[20] DLC
[19:16]
ID
[31:3]
D0
[63:56]
REGISTERS
COMMAND REGISTER
(CAN_Txn_CMD)
IDENTIFIER
(CAN_Txn_ID)
DATA REGISTER High
(CAN_Txn_DH)
DATA REGISTER Low
(CAN_Txn_DL)
D1
[55:48] D2
[47:40] D3
[39:32]
D4
[31:24] D5
[23:16] D6
[15:8] D7
[7:0]
n = 0,1,…,7
Tx
REQ
[0]
Tx
ABORT
[1]
Tx INT
ENBL
[2]
WPN1
[3]
Reserved
[15:4]
Reserved [2:0]

PSoC 5LP Architecture TRM, Document No. 001-78426 Rev. *F 231
Controller Area Network (CAN)
23.4.3 Message Abort
A message is aborted by setting the TxABORT flag
(CAN_TX[n]_CMD[1]) in the CAN_TX[n]_CMD register. This
bit is automatically cleared by the hardware when the mes-
sage is aborted.
Note 1. The CAN Buffer register (CAN_CSR_BUF_SR) is
used to read whether any transmission requests are pend-
ing.
Note 2. If the write protect bit wpn2 (CAN_TX[n]_CMD[23])
is ‘0’, then the bits [21:16] of the Command register cannot
be modified because they are protected and provides an
undefined value on read back.
Note 3. If the write protect bit wpn1 (CAN_TX[n]_CMD[3])
is ‘0’, then the bit [2] of the Command register cannot be
modified. This bit gives a ‘0’ upon read back.
Note 4. Using the WPN flags(wpn1 and wpn2) enables sim-
ple retransmission of the same message by only having to
set the TxREQ flag without taking care of the special flags
(RTR,IDE,DLC and TxINTENBL).
23.4.4 Transmitting Extended Data
Frames
For transmitting an extended data frame certain register set-
tings must change compared to that of a standard data
frame. These changes are as follows.
■For extended date frame, write '1' (recessive) to the IDE
bit.
■The message identifiers are written to the ID[31:3] bit
field.
23.5 Receiving Messages in CAN
The CAN module has 16 receive message buffers as illustrated in Figure 23-7. Each message buffer has a dedicated accep-
tance filter. The CAN message is received by the CAN framer and then the received message is simultaneously compared
with all the acceptance filters and the accepted message is stored in the respective receive message buffer. The message
available (MSG AV) bit in the message buffer is set to indicate the availability of the new message. Message receipt must be
acknowledged by clearing the MSG AV flag to allow receipt of another message.
The acceptance filter is configured by the Acceptance Mask Register (AMR) and the Acceptance Code Register (ACR).
Figure 23-7. Receive (Rx) Block Diagram
Acceptance Filter 0
Acceptance Filter 1
Acceptance Filter 2
Acceptance Filter 15
RxMESSAGE
Handler CAN
Framer
1
2
3
16
CAN
Bus
CAN Module
RxMESSAGE0
RxMESSAGE1
RxMESSAGE2
RxMESSAGE15

232 PSoC 5LP Architecture TRM, Document No. 001-78426 Rev. *F
Controller Area Network (CAN)
23.5.1 Message Receive Process
Figure 23-8 shows the registers associated with a received message.
Figure 23-8. Receive (Rx) Message Registers
The main steps in receiving a message are:
1. After receipt of a new message, the RxMessageHandler
hardware (as seen in Figure 23-7) searches all receive
buffer starting from RxMessage0 until it finds a valid buf-
fer. A valid buffer is indicated by:
a. Receive buffer is enabled indicated by BUFF ENBL =
‘1’ (CAN_RX[n]_CMD[3]).
b. Acceptance filter of the receive buffer matches
incoming message.
2. If the RxMessageHandler finds a valid buffer that is
empty, then the message is stored and the MSG AV flag
of this buffer is set to ‘1’.
3. If the Rx INT ENBL flag is set, then the RX_MSG flag
(CAN_CSR_INT_SR[12]) of the interrupt controller is
asserted.
4. If the receive buffer already contains a message indi-
cated by MSG AV = ‘1’ and the Link Flag is not set, then
the RX_MSG_LOSS interrupt flag
(CAN_CSR_INT_SR[10]) is asserted. The existing mes-
sage is overwritten with the new received message.
Note The CAN Buffer register (CAN_CSR_BUF_SR) deter-
mines if any receive message buffer is available.
23.5.2 Acceptance Filter
Each receive buffer has its own acceptance filter that is
used to filter incoming messages. An acceptance filter is
configured by the Acceptance Mask register (AMR) and the
Acceptance Code register (ACR).
AMR: ‘0’. The incoming bit is checked against the respec-
tive ACR bit. The message is not accepted when the incom-
ing bit does not match respective ACR bit.
AMR: ‘1’. The incoming bit is Do Not Care.
Following message fields are covered:
■Identifier
■IDE
■RTR
■Data byte 1 and data byte 2
For a standard CAN message when IDE=0, the 11 bit
identifier are the bits [31:21] of AMR and ACR.
23.5.2.1 Example
A message and the acceptance filter settings to accept that
message are shown in Figure 23-9 on page 233.
Reserved
[31:24]
WPN2
[23] Reserved1
[22] RTR
[21] IDE
[20]
ID
[31:3]
D0
[63:56]
REGISTERS
COMMAND REGISTER
(CAN_Rxn_CMD)
IDENTIFIER
(CAN_Rxn_ID)
DATA REGISTER High
(CAN_Rxn_DH)
DATA REGISTER Low
(CAN_Rxn_DL)
D1
[55:48] D2
[47:40] D3
[39:32]
D4
[31:24] D5
[23:16]
D6
[15:8] D7
[7:0]
n = 0,1,…,15
DLC
[19:16] Reserved
[15:8]
WPNL
[7] MSG AV
[0]
RTR REPLY
PNDG
[1]
RTR
ABORT
[2]
BUFF
ENBL
[3]
RTR
REPLY
[4]
Rx INT
ENBL
[5]
LINK
FLAG
[6]
Reserved
[2:0]

PSoC 5LP Architecture TRM, Document No. 001-78426 Rev. *F 233
Controller Area Network (CAN)
Figure 23-9. Acceptance Filter
As seen in the Figure 23-9, the shaded areas are masked
bits. When a bit is set to ‘1’ in the AMR register, the corre-
sponding bit in the ACR register is not checked against the
received message frame. In the example, bits 30, 29, and
bits from 3 to 20 are set to ‘1’ and are masked. Because
other bits in the AMR register are written as ‘0’, the respec-
tive bits in the ACR register are compared with message bits
as shown in Figure 23-9. If the corresponding bits in ACR
match with that of the message, the message is then stored
in the receive message buffer. If the corresponding bits in
ACR do not match with the message, the incoming mes-
sage is rejected.
AMR Settings:
ID[28:21],ID[31] = 0
ID[30],ID[29]= 1
ID[20:3] = All Ones
IDE = 0
RTR = 0
ACR Settings:
ID[31:21] = 0x032
ID[20:3] = Do Not Care
IDE = 0
RTR = 0
31 30 29 28 27 26 25 24 23 22 21 20 3 2 1
31 30 29 28 27 26 25 24 23 22 21 20 3 2 1
All Ones
Do Not
Care
11
000000000 0 0
111 000000XX00
=NO
YES ACCEPT MESSAGE
REJECT MESSAGE
Start
of
Frame 0XX0011 00 01
RTR IDE DLC
00
Message Frame
Identifier
ACR
AMR
Masked
ID E R T R
ID E R T R
0
R
S
V
D
0
R
S
V
D
0

234 PSoC 5LP Architecture TRM, Document No. 001-78426 Rev. *F
Controller Area Network (CAN)
23.5.3 DeviceNet Filtering
For some CAN high level protocols such as DeviceNet, additional protocol related information is contained in the first and
second data bytes. The acceptance filters provide additional coverage of these two bytes for a more efficient implementation
of the protocol. The data bits of the first two bytes of the incoming message are compared with the ACRD register
(CAN_RX[n]_ACRD) and the respective bits that are compared are specified using AMRD register (CAN_RX[n]_AMRD).
Using the Example on page 232, DeviceNet filtering is illustrated in Figure 23-10.
Figure 23-10. DeviceNet Filter
In Figure 23-10 the data field of the message frame is com-
pared with those bits of the ACRD register, which are not
masked by the AMRD register.
To accept this message, the acceptance filter settings are
as follows.
AMR Settings:
ID[28:21],ID[31] = 0
ID[30],ID[29] = 1
ID[20:3] = All Ones
IDE = 0
RTR = 0
AMRD[15:11], AMRD[8:6] = 0
AMRD[10:9], AMRD[5:0] = All Ones
ACR Settings:
ID[31:21] = 0x182
ID[20:3] = Do Not Care
IDE = 0
RTR = 0
ACRD[15:6] = 0x006
ACRD[5:0] = Do Not Care
The example in Figure 23-10 shows the filtering using 10
data bits. Using AMRD, up to 16 data bits, can be used for
filtering.
23.5.4 Filtering of Extended Data Frames
Filtering the extended data frame is very similar to the stan-
dard date frame with the following exception.
■IDE bit in AMR and ACR registers must be set to check
for extended data frame.
=No
Yes
Accept Message
Reject Message
Start of
Frame 0XX001100 01
RTR IDE DLC
Data
00
Message Frame Identifier
000 0000110
Do Not
Care
31 30 29 28 27 26 25 24 23 22 21 20 3 2 1
31 30 29 28 27 26 25 24 23 22 21 20 3 2 1
All Ones
Do Not
Care
11
000000000 0 0
111 000000 XX 00
ACR
AMR
Masked
IDE RTR
07689101112131415 5
7689101112131415 5 0
Do Not
Care
All
Ones
0
0000000011
00000 11
XX
ACRD
AMRD
0
R
S
V
D
0
R
S
V
D
0

PSoC 5LP Architecture TRM, Document No. 001-78426 Rev. *F 235
Controller Area Network (CAN)
23.5.5 Receiver Message Buffer Linking
Several receive buffers can link together to form a receive
buffer array that acts almost like a receive FIFO. To accom-
plish this, do the following:
■Set the Link flag CAN_RX[n]_CMD[6] for the buffers that
need to be linked.
■Make sure that all buffers of the same array have the
same message filter setting (AMR and ACR are identi-
cal).
■Do not set the Link flag of the last buffer of an array.
When a receive buffer already contains a message (MSG
AV=’1’) and a new message arrives for this buffer, then this
message is discarded (RX_MSG_LOSS Interrupt). To avoid
this situation, several receive buffers are linked together.
When the CAN controller receives a new message, the
RxMessageHandler searches for a valid receive buffer. If
one is found that is already full (MSG AV = ‘1’) and the ‘Link
Flag’ is set, the search for a valid receive buffer is continued.
If found, the message is transferred to that buffer thereby
forming an array. If no other buffer is found, then the
RX_MSG_LOSS interrupt is set.
It is possible to build several message arrays. Each of these
arrays must use the same AMR and ACR.
23.6 Remote Frames
Remote frames are used for initiating transmission between
two nodes and the node acting as a receiver sends the
remote frame. A remote frame can use either standard for-
mat or extended format. A remote frame is different from a
data frame in that the RTR bit is always equal to ‘1’ and the
data field is absent, independent of the value of DLC field.
The flow of a remote transmit request is illustrated in
Figure 23-11.
As shown in Figure 23-11:
■The message buffer0 of node1 transmits a remote frame
into the CAN bus.
■The RTR request is received by the RxMessageHandler
of node 2 and sends it to the acceptance filters.
■The acceptance filter settings of the receive message
buffer 15 matches with that of the message and then the
message is moved to the receive message buffer 15.
■If the RTR Auto Reply feature is enabled, the receive
message buffer 15 will transmit the message with the
same identifier as it received (without CPU intervention).
■The acceptance filter of the receive message buffer 1 of
node1 has the same identifier settings as that of the
transmitted message node 1. Hence, the RTR message
will be stored in the receive message buffer 1 of node 1.
Figure 23-11. Remote Transmit Request
TxMESSAGE0
TxMESSAGE1
TxMESSAGE7
Priority
Arbiter
Rx
Message
Handler
Acceptance
Filters
FILTER0
FILTER1
FILTER15
RxMESSAGE0
RxMESSAGE1
RxMESSAGE15
Priority
Arbiter
Rx
Message
Handler
Acceptance
Filters
FILTER0
FILTER1
FILTER15
RxMESSAGE0
RxMESSAGE1
RxMESSAGE15
CAN Bus
CAN Bus
Message Buffers
Node 1
Receive Message
Buffers
Node 2
RTR
REQ
Node 1 Node 2

236 PSoC 5LP Architecture TRM, Document No. 001-78426 Rev. *F
Controller Area Network (CAN)
23.6.1 Transmitting a Remote Frame by
the Requesting Node
The process to transmit a remote frame by a requesting
node (Node 1 as shown in Figure 23-11 on page 235) is as
follows.
1. Write a message to an empty transmit buffer. An empty
buffer is indicated by Tx_REQ = ‘0’
(CAN_TX[n]_CMD[0]).
2. Set the RTR bit (CAN_TX[n]_CMD[21]) to ‘1’.
3. Choose an appropriate priority arbitration scheme.
4. Set the transmit request flag to initiate transmission.
5. The Identifier transmitted in a message must be the
same as the identifier of receiving message.
23.6.2 Receiving a Remote Frame
The process to receive a remote frame is as follows.
1. The acceptance filter must be configured to receive the
desired message ID.
2. Enable the automatic RTR message handling by setting
bit ‘RTR REPLY’ to ‘1’.
a. If enabled, it will automatically transmit the remote
frame with the same identifier.
b. Else the remote frame must be transmitted following
the standard routine as that of a data frame.
3. Set the requesting node that receives the replied RTR
message to receive a normal message. Do not set the
RTR Reply bit.
23.6.3 RTR Auto Reply
The CAN module supports automatic answering of RTR
message requests. All 16 receive buffers support this fea-
ture. If an RTR message is accepted in a receive buffer
where the RTR REPLY FLAG is set, then this buffer auto-
matically replies to this message with the content of the
receive buffer. The ‘RTR REPLY PNDG FLAG’ is set when
the RTR message request is received. It is reset when the
message is sent or when the message buffer is disabled. To
abort a pending RTRreply message, use the RTR ABORT-
command.
23.6.4 Remote Frames in Extended
Format
The transmission and reception of remote frames in
extended format is similar to standard format except for the
following.
■The IDE bit (CAN_TX[n]_CMD[20]) is set to ‘1’ to make it
an extended data frame.
■The identifier is 29 bits long compared to the 11 bits of a
standard data frame.
23.7 Bit Time Configuration
The CAN module operates on a single clock input
CLK_BUS. This section explains how to configure the pro-
grammable bit-rate divider to achieve the desired bit rate
and its relationship with CLK_BUS.
23.7.1 Allowable Bit Rates and System
Clock (CLK_BUS)
Across the industry, most implementations of CAN-Bus use
one of 10 bit rates:
■1 Mbps
■800 Kbps
■500 Kbps
■250 Kbps
■125 Kbps
■100 Kbps
■50 Kbps
■20 Kbps
■10 Kbps
■5 Kbps
These bit rates are configurable if CLK_BUS is 8 MHz or a
multiple. All except 800 Kb are configurable if CLK_BUS is
10 MHz or a multiple. With a very few exceptions, all 10 bit
rates are not possible if CLK_BUS is not evenly divisible by
1,000,000 Hz. From a bit rate generation point of view, the
accuracy for CLK_BUS must be at least 1.58% for 125 Kbps
and slower bit rates, and 0.5% or better for bit rates faster
than 125 Kbps. Figure 23-12 on page 237 shows a table of
the 10 bit rates that are supported for any given fclk fre-
quency from 8 MHz to 100 MHz. Note that maximum possi-
ble frequency for PSoC 5LP is 80 MHz.

PSoC 5LP Architecture TRM, Document No. 001-78426 Rev. *F 237
Controller Area Network (CAN)
Figure 23-12. Bit Rate Versus CLK_BUS
23.7.2 Setting Bit Rate TSEG1 and
TSEG2
The bit rate is defined as the number of bits transmitted on a
CAN bus per second. Bit time is the reciprocal of bit rate. Bit
time is divided into three segments as shown in
Figure 23-13. Each segment is represented in terms of fixed
units of time called Time Quanta (TQ) which is derived from
the oscillator clock.
Figure 23-13. Bit Time
Equation 1
Equation 2
Note Bit rate pre scaler is a register that performs a pre
scaling function on CLK_BUS to generate the clock for CAN
module. See Figure 23-14.
Synchronization Segment. This is the first segment with 1
TQ length and is mainly used for synchronization. An edge
is expected to fall within this segment.
Tseg1, Tseg2. These segments compensate for the edge
phase shift errors. The tseg1 also takes in the propagation
time which includes any delays in the network. The length of
the segments is increased or decreased to compensate for
the error due to phase shift of edges which is known as
resynchronization.
Sample Point. This is the point at which the state of the
bus is read and the bit is interpreted. It is located at the end
of tseg1.
Synchronization Jump Width. By resynchronization, the
tseg1 is lengthened or tseg2 is shortened. Synchronization
jump width puts a limit to this resynchronization. The length
clk_bus
Freq
(MHz)
1
Mb 800
Kb 500
Kb 250
Kb 125
Kb 100
Kb 50
Kb 20
Kb 10
Kb 5
Kb
8
9
10
11
12
13
14
15
16
17
18
19
20
21
22
23
24
25
26
27
28
29
30
31
32
33
34
35
36
37
38
clk_bus
Freq
(MHz)
1
Mb 800
Kb 500
Kb 250
Kb 125
Kb 100
Kb 50
Kb 20
Kb 10
Kb 5
Kb
39
40
41
42
43
44
45
46
47
48
49
50
51
52
53
54
55
56
57
58
59
60
61
62
63
64
65
66
67
68
69
clk_bus
Freq
(MHz)
1
Mb 800
Kb 500
Kb 250
Kb 125
Kb 100
Kb 50
Kb 20
Kb 10
Kb 5
Kb
70
71
72
73
74
75
76
77
78
79
80
81
82
83
84
85
86
87
88
89
90
91
92
93
94
95
96
97
98
99
100
Configurable Bit Rates
Non Configurable Bit Rates
Tseg1
prop_seg + phase_seg1 Tseg2
phase_seg2
Sample Point
Synchronization
Segment 1 or 3 Sample Mode
Nominal Bit Time = 8...25 TQ (Time Quanta)
SJW: 1...4TQ
BitTime 1tseg1tseg2++TQ=
TQ BRP 1+
clk_bus
---------------------=

238 PSoC 5LP Architecture TRM, Document No. 001-78426 Rev. *F
Controller Area Network (CAN)
of tseg2 must be greater than the synchronization jump
width.
The Configuration register CAN_CSR_CFG is used for set-
ting the bit rate prescaler (BRP), tseg1, tseg2, and the syn-
chronization jump width. CAN peripheral clock (CAN_CLK)
is generated by dividing the system clock (CLK_BUS) by
(BRP+1). See the Clocking section for detailed information
on available options to generate the system clock. For N
time quanta in a bit time, the CAN peripheral clock fre-
quency must be configured to N time the CAN bus bit rate.
Figure 23-14. Bit Timing Block Diagram
23.7.2.1 Example
An example to achieve 1 Mbps speed with 40 MHz is
described as follows.
1. The speed is 1 MHz and the bit time is 1 µs.
2. Choosing a minimum value of 8 TQ in the bit time, 1TQ =
0.125 µs.
3. BRP = ((time quanta * clk_bus) – 1) = 4.
4. Therefore write a value of ‘4’ into the CFG_BITRATE bits
in the configuration register.
5. Choose the sampling point to be 60% of the bit time,
which is approximately equal to 5TQ. Because the sam-
pling point is at the end of tseg1, this implies that
(tseg2+1) = 3TQ or tseg2 = 2TQ.
6. To fix the sampling point synchronization jump width,
use a value ‘1’ by writing to the bits CFG_SJW = ‘1’.
7. Write to the bits cfg_tseg2 a value of ‘2’ to set the value
of tseg2 to 2TQ.
8. Now tseg1 is calculated using the following equation:
tseg1 = ((BitTime - (1TQ + tseg2 + 1TQ)) - 1TQ)
...which is tseg1 = 3TQ.
9. Therefore, write a value of ‘3’ into the bits cfg_tseg1 in
the configuration register.
This procedure above is applied to achieve the standard bit
rates using the clock frequencies as specified in the table in
Figure 23-12 on page 237.
Observe the following conditions for setting tseg1 and tseg2:
■tseg1 = 0 or tseg1 = 1 are not allowed.
■tseg2 = 0 is not allowed; tseg2 = 1 is only allowed in
direct sampling mode.
Note 1. Sampling_mode bit in the Configuration register
(CAN_CSR_CFG) specifies whether or not one sampling
point is used in the receiver path or three sampling points
with majority decision are used.
Note 2. Edge_mode bit in the Configuration register
(CAN_CSR_CFG) specifies whether or not the high to low
edge is used for synchronization or both edges are used.
23.8 Error Handling and
Interrupts in CAN
According to the CAN protocol specification, there are five
different types of errors. Each CAN node in the bus tries to
detect an error, and when it does, it sends out an error
frame. The different types of errors and the process of error
handling are explained in the following sections.
23.8.1 Types of Errors
23.8.1.1 BIT Error
A CAN unit sending a bit on the bus also monitors the bus.
When the bit value that is monitored is different from the bit
value that is sent, a BIT error is detected. An exception is
the sending of a ‘recessive’ bit during the stuffed bit stream
of the Arbitration Field or during the ACK Slot. A Transmitter
sending a Passive Error Flag and detecting a ‘dominant’ bit
does not interpret this as a BIT error.
23.8.1.2 FORM Error
A FORM error is detected when there is an error in the CAN
message format. The fixed format fields in the message
frame such as End of Frame, Interframe Space, etc., con-
tains illegal bits.
23.8.1.3 ACKNOWLEDGE Error
A transmitter sending a recessive bit during the ACK slot
monitors the ACK slot for a dominant bit. If a receiver
receives a message correctly, a dominant bit is written in the
ACK slot. Therefore, if the transmitter does not find a domi-
nant bit in the ACK slot after transmission, then an
ACKNOWLEDGE error is detected.
23.8.1.4 CRC Error
A transmitting node performs certain calculations to gener-
ate a CRC code and transmits it in the CRC field. A receiv-
ing node also performs the same calculations to generate a
CRC code. If the code generated by the receiver does not
match the code transmitted then a CRC error is detected.
Divider
clk_bus can_clk
BRP (CAN_CSR_CFG[14:0])

PSoC 5LP Architecture TRM, Document No. 001-78426 Rev. *F 239
Controller Area Network (CAN)
23.8.1.5 STUFF Error
When there are six consecutive equal bit levels in a mes-
sage field that is coded by the message of bit stuffing, a
STUFF error is detected during the bit time of the sixth con-
secutive bit level.
23.8.2 Error States in CAN
There are three main error states in CAN:
Error Active. An error active node can take part in normal
bus communication. When it detects an error it sends out an
ERROR ACTIVE FLAG.
Error Passive. An error passive node takes part in bus
communication. When it detects an error it sends out an
ERROR PASSIVE FLAG. After sending out the ERROR
PASSIVE FLAG, it waits before proceeding with further
transmission. An error passive node sends additional 8
recessive bits during the interframe space. This period is
also known as suspend transmission because no transmis-
sion takes place.
Bus Off. A node that is in Bus Off does not take part in any
bus communication. It has no effect on the bus.
The error status in CAN is indicated by the error status reg-
ister CAN_CSR_ERR_SR. The bits ERR_STATE
(CAN_CSR_ERR_SR[17:16]) indicate which error state the
CAN node is in. The error states in CAN are determined
according to the values of two counters:
■Transmit Error Counter (CAN_CSR_ERR_SR[7:0])
■Receive Error Counter (CAN_CSR_ERR_SR[15:8])
The error counters are modified according to the CAN 2.0B
Specification.
A node is in ‘error active’ state if the Transmit Error Counter
or the Receive Error Counter are less than or equal to 127
decimal. A node is in ‘error passive’ state if the Transmit or
Receive Error Counter value exceeds or equals 128 deci-
mal. A node is in ‘Bus Off’ state if the Transmit Error Counter
exceeds or equals the value of 256 decimal.
An ‘error passive’ node becomes ‘error active’ again when
both the Transmit Error Count and the Receive Error Count
are less than or equal to 127.
A node which is in ‘Bus Off’ state becomes ‘error active’ with
its error counters both set to ‘0’ after 128 occurrences of 11
consecutive ‘recessive’ bits are monitored on the bus.
There are two bits in the error status register:
■‘txgte96’ (CAN_CSR_ERR_SR[18])
■‘rxgte96’ (CAN_CSR_ERR_SR[19])
that indicate if the Transmit Error Counter and Receive Error
Counter, respectively, are greater than or equal to 96 deci-
mal. This is a feature. It serves as an error warning because
an error count value greater than and around 96 indicates a
heavily disturbed bus.
23.8.3 Interrupt Sources in CAN
The interrupt controller governs the various interrupt
sources in CAN.
The interrupt controller contains an interrupt status and an
interrupt enable register. The interrupt status register
(CAN_CSR_INT_SR) stores internal interrupt events. When
a bit is set, it remains set until it is cleared by writing a '1' to
it. The interrupt enable register has no effect on the interrupt
status register.
The interrupt enable register (CAN_CSR_INT_EN) controls
which particular bits from the interrupt status register are
used to assert the interrupt output INT_N. INT_N is asserted
if a particular interrupt status bit and the respective enable
bit are set.
The various interrupt sources in CAN are as follows:
rx_msg. Indicates a message received.
tx_msg. Indicates a message sent.
rx_msg_loss. Is set when a new message arrives but the
RxMessage flag MSG AV is set.
bus_off. The CAN has reached the bus off state.
crc_err. A CAN CRC error detected.
form_err. A CAN message format error detected.
ack_err. A CAN message acknowledge error detected.
stuff_err. A bit stuffing error detected.
bit_err. A bit error detected.
ovr_load. An overload frame received.
arb_loss. The arbitration lost while sending a message.

240 PSoC 5LP Architecture TRM, Document No. 001-78426 Rev. *F
Controller Area Network (CAN)
23.9 Operating Modes in CAN
The CAN module operates mainly in three different modes.
The command register CAN_CSR_CMD is used to select
the operating modes by setting the corresponding bit for
each mode. The three operating modes are as follows:
■SRAM Test Mode: CAN_CSR_CMD[2]
■Listen Only Mode: CAN_CSR_CMD[1]
■Run/Stop Mode: CAN_CSR_CMD[0]
23.9.1 Listen Only Mode
In Listen Only mode, the CAN controller only listens to the
CAN receive line without acknowledging the received mes-
sages on the bus. It does not send any messages in this
mode. However, the error flags are updated so that the bit
timing is adjusted until no error occurs.
The various steps involved in automatic baud rate detection
are as follows.
1. The CAN controller is initialized for acceptance of all
messages (i.e., the global/local mask is set to ‘0’).
2. The bit timing values of the first possible CANOpen bit
rate (10 Kbps) is loaded and the controller is switched
into “Listen Only” mode.
3. Assuming that there is traffic on the network and the bit
rate is correct, the message is accepted.
4. The error registers will not change and the flag for mes-
sage reception is set inside the CAN controller. This
means the correct bit rate is detected.
5. Assuming the bit rate is not correct, the error flags are
updated (stuff-, CRC, or form-error).
6. In this scenario, the CAN controller is switched off and
the next possible bit timing values are loaded from the
bit rate table.
23.9.2 Run/Stop Mode
The CAN controller is in Run mode when it is operating nor-
mally. The CAN controller is stopped while it is in the SRAM
Test mode.

PSoC 5LP Architecture TRM, Document No. 001-78426 Rev. *F 241
24. USB
The PSoC® USB block acts as a USB device that communicates with a USB host. The USB block is available as a fixed func-
tion digital block in the PSoC device. It supports full speed communication (12 Mbps) and is designed to be compliant with the
USB Specification Revision.2.0. USB devices can be designed for plug and play applications with the host and also support
hot swapping. This chapter details the PSoC USB block and transfer modes. For details about the USB specification, see the
USB Implementers Forum web site.
24.1 Features
The PSoC USB has these features:
■Complies with USB Specification 2.0
■Supports full speed peripherals device operation with a signaling bit rate of 12 Mbps
■Supports 8 data endpoints and 1 control endpoint
■Supports four types of transfers – bulk, interrupt, isochronous, and control
■Supports Plug and Play
■Supports two types of logical transfer modes:
❐Store and Forward mode
❐Cut Through mode
■Differential signal (D+ and D-) output
■Supports maximum packet size of 64 bytes using the Store and Forward mode and maximum packet size of 1023 for Iso-
chronous transfer using the Cut through mode
■Capable of supplying PS/2 and CMOS signals
■Supports two operating voltage ranges, with a nominal voltage of 3.3 V

242 PSoC 5LP Architecture TRM, Document No. 001-78426 Rev. *F
USB
24.2 Block Diagram
Figure 24-1 illustrates the architecture of the USB block. It consists of the Serial Interface Engine (SIE) and Arbiter.
Figure 24-1. USB Block Diagram
USB Block
Arbiter
Arbiter
Logic
DMA
Interface
Memory
Interface
CPU
Interface
SIE
Interface
SIE
CPU
512 Bytes
SRAM
clk_usb
D+ D-
Frequency
Tuning
data
clk_bus
Transceiver

PSoC 5LP Architecture TRM, Document No. 001-78426 Rev. *F 243
USB
24.2.1 Serial Interface Engine (SIE)
The Serial Interface Engine (SIE) is responsible for handling
the decoding and creating of data and control packets dur-
ing transmit and receive. It decodes the USB bit streams
into USB packets during receive and creates USB bit
streams during transmit. The following are the features of
the SIE block:
■Conforms to the USB 2.0 Specification
■Supports 1 device address
■Supports 8 data endpoints and 1 control endpoint
■Supports interrupt for each endpoint
■Operates at Full Speed with a 48 MHz Clock (maximum
permitted tolerance is ±0.25%)
■Integrates an 8-byte buffer in the Control endpoint
The registers for this block are mainly used to configure the
data endpoint operations and the Control Endpoint Data buf-
fers. The register also controls the interrupt available for
each endpoint.
The SIE generates an interrupt at the end of a transfer. The
interrupt enabling and disabling for an endpoint can be done
using the USB_SIE_INT_EN register. The status of the
interrupt for an endpoint is obtained from the
USB_SIE_INT_SR register.
The SIE registers CNT0 and CNT1 hold the count value for
each endpoint which reports the number of data bytes in a
USB transfer. In the case of an OUT endpoint, the firmware
programs the maximum number of bytes that can be
received for the endpoint. The SIE updates the register with
the number of bytes received. In the case of an IN endpoint,
it holds the number of bytes that will be transmitted.
The SIE Control register for each endpoint,
USB_SIE_EPx_CR0, holds the mode value. The mode
value determines the response of the USB block to the host.
See Table 24-1 for the different mode values. The table
describes the mode values corresponding to each type
token: the SETUP, IN and OUT tokens.
Transition error is also reported by the SIE. The bit
“err_in_txn” in the USB_SIE_EPx_CR0 register indicates
the occurrence of an error. When this bit is set and the USB
block is in Store and Forward mode, the hardware automati-
cally retransmits the same data when it receives another IN
token from the host. In Cut Through mode, this bit can be
read by the firmware to determine if the data should be
retransmitted.
Table 24-1. Mode Values in the MODE bits of the SIE_EPx_CR0 Register
Mode Encoding SETUP IN OUT Comments
Disable 0000 Ignore Ignore Ignore Ignore all USB traffic to this endpoint
NAK IN/OUT 0001 Accept NAK NAK NAK IN and OUT token
Status OUT Only 0010 Accept STALL Check When this mode is set, it accepts a SETUP token,
STALLs in case of IN token and ACKs with a zero length
packet in case of OUT token. Used for control endpoint
STALL IN/OUT 0011 Accept STALL STALL When this mode is set, it accepts a SETUP token,
STALLs in case of IN and OUT token. Used for control
endpoint
Reserved 0100 Ignore Ignore Ignore
ISO OUT 0101 Ignore Ignore Always Isochronous OUT
Status IN only 0110 Accept TX 0 byte STATLL
When this mode is set, it accepts a SETUP token,
STALLs in case of OUT token and ACKs with a zero
length packet in case of IN token. Used for control end-
point
ISO IN 0111 Ignore TX Count Ignore Isochronous IN
NAK OUT 1000 Ignore Ignore NAK Send NAK handshake to OUT token
ACK OUT (STALL = 0) 1001 Ignore Ignore ACK This mode is changed by the SIE to mode 1000 on issu-
ance of ACK handshake to an OUT
ACK OUT (STALL = 1) 1001 Ignore Ignore STALL STALL the OUT transfer
Reserved 1010 Ignore Ignore Ignore
ACK OUT – STATUS IN 1011 Accept TX0 byte ACK ACK the OUT token or send zero length data packet for
IN token.
NAK IN 1100 Ignore NAK Ignore Send NAK handshake for IN token

244 PSoC 5LP Architecture TRM, Document No. 001-78426 Rev. *F
USB
24.2.2 Arbiter
The Arbiter is the block which handles access of the SRAM
memory by the endpoints. The SRAM memory can be
accessed by the CPU or the SIE. The Arbiter handles the
arbitration between the CPU and the SIE. The Arbiter con-
sists of the following blocks:
■SIE Interface Module
■CPU Interface Module
■Memory Interface
■DMA Engine
■Arbiter Logic
■Synchronization Module
The Arbiter registers are used to handle the endpoint config-
urations, the Read address, and the Write address for the
endpoints. It also configures the logical transfer type
required for each endpoint. The types of logical transfers are
discussed below. Also, each endpoint supports interrupt.
The Arbiter has only one interrupt line for the Interrupt Con-
troller. The Arbiter registers handle the enabling/disabling of
the interrupts for the endpoints and hold the status of the
interrupts. The Arbiter is also responsible for the memory
management (i.e., sharing the available 512 bytes of SRAM
among the data endpoints).
24.2.2.1 SIE Interface Module
This module handles all the transactions with the SIE block.
The SIE reads data from the SRAM memory and transmits
to the host. Similarly, it writes the data received from the
host to the SRAM memory. These requests are registered in
the SIE Interface module and are handled by this block.
24.2.2.2 CPU Interface Block
This module handles all the transactions with the CPU. The
CPU makes requests for the reads and writes to the SRAM
memory for each endpoint. These requests are registered in
the CPU Interface block and are handled by the block.
24.2.2.3 Memory Interface
The memory interface is used to control the interface
between the USB block and the SRAM memory unit. The
maximum memory size supported is 512 bytes organized as
256 x a 16-bit memory unit. This is a dedicated memory for
the USB. All the control and data lines, including the Data In
lines, Data Out lines, Enable line, Address lines, and Direc-
tion Control line between the USB and the memory unit, are
handled by the memory interface. The memory access can
be requested by the SIE or by the CPU. The SIE Interface
block and the CPU Interface block handle these requests.
24.2.2.4 DMA Interface
When Direct Memory Access (DMA) is configured, the DMA
interface is responsible for all transactions back and forth
between the DMA and USB. The block supports the DMA
request line for each data endpoint. The behavior of the
DMA depends on the type of logical transfer mode config-
ured in the Configuration register. Note that DMA transfers
from UDBs to the USB block must first go through SRAM to
ensure that proper timing is kept. An additional transaction
descriptor should be used to transfer from UDBs to SRAM,
and then from SRAM to USB. Other applicable DMA trans-
fers from sources besides UDBs are not constrained to this
path.
24.2.2.5 Arbiter Logic
This is the main block of the Arbiter. It is responsible for arbi-
trations for all the transactions that happen in the Arbiter. It
arbitrates the CPU, DMA, and SIE access to the memory
unit and the registers. This block also handles the memory
management. The memory management is either “Manual”
or “Automatic.” In the case of Manual Memory Management,
the read and write address manipulations are done by the
firmware. In the case of Automatic management, all the
memory handling is done by this block itself. This block
takes care of the buffer size allocation, depending on the
programmed buffer size (using the USB_BUF_SIZE). It also
does the handling of common memory area.
This block also handles the interrupt requests for each end-
point. Each endpoint can have interrupts due to:
■DMA Grants
■IN Buffer Full
■Buffer Overflow
■Buffer Underflow
ACK IN (STALL = 0) 1101 Ignore TX Count Ignore This mode is changed by the SIE to mode 1100 after
receiving ACK handshake to an IN data
ACK IN (STALL = 1) 1101 Ignore STALL Ignore STALL the IN transfer
Reserved 1110 Ignore Ignore Ignore
ACK IN – Status OUT 1111 Accept TX Count Check Respond to IN data or Status OUT
Table 24-1. Mode Values in the MODE bits of the SIE_EPx_CR0 Register (continued)
Mode Encoding SETUP IN OUT Comments

PSoC 5LP Architecture TRM, Document No. 001-78426 Rev. *F 245
USB
These arbiter interrupt requests are routed to only one inter-
rupt line which acts as a signal to the interrupt controller.
24.2.2.6 Synchronization Block
The USB block uses 2 clocks: the System Clock and the
USB Clock. The System Clock is used by the Arbiter. The
USB Clock is used by the SIE and the OsClock module.
Because these two are different clocks, synchronization is
required between the blocks. The handling of the synchroni-
zation is done by this block.
24.3 How it Works
The USB Block operates at a certain frequency and voltage
range. For proper operation of the USB block, the user must
ensure that the operating ranges are within tolerances. The
following sections discuss the operating ranges required for
the PSoC USB.
24.3.1 Operating Frequency
The USB block needs two different clocks to work: the Sys-
tem Clock which controls the Arbiter, memory and the regis-
ter block, and the USB clock which controls the SIE and the
OsClock.
■Minimum system clock – 24 MHz
■USB Clock for Full Speed operation – 48 MHz (+0.25%
tolerance)
The USB needs a 48 MHz clock to function. The clock to the
USB is called the clk_usb. The clk_usb can be derived from
either IMOCLK, doubler clock (IMOCLK * 2), PLL, or the DSI
clock. For further details on the clock for this block, see the
Clocking System chapter on page 109. The OsClock block
of the USB trims the USB clock to lock to the frequency of
the USB packets. The USB clock is clocked to the USB
token as per the USB 2.0 Specification. When the frequency
is locked with other USB bit streams, the block will locate a
particular edge in the USB packet. The number of clock peri-
ods between these edges is measured to lock the internal
oscillator frequency with the frequency of the USB packet.
The frequency tuning value is sent to the Clocking system
by the USB Block to lock the frequency. The locking of the
frequency is done by the hardware and needs no user inter-
vention. The Synchronization Block of the Arbiter handles
the synchronization of the USB Clock and System Clock.
24.3.2 Operating Voltage
The USB block can operate in two voltage ranges:
■Standard voltage range – 4.35 V to 5.25 V
■Low voltage range – 3.15 V to 3.45 V
USB needs a nominal voltage of 3.3 V for its operation. It
supports an internal regulator which is used for voltage reg-
ulation. While in the Standard Voltage Range, the voltage is
regulated to 3.3 V by the internal regulator. While in the Low
Voltage Range, the internal regulator should be bypassed.
The “reg_enable” bit in the USB_USB_CR1 register is used
to control the regulator.
24.3.3 Transceiver
The USB block includes the transmitter and the receiver.
The signal between the USB device and the host is a differ-
ential signal. The receiver receives the differential signal
and converts it to a single ended signal. The single ended
input is given to the USB block at a nominal voltage range of
1.55 V to 1.95 V. The transmitter converts the single ended
signal to the differential signal and transmits it to the host.
The differential signal is given to the upstream devices at a
nominal voltage range of 0 V to 3.3 V.
The transceiver also supports the PS/2 signals. It can
receive and transmit PS/2 signals at a nominal voltage of
0 V to 5 V. The transceiver has pull-up resistors to support
the PS/2 signals.
In addition to the PS/2 signals, the transceiver also supports
CMOS signal levels. The PS/2 and the CMOS modes can
be selected using the registers USB_USBIO_CR1 and
USB_USBIO_CR2.
The Transmitter can be manually forced to transmit signals.
The register USB_USBIO_CR0 is used to manually transmit
the signals. Examples are as follows:
■When the manual transmission is enabled, the register
can be configured to transmit Single Ended Zero signal
(that is, D+ and D- are low).
■Configurable to transmit the USB signals. The USB sig-
nals can be two types:
❐D+ low and D- high = J
❐D+ high and D- low = K
■The register also has a bit which is used to read the
received signal levels. The bit can show if D+ < D– or D+
> D–.
24.3.4 Endpoints
The SIE and Arbiter support 8 data endpoints (EP1 to EP8)
and one control endpoint (EP0). The data endpoints share
the SRAM memory area of 512 bytes. The endpoint memory
management can be either “Manual” or “Automatic.” The
endpoints are configured for direction and other configura-
tion using the SIE and arbiter registers. The endpoint “read
address” and “write address” registers are accessed
through the Arbiter. Each endpoint supports a set of inter-

246 PSoC 5LP Architecture TRM, Document No. 001-78426 Rev. *F
USB
rupts. The interrupts can be enabled or disabled for an indi-
vidual endpoint. The interrupts for each endpoint can also
be collectively enabled or disabled.
The endpoints can be individually made active. In the Auto
Management mode, the register USB_EP_ACTIVE is writ-
ten to control the active state of the endpoint. The endpoint
activation cannot be dynamically changed during runtime. In
Manual Memory Management mode the firmware decides
the memory allocation, so it is not required to specify the
active endpoints. The EP_ACTIVE register is ignored during
the manual memory management mode. The
USB_EP_TYPE register is used to control the transfer direc-
tion (IN, OUT) for the endpoints. The control endpoint has a
separate 8 bytes for its data.
24.3.5 Transfer Types
The PSoC USB supports Full Speed transfers and is compli-
ant with the USB 2.0 Specification. It supports four types of
transfers:
■Interrupt Transfer
■Bulk Transfer
■Isonchronous Transfer
■Control Transfer
For further details about these transfers, refer to the USB
Specification 2.0.
24.3.6 Interrupts
The interrupts are generated by the SIE and the Arbiter. The
following interrupt lines are available for the interrupt con-
troller:
■Nine SIE interrupt lines (one for each endpoint and con-
trol endpoint)
■Arbiter interrupt line
■SIE interrupt line for SOF
■SIE data endpoints interrupt line
■Reset interrupt line
Nine SIE Interrupts
■Generated after the completion of packet transmission.
❐Automatic for acknowledged transfer
❐Can be enabled for non-acknowledged transfer
■The register USB_SIE_EP_INT_EN is used to enable
the SIE interrupt for each endpoint. Each bit in the regis-
ter corresponds to each endpoint.
■The status of the SIE interrupt can be read using the
USB_SIE_EP_INT_SR register. These bits are sticky
bits and need firmware to clear the status.
■Separate interrupt line for each data endpoint and con-
trol endpoint.
■The register SIE_EP_INT_EN and SIE_EP_INT_SR
control/ show the status of both the SIE and the Data
Endpoint interrupts.
Arbiter Interrupt Line
The arbiter generates interrupts for the endpoints during
these events:
■Buffer overflow
■Buffer underflow
■DMA grant
■IN endpoint local buffer full
This information applies to the arbiter interrupts.
■These interrupts can be generated by every endpoint.
The register USB_ARB_EPx_INT_EN (where x = 1 to 8
for each endpoint) is used to enable or disable each
interrupt for the endpoint.
■The Status of each interrupt for every endpoint can be
read using the USB_ARB_EPx_INT_SR (where x = 1 to
8 for each endpoint) register.
■The interrupt for an endpoint can be collectively enabled
or disabled using the USB_ARB_INT_EN register_ Each
bit in this register corresponds to each endpoint.
■The status of the Arbiter interrupt for an endpoint can be
read using the USB_ARB_INT_SR register.
There is only one arbiter line common for all the endpoints.
SIE Interrupt for SOF
■Generated whenever the SOF is received.
SIE Data Interrupt
■Interrupt generated for the data valid or error in transac-
tion.
■One interrupt line common for all endpoints.
■The sticky bit “data_valid,” in the USB_SIE_EPx_CNT0
register, indicates the data valid state.
■The sticky bit “err_in_txn” in the USB_SIE_EPx_CR0
register indicates the error in transaction state.
24.4 Logical Transfer Modes
The USB block in PSoC devices supports two types of logi-
cal transfers. The logical transfers can be configured using
the register setting for each endpoint. Any of the logical
transfer methods can be adapted to support the three types
of data transfers (Interrupt, Bulk, and Isochronous) men-

PSoC 5LP Architecture TRM, Document No. 001-78426 Rev. *F 247
USB
tioned in the USB 2.0 Specification. The Control transfer is
mandatory in any USB device.
The logical transfer mode is a combination of memory man-
agement and DMA configurations. The Logical Transfer
modes are related to the data transfer within the USB block
(i.e., to/ from the SRAM memory unit for each endpoint). It
does not represent the transfer methods between the device
and the host (i.e., the transfer types specified in the USB 2.0
Specification).
The USB block supports two basic types of transfer modes
and are detailed in Table 24-2 on page 247.
■Store and Forward mode
■Cut Through mode
Every endpoint has a set of registers that need to be handled during the modes of operation, as detailed in Table 24-3.
In the Manual Memory Management case, the endpoint
read and endpoint write address registers are updated by
the firmware. So the memory allocation can be done as
required by the user and the memory allocation decides
which endpoints are active. (i.e., the user can decide to
Table 24-2. USB Transfer Modes
Feature Store and Forward Mode Cut Through Mode
SRAM Memory Usage Requires more memory Requires less memory
SRAM Memory Management Manual Auto
SRAM Memory Sharing 512 bytes of SRAM shared between endpoints. Sharing
is done by firmware.
Each endpoint is allocated less share of memory automatically by
the block. Rest of memory is available as “Common Area.” This
Common Area is used during the transfer.
IN Command Entire packet present in SRAM memory before the IN
command is received.
Memory filled with data only when SRAM IN command is received.
Data is given to host when enough data is available (based on DMA
configuration). Does not wait for the entire data to be filled.
OUT Command Entire packet is written to SRAM memory on OUT com-
mand. After entire data is available, it is copied from
SRAM memory to the USB device.
Waits only for enough bytes (depends on DMA configuration) to be
written in SRAM memory. When enough bytes are present, it is
immediately copied from SRAM memory to the USB device.
Transfer of Data Data is transferred when all bytes are written to the
memory. Data is transferred when enough bytes are available. It does not wait
for the entire data to be filled.
Types Based on DMA No DMA mode
Manual DMA mode Only Auto DMA mode
Supported Transfer Types Best suited for Interrupt and Bulk transfers Best suited for Isochronous transfer
Table 24-3. Endpoint Registers
Register Comment Content Usage
ARB_RWx_WA Endpoint Write Address register Address of the SRAM This register indicates the SRAM location to which the data in the
Data register is to be written.
ARB_RWx_RA Endpoint Read Address register Address of the SRAM This register indicates the SRAM location from which the data must
be read and stored to the Data register.
ARB_RWx_DR Endpoint Data Register 8-Bit Data
Data register is read/ written to perform any transaction.
IN command: Data written to the Data register is copied to the SRAM
location specified by the WA register. After write, the WA value is
automatically incremented to point to the next memory location.
OUT command: Data available in the SRAM location pointed by the
RA register is read and stored to the DR. When the DR is read, the
value of RA is automatically incremented to point to the next SRAM
memory location that must be read.
SIE_EPx_CNT0 and
SIE_EPx_CNT1 Endpoint Byte Count Register Number of Bytes
Holds the number of bytes that can be transferred.
IN command: Holds the number of bytes to be transferred to host.
OUT command: Holds the maximum number of bytes that can be
received. The firmware programs the maximum number of bytes that
can be received for that endpoint. The SIE updates the register with
the number of bytes received for the endpoint.
“Mode” bits in SIE_EPx_CR0 Mode Values Response to the Host Controls how the USB device responds to the USB traffic and the
USB host. Some examples of mode include ACK, NAK, STALL, etc.
See Table 24-1 on page 243 for additional details.

248 PSoC 5LP Architecture TRM, Document No. 001-78426 Rev. *F
USB
share the 512 bytes for all the 8 endpoints or a lesser num-
ber of endpoints).
In the Automatic memory management case, the endpoint
read and endpoint write address registers are updated by
the USB block. The block assigns memory to the endpoints
that are activated using the EP_ACTIVE register. The size
of memory allocated depends on the value in the BUF_SIZE
register. The rest of the memory, after allocation, is called
the “Common Area” memory and used for the transfer of
data.
In the following text, the algorithm for the IN and OUT trans-
action for each mode is discussed. An IN transaction is
when the data is read by the USB host (for example, PC).
An OUT transaction is when the data is written by the USB
host to the USB device (in this case, PSoC 5LP). The choice
of using the DMA and memory management can be config-
ured using the USB_ARB_CFG register and the mode is
common to all endpoints.
24.4.1 Store and Forward Mode
24.4.1.1 No DMA Access
This is the Manual Memory Management mode with no
DMA access.
IN Transaction (CPU Write, SIE Read). The steps for an
IN transaction on an IN endpoint are shown in Figure 24-2.
Figure 24-2. No DMA Access IN Transaction
OUT Transaction (CPU Read, SIE Write). The steps for
an OUT transaction on an OUT endpoint are shown in
Figure 24-3.
Write WA register (based on
required memory allocation)
Write packet size to
Byte Count register
Write data to Data
register
Value automatically
written to the SRAM
specified by WA
location. WA++
Is all
data written to
SRAM?
No
Write the RA
register (same as
initial WA register)
Set mode value in
CR0 register
Is IN
command
received?
Wait
USB Block reads
value from RA and
transmits to host.
RA++
Is all data
transmitted?
Set the mode as NAK for the
last byte in transfer. Status
bits set by the block
Yes
No
Yes
Yes
No
Responds
automatically
with ACK
(configured as
Mode value)
Interrupt
Generated

PSoC 5LP Architecture TRM, Document No. 001-78426 Rev. *F 249
USB
Figure 24-3. No DMA Access OUT Transaction 24.4.1.2 Manual DMA Access
This is the Manual Memory Management mode with Manual
DMA Access. This mode requires the configuration of the
DMA controller. See DMA Interface on page 244 for details
and constraints regarding DMA transfers to the USB block.
This mode is similar to the No DMA Access except that the
write/read of packets is performed by DMA. A DMA request
for an endpoint is generated by setting the DMA_CFG bit in
the ARB_EPx_CFG register. When the DMA service is
granted and is done (DMA_GNT), an arbiter interrupt can be
programmed to occur. The transfer is done using a single
DMA cycle or multiple DMA cycles. After completion of
every DMA cycle the arbiter interrupt (DMA_GNT) is gener-
ated. Similarly, when all the bytes of data (programmed in
the byte count) are written to the memory, the arbiter inter-
rupt occurs and the IN_BUF_FULL bit is set.
IN Transaction (CPU Write, SIE Read). The steps for an
IN transaction on an IN endpoint are shown in Figure 24-4.
Write WA register (based on
required memory allocation)
Write maximum packet size to
Byte Count register
Data received from
host written to SRAM
location WA
SIE sets mode to NAK. Updates Byte
Count with actual number of data
received and sets the data valid bit
Write the RA value
(same as initial
WA)
Yes
Responds
automatically
with ACK
(configured as
mode value)
SIE Data
Interrupt
Generated
To inhibit CRC
set the “crc_bypass” bit
in the ARB_EPx_CFG
register
Set mode value in
CR0 register
Is OUT
command
received?
Wait
No
Is all
data written to
SRAM?
WA++ No
Yes
USB Block reads the data at
location RA and writes to Data
register
Data in Data
register is read
by CPU and
given to device.
RA++ is done
automatically.
Is all
data read from
SRAM?
No
Yes
End

250 PSoC 5LP Architecture TRM, Document No. 001-78426 Rev. *F
USB
Figure 24-4. Manual DMA IN Transaction
OUT Transaction (CPU Read, SIE Write). The steps for
an OUT transaction on an OUT endpoint are shown in
Figure 24-5.
Figure 24-5. Manual DMA OUT Transaction
Write WA register (based on required memory allocation)
Write Packet size to Byte Count register
DMA writes data to Data register
Value
automatically
written to the
SRAM specified
by WA location.
WA++
Is all
data written to
SRAM?
No
Write the RA register (same as initial WA register)
Set Mode value in CR0 register
Is IN
command
received?
Wait
USB Block reads value from RA and
transmits to host. RA++
Is all data
transmitted?
Set the mode as NACK for the last byte in
transfer. Status bits set by the block.
Yes
No
Yes
Yes
No
Responds
automatically
with ACK
(configured as
Mode value)
Interrupt
Generated
Set the DMA request
DMA_GNT interrupt generated
for every DMA cycle.
IN_BUF_FULL interrupt
generated after full data write.
Write WA register (based on
required memory allocation)
Write maximum packet size to
Byte Count register
Data received from
host written to
SRAM location WA
SIE sets mode to NACK. Updates Byte
Count with actual number of data
received and sets the data valid bit
Write the RA value
(same as initial
WA)
Yes
Responds
automatically
with ACK
(configured as
Mode value)
SIE Data
Interrupt
Generated
To inhibit CRC set
the “crc_bypass”
bit in the
ARB_EPx_CFG
register.
Set mode value in
CR0 register
Is OUT
command
received?
Wait
No
Is all
data written to
SRAM?
WA++ No
Yes
USB block reads the data at
location RA and writes to Data
register
Data in Data
register is
read by DMA
and given to
device.
RA++
Is all
data read from
SRAM?
No
Yes
End
Configure the
DMA request
At the end of
every DMA cycle,
DMA_GNT
interrupt is
generated.

PSoC 5LP Architecture TRM, Document No. 001-78426 Rev. *F 251
USB
24.4.2 Cut Through Mode
This is the Auto Memory Management mode with Auto DMA
Access. The CPU programs the initial buffer size require-
ment for IN/OUT packets and informs the Arbiter block of
the endpoint configuration details for the particular applica-
tion being considered. The block then controls memory par-
titioning and handling of all memory pointers. During the
memory allocation, each active IN endpoint (set by the
EP_ACTIVE and EP_TYPE registers) is allocated a small
amount of memory configured using the BUF_SIZE register.
The remaining memory is left as “Common Area” and is
common for all endpoints.
In this mode, the memory requirement is less and it is suit-
able for the Full Speed “Isochronous Transfer” up to 1023
bytes.
When an IN command is sent by the host, the device
responds with the data present in the dedicated memory
area for that endpoint. It simultaneously issues a DMA
request for more data for that EP. This data fills up in the
Common Area. The device does not wait for the entire pack-
ets of data to be available. It only waits for the
(USB_DMA_THRES_MSB, USB_DMA_THRES) number of
data available in the SRAM memory and begins the transfer
from the common area. See DMA Interface on page 244 for
details and constraints regarding DMA transfers to the USB
block.
Similarly, when an OUT command is received, the data for
the OUT endpoint is written to the common area. When
some data (greater than (USB_DMA_THRES_MSB,
USB_DMA_THRES)) is available in the common area, the
Arbiter block initiates a DMA request to the PHUB and the
data is immediately written to the device. The device does
not wait for the common area to be filled.
This mode requires the configuration of the DMA_THRES
and DMA_THRES_MSB registers to hold the number of
bytes that can be transferred in one DMA transfer. Similarly,
the PHUB register must be configured for the BURSTCNT
values. The BURSTCNT value must always be equal to the
value set in the DMA_THRES registers. The block sends
the Termin signal to the PHUB along with the last data byte
of the packet. Apart from the DMA registers, this mode also
needs the configuration of the BUF_SIZE for the IN and the
OUT buffers and the EP_ACTIVE and the EP_TYPE regis-
ters.
IN Transaction (CPU Write, SIE Read). The steps for an
IN transaction on an IN endpoint are shown in Figure 24-6
on page 252.

252 PSoC 5LP Architecture TRM, Document No. 001-78426 Rev. *F
USB
Figure 24-6. Cut Through Mode IN Transaction
Write packet size of the endpoint
to Byte Count register
Set IN_DATA_RDY for the endpoint
in ARB_EP1_CFG register
Block automatically raises interrupt
for DMA
DMA writes to Data register.
Data automatically read
and written to SRAM
pointed by WA. WA++
Is the endpoint
buffer filled?
This memory location is very limited. The
memory location is filled initially to make sure
the host does not stall when an IN command
is sent. When an IN command is received the
PHUB initiates the copy of data from device
to common area. This initialization would take
some time. The data in the end point buffer is
transmitted until the data is copied to the
common area.
Update Mode value in
the Mode register
IN_BUF_FULL Interrupt
generated
Is IN command
received
Wait
Block automatically sends
the ACK. (Configured as
Mode value)
Yes
No
No
Yes
Is the complete
data available
in the memory No
SIE reads data from SRAM
(specified by location RA) and
transmits to host
Is all data in buffer
transmitted?
RA++
In the mean time, the PHUB
initiates the transaction. The
data from the device is copied
to the common area. The data
from the USB is written to the
SRAM by the DMA.
Is data in Common Area >
{DMA_THRES, DMA_THRES_MSB)
Wait
Initiate PHUB
transfer.
Block transfer data
available in Common
Area
Yes
No
Yes
No
The process is continued
till all the data is transferred
Set the data valid bits
End
Raise a DMA request
SIE reads data from SRAM
(specified by location RA) and
transmits to host
Is all data in buffer
transmitted?
RA++ No
End
Set the data valid bits
Yes

PSoC 5LP Architecture TRM, Document No. 001-78426 Rev. *F 253
USB
OUT Transaction (CPU Read, SIE Write). The steps for
an OUT transaction on an OUT endpoint are shown in
Figure 24-7.
Figure 24-7. Cut Through Mode OUT Transaction
24.4.3 Control Endpoint Logical Transfer
The control endpoint has a special logical transfer mode. It
does not share the 512 bytes of memory. Instead it has ded-
icated 8 byte register buffer. The IN and OUT transaction for
the control endpoint is detailed below:
Figure 24-8. IN Transaction
Write maximum bytes to Byte Count register
Program the Mode register for the endpoint
Is the
OUT command received
from host?
Wait
The DMA writes the received
data to the SRAM in location
specified by WA
Is data in
SRAM > (DMA_THRES,
DMA_THRES_MSB)?
USB Block writes
the data from
SRAM to the Data
register
Data in the Data
register is read and
given to the USB
device by the DMA.
RA is incremented
automatically.
Is all the
data from SRAM copied
to device?
WA++
DMA request is
raised
The process
is continued
till all the data
is transferred
Set the data valid bits
End
No
Yes
No
Yes
Yes
No
Set the mode bits to
ACK the IN token
Is SETUP
token received
The block ACKs it
Generates Interrupt and sets the bit to
indicate that IN token is received.
Read the status bit and the
Data valid bit
Is Data Valid?
Read the EP0_DRx register to find the
type of request
Set the data valid bit and the mode bits.
Also update the byte count value
Is IN token
received?
Copy the required data to the
EP0_DRx registers
The block transmits the data from
the EP0_DRx registers
The block sets the mode value to
NAK all further IN tokens.
Blocks generates interrupt on receiving ACK from
host and sets the IN byte received bit.
Are all bytes
transferred?
Yes
No
Yes
No
Yes
No
End
No
Yes

254 PSoC 5LP Architecture TRM, Document No. 001-78426 Rev. *F
USB
Figure 24-9. OUT Transaction 24.5 PS/2 and CMOS I/O Modes
The USB transceiver is designed in such a way that, apart
from the USB signals, it can also transmit other signal lev-
els. The pull up resistors are available at the transmitter end,
which enables additional signal levels. The registers
USB_USBIO_CR1 and USB_USBIO_CR2 must be config-
ured to get different signal levels.
The “test_res” bit in the USBIO_CR2 register puts the trans-
mitter in pull up mode where the pull up resistors are con-
nected.
The I/O mode bit in the USBIO_CR1 register puts the USB
in either USB mode or Drive mode. When put in Drive mode,
the USB signals are disabled and the bits DMI and DPI are
used to drive D- and D+, respectively. There are two differ-
ent drive modes. In CMOS Drive mode, D+ follows the DPI
and D- follows the DMI. In the case of Open Drain mode, the
pull up resistors play a role. In this state, when the DPI and
DMI bits are set to high, D+ and D- are high impedance.
In all voltage ranges from 1.7 V to 5.5 V, the "suspend," "pull
up," and "high impedance” drive modes are available. The
drive modes can be selected using the USB_USBIO_CR1
and USB_USBIO_CR2 registers.
The pull up resistors can be connected between Vdd and
D+ and D-, independent of the Drive modes. The bit
“p2puen” is used for this.
An internal pull up of 1.5 k is also supported and can be
enabled using the register USBIO_CR1. The USBIO_CR1
register is also used to poll the state of the D+ and D- pins.
Program the mode
bits for ACK_OUT
Is the SETUP token
received?
The block ACKs
the SETUP token
Generates Interrupt and sets a bit in
EP0_CR register to indicate that
SETUP token was received.
Read the Data valid bit in EP0_CNT
Is data valid?
Read EP0_DRx to read the type of request
Update the mode bits to ACK an
OUT token
Is OUT token
received?
The block stores the received byte to the
EP0_DRx register and ACK the received byte.
Interrupt generated.
Read the status and data valid bits
Is data valid?
Set the mode bit to NAK all OUT tokens till
all bytes have been received.
Are all bytes
received?
End
Yes
No
Yes
No
No
Yes
Yes
No
Yes
No

PSoC 5LP Architecture TRM, Document No. 001-78426 Rev. *F 255
USB
24.6 Register List
Table 24-4. USB Register List
Register Name Comments Features
General Registers
USB_CR0 USB Control register 0 To enable the USB and store the USB Device address
USB_CR1 USB Control register 1 To monitor the bus activity and control the regulator operation
USBIO_CR0 USB I/O Control register 0 To control the operation on D+ and D- signals
USBIO_CR1 USB I/O Control register 1 To configure the pull up registers
USBIO_CR2 USB I/O Control register 2 To control in test modes
USB_BUF_SIZE Dedicated endpoint buffer size register Stores the dedicated buffer size for each endpoint
USB_EP_ACTIVE Endpoint active register Stores the status of active endpoints
USB_EP_TYPE Endpoint Type register Stores the type of endpoint either IN/OUT
USB_EP0_DRx
x= 0 -7 Control endpoint Data register The endpoint 0 is the control endpoint
USB_EP0_CR Endpoint 0 Control register
USB_EP0_CNT Endpoint 0 Count register
SIE Registers
USB_SIE_EP_INT_EN Interrupt enable register To enable the interrupts for each endpoint
USB_SIE_EP_INT_SR Interrupt status register To find the status of interrupt for each endpoint
USB_SIE_EPx_CNT0
x= 1- 8 Non control endpoint Count register Handles the Data toggle state and MSB of the 11 bit counter
USB_SIE_EPx_CNT1
x= 1- 8 Non control endpoint Count register LSB of the 11 bit counter
USB_SIE_EPx_CR0
x = 1 - 8 Non control endpoint Control register Controls the mode for the endpoint and stores the state of error, ACK
and NACK for the endpoint.
OsClock Registers
OSCLK_DR0 OsClock Lock register 0 The LSB of the Oscillator locking circuit output
OSCLK_DR1 OsClock Lock register 1 The MSB of the Oscillator locking circuit output
Arbiter Registers
USB_ARB_EPx_CFG
x = 1 – 8 Endpoint configuration register Stores the configuration for the transfer modes, reset of pointers and
CRC
USB_ARB_Epx_INT_EN
x = 1 – 8 Endpoint Interrupt enable register To enable the required interrupts
USB_ARB_Epx_SR
x = 1- 8 Endpoint status register To indicate status like overflow, underflow, DMA grant and Local buffer
full
USB_ARB_RWx_WA
x = 1 – 8 Endpoint Write address register Stores the LSB 8 bits of the Write address pointer
USB_ARB_RWx_WA_MSB
x = 1 – 8 Endpoint Write address register Stores the MSB 1 bit of the Write address pointer
USB_ARB_RWx_RA
x = 1 – 8 Endpoint Read address register Stores the LSB 8 bits of the Read address pointer
USB_ARB_RWx_RA_MSB
x = 1 – 8 Endpoint Read address register Stores the MSB 1 bit of the Read address pointer
USB_ARB_CFG Arbiter Configuration register
USB_ARB_INT_EN Arbiter Interrupt Enable register To enable the interrupt for each endpoint
USB_ARB_INT_SR Arbiter Interrupt Status register To store the interrupt status for each endpoint
USB_CWA Common Area Write Address register The LSB 8 bits of the Write address pointer
USB_CWA_MSB Common Area Write Address register The MSB 1 bit of the Write address pointer
USB_DMA_THRES DMA Threshold Count register The LSB 8 bits of the DMA threshold count register

256 PSoC 5LP Architecture TRM, Document No. 001-78426 Rev. *F
USB
USB_DMA_THRES_MSB DMA Threshold Count register The MSB 1 bit of the DMA threshold count register
USB_SOF0 Start of Frame register 0 LSB 8 bits of the Start of Frame counter
USB_SOF1 Start of Frame register 1 MSB 3 bits of the Start of Frame counter
USB_BUS_RST_CNT Bus reset count register The reset counter for the USB
Table 24-4. USB Register List (continued)
Register Name Comments Features

PSoC 5LP Architecture TRM, Document No. 001-78426 Rev. *F 257
25. Timer, Counter, and PWM
Timer blocks in PSoC® devices are 8/16 bits and configurable to act as Timer, Counter, or Pulse Width Modulator (PWM)
blocks that play important roles in embedded systems. PSoC devices give a maximum of four instances of the block. If addi-
tional blocks are required, they can be configured in the UDBs using PSoC Creator™. Timer blocks have various clock
sources and are connected to the General Purpose Input/Output (GPIO) though the Digital System Interconnect (DSI).
25.1 Features
■8/16-bit timer/counter/PWM that acts as a down counter
■Supports the following modes:
❐Timer
❐Gated Timer
❐Pulse-width Modulator (PWM)
❐One Shot
■Supports interrupts upon:
❐Terminal count – the final value in the Count register is reached
❐Compare true – the timer value matches with the Compare register
❐Capture – capture of timer value on edge detection in the Capture signal
■Counts when Enable signal is asserted
■Supports the free running timer
■Period reload on start, reset, and terminal count
■Selectable clock source
■Supports kill and dead band features
25.2 Block Diagram
Figure 25-1 on page 258 shows one timer block.

258 PSoC 5LP Architecture TRM, Document No. 001-78426 Rev. *F
Timer, Counter, and PWM
Figure 25-1. Timer Block Diagram
25.3 How It Works
The block receives a clock signal that is selectable from dif-
ferent sources. The block in PSoC devices is a down coun-
ter and counts for every rising edge of the input clock. It
counts down from the period value to zero. When it reaches
zero (terminal count) the period value is reloaded into the
count register, and the timer continues to count. If the timer
is configured for One Shot mode, the timer stops when it
reaches the terminal count.
The timer block can act in various modes, depending on
appropriate configuration of the registers:
■Timer
❐Free Run
❐Gated Timer
– Pulse Width
– Period
– Stop on Interrupt
■PWM
■One Shot
The block can be used as a timer to capture time of external
event, to measure period and pulse width of the input signal,
and to find the time of occurrence of interrupt and as a PWM
generation unit.
25.3.1 Clock Selection
The block supports the flexibility to select the required clock
source. As shown in Figure 25-2 on page 259, the block
uses the CLK_BUS frequency, or it is routed through one of
the eight selectable clock lines CLK_BUS_EN 0…7, which
are synchronous to the clock bus.
Clock selection is done through the Configuration register
CFG1. If the BUS_CLK_SEL bit in register CFG1 is set, the
block uses the CLK_BUS frequency, instead of the eight
selectable digital clock lines.
If the BUS_CLK_SEL bit is set to 0, one of the eight select-
able lines is used for the clock. The bits CLK_BUS_EN_SEL
in Configuration register CFG1 are set to choose one of
eight selectable digital clock lines. The clock for the digital
clock lines can be derived from the CLK_BUS or it can be
another UDB signal or external clock signal.
DSI
Timer Block
Configuration registers
CFG0 and CFG1
Status Register SR0
Clock
Terminal Count
Output signal
DSI
Timer Reset pin
Kill pin
Capture pin
Capture
signal
Enable pin
Timer
Enable
signal
Kill
signal
Timer
Reset
signal
Period
registers PER1
(MSB) PER0
(LSB)
Capture
registers CAP1
(MSB) CAP0
(LSB)
External Route Registers
RT0 and RT1
Compare
Output signal
Terminal Count
Interrupt signal
Capture/Compare
Interrupt signal
Timer Enable
Interrupt signal
Timer Stop
Interrupt signal
Interrupt signal
to
Interrupt Controller
Terminal Count
Output pin
Compare
Output pin
Count
registers
Compare
registers
CNT_CMP1
(MSB) CNT_CMP0
(LSB)

PSoC 5LP Architecture TRM, Document No. 001-78426 Rev. *F 259
Timer, Counter, and PWM
Figure 25-2. Clock Selection
25.3.2 Enabling and Disabling Block
The block is enabled or disabled by setting the Enable bit
EN in Configuration register TMRx_CFG0. All the required
configurations for the block must be done before it is
enabled. When the block is enabled, it functions in the con-
figured mode (Timer or PWM). Enabling a block updates the
registers with the new configured value. Disabling a block
retains the values in the registers until it is enabled again.
■When the EN bit is set, the previous state is cleared and
the count register is loaded with the reload value from
the period register. The block starts to count.
■When Configuration and Period registers are modified
with the EN bit set to ‘1’, the changes go into effect only
after the completion of the current running period (at the
terminal count).
■When Configuration and Period registers are modified
with the EN bit set to ‘0’, the changes go into effect
immediately after the EN bit is set to ‘1’.
■When the block is enabled, the count value is loaded
with the new reload value, regardless of the state of the
register before setting EN = ‘0’.
When the register values are changed after setting EN = ‘0’,
the changes go into effect immediately. This is useful during
the PWM mode, where the user can change the PWM
period or duty cycle immediately.
25.3.3 Input Signal Characteristics
The block has four input signals separate from the clock sig-
nal:
■Enable
■Capture
■Timer Reset
■Kill
Input signals are connected to the GPIO through the Digital
System Interconnects (DSI). The user maps the input pins
to the DSI routing through External Routing register RT0.
DSI 1 through DSI 4 within any block can be routed to as
any of the above input signals, depending on user mapping.
Mapping between DSI routing and the input pins is not fixed.
See Figure 25-1 on page 258.
The block has two outputs, terminal count and compare out-
put. They are synchronized to the clock signal. This is done
by setting the bits in the external routing register RT1. When
the pins are set as asynchronous, the changes go into effect
immediately. If synchronous, the changes go into effect dur-
ing the next clock cycle.
Latch
CLK_BUS_EN_SEL[2:0]
CFG1
CLK
3
CLK_BUS_EN[7:0] FF
CLK_BUS
CLK_BUS_SEL
CFG1
Rising Edge
Detect

260 PSoC 5LP Architecture TRM, Document No. 001-78426 Rev. *F
Timer, Counter, and PWM
25.3.3.1 Enable Signal
The effect of the enable signal is explained in the timing dia-
gram for each mode. The following characteristics apply:
■Gated timer pulse width mode and period mode take the
Enable signal as input.
■Gated timer stop at interrupt mode and PWM mode need
an asserted Enable signal to function properly.
■Free run mode is independent of the enable signal.
■Enable signal polarity is reversed by setting the bit INV
in configuration register CFG0.
■Use of the capture signal to capture a time instance is
valid only when the enable signal is asserted.
25.3.3.2 Capture Signal
The capture signal is useful to find the time when an event
occurs. The capture signal is usually combined with the free
run timer mode. For the timer block to respond to the cap-
ture signal, the enable signal must be asserted before
asserting the capture signal. The following describes the
process:
■The time value is captured in the capture register by
assertion of the Capture signal for the block.
■Whenever the rising edge of the Capture signal is
detected, the count value is captured in the Capture reg-
ister.
■The capture register is read to find the time when the
assertion of Capture signal occurred.
■With every assertion of the Capture signal, a new value
is captured to the Capture register.
■An interrupt can be configured to occur at the assertion
of the Capture signal. The interrupt bit in the Status reg-
ister should be unmasked for the capture interrupt to
occur. The Capture register value can be read in the
capture ISR.
■When using a fixed function timer with interrupt on cap-
ture enabled, read the capture register twice. The first
reading yields an incorrect value (0xff)”
Figure 25-3 shows the effect of the capture signal (period
register = 0xFFFF).

PSoC 5LP Architecture TRM, Document No. 001-78426 Rev. *F 261
Timer, Counter, and PWM
Figure 25-3. Capture Mode Timing Diagram
Clock
Enable
EN Bit
Capture
Input Pin
Capture
Register 0xFFFD 0x1000
Capture
Interrupt
Count Value
0xFFFF
0xFFFE
0xFFFD
0x1
0x0
0xFFFF
0xFFFE
0xFFFD
0x1
0x0
0x1000

262 PSoC 5LP Architecture TRM, Document No. 001-78426 Rev. *F
Timer, Counter, and PWM
25.3.3.3 Timer Reset Signal
When the timer reset pin is asserted, the count value in the Count register (TMRx_CNT) is set to 0x00. When the timer reset
pin is deasserted, the TMRx_CNT register is reloaded with the period value, and it functions in the configured mode. This sig-
nal stops the block operation for the time during which the timer reset signal is high and then restarts the operation from the
beginning.
Figure 25-4 is a timing diagram for the timer reset signal (Period register = 0xFFFF).
Figure 25-4. Timer Reset Signal Timing Diagram
25.3.3.4 Kill Signal
The Kill signal is valid only during PWM mode. The effect of
the kill signal is explained in PWM mode in the sections
ahead.
Clock
Enable
EN Bit
Count Value
0xFFFF
0xFFFE
0xFFFD
0x0100
0x00FF
Timer
Reset
0xFFFF
0xFFFE
0xFFFD
0x1
0x0
0x0100
0x00FF

PSoC 5LP Architecture TRM, Document No. 001-78426 Rev. *F 263
Timer, Counter, and PWM
25.3.4 Operating Modes
25.3.4.1 Timer Mode – Free Run Mode
The register configuration for Timer mode is:
■Registers to set – TMRx_CFG0, TMRx_CFG1,
TMRx_CFG2
■Bit MODE in TMRx_CFG0 = 0 – Timer mode
■TMRx_CFG2[1:0] = 0 – Timer runs in continuous mode
Note These bits cannot be modified by the user.
The Free Run mode is mainly used to obtain the current
system time. Timer operation, automatically forced into the
Free Run mode, occurs independent of the state of the
Enable pin. This mode is called Free Run because the timer
runs even if the state of the Enable pin is low.
The following describes the process:
■The timer is a down counter, and the current time value
is stored in the TMRx_CNT registers.
■The reload value for the timer is stored in the Period reg-
isters TMRx_PER0 and TMRx_PER1.
■After the count reaches zero (terminal count), the period
value is reloaded automatically to the Count registers for
the timer to count. The reload value determines the
period for the timer. Two types of output result when the
terminal count is reached:
❐A terminal count output signal that generates a pulse
at the terminal count – The terminal count output sig-
nal can be routed to any GPIO through the DSI.
❐An interrupt at the terminal count – To initiate an
interrupt, the terminal count interrupt in the Status
register must be unmasked.
■The current timer value is read from the 8-bit Count reg-
isters CNT0 and CNT1. In the case of the 32-bit control-
ler, a 16-bit read of the Capture register can be done.
■In the case of the 8-bit controller, the 8-bit read is done.
When an 8-bit read is done for the CNT0 register (LSB)
the values of LSB and MSB are automatically captured
in the Capture registers. The user can read the Capture
register to obtain the 16-bit time value.
Figure 25-5 shows the terminal count output signal and the
terminal count interrupt behavior in the Free Run mode
(Period register value = 0xFFFF) and illustrates the following
behavior.
■Independence of the Timer from the Enable signal for
the block
■The effect of changing the Period register with both EN =
‘1’ and EN = ‘0’
❐When the Period register is changed with EN = 1, the
effect takes place only after the terminal count.
❐When the Period register is changed with EN = 0, the
effect takes place immediately after setting EN = 1.
Figure 25-5. Free Run Mode Timing Diagram
0xFFFF
0xFFFE
0xFFFD
0x1
0x0
0xFFFF
0xFFFE
0xFFFD
0x1
0x0
0xE000
0xDFFF
0xDFFE
0x1
0x0
Automatic reload
of period
0x00FF
0x00FE
0x00FD
0xE000
0xDFFF
0xDFFE
0x1
0x0
Immediate effect
after EN = 1
0xFFFF 0x00FF
Period changed
without changing EN Period changed
after EN = 0
0xE000
Clock
Period
Value
EN Bit
Terminal
Count
Interrupt
Count Value
Terminal Count
Output Pin

264 PSoC 5LP Architecture TRM, Document No. 001-78426 Rev. *F
Timer, Counter, and PWM
25.3.4.2 Gated Timer Mode
In the Gated Timer mode, the timer does not run continu-
ously; it starts and stops, based on certain criteria. The
Gated Timer mode measures some parameters of the input
signal, including the period of the input signal, the pulse
width of the input signal, and the time after which an inter-
rupt occurs. Depending on the configuration of the register,
the following modes are supported:
■Pulse Width
■Period
■Stop on Interrupt
The register configuration for the Counter mode is:
■Registers to set – TMRx_CFG0, TMRx_CFG1,
TMRx_CFG2
■Bit MODE in TMRx_CFG0 = 0 – block acts in gated
timer mode
■Two bits of TMRx_CFG2[1:0] – gated timer runs in vari-
ous modes
These modes are shown in Table 25-1.
The signal for which the pulse or period is measured is
given to the Enable pin.
The following describes the process:
■When the EN bit is set to ‘1’, the Count register is loaded
with the period value from the Period register.
■The timer begins counting whenever a rising edge
occurs in the enable input. The Count register counts for
every clock cycle.
■When the next edge is reached (falling edge in the case
of a Pulse Width count and the next rising edge in the
case of a Period count), the timer stops to count.
■On reaching the terminal count, the TMRx_CNT register
is automatically reloaded with the period value. The
timer stop interrupt can be configured to occur when the
timer stops to count. The timer stop interrupt enable bit
should be unmasked for the interrupt to occur.
■The state of the timer is obtained from the TSTOP bit in
the Status register. This sticky bit shows whether the
timer has stopped counting; the user must clear the bit.
Table 25-1. TMRx_CFG2[1:0] Bit Settings in Gated Timer
Mode
TMRx_CFG2[1:0] Comments
00 Timer runs while EN bit of CFG0 register is set to ‘1’
01 Pulse width count – counts from positive edge to neg-
ative edge of TIMEREN
10 Period count – counts from one positive edge to the
next positive edge of TIMIEREN
11 Counts from enabled to IRQ

PSoC 5LP Architecture TRM, Document No. 001-78426 Rev. *F 265
Timer, Counter, and PWM
Pulse Width Mode
The input signal is given to the Enable pin. The timer begins
counting at the rising edge of the Enable signal and stops
counting at the falling edge of the Enable signal. There is a
latency of one clock cycle for the block to detect the edges.
The difference in the count value before and after the count
is equal to the pulse width of the input signal in terms of
counts.
The count value is read using 16-bit read in case of a 32-bit
controller and 8-bit read in case of a 8-bit controller. During
16-bit read, the count values are read as one 16-bit value
and the value is captured in the Capture register. During the
8-bit read, a read of the CNT0 (LSB value) captures the LSB
and MSB in the Capture register. The user can read the
Capture register to obtain the time value.
Figure 25-6 shows the Gated Timer in Pulse Width mode. In
this figure, the One Shot mode is disabled, so the timer will
start to count when the next rising edge is encountered.
When the One Shot mode is enabled, the timer stops after
the falling edge and should be enabled again.
Figure 25-6. Gated Timer in Pulse Width Mode
0xFFFF
0xFFFE
0xFFFD
0x1001
0x1000
0x1000 0x1000
0x0FFF
0x0FFE
0x0100
0x00FF
0x00FF
Clock
Enable Pin
EN Bit
Timer Stop
Interrupt
Count Value
Final CNT.reg
Value

266 PSoC 5LP Architecture TRM, Document No. 001-78426 Rev. *F
Timer, Counter, and PWM
Period Mode
The input signal is given to the Enable pin. In this mode, the
timer begins counting at the rising edge of the Enable signal
and stops counting at the next rising edge. There is a
latency of one clock cycle for the block to detect the edges.
The difference in the count value between the start and the
end of the count is equal to the period (in counts) of the
input signal.
The count value is read, using a 16-bit read in the case of a
32-bit controller and an 8-bit read in case of an 8-bit control-
ler. During a 16-bit read, the count values are read as one
16-bit value, and the value is captured in the Capture regis-
ter. During the 8-bit read, a read of the CNT0 register (LSB
value) captures the LSB and MSB in the Capture register.
The user can read the Capture register to obtain the time
value.
Figure 25-7 shows the Gated Timer in Period mode. In this
figure, the One Shot mode is disabled; the timer starts to
count when encountering the next rising edge after the
period calculation. When the One Shot mode is enabled, the
timer stops after the second rising edge and should be
enabled again.
Figure 25-7. Gated Timer in Period Mode
0xFFFF
0xFFFE
0xFFFD
0x1001
0x1000
0x1000 0x1000
0x0FFF
0x0FFE
0x0100
0x00FF
0x00FF
Clock
Enable Pin
EN Bit
Timer Stop
Interrupt
Count Value
Final CNT.reg
Value

PSoC 5LP Architecture TRM, Document No. 001-78426 Rev. *F 267
Timer, Counter, and PWM
Stop on Interrupt Mode
The Stop on Interrupt mode is useful to stop the timer on
occurrence of a specific event for the block. In this mode,
the timer starts counting when the EN bit is set to ‘1’ and
stops counting when an Interrupt Request (IRQ) is received.
The IRQ is any configured interrupt (Terminal Count/Cap-
ture, Compare/Timer Stop) of the block. When the IRQ is
received, the timer is automatically disabled. The timer
should be enabled (EN = ‘1’) to start the timer again.
The timer begins to run only after it is disabled and enabled
again. The count value is read using a 16-bit read in case of
32-bit controller and an 8-bit read in case of 8-bit controller.
During a 16-bit read, the count values are read as one value
and the value is also captured in the Capture register. Dur-
ing the 8-bit read, a read of the CNT0 register (LSB value)
captures the LSB and MSB in the Capture register. The user
can read the Capture register to obtain the time value.
Figure 25-8 shows the Gated Timer in IRQ mode.
Figure 25-8. Gated Timer in IRQ Mode
0xFFFF
0xFFFE
0xFFFD
0x1001
0x1000
0x1000
Clock
IRQ Pin
EN Bit
Timer Stop
Interrupt
Count Value
Final CNT.reg
Value

268 PSoC 5LP Architecture TRM, Document No. 001-78426 Rev. *F
Timer, Counter, and PWM
25.3.4.3 Pulse-width Modulator Mode
The Pulse-width Modulator (PWM) mode is also called the
Comparator mode, because the comparison output is a
PWM output with a varying duty cycle and a varying period.
The duty cycle depends on the compare type and compare
value. The period depends on the Period register. For exam-
ple, consider a 16-bit PWM block with a clock of 48 MHz.
The period value is set to 0x8000 (32768 in decimal). This
block gives a PWM period as follows:
PWM Period = (Period Value * 1/Clock frequency)
PWM period for this example = (32768 * 1/48MHz) = 682.7
microsecond
The register configuration for the Comparator mode is:
■Registers to set – TMRx_CFG0, TMRx_CFG1,
TMRx_CFG2
■Bit MODE in TMRx_CFG0 = 1 – block acts as Compara-
tor
■Three Bits CMP_CFG in TMRx_CFG2 – Comparator
runs in various compare modes
The following table lists appropriate register settings.
The Comparator mode compares the timer value and the
Compare register value, using either “==”, “<”, “<=”, “>” or
“>=” depending on the mode configuration in the CFG2 reg-
ister.
The following describes the compare process:
1. The timer value begins to count when EN = ‘1’.
2. When the compare is true, the compare output signal is
asserted or the compare interrupt signal is asserted. The
block continues to count.
3. The CNT register is reloaded with the period value when
the terminal count is reached and begins to count com-
pare again.
4. The output of the compare is either the compare output
signal or interrupt at the compare.
5. The interrupt occurs when the compare interrupt enable
bit is unmasked in the Status register.
6. The compare output signal is routed to the GPIO pin
using the DSI.
During the Comparator mode alone, the terminal count out-
put pin acts as the complement to the compare output pin.
To use this feature, enable the dead band mode (see Dead
Band Feature on page 270). Enable the dead band feature
by setting ‘1’ in the DB bit of CFG0. In the Comparator
mode, the CNT register cannot be read.
Compare Types
The following is a description of various compare types.
CMP_CFG = 000
The compare output pin generates a pulse when the timer
value = the comparator value. In this case, the width of the
pulse = one clock cycle. The compare output interrupt signal
occurs when the compare value = Timer Value.
CMP_CFG = 001
The compare output pin generates a pulse when the timer
value is less than the comparator value. The following
describes the event:
■The width of the pulse = one clock cycle x Comparator
value.
■The rising edge occurs when the timer value becomes
less than the comparator value, such as when the less
than condition is met.
■The falling edge of the pulse occurs when the terminal
count is reached, such as when the condition changes to
false.
■When the comparator is disabled (EN = ‘0’) before the
terminal count, the output remains high.
■The Compare output interrupt signal occurs when the
timer value is less than the Compare value.
CMP_CFG = 010
The compare output pin generates a pulse when the timer
value is less than or equal to the comparator value. The fol-
lowing describes the event:
■The width of the pulse = one clock cycle x (Comparator
value + 1).
■The rising edge occurs when the timer value becomes
equal to the comparator value, such as when the less
than or equal to condition is met.
■The falling edge of the pulse occurs when the terminal
count is reached, such as when the condition changes to
false.
■When the comparator is disabled (EN = ‘0’) before the
terminal count, the output remains high.
■The Compare output interrupt signal occurs when the
timer value = Compare value.
Table 25-2. Register Settings for Compare Type
CMP_CGF Comments
000 Timer Value == Comparator Value
001 Timer Value < Comparator Value
010 Timer Value <=Comparator Value
011 Timer Value > Comparator Value
100 Timer Value >= Comparator Value

PSoC 5LP Architecture TRM, Document No. 001-78426 Rev. *F 269
Timer, Counter, and PWM
CMP_CFG = 011
The compare output pin generates a pulse when the timer
value is greater than the comparator value. The following
describes the event:
■The width of the pulse = one clock cycle x (Period –
Comparator value).
■The rising edge occurs when the Count register is
reloaded with the period value, such as when the greater
than condition is met.
■The falling edge of the pulse occurs at the end of count
value = (Comparator value + 1), such as when the condi-
tion changes to false.
■When the comparator is disabled (EN = ‘0’) before the
condition changes to false, the output remains high.
■The Compare output interrupt signal occurs after the
reload of the period value.
CMP_CFG = 100
The compare output pin generates a pulse when the timer
value is greater than or equal to the comparator value. The
following describes the event:
■The width of the pulse = one clock cycle x (Period –
Comparator value + 1).
■The rising edge occurs when the Count register is
reloaded with the period value, such as when the greater
than or equal to condition is met.
■The falling edge of the pulse occurs at the end of count
value = Comparator value, such as when the condition
changes to false.
■When the comparator is disabled (EN = ‘0’) before the
condition changes to false, the output remains high.
■The Compare output interrupt signal occurs after the
reload of the period value.
Figure 25-9 shows the compare output for various Compare
types. The Period register is loaded with 0xFFFF, and the
Compare register is loaded with 0x1000.

270 PSoC 5LP Architecture TRM, Document No. 001-78426 Rev. *F
Timer, Counter, and PWM
Figure 25-9. Compare Output for Various Compare Types
On the Fly Duty Cycle Update
Support for multiple comparisons depends on the bit
CMP_BUFF in Configuration register CFG0. The following
describes the process:
■When the CMP_BUFF is set to ‘1’; the updated compar-
ator value takes effect only after completion of the cur-
rently running period. After the terminal count, the new
compare value is taken for further comparison. When
this mode is used, the PWM block detects only one com-
pare during a period.
■When the CMP_BUFF is set to ‘0’; the updated compar-
ator value takes effect immediately even before the com-
pletion of the current running period. This may result in
another toggling of the pin even before the completion of
current period, thus supporting multiple comparisons.
Dead Band Feature
The dead band feature is used only in Comparator mode. To
enable the dead band feature, set the DB bit in Configura-
tion register TMRx_CFG0 to ‘1’. In the dead band mode, the
terminal count output pin complements the comparator out-
put pin.
During the dead band period, both compare output and
complement compare output are low for a period, deter-
mined by the DEADBAND_PERIOD bits in the TMRx_CFG0
register. The dead band feature allows generation of two
PWM pulses with non-overlapping outputs. The dead band
feature uses a counter. The following describes the process:
■When the comparator asserts the comparator output, it
negates the asserted output for the dead band period.
■The dead band period is loaded and counted for the
period configured in the DEADBAND_PERIOD bits.
■When the dead band period has completed, the signal is
asserted, and the complement is negated.
Clock
Enable
EN Bit
Compare
Output Pin
Count Value
Compare
Register 0x0100
0xFFFF
0xFFFE
0xFFFD
0x1
0x0
0x0100
0x00FF
0xFFFF
0xFFFE
0xFFFD
0x1
0x0
0x0100
0x00FF
Timer <
Compare
Timer =
Compare
Timer <=
Compare
Timer >
Compare
Timer >=
Compare

PSoC 5LP Architecture TRM, Document No. 001-78426 Rev. *F 271
Timer, Counter, and PWM
■A dead band period of zero has no effect.
■When the rate of change in the compare output is less
than the dead band period, the immediate change is
ignored. Transitions in the compare and complement
compare output occur only for the next change in the
compare output.
■When the rate of change in the compare output is more
than the dead band period, the transitions occur at both
compare output changes.
Kill Feature
The Kill signal is mainly used to deactivate the PWM signal
in case of fault. Used only in Comparator mode, this signal
places the output signals of the block in an unasserted state.
The following describes the process:
■When the Kill signal is asserted, the compare output and
the complement of the compare output (if it exists) go to
its unasserted state. The terminal count output acts as
the complement of the compare output when the dead
band feature is enabled.
■When the Kill signal is reasserted, the output signal is
restored to its default state. Kill signal duration should be
at least one full clock cycle for proper stopping and res-
toration of the output signal. There is a latency of two
clock cycles before the output signal is restored.
■When the Kill signal is asserted, any change in the com-
pare output is ignored, and the deassertion of the Kill
signal results only in the previous default state.
25.3.4.4 One Shot Mode
The One Shot mode works in combination with all of the
modes specified above. The only difference is that the auto-
matic reload of the Count register with the period does not
occur. The block stops working when the required criteria
are reached; there is no further reload and running of the
block.
The register configuration for the One Shot mode is:
■Bit ONESHOT in Configuration register TMRx_CFG0 =
1 – enabled One Shot mode
The following table shows end criteria (where the block
stops) for each mode. When an end criterion is met, the
block stops running and the EN bit is cleared. If the user
wants to run the block again, then the block must be
enabled (EN = ‘1’):
25.3.5 Interrupt Enabling
The block supports four types of interrupt:
■Terminal Count
■Capture/Compare
■Timer Enable
■Timer Stop
These interrupts are enabled by setting the corresponding
bits in the Status register; occurrences are stored in the Sta-
tus registers. Because these Status register bits are sticky,
the interrupt request bits must be cleared explicitly by the
software on occurrence of the interrupt. See Figure 25-1 on
page 258. The process is described as follows:
■Interrupt signals are sent to the Interrupt controller block,
where execution is decided and processed.
■The blocks are configured to support any combination of
the four interrupts; only one interrupt is supported at a
time.
■When another interrupt signal comes during the execu-
tion of one interrupt, the new interrupt request is held
pending until the previous interrupt execution is com-
pleted.
■After the completion of the previous interrupt the new
interrupt begins the execution.
Table 25-3. Block Stops
Modes Sub-Types Criteria
Timer Free Run Mode Terminal Count
Capture Mode Terminal Count
Counter
Pulse Width Mode Negative Edge
Period Mode Second Positive Edge
IRQ Mode IRQ
PWM
CMP_CFG = 000 Terminal Count
CMP_CFG = 001 Terminal Count
CMP_CFG = 010 Terminal Count
CMP_CFG = 011 Terminal Count
CMP_CFG = 100 Terminal Count

272 PSoC 5LP Architecture TRM, Document No. 001-78426 Rev. *F
Timer, Counter, and PWM
Interrupt signals can be of two types:
■Raw Interrupt – Sent whenever the interrupt occurs.
These interrupt signals do not wait for the execution of
the previous interrupt request; they are continuously
sent whenever the interrupt occurs. This type of interrupt
signal is called "pulse input" because for every interrupt
occurrence, a pulse is sent on the interrupt signal and
does not wait for acknowledgement from the CPU.
■Status Interrupt – Sent depending on the status bits in
the Status register. When the status bit is set to ‘1’, the
interrupt signal is sent. The next interrupt signal is sent
only after the status bit is cleared. The clearing of the
status bit is handled by the software inside the interrupt
service routine. The interrupt signal is not sent for every
interrupt occurrence, but for every new setting of the sta-
tus bit in the Status register. These types of interrupt
allow the user control over the execution of the interrupt.
This type of interrupt signal is called "level input"
because the signal is asserted and remains asserted
until the bit is cleared by the software. The selection of
the interrupt signal type is decided using the bit
IRQ_SEL, available in the configuration register
TMRx_CFG1.
25.3.6 Sleep Mode Behavior
The block supports the following two power saving features:
■When the timer blocks are not accessed by the PHUB,
the clock to the AHB interface is gated off, preventing all
registers in the block from accessing the clock.
■When the EN bit for a block is not asserted, the clock for
that particular block is gated off.
The block retains the values of the Period, Configuration,
and Compare registers during the sleep and hibernate
states. The Count register value is not retained during the
sleep and hibernate states.
25.4 Register Listing
The following table lists the registers.
Table 25-4. Registers
Register Names Comments Features
TMRx_CFG0 Configuration Reg-
ister
Configures Enable of block,
One Shot mode, mode of block,
Enable pin inversion and dead
band features
TMRx_CFG1 Configuration Reg-
ister
Configures clock, deadband
mode, disable on clear, first ter-
minal count, IRQ selection
TMRx_CFG2 Configuration Reg-
ister
Configures each of the modes,
reset on disable, clear on dis-
able, timer enable
TMRx_PER0,
TMRx_PER1 Period Register Retains the reload value
TMRx_CNT_CMP0,
TMRx_CNT_CMP1 Count/Comparator
Registers
In the Comparator mode, the
Count register cannot be read.
So the Compare and Count
register share the same
address space.
TMRx_CAP0,
TMRx_CAP1 Capture Register
TMRx_SR0 Status Register Hold the status of interrupts and
controls the interrupt masking
TMRx_RT0,
TMRx_RT1 External Routing
Registers
Controls synchronization of the
signals and routing of the sig-
nals to the DSI

PSoC 5LP Architecture TRM, Document No. 001-78426 Rev. *F 273
26. I2C
PSoC® 5LP devices include a fixed block I2C peripheral designed to interface the PSoC device with an I2C communications
bus. Additional I2C interfaces can be created using universal digital blocks (UDBs) and PSoC Creator™. This chapter
describes the fixed block I2C interface. For details on the UDB-based interface, see the component datasheet in PSoC Cre-
ator. Users not familiar with the I2C interface and the basics of an I2C transaction should see 26.2 Background Information.
26.1 Features
The I2C is a serial communication block, which is used to interface the PSoC device to a two-wire I2C bus. This block elimi-
nates an excessive CPU intervention and overhead with a hardware-based status detection and framing bit generation. This
block can operate as a slave, master, or multimaster.
Basic I2C features include:
■Slave/master/multimaster, transmitter and receiver operation
■Process bytes for low CPU overhead
■Provides hardware support for bus status detection and frame bit generation
■Generates interrupts for a variety of bus events
■Interrupt or polling CPU interface
■Supports bus stalling
■Support for clock rates of up to 1MHz(Fast-mode plus)
■7 or 10-bit addressing (10-bit addressing requires firmware support)
■SMBus operation (requires additional firmware layers on top of this block)
■Routes SDA and SCL connection directly to one of two pairs of assigned pins on the SIO port, or through the DSI to any
pair of GPIO or SIO pins
■Provides HW address compare, and wake from sleep on address match
■Provides 50 ns glitch filtering

274 PSoC 5LP Architecture TRM, Document No. 001-78426 Rev. *F
I2C
26.2 Background Information
The following paragraph introduces the basics of I2C bus
communication.
26.2.1 I2C Bus Description
The Inter IC, or I2C, bus was developed by Philips Semicon-
ductors (now NXP) to provide a simple means to allow multi-
ple ICs to communicate directly with each other over a
common bus. Features of the I2C bus include:
■Only two bus lines are required: (1) serial data (SDA)
and (2) serial clock (SCL).
■Serial, 8-bit, bi-directional data transfers can be made at
up to 100 kbps in the standard mode, up to 400 kbps in
the fast mode and up to 1 Mbps in the fast mode plus.
See Figure 26-2 for an example I2C bus transfer.
■Devices are connected to the bus using open collector or
open-drain output stages; with pull up resistors for wired
AND functions.
■Each slave device connected to the bus has a unique
software address.
■Simple master/slave relationships exist; masters and
slaves can operate as either transmitters or receivers.
■In the Multi-Master mode, to settle the contention for the
bus between two masters, collision detection and arbi-
tration techniques are used.
For more information, see the I2C-Bus Specification, and
User Manual, Version 03 at http://www.nxp.com/
acrobat_download/usermanuals/UM10204_3.pdf.
26.2.2 Typical I2C Data Transfer
In a typical I2C transaction, the following sequence takes
place:
1. A master device controls the SCL line and generates a
Start condition followed by a data byte. The data byte
contains a 7-bit slave address and a Read/Write (RW)
bit. The Read/Write bit defines the direction of the data
transfer with respect to the master. It is high for read and
low for write.
2. The slave device recognizes its address and acknowl-
edges (ACK) the byte by pulling the data line low during
the ninth bit time.
If the slave does not respond to the first data byte with
an ACK, a Stop condition is generated by the master to
terminate the transfer. A Repeated Start condition may
also be generated for a retry attempt.
3. The master transmits or receives an indeterminate num-
ber of bytes, depending on the RW direction.
4. When the transfer is complete, the master generates a
Stop condition.
Figure 26-1. I2C Transfer of a Single Data Byte, With Clock Stretching by a Non-PSoC Slave
26.3 How It Works
The PSoC 5LP I2C interface provides support for bus status
detection and generation of framing bits. It can operate at up
to fast mode plus speeds, in these modes:
■Slave – The interface listens for Start and Stop condi-
tions to begin and end data transfers.
■Master – The interface generates the Start and Stop
conditions and initiates data transfers by transmitting a
slave address.
■Multi-Master – The interface provides clock synchroniza-
tion and arbitration to allow multiple masters on the
same bus. Slave mode can be enabled at the same time
as master mode.
MSB
178 9
SDA
SCL
START or
Repeated
START
condition
S or
SR 2 1 2
ACK
Acknowledgement
signal from Slave
Byte complete,
interrupt within Slave Clock line held low while
interrupts are serviced.
Acknowledgement
signal from Receiver
3 - 8 9
ACK
P
SR
SR
or P
STOP or
Repeated
START
condition

PSoC 5LP Architecture TRM, Document No. 001-78426 Rev. *F 275
I2C
For details about the operation of these three modes, see
26.3.6 Operating the I2C Interface on page 275 and sections
26.6 Slave Mode Transfer Examples on page 280, 26.7
Master Mode Transfer Examples on page 283, and 26.8
Multi-Master Mode Transfer Examples on page 285.
The I2C interface supports either 7-bit or 10-bit addressing.
The hardware supports 7-bit address compare. In slave
mode, 7-bit address detection is done by using either a
hardware address compare or by the CPU in firmware. A
10-bit address detection must be done by the CPU in firm-
ware. In master mode, 10-bit address generation must be
done by the CPU in firmware.
26.3.1 Bus Stalling (Clock Stretching)
After a byte is transferred on the I2C bus, a slave device
may need time to store the received byte or to prepare
another byte to be transmitted. In that case, the slave can
hold the SCL line low before or after acknowledgment of a
byte, which forces the master into a wait state until the slave
is ready. This operation is known as stalling the I2C bus.
Some devices in master mode may not support bus stalling;
the system design should be checked before using bus stall-
ing in slave mode.
The I2C slave interface can stall the bus on every received
address and on every completed byte transfer. After a byte
is transferred, the master has half a clock cycle to start
another read/write before the slave stalls the SCL bus
again.
26.3.2 System Management Bus
The System Management Bus (SMBus) is a bus definition
based on the I2C bus. It is similar to, and generally a subset
of, the I2C bus. For more information, see the SMBus Spec-
ification, Version 1.1. The I2C interface generally supports
SMBus, although additional firmware support may be
required.
26.3.3 Pin Connections
The I2C block controls the data (SDA) and the clock (SCL)
to the external I2C interface, through direction connections
to the GPIO/SIO pins. When I2C is enabled, these GPIO/
SIO pins are not available for general purpose use. The
SDA and SCL connections of the I2C interface can be
directly routed to one of two pairs of assigned pins on the
SIO port. The connections can also be routed through the
DSI to any other pair of GPIO or SIO pins. In all cases, the
GPIO or SIO pins must be configured for “Open Drain,
Drives Low” mode (see 19.3.2.5 Open Drain, Drives High
and Drives Low on page 156).
To use the I2C in sleep mode, it must be routed through one
of the dedicated pairs of SIO lines.
26.3.4 I2C Interrupts
The I2C interface generates interrupts for these conditions:
■Byte transfer (receive or transmit) complete
■I2C bus Stop condition detected
■I2C bus error detected
The I2C interface cannot generate DMA requests.
26.3.5 Control by Registers
The I2C interface is controlled by reading and writing a set of
configuration, control, and status registers listed in the fol-
lowing table. These 8-bit wide registers are used to turn the
I2C interface on or off, connect to I/O pins, set the baud rate,
provide status and control for the data transfer processes,
and monitor for exceptions.
26.3.6 Operating the I2C Interface
Operate the I2C interface in this manner:
1. Turn on the I2C interface by setting the I2C_XCFG bit 7,
csr_clk_en.
2. To route the SDA and SCL to the desired pin pair, set up
I2C_CFG as described in Table 26-2.
3. Select the baud rate (SCL clock frequency) by setting
the I2C_CFG register, bit 2 and the I2C_CLK_DIV1 and
I2C.CLK_DIV2 registers as shown in Table 26-3. The
formula to determine the baud rate is:
Baud Rate = Bus clock frequency / (Clock Division Fac-
tor * Oversample Rate)
4. Enable the desired mode of operation, following the
instructions in 26.3.6.1 Slave Mode on page 277,
26.3.6.2 Master Mode on page 278, or 26.3.6.3 Multi-
Master Mode on page 279.
Table 26-1. I2C Registers
Register Usage
I2C_CFG Configuration – basic operating modes, oversample rate,
and selection of interrupts.
I2C_XCFG Configuration – configures enhanced features.
I2C_CLK_DIV1
I2C_CLK_DIV2 Clock Divide – sets baud rate (along with oversample
rate in I2C_CFG).
I2C_CSR Control / Status – used to control the flow of data bytes
and to keep track of the bus state during a transfer.
I2C_MCSR Master Mode Control / Status – implements I2C framing
controls and provides bus status.
I2C_ADR Slave Address – for slave address recognition in hard-
ware, holds the 7-bit slave address.
I2C_D Data – provides read / write access to the data shift
register.

276 PSoC 5LP Architecture TRM, Document No. 001-78426 Rev. *F
I2C
Table 26-2. Configuration of the I2C_CFG Register, Bit 7
Pin Pair Port PinsaRegister Settings
I2C0 P12[4,5] I2C_CFG[6] = 1, I2C_CFG[7] = 0
I2C1 P12[0,1] I2C_CFG[6] = 1, I2C_CFG[7] = 1
Any other GPIO / SIO
pin pair Selectable I2C_CFG[6] = 0, other DSI and GPIO registers according to pin pair selected
a. The port pins used must be configured to “Open drain, Drives Low” mode (mode 4). The SIO pins are more suited for this purpose than the GPIO pins as
the SIO pins have higher current sink capability and over voltage tolerance.
Table 26-3. Configuration For I2C Baud Ratea
Bus Clock (MHz) I2C Mode Oversample Rate Divide Factor SCL (kHz)
I2C_CLK_DIV2[1:0] I2C.CLK_DIV1[7:0]
3 Standard 16 (0)2'b00 (2)8'b00000010 93.75
6 Standard 32 (0)2'b01 (2)8'b00000010 93.75
6 Fast 16 (0)2'b02 (1)8b'00000001 375
12 Standard 32 (0)2'b03 (4)8'b00000100 93.75
12 Fast 16 (0)2'b04 (2)8'b00000010 375
24 Standard 32 (0)2'b05 (8)8b'00001000 93.75
24 Fast 16 (0)2'b06 (4)8'b00000100 375
48 Standard 32 (0)2'b07 (16)8b'00010000 93.75
48 Fast 16 (0)2'b08 (8)8b'00001000 375
48 Fast plus 16 (0)2'b09 (3)8b'00000011 1000
67 Standard 32 (0)2'b10 (21)8b'00010101 99.7
67 Fast 16 (0)2'b11 (11)8b'00001011 381
67 Fast plus 16 (0)2'b12 (4)8'b00000100 1046
80 Standard 32 (0)2'b13 (25)8b'00011001 100
80 Fast 16 (0)2'b14 (13)8b'00001101 385
80 Fast plus 16 (0)2'b15 (5)8b'00000101 1000
a. Other values of bus clock, oversample rate and clock divider cause the baud rate to be scaled accordingly.

PSoC 5LP Architecture TRM, Document No. 001-78426 Rev. *F 277
I2C
26.3.6.1 Slave Mode
To enable slave mode operation, set I2C_CFG bit 0, Enable Slave. See Figure 26-2.
Figure 26-2. Slave Mode Operation
In slave mode, the I2C interface continually monitors the bus
for a Start condition. When a Start condition is detected, the
following ensues.
1. The first byte, which is the Address / RW byte, starts to
be shifted in. When all eight bits are received, a Byte
Complete status is generated.
2. On the following low of the clock, the bus is stalled by
holding SCL low, until the address byte is read and com-
pared. An ACK or NACK is then issued, based on that
comparison.
3. If there is an address match, the RW bit determines the
direction of the data transfer, as shown in the two
branches of Figure 26-2. After each byte is received, or
when a new byte can be transmitted, a Byte Complete
status is generated, and SCL is held low to stall the bus
until the CPU handles the interrupt and prepares itself
for the next transfer.
4. When transmitting bytes, the slave receives an ACK /
NACK from the master for each byte sent.
ACK is a signal that the master wants another byte.
NACK or a Stop condition is a signal that the master
does not want any more bytes – the CPU should let the
I2C interface go to an idle state.
5. When receiving bytes, the slave ACKs / NACKs each
byte received from the master.
ACK is a signal that the slave can accept another byte.
NACK is a signal that no more bytes can be accepted –
after generating a NACK the CPU should then let the I2C
interface go to an idle state.
6. Data transfer is complete when the master generates a
Stop condition.
7. At anytime when a Stop condition or Bus Error is
detected, the I2C interface is automatically reset to an
idle state.
Slave Address Recognition
The slave address recognition feature can be enabled in
hardware to reduce CPU usage. To enable hardware
address recognition:
1. Set the 7-bit slave address in I2C_ADR, bits 0 to 6.
178
1789
START 7-Bit Address R/W
ACK
8-Bit Data
ACK/
NACK
STOP
CPU reads the
received byte from the
I2C_D register and
checks for “Own
Address” and R/W.
178
8-Bit Data STOP
CPU writes the
byte to transmit
to the I2C_D
register.
9
Read (TX) Write (RX)
CPU writes
(ACK) to
I2C_CSR
register.
Successful Slave Transmitter/Reciever
ACK/
NACK
CPU issues ACK/
NACK command
with a write to the
I2C_CSR register.
Master transmits
another byte
CPU reads the
received byte from
the I2C_D register.
ACK = Master
wants to read
another byte.
NACK = Master
says end-of-data
NACK = Slave
says no more
ACK = Slave OK to
receive more.
Master may send
more or issue stop.
A byte interrupt is
generated.
An interrupt is
generated on byte
complete.
An interrupt is generated
on a complete byte +
ACK/NACK.
ACK
CPU writes
(ACK | TRANSMIT) to
I2C_CSR register.
9
CPU writes a new byte to the
I2C_D register and then writes a
TRANSMIT command to
I2C_CSR to release the bus.
SCL line is
held low.
SCL line is
held low.
SCL line is
held low.

278 PSoC 5LP Architecture TRM, Document No. 001-78426 Rev. *F
I2C
2. Set I2C_XCFG, bit 0, HW Addr En.
When hardware address recognition is enabled, the address
portion of the first byte received after a bus Start condition is
compared to the value in I2C_ADR.
■If no match is detected, the byte is automatically NAKed.
■If a match is detected, the byte is automatically ACKed,
a byte complete interrupt is generated, and the remain-
der of the transfer is performed as described above.
Note If an external I2C master addresses another I2C slave
and then issues a repeated start (instead of a stop) to this
slave, this I2C slave will return garbage data on read. The
problem is that the block does not clear a critical internal sig-
nal (the I2C_CSR.address bit) on a repeated start. This
causes the ensuing data access to this slave to proceed
immediately, instead of waiting for the CPU to write the cor-
rect data to the I2C_D.data register. As a result, garbage is
read by the external master.
The use case mentioned above is very rare and the work-
around in that case is to use the software address matching
instead (XCFG.hw_addr_en=0) of hardware address match-
ing. However, the workaround prevents the wake-on-
address capability. Fortunately, a different piece of logic
handles the slave operation during power-down and that is
not vulnerable to the issue mentioned above. So, when
entering power-down mode, set the XCFG.hw_addr_en to
‘1’ (enable the hardware address decoding) and disable it
when leaving the power-down mode.
26.3.6.2 Master Mode
To enable master mode operation, set the I2C_CFG bit 1, Enable Master. See Figure 26-3.
Figure 26-3. Master Mode Operations
If Enable Slave is not set, the I2C interface is in Master Only
mode and ignores all externally generated Start conditions.
Operation in master mode is as follows:
1. To start a transfer, the master writes the slave address/
direction byte to I2C_D and sets I2C_MCSR bit 0, Start
Gen (or bit 1, Restart Gen).
In a single-master environment the Start condition is
generated; the byte is transmitted; and a Byte Complete
interrupt is generated. If the byte is ACKed by the slave,
178
1789
START 7-Bit Address R/W
8-Bit Data
ACK/
NACK
STOP
A Start/Address compete
interrupt is generated. 178
8-Bit Data STOP
CPU writes a byte to
transmit I2C_D
register.
9
Read (RX)Write (TX)
CPU issues a
command to the
I2C_CSR register to
release SCL
Successful Master Transmitter/
Receiver
ACK/
NACK
CPU issues TRANSMIT
command to the
I2C_CSR register.
CPU issues ACK/
NACK command to
the I2C_CSR
register.
CPU reads the
received byte from
I2C_D register.
ACK = Slave
says OK to
receive more.
Master can
send more or
Stop
NACK =
Slave says no
more.
NACK = Master
indicates end-of-
data
ACK =Master
wants more
data bytes
CPU writes address
byte to the I2C_D
register.
CPU issues
generate
START
command to
I2C_MCS.
An interrupt is
generated on byte
complete.
CPU issues STOP
command
Master wants to
send more bytes.
An interrupt is generated
on completion of the byte
+ ACK/NACK.
9
ACK
The SCL line
is held low.
CPU checks Read/
Write Bit
The SCL line
is held low.
The SCL line
is held low.

PSoC 5LP Architecture TRM, Document No. 001-78426 Rev. *F 279
I2C
data bytes can be sent or received as shown in the two
branches of Figure 26-3.
2. When transmitting bytes, the master receives an ACK/
NACK from the slave for each byte sent.
ACK is a signal that the slave can accept another byte.
NACK is a signal that no more bytes can be accepted.
3. When receiving bytes, the master ACKs/NACKs each
byte received from the slave.
ACK is a signal that the master wants another byte.
NACK is a signal that the master is done accepting
bytes.
4. When data transfer is complete, the master issues a
STOP command and enters an idle state.
Instead of a Stop condition, the CPU can issue a Restart
command, and another transfer is immediately started.
26.3.6.3 Multi-Master Mode
Multi-master mode becomes enabled when Master mode is
enabled by setting the I2C_CFG bit 1, Enable Master.
In Multi-master mode, the CPU starts the transfer in the
same manner as in a single-master environment. However,
before generating a Start condition, the master must monitor
the Bus Free bit in I2C_MCSR, and wait until the I2C bus is
free.
When a Start condition is initiated, one among the following
may occur:
■Another master in a multimaster environment has gener-
ated a valid Start, and the bus is now busy. The Start
condition is not generated. The resulting behavior
depends upon whether Slave mode is enabled.
❐Slave mode is enabled – A Byte Complete interrupt
is generated. When reading I2C_MCSR, the master
sees that the Start Gen bit is still set and that
I2C_CSR has the Address bit set, indicating that the
block has been addressed as a slave. The firmware
may then ACK the address to continue the transfer
as a slave, or NACK the address.
❐Slave mode is not enabled – The Start Gen bit
remains set, and the transfer is delayed until the bus
becomes free. A Byte Complete is generated when
the Start condition is generated and the address byte
is transmitted.
■The Start condition is generated, but the master loses
arbitration to another master. The resulting behavior
depends upon whether Slave mode is enabled.
❐Slave mode is enabled – A byte complete interrupt is
generated. When reading I2C_MCSR, the master
sees that the Start Gen bit is clear, indicating that the
Start condition was generated. However, the Lost
Arb bit is set in I2C_CSR. The Address status is also
set, indicating that the block has been addressed as
a slave. The firmware may then ACK the address to
continue the transfer as a slave, or NACK the
address.
❐Slave mode is not enabled – A Byte Complete inter-
rupt is generated. The Start Gen bit is clear and the
Lost Arb bit is set. The hardware waits for a com-
mand from the CPU, stalling the bus if necessary.
The master clears I2C_CSR to release the bus and
allow the transfer to continue, and the I2C interface
goes back to idle mode. The firmware can then retry
the transfer when the bus becomes free again.
26.4 Hardware Address Compare
The hardware has the ability to compare the seven address
bits received on the SDA line with that configured in the
I2C_ADR register. On a true compare, the address is auto-
matically ACKed, the SCL line held low, and a byte complete
interrupt is issued. On reception of the byte complete inter-
rupt from the hardware, the firmware needs to read bit [0] of
the data register to determine Read/Write direction for the
transfer. The firmware must then set the transmit bit in the
I2C_CSR register to release the SCL. On a mismatch, the
address is automatically NAKed and the hardware reverts to
an idle state, waiting for the new START detection.
26.5 Wake from Sleep
When the HW address compare is enabled and the device
is put to sleep, the slave can be used to wake the device on
an I2C HW address match (only when either of the SIO pairs
are used as I2C pins). While in sleep, the master clock is
disabled. The incoming SCL clock is used to latch the
address into the block. When the address matches, the
wakeup interrupt is asserted to wake the system up, and the
SCL is pulled low until the master clock is operational. After
the system wakes, the I2C block is switched back to normal
operation, and all other transaction proceed.
The I2C block responds to a transaction during sleep, only
when the following conditions are met:
■I2C is configured as a slave
■Hardware address compare is enabled
■There is an address value written in the I2C_ADR
■The I2C_ON bit in I2C_XCFG is set to 1'b1
To ensure proper sleep mode operation, follow these
instructions:
1. The CPU must set the Force NACK bit of the I2C_XCFG
register to put the part to sleep.
2. The firmware must poll the Ready_To_Sleep bit in the
I2C_XCFG register; when the bit is high, the device can
be put to sleep.

280 PSoC 5LP Architecture TRM, Document No. 001-78426 Rev. *F
I2C
If I2C address match wake up is required in standby mode,
then clear the EN_I2C bit in the PM_STBY_CFG5 register
before entering the standby mode. Clearing this bit asserts
the power down signal to the I2C block, which is required for
an I2C address match wake up.
26.6 Slave Mode Transfer Examples
Slave mode receives or transmits data, as described in this section.

PSoC 5LP Architecture TRM, Document No. 001-78426 Rev. *F 281
I2C
26.6.1 Slave Receive
A slave receive operation is accomplished as shown in Figure 26-4.
Figure 26-4. Slave Receive Operation Sequence
Write ‘1’ to I2C_XCFG[7], csr_clk_en,
to start up the I2C interface hardware.
Write ‘0’ to I2C.CSR to clear all bits.
Set I2C_CFG[3:2], Clock Rate,
and I2C_CLK_DIV
to set the SCL frequency.
Set I2C_CFG[7:6], SIO Select and PSelect,
to connect SDA and SCL to the
appropriate pins.
Set I2C_CFG[0], Enable Slave,
to start Slave mode.
Byte Complete, I2C_CSR[0] == 1,
or Error, (I2C_CSR & 0xA0) != 0?
Write ‘0’ to I2C_CSR[3] to reset address.
Copy I2C_D to receive data buffer.
Done?
Write ‘0’ to I2C_CSR[4] to NACK
I2C_CSR[3] == 1,
Address?
Stop Status, I2C_CSR[5] == 1,
or Error, I2C_CSR[7] != 0?
Write ‘1’ to I2C_CSR[4]
to ACK Report a successful transfer.
I2C_D[7:1] == MyAddr?
Write ‘0’ to I2C_CSR[4
to NACK
Write ‘1’ to I2C_CSR[4] to ACK.
Write ‘0’ to I2C_CSR[2]
to set Receive mode
Byte Complete, I2C_CSR[0] == 1,
or Error, I2C_CSR[7] != 0, or
Stop, I2C_CSR[5] != 0?
I2C_D[0] = 0,
I2C Write?
E
E
E
E
E
Start
EndReport and handle error.
Go do slave transmit functions.
NO
YES
ERROR
YES
NO
NO
YES
YES NO
NO
YES
YES
NO
NO
YES
ERROR
ERROR
STOP

282 PSoC 5LP Architecture TRM, Document No. 001-78426 Rev. *F
I2C
26.6.2 Slave Transmit
A slave transmit operation is accomplished as shown in Figure 26-5.
Figure 26-5. Slave Transmit Operation Sequence
Note that, instead of waiting for Byte Complete or Error, an interrupt can be generated for each of these conditions, as well as
for the I2C Stop condition. The interrupt handler can then do some or all of the functions shown.
Flow Chart for Slave Transmit
Write ‘1’ to I2C_XCFG[7], Clk Gate En,
to start up the I2C interface hardware.
Write ‘0’ to I2C_CSR to clear all bits
Set I2C_CFG[3:2], Clock Rate,
and I2C_CLK_DIV
to set the SCL frequency.
Set I2C_CFG[7:6], SIO Select and PSelect,
to connect SDA and SCL to the
appropriate pins.
Set I2C_CFG[0], Enable Slave,
to start slave mode.
Byte Complete, I2C_CSR[0] == 1,
or Error, (I2C_CSR & 0xA0) != 0?
Write ‘0’ to I2C_CSR[3] to reset address.
I2C_CSR[3] == 1,
Address?
Stop Status, I2C_CSR[5] == 1,
or Error, I2C_CSR[7] != 0?
Report a successful transfer.
I2C_D[7:1] == MyAddr?
Write ‘0’ to I2C_CSR[4]
to NACK.
Write ‘1’ to I2C_CSR[4] to ACK.
Copy first/next byte from transmit data buffer to I2C_D.
Write ‘1’ to I2C_CSR[2] to start transmitting byte.
I2C_D[0] = 0,
I2C Write?
E
E
E
E
E
Start
End
Report and handle error.
Go do slave receive functions.
NO
YES
ERROR
YES
NO
NO
YES
YESNO
NO
YES
NACK
ACK
NO
YES
ERROR
ERROR
Byte ACK’ed or NACK’ed?
I2C_CSR[1]
Byte Complete, I2C_CSR[0] == 1,
or Error, (I2C_CSR & 0xA8) != 0?

PSoC 5LP Architecture TRM, Document No. 001-78426 Rev. *F 283
I2C
26.7 Master Mode Transfer Examples
Master mode receives or transmits data, as described in this section.
26.7.1 Single Master Receive
A master receive operation in a single-master system is accomplished as shown in Figure 26-6.
Figure 26-6. Single Master Mode Receive Operation
Flow Chart for Single Master Receive
Write ‘1’ to I2C_XCFG[7], Clk Gate En,
to start up the I2C interface hardware.
Write ‘0’ to I2C_CSR to clear all bits.
Set I2C_CFG[3:2], Clock Rate,
and I2C_CLK_DIV
to set the SCL frequency.
Set I2C_CFG[7:6], SIO Select and PSelect,
to connect SDA and SCL to the
appropriate pins.
Set I2C_CFG[1], Enable Master,
to start master mode.
Byte Complete, I2C_CSR[0] == 1,
or Error, (I2C_CSR & 0xA0) != 0 or
I2C_MCSR[2] != 1?
Copy I2C_D to receive data buffer.
Done?
Write ‘0’ to I2C_CSR[4] to NACK.
Stop Status, I2C_CSR[5] == 1,
or Error, I2C_CSR[7] != 0?
Write ‘1’ to I2C_CSR[4]
to ACK. Report a successful transfer.
E
E
E
E
Start
EndReport and handle error.
NO
YES
ERROR
NO
YES
YES
NO
NO
YES
ERROR
ERROR
Write ‘1’ to I2C_MCSR[0], Start Gen,
to start the transfer.
NACK
ACK
Byte ACK’ed or NACK’ed?
I2C_CSR[1]
Byte Complete, I2C_CSR[0] == 1,
or Error, (I2C_CSR & 0xA0) != 0 or
I2C_MCSR[2] != 1?
Write ‘0’ to I2C_CSR[2] to set Receive mode.
* If address byte is NACK’ed,
instead of retry, an error can
be reported.
Set I2C_D = Slave Addr/Read

284 PSoC 5LP Architecture TRM, Document No. 001-78426 Rev. *F
I2C
26.7.2 Single Master Transmit
Figure 26-7 illustrates the process by which you generate a master transmit operation in a single master system.
Figure 26-7. Single Master Mode Transmit Operation
Flow Chart for Single Master Transmit
Write ‘1’ to I2C_XCFG[7], Clk Gate En,
to start up the I2C interface hardware.
Write ‘0’ to I2C_CSR to clear all bits.
Set I2C_CFG[3:2], Clock Rate,
and I2C_CLK_DIV
to set the SCL frequency.
Set I2C_CFG[7:6], SIO Select and PSelect,
to connect SDA and SCL to the
appropriate pins.
Set I2C_CFG[1], Enable Master,
to start master mode.
Byte Complete, I2C_CSR[0] == 1,
or Error, (I2C_CSR & 0xA0) != 0 or
I2C_MCSR[2] != 1?
Stop Status, I2C_CSR[5] == 1,
or Error, I2C_CSR[7] != 0?
Report a successful transfer.
E
E
E
Start
End
Report and handle error.
NO
YES
ERROR
NO
YES
ERROR
Write ‘1’ to I2C_MCSR[0], Start Gen,
to start the transfer.
NACK
ACK
Byte ACK’ed or NACK’ed?
I2C_CSR[1]
Byte Complete, I2C_CSR[0] == 1,
or Error, (I2C_CSR & 0xA0) != 0 or
I2C_MCSR[2] != 1?
Write ‘1’ to I2C_CSR[2] to set transmit mode.
* If address byte is NACK’ed,
instead of retry, an error can
be reported.
Copy first/next byte from transmit data buffer to I2C_D.
Write ‘1’ to I2C_CSR[2] to start transmitting byte.
NO
YES
NACK
ACK
Byte ACK’ed or NACK’ed?
I2C_CSR[1]
Write ‘0’ to I2C_CSR[2]
to generate a Stop condition.
Done?
YES
NO
Write to I2C_CSR[4]. A Stop
condition is automatically
generated by the hardware,
regardless of the value written.
E
ERROR
Set I2C_D = Slave Addr/Write.

PSoC 5LP Architecture TRM, Document No. 001-78426 Rev. *F 285
I2C
Defining single master operations allows the following
assumptions to be made:
■There is no need to check for bus busy (I2C_MCSR[3])
or Lost Arb (I2C_CSR[6]).
■There is no need to Enable Slave (I2C_CFG[0]) when
enabling the master mode, as the interface will never be
forced into slave mode due to bus busy or lost arbitra-
tion.
26.8 Multi-Master Mode Transfer Examples
In multi-master mode, data transfer can be achieved with the slave mode not enabled or with the slave mode enabled.
26.8.1 Multi-Master, Slave Not Enabled
A master data transfer operation in a multi-master system, where the slave mode is not enabled is shown in Figure 26-8.
Figure 26-8. Multi-Master Mode, Slave Not Enabled Sequence
Flow Chart for Multi-Master, Slave Not Enabled
Write ‘1’ to I2C_XCFG[7], Clk Gate En,
to start up the I2C interface hardware.
Write ‘0’ to I2C_CSR to clear all bits.
Set I2C_CFG[3:2], Clock Rate,
and I2C_CLK_DIV
to set the SCL frequency.
Set I2C_CFG[7:6], SIO Select and PSelect,
to connect SDA and SCL to the
appropriate pins.
Set I2C_CFG[1], Enable Master,
to start Master mode
with slave not enabled.
Start
Continue with data transfer
as in single master.
Write ‘1’ to I2C_MCSR[0], Start Gen,
to start the transfer.
Bus Busy?
I2C_MCSR[3]
YES
NO
Start condition?
I2C_MCSR[0] == 0
NO
YES
Lost arbitration?
I2C_CSR[6] == 1
YES
NO
Lost arbitration,
restart transfer.
Bus became
busy.
Byte Complete, I2C_CSR[0] == 1,
or Error, I2C_CSR[7] != 0 or
I2C_MCSR[2] != 1?
NO
YES
ERROR
Report and handle error.
Set I2C_D = Slave Addr/Read or Write

286 PSoC 5LP Architecture TRM, Document No. 001-78426 Rev. *F
I2C
26.8.2 Multi-Master, Slave Enabled
A master data transfer operation in a multi-master system, where the slave mode is enabled is shown in Figure 26-9.
Figure 26-9. Multi-Master Mode, Slave Enabled Sequence
Flow Chart for Multi-Master, Slave Enabled
Write ‘1' to I2C_XCFG[7], Clk Gate En,
to start up the I2C interface hardware.
Write ‘0’ to I2C_CSR to clear all bits.
Set I2C_CFG[3:2], Clock Rate,
and I2C_CLK_DIV
to set the SCL frequency.
Set I2C_CFG[7:6], SIO Select and PSelect,
to connect SDA and SCL to the
appropriate pins.
Set I2C_CFG[1], Enable Master,
and I2C_CFG[0], Enable Slave,
to start both modes.
Start
Continue with data transfer
as in single master.
Write ‘1’ to I2C_MCSR[0], Start Gen,
to start the transfer.
Bus Busy?
I2C_MCSR[3]
YES
NO
Byte Complete, I2C_CSR[0] == 1,
or Error, I2C_CSR[7] != 0?
NO
YES
ERROR
Report and handle error.
Bus became busy,
or lost arbitration?
I2C_MCSR[0] == 1 and
I2C_CSR[3] == 1
YES
NO
Continue with address
recognition as a slave.
Set I2C_D = Slave Addr/Read or Write.

PSoC 5LP Architecture TRM, Document No. 001-78426 Rev. *F 287
27. Digital Filter Block (DFB)
Some PSoC® devices have a dedicated hardware digital filter block (DFB) used to filter applications. The heart of DFB is a
multiply and accumulate unit (MAC), which can do 24 bit * 24 bit multiply and 48 bit accumulate in one system clock cycle. In
addition, there are data RAMs to store data and coefficients of digital filters.
27.1 Features
■Two 24-bit wide streaming data channels
■Two sets of data RAMs each that can store 128 words of 24-bit width each
■One interrupt and two DMA request channels
■Three Semaphore bits to interact with system software
■Data alignment and coherency protection support options for input and output samples
27.2 Block Diagram
The digital filter block (DFB) is a 24-bit fixed point, programmable limited scope DSP engine. The DFB is made up of four pri-
mary subfunctions as shown in the DFB Basic Block diagram in Figure 27-1.
■Controller
■Datapath
■Address Calculation Units (ACUs)
■Bus Interface
The Controller consists of a small amount of digital logic and memories. The memories in the controller are filled with assem-
bled code that make up the data transform function the DFB is intended to perform.
The Datapath subblock is a 24-bit fixed point, numerical processor containing a Multiply and Accumulator (MAC), a multi-
function Arithmetic Logic Unit (ALU), sample and coefficient and data RAM (data RAM is shown in Figure 27-1) as well as
data routing, shifting, holding, and rounding functions. The datapath block is the calculation unit inside the DFB.
The addressing of the two data RAMs in the datapath block are controlled by the Address Calculation Units (ACUs). There
are two (identical) ACUs, one for each RAM.
These three subfunctions make up the core of the DFB block and are wrapped with a 32-bit DMA-capable AHB-Lite Bus Inter-
face with Control/Status registers. Each of these four subfunctions are discussed in the following sections.

288 PSoC 5LP Architecture TRM, Document No. 001-78426 Rev. *F
Digital Filter Block (DFB)
Figure 27-1. Digital Filter Block Diagram
27.3 How It Works
27.3.1 Controller
The controller consists of a RAM-based state machine, a
RAM-based control store, program counters, and next state
control logic (see Figure 27-2 on page 289). Its function is to
control the address calculation units and the datapath, and
to communicate with the bus interface to move data in and
out of the datapath.
Controller
Data
RAM A Data
RAM B
ACU A ACU B
Control
dfb_intr
dfb_dmareq1
dfb_globali1 & 2
dfb_dmareq2
DSI signals
dfb_globalo1 & 2
Stage
Register
A
Bus
Interface
Hold
Register
A
Input from
CPU/ DMA
Output to
CPU/ DMA
Figure 30-1. Digital Filter Block Diagram
MAC
ALU
Shift
Hold
Round
Datapath
Address Calculation Unit
Stage
Register
B
Hold
Register
B

PSoC 5LP Architecture TRM, Document No. 001-78426 Rev. *F 289
Digital Filter Block (DFB)
Figure 27-2. Controller Block Diagram
The contents of FSM RAM, the two control store RAMs, the
ACU RAM, and potentially the two datapath RAM (if initial
conditions are required) must be loaded by the system
before use. The contents of the DFB RAMs are stored in
flash memory from where they are written into the RAM
before the DFB operation is enabled.
The next state decode logic and the FSM RAM comprise the
main DFB branch control. The next state decoder generates
the FSM RAM’s address and the RAM produces next state
information as well as branch flag masks. These masks
enable the use of flags as jump conditions for conditional
branching. This state machine controls the program counter
to produce the address for the Control Store RAMs.
There are two identical Control Store (CS) RAMs and an
associated Program Counter to allow an interleaving meth-
odology for CS opcode fetches. The CS RAMs are 64x32
each.
Both CS RAMs are sometimes filled with identical data. It is
possible to effectively double the control store instruction
space by using different contents in each RAM. It is during
branch conditions that next state address calculations hap-
pen. Hence, the two possible branch addresses are sup-
plied – one to each RAM. When the branch condition is
determined, late in the cycle, the controller simply picks the
correct CS RAM output. Opcode execution then switches to
and stays with the CS RAM until the next jump condition.
27.3.1.1 FSM RAM
FSM RAM is 64x32 RAM. It is used as ROM. The FSM RAM
is filled with control flow information implementing the
desired function of the DFB prior to use. This RAM is loaded
typically at system boot time, but is not restricted to any par-
ticular time as long as the DFB is not running (run is deas-
serted in DFB_CR[0]). The code in this and the Control
Store RAMs can be altered at anytime to change the func-
tion performed by the DFB. In fact, some applications have
the algorithm loaded routinely and swapped out when sev-
eral channels of data need processing or when one channel
needs multiple transforms – when the code is too large to fit
in the available space.
The FSM RAM is addressed as two banks of 32x32. The
Bank selection is achieved using the CSR bit (DFB_CR[1]).
The primary use of the two banks is to allow two separate
code stores to load and jump between without incurring the
reload penalty of the FSM RAM.
FSM RAM
Next State
Logic
PC
APC
B
Control Store
RAM A Control Store
RAM B
Fjump limit
Jump addr
Fjump addr
csa_addr[5:0] csb_addr[5:0]
Loop
fsm_addr[4:0]
nstate[4:0]
loop
fstate[4:0]
Conditions
RAM Selection
To Datapath,
ACU, and
Bus Interface
eob

290 PSoC 5LP Architecture TRM, Document No. 001-78426 Rev. *F
Digital Filter Block (DFB)
Table 27-1 shows the bit fields used for the controller by the 32-bit FSM RAM.
27.3.1.2 Program Counter
The primary purpose of the program counter (PC) is to supply correct addresses to the Control Store (CS) RAMs. This is not
as simple as providing a direct address from the FSM RAM because jump addresses must be determined and held in the PC
before branches are taken. The PC also controls the incrementing and wrapping of addresses for loops, allowing the FSM to
sit in one state during looping processes. For this reason the FSM RAM sends out the jump address and loop conditions to
the PC
27.3.1.3 Control Store
The term Control Store (CS) refers to a bank of two interleaved RAMs used to hold control opcodes for the ACUs and the Dat-
apath unit. These RAMs are addressed by the FSM RAM indirectly through the Program Counters and set the per-cycle oper-
ation state of the DP and ACUs.
The outputs of these two 32-bit wide RAMs are muxed to one control bus (based upon which is presently the active RAM
denoted by DFB_SR[0]) and provide the following bit-fields to the ACUs and Datapath unit listed in Table 27-2.
27.3.1.4 Next State Decoder
The Next State Decoder is combination logic that controls
the state transitions in the FSM RAM. The next state
decoder is the logic that gives the address (state address) to
the FSM. The result of the next state decoder is governed
by the branching signal conditions. You get a state transition
when one of these two conditions exist:
■EOB is high and the signal condition goes high. This is
the jump on true branch.
■Loop (cfsmram[23]) is low meaning no loop, EOB is
high, and condition is low. This is the flow through condi-
tion for a false condition.
The branching conditions are:
1. End of block is encountered for a control store block – a
condition for a jump because a jump instruction signifies
the end of the block.
2. Datapath status inputs such as sign, threshold, and
equal.
❐Dpsign – A jump based on the MSB of the ALU out-
put. If ALU output goes negative, assert.
❐Dpthresh – Datapath Threshold – Asserted when the
ALU detects a sign change, such as a zero crossing
detection.
❐Dpeq – Datapath Equity – Asserted when the ALU
hardware detects an output value of zero.
3. Acueq – ACU A or B REG is equal to MREG or LREG, if
modflag is set. ACU A or B REG is equal to 127 or 0, if
modflag is cleared. This means that the pointer to the
DP Data registers has reached its upper/lower limit. See
27.3.2 Datapath on page 291 for clarity.
Table 27-1. FSM RAM Bit Field Mapping
Name Enables Loop Jump Address False Jump Limit False Jump
Address Next State
Signal enables loop jaddr fjlim fjaddr nstate
Bits 31:24 23 22:17 16:11 10:5 4:0
Description Enables for the top 8
input branching con-
ditions Signifies a code loop Jump address for CS
RAMs on TRUE Address loop limit Jump address for CS
RAMs on FALSE* Next state address
for FSM
* This false jump address is for use only in a loop state, where the controller moves back to the start of the loop on a false condition.
If the state is not a loop state, then this address is used for the next state on false value.
Table 27-2. Control Store RAM Bit Field Mapping
Name DP CTRL Bus WR ACU-A Opcode ACU-B Opcode ACU Addr End of Block
Signal dp_ctrl buswr acua_op acub_op acu_addr eob
Bits 31:14 13 12:9 8:5 4:1 0
Description Control bus to the
Datapath Unit
Signifies a data out-
put condition to the
bus ACU A’s opcode ACU B’s opcode ACU RAM’s address End of Block marker

PSoC 5LP Architecture TRM, Document No. 001-78426 Rev. *F 291
Digital Filter Block (DFB)
4. IN1 or IN2 – When new data is available in one of the
staging registers A or B. Signals a new input cycle and is
available for consumption. Remains asserted until
cleared by a bus read command.
5. globali1 – Branch control input from DSI port.
6. globali2 – Branch control input from DSI port.
7. The sat_det flag (Saturation) from ALU – This flag is set
when saturation occurs in MAC, ALU, or Shifter.
8. Any of the semaphores (see the PHUB and
DMAC chapter on page 55).
For branching, the branching conditions must be enabled.
The ENGLOBALS, ENSATRND, ENSEM, SETSEM, and
CLEARSEM commands are used.
If the ALU command is ENSEM, then the data on
acu_addr[2:0] is written to the register sem_en for enabling
semaphores to be branching conditions. The acu_addr[2:0]
is converted bitwise to enable each of the three sema-
phores.
The SETSEM and CLEARSEM are used to set or clear the
semaphores based on the semaphore selected in
acu_addr[2:0].
Acu_addr[2] -> semaphore2
Acu_addr[1] -> semaphore1
Acu_addr[0] -> semaphore0
The ENGLOBALS command is used to enable the use of
external dsi inputs and datapath saturation flags as branch-
ing conditions. ENGLOBALS shares an ALU opcode with
ENSATRND. They are differentiated by the acu_addr[3] bit
as shown in Table 27-3.
27.3.2 Datapath
Datapath (DP) is the name used to refer to the numerical
calculation unit of the DFB. The datapath subblock is a 24-
bit fixed-point numerical processor containing a 48-bit MAC,
a multi-function ALU, sample and coefficient data RAMs as
well as data routing, shifting, holding and rounding func-
tions.
The DP architecture makes use of two 128x24 single-port
RAMs (RAM A and RAM B). The RAMs can be loaded from
the bus or from the datapath output (feedback). These
RAMs hold data and coefficients with size and location
under full DFB controller control.
The heart of the DP unit is a 48-bit Multiply and Accumulator
(MAC). Two 24-bit values can be multiplied and the result
added to the 48-bit accumulator in each clock cycle. This
accumulator or any memory value can be routed to the ALU.
Results from the ALU can then be stored in either Data
RAM. The MAC is the only portion of the DP that is wider
than 24 bits. All results from the MAC are passed on to the
ALU as 24-bit values representing the high-order 24 bits in
the accumulator shifted by one (bits 46:23). The MAC
assumes an implied binary point after the MSB which shifts
the result down a bit in the output of the MAC. For this rea-
son, bits 46:23 are used instead of 47:24.
The DP unit also contains an optimized ALU that supports
add, subtract, comparison, threshold, absolute value,
squelch, saturation, and other functions.
With the exception of the DP RAM addresses, the DP unit is
completely controlled by seven control fields totaling 18 bits
coming from the DFB Controller as the DP_CTRL control
bus (Table 27-2 on page 290). These 18 bits of control are
listed in Table 27-4.
Note how the different signals from Table 27-4 affect the functioning of the different elements in the datapath.
Table 27-3. ENGLOBALS and ENSATRND Commands
Englobals Acu_addr[3]=0
Acu_addr[0]: enables globali1
Acu_addr[1]: enables globali2
Acu_addr[2]: enables sat_det
Ensatrnd Acu_addr[3]=1
Acu_addr[0]: writes to rnd_flag
Acu_addr[1]: writes to sat_flag
Acu_addr[2]: creates strobe to clear satura-
tion flag
Table 27-4. Datapath Opcode Bit Field Mapping
Name B Mux Ctrl A Mux Ctrl MAC Opcode ALU Opcode Shift Opcode RAM A WR RAM B WR
Signal muxb*_ctrl muxa*_ctrl mac_op alu_op shift dpa_r_wb dpa_r_wb
Width 3325311
Description mux1b mux2b
mux3b mux1a mux2a
mux3a MAC opcode ALU opcode DP output shifter
opcode Write signal to
RAM A Write signal to
RAM B

292 PSoC 5LP Architecture TRM, Document No. 001-78426 Rev. *F
Digital Filter Block (DFB)
Figure 27-3. Datapath
Round Mode – If DP is in Round mode, any result passing out of the DP unit is being rounded to a 16-bit value. This feature
status is shown in the register setting, DFB_SR[2].
Saturation Mode – If DP is in Saturation mode, any mathematical operation that produces a number outside the range of a
24-bit 2’s complement number is clamped to the maximum positive or negative number. Enabling and disabling saturation
and rounding is under the control of DFB controller. See the ALU instruction set. The status is visible at DFB_SR[1].
27.3.2.1 MAC
The multiply add function takes two 24-bit signed numbers
and calculates a 48-bit signed result, then adds a signed 48-
bit value ((a*b)+c).
The accumulator consists of a 48-bit register and the multi-
ply adder.
Together these two functions, along with some control logic,
make up the MAC. Based on the opcode (mac_op) coming
from the DFB controller it can do one of the following opera-
tion:
■Multiply and accumulate with previous Values
■Clear Accumulator and load with current product.
■Hold accumulator, no multiply (no power in mult)
■Add ALU value to product and start new accumulation
The output of MAC is higher order 24 bits of multiply accu-
mulate operation. The MAC assumes an implied binary
point after the MSB, which shifts the result down a bit in the
output of the MAC. For this reason, bits 46:23 are used
instead of 47:24. The instruction set for the MAC, ALU and
Shifter is listed in Table 27-7 on page 299, Table 27-6 on
page 299, and Table 27-8 on page 300.
27.3.2.2 ALU
The ALU provides data control on the output end of the data
path. ALU supports add, subtract comparison, threshold,
absolute value, squelch, saturation, and other functions.
See Table 27-6 for various instructions supported by ALU.
The ALU commands as well as inputs are pipelined. This
pipelining can be made use for data movement in some fil-
tering applications. This pipelining causes a delay of two
clock cycles for the ALU input to reach the output.
27.3.2.3 Shifter and Rounder
The shifter at the ALU output can be used to shift the ALU
results as required. See Table 27-8 for various shifter com-
mands. Rounder rounds the results to a 16 bit value when
the data path is operating in round mode.
RAM A
128 x 24
RAM B
128 x 24
MAC
mux3b
Hold Shift Round
or Pass
A
B
AHB
Bus
AHB
Bus
mux1a
mux1b
mux3a
mux3b
alu_op[4:0]
shift_op[2:0]
Round Flag
mac_op[1:0]
A
B
dp_out
Pass Mux
mux3a
mux2b
mux1b mux1a
mux2a
mux2b
mux2a

PSoC 5LP Architecture TRM, Document No. 001-78426 Rev. *F 293
Digital Filter Block (DFB)
27.3.3 Address Calculation Unit
The Address Calculation Units (ACUs) generate addresses
for each DP RAM. There are two address calculation unit for
supporting sophisticated branching operations.
The ACU is capable of saving and restoring address, incre-
menting or decrementing address by 1 or n (n is a constant
value stored in FREG), flagging a programmable terminal
count, and a number of other functions.
REG – Stores the current value that the ACU is operating on
and outputs it on every cycle, unless a command specifies
otherwise.
FREG – Loads with a value to increment or decrement by,
when using the ADDF and SUBF commands. For example,
load two into FREG and then it is possible to increment
through the data RAMs by two.
MREG – Stores the maximum value before a wraparound if
modulo arithmetic is turned on. When the address calcu-
lated by the ACU exceeds MREG value, it will wraparound
to LREG value, if modulo arithmetic is turned on.
LREG – Stores the minimum value before a wraparound to
the MREG value when modulus arithmetic is turned on.
Modulus arithmetic is enabled using the SETMODE ACU
command and disabled using the UNSETMOD command.
Modulus arithmetic prevents the ACU from incrementing
past the value of MREG and from decrementing below the
value of LREG. Make sure the REG value is within the
LREG:MREG range at the time modulus arithmetic is turned
on to avoid unexpected results.
The ACU (including the ACU RAM) is initialized whenever a
hard reset event occurs or when the RUN bit in the
DEC_CR register is ‘0’. Initialization is as follows:
ACU RAM Contents=0, MREG=127, LREG=0, FREG=2.
The current address and state of the register of both ACUs
can be stored or retrieved from memory with assembly
instructions. This is used in context switching. A 16x14 ACU
RAM is used for this purpose. The 16x14 RAM is used by
both ACUs. The upper seven bits are for ACU B and the
lower seven bits are for ACU A. Thus, each ACU can store
16 addresses or state elements.
The ACU instructions perform incrementing/decrementing of
the data RAM addresses by one or the value in FREG.
Apart from this, the modulus arithmetic is used to enable a
wrap around at user defined limits.
Note Apart from addressing the ACU RAM, the ACU_addr
is also used as an argument for other ALU and branching
commands. The single ACU_addr value can be used simul-
taneously for different commands (ACU, ALU...) if coinci-
dence requires the same value on the ACU_addr for all
commands involved.
27.3.4 Bus Interface and Register
Descriptions
The DFB block is wrapped with a 32-bit AHB-Lite Slave bus
interface. A 32-bit bus was chosen to accommodate the fact
that the RAMs in the DFB are all 24 bits and most of the bus
transfers to the DFB are 24 bits.
The DFB has a set of expanded Control and Status Regis-
ters (CSR) that are accessible through the system bus at all
times. The registers containing CSR bit information are
address mapped as 32-bit registers with active bits only in
the low byte. This arrangement works well for both 8-bit and
32-bit MCUs.
The CSRs that hold sample data are 24-bits wide (Staging
and Hold register) and coherency interlocking HW is
included to allow 8-bit and 16-bit accesses.
In normal mode of operation, the DFB RAMs (except the
input staging and output holding registers) is controlled by
the DFB controller and is not accessible to CPU/DMA. If
CPU/DMA needs control of this DFB RAM memory it should
make use of DFB_RAM_DIR control bits (one per RAM) to
give the RAM control to system bus.
27.3.4.1 Streaming Mode
In streaming mode the filter coefficients and historic data are
loaded into DFB before starting the DFB operations. Run-
time data movement is through the staging and holding reg-
isters.
The DFB has:
■Two 24-bit input staging registers
■Two 24-bit output holding registers
These registers can be accessed by both DFB as well as
AHB Bus (CPU/DMA). In reality, these registers are double
buffered, but to the DFB controller and the system bus, they
appear as single registers. In streaming mode data to be fil-
tered is streamed in to staging registers. Filter output is
streamed out through DFB holding registers.
The two sets of input and output registers aid stereo data
processing applications. Applications requiring more than
two concurrent channels must use block mode.

294 PSoC 5LP Architecture TRM, Document No. 001-78426 Rev. *F
Digital Filter Block (DFB)
Figure 27-4. Streaming Mode Transfer
In input Streaming mode, the sample rate is determined by
the ADC or other sampling resources providing the input
samples. By definition the DFB must be running (process-
ing) samples faster than or at the exact same rate as the
sample source to function properly. Therefore, the DFB
knows how to stall and wait for subsequent input data or
postpone operation on that channel and switch to another
channel (if in use).
When the calculation engine is finished processing a sam-
ple, a bus read instruction can be issued. At this point, the
next staged sample is read or, if not present yet, the DFB
controller stalls while waiting for the next input sample. If two
streaming channels are being processed, the DFB control-
ler, upon completion of a calculation, can jump to the other
channel.
The full or empty status of the two Staging registers is visi-
ble to the DFB controller and it can branch based on the sta-
tus information, allowing it control of which channel it is
working on.
When the bus read instruction is issued by the DFB control-
ler, it does not request the bus, generate an interrupt, or
DMA request. It simply tells the DFB bus interface that it
wants the next sample and will wait until it arrives. In this
state, the DFB controller waits until the bus interface signals
that the sample has arrived. A one 24-bit word Staging reg-
ister is used for a sample rate at or below 1 Msps and guar-
anteed bus latency lower than the sample period. There are
two Staging registers: one for each supported channel.
In streaming mode new samples arrive in the staging regis-
ters. The DFB controller checks for new data write to staging
registers and branch to process data depending on the
CFSM code.
The input staging registers are read by the DFB controller by
asserting the bus read signal and addressing the two regis-
ters with the low order ACU RAM address bit (acu_addr[0]).
If the address bit is low, Staging register A is read; if the
address bit is high, B is read. When read, the associated
Stage Valid signal is automatically cleared by the hardware.
Apart from this, the Staging register also has a key coher-
ence byte setting. This setting is available to reduce errors
due to bus access being less wide as compared to the regis-
ter width. The staging registers are protected on writes, so
the underlying hardware does not incorrectly use the field
when it is partially updated by the system software. If the
system software is in the middle of reading from the holding
registers, the DFB will not update the holding registers until
the coherency key byte is read. The Key Coherency byte is
basically the user (software) telling the hardware which byte
of the field is written or read last when an update to the field
is desired. In the Staging register the new value availability
is flagged only when the key coherency byte is written to.
27.3.4.2 Block Transfer Modes
Block mode is defined by the system software moving sets
of samples or coefficient data in and out of the DFB data
RAMs in blocks. This method of using the DFB supports
such features as multi-channel processing and deeper filters
than the embedded data RAMs will support. It can also be
used to initialize the DFB RAMs for streaming mode opera-
tion.
The DFB datapath block has two 128x24 embedded data
RAMs. These hold the data (signal or coefficients) used in
the calculation of numerical processes. These two RAMs
are completely separate memories from the bus’ point of
view. The DFB views these two RAMs as a working set, as
shown in Figure 27-5 on page 295.
Input
Select
Staging
Reg A
Staging
Reg B
128 X 24 RAM A
128 X 24 RAM B
MAC,
ALU,
Shift,
etc.
Holding
Reg A2
24 Bit
Holding
Reg A1
24 Bit
Holding
Reg B2
24 Bit
Holding
Reg B1
24 Bit
A
B

PSoC 5LP Architecture TRM, Document No. 001-78426 Rev. *F 295
Digital Filter Block (DFB)
Figure 27-5. Block Mode Transfer
The primary concept of Block mode is to allow the system
software full control of what is in the data RAM for each cal-
culation cycle of the DFB. In general, this extends the func-
tionality of the DFB by trading performance for fundamental
features such as the ability to implement filters with more
taps than 128 or to time division multiplex the processing of
more than two low sample rate channels. The system soft-
ware burden of Block mode is in the management of the
RAM’s contents. Both system and DFB performance is lost
due to software servicing of the DFB and because the DFB
must stall while the system software reads/writes the data
RAMs. Block mode also creates more bus traffic on the sys-
tem bus for a given sample rate.
The system software takes control of memory by putting it
on the system bus with the use of (DFB_RAM_DIR) control
bits (one per RAM). It then reads/writes the data and
“passes” the memory back to the DFB by toggling the con-
trol bit back. While this is happening, the DFB must stall,
unless it is performing some function that only requires one
of the two data RAMs. The two data RAMs are individually
controlled by the system software as to which resource has
control of them – the bus or the DFB.
Any number of data channels can be supported with Block
mode (within reason). With each added data channel, the
system software has the additional burden of tracking and
managing and sample rates supported reduces consider-
ably because the DFB must be stalled for data movement
operations.
The DFB controller provides a semaphore methodology to
communicate with the system software as to the status of
the data RAMs when being passed back and forth for block
transfers. Optional interrupt support can be associated with
the setting and clearing of semaphores.
Typically, results of DFB applications are streaming in
nature. However, in cases where results are created as data
sets, Block mode can be used to move the resultant data
sets out of the DFB data RAMs.
27.3.4.3 Result Handling
Frequently DFB block output results are generated at peri-
odic intervals after a series of mathematical calculations.
This also happens after a wait for the input sample stream.
The generation rate of these result elements will vary radi-
cally based on the function being programmed and run on
the DFB.
To assist system software with the handling of resultant
data, the DFB implements two Holding registers, 24 bits
wide, for output results. In reality, these two Holding regis-
ters are double buffered, but to the DFB controller and the
system bus, they appear as a single register. They are
referred to as a single register hereafter, but keep in mind
there are really two registers to deal with bus latency issues.
The fact they are double buffered is transparent to both the
bus and the DFB controller. Hardware automatically man-
ages the fact that they are double buffered.
The intent of having two fully addressed Holding registers is
primarily to allow the controller and system software to map
filter channels so that DMA requests are much easier to
support. The two Holding registers are addressed with the
low-order ACU address bit out of the Control Store.
When bus write is asserted in the CS word and the low-
order ACU address bit (acu_addr[0]) is low, Holding register
A is written and Holding register B is written when the low-
order address bit is high.
There are a couple of methods provided to read the Holding
registers on the system bus. These registers are generic
128 X 24 RAM A
128 X 24 RAM B
MAC
ALU
Shift
etc
A
B
Bus Control
Logic
RAM Control from CSR

296 PSoC 5LP Architecture TRM, Document No. 001-78426 Rev. *F
Digital Filter Block (DFB)
read only CSRs. They can be read manually by software
running on the MCU under poled or interrupt control
(DFB_INTR_CTRL), or each can be associated with a DMA
request signal and read by the system DMA controller
(DFB_DMA_CTRL). Pending interrupts from the Holding
register update is monitored from the DFB_SR register.
Operations on the Holding registers are protected. The
nature of the protection is set by the coherence bits
(DFB_COHER). The Holding registers are protected on
reads so that the underlying HW does not update it when
partially read by the System SW or DMA. The key coher-
ency byte is selected in the Coherency register. The Key
Coherency byte is basically the user (software) telling the
hardware which byte of the field is read last. The Holding
registers are considered read when the key coherency byte
is read.
Note 1 In Block mode, when more than two channels are
being processed, management of the output results is more
burdensome to the system software as it can no longer be
constantly mapped one-to-one with a Holding register or
DMA request.
Note 2 In 8-bit devices, reading the Holding registers man-
ually results in a multi-cycle operation.
Figure 27-6 explains DFB control signals can be used for
data streaming and result handling.
Figure 27-6. Control Signals for Data Streaming and result handling
Input
Select
Stage A
LOW
[8 Bits]
Stage A
MED
[8 Bits]
Stage A
HIGH
[8 Bits]
Hold B
INTR_CTRL[1]
DMA_CTRL[3:2]
Dfb_intr
Dfb_dmareq2
Stage A
Valid, in1
Stage A
Coherency Key
DFB_COHER[1:0]
Stage B
LOW
[8 Bits]
Stage B
MED
[8 Bits]
Stage B
HIGH
[8 Bits]
Stage B
Coherency Key
DFB_COHER[3:2] Stage B
Valid, in2
DMA
CPU
Hold A
INTR_CTRL[0]
DMA_CTRL[1:0]
Dfb_intr
Dfb_dmareq1
DMA
CPU
128 X 24
RAM A
128 X 24
RAM B
MAC,
ALU,
Shift,
etc.
B
A
Data Write Strobe
Data Write Strobe

PSoC 5LP Architecture TRM, Document No. 001-78426 Rev. *F 297
Digital Filter Block (DFB)
27.3.4.4 Data Alignment
The hardware provides a data alignment feature in the input
Staging registers and in the output Holding registers for sys-
tem software convenience.
Both staging and holding registers support byte accesses
that addresses alignment issues for input and output sam-
ples of 8 bits or less. Also, all four of these registers are
mapped as 32-bit registers (only three of the four bytes are
used) so there are no alignment issues for samples between
17 and 24 bits. However, for sample sizes between 9 and
16, it is convenient to read and write these samples on bus
bits 15:0, while they source and sink on bits 23:8 of the
Holding and Staging registers.
The CSR DALIGN provides bits that enable an alignment
feature which allows bus bits 15:0 to either be sourced from
Holding register bits 23:8 or sink to Staging register bits
23:8. Each Staging and Holding register can be configured
individually with a bit in the DALIGN register. If the bit is set
high, the effective byte shift occurs. For example, if an out-
put sample from the Decimator is 12 bits wide, aligned to bit
23 of the Decimator Output Sample register, and is desired
to stream this value to the DFB, the similar data alignment
feature of the Decimator can be enabled, allowing the 16
bits of the Decimator Output Sample register to be read on
bus bits 15:0. Setting the alignment feature in the DFB for
the Staging A input register, these 16 bits can be written on
bus bits 15:0 and will be written into bits 23:8 of the Staging
A register when required.
27.3.4.5 DMA and Semaphores
The DFB bus interface supports two DMA request signals.
These can be associated with the two Holding registers
(optional) or associated with the semaphore bits (see regis-
ter DFB_DMA_CTRL).
The DFB provides three generic semaphore register bits
that the system software and the DFB controller can use to
communicate. The intent of these three semaphores is to
allow the system software and the DFB controller to commu-
nicate the status of data movement in and out of the DFB
and, in particular, the handling of block data transfers. The
definition of these three bits is left to the system and control-
ler software architects.
To set and clear semaphores bits, two DP ALU commands
are available: SEM_SET and SEM_CLR. For each active
high bit of the ACU address, the corresponding semaphore
bit is either set or cleared.
For system software to write into a semaphore bit the regis-
ter DFB_SEMA is used. The mask bit is set when the corre-
sponding semaphore bit in the register is updated.
Any of the semaphore bits can be optionally (programma-
ble) associated with the system interrupt signal
(DFB_INTR_CTRL) or either of the DMAREQ
(DFB_DMA_CTRL) outputs leaving the DFB, and/or either
of the outgoing Global signal. Pending semaphore interrupts
are monitored from the DFB_SR register.
27.3.4.6 DSI Routed Inputs and Outputs
The DFB has the option to take two DSI global inputs
(globali1 and globali2) and two DSI global outputs (globalo1
and globalo2).
Use of the global outputs is optional. If needed, they can be
programmed to carry one of four different DFB internal sta-
tus/control signals. These can be routed to the DSI and
used as inputs to other circuits. The global outputs can be
configured to carry semaphore, an interrupt, or DP status
signals as listed in Table 27-5 on page 298. This is done
using the DFB_DSI_CTRL register.
The DSI inputs into the DFB to control operations of the
FSM are optionally used as branching inputs to the Control-
ler's next state decoder. See the section on 27.3.1.4 Next
State Decoder on page 290 for more details.

298 PSoC 5LP Architecture TRM, Document No. 001-78426 Rev. *F
Digital Filter Block (DFB)
27.4 DFB Instruction Set
Each control word for the DFB is 32 bits long. The fields in the control word are as follows:
■Datapath Mux Control – 6 bits
■Data RAM R/W – 2 bits
■Bus R/W – 1 bit
■ALU Control – 5 bits
■MAC Control – 2 bits
■Shifter Control – 3 bits
■ACU Control – 8 bits
■ACURAM Address – 4 bits
■End of Code Block – 1 bit
The mux control bits are split equally between the A and B paths each having 3 bits. Three bits are allocated and encode the
control of the mux1, mux2, and mux3 functions as shown in Table 27-5.
Table 27-5. Mux Functions
Code Assembly
Name
Function
MUX1
Function
MUX2
Function
MUX3 Function
0 BA mux1 = AHB Bus mux2 = mux1 mux3 = mux2 AHB ->ALU
1 SA mux1 = dp_out mux2 = mux1 mux3 = mux2 dp_out->ALU
2 BRA mux1 = AHB Bus mux2 = RAM out mux3 = mux2 AHB->RAM
AHB->ALU
3 SRA mux1 = dp_out mux2 = RAM out mux3 = mux2 dp_out->RAM
dp_out ->ALU
4 BM mux1 = AHB Bus mux2 = mux1 mux3 = MAC AHB->MAC->ALU
5 SM mux1 = dp_out mux2 = mux1 mux3 = MAC dp_out->MAC->ALU
6 BRM mux1 = AHB Bus mux2 = RAM out mux3 = MAC AHB->MAC->ALU
AHB->RAM
7 SRM mux1 = dp_out mux2 = RAM out mux3 = MAC dp_out->MAC->ALU
dp_out->RAM

PSoC 5LP Architecture TRM, Document No. 001-78426 Rev. *F 299
Digital Filter Block (DFB)
ALU functions are programmed as shown in Table 27-6 and are encoded in 5 bits.
MAC functions are programmed as shown in Table 27-7 and are encoded in 2 bits.
Table 27-6. ALU Functions
Code Assembly Name Function
0 SET0 Set ALU output to 0
1 SET1 Set ALU output to 1
2 SETA PASS A to ALU output
3 SETB PASS B to ALU output
4 NEGA Set ALU output to –A
5 NEGB Set ALU output to –B
6 PASSRAMA Pass RAM A output directly to ALU output
7 PASSRAMB Pass RAM B output directly to ALU output
8 ADD Add A and B and put result on the ALU output
9 TDECA Put A-1 on the ALU output, set threshold detection
10 SUBA Put B-A on the ALU output
11 SUBB Put A-B on the ALU output
12 ABSA Put |A| on the ALU output
13 ABSB Put |B| on the ALU output
14 ADDABSA Put |A| + B on the ALU output
15 ADDABSB Put A + |B| on the ALU output
16 HOLD Hold ALU output from previous cycle
17 ENGLOBALS, - Enables global and saturation jump conditions using a 3-bit field to specify which events are active jump conditions
17 ENSATRND, - Writes to the saturation and rounding enable register using a 3-bit field to enable and disable them
18 ENSEM, --- Enables semaphores as jump conditions using a 3-bit field to specify which are active
19 SETSEM, --- Set the semaphores high using the 3-bit mask
20 CLEARSEM, --- Set the semaphores low using mask, addr[2:0]
21 TSUBA Put B-A on the ALU output, set threshold detection
22 TSUBB Put A-B on the ALU output, set threshold detection
23 TADDABSA Put |A| + B on the ALU output, set threshold detection
24 TADDABSB Put A + |B| on the ALU output, set threshold detection
25 SQLCMP Load squelch comparison register with a value from side A, Pass Side B
26 SQLCNT Load squelch count register with value from side A, Pass Side B
27 SQA Squelch side A: If value is above threshold pass it. If value is below threshold and the squelch count register is zero, pass.
zero. Otherwise pass A
28 SQB Squelch side B: If value is above threshold pass it. If value is below threshold and the squelch count register is zero, pass.
zero. Otherwise pass B
29-31 UNDEFINED Undefined Opcodes
Table 27-7. MAC Functions
Code Assembly Name Function
0 LOADALU Add ALU value to product and start new accumulation
1 CLRA Load accumulator with product but a 0 sum
2 HOLD Hold accumulator, no multiply (no power in mult)
3 MACC Default – just accumulate

300 PSoC 5LP Architecture TRM, Document No. 001-78426 Rev. *F
Digital Filter Block (DFB)
Shifter functions are programmed as shown in Table 27-8 and are encoded in 3 bits. If deeper shifts are required, data can be
passed through the ALU on multiple cycles.
Two ACUs are supplied. There are 16 functions per ACU as shown in Table 27-9 and are encoded in 4 bits. This RAM is use-
ful when parallel filters or algorithms are implemented and control flow needs to shift from one to the other, while still maintain-
ing the relative addresses for each filter.
Table 27-8. Shifter Functions
Code Assembly Name Function
0 <default> No shift
1 shift(right,1) Shift right 1 (divide by 2)
2 shift(right,2) Shift right 2 (divide by 4)
3 shift(right,3) Shift right 3
4 shift(right,4) Shift right 4
5 shift(right,8) Shift right 8
6 shift(left,1) Shift left 1 (multiply by 2)
7 shift(left,2) Shift left 2 (multiply by 4)
Table 27-9. ACU Functions
Code Assembly Name Function
0 HOLD Put REG on output, hold REG in REG
1 INCR
If (modflag && REG = MREG
Put LREG on output, write to REG else If (!modflag && REG = 127)
Put 0 on output, write to REG else Put REG+1 on the output, write to REG
2 DECR
If (modflag && REG = LREG)
Put MREG on output, write to REG
else If (!modflag && REG = 0)
Put 127 on output, write to REG
else
Put REG-1 on the output, write to REG
3 READ Read ACU RAM and put value on output
Write to REG
4 WRITE Put REG on output, write output to RAM
Hold REG in REG
5 LOADF Load FREG from ACU RAM, put REG on output
6 LOADL Load LREG from ACU RAM, put REG on output
7 LOADM Load MREG from ACU RAM, put REG on output
8 WRITEL Put LREG on output, assert RAM write enable
Hold REG in REG
9 SETMOD Set modflag true, put REG on output
Hold REG in REG
10 UNSETMOD Set modflag false, put REG on output
Hold REG in REG
11 CLEAR
If (modflag)
Put LREG on output, write to REG
else
Put 0 on output, write to REG

PSoC 5LP Architecture TRM, Document No. 001-78426 Rev. *F 301
Digital Filter Block (DFB)
27.5 Usage Model
The instruction set is programmed into the controller based
on dual control stores and a control finite state machine.
The control store contains sequential blocks of instructions
to execute an algorithm. In the simplest programming
model, all of the statements will appear in line and the pro-
gram counter will step from zero to the end of the last
instruction.
In this architecture it is more efficient to reuse blocks of code
(such as implementing a biquad IIR section). In this specific
case, a block of 12 instructions are looped through with off-
sets in the ACU adjusted so that the correct coefficients and
data are used. To control the use of this subroutine, a
branching controller is needed. This is the Control Finite
State Machine (CFSM) in the controller.
The CFSM contains information on branching. At the end of
each clock cycle, the various datapath flags, ACU flags, and
globals are evaluated to determine if a jump condition is
met. A jump is only allowed at the end of a CS block, which
is indicated when the EOB (end of block) bit in the control
store word is set to ‘1’. The CFSM RAM stores information
about the current state, bits to control which of the input
flags are active, and the jump address.
Loop counters are often found in architectures supporting a
single instruction MAC for FIR filtering. The loop counter
function can be achieved more generally in this architecture
through the use of the ACU. The equal flag in the ACU gets
set when the address is equal to the mask in the MREG and
when the end of the ram is reached or zero. Thus a branch
is triggered when the address reaches a certain address.
This is how a single instruction, zero instruction overhead
branch loop for FIR filtering can be implemented.
12 ADDF If (modflag && REG+FREG>MREG) Put ((((REG+FREG)-MREG)-1)+LREG) on output else If (!modflag &&
REG+FREG>127) Put (((REG+FREG)-127)-1) on output else Put REG+FREG on output, write to REG
13 SUBF
If (modflag && REG-FREG<LREG)
Put MREG-((FREG-(REG-LREG))-1) on output
else If (!modflag && REG-FREG<0)
Put 127-((FREG-REG)-1) on output
else
Put REG-FREG on output, write to REG
14 WRITEM Put MREG on output, assert RAM write enable
Hold REG in REG
15 WRITEF Put FREG on output, assert RAM write enable
Hold REG in REG
Table 27-9. ACU Functions (continued)
Code Assembly Name Function

302 PSoC 5LP Architecture TRM, Document No. 001-78426 Rev. *F
Digital Filter Block (DFB)

PSoC 5LP Architecture TRM, Document No. 001-78426 Rev. *F 303
Section F: Analog System
The PSoC® analog subsystem provides the device the second half of its unique configurability. All analog performance is
based on a highly accurate absolute voltage reference with less than 0.2% error over temperature and voltage. The configu-
rable analog subsystem includes analog muxes, comparators, mixers, voltage references, analog-to-digital converters (ADC),
digital-to-analog converters (DAC), and digital filter bocks (DFB). All GPIO pins can route analog signals into and out of the
device, using the internal analog bus. This feature allows the device to interface up to 62 discrete analog signals.
This section encompasses the following chapters:
■Switched Capacitor/Continuous Time chapter on page 305
■Analog Routing chapter on page 319
■Comparators chapter on page 335
■Opamp chapter on page 341
■LCD Direct Drive chapter on page 345
■CapSense chapter on page 359
■Temperature Sensor chapter on page 365
■Digital-to-Analog Converter chapter on page 369
■Precision Reference chapter on page 373
■Delta Sigma Converter chapter on page 377
■Successive Approximation Register ADC chapter on page 397

304 PSoC 5LP Architecture TRM, Document No. 001-78426 Rev. *F
Section F: Analog System
Top Level Architecture
Analog System Block Diagram
Digital
Filter
Block
ANALOG SYSTEM
LCD Direct
Drive
CapSense
Temperature
Sensor
N x
Opamp
+
SPC ADC
ADCs N x SAR
ADC
N x
Del Sig
ADC
N x SC/CT Blocks
(TIA, PGA, Mixer, etc.)
N x
CMP
+
N x DAC
System Bus

PSoC 5LP Architecture TRM, Document No. 001-78426 Rev. *F 305
28. Switched Capacitor/Continuous Time
The PSoC® 5LP switched capacitor (SC) – continuous time (CT) block is a general purpose block constructed of a rail-to-rail
amplifier with arrays of switches, capacitors, and resistors. Register configurations select the block functional topology, power
level, and bandwidth.
28.1 Features
The PSoC SC/CT block has these features:
■Multiple configurations:
❐Naked Opamp
❐Continuous Time Unity Gain Buffer
❐Track and Hold Amplifier
❐Continuous Time Programmable Gain Amplifier
❐Continuous Time Trans Impedance Amplifier
❐Continuous Time Mixer
❐Sampled Mixer (non return-to-zero sample and hold -- NRZ S/H)
❐Delta Sigma Modulator
■Routability to GPIO
■Routable reference selection
■Programmable power and bandwidth
■Sample and hold configuration
28.2 Block Diagram
The overall block diagram of the block is shown in Figure 28-1 on page 306. Individual block diagrams for the possible imple-
mentations are shown in separate sections.

306 PSoC 5LP Architecture TRM, Document No. 001-78426 Rev. *F
Switched Capacitor/Continuous Time
Figure 28-1. Switched Capacitor and Continuous Time Block Diagram
20 k to 980 k
Vref
: . pF
Vin
Vref
Vin
Vref
Vin
Vref
20 k or 40 k
0: 425Mod Gain fF
Trk Hld: 12.0 pF
1: 850Mod Gain fF
Vout
TIA : 850 fF
TIA : 850 fF
Vout
Mod, CT, TIA : 850 fF
CT, TIA : 850 fF
Vout
comp<1:0>
1. 25 fF – 5 pF
Mod Gain0: 850 fF
Mod Gain1: 425fF
Vgnd
SC: 850 fF
SC: 850 fF
Mod, CT, TIA 1 275
10k G48/G50

PSoC 5LP Architecture TRM, Document No. 001-78426 Rev. *F 307
Switched Capacitor/Continuous Time
28.3 How it Works
Each instance of the SC/CT block is able to implement any
of the available configurations. Selection of the mode bits
configures most of the resources required to implement
these configurations.
28.3.1 Operational Mode of Block is Set
The operational mode of the SC/CT block is selected by set-
ting the MODE[2:0] bits in the SC[0..3]_CR0 register, bits
[3:1].
28.4 Naked Opamp
The naked opamp mode provides direct access to the input
and output terminals of the opamp. All of the other circuitry
(resistors and capacitors) is disconnected in this mode. This
mode is used for applications that require a general purpose
opamp with external components.
Figure 28-2. Naked Opamp Configuration
The naked opamp is selected by setting the MODE[2:0] bits
in the SC[0...3]_CR0 to 000. The opamp is a two stage
design with a rail-to-rail input folded cascade first stage and
a class A second stage. The opamp is internally compen-
sated. To accommodate varying load conditions, the com-
pensation capacitor and output stage drive strength is
programmable.
The setting to apply is determined from the minimum
required slew rate determined from the signal swing and
time, and load capacitance. This is primarily a consideration
for the stability reasons.
Equation 1
where Cload includes the total internal capacitance at the
output node of the amplifier plus any external capacitive
loads. A value of 10 pF should be used for the internal load
from analog bus routing. Set the drive controls,
SC_DRIVE[1:0], according to the slew requirements at the
output in SC[0..3]_CR1[1:0] register bits.
Figure 28-3. Naked Opamp Drive Control I_LOAD
28.4.1 Bandwidth/Stability Control
This block has three control options for modifying closed
loop bandwidth and stability that apply to all configurations:
current through the first stage of the amplifier
(BIAS_CONTROL), Miller capacitance between the ampli-
fier input and the output stage (SC_COMP[1:0]), and feed-
back capacitance between the output stage and the
negative input terminal (SC_REDC[1:0]).
28.4.1.1 BIAS_CONTROL
The bias control option doubles the current through the
amplifier stage. AC open loop stability analysis for all contin-
uous time modes shows that leaving this option set to ‘1’
and then controlling the bandwidth/stability using the capac-
itor options results in a greater overall bandwidth when the
circuit is stabilized than using the option of less current in
the first stage. The bias current is doubled by setting the
SC[0..3]_CR2[0] register bit.
Table 28-1. SC/CT Block Operational Mode Settings
SC_MODE[2:0] Operational Mode
[000] Naked Opamp Mode
[001] Trans Impedance Amplifier
[010] Continuous Time Mixer
[011] Discrete Time Mixer -- NRZ S/H
[100] Unity Gain Buffer
[101] First-Order Modulator
[110] Programmable Gain Amplifier
[111] Track and Hold Amplifier
VIN+
VIN-
VOUT
Table 28-2. Output Load Current by Drive Setting
SC_DRIVE[1:0] I_load (µA)
2'b00 175
2'b01 250
2'b10 330
2'b11 400
Iload CloadV
t
-------
=
-20
-10
0
10
20
30
40
50
60
70
80
90
0.001 0.01 0.1 1 10 100 1000 10000
175 uA
250 uA
330 uA
400 uA
dB

308 PSoC 5LP Architecture TRM, Document No. 001-78426 Rev. *F
Switched Capacitor/Continuous Time
28.4.1.2 SC_COMP[1:0]
SC_COMP bits set the amount of compensation capaci-
tance used in the amplifier. This directly affects the gain
bandwidth of the amplifier and is an important tool in tuning
the circuit stability. Follow the recommendations in the
upcoming tables for this setting. The Miller capacitance is
set to one of the four values in the SC[0..3]_CR1[3:2] regis-
ter bits.
28.4.1.3 SC_REDC[1:0]
The capacitance option between the output driver and the
negative input terminal is another stability control option.
Depending on the continuous time configuration, this capac-
itor option generally contributes to a higher frequency zero
and a lower frequency pole, thus reducing the overall band-
width and gaining some phase margin at the unity gain fre-
quency. This capacitance is set to one of the four values in
SC[0..3]_CR2[3:2] register bits.
Recommended Settings by Mode
Stability settings for each mode are listed in Table 28-5 on
page 308. These are the settings used to simulate each
mode.
For the transimpedance amplifier (TIA) mode, the analog
global load was modeled at the input as 10 pF between two
150- switch impedances with an additional 40 pF added to
the input to model the input diode capacitance.
For all continuous time modes, the output is modeled with
two 150 switches with an 8-pF load in between, then fol-
lowed b ya 300 impedance and a 50-pF external load.
The modulator mode is simulated with a 0.5-pF load at the
output.
Table 28-3. Miller Capacitance between Amplifier Output
and Output Driver
SC_COMP[1:0] CMiller (pF)
00 1.30
01 2.60
10 3.90
11 5.20
Table 28-4. CFB in CT Mix, PGA, Opamp, Unity Gain Buffer,
and T/H Modes
SC_REDC[1:0] CFB (pF)
00 0.00
01 1.30
10 0.85
11 2.15
Table 28-5. Recommended Stability Settings by Mode
SC_MODE[2:0] Operational Mode BIAS_CONTROL SC_COMP[1:0] SC_REDC[1:0]
[001] Trans Impedance Amplifier 1 3 3
[010] Continuous Time Mixer 1 2 1
[011] Discrete Time Mixer -- NRZ S/H 1 2 0
[100] Unity Gain Buffer 1 2 0
[101] First-Order Modulator 1 1 0
[110] Programmable Gain Amplifier See Table 28-7 on page 310
[111] Track and Hold Amplifier 1 2 0

PSoC 5LP Architecture TRM, Document No. 001-78426 Rev. *F 309
Switched Capacitor/Continuous Time
28.5 Continuous Time Unity Gain Buffer
The continuous time unity gain buffer is a naked opamp with the inverting input locally connected to the output. Use of routing
features external to the block is not required to implement this function.
Figure 28-4. Unity Gain Buffer Configuration
The unity gain buffer is used when an internally generated signal with high output impedance, such as a voltage DAC output,
is required to drive a load; or when an external source with a high impedance is required to drive a significant on-chip load,
such as the Continuous Time Mixer.
28.6 Continuous Time Programmable Gain Amplifier
The programmable gain amplifier (PGA) is a continuous time opamp with selectable taps for input and feedback resistances.
The PGA is selected by setting the MODE[2:0] bits in the SC[0...3]_CR0 register to ‘110’.
Figure 28-5. PGA Configuration
The PGA can be implemented as either a positive gain or
negative gain topology, or as half of a differential amplifier.
The specific gain configuration is selected by the SC_GAIN
bit [5] in register SCL[0..3]_CR1. Any added input resistance
from analog routing affects the PGA gain.
Direct voltage reference (vref) connections to the PGA
inverting input are not recommended. The low input imped-
ance of the PGAs gain resistor ladder creates an error to the
higher output impedance of vref if the two are directly con-
nected.
The positive gain (non-inverting) topology is shown in
Figure 28-6.
VIN
VOUT
Vref
Vout
0
1
=
Rfb
0
1
sc _ gain
Vin
pga _ rlad 0.3k
= 20k or 40k
Rin
rval[000]:rval[101]
= 9.6k or 19.6k
Rin
rval<110 > : rval< 111>
sc_pga_gndVref
20 k to
1 Mohm
Table 28-6. PGA Gain Configuration
SC_GAIN Gain
0Inverting (-RFB/RIN)
1Non-inverting (1+ RFB/RIN)

310 PSoC 5LP Architecture TRM, Document No. 001-78426 Rev. *F
Switched Capacitor/Continuous Time
Figure 28-6. PGA Positive Gain (Noninverting) Topology
Figure 28-7. PGA Negative Gain (Inverting) Topology
Figure 28-8. PGA Differential Amplifier Topology
The differential amplifier two PGAs in parallel. The connec-
tion (RLAD) is external to the SC blocks and has very low
impedance to reduce gain error. When not in differential
mode, RIN is connected to the analog or global routing and
RLAD is at very high impedance to minimize gain errors. The
output of the differential amplifier is
VOUT+ - VOUT- = Gain*(VIN+ - VIN-). Equation 2
The common mode voltage of the output remains at the
common mode voltage of the input.
VCM = (VIN+ + VIN-)/2. Equation 3
Because of capacitive loading, each gain step has a differ-
ent requirement for compensation capacitors.
The negative gain (inverting) topology is shown in
Figure 28-7.
28.7 Continuous Time
Transimpedance Amplifier
The transimpedance amplifier (TIA) is a continuous time
opamp with dedicated and selectable feedback resistor. The
TIA is selected by setting the MODE[2:0] bits in the
SC[0..3]_CR0 register to ‘001’.
RFB
RIN
VIN
VREF
VOUT
RFB
RIN
VIN
VREF
RFB
RIN
VIN+
RFB
RIN
VIN-
RLAD
RLAD
VOUT+
VOUT-
Table 28-7. PGA Stability Settings by Gain
SC_RVAL
[2:0] R20_40B Non-
Inverting
Gain (AC) BIAS_
CONTROL SC_COMP
[1:0] SC_REDC
[1:0]
Bin Bin Lin
0011 2 0
0111 2 0
1021 2 1
1121 2 1
10041 0 1
10141 0 1
11081 0 1
11181 0 1
100 0 16 1 1 1
100 1 16 1 1 1
101 0 24 1 1 3
101 1 32 1 1 3
110 0 24 1 0 2
110 1 48 1 1 0
111 0 25 1 0 2
111 1 50 1 1 0

PSoC 5LP Architecture TRM, Document No. 001-78426 Rev. *F 311
Switched Capacitor/Continuous Time
Figure 28-9. Transimpedance Amplifier Configuration
The output of the transimpedance amplifier is a voltage that
is proportional to input current; the conversion gain is a
resistor value, where:
Equation 4
The output voltage is referenced to VREF, which is routable
to the analog globals or through local analog routing to any
selected reference.
The feedback resistor can be programmed from 20 k to
1.0 M in eight steps, selected in bits [6:4] of the
SCL[0..3]_CR2 register.
The feedback resistor is untrimmed polysilicon, so the abso-
lute resistance value varies largely with process and tem-
perature. Calibration of the TIA gain is expected to be done
by the user using the precise outputs of the current output
DAC combined with measurements in the ADC.
Stability of this opamp topology in general is affected by
shunt capacitance on the inverting input. This capacitance is
determined largely by parasitic capacitances in the analog
global routing and at the input pin. An internal shunt feed-
back capacitor is used to maintain stability. Because the
input capacitance is larger in the TIA than in other modes,
the stability capacitance is somewhat larger.
The CFB options for TIA mode are larger than for the other
continuous time modes, as shown in Table 28-9. The feed-
back capacitance is set in bits [3:2] of the SCL[0..3]_CR2
register.
A large source capacitance causes instability in the TIA with
the small feedback resistor settings. Therefore, in applica-
tions where the internal capacitance is not sufficient to stabi-
lize the TIA, an external capacitance is necessary. This is
connected using the analog global routing.
Table 28-8. Feedback Resistor Settings
SC_RVAL[2:0] Nominal RFB (k)
000 20
001 30
010 40
011 80
100 120
101 250
110 500
111 1000
RFB
VIN
VREF
CFB
VOUT VREF IIN RFB
–=
Table 28-9. Feedback Capacitance Settings
SC_REDC[1:0] CFB (pF)
00 0.00
01 1.30
10 3.30
11 4.60

312 PSoC 5LP Architecture TRM, Document No. 001-78426 Rev. *F
Switched Capacitor/Continuous Time
28.8 Continuous Time Mixer
The continuous time mixer uses input switches to toggle a
PGA between an inverting PGA gain of –1 and a noninvert-
ing PGA gain of +1. The maximum toggle frequency is
1 MHz. The continuous time mixer is selected by setting the
MODE[2:0] bits in the SC[0..3]_CR0 register to ‘010’.
The continuous time mode is chosen to achieve up conver-
sion because it provides higher conversion gain relative to
the sampled mixer. In the CT mixer, the magnitude of the
FCLK + FIN and FCLK – FIN are equal, while in the sampled
case, there is attenuation between the two configurations.
Example waveforms where the input is at 200 kHz and the
carrier is at 255 kHz, are shown in Figure 28-10.
Figure 28-10. Continuous Time Mixer Waveforms
The output spectrum of the mixer includes terms at 455 kHz,
55 kHz, at 3 × fCARRIER ± fSIGNAL, 5 × fCARRIER ± fSIGNAL,
7× f
CARRIER ± fSIGNAL, and so on. The up conversion is ulti-
mately achieved by filtering out the desired harmonic of the
mixed product of the input frequency and modulating fre-
quency using gain toggling.
Usage options for the continuous time mixer mode include
controlling the sampling function and setting the value of the
resistor in the inverting gain configuration. Figure 28-11
shows the continuous time mixer configuration.
Figure 28-11. Continuous Time Mixer Configuration
010203040
Signal
Ca rrier
Mult
Table 28-10. Sampling Configurations for CT Mixer
SC_DYN_CNTRL Configuration
0 Inverting Amplifier with Gain of 1
1 Unity Gain Buffer
Table 28-11. Input Resistor Settings for CT Mixer Inverting Mode
R20_40B RMIX
040 k
120 k
Vref
Vout
Vin
0
1
= 20 k or 40kRmix
sc_clock
sc_clock
!sc_clock
Rmix = 20k or 40k

PSoC 5LP Architecture TRM, Document No. 001-78426 Rev. *F 313
Switched Capacitor/Continuous Time
28.9 Sampled Mixer
The sampled mixer is a nonreturn-to-zero (NRZ) sample
and hold circuit with very fast response. The mixer is
selected by setting the MODE[2:0] bits in the SC[0..3]_CR0
register to ‘011’. The discrete time mode has a maximum
FCLK of 4 MHz. The maximum input frequency in discrete
time mode is 14 MHz. The mixer output is designed to either
drive an off-chip ceramic filter (455 kHz Murata Cerafil) or
the internal ADC through the on-chip analog routing. For the
ADC to correctly sample the mixer output, the sample clock
for the ADC and mixer must be the same.
The sample and hold mixer is primarily used for down-con-
version mixing. The down conversion is achieved by filtering
the desired harmonics of the mixed product of the input fre-
quency and sample clock frequency. Correct frequency
planning is required to achieve the desired results. For a
given input carrier frequency, FIN, a sample clock frequency,
FCLK, can be chosen to provide the desired IF frequency,
FIF, for the system.
Provided that FCLK is less than 4 MHz, and FIN is less than
14 MHz:
If
Equation 5
then
Equation 6
If
Equation 7
then
Equation 8
Equation 1 and Equation 2 can be summarized as:
Equation 9
Consider an example using an input carrier frequency of
13.5 MHz and a desired IF frequency of 500 kHz. Set the
sample clock frequency and ADC sample frequency to be
2MHz.
From the down conversion equations above, calculate the IF
frequency with N = 7.
Equation 10
This example has a 500 kHz down-converted signal, but we
are sampling it at 2 MHz. Because the ADC and the
switched capacitor block can both run at the same 2 MHz
sample rate, there is no need to low-pass filter the output of
the switched capacitor block. Its output can be fed directly
into the ADC input.
A few examples illustrate the frequency shifting capabilities
of the mixer. For a signal frequency at 1.36 MHz, and a car-
rier at 1.28 MHz, the output frequency is the difference
between the two frequencies, as shown in Figure 28-12.
Figure 28-12. Sampled Mixer N = 1
For a higher frequency signal at 13.6 MHz, and the carrier at
3.2 MHz, the output is at the same frequency, but longer
separation between the samples, as shown in Figure 28-13.
Figure 28-13. Sampled Mixer N = 3
There is no increase in harmonic distortion, only an increase
in the level of the sampling aliases. When the mixer output
is sampled at the same rate as the carrier frequency, the
aliases are suppressed.
The discrete time mixer configuration (NRZ S+H) is shown
in Figure 28-14 on page 314. The options specific to this
2N1–
2
----------------FCLK FIN NF
CLK
FIF NF
CLK FIN
–=
NF
CLK
FIN 2N1+
2
---------------- FCLK
FIF FIN NF
CLK
–=
FIF abs N FCLK FIN
–=
FIF 7FCLK FIN
–500kHz==
0 5 10 15 20 25 30 35
Signal
Ca rr ier
Dif f
0 0.5 1 1.5 2 2.5 3 3.5
Signal
Ca rr ier
Dif f

314 PSoC 5LP Architecture TRM, Document No. 001-78426 Rev. *F
Switched Capacitor/Continuous Time
configuration are the reference option and the clock division
option.
Figure 28-14. Switched Capacitor Discrete Time Mixer
Configuration
The option exists to either use an external reference voltage
or to have the reference grounded internally. This option is
controlled by the SC_GNDVREF SC[0..3]_CR2 signal as
described in Table 28-12.
The use of the internal ground can cause different step sizes
up versus down because the amplifier does not respond
identically when the negative terminal jumps below ground.
To avoid this distortion, use the external reference option
and set it to 500 mV or greater.
The architecture of the discrete mixer is such that the output
changes with a new hold value on both the rising and falling
edge of the input clock. The SC_DIV control signal can be
used to designate that output only change on the rising edge
of the input clock. This is achieved by resetting the
SC[0..3]_CR1[4] bit.
Table 28-12. External Reference Option for Sample and
Hold Mixer
SC_GNDVREF Amplifier/Capacitor Reference
0 External Voltage
1 Internal Ground
Vout
1&sc_gndVref
2
1
1
2
2
C4
Vin
C1
Vin
1&!sc_gndVref
Vref
Vref
sc_gndVref
!sc_gndVref
2&sc_gndVref
2&!sc_gndVref
Vref
1
Table 28-13. Clock Division Option for Sample and Hold
Mixer
SC_DIV SC_CLOCK Requirements
0SC_CLOCK should be set to half the desired sample
frequency
1SC_CLOCK should be set to the desired sample
frequency

PSoC 5LP Architecture TRM, Document No. 001-78426 Rev. *F 315
Switched Capacitor/Continuous Time
28.10 Delta Sigma Modulator
The SC/CT block can be programmed to function as a switched capacitor integrator to use in a first-order modulator loop at
high oversampling ratios.
The Delta Sigma Modulator is selected by setting the MODE[2:0] bits in the SC[0..3]_CR0 register to ‘101’. The integrator out-
put is compared to a reference level and fed back to the input in a feedback loop. The modulator output is clocked at the high
sampling rate, and needs to be decimated down to the signal band of interest using a decimation filter.
Figure 28-15. Discrete Time Delta Sigma Modulator Block Diagram
The modulator can also be used as an incremental modulator by using a reset switch that is placed across the integrating
capacitor. The accuracy of the sampled data from the first-order modulator is determined from several factors: the maximum
input signal bandwidth, oversampling ratio, and the sampling clock jitter. The oversampling clock is limited to a maximum of
4 MHz. Oversampling below x64 does not produce a stable output. Table 28-14 below shows the expected performance from
a system simulation.
The signal-to-noise ratio (SNR) values include the effects of limit cycle oscillations.
The configuration diagram of the discrete time first-order modulator is shown in Figure 28-16 on page 316. There are two
mode-specific usage options: a reset switch placed across the integrating capacitor and a gain setting to adjust the allowable
input amplitude range.
Table 28-14. Incremental Modulator Expected Performance from System Simulation
Maximum Input Signal Frequency Oversampling Rate OSR
(fsamp/fsig/2) Sampling Clock Frequency (MHz) Signal-to-Noise Ratio After
Decimation by OSR
(at Maximum Input Signal)
16 kHz 64 2.048 54 dB
8 kHz 128 2.048 64 dB
32 kHz 64 4.096 54 dB
16 kHz 128 4.096 64 dB
Input
Integrator Comparator
+
-
Out
Sample / Hold

316 PSoC 5LP Architecture TRM, Document No. 001-78426 Rev. *F
Switched Capacitor/Continuous Time
Figure 28-16. Switched Capacitor First-Order Modulator Configuration
28.10.1 First-Order Modulator, Incremental Mode
The dynamic control input SC[0..3]_CR1[5] can be used to reset the integrating capacitor if to perform an incremental conver-
sion:
The range of the allowed input amplitude can be set using the SC_GAIN SC[0..3]_CR1[5] control signal as shown in
Table 28-16.
Table 28-15. First-Order Modulator, Integrating/Incremental Mode
SC_DYN_CNTRL State
0 Integrating
1Reset. VOUT is connected to amplifier negative
terminal.
Table 28-16. First-Order Modulator, Input Amplitude
SC_GAIN Maximum Input Amplitude
0± half VREF
1± 2 VREF
Vout
Vref
Vref
Integrating Phase
C5= 1.7pF
C2= 850fF
C4= 850fF
Vout_mod = 1 Vout_mod = 0
Gain 0: C3 = 425fF
Gain 1: C3 = 850fF
Gain 0: C1= 850F
Gain 1: C1= 425F
Vref
Vref
Vout _mod
Comparator
sc_dyn _cntrl
Vout
Sampling Phase
Gain 0: C3 = 425fF
Gain 1: C3 = 850fF
C2= 850fF
C4= 850fF
C5= 1.7pF
Vref
Vin
Vref
Gain 0: C1= 850F
Gain 1: C1= 425F
Vref
Vout _mod
Comparator
sc_dyn_cntrl
Vout_mod = 1
Vout_mod = 0

PSoC 5LP Architecture TRM, Document No. 001-78426 Rev. *F 317
Switched Capacitor/Continuous Time
28.11 Track and Hold Amplifier
Track and hold amplifier mode is derived using the unity
gain buffer amplifier. Implementation is shown in
Figure 28-17.
Figure 28-17. Track and Hold Block Diagram
Track and hold mode tracks to 1% of a 5.5 V input step in
less than 1 µs. The charge injection error from the sample
switch is < 1.1 mV. The hold loss is < 0.2 mV.
The control of the amplifier between track and hold is done
using the SC_DYN_CNTRL input as shown in Table 28-17.
This feature is enabled by setting the register bit value
SC[0..3]_CLK[5].
Table 28-17. Track and Hold Amplifier Control
SC_DYN_CNTRL Output
0Track VIN
1 Hold sampled value
VIN
Ctrk_hld = 12.0 pF
(pfet gate cap)
!sc_dyn_cntrl VOUT

318 PSoC 5LP Architecture TRM, Document No. 001-78426 Rev. *F
Switched Capacitor/Continuous Time

PSoC 5LP Architecture TRM, Document No. 001-78426 Rev. *F 319
29. Analog Routing
PSoC® 5LP has a flexible analog routing architecture to route signals between GPIOs and analog resource blocks such as
the ADC, switched capacitor, and DAC. One of the strong points of this flexible routing architecture is that it allows dynamic
configuration of input/output connections to the different analog blocks. For example, the comparator input can be switched
between two GPIOs, on the fly, by DSI control signals and register settings. Knowing and understanding the architecture
enables efficient and optimal utilization of the device analog routing resources.
29.1 Features
PSoC analog routing has the following features:
■Flexible, configurable analog routing architecture
■Dedicated routing options for LCD drive capability
■Eight analog globals (AGs) and one analog multiplexer bus (AMUXBUS) for GPIOs on each side
■Flexible routing options within the analog core to interconnect analog resource blocks using analog local bus (abus)
29.2 Block Diagram
The PSoC 5LP analog system block diagram is shown in Figure 29-1 on page 320. In Figure 29-1, the CapSense® system is
limited to the GPIO controls, there are no separate blocks. Figure 29-2 on page 321 shows detailed analog routing architec-
ture. All the figures used to explain analog routing in this chapter are derived from Figure 29-2.

320 PSoC 5LP Architecture TRM, Document No. 001-78426 Rev. *F
Analog Routing
Figure 29-1. Analog System Block Diagram
ANALOG SYSTEM
8
LCD
5
LCD
5
CY8C55 only
Left Side
Analog Globals
and Muxes
Right Side
Analog Globals
and Muxes
Left Side
ARBs Right Side
ARBs
Switched
Capacitor (2x) Switched
Capacitor (2x)
LPFLPF
Analog
Global
Bus
Analog
Mux
Bus
DAC (2x)
Analog
Local
Bus
4
Opamp (2x)
Comparator (2x)
CapSense
Refbuf
Precision
Reference
SAR0 SAR1
CapSense
Refbuf
Comparator (2x)
Opamp (2x)
DAC (2x)
8
Analog
Global
Bus
Analog
Mux
Bus
Analog
Local
Bus
4
Left Side GPIO
LCD
Right Side GPIO
Delta Sigma
Channel (1x)
Analog Interface

PSoC 5LP Architecture TRM, Document No. 001-78426 Rev. *F 321
Analog Routing
Figure 29-2. Analog Interconnect
Vddio0
SIO
P12[3]
SIO
P12[2]
GPIO
P15[3]
GPIO
P15[2]
SIO
P12[1]
SIO
P12[0]
GPIO
P3[7]
GPIO
P3[6]
Vddio3
Vccd
Vssd
Vddd
GPIO
P6[0]
GPIO
P6[3]
GPIO
P6[2]
GPIO
P6[1]
GPIO
P15[4]
GPIO
P15[5]
GPIO
P2[0]
GPIO
P2[4]
GPIO
P2[3]
GPIO
P2[2]
GPIO
P2[1]
Vddio2
GPIO
P2[5]
GPIO
P2[7]
GPIO
P2[6]
SIO
P12[4]
SIO
P12[5]
GPIO
P6[4]
GPIO
P6[5]
GPIO
P6[6]
GPIO
P6[7]
Vddio1
SIO
P12[6]
SIO
P12[7]
USB IO
P15[6]
USB IO
P15[7]
Vddd
Vssd
Vccd
GPXT
P15[0]
GPXT
P15[1]
GPIO
P3[5]
GPIO
P3[4]
GPIO
P3[3]
GPIO
P3[2]
GPIO
P3[1]
AGR[4]
AGR[7]
AGR[6]
AGR[5]
AGL[0]
AGL[3]
AGL[2]
AGL[1]
AGR[0]
AGR[3]
AGR[2]
AGR[1]
***
*
*
*
*
**
*
*
* Denotes pins on all packages
DSM
v0
v2
v1
v3
i1
i3
i0
i2
VIDAC
76543210
76543210
76543210
76543210
comp0
comp2
comp1
comp3
COMPARATOR
AGL[4]
AGL[7]
AGL[6]
AGL[5]
AGL[0]
AGL[3]
AGL[2]
AGL[1]
AGR[0]
AGR[3]
AGR[2]
AGR[1]
AGR[4]
AGR[7]
AGR[6]
AGR[5]
Notes:
AMUXBUSRAMUXBUSL
i1
i3
i2
i0
Rev #60
13-Feb-2012
opamp0
Vssa
Vssd
Vcca
GPIO
P0[5]
*
GPIO
P0[7] *
GPIO
P1[3]
GPIO
P1[2]
GPIO
P1[1]
GPIO
P1[0]
**
**
GPIO
P1[4] *
GPIO
P1[5] *
GPIO
P1[6]
*
GPIO
P1[7]
*
GPIO
P5[7]
GPIO
P5[6]
GPIO
P5[5]
GPIO
P5[4]
GPIO
P4[4]
GPIO
P4[7]
GPIO
P4[6]
GPIO
P4[5]
GPIO
P5[2]
GPIO
P5[3]
GPIO
P5[1]
GPIO
P5[0]
GPIO
P4[3]
GPIO
P4[2]
ABUSL0
*
*
**
*
*
*
*
*
*
*
*
*
*
*
AGL[4]
AGL[7]
AGL[6]
AGL[5]
GPIO
P4[0]
GPIO
P4[1]
vssa
AMUXBUSL AMUXBUSR
AMUXBUSL
AMUXBUSR
AMUXBUSL AMUXBUSR
ABUSL1
ABUSL2
ABUSL3 ABUSR3
ABUSR2
ABUSR1
ABUSR0
ExVrefL
ExVrefR
Ind
Vssb
Vboost
XRES
Vssd
*
*
*
*
Vbat
ExVrefRExVrefL
+
-
qtz_ref refs
GPIO
P3[0]
GPIO
P0[6] *LPF
in0
out0
in1
out1
sc0 sc1
sc2 sc3
Vin
Vref
out
out
out
SC/CT
out
Mux Group
Switch Group
Connection
Large ( ~200 Ohms)
Small ( ~870 Ohms )
Switch Resistance
Vin
Vref Vin
Vref
Vin
Vref
Vss ref
TS
ADC
GPIO
P0[0]
*
GPIO
P0[1]
*
GPIO
P0[2]
*
GPIO
P0[3]
*
GPIO
P0[4]
*
AMUXBUSR
AMUXBUSL
ANALOG
GLOBALS ANALOG
BUS
0123 3210
ANALOG
BUS ANALOG
GLOBALS
refbufr
refbufl
in
out
ref in
out
ref
vssa
CAPSENSE
Vssa
SAR ADC
Vp (+)
Vn (-) (+) Vp
(-) Vn
ExVrefL2ExVrefL1
refs refs
Vrefhi_out
Vrefhi_out
ExVrefL1
opamp2 opamp3 opamp1
ExVrefL2
cmp0_vref
(1.024V)
vref_cmp1
(0.256V)
Vdda
sc0_bgref
(1.024V)
refbuf_vref1 (1.024V)
refbuf_vref2 (1.2V)
dac_vref (0.256V)
dsm0_vcm_vref1 (0.8V)
dsm0_qtz_vref2 (1.2V)
SAR_vref2 (1.2V)
SAR_vref1 (1.024V)
abuf_vref_int
(1.024V)
32100123
LCD signals are not shown.
*
:
Vdda
*
VBE
vref_vss_ext
sc2_bgref
(1.024V)
sc1_bgref
(1.024V)
sc3_bgref
(1.024V)
dsm0_vcm_vref2 (0.7V)
vcmsel[1:0]
Vdda/3
Vdda/4
refmux[2:0]
dsm0_qtz_vref1 (1.024V)
Vdda
Vdda/2
refmux[2:0]
SAR_vref2 (1.2V)
SAR_vref1 (1.024V)
Vdda
Vdda/2
refmux[2:0]
vcm
DAC0
DAC2
DAC1
DAC3
DSM0
+
-+
-
+
-
+
-
SAR0 SAR1
cmp_muxvn[1:0]
Vdda/2
bg_vda_swabusl0
cmp1_vref
cmp1_vref
cmp1_vref
refsel[1:0]
refbufl_
cmp
refbufr_
cmp
cmp0_vref
(1.024V)
abuf_vref_int
(1.024V)
bg_vda_res_en
refbuf_vref1 (1.024V)
refbuf_vref2 (1.2V)
refsel[1:0]
swout
swin
swout
swin
swfol swfol
swfol swfol
swinn
swinn
swinp
swinp
swinp
swinn
swinp
swinn
LPF
vssd
en_resvda en_resvda

322 PSoC 5LP Architecture TRM, Document No. 001-78426 Rev. *F
Analog Routing
29.3 How it Works
Analog routing resources in PSoC 5LP devices include ana-
log globals (AGs), analog mux bus (AMUXBUS), liquid crys-
tal display bias bus (LCDBUS), and local analog buses
(abus). The analog globals and AMUXBUS go to the GPIOs
and provide a way to route signals between the GPIOs and
the analog resource blocks (ARBs). The LCDBUS is used
for LCD bias signal routing.
Analog resource blocks include the following: DACs, com-
parators, CapSense, switched capacitors, Delta Sigma
ADC, and opamps. The analog local buses (abus) are local
buses used for connections between ARBs.
In addition, there is a VREF bus, as shown in Figure 29-2 on
page 321. This VREF bus carries the reference voltages for
different analog blocks that are generated by the precision
reference block. See the Precision Reference chapter on
page 373 for details on these reference voltages.
Analog switches and muxes establish connections between
the above mentioned analog routing buses and the ARBs.
All these analog routing resources are explained in detail in
the following sections.
Figure 29-4 on page 324 illustrates the difference between
switches and muxes.
29.3.1 Analog Globals (AGs)
The PSoC 5LP die is divided into four quadrants, as shown
in Figure 29-2 on page 321 and Figure 29-3 on page 323.
The analog global bus has eight routes on each side,
AGL[7:0] on the left and AGR[7:0] on the right. Within each
side, the bus is divided into two groups, AGR[3:0] and
AGR[7:4] for the right side and AGL[3:0] and AGL[7:4] for
the left side. The lower four globals on each side are routed
to the GPIO in the lower half of the die and the upper four
globals on each side are routed to the GPIO in the upper
half of the die. All eight analog globals on each side get
routed to ARBs on the same side. Analog globals can be
used as single-ended or differential signal paths. The left
and right half globals may operate independently or they
may be joined through the switches that are shown at the
top and bottom of Figure 29-3 on page 323.
Each GPIO may be connected to an analog global through a
switch in the following manner:
■In the lower left half, Px[3:0] maps to AGL[3:0] and
Px[7:4] maps to AGL[3:0]
■In the upper left half, Px[3:0] maps to AGL[7:4] and
Px[7:4] maps to AGL[7:4]
■In the lower right half, Px[3:0] maps to AGR[3:0] and
Px[7:4] maps to AGR[3:0]
■In the upper right half, Px[3:0] maps to AGR[7:4] and
Px[7:4] maps to AGR[7:4]
This means that two pins on each port are connectable to
the same global, as shown in the diagram. The analog
global bus connects to inputs and/or outputs of the following
ARBs: DAC, comparator, output buffer, switched capacitor,
Delta Sigma ADC, and CapSense (which is a virtual block).
These connections are made through switches and muxes.
PRT[x]_AG registers are used to configure the analog glo-
bals (AGs) for each GPIO port pin. See 29.6 Analog Routing
Register Summary on page 333 for register details.
Port 12 contains the Special Input/Output (SIO) pins. These
pins are grouped in pairs for each quadrant of the device
(lower right: P12[6] and P12[7], lower left: P12[4] and
P12[5], upper left: P12[2] and P12[3], upper right: P12[0]
and P12[1]), with each pair sharing a reference generation
(REFGEN) block. The SIO REFGEN block can select from
one of two analog globals routed to the pair shown in
Figure 29-2 on page 321. The mux selection is controlled by
the {PRT12_AG} register. See the I/O System chapter on
page 151 for details about SIO operation.
29.3.2 Analog Mux Bus (AMUXBUS)
There are two AMUXBUS routes in PSoC 5LP devices. The
device can be divided into two halves (left and right), with
each half having one AMUXBUS (AMUXBUSR, AMUX-
BUSL). The left and right AMUXBUS may be shorted
together with an analog switch. Every GPIO has the provi-
sion to connect to an AMUXBUS through an analog switch.
CapSense applications use the AMUXBUS for their opera-
tion. See CapSense chapter on page 359 for details on
using this bus for CapSense applications. PRT[x]_AMUX
registers are used to configure the AMUXBUS routing for
each GPIO port pin. See 29.6 Analog Routing Register
Summary on page 333 for register details.
29.3.3 Liquid Crystal Display Bias Bus
(LCDBUS)
The LCD bias bus contains five routes that connect to every
GPIO. These routes are continuous around the device
periphery and are not separated by switches at the midline
as are the analog globals and AMUXBUS. Each LCD route
is individually configurable so that they are driven by the
analog local bus or LCD bias voltage to the LCD driver buf-
fer located in the GPIO. Connecting to an analog bus allows
low frequency analog signals to drive off-chip through the
LCD driver buffers.

PSoC 5LP Architecture TRM, Document No. 001-78426 Rev. *F 323
Analog Routing
The LCDBUS mux selections are given in the following table. See the LCD Direct Drive chapter on page 345 for LCD opera-
tion and biasing. See 29.6 Analog Routing Register Summary on page 333 for register details.
Figure 29-3. Analog Globals, AMUXBUS, and LCDBUS Routing
Table 29-1. LCD Bias Bus Mux Selections
Output Mux Selections
LCD_BIAS_BUS[0] {0=LCDDAC_V0,1=abusr[0],2=abusl[0],3=NA}
LCD_BIAS_BUS[1] {0=LCDDAC_V1,1=abusr[1],2=abusl[1],3=NA}
LCD_BIAS_BUS[2] {0=LCDDAC_V2,1=abusr[2],2=abusl[2],3=NA}
LCD_BIAS_BUS[3] {0=LCDDAC_V3,1=abusr[3],2=abusl[3],3=NA}
LCD_BIAS_BUS[4] {0=LCDDAC_V4,1=AMUXBUSR,2=AMUXBUSL,3=NA}
AG[4]L
AG[7]L
AG[6]L
AG[5]L
AG[4]R
AG[7]R
AG[6]R
AG[5]R
AG[0]L
AG[3]L
AG[2]L
AG[1]L
AG[0]R
AG[3]R
AG[2]R
AG[1]R
76543210
76543210
76543210
76543210
AMUXBUSR
AMUXBUSL
Switch
Connection
AMUXBUSRAMUXBUSL
GPIO
Px[0]
GPIO
Px[1]
GPIO
Px[4]
GPIO
Px[7]
GPIO
Px[6]
GPIO
Px[5]
GPIO
Px[3]
GPIO
Px[2]
GPIO
Px[0]
GPIO
Px[1]
GPIO
Px[4]
GPIO
Px[7]
GPIO
Px[6]
GPIO
Px[5]
GPIO
Px[3]
GPIO
Px[2]
GPIO
Px[0]
GPIO
Px[1]
GPIO
Px[4]
GPIO
Px[7]
GPIO
Px[6]
GPIO
Px[5]
GPIO
Px[3]
GPIO
Px[2]
GPIO
Px[0]
GPIO
Px[1]
GPIO
Px[4]
GPIO
Px[7]
GPIO
Px[6]
GPIO
Px[5]
GPIO
Px[3]
GPIO
Px[2]
LCD Bias Bus
5
Upper Right QuadrantUpper Left Quadrant
Lower Left Quadrant Lower Right Quadrant

324 PSoC 5LP Architecture TRM, Document No. 001-78426 Rev. *F
Analog Routing
29.3.4 Analog Local Bus (abus)
There are eight analog local bus (abus) routes in PSoC 5LP
devices, four in the left half (abusl[0:3]) and four in the right
half (abusr[0:3]), as shown in Figure 29-2 on page 321.
These are local routes located in the analog subsystem and
are for interconnecting ARBs, which reduces the usage of
AGs. They do not route directly out into GPIOs. It is possible
to short the left and right abus’ together with four analog
switches. ARBs may connect to each other through analog
globals (AG) or the analog local bus (abus). For example, in
Figure 29-2 on page 321, a DAC output (V1, for example)
may be used as a reference for a comparator negative input
(COMP1, for example). Using an analog switch, the DAC
output can be placed on AGR0 and the comparator input
switch can also be set to AGR0. Limited number of available
analog globals (eight per side) and some block to block con-
nections can be made through analog local bus for direct
connections between blocks. For the above example, the
DAC output (V1) can be routed directly to the analog local
bus (abusr3) that goes to the negative input of the compara-
tor (COMP1). This saves the GPIO routing resource from
being used for interconnecting two ARBs.
29.3.5 Switches and Multiplexers
Switches and multiplexers are used to establish connections
using different analog routing buses. They are placed on the
various buses to direct signals into and out of the GPIOs
and ARBs.
In a switch with ‘n’ inputs and one output, zero through ‘n’
switches may be on at a time, whereas in a multiplexer
(mux) with ‘n’ inputs and one output, only one switch may be
on at a time. Note that a group of eight analog switches
requires eight bits for configuration, whereas, a mux with
eight analog switches requires only three bits. Figure 29-4
illustrates the difference between switches and muxes, in
switch and mux symbols.
For example, in Figure 29-4, there are two muxes (ARB,
LCD). In both these muxes, only one of the analog switches
can be selected for routing. In the same figure, there are two
switches (GPIO, ARB). For these switches, more than one
analog switch can be selected for routing. Note that both
muxes and switches are formed using analog switches.
Each GPIO is connected through two analog switches to an
analog global and an AMUXBUS. The ARBs use ARB
switches and ARB muxes for input/output routing options.
Figure 29-4. Difference Between Analog Switches and
Muxes
29.3.5.1 Control of Analog Switches
Analog globals (AGs), analog mux bus (AMUXBUS) and the
analog local bus (abus) all use analog switches to establish
connections. As stated earlier, analog switches can be
grouped together to form multiplexers or switches.
Each GPIO has two analog switches, one to connect the pin
to the analog global and the other to connect the pin to the
AMUXBUS. The open/close control signals for these analog
switches can be generated by either of the following ways:
1. The registers corresponding to the GPIO pin,
PRT[x]_AMUX and PRT[x]_AG, can be used to control
the open/close state of the analog switches. This is the
default option.
2. In addition, there is a provision to dynamically control
these switches by means of the DSI control signal that is
connected to the input of the port pin logic block. This
option is enabled by setting the bit in the Port Bidirection
Enable register (PRT[x]_BIE). For example, to control
pin 3 of port 0, a value of 0x08 is written to PRT[0]_BIE.
The switch control signal is the logical AND of the regis-
ter setting, as in the first case, and the DSI control sig-
nal, as shown in Figure 29-5.
Analog Global (1 of 16)
AMUXBUS (1 of 2)
LCDBUS (1 of 5)
abus (1 of 8)
ARB1
IN
ARB2
OUT
ARB3
IN
OUT
GPIO
ARB Mux
LCD MUX
GPIO Switch
ARB Switch

PSoC 5LP Architecture TRM, Document No. 001-78426 Rev. *F 325
Analog Routing
Figure 29-5. GPIO Pin Input/Output Block Diagram
In addition, there are control signals that are dedicated for
CapSense applications as shown in Figure 29-5. See the
CapSense chapter on page 359 for the usage of these con-
trol signals.
The analog switches corresponding to the analog resource
blocks can be controlled only by the register settings of the
respective ARBs.
For example, to switch comparator input between two
GPIOs that are connected to the same analog global, the
register settings for the input select of the comparator are
configured to select the analog global to which the GPIOs
are connected. The DSI control signal can dynamically
select between the two GPIOs after the corresponding
PRT[x]_BIE register is configured.
Drive
Logic
PRT[x]DM0
PRT[x]DR
PIN
Digital Output Path
Digital Input Path
PRT[x]SLW
LCD
Logic & MUX
PRT[x]DM1
PRT[x]DM2
PRT[x]LCD_EN
PRT[x]LCD_COM_SEG
Analog
Analog Mux
Analog Global
Digital System Output
0
1
PRT[x]BYP
PRT[x]BIE
Bidirectional Control
Capsense Global Control
Switches
Pin Interrupt Signal
Digital System Input
PRT[x]PS
PRT[x]CTL
Input Buffer Disable
Display
Data
Interrupt
Logic
PICU[x]INTTYPE[y]
PICU[x]INTSTAT
Vddio
Vddio Vddio
Slew
Cntl
LCD Bias Bus 5
PRT[x]AMUX
PRT[x]AG
1
CAPS[x]CFG1
OE
In
PRT[x]SYNC_OUT
PRT[x]DBL_SYNC_IN
PICU[x]INTSTAT
Naming Convention
‘x’ = Port Number
‘y’ = Pin Number
0
10
1

326 PSoC 5LP Architecture TRM, Document No. 001-78426 Rev. *F
Analog Routing
29.4 Analog Resource Blocks –
Routing and Interface
The analog interface (ANAIF) is the interface between the
analog blocks and other PSoC systems (UDB, DSI, clock,
and decimator). The analog interface has 2 kilobytes of
memory, which stores the configuration settings of all analog
resource blocks. The configuration space is written to and
read by the PHUB. The analog interface also interfaces
clock distribution to the various analog resource blocks. For
ARBs that deal with both analog and digital signals, such as
the ADC, DAC, and comparator, the analog interface con-
nects the digital and analog portions. For example, the com-
parator output is routed to the digital systems interconnect
(DSI) through the analog interface. The modulator output
(digital) is routed to the decimator through the analog inter-
face. Similarly, the strobe and other digital signals for the
DAC are routed through the analog interface. More details
about how the interfaces are provided by the ANAIF are
given in the individual chapters in Section F: Analog
System on page 303. The following figure shows the top
level diagram of the analog interface.
Figure 29-6. Analog Interface System Diagram
Analog
System
Block
PHUB
UDB
Array Decimator
ANAIF
AHB
CLKDIST
Port
Control
All
Clocks
CLK_A[3:0]
CLK_A_DIG[3:0]

PSoC 5LP Architecture TRM, Document No. 001-78426 Rev. *F 327
Analog Routing
29.4.1 Digital-to-Analog Converter (DAC)
The DAC routing options and connections to other PSoC subsystems through the analog interface are shown in Figure 29-7.
The output for each DAC is selected by control registers that are connected to multiplexer select lines. The DAC receives
input data and control signals from the analog interface. The control signals include the strobe signal for the DAC, the reset
signal, the DAC current-off signal, and output current direction. These control signals come from UDBs or control registers.
See the Digital-to-Analog Converter chapter on page 369 to learn more about DAC control and operation.
Figure 29-7. DAC Routing, Interface
DAC2
DAC1
V
I
DAC3 V
I
AMUXBUSL
AGL0
AGL1
P0[6]
abusl1
AMUXBUSL
AGL0
AGL1
abusl3 DAC0
AMUXBUSL
AGL4
AGL5
P0[7]
abusl0
AMUXBUSL
AGL4
AGL5
abusl2
V
I
V
I
AMUXBUSR
AGR0
AGR1
P3[0]
abusr1
AMUXBUSR
AGR0
AGR1
abusr3
AMUXBUSR
AGR4
AGR5
P3[1]
abusr0
AMUXBUSR
AGR4
AGR5
abusr2
UDB
ANAIF
44448
dac_data_udb
dac2_cr_udb dac3_cr_udbdac0_cr_udb dac1_cr_udb
8
8
8
8
4
4
4
4
dac_data
dac_data
dac_data
dac_data
dac0_cr
dac2_cr
dac1_cr
dac3_cr
dacn_cr includes strobe, reset, ioff, idir
signals
Reg DAC0.SW*
Reg DAC3.SW*
Reg DAC2.SW*
Reg DAC1.SW*
Reg DAC0.SW*
Reg DAC1.SW*
Reg DAC2.SW* Reg DAC3.SW*

328 PSoC 5LP Architecture TRM, Document No. 001-78426 Rev. *F
Analog Routing
29.4.2 Comparator
The comparator routing options and connections to other PSoC subsystems through the analog interface are shown in
Figure 29-8. The input for each comparator is selected by control registers, which are connected to the multiplexer select
lines. The outputs of the comparators are routed to the ANAIF for further processing. The analog interface contains lookup
tables (LUTs) that are used to implement logic functions on comparator outputs. The LUT outputs (LUTN_OUT) are routed to
the UDB block through the DSI. In addition, LUT outputs can generate interrupts (LUT_IRQ) to the device. See the
Comparators chapter on page 335 to learn more about comparator control and operation.
Figure 29-8. Comparator Routing, Interface
Reg CMP0.SW*, CMP0.SW*
Reg CMP2.SW*, CMP2.SW*
Reg CMP1.SW*, CMP1.SW*
Reg CMP3.SW*, CMP3.SW*
UDB
ANAIF
VREF0
+
_
+
VREF0
+
_
comp2
_
comp0
comp1
abusl0
AGL0
AGL1
AGL2
AGL3
AGL4
AGL5
AGL6
AGL7
abusl1
abusl2
AGL0
AGL2
AGL4
AGL6
abusl3
abusl0
AGL0
AGL1
AGL2
AGL3
AGL4
AGL5
AGL6
AGL7
abusl1
VREF0
AMUXBUSL
abusl2
AGL1
AGL3
AGL5
AGL7
abusl3
abusr0
AGR0
AGR1
AGR2
AGR3
AGR4
AGR5
AGR6
AGR7
abusr1
AMUXBUSR
abusr2
AGR0
AGR2
AGR4
AGR6
abusr3
abusr0
AGR0
AGR1
AGR2
AGR3
AGR4
AGR5
AGR6
AGR7
abusr1
VREF0
AMUXBUSR
abusr2
AGR1
AGR3
AGR5
AGR7
abusr3
VREF1 VREF1
VREF1 VREF1
+
_
comp3
4
LUT0 LUT1 LUT2 LUT3
4 4 4 4 4 4 4
AMUXBUSL
Reg CMP0.SW*, CMP0.SW*
Reg CMP2.SW*, CMP2.SW*
Reg CMP1.SW*, CMP1.SW*
Reg CMP3.SW*, CMP3.SW*
AMUXBUSL
AMUXBUSL
AMUXBUSR
AMUXBUSR
refbufl
refbufl
refbufr
refbufr

PSoC 5LP Architecture TRM, Document No. 001-78426 Rev. *F 329
Analog Routing
29.4.3 Delta Sigma Modulator (DSM)
The Delta Sigma modulator (DSM) is part of the Delta Sigma ADC and consists of various blocks that are mentioned in the
Delta Sigma Converter chapter on page 377. The DSM can select its clock from any of the four analog clocks. The decimator
block and the synchronization circuit in the ANAIF use the clock, CLK_DEC, which is selected from the corresponding digitally
aligned analog clocks. The DSM output DSM0_DOUT and the overload detect status bits are routed to the ANAIF block for
post processing. DSM also receives the reset signals and modulation signal from the analog interface. These control signals
may originate from UDBs and or from control registers. See the Delta Sigma Converter chapter on page 377 to learn more
about the control and operation of this block.
Figure 29-9. DSM Routing, Interface
DSM
AG1L
AG3L
AMUXBUSL
abusl1
abusl3
VREF
AGL0
AGL1
AGL2
AGL3
AGL4
AGL5
AGL6
AGL7
AG5L
AG7L
abusl0
VSSA
VSSA
Reg DSM0.SW*
Reg DSM0.SW*
abusl2
ANAIF
8
dsm0_dout
dsm0_overload
_one
dsm0_overload
_zero
dsm0_clk
dsm0_modbitin
dsm0_extclk_cp_udb
dsm0_startup_reset
Decimator
dec_clk
dsm0_dout2scomp 4UDB
dec_irq
dec_start
dsm0_modbitin_udb
dsm0_startup_reset_udb
dsm0_extclk_cp_udb
dsm0_dout_udb
8
dsm0_reset_dec

330 PSoC 5LP Architecture TRM, Document No. 001-78426 Rev. *F
Analog Routing
29.4.4 Switched Capacitor
The switched capacitor block provides various analog functions. It has a modulator output SCN_MODOUT, which is routed to
a register and is also routed to the UDB array as SCN_MODOUT_SYNC (Figure 29-10). The four analog clocks and the cor-
responding digitally aligned clocks, as well as the UDB generated clock, are selectable for each switched capacitor block
instance. The interrupt signal corresponding to the switched capacitor blocks (SC_IRQ) is also routed to the UDB array. The
polarity of the dynamic control input, SC_DYN_CNTRL, switches the amplifier between the inverting and non-inverting config-
uration. See the Switched Capacitor/Continuous Time chapter on page 305 to learn more about SC/CT.
Figure 29-10. Switched Capacitor Routing, Interface
Reg SC0.SW*
Reg SC0.SW*
Reg SC0.SW*
Reg SC2.SW*
Reg SC2.SW*
Reg SC2.SW*
Reg SC1.SW*
Reg SC1.SW*
Reg SC1.SW*
Reg SC3.SW*
Reg SC3.SW*
Reg SC3.SW*
AGL0
AGL2
AGL4
AGL6 SC0
SC2
SC1
SC3
abusl0
SC1O
SC0O
SC2O SC3O
SC1O
AMUXBUSL
abusl0
abusl2
abusl3
AGL0
AGL1
AGL2
AGL3
AGL4
AGL5
AGL6
AGL7
VREF
SC1O
AGL1
AGL3
AGL5
AGL7
VREF
AGL0
AGL2
AGL4
AGL6
abusl0
abusl1
AMUXBUSL
abusl1
abusl2
abusl3
AG0L
AG1L
AG2L
AG3L
AG4L
AG5L
AG6L
AG7L
VREF
SC3O
AGR0
AGR2
AGR4
AGR6
VREF
AGR1
AGR3
AGR5
AGR7
abusr1
abusr0
AMUXBUSR
abusr0
abusr2
abusr3
AGR0
AGR1
AGR2
AGR3
AGR4
AGR5
AGR6
AGR7
VREF
SC0O
AGR1
AGR3
AGR5
AGR7
VREF
AGR0
AGR2
AGR4
AGR6
abusr0
SC2O
AMUXBUSR
abusr1
abusr2
abusr3
AG0R
AG1R
AG2R
AG3R
AG4R
AG5R
AG6R
AG7R
VREF
SC2O
AGL1
AGL3
AGL5
AGL7
abusl1
abusl3
VREF
SC3O
SC0O
abusr3
abusl2 abusr2
abusr1
ANAIF
sc_modout_syncsc_dyn_cntl
sc_irq
sc2_clk
UDB
44
sc3_clk
sc1_clksc0_clk
sc0_dyn_cntl sc1_dyn_cntl
sc3_dyn_cntlsc2_dyn_cntl
sc1_modout
sc3_modout
sc_clk_udb
sc0_modout
sc2_modout

PSoC 5LP Architecture TRM, Document No. 001-78426 Rev. *F 331
Analog Routing
29.4.5 Opamp
The input and output routing options for the output buffer (opamp) are shown in Figure 29-11. See the Opamp chapter on
page 341 for details on configuration and operation of this block.
Figure 29-11. Opamp Input/Output Routing
29.4.6 Low-Pass Filter (LPF)
Two tunable low-pass filter blocks are available. The inputs are selectable in a 2:1 mux for each LPF, as shown in
Figure 29-12. On the left side, the LPF inputs are AMUXBUSL and AGL0. On the right side, the inputs are AMUXBUSR and
AGR0. The outputs are connected through switches to abusL0 and abusR0, respectively. The tunability of the LPF allows the
user to select an R of either 1 M or 200 k, and a C of either 5 pF or 10 pF. The LPF control registers are LPF0_CR0 and
LPF1_CR0.
Figure 29-12. LPF Routing
Opamp0
AGL4
AGL6
abusl3
AGL4
AGL5
AGL6
AGL7
VREF
abusl0
abusl1
abusl2
Reg ABUF0.MX*
Reg ABUF0.MX*
= Analog Switch
Reg ABUF0.SW*
P0[1]
Reg ABUF0.SW*
P0[3]
Reg ABUF0.SW*
P0[2]
Opamp2
AG5L
AG7L
abusl3
AGL4
AGL5
AGL6
AGL7
VREF
abusl0
abusl1
abusl2
Reg ABUF2.MX*
Reg ABUF2.MX*
Reg ABUF2.SW*
P0[0]
Reg ABUF2.SW*
P0[5]
Reg ABUF2.SW*
P0[4]
Opamp1
AGR4
AGR6
abusr3
AGR4
AGR5
AGR6
AGR7
VREF
abusr0
abusr1
abusr2
Reg ABUF1.MX*
Reg ABUF1.MX*
Reg ABUF1.SW*
P3[6]
Reg ABUF1.SW*
P3[4]
Reg ABUF1.SW*
P3[5]
Opamp3
AGR5
AGR7
abusr3
AGR4
AGR5
AGR6
AGR7
VREF
abusr0
abusr1
abusr2
Reg ABUF3.MX*
Reg ABUF3MX*
Reg ABUF3.SW*
P3[7]
Reg ABUF3.SW*
P3[2]
Reg ABUF3.SW*
P3[3]
LPF0.CR0
ABUSL0
IN0
LPF1LPF0
OUT0 IN1OUT1
ABUSR0
LPF1.CR0
AMUXBUSR
AGR0
AMUXBUSL
AGL0

332 PSoC 5LP Architecture TRM, Document No. 001-78426 Rev. *F
Analog Routing
29.5 Low-Power Analog Routing
Considerations
Figure 29-2 illustrates the analog global routing network,
overlaid on top of the ARBs. Each ARB has a set of muxes
and switches that it uses to connect to the global analog
routing. By connecting to one of the analog routing channels
virtually any ARB can be connected to any other ARB or pin
on the chip.
Not all pins or ARBs are connected to every analog global
routing channel. To get a signal from a particular ARB out to
a specific pin, the PSoC Creator analog routing algorithm
implements a technique known as “Track Jumping”. Track
jumping connects two analog globals together via one of the
ARBs analog global switching structures, without connecting
to that particular ARB resource.
For example, assume you want to connect P3.5 to P3.4 in a
simple pass-through configuration. This is illustrated in
Figure 29-13. This illustration is taken from the full chip dia-
gram shown in Figure 29-2. P3.5 enters the chip on analog
global AG5. P3.4 enters the chip on analog global AG4. To
connect these two pins together, you need to track jump
between AG4 and AG5. To do this, you can use the compar-
ator ARBs comp1 positive input switches (assuming the rest
of our project isn't using these switches). The switch for AG4
and AG5 on the comparator comp1 positive input is closed,
while the rest of the switches remain open. The inputs to the
comparator ARB itself are isolated from the switch group via
a transmission gate.
After this configuration is programmed into the device, any
signal seen on P3.5 will show up on P3.4.
Figure 29-13. Simplified Diagram of Routing P3.5 to P3.4 Using Track Jumping on the Positive Input of Comparator 1
29.5.1 Mitigating Analog Routes with
Degraded Low-power Signal
Integrity
The analog router in PSoC Creator uses track jumping to
connect analog globals together. Track jumping is done on
the muxes/switches of unused ARBs. The auto-router in
PSoC Creator will always choose routes that ensure signal
integrity in all power modes.
If the auto-router is not sufficient and you need to resort to
manual routing techniques to realize a design, then take
special care. For performance reasons, the SC/CT ARB
controls the availability of all of its associated analog
switches.
You can modify which analog routes are chosen by using
the Manual Analog Routing (MARS) tool to force the routes.
If you modify the analog routes chosen, by using the manual
routing components in PSoC Creator, make certain to avoid
routing that uses the SC/CT block for track jumping pur-
poses if the SC/CT is not enabled in Hibernate/Sleep
modes.
If a design uses SC/CT analog switches to realize a design
in sleep/hibernate modes, but has this block powered down,
significant degradation in signal integrity may be experi-
enced. Explicitly Start() components derived from the SC/CT
block and leave on in hibernate/sleep if it is necessary to still
use these switches to route the design. Not starting the ST/
CT block is equivalent to stopping it. By starting this block its
routing resources become available for routing. See the
PSoC Creator datasheet associated with Manual Routing
for more details on how to use the MARS tool.
COMPARATOR
com p1
P3.5
P3.4
AG 4
AG5
AG6
AG7
input offset
cancelation

PSoC 5LP Architecture TRM, Document No. 001-78426 Rev. *F 333
Analog Routing
29.6 Analog Routing Register Summary
Table 29-2. Analog Routing Register Summary
Name Brief Description
{PRT[0..11]_AMUX}
{PRT15_AMUX} These registers control the connection between the analog mux bus and the corresponding GPIO pin
{PRT[0..11]_AG}
{PRT12_AG}
{PRT15_AG}
These registers control the connection between the analog global buses and the corresponding GPIO pin. Port 12 is
the SIO port and the PRT12_AG register is for SIO reference selection.
{CMP[0..3]_SW0} Comparator positive input to analog globals 0-7
{CMP[0..3]_SW2} Comparator positive input to analog local bus
{CMP[0..3]_SW3} Comparator positive input to AMUXBUS and reference buffer
Comparator negative input to AMUXBUS and VREF
{CMP[0..3]_SW4} Comparator negative input to analog globals 0-7
{CMP[0..3]_SW6} Comparator negative input to analog local bus
{CMP[0..3]_CLK} Comparator sampling clock selection and clock control register
{DSM0_SW0} Delta Sigma modulator positive input to analog globals 0-7
{DSM0_SW2} Delta Sigma modulator positive input to analog local bus
{DSM0_SW3} Delta Sigma modulator positive input to AMUXBUS and VSSA
Delta Sigma modulator negative input to AMUXBUS, VSSA, and VREF
{DSM0_SW4} Delta Sigma modulator negative input to analog globals 0-7
{DSM0_SW6} Delta Sigma modulator negative input to analog local bus
{DSM0_CLK} Delta Sigma modulator clock selection
{DAC[0..3]_SW0} DAC voltage output to analog globals 0-7
{DAC[0..3]_SW2} DAC voltage output to analog local bus
{DAC[0..3]_SW3} DAC voltage output to AMUXBUS
DAC current output to AMUXBUS and direct to pad
{DAC[0..3]_SW4} DAC current output to analog globals 0-7
{DAC[0..3]_SW6} DAC current to analog local bus
{DAC[0..3]_STROBE} DAC strobe selection
{SC[0..3]_SW0} Switched capacitor (SC) positive input to analog globals 0-7
{SC[0..3]_SW2} SC positive input to analog local bus
{SC[0..3]_SW3} SC positive input to AMIUXBUS and VREF
SC negative input to AMUXBUS and VREF
{SC[0..3]_SW4} SC negative input to analog globals 0-7
{SC[0..3]_SW5} SC negative input to analog globals 8-15
{SC[0..3]_SW6} SC negative input to analog local bus
{SC[0..3]_SW7} SC output to AMUXBUS, other SC negative and positive inputs
{SC[0..3]_SW8} SC output to analog globals 0-7
{SC[0..3]_SW10} SC output to analog local bus
{SC[0..3]_CLK} SC clock selection
{ABUF[0..3]_MX} These registers select positive and negative inputs to the output buffer.
{ABUF[0..3]_SW} These registers control the switch between the output and negative input, the switch between the output and GPIO,
the switch between the negative input and GPIO, and the switch between the positive input and GPIO.
{LUT[0..3]_CR} These registers select the signals to comparator LUT and also select the LUT function.
{LCDDAC_SW[0:4]} These registers select the signals on the LCD bias bus.

334 PSoC 5LP Architecture TRM, Document No. 001-78426 Rev. *F
Analog Routing
{BUS_SW0} This register controls the switches that tie AGR[7:0] to AGL[7:0].
{BUS_SW2} This register controls the switches that tie abusL[7:0] to abusR[7:0] (left and right analog local bus) lines together.
{BUS_SW3} This register controls the switch that ties AMUXBUSR to AMUXBUSL.
{LPF0_CR0}
{LPF1_CR0} LPF registers
Table 29-2. Analog Routing Register Summary (continued)
Name Brief Description

PSoC 5LP Architecture TRM, Document No. 001-78426 Rev. *F 335
30. Comparators
PSoC® 5LP devices have four analog comparator modules. The positive and negative inputs to the comparators come
through muxes with inputs from analog globals (AGs), local analog bus (ABUS), analog mux bus (AMUXBUS), and precision
reference. The output from each comparator is routed through a synchronization block to a two-input lookup table (LUT). The
output of the LUT is routed to the UDB digital system interface (DSI). The comparator can also be used to wake the device
from sleep. An ‘x’ used with a register name denotes the particular comparator number (x = 0 to 3).
30.1 Features
PSoC® comparators have the following features:
■Flexible input selection
■Speed power tradeoff
■Optional 10 mV input hysteresis
■Low-input offset voltage (<1 mV)
■Glitch filter for comparator output
■Sleep and Hibernate wakeup
30.2 Block Diagram
Figure 30-1 on page 336 is a block diagram of PSoC Comparators.

336 PSoC 5LP Architecture TRM, Document No. 001-78426 Rev. *F
Comparators
Figure 30-1. Comparator Block Diagram
30.3 How it Works
The following sections describe the operation of PSoC com-
parators.
30.3.1 Input Configuration
Inputs to the comparators are as follows:
■Positive – from analog globals, analog locals, analog
mux bus, and comparator reference buffer. See the
CapSense chapter on page 359.
■Negative – from analog globals, analog locals, analog
mux bus, and voltage reference.
All of the possible connections to the positive and negative
inputs are shown in Figure 30-1. Inputs are configured using
registers CMPx_SW0, CMPx_SW2, CMP_SW3,
CMP_SW4, and CMP_SW6.
30.3.2 Power Configuration
The comparator can operate in three power modes – fast,
slow, and ultra low power. The power mode is configured
using power mode select (SEL[1:0]) bits in the comparator
control (CMPx_CR) register. The output of the comparators
may glitch when the power mode is changed.
Power modes differ in response time and power consump-
tion; power consumption is maximum in fast mode and mini-
mum in ultra low-power mode. Exact specifications for
power consumption and response time are provided in the
datasheet.
30.3.3 Output Configuration
Comparator output can pass through an optional glitch filter.
The glitch filter is enabled by setting the filter enable (FILT)
bit in the control (CMPx_CR[6]) register. The output of the
comparator is stored in the CMP_WRK register and can be
read over the PHUB interface.
Reg CMP0.SW*, CMP0.SW*
Reg CMP2.SW*, CMP2.SW*
Reg CMP1.SW*, CMP1.SW*
Reg CMP3.SW*, CMP3.SW*
UDB
ANAIF
VREF0
+
_
+
VREF0
+
_
comp2
_
comp0
comp1
abusl0
AGL0
AGL1
AGL2
AGL3
AGL4
AGL5
AGL6
AGL7
abusl1
abusl2
AGL0
AGL2
AGL4
AGL6
abusl3
abusl0
AGL0
AGL1
AGL2
AGL3
AGL4
AGL5
AGL6
AGL7
abusl1
VREF0
AMUXBUSL
abusl2
AGL1
AGL3
AGL5
AGL7
abusl3
abusr0
AGR0
AGR1
AGR2
AGR3
AGR4
AGR5
AGR6
AGR7
abusr1
AMUXBUSR
abusr2
AGR0
AGR2
AGR4
AGR6
abusr3
abusr0
AGR0
AGR1
AGR2
AGR3
AGR4
AGR5
AGR6
AGR7
abusr1
VREF0
AMUXBUSR
abusr2
AGR1
AGR3
AGR5
AGR7
abusr3
VREF1 VREF1
VREF1 VREF1
+
_
comp3
4
LUT0 LUT1 LUT2 LUT3
4 4 4 4 4 4 4
AMUXBUSL
Reg CMP0.SW*, CMP0.SW*
Reg CMP2.SW*, CMP2.SW*
Reg CMP1.SW*, CMP1.SW*
Reg CMP3.SW*, CMP3.SW*
AMUXBUSL
AMUXBUSL
AMUXBUSR
AMUXBUSR
refbufl
refbufl
refbufr
refbufr

PSoC 5LP Architecture TRM, Document No. 001-78426 Rev. *F 337
Comparators
Four LUTs in the device allow logic functions to be applied
to comparator outputs. LUT logic has two inputs:
■Input A – selected using MX_A[1:0] bits in LUT control
(LUTx_CR1:0) register
■Input B – selected using MX_B[1:0] bits in LUT Control
(LUTx_CR5:4) register
The logic function implemented in the LUT is selected using
control (Q[3:0]) bits in the LUT Control register (LUTx_CR)
register. The bit settings for various logic functions are given
in Table 30-1.
The output of the LUT is routed to the digital system inter-
face of the UDB array. From the digital system interface of
the UDB array, these signals can be connected to other
blocks in the device or to an I/O pin.
The state of the LUT output is indicated in the LUT output
(LUTx_OUT) bit in the LUT clear-on-read sticky status
(LUT_SR) register and can be read over PHUB interface.
The LUT interrupt can be generated by all four LUTs and is
enabled by setting the LUT mask (LUTx_MSK) bit in the
LUT mask (LUT_MSK) register.
30.3.4 Hysteresis
For applications that compare signals very close to each
other, hysteresis helps to avoid excessive toggling of the
comparator output when the signals are noisy.
The 10 mV hysteresis level is enabled by setting the hyster-
esis enable (HYST) bit in the control (CMPx_CR5) register.
30.3.5 Wake Up
The comparator can run in sleep and hibernate modes and
the output used to wake the device. Comparator operation
in sleep and hibernate modes is enabled by setting the over-
ride (PD_OVERRIDE) bit in the control (CMPx_CR[2]) regis-
ter.
In low-power modes, the analog global pumps are disabled,
increasing the resistance of analog routes for low-voltage
applications that rely on the pumps in active mode. For best
results, the device should be operated with VDDA at 2.7 V
or higher. At lower voltages, the analog global routes will not
meet their impedance specifications in low-power modes.
30.3.6 Comparator Clock
Comparator output changes asynchronously and can be
synchronized with a clock. The clock source can be one of
the four digitally-aligned analog clocks or any UDB clock.
Clock selection is done in mx_clk bits [2:0] of CMP_CLK
register. The selected clock can be enabled or disabled by
setting or clearing the clk_en (CMP_CLK[3]) bit. Comparator
output synchronization is optional and can be bypassed by
setting the bypass_sync (CMP_CLK[4]) bit.
30.3.7 Offset Trim
Comparator offset is dependent on the common mode input
voltage to the comparator. The offset is factory trimmed for
common mode input voltages 0.1 V and Vdd - 0.1 V to less
than 1 mV. If you know the common mode input range at
which to operate the comparator, a custom trim can be done
to reduce the offset voltage further.
The comparator offset trim is performed in the CMPx_TR0
register. This register has two trim fields, trim1
(CMPx_TR0[3:0]) and trim2 (CMPx_TR0[7:4]). If shorting of
the inputs is desired for offset calibration, the calibration
enable field (cal_en) in the control register(CMP_CR[4])
helps to achieve it
The method for a custom trim is as follows:
1. Set the two inputs ‘inn’ and ‘inp’ to the desired value.
2. Change the trim1 register settings:
a. Depending on the polarity of the offset measured, set
or clear trim1[3] bit.
b. Increase the value of trim1[2:0] until offset measured
is less than 1 mV.
3. If the polarity of the offset measured has changed but
the offset is still greater than 1 mV, use trim2[3:0] to fine
tune the offset value. This is valid only for the slow mode
of comparator operation.
4. If trim1[2:0] is 07h, and the measured offset is still
greater than 1 mV, set or clear trim2[3], depending on
Table 30-1. Control Words for LUT Functions
Control Word
(Binary) Output (A and B are LUT Inputs)
0000 FALSE(‘0’)
0001 A AND B
0010 A AND (NOT B)
0011 A
0100 (NOT A) AND B
0101 B
0110 A XOR B
0111 A OR B
1000 A NOR B
1001 A XNOR B
1010 NOT B
1011 A OR (NOT B)
1100 NOT A
1101 (NOT A) OR B
1110 A NAND B
1111 TRUE (‘1’)

338 PSoC 5LP Architecture TRM, Document No. 001-78426 Rev. *F
Comparators
offset polarity. Increase the value of trim2[2:0] until the
offset measured is less than 1 mV.

PSoC 5LP Architecture TRM, Document No. 001-78426 Rev. *F 339
Comparators
30.3.8 Register Summary
Table 30-2 is a summary listing of applicable registers.
Table 30-2. Registers
Register Function
CMPx_SW0 Configures connection between positive input and analog globals 0-7
CMPx_SW2 Configures connection between positive input and analog locals 0-1
CMPx_SW3 Configures connection between analog mux bus to the two inputs and the voltage reference to negative input, CapSense®
reference buffer to the positive input
CMPx_SW4 Configures connection between negative input and analog globals 0-7
CMPx_SW5
CMPx_SW6 Configures connection between negative input and analog locals 0-1
CMPx_TR0 Trims the offset. Two groups of 4-bits for lower and higher end of common mode input ranges.
CMP_WRK Stores the output state of the comparator
CMPx_CLK These registers enable and disable synchronization of the output for comparators and the clock signal for synchronization
CMPx_CR These registers are used to select the mode of operation of the comparator between the high speed and low speed modes
and to enable/disable the comparator channel
LUTx_CR Selects the input(s) and function for the LUT
LUT_SR Stores the status of LUT outputs. It’s a clear on read register.
LUT_MSK Enables interrupt request for a particular LUT output

340 PSoC 5LP Architecture TRM, Document No. 001-78426 Rev. *F
Comparators

PSoC 5LP Architecture TRM, Document No. 001-78426 Rev. *F 341
31. Opamp
PSoC® 5LP devices have four operational amplifiers. An ‘x’ used with register name identifies the particular opamp number (x
= 0 to 3).
31.1 Features
PSoC operational amplifiers have the following features:
■25 mA current drive capability
■3-MHz gain bandwidth for 200-pF load
■Offset trimmed to less than 0.5 mV
■Low noise
■Rail-to-rail to within 50 mV of Vss or Vdda for 1-mA load
■Rail-to-rail to within 500 mV of Vss or Vdda for 25-mA load
■Slew rate 3 V/µs for 200-pF load

342 PSoC 5LP Architecture TRM, Document No. 001-78426 Rev. *F
Opamp
31.2 Block Diagram
Figure 31-1 is the PSoC operational amplifiers block diagram.
Figure 31-1. Operational Amplifiers Showing Available Connections
31.3 How it Works
PSoC 5LP devices have up to four operational amplifiers.
The opamps are configurable as a unity gain buffer, to drive
high current loads or as an uncommitted opamp. For exam-
ple, a DAC output or voltage reference can be buffered
using an opamp to drive a high current load.
31.3.1 Input and Output Configuration
The positive and negative inputs to the operational amplifier
can be selected through muxes and analog switches. A mux
is used to connect an analog global, local analog bus, or ref-
erence voltage to an input, and an analog switch is used to
connect a GPIO to an input. This is shown in Figure 31-1.
Inputs are:
■Positive – The positive input analog switch, controlled
by bit ABUFx_SW[2], is used to select an input from an
external pin. The positive input mux (controlled by bits
ABUFx_MX[3:0], is used to select an input from an inter-
nal signal.
■Negative – The negative input analog switch, controlled
by bit ABUFx_SW[1], selects an input from an external
pin. The negative input mux, controller by bit
ABUFx_MX[3:0], selects an input from an internal signal.
The opamp output is connected directly to a fixed port pin.
31.3.2 Power Configuration
The opamp can operate in three power modes – low,
medium, and high. Power modes are configured using the
(PWR_MODE[1:0]) power mode bits in the
(OPAMPx_CR[1:0]) control register. The slew rate and gain
bandwidth are maximum in high power mode and minimum
in low-power mode. See the device datasheet for gain band-
width and slew rate specifications in various power modes.
OPAMP0
AGL4
AGL6
abusl3
AGL4
AGL5
AGL6
AGL7
VREF
abusl0
abusl1
abusl2
= analog switch
P0[1]
P0[3]
P0[2]
OPAMP2
AGL5
AGL7
abusl3
AGL4
AGL5
AGL6
AGL7
VREF
abusl0
abusl1
abusl2
P0[0]
P0[5]
P0[4]
OPAMP1
AGR4
AGR6
abusr3
AGR4
AGR5
AGR6
AGR7
VREF
abusr0
abusr1
abusr2
P3[6]
P3[4]
P3[5]
OPAMP3
AGR5
AGR7
abusr3
AGR4
AGR5
AGR6
AGR7
VREF
abusr0
abusr1
abusr2
P3[7]
P3[2]
P3[3]
OPAMP0.MX[3:0]
OPAMP0.MX[4]
OPAMP2.MX[4]
OPAMP2.MX[3:0]
OPAMP1.MX[4]
OPAMP1.MX[3:0]
OPAMP3.MX[3:0]
OPAMP3.MX[4]
OPAMP0.SW[2]
OPAMP0.SW[1]
OPAMP0.SW[0] OPAMP1.SW[0]
OPAMP1.SW[1]
OPAMP1.SW[2]
OPAMP2.SW[2]
OPAMP2.SW[1]
OPAMP2.SW[0] OPAMP3.SW[0]
OPAMP3.SW[1]
OPAMP3.SW[2]

PSoC 5LP Architecture TRM, Document No. 001-78426 Rev. *F 343
Opamp
31.3.3 Buffer Configuration
The opamp is configured as a unity gain buffer by closing
the feedback switch, using the OPAMPx_SW[0] bit. Setting
the OPAMPx_SW[0] bit internally connects the output termi-
nal to the negative opamp input.
31.3.4 Register Summary
Table 31-1 summarizes applicable registers.
Table 31-1. Registers
Register Function
OPAMPx_SW Controls positive input switch, negative input switch and
feedback switch.
OPAMPx_MX Selects the internal signal for positive and negative input.
OPAMPx_CR Configures the power mode.

344 PSoC 5LP Architecture TRM, Document No. 001-78426 Rev. *F
Opamp

PSoC 5LP Architecture TRM, Document No. 001-78426 Rev. *F 345
32. LCD Direct Drive
The PSoC® liquid crystal display (LCD) drive system is a highly configurable peripheral that allows the PSoC device to
directly drive a broad range of LCDs. The flexible power settings allow this peripheral to be used in applications where a bat-
tery is the power source.
32.1 Features
Key features of the PSoC LCD system are:
■LCD panel direct drive
■Type A (standard) and Type B (low power) waveform support
■Wide LCD bias range support (2 V to supply voltage)
■Static, 1/3, 1/4, and 1/5 bias voltage levels
■Internal bias voltage generation
■Up to 62 total common and segment outputs
■Supports up to 16 common glasses (16:1 mux)
■Drives up to 736 total segments (16 backplane × 46 front plane)
■64 levels of software controlled contrast
■Ability to move display data from memory buffer to LCD driver through direct memory access (DMA) without CPU inter-
vention
■Adjustable LCD refresh rate from 10 Hz to 150 Hz
■Ability to invert LCD display for negative image
■Various LCD driver drive modes, allowing power optimization
32.2 LCD System Operational Modes
PSoC 5LP LCD architecture contains two operation modes.
■LCD always active
■LCD low power
LCD always active mode is used when the device is not in low-power mode and when the LCD does not need to be opera-
tional in device low-power mode.
LCD low-power mode is used when the LCD needs to be operational while the device is in low-power mode. This uses the
same LCD always active system, but with some additional hardware.
The LCD drive system does not work when the chip is placed in hibernate mode.
The details of both modes are discussed in the following sections.

346 PSoC 5LP Architecture TRM, Document No. 001-78426 Rev. *F
LCD Direct Drive
32.3 LCD Always Active
A complete functional LCD always active drive system is formed using the following major blocks:
■Dedicated LCD hardware
❐LCD DAC
❐LCD driver
❐LCD bias generator
■System resources
❐DMA
❐Clocks: global
❐RAM
❐Universal digital block (UDB)
Figure 32-1. LCD Always Active System
Any LCD drive system requires the bias generating circuitry
and system to interpret the data supplied, to display cor-
rectly on the LCD. PSoC 5LP contains dedicated LCD drive
hardware, which works in conjunction with system
resources. It contains a dedicated DAC that generates the
five bias voltages, V0 to V4, along with ground. These bias
voltages are distributed to all of the drivers of the LCD-capa-
ble pins. This DAC also helps to set contrast control.
LCDs have two sets of pins: commons and segments. LCD
functionality in PSoC 5LP GPIOs can be enabled by setting
the appropriate bits of the PRT[0..11]_LCD_EN register.
These GPIOS can be configured to act as either common or
segment drive pins by setting bits of
PRT[0..11]_LCD_COM_SEG.
The LCD driver blocks are the final interface to the pins.
Each pin capable of driving an LCD contains driver logic.
The function of this block is to select the bias level. It also
drives the pin, depending on the LCD refresh state, whether
the pin is configured as common or segment, and the dis-
play data.
UDB
DMA
RAM
LCD DAC
LCD Driver Block
LCD Driver Block
Port Data
Registers
LCD Bias
Generator
Display
Data
Clock
Drive/LCD CLK/Frame/
Mode[2:1]
drq
LCD CLK
Drive
Frame
Mode[2:0]
LCD Bias
LCD CLK
Mode[2:0]
LCD Bias
Drive
Frame
LCD Bias
Pin
Pin
Bias Select
(LCDDAC.CR0[1:0])
Contrast Control
(LCDDAC.CR1[5:0])
Continuous Drive
(LCDDAC.CR0[3])
LCDDAC.SW
0/1/2/3/4
V0,V1,V2,
V3,V4, GND
Analog Global Bus
System Resources
Dedicated LCD
Component Hardware

PSoC 5LP Architecture TRM, Document No. 001-78426 Rev. *F 347
LCD Direct Drive
The LCD display data resides in the system memory
(SRAM). This display data needs to be transferred to the
LCD driver logic. This is done using the direct memory
access controller (DMAC). The DMAC takes the display
data from the SRAM and loads it into the port data registers.
The LCD driver latches this port data register value when a
refresh action begins.
Refreshing the LCD requires LCD state updates with accu-
rate timing. This is done using a configurable clock, sourced
from the internal main oscillator (IMO), which feeds the UDB
block. The UDB is responsible for generating all of the con-
trol signals required by the rest of the blocks of the LCD
system.
32.3.1 Functional Description
This section provides details of the LCD DAC, LCD driver,
UDBs, clocking, DMA, CPU, and RAM, which all contribute
to generating and sequencing the driving voltage for the
LCD glass.
32.3.1.1 LCD DAC
The LCD DAC is a 6-bit resistor ladder DAC. The LCD DAC
is responsible for contrast control and bias voltage genera-
tion for the LCD drive system. When the device is put in low-
power mode, the LCD can remain operational. During this
low-power mode, the DAC can directly drive the LCD pixel,
bypassing the driver, thus compensating for the leakage.
This is possible in LCD low-power mode, which is explained
in section 32.4 LCD Low-Power Mode on page 351.
Figure 32-2. LCD DAC (inputs and outputs)
The LCD DAC generates five voltages that are driven to
LCD driver block. Important points regarding LCD DAC are:
■All of the voltages V0 to V4 are generated using an inter-
nal resistor divider; V0 is the highest voltage and V4 the
lowest voltage. By default, the five bias voltages, V0 to
V4, from the LCD DAC are driven to each of the LCD
driver blocks.
■Analog mux bus and analog local bus can be selected to
drive the LCD driver blocks, instead of the LCD DAC, by
setting the appropriate bits of the LCDDAC_SW[0...4]
registers. This is useful if you require external dividers to
generate the drive voltages and optimize the power by
switching off the internal DAC. In this mode, there is no
software contrast control available.
■The LCD DAC can directly drive the LCD pixel, bypass-
ing the LCD driver block. This is useful for driving the
LCD even when the chip is put to sleep. You can do this
by setting the LCDDAC.CR0[3] bit, which enables the
continuous drive of the LCD DAC.
32.3.1.1.1 Contrast Control
Contrast is controlled by varying the DAC output voltage,
V0. This can be done by setting the LCD contrast control
register (LCDDAC_CR1[5:0]), which sets the 6-bit DAC
input (D[5:0], as shown in Figure 32-2). Thus, it provides
2 ^ 6 = 64 levels of contrast. Table 32-1 shows the V0 range
and step size for 3.0-V and 5.5-V supply voltage.
32.3.1.1.2 Bias Ratio/Multiplex Ratio Selection
Bias ratio/multiplex ratio is selected by setting the bias_sel
field of the LCDDAC_CR0 register. This sets the DAC out-
put voltages V1 to V4, as shown in Table 32-2 on page 348.
D[5:0]
pwrdn
continuous drive
enable hv
holdb
lcd bias select[1:0]
V0
V1
V2
V3
V4
Table 32-1. LCD DAC V0 Range and Step Size
3.0 V Supply 5.5 V Supply
V0 Range 2 V to 3 V 2 V to 5.5 V
Step Size 27.3 mV 50 mV

348 PSoC 5LP Architecture TRM, Document No. 001-78426 Rev. *F
LCD Direct Drive
32.3.1.2 LCD Driver Block
The LCD driver block is associated with each GPIO. The output of LCD DAC through MUX is provided to the LCD driver block
to drive the LCD glass. Figure 32-3 shows the architecture of the LCD driver block.
Figure 32-3. LCD Driver Block
Table 32-2. LCD DAC Bias Select
Bias Select Input:
lcd_bias_select[1:0] Multiplex Bias V0 V1 V2 V3 V4
b1b0 Ratio Range in Volt
11 Invalid – default to 16:1 Default to 1/5 2.0 V to supply 0.800 × V0 0.600 × V0 0.400 × V0 0.200 × V0
10 16:1 1/5 2.0 V to supply 0.800 × V0 0.600 × V0 0.400 × V0 0.200 × V0
01 8:1 1/4 2.0 V to supply 0.750 × V0 0.500 × V0 0.500 × V0 0.250 × V0
00 4:1 1/3 2.0 V to supply 0.666 × V0 0.333 × V0 0.666 × V0 0.333 × V0
00 3:1 1/3 2.0 V to supply 0.666 × V0 0.333 × V0 0.666 × V0 0.333 × V0
00 2:1 1/3 2.0 V to supply 0.666 × V0 0.333 × V0 0.666 × V0 0.333 × V0
1 0 1 0 1 0 1 0
00 01 10 11
ESD Devices
LCD Bias
Generator
Disp_data (individual)
fr (global)
od_h (global)
dispbInk (global)
pwrdn_n (individual)
hold_n_hv (global)
mode[2:0] (global)
drive (global)
pts (global)
V0
V1
V2
V3
V4
GND
drvr_in
drvr_out
com_seg
(individual)
bypass_en (global)
pwrdn_n (global)
hold_n_hw (global)
LCD Bias
Inputs from LCD DAC
Buffer

PSoC 5LP Architecture TRM, Document No. 001-78426 Rev. *F 349
LCD Direct Drive
The LCD driver contains three major blocks:
■Buffer and associated control logic for power modes
■4:1 Output multiplexer
■Common/Segment switches
As shown in Figure 32-3 on page 348, the LCD driver block
receives bias voltages V0 to V4 and GND voltage. It passes
through a set of 2:1 muxes controlled by the COM-SEG bit
of the PRT[x]_LCD_COM_SEG register. This register con-
figures the pin as either a common or segment drive pin. If
the bit is set, it configures the corresponding pin as com-
mon; otherwise, it is configured as a segment drive pin. As
shown in Figure 32-3, V4 and GND voltages are forwarded
to the next mux. If the pin is selected as a segment line, then
V0, V2, V3, and GND are forwarded. These are the only
voltages required at common and segment lines for any bias
ratio, multiplex ratio, and LCD update state. Out of these
four bias levels, only one level is selected by the 4:1 multi-
plexer. The select lines of the multiplexer are driven by dis-
play data and the frame signal. Frame is a global signal
driven by the UDB control logic. This signal toggles every
time the LCD waveform needs to be updated. Table 32-3
shows the 4:1 multiplexer output and driver input for differ-
ent combinations of COM_SEG, DISP_DATA and the frame
signal.
Note For proper functionality of the LCD driver, the port
reset drive mode (PRTxRDM[1:0]) NVL bits of any port used
for LCD drive must be configured as a high-Z input (00b). By
default, these bits are set to the proper configuration.
Ensure that the bits are not altered in an LCD application;
otherwise, the drivers will fail to produce proper LCD drive
signals. For more details on these registers and their config-
uration, see the Nonvolatile Latch chapter on page 85.
32.3.1.2.1 Buffer Modes
The output of the 4:1 multiplexer is driven to the buffer,
which drives the common or segment line of the LCD. The
buffer in the LCD drive block has eight modes of operation,
selectable from the Mode[2:0] bits. Mode[0] comes from
LCDDRV_CR[1]; the remaining two bits are driven from the
UDB through the digital system interconnect (DSI).
Each mode has a different power drive capability. Depend-
ing on the LCD, the appropriate one can be used to elimi-
nate AC coupling between segment and common lines.
Note that these buffer power modes are different than the
I/O drive modes.
The LCD display size and capacitance and the application
power budget are two criteria for selecting buffer modes.
The buffer is enabled only when the drive signal is high.
Drive signal high time can be configured according to the
application requirements. The drive current provided by the
High Drive mode of the buffer (the mode that is normally
used) is high, so it charges the pixel capacitance quickly.
The disadvantage of this is higher power consumption. The
time for which the buffer is kept on depends on the power
budget and the LCD waveform's rise time requirements. The
Low Drive mode of the buffer and the DAC are other
options. It is possible to dynamically select the Low Drive
mode by two mode control signals generated by the UDB.
You do this in the case of extremely leaky glasses, when it is
preferable to use the buffer to drive the LCD continuously
throughout the refresh period. This is more effective than
using the DAC, whose current drive ability is lower than that
of the buffer Low Drive mode. Use the DAC when you have
normal glasses and the charge leakage is small. If the leak-
age is small enough for the offset to be negligible, then the
pin can be tristated by clearing the bypass_en bit, after
charging the pixel using the High Drive buffer mode.
In normal operation, the buffer in High Drive mode drives the
LCD for a while, then a low-power source (either the DAC or
the buffer in Low Drive mode) takes over and drives the LCD
for the remaining time.
■When using High Drive and DAC:
Initially, for some period of time, the buffer quickly
charges the LCD pixel capacitance near to the desired
value. Later, when the drive signal goes low, the DAC
directly drives the LCD for the remaining period (if the
bypass_en bit is set) to sustain the voltage at the LCD
Table 32-3. LCD DAC Output Selection
com_seg disp_data fr drvr_in/out
000V3
001V2
010GND
011V0
100V4
101V1
110V0
111GND
Table 32-4. LCD Drive Modes
Control Bits Mode Drive Strength
Mode[2] Mode[1] Mode[0]
0 0 0 High Drive Seg = 1x, com = 1x
0 0 1 High Drive Seg = 1x, com = 2x
0 1 0 High Drive Seg = 1x, com = 4x
0 1 1 High Drive Seg = 2x, com = 2x
1 0 0 High Drive Seg = 2x, com = 4x
1 0 1 High Drive Seg = 4x, com = 4x
1 1 0 Low Drive Seg = 0.1x, com = 0.1x
1 1 1 Low Drive Seg = 0.2x, com = 0.2x

350 PSoC 5LP Architecture TRM, Document No. 001-78426 Rev. *F
LCD Direct Drive
pin. If the bypass_en bit is not set to 1, the pin is tristated
and no source drives the LCD. This can lead to charge
leakage from the pixel capacitance.
■When using High Drive and Low Drive:
The drive signal always remains high. This means that
the buffer is always enabled. The UDB controls the time
for which the buffer remains in High Drive and Low Drive
modes.
Figure 32-4. The DAC Charging an LCD Segment Pin in
Two Different States
32.3.1.2.2 LCD Driver Bias Generator
The LCD bias generator block creates a bandgap-based
voltage reference for the LCD driver block. The input to this
block is a 2.5-µA bandgap current. The output is a bias volt-
age and the associated ground line.
Figure 32-5 shows various control signals to the LCD driver
block.
Figure 32-5. Control Signals of LCD Driver Block
Drive
Pixel
Voltage
Slope depends on drive mode
of buffer selected.
t
t
Buffer
Driving LCD DAC
Driving LCD
LCD Drive
Voltage Level
Display Data
Frame
Type A
1 Frame
*1:4
Multiplex
Ratio
1/3 Bias
1 Frame
Type B
(2x Type A Data Clock)
1 Frame
LCD CLK

PSoC 5LP Architecture TRM, Document No. 001-78426 Rev. *F 351
LCD Direct Drive
32.3.1.3 UDB
The UDB performs the following actions in the LCD system:
■Triggers the DMA periodically to bring the display data
from SRAM to the port data registers
■Generates various control signals for the functioning of
the LCD system hardware
❐The drive signal, which is used to enable the driver
buffer
❐Two mode control signals for the buffer
❐A synchronous LCD CLK, which is used to latch the
port data register value for a particular pin
❐The frame signal
The clock for the UDB is derived from the IMO. The clock
value changes with the refresh rate and the number of com-
mons of LCD.
32.3.1.4 DMA
DMA is used to transfer the display data into various port
data registers. The display data is stored in SRAM. Data
transfer is initiated by the UDB at the beginning of the LCD
refresh cycle. Depending on which and how many ports are
configured for the LCD drive, several transaction descriptors
(TDs) associated with the DMA channel may need to be
chained together.
There is no separate display memory, as such, in PSoC.
Display data resides in the SRAM connected to the periph-
eral hub (PHUB). The image/display buffer can be any block
of available memory.
To work more effectively with the DMA in transferring data to
the LCD drivers, port data registers are aliased to a sepa-
rate contiguous region in the memory map. These
PRTx_DR_ALIAS registers are contiguous, to reduce the
number of TDs required to move data.
An additional set of registers (per port), the
PRTx_BIT_MASK registers, mask off the write capability to
the PRTx_DR_ALIAS registers on a bit level. This is an
advantage if all of the pins on a given port are not being
used for LCD; the unused pins can be masked off and used
for other purposes. The port data register (PRTx_DR) can
still be used to address pins masked off in the aliased data
registers.
32.4 LCD Low-Power Mode
This mode is useful when LCD is required to be functional
while the device is in low-power mode. This requires special
hardware and firmware logic to wake the system up at regu-
lar intervals, refresh the LCD, and put the device back to
sleep. Periodic refresh should happen at the specified rate,
even if there are other interrupts in the system.
LCD low-power mode uses all the of components that are
used for LCD always active mode. In addition to this, it also
uses a programmable wakeup source and small dedicated
digital logic to allow bug-free transitions to and from the low-
power mode. Figure 32-6 on page 351 shows the block dia-
gram for the LCD low-power mode.
To use the LCD in low-power modes, the LCD clock must be
sourced by Digital Clock 0 (see clk_d0 in Figure 14-9).
Figure 32-6. LCD Low-Power Mode
Port Data
Registers
DMA
UDB
DMA
RAM
LCD DAC
LCD Driver
Block
LCD Driver
Block
LCD Bias
Generator
Display
Data
Clock Drive / LCD CLK / Frame /
Mode[2:1] / LP_ACK
drq
LCD CLK
Drive
Frame
Mode[2:0]
LCD Bias
LCD CLK
Mode[2:0]
LCD Bias
Drive
Frame
LCD Bias
Pin
Pin
Bias Select
(LCDDAC.CR0[1:0])
Contrast Control
(LCDDAC.CR1[5:0])
Continuous Drive
(LCDDAC.CR0[3])
LCDDAC.SW
0/1/2/3/4
V0,V1,V2,
V3,V4, GND
Analog Global Bus
System Resources
Dedicated LCD
Component Hardware
LCD Timer LCD INT
CLK
1-kHz ILO
8-kHz OPPS
LCDTIMER_CFG[1]
LCD CLK
nrq
drq
0x01
0x00
Frame
Data
.
.
..
.
.
.
.
.

352 PSoC 5LP Architecture TRM, Document No. 001-78426 Rev. *F
LCD Direct Drive
A complete functional LCD low-power system is formed
using these major blocks:
■Dedicated LCD hardware
❐LCD timer
❐LCD DAC
❐LCD driver
❐LCD bias generator
■System resources
❐Clocks: 1-kHz ILO and 8-kHz one pulse per second
(OPPS)
❐UDB implementation for sleep acknowledgement
❐DMA for frame data transfer
❐UDB implementation for control signal generation
(frame, drive, LCD mode, LCD CLK)
❐DMA for display data transfer
The blocks in bold are unique to the LCD low-power system.
The other blocks are same as the LCD always active
system.
What makes the LCD low-power system different from the
LCD always active system?
■It can wake the system
■It can continuously drive the LCD even when the chip is
put in low-power mode
PSoC 5LP contains several clock sources that operate dur-
ing device low-power mode. ILO and OPPS timer are exam-
ples. These clock sources are used to trigger periodic
interrupts to the device to wake the system up. As shown in
Figure 32-6, these two clock sources are selectable using a
mux. The selected clock is fed to the 6-bit LCD timer. It is a
continuously running timer; that is, when the timer over-
flows, the original period is reloaded in the timer register.
The terminal count pulse from this timer triggers the interrupt
to the chip. This restores the main clocks of the chip. When
this happens, the interrupt signal from the LCD timer is inter-
cepted by the UDB-implemented pulse generator. In
response, the block generates a synchronous clock that
causes several operations. See 32.4.1.2 UDB on page 352
for more details. Overall, the UDB's role is to provide control
signals to various functional blocks of the LCD low-power
system.
At this time, the system must be put back to sleep after the
LCD refresh. In an LCD low-power system, the CPU issues
a chip low-power (LP) mode command to the power man-
agement (PM) controller. (For this, firmware needs to be
structured in a specific way, as explained in a later section.)
Consent is given by the LCD hardware.
This is because the LCD refresh happens in hardware and
CPU does not know when it is completed. So, a control sig-
nal (LP_ACK signal shown in Figure 32-6) is generated from
the UDB, which keeps the LP command from the CPU on
hold until the LCD refresh is completed. This control signal
is driven to the power management controller of the device.
There are two DMAs used in this architecture. One DMA is
used for the transfer of display data to the port data register,
which is the same as in an LCD always active system. the
other DMA is used to update the frame information into the
control register of the UDB each time the chip wakes up.
32.4.1 Functional Description
This section gives details of the blocks and features used
specifically in LCD low-power mode.
32.4.1.1 LCD Timer
The LCD timer is a 6-bit timer dedicated only for the LCD
drive application. Its period is set based on the required
refresh rate of the LCD. The period of this timer can be con-
figured by setting the period field of the LCDTMR_CFG reg-
ister. There are two options for the LCD timer clock source:
■1-kHz ILO
■8-kHz OPPS. This requires that an external 32-kHz crys-
tal be connected to the system.
The source can be selected by setting the clk_sel field of the
LCDTIMER_CFG register.
The clock timer provides periodic interrupts to the system
PM controller. The interrupt signal is also driven to the UDB
to generate the LCD CLK signal.
32.4.1.2 UDB
LCD low-power mode uses the UDB to generate various sig-
nals that control the functioning of the LCD system. These
control signals are generated using the functional blocks
listed below:
■Pulse generator
■BGREF timer
■Drive pulse-width modulator (PWM)
■Control register for frame data
■Mode control signals to the LCD driver

PSoC 5LP Architecture TRM, Document No. 001-78426 Rev. *F 353
LCD Direct Drive
Figure 32-7. LCD UDB Logic
The pulse generator samples the interrupt signal from the
LCD timer; in response, it generates one synchronous clock
pulse (LCD CLK), which is routed to the BGREF timer and
DMA (for frame data). This synchronous clock triggers these
operations:
■Puts the sleep command issued by CPU, if any, on hold
(using signal LP_ACK) until LCD refresh operation is
completed.
■Enables the BGREF timer. The BGREF timer is used to
provide a 2.5-µs delay, which is necessary to stabilize
the bandgap reference circuit.
■Triggers the DMA to transfer the frame data into the
UDB control register. Frame is a square wave signal that
is used for proper sequencing of LCD refresh action.
Each cycle of the frame signal represents one common
update state.
After the DMA transfer for frame data and the BGREF time-
out are completed, Drive PWM is enabled. The Drive PWM
output “Drive” signal is routed to all the LCD driver blocks
associated with the GPIO. It enables the LCD buffer to drive
the LCD glass. The UDB also provides the two signals that
set the drive mode of the LCD buffer.
32.4.1.3 DMA
Two DMA channels are used by the LCD component for:
■Transferring the frame information into the control regis-
ter of the UDB from the system memory (RAM)
■Transferring the display information from system mem-
ory (RAM) into the port register
32.4.1.4 LCD DAC and Driver: Low Power
Feature
The LCD DAC and driver have some features that are useful
for LCD low-power mode functioning and help to achieve
the lowest power consumption when the LCD system is shut
down.
The LCD DAC can remain active when the chip is put in
sleep mode. In this mode, the DAC can continue to drive the
inputs of LCD drivers. To enable this mode, set the
continuous_drive bit in the LCDDAC.CR0 register to 1. The
UDB
Pulse Generator
BGREF Timer
Drive PWM
Control
Register
Const
DMA (Frame
Data)
SR
Latch
R
S
Q
TC PWM
EN
LCD CLK DRQ
NRQ
Drive
LP_ACK
Frame
Mode [2:1]

354 PSoC 5LP Architecture TRM, Document No. 001-78426 Rev. *F
LCD Direct Drive
LCD DAC receives a pwrdn signal, which shuts the DAC off
when it is HIGH.
The LCD driver receives a display blank signal, dispbInk,
controlled by the LCDDRV.CR register. This signal sets the
output to be either tristated or grounded when the chip is in
low-power mode. This function works when the power down
signal (pwrdn_n) signal is low. The pwrdn_n signal is used
when the LCD system needs to be shut down.
The buffer present in the LCD driver can be bypassed by
setting the bypass_en bit of the LCDDRV.CR register to 1.
Thus, for operation in sleep mode, for an LCD low-power
system, continuous_drive, bypass_en, and pwrdn bit must
be set to 1, and pwrdn_n must be set to 0. This causes the
DAC to directly drive the LCD, bypassing the LCD driver
section, which is shut down in chip low-power mode.
The various operating modes of the LCD DAC and LCD
driver are summarized in Table 32-5 and Table 32-6 on
page 354.
Table 32-5. LCD DAC Operating Modes
Chip Mode Block Mode pwrdn_n continuous_drive Description
Active Active 1 X LCD DAC is active. It can drive I/Os or LCD drivers depending on the LCD driver mode.
Sleep Sleep with
bypass drive 0 1 LCD DAC is active and driving I/Os even though the chip is in sleep. LCD drivers are bypassed.
Active/
Sleep/
Hibernate OFF 0 0 LCD DAC is powered down
Table 32-6. LCD Driver Operating Modes
Chip Mode Block Mode pwrdn_n dispbInk Drive bypass_en Description
Active Active drive 1 X 1 X LCD driver is driving the pin in one of the High Drive or Low Drive modes.
Active Active with
bypass drive 1 X 0 1 LCD driver is bypassed. LCD DAC is driving the I/O.
Active Active with
tristate drive 1 X 0 0 LCD driver is active but the I/O is tristated.
Sleep Off with
bypass drive 00X1 LCD driver is powered down. LCD DAC is in sleep with bypass drive mode and driv-
ing the I/O.
Active/
Sleep/
Hibernate
Off with
ground drive 01XX LCD driver is powered down. Output is grounded. This is the power down mode for
LCD applications. LCD DAC is off.
Active/
Sleep/
Hibernate
Off with
tristate drive 00X0 LCD driver is powered down. Output is tri-stated. This is the power down mode for
nonLCD applications. LCD DAC is off.

PSoC 5LP Architecture TRM, Document No. 001-78426 Rev. *F 355
LCD Direct Drive
32.4.2 Timing Diagram for LCD Low-Power Mode
Figure 32-8 shows the timing in low-power mode.
Figure 32-8. LCD Low-Power Mode Timing Diagram
A refresh timer overflow triggers an interrupt to the PM sys-
tem and also drives the UDB pulse generator logic. After a
few microseconds, system clocks are restored. This puts all
of the resources on the chip in operation. The UDB-imple-
mented pulse generator outputs an LCD CLK pulse, which:
■Triggers the DMA to transfer frame information into the
control register of the UDB
■Enables the BGREF timer (implemented using UDB)
■Copies the display data from the port data register into
the driver for the present LCD state
■Clears the refresh rate timer interrupt
■Puts the sleep command from the CPU on hold
After the frame information transfer, another DMA is trig-
gered to transfer the display data into the port data register
for the next LCD state. When the frame data transfer is com-
pleted and the BGREF timer overflows, the LCD drive buffer
is enabled using the drive signal from the Drive PWM. This
is when LCD glass refresh begins. The drive mode of the
LCD drive buffer determines the current drive. After the drive
time is set, the drive line goes low, disabling the buffer. This
also releases the sleep command hold set by the LCD CLK.
This causes PM to execute the sleep command issued by
the CPU. During the rest of the period, the LCD is driven
continuously from the LCD DAC, bypassing the driver buffer.
Figure 32-9 on page 356 shows the sequence of operations
and relative current consumption for low-power mode.
0P
1
LCD TC
LCD COUNT
ILO
LCD INT
BUS CLOCK
LCD CLK
( Wakeup)
DMA Frame ( current) Display Data (next)
PWM (DRIVE_EN)
DMA TERMOUT (Frame)
PWM TC
LP_ACK
(Sleep)
P - 1 P - 2
BGREF TIMER 0P
BGREF TIMER TC
“AND”

356 PSoC 5LP Architecture TRM, Document No. 001-78426 Rev. *F
LCD Direct Drive
Figure 32-9. LCD Sequence of Operation
DMA Track
Analog Track
A
E
G
F
Main/CPU Track
A) Chip wake up process
B) ‘Main’ execution: Check for interrupts, request sleep
C) Power Manager (PM) asserts low power request (lp_req) to all
subsystems and waits for all acknowledge signals (lp_ack) to assert
H) PM Completes Active -> Sleep Mode transition
DMA Track
D) DMA TD: Update FR value
(must complete before starting ‘G’)
E) DMA TD: Setup Display Data for next LCD refresh cycle
Analog Track
F) LCD DAC and LCD bias generator power up (2.5 µs)
(must complete before starting ‘G’)
G) “Drive” pulse
Chip Wake Up from
LCD Source
Sleep
Active
Sleep
B C
Relative
Current
Consumption
Turn On
CPU and
Bus Clock
Chip
Transition
into Active
Mode
Chip Power
Mode
Begin LCD
Drive Pulse
End LCD
Drive Pulse
(LCD lp_ack
Asserts)
Chip
Transition
to Sleep
Mode
0
Power
Phase
12 3
Main/CPU Track
D
NOT TO SCALE
Turn On
LCD DAC
and Bias
Generator
H

PSoC 5LP Architecture TRM, Document No. 001-78426 Rev. *F 357
LCD Direct Drive
32.5 LCD Usage Models
The LCD can be used in these cases:
■The chip is always maintained in active mode. The LCD
driver buffer will drive in high drive mode for the speci-
fied time; later on, it will switch back to low drive mode.
This mode can be used when the system is always on
and a power saving feature is not needed. This uses
LCD always active mode.
■The chip enters low-power mode and the LCD does not
need to function. Disable the entire LCD system before
putting the device to low-power mode. This also uses
LCD always active mode.
■The chip enters low-power mode and the LCD must be
functional. In this situation, the background LCD refresh
timer allows the chip to be put to sleep and awakened at
regular intervals to refresh the LCD glass. This system
uses LCD low-power mode. There are restrictions in
refresh rates due to the low frequency clock used for the
LCD timer.
Table 32-7 shows the allowed refresh rate values for this
case:
Table 32-7. Refresh Rate Limits
Commons ILO ECO
Max Min Max Min
2 125 21 128 32
4 125 21 128 32
8632112820
16 31 - 128 20

358 PSoC 5LP Architecture TRM, Document No. 001-78426 Rev. *F
LCD Direct Drive

PSoC 5LP Architecture TRM, Document No. 001-78426 Rev. *F 359
33. CapSense
PSoC® 5LP devices have a capacitive sensing feature called CapSense®. This feature allows users to take advantage of the
capacitive properties of their fingers to toggle aesthetically superior buttons, sliders, and wheels. Touch pads and touch-
screens are common examples of capacitive sensing interfaces. The underlying principle of these technologies is the mea-
surement of capacitance between a plate (the sensor) and its environment.
33.1 Features
Features of CapSense include:
■Resources to support two capacitive sensors scanning simultaneously
■Configurable low-pass filter to remove switching noise for accurate measurement
■Reference buffer with High Drive mode for faster measurement
33.2 Block Diagram
Figure 33-1 shows a block diagram of the overall capacitive sensing architecture.
Figure 33-1. CapSense Module Block Diagram
Reference
Driver
UDBs
V-I DAC
AMUXBUSL
I/Os
(Left Side)
I/O Pins
Comparators
System Bus
Reference
Driver
V-I DAC
I/Os
(Right side)
I/O Pins
Comparators
LEFT SIDE RIGHT SIDE
AGL<0>
AMUXBUSR
AGR<0>
LPF LPF
MUXMUX

360 PSoC 5LP Architecture TRM, Document No. 001-78426 Rev. *F
CapSense
33.3 How It Works
The PSoC device has configurable hardware for CapSense
to optimize factors such as speed, power, sensitivity, noise
immunity, and resource usage. It implements CapSense
Sigma Delta (CSD) method of capacitive sensing.
33.3.1 Reference Driver
This driver is used to quickly initialize nets to a voltage inde-
pendent of the power supply. This ability speeds up capaci-
tive scanning and improves power supply rejection ratio
(PSRR). Two reference drivers operate independently; one
drives to AMUXBUSL and one for AMUXBUSR. The driver
is connected to the AMUXBUS by setting the out_en bit in
the {CAPSx_CFG0}.
The reference driver supports Normal and High drive
modes; the drive mode is selected using the boost bit in the
{CAPSx_CFG0} register. In Normal mode, capacitances up
to 100 pF can be driven in less than 600 ns. In High mode,
capacitances up to 30 nF can be driven in less than 15 µs.
33.3.2 Low-pass Filter
Two tunable Low-pass Filter (LPF) blocks are available. The
inputs are selectable in a 2:1 mux for each LPF. On the left
side, the LPF inputs are AMUXBUSL and AGL[0]; on the
right side, the inputs are AMUXBUSR and AGR[0]. LPF
input is selected by using the swin[1:0] bits in the LPFx.CR0
register. The outputs are connected through switches to
abusl[0] and abusr[0], respectively. The tunability of the LPF
allows the user to select a (nominal) R of either 200 k or
1000 k, and a C of either 5 pF or 10 pF. The rsel and csel
bits in the LPFx_CR0 register are used to select resistance
and capacitance respectively. The LPF control registers are
LPF0_CR0 and LPF1_CR0.
33.3.3 Analog Mux Bus
All GPIO pins support CapSense operations except SIO and
USB pins. The primary analog mux bus for CapSense is the
AMUXBUS, which has two nets (AMUXBUSL and AMUX-
BUSR) for two simultaneous sensing operations. These can
also be shorted to form a single net that connects to all
GPIO. See the device datasheet for details about GPIOs
available in each package and the Analog Routing chapter
on page 319 for a diagram of AMUXBUS connectivity for the
GPIO.
AMUXBUSL and AMUXBUSR nets connect to all GPIO pins
on their respective halves of the device. CapSense uses the
AMUXBUS net, along with an analog global net (AGR[0]
with AMUXBUSR, and AGL[0] with AMUXBUSL) to provide
feedback to the reference driver. This feedback is from a pin
connected to a large off-chip capacitor serving as integration
or modulation capacitor.
33.3.4 GPIO Configuration for CapSense
The GPIO switching structure supporting CapSense is
shown in Figure 33-2.
Figure 33-2. GPIO Structure
The port analog global mux register (PRT[x]_AMUX) is used
to connect the port pin to the analog mux bus. The pull up or
pull down is enabled using io_ctrl[1:0] bits in the
CAPSx_CFG1 register.
Sense capacitance is switched in two configurations, shown
in Figure 33-3 on page 361 and Figure 33-4 on page 361, to
convert the capacitance into equivalent resistance for mea-
surement.
The equivalent resistance can be calculated as:
Here:
Cs=Sensor Capacitance
1 and 2 = Non-overlapping clocks, which may be config-
ured in a pseudo random sequence (PRS).
fs = Frequency of the clock
Cmod = External Modulation Capacitance
The CapSense methods can generally be done with either
switching high or switching low at the GPIO pin. The rest of
the hardware is configured with the appropriate polarity to
match to the pull up or pull down choice.
Vdd
AMUXBUSx
Rs1
fsCs
--------------=

PSoC 5LP Architecture TRM, Document No. 001-78426 Rev. *F 361
CapSense
Figure 33-3. Charging MUXBUS Through Sense Resistor
Figure 33-4. Discharging the MUXBUS Through Sense Resistor
The CapSense clock is used for switching. Two alternatives
are available to generate the CapSense clock (see also
Figure 19-1 on page 152).
■The UDB generates two global clocks (caps_dsi_lft and
caps_dsi_rt), and routes to GPIO logic of the I/O pins in
the respective side. The PRT[x]_CAPS_SEL[y] registers
(per port per pin basis) are set to select the global clock
for switching the sensor during measurement.
■The DSI output to the I/O pin can be used to source the
CapSense clock from the UDB. The PRTx_BIE[y] must
be programmed for input (per port per pin basis) and
PRT[x]_CAPS_SEL[y] is cleared to select the DSI output
signal for the CapSense clock.
With either of these paths, the nonoverlapping clock phases
discussed above are automatically generated within the
GPIO switching structure.
Note that to connect an external integration capacitance
(Cmod) statically (without switching), connect it to AMUXBUS
using PRT[x]_AMUX register and then PRTx_CAPS_SEL[y]
= 0 and PRTx_BIE[y] = 0.
GPIOs pins can be made as Shield Electrodes. The shield
electrodes help in reliable operation in presence of water
film or water droplets. The effect of these factors on shield
electrode is measured and is removed from the CapSense
buttons. The CapSense algorithms discussed below support
the shield electrode.
33.3.5 Other Resources
CSD CapSense techniques use many resources in
PSoC 5LP devices. These include UDBs, Comparators, and
V-I DAC. See the Universal Digital Blocks (UDBs) chapter
on page 175, Comparators chapter on page 335, and Digi-
tal-to-Analog Converter chapter on page 369 for more
details.
Vdd
AMUXBUSx
1
2
AMUXBUSx
S
C
Vdd
S
R
AMUXBUSx
1
2
AMUXBUSx
S
C
S
R

362 PSoC 5LP Architecture TRM, Document No. 001-78426 Rev. *F
CapSense
33.4 CapSense Delta Sigma
Algorithm
The CapSense Delta Sigma (CSD) algorithm shown in
Figure 33-5 and Figure 33-6 on page 363 measures capaci-
tance with the hardware configured like a Delta Sigma mod-
ulator. Delta Sigma capacitive sensing operates by holding
an integration capacitor voltage near a target threshold, and
charging or discharging the capacitor, based on the present
state of a comparator output. The sense capacitor is contin-
uously switched between Vdd and the integration capacitor,
which drives the integrated voltage up on each switching
cycle. The CSD algorithm operates as follows:
1. When the integration voltage reaches the reference volt-
age, the comparator enables current DAC to discharge
the capacitor.
2. When the capacitor voltage discharges below the refer-
ence voltage, the current DAC is disabled to allow the
capacitor to continue charging.
3. As the integration capacitor voltage moves back and
forth across the comparator threshold, the comparator
high outputs are counted in an interval to give a measure
of the sense capacitor.
4. The sense capacitance increases with touch, therefore
equivalent resistance decreases. This decreased resis-
tance causes an increase in the current flowing through
switch CapSense resistor.
5. To maintain the voltage on Cmod near VREF during a
touch, the IDAC sinks current for longer duration to com-
pensate for the larger sense capacitance. This changes
the count value accordingly.
A PRS (pseudo random sequence) clock may be used
instead of a fixed clock source to drive the precharge
switches. The PRS clock produces less radiated noise on
the sense capacitor, compared to a fixed clock source,
hence improving EMI and interference performance.
Figure 33-5. CSD Hardware Configuration
AMUXBUS
1
2
S
C
VDD
MOD
C
Vref
IDAC
Initialize
CounterClock
I
DQ
C
Vin
Ref
Driver Counter
UDB
En
Prescale
and PRS
UDB
PRSCLK
Prescale
UDB
UDB
LPF Vmod

PSoC 5LP Architecture TRM, Document No. 001-78426 Rev. *F 363
CapSense
Figure 33-6. CSD Waveform
The PSoC device also supports other variants of the CSD
algorithm as follows:
■Switched capacitor resistor (see Figure 33-3 on
page 361) is used to charge the integration capacitor; an
external bleeding resistor is used (instead of IDAC) to
discharge the integration capacitor, based on compara-
tor output.
■Polarities are reversed so that the IDAC is used to
charge up the integration capacitor and switched capaci-
tor resistor (see Figure 33-4 on page 361) discharges
the integration capacitor toward ground, based on com-
parator output.
C
MOD
Voltage
Comp Out
when No
Touch
Comp Out
whe n
Finger is
present
Smaller count
Larger Count
V
t

364 PSoC 5LP Architecture TRM, Document No. 001-78426 Rev. *F
CapSense

PSoC 5LP Architecture TRM, Document No. 001-78426 Rev. *F 365
34. Temperature Sensor
The PSoC® 5LP devices have an on-chip temperature sensor that is used to measure the internal die temperature. The tem-
perature sensor uses the Delta Vbe method for digital temperature measurement.
The temperature sensor block has an auxiliary analog-to-digital converter (ADC) to measure the internal die temperature. The
auxiliary ADC is a 10-bit accurate ADC in the system performance controller (SPC) primarily designed for measuring temper-
ature sensor output. It is also possible to route the analog output of diode in temperature sensor block to analog globals to
measure temperature using the higher resolution Delta-Sigma ADC in PSoC 5LP.
34.1 Features
The temperature sensor offers the following features:
■± 5 degrees Celsius accuracy over commercial temperature range (–50ºC to +150ºC)
■Ability to route temperature sensor output to analog global line, AGL3.
34.2 Block Diagram
The block diagram for the temperature sensor is illustrated in Figure 34-1.
Figure 34-1. Temperature Sensor
Parallel Current Paths
Temperature
Diode
Curvature
Compensation
Circuit
Vbe
To AGL3
Auxiliary
ADC
Digital
Temperature
Temperature Sensor Core
Switch Network (Sequencer + Mode Select)

366 PSoC 5LP Architecture TRM, Document No. 001-78426 Rev. *F
Temperature Sensor
34.3 How It Works
The base-to-emitter voltage of a Bipolar Junction Transistor
(BJT) device has a strong dependence on temperature at a
constant collector current and zero collector-base voltage.
The temperature sensor output (Vbe) is measured with two
different drive currents: first with low bias current and sec-
ond with high bias current. A current ratio of 1:29 is main-
tained between the conversions.
By making the ratio between the two drive currents high, the
voltage difference between the Vbe values is linearly pro-
portional to temperature. The output voltage of the tempera-
ture sensor is either driven to the Delta Sigma ADC or other
on-chip resources using analog global line (AGL3). To
increase accuracy, the PSoC 5LP temperature sensors use
the following techniques:
■Dynamic Element Matching technique is implemented
using a sequencer that cyclically selects among the
eight current mirror paths during conversion (low current
mode and high current mode).
■Curvature compensation circuit to increase linearity
when the temperature sensor output is routed to an
external resource with a High Z buffer such as the on-
chip Delta Sigma ADC.
■A two-point linear fit calibration routine for accurate tem-
perature measurements using the auxiliary ADC.
34.4 Command and Status
Interface
The commands associated with the temperature sensor are
executed through the simple command/status register inter-
face. “Get Temp,” “Setup Temperature Sensor,” and “Dis-
able Temperature Sensor” are commands associated with
the temperature sensor. The command is sent as a series of
bytes to either SPC_CPU_DATA or SPC_DMA_DATA,
depending on the source of the command. Response data is
read via the same register to which the command was sent.
The status register, SPC_SR, indicates whether a new com-
mand can be accepted, when data is available for the most
recent command, and success/failure response (status
code) for the most recent command.
The command sequence consists of a 2-byte key, followed
by command code and the parameters associated with the
command.
■Key byte #1 – always 0xB6
■Key byte #2 – 0xD3 plus the command code (ignore
overflow)
■Command code byte
■Command parameter bytes
■Command data bytes
Before sending a command to the SPC_CPU_DATA or
SPC_DMA_DATA register, the SPC_Idle bit in SPC_SR[1]
must be ‘1’. SPC_Idle will go to ‘0’ when the first byte of a
command (0xB6) is written to a DATA register, and then go
back to ‘1’ when command execution is complete or an error
is detected. Commands sent to either DATA register while
SPC_Idle is ‘0’ are ignored.
34.4.1 Status Codes
If the value of the 2-byte key is wrong or if any of the param-
eters passed are invalid, the command is ignored and the
error condition is indicated by the status code in the Status
register (SPC_SR). The Status_Code bits (7:2 in the Status
register) are used to determine if the command operation is
executed successfully or any error occurred. Table 34-2 lists
the status code bit values.
34.4.2 Temperature Sensor Commands
34.4.2.1 Get Temperature
“Get Temperature” (command code: 0x0E). This command
uses auxiliary ADC to measure the die temperature and the
ADC output. It returns 2 bytes corresponding to a tempera-
ture value. The first byte is the sign of the temperature (0 =
negative, 1 = positive). The second byte is the magnitude.
These values are read from the SPC Data register. The
command sequence is shown in Figure 34-2.
Table 34-1. Command Registers
Register Size (Bits) Description
SPC_CPU_DATA 8 Data to or from CPU
SPC_DMA_DATA 8 Data to or from DMAC
SPC_SR 8 Status – ready, data available, status
code
Table 34-2. Status Code Bit Values
Status_Code Bit Values
(Bits[7:2] in SPC_SR register) Description
0x00 Command successfully executed
0x02 Invalid key
0x0B Invalid command code
0x0D Invalid parameter
0x0E Temperature Sensor Vbe is currently
driven to an external device

PSoC 5LP Architecture TRM, Document No. 001-78426 Rev. *F 367
Temperature Sensor
Figure 34-2. Get Temperature Command Sequence
Command Parameters
numSamp
This parameter specifies the number of samples taken. The number of samples is equal to 2^numSamp. Valid values for this
parameter are 0, 1, 2, 3, 4, or 5, thereby resulting in 1, 2, 4, 8, 16, or 32 samples, respectively. The ADC output is read after
the averaging is done over all the samples as specified by this parameter. The averaging routine can be bypassed by select-
ing the numSamp value as 0.
Reading Temperature Output
After the command and its parameters are sent, the Temperature Sensor/ADC block is configured and starts the conversion.
When the conversion is complete, the DATA READY bit in the Status register (SPC_SR) is set. The CPU must poll this bit to
check if the ADC output is ready. When the bit is high, the first byte (Sign byte) of output is read from the Data register
(SPC_CPU_DATA). The DATA READY bit is reset when a read operation is done. When the second byte (Magnitude byte) is
ready to read, the DATA READY bit becomes high again and the second byte is read from the Data register
(SPC_CPU_DATA).
34.4.2.2 Setup Temperature Sensor
“Setup Temperature Sensor” (command code: 0x11). The purpose of this command is to connect the raw temperature sensor
analog output onto AGL3 for measurement by the High Z buffer/Delta Sigma ADC(DSM) or other external resources. The
auxiliary ADC cannot be operated at the same time when the sensor output is routed to AGL3. This command disables the
functionality of the auxiliary ADC such that it does not load the sensor when the sensor output voltage is being driven into the
DSM or other external ADCs. The “Setup Temperature Sensor” and “Disable Temperature Sensor” are the commands asso-
ciated with this purpose and drive the temperature sensor output to AGL3. When temperature sensor output is routed to an
analog global line, auxiliary ADC cannot be used to measure the temperature.
Note that AGL3 should not be used by analog blocks other than the temperature sensor output when this command is exe-
cuted. Even though PSoC Creator takes care of routing, ensure that there are no resource conflicts in using AGL3. The com-
mand sequence is shown in Figure 34-3.
Figure 34-3. Setup Temperature Command Sequence
0xB 6 0xE1
0xD3 + C om m and C ode
0x0E
C om m and Code
num Sam p
2-Byte Key Command Parameter Bytes
0xB6 0xE4
0xD3 + Command Code
0x11
Command Code
Sequence
Select Sequence
Freeze clkDivider Curvature Compensation
Enable
2-Byte Key Command Parameter Bytes

368 PSoC 5LP Architecture TRM, Document No. 001-78426 Rev. *F
Temperature Sensor
Command Parameters
Sequence Select. The temperature sensor output (Vbe)
voltage is measured with low bias current and then with high
bias current. A current ratio of 1:29 is established between
the low bias and high bias current. This ratio is fixed and not
configurable.The difference between the two output volt-
ages is linearly proportional to temperature.
■0 – Low bias current.
The temperature sensor is driven with low bias current.
■1 – High bias current.
The temperature sensor is driven with high bias current.
Sequence Freeze. In low bias and high bias current
modes, Dynamic Element Matching (DEM) is implemented
by a sequencer that cyclically selects among the eight cur-
rent mirror paths.
■0 – Sequencer is enabled.
■1 – Sequencer is disabled.
No cycling of the current paths occurs.
clkDivider. This parameter sets the divider value for clock
generation from the SPC clock (spcCLK, which is 36 MHz).
This clock is used by the sequencer to cycle through the
current mirrors. The clock frequency is equal to:
Equation 1
The clock divider value (clkDivider) is of 8 bits allowing clock
to have 256 different frequencies ranging from spcCLK
down to spcCLK/256 (spcCLK is 36 MHz). In general, the
slower the clock, the better the linearity that will be
achieved.
Curvature Compensation Enable. The temperature sen-
sor has a feature to correct for a curvature in its behavior
and align it to a more linear path, thus giving it more accu-
racy when its output is routed to an external resource with a
High Z buffer, such as the on-chip Delta Sigma ADC. A High
Z buffer is required because the curvature compensation cir-
cuit needs to be buffered before driving an external ADC
front end.
■0 – No curvature compensation is used.
■1 – Curvature compensation is enabled.
34.4.2.3 Disable Temperature Sensor
“Disable Temperature Sensor” (Command code: 0x12). This
command is used to disable the temperature sensor from
driving its output voltage to the analog global line (AGL3).
After calling this command, the “Get Temp” command can
be executed, as well as commands using the erase portion
of the Smart Write algorithm. This command has no param-
eters and does not return any value. The command
sequence is shown in Figure 34-4.
Figure 34-4. Disable Temperature Command Sequence
spcCLK
clkDivider 1+
-------------------------------------------
0xB6 0xE5
0xD3 + Command Code
0x12
Command
Code
2-byte Key

PSoC 5LP Architecture TRM, Document No. 001-78426 Rev. *F 369
35. Digital-to-Analog Converter
The 8-bit digital-to-analog converter (DAC) is configured to output either a voltage or a current. The 8-bit DAC supports
CapSense®, power supply regulation, and waveform generation.
35.1 Features
The DAC has the following features:
■Adjustable voltage or current output in 255 steps
■Programmable step size (range selection)
■Eight bits of calibration to correct ± 25% of gain error
■Source/sink option for current output
■Output rate for current IDAC output: 8 Msps
■Output rate for VDAC voltage output: 1 Msps
■Monotonic in nature
35.2 Block Diagram
A block diagram of the DAC is shown in Figure 35-1.
Figure 35-1. DAC Block Diagram
Reference
Source Scaler
ISOURCE Range
1x, 8x, 64x
R
3R
Vout Iout
ISINK Range
1x, 8x, 64x

370 PSoC 5LP Architecture TRM, Document No. 001-78426 Rev. *F
Digital-to-Analog Converter
35.3 How It Works
This DAC generates either a voltage or a current output. It is
built using current mirror architecture; current is mirrored
from a reference source to a mirror DAC. Calibration and
value current mirrors are responsible for the 8-bit calibration
[DACx_TR] and the 8-bit DAC value. The current is then
diverted into the scaler to generate the current correspond-
ing to the DAC value. The DAC value can either be given
from the register DACx_D or from 8 lines from the UDB. This
selection is made using the DACx_CR1[5] bit. Using the
UDB to write the DAC value uses the DAC bus. Because
there is only one DAC bus available for each device, this
bus must be shared by all the DACs in the device.
The DAC is strobed to get its output to change for the input
code. The strobe control is enabled by the
DACx_STROBE[3] bit. The strobe sources for the DAC can
be selected from the bus write strobe, analog clock strobe to
any UDB signal strobe. This selection is done on the basis
of setting in DACx_STROBE[2:0].
■Current (IDAC) Mode – The two mirrors for the current
source and sink provide output as a current source or
current sink, respectively. These mirrors also provide
range options in the current mode.
■Voltage (VDAC) Mode – The current is routed through
resistors according to the range and voltage across it
provided as output.
The output from the DAC is single-ended in both IDAC and
VDAC modes.
35.3.1 Current DAC
When used as an IDAC, the output is an 8-bit digital-to-ana-
log conversion current. This is done by setting the
DACx_CR0[4] register. The reference source is a current
reference from the analog reference called IREF(DAC). In
this mode, there are three output ranges selected by regis-
ter DACx_CR0[3:2].
■0 to 2.048 mA, 8 µA/bit
■0 to 256 µA, 1 µA/bit
■0 to 32 µA, 0.125 µA/bit
For each level, there are 255 equal steps of M/256 where
M = 2.048 mA, 256 µA, or 32 µA. In the 2.040 mA configura-
tion, the block is intended to output a current into an external
600 load.
The IDAC is capable of converting up to 8 Msps. You also
have the option of selecting if the output is a current source
or a sink. This is done by the DACx_CR1[2] register. The
selection between source and sink for the IDAC can also be
done using a UDB input. UDB control for the source-sink
selection is enabled using the DACx_CR1[3] bit.
35.3.2 Voltage DAC
When used as a VDAC, the output is an 8-bit digital-to-ana-
log conversion voltage to support applications where refer-
ence voltages are needed. Here, the reference source is a
voltage reference from the Analog reference block called
VREF(DAC). The DAC can be configured to work in voltage
mode by setting the DACx_CR0[4] register. In this mode,
there are two output ranges selected by register
DACx_CR0[3:2].
■0 V to 1.024 V
■0 V to 4.096 V
Both output ranges have 255 equal steps.
The VDAC is implemented by driving the output of the cur-
rent DAC through resistors and obtaining a voltage output.
Because no buffer is used, any DC current drawn from the
DAC affects the output level. Therefore, in this mode any
load connected to the output should be capacitive.
The VDAC is capable of converting up to 1 Msps. In addi-
tion, the DAC is slower in 4 V mode than 1 V mode,
because the resistive load to Vssa is four times larger. In 4 V
mode, the VDAC is capable of converting up to 250 ksps.
35.3.3 Output Routing Options
Output routing options for the DAC are attained through two
separate muxes for current and voltage modes. These
muxes are controlled by the DACx_SWx registers, as shown
in Figure 35-2 on page 371.

PSoC 5LP Architecture TRM, Document No. 001-78426 Rev. *F 371
Digital-to-Analog Converter
Figure 35-2. DAC Interconnect
You can route output as follows:
■Voltage Mode – to the analog globals, analog mux bus,
or the analog local bus
■Current Mode – to the analog globals, analog mux bus,
or to a specific port
35.3.4 Making a Higher Resolution DAC
It is possible to achieve a higher resolution current output
DAC by summing the outputs of two 8-bit current DACs,
each one having a different segment of the input bus for
input. The range of the two DACs used partially overlap.
Figure 35-3. Higher Resolution DAC Example
For example, the implementation of a 12-bit DAC using two
8-bit DACs require:
■One DAC scaled to the range 0 to 2.048 mA and the
second one scaled to the range 0 to 32 µA.
■The middle four bits of the lowest range DAC are used
as inputs to the lower four bits. See Figure 35-4 on
page 372.
This architecture may have problems of mismatch in the two
DACs and therefore might require adjustment and scaling.
The last two bits of the LSB DAC are used for minor calibra-
tion requirements.
DAC2
DAC1 V
I
DAC3 V
I
AMUXBUS
L
AGL0
AGL1
P0[6]
abusl1
AMUXBUSL
AGL0
AGL1
Register DAC0_SWV[4:0]
Register DAC0_SWI[3:0]
abusl3 DAC0
AMUXBUSL
AGL4
AGL5
P0[7]
abusl0
AMUXBUSL
AGL4
AGL5
Register DAC2_SWV[4:0]
Register DAC2_SWI[3:0]
abusl2
V
I
V
I
DAC0_D[7:0] DAC1_D[7:0]
DAC0_strobe DAC1_strobe
DAC2_D[7:0] DAC3_D[7:0]
DAC2_strobe DAC3_strobe
Register DAC1_SWV[4:0]
Register DAC1_SWI[3:0]
AMUXBUSR
AGR4
AGR5
P3[1]
abusr0
AMUXBUSR
AGR4
AGR5
Register DAC3_SWV[4:0]
Register DAC3_SWI[3:0]
abusr2
AMUXBUSR
AGR0
AGR1
P3[0]
abusr1
AMUXBUSR
AGR0
abusr3
AGR1
DAC Bus
(data[7:0])
8-Bit DAC
0.125 µA/Bit
<0:7>
7:6
1:0
5:2
Input
11:4
Input
3:0
GND
Calibration
Bits
12-Bit DAC
8-Bit DAC
8 µA/Bit

372 PSoC 5LP Architecture TRM, Document No. 001-78426 Rev. *F
Digital-to-Analog Converter
Figure 35-4. 12-Bit DAC Using Two 8-Bit DACs Example
35.4 Register List
1024 512 256 128 64 32 16 8
64 32 16 8 4 2 1128
8 µA/Bit
1 µA/Bit
DAC for MSB, 8-BIT MSB
DAC for LSB, 4-BIT MSB
16 8 4 2 1
1/8 µA/Bit 1/2 1/4 1/8
Table 35-1. DAC Register List
Register Name Comments Features
General Registers
DACx_CR0 DAC Control register 0 Select DAC mode, range, and speed
DACx_CR1 DAC Control register 1 Control DAC data source, reset, and direction
DACx_SW0 DAC Analog routing register 0 Routing for the DAC voltage output to analog (global) bus
DACx_SW2 DAC Analog routing register 2 Routing for the DAC voltage output to analog (local) bus
DACx_SW3 DAC Analog routing register 3 Routing for the DAC current/voltage output to AMUXBUS
DACx_STROBE DAC Strobe register DC strobe control
DACx_D DAC Data register
DACx_TR DAC Block Trim register DAC trim values

PSoC 5LP Architecture TRM, Document No. 001-78426 Rev. *F 373
36. Precision Reference
A voltage/current reference with value independent of supply voltage and temperature is an essential building block of many
analog circuits. For example, accurate biasing voltages are critical for many circuit schemes; in ADC, a reference voltage is
required to quantify an input, while in V/I DAC, voltage/current reference is required to define the output full-scale range.
36.1 Block Diagram
The PSoC® 5LP devices have a curvature compensated voltage bandgap along with a trim buffer to get absolute value accu-
racy. The trim buffer is a multiple reference generator. It takes the bandgap reference voltage as input and produces outputs
ranging from 0.256 V to 1.2 V. The reference voltage is buffered by low-power 5 A, high accuracy buffers, and sent to multi-
ple destinations. There is also a temperature corrected (to flat) current reference that is mirrored and sent to current DAC.
The voltage reference block diagram is illustrated in Figure 36-1 on page 374.
36.2 How It Works
The principle of the bandgap circuit relies on two groups of diode-connected bipolar junction transistors running at different
emitter current densities. By canceling the negative temperature dependence of the PN junctions in one group of transistors
with the positive temperature dependence from a PTAT (proportional-to-absolute-temperature) circuit (which includes the
other group of transistors), a fixed DC voltage that does not change with temperature is generated.

374 PSoC 5LP Architecture TRM, Document No. 001-78426 Rev. *F
Precision Reference
Figure 36-1. Voltage Reference Block Diagram
Dynamic enabling or disabling of analog peripherals may disturb shared internal voltage references. This may parametrically
or functionally affect "already-on" or "staying on" components. Because these interactions are at the system level, they can-
not always be systematically addressed in firmware component design. Therefore, consider the implications of a disturbed
reference on components in use when dynamically enabling or disabling analog components. This includes enabling or dis-
abling analog components as part of system power mode transitions, whether hardware or firmware based.
Note 1 Analog supply Vdda or Vdda/2 can be routed to the analog blocks through the analog local bus, ABUSL0. The volt-
age level is selected using the BG_CR0[3] bit and the switch is enabled using the BG_CR0[2] bit.
Note 2 Reference voltage input (VREF1) to the comparator is selected using the BG_CR0[1:0] bits. It selects either bandgap
reference voltage or the analog supply voltage.
Note 3 IREF (DAC) is the reference current for the DAC during IDAC mode operation.
Buffers 5 µA
0.256V
+
_
+
_
Bandgap
Generator
Trim
Buffer
1.024V
1.2V
Resistor String
Vcca
Vcca
Vssa
Vdda
VREF1_CM (DSM)
VREF (SC)
ABUSL0
VREF0 (Comparator)
VREF (Opamp)
+
_
VREF2_CM (DSM)
0.7V
VREF1 (DSM)
VREF1 (Comparator)
+
_
+
_
VREF (DAC)
0.8V
BG_CR0[3]
BG_CR0[2]
BG_CR0[1:0]
1
0
1
2
Vcca
+
_
Vssa
VREF (TEMP SENSOR)
+
_
0.9V
Vssa
Vssa
IREF(DAC)
(V)
(I)
+
_
VREF2 (DSM)
Buffered in DSM Block
by 10 µA Buffers
+
_
Delta Sigma ADC
10 µA

PSoC 5LP Architecture TRM, Document No. 001-78426 Rev. *F 375
Precision Reference
Table 36-1. Reference Voltages and Blocks
Voltage Block Value Description
VREF0 (Comparator) Comparator 1.024 V To Comparator negative inputs
VREF1 (Comparator) Comparator
Vdda (or)
Vdda/2 (or)
256 mV
To Comparator negative inputs
VREF (Opamp) Opamp 1.024 V To Opamp positive inputs
VREF (SC/CT) SC/CT Block 1.024 V To SC/CT block positive and negative inputs
ABUSL0
Comparator
Opamp
DAC
SC/CT
DSM
Vdda (or)
Vdda/2 All blocks connected to the analog local bus ABUSL0 can get this voltage
VREF (DAC) DAC 256 mV Reference voltage for DAC during VDAC mode operation
VREF2 (DSM) DSM 1.2 V Reference voltage to Delta Sigma Modulator. This voltage is buffered in the DSM block by
a 10 A buffer.
VREF1 (DSM) DSM 1.024 V Reference voltage to Delta Sigma Modulator. This voltage is buffered in the DSM block by
a 10 A buffer.
VREF1_CM (DSM) DSM 0.8 V Common mode reference voltage for Delta Sigma Modulator
VREF2_CM (DSM) DSM 0.7 V Common mode reference voltage for Delta Sigma Modulator
VREF (TEMP SENSOR) TEMP SENSOR 0.9 V Analog ground option to auxiliary ADC

376 PSoC 5LP Architecture TRM, Document No. 001-78426 Rev. *F
Precision Reference

PSoC 5LP Architecture TRM, Document No. 001-78426 Rev. *F 377
37. Delta Sigma Converter
The PSoC® 5LP ADC is a high resolution ADC implemented in Delta Sigma technology. Delta Sigma converters are integrat-
ing converters that provide high SNR/resolution by oversampling, noise shaping, averaging, and decimation. A Delta Sigma
analog-to-digital converter (ADC) has two main components: a modulator and a decimator. The modulator converts the ana-
log input signal to a high data rate (oversampling), low resolution (usually 1 bit) bitstream, the average value of which gives
the average of the input signal level. This bitstream is passed through a decimation filter to obtain the digital output at high
resolution and lower data rate. The decimation filter is a combination of downsampler and a digital low-pass (averaging) filter
that averages the bitstream to get the digital output.
37.1 Features
■8 - to 20-bit resolution
■Configurable gain from 0.25 to 256
■Differential/single ended inputs
■Optional input buffer with RC low-pass filter
■Internal and external reference options
■Reference filtering for low noise
■Incremental/continuous mode
■Gain and offset correction
37.2 Block Diagram
Figure 37-1 is the converter block diagram.
Figure 37-1. Delta Sigma Block Diagram
Delta Sigma
Modulator
Positive
Input Mux
Negative
Input Mux
(From Analog Routing)
Input
Buffer
High data rate (sampling rate)
low resolution bitstream in
thermometric format q[7:0]
High data rate (sampling rate) low
resolution bitstream in 2's
complement (4-bit)
High resolution (max 20 bits) low
data rate (sampling rate/
decimation ratio) output
Decimator 24-bit Output Register
Analog Interface

378 PSoC 5LP Architecture TRM, Document No. 001-78426 Rev. *F
Delta Sigma Converter
37.3 How It Works
The PSoC 5LP Delta Sigma converter has a third-order
modulator, followed by a fourth-order decimation filter. The
modulator has a high impedance front end buffer followed
by a bypassable RC filter.
■The modulator sends out a high data rate bitstream in
thermometric format (see 37.3.2.6 Quantizer on
page 386).
■The output of the modulator is passed on to the analog
interface that converts the thermometric output to two’s
complement (4 bit) and passes it on to the decimation fil-
ter.
■The decimation filter takes 4-bit two’s complement input
and provides a higher resolution (user selectable) output
at a lower data rate.
A detailed description of the individual blocks and their con-
figuration options is given in this section.
37.3.1 Input Buffer
The input impedance of the modulator is very low and not
suitable for many applications. For applications that require
a higher input impedance, two buffers (one for each differen-
tial input) are provided. Figure 37-2 shows the buffer and the
RC filter that follows it.
The buffers are of very low noise, are independent of each
other, and can be bypassed (DSM_BUF0[1], DSM_BUF1[1])
or powered down (DSM_BUF0[0], DSM_BUF1[0]) individu-
ally by setting the bits listed in the braces. The buffer can
also be used to amplify the input signal; it can be configured
to provide gain of 1, 2, 4 and 8 in DSM_BUF1[3:2] register
bits. The buffer has two separate modes, selected in the
DSM_BUF0[2] bit to support a 0 to Vdd - 0.2 V input common
mode range. The modes are:
■Level Shifted – Buffer output can be level shifted up
from the input when the input is close to 0 V input com-
mon mode voltage range. The operating range is 0 –
vdda- 600 mV.
■Rail-to-Rail – This is used when input is rail-to-rail. The
operating voltage range is vssa+200 mV to vdda-200
mV.
The input structure is illustrated in Figure 37-2.
Figure 37-2. Input Buffer Structure
An additional RC filtering option (DSM_BUF2[1]) is provided
for lower noise contribution from the buffer, at the cost of the
input voltage not settling completely. This incomplete set-
tling causes a gain error that must be corrected later, as a
part of the downstream filtering in the decimator. There is
also an option to chop (DSM_BUF3[3]) the input and output
stages of the buffer to keep the offset as low as 100 µV. The
chopping frequency is user selectable (DSM_BUF3[2:0])
and can vary from 1/2 to 1/256 of the input sampling fre-
quency. The buffer can also be operated in a low-power
mode (DSM_BUF2[0]).
The ADC (buffer) takes its inputs from analog globals, ana-
log locals, analog mux bus, reference, and Vssa. Registers
DSM_SW0, DSM_SW2, DSM_SW3, DSM_SW4,
DSM_SW6 help configure the positive and negative inputs.
Limit the maximum input signal amplitude to the modulator
(after the buffer gain, if used) to the values in Table 37-1 for
a proper operation. The values in Table 37-1 are for a
1.024 V reference. For other reference values, scale the
maximum input amplitude accordingly.
Table 37-1. Maximum Input Signal Levels
(ADC Reference Vref -> 1.024 V)
Gain Modulator Quantization - 9 Level
0.167 5.25
0.25 3.56
0.5 1.78
11.024
20.44
40.22
80.11
16 0.05
INP
rc
outp
Cfilt To Modulator
A
A
INN
rc
outn
bypass_p
bypass_p

PSoC 5LP Architecture TRM, Document No. 001-78426 Rev. *F 379
Delta Sigma Converter
37.3.2 Delta Sigma Modulator
The Delta Sigma modulator does:
■Sampling the input signal (oversampling)
■Optional gain by adjusting the ration of Cin1 to Cref
■Coarse quantization (2, 3, or 9 levels/1, 1.5, or 2.2 bits)
■Overload detection and chopping
PSoC 5LP Delta Sigma modulator implementation is shown in Figure 37-3.
Figure 37-3. Delta Sigma Modulator Implementation
The Delta Sigma modulator consists of these subsystems:
■Three active integrators
■An active summer
■A programmable quantizer
■A switched capacitor feedback DAC
VREF
VCM
INP
INN INT1 INT2 INT3 Summer
Quantizer
QLEV[1:0]
Cdac
Cdac
Cin1
Cin1
Cin2
Cin2
Cin3
Cin3
inp
o1p
o2p
Csum3
Csum3
o1p
o1p
o2p
o2p
o3p
o3p
Cf1
Cf1 Cf2
Cf2
Cf3
Cf3
o3n
o2n
inn
Csumin
Csum2
Csum1
Csum2
Csum1
Csumin
Csumfb
Csumfb
b[8:0]

380 PSoC 5LP Architecture TRM, Document No. 001-78426 Rev. *F
Delta Sigma Converter
A few points about the modulator:
■The three active integrators and the programmable
quantizer form the third order modulator. The transfer
function of the integrators and the quantizer together
account for the high pass noise shaping. Higher the
order of the modulator, better is the high pass filter
response and lower is the noise in the signal frequency
band.
■The three integrators and quantizer stages are followed
by an active summer. The analog input and the output of
all three opamp stages are summed here.
■The summer output is quantized by a quantizer. The
quantizer is programmable to output 2, 3, or 9 levels.
■The DAC (Vref, Vgnd and Cref constitute the DAC) con-
nects the quantizer output back to the first stage opamp
input. It is this feedback DAC that ensures that the aver-
age of the quantizer output is equal to the average input
signal level.
37.3.2.1 Clock Selection
Any one of the four analog clocks or a UDB-generated clock
can be used as the input sampling clock. The clock input
can also be disabled. The DSM0_CLK register helps in
selecting the clock source and enabling or disabling it. The
maximum clock that can be applied to the modulator is
6.144 MHz. Make certain that the clock to the decimator =
fs/n, n = 2,3,4..., fs is the PHUB clock.
37.3.2.2 Capacitance Configuration
All of the capacitors shown in Figure 37-3 on page 379 have
binary weighted programmability. The value of a capaci-
tance can be configured by setting the following three fields:
■Offset Capacitance – single bit that enables or disables
an offset capacitance
■Cap Array[n:0] – n+1 binary weighted bits
■LSB Enable – additional unit capacitance
Capacitance configuration (configuration of the above fields)
is done in registers DSM_CR4 through DSM_CR12.
Capacitance value is described by following equation:
Cap value = (offset × Coff) + (cap[n:0] × Cunit) + (EN × Cunit)
Where:
■Coff is the offset capacitor value.
■Cunit is the unit capacitor value.
■Offset is the binary value (single bit) programmed in the
offset field.
■EN (LSB enable) is the binary value (single bit) pro-
grammed in the EN field.
■Cap[n:0] is the decimal equivalent of the binary value
programmed in the cap array[n:0] field.
The unit capacitance, offset capacitance, and default values
for all of the capacitances are given inTable 37-2.
Table 37-2. Capacitance Values
Register Bit Description Value Default Typical Value
FCAP1OFFSET Offset cap for first stage feedback cap 3.4 pF 0
8 pFFCAP1[6:0] Binary weighted first stage feedback cap Cunit = 100 fF
100 fF - 12.8 pF in 100 fF steps
1010000
FCAP1EN Enable for LSB CAP of FCAP1 0
IPCAP1OFFSET Offset cap for first stage input cap 4.8 pF 0
4.4 pFIPCAP1[6:0] First stage Input CAP (binary) Cunit = 100 fF
100 fF - 12.8 pF in 100 fF steps
0101100
IPCAP1EN Enable for LSB cap of IPCAP1 0
DACCAP[5:0] DAC cap (each unit) - binary Cunit = 96 fF (2 LSBs) and 100 fF (4 MSBs)
96 fF - 62898 fF in variable steps
101100 4.4 pF
DACCAPEN Enable for LSB CAP of DAC 0
RESCAP[2:0] Resonator cap (binary) Cunit = 12 fF
12 fF - 96 fF in 12 fF steps
000 0 fF
RESCAPEN Enable for LSB cap of RESCAP 0
FCAP2[3:0] Second stage Feedback cap - binary Cunit = 50 fF
50-800 fF in 50 fF steps
1011 0.55 pF
FCAP2EN Enable for LSB CAP of FCAP2 0
IPCAP2[2:0] Second stage input CAP - binary Cunit = 50 fF
50-400 fF in 50 fF steps
101 0.25 pF
IPCAP2EN Enable for LSB Cap of IPCAP2 0
FACP3[3:0] Third stage feedback cap Cunit = 100 fF
100 fF-1.6 pF in 100 fF steps
1110 1.4 pF
FCAP3EN Enable for LSB Cap of FCAP3 0

PSoC 5LP Architecture TRM, Document No. 001-78426 Rev. *F 381
Delta Sigma Converter
37.3.2.3 Gain Configuration
The modulator provides gain from 0.25 to 16 to the input sig-
nal. Gain is the ratio of input and DAC capacitances, as
described in the following equation.
Equation 1
However, increasing only the input capacitance to increase
gain disturbs the transfer characteristics of the modulator.
Therefore, other capacitors also must be scaled to maintain
the modulator transfer characteristics. Recommended val-
ues of capacitors for gains of 1, 2, 4, 8 are shown in
Table 37-3, and those for 16, 0.25, and 0.5 are shown in
Table 37-4.
IPCAP3[2:0] Third stage input cap Cunit = 50 fF
50-400 fF in 50 fF steps
101 0.25 pF
IPCAP3EN Enable for LSB Cap of IPCAP3 0
SUMCAPIN[4:0] Summer cap for input path Cunit = 50 fF
50-1.6 pF in 50 fF steps
00101 0.25 pF
SUMCAPINEN Enable for LSB Cap of SUMCAPIN 0
SUMCAPFB[3:0] Summer cap for feedback path Cunit = 50 fF
50-800 fF in 50 fF steps
1010 0.5 pF
SUMCAPFBEN Enable for LSB Cap of SUMCAPFB 0
SUMCAP1[2:0] Summer cap for first stage output
Cunit = 50 fF
50-400 fF in 50 fF steps
101 0.25 pF
SUMCAP1EN Enable for LSB Cap of SUMCAP1 0
SUMCAP2[2:0] Summer cap for second stage output 101 0.25 pF
SUMCAP2EN Enable for LSB Cap of SUMCAP2 0
SUMCAP3[2:0] Summer cap for third stage output 101 0.25 pF
SUMCAP3EN Enable for LSB Cap of SUMCAP3 0
Table 37-2. Capacitance Values (continued)
Register Bit Description Value Default Typical Value
Gain Cin Cref
=
Table 37-3. Gains 1, 2, 4, and 8
Register Bit Gain = 1 Gain = 2 Gain = 4 Gain = 8
Bit Setting Typical Value Bit Setting Typical Value Bit Setting Typical Value Bit Setting Typical Value
IPCAP1OFFSET 0
4.4 pF
0
8.8 pF
1
17.6 pF
1
17.6 pFIPCAP1[6:0] 0101100 1011000 1111111 1111111
IPCAP1EN0011
DACCAP[5:0] 101100 4.4 pF 101100 4.4 pF 101100 4.4 pF 010110 2.2 pF
DACCAPEN 0 0 0 0
SUMCAPIN[4:0] 00101 0.25 pF 01000 0.4 pF 10000 0.8 pF 10000 0.8 pF
SUMCAPINEN 0 0 0 0
SUMCAPFB[3:0] 1010 0.5 pF 1000 0.4 pF 1000 0.4 pF 0100 0.2 pF
SUMCAPFBEN 0 0 0 0
SUMCAP1[2:0] 101 0.25 pF 100 0.2 pF 100 0.2 pF 100 0.2 pF
SUMCAP1EN 0 0 0 0
SUMCAP2[2:0] 101 0.25 pF 100 0.2 pF 100 0.2 pF 100 0.2 pF
SUMCAP2EN 0 0 0 0
SUMCAP3[2:0] 101 0.25 pF 100 0.2 pF 100 0.2 pF 100 0.2 pF
SUMCAP3EN 0 0 0 0

382 PSoC 5LP Architecture TRM, Document No. 001-78426 Rev. *F
Delta Sigma Converter
37.3.2.4 Power Configuration
There are separate power settings for the first opamp stage, the summer, and the quantizer. The second and third stages
share the same power settings. The power for all of these stages is configured in registers DSM_CR14 and DSM_CR16. The
various configurable power settings are shown in Table 37-5.
Table 37-4. Gains 16, 0.5, and 0.25
Register Bit Gain = 16 Gain = 0.5 Gain = 0.25
Bit Setting Typical Value Bit Setting Typical Value Bit Setting Typical Value
IPCAP1OFFSET 1
17.6 pF
0
2.2 pF
0
1.1 pFIPCAP1[6:0] 1111111 0010110 0001011
IPCAP1EN 1 0 0
DACCAP[5:0] 001011 1.1 pF 101100 4.4 pF 101100 4.4 pF
DACCAPEN 0 0 0
SUMCAPIN[4:0] 10000 0.8 pF 00010 0.1 pF 00001 0.05 pF
SUMCAPINEN 0 0 0
SUMCAPFB[3:0] 0010 0.1 pF 1000 0.4 pF 1000 0.4 pF
SUMCAPFBEN 0 0 0
SUMCAP1[2:0] 100 0.2 pF 100 0.2 pF 100 0.2 pF
SUMCAP21EN 0 0 0
SUMCAP2[2:0] 100 0.2 pF 100 0.2 pF 100 0.2 pF
SUMCAP2EN 0 0 0
SUMCAP3[2:0] 100 0.2 pF 100 0.2 pF 100 0.2 pF
SUMCAP3EN 0 0 0
Table 37-5. Configurable Power Settings
Register Bit Description Truth Table, Typical IDD
POWER1 Power control for first stage
000 - LOW (42 µA)
001 - MEDIUM (114 µA)
010 - HIGH (430 µA)
011 - 1.5X (650 µA)
100 - 2X (900 µA)
101 - C/2 at 3MSPS (254 µA)
110 = C/4 at 3MSPS (170 µA)
111 - 2.5X (1.35 mA)
POWER2_3[2:0] Power control for second stage/third stage
000 - LOW (4 µA)
001 - MEDIUM (16 µA)
010 - HIGH (62 µA)
011 - 1.5X (100 µA)
100 - 2X (135 µA)
POWER_SUM[2:0] Power control for summer
000 - LOW (4 µA)
001 - MEDIUM (16 µA)
010 - HIGH (62 µA)
011 - 1.5X (100 µA)
100 - 2X (135 µA)
POWER_COMP[1:0] Comparator power control
00 - Very Low (2.2 µA)
01 - Normal (8.6 µA)
10 - 6 MHz (17 µA)
11 - 6 MHz (35 µA)

PSoC 5LP Architecture TRM, Document No. 001-78426 Rev. *F 383
Delta Sigma Converter
Table 37-5 indicates how to configure power for the individual blocks. Power dissipation, capacitances, clock frequency and
quantization levels are interrelated to each other.
Configuring power without varying the other parameters mentioned above affects the proper operation of the modulator. The
tables below show a set of operational modes that indicate how to configure power based upon the other parameters or vice
versa.
Table 37-6. Power Configuration Based on Quantization Levels and Clock Frequency
Register Bit Mode - 3 MHz 9 Level Mode - 6 MHz 9 Level Mode - 3 MHz 2 Level and 3 Level
Bit Setting Typical Value Bit Setting Typical Value Bit Setting Typical Value
FCAP1OFFSET 0
8 pF
0
2 pF
1
16 pFFCAP1[6:0] 1010000 0010100 1111110
FCAP1EN 0 0 0
IPCAP1OFFSET 0
4.4 pF
0
1.1 pF
0
4.4 pFIPCAP1[6:0] 0101100 0001011 0101100
IPCAP1EN 0 0 0
DACCAP[5:0] 101100 4.4 pF 001011 1.1 pF 101100 4.4 pF
DACCAPEN 0 0 0
RESCAP[2:0] 000 0fF 000 0fF 000 0fF
RESCAPEN 0 0 0
FCAP2[3:0] 1011 0.55 pF 0001 0.1 pF 1011 0.55 pF
FCAP2EN 0 0 0
IPCAP2[2:0] 101 0.25 pF 001 0.05 pF 101 0.25 pF
IPCAP2EN 0 0 0
FACP3[3:0] 1110 1.4 pF 0011 0.3 pF 1110 1.4 pF
FCAP3EN 0 0 0
IPCAP3[2:0] 101 0.25 pF 001 0.05 pF 101 0.25 pF
IPCAP3EN 0 0 0
SUMCAPIN[4:0] 00101 0.25 pF 00001 0.05 pF 00101 0.25 pF
SUMCAPINEN 0 0 0
SUMCAPFB[3:0] 1010 0.5 pF 0010 0.1 pF 1010 0.5 pF
SUMCAPFBEN 0 0 0
SUMCAP1[2:0] 101 0.25 pF 001 0.05 pF 101 0.25 pF
SUMCAP21EN 0 0 0
SUMCAP2[2:0] 101 0.25 pF 001 0.05 pF 101 0.25 pF
SUMCAP2EN 0 0 0
SUMCAP3[2:0] 101 0.25 pF 001 0.05 pF 101 0.25 pF
SUMCAP3EN 0 0 0
QLEVEL[1:0] 10 level=9 10 level=9 00 or 01 level=2 or 3
ODET_TH[4:0] 01100 12 01100 12 01100 12
FCHOP[2:0] 001 Fclk/4 001 Fclk/4 001 Fclk/4
NONOV[1:0] 01 3.5 ns 00 1.5 ns 01 3.5 ns
POWER1[2:0] 010 430 µA 010 430 µA 010 430 µA
POWER2_3[2:0] 010 62 µA 010 62 µA 010 62 µA
POWER_SUM[2:0] 010 62 µA 010 62 µA 010 62 µA
POWER_COMP[1:0] 01 9 µA 10 18 µA 01 9 µA

384 PSoC 5LP Architecture TRM, Document No. 001-78426 Rev. *F
Delta Sigma Converter
Table 37-7. Power Configuration Based on Capacitances
Register Bit Mode - C/2 Mode - C/4 Mode - C/8
Bit Setting Typical Value Bit Setting Typical Value Bit Setting Typical Value
FCAP1OFFSET 0
4 pF
0
2 pF
0
1 pF FCAP1[6:0] 0101000 0010100 0001010
FCAP1EN 0 0 0
IPCAP1OFFSET 0
2.2 pF
0
1.1 pF
0
0.5 pF IPCAP1[6:0] 0010110 0001011 0000101
IPCAP1EN 0 0 0
DACCAP[5:0] 010110 2.2 pF 001011 1.1 pF 000101 0.5 pF
DACCAPEN 0 0 0
RESCAP[2:0] 000 0fF 000 0fF 000 0fF
RESCAPEN 0 0 0
FCAP2[3:0] 0101 0.25 pF 0001 0.1 pF 1011 0.1 pF
FCAP2EN 0 0 0
IPCAP2[2:0] 010 0.1 pF 001 0.05 pF 101 0.05 pF
IPCAP2EN 0 0 0
FACP3[3:0] 0101 0.5 pF 0011 0.3 pF 1110 0.3 pF
FCAP3EN 0 0 0
IPCAP3[2:0] 010 0.1 pF 001 0.05 pF 101 0.05 pF
IPCAP3EN 0 0 0
SUMCAPIN[4:0] 00010 0.1 pF 00001 0.05 pF 00101 0.05 pF
SUMCAPINEN 0 0 0
SUMCAPFB[3:0] 0100 0.2 pF 0010 0.1 pF 0010 0.1 pF
SUMCAPFBEN 0 0 0
SUMCAP1[2:0] 010 0.1 pF 001 0.05 pF 101 0.05 pF
SUMCAP21EN 0 0 0
SUMCAP2[2:0] 010 0.1 pF 001 0.05 pF 101 0.05 pF
SUMCAP2EN 0 0 0
SUMCAP3[2:0] 010 0.1 pF 001 0.05 pF 101 0.05 pF
SUMCAP3EN 0 0 0
QLEVEL[1:0] 10 level=9 10 level=9 10 level=9
ODET_TH[4:0] 01100 12 01100 12 01100 12
FCHOP[2:0] 001 Fclk/4 001 Fclk/4 001 Fclk/4
NONOV[1:0] 01 3.5 ns 01 3.5 ns 01 3.5 ns
POWER1[2:0] 101 254 µA 110 170 µA 000 114 µA
POWER2_3[2:0] 001 16 µA 001 16 µA 001 16 µA
POWER_SUM[2:0] 001 16 µA 001 16 µA 001 16 µA
POWER_COMP[1:0] 10 18 µA 10 18 µA 10 18 µA

PSoC 5LP Architecture TRM, Document No. 001-78426 Rev. *F 385
Delta Sigma Converter
Table 37-8. Configuration Based on Power
Register Bit Mode - Medium Power Mode - Low Power
Bit Setting Typical Value Bit Setting Typical Value
FCAP1OFFSET 0
8 pF
0
8 pFFCAP1[6:0] 1010000 1010000
FCAP1EN 0 0
IPCAP1OFFSET 0
4.4 pF
0
4.4 pFIPCAP1[6:0] 0101100 0101100
IPCAP1EN 0 0
DACCAP[5:0] 101100 4.4 pF 101100 4.4 pF
DACCAPEN 0 0
RESCAP[2:0] 000 0fF 000 0fF
RESCAPEN 0 0
FCAP2[3:0] 1011 0.55 pF 1011 0.55 pF
FCAP2EN 0 0
IPCAP2[2:0] 101 0.25 pF 101 0.25 pF
IPCAP2EN 0 0
FACP3[3:0] 1110 1.4 pF 1110 1.4 pF
FCAP3EN 0 0
IPCAP3[2:0] 101 0.25 pF 101 0.25 pF
IPCAP3EN 0 0
SUMCAPIN[4:0] 00101 0.25 pF 00101 0.25 pF
SUMCAPINEN 0 0
SUMCAPFB[3:0] 1010 0.5 pF 1010 0.5 pF
SUMCAPFBEN 0 0
SUMCAP1[2:0] 101 0.25 pF 101 0.25 pF
SUMCAP21EN 0 0
SUMCAP2[2:0] 101 0.25 pF 101 0.25 pF
SUMCAP2EN 0 0
SUMCAP3[2:0] 101 0.25 pF 101 0.25 pF
SUMCAP3EN 0 0
QLEVEL[1:0] 10 level=9 10 level=9
ODET_TH[4:0] 01100 12 01100 12
FCHOP[2:0] 001 Fclk/4 001 Fclk/4
NONOV[1:0] 01 3.5 ns 01 3.5 ns
POWER1[2:0] 010 114 µA 010 42 µA
POWER2_3[2:0] 010 16 µA 010 4 µA
POWER_SUM[2:0] 010 16 µA 010 4 µA
POWER_COMP[1:0] 01 9 µA 01 9 µA

386 PSoC 5LP Architecture TRM, Document No. 001-78426 Rev. *F
Delta Sigma Converter
37.3.2.5 Other Configuration Options
The modulator can be chopped for a low offset of 100 µV.
The chopping frequency can be set from fclk/2 to fclk/256,
where fclk is the input sampling clock. Chopping enable and
chopping frequency setting are done in the DSM_CR2 regis-
ter
The modulator can be configured for inverting the gain by
setting the sign bit in DSM_CR3[7].
The modulator can be reset (all capacitances are reset) by
the UDB or decimator, and the reset source is selected by
the DSM_CR2[7] register. More details about reset are in
the Reset chapter on page 143.
37.3.2.6 Quantizer
The quantizer can be configured for 2, 3, or 9 levels. A 9
level quantizer offers a better SNR and a 2 level quantizer
offers better linearity. Depending on the application require-
ment, the user can choose quantization levels. The number
of quantization levels is configured in DSM_CR0[1:0] regis-
ter bits. The quantizer outputs data in thermometric format.
The quantizer output is stored in the register DSM_OUT1.
Thermometric format is explained by the pattern of output
levels shown in the following table. In thermometric format,
the number of ones increases from LSB to MSB as the
quantization level increases.
37.3.2.7 Reference Options
The Delta Sigma channel has selectable analog reference
input (REFBUF0) options, as shown in Figure 37-4 on
page 387. Also illustrated are the opamp output common
mode (VCMBUF0) and the negative input buffer (REFBUF1)
selection schemes. The various reference selections for the
DSM ADC may be broadly classified into the following
modes:
■Internal Reference (reference generated on-chip) that is
buffered but unfiltered (Figure 37-5 on page 387)
■Internal Reference that is buffered and filtered with an
external capacitor tied between P0[3] and ground or
P3[2] and ground (Figure 37-6 on page 388)
■External Reference source driving reference into the
DSM (Figure 37-7 on page 388)
Table 37-9. Quantizer Output Data
Level Quantizer Output Data
2 Level Quantizer
Level 1 00000000
Level 2 11111111
3 Level Quantizer
Level 1 00000000
Level 2 00001111
Level 3 11111111
9 Level Quantizer
Level 1 00000000
Level 2 00000001
Level 3 00000011
Level 4 00000111
Level 5 00001111
Level 6 00011111
Level 7 00111111
Level 8 01111111
Level 9 11111111

PSoC 5LP Architecture TRM, Document No. 001-78426 Rev. *F 387
Delta Sigma Converter
Figure 37-4. Delta Sigma Channel Analog Reference Selection
Figure 37-5. Connection Scenario: Internal Reference with No RC Filtering (using P0[3])
0.8V VCM
Vcmx
(unbuffered VCM)
To the opamps in the
DSM
VDAC0L
Vref = 1.024 V
from bandgap
Vref = 1.2V
from bandgap
NA
vdda/4
refmux<2:0>
001
010
011
100
101
110
S0 S2
S4
S1
Resd1
Resd3
Resd2
+
-
S3
S13 S6 S5
S7 S9
S10
Resd1
Resd3
Resd2
S11
S8
+
-
S12
Vpwra
To the INN Mux of the
Channel
To the Quantizer
Resistor string
Reference of the
DSM ADC (to the
Cref branch in first
integrator)
P3[2] P0[3]
000
111NA
No
Selection
01
10
11
00
vgnd
vpwra/2
vpwra
vgnd
vcm_res_div_en
No Selection
0.7V
vcmsel<1:0>
vdda
vgnd
vdda/4
vref_res_div_en
en_buf_vref_inn
en_buf_vcm
en_buf_vref
VCMBUF0
REFBUF1
REFBUF0
NC
vssd
vdda/3
vdda/3
S0 S2
S4
S1
Res d1
Res d3
Res d2
+
-
S3
S6 S5
Vref
From
Mux
Vref for ADC
Internal Reference
Buffered Unfiltered
Vref for Quantizer
No External Reference or
External Filtering

388 PSoC 5LP Architecture TRM, Document No. 001-78426 Rev. *F
Delta Sigma Converter
Figure 37-6. Connection Scenario: Internal Reference with RC Filtering
Figure 37-7. Connection Scenario: External Reference Only
S0 S2
S4
S1
Res d1
Res d3
Res d2
S3
S6
S5
Vref
From
Mux Vref for ADC
Vref for Quantizer
Resistor String
Internal reference
Buffered Filtered with
External Capacitor
C (External)
+
-
S0 S2
S4
S1
Resd1
Resd3
Resd2
S3
Vref
from
Mux
S6
S5
Vref for Quantizer is the
Same as the External Reference
Vref is Driven by
an External Source
External Reference Input
REFBUF0 is
Powered Down
(Output Tristated)
+
-

PSoC 5LP Architecture TRM, Document No. 001-78426 Rev. *F 389
Delta Sigma Converter
There are several selectable options for internal reference,
based on refmux[2:0] programming in DSM_REF0 register.
The places in the DSM block (Figure 37-3 on page 379) that
require a reference value are:
■DAC capacitor (Cref) sampling in the first integrator
■Reference for the resistive ladder inside the quantizer
block
■Common Mode Voltage (VCM) for the differential cir-
cuits. This voltage is typically 0.8 V with an option to go
to 0.7 V for better head rooms. A provision for applying
VDD / 2 is also provided.
37.3.2.8 Reference for DSM: Usage
Guidelines
The following table shows the state of various switches and
the two reference buffers for certain selectable reference
options.
Not every possible combination of closing the switches
marked S0-S13 is discussed in this section. The configura-
tion of these switches (therefore the reference selection) is
made in registers DSM_REF2 and DSM_REF3. The refer-
ence buffers can be configured in low, medium, high, and
turbo power modes in the DSM_CR17 register. The com-
mon mode voltage buffer, internal reference voltage buffer,
and the negative input buffer are powered down, using
DSM_CR17[1]; DSM_CR17[0], and DSM_REF0[3] register
bits, respectively.
1. Power on the VCMBUF0 for the DSM to function.
2. Turn on the reference buffer REFBUF1 only when you
want to drive the ADC reference to the negative input
mux of the DSM channel.
3. Power down REFBUF0 only when you want to drive ref-
erence to the ADC from an off-chip source (See the
external reference option in Table 37-10).
To get low reference noise, the option to filter is provided
with the special connections to pins P3[2] and P0[3], as
shown in Figure 37-4 on page 387 and Figure 37-7 on
page 388. Therefore, for low noise floor requirements, use
the external capacitor filter. Only two pins, P3[2] and P0[3],
are dedicated for this purpose in PSoC 5LP devices. The
switches in Table 37-10 that are marked as ON mean that
the switch is closed, and a path is created for reference to
reach DSM. Empty cells indicate that the switches are open.
Table 37-10. Analog Reference Modes for the Delta Sigma Channel
SN Mode Switch States REFBUF0
S0 S1 S2 S3 S4 S5 S6 S7 S8 S9 S10 S11 S12 S13
1Internal Reference
(No Filtering) ON ON ON ON
2Internal Reference
(Filter with P3[2]) ON ON ON ON ON
3Internal Reference
(Filter with P0[3]) ON ON ON ON ON
4External Reference
only (P3[2]) ON ON ON OFF
5External Reference
only (P0[3]) ON ON ON OFF
6Vpwra is internal ref-
erence ON ON ON OFF
Table 37-11. Guidelines for External Reference Bypass Capacitors
Resolution Bypass Capacitor Value
less than 16-bit 0.1 µF
16 bit or more 0.1 µF to 10 µF

390 PSoC 5LP Architecture TRM, Document No. 001-78426 Rev. *F
Delta Sigma Converter
37.3.3 Analog Interface
The analog interface connects the modulator to the other blocks including the decimator and the UDB. As shown in
Figure 37-8 on page 390, the analog interface converts thermometric code sent by the modulator to two’s complement and
allows for selection of modulation input, selecting and synchronizing clocks.
Figure 37-8. Analog Interface
ANALOG
ANAIF
UDB
dsmn_dout[7:0]
DECIMATOR
dsmn_dout2scomp[3:0]
1 0
dsmn_dout_udb[7:0]
mx_dout
dsmn_reset_dec
TEMPCODE-
2SCOMP
dout_sat[7:0]
out1[7:0] out0[7:0]
qlev[1:0]
dout2scomp[3:0]
dout_sync[7:0]
dsmn_startup_reset
dsmn_startup_reset_udb
SYNC
bypass_sync
1 0
mx_startup_reset
dsmn_modbitin
modbitin_en
CLK
SEL
mx_clk[2:0] clk_en
CLK
SEL
dsmn_clk
dec_clk
clk_a[3:0]
clk_a_dig[3:0]
dsmn_modbitin_udb
lut_outputs[7:0]
8
mx_modbitin[3:0] tempcode_in[7:0]
dec_irq dec_start
vp
vn
DSMn
dsmn_clk_udb
dsmn_extclk_cp_udb
dec_clk

PSoC 5LP Architecture TRM, Document No. 001-78426 Rev. *F 391
Delta Sigma Converter
37.3.3.1 Conversion of Thermometric Code to
Two’s Complement
The following table shows the conversion from thermometric
format to two’s complement for 2, 3, and 9 level quantiza-
tions performed by the analog interface. This two’s comple-
ment input is fed to the decimator.
37.3.3.2 Modulation Input
As discussed in 37.3.2.5 Other Configuration Options on
page 386, modulator gain can be inverted by the sign bit in
DSM_CR3. The sign can also be changed by a direct digital
input from LUTs or the UDB. The modulation input assists in
this process. Depending on whether the modulation input is
high or low, the gain is normal or inverted. The modulation
input can be enabled by setting the DSM_CR3[4] register
bit. Modulation input is selected by DSM_CR3[3:0] control
bits.
37.3.3.3 Clock Selection and Synchronization
The output of the modulator (quantizer) Q[7:0] can be syn-
chronized with respect to the digitally aligned clock of the
analog clock selected for the modulator. As mentioned in
37.3.2 Delta Sigma Modulator on page 379, clock selection
is done by DSM_CLK[2:0] register bits. Clock synchroniza-
tion is enabled by clearing the DSM_CLK[4] register bit.
37.3.4 Decimator
The decimator takes the 4-bit input (low resolution) in two’s
complement format and converts it into a high resolution
output. The 4-bit two’s complement values coming into the
decimator at the input sampling rate are averaged over a
specified number of samples (decimation ratio), down sam-
pled, and passed through an optional post-processing filter,
achieving a higher resolution. The decimator in PSoC 5LP
devices is a fourth order Cascaded Integrator Comb (CIC)
filter. The decimator structure is shown in Figure 37-9 on
page 392.
37.3.4.1 Shifters
There are two shifters in the block — one in front of the CIC
filter and another one in front of the post processor. The
input shift values are programmed depending on the deci-
mation ratio and quantization level to ensure that ADC
results are available in the Q31 format.
The shift values are programmed in register DEC_SHIFT1.
The shift values to be programmed in DEC_SHIFT1 and
DEC_SHIFT2 for various decimation ratios (DR1 and DR2)
and quantization levels are shown in Table 37-13 and
Table 37-14 on page 392.
Table 37-12. Two’s Complement Conversion Table
Inputs Output
qlev[1:0] dout[7:0] dout2scomp[3:0]
00 00000000 1111 -1
00 11111111 0001 +1
01 00000000 1111 -1
01 00001111 0000 0
01 11111111 0001 +1
1x 00000000 1100 -4
1x 00000001 1101 -3
1x 00000011 1110 -2
1x 00000111 1111 -1
1x 00001111 0000 0
1x 00011111 0001 +1
1x 00111111 0010 +2
1x 01111111 0011 +3
1x 11111111 0100 +4
Table 37-13. Programmed Shifter1 Values for Various Decimation Ratios (Programmed in DR1)
Decimation Ratio Quantization Levels Max Values in Range Bit Width Shift Adjustment
8 2, 3 4095 to -4096 12 Left shift 20
8 9 16383 to -16384 14 Left shift 18
16 2,3 65535 to -65536 16 Left shift 16
16 9 262143 to -262144 18 Left shift 14
32 2, 3 1048575 to -1048576 20 Left shift 12
32 9 4194303 to -4194304 22 Left shift 10
64 2, 3 16777215 to -16777216 24 Left shift 8
64 9 67108863 to -67108864 26 Left shift 6
128 2, 3 268435455 to -268435456 28 Left shift 4
128 9 173741823 to -1073741824 30 Left shift 2

392 PSoC 5LP Architecture TRM, Document No. 001-78426 Rev. *F
Delta Sigma Converter
37.3.4.2 CIC Filter
The CIC filter has four cascaded integrator sections operat-
ing at the modulator sample rate, followed by four cascaded
comb sections operating at a lower sample rate (determined
by DR1). This combination implements a sinc4 Finite
Impulse Response (FIR) filter. The CIC filter is controlled by
a finite state machine that allows it to sequence events in
the various modes of operation of the decimator. The deci-
mation ratio is programmed in the DEC_DR1 register. The
registers in CIC filter are 32-bits wide and, therefore, for
proper operation, the decimation ratio should not exceed the
values given in Table 37-15.
The decimation ratios to be configured for 12, 14, 16 and 20
bit resolutions for 9 level quantization are shown in
Table 37-16.
37.3.4.3 Post Processing Filter
The Post Processor receives 28-bit data from the output of
the CIC Decimation filter for further convenience or post pro-
cessing. Available functions are:
■Add a programmable offset coefficient to the CIC result
■Multiply a programmable gain coefficient to the CIC
result
■Apply both offset and gain
■Apply a sinc1 FIR filter
■Apply both a sinc1 filter and offset correction
■Apply both a sinc1 filter and gain correction
■Apply all three
When more than one of the three functions is enabled to
operate concurrently on the data, they are always performed
in the order: FIR > Offset > Gain. The decimator process is
shown in Figure 37-9.
The offset value to be added is programmed in registers
DEC_OCOR, DEC_OCORM, and DEC_OCORH. The 24-bit
offset is given in signed two’s complement format. The reg-
isters are coherency interlock protected (see 37.3.6 Coher-
ency Protection on page 393).
Figure 37-9. Decimator
Table 37-14. Programmed Shifter2 Values for Various
Decimation Ratios (Programmed in DR2)
Value of D2 Right Shift Value
1 No shift, bypass sync (boxcar) filter
16 4
32 5
64 6
128 7
256 8
512 9
1024 10
Table 37-15. Maximum Decimation Ratio Values for CIC
Level Bit Width Encoding (Decimal) Max Allowed
2 32 -1, 1 256
3 32 -1, 0, 1 215
9 32 -4, -3, -2, -1, 0, 1, 2, 3, 4 152
Table 37-16. Decimation Ratios for 9 Level Quantization
Final
Resolution Clock, Decimation Ratio
12-bit 6.144 MHz, 16
14-bit 6.144 MHz, 32
16-bit 3.072 MHz, 64
20-bit 3.072 MHz, 16384 (CIC + post processor)
CIC - Decimation
Sample
Data From
Modulator
Decimation
Ratio DR1
Sample
Data Out of
Decimator
Offset
FIR Gain
Post Processor
Post
Processor
Enabled
Decode of Which
PP Features
are Enabled
Shifter1
Shifter2

PSoC 5LP Architecture TRM, Document No. 001-78426 Rev. *F 393
Delta Sigma Converter
The gain correction coefficient is programmed in registers
DEC_GCOR, DEC_GCORH. The number of bits that are
valid in the above register is programmed in the
DEC_GVAL[3:0] register bits. This allows use of a part of
the 16-bits for gain correction. The registers are coherency
interlock protected. If the gain feature is used, the value pro-
grammed into the DR1 register (CIC decimation ratio) can-
not be smaller than 2+2*GVAL, allowing time for the
hardware to do a shift-add multiple during the decimation
period.
The FIR filter is a summer that implements the sinc1 filter. It
is used in cases where decimation ratios greater than 128
are desired. When the FIR function is enabled, the Post Pro-
cessor sums samples from the CIC filter, DR2 at a time,
where DR2 (10 bits) is the decimation ratio programmed in
the DEC_DR2, DEC_DR2H[1:0] registers.
Gain correction, offset correction, and FIR filtering features
can be enabled and disabled in the DEC_CR[6:4] register
bits. The Post Processor implements saturation logic that
prevents over- and under-flow wraparound in the accumula-
tor. If the DEC_CR[7] bit is set, the ALU does not wrap when
the most positive or negative number is exceeded.
The output of the conversion is stored in registers OUT-
SAMP, OUTSAMPM, and OUTSAMPH. In some configura-
tions of the block, output results of interest are placed in bits
23:8 of the output sample field. To allow reading such val-
ues in one bus cycle, an alignment feature is added to shift
the result right by 8 bits. This feature is enabled by the
OUTPUT_ALIGN bit of the DEC_SR register.
37.3.5 ADC Conversion Time
The conversion time is the time taken from the SOC to the
ADC interrupt. The conversion time provided in the table is
expressed in ADC_clk cycles. Because the SOC is an asyn-
chronous signal to ADC_clk, there can be a skew error on
all the conversion times.
37.3.6 Coherency Protection
Coherency refers to the hardware added to a block to pro-
tect against malfunctions of the block in cases where regis-
ter fields are wider than the bus access, leaving intervals in
time when fields are partially written or read (incoherent).
Coherency checking is an option and is enabled in the
DEC_COHER register.
The hardware provides coherency checking on three regis-
ter fields that are all up to three bytes wide:
■Gain and Gain Value (write protected) – really two fields,
but they are checked for coherency as if they are a sin-
gle field protected on writes so that the underlying hard-
ware does not incorrectly use the field when it partially
updated by system software.
■Offset Value (write protected) – protected on writes so
that the underlying hardware does not incorrectly use
the field when it is partially updated by the system soft-
ware.
■Output Sample Value (read protected) – protected on
reads so that the underlying hardware does not update it
when partially read by the system software or DMA.
Depending on the configuration of the block, not all bits
of the output sample register are of interest.
The coherency methodology allows for any size output field
and handles it properly. In the COHER register, coherency is
both enabled, and a Key Coherency Byte is selected. The
Key Coherency Byte allows the user to tell the hardware
which byte of the field will be written or read last when an
update to the field is desired. Each for the three protected
fields has a Coherency Interlock Flag (CIF). This flag signi-
fies whether the field is coherent.
The coherency hardware understands both 8-bit and 16-bit
accesses and when tracking coherency, handles each
appropriately. A hard or soft reset sets all CIF to coherent.
37.3.6.1 Protecting Writes (Gain/Offset) with
Coherency Checking
Starting from a coherent state (CIF is set), the software can
write any of the other non-key bytes. This action flags the
field incoherent (clears the CIF). When a field is incoherent,
it is ignored by the underlying hardware, and a shadow reg-
ister containing the last valid value is used. The field
remains flagged incoherent until the Key Coherency Byte is
written. At this time, the field is flagged coherent (CIF is
again set), and the next time the hardware needs the field
value, the new value is used, and the shadow register is
updated with the new value.
Table 37-17. ADC Conversion Time
ADC Mode Conversion Time in
ADC_clk Cycles
Single Sample, Fast Filter, Continuous (DR1 x 4)+3
Fast FIR DR1 x (DR2 +3) +6
Single Sample, Fast Filter, Continuous with
offset correction (DR1 x 4)+6
Fast FIR with offset correction DR1 x (DR2 +3) +7
Single Sample, Fast Filter, Continuous with
offset correction (DR1 x 4)+GVAL+5
Fast FIR with offset correction DR1 x (DR2 +3) +GVAL+7

394 PSoC 5LP Architecture TRM, Document No. 001-78426 Rev. *F
Delta Sigma Converter
37.3.6.2 Protecting Reads (Output Sample)
with Coherency Checking
Starting from a coherent state (CIF is set), the software can
read any of the other non-key bytes of the field. This action
flags the field incoherent (clears the CIF). When a field is
incoherent, it is protected against updates from the underly-
ing hardware, and any new samples that may be generated
while incoherent are dropped (without warning). The field
remains flagged incoherent until the Key Coherency Byte is
read. At this time, the field is flagged coherent (CIF is again
set), and the next time the hardware generates a new output
sample result, the field is updated.
37.3.7 Modes of Operation
This block has four primary operating modes:
■Single Sample
■Fast Filter
■Continuous
■Fast FIR
In Single Sample mode, the block sits in the standby state
waiting for one of two start signals (START_CONV bit in CR
register or ext_start). When a start is signaled, the block per-
forms one sample conversion (four decimation periods
where a decimation period is the count programmed in reg-
ister DEC_DR1). It then captures the result, and signals the
system by a polling or an interrupt that the process is com-
plete and waits for the next signal as it reenters the standby
state.
The Fast Filter mode captures single samples back to back,
resetting itself and the Modulator between each sample.
Upon completion of a sample, the next sample is initiated
continuously. Polling and interrupts mark result events. Fast
Filter mode is simply a continuous string of Single Samples
with channel resets between them. This mode should be
used when multiplexing channels.
If signaled to run Continuous, the filter resets the channel
then runs continuously from that point forward, until signaled
to stop, with no intervening resets of the channel. The hard-
ware blocks the first three decimation periods but then pro-
vides a result every decimation cycle thereafter.
Fast FIR mode is very much like Continuous mode, except
that the ADC channel is reset and the filter restarted when
the FIR decimation period (DR2) is reached. For example, if
the DR2 register is set to 15 and this mode is selected, the
filter:
■Resets the channel
■Blocks the first three decimation periods (DR1)
■Produces 16 samples for the FIR function to operate on
■Generates one output result
■Repeats this sequence until signaled to halt
The decimator is set to one of the four modes by
DEC_CR[3:2] bits. All four modes are started by either a
write to the start bit in the DEC_CR[0] register or an asser-
tion of the input signal ext_start. Set the DEC_CR[1] register
bit when using the external start feature. When set, this bit
ignores the DEC_CR[0] start bit. Figure 37-10 on page 395
shows the state diagram of various modes of operation of
the decimator.

PSoC 5LP Architecture TRM, Document No. 001-78426 Rev. *F 395
Delta Sigma Converter
Figure 37-10. Decimator Modes
IDLE
Reset Modulator
Clear Start
Single Sample
Start
No Start
Wait 3 Cycles to Prime
4 Stage CIC
Count out DR1
Result in Output Register
or to Post Processor if in Use
IDLE
Reset Modulator
Clear Start
Fast Filter
Start
Wait 3 Cycles to Prime
4 Stage CIC
Count out DR1
Result in Output Register
or to Post Processor if in Use
No Start
IDLE
Reset Modulator
Clear Start
Continuous
Start
No Start
Wait 3 Cycles to Prime
4 Stage CIC
Count out DR1
Result in Output Register
or to Post Processor if in Use
Runs until stopped by
CSR write of Soft
Reset
Runs until stopped by
CSR write of Soft
Reset
IDLE
Reset Modulator
Clear Start
Fast FIR
Start
No Start
Wait 3 Cycles to Prime
4 Stage CIC
Count out DR1
Pass Result to Post Processor
to Process
Runs until stopped by
CSR write of Soft
Reset
Count out DR2
Result in Output Register
Runs Once
Terminal Count
Terminal Count not
Terminal Count
Terminal Count notTerminal Count not
Terminal Count not
Terminal Count Terminal Count
Terminal Count not
Terminal Count

396 PSoC 5LP Architecture TRM, Document No. 001-78426 Rev. *F
Delta Sigma Converter

PSoC 5LP Architecture TRM, Document No. 001-78426 Rev. *F 397
38. Successive Approximation Register ADC
The PSoC® 5LP architecture has two successive approximation register analog to digital convertors (SAR ADC) in addition to
the delta sigma ADC. The SAR ADC is designed for applications that require medium resolution and high data rate. The SAR
ADC takes its input from the analog globals, locals and the mux bus and the output can be taken from a register or be sent to
the UDB for further processing.
38.1 Features
■12-bit resolution
■Single ended, differential input
■Rail-to-rail input (0V to Vdda)
■1 MSPS sample rate
■Four power modes
■Single shot or continuous running mode
Figure 38-1. SAR ADC Block Diagram
AGL 0
AGL 1
AGL 2
AGL 3
AGL 4
AGL 5
AGL 6
AGL 7
AMUXBUSL
ABUS L0
ABUS L2
VSSA
AGL 0
AGL 2
AGL 4
AGL 6
ABUS L1
ABUS L3
Vref
VSSA
SAR 0
AGR 0
AGR 1
AGR 2
AGR 3
AGR 4
AGR 5
AGR 6
AGR 7
AMUXBUSR
ABUS R0
ABUS R2
VSSA
AGR 0
AGR 2
AGR 4
AGR 6
ABUS R1
ABUS R3
Vref
VSSA
SAR 1
+
-
+
-
End of
Conversion
SOC SOC
PHUB
Vref Vref
Bandgap
Reference
External
Reference External
Reference

398 PSoC 5LP Architecture TRM, Document No. 001-78426 Rev. *F
Successive Approximation Register ADC
38.2 How It Works
38.2.1 Input Selection
The SAR ADC takes differential inputs which are well con-
nected to the analog routing structure. The positive input
connects to analog globals, analog locals and Vssa. The
negative input connects to analog globals, analog locals,
analog mux bus, voltage reference and Vssa. The input
selection, both positive and negative, is made through the
input selection mux, which can be controlled through either
the SAR routing registers in the analog interface or through
the UDB. Setting the SARx_CSR[4] bit takes the positive
input through UDB and clearing the bit takes the positive
input through registers. Similarly, setting the SARx_CSR[3]
bit takes the negative input through UDB and clearing the bit
takes the negative input through registers. If the positive and
negative input selection is made through the registers, regis-
ters SARx_SW0, SARx_SW2, SARx_SW3, SARx_SW4 and
SARx_SW6 help in making the selection.
38.2.2 Clock Selection
The clock to the SAR can come from one of the four avail-
able analog clocks or a UDB generated clock. SAR ADC
requires a low RMS jitter clock source. The maximum fre-
quency of the clock source is 18 MHz. The maximum jitter
on the sampling clock for 12-bit resolution is 32 ps RMS.
The clock selection for the SAR is made in SARx_CLK[2:0]
register bits. The clock can be enabled or disabled through
the gate control bit SARx_CLK[3]. The maximum input clock
that can be applied to the SAR is 18 MHz. The digital output
will be synchronized with respect to the corresponding digi-
tally aligned clock of the selected analog clock. This syn-
chronization can be bypassed using SARx_CLK[4] register
bit.
38.2.3 Input Sampling
The input sampling time can be programmed from the 1 to
64 cycles in register SARx_CSR2[5:0] register bits. The
user can also retain the earlier DAC value or clear it at the
beginning of the new sampling clock. This is done in
SARx_CSR0[3] register bit. The conversion time is 18
cycles for input sampling time up to four cycles. The maxi-
mum conversion time is 78 cycles for input sampling time of
64 cycles. The sampling time is chosen based on the
source's input impedance so that the input settling time is
lower than the sampling time.
38.2.4 Power Modes
The SAR ADC can be operated in different power modes.
The user can configure to operate the SAR ADC in four
power modes, namely maximum power, half of maximum
power, 1/3 of maximum power or 1/4 of maximum power.
There is a direct tradeoff between reducing the power with
one of these modes and the SNR. The power selection is
done in SARx_CSR0[7:6] register bits.
38.2.5 Reference Selection
The SAR ADC requires a stable reference voltage between
1 V and Vdda (maximum 5.5 V). The SAR ADC can take
either an internal or an external reference. The internal ref-
erence can be Vdda/2, 1.024V, 1,2V or DAC's output volt-
age. The reference selection is done in SAR_CSR1[7:5]
register bits. For the vdda/2 reference selection be avail-
able, SAR_CSR3[6] register bit has to be set.

PSoC 5LP Architecture TRM, Document No. 001-78426 Rev. *F 399
Successive Approximation Register ADC
Figure 38-2. SAR ADC Reference Voltage
The SAR ADC has four main reference modes: external ref-
erence, internal reference with external bypass capacitor,
internal reference without external bypass capacitor, and
Vdda. The external reference and internal reference with
bypass capacitor modes have similar performance and can
run up to a 18-MHz clock. Internal reference mode without
bypass capacitance cannot meet the 1-Msps rate due to ref-
erence buffer settling limitations. The maximum clock fre-
quency for this mode is 3 MHz. The bypass capacitance
requirement is a minimum of 1 µF for the 12-bit noise floor
requirement. The reference buffer startup time is within
500 µs with the external capacitor value of 1 µF.
The reference mux selects the internal references, as
shown in Table 38-2.
38.2.6 Operational Modes
The SAR can be configured in two modes, single capture or
continuous. In single capture, the SAR ADC completes one
conversion on a trigger; in the continuous mode the SAR
ADC performs continuous conversion. The trigger can be
either software or hardware. The software trigger comes
from SARx_CSR0[0] register bit and the hardware trigger is
from the UDB. The selection between software and UDB
trigger is made in SARx_CSR0[2] register bit.
As long the SOF stays high the conversion continues, the
conversion stops when the SOF goes low.
Table 38-1. SAR Analog Reference Modes
Mode Switch States
S2 S3 S4 S7
1 External Reference ON OFF OFF OFF
2 Internal Reference with External Capacitor ON OFF OFF OFF
3 Internal Reference without External Capacitor OFF ON ON OFF
4 Vdda as Reference Voltage OFF OFF OFF ON
Vdda/2
Vdac
1.024V
1.2V +
-
SAR_CSR3[6] SAR_CSR1[7:5]
HiZ
Resd1
Resd2 Resd4Resd3
Vref/2
Vdda
Reference buffer
S2
S2 S2
S2
S4
S4
S7
S7
S3 Reference to SAR
Reference Mux
Vdda
External
reference/
capacitor
Ganged
Table 38-2. Reference Mux Input Selection
SAR_CSR1[7:5] Reference Mux Input Selected Description
010 Vdda/2 Internal Vdda/2 reference
011 Vdac Vdac input
100 1.024 V Bandgap reference 1
101 1.2 V Bandgap reference 2
000, 111 NA Not used, Mux output tristated
001, 110 NA Not used

400 PSoC 5LP Architecture TRM, Document No. 001-78426 Rev. *F
Successive Approximation Register ADC
The two modes, single capture and continuous, is realized
in the way the SOF bit is configured, i.e., level or edge sen-
sitive SOF. In the level sensitive mode, the SAR ADC per-
forms the conversion as long as the SOF bit is asserted
high. So, the level sensitive mode is used for continuous
conversion.
In the edge sensitive mode, the SAR performs a conversion
on the edge and the bit is automatically reasserted low on
the completion of the conversion (on the end of frame
(EOF)). So, it has to be reasserted high for the next edge for
the SAR ADC to start conversion. This mode helps in per-
forming single sample conversions.
In case of hardware enabled SOF, the user can sync the
conversion to a PWM frequency by configuring it in the edge
mode.
The level or edge triggered function of the SOF signal is
configured in the SARx_CSR0[1] register bit.
The conversion time of the SAR is more than 18 cycles for
input sampling time of four cycles when hardware trigger is
used. This is because SOF and EOF are routed through DSI
routing and these signals encounter a delay, resulting in lon-
ger conversion time.
38.2.7 SAR ADC Output
The SAR ADC output includes:
■End of Frame (EOF) bit
■The output bits of user configured resolution
■An optional interrupt on EOF
The resolution can be configured to be 8, 10 or 12 bits in
SARx_CSR2[7:6] register bits. After a conversion is com-
plete the End of Frame (EOF) bit is asserted high in
SARx_CSR1[0] register bit. This bit is a clear on read sticky
status bit and is cleared automatically on a data read. The
conversion result is stored in the registers SARx_WRK0 and
SARx_WRK1 register. The SARx_WRK1 register bits [3:0]
stores the higher four bits [11:8] of the output. Coherency
protection can be applied to the SAR output by setting
SARx_CSR0[4] register bit. It ensures that a new output is
written only when both the registers are read.
The EOF output can be used to generate interrupt to the
CPU or DMA. The interrupt is enabled by setting the
SARx_CSR1[1] register bit. The interrupt can be made
edge/ level interrupt by setting/clearing SARx_CSR1[2] reg-
ister bit.

PSoC 5LP Architecture TRM, Document No. 001-78426 Rev. *F 401
Section G: Program and Debug
JTAG (4- or 5-wire) or serial wire debugger (SWD) (2-wire) interfaces are used to program and debug. The single wire viewer
(SWV) can also be used for “printf” style debugging. By combining SWD and SWV, you can implement a full debugging inter-
face with just three pins. These standard interfaces enables debugging or programming the PSoC® device with a variety of
hardware solutions from Cypress or third-party vendors.
This section includes the following chapters:
■Test Controller chapter on page 403
■Cortex-M3 Debug and Trace chapter on page 415
■Nonvolatile Memory Programming chapter on page 423
Top Level Architecture
Program and Debug Block Diagram
PROGRAM AND DEBUG
Program
Debug and Trace
Boundary Scan
System Bus

402 PSoC 5LP Architecture TRM, Document No. 001-78426 Rev. *F
Section G: Program and Debug

PSoC 5LP Architecture TRM, Document No. 001-78426 Rev. *F 403
39. Test Controller
The PSoC® 5LP architecture includes a test controller used for the following purposes:
■Access to I/O pins for boundary scan testing.
■Access to the device memory and registers (via the PHUB) through the PSoC 5LP Cortex-M3 Debug Access Port (DAP)
for functional testing, device programming, and program debugging.
The test controller connects to off-chip devices via the Joint Test Action Group (JTAG) interface or the serial wire debug
(SWD) interface. These interfaces use I/O port pins; the exact number of pins depends on the type of interface used.
39.1 Features
The test controller has the following features:
■Supports JTAG or SWD interface to a debug host
■SWD interface available on either GPIO or USB pins
■Supports boundary scan in accordance with the JTAG IEEE Standard 1149.1-2001 “Test Access Port and Boundary-
Scan Architecture”
■Supports additional JTAG instructions/registers beyond IEEE Standard 1149, for access to the rest of the device
■Interfaces to PSoC 5LP debug modules for access to the rest of the device for program and debug operations
39.2 Block Diagram
Figure 39-1.shows how the test controller (TC) acts as the interface between the external devices such as programmers,
debuggers, and the internal debug port (DAP) in PSoC 5LP.
Figure 39-1. PSoC 5LP Test Controller Block Diagram
TC
SWD
IO
JTAG
IO
SWD
JTAG
DAP
Cortex-M3
SRAM
AHB AHB
PHUB bus (AHB) PHUB
DMA &
AHB
Bridge
AHB SPC
NVLs
Flash
EEPROM
Program Cache
AHB
AHB
Program Cache
Program Interface Flash Interface
NV Write Bus

404 PSoC 5LP Architecture TRM, Document No. 001-78426 Rev. *F
Test Controller
The abbreviations used in the figure are:
TC - Test Controller.
DAP - Debug Access Port of Cortex-M3 CPU (ARM).
AHB - Advanced High-Performance Bus, def acto standard
from ARM.
PHUB - Peripheral HUB, advanced multi spoke bus control-
ler which allows many different functional blocks to commu-
nicate without involving of CPU for setting up the bus
transaction.
DMA - Direct Memory Access controller.
SRAM - Static Random Access Memory.
SPC - System Performance controller implements R/W
interface with non-volatile memory.
NVL - non-volatile latch.
39.3 Background Information
The following information helps to familiarize you with the
JTAG interface and the IEEE 1149 Specification and the
Serial Wire Debug (SWD) interface. An understanding of the
state machine architecture in these interfaces is necessary
to interact with the JTAG and SWD blocks in the test con-
troller.
39.3.1 JTAG Interface
In response to higher pin densities on ICs, the Joint Test
Action Group (JTAG) proposed a method to test circuit
boards by controlling the pins on the ICs (and reading their
values) via a separate test interface. The solution, later for-
malized as IEEE Standard 1149.1-2001, is based on the
concept of a serial shift register routed across all of the pins
of the IC – hence the name “boundary scan.” The circuitry at
each pin is supplemented with a multipurpose element
called a boundary scan cell. In PSoC 5LP devices, most
GPIO and SIO port pins have a boundary scan cell associ-
ated with them (see GPIO and SIO block diagrams in the I/O
System chapter on page 151).
The interface used to control the values in the boundary
scan cells is called the Test Access Port (TAP) and is com-
monly known as the JTAG interface. It consists of three sig-
nals: Test Data In (TDI), Test Data Out (TDO), and Test
Mode Select (TMS). Also included is a clock signal (TCK)
that clocks the other signals.
TDI, TMS, and TCK are all inputs to the device and TDO is
output from the device. This interface enables testing multi-
ple ICs on a circuit board, in a daisy-chain fashion, as
shown in Figure 39-2.
Figure 39-2. JTAG Interface to Multiple ICs on a Circuit Board
TMS
TCK
TDI TDO
TMS
TCK
TDI
TDO
Device 1 TMS
TCK
TDI TDO
Device 2 TMS
TCK
TDI TDO
Device 3

PSoC 5LP Architecture TRM, Document No. 001-78426 Rev. *F 405
Test Controller
Within each device, the JTAG interface architecture is
shown in Figure 39-3. Data at TDI is shifted in, through one
of several available registers, and out to TDO.
Figure 39-3. JTAG Interface Architecture
The TMS signal controls a state machine in the TAP. The
state machine controls which register (including the bound-
ary scan path) is in the TDI-to-TDO shift path, as shown in
Figure 39-4 on page 406.
The following terms apply:
■ir – the instruction register
■dr – one of the other registers (including the boundary
scan path), as determined by the contents of the instruc-
tion register
■capture – transfer the contents of a dr to a shift register,
to be shifted out on TDO (read the dr)
■update – transfer the contents of a shift register, shifted
in from TDI, to a dr (write the dr)
Instruction Register
Core
Logic
BYPASS Register
ID Register
Other Register
Test Access Port
Controller
Boundary Scan Path
IO Pads
Boundary
Scan Cells
TDI
TCK
TMS
TRST
TDO

406 PSoC 5LP Architecture TRM, Document No. 001-78426 Rev. *F
Test Controller
Figure 39-4. TAP State Machine
The registers in the TAP are:
■Instruction – Typically two to four bits wide, holds the
current instruction that defines which data register is
placed in the TDI-to-TDO shift path.
■Bypass – one bit wide, directly connects TDI with TDO,
causing the device to be bypassed for JTAG purposes.
■ID – 32 bits wide, used to read the JTAG manufacturer/
part number ID of the device.
■Boundary Scan Path (BSR) – Width equals the number
of I/O pins that have boundary scan cells, used to set or
read the states of those I/O pins.
Other registers may be included in accordance with device
manufacturer specifications.
The standard set of instructions (values that can be shifted
into the instruction register), as specified in IEEE 1149, are:
■EXTEST – Causes TDI and TDO to be connected to the
boundary scan path (BSR).
The device is changed from its normal operating mode
to a test mode. Then, the device's pin states can be
sampled using the capture dr JTAG state, and new val-
ues can be applied to the pins of the device using the
update dr state.
■SAMPLE – Causes TDI and TDO to be connected to the
BSR, but the device is left in its normal operating mode
During this instruction, the BSR can be read by the cap-
ture dr JTAG state to take a sample of the functional
data entering and leaving the device.
■PRELOAD – Causes TDI and TDO to be connected to
the BSR, but device is left in its normal operating mode.
test logic reset
run test idle
select dr scan
capture dr
shift dr
exit 1 dr
pause dr
exit 2 dr
update dr
select ir scan
capture ir
shift ir
exit 1 ir
pause ir
exit 2 ir
update ir
TMS = 0
TMS = 1
TMS = 0
TMS = 0
TMS = 1
TMS = 0
TMS = 1
TMS = 1
TMS = 0
TMS = 1
TMS = 0
TMS = 1
TMS = 1
TMS = 1
TMS = 0
TMS = 0
TMS = 1
TMS = 0
TMS = 0
TMS = 1
TMS = 0
TMS = 1
TMS = 1
TMS = 0
TMS = 0
TMS = 1
TMS = 0
TMS = 1
TMS = 1
TMS = 0
TMS = 0

PSoC 5LP Architecture TRM, Document No. 001-78426 Rev. *F 407
Test Controller
The instruction is used to preload test data into the BSR
before loading an EXTEST instruction.
Optional, but commonly available, instructions are:
■IDCODE – Causes TDI and TDO to be connected to an
IDCODE register.
■INTEST – Causes TDI and TDO to be connected to the
BSR. While the EXTEST instruction allows access to the
device pins, INTEST enables similar access to the core-
logic signals of a device.
For more information, see the IEEE Standard, available at
http://www.ieee.org.
39.3.2 Serial Wire Debug Interface
The SWD interface has two signals: data (SWDIO) and
clock for data (SWDCK). The host programmer always
drives the clock line, whereas either the programmer or
PSoC 5LP device drives the data line. Host programmer
and PSoC 5LP communicate in packet format through the
SWD interface. Write packet refers to the SWD packet
transaction in which the host writes data to PSoC 5LP. Read
packet refers to the SWD packet transaction in which the
host reads data from PSoC 5LP. The Write packet and Read
packet formats are illustrated in Figure 39-5 and
Figure 39-6, respectively
Figure 39-5. SWD ‘Write Packet’ Timing Diagram
Figure 39-6. SWD ‘Read Packet’ Timing Diagram
Start (1)
APnDP
RnW (0)
A[2:3]
Parity
Stop (0)
Park (1)
TrN
10 0
ACK[0:2]
wdata[0]
wdata[1]
wdata[31]
Parity
000
Dummy Phase (3'b000)
SWDIO driven by: Host PSoC 5LP Host
SWDCK
(Driven by Host)
SWDIO
(Bidirectional)
TrN
a.) Host Write Operation: Host sends data on the SWDIO line on the falling edge of SWDCK; PSoC 5LP reads that data on the next SWDCK
rising edge (Example: 8-bit header data, Write data(wdata[31:0]), Dummy phase (3'b000))
b.) Host Read Operation: PSoC 5LP sends data on the SWDIO line on the rising edge of SWDCK; host reads that data on the next SWDCK
falling edge (Example: ACK data (ACK[2:0])
zz
c.) The host should not drive the SWDIO line during TrN phase. During first TrN phase (½ cycle duration) of SWD packet, PSoC 5LP drives the ACK
data on the SWDIO line on the rising edge of SWDCK. The host should read the data on the subsequent falling edge of SWDCK.
The second TrN phase is 1.5 SWDCK clock cycles. Both PSoC 5LP and the host will not drive the line during the entire second TrN phase
(indicated as ‘z’). Host starts sending the Write data (wdata) on the next falling edge of SWDCK after second TrN phase.
d.) “DUMMY” phase is three SWD clock cycles with SWDIO line low. This DUMMY phase is not part of SWD protocol. The three extra clocks with
SWDIO low are required for the Test Controller in PSoC 5LP to complete the Read/Write operation when the SWDCK clock is not free-running.
For a reliable implementation, include three IDLE clock cycles with SWDIO low for each packet. According to the SWD protocol, the host can
generate any number of SWD clock cycles between two packets with SWDIO low.
Start (1)
APnDP
RnW (1)
A[2:3]
Parity
Stop (0)
Park (1)
TrN
10 0
ACK[0:2]
rdata[0]
rdata[1]
rdata[30]
rdata[31]
Parity
TrN
000
Dummy Phase (3'b000)
SWDIO driven by: Host PSoC 5LP Host
SWDCK
(Driven by Host)
SWDIO
(Bidirectional)
a.) Host Write Operation: Host sends data on the SWDIO line on the falling edge of SWDCK; PSoC 5LP reads that data on the next SWDCK
rising edge (Example: 8-bit header data, Dummy phase (3'b000))
b.) Host Read Operation: PSoC 5LP sends data on the SWDIO line on the rising edge of SWDCK; the Host reads that data on the next
SWDCK falling edge (Example: ACK data (ACK[2:0], Read data (rdata[31:0]))
c.) The host should not drive the SWDIO line during TrN phase. During first TrN phase (½ cycle duration) of SWD packet, PSoC 5LP drives the ACK
data on the SWDIO line on the rising edge of SWDCK. The host should read the data on the subsequent falling edge of SWDCK.
The second TrN phase is 1.5 SWDCK clock cycles. Both PSoC 5LP and the host will not drive the line during the entire second TrN phase
(indicated as ‘z’). Host starts sending the Dummy phase (3'b000) on the next falling edge of SWDCK after the second TrN phase.
d.) “DUMMY” phase is three SWD clock cycles with SWDIO line low. This DUMMY phase is not part of SWD protocol. The three extra clocks with
SWDIO low are required for the Test Controller in PSoC 5LP to complete the Read/Write operation when the SWDCK clock is not free-running.
For a reliable implementation, include three IDLE clock cycles with SWDIO low for each packet. According to the SWD protocol, the host can
generate any number of SWD clock cycles between two packets with SWDIO low.

408 PSoC 5LP Architecture TRM, Document No. 001-78426 Rev. *F
Test Controller
A complete data transfer requires 46 clocks (not including
the optional three dummy clock cycles in Figure 39-5 and
Figure 39-6). Each data transfer consists of three phases:
■Packet request – External host programmer issues a
request to PSoC 5LP.
■Acknowledge response – PSoC 5LP sends an
acknowledgement to the host.
■Data – This is valid only when a packet request is fol-
lowed by a valid (OK) acknowledge response.
The data transfer is either:
■PSoC 5LP to host, following a read request – RDATA
■Host to PSoC 5LP, following a write request – WDATA
In Figure 39-5 and Figure 39-6, the following sequence
occurs:
1. The start bit initiates a transfer; it is always logic ‘1’.
2. The APnDP bit determines whether the transfer is an AP
access, ‘1’, or a DP access, ‘0’.
3. The next bit is RnW, which is ‘1’ for a read from
PSoC 5LP, or ‘0’ for a write to PSoC 5LP.
4. The ADDR bits (A[3:2]) are register select bits for access
port or debug port. See Table 39-8 for address bit defini-
tions.
5. The parity bit has the parity of APnDP, RnW, and ADDR.
This is even parity bit. If number of logical 1’s in these
bits is odd, then parity must be ‘1’, otherwise it is ‘0’.
If the parity bit is not correct, the header is ignored by the
target device; there is no ACK response. For host imple-
mentation, the programming operation should be
stopped and tried again by doing a device reset.
6. The stop bit is always logic ‘0’.
7. The park bit is always logic’1’ and should be driven high
by the host.
8. The ACK bits are the device-to-host response.
Possible values are shown in Table 39-1. Note that the
ACK in the current SWD transfer reflects the status of
the previous transfer. OK ACK means the previous
packet was successful. WAIT response indicates that
the previous packet transaction is not yet complete. For
a Fault operation, the programming operation should be
aborted immediately.
Table 39-1. ACK Response for SWD Transfers
a. For a WAIT response, if the transaction is a read, the
host ignores the data read in the data phase.
PSoC 5LP does not drive the line and the host must
not check the parity bit as well.
b. For a WAIT response, if the transaction is a write,
PSoC® 5LP ignores the data phase. However, the
host must still send the data to be written from an
implementation standpoint. The parity data corre-
sponding to the data should also be sent by the host.
c. A WAIT response indicates that the PSoC 5LP
device is processing the previous transaction. The
host can try for a maximum of four continuous WAIT
responses to see if an OK response is received, fail-
ing which, it can abort the programming operation
and retry.
d. For a FAULT response, the programming operation
should be aborted and retried by doing a device
reset.
9. The data phase includes a parity bit (even parity, similar
to the packet request phase).
a. For a read data packet, if the host detects a parity
error, then it must abort the programming operation
and restart.
b. For a write data packet, if the PSoC 5LP detects a
parity error in the data packet sent by the host, it gen-
erates a FAULT ACK response in the next packet.
10. Turnaround (TrN) phase: According to the SWD proto-
col, the TrN phase is used both by the host and
PSoC 5LP to change the Drive modes on their respec-
tive SWDIO line. During the first TrN phase after packet
request, PSoC 5LP drives the ACK data on the SWDIO
line on the rising edge of SWDCK in TrN phase. This
ensures that the host can read the ACK data on the next
falling edge. Thus, the first TrN cycle is only for half cycle
duration. The second TrN phase is one-and-a-half cycle
long. Neither the host nor PSoC 5LP should drive
SWDIO line during both phases as indicated by ‘z’ in
Figure 39-5 and Figure 39-6.
11. The address, ACK, and read and write data are always
transmitted least significant bit (LSB) first.
12. At the end of each SWD packet in Figure 39-5 and
Figure 39-6, there is a “DUMMY” phase, which is three
SWD clock cycles with SWDIO line held low. The
dummy phase is not part of the SWD protocol. The three
extra clocks with SWDIO low are required for the Test
Controller in PSoC 5LP to complete the Read/Write
operation when the SWDCK clock is not free-running.
For a reliable implementation, include three IDLE clock
cycles with SWDIO low for each packet. According to the
SWD protocol, the host can generate any number of
SWD clock cycles between two packets with SWDIO
low.
Note The SWD interface can be reset anytime during pro-
gramming by clocking 50 or more cycles with SWDIO high.
To return to the idle state, SWDIO must be clocked low
once. The host programmer can begin a new SWD packet
transaction from the idle state.
ACK[2:0] JTAG SWD
OK 010 001
WAIT 001 010
FAULT 100 100

PSoC 5LP Architecture TRM, Document No. 001-78426 Rev. *F 409
Test Controller
39.4 How It Works
Figure 39-7. Test Controller Internal Architecture
Figure 39-7 illustrates the detailed architecture of the test
controller. It shows how the test controller acts as the inter-
face between external devices and the internal blocks in
PSoC 5LP. An understanding of the working of the test con-
troller is necessary to develop programmers and debuggers
for PSoC 5LP.
At the core of the TC are the JTAG TAP and SWD FSM. The
JTAG Test Access Port (TAP) implements the state machine
shown in Figure 39-4. There are two JTAG TAP's in
PSoC 5LP – one inside the TC and the other inside the Cor-
tex M3 Debug and Access Port (DAP). The SWD Finite
State Machine (FSM) is used to decode the SWD packets
shown in Figure 39-5 and Figure 39-6. There are two SWD
FSMs – one inside the TC and the other inside the DAP;
they are connected in parallel. The SWD interface is sup-
ported on two pairs of pins - Port 1 SWD and USB SWD
pins. The acquisition logic inside the TC selects the appro-
priate SWD pair by monitoring the activity on these pins and
also based on the debug port select (DPS), Debug Enable
NVL settings explained in the Nonvolatile Latch chapter on
page 85. Unlike SWD, JTAG interface is supported only on
Port 1. The Port 1 SWD pins share functionality with the
JTAG pins (TMS and SWDIO, TCK and SWDCK).
The JTAG TAP, SWD FSM inside the test controller also pro-
vides access to the TC registers while the JTAG TAP, SWD
FSM inside the CM3 DAP provides access to rest of the
device registers and memory.
39.4.1 JTAG Interface Implementation
In PSoC 5LP, there are two JTAG TAPs – one in the TC and
another in the Cortex-M3's DAP. The two TAPs are con-
nected in series, as shown in Figure 39-7, which means the
TDO of the TC is connected to the TDI of the DAP. Each
TAP has a 4-bit instruction register and a 35-bit data regis-
ter. The TC TAP is used to access the TC registers and the
boundary scan while the DAP's TAP is used for firmware
debug and programming. Typically, only one of the TAP's
will be used at a time and the other TAP will be in BYPASS
mode of the JTAG.
The instruction set for the JTAG TAP is listed in Table 39-2.
CM3 DAP
USBACQ
PRT1ACQ
TST_CR1
TST_CR2
TST_CR3
PM_CTRL
TST_KEY
TST_CR4
Test Logic Control Signals
IO & Port Logic
SWD FSM
swclktck / swditms JTAG TAP
SWD FSM
JTAG TAP
tck / tms
tdi tc tdo
dap tdi
dap tdo
dap swdo
tc tdo
tc swdo
tc tdo
dap tdo
dap swdo
swdo
tdo
Test Controller
port 1
usb
security logic

410 PSoC 5LP Architecture TRM, Document No. 001-78426 Rev. *F
Test Controller
EXTEST, IDCODE, BYPASS, and PRELOAD are all JTAG
required instructions and information regarding these
instructions can be found in the JTAG IEEE Test Access
Port and Boundary-Scan Architecture Specification docu-
ment (Std 1149.1). The 32-bit JTAG ID code is returned
when the IDCODE instruction is executed. Note that the 32-
bit JTAG ID returned will be different for TC and the DAP.
The TC returns the device JTAG ID code when an IDCODE
instruction is executed. The device JTAG ID code is given in
the respective device datasheets. The DAP has its own
JTAG ID and it will always return the Cortex M3 JTAG ID
irrespective of the P 5LP device manufacturing part number.
From an end user perspective, only the TC JTAG ID is use-
ful because it can be used to uniquely identify the different
manufacturing part numbers.
The ABORT instruction is an ARM instruction used to abort
the current AP access transaction.
The DPACC instruction is used to access the Debug Port
configuration registers. The APACC is the instruction used
to access the JTAG Access Port registers. The address of
the important APACC and DPACC access registers is given
in Table 39-3. The complete register set can be found in the
ARM Cortex-M3 Technical Reference Manual r1p0 (ARM
TRM).
The 35-bit data register is used for the DPACC, APACC, and
ABORT instructions. In the JTAG update dr state, the struc-
ture is as follows.
■Bits 34 to 3 (32 bits of data) – If the Port register is less
than 32 bits wide, only the N LS bits are transferred,
where N is the width of the Port register.
■Bits 2 to 1 – 2-bit address for Debug or Access Port reg-
ister select (Table 39-3).
■Bit 0 – RnW – 1 = read (from device to debug host); 0 =
write (to device from debug host)
In the JTAG capture dr state, the structure is as follows.
■Bits 34 to 3 (32 bits of data) – If the Port register is less
than 32 bits wide, only the N LS bits are transferred,
where N is the width of the port register.
■Bits 2 to 0 (ACK response code) – Depending on the
interface, the ACK response is indicated in Table 39-4.
The IDCODE instruction only uses 32-bits of the data regis-
ter and the BYPASS instruction only uses 1-bit of the data
register. For all instructions, parallel data is entered into the
data register during the capture data register state and par-
allel data is outputted and compared in the update data reg-
ister state. When the BYPASS instruction is selected the 1-
bit data register is set to ‘0’ in the capture data register state.
Table 39-2. JTAG TAP Instruction Set
Instruction Applicable
Interface Instruction Code
[3:0] PSoC 5LP Function
EXTEST TC 0110 See IEEE 1149.1-2001
PRELOAD TC 0010 See IEEE 1149.1-2001
CLAMP TC 0101 Connects TDI and TDO to the BYPASS register, and sets the pins to the current contents of the
boundary scan register
INTEST TC 0100 See IEEE 1149.1-2001
ABORT DAP 1000 Aborts the current AP access instruction. Connects TDI and TDO to the DP/AP Access register.
DPACC TC and DAP 1010 Connects TDI and TDO to the DP/AP Access register, for accesses to the Debug Port registers.
APACC TC and DAP 1011 Connects TDI and TDO to the DP/AP Access register, for accesses to the Access Port registers.
IDCODE TC and DAP 1110 See IEEE 1149.1-2001
BYPASS TC and DAP 1111 See IEEE 1149.1-2001
Table 39-3. JTAGP DP Access and AP Access Registers
Addr[1:0] DPACC APACC
2'b00 Reserved Control and Status Word
2b01 DP Control/Status Transfer Address
2b10 AP Select Register Reserved
2'b11 Read Buffer Data Read/Write
Table 39-4. ACK Response for JTAG/SWD Transfers
ACK JTAG SWD
OK 3'b010 3'b001
WAIT 3'b001 3'b010
FAULT 3'b100 3'b100

PSoC 5LP Architecture TRM, Document No. 001-78426 Rev. *F 411
Test Controller
For instructions PRELOAD, EXTEST, and INTEST the
boundary scan register is selected between TDI and TDO.
The CLAMP instruction loads the 1-bit BYPASS register
between TDI and TDO and asserts the TC's clamp output,
which alerts the port logic to set the I/Os to the current con-
tents of the boundary scan register.
In most cases, the external device will see two TAPs con-
nected in series and this determines if access is granted to
the DAP. See Cortex M3 DAP Access Criteria on page 412
for details on DAP access. When configuring the two TAPs,
the total instruction register length is 8-bits (4-bits per TAP).
Figure 39-8. Instruction Register Length for both TAPs
TMS (swditms) is the input used to navigate between the
JTAG states and is sampled on the rising edge TCK
(clk_swtck). TDI is the input used to shift in the instruction
and data and is also sampled on the rising edge of TCK.
The instructions are loaded during the Shift-IR state of the
JTAG FSM (lsb first) with the last bit of the instruction shifted
in on the transition between Shift-IR and Exit-IR. TMS is
then used to navigate to the Update-IR state which is the
state that updates the newly loaded instruction.
Similar to the instruction register, the data register is
accessed by using TMS to navigate to the Shift-DR state.
Data is shifted in (LSB first) with TDI, and TDO shifts out the
data on the negative edge of TCK. As mentioned above, the
data register changes size based on the selected instruc-
tion.
The typical mode that will be used for debug and device pro-
gramming is the TC's TAP in BYPASS with the DAP's TAP
instruction set to APACC. APACC is the instruction used to
access the Transfer Address register and the Data Read/
Write registers which are the two registers required to initi-
ate data transactions over the system bus.
Figure 39-9. TC in BYPASS while DAP in APACC Mode
TC registers can be accessed by putting the TC in APACC
and the DAP in BYPASS.
Figure 39-10. TC in APACC while DAP in BYPASS
A write transaction is triggered by first setting the Transfer
Address register, then setting the Data Read/Write register
with your write data. The write transaction is triggered at the
Update-DR state. On a read request, bits [34:3] are ignored
during the first read, and the returned read data will be
loaded in the data register when the JTAG FSM goes
through the Update-DR state to the Capture-DR state.
When the contents of the data register are shifted out in the
Shift-IR state the read data will be stored at bits [34:3], and
bits[2:0] will contains the ACK response. So the data regis-
ter has to be read twice and the data read during the second
read is the actual register data. Note because the DAP is
bypass the length of both data registers combined is 36-bits,
so taking this into account the actual read data is stored in
bits [35:4] and the ACK response will be stored in bits [3:1].
If the read is successful the "OK" response will be returned.
If another read request is initiated while the last read request
is in progress the "WAIT" response is returned. To avoid
WAIT responses, read transfers require an additional five
TCK clock cycles in the idle state in between the read
request and the shift out of the data register which will return
read data. Fault responses occur when attempting to access
a non-TC register when access is not granted.
39.4.2 SWD Interface Implementation
The serial wire access port uses the serial wire debug
(SWD) protocol developed by ARM. SWD uses the same
APACC and DPACC registers as JTAG to execute data
transactions, but also allows SWD to read the DAPs SWD
ID Code from the DPACC register space. See Table 39-5
The SWD packet format for write and read transactions is
given in Figure 39-5 and Figure 39-6 respectively. Unlike the
JTAG TAPs, the SWD FSM's in TC and the DAP are con-
nected in parallel as shown in Figure 39-7. Based on the
address received from the host, the appropriate SWD FSM
will respond. If the 32-bit address from the host corresponds
Instruction Regs.
TDI TDO
TC DAP
Data Regs. { bypass, apacc}, read_ data = data_reg[34:3]
TDO
0
TDI TC DAP
Data[34:3]
ack[2:0] or {addr[2:1],RnW}
[35:0]
Table 39-5. SWD DP Access and AP Access Registers
Addr[1:0] DPACC APACC
2'b00 SWD ID Code Control and Status Word
2b01 DP Control/Status Transfer Address
2b10 AP Select Register Reserved
2'b11 Read Buffer Data Read/Write
Data Regs. { apacc, bypass}, read_ data = data_reg[35:4]
TDO
0
TDI
TC DAP
Data[34:3]
ack[2:0] or {addr[2:1],RnW}
[35:0]

412 PSoC 5LP Architecture TRM, Document No. 001-78426 Rev. *F
Test Controller
to the test controller register address, the TC SWD FSM out-
put is selected. For addresses corresponding to device
memory (SRAM, flash) and other registers in PSoC 5LP, the
output of the SWD FSM from the CM3 DAP will be selected.
39.4.3 Acquiring the Debug Port
The first step in programming, debugging, or doing a bound-
ary scan is to acquire the debug port. This gives the external
device access to the physical interface of the selected proto-
col. There are two methods of acquiring the debug port.
■Two nonvolatile latch (NVL) bits (CNVL_DPS[1:0]) deter-
mine the state of the Port 1 Debug interface pins after
device reset is released. The meaning of these bits is
shown in Table 39-6.
If the NV latch bits are anything other than the Debug
Port Disabled setting (GPIO setting), then the corre-
sponding debug interface on Port 1 is accessible any-
time to the external device. Boundary scan testing using
standard boundary scan tools, device programming
using standard JTAG programmers require that the
CNVL_DPS[1:0] be set to one of the JTAG settings (4-
wire JTAG or 5-wire JTAG). Devices coming from the
factory have the default DPS setting as 4-wire JTAG to
enable support for standard third party JTAG tools. Note
that these settings are applicable only for Port 1 debug
pins. Programming, debugging over the USB SWD pins
require the method given in next step to acquire the port.
■If the Port 1 debug port is disabled (GPIO NVL setting)
or to program/debug over the USB SWD pins, the only
way to gain debug access to the part is to enter a valid
port acquire key within a key window period of 8 µs after
reset (8 µs is only the initial window, it extends to 400 µs
if eight clocks are sampled in 8 µs). The port acquire key
must be transmitted over one of the two SWD pin pairs,
as indicated in the following table.
The SWD packet request phase consists of:
■APnDP = 0
■RnW = 0
■ADDR = 11
■WDATA = 0x7B0C06DB with WDATA Parity = 0
The SWD frame should be transmitted until the ACK
response is OK. If the debug port is disabled (GPIO setting),
then the OK ACK will typically be received during the sec-
ond try. The SWD interface will be in the idle state, ready for
the next write. See PSoC 5LP Programming Specifications
for detailed timing diagrams on the test controller acquisi-
tion.
Note that irrespective of the CNVL_DPS settings, the debug
port can always be acquired through one of the SWD pairs
by sending the port acquire key. When acquired, the active
debug port gets configured to the SWD port on which the
acquisition key was sent. Further transactions can be done
only on the selected SWD pin pair. If the Port 1 SWD pair
was used for acquiring, there is the option of switching to
JTAG interface by sending the JTAG to SWD switching
sequence on the Port 1 pins. The active debug port will then
be configured to 4-wire JTAG.
39.4.4 Cortex M3 DAP Access Criteria
Cortex M3 DAP access is required for device programming
and debugging. The DAP access criteria discussed in this
section assumes that the debug port is already acquired as
explained in the previous section. This is a necessary
requirement for DAP access.
The SWD FSM, JTAG TAP in the Cortex M3 DAP can be
accessed only if the DAP access is enabled by the
DEBUG_EN customer NVL bit or by test mode entry. The
test mode entry details can be found in the PSoC 5LP Pro-
gramming Specifications. Access will be completely blocked
if the Write Once Latch (WOL) is set with the correct security
key, as explained in Nonvolatile Latch chapter on page 85.
When DAP access is granted, the two JTAG TAPs are in
series and the bottom multiplexer in Figure 39-7 selects
dap_tdo. When DAP access is not granted or the device is
in a low-power mode, only the TC TAP will be seen by the
external device and the bottom multiplexer selects tc_tdo.
SWD mode follows the same security and low power rules
as JTAG. When DAP access is not granted or the device is
in a low-power mode, tc_swdo is selected by the bottom
multiplexer in Figure 39-7. When DAP access is granted,
the default selection of the bottom multiplexer is dap_swdo.
The TC is always monitoring SWD transactions, and when
either a port acquire attempt happens or TC register is being
accessed, tc_swdo is selected.
Table 39-6. Port 1 Debug Port NVL Settings
CNVL_DPS[1:0] Port Configuration
00 5 - Wire JTAG (nTRST is included)
01 (default) 4 - Wire JTAG (nTRST is not used)
10 Serial wire debug (SWD)
11 Debug Port Disabled (GPIO)
Table 39-7. SWD Pin Pairs
SWD Pin Pair SWDIO SWDCK
Standard P1[0] P1[1]
Alternate P15[6] (USB D+) P15[7] (USB D-)

PSoC 5LP Architecture TRM, Document No. 001-78426 Rev. *F 413
Test Controller
When the write once latch is set to enable device security,
the debug port may still be acquired through the SWD inter-
face but the TC functionality is limited:
■Test Mode cannot be entered
■Access to the DAP is denied
■JTAG mode may not be entered (no boundary scan)
■All reads of the Data Read/Write register return
0x5AFE5AFE
39.4.5 Device Programming
Device programming refers to the programming of the non-
volatile memory in PSoC 5LP. The first two steps in device
programming are the acquisition of the debug port and also
enabling access to the CM3 DAP to perform the program-
ming operations. The complete sequence for programming
a PSoC 5LP device through the SWD, JTAG interface is
given in the PSoC 5LP Programming Specifications.
39.4.6 Boundary Scan
To perform a boundary scan in PSoC 5LP using standard
boundary scan tools, the debug port NVL setting should only
be either of 4-wire JTAG (default setting) or 5-wire JTAG.
Also, the DEBUG_EN NVL setting determines whether the
DAP TAP will be in series with the TC TAP (DEBUG_EN =
1) or the DAP TAP will not be accessible by the external
boundary scan tool ((DEBUG_EN = 0). Devices coming
from the factory have the DEBUG_EN NVL setting as 1,
thereby enabling the DAP TAP by default. In this case, the
DAP TAP should be configured to be in BYPASS mode of
JTAG and the TC TAP should be loaded with the boundary
scan instructions. The data register access should also con-
sider the 1-bit addition to its length due to the presence of 1-
bit BYPASS register along with the TC data register (similar
to the example in Figure 6). If DEBUG_EN = 0, then only the
TC TAP needs to be loaded with the boundary scan instruc-
tions and the data register length will only be that of the TC
TAP according to the selected boundary scan instruction.
To perform a boundary scan:
1. At reset, assume that the pins state is unknown.
2. Optional: Do a port acquire within the key window, which
enables the SWD interface. This step is not required if
the DPS setting is 4-wire JTAG or 5-wire JTAG.
3. Optional: Shift to the JTAG interface from SWD. This
step is required only if step 2 is applicable.
4. Reset the JTAG TAP.
5. Start doing boundary scan operations. The instruction,
data register accesses during boundary scan operation
should also consider whether the DAP TAP is present
(DEBUG_EN = 1) or not (DEBUG_EN = 0).
39.4.7 Boundary Scan Pin Order
For the 100-pin TQFP device, the boundary scan path (BSR) is connected to the I/O pins around the part from TDI (P1[4])
through TDO (P1[3]), in the order shown in the following table.
Similar boundary scan paths exist on the 68-pin QFN part.
Table 39-8. Boundary Scan Pin Order
BSR# Pin BSR# Pin BSR# Pin BSR# Pin BSR# Pin BSR# Pin
1 P1[5] 13 P15[1] 25 P15[3] 37 P0[7] 49 P15[5] 61 P6[5]
2 P1[6] 14 P3[0] 26 P12[2] 38 P4[2] 50 P2[0] 62 P6[6]
3 P1[7] 15 P3[1] 27 P12[3] 39 P4[3] 51 P2[1] 63 P6[7]
4 P12[6] 16 P3[2] 28 P4[0] 40 P4[4] 52 P2[2] 64 XRES
5 P12[7] 17 P3[3] 29 P4[1] 41 P4[5] 53 P2[3] 65 P5[0]
6 P5[4] 18 P3[4] 30 P0[0] 42 P4[6] 54 P2[4] 66 P5[1]
7 P5[5] 19 P3[5] 31 P0[1] 43 P4[7] 55 P2[5] 67 P5[2]
8 P5[6] 20 P3[6] 32 P0[2] 44 P6[0] 56 P2[6] 68 P5[3]
9 P5[7] 21 P3[7] 33 P0[3] 45 P6[1] 57 P2[7] 69 P1[2]
10 P15[6] 22 P12[0] 34 P0[4] 46 P6[2] 58 P12[4]
11 P15[7] 23 P12[1] 35 P0[5] 47 P6[3] 59 P12[5]
12 P15[0] 24 P15[2] 36 P0[6] 48 P15[4] 60 P6[4]

414 PSoC 5LP Architecture TRM, Document No. 001-78426 Rev. *F
Test Controller

PSoC 5LP Architecture TRM, Document No. 001-78426 Rev. *F 415
40. Cortex-M3 Debug and Trace
The PSoC® platform provides extensive support for programming, testing, debugging, and tracing both hardware and firm-
ware. PSoC 5LP supports four interfaces: JTAG, SWD, SWV, and TRACEPORT. Cortex-M3 debug and trace functionality
enables full device debugging in the final system using the standard production device.
Cortex-M3 debugging features are classified into two types: invasive debugging and noninvasive debugging. Invasive debug-
ging includes program halting and stepping, breakpoints, data watchpoints, register value access, and ROM-based debug-
ging. Noninvasive debugging includes memory access, instruction trace, data trace, software trace, and profiling.
40.1 Features
■Debug access to all memory and registers in the system, including Cortex-M3 register bank when the core is running or
halted
■JTAG or SWD access
■Flash Patch and Breakpoint (FPB) block for implementing breakpoints and code patches
■Data Watchpoint and Trace (DWT) block for implementing watchpoints, trigger resources, and system profiling
■Embedded Trace Macrocell (ETM) for instruction trace
■Instrumentation Trace Macrocell (ITM) for support of printf style debugging
■Support for six breakpoints and four watchpoints
■Trace Port Interface Unit (TPIU) for bridging to a Trace Port Analyzer (TPA)

416 PSoC 5LP Architecture TRM, Document No. 001-78426 Rev. *F
Cortex-M3 Debug and Trace
Figure 40-1. Debug and Trace Block Diagram
Debug control and data access occurs through the
Advanced High-performance Bus-Access Port (AHB-AP)
interface. This interface is driven by either the serial wire
debug port (SW-DP) or serial wire JTAG debug port (SWJ-
DP) components.
Through internal PPB, the debugger can access:
■Nested Vectored Interrupt Controller (NVIC) - for debug
access to the processor core
■DWT
■FPB
■ITM
Through external PPB, the debugger can access:
■ETM
■Trace Port Interface Unit (TPIU)
Through the DCode bus, the debugger can access memory
located in the code space. The system bus provides access
to bus, memory, and peripherals located in the system bus
space.
40.2 How It Works
The PSoC 5LP JTAG and SWD interfaces comply with stan-
dard specifications and offer extensions unique to
PSoC 5LP architecture.
40.2.1 Test Controller (TC)
The Test Controller is used for the following purposes:
■Access to I/O pins for boundary scan testing.
■Access to the device memory and registers (via the
PHUB) through PSoC 5LP Cortex-M3 Debug Access
Port (DAP) for functional testing, device programming,
and program debugging.

PSoC 5LP Architecture TRM, Document No. 001-78426 Rev. *F 417
Cortex-M3 Debug and Trace
Figure 40-2. PSoC 5LP Test Controller interface
In PSoC 5LP devices, under certain JTAG instructions, the
JTAG or SWD signals are passed to the ARM Debug
Access Port. For details, see the Test Controller chapter on
page 403.
40.2.2 PSoC 5LP JTAG Instructions
The PSoC 5LP JTAG interface complies with the IEEE
1149.1-2001 Specification and provides additional instruc-
tions. The instruction register is four bits wide. Instructions
are listed in Table 39-2 on page 410.
40.2.2.1 Debug Port and Access Port
Registers
The registers are part of the ARM Cortex-M3 Debug Access
Port (DAP). In the PSoC 5LP Cortex-M3, the DAP consists
of the SWD/JTAG Debug Port (SWJ-DP) and the AHB
Access Port (AHB-AP). The registers are listed in Table 39-3
on page 410.
For more information on these ports and their registers, see
the ARM Debug Interface Architecture Specification (for the
SWJ-DP), and the ARM Cortex-M3 Technical Reference
Manual (for the AHB-AP), available at http://www.arm.com.
40.2.2.2 Test Controller Interface Pins
Two NV latch bits determine the state of the JTAG/SWD
interface pins at reset. The settings of the bits are shown in
Table 39-6 on page 412.
The SWV interface consists of a single output signal (TRAC-
ESWO) that shares a pin with the JTAG TDO signal. When
the pins are configured for SWD mode, then SWV is also
routed to the TDO/TRACESWO pin.
40.2.3 TRACEPORT
In PSoC 5LP devices, the TRACEPORT pins are a part of
the TPIU and are used to provide the trace output. The
TRACEPORT has five pins and is used for the fast transmis-
sion of large trace streams.
40.3 Core Debug
Core debug allows users to exercise features such as
enabling debug, halting, stepping, and accessing the PSoC
memory and registers. Core debug is accessed through the
core debug registers. The main core debug registers are:
■Debug Halting Control and Status Register (DHCSR)
■Debug Exception and Monitor Control Register
(DEMCR)
■Debug Core Register Data Register (DCRDR)
■Debug Core Register Selector Register (DCRSR)
Among these the DHCSR allows enabling the core debug,
providing status information about the state of the proces-
sor, and halting and stepping the processor. More details
regarding these registers can be found in the ARM Cortex-
M3 Technical Reference Manual, available at http://
www.arm.com.
40.3.1 Enabling the Debug
The core debug can be enabled by setting the
C_DEBUGEN bit of the DHCSR.
Note that when the debug controller is enabled, it can read
the entire flash memory regardless of the flash protection
setting. Therefore, if flash protection is required, the debug
controller also needs to be disabled.
40.3.2 Halting
The debugger can halt the core by setting the C_DEBUGEN
and C_HALT bits of the DHCSR. The core acknowledges
when halted by setting the S_HALT bit of the DHCSR.
40.3.3 Stepping
The core can be single stepped by halting the core, setting
the C_STEP bit to ‘1’, and then clearing the C_HALT bit to
‘0’. The core acknowledges completion of the step and re-
halts by setting the S_HALT bit of the Debug Halting Control
and Status Register.
The core can exit halting debug by clearing the
C_DEBUGEN bit in the DHCSR.
40.3.4 Accessing PSoC Memory and
Registers
The DCRDR and DCRSR are used to access the PSoC
memory and registers. The register and memory access are
32 bits wide.
Test
Controller DAP
TDI
TDI_OUT
TMS_OUT
TCK_OUT
TDO_IN
SWDO_IN
SWDO
SWDOEN
TDO
nTDOEN
SWCLKTCK
SWDITMS
Cortex-M3

418 PSoC 5LP Architecture TRM, Document No. 001-78426 Rev. *F
Cortex-M3 Debug and Trace
To use the registers to read the contents of a register, the
perform the following steps:
1. Set the C_DEBUGEN and C_HALT bits of the DHCSR.
This enables the debug and halts the core.
2. Wait for the S_HALT bit of the DHCSR to be set. This
indicates that the core is halted.
3. Write to the DCRSR with bit 16 set to ‘0’, indicating it is a
read operation.
4. Poll until the S_REGRDY bit in DHCSR is ‘1’.
5. Write the register number to be read into the DCRSR.
6. Read the value from the DCRDR.
To write to a register, perform the following steps:
1. Make sure the processor is halted by following steps 1
and 2 mentioned above.
2. Write data value to the DCRDR.
3. Write to the DCRSR with bit 16 set to ‘1’, indicating it is a
write operation.
4. Write the register number that you want to write to into
the DCRSR.
5. Poll until the S_REGRDY bit in DHCSR is ‘1’. When the
bit becomes ‘1’, the write operation is complete.
The Memory Access Port (MEM-AP) provides access to the
memory through the DAP. All accesses to a MEM-AP are
made through the MEM-AP registers. All registers are 32
bits wide. The important registers required for memory
access include:
■Control/Status Word Register (CSW) – The CSW Reg-
ister configures and controls accesses through the
MEM-AP to or from a connected memory system.
■Transfer Address Register (TAR) – The TAR holds the
memory address to be accessed.
■Data Read/Write Register (DRW) – The DRW holds a
32-bit data value. In write mode, the DRW holds the
value to write for the current transfer to the address
specified in TAR[31:0]. In read mode, the DRW holds the
value read in the current transfer from the address spec-
ified in TAR[31:0].
■Configuration Register (CFG) – The CFG Register
provides information about the configuration of the
MEM-AP implementation. It indicates whether memory
accesses by the MEM-AP are big-endian or little-endian.
■Debug Base Address Register (BASE) – The BASE
Register provides an index into the connected memory-
mapped resource. This index value points to one of the
following, the start of a set of debug registers or a ROM
table that describes the connected debug components.
For more details on the Memory Access Port and registers,
see the ARM Debug Interface Architecture Specification,
available at http://www.arm.com.
40.4 System Debug
The processor contains several system debug components
that facilitate low cost debug, trace and profiling, break-
points, watchpoints and code patching.
The system debug components are:
❐Flash Patch and Breakpoint (FPB) unit to implement
breakpoints and code patches.
❐Data Watchpoint and Trace (DWT) unit to implement
watchpoints, trigger resources, and system profiling.
❐Instrumentation Trace Macrocell (ITM) for applica-
tion-driven trace source that supports printf style
debugging.
❐Embedded Trace Macrocell (ETM) for instruction
trace. The processor is supported in versions with
and without the ETM.
40.4.1 Flash Patch and Breakpoint (FPB)
Unit
The main functions of the FPB are:
■Implement hardware breakpoint (generates a breakpoint
event to the processor to invoke debug modes such as
halt or debug monitor).
■Patch instruction or data from code memory space to
SRAM.
The FPB unit contains:
■Two comparators for matching against literal loads from
code space, and remapping to a corresponding area in
system space.
■Six instruction comparators for matching against instruc-
tion fetches from code space, and remapping to a corre-
sponding area in system memory space. Alternatively, it
is possible to individually configure the comparators to
return a Breakpoint Instruction (BKPT) to the processor
core upon a match, providing hardware breakpoint capa-
bility.
The FPB has a flash patch control register that contains an
enable bit to enable the FPB. In addition, each comparator
comes with a separate enable bit in its comparator control
register. Both the enable bits must be set to ‘1’ for a compar-
ator to operate. If the comparison for an entry matches, the
address is remapped to the address set in the remap regis-
ter plus an offset corresponding to the comparator that
matched, or is remapped to a BKPT instruction, if that fea-
ture is enabled.

PSoC 5LP Architecture TRM, Document No. 001-78426 Rev. *F 419
Cortex-M3 Debug and Trace
40.4.2 Data Watchpoint and Trace (DWT)
The DWT has a number of debugging functionalities.
It has four comparators, each of which can be configured as
follows:
■Hardware watchpoint (generates a watchpoint event to
processor to invoke debug modes such as halt or debug
monitor)
■ETM trigger (causes the ETM to emit a trigger packet in
the instruction trace stream)
■PC sampler event trigger
■Data address sampler trigger
■The first comparator can also be used to compare
against the clock cycle counter instead of comparing to a
data address
The DWT also has counters for counting:
■Clock cycles (CYCCNT)
■Folded Instructions: A folded instruction is one that does
not incur even one cycle to execute
■Load Store Unit (LSU) Operations: LSU counts include
all LSU costs after the initial cycle for the instruction
■Sleep cycles
■Cycles per instruction (CPI)
■Interrupt overhead
■PC sampling at regular intervals to count the number of
core cycles
■Applications and debuggers can use the counter to mea-
sure elapsed execution time
■Interrupt events trace
When used as a hardware watchpoint or ETM trigger, the
comparator can be programmed to compare either data
addresses or program counters. Otherwise, it compares the
data addresses.
40.4.3 Instrumentation Trace Macrocell
(ITM)
The ITM is a an application driven trace source that sup-
ports printf style debugging to trace Operating System (OS)
and application events, then emit diagnostic system infor-
mation. The ITM emits trace information as packets. There
are three sources that can generate packets. If multiple
sources generate packets at the same time, the ITM arbi-
trates the order in which packets are output. The three
sources in decreasing order of priority are:
■Software Trace. Software can write directly to ITM stimu-
lus registers. This emits packets.
■Hardware Trace. The DWT generates these packets,
and the ITM emits them.
■Time Stamping. The ITM can generate timestamp pack-
ets that are inserted into a trace stream to help the
debugger find out the timing of events. The ITM contains
a 21-bit counter to generate the timestamp. The Cortex-
M3 clock or the bit clock rate of the SWV output clocks
the counter.
One of the main uses of the ITM is to support printf style
debugging. The ITM contains 32 stimulus ports, allowing dif-
ferent software processes to output to different ports, and
messages that can be separated later at the debug host.
Each port can be enabled or disabled by the Trace Enable
Register (SWV_ITM_TER) and can be programmed (in
groups of eight ports) to allow or disallow user processes to
write to it. The output messages can be collected at the
trace port interface or the Serial Wire Viewer (SWV) on the
TPIU.
The ITM is used in output of hardware trace packets. The
packets are generated from the DWT and the ITM acts as a
trace packet merging unit. To use DWT trace, you need to
enable the DWTEn bit in the ITM Control Register
(SWV_ITM_CR).
ITM has a timestamp feature that allows trace capture tools
to find out timing information by inserting delta timestamp
packets into the traces when a new trace packet enters the
FIFO inside the ITM. The timestamp packet is also gener-
ated when the timestamp counter overflows.
The timestamp packets provide the time difference (delta)
with previous events. Using the delta timestamp packets,
the trace capture tools can then establish the timing of when
each packet is generated and hence reconstruct the timing
of various debug events.
40.4.4 Embedded Trace Macrocell (ETM)
The ETM is an optional debug component that enables
reconstruction of program execution. The ETM is designed
as a high-speed, low-power debug tool that only supports
instruction trace. This ensures that area is minimized, and
that gate count is reduced.
The Cortex-M3 system can perform low-bandwidth data
tracing using the Data Watchpoint and Trace (DWT) and
Instrumentation Trace Macrocell (ITM) components. To
enable support of instruction trace with a low pin count, data
trace is not included in the ETM. This considerably reduces
gate count for the ETM because the triggering resources are
simplified.
Because the ETM does not generate data trace information,
the lower bandwidth reduces the requirement for complex

420 PSoC 5LP Architecture TRM, Document No. 001-78426 Rev. *F
Cortex-M3 Debug and Trace
triggering capabilities. This means that the ETM does not
include the following: internal comparators, counters, and
sequencers.
For more details on system debug components and regis-
ters, see the Definitive Guide To ARM Cortex-M3 and
ARM Cortex-M3 Technical Reference Manual, available at
http://www.arm.com.
40.5 Tracing Interface
The Trace Port Interface Unit (TPIU) consists of SWV and TRACEPORT, which provides trace output from the DWT, ETM,
and ITM. TRACEPORT is faster but uses more pins. SWV is slower but uses only one pin. The SWV and TRACEPORT inter-
faces provide trace data to a debug host via the Cypress MiniProg3 or an external trace port analyzer. The 5-pin TRACE-
PORT is used for rapid transmission of large trace streams. The single pin SWV mode is used to minimize the number of
trace pins. SWV is shared with a JTAG pin.
Figure 40-3. TPIU Block Diagram
The following functions are included in the TPIU:
■Asynchronous FIFO – The asynchronous FIFO enables
trace data to be driven out at a speed that is not depen-
dent on the speed of the core clock.
■Formatter – The formatter inserts source ID signals into
the data packet stream so that trace data can be re-
associated with its trace source.
■Trace Out – The trace out block serializes formatted data
before it goes off-chip.
■ATB Interface – TPIU accepts trace data from the trace
sources ETM or ITM.
■APB Interface – The APB interface is the programming
interface for the TPIU.
■TRACECLKIN – Decoupled clock from ATB to enable
easy control of the trace port speed. Typically, this is
derived from a controllable clock source on-chip. Data
changes on the rising edge only.
■TRACEPORT – It includes TRACEDATA[3:0] and
TRACECLK.
■TRACESWO – Trace output pin for SWV.
40.5.1 Single Wire Viewer
Single Wire viewer (SWV) allows target resident code to
communicate diagnostic information to the outside world
through a single pin. The Serial Wire Viewer block is a com-
bination of the Instrumentation Trace Macrocell (ITM) and
the Serial Wire Output (SWO). ITM is a software application
trace source.
The SWV's trace output (TRACESWO) is channeled
through the Test Controller, so that the Test Controller can
output the trace data over the TDO pin when SWD is
enabled.
ATB
Interface
ETM
ATB
Slave
Port
ATB
Interface
ITM
ATB
Slave
Port
ATB
Interface
APB
Slave
Port
Asynchronous
FIFO
Asynchronous
FIFO
Formatter Trace Out
(serializer)
TRACECLKIN
TRACECLK
TRACEDATA
[3:0]
TRACESWO

PSoC 5LP Architecture TRM, Document No. 001-78426 Rev. *F 421
Cortex-M3 Debug and Trace
SWV can only be used when using the Serial Wire Debug
(SWD) because its trace data is output over the same pin as
JTAG's TDO.
40.5.1.1 Enabling SWV
The Trace Enable Register (SWV_ITM_TER) is used to
enable the stimulus ports so that trace data can be written
into the stimulus port registers. Each bit in the Trace Enable
Register is set to enable the corresponding stimulus port
register. Also, the ITM should be enabled using the global
enable bit, ITMEn, in the Control Register (SWV_ITM_CR).
40.5.1.2 Communicating with SWV
Trace data is written into the stimulus port registers
(SWV_ITM_SPR_DATA[0:31]). Each of the 32 stimulus
ports has its own address. A write to one of these locations
causes data to be written into the FIFO if the corresponding
bit in the Trace Enable Register is set. Reading from any of
the stimulus ports returns the FIFO status. A '0' is returned if
the FIFO is full and a '0' is returned otherwise, only if the bit
in the Trace Enable Register is set.
40.5.2 TRACEPORT
TRACEPORT is used for rapid transmission of large trace
streams. There are five TRACEPORT pins: four data pins,
TRACEDATA[3:0] and one clock pin, TRACECLK. TRACE-
PORT supports synchronous mode of operation while
TRACESWO does not.
40.5.2.1 Enabling TRACEPORT
TRACEPORT mode can be enabled using the Select Pin
Protocol Register (SWV_SWO_SPP). The format of the reg-
ister is as shown in Figure 40-4.
As shown in Figure 40-4, TRACEPORT can be enabled by
writing 2'h10 to the SPP[1:0] bits.
Figure 40-4. SPP Register
40.5.2.2 Communicating with TRACEPORT
As shown in Figure 40-3 on page 420, the trace data is
passed onto the debug host via the TRACEDATA pins if the
TRACEPORT mode is enabled. The output data on TRACE-
DATA pins changes on both edges of TRACECLK.
40.5.3 Using Multiple Interfaces
Simultaneously
If debugging and tracing are done at the same time, then
SWD may be used with either SWV or TRACEPORT, or
JTAG may be used with TRACEPORT, as shown in
Table 40-1.
SPPNA
0131 2
SPP DESCRIPTION
2'h00 Reset Value
2'h01 SWVMODE
2'h10 TRACEMODE
Table 40-1. Debug Configuration
Debug and Trace Configuration GPIO Pins Used
All Debug and Trace Disabled 0
JTAG 4 or 5
SWD 2
SWV 1
TRACEPORT 5
JTAG plus TRACEPORT 9 or 10
SWD plus SWV 3
SWV plus TRACEPORT 7

422 PSoC 5LP Architecture TRM, Document No. 001-78426 Rev. *F
Cortex-M3 Debug and Trace

PSoC 5LP Architecture TRM, Document No. 001-78426 Rev. *F 423
41. Nonvolatile Memory Programming
PSoC® 5LP devices have three types of nonvolatile memory: flash, electronically erasable programmable read only memory
(EEPROM), and nonvolatile latch (NVL). These can all be programmed by either the CPU running a boot loader program or
by an external system via the JTAG/SWD interface. See PSoC 5LP Programming Specifications for details about device pro-
gramming and programming specifications.
41.1 Features
The nonvolatile memory programming system has the following features:
■Simple command/status register interface
■Flash can be programmed at the 288-byte row level
■Each row of flash has 256 bytes of data plus an additional 32 bytes for ECC/configuration
■EEPROM can be programmed at the 16-byte row level
■All configuration NVL bytes can be programmed simultaneously
■A single write once NVL byte can be programmed
41.2 Block Diagram
Figure 41-1 is a block diagram of the flash programming system.
Figure 41-1. Flash Block Diagram
Test Controller (TC)
Debug on-Chip (DOC) CPU
PHUB
Flash
Programming
Interface
EEPROM NVL

424 PSoC 5LP Architecture TRM, Document No. 001-78426 Rev. *F
Nonvolatile Memory Programming
41.3 How It Works
All programming operations are done through a simple com-
mand/status register interface summarized in Table 41-1.
Commands and data are sent as a series of bytes to either
SPC_CPU_DATA or SPC_DMA_DATA, depending on the
source of the command. Response data is read via the
same register to which the command was sent. The status
register, SPC_SR, indicates whether a new command can
be accepted, when data is available for the most recent
command, and a success/failure response for the most
recent command.
The PANTHER_WAITPIPE register BYPASS bit must be set
to ‘0’ before accessing the SPC register interface, regard-
less of CPU frequency. Disabled bus wait states may result
in data corruption.
41.3.1 Commands
Before sending a command to the SPC_CPU_DATA or
SPC_DMA_DATA register, the SPC_Idle bit in SPC_SR[1]
must be ‘1’. SPC_Idle will go to ‘0’ when the first byte of a
command (0xB6) is written to a data register, and go back to
‘1’ when command execution is complete or an error is
detected. Commands sent to either data register while
SPC_Idle is ‘0’ are ignored. All commands must adhere to
the following format:
■Key byte #1 – always 0xB6
■Key byte #2 – 0xD3 plus the command code (ignore
overflow)
■Command code byte
■Command parameter bytes
■Command data bytes
The command codes are shown in Table 41-2. See 41.3.1.1
Command Code Descriptions on page 425 for details.
Some commands are available only when the device is
being controlled by an external system via the JTAG/SWD
interface and the test controller (see the Test
Controller chapter on page 403).
Some commands require an array ID as a parameter. Array
ID codes are shown in Table 41-3.
A flash array has, at most, 64 KB plus ECC bytes.
PSoC 5LP architecture has one or more arrays, where each
array is 64K plus ECC bytes. For example, if a PSoC 5LP
device has 256 KB Flash, there are four arrays, and the only
valid array IDs are 0x00 – 0x03.
An EEPROM array has, at most, 2 KB. PSoC 5LP devices
have one EEPROM array, the size of which is 512 bytes,
1 KB, or 2 KB.
PSoC 5LP devices have one user NVL array and one write
once NVL array.
For commands operating on flash or EEPROM, all array IDs
within the number of flash and EEPROM arrays are valid. If
a non-existent array is selected, the array ID wraps. For
Table 41-1. Command and Status Register Summary
Register Size
(Bits) Description
SPC_CPU_DATA 8 Data to/from the CPU
SPC_DMA_DATA 8 Data to/from the DMAC
SPC_SR 8 Status – ready, data available, status code
Table 41-2. Command Codes
Command
Code Command Name Memory Type Access Description
0x00 Load byte NVL Any Loads a single byte of data into the volatile latch
0x01 Load multi bytes Flash, EEPROM Any Loads 1 to 32 bytes of data into the row latch
0x02 Load row Flash, EEPROM Any Loads a row of data
0x03 Read byte NVL Any Read a byte from NV memory
0x04 Read multi bytes Flash TC only Reads 1 – 256 data bytes, does not cross row boundaries
0x05 Write row Flash, EEPROM Any Erases then programs a row with data in row latch
0x06 Write NVL NVL TC only Programs all of user NVL with data in the volatile latch
0x07 Program row Flash, EEPROM Any Programs a row with data in row latch
0x08 Erase sector Flash, EEPROM Any Erases a 64-row sector
0x09 Erase all Flash TC only Erases all flash, including ECC and row protection bytes
0x0B Protect Flash TC only Program flash protection bits with data in row latch
0x0C Get Checksum Flash Any Computes 4 byte checksum for given memory locations
Table 41-3. Array ID Codes
Array ID Code Memory Type
0x00 – 0x3E Single flash array
0x3F All flash arrays (used by the Erase All command)
0x40 Single EEPROM array
0x80 User NVL array
0xF8 Write Once NVL array

PSoC 5LP Architecture TRM, Document No. 001-78426 Rev. *F 425
Nonvolatile Memory Programming
example, if a device has two flash arrays (IDs = 0 and 1) and
a command is sent with array ID = 3 then the upper bits of
the ID are truncated and so array ID 1 is selected.
Some commands require an address as a parameter. As
with array IDs, any address is valid for a flash or EEPROM
array. Upper address bits are truncated to allow only
addressing of valid locations. For example, if a device has
512 bytes EEPROM and address 0x202 (514) is passed as
a parameter, the operation takes place on address 0x002.
Array IDs and addresses do not wrap for NVL accesses.
Some commands use the row latch size for flash and
EEPROM. Row latch sizes are shown in the following table.
41.3.1.1 Command Code Descriptions
The following are descriptions of the command codes listed
in Table 41-2 on page 424.
■Command 0x00 – Load Byte
Command Parameter Bytes – Array ID, Address, Data
This command loads the given data byte into the volatile
latch for the selected NVL array (in accordance with the
array ID) at the given address. Only addresses within the
selected NVL array are valid.
■Command 0x01 – Load Multiple Bytes
Command Parameter Bytes – Array ID, Start address
high, Start address low, Number of bytes (N), Data0, …,
DataN
This command loads N + 1 given data bytes into a row
latch for flash or EEPROM. N may range from 0 to 31 for
flash or 0 to 15 for EEPROM. The given start address +
N must be less than the array row latch size. See
Table 41-4.
■Command 0x02 – Load Row
Command Parameter Bytes – Array ID, Data0, …,
Data(row latch size -1)
This command loads the given data bytes into a row
latch for flash or EEPROM. The number of data bytes
expected equals the row latch size. See Table 41-4.
■Command 0x03 – Read Byte
Command Parameter Bytes – Array ID, Address
This command returns a data byte from the selected
NVL array (per the array ID), at the given address. Only
addresses within the selected NVL array are valid. Note
that when this command is executed all of the data bytes
are transferred from the nonvolatile cells to the volatile
latch portion of the NVL.
■Command 0x04 – Read Multiple Bytes
Command Parameter Bytes – Array ID, Start address
high, Start address mid, Start address low, Number of
bytes (N)
This command returns N + 1 data bytes from flash, start-
ing at the given address.
In flash arrays, two address spaces exist – data and
ECC/configuration. Bit 7 of the address high parameter
selects which of the two address spaces is addressed. If
the bit is 0, then the data space is selected; otherwise,
the ECC/configuration space is selected. For example, if
the address is 0x80000B and N is 0x08, the command
reads 9 ECC/configuration bytes starting at address
0x00000B.
The address plus N must not cross a row boundary –
256 for the flash data space, 32 for the flash ECC/config-
uration space.
Address wrapping applies; if the address is greater than
the flash size, the upper bits are then ignored. For exam-
ple, 16 bits of address are needed to access the data
space in a 64 KB flash array, so the seven LS bits of the
Address high parameter are ignored. Address
0x045A8B actually addresses 0x005A8B.
Similarly, 13 address bits are needed to access the 8 KB
ECC/configuration space associated with a 64 KB flash
array. For example, for a 64 KB flash array (which also
has 8 KB ECC/configuration bytes), valid address
ranges are:
❐Data space – 0x000000 – 0x00FFFF (64 KB)
❐ECC/configuration space – 0x800000 – 0x801FFF
(8 KB)
■Command 0x05 – Write Row
Command Parameter Bytes – Array ID, Row ID high,
Row ID low, Temperature sign, Temperature magnitude
This command erases the addressed flash/EEPROM
row and then programs it with the data in the row latch. If
the row ID is greater than the array size (in rows), then
the row ID wraps (the upper bits are ignored).
For flash, data bytes and ECC/configuration bytes are
both programmed. If ECC is enabled then the ECC syn-
drome bytes are automatically generated and loaded
into the ECC/configuration bytes of the row latch before
programming takes place.
The die temperature parameters can be acquired by
sending the Get Temperature command (see the Tem-
perature Sensor chapter on page 365).
■Command 0x06 – Write User NVL
Command Parameter Bytes – Array ID
This command writes all of the bytes in the volatile latch
for the selected NVL array (per the array ID) to that NVL
Table 41-4. Row Latch Sizes
Array Type Size (Bytes)
Flash, with ECC Enabled 256
Flash, with ECC Disabled 288
(256 data bytes plus 32 configuration bytes)
EEPROM 16

426 PSoC 5LP Architecture TRM, Document No. 001-78426 Rev. *F
Nonvolatile Memory Programming
array. All flash protection bits must be cleared (no flash
protection) or the command fails.
■Command 0x07 – Program Row
Command Parameter Bytes – Array ID, Row ID high,
Row ID low
This command programs the addressed flash/EEPROM
row with the data in the row latch. If the row ID is greater
than the array size (in rows), the row ID wraps (the upper
bits are ignored).
The row must have been previously erased (commands
0x08 and 0x09).
For flash, data bytes and ECC/configuration bytes are
both programmed. If ECC is enabled, the ECC syn-
drome bytes are automatically generated and loaded
into the ECC/configuration bytes of the row latch before
programming takes place.
For devices with multiple flash arrays, the All Flash array
ID (0x3F) can be used with this command. This option
causes each flash array to have its addressed row pro-
grammed with its row latch contents simultaneously with
the other arrays, reducing the overall flash programming
time.
■Command 0x08 – Erase Sector
Command Parameter Bytes – Array ID, Sector ID
This command erases a sector of flash/EEPROM. A
sector is a block of 64 contiguous rows that starts at a
64-row boundary. For flash arrays, all associated ECC/
configuration bytes are also erased. The sector ID wraps
if it exceeds the number of sectors.
■Command 0x09 – Erase All
Command Parameter Bytes – None
This command erases all flash data and ECC/configura-
tion bytes, all flash protection rows, and all row latches in
all flash arrays on the device.
■Command 0x0B – Protect
Command Parameter Bytes – Array ID, Row Select
This command programs a flash protection row with data
in the flash row latch (see 41.3.3 Flash Protection
Settings on page 427). This command can be executed
only if none of the protection bits are currently set – no
flash protection. Any bytes of the protection row that are
marked as unused space are programmed with 0x00.
This occurs regardless of what values are loaded into
the row latches prior to sending this command.
The Row Select parameter is used for flash arrays that
have a row size less than 256 bytes. Because all flash
arrays have 256-byte rows, this parameter should
always be 0x00.
When the flash protection data is programmed, this com-
mand cannot be sent again until an Erase All command
is sent first.
For devices with multiple flash arrays, the All Flash array
ID (0x3F) may be used with this command. This causes
each flash array to have its protection row programmed
with its row latch contents simultaneously with the other
arrays, reducing the overall flash programming time.
■Command 0x0C – Get Checksum
Command Parameter Bytes – Array ID, Start row high,
Start row low, Number of rows high, Number of rows low
This command computes a 4-byte checksum for the
given number of flash rows + 1, starting at the given row.
The checksum is computed by a running simple addition
of all values in the rows. If ECC is disabled, the compu-
tation includes all data from the user space and the ECC
/ configuration space. If ECC is enabled, the computa-
tion includes only data from the user space.
If the array ID is All Flash, the checksum computed includes
all flash data on all flash arrays on the device. The rest of
the command parameters are ignored. The checksum value
is returned MS byte first.
41.3.1.2 Command Failure Codes
In response to commands, a success/failure code is
returned in the SPC_SR register: These codes are
described in Table 41-5.
41.3.2 Register Summary
All programming operations are done through a simple com-
mand/status register interface, shown in Table 41-1 on
page 424.
Table 41-5. Command Failure Codes
Success/Failure
Code (Bits[7:2] in
SPC_SR register) Meaning
0x00 Command successfully executed
0x01 Invalid array ID
0x02 Invalid key
0x03 Array is asleep
0x04 External access failure: command must be sent
via test controller
0x05 Invalid ‘N’ value
0x07, 0x08 Program/Erase failure
0x09 Protection check failure: protection settings are in
a state that prevents the command from executing
0x0A Invalid address
0x0B Invalid command code
0x0C Invalid row ID

PSoC 5LP Architecture TRM, Document No. 001-78426 Rev. *F 427
Nonvolatile Memory Programming
41.3.3 Flash Protection Settings
Each row of flash has its own protection settings. For each
flash array, flash protection bits are stored in a “hidden” row
in that array. A hidden row is one that is not readable by the
CPU, and contains no CPU program or data bytes. In the
hidden row, two bits per flash row are packed into a byte;
therefore, each byte in the hidden row has protection set-
tings for four flash rows. As shown in Figure 41-2, the flash
rows are ordered so that the first two bits in the hidden row
correspond to the protection settings of flash row 0.
Protection is cumulative in that modes have successively
higher protection levels and include the lower protection
modes. The following table shows the protection modes.
When a read/write/erase operation is to be done for a row,
the corresponding protection bits are checked. The com-
mand is executed only if allowed under the current protec-
tion mode. If the command is not allowed, the command
then fails.
Figure 41-2. Flash Protection Bits
Table 41-6. Protection Modes
Mode Description ReadaExternal
WritebInternal
Writec
00 Unprotected Yes Yes Yes
01 Read Protect No Yes Yes
10 Disable External Write No No Yes
11 Disable Internal Write No No No
a. Read – Applies to Test Controller and Read Commands, and cache data
fetches. Cache code fetches are always allowed.
b. External Write – Test Controller/third-party programmers.
c. Internal Write – Boot loading or writes due to firmware execution.
Page 0 Bits
[1:0] Page 1 Bits
[1:0] Page 2 Bits
[1:0] Page 3 Bits
[1:0] Page 255 Bits
[1:0]
. . . . . .
Byte 0 in Flash Hidden Row 0:
Contains protection data for Flash rows 0 through 3.

428 PSoC 5LP Architecture TRM, Document No. 001-78426 Rev. *F
Nonvolatile Memory Programming

PSoC 5LP Architecture TRM, Document No. 001-78426 Rev. *F 429
Glossary
The Glossary section explains the terminology used in this technical reference manual. Glossary terms are characterized in
bold, italic font throughout the text of this manual.
A
accumulator In a CPU, a register in which intermediate results are stored. Without an accumulator, it is neces-
sary to write the result of each calculation (addition, subtraction, shift, and so on.) to main mem-
ory and read them back. Access to main memory is slower than access to the accumulator,
which usually has direct paths to and from the arithmetic and logic unit (ALU).
active high 1. A logic signal having its asserted state as the logic 1 state.
2. A logic signal having the logic 1 state as the higher voltage of the two states.
active low 1. A logic signal having its asserted state as the logic 0 state.
2. A logic signal having its logic 1 state as the lower voltage of the two states: inverted logic.
address The label or number identifying the memory location (RAM, ROM, or register) where a unit of
information is stored.
algorithm A procedure for solving a mathematical problem in a finite number of steps that frequently
involve repetition of an operation.
ambient temperature The temperature of the air in a designated area, particularly the area surrounding the PSoC
device.
analog See analog signals.
analog blocks The basic programmable opamp circuits. These are SC (switched capacitor) and CT (continuous
time) blocks. These blocks can be interconnected to provide ADCs, DACs, multi-pole filters, gain
stages, and much more.
analog output An output that is capable of driving any voltage between the supply rails, instead of just a logic 1
or logic 0.
analog signals A signal represented in a continuous form with respect to continuous times, as contrasted with a
digital signal represented in a discrete (discontinuous) form in a sequence of time.
analog-to-digital (ADC) A device that changes an analog signal to a digital signal of corresponding magnitude. Typically,
an ADC converts a voltage to a digital number. The digital-to-analog (DAC) converter performs
the reverse operation.

430 PSoC 5LP Architecture TRM, Document No. 001-78426 Rev. *F
Glossary
AND See Boolean Algebra.
API (Application Pro-
gramming Interface) A series of software routines that comprise an interface between a computer application and
lower-level services and functions (for example, user modules and libraries). APIs serve as build-
ing blocks for programmers that create software applications.
array An array, also known as a vector or list, is one of the simplest data structures in computer pro-
gramming. Arrays hold a fixed number of equally-sized data elements, generally of the same
data type. Individual elements are accessed by index using a consecutive range of integers, as
opposed to an associative array. Most high level programming languages have arrays as a built-
in data type. Some arrays are multi-dimensional, meaning they are indexed by a fixed number of
integers; for example, by a group of two integers. One- and two-dimensional arrays are the most
common. Also, an array can be a group of capacitors or resistors connected in some common
form.
assembly A symbolic representation of the machine language of a specific processor. Assembly language
is converted to machine code by an assembler. Usually, each line of assembly code produces
one machine instruction, though the use of macros is common. Assembly languages are consid-
ered low level languages; where as C is considered a high level language.
asynchronous A signal whose data is acknowledged or acted upon immediately, irrespective of any clock sig-
nal.
attenuation The decrease in intensity of a signal as a result of absorption of energy and of scattering out of
the path to the detector, but not including the reduction due to geometric spreading. Attenuation
is usually expressed in dB.
B
bandgap reference A stable voltage reference design that matches the positive temperature coefficient of VT with the
negative temperature coefficient of VBE, to produce a zero temperature coefficient (ideally) refer-
ence.
bandwidth 1. The frequency range of a message or information processing system measured in hertz.
2. The width of the spectral region over which an amplifier (or absorber) has substantial gain (or
loss); it is sometimes represented more specifically as, for example, full width at half maxi-
mum.
bias 1. A systematic deviation of a value from a reference value.
2. The amount by which the average of a set of values departs from a reference value.
3. The electrical, mechanical, magnetic, or other force (field) applied to a device to establish a
reference level to operate the device.
bias current The constant low level DC current that is used to produce a stable operation in amplifiers. This
current can sometimes be changed to alter the bandwidth of an amplifier.

Glossary
PSoC 5LP Architecture TRM, Document No. 001-78426 Rev. *F 431
binary The name for the base 2 numbering system. The most common numbering system is the base
10 numbering system. The base of a numbering system indicates the number of values that may
exist for a particular positioning within a number for that system. For example, in base 2, binary,
each position may have one of two values (0 or 1). In the base 10, decimal, numbering system,
each position may have one of ten values (0, 1, 2, 3, 4, 5, 6, 7, 8, and 9).
bit A single digit of a binary number. Therefore, a bit may only have a value of ‘0’ or ‘1’. A group of 8
bits is called a byte. Because the PSoC's M8CP is an 8-bit microcontroller, the PSoC devices's
native data chunk size is a byte.
bit rate (BR) The number of bits occurring per unit of time in a bit stream, usually expressed in bits per second
(bps).
block 1. A functional unit that performs a single function, such as an oscillator.
2. A functional unit that may be configured to perform one of several functions, such as a digital
PSoC block or an analog PSoC block.
Boolean Algebra In mathematics and computer science, Boolean algebras or Boolean lattices, are algebraic struc-
tures which "capture the essence" of the logical operations AND, OR and NOT as well as the set
theoretic operations union, intersection, and complement. Boolean algebra also defines a set of
theorems that describe how Boolean equations can be manipulated. For example, these theo-
rems are used to simplify Boolean equations, which will reduce the number of logic elements
needed to implement the equation.
The operators of Boolean algebra may be represented in various ways. Often they are simply
written as AND, OR, and NOT. In describing circuits, NAND (NOT AND), NOR (NOT OR), XNOR
(exclusive NOT OR), and XOR (exclusive OR) may also be used. Mathematicians often use +
(for example, A+B) for OR and for AND (for example, A*B) (in some ways those operations are
analogous to addition and multiplication in other algebraic structures) and represent NOT by a
line drawn above the expression being negated (for example, ~A, A_, !A).
break-before-make The elements involved go through a disconnected state entering (‘break”) before the new con-
nected state (“make”).
broadcast net A signal that is routed throughout the microcontroller and is accessible by many blocks or sys-
tems.
buffer 1. A storage area for data that is used to compensate for a speed difference, when transferring
data from one device to another. Usually refers to an area reserved for I/O operations, into
which data is read, or from which data is written.
2. A portion of memory set aside to store data, often before it is sent to an external device or as
it is received from an external device.
3. An amplifier used to lower the output impedance of a system.
bus 1. A named connection of nets. Bundling nets together in a bus makes it easier to route nets
with similar routing patterns.
2. A set of signals performing a common function and carrying similar data. Typically repre-
sented using vector notation; for example, address[7:0].
3. One or more conductors that serve as a common connection for a group of related devices.
byte A digital storage unit consisting of 8 bits.

432 PSoC 5LP Architecture TRM, Document No. 001-78426 Rev. *F
Glossary
C
CA high level programming language.
capacitance A measure of the ability of two adjacent conductors, separated by an insulator, to hold a charge
when a voltage differential is applied between them. Capacitance is measured in units of Farads.
capture To extract information automatically through the use of software or hardware, as opposed to
hand-entering of data into a computer file.
chaining Connecting two or more 8-bit digital blocks to form 16-, 24-, and even 32-bit functions. Chaining
allows certain signals such as Compare, Carry, Enable, Capture, and Gate to be produced from
one block to another.
checksum The checksum of a set of data is generated by adding the value of each data word to a sum. The
actual checksum can simply be the result sum or a value that must be added to the sum to gen-
erate a pre-determined value.
clear To force a bit/register to a value of logic ‘0’.
clock The device that generates a periodic signal with a fixed frequency and duty cycle. A clock is
sometimes used to synchronize different logic blocks.
clock generator A circuit that is used to generate a clock signal.
CMOS The logic gates constructed using MOS transistors connected in a complementary manner.
CMOS is an acronym for complementary metal-oxide semiconductor.
comparator An electronic circuit that produces an output voltage or current whenever two input levels simul-
taneously satisfy predetermined amplitude requirements.
compiler A program that translates a high level language, such as C, into machine language.
configuration In a computer system, an arrangement of functional units according to their nature, number, and
chief characteristics. Configuration pertains to hardware, software, firmware, and documentation.
The configuration will affect system performance.
configuration space In PSoC devices, the register space accessed when the XIO bit, in the CPU_F register, is set to
‘1’.
crowbar A type of over-voltage protection that rapidly places a low resistance shunt (typically an SCR)
from the signal to one of the power supply rails, when the output voltage exceeds a predeter-
mined value.
crystal oscillator An oscillator in which the frequency is controlled by a piezoelectric crystal. Typically a piezoelec-
tric crystal is less sensitive to ambient temperature than other circuit components.
cyclic redundancy
check (CRC) A calculation used to detect errors in data communications, typically performed using a linear
feedback shift register. Similar calculations may be used for a variety of other purposes such as
data compression.

Glossary
PSoC 5LP Architecture TRM, Document No. 001-78426 Rev. *F 433
D
data bus A bi-directional set of signals used by a computer to convey information from a memory location
to the central processing unit and vice versa. More generally, a set of signals used to convey
data between digital functions.
data stream A sequence of digitally encoded signals used to represent information in transmission.
data transmission The sending of data from one place to another by means of signals over a channel.
debugger A hardware and software system that allows the user to analyze the operation of the system
under development. A debugger usually allows the developer to step through the firmware one
step at a time, set break points, and analyze memory.
dead band A period of time when neither of two or more signals are in their active state or in transition.
decimal A base-10 numbering system, which uses the symbols 0, 1, 2, 3, 4, 5, 6, 7, 8 and 9 (called digits)
together with the decimal point and the sign symbols + (plus) and - (minus) to represent num-
bers.
default value Pertaining to the pre-defined initial, original, or specific setting, condition, value, or action a sys-
tem will assume, use, or take in the absence of instructions from the user.
device The device referred to in this manual is the PSoC device, unless otherwise specified.
die An non-packaged integrated circuit (IC), normally cut from a wafer.
digital A signal or function, the amplitude of which is characterized by one of two discrete values: ‘0’ or
‘1’.
digital blocks The 8-bit logic blocks that can act as a counter, timer, serial receiver, serial transmitter, CRC gen-
erator, pseudo-random number generator, or SPI.
digital logic A methodology for dealing with expressions containing two-state variables that describe the
behavior of a circuit or system.
digital-to-analog (DAC) A device that changes a digital signal to an analog signal of corresponding magnitude. The ana-
log-to-digital (ADC) converter performs the reverse operation.
direct access The capability to obtain data from a storage device, or to enter data into a storage device, in a
sequence independent of their relative positions by means of addresses that indicate the physi-
cal location of the data.
duty cycle The relationship of a clock period high time to its low time, expressed as a percent.

434 PSoC 5LP Architecture TRM, Document No. 001-78426 Rev. *F
Glossary
E
emulator Duplicates (provides an emulation of) the functions of one system with a different system, so that
the second system appears to behave like the first system.
External Reset (XRES) An active high signal that is driven into the PSoC device. It causes all operation of the CPU and
blocks to stop and return to a pre-defined state.
F
falling edge A transition from a logic 1 to a logic 0. Also known as a negative edge.
feedback The return of a portion of the output, or processed portion of the output, of a (usually active)
device to the input.
filter A device or process by which certain frequency components of a signal are attenuated.
firmware The software that is embedded in a hardware device and executed by the CPU. The software
may be executed by the end user, but it may not be modified.
flag Any of various types of indicators used for identification of a condition or event (for example, a
character that signals the termination of a transmission).
Flash An electrically programmable and erasable, volatile technology that provides users with the pro-
grammability and data storage of EPROMs, plus in-system erasability. Nonvolatile means that
the data is retained when power is off.
Flash bank A group of flash ROM blocks where flash block numbers always begin with ‘0’ in an individual
flash bank. A flash bank also has its own block level protection information.
Flash block The smallest amount of flash ROM space that may be programmed at one time and the smallest
amount of flash space that may be protected. A flash block holds 64 bytes.
flip-flop A device having two stable states and two input terminals (or types of input signals) each of
which corresponds with one of the two states. The circuit remains in either state until it is made to
change to the other state by application of the corresponding signal.
frequency The number of cycles or events per unit of time, for a periodic function.
G
gain The ratio of output current, voltage, or power to input current, voltage, or power, respectively.
Gain is usually expressed in dB.

Glossary
PSoC 5LP Architecture TRM, Document No. 001-78426 Rev. *F 435
gate 1. A device having one output channel and one or more input channels, such that the output
channel state is completely determined by the input channel states, except during switching
transients.
2. One of many types of combinational logic elements having at least two inputs (for example,
AND, OR, NAND, and NOR (also see Boolean Algebra)).
ground 1. The electrical neutral line having the same potential as the surrounding earth.
2. The negative side of DC power supply.
3. The reference point for an electrical system.
4. The conducting paths between an electric circuit or equipment and the earth, or some con-
ducting body serving in place of the earth.
H
hardware A comprehensive term for all of the physical parts of a computer or embedded system, as distin-
guished from the data it contains or operates on, and the software that provides instructions for
the hardware to accomplish tasks.
hardware reset A reset that is caused by a circuit, such as a POR, watchdog reset, or external reset. A hardware
reset restores the state of the device as it was when it was first powered up. Therefore, all regis-
ters are set to the POR value as indicated in register tables throughout this document.
hexadecimal A base 16 numeral system (often abbreviated and called hex), usually written using the symbols
0-9 and A-F. It is a useful system in computers because there is an easy mapping from four bits
to a single hex digit. Thus, one can represent every byte as two consecutive hexadecimal digits.
Compare the binary, hex, and decimal representations:
bin = hex = dec
0000b = 0x0 = 0
0001b = 0x1 = 1
0010b = 0x2 = 2
...
1001b = 0x9 = 9
1010b = 0xA = 10
1011b = 0xB = 11
...
1111b = 0xF = 15
So the decimal numeral 79 whose binary representation is 0100 1111b can be written as 4Fh in
hexadecimal (0x4F).
high time The amount of time the signal has a value of ‘1’ in one period, for a periodic digital signal.

436 PSoC 5LP Architecture TRM, Document No. 001-78426 Rev. *F
Glossary
I
I2CA two-wire serial computer bus by Phillips Semiconductors (now NXP Semiconductors). I2C is an
Inter-Integrated Circuit. It is used to connect low-speed peripherals in an embedded system. The
original system was created in the early 1980s as a battery control interface, but it was later used
as a simple internal bus system for building control electronics. I2C uses only two bidirectional
pins, clock and data, both running at +5 V and pulled high with resistors. The bus operates at 100
Kbps in standard mode and 400 Kbps in fast mode.
ICE The in-circuit emulator that allows users to test the project in a hardware environment, while
viewing the debugging device activity in a software environment (PSoC Designer™).
idle state A condition that exists whenever user messages are not being transmitted, but the service is
immediately available for use.
impedance 1. The resistance to the flow of current caused by resistive, capacitive, or inductive devices in a
circuit.
2. The total passive opposition offered to the flow of electric current. Note the impedance is
determined by the particular combination of resistance, inductive reactance, and capacitive
reactance in a given circuit.
input A point that accepts data, in a device, process, or channel.
input/output (I/O) A device that introduces data into or extracts data from a system.
instruction An expression that specifies one operation and identifies its operands, if any, in a programming
language such as C or assembly.
instruction mnemonics A set of acronyms that represent the opcodes for each of the assembly-language instructions, for
example, ADD, SUBB, MOV.
integrated circuit (IC) A device in which components such as resistors, capacitors, diodes, and transistors are formed
on the surface of a single piece of semiconductor.
interface The means by which two systems or devices are connected and interact with each other.
interrupt A suspension of a process, such as the execution of a computer program, caused by an event
external to that process, and performed in such a way that the process can be resumed.
interrupt service rou-
tine (ISR) A block of code that normal code execution is diverted to when the M8CP receives a hardware
interrupt. Many interrupt sources may each exist with its own priority and individual ISR code
block. Each ISR code block ends with the RETI instruction, returning the device to the point in
the program where it left normal program execution.

Glossary
PSoC 5LP Architecture TRM, Document No. 001-78426 Rev. *F 437
J
jitter 1. A misplacement of the timing of a transition from its ideal position. A typical form of corruption
that occurs on serial data streams.
2. The abrupt and unwanted variations of one or more signal characteristics, such as the inter-
val between successive pulses, the amplitude of successive cycles, or the frequency or
phase of successive cycles.
K
keeper A circuit that holds a signal to the last driven value, even when the signal becomes un-driven.
L
latency The time or delay that it takes for a signal to pass through a given circuit or network.
least significant bit
(LSb) The binary digit, or bit, in a binary number that represents the least significant value (typically the
right-hand bit). The bit versus byte distinction is made by using a lower case “b” for bit in LSb.
least significant byte
(LSB) The byte in a multi-byte word that represents the least significant values (typically the right-hand
byte). The byte versus bit distinction is made by using an upper case “B” for byte in LSB.
Linear Feedback Shift
Register (LFSR) A shift register whose data input is generated as an XOR of two or more elements in the register
chain.
load The electrical demand of a process expressed as power (watts), current (amps), or resistance
(ohms).
logic function A mathematical function that performs a digital operation on digital data and returns a digital
value.
lookup table (LUT) A logic block that implements several logic functions. The logic function is selected by means of
select lines and is applied to the inputs of the block. For example: A 2 input LUT with 4 select
lines can be used to perform any one of 16 logic functions on the two inputs resulting in a single
logic output. The LUT is a combinational device; therefore, the input/output relationship is contin-
uous, that is, not sampled.
low time The amount of time the signal has a value of ‘0’ in one period, for a periodic digital signal.
low voltage detect
(LVD) A circuit that senses Vddd and provides an interrupt to the system when Vddd falls below a
selected threshold.

438 PSoC 5LP Architecture TRM, Document No. 001-78426 Rev. *F
Glossary
M
M8CP An 8-bit Harvard Architecture microprocessor. The microprocessor coordinates all activity inside
a PSoC device by interfacing to the flash, SRAM, and register space.
macro A programming language macro is an abstraction, whereby a certain textual pattern is replaced
according to a defined set of rules. The interpreter or compiler automatically replaces the macro
instance with the macro contents when an instance of the macro is encountered. Therefore, if a
macro is used five times and the macro definition required 10 bytes of code space, 50 bytes of
code space will be needed in total.
mask 1. To obscure, hide, or otherwise prevent information from being derived from a signal. It is usu-
ally the result of interaction with another signal, such as noise, static, jamming, or other forms
of interference.
2. A pattern of bits that can be used to retain or suppress segments of another pattern of bits, in
computing and data processing systems.
master device A device that controls the timing for data exchanges between two devices. Or when devices are
cascaded in width, the master device is the one that controls the timing for data exchanges
between the cascaded devices and an external interface. The controlled device is called the
slave device.
microcontroller An integrated circuit device that is designed primarily for control systems and products. In addi-
tion to a CPU, a microcontroller typically includes memory, timing circuits, and I/O circuitry. The
reason for this is to permit the realization of a controller with a minimal quantity of devices, thus
achieving maximal possible miniaturization. This in turn, will reduce the volume and the cost of
the controller. The microcontroller is normally not used for general-purpose computation as is a
microprocessor.
mnemonic A tool intended to assist the memory. Mnemonics rely on not only repetition to remember facts,
but also on creating associations between easy-to-remember constructs and lists of data. A two
to four character string representing a microprocessor instruction.
mode A distinct method of operation for software or hardware. For example, the Digital PSoC block
may be in either counter mode or timer mode.
modulation A range of techniques for encoding information on a carrier signal, typically a sine-wave signal. A
device that performs modulation is known as a modulator.
Modulator A device that imposes a signal on a carrier.
MOS An acronym for metal-oxide semiconductor.
most significant bit
(MSb) The binary digit, or bit, in a binary number that represents the most significant value (typically the
left-hand bit). The bit versus byte distinction is made by using a lower case “b” for bit in MSb.
most significant byte
(MSB) The byte in a multi-byte word that represents the most significant values (typically the left-hand
byte). The byte versus bit distinction is made by using an upper case “B” for byte in MSB.

Glossary
PSoC 5LP Architecture TRM, Document No. 001-78426 Rev. *F 439
multiplexer (mux) 1. A logic function that uses a binary value, or address, to select between a number of inputs
and conveys the data from the selected input to the output.
2. A technique which allows different input (or output) signals to use the same lines at different
times, controlled by an external signal. Multiplexing is used to save on wiring and I/O ports.
N
NAND See Boolean Algebra.
negative edge A transition from a logic 1 to a logic 0. Also known as a falling edge.
net The routing between devices.
nibble A group of four bits, which is one-half of a byte.
noise 1. A disturbance that affects a signal and that may distort the information carried by the signal.
2. The random variations of one or more characteristics of any entity such as voltage, current,
or data.
NOR See Boolean Algebra.
NOT See Boolean Algebra.
O
OR See Boolean Algebra.
oscillator A circuit that may be crystal controlled and is used to generate a clock frequency.
output The electrical signal or signals which are produced by an analog or digital block.
P
parallel The means of communication in which digital data is sent multiple bits at a time, with each simul-
taneous bit being sent over a separate line.
parameter Characteristics for a given block that have either been characterized or may be defined by the
designer.
parameter block A location in memory where parameters for the SSC instruction are placed prior to execution.
parity A technique for testing transmitting data. Typically, a binary digit is added to the data to make the
sum of all the digits of the binary data either always even (even parity) or always odd (odd parity).
path 1. The logical sequence of instructions executed by a computer.
2. The flow of an electrical signal through a circuit.

440 PSoC 5LP Architecture TRM, Document No. 001-78426 Rev. *F
Glossary
pending interrupts An interrupt that is triggered but not serviced, either because the processor is busy servicing
another interrupt or global interrupts are disabled.
phase The relationship between two signals, usually the same frequency, that determines the delay
between them. This delay between signals is either measured by time or angle (degrees).
Phase-Locked Loop
(PLL) An electronic circuit that controls an oscillator so that it maintains a constant phase angle relative
to a reference signal.
pin A terminal on a hardware component. Also called lead.
pinouts The pin number assignment: the relation between the logical inputs and outputs of the PSoC
device and their physical counterparts in the printed circuit board (PCB) package. Pinouts will
involve pin numbers as a link between schematic and PCB design (both being computer gener-
ated files) and may also involve pin names.
port A group of pins, usually eight.
positive edge A transition from a logic 0 to a logic 1. Also known as a rising edge.
posted interrupts An interrupt that is detected by the hardware but may or may not be enabled by its mask bit.
Posted interrupts that are not masked become pending interrupts.
Power On Reset (POR) A circuit that forces the PSoC device to reset when the voltage is below a pre-set level. This is
one type of hardware reset.
program counter The instruction pointer (also called the program counter) is a register in a computer processor
that indicates where in memory the CPU is executing instructions. Depending on the details of
the particular machine, it holds either the address of the instruction being executed, or the
address of the next instruction to be executed.
protocol A set of rules. Particularly the rules that govern networked communications.
PSoC®Cypress’s Programmable System-on-Chip (PSoC®) devices.
PSoC blocks See analog blocks and digital blocks.
PSoC Creator™ The software for Cypress’s next generation Programmable System-on-Chip technology.
PSoC Designer™ The software for Cypress’s Programmable System-on-Chip technology.
pulse A rapid change in some characteristic of a signal (for example, phase or frequency), from a base-
line value to a higher or lower value, followed by a rapid return to the baseline value.
pulse-width modulator
(PWM) An output in the form of duty cycle which varies as a function of the applied measure.

Glossary
PSoC 5LP Architecture TRM, Document No. 001-78426 Rev. *F 441
R
RAM An acronym for random access memory. A data-storage device from which data can be read out
and new data can be written in.
register A storage device with a specific capacity, such as a bit or byte.
reset A means of bringing a system back to a know state. See hardware reset and software reset.
resistance The resistance to the flow of electric current measured in ohms for a conductor.
revision ID A unique identifier of the PSoC device.
ripple divider An asynchronous ripple counter constructed of flip-flops. The clock is fed to the first stage of the
counter. An n-bit binary counter consisting of n flip-flops that can count in binary from 0 to 2n - 1.
rising edge See positive edge.
ROM An acronym for read only memory. A data-storage device from which data can be read out, but
new data cannot be written in.
routine A block of code, called by another block of code, that may have some general or frequent use.
routing Physically connecting objects in a design according to design rules set in the reference library.
runt pulses In digital circuits, narrow pulses that, due to non-zero rise and fall times of the signal, do not
reach a valid high or low level. For example, a runt pulse may occur when switching between
asynchronous clocks or as the result of a race condition in which a signal takes two separate
paths through a circuit. These race conditions may have different delays and are then recom-
bined to form a glitch or when the output of a flip-flop becomes metastable.
S
sampling The process of converting an analog signal into a series of digital values or reversed.
schematic A diagram, drawing, or sketch that details the elements of a system, such as the elements of an
electrical circuit or the elements of a logic diagram for a computer.
seed value An initial value loaded into a linear feedback shift register or random number generator.
serial 1. Pertaining to a process in which all events occur one after the other.
2. Pertaining to the sequential or consecutive occurrence of two or more related activities in a
single device or channel.
set To force a bit/register to a value of logic 1.
settling time The time it takes for an output signal or value to stabilize after the input has changed from one
value to another.

442 PSoC 5LP Architecture TRM, Document No. 001-78426 Rev. *F
Glossary
shift The movement of each bit in a word one position to either the left or right. For example, if the hex
value 0x24 is shifted one place to the left, it becomes 0x48. If the hex value 0x24 is shifted one
place to the right, it becomes 0x12.
shift register A memory storage device that sequentially shifts a word either left or right to output a stream of
serial data.
sign bit The most significant binary digit, or bit, of a signed binary number. If set to a logic 1, this bit rep-
resents a negative quantity.
signal A detectable transmitted energy that can be used to carry information. As applied to electronics,
any transmitted electrical impulse.
silicon ID A unique identifier of the PSoC silicon.
skew The difference in arrival time of bits transmitted at the same time, in parallel transmission.
slave device A device that allows another device to control the timing for data exchanges between two
devices. Or when devices are cascaded in width, the slave device is the one that allows another
device to control the timing of data exchanges between the cascaded devices and an external
interface. The controlling device is called the master device.
software A set of computer programs, procedures, and associated documentation concerned with the
operation of a data processing system (for example, compilers, library routines, manuals, and
circuit diagrams). Software is often written first as source code, and then converted to a binary
format that is specific to the device on which the code will be executed.
software reset A partial reset executed by software to bring part of the system back to a known state. A software
reset will restore the M8CP to a know state but not PSoC blocks, systems, peripherals, or regis-
ters. For a software reset, the CPU registers (CPU_A, CPU_F, CPU_PC, CPU_SP, and CPU_X)
are set to 0x00. Therefore, code execution will begin at flash address 0x0000.
SRAM An acronym for static random access memory. A memory device allowing users to store and
retrieve data at a high rate of speed. The term static is used because, when a value is loaded
into an SRAM cell, it will remain unchanged until it is explicitly altered or until power is removed
from the device.
SROM An acronym for supervisory read only memory. The SROM holds code that is used to boot the
device, calibrate circuitry, and perform flash operations. The functions of the SROM may be
accessed in normal user code, operating from flash.
stack A stack is a data structure that works on the principle of Last In First Out (LIFO). This means that
the last item put on the stack is the first item that can be taken off.
stack pointer A stack may be represented in a computer’s inside blocks of memory cells, with the bottom at a
fixed location and a variable stack pointer to the current top cell.
state machine The actual implementation (in hardware or software) of a function that can be considered to con-
sist of a set of states through which it sequences.
sticky A bit in a register that maintains its value past the time of the event that caused its transition, has
passed.

Glossary
PSoC 5LP Architecture TRM, Document No. 001-78426 Rev. *F 443
stop bit A signal following a character or block that prepares the receiving device to receive the next
character or block.
switching The controlling or routing of signals in circuits to execute logical or arithmetic operations, or to
transmit data between specific points in a network.
switch phasing The clock that controls a given switch, PHI1 or PHI2, in respect to the switch capacitor (SC)
blocks. The PSoC SC blocks have two groups of switches. One group of these switches is nor-
mally closed during PHI1 and open during PHI2. The other group is open during PHI1 and closed
during PHI2. These switches can be controlled in the normal operation, or in reverse mode if the
PHI1 and PHI2 clocks are reversed.
synchronous 1. A signal whose data is not acknowledged or acted upon until the next active edge of a clock
signal.
2. A system whose operation is synchronized by a clock signal.
T
tap The connection between two blocks of a device created by connecting several blocks/compo-
nents in a series, such as a shift register or resistive voltage divider.
terminal count The state at which a counter is counted down to zero.
threshold The minimum value of a signal that can be detected by the system or sensor under consider-
ation.
Thumb-2 The Thumb-2 instruction set is a highly efficient and powerful instruction set that delivers signifi-
cant benefits in terms of ease of use, code size, and performance. The Thumb-2 instruction set is
a superset of the previous 16-bit Thumb instruction set, with additional 16-bit instructions along-
side 32-bit instructions.
transistors The transistor is a solid-state semiconductor device used for amplification and switching, and
has three terminals: a small current or voltage applied to one terminal controls the current
through the other two. It is the key component in all modern electronics. In digital circuits, transis-
tors are used as very fast electrical switches, and arrangements of transistors can function as
logic gates, RAM-type memory, and other devices. In analog circuits, transistors are essentially
used as amplifiers.
tristate A function whose output can adopt three states: 0, 1, and Z (high impedance). The function does
not drive any value in the Z state and, in many respects, may be considered to be disconnected
from the rest of the circuit, allowing another output to drive the same net.
U
UART A UART or universal asynchronous receiver-transmitter translates between parallel bits of data
and serial bits.
user The person using the PSoC device and reading this manual.

444 PSoC 5LP Architecture TRM, Document No. 001-78426 Rev. *F
Glossary
user modules Pre-build, pre-tested hardware/firmware peripheral functions that take care of managing and
configuring the lower level Analog and Digital PSoC Blocks. User Modules also provide high
level API (Application Programming Interface) for the peripheral function.
user space The bank 0 space of the register map. The registers in this bank are more likely to be modified
during normal program execution and not just during initialization. Registers in bank 1 are most
likely to be modified only during the initialization phase of the program.
V
Vddd A name for a power net meaning "voltage drain." The most positive power supply signal. Usually
5 or 3.3 volts.
volatile Not guaranteed to stay the same value or level when not in scope.
Vss A name for a power net meaning "voltage source." The most negative power supply signal.
W
watchdog timer A timer that must be serviced periodically. If it is not serviced, the CPU will reset after a specified
period of time.
waveform The representation of a signal as a plot of amplitude versus time.
X
XOR See Boolean Algebra.

PSoC 5LP Architecture TRM, Document No. 001-78426 Rev. *F 445
Index
Numerics
24-bit data pointer registers
8051 . . . . . . . . . . . . . . . . . . . . . . . . . . . . . . . . . . . . 64
32.768 kHz crystal oscillator . . . . . . . . . . . . . . . . . . . . 129
50% duty cycle mode . . . . . . . . . . . . . . . . . . . . . . . . . 135
8051 . . . . . . . . . . . . . . . . . . . . . . . . . . . . . . . . . . . . . . . 97
24-bit data pointer registers . . . . . . . . . . . . . . . . . . 64
active interrupt . . . . . . . . . . . . . . . . . . . . . . . . . . . . 96
arithmetic instructions . . . . . . . . . . . . . . . . . . . . . . 40
arithmetic logic unit . . . . . . . . . . . . . . . . . . . . . . . . 40
bit addressing mode . . . . . . . . . . . . . . . . . . . . . . . . 39
block diagram . . . . . . . . . . . . . . . . . . . . . . . . . . . . . 37
boolean instructions . . . . . . . . . . . . . . . . . . . . . . . . 43
core enhancements . . . . . . . . . . . . . . . . . . . . . . . . 38
DPTR extension SFR . . . . . . . . . . . . . . . . . . . 38
Dual DPTR . . . . . . . . . . . . . . . . . . . . . . . . . . . 38
vectored interrupt controller interface . . . . . . . 38
CPU halt mechanisms . . . . . . . . . . . . . . . . . . . . . . 66
CY wrapper logic . . . . . . . . . . . . . . . . . . . . . . . . . . 39
data transfer instructions . . . . . . . . . . . . . . . . . . . . 42
direct addressing mode . . . . . . . . . . . . . . . . . . . . . 39
dual data pointer registers . . . . . . . . . . . . . . . . . . . 63
external data memory space . . . . . . . . . . . . . . . . . 66
features . . . . . . . . . . . . . . . . . . . . . . . . . . . . . . . . . 37
how it works . . . . . . . . . . . . . . . . . . . . . . . . . . 38, 389
immediate constants mode . . . . . . . . . . . . . . . . . . 39
indirect addressing mode . . . . . . . . . . . . . . . . . . . . 39
instruction set . . . . . . . . . . . . . . . . . . . . . . . . . . 38, 39
instruction set details . . . . . . . . . . . . . . . . . . . . . . . 44
internal data space . . . . . . . . . . . . . . . . . . . . . . . . . 39
interrupt controller interface . . . . . . . . . . . . . . . . . . 38
interrupt enable register . . . . . . . . . . . . . . . . . . . . . 65
interrupt nesting . . . . . . . . . . . . . . . . . . . . . . . . . . . 96
interrupt vector addresses . . . . . . . . . . . . . . . . . . . 97
IO port access registers . . . . . . . . . . . . . . . . . . . . . 65
jump instructions . . . . . . . . . . . . . . . . . . . . . . . . . . 43
logical instructions . . . . . . . . . . . . . . . . . . . . . . . . . 41
memory map . . . . . . . . . . . . . . . . . . . . . . . . . . . . . 38
program branching instructions . . . . . . . . . . . . . . . 43
program memory space . . . . . . . . . . . . . . . . . . . . . 66
PSoC 3 . . . . . . . . . . . . . . . . . . . . . . . . . . . . . . . . . . 37
register addressing mode . . . . . . . . . . . . . . . . . . . . 39
register specific instructions mode . . . . . . . . . . . . . 39
special function registers . . . . . . . . . . . . . . . . . . . . 62
wrapper logic . . . . . . . . . . . . . . . . . . . . . . . . . . . . . 37
A
ACC (SFR 0xE0) register . . . . . . . . . . . . . . . . . . . . . . . .40
active interrupt
8051 . . . . . . . . . . . . . . . . . . . . . . . . . . . . . . . . . . . . .96
active mode
entering . . . . . . . . . . . . . . . . . . . . . . . . . . . . . . . . .152
exiting . . . . . . . . . . . . . . . . . . . . . . . . . . . . . . . . . .152
low power modes . . . . . . . . . . . . . . . . . . . . . . . . . .152
PSoC . . . . . . . . . . . . . . . . . . . . . . . . . . . . . . . . . . .152
alternative active mode . . . . . . . . . . . . . . . . . . . . . . . . .153
entering . . . . . . . . . . . . . . . . . . . . . . . . . . . . . . . . .153
exiting . . . . . . . . . . . . . . . . . . . . . . . . . . . . . . . . . .153
low power modes . . . . . . . . . . . . . . . . . . . . . . . . . .153
analog I/O . . . . . . . . . . . . . . . . . . . . . . . . . . . . . . . . . . .176
analog subsystem
PSoC . . . . . . . . . . . . . . . . . . . . . . . . . . . . . . . . . . . .27
analog subsystem components
PSoC . . . . . . . . . . . . . . . . . . . . . . . . . . . . . . . . . . . .27
analog system . . . . . . . . . . . . . . . . . . . . . . . . . . . . . . . .319
architecture . . . . . . . . . . . . . . . . . . . . . . . . . . . . . .319
arithmetic instructions
8051 . . . . . . . . . . . . . . . . . . . . . . . . . . . . . . . . . . . . .40
arithmetic logic unit
8051 . . . . . . . . . . . . . . . . . . . . . . . . . . . . . . . . . . . . .40
asynchronous clocks . . . . . . . . . . . . . . . . . . . . . . . . . .138
B
B (SFR 0xF0) register . . . . . . . . . . . . . . . . . . . . . . . . . . .40
bit addressing mode
8051 . . . . . . . . . . . . . . . . . . . . . . . . . . . . . . . . . . . . .39
block diagram
8051 . . . . . . . . . . . . . . . . . . . . . . . . . . . . . . . . . . . . .37
cache controller . . . . . . . . . . . . . . . . . . . . . . . . . . . .67
clock distribution system . . . . . . . . . . . . . . . . . . . .132
clock divider Implementation . . . . . . . . . . . . . . . . .134
clock selection . . . . . . . . . . . . . . . . . . . . . . . . . . . .275
DMA controller . . . . . . . . . . . . . . . . . . . . . . . . . . . . .73
external memory interface . . . . . . . . . . . . . . . . . . .113
Flash programming system . . . . . . . . . . . . . . . . . .109
GPIO . . . . . . . . . . . . . . . . . . . . . . . . . . . . . . . . . . .168
I/O drive mode . . . . . . . . . . . . . . . . . . . . . . . . . . . .171
internal low speed oscillator . . . . . . . . . . . . . . . . .127
internal main oscillator . . . . . . . . . . . . . . . . . . . . . .127
interrupt controller . . . . . . . . . . . . . . . . . . . . . . . . . .91
master clock mux . . . . . . . . . . . . . . . . . . . . . . . . . .133

446 PSoC 5LP Architecture TRM, Document No. 001-78426 Rev. *F
Index
MHzECO . . . . . . . . . . . . . . . . . . . . . . . . . . . . . . . . 128
phase shifter . . . . . . . . . . . . . . . . . . . . . . . . . . . . . 136
phase-locked loop . . . . . . . . . . . . . . . . . . . . . . . . . 130
PHUB . . . . . . . . . . . . . . . . . . . . . . . . . . . . . . . . . . . 73
port interrupt controller unit . . . . . . . . . . . . . . . . . . 179
RESET module . . . . . . . . . . . . . . . . . . . . . . . . . . . 161
resync option . . . . . . . . . . . . . . . . . . . . . . . . . . . . . 136
SIO . . . . . . . . . . . . . . . . . . . . . . . . . . . . . . . . . . . . 169
SRAM organization for the CY8C38 family . . . . . . 106
USB clock mux . . . . . . . . . . . . . . . . . . . . . . . . . . . 133
USBIO . . . . . . . . . . . . . . . . . . . . . . . . . . . . . . . . . . 169
voltage monitoring . . . . . . . . . . . . . . . . . . . . . . . . . 147
watchdog timer circuit . . . . . . . . . . . . . . . . . . . . . . 157
boolean instructions
8051 . . . . . . . . . . . . . . . . . . . . . . . . . . . . . . . . . . . . 43
boost converter
PSoC . . . . . . . . . . . . . . . . . . . . . . . . . . . . . . . . . . . 143
bypassed clock source . . . . . . . . . . . . . . . . . . . . . . . . . 136
C
capture mode
timing diagram . . . . . . . . . . . . . . . . . . . . . . . . . . . 277
capture signal . . . . . . . . . . . . . . . . . . . . . . . . . . . . . . . . 276
central processing unit
cache controller . . . . . . . . . . . . . . . . . . . . . . . . . . . . 67
PHUB and DMA . . . . . . . . . . . . . . . . . . . . . . . . . . . 73
clock
system . . . . . . . . . . . . . . . . . . . . . . . . . . . . . . . . . . 138
clock block
components . . . . . . . . . . . . . . . . . . . . . . . . . . . . . 126
clock distribution . . . . . . . . . . . . . . . . . . . . . . . . . . . . . . 132
clock distribution module . . . . . . . . . . . . . . . . . . . . . . . 134
clock divider . . . . . . . . . . . . . . . . . . . . . . . . . . . . . . . . . 137
50% duty cycle mode . . . . . . . . . . . . . . . . . . . . . . 135
single cycle pulse mode . . . . . . . . . . . . . . . . . . . . 135
clock doubler . . . . . . . . . . . . . . . . . . . . . . . . . . . . . . . . 126
clock frequency
USB mode operations . . . . . . . . . . . . . . . . . . . . . . 134
clock generator
introduction . . . . . . . . . . . . . . . . . . . . . . . . . . . . . . 125
clock selection
block diagram . . . . . . . . . . . . . . . . . . . . . . . . . . . . 275
clock selection by timer block . . . . . . . . . . . . . . . . . . . . 274
clock signal naming . . . . . . . . . . . . . . . . . . . . . . . . . . . 139
clock source
selection by timer block . . . . . . . . . . . . . . . . . . . . . 274
clock sources
distribution . . . . . . . . . . . . . . . . . . . . . . . . . . . . . . . 132
DSI . . . . . . . . . . . . . . . . . . . . . . . . . . . . . . . . . . . . 130
internal . . . . . . . . . . . . . . . . . . . . . . . . . . . . . . . . . 126
phase-locked loop . . . . . . . . . . . . . . . . . . . . . . . . . 130
clock synchronization . . . . . . . . . . . . . . . . . . . . . . . . . . 135
clock tree
bypassed clock source output . . . . . . . . . . . . . . . . 136
phase delayed clk_sync output . . . . . . . . . . . . . . . 135
power gating . . . . . . . . . . . . . . . . . . . . . . . . . . . . . 138
resynchronized clock output . . . . . . . . . . . . . . . . . 135
types . . . . . . . . . . . . . . . . . . . . . . . . . . . . . . . . . . . 132
unsynchronized divided clock output . . . . . . . . . . 136
clocks
asynchronous . . . . . . . . . . . . . . . . . . . . . . . . . . . . 138
high precision . . . . . . . . . . . . . . . . . . . . . . . . . . . . 125
low power mode operation . . . . . . . . . . . . . . . . . . 138
cock dividers
main part of clock distribution module . . . . . . . . . 134
compare types in pulse width mode . . . . . . . . . . . . . . 284
core enhancements
8051 . . . . . . . . . . . . . . . . . . . . . . . . . . . . . . . . . . . . 38
counter mode
register configuration . . . . . . . . . . . . . . . . . . . . . . 280
counters
features . . . . . . . . . . . . . . . . . . . . . . . . . . . . . . . . 273
CPU halt mechanisms
8051 . . . . . . . . . . . . . . . . . . . . . . . . . . . . . . . . . . . . 66
CPU system . . . . . . . . . . . . . . . . . . . . . . . . . . . . . . . . . . 35
architecture . . . . . . . . . . . . . . . . . . . . . . . . . . . . . . . 35
crystal oscillator
low power operation . . . . . . . . . . . . . . . . . . . . . . . 129
CY wrapper logic
8051 . . . . . . . . . . . . . . . . . . . . . . . . . . . . . . . . . . . . 39
CY8C38 family
Flash memory . . . . . . . . . . . . . . . . . . . . . . . . . . . . 110
PSoC 3 . . . . . . . . . . . . . . . . . . . . . . . . . . . . . . . . . . 37
RAM implementation . . . . . . . . . . . . . . . . . . . . . . 107
D
data transfer instructions
8051 . . . . . . . . . . . . . . . . . . . . . . . . . . . . . . . . . . . . 42
dead band feature . . . . . . . . . . . . . . . . . . . . . . . . . . . . 286
delay chain . . . . . . . . . . . . . . . . . . . . . . . . . . . . . . . . . 136
development kits . . . . . . . . . . . . . . . . . . . . . . . . . . . . . . 29
device configuration of nonvolatile latch . . . . . . . . . . . 101
digital I/O
control by DSI . . . . . . . . . . . . . . . . . . . . . . . . . . . . 174
digital system . . . . . . . . . . . . . . . . . . . . . . . . . . . . . . . . 189
architecture . . . . . . . . . . . . . . . . . . . . . . . . . . . . . . 190
digital-to-analog converter . . . . . . . . . . . . . . . . . . . . . . . 27
direct addressing mode
8051 . . . . . . . . . . . . . . . . . . . . . . . . . . . . . . . . . . . . 39
DMA controller . . . . . . . . . . . . . . . . . . . . . . . . . . . . . . . . 39
block diagram . . . . . . . . . . . . . . . . . . . . . . . . . . . . . 73
document
glossary . . . . . . . . . . . . . . . . . . . . . . . . . . . . . . . . 443
overview . . . . . . . . . . . . . . . . . . . . . . . . . . . . . . . . . . 3
revision history . . . . . . . . . . . . . . . . . . . . . . . . . . . . 21
doubled clock . . . . . . . . . . . . . . . . . . . . . . . . . . . . . . . . 126
DPTR extension SFR
8051 core enhancements . . . . . . . . . . . . . . . . . . . . 38
DSI control of digital I/O . . . . . . . . . . . . . . . . . . . . . . . . 174
DSI input . . . . . . . . . . . . . . . . . . . . . . . . . . . . . . . . . . . 175
DSI output to I/O port . . . . . . . . . . . . . . . . . . . . . . . . . . 174
dual data pointer registers

PSoC 5LP Architecture TRM, Document No. 001-78426 Rev. *F 447
Index
8051 . . . . . . . . . . . . . . . . . . . . . . . . . . . . . . . . . . . . 63
Dual DPTR
8051 core enhancements . . . . . . . . . . . . . . . . . . . . 38
E
EEPROM
features . . . . . . . . . . . . . . . . . . . . . . . . . . . . . . . . 111
EEPROM memory
how erased . . . . . . . . . . . . . . . . . . . . . . . . . . . . . . 112
how it works . . . . . . . . . . . . . . . . . . . . . . . . . . . . . 112
PSoC . . . . . . . . . . . . . . . . . . . . . . . . . . . . . . . . . . 111
EMIF
block diagram . . . . . . . . . . . . . . . . . . . . . . . . . . . . 113
external memory support . . . . . . . . . . . . . . . . . . . 114
features . . . . . . . . . . . . . . . . . . . . . . . . . . . . . . . . 113
how it works . . . . . . . . . . . . . . . . . . . . . . . . . . . . . 114
memory mapped peripherals . . . . . . . . . . . . . . . . 120
registers . . . . . . . . . . . . . . . . . . . . . . . . . . . . . . . . 114
sleep mode behavior . . . . . . . . . . . . . . . . . . . . . . 117
timing . . . . . . . . . . . . . . . . . . . . . . . . . . . . . . . . . . 118
EMIF register list . . . . . . . . . . . . . . . . . . . . . . . . . . . . . 114
enable signal . . . . . . . . . . . . . . . . . . . . . . . . . . . . . . . . 276
enabling and disabling timer block . . . . . . . . . . . . . . . 275
enabling interrupts
PSoC . . . . . . . . . . . . . . . . . . . . . . . . . . . . . . . . . . . 92
erasing EEPROM memory . . . . . . . . . . . . . . . . . . . . . 112
external crystal oscillators . . . . . . . . . . . . . . . . . . . . . . 128
external data memory space
8051 . . . . . . . . . . . . . . . . . . . . . . . . . . . . . . . . . . . . 66
external memory interface
block diagram . . . . . . . . . . . . . . . . . . . . . . . . . . . . 113
connection to peripheral devices . . . . . . . . . . . . . 120
features . . . . . . . . . . . . . . . . . . . . . . . . . . . . . . . . 113
how it works . . . . . . . . . . . . . . . . . . . . . . . . . . . . . 114
introduction . . . . . . . . . . . . . . . . . . . . . . . . . . . . . . 113
register list . . . . . . . . . . . . . . . . . . . . . . . . . . . . . . 114
sleep mode . . . . . . . . . . . . . . . . . . . . . . . . . . . . . . 117
timing . . . . . . . . . . . . . . . . . . . . . . . . . . . . . . . . . . 118
external memory support in EMIF . . . . . . . . . . . . . . . . 114
F
fast start IMO (FIMO) . . . . . . . . . . . . . . . . . . . . . . . . . . 127
features
8051 . . . . . . . . . . . . . . . . . . . . . . . . . . . . . . . . . . . . 37
counters . . . . . . . . . . . . . . . . . . . . . . . . . . . . . . . . 273
EEPROM . . . . . . . . . . . . . . . . . . . . . . . . . . . . . . . 111
EMIF . . . . . . . . . . . . . . . . . . . . . . . . . . . . . . . . . . . 113
Flash memory . . . . . . . . . . . . . . . . . . . . . . . . . . . 109
I/O system . . . . . . . . . . . . . . . . . . . . . . . . . . . . . . 167
interrupt controller . . . . . . . . . . . . . . . . . . . . . . . . . 91
low power modes . . . . . . . . . . . . . . . . . . . . . . . . . 151
nonvolatile latch . . . . . . . . . . . . . . . . . . . . . . . . . . 101
PHUB . . . . . . . . . . . . . . . . . . . . . . . . . . . . . . . . . . . 73
port interrupt controller unit . . . . . . . . . . . . . . . . . 179
power supply and monitoring . . . . . . . . . . . . . . . . 141
pulse-width modulator . . . . . . . . . . . . . . . . . . . . . .273
SRAM . . . . . . . . . . . . . . . . . . . . . . . . . . . . . . . . . .105
timers . . . . . . . . . . . . . . . . . . . . . . . . . . . . . . . . . . .273
watchdog timer . . . . . . . . . . . . . . . . . . . . . . . . . . .157
flash interrupt
attempted flash write . . . . . . . . . . . . . . . . . . . . . . .110
ECC – multi-bit . . . . . . . . . . . . . . . . . . . . . . . . . . .110
ECC – single bit . . . . . . . . . . . . . . . . . . . . . . . . . . .110
Flash memory
CY8C38 family . . . . . . . . . . . . . . . . . . . . . . . . . . . .110
features . . . . . . . . . . . . . . . . . . . . . . . . . . . . . . . . .109
how it works . . . . . . . . . . . . . . . . . . . . . . . . . . . . . .110
PSoC . . . . . . . . . . . . . . . . . . . . . . . . . . . . . . . . . . .109
regions . . . . . . . . . . . . . . . . . . . . . . . . . . . . . . . . . .110
free run mode
timing diagram . . . . . . . . . . . . . . . . . . . . . . . . . . . .279
free run timer mode . . . . . . . . . . . . . . . . . . . . . . . . . . .279
frequency generation . . . . . . . . . . . . . . . . . . . . . . . . . .125
G
gated timer in pulse width
timing diagram . . . . . . . . . . . . . . . . . . . . . . . . . . . .281
general purpose input/output interface
PSoC . . . . . . . . . . . . . . . . . . . . . . . . . . . . . . . . . . . .26
glossary . . . . . . . . . . . . . . . . . . . . . . . . . . . . . . . . . . . .443
GPIO
block diagram . . . . . . . . . . . . . . . . . . . . . . . . . . . .168
GPIO pins in creation of buttons and sliders . . . . . . . .176
H
help, getting
development kits . . . . . . . . . . . . . . . . . . . . . . . . . . .29
hibernate mode . . . . . . . . . . . . . . . . . . . . . . . . . . . . . . .153
entering . . . . . . . . . . . . . . . . . . . . . . . . . . . . . . . . .154
exiting . . . . . . . . . . . . . . . . . . . . . . . . . . . . . . . . . .154
low power modes . . . . . . . . . . . . . . . . . . . . . . . . . .153
hibernate regulator . . . . . . . . . . . . . . . . . . . . . . . . . . . .143
high impedance analog drive mode . . . . . . . . . . . . . . .171
high impedance digital drive mode . . . . . . . . . . . . . . . .171
high voltage interrupt . . . . . . . . . . . . . . . . . . . . . 147, 148
hot swap
SIO pin support . . . . . . . . . . . . . . . . . . . . . . . . . . .178
how it works
8051 . . . . . . . . . . . . . . . . . . . . . . . . . . . . . . . . 38, 389
EEPROM memory . . . . . . . . . . . . . . . . . . . . . . . . .112
EMIF . . . . . . . . . . . . . . . . . . . . . . . . . . . . . . . . . . .114
external memory interface . . . . . . . . . . . . . . . . . . .114
Flash memory . . . . . . . . . . . . . . . . . . . . . . . . . . . .110
I/O system . . . . . . . . . . . . . . . . . . . . . . . . . . . . . . .170
interrupt controller . . . . . . . . . . . . . . . . . . . . . . . . . .92
PHUB . . . . . . . . . . . . . . . . . . . . . . . . . . . . . . . . . . . .74
power regulators . . . . . . . . . . . . . . . . . . . . . . . . . .143
PSoC RAM . . . . . . . . . . . . . . . . . . . . . . . . . . . . . .107
watchdog timer . . . . . . . . . . . . . . . . . . . . . . . . . . .158

448 PSoC 5LP Architecture TRM, Document No. 001-78426 Rev. *F
Index
I
I/O drive mode . . . . . . . . . . . . . . . . . . . . . . . . . . . . . . . 170
block diagram . . . . . . . . . . . . . . . . . . . . . . . . . . . . 171
high impedance analog . . . . . . . . . . . . . . . . . . . . . 171
high impedance digital . . . . . . . . . . . . . . . . . . . . . 171
open drain . . . . . . . . . . . . . . . . . . . . . . . . . . . . . . . 172
resistive . . . . . . . . . . . . . . . . . . . . . . . . . . . . . . . . . 171
resistive pull up and pull down . . . . . . . . . . . . . . . 172
strong . . . . . . . . . . . . . . . . . . . . . . . . . . . . . . . . . . 172
I/O pins
low power mode behavior . . . . . . . . . . . . . . . . . . . 179
overvoltage tolerance . . . . . . . . . . . . . . . . . . . . . . 178
I/O power supply . . . . . . . . . . . . . . . . . . . . . . . . . . . . . 179
I/O system
analog I/O . . . . . . . . . . . . . . . . . . . . . . . . . . . . . . . 176
CapSense . . . . . . . . . . . . . . . . . . . . . . . . . . . . . . . 176
digital I/O controlled through DSI . . . . . . . . . . . . . 174
DSI input . . . . . . . . . . . . . . . . . . . . . . . . . . . . . . . . 175
DSI output . . . . . . . . . . . . . . . . . . . . . . . . . . . . . . . 174
features . . . . . . . . . . . . . . . . . . . . . . . . . . . . . . . . . 167
how it works . . . . . . . . . . . . . . . . . . . . . . . . . . . . . 170
I/O port reconfiguration . . . . . . . . . . . . . . . . . . . . . 178
I/O power supply . . . . . . . . . . . . . . . . . . . . . . . . . . 179
introduction . . . . . . . . . . . . . . . . . . . . . . . . . . . . . . 167
LCD drive capabilities . . . . . . . . . . . . . . . . . . . . . . 176
low power mode effect on I/O pins . . . . . . . . . . . . 179
open drain modes . . . . . . . . . . . . . . . . . . . . . . . . . 172
overvoltage tolerance . . . . . . . . . . . . . . . . . . . . . . 178
port interrupt controller unit . . . . . . . . . . . . . . . . . . 179
port interrupt controller unit pin configuration . . . . 180
port register of digital I/O . . . . . . . . . . . . . . . . . . . . 172
power up I/O configuration . . . . . . . . . . . . . . . . . . 178
register summary . . . . . . . . . . . . . . . . . . . . . . . . . 181
resistive modes . . . . . . . . . . . . . . . . . . . . . . . . . . . 171
resistive pull up and pull down mode . . . . . . . . . . 172
SFR to GPIO (PSoC3 only) . . . . . . . . . . . . . . . . . . 174
SIO functions . . . . . . . . . . . . . . . . . . . . . . . . . . . . 177
slew rate control . . . . . . . . . . . . . . . . . . . . . . . . . . 172
strong drive mode . . . . . . . . . . . . . . . . . . . . . . . . . 172
usage modes and configuration . . . . . . . . . . . . . . 170
identifying reset sources . . . . . . . . . . . . . . . . . . . . . . . . 160
immediate constants mode
8051 . . . . . . . . . . . . . . . . . . . . . . . . . . . . . . . . . . . . 39
indirect addressing mode
8051 . . . . . . . . . . . . . . . . . . . . . . . . . . . . . . . . . . . . 39
input signals of timer block . . . . . . . . . . . . . . . . . . . . . . 275
input voltage to boost converter . . . . . . . . . . . . . . . . . . 143
instruction set
8051 . . . . . . . . . . . . . . . . . . . . . . . . . . . . . . . . .38, 39
instruction set details
8051 . . . . . . . . . . . . . . . . . . . . . . . . . . . . . . . . . . . . 44
internal data space
8051 . . . . . . . . . . . . . . . . . . . . . . . . . . . . . . . . . . . . 39
internal low speed oscillator . . . . . . . . . . . . . . . . .126, 127
internal main oscillator . . . . . . . . . . . . . . . . . . . . . . . . . 126
internal regulators . . . . . . . . . . . . . . . . . . . . . . . . . . . . . 143
interrupt controller
block diagram . . . . . . . . . . . . . . . . . . . . . . . . . . . . . 91
features . . . . . . . . . . . . . . . . . . . . . . . . . . . . . . . . . 91
how it works . . . . . . . . . . . . . . . . . . . . . . . . . . . . . . 92
interrupt execution . . . . . . . . . . . . . . . . . . . . . . . . . 94
introduction . . . . . . . . . . . . . . . . . . . . . . . . . . . . . . . 91
level interrupt . . . . . . . . . . . . . . . . . . . . . . . . . . . . . 94
priority decoding unit . . . . . . . . . . . . . . . . . . . . . . . 94
pulse interrupt . . . . . . . . . . . . . . . . . . . . . . . . . . . . . 94
interrupt controller interface
8051 . . . . . . . . . . . . . . . . . . . . . . . . . . . . . . . . . . . . 38
interrupt enable register
8051 . . . . . . . . . . . . . . . . . . . . . . . . . . . . . . . . . . . . 65
interrupt execution
interrupt controller . . . . . . . . . . . . . . . . . . . . . . . . . 94
interrupt nesting
8051 . . . . . . . . . . . . . . . . . . . . . . . . . . . . . . . . . . . . 96
interrupt service routine . . . . . . . . . . . . . . . . . . . . . . . . . 97
8051 . . . . . . . . . . . . . . . . . . . . . . . . . . . . . . . . . . . . 97
sleep mode . . . . . . . . . . . . . . . . . . . . . . . . . . . . . . . 98
interrupt vector addresses
8051 . . . . . . . . . . . . . . . . . . . . . . . . . . . . . . . . . . . . 97
introduction
clock generator . . . . . . . . . . . . . . . . . . . . . . . . . . . 125
I/O system . . . . . . . . . . . . . . . . . . . . . . . . . . . . . . 167
reset . . . . . . . . . . . . . . . . . . . . . . . . . . . . . . . . . . . 159
timer . . . . . . . . . . . . . . . . . . . . . . . . . . . . . . . . . . . 273
IO port access registers
8051 . . . . . . . . . . . . . . . . . . . . . . . . . . . . . . . . . . . . 65
J
jump instructions
8051 . . . . . . . . . . . . . . . . . . . . . . . . . . . . . . . . . . . . 43
K
kill signal . . . . . . . . . . . . . . . . . . . . . . . . . . . . . . . . . . . 278
L
LCD drive
I/O system capabilities . . . . . . . . . . . . . . . . . . . . . 176
level interrupt
interrupt controller . . . . . . . . . . . . . . . . . . . . . . . . . 94
logic diagram
RESET module . . . . . . . . . . . . . . . . . . . . . . . . . . . 161
logical instructions
8051 . . . . . . . . . . . . . . . . . . . . . . . . . . . . . . . . . . . . 41
low power modes . . . . . . . . . . . . . . . . . . . . . . . . . . . . . 151
active mode . . . . . . . . . . . . . . . . . . . . . . . . . . . . . 152
alternative active mode . . . . . . . . . . . . . . . . . . . . 153
features . . . . . . . . . . . . . . . . . . . . . . . . . . . . . . . . 151
hibernate mode . . . . . . . . . . . . . . . . . . . . . . . . . . 153
power mode transitions diagram . . . . . . . . . . . . . 151
sleep mode . . . . . . . . . . . . . . . . . . . . . . . . . . . . . . 153
timewheel . . . . . . . . . . . . . . . . . . . . . . . . . . . . . . . 154
low voltage detect interrupt processing . . . . . . . . . . . . 148

PSoC 5LP Architecture TRM, Document No. 001-78426 Rev. *F 449
Index
low voltage interrupt . . . . . . . . . . . . . . . . . . . . . . . . . . 147
M
mapping diagram
digital system input to pad selection . . . . . . . . . . 174
master clock mux . . . . . . . . . . . . . . . . . . . . . . . . . . . . . 133
memory . . . . . . . . . . . . . . . . . . . . . . . . . . . . . . . . . . . . . 99
architecture . . . . . . . . . . . . . . . . . . . . . . . . . . . . . . 99
memory map
8051 . . . . . . . . . . . . . . . . . . . . . . . . . . . . . . . . . . . . 38
memory mapped peripherals in EMIF . . . . . . . . . . . . . 120
MHz crystal oscillator . . . . . . . . . . . . . . . . . . . . . . . . . . 128
modes
active mode in low power modes . . . . . . . . . . . . . 152
power consumption-reducing . . . . . . . . . . . . . . . . 152
N
nonvolatile latch
device configuration . . . . . . . . . . . . . . . . . . . . . . . 101
device configuration register map . . . . . . . . . . . . 101
features . . . . . . . . . . . . . . . . . . . . . . . . . . . . . . . . 101
programming . . . . . . . . . . . . . . . . . . . . . . . . . . . . 103
sleep mode . . . . . . . . . . . . . . . . . . . . . . . . . . . . . . 103
write once . . . . . . . . . . . . . . . . . . . . . . . . . . . . . . . 102
O
on the fly duty cycle update . . . . . . . . . . . . . . . . . . . . . 286
one shot mode . . . . . . . . . . . . . . . . . . . . . . . . . . . . . . . 287
oscillators
external crystal . . . . . . . . . . . . . . . . . . . . . . . . . . . 128
internal PSoC . . . . . . . . . . . . . . . . . . . . . . . . . . . . 126
summary table . . . . . . . . . . . . . . . . . . . . . . . . . . . 130
overview, document . . . . . . . . . . . . . . . . . . . . . . . . . 3, 21
getting started . . . . . . . . . . . . . . . . . . . . . . . . . . . . 29
revision history . . . . . . . . . . . . . . . . . . . . . . . . . . . . 21
overvoltage tolerance in I/O pins . . . . . . . . . . . . . . . . . 178
P
peripheral device connection
external memory interface . . . . . . . . . . . . . . . . . . 120
phase delayed clk_sync . . . . . . . . . . . . . . . . . . . . . . . 135
phase select and control . . . . . . . . . . . . . . . . . . . . . . . 136
phase shifter . . . . . . . . . . . . . . . . . . . . . . . . . . . . . . . . 137
phase-locked loop . . . . . . . . . . . . . . . . . . . . . . . . . . . . 130
PHUB
block diagram . . . . . . . . . . . . . . . . . . . . . . . . . . . . . 73
features . . . . . . . . . . . . . . . . . . . . . . . . . . . . . . . . . 73
how it works . . . . . . . . . . . . . . . . . . . . . . . . . . . . . . 74
port interrupt controller
features . . . . . . . . . . . . . . . . . . . . . . . . . . . . . . . . 179
port interrupt controller unit . . . . . . . . . . . . . . . . . . . . . 179
block diagram . . . . . . . . . . . . . . . . . . . . . . . . . . . . 179
pin configuration . . . . . . . . . . . . . . . . . . . . . . . . . .180
port register control of digital I/O . . . . . . . . . . . . . . . . . .172
power consumption-reducing modes . . . . . . . . . . . . . .152
power gating
clock outputs . . . . . . . . . . . . . . . . . . . . . . . . . . . . .138
power mode transitions in low power modes . . . . . . . .151
power on reset . . . . . . . . . . . . . . . . . . . . . . . . . . . . . . .159
power regulators
how it works . . . . . . . . . . . . . . . . . . . . . . . . . . . . . .143
power supply and monitoring
features . . . . . . . . . . . . . . . . . . . . . . . . . . . . . . . . .141
priority decoding unit
interrupt controller . . . . . . . . . . . . . . . . . . . . . . . . . .94
product upgrades . . . . . . . . . . . . . . . . . . . . . . . . . . . . . .29
program and debug . . . . . . . . . . . . . . . . . . . . . . . . . . .413
architecture . . . . . . . . . . . . . . . . . . . . . . . . . . . . . .413
PSoC . . . . . . . . . . . . . . . . . . . . . . . . . . . . . . . . . . . .27
program branching instructions
8051 . . . . . . . . . . . . . . . . . . . . . . . . . . . . . . . . . . . . .43
program memory space
8051 . . . . . . . . . . . . . . . . . . . . . . . . . . . . . . . . . . . . .66
Program Status Word SFR . . . . . . . . . . . . . . . . . . . . . . .40
PSoC
active mode . . . . . . . . . . . . . . . . . . . . . . . . . . . . . .152
analog subsystem . . . . . . . . . . . . . . . . . . . . . . . . . .27
analog subsystem components . . . . . . . . . . . . . . . .27
boost converter . . . . . . . . . . . . . . . . . . . . . . . . . . .143
DMA controller . . . . . . . . . . . . . . . . . . . . . . . . . . . . .25
EEPROM memory . . . . . . . . . . . . . . . . . . . . . . . . .111
enabling interrupts . . . . . . . . . . . . . . . . . . . . . . . . . .92
Flash memory on-chip . . . . . . . . . . . . . . . . . . . . . .109
general purpose input/output interface . . . . . . . . . .26
program and debug . . . . . . . . . . . . . . . . . . . . . . . . .27
special input/output interface . . . . . . . . . . . . . . . . . .26
SRAM . . . . . . . . . . . . . . . . . . . . . . . . . . . . . . . . . .105
supply pins . . . . . . . . . . . . . . . . . . . . . . . . . . . . . . .141
timer blocks . . . . . . . . . . . . . . . . . . . . . . . . . . . . . .273
USB input/output interface . . . . . . . . . . . . . . . . . . . .26
PSoC 3
8051 . . . . . . . . . . . . . . . . . . . . . . . . . . . . . . . . . . . . .37
8051 features . . . . . . . . . . . . . . . . . . . . . . . . . . . . . .96
CY8C38 family . . . . . . . . . . . . . . . . . . . . . . . . . . . . .37
major components . . . . . . . . . . . . . . . . . . . . . . . . . .23
PSoC Ram
how it works . . . . . . . . . . . . . . . . . . . . . . . . . . . . . .107
PSoC3
SFR to GPIO . . . . . . . . . . . . . . . . . . . . . . . . . . . . .174
PSW0xD0 register . . . . . . . . . . . . . . . . . . . . . . . . . . . . .40
pulse interrupt
interrupt controller . . . . . . . . . . . . . . . . . . . . . . . . . .94
pulse width mode
comparator mode . . . . . . . . . . . . . . . . . . . . . . . . .284
compare types . . . . . . . . . . . . . . . . . . . . . . . . . . . .284
pulse width modulator
dead band feature . . . . . . . . . . . . . . . . . . . . . . . . .286
on the fly duty cycle update . . . . . . . . . . . . . . . . . .286
one shot mode . . . . . . . . . . . . . . . . . . . . . . . . . . . .287
register configuration . . . . . . . . . . . . . . . . . . . . . . .284

450 PSoC 5LP Architecture TRM, Document No. 001-78426 Rev. *F
Index
pulse-width modulator
features . . . . . . . . . . . . . . . . . . . . . . . . . . . . . . . . . 273
R
RAM implementation
CY8C38 family . . . . . . . . . . . . . . . . . . . . . . . . . . . 107
real time clock . . . . . . . . . . . . . . . . . . . . . . . . . . . . . . . 129
register addressing mode
8051 . . . . . . . . . . . . . . . . . . . . . . . . . . . . . . . . . . . . 39
register map
nonvolatile latch . . . . . . . . . . . . . . . . . . . . . . . . . . 101
register specific instructions mode
8051 . . . . . . . . . . . . . . . . . . . . . . . . . . . . . . . . . . . . 39
register summary
I/O system . . . . . . . . . . . . . . . . . . . . . . . . . . . . . . . 181
registers
counter mode . . . . . . . . . . . . . . . . . . . . . . . . . . . . 280
EMIF . . . . . . . . . . . . . . . . . . . . . . . . . . . . . . . . . . . 114
pulse width modulator . . . . . . . . . . . . . . . . . . . . . . 284
timer block . . . . . . . . . . . . . . . . . . . . . . . . . . . . . . . 288
regulator
hibernate . . . . . . . . . . . . . . . . . . . . . . . . . . . . . . . . 143
internal . . . . . . . . . . . . . . . . . . . . . . . . . . . . . . . . . 143
sleep . . . . . . . . . . . . . . . . . . . . . . . . . . . . . . . . . . . 143
reset . . . . . . . . . . . . . . . . . . . . . . . . . . . . . . . . . . . . . . . 159
identifying sources . . . . . . . . . . . . . . . . . . . . . . . . 160
introduction . . . . . . . . . . . . . . . . . . . . . . . . . . . . . . 159
software initiated . . . . . . . . . . . . . . . . . . . . . . . . . . 160
watchdog . . . . . . . . . . . . . . . . . . . . . . . . . . . . . . . . 160
RESET module
logic diagram . . . . . . . . . . . . . . . . . . . . . . . . . . . . . 161
reset summary table . . . . . . . . . . . . . . . . . . . . . . . . . . . 162
resynchronized clock . . . . . . . . . . . . . . . . . . . . . . . . . . 135
RETI instruction . . . . . . . . . . . . . . . . . . . . . . . . . . . . . . . 38
revision history . . . . . . . . . . . . . . . . . . . . . . . . . . . . . . . . 21
S
SFR – GPIO interface . . . . . . . . . . . . . . . . . . . . . . . . . . 39
single cycle pulse mode . . . . . . . . . . . . . . . . . . . . . . . . 135
SIO
block diagram . . . . . . . . . . . . . . . . . . . . . . . . . . . . 169
SIO functions
adjustable input level . . . . . . . . . . . . . . . . . . . . . . 177
hot swap . . . . . . . . . . . . . . . . . . . . . . . . . . . . . . . . 178
regulated output level . . . . . . . . . . . . . . . . . . . . . . 177
sleep mode
entering . . . . . . . . . . . . . . . . . . . . . . . . . . . . . . . . . 153
exiting . . . . . . . . . . . . . . . . . . . . . . . . . . . . . . . . . . 153
external memory interface . . . . . . . . . . . . . . . . . . . 117
gating off of clock network outputs . . . . . . . . . . . . 138
interrupt service routine . . . . . . . . . . . . . . . . . . . . . . 98
low power mode . . . . . . . . . . . . . . . . . . . . . . . . . . 153
low power modes . . . . . . . . . . . . . . . . . . . . . . . . . 153
nonvolatile latch behavior . . . . . . . . . . . . . . . . . . . 103
timer block behavior . . . . . . . . . . . . . . . . . . . . . . . 288
sleep mode behavior in EMIF . . . . . . . . . . . . . . . . . . . 117
sleep regulator . . . . . . . . . . . . . . . . . . . . . . . . . . . . . . . 143
slew rate control in I/O system . . . . . . . . . . . . . . . . . . 172
software initiated reset . . . . . . . . . . . . . . . . . . . . . . . . . 160
special function registers
8051 . . . . . . . . . . . . . . . . . . . . . . . . . . . . . . . . . . . . 62
special input/output interface
PSoC . . . . . . . . . . . . . . . . . . . . . . . . . . . . . . . . . . . 26
SRAM
features . . . . . . . . . . . . . . . . . . . . . . . . . . . . . . . . 105
PSoC . . . . . . . . . . . . . . . . . . . . . . . . . . . . . . . . . . 105
supply pins
PSoC . . . . . . . . . . . . . . . . . . . . . . . . . . . . . . . . . . 141
synchronization of clock . . . . . . . . . . . . . . . . . . . . . . . 135
system clock operation . . . . . . . . . . . . . . . . . . . . . . . . 138
system integration
low power modes . . . . . . . . . . . . . . . . . . . . . . . . . 151
reset . . . . . . . . . . . . . . . . . . . . . . . . . . . . . . . . . . . 159
system wide resources . . . . . . . . . . . . . . . . . . . . . . . . 123
architecture . . . . . . . . . . . . . . . . . . . . . . . . . . . . . . 123
T
timer
introduction . . . . . . . . . . . . . . . . . . . . . . . . . . . . . . 273
timer block
enabling and disabling . . . . . . . . . . . . . . . . . . . . . 275
input signals . . . . . . . . . . . . . . . . . . . . . . . . . . . . . 275
modes . . . . . . . . . . . . . . . . . . . . . . . . . . . . . . . . . . 274
registers . . . . . . . . . . . . . . . . . . . . . . . . . . . . . . . . 288
selection of clock source . . . . . . . . . . . . . . . . . . . 274
sleep mode behavior . . . . . . . . . . . . . . . . . . . . . . 288
timer blocks
PSoC . . . . . . . . . . . . . . . . . . . . . . . . . . . . . . . . . . 273
timer mode
free run . . . . . . . . . . . . . . . . . . . . . . . . . . . . . . . . . 279
period mode . . . . . . . . . . . . . . . . . . . . . . . . . . . . . 282
stop on interrupt mode . . . . . . . . . . . . . . . . . . . . . 283
timer reset signal . . . . . . . . . . . . . . . . . . . . . . . . . . . . . 278
timing diagram . . . . . . . . . . . . . . . . . . . . . . . . . . . 278
timers
features . . . . . . . . . . . . . . . . . . . . . . . . . . . . . . . . 273
timewheel in low power modes . . . . . . . . . . . . . . . . . . 154
timing
EMIF . . . . . . . . . . . . . . . . . . . . . . . . . . . . . . . . . . . 118
timing diagram
capture mode . . . . . . . . . . . . . . . . . . . . . . . . . . . . 277
free run mode . . . . . . . . . . . . . . . . . . . . . . . . . . . . 279
gated timer in IRQ mode . . . . . . . . . . . . . . . . . . . 283
gated timer in period mode . . . . . . . . . . . . . . . . . . 282
gated timer in pulse width mode . . . . . . . . . . . . . . 281
timer reset signal . . . . . . . . . . . . . . . . . . . . . . . . . 278
timing of EMIF . . . . . . . . . . . . . . . . . . . . . . . . . . . . . . . 118
timing of external memory interface . . . . . . . . . . . . . . 118

PSoC 5LP Architecture TRM, Document No. 001-78426 Rev. *F 451
Index
U
unsynchronized divided clock . . . . . . . . . . . . . . . . . . . 136
update . . . . . . . . . . . . . . . . . . . . . . . . . . . . . . . . . . . . . 137
updating of clock divider . . . . . . . . . . . . . . . . . . . . . . . 137
upgrades . . . . . . . . . . . . . . . . . . . . . . . . . . . . . . . . . . . . 29
usage modes and configuration of I/O system . . . . . . 170
USB clock . . . . . . . . . . . . . . . . . . . . . . . . . . . . . . . . . . 133
USB input/output interface
PSoC . . . . . . . . . . . . . . . . . . . . . . . . . . . . . . . . . . . 26
USB mode operation
clock frequency . . . . . . . . . . . . . . . . . . . . . . . . . . 134
USBIO
block diagram . . . . . . . . . . . . . . . . . . . . . . . . . . . . 169
V
vectored interrupt controller interface
8051 core enhancements . . . . . . . . . . . . . . . . . . . . 38
voltage monitoring . . . . . . . . . . . . . . . . . . . . . . . . . . . . 147
W
watchdog reset . . . . . . . . . . . . . . . . . . . . . . . . . . . . . . 160
watchdog timer
clearing . . . . . . . . . . . . . . . . . . . . . . . . . . . . . . . . . 158
disabling . . . . . . . . . . . . . . . . . . . . . . . . . . . . . . . . 158
enabling . . . . . . . . . . . . . . . . . . . . . . . . . . . . . . . . 158
features . . . . . . . . . . . . . . . . . . . . . . . . . . . . . . . . 157
how it works . . . . . . . . . . . . . . . . . . . . . . . . . . . . . 158
operation in low power mode . . . . . . . . . . . . . . . . 158
protection settings . . . . . . . . . . . . . . . . . . . . . . . . 158
setting time period . . . . . . . . . . . . . . . . . . . . . . . . 158
wrapper logic
8051 . . . . . . . . . . . . . . . . . . . . . . . . . . . . . . . . . . . . 37
write once latch . . . . . . . . . . . . . . . . . . . . . . . . . . . . . . 102

452 PSoC 5LP Architecture TRM, Document No. 001-78426 Rev. *F
Index