H9622MD DVP620
User Manual: DVP620
Open the PDF directly: View PDF 
.
Page Count: 97
- MAIN SECTION
- LASER BEAM SAFETY PRECAUTIONS
 - IMPORTANT SAFETY PRECAUTIONS
 - STANDARD NOTES FOR SERVICING
 - FUNCTION INDICATOR SYMBOLS
 - PREPARATION FOR SERVICING
 - OPERATING CONTROLS AND FUNCTIONS
 - SIGNAL NAME ABBREVIATIONS
 - CABINET DISASSEMBLY INSTRUCTIONS
 - ELECTRICAL ADJUSTMENT INSTRUCTIONS
 - FIRMWARE RENEWAL MODE
 - BLOCK DIAGRAMS
 - SCHEMATIC DIAGRAMS / CBA’S AND TEST POINTS
 - WAVEFORMS
 - WIRING DIAGRAM < VCR SECTION >
 - WIRING DIAGRAM < DVD SECTION >
 - SYSTEM CONTROL TIMING CHARTS
 - IC PIN FUNCTION DESCRIPTIONS
 - LEAD IDENTIFICATIONS
 - ELECTRICAL PARTS LIST
 - EXPLODED VIEWS
 - MECHANICAL PARTS LIST
 
 - DECK MECHANISM SECTION
 

Contents
Chapter
Technical Specifications
Schematic Diagrams and CBA's
Exploded Views
Mechanical and Electrical Parts Lists
Sec. 1: 
Sec. 2: Standard Maintenance
Mechanism Alignment Procedures
Disassembly / Assembly of Mechanism
Deck Exploded Views
Survey of versions:
Published by FU 0422 Service AVE          Printed in The Netherlands          Subject to modification
Version 1.0
GB    3139 785 30690
/78                 NTSC
DVD + VCR Combi
DVP620VR/78
 c Copyright 2004 Philips Consumer Electronics B.V. Eindhove, The Netherlands
All rights reserved. No part of this publication may be reproduced, stored in a retrieval 
system or transmitted, in any form or by any means, electronic, mechanical, photocopying, 
or otherwise without the prior permission of Philips.
CLASS 1 LASER PRODUCT
KLASSE 1 LASER PRODUKT
KLASS 1 LASER APPARAT
CLASSE 1 PRODUIT LASER
Service Manual
Service
Service
Service

MAIN SECTION
DIGITAL VIDEO DISC PLAYER & 
VIDEO CASSETTE RECORDER
TABLE OF CONTENTS
LASER BEAM SAFETY PRECAUTIONS . . . . . . . . . . . . . . . . . . . . . . . . . . . . . . . . . . . . . . . . . . . . . . . . . . . . .  1-1-1
IMPORTANT SAFETY PRECAUTIONS . . . . . . . . . . . . . . . . . . . . . . . . . . . . . . . . . . . . . . . . . . . . . . . . . . . . . .  1-2-1
STANDARD NOTES FOR SERVICING  . . . . . . . . . . . . . . . . . . . . . . . . . . . . . . . . . . . . . . . . . . . . . . . . . . . . . .  1-3-1
FUNCTION INDICATOR SYMBOLS. . . . . . . . . . . . . . . . . . . . . . . . . . . . . . . . . . . . . . . . . . . . . . . . . . . . . . . . .  1-4-1
PREPARATION FOR SERVICING . . . . . . . . . . . . . . . . . . . . . . . . . . . . . . . . . . . . . . . . . . . . . . . . . . . . . . . . . .  1-5-1
OPERATING CONTROLS AND FUNCTIONS . . . . . . . . . . . . . . . . . . . . . . . . . . . . . . . . . . . . . . . . . . . . . . . . .  1-6-1
SIGNAL NAME ABBREVIATIONS . . . . . . . . . . . . . . . . . . . . . . . . . . . . . . . . . . . . . . . . . . . . . . . . . . . . . . . . . .  1-7-1
CABINET DISASSEMBLY INSTRUCTIONS. . . . . . . . . . . . . . . . . . . . . . . . . . . . . . . . . . . . . . . . . . . . . . . . . . .  1-8-1
ELECTRICAL ADJUSTMENT INSTRUCTIONS. . . . . . . . . . . . . . . . . . . . . . . . . . . . . . . . . . . . . . . . . . . . . . . .  1-9-1  
FIRMWARE RENEWAL MODE  . . . . . . . . . . . . . . . . . . . . . . . . . . . . . . . . . . . . . . . . . . . . . . . . . . . . . . . . . . .  1-10-1  
BLOCK DIAGRAMS . . . . . . . . . . . . . . . . . . . . . . . . . . . . . . . . . . . . . . . . . . . . . . . . . . . . . . . . . . . . . . . . . . . .  1-11-1
SCHEMATIC DIAGRAMS / CBA’S AND TEST POINTS  . . . . . . . . . . . . . . . . . . . . . . . . . . . . . . . . . . . . . . . .  1-12-1
WAVEFORMS. . . . . . . . . . . . . . . . . . . . . . . . . . . . . . . . . . . . . . . . . . . . . . . . . . . . . . . . . . . . . . . . . . . . . . . . .  1-13-1
WIRING DIAGRAM < VCR SECTION > . . . . . . . . . . . . . . . . . . . . . . . . . . . . . . . . . . . . . . . . . . . . . . . . . . . . .  1-14-1
WIRING DIAGRAM < DVD SECTION > . . . . . . . . . . . . . . . . . . . . . . . . . . . . . . . . . . . . . . . . . . . . . . . . . . . . .  1-14-2
SYSTEM CONTROL TIMING CHARTS . . . . . . . . . . . . . . . . . . . . . . . . . . . . . . . . . . . . . . . . . . . . . . . . . . . . .  1-15-1
IC PIN FUNCTION DESCRIPTIONS . . . . . . . . . . . . . . . . . . . . . . . . . . . . . . . . . . . . . . . . . . . . . . . . . . . . . . .  1-16-1
LEAD IDENTIFICATIONS . . . . . . . . . . . . . . . . . . . . . . . . . . . . . . . . . . . . . . . . . . . . . . . . . . . . . . . . . . . . . . . .  1-17-1
ELECTRICAL PARTS LIST. . . . . . . . . . . . . . . . . . . . . . . . . . . . . . . . . . . . . . . . . . . . . . . . . . . . . . . . . . . . . . .  1-18-1
EXPLODED VIEWS . . . . . . . . . . . . . . . . . . . . . . . . . . . . . . . . . . . . . . . . . . . . . . . . . . . . . . . . . . . . . . . . . . . .  1-19-1
MECHANICAL PARTS LIST . . . . . . . . . . . . . . . . . . . . . . . . . . . . . . . . . . . . . . . . . . . . . . . . . . . . . . . . . . . . . .  1-20-1
Sec. 1: Main Section
I Adjustment Procedures
I Schematic Diagrams and CBA’s
I Exploded Views
I Mechanical and Electrical Parts List

1-1-1 H9622LASER
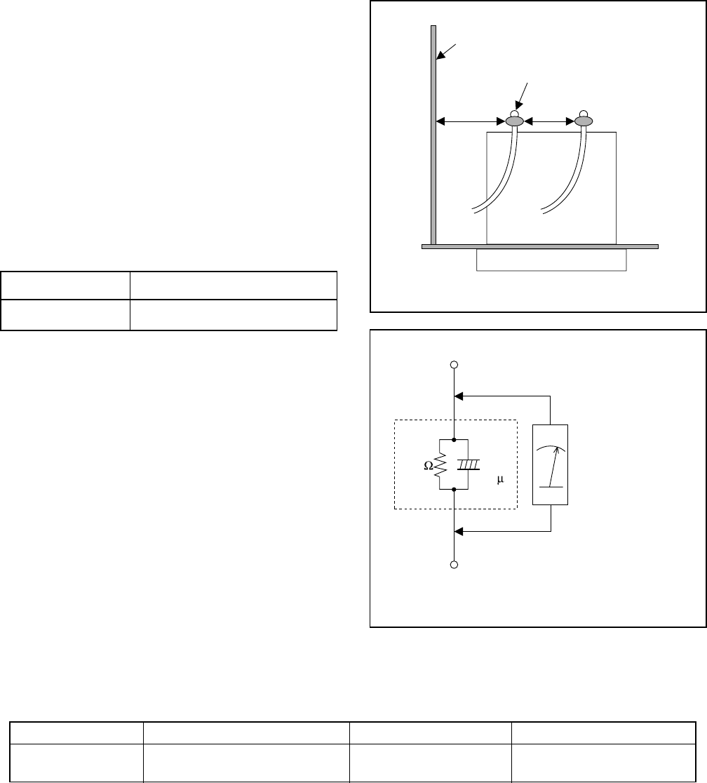
LASER BEAM SAFETY PRECAUTIONS
This DVD player uses a pickup that emits a laser beam.
The laser beam is emitted from the location shown in the figure. When checking the laser diode, be sure to keep
your eyes at least 30cm away from the pickup lens when the diode is turned on. Do not look directly at the laser
beam.
Caution: Use of controls and adjustments, or doing procedures other than those specified herein, may result in
hazardous radiation exposure.
Do not look directly at the laser beam coming
from the pickup or allow it to strike against
your skin.
Drive Mecha Assembly
Laser Beam Radiation
Laser Pickup
Turntable
LASER RADIATION
WHEN OPEN. DO NOT
STARE INTO BEAM.
CAUTION
Location: Top of DVD mechanism.
1-2-1 H9622SFTY
IMPORTANT SAFETY PRECAUTIONS
Product Safety Notice
Some electrical and mechanical parts have special
safety-related characteristics which are often not evi-
dent from visual inspection, nor can the protection they
give necessarily be obtained by replacing them with
components rated for higher voltage, wattage, etc.
Parts that have special safety characteristics are iden-
tified by a # on schematics and in parts lists. Use of a
substitute replacement that does not have the same
safety characteristics as the recommended replace-
ment part might create shock, fire, and/or other haz-
ards. The Product’s Safety is under review
continuously and new instructions are issued when-
ever appropriate. Prior to shipment from the factory,
our products are carefully inspected to confirm with
the recognized product safety and electrical codes of
the countries in which they are to be sold. However, in
order to maintain such compliance, it is equally impor-
tant to implement the following precautions when a set
is being serviced.
Precautions during Servicing
A. Parts identified by the # symbol are critical for
safety. Replace only with part number specified.
B. In addition to safety, other parts and assemblies
are specified for conformance with regulations
applying to spurious radiation. These must also be
replaced only with specified replacements.
Examples: RF converters, RF cables, noise block-
ing capacitors, and noise blocking filters, etc.
C. Use specified internal wiring. Note especially:
1)Wires covered with PVC tubing
2)Double insulated wires
3)High voltage leads
D. Use specified insulating materials for hazardous
live parts. Note especially:
1)Insulation tape
2)PVC tubing 
3)Spacers
4)Insulators for transistors
E. When replacing AC primary side components
(transformers, power cord, etc.), wrap ends of
wires securely about the terminals before solder-
ing.
F. Observe that the wires do not contact heat produc-
ing parts (heatsinks, oxide metal film resistors, fus-
ible resistors, etc.).
G. Check that replaced wires do not contact sharp
edges or pointed parts.
H. When a power cord has been replaced, check that
5 - 6 kg of force in any direction will not loosen it.
I. Also check areas surrounding repaired locations.
J. Be careful that foreign objects (screws, solder
droplets, etc.) do not remain inside the set.
K. Crimp type wire connector
The power transformer uses crimp type connectors
which connect the power cord and the primary side
of the transformer. When replacing the transformer,
follow these steps carefully and precisely to prevent
shock hazards.
Replacement procedure
1)Remove the old connector by cutting the wires at a
point close to the connector.
Important: Do not re-use a connector. (Discard it.)
2)Strip about 15 mm of the insulation from the ends
of the wires. If the wires are stranded, twist the
strands to avoid frayed conductors.
3)Align the lengths of the wires to be connected.
Insert the wires fully into the connector.
4)Use a crimping tool to crimp the metal sleeve at its
center. Be sure to crimp fully to the complete clo-
sure of the tool.
L. When connecting or disconnecting the internal
connectors, first, disconnect the AC plug from the
AC outlet.

1-2-2 H9622SFTY
Safety Check after Servicing
Examine the area surrounding the repaired location for
damage or deterioration. Observe that screws, parts,
and wires have been returned to their original posi-
tions. Afterwards, do the following tests and confirm
the specified values to verify compliance with safety
standards.
1. Clearance Distance
When replacing primary circuit components, confirm
specified clearance distance (d) and (d’) between sol-
dered terminals, and between terminals and surround-
ing metallic parts. (See Fig. 1)
Table 1: Ratings for selected area
Note: This table is unofficial and for reference only. 
Be sure to confirm the precise values.
2. Leakage Current Test
Confirm the specified (or lower) leakage current
between B (earth ground, power cord plug prongs)
and externally exposed accessible parts (RF termi-
nals, antenna terminals, video and audio input and
output terminals, microphone jacks, earphone jacks,
etc.) is lower than or equal to the specified value in the
table below. 
Measuring Method  (Power ON) :
Insert load Z between B (earth ground, power cord
plug prongs) and exposed accessible parts. Use an
AC voltmeter to measure across the terminals of load
Z. See Fig. 2 and the following table.
AC Line Voltage Clearance Distance (d), (d’)
120 V ≥ 3.2mm (0.126 inches)
Table 2: Leakage current ratings for selected areas
Note: This table is unofficial and for reference only. Be sure to confirm the precise values.
AC Line Voltage Load Z Leakage Current (i) Earth Ground (B) to:
120 V 0.15µF CAP. & 1.5kΩ RES. 
Connected in parallel i≤0.5mA Peak Exposed accessible parts
Chassis or Secondary Conductor
dd'
Primary Circuit Terminals
AC Voltmeter
(High Impedance)
Exposed Accessible Part
BEarth Ground 
Power Cord Plug Prongs
Z
1.5k 0.15 F
Fig. 1
Fig. 2

1-3-1 NOTE_1
STANDARD NOTES FOR SERVICING
Circuit Board Indications
a. The output pin of the 3 pin Regulator ICs is indi-
cated as shown.
b. For other ICs, pin 1 and every fifth pin are indicated
as shown.
c. The 1st pin of every male connector is indicated as
shown.
Instructions for Connectors
1. When you connect or disconnect the FFC (Flexible
Foil Connector) cable, be sure to first disconnect
the AC cord.
2. FFC (Flexible Foil Connector) cable should be
inserted parallel into the connector, not at an angle.
Pb (Lead) Free Solder
When soldering, be sure to use the Pb free solder.
How to Remove / Install Flat Pack-IC
1. Removal
With Hot-Air Flat Pack-IC Desoldering Machine:.
(1) Prepare the hot-air flat pack-IC desoldering
machine, then apply hot air to the Flat Pack-IC
(about 5 to 6 seconds). (Fig. S-1-1)
(2) Remove the flat pack-IC with tweezers while apply-
ing the hot air.
(3) Bottom of the flat pack-IC is fixed with glue to the
CBA; when removing entire flat pack-IC, first apply
soldering iron to center of the flat pack-IC and heat
up. Then remove (glue will be melted). (Fig. S-1-6)
(4) Release the flat pack-IC from the CBA using twee-
zers. (Fig. S-1-6)
Caution:
1. The Flat Pack-IC shape may differ by models. Use
an appropriate hot-air flat pack-IC desoldering
machine, whose shape matches that of the Flat
Pack-IC.
2. Do not supply hot air to the chip parts around the
flat pack-IC for over 6 seconds because damage  to
the chip parts may occur. Put masking tape around
the flat pack-IC to protect other parts from damage.
(Fig. S-1-2)
Top View
Out In
Bottom View
Input
5
10
Pin 1
Pin 1
FFC Cable
Connector
CBA
* Be careful to avoid a short circuit.
Fig. S-1-1

1-3-2 NOTE_1
3. The flat pack-IC on the CBA is affixed with glue, so
be careful not to break or damage the foil of each
pin or the solder lands under the IC when removing
it.
With Soldering Iron:
(1) Using desoldering braid, remove the solder from all
pins of the flat pack-IC. When you use solder flux
which is applied to all pins of the flat pack-IC, you
can remove it easily. (Fig. S-1-3)
(2) Lift each lead of the flat pack-IC upward one by
one, using a sharp pin or wire to which solder will
not  adhere (iron wire). When heating the pins, use
a fine tip soldering iron or a hot air desoldering
machine. (Fig. S-1-4)
(3) Bottom of the flat pack-IC is fixed with glue to the
CBA; when removing entire flat pack-IC, first apply
soldering iron to center of the flat pack-IC and heat
up. Then remove (glue will be melted). (Fig. S-1-6)
(4) Release the flat pack-IC from the CBA using twee-
zers. (Fig. S-1-6)
With Iron Wire:
(1) Using desoldering braid, remove the solder from all
pins of the flat pack-IC. When you use solder flux
which is applied to all pins of the flat pack-IC, you
can remove it easily. (Fig. S-1-3)
(2) Affix the wire to a workbench or solid mounting
point, as shown in Fig. S-1-5.
(3) While heating the pins using a fine tip soldering
iron or hot air blower, pull up the wire as the solder
melts so as to lift the IC leads from the CBA contact
pads as shown in Fig. S-1-5
Fig. S-1-2
Hot-air
Flat Pack-IC
Desoldering
Machine
CBA
Flat Pack-IC
Tweezers
Masking 
Tape Fig. S-1-3
Flat Pack-IC Desoldering Braid
Soldering Iron
Fig. S-1-4
Fine Tip
Soldering Iron
Sharp
Pin

1-3-3 NOTE_1
(4) Bottom of the flat pack-IC is fixed with glue to the
CBA; when removing entire flat pack-IC, first apply
soldering iron to center of the flat pack-IC and heat
up. Then remove (glue will be melted). (Fig. S-1-6)
(5) Release the flat pack-IC from the CBA using twee-
zers. (Fig. S-1-6)
Note:
When using a soldering iron, care must be taken
to ensure that the flat pack-IC is not being held by
glue. When the flat pack-IC is removed from the
CBA, handle it gently because it may be damaged
if force is applied.
2. Installation
(1) Using desoldering braid, remove the solder from
the foil of each pin of the flat pack-IC on the CBA so
you can install a replacement flat pack-IC more
easily.
(2) The “ I ” mark on the flat pack-IC indicates pin 1.
(See Fig. S-1-7.) Be sure this mark matches the 1
on the PCB when positioning for installation. Then
presolder the four corners of the flat  pack-IC. (See
Fig. S-1-8.)
(3) Solder all pins of the flat pack-IC. Be sure that none
of the pins have solder bridges.
Fig. S-1-5
To Solid 
Mounting Point
Soldering Iron
Iron Wire
or
Hot Air Blower
Fig. S-1-6
Fine Tip
Soldering Iron
CBA
Flat Pack-IC
Tweezers
Fig. S-1-7
Example :
Pin 1 of the Flat Pack-IC
is indicated by a "    " mark.
Fig. S-1-8
Presolder
CBA
Flat Pack-IC

1-3-4 NOTE_1
Instructions for Handling 
Semi-conductors
Electrostatic breakdown of the semi-conductors may
occur due to a potential difference caused by electro-
static charge during unpacking or repair work.
1. Ground for Human Body
Be sure to wear a grounding band (1MΩ) that is prop-
erly grounded to remove any static electricity that may
be charged on the body.
2. Ground for Workbench
Be sure to place a conductive sheet or copper plate
with proper grounding (1MΩ) on the workbench or
other surface, where the semi-conductors are to be
placed. Because the static electricity charge on cloth-
ing will not escape through the body grounding band,
be careful to avoid contacting semi-conductors with
your clothing.
<Incorrect>
CBA
Grounding Band
Conductive Sheet or
Copper Plate
1MΩ
1MΩ
<Correct>
CBA

1-4-1 H9622FIS
FUNCTION INDICATOR SYMBOLS
Note:
If a mechanical malfunction occurs, the power is turned off. When the power comes on again after that by
pressing [STANDBY-ON] button, an error message is displayed on the TV screen for 5 seconds.
TV screen
When reel and capstan mechanism is not functioning
correctly
When tape loading mechanism is not functioning cor-
rectly
When cassette loading mechanism is not functioning
correctly
When the drum is not working properly
Led Mode Indicator Active
When reel and capstan mechanism is not 
functioning correctly “EJECT A R” is displayed on a TV screen. (Refer to Fig. 1.)
When tape loading mechanism is not func-
tioning correctly “EJECT A T” is displayed on a TV screen. (Refer to Fig. 2.)
When cassette loading mechanism is not 
functioning correctly “EJECT A C” is displayed on a TV screen. (Refer to Fig. 3.)
When the drum is not working properly “EJECT A D” is displayed on a TV screen. (Refer to Fig. 4.)
EJECT  A  R
Fig. 1
 EJECT  A  T
Fig. 2
EJECT  A  C
Fig. 3
EJECT  A  D
Fig. 4

1-5-1 H9622PFS
PREPARATION FOR SERVICING
How to Enter the Service Mode
About Optical Sensors
Caution:
An optical sensor system is used for the Tape Start
and End Sensors on this equipment.  Carefully read
and follow the instructions below. Otherwise the unit
may operate erratically.
What to do for preparation
Insert a tape into the Deck Mechanism Assembly and
press the PLAY button. The tape will be loaded into
the Deck Mechanism Assembly. Make sure the power
is on, connect TP502 (S-INH) to GND. This will stop
the function of Tape Start Sensor, Tape End Sensor
and Reel Sensors. (If these TPs are connected before
plugging in the unit, the function of the sensors will
stay valid.) See Fig. 1.
Note: Because the Tape End Sensors are inactive, do
not run a tape all the way to the start or the end of the
tape to avoid tape damage.
Q504
Q503
TP502
S-INH
Fig. 1

1-6-1 H9622IB
OPERATING CONTROLS AND FUNCTIONS

1-6-2 H9622IB

1-6-3 H9622IB

1-6-4 H9622IB

1-6-5 H9622IB

1-6-6 H9622IB

1-7-1 H9622SNA
SIGNAL NAME ABBREVIATIONS
Signal Name Function
-FL FIP Drive Power Supply
3.58MHz 3.58MHz Clock
A-COM Audio Head Common
A-IN Audio Signal Input
A-MUTE-H  Audio Mute Control Signal (Mute = 
“H”)
A-OUT Audio Signal Output 
A-PB/REC Normal Audio Play Back/Record 
Signal
AE-H Audio Erase Head
AFC Automatic Frequency Control 
Signal
AFCC Low Path Filter Input Signal For 
AFC
AFCLPF Low Path Filter Output Signal For 
AFC
AFG GND
AL+12V Always +12V with AC Plug 
Connected
AL+18V Always +18V with AC Plug 
Connected
AL+2.8V Always +2.8V with AC Plug 
Connected
AL+33V Always +33V with AC Plug 
Connected
AL+4.0V Always +4.0V with AC Plug 
Connected
AL+44V Always +44V with AC Plug 
Connected
AL+5V Always +5V with AC Plug 
Connected
AL-30V Always -30V with AC Plug 
Connected
AUDIO+5V +5V at Audio Signal
AVDD AVDD
AVss AVSS
C-CONT Capstan Motor Control Signal
C-F/R Capstan Motor FWD/REV Control 
Signal (FWD=”L”/REV=”H”)
C-FG Capstan Motor Rotation Detection 
Pulse
C-ROTA Color Phase Rotary Changeover 
Signal
C-SYNC Composite Synchronized Pulse
CONV-SW
RF Conv. Output Channel 
Switching Signal 3ch=”Hi-z”, 
4ch=”L”
CTL Amp. Output Control Signal for 
Test Point
CTL (+) Playback/Record Control Signal 
(+)
CTL (-) Playback/Record Control Signal (-)
CTLA CTL Amp. AC GND
D-CONT Drum Motor Control Signal
D-PFG Drum PG/FG Input Signal
D-REC-H Delayed Record Signal
D-V- SYNC Dummy V-sync Output
DISPLAY-CLK VFD Driver IC Control Clock
DISPLAY-DATA VFD Driver IC Control Data
DISPLAY-ENA VFD Driver IC Chip Select Signal
DVD A DVD Audio Signal 
DVD-A-MUTE DVD Audio Mute Control Signal
DVD-H-IND DVD Mode LED Signal Output
DVD-L-IND VCR Mode LED Signal Output
DVD-OPEN/
CLOSE DVD Open/Close at High
DVD-P-
ON+12V +12V at DVD Power-On Signal
DVD-P-
ON+3.3V +3.3V at DVD Power-On Signal
DVD-P-ON+5V +5V at DVD Power-On Signal
DVD-PLAY DVD Play at High
DVD-POW-
MONITOR
DVD Power Monitor Signal (P-
off="L", P-on="H")
DVD-POWER DVD Power Control Signal
DVD-STOP DVD Stop at High
DVD-VIDEO DVD Video Control Signal
END-S Tape End Position Detect Signal
EV+1.2V +1.2V Power Supply
EV+11V +11V Power Supply
EV+3.3V +3.3V Power Supply
F1 Filament Power Supply 1
F2 Filament Power Supply 2
FE-H Full Erase Head
FE-H GND Ground for Full Erase Head
FP-CLK Clock Input
FP-DIN  Serial Data Input
FP-DOUT  Serial Data Output
FP-STB  Serial Interface Strobe
H-A-COMP Head Amp Comparator Signal
H-A-SW Video Head Amp Switching Pulse
Hi-Fi-A  Hi-Fi Audio Head 
Hi-Fi-COM  Hi-Fi Audio Head Common
Signal Name Function

1-7-2 H9622SNA
Hi-Fi-H-SW HiFi Audio Head Switching Pulse
HiFi/NOR-IN Audio Mode Input HiFi=”L”/ 
Normal=”H”
I/P-SW Interlace/Progressive Detector 
Signal
IIC-BUS- SCL IIC BUS Control Clock
IIC-BUS- SDA IIC BUS Control Data
INSEL-2
Input Select
“H”=DISC Ch
“L”=Ch except DISC
KEY-1 A/D Key Data Signal 1
KEY-2 Key Scan Input Signal 2
LD-SW Deck Mode Position Detector 
Signal
LINE- MUTE  Audio Mute Control Signal 
LM-FWD/REV Loading Motor Control Signal
MOD-A  Modulator Audio Output Signal
MOD-V Modulator Video Output Signal
N-A-IN Normal Audio Signal Input
N-A-OUT Normal Audio Signal Output
NORMAL-L Normal Audio Control Signal 
(Normal = “L”)
OSCI Main Clock Input 14.31818MHz
OSCO Main Clock Output 14.31818MHz
OUTPUT- 
SELECT Output Select
P-DOWN-L Power Voltage Down Detector 
Signal
P-ON+5V +5V at Power-On Signal
P-ON+9V +9V at Power-On Signal
P-ON-L Power On Signal to Low
PG-DELAY Video Head Switching Pulse 
Signal Adjusted Voltage
PWRCON Power Down
REC-SAF-SW
Recording Safety SW Detect (With 
Record tab = ”L”/ With out Record 
tab = ”H”)
REMOTE Remote Control Signal
REMOTE-
VIDEO Remote Control Sensor
RESET System Reset Signal (Reset=”L”)
RF-SW Video Head Switching Pulse
SIF Source Input Format
SPDIF Digital Audio Interface Format 
Signal
ST-S Tape Start Position Detector Signal
ST/SAP-IN Tuner Stereo/Sap Detector Signal 
Input
ST/SAP-
MODE Tuner Stereo/Sap Mode Signal
Signal Name Function
SXI Operation Mode Selecting Input 
Signal
T-REEL Take Up Reel Rotation Signal
TIMER+5V +5V at Timer
TU-VIDEO Tuner Video Input Signal
V(L) Video L Head
V(R) Video R Head
V-COM Video Head Common
V-ENV Video Envelope Comparator Signal
V-IN Video Signal Input
V-IN-F Video Signal Input (Front)
V-OUT Video Signal Output
VCR/TV RF Conv. ON/OFF Signal (TV="L"/
VCR="H")
VDD VDD
VDD2 VDD2
VIDEO Video Signal 
VIDEO-C Video Component Video Signal 
(chrominance)
VIDEO-IN Composite Video Signal Input
VIDEO-OUT Composite Video Signal Output
VIDEO-Pb/Cb Video Component Video Signal 
(Pb/Cb)
VIDEO-Pr/Cr Video Component Video Signal 
(Pr/Cr)
VIDEO-Y(I/P) Video Component Video Signal 
(Interlace/Progressive)
VRI Servo Standard Voltage Input
VRO Servo Standard Voltage Output 
VSS VSS
Vss2 Vss2
XI Sub Clock Input 32.768 MHz
XO Sub Clock Output 32.768 MHz
YCA-CS YCA IC Control Chip Select
YCA-SCL YCA IC Control Clock
YCA-SDA YCA IC Control Data
Signal Name Function

1-8-1 H9622DC
CABINET DISASSEMBLY INSTRUCTIONS
1. Disassembly Flowchart
This flowchart indicates the disassembly steps to gain
access to item(s) to be serviced. When reassembling,
follow the steps in reverse order. Bend, route, and
dress the cables as they were originally.
2. Disassembly Method
Note:
(1): Identification (location) No. of parts in the figures
(2): Name of the part
(3): Figure Number for reference
(4): Identification of parts to be removed, unhooked,
unlocked, released, unplugged, unclamped, or
desoldered.
P=Spring, L=Locking Tab, S=Screw,
CN=Connector
*=Unhook, Unlock, Release, Unplug, or Desolder
e.g. 2(S-2) = two Screws (S-2),
       2(L-2) = two Locking Tabs (L-2)
(5): Refer to “Reference Notes.”
ID/
LOC.
No.
PART
REMOVAL
Fig.
No.
REMOVE/*UNHOOK/
UNLOCK/RELEASE/
UNPLUG/DESOLDER
Note
[1] Top Case D1 4(S-1) -
[2] Front 
Assembly D2 *3(L-1), *3(L-2) 1
1-1
1-2
[3] Top 
Bracket D2 3(S-2) -
[4]
DVD 
Mecha 
Assembly
D3 4(S-3), *CN401, 
*CN601 -
[5] Partition 
Plate D3 2(S-4) -
[6]
Loader 
Holder
D3 2(S-5) -
[7] DVD Main 
CBA Unit D4 2(S-6), *CN201, 
*CN301
2
2-1
2-2
3
[1] Top Case
[2] Front Assembly
[3] Top Bracket
[4] DVD Mecha Assembly [7] DVD Main CBA Unit
[5] Partition Plate
[6] Loader Holder
[8] VCR Chassis Unit
[9] Deck Assembly
[10] DVD Open/Close CBA
[11] Power SW CBA
[12] Main CBA
[8]
VCR 
Chassis 
Unit
D5 5(S-7), 2(S-8) -
[9] Deck 
Assembly D6 Desolder, 
(S-9), (S-10), (S-11) 4,5
[10]
DVD 
Open/
Close 
CBA
D6 Desolder -
[11] Power SW 
CBA D6 Desolder -
[12] Main CBA D6 ---------- -
↓
(1) ↓
(2) ↓
(3) ↓
(4) ↓
(5)
ID/
LOC.
No.
PART
REMOVAL
Fig.
No.
REMOVE/*UNHOOK/
UNLOCK/RELEASE/
UNPLUG/DESOLDER
Note

1-8-2 H9622DC
Reference Notes
CAUTION 1: Locking Tabs (L-1) and (L-2) are fragile.
Be careful not to break them. 
1-1. Release three Locking Tabs (L-1). 
1-2. Release three Locking Tabs (L-2), then remove
the Front Assembly.
CAUTION 2: Electrostatic breakdown of the laser
diode in the optical system block may occur as a
potential difference caused by electrostatic charge
accumulated on cloth, human body etc, during
unpacking or repair work.
To avoid damage of pickup follow next procedures.
2-1. Disconnect Connector (CN301). Remove a
Screw (S-6) and lift the DVD Main CBA Unit. (Fig.
D4)
2-2. Short the three short lands of FPC cable with sol-
der before removing the FFC cable (CN201) from
it. If you disconnect the FFC cable (CN201), the
laser diode of pickup will be destroyed. (Fig. D4)
CAUTION 3: When reassembling, confirm the FFC
cable (CN201) is connected completely. Then remove
the solder from the three short lands of FPC cable.
(Fig. D4)
4. When reassembling, solder wire jumpers as shown
in Fig. D6.
5. Before installing the Deck Assembly, be sure to
place the pin of LD-SW on Main CBA as shown in
Fig. D6. Then, install the Deck Assembly while
aligning the hole of Cam Gear with the pin of LD-
SW, the shaft of Cam Gear with the hole of LD-SW
as shown in Fig. D6.
(S-1)
[1] Top Case
Fig. D1
(S-2)
(S-2)
(L-1)
(L-2)
(L-1)
[2] Front 
Assembly
[3] Top Blacket
Fig. D2

1-8-3 H9622DC
CN401
CN601
(S-3)
(S-3)
(S-3)
(S-4)
(S-5)
[5] Partition Plate
[6] Loader 
Holder
[4] DVD Mecha 
Assembly
Fig. D3
CN201
CN301
(S-6)
[7] DVD Main 
CBA Unit
DVD Mecha
A
Short the three short lands by soldering.
(Either of two places.)
Connector
View for A
Fig. D4
(S-6)
(S-7)
(S-7)
(S-7)
(S-8)
(S-8)
[8] VCR Chassis Unit
Fig. D5

1-8-4 H9622DC
(S-9)
(S-10)
(S-11)
[12] Main CBA
[9] Deck Assembly
[10] DVD 
Open/Close CBA
[11] Power 
SW CBA
FE Head
Cylinder 
Assembly
ACE Head
Assembly
Desolder
Lead with
blue stripe
Desolder
Lead with blue stripe
From 
FE Head
BOTTOM VIEW
Lead connections of Deck Assembly and Main CBA
Desolder
From
Capstan 
Motor
Assembly
Printing side
Desolder
From
Cylinder 
Assembly
From
ACE Head
Assembly Lead with
blue stripe
Lead with
blue stripe
Desolder
Lead with
red stripe
[12] Main CBA
SW512
LD-SW
LD-SW Pin
Hole
Hole
Shaft
Cam Gear
[12] Main CBA
[9] Deck Assembly
Pin
Fig. D6

1-8-5 H9622DC
View for A
Rotate this roulette in 
the direction of the arrow
A
DVD Mecha
HOW TO EJECT MANUALLY
1. Remove the Top Case.
2. Rotate the roulette in the direction of the arrow as
shown below.
3. Pull the tray slowly with a hand.

1-9-1 H9622EA
ELECTRICAL ADJUSTMENT INSTRUCTIONS
General Note: "CBA" is an abbreviation for
"Circuit Board Assembly."
NOTE: 
1.Electrical adjustments are required after replacing
circuit components and certain mechanical parts.
It is important to do these adjustments only after
all repairs and replacements have been com-
pleted. Also, do not attempt these adjustments
unless the proper equipment is available.
2.To perform these alignment / confirmation proce-
dures, make sure that the tracking control is set in
the center position: Press either "CHANNEL L5??" or
"CHANNEL K" button on the front panel first, then
the "PLAY" button on the front panel.
Test Equipment Required
1.Oscilloscope: Dual-trace with 10:1 probe,
V-Range: 0.001~50V/Div., 
F-Range: DC~AC-20MHz
2.Alignment Tape (VFMS0001H6)
Head Switching Position Adjust-
ment
Purpose:
To determine the Head Switching position during
playback.
Symptom of Misadjustment: 
May cause Head Switching noise or vertical jitter
in the picture. 
Reference Notes: 
Playback the Alignment tape and adjust VR501 so that
the V-sync front edge of the CH1 video output wave-
form is at the 6.5H±1H (412.7µs±63.5µs) delayed
position from the rising edge of the CH2 head switch-
ing pulse waveform.
Test point Adj.Point Mode Input
TP751(V-OUT)
TP302(RF-SW)
GND
VR501
(Switching Point)
(MAIN CBA)
PLAY
(SP) -----
Tape Measurement
Equipment Spec.
VFMS0001H6 Oscilloscope 6.5H±1H
(412.7µs±63.5µs)
Connections of Measurement Equipment
Oscilloscope
Main CBA
TP751
CH1   CH2
    Trig. (+)
GND
TP302
Figure 1
EXT. Syncronize Trigger Point
1.0H
CH1
CH2
Switching Pulse
V-Syn
c
0.5H
6.5H±1H (412.7µs±63.5µs)

1-10-1 H9622TEST
FIRMWARE RENEWAL MODE
1. Turn the power on and remove the disc on the tray.
2. To put the DVD player into version up mode, press
[9], [8], [7], [6], and [SEARCH MODE] buttons on
the remote control unit in that order. The tray will
open automatically.
Fig. a appears on the screen and Fig. b appears on
the VFD.
The DVD player can also enter the version up
mode with the tray open. In this case, Fig. a will be
shown on the screen while the tray is open.
3. Load the disc for version up.
4. The DVD player enters the F/W version up mode
automatically. Fig. c appears on the screen and
Fig. d appears on the VFD. If you enter the F/W for
different models, “Disc Error” will appear on the
screen, then the tray will open automatically.
The appearance shown in (*2) of Fig. c is
described as follows:
5. After programming is finished, the tray opens auto-
matically. Fig. e appears on the screen and the
checksum in (*3) of Fig. e appears on the VFD.
(Fig. f)
At this time, no buttons are available.
6. Remove the disc on the tray.
7. Unplug the AC cord from the AC outlet. Then plug it
again.
8. Turn the power on by pressing the [STANDBY-ON]
button and the tray will close.
9. Press [1], [2], [3], [4], and [DISPLAY] buttons on the
remote control unit in that order. 
Fig. g appears on the screen.
10.Press [CLEAR] button on the remote control unit. 
Fig. h appears on the screen.
When “OK” appears on the screen, the factory
default will be set. Then the firmware renewal mode
is complete.
11.To exit this mode, press [STANDBY-ON] button.
F/W Version Up Mode Model No : *******
VERSION : *.**
   Please insert a DISC
for F/W Version Up.
EXIT: POWER
"*******" differ depending on the models.
Fig. a  Version Up Mode Screen
Fig. b  VFD in Version Up Mode
   VERSION : D5****_****.ab5
   Reading...(*2)
F/W Version Up Mode Model No : *******
VERSION : *.**
Fig. c  Programming Mode Screen
"*******" differ depending on the models.
Fig. d  VFD in Programming Mode (Example)
AppearanceNo. State
Reading... Sending files into the memory
Erasing... Erasing previous version data 
Programming...
1
2
3 Writing new version data
VERSION : D5****_****.ab5
Completed
SUM : 7ABC (*3)
F/W Version Up Mode Model No : *******
VERSION : *.**
"*******" differ depending on the models.
Fig. e  Completed Program Mode Screen
Fig. f  VFD upon Finishing the Programming Mode (Example)
   MODEL : *******
Version
 : *.**
Region 
: *
EXIT: POWEREEPROM CLEAR : CLEAR
Fig. g
"*******" differ depending on the models.
   MODEL : *******
Version
 : *.**
Region 
: *
   EEPROM CLEAR : OK
EXIT: POWEREEPROM CLEAR : CLEAR
"*******" differ depending on the models.
Fig. h

1-11-1
BLOCK DIAGRAMS <VCR SECTION>
Servo / System Control Block Diagram
H9622BLS
M
M
LOADING
MOTOR
SENSOR CBA
SENSOR CBA
CAPSTAN MOTOR 
CONTROL
HEAD
CL504
CN502
CN504
AC HEAD ASSEMBLY
MAIN CBA
KEY- 2
RF-SW
C-FG
C-CONT
D-PFG
ST-S
T-REEL
C-F/R
KEY- 1
D-V SYNC
C-SYNC
V-ENV
DISPLAY-ENA
CTL(+)
RESET
C-ROTA
D-REC-H D-REC-H
REC- 
SAF-SW
PG-DELAY
A-MUTE-H A-MUTE-H
A-MUTE-H
RF-SW
D-V SYNC
C-SYNC
V-ENV
C-ROTA
END-S
IC501
(SERVO/SYSTEM CONTROL)
9
47
56
CTL58
CTL(-)57
28
49
69
62
3
20
27
65
18
78
64
19
41
2
24
7
66
67
LM-FWD/REV
21
D-CONT29
(DECK ASSEMBLY)
END-S
T-REEL
T-REEL
ST-S
ST-S
Q504
Q503
Q501
RESET
Q506
SW-POINT
AL+5V
VR501
TIMER+5V
TP506 TP505
END-S
TP507
P-ON-L 22 P-ON-L
P-DOWN-L 1P-DOWN-L
H-A-SW
79
H-A-SW H-A-COMP
80
H-A-COMP
46
OUTPUT SELECT
YCA-SCL
YCA-SDA
YCA-CS
YCA-SCL
14 YCA-SDA
15 YCA-CS
16
YCA-SCL
YCA-SDA
YCA-CS
SW511
REC SW
TO VIDEO 
BLOCK DIAGRAM    
TO AUDIO 
BLOCK DIAGRAM
TO Hi-Fi AUDIO 
BLOCK 
DIAGRAM
CLOCK
DATA
TU701(TUNER UNIT) 
11
12
VCR/TV5
DVD-H IND 71
D567 DVD
D566 VCR
D561
POWER
AL+5V
Q566
Q567
LD-SW68
AL+12V(1)
AL+5V
DVD-L IND 70
AL+5V
SW512
AL+18V
P-ON+5V
LD-SW
AL+5V
D555
S-LED
TO POWER 
SUPPLY 
BLOCK DIAGRAM
IIC-BUS SCL
IIC-BUS SDA
12
13IIC-BUS SCL
77
VCR/TV
IIC-BUS SDA
NORMAL-L
ST/SAP-MODE
61
59
Hi-Fi-H-SW
Hi-Fi/NOR-IN
ST/SAP-IN
Hi-Fi-H-SW 25
KEY SWITCH
KEY SWITCH
TP502
P-ON+9V
S-INH
CAPSTAN
MOTOR
5 CTL(+)
6 CTL(-)
1AL+12V(1)      
2P-ON+5V
3C-FG
4C-F/R
5C-CONT
6GND
7
LM-FWD/REV
8D-CONT
9D-PFG
10 GND
11 AL+12V
12 AL+18V
TP513
CTL
OUTPUT-SELECT
OUTPUT-SELECT
DVD-POWER
DVD-POWER 26
TO DVD SYSTEM
CONTROL BLOCK 
DIAGRAM
<DVD SECTION>
DISPLAY-ENA DISPLAY-DATA
8
DISPLAY-DATA DISPLAY-CLK6
DISPLAY-CLK
REMOTE-VIDEO
5
REMOTE-VIDEO
CN509
2KEY-1 2
CN508
POWER SW CBA
INSEL 2 45 INSEL 2
SW518
POWER
1 1
POWER-LED
"    " = SMD
TEST POINT INFORMATION
:INDICATES A TEST POINT WITH A JUMPER WIRE ACROSS A HOLE IN THE PCB.
:USED TO INDICATE A TEST POINT WITH A COMPONENT LEAD ON FOIL SIDE.
:USED TO INDICATE A TEST POINT WITH NO TEST PIN.
:USED TO INDICATE A TEST POINT WITH A TEST PIN.
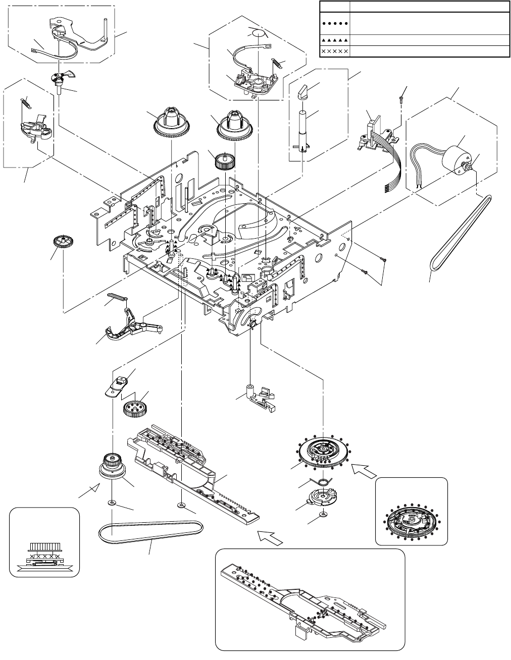
CYLINDER ASSEMBLY
DRUM
MOTOR
PG
SENSOR
M

1-11-2
Video Block Diagram
H9622BLV
MAIN CBA
VCR
DVD REC VIDEO SIGNAL   PB VIDEO SIGNAL                  DVD VIDEO SIGNAL          MODE: SP/REC
SW CTL
IC751 (OUTPUT SELECT)
1
9 10
OSD CHARACTER
MIX
38
40
IC501 (OSD)
LUMINANCE
SIGNAL PROCESS
VIDEO (R)-1 HEAD
VIDEO (L)-1 HEAD
 (DECK ASSEMBLY)
V(R)-1
V-COM
V(L)-1
CN253
1
2
3
V(L)-2
V-COM
V(R)-2
4
5
6
VIDEO
AGC
TUNER
FRONT
REAR
RP
R
P
SYNC
SEPA
FBC
Y/C
MIX
CCD 1H
DELAY
R
P
YNR/COMB FILTER
CHROMINANCE
SIGNAL PROCESS
IC301
(VIDEO SIGNAL PROCESS/ HEAD AMP) 26
57
32
30
QV/QH
6dB
AMP
TO SERVO/SYSTEM
CONTROL BLOCK 
DIAGRAM
TO
SERVO/SYSTEM
CONTROL BLOCK 
DIAGRAM
CYLINDER ASSEMBLY
RF-SW
RF-SW
59
V-ENV
H-A-SW
H-A-COMP H-A-COMP
TP302
VIDEO (L)-2 HEAD
VIDEO (R)-2 HEAD
TP301
C-PB
D-V SYNC
C-SYNC
D-V SYNC
25
53
24
YCA-SCL
14
36 37 39 34
Q301
BUFFER
28
58
60
SP
EP
54
YCA-SDA
55
YCA-CS
SERIAL
I/F
VCA CLAMP
69
70
SP
HEAD
AMP
EP
HEAD
AMP
72
73
74
65
66
67
ENV-DET
C-ROTA
C-ROTA/RF-SW
WF2
WF3
JK753
V-IN
FRONT
Q391
TU701
VIDEO IN
OUTPUT-SELECT
VIDEO OUT
TP751 V-OUT
6
18
IC752
(INPUT SELECT)
15
2
1
10
9
11
WF1
BUFFER
TO SERVO/SYSTEM 
CONTROL BLOCK DIAGRAM
LOGIC
DVD-VIDEO
INSEL 2
TO 
DVD VIDEO/AUDIO
BLOCK DIAGRAM
<DVD SECTION>
TO
SERVO/SYSTEM
CONTROL BLOCK
DIAGRAM
JK752
V-IN
REAR
JK751
V-OUT
REAR
11
2
15
"    " = SMD
TEST POINT INFORMATION
:INDICATES A TEST POINT WITH A JUMPER WIRE ACROSS A HOLE IN THE PCB.
:USED TO INDICATE A TEST POINT WITH A COMPONENT LEAD ON FOIL SIDE.
:USED TO INDICATE A TEST POINT WITH NO TEST PIN.
:USED TO INDICATE A TEST POINT WITH A TEST PIN.
(TUNER UNIT) 

1-11-3
Audio Block Diagram
H9622BLA
TU701
SIF OUT
AUDIO IN
REC
AMP
SERIAL
I/F
9
8
AUTO
BIAS
11
P-ON+5V
P-ON+5V
Q421
BIAS
OSC
Q422
Q426 
(PB=ON)
Q425
SWITCHING
D-REC-OFF
6EQ
AMP
LINE
AMP MUTE
LPF 10
SP/LP-ON
P
R
ALC
7680
78
TUNER
LINE 1
LINE 2
2
4 A-PB/REC
CN504
3 A-COM
1 AE-H
2 AE-H/FE-H
AUDIO
HEAD
AUDIO
ERASE
HEAD
AC HEAD ASSEMBLY
FE HEAD
(DECK ASSEMBLY)
1 FE-H
2 FE-H-GND
CN501
MAIN CBA
PB-AUDIO SIGNAL REC-AUDIO SIGNAL
Mode : SP/REC
58 55 53 54
D-REC-H
A-MUTE-H
TO
SERVO/SYSTEM 
CONTROL BLOCK
DIAGRAM
FULL
ERASE
HEAD
YCA-CS
YCA-SCL
YCA-SDA
SIF
MOD-A
A-IN (R)-F
A-IN (L)-F
A-IN (L)
A-IN (R)
A-OUT (R)
A-OUT (L)
N-A-OUT
N-A-IN
JK752
A-IN (R)
A-IN (L)
JK754
A-IN (L)
JK755
A-IN (R)
TO Hi-Fi AUDIO
BLOCK DIAGRAM
TO Hi-Fi AUDIO
BLOCK DIAGRAM
TO 
DVD VIDEO/AUDIO 
BLOCK DIAGRAM
<DVD SECTION>
FRONT
REAR
IC751
(OUTPUT SELECT)
(TUNER UNIT)
DVD-A(L)
DVD-A(R)
3 2
4
5
DVD-A(L)
DVD-A(R)
TP753
A-OUT (R)
TP754
A-OUT (L) SW CTL
DVD
VCR
DVD
VCR
JK751
A-OUT (R)
A-OUT (L)
JK756
A-OUT (R)
A-OUT (L)
9 10 11
5
3
12
13
14
4
OUTPUT-SELECT
TO SERVO/SYSTEM
CONTOL BLOCK
DIAGRAM
DVD AUDIO SIGNAL
"    " = SMD
TEST POINT INFORMATION
:INDICATES A TEST POINT WITH A JUMPER WIRE ACROSS A HOLE IN THE PCB.
:USED TO INDICATE A TEST POINT WITH A COMPONENT LEAD ON FOIL SIDE.
:USED TO INDICATE A TEST POINT WITH NO TEST PIN.
:USED TO INDICATE A TEST POINT WITH A TEST PIN.
15
AUDIO SIGNAL  
PROCESS
IC301

1-11-4 H9622BLH
Hi-Fi Audio Block Diagram
57
48 47
13 14
69
74
71
6
7
9
12
R-CH
INSEL
L-CH
INSEL
NOR
SW
SERIAL
DATA
DECODER
OUTPUT
SELECT
VCO LPF
L-CH BPF
R-CH
PNR
PILOT
DET
CONT
STEREO
PLL
STEREO
FILTER
SAP
FILTER
SAP
DET
SIF
DEMOD
SAP
DEMOD L-R
DEMOD
ST/SAP
SW MATRIX
L-CH
PNR
LIM DEV
COMP
SW 
NOISE
VCO LPF
LIM DEV
COMP
COMP
DC
SW 
NOISE
dBX
DEC
ENV
DET
MODE
OUT
RIPPLE
FILTER
DO
DET
MATRIX
R-CH BPF
P
R
R
L
P
R
HOLD
PULSE
NOISE
DET
ALC
34 33
23
4
80
2
78
37
38
54
77
1
39
26
24
27
SIF
A-IN(R)
A-IN(L)
N-A-OUT
A-IN(R)-F
A-IN(L)-F
DVD-A(L)
DVD-A(R)
LIM
49
MUTE
A-OUT (L)
MOD-A
A-OUT (R)
N-A-IN
Hi-Fi-H-SW
A-MUTE-H
NORMAL-L
40
ST/SAP-MODE
TO AUDIO 
BLOCK DIAGRAM
IIC-BUS SDA
IIC-BUS SCL
P-ON+9V
TO SERVO/SYSTEM
CONTROL BLOCK
DIAGRAM
Hi-Fi
AUDIO
(R) HEAD
Hi-Fi
AUDIO
(L) HEAD
CYLINDER
ASSEMBLY
MAIN CBA
Hi-Fi-
A(R) 7
Hi-Fi
-COM 8
Hi-Fi-
A(L) 9
CN253
IC451 (MTS/ SAP/ Hi-Fi AUDIO PROCESS/ Hi-Fi HEAD AMP)
REC-AUDIO SIGNALPB-AUDIO SIGNAL Mode : SP/REC
PILOT
CANCEL
TO AUDIO 
BLOCK DIAGRAM
TO SERVO/ SYSTEM
CONTROL BLOCK 
DIAGRAM
TO SERVO/SYSTEM
CONTROL BLOCK
DIAGRAM
62 63
DVD AUDIO SIGNAL
(DECK ASSEMBLY)
11
73
"    " = SMD TEST POINT INFORMATION
:INDICATES A TEST POINT WITH A JUMPER WIRE ACROSS A HOLE IN THE PCB.
:USED TO INDICATE A TEST POINT WITH A COMPONENT LEAD ON FOIL SIDE.
:USED TO INDICATE A TEST POINT WITH NO TEST PIN.
:USED TO INDICATE A TEST POINT WITH A TEST PIN.

1-11-5 H9622BLP
Power Supply Block Diagram
    A     V
AC1001 F1001
1A 250V LINE
FILTER
L1001 D1001 - D1004
BRIDGE
RECTIFIER 2
4
Q1001
Q1003 
Q1008
8
7
1
23
4
IC1001
ERROR
VOLTAGE DET
T001
Q055
Q052
Q056
MAIN CBA
F
HOT CIRCUIT. BE CAREFUL.
20
19
18
17
16
15
14
13
12
11
Q1006
Q1005
Q1011
Q031
1 EV+1.2V
2 EV+1.2V
3 EV+3.3V
4 EV+3.3V
5 EV+3.3V
7 DVD-P-ON+5V
8 EV+11V
9 EV+11V
6
DVD-P-ON+3.3V
17 PWRCON
IC1004
+3.3V REG.
IC1002
+1.2V REG.
CN1001
Q1004
P-ON+5V
DVD-P-ON+12V
-FL
AL+18V
F2
F1
EV+3.3V
DVD-P-ON+3.3V
AL+33V
P-ON+9V
AL-30V
AL+12V
TIMER+5V
AL+5V
DVD-P-ON+5V
NOTE : 
The voltage for parts in hot circuit is measured using
hot GND as a common terminal.
CAUTION
FOR CONTINUED PROTECTION AGAINST FIRE HAZARD,
REPLACE ONLY WITH THE SAME TYPE FUSE.
ATTENTION : POUR UNE PROTECTION CONTINUE LES RISQES
D'INCELE N'UTILISER QUE DES FUSIBLE DE MEMO TYPE.
RISK OF FIRE -REPLACE FUSE AS MARKED.
"This symbol means fast operating fuse."
"Ce symbole reprèsente un fusible à fusion rapide."
    A     V
F
TO DVD MAIN
CBA UNIT
CN401
TO 
SERVO/SYSTEM
CONTROL 
BLOCK DIAGRAM
P-ON-L
P-DOWN-L
CAUTION !
Fixed voltage ( or Auto voltage selectable ) power supply circuit is used in this unit.
If Main Fuse (F1001) is blown, check to see that all components in the power supply 
circuit are not defective before you connect the AC plug to the AC power supply. 
Otherwise it may cause some components in the power supply circuit to fail.
Q057
COLD
HOT

1-11-6
BLOCK DIAGRAMS <DVD SECTION>
H9622BLSD
DVD System Control / Servo Block Diagram
2
28
1
12
7
8
9
10
11
REMOTE
SENSOR
RM2001
1G
7G
~
23
17
~
a
b
c
d
e
FP-STB
REMOTE-VIDEO
DISPLAY-CLK
DISPLAY-DATA
DISPLAY-ENA
FP-DIN
FP-CLK
GRID FIP
SEGMENT
FIP502
IC571
MAIN CBA
(FIP DRIVER) 
13
14
16
f
g
h
i
FOCUS SERVO SIGNAL TRACKING SERVO SIGNAL SLED SERVO SIGNAL SPINDLE SERVO SIGNAL
TO SERVO/SYSTEM
CONTROL BLOCK 
DIAGRAM
<VCR SECTION>
DVD-POWER
CN401 CN1001
DVD-PLAY
DVD-STOP
DVD-POWER
DVD-OPEN/CLOSE
EV+3.3V
EV+3.3V
SW2001
CN2002CN2003
DVD OPEN/CLOSE
1 EV+3.3V 1
2
DVD-OPEN/CLOSE
2
DVD OPEN/CLOSE CBA
SW2002 STOP
SW2003 PLAY
53
54
65
68
82
60
61
67
REMOTE
59
DVD MAIN CBA UNITDRIVE CBA
IC301
(SERVO DRIVE) 
CN301
M
SLED 
MOTOR
M
SPINDLE 
MOTOR
IC101
(MICRO CONTROLLER)
+
-
+
-
+
-
+
-
+
-
+
-
+
-
SLED 
MOTOR
DRIVE
FOCUS
ACTUATOR
DRIVE
SPINDLE 
MOTOR
DRIVE
TRACKING
ACTUATOR
DRIVE
147
TRAY-IN
SLD
75
SPDL
76
TRACKING
DRIVE
148
FOCUS DRIVE
66
TO DIGITAL SIGNAL 
PROCESS BLOCK 
DIAGRAM
FS(+)
FS(-)
TS(+)
TS(-)
TO DVD 
VIDEO/ AUDIO
BLOCK DIAGRAM
ADAC-MD
ADAC-MC
ADAC-ML
ADAC-MC
ADAC-ML
PCM-SCLK
A-MUTE
ADAC-MD
A-MUTE
PCM-SCLK
TRAY-IN
3SP(+)
4SP(-)
5TRAY-IN
6GND
7SL(-)
8SL(+)
VREF
RESET73
RESET
IC462
1 3
+3.3V
IC202
(OP AMP)
15
16
14
13
12
11
17
18 23
6
4
5
3
1
2
25
24
27
26
81 SL-AMP
143
SP-ROT
+3.3V
1
2
67
5
3
98
10
13 14
12
146
FD-OFST
139
TD-OFST
DVD-PLAY 25
25
DVD-STOP 26
26
DVD-POWER 23
23
OPEN/CLOSE 24
24
DVD-PLAY 25
25
DVD-STOP 26
26
DVD-POWER 23
23
DVD-OPEN/CLOSE
24
24
FP-DOUT(NU) 21
21
FP-STB 20
20
FP-DIN 19
19
FP-CLK 18
18
REMOTE 22
22
FP-DOUT(NU)
FP-STB
FP-DIN
FP-CLK
"    " = SMD
TEST POINT INFORMATION
:INDICATES A TEST POINT WITH A JUMPER WIRE ACROSS A HOLE IN THE PCB.
:USED TO INDICATE A TEST POINT WITH A COMPONENT LEAD ON FOIL SIDE.
:USED TO INDICATE A TEST POINT WITH NO TEST PIN.
:USED TO INDICATE A TEST POINT WITH A TEST PIN.
RESET
IC461
2 1
57
56
86
88
163

1-11-7 H9622BLD
Digital Signal Process Block Diagram
DATA(VIDEO/AUDIO) SIGNAL DVD VIDEO SIGNAL DATA(AUDIO) SIGNAL
C16
D18
A17
B15
E14
F12
DVD-LD 8
CD-LD 10
PD-MONI 7
FS(+) 2
FS(-) 3
TS(+) 1
TS(-) 4
CN201
CN201
CN201
IC201
(SW)
IC503 (SDRAM) IC101 (MICRO CONTROLLER)
FS
FS(+)
CD/DVD
FS(-)
TS(+)
TS(-)
TS
PICK-UP 
UNIT
DETECTOR
CD/DVD 19
Q251,Q252
CD DVD
AMP
Q253,Q254
AMP
4
1 3
6
GND(DVD-PD)
6
GND(CD-PD)
5
GND(LD)
9
TO SYSTEM  
CONTROL/SERVO
BLOCK DIAGRAM
RF
SIGNAL 
PROCESS 
CIRCUIT
DVD/CD 
FORMATTER
AUDIO 
I/F
VIDEO 
I/F
NTSC/PAL 
ENCODER
DMA
BCU
INST. 
ROM 32BIT 
CPU
DATA 
RAM
INTERRUPT 
CONTROLLER
WATCH DOG 
TIMER
CPU 
I/F
TIMER
DECODER 
I/F
CPU 
I/F
READ 
MEMORY
DATA 
RAM
DSP 
DECODER
I/O 
PROCESSOR
INST. 
ROM
DATA 
RAM
INST. 
ROM
SERIAL
D/A
GENERAL 
I/O
INTERRUPT 
CONTROLLER
TIMER
WATCH DOG 
TIMER
REMOTE
CONTROL
32BIT CPU
STREAM 
I/F
EXTERNAL  
MEMORY 
I/F
SDRAM
ECC
UMAC
114
115
116
117
132
131
134
133
129
130
126
124
125
123
83
DEBUG
BCU
INST 
RAM
DATA 
RAM
D/A
D/A
D/A
TO DVD
VIDEO 
/AUDIO
BLOCK 
DIAGRAM
149
158
Y
C
Pr/Cr
Pb/Cb
VIDEO-Y(I/P)
VIDEO-C
VIDEO-Pr/Cr
VIDEO-Pb/Cb
TO DVD
VIDEO 
/AUDIO
BLOCK  
DIAGRAM
177
SPDIF
170
PCM-BCK
171
PCM-DATA
169
PCM-LRCLK
152
151
23~51
SDRAM DATA(0-15)
SDRAM ADDRESS(0-10)
SDRAM ADDRESS(0-11)
217
238
~
1
18
252
256
~~
2
12
39
49
~~
IC103 (FLASH ROM)
FLASH 
ROM
29
36
38
45
~
~
DVD MAIN CBA UNIT
22
26
29
35
~~
FDQ (0-15)
~
1
9
16
25
48
~
192~212
FADR (0-19)
SDRAM DATA(0-15)
D/A
156
YVIDEO-Y(I)
"    " = SMD
TEST POINT INFORMATION
:INDICATES A TEST POINT WITH A JUMPER WIRE ACROSS A HOLE IN THE PCB.
:USED TO INDICATE A TEST POINT WITH A COMPONENT LEAD ON FOIL SIDE.
:USED TO INDICATE A TEST POINT WITH NO TEST PIN.
:USED TO INDICATE A TEST POINT WITH A TEST PIN.

1-11-8 H9622BLVD
DVD Video / Audio Block Diagram
IC601 (AUDIO D/A CONVERTER)
7
8
11
DIGITAL
AUDIO OUT
JK1202
BUFFER
Q1351
IC1201
Q1201
Q1202
VREF
(AMP)
CN601 CN1601
14 14DVD-A(L)
16 16
DVD-A(R)
15 15
DVD-A(R)-MUTE
13 13
DVD-A-MUTE
1
2
3
13
14
15
16
TO DVD 
SYSTEM
CONTROL 
/SERVO
BLOCK
DIAGRAM
TO DIGITAL
SIGNAL
PROCESS
BLOCK
DIAGRAM
SERIAL
PORT
SERIAL
CONTROL
4X/8X
OVERSAMPLING
DIGITAL FILTER
/FUNCTION
CONTROLLER
ENPHANCED
MULTI-LEVEL
DELTA-SIGMA
MODULATOR
DAC LPF+AMP L-CH
R-CH
LPF+AMP
DAC
ZERO DETECT
SYSTEM CLOCK
1
2
67
5
DVD-A(L)
DVD-A(R)
PCM-BCK
SPDIF
PCM-DATA0
PCM-LRCLK
ADAC-MD
ADAC-MC
ADAC-ML
PCM-SCLK
MAIN CBADVD MAIN CBA UNIT
DVD AUDIO SIGNALDATA(AUDIO) SIGNAL
19 19
SPDIF
A-MUTE
+3.3V
Q1204
3
CN601
88VIDEO-Y(I/P)
10 10VIDEO-C
66VIDEO-Pb/Cb
44VIDEO-Pr/Cr
JK1401
S-VIDEO OUT
CN1601
3 4
2
1
IC1402 (VIDEO DRIVER)
13
4dB
AMP
2dB
AMP
LPF DRIVER YC
14
2dB
AMP DRIVER
4dB
AMP
2dB
AMP
LPF DRIVER
11
4dB
AMP
2dB
AMP
LPF DRIVER
6
10
4dB
AMP
2dB
AMP
LPF DRIVER
8
VIDEO-Pb/Cb
OUT
VIDEO-Y 
OUT
VIDEO-Pr/Cr
OUT
JK1403
3
115
TO DIGITAL
SIGNAL PROCESS
BLOCK DIAGRAM
DVD VIDEO SIGNAL
VIDEO-Y(I/P)
VIDEO-C
VIDEO-Pb/Cb
VIDEO-Pr/Cr
TO
AUDIO
BLOCK
DIAGRAM
<VCR 
SECTION>
DVD-VIDEO TO VIDEO
BLOCK DIAGRAM
<VCR SECTION>
IC1403 (VIDEO DRIVER)
5
4dB
AMP
2dB
AMP
LPF DRIVER
6
2dB
AMP DRIVER
4dB
AMP
2dB
AMP
LPF DRIVER
3
17
11VIDEO-Y(I)
VIDEO-Y(I) WF5
WF9
WF7
WF8
"    " = SMD
TEST POINT INFORMATION
:INDICATES A TEST POINT WITH A JUMPER WIRE ACROSS A HOLE IN THE PCB.
:USED TO INDICATE A TEST POINT WITH A COMPONENT LEAD ON FOIL SIDE.
:USED TO INDICATE A TEST POINT WITH NO TEST PIN.
:USED TO INDICATE A TEST POINT WITH A TEST PIN.
WF4
WF6
R1402

1-12-1 H9622SC
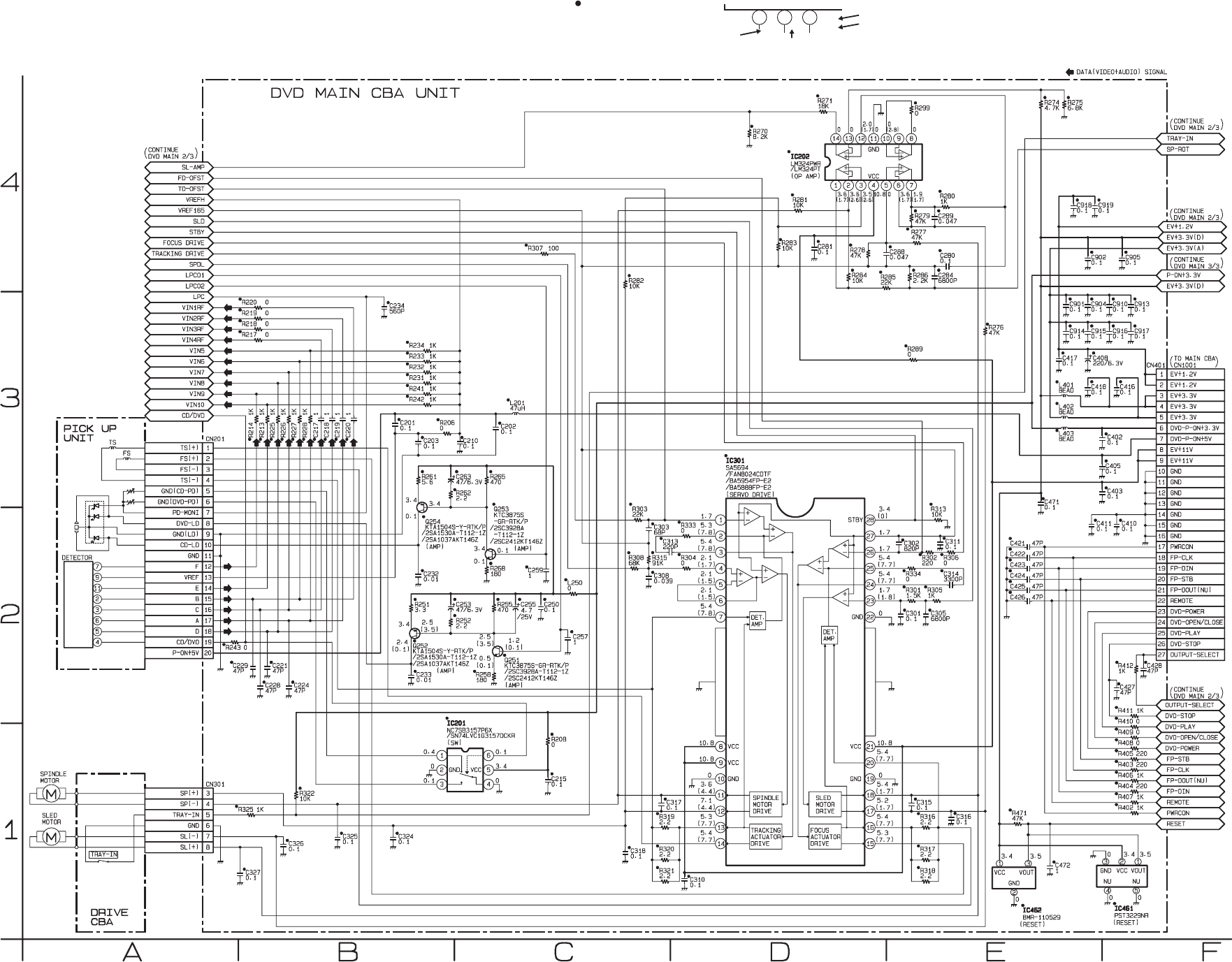
SCHEMATIC DIAGRAMS / CBA’S AND TEST POINTS
Standard Notes
WARNING
Critical components having special safety characteris-
tics are identified with a # by the Ref. No. in the parts
list and enclosed within a broken line (where several
critical components are grouped in one area) along
with the safety symbol # on the schematics or
exploded views.
Use of substitute replacement parts which do not have
the same specified safety characteristics may create
shock, fire or other hazards.
Under no circumstances should the original design be
modified or altered without written permission from
Philips Consumer Electronics Company. Philips
assumes no liability, express or implied, arising out of
any unauthorized modification of design. Servicer
assumes all liability.
* Broken Line : 
Capacitor Temperature Markings
Capacitors and transistors are represented by the fol-
lowing symbols.
Notes:
1. Do not use the part number shown on these draw-
ings for ordering. The correct part number is shown
in the parts list, and may be slightly different or
amended since these drawings were prepared.
2. To maintain original function and reliability of
repaired units, use only original replacement parts
which are listed with their part numbers in the parts
list section of the service manual.
3. How to read converged lines.
Examples:
(1). "1-D3" means that line number "1" goes to area
"D3."
(2). "1-B1" means that line number "1" goes to area
"B1."
4. All resistance values are indicated in ohms
(K=103, M=106).
5. Resistor wattages are 1/4W or 1/6W  unless other-
wise specified.
6. All capacitance values are indicated in µF 
(P=10-6 µF).
7. All voltages are DC voltages unless otherwise
specified.
8. Voltage indications PLAY and REC modes on the
schematics are as shown below.
Mark Capacity 
change rate Standard 
temperature Temperature 
range
(B) ±10% 20°C -25~+85°C
(F) +30 - 80% 20°C –25~+85°C
(SR) ±15% 20°C –25~+85°C
(Z) ±22.5% 20°C –25~+85°C
1-D3
  Distinction Area
  Line Number
    (1 to 3 digits)
3
2
1
ABCD
1-B1
1-D3
AREA D3
AREA B1
231 5.0
(2.5)
PLAY mode
 STOP mode
5.0
The same voltage for
both PLAY & STOP modes Indicates that the voltage
is not consistent here.
< DVD Section >
231 5.0
(2.5)
<   >
 PLAY mode
 REC mode
 DVD mode
5.0
The same voltage for
PLAY, REC & DVD 
modes Indicates that the voltage
is not consistent here.
< VCR Section >
Unit: Volts
Digital Transistor
< Schematic Diagram Symbols >
(Top View) (Bottom View)
(Bottom View)
Electrolytic Capacitor
+
Transistor or Digital Transistor
NPN Transistor PNP Transistor
NPN Digital Transistor PNP Digital
Transistor
(Top View)
(Top View)
E C B
E    C    B
< PCB Symbols > 
E C B
(Top View)
(Top View)
E C B
E C B

1-12-2
 Main 1/8 Schematic Diagram Parts Location Guide < VCR Section >
Ref No. Position Ref No. Position
C023 E-4 Q506 A-2
C502 B-1
C505 D-1 R502 D-1
C507 D-1 R503 D-1
C508 D-3 R504 D-1
C509 D-3 R507 D-3
C511 E-3 R508 D-3
C512 E-3 R511 E-4
C514 D-3 R517 E-4
C515 D-3 R518 E-4
C521 E-3 R521 C-4
C522 E-4 R523 D-4
C523 C-4 R524 C-4
C525 F-4 R525 B-3
C527 E-4 R526 B-4
C529 D-4 R527 B-3
C530 D-4 R528 B-3
C531 C-4 R530 B-2
C532 C-4 R537 A-2
C533 C-4 R542 A-1
C534 C-4 R543 B-2
C535 C-4 R544 B-4
C536 C-4 R545 C-1
C537 B-4 R546 C-1
C541 F-3 R550 D-2
C544 E-4 R610 C-1
R611 D-2
CN501 A-4 R616 D-4
CN502 F-4 R618 C-1
CN504 A-4 R619 C-2
R626 C-1
D501 E-4 R640 F-2
D510 F-3
D555 A-1 SW511 A-2
IC501 C-3 VR501 B-4
L501 A-1 X501 D-3
L502 E-3 X502 D-3
L504 E-3
TP505 B-2
Q501 D-1 TP513 B-4
TRANSISTORSCAPACITORS
DIODES
IC
COILS
CONNECTORS
TRANSISTORS
RESISTORS
CRYSTAL OSCILLATORS
TEST POINTS
SWITCH
VARIABLE RESISTOR

 Main 1/8 Schematic Diagram < VCR Section >
1-12-3 1-12-4 H9622SCM1
“    “ = SMD
Voltage indications for PLAY, REC and DVD modes 
on the Schematic Diagrams are as shown below:
123 5.0
(2.5)
<
0
>
~
5.0
THE SAME VOLTAGE FOR 
PLAY,REC & DVD MODES. INDICATES THAT THE VOLTAGE 
IS NOT CONSISTENT HERE.
PLAY MODE
REC MODE 
DVD MODE
IC501 KEY VOLTAGE CHART
  0.00 ~ 0.51V   POWER   DVD/VCR
  0.51 ~ 0.92V   REW   CH UP
  0.92 ~ 1.27V   FF   CH DOWN
  1.27 ~ 1.61V   STOP/EJECT   SENS-INH
  1.61 ~ 1.98V   PLAY   --------------
  1.98 ~ 2.39V   REC   --------------
  2.39 ~ 2.90V   ----------------   --------------
  2.90 ~ 3.60V   ----------------   --------------
  3.60 ~ 4.30V   ----------------   --------------
  4.30 ~ 5.00V    KEY OFF   KEY OFF
            Pin No.
 Voltage KEY 1 (67 PIN) KEY 2 (66 PIN)

 Main 2/8, Sensor & Power SW Schematic Diagram < VCR Section >
1-12-5 1-12-6 H9622SCM2
5G 4G 3G 2G 1G
7G 6G
a
d
g
cb
ef
fi
i
REPEAT
TITLE
GROUP
VCR
CHP
REC
SACD
TRK
A
ALL
B
PSCAN
DVD
PM
HD
V
CD
A
7G 6G 5G 4G 3G 2G 1G
a
b
c
d
e
f
g
c
d
e
ff
g
c
d
e
f
g
c
d
e
f
g
c
d
e
f
g
c
d
e
f
g
h
ii
a
b
a
b
a
b
a
b
a
b
FIP502  MATRIX CHART 
REPEAT
TITLE
GROUP
VCR
CHP
REC
SACD
TRK
ALL
B
PSCAN
DVD
P
M
HD
V
CD
A
A
“    “ = SMD
Voltage indications for PLAY, REC and DVD modes 
on the Schematic Diagrams are as shown below:
123 5.0
(2.5)
<
0
>
~
5.0
THE SAME VOLTAGE FOR 
PLAY,REC & DVD MODES. INDICATES THAT THE VOLTAGE 
IS NOT CONSISTENT HERE.
PLAY MODE
REC MODE 
DVD MODE

1-12-7
 Main 2/8 Schematic Diagram Parts Location Guide < VCR Section >
Ref No. Position Ref No. Position
C540 K-1 R575 H-3
C550 J-4 R576 H-3
C571 J-2 R580 H-4
C572 J-2 R585 I-4
C574 J-2 R586 I-4
C701 I-1 R587 I-4
C703 I-1 R588 I-4
C704 I-1 R590 I-4
C708 H-1 R591 I-4
C709 H-1 R593 H-4
R594 H-4
CN509 H-4 R600 G-3
R602 G-3
D502 G-3 R603 G-3
D566 H-2 R605 G-3
D567 H-2 R701 H-1
R704 H-1
IC571 J-3 R705 H-1
R2025 J-3
L701 H-1
SW502 H-4
Q566 H-3 SW505 I-4
Q567 H-3 SW508 I-4
SW509 I-4
R467 I-1 SW512 J-1
R531 K-1 SW513 I-4
R532 K-1 SW514 I-4
R533 J-1 SW515 I-4
R534 J-1 SW516 I-4
R535 J-1
R536 J-1 FIP502 J-4
R540 K-1 TU701 H-2
R541 K-2
R571 J-3 TP502 I-4
R572 K-3 TP506 K-1
R573 H-2 TP507 K-1
R574 H-2
RESISTORS
TEST POINTS
COIL
CAPACITORS
DIODES
TRANSISTORS
RESISTORS
IC
SWITCHES
MISCELLANEOUS
CONNECTOR

1-12-8
 Main 3/8 Schematic Diagram Parts Location Guide < VCR Section >
Ref No. Position Ref No. Position Ref No. Position
C301P-2C404N-3R308Q-3
C302P-2C405N-2R309Q-3
C303P-1C406O-2R310Q-4
C304P-1C407O-2R311Q-4
C305 P-1 C408 O-1 R314 P-4
C307 Q-2 C409 O-1 R315 P-4
C308 Q-2 C410 O-1 R316 P-4
C309 Q-2 C411 O-1 R317 P-4
C310Q-2C412O-1R318O-4
C311Q-2C413P-1R319O-4
C312Q-3C414O-1R320O-4
C313Q-3C422O-1R321O-4
C314Q-3C423N-1R322O-4
C315Q-3C424N-1R323O-4
C316Q-3C425N-1R324O-4
C317 Q-3 R327 N-3
C318 Q-3 CN253 M-4 R401 N-2
C319 Q-4 R402 N-2
C320 Q-4 IC301 N-2 R407 N-2
C321 Q-4 R408 N-2
C322 Q-4 L251 N-3 R409 O-2
C324 P-4 L303 N-4 R410 O-1
C326 P-4 L304 N-4 R411 O-1
C327 P-4 L421 N-1 R412 O-1
C328 P-4 L422 N-2 R413 O-1
C329 P-4 R414 O-1
C330P-4Q301Q-3R415O-1
C331O-4Q302Q-4R416O-2
C332O-4Q421N-1R421O-1
C333P-4Q422N-1R422N-1
C336N-4Q425N-1R424N-1
C339N-3Q426N-1R425N-1
C340 N-3 R426 N-1
C341 N-3 R301 P-1
C342 N-3 R302 P-2 X301 P-4
C343 N-3 R304 P-2
C346 P-4 R306 Q-3 TP301 P-1
C401 N-2 R307 Q-3 TP302 O-4
CAPACITORS RESISTORS
TRANSISTORS
RESISTORS
CAPACITORS
COILS
CONNECTOR
IC
CRYSTAL OSCILLATOR
TEST POINTS

 Main 3/8 Schematic Diagram < VCR Section >
1-12-9 1-12-10 H9622SCM3
“    “ = SMD
Voltage indications for PLAY, REC and DVD modes 
on the Schematic Diagrams are as shown below:
123 5.0
(2.5)
<
0
>
~
5.0
THE SAME VOLTAGE FOR 
PLAY,REC & DVD MODES. INDICATES THAT THE VOLTAGE 
IS NOT CONSISTENT HERE.
PLAY MODE
REC MODE 
DVD MODE

 Main 4/8 Schematic Diagram < VCR Section >
1-12-11 1-12-12 H9622SCM4
“    “ = SMD
Voltage indications for PLAY, REC and DVD modes 
on the Schematic Diagrams are as shown below:
123 5.0
(2.5)
<
0
>
~
5.0
THE SAME VOLTAGE FOR 
PLAY,REC & DVD MODES. INDICATES THAT THE VOLTAGE 
IS NOT CONSISTENT HERE.
PLAY MODE
REC MODE 
DVD MODE

1-12-13
 Main 4/8 Schematic Diagram Parts Location Guide < VCR Section >
Ref No. Position Ref No. Position
C438 S-3 C489 S-3
C439 U-2 C491 S-3
C440 S-3 C492 S-3
C441 U-2 C493 S-3
C448 S-2 C494 S-3
C449 S-2 C495 T-4
C451 T-1 C496 S-3
C452 T-2 C498 S-2
C453 T-2 C499 S-2
C454 U-2
C455 U-2 IC451 S-2
C456 U-2
C457 U-2 L451 V-3
C458 U-2
C459 V-2 R451 T-2
C460 V-2 R452 T-2
C461 V-2 R453 U-1
C462 V-2 R454 T-2
C463 V-3 R455 T-2
C465 V-3 R456 U-2
C466 V-3 R457 V-2
C467 V-3 R458 V-3
C469 V-3 R459 V-3
C470 V-4 R462 T-4
C471 U-4 R463 S-3
C472 U-4 R464 S-3
C473 U-4 R465 S-3
C474 U-4 R466 S-3
C475 U-4 R468 S-2
C476 U-4 R469 S-2
C477 T-4 R471 S-2
C478 T-4 R472 V-3
C479 T-4 R480 S-3
C480 T-4 R481 S-2
C481 T-4 R482 U-1
C483 T-4 R483 U-1
C484 T-4 R484 S-3
C485 T-4 R485 S-2
C486 T-4 R486 U-2
C487 S-4 R487 U-2
C488 T-3
IC
CAPACITORS
RESISTORS
CAPACITORS
COIL

1-12-14
 Main 5/8 Schematic Diagram Parts Location Guide < VCR Section >
Ref No. Position Ref No. Position Ref No. Position
C1201 X-1 C1535 Y-3 R1223 Z-1
C1202 X-1 C1536 Y-3 R1224 Z-1
C1205 Y-1 C1537 Z-3 R1225 Z-1
C1206 Y-1 R1226 Z-1
C1207 Y-1 CN1601 X-4 R1236 Y-1
C1208 Y-1 R1238 Y-1
C1221 Y-1 D1301 Y-2 R1240 Y-1
C1222 Y-1 R1245 Y-1
C1223 Y-1 IC1201 Y-1 R1351 AA-1
C1224 Z-1 IC1402 Z-3 R1352 AA-1
C1245 Y-1 IC1403 Z-3 R1353 AA-1
C1246 X-1 R1354 AA-1
C1247 X-1 L1350 Z-2 R1355 AA-1
C1249 Y-1 L1351 AB-1 R1356 AB-1
C1351 AA-1 L1401 AA-2 R1392 X-2
C1352 AA-1 L1441 AA-2 R1396 Y-2
C1354 AA-1 L1442 AA-2 R1397 Y-2
C1355 Z-1 L1461 AA-2 R1401 Y-2
C1394 Y-2 L1481 AA-3 R1402 AA-3
C1395 Y-2 L1522 Y-2 R1403 Y-3
C1403 Y-3 R1421 X-2
C1422 AA-2 Q1201 Z-1 R1422 AA-2
C1423 Y-3 Q1202 Z-1 R1441 Y-3
C1441 Y-3 Q1204 Z-1 R1442 AA-2
C1442 AA-3 Q1351 AA-1 R1443 AA-2
C1443 Z-3 Q1385 Y-2 R1461 X-3
C1461 X-3 R1462 AA-2
C1462 AA-2 R1205 X-1 R1481 Y-3
C1481 Y-3 R1206 Y-1 R1482 AA-3
C1482 AA-2 R1207 Y-1
C1522 Y-2 R1208 Y-1 JK1202 AB-1
C1524 Z-3 R1209 Y-1 JK1401 AB-2
C1525 Y-3 R1210 Y-1 JK1403 AB-3
C1531 Y-2 R1221 Y-1
C1532 Y-2 R1222 Z-1
COILS
RESISTORS
ICS
DIODE
CAPACITORS CAPACITORS
CONNECTOR
RESISTORS
TRANSISTORS
MISCELLANEOUS

 Main 5/8 Schematic Diagram < VCR Section >
1-12-15 1-12-16 H9622SCM5
“    “ = SMD
Voltage indications for PLAY, REC and DVD modes 
on the Schematic Diagrams are as shown below:
123 5.0
(2.5)
<
0
>
~
5.0
THE SAME VOLTAGE FOR 
PLAY,REC & DVD MODES. INDICATES THAT THE VOLTAGE 
IS NOT CONSISTENT HERE.
PLAY MODE
REC MODE 
DVD MODE

 Main 6/8 Schematic Diagram < VCR Section >
1-12-17 1-12-18 H9622SCM6
“    “ = SMD
Voltage indications for PLAY, REC and DVD modes 
on the Schematic Diagrams are as shown below:
123 5.0
(2.5)
<
0
>
~
5.0
THE SAME VOLTAGE FOR 
PLAY,REC & DVD MODES. INDICATES THAT THE VOLTAGE 
IS NOT CONSISTENT HERE.
PLAY MODE
REC MODE 
DVD MODE
MAIN 6/8 Schematic Diagram
Parts Location Guide
Ref No. Position
C370 AC-3
C371 AC-3
C391 AF-3
C392 AF-3
C751 AF-2
C752 AF-2
C757 AD-3
C762 AD-3
C766 AE-3
C772 AF-2
C773 AF-2
C777 AE-3
C2016 AD-3
IC751 AE-3
IC752 AC-3
L771 AF-4
Q391 AF-3
R391 AF-3
R392 AF-3
R395 AF-3
R397 AF-3
R470 AD-2
R751 AF-2
R752 AF-1
R753 AF-1
R759 AC-3
R760 AC-1
R770 AF-2
R777 AF-3
R778 AF-3
JK751 AG-2
JK752 AG-1
JK753 AG-1
JK754 AG-1
JK755 AG-1
JK756 AG-2
TP751 AF-2
TP753 AF-2
TP754 AF-2
CAPACITORS
TEST POINTS
ICS
COIL
TRANSISTOR
RESISTORS
MISCELLANEOUS

 Main 7/8 & DVD Open/Close Schematic Diagram < VCR Section >
1-12-19 1-12-20 H9622SCM7
“    “ = SMD
Voltage indications for PLAY, REC and DVD modes 
on the Schematic Diagrams are as shown below:
123 5.0
(2.5)
<
0
>
~
5.0
THE SAME VOLTAGE FOR 
PLAY,REC & DVD MODES. INDICATES THAT THE VOLTAGE 
IS NOT CONSISTENT HERE.
PLAY MODE
REC MODE 
DVD MODE
MAIN 7/8 Schematic Diagram Parts Location Guide
Ref No. Position Ref No. Position
C051 AL-3 R057 AL-3
C053 AK-3 R058 AK-3
C060 AK-3 R060 AJ-3
C1039 AI-3 R061 AK-3
C1040 AH-3 R062 AK-3
C1042 AI-2 R063 AK-3
C1070 AH-3 R073 AL-4
C2002 AK-1 R075 AL-4
C2004 AL-1 R092 AL-4
C2012 AL-1 R095 AL-4
R702 AL-4
CN1001 AH-3 R1002 AH-3
CN2003 AL-1 R1025 AL-2
R1026 AL-2
D019 AK-3 R1044 AL-2
D052 AK-3 R1059 AK-2
D080 AK-3 R1068 AK-2
D081 AK-3 R1076 AK-2
D082 AK-3 R1077 AJ-2
D100 AI-1 R1078 AH-3
D101 AI-1 R1085 AI-3
D504 AL-4 R1086 AI-3
D701 AL-4 R1087 AH-3
D1031 AI-4 R1090 AI-3
D1036 AJ-3 R1091 AI-3
D1037 AK-3 R2001 AI-2
D1038 AK-3 R2002 AI-2
D1058 AL-2 R2003 AI-2
R2005 AL-1
IC1002 AI-4 R2006 AI-2
IC1004 AI-3 R2016 AI-1
R2028 AK-1
L2001 AK-1 R2031 AK-1
R2050 AI-2
Q052 AL-4 R2060 AI-2
Q055 AK-3 R2086 AI-2
Q056 AL-3
Q057 AK-3 SW2002 AJ-1
Q1004 AJ-2 SW2003 AJ-1
Q1005 AK-2
Q1006 AL-2 RM2001 AL-2
Q1011 AI-2
R056 AK-4
COIL
TRANSISTORS
RESISTORS
MISCELLANEOUS
RESISTORS
SWITCHES
CAPACITORS
DIODES
CONNECTORS
ICS

1-12-21 1-12-22 H9622SCM8
 Main 8/8 Schematic Diagram < VCR Section >
NOTE :
The voltage for parts in hot circuit is measured using
hot GND as a common terminal.
  A     V
F
CAUTION
FOR CONTINUED PROTECTION AGAINST FIRE HAZARD,
REPLACE ONLY WITH THE SAME TYPE FUSE.
ATTENTION : POUR UNE PROTECTION CONTINUE LES RISQES
D'INCELE N'UTILISER QUE DES FUSIBLE DE MÊME TYPE.
RISK OF FIRE-REPLACE FUSE AS MARKED.
"This symbol means fast operating fuse."
"Ce symbole reprèsente un fusible à fusion rapide."
CAUTION !
Fixed voltage ( or Auto voltage selectable ) power supply circuit is used in this unit.
If Main Fuse (F1001) is blown, check to see that all components in the power supply
circuit are not defective before you connect the AC plug to the AC power supply.
Otherwise it may cause some components in the power supply circuit to fail.
“    “ = SMD
Voltage indications for PLAY, REC and DVD modes 
on the Schematic Diagrams are as shown below:
123 5.0
(2.5)
<
0
>
~
5.0
THE SAME VOLTAGE FOR 
PLAY,REC & DVD MODES. INDICATES THAT THE VOLTAGE 
IS NOT CONSISTENT HERE.
PLAY MODE
REC MODE 
DVD MODE
MAIN 8/8 Schematic Diagram Parts Location Guide
Ref No. Position Ref No. Position
C013 AQ-4 L1001 AN-4
C017 AQ-4 L1004 AP-3
C018 AQ-4 L1007 AQ-2
C020 AQ-3 L1020 AQ-2
C021 AQ-3
C030 AQ-1 Q031 AQ-1
C1001 AN-3 Q1001 AP-3
C1002 AQ-3 Q1003 AO-3
C1003 AP-3 Q1008 AO-2
C1004 AO-3
C1005 AP-3 JC01 AR-1
C1006 AN-3 R031 AP-1
C1007 AQ-2 R032 AQ-1
C1008 AP-3 R034 AQ-1
C1013 AO-2 R037 AQ-4
C1014 AQ-2 R039 AQ-1
C1015 AQ-2 R041 AQ-1
C1018 AQ-2 R042 AQ-2
C1021 AQ-1 R043 AQ-1
C1023 AQ-3 R082 AQ-4
C1029 AO-2 R090 AQ-3
C1032 AO-2 R091 AQ-3
C1033 AO-1 R093 AR-4
C1038 AQ-2 R094 AR-4
R1004 AP-3
D013 AQ-4 R1005 AO-3
D015 AQ-4 R1006 AO-3
D016 AP-3 R1008 AO-3
D030 AQ-4 R1010 AO-3
D031 AQ-4 R1011 AP-3
D040 AQ-1 R1013 AR-2
D1001 AO-4 R1029 AO-3
D1002 AO-4 R1032 AO-2
D1003 AO-4 R1034 AO-2
D1004 AO-4 R1035 AP-2
D1007 AO-2 R1036 AO-2
D1008 AP-2 R1037 AO-2
D1010 AQ-3 R1038 AO-2
D1011 AP-3 R1039 AO-1
D1012 AP-3 R1042 AQ-2
D1016 AP-2 R1043 AO-4
D1017 AQ-1 R1094 AQ-2
D1018 AO-2 R1095 AQ-2
D1020 AP-2
D1022 AO-2 AC1001 AN-4
D1024 AP-2 F1001 AN-4
D1025 AO-2 GP1001 AN-3
SA1001 AN-3
IC1001 AP-1 T001 AP-4
L009 AQ-3
CAPACITORS
MISCELLANEOUS
DIODES
TRANSISTORS
RESISTORS
COILS
IC
COILS

TO SENSOR CBA
(START-SENSOR)
SW-P
VR501
CTL
TP513
RF-SW
TP302
WF2
C-PB
TP301
WF3
V-OUT
TP751
WF1
S-INH
TP502
TO SENSOR CBA
(END-SENSOR)
Note:
L1004 is positioned on the Cathode
side of D1011 as shown below.
 D1011 L1004
1-12-23 BH9600F01012A
1-12-24
NOTE :
The voltage for parts in hot circuit is measured
using hot GND as a common terminal.
BECAUSE A HOT CHASSIS GROUND IS PRESENT IN THE POWER
SUPPLY CIRCUIT , AN ISOLATION TRANSFORMER MUST BE USED.
ALSO , IN ORDER TO HAVE THE ABILITY TO INCREASE THE INPUT
SLOWLY , WHEN TROUBLESHOOTING THIS TYPE POWER SUPPLY
CIRCUIT , A VARIABLE ISOLATION TRANSFORMER IS REQUIRED.
  A     V
F
CAUTION
FOR CONTINUED PROTECTION AGAINST FIRE HAZARD,
REPLACE ONLY WITH THE SAME TYPE FUSE.
ATTENTION : POUR UNE PROTECTION CONTINUE LES RISQES
D'INCELE N'UTILISER QUE DES FUSIBLE DE MÊME TYPE.
RISK OF FIRE-REPLACE FUSE AS MARKED.
"This symbol means fast operating fuse."
"Ce symbole reprèsente un fusible à fusion rapide."
CAUTION !
Fixed voltage ( or Auto voltage selectable ) power supply circuit is used in this unit.
If Main Fuse (F1001) is blown, check to see that all components in the power supply
circuit are not defective before you connect the AC plug to the AC power supply.
Otherwise it may cause some components in the power supply circuit to fail.
Main CBA Top View
BHF300F01011A
BHF300F01011B
BH9600F01012C
BH9600F01012B
Sensor CBA Top View
DVD Open/Close
CBA Top View
Power SW CBA
Top View

WF6
R1402
1-12-25 1-12-26
Main CBA Bottom View
NOTE :
The voltage for parts in hot circuit is measured
using hot GND as a common terminal.
CAUTION !
Fixed voltage ( or Auto voltage selectable ) power supply circuit is used in this unit.
If Main Fuse (F1001) is blown, check to see that all components in the power supply
circuit are not defective before you connect the AC plug to the AC power supply.
Otherwise it may cause some components in the power supply circuit to fail.
BECAUSE A HOT CHASSIS GROUND IS PRESENT IN THE POWER
SUPPLY CIRCUIT , AN ISOLATION TRANSFORMER MUST BE USED.
ALSO , IN ORDER TO HAVE THE ABILITY TO INCREASE THE INPUT
SLOWLY , WHEN TROUBLESHOOTING THIS TYPE POWER SUPPLY
CIRCUIT , A VARIABLE ISOLATION TRANSFORMER IS REQUIRED.
  A     V
F
CAUTION
FOR CONTINUED PROTECTION AGAINST FIRE HAZARD,
REPLACE ONLY WITH THE SAME TYPE FUSE.
ATTENTION : POUR UNE PROTECTION CONTINUE LES RISQES
D'INCELE N'UTILISER QUE DES FUSIBLE DE MÊME TYPE.
RISK OF FIRE-REPLACE FUSE AS MARKED.
"This symbol means fast operating fuse."
"Ce symbole reprèsente un fusible à fusion rapide."
BH9600F01012A
WF7
PIN 14 OF
CN1601
WF5
PIN 10 OF
CN1601
WF4
PIN 8 OF
CN1601
WF8
PIN 16 OF
CN1601
WF9
PIN 19 OF
CN1601

1-12-27 1-12-28
 Main CBA Parts Location Guide
Ref No. Position Ref No. Position Ref No. Position Ref No. Position Ref No. Position
C013 F-3 C423 D-4 C523 E-3 C1245 B-5 D1002 G-4
C017 F-3 C424 C-4 C525 E-2 C1246 C-5 D1003 G-4
C018 F-3 C425 C-4 C527 E-2 C1247 C-5 D1004 G-4
C020 F-3 C438 A-4 C529 C-2 C1249 B-5 D1007 G-4
C021 F-3 C439 B-4 C530 C-2 C1351 G-5 D1008 F-4
C023 F-1 C440 A-4 C531 D-2 C1352 G-5 D1010 F-3
C030 F-5 C441 B-4 C532 C-2 C1354 G-5 D1011 G-4
C051 F-2 C448 B-4 C533 C-2 C1355 G-5 D1012 G-4
C053 F-2 C449 B-4 C534 C-2 C1394 C-5 D1016 F-5
C060 F-2 C451 B-4 C535 D-2 C1395 D-5 D1017 D-3
C301 C-4 C452 B-4 C536 C-2 C1403 E-4 D1018 G-4
C302 C-4 C453 B-4 C537 A-2 C1422 D-4 D1020 F-4
C303 C-4 C454 B-4 C540 A-3 C1423 E-4 D1022 G-4
C304 D-4 C455 B-4 C541 E-2 C1441 E-4 D1024 G-5
C305 D-4 C456 B-4 C544 E-3 C1442 E-4 D1025 G-5
C307 C-3 C457 B-4 C550 D-1 C1443 E-5 D1031 G-2
C308 C-4 C458 B-4 C571 D-1 C1461 E-4 D1036 G-2
C309 C-4 C459 B-4 C572 D-1 C1462 E-5 D1037 G-2
C310 C-3 C460 B-4 C574 D-1 C1481 E-4 D1038 F-2
C311 B-5 C461 B-3 C701 A-5 C1482 E-5 D1058 F-1
C312 C-3 C462 B-4 C703 A-5 C1522 E-4 D1301 D-5
C313 A-3 C463 B-3 C704 A-5 C1524 E-4
C314 C-3 C465 B-3 C708 A-4 C1525 D-4 IC301 C-4
C315 D-3 C466 B-3 C709 A-4 C1531 E-4 IC451 B-3
C316 C-3 C467 B-3 C751 E-5 C1532 E-4 IC501 C-2
C317 D-3 C469 B-3 C752 E-5 C1535 E-4 IC571 D-1
C318 C-3 C470 B-3 C757 B-5 C1536 E-4 IC751 B-5
C319 C-3 C471 B-3 C762 C-5 C1537 E-4 IC752 B-5
C320 A-5 C472 B-3 C766 B-5 C2002 C-1 IC1001 F-5
C321 B-3 C473 B-3 C772 G-5 C2004 D-1 IC1002 G-2
C322 C-3 C474 A-3 C773 F-5 C2012 C-1 IC1004 G-2
C324 C-3 C475 A-3 C777 B-5 C2016 B-5 IC1201 B-5
C326 B-3 C476 B-3 C1001 G-3 IC1402 E-4
C327 C-3 C477 A-3 C1002 F-3 CN253 B-4 IC1403 E-4
C328 B-3 C478 A-3 C1003 G-4 CN501 A-5
C329 B-3 C479 A-3 C1004 G-3 CN502 E-3 L009 F-3
C330 B-3 C480 A-3 C1005 G-4 CN504 D-4 L251 B-3
C331 B-3 C481 A-3 C1006 G-3 CN509 A-1 L303 C-1
C332 B-3 C483 A-3 C1007 F-4 CN1001 G-1 L304 D-4
C333 B-3 C484 A-3 C1008 G-4 CN1601 E-4 L421 C-4
C336 B-3 C485 A-3 C1013 G-4 CN2003 G-1 L422 D-4
C339 B-4 C486 A-3 C1014 F-4 L451 B-3
C340 B-4 C487 A-4 C1015 E-3 D013 F-4 L501 C-1
C341 B-4 C488 A-4 C1018 F-5 D015 F-4 L502 E-3
C342 B-4 C489 A-4 C1021 F-4 D016 F-4 L504 E-2
C343 B-4 C491 A-3 C1023 F-4 D019 F-2 L701 A-5
C346 C-3 C492 A-4 C1029 G-4 D030 F-4 L771 B-5
C370 A-5 C493 A-4 C1032 G-5 D031 F-3 L1001 G-4
C371 A-5 C494 A-4 C1033 G-5 D040 F-5 L1004 G-4
C391 E-5 C495 A-3 C1038 F-4 D052 F-2 L1007 F-4
C392 E-5 C496 A-4 C1039 G-2 D080 F-2 L1020 F-4
C401 C-4 C498 B-4 C1040 G-2 D081 F-2 L1350 G-5
C404 C-4 C499 A-4 C1042 G-2 D082 F-2 L1351 G-5
C405 C-4 C502 C-1 C1070 G-2 D100 A-3 L1401 F-5
C406 C-4 C505 B-1 C1201 C-5 D101 A-3 L1441 F-5
C407 C-4 C507 B-1 C1202 C-5 D501 B-2 L1442 F-5
C408 C-4 C508 B-2 C1205 C-5 D502 G-1 L1461 F-5
C409 C-4 C509 B-2 C1206 C-5 D504 G-3 L1481 F-5
C410 C-4 C511 C-2 C1207 C-5 D510 A-3 L1522 E-4
C411 C-4 C512 B-2 C1208 C-5 D555 C-3 L2001 C-1
C412 C-4 C514 C-2 C1221 B-5 D566 F-1
C413 C-4 C515 C-2 C1222 B-5 D567 F-1 Q031 F-5
C414 C-4 C521 E-4 C1223 F-5 D701 G-3 Q052 F-3
C422 D-4 C522 E-3 C1224 G-5 D1001 G-4 Q055 F-2
ICS
COILS
CAPACITORS DIODES
CAPACITORS CAPACITORS CAPACITORS
TRANSISTORS
CONNECTORS
DIODES
Ref No. Position Ref No. Position Ref No. Position Ref No. Position Ref No. Position
Q056 F-2 R318 B-3 R518 E-2 R1005 G-4 R1461 E-4
Q057 F-2 R319 B-3 R521 C-2 R1006 G-4 R1462 F-5
Q301 C-3 R320 B-3 R523 C-2 R1008 G-4 R1481 E-4
Q302 C-3 R321 B-2 R524 C-2 R1010 G-4 R1482 F-5
Q391 D-5 R322 A-2 R525 C-2 R1011 G-4 R2001 G-1
Q421 D-4 R323 A-3 R526 C-2 R1013 D-1 R2002 G-1
Q422 C-4 R324 A-3 R527 C-1 R1025 G-1 R2003 G-1
Q425 D-4 R327 B-4 R528 A-1 R1026 G-1 R2005 C-1
Q426 D-4 R391 D-5 R530 D-1 R1029 G-4 R2006 G-1
Q501 B-1 R392 D-5 R531 E-2 R1032 G-5 R2016 G-1
Q506 C-2 R395 D-5 R532 E-2 R1034 G-4 R2025 E-1
Q566 F-1 R397 D-5 R533 E-2 R1035 G-5 R2028 C-1
Q567 E-1 R401 C-4 R534 E-3 R1036 G-5 R2031 C-1
Q1001 G-4 R402 C-4 R535 E-3 R1037 G-5 R2050 G-1
Q1003 G-4 R407 C-4 R536 E-2 R1038 G-5 R2060 G-1
Q1004 G-3 R408 C-4 R537 B-2 R1039 G-5 R2086 F-1
Q1005 G-1 R409 C-4 R540 D-2 R1042 E-1
Q1006 G-2 R410 C-4 R541 C-1 R1043 G-4 SW502 F-1
Q1008 G-5 R411 C-4 R542 D-3 R1044 G-1 SW505 C-1
Q1011 G-2 R412 C-4 R543 B-1 R1059 G-1 SW508 B-1
Q1201 F-5 R413 C-4 R544 A-3 R1068 G-2 SW509 C-1
Q1202 F-5 R414 C-4 R545 B-1 R1076 G-1 SW511 B-1
Q1204 D-5 R415 C-4 R546 B-1 R1077 G-2 SW512 E-2
Q1351 G-5 R416 C-4 R550 B-1 R1078 G-1 SW513 E-1
Q1385 C-5 R421 D-4 R571 D-1 R1085 G-2 SW514 E-1
R422 D-4 R572 D-1 R1086 G-2 SW515 B-1
JC01 F-5 R424 D-4 R573 F-1 R1087 G-2 SW516 B-1
R031 F-5 R425 C-4 R574 F-1 R1090 G-3 SW2002 G-1
R032 F-5 R426 D-4 R575 E-1 R1091 G-3 SW2003 G-1
R034 F-5 R451 C-4 R576 E-1 R1094 F-4
R037 F-2 R452 B-4 R580 A-1 R1095 F-4 VR501 A-2
R039 F-5 R453 B-4 R585 B-1 R1205 C-5
R041 F-5 R454 B-4 R586 B-1 R1206 C-5 X301 B-3
R042 F-5 R455 B-4 R587 B-1 R1207 B-5 X501 B-2
R043 F-5 R456 B-4 R588 C-1 R1208 C-5 X502 C-2
R056 F-2 R457 B-4 R590 E-1 R1209 B-5
R057 F-2 R458 B-4 R591 E-1 R1210 B-5 AC101 G-3
R058 F-2 R459 B-3 R593 A-1 R1221 B-5 F1001 G-3
R060 F-3 R462 A-3 R594 E-1 R1222 B-5 FIP502 D-1
R061 F-2 R463 A-4 R600 E-1 R1223 B-5 JK751 F-5
R062 F-2 R464 A-4 R602 E-1 R1224 B-5 JK752 E-5
R063 F-2 R465 A-4 R603 E-1 R1225 E-4 JK753 A-1
R073 F-2 R466 A-4 R605 E-1 R1226 F-5 JK754 A-1
R075 F-2 R467 A-5 R610 B-1 R1236 D-5 JK755 A-1
R082 F-3 R468 B-4 R611 B-2 R1238 D-5 JK756 G-5
R090 F-3 R469 B-4 R616 C-2 R1240 D-5 JK1202 G-5
R091 F-3 R470 B-4 R618 B-1 R1245 C-5 JK1401 F-5
R092 G-2 R471 B-4 R619 B-1 R1351 G-5 JK1403 F-5
R093 F-3 R472 B-3 R626 B-2 R1352 G-5 RM2001 C-1
R094 F-2 R480 B-4 R640 A-3 R1353 G-5 SA1001 G-3
R095 G-2 R481 B-4 R701 A-5 R1354 G-5 T001 F-5
R301 D-4 R482 B-4 R702 F-2 R1355 G-5 TU701 A-4
R302 D-4 R483 B-4 R704 A-4 R1356 G-5
R304 D-3 R484 B-4 R705 A-4 R1392 C-5 TP301 A-3
R306 D-3 R485 B-4 R751 E-5 R1396 C-5 TP302 A-3
R307 C-3 R486 B-4 R752 E-5 R1397 C-5 TP502 E-1
R308 C-3 R487 B-4 R753 A-1 R1401 E-4 TP505 A-3
R309 C-3 R502 B-2 R759 A-5 R1402 D-4 TP506 F-3
R310 C-3 R503 B-2 R760 B-5 R1403 E-4 TP507 A-3
R311 B-3 R504 B-2 R770 F-5 R1421 E-4 TP513 A-2
R314 C-3 R507 B-2 R777 D-5 R1422 F-5 TP751 F-5
R315 B-3 R508 C-2 R778 B-5 R1441 E-4 TP753 E-5
R316 B-3 R511 E-2 R1002 D-1 R1442 F-5 TP754 F-5
R317 B-3 R517 B-2 R1004 G-3 R1443 E-5
RESISTORS
SWITCHES
VARIABLE RESISTOR
CRYSTAL OSCILLATORS
TEST POINTS
RESISTORS RESISTORSRESISTORS RESISTORS
MISCELLANEOUS
TRANSISTORS

H9622SCD1
 DVD Main 1/3 Schematic Diagram < DVD Section >
1-12-29 1-12-30
Voltage indications for PLAY and STOP modes 
on the Schematic Diagrams are as shown below:
123
 5.0
(2.5)
~
5.0
THE SAME VOLTAGE FOR 
BOTH PLAY & STOP MODES. INDICATES THAT THE VOLTAGE 
IS NOT CONSISTENT HERE.
PLAY MODE
STOP MODE
“    “ = SMD

1-12-31 1-12-32 H9622SCD2
 DVD Main 2/3 Schematic Diagram < DVD Section >
Voltage indications for PLAY and STOP modes 
on the Schematic Diagrams are as shown below:
123
 5.0
(2.5)
~
5.0
THE SAME VOLTAGE FOR 
BOTH PLAY & STOP MODES. INDICATES THAT THE VOLTAGE 
IS NOT CONSISTENT HERE.
PLAY MODE
STOP MODE
“    “ = SMD

IC101 VOLTAGE CHART
PIN.NO PLAY STOP PIN.NO PLAY STOP PIN.NO PLAY STOP PIN.NO PLAY STOP
1 ~ ~ 33 ~ ~ 65 0 0 97 ----- -----
2 ~ ~ 343.43.4663.43.5983.43.4
3 0 0 35 0 0 673.23.2990.90.8
4 ~ ~36~ ~680 01000 0
5 ~ ~ 37 ~ ~ 69 ----- ----- 101 2.4 2.4
6 3.4 3.4 38 0.4 0.3 70 3.4 3.4 102 2.2 2.2
7 ~ ~ 39 ~ ~ 71 ----- ----- 103 1.9 1.9
8 ~ ~ 40 ~ ~ 72 ----- ----- 104 0.4 0.3
9 0 0 41 ~ ~ 73 3.4 3.4 105 0 0
10 ~ ~ 42 ~ ~ 74 0 0 106 1.7 1.7
11 ~ ~ 43 ~ ~ 75 1.7 1.8 107 3.4 3.4
12 3.4 3.4 44 1.3 1.3 76 2.3 1.8 108 ----- -----
13 ~ ~ 45 ~ ~ 77 ----- ----- 109 ----- -----
14 ~ ~ 46 ~ ~ 78 ----- ----- 110 1.9 1.9
15 ~ ~ 47 ~ ~ 79 ----- ----- 111 1.9 1.9
16 0 0 48 3.4 3.4 80 3.4 0.1 112 1.7 1.7
17 ~ ~ 49 0 0 81 0.1 0.1 113 1.7 1.7
18 ~ ~ 50 ~ ~ 82 2.8 2.8 114 1.7 1.7
19 3.4 3.4 51 ~ ~ 83 0.1 0.1 115 1.7 1.7
20 0 0 52 0.8 0.8 84 3.4 3.4 116 1.7 1.7
21 ----- ----- 53 0 0 85 0.1 0.1 117 1.7 1.7
22 3.5 3.5 54 0 0 86 3.6 3.4 118 3.4 3.4
23 ~ ~ 55 1.4 1.4 87 0 0 119 2.0 2.0
24 ~ ~ 56 3.4 3.4 88 3.5 0.1 120 1.7 1.7
25 ~ ~ 57 3.5 3.5 89 1.3 1.3 121 1.5 1.5
26 1.3 1.3 58 ----- ----- 90 ----- ----- 122 0 0
27 ~ ~ 59 3.4 3.4 91 ----- ----- 123 0.3 0.1
28 3.4 3.4 60 3.4 3.4 92 ----- ----- 124 1.2 0.1
29 0 0 61 3.5 3.5 93 0 0 125 0.3 0.1
30 ~ ~ 62 3.4 3.4 94 ----- ----- 126 0.1 0.1
31 ~ ~ 63 0 0 95 ----- ----- 127 2.3 2.3
32 ~ ~ 64 0 0 96 ----- ----- 128 1.7 1.7
PIN.NO PLAY STOP PIN.NO PLAY STOP PIN.NO PLAY STOP PIN.NO PLAY STOP
129 2.3 2.3 161 3.4 3.4 193 ~ ~ 225 3.4 3.4
130 2.3 2.3 162 0 0 194 ~ ~ 226 ~ ~
131 2.3 2.3 163 1.8 1.8 195 ~ ~ 227 ~ ~
132 2.4 2.3 164 0 0 196 3.4 3.4 228 ~ ~
133 2.4 2.4 165 1.7 1.8 197 ~ ~ 229 0 0
134 2.4 2.4 166 1.7 1.7 198 ~ ~ 230 ~ ~
135 2.3 2.3 167 3.4 3.4 199 ~ ~ 231 3.4 3.4
136 2.3 2.3 168 0 0 200 ~ ~ 232 1.3 1.6
137 2.3 2.3 169 1.8 1.8 201 0 0 233 ~ ~
138 2.3 2.3 170 1.7 1.7 202 3.4 3.4 234 1.9 2.3
139 1.7 1.7 171 1.3 0.1 203 ~ ~ 235 0 0
140 ----- ----- 172 1.3 1.3 204 ~ ~ 236 1.3 1.3
141 3.4 3.4 173 0 0 205 0 0 237 ~ ~
142 1.3 1.3 174 ----- ----- 206 ~ ~ 238 ~ ~
143 2.1 1.7 175 ----- ----- 207 ~ ~ 239 3.4 3.4
144 2.2 2.2 176 ----- ----- 208 ~ ~ 240 3.4 3.3
145 0 0 177 1.8 1.7 209 3.4 3.4 241 1.9 1.9
146 1.7 1.7 178 3.4 3.5 210 ~ ~ 242 0 0
147 1.8 1.7 179 0 0 211 ~ ~ 243 1.9 1.9
148 1.7 1.7 180 ----- ----- 212 ~ ~ 244 3.4 3.3
149 0.6 0.5 181 ----- ----- 213 0 0 245 3.4 3.4
150 3.4 3.4 182 ----- ----- 214 ----- ----- 246 3.4 3.4
151 0.5 0.6 183 3.5 3.5 215 ----- ----- 247 0 0
152 0.5 0.4 184 ----- ----- 216 3.4 3.4 248 3.3 3.4
153 1.4 1.3 185 ----- ----- 217 ~ ~ 249 3.2 3
154 1.4 1.3 186 ----- ----- 218 0 0 250 0 0
155 2.4 2.4 187 ----- ----- 219 1.3 1.3 251 3.2 3.0
156 3.4 3.4 188 ----- ----- 220 ~ ~ 252 ~ ~
157 0 0 189 ----- ----- 221 ~ ~ 253 0 0
158 0.9 0.9 190 3.4 3.5 222 0 0 254 ~ ~
159 3.4 3.4 191 0 0 223 ~ ~ 255 3.4 3.4
160 0 0 192 ~ ~ 224 ~ ~ 256 ~ ~
1-12-33 1-12-34

1-12-35 1-12-36 H9622SCD3
 DVD Main 3/3 Schematic Diagram < DVD Section >
Voltage indications for PLAY and STOP modes 
on the Schematic Diagrams are as shown below:
123
 5.0
(2.5)
~
5.0
THE SAME VOLTAGE FOR 
BOTH PLAY & STOP MODES. INDICATES THAT THE VOLTAGE 
IS NOT CONSISTENT HERE.
PLAY MODE
STOP MODE
“    “ = SMD

WAVEFORMS
1-13-1 H9622WF
WF 1
WF3
WF1
V-OUT  E-E
10µs           50mV x 10
UPPER
WF2
WF2
LOWER
V-OUT             0.1V x 10
RF-SW            0.5V x 10
         50µs
C-PB                10mV x 10
RF-SW             0.5V x 10
           5ms
TP751
TP751
TP302
UPPER
LOWER
TP302 
TP301 
WF4
WF6
Pin 6 of IC1402
WF5
VIDEO-Y
VIDEO-Y
0.2V
0.2V
20
20
µ
s
VIDEO-C
VIDEO-C
0.2V
0.2V
20
20
µ
s
VIDEO-CVBS
VIDEO-CVBS
0.5V
0.5V
20
20
µ
s
WF7
AUDIO-L
AUDIO-L
1V
1V
0.5ms
0.5ms
WF8 
AUDIO-R
AUDIO-R
1V
1V
WF9
SPDIF
SPDIF
1V
1V
0.1
0.1
µ
s 
s 
Pin 8 of CN1601
Pin 10 of CN1601
Pin 14 of CN1601
Pin 16 of CN1601
Pin 19 of CN1601
NOTE:
Input
   VCR: COLOR BAR SIGNAL 
            (WF1~WF3) 
   DVD: POWER ON (STOP) MODE
            (WF4~WF6)   
     CD: 1kHz PLAY
            (WF7~WF9)
0.5ms
0.5ms

WIRING DIAGRAM < VCR SECTION >
H9622WI
1-14-1
AC HEAD ASSEMBLY
AUDIO HEAD
AUDIO 
ERASE HEAD
CONTROL HEAD
MLOADING
MOTOR
CYLINDER ASSEMBLY
AE-H
1
AE-H/FE-H2
A-COM3
A-PB/REC4
CTL(+)5
CTL(-)6
Hi-Fi-A(R)7
Hi-Fi-COM8
Hi-Fi-A(L)9
V-COM5
V(R)-26
V(R)-11
V-COM2
V(L)-2
3 V(L)-1
4
P-ON+5V
1 AL+12V(1)
2
C-F/R
3 C-FG
4
C-CONT5
GND
6
LM-FWD/REV
7
D-CONT8
D-PFG9
GND
10
AL+12V
11
AL+18V12
FE-H1
FE-H GND2
CN501
CN502
CN504
CN253 CN2003 W011 CN2002
EV+1.2V
EV+1.2V
EV+3.3V
EV+3.3V
EV+3.3V
P-ON+3.3V
P-ON+5V
EV+11V
EV+11V
GND
1
2
3
4
5
6
7
8
9
10
CN1001
GND
GND
GND
GND
GND
GND
PWRCON
11
12
13
14
15
16
17
18
19
20
GND
VODEO-Pr/Cr
GND
VIDEO-Pb/Cb
VIDEO-Y(I/P)
GND
VIDEO-C
GND
GND
DVD-A-MUTE
I/P-SW
NU
DVD-A(R)-MUTE
DVD-A(L)
AUDIO+5V
DVD-A(R)
AUDIO+5V
SPDIF 19
REMOTE
21
22
DVD-POWER 23
DVD-PLAY
DVD-OPEN/CLOSE 24
25
OUTPUT-SELECT
DVD-STOP 26
27
CAPSTAN MOTOR 
FULL
ERASE HEAD 
FE HEAD
VIDEO
(R)1
HEAD
VIDEO
(L)1
HEAD
VIDEO
IN
AUDIO
IN (R)
AUDIO
IN (L)
FRONT
VIDEO
(L)2
HEAD
VIDEO
(R)2
HEAD
Hi-Fi AUDIO
(R) HEAD
Hi-Fi AUDIO
(L) HEAD
MAIN CBA
 (BH9600F01012A)
(DECK ASSEMBLY)
SENSOR CBA
 (BHF300F01011A,B)
DVD OPEN/CLOSE CBA
 (BH9600F01012C)
SENSOR CBA
 (BHF300F01011A,B)
TO WIRING 
DIAGRAM  
<DVD SECTION>
TO DVD
MAIN CBA
UNIT CN401
TO DVD
MAIN CBA
UNIT CN601
ANT-IN
ANT-OUT
VIDEO
OUT
AUDIO
IN (R)
AUDIO
IN (L)
VIDEO
IN
AUDIO
OUT (R)
AUDIO
OUT (L) VIDEO-Y
VIDEO- 
Pr/Cr
VIDEO- 
Pb/Cb
AUDIO
OUT (R)
S-VIDEO
OUT
AUDIO
OUT (L)
REAR
DIGITAL 
AUDIO OUT
EV+3.3V
11
DVD-OPEN/CLOSE
22
AC CORD
M
CAPSTAN
MOTOR
FP-CLK
FP-DIN
FP-STB
FP-DOUT(NU)
VIDEO-Y(I)
3
4
5
1
2
6
7
8
9
10
11
12
13
14
15
16
17
18
CN1601
CN509 CN508
POWER SW CBA
 (BH9600F01012B)
POWER-LED
11
KEY-1
22
GND
33
(W001)
(W003)
W012
M
DRUM
MOTOR
PG
SENSOR

WIRING DIAGRAM < DVD SECTION >
H9622WID
1-14-2
DVD MECHA
DVD MAIN CBA UNIT
TO WIRING 
DIAGRAM  
<VCR SECTION>
TO MAIN CBA
CN1001
CN301
3
4
TRAY-IN
GND
SL(-)
5
6
SP(-)
7
SP(+)
8 SL(+)
TRAY-IN
DRIVE CBA
M
SLED
MOTOR
M
SPINDLE
MOTOR
EV+1.2V
EV+1.2V
EV+3.3V
EV+3.3V
EV+3.3V
P-ON+3.3V
P-ON+5V
EV+11V
EV+11V
GND
1
2
3
4
5
6
7
8
9
10
GND
GND
GND
GND
GND
GND
PWRCON
11
12
13
14
15
16
17
18
19
20
REMOTE
21
22
DVD-POWER 23
DVD-PLAY
DVD-OPEN/CLOSE 24
25
OUTPUT-SELECT
DVD-STOP 26
27
CN401
PICK UP UNIT
CN201
1
2
3
4
5
6
7
8
9
10
11
12
13
14
15
16
17
18
19
20
TS(+) 
TS(-)
FS(-)
CD-LD
FS(+)
GND(DVD-PD)
GND(CD-PD)
PD-MONI
DVD-LD
VREF
E
GND
B
P-ON+5V
CD/DVD
D
A
C
F
GND(LD)
DETECTOR
FSTS
7
9
11
2
3
6
5
4
TO MAIN CBA
CN1601
GND
VODEO-Pr/Cr
GND
VIDEO-Pb/Cb
VIDEO-Y(I/P)
GND
VIDEO-C
GND
GND
DVD-A-MUTE
I/P-SW
NU
CN601
DVD-A(R)-MUTE
DVD-A(L)
AUDIO+5V
DVD-A(R)
AUDIO+5V
SPDIF
VIDEO-Y(I)
3
4
5
1
2
6
7
8
9
10
11
12
13
14
15
16
17
18
19
FP-CLK
FP-DIN
FP-STB
FP-DOUT(NU)
(W001)
(W003)

1-15-1 H9622TI
Note:
SYSTEM CONTROL TIMING CHARTS
[ VCR Section ]
Mode SW : LD-SW
LD-SW Position detection 
A/D Input voltage Limit 
(Calculated voltage)
Symbol
3.76V~4.50V
(4.12V) EJ
4.51V~5.00V
(5.00V) CL
0.00V~0.25V
(0.00V) SB
1.06V~1.50V
(1.21V) TL
0.66V~1.05V
(0.91V) FB
1.99V~2.60V
(2.17V) SF
1.51V~1.98V
(1.80V) SM
3.20V~3.75V
(3.40V) AU
0.26V~0.65V
(0.44V) AL
4.51V~5.00V
(5.00V) SS
2.61V~3.19V
(2.97V) RS
Note:
EJ RS: Loading FWD (LM-FWD/REV “H”)
RS EJ: Loading REV (LM-FWD/REV “L”)
Stop (A) = Loading
Stop (B) = Unloading
Note:
Symbol Loading Status
EJ Eject
CL Eject ~ REW Reel
SB REW Reel ~ Stop(B)
TL Stop(B) ~ Brake Cancel
FB Brake Cancel ~ FF / REW
SF FF / REW ~ Stop(M), (FF / REW) 
SM Stop(M), (FF / REW)  ~ Stop(A)
AU Stop(A) ~ Play / REC
AL Play / REC ~ Still / Slow
SS Still / Slow ~ RS (REW Search)
RS RS (REW Search)

1-15-2 H9622TI
Still/Slow Control 
Frame Advance Timing Chart
1) SP Mode
Fig. 1
18   RF-SW
F-AD
(Internal Signal)
 C-DRIVE
PB CTL
27  C-F/R
79   H-A-SW
78   ROTA
The first rise of RF-SW after a rise in F-AD signal
Acceleration Detection (T1)
AT "H" "Z" "H"
"L" "L"
Stop detection (T2)
ST Slow Tracking Value
BL Reversal Limit Value
STILL FRAME ADVANCE STILL
20ms

1-15-3 H9622TI
2) LP/SLP Mode
Fig. 2
18   RF-SW
F-AD
(Internal Signal)
C-DRIVE
PB CTL
27  C-F/R
79   H-A-SW
78   ROTA
"H" "Z" "H"
"L" "L"
STILL STILL
AT
ST
BL
Stop detection (T2)
Acceleration Detection (T1) Slow Tracking Value
Reversal Limit Value
FRAME ADVANCE
The first rise of RF-SW after a rise in F-AD signal
20ms

1-15-4 H9622TI
Fig. 3
1. EJECT (POWER OFF) -> CASSETTE IN (POWER ON) -> STOP(B) -> STOP(A) -> PLAY -> RS -> FS -> PLAY -> STILL -> PLAY -> STOP(A)
EJECT
CASS.LOAD
ST-S/
END-S
 "OFF"
PLAY
REW
FF
PLAY
PLAY
STOP
/EJECT
0.2S
0.7S
0.4S
0.2S
LD-FWD
STOP(A)
STOP(A)
LD-FWD
LD-REV
0.2S
LD-FWD
LD-FWD
LD-FWD
LD-FWD
LD-FWD
STILL(SLOW)
RS
FS
PLAY
PLAY
PLAY
0.2S
LD-REV
LD-REV
LD-FWD
LD-FWD
LD-REV
LD-REV
LD-REV
0.2S
0.5S
PIN NO.
CLEJ SS
SS
AU AU
TL
LD-SW
CL/SS
LM-FWD "M"
/REV
C-DRIVE
"Z"
ON
ON
C-F/R
DRUM
ROTATION
P-ON
A-MUTE-H
D-REC-H
D-PB
PAUSE
(SLOW)
AU AL AL AU
SF
SM
EJ
AU
RS
SF
SM
TL
FB
AL
SB
74
21
27
22
7
23
24
TV/VCR77
POWER
-OFF
STOP PLAY RS FS
STILL
(SLOW)
PLAY STOPPLAY
DISPLAY
0.1S
SB TL SB FB SM SMSF AL AL RS AU AL SS AU AL SM
0.8S
0.2S
0.3S
1.0S
0.2S 1.5S (2H)
2.5S (4H) 0.5S
0.2S
0.8S (2H)
1.2S (4H)
0.2S
1.2S 0.2S 20mS
0.4S
40mS
0.2S
0.2S
Refer to STILL/
SLOW TIMING 
CHART Fig. 1, 2.
0.3S
0.2S
20mS
40mS
0.4S
0.2S
0.2S
0.2S
0.3S

1-15-5 H9622TI
Fig. 4
PIN NO.
LD-SW
CL/SS
LM-FWD "M"
/REV
C-DRIVE
"Z"
ON
ON
C-F/R
DRUM
ROTATION
P-ON
A-MUTE-H
D-REC-H
D-PB
EJ
AU
RS
SF
SM
TL
FB
AL
SB
74
21
27
22
7
23
24
TV/VCR77
DISPLAY
ST-S/
END-S
 "ON"
REC
REW
FF
STOP
/EJECT
0.5S
1.0S
0.2S
0.5S
0.2S
0.5S
0.5S
0.5S
0.2S
0.2S
0.2S
1.5S
2.5S Short REV 
1.0S
0.2S
LD-FWD
REV
LD-FWD
STOP(A)
STOP(A)
STOP(A)
CASS. UNLD
EJECT
STOP(A)
LD-REV
FF
LD-REV
LD-REV
LD-FWD
LD-FWD
LD-FWD
LD-FWD
LD-FWD
LD-FWD
LD-FWD
REC  PAUSE
REC
REC
REW
LD-REV
LD-REV
LD-REV
LD-REV
LD-REV
LD-REV
LD-REV
PAUSE
REC or 
PAUSE
STOP
/EJECT
STOP
/EJECT
STOP
/EJECT
2. STOP(A) -> FF -> STOP(A) -> REW -> STOP(A) -> REC -> PAUSE -> PAUSE or REC -> STOP(A) -> EJECT
STOPFF
STOP
REW STOP REC RECREC PAUSE STOP
TL TL SMSM SF SFAL AL SM AL AL ALAU AU SM TL SB EJRS RSSM
SM SF FB SM AU AU SS
SS SS SF
AU AL AL AUSS FB CL
SF FB SM
FB SF AU AUFB SF
1.0S 1.2S
0.2S 0.2S
40mS
0.4S
0.2S 0.2S
0.4S
20mS
40mS
0.2S
20mS
0.2S
0.4S
40mS
20mS 0.1S

1-15-6 H9622TI
[ DVD Section ]
Tray IN
(TL221)
Sled Drive
(TP303)
Disc Drive
(TP301)
Focus Drive
(TP304)
Tracking Drive
(TP302)
0V
3.3V
0V
1.65V
0V
0V
0V
1.65V
1.65V
1.65V
Tray Close ~ Play / Play ~ Tray Open
Tray
Close
Disc 
Rotation Play Disc 
Stop
Tray 
Open

1-16-1 H9622PIN
IC PIN FUNCTION DESCRIPTIONS
[ VCR Section ]
IC501( SERVO / SYSTEM CONTROL IC )
“H” ≥ 4.5V, “L” ≤ 1.0V
Pin 
No.
IN/
OUT
Signal
Name Function Active
Level
1 IN P-DOWN -L Power Voltage 
Down Detector 
Signal L
2IN
REC-SAF-
SW
Recording Safety 
SW Detect (With 
Record tab = ”L”/ 
With out Record tab 
= ”H”)
H/L
3INT-REEL Take Up Reel 
Rotation Signal PULSE
4 - N.U. Not Used -
5IN REMOTE-
VIDEO Remote Control 
Sensor L
6OUT
DISPLAY- 
CLK
7seg. Driver IC 
Clock Control 
Output Signal H/L
7OUTA-MUTE-H 
Audio Mute Control 
Signal (Mute = “H”) H
8OUT
DISPLAY-
DATA
7seg. Driver IC Data 
Control Output 
Signal H/L
9OUT
DISPLAY-
ENA
7seg. Driver IC 
Enable Control 
Output Signal L
10 - N.U. Not Used -
11 - N.U. Not Used -
12 IN/
OUT IIC-BUS- 
SDA IIC BUS Control 
Data H/L
13 OUT IIC-BUS- 
SCL IIC BUS Control 
Clock H/L
14 OUT YCA-SCL YCA IC Control 
Clock H/L
15 OUT YCA-SDA YCA IC Control 
Data H/L
16 OUT YCA-CS YCA IC Control 
Chip Select H/L
17 - N.U. Not Used -
18 OUT RF-SW Video Head 
Switching Pulse H/L
19 OUT D-V SYNC Dummy V-sync 
Output H/Hi-z
20 IN RESET System Reset 
Signal (Reset=”L”) L
21 OUT LM-FWD/ 
REV Loading Motor 
FWD/ REV Output H/Z/L
22 OUT P-ON-L Power On Signal to 
Low L
23 - N.U. Not Used -
24 OUT D-REC-H Delayed Record 
Signal H
25 OUT HiFi-H-SW HiFi Audio Head 
Switching Pulse H/L
26 OUT DVD-
POWER DVD Power Control 
Signal H
27 OUT C-F/R
Capstan Motor 
FWD/REV Control 
Signal (FWD=”L”/
REV=”H”)
H/L
28 OUT C-CONT Capstan Motor 
Control Signal PWM
29 OUT D-CONT Drum Motor Control 
Signal PWM
30 - N.U. Not Used -
31 - VDD VDD -
32 OUT OSCO Main Clock Output 
14.31818MHz -
33 IN OSCI Main Clock Input 
14.31818MHz -
34 -  VSS  VSS
35 IN XI Sub Clock Input 
32.768 MHz -
36 OUT XO Sub Clock Output 
32.768 MHz -
37 IN SXI Operation Mode 
Selecting Input 
Signal -
38 OUT VIDEO-
OUT Composite Video 
Signal Output -
39 - Vss2 Vss2 -
40 IN VIDEO-IN Composite Video 
Signal Input -
41 IN C-SYNC Composite 
Synchronized Pulse PULSE
42 - VDD2 VDD2 -
43 IN AFCC Low Path Filter 
Input Signal For 
AFC -
44 OUT AFCLPF Low Path Filter 
Output Signal For 
AFC -
45 OUT INSEL-2 Input Select
“H”=DISC Ch
“L”=Ch except DISC H/L
46 OUT OUTPUT- 
SELECT Output Select H/L
Pin 
No.
IN/
OUT
Signal
Name Function Active
Level

1-16-2 H9622PIN
Notes:
Abbreviation for Active Level: 
PWM -----Pulse Wide Modulation
A/D--------Analog - Digital Converter
47 IN D-PFG Drum PG/FG Input 
Signal PULSE
48 - N.U. Not Used -
49 IN C-FG Capstan Motor 
Rotation Detection 
Pulse PULSE
50 - AFG GND -
51 OUT VRO Servo Standard 
Voltage Output  -
52 IN VRI Servo Standard 
Voltage Input -
53 - AVss AVSS -
54 IN CTLA CTL Amp. AC GND -
55 - AVDD AVDD -
56 IN/
OUT CTL (+) Playback/Record 
Control Signal (+) -
57 IN/
OUT CTL (-) Playback/Record 
Control Signal (-) -
58 OUT CTL Amp. Output 
Control Signal for 
Test Point -
59 IN HiFi/NOR-
IN
Audio Mode Input 
HiFi=”L”/ 
Normal=”H” A/D
60 IN DVD-POW-
MONITOR
DVD Power Monitor 
Signal (P-off="L", P-
on="H") H/L
61 IN ST/SAP-IN Tuner Stereo/Sap 
Detector Signal 
Input A/D
62 IN END-S Tape End Position 
Detect Signal A/D
63 IN AFC Automatic 
Frequency Control 
Signal A/D
64 IN V-ENV Video Envelope 
Comparator Signal A/D
65 IN PG-DELAY
Video Head 
Switching Pulse 
Signal Adjusted 
Voltage
A/D
66 IN KEY-2 A/D Key Data Signal 
2A/D
67 IN KEY-1 A/D Key Data Signal 
1A/D
68 IN LD-SW Deck Mode Position 
Detector Signal A/D
69 IN ST-S Tape Start Position 
Detector Signal A/D
70 OUT DVD-L-IND VCR Mode LED 
Signal Output H/L
71 OUT DVD-H-IND DVD Mode LED 
Signal Output H/L
Pin 
No.
IN/
OUT
Signal
Name Function Active
Level
72 - N.U. Not Used -
73 - N.U. Not Used -
74 - N.U. Not Used -
75 - N.U. Not Used -
76 OUT CONV-SW
RF Conv. Output 
Channel Switching 
Signal 3ch=”Hi-z”, 
4ch=”L”
Hi-z/L
77 OUT VCR/TV RF Conv. ON/OFF 
Signal (TV="L"/
VCR="H") H/L
78 OUT C-ROTA Color Phase Rotary 
Changeover Signal H/L
79 OUT H-A-SW Video Head Amp 
Switching Pulse H/L
80 IN H-A-COMP Head Amp 
Comparator Signal H/L
Pin 
No.
IN/
OUT
Signal
Name Function Active
Level

1-16-3 H9622PIN
[ DVD Section ]
IC571 [ PT6313-S-TP ]
Pin 
No.
IN/
OUT
Signal 
Name Name Function
1 IN 
FP-CLK Clock Input
2 IN 
FP-STB  Serial Interface Strobe
3  -N.U. Not Used
4  -N.U. Not Used
5 - 
VSS  GND
6 - 
VDD  Power Supply
7 OUT 
a
Segment Output 
8 OUT 
b 
9 OUT 
c
10 OUT 
d
11 OUT 
e
12 IN 
f
13 IN 
g
14 OUT 
h
15 - 
VEE  Pull Down Level
16 OUT 
i  Segment Output
17
OUT
7G
Grid Output
18 6G
19 5G
20  4G
21  3G
22  2G
23  1G
24 - 
VDD  Power Supply
25 - 
VSS  GND
26 IN 
OSC  Oscillator Input
27  -N.U. Not Used
28 IN 
FP-DIN  Serial Data Input

1-17-1 H9622LE
LEAD IDENTIFICATIONS
123
3
45
60
21
40
41
20
1
80
61
E  C  B E  C  B
E    C    B
A
K
C
E
16 9
8
1
E
C
1  4
8  5
GDS
28 15
14
1
B1 E B2
C1 C2
16 9
8
1
85
4
1
123
6
45
PQ070XZ5MZP
1: Vin
2: Vc
3: Vo
4: Vadj
5: GND
LA71205M-MPB-E
LA72670BM-MPB-E
QSZAA0RMS017
Note:
A: Anode
K: Cathode
E: Emitter
C: Collector
B: Base
R: Reference
S:  Source
G: Gate
D: Drain
2SA1175(J,H,F)
2SC2785(J,H,F,K)
BA1F4M-T
BN1F4M-T
KRA103M
KRC103M 
KTA1266(GR)
KTA1267(GR,Y)
KTC3193(Y)
KTC3199(Y,GR,BL)
2SA1015-GR(TPE2)
2SC1815-BL(TPE2)
2SC1815-GR(TPE2)
2SC1815-Y(TPE2)
2SC2120-Y(TPE2)
KTC3198(Y,GR)
KTC3203(Y)
EL817A
EL817B
EL817C
LTV-817B-F
LTV-817C-F
PS2561A-1(Q,W)
MID-32A22F
PT204-6B-12
KIA4558P
NJM4558D 2SK3543
BU4053BCF
CD4053BCSJX
TC4053BF(N)
PT6313-S-TP
MM1637XVBE
2SC536NF-NPA-AT
2SC536NG-NPA-AT
FMG4A T148
RN1511(TE85R)
MM1636XWRE
BA3948FP-E2 
1: CTL
2: Vcc
3: N.C.
4: OUT
5: C
6: GND

1-18-1
ELECTRICAL PARTS LIST
MISCELLANEOUS
9965 000 24113 DVD MAIN CBA UNIT
9965 000 24114 MCV CBA
9965 000 24118 SENSOR CBA
MCV CBA UNIT
MCV CBA UNIT consists of MAIN CBA, POWER SWITCH CBA, DVD OPEN/
CLOSE CBA and SENSOR CBA.
MAIN CBA
MISCELLANEOUS
F1001! 9965 000 24157 FUSE SIC 1A 250V U/C T
FIP502 9965 000 23984 V.F.D. 7-BT-298N
GP1001! 9965 000 08671
!
GAP. FNR-G3.10D
JK751 4822 265 11657 MSP-283V-B-324
JK752 4822 265 11656 MSP-293V3-324
JK753 4822 265 11659 RCA JACK(YELLOW) MSP-281V4-B
JK754 4822 265 11661 RCA JACK(WHITE) MSP-281V1-B
JK755 9965 000 00423 MSP-281V3-A RCA JACK(RED)
JK756 9965 000 13039 RCA JACK 0.01282V-12 PBSN
JK1202 9965 000 15322 RCA JACK(BLACK) MSP-281V2-B
JK1401 9965 000 15323 S TYPE JACK MDC-050V-2.4
JK1403 9965 000 24161 RCA JACK MSP-283V-B-752 NI LF
RM2001 9965 000 10857 REMOTE RECEIVER
SA1001! 9965 000 20946
!
SURGE ABSORBER PVR-10D471KB
SW502 4822 276 13954 KSM0614B
SW502 9965 000 19590 TC-1104 (ALTERNATIVE)
SW505 4822 276 13954 KSM0614B
SW505 9965 000 19590 TC-1104 (ALTERNATIVE)
SW508 4822 276 13954 KSM0614B
SW508 9965 000 19590 TC-1104 (ALTERNATIVE)
SW509 4822 276 13954 KSM0614B
SW509 9965 000 19590 TC-1104 (ALTERNATIVE)
SW511 9965 000 16625 LEAF SWITCH MXS01830MVP0
SW512 9965 000 23359 ROTARY MODE SWITCH SSS-53MD
SW513 4822 276 13954 KSM0614B
SW513 9965 000 19590 TC-1104 (ALTERNATIVE)
SW514 4822 276 13954 KSM0614B
SW514 9965 000 19590 TC-1104 (ALTERNATIVE)
SW515 4822 276 13954 KSM0614B
SW515 9965 000 19590 TC-1104 (ALTERNATIVE)
SW516 4822 276 13954 KSM0614B
SW516 9965 000 19590 TC-1104 (ALTERNATIVE)
SW2002 4822 276 13954 KSM0614B
SW2002 9965 000 19590 TC-1104 (ALTERNATIVE)
SW2003 4822 276 13954 KSM0614B
SW2003 9965 000 19590 TC-1104 (ALTERNATIVE)
T001! 9965 000 24166 SWITCHING TRANSFO CSA-SW0412A
TU701 9965 000 24167 TUNER UNIT VH025AFE
W001 9965 000 24168 FFC CABLE, 27P FFC/P1.00/230
W003 9965 000 24169 FFC CABLE, 19P FFC/P1.00/195
X301 9965 000 12363 X’TAL 3.579545MHZ(20PPM)
X301 9965 000 24170 X’TAL  3.579545MHZ  (ALTERNATIVE)
X501 9965 000 09220 X’TAL 14.31818MHZ
X502 9965 000 12288 X’TAL 32.768KHZ(20PPM)
X502 9965 000 19592 X’TAL 32.768KHZ(20PPM) (ALTERNATIVE)
CAPACITORS
C020 4822 124 12427 1000UF 20% 10V
C424 9965 000 15255 CERAMIC CAP. B K 470PF/100V
C425 9965 000 24150 FILM CAP.(P) 0.018UF/100V J
C1001! 9965 000 24151
!
MET. FILM 0.022UF/275
C1001! 9965 000 24152
!
MET. FILM 0.022UF/250 (ALTERNATIVE)
C1003 4822 126 14142 0.01UF 500V
C1004 9965 000 24153 ELCAP 220UF/200V M
C1005 9965 000 08657 CAP B K 120PF/500V
C1006! 9965 000 05384
!
SAFETY CAP. 3300PF/250V
C1007 9965 000 24154 ELCAP 1000UF/6.3V M
C1008 9965 000 08657 CAP B K 120PF/500V
C1023 9965 000 15255 CERAMIC CAP. B K 470PF/100V
RESISTORS
R1004 4822 053 11823 82K 5% 2W
R1011 9965 000 24164 METAL OXIDE 0.68R 1W
R1011 9965 000 24165 METAL OXIDE 0.68R 1W
R1043 9965 000 19665 METAL OXIDE 2.7R 1W
VR501 9965 000 05260 CARBON P.O.T. 100K OHM B
DIODES
D013 4822 130 11654 BA158
D015 9965 000 24155 SCHOTTKY BARRIER DIODE SB370
D016 4822 130 32715 SB340
D030 4822 130 11654 BA158
D031 9965 000 23356 DZ-18BSBT265
D040 9965 000 14881 DZ-6.8BSBT265
D052 9965 000 09283 DZ-10BSBT265
D080 4822 130 31933 1N5061
D081 4822 130 31933 1N5061
D082 4822 130 31933 1N5061
D100 4822 130 30621 1N4148
D101 4822 130 30621 1N4148
D501 4822 130 30621 1N4148
D502 4822 130 30621 1N4148
D504 9965 000 23356 DZ-18BSBT265
D510 4822 130 30621 1N4148
D555 9965 000 19572 LED MIE-534A2
D566 9965 000 24156 LED(YELLOW) 204YD/E
D567 9965 000 24156 LED(YELLOW) 204YD/E
D701 9965 000 09183 DZ-33BSDT265
D1001 4822 130 31933 1N5061
D1002 4822 130 31933 1N5061
D1003 4822 130 31933 1N5061
D1004 4822 130 31933 1N5061
D1008 5322 130 81917 SB140
D1010 4822 130 11654 BA158

DIODES
ELECTRICAL PARTS LIST
1-18-2
D1011 4822 130 11654 BA158
D1012 4822 130 30621 1N4148
D1016 9965 000 14882 RECTIFIER DIODE FR101
D1017 9965 000 23356 DZ-18BSBT265
D1018 4822 130 30621 1N4148
D1020 5322 130 81917 SB140
D1022 4822 130 30621 1N4148
D1024 4822 130 30621 1N4148
D1025 4822 130 30621 1N4148
D1036 4822 130 31933 1N5061
D1037 4822 130 31933 1N5061
D1038 4822 130 31933 1N5061
D1058 4822 130 31933 1N5061
D1301 9965 000 08622 DZ-5.6BSBT265
INTEGRATED CIRCUITS
IC301 9965 000 24158 IC:Y/C/A LA71205M-MPB-E
IC451 9965 000 24159 IC:HIFI LA72670BM-MPB-E
IC501 9965 000 24160 MICROCONT. 8BIT MN101D08DFT
IC571 9965 000 19575 FL DRIVER IC PT6313-S-TP
IC751 9965 000 13852 IC:SWITCH TC4053BF(N) OR
IC751 9965 000 23979 MUX CD4053BCSJX (ALTERNATIVE)
IC752 9965 000 13852 IC:SWITCH TC4053BF(N) OR
IC752 9965 000 23979 MUX CD4053BCSJX (ALTERNATIVE)
IC1001! 4822 130 11655
!
PHOTOCOUPLER LTV817B-F
IC1001! 9965 000 19657
!
EL817B (ALTERNATIVE)
IC1001! 9965 000 24000
!
PS2561A-1(Q) (ALTERNATIVE)
IC1001! 9965 000 09187
!
LTV-817C-F (ALTERNATIVE)
IC1002 9965 000 23986 VOLTAGE REG PQ070XZ5MZP
IC1004 9965 000 23987 VOLTAGE REG BA3948FP-E2
IC1201 9965 000 15314 IC:OP AMP KIA4558P
IC1402 9965 000 23981 DRIVER FOR DVD MM1637XVBE
IC1403 9965 000 23989 DRIVER FOR DVD MM1636XWRE
COILS & FILTERS
L009 9965 000 05627 CHOKE COIL 47UH-K
L009 9965 000 23990 CHOKE COIL 47UH-K (ALTERNATIVE)
L303 4822 157 10649 100UH
L304 9965 000 05627 CHOKE COIL 47UH-K
L304 9965 000 23990 CHOKE COIL 47UH-K (ALTERNATIVE)
L421 9965 000 05705 INDUCTOR 47UH-K-5FT
L502 9965 000 05627 CHOKE COIL 47UH-K
L502 9965 000 23990 CHOKE COIL 47UH-K (ALTERNATIVE)
L701 4822 157 11312 4.7UH 10%
L1001! 9965 000 24162 LINE FILTER 27MH TLF14CB2730R4
L1004 4822 526 10685 BEAD CORE B16 RH 3.5X10X1.3
L1007 9965 000 05627 CHOKE COIL 47UH-K
L1007 9965 000 23990 CHOKE COIL 47UH-K (ALTERNATIVE)
L1020 9965 000 05627 CHOKE COIL 47UH-K
L1020 9965 000 23990 CHOKE COIL 47UH-K (ALTERNATIVE)
L1350 4822 157 10649 100UH
L1351 9965 000 15331 INDUCTOR 0.47UH-K-26T
L1522 9965 000 05705 INDUCTOR 47UH-K-5FT
L2001 4822 157 10649 100UH
TRANSISTORS
Q031 4822 130 63144 2SA1267(YG)
Q031 4822 130 11646 2SA1175J (ALTERNATIVE)
Q031 9965 000 05644 2SA1175(F) (ALTERNATIVE)
Q052 9965 000 23377 RES. BUILT-IN KRC103M
Q055 4822 130 63485 KTC3198-Y
Q055 9965 000 05370 2SC536NF-NPA-AT (ALTERNATIVE)
Q056 4822 130 42292 2SC2120Y
Q057 4822 130 10923 KTC3199(BL)
Q057 4822 130 41319 2SC1815BL (ALTERNATIVE)
Q301 4822 130 42959 2SA1015Y
Q302 4822 130 10102 KTC3193Y
Q391 4822 130 42959 2SA1015Y
Q421 4822 130 42959 2SA1015Y
Q422 4822 130 42292 2SC2120Y
Q425 4822 130 10145 KRA103M
Q426 9965 000 12361 CHIP RN1511(TE85R)
Q501 4822 130 10923 KTC3199(BL)
Q501 4822 130 41319 2SC1815BL (ALTERNATIVE)
Q506 9965 000 08630 PHOTO PT204-6B-12
Q566 4822 130 10103 KTC3199Y
Q566 4822 130 11647 2SC2785J (ALTERNATIVE)
Q566 9965 000 05643 2SC2785(F) (ALTERNATIVE)
Q567 4822 130 10103 KTC3199Y
Q567 4822 130 11647 2SC2785J (ALTERNATIVE)
Q567 9965 000 05643 2SC2785(F) (ALTERNATIVE)
Q1001! 9965 000 24163
!
FET 2SK3543
Q1003 4822 130 41306 2SC1815GR
Q1004 4822 130 42292 2SC2120Y
Q1005 4822 130 10103 KTC3199Y
Q1005 4822 130 11647 2SC2785J (ALTERNATIVE)
Q1005 9965 000 05643 2SC2785(F) (ALTERNATIVE)
Q1006 4822 130 63144 2SA1267(YG)
Q1006 4822 130 11646 2SA1175J (ALTERNATIVE)
Q1006 9965 000 05644 2SA1175(F) (ALTERNATIVE)
Q1008 4822 130 10103 KTC3199Y
Q1011 4822 130 42292 2SC2120Y
Q1201 4822 130 10103 KTC3199Y
Q1201 4822 130 11647 2SC2785J (ALTERNATIVE)
Q1201 9965 000 05643 2SC2785(F) (ALTERNATIVE)
Q1202 4822 130 10103 KTC3199Y
Q1202 4822 130 11647 2SC2785J (ALTERNATIVE)
Q1202 9965 000 05643 2SC2785(F) (ALTERNATIVE)
Q1204 4822 130 42959 2SA1015Y
Q1351 4822 130 10103 KTC3199Y
Q1351 4822 130 11647 2SC2785J (ALTERNATIVE)
Q1351 9965 000 05643 2SC2785(F) (ALTERNATIVE)
Q1385 4822 130 10103 KTC3199Y
Q1385 4822 130 11647 2SC2785J (ALTERNATIVE)

ELECTRICAL PARTS LIST
1-18-3
Q1385 9965 000 05643 2SC2785(F) (ALTERNATIVE)
Power Switch CBA
MISCELLANEOUS
D561 9965 000 08621 LED(RED) 204HD/E
SW518 4822 276 13954 KSM0614B
SW518 9965 000 19590 TC-1104 (ALTERNATIVE)
DVD Open/Close CBA
MISCELLANEOUS
SW2001 4822 276 13954 KSM0614B
SW2001 9965 000 19590 TC-1104 (ALTERNATIVE)
Sensor CBA
TRANSISTORS
Q503 9965 000 08630 PHOTO PT204-6B-12
Q504 9965 000 08630 PHOTO PT204-6B-12
Note: Only the parts mentioned in this list are normal service spare parts.
TRANSISTORS

EXPLODED VIEWS
Cabinet
A22
A22
2B2 2L051
2L051
2L051
2B3
2L011
2L012
1B1
2L071
2L071
2L071
2L071
A2
2L041
2L041
2L041
2L041
2B40
2L022
2L022
2L021
2L021 2L021
1B2
L0-9
L0-9
DVD Main 
CBA Unit
Sensor CBA
Sensor CBA
A4
A5
AC1001
2B11 
2B15
RM2001
DVD Open/Close CBA
Power SW CBA
W001
W012
CN3001
CN3002
W011
2L091
2L054
A10
2L012
2L082
B
Main CBA
2B13
2L021
2L062
A
B
A
F1001
W003
A15
2B16
A1X A3
See Electrical Parts List
for parts with this mark.
Some Ref. Numbers are 
not in sequence.
2L054
1-19-1 1-19-2 H9622CEX

1-19-3 H9622PEX
Packing
QUICK
S2
S2
S2
S2
S1
Unit
S3
A14
X4
X20 X5 X2X3
X17
X1

1-20-1
MECHANICAL & ACCESSORY PARTS LIST
ELECTRICAL PCBAS
9965 000 24113 DVD MAIN CBA UNIT
9965 000 24114 MCV CBA
9965 000 24118 SENSOR CBA
MECHANICAL PARTS
1B1 9965 000 24110 DECK ASSEMBLY CZD013/VM2260
1B2 9965 000 23962 DVDMECH(FG LESS) 0838 VCZL0500
A1X 9965 000 24108 FRONT ASSEMBLY H9622MD
A22 9965 000 17140 CHASSIS FOOT H79P9JD
A3 9965 000 24109 CHASSIS(MEXICO) H9622MD
AC1001! 9965 000 24119
!
AC CORD PB8K9F9110A-05A
X1 9965 000 24111 REMOTE CONTROL UNIT 364/CZF05DD
X3 9965 000 09209 RF CABLE WPZ0901TM001
X5 9965 000 24112 AV CORD TSCKA-Y/RW100
Note: Only the parts mentioned in this list are normal service spare parts.

DECK MECHANISM SECTION
DIGITAL VIDEO DISC PLAYER & 
VIDEO CASSETTE RECORDER
TABLE OF CONTENTS
STANDARD MAINTENANCE . . . . . . . . . . . . . . . . . . . . . . . . . . . . . . . . . . . . . . . . . . . . . . . . . . . . . . . . . . . . . .  2-1-1
SERVICE FIXTURE AND TOOLS  . . . . . . . . . . . . . . . . . . . . . . . . . . . . . . . . . . . . . . . . . . . . . . . . . . . . . . . . . .  2-2-1
MECHANICAL ALIGNMENT PROCEDURES  . . . . . . . . . . . . . . . . . . . . . . . . . . . . . . . . . . . . . . . . . . . . . . . . .  2-3-1
DISASSEMBLY / ASSEMBLY PROCEDURES OF DECK MECHANISM . . . . . . . . . . . . . . . . . . . . . . . . . . . . .  2-4-1
ALIGNMENT PROCEDURES OF MECHANISM . . . . . . . . . . . . . . . . . . . . . . . . . . . . . . . . . . . . . . . . . . . . . . . 2-5-1
DECK EXPLODED VIEWS. . . . . . . . . . . . . . . . . . . . . . . . . . . . . . . . . . . . . . . . . . . . . . . . . . . . . . . . . . . . . . . .  2-6-1
DECK PARTS LIST . . . . . . . . . . . . . . . . . . . . . . . . . . . . . . . . . . . . . . . . . . . . . . . . . . . . . . . . . . . . . . . . . . . . . .  2-7-1
Sec. 2: Deck Mechanism Section
I Standard Maintenance
I Mechanism Alignment Procedures
I Disassembly / Assembly of Mechanism
I Deck Exploded Views
I Deck Parts List

2-1-1 U29PMEN
STANDARD MAINTENANCE
Service Schedule of Components
This maintenance chart shows you the standard of replacement and cleaning time for each part. 
Because those may replace depending on environment and purpose for use, use the chart for reference.
Notes:
1.Clean all parts for the tape transport (Upper Drum with Video Head / Pinch Roller / ACE Head / FE Head) using
90% lsopropyl Alcohol.
2.After cleaning the parts, do all DECK ADJUSTMENTS.
3.For the reference numbers listed above, refer to Deck Exploded Views.
h: Hours       : Cleaning      I: Replace
Deck Periodic Service Schedule
Ref.No. Part Name 1,000 h 2,000 h 3,000 h 4,000 h
B2 Cylinder Assembly II
B3 Loading Motor Assembly I
B8 Pulley Assembly II
B587 Tension Lever Assembly II
B31 ACE Head Assembly I
B573, B574 Reel (SP)(D2), Reel (TU)(D2) I
B37 Capstan Motor II
B52 Cap Belt II
B73 FE Head I
B133, B134 Idler Gear, Idler Arm II
B410 Pinch Arm(A) Assembly II
B414 M Brake (SP) Assembly II
B416 M Brake (TU) Assembly II
B525 LDG Belt II
B569
(2 head only) Cam Holder II
B593
(4 head, 
4 head HiFi 
only)
Cam Holder Assembly II

2-1-2 U29PMEN
Cleaning
Cleaning of Video Head
Clean the head with a head cleaning stick or chamois
cloth.
Procedure
1.Remove the top cabinet.
2.Put on a glove (thin type) to avoid touching the
upper and lower drum with your bare hand.
3.Put a few drops of 90% Isopropyl alcohol on the
head cleaning stick or on the chamois cloth and,
by slightly pressing it against the head tip, turn the
upper drum to the right and to the left.
Notes:
1.The video head surface is made of very hard
material, but since it is very thin, avoid cleaning it
vertically.
2.Wait for the cleaned part to dry thoroughly before
operating the unit.
3.Do not reuse a stained head cleaning stick or a
stained chamois cloth.
Cleaning of ACE Head
Clean the head with a cotton swab.
Procedure
1.Remove the top cabinet.
2.Dip the cotton swab in 90% isopropyl alcohol and
clean the ACE Head. Be careful not to damage the
upper drum and other tape running parts.
Notes:
1.Avoid cleaning the ACE Head vertically.
2.Wait for the cleaned part to dry thoroughly before
operating the unit or damage may occur.
Do Not !
Cleaning Stick
Upper
Cylinder
Video Head
Do Not touch 
with your bare 
hand!
ACE Head

2-2-1 H9622FIX
SERVICE FIXTURE AND TOOLS
J-1-1, J-1-2 J-2
J-3 J-4
J-5
Ref. No. Name Part No. Adjustment
J-1-1 Alignment Tape VFMS0001H6 Head Adjustment of ACE Head
J-1-2 Alignment Tape VFMS0001H6 Azimuth and X Value Adjustment of ACE Head / 
Adjustment of Envelope Waveform
J-2 Guide Roller Adj. Screwdriver Available 
Locally
Guide Roller
J-3 Mirror Available 
Locally
Tape Transportation Check
J-4 Azimuth Adj. Screwdriver + Available 
Locally
ACE Head Height
J-5 Flat Screwdriver - Available 
Locally
X Value

2-3-1 H9622MA
MECHANICAL ALIGNMENT PROCEDURES
Explanation of alignment for the tape to correctly run
starts on the next page. Refer to the information below
on this page if a tape gets stuck, for example, in the
mechanism due to some electrical trouble of the unit.
Service Information
A. Method for Manual Tape Loading/Unloading
To load a cassette tape manually:
1. Disconnect the AC plug.
2. Remove the Top Case and Front Assembly.
3. Insert a cassette tape. Though the tape will not be
automatically loaded, make sure that the cassette
tape is all the way in at the inlet of the Cassette
Holder. To confirm this, lightly push the cassette
tape further in and see if the tape comes back out,
by a spring motion, just as much as you have
pushed in.
4. Turn the LDG Belt in the appropriate direction
shown in Fig. M1 for a minute or two to complete
this task.
To unload a cassette tape manually:
1. Disconnect the AC plug.
2. Remove the Top Case and Front Assembly.
3. Make sure that the Moving guide preparations are
in the Eject Position. 
4. Turn the LDG Belt in the appropriate direction
shown in Fig. M1 until the Moving guide prepara-
tions come to the Eject Position. Stop turning when
the preparations begin clicking or can not be
moved further. However, the tape will be left wound
around the cylinder.
5. Turn the LDG Belt in the appropriate direction con-
tinuously, and the cassette tape will be ejected.
Allow a minute or two to complete this task.
B. Method to place the Cassette Holder in the tape-
loaded position without a cassette tape
1. Disconnect the AC Plug.
2. Remove the Top Case and Front Assembly.
3. Turn the LDG Belt in the appropriate direction
shown in Fig. M1. Release the locking tabs shown
in Fig. M1 and continue turning the LDG Belt until
the Cassette Holder comes to the tape-loaded
position. Allow a minute or two to complete this
task.
Moving guide T preparation
(Eject Position)
LDG Belt 
Push the locking tab gently to unlock
when loading without a cassette.
Side View
Moving guide S preparation
(Eject Position)
Push the tape 
to load it.
UNLOAD 
/EJECT
LOAD
Fig. M1
Top View
Fig. M2
Bottom View
Cam Gear
LDG Belt (B)
UNLOAD
/EJECT

2-3-2 H9622MA
1. Tape Interchangeability Alignment
Note:
To do these alignment procedures, make sure that the
Tracking Control Circuit is set to the preset position
every time a tape is loaded or unloaded. (Refer to
page 2-3-4, procedure 1-C, step 2.)
Equipment required:
Dual Trace Oscilloscope
VHS Alignment Tape (VFMS0001H6)
Guide Roller Adj. Screwdriver
Flat Screwdriver (Purchase Locally)
Note: Before starting this Mechanical Alignment, do all
Electrical Adjustment procedures.
Adjust the X Value for maximum envelope.
(Page 2-3-3) (Use Alignment Tape.)
Check to see that the tape is not creasing
and that there is no slack on the supply
and take-up side Guide Rollers.
(Use a blank tape.)
Adjust the height of the Guide Rollers
(Supply side and take-up side).
(Use a blank tape.) (Page 2-3-3)
Loading (Use a blank tape.)
Adjust the envelope. (Page 2-3-4)
Check the envelope.
Adjust the Audio Section.
(Azimuth Alignment) (Page 2-3-4)
Check the audio output.
Check the following:
1. X Value (Page 2-3-3)
2. Envelope (Page 2-3-4)
Adjust the X value and envelope.
No good
Completion
No good
OK
OK
OK
No good
No good
OK
Flowchart of Alignment for tape traveling
1-A
1-A
1-B
1-C
1-C
1-D
1-D
1-B, 1-C
1-B, 1-C
Do the final tape-traveling test to see that 
the tape runs normally in play mode with-
out creasing or slacking.
OK
Check to see that the tape is not creasing
and that there is no slack on the REV Post.
(Use a blank tape.)
1-E
1-A

2-3-3 H9622MA
1-A. Preliminary/Final Checking and 
Alignment of Tape Path
Purpose:
To make sure that the tape path is well stabilized.
Symptom of Misalignment:
If the tape path is unstable, the tape will be damaged.
Note: Do not use an Alignment Tape for this proce-
dure. If the unit is not correctly aligned, the tape may
be damaged.
1. Playback a blank cassette tape and check to see
that the tape runs without creasing at Guide Rollers
[2] and [3], and at points A and B on the lead sur-
face. (Refer to Fig. M3 and M4.)
2. If creasing is apparent, align the height of the guide
rollers by turning the top of Guide Rollers [2] and
[3] with a Guide Roller Adj. Screwdriver. (Refer to
Fig. M3 and M5.)
3. Check to see that the tape runs without creasing at
Take-up Guide Post [4] or without snaking between
Guide Roller [3] and ACE Head. (Fig. M3 and M5)
4. If creasing or snaking is apparent, adjust the Tilt
Adj. Screw of the ACE Head. (Fig. M6)
1-B. X Value Alignment
Purpose: 
To obtain maximum PB FM envelope signal at the pre-
set position of the Tracking Control Circuit, align the
Horizontal Position of the ACE Head.
Symptom of Misalignment:
If the Horizontal Position of the ACE Head is not prop-
erly aligned, maximum PB FM envelope cannot be
obtained at the preset position of the Tracking Control
Circuit.
1. Connect the oscilloscope to TP301 (C-PB) and
TP513 (CTL) on the Main CBA. Use TP302 (RF-
SW) as a trigger.
2. Playback the Gray Scale of the Alignment Tape
(VFMS0001H6) and confirm that the PB FM signal
is present.
3. Set the Tracking Control Circuit to the preset posi-
tion by pressing CH UP button on the remote con-
trol unit then “PLAY” button on the unit. (Refer to
note on bottom of page 2-3-4.)
4. Use the Flat Screwdriver so that the PB FM signal
at TP301 (C-PB) is maximum. (Fig. M6)
Guide Roller [2] Guide Roller [3]
AB
Take-up Guide Post [4]
ACE Head
Fig. M3
Lead Surface of Cylinder Tape Fig. M4
Take-up Guide
Post
Tape
Guide Roller
Tape
Correct Incorrect
Fig. M5
Azimuth Adj. Screw
Flat 
Screwdriver
Tilt Adj. Screw
ACE Head
Fig. M6

2-3-4 H9622MA
5. To shift the CTL waveform, press CH UP or CH
DOWN button on the remote control unit. Then
make sure that the maximum output position of PB
FM envelope signal become within ±2ms from pre-
set position.
6. Set the Tracking Control Circuit to the preset posi-
tion by pressing CH UP button on the remote con-
trol unit. and then “PLAY” button.
1-C.  Checking/Adjustment of Envelope 
Waveform
Purpose:
To achieve a satisfactory picture, adjust the PB FM
envelope becomes as flat as possible.
Symptom of Misalignment:
If the envelope output is poor, noise will appear in the
picture. The tracking will then lose precision and the
playback picture will be distorted by any slight varia-
tion of the Tracking Control Circuit.
1. Connect the oscilloscope to TP301 (C-PB) on the
Main CBA. Use TP302 (RF-SW) as a trigger.
2. Playback the Gray Scale on the Alignment Tape
(VFMS0001H6). Set the Tracking Control Circuit to
the preset position by pressing CH UP button and
then “PLAY” button on the unit. Adjust the height of
Guide Rollers [2] and [3] (Fig. M3, Page 2-3-3)
watching the oscilloscope display so that the enve-
lope becomes as flat as possible. To do this adjust-
ment, turn the top of the Guide Roller with the
Guide Roller Adj. Screwdriver.
3. If the envelope is as shown in Fig. M7, adjust the
height of Guide Roller [2] (Refer to Fig. M3) so that
the waveform looks like the one shown in Fig. M9.
4. If the envelope is as shown in Fig. M8, adjust the
height of Guide Roller [3] (Refer to Fig. M3) so that
the waveform looks like the one shown in Fig. M9.
5. When Guide Rollers [2] and [3] (Refer to Fig. M3)
are aligned properly, there is no envelope drop
either at the beginning or end of track as shown in
Fig. M9.
Note: Upon completion of the adjustment of Guide
Rollers [2] and [3] (Refer to Fig. M3), check the X
Value by pushing the CH UP or DOWN buttons alter-
nately, to check the symmetry of the envelope. Check
the number of pushes to ensure preset position. The
number of pushes CH UP button to achieve 1/2 level of
envelope should match the number of pushes CH
DOWN button from center. If required, redo the “X
Value Alignment.”
No Good
Good
FM envelope output signal is low.
2ms
FM envelope signal
CTL signal
Center Position
FM envelope output signal 
is adjusted at maximum.
Fig. M7
Dropping envelope level at the beginning of track.
Fig. M8
Dropping envelope level at the end of track.
Fig. M9
Envelope is adjusted properly. (No envelope drop)
Fig. M10

2-3-5 H9622MA
1-D. Azimuth Alignment of Audio/Con-
trol/ Erase Head
Purpose:
To correct the Azimuth alignment so that the Audio/
Control/Erase Head meets tape tracks properly.
Symptom of Misalignment:
If the position of the Audio/Control/Erase Head is not
properly aligned, the Audio S/N Ratio or Frequency
Response will be poor.
1. Connect the oscilloscope to the audio output jack
on the rear side of the deck.
2. Playback the alignment tape (VFMS0001H6) and
confirm that the audio signal output level is 6kHz.
3. Adjust Azimuth Adj. Screw so that the output level
on the AC Voltmeter or the waveform on the oscillo-
scope is at maximum. (Fig. M6)
Note: Upon completion of the adjustment of Azimuth
Adj. Screw, check the X Value by pushing the CH UP
or DOWN buttons alternately, to check the symmetry
of the envelope. Check the number of pushes to
ensure preset position. The number of pushes CH UP
button to achieve 1/2 level of envelope should match
the number of pushes CH DOWN button from center. If
required, redo the “X Value Alignment.”
1-E.  Checking and Alignment of Tape 
Path during reversing
Purpose:
To make sure that the tape path is well stabilized dur-
ing reversing.
Symptom of Misalignment:
If the tape path is unstable during reversing, the tape
will be damaged.
Note: Do not use an Alignment Tape for this proce-
dure. If the unit is not correctly aligned, the tape may
be damaged.
1. Insert a black cassette tape into the tray and set
the unit to REV. Then confirm if the tape has been
curled up or bent at the Take-up Guide Post[4] or
REV Post[5]. (Refer to Fig. M11 and M12.)
2. When the tape has been curled up or bent, turn the
alignment screw to adjust the height of REV Post.
(Refer to Fig. M11 and M13.)
Take-up Guide Post [4]
REV Post [5]
Fig. M11
Take-up Guide
Post
Tape
REV Post
Tape
Correct Incorrect
Fig. M12
Fig. M13
Tape Guide 
Assembly
Alignment 
Screw

2-4-1 U29PDA
DISASSEMBLY/ASSEMBLY PROCEDURES
OF DECK MECHANISM
Before following the procedures described below, be sure to remove the deck assembly from the cabinet. (Refer to
CABINET DISASSEMBLY INSTRUCTIONS of Main Section.)
All the following procedures, including those for adjustment and replacement of parts, should be done in Eject
mode; see the positions of [41] and [42] in Fig. DM1 on page 2-4-3. When reassembling, follow the steps in reverse
order.
STEP
/LOC.
No.
START-
ING
No.
PART
REMOVAL INSTALLATION
Fig. No.
REMOVE/*UNHOOK/
UNLOCK/RELEASE/
UNPLUG/DESOLDER
ADJUSTMENT
CONDITION
[1] [1] Guide Holder A T DM3 2(S-1)
[2] [1] Cassette Holder 
Assembly TDM4
[3] [2] Slider (SP) T DM5 (S-1A), *(L-1)
[4] [2] Slider (TU) T DM5 *(L-2)
[5] [4] Lock Lever T DM5 *(L-3), *(P-1)
[6] [2] Cassette Plate T DM5
[7] [7] Cylinder Assembly T DM1, DM6 Desolder, 3(S-2)
[8] [8] Loading Motor Assembly T DM1, DM7 Desolder, LDG Belt, 
2(S-3)
[9] [9] ACE Head Assembly T DM1, DM7 (S-4)
[10] [2] Tape Guide Arm 
Assembly TDM1, DM8-1 *(P-2)
[11] [10] C Door Opener  T DM1, DM8-1 (S-4A), *(L-4)
[12] [11] Pinch Arm (B) T DM1, DM8-1, 
DM8-2 *(P-3)
[13] [12] Pinch Arm (A) Assembly T DM1, DM8-1, 
DM8-2
[14] [14] FE Head T DM1, DM9 (S-5)
[15] [15] Prism T DM1, DM9 (S-6)
[16] [2],[15] Sensor Gear T DM1, DM9
[17] [2] Slider Shaft T DM10 *(L-5)
[18] [17] C Drive Lever (SP) T DM10
[19] [17] C Drive Lever (TU) T DM10 (S-7), *(P-4)
[20] [7],[8],
[10] Capstan Motor B DM2, DM11 3(S-8), Cap Belt
[21] [21] Clutch Assembly B DM2, DM12 (C-1)
[22] [22] Cam Holder Assembly B DM2, DM12 *(L-6)
[23] [23] Cam Gear (B) B DM2, DM12 (C-2), *(P-5)
[24] [24] Mode Gear B DM2, DM13-1 (C-3)
[25] [21],[23],
[24] Mode Lever B DM2, DM13-1, 
DM13-2 (C-4), *(L-8)
[26] [22] Worm Holder B DM2, DM13-1 (S-9), *(L-9), *(L-10)
[27] [26] Pulley Assembly B DM2, DM13-1
[28] [25],[26] Cam Gear (A) B DM2, DM13-1, 
DM13-2
[29] [25] Idler Gear B DM1, DM14
[30] [29] Idler Arm B DM1, DM14 *(L-11)
[31] [25] BT Arm B DM2, DM14 *(P-6)

2-4-2 U29PDA
(1): Follow steps in sequence. When reassembling, follow the steps in reverse order.
These numbers are also used as identification (location) No. of parts in the figures.
(2): Indicates the part to start disassembling with in order to disassemble the part in column (1).
(3): Name of the part
(4): Location of the part: T=Top B=Bottom R=Right L=Left
(5): Figure Number
(6): Identification of parts to be removed, unhooked, unlocked, released, unplugged, unclamped, or desoldered.
P=Spring, W=Washer, C=Cut Washer, S=Screw, *=Unhook, Unlock, Release, Unplug, or Desolder
e.g., 2(L-2) = two Locking Tabs (L-2).
(7): Adjustment Information for Installation
(+):Refer to Deck Exploded Views for lubrication.
[32] [25] Loading Arm (SP) 
Assembly BDM2, DM14 (+)Refer to Alignment 
Sec.Page 2-5-1
[33] [32] Loading Arm (TU) 
Assembly BDM2, DM14 (+)Refer to Alignment 
Sec.Page 2-5-1
[34] [2],[25] M Brake (TU) Assembly T DM1, DM15 *(P-7), Brake Belt
[35] [2],[25] M Brake (SP) Assembly T DM1, DM15 *(P-8)
[36] [35] Tension Lever Assembly T DM1, DM15
[37] [36] T Lever Holder T DM15 *(L-12)
[38] [34] Reel (TU)(D2) T DM1, DM15
[39] [38] M Gear T DM1, DM15
[40] [36] Reel (SP)(D2) T DM1, DM15
[41] [32],[36] Moving Guide S 
Preparation T DM1, DM16 (S-11), Slide Plate
[42] [33] Moving Guide T 
Preparation TDM1, DM16
[43] [19] TG Post Assembly T DM1, DM16 *(L-13)
[44] [28] Rack Assembly R DM17 (+)Refer to Alignment 
Sec.Page 2-5-1
[45] [44] F Door Opener  R DM17
[46] [46] Cleaner Assembly T DM1, DM6
[47] [46] CL Post T DM6 *(L-14)
↓
(1) ↓
(2) ↓
(3) ↓
(4)
↓
(5) ↓
(6) ↓
(7)
STEP
/LOC.
No.
START-
ING
No.
PART
REMOVAL INSTALLATION
Fig. No.
REMOVE/*UNHOOK/
UNLOCK/RELEASE/
UNPLUG/DESOLDER
ADJUSTMENT
CONDITION

2-4-3 U29PDA
[14]
[13]
[11]
[10]
[12]
[7] [8]
[30][40] [16] [39] [38]
[42][41] [43][9]
[34]
[15]
[36]
[35]
[29]
Fig. DM1
Top View
[46]
[32]
[20]
[33]
[24]
[25]
[27]
[26]
[23]
[28]
[31][21][22]
Bottom View
Fig. DM2

2-4-4 U29PDA
[1]
(S-1)
(S-1)
Fig. DM3
Fig. DM4
Locking tab View for A
First, while pushing the locking tab as 
shown at right, slide and pull up the right 
side on [2] to release Pin A and Pin B from 
the slots A.
Then, remove Pin C and Pin D on [2] from 
the slots B as shown.
Slot A
Slots B
Pin A
Slot A
Pin B
[2]
Pin C
Pin D
Pull up
Slide
1
2
A
[3]
[6]
[6]
(L-2)
Pin A
Hole A
Pin B
Hole B
(L-1)
First, insert [6] diagonally in [3] as shown below. Then, 
install [6] in [3] while pushing (L-1) in a direction of 
arrow. After installing [6] in [3], confirm that pin A of [3] 
enters hole A of [6] properly.
Installation of [3] and [6]
View for A 2
1
[4]
Install [6] in [4] while pulling (L-2) in a direction of 
arrow. After installing [6] in [4], confirm that pin B of [4] 
enters hole B of [6] properly.
Installation of [4] and [6]
View for B
[3]
[4]
[5]
[6]
(L-1)
(L-2)
(P-1)
(L-3)
(S-1A)
A
B
Fig. DM5

2-4-5 U29PDA
Fig. DM6
Desolder
from bottom
Lead with 
Red Stripe
View for A
(S-2)
[7]
(L-14)
[46]
[47]
A
View for A
Desolder
from bottom
Lead with White Stripe
Fig. DM7
A
[8]
[9]
(S-4)
(S-3)
LDG
Belt
[8]
Pin of [12]
Pin of [10]
Groove of [28]
View for A Fig. DM8-1
When reassembling [10] and 
[12], confirm that pin of [10] 
and pin of [12] are in the 
groove of [28] as shown.
[28]
[11]
[13]
[12]
A
[10]
(L-4)
(S-4A)
(P-3)
(P-2)
Removal of [11]
1) Remove screw (S-4A).
2) Unhook spring (P-2).
3) Release (L-4) while 
holding [12] with a 
finger.
4) Loosen a finger 
holding [12] and 
remove [11].

2-4-6 U29PDA
Installation of [13] and [12]
Pin of [12]
Groove of [28]
Hook spring (P-3) up to [12] 
and [13], then install then to 
the specified position so that 
[12] will be floated slightly 
while holding [12] and [13].
(Refer to Fig. A.)
Fig. A
[13]
[12]
(P-3)
Fig. B (Top view)
Install pin of [12] in groove of [28]. 
(Refer to Fig. B.) [28]
Hold [12] and [13] till groove of 
pin of chassis looks and fit [13] 
in notch of chassis. Then, turn 
a few [13] while holding [12].
(Refer to Fig. C.)
Fig. C
Groove of 
pin of chassis
Notch of 
chassis
turn
[13]
[12]
Install [11] and [10] while holding [12].
(Refer to Fig. DM8-1.)
Fig. DM8-2
Fig. DM9
[14]
[15] (S-6)
(S-5)
[16]
Fig. DM10
[18]
[17]
[19]
(S-7)
(L-5)
(P-4)

2-4-7 U29PDA
[20]
(S-8)
Cap Belt
[20]
[21] Cap Belt
A
Installation position of Cap Belt
View for A
Fig. DM11
Fig. DM12
(L-6)
[22]
[23]
(P-5) [21]
(C-1)
(C-2)
(P-5)
[28]
When installing [23], install 
the spring (P-5) to [28] as 
shown in the left figure, and 
then install [23] while 
pressing the spring (P-5) to 
the direction of the arrow in  
the left figure and confirming 
that the position of the 
spring (P-5) is placed as 
shown in the left figure. 
Pin on 
bottom 
of [23]
[23]
[28]
Pin on [22]
Position of pin on [22]
Top View

2-4-8 U29PDA
[24]
(C-4)
(S-9)
[25]
[27]
[26]
[28]
(C-3)
(L-8)
(L-9)
(L-10)
Fig. DM13-1
Pin of [34] Pin of [31]
Position of Mode Lever when installed
Pin of [35]
Align [25] and [28] as shown.
Bottom View
[28]
[25]
[28]
Top View
First tooth on [44]
First groove on [28]
Installation of [25]
When reassembling [28], 
align the first groove on 
[28] to the first tooth on 
[44] as shown.
Fig. DM13-2
Fig. DM14
Refer to the Alignment 
Section, Page 2-5-1.
[30]
[29]
(L-11)
(P-6)
[32]
[33]
[31]
Fig. DM15
turn
turn
Break belt
[35]
[38]
[39]
[40]
[36]
(P-8)
(P-7)
turn
[34]
[37]
(L-12)

2-4-9 U29PDA
Fig. DM16
[43]
[41] [42]
Slide Plate
(S-11)
(L-13)
Fig. DM17
[44]
[45] Slide

2-5-1 U29PAPM
ALIGNMENT PROCEDURES OF MECHANISM
The following procedures describe how to align the
individual gears and levers that make up the tape load-
ing/unloading mechanism. Since information about the
state of the mechanism is provided to the System
Control Circuit only through the Mode Switch, it is
essential that the correct relationship between individ-
ual gears and levers be maintained.
All alignments are to be performed with the mech-
anism in Eject mode, in the sequence given.  Each
procedure assumes that all previous procedures have
been completed.
IMPORTANT:
If any one of these alignments is not performed
properly,  even if off by only one tooth, the unit will
unload or stop and it may result in damage to the
mechanical or electrical parts.
Alignment points in Eject Position
Alignment 1
Loading Arm (SP) and (TU) Assembly
Install Loading Arm (SP) and (TU) Assembly so
that their triangle marks point to each other as
shown in Fig. AL2.
Alignment 2
Mode Gear
  Keeping the two triangles pointing at each other,
install the Loading Arm (SP) Assembly so that the
last tooth of the gear meets the most inside teeth
of the Mode Gear.  See Fig. AL2.
Alignment 3
Cam Gear (A), Rack Assembly
Install the Rack Assembly so that the first tooth on
the gear of the Rack Assembly meets the first
groove on the Cam Gear (A) as shown in Fig. AL3.
Alignment 3
Alignment 1
Top View
Fig. AL1
Bottom View
Alignment 2
Fig. AL2
Loading Arm 
(TU) Assembly
Triangle Marks
Loading Arm 
(SP) Assembly
Mode Gear
Last Tooth
Alignment 1
Alignment 2
Most inside teeth 
of Mode Gear
Fig. AL3
Cam Gear (A)
First tooth
First groove
on the Cam Gear (A)
Alignment 3
Top View
Gear on Rack Assembly

2-6-1 U29P4HDEX
DECK EXPLODED VIEWS
Deck Mechanism View 1
Mark Description
Floil G-684G or Multemp MH-D (Blue grease)
SLIDUS OIL #150
B12
B492
B11
B571 B37
Some Ref. Numbers are not in sequence.
B126
B8
B121
B426
B560
L1450
L1450
L1466
B501
L1322
B5
Chassis Assembly 
Top View (Lubricating Point)
Chassis Assembly 
Bottom View (Lubricating Point)
B410
B74
L1051
B35
B411
B494
B567
L1053
L1191
B73
B9
L1467 B553
B2
B10

2-6-2 U29P4HDEX
Deck Mechanism View 2
Mark Description
Floil G-684G or Multemp MH-D 
(Blue grease)
SLIDUS OIL #150
SANKOUL FG84M (Yellow grease)
B508
B414
View for A 
(Grease point)
B516
B559
B52
B134
B133
B568
B593
B565
B417
Some Ref. Numbers are not in sequence.
Bottom Side (Grease point)
B507
B488
B570
B491
B513
B502
Bottom Side
(Grease point)
L1151 B525
B592 B31
L1406
B148
B558
B557
B3
B522
B521
B520
B590
B564
B573 B574
B591
B416
A
B487
B499
B587

2-6-3 U29P4HDEX
Deck Mechanism View 3
Mark Description
Floil G-684G or Multemp MH-D (Blue grease)
SLIDUS OIL #150
B563 B300
B562
B482
B355
B354
B483
B425
L1321
B347
L1321
B313
L1341
B303
B555
B514
Some Ref. Numbers are not in sequence.
B361
B359
B529
B360

2-7-1
MECHANICAL PARTS LIST - VCR MECHANISM
B2 9965 000 24171 CYLINDER ASSEMBLY MK12.5 NTSC 6H
B3 9965 000 23363 LOADING MOTOR ASSEMBLY MK12.5
B5 9965 000 24007 SLIDE PLATE MK12.5
B8 9965 000 17191 PULLEY ASSEMBLY MK12
B9 9965 000 23364 MOVING GUIDE S P.P MK12.5
B10 9965 000 23365 MOVING GUIDE T P.P MK12.5
B11 9965 000 16634 LOADING ARM(TU) ASSEMBLY MK12
B12 9965 000 16635 LOADING ARM(SP) ASSEMBLY MK12
B31 9965 000 23366 AC HEAD ASSEMBLY MK12.5
B35 9965 000 23382 TAPE GUIDE ARM ASSEMBLY MK12.5
B37 9965 000 23418 CAPSTAN MOTOR 288/VCZC1300
B52 9965 000 08593 CAP BELT MK10
B73 9965 000 12210 FE HEAD ASSEMBLY MK11
B73 9965 000 19628 FE HEAD MK12 (ALTERNATIVE)
B74 9965 000 08555 PRISM MK10
B121 9965 000 16640 WORM MK12
B126 9965 000 18128 PULLEY MK12
B133 9965 000 17193 IDLER GEAR MK12
B134 9965 000 17194 IDLER ARM MK12
B148 9965 000 12368 TG CAP MK11
B300 9965 000 16643 C DRIVE LEVER(TU) MK12
B303 9965 000 18129 F DOOR OPENER MK12
B313 9965 000 16645 C DRIVE SPRING MK12
B347 9965 000 08445 GUIDE HOLDER MK10
B354 9965 000 18130 SLIDER(TU) MK12
B355 9965 000 19630 SLIDER(SP) MK12
B359 9965 000 08449 CLEANER LEVER MK10
B360 9965 000 06561 CLEANER ROLLER MK9
B361 9965 000 08450 CL POST MK10
B410 9965 000 23370 PINCH ARM(A) ASSEMBLY(6) MK12.5
B411 9965 000 16649 PINCH SPRING MK12
B414 9965 000 23419 M BRAKE(SP) ASSEMBLY MK12.5
B416 9965 000 17196 M BRAKE(TU) ASSEMBLY MK12
B417 9965 000 23371 TENSION SPG(3002645) MK12
B425 9965 000 08457 LOCK LEVER SPRING MK10
B426 9965 000 08458 KICK PULLEY MK10
B482 9965 000 16653 CASSETTE PLATE MK12
B483 9965 000 16654 LOCK LEVER MK12
B487 9965 000 16655 BAND BRAKE(SP) MK12
B488 9965 000 23420 MODE LEVER MK12.5
B491 9965 000 17199 CAM GEAR(A) MK12
B492 9965 000 16658 MODE GEAR MK12
B494 9965 000 16659 C DOOR OPENER MK12
B499 9965 000 16660 T LEVER HOLDER MK12
B501 9965 000 16661 WORM HOLDER MK12
B502 9965 000 17200 CAM GEAR(B) MK12
B507 9965 000 05342 REEL WASHER MK9 5*2.1*0.5
B508 9965 000 08470 S BRAKE SPRING MK10
B513 9965 000 17201 CAM WASHER MK12
B514 9965 000 08641 SCREW RACK MK10
B516 9965 000 05342 REEL WASHER MK9 5*2.1*0.5
B520 9965 000 17202 TU BRAKE SPRING MK12
B521 9965 000 16662 REV BRAKE SPRING MK12
B522 9965 000 12373 TG POST ASSEMBLY MK11
B525 9965 000 12230 LDG BELT MK11
B529 9965 000 08504 CLEANER ASSEMBLY MK10
B553 9965 000 12233 REV SPRING MK11
B555 9965 000 16663 RACK ASSEMBLY MK12
B557 9965 000 08519 MOTOR PULLEY U5
B558 9965 000 23373 LOADING MOTOR M31E-1 R-14 7401
B559 9965 000 17204 CLUTCH ASSEMBLY MK12
B560 9965 000 08522 KICK SPRING MK10
B562 9965 000 16665 C DRIVE LEVER(SP) MK12
B563 9965 000 16666 SLIDER SHAFT MK12
B564 9965 000 17205 M GEAR MK12
B565 9965 000 17206 SENSOR GEAR MK12
B567 9965 000 16669 PINCH ARM(B) MK12
B568 9965 000 16670 BT ARM MK12
B570 9965 000 12240 CAM RACK SPRING(HI) MK11
B571 4822 532 13159 P.S.W. 1.6X4.0X0.5T
B573 9965 000 17208 REEL(SP)(D2) MK12
B574 9965 000 17209 REEL(TU)(D2) MK12
B587 9965 000 16674 TENSION LEVER ASSEMBLY MK12
B590 9965 000 18132 BRAKE ARM(TU) MK12
B591 9965 000 17210 BAND BRAKE(TU) MK12
B592 9965 000 17211 TG POST MK11
B593 9965 000 24172 CAM HOLDER ASSEMBLY MK12.5
L1051 9965 000 05359 SCREW, M2.6X6 PAN HEAD+
L1053 9965 000 05375 SCREW, M2.6X8 WASHER HEAD+
L1151 9965 000 08642 SCREW, SEMS M2.6X4 PAN +
L1191 9965 000 05375 SCREW, M2.6X8 WASHER HEAD+
L1321 4822 502 14009 M 3 X 6
L1322 9965 000 08645 SCREW, B-TIGHT M2.3X4 BIND HEAD+
L1341 9965 000 23375 SCREW, P-TIGHT M2X6 PAN HEAD+
L1406 9965 000 08643 AC HEAD SCREW MK9
L1450 4822 502 14671 SCREW M2.6X5
L1466 9965 000 05364 SCREW, M2.6X6 BIND HEAD+
L1467 9965 000 23376 SCREW M2.6X5 WASHER HEAD+
Note: Only the parts mentioned in this list are normal service spare parts.