EGO1用户手册 EGO1 User Manual V2.10
User Manual:
Open the PDF directly: View PDF
.
Page Count: 21

EGO1 用户手册
2018.04 ver2.1
依元素科技有限公司

EGO1 User Manual
依元素科技有限公司 1 Xilinx 全球合作伙伴
www.e-elements.com
目录
1. 概述........................................................................................................................................... 2
2. FPGA .......................................................................................................................................... 2
3. 板卡供电 ................................................................................................................................... 3
4. 系统时钟 ................................................................................................................................... 3
5. FPGA 配置 ................................................................................................................................. 3
6. 通用 I/O 接口 ........................................................................................................................... 4
6.1 按键 ................................................................................................................................... 4
6.2 开关 ................................................................................................................................... 5
6.3 LED 灯.................................................................................................................................. 6
6.4 七段数码管 ......................................................................................................................... 7
7. VGA 接口................................................................................................................................... 9
8. 音频接口 ................................................................................................................................. 10
9. USB-UART/JTAG 接口 .............................................................................................................. 11
10. USB 转PS2 接口 ................................................................................................................. 11
11. SRAM 接口 .......................................................................................................................... 12
12. 模拟电压输入 ..................................................................................................................... 14
13. DAC 输出接口 ..................................................................................................................... 16
14. 蓝牙模块 ............................................................................................................................. 17
15. 通用扩展 I/O ...................................................................................................................... 18

EGO1 User Manual
依元素科技有限公司 2 Xilinx 全球合作伙伴
www.e-elements.com
1. 概述
EGO1 是依元素科技基于 Xilinx Artix-7 FPGA 研发的便携式数模混合基础教
学平台。EGO1 配备的 FPGA (XC7A35T-1CSG324C)具有大容量高性能等特点,
能实现较复杂的数字逻辑设计;在 FPGA 内可以构建 MicroBlaze 处理器系统,
可进行 SoC设计。该平台拥有丰富的外设,以及灵活的通用扩展接口。
平台外设概览:
2. FPGA
EGO1 采用 Xilinx Artix-7系列 XC7A35T-1CSG324C FPGA,其资源如下:
编号
描述
编号
描述
1
VGA 接口
10
1个模拟电压输入
2
音频接口
11
1个DAC 输出接口
3
USB-UART/JTAG 接口
12
SRAM 存储器
4
USB 转PS2 接口
13
SPI FLASH 存储器
5
2个4位数码管
14
蓝牙模块
6
16 个LED 灯
15
通用扩展接口
7
8个拔码开关
8
1个8位DIP 开关
9
5个按键

EGO1 User Manual
依元素科技有限公司 3 Xilinx 全球合作伙伴
www.e-elements.com
3. 板卡供电
EGo1 提供两种供电方式:Type-C和外接直流电源。EGo1 提供了一个 Type-C
接口,功能为 UART 和JTAG,该接口可以用于为板卡供电。板卡上提供电压转
换电路将 Type-C输入的 5V 电压转换为板卡上各类芯片需要的工作电压。上电
成功后红色 LED 灯(D18)点亮。
4. 系统时钟
EGO1 搭载一个 100MHz 的时钟芯片,输出的时钟信号直接与 FPGA 全局时
钟输入引脚(P17)相连。若设计中还需要其他频率的时钟,可以采用 FPGA 内
部的 MMCM 生成。
名称
原理图标号
FPGA IO PIN
时钟引脚
SYS_CLK
P17
5. FPGA 配置
EES328 在开始工作前必须先配置 FPGA,板上提供以下方式配置 FPGA:
- USB 转UART/JTAG 接口 J6
- 6-pin JTAG 连接器接口 J3
- SPI Flash 上电自启动
FPGA 的配置文件为后缀名.bit 的文件,用户可以通过上述的三种方法将该 bit
文件烧写到 FPGA 中,该文件可以通过 Vivado 工具生成,BIT 文件的具体功能
由用户的原始设计文件决定。

EGO1 User Manual
依元素科技有限公司 4 Xilinx 全球合作伙伴
www.e-elements.com
在使用 SPI Flash 配置 FPGA 时,需要提前将配置文件写入到 Flash 中。Xilinx 开
发工具 Vivado 提供了写入 Flash 的功能。板上 SPI Flash 型号为 N25Q32,支持
3.3V 电压配置。FPGA 配置成功后 D24 将点亮。
6. 通用 I/O 接口
通用 I/O 接口外设包括 2个专用按键、5个通用按键、8个拨码开关、1个8
位DIP 开关、16 个LED 灯、8个七段数码管。
6.1 按键
两个专用按键分别用于逻辑复位 RST(S6)和擦除 FPGA 配置 PROG(S5),
当设计中不需要外部触发复位时,RST按键可以用作其他逻辑触发功能。

EGO1 User Manual
依元素科技有限公司 5 Xilinx 全球合作伙伴
www.e-elements.com
名称
原理图标号
FPGA IO PIN
复位引脚
FPGA_RESET
P15
五个通用按键,默认为低电平,按键按下时输出高电平。
管脚约束如下:
名称
原理图标号
FPGA IO PIN
S0
PB0
R11
S1
PB1
R17
S2
PB2
R15
S3
PB3
V1
S4
PB4
U4
6.2 开关
开关包括 8个拨码开关和一个 8位DIP 开关。

EGO1 User Manual
依元素科技有限公司 6 Xilinx 全球合作伙伴
www.e-elements.com
管脚约束如下:
名称
原理图标号
FPGA IO PIN
SW0
SW_0
P5
SW1
SW_1
P4
SW2
SW_2
P3
SW3
SW_3
P2
SW4
SW_4
R2
SW5
SW_5
M4
SW6
SW_6
N4
SW7
SW_7
R1
SW8
SW_DIP0
U3
SW_DIP1
U2
SW_DIP2
V2
SW_DIP3
V5
SW_DIP4
V4
SW_DIP5
R3
SW_DIP6
T3
SW_DIP7
T5
6.3 LED 灯
LED 在FPGA 输出高电平时被点亮。

EGO1 User Manual
依元素科技有限公司 7 Xilinx 全球合作伙伴
www.e-elements.com
管脚约束如下:
名称
原理图标号
FPGA IO PIN
颜色
D0
LED0
F6
Green
D1
LED1
G4
Green
D2
LED2
G3
Green
D3
LED3
J4
Green
D4
LED4
H4
Green
D5
LED5
J3
Green
D6
LED6
J2
Green
D7
LED7
K2
Green
D8
LED8
K1
Green
D9
LED9
H6
Green
D10
LED10
H5
Green
D11
LED11
J5
Green
D12
LED12
K6
Green
D13
LED13
L1
Green
D14
LED14
M1
Green
D15
LED15
K3
Green
6.4 七段数码管
数码管为共阴极数码管,即公共极输入低电平。共阴极由三极管驱动,FPGA
需要提供正向信号。同时段选端连接高电平,数码管上的对应位置才可以被点亮。
因此,FPGA 输出有效的片选信号和段选信号都应该是高电平。

EGO1 User Manual
依元素科技有限公司 8 Xilinx 全球合作伙伴
www.e-elements.com
管脚约束如下:
名称
原理图标号
FPGA IO PIN
A0
LED0_CA
B4
B0
LED0_CB
A4
C0
LED0_CC
A3
D0
LED0_CD
B1
E0
LED0_CE
A1
F0
LED0_CF
B3
G0
LED0_CG
B2
DP0
LED0_DP
D5
A1
LED1_CA
D4
B1
LED1_CB
E3
C1
LED1_CC
D3
D1
LED1_CD
F4
E1
LED1_CE
F3
F1
LED1_CF
E2
G1
LED1_CG
D2
DP1
LED1_DP
H2
DN0_K1
LED_BIT1
G2
DN0_K2
LED_BIT2
C2
DN0_K3
LED_BIT3
C1
DN0_K4
LED_BIT4
H1
DN1_K1
LED_BIT5
G1
DN1_K2
LED_BIT6
F1
DN1_K3
LED_BIT7
E1
DN1_K4
LED_BIT8
G6

EGO1 User Manual
依元素科技有限公司 9 Xilinx 全球合作伙伴
www.e-elements.com
7. VGA 接口
EGO1 上的 VGA 接口(J1)通过 14 位信号线与 FPGA 连接,红、绿、蓝三个
颜色信号各占 4位,另外还包括行同步和场同步信号。
管脚约束如下:
名称
原理图标号
FPGA IO PIN
RED
VGA_R0
F5
VGA_R1
C6
VGA_R2
C5
VGA_R3
B7
GREEN
VGA_G0
B6
VGA_G1
A6
VGA_G2
A5
VGA_G3
D8
BLUE
VGA_B0
C7
VGA_B1
E6
VGA_B2
E5
VGA_B3
E7
H-SYNC
VGA_HSYNC
D7
V-SYNC
VGA_VSYNC
C4

EGO1 User Manual
依元素科技有限公司 10 Xilinx 全球合作伙伴
www.e-elements.com
8. 音频接口
EGO1 上的单声道音频输出接口(J12)由下图所示的低通滤波器电路驱动。
滤波器的输入信号(AUDIO_PWM)是 由FPGA 产生的脉冲宽度调制信号(PWM)
或脉冲密度调制信号(PDM)。低通滤波器将输入的数字信号转化为模拟电压信
号输出到音频插孔上。
脉冲宽度调制
脉冲宽度调制信号是一连串频率固定的脉冲信号,每个脉冲的宽度都可能不
同。这 种数字信号在通过一个简单的低通滤波器后,被转化为模拟电压信号,电
压的大小跟一定区间内的平均脉冲宽度成正比。这个区间由低通滤波器的 3dB
截止频率和脉冲频率共同决定。例如,脉冲为高电平的时间占有效脉冲周期的
10%的话,滤波电路产生的模拟电压值就是 Vdd 电压的十分之一。
下图是一个简单的 PWM 信号波形:
低通滤波器 3dB频率要比 PWM 信号频率低一个数量级,这样 PWM 频率上
的信号能量才能从输入信号中过滤出来。例如,要得到一个最高频率为 5KHz 的
音频信号,那么 PWM 信号的频率至少为 50KHz 或者更高。通常,考虑到模拟信
号的保真度,PWM 信号的频率越高越好。下图是 PWM 信号整合之后输出模拟
电压的过程示意图,可 以看到滤波器输出信号幅度与 Vdd 的比值等于 PWM 信号
的占空比。

EGO1 User Manual
依元素科技有限公司 11 Xilinx 全球合作伙伴
www.e-elements.com
管脚约束如下:
名称
原理图标号
FPGA IO PIN
AUDIO PWM
AUDIO_PWM
T1
AUDIO SD
AUDIO_SD#
M6
9. USB-UART/JTAG 接口
该模块将 UART/JTAG 转换成 USB 接口。用户可以非常方便的直接采用 USB
线缆连接板卡与 PC 机USB 接口,通过 Xilinx 的配置软件如 Vivado 完成对板卡
的配置。同时也可以通过串口功能与上位机进行通信。
管脚约束如下:
名称
原理图标号
FPGA IO PIN
UART RX
UART_RX
T4 (FPGA 串口发送端)
UART TX
UART_TX
N5 (FPGA 串口接收端)
UATR 的全称是通用异步收发器,是实现设备之间低速数据通信的标准协议。
“异步”指不需要额外的时钟线进行数据的同步传输,双方约定在同一个频率下收
发数据,此接口只需要两条信号线(RXD、TXD)就可以完成数据的相互通信,
接收和发送可以同时进行,也就是全双工。
收发的过程,在发送器空闲时间,数据线处于逻辑 1状态,当提示有数据要
传输时,首先使数据线的逻辑状态为低,之后是 8个数据位、一位校验位、一位
停止位,校验一般是奇偶校验,停止位用于标示一帧的结束,接收过程亦类似,
当检测到数据线变低时,开始对数据线以约定的频率抽样,完成接收过程。本例
数据帧采用:无校验位,停止位为一位。
UART 的数据帧格式,如下:
10. USB转PS2 接口
为方便用户直接使用键盘鼠标,EGO1 直接支持 USB 键盘鼠标设备。用户可

EGO1 User Manual
依元素科技有限公司 12 Xilinx 全球合作伙伴
www.e-elements.com
将标准的 USB 键盘鼠标设备直接接入板上 J4 USB 接口,通过 PIC24FJ128,转换
为标准的 PS/2 协议接口。该接口不支持 USB 集线器,只能连接一个鼠标或键盘。
鼠标和键盘通过标准的 PS/2 接口信号与 FPGA 进行通信。
管脚约束如下:
PIC24FJ128 标号
原理图标号
FPGA IO PIN
15
PS2_CLK
K5
12
PS2_DATA
L4
11. SRAM 接口
板卡搭载的 IS61WV12816BLL SRAM 芯片,总容量 8Mbit。该 SRAM 为异
步式SRAM,最高存取时间可达 8ns。操控简单,易于读写。

EGO1 User Manual
依元素科技有限公司 13 Xilinx 全球合作伙伴
www.e-elements.com
SRAM 写操作时序如下(详细请参考 SRAM 用户手册):
SRAM 读操作时序如下(详细请参考 SRAM 用户手册):
管脚约束如下:
SRAM 引脚标号
原理图标号
FPGA IO PIN
I/O0
MEM_D0
U17
I/O1
MEM_D1
U18
I/O2
MEM_D2
U16
I/O3
MEM_D3
V17
I/O4
MEM_D4
T11
I/O5
MEM_D5
U11
I/O6
MEM_D6
U12
I/O7
MEM_D7
V12
I/O8
MEM_D8
V10
I/O9
MEM_D9
V11
I/O10
MEM_D10
U14
I/O11
MEM_D11
V14
I/O12
MEM_D12
T13

EGO1 User Manual
依元素科技有限公司 14 Xilinx 全球合作伙伴
www.e-elements.com
I/O13
MEM_D13
U13
I/O14
MEM_D14
T9
I/O15
MEM_D15
T10
A00
MEM_A00
T15
A01
MEM_A01
T14
A02
MEM_A02
N16
A03
MEM_A03
N15
A04
MEM_A04
M17
A05
MEM_A05
M16
A06
MEM_A06
P18
A07
MEM_A07
N17
A08
MEM_A08
P14
A09
MEM_A09
N14
A10
MEM_A10
T18
A11
MEM_A11
R18
A12
MEM_A12
M13
A13
MEM_A13
R13
A14
MEM_A14
R12
A15
MEM_A15
M18
A16
MEM_A16
L18
A17
MEM_A17
L16
A18
MEM_A18
L15
OE
SRAM_OE#
T16
CE
SRAM_CE#
V15
WE
SRAM_WE#
V16
UB
SRAM_UB
R16
LB
SRAM_LB
R10
12. 模拟电压输入
Xilinx 7 系列的 FPGA 芯片内部集成了两个 12bit 位宽、采样率为 1MSPS 的ADC,
拥有多达 17 个外部模拟信号输入通道,为用户的设计提供了通用的、高精度的
模拟输入接口。
下图是 XADC 模块的框图:

EGO1 User Manual
依元素科技有限公司 15 Xilinx 全球合作伙伴
www.e-elements.com
XADC 模块有一专用的支持差分输入的模拟通道输入引脚(VP/VN),另外还最
多有 16 个辅助的模拟通道输入引脚(ADxP 和ADxN,x为0到15)。
XADC 模块也包括一定数量的片上传感器用来测量片上的供电电压和芯片温
度,这些测量转换数据存储在一个叫状态寄存器(status registers)的专用寄存器
内,可由 FPGA 内部叫动态配置端口(Dynamic Reconfiguration Port (DRP))的 16
位的同步读写端口访问。 ADC 转换数据也可以由 JTAG TAP 访问,这种情况下并
不需要去直接例化 XADC 模块,因为这是一个已经存在于 FPGA JTAG 结构的专用
接口。此时因为没有在设计中直接例化 XADC 模块,XADC 模块就工作在一种预
先定义好的模式叫缺省模式,缺省模式下 XADC 模块专用于监视芯片上的供电电
压和芯片温度。
XADC 模块的操作模式是由用户通过 DRP 或JTAG 接口写控制寄存器来选择的,
控制寄存器的初始值有可能在设计中例化 XADC 模块时的块属性(block attributes)
指定。模式选择是由控制寄存器 41H 的SEQ3 到SEQ0 比特决定,具体如下图示:
XADC 模块的使用方法,一是直接用 FPGA JTAG 专用接口访问,这时 XADC
模块工作在缺省模式;二是在设计中例化 XADC 模块,这是可以通过 FPGA 逻辑
或ZYNQ 器件的 PS 到ADC 模块的专用接口访问。(详细请参考 XADC 用户手册
ug480_7Series_XADC.pdf)
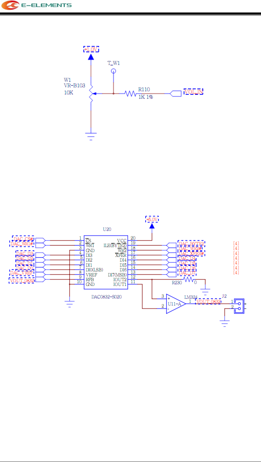
EGO1 通过电位器(W1)向 FPGA 提供模拟电压输入,输入的模拟电压随着
电位器的旋转在 0 ~ 1V 之间变化。输入的模拟信号与 FPGA 的C12 引脚相连,最

EGO1 User Manual
依元素科技有限公司 16 Xilinx 全球合作伙伴
www.e-elements.com
终通过通道 1输入到内部 ADC。
13. DAC 输出接口
EGO1 上集成了 8位的模数转换芯片(DAC0832),DAC 输出的模拟信号连接
到接口 J2 上。
下面是 DAC0832 的操作时序图(详细请参考 DAC0832 用户手册)

EGO1 User Manual
依元素科技有限公司 17 Xilinx 全球合作伙伴
www.e-elements.com
管脚约束如下:
DAC0832 引脚标号
原理图标号
FPGA IO PIN
DI0
DAC_D0
T8
DI1
DAC_D1
R8
DI2
DAC_D2
T6
DI3
DAC_D3
R7
DI4
DAC_D4
U6
DI5
DAC_D5
U7
DI6
DAC_D6
V9
DI7
DAC_D7
U9
ILE(BYTE2)
DAC_BYTE2
R5
CS
DAC_CS#
N6
WR1
DAC_WR1#
V6
WR2
DAC_WR2#
R6
XFER
DAC_XFER#
V7
14. 蓝牙模块
EGO1 上集成了蓝牙模块(BLE-CC41-A),FPGA 通过串口和蓝牙模块进行通
信。波特率支持 1200,2400,4800,9600,14400,19200,38400,57600,115200
和230400bps。串口缺省波特率为 9600bps。该模块支持 AT 命令操作方法。

EGO1 User Manual
依元素科技有限公司 18 Xilinx 全球合作伙伴
www.e-elements.com
管脚约束如下:
BLE-CC41-A标号
原理图标号
FPGA IO PIN
UART_RX
BT_RX
N2 (FPGA 串口发送端)
UART_TX
BT_TX
L3 (FPGA 串口接收端)
15. 通用扩展 I/O
EGO1 上为用户提供了灵活的通用接口(J5)用来作 I/O 扩展,共提供 32
个双向 IO,每个 IO 支持过流过压保护。

EGO1 User Manual
依元素科技有限公司 19 Xilinx 全球合作伙伴
www.e-elements.com
管脚约束如下:
2x18 标号
原理图标号
FPGA IO PIN
1
AD2P_15
B16
2
AD2N_15
B17
3
AD10P_15
A15
4
AD10N_15
A16
5
AD3P_15
A13
6
AD3N_15
A14
7
AD11P_15
B18
8
AD11N_15
A18
9
AD9P_15
F13
10
AD9N_15
F14
11
AD8P_15
B13
12
AD8N_15
B14
13
AD0P_15
D14
14
AD0N_15
C14
15
IO_L4P
B11
16
IO_L4N
A11
17
IO_L11P
E15
18
IO_L11N
E16
19
IO_L12P
D15
20
IO_L12N
C15
21
IO_L13P
H16
22
IO_L13N
G16
23
IO_L14P
F15

EGO1 User Manual
依元素科技有限公司 20 Xilinx 全球合作伙伴
www.e-elements.com
24
IO_L14N
F16
25
IO_L15P
H14
26
IO_L15N
G14
27
IO_L16P
E17
28
IO_L16N
D17
29
IO_L17P
K13
30
IO_L17N
J13
31
IO_L18P
H17
32
IO_L18N
G17