Cover Ellipse Service Manual Rev.04
User Manual:
Open the PDF directly: View PDF .
Page Count: 229 [warning: Documents this large are best viewed by clicking the View PDF Link!]

ELLIPSE
Service Manual
Via E. Barsanti 17/A
00012 Guidonia – ROME (ITALY)
www.ams-analyzers.com

Ellipse Service Manual Rev.04 01 October 2009 Page 1
CONFIGURATION SHEET
CHAPTER DESCRIPTION REVISION
INDEX TABLE OF CONTENTS 03
01 INTRODUCTION 03
02 SYSTEM DESCRIPTION 03
03 INSTALLATION 03
04 ELECTRICAL SCHEMES AND DRAWINGS 03
05 DIAGNOSTIC PROGRAM 03
06 SETTINGS AND ADJUSTMENTS 03
07 MAINTENANCE 03
08 HOST COMMUNICATION 04
09 ERROR SIGNALING AND TROUBLESHOOTING 03

INDEX
Ellipse Service Manual Rev.03 01 June 2009 Page 1
TABLE OF CONTENTS
Chapter 01 INTRODUCTION
Chapter 02 SYSTEM DESCRIPTION
Chapter 03 INSTALLATION
Chapter 04 ELECTRICAL SCHEMES AND DRAWINGS
Chapter 05 DIAGNOSTIC PROGRAM
Chapter 06 SETTINGS AND ADJUSTMENTS
Chapter 07 MAINTENANCE
Chapter 08 HOST COMMUNICATION
Chapter 09 ERROR SIGNALING AND TROUBLESHOOTING

Chapter 01 – INTRODUCTION
Ellipse Service Manual Rev. 03 01June 2009 Page 1
CHAPTER 01
- INTRODUCTION -
INDEX
1 INTRODUCTION ................................................................................................................. 1
1.1 THE AIM OF THE TECHNICAL MANUAL ………………………………………...………..…..2
1.1.2 MANUAL OUTLINE……………………………..……………………..……………..………………....2
1.2 SYSTEM INTRODUCTION ................................................................................................ 3
1.3 PRECAUTIONARY MEASURES ....................................................................................... 3
1.3.1 CHEMICAL RISKS .............................................................................................................. 5
1.3.2 ELECTRICAL RISKS........................................................................................................... 5
1.3.3 MECHANICAL RISKS......................................................................................................... 4
1.4 GUARANTEE ...................................................................................................................... 5
1.5 TECHNICAL OPERATING FEATURES………………………………………….…. ..... 6
1.5.1 COMPUTER & SOFTWARE FEATURES ........................................................................ .9
1.5.2 OPTIONS............................................................................................................................... 8
1.5.3 DIMENSIOS, WEIGHT & ENVIRONMENT.................................................................... 10
1.5.4 INSTALLATION REQUIREMENTS................................................................................ 10

Chapter 01 – INTRODUCTION
Ellipse Service Manual Rev. 03 01June 2009 Page 2
1 INTRODUCTION
1.1 THE AIM OF THE TECHNICAL MANUAL
This manual has been written in order to supply the technical staff, the persons who are responsible
for the maintenance and for resolving instrument failures, a complete and detailed guide of the
Ellipse analyzer, in accordance with the standard UNI EN591 (which requires a manual to be
supplied with vitro diagnostic instruments for professional use).
1.1.2 MANUAL OUTLINE
The technical manual is composed of 10 chapters that not only describe the operative technical
characteristics of the system, but also the reparation and maintenance procedures to use for the
modules that they are composed of.
. Chapter 1 INTRODUCTION
The manual structure is described, and recommendations are given regarding the general
use of the analyzer. The technical characteristics of the operative system are given in this
chapter.
. Chapter 2 DESCRIPTION OF THE SYSTEM
Describes the system, in particular, the analytical cycle of the single modules and
electronic boards.
. Chapter 3 INSTALLATION
Describes the unpacking procedures and the required characteristics for the place of
installation.
. Chapter 4 ELECTRONICS SCHEMES AND DRAWINGS
Gives the electronics schemes and assembly drawings of the electronics board and the
assembly drawings of the modules that the system is composed of.

Chapter 01 – INTRODUCTION
Ellipse Service Manual Rev. 03 01June 2009 Page 3
. Chapter 5 DIAGNOSTIC PROGRAM
Describes the folders in the Diagnostic Program that are responsible for the checks and the
calibration of the modules in the system.
. Chapter 6 SETTINGS AND ADJUSTMENTS
Gives the procedures for replacement, adjustment and check of the system modules.
. Chapter 7 MANTENANCE
Describes the routine maintenance that needs to be done on a regular basis in order to
guarantee the correct functioning of the analyzer.
. Chapter 8 COMUNICATION WITH HOST
Describes the communication protocol between the analyzer and the Host computer.
• Chapter 9 ERROR CODES AND GUIDE TO RESOLVE ANOMALIES
Lists the system’s error codes, describes the errors in the results and gives a guide for how to
implement corrective actions.
The technical staff responsible for resolving the structural anomalies is highly suggested to
thoroughly examine the contents of this manual before operating the system.

Chapter 01 – INTRODUCTION
Ellipse Service Manual Rev. 03 01June 2009 Page 4
1.2 SYSTEM INTRODUCTION
The “Ellipse” system is a continuous-loading, random access, bench top instrument for performing
chemical and Immunoturbidimetric clinical analysis. It is totally automatic and computer
controlled.
Via E. Barsanti 17/A
00012 Guidonia – ROME (ITALY)

Chapter 01 – INTRODUCTION
Ellipse Service Manual Rev. 03 01June 2009 Page 5
1.3 PRECAUTIONARY MEASURES
1.3.1 CHEMICAL RISKS
The individual operator is responsible for assuring that all possible precautionary measures are
taken against eventual risks associated with the use of the “Ellipse” instrument in clinical laboratory
settings. The manufacturer will provide the reagents kit and specific written information on the use
of each of the reagents.
It is important that the samples be well coagulated and then carefully centrifuged.
Samples which contain fibrinogen clots can obstruct the probe and lead to inexact sampling.
If blood samples containing gel are used, it is suggested that the manufacturer’s recommendations
be followed.
Immediately clean and remove any accidental leakage of reagent or other liquid.
1.3.2 ELECTRICAL RISKS
As with any electrical device, the risk of electric shock exists.
Is therefore necessary to take every precautionary measure possible when working with this, or any
other, electrical instrument to avoid contact with power supply wires, electrical components or
electronic boards.
1.3.3 MECHANICAL RISKS
Several precautionary measures should be taken when operating the analyzer:
avoid wearing very loose clothing or jewelry that could become tangled in the instrument’s moving
parts (e.g. the sample probe); whenever possible, operate the instrument with the main cover panel
lowered.
WARNING: Never attempt to service or substitute any part(s) of the analyzer when the
instrument is turned on.
Any and all technical repairs or servicing must be performed by specialized personnel only.

Chapter 01 – INTRODUCTION
Ellipse Service Manual Rev. 03 01June 2009 Page 6
1.4 WARRANTY
AMS guarantees the replacement of all defective components and/or materials for a period of time
not above of 14 months starting from the date of invoicing. Saying guarantee, as well as Technical
Assistance, generally is intended furnished as net ex factory Rome.
This guarantee does not include consumable and instrument parts in contact with liquids. All
components not included in the guarantee are reported in the following table.
Besides guarantee does not cover damage caused by :
- improper use of the ELLIPSE instrument (or however not according to the Producer or
Seller instructions)
- bad transport
- insufficient (or missing) preventive maintenance by the User
In particular any damages due to the transport must be immediately reported to the carrier when he
delivers.

Chapter 01 – INTRODUCTION
Ellipse Service Manual Rev. 03 01June 2009 Page 7
CONSUMABLES AND ACCESSORIES PARTS LIST OUT OF GUARANTEE
Description
Type
Quantity Code
Reagents containers 35 ml 12 pieces C101-00190-00
Reagents containers 6 ml 12 " C101-00191-00
Samples cups 0.8 ml 1000 " AS-65-0002
Short samples cups 1 ml 1000 " AS-65-0100
Adapter for short samples cups 1 " 9-01-0609-00
Reaction sectors 6 " C101-00217-00
Washing solution bottle 2 lt 1 " 9-35-0041-00
Bottle level sensor 1 " 9-05-0078-00
Tubing Kit for peristaltic pump 2 " 65-01835-00
Tubing Kit – complete 1 " 65-01836-00
Cleaning solution 250 ml 2 " ASRN0020
Rinse solution 50 ml 1 " ASRN0021
Sampling probe (internal needle) 1 " 05-00707-00
Complete Sampling probe 1 " 10-00703-00
Drying Pad 1 " 10-01920-00
Halogen Lamp (6 V - 10 W) 1 " 9-35-0016-00
Interferential filters Kit 1 " 9-65-0029-00
Fuse 6,3 A-T 5x20 10 " C130-01238-08
Inlet/outlet fitting for Rinse & Clean conts 1 " 01-01224-00
Cuvettes protection cover 1 " 05-01249-00
Reagent protection cover 1 " 10-00584-00
Reagent plate 1 " 10-00585-00
Samples rack 1 " 05-01829-00
Washing station, first or second cannulas (A) 1 05-01633-00
Washing station, third cannula (B) 1 05-01633-01
Washing station, fourth cannula (C) 1 05-01638-00
Washing station, fifth cannula without pad (D) 1 05-01919-00
Diluter Micro-Pump 1 " 05-01710-40
Air Micro-Pump (µP 6) 1 " 05-01711-20
Micro-Pump (µP 2 ÷5) 1 " 05-01826-16
Predilution rack 1 " 05-01735-00
Solenoid Valve –2 way 1 " 9-35-0035-00
Solenoid Valve –3 way 1 " 9-35-0036-00

Chapter 01 – INTRODUCTION
Ellipse Service Manual Rev. 03 01June 2009 Page 8
1.5 TECHNICAL OPERATING FEATURES
DESCRIPTION
♦ Fully automatic, random access, continuous loading,
benchtop analyzer for clinical chemistry and
immunoturbidimetric assays;
ASSAY TYPE ♦ End Point, Initial Rate, Kinetic, Bichromatic, Differential;
TEST ENTRY MODE ♦ Selective, Batch, Profiles, STAT
THROUGHPUT ♦ 138 tests per hour
WORKING TEMPERATURE ♦ 37° C
ON LINE REAGENTS
♦ 24 removable containers by 40 ml and 6 ml;
♦ 12 positions for Controls and Standards;
♦ Positive identification by a Bar Code Reader
SAMPLE CONTAINERS
♦ Primary tubes (diameter from 8 to 16 mm; height up to
100 mm) cups from 1 to 4 ml;
SAMPLE LOADING
♦ 4 racks, each having 8 positions for continuous sample
loading
♦ Positive identification by a Bar Code Reader
MINIMUM REACTION VOLUME
♦ 220 µl
MAXIMUM REACTION VOLUME
♦ 550 µl
SAMPLING ARM
♦ A single mechanical arm provides all the sampling
operations and is equipped with:
• Capacitive liquid level sensing
• Reagent pre-warming at 37° C
• Automatic probe washing
DILUTER
♦ Integrated syringe-free module having the following
specifications:
• Sample volume: 2 µl ÷ 99 µl (1 µl incr.)
• Reagent 1 volume: 3 µl ÷ 500 µl (1 µl incr.)
• Reagent 2 volume: 3 µl ÷ 330 µl (1 µl incr.)
• Reagent 3 volume: 3 µl ÷ 330 µl (1 µl incr.)
PRECISION ♦ CV < 1 % at 2 µl
READING SYSTEM
♦ Direct reading

Chapter 01 – INTRODUCTION
Ellipse Service Manual Rev. 03 01June 2009 Page 9
OPTIC SYSTEM
♦ Photometer: double beam, interferential filters
♦ Wavelength: 8 narrow band interferential filters
from 340 nm to 620 nm , plus one available
optional filter position
♦ Light source: 6V/10 W halogen bulb
♦ Linearity range: up to 3,500 Abs
♦ Resolution: 0.0005 Abs
OPTICAL PATH ♦ 6 mm.
WASHING STATION ♦ Composed of five probes that empty, wash and
dry the reaction cuvettes.
REACTION PLATE
♦ 6 singular replaceable racks with 20 cuvettes
each
♦ Cuvettes Q.C. continuously computer controlled
♦ Incubation temperature: 37°C
1.5.1. COMPUTER & SOFTWARE FEATURE
TYPE
MINIMUM REQUIREMENTS
♦ IBM Compatible
CPU ♦ Pentium IV 500 MHz, 512 Kb Cache
MEMORY
♦ RAM 256 Mb
♦ Hard Disk 20 Gb
♦ Floppy Disk 3 1/2” 1.44 Mb
MONITOR
♦ Colour SVGA 15’’ low radiation
Resolution 800 x 600 pixels;
max number of colors 65536 (16 bit)
PRINTER ♦ 80 Columns impact graphic (EPSON LX 300)
INTERFACE ♦ One Bi-directional RS 232C serial ports and one
parallel (one second serial port for the Host link)
SOFTWARE
AVAILABLE LANGUAGES
♦ Multitasking WINDOWS XP Home edition
♦ Italian, English, Chinese, Czech. Software to be
released soon in these languages: Russian, Portuguese,
French, Polish. Upon request it is possible to release
the software in other languages.
SETTINGS
♦ Disable all the energy saving options
♦ Disable the screen saver
♦ Select English “USA” as language, dot as decimal
symbol and date and time in Regional setting

Chapter 01 – INTRODUCTION
Ellipse Service Manual Rev. 03 01June 2009 Page 10
NOTE: Even though the computers demonstrate the same technical and operative characteristics,
some of these could have different hardware installed.
This could cause problems for the Ellipse software when running tests (A message appears
indicating “Random” error or blocks the program).
Therefore, if the PC is bought separately/locally, it is highly recommended to test the system at
your offices before preceding with the installation at the final client’s.
Consequently, AMS denies any responsibility for software problems that are due to buying the
computer separately from the instrument.
1.5.2 OPTIONAL MODULES
♦ POSITIVE BARCODE READER
1.5.3 DIMENSIONS, WEIGHT & OPERATING ENVIRONMENT
DIMENSIONS
♦ Height: 53 cm
♦ Depth: 57 cm
♦ Length: 75 cm
WEIGHT ♦ 35 Kilos
OPERATING ENVIRONMENT
♦ Temperature: 18°C ÷ 30°C.
♦ Relative humidity: 20% ÷ 85%
1.5.4 INSTALLATION REQUIREMENTS
POWER REQUIREMENTS
♦ Input Voltage 90 ÷ 250 Vac
♦ Input Frequency: 47 ÷ 63 Hz
♦ Power consumption:
♦ 300 W for the analytical unit
♦ 400 W for the work station
SAFETY REGULATIONS
♦ EN 61010-1:1993 +A2:1995
(IN COMPLIANCE WITH THE MAIN
EUROPEAN DIRECTIVES 73/23/CEE AND
93/68/EEC REGARDING SAFETY)

Chapter 01 – INTRODUCTION
Ellipse Service Manual Rev. 03 01June 2009 Page 11
ELECTROMAGNETIC
COMPATIBILITY
♦ EMC 89/336/EEC – 92/31/EEC Directives
♦ EN 55011, Class B, Group 1
♦ EN 50081-1:1992 EMC
♦ EN 55022
♦ ENV 50140 – ENV 50141
♦ EN 60601-1-2
♦ EN 61000-4
Warning: A steady power supply (+ 10%) must be provided for the instrument.
If it is not, the manufacturer highly recommends the use of:
♦ UPS Uninterruptible Power Supply ( No-break module)
♦ ELECTRONIC STABILIZER

Chapter 02 – SYSTEM DESCRIPTION
Ellipse Service Manual Rev. 03 01 June 2009 Page 1
CHAPTER 02
– SYSTEM DESCRIPTION -
INDEX
2 DESCRIPTION OF THE SYSTEM ................................................................................................ 2
2.1 ANALYSES CYCLE......................................................................................................................... 3
2.1.1 REACTION PLATE ......................................................................................................................... 3
2.1.2 REACTION PLATE CYCLE .......................................................................................................... 3
2.2 SAMPLING ARM - OPERATIONAL SEQUENCE .................................................................... 3
2.3 WASH STATION............................................................................................................................... 6
2.3.1 WASH STATION CYCLE ............................................................................................................... 6
2 DESCRIPTION OF THE SYSTEM.........................................................................................2
2.1 ANALYSES CYCLE................................................................................................................3
2.1.1 REACTION PLATE .................................................................................................................3
2.1.2 REACTION PLATE CYCLE..................................................................................................3
2.2 SAMPLING ARM - OPERATIONAL SEQUENCE...............................................................3
2.3 WASH STATION.....................................................................................................................6
2.3.1 WASH STATION CYCLE.......................................................................................................6
2.4 ELECTRONIC DESCRIPTION...............................................................................................7
2.4.1 INTRODUCTION ....................................................................................................................7
2.4.2 ANALYTICAL CONTROL BOARD (C.P.U.) [P/N: 30-01283-01]......................................7
2.4.3 STEPPER MOTORS DRIVER BOARD [P/N: 30-01284-01]...............................................8
2.4.4 PLATE INTERFACE BOARD (Sx) [P/N: 30-01281-01].......................................................9
2.4.5 ARM INTERFACE BOARD (Dx) [P/N: 30-01282-01] .........................................................9
2.4.6 ELECTROVALVES CONTROL BOARD [P/N: 30-01626-00] ...........................................10
2.4.7 PRE-AMPL/ADC [P/N: 30-00107-00; P/N: 30-00107-03]..................................................10
2.4.8 PHOTOMETER LAMP BOARD [P/N: 30-01576-00] .........................................................11
2.4.9 CONTROL PANEL BOARD [P/N: 30-01850-00] ...............................................................11
2.4.10 LEVEL SENSOR ASSY [P/N: 10-01478-00].......................................................................11

Chapter 02 – SYSTEM DESCRIPTION
Ellipse Service Manual Rev. 03 01 June 2009 Page 2
2 DESCRIPTION OF THE SYSTEM
"Ellipse" is a random access, computer controlled, counter-top, clinical analysis instrument. The
system can perform 138 tests per hour and has a machine cycle of 26 seconds. Its execution time
ranges from a minimum of 18 seconds to a maximum of 1032, depending on the analysis method
chosen.
The first time the system is used for laboratory analyses, the operator must configure the system
based on the specific needs of that laboratory; i.e.: the chemistry parameters and the reagents racks,
along with the normal ranges, calibrated and control values, must all be defined.
The daily routine analyses will be carried out according to patient sample arrival in a sequential and
continuous, non-stop manner.
The work list is organized using a loading rack holding up to 8 patient samples. Rack loading is
non-stop.
The racks can accommodate both test tubes and micro cups. The bar code for primary tubes and
reagent containers is an optional feature.
When the system, the analytical unit and the computer, is turned on the color-meter lamp is supplied
with low voltage power (1.2 volts), the sampling arm pre-heater remains turned off, while instead
the reaction plate heater, the reagents refrigerating unit (optional module) and the electronic
components are turned on.
In this phase, the "Stand-by" light, placed on the front panel, will flash until the reaction plate
reaches a temperature of 36° C. When this temperature is reached, the "Stand-by" light will stop
flashing and will remain constantly lit.
In the case of system failure or malfunction, the "Ready" light, situated on the front panel of the
instrument, will light up red.
In order to access the main program, double click on the "Ellipse" icon on the computer desktop.
The main menu - "System Monitor" - will appear.
Whenever any system function is launched, the color-meter lamp and the sampling arm pre-heater
will receive regular power.

Chapter 02 – SYSTEM DESCRIPTION
Ellipse Service Manual Rev. 03 01 June 2009 Page 3
2.1 ANALYSES CYCLE
2.1.1 REACTION PLATE
The reaction plate of the "Ellipse" system contains 6 disposable racks with 20 reaction cuvettes
each.
The racks can be removed individually.
The basic operating cycle of the reaction plate takes 26 seconds. This cycle includes: optic reading
of the cuvettes in incubation, aspiration and dispensing of the reagents and the samples by the arm,
along with the relative positioning of the plate .
The reactions take place at 37° C. This temperature is maintained constant by a controlled heating
unit placed under the reaction plate .
2.1.2 REACTION PLATE CYCLE
After reagents and samples have been placed in cuvette #1, the reaction plate will rotate 40
positions counter-clockwise, so as to bring the first cuvette to be analyzed in front of the color-
meter for reading with either one or two wavelengths, as required.
The plate will then, moving counter-clockwise, carry out all the readings of any other prepared
cuvettes. After having effectuated all the readings, the plate will move counter-clockwise to its
initial position minus one cuvette, ready for a new dispensing.
In this manner, the reaction cuvettes move clockwise 1 - 2 - 3 – 4 for dispensing, washing and for
their relative readings.
2.2 SAMPLING ARM - OPERATIONAL SEQUENCE
1. The sampling arm lifts up from the wash well and carries out a wash cycle;
2. The arm moves toward the specific reagent container, while the diluter aspirates an air
bubble to separate the rinse column from the reagent;
3. The arm lowers itself into the reagent, below the level indicated by the sensor, and aspirates
the required quantity of reagent. If the method requires a Rinse (used in order to reduce the
possibility of negative contamination between the water column and the reagent) an extra
amount of reagent (not used in the analysis) will be aspirated before the quantity of reagent
necessary for the analysis, along with another air bubble for their separation;

Chapter 02 – SYSTEM DESCRIPTION
Ellipse Service Manual Rev. 03 01 June 2009 Page 4
4. While the diluter aspirates a second air bubble, the arm rises and then lowers into the wash
well so that it can be washed externally, to minimize cross contamination;
5. The arm moves to the specified sample and aspirates a third air bubble;
6. Once the level sensor has indicated the presence of the liquid, the arm stops and aspirates
the sample;
7. The arm once again is raised, while the diluter aspirates a fourth air bubble to prevent
sample loss;
8. At this point, the arm returns to the wash well in order to clean the outside of the probe and
aspirates a fifth air bubble;
9. The arm moves to the reaction PLATE , dispenses, and mixes the reagent and sample in the
reaction cuvette for incubation and reading;
10. The arm returns to the wash well and carries out a probe wash cycle.

Chapter 02 – SYSTEM DESCRIPTION
Ellipse Service Manual Rev. 03 01 June 2009 Page 5
To wash well for final wash
Aspiration of serum
To wash well to clean the probe
Aspiration of Air
(To separate reagent from serum)
Aspiration of Reagent
Dispensing and mixing in cuvette
Aspiration of air
SAMPLING SYSTEM
Aspiration of Air
Aspiration of air
To wash well to clean the probe
H2O
AIR
RGT
AIR
AIR
SERUM
AIR
Aspiration of air

Chapter 02 – SYSTEM DESCRIPTION
Ellipse Service Manual Rev. 03 01 June 2009 Page 6
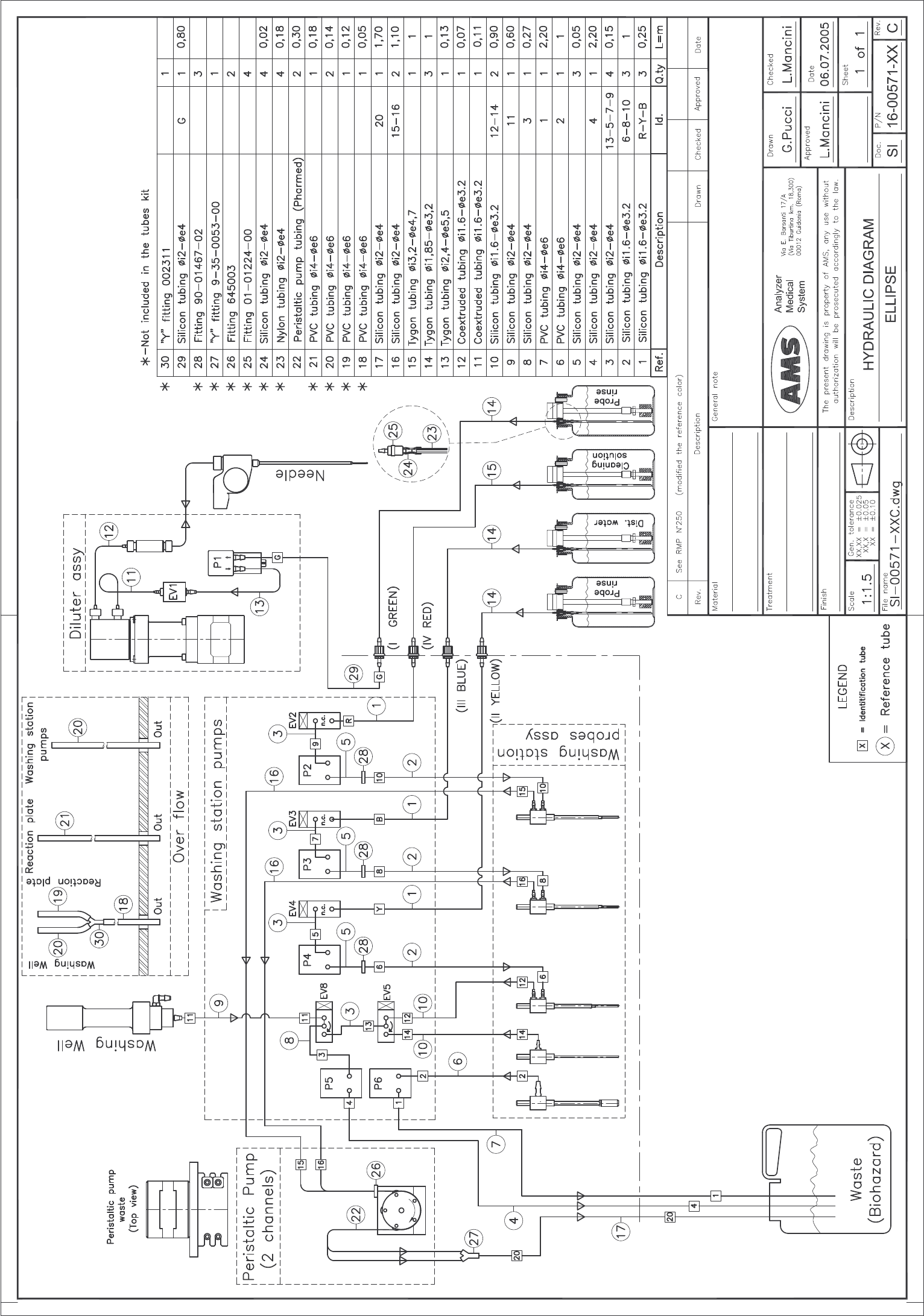
2.3 WASH STATION
The reaction plate wash station is made up of a series of five small needles situated on one side of
the reaction PLATE . Said needles are opportunely connected to the valve and pump system for
emptying, washing and drying operations (please see the hydraulic diagram).
2.3.1 WASH STATION CYCLE
The wash station carries out its operations alternating upward and downward movement. In its
downward movement phase the needles are guided in such a manner as to carry out the following
operations:
• The first needle, using the central cannula, removes the reaction mix while the external
cannula dispenses, shower-like fashion, the wash solution; after that the external
cannula dispenses wash solution and then the liquid is aspirated from the central
cannula;
• The second needle operates exactly like the first but uses distilled water instead;
• The third needle operates exactly like the first but dispenses rinse solution into the
cuvette so that an optics check can be performed (if the results are negative, the cuvette
is discarded);
• The fourth needle aspirates the control water;
• The fifth needles dries the sides.
All these operations are part of the routine operation of the instrument. Every reaction cuvette is
washed at the end of each round of analysis.
The reusability (optical integrity) of each reaction cuvette is always tested before the next round of
analysis.

Chapter 02 – SYSTEM DESCRIPTION
Ellipse Service Manual Rev. 03 01 June 2009 Page 7
2.4 ELECTRONIC DESCRIPTION
2.4.1 INTRODUCTION
The Ellipse general interconnection diagram is reported on the document having the code
SC-16-00571-XX. This document shows all the electronic boards and the links among them.
The power supply is connected through a dedicated socket to the power line. It supplies, by two
separate modules, the two requested voltages +24 VDC and +12 VDC.
All the Ellipse electronics boards are following described.
2.4.2 ANALYTICAL CONTROL BOARD (C.P.U.) [P/N: 30-01283-01]
The Analytical Control Board, integrated in the Ellipse system, is the heart of the low level, real
time and processing management. This board, on which is present the micro-controller HITACHI
H8S/2633F (U1), permits to manage all the input and output analogical and digital signals
need to the instrument functionality. The mentioned micro-controller, having 128 pin packaging and
12 ports, contains 16 KB of RAM memory and 256 KB flash memory where the firmware is
installed. The firmware writing on the flash memory is permitted by an external personal computer
by a serial transmission RS232.
The Analytical Control Board is connected to the “Stepper Motors Driver Board” by a 64 pin
frontal clutch connector from which receives all the signals for driving the motors.
The following further boards are directly connected to the Analytical Control Board, through
specific cables:
The “Plate Interface Board (Sx)” and “Arm Interface Board (Dx)” for the users
interfacing;
The “Pre-Ampl./ADC” for reading the signals from main and reference channels of the
photometer;
The “Electrovalves Control Board” for commanding all the hydraulic devices.
Besides, through two distinct and direct serial links, it manages (if present) the bar code reader and
the ISE modules.
On the board are present also the followings two leds:
o The red led (LD1) not used yet;
o The green led (LD2) is flashing when the board is powered and the firmware activated.

Chapter 02 – SYSTEM DESCRIPTION
Ellipse Service Manual Rev. 03 01 June 2009 Page 8
The power supply, by a specific line of the power cable, supplies the board with +24 VDC and +12
VDC. Further two voltages, +5 VDC and +3,3 VDC are generated on the same board by voltage
regulators.
Components and integrated circuit dedicated to the programming communication with the micro-
controller and those for I/O ports protection, are present on the same board.
Finally, the alarmed fan needed for the electronic area cooling, composed by the Analytical Control
Board and the Stepper Motors Driver Board, is powered directly from the same board.
2.4.3 STEPPER MOTORS DRIVER BOARD [P/N: 30-01284-01]
The "Stepper Motors Driver Board" is the interface between the “Analytical Control Board” and the
stepper motors.
Besides the Analytical Control Board, there are two more boards directly linked to the Stepper
Motors Driver Board. They are the Plate Interface Board (Sx) and the Arm Interface Board (Dx)
which transmit (by specific cables) all the command signals to the nine stepper motors present in
the instrument. On the boards are present nine driver components (NMB SDI-C403 or TOSHIBA
TA8435H). Each driver, on which is installed a metal heatsink by a couple of screws, is dedicated
to drive one stepper motor as specified here below:
driver U1 Sample plate motor;
driver U7 Reagent plate motor;
driver U4 Reaction plate motor;
driver U6 Vertical sampling arm motor;
driver U3 Horizontal sampling arm motor;
driver U9 Diluter motor;
driver U2 Photometer filter wheel motor;
driver U5 Washing station motor;
driver U8 Peristaltic pump motor.
By the nine dip switches setting on the board, each motor is driven to ¼ of step unless the filter
wheel motor that is driven to 1/8 of step.
The power supply, by a specific power line cable, supplies two voltages +24 VDC and +12 VDC to
the board. The +5 VDC needed to the driver components is generated on the same board by a
voltage regulator. All the components managing the nine drivers and the relevant signals are
mounted on the same board.

Chapter 02 – SYSTEM DESCRIPTION
Ellipse Service Manual Rev. 03 01 June 2009 Page 9
2.4.4 PLATE INTERFACE BOARD (SX) [P/N: 30-01281-01]
This board is the hardware interface between the reaction and reading sections of the instrument and
the following boards:
the Analytical Control Board which receives from the Plate Interface Board the I/O
signals for managing the relevant devices (the three independents plates home sensors,
the washing station home sensor, the photometer filter wheel home sensor, the reaction
plate N.T.C., the reaction plate heater, the lamp and the fan of the photometer);
the Stepper Motors Driver Board from which the Plate Interface Board receives the
command signals for the stepper motors of the following devices: sample plate, reagent
plate, reaction plate, washing station and photometer filter wheel;
the Photometer Lamp Board for the photometer halogen lamp checking.
There are also the following two leds:
o the yellow led (LD1) active when the reaction plate resistor is powered;
o the red led (LD2) active when there is a signal from the reaction plate leaking.
The power supply, by a specific power line cable, supplies two voltages +24 VDC and +12 VDC to
the board. The +5 VDC needed is generated on the Plate Interface Board by a voltage regulator. All
the components managing respective devices are mounted on this board.
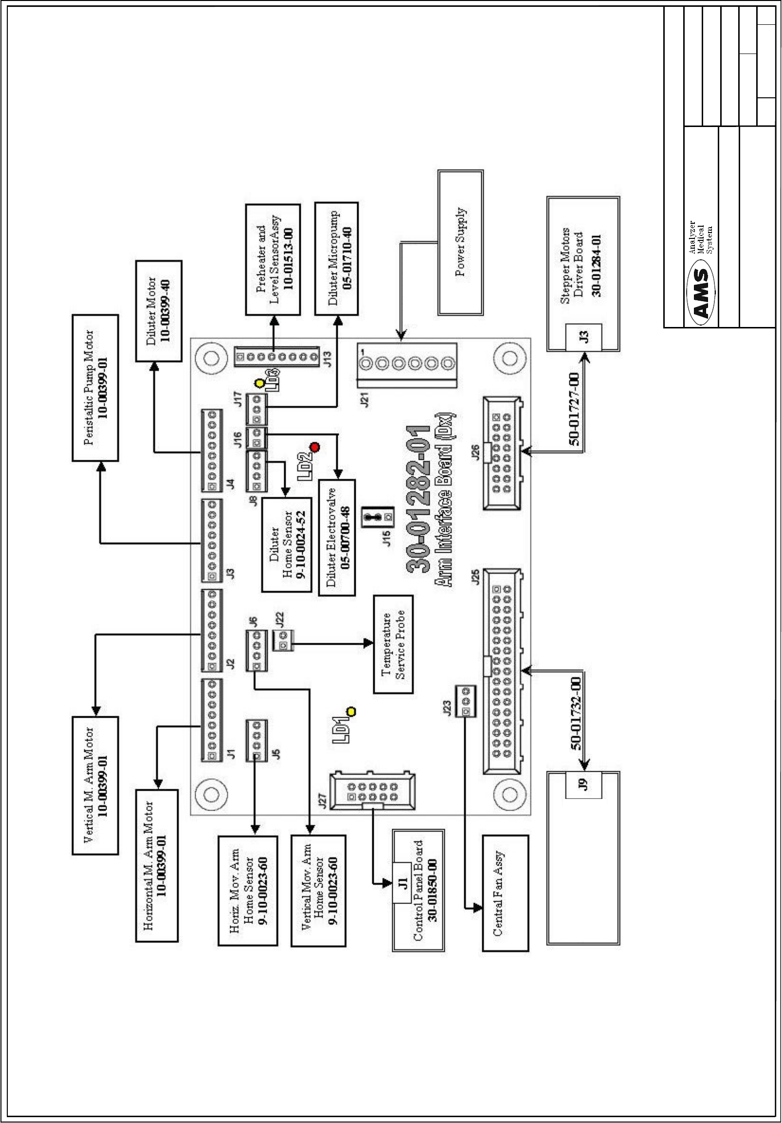
2.4.5 ARM INTERFACE BOARD (DX) [P/N: 30-01282-01]
This board is the hardware interface between the Sampling sections of the instrument and the
following boards:
the Analytical Control Board which receives from the Arm Interface Board the I/O
signals for managing the relevant devices (the vertical sampling arm home sensor, the
horizontal sampling arm home sensor, the diluter home sensor, the diluter electrovalve
and pump, the preheater, the level sensor assembly, the temperature service probe, the
main alarmed fan, the three buttons – indicators of the Control Panel);
the Stepper Motors Driver Board from which the Arm Interface Board receives the
command signals for the stepper motors of the following relevant devices: vertical and
horizontal sampling arm, Diluter, peristaltic pump;
the Control Panel Board for the three buttons-indicators checking.

Chapter 02 – SYSTEM DESCRIPTION
Ellipse Service Manual Rev. 03 01 June 2009 Page 10
There are also the following three led:
o the yellow led (LD1), active when the preheater is powered;
o the red led (LD2), active when there is a signal from the sampling arm leaking sensor;
o the yellow led (LD3), light on when the level sensor is activated.
The power supply, by a specific power line cable, supplies +24 VDC and +12 VDC to the board. +5
VDC needed to the Arm Interface Board is generated on the same board by a voltage regulator. All
the components managing respective devices are mounted on this board.
2.4.6 ELECTROVALVES CONTROL BOARD [P/N: 30-01626-00]
This board communicates with the Analytical Control Board all the I/O signals for managing all the
relevant devices (electrovalves and micropumps related to the washing station, the washing well
and the peristaltic pump; the bottles liquid sensors; the waste sensors; the main cover switch).
The red led (LD1) is active when there is a signal from the washing station leaking sensor;
From the Analytical Control Board the Electrovalves control board receives the +24 VDC . +5
VDC is generated from + 24VDC by a voltage regulator. All the components managing respective
devices are mounted on this board.
2.4.7 PRE-AMPL/ADC [P/N: 30-00107-00; P/N: 30-00107-03]
The Pre-Ampl/ADC board P/N: 30-00107-00 is used for reading the signals from the photometer
main channel, while the Pre-Ampl/ADC P/N: 30-00107-03 has the same function for the
photometer reference channel. They are mounted on the photometer assembly and directly linked to
the Analytical Control Board, by two distinct flat cables, for transmitting all the I/O signals. The
only difference between them is the R1 resistor value. On the boards, the (FD1) photodiode reveals
the signal arriving from the relevant reading channel; the Amplifier (U2) amplifies the signal, which
is then inputted in the serial converter ADS 1250 (U3) for its conversion A/D.
From the Analytical Control Board they receive also two continuous voltages (+VB and –VB).
All the components dedicated to the signal amplification or digital conversion are mounted on the
same boards.

Chapter 02 – SYSTEM DESCRIPTION
Ellipse Service Manual Rev. 03 01 June 2009 Page 11
2.4.8 PHOTOMETER LAMP BOARD [P/N: 30-01576-00]
This board is linked to the Plate Interface Board (Sx) from which receives the check signal (coming
from the Analytical Control Board) to regulate the light intensity of the photometer halogen lamp
(+6V, 10W). From the interface board receives the continuous voltage (VL) which is then converted
to +6 VDC on the same board, by a voltage regulator, for powering the lamp.
2.4.9 CONTROL PANEL BOARD [P/N: 30-01850-00]
This board is linked to the Arm Interface Board (Sx) to which transmits the I/O signals from the 3
lighting buttons of the Control Panel.
From the interface board receives also the continuous voltage (VB) for the three buttons – indicators
functionality.
2.4.10 LEVEL SENSOR ASSY [P/N: 10-01478-00]
The level sensor assembly is composed by the level sensor board “A” (P/N:30-01392-00) and the
level sensor board “B” (P/N:30-01392-01).
The level sensor assembly, installed on the sampling probe head, is linked to the Arm interface
board. By a specific cable it transmits the relevant signal (the capacity variation produced by the
contact between the sampling probe and the liquid) to the Analytical Control Board.
Level sensor components and integrated circuits are mounted on the level sensor assembly.

Chapter 03 - INSTALLATION
Ellipse Service Manual Rev. 03 01 June 2009 Page 1
CHAPTER 03 - INSTALLATION
INDEX
3.1 UNPACKING.........................................................................................................................2
3.2 INSTALLATION ...................................................................................................................4
3.2.1 INSTALLATION SITE SPECIFICATIONS ......................................................................4
3.2.2 ELECTRIC CURRENT REQUIREMENTS.......................................................................4
3.2.3 CONNECTIONS TO ACCESSORIES ...............................................................................5
3.2.3.1 POWER SUPPLY/LINE INPUT......................................................................................5
3.2.3.2 CONNECTING THE INSTRUMENT TO THE COMPUTER .......................................6
3.2.4 ATTENTION.......................................................................................................................6
3.2.5 SYMBOLS...........................................................................................................................6
3.2.6 REGULATORY COMPLIANCE........................................................................................6

Chapter 03 - INSTALLATION
Ellipse Service Manual Rev. 03 01 June 2009 Page 2
3.1 UNPACKING
The ELLIPSE is packed and delivered in two separate wooden crates: one contains the
analyzer itself and the other the computer, along with its accessories. In the event that the order
not include the PC component, packing and delivery will involve one wooden crate plus a
corrugated cardboard box. The packing has been expressly studied and designed to insure
maximum protection of the contents during shipping and handling. It is therefore extremely
important that the crate(s)/box be carefully examined upon delivery in order to ascertain their
integrity. Special attention should be dedicated to examining the color of the “Shock Watch”
glued to the crates, which must show the color ‘white’. A ‘red’ “Shock Watch” indicates that
the crate(s) have experienced some sort of ‘shock’ during handling, transport and/or delivery.
This fact must be noted by the courier on the delivery note, as must any and all visible external
damage (for example: holes, dents, rips or tears, water marks, etc.) evident at the moment of
delivery. This will simplify matters in the event of any future claims for damages.
MAKE SURE THAT THE UNPACKING IS CARRIED OUT BY TWO PEOPLE.
P/N
S/N
300W
90 - 250Vac 47 - 63Hz
ELLIPSE
Medical
System
Analyzer
Rome-Italy
Upon arrival of the crate(s)/box, take out the
delivery note and make sure that all the items
on the packing list are included in the crates
and are undamaged. Make sure the series
number on the delivery note/packing list
corresponds to that impressed on the plate on
the right side of the instrument.
Open the crate(s)/box from the top and very
carefully take out:
- the instrument;
- the computer and accessories.

Chapter 03 - INSTALLATION
Ellipse Service Manual Rev. 03 01 June 2009 Page 3
Do not discard the delivery crate(s)/box or the packing material until the correct functioning of
the instrument has been ascertained.
Remove all the items from the crate(s)/box very carefully.
Remove the adhesive tape from the cover of the samples and reagents housing, from the front
panels and from the samples and reagents racks.
Before connecting the "Ellipse", remove the protective packing material placed under the
sampling arm and under the wash station group.
Warning: in the event that it is necessary to repack any or all of the delivered item(s), the
following procedures must be carefully followed:
¾ Reposition the protective packing material under the sampling arm and under the wash
station group.
¾ Tape down (using masking tape if possible) the cover of the samples and reagents housing,
the front panels, and the samples and reagents racks.
¾ Remove the probe from the sampling arm and place it inside a cuvette. Then cap the
cuvette and tape the cap down.
¾ Be very careful to not bend the wash station cannulas when repositioning the protective
packing material.
¾ Fill the empty spaces around the accessories packed in the crate using “pluriballs” or other
suitable packing material.

Chapter 03 - INSTALLATION
Ellipse Service Manual Rev. 03 01 June 2009 Page 4
3.2 INSTALLATION
The ELLIPSE must only be installed by a qualified technician who has been authorised and
trained to do so. During its installation the system will be checked once again to ensure correct
functioning. The persons who are required to operate the ELLIPSE system must have received
the adequate training. This should also include the "know-how" of the normal maintenance for
the instrument. A description of the maintenance will be found in Chapter 7 of this manual.
ELLIPSE is a complex system, and it is therefore extremely important that it is correctly
installed in order to fully guarantee fine performance. If the installation and use directions,
given in this manual, are not correctly followed and/or security indications are not respected,
AMS cannot guarantee correct functioning of the instrument. Apart from this, the security of
the operator could be placed at risk.
3.2.1 INSTALLATION SITE SPECIFICATIONS
Ascertain that the ELLIPSE system is not exposed to direct sunlight, draughts, dust or strong
magnetic fields. In addition, please take note of the following conditions required for the
location of the installation:
USE In covered and dry place
DEGREE OF POLLUTION 2
INSULATION CLASS I
INSTALLATION CATEGORY II
TEMPERATURE between18°- 30°C
HUMIDITY 20% ÷ 85%
ALTITUDE Max 3000 m
LOCATION Shelf or table with a minimum surface of 75 x 60 cm
stable and free of vibration
VENTILATION Leave a minimum distance of 10 cm around the
instrument to permit air circulation . Make sure that
the front and rear holes are not blocked by any object
3.2.2 ELECTRIC CURRENT REQUIREMENTS
The power voltages to which the instrument is adapted are indicated on the left-hand side
(see fig. 1). It must be plugged into a plug of the correct voltage.
VOLTAGE 100 ÷ 230 Vac 47/63 Hz ± 10%
FUSES 6.3 Amp/T - 5 x 20

Chapter 03 - INSTALLATION
Ellipse Service Manual Rev. 03 01 June 2009 Page 5
NOTE: IT IS ADVISABLE TO MAINTAIN THE MAXIMUM STABILITY OF THE ELECTRICAL CURRENT IN
THE LABORATORY. WHERE THIS IS NOT POSSIBLE OR ASCERTAINABLE, USE OF THE
FOLLOWING SUPPLEMENTARY DEVICES IS RECOMMENDED:
ELECTRONIC STABILIZER
Used to stabilise the electric voltage in the laboratory. Any stabiliser with a power
potential greater than 0.5 KW, currently available on the market, can be used.
NO-BREAK MODULE UPS - (Uninterrupted Power Supply)
This module provides two important functions:
- stabilises the main-line power
- supplies current to the instrument in case of a main-line power failure.
3.2.3 CONNECTION OF THE ACCESSORIES
3.2.3.1 POWER SUPPLY
Fig. 1 - – Plug (use the feeder cable supplied with the instrument).
The sticker indicates the power supply voltage and the values of the fuses.

Chapter 03 - INSTALLATION
Ellipse Service Manual Rev. 03 01 June 2009 Page 6
3.2.3.2 COMPUTER - INSTRUMENT CONNECTION
The instrument and the Personal Computer are connected by one serial RS232 standard cable
(Cod. 9-35 0055.01), which provides the hardware support for the communication.
3.2.4 ATTENTION
The following label is found at the rear of the instrument.
NOTE: THE REAR PANELS OF THE INSTRUMENT MUST NEVER BE OPENED WITHOUT HAVING FIRST
SWITCHED THE INSTRUMENT OFF AND DISCONNECTED THE ELECTRICITY CABLE.
THE MAINTENANCE AND CLEANING PROCEDURES FOUND IN CHAPTER 07 OF THIS
MANUAL MUST BE RESPECTED AT ALL TIMES. REMEMBER TO FOLLOW THE
DECONTAMINATION PROCEDURE IN CASE OF INSTRUMENT REMOVAL (SEE CHAPTER 07) .
3.2.5 SYMBOLS
ATTENTION: READ THE INSTRUCTIONS IN THE USER MANUAL
T
ERMINAL OF TOTAL MASS PROTECTION (CONDUCTOR)
3.2.6 REGULATORY COMPLIANCE
The ELLIPSE instrument complies with:
European Directive 98/79/CE for In vitro Diagnostics Devices

Chapter 04 – ELECTRICAL SCHEMES AND DRAWINGS
Ellipse Service Manual Rev. 03 01 June 2009 Page 1
CHAPTER 04
- ELECTRICAL SCHEMES AND DRAWINGS -
INDEX
ELECTRONIC DIAGRAM ELLIPSE SC-16-00571-XX
HYDRAULIC DIAGRAM ELLIPSE SI-16-00571-XX
WIRING ME-50-01692-01
ANALYTICAL CONTROL BOARD SC02-30-01283-XX
ANALYTICAL CONTROL BOARD SE-30-01283-XX
STEPPER MOTORS DRIVER BOARD SC02-30-01284-01
STEPPER MOTORS DRIVER BOARD SE-30-01284-01
ARM INTERFACE BOARD (DX) SC02-30-01282-01
ARM INTERFACE BOARD (DX) SE-30-01282-01
PLATE INTERFACE BOARD (SX) SC02-30-01281-01
PLATE INTERFACE BOARD (SX) SE-30-01281-01
PRE-AMPL/ADC SE-30-00107-XX
PHOTOMETER LAMP BOARD SE-30-01576-00
LEVEL SENSOR ASSY SE-10-01478-00
ELECTROVALVES CONTROL BOARD SC-30-01626-00
ELECTROVALVES CONTROL BOARD SE-30-01626-00
CONTROL PANEL BOARD SE-30-01850-00

Via E. Barsanti, 17/A
(Via Tiburtina Km
18,300)
00012 Guidonia (Roma)
Drawn
Checked
Approved
Date
Sheet
Doc.
P/N
Rev.
The present document is property of AMS, any use without
authorization will be prosecuted accordingly to the law.
Description
L. Massenzi
R. Cornacchia
A. Gagliarducci
20/10/2005
1 of 1
Electronic Diagram Ellipse
SC
16
-
00571
-
XX
D
Rev. D
: emissione in riferimento
alla RMP n.268
(optional)
BarCode Reader
(optional)
Analytical Control Board
30-01283-..
Pre-Ampl/ADC
(Reference Channel)
Pre-Ampl/ADC
(Sample Channel)



Via E. Barsanti, 17/A
(Via Tiburtina Km
18,300)
00012 Guidonia (Roma)
Drawn
Checked
Approved
Date
Sheet
Doc.
P/N
Rev.
The present document is property of AMS, any use without
authorization will be prosecuted accordingly to the law.
Description
L. Massenzi
R. Cornacchia
A. Gagliarducci
20/10/2005
1 of 1
Analytical Control Board
SC02
30
-
01283
-
XX
A
50-01692-01
Rev. A: emissione in riferimento alla RMP n.268
30
-
01283
-
..
Pre-Ampl/ADC
(Reference Channel)
Pre-Ampl/ADC
(Sample Channel)
ISE Module

5
5
4
4
3
3
2
2
1
1
D D
C C
B B
A A
(CS1)
(CS2)
Rx1=470
se
X1<5Mhz
VL
FWEBOOT
(/CS1)
(/HWR)
(/RD)
(CS2)
(RD)(HWR)
PF6
P35B
LOCKED(ON)
Electronic
Housing Fan
Serial IN
RS232
ISE - NO3
Module
BarCode
Diagnostic
DSYNC ADC
RMP 224
Approved
CheckedDescription
Drawn
Rev.
0
Checked
Approved
10/09/2004
Refer to the Serigrafy
L.M. 10/09/2004
A.G. 10/09/2004
SE-30-01283-XX 0
Analytical Control Board
R.CORNACCHIA
A3
1 1
Title
Size Document Number Rev
Date: Sheet of
DRDYRF
DINRF
G1R
G0R
SCLK
SCLK
DINDA
DRDYDA
G1D
G0D
SCLK
DINAUX
DRDYAUX
G1AUX
G0AUX
TX0 RX0
P71
PD0
PE0
PA1
PA0
PD1
OSC1
PG3
RES
P36
PD5
PC7
P37
PD4
PB3
P74
P73
P70
P31
PD2
PB7
PB4
PB1
FWE
PD3
PG2
P72
PB5
PB2
PB6
XTAL
NMI
STBY
P30
PD6
PD7
P33
P34
PC5
P76
P77
P40
P41
P42
P43
P44
P45
P46
P47
P90
P91
P92
P93
P94
P95
P96
P97
PE7
PE6
PE5
PE4
PE3
PC6
PC1
PC2
PC3
MD2
PC0
EXTAL
EXTAL
PC4
PB0
PG0
P32
PA3
PA2
XTAL
PF2
PF0
PF4
PF5
PF3
PF1
PE1
PE2
P35
P75
PF7
PG4
PG1
TX2
RX2
RTS
PF5
RTS
PG3
RESA
DTR
PWDCA
PWDWH
DIRBV
PWDBH
ENAPI
ENAPI
CLKCU
ENADO
CLKBV
DIRWH
PWDCU
DIRCA
DIRDO
ENABHFO
CLKDO
ENABVWH
PWDBV
PWDRE
CLKWH
DIRCU
DIRRE
CLKFO
PWDPP
PWDDO
ENAPP
CLKCA
CLKPP
ENAPI
CLKBH
DIRBH
CLKRE
PWDFO
ENABVWH
DIRFO
DIRPP
PWDCA
PWDCU
PWDRE
PWDFO
PWDWH
PWDBH
PWDBV
PWDDO
WRL
WRL
DIRCU
DIRRE
DIRFO
DIRWH
DIRDO
ALLVENT
LEAKPI
SWCOP
ENABHFO
ENABVWH
INPUT
P74
P73
P72
P71
CLKPP
PWMB
CLKFO
P75
LEDV
LEDR
RISAB
P96
DACB
P96
DACP
P97
P77
PA0
P35
G0D
G1D
G0R
G1R
G0AUX
G1AUX
DIRPP
PWDPP
WRL
PA2
PA1
RX0
P31
P30
TX0
CLKBH
CLKDO
uPACIDP
EVBASICP
EVDOS
CLKBV
uPDOS
PB0
PB1
PB3
PB2
CLKCA
EV1PP
CLKCU
EV2PP
PB7
CLKRE
EV1H2O
PB6
EV3PP
PB5
EV2H2O
PB4
ENA0
WASTE1
WASTE2
LIQUID1
LIQUID2
LIQUID3
LEAKWH
LEAKB
DEPR
OPTOPP
OPTOBH
OPTODO
OPTOBV
EVDOS
LAMPR
LAMPV
uPDOS
LAMPG
SLI
CTR2
CTR1
ARMSW
WDT
DACB
uPACIDB
PR
PV
PG
RISAB
SB
TA
TB
DEPR
PWMB
EV3PP
PF4
PC0
PC1
PC2
MD2
WRL
FWE
ENA0
LIQUID4
PF3
OPTOWH2 PF7
RES
PF0
PF1
ENAPIP77
PR
PV
PG
SLI
ARMSW
WDTOVF
CTR2
uPACIDB
PF2
RESB
PA3
PD2
PD5
PD7
DB3
DB4
DB6
PF5
DB0
DB1
DB2
DB3
DB4
DB5
DB6
DB7
DB0
DB1
DB2
DB3
DB4
DB5
DB6
DB7
DB1
DB2
DB3
DB4
DB5
DB6
DB7
RES
DB0
DB1
DB2
DB3
DB4
DB5
DB6
DB7
DB0
DB1
DB2
DB3
DB4
DB5
DB6
DB7RESA
PC0
P11
P14
P12
P17
P13
P16
P10
P12
P15
P15
P10
P13
P11
P14
P16
P17
DB0
SCLK
ENABHFO
P70
P76
INPUTB
CLKWH
ENA1ENA1
PC3
LAMPG
DB6
DB5
DB7
ENADO
DB4
DB3
LAMPV
DB2
WRL
ENAPP
LEDV
DB0
DB1
LEDR
LAMPR
CTR1
P97
DACP
PD1
PD3
PD4
PD6
DB0
DB1
DB2
DB5
DB7
DIRCA
DIRBV
DIRBH
RX1TX1
TX4
TX4
RX4
RX4
TX1
RX1
P34
P33
P37
P36
DTR
TX2
RX2
DRDYDA
DINRF
PG1
DINDA
DINAUX
DRDYAUX P32
DRDYRF
WDT
PC5
PC6
OPTOPP
PG0
WDTOVF
PG4
PC7
EVACIDP
LEAKB
INPUTB
TA TB SB
P40
P42
OPTOFO
OPTOBV
P43
OPTOCU
OPTODO
P44OPTOWH
P46
OPTOCA
P45
OPTORE
P41
OPTOBH
P47
PD0
PG3
PA3
STBY
NMI
ALLVENT
PB4
PB3
PB5
PB6
PB2
PB7
PB1
PB0 P10
P11
P17
P12
P16
P13
P15
P14 PE4
PE3
PE5
PE6
PE2
PE1
PE7
PE0
LOCK
PE3
BUZZER
uP1H2OPE0
PE6
PE2
PE1
CTRLAMPPE5
uPBASICP
RISCPI
PE4
PE7
uPBAND
uP2H2O
uPSCAMB
LOCK
PD6
PF4
PG2
RTS
PD5
PC2
CTR2
PD1
RES
RX2
PC3
DTR#
PC0
PC4
PD0 PD7
PD4
TX2
PC1
PF5
PD2
PD3
LIQUID3
LIQUID2
OPTOWH
RISCPI
INPUT
TFOPTOFO
TF
CTR2
LEAKPI
LIQUID4
OPTORE
WASTE1
TP
OPTOCA
OPTOCU
WASTE2
CTRLAMP
OPTOWH2
WDT
SP
LIQUID1
uPSCAMB
BUZZER
SPTP
DACP
P35
CLK
CLK
CLK
P73
PF3
LOCK_IN
LOCK_IN
DSYNC
DSYNC
DSYNC
CTR2
DSYNC
uP1H2O
SWCOP
LIQUID4
EV2H2O
LIQUID3
LIQUID1LIQUID2
LEAKWH
uPBAND
EV1H2O
WASTE1WASTE2
EV3PP
EV2PP EV1PP
uP2H2O
uPBASICP
EVACIDP
uPACIDP
EVBASICP
DTR#
DTR#
AVCC
P90 P91 P92
P93 P94 P95
PF0
VM
PVCC
PVCC
PVCC
PVCC
3V3
PVCC
3V3
PVCC
3V3
3V3
AVCC
PVCC
VM
PVCC
3V3
PVCC
PVCC
PVCC
PVCC
PVCC -VB
-VB
-VB
PVCC
VB
VB
VB
VB
VB
PVCC
VM
PVCC
VM
3V3
PVCC
PVCC
PVCC
VB
VB
-VB
PVCC
PVCC
PVCC
PVCC
PVCC
PVCC
PVCC
PVCC
PVCC
PVCC
PVCC
PVCC
PVCC
PVCC
PVCC
PVCC
PVCC
PVCC
PVCC
PVCC
PVCC
PVCC
PVCC
PVCC
PVCC
PVCC
PVCC
PVCC
PVCC
VB
VMVM
VM
PVCC
PVCC
AVCC
R46 1K
DS1233-10
U6
1
2
3
R47 1KR45 1K R48 1K
R43 10K
C24
0.1uF
+
C53
1uF/50
J5 H13X2
1
3
5
7
9
11
13
15
17
19
21
23
25
2
4
6
8
10
12
14
16
18
20
22
24
26
1
3
5
7
9
11
13
15
17
19
21
23
25
2
4
6
8
10
12
14
16
18
20
22
24
26
R5
3K3
+
C54
1uF/50
J17
H3
1
2
3
C
RR1
C+8 10K
19
8
7
6
5
4
3
2
J6 MOLEX
1
2
3
4
5
6
TP1
TP-GND
1
R41 10K
R42 10K
J14
H3
1
2
3
J15
H3
1
2
3
C38
0.1uF
U2
LD1086V3.3
1
2
3
IN
GND
OUT
C11
0.1uF
+
C52
1uF/50
C25
0.1uF
+
C15
470uF/50V
U10 74HC377
1
2
5
6
9
1011
1213
14 15
1617
18 19
20
3
4
7
8
ENG
1Q
2Q
3Q
4Q
GNDCLK
5Q5D
6D 6Q
7Q7D
8D 8Q
VCC
1D
2D
3D
4D
C42
0.1uF
C35
0.1uF
C19 0.1uF
74HC244U23
3
5
7
9
12
14
16
18
17
15
13
11
8
6
4
2
20
19 10
12Y4
2Y3
2Y2
2Y1
1Y4
1Y3
1Y2
1Y1
2A4
2A3
2A2
2A1
1A4
1A3
1A2
1A1
VCC
2OE GND
1OE
+
C13
470uF/50V
C26
0.1uF
C60 0.1uF
U4
LM2575
1
2
3
4
5
R49 1K R51 1K
74HC244U16
3
5
7
9
12
14
16
18
17
15
13
11
8
6
4
2
20
19 10
12Y4
2Y3
2Y2
2Y1
1Y4
1Y3
1Y2
1Y1
2A4
2A3
2A2
2A1
1A4
1A3
1A2
1A1
VCC
2OE GND
1OE
R52 1K
J3 H4
1
2
3
4
74HC244U20
3
5
7
9
12
14
16
18
17
15
13
11
8
6
4
2
20
19 10
12Y4
2Y3
2Y2
2Y1
1Y4
1Y3
1Y2
1Y1
2A4
2A3
2A2
2A1
1A4
1A3
1A2
1A1
VCC
2OE GND
1OE
C32
0.1uF
LD1
LED RED
R33 4K7
U25 74HC245
2
3
4
5
6
7
8
9
19
1
18
17
16
15
14
13
12
11
20
10
A1
A2
A3
A4
A5
A6
A7
A8
G
DIR
B1
B2
B3
B4
B5
B6
B7
B8
VCC
GND
J22
H2
1
2
J1 H5
1
2
3
4
5
74HC244U15
3
5
7
9
12
14
16
18
17
15
13
11
8
6
4
2
20
19 10
12Y4
2Y3
2Y2
2Y1
1Y4
1Y3
1Y2
1Y1
2A4
2A3
2A2
2A1
1A4
1A3
1A2
1A1
VCC
2OE GND
1OE
C14
0.1uF
74HC244U17
3
5
7
9
12
14
16
18
17
15
13
11
8
6
4
2
20
19 10
12Y4
2Y3
2Y2
2Y1
1Y4
1Y3
1Y2
1Y1
2A4
2A3
2A2
2A1
1A4
1A3
1A2
1A1
VCC
2OE GND
1OE
+
C10
10uF/25V
J21
H6
1
2
3
4
5
6
U7 MAX202
2
3
4
5
6
7
8 9
10
11
12
13
14
15
161
V+
C1-
C2+
C2-
V-
T2OUT
R2IN R2OUT
T2IN
T1IN
R1OUT
R1IN
T1OUT
GND
VCCC1+
J10 H5x2
10
8
6
4
2
9
7
5
3
1
10
8
6
4
2
9
7
5
3
1
C36
0.1uF
C48
0.1uF
C51 0.1uF
C39 0.1uF
C22
0.1uF
J9
H17X2
12
34
56
78
910
1112
1314
1516
1718
1920
2122
2324
2526
2728
2930
3132
3334
U9 74HC377
1
2
5
6
9
1011
1213
14 15
1617
18 19
20
3
4
7
8
ENG
1Q
2Q
3Q
4Q
GNDCLK
5Q5D
6D 6Q
7Q7D
8D 8Q
VCC
1D
2D
3D
4D
+
C55
1uF/50
+
C59
1uF/50
R34 4K7
J7 DIN 64_AB-H
1
2
3
4
5
6
7
8
9
10
11
12
13
14
15
16
17
18
19
20
21
22
23
24
25
26
27
28
29
30
31
32
33
34
35
36
37
38
39
40
41
42
43
44
45
46
47
48
49
50
51
52
53
54
55
56
57
58
59
60
61
62
63
64
A1
A2
A3
A4
A5
A6
A7
A8
A9
A10
A11
A12
A13
A14
A15
A16
A17
A18
A19
A20
A21
A22
A23
A24
A25
A26
A27
A28
A29
A30
A31
A32
B1
B2
B3
B4
B5
B6
B7
B8
B9
B10
B11
B12
B13
B14
B15
B16
B17
B18
B19
B20
B21
B22
B23
B24
B25
B26
B27
B28
B29
B30
B31
B32
LD2
LED GREEN
J12 H5x2
10
8
6
4
2
9
7
5
3
1
10
8
6
4
2
9
7
5
3
1
U24 16V8
1
2
3
4
5
6
7
8
9
11
12
13
14
15
16
17
18
19
20
10
I0
I1
I2
I3
I4
I5
I6
I7
I8
I9
F0
F1
F2
F3
F4
F5
F6
F7
VCC
GND
74HC244U19
3
5
7
9
12
14
16
18
17
15
13
11
8
6
4
2
20
19 10
12Y4
2Y3
2Y2
2Y1
1Y4
1Y3
1Y2
1Y1
2A4
2A3
2A2
2A1
1A4
1A3
1A2
1A1
VCC
2OE GND
1OE
J4 H5
1
2
3
4
5
+
C58
1uF/50
U12 74HC377
1
2
5
6
9
1011
1213
14 15
1617
18 19
20
3
4
7
8
ENG
1Q
2Q
3Q
4Q
GNDCLK
5Q5D
6D 6Q
7Q7D
8D 8Q
VCC
1D
2D
3D
4D
C33
0.1uF
C43
0.1uF
R50 1K
R35 10K
R36 10K
R37 10K
U3
LM7805CT
1
2
3
IN
GND
OUT
C41
0.1uF
74HC244U13
3
5
7
9
12
14
16
18
17
15
13
11
8
6
4
2
20
19 10
12Y4
2Y3
2Y2
2Y1
1Y4
1Y3
1Y2
1Y1
2A4
2A3
2A2
2A1
1A4
1A3
1A2
1A1
VCC
2OE GND
1OE
U11 74HC377
1
2
5
6
9
1011
1213
14 15
1617
18 19
20
3
4
7
8
ENG
1Q
2Q
3Q
4Q
GNDCLK
5Q5D
6D 6Q
7Q7D
8D 8Q
VCC
1D
2D
3D
4D
D2
1N4148
1 2
R7
3K3
R6 3K3
C37
0.1uF
J2 H8
1
2
3
4
5
6
7
8
D3
1N5818
J13 H3
1
2
3
J11 H5x2
10
8
6
4
2
9
7
5
3
1
10
8
6
4
2
9
7
5
3
1
C40 0.1uF
R38
10K
J18
H2
1
2
L1
470uH
C45
0.1uF
C
RR2
C+8 10K
12
3
4
5
6
7
8
9
C
RR3
C+8 10K
12
3
4
5
6
7
8
9
C7
0.1uF
C4
0.1uF
C
RR4
C+8 10K
12
3
4
5
6
7
8
9
X1
6,144 Mhz
R2 220C6
0.1uF
J19
H2
1
2
R40
10K
U8 MAX202
2
3
4
5
6
7
8 9
10
11
12
13
14
15
161
V+
C1-
C2+
C2-
V-
T2OUT
R2IN R2OUT
T2IN
T1IN
R1OUT
R1IN
T1OUT
GND
VCCC1+
C28
0.1uF
C29
0.1uF
R1
3K3
C46
15pF
C310.1uF
C30
0.1uFC270.1uF
+
C56
1uF/50
+
C57
1uF/50
C5 470pF
74HC244U18
3
5
7
9
12
14
16
18
17
15
13
11
8
6
4
2
20
19 10
12Y4
2Y3
2Y2
2Y1
1Y4
1Y3
1Y2
1Y1
2A4
2A3
2A2
2A1
1A4
1A3
1A2
1A1
VCC
2OE GND
1OE
C47
15pF
R3 0R
C9
0.1uF
D5
4V7
C1
0.1uF
C3
0.1uF
C44
0.1uF
R44 10K
U1
H8S/2633F
1
2
3
4
5
6
7
8
9
11
12
13
14
15
16
17
18
20
21
22
23
24
25
39
10
19
26
27
28
29
30
31
32
33
34
37
38
35
36
40
41
42
43
44
45
46
47
48
51
52
53
54
55
56
57
49
50
58
59
60
62
61
63
64103
104
105
106
107
108
109
110
111
112
113
114
115
116
117
118
119
120
121
122
123
124
125
126
127
128
100
102
101
99
92
93
94
95
96
97
98
91
90
65
66
67
68
69
70
71
72
73
74
75
76
77
78
79
80
81
82
83
84
85
86
87
88
89
MD1
MD2
NC
NC
A0/PC0
A1/PC1
A2/PC2
A3/PC3
VSS
VCC
A5/PC5
PWM0/A6/PC6
PWM1/A7/PC7
VSS
TIOCA3/A8/PB0
PVCC1
TIOCB3/A9/PB1
TIOCD3/A11/PB3
TIOCA4/A12/PB4
TIOCB4/A13/PB5
TIOCA5/A14/PB6
TIOCB5/A15/PB7
A16/PA0
P17/TIOCB2/TCKLD/PWM3
A4/PC4
TIOCC3/A10/PB2
TXD2/A17/PA1
RXD2/A18/PA2
SCK2/A19/PA3
VSS
A20/DACK0/TIOCA0/PO8/P10
A21/DACK1/TIOCB0/PO9/P11
A22/TCKLA/TIOCC0/PO10/P12
A23/TCKLB/TIOCD0/PO11/P13
IRQ0/TIOCA1/PO12/P14
TCKLC/TIOCB1/PO13/P15
IRQ1/PWM2/TIOCA2/PO14/P16
NC
NC
PE0/D0
PE1/D1
PE2/D2
PE3/D3
PE4/D4
PE5/D5
PE6/D6
PE7/D7
VSS
PD1/D9
PD2/D10
PD3/D11
PD4/D12
PD5/D13
PD6/D14
PD7/D15
PD0/D8
PVCC1
P30/TXD0/IRTXD
P31/RXD0/IRRXD
PVCC2
VSS
P32/SCK0/SDA1/IRQ4
P33/TXD1/SCL1
P34/RXD1/SDA0AN0/P40
AN1/P41
AN2/P42
AN3/P43
AN4/P44
AN5/P45
DA0/AN6/P46
DA1/AN7/P47
AN8/P90
AN9/P91
AN10/P92
AN11/P93
AN12/P94
AN13/P95
DA2/AN14/P96
DA3/AN15/P97
AVSS
CS4/DREQ0/TMCI011/TMRI01P70
CS5/DREQ1/TMCI23/TMRI23/P71
SYNCI/CS6/TEND0/TMO0/P72
CS7/TEND1/TMO1/P73
MRES/TMO2/P74
SCK3/TMO3/P75
RXD3/P76
TXD3/P77
MD0
NC
VREF
AVCC
NC
PF6/AS/LCAS
PF5/RD
PF4/HWR
PF3/LWR/ADTRG/IRQ3
PF2/LCAS/WAIT/BREQ0
PF1/BACK/BUZZ
PF0/BREQ/IRQ2
VSS
PF7/CLK
P35/SCK1/SCK4/SCL0/IRQ5
P36/RXD4
NC
NC
P37/TXD4
PG0/CAS/IRQ6
PG1/CS3/OE/IRQ7
PG2/CS2
PG3/CS1
PG4/CS0
WDTOVF
PLLVCC
PLLCAP
PLLVSS
RES
NMI
STBY
FWE
XTAL
VCC
EXTAL
VSS
OSC1
OSC2
PVCC1
C8
0.1uF
C2
0.1uF
C23
0.1uF
+
C49
470uF/50V
D1
1N4148
1 2
J16
H3
1
2
3
R39 10K
R8
0R
74HC244U14
3
5
7
9
12
14
16
18
17
15
13
11
8
6
4
2
20
19 10
12Y4
2Y3
2Y2
2Y1
1Y4
1Y3
1Y2
1Y1
2A4
2A3
2A2
2A1
1A4
1A3
1A2
1A1
VCC
2OE GND
1OE
C34
0.1uF
U5
NME1212S
1
2
3
4
+
C18
10uF/25V
+
C17
10uF/25V
D6
4V7
J8
H13X2
12
34
56
78
910
1112
1314
1516
1718
1920
2122
2324
2526
J20 H2X12
1
3
5
7
9
11
13
15
17
19
21
23
2
4
6
8
10
12
14
16
18
20
22
24
1
3
5
7
9
11
13
15
17
19
21
23
2
4
6
8
10
12
14
16
18
20
22
24
C16
0.1uF
R4 3K3
C50
0.1uF
+
C12
10uF/25V

Via E. Barsanti, 17/A
(Via Tiburtina Km
18,300)
00012 Guidonia (Roma)
Drawn
Checked
Approved
Date
Sheet
Doc.
P/N
Rev.
The present document is property of AMS, any use without
authorization will be prosecuted accordingly to the law.
Description
L. Massenzi
R. Cornacchia
A. Gagliarducci
20/10/2005
1 of 1
Stepper Motors Driver Board
SC02
30
-
01284
-
01
A
50-01692-01
J7
Rev. A
: emissione in riferimento alla RMP n.268
30-01283-..
U5

5
5
4
4
3
3
2
2
1
1
D D
C C
B B
A A
VL
RMP 224
Approved
CheckedDescription
Drawn
Rev.
0
Checked
Approved
10/09/2004
A.G. 10/09/2004
L.M. 10/09/2004
SE-30-01284-01 0
Stepper Motors Driver Board
R.CORNACCHIA
A3
1 1
Title
Size Document Number Rev
Date: Sheet of
SWCA1
PWDCA
CLKCA
RESMOT
DIRCA
SWCA0
DIRFO
SWFO1
CLKFO
RESMOT
SWFO0
PWDFO
PWDBH
RESMOT
CLKBH
DIRBH
SWBH0
SWBH1
CLKBV
RESMOT
SWCU0
DIRCU
SWBV0
RESMOT
SWCU1
SWBV1
CLKWH
PWDBV
CLKCU
SWWH0
RESMOT
PWDWH
PWDCU
DIRBV
SWWH1
DIRWH
ENAFO
CLKRE
SWRE0
DIRRE
ENARE
BHB
ENACU
ENABV
RESMOT
SWRE1
ENACA
ENAWH
BVB
PWDRE
ENABH
DIRPP
PWDPP
PPB
ENAPP
SWPP0
SWPP1
RESMOT
CLKPP
DIRDO
PWDDO
DOB
ENADO
SWDO0
SWDO1
RESMOT
CLKDO
PWDCA
PWDWH
DIRBV
PWDBH
ENACA
ENARE
CLKCU
ENADO
CLKBV
DIRWH
PWDCU
DIRCA
DIRDO
ENAFO
CLKDO
ENAWH
PWDBV
PWDRE
CLKWH
DIRCU
DIRRE
CLKFO
PWDPP
PWDDO
ENAPP
CLKCA
CLKPP
ENACU
CLKBH
DIRBH
CLKRE
PWDFO
ENABV
DIRFO
DIRPP
ENABH
BVBN
BHB
PPAN
PPB
DOBN
BVB
BVAN
PPA
PPBN
BHAN
BHBN
BVA
DOB
DOAN
BHA
DOA
BHBN
BVBN
PPBN DOBN
PPA DOA
BVA
BVAN
BHA
PPAN DOAN
BHAN
SWCU1
SWCU0
SWCA1
SWCA0
SWRE1
SWRE0
SWFO1
SWFO0
SWWH0
SWWH1
SWPP1
SWPP0
SWBH1
SWBH0
SWBV1
SWBV0
SWDO0
SWDO1
FOBN
CUB
CAB
FOB
WHA
CABN
CUBN
CAB
REBN REB
FOA
CABN
REAN
CUBN
WHBN
WHA
WHB
CUA
WHAN
CUB
REA
CAA
REBN
REB
CUA
FOA
CAAN
CUAN
FOAN
REA
CUAN
REAN
FOB
CAA
FOBN
WHAN
CAAN
WHBN
WHB
FOAN
RESMOT
RESMOT
SWCA0
SWCA1
SWCU0
SWCU1
SWRE0
SWRE1
SWFO0
SWFO1
SWWH0
SWWH1
SWPP0
SWPP1
SWBH0
SWBH1
SWBV0
SWBV1
SWDO0
SWDO1
PVCC PVCC
PVCC
PVCC
PVCC
PVCC
PVCC
PVCC
PVCC
PVCC
PVCCPVCC
VB
VM
VM
VM
VM
VM
VM
VM
VM
VM
VMVB
PVCC
R12
1R-2W
C24
0.1uF
J4 MOLEX
1
2
3
4
5
6
D32
R16
1R-2W
D29
C35
3n3
R15
1R-2W
D31
C25
0.1uF
D30
U8 SDIC403
13
7
2
6
3
5
10
8
9
24
23
19
15
20
16
21
18
4
1 22
17
VCC
CK1
RES
CK2
EN
DIR
PD
M1
M2
VMA
FA1
FB1
VMB
FA2
FB2
SA
SB
OSC
GNDD GNDPA
GNDPB
TP1
TP-GND
1
SW5
SW DIP-2
1
2
4
3
SW2
SW DIP-2
1
2
4
3
SW8
SW DIP-2
1
2
4
3
SW4
SW DIP-2
1
2
4
3
SW7
SW DIP-2
1
2
4
3
+
C5100uF/50
C30
3n3
C14
0.1uF
C15
0.1uF
D10
R6
1R-2W
D9
D12
D11
J3
H8X2
1
3
5
7
9
11
2
4
6
8
10
12
1314
1516
1
3
5
7
9
11
2
4
6
8
10
12
1314
1516
R5
1R-2W
U3 SDIC403
13
7
2
6
3
5
10
8
9
24
23
19
15
20
16
21
18
4
1 22
17
VCC
CK1
RES
CK2
EN
DIR
PD
M1
M2
VMA
FA1
FB1
VMB
FA2
FB2
SA
SB
OSC
GNDD GNDPA
GNDPB
C28
3n3
D2
R2
1R-2W
D4
D3
D1
R1
1R-2W
U1 SDIC403
13
7
2
6
3
5
10
8
9
24
23
19
15
20
16
21
18
4
1 22
17
VCC
CK1
RES
CK2
EN
DIR
PD
M1
M2
VMA
FA1
FB1
VMB
FA2
FB2
SA
SB
OSC
GNDD GNDPA
GNDPB
C10
0.1uF
RR2
C+9 10K
2
3
4
5
6
7
8
9
1
10
+
C8100uF/50
+
C3100uF/50
J1 DIN 64_AB-H
1
2
3
4
5
6
7
8
9
10
11
12
13
14
15
16
17
18
19
20
21
22
23
24
25
26
27
28
29
30
31
32
33
34
35
36
37
38
39
40
41
42
43
44
45
46
47
48
49
50
51
52
53
54
55
56
57
58
59
60
61
62
63
64
A1
A2
A3
A4
A5
A6
A7
A8
A9
A10
A11
A12
A13
A14
A15
A16
A17
A18
A19
A20
A21
A22
A23
A24
A25
A26
A27
A28
A29
A30
A31
A32
B1
B2
B3
B4
B5
B6
B7
B8
B9
B10
B11
B12
B13
B14
B15
B16
B17
B18
B19
B20
B21
B22
B23
B24
B25
B26
B27
B28
B29
B30
B31
B32
D33C26
0.1uF
D36
R18
1R-2W
U10
LM2940C
1
2
3
IN
GND
OUT
+
C6100uF/50
C36
3n3
R17
1R-2W
D35
C27
0.1uF
D34
U9 SDIC403
13
7
2
6
3
5
10
8
9
24
23
19
15
20
16
21
18
4
1 22
17
VCC
CK1
RES
CK2
EN
DIR
PD
M1
M2
VMA
FA1
FB1
VMB
FA2
FB2
SA
SB
OSC
GNDD GNDPA
GNDPB
+
C39
470uF/50
SW9
SW DIP-2
1
2
4
3
SW6
SW DIP-2
1
2
4
3
SW3
SW DIP-2
1
2
4
3
+
C37
470uF/50
+
C1100uF/50
RR1
C+9 10K
2
3
4
5
6
7
8
9
1
10
D28
D27
U7 SDIC403
13
7
2
6
3
5
10
8
9
24
23
19
15
20
16
21
18
4
1 22
17
VCC
CK1
RES
CK2
EN
DIR
PD
M1
M2
VMA
FA1
FB1
VMB
FA2
FB2
SA
SB
OSC
GNDD GNDPA
GNDPB
R14
1R-2W
C22
0.1uF
D25
C23
0.1uF
C34
3n3
D26
R13
1R-2W
C11
0.1uF
+
C9100uF/50
+
C4100uF/50
J2 H10X2
12
34
56
78
910
1112
1314
1516
1718
1920
C40
0.1uF
C29
3n3
C12
0.1uF
SW1
SW DIP-2
1
2
4
3
C13
0.1uF
R7
1R-2W
D5
R4
1R-2W
D8
D6
D16
D13
D15
D7
R3
1R-2W
U2 SDIC403
13
7
2
6
3
5
10
8
9
24
23
19
15
20
16
21
18
4
1 22
17
VCC
CK1
RES
CK2
EN
DIR
PD
M1
M2
VMA
FA1
FB1
VMB
FA2
FB2
SA
SB
OSC
GNDD GNDPA
GNDPB
C16
0.1uF
R19
10K
R8
1R-2W
C31
3n3
U4 SDIC403
13
7
2
6
3
5
10
8
9
24
23
19
15
20
16
21
18
4
1 22
17
VCC
CK1
RES
CK2
EN
DIR
PD
M1
M2
VMA
FA1
FB1
VMB
FA2
FB2
SA
SB
OSC
GNDD GNDPA
GNDPB
D14
C17
0.1uF
U5 SDIC403
13
7
2
6
3
5
10
8
9
24
23
19
15
20
16
21
18
4
1 22
17
VCC
CK1
RES
CK2
EN
DIR
PD
M1
M2
VMA
FA1
FB1
VMB
FA2
FB2
SA
SB
OSC
GNDD GNDPA
GNDPB
D18
C32
3n3
C18
0.1uF
C19
0.1uF
R9
1R-2W
D20
R10
1R-2W
D17
C38
0.1uF
D19
D22
D23
D24
U6 SDIC403
13
7
2
6
3
5
10
8
9
24
23
19
15
20
16
21
18
4
1 22
17
VCC
CK1
RES
CK2
EN
DIR
PD
M1
M2
VMA
FA1
FB1
VMB
FA2
FB2
SA
SB
OSC
GNDD GNDPA
GNDPB
D21
C33
3n3
C21
0.1uF
+
C7100uF/50
+
C2100uF/50
R11
1R-2W
C20
0.1uF

Via E. Barsanti, 17/A
(Via Tiburtina Km
18,300)
00012 Guidonia (Roma)
Drawn
Checked
Approved
Date
Sheet
Doc.
P/N
Rev.
The present document is property of AMS, any use without
authorization will be prosecuted accordingly to the law.
Description
L. Massenzi
R. Cornacchia
A. Gagliarducci
20/10/2005
1 of 1
Arm Interface Board (Dx)
SC02
30
-
01282
-
01
B
50-01867-00
50-01692-01
05
-
017
00
-
20
Rev. B: emissione in riferimento alla RMP n.268
Analytical Control Board
30-01283-..

5
5
4
4
3
3
2
2
1
1
D D
C C
B B
A A
Spare
Horizontal Arm Motor Vertical Arm Motor
Horizontal Arm Home
Sensor
Vertical Arm Home
Sensor
Temp. Service
Probe
Leak Arm
Pre-Heater PWS config.
(see Jumper)
Level Sensor and
Pre-Heater
Spare
Housing Fan
(bottom)
Spare
VL
1 GATE
2 DRAIN
3
SOURCE
Spare
Diluter
Valve
Diluter Pump
Diluter Home
Sensor
Diluter Motor
To Front Panel -
Red Led
To Front Panel -
Yellow Led
To Front Panel -
Green Led
(EV3PP)
RMP 224
Approved
CheckedDescription
Drawn
Rev.
0
Checked
Approved
10/09/2004
Peristaltic Pump Motor
A.G. 10/09/2004
L.M. 10/09/2004
SE-30-01282-01 0
Arm Interface Board (dx)
R.CORNACCHIA
A3
1 1
Title
Size Document Number Rev
Date: Sheet of
BVB
BVBN
BVAN
BVA
BHBN
BHB
BHA
BHAN
D-uPACIDBuPACIDB
LAMPV
LAMPR
LAMPG
uPDOS
EVDOS
D-LAMPG
D-uPDOSBVBN
PPAN
DOBN
BVAN
PPBN
BHAN
BHBN
DOAN
D-EVDOS
RISAB
WDT
RISOUTB
PWMB
VPRE
VPRE
VM
RISANB
D-LAMPR
D-LAMPV
VB
INPUTB
RISANB
D-RISOUTB
D-RISOUTB
VPRE
INPUTB
BHA
DOA
BVB
DOB
BHB
BVA
PPA
PPB
D-EVDOS
PPAPPAN
PPA
D-uPACIDB
PPBPPBN
PPB
SB
RISOUTB
OPTOBV
OPTOPP
SLI
TB
LAMPR
DEPR
PWMBLAMPV
CTR1
ARMSW
INPUTB
RISOUTB
SB
TB
OPTODO
PR
LEAKB
OPTOPP
EVDOS
LAMPG
DACB
TA
WDT
OPTOBH
OPTOBV
uPACIDB
LEAKB
RISAB
PV
uPDOS
CTR2
PG
OPTOBH OPTODO
SLI
PWRES
NTC1+
VM
TA
NTC1+
PWRES
ARMSW
DEPR
CTR2
DACB
CTR1
VPRE
D-uPDOS
DOBN
DOAN
DOB
DOA
RISANB
PG
PV
PR
D-LAMPV
D-LAMPR
D-LAMPG
PVCC
VM
PVCC
PVCC PVCC
VM
PVCC
PVCC
VB
VB
VB VBVBVB
VB
VM
VMVMVM VB
VM
VB VB
PVCC
PVCC
VB
PVCC
PVCC
PVCC
PVCC
PVCC
VBVB
PVCC
A
K
E
C
J6
H4
1
2
3
4
R6 2K2
F1
3A
R7 10K
D3 4.7V
R43
560R
R46
10k
R47
10K
R26 10K
J21
MOLEX
1
2
3
4
5
6
TP1
TP-GND
1
A
K
E
C
J8
H4
1
2
3
4
A
K
E
C
J7
H4
1
2
3
4
R8 2K2 R9 10K
D4 4.7V
J12
H2
1
2
J16
H2
1
2
LD2
LED-RED
R18
680R
+
-
U4B
LM358/SO
5
6
7
84
R21
470K
R35
1M
R36
10K
R22
10K
D6
1N4148
1 2
D7
1N4148
1 2
C9
0.1uF
LD3
LED-YELLOW
R45 2K2
Q1
IRF530
R17
10K
J24
H9
1
2
3
4
5
6
7
8
9
J3
H8
1
2
3
4
5
6
7
8
R49 750R
J27
H 5X2
1
3
5
7
9
2
4
6
8
10
1
3
5
7
9
2
4
6
8
10
R48
750R
R41
560R
R53
750R
R52
10K
R51
10K
R50
10K
U1
ULN2803
1
2
3
4
18
17
16
15
5
6
7
9
14
12
10
8 11
13
I1
I2
I3
I4
O1
O2
O3
O4
I5
I6
I7
GND
O5
O7
COM
I8 O8
O6
+
-
U3B
LM358/SO
5
6
7
84
R33 10K
R25 10K
R29
33K
R19
50K
R30
10K
R37
10K
R2 2K2
D1 4.7V
R3 10K
R1
560R
J1
H8
1
2
3
4
5
6
7
8
+
-
U4A
LM358/SO
3
2
1
84
J25
H17X2
1 2
3 4
5 6
7 8
9 10
11 12
13 14
15 16
17 18
19 20
21 22
23 24
25 26
27 28
29 30
31 32
33 34
J26
H8X2
13
11
9
7
5
3
1
14
12
10
8
6
4
2
1516
13
11
9
7
5
3
1
14
12
10
8
6
4
2
1516
J2
H8
1
2
3
4
5
6
7
8
J4
H8
1
2
3
4
5
6
7
8
C8
0.1uF
C7
0.01uF
U2
LM7805CT
1
2
3
IN
GND
OUT
+
C3
100uF/50V
J19
H3
1
2
3
R44
10K
J15
H3
1
2
3
R42
560R
+
C1
100uF/50V
J13
H11
1
2
3
4
5
6
7
8
9
10
11
+
-
U3A
LM358/SO
3
2
1
84
J17
H3
1
2
3
R28 10KR27 10K
R11
10K
+
C11
100uF/50V
R13 1K
LD1
LED-YELLOW
+
C6
100uF/50V
C4
0.1uF
J20
H3
1
2
3
A
K
E
C
J5
H4
1
2
3
4
R4 2K2 R5 10K
D2 4.7V
U5
MIC5021
3 6
8
2 7
5
1
4Ct Sens-
Vbst
INPUT Gate
Sens+
VDD
GND
C10
0.1uF
J14
H3
1
2
3
J23
H3
1
2
3
R31
33K
R34
10K
R20
50K
R32
10K
C2
0.1uF
J22
H2
1
2

Via E. Barsanti, 17/A
(Via Tiburtina Km
18,300)
00012 Guidonia (Roma)
Drawn
Checked
Approved
Date
Sheet
Doc.
P/N
Rev.
The present document is property of AMS, any use without
authorization will be prosecuted accordingly to the law.
Description
L. Massenzi
R. Cornacchia
A. Gagliarducci
20/10/2005
1 of 1
Plate Interface Board (Sx)
SC02
30
-
01281
-
01
A
50
-
01692
-
01
Analytical Control Board
30
-
01283
-
..
Rev. A: emissione in riferimento alla RMP n.268

5
5
4
4
3
3
2
2
1
1
D D
C C
B B
A A
Filter Wheel Home
Sensor
Filter Wheel
Motor
Sample Tray
Motor
Reaction
Tray Motor
Reagent
Tray Motor
Wash Station
Motor
Sample Tray Home
Sensor
Reaction Tray Home
Sensor RGT Tray Home Sensor
Wash Station
Home Sensor
Photometer
Fan
To Lamp PWS board
Room Temperature
Sensor
Spare
uPump
Reaction Tray
Temp. Sensor
Reaction tray
Heater
LEAKPI
Sense
Spare - analog
1
GATE
2
DRAIN
3 SOURCE
Spare - Home
Sensor
Spare
RMP 224
Approved
CheckedDescription
Drawn
Rev.
0
Checked
Approved
10/09/2004
L.M 10/09/2004
A.G. 10/09/2004
SE-30-01281-01 0
Plate Interface Board (sx)
R.CORNACCHIA
A3
1 1
Title
Size Document Number Rev
Date: Sheet of
REB
REBN
REAN
REA
WHB
WHBN
WHAN
WHA
CUAN
CUA
CUB
CUBN
FOAN
FOB
FOBN
NTC2+
NTC2+
CTRLAMP
DACP
D-uPSCAMB
NTC1+
NTC1+
PWRES
CAB
FOB
WHA
CABN
CUBN
REBN REB
FOA
WHBN
WHAN
CUB
REA
CUA
CAAN
CUAN
REAN
CAA
FOBN
WHB
FOAN
FOA CAA
CAAN
CAB
CABN
D-BUZZER
RISCPI
PWRESNTC3+
VM
D-uPSCAMB
OPTOCA
RISCPI
OPTOFO
TP
OPTOWH2
LIQUID1
TP
OPTOCA
LEAKPI
LIQUID2
LEAKPI
WASTE2
OPTORE
OPTOCU
CTR2
LIQUID3
LIQUID4
OPTOCU
uPSCAMB
WASTE2
LIQUID3
CTRLAMP
OPTOFO
LIQUID1
INPUT
TF
WDT
INPUT
uPSCAMB
SP
TF
OPTORE
OPTOWH2
CTR2
D-CTR2
DACP
VM
WDT
VM
NTC3+
SP
DACP
OPTOWH
OPTOWH
WASTE1
WASTE1
BUZZER
LIQUID4
LIQUID2
CTR2 D-CTR2
D-BUZZERBUZZER
VB
VB
VB VB VB VB
VB
PVCC
PVCC
PVCC
PVCC
VB
PVCC
VM
PVCC
PVCC
VL
VL
PVCC
VMVB
VL
VBVB VB VB
PVCC
PVCC
PVCC
PVCC
PVCC
VB
VB
VB
VM
VM
PVCC
PVCC
PVCC
R35 10K
A
K
E
C
J9
H4
1
2
3
4
R7 2K2
D4 4.7V
R8 10K
J28 MOLEX-6
1
2
3
4
5
6
LS1
BUZZER
1
2
R27 10K
TP1
TP-GND
1
A
K
E
C
J6
H4
1
2
3
4
A
K
E
C
J10
H4
1
2
3
4
R9 2K2 R10 10K
D5 4.7V
J17
H2
1
2
R45
10K
LD2
LED-RED
R24
680R
R20
1M
+
C5
100uF/50V
R23
10K
J20
H3
1
2
3
R22
470K
R21
10K
D8
1N4148
1 2
D7
1N4148
1 2
Q1
IRF530
J1
H8
1
2
3
4
5
6
7
8
F1
FUSE 2A
U1
ULN2803
1
2
3
4
18
17
16
15
5
6
7
9
14
12
10
8 11
13
I1
I2
I3
I4
O1
O2
O3
O4
I5
I6
I7
GND
O5
O7
COM
I8 O8
O6
J18
H3
1
2
3
J21
H2
1
2
J15
MOLEX-3
1
2
3
J29
H7
1
2
3
4
5
6
7
J12
H4
1
2
3
4
R31
33K
R32 10K
R34 10K
+
-
U3B
LM358
5
6
7
84
R41
560R
R33
10K
R30
47K
R1 2K2 R2 10K
D1 4.7V
R11
560R
R36 10K
R42
560R
J2
H8
1
2
3
4
5
6
7
8
+
-
U3A
LM358
3
2
1
84
J24
H3
1
2
3
J22
H3
1
2
3
J3
H8
1
2
3
4
5
6
7
8
J16
MOLEX-2
1
2
+
-
U2B
LM358
5
6
7
84
J23
H4
1
2
3
4
J4
H8
1
2
3
4
5
6
7
8
R37 10K
R39 10K
J5
H8
1
2
3
4
5
6
7
8
C3
0.1uF
+
-
U2A
LM358
3
2
1
84
C13
0.1uF
R52 10K
R53
33K
R54
10K
R51
47K
R55 10K
C11
0.01uF
U4
LM7805
1
2
3
IN
GND
OUT
+
C8
100uF/50V
R49 10K
D9 4.7V
R48 2K2
A
K
E
C
J32
H4
1
2
3
4R50
560R
+
C6
100uF/50V
R43
560R
J33
H3
1
2
3
R56 10K
+
C10
100uF/50V
J27 H10X2
12
34
56
78
910
1112
1314
1516
1718
1920
C9
0.1uF
R38
10K
J14
H2
1
2
R44
560R
R4 10K
D2 4.7V
A
K
E
C
J7
H4
1
2
3
4
R3 2K2
J11
H3
1
2
3
U6
MIC5021
3 6
8
2 7
5
1
4Ct Sens-
Vbst
INPUT Gate
Sens+
VDD
GND
J19
H3
1
2
3
J31
H3
1
2
3
C12
0.1uF
D3 4.7V
R26
33K
R6 10K
R47 1K
LD1
LED-YELLOW
A
K
E
C
J8
H4
1
2
3
4
R5 2K2
R29 10K
R28
10K
J26
H13X2
12
34
56
78
910
1112
1314
1516
1718
1920
2122
2324
2526
R25
47K
C7
0.1uF

8
8
7
7
6
6
5
5
4
4
3
3
2
2
1
1
D D
C C
B B
A A
TO
CASE
SOP8
SOP8
SOP8
Drawn
Checked
Approved
Rev. Description ApprovedChecked
Emission0
Photodiode
A.G. 25-05-2002
L.M. 25-05-2002
Per valore di R1 vedi la relativa soluzione
NOTA :
[MA]00107-00 0
PRE-AMPL/ADC
R.CORNACCHIA
A4
1 1Friday, February 06, 2004
Title
Size Document Number Rev
Date: Sheet of
DRDY
G0
G1
DOUT
SCLK
+ VD
+ VS
+ VS
+ VD
-VS
+12,5 V
+12,5 V
+ VS
- V
+ VS
- V
+12,5 V
+ VS
+ VD
R9
10K
0805
R10
10K
0805
C10
.1uF
0805
R11
10K
0805
C9
10uF
U5
MC79L05ACD
12
3
5
6
7
OUTIN
IN
COM
IN
IN
C16
.1uF
0805 C7
.1uF
0805
TR2
100K
3296X
C1
.1uF
0805
C3
.1uF
0805
C8
.1uF
0805
C6
10uF
C5
10uF
R4 5.7K
0805 C15
.1uF
0805
C14
10uF
C13
.1uF
0805
C12
10uF
R5
10K
0805
Z1
LM4040
SOT-23
C4
.1uF
0805
C11
.1uF
0805
VOUT
GND
U1
MC78L05ACD
1
2-3-6-7
8
R6
1
0805
VOUT
GND
U4
MC78L05ACD
1
2-3-6-7
8
-
+
U2
OPA111
TO99
2
3
6
7
5
4
8
1
C18
15pF
0805
JP1
10
8
6
4
2
9
7
5
3
1
10
8
6
4
2
9
7
5
3
1
C17
.1uF
0805
OSC-HS
Y1
OSC4P
3
41
2
R3
5.7K
0805
R2
5.7K
0805
+
-
U6
OPA350
SO8
3
2
6
7
1
4
5
U3
ADS1250
SOL16
1 16
2 15
3 14
4 13
125
6
7
8
11
10
9
+VIN DGND
-VIN G1
AGND G0
VS CS
DRDYVREF
DSYNC
VD
DGND
CLK
SCLK
DOUT
TR1
5K
3296X
R1 ? M
1/4W
R7
10K
0805
C2 100pF
R8
10K
0805
FD1

5
5
4
4
3
3
2
2
1
1
D D
C C
B B
A A
HALOGEN
LAMP
Approved
Checked
Approved
0
Emission
Rev.
Checked
Drawn
Description
03/01/2005
L.M. 03/01/2005
A.G. 03/01/2005
SE-30-01576-00 0
Photometer Lamp Board
R.CORNACCHIA
A4
1 1
Title
Size Document Number Rev
Date: Sheet of
INIT-L
INIT-L
+
C1
100uF/50V
+
C2
10uF/25V
+
C3
100uF/50V
C4
0.1uF
C5
0.1uF
U1
LT1083/TO
3 2
1
VIN VOUT
ADJ
J2
H2
1
2
D1 1N4002
12
R1 1K
R4 0R
R2
400R
R5
1K
R6
100R 3296Y
1 3
2
Q1
2N3904
3
2
1
R3
120R
J1
MOLEX-3
1
2
3

5
5
4
4
3
3
2
2
1
1
D D
C C
B B
A A
1
2
3
Approved
Checked
Approved
0
Emission
Rev.
Checked
Drawn
Description
26/11/2003
A.G. 26/11/2003
L.M. 26/11/2003
SE-10-01478-00 0
Level Sensor Assy
R.CORNACCHIA
A4
1 1
Title
Size Document Number Rev
Date: Sheet of
VCC
VCC
SIGNAL OUT
GND
VM
PROBE
C12 100nF
C11
100nF
C10
100nF
R3
1K
R6
270K
R12
10K
R10
10K
R15 10K
R1 220K
R2 220K
R8
10K
U5
1
2
3
VI
GND
VO
+
C4
10uF/35V
+
C5
10uF/35V
THR
TRG
VCC
Q
VSS
U3
R9
100R 1/8W
R16
4M7
U2
TRG
VCC
RES
VSS
U4
C13
100nF
C9
100pF
R11
10K
Q1
C2
10nF

Via E. Barsanti, 17/A
(Via Tiburtina Km
18,300)
00012 Guidonia (Roma)
Drawn
Checked
Approved
Date
Sheet
Doc.
P/N
Rev.
The present document is property of AMS, any use without
authorization will be prosecuted accordingly to the law.
Description
L. Massenzi
R. Cornacchia
A. Gagliarducci
20/10/2005
1 of 1
Electrovalves Control Board
SC
30
-
01626
-
00
A
Analytical Control Board
30
-
01283
-
..
Rev. A
: emissione in riferimento alla RMP n.268

5
5
4
4
3
3
2
2
1
1
D D
C C
B B
A A
LEAK w
Rev.
Checked Approved
Emission
Approved
0
Drawn
Checked
Description
07/09/2004
Main LID Switch
A.G. 07/09/2004
L.M. 07/09/2004
SE-30-01626-00 0
Electrovalves Control Board
R.CORNACCHIA
A4
1 1
Title
Size Document Number Rev
Date: Sheet of
LIQUID1
WASTE2
WASTE1
LEAKWH
uP2H2O D-uP2H2O
uP1H2O D-uP1H2O
EV3PP D-EV3PP
D-EV1H2OEV1H2O
uPBASICP D-uPBASICP
D-uP1H2OD-uP2H2O
D-uPBAND
D-uPBASICP
D-EV1H2OD-uP2H2O D-uP1H2O D-EV2PP D-EV3PP
SWCOP
LIQUID1
LIQUID3
WASTE1
SWCOP
uP1H2O
EV1PP
uPBASICP
EV1H2O
EV3PP
EV2H2O
uPBAND
EV2PP
uP2H2O
LEAKWH
WASTE2
LIQUID4
LIQUID2
D-uPBANDuPBAND
EV1PP
EV2PP
D-EV1PP
D-EV2PP
EV2H2O
LIQUID2
LIQUID4 LIQUID3
WASTE1WASTE2
D-uPBASICP
D-EV3PPD-EV1PP
D-EV2H2O
D-EV1H2O
D-EV2H2O
D-EV2H2O
PVCC
PVCC
PVCC
VM
VMVM
VM
VM
VMVM VM VM VM
PVCC
PVCCVM
VM VM
PVCC
PVCC
PVCC
PVCC PVCC
VM
VMVM
VM
VM
VM
VM
R1 10K
J9
H2
1
2
EV7
CONN CS
1
2
EV2
CONN CS
1
2
J3
H2
1
2
R5
680R
LD1
LED-RED
R4
10K
R3
470K
R7
10K
R6
1M
D1
1N4148
1 2
D2
1N4148
1 2
EV4
CONN CS
1
2
+
-
U3
TLV2461CP
3
2
6
74
Q1
2N2222
3
2
1
EV3
CONN CS
1
2
R13 220R
R14
10K
J7
H3
1
2
3
U1
ULN2803
1
2
3
4
18
17
16
15
5
6
7
9
14
12
10
8 11
13
I1
I2
I3
I4
O1
O2
O3
O4
I5
I6
I7
GND
O5
O7
COM
I8 O8
O6
J4
H4
1
2
3
4
J5
H4
1
2
3
4
EV5
CONN CS
1
2
J12
H2
1
2
R2 10K
EV6
CONN CS
1
2
J11
H2
1
2
J14
H2
1
2
J13
H2
1
2
R8
10K
R10 10K
+
C2
100uF/50V
C1
0.1
+
C3
100uF/50V
R12
10K
J2
H3
1
2
3R11 10K
U2 LM7805/TO92
1
3
2
VIN
GND
VOUT
R9
10K
EV8
CONN CS
1
2
D3
UF4004
12
J10
H2
1
2
J6 H2X5
1
3
5
7
9
2
4
6
8
10
1
3
5
7
9
2
4
6
8
10
J1 H2X12
1
3
5
7
9
11
13
15
17
19
21
23
2
4
6
8
10
12
14
16
18
20
22
24
1
3
5
7
9
11
13
15
17
19
21
23
2
4
6
8
10
12
14
16
18
20
22
24
J8
H2
1
2

5
5
4
4
3
3
2
2
1
1
D D
C C
B B
A A
Red LED
Yellow LED
Green LED
Approved
Checked
Approved
0
Emission
Rev.
Checked
Drawn
Description
25/02/2005
L.M. 25/02/2005
A.G. 25/02/2005
SE-30-01850-00 0
Control Panel Board
R.CORNACCHIA
A4
1 1
Title
Size Document Number Rev
Date: Sheet of
PG
PV
PR
D-LAMPV
D-LAMPR
D-LAMPG
PG PV PR
D-LAMPG D-LAMPV D-LAMPR
VBVB
VB VB VB
J1
H 5X2
1
3
5
7
9
2
4
6
8
10
1
3
5
7
9
2
4
6
8
10
SW1
PUSHBUTTON-LED Yellow
0
0
1
2
+ -
SW2
PUSHBUTTON-LED Green
0
0
1
2
+ -
SW3
PUSHBUTTON-LED Red
0
0
1
2
+ -

Chapter 05 – DIAGNOSTIC PROGRAM
Ellipse Service Manual Rev. 03 01 June 2009 Page 1
CHAPTER 05
- DIAGNOSTIC PROGRAM -
INDEX
5 DIAGNOSTIC PROGRAM 3
5.1 STATUS BAR 6
5.2 TEST FOLDER 6
5.3 “ARM” FOLDER 7
5.3.1 VERTICAL COMMAND AREA 8
5.3.2 HORIZONTAL COMMAND AREA 8
5.3.3 STATUS COMMAND AREA 9
5.3.4 ARM SETTING COMMAND AREA 9
5.4 “DILUTER” FOLDER 10
5.4.1 OPERATIONS AREA 10
5.4.2 SENSOR STATE AREA 11
5.4.3 USER AREA 11
5.4.4 STATUS COMMAND AREA 11
5.5 “OPTIC” FOLDER 11
5.5.1 OPERATIONS AREA 12
5.5.2 SENSOR STATE AREA 12
5.5.3 FILTERS AREA 12
5.5.4 DIGITAL CONVERSION AREA 13
5.5.5 STATUS COMMAND AREA 13
5.6 “PLATE” FOLDER 13
5.6.1 OPERATIONS AREA 14
5.6.2 MOTOR ON/OFF AREA 15
5.6.3 STATUS COMMAND AREA 15

Chapter 05 – DIAGNOSTIC PROGRAM
Ellipse Service Manual Rev. 03 01 June 2009 Page 2
5.7 “TEMPERATURES” FOLDER 15
5.7.1 TEMPERATURES AREA 16
5.7.2 OFFSET AREA 16
5.7.3 STATUS COMMAND AREA 17
5.8 “WASH” FOLDER 18
5.8.1 OPERATIONS AREA 18
5.8.2 TEST AREA 19
5.8.3 STATUS COMMAND AREA 19
5.9 “USER” FOLDER 20
5.9.1 USER TEST MICRO 2 AREA 20
5.9.2 STATUS COMMAND AREA 21
5.10 “MISCELLANEOUS” FOLDER 21
5.10.1 GENERAL RESET AREA 22
5.10.2 LOG RAW DATA AREA 22
5.10.3 CONTINUOUS TEST RUN 22
5.10.4 STATUS COMMAND AREA 23
5.11 “GLOBAL SETTING” FOLDER 23
5.12 “MACRO SETTING” FOLDER 24
5.13 “CONFIGURATION” FOLDER 25

Chapter 05 – DIAGNOSTIC PROGRAM
Ellipse Service Manual Rev. 03 01 June 2009 Page 3
5 DIAGNOSTIC PROGRAM
The diagnostic program enables the operator to perform a complete check of each of the Ellipse’
module functions.
This program has a folder structure, with each folder containing functions pertaining to the specific
module. To launch the program the operator has to click with the left side of the mouse, on the
Diagnostic area located on the lower right side of the screen of the System Monitor (Fig.1).
The Ellipse must be in the stand-by state to access this area.
Fig. 1
Once the program starts, the following screen appears (Fig. 2)
Fig. 2
The diagnostic program is subdivided into three distinct areas: test folders, optical sensor status,
status bar. The last two areas are present on every diagnostic window.
The three areas enable the operator to verify multiple functions as specified below:
Click Here
Test
Folders
Optical Sensor
Status
Status Bar

Chapter 05 – DIAGNOSTIC PROGRAM
Ellipse Service Manual Rev. 03 01 June 2009 Page 4
Test Folders: checks the functionality of the Ellipse’ various sub-systems; The individual
functions are illustrated later on.
Optical Sensor Status: visualizes the sensor status that controls the Sampling Arm, the Diluter, the
Washing Station, the Optical filter wheel, the Reaction plate, the Sample plate, the Reagent plate and
the Cover Lock, as well as the Liquid Reservoir Alarm, the Front panel button and the Level Sensor
Test (Fig. 3)
Fig. 3
Furthermore, there are three types of unused fields for future use: Leak for Arm, Washing Station and
Plate. While the program is running, the fields given in the figure can be either of two distinct colors,
red or green.
The fields:
• Vertical Arm’s Optical Switch (O.S.)
• Horizontal Arm’s Optical Switch (O.S.)
• Diluter’s Optical Switch (O.S.)
• Wash Station’s Optical Switch (O.S.)
• Filter Wheel’s Optical Switch (O.S.)
• Reaction Plate’s Optical Switch (O.S.)
• Sample Plate’s Optical Switch (O.S.)
• Reagent Plate’s Optical Switch (O.S.)
turn green when the specific device is in the home position, and turn red when not in the home position.
The field
• Cover Lock
turns green when the cover is closed, and turns red when open.

Chapter 05 – DIAGNOSTIC PROGRAM
Ellipse Service Manual Rev. 03 01 June 2009 Page 5
The fields:
• Arm Leak Alarm (Arm Leaking)
• Wash Station Leak Alarm (Wash Station Leaking)
• Plate Leak Alarm (Reaction Plate Leaking)
Turn green when there is no leaking, and red when there is.
The following six fields signal the alarms for the bottles containing the washings liquids and waste
materials:
• Waste1 Liquid Reservoir Alarm
• Waste2 Liquid Reservoir Alarm
Turning green when the liquid level is not excessive, and red when the waste bottle indicated by the
alarm is almost full.
• Liquid 1 Liquid Reservoir Alarm
• Liquid 2 Liquid Reservoir Alarm
• Liquid 3 Liquid Reservoir Alarm
• Liquid 4 Liquid Reservoir Alarm
Turning green if the liquid level is above the predetermined minimum limit, and red if the liquid
quantity is below the predetermined minimum level (the bottle is almost empty).
The following fields signal the state of the button on the Ellipse’s operator panel:
• Al.Res. Front Panel Button
• St-By Front Panel Button
• Ready Front Panel Button
Turning green when the button is not pushed in, and red if it is.
The field
• Test ON
It is green fixed; if pushed, on the right of it will be showed a red drop that becomes temporarily green
when the liquid is detected.

Chapter 05 – DIAGNOSTIC PROGRAM
Ellipse Service Manual Rev. 03 01 June 2009 Page 6
5.1 STATUS BAR
Monitors the instrument’s status (Fig.4).
Fig. 4
5.2 TEST FOLDER
The following is a summary of each individual test folder’s function.
The Ellipse’s diagnostic program is subdivided into 10 folders:
Arm: the adjustment of the arm position can be checked and carried out;
Diluter: checks if the diluter is functioning correctly;
Optic: checks if the optical block is functioning correctly;
Plate: checks if the reaction, samples and reagents plates are functioning correctly;
Temperature: checks the temperature of the pre-heater and reaction plate;
Wash: checks if the wash station is functioning correctly;
User: checks if the user functions are working properly;
Miscellaneous: performs general checks;
Macro Setting: the operator can identify which macros have been loaded;
Configuration: Through the use of a password, only qualified technical personal can adjust
certain parameters (This file is not accessible to the Laboratory operator).
Instrument Status
Al. Res Status Indicator
Ready Status Indicator
Date
Start/Stop Diagnostics
Firmware Rel.
Time

Chapter 05 – DIAGNOSTIC PROGRAM
Ellipse Service Manual Rev. 03 01 June 2009 Page 7
5.3 “ARM” FOLDER
Warning: the improper use of the functions described in this folder can damage the sampling probe.
The Arm File is subdivided into four areas:
♦ VERTICAL
♦ HORIZONTAL
♦ STATUS COMMAND
♦ ARM SETTING

Chapter 05 – DIAGNOSTIC PROGRAM
Ellipse Service Manual Rev. 03 01 June 2009 Page 8
5.3.1 VERTICAL COMMAND AREA
(5 commands)
Home: Brings the arm vertically to a home position;
Down Well: Brings the arm’s axis “z” to the height of the well;
Up: Raises the arm tenths of a millimeter as preset in the square found immediately
on the right, with relation to the previous Down movement;
the box becomes active when the arm is positioned on a sample, a reagent, a
standard or a cuvette.
Down: Lowers the arm tenths of a millimeter as pre-determined by the square found
immediately on the right; the box becomes active when the arm is positioned on
a sample, a reagent, a standard or a cuvette.
Go Level: Brings the probe to either the reagent level, the sample or the standard and reads
the level. Before giving this command, it is necessary to set the parameter for the
probe’s maximum lowering level in the max area (mm);
5.3.2 HORIZONTAL COMMAND AREA
(5 commands)
Back to wash well: Brings the arm back to the home position;
Go Reag.: Brings the arm to the reagent position specified in the sheet menu next to the
command;
Go Sample: Brings the arm to the sample position specified in the sheet menu next to the
command;
Go Std.: Brings the arm to the standard/control position specified in the sheet menu next
to the command;
Go Disp.: Brings the arm to the dispense position;

Chapter 05 – DIAGNOSTIC PROGRAM
Ellipse Service Manual Rev. 03 01 June 2009 Page 9
5.3.3 STATUS COMMAND AREA
Send: Visualizes the commands sent from the program to the instrument hardware;
Receive: Visualizes the answers of the instrument’s hardware to the commands sent by the
program;
Sensor State: Indicates the sensor status relative to the arm’s vertical axis, the internal arm and
the external arm.
5.3.4 ARM SETTING COMMAND AREA
(5 commands)
Step: Visualizes the number of steps.
+ : Performs the counter-clockwise rotation of the arm (to adjust the position);
- : Performs the clockwise rotation of the arm (to adjust the position);
Save: Saves the adjustment data;
Reset: Completely resets the Arm
In this area the boxes can be activated when the arm is positioned on a sample, a reagent, a standard or
a control or a cuvette.

Chapter 05 – DIAGNOSTIC PROGRAM
Ellipse Service Manual Rev. 03 01 June 2009 Page 10
5.4 “DILUTER” FOLDER
The Diluter Folder is subdivided into four areas:
♦ OPERATIONS
♦ SENSOR STATE
♦ USER
♦ STATUS COMMAND
5.4.1 OPERATIONS AREA
(3 commands)
Home: Brings the diluter to the Home position;
Asp: Aspirates the micro-litres as predetermined in the ul. box (may be set manually
through + and – or by using the cursor located immediately above);
Disp.: Distributes the micro-litres as predetermined in the ul. box (may be set manually
through + and – or by using the cursor located immediately above);

Chapter 05 – DIAGNOSTIC PROGRAM
Ellipse Service Manual Rev. 03 01 June 2009 Page 11
5.4.2 SENSOR STATE AREA
In the Sensor State area the diluter sensor status is indicated.
5.4.3 USER AREA
(1 command)
Probe Wash Test: Activates and deactivates the probe wash system
5.4.4 STATUS COMMAND AREA
Send: Visualizes the commands sent by the program to the instrument hardware;
Receive: Visualizes the instrument hardware’s response to the commands sent by the
program.
5.5 “OPTIC” FOLDER

Chapter 05 – DIAGNOSTIC PROGRAM
Ellipse Service Manual Rev. 03 01 June 2009 Page 12
The Optic folder is subdivided into five areas:
♦ OPERATIONS
♦ SENSOR STATUS
♦ FILTERS
♦ DIGITAL CONVERSION
♦ STATUS COMMAND
5.5.1 OPERATIONS AREA
(2 commands)
Lamp ON: Turns on the Optic Lamp;
Lamp OFF: Turns off the Optic Lamp;
5.5.2 SENSOR STATE AREA
This area indicates the status of the wheel filters.
5.5.3 FILTERS AREA
(10 commands)
Reset : Positions the wheel filters in home position (dark);
340 nm: Positions filter n° 1 in front of the reading sensor;
380 nm: Positions filter n° 2 in front of the reading sensor;
405 nm: Positions filter n° 3 in front of the reading sensor;;
492 nm: Positions filter n° 4 in front of the reading sensor;
510 nm: Positions filter n° 5 in front of the reading sensor;
546 nm: Positions filter n° 6 in front of the reading sensor;
577 nm: Positions filter n° 7 in front of the reading sensor;
620 nm: Positions filter n° 8 in front of the reading sensor;
Spare: Positions filter n° 9 in front of the reading sensor (Optional);

Chapter 05 – DIAGNOSTIC PROGRAM
Ellipse Service Manual Rev. 03 01 June 2009 Page 13
5.5.4 DIGITAL CONVERSION AREA
(2 commands)
START/STOP Sample Channel Conversion: Performs an analogical/digital conversion of the
principal channel;
START/STOP Reference Channel Conversion: Performs an analogical/digital conversion of the
reference channel;
5.5.5 STATUS COMMAND AREA
Send: Visualizes the commands sent by the program to the instrument hardware;
Receive: Visualizes the instrument hardware’s response to the commands sent by the
program.
5.6 “PLATE” FOLDER

Chapter 05 – DIAGNOSTIC PROGRAM
Ellipse Service Manual Rev. 03 01 June 2009 Page 14
The Plate Folder is subdivided into three areas:
♦ OPERATIONS
♦ ALL MOTORS ON/OFF
♦ STATUS COMMAND
5.6.1 OPERATIONS AREA
Reaction Plate area:
(3 commands)
To Disp.: Automatically positions the cuvette, indicated on the sheet menu aside, under the
dispensing position
To Optic: Automatically positions the cuvette, indicated on the sheet menu aside, in front
of the colorimeter
Reset: Performs the reset of the reaction plate by positioning the # 1 cuvette in the
dispensing position
Sample Plate area:
(2 commands)
To Asp.: Automatically brings sample, indicated on the sheet menu aside, under the
aspiration position
Reset: Performs the reset of the sample plate by positioning the # 1 sample in the
aspiration position
Reagent Plate:
(2 commands)
To Asp.: Automatically brings reagent, indicated on the sheet menu aside, under the
aspiration position
Reset: Performs the reset of the sample plate by positioning the # 1 reagent in the
aspiration position

Chapter 05 – DIAGNOSTIC PROGRAM
Ellipse Service Manual Rev. 03 01 June 2009 Page 15
5.6.2 ALL MOTORS ON/OFF AREA
(1 command)
ALL Motors ON/OFF: Engages/Disengages the motors to allow a manual movement of the modules
(Sampling Arm; Reaction, Reagents and samples Plates, Washing Station, Filter Wheel and Peristaltic
Pump).
5.6.3 STATUS COMMAND AREA
Send: Visualizes the commands sent by the program to the instrument hardware;
Receive: Visualizes the instrument hardware’s response to the commands received from
the program.
5.7 “TEMPERATURES” FOLDER

Chapter 05 – DIAGNOSTIC PROGRAM
Ellipse Service Manual Rev. 03 01 June 2009 Page 16
The Temperature Folder is subdivided into three areas:
Temperatures
Offset
Status Command
5.7.1 TEMPERATURES AREA
(4 commands)
Temp. Test Run: To enter in the Temperature Test folder
Plate: Performs a temperature reading in the reaction plate compartment;
Arm: Performs a temperature reading in the arm’s pre-heater.
Calib. Sensor: To carry out the calibration procedure of the thermometric probe included
in the kit P/N 55-01204-00, as illustrated in Chapter Six “Settings and
Adjustments”.
5.7.2 OFFSET AREA
(2 commands)
To correlate the thermometric probe included in the kit P/N 55-01204-00 with another reference
thermometric probe.
Service probe: The offset value that has been previously inserted and the temperature value
read by the thermometric probe appear in the closed fields.
Cursor: To enter the offset value ± 3 C°. The offset value will be zero after exiting
from the folder.

Chapter 05 – DIAGNOSTIC PROGRAM
Ellipse Service Manual Rev. 03 01 June 2009 Page 17
TEMPERATURE TEST AREA
(3 commands)
START: To perform the test check and to regulate the temperature of the preheater and of the
reaction plate by using the kit P/N 55-01204-00, as illustrated in Chapter 6 “Setting
and Adjustments”.
The number of sample cycles are predefined, whereas the reagent and sample
positions for test execution can be selected by the operator.
Service Probe: The field in which the temperature of the service probe appears.
WASH: To run a wash cycle on the cuvettes used for testing.
EXIT: To exit from the Temperature Test box and to run a wash cycle on the cuvettes if
they have been used.
5.7.3 STATUS COMMAND AREA
Send: Visualizes the commands sent by the program to the instrument hardware;
Receive: Visualizes the instrument hardware’s response to the commands sent by the program.

Chapter 05 – DIAGNOSTIC PROGRAM
Ellipse Service Manual Rev. 03 01 June 2009 Page 18
5.8“WASH” FOLDER
The Wash folder is subdivided into three areas:
♦ OPERATIONS
♦ TEST
♦ STATUS COMMAND
5.8.1 OPERATIONS AREA
(2 commands)
Home: Brings the washing device to the Home position;
Down: Makes the washing device go down to the washing position.

Chapter 05 – DIAGNOSTIC PROGRAM
Ellipse Service Manual Rev. 03 01 June 2009 Page 19
5.8.2 TEST AREA
(5 commands)
Test P5 + E.V. 5: Performs switching on of the E.V. 5 solenoid valve and turns on the P5 pump
and automatically switching off the E.V. 5 solenoid valve and turns off the P5
pump after a period of four seconds
Test P5: It turns on the µP5 pump and automatically turns it off after a period of four
seconds.
Test P6–Cuvette Dry:It turns on the µP6 pump and automatically turns it off after a period of four
seconds.
Peristaltic Pump: It turns on the peristaltic pump and automatically turns it off after one second.
Washing Cycle: It performs the functional check of the Washing Station , as illustrated in
Chapter Six “Settings and Adjustments”.
5.8.3 STATUS COMMAND AREA
Send: Visualizes the commands sent by the program to the instrument hardware;
Receive: Visualizes the instrument hardware’s response to the commands sent by the
program.

Chapter 05 – DIAGNOSTIC PROGRAM
Ellipse Service Manual Rev. 03 01 June 2009 Page 20
5.9 “USER” FOLDER
The User Folder is subdivided into two areas:
♦ USER TEST MICRO
♦ STATUS COMMAND
5.9.1 USER TEST MICRO AREA
(3 commands)
Alarms ON: Turns on and off the Alarms indicator lamp;
Ready ON: Turns on and off the READY indicator lamp;
Test BUZZER: Performs a complete operational test of the buzzer;

Chapter 05 – DIAGNOSTIC PROGRAM
Ellipse Service Manual Rev. 03 01 June 2009 Page 21
5.9.2 STATUS COMMAND AREA
Send: Visualizes the commands sent by the program to the instrument
hardware;
Receive: Visualizes the instrument hardware’s response to the commands sent
by the program.
5.10 “MISCELLANEOUS” FOLDER
The Miscellaneous folder is subdivided into four areas:
- General Reset
- Log Raw data
- Continuous Test Run
- Status Command

Chapter 05 – DIAGNOSTIC PROGRAM
Ellipse Service Manual Rev. 03 01 June 2009 Page 22
5.10.1 GENERAL RESET AREA
(1 command)
Reset: Performs the resetting of the general system.
5.10.2 LOG RAW DATA AREA
(1 command)
Enable: To save a copy of the files for the technical diagnosis if the instrument
malfunctions. The files are memorized in the folder “Log” inside the folder
“Analyzer”.
5.10.3 CONTINUOUS TEST RUN
(1 command)
Start Test: Performs an automatic test during which the modules (Sampling Arm, Reaction
plate, Washing Station and Photometer) are moved to all the different positions.
The correct modules positioning is also automatically verified and showed on the following table:
To stop the test push on the “Exit Test” key

Chapter 05 – DIAGNOSTIC PROGRAM
Ellipse Service Manual Rev. 03 01 June 2009 Page 23
5.10.4 STATUS COMMAND AREA
Send: Visualizes the commands sent by the program to the instrument hardware
Receive: Visualizes the instrument hardware’s response to the commands.
5.11 “GLOBAL SETTING” FOLDER
The Global Setting Folder is for next application.

Chapter 05 – DIAGNOSTIC PROGRAM
Ellipse Service Manual Rev. 03 01 June 2009 Page 24
5.12 “MACRO SETTING” FOLDER
This folder allows the user to read the macro present in the Ellipse.
To read the macro follow the below procedure:
⇒ Select from the menu sheet “Read Macro” the number of relevant macro;
⇒ Click with the left side of the mouse on the Read area;
⇒ If the Macro requested exists, the information will appear in the designated area.

Chapter 05 – DIAGNOSTIC PROGRAM
Ellipse Service Manual Rev. 03 01 June 2009 Page 25
5.13 “CONFIGURATION” FOLDER
This folder may be accessed only by qualified technical assistant.
It is necessary for the technical assistant to insert a password to access this folder.
The Configuration Folder is subdivided into four areas:
• Gap
• Backlash Dil.
• Heater
• Wash. Well level Test

Chapter 05 – DIAGNOSTIC PROGRAM
Ellipse Service Manual Rev. 03 01 June 2009 Page 26
Gap: defines the volume, in µL, of the air bubble that separates the Rinse (the liquid column into the
sampling arm tube) from the sampled reagent; this volume must be set in the range from 10 to 24
(Standard value 16).
For the correct setting of the gap volume it is necessary to apply the procedure of BIB (Precision
check of the Analytical plate) and BIC (Volume precision check of the Sampling line).
If BIC’s CV values should exceed the limit specified below, the GAP has to be increased by
steps of 2 µL (starting from 10 µL) until obtaining the expected BIC’s CV value
Precision check of the Analytical plate BIB
Prepare two series of 32 samples each by using a diluted solution of K2Cr2O7 (obtained from 4
gr/l concentrated solution diluted 1:100 with Rinse solution (distilled water + 1000 µL/litre of Brij))
Use the same solution as samples and reagent
Program a new method with the following parameters:
Method name: BIB
Type: End Point
Sample volume K2Cr2O7 0,04 gr/l 3 µL
Reagent volume K2Cr2O7 0,04 gr/l 300 µL
Rinse volume 20 µL
Filter: 340 nm
Incubation time: 116 sec
Calculation factor: 1000
BIB Procedure
1. Select conical cup in Options
2. Program the BIB method using the above parameters and configure a reagent rack containing it
3. Enter in the calibration screen and select RBL for BIB method.
4. Put the Rinse solution as reagent and standard (fourteenth position of the Crt/Std rack) and Start
the Calibration

Chapter 05 – DIAGNOSTIC PROGRAM
Ellipse Service Manual Rev. 03 01 June 2009 Page 27
5. Program 64 BIB; fill 32 conical samples cup with K2Cr2O7 0,04 gr/l
6. Load the samples racks into the Analyzer at positions 1 and 2
7. Substitute the Rinse Solution with K2Cr2O7 0,04 gr/l in the reagent rack
8. Start the Analyzer. At the end of the last sampling, move the samples racks to positions 3 and 4.
The mean of the reading obtained from each of the 32 sample series must fall within 360 ÷ 400.
The coefficient of variation (CV %) must be lower than 0.7 % for each series of 32 samples.
Precision check of the Sampling volume BIC
Prepare two series of 32 samples each by using K2Cr2O7 4 gr/l (concentrated)
Put Rinse Solution as reagent and K2Cr2O7 solution as sample.
Program a new method with the following parameters:
Method name: BIC
Type: End Point
Sample volume K2Cr2O7 4 gr/l 3 µL
Reagent volume RINSE Solution (distilled water + 1000 µL/litre of Brij) 300 µL
Filter: 340 nm
Incubation time: 116 sec
Calculation factor: 1000
BIC Procedure
1. Program the BIC method using the above parameters and configure a reagent rack
2. Enter in the Calibration screen and select RBL for BIC method.
3. Put the Rinse Solution as reagent and Standard (fourteenth position of the Crt/Std rack) and
Start the Calibration
4. Program 64 BIC ; fill 32 conical samples cup with K2Cr2O7 4 gr/l (concentrated)
5. Load the samples racks into the Analyzer at positions 1 and 2
6. Start the Analyzer. At the end of the last sampling, move the sample racks to positions 3 and 4.

Chapter 05 – DIAGNOSTIC PROGRAM
Ellipse Service Manual Rev. 03 01 June 2009 Page 28
The mean of the readings obtained from each of the 32 sample series must fall between 350 ÷ 450.
The coefficient of variation (CV %) must be lower than 1.6 % for each series of 32 samples
If BIC’s CV values should exceed the limit specified above, the GAP has to be increased by steps
of 2 µL (starting from 10 µL) until obtaining the expected BIC’s CV value
Backlash Dil.: Allows to recover the sampling imprecision generated by the motor when it inverts
its rotation; the setting is expressed in µL and obtained by using the following
procedure:
1. Enter in the Diagnostic Arm folder menu and make the Sampling Arm “Reset”
2. Enter in the Diluter folder, press the “HOME” button and then Push “PROBE WASH TEST”
button three times in order to fill the hydraulic sampling line
3. Remove the plastic cover of the sample racks vane and take out the samples racks
4. Enter in the ARM folder and push the “GO” button in order to move the probe to sample
position # 1
5. Put a sample cup containing distilled water (about 1ml) under the sampling probe
6. Enter in the DILUTER folder and aspirate 300 µL of distilled water from the cup
7. Remove the sample cup containing distilled water
8. Select 1 µL to dispense and press the “Disp” key repeatedly until water appears on the tip of the
probe.
9. Substract 1 from the number of times you pressed the “Disp” key. The obtained number has to
be introduced as BACKLASH value
10. Push the Save button to memorize the inserted data
11. Push the Reset button into the ARM folder
12. Close the Diagnostic program by clicking on the Diagnostic button

Chapter 05 – DIAGNOSTIC PROGRAM
Ellipse Service Manual Rev. 03 01 June 2009 Page 29
Heater: to adjust the preheater and reaction plate temperatures;
Wash. Well level Test: By clicking on the “Run Test” button the system performs an automatic
verification and adjustment cycle for the liquid level in the washing well.
A number appears in the box “Level” that corresponds to the rotation time
of the rinse pump in milliseconds, that is necessary to maintain the correct
liquid level in the washing well.
The functioning range is between 350 and 700 milliseconds. If the
washing well is not sufficiently filled, a message appears to warn the user
to check the hydraulic line.
If the value taken during the test is different from the previous one, it is
necessary to click on “Save” in order to save the new data.

Chapter 06 – SETTINGS AND ADJUSTMENTS
Ellipse Service Manual Rev. 04 01 October 2009 Page 1
CHAPTER 06
- SETTING AND ADJUSTMENTS -
INDEX
6 SETTING AND ADJUSTMENTS 4
6.1 SAMPLING ARM 4
6.1.1 ALIGNMENT AND ADJUSTMENTS 4
6.1.2 REPLACEMENT OF THE SAMPLING PROBE 9
6.1.3 REPLACEMENT OF THE SAMPLING ARM 13
6.1.4 REPLACEMENT OF THE ARM HOME SENSORS 16
6.1.4.1 Replacement of the Horizontal Arm Home Sensor 16
6.1.4.2 Replacement of the Vertical Arm Home Sensor 18
6.1.5 REPLACEMENT OF THE SAMPLING ARM MOTORS 19
6.1.5.1 Replacement of the Horizontal Arm Motor 19
6.1.5.2 Replacement of the Vertical Sampling Arm Motor 22
6.1.6 REPLACEMENT OF THE SAMPLING ARM BELTS 24
6.1.6.1 Replacement of the Horizontal Sampling Arm Belt 24
6.1.6.2 Replacement of the Vertical Sampling Arm Belt 26
6.2 DILUTER MODULE 27
6.2.1 REPLACEMENT OF THE DILUTER MODULE 27
6.2.2 REPLACEMENT OF THE DILUTER MICROPUMP 32
6.2.3 REPLACEMENT OF THE DILUTER ELECTROVALVE 35
6.2.4 REPLACEMENT OF THE DILUTER HOME SENSOR 36
6.3 PRE-HEATER AND LEVEL SENSOR 38
6.3.1 SUBSTITUTION OF THE PRE-HEATER AND LEVEL SENSOR ASSEMBLY 38
6.3.2 LEVEL SENSOR – CHECK AND ADJUSTMENT PROCEDURE 40
6.4 OPTIC ASSEMBLY 44
6.4.1 SUBSTITUTION OPTIC ASSEMBLY 44
6.4.2 SUBSTITUTION OF THE OPTIC LAMP 46
6.4.3 ELECTRONIC ADJUSTMENT OF THE OPTIC 47
6.4.4 SUBSTITUTION OF THE OPTO SENSOR 49
6.4.5 SUBSTITUTION OF THE MOTOR 50
6.4.6 SUBSTITUTION OF THE OPTIC FILTERS 51
6.5 PLATES 52
6.5.1 REMOVAL OF THE PLATES ASSEMBLY 52

Chapter 06 – SETTINGS AND ADJUSTMENTS
Ellipse Service Manual Rev. 04 01 October 2009 Page 2
6.5.2 REPLACEMENT OF THE REAGENTS PLATE MOTOR 58
6.5.3 REPLACEMENT OF THE SAMPLES PLATE MOTOR 62
6.5.4 REPLACEMENT OF THE REACTIONS PLATE MOTOR 65
6.5.5 REPLACEMENT OF THE REAGENTS PLATE BELT 67
6.5.6 REPLACEMENT OF THE SAMPLES PLATE BELT 68
6.5.7 REPLACEMENT OF THE REACTIONS PLATE BELT 70
6.5.8 REPLACEMENT OF THE REAGENTS PLATE PULLEY 72
6.5.9 REPLACEMENT OF THE SAMPLES PLATE PULLEY 73
6.5.10 EPLACEMENT OF THE REACTIONS PLATE BELT 73
6.5.11 REPLACEMENT OF THE REAGENTS PLATE HOME SENSOR 75
6.5.12 REPLACEMENT OF THE SAMPLES PLATE HOME SENSOR 77
6.5.13 REPLACEMENT OF THE REACTIONS PLATE HOME SENSOR 78
6.5.14 ALIGNMENT AND ADJUSTMENT OF THE REAGENTS PLATE 79
6.5.14.1 Alignment and adjustment of the Reagents Plate in case of replacement of the Reagents Plate motor
or of the Reagents Plate belt 79
6.5.14.2 Alignment and adjustment of the Reagents Plate in case of replacement of the Reagents Plate pulley 80
6.5.14.3 Alignment and adjustment of the Reagents Plate in case of replacement of the Reagents Plate
Home Sensor 82
6.5.15 ALIGNMENT AND ADJUSTMENT OF THE SAMPLE PLATE 83
6.5.15.1 Alignment and adjustment of the Sample Plate in case of replacement of the Samples Plate motor
or of the Samples Plate belt 83
6.5.15.2 Alignment and adjustment of the Samples Plate in case of replacement of the Samples Plate pulley 84
6.5.15.3 Alignment and adjustment of the Samples Plate in case of replacement of the Samples Plate
Home Sensor 85
6.5.16 ALIGNMENT AND ADJUSTMENT OF THE REACTIONS PLATE 86
6.5.16.1 Alignment and adjustment of the Reaction Plate in case of replacement of the Reaction Plate motor
or of the Reaction Plate belt 86
6.5.16.2 Alignment and adjustment of the Reactions Plate in case of replacement of the Reactions Plate pulley 88
6.5.16.3 Alignment and adjustment of the Reactions Plate in case of replacement of the Reactions Plate
Home Sensor 90
6.6 WASHING STATION ASSEMBLY 92
6.6.1 SUBSTITUTION OF THE WASHING STATION ASSEMBLY 92
6.6.2 SUBSTITUTION OF THE WASHING STATION HOME SENSOR 94
6.6.3 SUBSTITUTION OF THE WASHING STATION MOTOR 95
6.6.4 WASHING STATION ASSEMBLY - MECHANICAL ADJUSTMENT 96
6.6.5 WASHING STATION - FUNCTIONAL CHECK 97
6.7 WASH PUMP ASSEMBLY 98
6.7.1 SUBSTITUTION OF THE WASH PUMP ASSEMBLY 98
6.7.2 SUBSTITUTION OF PART(S) 101
6.7.3 FUNCTION CHECK FOR THE WASH PUMP ASSEMBLY 101
6.8 PERISTALTIC PUMP ASSEMBLY 103
6.8.1 SUBSTITUTION OF THE PERISTALTIC PUMP ASSEMBLY 103

Chapter 06 – SETTINGS AND ADJUSTMENTS
Ellipse Service Manual Rev. 04 01 October 2009 Page 3
6.8.2 SUBSTITUTION OF THE PERISTALTIC PUMP TUBES 104
6.8.3 SUBSTITUTION OF THE PERISTALTIC PUMP MOTOR 106
6.8.4 FUNCTION CHECK FOR THE PERISTALTIC PUMP 106
6.9 SUBSTITUTION OF THE ELECTRONICS BOARDS 107
6.9.1 ANALYTICAL CONTROL BOARD Cd. 30-01283-01 107
6.9.2 STEPPER MOTORS DRIVER BOARD Cd. 30-01284-01 108
6.9.3 ARM INTERFACE BOARD Cd. 30-01282-01 109
6.9.4 PLATE INTERFACE BOARD Cd. 30-01281-01 110

Chapter 06 – SETTINGS AND ADJUSTMENTS
Ellipse Service Manual Rev. 04 01 October 2009 Page
4
6 SETTINGS AND ADJUSTMENTS
6.1 SAMPLING ARM
6.1.1 ALIGNMENT AND ADJUSTMENTS
N.B.: Make sure that the instrument (Ellipse) is turned on before performing this procedure.
1. Launch the “Diagnostic” program.
2. Select "Miscellaneous” folder and request an Instrument General Reset. Wait until the reset
instrument procedure has been completed.
3. Make sure that all the Home Sensors of the Sampling Arm (Vertical and Horizontal),
Reactions, Reagents and Samples Plates light up in green.
4. Make sure that the Sampling Probe is well-placed on the Sampling Arm (see par. 6.1.2).
5. Make sure that the Sampling Probe is centered with respect to the Washing Well (note: the
centering of the Sampling Probe with respect to the Washing Well must be checked on the
entire stroke of the Sampling Arm). If it not be so, adjust in the following way:
a. remove the Sampling Arm protective cover unscrewing its fastening screw (Fig. 1);
b. loosen the set screw of the Horizontal Arm Home Sensor flat bar (Fig. 2);
c. rotate the flat bar in the right toward in order to obtain the centering;
d. tighten the set screw of the Horizontal Arm Home Sensor flat bar;
e. select “Arm” folder and click the “Reset” button. Wait until the reset arm procedure has been
completed;
f. verify the accurate centering of the Sampling Arm with respect to the Washing Well. If it not
be so, repeat the steps from 5.b to 5.f .

Chapter 06 – SETTINGS AND ADJUSTMENTS
Ellipse Service Manual Rev. 04 01 October 2009 Page 5
Sampling Arm
Fig. 1 – Protective covers
Fig. 2 – Horizontal Arm Home Sensor
6. verify the verticality of the Sampling Probe with respect to the Washing Well. If it not be so,
adjust in the following way:
Sampling Arm
protective cover
Sampling Arm
protective cover
fastening screw
Horizontal Arm Home
Sensor flat bar
Set screw of the Horizontal
Arm Home Sensor flat bar
Horizontal Arm
Home Sensor
Diluter protective
cover
Diluter protective
cover fastening screw
Preheater fastenin
g
screw
Horizontal Arm Home
Sensor fastening screw
Slit
Washing Well

Chapter 06 – SETTINGS AND ADJUSTMENTS
Ellipse Service Manual Rev. 04 01 October 2009 Page
6
a. loosen slightly the Screw “A” in order to obtain a longitudinal motion of the Sampling Arm
head (Fig. 3) and/or loosen slightly the Screw “B” (or “Preheater Head fastening screw”) in
order to obtain a latitudinal motion of the Sampling Arm head (Fig. 4);
b. center the Sampling Probe with respect to the Washing Well (checking its verticality for the
entire stroke of the Sampling Arm);
c. tighten the Screw “A” and/or the Screw “B”;
d. verify the accurate verticality of the Sampling Probe with respect to the Washing Well. If it
not be so, repeat the steps from 6.a to 6.d .
Fig. 3 – Longitudinal motion of the Sampling Arm head
Screw “A”
S
crew “B”
Longitudinal motion
Latitudinal motion

Chapter 06 – SETTINGS AND ADJUSTMENTS
Ellipse Service Manual Rev. 04 01 October 2009 Page
7
Fig. 4 – Latitudinal motion of the Sampling Arm head
7. Make sure that the distance between the top edge of the Washing Well and the tip of the
Sampling Probe is 25 mm.
8. Adjust the Vertical Arm Home Sensor loosing its two fastening screws (Fig. 5).
9. Tighten the two Vertical Arm Home Sensor fastening screws (Fig. 5).
10. Select “Arm” folder and click the “Down Well” button. Wait until the Sampling Probe go
down on the Washing Well.
11. Click the “Home” button. Wait until the vertical reset arm procedure has been completed.
Fig. 5 – Vertical Arm Home Sensor
12. Make sure that the distance between the top edge of the Washing Well and the tip of the
Sampling Probe is 25 mm. If it not be so, repeat the above steps from 8 to 12.
13. Select "Miscellaneous” folder and request an Instrument General Reset. Wait until the reset
instrument procedure has been completed.
14. Make sure that all the Home Sensors of the Sampling Arm (Vertical and Horizontal),
Reactions, Reagents and Samples Plates light up in green.
15. Make sure that the Reagents protection cover is permanently locked on the Reagents Plate
(Fig. 6).
Vertical Arm
Home Sensor
Vertical Arm Home Sensor
fastening screw
Vertical Arm Home Sensor
anchor ba
r

Chapter 06 – SETTINGS AND ADJUSTMENTS
Ellipse Service Manual Rev. 04 01 October 2009 Page 8
16. Select “Arm” folder.
17. Click the "Go Std" button, then click the correspondent “Down” button. The arm will move to
position #1 of the Standards Plate, then it will go down until to reach the right height.
18. Make sure that the Sampling Probe is vertically aligned and centered with respect to position
#1 of the Standards Plate. If it not be so: adjust the positioning by using the ‘+’ and ‘-‘ keys,
adjust (if necessary) the verticality by using the adjustable anchored bearing (Fig. 7), click the
‘Save’ button, then repeat the above steps from 6.
Fig. 6 – Reagents protection cover on the Reagents Plate
Reagents protection cover
Adjustable
anchored bearing
Horizontal Sampling
Arm Motor
Peristaltic Pump
Motor

Chapter 06 – SETTINGS AND ADJUSTMENTS
Ellipse Service Manual Rev. 04 01 October 2009 Page 9
Fig. 7 – Adjustable anchored bearing
19. Click the "Go Reag." button, then click the correspondent “Down” button. The arm will move
to position #1 of the Reagents Plate, then it will go down until to reach the right height.
20. Make sure that the Sampling Probe is vertically aligned and centered with respect to position
#1 of the Reagents Plate. If it not be so: adjust the positioning by using the ‘+’ and ‘-‘ keys,
then click the ‘Save’ button.
21. Click the "Go Sample" button, then click the correspondent “Down” button. The arm will
move to position #1 of the Sample Rack #1, then it will go down until to reach the right
height.
22. Make sure that the Sampling Probe is vertically aligned and centered with respect to position
#1 of the Sample Rack #1. If it not be so: adjust the positioning by using the ‘+’ and ‘-‘ keys,
then click the ‘Save’ button.
23. Click the "Go Disp." button, then click the correspondent “Down” button. The arm will move
to cuvette #81 of the Reactions Plate, then it will go down until to reach the right height.
24. Make sure that the Sampling Probe is vertically aligned and centered with respect to cuvette
#81 of the Reactions Plate. If it not be so: adjust the positioning by using the ‘+’ and ‘-‘ keys,
then click the ‘Save’ button.
25. Select "Miscellaneous” folder and request an Instrument General Reset. Wait until the general
reset procedure has been completed.
26. Place the Sampling Arm protective cover screwing its fastening screw (Fig. 1).
N.B.: in case of not enough current centered of the Sampling Probe with respect to the
Washing Well and with respect to the cuvette #81 of the Reactions Plate, repeat the
"Alignment and Adjustments” procedure privileging the centering of the Sampling Probe with
respect to the cuvette #81 of the Reactions Plate.
6.1.2 REPLACEMENT OF THE SAMPLING PROBE
1. Removing of the Sampling Probe:
a. launch the “Diagnostic” program;
b. select "Miscellaneous” folder and request an Instrument General Reset. Wait until the
general reset procedure has been completed;

Chapter 06 – SETTINGS AND ADJUSTMENTS
Ellipse Service Manual Rev. 04 01 October 2009 Page
10
c. remove the Sampling Probe from its housing by unscrewing (clockwise) its ring nut
(Fig. 8).
2. Replacement of the Sampling Probe:
a. launch the “Diagnostic” program;
b. select "Miscellaneous” folder and request an Instrument General Reset. Wait until the
general reset procedure has been completed;
c. attach the (straight) Sampling Probe to the Probe holder of the Sampling Arm (Fig. 9 – Step
1);
d. insert the Sampling Probe in the Probe holder and slowly rotate (counter clockwise) the
Sampling Probe ring nut (Fig. 9 – Step 2);
e. keep on rotating the Sampling Probe ring nut until you feel the stop (taking it around
25 mm from the ring nut) (Fig. 9 – Step 3). This is to allow a perfect contact between
Sampling Probe and the Probe holder;
f. make sure that the Sampling Probe is snug (Fig. 9 – Step 4);
g. take the dynamometric key (Fig. 10) and place the head around the ring nut of the Sampling
Probe (Fig. 11);
h. screw (counter clockwise) the Sampling Probe with the dynamometric key (Fig. 12) until the
correct torque is reached and the key spins freely around the Sampling Probe;
CW
Fig. 8 - Removing of the Sampling Probe
Sampling Probe
rin
g
nut
Sampling Probe
Sampling Arm
hea
d

Chapter 06 – SETTINGS AND ADJUSTMENTS
Ellipse Service Manual Rev. 04 01 October 2009 Page
11
Sampling Probe
Sampling Arm
hea
d
Probe holder
CCW
CCW
Sampling Probe
rin
g
nut
Step 1
Step 2
Step 3
Step 4 Sampling Probe
rin
g
nut
Sampling
Probe

Chapter 06 – SETTINGS AND ADJUSTMENTS
Ellipse Service Manual Rev. 04 01 October 2009 Page
12
i. remove the dynamometric key;
j. turn in the “Diagnostic” program;
k. select "Miscellaneous” folder and request an Instrument General Reset. Wait until the
general reset procedure has been completed;
l. make sure that all the Home Sensors of the Sampling Arm (Vertical and Horizontal),
Reactions, Reagents and Samples Plates light up in green.
N.B.: after having replaced the Sampling Probe, it is necessary to verify the verticality and the
centering of it with respect to the Washing Well. In case of misalignment: perform the
procedure "Alignment and Adjustments”, described into the previous Section 6.1.1, from step
5.
Fig. 10 – Dynamometric key
Dynamometric key
Dynamometric key
hea
d
Fig. 9 - Replacement of the Sampling Probe
CCW
Sam
p
lin
g
Probe

Chapter 06 – SETTINGS AND ADJUSTMENTS
Ellipse Service Manual Rev. 04 01 October 2009 Page
13
6.1.3 REPLACEMENT OF THE SAMPLING ARM
1. Remove the Sampling Probe from its housing unscrewing (clockwise) its ring nut (Fig. 8).
2. Make sure that the instrument (Ellipse) is turned off.
3. Remove the instrument front panel unscrewing its four anchored screws (Fig. 13).
4. Unplug the J1, J2, J5, J6, J13 connectors from the Arm Interface Board (Fig. 14), remove the
Sampling Arm protective cover unscrewing its fastening screw (Fig. 1) and unplug the ground
wire from the Sampling Arm Assembly.
5. Unscrew the two fastening screws and remove the Diluter protective cover (Fig. 1).
6. Unscrew the two anchored screws (Fig. 15) and pull out the Diluter Module from its hole.
7. Remove the Preheater teflon tube from the manifold of the Diluter Solenoid Valve by
unscrewing the fitting (Fig. 16), paying special attention to liquid leakage.
8. Remove the Preheater clamp, located into the Peristaltic Pump housing, unscrewing its
fastening screw (Fig. 17).
9. Unscrew the two Preheater fastening screws (Fig. 2), loosen the “Screw “B” (Fig. 4) and
remove the Level Sensor and Preheater Assembly from its housing.
10. Unscrew the two Sampling Arm anchored screws (Fig. 18), pull out the Sampling Arm from
its housing and substitute it with the new one.
To replace the new Sampling Arm, perform the following steps:
11. Repeat the above steps in inverse order: from 10 to 4.
12. Perform the procedure "Alignment and Adjustments” described into the previous Section 6.1.1.
13. Select “Diluter” folder and perform - with the selection of the “Probe Wash Test” button - at
least five successive Probe Wash Test to fill the hydraulic circuit with the liquid.
14. Verify the absence of liquid leakage from the hydraulic circuit.
15. Place the instrument front panel screwing its four anchored screws (Fig. 13).
Fig. 12 – Dynamometric key rotation
Fig. 11 - Dynamometric key head
around the ring nut

Chapter 06 – SETTINGS AND ADJUSTMENTS
Ellipse Service Manual Rev. 04 01 October 2009 Page
14
Fig. 13 - Front panel anchored screws
Horizontal Mov.
Arm Motor – J1
Vertical Mov. Arm Motor – J2
Horizontal Mov. Arm
Home Sensor – J5
Vertical Mov. Arm
Home Sensor – J6
Preheater and
Level Sensor Assy – J13
Front panel
anchored screw
Instrument
front panel

Chapter 06 – SETTINGS AND ADJUSTMENTS
Ellipse Service Manual Rev. 04 01 October 2009 Page
15
Fig. 14 - Arm Interface Board (Dx) [P/N: 30-01282-01]
Fig. 15 - Diluter Module (top view)
Fig. 16 – Diluter fitting
Preheater clamp
Diluter anchored screw
Diluter
Fittin
g
Diluter Solenoid
Valve
Preheater teflon tube
Manifold
Preheater clamp
fastening screw
Peristaltic Pump
housing

Chapter 06 – SETTINGS AND ADJUSTMENTS
Ellipse Service Manual Rev. 04 01 October 2009 Page
1
6
Fig. 17 – Preheater clamp
Fig. 18 – Sampling Arm anchored screws
6.1.4 REPLACEMENT OF THE ARM HOME SENSORS
6.1.4.1 Replacement of the Horizontal Arm Home Sensor
N.B.: make sure that the instrument (Ellipse) is turned off before performing this procedure.
1. Remove the Sampling Arm protective cover unscrewing its fastening screw (Fig. 1).
2. Loosen the set screw of the Horizontal Arm Home Sensor flat bar and turn the flat bar in order
to unscrew the two Horizontal Arm Home Sensor fastening screws (Fig. 2).
3. Remove the instrument front panel unscrewing the four anchored screws (Fig. 13).
4. Unplug the J5 connector from the Arm Interface Board (Fig. 14), take out the entire Arm
Home Sensor Assy and substitute it with the new one (Fig. 19).
Sampling Arm
anchored screw
Sampling Arm
Ground wire

Chapter 06 – SETTINGS AND ADJUSTMENTS
Ellipse Service Manual Rev. 04 01 October 2009 Page
1
7
Fig. 19 - Arm Home Sensor Assy [P/N: 9-10-0023-60]
To replace the new (Horizontal) Arm Home Sensor Assy, perform the following steps:
5. Repeat steps 4 and 3.
6. Turn on the instrument Ellipse.
7. Launch the “Diagnostic” program.
8. Center (manually) the Sampling Probe with respect to the Washing Well.
9. Position the slit of the Horizontal Arm Home Sensor flat bar (Fig. 2) to the center of the
Horizontal Arm Home Sensor.
10. Tighten the set screw of the Horizontal Arm Home Sensor flat bar (Fig. 2).
11. Select “Arm” folder and click the “Reset” button. Wait until the reset arm procedure has been
completed.
12. Make sure that the Horizontal Arm Home Sensor light up in green.
13. Make sure that the Sampling Probe is centered with respect to the Washing Well. If it not be
so, adjust in the following way:
a. loosen the set screw of the Horizontal Arm Home Sensor flat bar (Fig. 2);

Chapter 06 – SETTINGS AND ADJUSTMENTS
Ellipse Service Manual Rev. 04 01 October 2009 Page
18
b. turn slightly the Horizontal Arm Home Sensor flat bar to the right toward in order to obtain
the centering;
c. tighten the set screw of the Horizontal Arm Home Sensor flat bar (Fig. 2);
d. select “Arm” folder and click the “Reset” button. Wait until the reset arm procedure has been
completed;
e. make sure that the Horizontal Arm Home Sensor light up in green;
f. verify that the Sampling Probe is centered with respect to the Washing Well. If it not be so,
repeat steps from 13.a to 13.f .
14. perform the procedure "Alignment and Adjustments”, described into the previous
Section 6.1.1, from step 13 to step 26.
6.1.4.2 Replacement of the Vertical Arm Home Sensor
N.B.: make sure that the instrument (Ellipse) is turned off before performing this procedure.
1. Remove the Sampling Arm protective cover unscrewing its fastening screw (Fig. 1).
2. Unscrew the two Vertical Arm Home Sensor fastening screws (Fig. 5).
3. Remove the instrument front panel unscrewing the four anchored screws (Fig. 13).
4. Unplug the J6 connector from the Arm Interface Board (Fig. 14), take out the entire Arm
Home Sensor Assy and substitute it with the new one (Fig. 19).
To replace the new (Vertical) Arm Home Sensor Assy, perform the following steps:
5. Repeat steps 4, 3 and 2.
6. Turn on the instrument Ellipse.
7. Launch the “Diagnostic” program.
8. Select “Arm” folder and click the “Reset” button. Wait until the reset arm procedure has been
completed.
9. Make sure that the Vertical Arm Home Sensor light up in green.
10. Make sure that the distance between the top edge of the Washing Well and the tip of the
Sampling Probe is 25 mm. If it not be so, adjust in the following way:
a. loosen the two Vertical Arm Home Sensor fastening screws (Fig. 5);
b. move slightly the Vertical Arm Home Sensor to the right vertically toward in order to obtain
the centering;
c. tighten the two Vertical Arm Home Sensor fastening screws (Fig. 5);

Chapter 06 – SETTINGS AND ADJUSTMENTS
Ellipse Service Manual Rev. 04 01 October 2009 Page
19
d. select “Plate” folder and click “All Motors OFF” button;
e. move downward (manually) the Sampling Arm;
f. click “All Motors ON” button in the “Plate” folder. Wait until the reset instrument procedure
has been completed;
g. verify that the distance between the top edge of the Washing Well and the tip of the
Sampling Probe is 25 mm. If it not be so, repeat steps from 10.a to 10.g .
11. Place the Sampling Arm protective cover screwing its fastening screw (Fig. 1).
6.1.5 REPLACEMENT OF THE SAMPLING ARM MOTORS
6.1.5.1 Replacement of the Horizontal Sampling Arm Motor
N.B.: make sure that the instrument (Ellipse) is turned off before performing this procedure.
1. Remove the Sampling Probe from its housing by unscrewing (clockwise) its ring nut
(Fig. 8).
2. Remove the Sampling Arm protective cover unscrewing its fastening screw (Fig. 1).
3. Remove the instrument front panel unscrewing the four anchored screws (Fig. 13).
4. Unplug the J1, J2, J5, J6, J13 connectors from the Arm Interface Board (Fig. 14) and the
ground wire from the Sampling Arm Assembly (Fig. 18).
5. Unscrew the two fastening screws and remove the Diluter protective cover (Fig. 1).
6. Unscrew the two anchored screws (Fig. 15) and pull out the Diluter Module from its hole.
7. Remove the Preheater teflon tube from the manifold of the Diluter Solenoid Valve by
unscrewing the fitting (Fig. 16), paying special attention to liquid leakage.
8. Remove the Preheater clamp, located into the Peristaltic Pump housing, unscrewing its
fastening screw (Fig. 17).
9. Unscrew the two Preheater fastening screws (Fig. 2), loosen the “Screw “B” (Fig. 4) and
remove the Level Sensor and Preheater Assembly from its housing.
10. Unscrew the two Sampling Arm anchored screws (Fig. 18) and pull out the Sampling Arm
from its housing.
11. Remove the four Horizontal Sampling Arm Motor fastening screws (Fig. 20).
12. Remove the belt from the Horizontal Sampling Arm Motor pulley (Fig. 21).
13. Pull out the Horizontal Sampling Arm Motor from its housing.

Chapter 06 – SETTINGS AND ADJUSTMENTS
Ellipse Service Manual Rev. 04 01 October 2009 Page
20
Fig. 20 – Horizontal Sampling Arm Motor
14. Loosen the two set screws of the Horizontal Sampling Arm Motor pulley (Fig. 21), then extract
the pulley to the motor axis.
15. Unscrew the four fastening screws of the Horizontal Sampling Arm Motor anchor plate
(Fig. 21), then take out the anchor plate to the motor.
16. Insert the pulley to the motor axis of the new Arm Motor Assy (Fig. 23).
17. Position the pulley to 2.00 mm with respect to upper motor plane (Fig. 22), then tighten the
two set screws of the pulley (Fig. 21).
18. Position correctly the anchor plate on the upper plane of the new motor (Fig. 21), then screw
the four anchor plate fastening screws (Fig. 21).
Horizontal Sampling
Arm Motor
Horizontal Sampling
Arm Motor
fastening screw

Chapter 06 – SETTINGS AND ADJUSTMENTS
Ellipse Service Manual Rev. 04 01 October 2009 Page
21
Fig. 21 - Horizontal Sampling Arm Fig. 22 - Horizontal Sampling Arm
Motor anchor plate Motor scheme
19. Replace the Horizontal Sampling Arm Motor into its Sampling Arm housing, then insert
(without tighten) the four Horizontal Sampling Arm Motor fastening screws (Fig. 20).
20. Wrap the belt around the Horizontal Sampling Arm Motor pulley.
21. Push the motor outward from the arm axis and holding it in this position, so as to maintain the
belt in tension, then tighten the four Horizontal Sampling Arm Motor fastening screws
(Fig. 27).
22. To replace the Sampling Arm, repeat the above steps in inverse order: from 10 to 1.
N.B.: after having replaced the Horizontal Sampling Arm Motor, it is necessary to align
mechanically the Sampling Probe with respect to the Washing Well and center all the other
positions by following the procedure "Alignment and Adjustments” described into the
previous Section 6.1.1
Anchor plate
Anchor plate
fastenin
g
screw
Pulley
Set screw
Pulle
y
U
pp
er motor
p
lane

Chapter 06 – SETTINGS AND ADJUSTMENTS
Ellipse Service Manual Rev. 04 01 October 2009 Page
22
Fig. 23 – Arm Motor Assy [P/N: 10-00399-01]
6.1.5.2 Replacement of the Vertical Sampling Arm Motor
N.B.: make sure that the instrument (Ellipse) is turned off before performing this procedure.
1. Remove the Sampling Probe from its housing by unscrewing (clockwise) its ring nut
(Fig. 8).
2. Remove the Sampling Arm protective cover unscrewing its fastening screw (Fig. 1).
3. Remove the instrument front panel unscrewing the four anchored screws (Fig. 13).
4. Unplug the J2 connector from the Arm Interface Board (Fig. 14).
5. Loosen the four fastening screws of the belt tension plate that permit to adjust the belt tension
for the vertical Sampling Probe movement (Fig. 24).
6. Remove the belt from the Vertical Sampling Arm Motor pulley (Fig. 25).
7. Unscrew the four Vertical Sampling Arm Motor fastening screws (Fig. 25).
Belt tension plate
Fastenin
g
screw
Fastening screw
Vertical Sampling
Arm Motor pulley
Belt

Chapter 06 – SETTINGS AND ADJUSTMENTS
Ellipse Service Manual Rev. 04 01 October 2009 Page
23
Fig. 24 – Belt tension plate Fig. 25 – Vertical Sampling Arm Motor
fastening screws
8. Pull out the Vertical Sampling Arm Motor from its housing, then remove the anchor plate to
the motor.
9. Loosen the two set screws of the Vertical Sampling Arm Motor pulley (Fig. 26), then extract
the pulley to the motor axis.
10. Insert the pulley to the motor axis of the new Arm Motor Assy (Fig. 23).
11. Position the pulley to 1.50 mm with respect to upper motor plane (Fig. 26), then tighten the
two set screws of the pulley (Fig. 26).
Fig. 26 – Vertical Sampling Arm Motor scheme
12. Position the anchor plate on the upper plane of the new motor, then replace the Vertical
Sampling Arm Motor into its Sampling Arm housing (Fig. 25).
13. Tighten the four Vertical Sampling Arm Motor fastening screws (Fig. 25).
14. Wrap the belt around the Vertical Sampling Arm Motor pulley.
15. Push upwards the belt tension plate (Fig. 24) and holding it in this position, so as to maintain
the belt in tension, then tighten its four fastening screws (Fig. 24).
16. To complete, repeat the above steps in inverse order: from 4 to 1.
Set screw Pulley
Upper motor plane

Chapter 06 – SETTINGS AND ADJUSTMENTS
Ellipse Service Manual Rev. 04 01 October 2009 Page
24
N.B.: after having replaced the Vertical Sampling Arm Motor, it is necessary to require a
Instrument General Reset and perform the procedure "Alignment and Adjustments”,
described into the previous Section 6.1.1, from step 7.
6.1.6 REPLACEMENT OF THE SAMPLING ARM BELTS
6.1.6.1 Replacement of the Horizontal Sampling Arm Belt
N.B.: make sure that the instrument (Ellipse) is turned off before performing this procedure.
1. Remove the Sampling Probe from its housing by unscrewing (clockwise) its ring nut
(Fig. 8).
2. Remove the Sampling Arm protective cover unscrewing its fastening screw (Fig. 1).
3. Remove the instrument front panel unscrewing the four anchored screws (Fig. 13).
4. Unplug the J1, J2, J5, J6, J13 connectors from the Arm Interface Board (Fig. 14) and the
ground wire from the Sampling Arm Assembly (Fig. 18).
5. Unscrew the two fastening screws and remove the Diluter protective cover (Fig. 1).
6. Unscrew the two anchored screws (Fig. 15) and pull out the Diluter Module from its hole.
7. Remove the Preheater teflon tube from the manifold of the Diluter Solenoid Valve by
unscrewing the fitting (Fig. 16), paying special attention to liquid leakage.
8. Remove the Preheater clamp, located into the Peristaltic Pump housing, unscrewing its
fastening screw (Fig. 17).
9. Unscrew the two Preheater fastening screws (Fig. 2), loosen the “Screw “B” (Fig. 4) and
remove the Level Sensor and Preheater Assembly from its housing.
10. Unscrew the two Sampling Arm anchored screws (Fig. 18) and pull out the Sampling Arm
from its housing.
11. Loosen the four Horizontal Sampling Arm Motor fastening screws (Fig. 27).
12. Remove the belt from the Horizontal Sampling Arm Motor pulley (Fig. 21) from the horizontal
handling pulley, then substitute it with the new one.

Chapter 06 – SETTINGS AND ADJUSTMENTS
Ellipse Service Manual Rev. 04 01 October 2009 Page
25
Fig. 27 – Horizontal Sampling Arm Belt
13. Wrap the new belt over the Horizontal Sampling Arm Motor pulley and over the horizontal
handling pulley (Fig. 27).
14. Push the motor outward from the arm axis and holding it in this position, so as to maintain the
belt in tension, then tighten the four Horizontal Sampling Arm Motor fastening screws
(Fig. 27).
15. To replace the Sampling Arm, repeat the above steps in inverse order: from 10 to 1.
N.B.: after having replaced the Horizontal Sampling Arm Belt, it is necessary to align
mechanically the Sampling Probe with respect to the Washing Well and center all the other
positions by following the procedure "Alignment and Adjustments” described into the
previous Section 6.1.1 .
Horizontal Sampling Arm
Motor fastening screw
Horizontal handling pulley
Belt

Chapter 06 – SETTINGS AND ADJUSTMENTS
Ellipse Service Manual Rev. 04 01 October 2009 Page
26
6.1.6.2 Replacement of the Vertical Sampling Arm Belt
N.B.: make sure that the instrument (Ellipse) is turned off before performing this procedure.
1. Remove the Sampling Probe from its housing by unscrewing (clockwise) its ring nut
(Fig. 8).
2. Remove the Sampling Arm protective cover unscrewing its fastening screw (Fig. 1).
3. Loosen the four fastening screws of the belt tension plate that permit to adjust the belt tension
for the vertical Sampling Probe movement (Fig. 28).
4. Unscrew the four fastening screws (Fig. 28) of the Vertical Arm Home Sensor anchor bar
(Fig. 5) and remove it to the Sampling Arm.
Fig. 28 – Fastening screw of the Vertical
Arm Home Sensor anchor bar
5. Unscrew the two clamping belt fastening screw, remove the two small plates (Fig. 29), take off
the belt to the Sampling Arm, then substitute it with the new one.
Fastening screw of the Vertical
Arm Home Sensor anchor ba
r
Belt tension plate
Fastening screw of the
b
elt tension plate

Chapter 06 – SETTINGS AND ADJUSTMENTS
Ellipse Service Manual Rev. 04 01 October 2009 Page
2
7
Fig. 29 –Vertical Sampling Arm Belt
6. To replace the new Vertical Sampling Arm Belt, repeat the above steps in inverse order:
from 5 to 1.
N.B.: after having replaced the Vertical Sampling Arm Belt, it is necessary to require a
Instrument General Reset and perform the procedure "Alignment and Adjustments”,
described into the previous Section 6.1.1, from step 7.
6.2 DILUTER MODULE
6.2.1 REPLACEMENT OF THE DILUTER MODULE
1. Make sure the instrument Ellipse is turned off.
2. Unscrew the two fastening screws and remove the Diluter protective cover (Fig. 1).
3. Remove the instrument front panel unscrewing its four anchored screws (Fig. 13).
4. Take off the Rinse Solution cannula (I) from its bottle.
5. Unplug the J4, J8, J16, J17 connectors from the Arm Interface Board (Fig. 30) and the ground
wire from the Diluter Module.
Clamping belt
fastening screw
Two small
p
lates
Belt

Chapter 06 – SETTINGS AND ADJUSTMENTS
Ellipse Service Manual Rev. 04 01 October 2009 Page
28
Fig. 30 - Arm Interface Board (Dx) [P/N: 30-01282-01]
6. Loosen the two anchored screws (Fig. 31) and pull out the Diluter Module (Fig. 32) from its
hole, making attention not to crash the tubes of the hydraulic circuit.
7. Unscrew the two fitting from the Diluter head (Fig. 31), making attention to the spillage of the
Rinse Solution from the two tubes.
8. Take off the Diluter Module cables from its hole.
9. Unscrew the four Diluter fastening screws (Fig. 31) and pull out the Diluter from its
mechanical support.
Diluter Motor - J4
Diluter Electrovalve – J16
Diluter Home Sensor – J8
Diluter Micropump – J17
Preheater and
Level Sensor Assy – J13

Chapter 06 – SETTINGS AND ADJUSTMENTS
Ellipse Service Manual Rev. 04 01 October 2009 Page
29
Fig. 31 – Diluter Module (top view)
10. Remove the four Diluter fastening screw washer.
11. Replace the Diluter with one new Diluter.
Diluter
fastening screw Diluter fitting
Diluter Module
anchored screw

Chapter 06 – SETTINGS AND ADJUSTMENTS
Ellipse Service Manual Rev. 04 01 October 2009 Page
30
Fig. 32 – Diluter Module [P/N: 10-00496-01]
12. To replace, repeat the above steps in inverse order: from 10 to 4.
N.B.: make sure that the two fitting are very screws on the Diluter head in order to guarantee
the hydraulic seal of the circuit. Moreover, make sure that the Diluter Module cables in the
instrument do not hinder the movement of the Pre-Heater in its zone of job.
13. Turn on the instrument Ellipse.
14. Make sure that sufficient liquid in the Rinse bottle is present.
15. Launch the “Diagnostic” program.
16. Select “Diluter” folder and click the “Home” button. Wait until the reset Diluter procedure has
been completed.
17. Set up the aspiration volume to the maximum value (980 µl) and click the “Asp” button. Make
sure that the diluter executes the aspiration procedure correctly.
18. Click the “Disp” button. Make sure that the diluter executes the dispenses procedure correctly.
19. Click the “Asp” button with the aspiration volume to the maximum value (980 µl).
20. Click the “Probe Wash Test” button.
Diluter Motor
[P/N: 10-00399-40]
Diluter Home Sensor
fastening screw Diluter Home Sensor
[P/N: 9-10-0024-52]

Chapter 06 – SETTINGS AND ADJUSTMENTS
Ellipse Service Manual Rev. 04 01 October 2009 Page
31
N.B.: before proceeding with the Probe Wash Test, make sure that one written on the warning
message is respected.
21. Click the “OK” button. Wait until the Probe Wash Test has been completed.
22. Repeat the above steps 20 and 21 at least others five times in order to fill up the hydraulic
circuit completely.
23. Make sure that inside the Diluter are not present of the air bubbles. If it not be so, repeat the
Probe Wash Test (steps 20 and 21) until the elimination of the air bubbles.
24. Verify the absence of liquid leakage from the hydraulic circuit.
25. Click the “Home” button. Wait until the reset Diluter procedure has been completed.
26. Place the instrument front panel screwing its four anchored screws (Fig. 13).
27. Place the Diluter protective cover screwing its two fastening screws (Fig. 1).
N.B.: the following steps allows to perform the procedure "Backlash Diluter”. This procedure
in order to recover the sampling imprecision generated by the Diluter Motor when it inverts
its rotation.
28. Remove the Reagents protection cover on the Reagents Plate and take out the Samples Racks.
29. Select “Arm” folder and click the “Reset” button. Wait until the reset Sampling Arm procedure
has been completed.
30. Click the "Go Sample" button. The arm will move to position #1 of the Sample Rack #1.
31. Put a Sample cup containing distilled water (about 1 ml) under the Sampling Probe.
32. Select “Diluter” folder, set up the aspiration volume to the 300 µl and click the “Asp” button.
Wait until the Diluter has been aspirated 300 µl of distilled water from the Sample cup.
33. Remove the Sample cup containing distilled water.
34. Set up the dispensation volume to the 1 µl and repeatedly click the “Disp” button until water
appears on the tip of the Sampling Probe.
35. Subtract 1 from the number of times in which it has been selected the “Disp” button. The
obtained number is the Backlash Diluter value.
36. Select "Configuration" folder, enter the password (“1234”) in the appropriate window and
click the “OK” button.

Chapter 06 – SETTINGS AND ADJUSTMENTS
Ellipse Service Manual Rev. 04 01 October 2009 Page
32
37. Select the Backlash Diluter value in the “Backlash Dil.” Pull Down Menu and click the “Save”
button. Wait until the Backlash Diluter value has been saved.
38. Select “Arm” folder and click the “Reset” button. Wait until the reset Sampling Arm procedure
has been completed.
39. Put on the Samples Racks and place the Reagents protection cover on the Reagents Plate.
6.2.2 REPLACEMENT OF THE DILUTER MICROPUMP
1. Make sure the instrument Ellipse is turned off.
2. Unscrew the two fastening screws and remove the Diluter protective cover (Fig. 1).
3. Remove the instrument front panel unscrewing its four anchored screws (Fig. 13).
4. Take off the Rinse Solution cannula (I) from its bottle.
5. Unplug the J4, J8, J16, J17 connectors from the Arm Interface Board (Fig. 30) and the ground
wire from the Diluter Module.
6. Loosen the two anchored screws (Fig. 31) and pull out the Diluter Module (Fig. 32) from its
hole, making attention not to crash the tubes of the hydraulic circuit.
7. Take off the Diluter Module cables from its hole.
8. Remove the two tubes from Micropump (Fig. 33).

Chapter 06 – SETTINGS AND ADJUSTMENTS
Ellipse Service Manual Rev. 04 01 October 2009 Page
33
Fig. 33 – Diluter Module: Electrovalve and Micropump
Fig. 34 – Electrovalve and Micropump mechanical support
9. Unscrew the two Micropump fastening screws (Fig. 34) and pull out the Micropump from its
mechanical support.
Diluter Electrovalve
[P/N: 05-00700-48]
Fitting
Diluter Micropump
[P/N: 05-01710-40]
Manifol
d
Diluter Electrovalve
fastenin
g
screws
Diluter Micropump
fastening screws
Electrovalve and
Micropump
mechanical support

Chapter 06 – SETTINGS AND ADJUSTMENTS
Ellipse Service Manual Rev. 04 01 October 2009 Page
34
10. Replace the Micropump with one new Micropump.
11. To replace, repeat the above steps in inverse order: from 9 to 4.
12. Turn on the instrument Ellipse.
13. Make sure that sufficient liquid in the Rinse bottle is present.
14. Launch the “Diagnostic” program.
15. Select “Diluter” folder and click the “Home” button. Wait until the reset Diluter procedure has
been completed.
16. Set up the aspiration volume to the maximum value (980 µl) and click the “Asp” button. Make
sure that the Diluter executes the aspiration procedure correctly.
17. Click the “Disp” button. Make sure that the Diluter executes the dispenses procedure correctly.
18. Click the “Asp” button with the aspiration volume to the maximum value (980 µl).
19. Click the “Probe Wash Test” button.
N.B.: before proceeding with the Probe Wash Test, make sure that one written on the
warning message is respected.
20. Click the “OK” button. Wait until the Probe Wash Test has been completed.
21. Repeat the above steps 20 and 21 at least others five times in order to fill up the hydraulic
circuit completely.
22. Make sure that inside the Diluter are not present of the air bubbles. If it not be so, repeat the
Probe Wash Test (steps 20 and 21) until the elimination of the air bubbles.
23. Verify the absence of liquid leakage from the hydraulic circuit.
24. Click the “Home” button. Wait until the reset Diluter procedure has been completed.
25. Place the instrument front panel screwing its four anchored screws (Fig. 13).
26. Place the Diluter protective cover screwing its two fastening screws (Fig. 1).
27. Select "Configuration" folder, enter the password (“1234”) in the appropriate window and
click the “OK” button.
28. Select the value 0 in the “Level” Pull Down Menu.
29. Click the “Run Test” button. Wait until the Washing Well level Test has been completed.

Chapter 06 – SETTINGS AND ADJUSTMENTS
Ellipse Service Manual Rev. 04 01 October 2009 Page
35
30. Click the “OK” button in the appropriate window in order to save the new value. Wait until the
new value has been saved.
6.2.3 REPLACEMENT OF THE DILUTER ELECTROVALVE
1. Make sure the instrument Ellipse is turned off.
2. Unscrew the two fastening screws and remove the Diluter protective cover (Fig. 1).
3. Remove the instrument front panel unscrewing its four anchored screws (Fig. 13).
4. Take off the Rinse Solution cannula (I) from its bottle.
5. Unplug the J4, J8, J16, J17 connectors from the Arm Interface Board (Fig. 30) and the ground
wire from the Diluter Module.
6. Loosen the two anchored screws (Fig. 31) and pull out the Diluter Module (Fig. 32) from its
hole, making attention not to crash the tubes of the hydraulic circuit.
7. Take off the Diluter Module cables from its hole.
8. Unscrew the two Electrovalve fastening screws (Fig. 34) and pull out the Electrovalve from its
mechanical support.
9. Remove the two tubes from Electrovalve (Fig. 33).
10. Unscrew the two fittings from Electrovalve.
11. Screw the two fittings on the new Electrovalve.
N.B.: make sure that the two fitting are very screws on the new Electrovalve in order to
guarantee the hydraulic seal of the circuit.
12. To replace, repeat the above steps in inverse order: from 9 to 4.
13. Turn on the instrument Ellipse.
14. Make sure that sufficient liquid in the Rinse bottle is present.
15. Launch the “Diagnostic” program.
16. Select “Diluter” folder and click the “Home” button. Wait until the reset Diluter procedure has
been completed.
17. Set up the aspiration volume to the maximum value (980 µl) and click the “Asp” button. Make
sure that the Diluter executes the aspiration procedure correctly.
18. Click the “Disp” button. Make sure that the Diluter executes the dispenses procedure correctly.
19. Click the “Asp” button with the aspiration volume to the maximum value (980 µl).

Chapter 06 – SETTINGS AND ADJUSTMENTS
Ellipse Service Manual Rev. 04 01 October 2009 Page
3
6
20. Click the “Probe Wash Test” button.
N.B.: before proceeding with the Probe Wash Test, make sure that one written on the
warning message is respected.
21. Click the “OK” button. Wait until the Probe Wash Test has been completed.
22. Repeat the above steps 20 and 21 at least others five times in order to fill up the hydraulic
circuit completely.
23. Make sure that inside the Diluter are not present of the air bubbles. If it not be so, repeat the
Probe Wash Test (steps 20 and 21) until the elimination of the air bubbles.
24. Verify the absence of liquid leakage from the hydraulic circuit.
25. Click the “Home” button. Wait until the reset Diluter procedure has been completed.
26. Place the instrument front panel screwing its four anchored screws (Fig. 13).
27. Place the Diluter protective cover screwing its two fastening screws (Fig. 1).
6.2.4 REPLACEMENT OF THE DILUTER HOME SENSOR
1. Make sure the instrument Ellipse is turned off.
2. Unscrew the two fastening screws and remove the Diluter protective cover (Fig. 1).
3. Remove the instrument front panel unscrewing its four anchored screws (Fig. 13).
4. Unplug the J4, J8, J16, J17 connectors from the Arm Interface Board (Fig. 30) and the ground
wire from the Diluter Module.
5. Loosen the two anchored screws (Fig. 31) and pull out the Diluter Module (Fig. 32) from its
hole, making attention not to crash the tubes of the hydraulic circuit.
6. Take off the Diluter Module cables from its hole.
7. Unscrew the two Diluter Home Sensor fastening screws (Fig. 32) and pull out the Home
Sensor from its hole within the Diluter.
8. Replace the Home Sensor with one new Home Sensor (Fig. 35).

Chapter 06 – SETTINGS AND ADJUSTMENTS
Ellipse Service Manual Rev. 04 01 October 2009 Page
3
7
Fig. 35 – Diluter Home Sensor Assy [P/N: 9-10-0024-52]
9. To replace, repeat the above steps in inverse order: from 7 to 4.
10. Turn on the instrument Ellipse.
11. Launch the “Diagnostic” program.
12. Select “Diluter” folder and click the “Home” button. Wait until the reset Diluter procedure has
been completed.
13. Set up the aspiration volume to the maximum value (980 µl) and click the “Asp” button. Make
sure that the Diluter Home Sensor on the “Diagnostic” program becomes of red color (outside
of the home position).
14. Click the “Home” button. Wait until the reset Diluter procedure has been completed.
15. Make sure that the Diluter Home Sensor on the “Diagnostic” program becomes of green color
(home position).
16. Place the instrument front panel screwing its four anchored screws (Fig. 13).
17. Place the Diluter protective cover screwing its two fastening screws (Fig. 1).

Chapter 06 – SETTINGS AND ADJUSTMENTS
Ellipse Service Manual Rev. 04 01 October 2009 Page 38
6.3 PRE-HEATER AND LEVEL SENSOR
6.3.1 SUBSTITUTION OF THE PRE-HEATER AND LEVEL SENSOR ASSEMBLY
1. Turn on the Ellipse system (instrument and computer).
2. Launch the Diagnostic program, select the “Diluter” function and make two or three
“Probe Wash Test” cycles with the Rinse solution cannula out of his bottle, in order to
completely empty the Rinse hydraulic line.
3. Exit from the diagnostic program, pressing the "Diagnostic" key and exit from the analyzer
program pressing “Shutdown” key. Remove the sampling probe from its housing.
4. Unscrew the two fastening screws and remove the Diluter protective cover (Fig. 36).
5. Unscrew the two anchored screws and pull out the Diluter Module from his hole (Fig. 37).
6. Remove the Preheater teflon tube on the Diluter Solenoid Valve by unscrewing the fitting
(Fig. 38).
7. Remove the front panel unscrewing the four anchored screws (Fig. 40) and unplug the J13
connector from the Arm Interface board (Fig. 41).
8. Remove the Preheater clamp located into the Peristaltic Pump housing, unscrewing its
fastening screw (Fig. 44).
9. Unscrew the Preheater and Level sensor fastening screws, remove it from its housing and
substitute it with the new one (Fig. 42).
10. Reinstall the new assembly, making the vertical alignment of the sampling probe, with
reference to the washing well and then screw the Preheater head and Level sensor fastening
screw (Fig. 39).
11. After reinstalling the new assembly, repeat the above steps in inverse order: from step 9 to 1
and then, carry out the check procedure for the mechanical functioning described on the next
pages.

Chapter 06 – SETTINGS AND ADJUSTMENTS
Ellipse Service Manual Rev. 04 01 October 2009 Page 39
WARNING
Do the following operations only after substitution of the Level Sensor and Pre-heater assembly:
a) Remove the white wire from the teflon tube before connecting it to the diluter (the white wire
must be removed only at this stage of the procedure and not before). Be sure of having properly
connected the tube to the diluter.
b) Remove the protecting cap before positioning the sampling probe.

Chapter 06 – SETTINGS AND ADJUSTMENTS
Ellipse Service Manual Rev. 04 01 October 2009 Page 40
Fig. 36
6.3.2 LEVEL SENSOR – CHECK AND ADJUSTMENT PROCEDURE
1. Turn on the Ellipse system (instrument and computer) and launch the diagnostic program.
2. Select the "Configuration" function. Digit the password (1234) in the appropriate window and
press “OK”.
3. Press the "Wash. Well level test". By clicking on the “Run Test” button the system performs
an automatic verification and adjustment cycle for the liquid level in the washing well.
A number appears in the box “Level” that corresponds to the rotation time of the rinse pump
in milliseconds, that is necessary to maintain the correct liquid level in the washing well.
4. The functioning range is between 350 and 700 milliseconds. If the washing well is not
sufficiently filled, a message appears to warn the user to check the hydraulic line.
5. If the value taken during the test is different from the previous one, it is necessary to click on
“Save” in order to save the new data.
6. Make sure that no liquid leaks from the probe assembly and/or the dilutor. Make sure that the
liquid flows from the probe freely.
7. Press “Test ON” on the “Level sensor Test” folder, on the right of it will be showed a red
drop that becomes temporarily green when the liquid is detected or when the probe is touched
with your finger (Fig. 43).
Sampling Arm
protective cover
Washing Well
Diluter protective cover

Chapter 06 – SETTINGS AND ADJUSTMENTS
Ellipse Service Manual Rev. 04 01 October 2009 Page 41
Fig. 37 Diluter – Top view Fig. 38 Dilutor Fig. 39 Sampling Arm
Fig. 40 Instrument front view
Anchored screw
Solenoid Valve
fitting
Instrument front panel
a
n
c
h
o
r
ed
sc
r
ew
Preheater
fastenin
g
screw
Preheater Head
fastening screw

Chapter 06 – SETTINGS AND ADJUSTMENTS
Ellipse Service Manual Rev. 04 01 October 2009 Page 42
Fig. 43
8. In order to more specifically verify the correct level-sensing functioning, proceed as follows:
a. Place a cup containing liquid in the first samples rack, position nr 1 (e.g . 500 µl) and launch
the diagnostic program.
b. Select the "Arm" function and press the "Go Sample" key in order to allow the probe to
move into the position corresponding to the sample cup.
c. In the window next to the "Go Level", enter the maximum descent of the probe (e.g.500).
d. Select "Go Level" and make sure that the probe drops down into the cup until it senses the
liquid. In the window to the right of the "Go Level" key the level reached by the probe will
appear, expressed in tenths of millimeters
e. Repeat step d) several times, each time returning to the Vertical "Home" position. Make sure
that the level indicated remains constant ≤ 10 (1 mm).
f. Repeat steps b) to e) for positions 8 of the first rack using the same sample cup. Make sure
that the difference between all the positions is ≤ 1mm.
Level Sensor Test
Level Sensor and Pre-Heater
assembl
y
Cd 10-00659-00
Preheater & L.S. - J13
Fi
g
. 41 Arm Interface board
Cd. 30-01282-01
Fi
g
. 42 Level Sensor &
Preheater Assembly

Chapter 06 – SETTINGS AND ADJUSTMENTS
Ellipse Service Manual Rev. 04 01 October 2009 Page 43
g. Repeat steps b) to f) for samples racks two, three and four.
h. Press the "Back to Wash Well" key and then select "Go Sample" in order to allow the probe
to return to a position in the rack, which does not contain any cup.
i. Select "Go Level" and make sure that the level reached is the maximum indicated in the
given window is 9999.
j. Select the "Reset" key, remove the cups from the racks and exit the program by pressing the
"Diagnostic" key.
k. To exit the analyzer program press “shutdown” key.
Fig. 44
Preheater & L.S clam
p

Chapter 06 – SETTINGS AND ADJUSTMENTS
Ellipse Service Manual Rev. 04 01 October 2009 Page 44
6.4 OPTIC ASSEMBLY
6.4.1 SUBSTITUTION OPTIC ASSEMBLY
N.B.: Make sure the instrument (Ellipse) is turned off before performing this substitution
procedure.
Fig. 45 Optic Assembly Cd. 10-01688-00
1. Remove the front panel unscrewing the four anchored screws (Fig. 46).
2. Remove the J1, J6, J11, J15 connectors from the Plate Interface board (Fig. 47) and the
ground wire from the Optic Assembly.
3. Unscrew the four fastening screws of the Plate Interface board (Fig. 47).
4. Remove the connectors from JP1 of the Pre-Amplifier ADC boards.
5. Unscrew the four Optic Assembly fastening screws, remove it from its housing and substitute
it with the new one (Fig. 45).
6. Remount the assembly, repeating the above steps, 5 through 1, in reverse order.
7. After remounting, reseat the lamp and carry out the electronic adjustment check procedures as
described in the following pages.
Stepper Motor assembly Cd. 10-00399-01
Pre-Ampl/ADC (Ref. Channel)
Cd. 30
-
00107
-
03
Opto coupler assy
Cd. 9-10-0023-00
Pre-Ampl/ADC (Read Channel)
Cd. 30-00107-00

Chapter 06 – SETTINGS AND ADJUSTMENTS
Ellipse Service Manual Rev. 04 01 October 2009 Page 45
Fig. 46 Instrument front view
Fig. 47 Plate Interface Board Cd. 30-01281-01
Instrument front panel
an
c
h
o
r
ed
sc
r
ew
Photometer lamp – J15
Photometer fan– J11
Filter Wheel home sensor – J6 Filter Wheel Motor – J1
Board fastening screw

Chapter 06 – SETTINGS AND ADJUSTMENTS
Ellipse Service Manual Rev. 04 01 October 2009 Page 46
6.4.2 SUBSTITUTION OF THE OPTIC LAMP
N.B.: Make sure the instrument (Ellipse) is turned off before performing this substitution
procedure.
1. Remove the front panel unscrewing the four anchored screws (Fig. 46).
2. Remove the lamp's electrical wires connected to the Lamp Regulator board by loosening the
two screws on the M1 connector (Fig.48).
3. Unscrew the lamp's fastening screws and remove it from its housing.
4. Remount the new lamp, repeating the above steps, 3 through 1, in reverse order.
5. Carry out the electronic adjustment of the Optic as described in the following pages.
Warning: Do not touch the glass portions of the lamp.
Fig. 48
Lamp's fastening screw
M1 Connector
Trimmer P1
Halogen Lamp Cd. 9-35-0016-00
O
p
tic Lam
p
Board Cd. 30-01576-00

Chapter 06 – SETTINGS AND ADJUSTMENTS
Ellipse Service Manual Rev. 04 01 October 2009 Page 47
6.4.3 ELECTRONIC ADJUSTMENT OF THE OPTIC
Warning: make sure that the Optic lamp and the reaction cuvettes are brand-new before
applying the following procedure.
1. Turn on the "Ellipse" system (instrument and computer). Remove the front panel unscrewing
the four anchored screws (Fig.46).
2. Launch the diagnostic program, select the "Plate " function and reset by clicking on the
appropriate key.
3. Make sure that the "Home Sensor" Reaction Plate window lights up green.
4. Place 500 µL of distilled water in cuvette # 1 of the reaction plate.
5. Select Sample plate position number three in order to make accessible the main channel Gain
and Offset holes.
6. Select the "Optic" function and turn the lamp "On" by clicking on the appropriate field.
7. Reset the filter wheel by clicking on the appropriate key.
8. Make sure that "Home Sensor" Filter Wheel window lights up green.
9. Make sure that the Regulator board for Connector M1 shows 6.0 volts ± 0.1. If not, turn the
P1 trimmer (Fig.48).
N.B.: The reaction cuvette must be perfectly clean. If not, carry out a "Cuvette Wash" cycle
(Start Work)
Fig. 49 Optic Assembly – top view
Gain main Channel
Offset main Channel
Offset reference Channel
Gain reference Channel
Motor Support screw

Chapter 06 – SETTINGS AND ADJUSTMENTS
Ellipse Service Manual Rev. 04 01 October 2009 Page 48
Warning: Room lighting and daylight can influence the reading. To avoid this interference,
remount the front panel before carrying out any check procedures.
10. Click on "Start Sample Channel Conversion" key and make sure that the adjacent window
shows a count value of 100 ± 50. If not, adjust the Preamp/ADC (Read Channel) Board
"Offset" trimmer in order to set the desired value (Fig. 49).
11. After regulating of the main channel offset, it is necessary to click on " Stop Sample Channel
Conversion" key.
12. Click on "Start Reference Channel Conversion" and make sure that the adjacent window
shows a count value of 100 ± 50. If not, adjust the Preamp/ADC (Ref. Channel) Board
"Offset" trimmer in order to set the desired value (Fig. 49).
13. After regulating of the reference channel offset, it is necessary to click on " Stop Reference
Channel Conversion" key.
14. Select the filter positions from 1 to 8 (from 340 nm to 620 nm) and click on” Start/Stop
Sample Channel Conversion" key and determine which filter transmit the highest signal.
15. Verify in the adjacent window a count value between 55.000 and 60.000. If not, adjust the
Preamp/ADC board "Gain" trimmer in order to set the desired value (Fig. 49).
16. After regulating the Gain, select all the other filters and clicking on "Start/Stop Sample
Channel Conversion" verify count values between 29.000 and 60.000
Warning: Room lighting and daylight can influence the reading. To avoid this interference,
remount the front panel before carrying out any check procedures.
17. Select the highest signal filter, clicking on "Start Reference Channel Conversion" and make
sure that the adjacent window shows a count value between 38.000 and 42.000. If not, adjust
the Preamp/ADC board "Gain" trimmer in order to set the desired value (Fig. 49).
18. After regulating the Gain, select all the other filters and clicking on "Start/Stop Reference
Channel Conversion" verify count values between 19000 and 42000.
19. After concluding these operations, empty cuvette # 1, remount the front panel and exit the
diagnostic program by clicking on the "Diagnostic" key.
20. Exit the analyzer program press “shutdown” key.

Chapter 06 – SETTINGS AND ADJUSTMENTS
Ellipse Service Manual Rev. 04 01 October 2009 Page 49
6.4.4 SUBSTITUTION OF THE OPTO SENSOR
N.B.: Make sure the instrument (Ellipse) is turned off before performing this substitution
procedure.
1. Remove the front panel unscrewing the four anchored screws (Fig. 46).
2. Remove the J1, J6, J11, J15 connectors from the Reaction Plate Interface board (Fig. 47) and
the ground wire from the Optic Assembly.
3. Unscrew the four fastening screws of the Plate Interface board (Fig. 47).
4. Remove the connectors from JP1 of the Pre-Amplifier ADC boards.
5. Unscrew the four Optic Assembly fastening screws, remove it from its housing (Fig. 45).
6. Remove the lamp's power supply wires connected to the Lamp Regulator board by loosening
the two screws on the M1 connector (Fig. 48).
7. Unscrew the lamp's fastening screws and remove it from its housing.
8. Unscrew the four fastening screws on the motor support in order to access the filter wheel
(Fig. 49).
9. Position the filter wheel in such a manner as to make it possible to see and unscrew the
internal home sensor support screw. Unscrew the external home sensor support screw.
10. Unscrew the home sensor fastening screws from its support and substitute with the new one
(Fig. 50).
N.B.: when remounting the Home sensor, make sure to center it with respect to the slots.
11. Remount the assembly, repeating the above steps, 10 through 1, in reverse order.
12. After remounting, reseat the lamp and carry out the electronic adjustment procedures as
described in the previous pages.

Chapter 06 – SETTINGS AND ADJUSTMENTS
Ellipse Service Manual Rev. 04 01 October 2009 Page 50
Fig. 50 Fig. 51
6.4.5 SUBSTITUTION OF THE MOTOR
N.B.: Make sure the instrument (Ellipse) is turned off before performing this substitution
procedure.
1. Remove the front panel unscrewing the four anchored screws (Fig. 46).
2. Remove the J1, J6, J11, J15 connectors from the Plate Interface board (Fig. 47) and the
ground wire from the Optic Assembly.
3. Unscrew the four fastening screws of the Plate Interface board (Fig .47).
4. Remove the connectors from JP1 of the Pre-Amplifier ADC boards.
5. Unscrew the four Optic Assembly fastening screws, remove it from its housing (Fig. 45).
6. Remove the lamp's power supply wires connected to the Lamp Regulator board by loosening
the two screws on the M1 connector (Fig. 48).
7. Unscrew the lamp's fastening screws and remove it from its housing.
8. Unscrew the four fastening screws on the motor support in order to access the pulley (Fig. 49).
9. Unscrew the four fastening screws on the motor; loosen the pulley fastening screws.
10. Remove the motor and substitute it with the new one (Fig.48).
11. Remount the assembly, repeating the above steps, 10 through 1, in reverse order.
Warning: when tightening the motor pulley fastening screws, make sure that the filter wheel
is centered with respect to the opto sensor.
12. After remounting, reseat the lamp and carry out the electronic adjustment procedures as
described in the previous pages.
Filter Wheel Home sensor
Cd. 9-10-0023-00
Filter Wheel Motor
Cd. 10-00399-01

Chapter 06 – SETTINGS AND ADJUSTMENTS
Ellipse Service Manual Rev. 04 01 October 2009 Page 51
6.4.6 SUBSTITUTION OF THE OPTIC FILTERS
Interferential filters Kit Cd. 9-65-0029-00
N.B.: Make sure the instrument (Ellipse) is turned off before performing this substitution
procedure.
1. Remove the front panel unscrewing the four anchored screws (Fig. 46).
2. Remove the J1, J6, J11, J15 connectors from the Plate Interface board (Fig. 47) and the
ground wire from the Optic Assembly.
3. Unscrew the four fastening screws of the Plate Interface board (Fig. 47).
4. Remove the connectors from JP1 of the Pre-Amplifier ADC boards.
5. Unscrew the four Optic Assembly fastening screws and remove it from its housing (Fig. 45).
6. Remove the lamp’s power supply wires connected to the Lamp Regulator board by loosening
the two screws on the M1 connector (Fig. 48).
7. Unscrew the lamp’s fastening screws and remove it from its housing.
8. Unscrew the four fastening screws on the motor support in order to access the filter wheel
(Fig. 49).
9. Unscrew the fastening screw that holds the elastic band of the filters.
10. Remove the filter from its housing and substitute it with the new one.
11. Remount the assembly, repeating the above steps, 9 through 1, in reverse order.
12. After remounting, reseat the lamp and carry out the electronic adjustment procedures as
described in the previous pages.
Warning: Do not touch the glass parts of the filter.
Warning: when substituting an interferential filter due to malfunctioning or functional
anomalies, it is always advisable to substitute the entire set of filters mounted on the
instrument.

Chapter 06 – SETTINGS AND ADJUSTMENTS
Ellipse Service Manual Rev. 04 01 October 2009 Page 52
6.5 PLATES
6.5.1 REMOVAL OF THE PLATES ASSEMBLY
1. Make sure that the instrument (Ellipse) is turned off.
2. Open the analyzer main cover.
3. Remove the Sampling Probe from its housing unscrewing (clockwise) its ring nut.
4. Remove the reactions cuvettes front cover.
5. Remove with accuracy the left reactions cuvettes cover (placed under the Washing Station
cannulas) unscrewing its three screws.
6. Remove the Reagents protection cover and remove the Reagents rack from over the Reagents
Plate.
7. Remove all the Sample Racks from over the Samples Plate.
8. Remove with accuracy all the cuvettes Racks from over the Reactions Plate.
N.B.: before exctracting the Plates Assembly from the analyzer, it is necessary remove the
Sampling Arm, the Diluter Module, the Washing Station and then the Washing Well.
9. To remove the Sampling Arm, perform the relative procedure described into the previous
Section 6.1.3, from step 3 to step 10 (without substitute it with the new one).
10. To remove the Diluter Module, perform the relative procedure described into the previous
Section 6.2.1, from step 4 to step 6.
11. To remove the Washing Station, perform the relative procedure described into the successive
Section 6.6.1.
12. Remove with accuracy the instrument chassis cover unscrewing the six anchored screws
(Fig. 52).

Chapter 06 – SETTINGS AND ADJUSTMENTS
Ellipse Service Manual Rev. 04 01 October 2009 Page 53
Fig. 52 - Chassis cover anchored screws
13. Remove the two tubes from the overflow elbow fitting and fitting of the Washing Well
(Fig. 52), making attention not to crash them.
14. Unscrew the Washing Well ring nut (Fig. 52) and pull out the Washing Well from its hole.
Fig. 6.5.2 - Washing Well
15. Remove the Peristaltic Pump waste tube to the relative “Y” fitting, making attention to the
spillage of the biohazard liquid from the tube and from the “Y” fitting.
16. Unplug the J3 connector from the Arm Interface Board and the ground wire from the
Peristaltic Pump mechanical support.
17. Close with accuracy the instrument main cover.
18. Open the Electronic Rack panel unscrewing the two quarter-turn fasteners (Fig. 53).
Chassis cover
anchored screws
Washing Well
Washing Well
ring nut
Peristaltic Pump
p
anel
Overflow elbow
fitting
Fitting

Chapter 06 – SETTINGS AND ADJUSTMENTS
Ellipse Service Manual Rev. 04 01 October 2009 Page 54
Fig. 53 - Instrument (posterior view)
19. Extract the Electronic Rack from its vain (Fig. 53).
Fig. 54 - Electronic Rack
20. Unplug the J6, J8, J9, J10, J11 e J20 connectors and the ground wire from the Analytical
Control Board (Fig. 54).
Washing Statio
n
p
umps panel
Electronic Rack
panel
Electronic Rack panel
quarte
r
-turn fastene
r
Stepper Motors
Driver Boar
d
Analytical Control Board

Chapter 06 – SETTINGS AND ADJUSTMENTS
Ellipse Service Manual Rev. 04 01 October 2009 Page 55
21. Unplug the J1, J2 e J4 connectors and the ground wire from the Stepper Motors Driver Board
(Fig. 54).
22. Insert with accuracy the Electronic Rack in its vain.
23. Extract the Power Supply Rack from its vain (Fig. 55).
Fig. 55 - Power Supply Rack
24. On the Power Supply, unscrew the four fastening screw of the “24V Module” and “12V
Module” and then, remove the relative four cables [JP24+, JP24-, JP12+, JP12-] of the Power
Supply wiring (Fig. 55).
25. Unscrew the two ground connector fastening screws and remove all its ground wires
(Fig. 55).
26. Insert with accuracy the Power Supply in its vain.
27. Close the Electronic Rack panel screwing the two quarter-turn fasteners (Fig. 55).
28. Lay down delicately the instrument on its posterior side (Fig. 56) and open the instrument
main cover
Ground connector
Fastening
Screw Module
Cable Power
Supply wiring
Power Supply
24V Module
12V Module

Chapter 06 – SETTINGS AND ADJUSTMENTS
Ellipse Service Manual Rev. 04 01 October 2009 Page 56
Fig. 56 - Instrument (inferior surface view)
29. Loosen the two instrument adjustable feet (Fig. 56).
30. Holding berthed the Plates Assembly to the instrument, unscrew the four Plates Assembly
nuts and remove the relative washers (Fig. 56).
31. Close the instrument main cover and then, lay down delicately the instrument on its inferior
side.
32. Open the instrument main cover, take out with accuracy the Plates Assembly to the
instrument and then, lay down the Plates Assembly outside the instrument.
33. Close with accuracy the instrument main cover.
34. Unplug the J28 connector and the ground wire from the Plate Interface Board (Fig. 57).
35. Unplug the J21, J23 connectors and the ground wire from the Arm Interface Board.
36. Unplug the two connectors to the Pre-Ampl./ADC (Read Channel) and the Pre-Ampl./ADC
(Reference Channel) placed in the Optic Assembly.
37. Unscrew only the two Plate Interface Board fastening screws placed on its inferior side.
38. Unscrew only the two Arm Interface Board fastening screws placed on its inferior side.
Instrument adjustable feet
Plates Assembly nu
t
(and relative washers)

Chapter 06 – SETTINGS AND ADJUSTMENTS
Ellipse Service Manual Rev. 04 01 October 2009 Page 57
39. Put up the Plates Assembly and remove its Base Plate Assy from the four Plates Assembly
spacing bars (Fig. 6.5.8).
Fig. 57 - Plate Interface Board (Sx) [P/N: 30-01281-01]
Fig. 58 - Plates Assembly and Base Plate Assy
40. Lay down the Plates Assembly on its four spacing bars.
Plates Assembly
Base Plate Assy
Plates Assembly spacing bar
Plate Interface
Boar
d
Arm Interface
Boar
d
Samples Plate Home Sensor – J7
Reactions Plate Home Sensor – J8
Reagents Plate Home Sensor – J9
Samples Plate Motor – J2
Rea
g
ents Plate Motor – J4
Reactions Plate Motor – J3
Power
Supply – J28

Chapter 06 – SETTINGS AND ADJUSTMENTS
Ellipse Service Manual Rev. 04 01 October 2009 Page 58
6.5.2 REPLACEMENT OF THE REAGENTS PLATE MOTOR
N.B.: before replacing of the Reagents Plate Motor, it is necessary remove the Plates
Assembly from the instrument.
1. To remove the Plates Assembly, perform the relative procedure described into the previous
Section 6.5.1.
2. Unplug the J4 connector from the Plate Interface Board (Fig. 57).
3. Loosen the four fastening screws of the Reagents Plate Motor (Fig. 59).
Fig. 59 - Plates Assembly (inferior view)
4. Unscrew the Reagents Plate Home Sensor lever adjusting screw (Fig. 67) and rotate the
Reagents Plate Home Sensor lever (Fig. 59) out of the Reagents Plate pulley.
5. Remove the belt from the Reagents Plate Motor pulley (Fig. 59).
6. Remove the belt from the Reagents Plate pulley.
Reagents Plate
belt
Samples Plate Motor
fastening screw
Reagents Plate
Home Sensor lever
Reagents Plate Moto
r
fastening screw
Reagents Plate
pulley
Reactions Plate Motor
fastening screw

Chapter 06 – SETTINGS AND ADJUSTMENTS
Ellipse Service Manual Rev. 04 01 October 2009 Page 59
7. Pull upwards the support Reagents Rack (Fig. 60) and remove it to the Plates Assembly.
Fig. 60 - Plates, Plate Home Sensors and Plate Home Sensor levers
Fig. 61 - Support Reagents Rack
Reactions Plate
Home Senso
r
Samples Plate
Home Senso
r
Reagents Plate Home Sensor lever
Reagent
Tts Plate Home
Senso
r
Samples Plate Home Sensor lever
Reactions Plate Home Sensor lever
Reactions Plate
Samples Plate
Support Reagents Rack

Chapter 06 – SETTINGS AND ADJUSTMENTS
Ellipse Service Manual Rev. 04 01 October 2009 Page 60
8. Upset the Plates Assembly carefullying lay down it from the part of the Reactions Plate
(Fig. 59).
9. Unscrew completely the four fastening screws of the Reagents Plate Motor (Fig. 59) and pull
out it from its housing.
10. Loosen the pulley clamp screw and extract the pulley clamp to the motor pulley
(Fig. 62).
Fig. 6.5.12 - Plate Motor with pulley
11. Take out the motor pulley from its axis (Fig. 64).
12. Unscrew the four fastening screws of the Reagents Plate Motor anchor plate (Fig. 62) and
take out the anchor plate to the motor.
13. Replace the motor with the new Plate Motor Assy (Fig. 63).
Fig. 63 - Plate Motor Assy [P/N: 9-10-0016-00] Fig. 64 - Plate Motor
Plate Motor
Anchor plate
Anchor plate
fastening screw
Motor pulley
Pulley clamp
Pulley clamp screw
Connector Motor
Motor axis

Chapter 06 – SETTINGS AND ADJUSTMENTS
Ellipse Service Manual Rev. 04 01 October 2009 Page 61
14. Insert the pulley clamp on the motor pulley (Fig. 62).
15. Insert the motor pulley (with the motor clamp) to the motor axis of the new Plate Motor Assy
(Fig. 62).
16. Position the motor pulley to 1.50 mm with respect to upper motor plane (Fig. 65), then tighten
the pulley clamp screw (Fig. 62).
Fig. 65 - Plate Motor scheme
17. Position the anchor plate on the upper plane of the new motor with the two anchor plate slots
on the side of the motor connector (like represented in the (Fig. 62).
18. Screw the four anchor plate fastening screws (Fig. 62).
19. Replace the Reagents Plate Motor on its housing with the connector turned towards the
Reagents Plate Home Sensor lever (Fig. 59).
20. Insert (without tighten) the four Reagents Plate Motor fastening screws (Fig. 59).
21. Insert the support Reagents Rack in the Plates Assembly (Fig. 61).
22. Wrap the belt around the Reagents Plate pulley.
23. Wrap the belt around the Reagents Plate Motor pulley.
Upper motor plane
Motor pulley
Pulley clamp
Stepping
Motor

Chapter 06 – SETTINGS AND ADJUSTMENTS
Ellipse Service Manual Rev. 04 01 October 2009 Page 62
24. Push the motor outward from the Plates pulleys axis and holding it in this position, so as to
maintain the belt in tension, then tighten the four fastening screws of the Reagents Plate
Motor (Fig. 59).
25. Make sure that the belt thoots are correctly inserted on the Reagents Plate pulley.
26. Make sure that the belt thoots are correctly inserted on the Reagents Plate Motor pulley.
27. Insert the Reagents Plate Home Sensor around the Home sensor disk.
28. Tighten the Reagents Plate Home Sensor lever adjusting screw (Fig. 67) so that it is centered
with respect its index.
29. Rotate with accuracy the Reagents Plate pulley and check that the belt tension is corrected and
that the Home Sensor disk not to touch the Reagents Home Sensor.
30. Plug in the J4 connector from the Plate Interface Board (Fig. 57).
31. To replace the Plates Assembly, perform the procedure described into the previous
Section 6.5.1 in inverse order: from step 40 to step 1.
N.B.: after having replaced the new Reagents Plate Motor and the Plates Assembly, it is
necessary to align mechanically the Reagents Plate by following the procedure described into
the Section 6.5.14.1 .
6.5.3 REPLACEMENT OF THE SAMPLES PLATE MOTOR
N.B.: before replacing of the Samples Plate Motor, it is necessary remove the Plates Assembly
from the instrument.
1. To remove the Plates Assembly, perform the relative procedure described into the previous
Section 6.5.1.
2. Loosen the four fastening screws of the Reagents Plate Motor (Fig. 59).
3. Unscrew the Reagents Plate Home Sensor lever adjusting screw (Fig. 67) and rotate the
Reagents Plate Home Sensor lever out of the Reagents Plate pulley.
4. Remove the belt from the Reagents Plate Motor pulley.
5. Remove the belt from the Reagents Plate pulley.
6. Loosen the two grains of the Reagents Plate pulley (Fig. 66) and extract the pulley to the
plates axis, making attention not to fold (or to detach) its Home Sensor disk (Fig. 66).

Chapter 06 – SETTINGS AND ADJUSTMENTS
Ellipse Service Manual Rev. 04 01 October 2009 Page 63
7. Pull upwards the support Reagents Rack (Fig. 61) and remove it to the Plates Assembly.
8. Upset the Plates Assembly carefullying lay down it from the part of the Reactions Plate
(Fig. 59).
9. Unplug the J2 connector from the Plate Interface Board (Fig. 57).
10. Loosen the four fastening screws of the Samples Plate Motor (Fig. 59).
11. Remove the belt from the Samples Plate Motor pulley (Fig. 66).
12. Remove the belt from the Samples Plate pulley.
13. Unscrew completely the four fastening screws of the Samples Plate Motor (Fig. 59) and pull
out it from its housing.
14. Loosen the pulley clamp screw and extract the pulley clamp to the motor pulley
(Fig. 62).
15. Take out the motor pulley from its axis (Fig. 64).
16. Unscrew the four fastening screws of the Samples Plate Motor anchor plate (Fig. 62) and take
out the anchor plate to the motor.
17. Replace the motor with the new Plate Motor Assy (Fig. 63).
18. Insert the pulley clamp on the motor pulley (Fig. 62).
19. Insert the motor pulley (with the motor clamp) to the motor axis of the new Plate Motor Assy
(Fig. 62).
20. Position the motor pulley to 1.50 mm with respect to upper motor plane (Fig. 65), then tighten
the pulley clamp screw (Fig. 62).
21. Position the anchor plate on the upper plane of the new motor with the two anchor plate slots
on the side of the motor connector (like represented in the Fig. 62).
22. Screw the four anchor plate fastening screws (Fig. 62).
23. Replace the Samples Plate Motor on its housing with the connector turned towards the Optic
Assembly (Fig. 59).
24. Insert (without tighten) the four Samples Plate Motor fastening screws (Fig. 59).
25. Wrap the belt around the Samples Plate pulley.
26. Wrap the belt around the Samples Plate Motor pulley.

Chapter 06 – SETTINGS AND ADJUSTMENTS
Ellipse Service Manual Rev. 04 01 October 2009 Page 64
27. Push the motor outward from the Plates pulleys axis and holding it in this position, so as to
maintain the belt in tension, then tighten the four fastening screws of the Samples Plate Motor
(Fig. 59).
28. Make sure that the belt thoots are correctly inserted on the Samples Plate pulley.
29. Make sure that the belt thoots are correctly inserted on the Samples Plate Motor pulley.
30. Rotate with accuracy the Samples Plate pulley and check that the belt tension is corrected.
31. Plug in the J2 connector from the Plate Interface Board (Fig. 57).
32. Insert the Reagents Plate pulley (Fig. 66) on the plates axis, making attention not to fold (or to
detach) its Home Sensor disk [Fig. 66] (and with the Home Sensor disk slit aligned with
respect to the slits of the other two Home Sensor disks).
33. Tighten the two grains of the Reagents Plate pulley (Fig. 66) only after to have verified that
the three Plate Motor pulleys are locked between of them.
34. Wrap the belt around the Reagents Plate pulley.
35. Wrap the belt around the Reagents Plate Motor pulley.
36. Push the motor outward from the Plates pulleys axis and holding it in this position, so as to
maintain the belt in tension, then tighten the four fastening screws of the Reagents Plate
Motor (Fig. 59).
37. Make sure that the belt thoots are correctly inserted on the Reagents Plate pulley.
38. Make sure that the belt thoots are correctly inserted on the Reagents Plate Motor pulley.
39. Insert the Reagents Plate Home Sensor around the Home sensor disk.
40. Tighten the Reagents Plate Home Sensor lever adjusting screw (Fig. 67) so that it is centered
with respect its index.
41. Rotate with accuracy the Reagents Plate pulley and check that the belt tension is corrected and
that the Home Sensor disk not to touch the Reagents Home Sensor.
42. To replace the Plates Assembly, perform the procedure described into the previous
Section 6.5.1 in inverse order: from step 40 to step 1.
N.B.: after having replaced the new Samples Plate Motor, the Reagents Plate Motor and the
Plates Assembly, it is necessary to align mechanically the Samples Plate and the Reagents
plate by following the procedure described into the Section 6.5.15.1

Chapter 06 – SETTINGS AND ADJUSTMENTS
Ellipse Service Manual Rev. 04 01 October 2009 Page 65
6.5.4 REPLACEMENT OF THE REACTIONS PLATE MOTOR
N.B.: before replacing of the Reactions Plate Motor, it is necessary remove the Plates
Assembly from the instrument.
1. To remove the Plates Assembly, perform the relative procedure described into the previous
Section 6.5.1.
2. Perform the procedure described into the previous Section 6.5.3 from step 2 to step 8.
3. Unscrew the Samples Plate Home Sensor lever adjusting screw (Fig. 67) and rotate the
Samples Plate Home Sensor lever out of the Samples Plate pulley.
4. Loosen the four fastening screws of the Samples Plate Motor (Fig. 59).
5. Remove the belt from the Samples Plate Motor pulley.
6. Remove the belt from the Samples Plate pulley.
7. Loosen the two grains of the Samples Plate pulley (Fig. 66) and extract the pulley to the plates
axis, making attention not to fold (or to detach) its Home Sensor disk (Fig. 66).
8. Loosen the four fastening screws of the Reactions Plate Motor (Fig. 59).
9. Remove the belt from the Reactions Plate Motor pulley.
10. Remove the belt from the Reactions Plate pulley.
11. Unplug the J3 connector from the Plate Interface Board (Fig. 57).
12. Unscrew completely the four fastening screws of the Reactions Plate Motor (Fig. 59) and pull
out it from its housing.
13. Loosen the pulley clamp screw and extract the pulley clamp to the motor pulley
(Fig. 62).
14. Take out the motor pulley from its axis (Fig. 64).

Chapter 06 – SETTINGS AND ADJUSTMENTS
Ellipse Service Manual Rev. 04 01 October 2009 Page 66
15. Unscrew the four fastening screws of the Reactions Plate Motor anchor plate (Fig. 62) and
take out the anchor plate to the motor.
16. Replace the motor with the new Plate Motor Assy (Fig. 63).
17. Insert the pulley clamp on the motor pulley (Fig. 62).
18. Insert the motor pulley (with the motor clamp) to the motor axis of the new Plate Motor Assy
(Fig. 62).
19. Position the motor pulley to 1.50 mm with respect to upper motor plane (Fig. 65), then tighten
the pulley clamp screw (Fig. 62).
20. Position the anchor plate on the upper plane of the new motor with the two anchor plate slots
on the side of the motor connector (like represented in the Fig. 62).
21. Screw the four anchor plate fastening screws (Fig. 62).
22. Replace the Reactions Plate Motor on its housing with the connector turned towards the
Reactions Home Sensor lever (Fig. 59).
23. Insert (without tighten) the four Reactions Plate Motor fastening screws (Fig. 59).
24. Wrap the belt around the Reactions Plate pulley.
25. Wrap the belt around the Reactions Plate Motor pulley.
26. Push the motor outward from the Plates pulleys axis and holding it in this position, so as to
maintain the belt in tension, then tighten the four fastening screws of the Reactions Plate
Motor (Fig. 59).
27. Make sure that the belt thoots are correctly inserted on the Reactions Plate pulley.
28. Make sure that the belt thoots are correctly inserted on the Reactions Plate Motor pulley.
29. Rotate with accuracy the Reactions Plate pulley and check that the belt tension is corrected.

Chapter 06 – SETTINGS AND ADJUSTMENTS
Ellipse Service Manual Rev. 04 01 October 2009 Page 67
30. Plug in the J3 connector from the Plate Interface Board (Fig. 57).
31. Replace the Samples Plate pulley (Fig. 66) and tighten the two its grains only after to have
verified that the two Plate Motor pulleys are locked between of them (and with the Home
Sensor disk slit aligned with respect to the slit of the other Home Sensor disk).
32. Perform the procedure described into the previous Section 6.5.3 from step 25 to step 29.
33. Tighten the Samples Plate Home Sensor lever adjusting screw (Fig. 67) so that it is centered
with respect its index.
34. Rotate with accuracy the Samples Plate pulley and check that the belt tension is corrected and
that the Home Sensor disk not to touch the Samples Home Sensor.
35. Perform the procedure described into the previous Section 6.5.3 from step 32 to step 41.
36. To replace the Plates Assembly, perform the procedure described into the previous
Section 6.5.1 in inverse order: from step 40 to step 1.
N.B.: after having replaced the new Reactions Plate Motor, the Samples Plate Motor, the
Reagents Plate Motor and the Plates Assembly, it is necessary to align mechanically all the
plates by following the procedure described into the Section 6.5.16.1.
6.5.5 REPLACEMENT OF THE REAGENTS PLATE BELT
N.B.: before replacing of the Reagents Plate Belt, it is necessary remove the Plates Assembly
from the instrument.
1. To remove the Plates Assembly, perform the relative procedure described into the previous
Section 6.5.1.
2. Loosen the four fastening screws of the Reagents Plate Motor (Fig. 59).
3. Remove the belt from the Reagents Plate Motor pulley (Fig. 62).
4. Remove the belt from the Reagents Plate pulley (Fig. 66).
5. Pull upwards the support Reagents Rack (Fig. 61) and remove it to the Plates Assembly.

Chapter 06 – SETTINGS AND ADJUSTMENTS
Ellipse Service Manual Rev. 04 01 October 2009 Page 68
6. Upset the Plates Assembly carefullying lay down it from the part of the Reactions Plate
(Fig. 59).
7. Substitute the belt with the new belt.
8. Insert the support Reagents Rack in the Plates Assembly (Fig. 60).
9. Wrap the new belt around the Reagents Plate pulley.
10. Wrap the new belt around the Reagents Plate Motor pulley.
11. Push the motor outward from the Plates pulleys axis and holding it in this position, so as to
maintain the new belt in tension, then tighten the four fastening screws of the Reagents Plate
Motor (Fig. 59).
12. Make sure that the belt thoots are correctly inserted on the Reagents Plate pulley.
13. Make sure that the belt thoots are correctly inserted on the Reagents Plate Motor pulley.
14. Rotate with accuracy the Reagents Plate pulley and check that the belt tension is corrected.
15. To replace the Plates Assembly, perform the procedure described into the previous Section
6.5.1 in inverse order: from step 40 to step 1.
N.B.: after having replaced the new Reagents Plate belt and the Plates Assembly, it is
necessary to align mechanically the Reagents Plate by following the procedure described into
the Section 6.5.14.1.
6.5.6 REPLACEMENT OF THE SAMPLES PLATE BELT
N.B.: before replacing of the Samples Plate belt, it is necessary remove the Plates Assembly
from the instrument.
1. To remove the Plates Assembly, perform the relative procedure described into the previous
Section 6.5.1.
2. Loosen the four fastening screws of the Reagents Plate Motor (Fig. 59).
3. Unscrew the Reagents Plate Home Sensor lever adjusting screw (Fig. 67) and rotate the
Reagents Plate Home Sensor lever out of the Reagents Plate pulley.
4. Remove the belt from the Reagents Plate Motor pulley (Fig. 62).

Chapter 06 – SETTINGS AND ADJUSTMENTS
Ellipse Service Manual Rev. 04 01 October 2009 Page 69
5. Remove the belt from the Reagents Plate pulley (Fig. 66).
6. Loosen the two grains of the Reagents Plate pulley (Fig. 66) and extract the pulley to the
plates axis, making attention not to fold (or to detach) its Home Sensor disk (Fig. 66).
7. Pull upwards the support Reagents Rack (Fig. 61) and remove it to the Plates Assembly.
8. Upset the Plates Assembly carefullying lay down it from the part of the Reactions Plate
(Fig. 59).
9. Loosen the four fastening screws of the Samples Plate Motor (Fig. 59).
10. Remove the belt from the Samples Plate Motor pulley (Fig. 62).
11. Remove the belt from the Samples Plate pulley (Fig. 66).
12. Substitute the belt with the new belt.
13. Insert the support Reagents Rack in the Plates Assembly (Fig. 60).
14. Wrap the new belt around the Samples Plate pulley.
15. Wrap the new belt around the Samples Plate Motor pulley.
16. Push the motor outward from the Plates pulleys axis and holding it in this position, so as to
maintain the belt in tension, then tighten the four fastening screws of the Samples Plate Motor
(Fig. 59).
17. Make sure that the belt thoots are correctly inserted on the Samples Plate pulley.
18. Make sure that the belt thoots are correctly inserted on the Samples Plate Motor pulley.
19. Rotate with accuracy the Samples Plate pulley and check that the belt tension is corrected.
20. Perform the procedure described into the previous Section 6.5.3 from step 32 to step 41.
21. To replace the Plates Assembly, perform the procedure described into the previous
Section 6.5.1 in inverse order: from step 40 to step 1.
N.B.: after having replaced the new Samples Plate belt, the Reagents Plate Motor and the
Plates Assembly, it is necessary to align mechanically the Samples Plate and the Reagents
Plate by following the procedure described into the Section 6.5.15.1.

Chapter 06 – SETTINGS AND ADJUSTMENTS
Ellipse Service Manual Rev. 04 01 October 2009 Page 70
6.5.7 REPLACEMENT OF THE REACTIONS PLATE BELT
N.B.: before replacing of the Reactions Plate belt, it is necessary remove the Plates Assembly
from the instrument.
1. To remove the Plates Assembly, perform the relative procedure described into the previous
Section 6.5.1.
2. Loosen the four fastening screws of the Reagents Plate Motor (Fig. 59).
3. Unscrew the Reagents Plate Home Sensor lever adjusting screw (Fig. 67) and rotate the
Reagents Plate Home Sensor lever out of the Reagents Plate pulley.
4. Remove the belt from the Reagents Plate Motor pulley (Fig. 62).
5. Remove the belt from the Reagents Plate pulley (Fig. 66).
6. Pull upwards the support Reagents Rack (Fig. 61) and remove it to the Plates Assembly.
7. Upset the Plates Assembly carefullying lay down it from the part of the Reactions Plate
(Fig. 59).
8. Loosen the two grains of the Reagents Plate pulley (Fig. 66) and extract the pulley to the
plates axis, making attention not to fold (or to detach) its Home Sensor disk (Fig. 66).
9. Loosen the four fastening screws of the Samples Plate Motor (Fig. 59).
10. Unscrew the Samples Plate Home Sensor lever adjusting screw (Fig. 67) and rotate the
Samples Plate Home Sensor lever out of the Samples Plate pulley.
11. Remove the belt from the Samples Plate Motor pulley (Fig. 62).
12. Remove the belt from the Samples Plate pulley (Fig. 66).
13. Loosen the two grains of the Samples Plate pulley (Fig. 66) and extract the pulley to the plates
axis, making attention not to fold (or to detach) its Home Sensor disk (Fig. 66).

Chapter 06 – SETTINGS AND ADJUSTMENTS
Ellipse Service Manual Rev. 04 01 October 2009 Page 71
14. Loosen the four fastening screws of the Reactions Plate Motor (Fig. 59).
15. Remove the belt from the Reactions Plate Motor pulley (Fig. 62).
16. Remove the belt from the Reactions Plate pulley (Fig. 66).
17. Substitute the belt with the new belt.
18. Insert the support Reagents Rack in the Plates Assembly (Fig. 60).
19. Wrap the belt around the Reactions Plate pulley.
20. Wrap the belt around the Reactions Plate Motor pulley.
21. Push the motor outward from the Plates pulleys axis and holding it in this position, so as to
maintain the belt in tension, then tighten the four fastening screws of the Reactions Plate
Motor (Fig. 59).
22. Make sure that the belt thoots are correctly inserted on the Reactions Plate pulley.
23. Make sure that the belt thoots are correctly inserted on the Reactions Plate Motor pulley.
24. Rotate with accuracy the Reactions Plate pulley and check that the belt tension is corrected.
25. Replace the Samples Plate pulley and tighten the two its grains only after to have verified that
the two Plate Motor pulleys are locked between of them (and with the Home Sensor disk slit
aligned with respect to the slit of the other Home Sensor disk).
26. Perform the procedure described into the previous Section 6.5.3 from step 25 to step 29.
27. Tighten the Samples Plate Home Sensor lever adjusting screw (Fig. 67) so that it is centered
with respect its index.
28. Rotate with accuracy the Samples Plate pulley and check that the belt tension is corrected and
that the Home Sensor disk not to touch the Samples Home Sensor.
29. Perform the procedure described into the previous Section 6.5.3 from step 32 to step 41.

Chapter 06 – SETTINGS AND ADJUSTMENTS
Ellipse Service Manual Rev. 04 01 October 2009 Page 72
30. To replace the Plates Assembly, perform the procedure described into the previous Section
6.5.1 in inverse order: from step 40 to step 1.
N.B.: after having replaced the new Reactions Plate belt, the Samples Plate pulley, the
Reagents Plate pulley and the Plates Assembly, it is necessary to align mechanically all the
plates by following the procedure described into the Section 6.5.16.1.
6.5.8 REPLACEMENT OF THE REAGENTS PLATE PULLEY
N.B.: before replacing of the Reagents Plate pulley, it is necessary remove the Plates Assembly
from the instrument
1. To remove the Plates Assembly, perform the relative procedure described into the previous
Section 6.5.1.
2. Perform the procedure described into the previous Section 6.5.7 from step 2 to step 13.
3. Substitute the pulley with the new pulley (Fig. 66).
Fig. 66 - Plates pulleys
4. Perform the procedure described into the previous Section 6.5.3 from step 32 to step 41.
Reagents Plate
pulley
Reactions Plate
pulley
Samples Plate
pulley
Grain
Home Sensor disk slit
Home Sensor disk

Chapter 06 – SETTINGS AND ADJUSTMENTS
Ellipse Service Manual Rev. 04 01 October 2009 Page 73
5. To replace the Plates Assembly, perform the procedure described into the previous
Section 6.5.1 in inverse order: from step 40 to step 1.
N.B.: after having replaced the new Reagents Plate pulley and the Plates Assembly, it is
necessary to align mechanically the Reagents Plate by following the procedure described into
the Section 6.5.14.2.
6.5.9 REPLACEMENT OF THE SAMPLES PLATE PULLEY
N.B.: before replacing of the Samples Plate pulley, it is necessary remove the Plates Assembly
from the instrument.
1. To remove the Plates Assembly, perform the relative procedure described into the previous
Section 6.5.1.
2. Perform the procedure described into the previous Section 6.5.4 from step 2 to step 7.
3. Substitute the pulley with the new pulley (Fig. 66).
4. Perform the procedure described into the previous Section 6.5.7 from step 25 to step 29.
5. To replace the Plates Assembly, perform the procedure described into the previous
Section 6.5.1 in inverse order: from step 40 to step 1.
N.B.: after having replaced the new Samples Plate pulley, the Reagents Plate pulley and the
Plates Assembly, it is necessary to align mechanically the Samples Plate and the Reagents
Plate by following the procedure described into the Section 6.5.15.2.
6.5.10 REPLACEMENT OF THE REACTIONS PLATE PULLEY
N.B.: before replacing of the Reactions Plate pulley, it is necessary remove the Plates
Assembly from the instrument
1. To remove the Plates Assembly, perform the relative procedure described into the previous
Section 6.5.1.
2. Perform the procedure described into the previous Section 6.5.7 from step 2 to step 16.
3. Unscrew the Reactions Plate Home Sensor lever adjusting screw (Fig. 67) and rotate the
Reactions Plate Home Sensor lever out of the Reactions Plate pulley.

Chapter 06 – SETTINGS AND ADJUSTMENTS
Ellipse Service Manual Rev. 04 01 October 2009 Page 74
4. Loosen the two grains of the Reactions Plate pulley (Fig. 67) and extract the pulley to the
plates axis, making attention not to fold (or to detach) its Home Sensor disk (Fig.67).
5. Substitute the pulley with the new pulley (Fig. 66).
6. Replace the new Reactions Plate pulley and tighten the two its grains only after to have
verified that it is locked on the superior surface.
7. Insert the Reactions Plate Home Sensor around the Home Sensor disk.
8. Tighten the Reactions Plate Home Sensor lever adjusting screw (Fig. 67) so that it is centered
with respect to its index.
9. Perform the procedure described into the previous Section 6.5.7 from step 18 to step 29.
10. To replace the Plates Assembly, perform the procedure described into the previous
Section 6.5.1 in inverse order: from step 40 to step 1.
N.B.: after having replaced the new Reactions Plate pulley, the Samples Plate pulley, the
Reagents Plate pulley and the Plates Assembly, it is necessary to align mechanically all the
plates by following the procedure described into the Section 6.5.16.2 .

Chapter 06 – SETTINGS AND ADJUSTMENTS
Ellipse Service Manual Rev. 04 01 October 2009 Page 75
6.5.11 REPLACEMENT OF THE REAGENTS PLATE HOME SENSOR
1. Remove the instrument front panel unscrewing its four anchored screws.
2. Unplug the J9 connector from the Plate Interface Board (Fig. 57).
3. Unscrew the Home Sensors screw (Fig. 67).
Fig. 67 - Plates Home Sensors levers adjusting screws
4. Unscrew the Reagents Plate Home Sensor lever adjusting screw (Fig. 67) and remove the
Reagents Plate Home Sensor lever from the Reagents Plate pulley.
5. Unscrew the two Reagents Plate Home Sensor fastening screws on the its lever (Fig. 68).
6. Substitute the Home Sensor with the new Home Sensor (Fig. 69).
Reactions Plate Home Sensor
lever adjusting screw
Samples Plate Home Sensor
lever adjusting screw
Reagents Plate Home Sensor
lever adjusting screw
Home Sensors screw
Spacer column
Reactions Plate
Home Sensor leve
r
Samples Plate
Home Sensor leve
r
Reagents Plate
Home Sensor
lever

Chapter 06 – SETTINGS AND ADJUSTMENTS
Ellipse Service Manual Rev. 04 01 October 2009 Page 76
7. Replace the new Home Sensor on its lever with the window Home Sensor outward-facing
(Fig. 68) and screw the two Reagents Plate Home Sensor fastening screws.
8. Insert the Reagents Plate Home Sensor around the Home Sensor disk.
9. Replace the Reagents Plate Home Sensor lever on its location and screw the Reagents Plate
Home Sensor lever adjusting screw (Fig. 67) so that it is centered with respect to its index.
10. Screw the Home Sensors screw (Fig. 67).
11. Plug in the J9 connector in the Plate Interface Board (Fig. 57).
12. Rotate with accuracy the Reagents Plate pulley and check that the Home Sensor disk not to
touch the Reagents Home Sensor.
13. Place the instrument front panel screwing its four anchored screws.
N.B.: after having replaced the new Reagents Plate Home Sensor, it is necessary to align
mechanically the Reagents Plate by following the procedure described into the Section
6.5.14.3 .
Fig. 69 – Plate Home Sensor Assy
[P/N: 9-10-0023-00]
Fig. 68 - Plate HomeSensor
fastenin
g
screws
Home Sensor
Home Sensor
fastening screw
Lever

Chapter 06 – SETTINGS AND ADJUSTMENTS
Ellipse Service Manual Rev. 04 01 October 2009 Page 77
6.5.12 REPLACEMENT OF THE SAMPLES PLATE HOME SENSOR
1. Remove the instrument front panel unscrewing its four anchored screws.
2. Unscrew the Home Sensors screw (Fig. 67).
3. Unscrew the Reagents Plate Home Sensor lever adjusting screw (Fig. 67) and remove the
Reagents Plate Home Sensor lever from the Reagents Plate pulley.
4. Unscrew the first spacer of the Home Sensor levers with the relative washer (Fig. 67).
5. Unplug the J7 connector from the Plate Interface Board (Fig. 57).
6. Unscrew the Samples Plate Home Sensor lever adjusting screw (Fig. 67) and remove the
Samples Plate Home Sensor lever from the Samples Plate pulley.
7. Unscrew the two Samples Plate Home Sensor fastening screws on the its lever (Fig. 68).
8. Substitute the Home Sensor with the new Home Sensor (Fig. 69).
9. Replace the new Home Sensor on its lever with the window Home Sensor outward-facing
(Fig. 68) and screw the two Samples Plate Home Sensor fastening screws.
10. Insert the Samples Plate Home Sensor around the Home sensor disk.
11. Replace the Samples Plate Home Sensor lever on its location and screw the Samples Plate
Home Sensor lever adjusting screw (Fig. 67) so that it is centered with respect to its index.
12. Replace the spacer washer and screw the first spacer of the Home Sensor levers.
13. Plug in the J7 connector in the Plate Interface Board (Fig. 57).
14. Rotate with accuracy the Samples Plate pulley and check that the Home Sensor disk not to
touch the Samples Home Sensor.
15. Insert the Reagents Plate Home Sensor around the Home Sensor disk.
16. Replace the Reagents Plate Home Sensor lever on its location and screw the Reagents Plate
Home Sensor lever adjusting screw (Fig. 67) so that it is centered with respect its index.
17. Screw the Home Sensors screw (Fig. 67).
18. Rotate with accuracy the Reagents Plate pulley and check that the Home Sensor disk not to
touch the Reagents Home Sensor.
19. Place the instrument front panel screwing its four anchored screws.

Chapter 06 – SETTINGS AND ADJUSTMENTS
Ellipse Service Manual Rev. 04 01 October 2009 Page 78
N.B.: after having replaced the new Samples Plate Home Sensor and the Reagents Plate
Home Sensor, it is necessary to align mechanically the Samples Plate and Reagents Plate by
following the procedure described into the Section 6.5.15.3.
6.5.13 REPLACEMENT OF THE REACTIONS PLATE HOME SENSOR
1. Remove the instrument front panel unscrewing its four anchored screws.
2. Unscrew the Home Sensors screw (Fig. 67).
3. Unscrew the Reagents Plate Home Sensor lever adjusting screw (Fig. 67) and remove the
Reagents Plate Home Sensor lever from the Reagents Plate pulley.
4. Unscrew the first spacer of the Home Sensor levers with the relative washer (Fig. 67).
5. Unscrew the Samples Plate Home Sensor lever adjusting screw (Fig. 67) and remove the
Samples Plate Home Sensor lever from the Samples Plate pulley.
6. Unplug the J8 connector from the Plate Interface Board (Fig. 57).
7. Unscrew the second spacer of the Home Sensor levers with the relative washer (Fig. 57).
8. Unscrew the Reactions Plate Home Sensor lever adjusting screw (Fig. 67) and remove the
Reactions Plate Home Sensor lever from the Reactions Plate pulley.
9. Unscrew the two Reactions Plate Home Sensor fastening screws on the its lever (Fig. 68).
10. Substitute the Home Sensor with the new Home Sensor (Fig. 69).
11. Replace the new Home Sensor on its lever with the window Home Sensor outward-facing
(Fig. 68) and screw the two Reactions Plate Home Sensor fastening screws.
12. Insert the Reactions Plate Home Sensor around the Home sensor disk.
13. Replace the Reactions Plate Home Sensor lever on its location and screw the Reactions Plate
Home Sensor lever adjusting screw (Fig. 67) so that it is centered with respect to its index.
14. Replace the spacer washer and screw the second spacer of the Home Sensor levers.
15. Plug in the J8 connector in the Plate Interface Board (Fig. 57).
16. Rotate with accuracy the Reactions Plate pulley and check that the Home Sensor disk not to
touch the Reactions Home Sensor.
17. Insert the Samples Plate Home Sensor around the Home Sensor disk.

Chapter 06 – SETTINGS AND ADJUSTMENTS
Ellipse Service Manual Rev. 04 01 October 2009 Page 79
18. Replace the Samples Plate Home Sensor lever on its location and screw the Samples Plate
Home Sensor lever adjusting screw (Fig. 67) so that it is centered with respect its index.
19. Replace the spacer washer and screw the first spacer of the Home Sensor levers.
20. Rotate with accuracy the Samples Plate pulley and check that the Home Sensor disk not to
touch the Samples Home Sensor.
21. Insert the Reagents Plate Home Sensor around the Home sensor disk.
22. Replace the Reagents Plate Home Sensor lever on its location and screw the Reagents Plate
Home Sensor lever adjusting screw (Fig. 67) so that it is centered with respect its index.
23. Screw the Home Sensors screw (Fig. 67).
24. Rotate with accuracy the Reagents Plate pulley and check that the Home Sensor disk not to
touch the Reagents Home Sensor.
25. Place the instrument front panel screwing its four anchored screws.
N.B.: after having replaced the new Reactions Plate Home Sensor, the Samples Plate Home
Sensor and the Reagents Plate Home Sensor, it is necessary to align mechanically all the
plates by following the procedure described into the Section 6.5.16.3
6.5.14 ALIGNMENT AND ADJUSTMENTS OF THE REAGENTS PLATE
6.5.14.1 Alignment and adjustment of the Reagents Plate in case of replacement of the
Reagents Plate motor or of the Reagents Plate belt
N.B.: in case of replacement of the Reagents Plate motor or of the Reagents Plate belt, it is
necessary only control that the Reagents Plate is centered with respect to the Sampling Arm
1. Make sure the instrument (Ellipse) is turned on.
1. Make sure that the Reagents protection cover is permanently locked on the Reagents Plate.
2. Launch the “Diagnostic” program.
3. Select "Miscellaneous” folder and request an Instrument General Reset. Wait until the reset
instrument procedure has been completed.
4. Make sure that the distance between the top edge of the Washing Well and the tip of the
Sampling Probe is 25 mm.

Chapter 06 – SETTINGS AND ADJUSTMENTS
Ellipse Service Manual Rev. 04 01 October 2009 Page 80
5. Select “Arm” folder.
6. Click the "Go Std" button, then click the correspondent “Down” button. The arm will move to
position #1 of the Standards Plate, then it will go down until to reach the right height.
7. Make sure that the Sampling Probe is vertically aligned and centered with respect to position
#1 of the Standards Plate. If it not be so: adjust the positioning by using the ‘+’ and ‘-‘ keys,
adjust (if necessary) the verticality by using the adjustable anchored bearing (Fig. 7), click the
‘Save’ button, then repeat the above steps from 6.
8. Click the "Go Reag." button, then click the correspondent “Down” button. The arm will move
to position #1 of the Reagents Plate, then it will go down until to reach the right height.
9. Make sure that the Sampling Probe is vertically aligned and centered with respect to position
#1 of the Reagents Plate. If it not be so: adjust the positioning by using the ‘+’ and ‘-‘ keys,
then click the ‘Save’ button.
10. Select "Miscellaneous” folder and request an Instrument General Reset. Wait until the general
reset procedure has been completed.
6.5.14.2 Alignment and adjustment of the Reagents Plate in case of replacement of the
Reagents Plate pulley
N.B.: in case of replacement of the Reagents Plate pulley, align and adjust the Reagents Plate
with respect to the Sampling Arm.
1. Make sure that the instrument (Ellipse) is turned on.
2. Make sure that the Reagents protection cover is permanently locked on the Reagents Plate.
3. Remove the instrument front panel unscrewing its four anchored screws.
4. Launch the “Diagnostic” program.
5. Select "Miscellaneous” folder and request an Instrument General Reset. Wait until the reset
instrument procedure has been completed.
6. Make sure that the distance between the top edge of the Washing Well and the tip of the
Sampling Probe is 25 mm.
7. Select “Plate” folder.
8. Click the "ALL Motors OFF" button.

Chapter 06 – SETTINGS AND ADJUSTMENTS
Ellipse Service Manual Rev. 04 01 October 2009 Page 81
9. Loosen the two grains of the Reagents Plate pulley (Fig. 66).
10. Click the "ALL Motors ON" button. Wait until the reset instrument procedure has been
completed.
11. Select “Arm” folder.
12. Click the "Go Reag." button, then click the correspondent “Down” button. The arm will move
to position #1 of the Reagents Plate, then it will go down until to reach the right height.
13. Rotate manually the Reagents Plate until to reach the right centering of the position #1 of the
Reagents Plate with respect to the Sampling Probe, then adjust (if necessary) the positioning
of the Sampling Probe by using the ‘+’ and ‘-‘ keys.
14. Tighten the grain at sight of the Reagents Plate pulley only after to have verified that the three
Plate Motor pulleys are locked between of them, then click the ‘Save’ button.
15. Select “Plate” folder and click the "ALL Motors OFF" button.
16. Rotate manually the Reagents Plate until to have in view the other grain of the Reagents Plate
pulley, then tighten it.
17. Click the "ALL Motors ON" button. Wait until the reset instrument procedure has been
completed.
18. Select “Arm” folder.
19. Click the "Go Std" button, then click the correspondent “Down” button. The arm will move to
position #1 of the Standards Plate, then it will go down until to reach the right height.
20. Make sure that the Sampling Probe is vertically aligned and centered with respect to
position #1 of the Standards Plate. If it not be so: adjust the positioning by using the ‘+’ and
‘-‘ keys, adjust (if necessary) the verticality by using the adjustable anchored bearing, click
the ‘Save’ button, then repeat the above steps from 15.
21. Click the "Go Reag." button, then click the correspondent “Down” button. The arm will move
to position #1 of the Reagents Plate, then it will go down until to reach the right height.
22. Make sure that the Sampling Probe is vertically aligned and centered with respect to position
#1 of the Reagents Plate. If it not be so: adjust the positioning by using the ‘+’ and ‘-‘ keys,
then click the ‘Save’ button.

Chapter 06 – SETTINGS AND ADJUSTMENTS
Ellipse Service Manual Rev. 04 01 October 2009 Page 82
23. Select "Miscellaneous” folder and request an Instrument General Reset. Wait until the general
reset procedure has been completed.
24. Place the instrument front panel screwing its four anchored screws.
6.5.14.3 Alignment and adjustment of the Reagents Plate in case of replacement of the
Reagents Plate Home Sensor
N.B.: in case of replacement of the Reagents Plate Home Sensor, center the Reagents Plate
with respect to the Sampling Arm adjusting the position of the Reagents Plate Home Sensor
lever.
1. Make sure that the instrument (Ellipse) is turned on.
2. Make sure that the Reagents protection cover is permanently locked on the Reagents Plate.
3. Remove the instrument front panel unscrewing its four anchored screws.
4. Launch the “Diagnostic” program.
5. Select "Miscellaneous” folder and request an Instrument General Reset. Wait until the reset
instrument procedure has been completed.
6. Make sure that all the Home Sensors of the Sampling Arm (Vertical and Horizontal),
Reactions, Samples and Reagents Plates light up in green.
7. Select “Arm” folder.
8. Click the "Go Reag." button, then click the correspondent “Down” button. The arm will move
to position #1 of the Reagents Plate, then it will go down until to reach the right height.
9. Make sure that the Sampling Probe is vertically aligned and centered with respect to
position #1 of the Reagents Plate. If it not be so:
a. loosen the Reagents Plate Home Sensor lever adjusting screw (Fig. 67);
b. turn slightly the Reagents Plate Home Sensor lever to the right toward in order to obtain the
centering;
c. tighten the Reagents Plate Home Sensor lever adjusting screw;
d. repeat the steps from 5 to 9.
10. Click the "Go Std" button, then click the correspondent “Down” button. The arm will move to
position #1 of the Standards Plate, then it will go down until to reach the right height

Chapter 06 – SETTINGS AND ADJUSTMENTS
Ellipse Service Manual Rev. 04 01 October 2009 Page 83
11. Make sure that the Sampling Probe is vertically aligned and centered with respect to
position #1 of the Standards Plate.
12. Select "Miscellaneous” folder and request an Instrument General Reset. Wait until the general
reset procedure has been completed.
13. Place the instrument front panel screwing its four anchored screws.
6.5.15 LIGNMENT AND ADJUSTMENTS OF THE SAMPLES PLATE
6.5.15.1 Alignment and adjustment of the Samples Plate in case of replacement of the Samples
Plate motor or of the Samples Plate belt
N.B.: in case of replacement of the Samples Plate motor or of the Samples Plate belt, it is
necessary control that the Samples Plate is centered with respect to the Sampling Arm and
then, align and adjust the Reagents Plate
1. Perform the procedure described into the previous Section 6.5.14.2 from step 1 to step 20.
2. Select “Arm” folder.
3. Click the "Go Sample" button, then click the correspondent “Down” button. The arm will
move to position #1 of the Sample Rack #1, then it will go down until to reach the right
height.
4. Make sure that the Sampling Probe is vertically aligned and centered with respect to
position #1 of the Sample Rack #1. If it not be so: adjust the positioning by using the ‘+’ and
‘-‘ keys and click the ‘Save’ button.
5. Select "Miscellaneous” folder and request an Instrument General Reset. Wait until the general
reset procedure has been completed.
6. Place the instrument front panel screwing its four anchored screws.

Chapter 06 – SETTINGS AND ADJUSTMENTS
Ellipse Service Manual Rev. 04 01 October 2009 Page 84
6.5.15.2 Alignment and adjustment of the Samples Plate in case of replacement of the
Samples Plate pulley
N.B.: in case of replacement of the Samples Plate pulley, align and adjust the Reagents Plate
and the Samples Plate with respect to the Sampling Arm.
1. Make sure that the instrument (Ellipse) is turned on.
2. Remove the instrument front panel unscrewing its four anchored screws (Fig. 13).
3. Launch the “Diagnostic” program.
4. Select "Miscellaneous” folder and request an Instrument General Reset. Wait until the reset
instrument procedure has been completed.
5. Make sure that the distance between the top edge of the Washing Well and the tip of the
Sampling Probe is 25 mm.
6. Select “Plate” folder.
7. Click the "ALL Motors OFF" button.
8. Loosen the two grains of the Samples Plate pulley (Fig. 66).
9. Click the "ALL Motors ON" button. Wait until the reset instrument procedure has been
completed.
10. Select “Arm” folder.
11. Click the "Go Sample" button, then click the correspondent “Down” button. The arm will
move to position #1 of the Sample Rack #1, then it will go down until to reach the right
height.
12. Rotate manually the Samples Plate until to reach the right centering of the position #1 of the
Sample Rack #1 with respect to the Sampling Probe, then adjust (if necessary) the positioning
of the Sampling Probe by using the ‘+’ and ‘-‘ keys.
13. Tighten the grain at sight of the Samples Plate pulley, then click the ‘Save’ button.
14. Select “Plate” folder and click the "ALL Motors OFF" button.
15. Rotate manually the Samples Plate until to have in view the other grain of the Samples Plate
pulley, then tighten it.

Chapter 06 – SETTINGS AND ADJUSTMENTS
Ellipse Service Manual Rev. 04 01 October 2009 Page 85
16. Click the "ALL Motors ON" button. Wait until the reset instrument procedure has been
completed.
17. Select “Arm” folder.
18. Click the "Go Sample" button, then click the correspondent “Down” button. The arm will
move to position #1 of the Sample Rack #1, then it will go down until to reach the right
height.
19. Make sure that the Sampling Probe is vertically aligned and centered with respect to
position #1 of the Sample Rack #1.
20. Select "Miscellaneous” folder and request an Instrument General Reset. Wait until the general
reset procedure has been completed.
21. Perform the procedure described into the previous Section 6.5.14.2 from step 7 to step 21.
6.5.15.3 Alignment and adjustment of the Samples Plate in case of replacement of the
Samples Plate Home Sensor
N.B.: in case of replacement of the Samples Plate Home Sensor, center the Samples Plate and
the Reagents Plate with respect to the Sampling Arm adjusting the position of the relative
Plate Home Sensor levers.
1. Make sure that the instrument (Ellipse) is turned on.
2. Make sure that the Reagents protection cover is permanently locked on the Reagents Plate.
3. Remove the instrument front panel unscrewing its four anchored screws (Fig. 13).
4. Launch the “Diagnostic” program.
5. Select "Miscellaneous” folder and request an Instrument General Reset. Wait until the reset
instrument procedure has been completed.
6. Make sure that all the Home Sensors of the Sampling Arm (Vertical and Horizontal),
Reactions, Samples and Reagents Plates light up in green.
7. Select “Arm” folder.
8. Click the "Go Sample" button, then click the correspondent “Down” button. The arm will
move to position #1 of the Sample Rack #1, then it will go down until to reach the right
height.

Chapter 06 – SETTINGS AND ADJUSTMENTS
Ellipse Service Manual Rev. 04 01 October 2009 Page 86
9. Make sure that the Sampling Probe is vertically aligned and centered with respect to
position #1 of the Sample Rack #1. If it not be so:
a. loosen the Samples Plate Home Sensor lever adjusting screw (Fig. 6.5.17);
b. turn slightly the Samples Plate Home Sensor lever to the right toward in order to obtain the
centering;
c. tighten the Samples Plate Home Sensor lever adjusting screw;
d. repeat the steps from 5 to 9.
10. Click the "Go Sample" button, then click the correspondent “Down” button. The arm will
move to position #1 of the Sample Rack #1, then it will go down until to reach the right
height.
11. Make sure that the Sampling Probe is vertically aligned and centered with respect to
position #1 of the Sample Rack #1.
12. Select "Miscellaneous” folder and request an Instrument General Reset. Wait until the general
reset procedure has been completed.
13. Perform the procedure described into the previous Section 6.5.14.3 from step 7 to step 13.
6.5.16 LIGNMENT AND ADJUSTMENTS OF THE REACTIONS PLATE
6.5.16.1 Alignment and adjustment of the Reactions Plate in case of replacement of the
Reactions Plate motor or of the Reactions Plate belt
N.B.: in case of replacement of the Reactions Plate motor or of the Reactions Plate belt, it is
necessary control that the Reactions Plate is centered with respect to the Sampling Arm and
with respect to the Optic Assembly; then, align and adjust the Samples Plate and the Reagents
Plate.
1. Make sure that the instrument (Ellipse) is turned on.
2. Remove the reactions cuvettes front cover.
3. Remove with accuracy the left reactions cuvettes cover (placed under the Washing Station
cannulas) unscrewing its three screws.

Chapter 06 – SETTINGS AND ADJUSTMENTS
Ellipse Service Manual Rev. 04 01 October 2009 Page 87
4. Take a with Reactions Plate Rack with a opaque cuvette #1 and then, substitute the Reactions
Plate Rack #1 with this new Rack.
5. Make sure that the distance between the top edge of the Washing Well and the tip of the
Sampling Probe is 25 mm.
6. Launch the “Diagnostic” program.
7. Select "Miscellaneous” folder and request an Instrument General Reset. Wait until the reset
instrument procedure has been completed.
8. Make sure that all the Home Sensors of the Sampling Arm (Vertical and Horizontal),
Reaction, Samples and Reagent Plates light up in green.
9. Make sure that the lamp of the Optic Assembly is turned on.
10. Select “Optic” folder and click the "Spare" button.
11. Make sure that the light beam of the lamp is centered with respect to cuvette #1 of the
Reactions Plate. If it not be so: perform the procedure described into the Section 6.5.16.3.
12. Select “Arm” folder.
13. Click the "Go Disp." button, then click the correspondent “Down” button. The arm will move
to cuvette #81 of the Reactions Plate, then it will go down until to reach the right height.
14. Make sure that the Sampling Probe is vertically aligned and centered with respect to
cuvette #81 of the Reactions Plate. If it not be so: adjust the positioning by using the ‘+’ and
‘-‘ keys, then click the ‘Save’ button.
15. Select "Miscellaneous” folder and request an Instrument General Reset. Wait until the reset
instrument procedure has been completed.
16. Substitute the Reactions Plate Rack #1 with the previous Rack #1.
17. Replace with accuracy the left reactions cuvettes cover (placed under the Washing Station
cannulas) screwing its three screws.
18. Replace the reactions cuvettes front cover.
19. Perform the procedure described into the previous Section 6.5.15.2 from step 6 to step 21.

Chapter 06 – SETTINGS AND ADJUSTMENTS
Ellipse Service Manual Rev. 04 01 October 2009 Page 88
6.5.16.2 Alignment and adjustment of the Reactions Plate in case of replacement of the
Reactions Plate pulley
N.B.: in case of replacement of the Reactions Plate pulley, align and adjust the Reactions
Plate, the Samples Plate and the Reagents Plate with respect to the Sampling Arm.
1. Make sure the instrument (Ellipse) is turned on.
2. Remove the instrument front panel unscrewing its four anchored screws.
3. Remove the reactions cuvettes front cover.
4. Remove with accuracy the left reactions cuvettes cover (placed under the Washing Station
cannulas) unscrewing its three screws.
5. Take a with Reactions Plate Rack with a opaque cuvette #1 and then, substitute the Reactions
Plate Rack #1 with this new Rack.
6. Launch the “Diagnostic” program.
7. Select "Miscellaneous” folder and request an Instrument General Reset. Wait until the reset
instrument procedure has been completed.
8. Make sure that all the Home Sensors of the Sampling Arm (Vertical and Horizontal),
Reaction, Samples and Reagent Plates light up in green.
9. Select “Plate” folder.
10. Click the "ALL Motors OFF" button.
11. Make sure that the two Reagents pulley grains are locked.
12. Make sure that the three Plate Home Sensor levers (Fig. 67) are centered with respect to the
relative index.
13. Loosen the two grains of the Reactions Plate pulley (Fig. 66).
14. Click the "ALL Motors ON" button. Wait until the reset instrument procedure has been
completed.
15. Select “Optic” folder and click the "Spare" button.
16. Make sure that the lamp of the Optic Assembly is turned on.

Chapter 06 – SETTINGS AND ADJUSTMENTS
Ellipse Service Manual Rev. 04 01 October 2009 Page 89
17. Rotate manually the Reactions Plate until to reach the right centering of the cuvette #1 of the
Reactions Plate Rack #1 with respect to the light beam of the Optic Assembly.
18. Tighten the grain at sight of the Reactions Plate pulley.
19. Select “Plate” folder and click the "ALL Motors OFF" button.
20. Rotate manually the Reactions Plate until to have in view the other grain of the Reactions
Plate pulley, then tighten it.
21. Click the "ALL Motors ON" button. Wait until the reset instrument procedure has been
completed.
22. Select “Optic” folder and click the "Spare" button.
23. Make sure that the cuvette #1 of the Reactions Plate Rack #1 is centered with respect to the
light beam of the Optic Assembly. If it not be so:
a. loosen the Reactions Plate Home Sensor lever adjusting screw (Fig. 67);
b. turn slightly the Reactions Plate Home Sensor lever to the right toward in order to obtain the
centering;
c. tighten the Reactions Plate Home Sensor lever adjusting screw;
d. select “Plate” folder and click the "Reset" button of the Reactions Plate;
e. repeat the step 23.
24. Make sure that the Reagents protection cover is permanently locked on the Reagents Plate.
25. Perform the procedure described into the previous Section 6.1.1 from step 4 to step 12.
26. Select "Miscellaneous” folder and request an Instrument General Reset. Wait until the reset
instrument procedure has been completed.
27. Select “Arm” folder.
28. Click the "Go Disp." button, then click the correspondent “Down” button. The arm will move
to cuvette #81 of the Reactions Plate, then it will go down until to reach the right height.
29. Make sure that the Sampling Probe is vertically aligned and centered with respect to cuvette
#81 of the Reactions Plate. If it not be so: adjust the positioning by using the ‘+’ and ‘-‘ keys,
then click the ‘Save’ button.
30. Substitute the Reactions Plate Rack #1 with the previous Rack #1.

Chapter 06 – SETTINGS AND ADJUSTMENTS
Ellipse Service Manual Rev. 04 01 October 2009 Page 90
31. Replace with accuracy the left reactions cuvettes cover (placed under the Washing Station
cannulas) screwing its three screws.
32. Replace the reactions cuvettes front cover.
33. Perform the procedure described into the previous Section 6.5.15.2 from step 4 to step 21.
6.5.16.3 Alignment and adjustment of the Reactions Plate in case of replacement of the
Reactions Plate Home Sensor
N.B.: in case of replacement of the Reactions Plate Home Sensor, center the Reactions Plate,
the Samples Plate and the Reagents Plate with respect to the Sampling Arm adjusting the
position of the relative Plate Home Sensor levers
1. Make sure the instrument (Ellipse) is turned on.
2. Remove the instrument front panel unscrewing its four anchored screws.
3. Remove the reactions cuvettes front cover.
4. Remove with accuracy the left reactions cuvettes cover (placed under the Washing Station
cannulas) unscrewing its three screws.
5. Take a with Reactions Plate Rack with a opaque cuvette #1 and then, substitute the Reactions
Plate Rack #1 with this new Rack.
6. Launch the “Diagnostic” program.
7. Select "Miscellaneous” folder and request an Instrument General Reset. Wait until the reset
instrument procedure has been completed.
8. Make sure that all the Home Sensors of the Sampling Arm (Vertical and Horizontal),
Reaction, Samples and Reagent Plates light up in green.
9. Select “Optic” folder and click the "Spare" button.
10. Make sure that the cuvette #1 of the Reactions Plate Rack #1 is centered with respect to the
light beam of the Optic Assembly. If it not be so:
a. loosen the Reactions Plate Home Sensor lever adjusting screw (Fig. 67);
b. turn slightly the Reactions Plate Home Sensor lever to the right toward in order to obtain the
centering;

Chapter 06 – SETTINGS AND ADJUSTMENTS
Ellipse Service Manual Rev. 04 01 October 2009 Page 91
c. tighten the Reactions Plate Home Sensor lever adjusting screw;
d. select “Plate” folder and click the "Reset" button of the Reactions Plate;
e. repeat the step 10.
11. Make sure that the Reagents protection cover is permanently locked on the Reagents Plate.
12. Select "Miscellaneous” folder and request an Instrument General Reset. Wait until the reset
instrument procedure has been completed.
13. Select “Arm” folder.
14. Click the "Go Disp." button, then click the correspondent “Down” button. The arm will move
to cuvette #81 of the Reactions Plate, then it will go down until to reach the right height.
15. Make sure that the Sampling Probe is vertically aligned and centered with respect to cuvette
#81 of the Reactions Plate. If it not be so: adjust the positioning by using the ‘+’ and ‘-‘ keys,
then click the ‘Save’ button.
16. Substitute the Reactions Plate Rack #1 with the previous Rack #1.
17. Replace with accuracy the left reactions cuvettes cover (placed under the Washing Station
cannulas) screwing its three screws.
18. Replace the reactions cuvettes front cover.
19. Select "Miscellaneous” folder and request an Instrument General Reset. Wait until the general
reset procedure has been completed.
20. Perform the procedure described into the previous Section 6.5.15.3 from step 7 to step 13

Chapter 06 – SETTINGS AND ADJUSTMENTS
Ellipse Service Manual Rev. 04 01 October 2009 Page 92
6.6 WASHING STATION ASSEMBLY
6.6.1 SUBSTITUTION OF THE WASHING STATION ASSEMBLY
N.B.: make sure that the Ellipse instrument is turned off before performing this substitution
procedure.
1. Unscrew the fastening screw and remove the Washing Station protective cover (Fig. 70).
2. Remove the top cover of the Washing Station unscrewing the four fastening screws (Fig. 71).
3. Disconnect the eight tubes attached to the probes on the Washing Station (Fig. 72).
4. Unscrew the two Washing Station fastening screws (Fig. 71) and pull out the Washing Station
from its housing.
5. Remove the instrument front panel unscrewing the four anchored screws (Fig. 73).
6. Remove the J5 and J10 connectors from the Plate Interface Board (Fig. 74).
7. Remove the ground wire from the Washing Station.
8. Remove the Washing Station Assembly and replace it with the new one.
9. Remount, repeating the above steps, 7 through 1, in reverse order.
10. After substituting and remounting, carry out the mechanical adjustment and functional check
procedures as described in the next pages.
Fig. 70 - Washing Station protective cover
Fastening screw
Washing Station
p
robes holde
r
Washing Station protective cover

Chapter 06 – SETTINGS AND ADJUSTMENTS
Ellipse Service Manual Rev. 04 01 October 2009 Page 93
Fig. 73 - Front panel anchored screws
Fig. 71 - Washin
g
Station Assembl
y
[P/N: 10-01299-00]
Fig. 72 - Washing Station probes
Front panel
anchored screws
Instrument
front panel
Washing Station
fastenin
g
screws
Tubing
Spring
To
p
Cover fastenin
g
screws

Chapter 06 – SETTINGS AND ADJUSTMENTS
Ellipse Service Manual Rev. 04 01 October 2009 Page 94
6.6.2 SUBSTITUTION OF THE WASHING STATION HOME SENSOR
N.B.: make sure that the Ellipse instrument is turned off before performing this substitution
procedure.
1. Unscrew the fastening screw and remove the Washing Station protective cover (Fig. 70).
2. Remove the instrument front panel unscrewing the four anchored screws (Fig. 73).
3. Remove the two fastening screws from the Home Sensor Assy (Fig. 75), unplug the J10
connector from the Plate Interface Board (Fig. 74), take out the entire assy and replace it with
the new one.
4. To remount, repeat the above steps in inverse order: from 3 to 1.
5. After substituting and remounting, carry out the mechanical adjustment and functional check
procedures as described in the next pages.
Fig. 74 - Plate Interface Board [P/N: 30-01281-01]
Washin
g
Station Motor – J5
Washin
g
Station Home Sensor – J10
01

Chapter 06 – SETTINGS AND ADJUSTMENTS
Ellipse Service Manual Rev. 04 01 October 2009 Page 95
6.6.3 SUBSTITUTION OF THE WASHING STATION MOTOR
N.B.: make sure that the Ellipse instrument is turned off before performing this substitution
procedure.
1. Unscrew the fastening screw and remove the Washing station protective cover (Fig. 70).
2. Unscrew the two Washing Station fastening screws (Fig. 71) and pull out the Washing station
from its housing.
3. Remove the instrument front panel unscrewing the four anchored screws (Fig. 73).
4. Remove the J5 connector from the Plate Interface Board (Fig. 74).
5. Loosen the two flywheel and motor joint screws.
6. Unscrew the four fastening screws on the motor (Fig. 76), take out it and replace it with the
new one.
7. Remount, repeating the above steps, 6 through 1, in reverse order.
8. After substituting and remounting, carry out the mechanical adjustment and functional check
procedures as described in the next pages.
Fig. 76 - Washing Station Motor
[ Assy P/N: 10-00399-01]
Adjusting set screw
Washin
g
Station Home Senso
r
Washin
g
Station Moto
r
Home Sensor fastenin
g
screw
Fig. 75 - Washing Station Home Sensor
[ Assy P/N: 9-10-0023-60]
Tubing
g
uide

Chapter 06 – SETTINGS AND ADJUSTMENTS
Ellipse Service Manual Rev. 04 01 October 2009 Page 96
6.6.4 WASHING STATION ASSEMBLY - MECHANICAL ADJUSTMENT
1. Make sure that the cuvette #1 of the Reactions Plate is centered with respect to the light beam
of the Photometer reading channel.
2. Turn on the Ellipse instrument, unscrew the fastening screw of the Washing Station protective
cover (Fig. 70) and remove the cover from its place.
3. Launch the Diagnostic program, select “Wash” folder and click the “Home” button. Wait until
the reset Washing Station procedure has been completed.
4. Make sure that the Home Sensor of the Washing Station light up in green.
5. Click the “Down to Adjust” button in the “Wash” folder. The Washing Station will go down
until to reach the right height for the adjusting.
6. Make sure that the five probes of the Washing Station are centered with respect to the five
correspondent cuvettes of the Reactions Plate. If it not be so, adjust in the following way:
a. loosen the two Washing Station fastening screws (Fig. 71);
b. shift horizontally – carefully – the Washing Station in order to obtain the
centering of the five probes with respect to the five correspondent cuvettes;
c. tighten the two Washing Station fastening screws (Fig. 71);
d. click the “Home” button in the “Wash” folder and wait until the reset
Washing Station procedure has been completed;
e. make sure that the Home Sensor of the Washing Station light up in green;
f. click the “Down to Adjust” button in the “Wash” folder and wait until the
request movement has been completed;
g. repeat the above step 6.
7. Click the “Home” button in the “Wash” folder. Wait until the reset Washing Station
procedure has been completed.
8. Click the “Down (Full)” button in the “Wash” folder. The Washing Station will go down until
to reach the cuvettes of the Reactions Plate.
9. Make sure that the five probes of the Washing Station are centered with respect to the five
correspondent cuvettes of the Reactions Plate and, in particular, that the Drying Pad run freely
along the walls of the correspondent cuvette.
10. Make sure that the five probes of the Washing Station are slightly raised. If it not be so, adjust
in the following way:
a. click the “Home” button in the “Wash” folder and wait until the reset Washing
Station procedure has been completed;
b. make sure that the Home Sensor of the Washing Station light up in green;
c. loosen the two fastening screws of the Washing Station Home Sensor (Fig. 75);
d. move slightly the Washing Station Home Sensor to the right vertically toward in
order to obtain the positioning of the Washing Station probes to the correct
height;
e. tighten the two fastening screws of the Washing Station Home Sensor (Fig. 75);
f. click the “Home” button in the “Wash” folder and wait until the reset Washing
Station procedure has been completed;
g. make sure that the Home Sensor of the Washing Station light up in green;

Chapter 06 – SETTINGS AND ADJUSTMENTS
Ellipse Service Manual Rev. 04 01 October 2009 Page 97
h. ick the “Down (Full)” button in the “Wash” folder and wait until the Washing
Station has been reach the cuvettes of the Reactions Plate;
i. repeat the above step 10.
11. Click the “Home” button in the “Wash” folder. Wait until the reset Washing Station procedure
has been completed.
12. Make sure that the Home Sensor of the Washing Station light up in green.
13. Replace the Washing Station protective cover on the Washing Station and screw its fastening
screw (Fig. 70).
6.6.5 WASHING STATION - FUNCTIONAL CHECK
1. Turn on the Ellipse system and launch the “Analyzer” program.
2. Launch the Diagnostic program and select the "Wash " folder.
3. Click on the “Washing Cycle” button and perform the functional check of the Washing
Station through the following steps:
4. Select, in the “Cycle #” field, the number of washing cycles to be performed from 1 to 10 and
press the “Washing Cycle” button.
Attention: if there are doubts about the right washing system functionality, select only
one washing cycle in order to avoid cuvettes overflow.
5. Remove the reaction rack cover and the left side reaction rack cover unscrewing the three
anchored screws.
6. Put one reaction rack below the Washing Station, permitting at the cannulas to reach the
bottom of the cuvettes (as shown in Fig. 77).
Fig. 77 - Washing Station and reaction rack
Reaction rac
k
Additional information: make sure that the Sampling Probe is centered with respect to
the Reactions Plate cuvette. If it not be so, perform the relative adjusting procedure.
If the horizontal backlash of the Washing Station probes holder (Fig. 70)
is excessive, then adjust it acting on the adjusting set screw (Fig. 75).
Adjusting
set screw

Chapter 06 – SETTINGS AND ADJUSTMENTS
Ellipse Service Manual Rev. 04 01 October 2009 Page 98
7. By referring to the “Washing Test” window, push the “OK” button to start the Washing Cycle.
8. Check that the cuvettes are correctly filled and emptied (Fig. 77):
• Dispensed volumes shall be: Æ 300 µL ± 50 into the first cuvette, two cycles
Æ 300 µL ± 50 into the second cuvette, two cycles
Æ 300 µL ± 50 into the third cuvette, two cycles plus one third
cycle where the dispensed volume shall be 400 µL ± 50
If not, check and clean in case the relevant hydraulic line including micro-pump and valve,
taking reference in the Hydraulic Diagram (SI-16-00571-01).
9. Remove the reaction rack below the Washing Station and remount the reaction rack covers.
10. Exit from the Diagnostic program by pressing the “Diagnostic” button.
11. Exit from the “Analyzer” program by pressing the “Shutdown” button.
6.7 WASH PUMP ASSEMBLY
6.7.1 SUBSTITUTION OF THE WASH PUMP ASSEMBLY
N.B.: make sure that the Ellipse instrument is turned off before performin
g
this substitution
procedure.
Fig. 78 Instrument rear view
Rear door fastening screw

Chapter 06 – SETTINGS AND ADJUSTMENTS
Ellipse Service Manual Rev. 04 01 October 2009 Page 99
Fig. 79 Wash Pump Assembly Cd. 05-01488-00
Unscrew the four fastening screws to remove the door located on the instrument rear side to access
the Wash Pump Assembly (Fig. 78) .
Disconnect the air tubes from µP6 and the tubes arriving on the Electro-Valves and Micro-Pumps
(Fig. 79).
Unscrew the four anchored screws indicated which hold the Wash Pump Assembly (Fig. 79).
Disconnect connectors J1, J2 e J6 from the Hydraulics Interface board (Fig. 81).
Remove the Wash Pump Assembly from its site and replace it with the new one.
Remount, repeating the above steps, 4 through 1, in reverse order.
After mounting the new module, carry out the function check as described in the next pages.
Micro-Pump P6 Assy
Cd.
05
-
0
1
7
11-2
0
Anchored screw
µ
P
3
µ
P4
µ
P5
µ
P2
µ
P6
Micro-Pump P2 Assy
Cd. 05-01826-16
Electro-Valve EV2 (2 way)
Cd. 09-35-0035-00

Chapter 06 – SETTINGS AND ADJUSTMENTS
Ellipse Service Manual Rev. 04 01 October 2009 Page 100
N.B:. If power loss is experienced in the filling or emptying of liquid (after a period of
instrument activity), perform the following operations before substituting or servicing any
part(s):
• Disconnect the liquid input tube from the malfunctioning pump.
• Insert a small amount of liquid using a syringe from the disconnected ends in order to wet the
membranes (Fig. 80).
Remove the syringe and reconnect the tube(s); perform functioning check as described in the
next points.
Fig. 80
J1
J2
J6
Hydraulics Interface board
Cd. 30-01626-00

Chapter 06 – SETTINGS AND ADJUSTMENTS
Ellipse Service Manual Rev. 04 01 October 2009 Page 101
Fig. 81 Wash Pump Assembly (Rear view)
6.7.2 SUBSTITUTION OF PART(S)
N.B.: Make sure the instrument (Ellipse) is turned off before performing this substitution
procedure.
1. Unscrew the four fastening screws to remove the door located on the instrument rear side to
access the Wash Pump Assembly (Fig. 78) .
2. For each part to be replaced, if necessary, disconnect the relative electrical power connection,
the hydraulic tubes and the fastening screws.
3. If necessary, unscrew the four anchored screws of the assembly and turn it ahead (Fig.81).
4. Remount, repeating the above steps, 3 through 1, in reverse order.
5. After mounting the new part, carry out the function check as described in the next pages.
6.7.3 FUNCTION CHECK FOR THE WASH PUMP ASSEMBLY
1. Turn on the "Ellipse" system and launch the “Analyzer” program.
2. Launch the diagnostic program and select the "Wash " function.
3. Click on the “Washing Cycle” key and perform the functional check of the Washing Station
through the following steps:
4. Select, in the “Cycle #” field, the number of washing cycles to be performed from 1 to 10
and press the “Washing Cycle” key.
Attention: if there are doubts about the right washing system functionality, select only one
washing cycle in order to avoid cuvettes overflow
5. Remoe the reaction rack cover and the left side reaction rack cover unscrewing the three
anchored screws.
6. Put one reaction rack below the washing station, permitting to the cannulas to reach the
cuvettes button (Fig. 82).

Chapter 06 – SETTINGS AND ADJUSTMENTS
Ellipse Service Manual Rev. 04 01 October 2009 Page 102
Fig. 82 Washing station
7. By referring to the window here below, push the “OK” key to start the Washing Cycle
Check that the cuvettes are correctly filled and emptied (Fig. 82)
• Dispensed volumes shall be: 300 µL ± 50 into the first cuvette, two cycles
300 µL ± 50 into the second cuvette, two cycles
300 µL ± 50 into the third cuvette, two cycles plus one third
cycle where the dispensed volume shall be 400 µL ± 50
If not, check and clean in case the relevant hydraulic line including micro-pump and valve, taking
reference in the Hydraulic Diagram (SI 16-00571-01).
Remove the reaction rack below the washing station and remount the reaction rack covers.
Exit the Diagnostic program by pressing the “Diagnostic” key.
Exit the Analyzer program press “Shutdown” key.

Chapter 06 – SETTINGS AND ADJUSTMENTS
Ellipse Service Manual Rev. 04 01 October 2009 Page 103
6.8 PERISTALTIC PUMP ASSEMBLY
6.8.1 SUBSTITUTION OF THE PERISTALTIC PUMP ASSEMBLY
Fig. 83 Instrument right view Fig. 84 Peristaltic Pump Assy
Cd. 05-01489-00
1. Open the door located on the right side of the instrument Fig. 83.
2. Unhook the hinged guide by pushing its up side toward the left and up, as reported in Fig. 85.
3. Pull out the tubes off their relative nipples unscrewing the fastening fittings (Fig. 84).
4. Remove the front panel unscrewing the four anchored screws (Fig. 87).
5. Unplug the J3 connector from the Sampling Interface Board. (Fig. 88).
6. Unscrew the two fastening screws (Fig. 84), remove the Peristaltic Pump module and
substitute it with the new one.
7. To remount, repeat the above steps in reverse order: from 6 to 1.
8. After mounting the new module, carry out the function check for the peristaltic pump module
as described in the next pages.
fastening fitting
Peristaltic pump fastening screw
Hinged guide tube
Peristaltic pump door

Chapter 06 – SETTINGS AND ADJUSTMENTS
Ellipse Service Manual Rev. 04 01 October 2009 Page 104
6.8.2 SUBSTITUTION OF THE PERISTALTIC PUMP TUBES
1. Open the door located on the right side of the instrument Fig. 83.
2. Unhook the hinged guide by pushing its up side toward the left and up, as reported in Fig. 85.
3. Pull out the tubes off their relative nipples unscrewing the fastening fittings (Fig. 84) and
substitute with new ones.
4. Remount, repeating the above steps in reverse order: from 3 to 1.
• Always use original replacement parts; never lubricate the peristaltic pump roller bearings.
• After prolonged instrument inactivity: verify the efficiency of the peristaltic pump tubes.
Please note: if the instrument is not able to completely empty the washing well, check the condition
of the tube and make sure that there are not obstruction into the hydraulic lines.
Fig. 85 P.Pump Rotor Cd.05-01512-00 Fig.86 P.Pump Motor Cd. 10-00399-01
Peristaltic Pum
p
Moto
r
Peristaltic Pum
p
Roto
r
Pulle
y
screw

Chapter 06 – SETTINGS AND ADJUSTMENTS
Ellipse Service Manual Rev. 04 01 October 2009 Page 105
Fig. 87 Instrument front view
Fig. 88 Arm Interface board Cd. 30-01282-01
Instrument front panel
a
n
c
h
o
r
ed
sc
r
ew
J 3 - Peristaltic
p
um
p
Motor

Chapter 06 – SETTINGS AND ADJUSTMENTS
Ellipse Service Manual Rev. 04 01 October 2009 Page 106
6.8.3 SUBSTITUTION OF THE PERISTALTIC PUMP MOTOR
1. Open the door located on the right side of the instrument Fig. 83.
2. Unhook the hinged guide by pushing its up side toward the left and up, as reported in Fig. 85.
3. Pull out the tubes off their relative nipples unscrewing the fastening fittings (Fig. 84).
4. Remove the front panel unscrewing the four anchored screws (Fig. 87).
5. Unscrew the two fastening screws (Fig. 84), unplug the J3 connector from the Sampling
Interface Board (Fig. 88) and remove the Peristaltic Pump module from his housing.
6. Unscrew the four motor fastening screws and loosen the two motor pulley screws which hold
the peristaltic pump rotor(Fig. 85).
7. Take out the motor and substitute it with the new one.
8. To remount, repeat the above steps in reverse order: from 6 to 1.
9. After mounting the new motor, carry out the function check for the peristaltic pump module
as described in the next pages.
6.8.4 FUNCTION CHECK FOR THE PERISTALTIC PUMP
1. Turn on the Ellipse system (instrument and computer) and launch the “Analyzer” program.
Select "Start Work" and perform one or more cuvette washing cycles. Make sure that the
sampling probe washing well empties completely without any leakage of liquid. If leakage
should occur, replace the Peristaltic Pump tubes as illustrated in the previous points.
2. Close the "Ellipse" program by clicking on "Shutdown".

Chapter 06 – SETTINGS AND ADJUSTMENTS
Ellipse Service Manual Rev. 04 01 October 2009 Page 107
6.9 SUBSTITUTION OF THE ELECTRONICS BOARDS
6.9.1 ANALYTICAL CONTROL BOARD Cd. 30-01283-01
N.B.: Make sure the instrument (Ellipse) is turned off before performing this substitution
procedure.
Fig. 89 Instrument rear view Fig. 90 Instrument front view
1. Unscrew the two anchored screws to open the door located on the rear side of the instrument
to access the Electronic Assy (Fig. 89) .
2. Take out the Electronic Assy as showed (Fig. 3), disconnect connectors J1, J6, J8, J9, J10,
J11, J13, J20 and the ground wire from the Analytical Control board (Fig. 91).
3. Unscrew the four fastening screws on the Analytical Control board, disconnect it from the
Stepper Motors Driver Board and replace it with the new one.
4. Remount, repeating the above steps, 3 through 1, in reverse order.
5. After mounting the new board, turn on the Ellipse system and launch the “Diagnostic
program” in order to transfer all the previous instrument settings to the new Analytical control
board.
6. To exit the diagnostic program, press the “Diagnostic” key.
7. To exit the analyzer program, press the “Shutdown” key.
Rear door anchored screw Instrument front panel
a
n
c
h
o
r
ed
sc
r
ew

Chapter 06 – SETTINGS AND ADJUSTMENTS
Ellipse Service Manual Rev. 04 01 October 2009 Page 108
Fig. 91 Electronic Assy
Fig. 92 Electronic Assy
6.9.2 STEPPER MOTORS DRIVER BOARD Cd. 30-01284-01
N.B.: Make sure the instrument (Ellipse) is turned off before performing this substitution
procedure.
1. Unscrew the two anchored screws to open the door located on the rear side of the instrument
to access the Electronic Assy (Fig. 89) .
2. Take out the Electronic Assy as showed (Fig. 91) and disconnect connectors J2, J3, J4
(Fig.92).
3. Unscrew the two fastening screws on the Stepper Motors Driver Board, disconnect it from the
Analytical Control board and replace it with the new one.
4. Remount, repeating the above steps, 3 through 1, in reverse order.
Board fastening screw
J7-Analytical Control board
J1- Stepper Motors Driver Board J6 J8 J9 J11
J10
J20
J13
J1
J4 J3
J2
Board fastening screw

Chapter 06 – SETTINGS AND ADJUSTMENTS
Ellipse Service Manual Rev. 04 01 October 2009 Page 109
6.9.3 ARM INTERFACE BOARD Cd. 30-01282-01
N.B.: Make sure the instrument (Ellipse) is turned off before performing this substitution
procedure.
1. Remove the front panel unscrewing the four anchored screws (Fig. 90).
2. Unplug the J1, J2, J3, J4, J5, J6, J8, J13, J16, J17, J21, J23, J25, J26 J27connectors and the
ground wire from the Arm Interface board (Fig. 93).
3. Unscrew the four fastening screws of the Arm Interface board and replace it with the new one.
4. Remount, repeating the above steps, 3 through 1, in reverse order.
Fig. 93
J1 J2 J3
J5
J4 J17
J8
J6
J16
J13
J26
J21
J27
J23
J25

Chapter 06 – SETTINGS AND ADJUSTMENTS
Ellipse Service Manual Rev. 04 01 October 2009 Page 110
6.9.4 PLATE INTERFACE BOARD Cd. 30-01281-01
N.B.: Make sure the instrument (Ellipse) is turned off before performing this substitution
procedure.
1. Remove the front panel unscrewing the four anchored screws (Fig. 90).
2. Unplug the J1, J2, J3, J4, J5, J6, J7, J8, J9, J10, J11, J14, J15, J16, J26, J27, J28 connectors
and the ground wire from the Plate Interface board (Fig. 94).
3. Unscrew the four fastening screws of the Plate Interface board and replace it with the new
one.
4. Remount, repeating the above steps, 3 through 1, in reverse order.
Fig. 94 Plate Interface board
J1 J2 J3
J7
J4 J9
J10
J6
J8
J5
J27
J28
J16
J15
J26
J14
J11

Chapter 07 - MAINTENANCE
Ellipse Service Manual Rev. 03 01 June 2009 Page 1
CHAPTER 07
- MAINTENANCE -
INDEX
7. MAINTENANCE…………………………………………………………………….…..2
7.1 PREVENTIVE MAINTENANCE……………………………………………………….2
7.2 LIST OF PARTS SUBJECT TO WEAR AND USAGE………………………………...4
7.3 SAMPLING PROBE - CLEANING PROCEDURE…………………………………….5
7.4 WASH STATION CANNULAS - CLEANING PROCEDURE..…………..…………...5
7.5 WASH SOLUTION BOTTLES - CLEANING……………………………..…………...6
7.5.1 WASH SOLUTION BOTTLES - CLEANING PROCEDURE…………………...…….6
7.6 TIP WASHING ………...……………………………………………………………......7
7.6.1 TIP - CLEANING PROCEDURE………………………………………………..………7
7.6.2 PROCEDURE FOR REPLACING THE TIP……………………………………………9
7.7 HYDRAULIC CIRCUIT WASHING ………...…………………………..….………..10
7.7.1 HYDRAULIC CIRCUIT - CLEANING PROCEDURE…….…………………….…..10
7.8 CHANGING THE PERISTALTIC PUMP TUBES…………….…………………..….11
7.8.1 PROCEDURE FOR REPLACING THE PERISTALTIC PUMP TUBES………..…...11
7.9 CHANGING THE PHOTOMETER LAMP………………………………………….. .12
7.9.1 PROCEDURE FOR REPLACING THE PHOTOMETER LAMP……………….….. .12
7.10 CHANGING THE REACTION CUVETTES………………………….…………….. .14
7.10.1 PROCEDURE FOR REPLACING THE REACTION CUVETTES………..………….14
7.11 CHANGING THE TUBES KIT…………………………………………………………16
7.11.1 PROCEDURE FOR REPLACING THE TUBES KIT…………………..………...……16
7.12 TABLE C – LIST OF THOSE MAINTENANCE PROCEDURES THAT CAN BE
PERFORMED BY THE USER AND/OR BY THE MAINTENANCE TECHNICIAN
…………………………………………………………….........................……………..17
7.13 DECONTAMINATION PROCEDURE………………………………………………...19

Chapter 07 - MAINTENANCE
Ellipse Service Manual Rev. 03 01 June 2009 Page 2
7 MAINTENANCE
This chapter contains all those routine operations, which concern instrument maintenance. Said
procedures, listed and described below, should be carefully and scrupulously followed in order to
guarantee the manufacturer’s specifications and the perfect working order of the instrument over
time.
7.1 PREVENTIVE MAINTENANCE
MAINTENANCE SCHEDULE
Table A, illustrated below, lists all those procedures to be carried out by the user/operator and the
relative frequency schedule. Strict adherence to said schedule will guarantee the optimal operative
efficiency of the instrument.
TABLE A – MAINTENANCE SCHEDULE
FREQUENCY PROCEDURE NOTES
DAILY – Before launching
“Start Work”
Check the levels of all the wash
solutions (Rinse, Water and
Cleaning)
See Table B
DAILY – Before launching
“Start Work”
Check the levels of Reagents,
Standards and Controls See Table B
DAILY – Before launching
“Start Work”
Check the levels of the Waste
Bottles and, if necessary, empty
them
DAILY – Before launching
“Start Work” Carry out a WBL cycle
See the User’s Manual,
Chapter 03– Description
of Instrument Software
DAILY – After Shutdown Clean the Sampling Probe using
either paper towelling or gauze See Procedure 7.3

Chapter 07 - MAINTENANCE
Ellipse Service Manual Rev. 03 01 June 2009 Page 3
TABLE B – MAINTENANCE SCHEDULE
FREQUENCY PROCEDURE NOTES
EVERY TWO WEEKS Clean the Wash Station’s four
cannulas See Procedure 7.4
EVERY TWO WEEKS Clean the wash solution bottles
(Rinse, Water and Cleaning) See Procedure 7.5
ONCE A MONTH Clean the Tip See Procedure 7.6
ONCE A MONTH Clean the Hydraulic Circuit See Procedure 7.7
EVERY THREE MONTHS Change the Reaction Cuvettes See Procedure 7.10
EVERY SIX MONTHS Change the Peristaltic Pump Tubes See Procedure 7.8
EVERY SIX MONTHS Change the Tip See Procedure 7.6
ONCE A YEAR Change all the tubes (Tube Kit) See Procedure 7.11
EVERY 2000 HOURS Change the Photometer lamp See Procedure 7.9
• N. B.: the above-described maintenance schedule refers to that situation in which the
workload of the Analyzer is approximately 500 tests per day. The interval frequency
may vary according to the individual instrument’s daily workload.

Chapter 07 - MAINTENANCE
Ellipse Service Manual Rev. 03 01 June 2009 Page 4
7.2 LIST OF PARTS SUBJECT TO WEAR AND USAGE
Description Type Quantity Code
Reagents containers 35 ml 12 C101-00190-00
Reagents containers 6 ml 12 C101-00191-00
Samples cups 0.8 ml 1000 AS-65-0002
Short samples cups 1 ml 1000 AS-65-0100
Adapter for short samples cups 1 9-01-0609-00
Reaction sectors 6 C101-00217-00
Washing solution bottle 2 lt 1 9-35-0041-00
Bottle level sensor 1 9-05-0078-00
Tubing Kit for peristaltic pump 3 65-01835-00
Tubing Kit – complete 1 65-01836-00
Cleaning solution 250 ml 2 ASRN0020
Rinse solution 50 ml 1 ASRN0021
Sampling probe (internal needle) 1 05-00707-00
Complete Sampling probe 1 10-00703-00
Drying Pad 1 01-01920-00
Halogen Lamp (6 V - 10 W) 1 9-35-0016-00
Interferential filters Kit 1 9-65-0029-00
Fuse 6,3 A-T 5x20 10 C130-01238-08
Inlet/outlet fitting for Rinse & Clean conts 1 01-01224-00
Cuvettes protection cover 1 05-01249-00
Reagent protection cover 1 10-00584-00
Reagent plate 1 10-00585-00
Samples rack 1 05-01829-00
Washing station, first or second cannulas (A) 1 05-01633-00
Washing station, third cannula (B) 1 05-01633-01
Washing station, fourth cannula (C) 1 05-01638-00
Washing station, fifth cannula without pad (D) 1 05-01919-00
Diluter Micro-Pump 1 05-01710-40
Air Micro-Pump (µP 6) 1 05-01711-20
Micro-Pump (µP 2 ÷5) 1 05-01826-16
Predilution rack 1 05-01735-00
Solenoid Valve –2 way 1 9-35-0035-00
Solenoid Valve –3 way 1 9-35-0036-00

Chapter 07 - MAINTENANCE
Ellipse Service Manual Rev. 03 01 June 2009 Page 5
7.3 SAMPLING PROBE – CLEANING PROCEDURE
1) Turn off the Analyzer
2) Use only lint-free paper towelling or gauze
3) Dampen the gauze or paper towelling with distilled water and clean the outside of the
sampling probe. Wipe the probe from the top downwards only! This is to avoid that
any bits of cloth, paper or lint fibres accidentally enter the probe itself.
4) The manufacturer suggests that once weekly the above-described cleaning procedure
be performed using, instead of only simple distilled water, a 5% sodium hypochlorite
solution to dampen the gauze and then be repeated using distilled water.
7.4 WASH STATION CANNULAS – CLEANING PROCEDURE
1) Turn off the Analyzer.
2) Place a sheet of paper under the wash station cannulas in order to keep any extraneous
material from accidentally falling into the cuvettes.
3) Use only lint-free paper towelling or gauze.
4) Dampen the gauze or paper towelling with distilled water and clean the outside of the
cannulas. Wipe the cannulas from the top downwards only! This is to avoid that any
bits of cloth, paper or lint fibres accidentally enter the cannulas themselves.
5) The manufacturer suggests that once weekly the above-described cleaning procedure
be performed using, instead of only simple distilled water, a 5% sodium hypochlorite
solution to dampen the gauze and then be repeated using distilled water.
7.5 WASH SOLUTION BOTTLES – CLEANING
During normal use and over time, mold and dust can build up inside the wash solution bottles.
For this reason, it is extremely important that they be periodically washed. Said cleaning must be
thorough and meticulous in order to insure that every trace of mold or residue be removed.
How often the bottles must be cleaned depends on their use and on the quality of the distilled water
used in that particular laboratory. However, the manufacturer recommends thorough washing at least
once every two weeks.
It is extremely important that the user not underestimate the risks associated with mold and dust
particles. They are to be regarded as a serious hazard as they can be the cause of instrument
malfunction.
The wash solution bottles are located on the right side of the analyzer.

Chapter 07 - MAINTENANCE
Ellipse Service Manual Rev. 03 01 June 2009 Page 6
7.5.1 WASH SOLUTION BOTTLES - CLEANING PROCEDURE
1) Turn off the Analyzer.
2) Pull the level sensor connectors out from the bottle caps.
3) Take the caps off the bottles and empty them.
4) Fill each bottle with a 5% sodium hypochlorite solution.
5) Clean the inside of each bottle using a bottlebrush in order to remove all traces of mold
and/or residue.
6) Leave the sodium hypochlorite solution stand in the bottles for at least ten minutes.
7) Empty the bottles, rinse them repeatedly and well with tap water, and then twice more
using distilled water.
8) Dry the bottles.
9) Fill the bottles with their proper solutions.
10) Replace the bottles in their respective housings.
11) Close the bottles and reconnect the level sensors.
12) Carry out two ‘Wash Cuvettes’ cycles and two ‘WBL’ cycles. Check system efficiency
by comparing the WBL values and the test results obtained against the laboratory’s
quality control values.
7.6 TIP WASHING
The Tip is used to dry the cuvettes after they have been washed. This drying process is carried out via
aspiration and therefore, over time, the Tip will necessarily absorb various contaminating particles.
The manufacturer suggests that the Tip be replaced every six months. Said frequency may vary
depending on the workload of the individual laboratory and the operating conditions/environment of
the single instrument.
The Tip must be washed regularly in order to guarantee proper functioning and must be replaced with
a new Tip as necessary.

Chapter 07 - MAINTENANCE
Ellipse Service Manual Rev. 03 01 June 2009 Page 7
7.6.1 TIP - CLEANING PROCEDURE
1. Turn off the Analyzer.
2. Unscrew the fastening screw and remove the Washing station protective cover (Fig. 1).
3. Remove the top cover of the washing station unscrewing the four fastening screws (Fig. 2).
4. Remove the cannula that contains the Tip (the 5th cannula) and the spring (Fig. 3).
5. Disconnect the aspiration tube (Fig. 4).
6. Once the cannula has been removed, immerge it in a 5% solution of sodium hypochlorite for at
least 15 minutes (Fig. 5).
7. Attach a 10 ml syringe to the cannula and aspirate and dispense the hypochlorite solution
through the cannula (and the Tip) until the latter is completely clean (Fig. 6). This aspirating
and dispensing forces the liquid through the Tip fibers in both directions
8. Once the Tip is clean, repeat the aspirating and dispensing cycle 10 more times using distilled
water, then disconnect the syringe.
9. Re-connect the aspiration tube to the cannula (Fig. 7).
10. Re-position the cannula in its housing being careful to not kink the aspiration tube
11. Re-position the spring on the cannula’s cylindrical axel.
12. Re-position the top cover of the washing station, making sure that the cylindrical tops of the
cannulas fit into the corresponding holes on it.
13. Manually move the wash station downwards and centre the tip with the cuvette turning it.
14. Remount the Washing station protective cover (Fig. 1).
Fig.1 Instrument Top view
Washing Station
p
rotective cove
r

Chapter 07 - MAINTENANCE
Ellipse Service Manual Rev. 03 01 June 2009 Page 8
Fig. 2 Fig. 3
Fig. 4 Fig. 5
Fig. 6 Fig.
Aspiration tube
Connect the s
y
rin
g
e to the cannula
Fastenin
g
screw 5th cannula
Spring
Sodium hypochlorite

Chapter 07 - MAINTENANCE
Ellipse Service Manual Rev. 03 01 June 2009 Page 9
7.6.2 PROCEDURE FOR REPLACING THE TIP
1. Turn off the Analyzer.
2. Unscrew the fastening screw and remove the Washing station protective cover (Fig. 1).
3. Remove the top cover of the washing station unscrewing the four fastening screws
(Fig. 2).
4. Remove the cannula that contains the Tip (the 5th cannula) and the spring (Fig. 3).
5. Disconnect the aspiration tube (Fig. 4), remove the used Tip and replace it with a new one. Press
lightly to push the new Tip into place – be careful to not press too hard as this could deform the
Tip (Fig. 8).
6. Insert the cannula containing the new Tip into a cuvette, pushing it down inside until it takes on
the shape of the inside of the cuvette (Fig. 9).
7. Remove the cuvette, connect the aspiration tube to the cannula and reposition the cannula back
into its proper housing in the wash station. Be careful to not kink the aspiration tube while doing
so.
8. Reposition the spring in its proper housing. Remount the wash station coverlid making sure that
the cylindrical tops of the cannulas fit into the corresponding holes on the wash station coverlid.
9. Manually move the wash station downwards and centre the tip with the cuvette turning it.
10. Remount the Washing station protective cover (Fig. 1).
Fig. 8 Fig. 9
Pull to remove the used Tip
Push the new Tip into the cuvette

Chapter 07 - MAINTENANCE
Ellipse Service Manual Rev. 03 01 June 2009 Page 10
7.7 HYDRAULIC CIRCUIT WASHING
During normal use and over time, mold and dust can build up inside the wash bottles and can have a
negative effect on the hydraulic circuit, compromising the correct functioning of the micro-pump and
valves. This, in turn, can lead to inefficiency in the sampling probe and cuvette washing system.
For this reason, it is extremely important that the hydraulic circuit be periodically washed. Said
cleaning must be thorough and meticulous in order to assure that every trace of mold or residue be
removed.
How often the hydraulic circuit must be washed depends on the operating conditions/environment of
the single instrument and the quality of the distilled water used in that particular laboratory. The
manufacturer recommends thorough washing at least once a month.
It is extremely important that the user not underestimate the risks associated with mold and dust
particles. They are to be regarded as a serious hazard as they can be the cause of instrument
malfunction.
The hydraulic circuit input cannulas are located inside the bottles on the left side of the Analyzer.
7.7.1 HYDRAULIC CIRCUIT - CLEANING PROCEDURE
1) Turn on the Analyzer.
2) Prepare a bottle containing 500 ml of a 5% sodium hypochlorite solution
3) Insert the four aspiration cannulas, located inside the liquids bottles, into the bottle containing
the sodium hypochlorite solution.
4) Have the instrument carry out a ‘WBL’ cycle and then a ‘Wash cuvettes’ cycle.
5) Wait for fifteen minutes. Clean and dry the three cannulas and then insert them into a bottle
containing distilled water.
6) Have the instrument carry out a ‘WBL’ cycle and then a ‘Wash cuvettes’ cycle.
7) Insert the four aspiration cannulas back into their respective bottles. Said bottles should have,
in the meantime, been cleaned and filled with a fresh supply of the required solution.
8) Have the instrument carry out a ‘WBL’ cycle and then a ‘Wash cuvettes’ cycle. Check system
efficiency by comparing the WBL values and the test results obtained against the laboratory’s
quality control values.

Chapter 07 - MAINTENANCE
Ellipse Service Manual Rev. 03 01 June 2009 Page 11
7.8 CHANGING THE PERISTALTIC PUMP TUBES
The manufacturer recommends that the Peristaltic Pump tubes be replaced every six months. Said
frequency may vary depending on the workload of the individual laboratory. The quality and
reliability of these tubes is fundamental to a correct emptying of the cuvettes.
7.8.1 PROCEDURE FOR REPLACING THE PERISTALTIC PUMP TUBES
1. Open the panel located on the right side of the instrument pushing down the looking door(Fig. 1).
2. Unhook the hinged guide by pushing the pin toward to the left (Fig. 2).
3. Pull the tubes off their relative nipples and substitute with new ones (Fig. 2).
4. After having unlooked the hinged guide, disconnect the tubes from their nipples
5. Remount, repeating the above steps, 4 through 2, in reverse order. Turn clock wise the peristaltic
pump rotor, in manual way, in order to be sure that tubes are right positioned inside the guide.
Fig. 1 Instrument right side Fig. 2 Peristaltic Pump Assembly
6. Turn on the Analyzer and wait until the instrument has reached its proper operating temperature.
7. Have the instrument carry out a ‘Wash cuvettes’ cycle and then a ‘WBL’ cycle. Check system
efficiency by comparing the WBL values and the test results obtained against the laboratory’s
quality control values.
8. Make sure that there is no leakage and then close back the panel.
• Always use original replacement parts; never lubricate the peristaltic pump roller bearings.
• After prolonged instrument inactivity: verify the efficiency of the peristaltic pump tubes.
Please note: if the instrument is not able to completely empty the washing well, check the condition
of the tube and make sure that there are not obstruction into the hydraulic lines.
Tubes to be re
p
lace
d
Pin
Hinged guide lock
Peristaltic Pump Rotor Ni
pp
les
Looking door

Chapter 07 - MAINTENANCE
Ellipse Service Manual Rev. 03 01 June 2009 Page 12
7.9 CHANGING THE PHOTOMETER LAMP
The manufacturer suggests that the lamp be replaced after approximately 2000 hours of use.
Figure 2 illustrates the photometer lamp, its support base and its power supply wires. There is a small
hole on the lamp base useful for its mechanical alignment. The lamp is mounted on the photometer,
which is located on the left-hand side of the reaction plate.
7.9.1 PROCEDURE FOR REPLACING THE PHOTOMETER LAMP
1) Turn off the Analyzer.
2) Remove the front panel unscrewing the four anchored screws (Fig. 2).
3) Disconnect the power supply wires from the Lamp Regulator Board by loosening the clamp
screws on the M1 connector (Fig. 3).
4) Unscrew the lamp’s fastening screw and remove the lamp from its housing (Fig. 3)
5) Replace the old lamp with a new one making sure that the pin is correctly inserted in the
alignment hole (Fig. 3). Remount the assembly by repeating the above steps 4 through 1 in
inverse order.
6) Turn the Analyzer on and wait until the instrument has reached its proper operating
temperature.
7) Have the instrument carry out a ‘WBL’ cycle. Check system efficiency by comparing the WBL
values and the test results obtained against the laboratory’s quality control values.

Chapter 07 - MAINTENANCE
Ellipse Service Manual Rev. 03 01 June 2009 Page 13
Fig.1 Instrument Top view
Fig. 2 Instrument front view
Diluter protective cover
Washing Station
p
rotective cove
r
Instrument front panel
a
n
c
h
o
r
ed
sc
r
ew

Chapter 07 - MAINTENANCE
Ellipse Service Manual Rev. 03 01 June 2009 Page 14
Fig. 3
WARNING! DO NOT TOUCH THE GLASS PART OF THE LAMP WITH YOUR FINGERS!
IF NECESSARY, USE A CLEAN CLOTH TO REMOVE DUST, OR ALCOHOL TO REMOVE MORE
STUBBORN DIRT.
7.10 CHANGING THE REACTION CUVETTES
Over time and through normal use the perfect transparency of the cuvettes diminishes. This less-than-
perfect transparency has a negative impact on the quality of the optical readings. The manufacturer
suggests that the cuvettes be replaced after three months of use. The cuvettes racks are located inside
the reaction plate.
7.10.1 PROCEDURE FOR REPLACING THE REACTION CUVETTES
1. Turn on the Analyzer and wait until the instrument has reached its proper operating
temperature.
2. Click on the change cuvettes rack button , located under the work program (Please see
Chapter 03 – Description of Instrument Software).
3. A pull-down menu will appear. Click on the rack number 1 and then on OK, in order to have
the selected rack accessible (Fig. 1)
Lamp's fastening screw
M1 Connector
Trimmer P1
Halogen Lamp Cd. 9-35-0016-00
Photometer Lamp Board Cd. 30-01576-00

Chapter 07 - MAINTENANCE
Ellipse Service Manual Rev. 03 01 June 2009 Page 15
Fig. 1
4. Remove the reaction rack cover from its housing (Fig. 1).
5. Turn the two locking pins making free the reaction rack.
6. Remove the reaction rack from its housing and replace it with a new one (Fig. 2).
7. Make sure to reinsert the new rack VERTICALLY. Turn the two locking pins in order to fix
the rack. Be especially careful to not touch the external surface of the cuvettes dedicated to
photometric reading.
8. Repeat the procedure from point 2 to 7 in order to replace the reaction racks from 2 to 6.
9. Have the instrument carry out a ‘WBL’ cycle. Check system efficiency by comparing the WBL
values and the test results obtained against the laboratory’s quality control values.
Fig. 2
Reaction Rack cover
Reaction Rack

Chapter 07 - MAINTENANCE
Ellipse Service Manual Rev. 03 01 June 2009 Page 16
Fig. 3
7.11 CHANGING THE TUBES KIT
Over time and through normal use, the tubes become worn.
The manufacturer suggests that the tubes be replaced at least once a year. These tubes are located
inside the instrument to link the Washing Station, the Peristaltic Pump and the Washing Well to the
Washing Pump Assembly.
7.11.1 PROCEDURE FOR REPLACING THE TUBES KIT
2. Turn off the Analyzer.
3. Unscrew the four screws to remove the panel located on the rear side of the instrument to
access the washing pump assembly (Fig. 1 and Fig 2).
4. Replace the tubes following the indications provided in the hydraulic diagram
(SI-00571-XX).
5. Turn on the Analyzer and wait until the instrument has reached its proper operating
temperature.
6. Have the instrument carry out a ‘Wash cuvettes’ cycle and then a ‘WBL’ cycle. Make sure that
there is no leakage.
7. Check system efficiency by comparing the WBL values and the test results obtained against the
laboratory’s quality control values.
locking pin

Chapter 07 - MAINTENANCE
Ellipse Service Manual Rev. 03 01 June 2009 Page 17
Fig. 1 Instrument rear view Fig.2 Pumps module
7.12 TABLE C – LIST OF THOSE MAINTENANCE PROCEDURES THAT
CAN BE PERFORMED BY THE USER AND/OR BY THE
MAINTENANCE TECHNICIAN
PROCEDURE
FREQUENCY (*)
EFFECTUATED BY
CLEANING THE SAMPLING PROBE
DAILY
OPERATOR
CLEANING THE FOUR WASH STATION
CANNULAS
EVERY TWO
WEEKS
OPERATOR
CLEANING THE WASH SOLUTION BOTTLES
EVERY TWO
WEEKS
OPERATOR
REPLACING REACTION CUVETTES
EVERY THREE
MONTHS
OPERATOR
CLEANING THE TIP
ONCE A MONTH
OPERATOR
REPLACING THE TIP
AS NEEDED
OPERATOR
REPLACING THE PERISTALTIC PUMP TUBES
EVERY SIX
MONTHS
OPERATOR
REPLACING THE PHOTOMETER BULB
AFTER 2000
HOURS OF USE
OPERATOR

Chapter 07 - MAINTENANCE
Ellipse Service Manual Rev. 03 01 June 2009 Page 18
PROCEDURE
FREQUENCY (*)
EFFECTUATED BY
REPLACING THE SAMPLING PROBE
AS NEEDED
OPERATOR
CLEANING THE HYDRAULIC CIRCUIT AS NEEDED OPERATOR
REPLACING THE TUBES (Tubes Kit)
ONCE A YEAR
MAINTENANCE
TECH
REPLACING THE PRE-HEATER AND THE
SENSOR LEVEL
AS NEEDED
MAINTENANCE
TECH
MECHANICAL ALIGNMENT OF THE SAMPLING
ARM
AS NEEDED
MAINTENANCE
TECH
REPLACING OR ADJUSTING THE OPTIC
SENSORS
AS NEEDED
MAINTENANCE
TECH
REPLACING THE BELT
AS NEEDED
MAINTENANCE
TECH
REPLACING A MOTOR
AS NEEDED
MAINTENANCE
TECH
ALIGNING THE WASH STATION/REACTION
PLATE
AS NEEDED
MAINTENANCE
TECH
ALIGNING THE REACTION OR REAGENT OR
SAMPLE PLATE
AS NEEDED
MAINTENANCE
TECH
REPLACING THE PHOTOMETER
AS NEEDED
MAINTENANCE
TECH
ADJUSTING THE PHOTOMETER
AS NEEDED
MAINTENANCE
TECH
REPLACING THE ELECTRONIC BOARDS/CARDS
AND THE MECHANICAL MODULES
AS NEEDED
MAINTENANCE
TECH

Chapter 07 - MAINTENANCE
Ellipse Service Manual Rev. 03 01 June 2009 Page 19
N. B.: the above-indicated frequency intervals may vary according to the individual instrument’s
daily workload.
7.13 DECONTAMINATION PROCEDURE
Before replacing any instrument parts, repairing any defective items or performing any instrument
maintenance procedure(s), the operator or maintenance technician must carry out the below-
described decontamination procedure of the instrument part(s) involved in the operation(s).
This procedure can be performed on:
the entire Analyzer
those part(s) of the instrument subject to possible contamination
Material necessary
- an ESOFENOL solution diluted to 6% (60 cc in one liter of distilled water). ESOFENOL is
an antibacterial and antiviral substance.
- Rubber gloves
- Mask
- Lab coat
External surfaces and individual parts
Spray the solution all over the instrument, paying particular attention to wetting:
- the sampling arm
- the reaction plate (including the cuvettes)
- the reagent and standard and control plate
- the sample plate (including the racks)
- the instrument chassis
Allow the solution to stand for approximately 30 minutes
Wipe the solution off the instrument and the various components using a sponge dampened
with distilled water
Carry out a decontamination of the internal hydraulic circuit.

Chapter 07 - MAINTENANCE
Ellipse Service Manual Rev. 03 01 June 2009 Page 20
Hydraulic circuit (Entire Instrument)
Fill a container with a 5% sodium hypochlorite solution.
Disconnect the three silicon aspiration tubes from the nipples on the caps of their respective
tanks.
Immerge all three tubes into the container filled with the 5% sodium hypochlorite solution and
have the instrument carry out two ‘Wash cuvettes’ cycles and then two ‘WBL’ cycles.
Remove the three tubes from the 5% sodium hypochlorite solution and immerge them in another
container containing the instrument Rinse Solution.
Have the instrument carry out one ‘Wash cuvettes’ cycle and then one ‘WBL’ cycle.
Reconnect the three aspiration tubes to the nipples on their respective tanks.

Chapter 08 – Host Communication
Ellipse Service Manual Rev. 04 01 October 2009 Page 1
CHAPTER 08
– HOST COMMUNICATION –
INDEX
8.1 COMMUNICATION WITH THE HOST COMPUTER .............................................................. 2
8.1.1 COMMUNICATION PARAMETERS ...................................................................................... 2
8.2 PROTOCOL SPECIFICATIONS.................................................................................................. 3
8.3 Header Record (H)........................................................................................................................ 4
8.4 Patient Record (P) ......................................................................................................................... 6
8.5 Test Order Record (O) .................................................................................................................. 8
8.6 Results Record (R)...................................................................................................................... 11
8.7 Message Terminator Record (L)................................................................................................. 13
8.8 Request Information Record (Q): ............................................................................................... 13

Chapter 08 – Host Communication
Ellipse Service Manual Rev. 04 01 October 2009 Page 2
8.1 COMMUNICATION WITH THE HOST COMPUTER
The Ellipse can be connected to a host computer for the purpose of facilitating results print-out and
patient management.
In order to enable communication between the Ellipse and the host computer, select the Host Link
field under Options in the Parameters menu.
To activate communication between the Ellipse and the host computer, select Host–Tx (please see
the software description in Chapter 03 of the User’s Manual)
8.1.1 COMMUNICATION PARAMETERS
Communication parameters can be modified in the Parameters.ini file into the Analyzer 140 folder
for every need.
The Ellipse PC is linked to the HOST computer using RS-232C serial connector having as default
communication parameters the following specifications:
o Transmission method : Asynchronous, half duplex
o Baud Rate : 9600 Bit/sec.
o Data bits: : 8
o Parity : None
o Stop bit : 1
o Connector : 9 pin type D (male output from the Ellipse computer)
(CTS)CB-8
(RTS)CA-7
(RI)CE-9
(DSR)CC-6
5-AB(GND)
4-CD(DTR)
3-BA(TD)
2-BB(RD)
1-CF(DCD)
Serial connector

Chapter 08 – Host Communication
Ellipse Service Manual Rev. 04 01 October 2009 Page 3
ELLIPSE PC HOST PC
DB 9 F DB 25 F
HOST PC
DB 9 F
3 Txd Rxd 3
2 Rxd Txd 2
5 SG SG 7
2
3
5
8.2 PROTOCOL SPECIFICATIONS
This part of Help (Protocol Specifications) contains information for the laboratory computer and
analyzer. This exchange of data follows specific ASTM protocols:
E 1381-95 Standard Specification for Low-Level Protocol to Transfer Messages
between Clinical Laboratory Instruments and Computer Systems;
E 1394-97 Standard Specification for Transferring Information between Clinical
Instruments and Computer Systems.
ASTM uses a number of different terms to indicate the way it groups data.
• Field: an individual piece of data often referred to as a data field or a data element.
• Record: a number of logically related data fields grouped together to form one part of a
complete message.
• Repeat field: a data field of the same type as the one immediately preceding it. A delimiter
separates one instance of a repeat field from the next.
• Component field: part of data field that might contain more than one piece of data.
The default communication configuration for the Analyzer is the following: "9600,N, 8,1".
ASTM uses record types that are common and familiar to all laboratory personnel. It uses the
following record types:
• Header Record (H): contains identifying information about the sending station,
conventions that the device uses for field recognition, and the date and time of send station
transmission.

Chapter 08 – Host Communication
Ellipse Service Manual Rev. 04 01 October 2009 Page 4
• Patient Record (P): contains patient information and identification number.
• Test Order Record (O): contains information about the assay or requests themselves and
includes other data.
• Result Record (R): contains information about the outcome of individual tests for an
individual patient and follows a sample program record. The results contain the actual
measurements derived from the test and a comparison of the individual result to certain
ranges specified as norms for the laboratory.
• Message Terminator Record (L): although the ASTM protocol supports three additional
record types - a Request for Information Record, a Scientific Record and a Manufacturer's
Information Record - the Analyzer is not implementing these in the first release and will
ignore them.
• Request Information Record (Q): is used by either clinical instruments or computer
systems for a remote request for information from its reciprocal system.
The instrument does not send or accept comment records.
8.3 HEADER RECORD (H)
Field Field Title Down
Load
Up
Load
Max
Len
Description and Valid Values
1 Record Type
ID
R A
1 This is a required field that contains an
“H” identifying it as a header record.
2 Delimiters I A
4 The Analyzer System uses only the four
default values shown here. Delimiters
may not be duplicated. The field
delimiter follows the escape character to
separate the delimiter specification from
a subsequent field in the header record.
Using default values, the first six
characters of the header record will
appear using the following characters:
H I\^&I
Field Delimiter I
Repeat Delimiter \
Component Delimiter ^

Chapter 08 – Host Communication
Ellipse Service Manual Rev. 04 01 October 2009 Page 5
Escape Delimiter &
3 Message
Control ID
I N
4 Access
Password
I N
5 Sender Name
or ID
I A 10
‘SHAnalyzer’: This is the name of the
device that is sending the data.
6 Sender Street
Address
I N
7 Reserved Field I N
8 Sender Tel.
Number
I N
9 Characteristics
of Sender
I N
10 Receiver ID I N
11 Comments or
Special
Instructions
I N
12 Processing I N
13 ASTM Version
No.
I N
14 Date and Time I A
14 Date and Time of transmission:
formatted as YYYYMMDDHHMMSS.
For example: 3:35 PM on March 1, 1995
would be represented using the
following characters:
19950301153500.
Legend: R Required D Down Load
O Optional U Up Load
I Ignored N Never
A Always S Sometimes

Chapter 08 – Host Communication
Ellipse Service Manual Rev. 04 01 October 2009 Page 6
Example Header Record Layouts (H)
Download
Host H I \ ^ I I I HOST I I I I I I I I I19950301153500<CR>
Upload
Analyzer System H | \ ^ & | | | SHAnalyzer | | | | | | | | | 19950301154000<CR>
8.4 PATIENT RECORD (P)
Fi
el
d
Field Title Down
Load
Up
Load
Max
Len
Description and Valid Values
1 Record Type ID R A
1 This is a required field that contains a
“P” identifying it as a patient record.
2 Sequence Number R A
3 This field starts with a “1” for the
patient and is incremented by 1 for each
additional patient within the
transmission.
3 Practice Assigned
Patient ID
R A
15 This field can be assigned by the
instrument with no corresponding
download.
4 Laboratory
Assigned
Patient ID
I N
5 Patient ID No. 3 I N
6 Patient Name O S
36 This field has two components:
• Last Name (up to 20 characters)
• First Name (up to 15 characters).
7 Mother's Maiden
Name
I N
8 Birth Date O S
8 Formatted as YYYYMMDD: For
example, a birth date of December 1,
1980 would be represented as:
19801201
9 Patient Sex R A
1 The valid values are:
• M for Male
• F for Female
10 Patient
Race/Ethnic
Origin
I N
The Analyzer System will ignore this
field at launch.

Chapter 08 – Host Communication
Ellipse Service Manual Rev. 04 01 October 2009 Page 7
11 Patient Address O S
60 For Analyzer, this is a four- component
field:
• Address (25 characters)
• City (25 characters)
• State (2 characters e.g.: NY, IT)
• Zip (5 characters)
12 Reserved Field I N
13 Patient Tel
Number
I N
14 Attending
Physician ID
I N
15 Special Field 1 I N
16 Special Field 2 I N
17 Patient Height I N
18 Patient Weight I N
19 Patient Known or
Suspected
Diagnosis
I N
20 Patient Active
Medications
I N
21 Patient's Diet I N
22 Practice Field No.
1
I N
23 Practice Field No.
2
I N
24 Admission Date
and Discharge
Date (if desired)
O S
8 Admission date only.
Formatted as YYYYMMDD.
25 Admission Status I N
26 Location O S
20
27 Nature of
Alternative
Diagnostic Code
and classifiers
I N
28 Alternative
Diagnostic Code
and classification
I N
29 Patient Religion I N
30 Marital Status I N

Chapter 08 – Host Communication
Ellipse Service Manual Rev. 04 01 October 2009 Page 8
31 Isolation Status I N
32 Language I N
33 Hospital Service I N
34 Hospital
Institution
I N
35 Dosage Category I N
Legend: R Required D Down Load
O Optional U Up Load
I Ignored N Never
A Always S Sometimes
Example Patient Record (P)
Download
Host P | 1 | B108K | | | MW5910^Smith | | 19861002 | M | | Park Avenue^New
York^NY^10002 | | | | | | | | | | | | | 20020923 | | Hematology | | | | | | | | | |
Analyzer
System
P | 1 | B108K | | | MW5910^Smith | | 19861002 | M | | Park Avenue^New
York^NY^10002 | | | | | | | | | | | | | 20020923 | | Hematology | | | | | | | | |
8.5 TEST ORDER RECORD (O)
Field Field Title Down
Load
Up
Load
Max
Length
Description and Valid Values
1 Record Type
ID
R A 1 This is required field that contains
an “O” identifying it as an order
2 Sequence
Number
R A 3 This field starts with “1” for the first
Test Order Record and is
incremented by 1 for each additional
Test Order Record within the
record.
This will be reset to “1” whenever
another patient record is transmitted.
3 Specimen ID R A 15 Although the operator can manually
edit this field at any time, the value
of this field is usually assigned by
the laboratory computer before
down loading. The Analyzer uses
and reports its results based on the
assigned specimen ID.

Chapter 08 – Host Communication
Ellipse Service Manual Rev. 04 01 October 2009 Page 9
4 Instrument
Specimen ID
I N
5 Universal Test
ID
I
I
I
R
N
N
N
A
9 This is a four-component field:
• Universal Test ID Code (not
used)
• Universal Test ID Name (not
used)
• Universal Test ID Type (not
used)
• Manufacturer's or local code
(6 characters):
This is the code defined in the
Analyzer.
6 Priority I N
7 Request
Ordered
Date/Time
I N
8 Specimen
Collected
Date/Time
I N
9 Collection End
Time
I N
10 Collection
Volume/Units
I N
11 Collector ID I N
12 Action Code I N
13 Danger Code I N
14 Relevant
Clinical Info.
I N
15 Date/Time
Specimen
Received
I N

Chapter 08 – Host Communication
Ellipse Service Manual Rev. 04 01 October 2009 Page 10
16 Specimen
Type
R A 1 This is a numeric field indicating the
type of specimen:
The Imm. System uses the following
ASCII characters:
0= Serum
1= Urine
17 Ordering
Physician
I N
18 Physician Tel.
Number
I N
19 User Field No.
1
I N
20 User Field No.
2
I N
21 Lab Field No.
1
I N
22 Lab Field No.
2
I N
23 Date /Time
Result
Reported Last
or Modified
I N
24 Instrument
Charge
I N
25 Instrument
Section ID
I N
26 Record Type I A 1 The field indicates the direction of
the transmission:
O - Down Loading
F - Up Loading
27 Reserved Field I N
28 Location or
Ward of
Specimen
Collection
I N
29 Nosocomial
Infection Flag
I N
30 Specimen
Service
I N
31 Specimen
Institution
I N

Chapter 08 – Host Communication
Ellipse Service Manual Rev. 04 01 October 2009 Page 11
Legend
:
R Required D Down Load
O Optional U Up Load
I Ignored N Never
A Always S Sometimes
Example Test Order Record Layouts (O)
Download
Host O | 1 | AR102 | | ^^^GLU | | | | | | | | | | | 0 | | | | | | | | | | O | | | | |
Analyzer System O | 1 | AR102 | | ^^^GLU | | | | | | | | | | | 0 | | | | | | | | | | F | | | | |
8.6 RESULTS RECORD (R)
Field Field Title Down
Load
Up
Load
Max
Len
1 Record Type ID A
1 This is a required field that contains an
“R” identifying it as a Results Record.
2 Sequence
Number
A 3 This field starts with “1” for the first
result and is incremented by 1 for each
additional result within the record.
This will be reset to “1” when the
results from another test order record
are transmitted to the laboratory
computer.
3 Universal Test ID I
I
I
R
N
N
N
A
9
This is a four-component field:
• Universal Test ID Code
(not used)
• Universal Test ID Name
(not used)
• Universal Test ID Type
(not used)
• Local Manufacturer's or local
code (6 characters) this is the
code defined in the Analyzer.
4 Data or
Measurement
value
A 10 ‘Data’ is a 10-character, floating point
field that includes the decimal point.
The number of precision point digits
will vary according to the test and is
configurable on the Analyzer.

Chapter 08 – Host Communication
Ellipse Service Manual Rev. 04 01 October 2009 Page 12
5 Units of Measure A 6 This is a field for up to 6 characters
that the operator defines for analytic
measurement.
6 Reference Ranges A 21 This field has two components; one
giving the lower limit and the other the
upper limit of the range. The format
for this field is N^N.
7 Result Abnormal
Flags
A 2 This field indicates the normal status
of the result. The following codes are
valid values:
L - Below Low normal
H - Above High normal
LL - Below Panic normal
HH - Above Panic normal
< - Below absolute low (under
linearity)
> - Above absolute high (over
linearity)
N - Normal
A - Abnormal
E – Edited
8 Nature of
Abnormality
Testing
N
9 Result Status A 1 The Imm. System currently
implements only two valid values:
F - final results;
V - operator verified/approved result.
10 Date of Change in
Instrument
Normative Values
or Units
N
11 Operator ID N
12 Date/Time Test
Started
N
13 Date/Time Test
Completed
A 14 Date and Time of test completion:
formatted as
YYYYMMDDHHMMSS.

Chapter 08 – Host Communication
Ellipse Service Manual Rev. 04 01 October 2009 Page 13
14 Instrument ID N
Legend: R Required D Down Load
O Optional U Up Load
I Ignored N Never
A Always S Sometimes
Example Result Record Layouts (R)
Upload
Analyzer System R | 1 | ^^^GLU | 70.97 | UL | 70^105 | N | | F | | | | 20020923114302 |
8.7 MESSAGE TERMINATOR RECORD (L)
Field Field Title Down
Load
Up
Load
Max
Len Description and Valid Values
1 Record Type
ID
R A
1 This is a required field that contains
an “L” identifying it as an Message
Terminator Record.
2 Sequence
Number
R A
1 For a message terminator, this
message should always be “1”.
3 Termination
Code
R A
1 This indicates the cause of
termination. The following codes are
valid values for the Analyzer :
Null or N-normal termination
Legend: R Required D Down Load
O Optional U Up Load
I Ignored N Never
A Always S Sometimes
Example Message Terminator Record Layout (L)
Host L I 1 I N
Analyzer System L I 1 I N
8.8 REQUEST INFORMATION RECORD (Q):
Field Field Title Down
Load
Up
Load
Max
Len
Description and Valid Values
1 Record Type ID A 1
This is a required field that
contains a “Q” identifying it as a
request.

Chapter 08 – Host Communication
Ellipse Service Manual Rev. 04 01 October 2009 Page 14
2 Sequence Number A 1
It is always “1”.
3 Starting Range ID
Number
A 31
This field can either be:
"ALL" - to mean all
demographics and tests being
ordered should be sent to the
instrument at this time,
or can have two components:
• Computer system patient
ID No. (up to 15
characters);
• Computer system
specimen ID No. (up to 15
characters).
4 Ending Range ID
Number
N
5 Universal Test ID N
6 Nature of Request
Time Limits
N
7 Beginning Request
Results Date and
Time
N
8 Ending Request
Results Date and
Time
N
9 Requesting
Physician Name
N
10 Requesting
Physician
Telephone Number
N
11 User Field No. 1 N
12 User Field No. 2 N
13 Request
Information Status
Codes
A 1
It is always "O" (requesting test
orders and demographics only).
Example Request Information Record Layouts (Q)
Download To
Analyzer System H | \^& | | | SHAnalyzer | | | | | | | | | 20020927100402
Q | 1 | ALL | | | | | | | | | | O
L | 1 | N

Chapter 09 - ERROR SIGNALING AND TROUBLESHOOTING
Ellipse Service Manual Rev. 03 01 June 2009 Page 1
CHAPTER 09 - ERROR SIGNALING AND
TROUBLESHOOTING
INDEX
9.1 ERROR SEGNALING ........................................................................................................2
9.1.1 SYSTEM ERRORS .............................................................................................................2
9.1.2 RESULT FLAGS.................................................................................................................3
9.1.3 DESCRIPTION OF RESULT FLAGS................................................................................4
9.2 TROUBLESHOOTING GUIDE .........................................................................................7

Chapter 09 - ERROR SIGNALING AND TROUBLESHOOTING
Ellipse Service Manual Rev. 03 01 June 2009 Page 2
9.1 ERROR SIGNALING
This chapter is dedicated to a description of the error signalling which may occur during the
programming or carrying out of the various operations. Error signals can be divided into the
following two groups:
➢ System Errors
➢ Result Flags
9.1.1 SYSTEM ERRORS
Whenever a system error is detected, it is signalled via the activation of the below-listed
warning lights/buttons:
➢ Warning Light: a triangle-shape located in the upper, right-hand portion of the System
Monitor screen. It lights up yellow when activated.
If this yellow triangle does light up, the operator need simply click on it to access the relative
visual text warning message indicating the cause of the signalled anomaly (said window will
open in that area dedicated to viewing data).
Following is a list of possible visual text “Warning!” messages:
• Liquid Alarm I (Rinse Solution)
• Liquid Alarm II (Distilled Water)
• Liquid Alarm III (Cleaning Solution)
• Liquid Alarm IV (Optional Solution)
• Temperature Out-of-Range
• Host Serial Port cannot be opened
➢ Fatal Error: an “X”-shape located in the upper, right-hand portion of the System Monitor
mask. It lights up red when activated.
If this red “X” lights up, the operator need simply click on it to access the relative visual text
message explaining the cause of the Fatal Error (said window will open in that area of the mask
dedicated to viewing data).
Following is a list of possible Fatal Error visual text messages:
• Horizontal Arm Error
• Sample Tray Error
• Filter Error

Chapter 09 - ERROR SIGNALING AND TROUBLESHOOTING
Ellipse Service Manual Rev. 03 01 June 2009 Page 3
• ADC Error – Sample Channel
• ADC Error – Reference Channel
• Reaction Tray Position Error
• Plate Error (Home sensor not found)
• Vertical Arm error
• Reagent Tray Error
• Wash System Error
• Diluter Error
• Interlock Open while Instrument is running
• Macro send Error
• Overflow Rx Buffer Micro
• Time out Error (Generic error)
• Invalid command error
• Invalid parameter error
• Check sum error
9.1.2 RESULT FLAGS
Result Flags are categorized under the following group headings, Each group is identified by a
symbol, as listed here-below:
X PHYSICAL ERRORS
R CONCENTRATION ERRORS
C CALIBRATION ERRORS
A OPTIC DENSITY ERRORS
E RESULTS EDITED MANUALLY
? PROGRAMMING ERRORS
Every Result Flag, signalling an error, is accompanied by a symbol representing the group it is
part of. The operator need only click on the small red square ( ) next to the Result Flag symbol
to access the visual text message explaining the cause(s) of the signalled error.
In the central column of the following tables, the user will find those symbols which signal the
type of error encounter, as used in the print-out of the final report. These symbols can be
modified by the operator, in the Parameters section, under print options.

Chapter 09 - ERROR SIGNALING AND TROUBLESHOOTING
Ellipse Service Manual Rev. 03 01 June 2009 Page 4
WARNING! The use of the Error Symbols in the print-out of the results (inclusion and/or
exclusion) IS UNDER THE DIRECT AND SOLE RESPONSIBILITY OF THE USER
9.1.3 DESCRIPTION OF RESULT FLAGS
¾ X Physical Errors
Temperature Error: T Reaction temperature (Reaction Plate) is
out-of-range.
No Sample S Either no sample or sample serum quantity
below minimum or above maximum level
for the declared container.
No Reagent: R Either no reagent or reagent level below
minimum or above maximum level for the
declared container.
No Rack: * No Rack present during sampling.
¾ R Concentration Errors
Very Low and Very High: L-H Flags determined by test results out-of-range as
setup in the Methods.
Low Alert and High Alert: A Flags determined by test results out-of-range as
setup in the Methods.
Low and High Linearity Limit: G Flags determined by test results out-of-range as
Calculation Error: C Concentration calculation error due to
foreseeable causes (Asymptote).

Chapter 09 - ERROR SIGNALING AND TROUBLESHOOTING
Ellipse Service Manual Rev. 03 01 June 2009 Page 5
¾ C Calibration Errors
RBL missing: * No Reagent Blank Level.
Calibration missing: * No Standard or no Calibration curve.
STD Replicate insufficient: * Insufficient number of valid Standard Replicates.
STD Replicate outside CV%: * Coefficient of Variation Percentage in the Standard
Replicates over the set value.
Invalid Calibration: * Calibration curve not valid – either because it is
not monotonic or because the Fit is above the set
value.
¾ A Optic Density Errors
Inversion: I Reaction direction not in line with that set-up.
End Point Limit: P Values over the limits setup in the Methods
Parameters
Depletion Limit: D Values over the limits setup in the Methods
Parameters.
First Limit: * Values over the limits setup in the Methods
Parameters.
FIT: F Values over the limits setup in the Methods
Parameters.
RBL out-of-range: * Reagent Blank Levels outside the range Setup.
Sample outside Standard: # Sample absorbance outside the calibration curve.

Chapter 09 - ERROR SIGNALING AND TROUBLESHOOTING
Ellipse Service Manual Rev. 03 01 June 2009 Page 6
¾ E Results Edited Manually
Results Edited: E This symbol automatically appears whenever the
operator has manually modified the obtained
results. This operation annuls all the symbols
indicating errors which, in this case, will not be
viewed.
¾ ? Programming Errors
All those software errors which are deemed unforeseeable are indicated using this symbol.
¾ Result Asterisks
In the event that the following situations and/or error conditions occur, the system will notify
the user via a visualization of two asterisks (**) in the Results field:
PHYSICAL ERRORS
1 – very little or no sample
2 – very little or no reagent
3 – no rack
CONCENTRATION ERRORS
4 – calculation error
5 – signalling depletion limit
PROGRAMMING ERROR
6 – all cases
In the following situations and/or error conditions, the results field will contain a “0”:
1 – if the result is less than zero
2 – if the result is equal to zero
OPTIC DENSITY ERRORS
3 – Flag signalling inversion

Chapter 09 - ERROR SIGNALING AND TROUBLESHOOTING
Ellipse Service Manual Rev. 03 01 June 2009 Page 7
9.2 TROUBLESHOOTING GUIDE
PROBLEM ➢ POSSIBLE CAUSE SOLUTION
Repeatability of results insufficient
➢ Sample Probe dirty
Clean the Sample Probe as described in Chapter 07
Maintenance
➢ Hydraulic leak and/or air bubble in the hydraulic circuit
(sampling)
Check Sample Probe fit
Check the fit of the hydraulic tubes and their connection:
if necessary, substitute the tubes and/or adjust their
connections/fittings
➢ Wash solution is contaminated. If the wash solution
contains contaminating particles (e.g.: mold, dust, lint), these
micro-particles can cause errors during the WBL running.
Change the wash solution
Clean the Wash Solution Bottle(s) and carry out the
Hydraulic Circuit wash procedure as described in
Chapter 07 – Maintenance
➢ Deterioration of the Reagent(s)
Substitute the bad reagent(s)
➢ Reaction cuvettes not dried correctly after being washed
Check the Tip used to dry the cuvettes after washing to
make sure it is in good working condition. If necessary,
clean the Tip or change it, following the procedure
described in Chapter 07 – Maintenance
➢ Light bulb not stable
Light bulb nearing the end of its 2000-hour life cycle
duration, or premature deterioration. In both cases,
change the light bulb following the substitution
procedure described in Chapter 07 – Maintenance.
Insufficient volume/quantity of the
various Rinse, Cleaning and
Distilled Water solutions.
➢ This type of problem can present itself either when the
instrument is first turned on due to a lack of liquid in one or
more bottles, or during test running whenever the involved
liquid has been finished
Refill the required bottle. If the instrument is running
tests, it will automatically Pause. Wait until sampling is
suspended, then refill the involved bottle with the
required liquid (Rinse/Cleaning/ Distilled Water). Press
Start to continue running the rest of the programmed
tests. This operation will not adversely affect the already
run tests.