FJBE2150D ESBC™ Rated NPN Silicon Transistor MOSFET QS2150
User Manual: MOSFET QS2150
Open the PDF directly: View PDF
.
Page Count: 15

To learn more about ON Semiconductor, please visit our website at
www.onsemi.com
Please note: As part of the Fairchild Semiconductor integration, some of the Fairchild orderable part numbers
will need to change in order to meet ON Semiconductor’s system requirements. Since the ON Semiconductor
product management systems do not have the ability to manage part nomenclature that utilizes an underscore
(_), the underscore (_) in the Fairchild part numbers will be changed to a dash (-). This document may contain
device numbers with an underscore (_). Please check the ON Semiconductor website to verify the updated
device numbers. The most current and up-to-date ordering information can be found at www.onsemi.com. Please
email any questions regarding the system integration to Fairchild_questions@onsemi.com.
Is Now Part of
ON Semiconductor and the ON Semiconductor logo are trademarks of Semiconductor Components Industries, LLC dba ON Semiconductor or its subsidiaries in the United States and/or other countries. ON Semiconductor owns the rights to a number
of patents, trademarks, copyrights, trade secrets, and other intellectual property. A listing of ON Semiconductor’s product/patent coverage may be accessed at www.onsemi.com/site/pdf/Patent-Marking.pdf. ON Semiconductor reserves the right
to make changes without further notice to any products herein. ON Semiconductor makes no warranty, representation or guarantee regarding the suitability of its products for any particular purpose, nor does ON Semiconductor assume any liability
arising out of the application or use of any product or circuit, and specifically disclaims any and all liability, including without limitation special, consequential or incidental damages. Buyer is responsible for its products and applications using ON
Semiconductor products, including compliance with all laws, regulations and safety requirements or standards, regardless of any support or applications information provided by ON Semiconductor. “Typical” parameters which may be provided in ON
Semiconductor data sheets and/or specifications can and do vary in different applications and actual performance may vary over time. All operating parameters, including “Typicals” must be validated for each customer application by customer’s
technical experts. ON Semiconductor does not convey any license under its patent rights nor the rights of others. ON Semiconductor products are not designed, intended, or authorized for use as a critical component in life support systems or any FDA
Class 3 medical devices or medical devices with a same or similar classification in a foreign jurisdiction or any devices intended for implantation in the human body. Should Buyer purchase or use ON Semiconductor products for any such unintended
or unauthorized application, Buyer shall indemnify and hold ON Semiconductor and its officers, employees, subsidiaries, affiliates, and distributors harmless against all claims, costs, damages, and expenses, and reasonable attorney fees arising out
of, directly or indirectly, any claim of personal injury or death associated with such unintended or unauthorized use, even if such claim alleges that ON Semiconductor was negligent regarding the design or manufacture of the part. ON Semiconductor
is an Equal Opportunity/Affirmative Action Employer. This literature is subject to all applicable copyright laws and is not for resale in any manner.

FJBE2150D — ESBC™ Rated NPN Silicon Transistor
© 2013 Fairchild Semiconductor Corporation www.fairchildsemi.com
FJBE2150D Rev. 1.4
January 2016
FJBE2150D
ESBC™ Rated NPN Silicon Transistor
ESBC Features (FDC655 MOSFET)
• Low Equivalent On Resistance
• Very Fast Switch: 150 kHz
• Squared RBSOA: Up to 1500 V
• Avalanche Rated
• Low Driving Capacitance, No Miller Capacitance
(Typ. 12 pF Capacitance at 200 V)
• Low Switching Losses
• Reliable HV Switch: No False Triggering due to
High dv/dt Transients
Applications
• High-Voltage and High-Speed Power Switches
• Emitter-Switched Bipolar/MOSFET Cascode
(ESBC™)
• Smart Meters, Smart Breakers,
HV Industrial Power Supplies
• Motor Drivers and Ignition Drivers
Ordering Information
Notes:
1. Figure of Merit.
2. Other Fairchild MOSFETs can be used in this ESBC application.
VCS(ON) ICEquiv. RCS(ON)
0.131 V 0.5 A 0.261 Ω(1)
Part Number Marking Package Packing Method
FJBE2150DTU J2150D D2-PAK 2L (TO-263 2L) Tube
(1)
(3)
(2)
B
C
E
Figure 2. Internal Schematic Diagram
C
B
G
S
FDC655
FJBE2150D
Figure 3. ESBC Configuration(2)
Figure 1. Pin Configuration
1.Base 2.Emitter 3.Collector
1D2-PAK 2L
3
2
Description
The FJBE2150D is a low-cost, high-performance power
switch designed to be used in an ESBC™ configuration in
applications such as: power supplies, motor drivers,
smart grid, or ignition switches. The power switch is
designed to operate up to 1500 volts and up to 3 amps,
while providing exceptionally low on-resistance and very
low switching losses.
The ESBC™ switch is designed to be driven using off-the-
shelf power supply controllers or drivers. The ESBC™
MOSFET is a low-voltage, low-cost, surface-mount
device that combines low-input capacitance and fast
switching. The ESBC™ configuration further minimizes
the required driving power because it does not have
Miller capacitance.
The FJBE2150D provides exceptional reliability and a
large operating range due to its square Reverse-Bias-
Safe-Operating-Area (RBSOA) and rugged design. The
device is avalanche rated and has no parasitic transis-
tors, so is not prone to static dv/dt failures.
The power switch is manufactured using a dedicated
high-voltage bipolar process and is packaged in high-volt-
age HV-D2PAK rated at 2500 V creepage and clearance.

FJBE2150D — ESBC™ Rated NPN Silicon Transistor
© 2013 Fairchild Semiconductor Corporation www.fairchildsemi.com
FJBE2150D Rev. 1.4 2
Absolute Maximum Ratings
Stresses exceeding the absolute maximum ratings may damage the device. The device may not function or be opera-
ble above the recommended operating conditions and stressing the parts to these levels is not recommended. In addi-
tion, extended exposure to stresses above the recommended operating conditions may affect device reliability. The
absolute maximum ratings are stress ratings only. Values are at TA = 25°C unless otherwise noted.
Thermal Characteristics(3)
Values are at TA = 25°C unless otherwise noted.
Note:
3. Device mounted on FR-4 PCB, board size = 76.2 mm x 114.3 mm, land pattern 12.70 mm x 9.45 mm,
trace size = 10 mil.
Symbol Parameter Value Unit
VCBO Collector-Base Voltage 1500 V
VCEO Collector-Emitter Voltage 800 V
VEBO Emitter-Base Voltage 12 V
ICCollector Current 2 A
ICP Collector Current (Pulse) 3 A
IBBase Current 1 A
IBP Base Current (Pulse) 2 A
PDPower Dissipation (TC = 25°C) 110 W
TJOperating and Junction Temperature Range - 55 to +125 °C
TSTG Storage Temperature Range - 65 to +150 °C
EAS Avalanche Energy (TJ = 25°C, 8 mH) 3.5 mJ
Symbol Parameter Max. Unit
Rθjc Thermal Resistance, Junction to Case 1.13 °C/W
Rθja Thermal Resistance, Junction to Ambient 76.42 °C/W

FJBE2150D — ESBC™ Rated NPN Silicon Transistor
© 2013 Fairchild Semiconductor Corporation www.fairchildsemi.com
FJBE2150D Rev. 1.4 3
Electrical Characteristics(4)
Values are at TA = 25°C unless otherwise noted.
Note:
4. Pulse test: pulse width = 20 μs, duty cycle≤ 10%.
Symbol Parameter Conditions Min. Typ. Max. Unit
BVCBO Collector-Base Breakdown Voltage IC = 0.5 mA, IE = 0 1500 1689 V
BVCEO Collector-Emitter Breakdown Voltage IC = 5 mA, IB = 0 800 870 V
BVEBO Emitter-Base Breakdown Voltage IE = 0.5 mA, IC = 0 12.0 14.8 V
ICES Collector Cut-off Current VCE = 1500 V, VBE = 0 0.01 100 μA
ICEO Collector Cut-off Current VCE = 800 V, IB = 0 0.01 100 μA
IEBO Emitter Cut-off Current VEB = 12 V, IC = 0 0.05 500 μA
hFE DC Current Gain VCE = 3 V, IC = 0.4 A 20 29 35
VCE = 10 V, IC = 5 mA 20 43
VCE(sat) Collector-Emitter Saturation Voltage
IC = 0.25 A, IB = 0.05 A 0.16
VIC = 0.5 A, IB = 0.167 A 0.12
IC = 1 A, IB = 0.33 A 0.25
VBE(sat) Base-Emitter Saturation Voltage IC = 500 mA, IB = 50 mA 0.74 1.20 V
IC = 2 A, IB = 0.4 A 0.85 1.20
CIB Input Capacitance VEB = 10 V, IC = 0, f = 1 MHz 745 1000 pF
COB Output Capacitance VCB = 200 V, IE = 0, f = 1 MHz 15 pF
fTCurrent Gain Bandwidth Product IC = 0.1 A, VCE = 10 V 5 MHz
VFDiode Forward Voltage IF = 0.4 A 0.76 1.20 V
IF = 1 A 0.83 1.50

FJBE2150D — ESBC™ Rated NPN Silicon Transistor
© 2013 Fairchild Semiconductor Corporation www.fairchildsemi.com
FJBE2150D Rev. 1.4 4
ESBC Configured Electrical Characteristics(5)
Values are at TA = 25°C unless otherwise noted.
Note:
5. Used typical FDC655 MOSFET values in table. Values can vary if other Fairchild MOSFETs are used.
Symbol Parameter Conditions Min. Typ. Max. Unit
fTCurrent Gain Bandwidth Product IC = 0.1 A,VCE = 10 V 25 MHz
ItfInductive Current Fall Time VGS = 10 V, RG = 47 Ω,
VClamp = 500 V,
tp = 3.1 μs, IC = 0.3 A,
IB = 0.03 A, LC = 1 mH,
SRF = 480 kHz
137 ns
tsInductive Storage Time 350 ns
VtfInductive Voltage Fall Time 120 ns
VtrInductive Voltage Rise Time 100 ns
tcInductive Crossover Time 137 ns
ItfInductive Current Fall Time VGS = 10 V, RG = 47 Ω,
VClamp = 500 V,
tp = 10 μs, IC = 1 A,
IB = 0.2 A, LC = 1 mH,
SRF = 480 kHz
35 ns
tsInductive Storage Time 980 ns
VtfInductive Voltage Fall Time 30 ns
VtrInductive Voltage Rise Time 195 ns
tcInductive Crossover Time 210 ns
VCSW
Maximum Collector Source Volt-
age at Turn-off without Snubber hFE = 5, IC = 2 A 1500 V
IGS(OS) Gate-Source Leakage Current VGS = ±20 V 1.0 nA
VCS(ON) Collector-Source On Voltage
VGS = 10 V, IC = 2 A, IB = 0.67 A,
hFE = 3 2.210
V
VGS = 10 V, IC = 1 A, IB = 0.33 A,
hFE = 3 0.321
VGS = 10 V, IC = 0.5 A, IB = 0.17 A,
hFE = 3 0.131
VGS = 10 V, IC = 0.3 A, IB = 0.06 A,
hFE = 5 0.166
VGS(th) Gate Threshold Voltage VBS = VGS, IB = 250 μA1.9 V
Ciss
Input Capacitance
(VGS = VCB = 0) VCS = 25 V, f = 1 MHz 470 pF
QGS(tot)
Gate-Source Charge
VCB = 0 VGS = 10 V, IC = 8 A, VCS = 25 V 9nC
rDS(ON)
Static Drain-Source
On Resistance
VGS = 10 V, ID = 6.3 A 21
mΩ
VGS = 4.5 V, ID = 5.5 A 26
VGS = 10 V, ID = 6.3 A, TJ = 125°C 30

FJBE2150D — ESBC™ Rated NPN Silicon Transistor
© 2013 Fairchild Semiconductor Corporation www.fairchildsemi.com
FJBE2150D Rev. 1.4 5
Typical Performance Characteristics
Figure 4. Static Characteristic Figure 5. DC Current Gain
Figure 6. Collector-Emitter Saturation Voltage
hFE = 3 Figure 7. Collector-Emitter Saturation Voltage
hFE = 5
Figure 8. Collector-Emitter Saturation Voltage
hFE = 10 Figure 9. Collector-Emitter Saturation Voltage
hFE = 20
01234567
0
1
2
3
1A
800mA
900mA
700mA
600mA
500mA
400mA
300mA
IB=100mA
200mA
IC[A], COLLECTOR CURRENT
VCE[V], COLLECTOR EMITTER VOLTAGE
1 10 100 1000
1
10
100
VCE=10V
TA=25oC
TA=125oC
hFE, DC CURRENT GAIN
IC[mA], COLLECTOR CURRENT
1E-3 0.01 0.1 1 10
0.01
0.1
1
10
100
TA = 25 o C
TA = 125 o C
IC = 3 IB
TA = - 25 oC
VCE(sat) [V], SATURATION VOLTAGE
IC [A], COLLECTOR CURRENT
1E-3 0.01 0.1 1 10
0.1
1
10
100
TA = 125 o C
TA = -25 oC
TA = 25 o C
IC = 5 IB
VCE(sat) [V], SATURATION VOLTAGE
IC [A], COLLECTOR CURRENT
1E-3 0.01 0.1 1 10
0.1
1
10
100
TA = 125 o C
TA = -25 oC
TA = 25 o C
IC = 10 IB
VCE(sat) [V], SATURATION VOLTAGE
IC [A], COLLECTOR CURRENT
1E-3 0.01 0.1 1 10
0.1
1
10
100
TA = 125 o C
TA = -25 oC
TA = 25 o C
IC = 20 IB
VCE(sat) [V], SATURATION VOLTAGE
IC [A], COLLECTOR CURRENT

FJBE2150D — ESBC™ Rated NPN Silicon Transistor
© 2013 Fairchild Semiconductor Corporation www.fairchildsemi.com
FJBE2150D Rev. 1.4 6
Typical Performance Characteristics (Continued)
Figure 10. Typical Collector Saturation Voltage Figure 11. Capacitance
Figure 12. Inductive Load Collector Current
Fall-Time (tf)Figure 13. Inductive Load Collector Current
Storage Time (tstg)
Figure 14. Inductive Load Collector Voltage
Fall-Time (tf)Figure 15. Inductive Load Collector Voltage
Rise-Time (tr)
1 10 100 1k
0
1
2
TJ=25oC
2.0A
3.0A
1.0A
0.4A
IC=0.2A
VCE[V], VOLTAGE
IB[mA], BASE CURRENT
1 10 100 1000 10000
1
10
100
1000
Cob (Emitter Open)
Cob (Emitter Grounded)
CAPACITANCE [pF]
COLLECTOR-BASE VOLTAGE[V]
0.2 0.4 0.6 0.8 1.0 1.2 1.4 1.6 1.8 2.0
0
25
50
75
100
125
150
175
200
225
250
hfe=10 ESBC
hfe=5 ESBC
hfe=10 common emitter
hfe=5 common emitter
Time [ns]
IC [A], COLLECTOR CURRENT
ta = 25oC L=1mH SRF=480KHz
0.2 0.4 0.6 0.8 1.0 1.2 1.4 1.6 1.8 2.0
0.2
0.4
0.6
0.8
1.0
1.2
1.4
1.6
1.8
2.0
hfe=10 ESBC
hfe=5 ESBC
hfe=10 common emitter
hfe=5 common emitter
Time [us]
IC [A], COLLECTOR CURRENT
ta = 25oC L=1mH SRF=480KHz
0.2 0.4 0.6 0.8 1.0 1.2 1.4 1.6 1.8 2.0
0
20
40
60
80
100
120
140
160
180
200
hfe=10 ESBC
hfe=5 ESBC
hfe=10 common emitter
hfe=5 common emitter
Time [ns]
IC [A], COLLECTOR CURRENT
ta = 25oC L=1mH SRF=480KHz
0.2 0.4 0.6 0.8 1.0 1.2 1.4 1.6 1.8 2.0
60
80
100
120
140
160
180
200
220
240
260
280
300
hfe=10 ESBC
hfe=5 ESBC
hfe=10 commom emitter
hfe=5 common emitter
Time [ns]
IC [A], COLLECTOR CURRENT
ta = 25oC L=1mH SRF=480KHz

FJBE2150D — ESBC™ Rated NPN Silicon Transistor
© 2013 Fairchild Semiconductor Corporation www.fairchildsemi.com
FJBE2150D Rev. 1.4 7
Typical Performance Characteristics (Continued)
Figure 16. Inductive Load Collector Current / Voltage
Crossover (tc)Figure 17. BJT Reverse Bias Safe Operating Area
Figure 18. ESBC RBSOA Figure 19. Crossover Forward Bias Safe Operating
Area (FBSOA)
Figure 20. Power Derating
0.2 0.4 0.6 0.8 1.0 1.2 1.4 1.6 1.8 2.0
80
100
120
140
160
180
200
220
240
260
280
300
hfe=10 ESBC
hfe=5 ESBC
hfe=10 common emitter
hfe=5 common emitter
Time [ns]
IC [A], COLLECTOR CURRENT
ta = 25oC L=1mH SRF=480KHz
0 200 400 600 800 1000 1200 1400 1600 1800
0
1
2
3
VDD = +/-50V, RLOAD = 500KΩ
VBE(off) = 5V
IC [A], COLLECTOR CURRENT
VCE [V], COLLECTOR-EMITTER VOLTAGE
0 200 400 600 800 1000 1200 1400 1600 1800 2000
0
1
2
3
VDD = +/-50V, RLOAD = 500Kohms
HFE = 4
IC [A], COLLECTOR CURRENT
VCE [V], COLLECTOR-EMITTER VOLTAGE
0 500 1000 1500 2000
0.1
1
10
TC = 25oC
Single 80us Pulse
IC [mA], COLLECTOR CURRENT
VCE [V], COLLECTOR-EMITTER VOLTAGE
0 25 50 75 100 125 150 175 200
0
20
40
60
80
100
120
140
PD [W], POWER DISSIPATION
TC [oC], CASE TEMPERATURE

FJBE2150D — ESBC™ Rated NPN Silicon Transistor
© 2013 Fairchild Semiconductor Corporation www.fairchildsemi.com
FJBE2150D Rev. 1.4 8
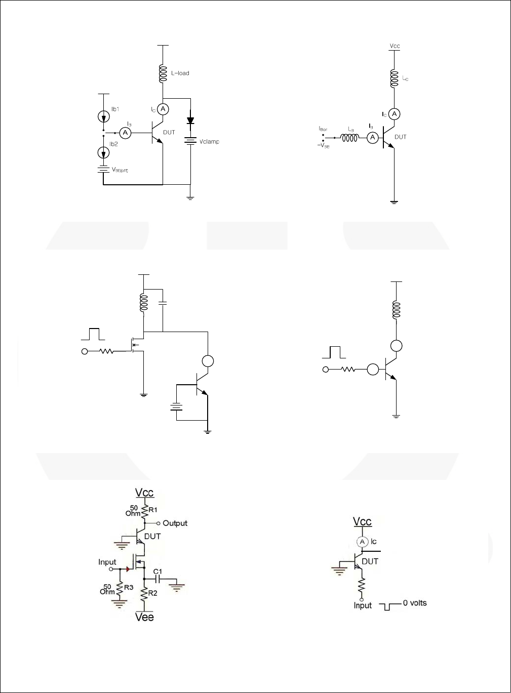
Test Circuits
Figure 23. fT Measurement Figure 24. FBSOA
VCE
A
}
sT
pj
R\G}
k|{
A
}
sT
pj
k|{
}
A
pi
Figure 21. Test Circuit for Inductive Load and Reverse Bias Safe Operating
Figure 22. Energy Rating Test Circuit

FJBE2150D — ESBC™ Rated NPN Silicon Transistor
© 2013 Fairchild Semiconductor Corporation www.fairchildsemi.com
FJBE2150D Rev. 1.4 9
Test Circuits (Continued)
Functional Test Waveforms
Figure 25. Simplified Saturated Switch Driver Circuit
Figure 26. Crossover Time Measurement
Figure 27. Saturated Switching Waveform
90% Vce
10% Vce
90% Ic
10% Ic

FJBE2150D — ESBC™ Rated NPN Silicon Transistor
© 2013 Fairchild Semiconductor Corporation www.fairchildsemi.com
FJBE2150D Rev. 1.4 10
Functional Test Waveforms (Continued)
Figure 28. Stora ge Time - Common Emitter
Base Turn-off (Ib2) to IC Fall-Time F ig ur e 2 9. S to r ag e Ti m e - E SB C F ET
Gate (off) to IC Fall-Time

FJBE2150D — ESBC™ Rated NPN Silicon Transistor
© 2013 Fairchild Semiconductor Corporation www.fairchildsemi.com
FJBE2150D Rev. 1.4 11
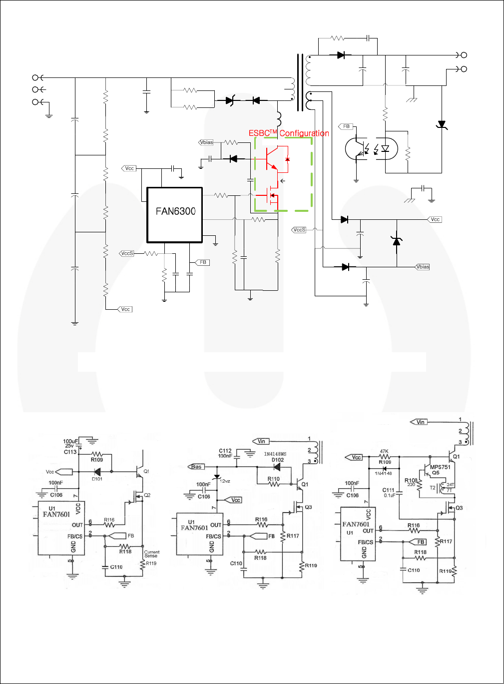
Very Wide Input Voltage Range Supply
Driving ESBC Switches
XY
[
Z
\
]
_o}
} v|{
jz
mi
kl{
Z
Y
X
X
Y
oXXhnX}t
tiyYWX\Wj{{| XWWWm
Z\}
XWWWm
Z\}
X
Y
Z[
\
^
`
ttZYY}i
YY}
YL
ttzkZW^W
Xu[X[_~z
XWm
XWWm
Y\}
mqilYX]Wk{t
mkj]\\
twX]W_i[^Xh
w]rl[[Wh
|m[WW^
Xu[X[_
ZZm
[\W}
ZZm
[\W}
ZZm
[\W}
[^Wr
[^Wr
[^Wr
[^Wr
[^Wr
[^Wr
xGyGXYWro¡_~ YWWTXWWW}Gkj
WUZ\hG
XYTX[}
[}
Y[}gWUZZh
Q
QGtGGG
ttZXY}j
XY}
\L
1
FJBE2150DTU
Figure 30. 8 W; Secondary-Side Regulation: 3 Capacitor Input; Quasi Resonant
Figure 31. VCC Derived
Figure 32. Vbias Supply Derived
Figure 33. Proportional Drive

FJBE2150D — ESBC™ Rated NPN Silicon Transistor
© 2013 Fairchild Semiconductor Corporation www.fairchildsemi.com
FJBE2150D Rev. 1.4 12
Physical Dimensions
Figure 34. 2 LEAD, TO-263, JEDEC TO263 VARIATION AB, D2PAK
0
$
0
$
6(('(7$
%
0,1
&
'(7$,/$
6&$/(
127(6
$3$&.$*(&21)250672-('(&72
9$5,$7,21$%(;&(37:+(5(127('
%$//',0(16,216$5(,10,//,0(7(56
&
2872)-('(&67$1'$5'9$/8(
'',0(16,21$1'72/(5$1&($63(5$60(
<
(',0(16,216$5((;&/86,9(2)%8556
02/')/$6+$1'7,(%$53527586,216
)/$1'3$77(515(&200(1'$7,21%$6,1*
)520,3&
*'5$:,1*),/(1$0(72'5(9
5
*$8*(3/$1(
6($7,1*3/$1(
%
/$1'3$77(515(&200(1'$7,21

© Fairchild Semiconductor Corporation www.fairchildsemi.com
TRADEMARKS
The following includes registered and unregistered trademarks and service marks, owned by Fairchild Semiconductor and/or its global subsidiaries, and is not
intended to be an exhaustive list of all such trademarks.
AccuPower¥
AttitudeEngine™
Awinda
®
AX-CAP
®
*
BitSiC¥
Build it Now¥
CorePLUS¥
CorePOWER¥
CROSSVOLT¥
CTL¥
Current Transfer Logic¥
DEUXPEED
®
Dual Cool™
EcoSPARK
®
EfficientMax¥
ESBC¥
Fairchild
®
Fairchild Semiconductor
®
FACT Quiet Series¥
FACT
®
FastvCore¥
FETBench¥
FPS¥
F-PFS¥
FRFET
®
Global Power Resource
SM
GreenBridge¥
Green FPS¥
Green FPS¥ e-Series¥
Gmax¥
GTO¥
IntelliMAX¥
ISOPLANAR¥
Making Small Speakers Sound Louder
and Better™
MegaBuck¥
MICROCOUPLER¥
MicroFET¥
MicroPak¥
MicroPak2¥
MillerDrive¥
MotionMax¥
MotionGrid
®
MTi
®
MTx
®
MVN
®
mWSaver
®
OptoHiT¥
OPTOLOGIC
®
OPTOPLANAR
®
®
Power Supply WebDesigner¥
PowerTrench
®
PowerXS™
Programmable Active Droop¥
QFET
®
QS¥
Quiet Series¥
RapidConfigure¥
¥
Saving our world, 1mW/W/kW at a time™
SignalWise¥
SmartMax¥
SMART START¥
Solutions for Your Success¥
SPM
®
STEALTH¥
SuperFET
®
SuperSOT¥-3
SuperSOT¥-6
SuperSOT¥-8
SupreMOS
®
SyncFET¥
Sync-Lock™
®*
TinyBoost
®
TinyBuck
®
TinyCalc¥
TinyLogic
®
TINYOPTO¥
TinyPower¥
TinyPWM¥
TinyWire¥
TranSiC¥
TriFault Detect¥
TRUECURRENT
®
*
PSerDes¥
UHC
®
Ultra FRFET¥
UniFET¥
VCX¥
VisualMax¥
VoltagePlus¥
XS™
Xsens™
❺
®
* Trademarks of System General Corporation, used under license by Fairchild Semiconductor.
DISCLAIMER
FAIRCHILD SEMICONDUCTOR RESERVES THE RIGHT TO MAKE CHANGES WITHOUT FURTHER NOTICE TO ANY PRODUCTS HEREIN TO IMPROVE
RELIABILITY, FUNCTION, OR DESIGN. TO OBTAIN THE LATEST, MOST UP-TO-DATE DATASHEET AND PRODUCT INFORMATION, VISIT OUR
WEBSITE AT HTTP://WWW.FAIRCHILDSEMI.COM. FAIRCHILD DOES NOT ASSUME ANY LIABILITY ARISING OUT OF THE APPLICATION OR USE OF
ANY PRODUCT OR CIRCUIT DESCRIBED HEREIN; NEITHER DOES IT CONVEY ANY LICENSE UNDER ITS PATENT RIGHTS, NOR THE RIGHTS OF
OTHERS. THESE SPECIFICATIONS DO NOT EXPAND THE TERMS OF FAIRCHILD’S WORLDWIDE TERMS AND CONDITIONS, SPECIFICALLY THE
WARRANTY THEREIN, WHICH COVERS THESE PRODUCTS.
AUTHORIZED USE
Unless otherwise specified in this data sheet, this product is a standard commercial product and is not intended for use in applications that require extraordinary
levels of quality and reliability. This product may not be used in the following applications, unless specifically approved in writing by a Fairchild officer: (1) automotive
or other transportation, (2) military/aerospace, (3) any safety critical application – including life critical medical equipment – where the failure of the Fairchild product
reasonably would be expected to result in personal injury, death or property damage. Customer’s use of this product is subject to agreement of this Authorized Use
policy. In the event of an unauthorized use of Fairchild’s product, Fairchild accepts no liability in the event of product failure. In other respects, this product shall be
subject to Fairchild’s Worldwide Terms and Conditions of Sale, unless a separate agreement has been signed by both Parties.
ANTI-COUNTERFEITING POLICY
Fairchild Semiconductor Corporation's Anti-Counterfeiting Policy. Fairchild's Anti-Counterfeiting Policy is also stated on our external website, www.fairchildsemi.com,
under Terms of Use
Counterfeiting of semiconductor parts is a growing problem in the industry. All manufacturers of semiconductor products are experiencing counterfeiting of their
parts. Customers who inadvertently purchase counterfeit parts experience many problems such as loss of brand reputation, substandard performance, failed
applications, and increased cost of production and manufacturing delays. Fairchild is taking strong measures to protect ourselves and our customers from the
proliferation of counterfeit parts. Fairchild strongly encourages customers to purchase Fairchild parts either directly from Fairchild or from Authorized Fairchild
Distributors who are listed by country on our web page cited above. Products customers buy either from Fairchild directly or from Authorized Fairchild Distributors
are genuine parts, have full traceability, meet Fairchild's quality standards for handling and storage and provide access to Fairchild's full range of up-to-date technical
and product information. Fairchild and our Authorized Distributors will stand behind all warranties and will appropriately address any warranty issues that may arise.
Fairchild will not provide any warranty coverage or other assistance for parts bought from Unauthorized Sources. Fairchild is committed to combat this global
problem and encourage our customers to do their part in stopping this practice by buying direct or from authorized distributors.
PRODUCT STATUS DEFINITIONS
Definition of Terms
Datasheet Identification Product Status Definition
Advance Information Formative / In Design Datasheet contains the design specifications for product development. Specifications may change
in any manner without notice.
Preliminary First Production
Datasheet contains preliminary data; supplementary data will be published at a later date. Fairchild
Semiconductor reserves the right to make changes at any time without notice to improve design.
No Identification Needed Full Production Datasheet contains final specifications. Fairchild Semiconductor reserves the right to make
changes at any time without notice to improve the design.
Obsolete Not In Production Datasheet contains specifications on a product that is discontinued by Fairchild Semiconductor.
The datasheet is for reference information only.
Rev. I77
®

www.onsemi.com
1
ON Semiconductor and are trademarks of Semiconductor Components Industries, LLC dba ON Semiconductor or its subsidiaries in the United States and/or other countries.
ON Semiconductor owns the rights to a number of patents, trademarks, copyrights, trade secrets, and other intellectual property. A listing of ON Semiconductor’s product/patent
coverage may be accessed at www.onsemi.com/site/pdf/Patent−Marking.pdf. ON Semiconductor reserves the right to make changes without further notice to any products herein.
ON Semiconductor makes no warranty, representation or guarantee regarding the suitability of its products for any particular purpose, nor does ON Semiconductor assume any liability
arising out of the application or use of any product or circuit, and specifically disclaims any and all liability, including without limitation special, consequential or incidental damages.
Buyer is responsible for its products and applications using ON Semiconductor products, including compliance with all laws, regulations and safety requirements or standards,
regardless of any support or applications information provided by ON Semiconductor. “Typical” parameters which may be provided in ON Semiconductor data sheets and/or
specifications can and do vary in different applications and actual performance may vary over time. All operating parameters, including “Typicals” must be validated for each customer
application by customer’s technical experts. ON Semiconductor does not convey any license under its patent rights nor the rights of others. ON Semiconductor products are not
designed, intended, or authorized for use as a critical component in life support systems or any FDA Class 3 medical devices or medical devices with a same or similar classification
in a foreign jurisdiction or any devices intended for implantation in the human body. Should Buyer purchase or use ON Semiconductor products for any such unintended or unauthorized
application, Buyer shall indemnify and hold ON Semiconductor and its officers, employees, subsidiaries, affiliates, and distributors harmless against all claims, costs, damages, and
expenses, and reasonable attorney fees arising out of, directly or indirectly, any claim of personal injury or death associated with such unintended or unauthorized use, even if such
claim alleges that ON Semiconductor was negligent regarding the design or manufacture of the part. ON Semiconductor is an Equal Opportunity/Affirmative Action Employer. This
literature is subject to all applicable copyright laws and is not for resale in any manner.
PUBLICATION ORDERING INFORMATION
N. American Technical Support: 800−282−9855 Toll Free
USA/Canada
Europe, Middle East and Africa Technical Support:
Phone: 421 33 790 2910
Japan Customer Focus Center
Phone: 81−3−5817−1050
www.onsemi.com
LITERATURE FULFILLMENT:
Literature Distribution Center for ON Semiconductor
19521 E. 32nd Pkwy, Aurora, Colorado 80011 USA
Phone: 303−675−2175 or 800−344−3860 Toll Free USA/Canada
Fax: 303−675−2176 or 800−344−3867 Toll Free USA/Canada
Email: orderlit@onsemi.com
ON Semiconductor Website: www.onsemi.com
Order Literature: http://www.onsemi.com/orderlit
For additional information, please contact your local
Sales Representative
© Semiconductor Components Industries, LLC