Ha0193T_21_Scanning Galvo System GVSM001 M Manual
User Manual:
Open the PDF directly: View PDF
.
Page Count: 40
- Chapter 1 Safety
- Chapter 2 Overview
- Chapter 3 Installation & Initial Set Up
- Chapter 4 Operation
- Chapter 5 Troubleshooting
- Appendix A Specifications and Associated Parts
- Appendix B Calculating the Power Dissipation
- Appendix C Reasons For Image Distortion
- Appendix D Regulatory
- Appendix E Thorlabs Worldwide Contacts

GVS001 and GVS002
GVS101 and GVS102
GVS201 and GVS202
GVS301 and GVS302
Scanning Galvo Systems
User Guide
Original Instructions

2 HA0193T Rev 21 Jan 2018
Contents
Chapter 1 For Your Safety ............................................................................. 3
1.1 Safety Information .................................................................................. 3
1.2 Warnings ................................................................................................ 3
Chapter 2 Overview......................................................................................... 4
2.1 Introduction ............................................................................................. 4
2.2 System Description ................................................................................ 5
Chapter 3 Installation & Initial Set Up .......................................................... 8
3.1 Dimensions ............................................................................................. 8
3.2 Mechanical Installation ......................................................................... 12
3.3 Electrical Installation ............................................................................. 15
Chapter 4 Operation ..................................................................................... 20
4.1 General Operation ................................................................................ 20
4.2 External Enabling of the driver board ................................................... 20
4.3 Using a DAQ Card ................................................................................ 20
Chapter 5 Troubleshooting ......................................................................... 21
5.1 Common Problems ............................................................................... 21
5.2 Galvanometer Faults ............................................................................ 24
Appendices
Appendix A Specifications and Associated Products .............................. 25
1.1 Specifications ....................................................................................... 25
1.2 Associated Products ............................................................................. 26
Appendix B Calculating the Power Dissipation ........................................ 27
Appendix C Reasons For Image Distortion ............................................... 28
Appendix D Regulatory................................................................................. 30

3
Chapter 1 Safety
1.1 Safety Information
For the continuing safety of the operators of this equipment, and the protection of the
equipment itself, the operator should take note of the Warnings, Cautions and Notes
throughout this handbook and, where visible, on the product itself.
The following safety symbols may be used throughout the ha ndbook and on the
equipment itself.
1.2 General Warnings
Shock Warning
Given when there is a risk of injury from electrical shock.
Warning
Given when there is a risk of injury to users.
Caution
Given when there is a risk of damage to the product.
Note
Clarification of an instruction or additional information.
Warnings
If this equipment is used in a manner not specified by the manufacturer, the
protection provided by the equipment may be impaired. In particular,
excessive moisture may impair operation.
Spillage of fluid, such as sample solutions, should be avoided. If spillage does
occur, clean up immediately using absorbant tissue. Do not allow spilled fluid
to enter the internal mechanism.
Although the unit does not emit radiation, it does redirect laser radiation
emitted from other devices. Operators must follow all safety precautions
provided by the manufacturer of any associated laser devices.

4
Chapter 2 Overview
2.1 Introduction
The GVS series scanning galvo systems are board level, mirror positioning systems,
designed for integration into OEM or custom laser beam steering applications. The
single axis systems consists of a motor and mirror assembly, a mounting bracket, a
tuned driver card and a heat sink. The dual axis systems comprises two mirror and
motor assemblies, an X-Y mounting bracket, two driver cards and two heat sinks. The
driver cards feature a small footprint, fixings for easy mounting to a heatsink and a
simple analog command signal interface.
A choice of mirror coating is available as follows:
GVS001 and GVS002: Single- and Dual-Axis Systems with Protected Silver Mirrors
GVS101 and GVS102: Single- and Dual-Axis Systems with Protected Gold Mirrors
GVS201 and GVS202: Single- and Dual-Axis Systems with 400-750 nm Broadband
Dielectric Mirrors
GVS301 and GVS302: Single- and Dual-Axis Systems with High Power Dual Band
(532 and 1064 nm) Nd: YAG Mirrors
Typical applications include laser scanning, laser microscopy, and laser marking.
Fig. 2.1 GVS002 2-Axis Galvo System (Post Adapter and post not included)

5
Single- and Dual-Axis Scanning Galvo Systems for Small Beam Diameters
2.2 System Description
2.2.1 Introduction
Galvo Scanners are widely used in a pplications such as l aser etching, confocal
microscopy, and laser imaging.
A galvanometer is a precision motor with a limited travel, usually much less than 360
degrees, whose acceleration is directly proportional to the current applied to the motor
coils. When current is applied, the motor shaft rotates through an arc. Mo tion is
stopped by applying a current of reverse polarity. If the current is removed, the motor
comes to rest under friction.
Typically, the term ' Galvo' refers only to the motor assembl y, whereas a 'Galvo
Scanner' would include the motor, tog ether with a mirror, mirro r mount and driver
electronics.
A description of each component in the system is contained in the following sections.
2.2.2 The Galvanometer
The galvanometer consists of two main components: a motor that moves the mirror
and a detector that feeds back mirror position information to the system.
Fig. 2.2 GVS002 Dual Axis Galvo/Mirror Assembly
Our galvo motor features a moving magnet, which means that the magnet is part of
the rotor and the coil is part of the stator. This configuration provides faster response
and higher system-resonant frequencies when compared to moving coil
configurations.
Mirror position information is provided by an optical position detector, which consists
of two pairs of photodiodes and a light source. As the galvo and mirrors are moved,
differing amounts of light are detected by the photodiodes and the current produced
is relative to the galvo actuator position.
X-Axis Mirror
Y-Axis Mirror

6 HA0193T Rev 21 Jan 2018
Chapter 2
2.2.3 The Mirror
The mirror assembly is attached to the end of the actuator, and deflects the light beam
over the angular range of the motor shaft. Scanning galvo applications demand high
speed and frequencies of the shaft rotation, and so the in ertia of the actuator and
mirror assembly can have a profound effect on the performance of the system. High
resonant frequencies and enhanced stiffness in the mirror a ssembly also add to
system performance by increasing bandwidth and response times.
Wavelength ranges and damage threshold of the different mirror coatings are details
below:
Fig. 2.3 Mirror Assembly Detail
Part No Coating Wavelength Damage Threshold
GVS00x Silver 500 nm - 2.0 µm 3 J/cm2 at 1064 nm, 10 ns pulse
GVS10x Gold 800 nm - 20.0 µm 2 J/cm2 at 1064 nm, 10 ns pulse
GVS20x E02 400 nm - 750 nm 0.25 J/cm2 at 532 nm, 10 ns pulse
GVS30x K13 532 nm and 1064 nm 5 J/cm2 at 1064 nm, 10 ns pulse

7
Single- and Dual-Axis Scanning Galvo Systems for Small Beam Diameters
2.2.4 Servo Driver Board
The servo circuit interprets the signals from the position detector, then uses positional
error, speed and integral of current terms to output control vo ltages to drive the
actuator to the demanded position.
The scanner uses a non-integrating, Class 0 serv o, which enables higher system
speeds compared to integrating servo systems, and is ideal for use i n applications
that require vector positioning (e.g. laser marking) or raster positioning (printing or
scanning laser microscopy). It can also be used in some step and hold applications.
Furthermore, the proportional derivative circuit gives excellent dynamic performance
and includes an additional current term to ensure stability at high accelerations. The
diagram below shows the architecture of the driver in more detail.
Fig. 2.4 Servo Driver Board Schematic Diagram
Fig. 2.5 Servo Driver Circuit Board
Position
Sensing
Circuit
Command
Signal
Amplifier
Difference
Amplifier
Summing
Amplifier
Notch
Filter
Power
Amplifier
Differentiator Jumper
position
speed
error
Current
Sensing
Circuit
Integrator
current

8
Chapter 3 Installation & Initial Set Up
3.1 Dimensions
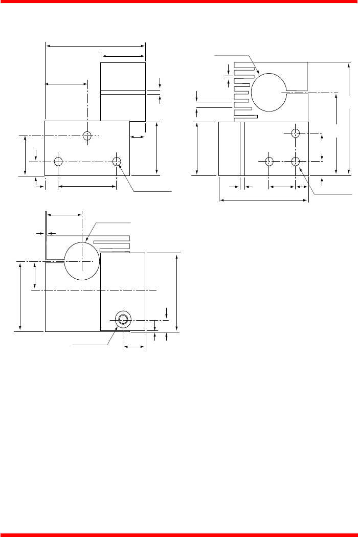
3.1.1 Motor Assembly Dimensions
Fig. 3.1 Motor Dimensions
3.1.2 Mirror Dimensions
Fig. 3.2 Mirror Dimensions
0.09 (2.3)
0.06 (1.5)
1.22
(31.0)
Ø 0.9
(23.2)
1.49 (37.8)
0.87 (22.0)
Ø 0.5 (12.6)
Ø 0.1 (2.5)
all dimensions in inches (mm
)
0.57 (14.5)
0.34
(8.5)
0.04
(1.0)
0.04
(1.0)
0.39
(10.0)
0.32 (8.0)
X-Axis Mirror
Y-Axis Mirror
all dimensions in inches (mm
)

9
Single- and Dual-Axis Scanning Galvo Systems for Small Beam Diameters
3.1.3 Single Axis Mount Dimensions
Fig. 3.3 Single Axis Mounting Bracket Dimensions
0.55
(14.0)
0.55
(14.0)
all dimensions in inches (mm)
1.5 (38.0)
0.75 (19.0)
0.53
(13.5)
0.53
(13.5)
0.35 (9.0)
0.35 (9.0)
0.33 (8.5)
0.33 (8.5)
2 x Ø2.5 8.0
M3 x 0.5 -6H 6.0
2 x Ø 2.5 8.0
M3 x 0.5 -6H 6.0
M3 x 0.5 -6H
0.12
(3.0)
Ø 0.52 (13.2)
0.43 (11.0)
0.43
(11.0)
R 0.04 (1.0)
0.79
(20.0)
0.65
(16.5)
1.38
(35.0)
0.03 (0.75)
0.06 (1.5)
Qty 5 SLOTS 0.08 (2.0) Typ
0.08 (2.0) Typ
0.59 (15.0)
0.98
(25.0)
0.39
(10.0)
0.17
(4.3)
Ø 6.0 3.0
Ø 3.5 to SLOT

10 HA0193T Rev 21 Jan 2018
Chapter 3
3.1.4 XY Mount Dimensions
Fig. 3.4 XY Mounting Bracket Dimensions
0.67 (17.0)
1.5 (38.0)
0.6 (16.0)
0.75
(19.0)
1.1
(28.0)
0.98
(25.0) 0.39
(10.0)
0.75
(19.0)
0.24
(6.0)
0.87 (22.0)
0.55 (14.0) 1.34 (34.0)
0.55
(14.0)
0.2
(5.0)
0.06
(1.5)
0.06
(1.5)
0.39
(10.00)
0.04
(1.0)
0.07
(1.8)
0.2
(5.0)
0.2
(5.0) 0.2 (5.0)
M3 x 6 Qty 3
M3 x 6 Qty 3
Ø 0.52 (13.2)
Ø 0.52 (13.2)
Ø 0.14 (3.5)
CSK 0.24 (6.0) Qty 2
0.39
(10.00)
1.16
(29.5)
1.58
(40.0)
0.02 (0.5)
0.02
(0.5)
0.17
(4.3)
0.34
(8.5)
all dimensions in inches (mm)

11
Single- and Dual-Axis Scanning Galvo Systems for Small Beam Diameters
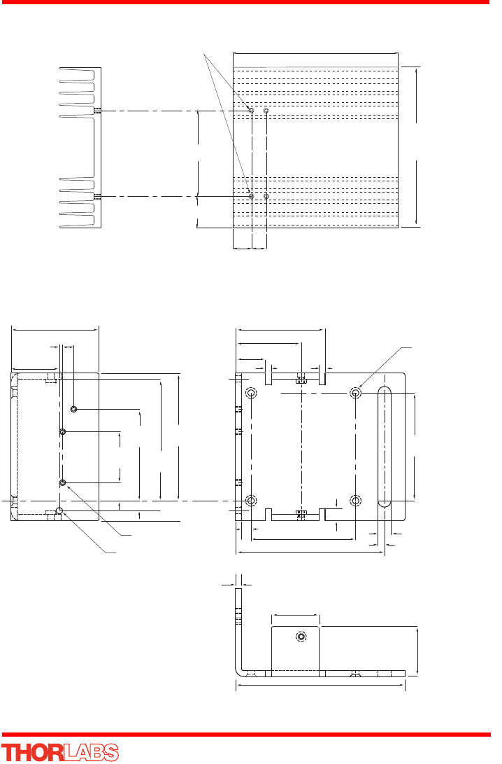
3.1.5 Heatsink Dimensions
Fig. 3.5 Heatsink Dimensions
3.1.6 Servo Driver Board Baseplate Dimensions
Fig. 3.6 Servo Driver Board Baseplate Dimensions
100.0 (3.94)
Drill & Tap M3 Thru
52.0 (2.05)
19.0 (0.75)
GHS002
97.0
(3.82)
11.20
(0.44)
10.40
(0.41)
3.0 (0.12)
24.0 (0.94)
25.0 (0.98)
85.1
44.2 (1.74)
7.2
(0.28)
1.6
(0.06)
24.2 (0.95)
M3 (3 Positions)
3.5 (0.14) DIA
25.5
(1.0)
45.88
(1.81)
66.0
(2.6)
74.0
(2.9)
5.0 (0.2)
9.07
(0.36)
45.0 (1.77)
33.0 (1.3)
15.0 (0.59) 3.0
(0.12)
4.8 (0.19)
3.0
(0.12)
6.0 Typ
(2.36)
54.0 (2.13)
Slot
52.5 (2.07)
74.8 (2.95)
3.3 (0.13)
6.5 (0.26)
All dimensions in mm (inches)
3.5 (0.14) DIA and
CSK to Suit
M3 Screw on Underside
(4 Positions)

12 HA0193T Rev 21 Jan 2018
Chapter 3
3.2 Mechanical Installation
3.2.1 Introduction
.
Fig. 3.7 Serial Number Label Location
It is essential that the user mounts heatsinks to the driver board and motor mounts
which are suitable for their intended application. If this is not done the devices will
overheat and permanent damage may occur. The choice of heatsink will primarily be
determined by the power which the devices dissipate, a value which is dependant on
the average speed at which the user moves the scanners. The larger the power the
heatsink must dissipate the larger the heatsink will need to be.
Caution
The galvo motor assembly and associated driver board are tuned at the
factory before they are shipped and further adjustment is not normally
necessary. If the accuracy of the system is in doubt, e.g due to accidental
adjustment of trim pots, contact Thorlabs for information on the tuning
procedure.
During Installation, ensure that the motors are connected to the driver
card to which they were tuned. Both the motor and the driver card should
carry the same serial number.
The location of the serial number labels is shown below

13
Single- and Dual-Axis Scanning Galvo Systems for Small Beam Diameters
3.2.2 Fitting The Heatsinks
Servo Driver Board Heatsink
The servo driver board is supplied complete with a large heatsink, suitable for all applications,
even those involving more vigorous usage and rapidly changing drive waveforms.
1) Secure the heatsink bracket to the heat sink using two M3 x 8 scre ws and two
plain M3 washers (arrowed in the photo below).
Fig. 3.8 Driver Board Heatsink Screws
Motor/Mirror Mount Heat Sink
For most app lications, the mo unting bracket will provide adequate heat sinking,
however for more vigorous applications, it may be necessary to fit some heatsinking
in addition to the galvo motor mount. Thorlabs supply a combined post adapter and
heatsink (GHS003) suitable for both single and dual axis applications.
If using a third party heatsink, please see Appendix B for details on how to calculate
the power dissipation in the motor.
1)
Secure the heatsink to the motor/mirror mount using the two M3 x 5 screws supplied
.
Fig. 3.9 XY Mount Heatsink Screws
Caution
Due to the large torque to weight ratio, thermal managment is crucial to
the successful operation of galvo motors. Consequently the galvo
motors must be kept cool (<50 °C).

14 HA0193T Rev 21 Jan 2018
Chapter 3
3.2.3 Typical System Set Up
1) Fit a GHS003 post adapter to the XY mounting block
2) Fit a lens post into the bottom of the post adapter and clamp it to the breadboard.
3) Arrange a beam steering system such that a laser beam shines on to the X axis
mirror, at right angles to the mount and is then reflected onto a screen, also at right
angles to the mount..
Typical example: If the optical scan angle Ø = ±25°
l = 2d x Tan 25° (Note. In this case, the mechanical scan angle is ±12.5°)
Fig. 3.10 Typical Beam Steering System
3.3 Electrical Installation
3.3.1 Choosing A Power Supply
Thorlabs recommends usin g the GPS011 linear power supply to power the galvo
controller board(s) as this power supply has been specifically designed for this
purpose. The GPS011 can power up to two driver cards under any drive conditions
and is supplied with all the cables required to connect to the driver cards.
However, customers also have the option of using a third-party power supply or
incorporate the boards into their existing system. In this case care must be taken to
ensure that the power supply voltage and current rating s are within the l imits
specified.
The drive electronics require a split rail DC supply in the range ±15V to ±18V. The
cards do not require an accurately regulated supply as the boards themselves have
their own regulators. The maximum current drawn by the driver cards will not exceed
1.2 A rms on each rail. In addition to this, for optimum performance the supply should
be able to provide peak currents of up to 5A on either rail.

15
Single- and Dual-Axis Scanning Galvo Systems for Small Beam Diameters
3.3.2 Using the GPS011 Linear Power Supply
The unit is supplied with a variety of mains power cords.
1) Select the power cord appropriate for your territory.
2) Connect the power cord to the socket on the rear panel of the unit - see Fig. 3.11.
3) Select the correct voltage range for your region.
4) Plug the power cord into the wall socket.
Fig. 3.11 Power Supply Unit Rear Panel
Caution
Both switching and linear power supplies can be used with the Thorlabs galvo
systems, however it is important to limit the inrush current when the power supply
is turned on, in order to ensure that the power supply reservoir capacitors on the
board are not damaged by the large surge currents that can occur on power-up.
Most power supplies naturally “soft start” when they are switched on at the mains
side and provide inrush current limiting. If, however, the power supply is turned
on at the output (DC) side, it can output its peak current instantaneously. In this
case it is important to limit this peak current to less than 2 Amps.
Caution
Selecting the incorrect voltage range will damage the unit.

16 HA0193T Rev 21 Jan 2018
Chapter 3
3.3.3 Electrical Connections
Fig. 3.12 Connector Identification
1) Identify connector J10 on each driver board, and make power connections as
shown below. Thorlabs supply a suitable PSU (GPS011) for powering a single or
dual axis system (see Section 3.3.1.). A bare cable, crimp connectors (Molex Pt
No 2478) and housings for use with general lab PSUs is supplied with each driver
board.
Fig. 3.13 J10 Power Connector Pin Identification
Caution
During the electrical installation, cables should be routed such that power and
signal cables are separated so that electrical noise pick up is minimized
J9
J6
J10
J7
JP4
1 2 3
JP7
1 +15V
2 Ground
3 -15V

17
Single- and Dual-Axis Scanning Galvo Systems for Small Beam Diameters
2) Connect a motor cable to the connector J9 on each driver board as shown below.
Fig. 3.14 J9 Motor Connector Pin Identification.
3) Note the serial numbers of the galvo motors and driver boards, then connect the
galvo motors to their associated driver boards. If using a custom cab le, the pin
outs for the connectorson the Driver PCB and the Motor connector are detailed in
Fig. 3.14 and Fig. 3.15 respectively.
Fig. 3.15 Galvo Assembly Motor Connector Pin Identification
4) Connect a command input (e.g. function generator) to J7 of each driver board as
shown in Fig. 3.16. J7 accepts Molex pins Pt No 56134-9100.
Note
The scanner accepts a differential analog command input. If the scaling is 0.8
Volt per degree mechanical movement (see Section 3.3.5.), -10 V to +10 V gives
-12.5 to +12.5 degrees mechanical movement. The driver will attempt to set the
mirror position to the command input value.
Pin 3 (DRV_OK) is an open collector output that is low when the board is
operating normally and floating if a fault occurs. To use Pin 3 as a fault
indicator, connect a pull-up resistor to give a high signal when the fault
occurs. DRV_OK limits are 30 mA 30 V.
Do not connect a relay to this output.
1
2
3
4
5
6
7
8
Pin 1 Position Sensor A Current
Pin 2 Position Sensor Ground
Pin 3 Position Sensor Cable Shield
Pin 4 Drive Cable Shield
Pin 5 Position Sensor B Current
Pin 6 Position Sensor Power
Pin 7 Motor + Coil
Pin 8 Motor -Coil
5
4
3
2
1
6
7
8
9
10
Pin 1 Motor + Coil (power shield floating)
Pin 2 Motor -Coil (power shield floating)
Pin 3 Not Used
Pin 4 Not Used
Pin 5 Position Sensor B Current
Pin 6 Position Sensor Ground
Pin 7 Position Sensor A Current
Pin 8 Position Sensor Power
(Automated Gain Control)
Pin 9 Position Sensor Cable Shield
Pin 10 Not Used

18 HA0193T Rev 21 Jan 2018
Chapter 3
.
Fig. 3.16 J7 Command Input Connector Pin Identification
5) Using a suitable cable, connect the Diagnostic Terminal J6 to the diagnostic
device (e.g. oscilloscope) in your appl ication. Pin ide ntification is givem belo w,
signal descriptions are detailed in the next section.
Fig. 3.17 J6 Diagnostics Connector Pin Identification
J6 Diagnostics and J7 Command Input Mating Connector Details
Mating Connector body: Manufacturer: Molex, Mfr. P/N: 513530800
Example Vendor: Farnell, Vendor P/N: 1120387
Crimps (22-26AWG): Manufacturer: Molex, Mfr. P/N: 56134-8100
Example Vendor: Farnell, Vendor P/N: 1120545
Crimps (22-28AWG): Manufacturer: Molex, Mfr. P/N: 56134-9100
Example Vendor: Farnell, Vendor P/N: 1120546
Note
All diagnostic signals from J6 have 1 KΩ output impedance except Pin 7
(Motor Coil Voltage/2) which has 5 KΩ
1 2 3 4
8 7 6 5
Function
Generator
J7
1
2
7/8
+
-
Function
Generator
J7
1
2
7/8
+
-
Standard O/P
Differential O/P
Earth
Pin 1 Command Input +ve
Pin 2 Command Input -ve
Pin 3 DRV OK
Pin 4 External Enable
Pin 5 -12V Output (low impedence O/P)
Pin 6 +12V Output (low impedence O/P)
Pin 7 Ground
Pin 8 Ground
1
Pin 1 Scanner Position
Pin 2 Internal Command Signal
Pin 3 Positioning Error x 5
Pin 4 Motor Drive Current
Pin 5 Not Connected
Pin 6 Test Input (NC)
Pin 7 Motor + Coil Voltage / 2
Pin 8 Ground
2
3
4
8
7
6
5

19
Single- and Dual-Axis Scanning Galvo Systems for Small Beam Diameters
3.3.4 Diagnostic Signal Descriptions
Scanner Position - This signal is proprotional to the position of the scanner mirror, with
a scaling of 0.5 Volts per degree of mechanical movement.
Internal Command Signal - The command signal following amplification by the input
stage. The scaling is 0.5 Volt per degree of mechanical movement.
Positioning Error x 5 - This signal is pro portional to the d ifference between the
demanded and the actual positions - (Position - Command) x 5 (i.e. (Pin 1 - pin 2) x 5).
Motor Drive Current - The drive current of the motor (2V per A), i.e. if drive signal is
2V, the drive current is 1 A.
Motor + Coil Voltage /2 - This pin outputs the drive voltage to the “+” side of the motor coil.
It is scaled down by a factor of 2. The drive voltage determines the current, which then
determines the acceleration. It is not required if the user only wants to monitor position.
3.3.5 Setting the Volts/Degree Scaling Factor
Servo driver cards manufactured after October 2015 have a jumper which is used to
set the Volts per Degree scaling factor. The cards are shipped with the scaling set to
0.8 V/°, wh ere the max sca n angle is ±12.5°, an d is compa tible with driver ca rds
manufactured before October 2009. To set the scaling factor to 1 V/° an d the
maximum scan angle to ±10°, proceed as follows:
1) Identify JP7 as shown in Fig. 3.18.
2) Set the jumper position for the corresponding scaling factor as shown below.
Fig. 3.18 Setting the Volts/Degree Scaling Factor
Note
The Scanner Position and Internal Command signals are scaled internally
by the driver circuit and are essentially equivalent to the input signal /2.
Note
The 0.5V/° scaling factor is provided to allow the full scan angle to be
achieved using small input signals. In this case, the input voltage should
be limited to ±6.25 V max
1V/° 0.8V/° 0.5V/°
JP7

20
Chapter 4 Operation
4.1 General Operation
1) Connect the system as described in Section 3.3.
2) Apply power to the driver boards.
3) Input a command signal to each driver board to obtain the desired behviour.
4.2 External Enabling of the driver board
1) The drive electronics can be c onfigured for external enabling by
placing a jumper across pins 2 and 3 of JP4.
2) Once this has been done the user can enable or disable the drive electronics by
applying a 5V CMOS signal to J7 pin 4.
Fig. 4.1 J7 Command Input Connector Pin Identification
If a logic high or no signal is applied, the drive electronics will be enabled. If a logic
low signal is applied then the driver will be disabled.
4.3 Using a DAQ Card
Typically, users will deploy a DAQ card with DAC analogue outputs in order to drive
the servo drivers supp lied with th e galvos. The minimum recommended
specifications for the DAC outputs are:-
Dual bipolar -10V to 10V DAC analogue output channels (differential).
DAC clocking frequency higher than 20kS/s (Kilo Samples/Second), higher sampling
frequencies like 100 kS/s are recommended (inputs have a 7 kHz low pass filter).
16 Bit DAC resolution and low out impedance (<= 50 Ω).
Note
After powering the boards, there may be a delay of up to 10 seconds
before the motors start to follow the command signal.
1 2 3
1 2 3 4
8 7 6 5
Pin 1 Command Input +ve
Pin 2 Command Input -ve
Pin 3 No Connect
Pin 4 External Enable
Pin 5 -12V Output
Pin 6 +12V Output
Pin 7 Ground
Pin 8 Ground

21
Single- and Dual-Axis Scanning Galvo Systems for Small Beam Diameters
4.4 Recommended Scanning Angles
The ideal scanning angle is dependent upon a number of conditions. Firstly, the larger
the diameter of the input laser beam, the smaller the achievable scanning angle.
Secondly, the applied input voltage causes the laser beam to move away from the
center of the mirrors. The larger the input voltage then the greater the movement from
the center, as shown below.
Lastly, on dual-axis systems, there is an offset alignment between the X and Y axis
mirrors that also limits the scan angle.
The table below gives recommended scanning angles for various beam diameters.
GVS001, GVS101, GVS201 and GVS301,
Input Beam Diameter Mechanical Scan Angle Optical Scan Angle
4 mm and less ± 12.5° ± 25°
5 mm + 10°, -12.5° + 20°, -25°
GVS002, GVS102, GVS202 and GVS302,
Input Beam
Diameter Mechanical
Scan Angle X Optical
Scan Angle X Mechanical
Scan Angle Y Optical
Scan Angle Y
1 mm + 11.0°, - 12.5° + 22.0°, - 25° ± 12.5° ± 25°
2 mm + 10°, - 11.5° + 20°, - 23° ± 12.5° ± 25°
3 mm + 9.5°, - 10° + 19°, - 20° ± 12.5° ± 25°
4 mm ± 8.5° ± 17° ± 12.5° ± 25°
5 mm ± 8° ± 16° + 12.5°, -3° + 25, -6°

22
Chapter 5 Troubleshooting
5.1 Common Problems
Some of the more common problems encountered when using galvanometers are
details below.
Motor fails to respond to the command signal
This can occur for a number of reasons. The most likely are:
1) power is not correctly applied to the board
2) one of the cables is faulty or not connected properly
3) a fault has been triggered
4) the device has been disabled either by placing a jumper across JP4 pins 1 and 2
or by placing a jumper across JP4 pins 2 and 3 and pulling J7 pin 4 to ground.
Instability of the scanner
If uncontrolled, instability of the scanner will cause a whistiling or schreeching noise
and uncontrolled movement of the scanner. It will also cause large current to be drawn
by the motor and the motor will move spontaneously and unpredictably. If this occurs
the user should turn off power to the driver boards immediately to prevent damage to
the scanners.
However under normal circumstances the instability should be detected by the fault
control circuitry. In this case the behaviour most likely to be observed by the user is
the following: The mirror w ill suddenly jump from one position to another (probably
with a short burst of whistling) and stop and remain still. After a delay of a few seconds
the mirror will jump to another position and so on. Here when the mirror is stopped a
fault has been triggered and the driver board is disabled. The only movement is during
the brief period when the fault control circuitry tries to resume normal operation.
Instability can occur for a number of reasons. The most common is if the driver board
is incorrectly tuned to the motor. This can occur if the board is connected to a different
motor to the one it was originally sold with or if one of the potentiometers have been
tampered with. Another common cause for instability is if the motor is driven at large
amplitudes and high frequencies then the electronics may be un able to control the
scanner.
Note
After powering the boards, there may be a delay of up to 10 seconds
before the motors start to follow the command signal.

23
Single- and Dual-Axis Scanning Galvo Systems for Small Beam Diameters
Mirror periodically shoots off to one side and then stops
If the mirror suddenly shoot off to one side and then stops it is likely that either the
position sensing circuitry is not functioning correctly or the motor cable is incorrectly
wired. When this happens most likely either the drive electronics will output a constant
drive voltage or the loop feedback will be positive. Consequently the motor jumps to
one extreme and an overposition fault is triggered. Once the drive electronics is
disabled the scanner will bounce freely backwards and come to rest. After a delay the
electronics will attempt to resume operation and the process will repeat.
Galvo mostly behaves normally but periodically becomes unstable
If the galvo driver card is incorrectly tuned it is possible that the galvo system can
appear to be b ehaving correctly most of th e time, but with a brie f period where the
system suddenly becomes unstable repetitively occuring. This can be caused if the
maximum error sign al value is excee ded. The fault control circuitry responds by
lowering the error gain which may cause the system to behave normally. However,
once the system tr ies to resume normal operation the system is likely to become
unstable again and the process will repeat.
Oscillation in the galvo motor current
If the galvo system is draw ing more current than expected, if th e scanners or the
driver cards are overheating, if the scan ners are makin g a hissin g noise or if the
position accuracy is less than expected, this may be due to oscillations in the galvo
motor current. This can be identified by viewing the coil current signal J6 pin 4 on an
oscilloscope. The problem will manifest itself as a high frequency (>1kHz) sinusoidal
oscillation in the current, unrelated to the position signal. Normally the scanner will still
appear to be correctly following the command signal, but the oscillation may show up
in the position signal if the effect is very strong.
This effect is normally caused by crosstalk between the position sensing circuitry and
the motor drive current. Repositioning the motor drive cable will normally help to avoid
this problem. If the user replaces the motor cables with their own cables they should
ensure that they keep the wires as short as possible and use separate shielded cables
for the position sensing and motor drive signals.
Cross talk between axes
Cross talk between the two motors will normal show up as a slight movement in one
axis when one motor is moved quickly. This typically occurs if both the motors are run
off a same po wer supply and the power supply cannot deliver the pe ak currents
demanded by the galvos. There will then be a drop in the power supply voltage which
will then affect the behaviour of the remaining axis. Choosing a different power supply
with sufficient peak drive current capability should solve this problem.

24 HA0193T Rev 21 Jan 2018
Chapter 5
Overshoot in position signal which grows over time
It is possible that the position of the motor may show an overshoot when driven with
a large square wave or similar, and that this overshoot will grow with time until a fault
is triggered. There is usually a certain frequency and amplitude above which thi s
starts to occur. This behaviour is caused by choosing a power supply which cannot
deliver enough current for the intended application. The oscillation builds up because
the power supply voltage is drop ping on the risin g edge of the position signal and
effecting the board's behaviour. With every rising edge the e ffect becomes slightly
greater as the overshoot grows.

25
Single- and Dual-Axis Scanning Galvo Systems for Small Beam Diameters
5.2 Galvanometer Faults
The driver ele ctronics monitor numerous signals to ensure the scan ners operate
safely and the fault protection circuitry will normally prevent any damage.
However, the user should be aware that the galvanometer may become permanently
damaged if the system becomes unstable (manifested by a sc reeching noise, self
excitation and unpredicable movement of the scanner). In addition the user should
also be aware that the system has no protection against the galvanometer scanners
overheating, and it is left to the user to ensure that they are fitted to an adequate
heatsink (see Section 3.2.1.).
It is worth noting that a fault state may be triggered on applying power to the driver
boards and the power amplifier will be disabled. However in this case the bo ard will
commence normal operation after a delay of a few seconds. The table below shows
the various faults states which can be triggered in the fault control circuitry.
Table 5.1 Galvo System Faults and Associated Fault Protection Circuit Action
Fault Possible Causes Action Taken by
Fault Control
Circuit
Maximum scanner position
exceeded
Drive signal too large,
instability of scanner
Power amplifier
turned off
Maximum peak current
Exceeded
Incorrect tuning, instability of the
scanner or overly vigorous drive
waveforms
Power amplifier
turned off
Maximum postion error
exceeded
Incorrect tuning, instability of the
scanner or overly vigorous drive
waveforms
Loop gain reduced
AGC voltage out of normal
range
Broken motor position sensor,
problem with motor cable
connection
Power amplifier
turned off
Power supply voltage drops
below minimum value
Poor choice of power supply Power amplifier
turned off
Maximum RMS coil current
exceeded
Incorrect tuning, instability of the
scanner or overly vigorous drive
waveforms
Power amplifier
turned off
Maximum junction
temperature of power
amplifier IC exceeded
Inadequate heatsinking of driver
board
Power amplifier
turned off

26
Appendix A Specifications and Associated Parts
A.1 Specifications
Note
*The way our mirrors a re tested is con tinually updated, please consult
www.thorlabs.com for more information.
Parameter Value
Mirror
Maximum Beam Diameter 5 mm
Finish GVS00x: Protected Silver Coated
GVS10x: Protected Gold Coated
GVS20x: Broadband, E02
GVS30x: Dual Band Hi Power, K13
Damage Threshold*GVS00x: 3 J/cm2at 1064 nm, 10 ns pulse
GVS10x: 2 J/cm2 at 1064 nm, 10 ns pulse
GVS20x: 0.25 J/cm2 at 532 nm, 10 ns pulse
GVS30x: 5 J/cm2 at 1064 nm, 10 ns pulse
Motor & Position Sensor
Linearity 99.9%, range ±20°
Scale Drift 40PPM/°C(Max)
Zero Drift 10 µRad/°C(Max)
Repeatability 15 µRad
Resolution
With GPS011 Linear PSU
With standard switch mode PSU
0.0008° (15 µRad)
0.004° (70 µRad)
Average Current 1 A
Peak Current 5 A
Load Mirror Aperture 5 mm
Coil Resistance: 2.2 Ω±10%
Coil Inductance: 150µH ±10%
Rotor Inertia: 0.02gm per cm2
Maximum Scan Angle (Mechanical Angle) ±12.5° (with 0.8V/° scaling factor)
Motor Weight (inc cables, excl bracket) 50 g
Operating Temperature Range 0 ~ 40° C
Optical Position Sensor Output Range 40 to 80 µA

27
Single- and Dual-Axis Scanning Galvo Systems for Small Beam Diameters
Drive Electronics
* Using heat sink to keep temp <50°C (see Section 3.2.2.).
A.2 Associated Products
Parameter Value
Full Scale Bandwidth* 100 Hz Square wave,
250 Hz Sinewave
175 Hz Saw Tooth
175 Hz Triangular
Small Angle (±0.2°) Bandwidth* Typ. 1kHz with Sinewave
Small Angle Step Response 300 µs
Power Supply +/-15V to +/-18V dc
(1.25 A rms, 5A peak MAX)
Analog Signal Input Resistance 20K±1%Ω (Differential Input)
Position Signal Output Resistance: 1K±1%Ω
Analog Position Signal Input Range ±10V
Mechanical Position Signal Input Scale Factor switchable: 0.5V/°, 0.8V/° or 1.0V/°
Mechanical Position Signal Output Scale Factor 0.5V/°
Operating Temperature Range 0 ~ 40°C
Servo Board Size (L x W x H) 85 mm × 74 mm × 44 mm
(3.35” x 2.9” x 1.73”)
Product Name Part Number
2D Galvo System - Protected Silver Mirrors GVS002
1D Galvo System - Protected Silver Mirror GVS001
2D Galvo System - Protected Gold Mirrors GVS102
1D Galvo System - Protected Gold Mirror GVS101
2D Galvo System - Broadband E02 Mirrors GVS202
1D Galvo System - Broadband E02 Mirror GVS201
2D Galvo System - Dual Band High Power K13 Mirrors GVS302
1D Galvo System - Dual Band High Power K13 Mirror GVS301
Motor Assembly Heatsink GHS003(/M)
Galvo Power Supply GPS011
Servo Driver Card Cover GCE001
1D Galvo Cage System Mount GCM001
2D Galvo Cage System Mount GCM002 (/M)
Tip/Tilt Mount Adapter GTT001

28
Appendix B Calculating the Power Dissipation
2.1 Motor Heatsink
The power dissipated in the motor can be estimated by measuring the RMS current
drawn from the PSU and then using the following equation:
Pmot = Rmot x [(Irms+ + Irms- - Iq+ - Iq-) / 2]2
Where Pmot is the power dissipated in the motor, R mot is the motor coil resistance
(2.2Ω), Irms+ is the rms current drawn from the positive supply rail, Irms- is the rms
current drawn from the negative supply rail, Iq+ is the quiescent current drawn on the
+ve rail (0.15A under all circumstances) and Iq- is the quiescent current drawn on the
-ve rail (0.10A under all circumstances).
The power dissipated in the driver boards can be calculated using the following equation:
Pdrv = (V+ x Irms+ ) + (V- x Irms- ) - Pmot
Where Pdrv is the power dissipated in the driver boards, V+ is positive supply voltage
and V- is the negative supply voltage.
2.1.1 Calculating the Required Thermal Conductivity
The ability of a heatsink to transfer heat to its surroundings is parameterised either by
its thermal conductivity, k or its ther mal resistance, Ø. The lower the thermal
resistance the more effectively the heatsink can transfer heat. The required thermal
resistance can be calculated from the following equation:
Ø = 1/k = (Ths - Ta) / Pmax
In the above equation Ths is the maximum permissible heatsink temperature, Ta is the
ambient temperature and Pmax is the maxium power the de vice being cooled will
dissipate. For the motors it is desireable to keep Ths below 45°C.
The following equation can be used to calculate Ths for the driver IC:
Ths = Tj - Pmax x Øjhs
Here, Øjhs is the thermal resistance between the semiconductor junction of the power
amplifier IC and the heatsink. Tj is the maximum temperature allowable at the
junction, about 150°C (although the lifetime of the driver IC will be longer if the junction
is kept at a lower temperature). The value of Øjhs is 1.3 °C/W.

29
Appendix C Reasons For Image Distortion
The deflection of a laser beam with a two-mirror system results in three effects:
(1) The arrangement of the mirrors leads to a certain distortion of the image field –
see Fig. C.1 below.
Fig. C.1 Field Distortion in a Two-way Mirror Deflection System
This distortion arises from the fact that the distance between mirror 1 and the image
field depends on the size of the mechanical scan angles of mirror 1 and mirror 2. A
larger scan angle leads to a longer distance.
(2) The distance in the image field is not proportional to the scan angle itself, but to
the tangent of the scan angle. Therefore, the marking speed of the laser focus in the
image field is not proportional to the angular velocity of the corresponding scanner.
(3) If an ordinary lens is used for focusing the laser beam, the focus lies on a sphere.
In a flat image field, a varying spot size results.
Beam In
Scanner 1
Scanner 2
Ø2
Ø1

31
Appendix D Regulatory
D.1 Declarations Of Conformity
D.1.1 For Customers in Europe
This equipment has been tested and found to comply with the EC Directives
2006/42/EC Machinery Directive (MD)
2004/108/EC Electromagnetic Compatibility (EMC) Directive
2011/65/EU Restriction of Use of Certain Hazardous Substances (RoHS.
Compliance was demonstrated by conformance to the following specifications which
have been listed in the Official Journal of the European Communities:
EN ISO 121 00 Safety of Machinery. General Principles for Desig n. Risk
Assessment and Risk Reduction 2010
EN61326-1 Electrical Equipment for Measurement, Control and Laboratory Use -
EMC Requirements 2013
D.1.2 For Customers In The USA
This equipment has been tested and found to comply with the limits fo r a Class A
digital device, persua nt to part 15 of the FCC rules. These limits are designed to
provide reasonable protection against harmful interference when the equipment is
operated in a commercial environment. This equipment generates, uses and can
radiate radio frequency energy and, if not installed and used in accordance with the
instruction manual, may cause harmful interference to radio communications.
Operation of this equipment in a residential area is likely to cause harmful interference
in which case the user will be required to correct the interference at his own expense.
Changes or modifications not expressly app roved by th e company could void the
user’s authority to operate the equipment.
D.2
Waste Electrical and Electronic Equipment
(WEEE)
Directive
D.2.1 Compliance
As required by the Waste Electrical and Electronic Equipment (WEEE) Directive of
the European Community and the corresponding national laws, we offer all end users
in the EC the possibility to return "end of life" units without incurring disposal charges.
This offer is valid for electrical and electronic equipment
• sold after August 13th 2005
• marked correspondingly with the crossed out "wheelie bin" logo (see Fig. 1)
• sold to a company or institute within the EC
• currently owned by a company or institute within the EC
• still complete, not disassembled and not contaminated

Appendix D
32 HA0193T Rev 21 Jan 2018
Fig. 4.1 Crossed out "wheelie bin" symbol
As the WEEE directive applies to self contained operational electrical and electronic
products, this "end of life" take back service does not refer to other products, such as
• pure OEM products, that means assemblies to be built into a unit by the user (e. g.
OEM laser driver cards)
• components
• mechanics and optics
• left over parts of units disassembled by the user (PCB's, housings etc.).
If you wish to return a unit for waste recovery, please contact Thorlabs or your nearest
dealer for further information.
D.2.2 Waste treatment on your own responsibility
If you do not return an "end of life" unit to the company, you must hand it to a company
specialized in waste recovery. Do not dispose of the unit in a litter bin or at a public
waste disposal site.
D.2.3 Ecological background
It is well known that WEEE pollutes the environment by rel easing toxic products
during decomposition. The aim of the Europ ean RoHS directive is to re duce the
content of toxic substances in electronic products in the future.
The intent of the WEEE directive is to enforce the recycling of WE EE. A controlled
recycling of end of life prod ucts will thereby avoid negative impacts on the
environment.

33
Single- and Dual-Axis Scanning Galvo Systems for Small Beam Diameters
D.3 CE Certificates

Appendix D
34 HA0193T Rev 21 Jan 2018

35
Single- and Dual-Axis Scanning Galvo Systems for Small Beam Diameters

Appendix D
36 HA0193T Rev 21 Jan 2018

37
Single- and Dual-Axis Scanning Galvo Systems for Small Beam Diameters

Appendix D
38 HA0193T Rev 21 Jan 2018

39
Single- and Dual-Axis Scanning Galvo Systems for Small Beam Diameters

40
Thorlabs Ltd.
Saint Thomas Place, Ely
Cambridgeshire CB7 4EX,
UK
Tel: +44 (0) 1353 654440
Fax: +44 (0) 1353 654444
www.thorlabs.com
Thorlabs Inc.
56 Sparta Avenue
Newton, NJ07860
USA
Tel: +1 973 579 7227
Fax: +1 973 300 3600
www.thorlabs.com
Appendix E Thorlabs Worldwide Contacts
USA, Canada, and South America
Thorlabs, Inc.
56 Sparta Ave
Newton, NJ 07860
USA
Tel: 973-579-7227
Fax: 973-300-3600
www.thorlabs.com
www.thorlabs.us (West Coast)
email: feedback@thorlabs.com
Support: techsupport@thorlabs.com
Europe
Thorlabs GmbH
Hans-Böckler-Str. 6
85221 Dachau
Germany
Tel: +49-(0)8131-5956-0
Fax: +49-(0)8131-5956-99
www.thorlabs.de
email: Europe@thorlabs.com
UK and Ireland
Thorlabs Ltd.
1 Saint Thomas Place, Ely
Cambridgeshire CB7 4EX
Great Britain
Tel: +44 (0)1353-654440
Fax: +44 (0)1353-654444
www.thorlabs.de
email: sales.uk@thorlabs.com
Support: techsupport.uk@thorlabs.com
France
Thorlabs SAS
109, rue des Côtes
78600 Maisons-Laffitte
France
Tel: +33 (0) 970 444 844
Fax: +33 (0) 811 381 748
www.thorlabs.de
email: sales.fr@thorlabs.com
Scandinavia
Thorlabs Sweden AB
Bergfotsgatan 7
431 35 Mölndal
Sweden
Tel: +46-31-733-30-00
Fax: +46-31-703-40-45
www.thorlabs.de
email: scandinavia@thorlabs.com
Japan
Thorlabs Japan Inc.
3-6-3 Kitamachi,
Nerima-ku, Tokyo 179-0081
Japan
Tel: +81-3-6915-7701
Fax: +81-3-6915-7716
www.thorlabs.co.jp
email: sales@thorlabs.jp
China
Thorlabs China
Oasis Middlering Centre
3 Building 712 Room
915 Zhen Bei Road
Shanghai
China
Tel: +86 (0)21-32513486
Fax: +86 (0)21-32513480
www.thorlabs.com
email: chinasales@thorlabs.com
Brazil
Thorlabs Vendas de Fotônicos Ltda.
Rua Riachuelo, 171
São Carlos, SP 13560-110
Brazil
Tel: +55-16-3413 7062
Fax: +55-16-3413 7064
www.thorlabs.com
Email: brasil@thorlabs.com
