Kinetis KL25: 48MHz Cortex M0+ 32 128KB Flash 80 Pin KL25Z Reference Manual
User Manual:
Open the PDF directly: View PDF
.
Page Count: 807 [warning: Documents this large are best viewed by clicking the View PDF Link!]
- Chapter 1: About This Document
- Chapter 2: Introduction
- Chapter 3: Chip Configuration
- Introduction
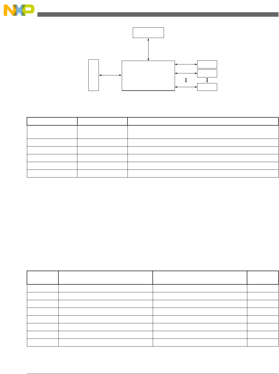
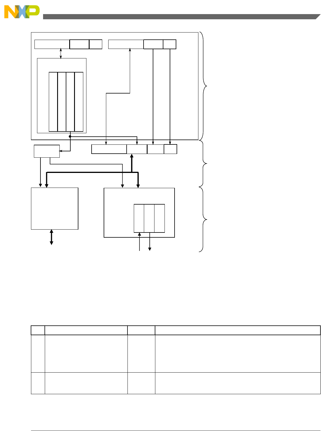
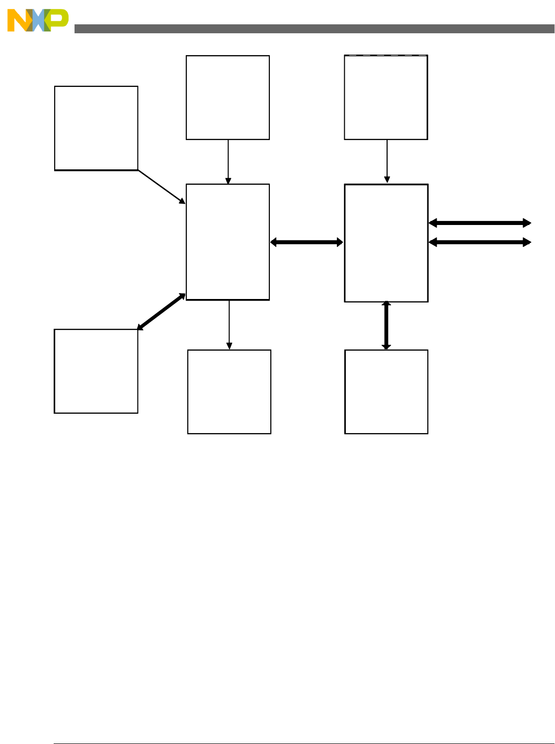
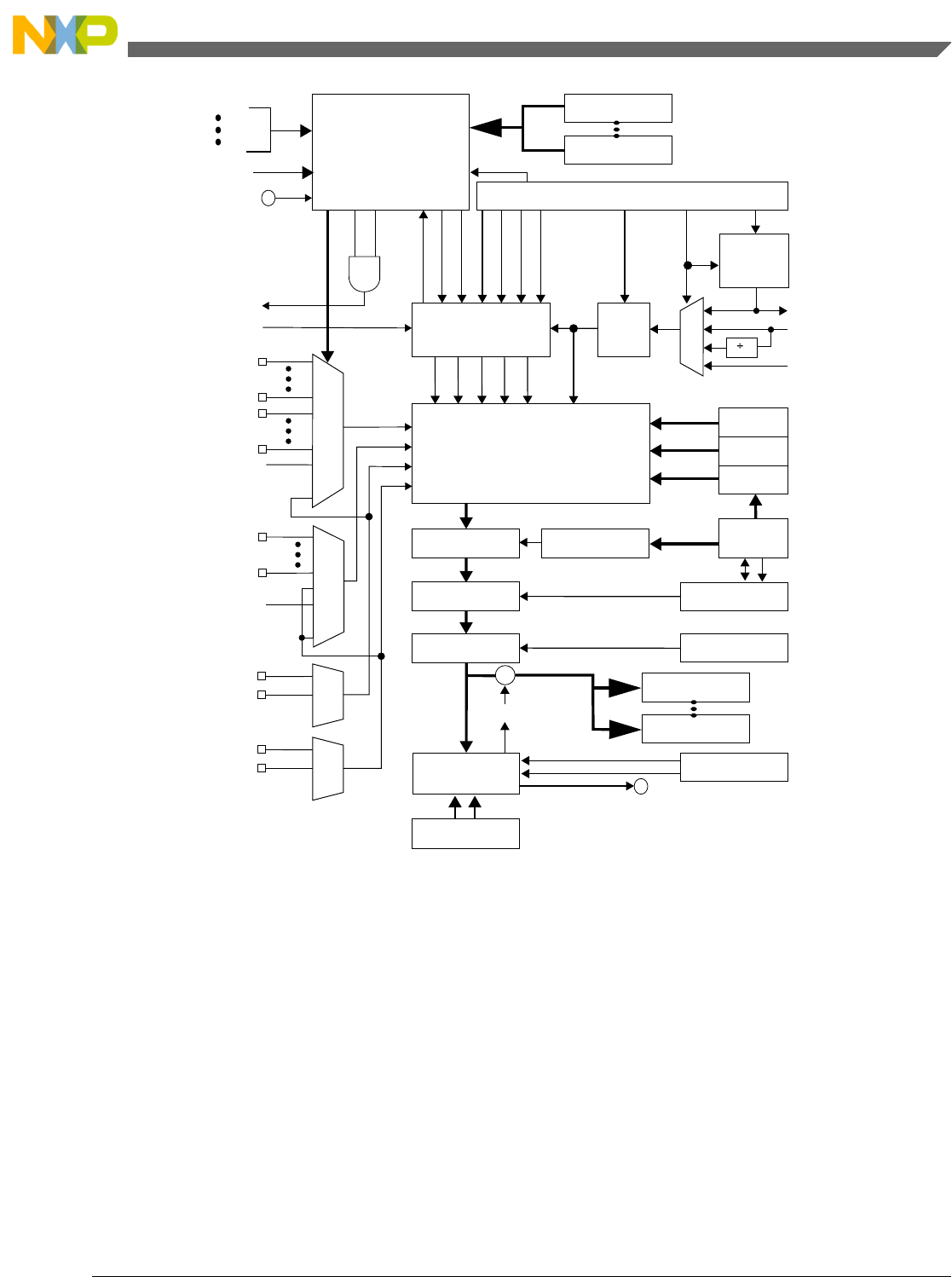
- Module to Module Interconnects
- Core Modules
- System Modules
- SIM Configuration
- System Mode Controller (SMC) Configuration
- PMC Configuration
- Low-Leakage Wake-up Unit (LLWU) Configuration
- MCM Configuration
- Crossbar-Light Switch Configuration
- Peripheral Bridge Configuration
- DMA request multiplexer configuration
- DMA Controller Configuration
- Computer Operating Properly (COP) Watchdog Configuration
- Clock Modules
- Memories and Memory Interfaces
- Analog
- Timers
- Communication interfaces
- Human-machine interfaces (HMI)
- Chapter 4: Memory Map
- Chapter 5: Clock Distribution
- Chapter 6: Reset and Boot
- Introduction
- Reset
- Power-on reset (POR)
- System reset sources
- External pin reset (RESET)
- Low-voltage detect (LVD)
- Computer operating properly (COP) watchdog timer
- Low leakage wakeup (LLWU)
- Multipurpose clock generator loss-of-clock (LOC)
- MCG loss-of-lock (LOL) reset
- Stop mode acknowledge error (SACKERR)
- Software reset (SW)
- Lockup reset (LOCKUP)
- MDM-AP system reset request
- MCU Resets
- Reset Pin
- Debug resets
- Boot
- Chapter 7: Power Management
- Chapter 8: Security
- Chapter 9: Debug
- Chapter 10: Signal Multiplexing and Signal Descriptions
- Chapter 11: Port control and interrupts (PORT)
- Chapter 12: System integration module (SIM)
- Chapter 13: System Mode Controller (SMC)
- Chapter 14: Power Management Controller (PMC)
- Chapter 15: Low-Leakage Wakeup Unit (LLWU)
- Chapter 16: Reset Control Module (RCM)
- Chapter 17: Bit Manipulation Engine (BME)
- Chapter 18: Miscellaneous Control Module (MCM)
- Chapter 19: Micro Trace Buffer (MTB)
- Chapter 20: Crossbar Switch Lite (AXBS-Lite)
- Chapter 21: Peripheral Bridge (AIPS-Lite)
- Chapter 22: Direct Memory Access Multiplexer (DMAMUX)
- Chapter 23: DMA Controller Module
- Chapter 24: Multipurpose Clock Generator (MCG)
- Chapter 25: Oscillator (OSC)
- Chapter 26: Flash Memory Controller (FMC)
- Chapter 27: Flash Memory Module (FTFA)
- Introduction
- External Signal Description
- Memory Map and Registers
- Functional Description
- Flash Protection
- Interrupts
- Flash Operation in Low-Power Modes
- Functional Modes of Operation
- Flash Reads and Ignored Writes
- Read While Write (RWW)
- Flash Program and Erase
- Flash Command Operations
- Margin Read Commands
- Flash Command Description
- Security
- Reset Sequence
- Chapter 28: Analog-to-Digital Converter (ADC)
- Introduction
- ADC Signal Descriptions
- Register definition
- Functional description
- Initialization information
- Application information
- Chapter 29: Comparator (CMP)
- Introduction
- CMP features
- 6-bit DAC key features
- ANMUX key features
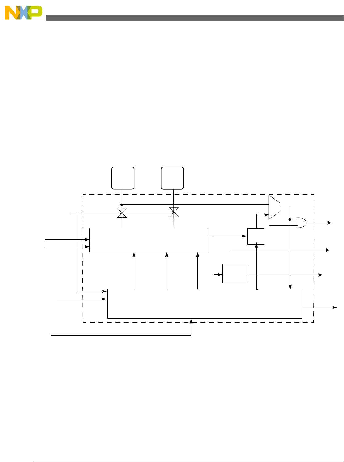
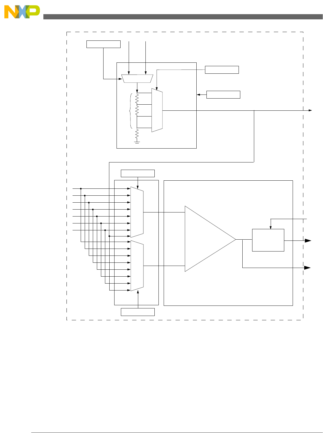
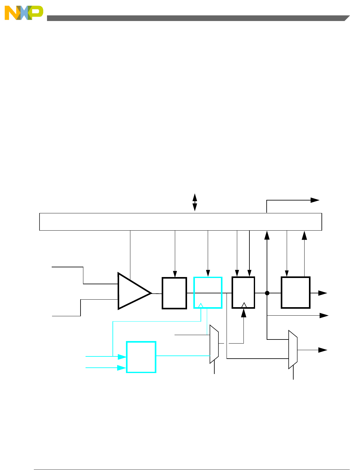
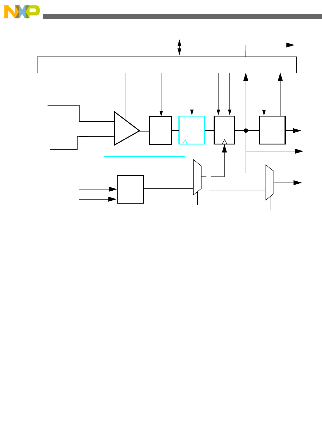
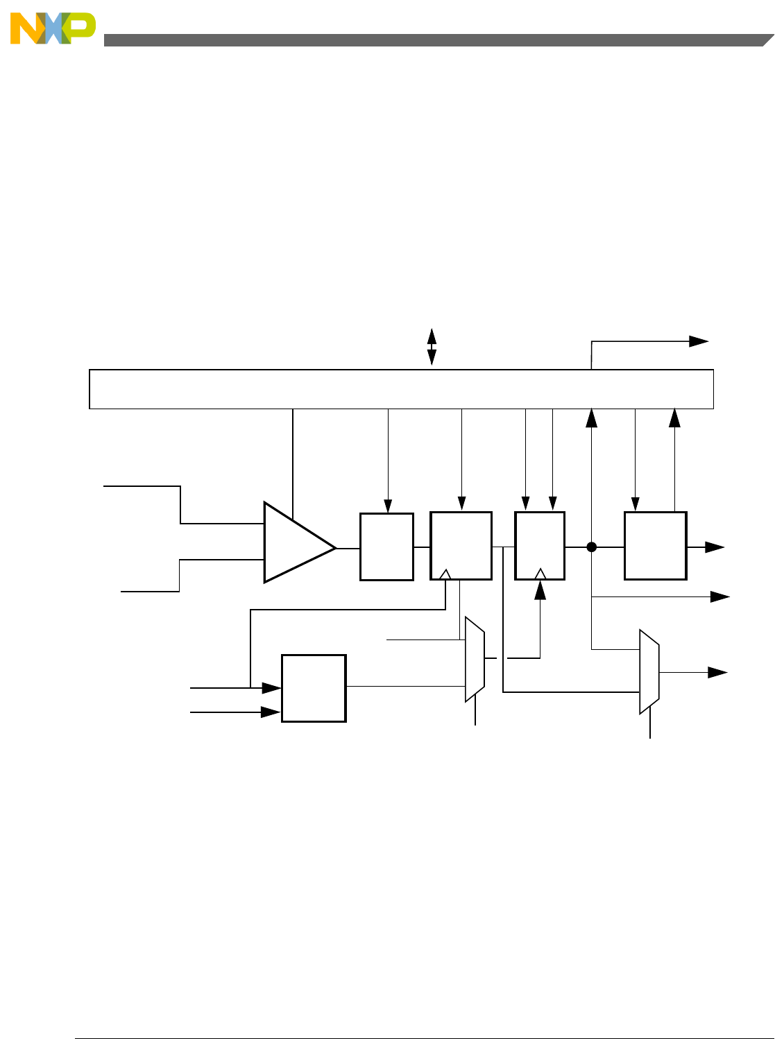
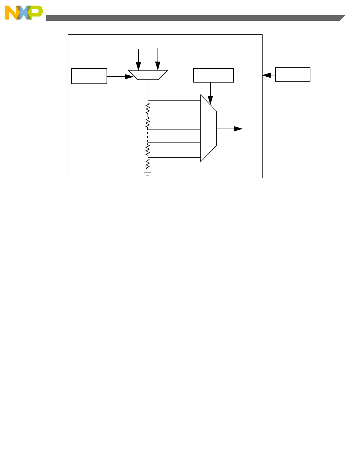
- CMP, DAC and ANMUX diagram
- CMP block diagram
- Memory map/register definitions
- Functional description
- CMP interrupts
- DMA support
- CMP Asyncrhonous DMA support
- Digital-to-analog converter
- DAC functional description
- DAC resets
- DAC clocks
- DAC interrupts
- CMP Trigger Mode
- Chapter 30: 12-bit Digital-to-Analog Converter (DAC)
- Chapter 31: Timer/PWM Module (TPM)
- Chapter 32: Periodic Interrupt Timer (PIT)
- Chapter 33: Low-Power Timer (LPTMR)
- Chapter 34: Real Time Clock (RTC)
- Chapter 35: Universal Serial Bus OTG Controller (USBOTG)
- Introduction
- Functional description
- Programmers interface
- Memory map/Register definitions
- USBx
- USBx_PERID
- USBx_IDCOMP
- USBx_REV
- USBx_ADDINFO
- USBx_OTGISTAT
- USBx_OTGICR
- USBx_OTGSTAT
- USBx_OTGCTL
- USBx_ISTAT
- USBx_INTEN
- USBx_ERRSTAT
- USBx_ERREN
- USBx_STAT
- USBx_CTL
- USBx_ADDR
- USBx_BDTPAGE1
- USBx_FRMNUML
- USBx_FRMNUMH
- USBx_TOKEN
- USBx_SOFTHLD
- USBx_BDTPAGE2
- USBx_BDTPAGE3
- USBx_ENDPTn
- USBx_USBCTRL
- USBx_OBSERVE
- USBx_CONTROL
- USBx_USBTRC0
- USBx_USBFRMADJUST
- USBx
- OTG and Host mode operation
- Host Mode Operation Examples
- On-The-Go operation
- Chapter 36: USB Voltage Regulator
- Chapter 37: Serial Peripheral Interface (SPI)
- Chapter 38: Inter-Integrated Circuit (I2C)
- Chapter 39: Universal Asynchronous Receiver/Transmitter (UART0)
- Chapter 40: Universal Asynchronous Receiver/Transmitter (UART1 and UART2)
- Chapter 41: General-Purpose Input/Output (GPIO)
- Chapter 42: Touch Sensing Input (TSI)
- Introduction
- External signal description
- Register definition
- Functional description
- Revision History of this Document

KL25 Sub-Family Reference Manual
Supports: MKL25Z32VFM4, MKL25Z64VFM4, MKL25Z128VFM4,
MKL25Z32VFT4, MKL25Z64VFT4, MKL25Z128VFT4,
MKL25Z32VLH4, MKL25Z64VLH4, MKL25Z128VLH4,
MKL25Z32VLK4, MKL25Z64VLK4, and MKL25Z128VLK4
Document Number: KL25P80M48SF0RM
Rev. 3, September 2012

KL25 Sub-Family Reference Manual, Rev. 3, September 2012
2 Freescale Semiconductor, Inc.

Contents
Section number Title Page
Chapter 1
About This Document
1.1 Overview.......................................................................................................................................................................33
1.1.1 Purpose.........................................................................................................................................................33
1.1.2 Audience......................................................................................................................................................33
1.2 Conventions..................................................................................................................................................................33
1.2.1 Numbering systems......................................................................................................................................33
1.2.2 Typographic notation...................................................................................................................................34
1.2.3 Special terms................................................................................................................................................34
Chapter 2
Introduction
2.1 Overview.......................................................................................................................................................................35
2.2 Kinetis L Series.............................................................................................................................................................35
2.3 KL25 Sub-Family Introduction.....................................................................................................................................38
2.4 Module functional categories........................................................................................................................................39
2.4.1 ARM® Cortex™-M0+ Core Modules.........................................................................................................39
2.4.2 System Modules...........................................................................................................................................40
2.4.3 Memories and Memory Interfaces...............................................................................................................41
2.4.4 Clocks...........................................................................................................................................................41
2.4.5 Security and Integrity modules....................................................................................................................42
2.4.6 Analog modules...........................................................................................................................................42
2.4.7 Timer modules.............................................................................................................................................42
2.4.8 Communication interfaces...........................................................................................................................43
2.4.9 Human-machine interfaces..........................................................................................................................44
2.5 Orderable part numbers.................................................................................................................................................44
Chapter 3
Chip Configuration
3.1 Introduction...................................................................................................................................................................45
KL25 Sub-Family Reference Manual, Rev. 3, September 2012
Freescale Semiconductor, Inc. 3

Section number Title Page
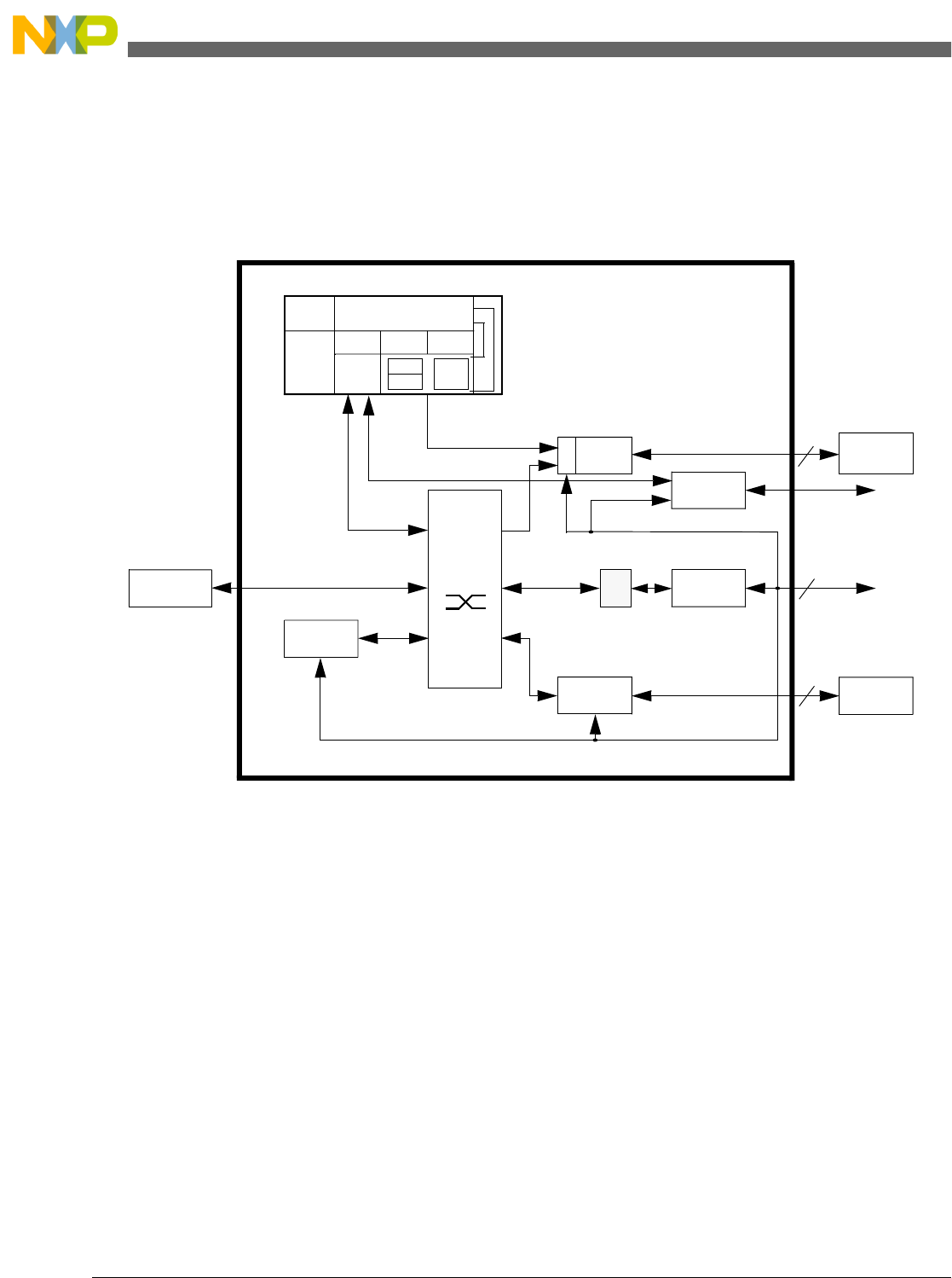
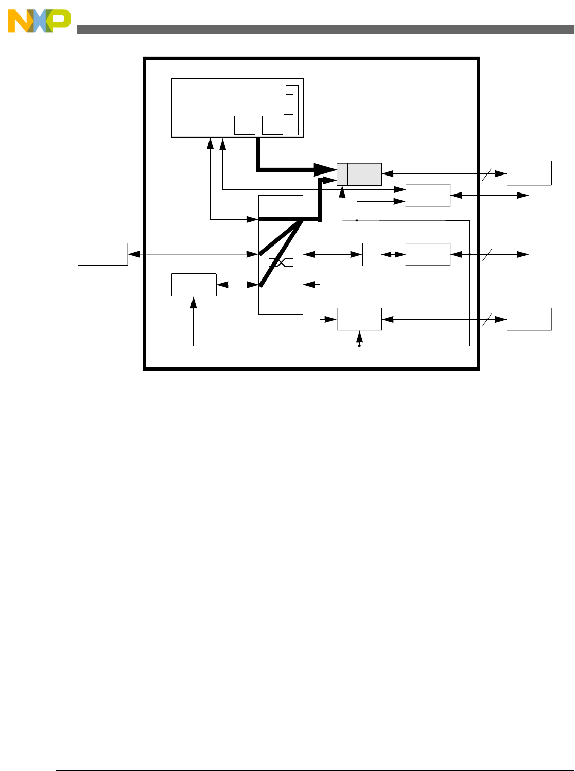
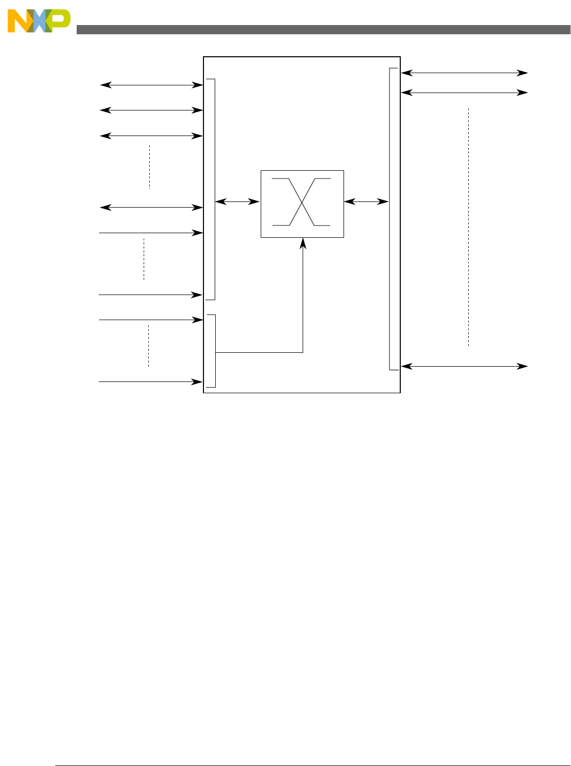
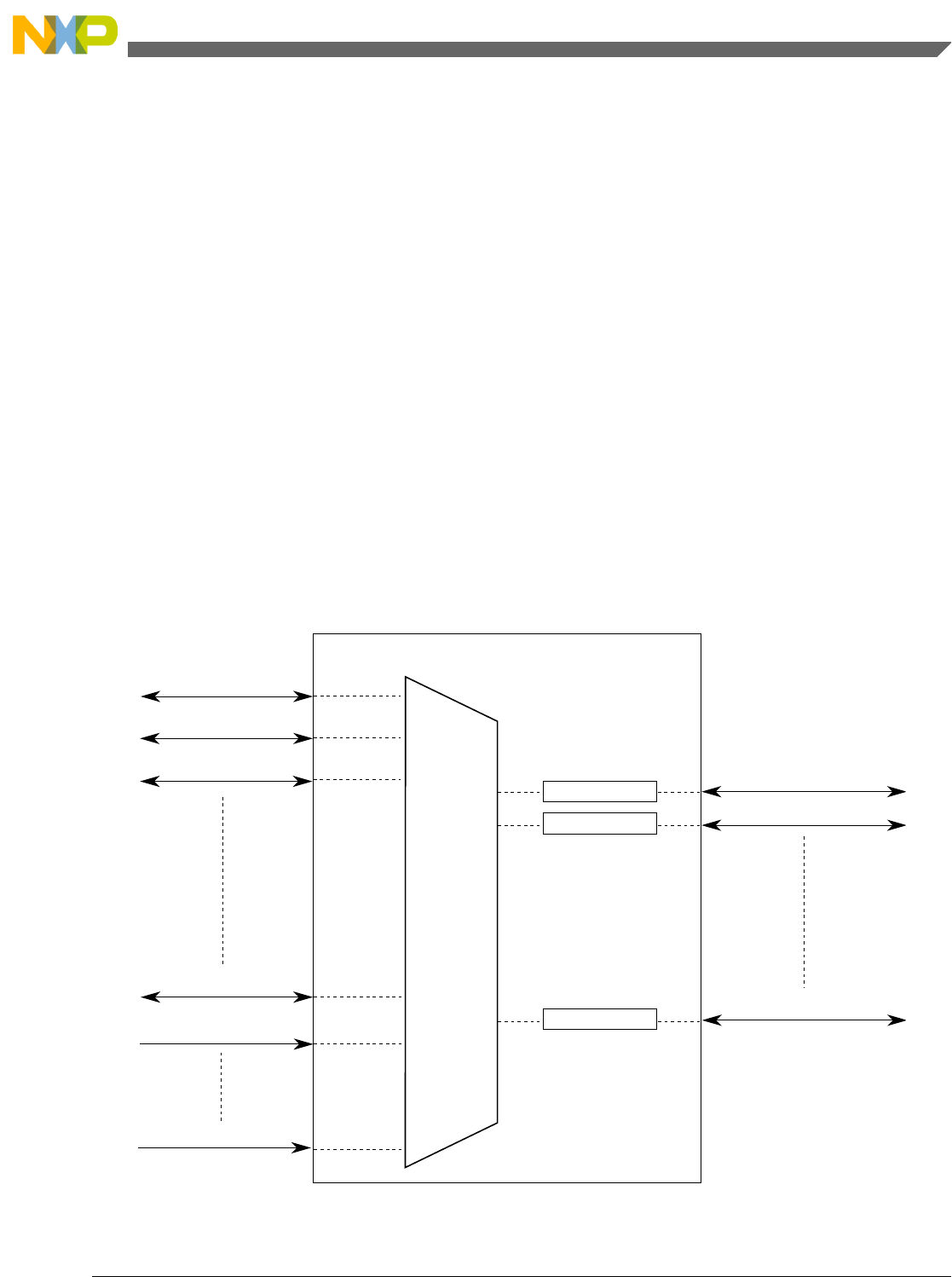
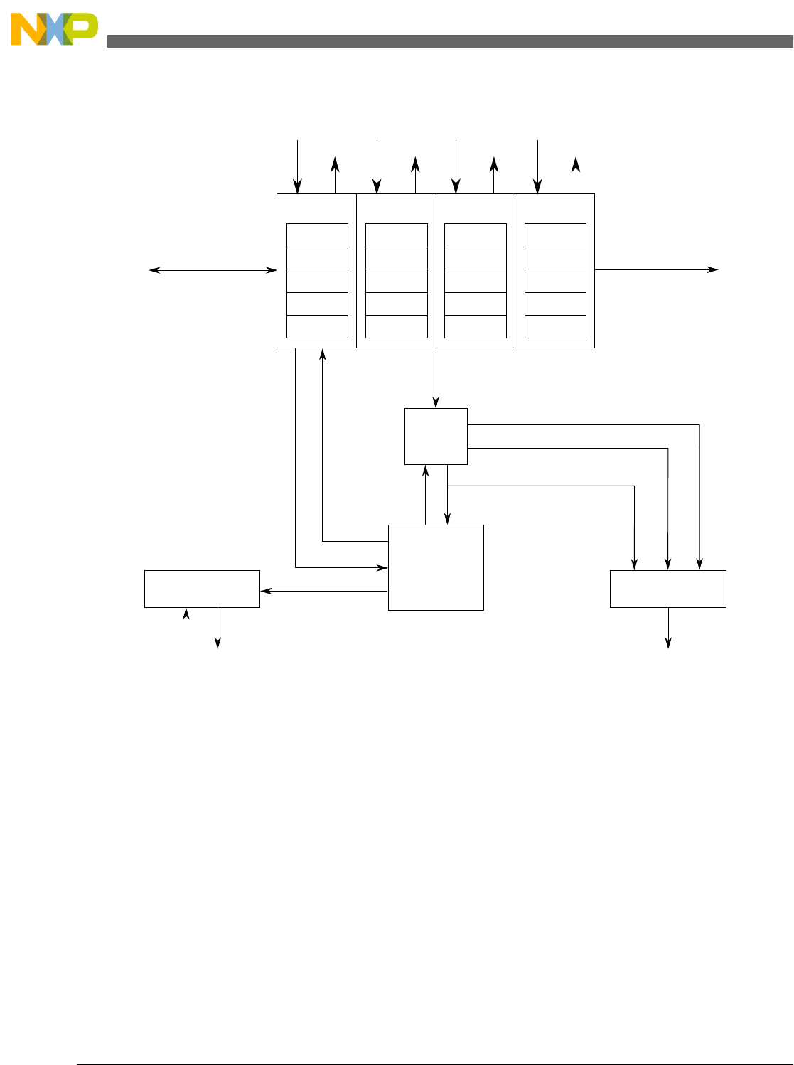
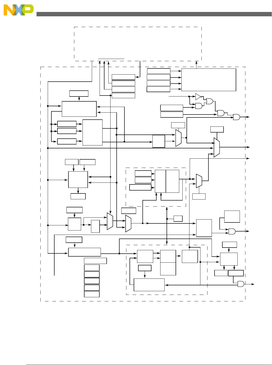
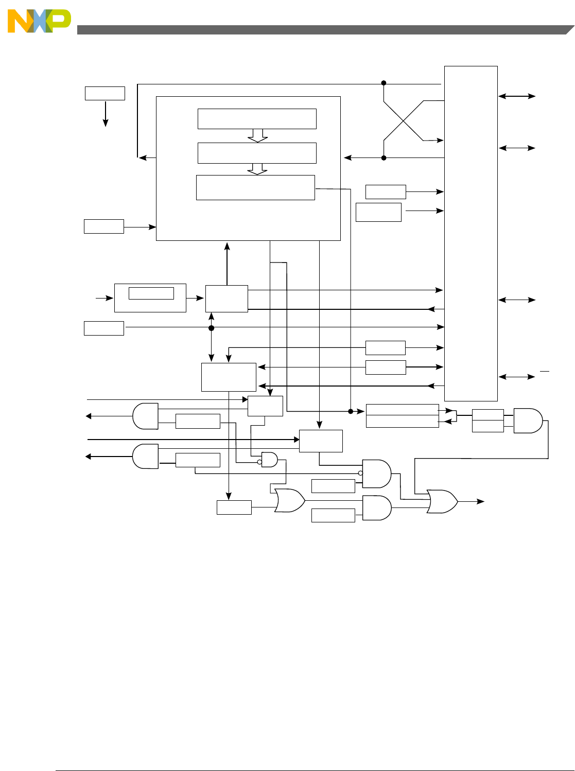
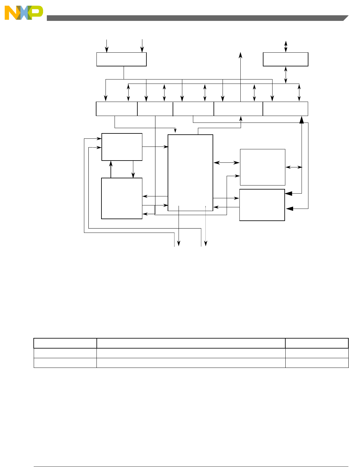
3.2 Module to Module Interconnects..................................................................................................................................45
3.2.1 Module to Module Interconnects.................................................................................................................45
3.2.2 Analog reference options.............................................................................................................................48
3.3 Core Modules................................................................................................................................................................48
3.3.1 ARM Cortex-M0+ Core Configuration.......................................................................................................48
3.3.2 Nested Vectored Interrupt Controller (NVIC) Configuration......................................................................51
3.3.3 Asynchronous wake-up interrupt controller (AWIC) configuration............................................................55
3.4 System Modules............................................................................................................................................................56
3.4.1 SIM Configuration.......................................................................................................................................56
3.4.2 System Mode Controller (SMC) Configuration...........................................................................................57
3.4.3 PMC Configuration......................................................................................................................................57
3.4.4 Low-Leakage Wake-up Unit (LLWU) Configuration.................................................................................58
3.4.5 MCM Configuration....................................................................................................................................60
3.4.6 Crossbar-Light Switch Configuration..........................................................................................................61
3.4.7 Peripheral Bridge Configuration..................................................................................................................62
3.4.8 DMA request multiplexer configuration......................................................................................................63
3.4.9 DMA Controller Configuration...................................................................................................................66
3.4.10 Computer Operating Properly (COP) Watchdog Configuration..................................................................67
3.5 Clock Modules..............................................................................................................................................................70
3.5.1 MCG Configuration.....................................................................................................................................70
3.5.2 OSC Configuration......................................................................................................................................71
3.6 Memories and Memory Interfaces................................................................................................................................72
3.6.1 Flash Memory Configuration.......................................................................................................................72
3.6.2 Flash Memory Controller Configuration.....................................................................................................74
KL25 Sub-Family Reference Manual, Rev. 3, September 2012
4 Freescale Semiconductor, Inc.

Section number Title Page
3.6.3 SRAM Configuration...................................................................................................................................75
3.7 Analog...........................................................................................................................................................................77
3.7.1 16-bit SAR ADC Configuration..................................................................................................................77
3.7.2 CMP Configuration......................................................................................................................................81
3.7.3 12-bit DAC Configuration...........................................................................................................................83
3.8 Timers...........................................................................................................................................................................84
3.8.1 Timer/PWM Module Configuration............................................................................................................84
3.8.2 PIT Configuration........................................................................................................................................87
3.8.3 Low-power timer configuration...................................................................................................................88
3.8.4 RTC configuration.......................................................................................................................................90
3.9 Communication interfaces............................................................................................................................................91
3.9.1 Universal Serial Bus (USB) FS Subsystem.................................................................................................91
3.9.2 SPI configuration.........................................................................................................................................96
3.9.3 I2C Configuration........................................................................................................................................97
3.9.4 UART Configuration...................................................................................................................................98
3.10 Human-machine interfaces (HMI)................................................................................................................................99
3.10.1 GPIO Configuration.....................................................................................................................................99
3.10.2 TSI Configuration........................................................................................................................................101
Chapter 4
Memory Map
4.1 Introduction...................................................................................................................................................................105
4.2 System memory map.....................................................................................................................................................105
4.3 Flash Memory Map.......................................................................................................................................................106
4.3.1 Alternate Non-Volatile IRC User Trim Description....................................................................................106
4.4 SRAM memory map.....................................................................................................................................................107
4.5 Bit Manipulation Engine...............................................................................................................................................107
4.6 Peripheral bridge (AIPS-Lite) memory map.................................................................................................................108
4.6.1 Read-after-write sequence and required serialization of memory operations..............................................108
4.6.2 Peripheral Bridge (AIPS-Lite) Memory Map..............................................................................................109
KL25 Sub-Family Reference Manual, Rev. 3, September 2012
Freescale Semiconductor, Inc. 5

Section number Title Page
4.6.3 Modules Restricted Access in User Mode...................................................................................................112
4.7 Private Peripheral Bus (PPB) memory map..................................................................................................................112
Chapter 5
Clock Distribution
5.1 Introduction...................................................................................................................................................................115
5.2 Programming model......................................................................................................................................................115
5.3 High-Level device clocking diagram............................................................................................................................115
5.4 Clock definitions...........................................................................................................................................................116
5.4.1 Device clock summary.................................................................................................................................117
5.5 Internal clocking requirements.....................................................................................................................................119
5.5.1 Clock divider values after reset....................................................................................................................119
5.5.2 VLPR mode clocking...................................................................................................................................120
5.6 Clock Gating.................................................................................................................................................................121
5.7 Module clocks...............................................................................................................................................................121
5.7.1 PMC 1-kHz LPO clock................................................................................................................................122
5.7.2 COP clocking...............................................................................................................................................122
5.7.3 RTC clocking...............................................................................................................................................123
5.7.4 LPTMR clocking..........................................................................................................................................123
5.7.5 TPM clocking...............................................................................................................................................124
5.7.6 USB FS OTG Controller clocking...............................................................................................................124
5.7.7 UART clocking............................................................................................................................................125
Chapter 6
Reset and Boot
6.1 Introduction...................................................................................................................................................................127
6.2 Reset..............................................................................................................................................................................127
6.2.1 Power-on reset (POR)..................................................................................................................................128
6.2.2 System reset sources....................................................................................................................................128
6.2.3 MCU Resets.................................................................................................................................................131
6.2.4 Reset Pin .....................................................................................................................................................133
KL25 Sub-Family Reference Manual, Rev. 3, September 2012
6 Freescale Semiconductor, Inc.

Section number Title Page
6.2.5 Debug resets.................................................................................................................................................133
6.3 Boot...............................................................................................................................................................................134
6.3.1 Boot sources.................................................................................................................................................134
6.3.2 FOPT boot options.......................................................................................................................................134
6.3.3 Boot sequence..............................................................................................................................................135
Chapter 7
Power Management
7.1 Introduction...................................................................................................................................................................137
7.2 Clocking Modes............................................................................................................................................................137
7.2.1 Partial Stop...................................................................................................................................................137
7.2.2 DMA Wakeup..............................................................................................................................................138
7.2.3 Compute Operation......................................................................................................................................139
7.2.4 Peripheral Doze............................................................................................................................................140
7.2.5 Clock Gating................................................................................................................................................141
7.3 Power modes.................................................................................................................................................................141
7.4 Entering and exiting power modes...............................................................................................................................143
7.5 Module Operation in Low Power Modes......................................................................................................................143
Chapter 8
Security
8.1 Introduction...................................................................................................................................................................149
8.2 Flash Security...............................................................................................................................................................149
8.3 Security Interactions with other Modules.....................................................................................................................149
8.3.1 Security Interactions with Debug.................................................................................................................150
Chapter 9
Debug
9.1 Introduction...................................................................................................................................................................151
9.2 Debug Port Pin Descriptions.........................................................................................................................................151
9.3 SWD status and control registers..................................................................................................................................152
9.3.1 MDM-AP Control Register..........................................................................................................................153
9.3.2 MDM-AP Status Register............................................................................................................................154
KL25 Sub-Family Reference Manual, Rev. 3, September 2012
Freescale Semiconductor, Inc. 7

Section number Title Page
9.4 Debug Resets................................................................................................................................................................156
9.5 Micro Trace Buffer (MTB)...........................................................................................................................................157
9.6 Debug in Low Power Modes........................................................................................................................................157
9.7 Debug & Security.........................................................................................................................................................157
Chapter 10
Signal Multiplexing and Signal Descriptions
10.1 Introduction...................................................................................................................................................................159
10.2 Signal Multiplexing Integration....................................................................................................................................159
10.2.1 Port control and interrupt module features..................................................................................................160
10.2.2 Clock gating.................................................................................................................................................161
10.2.3 Signal multiplexing constraints....................................................................................................................161
10.3 Pinout............................................................................................................................................................................161
10.3.1 KL25 Signal Multiplexing and Pin Assignments........................................................................................161
10.3.2 KL25 Pinouts...............................................................................................................................................164
10.4 Module Signal Description Tables................................................................................................................................168
10.4.1 Core Modules...............................................................................................................................................168
10.4.2 System Modules...........................................................................................................................................169
10.4.3 Clock Modules.............................................................................................................................................169
10.4.4 Memories and Memory Interfaces...............................................................................................................169
10.4.5 Analog..........................................................................................................................................................169
10.4.6 Timer Modules.............................................................................................................................................170
10.4.7 Communication Interfaces...........................................................................................................................171
10.4.8 Human-Machine Interfaces (HMI)..............................................................................................................173
Chapter 11
Port control and interrupts (PORT)
11.1 Introduction...................................................................................................................................................................175
11.2 Overview.......................................................................................................................................................................175
11.2.1 Features........................................................................................................................................................175
KL25 Sub-Family Reference Manual, Rev. 3, September 2012
8 Freescale Semiconductor, Inc.

Section number Title Page
11.2.2 Modes of operation......................................................................................................................................176
11.3 External signal description............................................................................................................................................176
11.4 Detailed signal description............................................................................................................................................177
11.5 Memory map and register definition.............................................................................................................................177
11.5.1 Pin Control Register n (PORTx_PCRn).......................................................................................................183
11.5.2 Global Pin Control Low Register (PORTx_GPCLR)..................................................................................185
11.5.3 Global Pin Control High Register (PORTx_GPCHR).................................................................................186
11.5.4 Interrupt Status Flag Register (PORTx_ISFR)............................................................................................186
11.6 Functional description...................................................................................................................................................187
11.6.1 Pin control....................................................................................................................................................187
11.6.2 Global pin control........................................................................................................................................188
11.6.3 External interrupts........................................................................................................................................188
Chapter 12
System integration module (SIM)
12.1 Introduction...................................................................................................................................................................191
12.1.1 Features........................................................................................................................................................191
12.2 Memory map and register definition.............................................................................................................................191
12.2.1 System Options Register 1 (SIM_SOPT1)..................................................................................................193
12.2.2 SOPT1 Configuration Register (SIM_SOPT1CFG)....................................................................................194
12.2.3 System Options Register 2 (SIM_SOPT2)..................................................................................................195
12.2.4 System Options Register 4 (SIM_SOPT4)..................................................................................................197
12.2.5 System Options Register 5 (SIM_SOPT5)..................................................................................................199
12.2.6 System Options Register 7 (SIM_SOPT7)..................................................................................................200
12.2.7 System Device Identification Register (SIM_SDID)...................................................................................202
12.2.8 System Clock Gating Control Register 4 (SIM_SCGC4)............................................................................204
12.2.9 System Clock Gating Control Register 5 (SIM_SCGC5)............................................................................206
12.2.10 System Clock Gating Control Register 6 (SIM_SCGC6)............................................................................207
12.2.11 System Clock Gating Control Register 7 (SIM_SCGC7)............................................................................209
12.2.12 System Clock Divider Register 1 (SIM_CLKDIV1)...................................................................................210
KL25 Sub-Family Reference Manual, Rev. 3, September 2012
Freescale Semiconductor, Inc. 9

Section number Title Page
12.2.13 Flash Configuration Register 1 (SIM_FCFG1)...........................................................................................211
12.2.14 Flash Configuration Register 2 (SIM_FCFG2)...........................................................................................213
12.2.15 Unique Identification Register Mid-High (SIM_UIDMH)..........................................................................213
12.2.16 Unique Identification Register Mid Low (SIM_UIDML)...........................................................................214
12.2.17 Unique Identification Register Low (SIM_UIDL)......................................................................................214
12.2.18 COP Control Register (SIM_COPC)...........................................................................................................215
12.2.19 Service COP Register (SIM_SRVCOP)......................................................................................................216
12.3 Functional description...................................................................................................................................................216
Chapter 13
System Mode Controller (SMC)
13.1 Introduction...................................................................................................................................................................217
13.2 Modes of operation.......................................................................................................................................................217
13.3 Memory map and register descriptions.........................................................................................................................219
13.3.1 Power Mode Protection register (SMC_PMPROT).....................................................................................219
13.3.2 Power Mode Control register (SMC_PMCTRL).........................................................................................221
13.3.3 Stop Control Register (SMC_STOPCTRL).................................................................................................222
13.3.4 Power Mode Status register (SMC_PMSTAT)...........................................................................................223
13.4 Functional description...................................................................................................................................................224
13.4.1 Power mode transitions................................................................................................................................224
13.4.2 Power mode entry/exit sequencing..............................................................................................................227
13.4.3 Run modes....................................................................................................................................................229
13.4.4 Wait modes..................................................................................................................................................231
13.4.5 Stop modes...................................................................................................................................................232
13.4.6 Debug in low power modes.........................................................................................................................235
Chapter 14
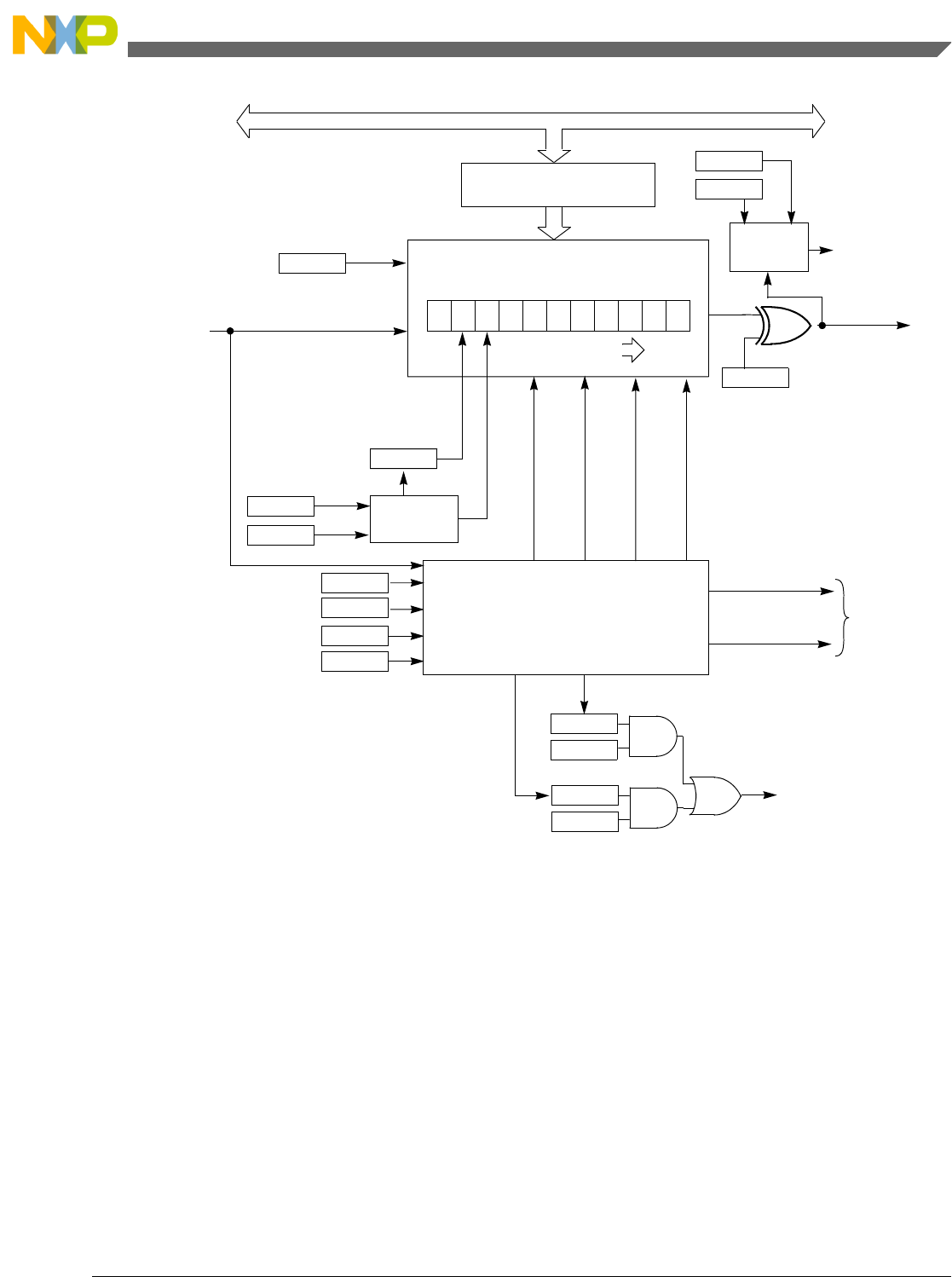
Power Management Controller (PMC)
14.1 Introduction...................................................................................................................................................................237
14.2 Features.........................................................................................................................................................................237
KL25 Sub-Family Reference Manual, Rev. 3, September 2012
10 Freescale Semiconductor, Inc.

Section number Title Page
14.3 Low-voltage detect (LVD) system................................................................................................................................237
14.3.1 LVD reset operation.....................................................................................................................................238
14.3.2 LVD interrupt operation...............................................................................................................................238
14.3.3 Low-voltage warning (LVW) interrupt operation.......................................................................................238
14.4 I/O retention..................................................................................................................................................................239
14.5 Memory map and register descriptions.........................................................................................................................239
14.5.1 Low Voltage Detect Status And Control 1 register (PMC_LVDSC1)........................................................240
14.5.2 Low Voltage Detect Status And Control 2 register (PMC_LVDSC2)........................................................241
14.5.3 Regulator Status And Control register (PMC_REGSC)..............................................................................242
Chapter 15
Low-Leakage Wakeup Unit (LLWU)
15.1 Introduction...................................................................................................................................................................245
15.1.1 Features........................................................................................................................................................245
15.1.2 Modes of operation......................................................................................................................................246
15.1.3 Block diagram..............................................................................................................................................247
15.2 LLWU signal descriptions............................................................................................................................................248
15.3 Memory map/register definition...................................................................................................................................248
15.3.1 LLWU Pin Enable 1 register (LLWU_PE1)................................................................................................249
15.3.2 LLWU Pin Enable 2 register (LLWU_PE2)................................................................................................250
15.3.3 LLWU Pin Enable 3 register (LLWU_PE3)................................................................................................251
15.3.4 LLWU Pin Enable 4 register (LLWU_PE4)................................................................................................252
15.3.5 LLWU Module Enable register (LLWU_ME)............................................................................................253
15.3.6 LLWU Flag 1 register (LLWU_F1).............................................................................................................255
15.3.7 LLWU Flag 2 register (LLWU_F2).............................................................................................................257
15.3.8 LLWU Flag 3 register (LLWU_F3).............................................................................................................258
15.3.9 LLWU Pin Filter 1 register (LLWU_FILT1)..............................................................................................260
15.3.10 LLWU Pin Filter 2 register (LLWU_FILT2)..............................................................................................261
15.4 Functional description...................................................................................................................................................262
15.4.1 LLS mode.....................................................................................................................................................263
KL25 Sub-Family Reference Manual, Rev. 3, September 2012
Freescale Semiconductor, Inc. 11

Section number Title Page
15.4.2 VLLS modes................................................................................................................................................263
15.4.3 Initialization.................................................................................................................................................263
Chapter 16
Reset Control Module (RCM)
16.1 Introduction...................................................................................................................................................................265
16.2 Reset memory map and register descriptions...............................................................................................................265
16.2.1 System Reset Status Register 0 (RCM_SRS0)............................................................................................265
16.2.2 System Reset Status Register 1 (RCM_SRS1)............................................................................................267
16.2.3 Reset Pin Filter Control register (RCM_RPFC)..........................................................................................268
16.2.4 Reset Pin Filter Width register (RCM_RPFW)...........................................................................................269
Chapter 17
Bit Manipulation Engine (BME)
17.1 Introduction...................................................................................................................................................................271
17.1.1 Overview......................................................................................................................................................272
17.1.2 Features........................................................................................................................................................272
17.1.3 Modes of Operation.....................................................................................................................................273
17.2 External Signal Description..........................................................................................................................................273
17.3 Memory Map and Register Definition..........................................................................................................................274
17.4 Functional Description..................................................................................................................................................274
17.4.1 BME Decorated Stores.................................................................................................................................274
17.4.2 BME Decorated Loads.................................................................................................................................280
17.4.3 Additional Details on Decorated Addresses and GPIO Accesses................................................................287
17.5 Application Information................................................................................................................................................288
Chapter 18
Miscellaneous Control Module (MCM)
18.1 Introduction...................................................................................................................................................................291
18.1.1 Features........................................................................................................................................................291
18.2 Memory map/register descriptions...............................................................................................................................291
18.2.1 Crossbar Switch (AXBS) Slave Configuration (MCM_PLASC)................................................................292
18.2.2 Crossbar Switch (AXBS) Master Configuration (MCM_PLAMC)............................................................293
KL25 Sub-Family Reference Manual, Rev. 3, September 2012
12 Freescale Semiconductor, Inc.

Section number Title Page
18.2.3 Platform Control Register (MCM_PLACR)................................................................................................293
18.2.4 Compute Operation Control Register (MCM_CPO)...................................................................................296
Chapter 19
Micro Trace Buffer (MTB)
19.1 Introduction...................................................................................................................................................................299
19.1.1 Overview......................................................................................................................................................299
19.1.2 Features........................................................................................................................................................302
19.1.3 Modes of Operation.....................................................................................................................................303
19.2 External Signal Description..........................................................................................................................................303
19.3 Memory Map and Register Definition..........................................................................................................................304
19.3.1 MTB_RAM Memory Map...........................................................................................................................304
19.3.2 MTB_DWT Memory Map...........................................................................................................................316
19.3.3 System ROM Memory Map.........................................................................................................................326
Chapter 20
Crossbar Switch Lite (AXBS-Lite)
20.1 Introduction...................................................................................................................................................................331
20.1.1 Features........................................................................................................................................................331
20.2 Memory Map / Register Definition...............................................................................................................................331
20.3 Functional Description..................................................................................................................................................332
20.3.1 General operation.........................................................................................................................................332
20.3.2 Arbitration....................................................................................................................................................333
20.4 Initialization/application information...........................................................................................................................334
Chapter 21
Peripheral Bridge (AIPS-Lite)
21.1 Introduction...................................................................................................................................................................335
21.1.1 Features........................................................................................................................................................335
21.1.2 General operation.........................................................................................................................................335
21.2 Functional description...................................................................................................................................................336
21.2.1 Access support.............................................................................................................................................336
KL25 Sub-Family Reference Manual, Rev. 3, September 2012
Freescale Semiconductor, Inc. 13

Section number Title Page
Chapter 22
Direct Memory Access Multiplexer (DMAMUX)
22.1 Introduction...................................................................................................................................................................337
22.1.1 Overview......................................................................................................................................................337
22.1.2 Features........................................................................................................................................................338
22.1.3 Modes of operation......................................................................................................................................338
22.2 External signal description............................................................................................................................................339
22.3 Memory map/register definition...................................................................................................................................339
22.3.1 Channel Configuration register (DMAMUXx_CHCFGn)..........................................................................339
22.4 Functional description...................................................................................................................................................340
22.4.1 DMA channels with periodic triggering capability......................................................................................341
22.4.2 DMA channels with no triggering capability...............................................................................................343
22.4.3 Always-enabled DMA sources....................................................................................................................343
22.5 Initialization/application information...........................................................................................................................344
22.5.1 Reset.............................................................................................................................................................344
22.5.2 Enabling and configuring sources................................................................................................................344
Chapter 23
DMA Controller Module
23.1 Introduction...................................................................................................................................................................349
23.1.1 Overview......................................................................................................................................................349
23.1.2 Features........................................................................................................................................................350
23.2 DMA Transfer Overview..............................................................................................................................................351
23.3 Memory Map and Registers..........................................................................................................................................352
23.3.1 Source Address Register (DMA_SARn).....................................................................................................353
23.3.2 Destination Address Register (DMA_DARn).............................................................................................354
23.3.3 DMA Status Register / Byte Count Register (DMA_DSR_BCRn).............................................................355
23.3.4 DMA Control Register (DMA_DCRn)........................................................................................................357
23.4 Functional Description..................................................................................................................................................361
23.4.1 Transfer Requests (Cycle-Steal and Continuous Modes)............................................................................361
KL25 Sub-Family Reference Manual, Rev. 3, September 2012
14 Freescale Semiconductor, Inc.

Section number Title Page
23.4.2 Channel Initialization and Startup................................................................................................................361
23.4.3 Dual-Address Data Transfer Mode..............................................................................................................363
23.4.4 Advanced Data Transfer Controls: Auto-Alignment...................................................................................364
23.4.5 Termination..................................................................................................................................................365
Chapter 24
Multipurpose Clock Generator (MCG)
24.1 Introduction...................................................................................................................................................................367
24.1.1 Features........................................................................................................................................................367
24.1.2 Modes of Operation.....................................................................................................................................370
24.2 External Signal Description..........................................................................................................................................371
24.3 Memory Map/Register Definition.................................................................................................................................371
24.3.1 MCG Control 1 Register (MCG_C1)...........................................................................................................372
24.3.2 MCG Control 2 Register (MCG_C2)...........................................................................................................373
24.3.3 MCG Control 3 Register (MCG_C3)...........................................................................................................374
24.3.4 MCG Control 4 Register (MCG_C4)...........................................................................................................374
24.3.5 MCG Control 5 Register (MCG_C5)...........................................................................................................376
24.3.6 MCG Control 6 Register (MCG_C6)...........................................................................................................377
24.3.7 MCG Status Register (MCG_S)..................................................................................................................378
24.3.8 MCG Status and Control Register (MCG_SC)............................................................................................380
24.3.9 MCG Auto Trim Compare Value High Register (MCG_ATCVH)............................................................381
24.3.10 MCG Auto Trim Compare Value Low Register (MCG_ATCVL)..............................................................381
24.3.11 MCG Control 7 Register (MCG_C7)...........................................................................................................382
24.3.12 MCG Control 8 Register (MCG_C8)...........................................................................................................382
24.3.13 MCG Control 9 Register (MCG_C9)...........................................................................................................383
24.3.14 MCG Control 10 Register (MCG_C10).......................................................................................................383
24.4 Functional Description..................................................................................................................................................384
24.4.1 MCG mode state diagram............................................................................................................................384
24.4.2 Low Power Bit Usage..................................................................................................................................388
KL25 Sub-Family Reference Manual, Rev. 3, September 2012
Freescale Semiconductor, Inc. 15

Section number Title Page
24.4.3 MCG Internal Reference Clocks..................................................................................................................388
24.4.4 External Reference Clock............................................................................................................................389
24.4.5 MCG Fixed frequency clock .......................................................................................................................389
24.4.6 MCG PLL clock ..........................................................................................................................................390
24.4.7 MCG Auto TRIM (ATM)............................................................................................................................390
24.5 Initialization / Application information........................................................................................................................391
24.5.1 MCG module initialization sequence...........................................................................................................391
24.5.2 Using a 32.768 kHz reference......................................................................................................................393
24.5.3 MCG mode switching..................................................................................................................................394
Chapter 25
Oscillator (OSC)
25.1 Introduction...................................................................................................................................................................405
25.2 Features and Modes......................................................................................................................................................405
25.3 Block Diagram..............................................................................................................................................................406
25.4 OSC Signal Descriptions..............................................................................................................................................406
25.5 External Crystal / Resonator Connections....................................................................................................................407
25.6 External Clock Connections.........................................................................................................................................408
25.7 Memory Map/Register Definitions...............................................................................................................................409
25.7.1 OSC Memory Map/Register Definition.......................................................................................................409
25.8 Functional Description..................................................................................................................................................410
25.8.1 OSC Module States......................................................................................................................................410
25.8.2 OSC Module Modes.....................................................................................................................................412
25.8.3 Counter.........................................................................................................................................................413
25.8.4 Reference Clock Pin Requirements.............................................................................................................413
25.9 Reset..............................................................................................................................................................................414
25.10 Low Power Modes Operation.......................................................................................................................................414
25.11 Interrupts.......................................................................................................................................................................414
KL25 Sub-Family Reference Manual, Rev. 3, September 2012
16 Freescale Semiconductor, Inc.

Section number Title Page
Chapter 26
Flash Memory Controller (FMC)
26.1 Introduction...................................................................................................................................................................415
26.1.1 Overview......................................................................................................................................................415
26.1.2 Features........................................................................................................................................................415
26.2 Modes of operation.......................................................................................................................................................416
26.3 External signal description............................................................................................................................................416
26.4 Memory map and register descriptions.........................................................................................................................416
26.5 Functional description...................................................................................................................................................416
Chapter 27
Flash Memory Module (FTFA)
27.1 Introduction...................................................................................................................................................................419
27.1.1 Features........................................................................................................................................................420
27.1.2 Block Diagram.............................................................................................................................................420
27.1.3 Glossary.......................................................................................................................................................421
27.2 External Signal Description..........................................................................................................................................422
27.3 Memory Map and Registers..........................................................................................................................................422
27.3.1 Flash Configuration Field Description.........................................................................................................422
27.3.2 Program Flash IFR Map...............................................................................................................................423
27.3.3 Register Descriptions...................................................................................................................................424
27.4 Functional Description..................................................................................................................................................432
27.4.1 Flash Protection............................................................................................................................................433
27.4.2 Interrupts......................................................................................................................................................433
27.4.3 Flash Operation in Low-Power Modes........................................................................................................434
27.4.4 Functional Modes of Operation...................................................................................................................434
27.4.5 Flash Reads and Ignored Writes..................................................................................................................434
27.4.6 Read While Write (RWW)...........................................................................................................................435
27.4.7 Flash Program and Erase..............................................................................................................................435
KL25 Sub-Family Reference Manual, Rev. 3, September 2012
Freescale Semiconductor, Inc. 17

Section number Title Page
27.4.8 Flash Command Operations.........................................................................................................................435
27.4.9 Margin Read Commands.............................................................................................................................440
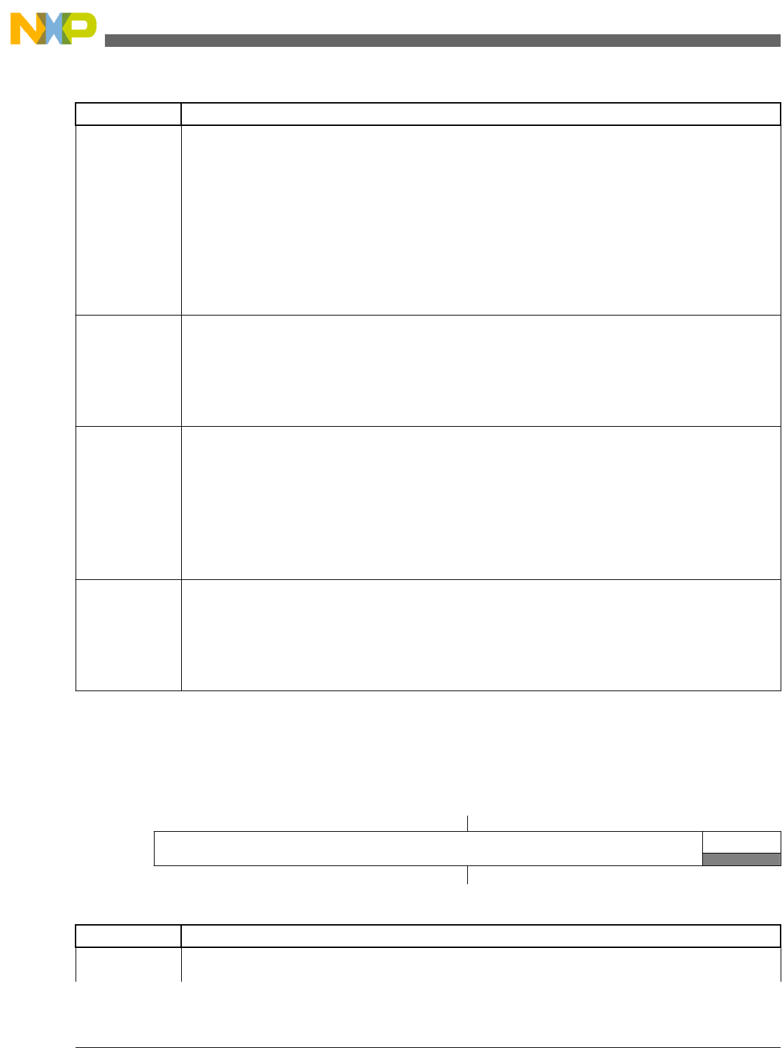
27.4.10 Flash Command Description........................................................................................................................441
27.4.11 Security........................................................................................................................................................454
27.4.12 Reset Sequence............................................................................................................................................456
Chapter 28
Analog-to-Digital Converter (ADC)
28.1 Introduction...................................................................................................................................................................457
28.1.1 Features........................................................................................................................................................457
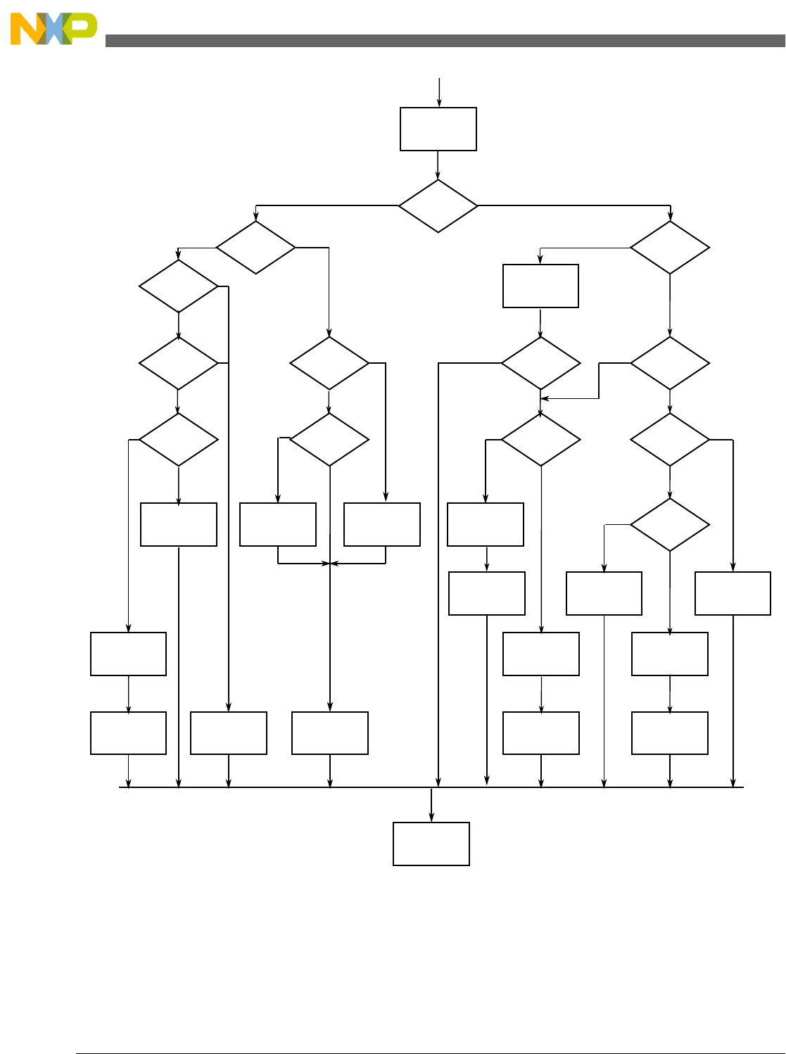
28.1.2 Block diagram..............................................................................................................................................458
28.2 ADC Signal Descriptions..............................................................................................................................................459
28.2.1 Analog Power (VDDA)...............................................................................................................................460
28.2.2 Analog Ground (VSSA)...............................................................................................................................460
28.2.3 Voltage Reference Select.............................................................................................................................460
28.2.4 Analog Channel Inputs (ADx).....................................................................................................................461
28.2.5 Differential Analog Channel Inputs (DADx)...............................................................................................461
28.3 Register definition.........................................................................................................................................................461
28.3.1 ADC Status and Control Registers 1 (ADCx_SC1n)...................................................................................462
28.3.2 ADC Configuration Register 1 (ADCx_CFG1)...........................................................................................465
28.3.3 ADC Configuration Register 2 (ADCx_CFG2)...........................................................................................467
28.3.4 ADC Data Result Register (ADCx_Rn).......................................................................................................468
28.3.5 Compare Value Registers (ADCx_CVn).....................................................................................................469
28.3.6 Status and Control Register 2 (ADCx_SC2)................................................................................................470
28.3.7 Status and Control Register 3 (ADCx_SC3)................................................................................................472
28.3.8 ADC Offset Correction Register (ADCx_OFS)...........................................................................................474
28.3.9 ADC Plus-Side Gain Register (ADCx_PG).................................................................................................474
28.3.10 ADC Minus-Side Gain Register (ADCx_MG)............................................................................................475
28.3.11 ADC Plus-Side General Calibration Value Register (ADCx_CLPD).........................................................475
28.3.12 ADC Plus-Side General Calibration Value Register (ADCx_CLPS)..........................................................476
KL25 Sub-Family Reference Manual, Rev. 3, September 2012
18 Freescale Semiconductor, Inc.

Section number Title Page
28.3.13 ADC Plus-Side General Calibration Value Register (ADCx_CLP4)..........................................................476
28.3.14 ADC Plus-Side General Calibration Value Register (ADCx_CLP3)..........................................................477
28.3.15 ADC Plus-Side General Calibration Value Register (ADCx_CLP2)..........................................................477
28.3.16 ADC Plus-Side General Calibration Value Register (ADCx_CLP1)..........................................................478
28.3.17 ADC Plus-Side General Calibration Value Register (ADCx_CLP0)..........................................................478
28.3.18 ADC Minus-Side General Calibration Value Register (ADCx_CLMD).....................................................479
28.3.19 ADC Minus-Side General Calibration Value Register (ADCx_CLMS).....................................................479
28.3.20 ADC Minus-Side General Calibration Value Register (ADCx_CLM4).....................................................480
28.3.21 ADC Minus-Side General Calibration Value Register (ADCx_CLM3).....................................................480
28.3.22 ADC Minus-Side General Calibration Value Register (ADCx_CLM2).....................................................481
28.3.23 ADC Minus-Side General Calibration Value Register (ADCx_CLM1).....................................................481
28.3.24 ADC Minus-Side General Calibration Value Register (ADCx_CLM0).....................................................482
28.4 Functional description...................................................................................................................................................482
28.4.1 Clock select and divide control....................................................................................................................483
28.4.2 Voltage reference selection..........................................................................................................................483
28.4.3 Hardware trigger and channel selects..........................................................................................................484
28.4.4 Conversion control.......................................................................................................................................485
28.4.5 Automatic compare function........................................................................................................................493
28.4.6 Calibration function.....................................................................................................................................494
28.4.7 User-defined offset function........................................................................................................................495
28.4.8 Temperature sensor......................................................................................................................................497
28.4.9 MCU wait mode operation...........................................................................................................................497
28.4.10 MCU Normal Stop mode operation.............................................................................................................498
28.4.11 MCU Low-Power Stop mode operation......................................................................................................499
KL25 Sub-Family Reference Manual, Rev. 3, September 2012
Freescale Semiconductor, Inc. 19

Section number Title Page
28.5 Initialization information..............................................................................................................................................499
28.5.1 ADC module initialization example............................................................................................................499
28.6 Application information................................................................................................................................................501
28.6.1 External pins and routing.............................................................................................................................501
28.6.2 Sources of error............................................................................................................................................503
Chapter 29
Comparator (CMP)
29.1 Introduction...................................................................................................................................................................509
29.2 CMP features................................................................................................................................................................509
29.3 6-bit DAC key features.................................................................................................................................................510
29.4 ANMUX key features...................................................................................................................................................511
29.5 CMP, DAC and ANMUX diagram...............................................................................................................................511
29.6 CMP block diagram......................................................................................................................................................512
29.7 Memory map/register definitions..................................................................................................................................514
29.7.1 CMP Control Register 0 (CMPx_CR0).......................................................................................................514
29.7.2 CMP Control Register 1 (CMPx_CR1).......................................................................................................515
29.7.3 CMP Filter Period Register (CMPx_FPR)...................................................................................................517
29.7.4 CMP Status and Control Register (CMPx_SCR).........................................................................................517
29.7.5 DAC Control Register (CMPx_DACCR)....................................................................................................518
29.7.6 MUX Control Register (CMPx_MUXCR)..................................................................................................519
29.8 Functional description...................................................................................................................................................520
29.8.1 CMP functional modes.................................................................................................................................520
29.8.2 Power modes................................................................................................................................................529
29.8.3 Startup and operation...................................................................................................................................530
29.8.4 Low-pass filter.............................................................................................................................................531
29.9 CMP interrupts..............................................................................................................................................................533
29.10 DMA support................................................................................................................................................................533
29.11 CMP Asyncrhonous DMA support...............................................................................................................................534
29.12 Digital-to-analog converter...........................................................................................................................................534
KL25 Sub-Family Reference Manual, Rev. 3, September 2012
20 Freescale Semiconductor, Inc.

Section number Title Page
29.13 DAC functional description..........................................................................................................................................535
29.13.1 Voltage reference source select....................................................................................................................535
29.14 DAC resets....................................................................................................................................................................535
29.15 DAC clocks...................................................................................................................................................................535
29.16 DAC interrupts..............................................................................................................................................................536
29.17 CMP Trigger Mode.......................................................................................................................................................536
Chapter 30
12-bit Digital-to-Analog Converter (DAC)
30.1 Introduction...................................................................................................................................................................537
30.2 Features.........................................................................................................................................................................537
30.3 Block diagram...............................................................................................................................................................537
30.4 Memory map/register definition...................................................................................................................................539
30.4.1 DAC Data Low Register (DACx_DATnL).................................................................................................539
30.4.2 DAC Data High Register (DACx_DATnH)................................................................................................540
30.4.3 DAC Status Register (DACx_SR)...............................................................................................................540
30.4.4 DAC Control Register (DACx_C0).............................................................................................................541
30.4.5 DAC Control Register 1 (DACx_C1)..........................................................................................................542
30.4.6 DAC Control Register 2 (DACx_C2)..........................................................................................................542
30.5 Functional description...................................................................................................................................................543
30.5.1 DAC data buffer operation...........................................................................................................................543
30.5.2 DMA operation............................................................................................................................................544
30.5.3 Resets...........................................................................................................................................................544
30.5.4 Low-Power mode operation.........................................................................................................................544
Chapter 31
Timer/PWM Module (TPM)
31.1 Introduction...................................................................................................................................................................547
31.1.1 TPM Philosophy..........................................................................................................................................547
31.1.2 Features........................................................................................................................................................547
31.1.3 Modes of Operation.....................................................................................................................................548
KL25 Sub-Family Reference Manual, Rev. 3, September 2012
Freescale Semiconductor, Inc. 21

Section number Title Page
31.1.4 Block Diagram.............................................................................................................................................548
31.2 TPM Signal Descriptions..............................................................................................................................................549
31.2.1 TPM_EXTCLK — TPM External Clock....................................................................................................549
31.2.2 TPM_CHn — TPM Channel (n) I/O Pin.....................................................................................................550
31.3 Memory Map and Register Definition..........................................................................................................................550
31.3.1 Status and Control (TPMx_SC)...................................................................................................................552
31.3.2 Counter (TPMx_CNT).................................................................................................................................553
31.3.3 Modulo (TPMx_MOD)................................................................................................................................554
31.3.4 Channel (n) Status and Control (TPMx_CnSC)...........................................................................................555
31.3.5 Channel (n) Value (TPMx_CnV).................................................................................................................557
31.3.6 Capture and Compare Status (TPMx_STATUS).........................................................................................557
31.3.7 Configuration (TPMx_CONF).....................................................................................................................559
31.4 Functional Description..................................................................................................................................................561
31.4.1 Clock Domains.............................................................................................................................................561
31.4.2 Prescaler.......................................................................................................................................................562
31.4.3 Counter.........................................................................................................................................................562
31.4.4 Input Capture Mode.....................................................................................................................................564
31.4.5 Output Compare Mode.................................................................................................................................565
31.4.6 Edge-Aligned PWM (EPWM) Mode...........................................................................................................566
31.4.7 Center-Aligned PWM (CPWM) Mode........................................................................................................568
31.4.8 Registers Updated from Write Buffers........................................................................................................570
31.4.9 DMA............................................................................................................................................................570
31.4.10 Reset Overview............................................................................................................................................571
31.4.11 TPM Interrupts.............................................................................................................................................571
Chapter 32
Periodic Interrupt Timer (PIT)
32.1 Introduction...................................................................................................................................................................573
32.1.1 Block diagram..............................................................................................................................................573
32.1.2 Features........................................................................................................................................................574
KL25 Sub-Family Reference Manual, Rev. 3, September 2012
22 Freescale Semiconductor, Inc.

Section number Title Page
32.2 Signal description..........................................................................................................................................................574
32.3 Memory map/register description.................................................................................................................................575
32.3.1 PIT Module Control Register (PIT_MCR)..................................................................................................575
32.3.2 PIT Upper Lifetime Timer Register (PIT_LTMR64H)...............................................................................577
32.3.3 PIT Lower Lifetime Timer Register (PIT_LTMR64L)...............................................................................577
32.3.4 Timer Load Value Register (PIT_LDVALn)...............................................................................................578
32.3.5 Current Timer Value Register (PIT_CVALn).............................................................................................578
32.3.6 Timer Control Register (PIT_TCTRLn)......................................................................................................579
32.3.7 Timer Flag Register (PIT_TFLGn)..............................................................................................................580
32.4 Functional description...................................................................................................................................................580
32.4.1 General operation.........................................................................................................................................580
32.4.2 Interrupts......................................................................................................................................................582
32.4.3 Chained timers.............................................................................................................................................582
32.5 Initialization and application information.....................................................................................................................582
32.6 Example configuration for chained timers....................................................................................................................583
32.7 Example configuration for the lifetime timer...............................................................................................................584
Chapter 33
Low-Power Timer (LPTMR)
33.1 Introduction...................................................................................................................................................................587
33.1.1 Features........................................................................................................................................................587
33.1.2 Modes of operation......................................................................................................................................587
33.2 LPTMR signal descriptions..........................................................................................................................................588
33.2.1 Detailed signal descriptions.........................................................................................................................588
33.3 Memory map and register definition.............................................................................................................................588
33.3.1 Low Power Timer Control Status Register (LPTMRx_CSR)......................................................................589
33.3.2 Low Power Timer Prescale Register (LPTMRx_PSR)................................................................................590
33.3.3 Low Power Timer Compare Register (LPTMRx_CMR).............................................................................592
33.3.4 Low Power Timer Counter Register (LPTMRx_CNR)...............................................................................592
KL25 Sub-Family Reference Manual, Rev. 3, September 2012
Freescale Semiconductor, Inc. 23

Section number Title Page
33.4 Functional description...................................................................................................................................................593
33.4.1 LPTMR power and reset..............................................................................................................................593
33.4.2 LPTMR clocking..........................................................................................................................................593
33.4.3 LPTMR prescaler/glitch filter......................................................................................................................593
33.4.4 LPTMR compare..........................................................................................................................................595
33.4.5 LPTMR counter...........................................................................................................................................595
33.4.6 LPTMR hardware trigger.............................................................................................................................596
33.4.7 LPTMR interrupt..........................................................................................................................................596
Chapter 34
Real Time Clock (RTC)
34.1 Introduction...................................................................................................................................................................597
34.1.1 Features........................................................................................................................................................597
34.1.2 Modes of operation......................................................................................................................................597
34.1.3 RTC Signal Descriptions.............................................................................................................................597
34.2 Register definition.........................................................................................................................................................598
34.2.1 RTC Time Seconds Register (RTC_TSR)...................................................................................................599
34.2.2 RTC Time Prescaler Register (RTC_TPR)..................................................................................................599
34.2.3 RTC Time Alarm Register (RTC_TAR).....................................................................................................600
34.2.4 RTC Time Compensation Register (RTC_TCR).........................................................................................600
34.2.5 RTC Control Register (RTC_CR)................................................................................................................601
34.2.6 RTC Status Register (RTC_SR)..................................................................................................................603
34.2.7 RTC Lock Register (RTC_LR)....................................................................................................................604
34.2.8 RTC Interrupt Enable Register (RTC_IER).................................................................................................605
34.3 Functional description...................................................................................................................................................606
34.3.1 Power, clocking, and reset...........................................................................................................................606
34.3.2 Time counter................................................................................................................................................607
34.3.3 Compensation...............................................................................................................................................607
34.3.4 Time alarm...................................................................................................................................................608
34.3.5 Update mode................................................................................................................................................608
KL25 Sub-Family Reference Manual, Rev. 3, September 2012
24 Freescale Semiconductor, Inc.

Section number Title Page
34.3.6 Register lock................................................................................................................................................609
34.3.7 Interrupt........................................................................................................................................................609
Chapter 35
Universal Serial Bus OTG Controller (USBOTG)
35.1 Introduction...................................................................................................................................................................611
35.1.1 USB..............................................................................................................................................................611
35.1.2 USB On-The-Go..........................................................................................................................................612
35.1.3 USB-FS Features..........................................................................................................................................613
35.2 Functional description...................................................................................................................................................613
35.2.1 Data Structures.............................................................................................................................................613
35.3 Programmers interface..................................................................................................................................................614
35.3.1 Buffer Descriptor Table...............................................................................................................................614
35.3.2 RX vs. TX as a USB target device or USB host..........................................................................................615
35.3.3 Addressing BDT entries...............................................................................................................................616
35.3.4 Buffer Descriptors (BDs).............................................................................................................................616
35.3.5 USB transaction...........................................................................................................................................619
35.4 Memory map/Register definitions................................................................................................................................621
35.4.1 Peripheral ID register (USBx_PERID)........................................................................................................623
35.4.2 Peripheral ID Complement register (USBx_IDCOMP)...............................................................................624
35.4.3 Peripheral Revision register (USBx_REV)..................................................................................................624
35.4.4 Peripheral Additional Info register (USBx_ADDINFO).............................................................................625
35.4.5 OTG Interrupt Status register (USBx_OTGISTAT)....................................................................................625
35.4.6 OTG Interrupt Control Register (USBx_OTGICR).....................................................................................626
35.4.7 OTG Status register (USBx_OTGSTAT)....................................................................................................627
35.4.8 OTG Control register (USBx_OTGCTL)....................................................................................................628
35.4.9 Interrupt Status register (USBx_ISTAT).....................................................................................................629
35.4.10 Interrupt Enable register (USBx_INTEN)...................................................................................................630
35.4.11 Error Interrupt Status register (USBx_ERRSTAT).....................................................................................631
35.4.12 Error Interrupt Enable register (USBx_ERREN).........................................................................................632
KL25 Sub-Family Reference Manual, Rev. 3, September 2012
Freescale Semiconductor, Inc. 25

Section number Title Page
35.4.13 Status register (USBx_STAT)......................................................................................................................633
35.4.14 Control register (USBx_CTL)......................................................................................................................634
35.4.15 Address register (USBx_ADDR).................................................................................................................635
35.4.16 BDT Page Register 1 (USBx_BDTPAGE1)................................................................................................636
35.4.17 Frame Number Register Low (USBx_FRMNUML)...................................................................................636
35.4.18 Frame Number Register High (USBx_FRMNUMH)..................................................................................637
35.4.19 Token register (USBx_TOKEN)..................................................................................................................637
35.4.20 SOF Threshold Register (USBx_SOFTHLD)..............................................................................................638
35.4.21 BDT Page Register 2 (USBx_BDTPAGE2)................................................................................................639
35.4.22 BDT Page Register 3 (USBx_BDTPAGE3)................................................................................................639
35.4.23 Endpoint Control register (USBx_ENDPTn)...............................................................................................639
35.4.24 USB Control register (USBx_USBCTRL)..................................................................................................640
35.4.25 USB OTG Observe register (USBx_OBSERVE)........................................................................................641
35.4.26 USB OTG Control register (USBx_CONTROL)........................................................................................642
35.4.27 USB Transceiver Control Register 0 (USBx_USBTRC0)...........................................................................642
35.4.28 Frame Adjust Register (USBx_USBFRMADJUST)...................................................................................643
35.5 OTG and Host mode operation.....................................................................................................................................644
35.6 Host Mode Operation Examples...................................................................................................................................644
35.7 On-The-Go operation....................................................................................................................................................647
35.7.1 OTG dual role A device operation...............................................................................................................648
35.7.2 OTG dual role B device operation...............................................................................................................649
Chapter 36
USB Voltage Regulator
36.1 Introduction...................................................................................................................................................................651
36.1.1 Overview......................................................................................................................................................651
36.1.2 Features........................................................................................................................................................652
36.1.3 Modes of Operation.....................................................................................................................................653
36.2 USB Voltage Regulator Module Signal Descriptions..................................................................................................653
KL25 Sub-Family Reference Manual, Rev. 3, September 2012
26 Freescale Semiconductor, Inc.

Section number Title Page
Chapter 37
Serial Peripheral Interface (SPI)
37.1 Introduction...................................................................................................................................................................655
37.1.1 Features........................................................................................................................................................655
37.1.2 Modes of Operation.....................................................................................................................................656
37.1.3 Block Diagrams............................................................................................................................................657
37.2 External Signal Description..........................................................................................................................................659
37.2.1 SPSCK — SPI Serial Clock.........................................................................................................................659
37.2.2 MOSI — Master Data Out, Slave Data In...................................................................................................660
37.2.3 MISO — Master Data In, Slave Data Out...................................................................................................660
37.2.4 SS — Slave Select........................................................................................................................................660
37.3 Memory Map and Register Descriptions......................................................................................................................661
37.3.1 SPI control register 1 (SPIx_C1)..................................................................................................................661
37.3.2 SPI control register 2 (SPIx_C2)..................................................................................................................663
37.3.3 SPI baud rate register (SPIx_BR).................................................................................................................664
37.3.4 SPI status register (SPIx_S).........................................................................................................................665
37.3.5 SPI data register (SPIx_D)...........................................................................................................................667
37.3.6 SPI match register (SPIx_M).......................................................................................................................668
37.4 Functional Description..................................................................................................................................................668
37.4.1 General.........................................................................................................................................................668
37.4.2 Master Mode................................................................................................................................................669
37.4.3 Slave Mode..................................................................................................................................................670
37.4.4 SPI Transmission by DMA..........................................................................................................................671
37.4.5 SPI Clock Formats.......................................................................................................................................673
37.4.6 SPI Baud Rate Generation...........................................................................................................................676
37.4.7 Special Features...........................................................................................................................................677
37.4.8 Error Conditions...........................................................................................................................................678
37.4.9 Low Power Mode Options...........................................................................................................................679
37.4.10 Reset.............................................................................................................................................................681
KL25 Sub-Family Reference Manual, Rev. 3, September 2012
Freescale Semiconductor, Inc. 27

Section number Title Page
37.4.11 Interrupts......................................................................................................................................................681
37.5 Initialization/Application Information..........................................................................................................................683
37.5.1 Initialization Sequence.................................................................................................................................683
37.5.2 Pseudo-Code Example.................................................................................................................................684
Chapter 38
Inter-Integrated Circuit (I2C)
38.1 Introduction...................................................................................................................................................................687
38.1.1 Features........................................................................................................................................................687
38.1.2 Modes of operation......................................................................................................................................688
38.1.3 Block diagram..............................................................................................................................................688
38.2 I2C signal descriptions..................................................................................................................................................689
38.3 Memory map and register descriptions.........................................................................................................................689
38.3.1 I2C Address Register 1 (I2Cx_A1)..............................................................................................................690
38.3.2 I2C Frequency Divider register (I2Cx_F)....................................................................................................691
38.3.3 I2C Control Register 1 (I2Cx_C1)...............................................................................................................692
38.3.4 I2C Status register (I2Cx_S)........................................................................................................................694
38.3.5 I2C Data I/O register (I2Cx_D)...................................................................................................................695
38.3.6 I2C Control Register 2 (I2Cx_C2)...............................................................................................................696
38.3.7 I2C Programmable Input Glitch Filter register (I2Cx_FLT).......................................................................697
38.3.8 I2C Range Address register (I2Cx_RA)......................................................................................................698
38.3.9 I2C SMBus Control and Status register (I2Cx_SMB).................................................................................699
38.3.10 I2C Address Register 2 (I2Cx_A2)..............................................................................................................701
38.3.11 I2C SCL Low Timeout Register High (I2Cx_SLTH)..................................................................................701
38.3.12 I2C SCL Low Timeout Register Low (I2Cx_SLTL)...................................................................................701
38.4 Functional description...................................................................................................................................................702
38.4.1 I2C protocol.................................................................................................................................................702
38.4.2 10-bit address...............................................................................................................................................707
38.4.3 Address matching.........................................................................................................................................709
KL25 Sub-Family Reference Manual, Rev. 3, September 2012
28 Freescale Semiconductor, Inc.

Section number Title Page
38.4.4 System management bus specification........................................................................................................709
38.4.5 Resets...........................................................................................................................................................712
38.4.6 Interrupts......................................................................................................................................................712
38.4.7 Programmable input glitch filter..................................................................................................................714
38.4.8 Address matching wakeup...........................................................................................................................715
38.4.9 DMA support...............................................................................................................................................715
38.5 Initialization/application information...........................................................................................................................716
Chapter 39
Universal Asynchronous Receiver/Transmitter (UART0)
39.1 Introduction...................................................................................................................................................................721
39.1.1 Features........................................................................................................................................................721
39.1.2 Modes of operation......................................................................................................................................722
39.1.3 Block diagram..............................................................................................................................................722
39.2 Register definition.........................................................................................................................................................724
39.2.1 UART Baud Rate Register High (UARTx_BDH).......................................................................................725
39.2.2 UART Baud Rate Register Low (UARTx_BDL)........................................................................................726
39.2.3 UART Control Register 1 (UARTx_C1).....................................................................................................726
39.2.4 UART Control Register 2 (UARTx_C2).....................................................................................................728
39.2.5 UART Status Register 1 (UARTx_S1)........................................................................................................729
39.2.6 UART Status Register 2 (UARTx_S2)........................................................................................................731
39.2.7 UART Control Register 3 (UARTx_C3).....................................................................................................733
39.2.8 UART Data Register (UARTx_D)...............................................................................................................734
39.2.9 UART Match Address Registers 1 (UARTx_MA1)....................................................................................735
39.2.10 UART Match Address Registers 2 (UARTx_MA2)....................................................................................736
39.2.11 UART Control Register 4 (UARTx_C4).....................................................................................................736
39.2.12 UART Control Register 5 (UARTx_C5).....................................................................................................737
39.3 Functional description...................................................................................................................................................738
39.3.1 Baud rate generation....................................................................................................................................738
KL25 Sub-Family Reference Manual, Rev. 3, September 2012
Freescale Semiconductor, Inc. 29

Section number Title Page
39.3.2 Transmitter functional description...............................................................................................................738
39.3.3 Receiver functional description...................................................................................................................740
39.3.4 Additional UART functions.........................................................................................................................743
39.3.5 Interrupts and status flags............................................................................................................................745
Chapter 40
Universal Asynchronous Receiver/Transmitter (UART1 and UART2)
40.1 Introduction...................................................................................................................................................................747
40.1.1 Features........................................................................................................................................................747
40.1.2 Modes of operation......................................................................................................................................747
40.1.3 Block diagram..............................................................................................................................................748
40.2 Register definition.........................................................................................................................................................750
40.2.1 UART Baud Rate Register: High (UARTx_BDH)......................................................................................751
40.2.2 UART Baud Rate Register: Low (UARTx_BDL).......................................................................................751
40.2.3 UART Control Register 1 (UARTx_C1).....................................................................................................752
40.2.4 UART Control Register 2 (UARTx_C2).....................................................................................................753
40.2.5 UART Status Register 1 (UARTx_S1)........................................................................................................755
40.2.6 UART Status Register 2 (UARTx_S2)........................................................................................................756
40.2.7 UART Control Register 3 (UARTx_C3).....................................................................................................758
40.2.8 UART Data Register (UARTx_D)...............................................................................................................760
40.2.9 UART Control Register 4 (UARTx_C4).....................................................................................................760
40.3 Functional description...................................................................................................................................................761
40.3.1 Baud rate generation....................................................................................................................................761
40.3.2 Transmitter functional description...............................................................................................................762
40.3.3 Receiver functional description...................................................................................................................764
40.3.4 Interrupts and status flags............................................................................................................................767
40.3.5 DMA Operation...........................................................................................................................................768
KL25 Sub-Family Reference Manual, Rev. 3, September 2012
30 Freescale Semiconductor, Inc.

Section number Title Page
40.3.6 Additional UART functions.........................................................................................................................769
Chapter 41
General-Purpose Input/Output (GPIO)
41.1 Introduction...................................................................................................................................................................771
41.1.1 Features........................................................................................................................................................771
41.1.2 Modes of operation......................................................................................................................................771
41.1.3 GPIO signal descriptions.............................................................................................................................772
41.2 Memory map and register definition.............................................................................................................................773
41.2.1 Port Data Output Register (GPIOx_PDOR).................................................................................................775
41.2.2 Port Set Output Register (GPIOx_PSOR)....................................................................................................776
41.2.3 Port Clear Output Register (GPIOx_PCOR)................................................................................................776
41.2.4 Port Toggle Output Register (GPIOx_PTOR).............................................................................................777
41.2.5 Port Data Input Register (GPIOx_PDIR).....................................................................................................777
41.2.6 Port Data Direction Register (GPIOx_PDDR).............................................................................................778
41.3 FGPIO memory map and register definition................................................................................................................778
41.3.1 Port Data Output Register (FGPIOx_PDOR)..............................................................................................780
41.3.2 Port Set Output Register (FGPIOx_PSOR).................................................................................................781
41.3.3 Port Clear Output Register (FGPIOx_PCOR).............................................................................................781
41.3.4 Port Toggle Output Register (FGPIOx_PTOR)...........................................................................................782
41.3.5 Port Data Input Register (FGPIOx_PDIR)...................................................................................................782
41.3.6 Port Data Direction Register (FGPIOx_PDDR)..........................................................................................783
41.4 Functional description...................................................................................................................................................783
41.4.1 General-purpose input..................................................................................................................................783
41.4.2 General-purpose output................................................................................................................................783
41.4.3 IOPORT.......................................................................................................................................................784
Chapter 42
Touch Sensing Input (TSI)
42.1 Introduction...................................................................................................................................................................785
42.1.1 Features........................................................................................................................................................785
KL25 Sub-Family Reference Manual, Rev. 3, September 2012
Freescale Semiconductor, Inc. 31

Section number Title Page
42.1.2 Modes of operation......................................................................................................................................785
42.1.3 Block diagram..............................................................................................................................................786
42.2 External signal description............................................................................................................................................787
42.2.1 TSI[15:0]......................................................................................................................................................787
42.3 Register definition.........................................................................................................................................................787
42.3.1 TSI General Control and Status Register (TSIx_GENCS)..........................................................................787
42.3.2 TSI DATA Register (TSIx_DATA).............................................................................................................792
42.3.3 TSI Threshold Register (TSIx_TSHD)........................................................................................................793
42.4 Functional description...................................................................................................................................................793
42.4.1 Capacitance measurement............................................................................................................................794
42.4.2 TSI measurement result...............................................................................................................................797
42.4.3 Enable TSI module.......................................................................................................................................797
42.4.4 Software and hardware trigger.....................................................................................................................797
42.4.5 Scan times....................................................................................................................................................798
42.4.6 Clock setting................................................................................................................................................798
42.4.7 Reference voltage.........................................................................................................................................798
42.4.8 Current source..............................................................................................................................................799
42.4.9 End of scan...................................................................................................................................................799
42.4.10 Out-of-range interrupt..................................................................................................................................799
42.4.11 Wake up MCU from low power modes.......................................................................................................800
42.4.12 DMA function support.................................................................................................................................800
42.4.13 Noise detection mode...................................................................................................................................800
KL25 Sub-Family Reference Manual, Rev. 3, September 2012
32 Freescale Semiconductor, Inc.

Chapter 1
About This Document
Overview
1.1.1 Purpose
This document describes the features, architecture, and programming model of the
Freescale KL25 microcontroller.
1.1.2 Audience
This document is primarily for system architects and software application developers
who are using or considering using the KL25 microcontroller in a system.
Conventions
1.2.1 Numbering systems
The following suffixes identify different numbering systems:
This suffix Identifies a
b Binary number. For example, the binary equivalent of the
number 5 is written 101b. In some cases, binary numbers are
shown with the prefix 0b.
d Decimal number. Decimal numbers are followed by this suffix
only when the possibility of confusion exists. In general,
decimal numbers are shown without a suffix.
h Hexadecimal number. For example, the hexadecimal
equivalent of the number 60 is written 3Ch. In some cases,
hexadecimal numbers are shown with the prefix 0x.
1.1
1.2
KL25 Sub-Family Reference Manual, Rev. 3, September 2012
Freescale Semiconductor, Inc. 33

1.2.2 Typographic notation
The following typographic notation is used throughout this document:
Example Description
placeholder, x Items in italics are placeholders for information that you provide. Italicized text is also used for
the titles of publications and for emphasis. Plain lowercase letters are also used as
placeholders for single letters and numbers.
code Fixed-width type indicates text that must be typed exactly as shown. It is used for instruction
mnemonics, directives, symbols, subcommands, parameters, and operators. Fixed-width type
is also used for example code. Instruction mnemonics and directives in text and tables are
shown in all caps; for example, BSR.
SR[SCM] A mnemonic in brackets represents a named field in a register. This example refers to the
Scaling Mode (SCM) field in the Status Register (SR).
REVNO[6:4], XAD[7:0] Numbers in brackets and separated by a colon represent either:
• A subset of a register's named field
For example, REVNO[6:4] refers to bits 6–4 that are part of the COREREV field that
occupies bits 6–0 of the REVNO register.
• A continuous range of individual signals of a bus
For example, XAD[7:0] refers to signals 7–0 of the XAD bus.
1.2.3 Special terms
The following terms have special meanings:
Term Meaning
asserted Refers to the state of a signal as follows:
• An active-high signal is asserted when high (1).
• An active-low signal is asserted when low (0).
deasserted Refers to the state of a signal as follows:
• An active-high signal is deasserted when low (0).
• An active-low signal is deasserted when high (1).
In some cases, deasserted signals are described as negated.
reserved Refers to a memory space, register, or field that is either
reserved for future use or for which, when written to, the
module or chip behavior is unpredictable.
Conventions
KL25 Sub-Family Reference Manual, Rev. 3, September 2012
34 Freescale Semiconductor, Inc.

Chapter 2
Introduction
2.1 Overview
This chapter provides an overview of the Kinetis L series of ARM® Cortex™-M0+
MCUs and KL25 product family. It also presents high-level descriptions of the modules
available on the devices covered by this document.
2.2 Kinetis L Series
The Kinetis L series is the most scalable portfolio of ultra low-power, mixed-signal ARM
Cortex-M0+ MCUs in the industry. The portfolio includes 5 MCU families that offer a
broad range of memory, peripheral and package options. Kinetis L Series families share
common peripherals and pin-counts allowing developers to migrate easily within an
MCU family or between MCU families to take advantage of more memory or feature
integration. This scalability allows developers to standardize on the Kinetis L Series for
their end product platforms, maximising hardware and software reuse and reducing time-
to-market.
Features common to all Kinetis L series families include:
• 48 MHz ARM Cortex-M0+ core
• High-speed 12/16-bit analog-to-digital converters
• 12-bit digital-to-analog converters for all series except for KLx4/KLx2 family
• High-speed analog comparators
• Low-power touch sensing with wake-up on touch from reduced power states for all
series except for KLx4 family
• Powerful timers for a broad range of applications including motor control
• Low power focused serial communication interfaces such as low power UART, SPI,
I2C etc.
• Single power supply: 1.71V - 3.6V with multiple low-power modes support single
operation temperature: -40 ~ 105 °C (exclude CSP package)
KL25 Sub-Family Reference Manual, Rev. 3, September 2012
Freescale Semiconductor, Inc. 35

Kinetis L series MCU families combine the latest low-power innovations with precision
mixed-signal capability and a broad range of communication, connectivity, and human-
machine interface peripherals. Each MCU family is supported by a market-leading
enablement bundle from Freescale and numerous ARM 3rd party ecosystem partners.
The KL0x family is the entry-point to the Kinetis L series and is pin compatible with the
8-bit S08PT family. The KL1x/2x/3x/4x families are compatible with each other and
their equivalent ARM Cortex-M4 Kinetis K series families - K10/20/30/40.
KL2x Family
KL1x Family
KL0x Family
KL3x Family
Family Program
Flash Packages Key Features
Low power Mixed signal USB Segment LCD
KL4x Family
8-32KB
32-256KB
32-256KB
64-256KB
128-256KB
16-48pin
32-80pin
32-121pin
64-121pin
64-121pin
Figure 2-1. Kinetis L series families of MCU portfolio
All Kinetis L series families include a powerful array of analog, communication and
timing and control peripherals with the level of feature integration increasing with flash
memory size and the pin count. Features within the Kinetis L series families include:
• Core and Architecture:
• ARM Cortex-M0+ Core running up to 48 MHz with zero wait state execution
from memories
• Single-cycle access to I/O: Up to 50 percent faster than standard I/O,
improves reaction time to external events allowing bit banging and software
protocol emulation
• Two-stage pipeline: Reduced number of cycles per instruction (CPI),
enabling faster branch instruction and ISR entry, and reducing power
consumption
• Excellent code density vs. 8-bit and 16-bit MCUs - reduces flash size,
system cost and power consumption
Kinetis L Series
KL25 Sub-Family Reference Manual, Rev. 3, September 2012
36 Freescale Semiconductor, Inc.

• Optimized access to program memory: Accesses on alternate cycles reduces
power consumption
• 100 percent compatible with ARM Cortex-M0 and a subset ARM Cortex-
M3/M4: Reuse existing compilers and debug tools
• Simplified architecture: 56 instructions and 17 registers enables easy
programming and efficient packaging of 8/16/32-bit data in memory
• Linear 4 GB address space removes the need for paging/banking, reducing
software complexity
• ARM third-party ecosystem support: Software and tools to help minimize
development time/cost
• Micro Trace Buffer: Lightweight trace solution allows fast bug identification and
correction
• BME: Bit manipulation engine reduces code size and cycles for bit oriented
operations to peripheral registers eliminating traditional methods where the core
would need to perform read-modify-write operations.
• Up to 4-channel DMA for peripheral and memory servicing with minimal CPU
intervention (feature not available on KL02 family)
• Ultra low-power:
• Extreme dynamic efficiency: 32-bit ARM Cortex-M0+ core combined with
Freescale 90 nm thin film storage flash technology delivers 50% energy savings
per Coremark versus the closest 8/16-bit competitive solution
• Multiple flexible low-power modes, including new operation clocking option
which reduces dynamic power by shutting off bus and system clocks for lowest
power core processing. Peripherals with an alternate asynchronous clock source
can continue operation.
• UART, SPI, I2C, ADC, DAC, TPM, LPT, and DMA support low-power mode
operation without waking up the core
• Memory:
• Scalable memory footprints from 8 KB flash / 1 KB SRAM to 256 KB flash / 32
KB SRAM
• Embedded 64 B cache memory for optimizing bus bandwidth and flash
execution performance (32 B cache on KL02 family)
• Mixed-signal analog:
• Fast, high precision 16-, or 12-bit ADC with optional differential pairs, 12-bit
DAC, high speed comparators. Powerful signal conditioning, conversion and
analysis capability with reduced system cost (12-bit DAC not available on KL02
family)
• Human Machine Interface (HMI):
• Optional capacitive Touch Sensing Interface with full low-power support and
minimal current adder when enabled
• Segment LCD controller
Chapter 2 Introduction
KL25 Sub-Family Reference Manual, Rev. 3, September 2012
Freescale Semiconductor, Inc. 37

• Connectivity and Communications:
• Up to three UARTs, all UARTs support DMA transfers, and can trigger when
data on bus is detected, UART0 supports 4x to 32x over sampling ratio.
Asynchronous transmit and receive operation for operating in STOP/VLPS
modes.
• Up to two SPIs
• Up to two I2Cs
• Full-speed USB OTG controller with on-chip transceiver
• 5 V to 3.3 V USB on-chip regulator
• One I2S
• Reliability, Safety and Security:
• Internal watchdog with independent clock source
• Timing and Control:
• Powerful timer modules which support general purpose, PWM, and motor
control functions
• Periodic Interrupt Timer for RTOS task scheduler time base or trigger source for
ADC conversion and timer modules
• System:
• GPIO with pin interrupt functionality
• Wide operating voltage range from 1.71 V to 3.6 V with flash programmable
down to 1.71 V with fully functional flash and analog peripherals
• Ambient operating temperature ranges from -40 °C to 105 °C
2.3 KL25 Sub-Family Introduction
The device is highly-integrated, market leading ultra low power 32-bit microcontroller
based on the enhanced Cortex-M0+ (CM0+) core platform. The family derivatives
feature:
• Core platform clock up to 48 MHz, bus clock up to 24 MHz
• Memory option is up to 128 KB Flash and 16 KB RAM
• Wide operating voltage ranges from 1.71V to 3.6V with full functional Flash
program/erase/read operations
• Multiple package options from 32-pin to 80-pin
• Ambient operating temperature ranges from –40 °C to 105 °C
The family acts as an ultra low power, cost effective microcontroller to provide
developers an appropriate entry-level 32-bit solution. The family is next generation MCU
solution for low cost, low power, high performance devices applications. It’s valuable for
cost-sensitive, portable applications requiring long battery life-time.
KL25 Sub-Family Introduction
KL25 Sub-Family Reference Manual, Rev. 3, September 2012
38 Freescale Semiconductor, Inc.

2.4 Module functional categories
The modules on this device are grouped into functional categories. The following
sections describe the modules assigned to each category in more detail.
Table 2-1. Module functional categories
Module category Description
ARM Cortex-M0+ core • 32-bit MCU core from ARM’s Cortex-M class, 1.77 CoreMark®/MHz from
single-cycle access memories, 48 MHz CPU frequency
System • System integration module
• Power management and mode controllers
• Multiple power modes available based on run, wait, stop, and power-
down modes
• Miscellaneous control module
• Low-leakage wakeup unit
• Peripheral bridge
• Direct memory access (DMA) controller with multiplexer to increase available
DMA requests
• COP watchdog
Memories • Internal memories include:
• Up to 128 KB flash memory
• up to 16 KB SRAM
Clocks • Multiple clock generation options available from internally- and externally-
generated clocks
• MCG module with FLL and PLL for systems and CPU clock sources
• Low power 1 kHz RC oscillator for RTC and COP watchdog
• System oscillator to provide clock source for the MCU
Security • COP watchdog timer (COP)
Analog • 16-bit analog-to-digital converters with DMA supported and four muxed
differential pairs
• Comparator (CMP) with internal 6-bit digital-to-analog converter (DAC)
• 12-bit DAC with DMA support and two 16-bit data buffer
Timers • One 6-channel TPM
• Two 2-channel TPMs
• 2-channel periodic interrupt timer
• Real time clock
• Low-power timer
• System tick timer
Communications • Two 8-bit serial peripheral interface
• USB OTG controller with built-in FS/LS transceiver
• USB voltage regulator
• Two inter-integrated circuit (I2C) modules
• One low power UART module and two UART modules
Human-Machine Interfaces (HMI) • General purpose input/output controller
• Capacitive touch sense input interface enabled in hardware
Chapter 2 Introduction
KL25 Sub-Family Reference Manual, Rev. 3, September 2012
Freescale Semiconductor, Inc. 39

2.4.1 ARM® Cortex™-M0+ Core Modules
The following core modules are available on this device.
Table 2-2. Core modules
Module Description
ARM® Cortex™-M0+ The ARM® Cortex™-M0+ is the newest member of the Cortex M Series of
processors targeting microcontroller applications focused on very cost sensitive,
deterministic, interrupt driven environments. The Cortex M0+ processor is based
on the ARMv6 Architecture and Thumb®-2 ISA and is 100% instruction set
compatible with its predecessor, the Cortex-M0 core, and upward compatible to
Cortex-M3 and M4 cores.
NVIC The ARMv6-M exception model and nested-vectored interrupt controller (NVIC)
implement a relocatable vector table supporting many external interrupts, a single
non-maskable interrupt (NMI), and priority levels.
The NVIC replaces shadow registers with equivalent system and simplified
programmability. The NVIC contains the address of the function to execute for a
particular handler. The address is fetched via the instruction port allowing parallel
register stacking and look-up. The first sixteen entries are allocated to ARM
internal sources with the others mapping to MCU-defined interrupts.
AWIC The primary function of the Asynchronous Wake-up Interrupt Controller (AWIC) is
to detect asynchronous wake-up events in stop modes and signal to clock control
logic to resume system clocking. After clock restart, the NVIC observes the
pending interrupt and performs the normal interrupt or event processing.
Single-cycle I/O Port For high-speed, single-cycle access to peripherals, the Cortex-M0+ processor
implements a dedicated single-cycle I/O port.
Debug interfaces Most of this device's debug is based on the ARM CoreSight™ architecture. One
debug interface is supported:
• Serial Wire Debug (SWD)
2.4.2 System Modules
The following system modules are available on this device.
Table 2-3. System modules
Module Description
System integration module (SIM) The SIM includes integration logic and several module configuration settings.
System mode controller The SMC provides control and protection on entry and exit to each power mode,
control for the Power management controller (PMC), and reset entry and exit for
the complete MCU.
Power management controller (PMC) The PMC provides the user with multiple power options. Multiple modes are
supported that allow the user to optimize power consumption for the level of
functionality needed. Includes power-on-reset (POR) and integrated low voltage
detect (LVD) with reset (brownout) capability and selectable LVD trip points.
Miscellaneous control module (MCM) The MCM includes integration logic and details.
Table continues on the next page...
Module functional categories
KL25 Sub-Family Reference Manual, Rev. 3, September 2012
40 Freescale Semiconductor, Inc.

Table 2-3. System modules (continued)
Module Description
Crossbar switch (XBS) The XBS connects bus masters and bus slaves, allowing all bus masters to access
different bus slaves simultaneously and providing arbitration among the bus
masters when they access the same slave.
Low-leakage wakeup unit (LLWU) The LLWU module allows the device to wake from low leakage power modes (LLS
and VLLS) through various internal peripheral and external pin sources.
Peripheral bridge The peripheral bridge converts the crossbar switch interface to an interface to
access a majority of peripherals on the device.
DMA multiplexer (DMAMUX) The DMA multiplexer selects from many DMA requests down to 4 for the DMA
controller.
Direct memory access (DMA) controller The DMA controller provides programmable channels with transfer control
descriptors for data movement via dual-address transfers for 8-, 16- and 32-bit
data values.
Computer operating properly watchdog
(WDOG)
The WDOG monitors internal system operation and forces a reset in case of
failure. It can run from an independent 1 kHz low power oscillator with a
programmable refresh window to detect deviations in program flow or system
frequency.
2.4.3 Memories and Memory Interfaces
The following memories and memory interfaces are available on this device.
Table 2-4. Memories and memory interfaces
Module Description
Flash memory Program flash memory — up to 128 KB of the non-volatile flash memory that can
execute program code
Flash memory controller Manages the interface between the device and the on-chip flash memory.
SRAM Up to 16 KB internal system RAM.
2.4.4 Clocks
The following clock modules are available on this device.
Table 2-5. Clock modules
Module Description
Multipurpose Clock Generator (MCG) MCG module containing a frequency-locked-loop (FLL) and phase-locked-loop
(PLL) controlled by internal or external reference oscillator.
System oscillator The system oscillator, in conjunction with an external crystal or resonator,
generates a reference clock for the MCU.
Chapter 2 Introduction
KL25 Sub-Family Reference Manual, Rev. 3, September 2012
Freescale Semiconductor, Inc. 41

2.4.5 Security and Integrity modules
The following security and integrity modules are available on this device:
Table 2-6. Security and integrity modules
Module Description
Watchdog Timer (WDOG) Watchdog Timer keeps a watch on the system functioning and resets it in case of
its failure.
2.4.6 Analog modules
The following analog modules are available on this device:
Table 2-7. Analog modules
Module Description
Analog-to-digital converters (ADC) 16-bit successive-approximation ADC module.
Analog comparators One comparator that compares two analog input voltages across the full range of
the supply voltage and can trigger an ADC acquisition, TPM update, or CPU
interrupt.
6-bit digital-to-analog converters (DAC) 64-tap resistor ladder network which provides a selectable voltage reference for
comparator.
12-bit digital-to-analog converters (DAC) Low-power general-purpose DAC, whose output can be placed on an external pin
or set as one of the inputs to the analog comparator or ADC.
2.4.7 Timer modules
The following timer modules are available on this device:
Module functional categories
KL25 Sub-Family Reference Manual, Rev. 3, September 2012
42 Freescale Semiconductor, Inc.

Table 2-8. Timer modules
Module Description
Timer/PWM module (TPM) • Selectable TPM clock mode
• Prescaler divide-by 1, 2, 4, 8, 16, 32, 64, or 128
• 16-bit free-running counter or modulo counter with counting be up or up-
down
• Six configurable channels for input capture, output compare, or edge-aligned
PWM mode
• Support the generation of an interrupt and/or DMA request per channel
• Support the generation of an interrupt and/or DMA request when the counter
overflows
• Support selectable trigger input to optionally reset or cause the counter to
start incrementing.
• Support the generation of hardware triggers when the counter overflows and
per channel
Periodic interrupt timers (PIT) • One general purpose interrupt timer
• Interrupt timers for triggering ADC conversions
• 32-bit counter resolution
• Clocked by bus clock frequency
• DMA support
Low power timer (LPTMR) • 16-bit time counter or pulse counter with compare
• Configurable clock source for prescaler/glitch filter
• Configurable input source for pulse counter
Real-time counter (RTC) • 16-bit up-counter
• 16-bit modulo match limit
• Software controllable periodic interrupt on match
• Software selectable clock sources for input to prescaler with programmable
16-bit prescaler
• XOSC 32.678 kHz nominal
• LPO (~1 kHz)
• External RTC_CLKIN
2.4.8 Communication interfaces
The following communication interfaces are available on this device:
Table 2-9. Communication modules
Module Description
USB OTG (low-/full-speed) USB 2.0 compliant module with support for host, device, and On-The-Go modes.
Includes an on-chip transceiver for full and low speeds.
USB voltage regulator Up to 5 V regulator input typically provided by USB VBUS power with 3.3 V
regulated output that powers on-chip USB subsystem, capable of sourcing 120 mA
to external board components.
Serial peripheral interface (SPI) Synchronous serial bus for communication to an external device
Inter-integrated circuit (I2C) Allows communication between a number of devices. Also supports the System
Management Bus (SMBus) Specification, version 2.
Universal asynchronous receiver/
transmitters (UART)
One low power UART module that retains functional in stop modes. Two UART
modules.
Chapter 2 Introduction
KL25 Sub-Family Reference Manual, Rev. 3, September 2012
Freescale Semiconductor, Inc. 43

2.4.9 Human-machine interfaces
The following human-machine interfaces (HMI) are available on this device:
Table 2-10. HMI modules
Module Description
General purpose input/output (GPIO) Some general purpose input or output (GPIO) pins are capable of interrupt and
DMA request generation.
Capacitive touch sense input (TSI) Contains up to 16 channel inputs for capacitive touch sensing applications.
Operation is available in low-power modes via interrupts.
2.5 Orderable part numbers
The following table summarizes the part numbers of the devices covered by this
document.
Table 2-11. Orderable part numbers summary
Freescale part number CPU
frequency
Pin count Package Total flash
memory
RAM Temperature range
MKL25Z32VFM4 48 MHz 32 QFN 32 KB 4 KB -40 to 105 °C
MKL25Z64VFM4 48 MHz 32 QFN 64 KB 8 KB -40 to 105 °C
MKL25Z128VFM4 48 MHz 32 QFN 128 KB 16 KB -40 to 105 °C
MKL25Z32VFT4 48 MHz 48 QFN 32 KB 4 KB -40 to 105 °C
MKL25Z64VFT4 48 MHz 48 QFN 64 KB 8 KB -40 to 105 °C
MKL25Z128VFT4 48 MHz 48 QFN 128 KB 16 KB -40 to 105 °C
MKL25Z32VLH4 48 MHz 64 LQFP 32 KB 4 KB -40 to 105 °C
MKL25Z64VLH4 48 MHz 64 LQFP 64 KB 8 KB -40 to 105 °C
MKL25Z128VLH4 48 MHz 64 LQFP 128 KB 16 KB -40 to 105 °C
MKL25Z32VLK4 48 MHz 80 LQFP 32 KB 4 KB -40 to 105 °C
MKL25Z64VLK4 48 MHz 80 LQFP 64 KB 8 KB -40 to 105 °C
MKL25Z128VLK4 48 MHz 80 LQFP 128 KB 16 KB -40 to 105 °C
Orderable part numbers
KL25 Sub-Family Reference Manual, Rev. 3, September 2012
44 Freescale Semiconductor, Inc.

Chapter 3
Chip Configuration
3.1 Introduction
This chapter provides details on the individual modules of the microcontroller. It
includes:
• Module block diagrams showing immediate connections within the device
• Specific module-to-module interactions not necessarily discussed in the individual
module chapters
• Links for more information
Module to Module Interconnects
3.2.1 Module to Module Interconnects
The below table captures the Module to module interconnections for this device.
Table 3-1. Module to Module Interconnects
Peripheral Signal — to Peripheral Use Case Control Comment
TPM1 CH0F, CH1F to ADC (Trigger) ADC Triggering
(A AND B)
SOPT7_ADCAL
TTRGEN = 0
Ch0 is A, and
Ch1 is B,
selecting this
ADC trigger is
for supporting A
and B triggering.
In Stop and
VLPS modes,
the second
trigger must be
set to >10us
after the first
trigger
Table continues on the next page...
3.2
KL25 Sub-Family Reference Manual, Rev. 3, September 2012
Freescale Semiconductor, Inc. 45

Table 3-1. Module to Module Interconnects (continued)
Peripheral Signal — to Peripheral Use Case Control Comment
LPTMR Hardware trigger to ADC (Trigger) ADC Triggering
(A or B)
SOPT7_ADC0T
RGSEL (4 bit
field),
ADC0PRETRG
SEL to select A
or B
—
TPMx TOF to ADC (Trigger) ADC Triggering
(A or B)
SOPT7_ADC0T
RGSEL (4 bit
field),
SOPT7_ADC0P
RETRGSEL to
select A or B
—
PIT CHx TIF0, TIF1 to ADC (Trigger) ADC Triggering
(A or B)
SOPT7_ADC0T
RGSEL (4 bit
field),
ADC0PRETRG
SEL to select A
or B
—
RTC ALARM or
SECONDS
to ADC (Trigger) ADC Triggering
(A or B)
SOPT7_ADC0T
RGSEL (4 bit
field)
ADC0PRETRG
SEL to select A
or B
—
EXTRG_IN EXTRG_IN to ADC (Trigger) ADC Triggering
(A or B)
SOPT7_ADC0T
RGSEL (4 bit
field)
ADC0PRETRG
SEL to select A
or B
—
CMP0 CMP0_OUT to ADC (Trigger) ADC Triggering
(Aor B)
SOPT7_ADC0T
RGSEL (4 bit
field)
ADC0PRETRG
SEL to select A
or B
—
CMP0 CMP0_OUT to LPTMR_ALT0 Count CMP
events
LPTMR_CSR[T
PS]
—
CMP0 CMP0_OUT to TPM1 CH0 Input capture SOPT4_TPM1C
H0SRC
—
CMP0 CMP0_OUT to TPM2 CH0 Input capture SOPT4_TPM2C
H0SRC
—
CMP0 CMP0_OUT to UART0_RX IR interface SOPT5_UART0
RXSRC
—
CMP0 CMP0_OUT to UART1_RX IR Interface SOPT5_UART1
SRC
—
LPTMR Hardware trigger to CMPx Low power
triggering of the
comparator
CMP_CR1[TRIG
M]
—
Table continues on the next page...
Module to Module Interconnects
KL25 Sub-Family Reference Manual, Rev. 3, September 2012
46 Freescale Semiconductor, Inc.

Table 3-1. Module to Module Interconnects (continued)
Peripheral Signal — to Peripheral Use Case Control Comment
LPTMR Hardware trigger to TPMx TPM Trigger
input
TPMx_CONF[T
RGSEL] (4 bit
field)
—
TPMx TOF to TPMx TPM Trigger
input
TPMx_CONF[T
RGSEL] (4 bit
field)
—
TPM1 Timebase to TPMx TPM Global
timebase input
TPMx_CONF[G
TBEEN]
—
PIT CHx TIF0, TIF1 to TPMx TPM Trigger
input
TPMx_CONF[T
RGSEL] (4 bit
field)
If PIT is
triggering the
TPM, the TPM
clock must be
faster than Bus
clock.
RTC ALARM or
SECONDS
to TPMx TPM Trigger
input
TPMx_CONF[T
RGSEL] (4 bit
field)
—
EXTRG_IN EXTRG_IN to TPMx TPM Trigger
input
TPMx_CONF[T
RGSEL] (4 bit
field)
—
CMP0 CMP0_OUT to TPMx TPM Trigger
input
TPMx_CONF[T
RGSEL] (4 bit
field)
—
LPTMR Hardware trigger to TSI TSI triggering TSI selects HW
trigger
—
UART0 UART0_TX to Modulated by
TPM1 CH0
UART
modulation
SOPT5_UART0
TXSRC
—
UART0 UART0_TX to Modulated by
TPM2 CH0
UART
modulation
SOPT5_UART0
TXSRC
—
UART1 UART1_TX to Modulated by
TPM1 CH0
UART
modulation
SOPT5_UART1
TXSRC
—
UART1 UART1_TX to Modulated by
TPM2 CH0
UART
modulation
SOPT5_UART1
TXSRC
—
PIT TIF0 to DAC Advance DAC
FIFO
DAC HWTRG
Select
—
PIT TIF0 to DMA CH0 DMA HW
Trigger
DMA MUX
register option
—
PIT TIF1 to DMA CH1 DMA HW
Trigger
DMA MUX
register option
—
Chapter 3 Chip Configuration
KL25 Sub-Family Reference Manual, Rev. 3, September 2012
Freescale Semiconductor, Inc. 47

3.2.2 Analog reference options
Several analog blocks have selectable reference voltages as shown in the below table.
These options allow analog peripherals to share or have separate analog references. Care
should be taken when selecting analog references to avoid cross talk noise.
Table 3-2. Analog reference options
Module Reference option Comment/ Reference selection
16-bit SAR ADC 1 - VREFH
2 - VDDA
3 - Reserved
Selected by ADCx_SC2[REFSEL] bits
12-bit DAC 1 - VREFH
2 - VDDA1
Selected by DACx_C0[DACRFS] bit
CMP with 6-bit DAC Vin1 - VREFH
Vin2 - VDD1
Selected by CMPx_DACCR[VRSEL] bit
1. Use this option for the best ADC operation.
Core Modules
3.3.1 ARM Cortex-M0+ Core Configuration
This section summarizes how the module has been configured in the chip. Full
documentation for this module is provided by ARM and can be found at www.arm.com.
3.3
Core Modules
KL25 Sub-Family Reference Manual, Rev. 3, September 2012
48 Freescale Semiconductor, Inc.

ARM Cortex-M0+
Core
Debug Interrupts
Crossbar
switch
Figure 3-1. Core configuration
Table 3-3. Reference links to related information
Topic Related module Reference
Full description ARM Cortex-M0+ core,
r0p0
ARM Cortex-M0+ Technical Reference Manual, r0p0
System memory map System memory map
Clocking Clock distribution
Power management Power management
System/instruction/data
bus module
Crossbar switch Crossbar switch
Debug Serial Wire Debug
(SWD)
Debug
Interrupts Nested Vectored
Interrupt Controller
(NVIC)
NVIC
Miscellaneous Control
Module (MCM)
MCM
3.3.1.1 ARM Cortex M0+ Core
The ARM Cortex M0+ parameter settings are as follows:
Table 3-4. Table 3. ARM Cortex-M0+ parameter settings
Parameter Verilog Name Value Description
Arch Clock Gating ACG 1 = Present Implements architectural clock
gating
DAP Slave Port Support AHBSLV 1 Support any AHB debug
access port (like the CM4
DAP)
DAP ROM Table Base BASEADDR 0xF000_2003 Base address for DAP ROM
table
Table continues on the next page...
Chapter 3 Chip Configuration
KL25 Sub-Family Reference Manual, Rev. 3, September 2012
Freescale Semiconductor, Inc. 49

Table 3-4. Table 3. ARM Cortex-M0+ parameter settings (continued)
Parameter Verilog Name Value Description
Endianess BE 0 Little endian control for data
transfers
Breakpoints BKPT 2 Implements 2 breakpoints
Debug Support DBG 1 = Present
Halt Event Support HALTEV 1 = Present
I/O Port IOP 1 = Present Implements single-cycle ld/st
accesses to special addr
space
IRQ Mask Enable IRQDIS 0x00000000 Assume (for now) all 32 IRQs
are used (set if IRQ is
disabled)
Debug Port Protocol JTAGnSW 0 = SWD SWD protocol, not JTAG
Core Memory Protection MPU 0 = Absent No MPU
Number of IRQs NUMIRQ 32 Assume full NVIC request
vector
Reset all regs RAR 0 = Standard Do not force all registers to be
async reset
Multiplier SMUL 0 = Fast Mul Implements single-cycle
multiplier
Multi-drop Support SWMD 0 = Absent Do not include serial wire
support for multi-drop
System Tick Timer SYST 1 = Present Implements system tick timer
(for CM4 compatibility)
DAP Target ID TARGETID 0
User/Privileged USER 1 = Present Implements processor
operating modes
Vector Table Offset Register VTOR 1 = Present Implements relocation of
exception vector table
WIC Support WIC 1 = Present Implements WIC interface
WIC Requests WICLINES 34 Exact number of wakeup
IRQs is 34
Watchpoints WPT 2 Implements 2 watchpoints
For details on the ARM Cortex-M0+ processor core see the ARM website: arm.com.
3.3.1.2 Buses, Interconnects, and Interfaces
The ARM Cortex-M0+ core has two bus interfaces:
• single 32-bit AMBA-3 AHB-Lite system interface that provides connections to
peripherals and all system memory, which includes flash and RAM.
• single 32-bit I/O port bus interfacing to the GPIO with 1-cycle loads and stores.
Core Modules
KL25 Sub-Family Reference Manual, Rev. 3, September 2012
50 Freescale Semiconductor, Inc.

3.3.1.3 System Tick Timer
The CLKSOURCE bit in SysTick Control and Status register selects either the core clock
(when CLKSOURCE = 1) or a divide-by-16 of the core clock (when CLKSOURCE = 0).
Because the timing reference is a variable frequency, the TENMS bit in the SysTick
Calibration Value Register is always zero.
3.3.1.4 Debug Facilities
This device supports standard ARM 2-pin SWD debug port.
3.3.1.5 Core Privilege Levels
The Core on this device is implemented with both Privileged and Unprivileged levels.
The ARM documentation uses different terms than this document to distinguish between
privilege levels.
If you see this term... it also means this term...
Privileged Supervisor
Unprivileged or user User
3.3.2 Nested Vectored Interrupt Controller (NVIC) Configuration
This section summarizes how the module has been configured in the chip. Full
documentation for this module is provided by ARM and can be found at www.arm.com.
Nested Vectored
Interrupt Controller
(NVIC)
ARM Cortex-M0+
core
Interrupts Module
Module
Module
PPB
Figure 3-2. NVIC configuration
Table 3-5. Reference links to related information
Topic Related module Reference
Full description Nested Vectored
Interrupt Controller
(NVIC)
ARM Cortex-M0+ Technical Reference Manual
Table continues on the next page...
Chapter 3 Chip Configuration
KL25 Sub-Family Reference Manual, Rev. 3, September 2012
Freescale Semiconductor, Inc. 51

Table 3-5. Reference links to related information (continued)
Topic Related module Reference
System memory map System memory map
Clocking Clock distribution
Power management Power management
Private Peripheral Bus
(PPB)
ARM Cortex-M0+ core ARM Cortex-M0+ core
3.3.2.1 Interrupt priority levels
This device supports 4 priority levels for interrupts. Therefore, in the NVIC each source
in the IPR registers contains 2 bits. For example, IPR0 is shown below:
31 30 29 28 27 26 25 24 23 22 21 20 19 18 17 16 15 14 13 12 11 10 9 8 7 6 5 4 3 2 1 0
RIRQ3 000000IRQ2 000000IRQ1 0 0 0 0 0 0 IRQ0 0 0 0 0 0 0
W
3.3.2.2 Non-maskable interrupt
The non-maskable interrupt request to the NVIC is controlled by the external NMI signal.
The pin the NMI signal is multiplexed on, must be configured for the NMI function to
generate the non-maskable interrupt request.
3.3.2.3 Interrupt channel assignments
The interrupt vector assignments are defined in the following table.
• Vector number — the value stored on the stack when an interrupt is serviced.
• IRQ number — non-core interrupt source count, which is the vector number minus
16.
The IRQ number is used within ARM's NVIC documentation.
Table 3-7. Interrupt vector assignments
Address Vector IRQ1NVIC
IPR
register
number2
Source module Source description
ARM Core System Handler Vectors
Table continues on the next page...
Core Modules
KL25 Sub-Family Reference Manual, Rev. 3, September 2012
52 Freescale Semiconductor, Inc.

Table 3-7. Interrupt vector assignments (continued)
Address Vector IRQ1NVIC
IPR
register
number2
Source module Source description
0x0000_0000 0 — — ARM core Initial Stack Pointer
0x0000_0004 1 — — ARM core Initial Program Counter
0x0000_0008 2 — — ARM core Non-maskable Interrupt (NMI)
0x0000_000C 3 — — ARM core Hard Fault
0x0000_0010 4 — — — —
0x0000_0014 5 — — — —
0x0000_0018 6 — — — —
0x0000_001C 7 — — — —
0x0000_0020 8 — — — —
0x0000_0024 9 — — — —
0x0000_0028 10 — — — —
0x0000_002C 11 — — ARM core Supervisor call (SVCall)
0x0000_0030 12 — — — —
0x0000_0034 13 — — — —
0x0000_0038 14 — — ARM core Pendable request for system service
(PendableSrvReq)
0x0000_003C 15 — — ARM core System tick timer (SysTick)
Non-Core Vectors
0x0000_0040 16 0 0 DMA DMA channel 0 transfer complete and error
0x0000_0044 17 1 0 DMA DMA channel 1 transfer complete and error
0x0000_0048 18 2 0 DMA DMA channel 2 transfer complete and error
0x0000_004C 19 3 0 DMA DMA channel 3 transfer complete and error
0x0000_0050 20 4 1 — —
0x0000_0054 21 5 1 FTFA Command complete and read collision
0x0000_0058 22 6 1 PMC Low-voltage detect, low-voltage warning
0x0000_005C 23 7 1 LLWU Low Leakage Wakeup
0x0000_0060 24 8 2 I2C0
0x0000_0064 25 9 2 I2C1
0x0000_0068 26 10 2 SPI0 Single interrupt vector for all sources
0x0000_006C 27 11 2 SPI1 Single interrupt vector for all sources
0x0000_0070 28 12 3 UART0 Status and error
0x0000_0074 29 13 3 UART1 Status and error
0x0000_0078 30 14 3 UART2 Status and error
0x0000_007C 31 15 3 ADC0
0x0000_0080 32 16 4 CMP0
0x0000_0084 33 17 4 TPM0
0x0000_0088 34 18 4 TPM1
0x0000_008C 35 19 4 TPM2
Table continues on the next page...
Chapter 3 Chip Configuration
KL25 Sub-Family Reference Manual, Rev. 3, September 2012
Freescale Semiconductor, Inc. 53

Table 3-7. Interrupt vector assignments (continued)
Address Vector IRQ1NVIC
IPR
register
number2
Source module Source description
0x0000_0090 36 20 5 RTC Alarm interrupt
0x0000_0094 37 21 5 RTC Seconds interrupt
0x0000_0098 38 22 5 PIT Single interrupt vector for all channels
0x0000_009C 39 23 5 — —
0x0000_00A0 40 24 6 USB OTG
0x0000_00A4 41 25 6 DAC0
0x0000_00A8 42 26 6 TSI0
0x0000_00AC 43 27 6 MCG
0x0000_00B0 44 28 7 LPTMR0
0x0000_00B4 45 29 7 —
0x0000_00B8 46 30 7 Port control module Pin detect (Port A)
0x0000_00BC 47 31 7 Port control module Pin detect ( Port D )
1. Indicates the NVIC's interrupt source number.
2. Indicates the NVIC's IPR register number used for this IRQ. The equation to calculate this value is: IRQ div 4
3.3.2.3.1 Determining the bitfield and register location for configuring a
particular interrupt
Suppose you need to configure the SPI0 interrupt. The following table is an excerpt of the
SPI0 row from Interrupt priority levels.
Table 3-8. Interrupt vector assignments
Address Vector IRQ1NVIC IPR
register
number2
Source module Source description
0x0000_0068 26 10 2 SPI0 Single interrupt vector for all sources
1. Indicates the NVIC's interrupt source number.
2. Indicates the NVIC's IPR register number used for this IRQ. The equation to calculate this value is: IRQ div 4.
• The NVIC registers you would use to configure the interrupt are:
• NVICIPR2
• To determine the particular IRQ's bitfield location within these particular registers:
• NVICIPR2 bitfield starting location = 8 * (IRQ mod 4) + 6 = 22
Since the NVICIPR bitfields are 2-bit wide (4 priority levels), the NVICIPR2 bitfield
range is 22-23
Therefore, the following bitfield locations are used to configure the SPI0 interrupts:
Core Modules
KL25 Sub-Family Reference Manual, Rev. 3, September 2012
54 Freescale Semiconductor, Inc.

• NVICIPR2[23:22]
3.3.3 Asynchronous wake-up interrupt controller (AWIC)
configuration
This section summarizes how the module has been configured in the chip. Full
documentation for this module is provided by ARM and can be found at www.arm.com.
Asynchronous
Wake-up Interrupt
Controller (AWIC)
Nested vectored
interrupt controller
(NVIC)
Wake-up
requests
Module
Module
Clock logic
Figure 3-3. Asynchronous wake-up interrupt controller configuration
Table 3-9. Reference links to related information
Topic Related module Reference
System memory map System memory map
Clocking Clock distribution
Power management Power management
Nested vectored
interrupt controller
(NVIC)
NVIC
Wake-up requests AWIC wake-up sources
3.3.3.1 Wake-up sources
The device uses the following internal and external inputs to the AWIC module.
Table 3-10. AWIC stop wake-up sources
Wake-up source Description
Available system resets RESET pin when LPO is its clock source
Low-voltage detect Mode Controller
Low-voltage warning Mode Controller
Pin interrupts Port control module - Any enabled pin interrupt is capable of waking the system
ADC The ADC is functional when using internal clock source
Table continues on the next page...
Chapter 3 Chip Configuration
KL25 Sub-Family Reference Manual, Rev. 3, September 2012
Freescale Semiconductor, Inc. 55

Table 3-10. AWIC stop wake-up sources (continued)
Wake-up source Description
CMP0 Interrupt in normal or trigger mode
I2Cx Address match wakeup
UART0 Any interrupt provided clock remains enabled
UART1 and UART2 Active edge on RXD
RTC Alarm or seconds interrupt
TSI Any interrupt
NMI NMI pin
TPMx Any interrupt provided clock remains enabled
LPTMR Any interrupt provided clock remains enabled
SPI Slave mode interrupt
System Modules
3.4.1 SIM Configuration
This section summarizes how the module has been configured in the chip. For a
comprehensive description of the module itself, see the module’s dedicated chapter.
Register
access
Peripheral
bridge
System integration
module (SIM)
Figure 3-4. SIM configuration
Table 3-11. Reference links to related information
Topic Related module Reference
Full description SIM SIM
System memory map System memory map
Clocking Clock distribution
Power management Power management
3.4
System Modules
KL25 Sub-Family Reference Manual, Rev. 3, September 2012
56 Freescale Semiconductor, Inc.

3.4.2 System Mode Controller (SMC) Configuration
This section summarizes how the module has been configured in the chip. For a
comprehensive description of the module itself, see the module’s dedicated chapter.
Power Management
Controller (PMC)
Register
access
Peripheral
bridge
System Mode
Controller (SMC)
Resets
Figure 3-5. System Mode Controller configuration
Table 3-12. Reference links to related information
Topic Related module Reference
Full description System Mode
Controller (SMC)
SMC
System memory map System memory map
Power management Power management
Power management
controller (PMC)
PMC
Low-Leakage Wakeup
Unit (LLWU)
LLWU
Reset Control Module
(RCM)
Reset
3.4.2.1 VLLS2 not supported
VLLS2 power mode is not supported on this device.
3.4.3 PMC Configuration
This section summarizes how the module has been configured in the chip. For a
comprehensive description of the module itself, see the module’s dedicated chapter.
Chapter 3 Chip Configuration
KL25 Sub-Family Reference Manual, Rev. 3, September 2012
Freescale Semiconductor, Inc. 57

Register access
Power Management
Controller (PMC)
Module
signals
Peripheral
bridge
Module
signals
System Mode
Controller (SMC)
Low-Leakage
Wakeup Unit
Figure 3-6. PMC configuration
Table 3-13. Reference links to related information
Topic Related module Reference
Full description PMC PMC
System memory map System memory map
Power management Power management
Full description System Mode
Controller (SMC)
System Mode Controller
Low-Leakage Wakeup
Unit (LLWU)
LLWU
Reset Control Module
(RCM)
Reset
3.4.4 Low-Leakage Wake-up Unit (LLWU) Configuration
This section summarizes how the module has been configured in the chip. For a
comprehensive description of the module itself, see the module’s dedicated chapter.
System Modules
KL25 Sub-Family Reference Manual, Rev. 3, September 2012
58 Freescale Semiconductor, Inc.

Low-Leakage Wake-up
Unit (LLWU)
Power Management
Controller (PMC)
Peripheral
bridge 0
Register
access
Wake-up
requests
Module
Module
Figure 3-7. Low-Leakage Wake-up Unit configuration
Table 3-14. Reference links to related information
Topic Related module Reference
Full description LLWU LLWU
System memory map System memory map
Clocking Clock distribution
Power management Power management chapter
Power Management
Controller (PMC)
Power Management Controller (PMC)
System Mode
Controller (SMC)
System Mode Controller
Wake-up requests LLWU wake-up sources
3.4.4.1 LLWU interrupt
NOTE
Do not mask the LLWU interrupt when in LLS mode. Masking
the interrupt prevents the device from exiting stop mode when a
wakeup is detected.
3.4.4.2 Wake-up Sources
The device uses the following internal peripheral and external pin inputs as wakeup
sources to the LLWU module. LLWU_Px are external pin inputs, and LLWU_M0IF-
M7IF are connections to the internal peripheral interrupt flags.
NOTE
In addition to the LLWU wakeup sources, the device also
wakes from low power modes when NMI or RESET pins are
enabled and the respective pin is asserted.
Chapter 3 Chip Configuration
KL25 Sub-Family Reference Manual, Rev. 3, September 2012
Freescale Semiconductor, Inc. 59

Table 3-15. Wakeup Sources
LLWU pin Module source or pin name
LLWU_P5 PTB0
LLWU_P6 PTC1
LLWU_P7 PTC3
LLWU_P8 PTC4
LLWU_P9 PTC5
LLWU_P10 PTC6
LLWU_P14 PTD4
LLWU_P15 PTD6
LLWU_M0IF LPTMR0
LLWU_M1IF CMP0
LLWU_M2IF Reserved
LLWU_M3IF Reserved
LLWU_M4IF TSI0
LLWU_M5IF RTC Alarm
LLWU_M6IF Reserved
LLWU_M7IF RTC Seconds
3.4.5 MCM Configuration
This section summarizes how the module has been configured in the chip. For a
comprehensive description of the module itself, see the module’s dedicated chapter.
Miscellaneous
Control Module
(MCM)
Transfers
ARM Cortex-M0+
core
Flash Memory
Controller
Transfers
Figure 3-8. MCM configuration
Table 3-16. Reference links to related information
Topic Related module Reference
Full description Miscellaneous control
module (MCM)
MCM
System memory map System memory map
Clocking Clock distribution
Power management Power management
Private Peripheral Bus
(PPB)
ARM Cortex-M0+ core ARM Cortex-M0+ core
Table continues on the next page...
System Modules
KL25 Sub-Family Reference Manual, Rev. 3, September 2012
60 Freescale Semiconductor, Inc.

Table 3-16. Reference links to related information (continued)
Topic Related module Reference
Transfer Flash memory
controller
Flash memory controller
3.4.6 Crossbar-Light Switch Configuration
This section summarizes how the module has been configured in the chip. For a
comprehensive description of the module itself, see the module’s dedicated chapter.
Crossbar Switch
Slave Modules
Master Modules
M2 M0
S0
S2
ARM core
unified bus
DMA
Flash
controller
S1
SRAML
BME
Peripheral
bridge 0
GPIO
controller
SRAMU
Peripherals
USB
M3
Figure 3-9. Crossbar-Light switch integration
Table 3-17. Reference links to related information
Topic Related module Reference
Full description Crossbar switch Crossbar Switch
System memory map System memory map
Clocking Clock Distribution
Crossbar switch master ARM Cortex-M0+ core ARM Cortex-M0+ core
Crossbar switch master DMA controller DMA controller
Crossbar switch master USB FS/LS USB FS/LS
Crossbar switch slave Flash memory
controller
Flash memory controller
Crossbar switch slave SRAM controller SRAM configuration
Table continues on the next page...
Chapter 3 Chip Configuration
KL25 Sub-Family Reference Manual, Rev. 3, September 2012
Freescale Semiconductor, Inc. 61

Table 3-17. Reference links to related information (continued)
Topic Related module Reference
Crossbar switch slave Peripheral bridge Peripheral bridge
2-ported peripheral GPIO controller GPIO controleer
3.4.6.1 Crossbar-Light Switch Master Assignments
The masters connected to the crossbar switch are assigned as follows:
Master module Master port number
ARM core unified bus 0
DMA 2
USB OTG 3
3.4.6.2 Crossbar Switch Slave Assignments
This device contains 3 slaves connected to the crossbar switch.
The slave assignment is as follows:
Slave module Slave port number
Flash memory controller 0
SRAM controller 1
Peripheral bridge 0 2
3.4.7 Peripheral Bridge Configuration
This section summarizes how the module has been configured in the chip. For a
comprehensive description of the module itself, see the module’s dedicated chapter.
System Modules
KL25 Sub-Family Reference Manual, Rev. 3, September 2012
62 Freescale Semiconductor, Inc.

Peripherals
Transfers
AIPS-Lite
peripheral bridge
Transfers
Crossbar switch
Figure 3-10. Peripheral bridge configuration
Table 3-18. Reference links to related information
Topic Related module Reference
Full description Peripheral bridge
(AIPS-Lite)
Peripheral bridge (AIPS-Lite)
System memory map System memory map
Clocking Clock Distribution
Crossbar switch Crossbar switch Crossbar switch
3.4.7.1 Number of peripheral bridges
This device contains one peripheral bridge.
3.4.7.2 Memory maps
The peripheral bridges are used to access the registers of most of the modules on this
device. See AIPS0 Memory Map for the memory slot assignment for each module.
3.4.8 DMA request multiplexer configuration
This section summarizes how the module has been configured in the chip. For a
comprehensive description of the module itself, see the module’s dedicated chapter.
Chapter 3 Chip Configuration
KL25 Sub-Family Reference Manual, Rev. 3, September 2012
Freescale Semiconductor, Inc. 63

DMA Request
Multiplexer
DMA controller
Requests Module
Module
Module
Peripheral
bridge 0
Register
access
Channel
request
Figure 3-11. DMA request multiplexer configuration
Table 3-19. Reference links to related information
Topic Related module Reference
Full description DMA request
multiplexer
DMA Mux
System memory map System memory map
Clocking Clock distribution
Power management Power management
Channel request DMA controller DMA Controller
Requests DMA request sources
3.4.8.1 DMA MUX Request Sources
This device includes a DMA request mux that allows up to 63 DMA request signals to be
mapped to any of the 4 DMA channels. Because of the mux there is no hard correlation
between any of the DMA request sources and a specific DMA channel. Some of the
modules support Asynchronous DMA operation as indicated by the last column in the
following DMA source assignment table.
Table 3-20. DMA request sources - MUX 0
Source
number
Source module Source description Async DMA
capable
0 — Channel disabled1
1 Reserved Not used
2 UART0 Receive Yes
3 UART0 Transmit Yes
4 UART1 Receive
5 UART1 Transmit
6 UART2 Receive
7 UART2 Transmit
Table continues on the next page...
System Modules
KL25 Sub-Family Reference Manual, Rev. 3, September 2012
64 Freescale Semiconductor, Inc.

Table 3-20. DMA request sources - MUX 0 (continued)
Source
number
Source module Source description Async DMA
capable
8 Reserved —
9 Reserved —
10 Reserved —
11 Reserved —
12 Reserved —
13 Reserved —
14 Reserved —
15 Reserved —
16 SPI0 Receive
17 SPI0 Transmit
18 SPI1 Receive
19 SPI1 Transmit
20 Reserved —
21 Reserved —
22 I2C0 —
23 I2C1 —
24 TPM0 Channel 0 Yes
25 TPM0 Channel 1 Yes
26 TPM0 Channel 2 Yes
27 TPM0 Channel 3 Yes
28 TPM0 Channel 4 Yes
29 TPM0 Channel 5 Yes
30 Reserved —
31 Reserved —
32 TPM1 Channel 0 Yes
33 TPM1 Channel 1 Yes
34 TPM2 Channel 0 Yes
35 TPM2 Channel 1 Yes
36 Reserved —
37 Reserved —
38 Reserved —
39 Reserved —
40 ADC0 — Yes
41 Reserved —
42 CMP0 — Yes
43 Reserved —
44 Reserved —
45 DAC0 —
46 Reserved —
Table continues on the next page...
Chapter 3 Chip Configuration
KL25 Sub-Family Reference Manual, Rev. 3, September 2012
Freescale Semiconductor, Inc. 65

Table 3-20. DMA request sources - MUX 0 (continued)
Source
number
Source module Source description Async DMA
capable
47 Reserved —
48 Reserved —
49 Port control module Port A Yes
50 Reserved —
51 Reserved —
52 Port control module Port D Yes
53 Reserved —
54 TPM0 Overflow Yes
55 TPM1 Overflow Yes
56 TPM2 Overflow Yes
57 TSI — Yes
58 Reserved —
59 Reserved —
60 DMA MUX Always enabled
61 DMA MUX Always enabled
62 DMA MUX Always enabled
63 DMA MUX Always enabled
1. Configuring a DMA channel to select source 0 or any of the reserved sources disables that DMA channel.
3.4.8.2 DMA transfers via PIT trigger
The PIT module can trigger a DMA transfer on the first two DMA channels. The
assignments are detailed at PIT/DMA Periodic Trigger Assignments .
3.4.9 DMA Controller Configuration
This section summarizes how the module has been configured in the chip. For a
comprehensive description of the module itself, see the module’s dedicated chapter.
System Modules
KL25 Sub-Family Reference Manual, Rev. 3, September 2012
66 Freescale Semiconductor, Inc.

DMA Controller
Crossbar switch
Requests
Peripheral
bridge 0
Register
access
Transfers
DMA Multiplexer
Figure 3-12. DMA Controller configuration
Table 3-21. Reference links to related information
Topic Related module Reference
Full description DMA controller DMA controller
System memory map System memory map
Clocking Clock distribution
Power management Power management
Crossbar switch Crossbar switch Crossbar switch
Requests DMA request sources
3.4.10 Computer Operating Properly (COP) Watchdog
Configuration
This section summarizes how the module has been configured in the chip.
WDOG
Mode Controller
Peripheral
bridge 0
Register
access
Figure 3-13. COP watchdog configuration
Table 3-22. Reference links to related information
Topic Related module Reference
Clocking Clock distribution
Power management Power management
Table continues on the next page...
Chapter 3 Chip Configuration
KL25 Sub-Family Reference Manual, Rev. 3, September 2012
Freescale Semiconductor, Inc. 67

Table 3-22. Reference links to related information (continued)
Topic Related module Reference
Programming model System Integration
Module (SIM)
SIM
3.4.10.1 COP clocks
The two clock inputs for the COP are the 1 kHz clock and the bus clock.
3.4.10.2 COP watchdog operation
The COP watchdog is intended to force a system reset when the application software fails
to execute as expected. To prevent a system reset from the COP timer (when it is
enabled), application software must reset the COP counter periodically. If the application
program gets lost and fails to reset the COP counter before it times out, a system reset is
generated to force the system back to a known starting point.
After any reset, the COP watchdog is enabled. If the COP watchdog is not used in an
application, it can be disabled by clearing COPCTRL[COPT] in the SIM.
The COP counter is reset by writing 0x55 and 0xAA (in that order) to the address of the
SIM's Service COP (SRVCOP) register during the selected timeout period. Writes do not
affect the data in the SRVCOP register. As soon as the write sequence is complete, the
COP timeout period is restarted. If the program fails to perform this restart during the
timeout period, the microcontroller resets. Also, if any value other than 0x55 or 0xAA is
written to the SRVCOP register, the microcontroller immediately resets.
The SIM's COPCTRL[COPCLKS] field selects the clock source used for the COP timer.
The clock source options are either the bus clock or an internal 1 kHz clock source. With
each clock source, there are three associated timeouts controlled by COPCTRL[COPT].
The following table summarizes the control functions of the COPCLKS and COPT bits.
The COP watchdog defaults to operation from the 1 kHz clock source and the longest
timeout for that clock source (210 cycles).
Table 3-23. COP configuration options
Control Bits Clock Source COP Window Opens
(COPCTRL[COPW]=1)
COP Overflow Count
COPCTRL[COPCLKS] COPCTRL[COPT]
N/A 00 N/A N/A COP is disabled
0 01 1 kHz N/A 25 cycles (32 ms)
Table continues on the next page...
System Modules
KL25 Sub-Family Reference Manual, Rev. 3, September 2012
68 Freescale Semiconductor, Inc.

Table 3-23. COP configuration options (continued)
Control Bits Clock Source COP Window Opens
(COPCTRL[COPW]=1)
COP Overflow Count
COPCTRL[COPCLKS] COPCTRL[COPT]
0 10 1 kHz N/A 28 cycles (256 ms)
0 11 1 kHz N/A 210 cycles (1024 ms)
1 01 Bus 6,144 cycles 213 cycles
1 10 Bus 49,152 cycles 216 cycles
1 11 Bus 196,608 cycles 218 cycles
After the bus clock source is selected, windowed COP operation is available by setting
COPCTRL[COPW] in the SIM. In this mode, writes to the SRVCOP register to clear the
COP timer must occur in the last 25% of the selected timeout period. A premature write
immediately resets the chip. When the 1 kHz clock source is selected, windowed COP
operation is not available.
The COP counter is initialized by the first writes to the SIM's COPCTRL register and
after any system reset. Subsequent writes to the SIM's COPCTRL register have no effect
on COP operation. Even if an application uses the reset default settings of the COPT,
COPCLKS, and COPW bits, the user should write to the write-once COPCTRL register
during reset initialization to lock in the settings. This approach prevents accidental
changes if the application program becomes lost.
The write to the SRVCOP register that services (clears) the COP counter should not be
placed in an interrupt service routine (ISR) because the ISR could continue to be
executed periodically even if the main application program fails.
If the bus clock source is selected, the COP counter does not increment while the
microcontroller is in debug mode or while the system is in stop (including VLPS or LLS)
mode. The COP counter resumes when the microcontroller exits debug mode or stop
mode.
If the 1 kHz clock source is selected, the COP counter is re-initialized to zero upon entry
to either debug mode or stop (including VLPS or LLS) mode. The counter begins from
zero upon exit from debug mode or stop mode.
Regardless of the clock selected, the COP is disabled when the chip enters a VLLSx
mode. Upon a reset that wakes the chip from the VLLSx mode, the COP is re-initialized
and enabled as for any reset.
Chapter 3 Chip Configuration
KL25 Sub-Family Reference Manual, Rev. 3, September 2012
Freescale Semiconductor, Inc. 69

3.4.10.3 Clock Gating
This family of devices includes clock gating control for each peripheral, that is, the clock
to each peripheral can explicitly be gated on or off, using clock-gate control bits in the
SIM module.
Clock Modules
3.5.1 MCG Configuration
This section summarizes how the module has been configured in the chip. For a
comprehensive description of the module itself, see the module’s dedicated chapter.
Register
access
Peripheral
bridge
Multipurpose Clock
Generator (MCG)
System
oscillator
System integration
module (SIM)
Figure 3-14. MCG configuration
Table 3-24. Reference links to related information
Topic Related module Reference
Full description MCG MCG
System memory map System memory map
Clocking Clock distribution
Power management Power management
Signal multiplexing Port control Signal multiplexing
3.5.1.1 MCG FLL modes
On L-series devices the MCGFLLCLK frequency is limited to 48 MHz max. The DCO is
limited to the two lowest range settings (MCG_C4[DRST_DRS] must be set to either
0b00 or 0b01).
3.5
Clock Modules
KL25 Sub-Family Reference Manual, Rev. 3, September 2012
70 Freescale Semiconductor, Inc.

3.5.2 OSC Configuration
This section summarizes how the module has been configured in the chip. For a
comprehensive description of the module itself, see the module’s dedicated chapter.
Signal multiplexing
Register
access
Peripheral
bridge
System oscillator
MCG
Module signals
RTC
Figure 3-15. OSC configuration
Table 3-25. Reference links to related information
Topic Related module Reference
Full description OSC OSC
System memory map System memory map
Clocking Clock distribution
Power management Power management
Signal multiplexing Port control Signal multiplexing
Full description MCG MCG
3.5.2.1 OSC modes of operation with MCG and RTC
The most common method of controlling the OSC block is through MCG clock source
selection MCG_C1[CLKS] and the MCG_C2 register bits to configure the oscillator
frequency range, gain-mode, and for crystal or external clock operation. The OSC_CR
also provides control for enabling the OSC and configuring internal load capacitors for
the EXTAL and XTAL pins. See the OSC and MCG chapters for more details.
The RTC_CR[OSCE] bit has overriding control over the MCG and OSC_CR enable
functions. When RTC_CR[OSCE] is set, the OSC is configured for low frequency, low
power and the RTC_CR[SCxP] bits override the OSC_CR[SCxP] bits to control the
internal capacitance configuration. See the RTC chapter for more details.
Chapter 3 Chip Configuration
KL25 Sub-Family Reference Manual, Rev. 3, September 2012
Freescale Semiconductor, Inc. 71

Memories and Memory Interfaces
3.6.1 Flash Memory Configuration
This section summarizes how the module has been configured in the chip. For a
comprehensive description of the module itself, see the module’s dedicated chapter.
Register
access
Flash memory
Transfers
Flash memory
controller
Peripheral bus
controller 0
Figure 3-16. Flash memory configuration
Table 3-26. Reference links to related information
Topic Related module Reference
Full description Flash memory Flash memory
System memory map System memory map
Clocking Clock Distribution
Transfers Flash memory
controller
Flash memory controller
Register access Peripheral bridge Peripheral bridge
3.6.1.1 Flash Memory Sizes
The devices covered in this document contain 1 program flash block consisting of 1 KB
sectors.
The amounts of flash memory for the devices covered in this document are:
Table 3-27. KL25 flash memory size
Device Program flash (KB) Block 0 (P-Flash) address range
MKL25Z32VFM4 32 0x0000_0000 – 0x0000_7FFF
MKL25Z64VFM4 64 0x0000_0000 – 0x0000_FFFF
Table continues on the next page...
3.6
Memories and Memory Interfaces
KL25 Sub-Family Reference Manual, Rev. 3, September 2012
72 Freescale Semiconductor, Inc.

Table 3-27. KL25 flash memory size (continued)
Device Program flash (KB) Block 0 (P-Flash) address range
MKL25Z128VFM4 128 0x0000_0000 – 0x0001_FFFF
MKL25Z32VFT4 32 0x0000_0000 – 0x0000_7FFF
MKL25Z64VFT4 64 0x0000_0000 – 0x0000_FFFF
MKL25Z128VFT4 128 0x0000_0000 – 0x0001_FFFF
MKL25Z32VLH4 32 0x0000_0000 – 0x0000_7FFF
MKL25Z64VLH4 64 0x0000_0000 – 0x0000_FFFF
MKL25Z128VLH4 128 0x0000_0000 – 0x0001_FFFF
MKL25Z32VLK4 32 0x0000_0000 – 0x0000_7FFF
MKL25Z64VLK4 64 0x0000_0000 – 0x0000_FFFF
MKL25Z128VLK4 128 0x0000_0000 – 0x0001_FFFF
3.6.1.2 Flash Memory Map
The flash memory and the flash registers are located at different base addresses as shown
in the following figure. The base address for each is specified in System memory map.
Program flash
Flash configuration field
Program flash base address
Flash memory base address
Registers
Figure 3-17. Flash memory map
The on-chip Flash is implemented in a portion of the allocated Flash range to form a
contiguous block in the memory map beginning at address 0x0000_0000. See Flash
Memory Sizes for details of supported ranges.
Accesses to the flash memory ranges outside the amount of Flash on the device causes
the bus cycle to be terminated with an error followed by the appropriate response in the
requesting bus master. Read collision events in which flash memory is accessed while a
flash memory resource is being manipulated by a flash command also generates a bus
error response.
3.6.1.3 Flash Security
How flash security is implemented on this device is described in Chip Security.
Chapter 3 Chip Configuration
KL25 Sub-Family Reference Manual, Rev. 3, September 2012
Freescale Semiconductor, Inc. 73

3.6.1.4 Flash Modes
The flash memory chapter defines two modes of operation - NVM normal and NVM
special modes. On this device, The flash memory only operates in NVM normal mode.
All references to NVM special mode should be ignored.
3.6.1.5 Erase All Flash Contents
In addition to software, the entire flash memory may be erased external to the flash
memory via the SW-DP debug port by setting MDM-AP CONTROL[0]. MDM-AP
STATUS[0] is set to indicate the mass erase command has been accepted. MDM-AP
STATUS[0] is cleared when the mass erase completes.
3.6.1.6 FTFA_FOPT Register
The flash memory's FTFA_FOPT register allows the user to customize the operation of
the MCU at boot time. See FOPT boot options for details of its definition.
3.6.2 Flash Memory Controller Configuration
This section summarizes how the module has been configured in the chip. For a
comprehensive description of the module itself, see the module’s dedicated chapter.
See MCM_PLACR register description for details on the reset configuration of the FMC.
Memories and Memory Interfaces
KL25 Sub-Family Reference Manual, Rev. 3, September 2012
74 Freescale Semiconductor, Inc.

Flash memory
controller
Transfers Transfers
Flash memory
Crossbar switch
MCM
Figure 3-18. Flash memory controller configuration
Table 3-28. Reference links to related information
Topic Related module Reference
Full description Flash memory
controller
Flash memory controller
System memory map System memory map
Clocking Clock Distribution
Transfers Flash memory Flash memory
Transfers Crossbar switch Crossbar Switch
Register access MCM MCM
3.6.3 SRAM Configuration
This section summarizes how the module has been configured in the chip.
SRAM upper
Transfers
Cortex-M0+
core switch
SRAM lower
crossbar
SRAM
controller
Figure 3-19. SRAM configuration
Table 3-29. Reference links to related information
Topic Related module Reference
Full description SRAM SRAM
System memory map System memory map
Clocking Clock Distribution
ARM Cortex-M0+ core ARM Cortex-M0+ core
Chapter 3 Chip Configuration
KL25 Sub-Family Reference Manual, Rev. 3, September 2012
Freescale Semiconductor, Inc. 75

3.6.3.1 SRAM Sizes
This device contains SRAM which could be accessed by bus masters through the cross-
bar switch. The amount of SRAM for the devices covered in this document is shown in
the following table.
Table 3-30. KL25 SRAM memory size
Device SRAM (KB)
MKL25Z32VFM4 4
MKL25Z64VFM4 8
MKL25Z128VFM4 16
MKL25Z32VFT4 4
MKL25Z64VFT4 8
MKL25Z128VFT4 16
MKL25Z32VLH4 4
MKL25Z64VLH4 8
MKL25Z128VLH4 16
MKL25Z32VLK4 4
MKL25Z64VLK4 8
MKL25Z128VLK4 16
3.6.3.2 SRAM Ranges
The on-chip SRAM is split into two ranges, 1/4 is allocated SRAM_L and 3/4 is allocated
to SRAM_U.
The on-chip RAM is implemented such that the SRAM_L and SRAM_U ranges form a
contiguous block in the memory map. As such:
• SRAM_L is anchored to 0x1FFF_FFFF and occupies the space before this ending
address.
• SRAM_U is anchored to 0x2000_0000 and occupies the space after this beginning
address.
Valid address ranges for SRAM_L and SRAM_U are then defined as:
• SRAM_L = [0x2000_0000–(SRAM_size/4)] to 0x1FFF_FFFF
• SRAM_U = 0x2000_0000 to [0x2000_0000+(SRAM_size*(3/4))-1]
This is illustrated in the following figure.
Memories and Memory Interfaces
KL25 Sub-Family Reference Manual, Rev. 3, September 2012
76 Freescale Semiconductor, Inc.

SRAM_U
0x2000_0000
SRAM size *(1/4)
SRAM_L
0x1FFF_FFFF
SRAM size * (3/4)
0x2000_0000 – SRAM_size/4
0x2000_0000 + SRAM_size(3/4) - 1
Figure 3-20. SRAM blocks memory map
For example, for a device containing 16 KB of SRAM the ranges are:
• SRAM_L: 0x1FFF_F000 – 0x1FFF_FFFF
• SRAM_U: 0x2000_0000 – 0x2000_2FFF
3.6.3.3 SRAM retention in low power modes
The SRAM is retained down to VLLS3 mode. In VLLS1 and VLLS0 no SRAM is
retained.
Analog
3.7.1 16-bit SAR ADC Configuration
This section summarizes how the module has been configured in the chip. For a
comprehensive description of the module itself, see the module’s dedicated chapter.
3.7
Chapter 3 Chip Configuration
KL25 Sub-Family Reference Manual, Rev. 3, September 2012
Freescale Semiconductor, Inc. 77

Signal multiplexing
Module signals
Register
access
16-bit SAR ADC
Peripheral bus
controller 0
Other peripherals
Figure 3-21. 16-bit SAR ADC configuration
Table 3-31. Reference links to related information
Topic Related module Reference
Full description 16-bit SAR ADC 16-bit SAR ADC
System memory map System memory map
Clocking Clock distribution
Power management Power management
Signal multiplexing Port control Signal multiplexing
3.7.1.1 ADC Instantiation Information
This device contains one 16 -bit successive approximation ADC with up to 16-channel.
The ADC supports both software and hardware triggers. The hardware trigger sources are
listed in the Module-to-Module section.
The number of ADC channels present on the device is determined by the pinout of the
specific device package and is shown in the following table.
Table 3-32. Number of KL25 ADC channels
Device Number of ADC channels
MKL25Z32VFM4 7
MKL25Z64VFM4 7
MKL25Z128VFM4 7
MKL25Z32VFT4 13
MKL25Z64VFT4 13
MKL25Z128VFT4 13
MKL25Z32VLH4 14
MKL25Z64VLH4 14
MKL25Z128VLH4 14
MKL25Z32VLK4 14
Table continues on the next page...
Analog
KL25 Sub-Family Reference Manual, Rev. 3, September 2012
78 Freescale Semiconductor, Inc.

Table 3-32. Number of KL25 ADC channels (continued)
Device Number of ADC channels
MKL25Z64VLK4 14
MKL25Z128VLK4 14
3.7.1.2 DMA Support on ADC
Applications may require continuous sampling of the ADC that may have considerable
load on the CPU. The ADC supports DMA request functionality for higher performance
when the ADC is sampled at a very high rate. The ADC can trigger the DMA (via DMA
req) on conversion completion.
3.7.1.3 ADC0 Connections/Channel Assignment
NOTE
As indicated by the following sections, each ADCx_DPx input
and certain ADCx_DMx inputs may operate as single-ended
ADC channels in single-ended mode.
3.7.1.3.1 ADC0 Channel Assignment
ADC Channel
(SC1n[ADCH]) Channel Input signal
(SC1n[DIFF]= 1) Input signal
(SC1n[DIFF]= 0)
00000 DAD0 ADC0_DP0 and ADC0_DM0 ADC0_DP0/ADC0_SE0
00001 DAD1 ADC0_DP1 and ADC0_DM1 ADC0_DP1/ADC0_SE1
00010 DAD2 ADC0_DP2 and ADC0_DM2 ADC0_DP2/ADC0_SE2
00011 DAD3 ADC0_DP3 and ADC0_DM3 ADC0_DP3/ADC0_SE3
001001AD4a Reserved ADC0_DM0/ADC0_SE4a
001011AD5a Reserved ADC0_DM1/ADC0_SE5a
001101AD6a Reserved ADC0_DM2/ADC0_SE6a
001111AD7a Reserved ADC0_DM3/ADC0_SE7a
001001AD4b Reserved ADC0_SE4b
001011AD5b Reserved ADC0_SE5b
001101AD6b Reserved ADC0_SE6b
001111AD7b Reserved ADC0_SE7b
01000 AD8 Reserved ADC0_SE8
01001 AD9 Reserved ADC0_SE9
01010 AD10 Reserved Reserved
Table continues on the next page...
Chapter 3 Chip Configuration
KL25 Sub-Family Reference Manual, Rev. 3, September 2012
Freescale Semiconductor, Inc. 79

ADC Channel
(SC1n[ADCH]) Channel Input signal
(SC1n[DIFF]= 1) Input signal
(SC1n[DIFF]= 0)
01011 AD11 Reserved ADC0_SE11
01100 AD12 Reserved ADC0_SE12
01101 AD13 Reserved ADC0_SE13
01110 AD14 Reserved ADC0_SE14
01111 AD15 Reserved ADC0_SE15
10000 AD16 Reserved Reserved
10001 AD17 Reserved Reserved
10010 AD18 Reserved Reserved
10011 AD19 Reserved Reserved
10100 AD20 Reserved Reserved
10101 AD21 Reserved Reserved
10110 AD22 Reserved Reserved
10111 AD23 Reserved 12-bit DAC0 Output/
ADC0_SE23
11000 AD24 Reserved Reserved
11001 AD25 Reserved Reserved
11010 AD26 Temperature Sensor (Diff) Temperature Sensor (S.E)
11011 AD27 Bandgap (Diff)2Bandgap (S.E)2
11100 AD28 Reserved Reserved
11101 AD29 -VREFH (Diff) VREFH (S.E)
11110 AD30 Reserved VREFL
11111 AD31 Module Disabled Module Disabled
1. ADCx_CFG2[MUXSEL] bit selects between ADCx_SEn channels a and b. Refer to MUXSEL description in ADC chapter
for details.
2. This is the PMC bandgap 1V reference voltage. Prior to reading from this ADC channel, ensure that you enable the
bandgap buffer by setting the PMC_REGSC[BGBE] bit. Refer to the device data sheet for the bandgap voltage (VBG)
specification.
3.7.1.4 ADC Analog Supply and Reference Connections
This device includes dedicated VDDA and VSSA pins.
This device contains separate VREFH and VREFL pins on 48-pin and higher devices.
These pins are internally connected to VDDA and VSSA respectively, on 32-pin devices.
3.7.1.5 ADC Reference Options
The ADC supports the following references:
• VREFH/VREFL - connected as the primary reference option
• VDDA - connected as the VALT reference option
Analog
KL25 Sub-Family Reference Manual, Rev. 3, September 2012
80 Freescale Semiconductor, Inc.

3.7.2 CMP Configuration
This section summarizes how the module has been configured in the chip. For a
comprehensive description of the module itself, see the module’s dedicated chapter.
Signal multiplexing
Module signals
Register
access
CMP
Peripheral
bridge 0
Other peripherals
Figure 3-22. CMP configuration
Table 3-33. Reference links to related information
Topic Related module Reference
Full description Comparator (CMP) Comparator
System memory map System memory map
Clocking Clock distribution
Power management Power management
Signal multiplexing Port control Signal multiplexing
3.7.2.1 CMP Instantiation Information
The device includes one high speed comparator and two 8-input multiplexors for both the
inverting and non-inverting inputs of the comparator. Each CMP input channel connects
to both muxes. Two of the channels are connected to internal sources, leaving resources
to support up to 6 input pins. See the channel assignment table for a summary of CMP
input connections for this device.
The CMP also includes one 6-bit DAC with a 64-tap resistor ladder network, which
provides a selectable voltage reference for applications where voltage reference is needed
for internal connection to the CMP.
The CMP can be optionally on in all modes except VLLS0.
The CMP has several module to module interconnects in order to facilitate ADC
triggering, TPM triggering and UART IR interfaces. For complete details on the CMP
module interconnects please refer to the Module-to-Module section.
Chapter 3 Chip Configuration
KL25 Sub-Family Reference Manual, Rev. 3, September 2012
Freescale Semiconductor, Inc. 81

The CMP does not support window compare function and CMP_CR1[WE] must always
be written to 0. The sample function has limited functionality since the SAMPLE input to
the block is not connected to a valid input. Usage of sample operation is limited to a
divided version of the bus clock (CMP_CR1[SE] = 0).
Due to the pin number limitation, the CMP pass through mode is not supported by this
device, so the CMPx_MUXCR[PSTM] must be left as 0.
3.7.2.2 CMP input connections
The following table shows the fixed internal connections to the CMP.
Table 3-34. CMP input connections
CMP Inputs CMP0
IN0 CMP0_IN0
IN1 CMP0_IN1
IN2 CMP0_IN2
IN3 CMP0_IN3
IN4 12-bit DAC0 reference/ CMP0_IN4
IN5 CMP0_IN5
IN6 Bandgap1
IN7 6-bit DAC0 reference
1. This is the PMC bandgap 1V reference voltage. Prior to using as CMP input, ensure that you enable the bandgap buffer by
setting the PMC_REGSC[BGBE] bit. Refer to the device data sheet for the bandgap voltage (VBG) specification.
3.7.2.3 CMP external references
The 6-bit DAC sub-block supports selection of two references. For this device, the
references are connected as follows:
• VREFH - Vin1 input. When using VREFH, any ADC conversion using this same
reference at the same time is negatively impacted.
• VDD - Vin2 input
3.7.2.4 CMP trigger mode
The CMP and 6-bit DAC sub-block supports trigger mode operation when the
CMP_CR1[TRIGM] is set. When trigger mode is enabled, the trigger event will initiate a
compare sequence that must first enable the CMP and DAC prior to performing a CMP
operation and capturing the output. In this device, control for this two staged sequencing
Analog
KL25 Sub-Family Reference Manual, Rev. 3, September 2012
82 Freescale Semiconductor, Inc.

is provided from the LPTMR. The LPTMR triggering output is always enabled when the
LPTMR is enabled. The first signal is supplied to enable the CMP and DAC and is
asserted at the same time as the TCF flag is set. The delay to the second signal that
triggers the CMP to capture the result of the compare operation is dependent on the
LPTMR configuration. In Time Counter mode with prescaler enabled, the delay is 1/2
Prescaler output period. In Time Counter mode with prescaler bypassed, the delay is 1/2
Prescaler clock period.
The delay between the first signal from LPTMR and the second signal from LPTMR
must be greater than the Analog comparator initialization delay as defined in the device
datasheet.
3.7.3 12-bit DAC Configuration
This section summarizes how the module has been configured in the chip. For a
comprehensive description of the module itself, see the module’s dedicated chapter.
Signal multiplexing
Module signals
Register
access
12-bit DAC
Peripheral bus
controller 0
Other peripherals
Figure 3-23. 12-bit DAC configuration
Table 3-35. Reference links to related information
Topic Related module Reference
Full description 12-bit DAC 12-bit DAC
System memory map System memory map
Clocking Clock distribution
Power management Power management
Signal multiplexing Port control Signal multiplexing
3.7.3.1 12-bit DAC Instantiation Information
This device contains one 12-bit digital-to-analog converter (DAC) with programmable
reference generator output. The DAC includes a two word FIFO for DMA support.
Chapter 3 Chip Configuration
KL25 Sub-Family Reference Manual, Rev. 3, September 2012
Freescale Semiconductor, Inc. 83

3.7.3.2 12-bit DAC Output
The output of the DAC can be placed on an external pin or selected as an input to the
analog comparator or ADC.
3.7.3.3 12-bit DAC Analog Supply and Reference Connections
This device includes dedicated VDDA and VSSA pins.
This device contains separate VREFH and VREFL pins on 48-pin and higher devices.
These pins are internally connected to VDDA and VSSA respectively, on 32-pin devices.
3.7.3.4 12-bit DAC Reference
For this device VREFH and VDDA are selectable as the DAC reference. VREFH is
connected to the DACREF_1 input and VDDA is connected to the DACREF_2 input.
Use DACx_C0[DACRFS] control bit to select between these two options.
Be aware that if the DAC and ADC use the same reference simultaneously, some
degradation of ADC accuracy is to be expected due to DAC switching.
Timers
3.8.1 Timer/PWM Module Configuration
This section summarizes how the module has been configured in the chip. For a
comprehensive description of the module itself, see the module’s dedicated chapter.
3.8
Timers
KL25 Sub-Family Reference Manual, Rev. 3, September 2012
84 Freescale Semiconductor, Inc.

Signal multiplexing
Module signals
Register
access
TPM
Peripheral bus
controller 0
Other peripherals
Figure 3-24. TPM configuration
Table 3-36. Reference links to related information
Topic Related module Reference
Full description Timer/PWM Module Timer/PWM Module
System memory map System memory map
Clocking Clock distribution
Power management Power management
Signal multiplexing Port control Signal multiplexing
3.8.1.1 TPM Instantiation Information
This device contains three Low Power TPM modules (TPM). All TPM modules in the
device only are configured as basic TPM function, and no quadrature decoder function
and all can be functional in Stop/VLPS mode. The clock source is either external or
internal in Stop/VLPS mode.
The following table shows how these modules are configured.
Table 3-37. TPM configuration
TPM instance Number of channels Features/usage
TPM0 6 Basic TPM,functional in Stop/VLPS mode
TPM1 2 Basic TPM,functional in Stop/VLPS mode
TPM2 2 Basic TPM,functional in Stop/VLPS mode
There are several connections to and from the TPMs in order to facilitate customer use
cases. For complete details on the TPM module interconnects please refer to the Module-
to-Module section.
Chapter 3 Chip Configuration
KL25 Sub-Family Reference Manual, Rev. 3, September 2012
Freescale Semiconductor, Inc. 85

3.8.1.2 Clock Options
The TPM blocks are clocked from a single TPM clock that can be selected from
OSCERCLK, MCGIRCLK, MCGPLLCLK/2, or MCGFLLCLK. The selected source is
controlled by SIM_SOPT2[TPMSRC] and SIM_SOPT2[PLLFLLSEL]control registers.
Each TPM also supports an external clock mode (TPM_SC[CMOD]=1x) in which the
counter increments after a synchronized (to the selected TPM clock source) rising edge
detect of an external clock input. The available external clock (either TPM_CLKIN0 or
TPM_CLKIN1) is selected by SIM_SOPT4[TPMxCLKSEL] control register. To
guarantee valid operation the selected external clock must be less than half the frequency
of the selected TPM clock source.
3.8.1.3 Trigger Options
Each TPM has a selectable trigger input source controlled by the
TPMx_CONF[TRGSEL] field to use for starting the counter and/or reloading the
counter. The options available are shown in the following table.
Table 3-38. TPM trigger options
TPMx_CONF[TRGSEL] Selected source
0000 External trigger pin input (EXTRG_IN)
0001 CMP0 output
0010 Reserved
0011 Reserved
0100 PIT trigger 0
0101 PIT trigger 1
0110 Reserved
0111 Reserved
1000 TPM0 overflow
1001 TPM1 overflow
1010 TPM2 overflow
1011 Reserved
1100 RTC alarm
1101 RTC seconds
1110 LPTMR trigger
1111 Reserved
Timers
KL25 Sub-Family Reference Manual, Rev. 3, September 2012
86 Freescale Semiconductor, Inc.

3.8.1.4 Global Timebase
Each TPM has a global timebase feature controlled by the TPMx_CONF[GTBEEN] bit.
TPM1 is configured as the global time when this option is enabled.
3.8.1.5 TPM Interrupts
The TPM has multiple sources of interrupt. However, these sources are OR'd together to
generate a single interrupt request to the interrupt controller. When an TPM interrupt
occurs, read the TPM status registers to determine the exact interrupt source.
3.8.2 PIT Configuration
This section summarizes how the module has been configured in the chip. For a
comprehensive description of the module itself, see the module’s dedicated chapter.
Register
access
Peripheral
bridge
Periodic interrupt
timer
Figure 3-25. PIT configuration
Table 3-39. Reference links to related information
Topic Related module Reference
Full description PIT PIT
System memory map System memory map
Clocking Clock Distribution
Power management Power management
3.8.2.1 PIT/DMA Periodic Trigger Assignments
The PIT generates periodic trigger events to the DMA channel mux as shown in the table
below.
Chapter 3 Chip Configuration
KL25 Sub-Family Reference Manual, Rev. 3, September 2012
Freescale Semiconductor, Inc. 87

Table 3-40. PIT channel assignments for periodic DMA triggering
PIT Channel DMA Channel Number
PIT Channel 0 DMA Channel 0
PIT Channel 1 DMA Channel 1
3.8.2.2 PIT/ADC Triggers
PIT triggers are selected as ADCx trigger sources using the SOPT7[ADCxTRGSEL] bits
in the SIM module. For more details, refer to SIM chapter.
3.8.2.3 PIT/TPM Triggers
PIT triggers are selected as TPMx trigger sources using the TPMx_CONF[TRGSEL] bits
in the TPM module. For more details, refer to TPM chapter.
3.8.2.4 PIT/DAC Triggers
PIT Channel 0 is configured as the DAC hardware trigger source. For more details, refer
to DAC chapter.
3.8.3 Low-power timer configuration
Signal multiplexing
Register
access
Peripheral
bridge
Module signals
Low-power timer
Figure 3-26. LPT configuration
Table 3-41. Reference links to related information
Topic Related module Reference
Full description Low-power timer Low-power timer
Table continues on the next page...
Timers
KL25 Sub-Family Reference Manual, Rev. 3, September 2012
88 Freescale Semiconductor, Inc.

Table 3-41. Reference links to related information (continued)
Topic Related module Reference
System memory map System memory map
Clocking Clock Distribution
Power management Power management
Signal Multiplexing Port control Signal Multiplexing
3.8.3.1 LPTMR Instantiation Information
The low-power timer (LPTMR) allows operation during all power modes. The LPTMR
can operate as a real-time interrupt or pulse accumulator. It includes a 15-bit prescaler
(real-time interrupt mode) or glitch filter (pulse accumulator mode).
The LPTMR can be clocked from the internal reference clock, the internal 1 kHz LPO,
OSCERCLK, or an external 32.768 kHz crystal. In VLLS0 mode, the clocking option is
limited to an external pin with the OSC configured for bypass (external clock) operation.
An interrupt is generated (and the counter may reset) when the counter equals the value
in the 16-bit compare register.
3.8.3.2 LPTMR pulse counter input options
The LPTMR_CSR[TPS] bitfield configures the input source used in pulse counter mode.
The following table shows the chip-specific input assignments for this bitfield.
LPTMR_CSR[TPS] Pulse counter input number Chip input
00 0 CMP0 output
01 1 LPTMR_ALT1 pin
10 2 LPTMR_ALT2 pin
11 3 LPTMR_ALT3 pin
3.8.3.3 LPTMR prescaler/glitch filter clocking options
The prescaler and glitch filter of the LPTMR module can be clocked from one of four
sources determined by the LPTMR0_PSR[PCS] bitfield. The following table shows the
chip-specific clock assignments for this bitfield.
Chapter 3 Chip Configuration
KL25 Sub-Family Reference Manual, Rev. 3, September 2012
Freescale Semiconductor, Inc. 89

NOTE
The chosen clock must remain enabled if the LPTMR is to
continue operating in all required low-power modes.
LPTMR0_PSR[PCS] Prescaler/glitch filter clock
number Chip clock
00 0 MCGIRCLK — internal reference clock
(not available in LLS and VLLS modes)
01 1 LPO — 1 kHz clock (not available in
VLLS0 mode)
10 2 ERCLK32K (not available in VLLS0
mode when using 32 kHz oscillator)
11 3 OSCERCLK — external reference clock
(not available in VLLS0 mode)
See Clock Distribution for more details on these clocks.
3.8.4 RTC configuration
This section summarizes how the module has been configured in the chip. For a
comprehensive description of the module itself, see the module’s dedicated chapter.
Signal multiplexing
Register
access
Peripheral
bridge
Module signals
Real-time clock
Figure 3-27. RTC configuration
Table 3-42. Reference links to related information
Topic Related module Reference
Full description RTC RTC
System memory map System memory map
Clocking Clock Distribution
Power management Power management
Timers
KL25 Sub-Family Reference Manual, Rev. 3, September 2012
90 Freescale Semiconductor, Inc.

3.8.4.1 RTC Instantiation Information
RTC prescaler is clocked by ERCLK32K.
RTC is reset on POR Only.
RTC_CR[OSCE] can override the configuration of the System OSC, configuring the
OSC for 32kHz crystal operation in all power modes (except VLLS0) and through any
System Reset. When OSCE is enabled, the RTC also overrides the capacitor
configurations.
3.8.4.2 RTC_CLKOUT options
RTC_CLKOUT pin can be driven either with the RTC 1 Hz output or with the
OSCERCLK on-chip clock source. Control for this option is through
SIM_SOPT2[RTCCLKOUTSEL] bit.
When RTCCLKOUTSEL=0, the RTC 1 Hz clock is output is selected on the
RTC_CLKOUT pin. When RTCCLKOUTSEL=1, OSCERCLK clock is output on the
RTC_CLKOUT pin.
Communication interfaces
3.9.1 Universal Serial Bus (USB) FS Subsystem
The USB FS subsystem includes these components:
• Dual-role USB OTG-capable (On-The-Go) controller that supports a full-speed (FS)
device or FS/LS host. The module complies with the USB 2.0 specification.
• USB transceiver that includes internal 15 kΩ pulldowns on the D+ and D- lines for
host mode functionality.
• A 3.3 V regulator.
• VBUS detect signal: To detect a valid VBUS in device mode, use a GPIO signal that
can wake the chip in all power modes.
3.9
Chapter 3 Chip Configuration
KL25 Sub-Family Reference Manual, Rev. 3, September 2012
Freescale Semiconductor, Inc. 91

USB controller
FS/LS
transceiver
USB voltage
regulator
D+ D-
VREGIN VOUT33
Figure 3-28. USB Subsystem Overview
3.9.1.1 USB Wakeup
When the USB detects that there is no activity on the USB bus for more than 3 ms, the
INT_STAT[SLEEP] bit is set. This bit can cause an interrupt and software decides the
appropriate action.
Waking from a low power mode (except in LLS/VLLS mode where USB is not powered)
occurs through an asynchronous interrupt triggered by activity on the USB bus. Setting
the USBTRC0[USBRESMEN] bit enables this function.
3.9.1.2 USB Power Distribution
This chip includes an internal 5 V to 3.3 V USB regulator that powers the USB
transceiver or the MCU (depending on the application).
3.9.1.2.1 AA/AAA cells power supply
The chip can be powered by two AA/AAA cells. In this case, the MCU is powered
through VDD which is within the 1.8 to 3.0 V range. After USB cable insertion is
detected, the USB regulator is enabled to power the USB transceiver.
Communication interfaces
KL25 Sub-Family Reference Manual, Rev. 3, September 2012
92 Freescale Semiconductor, Inc.

USB
Regulator
USB
XCVR
USB
Controller
USB0_DP
USB0_DM
VDD
VOUT33
VREGIN
TYPE A
D+
D-
VBUS
2 AA Cells
Cstab
To PMC and Pads
Chip
Figure 3-29. USB regulator AA cell usecase
3.9.1.2.2 Li-Ion battery power supply
The chip can also be powered by a single Li-ion battery. In this case, VOUT33 is
connected to VDD. The USB regulator must be enabled by default to power the MCU.
When connected to a USB host, the input source of this regulator is switched to the USB
bus supply from the Li-ion battery. To charge the battery, the MCU can configure the
battery charger.
Chapter 3 Chip Configuration
KL25 Sub-Family Reference Manual, Rev. 3, September 2012
Freescale Semiconductor, Inc. 93

USB
Regulator
USB
XCVR
USB
Controller
USB0_DM
USB0_DP
VDD
VOUT33
VREGIN
TYPE A
D+
D-
VBUS
Cstab
To PMC and Pads
Chip
VSS
Charger
Li-Ion
Si2301
Figure 3-30. USB regulator Li-ion usecase
3.9.1.2.3 USB bus power supply
The chip can also be powered by the USB bus directly. In this case, VOUT33 is
connected to VDD. The USB regulator must be enabled by default to power the MCU,
then to power USB transceiver or external sensor.
USB
Regulator
USB
XCVR USB
Controller
USB0_DP
USB0_DM
VDD
VOUT33
VREGIN
TYPE A
D+
D-
VBUS
Cstab
To PMC and Pads
Chip
Figure 3-31. USB regulator bus supply
3.9.1.3 USB power management
The regulator should be put into STANDBY mode whenever the chip is in Stop mode.
Communication interfaces
KL25 Sub-Family Reference Manual, Rev. 3, September 2012
94 Freescale Semiconductor, Inc.

3.9.1.4 USB controller configuration
This section summarizes how the module has been configured in the chip. For a
comprehensive description of the module itself, see the module’s dedicated chapter.
Signal multiplexing
Module signals
Register
access
USB controller
Peripheral
bridge 0
Crossbar switch
Transfers
Figure 3-32. USB controller configuration
Table 3-43. Reference links to related information
Topic Related module Reference
Full description USB controller USB controller
System memory map System memory map
Clocking Clock Distribution
Transfers Crossbar switch Crossbar switch
Signal Multiplexing Port control Signal Multiplexing
NOTE
When USB is not used in the application, it is recommended
that the USB regulator VREGIN and VOUT33 pins remain
floating.
3.9.1.5 USB Voltage Regulator Configuration
This section summarizes how the module has been configured in the chip. For a
comprehensive description of the module itself, see the module’s dedicated chapter.
Chapter 3 Chip Configuration
KL25 Sub-Family Reference Manual, Rev. 3, September 2012
Freescale Semiconductor, Inc. 95

Signal multiplexing
Module signals
USB Voltage
Regulator
USB OTG
Figure 3-33. USB Voltage Regulator configuration
Table 3-44. Reference links to related information
Topic Related module Reference
Full description USB Voltage Regulator USB Voltage Regulator
System memory map System memory map
Clocking Clock Distribution
USB controller USB controller
Signal Multiplexing Port control Signal Multiplexing
NOTE
When USB is not used in the application, it is recommended
that the USB regulator VREGIN and VOUT33 pins remain
floating.
3.9.2 SPI configuration
This section summarizes how the module has been configured in the chip. For a
comprehensive description of the module itself, see the module’s dedicated chapter.
Signal multiplexing
Register
access
SPI
Peripheral
bridge
Module signals
Figure 3-34. SPI configuration
Table 3-45. Reference links to related information
Topic Related module Reference
Full description SPI SPI
System memory map System memory map
Clocking Clock Distribution
Table continues on the next page...
Communication interfaces
KL25 Sub-Family Reference Manual, Rev. 3, September 2012
96 Freescale Semiconductor, Inc.

Table 3-45. Reference links to related information (continued)
Topic Related module Reference
Signal Multiplexing Port control Signal Multiplexing
3.9.2.1 SPI Instantiation Information
This device contains two SPI module that supports 8-bit data length.
SPI0 is clocked on the bus clock. SPI1 is clocked from the system clock. SPI1 is
therefore disabled in "Partial Stop Mode".
The SPI supports DMA request and can operate in VLPS mode. When the SPI is
operating in VLPS mode, it will operate as a slave.
SPI can wakeup MCU from VLPS mode upon reception of SPI data in slave mode.
3.9.3 I2C Configuration
This section summarizes how the module has been configured in the chip. For a
comprehensive description of the module itself, see the module’s dedicated chapter.
Signal multiplexing
Register
access
Peripheral
bridge
Module signals
2
I C
Figure 3-35. I2C configuration
Table 3-46. Reference links to related information
Topic Related module Reference
Full description I2CI2C
System memory map System memory map
Clocking Clock Distribution
Power management Power management
Signal Multiplexing Port control Signal Multiplexing
Chapter 3 Chip Configuration
KL25 Sub-Family Reference Manual, Rev. 3, September 2012
Freescale Semiconductor, Inc. 97

3.9.3.1 IIC Instantiation Information
This device has two IIC module.
When the package pins associated with IIC have their mux select configured for IIC
operation, the pins (SCL and SDA) are driven in a pseudo open drain configuration.
The digital glitch filter implemented in the IICx module, controlled by the
I2Cx_FLT[FLT] registers, is clocked from the bus clock and thus has filter granularity in
bus clock cycle counts.
3.9.4 UART Configuration
This section summarizes how the module has been configured in the chip. For a
comprehensive description of the module itself, see the module’s dedicated chapter.
Signal multiplexing
Register
access
Peripheral
bridge
Module signals
UART
Figure 3-36. UART configuration
Table 3-47. Reference links to related information
Topic Related module Reference
Full description UART1 and UART2 UART
Full description UART0 UART
System memory map System memory map
Clocking Clock Distribution
Power management Power management
Signal Multiplexing Port control Signal Multiplexing
Communication interfaces
KL25 Sub-Family Reference Manual, Rev. 3, September 2012
98 Freescale Semiconductor, Inc.

3.9.4.1 UART0 overview
The UART0 module supports basic UART with DMA interface function, x4 to x32
oversampling of baud-rate.
This module supports LIN slave operation.
The module can remain functional in VLPS mode provided the clock it is using remains
enabled.
ISO7816 protocol is intended to be handled in software for this product. To support smart
card reading, TxD pin can be configured as pseudo open drain for 1-wire half-duplex like
ISO7816 communication via the SIM_SOPT5[UART0ODE] bit.
3.9.4.2 UART1 and UART2 Overview
This device contains two basic universal asynchronous receiver/transmitter (UART)
modules with DMA function support. Generally, these modules are used in RS-232,
RS-485, and other communications. This module supports LIN Slave operation.
Human-machine interfaces (HMI)
3.10.1 GPIO Configuration
Signal multiplexing
Register
access
Peripheral
bridge
Module signals
GPIO controller
ARM Cortex -M0+
Core
Register access
Figure 3-37. GPIO configuration
Table 3-48. Reference links to related information
Topic Related module Reference
Full description GPIO GPIO
System memory map System memory map
Clocking Clock Distribution
Table continues on the next page...
3.10
Chapter 3 Chip Configuration
KL25 Sub-Family Reference Manual, Rev. 3, September 2012
Freescale Semiconductor, Inc. 99

Table 3-48. Reference links to related information (continued)
Topic Related module Reference
Power management Power management
Crossbar switch Crossbar switch Crossbar switch
Signal Multiplexing Port control Signal Multiplexing
3.10.1.1 GPIO Instantiation Information
The device includes four pins, PTB0, PTB1, PTD6, and PTD7, with high current drive
capability. These pins can be used to drive LED or power MOSFET directly. The high
drive capability applies to all functions which are multiplexed on these pins (UART,
TPM, SPI...etc)
3.10.1.1.1 Pull Devices and Directions
The pull devices are enabled out of POR only on RESET_B, NMI_b and respective SWD
signals. Other pins can be enabled by writing to PORTx_PCRn[PE] field.
All the pins are hard wired to be pullup except for SWD_CLK. The state will be reflected
in the PORTx_PCRn[PS] field.
3.10.1.2 Port Control and Interrupt Summary
The following table provides more information regarding the Port Control and Interrupt
configurations .
Table 3-49. Ports Summary
Feature Port A Port B Port C Port D Port E
Pull Select control No No No No No
Pull Select at reset PTA0=Pull down,
Others=Pull up
Pull up Pull up Pull up Pull up
Pull Enable control Yes Yes Yes Yes Yes
Pull Enable at reset PTA0/PTA3/PTA4/
RESET_b=Enabled
; Others=Disabled
Disabled Disabled Disabled Disabled
Slew Rate Enable
control
No No No No No
Table continues on the next page...
Human-machine interfaces (HMI)
KL25 Sub-Family Reference Manual, Rev. 3, September 2012
100 Freescale Semiconductor, Inc.

Table 3-49. Ports Summary (continued)
Feature Port A Port B Port C Port D Port E
Slew Rate Enable
at reset
PTA3/PTA14/
PTA15/PTA16/
PTA17=Disabled;
Others=Enabled
PTB10/PTB11/
PTB16/PTB17 =
Disabled;
Others=Enabled
PTC3/PTC4/PTC5/
PTC6/
PTC7=Disabled;
Others=Enabled
PTD4/PTD5/PTD6/
PTD7=Disabled;
Others=Enabled
PTE16/PTE17/
PTE18/
PTE19=Disabled;
Others=Enabled
Passive Filter
Enable control
PTA4 and
RESET_b only
No No No No
Passive Filter
Enable at reset
RESET_b=Enabled
; Others=Disabled
Disabled Disabled Disabled Disabled
Open Drain Enable
control1No No No No No
Open Drain Enable
at reset
Disabled Disabled Disabled Disabled Disabled
Drive Strength
Enable control
No PTB0/PTB1 only No PTD6/PTD7 only No
Drive Strength
Enable at reset
Disabled Disabled Disabled Disabled Disabled
Pin Mux control Yes Yes Yes Yes Yes
Pin Mux at reset PTA0/PTA3/
PTA4=ALT7;
Others=ALT0
ALT0 ALT0 ALT0 ALT0
Lock Bit No No No No No
Interrupt and DMA
Request
Yes No No Yes No
Digital Glitch Filter No No No No No
1. UART signals can be configured for open-drain using SIM_SOPT5 register. IIC signals are automatically enabled for open
drain when selected.
3.10.1.3 GPIO accessibility in the memory map
The GPIO is multi-ported and can be accessed directly by the core with zero wait states at
base address 0xF800_0000. It can also be accessed by the core and DMA masters
through the cross bar/AIPS interface at 0x400F_F000 and at an aliased slot (15) at
address 0x4000_F000. All BME operations to the GPIO space can be accomplished
referencing the aliased slot (15) at address 0x4000_F000. Only some of the BME
operations can be accomplished referencing GPIO at address 0x400F_F000.
3.10.2 TSI Configuration
This section summarizes how the module has been configured in the chip. For a
comprehensive description of the module itself, see the module’s dedicated chapter.
Chapter 3 Chip Configuration
KL25 Sub-Family Reference Manual, Rev. 3, September 2012
Freescale Semiconductor, Inc. 101

Signal multiplexing
Register
access
Peripheral
bridge
Module signals
Touch sense input
module
Figure 3-38. TSI configuration
Table 3-50. Reference links to related information
Topic Related module Reference
Full description TSI TSI
System memory map System memory map
Clocking Clock Distribution
Power management Power management
Signal Multiplexing Port control Signal Multiplexing
3.10.2.1 TSI Instantiation Information
This device includes one TSI module containing the channels as shown in the following
table. In Stop, VLPS, LLS and VLLSx modes any one channel can be enabled to be the
wakeup source.
TSI hardware trigger is from the LPTMR. For complete details on the LPTMR module
interconnects refer to the Module-to-Module section.
The number of TSI channels present on the device is determined by the pinout of the
specific device package and is shown in the following table.
Table 3-51. Number of KL25 TSI channels
Device TSI channels
MKL25Z32VFM4 9
MKL25Z64VFM4 9
MKL25Z128VFM4 9
MKL25Z32VFT4 14
MKL25Z64VFT4 14
MKL25Z128VFT4 14
MKL25Z32VLH4 16
MKL25Z64VLH4 16
Table continues on the next page...
Human-machine interfaces (HMI)
KL25 Sub-Family Reference Manual, Rev. 3, September 2012
102 Freescale Semiconductor, Inc.

Table 3-51. Number of KL25 TSI channels (continued)
Device TSI channels
MKL25Z128VLH4 16
MKL25Z32VLK4 16
MKL25Z64VLK4 16
MKL25Z128VLK4 16
3.10.2.2 TSI Interrupts
The TSI has multiple sources of interrupt requests. However, these sources are OR'd
together to generate a single interrupt request. When a TSI interrupt occurs, read the TSI
status register to determine the exact interrupt source.
Chapter 3 Chip Configuration
KL25 Sub-Family Reference Manual, Rev. 3, September 2012
Freescale Semiconductor, Inc. 103

Human-machine interfaces (HMI)
KL25 Sub-Family Reference Manual, Rev. 3, September 2012
104 Freescale Semiconductor, Inc.

Chapter 4
Memory Map
4.1 Introduction
This device contains various memories and memory-mapped peripherals which are
located in a 4 GB memory space. This chapter describes the memory and peripheral
locations within that memory space.
4.2 System memory map
The following table shows the high-level device memory map.
Table 4-1. System memory map
System 32-bit Address Range Destination Slave Access
0x0000_0000–0x07FF_FFFF1Program flash and read-only data
(Includes exception vectors in first 196 bytes)
All masters
0x0800_0000–0x1FFF_EFFF Reserved —
0x1FFF_F000-0x1FFF_FFFF2SRAM_L: Lower SRAM All masters
0x2000_0000-0x2000_2FFF2SRAM_U: Upper SRAM All masters
0x2000_3000–0x3FFF_FFFF Reserved –
0x4000_0000–0x4007_FFFF AIPS Peripherals Cortex-M0+ core &
DMA
0x4008_0000–0x400F_EFFF Reserved –
0x400F_F000–0x400F_FFFF General purpose input/output (GPIO) Cortex-M0+ core &
DMA
0x4010_0000–0x43FF_FFFF Reserved –
0x4400_0000–0x5FFF_FFFF Bit Manipulation Engine (BME) access to AIPS Peripherals for
slots 0-1273Cortex-M0+ core
0x6000_0000–0xDFFF_FFFF Reserved –
0xE000_0000–0xE00F_FFFF Private Peripherals Cortex-M0+ core
0xE010_0000–0xEFFF_FFFF Reserved –
0xF000_0000–0xF000_0FFF Micro Trace Buffer (MTB) registers Cortex-M0+ core
Table continues on the next page...
KL25 Sub-Family Reference Manual, Rev. 3, September 2012
Freescale Semiconductor, Inc. 105

Table 4-1. System memory map (continued)
System 32-bit Address Range Destination Slave Access
0xF000_1000–0xF000_1FFF MTB Data Watchpoint and Trace (MTBDWT) registers Cortex-M0+ core
0xF000_2000–0xF000_2FFF ROM table Cortex-M0+ core
0xF000_3000–0xF000_3FFF Miscellaneous Control Module (MCM) Cortex-M0+ core
0xF000_4000–0xF7FF_FFFF Reserved –
0xF800_0000–0xFFFF_FFFF IOPORT: GPIO (single cycle) Cortex-M0+ core
1. The program flash always begins at 0x0000_0000 but the end of implemented flash varies depending on the amount of
flash implemented for a particular device. See Flash Memory Sizes for details.
2. This range varies depending on SRAM sizes. See SRAM Ranges for details.
3. Includes BME operations to GPIO at slot 15 (based at 0x4000_F000).
4.3 Flash Memory Map
The flash memory and the flash registers are located at different base addresses as shown
in the following figure. The base address for each is specified in System memory map.
Program flash
Flash configuration field
Program flash base address
Flash memory base address
Registers
Figure 4-1. Flash memory map
The on-chip Flash is implemented in a portion of the allocated Flash range to form a
contiguous block in the memory map beginning at address 0x0000_0000. See Flash
Memory Sizes for details of supported ranges.
Accesses to the flash memory ranges outside the amount of Flash on the device causes
the bus cycle to be terminated with an error followed by the appropriate response in the
requesting bus master. Read collision events in which flash memory is accessed while a
flash memory resource is being manipulated by a flash command also generates a bus
error response.
Flash Memory Map
KL25 Sub-Family Reference Manual, Rev. 3, September 2012
106 Freescale Semiconductor, Inc.

4.3.1 Alternate Non-Volatile IRC User Trim Description
The following non-volatile locations (4 bytes) are reserved for custom IRC user trim
supported by some development tools. An alternate IRC trim to the factory loaded trim
can be stored at this location. To override the factory trim, user software must load new
values into the MCG trim registers.
Non-Volatile Byte Address Alternate IRC Trim Value
0x0000_03FC Reserved
0x0000_03FD Reserved
0x0000_03FE (bit 0) SCFTRIM
0x0000_03FE (bit 4:1) FCTRIM
0x0000_03FF SCTRIM
4.4 SRAM memory map
The on-chip RAM is split between SRAM_L and SRAM_U. The RAM is also
implemented such that the SRAM_L and SRAM_U ranges form a contiguous block in
the memory map. See SRAM Ranges for details.
Accesses to the SRAM_L and SRAM_U memory ranges outside the amount of RAM on
the device causes the bus cycle to be terminated with an error followed by the appropriate
response in the requesting bus master.
4.5 Bit Manipulation Engine
The Bit Manipulation Engine (BME) provides hardware support for atomic read-modify-
write memory operations to the peripheral address space. By combining the basic load
and store instruction support in the Cortex-M instruction set architecture with the concept
of decorated storage provided by the BME, the resulting implementation provides a
robust and efficient read-modify-write capability to this class of ultra low-end
microcontrollers. See the Bit Manipulation Engine Block Guide (BME) for a detailed
description of BME functionality.
Chapter 4 Memory Map
KL25 Sub-Family Reference Manual, Rev. 3, September 2012
Freescale Semiconductor, Inc. 107

4.6 Peripheral bridge (AIPS-Lite) memory map
The peripheral memory map is accessible via one slave port on the crossbar in the
0x4000_0000–0x400F_FFFF region. The device implements one peripheral bridge that
defines a 1024 KB address space.
The three regions associated with this space are:
• A 128 KB region, partitioned as 32 spaces, each 4 KB in size and reserved for on-
platform peripheral devices. The AIPS controller generates unique module enables
for all 32 spaces.
• A 384 KB region, partitioned as 96 spaces, each 4 KB in size and reserved for off-
platform modules. The AIPS controller generates unique module enables for all 96
spaces.
• The last slot is a 4 KB region beginning at 0x400F_F000 for accessing the GPIO
module. The GPIO slot (slot 128) is an alias of slot 15. This block is also directly
interfaced to the core and provides direct access without incurring wait states
associated with accesses via the AIPS controller.
Modules that are disabled via their clock gate control bits in the SIM registers disable the
associated AIPS slots. Access to any address within an unimplemented or disabled
peripheral bridge slot results in a transfer error termination.
For programming model accesses via the peripheral bridges, there is generally only a
small range within the 4 KB slots that is implemented. Accessing an address that is not
implemented in the peripheral results in a transfer error termination.
4.6.1 Read-after-write sequence and required serialization of
memory operations
In some situations, a write to a peripheral must be completed fully before a subsequent
action can occur. Examples of such situations include:
• Exiting an interrupt service routine (ISR)
• Changing a mode
• Configuring a function
In these situations, application software must perform a read-after-write sequence to
guarantee the required serialization of the memory operations:
1. Write the peripheral register.
2. Read the written peripheral register to verify the write.
3. Continue with subsequent operations.
Peripheral bridge (AIPS-Lite) memory map
KL25 Sub-Family Reference Manual, Rev. 3, September 2012
108 Freescale Semiconductor, Inc.

4.6.2 Peripheral Bridge (AIPS-Lite) Memory Map
Table 4-2. Peripheral bridge 0 slot assignments
System 32-bit base address Slot
number
Module
0x4000_0000 0 —
0x4000_1000 1 —
0x4000_2000 2 —
0x4000_3000 3 —
0x4000_4000 4 —
0x4000_5000 5 —
0x4000_6000 6 —
0x4000_7000 7 —
0x4000_8000 8 DMA controller
0x4000_9000 9 —
0x4000_A000 10 —
0x4000_B000 11 —
0x4000_C000 12 —
0x4000_D000 13 —
0x4000_E000 14 —
0x4000_F000 15 GPIO controller (aliased to 0x400F_F000)
0x4001_0000 16 —
0x4001_1000 17 —
0x4001_2000 18 —
0x4001_3000 19 —
0x4001_4000 20 —
0x4001_5000 21 —
0x4001_6000 22 —
0x4001_7000 23 —
0x4001_8000 24 —
0x4001_9000 25 —
0x4001_A000 26 —
0x4001_B000 27 —
0x4001_C000 28 —
0x4001_D000 29 —
0x4001_E000 30 —
0x4001_F000 31 —
0x4002_0000 32 Flash memory
0x4002_1000 33 DMA channel mutiplexer 0
0x4002_2000 34 —
Table continues on the next page...
Chapter 4 Memory Map
KL25 Sub-Family Reference Manual, Rev. 3, September 2012
Freescale Semiconductor, Inc. 109

Table 4-2. Peripheral bridge 0 slot assignments (continued)
System 32-bit base address Slot
number
Module
0x4002_3000 35 —
0x4002_4000 36 —
0x4002_5000 37 —
0x4002_6000 38 —
0x4002_7000 39 —
0x4002_8000 40 —
0x4002_9000 41 —
0x4002_A000 42 —
0x4002_B000 43 —
0x4002_C000 44 —
0x4002_D000 45 —
0x4002_E000 46 —
0x4002_F000 47 —
0x4003_0000 48 —
0x4003_1000 49 —
0x4003_2000 50 —
0x4003_3000 51 —
0x4003_4000 52 —
0x4003_5000 53 —
0x4003_6000 54 —
0x4003_7000 55 Periodic interrupt timers (PIT)
0x4003_8000 56 Timer'/PWM (TPM) 0
0x4003_9000 57 Timer'/PWM (TPM) 1
0x4003_A000 58 Timer'/PWM (TPM) 2
0x4003_B000 59 Analog-to-digital converter (ADC) 0
0x4003_C000 60 —
0x4003_D000 61 Real-time clock (RTC)
0x4003_E000 62 —
0x4003_F000 63 DAC0
0x4004_0000 64 Low-power timer (LPTMR)
0x4004_1000 65 —
0x4004_2000 66 —
0x4004_3000 67 —
0x4004_4000 68 —
0x4004_5000 69 Touch sense interface (TSI)
0x4004_6000 70 —
0x4004_7000 71 SIM low-power logic
0x4004_8000 72 System integration module (SIM)
0x4004_9000 73 Port A multiplexing control
Table continues on the next page...
Peripheral bridge (AIPS-Lite) memory map
KL25 Sub-Family Reference Manual, Rev. 3, September 2012
110 Freescale Semiconductor, Inc.

Table 4-2. Peripheral bridge 0 slot assignments (continued)
System 32-bit base address Slot
number
Module
0x4004_A000 74 Port B multiplexing control
0x4004_B000 75 Port C multiplexing control
0x4004_C000 76 Port D multiplexing control
0x4004_D000 77 Port E multiplexing control
0x4004_E000 78 —
0x4004_F000 79 —
0x4005_0000 80 —
0x4005_1000 81 —
0x4005_2000 82 —
0x4005_3000 83 —
0x4005_4000 84 —
0x4005_5000 85 —
0x4005_6000 86 —
0x4005_7000 87 —
0x4005_8000 88 —
0x4005_9000 89 —
0x4005_A000 90 —
0x4005_B000 91 —
0x4005_C000 92 —
0x4005_D000 93 —
0x4005_E000 94 —
0x4005_F000 95 —
0x4006_0000 96 —
0x4006_1000 97 —
0x4006_2000 98 —
0x4006_3000 99 —
0x4006_4000 100 Multi-purpose Clock Generator (MCG)
0x4006_5000 101 System oscillator (OSC)
0x4006_6000 102 I2C 0
0x4006_7000 103 I2C 1
0x4006_8000 104 —
0x4006_9000 105 —
0x4006_A000 106 UART 0
0x4006_B000 107 UART 1
0x4006_C000 108 UART 2
0x4006_D000 109 —
0x4006_E000 110 —
0x4006_F000 111 —
0x4007_0000 112 —
Table continues on the next page...
Chapter 4 Memory Map
KL25 Sub-Family Reference Manual, Rev. 3, September 2012
Freescale Semiconductor, Inc. 111

Table 4-2. Peripheral bridge 0 slot assignments (continued)
System 32-bit base address Slot
number
Module
0x4007_1000 113 —
0x4007_2000 114 USB OTG FS/LS
0x4007_3000 115 Analog comparator (CMP) / 6-bit digital-to-analog converter (DAC)
0x4007_4000 116 —
0x4007_5000 117 —
0x4007_6000 118 SPI 0
0x4007_7000 119 SPI 1
0x4007_8000 120 —
0x4007_9000 121 —
0x4007_A000 122 —
0x4007_B000 123 —
0x4007_C000 124 Low-leakage wakeup unit (LLWU)
0x4007_D000 125 Power management controller (PMC)
0x4007_E000 126 System Mode controller (SMC)
0x4007_F000 127 Reset Control Module (RCM)
0x400F_F000 128 GPIO controller
4.6.3 Modules Restricted Access in User Mode
In user mode, for MCG, RCM, SIM (slot 71 and 72), SMC, LLWU, and PMC, reads are
allowed, but writes are blocked and generate bus error.
4.7 Private Peripheral Bus (PPB) memory map
The PPB is part of the defined ARM bus architecture and provides access to select
processor-local modules. These resources are only accessible from the core; other system
masters do not have access to them.
Table 4-3. PPB memory map
System 32-bit Address Range Resource Additional Range Detail Resource
0xE000_0000–0xE000_DFFF Reserved
Table continues on the next page...
Private Peripheral Bus (PPB) memory map
KL25 Sub-Family Reference Manual, Rev. 3, September 2012
112 Freescale Semiconductor, Inc.

Table 4-3. PPB memory map (continued)
System 32-bit Address Range Resource Additional Range Detail Resource
0xE000_E000–0xE000_EFFF System Control Space
(SCS)
0xE000_E000–0xE000_E00F Reserved
0xE000_E010–0xE000_E0FF SysTick
0xE000_E100–0xE000_ECFF NVIC
0xE000_ED00–0xE000_ED8F System Control Block
0xE000_ED90–0xE000_EDEF Reserved
0xE000_EDF0–0xE000_EEFF Debug
0xE000_EF00–0xE000_EFFF Reserved
0xE000_F000–0xE00F_EFFF Reserved
0xE00F_F000–0xE00F_FFFF Core ROM Space (CRS)
Chapter 4 Memory Map
KL25 Sub-Family Reference Manual, Rev. 3, September 2012
Freescale Semiconductor, Inc. 113

Private Peripheral Bus (PPB) memory map
KL25 Sub-Family Reference Manual, Rev. 3, September 2012
114 Freescale Semiconductor, Inc.

Chapter 5
Clock Distribution
5.1 Introduction
This chapter presents the clock architecture for the device, the overview of the clocks and
includes a terminology section.
The Cortex M0+ resides within a synchronous core platform, where the processor and
bus masters, Flash and peripherals clocks can be configured independently. The clock
distribution figure shows how clocks from the MCG and XOSC modules are distributed
to the microcontroller’s other function units. Some modules in the microcontroller have
selectable clock input.
5.2 Programming model
The selection and multiplexing of system clock sources is controlled and programmed via
the MCG module. The setting of clock dividers and module clock gating for the system
are programmed via the SIM module. Reference those sections for detailed register and
bit descriptions.
5.3 High-Level device clocking diagram
The following system oscillator, MCG, and SIM module registers control the
multiplexers, dividers, and clock gates shown in the below figure:
OSC MCG SIM
Multiplexers MCG_CxMCG_CxSIM_SOPT1, SIM_SOPT2
Dividers — MCG_CxSIM_CLKDIVx
Clock gates OSC_CR MCG_C1 SIM_SCGCx
KL25 Sub-Family Reference Manual, Rev. 3, September 2012
Freescale Semiconductor, Inc. 115

32 kHz IRC
PLL
FLL
MCGOUTCLK
MCGPLLCLK
MCG
MCGFLLCLK
OUTDIV1 Core clock,
platform clock,
and system clock
4 MHz IRC
OUTDIV4 Flash clock
Bus clock/
EXTAL0
XTAL0
System oscillator
SIM
FRDIV
MCGIRCLK
ERCLK32K
OSC32KCLK
XTAL_CLK OSCERCLK
OSC
logic
Clock options for some
peripherals (see note)
Clock options for
some peripherals
(see note)
MCGFLLCLK
MCGPLLCLK/
Note: See subsequent sections for details on where these clocks are used.
PMC logic
PMC
LPO
OSCCLK
CG
CG
CG
CG
CG — Clock gate
÷2
RTC_CLKOUT
RTC
Counter logic
1Hz
RTC_CLKIN
FCRDIV
Figure 5-1. Clocking diagram
5.4 Clock definitions
The following table describes the clocks in the previous block diagram.
Clock name Description
Core clock MCGOUTCLK divided by OUTDIV1, clocks the ARM Cortex-
M0+ core
Platform clock MCGOUTCLK divided by OUTDIV1, clocks the crossbar
switch and NVIC
System clock MCGOUTCLK divided by OUTDIV1, clocks the bus masters
directly
Bus clock System clock divided by OUTDIV4, clocks the bus slaves and
peripherals.
Table continues on the next page...
Clock definitions
KL25 Sub-Family Reference Manual, Rev. 3, September 2012
116 Freescale Semiconductor, Inc.

Clock name Description
Flash clock Flash memory clock. On this device it is the same as Bus
clock.
MCGIRCLK MCG output of the slow or fast internal reference clock
MCGOUTCLK MCG output of either IRC, MCGFLLCLK, MCGPLLCLK, or
MCG's external reference clock that sources the core,
system, bus, and flash clock.
MCGFLLCLK MCG output of the FLL. MCGFLLCLK or MCGPLLCLK may
clock some modules. In addition, this clock is used for
USBFS, UART0 and TPM modules.
MCGPLLCLK MCG output of the PLL. MCGFLLCLK or MCGPLLCLK may
clock some modules. In addition, this clock is used for
USBFS, UART0 and TPM modules.
OSCCLK System oscillator output of the internal oscillator or sourced
directly from EXTAL. Used as MCG external reference clock.
OSCERCLK System oscillator output sourced from OSCCLK that may
clock some on-chip modules
OSC32KCLK System oscillator 32kHz output
ERCLK32K Clock source for some modules that is chosen as
OSC32KCLK or RTC_CLKIN
LPO PMC 1kHz output
5.4.1 Device clock summary
The following table provides more information regarding the on-chip clocks.
Table 5-1. Clock Summary
Clock name Run mode
clock frequency
VLPR mode
clock frequency
Clock source Clock is disabled
when…
MCGOUTCLK Up to 100 MHz Up to 4 MHz MCG In all stop modes
except for partial stop
modes and during PLL
locking when
MCGOUTCLK derived
from PLL.
MCGFLLCLK Up to 48 MHz N/A MCG MCG clock controls do
not enable and in all
stop modes
MCGPLLCLK Up to 100 MHz N/A MCG MCG clock controls do
not enable,
in Stop mode but
PLLSTEN=0,
or in VLPS, LLS and
VLLSx modes
Core clock Up to 48 MHz Up to 4 MHz MCGOUTCLK clock
divider
In all wait and stop
modes
Table continues on the next page...
Chapter 5 Clock Distribution
KL25 Sub-Family Reference Manual, Rev. 3, September 2012
Freescale Semiconductor, Inc. 117

Table 5-1. Clock Summary (continued)
Clock name Run mode
clock frequency
VLPR mode
clock frequency
Clock source Clock is disabled
when…
Platform clock Up to 48 MHz Up to 4 MHz MCGOUTCLK clock
divider
In all stop modes
System clock Up to 48 MHz Up to 4 MHz MCGOUTCLK clock
divider
In all stop modes and
Compute Operation
Bus clock Up to 24 MHz Up to 1 MHz 1MCGOUTCLK clock
divider
In all stop modes
except for partial
STOP2 mode, and
Compute Operation
SWD Clock Up to 24MHz Up to 1MHz SWD_CLK pin In all stop modes
Flash clock Up to 24 MHz Up to 1 MHz in BLPE
Up to 800 kHz in BLPI
MCGOUTCLK clock
divider
In all stop modes
except for partial
STOP2 mode
Internal reference
(MCGIRCLK)
30-40 kHz Slow IRC
or 4 MHz Fast IRC
4 MHz Fast IRC only MCG MCG_C1[IRCLKEN]
cleared,
Stop/VLPS mode and
MCG_C1[IREFSTEN]
cleared, or
LLS/VLLS mode
External reference
(OSCERCLK)
Up to 48 MHz (bypass),
30-40 kHz
or
3-32 MHz (crystal)
Up to 16 MHz (bypass),
30-40 kHz (low-range
crystal)
or
3-16 MHz (high-range
crystal)
System OSC System OSC's
OSC_CR[ERCLKEN]
cleared, or
Stop mode and
OSC_CR[EREFSTEN]
cleared
or VLLS0 and oscillator
not in external clock
mode.
External reference
32kHz
(ERCLK32K)
30-40 kHz 30-40 kHz System OSC
, or RTC_CLKIN
System OSC's
OSC_CR[ERCLKEN]
cleared
and RTC's
RTC_CR[OSCE]
cleared
or VLLS0 and oscillator
not in external clock
mode.
RTC_CLKOUT RTC 1Hz,
OSCERCLK
RTC 1Hz,
OSCERCLK
RTC 1Hz,
OSCERCLK
Clock is disabled in LLS
and VLLSx modes
LPO 1 kHz 1 kHz PMC in VLLS0
TPM clock Up to 48 MHz Up to 4 MHz MCGIRCLK,
MCGPLLCLK/2,
MCGFLLCLK, or
OSCERCLK
SIM_SOPT2[TPMSRC
]=00 or selected clock
source disabled.
Table continues on the next page...
Clock definitions
KL25 Sub-Family Reference Manual, Rev. 3, September 2012
118 Freescale Semiconductor, Inc.

Table 5-1. Clock Summary (continued)
Clock name Run mode
clock frequency
VLPR mode
clock frequency
Clock source Clock is disabled
when…
UART0 clock Up to 48 MHz Up to 4 MHz MCGIRCLK,
MCGPLLCLK/2,
MCGFLLCLK, or
OSCERCLK
SIM_SOPT2[UART0SR
C]=00 or selected clock
source disabled.
USB FS clock 48 MHz N/A MCGPLLCLK/2 or
MCGFLLCLK, or
USB_CLKIN
USB FS OTG is
disabled
1. If in BLPI mode, where clocking is derived from the fast internal reference clock, the Bus clock and flash clock frequency
needs to be limited to 800 kHz if executing from flash.
5.5 Internal clocking requirements
The clock dividers are programmed via the SIM module’s CLKDIV registers. The
following requirements must be met when configuring the clocks for this device:
1. The core, platform, and system clock are programmable from a divide-by-1 through
divide-by-16 setting. The core, platform, and system clock frequencies must be 48
MHz or slower.
2. The bus clock and flash clock frequency is divided from the system clock and is
programmable from a divide-by-1 through divide-by-8 setting. The bus clock and
flash clock must be programmed to 24 MHz or slower.
The following is a common clock configuration for this device:
Clock Frequency
Core clock 48 MHz
Platform clock 48 MHz
System clock 48 MHz
Bus clock 24 MHz
Flash clock 24 MHz
5.5.1 Clock divider values after reset
Each clock divider is programmed via the SIM module’s CLKDIV1 registers. Two bits in
the flash memory's FTFA_FOPT register controls the reset value of the core clock,
system clock, bus clock, and flash clock dividers as shown below:
Chapter 5 Clock Distribution
KL25 Sub-Family Reference Manual, Rev. 3, September 2012
Freescale Semiconductor, Inc. 119

FTFA_FOPT [4,0] Core/system clock Bus/Flash clock Description
00 0x7 (divide by 8) 0x1 (divide by 2) Low power boot
01 0x3 (divide by 4) 0x1 (divide by 2) Low power boot
10 0x1 (divide by 2) 0x1 (divide by 2) Low power boot
11 0x0 (divide by 1) 0x1 (divide by 2) Fast clock boot
This gives the user flexibility in selecting between a lower frequency, low-power boot
option vs. higher frequency, higher power during and after reset.
The flash erased state defaults to fast clocking mode, since these bits reside in flash,
which is logic 1 in the flash erased state. To enable a lower power boot option, program
the appropriate bits in FTFA_FOPT. During the reset sequence, if either of the control
bits is cleared, the system is in a slower clock configuration. Upon any system reset, the
clock dividers return to this configurable reset state.
5.5.2 VLPR mode clocking
The clock dividers cannot be changed while in VLPR mode. They must be programmed
prior to entering VLPR mode to guarantee operation. Max frequency limitations for
VLPR mode is as follows :
• the core/system clocks are less than or equal to 4 MHz, and
• the bus and flash clocks are less than or equal to 1 MHz
NOTE
When the MCG is in BLPI and clocking is derived from the
Fast IRC, the clock divider controls (MCG_SC[FCRDIV],
SIM_CLKDIV1[OUTDIV1], and SIM_CLKDIV1[OUTDIV4])
must be programmed such that the resulting flash clock nominal
frequency is 800 kHz or less. In this case, one example of
correct configuration is MCG_SC[FCRDIV]=000b,
SIM_CLKDIV1[OUTDIV1]=0000b and
SIM_CLKDIV1[OUTDIV4]=100b, resulting in a divide by 5
setting.
Internal clocking requirements
KL25 Sub-Family Reference Manual, Rev. 3, September 2012
120 Freescale Semiconductor, Inc.

5.6 Clock Gating
The clock to each module can be individually gated on and off using the SIM module's
SCGCx registers. These bits are cleared after any reset, which disables the clock to the
corresponding module to conserve power. Prior to initializing a module, set the
corresponding bit in SCGCx register to enable the clock. Before turning off the clock,
make sure to disable the module.
Any bus access to a peripheral that has its clock disabled generates an error termination.
5.7 Module clocks
The following table summarizes the clocks associated with each module.
Table 5-2. Module clocks
Module Bus interface clock Internal clocks I/O interface clocks
Core modules
ARM Cortex-M0+ core Platform clock Core clock —
NVIC Platform clock — —
DAP Platform clock — SWD_CLK
System modules
DMA System clock — —
DMA Mux Bus clock — —
Port control Bus clock — —
Crossbar Switch Platform clock — —
Peripheral bridges System clock Bus clock —
LLWU, PMC, SIM, RCM Bus clock LPO —
Mode controller Bus clock — —
MCM Platform clock — —
Watchdog timer Bus clock LPO —
Clocks
MCG Bus clock MCGOUTCLK, MCGPLLCLK,
MCGFLLCLK, MCGIRCLK,
OSCERCLK
—
OSC Bus clock OSCERCLK —
Memory and memory interfaces
Flash Controller Platform clock Flash clock —
Flash memory Flash clock — —
Analog
Table continues on the next page...
Chapter 5 Clock Distribution
KL25 Sub-Family Reference Manual, Rev. 3, September 2012
Freescale Semiconductor, Inc. 121

Table 5-2. Module clocks (continued)
Module Bus interface clock Internal clocks I/O interface clocks
ADC Bus clock OSCERCLK —
CMP Bus clock — —
DAC Bus clock — —
Timers
TPM Bus clock TPM clock TPM_CLKIN0, TPM_CLKIN1
PIT Bus clock — —
LPTMR Bus clock LPO, OSCERCLK,
MCGIRCLK, ERCLK32K
—
RTC Bus clock ERCLK32K RTC_CLKOUT
Communication interfaces
USB FS OTG System clock USB FS clock —
SPI0 Bus clock — SPI0_SCK
SPI1 System clock — SPI1_SCK
I2C0 Bus clock — I2C0_SCL
I2C1 Bus clock — I2C1_SCL
UART0 Bus clock UART0 clock —
UART1 , UART2 Bus clock — —
Human-machine interfaces
GPIO Platform clock — —
TSI Bus clock — —
5.7.1 PMC 1-kHz LPO clock
The Power Management Controller (PMC) generates a 1-kHz clock that is enabled in all
modes of operation, including all low power modes except VLLS0. This 1-kHz source is
commonly referred to as LPO clock or 1-kHz LPO clock.
5.7.2 COP clocking
The COP may be clocked from two clock sources as shown in the following figure.
Module clocks
KL25 Sub-Family Reference Manual, Rev. 3, September 2012
122 Freescale Semiconductor, Inc.

SIM_COPCTRL[COPCLKS]
COP clock
Bus clock
LPO
Figure 5-2. COP clock generation
5.7.3 RTC clocking
The RTC module can be clocked as shown in the following figure.
NOTE
The chosen clock must remain enabled if the RTC is to
continue operating in all required low-power modes.
SIM_SOPT1[OSC32KSEL]
OSC32KCLK
RTC_CLKIN
LPO
ERCLK32K
(to RTC)
Figure 5-3. RTC clock generation
5.7.4 LPTMR clocking
The prescaler and glitch filters in each of the LPTMRx modules can be clocked as shown
in the following figure.
NOTE
The chosen clock must remain enabled if the LPTMRx is to
continue operating in all required low-power modes.
Chapter 5 Clock Distribution
KL25 Sub-Family Reference Manual, Rev. 3, September 2012
Freescale Semiconductor, Inc. 123

LPTMRx_PSR[PCS]
LPTMRx prescaler/glitch
filter clock
MCGIRCLK
OSCERCLK
ERCLK32K
LPO
SIM_SOPT1[OSC32KSEL]
OSC32KCLK
RTC_CLKIN
LPO
Figure 5-4. LPTMRx prescaler/glitch filter clock generation
5.7.5 TPM clocking
The counter for the TPM modules have a selectable clock as shown in the following
figure.
NOTE
The chosen clock must remain enabled if the TPMx is to
continue operating in all required low-power modes.
SIM_SOPT2[TPMSRC]
TPM clock
MCGIRCLK
OSCERCLK
MCGPLLCLK ÷2
SIM_SOPT2[PLLFLLSEL]
MCGFLLCLK
Figure 5-5. TPM clock generation
5.7.6 USB FS OTG Controller clocking
The USB FS OTG controller is a bus master attached to the crossbar switch. As such, its
clock is connected to the system clock.
Module clocks
KL25 Sub-Family Reference Manual, Rev. 3, September 2012
124 Freescale Semiconductor, Inc.

NOTE
For the USB FS OTG controller to operate, the minimum
system clock frequency is 20 MHz.
The USB OTG controller also requires a 48 MHz clock. The clock source options are
shown below.
USB 48MHz
USB_CLKIN
MCGPLLCLK
SIM_SOPT2[USBSRC]
SIM_SOPT2[PLLFLLSEL]
MCGFLLCLK
÷2
Figure 5-6. USB 48 MHz clock source
NOTE
The MCGFLLCLK does not meet the USB jitter specifications
for certification.
5.7.7 UART clocking
The UART0 module has a selectable clock as shown in the following figure. UART1 and
UART2 modules operate from the bus clock.
NOTE
The chosen clock must remain enabled if the UART0 is to
continue operating in all required low-power modes.
UART0 clock
MCGPLLCLK ÷2
SIM_SOPT2[UART0SRC]
SIM_SOPT2[PLLFLLSEL]
MCGFLLCLK
MCGIRCLK
OSCERCLK
Figure 5-7. UART0 clock generation
Chapter 5 Clock Distribution
KL25 Sub-Family Reference Manual, Rev. 3, September 2012
Freescale Semiconductor, Inc. 125

Module clocks
KL25 Sub-Family Reference Manual, Rev. 3, September 2012
126 Freescale Semiconductor, Inc.

Chapter 6
Reset and Boot
6.1 Introduction
The following reset sources are supported in this MCU:
Table 6-1. Reset sources
Reset sources Description
POR reset • Power-on reset (POR)
System resets • External pin reset (PIN)
•Low-voltage detect (LVD)
•Computer operating properly (COP) watchdog reset
•Low leakage wakeup (LLWU) reset
•Multipurpose clock generator loss of clock (LOC) reset
•Multipurpose clock generator loss of lock (LOL) reset
•Stop mode acknowledge error (SACKERR)
•Software reset (SW)
•Lockup reset (LOCKUP)
•MDM DAP system reset
Debug reset • Debug reset
Each of the system reset sources has an associated bit in the system reset status (SRS)
registers. See the Reset Control Module for register details.
The MCU can exit and reset in functional mode where the CPU is executing code
(default) or the CPU is in a debug halted state. There are several boot options that can be
configured. See Boot information for more details.
6.2 Reset
This section discusses basic reset mechanisms and sources. Some modules that cause
resets can be configured to cause interrupts instead. Consult the individual peripheral
chapters for more information.
KL25 Sub-Family Reference Manual, Rev. 3, September 2012
Freescale Semiconductor, Inc. 127

6.2.1 Power-on reset (POR)
When power is initially applied to the MCU or when the supply voltage drops below the
power-on reset re-arm voltage level (VPOR), the POR circuit causes a POR reset
condition.
As the supply voltage rises, the LVD circuit holds the MCU in reset until the supply has
risen above the LVD low threshold (VLVDL). The POR and LVD bits in reset status
register are set following a POR.
6.2.2 System reset sources
Resetting the MCU provides a way to start processing from a known set of initial
conditions. System reset begins with the on-chip regulator in full regulation and system
clocking generation from an internal reference. When the processor exits reset, it
performs the following:
• Reads the start SP (SP_main) from vector-table offset 0
• Reads the start PC from vector-table offset 4
• LR is set to 0xFFFF_FFFF
The on-chip peripheral modules are disabled and the non-analog I/O pins are initially
configured as disabled. The pins with analog functions assigned to them default to their
analog function after reset.
During and following a reset, the SWD pins have their associated input pins configured
as:
• SWD_CLK in pull-down (PD)
• SWD_DIO in pull-up (PU)
6.2.2.1 External pin reset (RESET)
This pin is open drain and has an internal pullup device. Asserting RESET wakes the
device from any mode.
The RESET pin can be disabled by programming RESET_PIN_CFG option bit to 0.
When this option selected, there could be a short period of contention during a POR ramp
where the device drives the pin out low prior to establishing the setting of this option and
releasing the RESET function on the pin.
Reset
KL25 Sub-Family Reference Manual, Rev. 3, September 2012
128 Freescale Semiconductor, Inc.

6.2.2.1.1 Reset pin filter
The RESET pin filter supports filtering from both the 1 kHz LPO clock and the bus
clock. The RPFC[RSTFLTSS], RPFC[RSTFLTSRW], and RPFW[RSTFLTSEL] fields
in the reset control (RCM) register set control this functionality; see the RCM chapter.
The filters are asynchronously reset by Chip POR. The reset value for each filter assumes
the RESET pin is negated.
For all stop modes where LPO clock is still active (Stop, VLPS, LLS, VLLS3, and
VLLS1), the only filtering option is the LPO based digital filter. The filtering logic either
switches to bypass operation or has continued filtering operation depending on the
filtering mode selected. When entering VLLS0, the RESET pin filter is disabled and
bypassed.
The LPO filter has a fixed filter value of 3. Due to a synchronizer on the input data, there
is also some associated latency (2 cycles). As a result, 5 cycles are required to complete a
transition from low to high or high to low.
6.2.2.2 Low-voltage detect (LVD)
The chip includes a system for managing low voltage conditions to protect memory
contents and control MCU system states during supply voltage variations. The system
consists of a power-on reset (POR) circuit and an LVD circuit with a user-selectable trip
voltage. The LVD system is always enabled in normal run, wait, or stop mode. The LVD
system is disabled when entering VLPx, LLS, or VLLSx modes.
The LVD can be configured to generate a reset upon detection of a low voltage condition
by setting the PMC's LVDSC1[LVDRE] bit to 1. The low voltage detection threshold is
determined by the PMC's LVDSC1[LVDV] field. After an LVD reset has occurred, the
LVD system holds the MCU in reset until the supply voltage has risen above the low
voltage detection threshold. The RCM's SRS0[LVD] bit is set following either an LVD
reset or POR.
6.2.2.3 Computer operating properly (COP) watchdog timer
The computer operating properly (COP) watchdog timer (WDOG) monitors the operation
of the system by expecting periodic communication from the software. This
communication is generally known as servicing (or refreshing) the COP watchdog. If this
periodic refreshing does not occur, the watchdog issues a system reset. The COP reset
causes the RCM's SRS0[WDOG] bit to set.
Chapter 6 Reset and Boot
KL25 Sub-Family Reference Manual, Rev. 3, September 2012
Freescale Semiconductor, Inc. 129

6.2.2.4 Low leakage wakeup (LLWU)
The LLWU module provides the means for a number of external pins and a number of
internal peripherals to wake the MCU from low leakage power modes. The LLWU
module is functional only in low leakage power modes. In VLLSx modes, all enabled
inputs to the LLWU can generate a system reset.
After a system reset, the LLWU retains the flags indicating the input source of the last
wakeup until the user clears them.
NOTE
Some flags are cleared in the LLWU and some flags are
required to be cleared in the peripheral module. Refer to the
individual peripheral chapters for more information.
6.2.2.5 Multipurpose clock generator loss-of-clock (LOC)
The MCG module supports an external reference clock.
If the C6[CME] bit in the MCG module is set, the clock monitor is enabled. If the
external reference falls below floc_low or floc_high, as controlled by the C2[RANGE] field
in the MCG module, the MCU resets. The RCM's SRS0[LOC] bit is set to indicate this
reset source.
NOTE
To prevent unexpected loss of clock reset events, all clock
monitors must be disabled before entering any low power
modes, including VLPR and VLPW.
6.2.2.6 MCG loss-of-lock (LOL) reset
The MCG includes a PLL loss-of-lock detector. The detector is enabled when configured
for PEE and lock has been achieved. If the MCG_C8[LOLRE] bit in the MCG module is
set and the PLL lock status bit (MCG_S[LOLS0]) becomes set, the MCU resets. The
RCM_SRS0[LOL] bit is set to indicate this reset source.
NOTE
This reset source does not cause a reset if the chip is in any stop
mode.
Reset
KL25 Sub-Family Reference Manual, Rev. 3, September 2012
130 Freescale Semiconductor, Inc.

6.2.2.7 Stop mode acknowledge error (SACKERR)
This reset is generated if the core attempts to enter stop mode or Compute Operation, but
not all modules acknowledge stop mode within 1025 cycles of the 1 kHz LPO clock.
A module might not acknowledge the entry to stop mode if an error condition occurs. The
error can be caused by a failure of an external clock input to a module.
6.2.2.8 Software reset (SW)
The SYSRESETREQ bit in the NVIC application interrupt and reset control register can
be set to force a software reset on the device. (See ARM's NVIC documentation for the
full description of the register fields, especially the VECTKEY field requirements.)
Setting SYSRESETREQ generates a software reset request. This reset forces a system
reset of all major components except for the debug module. A software reset causes the
RCM's SRS1[SW] bit to set.
6.2.2.9 Lockup reset (LOCKUP)
The LOCKUP gives immediate indication of seriously errant kernel software. This is the
result of the core being locked because of an unrecoverable exception following the
activation of the processor’s built in system state protection hardware.
The LOCKUP condition causes a system reset and also causes the RCM's
SRS1[LOCKUP] bit to set.
6.2.2.10 MDM-AP system reset request
Set the system reset request bit in the MDM-AP control register to initiate a system reset.
This is the primary method for resets via the SWD interface. The system reset is held
until this bit is cleared.
Set the core hold reset bit in the MDM-AP control register to hold the core in reset as the
rest of the chip comes out of system reset.
6.2.3 MCU Resets
A variety of resets are generated by the MCU to reset different modules.
Chapter 6 Reset and Boot
KL25 Sub-Family Reference Manual, Rev. 3, September 2012
Freescale Semiconductor, Inc. 131

6.2.3.1 POR Only
The POR Only reset asserts on the POR reset source only. It resets the PMC and RTC.
The POR Only reset also causes all other reset types to occur.
6.2.3.2 Chip POR not VLLS
The Chip POR not VLLS reset asserts on POR and LVD reset sources. It resets parts of
the SMC and SIM. It also resets the LPTMR.
The Chip POR not VLLS reset also causes these resets to occur: Chip POR, Chip Reset
not VLLS, and Chip Reset (including Early Chip Reset).
6.2.3.3 Chip POR
The Chip POR asserts on POR, LVD, and VLLS Wakeup reset sources. It resets the
Reset Pin Filter registers and parts of the SIM and MCG.
The Chip POR also causes the Chip Reset (including Early Chip Reset) to occur.
6.2.3.4 Chip Reset not VLLS
The Chip Reset not VLLS reset asserts on all reset sources except a VLLS Wakeup that
does not occur via the RESET pin. It resets parts of the SMC, LLWU, and other modules
that remain powered during VLLS mode.
The Chip Reset not VLLS reset also causes the Chip Reset (including Early Chip Reset)
to occur.
6.2.3.5 Early Chip Reset
The Early Chip Reset asserts on all reset sources. It resets only the flash memory module.
It negates before flash memory initialization begins ("earlier" than when the Chip Reset
negates).
Reset
KL25 Sub-Family Reference Manual, Rev. 3, September 2012
132 Freescale Semiconductor, Inc.

6.2.3.6 Chip Reset
Chip Reset asserts on all reset sources and only negates after flash initialization has
completed and the RESET pin has also negated. It resets the remaining modules (the
modules not reset by other reset types).
6.2.4 Reset Pin
For all reset sources except a VLLS Wakeup that does not occur via the RESET pin, the
RESET pin is driven low by the MCU for at least 128 bus clock cycles and until flash
initialization has completed.
After flash initialization has completed, the RESET pin is released, and the internal Chip
Reset negates after the RESET pin is pulled high. Keeping the RESET pin asserted
externally delays the negation of the internal Chip Reset.
The RESET pin can be disabled by programming RESET_PIN_CFG option bit to 0.
When this option is selected, there could be a short period of contention during a POR
ramp where the device drives the pin out low prior to establishing the setting of this
option and releasing the RESET function on the pin.
6.2.5 Debug resets
The following sections detail the debug resets available on the device.
6.2.5.1 Resetting the Debug subsystem
Use the CDBGRSTREQ bit within the DP CTRL/STAT register to reset the debug
modules. However, as explained below, using the CDBGRSTREQ bit does not reset all
debug-related registers.
CDBGRSTREQ resets the debug-related registers within the following modules:
• SW-DP
• AHB-AP
• MDM-AP (MDM control and status registers)
CDBGRSTREQ does not reset the debug-related registers within the following modules:
• CM0+ core (core debug registers: DHCSR, DCRSR, DCRDR, DEMCR)
• BPU
Chapter 6 Reset and Boot
KL25 Sub-Family Reference Manual, Rev. 3, September 2012
Freescale Semiconductor, Inc. 133

• DWT
• NVIC
• Crossbar bus switch1
• AHB-AP1
• Private peripheral bus1
6.3 Boot
This section describes the boot sequence, including sources and options.
Some configuration information such as clock trim values stored in factory programmed
flash locations is autoloaded.
6.3.1 Boot sources
The CM0+ core adds support for a programmable Vector Table Offset Register (VTOR)
to relocate the exception vector table. This device supports booting from internal flash
and RAM.
This device supports booting from internal flash with the reset vectors located at
addresses 0x0 (initial SP_main), 0x4 (initial PC), and RAM with relocating the exception
vector table to RAM.
6.3.2 FOPT boot options
The flash option register (FOPT) in flash memory module (FTFA) allows the user to
customize the operation of the MCU at boot time. The register contains read-only bits
that are loaded from the NVM's option byte in the flash configuration field. The default
setting for all values in the FOPT register is logic 1 since it is copied from the option byte
residing in flash, which has all bits as logic 1 in the flash erased state. To configure for
alternate settings, program the appropriate bits in the NVM option byte. The new settings
will take effect on subsequent POR, VLLSx recoveries, and any system reset. For more
details on programming the option byte, refer to the flash memory chapter.
1. CDBGRSTREQ does not affect AHB resources so that debug resources on the private peripheral bus are available
during System Reset.
Boot
KL25 Sub-Family Reference Manual, Rev. 3, September 2012
134 Freescale Semiconductor, Inc.

The MCU uses the FTFA_FOPT register bits to configure the device at reset as shown in
the following table.
Table 6-2. Flash Option Register (FTFA_FOPT) Bit Definitions
Bit
Num
Field Value Definition
7-6 Reserved Reserved for future expansion.
5 FAST_INIT Select initialization speed on POR, VLLSx, and any system reset .
0 Slower initialization. The Flash initialization will be slower with the benefit of
reduced average current during this time. The duration of the recovery will be
controlled by the clock divider selection determined by the LPBOOT setting.
1 Fast Initialization.The Flash has faster recoveries at the expense of higher current
during these times.
3 RESET_PIN_CFG Enable/disable control for the RESET pin.
0 RESET pin is disabled following a POR and cannot be enabled as RESET
function. When this option is selected, there could be a short period of contention
during a POR ramp where the device drives the pin out low prior to establishing the
setting of this option and releasing the RESET function on the pin.
This bit is preserved through system resets and low power modes. When RESET
pin function is disabled it cannot be used as a source for low power mode wakeup.
1 RESET pin is dedicated. The port is configured with pullup enabled, open drain,
passive filter enabled.
2 NMI_DIS Enable/disable control for the NMI function.
0 NMI interrupts are always blocked. The associated pin continues to default to NMI
pin controls with internal pullup enabled. When NMI pin function is disabled it
cannot be used as a source for low power mode wakeup.
1 NMI pin/interrupts reset default to enabled.
1 Reserved Reserved for future expansion.
4,0 LPBOOT Control the reset value of OUTDIV1 value in SIM_CLKDIV1 register. Larger divide value
selections produce lower average power consumption during POR, VLLSx recoveries and
reset sequencing and after reset exit. The recovery times are also extended if the
FAST_INIT option is not selected.
00 Core and system clock divider (OUTDIV1) is 0x7 (divide by 8)
01 Core and system clock divider (OUTDIV1) is 0x3 (divide by 4)
10 Core and system clock divider (OUTDIV1) is 0x1 (divide by 2)
11 Core and system clock divider (OUTDIV1) is 0x0 (divide by 1)
6.3.3 Boot sequence
At power up, the on-chip regulator holds the system in a POR state until the input supply
is above the POR threshold. The system continues to be held in this static state until the
internally regulated supplies have reached a safe operating voltage as determined by the
LVD. The Reset Controller logic then controls a sequence to exit reset.
Chapter 6 Reset and Boot
KL25 Sub-Family Reference Manual, Rev. 3, September 2012
Freescale Semiconductor, Inc. 135

1. A system reset is held on internal logic, the RESET pin is driven out low, and the
MCG is enabled in its default clocking mode.
2. Required clocks are enabled (System Clock, Flash Clock, and any Bus Clocks that do
not have clock gate control reset to disabled).
3. The system reset on internal logic continues to be held, but the Flash Controller is
released from reset and begins initialization operation while the Reset Control logic
continues to drive the RESET pin out low.
4. Early in reset sequencing the NVM option byte is read and stored to FTFA_FOPT. If
the bits associated with LPBOOT are programmed for an alternate clock divider reset
value, the system/core clock is switched to a slower clock speed. If the FAST_INIT
bit is programmed clear, the Flash initialization switches to slower clock resulting
longer recovery times.
5. When Flash Initialization completes, the RESET pin is released. If RESET continues
to be asserted (an indication of a slow rise time on the RESET pin or external drive
in low), the system continues to be held in reset. Once the RESET pin is detected
high, the Core clock is enabled and the system is released from reset.
6. When the system exits reset, the processor sets up the stack, program counter (PC),
and link register (LR). The processor reads the start SP (SP_main) from vector-table
offset 0. The core reads the start PC from vector-table offset 4. LR is set to
0xFFFF_FFFF. The CPU begins execution at the PC location.
Subsequent system resets follow this same reset flow.
Boot
KL25 Sub-Family Reference Manual, Rev. 3, September 2012
136 Freescale Semiconductor, Inc.

Chapter 7
Power Management
7.1 Introduction
This chapter describes the various chip power modes and functionality of the individual
modules in these modes.
7.2 Clocking Modes
This sections describes the various clocking modes supported on this device.
7.2.1 Partial Stop
Partial Stop is a clocking option that can be taken instead of entering STOP mode and is
configured in the SMC Stop Control Register (SMC_STOPCTRL). The Stop mode is
only partially entered, which leaves some additional functionality alive at the expense of
higher power consumption. Partial Stop can be entered from either Run mode or VLP
Run mode.
When configured for PSTOP2, only the core and system clocks are gated and the bus
clock remains active. The bus masters and bus slaves clocked by the system clock enter
Stop mode, but the bus slaves clocked by bus clock remain in Run (or VLP Run) mode.
The clock generators in the MCG and the on-chip regulator in the PMC also remain in
Run (or VLP Run) mode. Exit from PSTOP2 can be initiated by a reset, an asynchronous
interrupt from a bus master or bus slave clocked by the system clock, or a synchronous
interrupt from a bus slave clocked by the bus clock. If configured, a DMA request (using
the asynchronous DMA wakeup) can also be used to exit Partial Stop for the duration of a
DMA transfer before the device is transitioned back into PSTOP2.
KL25 Sub-Family Reference Manual, Rev. 3, September 2012
Freescale Semiconductor, Inc. 137

When configured for PSTOP1, both the system clock and bus clock are gated. All bus
masters and bus slaves enter Stop mode, but the clock generators in the MCG and the on-
chip regulator in the PMC remain in Run (or VLP Run) mode. Exit from PSTOP1 can be
initiated by a reset or an asynchronous interrupt from a bus master or bus slave. If
configured, an asynchronous DMA request can also be used to exit Partial Stop for the
duration of a DMA transfer before the device is transitioned back into PSTOP1.
PSTOP1 is functionally similar to STOP mode, but offers faster wakeup at the expense of
higher power consumption. Another benefit is that it keeps all of the MCG clocks
enabled, which can be useful for some of the asynchronous peripherals that can remain
functional in Stop modes.
7.2.2 DMA Wakeup
The DMA can be configured to wakeup the device on a DMA request whenever it is
placed in stop mode. The wakeup is configured per DMA channel and is supported in
Compute Operation, PSTOP, STOP and VLPS low power modes.
When a DMA wakeup is detected in PSTOP, STOP or VLPS then the device will initiate
a normal exit from the low power mode. This can include restoring the on-chip regulator
and internal power switches, enabling the clock generators in the MCG, enabling the
system and bus clocks (but not the core clock) and negating the stop mode signal to the
bus masters and bus slaves. The only difference is that the CPU will remain in the low
power mode with the CPU clock disabled.
During Compute Operation, a DMA wakeup will initiate a normal exit from Compute
Operation. This includes enabling the clocks and negating the stop mode signal to the bus
masters and bus slaves. The core clock always remains enabled during Compute
Operation.
Since the DMA wakeup will enable the clocks and negate the stop mode signals to all bus
masters and slaves, software needs to ensure that bus masters and slaves that are not
involved with the DMA wakeup and transfer remain in a known state. That can be
accomplished by disabling the modules before entry into the low power mode or by
setting the Doze enable bit in selected modules.
Once the DMA request that initiated the wakeup negates and the DMA completes the
current transfer, the device will transition back into the original low power mode. This
includes requesting all non-CPU bus masters to enter Stop mode and then requesting bus
slaves to enter Stop mode. In STOP and VLPS modes the MCG and PMC would then
also enter their appropriate modes.
Clocking Modes
KL25 Sub-Family Reference Manual, Rev. 3, September 2012
138 Freescale Semiconductor, Inc.

NOTE
If the requested DMA transfer cannot cause the DMA request
to negate then the device will remain in a higher power state
until the low power mode is fully exited.
An enabled DMA wakeup can cause an aborted entry into the low power mode, if the
DMA request asserts during the stop mode entry sequence (or reentry if the request
asserts during a DMA wakeup) and can cause the SMC to assert its Stop Abort flag. Once
the DMA wakeup completes, entry into the low power mode will restart.
An interrupt that occurs during a DMA wakeup will cause an immediate exit from the
low power mode (this is optional for Compute Operation) without impacting the DMA
transfer.
A DMA wakeup can be generated by either a synchronous DMA request or an
asynchronous DMA request. Not all peripherals can generate an asynchronous DMA
request in stop modes, although in general if a peripheral can generate synchronous DMA
requests and also supports asynchronous interrupts in stop modes, then it can generate an
asynchronous DMA request.
7.2.3 Compute Operation
Compute Operation is an execution or compute-only mode of operation that keeps the
CPU enabled with full access to the SRAM and Flash read port, but places all other bus
masters and bus slaves into their stop mode. Compute Operation can be enabled in either
Run mode or VLP Run mode.
NOTE
Do not enter any stop mode without first exiting Compute
Operation.
Because Compute Operation reuses the stop mode logic (including the staged entry with
bus masters disabled before bus slaves), any bus master or bus slave that can remain
functional in stop mode also remains functional in Compute Operation, including
generation of asynchronous interrupts and DMA requests. When enabling Compute
Operation in Run mode, module functionality for bus masters and slaves is the equivalent
of STOP mode. When enabling Compute Operation in VLP Run mode, module
functionality for bus masters and slaves is the equivalent of VLPS mode. The MCG,
PMC, SRAM and Flash read port are not affected by Compute Operation, although the
Flash register interface is disabled.
Chapter 7 Power Management
KL25 Sub-Family Reference Manual, Rev. 3, September 2012
Freescale Semiconductor, Inc. 139

During Compute Operation, the AIPS peripheral space is disabled and attempted accesses
generate bus errors. The private peripheral space remains accessible during Compute
Operation, including the MCM, NVIC, IOPORT and SysTick. Although access to the
GPIO registers via the IOPORT is supported, the GPIO port data input registers do not
return valid data since clocks are disabled to the Port Control and Interrupt modules. By
writing to the GPIO port data output registers, it is possible to control those GPIO ports
that are configured as output pins.
Compute Operation is controlled by the CPO register in the MCM, which is only
accessible to the CPU. Setting or clearing the CPOREQ bit in the MCM initiates entry or
exit into Compute Operation. Compute Operation can also be configured to exit
automatically on detection of an interrupt, which is required in order to service most
interrupts. Only the core system interrupts (exceptions, including NMI and SysTick) and
any edge sensitive interrupts can be serviced without exiting Compute Operation.
When entering Compute Operation, the CPOACK status bit indicates when entry has
completed. When exiting Compute Operation in Run mode, the CPOACK status bit
negates immediately. When exiting Compute Operation in VLP Run mode, the exit is
delayed to allow the PMC to handle the change in power consumption. This delay means
the CPOACK bit is polled to determine when the AIPS peripheral space can be accessed
without generating a bus error.
The DMA wakeup is also supported during Compute Operation and causes the CPOACK
status bit to clear and the AIPS peripheral space to be accessible for the duration of the
DMA wakeup. At the completion of the DMA wakeup, the device transitions back into
Compute Operation.
7.2.4 Peripheral Doze
Several peripherals support a peripheral Doze mode, where a register bit can be used to
disable the peripheral for the duration of a low power mode. The Flash can also be placed
in a low power state during Peripheral Doze via a register bit in the SIM.
Peripheral Doze is defined to include all of the modes of operation listed below.
• The CPU is in wait mode.
• The CPU is in stop mode, including the entry sequence and for the duration of a
DMA wakeup.
• The CPU is in Compute Operation, including the entry sequence and for the duration
of a DMA wakeup.
Clocking Modes
KL25 Sub-Family Reference Manual, Rev. 3, September 2012
140 Freescale Semiconductor, Inc.

Peripheral Doze can therefore be used to disable selected bus masters or slaves for the
duration of WAIT or VLPW mode. It can also be used to disable selected bus slaves
immediately on entry into any stop mode (or Compute Operation), instead of waiting for
the bus masters to acknowledge the entry as part of the stop entry sequence. Finally, it
can be used to disable selected bus masters or slaves that should remain inactive during a
DMA wakeup.
If the Flash is not being accessed during WAIT and PSTOP modes, then the Flash Doze
mode can be used to reduce power consumption, at the expense of a slightly longer
wakeup when executing code and vectors from Flash. It can also be used to reduce power
consumption during Compute Operation when executing code and vectors from SRAM.
7.2.5 Clock Gating
To conserve power, the clocks to most modules can be turned off using the SCGCx
registers in the SIM module. These bits are cleared after any reset, which disables the
clock to the corresponding module. Prior to initializing a module, set the corresponding
bit in the SCGCx register to enable the clock. Before turning off the clock, make sure to
disable the module. For more details, refer to the clock distribution and SIM chapters.
7.3 Power modes
The power management controller (PMC) provides multiple power options to allow the
user to optimize power consumption for the level of functionality needed.
Depending on the stop requirements of the user application, a variety of stop modes are
available that provide state retention, partial power down or full power down of certain
logic and/or memory. I/O states are held in all modes of operation. The following table
compares the various power modes available.
For each run mode there is a corresponding wait and stop mode. Wait modes are similar
to ARM sleep modes. Stop modes (VLPS, STOP) are similar to ARM sleep deep mode.
The very low power run (VLPR) operating mode can drastically reduce runtime power
when the maximum bus frequency is not required to handle the application needs.
Chapter 7 Power Management
KL25 Sub-Family Reference Manual, Rev. 3, September 2012
Freescale Semiconductor, Inc. 141

The three primary modes of operation are run, wait and stop. The WFI instruction
invokes both wait and stop modes for the chip. The primary modes are augmented in a
number of ways to provide lower power based on application needs.
Table 7-1. Chip power modes
Chip mode Description Core mode Normal
recovery
method
Normal run Allows maximum performance of chip. Default mode out of reset; on-
chip voltage regulator is on.
Run —
Normal Wait -
via WFI
Allows peripherals to function while the core is in sleep mode, reducing
power. NVIC remains sensitive to interrupts; peripherals continue to be
clocked.
Sleep Interrupt
Normal Stop -
via WFI
Places chip in static state. Lowest power mode that retains all registers
while maintaining LVD protection. NVIC is disabled; AWIC is used to
wake up from interrupt; peripheral clocks are stopped.
Sleep Deep Interrupt
VLPR (Very Low
Power Run)
On-chip voltage regulator is in a low power mode that supplies only
enough power to run the chip at a reduced frequency. Reduced
frequency Flash access mode (1 MHz); LVD off; in BLPI clock mode,
the fast internal reference oscillator is available to provide a low power
nominal 4MHz source for the core with the nominal bus and flash clock
required to be <800kHz; alternatively, BLPE clock mode can be used
with an external clock or the crystal oscillator providing the clock
source.
Run —
VLPW (Very
Low Power
Wait) -via WFI
Same as VLPR but with the core in sleep mode to further reduce
power; NVIC remains sensitive to interrupts (FCLK = ON). On-chip
voltage regulator is in a low power mode that supplies only enough
power to run the chip at a reduced frequency.
Sleep Interrupt
VLPS (Very Low
Power Stop)-via
WFI
Places chip in static state with LVD operation off. Lowest power mode
with ADC and pin interrupts functional. Peripheral clocks are stopped,
but OSC, LPTMR, RTC, CMP, TSI can be used. TPM and UART can
optionally be enabled if their clock source is enabled. NVIC is disabled
(FCLK = OFF); AWIC is used to wake up from interrupt. On-chip
voltage regulator is in a low power mode that supplies only enough
power to run the chip at a reduced frequency. All SRAM is operating
(content retained and I/O states held).
Sleep Deep Interrupt
LLS (Low
Leakage Stop)
State retention power mode. Most peripherals are in state retention
mode (with clocks stopped), but OSC, LLWU, LPTMR, RTC, CMP,,
TSI can be used. NVIC is disabled; LLWU is used to wake up.
NOTE: The LLWU interrupt must not be masked by the interrupt
controller to avoid a scenario where the system does not fully
exit stop mode on an LLS recovery.
All SRAM is operating (content retained and I/O states held).
Sleep Deep Wakeup
Interrupt1
VLLS3 (Very
Low Leakage
Stop3)
Most peripherals are disabled (with clocks stopped), but OSC, LLWU,
LPTMR, RTC, CMP, TSI can be used. NVIC is disabled; LLWU is used
to wake up.
SRAM_U and SRAM_L remain powered on (content retained and I/O
states held).
Sleep Deep Wakeup Reset2
Table continues on the next page...
Power modes
KL25 Sub-Family Reference Manual, Rev. 3, September 2012
142 Freescale Semiconductor, Inc.

Table 7-1. Chip power modes (continued)
Chip mode Description Core mode Normal
recovery
method
VLLS1 (Very
Low Leakage
Stop1)
Most peripherals are disabled (with clocks stopped), but OSC, LLWU,
LPTMR, RTC, CMP, TSI can be used. NVIC is disabled; LLWU is used
to wake up.
All of SRAM_U and SRAM_L are powered off.
Sleep Deep Wakeup Reset2
VLLS0 (Very
Low Leakage
Stop 0)
Most peripherals are disabled (with clocks stopped), but LLWU,
LPTMR, RTC, TSI can be used. NVIC is disabled; LLWU is used to
wake up.
All of SRAM_U and SRAM_L are powered off.
LPO disabled, optional POR brown-out detection
Sleep Deep Wakeup Reset2
1. Resumes normal run mode operation by executing the LLWU interrupt service routine.
2. Follows the reset flow with the LLWU interrupt flag set for the NVIC.
7.4 Entering and exiting power modes
The WFI instruction invokes wait and stop modes for the chip. The processor exits the
low-power mode via an interrupt. For LLS and VLLS modes, the wakeup sources are
limited to LLWU generated wakeups, NMI pin, or RESET pin assertions. When the NMI
pin or RESET pin have been disabled through associated FOPT settings, then these pins
are ignored as wakeup sources. The wake-up flow from VLLSx is always through reset.
NOTE
The WFE instruction can have the side effect of entering a low-
power mode, but that is not its intended usage. See ARM
documentation for more on the WFE instruction.
On VLLS recoveries, the I/O pins continue to be held in a static state after code execution
begins, allowing software to reconfigure the system before unlocking the I/O. RAM is
retained in VLLS3 only.
7.5 Module Operation in Low Power Modes
The following table illustrates the functionality of each module while the chip is in each
of the low power modes. The standard behavior is shown with some exceptions for
Compute Operation (CPO) and Partial Stop2 (PSTOP2).
Chapter 7 Power Management
KL25 Sub-Family Reference Manual, Rev. 3, September 2012
Freescale Semiconductor, Inc. 143

(Debug modules are discussed separately; see Debug in Low Power Modes.) Number
ratings (such as 4 MHz and 1 Mbps) represent the maximum frequencies or maximum
data rates per mode. Also, these terms are used:
• FF = Full functionality. In VLPR and VLPW the system frequency is limited, but if a
module does not have a limitation in its functionality, it is still listed as FF.
• Async operation = Fully functional with alternate clock source, provided the selected
clock source remains enabled
• static = Module register states and associated memories are retained.
• powered = Memory is powered to retain contents.
• low power = Memory is powered to retain contents in a lower power state
• OFF = Modules are powered off; module is in reset state upon wakeup. For clocks,
OFF means disabled.
• wakeup = Modules can serve as a wakeup source for the chip.
Table 7-2. Module operation in low power modes
Modules VLPR VLPW Stop VLPS LLS VLLSx
Core modules
NVIC FF FF static static static OFF
System modules
Mode Controller FF FF FF FF FF FF
LLWU1static static static static FF FF2
Regulator low power low power ON low power low power low power in
VLLS3, OFF in
VLLS0/1
LVD disabled disabled ON disabled disabled disabled
Brown-out
Detection
ON ON ON ON ON ON in VLLS1/3,
optionally
disabled in
VLLS03
DMA FF
Async operation
in CPO
FF Async operation Async operation static OFF
Watchdog FF
static in CPO
FF static
FF in PSTOP2
static static OFF
Clocks
1kHz LPO ON ON ON ON ON ON in VLLS1/3,
OFF in VLLS0
System
oscillator (OSC)
OSCERCLK
max of 16MHz
crystal
OSCERCLK
max of 16MHz
crystal
OSCERCLK
optional
OSCERCLK
max of 16MHz
crystal
limited to low
range/low power
limited to low
range/low power
in VLLS1/3, OFF
in VLLS0
Table continues on the next page...
Module Operation in Low Power Modes
KL25 Sub-Family Reference Manual, Rev. 3, September 2012
144 Freescale Semiconductor, Inc.

Table 7-2. Module operation in low power modes (continued)
Modules VLPR VLPW Stop VLPS LLS VLLSx
MCG 4 MHz IRC 4 MHz IRC static -
MCGIRCLK
optional; PLL
optional
static -
MCGIRCLK
optional
static - no clock
output
OFF
Core clock 4 MHz max OFF OFF OFF OFF OFF
Platform clock 4 MHz max 4 MHz max OFF OFF OFF OFF
System clock 4 MHz max
OFF in CPO
4 MHz max OFF OFF OFF OFF
Bus clock 1 MHz max
OFF in CPO
1 MHz max OFF
24 MHz max in
PSTOP2 from
RUN
1 MHz max in
PSTOP2 from
VLPR
OFF OFF OFF
Memory and memory interfaces
Flash 1 MHz max
access - no
program
No register
access in CPO
low power low power low power OFF OFF
SRAM_U and
SRAM_L
low power low power low power low power low power low power in
VLLS3, OFF in
VLLS0/1
Communication interfaces
USB FS/LS static static static static static OFF
USB Voltage
Regulator
optional optional optional optional optional optional
UART0 1 Mbps
Async operation
in CPO
1 Mbps Async operation
FF in PSTOP2
Async operation static OFF
UART1 , UART2 62.5 kbps
static, wakeup
on edge in CPO
62.5 kbps static, wakeup
on edge
FF in PSTOP2
static, wakeup
on edge
static OFF
SPI0 master mode
500 kbps,
slave mode 250
kbps
static, slave
mode receive in
CPO
master mode
500 kbps,
slave mode 250
kbps
static, slave
mode receive
FF in PSTOP2
static, slave
mode receive
static OFF
Table continues on the next page...
Chapter 7 Power Management
KL25 Sub-Family Reference Manual, Rev. 3, September 2012
Freescale Semiconductor, Inc. 145

Table 7-2. Module operation in low power modes (continued)
Modules VLPR VLPW Stop VLPS LLS VLLSx
SPI1 master mode 2
Mbps,
slave mode 1
Mbps
static, slave
mode receive in
CPO
master mode 2
Mbps,
slave mode 1
Mbps
static, slave
mode receive
static, slave
mode receive
static OFF
I2C0 50 kbps
static, address
match wakeup
in CPO
50 kbps static, address
match wakeup
FF in PSTOP2
static, address
match wakeup
static OFF
I2C1 50 kbps
static, address
match wakeup
in CPO
50 kbps static, address
match wakeup
static, address
match wakeup
static OFF
Timers
TPM FF
Async operation
in CPO
FF Async operation
FF in PSTOP2
Async operation static OFF
PIT FF
static in CPO
FF static static static OFF
LPTMR FF FF Async operation
FF in PSTOP2
Async operation Async operation Async
operation4
RTC FF
Async operation
in CPO
FF Async operation
FF in PSTOP2
Async operation Async operation Async
operation5
Analog
16-bit ADC FF
ADC internal
clock only in
CPO
FF ADC internal
clock only
FF in PSTOP2
ADC internal
clock only
static OFF
CMP6FF
HS or LS
compare in CPO
FF HS or LS
compare
FF in PSTOP2
HS or LS
compare
LS compare LS compare in
VLLS1/3, OFF in
VLLS0
6-bit DAC FF
static in CPO
FF static
FF in PSTOP2
static static static, OFF in
VLLS0
12-bit DAC FF
static in CPO
FF static
FF in PSTOP2
static static static
Human-machine interfaces
GPIO FF
IOPORT write
only in CPO
FF static output,
wakeup input
FF in PSTOP2
static output,
wakeup input
static, pins
latched
OFF, pins
latched
Table continues on the next page...
Module Operation in Low Power Modes
KL25 Sub-Family Reference Manual, Rev. 3, September 2012
146 Freescale Semiconductor, Inc.

Table 7-2. Module operation in low power modes (continued)
Modules VLPR VLPW Stop VLPS LLS VLLSx
TSI FF
Async operation
in CPO
Async
operation7Async
operation7
FF in PSTOP2
Async
operation7Async
operation7Async
operation7
1. Using the LLWU module, the external pins available for this chip do not require the associated peripheral function to be
enabled. It only requires the function controlling the pin (GPIO or peripheral) to be configured as an input to allow a
transition to occur to the LLWU.
2. Since LPO clock source is disabled, filters will be bypassed during VLLS0.
3. The STOPCTRL[PORPO] bit in the SMC module controls this option.
4. LPO clock source is not available in VLLS0. Also, to use system OSC in VLLS0 it must be configured for bypass (external
clock) operation. Pulse counting is available in all modes.
5. In VLLS0 the only clocking option is from RTC_CLKIN.
6. CMP in stop or VLPS supports high speed or low speed external pin to pin or external pin to DAC compares. CMP in LLS
or VLLSx only supports low speed external pin to pin or external pin to DAC compares. Windowed, sampled & filtered
modes of operation are not available while in stop, VLPS, LLS, or VLLSx modes.
7. TSI wakeup from all low power modes is limited to a single selectable pin.
Chapter 7 Power Management
KL25 Sub-Family Reference Manual, Rev. 3, September 2012
Freescale Semiconductor, Inc. 147

Module Operation in Low Power Modes
KL25 Sub-Family Reference Manual, Rev. 3, September 2012
148 Freescale Semiconductor, Inc.

Chapter 8
Security
8.1 Introduction
This device implements security based on the mode selected from the flash module. The
following sections provide an overview of flash security and details the effects of security
on non-flash modules.
8.2 Flash Security
The flash module provides security information to the MCU based on the state held by
the FSEC[SEC] bits. The MCU, in turn, confirms the security request and limits access to
flash resources. During reset, the flash module initializes the FSEC register using data
read from the security byte of the flash configuration field.
NOTE
The security features apply only to external accesses: debug.
CPU accesses to the flash are not affected by the status of
FSEC.
In the unsecured state all flash commands are available on the programming interfaces
either from the debug port (SWD) or user code execution. When the flash is secured
(FSEC[SEC] = 00, 01, or 11), the programmer interfaces are only allowed to launch mass
erase operations. Additionally, in this mode, the debug port has no access to memory
locations.
8.3 Security Interactions with other Modules
The flash security settings are used by the system to determine what resources are
available. The following sections describe the interactions between modules and the flash
security settings or the impact that the flash security has on non-flash modules.
KL25 Sub-Family Reference Manual, Rev. 3, September 2012
Freescale Semiconductor, Inc. 149

8.3.1 Security Interactions with Debug
When flash security is active the SWD port cannot access the memory resources of the
MCU.
Although most debug functions are disabled, the debugger can write to the Flash Mass
Erase in Progress bit to trigger a mass erase (Erase All Blocks) command. A mass erase
via the debugger is allowed even when some memory locations are protected.
When mass erase is disabled, mass erase via the debugger is blocked.
Security Interactions with other Modules
KL25 Sub-Family Reference Manual, Rev. 3, September 2012
150 Freescale Semiconductor, Inc.

Chapter 9
Debug
9.1 Introduction
This device's debug is based on the ARM CoreSightTM architecture and is configured to
provide the maximum flexibility as allowed by the restrictions of the pinout and other
available resources.
It provides register and memory accessibility from the external debugger interface, basic
run/halt control plus 2 breakpoints and 2 watchpoints.
Only one debug interface is supported:
• Serial Wire Debug (SWD)
9.2 Debug Port Pin Descriptions
The debug port pins default after POR to their SWD functionality.
Table 9-1. Serial wire debug pin description
Pin Name Type Description
SWD_CLK Input Serial Wire Clock. This pin is the clock for debug logic when in the Serial
Wire Debug mode. This pin is pulled down internally.
SWD_DIO Input / Output Serial wire debug data input/output. The SWD_DIO pin is used by an
external debug tool for communication and device control. This pin is
pulled up internally.
KL25 Sub-Family Reference Manual, Rev. 3, September 2012
Freescale Semiconductor, Inc. 151

9.3 SWD status and control registers
Through the ARM Debug Access Port (DAP), the debugger has access to the status and
control elements, implemented as registers on the DAP bus as shown in the following
figure. These registers provide additional control and status for low power mode recovery
and typical run-control scenarios. The status register bits also provide a means for the
debugger to get updated status of the core without having to initiate a bus transaction
across the crossbar switch, thus remaining less intrusive during a debug session.
It is important to note that these DAP control and status registers are not memory mapped
within the system memory map and are only accessible via the Debug Access Port using
SWD. The MDM-AP is accessible as Debug Access Port 1 with the available registers
shown in the table below.
Table 9-2. MDM-AP Register Summary
Address Register Description
0x0100_0000 Status See MDM-AP Status Register
0x0100_0004 Control See MDM-AP Control Register
0x0100_00FC IDR Read-only identification register that
always reads as 0x001C_0020
SWD status and control registers
KL25 Sub-Family Reference Manual, Rev. 3, September 2012
152 Freescale Semiconductor, Inc.

SW-DP
SELECT[31:24] (APSEL) selects the AP
SELECT[7:4] (APBANKSEL) selects the bank
A[3:2] from the APACC selects the register
within the bank
AHB Access Port
(AHB-AP) MDM-AP
Status 0x00
Control 0x01
IDR 0x3F
AHB-AP
SELECT[31:24] = 0x00 selects the AHB-AP
See ARM documentation for further details
MDM-AP
SELECT[31:24] = 0x01 selects the MDM-AP
SELECT[7:4] = 0x0 selects the bank with Status and Ctrl
A[3:2] = 2’b00 selects the Status Register
A[3:2] = 2’b01 selects the Control Register
SELECT[7:4] = 0xF selects the bank with IDR
A[3:2] = 2’b11 selects the IDR Register
(IDR register reads 0x001C_0020)
Bus Matrix See Control and Status Register
Descriptions
Debug PortInternal BusAccess Port
Data[31:0] A[7:4] A[3:2] RnW
APSEL
Decode
Debug Port ID Register (IDCODE)
Control/Status (CTRL/STAT)
AP Select (SELECT)
Read Buffer (RDBUFF)
DP Registers
0x00
0x04
0x08
0x0C
Data[31:0] A[3:2] RnW
DPACC
Data[31:0] A[3:2] RnW
APACC
Debug Port
(DP)
Generic
See the ARM Debug Interface v5p1 Supplement.
Figure 9-1. MDM AP Addressing
9.3.1 MDM-AP Control Register
Table 9-3. MDM-AP Control register assignments
Bit Name Secure1Description
0 Flash Mass Erase in Progress Y Set to cause mass erase. Cleared by hardware after mass erase
operation completes.
When mass erase is disabled (via MEEN and SEC settings), the erase
request does not occur and the Flash Mass Erase in Progress bit
continues to assert until the next system reset.
1 Debug Disable N Set to disable debug. Clear to allow debug operation. When set it
overrides the C_DEBUGEN bit within the DHCSR and force disables
Debug logic.
Table continues on the next page...
Chapter 9 Debug
KL25 Sub-Family Reference Manual, Rev. 3, September 2012
Freescale Semiconductor, Inc. 153

Table 9-3. MDM-AP Control register assignments (continued)
Bit Name Secure1Description
2 Debug Request N Set to force the core to halt.
If the core is in a stop or wait mode, this bit can be used to wakeup the
core and transition to a halted state.
3 System Reset Request Y Set to force a system reset. The system remains held in reset until this
bit is cleared.
4 Core Hold Reset N Configuration bit to control core operation at the end of system reset
sequencing.
0 Normal operation - release the core from reset along with the rest of
the system at the end of system reset sequencing.
1 Suspend operation - hold the core in reset at the end of reset
sequencing. Once the system enters this suspended state, clearing
this control bit immediately releases the core from reset and CPU
operation begins.
5 VLLSx Debug Request
(VLLDBGREQ)
N Set to configure the system to be held in reset after the next recovery
from a VLLSx mode. This bit is ignored on a VLLS wakeup via the
Reset pin. During a VLLS wakeup via the Reset pin, the system can be
held in reset by holding the reset pin asserted allowing the debugger to
re-initialize the debug modules.
This bit holds the system in reset when VLLSx modes are exited to
allow the debugger time to re-initialize debug IP before the debug
session continues.
The Mode Controller captures this bit logic on entry to VLLSx modes.
Upon exit from VLLSx modes, the Mode Controller will hold the system
in reset until VLLDBGACK is asserted.
The VLLDBGREQ bit clears automatically due to the POR reset
generated as part of the VLLSx recovery.
6 VLLSx Debug Acknowledge
(VLLDBGACK)
N Set to release a system being held in reset following a VLLSx recovery
This bit is used by the debugger to release the system reset when it is
being held on VLLSx mode exit. The debugger re-initializes all debug
IP and then assert this control bit to allow the Mode Controller to
release the system from reset and allow CPU operation to begin.
The VLLDBGACK bit is cleared by the debugger or can be left set
because it clears automatically due to the POR reset generated as part
of the next VLLSx recovery.
7 LLS, VLLSx Status Acknowledge N Set this bit to acknowledge the DAP LLS and VLLS Status bits have
been read. This acknowledge automatically clears the status bits.
This bit is used by the debugger to clear the sticky LLS and VLLSx
mode entry status bits. This bit is asserted and cleared by the
debugger.
8 –
31
Reserved for future use N
1. Command available in secure mode
SWD status and control registers
KL25 Sub-Family Reference Manual, Rev. 3, September 2012
154 Freescale Semiconductor, Inc.

9.3.2 MDM-AP Status Register
Table 9-4. MDM-AP Status register assignments
Bit Name Description
0 Flash Mass Erase Acknowledge The Flash Mass Erase Acknowledge bit is cleared after any system reset.
The bit is also cleared at launch of a mass erase command due to write of
Flash Mass Erase in Progress bit in MDM AP Control Register. The Flash
Mass Erase Acknowledge is set after Flash control logic has started the
mass erase operation.
When mass erase is disabled (via MEEN and SEC settings), an erase
request due to seting of Flash Mass Erase in Progress bit is not
acknowledged.
1 Flash Ready Indicate Flash has been initialized and debugger can be configured even if
system is continuing to be held in reset via the debugger.
2 System Security Indicates the security state. When secure, the debugger does not have
access to the system bus or any memory mapped peripherals. This bit
indicates when the part is locked and no system bus access is possible.
3 System Reset Indicates the system reset state.
0 System is in reset
1 System is not in reset
4 Reserved
5 Mass Erase Enable Indicates if the MCU can be mass erased or not
0 Mass erase is disabled
1 Mass erase is enabled
6 Backdoor Access Key Enable Indicates if the MCU has the backdoor access key enabled.
0 Disabled
1 Enabled
7 LP Enabled Decode of SMC_PMCTRL[STOPM] field to indicate that VLPS, LLS, or
VLLSx are the selected power mode the next time the ARM Core enters
Deep Sleep.
0 Low Power Stop Mode is not enabled
1 Low Power Stop Mode is enabled
Usage intended for debug operation in which Run to VLPS is attempted.
Per debug definition, the system actually enters the Stop state. A
debugger should interpret deep sleep indication (with SLEEPDEEP and
SLEEPING asserted), in conjuntion with this bit asserted as the debugger-
VLPS status indication.
8 Very Low Power Mode Indicates current power mode is VLPx. This bit is not ‘sticky’ and should
always represent whether VLPx is enabled or not.
This bit is used to throttle SWD_CLK frequency up/down.
Table continues on the next page...
Chapter 9 Debug
KL25 Sub-Family Reference Manual, Rev. 3, September 2012
Freescale Semiconductor, Inc. 155

Table 9-4. MDM-AP Status register assignments (continued)
Bit Name Description
9 LLS Mode Exit This bit indicates an exit from LLS mode has occurred. The debugger will
lose communication while the system is in LLS (including access to this
register). Once communication is reestablished, this bit indicates that the
system had been in LLS. Since the debug modules held their state during
LLS, they do not need to be reconfigured.
This bit is set during the LLS recovery sequence. The LLS Mode Exit bit is
held until the debugger has had a chance to recognize that LLS was exited
and is cleared by a write of 1 to the LLS, VLLSx Status Acknowledge bit in
MDM AP Control register.
10 VLLSx Modes Exit This bit indicates an exit from VLLSx mode has occurred. The debugger
will lose communication while the system is in VLLSx (including access to
this register). Once communication is reestablished, this bit indicates that
the system had been in VLLSx. Since the debug modules lose their state
during VLLSx modes, they need to be reconfigured.
This bit is set during the VLLSx recovery sequence. The VLLSx Mode Exit
bit is held until the debugger has had a chance to recognize that a VLLS
mode was exited and is cleared by a write of 1 to the LLS, VLLSx Status
Acknowledge bit in MDM AP Control register.
11 – 15 Reserved for future use Always read 0.
16 Core Halted Indicates the Core has entered debug halt mode
17 Core SLEEPDEEP Indicates the Core has entered a low power mode
SLEEPING==1 and SLEEPDEEP==0 indicates wait or VLPW mode.
SLEEPING==1 and SLEEPDEEP==1 indicates stop or VLPS mode.
18 Core SLEEPING
19 – 31 Reserved for future use Always read 0.
9.4 Debug Resets
The debug system receives the following sources of reset:
• Debug reset (CDBGRSTREQ bit within the DP CTRL/STAT register) that allows
the debugger to reset the debug logic.
• System POR reset
Conversely the debug system is capable of generating system reset using the following
mechanism:
• A system reset in the DAP control register which allows the debugger to hold the
system in reset.
• SYSRESETREQ bit in the NVIC application interrupt and reset control register
• A system reset in the DAP control register which allows the debugger to hold the
Core in reset.
Debug Resets
KL25 Sub-Family Reference Manual, Rev. 3, September 2012
156 Freescale Semiconductor, Inc.

9.5 Micro Trace Buffer (MTB)
The Micro Trace Buffer (MTB) provides a simple execution trace capability for the
Cortex-M0+ processor. When enabled, the MTB records changes in program flow
reported by the Cortex-M0+ processor, via the execution trace interface, into a
configurable region of the SRAM. Subsequently an off-chip debugger may extract the
trace information, which would allow reconstruction of an instruction flow trace. The
MTB does not include any form of load/store data trace capability or tracing of any other
information.
In addition to providing the trace capability, the MTB also operates as a simple AHB-Lite
SRAM controller. The system bus masters, including the processor, have read/write
access to all of the SRAM via the AHB-Lite interface, allowing the memory to also be
used to store program and data information. The MTB simultaneously stores the trace
information into an attached SRAM and allows bus masters to access the memory. The
MTB ensures that trace information write accesses to the SRAM take priority over
accesses from the AHB-Lite interface.
The MTB includes trace control registers for configuring and triggering the MTB
functions. The MTB also supports triggering via TSTART and TSTOP control functions
in the MTB DWT module.
9.6 Debug in Low Power Modes
In low power modes in which the debug modules are kept static or powered off, the
debugger cannot gather any debug data for the duration of the low power mode. In the
case that the debugger is held static, the debug port returns to full functionality as soon as
the low power mode exits and the system returns to a state with active debug. In the case
that the debugger logic is powered off, the debugger is reset on recovery and must be
reconfigured once the low power mode is exited.
9.7 Debug & Security
When flash security is enabled, the debug port capabilities are limited in order to prevent
exploitation of secure data. In the secure state the debugger still has access to the status
register and can determine the current security state of the device. In the case of a secure
device, the debugger only has the capability of performing a mass erase operation.
Chapter 9 Debug
KL25 Sub-Family Reference Manual, Rev. 3, September 2012
Freescale Semiconductor, Inc. 157

Debug & Security
KL25 Sub-Family Reference Manual, Rev. 3, September 2012
158 Freescale Semiconductor, Inc.

Chapter 10
Signal Multiplexing and Signal Descriptions
10.1 Introduction
To optimize functionality in small packages, pins have several functions available via
signal multiplexing. This chapter illustrates which of this device's signals are multiplexed
on which external pin.
The Port Control block controls which signal is present on the external pin. Reference
that chapter to find which register controls the operation of a specific pin.
10.2 Signal Multiplexing Integration
This section summarizes how the module is integrated into the device. For a
comprehensive description of the module itself, see the module’s dedicated chapter.
Register
access
Signal Multiplexing/
Port Control
Transfers
Module
Peripheral bus
controller 1
Module
Module
External Pins
Transfers
Figure 10-1. Signal multiplexing integration
Table 10-1. Reference links to related information
Topic Related module Reference
Full description Port control Port control
System memory map System memory map
Table continues on the next page...
KL25 Sub-Family Reference Manual, Rev. 3, September 2012
Freescale Semiconductor, Inc. 159

Table 10-1. Reference links to related information (continued)
Topic Related module Reference
Clocking Clock Distribution
Register access Peripheral bus
controller
Peripheral bridge
10.2.1 Port control and interrupt module features
• 32-pin ports
NOTE
Not all pins are available on the device. See the following
section for details.
• Port A and Port D is each assigned one interrupt. For DMA requests, Port A and Port
D each have a dedicated input to the DMA MUX.
The reset state and read/write characteristics of the bit fields within the PORTx_PCRn
registers is summarized in the table below.
Table 10-2. Port control register configuration summary
This field
of
PORTx_PC
Rn
Generally
resets to
Except for Resets to Configurability
PS 1 PTA0 0 Fixed - All are read only
PE 0 PTA0 and PTA2 1 Yes - All GPIO are
configurable
DSE 0 No exceptions - all DSE are cleared on reset. — 4 pins are configurable for
High Drive (PTB0 , PTB1,
PTD6 , PTD7). All are
others are fixed for Normal
Drive and the associated
DSE bit is read only.
SRE 1 PTA3, PTA14, PTA15, PTA16, PTA17, PTB10,
PTB11, PTB16, PTB17, PTC3, PTC4, PTC5, PTC6,
PTC7, PTD4, PTD5, PTD6, PTD7
0 Fixed - All are read only
MUX 000 PTA0, PTA3 and PTA4 111 Yes - All GPIO are
configurable
PFE 0 No exceptions - all PFE are cleared on reset.1— The GPIO shared with
NMI_b pin is configurable.
All other GPIO is fixed and
read only.
IRQC 000 No exceptions - all are cleared on reset. — Only implemented for
ports that support interrupt
and DMA functionality.
Table continues on the next page...
Signal Multiplexing Integration
KL25 Sub-Family Reference Manual, Rev. 3, September 2012
160 Freescale Semiconductor, Inc.

Table 10-2. Port control register configuration summary (continued)
This field
of
PORTx_PC
Rn
Generally
resets to
Except for Resets to Configurability
ISF 0 No exceptions - all are cleared on reset. — Only implemented for
ports that support interrupt
and DMA functionality.
1. The RESET pin has the passive analog filter fixed enabled when functioning as the RESET pin (FOPT[RESET_PIN_CFG]
= 1) and fixed disabled when configured for other shared functions.
10.2.2 Clock gating
The clock to the port control module can be gated on and off using the SCGC5[PORTx]
bits in the SIM module. These bits are cleared after any reset, which disables the clock to
the corresponding module to conserve power. Prior to initializing the corresponding
module, set SCGC5[PORTx] in the SIM module to enable the clock. Before turning off
the clock, make sure to disable the module. For more details, refer to the clock
distribution chapter.
10.2.3 Signal multiplexing constraints
1. A given peripheral function must be assigned to a maximum of one package pin. Do
not program the same function to more than one pin.
2. To ensure the best signal timing for a given peripheral's interface, choose the pins in
closest proximity to each other.
Pinout
10.3.1 KL25 Signal Multiplexing and Pin Assignments
The following table shows the signals available on each pin and the locations of these
pins on the devices supported by this document. The Port Control Module is responsible
for selecting which ALT functionality is available on each pin.
80
LQFP
64
LQFP
48
QFN
32
QFN
Pin Name Default ALT0 ALT1 ALT2 ALT3 ALT4 ALT5 ALT6 ALT7
1 1 — 1 PTE0 DISABLED PTE0 UART1_TX RTC_CLKOUT CMP0_OUT I2C1_SDA
2 2 — — PTE1 DISABLED PTE1 SPI1_MOSI UART1_RX SPI1_MISO I2C1_SCL
10.3
Chapter 10 Signal Multiplexing and Signal Descriptions
KL25 Sub-Family Reference Manual, Rev. 3, September 2012
Freescale Semiconductor, Inc. 161

80
LQFP
64
LQFP
48
QFN
32
QFN
Pin Name Default ALT0 ALT1 ALT2 ALT3 ALT4 ALT5 ALT6 ALT7
3 — — — PTE2 DISABLED PTE2 SPI1_SCK
4 — — — PTE3 DISABLED PTE3 SPI1_MISO SPI1_MOSI
5 — — — PTE4 DISABLED PTE4 SPI1_PCS0
6 — — — PTE5 DISABLED PTE5
7 3 1 — VDD VDD VDD
8 4 2 2 VSS VSS VSS
9 5 3 3 USB0_DP USB0_DP USB0_DP
10 6 4 4 USB0_DM USB0_DM USB0_DM
11 7 5 5 VOUT33 VOUT33 VOUT33
12 8 6 6 VREGIN VREGIN VREGIN
13 9 7 — PTE20 ADC0_DP0/
ADC0_SE0
ADC0_DP0/
ADC0_SE0
PTE20 TPM1_CH0 UART0_TX
14 10 8 — PTE21 ADC0_DM0/
ADC0_SE4a
ADC0_DM0/
ADC0_SE4a
PTE21 TPM1_CH1 UART0_RX
15 11 — — PTE22 ADC0_DP3/
ADC0_SE3
ADC0_DP3/
ADC0_SE3
PTE22 TPM2_CH0 UART2_TX
16 12 — — PTE23 ADC0_DM3/
ADC0_SE7a
ADC0_DM3/
ADC0_SE7a
PTE23 TPM2_CH1 UART2_RX
17 13 9 7 VDDA VDDA VDDA
18 14 10 — VREFH VREFH VREFH
19 15 11 — VREFL VREFL VREFL
20 16 12 8 VSSA VSSA VSSA
21 17 13 — PTE29 CMP0_IN5/
ADC0_SE4b
CMP0_IN5/
ADC0_SE4b
PTE29 TPM0_CH2 TPM_CLKIN0
22 18 14 9 PTE30 DAC0_OUT/
ADC0_SE23/
CMP0_IN4
DAC0_OUT/
ADC0_SE23/
CMP0_IN4
PTE30 TPM0_CH3 TPM_CLKIN1
23 19 — — PTE31 DISABLED PTE31 TPM0_CH4
24 20 15 — PTE24 DISABLED PTE24 TPM0_CH0 I2C0_SCL
25 21 16 — PTE25 DISABLED PTE25 TPM0_CH1 I2C0_SDA
26 22 17 10 PTA0 SWD_CLK TSI0_CH1 PTA0 TPM0_CH5 SWD_CLK
27 23 18 11 PTA1 DISABLED TSI0_CH2 PTA1 UART0_RX TPM2_CH0
28 24 19 12 PTA2 DISABLED TSI0_CH3 PTA2 UART0_TX TPM2_CH1
29 25 20 13 PTA3 SWD_DIO TSI0_CH4 PTA3 I2C1_SCL TPM0_CH0 SWD_DIO
30 26 21 14 PTA4 NMI_b TSI0_CH5 PTA4 I2C1_SDA TPM0_CH1 NMI_b
31 27 — — PTA5 DISABLED PTA5 USB_CLKIN TPM0_CH2
32 28 — — PTA12 DISABLED PTA12 TPM1_CH0
33 29 — — PTA13 DISABLED PTA13 TPM1_CH1
34 — — — PTA14 DISABLED PTA14 SPI0_PCS0 UART0_TX
35 — — — PTA15 DISABLED PTA15 SPI0_SCK UART0_RX
36 — — — PTA16 DISABLED PTA16 SPI0_MOSI SPI0_MISO
37 — — — PTA17 DISABLED PTA17 SPI0_MISO SPI0_MOSI
38 30 22 15 VDD VDD VDD
Pinout
KL25 Sub-Family Reference Manual, Rev. 3, September 2012
162 Freescale Semiconductor, Inc.

80
LQFP
64
LQFP
48
QFN
32
QFN
Pin Name Default ALT0 ALT1 ALT2 ALT3 ALT4 ALT5 ALT6 ALT7
39 31 23 16 VSS VSS VSS
40 32 24 17 PTA18 EXTAL0 EXTAL0 PTA18 UART1_RX TPM_CLKIN0
41 33 25 18 PTA19 XTAL0 XTAL0 PTA19 UART1_TX TPM_CLKIN1 LPTMR0_
ALT1
42 34 26 19 RESET_b RESET_b PTA20
43 35 27 20 PTB0/
LLWU_P5
ADC0_SE8/
TSI0_CH0
ADC0_SE8/
TSI0_CH0
PTB0/
LLWU_P5
I2C0_SCL TPM1_CH0
44 36 28 21 PTB1 ADC0_SE9/
TSI0_CH6
ADC0_SE9/
TSI0_CH6
PTB1 I2C0_SDA TPM1_CH1
45 37 29 — PTB2 ADC0_SE12/
TSI0_CH7
ADC0_SE12/
TSI0_CH7
PTB2 I2C0_SCL TPM2_CH0
46 38 30 — PTB3 ADC0_SE13/
TSI0_CH8
ADC0_SE13/
TSI0_CH8
PTB3 I2C0_SDA TPM2_CH1
47 — — — PTB8 DISABLED PTB8 EXTRG_IN
48 — — — PTB9 DISABLED PTB9
49 — — — PTB10 DISABLED PTB10 SPI1_PCS0
50 — — — PTB11 DISABLED PTB11 SPI1_SCK
51 39 31 — PTB16 TSI0_CH9 TSI0_CH9 PTB16 SPI1_MOSI UART0_RX TPM_CLKIN0 SPI1_MISO
52 40 32 — PTB17 TSI0_CH10 TSI0_CH10 PTB17 SPI1_MISO UART0_TX TPM_CLKIN1 SPI1_MOSI
53 41 — — PTB18 TSI0_CH11 TSI0_CH11 PTB18 TPM2_CH0
54 42 — — PTB19 TSI0_CH12 TSI0_CH12 PTB19 TPM2_CH1
55 43 33 — PTC0 ADC0_SE14/
TSI0_CH13
ADC0_SE14/
TSI0_CH13
PTC0 EXTRG_IN CMP0_OUT
56 44 34 22 PTC1/
LLWU_P6/
RTC_CLKIN
ADC0_SE15/
TSI0_CH14
ADC0_SE15/
TSI0_CH14
PTC1/
LLWU_P6/
RTC_CLKIN
I2C1_SCL TPM0_CH0
57 45 35 23 PTC2 ADC0_SE11/
TSI0_CH15
ADC0_SE11/
TSI0_CH15
PTC2 I2C1_SDA TPM0_CH1
58 46 36 24 PTC3/
LLWU_P7
DISABLED PTC3/
LLWU_P7
UART1_RX TPM0_CH2 CLKOUT
59 47 — — VSS VSS VSS
60 48 — — VDD VDD VDD
61 49 37 25 PTC4/
LLWU_P8
DISABLED PTC4/
LLWU_P8
SPI0_PCS0 UART1_TX TPM0_CH3
62 50 38 26 PTC5/
LLWU_P9
DISABLED PTC5/
LLWU_P9
SPI0_SCK LPTMR0_
ALT2
CMP0_OUT
63 51 39 27 PTC6/
LLWU_P10
CMP0_IN0 CMP0_IN0 PTC6/
LLWU_P10
SPI0_MOSI EXTRG_IN SPI0_MISO
64 52 40 28 PTC7 CMP0_IN1 CMP0_IN1 PTC7 SPI0_MISO SPI0_MOSI
65 53 — — PTC8 CMP0_IN2 CMP0_IN2 PTC8 I2C0_SCL TPM0_CH4
66 54 — — PTC9 CMP0_IN3 CMP0_IN3 PTC9 I2C0_SDA TPM0_CH5
67 55 — — PTC10 DISABLED PTC10 I2C1_SCL
68 56 — — PTC11 DISABLED PTC11 I2C1_SDA
69 — — — PTC12 DISABLED PTC12 TPM_CLKIN0
70 — — — PTC13 DISABLED PTC13 TPM_CLKIN1
Chapter 10 Signal Multiplexing and Signal Descriptions
KL25 Sub-Family Reference Manual, Rev. 3, September 2012
Freescale Semiconductor, Inc. 163

80
LQFP
64
LQFP
48
QFN
32
QFN
Pin Name Default ALT0 ALT1 ALT2 ALT3 ALT4 ALT5 ALT6 ALT7
71 — — — PTC16 DISABLED PTC16
72 — — — PTC17 DISABLED PTC17
73 57 41 — PTD0 DISABLED PTD0 SPI0_PCS0 TPM0_CH0
74 58 42 — PTD1 ADC0_SE5b ADC0_SE5b PTD1 SPI0_SCK TPM0_CH1
75 59 43 — PTD2 DISABLED PTD2 SPI0_MOSI UART2_RX TPM0_CH2 SPI0_MISO
76 60 44 — PTD3 DISABLED PTD3 SPI0_MISO UART2_TX TPM0_CH3 SPI0_MOSI
77 61 45 29 PTD4/
LLWU_P14
DISABLED PTD4/
LLWU_P14
SPI1_PCS0 UART2_RX TPM0_CH4
78 62 46 30 PTD5 ADC0_SE6b ADC0_SE6b PTD5 SPI1_SCK UART2_TX TPM0_CH5
79 63 47 31 PTD6/
LLWU_P15
ADC0_SE7b ADC0_SE7b PTD6/
LLWU_P15
SPI1_MOSI UART0_RX SPI1_MISO
80 64 48 32 PTD7 DISABLED PTD7 SPI1_MISO UART0_TX SPI1_MOSI
10.3.2 KL25 Pinouts
The below figures show the pinout diagrams for the devices supported by this document.
Many signals may be multiplexed onto a single pin. To determine what signals can be
used on which pin, see the previous section.
Pinout
KL25 Sub-Family Reference Manual, Rev. 3, September 2012
164 Freescale Semiconductor, Inc.

60
59
58
57
56
55
54
53
52
51
50
49
48
47
46
45
44
43
42
41
40
39
38
37
36
35
34
33
32
31
30
29
28
27
26
25
24
23
22
21
20
19
18
17
16
15
14
13
12
11
10
9
8
7
6
5
4
3
2
1
VSSA
VREFL
VREFH
VDDA
PTE23
PTE22
PTE21
PTE20
VREGIN
VOUT33
USB0_DM
USB0_DP
VSS
VDD
PTE5
PTE4
PTE3
PTE2
PTE1
PTE0
80
79
78
77
76
75
74
73
72
71
70
69
68
67
66
65
64
63
62
61
PTD7
PTD6/LLWU_P15
PTD5
PTD4/LLWU_P14
PTD3
PTD2
PTD1
PTD0
PTC17
PTC16
PTC13
PTC12
PTC11
PTC10
PTC9
PTC8
PTC7
PTC6/LLWU_P10
PTC5/LLWU_P9
PTC4/LLWU_P8
VDD
VSS
PTC3/LLWU_P7
PTC2
PTC1/LLWU_P6/RTC_CLKIN
PTC0
PTB19
PTB18
PTB17
PTB16
PTB11
PTB10
PTB9
PTB8
PTB3
PTB2
PTB1
PTB0/LLWU_P5
RESET_b
PTA19
PTA18
VSS
VDD
PTA17
PTA16
PTA15
PTA14
PTA13
PTA12
PTA5
PTA4
PTA3
PTA2
PTA1
PTA0
PTE25
PTE24
PTE31
PTE30
PTE29
Figure 10-2. KL25 80-pin LQFP pinout diagram
Chapter 10 Signal Multiplexing and Signal Descriptions
KL25 Sub-Family Reference Manual, Rev. 3, September 2012
Freescale Semiconductor, Inc. 165

PTE24
PTE31
PTE30
PTE29
VSSA
VREFL
VREFH
VDDA
PTE23
PTE22
PTE21
PTE20
VREGIN
VOUT33
USB0_DM
USB0_DP
VSS
VDD
PTE1
PTE0
60
59
58
57
56
55
54
53
52
51
50
49
48
47
46
45
44
43
42
41
40
39
38
37
36
35
34
33
32
31
30
29
28
27
26
25
24
23
22
21
20
19
18
17
16
15
14
13
12
11
10
9
8
7
6
5
4
3
2
1
64
63
62
61
PTD7
PTD6/LLWU_P15
PTD5
PTD4/LLWU_P14
PTD3
PTD2
PTD1
PTD0
PTC11
PTC10
PTC9
PTC8
PTC7
PTC6/LLWU_P10
PTC5/LLWU_P9
PTC4/LLWU_P8
VDD
VSS
PTC3/LLWU_P7
PTC2
PTC1/LLWU_P6/RTC_CLKIN
PTC0
PTB19
PTB18
PTB17
PTB16
PTB3
PTB2
PTB1
PTB0/LLWU_P5
RESET_b
PTA19
PTA18
VSS
VDD
PTA13
PTA12
PTA5
PTA4
PTA3
PTA2
PTA1
PTA0
PTE25
Figure 10-3. KL25 64-pin LQFP pinout diagram
Pinout
KL25 Sub-Family Reference Manual, Rev. 3, September 2012
166 Freescale Semiconductor, Inc.

VSSA
VREFL
VREFH
VDDA
PTE21
PTE20
VREGIN
VOUT33
USB0_DM
USB0_DP
VSS
VDD
12
11
10
9
8
7
6
5
4
3
2
1
48
47
46
45
44
43
42
41
40
39
38
37
PTD7
PTD6/LLWU_P15
PTD5
PTD4/LLWU_P14
PTD3
PTD2
PTD1
PTD0
PTC7
PTC6/LLWU_P10
PTC5/LLWU_P9
PTC4/LLWU_P8
36
35
34
33
PTC3/LLWU_P7
PTC2
PTC1/LLWU_P6/RTC_CLKIN
PTC0
32
31
30
29
28
27
26
25
PTB17
PTB16
PTB3
PTB2
PTB1
PTB0/LLWU_P5
RESET_b
PTA19
PTA3
PTA2
PTA1
PTA0
24
23
22
21
20
19
18
17
PTE25
PTE24
PTE30
PTE29
16
15
14
13
PTA18
VSS
VDD
PTA4
Figure 10-4. KL25 48-pin QFN pinout diagram
Chapter 10 Signal Multiplexing and Signal Descriptions
KL25 Sub-Family Reference Manual, Rev. 3, September 2012
Freescale Semiconductor, Inc. 167

32
31
30
29
28
27
26
25
PTD7
PTD6/LLWU_P15
PTD5
PTD4/LLWU_P14
PTC7
PTC6/LLWU_P10
PTC5/LLWU_P9
PTC4/LLWU_P8
PTA2
PTA1
PTA0
PTE30
12
11
10
9
VSS
VDD
PTA4
PTA3
16
15
14
13
PTB0/LLWU_P5
RESET_b
PTA19
PTA18
24
23
22
21
20
19
18
17
PTC3/LLWU_P7
PTC2
PTC1/LLWU_P6/RTC_CLKIN
PTB1
VSSA
VDDA
VREGIN
VOUT33
USB0_DM
USB0_DP
VSS
PTE0
8
7
6
5
4
3
2
1
Figure 10-5. KL25 32-pin QFN pinout diagram
10.4 Module Signal Description Tables
The following sections correlate the chip-level signal name with the signal name used in
the module's chapter. They also briefly describe the signal function and direction.
Module Signal Description Tables
KL25 Sub-Family Reference Manual, Rev. 3, September 2012
168 Freescale Semiconductor, Inc.

10.4.1 Core Modules
Table 10-3. SWD Signal Descriptions
Chip signal name Module signal
name
Description I/O
SWD_DIO SWD_DIO Serial wire debug data input/output. The SWD_DIO pin is used by
an external debug tool for communication and device control. This
pin is pulled up internally.
Input /
Output
SWD_CLK SWD_CLK Serial Wire Clock. This pin is the clock for debug logic when in the
Serial Wire Debug mode. This pin is pulled down internally.
Input
10.4.2 System Modules
Table 10-4. System Signal Descriptions
Chip signal name Module signal
name
Description I/O
NMI — Non-maskable interrupt
NOTE: Driving the NMI signal low forces a non-maskable
interrupt, if the NMI function is selected on the
corresponding pin.
I
RESET — Reset bi-directional signal I/O
VDD — MCU power I
VSS — MCU ground I
10.4.3 Clock Modules
Table 10-5. OSC Signal Descriptions
Chip signal name Module signal
name
Description I/O
EXTAL0 EXTAL External clock/Oscillator input I
XTAL0 XTAL Oscillator output O
10.4.4 Memories and Memory Interfaces
Chapter 10 Signal Multiplexing and Signal Descriptions
KL25 Sub-Family Reference Manual, Rev. 3, September 2012
Freescale Semiconductor, Inc. 169

10.4.5 Analog
Table 10-6. ADC 0 Signal Descriptions
Chip signal name Module signal
name
Description I/O
ADC0_DPn DADP3–DADP0 Differential Analog Channel Inputs I
ADC0_DMn DADM3–DADM0 Differential Analog Channel Inputs I
ADC0_SEn ADnSingle-Ended Analog Channel Inputs I
VREFH VREFSH Voltage Reference Select High I
VREFL VREFSL Voltage Reference Select Low I
VDDA VDDA Analog Power Supply I
VSSA VSSA Analog Ground I
Table 10-7. CMP 0 Signal Descriptions
Chip signal name Module signal
name
Description I/O
CMP0_IN[5:0] IN[5:0] Analog voltage inputs I
CMP0_OUT CMPO Comparator output O
Table 10-8. DAC 0 Signal Descriptions
Chip signal name Module signal
name
Description I/O
DAC0_OUT — DAC output O
10.4.6 Timer Modules
Table 10-9. TPM 0 Signal Descriptions
Chip signal name Module signal
name
Description I/O
TPM_CLKIN[2:0] EXTCLK External clock. FTM external clock can be selected to drive the
FTM counter.
I
TPM0_CH[5:0] CHn FTM channel (n), where n can be 7-0 I/O
Table 10-10. TPM 1 Signal Descriptions
Chip signal name Module signal
name
Description I/O
TPM_CLKIN[2:0] TPM_EXTCLK External clock. TPM external clock can be selected to increment the
TPM counter on every rising edge synchronized to the counter
clock.
I
Table continues on the next page...
Module Signal Description Tables
KL25 Sub-Family Reference Manual, Rev. 3, September 2012
170 Freescale Semiconductor, Inc.

Table 10-10. TPM 1 Signal Descriptions (continued)
Chip signal name Module signal
name
Description I/O
TPM1_CH[1:0] TPM_CHn TPM channel (n = 5 to 0) I/O
Table 10-11. TPM 2 Signal Descriptions
Chip signal name Module signal
name
Description I/O
TPM_CLKIN[2:0] TPM_EXTCLK External clock. TPM external clock can be selected to increment the
TPM counter on every rising edge synchronized to the counter
clock.
I
TPM2_CH[1:0] TPM_CHn TPM channel (n = 5 to 0) I/O
Table 10-12. LPTMR 0 Signal Descriptions
Chip signal name Module signal
name
Description I/O
LPTMR0_ALT[2:1] LPTMR_ALTnPulse Counter Input pin I
Table 10-13. RTC Signal Descriptions
Chip signal name Module signal
name
Description I/O
RTC_CLKOUT1RTC_CLKOUT 1 Hz square-wave output O
1. RTC_CLKOUT can also be driven with OSCERCLK via SIM control bit SIM_SOPT[RCTCLKOUTSEL]
10.4.7 Communication Interfaces
Table 10-14. USB FS OTG Signal Descriptions
Chip signal name Module signal
name
Description I/O
USB0_DM usb_dm USB D- analog data signal on the USB bus. I/O
USB0_DP usb_dp USB D+ analog data signal on the USB bus. I/O
USB_CLKIN — Alternate USB clock input I
Table 10-15. USB VREG Signal Descriptions
Chip signal name Module signal
name
Description I/O
VOUT33 reg33_out Regulator output voltage O
VREGIN reg33_in Unregulated power supply I
Chapter 10 Signal Multiplexing and Signal Descriptions
KL25 Sub-Family Reference Manual, Rev. 3, September 2012
Freescale Semiconductor, Inc. 171

Table 10-16. SPI0 Signal Descriptions
Chip signal name Module signal
name
Description I/O
SPI0_MISO MISO Master Data In, Slave Data Out I/O
SPI0_MOSI MOSI Master Data Out, Slave Data In I/O
SPI0_SCLK SPSCK SPI Serial Clock I/O
SPI0_PCS0 SS Slave Select I/O
Table 10-17. SPI1 Signal Descriptions
Chip signal name Module signal
name
Description I/O
SPI1_MISO MISO Master Data In, Slave Data Out I/O
SPI1_MOSI MOSI Master Data Out, Slave Data In I/O
SPI1_SCLK SPSCK SPI Serial Clock I/O
SPI1_PCS0 SS Slave Select I/O
Table 10-18. I2C 0 Signal Descriptions
Chip signal name Module signal
name
Description I/O
I2C0_SCL SCL Bidirectional serial clock line of the I2C system. I/O
I2C0_SDA SDA Bidirectional serial data line of the I2C system. I/O
Table 10-19. I2C 1 Signal Descriptions
Chip signal name Module signal
name
Description I/O
I2C1_SCL SCL Bidirectional serial clock line of the I2C system. I/O
I2C1_SDA SDA Bidirectional serial data line of the I2C system. I/O
Table 10-20. UART 0 Signal Descriptions
Chip signal name Module signal
name
Description I/O
UART0_TX TXD Transmit data O
UART0_RX RXD Receive data I
Module Signal Description Tables
KL25 Sub-Family Reference Manual, Rev. 3, September 2012
172 Freescale Semiconductor, Inc.

Table 10-21. UART 1 Signal Descriptions
Chip signal name Module signal
name
Description I/O
UART1_TX TXD Transmit data O
UART1_RX RXD Receive data I
Table 10-22. UART 2 Signal Descriptions
Chip signal name Module signal
name
Description I/O
UART2_TX TXD Transmit data O
UART2_RX RXD Receive data I
10.4.8 Human-Machine Interfaces (HMI)
Table 10-23. GPIO Signal Descriptions
Chip signal name Module signal
name
Description I/O
PTA[31:0]1PORTA31–PORTA0 General-purpose input/output I/O
PTB[31:0]1PORTB31–PORTB0 General-purpose input/output I/O
PTC[31:0]1PORTC31–PORTC0 General-purpose input/output I/O
PTD[31:0]1PORTD31–PORTD0 General-purpose input/output I/O
PTE[31:0]1PORTE31–PORTE0 General-purpose input/output I/O
1. The available GPIO pins depends on the specific package. See the signal multiplexing section for which exact GPIO
signals are available.
Table 10-24. TSI Signal Descriptions
Chip signal name Module signal
name
Description I/O
TSI0_CH[15:0] TSI[15:0] TSI capacitive pins. Switches driver that connects directly to the
electrode pins TSI[15:0] can operate as GPIO pins.
I/O
Chapter 10 Signal Multiplexing and Signal Descriptions
KL25 Sub-Family Reference Manual, Rev. 3, September 2012
Freescale Semiconductor, Inc. 173

Module Signal Description Tables
KL25 Sub-Family Reference Manual, Rev. 3, September 2012
174 Freescale Semiconductor, Inc.

Chapter 11
Port control and interrupts (PORT)
11.1 Introduction
NOTE
For the chip-specific implementation details of this module's
instances see the chip configuration information.
11.2 Overview
The port control and interrupt (PORT) module provides support for port control, and
external interrupt functions. Most functions can be configured independently for each pin
in the 32-bit port and affect the pin regardless of its pin muxing state.
There is one instance of the PORT module for each port. Not all pins within each port are
implemented on a specific device.
11.2.1 Features
The PORT module has the following features:
• Pin interrupt on selected pins
• Interrupt flag and enable registers for each pin
• Support for edge sensitive (rising, falling, both) or level sensitive (low, high)
configured per pin
• Support for interrupt or DMA request configured per pin
• Asynchronous wakeup in Low-Power modes
• Pin interrupt is functional in all digital Pin Muxing modes
• Port control
KL25 Sub-Family Reference Manual, Rev. 3, September 2012
Freescale Semiconductor, Inc. 175

• Individual pull control fields with pullup, pulldown, and pull-disablesupport on
selected pins
• Individual drive strength field supporting high and low drive strength on selected
pins
• Individual slew rate field supporting fast and slow slew rates on selected pins
• Individual input passive filter field supporting enable and disable of the
individual input passive filter on selected pins
• Individual mux control field supporting analog or pin disabled, GPIO, and up to
six chip-specific digital functions
• Pad configuration fields are functional in all digital Pin Muxing modes
11.2.2 Modes of operation
11.2.2.1 Run mode
In Run mode, the PORT operates normally.
11.2.2.2 Wait mode
In Wait mode, PORT continues to operate normally and may be configured to exit the
Low-Power mode if an enabled interrupt is detected. DMA requests are still generated
during the Wait mode, but do not cause an exit from the Low-Power mode.
11.2.2.3 Stop mode
In Stop mode, the PORT can be configured to exit the Low-Power mode via an
asynchronous wakeup signal if an enabled interrupt is detected.
11.2.2.4 Debug mode
In Debug mode, PORT operates normally.
11.3 External signal description
The following table describes the PORT external signal.
External signal description
KL25 Sub-Family Reference Manual, Rev. 3, September 2012
176 Freescale Semiconductor, Inc.

Table 11-1. Signal properties
Name Function I/O Reset Pull
PORTx[31:0] External interrupt I/O 0 -
NOTE
Not all pins within each port are implemented on each device.
11.4 Detailed signal description
The following table contains the detailed signal description for the PORT interface.
Table 11-2. PORT interface—detailed signal description
Signal I/O Description
PORTx[31:0] I/O External interrupt.
State meaning Asserted—pin is logic one.
Negated—pin is logic zero.
Timing Assertion—may occur at any time and can assert
asynchronously to the system clock.
Negation—may occur at any time and can assert
asynchronously to the system clock.
11.5 Memory map and register definition
Any read or write access to the PORT memory space that is outside the valid memory
map results in a bus error. All register accesses complete with zero wait states.
PORT memory map
Absolute
address
(hex)
Register name Width
(in bits) Access Reset value Section/
page
4004_9000 Pin Control Register n (PORTA_PCR0) 32 R/W See section 11.5.1/183
4004_9004 Pin Control Register n (PORTA_PCR1) 32 R/W See section 11.5.1/183
4004_9008 Pin Control Register n (PORTA_PCR2) 32 R/W See section 11.5.1/183
4004_900C Pin Control Register n (PORTA_PCR3) 32 R/W See section 11.5.1/183
4004_9010 Pin Control Register n (PORTA_PCR4) 32 R/W See section 11.5.1/183
4004_9014 Pin Control Register n (PORTA_PCR5) 32 R/W See section 11.5.1/183
4004_9018 Pin Control Register n (PORTA_PCR6) 32 R/W See section 11.5.1/183
4004_901C Pin Control Register n (PORTA_PCR7) 32 R/W See section 11.5.1/183
Table continues on the next page...
Chapter 11 Port control and interrupts (PORT)
KL25 Sub-Family Reference Manual, Rev. 3, September 2012
Freescale Semiconductor, Inc. 177

PORT memory map (continued)
Absolute
address
(hex)
Register name Width
(in bits) Access Reset value Section/
page
4004_9020 Pin Control Register n (PORTA_PCR8) 32 R/W See section 11.5.1/183
4004_9024 Pin Control Register n (PORTA_PCR9) 32 R/W See section 11.5.1/183
4004_9028 Pin Control Register n (PORTA_PCR10) 32 R/W See section 11.5.1/183
4004_902C Pin Control Register n (PORTA_PCR11) 32 R/W See section 11.5.1/183
4004_9030 Pin Control Register n (PORTA_PCR12) 32 R/W See section 11.5.1/183
4004_9034 Pin Control Register n (PORTA_PCR13) 32 R/W See section 11.5.1/183
4004_9038 Pin Control Register n (PORTA_PCR14) 32 R/W See section 11.5.1/183
4004_903C Pin Control Register n (PORTA_PCR15) 32 R/W See section 11.5.1/183
4004_9040 Pin Control Register n (PORTA_PCR16) 32 R/W See section 11.5.1/183
4004_9044 Pin Control Register n (PORTA_PCR17) 32 R/W See section 11.5.1/183
4004_9048 Pin Control Register n (PORTA_PCR18) 32 R/W See section 11.5.1/183
4004_904C Pin Control Register n (PORTA_PCR19) 32 R/W See section 11.5.1/183
4004_9050 Pin Control Register n (PORTA_PCR20) 32 R/W See section 11.5.1/183
4004_9054 Pin Control Register n (PORTA_PCR21) 32 R/W See section 11.5.1/183
4004_9058 Pin Control Register n (PORTA_PCR22) 32 R/W See section 11.5.1/183
4004_905C Pin Control Register n (PORTA_PCR23) 32 R/W See section 11.5.1/183
4004_9060 Pin Control Register n (PORTA_PCR24) 32 R/W See section 11.5.1/183
4004_9064 Pin Control Register n (PORTA_PCR25) 32 R/W See section 11.5.1/183
4004_9068 Pin Control Register n (PORTA_PCR26) 32 R/W See section 11.5.1/183
4004_906C Pin Control Register n (PORTA_PCR27) 32 R/W See section 11.5.1/183
4004_9070 Pin Control Register n (PORTA_PCR28) 32 R/W See section 11.5.1/183
4004_9074 Pin Control Register n (PORTA_PCR29) 32 R/W See section 11.5.1/183
4004_9078 Pin Control Register n (PORTA_PCR30) 32 R/W See section 11.5.1/183
4004_907C Pin Control Register n (PORTA_PCR31) 32 R/W See section 11.5.1/183
4004_9080 Global Pin Control Low Register (PORTA_GPCLR) 32
W
(always
reads 0)
0000_0000h 11.5.2/185
4004_9084 Global Pin Control High Register (PORTA_GPCHR) 32
W
(always
reads 0)
0000_0000h 11.5.3/186
4004_90A0 Interrupt Status Flag Register (PORTA_ISFR) 32 w1c 0000_0000h 11.5.4/186
4004_A000 Pin Control Register n (PORTB_PCR0) 32 R/W See section 11.5.1/183
4004_A004 Pin Control Register n (PORTB_PCR1) 32 R/W See section 11.5.1/183
4004_A008 Pin Control Register n (PORTB_PCR2) 32 R/W See section 11.5.1/183
4004_A00C Pin Control Register n (PORTB_PCR3) 32 R/W See section 11.5.1/183
4004_A010 Pin Control Register n (PORTB_PCR4) 32 R/W See section 11.5.1/183
4004_A014 Pin Control Register n (PORTB_PCR5) 32 R/W See section 11.5.1/183
4004_A018 Pin Control Register n (PORTB_PCR6) 32 R/W See section 11.5.1/183
4004_A01C Pin Control Register n (PORTB_PCR7) 32 R/W See section 11.5.1/183
Table continues on the next page...
Memory map and register definition
KL25 Sub-Family Reference Manual, Rev. 3, September 2012
178 Freescale Semiconductor, Inc.

PORT memory map (continued)
Absolute
address
(hex)
Register name Width
(in bits) Access Reset value Section/
page
4004_A020 Pin Control Register n (PORTB_PCR8) 32 R/W See section 11.5.1/183
4004_A024 Pin Control Register n (PORTB_PCR9) 32 R/W See section 11.5.1/183
4004_A028 Pin Control Register n (PORTB_PCR10) 32 R/W See section 11.5.1/183
4004_A02C Pin Control Register n (PORTB_PCR11) 32 R/W See section 11.5.1/183
4004_A030 Pin Control Register n (PORTB_PCR12) 32 R/W See section 11.5.1/183
4004_A034 Pin Control Register n (PORTB_PCR13) 32 R/W See section 11.5.1/183
4004_A038 Pin Control Register n (PORTB_PCR14) 32 R/W See section 11.5.1/183
4004_A03C Pin Control Register n (PORTB_PCR15) 32 R/W See section 11.5.1/183
4004_A040 Pin Control Register n (PORTB_PCR16) 32 R/W See section 11.5.1/183
4004_A044 Pin Control Register n (PORTB_PCR17) 32 R/W See section 11.5.1/183
4004_A048 Pin Control Register n (PORTB_PCR18) 32 R/W See section 11.5.1/183
4004_A04C Pin Control Register n (PORTB_PCR19) 32 R/W See section 11.5.1/183
4004_A050 Pin Control Register n (PORTB_PCR20) 32 R/W See section 11.5.1/183
4004_A054 Pin Control Register n (PORTB_PCR21) 32 R/W See section 11.5.1/183
4004_A058 Pin Control Register n (PORTB_PCR22) 32 R/W See section 11.5.1/183
4004_A05C Pin Control Register n (PORTB_PCR23) 32 R/W See section 11.5.1/183
4004_A060 Pin Control Register n (PORTB_PCR24) 32 R/W See section 11.5.1/183
4004_A064 Pin Control Register n (PORTB_PCR25) 32 R/W See section 11.5.1/183
4004_A068 Pin Control Register n (PORTB_PCR26) 32 R/W See section 11.5.1/183
4004_A06C Pin Control Register n (PORTB_PCR27) 32 R/W See section 11.5.1/183
4004_A070 Pin Control Register n (PORTB_PCR28) 32 R/W See section 11.5.1/183
4004_A074 Pin Control Register n (PORTB_PCR29) 32 R/W See section 11.5.1/183
4004_A078 Pin Control Register n (PORTB_PCR30) 32 R/W See section 11.5.1/183
4004_A07C Pin Control Register n (PORTB_PCR31) 32 R/W See section 11.5.1/183
4004_A080 Global Pin Control Low Register (PORTB_GPCLR) 32
W
(always
reads 0)
0000_0000h 11.5.2/185
4004_A084 Global Pin Control High Register (PORTB_GPCHR) 32
W
(always
reads 0)
0000_0000h 11.5.3/186
4004_A0A0 Interrupt Status Flag Register (PORTB_ISFR) 32 w1c 0000_0000h 11.5.4/186
4004_B000 Pin Control Register n (PORTC_PCR0) 32 R/W See section 11.5.1/183
4004_B004 Pin Control Register n (PORTC_PCR1) 32 R/W See section 11.5.1/183
4004_B008 Pin Control Register n (PORTC_PCR2) 32 R/W See section 11.5.1/183
4004_B00C Pin Control Register n (PORTC_PCR3) 32 R/W See section 11.5.1/183
4004_B010 Pin Control Register n (PORTC_PCR4) 32 R/W See section 11.5.1/183
4004_B014 Pin Control Register n (PORTC_PCR5) 32 R/W See section 11.5.1/183
4004_B018 Pin Control Register n (PORTC_PCR6) 32 R/W See section 11.5.1/183
4004_B01C Pin Control Register n (PORTC_PCR7) 32 R/W See section 11.5.1/183
Table continues on the next page...
Chapter 11 Port control and interrupts (PORT)
KL25 Sub-Family Reference Manual, Rev. 3, September 2012
Freescale Semiconductor, Inc. 179

PORT memory map (continued)
Absolute
address
(hex)
Register name Width
(in bits) Access Reset value Section/
page
4004_B020 Pin Control Register n (PORTC_PCR8) 32 R/W See section 11.5.1/183
4004_B024 Pin Control Register n (PORTC_PCR9) 32 R/W See section 11.5.1/183
4004_B028 Pin Control Register n (PORTC_PCR10) 32 R/W See section 11.5.1/183
4004_B02C Pin Control Register n (PORTC_PCR11) 32 R/W See section 11.5.1/183
4004_B030 Pin Control Register n (PORTC_PCR12) 32 R/W See section 11.5.1/183
4004_B034 Pin Control Register n (PORTC_PCR13) 32 R/W See section 11.5.1/183
4004_B038 Pin Control Register n (PORTC_PCR14) 32 R/W See section 11.5.1/183
4004_B03C Pin Control Register n (PORTC_PCR15) 32 R/W See section 11.5.1/183
4004_B040 Pin Control Register n (PORTC_PCR16) 32 R/W See section 11.5.1/183
4004_B044 Pin Control Register n (PORTC_PCR17) 32 R/W See section 11.5.1/183
4004_B048 Pin Control Register n (PORTC_PCR18) 32 R/W See section 11.5.1/183
4004_B04C Pin Control Register n (PORTC_PCR19) 32 R/W See section 11.5.1/183
4004_B050 Pin Control Register n (PORTC_PCR20) 32 R/W See section 11.5.1/183
4004_B054 Pin Control Register n (PORTC_PCR21) 32 R/W See section 11.5.1/183
4004_B058 Pin Control Register n (PORTC_PCR22) 32 R/W See section 11.5.1/183
4004_B05C Pin Control Register n (PORTC_PCR23) 32 R/W See section 11.5.1/183
4004_B060 Pin Control Register n (PORTC_PCR24) 32 R/W See section 11.5.1/183
4004_B064 Pin Control Register n (PORTC_PCR25) 32 R/W See section 11.5.1/183
4004_B068 Pin Control Register n (PORTC_PCR26) 32 R/W See section 11.5.1/183
4004_B06C Pin Control Register n (PORTC_PCR27) 32 R/W See section 11.5.1/183
4004_B070 Pin Control Register n (PORTC_PCR28) 32 R/W See section 11.5.1/183
4004_B074 Pin Control Register n (PORTC_PCR29) 32 R/W See section 11.5.1/183
4004_B078 Pin Control Register n (PORTC_PCR30) 32 R/W See section 11.5.1/183
4004_B07C Pin Control Register n (PORTC_PCR31) 32 R/W See section 11.5.1/183
4004_B080 Global Pin Control Low Register (PORTC_GPCLR) 32
W
(always
reads 0)
0000_0000h 11.5.2/185
4004_B084 Global Pin Control High Register (PORTC_GPCHR) 32
W
(always
reads 0)
0000_0000h 11.5.3/186
4004_B0A0 Interrupt Status Flag Register (PORTC_ISFR) 32 w1c 0000_0000h 11.5.4/186
4004_C000 Pin Control Register n (PORTD_PCR0) 32 R/W See section 11.5.1/183
4004_C004 Pin Control Register n (PORTD_PCR1) 32 R/W See section 11.5.1/183
4004_C008 Pin Control Register n (PORTD_PCR2) 32 R/W See section 11.5.1/183
4004_C00C Pin Control Register n (PORTD_PCR3) 32 R/W See section 11.5.1/183
4004_C010 Pin Control Register n (PORTD_PCR4) 32 R/W See section 11.5.1/183
4004_C014 Pin Control Register n (PORTD_PCR5) 32 R/W See section 11.5.1/183
4004_C018 Pin Control Register n (PORTD_PCR6) 32 R/W See section 11.5.1/183
4004_C01C Pin Control Register n (PORTD_PCR7) 32 R/W See section 11.5.1/183
Table continues on the next page...
Memory map and register definition
KL25 Sub-Family Reference Manual, Rev. 3, September 2012
180 Freescale Semiconductor, Inc.

PORT memory map (continued)
Absolute
address
(hex)
Register name Width
(in bits) Access Reset value Section/
page
4004_C020 Pin Control Register n (PORTD_PCR8) 32 R/W See section 11.5.1/183
4004_C024 Pin Control Register n (PORTD_PCR9) 32 R/W See section 11.5.1/183
4004_C028 Pin Control Register n (PORTD_PCR10) 32 R/W See section 11.5.1/183
4004_C02C Pin Control Register n (PORTD_PCR11) 32 R/W See section 11.5.1/183
4004_C030 Pin Control Register n (PORTD_PCR12) 32 R/W See section 11.5.1/183
4004_C034 Pin Control Register n (PORTD_PCR13) 32 R/W See section 11.5.1/183
4004_C038 Pin Control Register n (PORTD_PCR14) 32 R/W See section 11.5.1/183
4004_C03C Pin Control Register n (PORTD_PCR15) 32 R/W See section 11.5.1/183
4004_C040 Pin Control Register n (PORTD_PCR16) 32 R/W See section 11.5.1/183
4004_C044 Pin Control Register n (PORTD_PCR17) 32 R/W See section 11.5.1/183
4004_C048 Pin Control Register n (PORTD_PCR18) 32 R/W See section 11.5.1/183
4004_C04C Pin Control Register n (PORTD_PCR19) 32 R/W See section 11.5.1/183
4004_C050 Pin Control Register n (PORTD_PCR20) 32 R/W See section 11.5.1/183
4004_C054 Pin Control Register n (PORTD_PCR21) 32 R/W See section 11.5.1/183
4004_C058 Pin Control Register n (PORTD_PCR22) 32 R/W See section 11.5.1/183
4004_C05C Pin Control Register n (PORTD_PCR23) 32 R/W See section 11.5.1/183
4004_C060 Pin Control Register n (PORTD_PCR24) 32 R/W See section 11.5.1/183
4004_C064 Pin Control Register n (PORTD_PCR25) 32 R/W See section 11.5.1/183
4004_C068 Pin Control Register n (PORTD_PCR26) 32 R/W See section 11.5.1/183
4004_C06C Pin Control Register n (PORTD_PCR27) 32 R/W See section 11.5.1/183
4004_C070 Pin Control Register n (PORTD_PCR28) 32 R/W See section 11.5.1/183
4004_C074 Pin Control Register n (PORTD_PCR29) 32 R/W See section 11.5.1/183
4004_C078 Pin Control Register n (PORTD_PCR30) 32 R/W See section 11.5.1/183
4004_C07C Pin Control Register n (PORTD_PCR31) 32 R/W See section 11.5.1/183
4004_C080 Global Pin Control Low Register (PORTD_GPCLR) 32
W
(always
reads 0)
0000_0000h 11.5.2/185
4004_C084 Global Pin Control High Register (PORTD_GPCHR) 32
W
(always
reads 0)
0000_0000h 11.5.3/186
4004_C0A0 Interrupt Status Flag Register (PORTD_ISFR) 32 w1c 0000_0000h 11.5.4/186
4004_D000 Pin Control Register n (PORTE_PCR0) 32 R/W See section 11.5.1/183
4004_D004 Pin Control Register n (PORTE_PCR1) 32 R/W See section 11.5.1/183
4004_D008 Pin Control Register n (PORTE_PCR2) 32 R/W See section 11.5.1/183
4004_D00C Pin Control Register n (PORTE_PCR3) 32 R/W See section 11.5.1/183
4004_D010 Pin Control Register n (PORTE_PCR4) 32 R/W See section 11.5.1/183
4004_D014 Pin Control Register n (PORTE_PCR5) 32 R/W See section 11.5.1/183
4004_D018 Pin Control Register n (PORTE_PCR6) 32 R/W See section 11.5.1/183
4004_D01C Pin Control Register n (PORTE_PCR7) 32 R/W See section 11.5.1/183
Table continues on the next page...
Chapter 11 Port control and interrupts (PORT)
KL25 Sub-Family Reference Manual, Rev. 3, September 2012
Freescale Semiconductor, Inc. 181

PORT memory map (continued)
Absolute
address
(hex)
Register name Width
(in bits) Access Reset value Section/
page
4004_D020 Pin Control Register n (PORTE_PCR8) 32 R/W See section 11.5.1/183
4004_D024 Pin Control Register n (PORTE_PCR9) 32 R/W See section 11.5.1/183
4004_D028 Pin Control Register n (PORTE_PCR10) 32 R/W See section 11.5.1/183
4004_D02C Pin Control Register n (PORTE_PCR11) 32 R/W See section 11.5.1/183
4004_D030 Pin Control Register n (PORTE_PCR12) 32 R/W See section 11.5.1/183
4004_D034 Pin Control Register n (PORTE_PCR13) 32 R/W See section 11.5.1/183
4004_D038 Pin Control Register n (PORTE_PCR14) 32 R/W See section 11.5.1/183
4004_D03C Pin Control Register n (PORTE_PCR15) 32 R/W See section 11.5.1/183
4004_D040 Pin Control Register n (PORTE_PCR16) 32 R/W See section 11.5.1/183
4004_D044 Pin Control Register n (PORTE_PCR17) 32 R/W See section 11.5.1/183
4004_D048 Pin Control Register n (PORTE_PCR18) 32 R/W See section 11.5.1/183
4004_D04C Pin Control Register n (PORTE_PCR19) 32 R/W See section 11.5.1/183
4004_D050 Pin Control Register n (PORTE_PCR20) 32 R/W See section 11.5.1/183
4004_D054 Pin Control Register n (PORTE_PCR21) 32 R/W See section 11.5.1/183
4004_D058 Pin Control Register n (PORTE_PCR22) 32 R/W See section 11.5.1/183
4004_D05C Pin Control Register n (PORTE_PCR23) 32 R/W See section 11.5.1/183
4004_D060 Pin Control Register n (PORTE_PCR24) 32 R/W See section 11.5.1/183
4004_D064 Pin Control Register n (PORTE_PCR25) 32 R/W See section 11.5.1/183
4004_D068 Pin Control Register n (PORTE_PCR26) 32 R/W See section 11.5.1/183
4004_D06C Pin Control Register n (PORTE_PCR27) 32 R/W See section 11.5.1/183
4004_D070 Pin Control Register n (PORTE_PCR28) 32 R/W See section 11.5.1/183
4004_D074 Pin Control Register n (PORTE_PCR29) 32 R/W See section 11.5.1/183
4004_D078 Pin Control Register n (PORTE_PCR30) 32 R/W See section 11.5.1/183
4004_D07C Pin Control Register n (PORTE_PCR31) 32 R/W See section 11.5.1/183
4004_D080 Global Pin Control Low Register (PORTE_GPCLR) 32
W
(always
reads 0)
0000_0000h 11.5.2/185
4004_D084 Global Pin Control High Register (PORTE_GPCHR) 32
W
(always
reads 0)
0000_0000h 11.5.3/186
4004_D0A0 Interrupt Status Flag Register (PORTE_ISFR) 32 w1c 0000_0000h 11.5.4/186
Memory map and register definition
KL25 Sub-Family Reference Manual, Rev. 3, September 2012
182 Freescale Semiconductor, Inc.

11.5.1 Pin Control Register n (PORTx_PCRn)
NOTE
Refer to the Signal Multiplexing and Signal Descriptions
chapter for the reset value of this device.
See the GPIO Configuration section for details on the available
functions for each pin.
Do not modify pin configuration registers associated with pins
not available in your selected package. All un-bonded pins not
available in your package will default to DISABLE state for
lowest power consumption.
Address: Base address + 0h offset + (4d × i), where i=0d to 31d
Bit 31 30 29 28 27 26 25 24 23 22 21 20 19 18 17 16
R0 ISF 0 IRQC
Ww1c
Reset 0 0 0 0 0 0 0 0 0 0 0 0 0 0 0 0
Bit 15 14 13 12 11 10 9 8 7 6 5 4 3 2 1 0
R0MUX 0DSE 0PFE 0SRE PE PS
W
Reset 0 0 0 0 0 x* x* x* 0 x* 0 x* 0 x* x* x*
* Notes:
x = Undefined at reset.•
PORTx_PCRn field descriptions
Field Description
31–25
Reserved
This field is reserved.
This read-only field is reserved and always has the value 0.
24
ISF
Interrupt Status Flag
This bit is read only for pins that do not support interrupt generation.
The pin interrupt configuration is valid in all digital pin muxing modes.
0 Configured interrupt is not detected.
1 Configured interrupt is detected. If the pin is configured to generate a DMA request, then the
corresponding flag will be cleared automatically at the completion of the requested DMA transfer.
Otherwise, the flag remains set until a logic one is written to the flag. If the pin is configured for a level
sensitive interrupt and the pin remains asserted, then the flag is set again immediately after it is
cleared.
Table continues on the next page...
Chapter 11 Port control and interrupts (PORT)
KL25 Sub-Family Reference Manual, Rev. 3, September 2012
Freescale Semiconductor, Inc. 183

PORTx_PCRn field descriptions (continued)
Field Description
23–20
Reserved
This field is reserved.
This read-only field is reserved and always has the value 0.
19–16
IRQC
Interrupt Configuration
This field is read only for pins that do not support interrupt generation.
The pin interrupt configuration is valid in all digital pin muxing modes. The corresponding pin is configured
to generate interrupt/DMA request as follows:
0000 Interrupt/DMA request disabled.
0001 DMA request on rising edge.
0010 DMA request on falling edge.
0011 DMA request on either edge.
1000 Interrupt when logic zero.
1001 Interrupt on rising edge.
1010 Interrupt on falling edge.
1011 Interrupt on either edge.
1100 Interrupt when logic one.
Others Reserved.
15–11
Reserved
This field is reserved.
This read-only field is reserved and always has the value 0.
10–8
MUX
Pin Mux Control
Not all pins support all pin muxing slots. Unimplemented pin muxing slots are reserved and may result in
configuring the pin for a different pin muxing slot.
The corresponding pin is configured in the following pin muxing slot as follows:
000 Pin disabled (analog).
001 Alternative 1 (GPIO).
010 Alternative 2 (chip-specific).
011 Alternative 3 (chip-specific).
100 Alternative 4 (chip-specific).
101 Alternative 5 (chip-specific).
110 Alternative 6 (chip-specific).
111 Alternative 7 (chip-specific).
7
Reserved
This field is reserved.
This read-only field is reserved and always has the value 0.
6
DSE
Drive Strength Enable
This bit is read only for pins that do not support a configurable drive strength.
Drive strength configuration is valid in all digital pin muxing modes.
0 Low drive strength is configured on the corresponding pin, if pin is configured as a digital output.
1 High drive strength is configured on the corresponding pin, if pin is configured as a digital output.
5
Reserved
This field is reserved.
This read-only field is reserved and always has the value 0.
4
PFE
Passive Filter Enable
This bit is read only for pins that do not support a configurable passive input filter.
Passive filter configuration is valid in all digital pin muxing modes.
Table continues on the next page...
Memory map and register definition
KL25 Sub-Family Reference Manual, Rev. 3, September 2012
184 Freescale Semiconductor, Inc.

PORTx_PCRn field descriptions (continued)
Field Description
0 Passive input filter is disabled on the corresponding pin.
1 Passive input filter is enabled on the corresponding pin, if the pin is configured as a digital input. Refer
to the device data sheet for filter characteristics.
3
Reserved
This field is reserved.
This read-only field is reserved and always has the value 0.
2
SRE
Slew Rate Enable
This bit is read only for pins that do not support a configurable slew rate.
Slew rate configuration is valid in all digital pin muxing modes.
0 Fast slew rate is configured on the corresponding pin, if the pin is configured as a digital output.
1 Slow slew rate is configured on the corresponding pin, if the pin is configured as a digital output.
1
PE
Pull Enable
This bit is read only for pins that do not support a configurable pull resistor. Refer to the Chapter of Signal
Multiplexing and Signal Descriptions for the pins that support a configurable pull resistor.
Pull configuration is valid in all digital pin muxing modes.
0 Internal pullup or pulldown resistor is not enabled on the corresponding pin.
1 Internal pullup or pulldown resistor is enabled on the corresponding pin, if the pin is configured as a
digital input.
0
PS
Pull Select
This bit is read only for pins that do not support a configurable pull resistor direction.
Pull configuration is valid in all digital pin muxing modes.
0 Internal pulldown resistor is enabled on the corresponding pin, if the corresponding Port Pull Enable
field is set.
1 Internal pullup resistor is enabled on the corresponding pin, if the corresponding Port Pull Enable field
is set.
11.5.2 Global Pin Control Low Register (PORTx_GPCLR)
Only 32-bit writes are supported to this register.
Address: Base address + 80h offset
Bit 31 30 29 28 27 26 25 24 23 22 21 20 19 18 17 16 15 14 13 12 11 10 9 8 7 6 5 4 3 2 1 0
R0 0
WGPWE GPWD
Reset 0 0 0 0 0 0 0 0 0 0 0 0 0 0 0 0 0 0 0 0 0 0 0 0 0 0 0 0 0 0 0 0
PORTx_GPCLR field descriptions
Field Description
31–16
GPWE
Global Pin Write Enable
Selects which Pin Control Registers (15 through 0) bits [15:0] update with the value in GPWD.
Table continues on the next page...
Chapter 11 Port control and interrupts (PORT)
KL25 Sub-Family Reference Manual, Rev. 3, September 2012
Freescale Semiconductor, Inc. 185

PORTx_GPCLR field descriptions (continued)
Field Description
0 Corresponding Pin Control Register is not updated with the value in GPWD.
1 Corresponding Pin Control Register is updated with the value in GPWD.
15–0
GPWD
Global Pin Write Data
Write value that is written to all Pin Control Registers bits [15:0] that are selected by GPWE.
11.5.3 Global Pin Control High Register (PORTx_GPCHR)
Only 32-bit writes are supported to this register.
Address: Base address + 84h offset
Bit 31 30 29 28 27 26 25 24 23 22 21 20 19 18 17 16 15 14 13 12 11 10 9 8 7 6 5 4 3 2 1 0
R0 0
WGPWE GPWD
Reset 0 0 0 0 0 0 0 0 0 0 0 0 0 0 0 0 0 0 0 0 0 0 0 0 0 0 0 0 0 0 0 0
PORTx_GPCHR field descriptions
Field Description
31–16
GPWE
Global Pin Write Enable
Selects which Pin Control Registers (31 through 16) bits [15:0] update with the value in GPWD.
0 Corresponding Pin Control Register is not updated with the value in GPWD.
1 Corresponding Pin Control Register is updated with the value in GPWD.
15–0
GPWD
Global Pin Write Data
Write value that is written to all Pin Control Registers bits [15:0] that are selected by GPWE.
11.5.4 Interrupt Status Flag Register (PORTx_ISFR)
The corresponding bit is read only for pins that do not support interrupt generation.
The pin interrupt configuration is valid in all digital pin muxing modes. The Interrupt
Status Flag for each pin is also visible in the corresponding Pin Control Register, and
each flag can be cleared in either location.
Address: Base address + A0h offset
Bit 31 30 29 28 27 26 25 24 23 22 21 20 19 18 17 16 15 14 13 12 11 10 9 8 7 6 5 4 3 2 1 0
RISF
Ww1c
Reset 0 0 0 0 0 0 0 0 0 0 0 0 0 0 0 0 0 0 0 0 0 0 0 0 0 0 0 0 0 0 0 0
Memory map and register definition
KL25 Sub-Family Reference Manual, Rev. 3, September 2012
186 Freescale Semiconductor, Inc.

PORTx_ISFR field descriptions
Field Description
31–0
ISF
Interrupt Status Flag
Each bit in the field indicates the detection of the configured interrupt of the same number as the field.
0 Configured interrupt is not detected.
1 Configured interrupt is detected. If the pin is configured to generate a DMA request, then the
corresponding flag will be cleared automatically at the completion of the requested DMA transfer.
Otherwise, the flag remains set until a logic one is written to the flag. If the pin is configured for a level
sensitive interrupt and the pin remains asserted, then the flag is set again immediately after it is
cleared.
11.6 Functional description
11.6.1 Pin control
Each port pin has a corresponding pin control register, PORT_PCRn, associated with it.
The upper half of the pin control register configures the pin's capability to either interrupt
the CPU or request a DMA transfer, on a rising/falling edge or both edges as well as a
logic level occurring on the port pin. It also includes a flag to indicate that an interrupt
has occurred.
The lower half of the pin control register configures the following functions for each pin
within the 32-bit port.
• Pullup or pulldown enable on selected pins
• Drive strength and slew rate configuration on selected pins
• Passive input filter enable on selected pins
• Pin Muxing mode
The functions apply across all digital Pin Muxing modes and individual peripherals do
not override the configuration in the pin control register. For example, if an I2C function
is enabled on a pin, that does not override the pullup configuration for that pin.
When the Pin Muxing mode is configured for analog or is disabled, all the digital
functions on that pin are disabled. This includes the pullup and pulldown enables, and
passive filter enable.
The configuration of each pin control register is retained when the PORT module is
disabled.
Chapter 11 Port control and interrupts (PORT)
KL25 Sub-Family Reference Manual, Rev. 3, September 2012
Freescale Semiconductor, Inc. 187

11.6.2 Global pin control
The two global pin control registers allow a single register write to update the lower half
of the pin control register on up to sixteen pins, all with the same value.
The global pin control registers are designed to enable software to quickly configure
multiple pins within the one port for the same peripheral function. However, the interrupt
functions cannot be configured using the global pin control registers.
The global pin control registers are write-only registers, that always read as zero.
11.6.3 External interrupts
The external interrupt capability of the PORT module is available in all digital pin
muxing modes provided the PORT module is enabled.
Each pin can be individually configured for any of the following external interrupt
modes:
• Interrupt disabled, default out of reset
• Active high level sensitive interrupt
• Active low level sensitive interrupt
• Rising edge sensitive interrupt
• Falling edge sensitive interrupt
• Rising and falling edge sensitive interrupt
• Rising edge sensitive DMA request
• Falling edge sensitive DMA request
• Rising and falling edge sensitive DMA request
The interrupt status flag is set when the configured edge or level is detected on the output
of the pin. When not in Stop mode, the input is first synchronized to the bus clock to
detect the configured level or edge transition.
The PORT module generates a single interrupt that asserts when the interrupt status flag
is set for any enabled interrupt for that port. The interrupt negates after the interrupt status
flags for all enabled interrupts have been cleared by writing a logic 0 to the ISF flag in
the PORT_PCRn register.
The PORT module generates a single DMA request that asserts when the interrupt status
flag is set for any enabled DMA request in that port. The DMA request negates after the
DMA transfer is completed, because that clears the interrupt status flags for all enabled
DMA requests.
Functional description
KL25 Sub-Family Reference Manual, Rev. 3, September 2012
188 Freescale Semiconductor, Inc.

During Stop mode, the interrupt status flag for any enabled interrupt is asynchronously
set if the required level or edge is detected. This also generates an asynchronous wakeup
signal to exit the Low-Power mode.
Chapter 11 Port control and interrupts (PORT)
KL25 Sub-Family Reference Manual, Rev. 3, September 2012
Freescale Semiconductor, Inc. 189

Functional description
KL25 Sub-Family Reference Manual, Rev. 3, September 2012
190 Freescale Semiconductor, Inc.

Chapter 12
System integration module (SIM)
12.1 Introduction
The system integration module (SIM) provides system control and chip configuration
registers.
12.1.1 Features
• System clocking configuration
• System clock divide values
• Architectural clock gating control
• ERCLK32K clock selection
• USB clock selection
• UART0 and TPM clock selection
• Flash and System RAM size configuration
• USB regulator configuration
• TPM external clock and input capture selection
• UART receive/transmit source selection/configuration
12.2 Memory map and register definition
The SIM module contains many bitfields for selecting the clock source and dividers for
various module clocks.
KL25 Sub-Family Reference Manual, Rev. 3, September 2012
Freescale Semiconductor, Inc. 191

NOTE
The SIM registers can be written only in supervisor mode. In
user mode, write accesses are blocked and will result in a bus
error.
NOTE
The SIM_SOPT1 and SIM_SOPT1CFG registers are located at
a different base address than the other SIM registers.
SIM memory map
Absolute
address
(hex)
Register name Width
(in bits) Access Reset value Section/
page
4004_7000 System Options Register 1 (SIM_SOPT1) 32 R/W See section 12.2.1/193
4004_7004 SOPT1 Configuration Register (SIM_SOPT1CFG) 32 R/W 0000_0000h 12.2.2/194
4004_8004 System Options Register 2 (SIM_SOPT2) 32 R/W 0000_0000h 12.2.3/195
4004_800C System Options Register 4 (SIM_SOPT4) 32 R/W 0000_0000h 12.2.4/197
4004_8010 System Options Register 5 (SIM_SOPT5) 32 R/W 0000_0000h 12.2.5/199
4004_8018 System Options Register 7 (SIM_SOPT7) 32 R/W 0000_0000h 12.2.6/200
4004_8024 System Device Identification Register (SIM_SDID) 32 R See section 12.2.7/202
4004_8034 System Clock Gating Control Register 4 (SIM_SCGC4) 32 R/W F000_0030h 12.2.8/204
4004_8038 System Clock Gating Control Register 5 (SIM_SCGC5) 32 R/W 0000_0180h 12.2.9/206
4004_803C System Clock Gating Control Register 6 (SIM_SCGC6) 32 R/W 0000_0001h 12.2.10/207
4004_8040 System Clock Gating Control Register 7 (SIM_SCGC7) 32 R/W 0000_0100h 12.2.11/209
4004_8044 System Clock Divider Register 1 (SIM_CLKDIV1) 32 R/W See section 12.2.12/210
4004_804C Flash Configuration Register 1 (SIM_FCFG1) 32 R/W See section 12.2.13/211
4004_8050 Flash Configuration Register 2 (SIM_FCFG2) 32 R See section 12.2.14/213
4004_8058 Unique Identification Register Mid-High (SIM_UIDMH) 32 R See section 12.2.15/213
4004_805C Unique Identification Register Mid Low (SIM_UIDML) 32 R See section 12.2.16/214
4004_8060 Unique Identification Register Low (SIM_UIDL) 32 R See section 12.2.17/214
4004_8100 COP Control Register (SIM_COPC) 32 R/W 0000_000Ch 12.2.18/215
4004_8104 Service COP Register (SIM_SRVCOP) 32 W 0000_0000h 12.2.19/216
Memory map and register definition
KL25 Sub-Family Reference Manual, Rev. 3, September 2012
192 Freescale Semiconductor, Inc.

12.2.1 System Options Register 1 (SIM_SOPT1)
NOTE
The SOPT1 register is only reset on POR or LVD.
Address: 4004_7000h base + 0h offset = 4004_7000h
Bit 31 30 29 28 27 26 25 24 23 22 21 20 19 18 17 16
R
USBREGEN
USBSSTBY
USBVSTBY
0
OSC32KSEL
0
W
Reset 1 0 0 0 0 0 0 0 0 0 0 0 0 0 0 0
Bit 15 14 13 12 11 10 9 8 7 6 5 4 3 2 1 0
R0
Reserved
W
Reset 0 0 0 0 0 0 0 0 0 0 * * * * * *
* Notes:
Reserved field: Device specific value.•
SIM_SOPT1 field descriptions
Field Description
31
USBREGEN
USB voltage regulator enable
Controls whether the USB voltage regulator is enabled.
0 USB voltage regulator is disabled.
1 USB voltage regulator is enabled.
30
USBSSTBY
USB voltage regulator in standby mode during Stop, VLPS, LLS and VLLS modes.
Controls whether the USB voltage regulator is placed in standby mode during Stop, VLPS, LLS and VLLS
modes.
0 USB voltage regulator not in standby during Stop, VLPS, LLS and VLLS modes.
1 USB voltage regulator in standby during Stop, VLPS, LLS and VLLS modes.
29
USBVSTBY
USB voltage regulator in standby mode during VLPR and VLPW modes
Controls whether the USB voltage regulator is placed in standby mode during VLPR and VLPW modes.
0 USB voltage regulator not in standby during VLPR and VLPW modes.
1 USB voltage regulator in standby during VLPR and VLPW modes.
28–20
Reserved
This field is reserved.
This read-only field is reserved and always has the value 0.
Table continues on the next page...
Chapter 12 System integration module (SIM)
KL25 Sub-Family Reference Manual, Rev. 3, September 2012
Freescale Semiconductor, Inc. 193

SIM_SOPT1 field descriptions (continued)
Field Description
19–18
OSC32KSEL
32K oscillator clock select
Selects the 32 kHz clock source (ERCLK32K) for RTC and LPTMR. This bit is reset only on POR/LVD.
00 System oscillator (OSC32KCLK)
01 Reserved
10 RTC_CLKIN
11 LPO 1kHz
17–6
Reserved
This field is reserved.
This read-only field is reserved and always has the value 0.
5–0
Reserved
This field is reserved.
12.2.2 SOPT1 Configuration Register (SIM_SOPT1CFG)
NOTE
The SOPT1CFG register is reset on System Reset not VLLS.
Address: 4004_7000h base + 4h offset = 4004_7004h
Bit 31 30 29 28 27 26 25 24 23 22 21 20 19 18 17 16
R0
USSWE
UVSWE
URWE
0
W
Reset 0 0 0 0 0 0 0 0 0 0 0 0 0 0 0 0
Bit 15 14 13 12 11 10 9 8 7 6 5 4 3 2 1 0
R0
W
Reset 0 0 0 0 0 0 0 0 0 0 0 0 0 0 0 0
SIM_SOPT1CFG field descriptions
Field Description
31–27
Reserved
This field is reserved.
This read-only field is reserved and always has the value 0.
26
USSWE
USB voltage regulator stop standby write enable
Writing one to the USSWE bit allows the SOPT1 USBSSTBY bit to be written. This register bit clears after
a write to USBSSTBY.
Table continues on the next page...
Memory map and register definition
KL25 Sub-Family Reference Manual, Rev. 3, September 2012
194 Freescale Semiconductor, Inc.

SIM_SOPT1CFG field descriptions (continued)
Field Description
0 SOPT1 USBSSTB cannot be written.
1 SOPT1 USBSSTB can be written.
25
UVSWE
USB voltage regulator VLP standby write enable
Writing one to the UVSWE bit allows the SOPT1 USBVSTBY bit to be written. This register bit clears after
a write to USBVSTBY.
0 SOPT1 USBVSTB cannot be written.
1 SOPT1 USBVSTB can be written.
24
URWE
USB voltage regulator enable write enable
Writing one to the URWE bit allows the SOPT1 USBREGEN bit to be written. This register bit clears after
a write to USBREGEN.
0 SOPT1 USBREGEN cannot be written.
1 SOPT1 USBREGEN can be written.
23–0
Reserved
This field is reserved.
This read-only field is reserved and always has the value 0.
12.2.3 System Options Register 2 (SIM_SOPT2)
SOPT2 contains the controls for selecting many of the module clock source options on
this device. See the Clock Distribution chapter for more information including clocking
diagrams and definitions of device clocks.
Address: 4004_7000h base + 1004h offset = 4004_8004h
Bit 31 30 29 28 27 26 25 24 23 22 21 20 19 18 17 16
R0
UART0SRC TPMSRC
0
USBSRC
0
PLLFLLSEL
W
Reset 0 0 0 0 0 0 0 0 0 0 0 0 0 0 0 0
Bit 15 14 13 12 11 10 9 8 7 6 5 4 3 2 1 0
R0
CLKOUTSEL
RTCCLKOUTS
EL
0
W
Reset 0 0 0 0 0 0 0 0 0 0 0 0 0 0 0 0
Chapter 12 System integration module (SIM)
KL25 Sub-Family Reference Manual, Rev. 3, September 2012
Freescale Semiconductor, Inc. 195

SIM_SOPT2 field descriptions
Field Description
31–28
Reserved
This field is reserved.
This read-only field is reserved and always has the value 0.
27–26
UART0SRC
UART0 clock source select
Selects the clock source for the UART0 transmit and receive clock.
00 Clock disabled
01 MCGFLLCLK clock or MCGPLLCLK/2 clock
10 OSCERCLK clock
11 MCGIRCLK clock
25–24
TPMSRC
TPM clock source select
Selects the clock source for the TPM counter clock
00 Clock disabled
01 MCGFLLCLK clock or MCGPLLCLK/2
10 OSCERCLK clock
11 MCGIRCLK clock
23–19
Reserved
This field is reserved.
This read-only field is reserved and always has the value 0.
18
USBSRC
USB clock source select
Selects the clock source for the USB 48 MHz clock.
0 External bypass clock (USB_CLKIN).
1 MCGPLLCLK/2 or MCGFLLCLK clock
17
Reserved
This field is reserved.
This read-only field is reserved and always has the value 0.
16
PLLFLLSEL
PLL/FLL clock select
Selects the MCGPLLCLK or MCGFLLCLK clock for various peripheral clocking options.
0 MCGFLLCLK clock
1 MCGPLLCLK clock with fixed divide by two
15–8
Reserved
This field is reserved.
This read-only field is reserved and always has the value 0.
7–5
CLKOUTSEL
CLKOUT select
Selects the clock to output on the CLKOUT pin.
000 Reserved
001 Reserved
010 Bus clock
011 LPO clock (1 kHz)
100 MCGIRCLK
101 Reserved
110 OSCERCLK
111 Reserved
4
RTCCLKOUTSEL
RTC clock out select
Table continues on the next page...
Memory map and register definition
KL25 Sub-Family Reference Manual, Rev. 3, September 2012
196 Freescale Semiconductor, Inc.

SIM_SOPT2 field descriptions (continued)
Field Description
Selects either the RTC 1 Hz clock or the OSC clock to be output on the RTC_CLKOUT pin.
0 RTC 1 Hz clock is output on the RTC_CLKOUT pin.
1 OSCERCLK clock is output on the RTC_CLKOUT pin.
3–0
Reserved
This field is reserved.
This read-only field is reserved and always has the value 0.
12.2.4 System Options Register 4 (SIM_SOPT4)
Address: 4004_7000h base + 100Ch offset = 4004_800Ch
Bit 31 30 29 28 27 26 25 24 23 22 21 20 19 18 17 16
R0
TPM2CLKSEL
TPM1CLKSEL
TPM0CLKSEL
0
TPM2CH0SRC
0
TPM1CH0SRC
0
W
Reset 0 0 0 0 0 0 0 0 0 0 0 0 0 0 0 0
Bit 15 14 13 12 11 10 9 8 7 6 5 4 3 2 1 0
R0
W
Reset 0 0 0 0 0 0 0 0 0 0 0 0 0 0 0 0
SIM_SOPT4 field descriptions
Field Description
31–27
Reserved
This field is reserved.
This read-only field is reserved and always has the value 0.
26
TPM2CLKSEL
TPM2 External Clock Pin Select
Selects the external pin used to drive the clock to the TPM2 module.
NOTE: The selected pin must also be configured for the TPM external clock function through the
appropriate pin control register in the port control module.
0 TPM2 external clock driven by TPM_CLKIN0 pin.
1 TPM2 external clock driven by TPM_CLKIN1 pin.
25
TPM1CLKSEL
TPM1 External Clock Pin Select
Selects the external pin used to drive the clock to the TPM1 module.
NOTE: The selected pin must also be configured for the TPM external clock function through the
appropriate pin control register in the port control module.
Table continues on the next page...
Chapter 12 System integration module (SIM)
KL25 Sub-Family Reference Manual, Rev. 3, September 2012
Freescale Semiconductor, Inc. 197

SIM_SOPT4 field descriptions (continued)
Field Description
0 TPM1 external clock driven by TPM_CLKIN0 pin.
1 TPM1 external clock driven by TPM_CLKIN1 pin.
24
TPM0CLKSEL
TPM0 External Clock Pin Select
Selects the external pin used to drive the clock to the TPM0 module.
NOTE: The selected pin must also be configured for the TPM external clock function through the
appropriate pin control register in the port control module.
0 TPM0 external clock driven by TPM_CLKIN0 pin.
1 TPM0 external clock driven by TPM_CLKIN1 pin.
23–21
Reserved
This field is reserved.
This read-only field is reserved and always has the value 0.
20
TPM2CH0SRC
TPM2 channel 0 input capture source select
Selects the source for TPM2 channel 0 input capture.
NOTE: When TPM2 is not in input capture mode, clear this field.
0 TPM2_CH0 signal
1 CMP0 output
19
Reserved
This field is reserved.
This read-only field is reserved and always has the value 0.
18
TPM1CH0SRC
TPM1 channel 0 input capture source select
Selects the source for TPM1 channel 0 input capture.
NOTE: When TPM1 is not in input capture mode, clear this field.
0 TPM1_CH0 signal
1 CMP0 output
17–0
Reserved
This field is reserved.
This read-only field is reserved and always has the value 0.
Memory map and register definition
KL25 Sub-Family Reference Manual, Rev. 3, September 2012
198 Freescale Semiconductor, Inc.

12.2.5 System Options Register 5 (SIM_SOPT5)
Address: 4004_7000h base + 1010h offset = 4004_8010h
Bit 31 30 29 28 27 26 25 24 23 22 21 20 19 18 17 16
R0 0
UART2ODE
UART1ODE
UART0ODE
W
Reset 0 0 0 0 0 0 0 0 0 0 0 0 0 0 0 0
Bit 15 14 13 12 11 10 9 8 7 6 5 4 3 2 1 0
R0
UART1RXSRC
UART1TXSRC
0
UART0RXSRC
UART0TXSRC
W
Reset 0 0 0 0 0 0 0 0 0 0 0 0 0 0 0 0
SIM_SOPT5 field descriptions
Field Description
31–20
Reserved
This field is reserved.
This read-only field is reserved and always has the value 0.
19
Reserved
This field is reserved.
This read-only field is reserved and always has the value 0.
18
UART2ODE
UART2 Open Drain Enable
0 Open drain is disabled on UART2
1 Open drain is enabled on UART2
17
UART1ODE
UART1 Open Drain Enable
0 Open drain is disabled on UART1
1 Open drain is enabled on UART1
16
UART0ODE
UART0 Open Drain Enable
0 Open drain is disabled on UART0
1 Open drain is enabled on UART0
15–7
Reserved
This field is reserved.
This read-only field is reserved and always has the value 0.
6
UART1RXSRC
UART1 receive data source select
Selects the source for the UART1 receive data.
0 UART1_RX pin
1 CMP0 output
5–4
UART1TXSRC
UART1 transmit data source select
Selects the source for the UART1 transmit data.
Table continues on the next page...
Chapter 12 System integration module (SIM)
KL25 Sub-Family Reference Manual, Rev. 3, September 2012
Freescale Semiconductor, Inc. 199

SIM_SOPT5 field descriptions (continued)
Field Description
00 UART1_TX pin
01 UART1_TX pin modulated with TPM1 channel 0 output
10 UART1_TX pin modulated with TPM2 channel 0 output
11 Reserved
3
Reserved
This field is reserved.
This read-only field is reserved and always has the value 0.
2
UART0RXSRC
UART0 receive data source select
Selects the source for the UART0 receive data.
0 UART0_RX pin
1 CMP0 output
1–0
UART0TXSRC
UART0 transmit data source select
Selects the source for the UART0 transmit data.
00 UART0_TX pin
01 UART0_TX pin modulated with TPM1 channel 0 output
10 UART0_TX pin modulated with TPM2 channel 0 output
11 Reserved
12.2.6 System Options Register 7 (SIM_SOPT7)
Address: 4004_7000h base + 1018h offset = 4004_8018h
Bit 31 30 29 28 27 26 25 24 23 22 21 20 19 18 17 16
R0
W
Reset 0 0 0 0 0 0 0 0 0 0 0 0 0 0 0 0
Bit 15 14 13 12 11 10 9 8 7 6 5 4 3 2 1 0
R0
ADC0ALTTRGE
N
0
ADC0PRETRGS
EL
ADC0TRGSEL
W
Reset 0 0 0 0 0 0 0 0 0 0 0 0 0 0 0 0
Memory map and register definition
KL25 Sub-Family Reference Manual, Rev. 3, September 2012
200 Freescale Semiconductor, Inc.

SIM_SOPT7 field descriptions
Field Description
31–8
Reserved
This field is reserved.
This read-only field is reserved and always has the value 0.
7
ADC0ALTTRGEN
ADC0 alternate trigger enable
Enable alternative conversion triggers for ADC0.
0 TPM1 channel 0 (A) and channel 1 (B) triggers selected for ADC0.
1 Alternate trigger selected for ADC0.
6–5
Reserved
This field is reserved.
This read-only field is reserved and always has the value 0.
4
ADC0PRETRGSEL
ADC0 pretrigger select
Selects the ADC0 pre-trigger source when alternative triggers are enabled through ADC0ALTTRGEN.
0 Pre-trigger A
1 Pre-trigger B
3–0
ADC0TRGSEL
ADC0 trigger select
Selects the ADC0 trigger source when alternative triggers are functional in stop and VLPS modes. .
0000 External trigger pin input (EXTRG_IN)
0001 CMP0 output
0010 Reserved
0011 Reserved
0100 PIT trigger 0
0101 PIT trigger 1
0110 Reserved
0111 Reserved
1000 TPM0 overflow
1001 TPM1 overflow
1010 TPM2 overflow
1011 Reserved
1100 RTC alarm
1101 RTC seconds
1110 LPTMR0 trigger
1111 Reserved
Chapter 12 System integration module (SIM)
KL25 Sub-Family Reference Manual, Rev. 3, September 2012
Freescale Semiconductor, Inc. 201

12.2.7 System Device Identification Register (SIM_SDID)
Address: 4004_7000h base + 1024h offset = 4004_8024h
Bit 31 30 29 28 27 26 25 24 23 22 21 20 19 18 17 16 15 14 13 12 11 10 9 8 7 6 5 4 3 2 1 0
RFAMID SUBFAMID SERIESID SRAMSIZE REVID DIEID 0 PINID
W
Reset * * * * * * * * 0 0 0 1 * * * * * * * * 0 1 0 0 1 0 0 0 * * * *
* Notes:
FAMID field: Device specific value.•
SUBFAMID field: Device specific value.•
SRAMSIZE field: Device specific value.•
REVID field: Device specific value.•
PINID field: Device specific value.•
SIM_SDID field descriptions
Field Description
31–28
FAMID
Kinetis family ID
Specifies the Kinetis family of the device.
0000 KL0x Family (low end)
0001 KL1x Family (basic)
0010 KL2x Family (USB)
0011 KL3x Family (Segment LCD)
0100 KL4x Family (USB and Segment LCD)
27–24
SUBFAMID
Kinetis Sub-Family ID
Specifies the Kinetis sub-family of the device.
0010 KLx2 Subfamily (low end)
0100 KLx4 Subfamily (basic analog)
0101 KLx5 Subfamily (advanced analog)
0110 KLx6 Subfamily (advanced analog with I2S)
23–20
SERIESID
Kinetis Series ID
Specifies the Kinetis family of the device.
0001 KL family
19–16
SRAMSIZE
System SRAM Size
Specifies the size of the System SRAM
0000 0.5 KB
0001 1 KB
0010 2 KB
0011 4 KB
0100 8 KB
0101 16 KB
Table continues on the next page...
Memory map and register definition
KL25 Sub-Family Reference Manual, Rev. 3, September 2012
202 Freescale Semiconductor, Inc.

SIM_SDID field descriptions (continued)
Field Description
0110 32 KB
0111 64 KB
15–12
REVID
Device revision number
Specifies the silicon implementation number for the device.
11–7
DIEID
Device die number
Specifies the silicon implementation number for the device.
6–4
Reserved
This field is reserved.
This read-only field is reserved and always has the value 0.
3–0
PINID
Pincount identification
Specifies the pincount of the device.
0000 16-pin
0001 24-pin
0010 32-pin
0011 Reserved
0100 48-pin
0101 64-pin
0110 80-pin
0111 Reserved
1000 100-pin
1001 Reserved
1010 Reserved
1011 Reserved
1100 Reserved
1101 Reserved
1110 Reserved
1111 Reserved
Chapter 12 System integration module (SIM)
KL25 Sub-Family Reference Manual, Rev. 3, September 2012
Freescale Semiconductor, Inc. 203

12.2.8 System Clock Gating Control Register 4 (SIM_SCGC4)
Address: 4004_7000h base + 1034h offset = 4004_8034h
Bit 31 30 29 28 27 26 25 24 23 22 21 20 19 18 17 16
R1 0
SPI1 SPI0
0
CMP
USBOTG
0
W
Reset 1 1 1 1 0 0 0 0 0 0 0 0 0 0 0 0
Bit 15 14 13 12 11 10 9 8 7 6 5 4 3 2 1 0
R0 0
UART2
UART1
UART0
0
I2C1 I2C0
1 0
W
Reset 0 0 0 0 0 0 0 0 0 0 1 1 0 0 0 0
SIM_SCGC4 field descriptions
Field Description
31–28
Reserved
This field is reserved.
This read-only field is reserved and always has the value 1.
27–24
Reserved
This field is reserved.
This read-only field is reserved and always has the value 0.
23
SPI1
SPI1 Clock Gate Control
This bit controls the clock gate to the SPI1 module.
0 Clock disabled
1 Clock enabled
22
SPI0
SPI0 Clock Gate Control
This bit controls the clock gate to the SPI0 module.
0 Clock disabled
1 Clock enabled
21–20
Reserved
This field is reserved.
This read-only field is reserved and always has the value 0.
19
CMP
Comparator Clock Gate Control
This bit controls the clock gate to the comparator module.
0 Clock disabled
1 Clock enabled
18
USBOTG
USB Clock Gate Control
This bit controls the clock gate to the USB module.
Table continues on the next page...
Memory map and register definition
KL25 Sub-Family Reference Manual, Rev. 3, September 2012
204 Freescale Semiconductor, Inc.

SIM_SCGC4 field descriptions (continued)
Field Description
0 Clock disabled
1 Clock enabled
17–14
Reserved
This field is reserved.
This read-only field is reserved and always has the value 0.
13
Reserved
This field is reserved.
This read-only field is reserved and always has the value 0.
12
UART2
UART2 Clock Gate Control
This bit controls the clock gate to the UART2 module.
0 Clock disabled
1 Clock enabled
11
UART1
UART1 Clock Gate Control
This bit controls the clock gate to the UART1 module.
0 Clock disabled
1 Clock enabled
10
UART0
UART0 Clock Gate Control
This bit controls the clock gate to the UART0 module.
0 Clock disabled
1 Clock enabled
9–8
Reserved
This field is reserved.
This read-only field is reserved and always has the value 0.
7
I2C1
I2C1 Clock Gate Control
This bit controls the clock gate to the I 2 C1 module.
0 Clock disabled
1 Clock enabled
6
I2C0
I2C0 Clock Gate Control
This bit controls the clock gate to the I 2 C0 module.
0 Clock disabled
1 Clock enabled
5–4
Reserved
This field is reserved.
This read-only field is reserved and always has the value 1.
3–0
Reserved
This field is reserved.
This read-only field is reserved and always has the value 0.
Chapter 12 System integration module (SIM)
KL25 Sub-Family Reference Manual, Rev. 3, September 2012
Freescale Semiconductor, Inc. 205

12.2.9 System Clock Gating Control Register 5 (SIM_SCGC5)
Address: 4004_7000h base + 1038h offset = 4004_8038h
Bit 31 30 29 28 27 26 25 24 23 22 21 20 19 18 17 16
R0 0 0
W
Reset 0 0 0 0 0 0 0 0 0 0 0 0 0 0 0 0
Bit 15 14 13 12 11 10 9 8 7 6 5 4 3 2 1 0
R0
PORTE
PORTD
PORTC
PORTB
PORTA
1 0
TSI
0 0
LPTMR
W
Reset 0 0 0 0 0 0 0 1 1 0 0 0 0 0 0 0
SIM_SCGC5 field descriptions
Field Description
31–20
Reserved
This field is reserved.
This read-only field is reserved and always has the value 0.
19
Reserved
This field is reserved.
This read-only field is reserved and always has the value 0.
18–14
Reserved
This field is reserved.
This read-only field is reserved and always has the value 0.
13
PORTE
Port E Clock Gate Control
This bit controls the clock gate to the Port E module.
0 Clock disabled
1 Clock enabled
12
PORTD
Port D Clock Gate Control
This bit controls the clock gate to the Port D module.
0 Clock disabled
1 Clock enabled
11
PORTC
Port C Clock Gate Control
This bit controls the clock gate to the Port C module.
0 Clock disabled
1 Clock enabled
10
PORTB
Port B Clock Gate Control
This bit controls the clock gate to the Port B module.
Table continues on the next page...
Memory map and register definition
KL25 Sub-Family Reference Manual, Rev. 3, September 2012
206 Freescale Semiconductor, Inc.

SIM_SCGC5 field descriptions (continued)
Field Description
0 Clock disabled
1 Clock enabled
9
PORTA
Port A Clock Gate Control
This bit controls the clock gate to the Port A module.
0 Clock disabled
1 Clock enabled
8–7
Reserved
This field is reserved.
This read-only field is reserved and always has the value 1.
6
Reserved
This field is reserved.
This read-only field is reserved and always has the value 0.
5
TSI
TSI Access Control
This bit controls software access to the TSI module.
0 Access disabled
1 Access enabled
4–2
Reserved
This field is reserved.
This read-only field is reserved and always has the value 0.
1
Reserved
This field is reserved.
This read-only field is reserved and always has the value 0.
0
LPTMR
Low Power Timer Access Control
This bit controls software access to the Low Power Timer module.
0 Access disabled
1 Access enabled
12.2.10 System Clock Gating Control Register 6 (SIM_SCGC6)
Address: 4004_7000h base + 103Ch offset = 4004_803Ch
Bit 31 30 29 28 27 26 25 24 23 22 21 20 19 18 17 16
R
DAC0
0
RTC
0
ADC0
TPM2
TPM1
TPM0
PIT
0
W
Reset 0 0 0 0 0 0 0 0 0 0 0 0 0 0 0 0
Bit 15 14 13 12 11 10 9 8 7 6 5 4 3 2 1 0
R0 0
DMAMUX
FTF
W
Reset 0 0 0 0 0 0 0 0 0 0 0 0 0 0 0 1
Chapter 12 System integration module (SIM)
KL25 Sub-Family Reference Manual, Rev. 3, September 2012
Freescale Semiconductor, Inc. 207

SIM_SCGC6 field descriptions
Field Description
31
DAC0
DAC0 Clock Gate Control
This bit controls the clock gate to the DAC0 module.
0 Clock disabled
1 Clock enabled
30
Reserved
This field is reserved.
This read-only field is reserved and always has the value 0.
29
RTC
RTC Access Control
This bit controls software access and interrupts to the RTC module.
0 Access and interrupts disabled
1 Access and interrupts enabled
28
Reserved
This field is reserved.
This read-only field is reserved and always has the value 0.
27
ADC0
ADC0 Clock Gate Control
This bit controls the clock gate to the ADC0 module.
0 Clock disabled
1 Clock enabled
26
TPM2
TPM2 Clock Gate Control
This bit controls the clock gate to the TPM2 module.
0 Clock disabled
1 Clock enabled
25
TPM1
TPM1 Clock Gate Control
This bit controls the clock gate to the TPM1 module.
0 Clock disabled
1 Clock enabled
24
TPM0
TPM0 Clock Gate Control
This bit controls the clock gate to the TPM0 module.
0 Clock disabled
1 Clock enabled
23
PIT
PIT Clock Gate Control
This bit controls the clock gate to the PIT module.
0 Clock disabled
1 Clock enabled
22–16
Reserved
This field is reserved.
This read-only field is reserved and always has the value 0.
15
Reserved
This field is reserved.
This read-only field is reserved and always has the value 0.
Table continues on the next page...
Memory map and register definition
KL25 Sub-Family Reference Manual, Rev. 3, September 2012
208 Freescale Semiconductor, Inc.

SIM_SCGC6 field descriptions (continued)
Field Description
14–2
Reserved
This field is reserved.
This read-only field is reserved and always has the value 0.
1
DMAMUX
DMA Mux Clock Gate Control
This bit controls the clock gate to the DMA Mux module.
0 Clock disabled
1 Clock enabled
0
FTF
Flash Memory Clock Gate Control
This bit controls the clock gate to the flash memory. Flash reads are still supported while the flash memory
is clock gated, but entry into low power modes is blocked.
0 Clock disabled
1 Clock enabled
12.2.11 System Clock Gating Control Register 7 (SIM_SCGC7)
Address: 4004_7000h base + 1040h offset = 4004_8040h
Bit 31 30 29 28 27 26 25 24 23 22 21 20 19 18 17 16
R0
W
Reset 0 0 0 0 0 0 0 0 0 0 0 0 0 0 0 0
Bit 15 14 13 12 11 10 9 8 7 6 5 4 3 2 1 0
R0DMA 0
W
Reset 0 0 0 0 0 0 0 1 0 0 0 0 0 0 0 0
SIM_SCGC7 field descriptions
Field Description
31–9
Reserved
This field is reserved.
This read-only field is reserved and always has the value 0.
8
DMA
DMA Clock Gate Control
This bit controls the clock gate to the DMA module.
0 Clock disabled
1 Clock enabled
7–0
Reserved
This field is reserved.
This read-only field is reserved and always has the value 0.
Chapter 12 System integration module (SIM)
KL25 Sub-Family Reference Manual, Rev. 3, September 2012
Freescale Semiconductor, Inc. 209

12.2.12 System Clock Divider Register 1 (SIM_CLKDIV1)
NOTE
The CLKDIV1 register cannot be written to when the device is
in VLPR mode.
NOTE
Reset value loaded during System Reset from
FTF_FOPT[LPBOOT].
Address: 4004_7000h base + 1044h offset = 4004_8044h
Bit 31 30 29 28 27 26 25 24 23 22 21 20 19 18 17 16 15 14 13 12 11 10 9 8 7 6 5 4 3 2 1 0
ROUTDIV1 0OUTDIV4 0
W
Reset * * * * 0 0 0 0 0 0 0 0 0 0 0 1 0 0 0 0 0 0 0 0 0 0 0 0 0 0 0 0
* Notes:
OUTDIV1 field: The reset value depends on the FTF_FOPT[LPBOOT]. it is loaded with 0000 (divide by one), 0001 (divide
by two), 0011 (divide by four), or 0111 (divide by eight).
•
SIM_CLKDIV1 field descriptions
Field Description
31–28
OUTDIV1
Clock 1 output divider value
This field sets the divide value for the core/system clock, as well as the bus/flash clocks. At the end of
reset, it is loaded with 0000 (divide by one), 0001 (divide by two), 0011 (divide by four), or 0111 (divide by
eight) depending on the setting of the two FTF_FOPT[LPBOOT] configuration bits.
0000 Divide-by-1.
0001 Divide-by-2.
0010 Divide-by-3.
0011 Divide-by-4.
0100 Divide-by-5.
0101 Divide-by-6.
0110 Divide-by-7.
0111 Divide-by-8.
1000 Divide-by-9.
1001 Divide-by-10.
1010 Divide-by-11.
1011 Divide-by-12.
1100 Divide-by-13.
1101 Divide-by-14.
1110 Divide-by-15.
1111 Divide-by-16.
27–19
Reserved
This field is reserved.
This read-only field is reserved and always has the value 0.
Table continues on the next page...
Memory map and register definition
KL25 Sub-Family Reference Manual, Rev. 3, September 2012
210 Freescale Semiconductor, Inc.

SIM_CLKDIV1 field descriptions (continued)
Field Description
18–16
OUTDIV4
Clock 4 output divider value
This field sets the divide value for the bus and flash clock and is in addition to the System clock divide
ratio. At the end of reset, it is loaded with 0001 (divide by two).
000 Divide-by-1.
001 Divide-by-2.
010 Divide-by-3.
011 Divide-by-4.
100 Divide-by-5.
101 Divide-by-6.
110 Divide-by-7.
111 Divide-by-8.
15–0
Reserved
This field is reserved.
This read-only field is reserved and always has the value 0.
12.2.13 Flash Configuration Register 1 (SIM_FCFG1)
Address: 4004_7000h base + 104Ch offset = 4004_804Ch
Bit 31 30 29 28 27 26 25 24 23 22 21 20 19 18 17 16
R0 PFSIZE 0
W
Reset 0 0 0 0 * * * * 0 0 0 0 0 0 0 0
Bit 15 14 13 12 11 10 9 8 7 6 5 4 3 2 1 0
R0
FLASHDOZE
FLASHDIS
W
Reset 0 0 0 0 0 0 0 0 0 0 0 0 0 0 0 0
* Notes:
PFSIZE field: Device specific value.•
Chapter 12 System integration module (SIM)
KL25 Sub-Family Reference Manual, Rev. 3, September 2012
Freescale Semiconductor, Inc. 211

SIM_FCFG1 field descriptions
Field Description
31–28
Reserved
This field is reserved.
This read-only field is reserved and always has the value 0.
27–24
PFSIZE
Program flash size
This field specifies the amount of program flash memory available on the device . Undefined values are
reserved.
0000 8 KB of program flash memory, 0.25 KB protection region
0001 16 KB of program flash memory, 0.5 KB protection region
0011 32 KB of program flash memory, 1 KB protection region
0101 64 KB of program flash memory, 2 KB protection region
0111 128 KB of program flash memory, 4 KB protection region
1001 256 KB of program flash memory, 8 KB protection region
1111 128 KB of program flash memory, 4 KB protection region
23–2
Reserved
This field is reserved.
This read-only field is reserved and always has the value 0.
1
FLASHDOZE
Flash Doze
When set, Flash memory is disabled for the duration of Doze mode. This bit should be clear during VLP
modes. The Flash will be automatically enabled again at the end of Doze mode so interrupt vectors do not
need to be relocated out of Flash memory. The wakeup time from Doze mode is extended when this bit is
set. An attempt by the DMA or other bus master to access the Flash when the Flash is disabled will result
in a bus error.
0 Flash remains enabled during Doze mode
1 Flash is disabled for the duration of Doze mode
0
FLASHDIS
Flash Disable
Flash accesses are disabled (and generate a bus error) and the Flash memory is placed in a low power
state. This bit should not be changed during VLP modes. Relocate the interrupt vectors out of Flash
memory before disabling the Flash.
0 Flash is enabled
1 Flash is disabled
Memory map and register definition
KL25 Sub-Family Reference Manual, Rev. 3, September 2012
212 Freescale Semiconductor, Inc.

12.2.14 Flash Configuration Register 2 (SIM_FCFG2)
Address: 4004_7000h base + 1050h offset = 4004_8050h
Bit 31 30 29 28 27 26 25 24 23 22 21 20 19 18 17 16
R0 MAXADDR0 1 0
W
Reset 0 * * * * * * * 1 0 0 0 0 0 0 0
Bit 15 14 13 12 11 10 9 8 7 6 5 4 3 2 1 0
R0
W
Reset 0 0 0 0 0 0 0 0 0 0 0 0 0 0 0 0
* Notes:
MAXADDR0 field: Device specific value indicating amount of implemented flash.•
SIM_FCFG2 field descriptions
Field Description
31
Reserved
This field is reserved.
This read-only field is reserved and always has the value 0.
30–24
MAXADDR0
Max address block
This field concatenated with leading zeros indicates the first invalid address of program flash.
For example, if MAXADDR0 = 0x10 the first invalid address of program flash is 0x0002_0000. This would
be the MAXADDR0 value for a device with 128 KB program flash.
23
Reserved
This field is reserved.
This read-only field is reserved and always has the value 1.
22–16
Reserved
This field is reserved.
This read-only field is reserved and always has the value 0.
15–0
Reserved
This field is reserved.
This read-only field is reserved and always has the value 0.
12.2.15 Unique Identification Register Mid-High (SIM_UIDMH)
Address: 4004_7000h base + 1058h offset = 4004_8058h
Bit 31 30 29 28 27 26 25 24 23 22 21 20 19 18 17 16 15 14 13 12 11 10 9 8 7 6 5 4 3 2 1 0
R0 UID
W
Reset 0 0 0 0 0 0 0 0 0 0 0 0 0 0 0 0 * * * * * * * * * * * * * * * *
* Notes:
UID field: Device specific value.•
Chapter 12 System integration module (SIM)
KL25 Sub-Family Reference Manual, Rev. 3, September 2012
Freescale Semiconductor, Inc. 213

SIM_UIDMH field descriptions
Field Description
31–16
Reserved
This field is reserved.
This read-only field is reserved and always has the value 0.
15–0
UID
Unique Identification
Unique identification for the device.
12.2.16 Unique Identification Register Mid Low (SIM_UIDML)
Address: 4004_7000h base + 105Ch offset = 4004_805Ch
Bit 31 30 29 28 27 26 25 24 23 22 21 20 19 18 17 16 15 14 13 12 11 10 9 8 7 6 5 4 3 2 1 0
RUID
W
Reset * * * * * * * * * * * * * * * * * * * * * * * * * * * * * * * *
* Notes:
UID field: Device specific value.•
SIM_UIDML field descriptions
Field Description
31–0
UID
Unique Identification
Unique identification for the device.
12.2.17 Unique Identification Register Low (SIM_UIDL)
Address: 4004_7000h base + 1060h offset = 4004_8060h
Bit 31 30 29 28 27 26 25 24 23 22 21 20 19 18 17 16 15 14 13 12 11 10 9 8 7 6 5 4 3 2 1 0
RUID
W
Reset * * * * * * * * * * * * * * * * * * * * * * * * * * * * * * * *
* Notes:
UID field: Device specific value.•
SIM_UIDL field descriptions
Field Description
31–0
UID
Unique Identification
Unique identification for the device.
Memory map and register definition
KL25 Sub-Family Reference Manual, Rev. 3, September 2012
214 Freescale Semiconductor, Inc.

12.2.18 COP Control Register (SIM_COPC)
All of the bits in this register can be written only once after a reset.
Address: 4004_7000h base + 1100h offset = 4004_8100h
Bit 31 30 29 28 27 26 25 24 23 22 21 20 19 18 17 16
R0
W
Reset 0 0 0 0 0 0 0 0 0 0 0 0 0 0 0 0
Bit 15 14 13 12 11 10 9 8 7 6 5 4 3 2 1 0
R0
COPT
COPCLKS
COPW
W
Reset 0 0 0 0 0 0 0 0 0 0 0 0 1 1 0 0
SIM_COPC field descriptions
Field Description
31–4
Reserved
This field is reserved.
This read-only field is reserved and always has the value 0.
3–2
COPT
COP Watchdog Timeout
These write-once bits select the timeout period of the COP. The COPT field along with the COPCLKS bit
define the COP timeout period.
00 COP disabled
01 COP timeout after 25 LPO cycles or 213 bus clock cycles
10 COP timeout after 28 LPO cycles or 216 bus clock cycles
11 COP timeout after 210 LPO cycles or 218 bus clock cycles
1
COPCLKS
COP Clock Select
This write-once bit selects the clock source of the COP watchdog.
0 Internal 1 kHz clock is source to COP
1 Bus clock is source to COP
0
COPW
COP windowed mode
Windowed mode is only supported when COP is running from the bus clock. The COP window is opened
three quarters through the timeout period.
0 Normal mode
1 Windowed mode
Chapter 12 System integration module (SIM)
KL25 Sub-Family Reference Manual, Rev. 3, September 2012
Freescale Semiconductor, Inc. 215

12.2.19 Service COP Register (SIM_SRVCOP)
Address: 4004_7000h base + 1104h offset = 4004_8104h
Bit 31 30 29 28 27 26 25 24 23 22 21 20 19 18 17 16 15 14 13 12 11 10 9 8 7 6 5 4 3 2 1 0
R
WReserved SRVCOP
Reset 0 0 0 0 0 0 0 0 0 0 0 0 0 0 0 0 0 0 0 0 0 0 0 0 0 0 0 0 0 0 0 0
SIM_SRVCOP field descriptions
Field Description
31–8
Reserved
This field is reserved.
7–0
SRVCOP
Sevice COP Register
Write 0x55 and then 0xAA (in that order) to reset the COP timeout counter.
12.3 Functional description
See Introduction section.
Functional description
KL25 Sub-Family Reference Manual, Rev. 3, September 2012
216 Freescale Semiconductor, Inc.

Chapter 13
System Mode Controller (SMC)
13.1 Introduction
NOTE
For the chip-specific implementation details of this module's
instances see the chip configuration information.
The system mode controller (SMC) is responsible for sequencing the system into and out
of all low power stop and run modes. Specifically, it monitors events to trigger transitions
between power modes while controlling the power, clocks, and memories of the system
to achieve the power consumption and functionality of that mode.
This chapter describes all the available low power modes, the sequence followed to enter/
exit each mode, and the functionality available while in each of the modes.
The SMC is able to function during even the deepest low power modes.
13.2 Modes of operation
The ARM CPU has three primary modes of operation:
• Run
• Sleep
• Deep Sleep
The WFI or WFE instruction is used to invoke Sleep and Deep Sleep modes. Run, wait
and stop are the common terms used for the primary operating modes of Freescale
microcontrollers. The following table shows the translation between the ARM CPU
modes and the Freescale MCU power modes.
KL25 Sub-Family Reference Manual, Rev. 3, September 2012
Freescale Semiconductor, Inc. 217

ARM CPU mode MCU mode
Sleep Wait
Deep Sleep Stop
Accordingly, the ARM CPU documentation refers to sleep and deep sleep, while the
Freescale MCU documentation normally uses wait and stop.
In addition, Freescale MCUs also augment stop, wait, and run modes in a number of
ways. The power management controller (PMC) contains a run and a stop mode
regulator. Run regulation is used in normal run, wait and stop modes. Stop mode
regulation is used during all very low power and low leakage modes. During stop mode
regulation, the bus frequencies are limited in the very low power modes.
The SMC provides the user with multiple power options. The Very Low Power Run
(VLPR) mode can drastically reduce run time power when maximum bus frequency is
not required to handle the application needs. From Normal Run mode, the Run Mode
(RUNM) field can be modified to change the MCU into VLPR mode when limited
frequency is sufficient for the application. From VLPR mode, a corresponding wait
(VLPW) and stop (VLPS) mode can be entered.
Depending on the needs of the user application, a variety of stop modes are available that
allow the state retention, partial power down or full power down of certain logic and/or
memory. I/O states are held in all modes of operation. Several registers are used to
configure the various modes of operation for the device.
The following table describes the power modes available for the device.
Table 13-1. Power modes
Mode Description
RUN The MCU can be run at full speed and the internal supply is fully regulated, that is, in run regulation.
This mode is also referred to as Normal Run mode.
WAIT The core clock is gated off. The system clock continues to operate. Bus clocks, if enabled, continue
to operate. Run regulation is maintained.
STOP The core clock is gated off. System clocks to other masters and bus clocks are gated off after all
stop acknowledge signals from supporting peripherals are valid.
VLPR The core, system, bus, and flash clock maximum frequencies are restricted in this mode. See the
Power Management chapter for details about the maximum allowable frequencies.
VLPW The core clock is gated off. The system, bus, and flash clocks continue to operate, although their
maximum frequency is restricted. See the Power Management chapter for details on the maximum
allowable frequencies.
VLPS The core clock is gated off. System clocks to other masters and bus clocks are gated off after all
stop acknowledge signals from supporting peripherals are valid.
LLS The core clock is gated off. System clocks to other masters and bus clocks are gated off after all
stop acknowledge signals from supporting peripherals are valid. The MCU is placed in a low
leakage mode by reducing the voltage to internal logic. Internal logic states are retained.
Table continues on the next page...
Modes of operation
KL25 Sub-Family Reference Manual, Rev. 3, September 2012
218 Freescale Semiconductor, Inc.

Table 13-1. Power modes (continued)
Mode Description
VLLS3 The core clock is gated off. System clocks to other masters and bus clocks are gated off after all
stop acknowledge signals from supporting peripherals are valid. The MCU is placed in a low
leakage mode by powering down the internal logic. All system RAM contents are retained and I/O
states are held. Internal logic states are not retained.
VLLS1 The core clock is gated off. System clocks to other masters and bus clocks are gated off after all
stop acknowledge signals from supporting peripherals are valid. The MCU is placed in a low
leakage mode by powering down the internal logic and all system RAM. I/O states are held. Internal
logic states are not retained.
VLLS0 The core clock is gated off. System clocks to other masters and bus clocks are gated off after all
stop acknowledge signals from supporting peripherals are valid. The MCU is placed in a low
leakage mode by powering down the internal logic and all system RAM. I/O states are held. Internal
logic states are not retained. The 1kHz LPO clock is disabled and the power on reset (POR) circuit
can be optionally enabled using STOPCTRL[PORPO].
13.3 Memory map and register descriptions
Details follow about the registers related to the system mode controller.
Different SMC registers reset on different reset types. Each register's description provides
details. For more information about the types of reset on this chip, refer to the Reset
section details.
NOTE
The SMC registers can be written only in supervisor mode.
Write accesses in user mode are blocked and will result in a bus
error.
SMC memory map
Absolute
address
(hex)
Register name Width
(in bits) Access Reset value Section/
page
4007_E000 Power Mode Protection register (SMC_PMPROT) 8 R/W 00h 13.3.1/219
4007_E001 Power Mode Control register (SMC_PMCTRL) 8 R/W 00h 13.3.2/221
4007_E002 Stop Control Register (SMC_STOPCTRL) 8 R/W 03h 13.3.3/222
4007_E003 Power Mode Status register (SMC_PMSTAT) 8 R 01h 13.3.4/223
13.3.1 Power Mode Protection register (SMC_PMPROT)
This register provides protection for entry into any low-power run or stop mode. The
enabling of the low-power run or stop mode occurs by configuring the Power Mode
Control register (PMCTRL).
Chapter 13 System Mode Controller (SMC)
KL25 Sub-Family Reference Manual, Rev. 3, September 2012
Freescale Semiconductor, Inc. 219

The PMPROT register can be written only once after any system reset.
If the MCU is configured for a disallowed or reserved power mode, the MCU remains in
its current power mode. For example, if the MCU is in normal RUN mode and AVLP is
0, an attempt to enter VLPR mode using PMCTRL[RUNM] is blocked and the RUNM
bits remain 00b, indicating the MCU is still in Normal Run mode.
NOTE
This register is reset on Chip Reset not VLLS and by reset
types that trigger Chip Reset not VLLS. It is unaffected by reset
types that do not trigger Chip Reset not VLLS. See the Reset
section details for more information.
Address: 4007_E000h base + 0h offset = 4007_E000h
Bit 7 6 5 4 3 2 1 0
Read 0 AVLP 0ALLS 0AVLLS 0
Write
Reset 00000000
SMC_PMPROT field descriptions
Field Description
7–6
Reserved
This field is reserved.
This read-only field is reserved and always has the value 0.
5
AVLP
Allow Very-Low-Power Modes
Provided the appropriate control bits are set up in PMCTRL, this write-once bit allows the MCU to enter
any very-low-power modes: VLPR, VLPW, and VLPS.
0 VLPR, VLPW and VLPS are not allowed
1 VLPR, VLPW and VLPS are allowed
4
Reserved
This field is reserved.
This read-only field is reserved and always has the value 0.
3
ALLS
Allow Low-Leakage Stop Mode
This write once bit allows the MCU to enter any low-leakage stop mode (LLS), provided the appropriate
control bits are set up in PMCTRL.
0 LLS is not allowed
1 LLS is allowed
2
Reserved
This field is reserved.
This read-only field is reserved and always has the value 0.
1
AVLLS
Allow Very-Low-Leakage Stop Mode
Provided the appropriate control bits are set up in PMCTRL, this write once bit allows the MCU to enter
any very-low-leakage stop mode (VLLSx).
0 Any VLLSx mode is not allowed
1 Any VLLSx mode is allowed
0
Reserved
This field is reserved.
This read-only field is reserved and always has the value 0.
Memory map and register descriptions
KL25 Sub-Family Reference Manual, Rev. 3, September 2012
220 Freescale Semiconductor, Inc.

13.3.2 Power Mode Control register (SMC_PMCTRL)
The PMCTRL register controls entry into low-power run and stop modes, provided that
the selected power mode is allowed via an appropriate setting of the protection
(PMPROT) register.
NOTE
This register is reset on Chip POR not VLLS and by reset types
that trigger Chip POR not VLLS. It is unaffected by reset types
that do not trigger Chip POR not VLLS. See the Reset section
details for more information.
Address: 4007_E000h base + 1h offset = 4007_E001h
Bit 7 6 5 4 3 2 1 0
Read 0 RUNM 0 STOPA STOPM
Write
Reset 00000000
SMC_PMCTRL field descriptions
Field Description
7
Reserved
This field is reserved.
This read-only field is reserved and always has the value 0.
6–5
RUNM
Run Mode Control
When written, causes entry into the selected run mode. Writes to this field are blocked if the protection
level has not been enabled using the PMPROT register. This field is cleared by hardware on any exit to
normal RUN mode.
NOTE: RUNM must be set to VLPR only when PMSTAT=RUN. After being written to VLPR, RUNM
should not be written back to RUN until PMSTAT=VLPR.
NOTE: RUNM must be set to RUN only when PMSTAT=VLPR. After being written to RUN, RUNM
should not be written back to VLPR until PMSTAT=RUN.
00 Normal Run mode (RUN)
01 Reserved
10 Very-Low-Power Run mode (VLPR)
11 Reserved
4
Reserved
This field is reserved.
This read-only field is reserved and always has the value 0.
3
STOPA
Stop Aborted
When set, this read-only status bit indicates an interrupt or reset occured during the previous stop mode
entry sequence, preventing the system from entering that mode. This bit is cleared by hardware at the
beginning of any stop mode entry sequence and is set if the sequence was aborted.
0 The previous stop mode entry was successsful.
1 The previous stop mode entry was aborted.
Table continues on the next page...
Chapter 13 System Mode Controller (SMC)
KL25 Sub-Family Reference Manual, Rev. 3, September 2012
Freescale Semiconductor, Inc. 221

SMC_PMCTRL field descriptions (continued)
Field Description
2–0
STOPM
Stop Mode Control
When written, controls entry into the selected stop mode when Sleep-Now or Sleep-On-Exit mode is
entered with SLEEPDEEP=1 . Writes to this field are blocked if the protection level has not been enabled
using the PMPROT register. After any system reset, this field is cleared by hardware on any successful
write to the PMPROT register.
NOTE: When set to VLLSx, the VLLSM bits in the STOPCTRL register is used to further select the
particular VLLS submode which will be entered.
NOTE: When set to STOP, the PSTOPO bits in the STOPCTRL register can be used to select a Partial
Stop mode if desired.
000 Normal Stop (STOP)
001 Reserved
010 Very-Low-Power Stop (VLPS)
011 Low-Leakage Stop (LLS)
100 Very-Low-Leakage Stop (VLLSx)
101 Reserved
110 Reseved
111 Reserved
13.3.3 Stop Control Register (SMC_STOPCTRL)
The STOPCTRL register provides various control bits allowing the user to fine tune
power consumption during the stop mode selected by the STOPM field.
NOTE
This register is reset on Chip POR not VLLS and by reset types
that trigger Chip POR not VLLS. It is unaffected by reset types
that do not trigger Chip POR not VLLS. See the Reset section
details for more information.
Address: 4007_E000h base + 2h offset = 4007_E002h
Bit 7 6 5 4 3 2 1 0
Read PSTOPO PORPO 0 0 VLLSM
Write
Reset 00000011
SMC_STOPCTRL field descriptions
Field Description
7–6
PSTOPO
Partial Stop Option
These bits control whether a Partial Stop mode is entered when STOPM=STOP. When entering a Partial
Stop mode from RUN mode, the PMC, MCG and flash remain fully powered, allowing the device to
wakeup almost instantaneously at the expense of higher power consumption. In PSTOP2, only system
Table continues on the next page...
Memory map and register descriptions
KL25 Sub-Family Reference Manual, Rev. 3, September 2012
222 Freescale Semiconductor, Inc.

SMC_STOPCTRL field descriptions (continued)
Field Description
clocks are gated allowing peripherals running on bus clock to remain fully functional. In PSTOP1, both
system and bus clocks are gated.
00 STOP - Normal Stop mode
01 PSTOP1 - Partial Stop with both system and bus clocks disabled
10 PSTOP2 - Partial Stop with system clock disabled and bus clock enabled
11 Reserved
5
PORPO
POR Power Option
This bit controls whether the POR detect circuit is enabled in VLLS0 mode.
0 POR detect circuit is enabled in VLLS0
1 POR detect circuit is disabled in VLLS0
4
Reserved
This field is reserved.
This read-only field is reserved and always has the value 0.
3
Reserved
This field is reserved.
This read-only field is reserved and always has the value 0.
2–0
VLLSM
VLLS Mode Control.
This field controls which VLLS sub-mode to enter if STOPM=VLLS.
000 VLLS0
001 VLLS1
010 Reserved
011 VLLS3
100 Reserved
101 Reserved
110 Reserved
111 Reserved
13.3.4 Power Mode Status register (SMC_PMSTAT)
PMSTAT is a read-only, one-hot register which indicates the current power mode of the
system.
NOTE
This register is reset on Chip POR not VLLS and by reset types
that trigger Chip POR not VLLS. It is unaffected by reset types
that do not trigger Chip POR not VLLS. See the Reset section
details for more information.
Chapter 13 System Mode Controller (SMC)
KL25 Sub-Family Reference Manual, Rev. 3, September 2012
Freescale Semiconductor, Inc. 223

Address: 4007_E000h base + 3h offset = 4007_E003h
Bit 7 6 5 4 3 2 1 0
Read 0 PMSTAT
Write
Reset 00000001
SMC_PMSTAT field descriptions
Field Description
7
Reserved
This field is reserved.
This read-only field is reserved and always has the value 0.
6–0
PMSTAT NOTE: When debug is enabled, the PMSTAT will not update to STOP or VLPS
NOTE: When a PSTOP mode is enabled, the PMSTAT will not update to STOP or VLPS
000_0001 Current power mode is RUN
000_0010 Current power mode is STOP
000_0100 Current power mode is VLPR
000_1000 Current power mode is VLPW
001_0000 Current power mode is VLPS
010_0000 Current power mode is LLS
100_0000 Current power mode is VLLS
13.4 Functional description
13.4.1 Power mode transitions
The following figure shows the power mode state transitions available on the chip. Any
reset always brings the MCU back to the normal run state.
Functional description
KL25 Sub-Family Reference Manual, Rev. 3, September 2012
224 Freescale Semiconductor, Inc.

WAIT
STOP
RUN
LLS VLLS
3, 2, 1, 0
VLPS
VLPR
VLPW
Any RESET
4
6
7
3
1
2
8
10
11
9
5
Figure 13-5. Power mode state diagram
The following table defines triggers for the various state transitions shown in the previous
figure.
Table 13-7. Power mode transition triggers
Transition # From To Trigger conditions
1 RUN WAIT Sleep-now or sleep-on-exit modes entered with SLEEPDEEP
clear, controlled in System Control Register in ARM core.
See note.1
WAIT RUN Interrupt or Reset
Table continues on the next page...
Chapter 13 System Mode Controller (SMC)
KL25 Sub-Family Reference Manual, Rev. 3, September 2012
Freescale Semiconductor, Inc. 225

Table 13-7. Power mode transition triggers (continued)
Transition # From To Trigger conditions
2 RUN STOP PMCTRL[RUNM]=00, PMCTRL[STOPM]=0002
Sleep-now or sleep-on-exit modes entered with SLEEPDEEP
set, which is controlled in System Control Register in ARM
core.
See note.1
STOP RUN Interrupt or Reset
3 RUN VLPR The core, system, bus and flash clock frequencies are
restricted in this mode. See the Power Management chapter
for the maximum allowable frequencies.
Set PMPROT[AVLP]=1, PMCTRL[RUNM]=10.
VLPR RUN Set PMCTRL[RUNM]=00 or
Reset.
4 VLPR VLPW Sleep-now or sleep-on-exit modes entered with SLEEPDEEP
clear, which is controlled in System Control Register in ARM
core.
See note.1
VLPW VLPR Interrupt
5 VLPW RUN Reset
6 VLPR VLPS PMCTRL[STOPM]=0003 or 010,
Sleep-now or sleep-on-exit modes entered with SLEEPDEEP
set, which is controlled in System Control Register in ARM
core.
See note.1
VLPS VLPR Interrupt
NOTE: If VLPS was entered directly from RUN, hardware
will not allow this transition and will force exit back to
RUN
7 RUN VLPS PMPROT[AVLP]=1, PMCTRL[STOPM]=010,
Sleep-now or sleep-on-exit modes entered with SLEEPDEEP
set, which is controlled in System Control Register in ARM
core.
See note.1
VLPS RUN Interrupt and VLPS mode was entered directly from RUN or
Reset
8 RUN VLLSx PMPROT[AVLLS]=1, PMCTRL[STOPM]=100,
STOPCTRL[VLLSM]=x (VLLSx), Sleep-now or sleep-on-exit
modes entered with SLEEPDEEP set, which is controlled in
System Control Register in ARM core.
VLLSx RUN Wakeup from enabled LLWU input source or RESET pin
9 VLPR VLLSx PMPROT[AVLLS]=1, PMCTRL[STOPM]=100,
STOPCTRL[VLLSM]=x (VLLSx), Sleep-now or sleep-on-exit
modes entered with SLEEPDEEP set, which is controlled in
System Control Register in ARM core.
Table continues on the next page...
Functional description
KL25 Sub-Family Reference Manual, Rev. 3, September 2012
226 Freescale Semiconductor, Inc.

Table 13-7. Power mode transition triggers (continued)
Transition # From To Trigger conditions
10 RUN LLS PMPROT[ALLS]=1, PMCTRL[STOPM]=011, Sleep-now or
sleep-on-exit modes entered with SLEEPDEEP set, which is
controlled in System Control Register in ARM core.
LLS RUN Wakeup from enabled LLWU input source or RESET pin.
11 VLPR LLS PMPROT[ALLS]=1, PMCTRL[STOPM]=011, Sleep-now or
sleep-on-exit modes entered with SLEEPDEEP set, which is
controlled in System Control Register in ARM core.
1. If debug is enabled, the core clock remains to support debug.
2. If PMCTRL[STOPM]=000 and STOPCTRL[PSTOPO]=01 or 10, then only a Partial Stop mode is entered instead of STOP
3. If PMCTRL[STOPM]=000 and STOPCTRL[PSTOPO]=00, then VLPS mode is entered instead of STOP. If
PMCTRL[STOPM]=000 and STOPCTRL[PSTOPO]=01 or 10, then only a Partial Stop mode is entered instead of VLPS
13.4.2 Power mode entry/exit sequencing
When entering or exiting low-power modes, the system must conform to an orderly
sequence to manage transitions safely. The SMC manages the system's entry into and exit
from all power modes. The following diagram illustrates the connections of the SMC
with other system components in the chip that are necessary to sequence the system
through all power modes.
Chapter 13 System Mode Controller (SMC)
KL25 Sub-Family Reference Manual, Rev. 3, September 2012
Freescale Semiconductor, Inc. 227

System
Mode
Controller
(SMC)
System
Power
(PMC)
Low-
Leakage
Wakeup
(LLWU)
System
Clocks
(MCG)
LP exit
Flash
CPU
LP exit
Clock
Control
Module
(CCM)
Module
Memory
Bus masters low power bus (non-CPU)
Bus slaves low power bus
Stop/Wait
CCM low power bus
MCG enable
PMC low power bus
Flash low power bus
Reset
Control
(RCM)
Module
Figure 13-6. Low-power system components and connections
13.4.2.1 Stop mode entry sequence
Entry into a low-power stop mode (Stop, VLPS, LLS, VLLSx) is initiated by CPU
execution of the WFI instruction. After the instruction is executed, the following
sequence occurs:
1. The CPU clock is gated off immediately.
2. Requests are made to all non-CPU bus masters to enter Stop mode.
3. After all masters have acknowledged they are ready to enter Stop mode, requests are
made to all bus slaves to enter Stop mode.
4. After all slaves have acknowledged they are ready to enter Stop mode, all system and
bus clocks are gated off.
5. Clock generators are disabled in the MCG.
6. The on-chip regulator in the PMC and internal power switches are configured to
meet the power consumption goals for the targeted low-power mode.
Functional description
KL25 Sub-Family Reference Manual, Rev. 3, September 2012
228 Freescale Semiconductor, Inc.

13.4.2.2 Stop mode exit sequence
Exit from a low-power stop mode is initiated either by a reset or an interrupt event. The
following sequence then executes to restore the system to a run mode (RUN or VLPR):
1. The on-chip regulator in the PMC and internal power switches are restored.
2. Clock generators are enabled in the MCG.
3. System and bus clocks are enabled to all masters and slaves.
4. The CPU clock is enabled and the CPU begins servicing the reset or interrupt that
initiated the exit from the low-power stop mode.
13.4.2.3 Aborted stop mode entry
If an interrupt or a reset occurs during a stop entry sequence, the SMC can abort the
transition early and return to RUN mode without completely entering the stop mode. An
aborted entry is possible only if the reset or interrupt occurs before the PMC begins the
transition to stop mode regulation. After this point, the interrupt or reset is ignored until
the PMC has completed its transition to stop mode regulation. When an aborted stop
mode entry sequence occurs, the SMC's PMCTRL[STOPA] is set to 1.
13.4.2.4 Transition to wait modes
For wait modes (WAIT and VLPW), the CPU clock is gated off while all other clocking
continues, as in RUN and VLPR mode operation. Some modules that support stop-in-
wait functionality have their clocks disabled in these configurations.
13.4.2.5 Transition from stop modes to Debug mode
The debugger module supports a transition from STOP, WAIT, VLPS, and VLPW back
to a Halted state when the debugger has been enabled, that is, ENBDM is 1. As part of
this transition, system clocking is re-established and is equivalent to the normal RUN and
VLPR mode clocking configuration.
13.4.3 Run modes
The device contains two different run modes:
• Run
• Very Low-Power Run (VLPR)
Chapter 13 System Mode Controller (SMC)
KL25 Sub-Family Reference Manual, Rev. 3, September 2012
Freescale Semiconductor, Inc. 229

13.4.3.1 RUN mode
This is the normal operating mode for the device.
This mode is selected after any reset. When the ARM processor exits reset, it sets up the
stack, program counter (PC), and link register (LR):
• The processor reads the start SP (SP_main) from vector-table offset 0x000
• The processor reads the start PC from vector-table offset 0x004
• LR is set to 0xFFFF_FFFF.
To reduce power in this mode, disable the clocks to unused modules using their
corresponding clock gating control bits in the SIM's registers.
13.4.3.2 Very-Low Power Run (VLPR) mode
In VLPR mode, the on-chip voltage regulator is put into a stop mode regulation state. In
this state, the regulator is designed to supply enough current to the MCU over a reduced
frequency. To further reduce power in this mode, disable the clocks to unused modules
using their corresponding clock gating control bits in the SIM's registers.
Before entering this mode, the following conditions must be met:
• The MCG must be configured in a mode which is supported during VLPR. See the
Power Management details for information about these MCG modes.
• All clock monitors in the MCG must be disabled.
• The maximum frequencies of the system, bus, flash, and core are restricted. See the
Power Management details about which frequencies are supported.
• Mode protection must be set to allow VLP modes, that is, PMPROT[AVLP] is 1.
• PMCTRL[RUNM] is set to 10b to enter VLPR.
• Flash programming/erasing is not allowed.
NOTE
Do not change the clock frequency while in VLPR mode,
because the regulator is slow responding and cannot manage
fast load transitions. In addition, do not modify the clock source
in the MCG module, the module clock enables in the SIM, or
any clock divider registers.
Functional description
KL25 Sub-Family Reference Manual, Rev. 3, September 2012
230 Freescale Semiconductor, Inc.

To reenter Normal Run mode, clear RUNM. The PMSTAT register is a read-only status
register that can be used to determine when the system has completed an exit to RUN
mode. When PMSTAT=RUN, the system is in run regulation and the MCU can run at
full speed in any clock mode. If a higher execution frequency is desired, poll the
PMSTAT register until it is set to RUN when returning from VLPR mode.
Any reset always causes an exit from VLPR and returns the device to RUN mode after
the MCU exits its reset flow.
13.4.4 Wait modes
This device contains two different wait modes:
• Wait
• Very-Low Power Wait (VLPW)
13.4.4.1 WAIT mode
WAIT mode is entered when the ARM core enters the Sleep-Now or Sleep-On-Exit
modes while SLEEDEEP is cleared. The ARM CPU enters a low-power state in which it
is not clocked, but peripherals continue to be clocked provided they are enabled. Clock
gating to the peripheral is enabled via the SIM..
When an interrupt request occurs, the CPU exits WAIT mode and resumes processing in
RUN mode, beginning with the stacking operations leading to the interrupt service
routine.
A system reset will cause an exit from WAIT mode, returning the device to normal RUN
mode.
13.4.4.2 Very-Low-Power Wait (VLPW) mode
VLPW is entered by the entering the Sleep-Now or Sleep-On-Exit mode while
SLEEPDEEP is cleared and the MCU is in VLPR mode.
In VLPW, the on-chip voltage regulator remains in its stop regulation state. In this state,
the regulator is designed to supply enough current to the MCU over a reduced frequency.
To further reduce power in this mode, disable the clocks to unused modules by clearing
the peripherals' corresponding clock gating control bits in the SIM.
VLPR mode restrictions also apply to VLPW.
Chapter 13 System Mode Controller (SMC)
KL25 Sub-Family Reference Manual, Rev. 3, September 2012
Freescale Semiconductor, Inc. 231

When an interrupt from VLPW occurs, the device returns to VLPR mode to execute the
interrupt service routine.
A system reset will cause an exit from VLPW mode, returning the device to normal RUN
mode.
13.4.5 Stop modes
This device contains a variety of stop modes to meet your application needs. The stop
modes range from:
• a stopped CPU, with all I/O, logic, and memory states retained, and certain
asynchronous mode peripherals operating
to:
• a powered down CPU, with only I/O and a small register file retained, very few
asynchronous mode peripherals operating, while the remainder of the MCU is
powered down.
The choice of stop mode depends upon the user's application, and how power usage and
state retention versus functional needs may be traded off.
The various stop modes are selected by setting the appropriate fields in PMPROT and
PMCTRL. The selected stop mode mode is entered during the sleep-now or sleep-on-exit
entry with the SLEEPDEEP bit set in the System Control Register in the ARM core.
The available stop modes are:
• Normal Stop (STOP)
• Very-Low Power Stop (VLPS)
• Low-Leakage Stop (LLS)
• Very-Low-Leakage Stop (VLLSx)
13.4.5.1 STOP mode
STOP mode is entered via the sleep-now or sleep-on-exit with the SLEEPDEEP bit set in
the System Control Register in the ARM core.
The MCG module can be configured to leave the reference clocks running.
Functional description
KL25 Sub-Family Reference Manual, Rev. 3, September 2012
232 Freescale Semiconductor, Inc.

A module capable of providing an asynchronous interrupt to the device takes the device
out of STOP mode and returns the device to normal RUN mode. Refer to the device's
Power Management chapter for peripheral, I/O, and memory operation in STOP mode.
When an interrupt request occurs, the CPU exits STOP mode and resumes processing,
beginning with the stacking operations leading to the interrupt service routine.
A system reset will cause an exit from STOP mode, returning the device to normal RUN
mode via an MCU reset.
13.4.5.2 Very-Low-Power Stop (VLPS) mode
VLPS mode can be entered in one of two ways:
• Entry into stop via the sleep-now or sleep-on-exit with the SLEEPDEEP bit set in the
System Control Register in the ARM core while the MCU is in VLPR mode and
STOPM=010 or 000 in the PMCTRL register.
• Entry into stop via the sleep-now or sleep-on-exit with the SLEEPDEEP bit set in the
System Control Register in the ARM core while the MCU is in normal RUN mode
and STOPM=010 in the PMCTRL register. When VLPS is entered directly from
RUN mode, exit to VLPR is disabled by hardware and the system will always exit
back to RUN.
In VLPS, the on-chip voltage regulator remains in its stop regulation state as in VLPR.
A module capable of providing an asynchronous interrupt to the device takes the device
out of VLPS and returns the device to VLPR mode.
A system reset will also cause a VLPS exit, returning the device to normal RUN mode.
13.4.5.3 Low-Leakage Stop (LLS) mode
Low-Leakage Stop (LLS) mode can be entered from normal RUN or VLPR modes.
The MCU enters LLS mode if:
• In Sleep-Now or Sleep-On-Exit mode, SLEEPDEEP is set in the System Control
Register in the ARM core, and
• The device is configured as shown in Table 13-7.
In LLS, the on-chip voltage regulator is in stop regulation. Most of the peripherals are put
in a state-retention mode that does not allow them to operate while in LLS.
Chapter 13 System Mode Controller (SMC)
KL25 Sub-Family Reference Manual, Rev. 3, September 2012
Freescale Semiconductor, Inc. 233

Before entering LLS mode, the user should configure the low-leakage wakeup (LLWU)
module to enable the desired wakeup sources. The available wakeup sources in LLS are
detailed in the chip configuration details for this device.
After wakeup from LLS, the device returns to normal RUN mode with a pending LLWU
module interrupt. In the LLWU interrupt service routine (ISR), the user can poll the
LLWU module wakeup flags to determine the source of the wakeup.
NOTE
The LLWU interrupt must not be masked by the interrupt
controller to avoid a scenario where the system does not fully
exit stop mode on an LLS recovery.
An asserted RESET pin will cause an exit from LLS mode, returning the device to
normal RUN mode. When LLS is exiting via the RESET pin, the PIN and WAKEUP bits
are set in the SRS0 register of the reset control module (RCM).
13.4.5.4 Very-Low-Leakage Stop (VLLSx) modes
This device contains these very low leakage modes:
• VLLS3
• VLLS1
• VLLS0
VLLSx is often used in this document to refer to all of these modes.
All VLLSx modes can be entered from normal RUN or VLPR modes.
The MCU enters the configured VLLS mode if:
• In Sleep-Now or Sleep-On-Exit mode, the SLEEPDEEP bit is set in the System
Control Register in the ARM core, and
• The device is configured as shown in Table 13-7.
In VLLS, the on-chip voltage regulator is in its stop-regulation state while most digital
logic is powered off.
Before entering VLLS mode, the user should configure the low-leakage wakeup (LLWU)
module to enable the desired wakeup sources. The available wakeup sources in VLLS are
detailed in the chip configuration details for this device.
After wakeup from VLLS, the device returns to normal RUN mode with a pending
LLWU interrupt. In the LLWU interrupt service routine (ISR), the user can poll the
LLWU module wakeup flags to determine the source of the wakeup.
Functional description
KL25 Sub-Family Reference Manual, Rev. 3, September 2012
234 Freescale Semiconductor, Inc.

When entering VLLS, each I/O pin is latched as configured before executing VLLS.
Because all digital logic in the MCU is powered off, all port and peripheral data is lost
during VLLS. This information must be restored before the ACKISO bit in the PMC is
set.
An asserted RESET pin will cause an exit from any VLLS mode, returning the device to
normal RUN mode. When exiting VLLS via the RESET pin, the PIN and WAKEUP bits
are set in the SRS0 register of the reset control module (RCM).
13.4.6 Debug in low power modes
When the MCU is secure, the device disables/limits debugger operation. When the MCU
is unsecure, the ARM debugger can assert two power-up request signals:
• System power up, via SYSPWR in the Debug Port Control/Stat register
• Debug power up, via CDBGPWRUPREQ in the Debug Port Control/Stat register
When asserted while in RUN, WAIT, VLPR, or VLPW, the mode controller drives a
corresponding acknowledge for each signal, that is, both CDBGPWRUPACK and
CSYSPWRUPACK. When both requests are asserted, the mode controller handles
attempts to enter STOP and VLPS by entering an emulated stop state. In this emulated
stop state:
• the regulator is in run regulation,
• the MCG-generated clock source is enabled,
• all system clocks, except the core clock, are disabled,
• the debug module has access to core registers, and
• access to the on-chip peripherals is blocked.
No debug is available while the MCU is in LLS or VLLS modes. LLS is a state-retention
mode and all debug operation can continue after waking from LLS, even in cases where
system wakeup is due to a system reset event.
Entering into a VLLS mode causes all of the debug controls and settings to be powered
off. To give time to the debugger to sync with the MCU, the MDM AP Control Register
includes a Very-Low-Leakage Debug Request (VLLDBGREQ) bit that is set to configure
the Reset Controller logic to hold the system in reset after the next recovery from a VLLS
mode. This bit allows the debugger time to reinitialize the debug module before the
debug session continues.
Chapter 13 System Mode Controller (SMC)
KL25 Sub-Family Reference Manual, Rev. 3, September 2012
Freescale Semiconductor, Inc. 235

The MDM AP Control Register also includes a Very Low Leakage Debug Acknowledge
(VLLDBGACK) bit that is set to release the ARM core being held in reset following a
VLLS recovery. The debugger reinitializes all debug IP, and then asserts the
VLLDBGACK control bit to allow the RCM to release the ARM core from reset and
allow CPU operation to begin.
The VLLDBGACK bit is cleared by the debugger (or can be left set as is) or clears
automatically due to the reset generated as part of the next VLLS recovery.
Functional description
KL25 Sub-Family Reference Manual, Rev. 3, September 2012
236 Freescale Semiconductor, Inc.

Chapter 14
Power Management Controller (PMC)
14.1 Introduction
NOTE
For the chip-specific implementation details of this module's
instances see the chip configuration information.
The power management controller (PMC) contains the internal voltage regulator, power
on reset (POR), and low voltage detect system.
14.2 Features
The PMC features include:
• Internal voltage regulator
• Active POR providing brown-out detect
• Low-voltage detect supporting two low-voltage trip points with four warning levels
per trip point
14.3 Low-voltage detect (LVD) system
This device includes a system to guard against low-voltage conditions. This protects
memory contents and controls MCU system states during supply voltage variations. The
system is comprised of a power-on reset (POR) circuit and a LVD circuit with a user-
selectable trip voltage: high (VLVDH) or low (VLVDL). The trip voltage is selected by the
LVDSC1[LVDV] bits. The LVD is disabled upon entering VLPx, LLS, and VLLSx
modes.
Two flags are available to indicate the status of the low-voltage detect system:
KL25 Sub-Family Reference Manual, Rev. 3, September 2012
Freescale Semiconductor, Inc. 237

• The low voltage detect flag (LVDF) operates in a level sensitive manner. The LVDF
bit is set when the supply voltage falls below the selected trip point (VLVD). The
LVDF bit is cleared by writing one to the LVDACK bit, but only if the internal
supply has returned above the trip point; otherwise, the LVDF bit remains set.
• The low voltage warning flag (LVWF) operates in a level sensitive manner. The
LVWF bit is set when the supply voltage falls below the selected monitor trip point
(VLVW). The LVWF bit is cleared by writing one to the LVWACK bit, but only if
the internal supply has returned above the trip point; otherwise, the LVWF bit
remains set.
14.3.1 LVD reset operation
By setting the LVDRE bit, the LVD generates a reset upon detection of a low voltage
condition. The low voltage detection threshold is determined by the LVDV bits. After an
LVD reset occurs, the LVD system holds the MCU in reset until the supply voltage rises
above this threshold. The LVD bit in the SRS register is set following an LVD or power-
on reset.
14.3.2 LVD interrupt operation
By configuring the LVD circuit for interrupt operation (LVDIE set and LVDRE clear),
LVDSC1[LVDF] is set and an LVD interrupt request occurs upon detection of a low
voltage condition. The LVDF bit is cleared by writing one to the LVDSC1[LVDACK]
bit.
14.3.3 Low-voltage warning (LVW) interrupt operation
The LVD system contains a low-voltage warning flag (LVWF) to indicate that the supply
voltage is approaching, but is above, the LVD voltage. The LVW also has an interrupt,
which is enabled by setting the LVDSC2[LVWIE] bit. If enabled, an LVW interrupt
request occurs when the LVWF is set. LVWF is cleared by writing one to the
LVDSC2[LVWACK] bit.
The LVDSC2[LVWV] bits select one of four trip voltages:
• Highest: VLVW4
• Two mid-levels: VLVW3 and VLVW2
• Lowest: VLVW1
Low-voltage detect (LVD) system
KL25 Sub-Family Reference Manual, Rev. 3, September 2012
238 Freescale Semiconductor, Inc.

14.4 I/O retention
When in LLS mode, the I/O pins are held in their input or output state. Upon wakeup, the
PMC is re-enabled, goes through a power up sequence to full regulation, and releases the
logic from state retention mode. The I/O are released immediately after a wakeup or reset
event. In the case of LLS exit via a RESET pin, the I/O default to their reset state.
When in VLLS modes, the I/O states are held on a wakeup event (with the exception of
wakeup by reset event) until the wakeup has been acknowledged via a write to the
ACKISO bit. In the case of VLLS exit via a RESET pin, the I/O are released and default
to their reset state. In this case, no write to the ACKISO is needed.
14.5 Memory map and register descriptions
PMC register details follow.
NOTE
Different portions of PMC registers are reset only by particular
reset types. Each register's description provides details. For
more information about the types of reset on this chip, refer to
the Reset section details.
The PMC registers can be written only in supervisor mode.
Write accesses in user mode are blocked and will result in a bus
error.
PMC memory map
Absolute
address
(hex)
Register name Width
(in bits) Access Reset value Section/
page
4007_D000 Low Voltage Detect Status And Control 1 register
(PMC_LVDSC1) 8 R/W 10h 14.5.1/240
4007_D001 Low Voltage Detect Status And Control 2 register
(PMC_LVDSC2) 8 R/W 00h 14.5.2/241
4007_D002 Regulator Status And Control register (PMC_REGSC) 8 R/W 04h 14.5.3/242
Chapter 14 Power Management Controller (PMC)
KL25 Sub-Family Reference Manual, Rev. 3, September 2012
Freescale Semiconductor, Inc. 239

14.5.1 Low Voltage Detect Status And Control 1 register
(PMC_LVDSC1)
This register contains status and control bits to support the low voltage detect function.
This register should be written during the reset initialization program to set the desired
controls even if the desired settings are the same as the reset settings.
While the device is in the very low power or low leakage modes, the LVD system is
disabled regardless of LVDSC1 settings. To protect systems that must have LVD always
on, configure the SMC's power mode protection register (PMPROT) to disallow any very
low power or low leakage modes from being enabled.
See the device's data sheet for the exact LVD trip voltages.
NOTE
The LVDV bits are reset solely on a POR Only event. The
register's other bits are reset on Chip Reset Not VLLS. For
more information about these reset types, refer to the Reset
section details.
Address: 4007_D000h base + 0h offset = 4007_D000h
Bit 7 6 5 4 3 2 1 0
Read LVDF 0 LVDIE LVDRE 0LVDV
Write LVDACK
Reset 00010000
PMC_LVDSC1 field descriptions
Field Description
7
LVDF
Low-Voltage Detect Flag
This read-only status bit indicates a low-voltage detect event.
0 Low-voltage event not detected
1 Low-voltage event detected
6
LVDACK
Low-Voltage Detect Acknowledge
This write-only bit is used to acknowledge low voltage detection errors. Write 1 to clear LVDF. Reads
always return 0.
5
LVDIE
Low-Voltage Detect Interrupt Enable
Enables hardware interrupt requests for LVDF.
0 Hardware interrupt disabled (use polling)
1 Request a hardware interrupt when LVDF = 1
Table continues on the next page...
Memory map and register descriptions
KL25 Sub-Family Reference Manual, Rev. 3, September 2012
240 Freescale Semiconductor, Inc.

PMC_LVDSC1 field descriptions (continued)
Field Description
4
LVDRE
Low-Voltage Detect Reset Enable
This write-once bit enables LVDF events to generate a hardware reset. Additional writes are ignored.
0 LVDF does not generate hardware resets
1 Force an MCU reset when LVDF = 1
3–2
Reserved
This field is reserved.
This read-only field is reserved and always has the value 0.
1–0
LVDV
Low-Voltage Detect Voltage Select
Selects the LVD trip point voltage (V LVD ).
00 Low trip point selected (V LVD = V LVDL )
01 High trip point selected (V LVD = V LVDH )
10 Reserved
11 Reserved
14.5.2 Low Voltage Detect Status And Control 2 register
(PMC_LVDSC2)
This register contains status and control bits to support the low voltage warning function.
While the device is in the very low power or low leakage modes, the LVD system is
disabled regardless of LVDSC2 settings.
See the device's data sheet for the exact LVD trip voltages.
NOTE
The LVW trip voltages depend on LVWV and LVDV bits.
NOTE
The LVWV bits are reset solely on a POR Only event. The
register's other bits are reset on Chip Reset Not VLLS. For
more information about these reset types, refer to the Reset
section details.
Address: 4007_D000h base + 1h offset = 4007_D001h
Bit 7 6 5 4 3 2 1 0
Read LVWF 0 LVWIE 0LVWV
Write LVWACK
Reset 00000000
Chapter 14 Power Management Controller (PMC)
KL25 Sub-Family Reference Manual, Rev. 3, September 2012
Freescale Semiconductor, Inc. 241

PMC_LVDSC2 field descriptions
Field Description
7
LVWF
Low-Voltage Warning Flag
This read-only status bit indicates a low-voltage warning event. LVWF is set when VSupply transitions below
the trip point, or after reset and VSupply is already below VLVW. LVWF bit may be 1 after power on reset,
therefore, to use LVW interrupt function, before enabling LVWIE, LVWF must be cleared by writing
LVWACK first.
0 Low-voltage warning event not detected
1 Low-voltage warning event detected
6
LVWACK
Low-Voltage Warning Acknowledge
This write-only bit is used to acknowledge low voltage warning errors. Write 1 to clear LVWF. Reads
always return 0.
5
LVWIE
Low-Voltage Warning Interrupt Enable
Enables hardware interrupt requests for LVWF.
0 Hardware interrupt disabled (use polling)
1 Request a hardware interrupt when LVWF = 1
4–2
Reserved
This field is reserved.
This read-only field is reserved and always has the value 0.
1–0
LVWV
Low-Voltage Warning Voltage Select
Selects the LVW trip point voltage (VLVW). The actual voltage for the warning depends on LVDSC1[LVDV].
00 Low trip point selected (VLVW = VLVW1)
01 Mid 1 trip point selected (VLVW = VLVW2)
10 Mid 2 trip point selected (VLVW = VLVW3)
11 High trip point selected (VLVW = VLVW4)
14.5.3 Regulator Status And Control register (PMC_REGSC)
The PMC contains an internal voltage regulator. The voltage regulator design uses a
bandgap reference that is also available through a buffer as input to certain internal
peripherals, such as the CMP and ADC. The internal regulator provides a status bit
(REGONS) indicating the regulator is in run regulation.
NOTE
This register is reset on Chip Reset Not VLLS and by reset
types that trigger Chip Reset not VLLS. See the Reset section
for more information.
Memory map and register descriptions
KL25 Sub-Family Reference Manual, Rev. 3, September 2012
242 Freescale Semiconductor, Inc.

Address: 4007_D000h base + 2h offset = 4007_D002h
Bit 7 6 5 4 3 2 1 0
Read 0 Reserved BGEN ACKISO REGONS Reserved BGBE
Write w1c
Reset 00000100
PMC_REGSC field descriptions
Field Description
7–6
Reserved
This field is reserved.
This read-only field is reserved and always has the value 0.
5
Reserved
This field is reserved.
4
BGEN
Bandgap Enable In VLPx Operation
BGEN controls whether the bandgap is enabled in lower power modes of operation (VLPx, LLS, and
VLLSx). When on-chip peripherals require the bandgap voltage reference in low power modes of
operation, set BGEN to continue to enable the bandgap operation.
NOTE: When the bandgap voltage reference is not needed in low power modes, clear BGEN to avoid
excess power consumption.
0 Bandgap voltage reference is disabled in VLPx , LLS , and VLLSx modes
1 Bandgap voltage reference is enabled in VLPx , LLS , and VLLSx modes
3
ACKISO
Acknowledge Isolation
Reading this bit indicates whether certain peripherals and the I/O pads are in a latched state as a result of
having been in a VLLS mode. Writing one to this bit when it is set releases the I/O pads and certain
peripherals to their normal run mode state.
NOTE: After recovering from a VLLS mode, user should restore chip configuration before clearing
ACKISO. In particular, pin configuration for enabled LLWU wakeup pins should be restored to
avoid any LLWU flag from being falsely set when ACKISO is cleared.
0 Peripherals and I/O pads are in normal run state
1 Certain peripherals and I/O pads are in an isolated and latched state
2
REGONS
Regulator In Run Regulation Status
This read-only bit provides the current status of the internal voltage regulator.
0 Regulator is in stop regulation or in transition to/from it
1 Regulator is in run regulation
1
Reserved
This field is reserved.
NOTE: This reserved bit must remain cleared (set to 0).
0
BGBE
Bandgap Buffer Enable
Enables the bandgap buffer.
0 Bandgap buffer not enabled
1 Bandgap buffer enabled
Chapter 14 Power Management Controller (PMC)
KL25 Sub-Family Reference Manual, Rev. 3, September 2012
Freescale Semiconductor, Inc. 243

Memory map and register descriptions
KL25 Sub-Family Reference Manual, Rev. 3, September 2012
244 Freescale Semiconductor, Inc.

Chapter 15
Low-Leakage Wakeup Unit (LLWU)
15.1 Introduction
NOTE
For the chip-specific implementation details of this module's
instances see the chip configuration information.
The LLWU module allows the user to select up to 16 external pin sources and up to 8
internal modules as a wakeup source from low-leakage power modes. The input sources
are described in the device's chip configuration details. Each of the available wakeup
sources can be individually enabled.
The LLWU module also includes two optional digital pin filters for the external wakeup
pins.
15.1.1 Features
The LLWU module features include:
• Support for up to 16 external input pins and up to 8 internal modules with individual
enable bits
• Input sources may be external pins or from internal peripherals capable of running in
LLS or VLLS. See the chip configuration information for wakeup input sources for
this device.
• External pin wakeup inputs, each of which is programmable as falling-edge, rising-
edge, or any change
• Wakeup inputs that are activated if enabled after MCU enters a low-leakage power
mode
• Optional digital filters provided to qualify an external pin detect. When entering
VLLS0, the filters are disabled and bypassed.
KL25 Sub-Family Reference Manual, Rev. 3, September 2012
Freescale Semiconductor, Inc. 245

15.1.2 Modes of operation
The LLWU module becomes functional on entry into a low-leakage power mode. After
recovery from LLS, the LLWU is immediately disabled. After recovery from VLLS, the
LLWU continues to detect wakeup events until the user has acknowledged the wakeup
via a write to the PMC_REGSC[ACKISO] bit.
15.1.2.1 LLS mode
The LLWU module provides up to 16 external wakeup inputs and up to 8 internal module
wakeup inputs.
Wakeup events due to external wakeup inputs and internal module wakeup inputs result
in an interrupt flow when exiting LLS.
NOTE
The LLWU interrupt must not be masked by the interrupt
controller to avoid a scenario where the system does not fully
exit Stop mode on an LLS recovery.
15.1.2.2 VLLS modes
The LLWU module provides up to 16 external wakeup inputs and up to 8 internal module
wakeup inputs. All wakeup events result in VLLS exit via a reset flow.
15.1.2.3 Non-low leakage modes
The LLWU is not active in all non-low leakage modes where detection and control logic
are in a static state. The LLWU registers are accessible in non-low leakage modes and are
available for configuring and reading status when bus transactions are possible.
When the wakeup pin filters are enabled, filter operation begins immediately. If a low
leakage mode is entered within 5 LPO clock cycles of an active edge, the edge event will
be detected by the LLWU.
Introduction
KL25 Sub-Family Reference Manual, Rev. 3, September 2012
246 Freescale Semiconductor, Inc.

15.1.2.4 Debug mode
When the chip is in Debug mode and then enters LLS or a VLLSx mode, no debug logic
works in the fully-functional low-leakage mode. Upon an exit from the LLS or VLLSx
mode, the LLWU becomes inactive.
15.1.3 Block diagram
The following figure is the block diagram for the LLWU module.
Module0 interrupt flag
(LLWU_M0IF)
WUME0
LLWU_MWUF0 occurred
Internal
module
sources
LLWU
controller
External
pin sources
exit low leakge mode
interrupt flow
reset flow
LLWU_P0
LLWU_P15 Pin filter 1
wakeup
occurred
Interrupt module
flag detect
WUPE15
2
Edge
detect
enter low leakge mode
WUPE0
Edge
detect
Module7 interrupt flag
(LLWU_M7IF)
WUME7
LLWU_MWUF7 occurred
Interrupt module
flag detect
LPO
Pin filter 2
LPO FILT1[FILTE]
Pin filter 1
Synchronizer
Synchronizer Edge
detect
LLWU_P15
wakeup occurred
Edge
detect
Pin filter 2
wakeup
occurred
2
LLWU_P0
wakeup occurred
FILT2[FILTSEL]
FILT1[FILTSEL]
FILT2[FILTE]
Figure 15-1. LLWU block diagram
Chapter 15 Low-Leakage Wakeup Unit (LLWU)
KL25 Sub-Family Reference Manual, Rev. 3, September 2012
Freescale Semiconductor, Inc. 247

15.2 LLWU signal descriptions
The signal properties of LLWU are shown in the following table. The external wakeup
input pins can be enabled to detect either rising-edge, falling-edge, or on any change.
Table 15-1. LLWU signal descriptions
Signal Description I/O
LLWU_Pn Wakeup inputs (n = 0-15) I
15.3 Memory map/register definition
The LLWU includes the following registers:
• Five 8-bit wakeup source enable registers
• Enable external pin input sources
• Enable internal peripheral sources
• Three 8-bit wakeup flag registers
• Indication of wakeup source that caused exit from a low-leakage power mode
includes external pin or internal module interrupt
• Two 8-bit wakeup pin filter enable registers
NOTE
The LLWU registers can be written only in supervisor mode.
Write accesses in user mode are blocked and will result in a bus
error.
All LLWU registers are reset by Chip Reset not VLLS and by
reset types that trigger Chip Reset not VLLS. Each register's
displayed reset value represents this subset of reset types.
LLWU registers are unaffected by reset types that do not trigger
Chip Reset not VLLS. For more information about the types of
reset on this chip, refer to the Introduction details.
LLWU signal descriptions
KL25 Sub-Family Reference Manual, Rev. 3, September 2012
248 Freescale Semiconductor, Inc.

LLWU memory map
Absolute
address
(hex)
Register name Width
(in bits) Access Reset value Section/
page
4007_C000 LLWU Pin Enable 1 register (LLWU_PE1) 8 R/W 00h 15.3.1/249
4007_C001 LLWU Pin Enable 2 register (LLWU_PE2) 8 R/W 00h 15.3.2/250
4007_C002 LLWU Pin Enable 3 register (LLWU_PE3) 8 R/W 00h 15.3.3/251
4007_C003 LLWU Pin Enable 4 register (LLWU_PE4) 8 R/W 00h 15.3.4/252
4007_C004 LLWU Module Enable register (LLWU_ME) 8 R/W 00h 15.3.5/253
4007_C005 LLWU Flag 1 register (LLWU_F1) 8 R/W 00h 15.3.6/255
4007_C006 LLWU Flag 2 register (LLWU_F2) 8 R/W 00h 15.3.7/257
4007_C007 LLWU Flag 3 register (LLWU_F3) 8 R 00h 15.3.8/258
4007_C008 LLWU Pin Filter 1 register (LLWU_FILT1) 8 R/W 00h 15.3.9/260
4007_C009 LLWU Pin Filter 2 register (LLWU_FILT2) 8 R/W 00h 15.3.10/261
15.3.1 LLWU Pin Enable 1 register (LLWU_PE1)
LLWU_PE1 contains the field to enable and select the edge detect type for the external
wakeup input pins LLWU_P3-LLWU_P0.
NOTE
This register is reset on Chip Reset not VLLS and by reset
types that trigger Chip Reset not VLLS. It is unaffected by reset
types that do not trigger Chip Reset not VLLS. See the
Introduction details for more information.
Address: 4007_C000h base + 0h offset = 4007_C000h
Bit 7 6 5 4 3 2 1 0
Read WUPE3 WUPE2 WUPE1 WUPE0
Write
Reset 00000000
LLWU_PE1 field descriptions
Field Description
7–6
WUPE3
Wakeup Pin Enable For LLWU_P3
Enables and configures the edge detection for the wakeup pin.
00 External input pin disabled as wakeup input
01 External input pin enabled with rising edge detection
10 External input pin enabled with falling edge detection
11 External input pin enabled with any change detection
5–4
WUPE2
Wakeup Pin Enable For LLWU_P2
Enables and configures the edge detection for the wakeup pin.
Table continues on the next page...
Chapter 15 Low-Leakage Wakeup Unit (LLWU)
KL25 Sub-Family Reference Manual, Rev. 3, September 2012
Freescale Semiconductor, Inc. 249

LLWU_PE1 field descriptions (continued)
Field Description
00 External input pin disabled as wakeup input
01 External input pin enabled with rising edge detection
10 External input pin enabled with falling edge detection
11 External input pin enabled with any change detection
3–2
WUPE1
Wakeup Pin Enable For LLWU_P1
Enables and configures the edge detection for the wakeup pin.
00 External input pin disabled as wakeup input
01 External input pin enabled with rising edge detection
10 External input pin enabled with falling edge detection
11 External input pin enabled with any change detection
1–0
WUPE0
Wakeup Pin Enable For LLWU_P0
Enables and configures the edge detection for the wakeup pin.
00 External input pin disabled as wakeup input
01 External input pin enabled with rising edge detection
10 External input pin enabled with falling edge detection
11 External input pin enabled with any change detection
15.3.2 LLWU Pin Enable 2 register (LLWU_PE2)
LLWU_PE2 contains the field to enable and select the edge detect type for the external
wakeup input pins LLWU_P7-LLWU_P4.
NOTE
This register is reset on Chip Reset not VLLS and by reset
types that trigger Chip Reset not VLLS. It is unaffected by reset
types that do not trigger Chip Reset not VLLS. See the
Introduction details for more information.
Address: 4007_C000h base + 1h offset = 4007_C001h
Bit 7 6 5 4 3 2 1 0
Read WUPE7 WUPE6 WUPE5 WUPE4
Write
Reset 00000000
LLWU_PE2 field descriptions
Field Description
7–6
WUPE7
Wakeup Pin Enable For LLWU_P7
Enables and configures the edge detection for the wakeup pin.
00 External input pin disabled as wakeup input
01 External input pin enabled with rising edge detection
Table continues on the next page...
Memory map/register definition
KL25 Sub-Family Reference Manual, Rev. 3, September 2012
250 Freescale Semiconductor, Inc.

LLWU_PE2 field descriptions (continued)
Field Description
10 External input pin enabled with falling edge detection
11 External input pin enabled with any change detection
5–4
WUPE6
Wakeup Pin Enable For LLWU_P6
Enables and configures the edge detection for the wakeup pin.
00 External input pin disabled as wakeup input
01 External input pin enabled with rising edge detection
10 External input pin enabled with falling edge detection
11 External input pin enabled with any change detection
3–2
WUPE5
Wakeup Pin Enable For LLWU_P5
Enables and configures the edge detection for the wakeup pin.
00 External input pin disabled as wakeup input
01 External input pin enabled with rising edge detection
10 External input pin enabled with falling edge detection
11 External input pin enabled with any change detection
1–0
WUPE4
Wakeup Pin Enable For LLWU_P4
Enables and configures the edge detection for the wakeup pin.
00 External input pin disabled as wakeup input
01 External input pin enabled with rising edge detection
10 External input pin enabled with falling edge detection
11 External input pin enabled with any change detection
15.3.3 LLWU Pin Enable 3 register (LLWU_PE3)
LLWU_PE3 contains the field to enable and select the edge detect type for the external
wakeup input pins LLWU_P11-LLWU_P8.
NOTE
This register is reset on Chip Reset not VLLS and by reset
types that trigger Chip Reset not VLLS. It is unaffected by reset
types that do not trigger Chip Reset not VLLS. See the
Introduction details for more information.
Address: 4007_C000h base + 2h offset = 4007_C002h
Bit 7 6 5 4 3 2 1 0
Read WUPE11 WUPE10 WUPE9 WUPE8
Write
Reset 00000000
Chapter 15 Low-Leakage Wakeup Unit (LLWU)
KL25 Sub-Family Reference Manual, Rev. 3, September 2012
Freescale Semiconductor, Inc. 251

LLWU_PE3 field descriptions
Field Description
7–6
WUPE11
Wakeup Pin Enable For LLWU_P11
Enables and configures the edge detection for the wakeup pin.
00 External input pin disabled as wakeup input
01 External input pin enabled with rising edge detection
10 External input pin enabled with falling edge detection
11 External input pin enabled with any change detection
5–4
WUPE10
Wakeup Pin Enable For LLWU_P10
Enables and configures the edge detection for the wakeup pin.
00 External input pin disabled as wakeup input
01 External input pin enabled with rising edge detection
10 External input pin enabled with falling edge detection
11 External input pin enabled with any change detection
3–2
WUPE9
Wakeup Pin Enable For LLWU_P9
Enables and configures the edge detection for the wakeup pin.
00 External input pin disabled as wakeup input
01 External input pin enabled with rising edge detection
10 External input pin enabled with falling edge detection
11 External input pin enabled with any change detection
1–0
WUPE8
Wakeup Pin Enable For LLWU_P8
Enables and configures the edge detection for the wakeup pin.
00 External input pin disabled as wakeup input
01 External input pin enabled with rising edge detection
10 External input pin enabled with falling edge detection
11 External input pin enabled with any change detection
15.3.4 LLWU Pin Enable 4 register (LLWU_PE4)
LLWU_PE4 contains the field to enable and select the edge detect type for the external
wakeup input pins LLWU_P15-LLWU_P12.
NOTE
This register is reset on Chip Reset not VLLS and by reset
types that trigger Chip Reset not VLLS. It is unaffected by reset
types that do not trigger Chip Reset not VLLS. See the
Introduction details for more information.
Memory map/register definition
KL25 Sub-Family Reference Manual, Rev. 3, September 2012
252 Freescale Semiconductor, Inc.

Address: 4007_C000h base + 3h offset = 4007_C003h
Bit 7 6 5 4 3 2 1 0
Read WUPE15 WUPE14 WUPE13 WUPE12
Write
Reset 00000000
LLWU_PE4 field descriptions
Field Description
7–6
WUPE15
Wakeup Pin Enable For LLWU_P15
Enables and configures the edge detection for the wakeup pin.
00 External input pin disabled as wakeup input
01 External input pin enabled with rising edge detection
10 External input pin enabled with falling edge detection
11 External input pin enabled with any change detection
5–4
WUPE14
Wakeup Pin Enable For LLWU_P14
Enables and configures the edge detection for the wakeup pin.
00 External input pin disabled as wakeup input
01 External input pin enabled with rising edge detection
10 External input pin enabled with falling edge detection
11 External input pin enabled with any change detection
3–2
WUPE13
Wakeup Pin Enable For LLWU_P13
Enables and configures the edge detection for the wakeup pin.
00 External input pin disabled as wakeup input
01 External input pin enabled with rising edge detection
10 External input pin enabled with falling edge detection
11 External input pin enabled with any change detection
1–0
WUPE12
Wakeup Pin Enable For LLWU_P12
Enables and configures the edge detection for the wakeup pin.
00 External input pin disabled as wakeup input
01 External input pin enabled with rising edge detection
10 External input pin enabled with falling edge detection
11 External input pin enabled with any change detection
15.3.5 LLWU Module Enable register (LLWU_ME)
LLWU_ME contains the bits to enable the internal module flag as a wakeup input source
for inputs MWUF7-MWUF0.
NOTE
This register is reset on Chip Reset not VLLS and by reset
types that trigger Chip Reset not VLLS. It is unaffected by reset
Chapter 15 Low-Leakage Wakeup Unit (LLWU)
KL25 Sub-Family Reference Manual, Rev. 3, September 2012
Freescale Semiconductor, Inc. 253

types that do not trigger Chip Reset not VLLS. See the
Introduction details for more information.
Address: 4007_C000h base + 4h offset = 4007_C004h
Bit 7 6 5 4 3 2 1 0
Read WUME7 WUME6 WUME5 WUME4 WUME3 WUME2 WUME1 WUME0
Write
Reset 00000000
LLWU_ME field descriptions
Field Description
7
WUME7
Wakeup Module Enable For Module 7
Enables an internal module as a wakeup source input.
0 Internal module flag not used as wakeup source
1 Internal module flag used as wakeup source
6
WUME6
Wakeup Module Enable For Module 6
Enables an internal module as a wakeup source input.
0 Internal module flag not used as wakeup source
1 Internal module flag used as wakeup source
5
WUME5
Wakeup Module Enable For Module 5
Enables an internal module as a wakeup source input.
0 Internal module flag not used as wakeup source
1 Internal module flag used as wakeup source
4
WUME4
Wakeup Module Enable For Module 4
Enables an internal module as a wakeup source input.
0 Internal module flag not used as wakeup source
1 Internal module flag used as wakeup source
3
WUME3
Wakeup Module Enable For Module 3
Enables an internal module as a wakeup source input.
0 Internal module flag not used as wakeup source
1 Internal module flag used as wakeup source
2
WUME2
Wakeup Module Enable For Module 2
Enables an internal module as a wakeup source input.
0 Internal module flag not used as wakeup source
1 Internal module flag used as wakeup source
1
WUME1
Wakeup Module Enable for Module 1
Enables an internal module as a wakeup source input.
0 Internal module flag not used as wakeup source
1 Internal module flag used as wakeup source
Table continues on the next page...
Memory map/register definition
KL25 Sub-Family Reference Manual, Rev. 3, September 2012
254 Freescale Semiconductor, Inc.

LLWU_ME field descriptions (continued)
Field Description
0
WUME0
Wakeup Module Enable For Module 0
Enables an internal module as a wakeup source input.
0 Internal module flag not used as wakeup source
1 Internal module flag used as wakeup source
15.3.6 LLWU Flag 1 register (LLWU_F1)
LLWU_F1 contains the wakeup flags indicating which wakeup source caused the MCU
to exit LLS or VLLS mode. For LLS, this is the source causing the CPU interrupt flow.
For VLLS, this is the source causing the MCU reset flow.
The external wakeup flags are read-only and clearing a flag is accomplished by a write of
a 1 to the corresponding WUFx bit. The wakeup flag (WUFx), if set, will remain set if
the associated WUPEx bit is cleared.
NOTE
This register is reset on Chip Reset not VLLS and by reset
types that trigger Chip Reset not VLLS. It is unaffected by reset
types that do not trigger Chip Reset not VLLS. See the
Introduction details for more information.
Address: 4007_C000h base + 5h offset = 4007_C005h
Bit 7 6 5 4 3 2 1 0
Read WUF7 WUF6 WUF5 WUF4 WUF3 WUF2 WUF1 WUF0
Write w1c w1c w1c w1c w1c w1c w1c w1c
Reset 00000000
LLWU_F1 field descriptions
Field Description
7
WUF7
Wakeup Flag For LLWU_P7
Indicates that an enabled external wakeup pin was a source of exiting a low-leakage power mode. To
clear the flag write a one to WUF7.
0 LLWU_P7 input was not a wakeup source
1 LLWU_P7 input was a wakeup source
6
WUF6
Wakeup Flag For LLWU_P6
Indicates that an enabled external wakeup pin was a source of exiting a low-leakage power mode. To
clear the flag write a one to WUF6.
Table continues on the next page...
Chapter 15 Low-Leakage Wakeup Unit (LLWU)
KL25 Sub-Family Reference Manual, Rev. 3, September 2012
Freescale Semiconductor, Inc. 255

LLWU_F1 field descriptions (continued)
Field Description
0 LLWU_P6 input was not a wakeup source
1 LLWU_P6 input was a wakeup source
5
WUF5
Wakeup Flag For LLWU_P5
Indicates that an enabled external wakeup pin was a source of exiting a low-leakage power mode. To
clear the flag write a one to WUF5.
0 LLWU_P5 input was not a wakeup source
1 LLWU_P5 input was a wakeup source
4
WUF4
Wakeup Flag For LLWU_P4
Indicates that an enabled external wakeup pin was a source of exiting a low-leakage power mode. To
clear the flag write a one to WUF4.
0 LLWU_P4 input was not a wakeup source
1 LLWU_P4 input was a wakeup source
3
WUF3
Wakeup Flag For LLWU_P3
Indicates that an enabled external wakeup pin was a source of exiting a low-leakage power mode. To
clear the flag write a one to WUF3.
0 LLWU_P3 input was not a wakeup source
1 LLWU_P3 input was a wakeup source
2
WUF2
Wakeup Flag For LLWU_P2
Indicates that an enabled external wakeup pin was a source of exiting a low-leakage power mode. To
clear the flag write a one to WUF2.
0 LLWU_P2 input was not a wakeup source
1 LLWU_P2 input was a wakeup source
1
WUF1
Wakeup Flag For LLWU_P1
Indicates that an enabled external wakeup pin was a source of exiting a low-leakage power mode. To
clear the flag write a one to WUF1.
0 LLWU_P1 input was not a wakeup source
1 LLWU_P1 input was a wakeup source
0
WUF0
Wakeup Flag For LLWU_P0
Indicates that an enabled external wakeup pin was a source of exiting a low-leakage power mode. To
clear the flag write a one to WUF0.
0 LLWU_P0 input was not a wakeup source
1 LLWU_P0 input was a wakeup source
Memory map/register definition
KL25 Sub-Family Reference Manual, Rev. 3, September 2012
256 Freescale Semiconductor, Inc.

15.3.7 LLWU Flag 2 register (LLWU_F2)
LLWU_F2 contains the wakeup flags indicating which wakeup source caused the MCU
to exit LLS or VLLS mode. For LLS, this is the source causing the CPU interrupt flow.
For VLLS, this is the source causing the MCU reset flow.
The external wakeup flags are read-only and clearing a flag is accomplished by a write of
a 1 to the corresponding WUFx bit. The wakeup flag (WUFx), if set, will remain set if
the associated WUPEx bit is cleared.
NOTE
This register is reset on Chip Reset not VLLS and by reset
types that trigger Chip Reset not VLLS. It is unaffected by reset
types that do not trigger Chip Reset not VLLS. See the
Introduction details for more information.
Address: 4007_C000h base + 6h offset = 4007_C006h
Bit 7 6 5 4 3 2 1 0
Read WUF15 WUF14 WUF13 WUF12 WUF11 WUF10 WUF9 WUF8
Write w1c w1c w1c w1c w1c w1c w1c w1c
Reset 00000000
LLWU_F2 field descriptions
Field Description
7
WUF15
Wakeup Flag For LLWU_P15
Indicates that an enabled external wakeup pin was a source of exiting a low-leakage power mode. To
clear the flag write a one to WUF15.
0 LLWU_P15 input was not a wakeup source
1 LLWU_P15 input was a wakeup source
6
WUF14
Wakeup Flag For LLWU_P14
Indicates that an enabled external wakeup pin was a source of exiting a low-leakage power mode. To
clear the flag write a one to WUF14.
0 LLWU_P14 input was not a wakeup source
1 LLWU_P14 input was a wakeup source
5
WUF13
Wakeup Flag For LLWU_P13
Indicates that an enabled external wakeup pin was a source of exiting a low-leakage power mode. To
clear the flag write a one to WUF13.
0 LLWU_P13 input was not a wakeup source
1 LLWU_P13 input was a wakeup source
Table continues on the next page...
Chapter 15 Low-Leakage Wakeup Unit (LLWU)
KL25 Sub-Family Reference Manual, Rev. 3, September 2012
Freescale Semiconductor, Inc. 257

LLWU_F2 field descriptions (continued)
Field Description
4
WUF12
Wakeup Flag For LLWU_P12
Indicates that an enabled external wakeup pin was a source of exiting a low-leakage power mode. To
clear the flag write a one to WUF12.
0 LLWU_P12 input was not a wakeup source
1 LLWU_P12 input was a wakeup source
3
WUF11
Wakeup Flag For LLWU_P11
Indicates that an enabled external wakeup pin was a source of exiting a low-leakage power mode. To
clear the flag write a one to WUF11.
0 LLWU_P11 input was not a wakeup source
1 LLWU_P11 input was a wakeup source
2
WUF10
Wakeup Flag For LLWU_P10
Indicates that an enabled external wakeup pin was a source of exiting a low-leakage power mode. To
clear the flag write a one to WUF10.
0 LLWU_P10 input was not a wakeup source
1 LLWU_P10 input was a wakeup source
1
WUF9
Wakeup Flag For LLWU_P9
Indicates that an enabled external wakeup pin was a source of exiting a low-leakage power mode. To
clear the flag write a one to WUF9.
0 LLWU_P9 input was not a wakeup source
1 LLWU_P9 input was a wakeup source
0
WUF8
Wakeup Flag For LLWU_P8
Indicates that an enabled external wakeup pin was a source of exiting a low-leakage power mode. To
clear the flag write a one to WUF8.
0 LLWU_P8 input was not a wakeup source
1 LLWU_P8 input was a wakeup source
15.3.8 LLWU Flag 3 register (LLWU_F3)
LLWU_F3 contains the wakeup flags indicating which internal wakeup source caused the
MCU to exit LLS or VLLS mode. For LLS, this is the source causing the CPU interrupt
flow. For VLLS, this is the source causing the MCU reset flow.
For internal peripherals that are capable of running in a low-leakage power mode, such as
iRTC or CMP modules, the flag from the associated peripheral is accessible as the
MWUFx bit. The flag will need to be cleared in the peripheral instead of writing a 1 to
the MWUFx bit.
Memory map/register definition
KL25 Sub-Family Reference Manual, Rev. 3, September 2012
258 Freescale Semiconductor, Inc.

NOTE
This register is reset on Chip Reset not VLLS and by reset
types that trigger Chip Reset not VLLS. It is unaffected by reset
types that do not trigger Chip Reset not VLLS. See the
Introduction details for more information.
Address: 4007_C000h base + 7h offset = 4007_C007h
Bit 7 6 5 4 3 2 1 0
Read MWUF7 MWUF6 MWUF5 MWUF4 MWUF3 MWUF2 MWUF1 MWUF0
Write
Reset 00000000
LLWU_F3 field descriptions
Field Description
7
MWUF7
Wakeup flag For module 7
Indicates that an enabled internal peripheral was a source of exiting a low-leakage power mode. To clear
the flag, follow the internal peripheral flag clearing mechanism.
0 Module 7 input was not a wakeup source
1 Module 7 input was a wakeup source
6
MWUF6
Wakeup flag For module 6
Indicates that an enabled internal peripheral was a source of exiting a low-leakage power mode. To clear
the flag, follow the internal peripheral flag clearing mechanism.
0 Module 6 input was not a wakeup source
1 Module 6 input was a wakeup source
5
MWUF5
Wakeup flag For module 5
Indicates that an enabled internal peripheral was a source of exiting a low-leakage power mode. To clear
the flag, follow the internal peripheral flag clearing mechanism.
0 Module 5 input was not a wakeup source
1 Module 5 input was a wakeup source
4
MWUF4
Wakeup flag For module 4
Indicates that an enabled internal peripheral was a source of exiting a low-leakage power mode. To clear
the flag, follow the internal peripheral flag clearing mechanism.
0 Module 4 input was not a wakeup source
1 Module 4 input was a wakeup source
3
MWUF3
Wakeup flag For module 3
Indicates that an enabled internal peripheral was a source of exiting a low-leakage power mode. To clear
the flag, follow the internal peripheral flag clearing mechanism.
0 Module 3 input was not a wakeup source
1 Module 3 input was a wakeup source
2
MWUF2
Wakeup flag For module 2
Table continues on the next page...
Chapter 15 Low-Leakage Wakeup Unit (LLWU)
KL25 Sub-Family Reference Manual, Rev. 3, September 2012
Freescale Semiconductor, Inc. 259

LLWU_F3 field descriptions (continued)
Field Description
Indicates that an enabled internal peripheral was a source of exiting a low-leakage power mode. To clear
the flag, follow the internal peripheral flag clearing mechanism.
0 Module 2 input was not a wakeup source
1 Module 2 input was a wakeup source
1
MWUF1
Wakeup flag For module 1
Indicates that an enabled internal peripheral was a source of exiting a low-leakage power mode. To clear
the flag, follow the internal peripheral flag clearing mechanism.
0 Module 1 input was not a wakeup source
1 Module 1 input was a wakeup source
0
MWUF0
Wakeup flag For module 0
Indicates that an enabled internal peripheral was a source of exiting a low-leakage power mode. To clear
the flag, follow the internal peripheral flag clearing mechanism.
0 Module 0 input was not a wakeup source
1 Module 0 input was a wakeup source
15.3.9 LLWU Pin Filter 1 register (LLWU_FILT1)
LLWU_FILT1 is a control and status register that is used to enable/disable the digital
filter 1 features for an external pin.
NOTE
This register is reset on Chip Reset not VLLS and by reset
types that trigger Chip Reset not VLLS. It is unaffected by reset
types that do not trigger Chip Reset not VLLS. See the
Introduction details for more information.
Address: 4007_C000h base + 8h offset = 4007_C008h
Bit 7 6 5 4 3 2 1 0
Read FILTF FILTE 0FILTSEL
Write w1c
Reset 00000000
LLWU_FILT1 field descriptions
Field Description
7
FILTF
Filter Detect Flag
Indicates that the filtered external wakeup pin, selected by FILTSEL, was a source of exiting a low-leakage
power mode. To clear the flag write a one to FILTF.
Table continues on the next page...
Memory map/register definition
KL25 Sub-Family Reference Manual, Rev. 3, September 2012
260 Freescale Semiconductor, Inc.

LLWU_FILT1 field descriptions (continued)
Field Description
0 Pin Filter 1 was not a wakeup source
1 Pin Filter 1 was a wakeup source
6–5
FILTE
Digital Filter On External Pin
Controls the digital filter options for the external pin detect.
00 Filter disabled
01 Filter posedge detect enabled
10 Filter negedge detect enabled
11 Filter any edge detect enabled
4
Reserved
This field is reserved.
This read-only field is reserved and always has the value 0.
3–0
FILTSEL
Filter Pin Select
Selects 1 out of the 16 wakeup pins to be muxed into the filter.
0000 Select LLWU_P0 for filter
... ...
1111 Select LLWU_P15 for filter
15.3.10 LLWU Pin Filter 2 register (LLWU_FILT2)
LLWU_FILT2 is a control and status register that is used to enable/disable the digital
filter 2 features for an external pin.
NOTE
This register is reset on Chip Reset not VLLS and by reset
types that trigger Chip Reset not VLLS. It is unaffected by reset
types that do not trigger Chip Reset not VLLS. See the
Introduction details for more information.
Address: 4007_C000h base + 9h offset = 4007_C009h
Bit 7 6 5 4 3 2 1 0
Read FILTF FILTE 0FILTSEL
Write w1c
Reset 00000000
LLWU_FILT2 field descriptions
Field Description
7
FILTF
Filter Detect Flag
Indicates that the filtered external wakeup pin, selected by FILTSEL, was a source of exiting a low-leakage
power mode. To clear the flag write a one to FILTF.
Table continues on the next page...
Chapter 15 Low-Leakage Wakeup Unit (LLWU)
KL25 Sub-Family Reference Manual, Rev. 3, September 2012
Freescale Semiconductor, Inc. 261

LLWU_FILT2 field descriptions (continued)
Field Description
0 Pin Filter 2 was not a wakeup source
1 Pin Filter 2 was a wakeup source
6–5
FILTE
Digital Filter On External Pin
Controls the digital filter options for the external pin detect.
00 Filter disabled
01 Filter posedge detect enabled
10 Filter negedge detect enabled
11 Filter any edge detect enabled
4
Reserved
This field is reserved.
This read-only field is reserved and always has the value 0.
3–0
FILTSEL
Filter Pin Select
Selects 1 out of the 16 wakeup pins to be muxed into the filter.
0000 Select LLWU_P0 for filter
... ...
1111 Select LLWU_P15 for filter
15.4 Functional description
This on-chip peripheral module is called a low-leakage wakeup unit (LLWU) module
because it allows internal peripherals and external input pins as a source of wakeup from
low-leakage modes. It is operational only in LLS and VLLSx modes.
The LLWU module contains pin enables for each external pin and internal module. For
each external pin, the user can disable or select the edge type for the wakeup. Type
options are:
• Falling-edge
• Rising-edge
• Either-edge
When an external pin is enabled as a wakeup source, the pin must be configured as an
input pin.
The LLWU implements optional 3-cycle glitch filters, based on the LPO clock. A
detected external pin is required to remain asserted until the enabled glitch filter times
out. Additional latency of up to 2 cycles is due to synchronization, which results in a total
of up to 5 cycles of delay before the detect circuit alerts the system to the wakeup or reset
event when the filter function is enabled. Two wakeup detect filters are available to
detect up to two external pins. Glitch filtering is not provided on the internal modules.
Functional description
KL25 Sub-Family Reference Manual, Rev. 3, September 2012
262 Freescale Semiconductor, Inc.

For internal module wakeup operation, the WUMEx bit enables the associated module as
a wakeup source.
15.4.1 LLS mode
Wakeup events triggered from either an external pin input or an internal module input
result in a CPU interrupt flow to begin user code execution.
15.4.2 VLLS modes
In the case of a wakeup due to external pin or internal module wakeup, recovery is
always via a reset flow and the RCM_SRS[WAKEUP] is set indicating the low-leakage
mode was active. State retention data is lost and I/O will be restored after
PMC_REGSC[ACKISO] has been written.
15.4.3 Initialization
For an enabled peripheral wakeup input, the peripheral flag must be cleared by software
before entering LLS or VLLSx mode to avoid an immediate exit from the mode.
Flags associated with external input pins, filtered and unfiltered, must also be cleared by
software prior to entry to LLS or VLLSx mode.
After enabling an external pin filter or changing the source pin, wait at least 5 LPO clock
cycles before entering LLS or VLLSx mode to allow the filter to initialize.
NOTE
After recovering from a VLLS mode, user must restore chip
configuration before clearing ACKISO. In particular, pin
configuration for enabled LLWU wakeup pins must be restored
to avoid any LLWU flag from being falsely set when ACKISO
is cleared.
The signal selected as a wakeup source pin must be a digital
pin, as selected in the pin mux control.
Chapter 15 Low-Leakage Wakeup Unit (LLWU)
KL25 Sub-Family Reference Manual, Rev. 3, September 2012
Freescale Semiconductor, Inc. 263

Functional description
KL25 Sub-Family Reference Manual, Rev. 3, September 2012
264 Freescale Semiconductor, Inc.

Chapter 16
Reset Control Module (RCM)
16.1 Introduction
This chapter describes the registers of the Reset Control Module (RCM). The RCM
implements many of the reset functions for the chip. See the chip's reset chapter for more
information.
16.2 Reset memory map and register descriptions
The Reset Control Module (RCM) registers provide reset status information and reset
filter control.
NOTE
The RCM registers can be written only in supervisor mode.
Write accesses in user mode are blocked and will result in a bus
error.
RCM memory map
Absolute
address
(hex)
Register name Width
(in bits) Access Reset value Section/
page
4007_F000 System Reset Status Register 0 (RCM_SRS0) 8 R 82h 16.2.1/265
4007_F001 System Reset Status Register 1 (RCM_SRS1) 8 R 00h 16.2.2/267
4007_F004 Reset Pin Filter Control register (RCM_RPFC) 8 R/W 00h 16.2.3/268
4007_F005 Reset Pin Filter Width register (RCM_RPFW) 8 R/W 00h 16.2.4/269
16.2.1 System Reset Status Register 0 (RCM_SRS0)
This register includes read-only status flags to indicate the source of the most recent
reset. The reset state of these bits depends on what caused the MCU to reset.
KL25 Sub-Family Reference Manual, Rev. 3, September 2012
Freescale Semiconductor, Inc. 265

NOTE
The reset value of this register depends on the reset source:
• POR (including LVD) — 0x82
• LVD (without POR) — 0x02
• VLLS mode wakeup due to RESET pin assertion — 0x41
• VLLS mode wakeup due to other wakeup sources — 0x01
• Other reset — a bit is set if its corresponding reset source
caused the reset
Address: 4007_F000h base + 0h offset = 4007_F000h
Bit 7 6 5 4 3 2 1 0
Read POR PIN WDOG 0 LOL LOC LVD WAKEUP
Write
Reset 10000010
RCM_SRS0 field descriptions
Field Description
7
POR
Power-On Reset
Indicates a reset has been caused by the power-on detection logic. Because the internal supply voltage
was ramping up at the time, the low-voltage reset (LVD) status bit is also set to indicate that the reset
occurred while the internal supply was below the LVD threshold.
0 Reset not caused by POR
1 Reset caused by POR
6
PIN
External Reset Pin
Indicates a reset has been caused by an active-low level on the external RESET pin.
0 Reset not caused by external reset pin
1 Reset caused by external reset pin
5
WDOG
Watchdog
Indicates a reset has been caused by the watchdog timer Computer Operating Properly (COP) timing out.
This reset source can be blocked by disabling the COP watchdog: write 00 to the SIM's COPC[COPT]
field.
0 Reset not caused by watchdog timeout
1 Reset caused by watchdog timeout
4
Reserved
This field is reserved.
This read-only field is reserved and always has the value 0.
3
LOL
Loss-of-Lock Reset
Indicates a reset has been caused by a loss of lock in the MCG PLL. See the MCG description for
information on the loss-of-clock event.
0 Reset not caused by a loss of lock in the PLL
1 Reset caused by a loss of lock in the PLL
Table continues on the next page...
Reset memory map and register descriptions
KL25 Sub-Family Reference Manual, Rev. 3, September 2012
266 Freescale Semiconductor, Inc.

RCM_SRS0 field descriptions (continued)
Field Description
2
LOC
Loss-of-Clock Reset
Indicates a reset has been caused by a loss of external clock. The MCG clock monitor must be enabled
for a loss of clock to be detected. Refer to the detailed MCG description for information on enabling the
clock monitor.
0 Reset not caused by a loss of external clock.
1 Reset caused by a loss of external clock.
1
LVD
Low-Voltage Detect Reset
If the LVDRE bit is set and the supply drops below the LVD trip voltage, an LVD reset occurs. This bit is
also set by POR.
0 Reset not caused by LVD trip or POR
1 Reset caused by LVD trip or POR
0
WAKEUP
Low Leakage Wakeup Reset
Indicates a reset has been caused by an enabled LLWU module wakeup source while the chip was in a
low leakage mode. In LLS mode, the RESET pin is the only wakeup source that can cause this reset. Any
enabled wakeup source in a VLLSx mode causes a reset. This bit is cleared by any reset except
WAKEUP.
0 Reset not caused by LLWU module wakeup source
1 Reset caused by LLWU module wakeup source
16.2.2 System Reset Status Register 1 (RCM_SRS1)
This register includes read-only status flags to indicate the source of the most recent
reset. The reset state of these bits depends on what caused the MCU to reset.
NOTE
The reset value of this register depends on the reset source:
• POR (including LVD) — 0x00
• LVD (without POR) — 0x00
• VLLS mode wakeup — 0x00
• Other reset — a bit is set if its corresponding reset source
caused the reset
Address: 4007_F000h base + 1h offset = 4007_F001h
Bit 7 6 5 4 3 2 1 0
Read 0 0 SACKERR 0 MDM_AP SW LOCKUP 0
Write
Reset 00000000
Chapter 16 Reset Control Module (RCM)
KL25 Sub-Family Reference Manual, Rev. 3, September 2012
Freescale Semiconductor, Inc. 267

RCM_SRS1 field descriptions
Field Description
7
Reserved
This field is reserved.
This read-only field is reserved and always has the value 0.
6
Reserved
This field is reserved.
This read-only field is reserved and always has the value 0.
5
SACKERR
Stop Mode Acknowledge Error Reset
Indicates that after an attempt to enter Stop mode, a reset has been caused by a failure of one or more
peripherals to acknowledge within approximately one second to enter stop mode.
0 Reset not caused by peripheral failure to acknowledge attempt to enter stop mode
1 Reset caused by peripheral failure to acknowledge attempt to enter stop mode
4
Reserved
This field is reserved.
This read-only field is reserved and always has the value 0.
3
MDM_AP
MDM-AP System Reset Request
Indicates a reset has been caused by the host debugger system setting of the System Reset Request bit
in the MDM-AP Control Register.
0 Reset not caused by host debugger system setting of the System Reset Request bit
1 Reset caused by host debugger system setting of the System Reset Request bit
2
SW
Software
Indicates a reset has been caused by software setting of SYSRESETREQ bit in Application Interrupt and
Reset Control Register in the ARM core.
0 Reset not caused by software setting of SYSRESETREQ bit
1 Reset caused by software setting of SYSRESETREQ bit
1
LOCKUP
Core Lockup
Indicates a reset has been caused by the ARM core indication of a LOCKUP event.
0 Reset not caused by core LOCKUP event
1 Reset caused by core LOCKUP event
0
Reserved
This field is reserved.
This read-only field is reserved and always has the value 0.
16.2.3 Reset Pin Filter Control register (RCM_RPFC)
NOTE
The reset values of bits 2-0 are for Chip POR only. They are
unaffected by other reset types.
NOTE
The bus clock filter is reset when disabled or when entering
stop mode. The LPO filter is reset when disabled .
Reset memory map and register descriptions
KL25 Sub-Family Reference Manual, Rev. 3, September 2012
268 Freescale Semiconductor, Inc.

Address: 4007_F000h base + 4h offset = 4007_F004h
Bit 7 6 5 4 3 2 1 0
Read 0 RSTFLTSS RSTFLTSRW
Write
Reset 00000000
RCM_RPFC field descriptions
Field Description
7–3
Reserved
This field is reserved.
This read-only field is reserved and always has the value 0.
2
RSTFLTSS
Reset Pin Filter Select in Stop Mode
Selects how the reset pin filter is enabled in Stop and VLPS modes , and also during LLS and VLLS
modes. On exit from VLLS mode, this bit should be reconfigured before clearing ACKISO in the PMC.
0 All filtering disabled
1 LPO clock filter enabled
1–0
RSTFLTSRW
Reset Pin Filter Select in Run and Wait Modes
Selects how the reset pin filter is enabled in run and wait modes.
00 All filtering disabled
01 Bus clock filter enabled for normal operation
10 LPO clock filter enabled for normal operation
11 Reserved
16.2.4 Reset Pin Filter Width register (RCM_RPFW)
NOTE
The reset values of the bits in the RSTFLTSEL field are for
Chip POR only. They are unaffected by other reset types.
Address: 4007_F000h base + 5h offset = 4007_F005h
Bit 7 6 5 4 3 2 1 0
Read 0 RSTFLTSEL
Write
Reset 00000000
RCM_RPFW field descriptions
Field Description
7–5
Reserved
This field is reserved.
This read-only field is reserved and always has the value 0.
4–0
RSTFLTSEL
Reset Pin Filter Bus Clock Select
Selects the reset pin bus clock filter width.
Table continues on the next page...
Chapter 16 Reset Control Module (RCM)
KL25 Sub-Family Reference Manual, Rev. 3, September 2012
Freescale Semiconductor, Inc. 269

RCM_RPFW field descriptions (continued)
Field Description
00000 Bus clock filter count is 1
00001 Bus clock filter count is 2
00010 Bus clock filter count is 3
00011 Bus clock filter count is 4
00100 Bus clock filter count is 5
00101 Bus clock filter count is 6
00110 Bus clock filter count is 7
00111 Bus clock filter count is 8
01000 Bus clock filter count is 9
01001 Bus clock filter count is 10
01010 Bus clock filter count is 11
01011 Bus clock filter count is 12
01100 Bus clock filter count is 13
01101 Bus clock filter count is 14
01110 Bus clock filter count is 15
01111 Bus clock filter count is 16
10000 Bus clock filter count is 17
10001 Bus clock filter count is 18
10010 Bus clock filter count is 19
10011 Bus clock filter count is 20
10100 Bus clock filter count is 21
10101 Bus clock filter count is 22
10110 Bus clock filter count is 23
10111 Bus clock filter count is 24
11000 Bus clock filter count is 25
11001 Bus clock filter count is 26
11010 Bus clock filter count is 27
11011 Bus clock filter count is 28
11100 Bus clock filter count is 29
11101 Bus clock filter count is 30
11110 Bus clock filter count is 31
11111 Bus clock filter count is 32
Reset memory map and register descriptions
KL25 Sub-Family Reference Manual, Rev. 3, September 2012
270 Freescale Semiconductor, Inc.

Chapter 17
Bit Manipulation Engine (BME)
17.1 Introduction
The Bit Manipulation Engine (BME) provides hardware support for atomic read-modify-
write memory operations to the peripheral address space in Cortex-M0+ based
microcontrollers. This architectural capability is also known as "decorated storage" as it
defines a mechanism for providing additional semantics for load and store operations to
memory-mapped peripherals beyond just the reading and writing of data values to the
addressed memory locations. In the BME definition, the "decoration", that is, the
additional semantic information, is encoded into the peripheral address used to reference
the memory.
By combining the basic load and store instructions of the Cortex-M instruction set
architecture (v6M, v7M) with the concept of decorated storage provided by the BME, the
resulting implementation provides a robust and efficient read-modify-write capability to
this class of ultra low-end microcontrollers. The resulting architectural capability defined
by this core platform function is targeted at the manipulation of n-bit fields in peripheral
registers and is consistent with I/O hardware addressing in the Embedded C standard. For
most BME commands, a single core read or write bus cycle is converted into an atomic
read-modify-write, that is, an indivisible "read followed by a write" bus sequence.
BME decorated references are only available on system bus transactions generated by the
processor core and targeted at the standard 512 KB peripheral address space based at
0x4000_00001. The decoration semantic is embedded into address bits[28:19], creating a
448 MB space at addresses 0x4400_0000 - 0x5FFF_FFFF; these bits are stripped out of
the actual address sent to the peripheral bus controller and used by the BME to define and
control its operation.
1. To be perfectly accurate, the peripheral address space occupies a 516 KB region: 512 KB based at 0x4000_0000 plus a 4
KB space based at 0x400F_F000 for GPIO accesses. This organization provides compatibility with the Kinetis K Family.
Attempted accesses to the memory space located between 0x4008_0000 - 0x400E_FFFF are error terminated due to an
illegal address.
KL25 Sub-Family Reference Manual, Rev. 3, September 2012
Freescale Semiconductor, Inc. 271

17.1.1 Overview
The following figure is a generic block diagram of the processor core and platform for
this class of ultra low-end microcontrollers.
AXBS
CM0+ Core Platform
FMC
LD/ST
Dbg
NVIC
Fetch
Cortex-M0+ Core
MTB Port
AHB Bus
AGU
MUL
RAM
Array
32
Dec Rn
SHFT
ALU
DMA_4ch
NVM
Array
PRAM
32
RGPIO
PBRIDGE
BME
32
IO Port
Slave
Peripherals
Alt-Master
-Lite
m0 s1
s2
s0
m3
m2
Note: BME can be accessed only by the core.
Figure 17-1. Generic Cortex-M0+ core platform block diagram
As shown in the block diagram, the BME module interfaces to a crossbar switch AHB
slave port as its primary input and sources an AHB bus output to the Peripheral Bridge
(PBRIDGE) controller. The BME hardware microarchitecture is a 2-stage pipeline design
matching the protocol of the AMBA-AHB system bus interfaces. The PBRIDGE module
converts the AHB system bus protocol into the IPS/APB protocol used by the attached
slave peripherals.
17.1.2 Features
The key features of the BME include:
• Lightweight implementation of decorated storage for peripheral address space
• Additional access semantics encoded into the reference address
Introduction
KL25 Sub-Family Reference Manual, Rev. 3, September 2012
272 Freescale Semiconductor, Inc.

• Resides between a crossbar switch slave port and a peripheral bridge bus controller
• 2-stage pipeline design matching the AHB system bus protocol
• Combinationally passes non-decorated accesses to peripheral bridge bus controller
• Conversion of decorated loads and stores from processor core into atomic read-
modify-writes
• Decorated loads support unsigned bit field extracts, load-and-{set,clear}-1bit
operations
• Decorated stores support bit field inserts, logical AND, OR and XOR operations
• Support for byte, halfword and word-sized decorated operations
• Supports minimum signal toggling on AHB output bus to reduce power dissipation
17.1.3 Modes of Operation
The BME module does not support any special modes of operation. As a memory-
mapped device located on a crossbar slave AHB system bus port, BME responds based
strictly on memory addresses for accesses to the connected peripheral bridge bus
controller.
All functionality associated with the BME module resides in the core platform's clock
domain; this includes its connections with the crossbar slave port and the PBRIDGE bus
controller.
17.2 External Signal Description
The BME module does not directly support any external interfaces.
The internal interfaces include two standard AHB buses with 32-bit datapath widths: the
primary input from the appropriate crossbar slave port (mx_h<signal>) and the primary
output to the PBRIDGE bus controller (sx_h<signal>).
Note the signal directions are defined by the BME's view and are labeled based on the
dominant direction. Accordingly, the mx_h<signal> AHB bus is the primary input, even
though there are certain data phase signals (mx_h{rdata, ready, resp}) which are outputs
from BME. Likewise, the sx_h<signal> AHB bus is the primary output even though there
are specific data phase signals (sx_h{rdata, ready, resp}) which are inputs to BME.
Chapter 17 Bit Manipulation Engine (BME)
KL25 Sub-Family Reference Manual, Rev. 3, September 2012
Freescale Semiconductor, Inc. 273

17.3 Memory Map and Register Definition
The BME module provides a memory-mapped capability and does not include any
programming model registers. The exact set of functions supported by the BME are
detailed in the Functional Description.
The peripheral address space occupies a 516 KB region: 512 KB based at 0x4000_0000
plus a 4 KB space based at 0x400F_F000 for GPIO accesses; the decorated address space
is mapped to the 448 MB region located at 0x4400_0000 - 0x5FFF_FFFF.
17.4 Functional Description
This section details the specific functions supported by the BME.
Recall the combination of the basic load and store instructions of the Cortex-M
instruction set architecture (v6M, v7M) plus the concept of decorated storage provided by
the BME, the resulting implementation provides a robust and efficient read-modify-write
capability to this class of ultra low-end microcontrollers. The resulting architectural
capability defined by this core platform function is targeted at the manipulation of n-bit
fields in peripheral registers and is consistent with I/O hardware addressing in the
Embedded C standard. For most BME commands, a single core read or write bus cycle is
converted into an atomic read-modify-write, that is, an indivisible "read followed by a
write" bus sequence.
Consider decorated store operations first, then decorated loads.
17.4.1 BME Decorated Stores
The functions supported by the BME's decorated stores include three logical operators
(AND, OR, XOR) plus a bit field insert. For all these operations, BME converts a single
decorated AHB store transaction into a 2-cycle atomic read-modify-write sequence,
where the combined read-modify operation is performed in the first AHB data phase, and
then the write is performed in the second AHB data phase.
A generic timing diagram of a decorated store showing a bit field insert operation is
shown as follows:
Memory Map and Register Definition
KL25 Sub-Family Reference Manual, Rev. 3, September 2012
274 Freescale Semiconductor, Inc.

x x+1 x+2 x+3
next
5..v_wxyz
next
wdata
next
400v_wxyz 400v_wxyz next
next
5..v_wxyz
wdata bfi rdata
wdata bfi rdata
next
rdata
CYCLE RULER
hclk
BME AHB Input Bus
mx_haddr
mx_hattr
mx_hwrite
mx_hwdata
mx_hrdata
mx_hready
BME AHB Output Bus
sx_haddr
sx_hattr
sx_hwrite
sx_hwdata
sx_hrdata
sx_hready
BME States + Datapath
control_state_dp1
control_state_dp2
reg_addr_data_dp
Figure 17-2. Decorated store: bit field insert timing diagram
All the decorated store operations follow the same execution template shown in the figure
above, a 2-cycle read-modify-write operation:
• Cycle x, 1st AHB address phase: Write from input bus (mx_h<signal>) is translated
into a read operation on the output bus (sx_h<signal>) using the actual memory
address (with the decoration removed) and then captured in a register
(reg_addr_data_dp)
• Cycle x+1, 2nd AHB address phase: Write access with the registered (but actual)
memory address is output (sx_h<signal>)
• Cycle x+1, 1st AHB data phase: Memory read data (sx_hrdata) is modified using the
input bus write data (mx_hwdata) and the function defined by the decoration and
captured in a data register (reg_addr_data_dp); the input bus cycle is stalled
(mx_hready = 0)
• Cycle x+2, 2nd AHB data phase: Registered write data is sourced onto the output
write data bus (sx_hwdata)
Chapter 17 Bit Manipulation Engine (BME)
KL25 Sub-Family Reference Manual, Rev. 3, September 2012
Freescale Semiconductor, Inc. 275

NOTE
Any wait states inserted by the peripheral slave device
(sx_hready = 0) are simply passed through the BME back to the
master input bus, stalling the AHB transaction cycle for cycle.
17.4.1.1 Decorated Store Logical AND (AND)
This command performs an atomic read-modify-write of the referenced memory location.
First, the location is read; it is then modified by performing a logical AND operation
using the write data operand sourced for the system bus cycle; finally, the result of the
AND operation is written back into the referenced memory location.
The data size is specified by the write operation and can be byte (8-bit), halfword (16-bit)
or word (32-bit). The core performs the required write data lane replication on byte and
halfword transfers.
31 30 29 28 27 26 25 24 23 22 21 20 19 18 17 16 15 14 13 12 11 10 9 8 7 6 5 4 3 2 1 0
ioandb 0 1 0 0 0 1 - - - - - - mem_addr
ioandh 0 1 0 0 0 1 - - - - - - mem_addr 0
ioandw 0 1 0 0 0 1 - - - - - - mem_addr 0 0
Figure 17-3. Decorated store address: logical AND
where addr[28:26] = 001 specifies the AND operation, and mem_addr[19:0] specifies the
address offset into the peripheral space based at 0x4000_0000. The "-" indicates an
address bit "don't care".
The decorated AND write operation is defined in the following pseudo-code as:
ioand<sz>(accessAddress, wdata) // decorated store AND
tmp = mem[accessAddress & 0xE00FFFFF, size] // memory read
tmp = tmp & wdata // modify
mem[accessAddress & 0xE00FFFFF, size] = tmp // memory write
where the operand size <sz> is defined as b(yte, 8-bit), h(alfword, 16-bit) and w(ord, 32-
bit). This notation is used throughout the document.
In the cycle definition tables, the notation AHB_ap and AHB_dp refers to the address and
data phases of the BME AHB transaction. The cycle-by-cycle BME operations are
detailed in the following table.
Functional Description
KL25 Sub-Family Reference Manual, Rev. 3, September 2012
276 Freescale Semiconductor, Inc.

Table 17-1. Cycle definitions of decorated store: logical AND
Pipeline Stage Cycle
x x+1 x+2
BME AHB_ap Forward addr to memory;
Decode decoration; Convert
master_wt to slave_rd;
Capture address, attributes
Recirculate captured addr +
attr to memory as slave_wt
<next>
BME AHB_dp <previous> Perform memory read; Form
(rdata & wdata) and capture
destination data in register
Perform write sending
registered data to memory
17.4.1.2 Decorated Store Logical OR (OR)
This command performs an atomic read-modify-write of the referenced memory location.
First, the location is read; it is then modified by performing a logical OR operation using
the write data operand sourced for the system bus cycle; finally, the result of the OR
operation is written back into the referenced memory location.
The data size is specified by the write operation and can be byte (8 bit), halfword (16 bit)
or word (32 bit). The core performs the required write data lane replication on byte and
halfword transfers.
31 30 29 28 27 26 25 24 23 22 21 20 19 18 17 16 15 14 13 12 11 10 9 8 7 6 5 4 3 2 1 0
ioorb 0 1 0 0 1 0 - - - - - - mem_addr
ioorh 0 1 0 0 1 0 - - - - - - mem_addr 0
ioorw 0 1 0 0 1 0 - - - - - - mem_addr 0 0
Figure 17-4. Decorated Address Store: Logical OR
where addr[28:26] = 010 specifies the OR operation, and mem_addr[19:0] specifies the
address offset into the peripheral space based at 0x4000_0000. The "-" indicates an
address bit "don't care".
The decorated OR write operation is defined in the following pseudo-code as:
ioor<sz>(accessAddress, wdata) // decorated store OR
tmp = mem[accessAddress & 0xE00FFFFF, size] // memory read
tmp = tmp | wdata // modify
mem[accessAddress & 0xE00FFFFF, size] = tmp // memory write
The cycle-by-cycle BME operations are detailed in the following table
Chapter 17 Bit Manipulation Engine (BME)
KL25 Sub-Family Reference Manual, Rev. 3, September 2012
Freescale Semiconductor, Inc. 277

Table 17-2. Cycle definitions of decorated store: logical OR
Pipeline Stage Cycle
x x+1 x+2
BME AHB_ap Forward addr to memory;
Decode decoration; Convert
master_wt to slave_rd;
Capture address, attributes
Recirculate captured addr +
attr to memory as slave_wt
<next>
BME AHB_dp <previous> Perform memory read; Form
(rdata | wdata) and capture
destination data in register
Perform write sending
registered data to memory
17.4.1.3 Decorated Store: Logical XOR (XOR)
This command performs an atomic read-modify-write of the referenced memory location.
First, the location is read; it is then modified by performing a logical XOR (exclusive-
OR) operation using the write data operand sourced for the system bus cycle; finally, the
result of the XOR operation is written back into the referenced memory location.
The data size is specified by the write operation and can be byte (8-bit), halfword (16-bit)
or word (32-bit). The core performs the required write data lane replication on byte and
halfword transfers.
31 30 29 28 27 26 25 24 23 22 21 20 19 18 17 16 15 14 13 12 11 10 9 8 7 6 5 4 3 2 1 0
ioxorb 0 1 0 0 1 1 - - - - - - mem_addr
ioxorh 0 1 0 0 1 1 - - - - - - mem_addr 0
ioxorw 0 1 0 0 1 1 - - - - - - mem_addr 0 0
Figure 17-5. Decorated Address Store: Logical XOR
where addr[28:26] = 011 specifies the XOR operation, and mem_addr[19:0] specifies the
address offset into the peripheral space based at 0x4000_0000. The "-" indicates an
address bit "don't care".
The decorated XOR write operation is defined in the following pseudo-code as:
ioxor<sz>(accessAddress, wdata) // decorated store XOR
tmp = mem[accessAddress & 0xE00FFFFF, size] // memory read
tmp = tmp ^ wdata // modify
mem[accessAddress & 0xE00FFFFF, size] = tmp // memory write
The cycle-by-cycle BME operations are detailed in the following table.
Functional Description
KL25 Sub-Family Reference Manual, Rev. 3, September 2012
278 Freescale Semiconductor, Inc.

Table 17-3. Cycle definitions of decorated store: logical XOR
Pipeline Stage Cycle
x x+1 x+2
BME AHB_ap Forward addr to memory;
Decode decoration; Convert
master_wt to slave_rd;
Capture address, attributes
Recirculate captured addr +
attr to memory as slave_wt
<next>
BME AHB_dp <previous> Perform memory read; Form
(rdata ^ wdata) and capture
destination data in register
Perform write sending
registered data to memory
17.4.1.4 Decorated Store Bit Field Insert (BFI)
This command inserts a bit field contained in the write data operand, defined by LSB
position (b) and the bit field width (w+1), into the memory "container" defined by the
access size associated with the store instruction using an atomic read-modify-write
sequence.
The data size is specified by the write operation and can be byte (8-bit), halfword (16-bit)
or word (32-bit). Note for the word sized operation, the maximum bit field width is 16
bits. The core performs the required write data lane replication on byte and halfword
transfers.
The BFI operation can be used to insert a single bit into a peripheral. For this case, the w
field is simply set to 0, indicating a bit field width of 1.
31 30 29 28 27 26 25 24 23 22 21 20 19 18 17 16 15 14 13 12 11 10 9 8 7 6 5 4 3 2 1 0
iobfib 0 1 0 1 - - b b b - w w w mem_addr
iobfih 0 1 0 1 - b b b b w w w w mem_addr 0
iobfiw 0 1 0 1 b b b b b w w w w mem_addr 0 0
Figure 17-6. Decorated address store: bit field insert
where addr[28] = 1 signals a BFI operation, addr[27:23] is "b", the LSB identifier,
addr[22:19] is "w", the bit field width minus 1 identifier, and addr[18:0] specifies the
address offset into the peripheral space based at 0x4000_0000. The "-" indicates an
address bit "don't care". Note, unlike the other decorated store operations, BFI uses
addr[19] as the least significant bit in the "w" specifier and not as an address bit.
The decorated BFI write operation is defined in the following pseudo-code as:
iobfi<sz>(accessAddress, wdata) // decorated bit field insert
tmp = mem[accessAddress & 0xE007FFFF, size] // memory read
mask = ((1 << (w+1)) - 1) << b // generate bit mask
Chapter 17 Bit Manipulation Engine (BME)
KL25 Sub-Family Reference Manual, Rev. 3, September 2012
Freescale Semiconductor, Inc. 279

tmp = tmp & ~mask // modify
| wdata & mask
mem[accessAddress & 0xE007FFFF, size] = tmp // memory write
The write data operand (wdata) associated with the store instruction contains the bit field
to be inserted. It must be properly aligned within a right-justified container, that is, within
the lower 8 bits for a byte operation, the lower 16 bits for a halfword or the entire 32 bits
for a word operation.
To illustrate, consider the following example of the insertion of the 3-bit field "xyz" into
an 8-bit memory container, initially set to "abcd_efgh". For all cases, w is 2, signaling a
bit field width of 3.
if b = 0 and the decorated store (strb) Rt register[7:0] = ----_-xyz,
then destination is "abcd_exyz"
if b = 1 and the decorated store (strb) Rt register[7:0] = ----_xyz-,
then destination is "abcd_xyzh"
if b = 2 and the decorated store (strb) Rt register[7:0] = ---x_yz--,
then destination is "abcx_yzgh"
if b = 3 and the decorated store (strb) Rt register[7:0] = --xy_z---,
then destination is "abxy_zfgh"
if b = 4 and the decorated store (strb) Rt register[7:0] = -xyz_----,
then destination is "axyz_efgh"
if b = 5 and the decorated store (strb) Rt register[7:0] = xyz-_----,
then destination is "xyzd_efgh"
if b = 6 and the decorated store (strb) Rt register[7:0] = yz--_----,
then destination is "yzcd_efgh"
if b = 7 and the decorated store (strb) Rt register[7:0] = z---_----,
then destination is "zbcd_efgh"
Note from the example, when the starting bit position plus the field width exceeds the
container size, only part of the source bit field is inserted into the destination memory
location. Stated differently, if (b + w+1) > container_width, only the low-order
"container_width - b" bits are actually inserted.
The cycle-by-cycle BME operations are detailed in the following table.
Table 17-4. Cycle definitions of decorated store: bit field insert
Pipeline Stage Cycle
x x+1 x+2
BME AHB_ap Forward addr to memory;
Decode decoration; Convert
master_wt to slave_rd;
Capture address, attributes
Recirculate captured addr +
attr to memory as slave_wt
<next>
BME AHB_dp <previous> Perform memory read; Form
bit mask; Form bitwise
((mask) ? wdata : rdata)) and
capture destination data in
register
Perform write sending
registered data to memory
Functional Description
KL25 Sub-Family Reference Manual, Rev. 3, September 2012
280 Freescale Semiconductor, Inc.

17.4.2 BME Decorated Loads
The functions supported by the BME's decorated loads include two single-bit load-and-
{set, clear} operators plus unsigned bit field extracts. For the two load-and-{set, clear}
operations, BME converts a single decorated AHB load transaction into a 2-cycle atomic
read-modify-write sequence, where the combined read-modify operations are performed
in the first AHB data phase, and then the write is performed in the second AHB data
phase as the original read data is returned to the processor core. For an unsigned bit field
extract, the decorated load transaction is stalled for one cycle in the BME as the data field
is extracted, then aligned and returned to the processor in the 2nd AHB data phase. This
is the only decorated transaction that is not an atomic read-modify-write, as it is a simple
data read.
A generic timing diagram of a decorated load showing a load-and-set 1-bit operation is
shown as follows.
x x+1 x+2 x+3
next
4c.v_wxyz
next
next
400v_wxyz 400v_wxyz next
next
4c.v_wxyz
rdata + 1bit
rdata + 1bit
next
rdata
orig_1bit
CYCLE RULER
hclk
BME AHB Input Bus
mx_haddr
mx_hattr
mx_hwrite
mx_hwdata
mx_hrdata
mx_hready
BME AHB Output Bus
sx_haddr
sx_hattr
sx_hwrite
sx_hwdata
sx_hrdata
sx_hready
BME States + Datapath
control_state_dp1
control_state_dp2
reg_addr_data_dp
Figure 17-7. Decorated load: load-and-set 1-bit field insert timing diagram
Decorated load-and-{set, clear} 1-bit operations follow the execution template shown in
the above figure: a 2-cycle read-modify-write operation:
Chapter 17 Bit Manipulation Engine (BME)
KL25 Sub-Family Reference Manual, Rev. 3, September 2012
Freescale Semiconductor, Inc. 281

• Cycle x, 1st AHB address phase: Read from input bus is translated into a read
operation on the output bus with the actual memory address (with the decoration
removed) and then captured in a register
• Cycle x+1, 2nd AHB address phase: Write access with the registered (but actual)
memory address is output
• Cycle x+1, 1st AHB data phase: The "original" 1-bit memory read data is captured in
a register, while the 1-bit field is set or clear based on the function defined by the
decoration with the modified data captured in a register; the input bus cycle is stalled
• Cycle x+2, 2nd AHB data phase: The selected original 1-bit is right justified, zero
filled and then driven onto the input read data bus, while the registered write data is
sourced onto the output write data bus
NOTE
Any wait states inserted by the peripheral slave device
(sx_hready = 0) are simply passed through the BME back to the
master input bus, stalling the AHB transaction cycle for cycle.
A generic timing diagram of a decorated load showing an unsigned bit field operation is
shown in the following figure.
Functional Description
KL25 Sub-Family Reference Manual, Rev. 3, September 2012
282 Freescale Semiconductor, Inc.

1 2 3 4
next5..v_wxyz
next
next
400v_wxyz next
next
5..v_wxyz rdata
next
rdata
ubfx
CYCLE RULER
hclk
BME AHB Input Bus
mx_haddr
mx_hattr
mx_hwrite
mx_hwdata
mx_hrdata
mx_hready
BME AHB Output Bus
sx_haddr
sx_hattr
sx_hwrite
sx_hwdata
sx_hrdata
sx_hready
BME States + Datapath
control_state_dp1
control_state_dp2
reg_addr_data_dp
Figure 17-8. Decorated load: unsigned bit field insert timing diagram
The decorated unsigned bit field extract follows the same execution template shown in
the above figure, a 2-cycle read operation:
• Cycle x, 1st AHB address phase: Read from input bus is translated into a read
operation on the output bus with the actual memory address (with the decoration
removed) and then captured in a register
• Cycle x+1, 2nd AHB address phase: Idle cycle
• Cycle x+1, 1st AHB data phase: A bit mask is generated based on the starting bit
position and the field width; the mask is AND'ed with the memory read data to
isolate the bit field; the resulting data is captured in a data register; the input bus
cycle is stalled
• Cycle x+2, 2nd AHB data phase: Registered data is logically right shifted for proper
alignment and driven onto the input read data bus
NOTE
Any wait states inserted by the peripheral slave device
(sx_hready = 0) are simply passed through the BME back to the
master input bus, stalling the AHB transaction cycle for cycle.
Chapter 17 Bit Manipulation Engine (BME)
KL25 Sub-Family Reference Manual, Rev. 3, September 2012
Freescale Semiconductor, Inc. 283

17.4.2.1 Decorated Load Load-and-Clear 1 Bit (LAC1)
This command loads a 1-bit field defined by the LSB position (b) into the core's general
purpose destination register (Rt) and zeroes the bit in the memory space after performing
an atomic read-modify-write sequence.
The extracted one bit data field from the memory address is right justified and zero filled
in the operand returned to the core.
The data size is specified by the read operation and can be byte (8-bit), halfword (16-bit)
or word (32-bit).
31 30 29 28 27 26 25 24 23 22 21 20 19 18 17 16 15 14 13 12 11 10 9 8 7 6 5 4 3 2 1 0
iolac1b 0 1 0 0 1 0 - - b b b - mem_addr
iolac1h 0 1 0 0 1 0 - b b b b - mem_addr 0
iolac1w 0 1 0 0 1 0 b b b b b - mem_addr 0 0
Figure 17-9. Decorated load address: load-and-clear 1 bit
where addr[28:26] = 010 specifies the load-and-clear 1 bit operation, addr[25:21] is "b",
the bit identifier, and mem_addr[19:0] specifies the address offset into the peripheral
space based at 0x4000_0000. The "-" indicates an address bit "don't care".
The decorated Load-and-Clear 1 Bit read operation is defined in the following pseudo-
code as:
rdata = iolac1<sz>(accessAddress) // decorated load-and-clear 1
tmp = mem[accessAddress & 0xE00FFFFF, size] // memory read
mask = 1 << b // generate bit mask
rdata = (tmp & mask) >> b // read data returned to core
tmp = tmp & ~mask // modify
mem[accessAddress & 0xE00FFFFF, size] = tmp // memory write
The cycle-by-cycle BME operations are detailed in the following table.
Table 17-5. Cycle definitions of decorated load: load-and-clear 1 bit
Pipeline Stage Cycle
x x+1 x+2
BME AHB_ap Forward addr to memory;
Decode decoration; Capture
address, attributes
Recirculate captured addr +
attr to memory as slave_wt
<next>
BME AHB_dp <previous> Perform memory read; Form
bit mask; Extract bit from
rdata; Form (rdata & ~mask)
and capture destination data
in register
Return extracted bit to master;
Perform write sending
registered data to memory
Functional Description
KL25 Sub-Family Reference Manual, Rev. 3, September 2012
284 Freescale Semiconductor, Inc.

17.4.2.2 Decorated Load: Load-and-Set 1 Bit (LAS1)
This command loads a 1-bit field defined by the LSB position (b) into the core's general
purpose destination register (Rt) and sets the bit in the memory space after performing an
atomic read-modify-write sequence.
The extracted one bit data field from the memory address is right justified and zero filled
in the operand returned to the core.
The data size is specified by the read operation and can be byte (8-bit), halfword (16-bit)
or word (32-bit).
31 30 29 28 27 26 25 24 23 22 21 20 19 18 17 16 15 14 13 12 11 10 9 8 7 6 5 4 3 2 1 0
iolas1b 0 1 0 0 1 1 - - b b b - mem_addr
iolas1h 0 1 0 0 1 1 - b b b b - mem_addr 0
iolas1w 0 1 0 0 1 1 b b b b b - mem_addr 0 0
Figure 17-10. Decorated load address: load-and-set 1 bit
where addr[28:26] = 011 specifies the load-and-set 1 bit operation, addr[25:21] is "b", the
bit identifier, and mem_addr[19:0] specifies the address offset into the peripheral space
based at 0x4000_0000. The "-" indicates an address bit "don't care".
The decorated Load-and-Set 1 Bit read operation is defined in the following pseudo-code
as:
rdata = iolas1<sz>(accessAddress) // decorated load-and-set 1
tmp = mem[accessAddress & 0xE00FFFFF, size] // memory read
mask = 1 << b // generate bit mask
rdata = (tmp & mask) >> b // read data returned to core
tmp = tmp | mask // modify
mem[accessAddress & 0xE00FFFFF, size] = tmp // memory write
The cycle-by-cycle BME operations are detailed in the following table.
Table 17-6. Cycle definitions of decorated load: load-and-set 1-bit
Pipeline Stage Cycle
x x+1 x+2
BME AHB_ap Forward addr to memory;
Decode decoration; Capture
address, attributes
Recirculate captured addr +
attr to memory as slave_wt
<next>
BME AHB_dp <previous> Perform memory read; Form
bit mask; Extract bit from
rdata; Form (rdata | mask)
and capture destination data
in register
Return extracted bit to master;
Perform write sending
registered data to memory
Chapter 17 Bit Manipulation Engine (BME)
KL25 Sub-Family Reference Manual, Rev. 3, September 2012
Freescale Semiconductor, Inc. 285

17.4.2.3 Decorated Load Unsigned Bit Field Extract (UBFX)
This command extracts a bit field defined by LSB position (b) and the bit field width (w
+1) from the memory "container" defined by the access size associated with the load
instruction using a 2-cycle read sequence.
The extracted bit field from the memory address is right justified and zero filled in the
operand returned to the core. Recall this is the only decorated operation that does not
perform a memory write, that is, UBFX only performs a read.
The data size is specified by the write operation and can be byte (8-bit), halfword (16-bit)
or word (32-bit). Note for the word sized operation, the maximum bit field width is 16
bits.
The use of a UBFX operation is recommended to extract a single bit from a peripheral.
For this case, the w field is simply set to 0, indicating a bit field width of 1.
31 30 29 28 27 26 25 24 23 22 21 20 19 18 17 16 15 14 13 12 11 10 9 8 7 6 5 4 3 2 1 0
ioubfxb 0 1 0 1 - - b b b - w w w mem_addr
ioubfxh 0 1 0 1 - b b b b w w w w mem_addr 0
ioubfxw 0 1 0 1 b b b b b w w w w mem_addr 0 0
Figure 17-11. Decorated load address: unsigned bit field extract
where addr[28] = 1 specifies the unsigned bit field extract operation, addr[27:23] is "b",
the LSB identifier, addr[22:19] is "w", the bit field width minus 1 identifier, and
mem_addr[18:0] specifies the address offset into the peripheral space based at
0x4000_0000. The "-" indicates an address bit "don't care". Note, unlike the other
decorated load operations, UBFX uses addr[19] as the least significant bit in the "w"
specifier and not as an address bit.
The decorated unsigned bit field extract read operation is defined in the following
pseudo-code as:
rdata = ioubfx<sz>(accessAddress) // unsigned bit field extract
tmp = mem[accessAddress & 0xE007FFFF, size] // memory read
mask = ((1 << (w+1)) - 1) << b // generate bit mask
rdata = (tmp & mask) >> b // read data returned to core
Like the BFI operation, when the starting bit position plus the field width exceeds the
container size, only part of the source bit field is extracted from the destination memory
location. Stated differently, if (b + w+1) > container_width, only the low-order
"container_width - b" bits are actually extracted. The cycle-by-cycle BME operations are
detailed in the following table.
Functional Description
KL25 Sub-Family Reference Manual, Rev. 3, September 2012
286 Freescale Semiconductor, Inc.

Table 17-7. Cycle definitions of decorated load: unsigned bit field extract
Pipeline Stage Cycle
x x+1 x+2
BME AHB_ap Forward addr to memory;
Decode decoration; Capture
address, attributes
Idle AHB address phase <next>
BME AHB_dp <previous> Perform memory read; Form
bit mask; Form (rdata & mask)
and capture destination data
in register
Logically right shift registered
data; Return justified rdata to
master
17.4.3 Additional Details on Decorated Addresses and GPIO
Accesses
As previously noted, the peripheral address space occupies a 516 KB region: 512 KB
based at 0x4000_0000 plus a 4 KB space based at 0x400F_F000 for GPIO accesses. This
memory layout provides compatibility with the Kinetis K Family and provides 129
address "slots", each 4 KB in size.
The GPIO address space is multiply-mapped by the hardware: it appears at the "standard"
system address 0x400F_F000 and is physically located in the address slot corresponding
to address 0x4000_F000. Decorated loads and stores create a slight complication
involving accesses to the GPIO. Recall the use of address[19] varies by decorated
operation; for AND, OR, XOR, LAC1 and LAS1, this bit functions as a true address bit,
while for BFI and UBFX, this bit defines the least significant bit of the "w" bit field
specifier.
As a result, undecorated GPIO references and decorated AND, OR, XOR, LAC1 and
LAS1 operations can use the standard 0x400F_F000 base address, while decorated BFI
and UBFX operations must use the alternate 0x4000_F000 base address. Another
implementation can simply use 0x400F_F000 as the base address for all undecorated
GPIO accesses and 0x4000_F000 as the base address for all decorated accesses. Both
implementations are supported by the hardware.
Table 17-8. Decorated peripheral and GPIO address details
Peripheral address space Description
0x4000_0000 - 0x4007_FFFF Undecorated (normal) peripheral accesses
0x4008_0000 - 0x400F_EFFF Illegal addresses; attempted references are aborted and error terminated
0x400F_F000 - 0x400F_FFFF Undecorated (normal) GPIO accesses using standard address
0x4010_0000 - 0x43FF_FFFF Illegal addresses; attempted references are aborted and error terminated
Table continues on the next page...
Chapter 17 Bit Manipulation Engine (BME)
KL25 Sub-Family Reference Manual, Rev. 3, September 2012
Freescale Semiconductor, Inc. 287

Table 17-8. Decorated peripheral and GPIO address details (continued)
Peripheral address space Description
0x4400_0000 - 0x4FFF_FFFF Decorated AND, OR, XOR, LAC1, LAS1 references to peripherals and GPIO based at
either 0x4000_F000 or 0x400F_F000
0x5000_0000 - 0x5FFF_FFFF Decorated BFI, UBFX references to peripherals and GPIO only based at 0x4000_F000
17.5 Application Information
In this section, GNU assembler macros with C expression operands are presented as
examples of the required instructions to perform decorated operations. This section
specifically presents a partial bme.h file defining the assembly language expressions for
decorated logical stores: AND, OR and XOR. Comparable functions for BFI and the
decorated loads are more complex and available in the complete BME header file.
These macros use the same function names presented in Functional Description.
#define IOANDW(ADDR,WDATA) \
__asm("ldr r3, =(1<<26);" \
"orr r3, %[addr];" \
"mov r2, %[wdata];" \
"str r2, [r3];" \
:: [addr] "r" (ADDR), [wdata] "r" (WDATA) : "r2", "r3");
#define IOANDH(ADDR,WDATA) \
__asm("ldr r3, =(1<<26);" \
"orr r3, %[addr];" \
"mov r2, %[wdata];" \
"strh r2, [r3];" \
:: [addr] "r" (ADDR), [wdata] "r" (WDATA) : "r2", "r3");
#define IOANDB(ADDR,WDATA) \
__asm("ldr r3, =(1<<26);" \
"orr r3, %[addr];" \
"mov r2, %[wdata];" \
"strb r2, [r3];" \
:: [addr] "r" (ADDR), [wdata] "r" (WDATA) : "r2", "r3");
#define IOORW(ADDR,WDATA) \
__asm("ldr r3, =(1<<27);" \
"orr r3, %[addr];" \
"mov r2, %[wdata];" \
"str r2, [r3];" \
:: [addr] "r" (ADDR), [wdata] "r" (WDATA) : "r2", "r3");
#define IOORH(ADDR,WDATA) \
__asm("ldr r3, =(1<<27);" \
"orr r3, %[addr];" \
"mov r2, %[wdata];" \
"strh r2, [r3];" \
:: [addr] "r" (ADDR), [wdata] "r" (WDATA) : "r2", "r3");
#define IOORB(ADDR,WDATA) \
__asm("ldr r3, =(1<<27);" \
"orr r3, %[addr];" \
"mov r2, %[wdata];" \
"strb r2, [r3];" \
Application Information
KL25 Sub-Family Reference Manual, Rev. 3, September 2012
288 Freescale Semiconductor, Inc.

:: [addr] "r" (ADDR), [wdata] "r" (WDATA) : "r2", "r3");
#define IOXORW(ADDR,WDATA) \
__asm("ldr r3, =(3<<26);" \
"orr r3, %[addr];" \
"mov r2, %[wdata];" \
"str r2, [r3];" \
:: [addr] "r" (ADDR), [wdata] "r" (WDATA) : "r2", "r3");
#define IOXORH(ADDR,WDATA) \
__asm("ldr r3, =(3<<26);" \
"orr r3, %[addr];" \
"mov r2, %[wdata];" \
"strh r2, [r3];" \
:: [addr] "r" (ADDR), [wdata] "r" (WDATA) : "r2", "r3");
#define IOXORB(ADDR,WDATA) \
__asm("ldr r3, =(3<<26);" \
"orr r3, %[addr];" \
"mov r2, %[wdata];" \
"strb r2, [r3];" \
:: [addr] "r" (ADDR), [wdata] "r" (WDATA) : "r2", "r3");
Chapter 17 Bit Manipulation Engine (BME)
KL25 Sub-Family Reference Manual, Rev. 3, September 2012
Freescale Semiconductor, Inc. 289

Application Information
KL25 Sub-Family Reference Manual, Rev. 3, September 2012
290 Freescale Semiconductor, Inc.

Chapter 18
Miscellaneous Control Module (MCM)
18.1 Introduction
NOTE
For the chip-specific implementation details of this module's
instances see the chip configuration information.
The Miscellaneous Control Module (MCM) provides a myriad of miscellaneous control
functions.
18.1.1 Features
The MCM includes the following features:
• Program-visible information on the platform configuration
• Crossbar master arbitration policy selection
• Flash controller speculation buffer and cache configurations
18.2 Memory map/register descriptions
The memory map and register descriptions below describe the registers using byte
addresses.
MCM memory map
Absolute
address
(hex)
Register name Width
(in bits) Access Reset value Section/
page
F000_3008 Crossbar Switch (AXBS) Slave Configuration
(MCM_PLASC) 16 R 0007h 18.2.1/292
Table continues on the next page...
KL25 Sub-Family Reference Manual, Rev. 3, September 2012
Freescale Semiconductor, Inc. 291

MCM memory map (continued)
Absolute
address
(hex)
Register name Width
(in bits) Access Reset value Section/
page
F000_300A Crossbar Switch (AXBS) Master Configuration
(MCM_PLAMC) 16 R 000Dh 18.2.2/293
F000_300C Platform Control Register (MCM_PLACR) 32 R/W 0000_0000h 18.2.3/293
F000_3040 Compute Operation Control Register (MCM_CPO) 32 R/W 0000_0000h 18.2.4/296
18.2.1 Crossbar Switch (AXBS) Slave Configuration (MCM_PLASC)
PLASC is a 16-bit read-only register identifying the presence/absence of bus slave
connections to the device’s crossbar switch.
Address: F000_3000h base + 8h offset = F000_3008h
Bit 15 14 13 12 11 10 9 8 7 6 5 4 3 2 1 0
Read 0 ASC
Write
Reset 0 0 0 0 0 0 0 0 0 0 0 0 0 1 1 1
MCM_PLASC field descriptions
Field Description
15–8
Reserved
This field is reserved.
This read-only field is reserved and always has the value 0.
7–0
ASC
Each bit in the ASC field indicates whether there is a corresponding connection to the crossbar switch's
slave input port.
0 A bus slave connection to AXBS input port n is absent
1 A bus slave connection to AXBS input port n is present
Memory map/register descriptions
KL25 Sub-Family Reference Manual, Rev. 3, September 2012
292 Freescale Semiconductor, Inc.

18.2.2 Crossbar Switch (AXBS) Master Configuration (MCM_PLAMC)
PLAMC is a 16-bit read-only register identifying the presence/absence of bus master
connections to the device's crossbar switch.
Address: F000_3000h base + Ah offset = F000_300Ah
Bit 15 14 13 12 11 10 9 8 7 6 5 4 3 2 1 0
Read 0 AMC
Write
Reset 0 0 0 0 0 0 0 0 0 0 0 0 1 1 0 1
MCM_PLAMC field descriptions
Field Description
15–8
Reserved
This field is reserved.
This read-only field is reserved and always has the value 0.
7–0
AMC
Each bit in the AMC field indicates whether there is a corresponding connection to the AXBS master input
port.
0 A bus master connection to AXBS input port n is absent
1 A bus master connection to AXBS input port n is present
18.2.3 Platform Control Register (MCM_PLACR)
The PLACR register selects the arbitration policy for the crossbar masters and configures
the flash memory controller.
The speculation buffer and cache in the flash memory controller is configurable via
MCM_PLACR[15:10].
The speculation buffer is enabled only for instructions after reset. It is possible to have
these states for the speculation buffer:
DFCS EFDS Description
0 0 Speculation buffer is on for instruction
and off for data.
0 1 Speculation buffer is on for instruction
and on for data.
1 X Speculation buffer is off.
Chapter 18 Miscellaneous Control Module (MCM)
KL25 Sub-Family Reference Manual, Rev. 3, September 2012
Freescale Semiconductor, Inc. 293

The cache in flash controller is enabled and caching both instruction and data type fetches
after reset. It is possible to have these states for the cache:
DFCC DFCIC DFCDA Description
0 0 0 Cache is on for both
instruction and data.
0 0 1 Cache is on for instruction
and off for data.
0 1 0 Cache is off for instruction
and on for data.
0 1 1 Cache is off for both
instruction and data.
1 X X Cache is off.
Address: F000_3000h base + Ch offset = F000_300Ch
Bit 31 30 29 28 27 26 25 24 23 22 21 20 19 18 17 16
R0
ESFC
W
Reset 0 0 0 0 0 0 0 0 0 0 0 0 0 0 0 0
Bit 15 14 13 12 11 10 9 8 7 6 5 4 3 2 1 0
R
DFCS
EFDS
DFCC
DFCIC
DFCDA
0
ARB
0
W
CFCC
Reset 0 0 0 0 0 0 0 0 0 0 0 0 0 0 0 0
MCM_PLACR field descriptions
Field Description
31–17
Reserved
This field is reserved.
This read-only field is reserved and always has the value 0.
16
ESFC
Enable Stalling Flash Controller
This field is used to enable stalling flash controller when flash is busy.
0 Disable stalling flash controller when flash is busy.
1 Enable stalling flash controller when flash is busy.
Table continues on the next page...
Memory map/register descriptions
KL25 Sub-Family Reference Manual, Rev. 3, September 2012
294 Freescale Semiconductor, Inc.

MCM_PLACR field descriptions (continued)
Field Description
15
DFCS
Disable Flash Controller Speculation
This field is used to disable flash controller speculation.
0 Enable flash controller speculation.
1 Disable flash controller speculation.
14
EFDS
Enable Flash Data Speculation
This field is used to enable flash data speculation.
0 Disable flash data speculation.
1 Enable flash data speculation.
13
DFCC
Disable Flash Controller Cache
This field is used to disable flash controller cache.
0 Enable flash controller cache.
1 Disable flash controller cache.
12
DFCIC
Disable Flash Controller Instruction Caching
This field is used to disable flash controller instruction caching.
0 Enable flash controller instruction caching.
1 Disable flash controller instruction caching.
11
DFCDA
Disable Flash Controller Data Caching
This field is used to disable flash controller data caching.
0 Enable flash controller data caching
1 Disable flash controller data caching.
10
CFCC
Clear Flash Controller Cache
Writing a 1 to this field clears the cache. Writing a 0 to this field is ignored. This field always reads as 0.
9
ARB
Arbitration select
0 Fixed-priority arbitration for the crossbar masters
1 Round-robin arbitration for the crossbar masters
8–0
Reserved
This field is reserved.
This read-only field is reserved and always has the value 0.
Chapter 18 Miscellaneous Control Module (MCM)
KL25 Sub-Family Reference Manual, Rev. 3, September 2012
Freescale Semiconductor, Inc. 295

18.2.4 Compute Operation Control Register (MCM_CPO)
This register controls the Compute Operation.
Address: F000_3000h base + 40h offset = F000_3040h
Bit 31 30 29 28 27 26 25 24 23 22 21 20 19 18 17 16
R0
W
Reset 0 0 0 0 0 0 0 0 0 0 0 0 0 0 0 0
Bit 15 14 13 12 11 10 9 8 7 6 5 4 3 2 1 0
R0
CPOWOI
CPOACK
CPOREQ
W
Reset 0 0 0 0 0 0 0 0 0 0 0 0 0 0 0 0
MCM_CPO field descriptions
Field Description
31–3
Reserved
This field is reserved.
This read-only field is reserved and always has the value 0.
2
CPOWOI
Compute Operation wakeup on interrupt
0 No effect.
1 When set, the CPOREQ is cleared on any interrupt or exception vector fetch.
1
CPOACK
Compute Operation acknowledge
0 Compute operation entry has not completed or compute operation exit has completed.
1 Compute operation entry has completed or compute operation exit has not completed.
0
CPOREQ
Compute Operation request
This bit is auto-cleared by vector fetching if CPOWOI = 1.
Table continues on the next page...
Memory map/register descriptions
KL25 Sub-Family Reference Manual, Rev. 3, September 2012
296 Freescale Semiconductor, Inc.

MCM_CPO field descriptions (continued)
Field Description
0 Request is cleared.
1 Request Compute Operation.
Chapter 18 Miscellaneous Control Module (MCM)
KL25 Sub-Family Reference Manual, Rev. 3, September 2012
Freescale Semiconductor, Inc. 297

Memory map/register descriptions
KL25 Sub-Family Reference Manual, Rev. 3, September 2012
298 Freescale Semiconductor, Inc.

Chapter 19
Micro Trace Buffer (MTB)
19.1 Introduction
Microcontrollers using the Cortex-M0+ processor core include support for a CoreSight
Micro Trace Buffer to provide program trace capabilities. The proper name for this
function is the CoreSight Micro Trace Buffer for the Cortex-M0+ Processor; in this
document, it is simply abbreviated as the MTB.
The simple program trace function creates instruction address change-of-flow data
packets in a user-defined region of the system RAM. Accordingly, the system RAM
controller manages requests from two sources:
• AMBA-AHB reads and writes from the system bus
• program trace packet writes from the processor
As part of the MTB functionality, there is a DWT (Data Watchpoint and Trace) module
that allows the user to define watchpoint addresses, or optionally, an address and data
value, that when triggered, can be used to start or stop the program trace recording.
This document details the functionality of both the MTB_RAM and MTB_DWT
capabilities.
19.1.1 Overview
A generic block diagram of the processor core and platform for this class of ultra low-end
microcontrollers is shown as follows:
KL25 Sub-Family Reference Manual, Rev. 3, September 2012
Freescale Semiconductor, Inc. 299

AXBS
CM0+ Core Platform
s1
s2
m0
s0
FMC
LD/ST
Dbg
NVIC
Fetch
Cortex-M0+ Core
MTB Port
AHB Bus
m2
AGU
MUL
RAM
Array
32
Dec Rn
SHFT
ALU
DMA_4ch
NVM
Array
PRAM 32
RGPIO
PBRIDGE
BME
32
IO Port
Slave
Peripherals
Alt-Master m3
Figure 19-1. Generic Cortex-M0+ core platform block diagram
As shown in the block diagram, the platform RAM (PRAM) controller connects to two
input buses:
• the crossbar slave port for system bus accesses
• a "private execution MTB port" from the core
The logical paths from the crossbar master input ports to the PRAM controller are
highlighted along with the private execution trace port from the processor core. The
private MTB port signals the instruction address information needed for the 64-bit
program trace packets written into the system RAM. The PRAM controller output
interfaces to the attached RAM array. In this document, the PRAM controller is the
MTB_RAM controller.
The following information is taken from the ARM CoreSight Micro Trace Buffer
documentation.
"The execution trace packet consists of a pair of 32-bit words that the MTB generates
when it detects the processor PC value changes non-sequentially. A non-sequential PC
change can occur during branch instructions or during exception entry.
The processor can cause a trace packet to be generated for any instruction.
Introduction
KL25 Sub-Family Reference Manual, Rev. 3, September 2012
300 Freescale Semiconductor, Inc.

The following figure shows how the execution trace information is stored in memory as a
sequence of packets.
Incrementing
SRAM memory
address
Nth destination address
Nth source address
S
A
31 0
1
2nd destination address
2nd source address
S
A
31 0
1
1st destination address
1st source address
S
A
Atom bit
Start bit
Odd word address
Even word address
Odd word address
Even word address
Figure 19-2. MTB execution trace storage format
The first, lower addressed, word contains the source of the branch, the address it
branched from. The value stored only records bits[31:1] of the source address, because
Thumb instructions are at least halfword aligned. The least significant bit of the value is
the A-bit. The A-bit indicates the atomic state of the processor at the time of the branch,
and can differentiate whether the branch originated from an instruction in a program, an
exception, or a PC update in Debug state. When it is zero the branch originated from an
instruction, when it is one the branch originated from an exception or PC update in
Debug state. This word is always stored at an even word location.
The second, higher addressed word contains the destination of the branch, the address it
branched to. The value stored only records bits[31:1] of the branch address. The least
significant bit of the value is the S-bit. The S-bit indicates where the trace started. An S-
bit value of 1 indicates where the first packet after the trace started and a value of 0 is
used for other packets. Because it is possible to start and stop tracing multiple times in a
trace session, the memory might contain several packets with the S-bit set to 1. This word
is always stored in the next higher word in memory, an odd word address.
When the A-bit is set to 1, the source address field contains the architecturally-preferred
return address for the exception. For example, if an exception was caused by an SVC
instruction, then the source address field contains the address of the following instruction.
This is different from the case where the A-bit is set to 0. In this case, the source address
contains the address of the branch instruction.
For an exception return operation, two packets are generated:
• The first packet has the:
• Source address field set to the address of the instruction that causes the exception
return, BX or POP.
Chapter 19 Micro Trace Buffer (MTB)
KL25 Sub-Family Reference Manual, Rev. 3, September 2012
Freescale Semiconductor, Inc. 301

• Destination address field set to bits[31:1] of the EXC_RETURN value. See the
ARM v6-M Architecture Reference Manual.
• The A-bit set to 0.
• The second packet has the:
• Source address field set to bits[31:1] of the EXC_RETURN value.
• Destination address field set to the address of the instruction where execution
commences.
• A-bit set to 1."
Given the recorded change-of-flow trace packets in system RAM and the memory image
of the application, a debugger can read out the data and create an instruction-by-
instruction program trace. In keeping with the low area and power implementation cost
design targets, the MTB trace format is less efficient than other CoreSight trace modules,
for example, the ETM (Embedded Trace Macrocell). Since each branch packet is 8 bytes
in size, a 1 KB block of system RAM can contain 128 branches. Using the Dhrystone 2.1
benchmark's dynamic runtime as an example, this corresponds to about 875 instructions
per KB of trace RAM, or with a zero wait state memory, this corresponds to
approximately 1600 processor cycles per KB. This metric is obviously very sensitive to
the runtime characteristics of the user code.
The MTB_DWT function (not shown in the core platform block diagram) monitors the
processor address and data buses so that configurable watchpoints can be detected to
trigger the appropriate response in the MTB recording.
19.1.2 Features
The key features of the MTB_RAM and MTB_DWT include:
• Memory controller for system RAM and Micro Trace Buffer for program trace
packets
• Read/write capabilities for system RAM accesses, write-only for program trace
packets
• Supports zero wait state response to system bus accesses when no trace data is being
written
• Can buffer two AHB address phases and one data write for system RAM accesses
• Supports 64-bit program trace packets including source and destination instruction
addresses
• Program trace information in RAM available to MCU's application code or external
debugger
• Program trace watchpoint configuration accessible by MCU's application code or
debugger
• Location and size of RAM trace buffer is configured by software
Introduction
KL25 Sub-Family Reference Manual, Rev. 3, September 2012
302 Freescale Semiconductor, Inc.

• Two DWT comparators (addresses or address + data) provide programmable start/
stop recording
• CoreSight compliant debug functionality
19.1.3 Modes of Operation
The MTB_RAM and MTB_DWT functions do not support any special modes of
operation. The MTB_RAM controller, as a memory-mapped device located on the
platform's slave AHB system bus, responds based strictly on memory addresses for
accesses to its attached RAM array. The MTB private execution bus provides program
trace packet write information to the RAM controller. Both the MTB_RAM and
MTB_DWT modules are memory-mapped so their programming models can be
accessed.
All functionality associated with the MTB_RAM and MTB_DWT modules resides in the
core platform's clock domain; this includes its connections with the RAM array.
19.2 External Signal Description
The MTB_RAM and MTB_DWT modules do not directly support any external
interfaces.
The internal interfaces includes a standard AHB bus with a 32-bit datapath width from
the appropriate crossbar slave port plus the private execution trace bus from the processor
core. The signals in the private execution trace bus are detailed in the following table
taken from the ARM CoreSight Micro Trace Buffer documentation. The signal direction
is defined as viewed by the MTB_RAM controller.
Table 19-1. Private execution trace port from the core to MTB_RAM
Signal Direction Description
LOCKUP Input Indicates the processor is in the Lockup state. This signal is driven LOW for cycles
when the processor is executing normally and driven HIGH for every cycle the
processor is waiting in the Lockup state. This signal is valid on every cycle.
IAESEQ Input Indicates the next instruction address in execute, IAEX, is sequential, that is non-
branching.
IAEXEN Input IAEX register enable.
IAEX[30:0] Input Registered address of the instruction in the execution stage, shifted right by one
bit, that is, PC >> 1.
ATOMIC Input Indicates the processor is performing non-instruction related activities.
EDBGRQ Output Request for the processor to enter the Debug state, if enabled, and halt.
Chapter 19 Micro Trace Buffer (MTB)
KL25 Sub-Family Reference Manual, Rev. 3, September 2012
Freescale Semiconductor, Inc. 303

In addition, there are two signals formed by the MTB_DWT module and driven to the
MTB_RAM controller: TSTART (trace start) and TSTOP (trace stop). These signals can
be configured using the trace watchpoints to define programmable addresses and data
values to affect the program trace recording state.
19.3 Memory Map and Register Definition
The MTB_RAM and MTB_DWT modules each support a sparsely-populated 4 KB
address space for their programming models. For each address space, there are a variety
of control and configurable registers near the base address, followed by a large unused
address space and finally a set of CoreSight registers to support dynamic determination of
the debug configuration for the device.
Accesses to the programming model follow standard ARM conventions. Taken from the
ARM CoreSight Micro Trace Buffer documentation, these are:
• Do not attempt to access reserved or unused address locations. Attempting to access
these locations can result in UNPREDICTABLE behavior.
• The behavior of the MTB is UNPREDICTABLE if the registers with UNKNOWN
reset values are not programmed prior to enabling trace.
• Unless otherwise stated in the accompanying text:
• Do not modify reserved register bits
• Ignore reserved register bits on reads
• All register bits are reset to a logic 0 by a system or power-on reset
• Use only word size, 32-bit, transactions to access all registers
19.3.1 MTB_RAM Memory Map
MTB memory map
Absolute
address
(hex)
Register name Width
(in bits) Access Reset value Section/
page
F000_0000 MTB Position Register (MTB_POSITION) 32 R/W Undefined 19.31.1/306
F000_0004 MTB Master Register (MTB_MASTER) 32 R/W 0000_0080h 19.31.2/307
F000_0008 MTB Flow Register (MTB_FLOW) 32 R/W Undefined 19.31.3/309
F000_000C MTB Base Register (MTB_BASE) 32 R Undefined 19.31.4/310
F000_0F00 Integration Mode Control Register (MTB_MODECTRL) 32 R 0000_0000h 19.31.5/310
F000_0FA0 Claim TAG Set Register (MTB_TAGSET) 32 R 0000_0000h 19.31.6/311
F000_0FA4 Claim TAG Clear Register (MTB_TAGCLEAR) 32 R 0000_0000h 19.31.7/311
F000_0FB0 Lock Access Register (MTB_LOCKACCESS) 32 R 0000_0000h 19.31.8/312
Table continues on the next page...
Memory Map and Register Definition
KL25 Sub-Family Reference Manual, Rev. 3, September 2012
304 Freescale Semiconductor, Inc.

MTB memory map (continued)
Absolute
address
(hex)
Register name Width
(in bits) Access Reset value Section/
page
F000_0FB4 Lock Status Register (MTB_LOCKSTAT) 32 R 0000_0000h 19.31.9/312
F000_0FB8 Authentication Status Register (MTB_AUTHSTAT) 32 R 0000_0000h 19.31.10/
313
F000_0FBC Device Architecture Register (MTB_DEVICEARCH) 32 R 4770_0A31h 19.31.11/
314
F000_0FC8 Device Configuration Register (MTB_DEVICECFG) 32 R 0000_0000h 19.31.12/
314
F000_0FCC Device Type Identifier Register (MTB_DEVICETYPID) 32 R 0000_0031h 19.31.13/
315
F000_0FD0 Peripheral ID Register (MTB_PERIPHID4) 32 R See section 19.31.14/
315
F000_0FD4 Peripheral ID Register (MTB_PERIPHID5) 32 R See section 19.31.14/
315
F000_0FD8 Peripheral ID Register (MTB_PERIPHID6) 32 R See section 19.31.14/
315
F000_0FDC Peripheral ID Register (MTB_PERIPHID7) 32 R See section 19.31.14/
315
F000_0FE0 Peripheral ID Register (MTB_PERIPHID0) 32 R See section 19.31.14/
315
F000_0FE4 Peripheral ID Register (MTB_PERIPHID1) 32 R See section 19.31.14/
315
F000_0FE8 Peripheral ID Register (MTB_PERIPHID2) 32 R See section 19.31.14/
315
F000_0FEC Peripheral ID Register (MTB_PERIPHID3) 32 R See section 19.31.14/
315
F000_0FF0 Component ID Register (MTB_COMPID0) 32 R See section 19.31.15/
316
F000_0FF4 Component ID Register (MTB_COMPID1) 32 R See section 19.31.15/
316
F000_0FF8 Component ID Register (MTB_COMPID2) 32 R See section 19.31.15/
316
F000_0FFC Component ID Register (MTB_COMPID3) 32 R See section 19.31.15/
316
Chapter 19 Micro Trace Buffer (MTB)
KL25 Sub-Family Reference Manual, Rev. 3, September 2012
Freescale Semiconductor, Inc. 305

19.31.1 MTB Position Register (MTB_POSITION)
The MTB_POSITION register is the trace write address pointer and wrap bit. This
register can be modified by the explicit programming model writes. It is also
automatically updated by the MTB hardware when trace packets are being recorded.
Address: F000_0000h base + 0h offset = F000_0000h
Bit 31 30 29 28 27 26 25 24 23 22 21 20 19 18 17 16
R
POINTER
W
Reset x* x* x* x* x* x* x* x* x* x* x* x* x* x* x* x*
Bit 15 14 13 12 11 10 9 8 7 6 5 4 3 2 1 0
R
POINTER
WRAP
0
W
Reset x* x* x* x* x* x* x* x* x* x* x* x* x* x* 0 0
* Notes:
x = Undefined at reset.•
MTB_POSITION field descriptions
Field Description
31–3
POINTER
Trace Packet Address Pointer
Trace packet address pointer. Because a packet consists of two words, the POINTER field is the address
of the first word of a packet. This field contains bits[31:3] of the RAM address that points to the next
unused memory location for the trace data. This is an empty ascending location and is automatically
updated.
A debug agent can add the value of POINTER to the value of MTB_BASE to obtain the absolute pointer
address as seen on the system AHB bus interface.
NOTE: The size of the RAM is parameterized and the most significant bits of the POINTER field are
RAZ/WI.
POSITION register bits greater than or equal to 15 are RAZ/WI, therefore, the active POINTER field bits
are [11:0].
2
WRAP
This bit is set to 1 automatically when the POINTER value wraps as determined by the
MTB_MASTER[MASK] bit in the MASTER Trace Control Register. A debug agent can use the WRAP bit
to determine whether the trace information above and below the pointer address is valid.
1–0
Reserved
This field is reserved.
This read-only field is reserved and always has the value 0.
Memory Map and Register Definition
KL25 Sub-Family Reference Manual, Rev. 3, September 2012
306 Freescale Semiconductor, Inc.

19.31.2 MTB Master Register (MTB_MASTER)
The MTB_MASTER register contains the main program trace enable plus other trace
controls. This register can be modified by the explicit programming model writes.
MTB_MASTER[EN] and MTB_MASTER[HALTREQ] fields are also automatically
updated by the MTB hardware.
Before the MTB_MASTER[EN] or MTB_MASTER[TSTARTEN] bits are set to 1,
software must initialize the MTB_POSITION and MTB_FLOW registers.
If the MTB_FLOW[WATERMARK] field is used to stop tracing or to halt the processor,
the MTB_MASTER[MASK] field must still be set to a value that prevents the
MTB_POSITION[POINTER] field from wrapping before it reaches the
MTB_FLOW[WATERMARK] value.
NOTE
The format of this mask field is different than the
MTBDWT_MASKn[MASK].
Address: F000_0000h base + 4h offset = F000_0004h
Bit 31 30 29 28 27 26 25 24 23 22 21 20 19 18 17 16
R
EN
0
W
Reset 0 0 0 0 0 0 0 0 0 0 0 0 0 0 0 0
Bit 15 14 13 12 11 10 9 8 7 6 5 4 3 2 1 0
R0
HALTREQ
RAMPRIV
SFRWPRIV
TSTOPEN
TSTARTEN
MASK
W
Reset 0 0 0 0 0 0 0 0 1 0 0 0 0 0 0 0
MTB_MASTER field descriptions
Field Description
31
EN
Main trace enable bit
When this bit is 1, trace data is written into the RAM memory location addressed by
MTB_POSITION[POINTER]. The MTB_POSITION[POINTER] value auto increments after the trace data
packet is written.
The EN bit can be automatically set to 0 using the MTB_FLOW[WATERMARK] field and the
MTB_FLOW[AUTOSTOP] bit.
The EN bit is automatically set to 1 if the TSTARTEN bit is 1 and the TSTART signal is HIGH.
The EN bit is automatically set to 0 if TSTOPEN bit is 1 and the TSTOP signal is HIGH.
Table continues on the next page...
Chapter 19 Micro Trace Buffer (MTB)
KL25 Sub-Family Reference Manual, Rev. 3, September 2012
Freescale Semiconductor, Inc. 307

MTB_MASTER field descriptions (continued)
Field Description
NOTE: If the EN bit is set to 0 because the MTB_FLOW[WATERMARK] field is set, then it is not
automatically set to 1 if the TSTARTEN bit is 1 and the TSTART input is HIGH. In this case,
tracing can only be restarted if the MTB_FLOW[WATERMARK] or MTB_POSITION[POINTER]
value is changed by software.
30–10
Reserved
This field is reserved.
This read-only field is reserved and always has the value 0.
9
HALTREQ
Halt request bit
This bit is connected to the halt request signal of the trace logic, EDBGRQ. When HALTREQ is set to 1,
the EDBFGRQ is asserted if DBGEN (invasive debug enable, one of the debug authentication interface
signals) is also HIGH. The HALTREQ bit can be automatically set to 1 using the
MTB_FLOW[WATERMARK] field.
8
RAMPRIV
RAM privilege bit
If this bit is 0, then user or privileged AHB read and write accesses to the RAM are permitted. If this bit is
1, then only privileged AHB read and write accesses to the RAM are permitted and user accesses are
RAZ/WI. The HPROT[1] signal determines if an access is a user or privileged mode reference.
7
SFRWPRIV
Special Function Register Write Privilege bit
If this bit is 0, then user or privileged AHB read and write accesses to the MTB_RAM Special Function
Registers (programming model) are permitted. If this bit is 1, then only privileged write accesses are
permitted; user write accesses are ignored. The HPROT[1] signal determines if an access is user or
privileged. Note MTB_RAM SFR read access are not controlled by this bit and are always permitted.
6
TSTOPEN
Trace stop input enable
If this bit is 1 and the TSTOP signal is HIGH, then the EN bit is set to 0. If a trace packet is being written to
memory, the write is completed before tracing is stopped.
5
TSTARTEN
Trace start input enable
If this bit is 1 and the TSTART signal is HIGH, then the EN bit is set to 1. Tracing continues until a stop
condition occurs.
4–0
MASK
Mask
This value determines the maximum size of the trace buffer in RAM. It specifies the most-significant bit of
the MTB_POSITION[POINTER] field that can be updated by automatic increment. If the trace tries to
advance past this power of two, the MTB_POSITION[WRAP] bit is set to 1, the
MTB_POSITION[POINTER[MASK:0]] bits are set to zero, and the MTB_POSITION[POINTER[11:MASK
+1]] bits remain unchanged.
This field causes the trace packet information to be stored in a circular buffer of size 2^[MASK+4] bytes,
that can be positioned in memory at multiples of this size. Valid values of this field are zero to 11. Values
greater than the maximum have the same effect as the maximum.
Memory Map and Register Definition
KL25 Sub-Family Reference Manual, Rev. 3, September 2012
308 Freescale Semiconductor, Inc.

19.31.3 MTB Flow Register (MTB_FLOW)
The MTB_FLOW register contains the watermark address and the autostop/autohalt
control bits.
Address: F000_0000h base + 8h offset = F000_0008h
Bit 31 30 29 28 27 26 25 24 23 22 21 20 19 18 17 16
R
WATERMARK
W
Reset x* x* x* x* x* x* x* x* x* x* x* x* x* x* x* x*
Bit 15 14 13 12 11 10 9 8 7 6 5 4 3 2 1 0
R
WATERMARK
0
AUTOHALT
AUTOSTOP
W
Reset x* x* x* x* x* x* x* x* x* x* x* x* x* 0 x* x*
* Notes:
x = Undefined at reset.•
MTB_FLOW field descriptions
Field Description
31–3
WATERMARK
WATERMARK value
This field contains an address in the same format as the MTB_POSITION[POINTER] field. When the
MTB_POSITION[POINTER] matches the WATERMARK field value, actions defined by the AUTOHALT
and AUTOSTOP bits are performed.
2
Reserved
This field is reserved.
This read-only field is reserved and always has the value 0.
1
AUTOHALT
If this bit is 1 and WATERMARK is equal to MTB_POSITION[POINTER], then the
MTB_MASTER[HALTREQ] bit is automatically set to 1. If the DBGEN signal is HIGH, the MTB asserts this
halt request to the Cortex-M0+ processor by asserting the EDBGRQ signal.
0
AUTOSTOP
If this bit is 1 and WATERMARK is equal to MTB_POSITION[POINTER], then the MTB_MASTER[EN] bit
is automatically set to 0. This stops tracing.
Chapter 19 Micro Trace Buffer (MTB)
KL25 Sub-Family Reference Manual, Rev. 3, September 2012
Freescale Semiconductor, Inc. 309

19.31.4 MTB Base Register (MTB_BASE)
The read-only MTB_BASE Register indicates where the RAM is located in the processor
memory map. This register is provided to enable auto discovery of the MTB RAM
location, by a debug agent and is defined by a hardware design parameter. For these
devices, the base address is defined by the expression: MTB_BASE[BASEADDR] =
0x2000_0000 - (RAM_Size/4)
Address: F000_0000h base + Ch offset = F000_000Ch
Bit 31 30 29 28 27 26 25 24 23 22 21 20 19 18 17 16 15 14 13 12 11 10 9 8 7 6 5 4 3 2 1 0
RBASEADDR
W
Reset x* x* x* x* x* x* x* x* x* x* x* x* x* x* x* x* x* x* x* x* x* x* x* x* x* x* x* x* x* x* x* x*
* Notes:
x = Undefined at reset.•
MTB_BASE field descriptions
Field Description
31–0
BASEADDR
This value is defined with a hardwired signal and the expression: 0x2000_0000 - (RAM_Size/4). For
example, if the total RAM capacity is 16 KB, this field is 0x1FFF_F000.
19.31.5 Integration Mode Control Register (MTB_MODECTRL)
This register enables the device to switch from a functional mode, or default behavior,
into integration mode. It is hardwired to specific values used during the auto-discovery
process by an external debug agent.
Address: F000_0000h base + F00h offset = F000_0F00h
Bit 31 30 29 28 27 26 25 24 23 22 21 20 19 18 17 16 15 14 13 12 11 10 9 8 7 6 5 4 3 2 1 0
RMODECTRL
W
Reset 0 0 0 0 0 0 0 0 0 0 0 0 0 0 0 0 0 0 0 0 0 0 0 0 0 0 0 0 0 0 0 0
MTB_MODECTRL field descriptions
Field Description
31–0
MODECTRL
Hardwired to 0x0000_0000
Memory Map and Register Definition
KL25 Sub-Family Reference Manual, Rev. 3, September 2012
310 Freescale Semiconductor, Inc.

19.31.6 Claim TAG Set Register (MTB_TAGSET)
The Claim Tag Set Register returns the number of bits that can be set on a read, and
enables individual bits to be set on a write. It is hardwired to specific values used during
the auto-discovery process by an external debug agent.
Address: F000_0000h base + FA0h offset = F000_0FA0h
Bit 31 30 29 28 27 26 25 24 23 22 21 20 19 18 17 16 15 14 13 12 11 10 9 8 7 6 5 4 3 2 1 0
RTAGSET
W
Reset 0 0 0 0 0 0 0 0 0 0 0 0 0 0 0 0 0 0 0 0 0 0 0 0 0 0 0 0 0 0 0 0
MTB_TAGSET field descriptions
Field Description
31–0
TAGSET
Hardwired to 0x0000_0000
19.31.7 Claim TAG Clear Register (MTB_TAGCLEAR)
The read/write Claim Tag Clear Register is used to read the claim status on debug
resources. A read indicates the claim tag status. Writing 1 to a specific bit clears the
corresponding claim tag to 0. It is hardwired to specific values used during the auto-
discovery process by an external debug agent.
Address: F000_0000h base + FA4h offset = F000_0FA4h
Bit 31 30 29 28 27 26 25 24 23 22 21 20 19 18 17 16 15 14 13 12 11 10 9 8 7 6 5 4 3 2 1 0
RTAGCLEAR
W
Reset 0 0 0 0 0 0 0 0 0 0 0 0 0 0 0 0 0 0 0 0 0 0 0 0 0 0 0 0 0 0 0 0
MTB_TAGCLEAR field descriptions
Field Description
31–0
TAGCLEAR
Hardwired to 0x0000_0000
Chapter 19 Micro Trace Buffer (MTB)
KL25 Sub-Family Reference Manual, Rev. 3, September 2012
Freescale Semiconductor, Inc. 311

19.31.8 Lock Access Register (MTB_LOCKACCESS)
The Lock Access Register enables a write access to component registers. It is hardwired
to specific values used during the auto-discovery process by an external debug agent.
Address: F000_0000h base + FB0h offset = F000_0FB0h
Bit 31 30 29 28 27 26 25 24 23 22 21 20 19 18 17 16 15 14 13 12 11 10 9 8 7 6 5 4 3 2 1 0
RLOCKACCESS
W
Reset 0 0 0 0 0 0 0 0 0 0 0 0 0 0 0 0 0 0 0 0 0 0 0 0 0 0 0 0 0 0 0 0
MTB_LOCKACCESS field descriptions
Field Description
31–0
LOCKACCESS
Hardwired to 0x0000_0000
19.31.9 Lock Status Register (MTB_LOCKSTAT)
The Lock Status Register indicates the status of the lock control mechanism. This register
is used in conjunction with the Lock Access Register. It is hardwired to specific values
used during the auto-discovery process by an external debug agent.
Address: F000_0000h base + FB4h offset = F000_0FB4h
Bit 31 30 29 28 27 26 25 24 23 22 21 20 19 18 17 16 15 14 13 12 11 10 9 8 7 6 5 4 3 2 1 0
RLOCKSTAT
W
Reset 0 0 0 0 0 0 0 0 0 0 0 0 0 0 0 0 0 0 0 0 0 0 0 0 0 0 0 0 0 0 0 0
MTB_LOCKSTAT field descriptions
Field Description
31–0
LOCKSTAT
Hardwired to 0x0000_0000
Memory Map and Register Definition
KL25 Sub-Family Reference Manual, Rev. 3, September 2012
312 Freescale Semiconductor, Inc.

19.31.10 Authentication Status Register (MTB_AUTHSTAT)
The Authentication Status Register reports the required security level and current status
of the security enable bit pairs. Where functionality changes on a given security level,
this change must be reported in this register. It is connected to specific signals used
during the auto-discovery process by an external debug agent.
MTB_AUTHSTAT[3:2] indicates if nonsecure, noninvasive debug is enabled or
disabled, while MTB_AUTHSTAT[1:0] indicates the enabled/disabled state of
nonsecure, invasive debug. For both 2-bit fields, 0b10 indicates the functionality is
disabled and 0b11 indicates it is enabled.
Address: F000_0000h base + FB8h offset = F000_0FB8h
Bit 31 30 29 28 27 26 25 24 23 22 21 20 19 18 17 16
R0
W
Reset 0 0 0 0 0 0 0 0 0 0 0 0 0 0 0 0
Bit 15 14 13 12 11 10 9 8 7 6 5 4 3 2 1 0
R0 1 BIT2 1 BIT0
W
Reset 0 0 0 0 0 0 0 0 0 0 0 0 0 0 0 0
MTB_AUTHSTAT field descriptions
Field Description
31–4
Reserved
This field is reserved.
This read-only field is reserved and always has the value 0.
3
Reserved
This read-only field is reserved and always has the value 1.
2
BIT2
Connected to NIDEN or DBGEN signal.
1
Reserved
This read-only field is reserved and always has the value 1.
0
BIT0
Connected to DBGEN.
Chapter 19 Micro Trace Buffer (MTB)
KL25 Sub-Family Reference Manual, Rev. 3, September 2012
Freescale Semiconductor, Inc. 313

19.31.11 Device Architecture Register (MTB_DEVICEARCH)
This register indicates the device architecture. It is hardwired to specific values used
during the auto-discovery process by an external debug agent.
Address: F000_0000h base + FBCh offset = F000_0FBCh
Bit 31 30 29 28 27 26 25 24 23 22 21 20 19 18 17 16 15 14 13 12 11 10 9 8 7 6 5 4 3 2 1 0
RDEVICEARCH
W
Reset 0 1 0 0 0 1 1 1 0 1 1 1 0 0 0 0 0 0 0 0 1 0 1 0 0 0 1 1 0 0 0 1
MTB_DEVICEARCH field descriptions
Field Description
31–0
DEVICEARCH
Hardwired to 0x4770_0A31.
19.31.12 Device Configuration Register (MTB_DEVICECFG)
This register indicates the device configuration. It is hardwired to specific values used
during the auto-discovery process by an external debug agent.
Address: F000_0000h base + FC8h offset = F000_0FC8h
Bit 31 30 29 28 27 26 25 24 23 22 21 20 19 18 17 16 15 14 13 12 11 10 9 8 7 6 5 4 3 2 1 0
RDEVICECFG
W
Reset 0 0 0 0 0 0 0 0 0 0 0 0 0 0 0 0 0 0 0 0 0 0 0 0 0 0 0 0 0 0 0 0
MTB_DEVICECFG field descriptions
Field Description
31–0
DEVICECFG
Hardwired to 0x0000_0000.
Memory Map and Register Definition
KL25 Sub-Family Reference Manual, Rev. 3, September 2012
314 Freescale Semiconductor, Inc.

19.31.13 Device Type Identifier Register (MTB_DEVICETYPID)
This register indicates the device type ID. It is hardwired to specific values used during
the auto-discovery process by an external debug agent.
Address: F000_0000h base + FCCh offset = F000_0FCCh
Bit 31 30 29 28 27 26 25 24 23 22 21 20 19 18 17 16 15 14 13 12 11 10 9 8 7 6 5 4 3 2 1 0
RDEVICETYPID
W
Reset 0 0 0 0 0 0 0 0 0 0 0 0 0 0 0 0 0 0 0 0 0 0 0 0 0 0 1 1 0 0 0 1
MTB_DEVICETYPID field descriptions
Field Description
31–0
DEVICETYPID
Hardwired to 0x0000_0031.
19.31.14 Peripheral ID Register (MTB_PERIPHIDn)
These registers indicate the peripheral IDs. They are hardwired to specific values used
during the auto-discovery process by an external debug agent.
Address: F000_0000h base + FD0h offset + (4d × i), where i=0d to 7d
Bit 31 30 29 28 27 26 25 24 23 22 21 20 19 18 17 16 15 14 13 12 11 10 9 8 7 6 5 4 3 2 1 0
RPERIPHID
W
Reset x* x* x* x* x* x* x* x* x* x* x* x* x* x* x* x* x* x* x* x* x* x* x* x* x* x* x* x* x* x* x* x*
* Notes:
See field descriptions for the reset values.x = Undefined at reset.•
MTB_PERIPHIDn field descriptions
Field Description
31–0
PERIPHID
Peripheral ID4 is hardwired to 0x0000_0004; ID0 to 0x0000_0032; ID1 to 0x0000_00B9; ID2 to
0x0000_000B; and all the others to 0x0000_0000.
Chapter 19 Micro Trace Buffer (MTB)
KL25 Sub-Family Reference Manual, Rev. 3, September 2012
Freescale Semiconductor, Inc. 315

19.31.15 Component ID Register (MTB_COMPIDn)
These registers indicate the component IDs. They are hardwired to specific values used
during the auto-discovery process by an external debug agent.
Address: F000_0000h base + FF0h offset + (4d × i), where i=0d to 3d
Bit 31 30 29 28 27 26 25 24 23 22 21 20 19 18 17 16 15 14 13 12 11 10 9 8 7 6 5 4 3 2 1 0
RCOMPID
W
Reset x* x* x* x* x* x* x* x* x* x* x* x* x* x* x* x* x* x* x* x* x* x* x* x* x* x* x* x* x* x* x* x*
* Notes:
See field descriptions for the reset values.x = Undefined at reset.•
MTB_COMPIDn field descriptions
Field Description
31–0
COMPID
Component ID
Component ID0 is hardwired to 0x0000_000D; ID1 to 0x0000_0090; ID2 to 0x0000_0005; ID3 to
0x0000_00B1.
19.3.2 MTB_DWT Memory Map
The MTB_DWT programming model supports a very simplified subset of the v7M debug
architecture and follows the standard ARM DWT definition.
MTBDWT memory map
Absolute
address
(hex)
Register name Width
(in bits) Access Reset value Section/
page
F000_1000 MTB DWT Control Register (MTBDWT_CTRL) 32 R 2F00_0000h 19.32.1/317
F000_1020 MTB_DWT Comparator Register (MTBDWT_COMP0) 32 R/W 0000_0000h 19.32.2/318
F000_1024 MTB_DWT Comparator Mask Register (MTBDWT_MASK0) 32 R/W 0000_0000h 19.32.3/319
F000_1028 MTB_DWT Comparator Function Register 0
(MTBDWT_FCT0) 32 R/W 0000_0000h 19.32.4/320
F000_1030 MTB_DWT Comparator Register (MTBDWT_COMP1) 32 R/W 0000_0000h 19.32.2/318
F000_1034 MTB_DWT Comparator Mask Register (MTBDWT_MASK1) 32 R/W 0000_0000h 19.32.3/319
F000_1038 MTB_DWT Comparator Function Register 1
(MTBDWT_FCT1) 32 R/W 0000_0000h 19.32.5/322
F000_1200 MTB_DWT Trace Buffer Control Register
(MTBDWT_TBCTRL) 32 R/W 2000_0000h 19.32.6/323
F000_1FC8 Device Configuration Register (MTBDWT_DEVICECFG) 32 R 0000_0000h 19.32.7/325
Table continues on the next page...
Memory Map and Register Definition
KL25 Sub-Family Reference Manual, Rev. 3, September 2012
316 Freescale Semiconductor, Inc.

MTBDWT memory map (continued)
Absolute
address
(hex)
Register name Width
(in bits) Access Reset value Section/
page
F000_1FCC Device Type Identifier Register (MTBDWT_DEVICETYPID) 32 R 0000_0004h 19.32.8/325
F000_1FD0 Peripheral ID Register (MTBDWT_PERIPHID4) 32 R See section 19.32.9/326
F000_1FD4 Peripheral ID Register (MTBDWT_PERIPHID5) 32 R See section 19.32.9/326
F000_1FD8 Peripheral ID Register (MTBDWT_PERIPHID6) 32 R See section 19.32.9/326
F000_1FDC Peripheral ID Register (MTBDWT_PERIPHID7) 32 R See section 19.32.9/326
F000_1FE0 Peripheral ID Register (MTBDWT_PERIPHID0) 32 R See section 19.32.9/326
F000_1FE4 Peripheral ID Register (MTBDWT_PERIPHID1) 32 R See section 19.32.9/326
F000_1FE8 Peripheral ID Register (MTBDWT_PERIPHID2) 32 R See section 19.32.9/326
F000_1FEC Peripheral ID Register (MTBDWT_PERIPHID3) 32 R See section 19.32.9/326
F000_1FF0 Component ID Register (MTBDWT_COMPID0) 32 R See section 19.32.10/
326
F000_1FF4 Component ID Register (MTBDWT_COMPID1) 32 R See section 19.32.10/
326
F000_1FF8 Component ID Register (MTBDWT_COMPID2) 32 R See section 19.32.10/
326
F000_1FFC Component ID Register (MTBDWT_COMPID3) 32 R See section 19.32.10/
326
19.32.1 MTB DWT Control Register (MTBDWT_CTRL)
The MTBDWT_CTRL register provides read-only information on the watchpoint
configuration for the MTB_DWT.
Address: F000_1000h base + 0h offset = F000_1000h
Bit 31 30 29 28 27 26 25 24 23 22 21 20 19 18 17 16 15 14 13 12 11 10 9 8 7 6 5 4 3 2 1 0
RNUMCMP DWTCFGCTRL
W
Reset 0 0 1 0 1 1 1 1 0 0 0 0 0 0 0 0 0 0 0 0 0 0 0 0 0 0 0 0 0 0 0 0
MTBDWT_CTRL field descriptions
Field Description
31–28
NUMCMP
Number of comparators
The MTB_DWT implements two comparators.
27–0
DWTCFGCTRL
DWT configuration controls
This field is hardwired to 0xF00_0000, disabling all the remaining DWT functionality. The specific fields
and their state are:
MTBDWT_CTRL[27] = NOTRCPKT = 1, trace sample and exception trace is not supported
Table continues on the next page...
Chapter 19 Micro Trace Buffer (MTB)
KL25 Sub-Family Reference Manual, Rev. 3, September 2012
Freescale Semiconductor, Inc. 317

MTBDWT_CTRL field descriptions (continued)
Field Description
MTBDWT_CTRL[26] = NOEXTTRIG = 1, external match signals are not supported
MTBDWT_CTRL[25] = NOCYCCNT = 1, cycle counter is not supported
MTBDWT_CTRL[24] = NOPRFCNT = 1, profiling counters are not supported
MTBDWT_CTRL[22] = CYCEBTENA = 0, no POSTCNT underflow packets generated
MTBDWT_CTRL[21] = FOLDEVTENA = 0, no folded instruction counter overflow events
MTBDWT_CTRL[20] = LSUEVTENA = 0, no LSU counter overflow events
MTBDWT_CTRL[19] = SLEEPEVTENA = 0, no sleep counter overflow events
MTBDWT_CTRL[18] = EXCEVTENA = 0, no exception overhead counter events
MTBDWT_CTRL[17] = CPIEVTENA = 0, no CPI counter overflow events
MTBDWT_CTRL[16] = EXCTRCENA = 0, generation of exception trace disabled
MTBDWT_CTRL[12] = PCSAMPLENA = 0, no periodic PC sample packets generated
MTBDWT_CTRL[11:10] = SYNCTAP = 0, no synchronization packets
MTBDWT_CTRL[9] = CYCTAP = 0, cycle counter is not supported
MTBDWT_CTRL[8:5] = POSTINIT = 0, cycle counter is not supported
MTBDWT_CTRL[4:1] = POSTPRESET = 0, cycle counter is not supported
MTBDWT_CTRL[0] = CYCCNTENA = 0, cycle counter is not supported
19.32.2 MTB_DWT Comparator Register (MTBDWT_COMPn)
The MTBDWT_COMPn registers provide the reference value for comparator n.
Address: F000_1000h base + 20h offset + (16d × i), where i=0d to 1d
Bit 31 30 29 28 27 26 25 24 23 22 21 20 19 18 17 16 15 14 13 12 11 10 9 8 7 6 5 4 3 2 1 0
RCOMP
W
Reset 0 0 0 0 0 0 0 0 0 0 0 0 0 0 0 0 0 0 0 0 0 0 0 0 0 0 0 0 0 0 0 0
MTBDWT_COMPn field descriptions
Field Description
31–0
COMP
Reference value for comparison
If MTBDWT_COMP0 is used for a data value comparator and the access size is byte or halfword, the data
value must be replicated across all appropriate byte lanes of this register. For example, if the data is a
byte-sized "x" value, then COMP[31:24] = COMP[23:16] = COMP[15:8] = COMP[7:0] = "x". Likewise, if the
data is a halfword-size "y" value, then COMP[31:16] = COMP[15:0] = "y".
Memory Map and Register Definition
KL25 Sub-Family Reference Manual, Rev. 3, September 2012
318 Freescale Semiconductor, Inc.

19.32.3 MTB_DWT Comparator Mask Register
(MTBDWT_MASKn)
The MTBDWT_MASKn registers define the size of the ignore mask applied to the
reference address for address range matching by comparator n. Note the format of this
mask field is different than the MTB_MASTER[MASK].
Address: F000_1000h base + 24h offset + (16d × i), where i=0d to 1d
Bit 31 30 29 28 27 26 25 24 23 22 21 20 19 18 17 16 15 14 13 12 11 10 9 8 7 6 5 4 3 2 1 0
R0MASK
W
Reset 0 0 0 0 0 0 0 0 0 0 0 0 0 0 0 0 0 0 0 0 0 0 0 0 0 0 0 0 0 0 0 0
MTBDWT_MASKn field descriptions
Field Description
31–5
Reserved
This field is reserved.
This read-only field is reserved and always has the value 0.
4–0
MASK
MASK
The value of the ignore mask, 0-31 bits, is applied to address range matching. MASK = 0 is used to
include all bits of the address in the comparison, except if MASK = 0 and the comparator is configured to
watch instruction fetch addresses, address bit [0] is ignored by the hardware since all fetches must be at
least halfword aligned. For MASK != 0 and regardless of watch type, address bits [x-1:0] are ignored in the
address comparison.
Using a mask means the comparator matches on a range of addresses, defined by the unmasked most
significant bits of the address, bits [31:x]. The maximum MASK value is 24, producing a 16 Mbyte mask.
An attempted write of a MASK value > 24 is limited by the MTBDWT hardware to 24.
If MTBDWT_COMP0 is used as a data value comparator, then MTBDWT_MASK0 should be programmed
to zero.
Chapter 19 Micro Trace Buffer (MTB)
KL25 Sub-Family Reference Manual, Rev. 3, September 2012
Freescale Semiconductor, Inc. 319

19.32.4 MTB_DWT Comparator Function Register 0
(MTBDWT_FCT0)
The MTBDWT_FCTn registers control the operation of comparator n.
Address: F000_1000h base + 28h offset = F000_1028h
Bit 31 30 29 28 27 26 25 24 23 22 21 20 19 18 17 16
R0
MATCHED
0 0
W
Reset 0 0 0 0 0 0 0 0 0 0 0 0 0 0 0 0
Bit 15 14 13 12 11 10 9 8 7 6 5 4 3 2 1 0
R
DATAVADDR0 DATAVSIZE
0
DATAVMATCH
0
FUNCTION
W
Reset 0 0 0 0 0 0 0 0 0 0 0 0 0 0 0 0
MTBDWT_FCT0 field descriptions
Field Description
31–25
Reserved
This field is reserved.
This read-only field is reserved and always has the value 0.
24
MATCHED
Comparator match
If this read-only flag is asserted, it indicates the operation defined by the FUNCTION field occurred since
the last read of the register. Reading the register clears this bit.
Table continues on the next page...
Memory Map and Register Definition
KL25 Sub-Family Reference Manual, Rev. 3, September 2012
320 Freescale Semiconductor, Inc.

MTBDWT_FCT0 field descriptions (continued)
Field Description
0 No match.
1 Match occurred.
23–20
Reserved
This field is reserved.
This read-only field is reserved and always has the value 0.
19–16
Reserved
This field is reserved.
This read-only field is reserved and always has the value 0.
15–12
DATAVADDR0
Data Value Address 0
Since the MTB_DWT implements two comparators, the DATAVADDR0 field is restricted to values {0,1}.
When the DATAVMATCH bit is asserted, this field defines the comparator number to use for linked
address comparison.
If MTBDWT_COMP0 is used as a data watchpoint and MTBDWT_COMP1 as an address watchpoint,
DATAVADDR0 must be set.
11–10
DATAVSIZE
Data Value Size
For data value matching, this field defines the size of the required data comparison.
00 Byte.
01 Halfword.
10 Word.
11 Reserved. Any attempts to use this value results in UNPREDICTABLE behavior.
9
Reserved
This field is reserved.
This read-only field is reserved and always has the value 0.
8
DATAVMATCH
Data Value Match
The assertion of this bit enables data value comparison. For this implementation, MTBDWT_COMP0
supports address or data value comparisons; MTBDWT_COMP1 only supports address comparisons.
0 Perform address comparison.
1 Perform data value comparison.
7–4
Reserved
This field is reserved.
This read-only field is reserved and always has the value 0.
3–0
FUNCTION
Function
Selects the action taken on a comparator match. If MTBDWT_COMP0 is used for a data value and
MTBDWT_COMP1 for an address value, then MTBDWT_FCT1[FUNCTION] must be set to zero. For this
configuration, MTBDWT_MASK1 can be set to a non-zero value, so the combined comparators match on
a range of addresses.
0000 Disabled.
0100 Instruction fetch.
0101 Data operand read.
0110 Data operand write.
0111 Data operand (read + write).
others Reserved. Any attempts to use this value results in UNPREDICTABLE behavior.
Chapter 19 Micro Trace Buffer (MTB)
KL25 Sub-Family Reference Manual, Rev. 3, September 2012
Freescale Semiconductor, Inc. 321

19.32.5 MTB_DWT Comparator Function Register 1
(MTBDWT_FCT1)
The MTBDWT_FCTn registers control the operation of comparator n. Since the
MTB_DWT only supports data value comparisons on comparator 0, there are several
fields in the MTBDWT_FCT1 register that are RAZ/WI (bits 12, 11:10, 8).
Address: F000_1000h base + 38h offset = F000_1038h
Bit 31 30 29 28 27 26 25 24 23 22 21 20 19 18 17 16
R0
MATCHED
0
W
Reset 0 0 0 0 0 0 0 0 0 0 0 0 0 0 0 0
Bit 15 14 13 12 11 10 9 8 7 6 5 4 3 2 1 0
R0
FUNCTION
W
Reset 0 0 0 0 0 0 0 0 0 0 0 0 0 0 0 0
MTBDWT_FCT1 field descriptions
Field Description
31–25
Reserved
This field is reserved.
This read-only field is reserved and always has the value 0.
24
MATCHED
Comparator match
If this read-only flag is asserted, it indicates the operation defined by the FUNCTION field occurred since
the last read of the register. Reading the register clears this bit.
Table continues on the next page...
Memory Map and Register Definition
KL25 Sub-Family Reference Manual, Rev. 3, September 2012
322 Freescale Semiconductor, Inc.

MTBDWT_FCT1 field descriptions (continued)
Field Description
0 No match.
1 Match occurred.
23–4
Reserved
This field is reserved.
This read-only field is reserved and always has the value 0.
3–0
FUNCTION
Function
Selects the action taken on a comparator match. If MTBDWT_COMP0 is used for a data value and
MTBDWT_COMP1 for an address value, then MTBDWT_FCT1[FUNCTION] must be set to zero. For this
configuration, MTBDWT_MASK1 can be set to a non-zero value, so the combined comparators match on
a range of addresses.
0000 Disabled.
0100 Instruction fetch.
0101 Data operand read.
0110 Data operand write.
0111 Data operand (read + write).
others Reserved. Any attempts to use this value results in UNPREDICTABLE behavior.
19.32.6 MTB_DWT Trace Buffer Control Register
(MTBDWT_TBCTRL)
The MTBDWT_TBCTRL register defines how the watchpoint comparisons control the
actual trace buffer operation.
Recall the MTB supports starting and stopping the program trace based on the watchpoint
comparisons signaled via TSTART and TSTOP. The watchpoint comparison signals are
enabled in the MTB's control logic by setting the appropriate enable bits,
MTB_MASTER[TSTARTEN, TSTOPEN]. In the event of simultaneous assertion of
both TSTART and TSTOP, TSTART takes priority.
Address: F000_1000h base + 200h offset = F000_1200h
Bit 31 30 29 28 27 26 25 24 23 22 21 20 19 18 17 16
RNUMCOMP 0
W
Reset 0 0 1 0 0 0 0 0 0 0 0 0 0 0 0 0
Chapter 19 Micro Trace Buffer (MTB)
KL25 Sub-Family Reference Manual, Rev. 3, September 2012
Freescale Semiconductor, Inc. 323

Bit 15 14 13 12 11 10 9 8 7 6 5 4 3 2 1 0
R0
ACOMP1
ACOMP0
W
Reset 0 0 0 0 0 0 0 0 0 0 0 0 0 0 0 0
MTBDWT_TBCTRL field descriptions
Field Description
31–28
NUMCOMP
Number of Comparators
This read-only field specifies the number of comparators in the MTB_DWT. This implementation includes
two registers.
27–2
Reserved
This field is reserved.
This read-only field is reserved and always has the value 0.
1
ACOMP1
Action based on Comparator 1 match
When the MTBDWT_FCT1[MATCHED] is set, it indicates MTBDWT_COMP1 address compare has
triggered and the trace buffer's recording state is changed.
0 Trigger TSTOP based on the assertion of MTBDWT_FCT1[MATCHED].
1 Trigger TSTART based on the assertion of MTBDWT_FCT1[MATCHED].
0
ACOMP0
Action based on Comparator 0 match
When the MTBDWT_FCT0[MATCHED] is set, it indicates MTBDWT_COMP0 address compare has
triggered and the trace buffer's recording state is changed. The assertion of MTBDWT_FCT0[MATCHED]
is caused by the following conditions:
• Address match in MTBDWT_COMP0 when MTBDWT_FCT0[DATAVMATCH] = 0
• Data match in MTBDWT_COMP0 when MTBDWT_FCT0[DATAVMATCH, DATAVADDR0] = {1,0}
• Data match in MTBDWT_COMP0 and address match in MTBDWT_COMP1 when
MTBDWT_FCT0[DATAVMATCH, DATAVADDR0] = {1,1}
0 Trigger TSTOP based on the assertion of MTBDWT_FCT0[MATCHED].
1 Trigger TSTART based on the assertion of MTBDWT_FCT0[MATCHED].
Memory Map and Register Definition
KL25 Sub-Family Reference Manual, Rev. 3, September 2012
324 Freescale Semiconductor, Inc.

19.32.7 Device Configuration Register (MTBDWT_DEVICECFG)
This register indicates the device configuration. It is hardwired to specific values used
during the auto-discovery process by an external debug agent.
Address: F000_1000h base + FC8h offset = F000_1FC8h
Bit 31 30 29 28 27 26 25 24 23 22 21 20 19 18 17 16 15 14 13 12 11 10 9 8 7 6 5 4 3 2 1 0
RDEVICECFG
W
Reset 0 0 0 0 0 0 0 0 0 0 0 0 0 0 0 0 0 0 0 0 0 0 0 0 0 0 0 0 0 0 0 0
MTBDWT_DEVICECFG field descriptions
Field Description
31–0
DEVICECFG
Hardwired to 0x0000_0000.
19.32.8 Device Type Identifier Register (MTBDWT_DEVICETYPID)
This register indicates the device type ID. It is hardwired to specific values used during
the auto-discovery process by an external debug agent.
Address: F000_1000h base + FCCh offset = F000_1FCCh
Bit 31 30 29 28 27 26 25 24 23 22 21 20 19 18 17 16 15 14 13 12 11 10 9 8 7 6 5 4 3 2 1 0
RDEVICETYPID
W
Reset 0 0 0 0 0 0 0 0 0 0 0 0 0 0 0 0 0 0 0 0 0 0 0 0 0 0 0 0 0 1 0 0
MTBDWT_DEVICETYPID field descriptions
Field Description
31–0
DEVICETYPID
Hardwired to 0x0000_0004.
Chapter 19 Micro Trace Buffer (MTB)
KL25 Sub-Family Reference Manual, Rev. 3, September 2012
Freescale Semiconductor, Inc. 325

19.32.9 Peripheral ID Register (MTBDWT_PERIPHIDn)
These registers indicate the peripheral IDs. They are hardwired to specific values used
during the auto-discovery process by an external debug agent.
Address: F000_1000h base + FD0h offset + (4d × i), where i=0d to 7d
Bit 31 30 29 28 27 26 25 24 23 22 21 20 19 18 17 16 15 14 13 12 11 10 9 8 7 6 5 4 3 2 1 0
RPERIPHID
W
Reset x* x* x* x* x* x* x* x* x* x* x* x* x* x* x* x* x* x* x* x* x* x* x* x* x* x* x* x* x* x* x* x*
* Notes:
See field descriptions for the reset values. x = Undefined at reset.•
MTBDWT_PERIPHIDn field descriptions
Field Description
31–0
PERIPHID
Peripheral ID1 is hardwired to 0x0000_00E0; ID2 to 0x0000_0008; and all the others to 0x0000_0000.
19.32.10 Component ID Register (MTBDWT_COMPIDn)
These registers indicate the component IDs. They are hardwired to specific values used
during the auto-discovery process by an external debug agent.
Address: F000_1000h base + FF0h offset + (4d × i), where i=0d to 3d
Bit 31 30 29 28 27 26 25 24 23 22 21 20 19 18 17 16 15 14 13 12 11 10 9 8 7 6 5 4 3 2 1 0
RCOMPID
W
Reset x* x* x* x* x* x* x* x* x* x* x* x* x* x* x* x* x* x* x* x* x* x* x* x* x* x* x* x* x* x* x* x*
* Notes:
See field descriptions for the reset values.x = Undefined at reset.•
MTBDWT_COMPIDn field descriptions
Field Description
31–0
COMPID
Component ID
Component ID0 is hardwired to 0x0000_000D; ID1 to 0x0000_0090; ID2 to 0x0000_0005; ID3 to
0x0000_00B1.
Memory Map and Register Definition
KL25 Sub-Family Reference Manual, Rev. 3, September 2012
326 Freescale Semiconductor, Inc.

19.3.3 System ROM Memory Map
The System ROM Table registers are also mapped into a sparsely-populated 4 KB
address space.
For core configurations like that supported by Cortex-M0+, ARM recommends that a
debugger identifies and connects to the debug components using the CoreSight debug
infrastructure.
ARM recommends that a debugger follows the flow as shown in the following figure to
discover the components in the CoreSight debug infrastructure. In this case a debugger
reads the peripheral and component ID registers for each CoreSight component in the
CoreSight system.
Figure 19-56. CoreSight discovery process
ROM memory map
Absolute
address
(hex)
Register name Width
(in bits) Access Reset value Section/
page
F000_2000 Entry (ROM_ENTRY0) 32 R See section 19.33.1/328
F000_2004 Entry (ROM_ENTRY1) 32 R See section 19.33.1/328
F000_2008 Entry (ROM_ENTRY2) 32 R See section 19.33.1/328
F000_200C End of Table Marker Register (ROM_TABLEMARK) 32 R 0000_0000h 19.33.2/329
F000_2FCC System Access Register (ROM_SYSACCESS) 32 R 0000_0001h 19.33.3/329
F000_2FD0 Peripheral ID Register (ROM_PERIPHID4) 32 R See section 19.33.4/330
F000_2FD4 Peripheral ID Register (ROM_PERIPHID5) 32 R See section 19.33.4/330
F000_2FD8 Peripheral ID Register (ROM_PERIPHID6) 32 R See section 19.33.4/330
Table continues on the next page...
Chapter 19 Micro Trace Buffer (MTB)
KL25 Sub-Family Reference Manual, Rev. 3, September 2012
Freescale Semiconductor, Inc. 327

ROM memory map (continued)
Absolute
address
(hex)
Register name Width
(in bits) Access Reset value Section/
page
F000_2FDC Peripheral ID Register (ROM_PERIPHID7) 32 R See section 19.33.4/330
F000_2FE0 Peripheral ID Register (ROM_PERIPHID0) 32 R See section 19.33.4/330
F000_2FE4 Peripheral ID Register (ROM_PERIPHID1) 32 R See section 19.33.4/330
F000_2FE8 Peripheral ID Register (ROM_PERIPHID2) 32 R See section 19.33.4/330
F000_2FEC Peripheral ID Register (ROM_PERIPHID3) 32 R See section 19.33.4/330
F000_2FF0 Component ID Register (ROM_COMPID0) 32 R See section 19.33.5/330
F000_2FF4 Component ID Register (ROM_COMPID1) 32 R See section 19.33.5/330
F000_2FF8 Component ID Register (ROM_COMPID2) 32 R See section 19.33.5/330
F000_2FFC Component ID Register (ROM_COMPID3) 32 R See section 19.33.5/330
19.33.1 Entry (ROM_ENTRYn)
The System ROM Table begins with "n" relative 32-bit addresses, one for each debug
component present in the device and terminating with an all-zero value signaling the end
of the table at the "n+1"-th value.
NOTE
See Chip Configuration chapter for the debug components these
registers point to.
It is hardwired to specific values used during the auto-discovery process by an external
debug agent.
Address: F000_2000h base + 0h offset + (4d × i), where i=0d to 2d
Bit 31 30 29 28 27 26 25 24 23 22 21 20 19 18 17 16 15 14 13 12 11 10 9 8 7 6 5 4 3 2 1 0
RENTRY
W
Reset x* x* x* x* x* x* x* x* x* x* x* x* x* x* x* x* x* x* x* x* x* x* x* x* x* x* x* x* x* x* x* x*
* Notes:
See field descriptions for reset values.x = Undefined at reset.•
ROM_ENTRYn field descriptions
Field Description
31–0
ENTRY
ENTRY
Entry 0 (MTB) is hardwired to 0xFFFF_E003; Entry 1 (MTBDWT) to 0xFFFF_F003; Entry 2 (CM0+ ROM
Table) to 0xF00F_D003.
Memory Map and Register Definition
KL25 Sub-Family Reference Manual, Rev. 3, September 2012
328 Freescale Semiconductor, Inc.

19.33.2 End of Table Marker Register (ROM_TABLEMARK)
This register indicates end of table marker. It is hardwired to specific values used during
the auto-discovery process by an external debug agent.
Address: F000_2000h base + Ch offset = F000_200Ch
Bit 31 30 29 28 27 26 25 24 23 22 21 20 19 18 17 16 15 14 13 12 11 10 9 8 7 6 5 4 3 2 1 0
RMARK
W
Reset 0 0 0 0 0 0 0 0 0 0 0 0 0 0 0 0 0 0 0 0 0 0 0 0 0 0 0 0 0 0 0 0
ROM_TABLEMARK field descriptions
Field Description
31–0
MARK
Hardwired to 0x0000_0000
19.33.3 System Access Register (ROM_SYSACCESS)
This register indicates system access. It is hardwired to specific values used during the
auto-discovery process by an external debug agent.
Address: F000_2000h base + FCCh offset = F000_2FCCh
Bit 31 30 29 28 27 26 25 24 23 22 21 20 19 18 17 16 15 14 13 12 11 10 9 8 7 6 5 4 3 2 1 0
RSYSACCESS
W
Reset 0 0 0 0 0 0 0 0 0 0 0 0 0 0 0 0 0 0 0 0 0 0 0 0 0 0 0 0 0 0 0 1
ROM_SYSACCESS field descriptions
Field Description
31–0
SYSACCESS
Hardwired to 0x0000_0001
Chapter 19 Micro Trace Buffer (MTB)
KL25 Sub-Family Reference Manual, Rev. 3, September 2012
Freescale Semiconductor, Inc. 329

19.33.4 Peripheral ID Register (ROM_PERIPHIDn)
These registers indicate the peripheral IDs. They are hardwired to specific values used
during the auto-discovery process by an external debug agent.
Address: F000_2000h base + FD0h offset + (4d × i), where i=0d to 7d
Bit 31 30 29 28 27 26 25 24 23 22 21 20 19 18 17 16 15 14 13 12 11 10 9 8 7 6 5 4 3 2 1 0
RPERIPHID
W
Reset x* x* x* x* x* x* x* x* x* x* x* x* x* x* x* x* x* x* x* x* x* x* x* x* x* x* x* x* x* x* x* x*
* Notes:
See field descriptions for reset values.x = Undefined at reset.•
ROM_PERIPHIDn field descriptions
Field Description
31–0
PERIPHID
Peripheral ID1 is hardwired to 0x0000_00E0; ID2 to 0x0000_0008; and all the others to 0x0000_0000.
19.33.5 Component ID Register (ROM_COMPIDn)
These registers indicate the component IDs. They are hardwired to specific values used
during the auto-discovery process by an external debug agent.
Address: F000_2000h base + FF0h offset + (4d × i), where i=0d to 3d
Bit 31 30 29 28 27 26 25 24 23 22 21 20 19 18 17 16 15 14 13 12 11 10 9 8 7 6 5 4 3 2 1 0
RCOMPID
W
Reset x* x* x* x* x* x* x* x* x* x* x* x* x* x* x* x* x* x* x* x* x* x* x* x* x* x* x* x* x* x* x* x*
* Notes:
See field descriptions for reset values.x = Undefined at reset.•
ROM_COMPIDn field descriptions
Field Description
31–0
COMPID
Component ID
Component ID0 is hardwired to 0x0000_000D; ID1 to 0x0000_0010; ID2 to 0x0000_0005; ID3 to
0x0000_00B1.
Memory Map and Register Definition
KL25 Sub-Family Reference Manual, Rev. 3, September 2012
330 Freescale Semiconductor, Inc.

Chapter 20
Crossbar Switch Lite (AXBS-Lite)
20.1 Introduction
NOTE
For the chip-specific implementation details of this module's
instances see the chip configuration information.
This chapter provides information on the layout, configuration, and programming of the
crossbar switch. The crossbar switch connects bus masters and bus slaves using a
crossbar switch structure. This structure allows up to four bus masters to access different
bus slaves simultaneously, while providing arbitration among the bus masters when they
access the same slave.
20.1.1 Features
The crossbar switch includes these features:
• Symmetric crossbar bus switch implementation
• Allows concurrent accesses from different masters to different slaves
• 32-bit data bus
• Operation at a 1-to-1 clock frequency with the bus masters
• Programmable configuration for fixed-priority or round-robin slave port arbitration
20.2 Memory Map / Register Definition
This crossbar switch is designed for minimal gate count. It, therefore, has no memory-
mapped configuration registers.
KL25 Sub-Family Reference Manual, Rev. 3, September 2012
Freescale Semiconductor, Inc. 331

20.3 Functional Description
20.3.1 General operation
When a master accesses the crossbar switch the access is immediately taken. If the
targeted slave port of the access is available, then the access is immediately presented on
the slave port. Single-clock or zero-wait-state accesses are possible through the crossbar.
If the targeted slave port of the access is busy or parked on a different master port, the
requesting master simply sees wait states inserted until the targeted slave port can service
the master's request. The latency in servicing the request depends on each master's
priority level and the responding slave's access time.
Because the crossbar switch appears to be just another slave to the master device, the
master device has no knowledge of whether it actually owns the slave port it is targeting.
While the master does not have control of the slave port it is targeting, it simply waits.
A master is given control of the targeted slave port only after a previous access to a
different slave port completes, regardless of its priority on the newly targeted slave port.
This prevents deadlock from occurring when:
• A higher priority master has:
• An outstanding request to one slave port that has a long response time and
• A pending access to a different slave port, and
• A lower priority master is also making a request to the same slave port as the pending
access of the higher priority master.
After the master has control of the slave port it is targeting, the master remains in control
of the slave port until it relinquishes the slave port by running an IDLE cycle or by
targeting a different slave port for its next access.
The master can also lose control of the slave port if another higher-priority master makes
a request to the slave port.
The crossbar terminates all master IDLE transfers, as opposed to allowing the termination
to come from one of the slave buses. Additionally, when no master is requesting access to
a slave port, the crossbar drives IDLE transfers onto the slave bus, even though a default
master may be granted access to the slave port.
When a slave bus is being idled by the crossbar, it remains parked with the last master to
use the slave port. This is done to save the initial clock of arbitration delay that otherwise
would be seen if the master had to arbitrate to gain control of the slave port.
Functional Description
KL25 Sub-Family Reference Manual, Rev. 3, September 2012
332 Freescale Semiconductor, Inc.

20.3.2 Arbitration
The crossbar switch supports two arbitration algorithms:
• Fixed priority
• Round robin
The selection of the global slave port arbitration is controlled by MCM_PLACR[ARB].
For fixed priority, set ARB to 0. For round robin, set ARB to 1. This arbitration setting
applies to all slave ports.
20.3.2.1 Arbitration During Undefined Length Bursts
All lengths of burst accesses lock out arbitration until the last beat of the burst.
20.3.2.2 Fixed-priority operation
When operating in fixed-priority mode, each master is assigned a unique priority level
with the highest numbered master having the highest priority (master 1 has lower priority
than master 3). If two masters request access to the same slave port, the master with the
highest priority gains control over the slave port.
NOTE
In this arbitration mode, a higher-priority master can
monopolize a slave port, preventing accesses from any lower-
priority master to the port.
When a master makes a request to a slave port, the slave port checks whether the new
requesting master's priority level is higher than that of the master that currently has
control over the slave port, unless the slave port is in a parked state. The slave port
performs an arbitration check at every clock edge to ensure that the proper master, if any,
has control of the slave port.
The following table describes possible scenarios based on the requesting master port:
Chapter 20 Crossbar Switch Lite (AXBS-Lite)
KL25 Sub-Family Reference Manual, Rev. 3, September 2012
Freescale Semiconductor, Inc. 333

Table 20-1. How AXBS grants control of a slave port to a master
When Then AXBS grants control to the requesting master
Both of the following are true:
• The current master is not running a transfer.
• The new requesting master's priority level is higher than
that of the current master.
At the next clock edge
The requesting master's priority level is lower than the current
master.
At the conclusion of one of the following cycles:
• An IDLE cycle
• A non-IDLE cycle to a location other than the current
slave port
20.3.2.3 Round-robin priority operation
When operating in round-robin mode, each master is assigned a relative priority based on
the master port number. This relative priority is compared to the master port number (ID)
of the last master to perform a transfer on the slave bus. The highest priority requesting
master becomes owner of the slave bus at the next transfer boundary. Priority is based on
how far ahead the ID of the requesting master is to the ID of the last master.
After granted access to a slave port, a master may perform as many transfers as desired to
that port until another master makes a request to the same slave port. The next master in
line is granted access to the slave port at the next transfer boundary, or possibly on the
next clock cycle if the current master has no pending access request.
As an example of arbitration in round-robin mode, assume the crossbar is implemented
with master ports 0, 1, 4, and 5. If the last master of the slave port was master 1, and
master 0, 4 and 5 make simultaneous requests, they are serviced in the order 4, 5, and
then 0.
The round-robin arbitration mode generally provides a more fair allocation of the
available slave-port bandwidth (compared to fixed priority) as the fixed master priority
does not affect the master selection.
20.4 Initialization/application information
No initialization is required for the crossbar switch. See the AXBS section of the
configuration chapter for the reset state of the arbitration scheme.
Initialization/application information
KL25 Sub-Family Reference Manual, Rev. 3, September 2012
334 Freescale Semiconductor, Inc.

Chapter 21
Peripheral Bridge (AIPS-Lite)
21.1 Introduction
NOTE
For the chip-specific implementation details of this module's
instances see the chip configuration information.
The peripheral bridge converts the crossbar switch interface to an interface that can
access most of the slave peripherals on this chip.
The peripheral bridge supports up to 128 peripherals, each with a 4K-byte address space.
(Not all peripheral slots might be used. See the chip configuration chapter and memory
map chapter for details on slot assignment.) The bridge includes separate clock enable
inputs for each of the slots to accommodate slower peripherals.
21.1.1 Features
Key features of the peripheral bridge are:
• Supports peripheral slots with 8-, 16-, and 32-bit datapath width
• Dedicated clock enables for independently configurable peripherals allow each on- or
off-platform peripheral to operate at any integer-divisible speed less than or equal to
the system clock frequency.
KL25 Sub-Family Reference Manual, Rev. 3, September 2012
Freescale Semiconductor, Inc. 335

21.1.2 General operation
The slave devices connected to the peripheral bridge are modules which contain a
programming model of control and status registers. The system masters read and write
these registers through the peripheral bridge. The peripheral bridge performs a bus
protocol conversion of the master transactions and generates the following as inputs to
the peripherals:
• Module enables
• Module addresses
• Transfer attributes
• Byte enables
• Write data
The peripheral bridge selects and captures read data from the peripheral interface and
returns it to the crossbar switch.
The register maps of the peripherals are located on 4-KB boundaries. Each peripheral is
allocated one or more 4-KB block(s) of the memory map.
The AIPS-Lite module uses the accessed peripheral's data width to perform proper data
byte lane routing; bus decomposition (bus sizing) is performed when the access size is
larger than the peripheral's data width.
21.2 Functional description
The peripheral bridge functions as a bus protocol translator between the crossbar switch
and the slave peripheral bus.
The peripheral bridge manages all transactions destined for the attached slave devices and
generates select signals for modules on the peripheral bus by decoding accesses within
the attached address space.
By default, reads and writes on the crossbar side of the peripheral bridge take two data-
phase cycles. On the IPS side, accesses complete in one cycle. If wait states are inserted
by the slave peripheral, access time will be extended accordingly.
21.2.1 Access support
All combinations of access size and peripheral data port width are supported. An access
that is larger than the target peripheral's data width will be decomposed to multiple,
smaller accesses. Bus decomposition is terminated by a transfer error caused by an access
to an empty register area.
Functional description
KL25 Sub-Family Reference Manual, Rev. 3, September 2012
336 Freescale Semiconductor, Inc.

Chapter 22
Direct Memory Access Multiplexer (DMAMUX)
22.1 Introduction
NOTE
For the chip-specific implementation details of this module's
instances see the chip configuration information.
22.1.1 Overview
The direct memory access multiplexer (DMAMUX) routes DMA sources, called slots, to
any of the 4 DMA channels. This process is illustrated in the following figure.
KL25 Sub-Family Reference Manual, Rev. 3, September 2012
Freescale Semiconductor, Inc. 337

DMA channel #0
Source #1
Source #2
Source #3
Always #1
DMA channel #n
Always #y
Source #x
Trigger #1
Trigger #z
DMA channel #1
DMAMUX
Figure 22-1. DMAMUX block diagram
22.1.2 Features
The DMAMUX module provides these features:
• 63 peripheral slots and 6 always-on slots can be routed to 4 channels.
• 4 independently selectable DMA channel routers.
• The first 2 channels additionally provide a trigger functionality.
• Each channel router can be assigned to one of the 63 possible peripheral DMA slots
or to one of the 6 always-on slots.
22.1.3 Modes of operation
The following operating modes are available:
• Disabled mode
Introduction
KL25 Sub-Family Reference Manual, Rev. 3, September 2012
338 Freescale Semiconductor, Inc.

In this mode, the DMA channel is disabled. Because disabling and enabling of DMA
channels is done primarily via the DMA configuration registers, this mode is used
mainly as the reset state for a DMA channel in the DMA channel MUX. It may also
be used to temporarily suspend a DMA channel while reconfiguration of the system
takes place, for example, changing the period of a DMA trigger.
• Normal mode
In this mode, a DMA source is routed directly to the specified DMA channel. The
operation of the DMAMUX in this mode is completely transparent to the system.
• Periodic Trigger mode
In this mode, a DMA source may only request a DMA transfer, such as when a
transmit buffer becomes empty or a receive buffer becomes full, periodically.
Configuration of the period is done in the registers of the periodic interrupt timer
(PIT). This mode is available only for channels 0–1.
22.2 External signal description
The DMAMUX has no external pins.
22.3 Memory map/register definition
This section provides a detailed description of all memory-mapped registers in the
DMAMUX.
DMAMUX memory map
Absolute
address
(hex)
Register name Width
(in bits) Access Reset value Section/
page
4002_1000 Channel Configuration register (DMAMUX0_CHCFG0) 8 R/W 00h 22.3.1/339
4002_1001 Channel Configuration register (DMAMUX0_CHCFG1) 8 R/W 00h 22.3.1/339
4002_1002 Channel Configuration register (DMAMUX0_CHCFG2) 8 R/W 00h 22.3.1/339
4002_1003 Channel Configuration register (DMAMUX0_CHCFG3) 8 R/W 00h 22.3.1/339
22.3.1 Channel Configuration register (DMAMUXx_CHCFGn)
Each of the DMA channels can be independently enabled/disabled and associated with
one of the DMA slots (peripheral slots or always-on slots) in the system.
Chapter 22 Direct Memory Access Multiplexer (DMAMUX)
KL25 Sub-Family Reference Manual, Rev. 3, September 2012
Freescale Semiconductor, Inc. 339

NOTE
Setting multiple CHCFG registers with the same Source value
will result in unpredictable behavior.
NOTE
Before changing the trigger or source settings a DMA channel
must be disabled via the CHCFGn[ENBL] bit.
Address: 4002_1000h base + 0h offset + (1d × i), where i=0d to 3d
Bit 7 6 5 4 3 2 1 0
Read ENBL TRIG SOURCE
Write
Reset 00000000
DMAMUXx_CHCFGn field descriptions
Field Description
7
ENBL
DMA Channel Enable
Enables the DMA channel.
0 DMA channel is disabled. This mode is primarily used during configuration of the DMA Mux. The DMA
has separate channel enables/disables, which should be used to disable or re-configure a DMA
channel.
1 DMA channel is enabled
6
TRIG
DMA Channel Trigger Enable
Enables the periodic trigger capability for the triggered DMA channel.
0 Triggering is disabled. If triggering is disabled, and the ENBL bit is set, the DMA Channel will simply
route the specified source to the DMA channel. (Normal mode)
1 Triggering is enabled. If triggering is enabled, and the ENBL bit is set, the DMAMUX is in Periodic
Trigger mode.
5–0
SOURCE
DMA Channel Source (Slot)
Specifies which DMA source, if any, is routed to a particular DMA channel. See your device's chip
configuration details for further details about the peripherals and their slot numbers.
22.4 Functional description
The primary purpose of the DMAMUX is to provide flexibility in the system's use of the
available DMA channels. As such, configuration of the DMAMUX is intended to be a
static procedure done during execution of the system boot code. However, if the
procedure outlined in Enabling and configuring sources is followed, the configuration of
the DMAMUX may be changed during the normal operation of the system.
Functionally, the DMAMUX channels may be divided into two classes:
Functional description
KL25 Sub-Family Reference Manual, Rev. 3, September 2012
340 Freescale Semiconductor, Inc.

• Channels which implement the normal routing functionality plus periodic triggering
capability
• Channels which implement only the normal routing functionality
22.4.1 DMA channels with periodic triggering capability
Besides the normal routing functionality, the first 2 channels of the DMAMUX provide a
special periodic triggering capability that can be used to provide an automatic mechanism
to transmit bytes, frames, or packets at fixed intervals without the need for processor
intervention. The trigger is generated by the periodic interrupt timer (PIT); as such, the
configuration of the periodic triggering interval is done via configuration registers in the
PIT. See the section on periodic interrupt timer for more information on this topic.
Note
Because of the dynamic nature of the system (due to DMA
channel priorities, bus arbitration, interrupt service routine
lengths, etc.), the number of clock cycles between a trigger and
the actual DMA transfer cannot be guaranteed.
DMA channel #0
Trigger #2
Source #1
Source #2
Source #3
Always #1
DMA channel #3
Always #y
Trigger #4
Source #x
Trigger #1
DMA channel #1
Figure 22-12. DMAMUX triggered channels
Chapter 22 Direct Memory Access Multiplexer (DMAMUX)
KL25 Sub-Family Reference Manual, Rev. 3, September 2012
Freescale Semiconductor, Inc. 341

The DMA channel triggering capability allows the system to schedule regular DMA
transfers, usually on the transmit side of certain peripherals, without the intervention of
the processor. This trigger works by gating the request from the peripheral to the DMA
until a trigger event has been seen. This is illustrated in the following figure.
DMA request
Peripheral request
Trigger
Figure 22-13. DMAMUX channel triggering: normal operation
After the DMA request has been serviced, the peripheral will negate its request,
effectively resetting the gating mechanism until the peripheral re-asserts its request AND
the next trigger event is seen. This means that if a trigger is seen, but the peripheral is not
requesting a transfer, then that trigger will be ignored. This situation is illustrated in the
following figure.
DMA request
Peripheral request
Trigger
Figure 22-14. DMAMUX channel triggering: ignored trigger
This triggering capability may be used with any peripheral that supports DMA transfers,
and is most useful for two types of situations:
• Periodically polling external devices on a particular bus
As an example, the transmit side of an SPI is assigned to a DMA channel with a
trigger, as described above. After it has been set up, the SPI will request DMA
transfers, presumably from memory, as long as its transmit buffer is empty. By using
a trigger on this channel, the SPI transfers can be automatically performed every 5μs
(as an example). On the receive side of the SPI, the SPI and DMA can be configured
to transfer receive data into memory, effectively implementing a method to
periodically read data from external devices and transfer the results into memory
without processor intervention.
• Using the GPIO ports to drive or sample waveforms
Functional description
KL25 Sub-Family Reference Manual, Rev. 3, September 2012
342 Freescale Semiconductor, Inc.

By configuring the DMA to transfer data to one or more GPIO ports, it is possible to
create complex waveforms using tabular data stored in on-chip memory. Conversely,
using the DMA to periodically transfer data from one or more GPIO ports, it is
possible to sample complex waveforms and store the results in tabular form in on-
chip memory.
A more detailed description of the capability of each trigger, including resolution, range
of values, and so on, may be found in the periodic interrupt timer section.
22.4.2 DMA channels with no triggering capability
The other channels of the DMAMUX provide the normal routing functionality as
described in Modes of operation.
22.4.3 Always-enabled DMA sources
In addition to the peripherals that can be used as DMA sources, there are 6 additional
DMA sources that are always enabled. Unlike the peripheral DMA sources, where the
peripheral controls the flow of data during DMA transfers, the sources that are always
enabled provide no such "throttling" of the data transfers. These sources are most useful
in the following cases:
• Performing DMA transfers to/from GPIO—Moving data from/to one or more GPIO
pins, either unthrottled (that is as fast as possible), or periodically (using the DMA
triggering capability).
• Performing DMA transfers from memory to memory—Moving data from memory to
memory, typically as fast as possible, sometimes with software activation.
• Performing DMA transfers from memory to the external bus, or vice-versa—Similar
to memory to memory transfers, this is typically done as quickly as possible.
• Any DMA transfer that requires software activation—Any DMA transfer that should
be explicitly started by software.
In cases where software should initiate the start of a DMA transfer, an always-enabled
DMA source can be used to provide maximum flexibility. When activating a DMA
channel via software, subsequent executions of the minor loop require that a new start
event be sent. This can either be a new software activation, or a transfer request from the
DMA channel MUX. The options for doing this are:
• Transfer all data in a single minor loop.
Chapter 22 Direct Memory Access Multiplexer (DMAMUX)
KL25 Sub-Family Reference Manual, Rev. 3, September 2012
Freescale Semiconductor, Inc. 343

By configuring the DMA to transfer all of the data in a single minor loop (that is,
major loop counter = 1), no reactivation of the channel is necessary. The
disadvantage to this option is the reduced granularity in determining the load that the
DMA transfer will impose on the system. For this option, the DMA channel must be
disabled in the DMA channel MUX.
• Use explicit software reactivation.
In this option, the DMA is configured to transfer the data using both minor and major
loops, but the processor is required to reactivate the channel by writing to the DMA
registers after every minor loop. For this option, the DMA channel must be disabled
in the DMA channel MUX.
• Use an always-enabled DMA source.
In this option, the DMA is configured to transfer the data using both minor and major
loops, and the DMA channel MUX does the channel reactivation. For this option, the
DMA channel should be enabled and pointing to an "always enabled" source. Note
that the reactivation of the channel can be continuous (DMA triggering is disabled)
or can use the DMA triggering capability. In this manner, it is possible to execute
periodic transfers of packets of data from one source to another, without processor
intervention.
22.5 Initialization/application information
This section provides instructions for initializing the DMA channel MUX.
22.5.1 Reset
The reset state of each individual bit is shown in Memory map/register definition. In
summary, after reset, all channels are disabled and must be explicitly enabled before use.
22.5.2 Enabling and configuring sources
To enable a source with periodic triggering:
1. Determine with which DMA channel the source will be associated. Note that only the
first 2 DMA channels have periodic triggering capability.
2. Clear the CHCFG[ENBL] and CHCFG[TRIG] fields of the DMA channel.
Initialization/application information
KL25 Sub-Family Reference Manual, Rev. 3, September 2012
344 Freescale Semiconductor, Inc.

3. Ensure that the DMA channel is properly configured in the DMA. The DMA channel
may be enabled at this point.
4. Configure the corresponding timer.
5. Select the source to be routed to the DMA channel. Write to the corresponding
CHCFG register, ensuring that the CHCFG[ENBL] and CHCFG[TRIG] fields are
set.
NOTE
The following is an example. See chip configuration section for
the number of this device's DMA channels that have triggering
capability.
To configure source #5 transmit for use with DMA channel 2, with periodic triggering
capability:
1. Write 0x00 to CHCFG2 (base address + 0x02).
2. Configure channel 2 in the DMA, including enabling the channel.
3. Configure a timer for the desired trigger interval.
4. Write 0xC5 to CHCFG2 (base address + 0x02).
The following code example illustrates steps 1 and 4 above:
In File registers.h:
#define DMAMUX_BASE_ADDR 0xFC084000/* Example only ! */
/* Following example assumes char is 8-bits */
volatile unsigned char *CHCONFIG0 = (volatile unsigned char *) (DMAMUX_BASE_ADDR+0x0000);
volatile unsigned char *CHCONFIG1 = (volatile unsigned char *) (DMAMUX_BASE_ADDR+0x0001);
volatile unsigned char *CHCONFIG2 = (volatile unsigned char *) (DMAMUX_BASE_ADDR+0x0002);
volatile unsigned char *CHCONFIG3 = (volatile unsigned char *) (DMAMUX_BASE_ADDR+0x0003);
volatile unsigned char *CHCONFIG4 = (volatile unsigned char *) (DMAMUX_BASE_ADDR+0x0004);
volatile unsigned char *CHCONFIG5 = (volatile unsigned char *) (DMAMUX_BASE_ADDR+0x0005);
volatile unsigned char *CHCONFIG6 = (volatile unsigned char *) (DMAMUX_BASE_ADDR+0x0006);
volatile unsigned char *CHCONFIG7 = (volatile unsigned char *) (DMAMUX_BASE_ADDR+0x0007);
volatile unsigned char *CHCONFIG8 = (volatile unsigned char *) (DMAMUX_BASE_ADDR+0x0008);
volatile unsigned char *CHCONFIG9 = (volatile unsigned char *) (DMAMUX_BASE_ADDR+0x0009);
volatile unsigned char *CHCONFIG10= (volatile unsigned char *) (DMAMUX_BASE_ADDR+0x000A);
volatile unsigned char *CHCONFIG11= (volatile unsigned char *) (DMAMUX_BASE_ADDR+0x000B);
volatile unsigned char *CHCONFIG12= (volatile unsigned char *) (DMAMUX_BASE_ADDR+0x000C);
volatile unsigned char *CHCONFIG13= (volatile unsigned char *) (DMAMUX_BASE_ADDR+0x000D);
volatile unsigned char *CHCONFIG14= (volatile unsigned char *) (DMAMUX_BASE_ADDR+0x000E);
volatile unsigned char *CHCONFIG15= (volatile unsigned char *) (DMAMUX_BASE_ADDR+0x000F);
In File main.c:
#include "registers.h"
:
:
*CHCONFIG2 = 0x00;
*CHCONFIG2 = 0xC5;
To enable a source without periodic triggering:
1. Determine with which DMA channel the source will be associated. Note that only the
first 2 DMA channels have periodic triggering capability.
2. Clear the CHCFG[ENBL] and CHCFG[TRIG] fields of the DMA channel.
Chapter 22 Direct Memory Access Multiplexer (DMAMUX)
KL25 Sub-Family Reference Manual, Rev. 3, September 2012
Freescale Semiconductor, Inc. 345

3. Ensure that the DMA channel is properly configured in the DMA. The DMA channel
may be enabled at this point.
4. Select the source to be routed to the DMA channel. Write to the corresponding
CHCFG register, ensuring that CHCFG[ENBL] is set while CHCFG[TRIG] is
cleared.
NOTE
The following is an example. See chip configuration section for
the number of this device's DMA channels that have triggering
capability.
To configure source #5 transmit for use with DMA channel 2, with no periodic triggering
capability:
1. Write 0x00 to CHCFG2 (base address + 0x02).
2. Configure channel 2 in the DMA, including enabling the channel.
3. Write 0x85 to CHCFG2 (base address + 0x02).
The following code example illustrates steps 1 and 3 above:
In File registers.h:
#define DMAMUX_BASE_ADDR 0xFC084000/* Example only ! */
/* Following example assumes char is 8-bits */
volatile unsigned char *CHCONFIG0 = (volatile unsigned char *) (DMAMUX_BASE_ADDR+0x0000);
volatile unsigned char *CHCONFIG1 = (volatile unsigned char *) (DMAMUX_BASE_ADDR+0x0001);
volatile unsigned char *CHCONFIG2 = (volatile unsigned char *) (DMAMUX_BASE_ADDR+0x0002);
volatile unsigned char *CHCONFIG3 = (volatile unsigned char *) (DMAMUX_BASE_ADDR+0x0003);
volatile unsigned char *CHCONFIG4 = (volatile unsigned char *) (DMAMUX_BASE_ADDR+0x0004);
volatile unsigned char *CHCONFIG5 = (volatile unsigned char *) (DMAMUX_BASE_ADDR+0x0005);
volatile unsigned char *CHCONFIG6 = (volatile unsigned char *) (DMAMUX_BASE_ADDR+0x0006);
volatile unsigned char *CHCONFIG7 = (volatile unsigned char *) (DMAMUX_BASE_ADDR+0x0007);
volatile unsigned char *CHCONFIG8 = (volatile unsigned char *) (DMAMUX_BASE_ADDR+0x0008);
volatile unsigned char *CHCONFIG9 = (volatile unsigned char *) (DMAMUX_BASE_ADDR+0x0009);
volatile unsigned char *CHCONFIG10= (volatile unsigned char *) (DMAMUX_BASE_ADDR+0x000A);
volatile unsigned char *CHCONFIG11= (volatile unsigned char *) (DMAMUX_BASE_ADDR+0x000B);
volatile unsigned char *CHCONFIG12= (volatile unsigned char *) (DMAMUX_BASE_ADDR+0x000C);
volatile unsigned char *CHCONFIG13= (volatile unsigned char *) (DMAMUX_BASE_ADDR+0x000D);
volatile unsigned char *CHCONFIG14= (volatile unsigned char *) (DMAMUX_BASE_ADDR+0x000E);
volatile unsigned char *CHCONFIG15= (volatile unsigned char *) (DMAMUX_BASE_ADDR+0x000F);
In File main.c:
#include "registers.h"
:
:
*CHCONFIG2 = 0x00;
*CHCONFIG2 = 0x85;
To disable a source:
A particular DMA source may be disabled by not writing the corresponding source value
into any of the CHCFG registers. Additionally, some module-specific configuration may
be necessary. See the appropriate section for more details.
To switch the source of a DMA channel:
Initialization/application information
KL25 Sub-Family Reference Manual, Rev. 3, September 2012
346 Freescale Semiconductor, Inc.

1. Disable the DMA channel in the DMA and re-configure the channel for the new
source.
2. Clear the CHCFG[ENBL] and CHCFG[TRIG] bits of the DMA channel.
3. Select the source to be routed to the DMA channel. Write to the corresponding
CHCFG register, ensuring that the CHCFG[ENBL] and CHCFG[TRIG] fields are
set.
To switch DMA channel 8 from source #5 transmit to source #7 transmit:
1. In the DMA configuration registers, disable DMA channel 8 and reconfigure it to
handle the transfers to peripheral slot 7. This example assumes channel 8 doesn't
have triggering capability.
2. Write 0x00 to CHCFG8 (base address + 0x08).
3. Write 0x87 to CHCFG8 (base address + 0x08). (In this example, setting
CHCFG[TRIG] would have no effect, due to the assumption that channel 8 does not
support the periodic triggering functionality).
The following code example illustrates steps 2 and 3 above:
In File registers.h:
#define DMAMUX_BASE_ADDR 0xFC084000/* Example only ! */
/* Following example assumes char is 8-bits */
volatile unsigned char *CHCONFIG0 = (volatile unsigned char *) (DMAMUX_BASE_ADDR+0x0000);
volatile unsigned char *CHCONFIG1 = (volatile unsigned char *) (DMAMUX_BASE_ADDR+0x0001);
volatile unsigned char *CHCONFIG2 = (volatile unsigned char *) (DMAMUX_BASE_ADDR+0x0002);
volatile unsigned char *CHCONFIG3 = (volatile unsigned char *) (DMAMUX_BASE_ADDR+0x0003);
volatile unsigned char *CHCONFIG4 = (volatile unsigned char *) (DMAMUX_BASE_ADDR+0x0004);
volatile unsigned char *CHCONFIG5 = (volatile unsigned char *) (DMAMUX_BASE_ADDR+0x0005);
volatile unsigned char *CHCONFIG6 = (volatile unsigned char *) (DMAMUX_BASE_ADDR+0x0006);
volatile unsigned char *CHCONFIG7 = (volatile unsigned char *) (DMAMUX_BASE_ADDR+0x0007);
volatile unsigned char *CHCONFIG8 = (volatile unsigned char *) (DMAMUX_BASE_ADDR+0x0008);
volatile unsigned char *CHCONFIG9 = (volatile unsigned char *) (DMAMUX_BASE_ADDR+0x0009);
volatile unsigned char *CHCONFIG10= (volatile unsigned char *) (DMAMUX_BASE_ADDR+0x000A);
volatile unsigned char *CHCONFIG11= (volatile unsigned char *) (DMAMUX_BASE_ADDR+0x000B);
volatile unsigned char *CHCONFIG12= (volatile unsigned char *) (DMAMUX_BASE_ADDR+0x000C);
volatile unsigned char *CHCONFIG13= (volatile unsigned char *) (DMAMUX_BASE_ADDR+0x000D);
volatile unsigned char *CHCONFIG14= (volatile unsigned char *) (DMAMUX_BASE_ADDR+0x000E);
volatile unsigned char *CHCONFIG15= (volatile unsigned char *) (DMAMUX_BASE_ADDR+0x000F);
In File main.c:
#include "registers.h"
:
:
*CHCONFIG8 = 0x00;
*CHCONFIG8 = 0x87;
Chapter 22 Direct Memory Access Multiplexer (DMAMUX)
KL25 Sub-Family Reference Manual, Rev. 3, September 2012
Freescale Semiconductor, Inc. 347

Initialization/application information
KL25 Sub-Family Reference Manual, Rev. 3, September 2012
348 Freescale Semiconductor, Inc.

Chapter 23
DMA Controller Module
23.1 Introduction
NOTE
For the chip-specific implementation details of this module's
instances see the chip configuration information.
This chapter describes the direct memory access (DMA) controller module. It provides an
overview of the module and describes in detail its signals and programming model. The
latter sections of this chapter describe operations, features, and supported data transfer
modes in detail.
Note
The designation n is used throughout this section to refer to
registers or signals associated with one of the four identical
DMA channels: DMA0, DMA1, DMA2, or DMA3.
23.1.1 Overview
The DMA controller module enables fast transfers of data, providing an efficient way to
move blocks of data with minimal processor interaction. The DMA module, shown in the
following figure, has four channels that allow 8-bit, 16-bit, or 32-bit data transfers. Each
channel has a dedicated source address register (SARn), destination address register
(DARn), status register (DSRn), byte count register (BCRn), and control register
(DCRn). Collectively, the combined program-visible registers associated with each
channel define a transfer control descriptor (TCD). All transfers are dual address, moving
data from a source memory location to a destination memory location with the module
operating as a 32-bit bus master connected to the system bus. The programming model is
accessed through a 32-bit connection with the slave peripheral bus. DMA data transfers
may be explicitly initiated by software or by peripheral hardware requests.
KL25 Sub-Family Reference Manual, Rev. 3, September 2012
Freescale Semiconductor, Inc. 349

The following figure is a simplified block diagram of the 4-channel DMA controller.
SAR0
DAR0
DSR0
BCR0
DCR0
Channel 0
SAR1
DAR1
DSR1
BCR1
DCR1
Channel 1
SAR2
DAR2
DSR2
BCR2
DCR2
Channel 2
SAR3
DAR3
DSR3
BCR3
DCR3
Channel 3
DREQ2 DACK3
DREQ0 DREQ1
Data Path
DREQ3
Addr + Attr
Interrupts
Phase Bus Signals
Current Master Attributes
Write Data Bus
Read Data Bus
System Bus Address
System Bus Size
SysBus Interface
MUX
SysBus Interface
Registered Addr
DACK2DACK1DACK0
Slave
Peripheral Bus
Channel
Requests
Channel
Enables
Channel
Attributes
MUX
Control
Arbitraton/
Control
Data Path
Control
Figure 23-1. 4-Channel DMA Block Diagram
The terms peripheral request and DREQ refer to a DMA request from one of the on-chip
peripherals or package pins. The DMA provides hardware handshake signals: either a
DMA acknowledge (DACK) or a done indicator back to the peripheral.
23.1.2 Features
The DMA controller module features:
• Four independently programmable DMA controller channels
• Dual-address transfers via 32-bit master connection to the system bus
• Data transfers in 8-, 16-, or 32-bit blocks
Introduction
KL25 Sub-Family Reference Manual, Rev. 3, September 2012
350 Freescale Semiconductor, Inc.

• Continuous-mode or cycle-steal transfers from software or peripheral initiation
• Automatic hardware acknowledge/done indicator from each channel
• Independent source and destination address registers
• Optional modulo addressing and automatic updates of source and destination
addresses
• Independent transfer sizes for source and destination
• Optional auto-alignment feature for source or destination accesses
• Optional automatic single or double channel linking
• Programming model accessed via 32-bit slave peripheral bus
• Channel arbitration on transfer boundaries using fixed priority scheme
23.2 DMA Transfer Overview
The DMA module can move data within system memory (including memory and
peripheral devices) with minimal processor intervention, greatly improving overall
system performance. The DMA module consists of four independent, functionally
equivalent channels, so references to DMA in this chapter apply to any of the channels. It
is not possible to address all four channels at once.
As soon as a channel has been initialized, it may be started by setting DCRn[START] or
a properly-selected peripheral DMA request, depending on the status of DCRn[ERQ].
The DMA controller supports dual-address transfers using its bus master connection to
the system bus. The DMA channels support transfers up to 32 data bits in size and have
the same memory map addressibility as the processor.
• Dual-address transfers—A dual-address transfer consists of a read followed by a
write and is initiated by a request using the DCRn[START] bit or by a peripheral
DMA request. The read data is temporarily held in the DMA channel hardware until
the write operation. Two types of single transfers occur: a read from a source address
followed by a write to a destination address. See the following figure.
Chapter 23 DMA Controller Module
KL25 Sub-Family Reference Manual, Rev. 3, September 2012
Freescale Semiconductor, Inc. 351

Control and Data
Write
Read
DMA
Memory/
Peripheral
Memory/
Peripheral
Control and Data
Figure 23-2. Dual-Address Transfer
Any operation involving a DMA channel follows the same three steps:
1. Channel initialization—The transfer control descriptor, contained in the channel
registers, is loaded with address pointers, a byte-transfer count, and control
information using accesses from the slave peripheral bus.
2. Data transfer—The DMA accepts requests for data transfers. Upon receipt of a
request, it provides address and bus control for the transfers via its master connection
to the system bus and temporary storage for the read data. The channel performs one
or more source read and destination write data transfers.
3. Channel termination—Occurs after the operation is finished successfully or due to an
error. The channel indicates the operation status in the channel's DSR, described in
the definitions of the DMA Status Registers (DSRn) and Byte Count Registers
(BCRn).
Memory Map and Registers
Descriptions of each register and its bit assignments follow. Modifying DMA control
registers during a transfer can result in undefined operation. The following table shows
the mapping of DMA controller registers. The DMA programming model is accessed via
the slave peripheral bus. The concatenation of the source and destination address
registers, the status and byte count register, and the control register create a 128-bit
transfer control descriptor (TCD) that defines the operation of each DMA channel.
23.3
Memory Map and Registers
KL25 Sub-Family Reference Manual, Rev. 3, September 2012
352 Freescale Semiconductor, Inc.

DMA memory map
Absolute
address
(hex)
Register name Width
(in bits) Access Reset value Section/
page
4000_8100 Source Address Register (DMA_SAR0) 32 R/W 0000_0000h 23.3.1/353
4000_8104 Destination Address Register (DMA_DAR0) 32 R/W 0000_0000h 23.3.2/354
4000_8108 DMA Status Register / Byte Count Register
(DMA_DSR_BCR0) 32 R/W 0000_0000h 23.3.3/355
4000_810C DMA Control Register (DMA_DCR0) 32 R/W 0000_0000h 23.3.4/357
4000_8110 Source Address Register (DMA_SAR1) 32 R/W 0000_0000h 23.3.1/353
4000_8114 Destination Address Register (DMA_DAR1) 32 R/W 0000_0000h 23.3.2/354
4000_8118 DMA Status Register / Byte Count Register
(DMA_DSR_BCR1) 32 R/W 0000_0000h 23.3.3/355
4000_811C DMA Control Register (DMA_DCR1) 32 R/W 0000_0000h 23.3.4/357
4000_8120 Source Address Register (DMA_SAR2) 32 R/W 0000_0000h 23.3.1/353
4000_8124 Destination Address Register (DMA_DAR2) 32 R/W 0000_0000h 23.3.2/354
4000_8128 DMA Status Register / Byte Count Register
(DMA_DSR_BCR2) 32 R/W 0000_0000h 23.3.3/355
4000_812C DMA Control Register (DMA_DCR2) 32 R/W 0000_0000h 23.3.4/357
4000_8130 Source Address Register (DMA_SAR3) 32 R/W 0000_0000h 23.3.1/353
4000_8134 Destination Address Register (DMA_DAR3) 32 R/W 0000_0000h 23.3.2/354
4000_8138 DMA Status Register / Byte Count Register
(DMA_DSR_BCR3) 32 R/W 0000_0000h 23.3.3/355
4000_813C DMA Control Register (DMA_DCR3) 32 R/W 0000_0000h 23.3.4/357
23.3.1 Source Address Register (DMA_SARn)
Restriction
For this register:
• Only 32-bit writes are allowed. 16-bit and 8-bit writes
result in a bus error.
• Only four values are allowed to be written to bits 31-20 of
this register. A write of any other value to these bits causes
a configuration error when the channel starts to execute.
For more information about the configuration error, see the
description of the CE field of DSR.
Address: 4000_8000h base + 100h offset + (16d × i), where i=0d to 3d
Bit 31 30 29 28 27 26 25 24 23 22 21 20 19 18 17 16 15 14 13 12 11 10 9 8 7 6 5 4 3 2 1 0
RSAR
W
Reset 0 0 0 0 0 0 0 0 0 0 0 0 0 0 0 0 0 0 0 0 0 0 0 0 0 0 0 0 0 0 0 0
Chapter 23 DMA Controller Module
KL25 Sub-Family Reference Manual, Rev. 3, September 2012
Freescale Semiconductor, Inc. 353

DMA_SARn field descriptions
Field Description
31–0
SAR
Each SAR contains the byte address used by the DMA controller to read data. The SARn is typically
aligned on a 0-modulo-ssize boundary—that is, on the natural alignment of the source data.
Restriction: Bits 31-20 of this register must be written with one of only four allowed values. Each of
these four allowed values corresponds to a valid region of the device's memory map. The
allowed values are:
• 0x000x_xxxx
• 0x1FFx_xxxx
• 0x200x_xxxx
• 0x400x_xxxx
After being written with one of the allowed values, bits 31-20 read back as the written value.
After being written with any other value, bits 31-20 read back as an indeterminate value.
23.3.2 Destination Address Register (DMA_DARn)
Restriction
For this register:
• Only 32-bit writes are allowed. 16-bit and 8-bit writes
result in a bus error.
• Only four values are allowed to be written to bits 31-20 of
this register. A write of any other value to these bits causes
a configuration error when the channel starts to execute.
For more information about the configuration error, see the
description of the CE field of DSR.
Address: 4000_8000h base + 104h offset + (16d × i), where i=0d to 3d
Bit 31 30 29 28 27 26 25 24 23 22 21 20 19 18 17 16 15 14 13 12 11 10 9 8 7 6 5 4 3 2 1 0
RDAR
W
Reset 0 0 0 0 0 0 0 0 0 0 0 0 0 0 0 0 0 0 0 0 0 0 0 0 0 0 0 0 0 0 0 0
DMA_DARn field descriptions
Field Description
31–0
DAR
Each DAR contains the byte address used by the DMA controller to write data. The DARn is typically
aligned on a 0-modulo-dsize boundary—that is, on the natural alignment of the destination data.
Restriction: Bits 31-20 of this register must be written with one of only four allowed values. Each of
these four allowed values corresponds to a valid region of the device's memory map. The
allowed values are:
• 0x000x_xxxx
• 0x1FFx_xxxx
• 0x200x_xxxx
• 0x400x_xxxx
Memory Map and Registers
KL25 Sub-Family Reference Manual, Rev. 3, September 2012
354 Freescale Semiconductor, Inc.

DMA_DARn field descriptions (continued)
Field Description
After being written with one of the allowed values, bits 31-20 read back as the written value.
After being written with any other value, bits 31-20 read back as an indeterminate value.
23.3.3 DMA Status Register / Byte Count Register (DMA_DSR_BCRn)
DSR and BCR are two logical registers that occupy one 32-bit address. DSRn occupies
bits 31–24, and BCRn occupies bits 23–0. DSRn contains flags indicating the channel
status, and BCRn contains the number of bytes yet to be transferred for a given block.
On the successful completion of the write transfer, BCRn decrements by 1, 2, or 4 for 8-
bit, 16-bit, or 32-bit accesses, respectively. BCRn is cleared if a 1 is written to
DSR[DONE].
In response to an event, the DMA controller writes to the appropriate DSRn bit. Only a
write to DSRn[DONE] results in action. DSRn[DONE] is set when the block transfer is
complete.
When a transfer sequence is initiated and BCRn[BCR] is not a multiple of 4 or 2 when
the DMA is configured for 32-bit or 16-bit transfers, respectively, DSRn[CE] is set and
no transfer occurs.
Address: 4000_8000h base + 108h offset + (16d × i), where i=0d to 3d
Bit 31 30 29 28 27 26 25 24 23 22 21 20 19 18 17 16
R0 CE BES BED 0
REQ
BSY
DONE
BCR
Ww1c
Reset 0 0 0 0 0 0 0 0 0 0 0 0 0 0 0 0
Bit 15 14 13 12 11 10 9 8 7 6 5 4 3 2 1 0
R
BCR
W
Reset 0 0 0 0 0 0 0 0 0 0 0 0 0 0 0 0
Chapter 23 DMA Controller Module
KL25 Sub-Family Reference Manual, Rev. 3, September 2012
Freescale Semiconductor, Inc. 355

DMA_DSR_BCRn field descriptions
Field Description
31
Reserved
This field is reserved.
This read-only field is reserved and always has the value 0.
30
CE
Configuration error
Any of the following conditions causes a configuration error:
• BCR, SAR, or DAR does not match the requested transfer size.
• A value greater than 0F_FFFFh is written to BCR.
• Bits 31-20 of SAR or DAR are written with a value other than one of the allowed values. See SAR
and DAR.
• SSIZE or DSIZE is set to an unsupported value.
• BCR equals 0 when the DMA receives a start condition.
CE is cleared at hardware reset or by writing a 1 to the DONE bit.
0 No configuration error exists.
1 A configuration error has occurred.
29
BES
Bus error on source
BES is cleared at hardware reset or by writing a 1 to the DONE bit.
0 No bus error occurred.
1 The DMA channel terminated with a bus error during the read portion of a transfer.
28
BED
Bus error on destination
BED is cleared at hardware reset or by writing a 1 to the DONE bit.
0 No bus error occurred.
1 The DMA channel terminated with a bus error during the write portion of a transfer.
27
Reserved
This field is reserved.
This read-only field is reserved and always has the value 0.
26
REQ
Request
0 No request is pending or the channel is currently active. Cleared when the channel is selected.
1 The DMA channel has a transfer remaining and the channel is not selected.
25
BSY
Busy
0 DMA channel is inactive. Cleared when the DMA has finished the last transaction.
1 BSY is set the first time the channel is enabled after a transfer is initiated.
24
DONE
Transactions done
Set when all DMA controller transactions complete as determined by transfer count, or based on error
conditions. When BCR reaches zero, DONE is set when the final transfer completes successfully. DONE
can also be used to abort a transfer by resetting the status bits. When a transfer completes, software must
clear DONE before reprogramming the DMA.
0 DMA transfer is not yet complete. Writing a 0 has no effect.
1 DMA transfer completed. Writing a 1 to this bit clears all DMA status bits and should be used in an
interrupt service routine to clear the DMA interrupt and error bits.
23–0
BCR
This field contains the number of bytes yet to be transferred for a given block.
Restriction: BCR must be written with a value equal to or less than 0F_FFFFh. After being written with a
value in this range, bits 23-20 of BCR read back as 1110b. A write to BCR of a value
Table continues on the next page...
Memory Map and Registers
KL25 Sub-Family Reference Manual, Rev. 3, September 2012
356 Freescale Semiconductor, Inc.

DMA_DSR_BCRn field descriptions (continued)
Field Description
greater than 0F_FFFFh causes a configuration error when the channel starts to execute.
After being written with a value in this range, bits 23-20 of BCR read back as 1111b.
23.3.4 DMA Control Register (DMA_DCRn)
Address: 4000_8000h base + 10Ch offset + (16d × i), where i=0d to 3d
Bit 31 30 29 28 27 26 25 24 23 22 21 20 19 18 17 16
R
EINT ERQ CS AA
0
Reserved
EADREQ
SINC SSIZE DINC DSIZE
0
W
START
Reset 0 0 0 0 0 0 0 0 0 0 0 0 0 0 0 0
Bit 15 14 13 12 11 10 9 8 7 6 5 4 3 2 1 0
R
SMOD DMOD
D_REQ
0
LINKCC LCH1 LCH2
W
Reset 0 0 0 0 0 0 0 0 0 0 0 0 0 0 0 0
DMA_DCRn field descriptions
Field Description
31
EINT
Enable interrupt on completion of transfer
Determines whether an interrupt is generated by completing a transfer or by the occurrence of an error
condition.
0 No interrupt is generated.
1 Interrupt signal is enabled.
30
ERQ
Enable peripheral request
CAUTION: Be careful: a collision can occur between the START bit and D_REQ when the ERQ bit is 1.
0 Peripheral request is ignored.
1 Enables peripheral request to initiate transfer. A software-initiated request (setting the START bit) is
always enabled.
Table continues on the next page...
Chapter 23 DMA Controller Module
KL25 Sub-Family Reference Manual, Rev. 3, September 2012
Freescale Semiconductor, Inc. 357

DMA_DCRn field descriptions (continued)
Field Description
29
CS
Cycle steal
0 DMA continuously makes read/write transfers until the BCR decrements to 0.
1 Forces a single read/write transfer per request.
28
AA
Auto-align
AA and SIZE bits determine whether the source or destination is auto-aligned; that is, transfers are
optimized based on the address and size.
0 Auto-align disabled
1 If SSIZE indicates a transfer no smaller than DSIZE, source accesses are auto-aligned; otherwise,
destination accesses are auto-aligned. Source alignment takes precedence over destination
alignment. If auto-alignment is enabled, the appropriate address register increments, regardless of
DINC or SINC.
27–25
Reserved
This field is reserved.
This read-only field is reserved and always has the value 0.
24
Reserved
This field is reserved.
CAUTION: Must be written as zero; otherwise, undefined behavior results.
23
EADREQ
Enable asynchronous DMA requests
Enables the channel to support asynchronous DREQs while the MCU is in Stop mode.
0 Disabled
1 Enabled
22
SINC
Source increment
Controls whether the source address increments after each successful transfer.
0 No change to SAR after a successful transfer.
1 The SAR increments by 1, 2, 4 as determined by the transfer size.
21–20
SSIZE
Source size
Determines the data size of the source bus cycle for the DMA controller.
00 32-bit
01 8-bit
10 16-bit
11 Reserved (generates a configuration error (DSRn[CE]) if incorrectly specified at time of channel
activation)
19
DINC
Destination increment
Controls whether the destination address increments after each successful transfer.
0 No change to the DAR after a successful transfer.
1 The DAR increments by 1, 2, 4 depending upon the size of the transfer.
18–17
DSIZE
Destination size
Determines the data size of the destination bus cycle for the DMA controller.
00 32-bit
01 8-bit
Table continues on the next page...
Memory Map and Registers
KL25 Sub-Family Reference Manual, Rev. 3, September 2012
358 Freescale Semiconductor, Inc.

DMA_DCRn field descriptions (continued)
Field Description
10 16-bit
11 Reserved (generates a configuration error (DSRn[CE]) if incorrectly specified at time of channel
activation)
16
START
Start transfer
0 DMA inactive
1 The DMA begins the transfer in accordance to the values in the TCDn. START is cleared
automatically after one module clock and always reads as logic 0.
15–12
SMOD
Source address modulo
Defines the size of the source data circular buffer used by the DMA Controller. If enabled (SMOD is non-
zero), the buffer base address is located on a boundary of the buffer size. The value of this boundary is
based upon the initial source address (SAR). The base address should be aligned to a 0-modulo-(circular
buffer size) boundary. Misaligned buffers are not possible. The boundary is forced to the value determined
by the upper address bits in the field selection.
0000 Buffer disabled
0001 Circular buffer size is 16 bytes
0010 Circular buffer size is 32 bytes
0011 Circular buffer size is 64 bytes
0100 Circular buffer size is 128 bytes
0101 Circular buffer size is 256 bytes
0110 Circular buffer size is 512 bytes
0111 Circular buffer size is 1 KB
1000 Circular buffer size is 2 KB
1001 Circular buffer size is 4 KB
1010 Circular buffer size is 8 KB
1011 Circular buffer size is 16 KB
1100 Circular buffer size is 32 KB
1101 Circular buffer size is 64 KB
1110 Circular buffer size is 128 KB
1111 Circular buffer size is 256 KB
11–8
DMOD
Destination address modulo
Defines the size of the destination data circular buffer used by the DMA Controller. If enabled (DMOD
value is non-zero), the buffer base address is located on a boundary of the buffer size. The value of this
boundary depends on the initial destination address (DAR). The base address should be aligned to a 0-
modulo-(circular buffer size) boundary. Misaligned buffers are not possible. The boundary is forced to the
value determined by the upper address bits in the field selection.
0000 Buffer disabled
0001 Circular buffer size is 16 bytes
0010 Circular buffer size is 32 bytes
0011 Circular buffer size is 64 bytes
0100 Circular buffer size is 128 bytes
0101 Circular buffer size is 256 bytes
0110 Circular buffer size is 512 bytes
0111 Circular buffer size is 1 KB
1000 Circular buffer size is 2 KB
1001 Circular buffer size is 4 KB
Table continues on the next page...
Chapter 23 DMA Controller Module
KL25 Sub-Family Reference Manual, Rev. 3, September 2012
Freescale Semiconductor, Inc. 359

DMA_DCRn field descriptions (continued)
Field Description
1010 Circular buffer size is 8 KB
1011 Circular buffer size is 16 KB
1100 Circular buffer size is 32 KB
1101 Circular buffer size is 64 KB
1110 Circular buffer size is 128 KB
1111 Circular buffer size is 256 KB
7
D_REQ
Disable request
DMA hardware automatically clears the corresponding DCRn[ERQ] bit when the byte count register
reaches zero.
0 ERQ bit is not affected.
1 ERQ bit is cleared when the BCR is exhausted.
6
Reserved
This field is reserved.
This read-only field is reserved and always has the value 0.
5–4
LINKCC
Link channel control
Allows DMA channels to have their transfers linked. The current DMA channel triggers a DMA request to
the linked channels (LCH1 or LCH2) depending on the condition described by the LINKCC bits.
If not in cycle steal mode (DCRn[CS]=0) and LINKCC equals 01 or 10, no link to LCH1 occurs.
If LINKCC equals 01, a link to LCH1 is created after each cycle-steal transfer performed by the current
DMA channel is completed. As the last cycle-steal is performed and the BCR reaches zero, then the link to
LCH1 is closed and a link to LCH2 is created.
00 No channel-to-channel linking
01 Perform a link to channel LCH1 after each cycle-steal transfer followed by a link to LCH2 after the
BCR decrements to zero
10 Perform a link to channel LCH1 after each cycle-steal transfer
11 Perform a link to channel LCH1 after the BCR decrements to zero
3–2
LCH1
Link channel 1
Indicates the DMA channel assigned as link channel 1. The link channel number cannot be the same as
the currently executing channel, and generates a configuration error if this is attempted (DSRn[CE] is set).
00 DMA Channel 0
01 DMA Channel 1
10 DMA Channel 2
11 DMA Channel 3
1–0
LCH2
Link channel 2
Indicates the DMA channel assigned as link channel 2. The link channel number cannot be the same as
the currently executing channel, and generates a configuration error if this is attempted (DSRn[CE] is set).
00 DMA Channel 0
01 DMA Channel 1
10 DMA Channel 2
11 DMA Channel 3
Memory Map and Registers
KL25 Sub-Family Reference Manual, Rev. 3, September 2012
360 Freescale Semiconductor, Inc.

23.4 Functional Description
In the following discussion, the term DMA request implies that DCRn[START] is set, or
DCRn[ERQ] is set and then followed by assertion of the properly selected DMA
peripheral request. The START bit is cleared when the channel is activated.
Before initiating a dual-address access, the DMA module verifies that DCRn[SSIZE] and
DCRn[DSIZE] are consistent with the source and destination addresses. If they are not
consistent, the configuration error bit, DSRn[CE], is set. If misalignment is detected, no
transfer occurs, DSRn[CE] is set, and, depending on the DCR configuration, an interrupt
event may be issued. If the auto-align bit, DCRn[AA], is set, error checking is performed
on the appropriate registers.
A read/write transfer sequence reads data from the source address and writes it to the
destination address. The number of bytes transferred is the largest of the sizes specified
by DCRn[SSIZE] and DCRn[DSIZE] in the DMA Control Registers (DCRn).
Source and destination address registers (SARn and DARn) can be programmed in the
DCRn to increment at the completion of a successful transfer.
23.4.1 Transfer Requests (Cycle-Steal and Continuous Modes)
The DMA channel supports software-initiated or peripheral-initiated requests. A request
is issued by setting DCRn[START] or when the selected peripheral request asserts and
DCRn[ERQ] is set. Setting DCRn[ERQ] enables recognition of the peripheral DMA
requests. Selecting between cycle-steal and continuous modes minimizes bus usage for
either type of request.
• Cycle-steal mode (DCRn[CS] = 1)—Only one complete transfer from source to
destination occurs for each request. If DCRn[ERQ] is set, the request is peripheral
initiated. A software-initiated request is enabled by setting DCRn[START].
• Continuous mode (DCRn[CS] = 0)—After a software-initiated or peripheral request,
the DMA continuously transfers data until BCRn reaches zero. The DMA performs
the specified number of transfers, then retires the channel.
In either mode, the crossbar switch performs independent arbitration on each slave port
after each transaction.
Chapter 23 DMA Controller Module
KL25 Sub-Family Reference Manual, Rev. 3, September 2012
Freescale Semiconductor, Inc. 361

23.4.2 Channel Initialization and Startup
Before a data transfer starts, the channel's transfer control descriptor must be initialized
with information describing configuration, request-generation method, and pointers to the
data to be moved.
23.4.2.1 Channel Prioritization
The four DMA channels are prioritized based on number, with channel 0 having highest
priority and channel 3 having the lowest, that is, channel 0 > channel 1 > channel 2 >
channel 3.
Simultaneous peripheral requests activate the channels based on this priority order. Once
activated, a channel runs to completion as defined by DCRn[CS] and BCRn.
23.4.2.2 Programming the DMA Controller Module
CAUTION
During a channel's execution, writes to programming model
registers can corrupt the data transfer. The DMA module itself
does not have a mechanism to prevent writes to registers during
a channel's execution.
General guidelines for programming the DMA are:
• TCDn is initialized.
• SARn is loaded with the source (read) address. If the transfer is from a
peripheral device to memory or to another peripheral, the source address is the
location of the peripheral data register. If the transfer is from memory to a
peripheral device or to memory, the source address is the starting address of the
data block. This can be any appropriately aligned address.
• DARn is initialized with the destination (write) address. If the transfer is from a
peripheral device to memory, or from memory to memory, DARn is loaded with
the starting address of the data block to be written. If the transfer is from
memory to a peripheral device, or from a peripheral device to a peripheral
device, DARn is loaded with the address of the peripheral data register. This
address can be any appropriately aligned address.
Functional Description
KL25 Sub-Family Reference Manual, Rev. 3, September 2012
362 Freescale Semiconductor, Inc.

• SARn and DARn change after each data transfer depending on DCRn[SSIZE,
DSIZE, SINC, DINC, SMOD, DMOD] and the starting addresses. Increment
values can be 1, 2, or 4 for 8-bit, 16-bit, or 32-bit transfers, respectively. If the
address register is programmed to remain unchanged, the register is not
incremented after the data transfer.
• BCRn[BCR] must be loaded with the total number of bytes to be transferred. It
is decremented by 1, 2, or 4 at the end of each transfer, depending on the transfer
size. DSRn[DONE] must be cleared for channel startup.
• After the channel has been initialized, it may be started by setting DCRn[START] or
a properly selected peripheral DMA request, depending on the status of
DCRn[ERQ]. For a software-initiated transfer, the channel can be started by setting
DCRn[START] as part of a single 32-bit write to the last 32 bits of the TCDn; that is,
it is not required to write the DCRn with START cleared and then perform a second
write to explicitly set START.
• Programming the channel for a software-initiated request causes the channel to
request the system bus and start transferring data immediately. If the channel is
programmed for peripheral-initiated request, a properly selected peripheral DMA
request must be asserted before the channel begins the system bus transfers.
• The hardware can automatically clear DCRn[ERQ], disabling the peripheral request,
when BCRn reaches zero by setting DCRn[D_REQ].
• Changes to DCRn are effective immediately while the channel is active. To avoid
problems with changing a DMA channel setup, write a one to DSRn[DONE] to stop
the DMA channel.
23.4.3 Dual-Address Data Transfer Mode
Each channel supports dual-address transfers. Dual-address transfers consist of a source
data read and a destination data write. The DMA controller module begins a dual-address
transfer sequence after a DMA request. If no error condition exists, DSRn[REQ] is set.
• Dual-address read—The DMA controller drives the SARn value onto the system
address bus. If DCRn[SINC] is set, the SARn increments by the appropriate number
of bytes upon a successful read cycle. When the appropriate number of read cycles
complete (multiple reads if the destination size is larger than the source), the DMA
initiates the write portion of the transfer.
If a termination error occurs, DSRn[BES, DONE] are set and DMA transactions stop.
Chapter 23 DMA Controller Module
KL25 Sub-Family Reference Manual, Rev. 3, September 2012
Freescale Semiconductor, Inc. 363

• Dual-address write—The DMA controller drives the DARn value onto the system
address bus. When the appropriate number of write cycles complete (multiple writes
if the source size is larger than the destination), DARn increments by the appropriate
number of bytes if DCRn[DINC] is set. BCRn decrements by the appropriate number
of bytes. DSRn[DONE] is set when BCRn reaches zero. If the BCRn is greater than
zero, another read/write transfer is initiated if continuous mode is enabled
(DCRn[CS] = 0).
If a termination error occurs, DSRn[BED, DONE] are set and DMA transactions
stop.
23.4.4 Advanced Data Transfer Controls: Auto-Alignment
Typically, auto-alignment for DMA transfers applies for transfers of large blocks of data.
As a result, it does not apply for peripheral-initiated cycle-steal transfers.
Auto-alignment allows block transfers to occur at the optimal size based on the address,
byte count, and programmed size. To use this feature, DCRn[AA] must be set. The
source is auto-aligned if DCRn[SSIZE] indicates a transfer size larger than
DCRn[DSIZE]. Source alignment takes precedence over the destination when the source
and destination sizes are equal. Otherwise, the destination is auto-aligned. The address
register chosen for alignment increments regardless of the increment value. Configuration
error checking is performed on registers not chosen for alignment.
If BCRn is greater than 16, the address determines transfer size. Transfers of 8 bits, 16
bits, or 32 bits are transferred until the address is aligned to the programmed size
boundary, at which time accesses begin using the programmed size. If BCRn is less than
16 at the start of a transfer, the number of bytes remaining dictates transfer size.
Consider this example:
• AA equals 1.
• SARn equals 0x2000_0001.
• BCRn equals 0x00_00F0.
• SSIZE equals 00 (32 bits).
• DSIZE equals 01 (8 bits).
Because SSIZE > DSIZE, the source is auto-aligned. Error checking is performed on
destination registers. The access sequence is as follows:
1. Read 1 byte from 0x2000_0001, increment SARn, write 1 byte (using DARn).
2. Read 2 bytes from 0x2000_0002, increment SARn, write 2 bytes.
Functional Description
KL25 Sub-Family Reference Manual, Rev. 3, September 2012
364 Freescale Semiconductor, Inc.

3. Read 4 bytes from 0x2000_0004, increment SARn, write 4 bytes.
4. Repeat 4-byte operations until SARn equals 0x2000_00F0.
5. Read byte from 0x2000_00F0, increment SARn, write byte.
If DSIZE is another size, data writes are optimized to write the largest size allowed based
on the address, but not exceeding the configured size.
23.4.5 Termination
An unsuccessful transfer can terminate for one of the following reasons:
• Error conditions—When the DMA encounters a read or write cycle that terminates
with an error condition, DSRn[BES] is set for a read and DSRn[BED] is set for a
write before the transfer is halted. If the error occurred in a write cycle, data in the
internal holding registers is lost.
• Interrupts—If DCRn[EINT] is set, the DMA drives the appropriate interrupt request
signal. The processor can read DSRn to determine whether the transfer terminated
successfully or with an error. DSRn[DONE] is then written with a one to clear the
interrupt, the DONE, and error status bits.
Chapter 23 DMA Controller Module
KL25 Sub-Family Reference Manual, Rev. 3, September 2012
Freescale Semiconductor, Inc. 365

Functional Description
KL25 Sub-Family Reference Manual, Rev. 3, September 2012
366 Freescale Semiconductor, Inc.

Chapter 24
Multipurpose Clock Generator (MCG)
24.1 Introduction
NOTE
For the chip-specific implementation details of this module's
instances see the chip configuration information.
The multipurpose clock generator (MCG) module provides several clock source choices
for the MCU. The module contains a frequency-locked loop (FLL) and a phase-locked
loop (PLL). The FLL is controllable by either an internal or an external reference clock.
The PLL is controllable by the external reference clock. The module can select either of
the FLL or PLL output clocks, or either of the internal or external reference clocks as a
source for the MCU system clock. The MCG operates in conjuction with a crystal
oscillator, which allows an external crystal, ceramic resonator, or another external clock
source to produce the external reference clock.
24.1.1 Features
Key features of the MCG module are:
• Frequency-locked loop (FLL):
• Digitally-controlled oscillator (DCO)
• DCO frequency range is programmable for up to four different frequency ranges.
• Option to program and maximize DCO output frequency for a low frequency
external reference clock source.
• Option to prevent FLL from resetting its current locked frequency when
switching clock modes if FLL reference frequency is not changed.
KL25 Sub-Family Reference Manual, Rev. 3, September 2012
Freescale Semiconductor, Inc. 367

• Internal or external reference clock can be used as the FLL source.
• Can be used as a clock source for other on-chip peripherals.
• Phase-locked loop (PLL):
• Voltage-controlled oscillator (VCO)
• External reference clock is used as the PLL source.
• Modulo VCO frequency divider
• Phase/Frequency detector
• Integrated loop filter
• Can be used as a clock source for other on-chip peripherals.
• Internal reference clock generator:
• Slow clock with nine trim bits for accuracy
• Fast clock with four trim bits
• Can be used as source clock for the FLL. In FEI mode, only the slow Internal
Reference Clock (IRC) can be used as the FLL source.
• Either the slow or the fast clock can be selected as the clock source for the MCU.
• Can be used as a clock source for other on-chip peripherals.
• Control signals for the MCG external reference low power oscillator clock generators
are provided:
• HGO0, RANGE0, EREFS0
• External clock from the Crystal Oscillator :
• Can be used as a source for the FLL and/or the PLL.
• Can be selected as the clock source for the MCU.
• External clock monitor with reset and interrupt request capability to check for
external clock failure when running in FBE, PEE, BLPE, or FEE modes
• Lock detector with interrupt request capability for use with the PLL
• Internal Reference Clocks Auto Trim Machine (ATM) capability using an external
clock as a reference
• Reference dividers for both the FLL and the PLL are provided
Introduction
KL25 Sub-Family Reference Manual, Rev. 3, September 2012
368 Freescale Semiconductor, Inc.

• Reference dividers for the Fast Internal Reference Clock are provided
• MCG PLL Clock (MCGPLLCLK) is provided as a clock source for other on-chip
peripherals
• MCG FLL Clock (MCGFLLCLK) is provided as a clock source for other on-chip
peripherals
• MCG Fixed Frequency Clock (MCGFFCLK) is provided as a clock source for other
on-chip peripherals
• MCG Internal Reference Clock (MCGIRCLK) is provided as a clock source for other
on-chip peripherals
Chapter 24 Multipurpose Clock Generator (MCG)
KL25 Sub-Family Reference Manual, Rev. 3, September 2012
Freescale Semiconductor, Inc. 369

MCGOUTCLK
MCGIRCLK
MCGFFCLK
DCOOUT
/(24,25,26,...,55)
Phase
Detector
Charge
Pump
Internal
Filter
VCO
VCOOUT
PLL
Multipurpose Clock Generator (MCG)
VDIV0
Lock
Clock
Monitor
IRCLKEN
CME0
PLLS
LOLS0 LOCK0
Detector
/ 25
IREFST
FLL
DMX32
MCGFLLCLK
Crystal Oscillator
FRDIV
n=0-7
/ 2n
Internal
Reference Slow Clock
Fast Clock
Clock
Generator
PRDIV0
LOLIE0
Sync
Auto Trim Machine
IRCST
PLLST
CLKST
ATMS
SCTRIM
SCFTRIM
FCTRIM
ATMST
IREFSTEN
OSCINIT0
EREFS0
HGO0
RANGE0
External DRS
Clock
Valid
Peripheral BUSCLK
PLLCLKEN0
IRCSCLK
IRCS CLKSCLKS
DCO
LP
Filter
/(1,2,3,4,5....,25)
IREFS
STOP
CLKS
PLLCLKEN0
IREFS
PLLS
MCG Crystal Oscillator
Enable Detect
External Reference Clock
OSCSELCLK
n=0-7
/ 2n
FLTPRSRV
LOCRE0
LOCS0
MCGPLLCLK
Figure 24-1. Multipurpose Clock Generator (MCG) block diagram
Introduction
KL25 Sub-Family Reference Manual, Rev. 3, September 2012
370 Freescale Semiconductor, Inc.

24.1.2 Modes of Operation
The MCG has the following modes of operation: FEI, FEE, FBI, FBE, PBE, PEE, BLPI,
BLPE, and Stop. For details, see MCG modes of operation.
24.2 External Signal Description
There are no MCG signals that connect off chip.
24.3 Memory Map/Register Definition
This section includes the memory map and register definition.
The MCG registers can only be written when in supervisor mode. Write accesses when in
user mode will result in a bus error. Read accesses may be performed in both supervisor
and user mode.
MCG memory map
Absolute
address
(hex)
Register name Width
(in bits) Access Reset value Section/
page
4006_4000 MCG Control 1 Register (MCG_C1) 8 R/W 04h 24.3.1/372
4006_4001 MCG Control 2 Register (MCG_C2) 8 R/W 80h 24.3.2/373
4006_4002 MCG Control 3 Register (MCG_C3) 8 R/W Undefined 24.3.3/374
4006_4003 MCG Control 4 Register (MCG_C4) 8 R/W Undefined 24.3.4/374
4006_4004 MCG Control 5 Register (MCG_C5) 8 R/W 00h 24.3.5/376
4006_4005 MCG Control 6 Register (MCG_C6) 8 R/W 00h 24.3.6/377
4006_4006 MCG Status Register (MCG_S) 8 R 10h 24.3.7/378
4006_4008 MCG Status and Control Register (MCG_SC) 8 R/W 02h 24.3.8/380
4006_400A MCG Auto Trim Compare Value High Register
(MCG_ATCVH) 8 R/W 00h 24.3.9/381
4006_400B MCG Auto Trim Compare Value Low Register
(MCG_ATCVL) 8 R/W 00h 24.3.10/381
4006_400C MCG Control 7 Register (MCG_C7) 8 R/W 00h 24.3.11/382
4006_400D MCG Control 8 Register (MCG_C8) 8 R/W 80h 24.3.12/382
4006_400E MCG Control 9 Register (MCG_C9) 8 R/W 00h 24.3.13/383
4006_400F MCG Control 10 Register (MCG_C10) 8 R/W 00h 24.3.14/383
Chapter 24 Multipurpose Clock Generator (MCG)
KL25 Sub-Family Reference Manual, Rev. 3, September 2012
Freescale Semiconductor, Inc. 371

24.3.1 MCG Control 1 Register (MCG_C1)
Address: 4006_4000h base + 0h offset = 4006_4000h
Bit 7 6 5 4 3 2 1 0
Read CLKS FRDIV IREFS IRCLKEN IREFSTEN
Write
Reset 00000100
MCG_C1 field descriptions
Field Description
7–6
CLKS
Clock Source Select
Selects the clock source for MCGOUTCLK .
00 Encoding 0 — Output of FLL or PLL is selected (depends on PLLS control bit).
01 Encoding 1 — Internal reference clock is selected.
10 Encoding 2 — External reference clock is selected.
11 Encoding 3 — Reserved.
5–3
FRDIV
FLL External Reference Divider
Selects the amount to divide down the external reference clock for the FLL. The resulting frequency must
be in the range 31.25 kHz to 39.0625 kHz (This is required when FLL/DCO is the clock source for
MCGOUTCLK . In FBE mode, it is not required to meet this range, but it is recommended in the cases
when trying to enter a FLL mode from FBE).
000 If RANGE 0 = 0 , Divide Factor is 1; for all other RANGE 0 values, Divide Factor is 32.
001 If RANGE 0 = 0 , Divide Factor is 2; for all other RANGE 0 values, Divide Factor is 64.
010 If RANGE 0 = 0 , Divide Factor is 4; for all other RANGE 0 values, Divide Factor is 128.
011 If RANGE 0 = 0 , Divide Factor is 8; for all other RANGE 0 values, Divide Factor is 256.
100 If RANGE 0 = 0 , Divide Factor is 16; for all other RANGE 0 values, Divide Factor is 512.
101 If RANGE 0 = 0 , Divide Factor is 32; for all other RANGE 0 values, Divide Factor is 1024.
110 If RANGE 0 = 0 , Divide Factor is 64; for all other RANGE 0 values, Divide Factor is 1280 .
111 If RANGE 0 = 0 , Divide Factor is 128; for all other RANGE 0 values, Divide Factor is 1536 .
2
IREFS
Internal Reference Select
Selects the reference clock source for the FLL.
0 External reference clock is selected.
1 The slow internal reference clock is selected.
1
IRCLKEN
Internal Reference Clock Enable
Enables the internal reference clock for use as MCGIRCLK.
0 MCGIRCLK inactive.
1 MCGIRCLK active.
0
IREFSTEN
Internal Reference Stop Enable
Controls whether or not the internal reference clock remains enabled when the MCG enters Stop mode.
0 Internal reference clock is disabled in Stop mode.
1 Internal reference clock is enabled in Stop mode if IRCLKEN is set or if MCG is in FEI, FBI, or BLPI
modes before entering Stop mode.
Memory Map/Register Definition
KL25 Sub-Family Reference Manual, Rev. 3, September 2012
372 Freescale Semiconductor, Inc.

24.3.2 MCG Control 2 Register (MCG_C2)
Address: 4006_4000h base + 1h offset = 4006_4001h
Bit 7 6 5 4 3 2 1 0
Read LOCRE0 0RANGE0 HGO0 EREFS0 LP IRCS
Write
Reset 10000000
MCG_C2 field descriptions
Field Description
7
LOCRE0
Loss of Clock Reset Enable
Determines whether an interrupt or a reset request is made following a loss of OSC0 external reference
clock. The LOCRE0 only has an affect when CME0 is set.
0 Interrupt request is generated on a loss of OSC0 external reference clock.
1 Generate a reset request on a loss of OSC0 external reference clock.
6
Reserved
This field is reserved.
This read-only field is reserved and always has the value 0.
5–4
RANGE0
Frequency Range Select
Selects the frequency range for the crystal oscillator or external clock source. See the Oscillator (OSC)
chapter for more details and the device data sheet for the frequency ranges used.
00 Encoding 0 — Low frequency range selected for the crystal oscillator .
01 Encoding 1 — High frequency range selected for the crystal oscillator .
1X Encoding 2 — Very high frequency range selected for the crystal oscillator .
3
HGO0
High Gain Oscillator Select
Controls the crystal oscillator mode of operation. See the Oscillator (OSC) chapter for more details.
0 Configure crystal oscillator for low-power operation.
1 Configure crystal oscillator for high-gain operation.
2
EREFS0
External Reference Select
Selects the source for the external reference clock. See the Oscillator (OSC) chapter for more details.
0 External reference clock requested.
1 Oscillator requested.
1
LP
Low Power Select
Controls whether the FLL or PLL is disabled in BLPI and BLPE modes. In FBE or PBE modes, setting this
bit to 1 will transition the MCG into BLPE mode; in FBI mode, setting this bit to 1 will transition the MCG
into BLPI mode. In any other MCG mode, LP bit has no affect.
0 FLL or PLL is not disabled in bypass modes.
1 FLL or PLL is disabled in bypass modes (lower power)
0
IRCS
Internal Reference Clock Select
Selects between the fast or slow internal reference clock source.
Table continues on the next page...
Chapter 24 Multipurpose Clock Generator (MCG)
KL25 Sub-Family Reference Manual, Rev. 3, September 2012
Freescale Semiconductor, Inc. 373

MCG_C2 field descriptions (continued)
Field Description
0 Slow internal reference clock selected.
1 Fast internal reference clock selected.
24.3.3 MCG Control 3 Register (MCG_C3)
Address: 4006_4000h base + 2h offset = 4006_4002h
Bit 7 6 5 4 3 2 1 0
Read SCTRIM
Write
Reset x* x* x* x* x* x* x* x*
* Notes:
x = Undefined at reset.•
MCG_C3 field descriptions
Field Description
7–0
SCTRIM
Slow Internal Reference Clock Trim Setting
SCTRIM 1 controls the slow internal reference clock frequency by controlling the slow internal reference
clock period. The SCTRIM bits are binary weighted, that is, bit 1 adjusts twice as much as bit 0. Increasing
the binary value increases the period, and decreasing the value decreases the period.
An additional fine trim bit is available in C4 register as the SCFTRIM bit. Upon reset, this value is loaded
with a factory trim value.
If an SCTRIM value stored in nonvolatile memory is to be used, it is your responsibility to copy that value
from the nonvolatile memory location to this register.
1. A value for SCTRIM is loaded during reset from a factory programmed location .
24.3.4 MCG Control 4 Register (MCG_C4)
NOTE
Reset values for DRST and DMX32 bits are 0.
Address: 4006_4000h base + 3h offset = 4006_4003h
Bit 7 6 5 4 3 2 1 0
Read DMX32 DRST_DRS FCTRIM SCFTRIM
Write
Reset 0 0 0 x* x* x* x* x*
* Notes:
x = Undefined at reset.•
A value for FCTRIM is loaded during reset from a factory programmed location . x = Undefined at reset.•
Memory Map/Register Definition
KL25 Sub-Family Reference Manual, Rev. 3, September 2012
374 Freescale Semiconductor, Inc.

MCG_C4 field descriptions
Field Description
7
DMX32
DCO Maximum Frequency with 32.768 kHz Reference
The DMX32 bit controls whether the DCO frequency range is narrowed to its maximum frequency with a
32.768 kHz reference.
The following table identifies settings for the DCO frequency range.
NOTE: The system clocks derived from this source should not exceed their specified maximums.
DRST_DRS DMX32 Reference Range FLL Factor DCO Range
00 0 31.25–39.0625 kHz 640 20–25 MHz
1 32.768 kHz 732 24 MHz
01 0 31.25–39.0625 kHz 1280 40–50 MHz
1 32.768 kHz 1464 48 MHz
10 0 31.25–39.0625 kHz 1920 60–75 MHz
1 32.768 kHz 2197 72 MHz
11 0 31.25–39.0625 kHz 2560 80–100 MHz
1 32.768 kHz 2929 96 MHz
0 DCO has a default range of 25%.
1 DCO is fine-tuned for maximum frequency with 32.768 kHz reference.
6–5
DRST_DRS
DCO Range Select
The DRS bits select the frequency range for the FLL output, DCOOUT. When the LP bit is set, writes to
the DRS bits are ignored. The DRST read field indicates the current frequency range for DCOOUT. The
DRST field does not update immediately after a write to the DRS field due to internal synchronization
between clock domains. See the DCO Frequency Range table for more details.
00 Encoding 0 — Low range (reset default).
01 Encoding 1 — Mid range.
10 Encoding 2 — Mid-high range.
11 Encoding 3 — High range.
4–1
FCTRIM
Fast Internal Reference Clock Trim Setting
FCTRIM 1 controls the fast internal reference clock frequency by controlling the fast internal reference
clock period. The FCTRIM bits are binary weighted, that is, bit 1 adjusts twice as much as bit 0. Increasing
the binary value increases the period, and decreasing the value decreases the period.
If an FCTRIM[3:0] value stored in nonvolatile memory is to be used, it is your responsibility to copy that
value from the nonvolatile memory location to this register.
0
SCFTRIM
Slow Internal Reference Clock Fine Trim
SCFTRIM 2 controls the smallest adjustment of the slow internal reference clock frequency. Setting
SCFTRIM increases the period and clearing SCFTRIM decreases the period by the smallest amount
possible.
If an SCFTRIM value stored in nonvolatile memory is to be used, it is your responsibility to copy that value
from the nonvolatile memory location to this bit.
1. A value for FCTRIM is loaded during reset from a factory programmed location .
2. A value for SCFTRIM is loaded during reset from a factory programmed location .
Chapter 24 Multipurpose Clock Generator (MCG)
KL25 Sub-Family Reference Manual, Rev. 3, September 2012
Freescale Semiconductor, Inc. 375

24.3.5 MCG Control 5 Register (MCG_C5)
Address: 4006_4000h base + 4h offset = 4006_4004h
Bit 7 6 5 4 3 2 1 0
Read 0 PLLCLKEN0 PLLSTEN0 PRDIV0
Write
Reset 00000000
MCG_C5 field descriptions
Field Description
7
Reserved
This field is reserved.
This read-only field is reserved and always has the value 0.
6
PLLCLKEN0
PLL Clock Enable
Enables the PLL independent of PLLS and enables the PLL clock for use as MCGPLLCLK. (PRDIV 0
needs to be programmed to the correct divider to generate a PLL reference clock in the range of 2 - 4 MHz
range prior to setting the PLLCLKEN 0 bit). Setting PLLCLKEN 0 will enable the external oscillator if not
already enabled. Whenever the PLL is being enabled by means of the PLLCLKEN 0 bit, and the external
oscillator is being used as the reference clock, the OSCINIT 0 bit should be checked to make sure it is set.
0 MCGPLLCLK is inactive.
1MCGPLLCLK is active.
5
PLLSTEN0
PLL Stop Enable
Enables the PLL Clock during Normal Stop. In Low Power Stop mode, the PLL clock gets disabled even if
PLLSTEN 0 =1. All other power modes, PLLSTEN 0 bit has no affect and does not enable the PLL Clock
to run if it is written to 1.
0 MCGPLLCLK is disabled in any of the Stop modes.
1MCGPLLCLK is enabled if system is in Normal Stop mode.
4–0
PRDIV0
PLL External Reference Divider
Selects the amount to divide down the external reference clock for the PLL. The resulting frequency must
be in the range of 2 MHz to 4 MHz. After the PLL is enabled (by setting either PLLCLKEN 0 or PLLS), the
PRDIV 0 value must not be changed when LOCK0 is zero.
Table 24-7. PLL External Reference Divide Factor
PRDIV
0
Divide
Factor
PRDIV
0
Divide
Factor
PRDIV
0
Divide
Factor
PRDIV
0
Divide
Factor
00000 1 01000 9 10000 17 11000 25
00001 2 01001 10 10001 18 11001 Reserve
d
00010 3 01010 11 10010 19 11010 Reserve
d
00011 4 01011 12 10011 20 11011 Reserve
d
Table continues on the next page...
Memory Map/Register Definition
KL25 Sub-Family Reference Manual, Rev. 3, September 2012
376 Freescale Semiconductor, Inc.

MCG_C5 field descriptions (continued)
Field Description
Table 24-7. PLL External Reference Divide Factor (continued)
00100 5 01100 13 10100 21 11100 Reserve
d
00101 6 01101 14 10101 22 11101 Reserve
d
00110 7 01110 15 10110 23 11110 Reserve
d
00111 8 01111 16 10111 24 11111 Reserve
d
24.3.6 MCG Control 6 Register (MCG_C6)
Address: 4006_4000h base + 5h offset = 4006_4005h
Bit 7 6 5 4 3 2 1 0
Read LOLIE0 PLLS CME0 VDIV0
Write
Reset 00000000
MCG_C6 field descriptions
Field Description
7
LOLIE0
Loss of Lock Interrrupt Enable
Determines if an interrupt request is made following a loss of lock indication. This bit only has an effect
when LOLS 0 is set.
0 No interrupt request is generated on loss of lock.
1 Generate an interrupt request on loss of lock.
6
PLLS
PLL Select
Controls whether the PLL or FLL output is selected as the MCG source when CLKS[1:0]=00. If the PLLS
bit is cleared and PLLCLKEN 0 is not set, the PLL is disabled in all modes. If the PLLS is set, the FLL is
disabled in all modes.
0 FLL is selected.
1PLL is selected (PRDIV 0 need to be programmed to the correct divider to generate a PLL reference
clock in the range of 2–4 MHz prior to setting the PLLS bit).
5
CME0
Clock Monitor Enable
Enables the loss of clock monitoring circuit for the OSC0 external reference mux select. The LOCRE0 bit
will determine if a interrupt or a reset request is generated following a loss of OSC0 indication. The CME0
bit should only be set to a logic 1 when the MCG is in an operational mode that uses the external clock
(FEE, FBE, PEE, PBE, or BLPE) . Whenever the CME0 bit is set to a logic 1, the value of the RANGE0
bits in the C2 register should not be changed. CME0 bit should be set to a logic 0 before the MCG enters
Table continues on the next page...
Chapter 24 Multipurpose Clock Generator (MCG)
KL25 Sub-Family Reference Manual, Rev. 3, September 2012
Freescale Semiconductor, Inc. 377

MCG_C6 field descriptions (continued)
Field Description
any Stop mode. Otherwise, a reset request may occur while in Stop mode. CME0 should also be set to a
logic 0 before entering VLPR or VLPW power modes if the MCG is in BLPE mode.
0 External clock monitor is disabled for OSC0.
1 External clock monitor is enabled for OSC0.
4–0
VDIV0
VCO 0 Divider
Selects the amount to divide the VCO output of the PLL. The VDIV 0 bits establish the multiplication factor
(M) applied to the reference clock frequency. After the PLL is enabled (by setting either PLLCLKEN 0 or
PLLS), the VDIV 0 value must not be changed when LOCK 0 is zero.
Table 24-9. PLL VCO Divide Factor
VDIV 0 Multiply
Factor
VDIV 0 Multiply
Factor
VDIV 0 Multiply
Factor
VDIV 0 Multiply
Factor
00000 24 01000 32 10000 40 11000 48
00001 25 01001 33 10001 41 11001 49
00010 26 01010 34 10010 42 11010 50
00011 27 01011 35 10011 43 11011 51
00100 28 01100 36 10100 44 11100 52
00101 29 01101 37 10101 45 11101 53
00110 30 01110 38 10110 46 11110 54
00111 31 01111 39 10111 47 11111 55
24.3.7 MCG Status Register (MCG_S)
Address: 4006_4000h base + 6h offset = 4006_4006h
Bit 7 6 5 4 3 2 1 0
Read LOLS LOCK0 PLLST IREFST CLKST OSCINIT0 IRCST
Write
Reset 00010000
MCG_S field descriptions
Field Description
7
LOLS
Loss of Lock Status
This bit is a sticky bit indicating the lock status for the PLL. LOLS is set if after acquiring lock, the PLL
output frequency has fallen outside the lock exit frequency tolerance, D unl . LOLIE determines whether an
interrupt request is made when LOLS is set. LOLRE determines whether a reset request is made when
LOLS is set. This bit is cleared by reset or by writing a logic 1 to it when set. Writing a logic 0 to this bit has
no effect.
Table continues on the next page...
Memory Map/Register Definition
KL25 Sub-Family Reference Manual, Rev. 3, September 2012
378 Freescale Semiconductor, Inc.

MCG_S field descriptions (continued)
Field Description
0 PLL has not lost lock since LOLS 0 was last cleared.
1 PLL has lost lock since LOLS 0 was last cleared.
6
LOCK0
Lock Status
This bit indicates whether the PLL has acquired lock. Lock detection is only enabled when the PLL is
enabled (either through clock mode selection or PLLCLKEN0=1 setting). While the PLL clock is locking to
the desired frequency, the MCG PLL clock (MCGPLLCLK) will be gated off until the LOCK bit gets
asserted. If the lock status bit is set, changing the value of the PRDIV0 [4:0] bits in the C5 register or the
VDIV0[4:0] bits in the C6 register causes the lock status bit to clear and stay cleared until the PLL has
reacquired lock. Loss of PLL reference clock will also cause the LOCK0 bit to clear until the PLL has
reacquired lock. Entry into LLS, VLPS, or regular Stop with PLLSTEN=0 also causes the lock status bit to
clear and stay cleared until the Stop mode is exited and the PLL has reacquired lock. Any time the PLL is
enabled and the LOCK0 bit is cleared, the MCGPLLCLK will be gated off until the LOCK0 bit is asserted
again.
0 PLL is currently unlocked.
1 PLL is currently locked.
5
PLLST
PLL Select Status
This bit indicates the clock source selected by PLLS . The PLLST bit does not update immediately after a
write to the PLLS bit due to internal synchronization between clock domains.
0 Source of PLLS clock is FLL clock.
1 Source of PLLS clock is PLL output clock.
4
IREFST
Internal Reference Status
This bit indicates the current source for the FLL reference clock. The IREFST bit does not update
immediately after a write to the IREFS bit due to internal synchronization between clock domains.
0 Source of FLL reference clock is the external reference clock.
1 Source of FLL reference clock is the internal reference clock.
3–2
CLKST
Clock Mode Status
These bits indicate the current clock mode. The CLKST bits do not update immediately after a write to the
CLKS bits due to internal synchronization between clock domains.
00 Encoding 0 — Output of the FLL is selected (reset default).
01 Encoding 1 — Internal reference clock is selected.
10 Encoding 2 — External reference clock is selected.
11 Encoding 3 — Output of the PLL is selected.
1
OSCINIT0
OSC Initialization
This bit, which resets to 0, is set to 1 after the initialization cycles of the crystal oscillator clock have
completed. After being set, the bit is cleared to 0 if the OSC is subsequently disabled. See the OSC
module's detailed description for more information.
0
IRCST
Internal Reference Clock Status
The IRCST bit indicates the current source for the internal reference clock select clock (IRCSCLK). The
IRCST bit does not update immediately after a write to the IRCS bit due to internal synchronization
between clock domains. The IRCST bit will only be updated if the internal reference clock is enabled,
either by the MCG being in a mode that uses the IRC or by setting the C1[IRCLKEN] bit .
Table continues on the next page...
Chapter 24 Multipurpose Clock Generator (MCG)
KL25 Sub-Family Reference Manual, Rev. 3, September 2012
Freescale Semiconductor, Inc. 379

MCG_S field descriptions (continued)
Field Description
0 Source of internal reference clock is the slow clock (32 kHz IRC).
1 Source of internal reference clock is the fast clock (4 MHz IRC).
24.3.8 MCG Status and Control Register (MCG_SC)
Address: 4006_4000h base + 8h offset = 4006_4008h
Bit 7 6 5 4 3 2 1 0
Read ATME ATMS ATMF FLTPRSRV FCRDIV LOCS0
Write
Reset 00000010
MCG_SC field descriptions
Field Description
7
ATME
Automatic Trim Machine Enable
Enables the Auto Trim Machine to start automatically trimming the selected Internal Reference Clock.
NOTE: ATME deasserts after the Auto Trim Machine has completed trimming all trim bits of the IRCS
clock selected by the ATMS bit.
Writing to C1, C3, C4, and SC registers or entering Stop mode aborts the auto trim operation and clears
this bit.
0 Auto Trim Machine disabled.
1 Auto Trim Machine enabled.
6
ATMS
Automatic Trim Machine Select
Selects the IRCS clock for Auto Trim Test.
0 32 kHz Internal Reference Clock selected.
1 4 MHz Internal Reference Clock selected.
5
ATMF
Automatic Trim Machine Fail Flag
Fail flag for the Automatic Trim Machine (ATM). This bit asserts when the Automatic Trim Machine is
enabled, ATME=1, and a write to the C1, C3, C4, and SC registers is detected or the MCG enters into any
Stop mode. A write to ATMF clears the flag.
0 Automatic Trim Machine completed normally.
1 Automatic Trim Machine failed.
4
FLTPRSRV
FLL Filter Preserve Enable
This bit will prevent the FLL filter values from resetting allowing the FLL output frequency to remain the
same during clock mode changes where the FLL/DCO output is still valid. (Note: This requires that the
FLL reference frequency to remain the same as what it was prior to the new clock mode switch. Otherwise
FLL filter and frequency values will change.)
0 FLL filter and FLL frequency will reset on changes to currect clock mode.
1 Fll filter and FLL frequency retain their previous values during new clock mode change.
Table continues on the next page...
Memory Map/Register Definition
KL25 Sub-Family Reference Manual, Rev. 3, September 2012
380 Freescale Semiconductor, Inc.

MCG_SC field descriptions (continued)
Field Description
3–1
FCRDIV
Fast Clock Internal Reference Divider
Selects the amount to divide down the fast internal reference clock. The resulting frequency will be in the
range 31.25 kHz to 4 MHz (Note: Changing the divider when the Fast IRC is enabled is not supported).
000 Divide Factor is 1
001 Divide Factor is 2.
010 Divide Factor is 4.
011 Divide Factor is 8.
100 Divide Factor is 16
101 Divide Factor is 32
110 Divide Factor is 64
111 Divide Factor is 128.
0
LOCS0
OSC0 Loss of Clock Status
The LOCS0 indicates when a loss of OSC0 reference clock has occurred. The LOCS0 bit only has an
effect when CME0 is set. This bit is cleared by writing a logic 1 to it when set.
0 Loss of OSC0 has not occurred.
1 Loss of OSC0 has occurred.
24.3.9 MCG Auto Trim Compare Value High Register (MCG_ATCVH)
Address: 4006_4000h base + Ah offset = 4006_400Ah
Bit 7 6 5 4 3 2 1 0
Read ATCVH
Write
Reset 00000000
MCG_ATCVH field descriptions
Field Description
7–0
ATCVH
ATM Compare Value High
Values are used by Auto Trim Machine to compare and adjust Internal Reference trim values during ATM
SAR conversion.
24.3.10 MCG Auto Trim Compare Value Low Register (MCG_ATCVL)
Address: 4006_4000h base + Bh offset = 4006_400Bh
Bit 7 6 5 4 3 2 1 0
Read ATCVL
Write
Reset 00000000
Chapter 24 Multipurpose Clock Generator (MCG)
KL25 Sub-Family Reference Manual, Rev. 3, September 2012
Freescale Semiconductor, Inc. 381

MCG_ATCVL field descriptions
Field Description
7–0
ATCVL
ATM Compare Value Low
Values are used by Auto Trim Machine to compare and adjust Internal Reference trim values during ATM
SAR conversion.
24.3.11 MCG Control 7 Register (MCG_C7)
Address: 4006_4000h base + Ch offset = 4006_400Ch
Bit 7 6 5 4 3 2 1 0
Read 0 0 0
Write
Reset 00000000
MCG_C7 field descriptions
Field Description
7–6
Reserved
This field is reserved.
This read-only field is reserved and always has the value 0.
5–1
Reserved
Reserved
This field is reserved.
This read-only field is reserved and always has the value 0.
0
Reserved
Reserved
This field is reserved.
This read-only field is reserved and always has the value 0.
24.3.12 MCG Control 8 Register (MCG_C8)
Address: 4006_4000h base + Dh offset = 4006_400Dh
Bit 7 6 5 4 3 2 1 0
Read 0 LOLRE 0 0 0
Write
Reset 10000000
MCG_C8 field descriptions
Field Description
7
Reserved
This field is reserved.
This read-only field is reserved and always has the value 0.
6
LOLRE
PLL Loss of Lock Reset Enable
Determines if a interrupt or a reset request is made following a PLL loss of lock.
Table continues on the next page...
Memory Map/Register Definition
KL25 Sub-Family Reference Manual, Rev. 3, September 2012
382 Freescale Semiconductor, Inc.

MCG_C8 field descriptions (continued)
Field Description
0 Interrupt request is generated on a PLL loss of lock indication. The PLL loss of lock interrupt enable bit
must also be set to generate the interrupt request.
1 Generate a reset request on a PLL loss of lock indication.
5
Reserved
This field is reserved.
This read-only field is reserved and always has the value 0.
4–1
Reserved
This field is reserved.
This read-only field is reserved and always has the value 0.
0
Reserved
This field is reserved.
This read-only field is reserved and always has the value 0.
24.3.13 MCG Control 9 Register (MCG_C9)
Address: 4006_4000h base + Eh offset = 4006_400Eh
Bit 7 6 5 4 3 2 1 0
Read 0 0
Write
Reset 00000000
MCG_C9 field descriptions
Field Description
7–4
Reserved
This field is reserved.
This read-only field is reserved and always has the value 0.
3–0
Reserved
This field is reserved.
This read-only field is reserved and always has the value 0.
24.3.14 MCG Control 10 Register (MCG_C10)
Address: 4006_4000h base + Fh offset = 4006_400Fh
Bit 7 6 5 4 3 2 1 0
Read 0 0
Write
Reset 00000000
MCG_C10 field descriptions
Field Description
7–4
Reserved
This field is reserved.
This read-only field is reserved and always has the value 0.
3–0
Reserved
This field is reserved.
This read-only field is reserved and always has the value 0.
Chapter 24 Multipurpose Clock Generator (MCG)
KL25 Sub-Family Reference Manual, Rev. 3, September 2012
Freescale Semiconductor, Inc. 383

Functional Description
24.4.1 MCG mode state diagram
The nine states of the MCG are shown in the following figure and are described in Table
24-18. The arrows indicate the permitted MCG mode transitions.
FEEFEI
Reset
BLPI
FBI FBE
BLPE
PBE
PEE
Stop
Returns to the state that was active before
the MCU entered Stop mode, unless a
reset occurs while in Stop mode.
Entered from any state when
the MCU enters Stop mode
Figure 24-16. MCG mode state diagram
NOTE
• During exits from LLS or VLPS when the MCG is in PEE
mode, the MCG will reset to PBE clock mode and the
C1[CLKS] and S[CLKST] will automatically be set to
2’b10.
• If entering Normal Stop mode when the MCG is in PEE
mode with C5[PLLSTEN]=0, the MCG will reset to PBE
clock mode and C1[CLKS] and S[CLKST] will
automatically be set to 2’b10.
24.4
Functional Description
KL25 Sub-Family Reference Manual, Rev. 3, September 2012
384 Freescale Semiconductor, Inc.

24.4.1.1 MCG modes of operation
The MCG operates in one of the following modes.
Note
The MCG restricts transitions between modes. For the
permitted transitions, see Figure 24-16.
Table 24-18. MCG modes of operation
Mode Description
FLL Engaged Internal
(FEI)
FLL engaged internal (FEI) is the default mode of operation and is entered when all the following
condtions occur:
• C1[CLKS] bits are written to 00
• C1[IREFS] bit is written to 1
• C6[PLLS] bit is written to 0
In FEI mode, MCGOUTCLK is derived from the FLL clock (DCOCLK) that is controlled by the 32
kHz Internal Reference Clock (IRC). The FLL loop will lock the DCO frequency to the FLL factor, as
selected by C4[DRST_DRS] and C4[DMX32] bits, times the internal reference frequency. See the
C4[DMX32] bit description for more details. In FEI mode, the PLL is disabled in a low-power state
unless C5[PLLCLKEN0] is set.
FLL Engaged External
(FEE)
FLL engaged external (FEE) mode is entered when all the following conditions occur:
• C1[CLKS] bits are written to 00
• C1[IREFS] bit is written to 0
• C1[FRDIV] must be written to divide external reference clock to be within the range of 31.25
kHz to 39.0625 kHz
• C6[PLLS] bit is written to 0
In FEE mode, MCGOUTCLK is derived from the FLL clock (DCOCLK) that is controlled by the
external reference clock. The FLL loop will lock the DCO frequency to the FLL factor, as selected by
C4[DRST_DRS] and C4[DMX32] bits, times the external reference frequency, as specified by
C1[FRDIV] and C2[RANGE0]. See the C4[DMX32] bit description for more details. In FEE mode,
the PLL is disabled in a low-power state unless C5[PLLCLKEN0] is set.
FLL Bypassed Internal
(FBI)
FLL bypassed internal (FBI) mode is entered when all the following conditions occur:
• C1[CLKS] bits are written to 01
• C1[IREFS] bit is written to 1
• C6[PLLS] is written to 0
• C2[LP] is written to 0
In FBI mode, the MCGOUTCLK is derived either from the slow (32 kHz IRC) or fast (4 MHz IRC)
internal reference clock, as selected by the C2[IRCS] bit. The FLL is operational but its output is not
used. This mode is useful to allow the FLL to acquire its target frequency while the MCGOUTCLK is
driven from the C2[IRCS] selected internal reference clock. The FLL clock (DCOCLK) is controlled
by the slow internal reference clock, and the DCO clock frequency locks to a multiplication factor, as
selected by C4[DRST_DRS] and C4[DMX32] bits, times the internal reference frequency. See the
C4[DMX32] bit description for more details. In FBI mode, the PLL is disabled in a low-power state
unless C5[PLLCLKEN0] is set.
Table continues on the next page...
Chapter 24 Multipurpose Clock Generator (MCG)
KL25 Sub-Family Reference Manual, Rev. 3, September 2012
Freescale Semiconductor, Inc. 385

Table 24-18. MCG modes of operation (continued)
Mode Description
FLL Bypassed External
(FBE)
FLL bypassed external (FBE) mode is entered when all the following conditions occur:
• C1[CLKS] bits are written to 10
• C1[IREFS] bit is written to 0
• C1[FRDIV] must be written to divide external reference clock to be within the range of 31.25
kHz to 39.0625 kHz.
• C6[PLLS] bit is written to 0
• C2[LP] is written to 0
In FBE mode, the MCGOUTCLK is derived from the external reference clock. The FLL is
operational but its output is not used. This mode is useful to allow the FLL to acquire its target
frequency while the MCGOUTCLK is driven from the external reference clock. The FLL clock
(DCOCLK) is controlled by the external reference clock, and the DCO clock frequency locks to a
multiplication factor, as selected by C4[DRST_DRS] and C4[DMX32] bits, times the divided external
reference frequency. See the C4[DMX32] bit description for more details. In FBI mode the PLL is
disabled in a low-power state unless C5[PLLCLKEN0] is set.
PLL Engaged External
(PEE)
PLL Engaged External (PEE) mode is entered when all the following conditions occur:
• C1[CLKS] bits are written to 00
• C1[IREFS] bit is written to 0
• C6[PLLS] bit is written to 1
In PEE mode, the MCGOUTCLK is derived from the PLL clock, which is controlled by the external
reference clock. The PLL clock frequency locks to a multiplication factor, as specified by C6[VDIV0],
times the external reference frequency, as specified by C5[PRDIV0]. The PLL's programmable
reference divider must be configured to produce a valid PLL reference clock. The FLL is disabled in
a low-power state.
PLL Bypassed External
(PBE)
PLL Bypassed External (PBE) mode is entered when all the following conditions occur:
• C1[CLKS] bits are written to 10
• C1[IREFS] bit is written to 0
• C6[PLLS] bit is written to 1
• C2[LP] bit is written to 0
In PBE mode, MCGOUTCLK is derived from the external reference clock; the PLL is operational,
but its output clock is not used. This mode is useful to allow the PLL to acquire its target frequency
while MCGOUTCLK is driven from the external reference clock. The PLL clock frequency locks to a
multiplication factor, as specified by its [VDIV], times the PLL reference frequency, as specified by
its [PRDIV]. In preparation for transition to PEE, the PLL's programmable reference divider must be
configured to produce a valid PLL reference clock. The FLL is disabled in a low-power state.
Bypassed Low Power
Internal (BLPI)1
Bypassed Low Power Internal (BLPI) mode is entered when all the following conditions occur:
• C1[CLKS] bits are written to 01
• C1[IREFS] bit is written to 1
• C6[PLLS] bit is written to 0
• C2[LP] bit is written to 1
In BLPI mode, MCGOUTCLK is derived from the internal reference clock. The FLL is disabled and
PLL is disabled even if the C5[PLLCLKEN0] is set to 1.
Table continues on the next page...
Functional Description
KL25 Sub-Family Reference Manual, Rev. 3, September 2012
386 Freescale Semiconductor, Inc.

Table 24-18. MCG modes of operation (continued)
Mode Description
Bypassed Low Power
External (BLPE)
Bypassed Low Power External (BLPE) mode is entered when all the following conditions occur:
• C1[CLKS] bits are written to 10
• C1[IREFS] bit is written to 0
• C2[LP] bit is written to 1
In BLPE mode, MCGOUTCLK is derived from the external reference clock. The FLL is disabled and
PLL is disabled even if the C5[PLLCLKEN0] is set to 1.
Stop Entered whenever the MCU enters a Stop state. The power modes are chip specific. For power
mode assignments, see the chapter that describes how modules are configured and MCG behavior
during Stop recovery. Entering Stop mode, the FLL is disabled, and all MCG clock signals are static
except in the following case:
MCGPLLCLK is active in Normal Stop mode when PLLSTEN=1
MCGIRCLK is active in Normal Stop mode when all the following conditions become true:
• C1[IRCLKEN] = 1
• C1[IREFSTEN] = 1
NOTE: • In VLPS Stop Mode, the MCGIRCLK can be programmed to stay enabled and
continue running if C1[IRCLKEN] = 1, C1[IREFSTEN]=1, and Fast IRC clock is
selected (C2[IRCS] = 1)
NOTE: • When entering Low Power Stop modes (LLS or VLPS) from PEE mode, on exit the
MCG clock mode is forced to PBE clock mode. C1[CLKS] and S[CLKST] will be
configured to 2’b10if entering from PEE mode or to 2’b01 if entering from PEI mode,
C5[PLLSTEN0] will be force to 1'b0 and S[LOCK0] bit will be cleared without setting
S[LOLS0].
• When entering Normal Stop mode from PEE mode and if C5[PLLSTEN0]=0, on exit
the MCG clock mode is forced to PBE mode, the C1[CLKS] and S[CLKST] will be
configured to 2’b10 and S[LOCK0] bit will clear without setting S[LOLS0]. If
C5[PLLSTEN0]=1, the S[LOCK0] bit will not get cleared and on exit the MCG will
continue to run in PEE mode.
1. If entering VLPR mode, MCG has to be configured and enter BLPE mode or BLPI mode with the Fast IRC clock selected
(C2[IRCS]=1). After it enters VLPR mode, writes to any of the MCG control registers that can cause an MCG clock mode
switch to a non low power clock mode must be avoided.
NOTE
For the chip-specific modes of operation, see the power
management chapter of this MCU.
24.4.1.2 MCG mode switching
The C1[IREFS] bit can be changed at any time, but the actual switch to the newly
selected reference clocks is shown by the S[IREFST] bit. When switching between
engaged internal and engaged external modes, the FLL will begin locking again after the
switch is completed.
Chapter 24 Multipurpose Clock Generator (MCG)
KL25 Sub-Family Reference Manual, Rev. 3, September 2012
Freescale Semiconductor, Inc. 387

The C1[CLKS] bits can also be changed at any time, but the actual switch to the newly
selected clock is shown by the S[CLKST] bits. If the newly selected clock is not
available, the previous clock will remain selected.
The C4[DRST_DRS] write bits can be changed at any time except when C2[LP] bit is 1.
If the C4[DRST_DRS] write bits are changed while in FLL engaged internal (FEI) or
FLL engaged external (FEE), the MCGOUTCLK will switch to the new selected DCO
range within three clocks of the selected DCO clock. After switching to the new DCO,
the FLL remains unlocked for several reference cycles. DCO startup time is equal to the
FLL acquisition time. After the selected DCO startup time is over, the FLL is locked. The
completion of the switch is shown by the C4[DRST_DRS] read bits.
24.4.2 Low Power Bit Usage
The C2[LP] bit is provided to allow the FLL or PLL to be disabled and thus conserve
power when these systems are not being used. The C4[DRST_DRS] can not be written
while C2[LP] bit is 1. However, in some applications, it may be desirable to enable the
FLL or PLL and allow it to lock for maximum accuracy before switching to an engaged
mode. Do this by writing C2[LP] to 0.
24.4.3 MCG Internal Reference Clocks
This module supports two internal reference clocks with nominal frequencies of 32 kHz
(slow IRC) and 4 MHz (fast IRC). The fast IRC frequency can be divided down by
programming of the FCRDIV to produce a frequency range of 32 kHz to 4 MHz.
24.4.3.1 MCG Internal Reference Clock
The MCG Internal Reference Clock (MCGIRCLK) provides a clock source for other on-
chip peripherals and is enabled when C1[IRCLKEN]=1. When enabled, MCGIRCLK is
driven by either the fast internal reference clock (4 MHz IRC which can be divided down
by the FRDIV factors) or the slow internal reference clock (32 kHz IRC). The IRCS
clock frequency can be re-targeted by trimming the period of its IRCS selected internal
reference clock. This can be done by writing a new trim value to the
C3[SCTRIM]:C4[SCFTRIM] bits when the slow IRC clock is selected or by writing a
new trim value to the C4[FCTRIM] bits when the fast IRC clock is selected. The internal
reference clock period is proportional to the trim value written.
C3[SCTRIM]:C4[SCFTRIM] (if C2[IRCS]=0) and C4[FCTRIM] (if C2[IRCS]=1) bits
Functional Description
KL25 Sub-Family Reference Manual, Rev. 3, September 2012
388 Freescale Semiconductor, Inc.

affect the MCGOUTCLK frequency if the MCG is in FBI or BLPI modes.
C3[SCTRIM]:C4[SCFTRIM] (if C2[IRCS]=0) bits also affect the MCGOUTCLK
frequency if the MCG is in FEI mode.
Additionally, this clock can be enabled in Stop mode by setting C1[IRCLKEN] and
C1[IREFSTEN], otherwise this clock is disabled in Stop mode.
24.4.4 External Reference Clock
The MCG module can support an external reference clock in all modes. See the device
datasheet for external reference frequency range. When C1[IREFS] is set, the external
reference clock will not be used by the FLL or PLL. In these modes, the frequency can be
equal to the maximum frequency the chip-level timing specifications will support.
If any of the CME bits are asserted the slow internal reference clock is enabled along
with the enabled external clock monitor. For the case when C6[CME0]=1, a loss of clock
is detected if the OSC0 external reference falls below a minimum frequency (floc_high or
floc_low depending on C2[RANGE0]).
All clock monitors must be disabled before VLPR or VLPW power modes are entered.
Upon detect of a loss of clock event, the MCU generates a system reset if the respective
LOCRE bit is set. Otherwise the MCG sets the respective LOCS bit and the MCG
generates a LOCS interrupt request. In the case where a OSC0 loss of clock is detected,
the PLL LOCK status bit is cleared if the OSC clock that is lost was selected as the PLL
reference clock.
24.4.5 MCG Fixed frequency clock
The MCG Fixed Frequency Clock (MCGFFCLK) provides a fixed frequency clock
source for other on-chip peripherals; see the block diagram. This clock is driven by either
the slow clock from the internal reference clock generator or the external reference clock
from the Crystal Oscillator, divided by the FLL reference clock divider. The source of
MCGFFCLK is selected by C1[IREFS].
This clock is synchronized to the peripheral bus clock and is valid only when its
frequency is not more than 1/8 of the MCGOUTCLK frequency. When it is not valid, it is
disabled and held high. The MCGFFCLK is not available when the MCG is in BLPI
mode. This clock is also disabled in Stop mode. The FLL reference clock must be set
within the valid frequency range for the MCGFFCLK.
Chapter 24 Multipurpose Clock Generator (MCG)
KL25 Sub-Family Reference Manual, Rev. 3, September 2012
Freescale Semiconductor, Inc. 389

24.4.6 MCG PLL clock
The MCG PLL Clock (MCGPLLCLK) is available depending on the device's
configuration of the MCG module. For more details, see the clock distribution chapter of
this MCU. The MCGPLLCLK is prevented from coming out of the MCG until it is
enabled and S[LOCK0] is set.
24.4.7 MCG Auto TRIM (ATM)
The MCG Auto Trim (ATM) is a MCG feature that when enabled, it configures the MCG
hardware to automatically trim the MCG Internal Reference Clocks using an external
clock as a reference. The selection between which MCG IRC clock gets tested and
enabled is controlled by the ATC[ATMS] control bit (ATC[ATMS]=0 selects the 32 kHz
IRC and ATC[ATMS]=1 selects the 4 MHz IRC). If 4 MHz IRC is selected for the ATM,
a divide by 128 is enabled to divide down the 4 MHz IRC to a range of 31.250 kHz.
When MCG ATM is enabled by writing ATC[ATME] bit to 1, The ATM machine will
start auto trimming the selected IRC clock. During the autotrim process, ATC[ATME]
will remain asserted and will deassert after ATM is completed or an abort occurs. The
MCG ATM is aborted if a write to any of the following control registers is detected : C1,
C3, C4, or ATC or if Stop mode is entered. If an abort occurs, ATC[ATMF] fail flag is
asserted.
The ATM machine uses the bus clock as the external reference clock to perform the IRC
auto-trim. Therefore, it is required that the MCG is configured in a clock mode where the
reference clock used to generate the system clock is the external reference clock such as
FBE clock mode. The MCG must not be configured in a clock mode where selected IRC
ATM clock is used to generate the system clock. The bus clock is also required to be
running with in the range of 8–16 MHz.
To perform the ATM on the selected IRC, the ATM machine uses the successive
approximation technique to adjust the IRC trim bits to generate the desired IRC trimmed
frequency. The ATM SARs each of the ATM IRC trim bits starting with the MSB. For
each trim bit test, the ATM uses a pulse that is generated by the ATM selected IRC clock
to enable a counter that counts number of ATM external clocks. At end of each trim bit,
the ATM external counter value is compared to the ATCV[15:0] register value. Based on
the comparison result, the ATM trim bit under test will get cleared or stay asserted. This
is done until all trim bits have been tested by ATM SAR machine.
Functional Description
KL25 Sub-Family Reference Manual, Rev. 3, September 2012
390 Freescale Semiconductor, Inc.

Before the ATM can be enabled, the ATM expected count needs to be derived and stored
into the ATCV register. The ATCV expected count is derived based on the required
target Internal Reference Clock (IRC) frequency, and the frequency of the external
reference clock using the following formula:
ATCV
• Fr = Target Internal Reference Clock (IRC) Trimmed Frequency
• Fe = External Clock Frequency
If the auto trim is being performed on the 4 MHz IRC, the calculated expected count
value must be multiplied by 128 before storing it in the ATCV register. Therefore, the
ATCV Expected Count Value for trimming the 4 MHz IRC is calculated using the
following formula.
(128)
24.5 Initialization / Application information
This section describes how to initialize and configure the MCG module in an application.
The following sections include examples on how to initialize the MCG and properly
switch between the various available modes.
24.5.1 MCG module initialization sequence
The MCG comes out of reset configured for FEI mode. The internal reference will
stabilize in tirefsts microseconds before the FLL can acquire lock. As soon as the internal
reference is stable, the FLL will acquire lock in tfll_acquire milliseconds.
24.5.1.1 Initializing the MCG
Because the MCG comes out of reset in FEI mode, the only MCG modes that can be
directly switched to upon reset are FEE, FBE, and FBI modes (see Figure 24-16).
Reaching any of the other modes requires first configuring the MCG for one of these
three intermediate modes. Care must be taken to check relevant status bits in the MCG
status register reflecting all configuration changes within each mode.
To change from FEI mode to FEE or FBE modes, follow this procedure:
1. Enable the external clock source by setting the appropriate bits in C2 register.
Chapter 24 Multipurpose Clock Generator (MCG)
KL25 Sub-Family Reference Manual, Rev. 3, September 2012
Freescale Semiconductor, Inc. 391

2. Write to C1 register to select the clock mode.
• If entering FEE mode, set C1[FRDIV] appropriately, clear the C1[IREFS] bit to
switch to the external reference, and leave the C1[CLKS] bits at 2'b00 so that the
output of the FLL is selected as the system clock source.
• If entering FBE, clear the C1[IREFS] bit to switch to the external reference and
change the C1[CLKS] bits to 2'b10 so that the external reference clock is
selected as the system clock source. The C1[FRDIV] bits should also be set
appropriately here according to the external reference frequency to keep the FLL
reference clock in the range of 31.25 kHz to 39.0625 kHz. Although the FLL is
bypassed, it is still on in FBE mode.
• The internal reference can optionally be kept running by setting the
C1[IRCLKEN] bit. This is useful if the application will switch back and forth
between internal and external modes. For minimum power consumption, leave
the internal reference disabled while in an external clock mode.
3. Once the proper configuration bits have been set, wait for the affected bits in the
MCG status register to be changed appropriately, reflecting that the MCG has moved
into the proper mode.
• If the MCG is in FEE, FBE, PEE, PBE, or BLPE mode, and C2[EREFS0] was
also set in step 1, wait here for S[OSCINIT0] bit to become set indicating that
the external clock source has finished its initialization cycles and stabilized.
• If in FEE mode, check to make sure the S[IREFST] bit is cleared before moving
on.
• If in FBE mode, check to make sure the S[IREFST] bit is cleared and S[CLKST]
bits have changed to 2'b10 indicating the external reference clock has been
appropriately selected. Although the FLL is bypassed, it is still on in FBE mode.
4. Write to the C4 register to determine the DCO output (MCGFLLCLK) frequency
range.
• By default, with C4[DMX32] cleared to 0, the FLL multiplier for the DCO
output is 640. For greater flexibility, if a mid-low-range FLL multiplier of 1280
is desired instead, set C4[DRST_DRS] bits to 2'b01 for a DCO output frequency
of 40 MHz. If a mid high-range FLL multiplier of 1920 is desired instead, set the
C4[DRST_DRS] bits to 2'b10 for a DCO output frequency of 60 MHz. If a high-
range FLL multiplier of 2560 is desired instead, set the C4[DRST_DRS] bits to
2'b11 for a DCO output frequency of 80 MHz.
Initialization / Application information
KL25 Sub-Family Reference Manual, Rev. 3, September 2012
392 Freescale Semiconductor, Inc.

• When using a 32.768 kHz external reference, if the maximum low-range DCO
frequency that can be achieved with a 32.768 kHz reference is desired, set
C4[DRST_DRS] bits to 2'b00 and set C4[DMX32] bit to 1. The resulting DCO
output (MCGOUTCLK) frequency with the new multiplier of 732 will be 24
MHz.
• When using a 32.768 kHz external reference, if the maximum mid-range DCO
frequency that can be achieved with a 32.768 kHz reference is desired, set
C4[DRST_DRS] bits to 2'b01 and set C4[DMX32] bit to 1. The resulting DCO
output (MCGOUTCLK) frequency with the new multiplier of 1464 will be 48
MHz.
• When using a 32.768 kHz external reference, if the maximum mid high-range
DCO frequency that can be achieved with a 32.768 kHz reference is desired, set
C4[DRST_DRS] bits to 2'b10 and set C4[DMX32] bit to 1. The resulting DCO
output (MCGOUTCLK) frequency with the new multiplier of 2197 will be 72
MHz.
• When using a 32.768 kHz external reference, if the maximum high-range DCO
frequency that can be achieved with a 32.768 kHz reference is desired, set
C4[DRST_DRS] bits to 2'b11 and set C4[DMX32] bit to 1. The resulting DCO
output (MCGOUTCLK) frequency with the new multiplier of 2929 will be 96
MHz.
5. Wait for the FLL lock time to guarantee FLL is running at new C4[DRST_DRS] and
C4[DMX32] programmed frequency.
To change from FEI clock mode to FBI clock mode, follow this procedure:
1. Change C1[CLKS] bits in C1 register to 2'b01 so that the internal reference clock is
selected as the system clock source.
2. Wait for S[CLKST] bits in the MCG status register to change to 2'b01, indicating
that the internal reference clock has been appropriately selected.
3. Write to the C2 register to determine the IRCS output (IRCSCLK) frequency range.
• By default, with C2[IRCS] cleared to 0, the IRCS selected output clock is the
slow internal reference clock (32 kHz IRC). If the faster IRC is desired, set
C2[IRCS] bit to 1 for a IRCS clock derived from the 4 MHz IRC source.
Chapter 24 Multipurpose Clock Generator (MCG)
KL25 Sub-Family Reference Manual, Rev. 3, September 2012
Freescale Semiconductor, Inc. 393

24.5.2 Using a 32.768 kHz reference
In FEE and FBE modes, if using a 32.768 kHz external reference, at the default FLL
multiplication factor of 640, the DCO output (MCGFLLCLK) frequency is 20.97 MHz at
low-range. If C4[DRST_DRS] bits are set to 2'b01, the multiplication factor is doubled to
1280, and the resulting DCO output frequency is 41.94 MHz at mid-low-range. If
C4[DRST_DRS] bits are set to 2'b10, the multiplication factor is set to 1920, and the
resulting DCO output frequency is 62.91 MHz at mid high-range. If C4[DRST_DRS] bits
are set to 2'b11, the multiplication factor is set to 2560, and the resulting DCO output
frequency is 83.89 MHz at high-range.
In FBI and FEI modes, setting C4[DMX32] bit is not recommended. If the internal
reference is trimmed to a frequency above 32.768 kHz, the greater FLL multiplication
factor could potentially push the microcontroller system clock out of specification and
damage the part.
24.5.3 MCG mode switching
When switching between operational modes of the MCG, certain configuration bits must
be changed in order to properly move from one mode to another. Each time any of these
bits are changed (C6[PLLS], C1[IREFS], C1[CLKS], C2[IRCS], or C2[EREFS0]), the
corresponding bits in the MCG status register (PLLST, IREFST, CLKST, IRCST, or
OSCINIT) must be checked before moving on in the application software.
Additionally, care must be taken to ensure that the reference clock divider (C1[FRDIV]
and C5[PRDIV0]) is set properly for the mode being switched to. For instance, in PEE
mode, if using a 4 MHz crystal, C5[PRDIV0] must be set to 5'b000 (divide-by-1) or
5'b001 (divide -by-2) to divide the external reference down to the required frequency
between 2 and 4 MHz.
In FBE, FEE, FBI, and FEI modes, at any time, the application can switch the FLL
multiplication factor between 640, 1280, 1920, and 2560 with C4[DRST_DRS] bits.
Writes to C4[DRST_DRS] bits will be ignored if C2[LP]=1.
The table below shows MCGOUTCLK frequency calculations using C1[FRDIV],
C5[PRDIV0], and C6[VDIV0] settings for each clock mode.
Table 24-19. MCGOUTCLK Frequency Calculation Options
Clock Mode fMCGOUTCLK1Note
FEI (FLL engaged internal) (fint * F) Typical fMCGOUTCLK = 21 MHz
immediately after reset.
FEE (FLL engaged external) (fext / FLL_R) *F fext / FLL_R must be in the range of
31.25 kHz to 39.0625 kHz
Table continues on the next page...
Initialization / Application information
KL25 Sub-Family Reference Manual, Rev. 3, September 2012
394 Freescale Semiconductor, Inc.

Table 24-19. MCGOUTCLK Frequency Calculation Options
(continued)
Clock Mode fMCGOUTCLK1Note
FBE (FLL bypassed external) OSCCLK OSCCLK / FLL_R must be in the
range of 31.25 kHz to 39.0625 kHz
FBI (FLL bypassed internal) MCGIRCLK Selectable between slow and fast
IRC
PEE (PLL engaged external) (OSCCLK / PLL_R) * M OSCCLK / PLL_R must be in the
range of 2 – 4 MHz
PBE (PLL bypassed external) OSCCLK OSCCLK / PLL_R must be in the
range of 2 – 4 MHz
BLPI (Bypassed low power internal) MCGIRCLK Selectable between slow and fast
IRC
BLPE (Bypassed low power external) OSCCLK
1. FLL_R is the reference divider selected by the C1[FRDIV] bits, PLL_R is the reference divider selected by C5[PRDIV0]
bits, F is the FLL factor selected by C4[DRST_DRS] and C4[DMX32] bits, and M is the multiplier selected by C6[VDIV0]
bits.
This section will include three mode switching examples using an 4 MHz external
crystal. If using an external clock source less than 2 MHz, the MCG must not be
configured for any of the PLL modes (PEE and PBE).
24.5.3.1 Example 1: Moving from FEI to PEE mode: External Crystal =
4 MHz, MCGOUTCLK frequency = 48 MHz
In this example, the MCG will move through the proper operational modes from FEI to
PEE to achieve 48 MHz MCGOUTCLK frequency from 4 MHz external crystal
reference. First, the code sequence will be described. Then there is a flowchart that
illustrates the sequence.
1. First, FEI must transition to FBE mode:
a. C2 = 0x1C
• C2[RANGE0] set to 2'b01 because the frequency of 4 MHz is within the
high frequency range.
• C2[HGO0] set to 1 to configure the crystal oscillator for high gain operation.
• C2[EREFS0] set to 1, because a crystal is being used.
b. C1 = 0x90
• C1[CLKS] set to 2'b10 to select external reference clock as system clock
source
Chapter 24 Multipurpose Clock Generator (MCG)
KL25 Sub-Family Reference Manual, Rev. 3, September 2012
Freescale Semiconductor, Inc. 395

• C1[FRDIV] set to 3'b010, or divide-by-128 because 4 MHz / 128 = 31.25
kHz which is in the 31.25 kHz to 39.0625 kHz range required by the FLL
• C1[IREFS] cleared to 0, selecting the external reference clock and enabling
the external oscillator.
c. Loop until S[OSCINIT0] is 1, indicating the crystal selected by C2[EREFS0] has
been initialized.
d. Loop until S[IREFST] is 0, indicating the external reference is the current source
for the reference clock.
e. Loop until S[CLKST] is 2'b10, indicating that the external reference clock is
selected to feed MCGOUTCLK.
2. Then configure C5[PRDIV0] to generate correct PLL reference frequency.
a. C5 = 0x01
• C5[PRDIV0] set to 5'b001, or divide-by-2 resulting in a pll reference
frequency of 4 MHz/2 = 2 MHz.
3. Then, FBE must transition either directly to PBE mode or first through BLPE mode
and then to PBE mode:
a. BLPE: If a transition through BLPE mode is desired, first set C2[LP] to 1.
b. BLPE/PBE: C6 = 0x40
• C6[PLLS] set to 1, selects the PLL. At this time, with a C1[PRDIV] value of
2'b001, the PLL reference divider is 2 (see PLL External Reference Divide
Factor table), resulting in a reference frequency of 4 MHz/ 2 = 2 MHz. In
BLPE mode, changing the C6[PLLS] bit only prepares the MCG for PLL
usage in PBE mode.
• C6[VDIV0] set to 5'b0000, or multiply-by-24 because 2 MHz reference * 24
= 48 MHz. In BLPE mode, the configuration of the VDIV bits does not
matter because the PLL is disabled. Changing them only sets up the multiply
value for PLL usage in PBE mode.
c. BLPE: If transitioning through BLPE mode, clear C2[LP] to 0 here to switch to
PBE mode.
d. PBE: Loop until S[PLLST] is set, indicating that the current source for the PLLS
clock is the PLL.
e. PBE: Then loop until S[LOCK0] is set, indicating that the PLL has acquired
lock.
Initialization / Application information
KL25 Sub-Family Reference Manual, Rev. 3, September 2012
396 Freescale Semiconductor, Inc.

4. Lastly, PBE mode transitions into PEE mode:
a. C1 = 0x10
• C1[CLKS] set to 2'b00 to select the output of the PLL as the system clock
source.
b. Loop until S[CLKST] are 2'b11, indicating that the PLL output is selected to
feed MCGOUTCLK in the current clock mode.
• Now, with PRDIV0 of divide-by-2, and C6[VDIV0] of multiply-by-24,
MCGOUTCLK = [(4 MHz / 2) * 24] = 48 MHz.
Chapter 24 Multipurpose Clock Generator (MCG)
KL25 Sub-Family Reference Manual, Rev. 3, September 2012
Freescale Semiconductor, Inc. 397

C2 = 0x1C
(S[LP]=0)
IN
BLPE MODE ?
C6 = 0x40
C2 = 0x1C
START
IN FEI MODE
NO
NO
NO
NO
NO
NO
NO
NO
YES
YES
YES
YES
YES
YES
YES
YES
CHECK
C1 = 0x90
CHECK
CHECK
ENTER
BLPE MODE ?
C2 = 0x1E
(C2[LP] = 1)
CHECK
CHECK
C1 = 0x10
CHECK
CONTINUE
IN PEE MODE
S[PLLST] = 1?
S[LOCK] = 1?
S[CLKST] = %10?
S[CLKST] = %11?
(S[LP]=1)
S[IREFST] = 0?
S[OSCINIT] = 1?
C5 = 0x01
(C5[VDIV] = 1)
Figure 24-17. Flowchart of FEI to PEE mode transition using an 4 MHz crystal
Initialization / Application information
KL25 Sub-Family Reference Manual, Rev. 3, September 2012
398 Freescale Semiconductor, Inc.

24.5.3.2 Example 2: Moving from PEE to BLPI mode: MCGOUTCLK
frequency =32 kHz
In this example, the MCG will move through the proper operational modes from PEE
mode with a 4 MHz crystal configured for a 48 MHz MCGOUTCLK frequency (see
previous example) to BLPI mode with a 32 kHz MCGOUTCLK frequency. First, the
code sequence will be described. Then there is a flowchart that illustrates the sequence.
1. First, PEE must transition to PBE mode:
a. C1 = 0x90
• C1[CLKS] set to 2'b10 to switch the system clock source to the external
reference clock.
b. Loop until S[CLKST] are 2'b10, indicating that the external reference clock is
selected to feed MCGOUTCLK.
2. Then, PBE must transition either directly to FBE mode or first through BLPE mode
and then to FBE mode:
a. BLPE: If a transition through BLPE mode is desired, first set C2[LP] to 1.
b. BLPE/FBE: C6 = 0x00
• C6[PLLS] clear to 0 to select the FLL. At this time, with C1[FRDIV] value
of 3'b010, the FLL divider is set to 128, resulting in a reference frequency of
4 MHz / 128 = 31.25 kHz. If C1[FRDIV] was not previously set to 3'b010
(necessary to achieve required 31.25–39.06 kHz FLL reference frequency
with an 4 MHz external source frequency), it must be changed prior to
clearing C6[PLLS] bit. In BLPE mode,changing this bit only prepares the
MCG for FLL usage in FBE mode. With C6[PLLS] = 0, the C6[VDIV0]
value does not matter.
c. BLPE: If transitioning through BLPE mode, clear C2[LP] to 0 here to switch to
FBE mode.
d. FBE: Loop until S[PLLST] is cleared, indicating that the current source for the
PLLS clock is the FLL.
3. Next, FBE mode transitions into FBI mode:
a. C1 = 0x54
• C1[CLKS] set to 2'b01 to switch the system clock to the internal reference
clock.
Chapter 24 Multipurpose Clock Generator (MCG)
KL25 Sub-Family Reference Manual, Rev. 3, September 2012
Freescale Semiconductor, Inc. 399

• C1[IREFS] set to 1 to select the internal reference clock as the reference
clock source.
• C1[FRDIV] remain unchanged because the reference divider does not affect
the internal reference.
b. Loop until S[IREFST] is 1, indicating the internal reference clock has been
selected as the reference clock source.
c. Loop until S[CLKST] are 2'b01, indicating that the internal reference clock is
selected to feed MCGOUTCLK.
4. Lastly, FBI transitions into BLPI mode.
a. C2 = 0x02
• C2[LP] is 1
• C2[RANGE0], C2[HGO0], C2[EREFS0], C1[IRCLKEN], and
C1[IREFSTEN] bits are ignored when the C1[IREFS] bit is set. They can
remain set, or be cleared at this point.
Initialization / Application information
KL25 Sub-Family Reference Manual, Rev. 3, September 2012
400 Freescale Semiconductor, Inc.

START
IN PEE MODE
C1 = 0x90
CHECK
S[CLKST] = %10 ?
NO
NO
NO
NO
YES
C2 = 0x02
CONTINUE
IN BLPI MODE
YES
YES
CHECK
S[PLLST] = 0?
C1 = 0x54
CHECK
S[IREFST] = 0?
CHECK
S[CLKST] = %01?
YES
NO
YES
(C2[LP] = 1)
C6 = 0x00
IN
BLPE MODE ?
IN
BLPE MODE ? NO
YES
C2 = 0x1C
(C2[LP] = 0)
C2 = 0x1E
ENTER
BLPE MODE ?
(C2[LP]=1)
Figure 24-18. Flowchart of PEE to BLPI mode transition using an 4 MHz crystal
Chapter 24 Multipurpose Clock Generator (MCG)
KL25 Sub-Family Reference Manual, Rev. 3, September 2012
Freescale Semiconductor, Inc. 401

24.5.3.3 Example 3: Moving from BLPI to FEE mode
In this example, the MCG will move through the proper operational modes from BLPI
mode at a 32 kHz MCGOUTCLK frequency running off the internal reference clock (see
previous example) to FEE mode using a 4 MHz crystal configured for a 20 MHz
MCGOUTCLK frequency. First, the code sequence will be described. Then there is a
flowchart that illustrates the sequence.
1. First, BLPI must transition to FBI mode.
a. C2 = 0x00
• C2[LP] is 0
2. Next, FBI will transition to FEE mode.
a. C2 = 0x1C
• C2[RANGE0] set to 2'b01 because the frequency of 4 MHz is within the
high frequency range.
• C2[HGO0] set to 1 to configure the crystal oscillator for high gain operation.
• C2[EREFS0] set to 1, because a crystal is being used.
b. C1 = 0x10
• C1[CLKS] set to 2'b00 to select the output of the FLL as system clock
source.
• C1[FRDIV] remain at 3'b010, or divide-by-128 for a reference of 4 MHz /
128 = 31.25 kHz.
• C1[IREFS] cleared to 0, selecting the external reference clock.
c. Loop until S[OSCINIT0] is 1, indicating the crystal selected by the C2[EREFS0]
bit has been initialized.
d. Loop until S[IREFST] is 0, indicating the external reference clock is the current
source for the reference clock.
e. Loop until S[CLKST] are 2'b00, indicating that the output of the FLL is selected
to feed MCGOUTCLK.
f. Now, with a 31.25 kHz reference frequency, a fixed DCO multiplier of 640,
MCGOUTCLK = 31.25 kHz * 640 / 1 = 20 MHz.
g. At this point, by default, the C4[DRST_DRS] bits are set to 2'b00 and
C4[DMX32] is cleared to 0. If the MCGOUTCLK frequency of 40 MHz is
desired instead, set the C4[DRST_DRS] bits to 0x01 to switch the FLL
Initialization / Application information
KL25 Sub-Family Reference Manual, Rev. 3, September 2012
402 Freescale Semiconductor, Inc.

multiplication factor from 640 to 1280. To return the MCGOUTCLK frequency
to 20 MHz, set C4[DRST_DRS] bits to 2'b00 again, and the FLL multiplication
factor will switch back to 640.
C1 = 0x10
C2 = 0x00
C2 = 0x1C
CHECK
CHECK
CHECK
S[OSCINIT] = 1 ?
CONTINUE
IN FEE MODE
NO
NO
NO
YES
YES
YES
START
IN BLPI MODE
S[IREFST] = 0?
S[CLKST] = %00?
Figure 24-19. Flowchart of BLPI to FEE mode transition using an 4 MHz crystal
Chapter 24 Multipurpose Clock Generator (MCG)
KL25 Sub-Family Reference Manual, Rev. 3, September 2012
Freescale Semiconductor, Inc. 403

Initialization / Application information
KL25 Sub-Family Reference Manual, Rev. 3, September 2012
404 Freescale Semiconductor, Inc.

Chapter 25
Oscillator (OSC)
25.1 Introduction
NOTE
For the chip-specific implementation details of this module's
instances see the chip configuration information.
The OSC module is a crystal oscillator. The module, in conjunction with an external
crystal or resonator, generates a reference clock for the MCU.
25.2 Features and Modes
Key features of the module are:
• Supports 32 kHz crystals (Low Range mode)
• Voltage and frequency filtering to guarantee clock frequency and stability
• Optionally external input bypass clock from EXTAL signal directly
• One clock for MCU clock system
• Two clocks for on-chip peripherals that can work in Stop modes
Functional Description describes the module's operation in more detail.
KL25 Sub-Family Reference Manual, Rev. 3, September 2012
Freescale Semiconductor, Inc. 405

25.3 Block Diagram
The OSC module uses a crystal or resonator to generate three filtered oscillator clock
signals. Three clocks are output from OSC module: OSCCLK for MCU system,
OSCERCLK for on-chip peripherals, and OSC32KCLK. The OSCCLK can only work in
run mode. OSCERCLK and OSC32KCLK can work in low power modes. For the clock
source assignments, refer to the clock distribution information of this MCU.
Refer to the chip configuration chapter for the external reference clock source in this
MCU.
The following figure shows the block diagram of the OSC module.
XTAL
EXTAL
XTL_CLK
CNT_DONE_4096
OSC_CLK_OUT
Mux
4096
Counter
OSC Clock Enable
STOP
OSC clock selection
OSCERCLK
ERCLKEN
OSCCLK
Range selections
Low Power config
OSC32KCLK
Oscillator Circuits
E N
Control and Decoding
logic
ERCLKEN EREFSTEN OSC_EN
Figure 25-1. OSC Module Block Diagram
25.4 OSC Signal Descriptions
The following table shows the user-accessible signals available for the OSC module.
Refer to signal multiplexing information for this MCU for more details.
Block Diagram
KL25 Sub-Family Reference Manual, Rev. 3, September 2012
406 Freescale Semiconductor, Inc.

Table 25-1. OSC Signal Descriptions
Signal Description I/O
EXTAL External clock/Oscillator input I
XTAL Oscillator output O
25.5 External Crystal / Resonator Connections
The connections for a crystal/resonator frequency reference are shown in the following
figures. When using low-frequency, low-power mode, the only external component is the
crystal or ceramic resonator itself. In the other oscillator modes, load capacitors (Cx, Cy)
and feedback resistor (RF) are required. The following table shows all possible
connections.
Table 25-2. External Caystal/Resonator Connections
Oscillator Mode Connections
Low-frequency (32 kHz), low-power Connection 11
Low-frequency (32 kHz), high-gain Connection 2/Connection 32
High-frequency (3~32 MHz), low-power Connection 31
High-frequency (3~32 MHz), high-gain Connection 3
1. With the low-power mode, the oscillator has the internal feedback resistor RF. Therefore, the feedback resistor must not be
externally with the Connection 3.
2. When the load capacitors (Cx, Cy) are greater than 30 pF, use Connection 3.
OSC
EXTAL
Crystal or Resonator
VSS
XTAL
Figure 25-2. Crystal/Ceramic Resonator Connections - Connection 1
Chapter 25 Oscillator (OSC)
KL25 Sub-Family Reference Manual, Rev. 3, September 2012
Freescale Semiconductor, Inc. 407

OSC
VSS
RF
Crystal or Resonator
XTAL EXTAL
Figure 25-3. Crystal/Ceramic Resonator Connections - Connection 2
NOTE
Connection 1 and Connection 2 should use internal capacitors
as the load of the oscillator by configuring the CR[SCxP] bits.
OSC
VSS
CxCy
RF
Crystal or Resonator
XTAL EXTAL
Figure 25-4. Crystal/Ceramic Resonator Connections - Connection 3
25.6 External Clock Connections
In external clock mode, the pins can be connected as shown below.
NOTE
XTAL can be used as a GPIO when the GPIO alternate function
is configured for it.
External Clock Connections
KL25 Sub-Family Reference Manual, Rev. 3, September 2012
408 Freescale Semiconductor, Inc.

OSC
VSS
Clock Input
I/O
XTAL EXTAL
Figure 25-5. External Clock Connections
25.7 Memory Map/Register Definitions
Some oscillator module register bits are typically incorporated into other peripherals such
as MCG or SIM.
OSC Memory Map/Register Definition
OSC memory map
Absolute
address
(hex)
Register name Width
(in bits) Access Reset value Section/
page
4006_5000 OSC Control Register (OSC0_CR) 8 R/W 00h 25.71.1/409
25.71.1 OSC Control Register (OSCx_CR)
NOTE
After OSC is enabled and starts generating the clocks, the
configurations such as low power and frequency range, must
not be changed.
Address: 4006_5000h base + 0h offset = 4006_5000h
Bit 7 6 5 4 3 2 1 0
Read ERCLKEN 0EREFSTEN 0SC2P SC4P SC8P SC16P
Write
Reset 00000000
OSCx_CR field descriptions
Field Description
7
ERCLKEN
External Reference Enable
Enables external reference clock (OSCERCLK).
Table continues on the next page...
25.7.1
Chapter 25 Oscillator (OSC)
KL25 Sub-Family Reference Manual, Rev. 3, September 2012
Freescale Semiconductor, Inc. 409

OSCx_CR field descriptions (continued)
Field Description
0 External reference clock is inactive.
1 External reference clock is enabled.
6
Reserved
This field is reserved.
This read-only field is reserved and always has the value 0.
5
EREFSTEN
External Reference Stop Enable
Controls whether or not the external reference clock (OSCERCLK) remains enabled when MCU enters
Stop mode.
0 External reference clock is disabled in Stop mode.
1 External reference clock stays enabled in Stop mode if ERCLKEN is set before entering Stop mode.
4
Reserved
This field is reserved.
This read-only field is reserved and always has the value 0.
3
SC2P
Oscillator 2 pF Capacitor Load Configure
Configures the oscillator load.
0 Disable the selection.
1 Add 2 pF capacitor to the oscillator load.
2
SC4P
Oscillator 4 pF Capacitor Load Configure
Configures the oscillator load.
0 Disable the selection.
1 Add 4 pF capacitor to the oscillator load.
1
SC8P
Oscillator 8 pF Capacitor Load Configure
Configures the oscillator load.
0 Disable the selection.
1 Add 8 pF capacitor to the oscillator load.
0
SC16P
Oscillator 16 pF Capacitor Load Configure
Configures the oscillator load.
0 Disable the selection.
1 Add 16 pF capacitor to the oscillator load.
25.8 Functional Description
This following sections provide functional details of the module.
25.8.1 OSC Module States
The states of the OSC module are shown in the following figure. The states and their
transitions between each other are described in this section.
Functional Description
KL25 Sub-Family Reference Manual, Rev. 3, September 2012
410 Freescale Semiconductor, Inc.

Stable
Off
OSCCLK
CNT_DONE_4096
Start-Up
OSCCLK requested
External Clock Mode
Oscillator ON, Stable
Oscillator OFF
Oscillator ON, not yet stable Oscillator ON
OSC_CLK_OUT = Static
OSC_CLK_OUT = Static OSC_CLK_OUT = EXTAL
OSC_CLK_OUT = XTL_CLK
not requested
&&
Select OSC internal clock
OSCCLK requested
&&
Select clock from EXTAL signal
Figure 25-8. OSC Module State Diagram
NOTE
XTL_CLK is the clock generated internally from OSC circuits.
25.8.1.1 Off
The OSC enters the Off state when the system does not require OSC clocks. Upon
entering this state, XTL_CLK is static unless OSC is configured to select the clock from
the EXTAL pad by clearing the external reference clock selection bit. For details
regarding the external reference clock source in this MCU, refer to the chip configuration
chapter. The EXTAL and XTAL pins are also decoupled from all other oscillator
circuitry in this state. The OSC module circuitry is configured to draw minimal current.
Chapter 25 Oscillator (OSC)
KL25 Sub-Family Reference Manual, Rev. 3, September 2012
Freescale Semiconductor, Inc. 411

25.8.1.2 Oscillator Start-Up
The OSC enters start-up state when it is configured to generate clocks (internally the
OSC_EN transitions high) using the internal oscillator circuits by setting the external
reference clock selection bit. In this state, the OSC module is enabled and oscillations are
starting up, but have not yet stabilized. When the oscillation amplitude becomes large
enough to pass through the input buffer, XTL_CLK begins clocking the counter. When
the counter reaches 4096 cycles of XTL_CLK, the oscillator is considered stable and
XTL_CLK is passed to the output clock OSC_CLK_OUT.
25.8.1.3 Oscillator Stable
The OSC enters stable state when it is configured to generate clocks (internally the
OSC_EN transitions high) using the internal oscillator circuits by setting the external
reference clock selection bit and the counter reaches 4096 cycles of XTL_CLK (when
CNT_DONE_4096 is high). In this state, the OSC module is producing a stable output
clock on OSC_CLK_OUT. Its frequency is determined by the external components being
used.
25.8.1.4 External Clock Mode
The OSC enters external clock state when it is enabled and external reference clock
selection bit is cleared. For details regarding external reference clock source in this MCU,
refer to the chip configuration chapter. In this state, the OSC module is set to buffer (with
hysteresis) a clock from EXTAL onto the OSC_CLK_OUT. Its frequency is determined
by the external clock being supplied.
25.8.2 OSC Module Modes
The OSC is a Pierce-type oscillator that supports external crystals or resonators operating
over the frequency ranges shown in Table 25-7. These modes assume the following
conditions: OSC is enabled to generate clocks (OSC_EN=1), configured to generate
clocks internally (MCG_C2[EREFS] = 1), and some or one of the other peripherals
(MCG, Timer, and so on) is configured to use the oscillator output clock
(OSC_CLK_OUT).
Functional Description
KL25 Sub-Family Reference Manual, Rev. 3, September 2012
412 Freescale Semiconductor, Inc.

Table 25-7. Oscillator Modes
Mode Frequency Range
High-frequency mode1, high-gain fosc_hi_1 (3 MHz) up to fosc_hi_1 (8 MHz)
High-frequency mode1, low-power
NOTE
For information about low power modes of operation used in
this chip and their alignment with some OSC modes, refer to
the chip's Power Management details.
25.8.2.1 Low-Frequency, Low-Power Mode
In low-frequency, low-power mode, the oscillator uses a gain control loop to minimize
power consumption. As the oscillation amplitude increases, the amplifier current is
reduced. This continues until a desired amplitude is achieved at steady-state. This mode
provides low pass frequency filtering as well as hysteresis for voltage filtering and
converts the output to logic levels. In this mode, the internal capacitors could be used, the
internal feedback resistor is connected, and no external resistor should be used.
In this mode, the amplifier inputs, gain-control input, and input buffer input are all
capacitively coupled for leakage tolerance (not sensitive to the DC level of EXTAL).
Also in this mode, all external components except for the resonator itself are integrated,
which includes the load capacitors and feeback resistor that biases EXTAL.
25.8.3 Counter
The oscillator output clock (OSC_CLK_OUT) is gated off until the counter has detected
4096 cycles of its input clock (XTL_CLK). After 4096 cycles are completed, the counter
passes XTL_CLK onto OSC_CLK_OUT. This counting time-out is used to guarantee
output clock stability.
25.8.4 Reference Clock Pin Requirements
The OSC module requires use of both the EXTAL and XTAL pins to generate an output
clock in Oscillator mode, but requires only the EXTAL pin in External clock mode. The
EXTAL and XTAL pins are available for I/O. For the implementation of these pins on
this device, refer to the Signal Multiplexing chapter.
Chapter 25 Oscillator (OSC)
KL25 Sub-Family Reference Manual, Rev. 3, September 2012
Freescale Semiconductor, Inc. 413

25.9 Reset
There is no reset state associated with the OSC module. The counter logic is reset when
the OSC is not configured to generate clocks.
There are no sources of reset requests for the OSC module.
25.10 Low Power Modes Operation
When the MCU enters Stop modes, the OSC is functional depending on ERCLKEN and
EREFSETN bit settings. If both these bits are set, the OSC is in operation. In Low
Leakage Stop (LLS) modes, the OSC holds all register settings. If ERCLKEN and
EREFSTEN bits are set before entry to Low Leakage Stop modes, the OSC is still
functional in these modes. After waking up from Very Low Leakage Stop (VLLSx)
modes, all OSC register bits are reset and initialization is required through software.
25.11 Interrupts
The OSC module does not generate any interrupts.
Reset
KL25 Sub-Family Reference Manual, Rev. 3, September 2012
414 Freescale Semiconductor, Inc.

Chapter 26
Flash Memory Controller (FMC)
26.1 Introduction
The Flash Memory Controller (FMC) is a memory acceleration unit that provides:
• an interface between bus masters and the 32-bit program flash memory.
• a buffer and a cache that can accelerate program flash memory data transfers.
26.1.1 Overview
The Flash Memory Controller manages the interface between bus masters and the 32-bit
program flash memory. The FMC receives status information detailing the configuration
of the flash memory and uses this information to ensure a proper interface. The FMC
supports 8-bit, 16-bit, and 32-bit read operations from the program flash memory. A write
operation to program flash memory results in a bus error.
In addition, the FMC provides two separate mechanisms for accelerating the interface
between bus masters and program flash memory. A 32-bit speculation buffer can prefetch
the next 32-bit flash memory location, and a 4-way, 4-set program flash memory cache
can store previously accessed program flash memory data for quick access times.
26.1.2 Features
The FMC's features include:
• Interface between bus masters and the 32-bit program flash memory:
• 8-bit, 16-bit, and 32-bit read operations to nonvolatile flash memory.
• Acceleration of data transfer from the program flash memory to the device:
KL25 Sub-Family Reference Manual, Rev. 3, September 2012
Freescale Semiconductor, Inc. 415

• 32-bit prefetch speculation buffer for program flash accesses with controls for
instruction/data access
• 4-way, 4-set, 32-bit line size program flash memory cache for a total of sixteen
32-bit entries with invalidation control
26.2 Modes of operation
The FMC operates only when a bus master accesses the program flash memory. In terms
of chip power modes:
• The FMC operates only in run and wait modes, including VLPR and VLPW modes.
• For any power mode where the program flash memory cannot be accessed, the FMC
is disabled.
26.3 External signal description
The FMC has no external (off-chip) signals.
26.4 Memory map and register descriptions
The MCM's programming model provides control and configuration of the FMC's
features. For details, see the description of the MCM's Platform Control Register
(PLACR).
26.5 Functional description
The FMC is a flash acceleration unit with flexible buffers for user configuration. Besides
managing the interface between bus masters and the program flash memory, the FMC can
be used to customize the program flash memory cache and buffer to provide single-cycle
system clock data access times. Whenever a hit occurs for the prefetch speculation buffer
or the cache (when enabled), the requested data is transferred within a single system
clock.
Upon system reset, the FMC is configured as follows:
• Flash cache is enabled
• Instruction speculation and caching are enabled
Modes of operation
KL25 Sub-Family Reference Manual, Rev. 3, September 2012
416 Freescale Semiconductor, Inc.

• Data speculation is disabled
• Data caching is enabled
Though the default configuration provides flash acceleration, advanced users may desire
to customize the FMC buffer configurations to maximize throughput for their use cases.
For example, the user may adjust the controls to enable buffering per access type (data or
instruction).
NOTE
When reconfiguring the FMC, do not program the control and
configuration inputs to the FMC while the program flash
memory is being accessed. Instead, change them with a routine
executing from RAM in supervisor mode.
Chapter 26 Flash Memory Controller (FMC)
KL25 Sub-Family Reference Manual, Rev. 3, September 2012
Freescale Semiconductor, Inc. 417

Functional description
KL25 Sub-Family Reference Manual, Rev. 3, September 2012
418 Freescale Semiconductor, Inc.

Chapter 27
Flash Memory Module (FTFA)
27.1 Introduction
NOTE
For the chip-specific implementation details of this module's
instances see the chip configuration information.
The flash memory module includes the following accessible memory regions:
• Program flash memory for vector space and code store
Flash memory is ideal for single-supply applications, permitting in-the-field erase and
reprogramming operations without the need for any external high voltage power sources.
The flash memory module includes a memory controller that executes commands to
modify flash memory contents. An erased bit reads '1' and a programmed bit reads '0'.
The programming operation is unidirectional; it can only move bits from the '1' state
(erased) to the '0' state (programmed). Only the erase operation restores bits from '0' to
'1'; bits cannot be programmed from a '0' to a '1'.
CAUTION
A flash memory location must be in the erased state before
being programmed. Cumulative programming of bits (back-to-
back program operations without an intervening erase) within a
flash memory location is not allowed. Re-programming of
existing 0s to 0 is not allowed as this overstresses the device.
The standard shipping condition for flash memory is erased
with security disabled. Data loss over time may occur due to
degradation of the erased ('1') states and/or programmed ('0')
states. Therefore, it is recommended that each flash block or
sector be re-erased immediately prior to factory programming
to ensure that the full data retention capability is achieved.
KL25 Sub-Family Reference Manual, Rev. 3, September 2012
Freescale Semiconductor, Inc. 419

27.1.1 Features
The flash memory module includes the following features.
NOTE
See the device's Chip Configuration details for the exact
amount of flash memory available on your device.
27.1.1.1 Program Flash Memory Features
• Sector size of 1 Kbyte
• Program flash protection scheme prevents accidental program or erase of stored data
• Automated, built-in, program and erase algorithms with verify
27.1.1.2 Other Flash Memory Module Features
• Internal high-voltage supply generator for flash memory program and erase
operations
• Optional interrupt generation upon flash command completion
• Supports MCU security mechanisms which prevent unauthorized access to the flash
memory contents
27.1.2 Block Diagram
The block diagram of the flash memory module is shown in the following figure.
Introduction
KL25 Sub-Family Reference Manual, Rev. 3, September 2012
420 Freescale Semiconductor, Inc.

Program flash
0
To MCU's
flash controller
Interrupt
Control
registers
Status
registers
Register access
Memory controller
Figure 27-1. Flash Block Diagram
27.1.3 Glossary
Command write sequence — A series of MCU writes to the flash FCCOB register
group that initiates and controls the execution of flash algorithms that are built into the
flash memory module.
Endurance — The number of times that a flash memory location can be erased and
reprogrammed.
FCCOB (Flash Common Command Object) — A group of flash registers that are used
to pass command, address, data, and any associated parameters to the memory controller
in the flash memory module.
Flash block — A macro within the flash memory module which provides the nonvolatile
memory storage.
Flash Memory Module — All flash blocks plus a flash management unit providing
high-level control and an interface to MCU buses.
IFR — Nonvolatile information register found in each flash block, separate from the
main memory array.
NVM — Nonvolatile memory. A memory technology that maintains stored data during
power-off. The flash array is an NVM using NOR-type flash memory technology.
NVM Normal Mode — An NVM mode that provides basic user access to flash memory
module resources. The CPU or other bus masters initiate flash program and erase
operations (or other flash commands) using writes to the FCCOB register group in the
flash memory module.
Chapter 27 Flash Memory Module (FTFA)
KL25 Sub-Family Reference Manual, Rev. 3, September 2012
Freescale Semiconductor, Inc. 421

NVM Special Mode — An NVM mode enabling external, off-chip access to the memory
resources in the flash memory module. A reduced flash command set is available when
the MCU is secured. See the Chip Configuration details for information on when this
mode is used.
Longword — 32 bits of data with an aligned longword having byte-address[1:0] = 00.
Word — 16 bits of data with an aligned word having byte-address[0] = 0.
Program flash — The program flash memory provides nonvolatile storage for vectors
and code store.
Program flash Sector — The smallest portion of the program flash memory
(consecutive addresses) that can be erased.
Retention — The length of time that data can be kept in the NVM without experiencing
errors upon readout. Since erased (1) states are subject to degradation just like
programmed (0) states, the data retention limit may be reached from the last erase
operation (not from the programming time).
RWW— Read-While-Write. The ability to simultaneously read from one memory
resource while commanded operations are active in another memory resource.
Secure — An MCU state conveyed to the flash memory module as described in the Chip
Configuration details for this device. In the secure state, reading and changing NVM
contents is restricted.
27.2 External Signal Description
The flash memory module contains no signals that connect off-chip.
27.3 Memory Map and Registers
This section describes the memory map and registers for the flash memory module. Data
read from unimplemented memory space in the flash memory module is undefined.
Writes to unimplemented or reserved memory space (registers) in the flash memory
module are ignored.
External Signal Description
KL25 Sub-Family Reference Manual, Rev. 3, September 2012
422 Freescale Semiconductor, Inc.

27.3.1 Flash Configuration Field Description
The program flash memory contains a 16-byte flash configuration field that stores default
protection settings (loaded on reset) and security information that allows the MCU to
restrict access to the flash memory module.
Flash Configuration Field Byte
Address Size (Bytes) Field Description
0x0_0400 - 0x0_0407 8 Backdoor Comparison Key. Refer to
Verify Backdoor Access Key Command
and Unsecuring the Chip Using
Backdoor Key Access.
0x0_0408 - 0x0_040B 4 Program flash protection bytes. Refer to
the description of the Program Flash
Protection Registers (FPROT0-3).
0x0_040F 1 Reserved
0x0_040E 1 Reserved
0x0_040D 1 Flash nonvolatile option byte. Refer to
the description of the Flash Option
Register (FOPT).
0x0_040C 1 Flash security byte. Refer to the
description of the Flash Security
Register (FSEC).
27.3.2 Program Flash IFR Map
The program flash IFR is nonvolatile information memory that can be read freely, but the
user has no erase and limited program capabilities (see the Read Once, Program Once,
and Read Resource commands in Read Once Command, Program Once Command and
Read Resource Command). The contents of the program flash IFR are summarized in the
following table and further described in the subsequent paragraphs.
The program flash IFR is located within the program flash 0 memory block.
Address Range Size (Bytes) Field Description
0x00 – 0xBF 192 Reserved
0xC0 – 0xFF 64 Program Once Field
27.3.2.1 Program Once Field
The Program Once Field in the program flash IFR provides 64 bytes of user data storage
separate from the program flash main array. The user can program the Program Once
Field one time only as there is no program flash IFR erase mechanism available to the
Chapter 27 Flash Memory Module (FTFA)
KL25 Sub-Family Reference Manual, Rev. 3, September 2012
Freescale Semiconductor, Inc. 423

user. The Program Once Field can be read any number of times. This section of the
program flash IFR is accessed in 4-Byte records using the Read Once and Program Once
commands (see Read Once Command and Program Once Command).
27.3.3 Register Descriptions
The flash memory module contains a set of memory-mapped control and status registers.
NOTE
While a command is running (FSTAT[CCIF]=0), register
writes are not accepted to any register except FCNFG and
FSTAT. The no-write rule is relaxed during the start-up reset
sequence, prior to the initial rise of CCIF. During this
initialization period the user may write any register. All register
writes are also disabled (except for registers FCNFG and
FSTAT) whenever an erase suspend request is active
(FCNFG[ERSSUSP]=1).
FTFA memory map
Absolute
address
(hex)
Register name Width
(in bits) Access Reset value Section/
page
4002_0000 Flash Status Register (FTFA_FSTAT) 8 R/W 00h 27.33.1/425
4002_0001 Flash Configuration Register (FTFA_FCNFG) 8 R/W 00h 27.33.2/426
4002_0002 Flash Security Register (FTFA_FSEC) 8 R Undefined 27.33.3/428
4002_0003 Flash Option Register (FTFA_FOPT) 8 R Undefined 27.33.4/429
4002_0004 Flash Common Command Object Registers
(FTFA_FCCOB3) 8 R/W 00h 27.33.5/430
4002_0005 Flash Common Command Object Registers
(FTFA_FCCOB2) 8 R/W 00h 27.33.5/430
4002_0006 Flash Common Command Object Registers
(FTFA_FCCOB1) 8 R/W 00h 27.33.5/430
4002_0007 Flash Common Command Object Registers
(FTFA_FCCOB0) 8 R/W 00h 27.33.5/430
4002_0008 Flash Common Command Object Registers
(FTFA_FCCOB7) 8 R/W 00h 27.33.5/430
4002_0009 Flash Common Command Object Registers
(FTFA_FCCOB6) 8 R/W 00h 27.33.5/430
4002_000A Flash Common Command Object Registers
(FTFA_FCCOB5) 8 R/W 00h 27.33.5/430
4002_000B Flash Common Command Object Registers
(FTFA_FCCOB4) 8 R/W 00h 27.33.5/430
4002_000C Flash Common Command Object Registers
(FTFA_FCCOBB) 8 R/W 00h 27.33.5/430
Table continues on the next page...
Memory Map and Registers
KL25 Sub-Family Reference Manual, Rev. 3, September 2012
424 Freescale Semiconductor, Inc.

FTFA memory map (continued)
Absolute
address
(hex)
Register name Width
(in bits) Access Reset value Section/
page
4002_000D Flash Common Command Object Registers
(FTFA_FCCOBA) 8 R/W 00h 27.33.5/430
4002_000E Flash Common Command Object Registers
(FTFA_FCCOB9) 8 R/W 00h 27.33.5/430
4002_000F Flash Common Command Object Registers
(FTFA_FCCOB8) 8 R/W 00h 27.33.5/430
4002_0010 Program Flash Protection Registers (FTFA_FPROT3) 8 R/W Undefined 27.33.6/431
4002_0011 Program Flash Protection Registers (FTFA_FPROT2) 8 R/W Undefined 27.33.6/431
4002_0012 Program Flash Protection Registers (FTFA_FPROT1) 8 R/W Undefined 27.33.6/431
4002_0013 Program Flash Protection Registers (FTFA_FPROT0) 8 R/W Undefined 27.33.6/431
27.33.1 Flash Status Register (FTFA_FSTAT)
The FSTAT register reports the operational status of the flash memory module.
The CCIF, RDCOLERR, ACCERR, and FPVIOL bits are readable and writable. The
MGSTAT0 bit is read only. The unassigned bits read 0 and are not writable.
NOTE
When set, the Access Error (ACCERR) and Flash Protection
Violation (FPVIOL) bits in this register prevent the launch of
any more commands until the flag is cleared (by writing a one
to it).
Address: 4002_0000h base + 0h offset = 4002_0000h
Bit 7 6 5 4 3 2 1 0
Read CCIF RDCOLERR ACCERR FPVIOL 0 MGSTAT0
Write w1c w1c w1c w1c
Reset 00000000
FTFA_FSTAT field descriptions
Field Description
7
CCIF
Command Complete Interrupt Flag
The CCIF flag indicates that a flash command has completed. The CCIF flag is cleared by writing a 1 to
CCIF to launch a command, and CCIF stays low until command completion or command violation.
The CCIF bit is reset to 0 but is set to 1 by the memory controller at the end of the reset initialization
sequence. Depending on how quickly the read occurs after reset release, the user may or may not see the
0 hardware reset value.
Table continues on the next page...
Chapter 27 Flash Memory Module (FTFA)
KL25 Sub-Family Reference Manual, Rev. 3, September 2012
Freescale Semiconductor, Inc. 425

FTFA_FSTAT field descriptions (continued)
Field Description
0 Flash command in progress
1 Flash command has completed
6
RDCOLERR
Flash Read Collision Error Flag
The RDCOLERR error bit indicates that the MCU attempted a read from a flash memory resource that
was being manipulated by a flash command (CCIF=0). Any simultaneous access is detected as a collision
error by the block arbitration logic. The read data in this case cannot be guaranteed. The RDCOLERR bit
is cleared by writing a 1 to it. Writing a 0 to RDCOLERR has no effect.
0 No collision error detected
1 Collision error detected
5
ACCERR
Flash Access Error Flag
The ACCERR error bit indicates an illegal access has occurred to a flash memory resource caused by a
violation of the command write sequence or issuing an illegal flash command. While ACCERR is set, the
CCIF flag cannot be cleared to launch a command. The ACCERR bit is cleared by writing a 1 to it. Writing
a 0 to the ACCERR bit has no effect.
0 No access error detected
1 Access error detected
4
FPVIOL
Flash Protection Violation Flag
The FPVIOL error bit indicates an attempt was made to program or erase an address in a protected area
of program flash memory during a command write sequence . While FPVIOL is set, the CCIF flag cannot
be cleared to launch a command. The FPVIOL bit is cleared by writing a 1 to it. Writing a 0 to the FPVIOL
bit has no effect.
0 No protection violation detected
1 Protection violation detected
3–1
Reserved
This field is reserved.
This read-only field is reserved and always has the value 0.
0
MGSTAT0
Memory Controller Command Completion Status Flag
The MGSTAT0 status flag is set if an error is detected during execution of a flash command or during the
flash reset sequence. As a status flag, this bit cannot (and need not) be cleared by the user like the other
error flags in this register.
The value of the MGSTAT0 bit for "command-N" is valid only at the end of the "command-N" execution
when CCIF=1 and before the next command has been launched. At some point during the execution of
"command-N+1," the previous result is discarded and any previous error is cleared.
27.33.2 Flash Configuration Register (FTFA_FCNFG)
This register provides information on the current functional state of the flash memory
module.
The erase control bits (ERSAREQ and ERSSUSP) have write restrictions. The
unassigned bits read as noted and are not writable.
Memory Map and Registers
KL25 Sub-Family Reference Manual, Rev. 3, September 2012
426 Freescale Semiconductor, Inc.

Address: 4002_0000h base + 1h offset = 4002_0001h
Bit 7 6 5 4 3 2 1 0
Read CCIE RDCOLLIE ERSAREQ ERSSUSP 0 0
Write
Reset 00000000
FTFA_FCNFG field descriptions
Field Description
7
CCIE
Command Complete Interrupt Enable
The CCIE bit controls interrupt generation when a flash command completes.
0 Command complete interrupt disabled
1 Command complete interrupt enabled. An interrupt request is generated whenever the FSTAT[CCIF]
flag is set.
6
RDCOLLIE
Read Collision Error Interrupt Enable
The RDCOLLIE bit controls interrupt generation when a flash memory read collision error occurs.
0 Read collision error interrupt disabled
1 Read collision error interrupt enabled. An interrupt request is generated whenever a flash memory
read collision error is detected (see the description of FSTAT[RDCOLERR]).
5
ERSAREQ
Erase All Request
This bit issues a request to the memory controller to execute the Erase All Blocks command and release
security. ERSAREQ is not directly writable but is under indirect user control. Refer to the device's Chip
Configuration details on how to request this command.
The ERSAREQ bit sets when an erase all request is triggered external to the flash memory module and
CCIF is set (no command is currently being executed). ERSAREQ is cleared by the flash memory module
when the operation completes.
0 No request or request complete
1 Request to:
1. run the Erase All Blocks command,
2. verify the erased state,
3. program the security byte in the Flash Configuration Field to the unsecure state, and
4. release MCU security by setting the FSEC[SEC] field to the unsecure state.
4
ERSSUSP
Erase Suspend
The ERSSUSP bit allows the user to suspend (interrupt) the Erase Flash Sector command while it is
executing.
0 No suspend requested
1 Suspend the current Erase Flash Sector command execution.
3
Reserved
This field is reserved.
This read-only field is reserved and always has the value 0.
2–0
Reserved
This field is reserved.
This read-only field is reserved and always has the value 0.
Chapter 27 Flash Memory Module (FTFA)
KL25 Sub-Family Reference Manual, Rev. 3, September 2012
Freescale Semiconductor, Inc. 427

27.33.3 Flash Security Register (FTFA_FSEC)
This read-only register holds all bits associated with the security of the MCU and flash
memory module.
During the reset sequence, the register is loaded with the contents of the flash security
byte in the Flash Configuration Field located in program flash memory. The flash basis
for the values is signified by X in the reset value.
Address: 4002_0000h base + 2h offset = 4002_0002h
Bit 7 6 5 4 3 2 1 0
Read KEYEN MEEN FSLACC SEC
Write
Reset x* x* x* x* x* x* x* x*
* Notes:
x = Undefined at reset.•
FTFA_FSEC field descriptions
Field Description
7–6
KEYEN
Backdoor Key Security Enable
These bits enable and disable backdoor key access to the flash memory module.
00 Backdoor key access disabled
01 Backdoor key access disabled (preferred KEYEN state to disable backdoor key access)
10 Backdoor key access enabled
11 Backdoor key access disabled
5–4
MEEN
Mass Erase Enable Bits
Enables and disables mass erase capability of the flash memory module. The state of the MEEN bits is
only relevant when the SEC bits are set to secure outside of NVM Normal Mode. When the SEC field is
set to unsecure, the MEEN setting does not matter.
00 Mass erase is enabled
01 Mass erase is enabled
10 Mass erase is disabled
11 Mass erase is enabled
3–2
FSLACC
Freescale Failure Analysis Access Code
These bits enable or disable access to the flash memory contents during returned part failure analysis at
Freescale. When SEC is secure and FSLACC is denied, access to the program flash contents is denied
and any failure analysis performed by Freescale factory test must begin with a full erase to unsecure the
part.
When access is granted (SEC is unsecure, or SEC is secure and FSLACC is granted), Freescale factory
testing has visibility of the current flash contents. The state of the FSLACC bits is only relevant when the
SEC bits are set to secure. When the SEC field is set to unsecure, the FSLACC setting does not matter.
Table continues on the next page...
Memory Map and Registers
KL25 Sub-Family Reference Manual, Rev. 3, September 2012
428 Freescale Semiconductor, Inc.

FTFA_FSEC field descriptions (continued)
Field Description
00 Freescale factory access granted
01 Freescale factory access denied
10 Freescale factory access denied
11 Freescale factory access granted
1–0
SEC
Flash Security
These bits define the security state of the MCU. In the secure state, the MCU limits access to flash
memory module resources. The limitations are defined per device and are detailed in the Chip
Configuration details. If the flash memory module is unsecured using backdoor key access, the SEC bits
are forced to 10b.
00 MCU security status is secure
01 MCU security status is secure
10 MCU security status is unsecure (The standard shipping condition of the flash memory module is
unsecure.)
11 MCU security status is secure
27.33.4 Flash Option Register (FTFA_FOPT)
The flash option register allows the MCU to customize its operations by examining the
state of these read-only bits, which are loaded from NVM at reset. The function of the
bits is defined in the device's Chip Configuration details.
All bits in the register are read-only .
During the reset sequence, the register is loaded from the flash nonvolatile option byte in
the Flash Configuration Field located in program flash memory. The flash basis for the
values is signified by X in the reset value.
Address: 4002_0000h base + 3h offset = 4002_0003h
Bit 7 6 5 4 3 2 1 0
Read OPT
Write
Reset x* x* x* x* x* x* x* x*
* Notes:
x = Undefined at reset.•
FTFA_FOPT field descriptions
Field Description
7–0
OPT
Nonvolatile Option
These bits are loaded from flash to this register at reset. Refer to the device's Chip Configuration details
for the definition and use of these bits.
Chapter 27 Flash Memory Module (FTFA)
KL25 Sub-Family Reference Manual, Rev. 3, September 2012
Freescale Semiconductor, Inc. 429

27.33.5 Flash Common Command Object Registers
(FTFA_FCCOBn)
The FCCOB register group provides 12 bytes for command codes and parameters. The
individual bytes within the set append a 0-B hex identifier to the FCCOB register name:
FCCOB0, FCCOB1, ..., FCCOBB.
Address: 4002_0000h base + 4h offset + (1d × i), where i=0d to 11d
Bit 7 6 5 4 3 2 1 0
Read CCOBn
Write
Reset 00000000
FTFA_FCCOBn field descriptions
Field Description
7–0
CCOBn
The FCCOB register provides a command code and relevant parameters to the memory controller. The
individual registers that compose the FCCOB data set can be written in any order, but you must provide all
needed values, which vary from command to command. First, set up all required FCCOB fields and then
initiate the command’s execution by writing a 1 to the FSTAT[CCIF] bit. This clears the CCIF bit, which
locks all FCCOB parameter fields and they cannot be changed by the user until the command completes
(CCIF returns to 1). No command buffering or queueing is provided; the next command can be loaded
only after the current command completes.
Some commands return information to the FCCOB registers. Any values returned to FCCOB are available
for reading after the FSTAT[CCIF] flag returns to 1 by the memory controller.
The following table shows a generic flash command format. The first FCCOB register, FCCOB0, always
contains the command code. This 8-bit value defines the command to be executed. The command code is
followed by the parameters required for this specific flash command, typically an address and/or data
values.
NOTE: The command parameter table is written in terms of FCCOB Number (which is equivalent to the
byte number). This number is a reference to the FCCOB register name and is not the register
address.
FCCOB Number Typical Command Parameter Contents [7:0]
0 FCMD (a code that defines the flash command)
1 Flash address [23:16]
2 Flash address [15:8]
3 Flash address [7:0]
4 Data Byte 0
5 Data Byte 1
6 Data Byte 2
7 Data Byte 3
8 Data Byte 4
9 Data Byte 5
Memory Map and Registers
KL25 Sub-Family Reference Manual, Rev. 3, September 2012
430 Freescale Semiconductor, Inc.

FTFA_FCCOBn field descriptions (continued)
Field Description
FCCOB Number Typical Command Parameter Contents [7:0]
A Data Byte 6
B Data Byte 7
FCCOB Endianness and Multi-Byte Access :
The FCCOB register group uses a big endian addressing convention. For all command parameter fields
larger than 1 byte, the most significant data resides in the lowest FCCOB register number. The FCCOB
register group may be read and written as individual bytes, aligned words (2 bytes) or aligned longwords
(4 bytes).
27.33.6 Program Flash Protection Registers (FTFA_FPROTn)
The FPROT registers define which logical program flash regions are protected from
program and erase operations. Protected flash regions cannot have their content changed;
that is, these regions cannot be programmed and cannot be erased by any flash command.
Unprotected regions can be changed by program and erase operations.
The four FPROT registers allow up to 32 protectable regions. Each bit protects a 1/32
region of the program flash memory except for memory configurations with less than 32
Kbytes of program flash where each assigned bit protects 1 Kbyte . For configurations
with 24 Kbytes of program flash memory or less, FPROT0 is not used. For configurations
with 16 Kbytes of program flash memory or less, FPROT1 is not used. For configurations
with 8 Kbytes of program flash memory, FPROT2 is not used. The bitfields are defined
in each register as follows:
Program flash protection register Program flash protection bits
FPROT0 PROT[31:24]
FPROT1 PROT[23:16]
FPROT2 PROT[15:8]
FPROT3 PROT[7:0]
During the reset sequence, the FPROT registers are loaded with the contents of the
program flash protection bytes in the Flash Configuration Field as indicated in the
following table.
Program flash protection register Flash Configuration Field offset address
FPROT0 0x000B
FPROT1 0x000A
Table continues on the next page...
Chapter 27 Flash Memory Module (FTFA)
KL25 Sub-Family Reference Manual, Rev. 3, September 2012
Freescale Semiconductor, Inc. 431

Program flash protection register Flash Configuration Field offset address
FPROT2 0x0009
FPROT3 0x0008
To change the program flash protection that is loaded during the reset sequence,
unprotect the sector of program flash memory that contains the Flash Configuration
Field. Then, reprogram the program flash protection byte.
Address: 4002_0000h base + 10h offset + (1d × i), where i=0d to 3d
Bit 7 6 5 4 3 2 1 0
Read PROT
Write
Reset x* x* x* x* x* x* x* x*
* Notes:
x = Undefined at reset.•
FTFA_FPROTn field descriptions
Field Description
7–0
PROT
Program Flash Region Protect
Each program flash region can be protected from program and erase operations by setting the associated
PROT bit.
In NVM Normal mode: The protection can only be increased, meaning that currently unprotected memory
can be protected, but currently protected memory cannot be unprotected. Since unprotected regions are
marked with a 1 and protected regions use a 0, only writes changing 1s to 0s are accepted. This 1-to-0
transition check is performed on a bit-by-bit basis. Those FPROT bits with 1-to-0 transitions are accepted
while all bits with 0-to-1 transitions are ignored.
In NVM Special mode: All bits of FPROT are writable without restriction. Unprotected areas can be
protected and protected areas can be unprotected.
Restriction: The user must never write to any FPROT register while a command is running (CCIF=0).
Trying to alter data in any protected area in the program flash memory results in a protection violation
error and sets the FSTAT[FPVIOL] bit. A full block erase of a program flash block is not possible if it
contains any protected region.
Each bit in the 32-bit protection register represents 1/32 of the total program flash except for
configurations where program flash memory is less than 32 Kbytes. For configurations with less than 32
Kbytes of program flash memory, each assigned bit represents 1 Kbyte.
0 Program flash region is protected.
1 Program flash region is not protected
27.4 Functional Description
The following sections describe functional details of the flash memory module.
Functional Description
KL25 Sub-Family Reference Manual, Rev. 3, September 2012
432 Freescale Semiconductor, Inc.

27.4.1 Flash Protection
Individual regions within the flash memory can be protected from program and erase
operations. Protection is controlled by the following registers:
• FPROTn — Four registers that protect 32 regions of the program flash memory as
shown in the following figure
Program flash size / 32
Program flash size / 32
Program flash size / 32
Program flash size / 32
Program flash size / 32
Program flash size / 32
Program flash size / 32
FPROT3[PROT0]
0x0_0000
FPROT3[PROT1]
FPROT3[PROT2]
FPROT3[PROT3]
FPROT0[PROT29]
FPROT0[PROT31]
FPROT0[PROT30]
Program flash
Last program flash address
Figure 27-24. Program flash protection
27.4.2 Interrupts
The flash memory module can generate interrupt requests to the MCU upon the
occurrence of various flash events. These interrupt events and their associated status and
control bits are shown in the following table.
Table 27-24. Flash Interrupt Sources
Flash Event Readable
Status Bit
Interrupt
Enable Bit
Flash Command Complete FSTAT[CCIF] FCNFG[CCIE]
Flash Read Collision Error FSTAT[RDCOLERR] FCNFG[RDCOLLIE]
Chapter 27 Flash Memory Module (FTFA)
KL25 Sub-Family Reference Manual, Rev. 3, September 2012
Freescale Semiconductor, Inc. 433

Note
Vector addresses and their relative interrupt priority are
determined at the MCU level.
Some devices also generate a bus error response as a result of a Read Collision Error
event. See the chip configuration information to determine if a bus error response is also
supported.
27.4.3 Flash Operation in Low-Power Modes
27.4.3.1 Wait Mode
When the MCU enters wait mode, the flash memory module is not affected. The flash
memory module can recover the MCU from wait via the command complete interrupt
(see Interrupts).
27.4.3.2 Stop Mode
When the MCU requests stop mode, if a flash command is active (CCIF = 0) the
command execution completes before the MCU is allowed to enter stop mode.
CAUTION
The MCU should never enter stop mode while any flash
command is running (CCIF = 0).
NOTE
While the MCU is in very-low-power modes (VLPR, VLPW,
VLPS), the flash memory module does not accept flash
commands.
27.4.4 Functional Modes of Operation
The flash memory module has two operating modes: NVM Normal and NVM Special.
The operating mode affects the command set availability (see Table 27-25). Refer to the
Chip Configuration details of this device for how to activate each mode.
Functional Description
KL25 Sub-Family Reference Manual, Rev. 3, September 2012
434 Freescale Semiconductor, Inc.

27.4.5 Flash Reads and Ignored Writes
The flash memory module requires only the flash address to execute a flash memory
read.
The MCU must not read from the flash memory while commands are running (as
evidenced by CCIF=0) on that block. Read data cannot be guaranteed from a flash block
while any command is processing within that block. The block arbitration logic detects
any simultaneous access and reports this as a read collision error (see the
FSTAT[RDCOLERR] bit).
27.4.6 Read While Write (RWW)
The following simultaneous accesses are not allowed:
• Reading from program flash memory space while a flash command is active
(CCIF=0).
27.4.7 Flash Program and Erase
All flash functions except read require the user to setup and launch a flash command
through a series of peripheral bus writes. The user cannot initiate any further flash
commands until notified that the current command has completed. The flash command
structure and operation are detailed in Flash Command Operations.
27.4.8 Flash Command Operations
Flash command operations are typically used to modify flash memory contents. The next
sections describe:
• The command write sequence used to set flash command parameters and launch
execution
• A description of all flash commands available
Chapter 27 Flash Memory Module (FTFA)
KL25 Sub-Family Reference Manual, Rev. 3, September 2012
Freescale Semiconductor, Inc. 435

27.4.8.1 Command Write Sequence
Flash commands are specified using a command write sequence illustrated in Figure
27-25. The flash memory module performs various checks on the command (FCCOB)
content and continues with command execution if all requirements are fulfilled.
Before launching a command, the ACCERR and FPVIOL bits in the FSTAT register
must be zero and the CCIF flag must read 1 to verify that any previous command has
completed. If CCIF is zero, the previous command execution is still active, a new
command write sequence cannot be started, and all writes to the FCCOB registers are
ignored.
27.4.8.1.1 Load the FCCOB Registers
The user must load the FCCOB registers with all parameters required by the desired flash
command. The individual registers that make up the FCCOB data set can be written in
any order.
27.4.8.1.2 Launch the Command by Clearing CCIF
Once all relevant command parameters have been loaded, the user launches the command
by clearing the FSTAT[CCIF] bit by writing a '1' to it. The CCIF flag remains zero until
the flash command completes.
The FSTAT register contains a blocking mechanism that prevents a new command from
launching (can't clear CCIF) if the previous command resulted in an access error
(FSTAT[ACCERR]=1) or a protection violation (FSTAT[FPVIOL]=1). In error
scenarios, two writes to FSTAT are required to initiate the next command: the first write
clears the error flags, the second write clears CCIF.
27.4.8.1.3 Command Execution and Error Reporting
The command processing has several steps:
1. The flash memory module reads the command code and performs a series of
parameter checks and protection checks, if applicable, which are unique to each
command.
If the parameter check fails, the FSTAT[ACCERR] (access error) flag is set.
ACCERR reports invalid instruction codes and out-of bounds addresses. Usually,
access errors suggest that the command was not set-up with valid parameters in the
FCCOB register group.
Functional Description
KL25 Sub-Family Reference Manual, Rev. 3, September 2012
436 Freescale Semiconductor, Inc.

Program and erase commands also check the address to determine if the operation is
requested to execute on protected areas. If the protection check fails, the
FSTAT[FPVIOL] (protection error) flag is set.
Command processing never proceeds to execution when the parameter or protection
step fails. Instead, command processing is terminated after setting the FSTAT[CCIF]
bit.
2. If the parameter and protection checks pass, the command proceeds to execution.
Run-time errors, such as failure to erase verify, may occur during the execution
phase. Run-time errors are reported in the FSTAT[MGSTAT0] bit. A command may
have access errors, protection errors, and run-time errors, but the run-time errors are
not seen until all access and protection errors have been corrected.
3. Command execution results, if applicable, are reported back to the user via the
FCCOB and FSTAT registers.
4. The flash memory module sets the FSTAT[CCIF] bit signifying that the command
has completed.
The flow for a generic command write sequence is illustrated in the following figure.
Chapter 27 Flash Memory Module (FTFA)
KL25 Sub-Family Reference Manual, Rev. 3, September 2012
Freescale Semiconductor, Inc. 437

Clear the CCIF to launch the command
Write 0x80 to FSTAT register
Clear the old errors
Access Error and
Protection Violation
Check
FCCOB
ACCERR/
FPVIOL
Set?
EXIT
Write to the FCCOB registers
to load the required command parameter.
More
Parameters?
Availability Check
Results from previous command
Read: FSTAT register
Write 0x30 to FSTAT register
no
yes
no
yes
Previous command complete?
no CCIF
= ‘1’?
yes
START
Figure 27-25. Generic Flash Command Write Sequence Flowchart
27.4.8.2 Flash Commands
The following table summarizes the function of all flash commands.
FCMD Command Program flash Function
0x01 Read 1s Section × Verify that a given number of
program flash locations from
a starting address are
erased.
0x02 Program Check × Tests previously-programmed
locations at margin read
levels.
0x03 Read Resource IFR, ID Read 4 bytes from program
flash IFR or version ID.
0x06 Program Longword × Program 4 bytes in a program
flash block.
Table continues on the next page...
Functional Description
KL25 Sub-Family Reference Manual, Rev. 3, September 2012
438 Freescale Semiconductor, Inc.

FCMD Command Program flash Function
0x09 Erase Flash Sector × Erase all bytes in a program
flash sector.
0x40 Read 1s All Blocks × Verify that the program flash
block is erased then release
MCU security.
0x41 Read Once IFR Read 4 bytes of a dedicated
64 byte field in the program
flash 0 IFR.
0x43 Program Once IFR One-time program of 4 bytes
of a dedicated 64-byte field in
the program flash 0 IFR.
0x44 Erase All Blocks × Erase the program flash
block, verify-erase and
release MCU security.
NOTE: An erase is only
possible when all
memory locations
are unprotected.
0x45 Verify Backdoor Access Key × Release MCU security after
comparing a set of user-
supplied security keys to
those stored in the program
flash.
27.4.8.3 Flash Commands by Mode
The following table shows the flash commands that can be executed in each flash
operating mode.
Table 27-25. Flash Commands by Mode
FCMD Command NVM Normal NVM Special
Unsecure Secure MEEN=10 Unsecure Secure MEEN=10
0x01 Read 1s Section × × × × — —
0x02 Program Check × × × × — —
0x03 Read Resource × × × × — —
0x06 Program Longword × × × × — —
0x09 Erase Flash Sector × × × × — —
0x40 Read 1s All Blocks × × × × × —
0x41 Read Once × × × × — —
0x43 Program Once × × × × — —
0x44 Erase All Blocks × × × × × —
0x45 Verify Backdoor Access
Key × × × × — —
Chapter 27 Flash Memory Module (FTFA)
KL25 Sub-Family Reference Manual, Rev. 3, September 2012
Freescale Semiconductor, Inc. 439

27.4.9 Margin Read Commands
The Read-1s commands (Read 1s All Blocks and Read 1s Section) and the Program
Check command have a margin choice parameter that allows the user to apply non-
standard read reference levels to the program flash array reads performed by these
commands. Using the preset 'user' and 'factory' margin levels, these commands perform
their associated read operations at tighter tolerances than a 'normal' read. These non-
standard read levels are applied only during the command execution. All simple
(uncommanded) flash array reads to the MCU always use the standard, un-margined, read
reference level.
Only the 'normal' read level should be employed during normal flash usage. The non-
standard, 'user' and 'factory' margin levels should be employed only in special cases.
They can be used during special diagnostic routines to gain confidence that the device is
not suffering from the end-of-life data loss customary of flash memory devices.
Erased ('1') and programmed ('0') bit states can degrade due to elapsed time and data
cycling (number of times a bit is erased and re-programmed). The lifetime of the erased
states is relative to the last erase operation. The lifetime of the programmed states is
measured from the last program time.
The 'user' and 'factory' levels become, in effect, a minimum safety margin; i.e. if the reads
pass at the tighter tolerances of the 'user' and 'factory' margins, then the 'normal' reads
have at least this much safety margin before they experience data loss.
The 'user' margin is a small delta to the normal read reference level. 'User' margin levels
can be employed to check that flash memory contents have adequate margin for normal
level read operations. If unexpected read results are encountered when checking flash
memory contents at the 'user' margin levels, loss of information might soon occur during
'normal' readout.
The 'factory' margin is a bigger deviation from the norm, a more stringent read criteria
that should only be attempted immediately (or very soon) after completion of an erase or
program command, early in the cycling life. 'Factory' margin levels can be used to check
that flash memory contents have adequate margin for long-term data retention at the
normal level setting. If unexpected results are encountered when checking flash memory
contents at 'factory' margin levels, the flash memory contents should be erased and
reprogrammed.
CAUTION
Factory margin levels must only be used during verify of the
initial factory programming.
Functional Description
KL25 Sub-Family Reference Manual, Rev. 3, September 2012
440 Freescale Semiconductor, Inc.

27.4.10 Flash Command Description
This section describes all flash commands that can be launched by a command write
sequence. The flash memory module sets the FSTAT[ACCERR] bit and aborts the
command execution if any of the following illegal conditions occur:
• There is an unrecognized command code in the FCCOB FCMD field.
• There is an error in a FCCOB field for the specific commands. Refer to the error
handling table provided for each command.
Ensure that the ACCERR and FPVIOL bits in the FSTAT register are cleared prior to
starting the command write sequence. As described in Launch the Command by Clearing
CCIF, a new command cannot be launched while these error flags are set.
Do not attempt to read a flash block while the flash memory module is running a
command (CCIF = 0) on that same block. The flash memory module may return invalid
data to the MCU with the collision error flag (FSTAT[RDCOLERR]) set.
CAUTION
Flash data must be in the erased state before being
programmed. Cumulative programming of bits (adding more
zeros) is not allowed.
27.4.10.1 Read 1s Section Command
The Read 1s Section command checks if a section of program flash memory is erased to
the specified read margin level. The Read 1s Section command defines the starting
address and the number of longwords to be verified.
Table 27-26. Read 1s Section Command FCCOB Requirements
FCCOB Number FCCOB Contents [7:0]
0 0x01 (RD1SEC)
1 Flash address [23:16] of the first longword to be verified
2 Flash address [15:8] of the first longword to be verified
3 Flash address [7:0]1 of the first longword to be verified
4 Number of longwords to be verified [15:8]
5 Number of longwords to be verified [7:0]
6 Read-1 Margin Choice
1. Must be longword aligned (Flash address [1:0] = 00).
Chapter 27 Flash Memory Module (FTFA)
KL25 Sub-Family Reference Manual, Rev. 3, September 2012
Freescale Semiconductor, Inc. 441

Upon clearing CCIF to launch the Read 1s Section command, the flash memory module
sets the read margin for 1s according to Table 27-27 and then reads all locations within
the specified section of flash memory. If the flash memory module fails to read all 1s (i.e.
the flash section is not erased), the FSTAT[MGSTAT0] bit is set. The CCIF flag sets
after the Read 1s Section operation completes.
Table 27-27. Margin Level Choices for Read 1s Section
Read Margin Choice Margin Level Description
0x00 Use the 'normal' read level for 1s
0x01 Apply the 'User' margin to the normal read-1 level
0x02 Apply the 'Factory' margin to the normal read-1 level
Table 27-28. Read 1s Section Command Error Handling
Error Condition Error Bit
Command not available in current mode/security FSTAT[ACCERR]
An invalid margin code is supplied FSTAT[ACCERR]
An invalid flash address is supplied FSTAT[ACCERR]
Flash address is not longword aligned FSTAT[ACCERR]
The requested section crosses a Flash block boundary FSTAT[ACCERR]
The requested number of longwords is zero FSTAT[ACCERR]
Read-1s fails FSTAT[MGSTAT0]
27.4.10.2 Program Check Command
The Program Check command tests a previously programmed program flash longword to
see if it reads correctly at the specified margin level.
Table 27-29. Program Check Command FCCOB Requirements
FCCOB Number FCCOB Contents [7:0]
0 0x02 (PGMCHK)
1 Flash address [23:16]
2 Flash address [15:8]
3 Flash address [7:0]1
4 Margin Choice
8 Byte 0 expected data
9 Byte 1 expected data
A Byte 2 expected data
B Byte 3 expected data
1. Must be longword aligned (Flash address [1:0] = 00).
Functional Description
KL25 Sub-Family Reference Manual, Rev. 3, September 2012
442 Freescale Semiconductor, Inc.

Upon clearing CCIF to launch the Program Check command, the flash memory module
sets the read margin for 1s according to Table 27-30, reads the specified longword, and
compares the actual read data to the expected data provided by the FCCOB. If the
comparison at margin-1 fails, the FSTAT[MGSTAT0] bit is set.
The flash memory module then sets the read margin for 0s, re-reads, and compares again.
If the comparison at margin-0 fails, the FSTAT[MGSTAT0] bit is set. The CCIF flag is
set after the Program Check operation completes.
The supplied address must be longword aligned (the lowest two bits of the byte address
must be 00):
• Byte 3 data is written to the supplied byte address ('start'),
• Byte 2 data is programmed to byte address start+0b01,
• Byte 1 data is programmed to byte address start+0b10,
• Byte 0 data is programmed to byte address start+0b11.
NOTE
See the description of margin reads, Margin Read Commands
Table 27-30. Margin Level Choices for Program Check
Read Margin Choice Margin Level Description
0x01 Read at 'User' margin-1 and 'User' margin-0
0x02 Read at 'Factory' margin-1 and 'Factory' margin-0
Table 27-31. Program Check Command Error Handling
Error Condition Error Bit
Command not available in current mode/security FSTAT[ACCERR]
An invalid flash address is supplied FSTAT[ACCERR]
Flash address is not longword aligned FSTAT[ACCERR]
An invalid margin choice is supplied FSTAT[ACCERR]
Either of the margin reads does not match the expected data FSTAT[MGSTAT0]
27.4.10.3 Read Resource Command
The Read Resource command allows the user to read data from special-purpose memory
resources located within the flash memory module. The special-purpose memory
resources available include program flash IFR space and the Version ID field. Each
resource is assigned a select code as shown in Table 27-33.
Chapter 27 Flash Memory Module (FTFA)
KL25 Sub-Family Reference Manual, Rev. 3, September 2012
Freescale Semiconductor, Inc. 443

Table 27-32. Read Resource Command FCCOB Requirements
FCCOB Number FCCOB Contents [7:0]
0 0x03 (RDRSRC)
1 Flash address [23:16]
2 Flash address [15:8]
3 Flash address [7:0]1
Returned Values
4 Read Data [31:24]
5 Read Data [23:16]
6 Read Data [15:8]
7 Read Data [7:0]
User-provided values
8 Resource Select Code (see Table 27-33)
1. Must be longword aligned (Flash address [1:0] = 00).
Table 27-33. Read Resource Select Codes
Resource
Select Code Description Resource Size Local Address Range
0x00 Program Flash 0 IFR 256 Bytes 0x00_0000 - 0x00_00FF
0x011Version ID 8 Bytes 0x00_0000 - 0x00_0007
1. Located in program flash 0 reserved space.
After clearing CCIF to launch the Read Resource command, four consecutive bytes are
read from the selected resource at the provided relative address and stored in the FCCOB
register. The CCIF flag sets after the Read Resource operation completes. The Read
Resource command exits with an access error if an invalid resource code is provided or if
the address for the applicable area is out-of-range.
Table 27-34. Read Resource Command Error Handling
Error Condition Error Bit
Command not available in current mode/security FSTAT[ACCERR]
An invalid resource code is entered FSTAT[ACCERR]
Flash address is out-of-range for the targeted resource. FSTAT[ACCERR]
Flash address is not longword aligned FSTAT[ACCERR]
27.4.10.4 Program Longword Command
The Program Longword command programs four previously-erased bytes in the program
flash memory using an embedded algorithm.
Functional Description
KL25 Sub-Family Reference Manual, Rev. 3, September 2012
444 Freescale Semiconductor, Inc.

CAUTION
A flash memory location must be in the erased state before
being programmed. Cumulative programming of bits (back-to-
back program operations without an intervening erase) within a
flash memory location is not allowed. Re-programming of
existing 0s to 0 is not allowed as this overstresses the device.
Table 27-35. Program Longword Command FCCOB Requirements
FCCOB Number FCCOB Contents [7:0]
0 0x06 (PGM4)
1 Flash address [23:16]
2 Flash address [15:8]
3 Flash address [7:0]1
4 Byte 0 program value
5 Byte 1 program value
6 Byte 2 program value
7 Byte 3 program value
1. Must be longword aligned (Flash address [1:0] = 00).
Upon clearing CCIF to launch the Program Longword command, the flash memory
module programs the data bytes into the flash using the supplied address. The targeted
flash locations must be currently unprotected (see the description of the FPROT registers)
to permit execution of the Program Longword operation.
The programming operation is unidirectional. It can only move NVM bits from the erased
state ('1') to the programmed state ('0'). Erased bits that fail to program to the '0' state are
flagged as errors in FSTAT[MGSTAT0]. The CCIF flag is set after the Program
Longword operation completes.
The supplied address must be longword aligned (flash address [1:0] = 00):
• Byte 3 data is written to the supplied byte address ('start'),
• Byte 2 data is programmed to byte address start+0b01,
• Byte 1 data is programmed to byte address start+0b10, and
• Byte 0 data is programmed to byte address start+0b11.
Table 27-36. Program Longword Command Error Handling
Error Condition Error Bit
Command not available in current mode/security FSTAT[ACCERR]
An invalid flash address is supplied FSTAT[ACCERR]
Flash address is not longword aligned FSTAT[ACCERR]
Flash address points to a protected area FSTAT[FPVIOL]
Table continues on the next page...
Chapter 27 Flash Memory Module (FTFA)
KL25 Sub-Family Reference Manual, Rev. 3, September 2012
Freescale Semiconductor, Inc. 445

Table 27-36. Program Longword Command Error Handling (continued)
Error Condition Error Bit
Any errors have been encountered during the verify operation FSTAT[MGSTAT0]
27.4.10.5 Erase Flash Sector Command
The Erase Flash Sector operation erases all addresses in a flash sector.
Table 27-37. Erase Flash Sector Command FCCOB Requirements
FCCOB Number FCCOB Contents [7:0]
0 0x09 (ERSSCR)
1 Flash address [23:16] in the flash sector to be erased
2 Flash address [15:8] in the flash sector to be erased
3 Flash address [7:0]1 in the flash sector to be erased
1. Must be longword aligned (flash address [1:0] = 00).
After clearing CCIF to launch the Erase Flash Sector command, the flash memory
module erases the selected program flash sector and then verifies that it is erased. The
Erase Flash Sector command aborts if the selected sector is protected (see the description
of the FPROT registers). If the erase-verify fails the FSTAT[MGSTAT0] bit is set. The
CCIF flag is set after the Erase Flash Sector operation completes. The Erase Flash Sector
command is suspendable (see the FCNFG[ERSSUSP] bit and Figure 27-26).
Table 27-38. Erase Flash Sector Command Error Handling
Error Condition Error Bit
Command not available in current mode/security FSTAT[ACCERR]
An invalid Flash address is supplied FSTAT[ACCERR]
Flash address is not longword aligned FSTAT[ACCERR]
The selected program flash sector is protected FSTAT[FPVIOL]
Any errors have been encountered during the verify operation FSTAT[MGSTAT0]
27.4.10.5.1 Suspending an Erase Flash Sector Operation
To suspend an Erase Flash Sector operation set the FCNFG[ERSSUSP] bit (see Flash
Configuration Field Description) when CCIF is clear and the CCOB command field holds
the code for the Erase Flash Sector command. During the Erase Flash Sector operation
(see Erase Flash Sector Command), the flash memory module samples the state of the
ERSSUSP bit at convenient points. If the flash memory module detects that the
Functional Description
KL25 Sub-Family Reference Manual, Rev. 3, September 2012
446 Freescale Semiconductor, Inc.

ERSSUSP bit is set, the Erase Flash Sector operation is suspended and the flash memory
module sets CCIF. While ERSSUSP is set, all writes to flash registers are ignored except
for writes to the FSTAT and FCNFG registers.
If an Erase Flash Sector operation effectively completes before the flash memory module
detects that a suspend request has been made, the flash memory module clears the
ERSSUSP bit prior to setting CCIF. When an Erase Flash Sector operation has been
successfully suspended, the flash memory module sets CCIF and leaves the ERSSUSP bit
set. While CCIF is set, the ERSSUSP bit can only be cleared to prevent the withdrawal of
a suspend request before the flash memory module has acknowledged it.
27.4.10.5.2 Resuming a Suspended Erase Flash Sector Operation
If the ERSSUSP bit is still set when CCIF is cleared to launch the next command, the
previous Erase Flash Sector operation resumes. The flash memory module acknowledges
the request to resume a suspended operation by clearing the ERSSUSP bit. A new
suspend request can then be made by setting ERSSUSP. A single Erase Flash Sector
operation can be suspended and resumed multiple times.
There is a minimum elapsed time limit between the request to resume the Erase Flash
Sector operation (CCIF is cleared) and the request to suspend the operation again
(ERSSUSP is set). This minimum time period is required to ensure that the Erase Flash
Sector operation will eventually complete. If the minimum period is continually violated,
i.e. the suspend requests come repeatedly and too quickly, no forward progress is made
by the Erase Flash Sector algorithm. The resume/suspend sequence runs indefinitely
without completing the erase.
27.4.10.5.3 Aborting a Suspended Erase Flash Sector Operation
The user may choose to abort a suspended Erase Flash Sector operation by clearing the
ERSSUSP bit prior to clearing CCIF for the next command launch. When a suspended
operation is aborted, the flash memory module starts the new command using the new
FCCOB contents.
Note
Aborting the erase leaves the bitcells in an indeterminate,
partially-erased state. Data in this sector is not reliable until a
new erase command fully completes.
The following figure shows how to suspend and resume the Erase Flash Sector operation.
Chapter 27 Flash Memory Module (FTFA)
KL25 Sub-Family Reference Manual, Rev. 3, September 2012
Freescale Semiconductor, Inc. 447

Restore Erase Algo
Clear SUSPACK = 0
ERSSCR Command
(Write FCCOB)
Launch/Resume Command
(Clear CCIF)
CCIF = 1?
Request Suspend
(Set ERSSUSP)
Interrupt?
CCIF = 1?
Service Interrupt
(Read Flash)
ERSSUSP=0?
Next Command
(Write FCCOB)
Clear ERSSUSP
Enter with CCIF = 1
Resume
ERSSCR
No
Memory Controller
Command Processing
SUSPACK=1
Clear ERSSUSP
Execute
Yes
DONE?
No
ERSSUSP=1?
Save Erase Algo
Set CCIF
No
Yes
Start
New
Resume Erase?
No, Abort
User Cmd Interrupt/Suspend
Set SUSPACK = 1
ERSSCR Suspended
Command Initiation
Yes
No
Yes
Yes
ERSSCR
Completed
ERSSCR Suspended
ERSSUSP=1
ERSSUSP: Bit in FCNFG register
SUSPACK: Internal Suspend Acknowledge
No
Yes
Yes
No
Yes
No
ERSSCR Completed
ERSSUSP=0
Figure 27-26. Suspend and Resume of Erase Flash Sector Operation
Functional Description
KL25 Sub-Family Reference Manual, Rev. 3, September 2012
448 Freescale Semiconductor, Inc.

27.4.10.6 Read 1s All Blocks Command
The Read 1s All Blocks command checks if the program flash blocks have been erased to
the specified read margin level, if applicable, and releases security if the readout passes,
i.e. all data reads as '1'.
Table 27-39. Read 1s All Blocks Command FCCOB Requirements
FCCOB Number FCCOB Contents [7:0]
0 0x40 (RD1ALL)
1 Read-1 Margin Choice
After clearing CCIF to launch the Read 1s All Blocks command, the flash memory
module :
• sets the read margin for 1s according to Table 27-40,
• checks the contents of the program flash are in the erased state.
If the flash memory module confirms that these memory resources are erased, security is
released by setting the FSEC[SEC] field to the unsecure state. The security byte in the
flash configuration field (see Flash Configuration Field Description) remains unaffected
by the Read 1s All Blocks command. If the read fails, i.e. all memory resources are not in
the fully erased state, the FSTAT[MGSTAT0] bit is set.
The CCIF flag sets after the Read 1s All Blocks operation has completed.
Table 27-40. Margin Level Choices for Read 1s All Blocks
Read Margin Choice Margin Level Description
0x00 Use the 'normal' read level for 1s
0x01 Apply the 'User' margin to the normal read-1 level
0x02 Apply the 'Factory' margin to the normal read-1 level
Table 27-41. Read 1s All Blocks Command Error Handling
Error Condition Error Bit
An invalid margin choice is specified FSTAT[ACCERR]
Read-1s fails FSTAT[MGSTAT0]
Chapter 27 Flash Memory Module (FTFA)
KL25 Sub-Family Reference Manual, Rev. 3, September 2012
Freescale Semiconductor, Inc. 449

27.4.10.7 Read Once Command
The Read Once command provides read access to a reserved 64-byte field located in the
program flash 0 IFR (see Program Flash IFR Map and Program Once Field). Access to
this field is via 16 records, each 4 bytes long. The Read Once field is programmed using
the Program Once command described in Program Once Command.
Table 27-42. Read Once Command FCCOB Requirements
FCCOB Number FCCOB Contents [7:0]
0 0x41 (RDONCE)
1 Read Once record index (0x00 - 0x0F)
2 Not used
3 Not used
Returned Values
4 Read Once byte 0 value
5 Read Once byte 1 value
6 Read Once byte 2 value
7 Read Once byte 3 value
After clearing CCIF to launch the Read Once command, a 4-byte Read Once record is
read from the program flash IFR and stored in the FCCOB register. The CCIF flag is set
after the Read Once operation completes. Valid record index values for the Read Once
command range from 0x00 to 0x0F. During execution of the Read Once command, any
attempt to read addresses within the program flash block containing this 64-byte field
returns invalid data. The Read Once command can be executed any number of times.
Table 27-43. Read Once Command Error Handling
Error Condition Error Bit
Command not available in current mode/security FSTAT[ACCERR]
An invalid record index is supplied FSTAT[ACCERR]
27.4.10.8 Program Once Command
The Program Once command enables programming to a reserved 64-byte field in the
program flash 0 IFR (see Program Flash IFR Map and Program Once Field). Access to
the Program Once field is via 16 records, each 4 bytes long. The Program Once field can
be read using the Read Once command (see Read Once Command) or using the Read
Resource command (see Read Resource Command). Each Program Once record can be
programmed only once since the program flash 0 IFR cannot be erased.
Functional Description
KL25 Sub-Family Reference Manual, Rev. 3, September 2012
450 Freescale Semiconductor, Inc.

Table 27-44. Program Once Command FCCOB Requirements
FCCOB Number FCCOB Contents [7:0]
0 0x43 (PGMONCE)
1 Program Once record index (0x00 - 0x0F)
2 Not Used
3 Not Used
4 Program Once Byte 0 value
5 Program Once Byte 1 value
6 Program Once Byte 2 value
7 Program Once Byte 3 value
After clearing CCIF to launch the Program Once command, the flash memory module
first verifies that the selected record is erased. If erased, then the selected record is
programmed using the values provided. The Program Once command also verifies that
the programmed values read back correctly. The CCIF flag is set after the Program Once
operation has completed.
The reserved program flash 0 IFR location accessed by the Program Once command
cannot be erased and any attempt to program one of these records when the existing value
is not Fs (erased) is not allowed. Valid record index values for the Program Once
command range from 0x00 to 0x0F. During execution of the Program Once command,
any attempt to read addresses within the program flash block containing this 64-byte field
returns invalid data.
Table 27-45. Program Once Command Error Handling
Error Condition Error Bit
Command not available in current mode/security FSTAT[ACCERR]
An invalid record index is supplied FSTAT[ACCERR]
The requested record has already been programmed to a non-FFFF value1FSTAT[ACCERR]
Any errors have been encountered during the verify operation FSTAT[MGSTAT0]
1. If a Program Once record is initially programmed to 0xFFFF_FFFF, the Program Once command is allowed to execute
again on that same record.
27.4.10.9 Erase All Blocks Command
The Erase All Blocks operation erases all flash memory, verifies all memory contents,
and releases MCU security.
Chapter 27 Flash Memory Module (FTFA)
KL25 Sub-Family Reference Manual, Rev. 3, September 2012
Freescale Semiconductor, Inc. 451

Table 27-46. Erase All Blocks Command FCCOB Requirements
FCCOB Number FCCOB Contents [7:0]
0 0x44 (ERSALL)
After clearing CCIF to launch the Erase All Blocks command, the flash memory module
erases all program flash memory, then verifies that all are erased.
If the flash memory module verifies that all flash memories were properly erased,
security is released by setting the FSEC[SEC] field to the unsecure state. The Erase All
Blocks command aborts if any flash region is protected. The security byte and all other
contents of the flash configuration field (see Flash Configuration Field Description) are
erased by the Erase All Blocks command. If the erase-verify fails, the
FSTAT[MGSTAT0] bit is set. The CCIF flag is set after the Erase All Blocks operation
completes.
Table 27-47. Erase All Blocks Command Error Handling
Error Condition Error Bit
Command not available in current mode/security FSTAT[ACCERR]
Any region of the program flash memory is protected FSTAT[FPVIOL]
Any errors have been encountered during the verify operation FSTAT[MGSTAT0]
27.4.10.9.1 Triggering an Erase All External to the Flash Memory Module
The functionality of the Erase All Blocks command is also available in an uncommanded
fashion outside of the flash memory. Refer to the device's Chip Configuration details for
information on this functionality.
Before invoking the external erase all function, the FSTAT[ACCERR and PVIOL] flags
must be cleared and the FCCOB0 register must not contain 0x44. When invoked, the
erase-all function erases all program flash memory regardless of the protection settings. If
the post-erase verify passes, the routine then releases security by setting the FSEC[SEC]
field register to the unsecure state. The security byte in the Flash Configuration Field is
also programmed to the unsecure state. The status of the erase-all request is reflected in
the FCNFG[ERSAREQ] bit. The FCNFG[ERSAREQ] bit is cleared once the operation
completes and the normal FSTAT error reporting is available as described in Erase All
Blocks Command.
Functional Description
KL25 Sub-Family Reference Manual, Rev. 3, September 2012
452 Freescale Semiconductor, Inc.

27.4.10.10 Verify Backdoor Access Key Command
The Verify Backdoor Access Key command only executes if the mode and security
conditions are satisfied (see Flash Commands by Mode). Execution of the Verify
Backdoor Access Key command is further qualified by the FSEC[KEYEN] bits. The
Verify Backdoor Access Key command releases security if user-supplied keys in the
FCCOB match those stored in the Backdoor Comparison Key bytes of the Flash
Configuration Field (see Flash Configuration Field Description). The column labelled
Flash Configuration Field offset address shows the location of the matching byte in the
Flash Configuration Field.
Table 27-48. Verify Backdoor Access Key Command FCCOB Requirements
FCCOB Number FCCOB Contents [7:0] Flash Configuration Field Offset Address
0 0x45 (VFYKEY)
1-3 Not Used
4 Key Byte 0 0x0_0000
5 Key Byte 1 0x0_0001
6 Key Byte 2 0x0_0002
7 Key Byte 3 0x0_0003
8 Key Byte 4 0x0_0004
9 Key Byte 5 0x0_0005
A Key Byte 6 0x0_0006
B Key Byte 7 0x0_0007
After clearing CCIF to launch the Verify Backdoor Access Key command, the flash
memory module checks the FSEC[KEYEN] bits to verify that this command is enabled.
If not enabled, the flash memory module sets the FSTAT[ACCERR] bit and terminates.
If the command is enabled, the flash memory module compares the key provided in
FCCOB to the backdoor comparison key in the Flash Configuration Field. If the
backdoor keys match, the FSEC[SEC] field is changed to the unsecure state and security
is released. If the backdoor keys do not match, security is not released and all future
attempts to execute the Verify Backdoor Access Key command are immediately aborted
and the FSTAT[ACCERR] bit is (again) set to 1 until a reset of the flash memory module
module occurs. If the entire 8-byte key is all zeros or all ones, the Verify Backdoor
Access Key command fails with an access error. The CCIF flag is set after the Verify
Backdoor Access Key operation completes.
Table 27-49. Verify Backdoor Access Key Command Error Handling
Error Condition Error Bit
The supplied key is all-0s or all-Fs FSTAT[ACCERR]
An incorrect backdoor key is supplied FSTAT[ACCERR]
Table continues on the next page...
Chapter 27 Flash Memory Module (FTFA)
KL25 Sub-Family Reference Manual, Rev. 3, September 2012
Freescale Semiconductor, Inc. 453

Table 27-49. Verify Backdoor Access Key Command Error Handling (continued)
Error Condition Error Bit
Backdoor key access has not been enabled (see the description of the FSEC register) FSTAT[ACCERR]
This command is launched and the backdoor key has mismatched since the last power down
reset FSTAT[ACCERR]
27.4.11 Security
The flash memory module provides security information to the MCU based on contents
of the FSEC security register. The MCU then limits access to flash memory resources as
defined in the device's Chip Configuration details. During reset, the flash memory
module initializes the FSEC register using data read from the security byte of the Flash
Configuration Field (see Flash Configuration Field Description).
The following fields are available in the FSEC register. The settings are described in the
Flash Security Register (FTFA_FSEC) details.
Table 27-50. FSEC register fields
FSEC field Description
KEYEN Backdoor Key Access
MEEN Mass Erase Capability
FSLACC Freescale Factory Access
SEC MCU security
27.4.11.1 Flash Memory Access by Mode and Security
The following table summarizes how access to the flash memory module is affected by
security and operating mode.
Table 27-51. Flash Memory Access Summary
Operating Mode Chip Security State
Unsecure Secure
NVM Normal Full command set
NVM Special Full command set Only the Erase All Blocks and Read 1s All
Blocks commands.
Functional Description
KL25 Sub-Family Reference Manual, Rev. 3, September 2012
454 Freescale Semiconductor, Inc.

27.4.11.2 Changing the Security State
The security state out of reset can be permanently changed by programming the security
byte of the flash configuration field. This assumes that you are starting from a mode
where the necessary program flash erase and program commands are available and that
the region of the program flash containing the flash configuration field is unprotected. If
the flash security byte is successfully programmed, its new value takes affect after the
next chip reset.
27.4.11.2.1 Unsecuring the Chip Using Backdoor Key Access
The chip can be unsecured by using the backdoor key access feature, which requires
knowledge of the contents of the 8-byte backdoor key value stored in the Flash
Configuration Field (see Flash Configuration Field Description). If the FSEC[KEYEN]
bits are in the enabled state, the Verify Backdoor Access Key command (see Verify
Backdoor Access Key Command) can be run; it allows the user to present prospective
keys for comparison to the stored keys. If the keys match, the FSEC[SEC] bits are
changed to unsecure the chip. The entire 8-byte key cannot be all 0s or all 1s; that is,
0000_0000_0000_0000h and FFFF_FFFF_FFFF_FFFFh are not accepted by the Verify
Backdoor Access Key command as valid comparison values. While the Verify Backdoor
Access Key command is active, program flash memory is not available for read access
and returns invalid data.
The user code stored in the program flash memory must have a method of receiving the
backdoor keys from an external stimulus. This external stimulus would typically be
through one of the on-chip serial ports.
If the KEYEN bits are in the enabled state, the chip can be unsecured by the following
backdoor key access sequence:
1. Follow the command sequence for the Verify Backdoor Access Key command as
explained in Verify Backdoor Access Key Command
2. If the Verify Backdoor Access Key command is successful, the chip is unsecured and
the FSEC[SEC] bits are forced to the unsecure state
An illegal key provided to the Verify Backdoor Access Key command prohibits further
use of the Verify Backdoor Access Key command. A reset of the chip is the only method
to re-enable the Verify Backdoor Access Key command when a comparison fails.
After the backdoor keys have been correctly matched, the chip is unsecured by changing
the FSEC[SEC] bits. A successful execution of the Verify Backdoor Access Key
command changes the security in the FSEC register only. It does not alter the security
byte or the keys stored in the Flash Configuration Field (Flash Configuration Field
Description). After the next reset of the chip, the security state of the flash memory
Chapter 27 Flash Memory Module (FTFA)
KL25 Sub-Family Reference Manual, Rev. 3, September 2012
Freescale Semiconductor, Inc. 455

module reverts back to the flash security byte in the Flash Configuration Field. The
Verify Backdoor Access Key command sequence has no effect on the program and erase
protections defined in the program flash protection registers.
If the backdoor keys successfully match, the unsecured chip has full control of the
contents of the Flash Configuration Field. The chip may erase the sector containing the
Flash Configuration Field and reprogram the flash security byte to the unsecure state and
change the backdoor keys to any desired value.
27.4.12 Reset Sequence
On each system reset the flash memory module executes a sequence which establishes
initial values for the flash block configuration parameters, FPROT, FOPT, and FSEC
registers.
FSTAT[CCIF] is cleared throughout the reset sequence. The flash memory module holds
off CPU access during the reset sequence. Flash reads are possible when the hold is
removed. Completion of the reset sequence is marked by setting CCIF which enables
flash user commands.
If a reset occurs while any flash command is in progress, that command is immediately
aborted. The state of the word being programmed or the sector/block being erased is not
guaranteed. Commands and operations do not automatically resume after exiting reset.
Functional Description
KL25 Sub-Family Reference Manual, Rev. 3, September 2012
456 Freescale Semiconductor, Inc.

Chapter 28
Analog-to-Digital Converter (ADC)
28.1 Introduction
NOTE
For the chip-specific implementation details of this module's
instances see the chip configuration information.
The 16-bit analog-to-digital converter (ADC) is a successive approximation ADC
designed for operation within an integrated microcontroller system-on-chip.
NOTE
For the chip specific modes of operation, see the power
management information of the device.
28.1.1 Features
Features of the ADC module include:
• Linear successive approximation algorithm with up to 16-bit resolution
• Up to four pairs of differential and 24 single-ended external analog inputs
• Output modes:
• differential 16-bit, 13-bit, 11-bit, and 9-bit modes
• single-ended 16-bit, 12-bit, 10-bit, and 8-bit modes
• Output format in 2's complement 16-bit sign extended for differential modes
• Output in right-justified unsigned format for single-ended
• Single or continuous conversion, that is, automatic return to idle after single
conversion
KL25 Sub-Family Reference Manual, Rev. 3, September 2012
Freescale Semiconductor, Inc. 457

• Configurable sample time and conversion speed/power
• Conversion complete/hardware average complete flag and interrupt
• Input clock selectable from up to four sources
• Operation in Low-Power modes for lower noise
• Asynchronous clock source for lower noise operation with option to output the clock
• Selectable hardware conversion trigger with hardware channel select
• Automatic compare with interrupt for less-than, greater-than or equal-to, within
range, or out-of-range, programmable value
• Temperature sensor
• Hardware average function
• Selectable voltage reference: external or alternate
• Self-Calibration mode
28.1.2 Block diagram
The following figure is the ADC module block diagram.
Introduction
KL25 Sub-Family Reference Manual, Rev. 3, September 2012
458 Freescale Semiconductor, Inc.

SC1A
ADHWTSA
ADHWTSn
C o m p a re t ru e
A D C H
c o m p le t e
A D T R G
A D C O
Control Registers
SC1n
A D IV
A D I C L K
Async
Clock Gen
A D A C K E N
2
ALTCLK
ADACK
A D C K
M O D E
tr a n s fe r
C V 2
CV1:CV2
TempM
DADM3
DADM0
DADP3
DADP0
Interrupt
1
A D V IN P
A D V IN M
A C F E
1
SC2
Rn
RA
CFG1,2
C L M x
CLMx
Compare true
MCU STOP
ADHWT
AD4
AD23
TempP
V REFH
VALTH
VREFL
VALTL
AIEN
C O C O
t r ig g e r
DIFF
M O D E
CLPx
PG, MG PG, MG
CLPx
Calibration
OFS
CALF
CAL
SC3
C V1
ACFGT, ACREN
D
AVGE, AVGS
ADCOFS
V REFSH
V REFSL
(SC2, CFG1, CFG2)
Conversion
trigger
control
Clock
divide
Control sequencer Bus clock
SAR converter
Compare
logic
Offset subtractor
Averager
Formatting
ADLSMP/ADLSTS
ADLPC/ADHSC
initialize
sample
convert
transfer
abort
Figure 28-1. ADC block diagram
28.2 ADC Signal Descriptions
The ADC module supports up to 4 pairs of differential inputs and up to 24 single-ended
inputs. Each differential pair requires two inputs, DADPx and DADMx. The ADC also
requires four supply/reference/ground connections.
NOTE
Refer to ADC configuration section in chip configuration
chapter for the number of channels supported on this device.
Chapter 28 Analog-to-Digital Converter (ADC)
KL25 Sub-Family Reference Manual, Rev. 3, September 2012
Freescale Semiconductor, Inc. 459

Table 28-1. ADC Signal Descriptions
Signal Description I/O
DADP3–DADP0 Differential Analog Channel Inputs I
DADM3–DADM0 Differential Analog Channel Inputs I
ADnSingle-Ended Analog Channel Inputs I
VREFSH Voltage Reference Select High I
VREFSL Voltage Reference Select Low I
VDDA Analog Power Supply I
VSSA Analog Ground I
28.2.1 Analog Power (VDDA)
The ADC analog portion uses VDDA as its power connection. In some packages, VDDA is
connected internally to VDD. If externally available, connect the VDDA pin to the same
voltage potential as VDD. External filtering may be necessary to ensure clean VDDA for
good results.
28.2.2 Analog Ground (VSSA)
The ADC analog portion uses VSSA as its ground connection. In some packages, VSSA is
connected internally to VSS. If externally available, connect the VSSA pin to the same
voltage potential as VSS.
28.2.3 Voltage Reference Select
VREFSH and VREFSL are the high and low reference voltages for the ADC module.
The ADC can be configured to accept one of two voltage reference pairs for VREFSH and
VREFSL. Each pair contains a positive reference that must be between the minimum Ref
Voltage High and VDDA, and a ground reference that must be at the same potential as
VSSA. The two pairs are external (VREFH and VREFL) and alternate (VALTH and VALTL).
These voltage references are selected using SC2[REFSEL]. The alternate VALTH and
VALTL voltage reference pair may select additional external pins or internal sources
depending on MCU configuration. See the chip configuration information on the Voltage
References specific to this MCU.
ADC Signal Descriptions
KL25 Sub-Family Reference Manual, Rev. 3, September 2012
460 Freescale Semiconductor, Inc.

In some packages, VREFH is connected in the package to VDDA and VREFL to VSSA. If
externally available, the positive reference(s) may be connected to the same potential as
VDDA or may be driven by an external source to a level between the minimum Ref
Voltage High and the VDDA potential. VREFH must never exceed VDDA. Connect the
ground references to the same voltage potential as VSSA.
28.2.4 Analog Channel Inputs (ADx)
The ADC module supports up to 24 single-ended analog inputs. A single-ended input is
selected for conversion through the SC1[ADCH] channel select bits when SC1n[DIFF] is
low.
28.2.5 Differential Analog Channel Inputs (DADx)
The ADC module supports up to four differential analog channel inputs. Each differential
analog input is a pair of external pins, DADPx and DADMx, referenced to each other to
provide the most accurate analog to digital readings. A differential input is selected for
conversion through SC1[ADCH] when SC1n[DIFF] is high. All DADPx inputs may be
used as single-ended inputs if SC1n[DIFF] is low. In certain MCU configurations, some
DADMx inputs may also be used as single-ended inputs if SC1n[DIFF] is low. See the
chip configuration chapter for ADC connections specific to this MCU.
28.3 Register definition
This section describes the ADC registers.
ADC memory map
Absolute
address
(hex)
Register name Width
(in bits) Access Reset value Section/
page
4003_B000 ADC Status and Control Registers 1 (ADC0_SC1A) 32 R/W 0000_001Fh 28.3.1/462
4003_B004 ADC Status and Control Registers 1 (ADC0_SC1B) 32 R/W 0000_001Fh 28.3.1/462
4003_B008 ADC Configuration Register 1 (ADC0_CFG1) 32 R/W 0000_0000h 28.3.2/465
4003_B00C ADC Configuration Register 2 (ADC0_CFG2) 32 R/W 0000_0000h 28.3.3/467
4003_B010 ADC Data Result Register (ADC0_RA) 32 R 0000_0000h 28.3.4/468
4003_B014 ADC Data Result Register (ADC0_RB) 32 R 0000_0000h 28.3.4/468
4003_B018 Compare Value Registers (ADC0_CV1) 32 R/W 0000_0000h 28.3.5/469
4003_B01C Compare Value Registers (ADC0_CV2) 32 R/W 0000_0000h 28.3.5/469
Table continues on the next page...
Chapter 28 Analog-to-Digital Converter (ADC)
KL25 Sub-Family Reference Manual, Rev. 3, September 2012
Freescale Semiconductor, Inc. 461

ADC memory map (continued)
Absolute
address
(hex)
Register name Width
(in bits) Access Reset value Section/
page
4003_B020 Status and Control Register 2 (ADC0_SC2) 32 R/W 0000_0000h 28.3.6/470
4003_B024 Status and Control Register 3 (ADC0_SC3) 32 R/W 0000_0000h 28.3.7/472
4003_B028 ADC Offset Correction Register (ADC0_OFS) 32 R/W 0000_0004h 28.3.8/474
4003_B02C ADC Plus-Side Gain Register (ADC0_PG) 32 R/W 0000_8200h 28.3.9/474
4003_B030 ADC Minus-Side Gain Register (ADC0_MG) 32 R/W 0000_8200h 28.3.10/475
4003_B034 ADC Plus-Side General Calibration Value Register
(ADC0_CLPD) 32 R/W 0000_000Ah 28.3.11/475
4003_B038 ADC Plus-Side General Calibration Value Register
(ADC0_CLPS) 32 R/W 0000_0020h 28.3.12/476
4003_B03C ADC Plus-Side General Calibration Value Register
(ADC0_CLP4) 32 R/W 0000_0200h 28.3.13/476
4003_B040 ADC Plus-Side General Calibration Value Register
(ADC0_CLP3) 32 R/W 0000_0100h 28.3.14/477
4003_B044 ADC Plus-Side General Calibration Value Register
(ADC0_CLP2) 32 R/W 0000_0080h 28.3.15/477
4003_B048 ADC Plus-Side General Calibration Value Register
(ADC0_CLP1) 32 R/W 0000_0040h 28.3.16/478
4003_B04C ADC Plus-Side General Calibration Value Register
(ADC0_CLP0) 32 R/W 0000_0020h 28.3.17/478
4003_B054 ADC Minus-Side General Calibration Value Register
(ADC0_CLMD) 32 R/W 0000_000Ah 28.3.18/479
4003_B058 ADC Minus-Side General Calibration Value Register
(ADC0_CLMS) 32 R/W 0000_0020h 28.3.19/479
4003_B05C ADC Minus-Side General Calibration Value Register
(ADC0_CLM4) 32 R/W 0000_0200h 28.3.20/480
4003_B060 ADC Minus-Side General Calibration Value Register
(ADC0_CLM3) 32 R/W 0000_0100h 28.3.21/480
4003_B064 ADC Minus-Side General Calibration Value Register
(ADC0_CLM2) 32 R/W 0000_0080h 28.3.22/481
4003_B068 ADC Minus-Side General Calibration Value Register
(ADC0_CLM1) 32 R/W 0000_0040h 28.3.23/481
4003_B06C ADC Minus-Side General Calibration Value Register
(ADC0_CLM0) 32 R/W 0000_0020h 28.3.24/482
28.3.1 ADC Status and Control Registers 1 (ADCx_SC1n)
SC1A is used for both software and hardware trigger modes of operation.
To allow sequential conversions of the ADC to be triggered by internal peripherals, the
ADC can have more then one status and control register: one for each conversion. The
SC1B–SC1n registers indicate potentially multiple SC1 registers for use only in hardware
Register definition
KL25 Sub-Family Reference Manual, Rev. 3, September 2012
462 Freescale Semiconductor, Inc.

trigger mode. See the chip configuration information about the number of SC1n registers
specific to this device. The SC1n registers have identical fields, and are used in a "ping-
pong" approach to control ADC operation.
At any one point in time, only one of the SC1n registers is actively controlling ADC
conversions. Updating SC1A while SC1n is actively controlling a conversion is allowed,
and vice-versa for any of the SC1n registers specific to this MCU.
Writing SC1A while SC1A is actively controlling a conversion aborts the current
conversion. In Software Trigger mode, when SC2[ADTRG]=0, writes to SC1A
subsequently initiate a new conversion, if SC1[ADCH] contains a value other than all 1s.
Writing any of the SC1n registers while that specific SC1n register is actively controlling
a conversion aborts the current conversion. None of the SC1B-SC1n registers are used for
software trigger operation and therefore writes to the SC1B–SC1n registers do not initiate
a new conversion.
Address: 4003_B000h base + 0h offset + (4d × i), where i=0d to 1d
Bit 31 30 29 28 27 26 25 24 23 22 21 20 19 18 17 16
R0
W
Reset 0 0 0 0 0 0 0 0 0 0 0 0 0 0 0 0
Bit 15 14 13 12 11 10 9 8 7 6 5 4 3 2 1 0
R0
COCO
AIEN DIFF ADCH
W
Reset 0 0 0 0 0 0 0 0 0 0 0 1 1 1 1 1
ADCx_SC1n field descriptions
Field Description
31–8
Reserved
This field is reserved.
This read-only field is reserved and always has the value 0.
7
COCO
Conversion Complete Flag
Table continues on the next page...
Chapter 28 Analog-to-Digital Converter (ADC)
KL25 Sub-Family Reference Manual, Rev. 3, September 2012
Freescale Semiconductor, Inc. 463

ADCx_SC1n field descriptions (continued)
Field Description
This is a read-only field that is set each time a conversion is completed when the compare function is
disabled, or SC2[ACFE]=0 and the hardware average function is disabled, or SC3[AVGE]=0. When the
compare function is enabled, or SC2[ACFE]=1, COCO is set upon completion of a conversion only if the
compare result is true. When the hardware average function is enabled, or SC3[AVGE]=1, COCO is set
upon completion of the selected number of conversions (determined by AVGS). COCO in SC1A is also set
at the completion of a calibration sequence. COCO is cleared when the respective SC1n register is written
or when the respective Rn register is read.
0 Conversion is not completed.
1 Conversion is completed.
6
AIEN
Interrupt Enable
Enables conversion complete interrupts. When COCO becomes set while the respective AIEN is high, an
interrupt is asserted.
0 Conversion complete interrupt is disabled.
1 Conversion complete interrupt is enabled.
5
DIFF
Differential Mode Enable
Configures the ADC to operate in differential mode. When enabled, this mode automatically selects from
the differential channels, and changes the conversion algorithm and the number of cycles to complete a
conversion.
0 Single-ended conversions and input channels are selected.
1 Differential conversions and input channels are selected.
4–0
ADCH
Input channel select
Selects one of the input channels. The input channel decode depends on the value of DIFF. DAD0-DAD3
are associated with the input pin pairs DADPx and DADMx.
NOTE: Some of the input channel options in the bitfield-setting descriptions might not be available for
your device. For the actual ADC channel assignments for your device, see the Chip Configuration
details.
The successive approximation converter subsystem is turned off when the channel select bits are all set,
that is, ADCH = 11111. This feature allows explicit disabling of the ADC and isolation of the input channel
from all sources. Terminating continuous conversions this way prevents an additional single conversion
from being performed. It is not necessary to set ADCH to all 1s to place the ADC in a low-power state
when continuous conversions are not enabled because the module automatically enters a low-power state
when a conversion completes.
00000 When DIFF=0, DADP0 is selected as input; when DIFF=1, DAD0 is selected as input.
00001 When DIFF=0, DADP1 is selected as input; when DIFF=1, DAD1 is selected as input.
00010 When DIFF=0, DADP2 is selected as input; when DIFF=1, DAD2 is selected as input.
00011 When DIFF=0, DADP3 is selected as input; when DIFF=1, DAD3 is selected as input.
00100 When DIFF=0, AD4 is selected as input; when DIFF=1, it is reserved.
00101 When DIFF=0, AD5 is selected as input; when DIFF=1, it is reserved.
00110 When DIFF=0, AD6 is selected as input; when DIFF=1, it is reserved.
00111 When DIFF=0, AD7 is selected as input; when DIFF=1, it is reserved.
01000 When DIFF=0, AD8 is selected as input; when DIFF=1, it is reserved.
01001 When DIFF=0, AD9 is selected as input; when DIFF=1, it is reserved.
01010 When DIFF=0, AD10 is selected as input; when DIFF=1, it is reserved.
01011 When DIFF=0, AD11 is selected as input; when DIFF=1, it is reserved.
Table continues on the next page...
Register definition
KL25 Sub-Family Reference Manual, Rev. 3, September 2012
464 Freescale Semiconductor, Inc.

ADCx_SC1n field descriptions (continued)
Field Description
01100 When DIFF=0, AD12 is selected as input; when DIFF=1, it is reserved.
01101 When DIFF=0, AD13 is selected as input; when DIFF=1, it is reserved.
01110 When DIFF=0, AD14 is selected as input; when DIFF=1, it is reserved.
01111 When DIFF=0, AD15 is selected as input; when DIFF=1, it is reserved.
10000 When DIFF=0, AD16 is selected as input; when DIFF=1, it is reserved.
10001 When DIFF=0, AD17 is selected as input; when DIFF=1, it is reserved.
10010 When DIFF=0, AD18 is selected as input; when DIFF=1, it is reserved.
10011 When DIFF=0, AD19 is selected as input; when DIFF=1, it is reserved.
10100 When DIFF=0, AD20 is selected as input; when DIFF=1, it is reserved.
10101 When DIFF=0, AD21 is selected as input; when DIFF=1, it is reserved.
10110 When DIFF=0, AD22 is selected as input; when DIFF=1, it is reserved.
10111 When DIFF=0, AD23 is selected as input; when DIFF=1, it is reserved.
11000 Reserved.
11001 Reserved.
11010 When DIFF=0, Temp Sensor (single-ended) is selected as input; when DIFF=1, Temp Sensor
(differential) is selected as input.
11011 When DIFF=0,Bandgap (single-ended) is selected as input; when DIFF=1, Bandgap (differential)
is selected as input.
11100 Reserved.
11101 When DIFF=0,VREFSH is selected as input; when DIFF=1, -VREFSH (differential) is selected as
input. Voltage reference selected is determined by SC2[REFSEL].
11110 When DIFF=0,VREFSL is selected as input; when DIFF=1, it is reserved. Voltage reference
selected is determined by SC2[REFSEL].
11111 Module is disabled.
28.3.2 ADC Configuration Register 1 (ADCx_CFG1)
The configuration Register 1 (CFG1) selects the mode of operation, clock source, clock
divide, and configuration for low power or long sample time.
Address: 4003_B000h base + 8h offset = 4003_B008h
Bit 31 30 29 28 27 26 25 24 23 22 21 20 19 18 17 16
R0
W
Reset 0 0 0 0 0 0 0 0 0 0 0 0 0 0 0 0
Bit 15 14 13 12 11 10 9 8 7 6 5 4 3 2 1 0
R0
ADLPC
ADIV
ADLSMP
MODE ADICLK
W
Reset 0 0 0 0 0 0 0 0 0 0 0 0 0 0 0 0
Chapter 28 Analog-to-Digital Converter (ADC)
KL25 Sub-Family Reference Manual, Rev. 3, September 2012
Freescale Semiconductor, Inc. 465

ADCx_CFG1 field descriptions
Field Description
31–8
Reserved
This field is reserved.
This read-only field is reserved and always has the value 0.
7
ADLPC
Low-Power Configuration
Controls the power configuration of the successive approximation converter. This optimizes power
consumption when higher sample rates are not required.
0 Normal power configuration.
1 Low-power configuration. The power is reduced at the expense of maximum clock speed.
6–5
ADIV
Clock Divide Select
ADIV selects the divide ratio used by the ADC to generate the internal clock ADCK.
00 The divide ratio is 1 and the clock rate is input clock.
01 The divide ratio is 2 and the clock rate is (input clock)/2.
10 The divide ratio is 4 and the clock rate is (input clock)/4.
11 The divide ratio is 8 and the clock rate is (input clock)/8.
4
ADLSMP
Sample time configuration
ADLSMP selects between different sample times based on the conversion mode selected. This bit adjusts
the sample period to allow higher impedance inputs to be accurately sampled or to maximize conversion
speed for lower impedance inputs. Longer sample times can also be used to lower overall power
consumption if continuous conversions are enabled and high conversion rates are not required. When
ADLSMP=1, the long sample time select bits, (ADLSTS[1:0]), can select the extent of the long sample
time.
0 Short sample time.
1 Long sample time.
3–2
MODE
Conversion mode selection
Selects the ADC resolution mode.
00 When DIFF=0:It is single-ended 8-bit conversion; when DIFF=1, it is differential 9-bit conversion with
2's complement output.
01 When DIFF=0:It is single-ended 12-bit conversion ; when DIFF=1, it is differential 13-bit conversion
with 2's complement output.
10 When DIFF=0:It is single-ended 10-bit conversion ; when DIFF=1, it is differential 11-bit conversion
with 2's complement output.
11 When DIFF=0:It is single-ended 16-bit conversion; when DIFF=1, it is differential 16-bit conversion
with 2's complement output.
1–0
ADICLK
Input Clock Select
Selects the input clock source to generate the internal clock, ADCK. Note that when the ADACK clock
source is selected, it is not required to be active prior to conversion start. When it is selected and it is not
active prior to a conversion start, when CFG2[ADACKEN]=0, the asynchronous clock is activated at the
start of a conversion and deactivated when conversions are terminated. In this case, there is an
associated clock startup delay each time the clock source is re-activated.
00 Bus clock
01 (Bus clock)/2
10 Alternate clock (ALTCLK)
11 Asynchronous clock (ADACK)
Register definition
KL25 Sub-Family Reference Manual, Rev. 3, September 2012
466 Freescale Semiconductor, Inc.

28.3.3 ADC Configuration Register 2 (ADCx_CFG2)
Configuration Register 2 (CFG2) selects the special high-speed configuration for very
high speed conversions and selects the long sample time duration during long sample
mode.
Address: 4003_B000h base + Ch offset = 4003_B00Ch
Bit 31 30 29 28 27 26 25 24 23 22 21 20 19 18 17 16
R0
W
Reset 0 0 0 0 0 0 0 0 0 0 0 0 0 0 0 0
Bit 15 14 13 12 11 10 9 8 7 6 5 4 3 2 1 0
R0 0
MUXSEL
ADACKEN
ADHSC
ADLSTS
W
Reset 0 0 0 0 0 0 0 0 0 0 0 0 0 0 0 0
ADCx_CFG2 field descriptions
Field Description
31–8
Reserved
This field is reserved.
This read-only field is reserved and always has the value 0.
7–5
Reserved
This field is reserved.
This read-only field is reserved and always has the value 0.
4
MUXSEL
ADC Mux Select
Changes the ADC mux setting to select between alternate sets of ADC channels.
0 ADxxa channels are selected.
1 ADxxb channels are selected.
3
ADACKEN
Asynchronous Clock Output Enable
Enables the asynchronous clock source and the clock source output regardless of the conversion and
status of CFG1[ADICLK]. Based on MCU configuration, the asynchronous clock may be used by other
modules. See chip configuration information. Setting this field allows the clock to be used even while the
ADC is idle or operating from a different clock source. Also, latency of initiating a single or first-continuous
conversion with the asynchronous clock selected is reduced because the ADACK clock is already
operational.
0 Asynchronous clock output disabled; Asynchronous clock is enabled only if selected by ADICLK and a
conversion is active.
1 Asynchronous clock and clock output is enabled regardless of the state of the ADC.
2
ADHSC
High-Speed Configuration
Table continues on the next page...
Chapter 28 Analog-to-Digital Converter (ADC)
KL25 Sub-Family Reference Manual, Rev. 3, September 2012
Freescale Semiconductor, Inc. 467

ADCx_CFG2 field descriptions (continued)
Field Description
Configures the ADC for very high-speed operation. The conversion sequence is altered with 2 ADCK
cycles added to the conversion time to allow higher speed conversion clocks.
0 Normal conversion sequence selected.
1 High-speed conversion sequence selected with 2 additional ADCK cycles to total conversion time.
1–0
ADLSTS
Long Sample Time Select
Selects between the extended sample times when long sample time is selected, that is, when
CFG1[ADLSMP]=1. This allows higher impedance inputs to be accurately sampled or to maximize
conversion speed for lower impedance inputs. Longer sample times can also be used to lower overall
power consumption when continuous conversions are enabled if high conversion rates are not required.
00 Default longest sample time; 20 extra ADCK cycles; 24 ADCK cycles total.
01 12 extra ADCK cycles; 16 ADCK cycles total sample time.
10 6 extra ADCK cycles; 10 ADCK cycles total sample time.
11 2 extra ADCK cycles; 6 ADCK cycles total sample time.
28.3.4 ADC Data Result Register (ADCx_Rn)
The data result registers (Rn) contain the result of an ADC conversion of the channel
selected by the corresponding status and channel control register (SC1A:SC1n). For
every status and channel control register, there is a corresponding data result register.
Unused bits in R n are cleared in unsigned right-justified modes and carry the sign bit
(MSB) in sign-extended 2's complement modes. For example, when configured for 10-bit
single-ended mode, D[15:10] are cleared. When configured for 11-bit differential mode,
D[15:10] carry the sign bit, that is, bit 10 extended through bit 15.
The following table describes the behavior of the data result registers in the different
modes of operation.
Table 28-43. Data result register description
Conversion
mode
D15 D14 D13 D12 D11 D10 D9 D8 D7 D6 D5 D4 D3 D2 D1 D0 Format
16-bit differential S D D D D D D D D D D D D D D D Signed 2's
complement
16-bit single-
ended
D D D D D D D D D D D D D D D D Unsigned right
justified
13-bit differential S S S S D D D D D D D D D D D D Sign-extended
2's complement
12-bit single-
ended
0 0 0 0 D D D D D D D D D D D D Unsigned right-
justified
11-bit differential S S S S S S D D D D D D D D D D Sign-extended
2's complement
Table continues on the next page...
Register definition
KL25 Sub-Family Reference Manual, Rev. 3, September 2012
468 Freescale Semiconductor, Inc.

Table 28-43. Data result register description (continued)
Conversion
mode
D15 D14 D13 D12 D11 D10 D9 D8 D7 D6 D5 D4 D3 D2 D1 D0 Format
10-bit single-
ended
0 0 0 0 0 0 D D D D D D D D D D Unsigned right-
justified
9-bit differential S S S S S S S S D D D D D D D D Sign-extended
2's complement
8-bit single-
ended
0 0 0 0 0 0 0 0 D D D D D D D D Unsigned right-
justified
NOTE
S: Sign bit or sign bit extension;
D: Data, which is 2's complement data if indicated
Address: 4003_B000h base + 10h offset + (4d × i), where i=0d to 1d
Bit 31 30 29 28 27 26 25 24 23 22 21 20 19 18 17 16 15 14 13 12 11 10 9 8 7 6 5 4 3 2 1 0
R0 D
W
Reset 0 0 0 0 0 0 0 0 0 0 0 0 0 0 0 0 0 0 0 0 0 0 0 0 0 0 0 0 0 0 0 0
ADCx_Rn field descriptions
Field Description
31–16
Reserved
This field is reserved.
This read-only field is reserved and always has the value 0.
15–0
D
Data result
28.3.5 Compare Value Registers (ADCx_CVn)
The compare value registers (CV1 and CV2) contain a compare value used to compare
the conversion result when the compare function is enabled, that is, SC2[ACFE]=1. This
register is formatted in the same way as the Rn registers in different modes of operation
for both bit position definition and value format using unsigned or sign-extended 2's
complement. Therefore, the compare function uses only the CVn fields that are related to
the ADC mode of operation.
The compare value 2 register (CV2) is used only when the compare range function is
enabled, that is, SC2[ACREN]=1.
Chapter 28 Analog-to-Digital Converter (ADC)
KL25 Sub-Family Reference Manual, Rev. 3, September 2012
Freescale Semiconductor, Inc. 469

Address: 4003_B000h base + 18h offset + (4d × i), where i=0d to 1d
Bit 31 30 29 28 27 26 25 24 23 22 21 20 19 18 17 16 15 14 13 12 11 10 9 8 7 6 5 4 3 2 1 0
R0CV
W
Reset 0 0 0 0 0 0 0 0 0 0 0 0 0 0 0 0 0 0 0 0 0 0 0 0 0 0 0 0 0 0 0 0
ADCx_CVn field descriptions
Field Description
31–16
Reserved
This field is reserved.
This read-only field is reserved and always has the value 0.
15–0
CV
Compare Value.
28.3.6 Status and Control Register 2 (ADCx_SC2)
The status and control register 2 (SC2) contains the conversion active, hardware/software
trigger select, compare function, and voltage reference select of the ADC module.
Address: 4003_B000h base + 20h offset = 4003_B020h
Bit 31 30 29 28 27 26 25 24 23 22 21 20 19 18 17 16
R0
W
Reset 0 0 0 0 0 0 0 0 0 0 0 0 0 0 0 0
Bit 15 14 13 12 11 10 9 8 7 6 5 4 3 2 1 0
R0
ADACT
ADTRG
ACFE
ACFGT
ACREN
DMAEN
REFSEL
W
Reset 0 0 0 0 0 0 0 0 0 0 0 0 0 0 0 0
Register definition
KL25 Sub-Family Reference Manual, Rev. 3, September 2012
470 Freescale Semiconductor, Inc.

ADCx_SC2 field descriptions
Field Description
31–8
Reserved
This field is reserved.
This read-only field is reserved and always has the value 0.
7
ADACT
Conversion Active
Indicates that a conversion or hardware averaging is in progress. ADACT is set when a conversion is
initiated and cleared when a conversion is completed or aborted.
0 Conversion not in progress.
1 Conversion in progress.
6
ADTRG
Conversion Trigger Select
Selects the type of trigger used for initiating a conversion. Two types of trigger are selectable:
• Software trigger: When software trigger is selected, a conversion is initiated following a write to
SC1A.
• Hardware trigger: When hardware trigger is selected, a conversion is initiated following the assertion
of the ADHWT input after a pulse of the ADHWTSn input.
0 Software trigger selected.
1 Hardware trigger selected.
5
ACFE
Compare Function Enable
Enables the compare function.
0 Compare function disabled.
1 Compare function enabled.
4
ACFGT
Compare Function Greater Than Enable
Configures the compare function to check the conversion result relative to the CV1 and CV2 based upon
the value of ACREN. ACFE must be set for ACFGT to have any effect.
0 Configures less than threshold, outside range not inclusive and inside range not inclusive; functionality
based on the values placed in CV1 and CV2.
1 Configures greater than or equal to threshold, outside and inside ranges inclusive; functionality based
on the values placed in CV1 and CV2.
3
ACREN
Compare Function Range Enable
Configures the compare function to check if the conversion result of the input being monitored is either
between or outside the range formed by CV1 and CV2 determined by the value of ACFGT. ACFE must be
set for ACFGT to have any effect.
0 Range function disabled. Only CV1 is compared.
1 Range function enabled. Both CV1 and CV2 are compared.
2
DMAEN
DMA Enable
0 DMA is disabled.
1 DMA is enabled and will assert the ADC DMA request during an ADC conversion complete event
noted when any of the SC1n[COCO] flags is asserted.
1–0
REFSEL
Voltage Reference Selection
Selects the voltage reference source used for conversions.
00 Default voltage reference pin pair, that is, external pins VREFH and VREFL
Table continues on the next page...
Chapter 28 Analog-to-Digital Converter (ADC)
KL25 Sub-Family Reference Manual, Rev. 3, September 2012
Freescale Semiconductor, Inc. 471

ADCx_SC2 field descriptions (continued)
Field Description
01 Alternate reference pair, that is, VALTH and VALTL . This pair may be additional external pins or
internal sources depending on the MCU configuration. See the chip configuration information for
details specific to this MCU
10 Reserved
11 Reserved
28.3.7 Status and Control Register 3 (ADCx_SC3)
The Status and Control Register 3 (SC3) controls the calibration, continuous convert, and
hardware averaging functions of the ADC module.
Address: 4003_B000h base + 24h offset = 4003_B024h
Bit 31 30 29 28 27 26 25 24 23 22 21 20 19 18 17 16
R0
W
Reset 0 0 0 0 0 0 0 0 0 0 0 0 0 0 0 0
Bit 15 14 13 12 11 10 9 8 7 6 5 4 3 2 1 0
R0
CAL
CALF
0
ADCO
AVGE
AVGS
W
Reset 0 0 0 0 0 0 0 0 0 0 0 0 0 0 0 0
ADCx_SC3 field descriptions
Field Description
31–8
Reserved
This field is reserved.
This read-only field is reserved and always has the value 0.
Table continues on the next page...
Register definition
KL25 Sub-Family Reference Manual, Rev. 3, September 2012
472 Freescale Semiconductor, Inc.

ADCx_SC3 field descriptions (continued)
Field Description
7
CAL
Calibration
Begins the calibration sequence when set. This field stays set while the calibration is in progress and is
cleared when the calibration sequence is completed. CALF must be checked to determine the result of the
calibration sequence. Once started, the calibration routine cannot be interrupted by writes to the ADC
registers or the results will be invalid and CALF will set. Setting CAL will abort any current conversion.
6
CALF
Calibration Failed Flag
Displays the result of the calibration sequence. The calibration sequence will fail if SC2[ADTRG] = 1, any
ADC register is written, or any stop mode is entered before the calibration sequence completes. Writing 1
to CALF clears it.
0 Calibration completed normally.
1 Calibration failed. ADC accuracy specifications are not guaranteed.
5–4
Reserved
This field is reserved.
This read-only field is reserved and always has the value 0.
3
ADCO
Continuous Conversion Enable
Enables continuous conversions.
0 One conversion or one set of conversions if the hardware average function is enabled, that is,
AVGE=1, after initiating a conversion.
1 Continuous conversions or sets of conversions if the hardware average function is enabled, that is,
AVGE=1, after initiating a conversion.
2
AVGE
Hardware Average Enable
Enables the hardware average function of the ADC.
0 Hardware average function disabled.
1 Hardware average function enabled.
1–0
AVGS
Hardware Average Select
Determines how many ADC conversions will be averaged to create the ADC average result.
00 4 samples averaged.
01 8 samples averaged.
10 16 samples averaged.
11 32 samples averaged.
Chapter 28 Analog-to-Digital Converter (ADC)
KL25 Sub-Family Reference Manual, Rev. 3, September 2012
Freescale Semiconductor, Inc. 473

28.3.8 ADC Offset Correction Register (ADCx_OFS)
The ADC Offset Correction Register (OFS) contains the user-selected or calibration-
generated offset error correction value. This register is a 2’s complement, left-justified,
16-bit value . The value in OFS is subtracted from the conversion and the result is
transferred into the result registers, Rn. If the result is greater than the maximum or less
than the minimum result value, it is forced to the appropriate limit for the current mode of
operation.
Address: 4003_B000h base + 28h offset = 4003_B028h
Bit 31 30 29 28 27 26 25 24 23 22 21 20 19 18 17 16 15 14 13 12 11 10 9 8 7 6 5 4 3 2 1 0
R0OFS
W
Reset 0 0 0 0 0 0 0 0 0 0 0 0 0 0 0 0 0 0 0 0 0 0 0 0 0 0 0 0 0 1 0 0
ADCx_OFS field descriptions
Field Description
31–16
Reserved
This field is reserved.
This read-only field is reserved and always has the value 0.
15–0
OFS
Offset Error Correction Value
28.3.9 ADC Plus-Side Gain Register (ADCx_PG)
The Plus-Side Gain Register (PG) contains the gain error correction for the plus-side
input in differential mode or the overall conversion in single-ended mode. PG, a 16-bit
real number in binary format, is the gain adjustment factor, with the radix point fixed
between ADPG15 and ADPG14. This register must be written by the user with the value
described in the calibration procedure. Otherwise, the gain error specifications may not
be met.
Address: 4003_B000h base + 2Ch offset = 4003_B02Ch
Bit 31 30 29 28 27 26 25 24 23 22 21 20 19 18 17 16 15 14 13 12 11 10 9 8 7 6 5 4 3 2 1 0
R0PG
W
Reset 0 0 0 0 0 0 0 0 0 0 0 0 0 0 0 0 1 0 0 0 0 0 1 0 0 0 0 0 0 0 0 0
Register definition
KL25 Sub-Family Reference Manual, Rev. 3, September 2012
474 Freescale Semiconductor, Inc.

ADCx_PG field descriptions
Field Description
31–16
Reserved
This field is reserved.
This read-only field is reserved and always has the value 0.
15–0
PG
Plus-Side Gain
28.3.10 ADC Minus-Side Gain Register (ADCx_MG)
The Minus-Side Gain Register (MG) contains the gain error correction for the minus-side
input in differential mode. This register is ignored in single-ended mode. MG, a 16-bit
real number in binary format, is the gain adjustment factor, with the radix point fixed
between ADMG15 and ADMG14. This register must be written by the user with the
value described in the calibration procedure. Otherwise, the gain error specifications may
not be met.
Address: 4003_B000h base + 30h offset = 4003_B030h
Bit 31 30 29 28 27 26 25 24 23 22 21 20 19 18 17 16 15 14 13 12 11 10 9 8 7 6 5 4 3 2 1 0
R0MG
W
Reset 0 0 0 0 0 0 0 0 0 0 0 0 0 0 0 0 1 0 0 0 0 0 1 0 0 0 0 0 0 0 0 0
ADCx_MG field descriptions
Field Description
31–16
Reserved
This field is reserved.
This read-only field is reserved and always has the value 0.
15–0
MG
Minus-Side Gain
28.3.11 ADC Plus-Side General Calibration Value Register
(ADCx_CLPD)
The Plus-Side General Calibration Value Registers (CLPx) contain calibration
information that is generated by the calibration function. These registers contain seven
calibration values of varying widths: CLP0[5:0], CLP1[6:0], CLP2[7:0], CLP3[8:0],
CLP4[9:0], CLPS[5:0], and CLPD[5:0]. CLPx are automatically set when the self-
calibration sequence is done, that is, CAL is cleared. If these registers are written by the
user after calibration, the linearity error specifications may not be met.
Chapter 28 Analog-to-Digital Converter (ADC)
KL25 Sub-Family Reference Manual, Rev. 3, September 2012
Freescale Semiconductor, Inc. 475

Address: 4003_B000h base + 34h offset = 4003_B034h
Bit 31 30 29 28 27 26 25 24 23 22 21 20 19 18 17 16 15 14 13 12 11 10 9 8 7 6 5 4 3 2 1 0
R0CLPD
W
Reset 0 0 0 0 0 0 0 0 0 0 0 0 0 0 0 0 0 0 0 0 0 0 0 0 0 0 0 0 1 0 1 0
ADCx_CLPD field descriptions
Field Description
31–6
Reserved
This field is reserved.
This read-only field is reserved and always has the value 0.
5–0
CLPD
Calibration Value
28.3.12 ADC Plus-Side General Calibration Value Register
(ADCx_CLPS)
For more information, see CLPD register description.
Address: 4003_B000h base + 38h offset = 4003_B038h
Bit 31 30 29 28 27 26 25 24 23 22 21 20 19 18 17 16 15 14 13 12 11 10 9 8 7 6 5 4 3 2 1 0
R0CLPS
W
Reset 0 0 0 0 0 0 0 0 0 0 0 0 0 0 0 0 0 0 0 0 0 0 0 0 0 0 1 0 0 0 0 0
ADCx_CLPS field descriptions
Field Description
31–6
Reserved
This field is reserved.
This read-only field is reserved and always has the value 0.
5–0
CLPS
Calibration Value
28.3.13 ADC Plus-Side General Calibration Value Register
(ADCx_CLP4)
For more information, see CLPD register description.
Address: 4003_B000h base + 3Ch offset = 4003_B03Ch
Bit 31 30 29 28 27 26 25 24 23 22 21 20 19 18 17 16 15 14 13 12 11 10 9 8 7 6 5 4 3 2 1 0
R0CLP4
W
Reset 0 0 0 0 0 0 0 0 0 0 0 0 0 0 0 0 0 0 0 0 0 0 1 0 0 0 0 0 0 0 0 0
Register definition
KL25 Sub-Family Reference Manual, Rev. 3, September 2012
476 Freescale Semiconductor, Inc.

ADCx_CLP4 field descriptions
Field Description
31–10
Reserved
This field is reserved.
This read-only field is reserved and always has the value 0.
9–0
CLP4
Calibration Value
28.3.14 ADC Plus-Side General Calibration Value Register
(ADCx_CLP3)
For more information, see CLPD register description.
Address: 4003_B000h base + 40h offset = 4003_B040h
Bit 31 30 29 28 27 26 25 24 23 22 21 20 19 18 17 16 15 14 13 12 11 10 9 8 7 6 5 4 3 2 1 0
R0CLP3
W
Reset 0 0 0 0 0 0 0 0 0 0 0 0 0 0 0 0 0 0 0 0 0 0 0 1 0 0 0 0 0 0 0 0
ADCx_CLP3 field descriptions
Field Description
31–9
Reserved
This field is reserved.
This read-only field is reserved and always has the value 0.
8–0
CLP3
Calibration Value
28.3.15 ADC Plus-Side General Calibration Value Register
(ADCx_CLP2)
For more information, see CLPD register description.
Address: 4003_B000h base + 44h offset = 4003_B044h
Bit 31 30 29 28 27 26 25 24 23 22 21 20 19 18 17 16 15 14 13 12 11 10 9 8 7 6 5 4 3 2 1 0
R0CLP2
W
Reset 0 0 0 0 0 0 0 0 0 0 0 0 0 0 0 0 0 0 0 0 0 0 0 0 1 0 0 0 0 0 0 0
ADCx_CLP2 field descriptions
Field Description
31–8
Reserved
This field is reserved.
This read-only field is reserved and always has the value 0.
7–0
CLP2
Calibration Value
Chapter 28 Analog-to-Digital Converter (ADC)
KL25 Sub-Family Reference Manual, Rev. 3, September 2012
Freescale Semiconductor, Inc. 477

28.3.16 ADC Plus-Side General Calibration Value Register
(ADCx_CLP1)
For more information, see CLPD register description.
Address: 4003_B000h base + 48h offset = 4003_B048h
Bit 31 30 29 28 27 26 25 24 23 22 21 20 19 18 17 16 15 14 13 12 11 10 9 8 7 6 5 4 3 2 1 0
R0CLP1
W
Reset 0 0 0 0 0 0 0 0 0 0 0 0 0 0 0 0 0 0 0 0 0 0 0 0 0 1 0 0 0 0 0 0
ADCx_CLP1 field descriptions
Field Description
31–7
Reserved
This field is reserved.
This read-only field is reserved and always has the value 0.
6–0
CLP1
Calibration Value
28.3.17 ADC Plus-Side General Calibration Value Register
(ADCx_CLP0)
For more information, see CLPD register description.
Address: 4003_B000h base + 4Ch offset = 4003_B04Ch
Bit 31 30 29 28 27 26 25 24 23 22 21 20 19 18 17 16 15 14 13 12 11 10 9 8 7 6 5 4 3 2 1 0
R0CLP0
W
Reset 0 0 0 0 0 0 0 0 0 0 0 0 0 0 0 0 0 0 0 0 0 0 0 0 0 0 1 0 0 0 0 0
ADCx_CLP0 field descriptions
Field Description
31–6
Reserved
This field is reserved.
This read-only field is reserved and always has the value 0.
5–0
CLP0
Calibration Value
Register definition
KL25 Sub-Family Reference Manual, Rev. 3, September 2012
478 Freescale Semiconductor, Inc.

28.3.18 ADC Minus-Side General Calibration Value Register
(ADCx_CLMD)
The Minus-Side General Calibration Value (CLMx) registers contain calibration
information that is generated by the calibration function. These registers contain seven
calibration values of varying widths: CLM0[5:0], CLM1[6:0], CLM2[7:0], CLM3[8:0],
CLM4[9:0], CLMS[5:0], and CLMD[5:0]. CLMx are automatically set when the self-
calibration sequence is done, that is, CAL is cleared. If these registers are written by the
user after calibration, the linearity error specifications may not be met.
Address: 4003_B000h base + 54h offset = 4003_B054h
Bit 31 30 29 28 27 26 25 24 23 22 21 20 19 18 17 16 15 14 13 12 11 10 9 8 7 6 5 4 3 2 1 0
R0CLMD
W
Reset 0 0 0 0 0 0 0 0 0 0 0 0 0 0 0 0 0 0 0 0 0 0 0 0 0 0 0 0 1 0 1 0
ADCx_CLMD field descriptions
Field Description
31–6
Reserved
This field is reserved.
This read-only field is reserved and always has the value 0.
5–0
CLMD
Calibration Value
28.3.19 ADC Minus-Side General Calibration Value Register
(ADCx_CLMS)
For more information, see CLMD register description.
Address: 4003_B000h base + 58h offset = 4003_B058h
Bit 31 30 29 28 27 26 25 24 23 22 21 20 19 18 17 16 15 14 13 12 11 10 9 8 7 6 5 4 3 2 1 0
R0CLMS
W
Reset 0 0 0 0 0 0 0 0 0 0 0 0 0 0 0 0 0 0 0 0 0 0 0 0 0 0 1 0 0 0 0 0
ADCx_CLMS field descriptions
Field Description
31–6
Reserved
This field is reserved.
This read-only field is reserved and always has the value 0.
5–0
CLMS
Calibration Value
Chapter 28 Analog-to-Digital Converter (ADC)
KL25 Sub-Family Reference Manual, Rev. 3, September 2012
Freescale Semiconductor, Inc. 479

28.3.20 ADC Minus-Side General Calibration Value Register
(ADCx_CLM4)
For more information, see CLMD register description.
Address: 4003_B000h base + 5Ch offset = 4003_B05Ch
Bit 31 30 29 28 27 26 25 24 23 22 21 20 19 18 17 16 15 14 13 12 11 10 9 8 7 6 5 4 3 2 1 0
R0CLM4
W
Reset 0 0 0 0 0 0 0 0 0 0 0 0 0 0 0 0 0 0 0 0 0 0 1 0 0 0 0 0 0 0 0 0
ADCx_CLM4 field descriptions
Field Description
31–10
Reserved
This field is reserved.
This read-only field is reserved and always has the value 0.
9–0
CLM4
Calibration Value
28.3.21 ADC Minus-Side General Calibration Value Register
(ADCx_CLM3)
For more information, see CLMD register description.
Address: 4003_B000h base + 60h offset = 4003_B060h
Bit 31 30 29 28 27 26 25 24 23 22 21 20 19 18 17 16 15 14 13 12 11 10 9 8 7 6 5 4 3 2 1 0
R0CLM3
W
Reset 0 0 0 0 0 0 0 0 0 0 0 0 0 0 0 0 0 0 0 0 0 0 0 1 0 0 0 0 0 0 0 0
ADCx_CLM3 field descriptions
Field Description
31–9
Reserved
This field is reserved.
This read-only field is reserved and always has the value 0.
8–0
CLM3
Calibration Value
Register definition
KL25 Sub-Family Reference Manual, Rev. 3, September 2012
480 Freescale Semiconductor, Inc.

28.3.22 ADC Minus-Side General Calibration Value Register
(ADCx_CLM2)
For more information, see CLMD register description.
Address: 4003_B000h base + 64h offset = 4003_B064h
Bit 31 30 29 28 27 26 25 24 23 22 21 20 19 18 17 16 15 14 13 12 11 10 9 8 7 6 5 4 3 2 1 0
R0CLM2
W
Reset 0 0 0 0 0 0 0 0 0 0 0 0 0 0 0 0 0 0 0 0 0 0 0 0 1 0 0 0 0 0 0 0
ADCx_CLM2 field descriptions
Field Description
31–8
Reserved
This field is reserved.
This read-only field is reserved and always has the value 0.
7–0
CLM2
Calibration Value
28.3.23 ADC Minus-Side General Calibration Value Register
(ADCx_CLM1)
For more information, see CLMD register description.
Address: 4003_B000h base + 68h offset = 4003_B068h
Bit 31 30 29 28 27 26 25 24 23 22 21 20 19 18 17 16 15 14 13 12 11 10 9 8 7 6 5 4 3 2 1 0
R0CLM1
W
Reset 0 0 0 0 0 0 0 0 0 0 0 0 0 0 0 0 0 0 0 0 0 0 0 0 0 1 0 0 0 0 0 0
ADCx_CLM1 field descriptions
Field Description
31–7
Reserved
This field is reserved.
This read-only field is reserved and always has the value 0.
6–0
CLM1
Calibration Value
Chapter 28 Analog-to-Digital Converter (ADC)
KL25 Sub-Family Reference Manual, Rev. 3, September 2012
Freescale Semiconductor, Inc. 481

28.3.24 ADC Minus-Side General Calibration Value Register
(ADCx_CLM0)
For more information, see CLMD register description.
Address: 4003_B000h base + 6Ch offset = 4003_B06Ch
Bit 31 30 29 28 27 26 25 24 23 22 21 20 19 18 17 16 15 14 13 12 11 10 9 8 7 6 5 4 3 2 1 0
R0CLM0
W
Reset 0 0 0 0 0 0 0 0 0 0 0 0 0 0 0 0 0 0 0 0 0 0 0 0 0 0 1 0 0 0 0 0
ADCx_CLM0 field descriptions
Field Description
31–6
Reserved
This field is reserved.
This read-only field is reserved and always has the value 0.
5–0
CLM0
Calibration Value
28.4 Functional description
The ADC module is disabled during reset, in Low-Power Stop mode, or when
SC1n[ADCH] are all high; see the power management information for details. The
module is idle when a conversion has completed and another conversion has not been
initiated. When it is idle and the asynchronous clock output enable is disabled, or
CFG2[ADACKEN]= 0, the module is in its lowest power state. The ADC can perform an
analog-to-digital conversion on any of the software selectable channels. All modes
perform conversion by a successive approximation algorithm.
To meet accuracy specifications, the ADC module must be calibrated using the on-chip
calibration function. See Calibration function for details on how to perform calibration.
When the conversion is completed, the result is placed in the Rn data registers. The
respective SC1n[COCO] is then set and an interrupt is generated if the respective
conversion complete interrupt has been enabled, or, when SC1n[AIEN]=1.
The ADC module has the capability of automatically comparing the result of a
conversion with the contents of the CV1 and CV2 registers. The compare function is
enabled by setting SC2[ACFE] and operates in any of the conversion modes and
configurations.
Functional description
KL25 Sub-Family Reference Manual, Rev. 3, September 2012
482 Freescale Semiconductor, Inc.

The ADC module has the capability of automatically averaging the result of multiple
conversions. The hardware average function is enabled by setting SC3[AVGE] and
operates in any of the conversion modes and configurations.
NOTE
For the chip specific modes of operation, see the power
management information of this MCU.
28.4.1 Clock select and divide control
One of four clock sources can be selected as the clock source for the ADC module. This
clock source is then divided by a configurable value to generate the input clock ADCK,
to the module. The clock is selected from one of the following sources by means of
CFG1[ADICLK].
• Bus clock. This is the default selection following reset.
• Bus clock divided by two. For higher bus clock rates, this allows a maximum divide-
by-16 of the bus clock using CFG1[ADIV].
• ALTCLK: As defined for this MCU. See the chip configuration information.
• Asynchronous clock (ADACK): This clock is generated from a clock source within
the ADC module. When the ADACK clock source is selected, it is not required to be
active prior to conversion start. When it is selected and it is not active prior to a
conversion start CFG2[ADACKEN]=0, ADACK is activated at the start of a
conversion and deactivated when conversions are terminated. In this case, there is an
associated clock startup delay each time the clock source is re-activated. To avoid the
conversion time variability and latency associated with the ADACK clock startup, set
CFG2[ADACKEN]=1 and wait the worst-case startup time of 5 µs prior to initiating
any conversions using the ADACK clock source. Conversions are possible using
ADACK as the input clock source while the MCU is in Normal Stop mode. See
Power Control for more information.
Whichever clock is selected, its frequency must fall within the specified frequency range
for ADCK. If the available clocks are too slow, the ADC may not perform according to
specifications. If the available clocks are too fast, the clock must be divided to the
appropriate frequency. This divider is specified by CFG1[ADIV] and can be divide-by 1,
2, 4, or 8.
Chapter 28 Analog-to-Digital Converter (ADC)
KL25 Sub-Family Reference Manual, Rev. 3, September 2012
Freescale Semiconductor, Inc. 483

28.4.2 Voltage reference selection
The ADC can be configured to accept one of the two voltage reference pairs as the
reference voltage (VREFSH and VREFSL) used for conversions. Each pair contains a
positive reference that must be between the minimum Ref Voltage High and VDDA, and a
ground reference that must be at the same potential as VSSA. The two pairs are external
(VREFH and VREFL) and alternate (VALTH and VALTL). These voltage references are
selected using SC2[REFSEL]. The alternate (VALTH and VALTL) voltage reference pair
may select additional external pins or internal sources depending on MCU configuration.
See the chip configuration information on the voltage references specific to this MCU.
28.4.3 Hardware trigger and channel selects
The ADC module has a selectable asynchronous hardware conversion trigger, ADHWT,
that is enabled when SC2[ADTRG] is set and a hardware trigger select event,
ADHWTSn, has occurred. This source is not available on all MCUs. See the Chip
Configuration chapter for information on the ADHWT source and the ADHWTSn
configurations specific to this MCU.
When an ADHWT source is available and hardware trigger is enabled, that is
SC2[ADTRG]=1, a conversion is initiated on the rising-edge of ADHWT after a
hardware trigger select event, that is, ADHWTSn, has occurred. If a conversion is in
progress when a rising-edge of a trigger occurs, the rising-edge is ignored. In continuous
convert configuration, only the initial rising-edge to launch continuous conversions is
observed, and until conversion is aborted, the ADC continues to do conversions on the
same SCn register that initiated the conversion. The hardware trigger function operates in
conjunction with any of the conversion modes and configurations.
The hardware trigger select event, that is, ADHWTSn, must be set prior to the receipt of
the ADHWT signal. If these conditions are not met, the converter may ignore the trigger
or use the incorrect configuration. If a hardware trigger select event is asserted during a
conversion, it must stay asserted until the end of current conversion and remain set until
the receipt of the ADHWT signal to trigger a new conversion. The channel and status
fields selected for the conversion depend on the active trigger select signal:
• ADHWTSA active selects SC1A
• ADHWTSn active selects SC1n
Note
Asserting more than one hardware trigger select signal
(ADHWTSn) at the same time results in unknown results. To
avoid this, select only one hardware trigger select signal
(ADHWTSn) prior to the next intended conversion.
Functional description
KL25 Sub-Family Reference Manual, Rev. 3, September 2012
484 Freescale Semiconductor, Inc.

When the conversion is completed, the result is placed in the Rn registers associated with
the ADHWTSn received. For example:
• ADHWTSA active selects RA register
• ADHWTSn active selects Rn register
The conversion complete flag associated with the ADHWTSn received, that is,
SC1n[COCO], is then set and an interrupt is generated if the respective conversion
complete interrupt has been enabled, that is, SC1[AIEN]=1.
28.4.4 Conversion control
Conversions can be performed as determined by CFG1[MODE] and SC1n[DIFF] as
shown in the description of CFG1[MODE].
Conversions can be initiated by a software or hardware trigger. In addition, the ADC
module can be configured for:
• Low-power operation
• Long sample time
• Continuous conversion
• Hardware average
• Automatic compare of the conversion result to a software determined compare value
28.4.4.1 Initiating conversions
A conversion is initiated:
• Following a write to SC1A, with SC1n[ADCH] not all 1's, if software triggered
operation is selected, that is, when SC2[ADTRG]=0.
• Following a hardware trigger, or ADHWT event, if hardware triggered operation is
selected, that is, SC2[ADTRG]=1, and a hardware trigger select event, ADHWTSn,
has occurred. The channel and status fields selected depend on the active trigger
select signal:
• ADHWTSA active selects SC1A
• ADHWTSn active selects SC1n
• if neither is active, the off condition is selected
Chapter 28 Analog-to-Digital Converter (ADC)
KL25 Sub-Family Reference Manual, Rev. 3, September 2012
Freescale Semiconductor, Inc. 485

Note
Selecting more than one ADHWTSn prior to a conversion
completion will result in unknown results. To avoid this,
select only one ADHWTSn prior to a conversion
completion.
• Following the transfer of the result to the data registers when continuous conversion
is enabled, that is, when ADCO=1.
If continuous conversions are enabled, a new conversion is automatically initiated after
the completion of the current conversion, by:. In software triggered operation, that is,
when ADTRG=0, continuous conversions begin after SC1A is written and continue until
aborted. In hardware triggered operation, that is, when ADTRG=1 and one ADHWTSn
event has occurred, continuous conversions begin after a hardware trigger event and
continue until aborted.
If hardware averaging is enabled, a new conversion is automatically initiated after the
completion of the current conversion until the correct number of conversions are
completed. In software triggered operation, conversions begin after SC1A is written. In
hardware triggered operation, conversions begin after a hardware trigger. If continuous
conversions are also enabled, a new set of conversions to be averaged are initiated
following the last of the selected number of conversions.
28.4.4.2 Completing conversions
A conversion is completed when the result of the conversion is transferred into the data
result registers, Rn. If the compare functions are disabled, this is indicated by setting of
SC1n[COCO]. If hardware averaging is enabled, the respective SC1n[COCO] sets only if
the last of the selected number of conversions is completed. If the compare function is
enabled, the respective SC1n[COCO] sets and conversion result data is transferred only if
the compare condition is true. If both hardware averaging and compare functions are
enabled, then the respective SC1n[COCO] sets only if the last of the selected number of
conversions is completed and the compare condition is true. An interrupt is generated if
the respective SC1n[AIEN] is high at the time that the respective SC1n[COCO] is set.
28.4.4.3 Aborting conversions
Any conversion in progress is aborted when:
Functional description
KL25 Sub-Family Reference Manual, Rev. 3, September 2012
486 Freescale Semiconductor, Inc.

• Writing to SC1A while it is actively controlling a conversion, aborts the current
conversion. In Software Trigger mode, when SC2[ADTRG]=0, a write to SC1A
initiates a new conversion if SC1A[ADCH] is equal to a value other than all 1s.
Writing to any of the SC1B–SC1n registers while that specific SC1B–SC1n register
is actively controlling a conversion aborts the current conversion. The SC1(B-n)
registers are not used for software trigger operation and therefore writes to the
SC1(B-n) registers do not initiate a new conversion.
• A write to any ADC register besides the SC1A-SC1n registers occurs. This indicates
that a change in mode of operation has occurred and the current conversion is
therefore invalid.
• The MCU is reset or enters Low-Power Stop modes.
• The MCU enters Normal Stop mode with ADACK not enabled.
When a conversion is aborted, the contents of the data registers, Rn, are not altered. The
data registers continue to be the values transferred after the completion of the last
successful conversion. If the conversion was aborted by a reset or Low-Power Stop
modes, RA and Rn return to their reset states.
28.4.4.4 Power control
The ADC module remains in its idle state until a conversion is initiated. If ADACK is
selected as the conversion clock source, but the asynchronous clock output is disabled,
that is CFG2[ADACKEN]=0, the ADACK clock generator also remains in its idle state
(disabled) until a conversion is initiated. If the asynchronous clock output is enabled, that
is, CFG2[ADACKEN]=1, it remains active regardless of the state of the ADC or the
MCU power mode.
Power consumption when the ADC is active can be reduced by setting CFG1[ADLPC].
This results in a lower maximum value for fADCK.
28.4.4.5 Sample time and total conversion time
For short sample, that is, when CFG1[ADLSMP]=0, there is a 2-cycle adder for first
conversion over the base sample time of four ADCK cycles. For high speed conversions,
that is, when CFG2[ADHSC]=1, there is an additional 2-cycle adder on any conversion.
The table below summarizes sample times for the possible ADC configurations.
Chapter 28 Analog-to-Digital Converter (ADC)
KL25 Sub-Family Reference Manual, Rev. 3, September 2012
Freescale Semiconductor, Inc. 487

ADC configuration Sample time (ADCK cycles)
CFG1[ADLSMP] CFG2[ADLSTS] CFG2[ADHSC] First or Single Subsequent
0 X 0 6 4
1 00 0 24
1 01 0 16
1 10 0 10
1 11 0 6
0 X 1 8 6
1 00 1 26
1 01 1 18
1 10 1 12
1 11 1 8
The total conversion time depends upon:
• The sample time as determined by CFG1[ADLSMP] and CFG2[ADLSTS]
• The MCU bus frequency
• The conversion mode, as determined by CFG1[MODE] and SC1n[DIFF]
• The high speed configuration, that is, CFG2[ADHSC]
• The frequency of the conversion clock, that is, fADCK.
CFG2[ADHSC] is used to configure a higher clock input frequency. This will allow
faster overall conversion times. To meet internal ADC timing requirements,
CFG2[ADHSC] adds additional ADCK cycles. Conversions with CFG2[ADHSC]=1 take
two more ADCK cycles. CFG2[ADHSC] must be used when the ADCLK exceeds the
limit for CFG2[ADHSC]=0.
After the module becomes active, sampling of the input begins.
1. CFG1[ADLSMP] and CFG2[ADLSTS] select between sample times based on the
conversion mode that is selected.
2. When sampling is completed, the converter is isolated from the input channel and a
successive approximation algorithm is applied to determine the digital value of the
analog signal.
3. The result of the conversion is transferred to Rn upon completion of the conversion
algorithm.
If the bus frequency is less than fADCK, precise sample time for continuous conversions
cannot be guaranteed when short sample is enabled, that is, when CFG1[ADLSMP]=0.
The maximum total conversion time is determined by the clock source chosen and the
divide ratio selected. The clock source is selectable by CFG1[ADICLK], and the divide
ratio is specified by CFG1[ADIV].
Functional description
KL25 Sub-Family Reference Manual, Rev. 3, September 2012
488 Freescale Semiconductor, Inc.

The maximum total conversion time for all configurations is summarized in the equation
below. See the following tables for the variables referenced in the equation.
Figure 28-62. Conversion time equation
Table 28-70. Single or first continuous time adder (SFCAdder)
CFG1[AD
LSMP]
CFG2[AD
ACKEN] CFG1[ADICLK] Single or first continuous time adder (SFCAdder)
1 x 0x, 10 3 ADCK cycles + 5 bus clock cycles
1 1 11 3 ADCK cycles + 5 bus clock cycles1
1 0 11 5 μs + 3 ADCK cycles + 5 bus clock cycles
0 x 0x, 10 5 ADCK cycles + 5 bus clock cycles
0 1 11 5 ADCK cycles + 5 bus clock cycles1
0 0 11 5 μs + 5 ADCK cycles + 5 bus clock cycles
1. To achieve this time, CFG2[ADACKEN] must be 1 for at least 5 μs prior to the conversion is initiated.
Table 28-71. Average number factor (AverageNum)
SC3[AVGE] SC3[AVGS] Average number factor (AverageNum)
0 xx 1
1 00 4
1 01 8
1 10 16
1 11 32
Table 28-72. Base conversion time (BCT)
Mode Base conversion time (BCT)
8b single-ended 17 ADCK cycles
9b differential 27 ADCK cycles
10b single-ended 20 ADCK cycles
11b differential 30 ADCK cycles
12b single-ended 20 ADCK cycles
13b differential 30 ADCK cycles
16b single-ended 25 ADCK cycles
16b differential 34 ADCK cycles
Chapter 28 Analog-to-Digital Converter (ADC)
KL25 Sub-Family Reference Manual, Rev. 3, September 2012
Freescale Semiconductor, Inc. 489

Table 28-73. Long sample time adder (LSTAdder)
CFG1[ADLSMP] CFG2[ADLSTS] Long sample time adder
(LSTAdder)
0 xx 0 ADCK cycles
1 00 20 ADCK cycles
1 01 12 ADCK cycles
1 10 6 ADCK cycles
1 11 2 ADCK cycles
Table 28-74. High-speed conversion time adder (HSCAdder)
CFG2[ADHSC] High-speed conversion time adder (HSCAdder)
0 0 ADCK cycles
1 2 ADCK cycles
Note
The ADCK frequency must be between fADCK minimum and
fADCK maximum to meet ADC specifications.
28.4.4.6 Conversion time examples
The following examples use the Figure 28-62, and the information provided in Table
28-70 through Table 28-74.
28.4.4.6.1 Typical conversion time configuration
A typical configuration for ADC conversion is:
• 10-bit mode, with the bus clock selected as the input clock source
• The input clock divide-by-1 ratio selected
• Bus frequency of 8 MHz
• Long sample time disabled
• High-speed conversion disabled
The conversion time for a single conversion is calculated by using the Figure 28-62, and
the information provided in Table 28-70 through Table 28-74. The table below lists the
variables of Figure 28-62.
Table 28-75. Typical conversion time
Variable Time
SFCAdder 5 ADCK cycles + 5 bus clock cycles
Table continues on the next page...
Functional description
KL25 Sub-Family Reference Manual, Rev. 3, September 2012
490 Freescale Semiconductor, Inc.

Table 28-75. Typical conversion time (continued)
Variable Time
AverageNum 1
BCT 20 ADCK cycles
LSTAdder 0
HSCAdder 0
The resulting conversion time is generated using the parameters listed in the preceding
table. Therefore, for a bus clock and an ADCK frequency equal to 8 MHz, the resulting
conversion time is 3.75 µs.
28.4.4.6.2 Long conversion time configuration
A configuration for long ADC conversion is:
• 16-bit differential mode with the bus clock selected as the input clock source
• The input clock divide-by-8 ratio selected
• Bus frequency of 8 MHz
• Long sample time enabled
• Configured for longest adder
• High-speed conversion disabled
• Average enabled for 32 conversions
The conversion time for this conversion is calculated by using the Figure 28-62, and the
information provided in Table 28-70 through Table 28-74. The following table lists the
variables of the Figure 28-62.
Table 28-76. Typical conversion time
Variable Time
SFCAdder 3 ADCK cycles + 5 bus clock cycles
AverageNum 32
BCT 34 ADCK cycles
LSTAdder 20 ADCK cycles
HSCAdder 0
The resulting conversion time is generated using the parameters listed in the preceding
table. Therefore, for bus clock equal to 8 MHz and ADCK equal to 1 MHz, the resulting
conversion time is 57.625 µs, that is, AverageNum. This results in a total conversion time
of 1.844 ms.
28.4.4.6.3 Short conversion time configuration
A configuration for short ADC conversion is:
Chapter 28 Analog-to-Digital Converter (ADC)
KL25 Sub-Family Reference Manual, Rev. 3, September 2012
Freescale Semiconductor, Inc. 491

• 8-bit Single-Ended mode with the bus clock selected as the input clock source
• The input clock divide-by-1 ratio selected
• Bus frequency of 20 MHz
• Long sample time disabled
• High-speed conversion enabled
The conversion time for this conversion is calculated by using the Figure 28-62, and the
information provided in Table 28-70 through Table 28-74. The table below lists the
variables of Figure 28-62.
Table 28-77. Typical conversion time
Variable Time
SFCAdder 5 ADCK cycles + 5 bus clock cycles
AverageNum 1
BCT 17 ADCK cycles
LSTAdder 0 ADCK cycles
HSCAdder 2
The resulting conversion time is generated using the parameters listed in in the preceding
table. Therefore, for bus clock and ADCK frequency equal to 20 MHz, the resulting
conversion time is 1.45 µs.
28.4.4.7 Hardware average function
The hardware average function can be enabled by setting SC3[AVGE]=1 to perform a
hardware average of multiple conversions. The number of conversions is determined by
the AVGS[1:0] bits, which can select 4, 8, 16, or 32 conversions to be averaged. While
the hardware average function is in progress, SC2[ADACT] will be set.
After the selected input is sampled and converted, the result is placed in an accumulator
from which an average is calculated once the selected number of conversions have been
completed. When hardware averaging is selected, the completion of a single conversion
will not set SC1n[COCO].
If the compare function is either disabled or evaluates true, after the selected number of
conversions are completed, the average conversion result is transferred into the data
result registers, Rn, and SC1n[COCO] is set. An ADC interrupt is generated upon the
setting of SC1n[COCO] if the respective ADC interrupt is enabled, that is,
SC1n[AIEN]=1.
Functional description
KL25 Sub-Family Reference Manual, Rev. 3, September 2012
492 Freescale Semiconductor, Inc.

Note
The hardware average function can perform conversions on a
channel while the MCU is in Wait or Normal Stop modes. The
ADC interrupt wakes the MCU when the hardware average is
completed if SC1n[AIEN] was set.
28.4.5 Automatic compare function
The compare function can be configured to check whether the result is less than or
greater-than-or-equal-to a single compare value, or, if the result falls within or outside a
range determined by two compare values. The compare mode is determined by
SC2[ACFGT], SC2[ACREN], and the values in the compare value registers, CV1 and
CV2. After the input is sampled and converted, the compare values in CV1 and CV2 are
used as described in the following table. There are six Compare modes as shown in the
following table.
Table 28-78. Compare modes
SC2[AC
FGT]
SC2[AC
REN]
ADCCV1
relative to
ADCCV2
Function Compare mode description
0 0 — Less than threshold Compare true if the result is less than the
CV1 registers.
1 0 — Greater than or equal to threshold Compare true if the result is greater than or
equal to CV1 registers.
0 1 Less than or
equal
Outside range, not inclusive Compare true if the result is less than CV1
Or the result is greater than CV2.
0 1 Greater than Inside range, not inclusive Compare true if the result is less than CV1
And the result is greater than CV2.
1 1 Less than or
equal
Inside range, inclusive Compare true if the result is greater than or
equal to CV1 And the result is less than or
equal to CV2.
1 1 Greater than Outside range, inclusive Compare true if the result is greater than or
equal to CV1 Or the result is less than or
equal to CV2.
With SC2[ACREN] =1, and if the value of CV1 is less than or equal to the value of CV2,
then setting SC2[ACFGT] will select a trigger-if-inside-compare-range inclusive-of-
endpoints function. Clearing SC2[ACFGT] will select a trigger-if-outside-compare-
range, not-inclusive-of-endpoints function.
If CV1 is greater than CV2, setting SC2[ACFGT] will select a trigger-if-outside-
compare-range, inclusive-of-endpoints function. Clearing SC2[ACFGT] will select a
trigger-if-inside-compare-range, not-inclusive-of-endpoints function.
Chapter 28 Analog-to-Digital Converter (ADC)
KL25 Sub-Family Reference Manual, Rev. 3, September 2012
Freescale Semiconductor, Inc. 493

If the condition selected evaluates true, SC1n[COCO] is set.
Upon completion of a conversion while the compare function is enabled, if the compare
condition is not true, SC1n[COCO] is not set and the conversion result data will not be
transferred to the result register, Rn. If the hardware averaging function is enabled, the
compare function compares the averaged result to the compare values. The same compare
function definitions apply. An ADC interrupt is generated when SC1n[COCO] is set and
the respective ADC interrupt is enabled, that is, SC1n[AIEN]=1.
Note
The compare function can monitor the voltage on a channel
while the MCU is in Wait or Normal Stop modes. The ADC
interrupt wakes the MCU when the compare condition is met.
28.4.6 Calibration function
The ADC contains a self-calibration function that is required to achieve the specified
accuracy. Calibration must be run, or valid calibration values written, after any reset and
before a conversion is initiated. The calibration function sets the offset calibration value,
the minus-side calibration values, and the plus-side calibration values. The offset
calibration value is automatically stored in the ADC offset correction register (OFS), and
the plus-side and minus-side calibration values are automatically stored in the ADC plus-
side and minus-side calibration registers, CLPx and CLMx. The user must configure the
ADC correctly prior to calibration, and must generate the plus-side and minus-side gain
calibration results and store them in the ADC plus-side gain register (PG) after the
calibration function completes.
Prior to calibration, the user must configure the ADC's clock source and frequency, low
power configuration, voltage reference selection, sample time, and high speed
configuration according to the application's clock source availability and needs. If the
application uses the ADC in a wide variety of configurations, the configuration for which
the highest accuracy is required should be selected, or multiple calibrations can be done
for the different configurations. For best calibration results:
• Set hardware averaging to maximum, that is, SC3[AVGE]=1 and SC3[AVGS]=11
for an average of 32
• Set ADC clock frequency fADCK less than or equal to 4 MHz
• VREFH=VDDA
• Calibrate at nominal voltage and temperature
The input channel, conversion mode continuous function, compare function, resolution
mode, and differential/single-ended mode are all ignored during the calibration function.
Functional description
KL25 Sub-Family Reference Manual, Rev. 3, September 2012
494 Freescale Semiconductor, Inc.

To initiate calibration, the user sets SC3[CAL] and the calibration will automatically
begin if the SC2[ADTRG] is 0. If SC2[ADTRG] is 1, SC3[CAL] will not get set and
SC3[CALF] will be set. While calibration is active, no ADC register can be written and
no stop mode may be entered, or the calibration routine will be aborted causing
SC3[CAL] to clear and SC3[CALF] to set. At the end of a calibration sequence,
SC1n[COCO] will be set. SC1n[AIEN] can be used to allow an interrupt to occur at the
end of a calibration sequence. At the end of the calibration routine, if SC3[CALF] is not
set, the automatic calibration routine is completed successfully.
To complete calibration, the user must generate the gain calibration values using the
following procedure:
1. Initialize or clear a 16-bit variable in RAM.
2. Add the plus-side calibration results CLP0, CLP1, CLP2, CLP3, CLP4, and CLPS to
the variable.
3. Divide the variable by two.
4. Set the MSB of the variable.
5. The previous two steps can be achieved by setting the carry bit, rotating to the right
through the carry bit on the high byte and again on the low byte.
6. Store the value in the plus-side gain calibration register PG.
7. Repeat the procedure for the minus-side gain calibration value.
When calibration is complete, the user may reconfigure and use the ADC as desired. A
second calibration may also be performed, if desired, by clearing and again setting
SC3[CAL].
Overall, the calibration routine may take as many as 14k ADCK cycles and 100 bus
cycles, depending on the results and the clock source chosen. For an 8 MHz clock source,
this length amounts to about 1.7 ms. To reduce this latency, the calibration values, which
are offset, plus-side and minus-side gain, and plus-side and minus-side calibration values,
may be stored in flash memory after an initial calibration and recovered prior to the first
ADC conversion. This method can reduce the calibration latency to 20 register store
operations on all subsequent power, reset, or Low-Power Stop mode recoveries.
Chapter 28 Analog-to-Digital Converter (ADC)
KL25 Sub-Family Reference Manual, Rev. 3, September 2012
Freescale Semiconductor, Inc. 495

28.4.7 User-defined offset function
OFS contains the user-selected or calibration-generated offset error correction value. This
register is a 2’s complement, left-justified. The value in OFS is subtracted from the
conversion and the result is transferred into the result registers, Rn. If the result is greater
than the maximum or less than the minimum result value, it is forced to the appropriate
limit for the current mode of operation.
The formatting of the OFS is different from the data result register, Rn, to preserve the
resolution of the calibration value regardless of the conversion mode selected. Lower
order bits are ignored in lower resolution modes. For example, in 8-bit single-ended
mode, OFS[14:7] are subtracted from D[7:0]; OFS[15] indicates the sign (negative
numbers are effectively added to the result) and OFS[6:0] are ignored. The same bits are
used in 9-bit differential mode because OFS[15] indicates the sign bit, which maps to
D[8]. For 16-bit differential mode, OFS[15:0] are directly subtracted from the conversion
result data D[15:0]. In 16-bit single-ended mode, there is no field in the OFS
corresponding to the least significant result D[0], so odd values, such as -1 or +1, cannot
be subtracted from the result.
OFS is automatically set according to calibration requirements once the self-calibration
sequence is done, that is, SC3[CAL] is cleared. The user may write to OFS to override
the calibration result if desired. If the OFS is written by the user to a value that is
different from the calibration value, the ADC error specifications may not be met. Storing
the value generated by the calibration function in memory before overwriting with a user-
specified value is recommended.
Note
There is an effective limit to the values of offset that can be set
by the user. If the magnitude of the offset is too high, the results
of the conversions will cap off at the limits.
The offset calibration function may be employed by the user to remove application
offsets or DC bias values. OFS may be written with a number in 2's complement format
and this offset will be subtracted from the result, or hardware averaged value. To add an
offset, store the negative offset in 2's complement format and the effect will be an
addition. An offset correction that results in an out-of-range value will be forced to the
minimum or maximum value. The minimum value for single-ended conversions is
0x0000; for a differential conversion it is 0x8000.
To preserve accuracy, the calibrated offset value initially stored in OFS must be added to
the user-defined offset. For applications that may change the offset repeatedly during
operation, store the initial offset calibration value in flash so it can be recovered and
added to any user offset adjustment value and the sum stored in OFS.
Functional description
KL25 Sub-Family Reference Manual, Rev. 3, September 2012
496 Freescale Semiconductor, Inc.

28.4.8 Temperature sensor
The ADC module includes a temperature sensor whose output is connected to one of the
ADC analog channel inputs. The following equation provides an approximate transfer
function of the temperature sensor.
m
Figure 28-63. Approximate transfer function of the temperature sensor
where:
• VTEMP is the voltage of the temperature sensor channel at the ambient temperature.
• VTEMP25 is the voltage of the temperature sensor channel at 25 °C.
• m is referred as temperature sensor slope in the device data sheet. It is the hot or cold
voltage versus temperature slope in V/°C.
For temperature calculations, use the VTEMP25 and temperature sensor slope values from
the ADC Electricals table.
In application code, the user reads the temperature sensor channel, calculates VTEMP, and
compares to VTEMP25. If VTEMP is greater than VTEMP25 the cold slope value is applied in
the preceding equation. If VTEMP is less than VTEMP25, the hot slope value is applied in
the preceding equation. ADC Electricals table may only specify one temperature sensor
slope value. In that case, the user could use the same slope for the calculation across the
operational temperature range.
For more information on using the temperature sensor, see the application note titled
Temperature Sensor for the HCS08 Microcontroller Family (document AN3031).
28.4.9 MCU wait mode operation
Wait mode is a lower-power consumption Standby mode from which recovery is fast
because the clock sources remain active. If a conversion is in progress when the MCU
enters Wait mode, it continues until completion. Conversions can be initiated while the
MCU is in Wait mode by means of the hardware trigger or if continuous conversions are
enabled.
Chapter 28 Analog-to-Digital Converter (ADC)
KL25 Sub-Family Reference Manual, Rev. 3, September 2012
Freescale Semiconductor, Inc. 497

The bus clock, bus clock divided by two, and ADACK are available as conversion clock
sources while in Wait mode. The use of ALTCLK as the conversion clock source in Wait
is dependent on the definition of ALTCLK for this MCU. See the Chip Configuration
information on ALTCLK specific to this MCU.
If the compare and hardware averaging functions are disabled, a conversion complete
event sets SC1n[COCO] and generates an ADC interrupt to wake the MCU from Wait
mode if the respective ADC interrupt is enabled, that is, when SC1n[AIEN]=1. If the
hardware averaging function is enabled, SC1n[COCO] will set, and generate an interrupt
if enabled, when the selected number of conversions are completed. If the compare
function is enabled, SC1n[COCO] will set, and generate an interrupt if enabled, only if
the compare conditions are met. If a single conversion is selected and the compare trigger
is not met, the ADC will return to its idle state and cannot wake the MCU from Wait
mode unless a new conversion is initiated by the hardware trigger.
28.4.10 MCU Normal Stop mode operation
Stop mode is a low-power consumption Standby mode during which most or all clock
sources on the MCU are disabled.
28.4.10.1 Normal Stop mode with ADACK disabled
If the asynchronous clock, ADACK, is not selected as the conversion clock, executing a
stop instruction aborts the current conversion and places the ADC in its Idle state. The
contents of the ADC registers, including Rn, are unaffected by Normal Stop mode. After
exiting from Normal Stop mode, a software or hardware trigger is required to resume
conversions.
28.4.10.2 Normal Stop mode with ADACK enabled
If ADACK is selected as the conversion clock, the ADC continues operation during
Normal Stop mode. See the chip configuration chapter for configuration information for
this MCU.
If a conversion is in progress when the MCU enters Normal Stop mode, it continues until
completion. Conversions can be initiated while the MCU is in Normal Stop mode by
means of the hardware trigger or if continuous conversions are enabled.
Functional description
KL25 Sub-Family Reference Manual, Rev. 3, September 2012
498 Freescale Semiconductor, Inc.

If the compare and hardware averaging functions are disabled, a conversion complete
event sets SC1n[COCO] and generates an ADC interrupt to wake the MCU from Normal
Stop mode if the respective ADC interrupt is enabled, that is, when SC1n[AIEN]=1. The
result register, Rn, will contain the data from the first completed conversion that occurred
during Normal Stop mode. If the hardware averaging function is enabled, SC1n[COCO]
will set, and generate an interrupt if enabled, when the selected number of conversions
are completed. If the compare function is enabled, SC1n[COCO] will set, and generate an
interrupt if enabled, only if the compare conditions are met. If a single conversion is
selected and the compare is not true, the ADC will return to its Idle state and cannot wake
the MCU from Normal Stop mode unless a new conversion is initiated by another
hardware trigger.
28.4.11 MCU Low-Power Stop mode operation
The ADC module is automatically disabled when the MCU enters Low-Power Stop
mode. All module registers contain their reset values following exit from Low-Power
Stop mode. Therefore, the module must be re-enabled and re-configured following exit
from Low-Power Stop mode.
NOTE
For the chip specific modes of operation, see the power
management information for the device.
28.5 Initialization information
This section gives an example that provides some basic direction on how to initialize and
configure the ADC module. The user can configure the module for 16-bit, 12-bit, 10-bit,
or 8-bit single-ended resolution or 16-bit, 13-bit, 11-bit, or 9-bit differential resolution,
single or continuous conversion, and a polled or interrupt approach, among many other
options. For information used in this example, refer to Table 28-73, Table 28-74, and
Table 28-75.
Note
Hexadecimal values are designated by a preceding 0x, binary
values designated by a preceding %, and decimal values have
no preceding character.
28.5.1 ADC module initialization example
Chapter 28 Analog-to-Digital Converter (ADC)
KL25 Sub-Family Reference Manual, Rev. 3, September 2012
Freescale Semiconductor, Inc. 499

28.5.1.1 Initialization sequence
Before the ADC module can be used to complete conversions, an initialization procedure
must be performed. A typical sequence is:
1. Calibrate the ADC by following the calibration instructions in Calibration function.
2. Update CFG to select the input clock source and the divide ratio used to generate
ADCK. This register is also used for selecting sample time and low-power
configuration.
3. Update SC2 to select the conversion trigger, hardware or software, and compare
function options, if enabled.
4. Update SC3 to select whether conversions will be continuous or completed only once
(ADCO) and whether to perform hardware averaging.
5. Update SC1:SC1n registers to select whether conversions will be single-ended or
differential and to enable or disable conversion complete interrupts. Also, select the
input channel which can be used to perform conversions.
28.5.1.2 Pseudo-code example
In this example, the ADC module is set up with interrupts enabled to perform a single 10-
bit conversion at low-power with a long sample time on input channel 1, where ADCK is
derived from the bus clock divided by 1.
CFG1 = 0x98 (%10011000)
Bit 7 ADLPC 1 Configures for low power, lowers maximum clock speed.
Bit 6:5 ADIV 00 Sets the ADCK to the input clock ÷ 1.
Bit 4 ADLSMP 1 Configures for long sample time.
Bit 3:2 MODE 10 Selects the single-ended 10-bit conversion, differential 11-
bit conversion.
Bit 1:0 ADICLK 00 Selects the bus clock.
SC2 = 0x00 (%00000000)
Bit 7 ADACT 0 Flag indicates if a conversion is in progress.
Bit 6 ADTRG 0 Software trigger selected.
Bit 5 ACFE 0 Compare function disabled.
Bit 4 ACFGT 0 Not used in this example.
Bit 3 ACREN 0 Compare range disabled.
Bit 2 DMAEN 0 DMA request disabled.
Bit 1:0 REFSEL 00 Selects default voltage reference pin pair (External pins VREFH
and VREFL).
SC1A = 0x41 (%01000001)
Initialization information
KL25 Sub-Family Reference Manual, Rev. 3, September 2012
500 Freescale Semiconductor, Inc.

Bit 7 COCO 0 Read-only flag which is set when a conversion completes.
Bit 6 AIEN 1 Conversion complete interrupt enabled.
Bit 5 DIFF 0 Single-ended conversion selected.
Bit 4:0 ADCH 00001 Input channel 1 selected as ADC input channel.
RA = 0xxx
Holds results of conversion.
CV = 0xxx
Holds compare value when compare function enabled.
Reset
No
Yes
Check
SC1n[COCO]=1?
Initialize ADC
CFG1 = 0x98
SC2 = 0x00
SC1n = 0x41
Continue
Read Rn
to clear
SC1n[COCO]
Figure 28-64. Initialization flowchart example
28.6 Application information
The ADC has been designed to be integrated into a microcontroller for use in embedded
control applications requiring an ADC.
28.6.1 External pins and routing
Chapter 28 Analog-to-Digital Converter (ADC)
KL25 Sub-Family Reference Manual, Rev. 3, September 2012
Freescale Semiconductor, Inc. 501

28.6.1.1 Analog supply pins
Depending on the device, the analog power and ground supplies, VDDA and VSSA, of the
ADC module are available as:
• VDDA and VSSA available as separate pins—When available on a separate pin, both
VDDA and VSSA must be connected to the same voltage potential as their
corresponding MCU digital supply, VDD and VSS, and must be routed carefully for
maximum noise immunity and bypass capacitors placed as near as possible to the
package.
• VSSA is shared on the same pin as the MCU digital VSS.
• VSSA and VDDA are shared with the MCU digital supply pins—In these cases, there
are separate pads for the analog supplies bonded to the same pin as the corresponding
digital supply so that some degree of isolation between the supplies is maintained.
If separate power supplies are used for analog and digital power, the ground connection
between these supplies must be at the VSSA pin. This must be the only ground connection
between these supplies, if possible. VSSA makes a good single point ground location.
28.6.1.2 Analog voltage reference pins
In addition to the analog supplies, the ADC module has connections for two reference
voltage inputs used by the converter:
• VREFSH is the high reference voltage for the converter.
• VREFSL is the low reference voltage for the converter.
The ADC can be configured to accept one of two voltage reference pairs for VREFSH and
VREFSL. Each pair contains a positive reference and a ground reference. The two pairs are
external, VREFH and VREFL and alternate, VALTH and VALTL. These voltage references are
selected using SC2[REFSEL]. The alternate voltage reference pair, VALTH and VALTL,
may select additional external pins or internal sources based on MCU configuration. See
the chip configuration information on the voltage references specific to this MCU.
In some packages, the external or alternate pairs are connected in the package to VDDA
and VSSA, respectively. One of these positive references may be shared on the same pin
as VDDA on some devices. One of these ground references may be shared on the same pin
as VSSA on some devices.
If externally available, the positive reference may be connected to the same potential as
VDDA or may be driven by an external source to a level between the minimum Ref
Voltage High and the VDDA potential. The positive reference must never exceed VDDA. If
externally available, the ground reference must be connected to the same voltage
potential as VSSA. The voltage reference pairs must be routed carefully for maximum
noise immunity and bypass capacitors placed as near as possible to the package.
Application information
KL25 Sub-Family Reference Manual, Rev. 3, September 2012
502 Freescale Semiconductor, Inc.

AC current in the form of current spikes required to supply charge to the capacitor array
at each successive approximation step is drawn through the VREFH and VREFL loop. The
best external component to meet this current demand is a 0.1 μF capacitor with good
high-frequency characteristics. This capacitor is connected between VREFH and VREFL
and must be placed as near as possible to the package pins. Resistance in the path is not
recommended because the current causes a voltage drop that could result in conversion
errors. Inductance in this path must be minimum, that is, parasitic only.
28.6.1.3 Analog input pins
The external analog inputs are typically shared with digital I/O pins on MCU devices.
Empirical data shows that capacitors on the analog inputs improve performance in the
presence of noise or when the source impedance is high. Use of 0.01 μF capacitors with
good high-frequency characteristics is sufficient. These capacitors are not necessary in all
cases, but when used, they must be placed as near as possible to the package pins and be
referenced to VSSA.
For proper conversion, the input voltage must fall between VREFH and VREFL. If the input
is equal to or exceeds VREFH, the converter circuit converts the signal to 0xFFF, which is
full scale 12-bit representation, 0x3FF, which is full scale 10-bit representation, or 0xFF,
which is full scale 8-bit representation. If the input is equal to or less than VREFL, the
converter circuit converts it to 0x000. Input voltages between VREFH and VREFL are
straight-line linear conversions. There is a brief current associated with VREFL when the
sampling capacitor is charging.
For minimal loss of accuracy due to current injection, pins adjacent to the analog input
pins must not be transitioning during conversions.
28.6.2 Sources of error
28.6.2.1 Sampling error
For proper conversions, the input must be sampled long enough to achieve the proper
accuracy.
RAS + RADIN =SC / (FMAX * NUMTAU * CADIN)
Figure 28-65. Sampling equation
Where:
Chapter 28 Analog-to-Digital Converter (ADC)
KL25 Sub-Family Reference Manual, Rev. 3, September 2012
Freescale Semiconductor, Inc. 503

RAS = External analog source resistance
SC = Number of ADCK cycles used during sample window
CADIN = Internal ADC input capacitance
NUMTAU = -ln(LSBERR / 2N)
LSBERR = value of acceptable sampling error in LSBs
N = 8 in 8-bit mode, 10 in 10-bit mode, 12 in 12-bit mode or 16 in 16-bit mode
Higher source resistances or higher-accuracy sampling is possible by setting
CFG1[ADLSMP] and changing CFG2[ADLSTS] to increase the sample window, or
decreasing ADCK frequency to increase sample time.
28.6.2.2 Pin leakage error
Leakage on the I/O pins can cause conversion error if the external analog source
resistance, RAS, is high. If this error cannot be tolerated by the application, keep RAS
lower than VREFH / (4 × ILEAK × 2N) for less than 1/4 LSB leakage error, where N = 8 in
8-bit mode, 10 in 10-bit mode, 12 in 12-bit mode, or 16 in 16-bit mode.
28.6.2.3 Noise-induced errors
System noise that occurs during the sample or conversion process can affect the accuracy
of the conversion. The ADC accuracy numbers are guaranteed as specified only if the
following conditions are met:
• There is a 0.1 μF low-ESR capacitor from VREFH to VREFL.
• There is a 0.1 μF low-ESR capacitor from VDDA to VSSA.
• If inductive isolation is used from the primary supply, an additional 1 μF capacitor is
placed from VDDA to VSSA.
• VSSA, and VREFL, if connected, is connected to VSS at a quiet point in the ground
plane.
• Operate the MCU in Wait or Normal Stop mode before initiating (hardware-triggered
conversions) or immediately after initiating (hardware- or software-triggered
conversions) the ADC conversion.
Application information
KL25 Sub-Family Reference Manual, Rev. 3, September 2012
504 Freescale Semiconductor, Inc.

• For software triggered conversions, immediately follow the write to SC1 with a
Wait instruction or Stop instruction.
• For Normal Stop mode operation, select ADACK as the clock source. Operation
in Normal Stop reduces VDD noise but increases effective conversion time due to
stop recovery.
• There is no I/O switching, input or output, on the MCU during the conversion.
There are some situations where external system activity causes radiated or conducted
noise emissions or excessive VDD noise is coupled into the ADC. In these situations, or
when the MCU cannot be placed in Wait or Normal Stop mode, or I/O activity cannot be
halted, the following actions may reduce the effect of noise on the accuracy:
• Place a 0.01 μF capacitor (CAS) on the selected input channel to VREFL or VSSA. This
improves noise issues, but affects the sample rate based on the external analog source
resistance.
• Average the result by converting the analog input many times in succession and
dividing the sum of the results. Four samples are required to eliminate the effect of a
1 LSB, one-time error.
• Reduce the effect of synchronous noise by operating off the asynchronous clock, that
is, ADACK, and averaging. Noise that is synchronous to ADCK cannot be averaged
out.
28.6.2.4 Code width and quantization error
The ADC quantizes the ideal straight-line transfer function into 65536 steps in the 16-bit
mode). Each step ideally has the same height, that is, 1 code, and width. The width is
defined as the delta between the transition points to one code and the next. The ideal code
width for an N-bit converter, where N can be 16, 12, 10, or 8, defined as 1 LSB, is:
LSB
Figure 28-66. Ideal code width for an N-bit converter
There is an inherent quantization error due to the digitization of the result. For 8-bit, 10-
bit, or 12-bit conversions, the code transitions when the voltage is at the midpoint
between the points where the straight line transfer function is exactly represented by the
actual transfer function. Therefore, the quantization error will be ± 1/2 LSB in 8-bit, 10-
bit, or 12-bit modes. As a consequence, however, the code width of the first (0x000)
conversion is only 1/2 LSB and the code width of the last (0xFF or 0x3FF) is 1.5 LSB.
Chapter 28 Analog-to-Digital Converter (ADC)
KL25 Sub-Family Reference Manual, Rev. 3, September 2012
Freescale Semiconductor, Inc. 505

For 16-bit conversions, the code transitions only after the full code width is present, so
the quantization error is -1 LSB to 0 LSB and the code width of each step is 1 LSB.
28.6.2.5 Linearity errors
The ADC may also exhibit non-linearity of several forms. Every effort has been made to
reduce these errors, but the system designers must be aware of these errors because they
affect overall accuracy:
• Zero-scale error (EZS), sometimes called offset: This error is defined as the difference
between the actual code width of the first conversion and the ideal code width. This
is 1/2 LSB in 8-bit, 10-bit, or 12-bit modes and 1 LSB in 16-bit mode. If the first
conversion is 0x001, the difference between the actual 0x001 code width and its ideal
(1 LSB) is used.
• Full-scale error (EFS): This error is defined as the difference between the actual code
width of the last conversion and the ideal code width. This is 1.5 LSB in 8-bit, 10-bit,
or 12-bit modes and 1 LSB in 16-bit mode. If the last conversion is 0x3FE, the
difference between the actual 0x3FE code width and its ideal (1 LSB) is used.
• Differential non-linearity (DNL): This error is defined as the worst-case difference
between the actual code width and the ideal code width for all conversions.
• Integral non-linearity (INL): This error is defined as the highest-value or absolute
value that the running sum of DNL achieves. More simply, this is the worst-case
difference of the actual transition voltage to a given code and its corresponding ideal
transition voltage, for all codes.
• Total unadjusted error (TUE): This error is defined as the difference between the
actual transfer function and the ideal straight-line transfer function and includes all
forms of error.
28.6.2.6 Code jitter, non-monotonicity, and missing codes
Analog-to-digital converters are susceptible to three special forms of error:
• Code jitter: Code jitter is when, at certain points, a given input voltage converts to
one of the two values when sampled repeatedly. Ideally, when the input voltage is
infinitesimally smaller than the transition voltage, the converter yields the lower
code, and vice-versa. However, even small amounts of system noise can cause the
converter to be indeterminate, between two codes, for a range of input voltages
around the transition voltage.
Application information
KL25 Sub-Family Reference Manual, Rev. 3, September 2012
506 Freescale Semiconductor, Inc.

This error may be reduced by repeatedly sampling the input and averaging the result.
Additionally, the techniques discussed in Noise-induced errors reduces this error.
• Non-monotonicity: Non-monotonicity is defined as when, except for code jitter, the
converter converts to a lower code for a higher input voltage.
• Missing codes: Missing codes are those values never converted for any input value.
In 8-bit or 10-bit mode, the ADC is guaranteed to be monotonic and have no missing
codes.
Chapter 28 Analog-to-Digital Converter (ADC)
KL25 Sub-Family Reference Manual, Rev. 3, September 2012
Freescale Semiconductor, Inc. 507

Application information
KL25 Sub-Family Reference Manual, Rev. 3, September 2012
508 Freescale Semiconductor, Inc.

Chapter 29
Comparator (CMP)
29.1 Introduction
NOTE
For the chip-specific implementation details of this module's
instances see the chip configuration information.
The comparator (CMP) module provides a circuit for comparing two analog input
voltages. The comparator circuit is designed to operate across the full range of the supply
voltage, known as rail-to-rail operation.
The Analog MUX (ANMUX) provides a circuit for selecting an analog input signal from
eight channels. One signal is provided by the 6-bit digital-to-analog converter (DAC).
The mux circuit is designed to operate across the full range of the supply voltage.
The 6-bit DAC is 64-tap resistor ladder network which provides a selectable voltage
reference for applications where voltage reference is needed. The 64-tap resistor ladder
network divides the supply reference Vin into 64 voltage levels. A 6-bit digital signal
input selects the output voltage level, which varies from Vin to Vin/64. Vin can be selected
from two voltage sources, Vin1 and Vin2. The 6-bit DAC from a comparator is available
as an on-chip internal signal only and is not available externally to a pin.
29.2 CMP features
The CMP has the following features:
• Operational over the entire supply range
• Inputs may range from rail to rail
• Programmable hysteresis control
KL25 Sub-Family Reference Manual, Rev. 3, September 2012
Freescale Semiconductor, Inc. 509

• Selectable interrupt on rising-edge, falling-edge, or both rising or falling edges of the
comparator output
• Selectable inversion on comparator output
• Capability to produce a wide range of outputs such as:
• Sampled
• Windowed, which is ideal for certain PWM zero-crossing-detection applications
• Digitally filtered:
• Filter can be bypassed
• Can be clocked via external SAMPLE signal or scaled bus clock
• External hysteresis can be used at the same time that the output filter is used for
internal functions
• Two software selectable performance levels:
• Shorter propagation delay at the expense of higher power
• Low power, with longer propagation delay
• DMA transfer support
• A comparison event can be selected to trigger a DMA transfer
• Functional in all modes of operation
• The window and filter functions are not available in the following modes:
• Stop
• VLPS
• LLS
• VLLSx
29.3 6-bit DAC key features
• 6-bit resolution
• Selectable supply reference source
• Power Down mode to conserve power when not in use
• Option to route the output to internal comparator input
6-bit DAC key features
KL25 Sub-Family Reference Manual, Rev. 3, September 2012
510 Freescale Semiconductor, Inc.

29.4 ANMUX key features
• Two 8-to-1 channel mux
• Operational over the entire supply range
29.5 CMP, DAC and ANMUX diagram
The following figure shows the block diagram for the High-Speed Comparator, DAC,
and ANMUX modules.
Chapter 29 Comparator (CMP)
KL25 Sub-Family Reference Manual, Rev. 3, September 2012
Freescale Semiconductor, Inc. 511

VRSEL
VOSEL[5:0]
MUX
64-level
PSEL[2:0]
DAC
MUXMUX
IRQ
ANMUX
MSEL[2:0]
CMP
CMP
MUX
DAC output
DACEN
Vin1 Vin2
Window
and filter
control
CMPO
Reference Input 0
Reference Input 1
Reference Input 2
Reference Input 3
Reference Input 4
Reference Input 5
Reference Input 6
INP
INM
Sample input
Figure 29-1. CMP, DAC and ANMUX block diagram
29.6 CMP block diagram
The following figure shows the block diagram for the CMP module.
CMP block diagram
KL25 Sub-Family Reference Manual, Rev. 3, September 2012
512 Freescale Semiconductor, Inc.

IRQ
INP
INM
FILTER_CNT
INV
COUT
COUT
OPE
SE
CMPO to
PAD
COUTA 1
WE
0
SE
CGMUX
COS
FILT_PER
+
-
FILT_PER
bus clock
COS
IER/F CFR/F
WINDOW/SAMPLE 1 0
EN,PMODE,HYSCTRL[1:0]
Interrupt
control
Filter
block
Window
control
Polarity
select
Clock
prescaler divided
bus
clock
CMPO
To other SOC functions
Internal bus
Figure 29-2. Comparator module block diagram
In the CMP block diagram:
• The Window Control block is bypassed when CR1[WE] = 0
• If CR1[WE] = 1, the comparator output will be sampled on every bus clock when
WINDOW=1 to generate COUTA. Sampling does NOT occur when WINDOW = 0.
• The Filter block is bypassed when not in use.
• The Filter block acts as a simple sampler if the filter is bypassed and
CR0[FILTER_CNT] is set to 0x01.
• The Filter block filters based on multiple samples when the filter is bypassed and
CR0[FILTER_CNT] is set greater than 0x01.
• If CR1[SE] = 1, the external SAMPLE input is used as sampling clock
• IF CR1[SE] = 0, the divided bus clock is used as sampling clock
Chapter 29 Comparator (CMP)
KL25 Sub-Family Reference Manual, Rev. 3, September 2012
Freescale Semiconductor, Inc. 513

• If enabled, the Filter block will incur up to one bus clock additional latency penalty
on COUT due to the fact that COUT, which is crossing clock domain boundaries,
must be resynchronized to the bus clock.
• CR1[WE] and CR1[SE] are mutually exclusive.
29.7 Memory map/register definitions
CMP memory map
Absolute
address
(hex)
Register name Width
(in bits) Access Reset value Section/
page
4007_3000 CMP Control Register 0 (CMP0_CR0) 8 R/W 00h 29.7.1/514
4007_3001 CMP Control Register 1 (CMP0_CR1) 8 R/W 00h 29.7.2/515
4007_3002 CMP Filter Period Register (CMP0_FPR) 8 R/W 00h 29.7.3/517
4007_3003 CMP Status and Control Register (CMP0_SCR) 8 R/W 00h 29.7.4/517
4007_3004 DAC Control Register (CMP0_DACCR) 8 R/W 00h 29.7.5/518
4007_3005 MUX Control Register (CMP0_MUXCR) 8 R/W 00h 29.7.6/519
29.7.1 CMP Control Register 0 (CMPx_CR0)
Address: 4007_3000h base + 0h offset = 4007_3000h
Bit 7 6 5 4 3 2 1 0
Read 0 FILTER_CNT 0 0 HYSTCTR
Write
Reset 00000000
CMPx_CR0 field descriptions
Field Description
7
Reserved
This field is reserved.
This read-only field is reserved and always has the value 0.
6–4
FILTER_CNT
Filter Sample Count
Represents the number of consecutive samples that must agree prior to the comparator ouput filter
accepting a new output state. For information regarding filter programming and latency, see the Functional
description.
000 Filter is disabled. If SE = 1, then COUT is a logic 0. This is not a legal state, and is not
recommended. If SE = 0, COUT = COUTA.
001 One sample must agree. The comparator output is simply sampled.
010 2 consecutive samples must agree.
011 3 consecutive samples must agree.
100 4 consecutive samples must agree.
Table continues on the next page...
Memory map/register definitions
KL25 Sub-Family Reference Manual, Rev. 3, September 2012
514 Freescale Semiconductor, Inc.

CMPx_CR0 field descriptions (continued)
Field Description
101 5 consecutive samples must agree.
110 6 consecutive samples must agree.
111 7 consecutive samples must agree.
3
Reserved
This field is reserved.
This read-only field is reserved and always has the value 0.
2
Reserved
This field is reserved.
This read-only field is reserved and always has the value 0.
1–0
HYSTCTR
Comparator hard block hysteresis control
Defines the programmable hysteresis level. The hysteresis values associated with each level are device-
specific. See the Data Sheet of the device for the exact values.
00 Level 0
01 Level 1
10 Level 2
11 Level 3
29.7.2 CMP Control Register 1 (CMPx_CR1)
Address: 4007_3000h base + 1h offset = 4007_3001h
Bit 7 6 5 4 3 2 1 0
Read SE WE TRIGM PMODE INV COS OPE EN
Write
Reset 00000000
CMPx_CR1 field descriptions
Field Description
7
SE
Sample Enable
At any given time, either SE or WE can be set. It is mandatory request to not set SE and WE both at a
given time.
0 Sampling mode is not selected.
1 Sampling mode is selected.
6
WE
Windowing Enable
At any given time, either SE or WE can be set. It is mandatory request to not set SE and WE both at a
given time.
0 Windowing mode is not selected.
1 Windowing mode is selected.
5
TRIGM
Trigger Mode Enable
CMP and DAC are configured to CMP Trigger mode when CMP_CR1[TRIGM] is set to 1. In addition, the
CMP should be enabled. If the DAC is to be used as a reference to the CMP, it should also be enabled.
Table continues on the next page...
Chapter 29 Comparator (CMP)
KL25 Sub-Family Reference Manual, Rev. 3, September 2012
Freescale Semiconductor, Inc. 515

CMPx_CR1 field descriptions (continued)
Field Description
CMP Trigger mode depends on an external timer resource to periodically enable the CMP and 6-bit DAC
in order to generate a triggered compare.
Upon setting TRIGM, the CMP and DAC are placed in a standby state until an external timer resource
trigger is received.
See the chip configuration chapter for details about the external timer resource.
0 Trigger mode is disabled.
1 Trigger mode is enabled.
4
PMODE
Power Mode Select
See the electrical specifications table in the device Data Sheet for details.
0 Low-Speed (LS) Comparison mode selected. In this mode, CMP has slower output propagation delay
and lower current consumption.
1 High-Speed (HS) Comparison mode selected. In this mode, CMP has faster output propagation delay
and higher current consumption.
3
INV
Comparator INVERT
Allows selection of the polarity of the analog comparator function. It is also driven to the COUT output, on
both the device pin and as SCR[COUT], when OPE=0.
0 Does not invert the comparator output.
1 Inverts the comparator output.
2
COS
Comparator Output Select
0 Set the filtered comparator output (CMPO) to equal COUT.
1 Set the unfiltered comparator output (CMPO) to equal COUTA.
1
OPE
Comparator Output Pin Enable
0 CMPO is not available on the associated CMPO output pin. If the comparator does not own the pin,
this field has no effect.
1CMPO is available on the associated CMPO output pin.
The comparator output (CMPO) is driven out on the associated CMPO output pin if the comparator
owns the pin. If the comparator does not own the field, this bit has no effect.
0
EN
Comparator Module Enable
Enables the Analog Comparator module. When the module is not enabled, it remains in the off state, and
consumes no power. When the user selects the same input from analog mux to the positive and negative
port, the comparator is disabled automatically.
0 Analog Comparator is disabled.
1 Analog Comparator is enabled.
Memory map/register definitions
KL25 Sub-Family Reference Manual, Rev. 3, September 2012
516 Freescale Semiconductor, Inc.

29.7.3 CMP Filter Period Register (CMPx_FPR)
Address: 4007_3000h base + 2h offset = 4007_3002h
Bit 7 6 5 4 3 2 1 0
Read FILT_PER
Write
Reset 00000000
CMPx_FPR field descriptions
Field Description
7–0
FILT_PER
Filter Sample Period
Specifies the sampling period, in bus clock cycles, of the comparator output filter, when CR1[SE]=0.
Setting FILT_PER to 0x0 disables the filter. Filter programming and latency details appear in the
Functional description.
This field has no effect when CR1[SE]=1. In that case, the external SAMPLE signal is used to determine
the sampling period.
29.7.4 CMP Status and Control Register (CMPx_SCR)
Address: 4007_3000h base + 3h offset = 4007_3003h
Bit 7 6 5 4 3 2 1 0
Read 0 DMAEN 0IER IEF CFR CFF COUT
Write w1c w1c
Reset 00000000
CMPx_SCR field descriptions
Field Description
7
Reserved
This field is reserved.
This read-only field is reserved and always has the value 0.
6
DMAEN
DMA Enable Control
Enables the DMA transfer triggered from the CMP module. When this field is set, a DMA request is
asserted when CFR or CFF is set.
0 DMA is disabled.
1 DMA is enabled.
5
Reserved
This field is reserved.
This read-only field is reserved and always has the value 0.
4
IER
Comparator Interrupt Enable Rising
Enables the CFR interrupt from the CMP. When this field is set, an interrupt will be asserted when CFR is
set.
Table continues on the next page...
Chapter 29 Comparator (CMP)
KL25 Sub-Family Reference Manual, Rev. 3, September 2012
Freescale Semiconductor, Inc. 517

CMPx_SCR field descriptions (continued)
Field Description
0 Interrupt is disabled.
1 Interrupt is enabled.
3
IEF
Comparator Interrupt Enable Falling
Enables the CFF interrupt from the CMP. When this field is set, an interrupt will be asserted when CFF is
set.
0 Interrupt is disabled.
1 Interrupt is enabled.
2
CFR
Analog Comparator Flag Rising
Detects a rising-edge on COUT, when set, during normal operation. CFR is cleared by writing 1 to it.
During Stop modes, CFR is level sensitive .
0 Rising-edge on COUT has not been detected.
1 Rising-edge on COUT has occurred.
1
CFF
Analog Comparator Flag Falling
Detects a falling-edge on COUT, when set, during normal operation. CFF is cleared by writing 1 to it.
During Stop modes, CFF is level senstive .
0 Falling-edge on COUT has not been detected.
1 Falling-edge on COUT has occurred.
0
COUT
Analog Comparator Output
Returns the current value of the Analog Comparator output, when read. The field is reset to 0 and will read
as CR1[INV] when the Analog Comparator module is disabled, that is, when CR1[EN] = 0. Writes to this
field are ignored.
29.7.5 DAC Control Register (CMPx_DACCR)
Address: 4007_3000h base + 4h offset = 4007_3004h
Bit 7 6 5 4 3 2 1 0
Read DACEN VRSEL VOSEL
Write
Reset 00000000
CMPx_DACCR field descriptions
Field Description
7
DACEN
DAC Enable
Enables the DAC. When the DAC is disabled, it is powered down to conserve power.
0 DAC is disabled.
1 DAC is enabled.
6
VRSEL
Supply Voltage Reference Source Select
Table continues on the next page...
Memory map/register definitions
KL25 Sub-Family Reference Manual, Rev. 3, September 2012
518 Freescale Semiconductor, Inc.

CMPx_DACCR field descriptions (continued)
Field Description
0 V is selected as resistor ladder network supply reference V. in1in
1 V is selected as resistor ladder network supply reference V. in2in
5–0
VOSEL
DAC Output Voltage Select
Selects an output voltage from one of 64 distinct levels.
DACO = (V in /64) * (VOSEL[5:0] + 1) , so the DACO range is from V in /64 to V in .
29.7.6 MUX Control Register (CMPx_MUXCR)
Address: 4007_3000h base + 5h offset = 4007_3005h
Bit 7 6 5 4 3 2 1 0
Read PSTM 0PSEL MSEL
Write
Reset 00000000
CMPx_MUXCR field descriptions
Field Description
7
PSTM
Pass Through Mode Enable
This bit is used to enable to MUX pass through mode. Pass through mode is always available but for
some devices this feature must be always disabled due to the lack of package pins.
0 Pass Through Mode is disabled.
1 Pass Through Mode is enabled.
6
Reserved
This field is reserved.
This read-only field is reserved and always has the value 0.
5–3
PSEL
Plus Input Mux Control
Determines which input is selected for the plus input of the comparator. For INx inputs, see CMP, DAC,
and ANMUX block diagrams.
NOTE: When an inappropriate operation selects the same input for both muxes, the comparator
automatically shuts down to prevent itself from becoming a noise generator.
000 IN0
001 IN1
010 IN2
011 IN3
100 IN4
101 IN5
110 IN6
111 IN7
2–0
MSEL
Minus Input Mux Control
Determines which input is selected for the minus input of the comparator. For INx inputs, see CMP, DAC,
and ANMUX block diagrams.
Table continues on the next page...
Chapter 29 Comparator (CMP)
KL25 Sub-Family Reference Manual, Rev. 3, September 2012
Freescale Semiconductor, Inc. 519

CMPx_MUXCR field descriptions (continued)
Field Description
NOTE: When an inappropriate operation selects the same input for both muxes, the comparator
automatically shuts down to prevent itself from becoming a noise generator.
000 IN0
001 IN1
010 IN2
011 IN3
100 IN4
101 IN5
110 IN6
111 IN7
29.8 Functional description
The CMP module can be used to compare two analog input voltages applied to INP and
INM. CMPO is high when the non-inverting input is greater than the inverting input, and
is low when the non-inverting input is less than the inverting input. This signal can be
selectively inverted by setting CR1[INV] = 1.
SCR[IER] and SCR[IEF] are used to select the condition which will cause the CMP
module to assert an interrupt to the processor. SCR[CFF] is set on a falling-edge and
SCR[CFR] is set on rising-edge of the comparator output. The optionally filtered CMPO
can be read directly through SCR[COUT].
29.8.1 CMP functional modes
There are three main sub-blocks to the CMP module:
• The comparator itself
• The window function
• The filter function
The filter, CR0[FILTER_CNT], can be clocked from an internal or external clock source.
The filter is programmable with respect to the number of samples that must agree before
a change in the output is registered. In the simplest case, only one sample must agree. In
this case, the filter acts as a simple sampler.
The external sample input is enabled using CR1[SE]. When set, the output of the
comparator is sampled only on rising edges of the sample input.
Functional description
KL25 Sub-Family Reference Manual, Rev. 3, September 2012
520 Freescale Semiconductor, Inc.

The "windowing mode" is enabled by setting CR1[WE]. When set, the comparator output
is sampled only when WINDOW=1. This feature can be used to ignore the comparator
output during time periods in which the input voltages are not valid. This is especially
useful when implementing zero-crossing-detection for certain PWM applications.
The comparator filter and sampling features can be combined as shown in the following
table. Individual modes are discussed below.
Table 29-15. Comparator sample/filter controls
Mode # CR1[EN] CR1[WE] CR1[SE] CR0[FILTER_C
NT] FPR[FILT_PER] Operation
1 0 X X X X Disabled
See the Disabled mode (# 1).
2A 1 0 0 0x00 X Continuous Mode
See the Continuous mode (#s 2A &
2B).
2B 1 0 0 X 0x00
3A 1 0 1 0x01 X Sampled, Non-Filtered mode
See the Sampled, Non-Filtered
mode (#s 3A & 3B).
3B 1 0 0 0x01 > 0x00
4A 1 0 1 > 0x01 X Sampled, Filtered mode
See the Sampled, Filtered mode (#s
4A & 4B).
4B 1 0 0 > 0x01 > 0x00
5A 1 1 0 0x00 X Windowed mode
Comparator output is sampled on
every rising bus clock edge when
SAMPLE=1 to generate COUTA.
See the Windowed mode (#s 5A &
5B).
5B 1 1 0 X 0x00
6 1 1 0 0x01 0x01–0xFF Windowed/Resampled mode
Comparator output is sampled on
every rising bus clock edge when
SAMPLE=1 to generate COUTA,
which is then resampled on an
interval determined by FILT_PER to
generate COUT.
See the Windowed/Resampled
mode (# 6).
7 1 1 0 > 0x01 0x01–0xFF Windowed/Filtered mode
Comparator output is sampled on
every rising bus clock edge when
SAMPLE=1 to generate COUTA,
which is then resampled and filtered
to generate COUT.
See the Windowed/Filtered mode
(#7).
All other combinations of CR1[EN], CR1[WE], CR1[SE], CR0[FILTER_CNT], and FPR[FILT_PER] are illegal.
Chapter 29 Comparator (CMP)
KL25 Sub-Family Reference Manual, Rev. 3, September 2012
Freescale Semiconductor, Inc. 521

For cases where a comparator is used to drive a fault input, for example, for a motor-
control module such as FTM, it must be configured to operate in Continuous mode so
that an external fault can immediately pass through the comparator to the target fault
circuitry.
Note
Filtering and sampling settings must be changed only after
setting CR1[SE]=0 and CR0[FILTER_CNT]=0x00. This resets
the filter to a known state.
29.8.1.1 Disabled mode (# 1)
In Disabled mode, the analog comparator is non-functional and consumes no power.
CMPO is 0 in this mode.
29.8.1.2 Continuous mode (#s 2A & 2B)
IRQ
Internal bus
INP
INM
FILTER_CNT
INV
COUT
COUT
OPE
SE
CMPO to
PAD
COUTA 1
WE
0
SE
CGMUX
COS
FILT_PER
0
+
-
FILT_PER
COS
IER/F CFR/F
WINDOW/SAMPLE 1 0
EN,PMODE,HYSTCTR[1:0]
divided
bus
clock
CMPO
bus clock
To other system functions
Polarity
select Window
control
Filter
block
Interrupt
control
Clock
prescaler
Figure 29-15. Comparator operation in Continuous mode
Functional description
KL25 Sub-Family Reference Manual, Rev. 3, September 2012
522 Freescale Semiconductor, Inc.

NOTE
See the chip configuration section for the source of sample/
window input.
The analog comparator block is powered and active. CMPO may be optionally inverted,
but is not subject to external sampling or filtering. Both window control and filter blocks
are completely bypassed. SCR[COUT] is updated continuously. The path from
comparator input pins to output pin is operating in combinational unclocked mode.
COUT and COUTA are identical.
For control configurations which result in disabling the filter block, see the Filter Block
Bypass Logic diagram.
29.8.1.3 Sampled, Non-Filtered mode (#s 3A & 3B)
+
-
IRQ
INP
INM
FILTER_CNT
INV
COUT
COUT
OPE
SE
CMPO to
PAD
COUTA 1
WE
0
SE=1
CGMUX
COS
FILT_PER
1
0
+
-
FILT_PER
COS
0x01
IER/F CFR/F
WINDOW/SAMPLE 1 0
EN,PMODE,HYSTCTR[1:0]
divided
bus
clock
CMPO
bus clock
Internal bus
Polarity
select Window
control
Filter
block Interrupt
control
To other SOC functions
Clock
prescaler
Figure 29-16. Sampled, Non-Filtered (# 3A): sampling point externally driven
In Sampled, Non-Filtered mode, the analog comparator block is powered and active. The
path from analog inputs to COUTA is combinational unclocked. Windowing control is
completely bypassed. COUTA is sampled whenever a rising-edge is detected on the filter
block clock input.
Chapter 29 Comparator (CMP)
KL25 Sub-Family Reference Manual, Rev. 3, September 2012
Freescale Semiconductor, Inc. 523

The only difference in operation between Sampled, Non-Filtered (# 3A) and Sampled,
Non-Filtered (# 3B) is in how the clock to the filter block is derived. In #3A, the clock to
filter block is externally derived while in #3B, the clock to filter block is internally
derived.
The comparator filter has no other function than sample/hold of the comparator output in
this mode (# 3B).
IRQ
INP
INM
FILTER_CNT
INV
COUT
COUT
OPE
SE
CMPO to
PAD
COUTA 1
WE
0
SE=0
CGMUX
COS
FILT_PER
0
0
+
-
FILT_PER
COS
0x01
IER/F CFR/F
WINDOW/SAMPLE 1 0
EN,PMODE,HYSTCTR[1:0]
divided bus clock
CMPO
bus clock
Internal bus
Polarity
select
Window
control
Filter
block
Interrupt
control
To other SOC functions
Clock
prescaler
Figure 29-17. Sampled, Non-Filtered (# 3B): sampling interval internally derived
29.8.1.4 Sampled, Filtered mode (#s 4A & 4B)
In Sampled, Filtered mode, the analog comparator block is powered and active. The path
from analog inputs to COUTA is combinational unclocked. Windowing control is
completely bypassed. COUTA is sampled whenever a rising edge is detected on the filter
block clock input.
The only difference in operation between Sampled, Non-Filtered (# 3A) and Sampled,
Filtered (# 4A) is that, now, CR0[FILTER_CNT]>1, which activates filter operation.
Functional description
KL25 Sub-Family Reference Manual, Rev. 3, September 2012
524 Freescale Semiconductor, Inc.

+
-
IRQ
INP
INM
FILTER_CNT
INV
COUT
COUT
OPE
SE
CMPO to
PAD
COUTA 1
WE
0
SE=1
CGMUX
COS
FILT_PER
1
0
+
-
FILT_PER
bus clock
COS
>
IER/F CFR/F
WINDOW/SAMPLE 1 0
EN, PMODE, HYSTCTR[1:0]
divided
bus
clock
CMPO
0x01
Internal bus
Polarity
select Window
control
Filter
block
Interrupt
control
Clock
prescaler
To other SOC functions
Figure 29-18. Sampled, Filtered (# 4A): sampling point externally driven
Chapter 29 Comparator (CMP)
KL25 Sub-Family Reference Manual, Rev. 3, September 2012
Freescale Semiconductor, Inc. 525

+
-
IRQ
INP
INM
FILTER_CNT
INV
COUT
COUT
OPE
SE
CMPO to
PAD
COUTA
0
1
WE
1
0
SE=0
CGMUX
COS
FILT_PER
0
0
+
-
FILT_PER
bus clock
COS
>
IER/F CFR/F
WINDOW/SAMPLE
EN, PMODE,HYSTCTR[1:0]
divided
bus
clock
CMPO
0x01
Internal bus
Polarity
select
Window
control
Filter
block Interrupt
control
Clock
prescaler
To other SOC functions
Figure 29-19. Sampled, Filtered (# 4B): sampling point internally derived
The only difference in operation between Sampled, Non-Filtered (# 3B) and Sampled,
Filtered (# 4B) is that now, CR0[FILTER_CNT]>1, which activates filter operation.
29.8.1.5 Windowed mode (#s 5A & 5B)
The following figure illustrates comparator operation in the Windowed mode, ignoring
latency of the analog comparator, polarity select, and window control block. It also
assumes that the polarity select is set to non-inverting state.
NOTE
The analog comparator output is passed to COUTA only when
the WINDOW signal is high.
In actual operation, COUTA may lag the analog inputs by up to one bus clock cycle plus
the combinational path delay through the comparator and polarity select logic.
Functional description
KL25 Sub-Family Reference Manual, Rev. 3, September 2012
526 Freescale Semiconductor, Inc.

WINDOW
COUTA
CMPO
Minus input
Plus input
Figure 29-20. Windowed mode operation
+
-
IRQ
EN, PMODE,HYSCTR[1:0]
INP
INM
FILTER_CNT
INV
COUT
COUT
OPE
SE
CMPO to
PAD
COUTA
0
1
WE
1
0
SE=0
CGMUX
COS
FILT_PER
0
+
-
FILT_PER
bus clock
COS
0x01
IER/F CFR/F
WINDOW/SAMPLE
Polarity
select Window
control Filter
block
Interrupt
control
divided
bus
clock
Clock
prescaler
CMPO
Internal bus
To other SOC functions
Figure 29-21. Windowed mode
For control configurations which result in disabling the filter block, see Filter Block
Bypass Logic diagram.
Chapter 29 Comparator (CMP)
KL25 Sub-Family Reference Manual, Rev. 3, September 2012
Freescale Semiconductor, Inc. 527

When any windowed mode is active, COUTA is clocked by the bus clock whenever
WINDOW = 1. The last latched value is held when WINDOW = 0.
29.8.1.6 Windowed/Resampled mode (# 6)
The following figure uses the same input stimulus shown in Figure 29-20, and adds
resampling of COUTA to generate COUT. Samples are taken at the time points indicated
by the arrows in the figure. Again, prop delays and latency are ignored for the sake of
clarity.
This example was generated solely to demonstrate operation of the comparator in
windowed/resampled mode, and does not reflect any specific application. Depending
upon the sampling rate and window placement, COUT may not see zero-crossing events
detected by the analog comparator. Sampling period and/or window placement must be
carefully considered for a given application.
WINDOW
COUTA
COUT
CMPO
Minus input
Plus input
Figure 29-22. Windowed/resampled mode operation
This mode of operation results in an unfiltered string of comparator samples where the
interval between the samples is determined by FPR[FILT_PER] and the bus clock rate.
Configuration for this mode is virtually identical to that for the Windowed/Filtered Mode
shown in the next section. The only difference is that the value of CR0[FILTER_CNT]
must be 1.
Functional description
KL25 Sub-Family Reference Manual, Rev. 3, September 2012
528 Freescale Semiconductor, Inc.

29.8.1.7 Windowed/Filtered mode (#7)
This is the most complex mode of operation for the comparator block, as it uses both
windowing and filtering features. It also has the highest latency of any of the modes. This
can be approximated: up to 1 bus clock synchronization in the window function +
((CR0[FILTER_CNT] * FPR[FILT_PER]) + 1) * bus clock for the filter function.
When any windowed mode is active, COUTA is clocked by the bus clock whenever
WINDOW = 1. The last latched value is held when WINDOW = 0.
+
-
IRQ
EN, PMODE,HYSCTR[1:0]
INP
INM
FILTER_CNT
INV
COUT
COUT
OPE
SE
CMPO to
PAD
COUTA
0
1
WE
1
0
SE=0
CGMUX
COS
FILT_PER
01
+
-
FILT_PER
bus clock
COS
>
IER/F CFR/F
WINDOW/SAMPLE
Polarity
select
Window
control Filter
block
Interrupt
control
divided
bus
clock
Clock
prescaler
CMPO
0x01
To other SOC functions
Internal bus
Figure 29-23. Windowed/Filtered mode
29.8.2 Power modes
29.8.2.1 Wait mode operation
During Wait and VLPW modes, the CMP, if enabled, continues to operate normally and
a CMP interrupt can wake the MCU.
Chapter 29 Comparator (CMP)
KL25 Sub-Family Reference Manual, Rev. 3, September 2012
Freescale Semiconductor, Inc. 529

29.8.2.2 Stop mode operation
Depending on clock restrictions related to the MCU core or core peripherals, the MCU is
brought out of stop when a compare event occurs and the corresponding interrupt is
enabled. Similarly, if CR1[OPE] is enabled, the comparator output operates as in the
normal operating mode and comparator output is placed onto the external pin. In Stop
modes, the comparator can be operational in both:
• High-Speed (HS) Comparison mode when CR1[PMODE] = 1
• Low-Speed (LS) Comparison mode when CR1[PMODE] = 0
It is recommended to use the LS mode to minimize power consumption.
If stop is exited with a reset, all comparator registers are put into their reset state.
29.8.2.3 Low-Leakage mode operation
When the chip is in Low-Leakage modes:
• The CMP module is partially functional and is limited to Low-Speed mode,
regardless of CR1[PMODE] setting
• Windowed, Sampled, and Filtered modes are not supported
• The CMP output pin is latched and does not reflect the compare output state.
The positive- and negative-input voltage can be supplied from external pins or the DAC
output. The MCU can be brought out of the Low-Leakage mode if a compare event
occurs and the CMP interrupt is enabled. After wakeup from low-leakage modes, the
CMP module is in the reset state except for SCR[CFF] and SCR[CFR].
29.8.2.4 Background Debug Mode Operation
When the microcontroller is in active background debug mode, the CMP continues to
operate normally.
29.8.3 Startup and operation
A typical startup sequence is as follows.
Functional description
KL25 Sub-Family Reference Manual, Rev. 3, September 2012
530 Freescale Semiconductor, Inc.

The time required to stabilize COUT will be the power-on delay of the comparators plus
the largest propagation delay from a selected analog source through the analog
comparator, windowing function and filter. See the Data Sheets for power-on delays of
the comparators. The windowing function has a maximum of one bus clock period delay.
The filter delay is specified in the Low-pass filter.
During operation, the propagation delay of the selected data paths must always be
considered. It may take many bus clock cycles for COUT and SCR[CFR]/SCR[CFF] to
reflect an input change or a configuration change to one of the components involved in
the data path.
When programmed for filtering modes, COUT will initially be equal to 0, until sufficient
clock cycles have elapsed to fill all stages of the filter. This occurs even if COUTA is at a
logic 1.
29.8.4 Low-pass filter
The low-pass filter operates on the unfiltered and unsynchronized and optionally inverted
comparator output COUTA and generates the filtered and synchronized output COUT.
Both COUTA and COUT can be configured as module outputs and are used for different
purposes within the system.
Synchronization and edge detection are always used to determine status register bit
values. They also apply to COUT for all sampling and windowed modes. Filtering can be
performed using an internal timebase defined by FPR[FILT_PER], or using an external
SAMPLE input to determine sample time.
The need for digital filtering and the amount of filtering is dependent on user
requirements. Filtering can become more useful in the absence of an external hysteresis
circuit. Without external hysteresis, high-frequency oscillations can be generated at
COUTA when the selected INM and INP input voltages differ by less than the offset
voltage of the differential comparator.
29.8.4.1 Enabling filter modes
Filter modes can be enabled by:
• Setting CR0[FILTER_CNT] > 0x01 and
• Setting FPR[FILT_PER] to a nonzero value or setting CR1[SE]=1
If using the divided bus clock to drive the filter, it will take samples of COUTA every
FPR[FILT_PER] bus clock cycles.
Chapter 29 Comparator (CMP)
KL25 Sub-Family Reference Manual, Rev. 3, September 2012
Freescale Semiconductor, Inc. 531

The filter output will be at logic 0 when first initalized, and will subsequently change
when all the consecutive CR0[FILTER_CNT] samples agree that the output value has
changed. In other words, SCR[COUT] will be 0 for some initial period, even when
COUTA is at logic 1.
Setting both CR1[SE] and FPR[FILT_PER] to 0 disables the filter and eliminates
switching current associated with the filtering process.
Note
Always switch to this setting prior to making any changes in
filter parameters. This resets the filter to a known state.
Switching CR0[FILTER_CNT] on the fly without this
intermediate step can result in unexpected behavior.
If CR1[SE]=1, the filter takes samples of COUTA on each positive transition of the
sample input. The output state of the filter changes when all the consecutive
CR0[FILTER_CNT] samples agree that the output value has changed.
29.8.4.2 Latency issues
The value of FPR[FILT_PER] or SAMPLE period must be set such that the sampling
period is just longer than the period of the expected noise. This way a noise spike will
corrupt only one sample. The value of CR0[FILTER_CNT] must be chosen to reduce the
probability of noisy samples causing an incorrect transition to be recognized. The
probability of an incorrect transition is defined as the probability of an incorrect sample
raised to the power of CR0[FILTER_CNT].
The values of FPR[FILT_PER] or SAMPLE period and CR0[FILTER_CNT] must also
be traded off against the desire for minimal latency in recognizing actual comparator
output transitions. The probability of detecting an actual output change within the
nominal latency is the probability of a correct sample raised to the power of
CR0[FILTER_CNT].
The following table summarizes maximum latency values for the various modes of
operation in the absence of noise. Filtering latency is restarted each time an actual output
transition is masked by noise.
Table 29-16. Comparator sample/filter maximum latencies
Mode # CR1[
EN]
CR1[
WE]
CR1[
SE]
CR0[FILTER
_CNT]
FPR[FILT_P
ER] Operation Maximum latency1
1 0 X X X X Disabled N/A
Table continues on the next page...
Functional description
KL25 Sub-Family Reference Manual, Rev. 3, September 2012
532 Freescale Semiconductor, Inc.

Table 29-16. Comparator sample/filter maximum latencies (continued)
Mode # CR1[
EN]
CR1[
WE]
CR1[
SE]
CR0[FILTER
_CNT]
FPR[FILT_P
ER] Operation Maximum latency1
2A 1 0 0 0x00 X Continuous Mode TPD
2B 1 0 0 X 0x00
3A 1 0 1 0x01 X Sampled, Non-Filtered mode TPD + TSAMPLE + Tper
3B 1 0 0 0x01 > 0x00 TPD + (FPR[FILT_PER] *
Tper) + Tper
4A 1 0 1 > 0x01 X Sampled, Filtered mode TPD + (CR0[FILTER_CNT] *
TSAMPLE) + Tper
4B 1 0 0 > 0x01 > 0x00 TPD + (CR0[FILTER_CNT] *
FPR[FILT_PER] x Tper) + Tper
5A 1 1 0 0x00 X Windowed mode TPD + Tper
5B 1 1 0 X 0x00 TPD + Tper
6 1 1 0 0x01 0x01 - 0xFF Windowed / Resampled
mode
TPD + (FPR[FILT_PER] *
Tper) + 2Tper
7 1 1 0 > 0x01 0x01 - 0xFF Windowed / Filtered mode TPD + (CR0[FILTER_CNT] *
FPR[FILT_PER] x Tper) +
2Tper
1. TPD represents the intrinsic delay of the analog component plus the polarity select logic. TSAMPLE is the clock period of the
external sample clock. Tper is the period of the bus clock.
29.9 CMP interrupts
The CMP module is capable of generating an interrupt on either the rising- or falling-
edge of the comparator output, or both. The following table gives the conditions in which
the interrupt request is asserted and deasserted.
When Then
SCR[IER] and SCR[CFR] are set The interrupt request is asserted
SCR[IEF] and SCR[CFF] are set The interrupt request is asserted
SCR[IER] and SCR[CFR] are cleared for a rising-edge
interrupt
The interrupt request is deasserted
SCR[IEF] and SCR[CFF] are cleared for a falling-edge
interrupt
The interrupt request is deasserted
29.10 DMA support
Normally, the CMP generates a CPU interrupt if there is a change on the COUT. When
DMA support is enabled by setting SCR[DMAEN] and the interrupt is enabled by setting
SCR[IER], SCR[IEF], or both, the corresponding change on COUT forces a DMA
Chapter 29 Comparator (CMP)
KL25 Sub-Family Reference Manual, Rev. 3, September 2012
Freescale Semiconductor, Inc. 533

transfer request rather than a CPU interrupt instead. When the DMA has completed the
transfer, it sends a transfer completing indicator that deasserts the DMA transfer request
and clears the flag to allow a subsequent change on comparator output to occur and force
another DMA request.
The comparator can remain functional in STOP modes. When DMA support is enabled
by setting SCR[DMAEN] and the interrupt is enabled by setting SCR[IER], SCR[IEF], or
both, the corresponding change on COUT forces a DMA transfer request to wake up the
system from STOP modes. After the data transfer has finished, system will go back to
STOP modes. Refer to DMA chapters in the device reference manual for the
asynchronous DMA function for details.
29.11 CMP Asyncrhonous DMA support
The comparator can remain functional in STOP modes. When DMA support is enabled
by setting SCR[DMAEN] and the interrupt is enabled by setting SCR[IER], SCR[IEF], or
both, the corresponding change on COUT forces a DMA transfer request to wake up the
system from STOP modes. After the data transfer has finished, system will go back to
STOP modes. Refer to DMA chapters in the device reference manual for the
asynchronous DMA function for details.
29.12 Digital-to-analog converter
The following figure shows the block diagram of the DAC module. It contains a 64-tap
resistor ladder network and a 64-to-1 multiplexer, which selects an output voltage from
one of 64 distinct levels that outputs from DACO. It is controlled through the DAC
Control Register (DACCR). Its supply reference source can be selected from two sources
Vin1 and Vin2. The module can be powered down or disabled when not in use. When in
Disabled mode, DACO is connected to the analog ground.
CMP Asyncrhonous DMA support
KL25 Sub-Family Reference Manual, Rev. 3, September 2012
534 Freescale Semiconductor, Inc.

VOSEL[5:0]
DACO
MUX
MUX
DACEN
Vin
VRSEL
Vin1 Vin2
Figure 29-24. 6-bit DAC block diagram
29.13 DAC functional description
This section provides DAC functional description.
29.13.1 Voltage reference source select
• Vin1 connects to the primary voltage source as supply reference of 64 tap resistor
ladder
• Vin2 connects to an alternate voltage source
29.14 DAC resets
This module has a single reset input, corresponding to the chip-wide peripheral reset.
29.15 DAC clocks
This module has a single clock input, the bus clock.
Chapter 29 Comparator (CMP)
KL25 Sub-Family Reference Manual, Rev. 3, September 2012
Freescale Semiconductor, Inc. 535

29.16 DAC interrupts
This module has no interrupts.
29.17 CMP Trigger Mode
CMP and DAC are configured to CMP Trigger mode when CMP_CR1[TRIGM] is set to
1. In addition, the CMP must be enabled. If the DAC is to be used as a reference to the
CMP, it must also be enabled.
CMP Trigger mode depends on an external timer resource to periodically enable the
CMP and 6-bit DAC in order to generate a triggered compare.
Upon setting TRIGM, the CMP and DAC are placed in a standby state until an external
timer resource trigger is received.
See the chip configuration chapter for details about the external timer resource.
DAC interrupts
KL25 Sub-Family Reference Manual, Rev. 3, September 2012
536 Freescale Semiconductor, Inc.

Chapter 30
12-bit Digital-to-Analog Converter (DAC)
30.1 Introduction
NOTE
For the chip-specific implementation details of this module's
instances see the chip configuration information.
The 12-bit digital-to-analog converter (DAC) is a low-power general-purpose DAC. The
output of this DAC can be placed on an external pin or set as one of the inputs to the
analog comparator, analog-to-digital converter (ADC), or other peripherals.
30.2 Features
The features of the DAC module include:
• On-chip programmable reference generator output. The voltage output range is from
1⁄4096 Vin to Vin, and the step is 1⁄4096 Vin, where Vin is the input voltage.
• Vin can be selected from two reference sources
• Static operation in Normal Stop mode
• 2-word data buffer supported with multiple operation modes
• DMA support
30.3 Block diagram
The block diagram of the DAC module is as follows:
KL25 Sub-Family Reference Manual, Rev. 3, September 2012
Freescale Semiconductor, Inc. 537

-
+
MUX
4096-level
DACEN
DACDAT[11:0]
MUX
DACREF_2
DACRFS
V
Vout
VDD
AMP buffer
12
DACBFMD
DACSWTRG
DACBFEN
DACBFUP
DACBFWM
DACBFRP
Hardware trigger DACBFWMF
DACBWIEN
DACBFRPTF
DACBTIEN
DACBFRPBF
DACBBIEN
OR dac_interrupt
DACTRGSE
LPEN
DACRFS
DACREF_1
Vin
Vo
&
&
&
Data
Buffer
Figure 30-1. DAC block diagram
Block diagram
KL25 Sub-Family Reference Manual, Rev. 3, September 2012
538 Freescale Semiconductor, Inc.

30.4 Memory map/register definition
The DAC has registers to control analog comparator and programmable voltage divider
to perform the digital-to-analog functions.
The address of a register is the sum of a base address and an address offset. The base
address is defined at the chip level. The address offset is defined at the module level.
DAC memory map
Absolute
address
(hex)
Register name Width
(in bits) Access Reset value Section/
page
4003_F000 DAC Data Low Register (DAC0_DAT0L) 8 R/W 00h 30.4.1/539
4003_F001 DAC Data High Register (DAC0_DAT0H) 8 R/W 00h 30.4.2/540
4003_F002 DAC Data Low Register (DAC0_DAT1L) 8 R/W 00h 30.4.1/539
4003_F003 DAC Data High Register (DAC0_DAT1H) 8 R/W 00h 30.4.2/540
4003_F020 DAC Status Register (DAC0_SR) 8 R/W 02h 30.4.3/540
4003_F021 DAC Control Register (DAC0_C0) 8 R/W 00h 30.4.4/541
4003_F022 DAC Control Register 1 (DAC0_C1) 8 R/W 00h 30.4.5/542
4003_F023 DAC Control Register 2 (DAC0_C2) 8 R/W 01h 30.4.6/542
30.4.1 DAC Data Low Register (DACx_DATnL)
Address: 4003_F000h base + 0h offset + (2d × i), where i=0d to 1d
Bit 7 6 5 4 3 2 1 0
Read DATA0
Write
Reset 00000000
DACx_DATnL field descriptions
Field Description
7–0
DATA0
When the DAC buffer is not enabled, DATA[11:0] controls the output voltage based on the following
formula: V out = V in * (1 + DACDAT0[11:0])/4096
When the DAC buffer is enabled, DATA is mapped to the 16-word buffer.
Chapter 30 12-bit Digital-to-Analog Converter (DAC)
KL25 Sub-Family Reference Manual, Rev. 3, September 2012
Freescale Semiconductor, Inc. 539

30.4.2 DAC Data High Register (DACx_DATnH)
Address: 4003_F000h base + 1h offset + (2d × i), where i=0d to 1d
Bit 7 6 5 4 3 2 1 0
Read 0 DATA1
Write
Reset 00000000
DACx_DATnH field descriptions
Field Description
7–4
Reserved
This field is reserved.
This read-only field is reserved and always has the value 0.
3–0
DATA1
When the DAC Buffer is not enabled, DATA[11:0] controls the output voltage based on the following
formula. V out = V in * (1 + DACDAT0[11:0])/4096
When the DAC buffer is enabled, DATA[11:0] is mapped to the 16-word buffer.
30.4.3 DAC Status Register (DACx_SR)
If DMA is enabled, the flags can be cleared automatically by DMA when the DMA
request is done. Writing 0 to a field clears it whereas writing 1 has no effect. After reset,
DACBFRPTF is set and can be cleared by software, if needed. The flags are set only
when the data buffer status is changed.
Address: 4003_F000h base + 20h offset = 4003_F020h
Bit 7 6 5 4 3 2 1 0
Read 0 DACBFRPT
F
DACBFRPB
F
Write
Reset 00000010
DACx_SR field descriptions
Field Description
7–2
Reserved
This field is reserved.
This read-only field is reserved and always has the value 0.
1
DACBFRPTF
DAC Buffer Read Pointer Top Position Flag
0 The DAC buffer read pointer is not zero.
1 The DAC buffer read pointer is zero.
0
DACBFRPBF
DAC Buffer Read Pointer Bottom Position Flag
0 The DAC buffer read pointer is not equal to C2[DACBFUP].
1 The DAC buffer read pointer is equal to C2[DACBFUP].
Memory map/register definition
KL25 Sub-Family Reference Manual, Rev. 3, September 2012
540 Freescale Semiconductor, Inc.

30.4.4 DAC Control Register (DACx_C0)
Address: 4003_F000h base + 21h offset = 4003_F021h
Bit 7 6 5 4 3 2 1 0
Read DACEN DACRFS DACTRGSE
L
0LPEN 0DACBTIEN DACBBIEN
Write DACSWTRG
Reset 00000000
DACx_C0 field descriptions
Field Description
7
DACEN
DAC Enable
Starts the Programmable Reference Generator operation.
0 The DAC system is disabled.
1 The DAC system is enabled.
6
DACRFS
DAC Reference Select
0 The DAC selects DACREF_1 as the reference voltage.
1 The DAC selects DACREF_2 as the reference voltage.
5
DACTRGSEL
DAC Trigger Select
0 The DAC hardware trigger is selected.
1 The DAC software trigger is selected.
4
DACSWTRG
DAC Software Trigger
Active high. This is a write-only field, which always reads 0. If DAC software trigger is selected and buffer
is enabled, writing 1 to this field will advance the buffer read pointer once.
0 The DAC soft trigger is not valid.
1 The DAC soft trigger is valid.
3
LPEN
DAC Low Power Control
NOTE: See the 12-bit DAC electrical characteristics of the device data sheet for details on the impact of
the modes below.
0 High-Power mode
1 Low-Power mode
2
Reserved
This field is reserved.
This read-only field is reserved and always has the value 0.
1
DACBTIEN
DAC Buffer Read Pointer Top Flag Interrupt Enable
0 The DAC buffer read pointer top flag interrupt is disabled.
1 The DAC buffer read pointer top flag interrupt is enabled.
0
DACBBIEN
DAC Buffer Read Pointer Bottom Flag Interrupt Enable
0 The DAC buffer read pointer bottom flag interrupt is disabled.
1 The DAC buffer read pointer bottom flag interrupt is enabled.
Chapter 30 12-bit Digital-to-Analog Converter (DAC)
KL25 Sub-Family Reference Manual, Rev. 3, September 2012
Freescale Semiconductor, Inc. 541

30.4.5 DAC Control Register 1 (DACx_C1)
Address: 4003_F000h base + 22h offset = 4003_F022h
Bit 7 6 5 4 3 2 1 0
Read DMAEN 0DACBFMD 0DACBFEN
Write
Reset 00000000
DACx_C1 field descriptions
Field Description
7
DMAEN
DMA Enable Select
0 DMA is disabled.
1 DMA is enabled. When DMA is enabled, the DMA request will be generated by original interrupts. The
interrupts will not be presented on this module at the same time.
6–3
Reserved
This field is reserved.
This read-only field is reserved and always has the value 0.
2
DACBFMD
DAC Buffer Work Mode Select
0 Normal mode
1 One-Time Scan mode
1
Reserved
This field is reserved.
This read-only field is reserved and always has the value 0.
0
DACBFEN
DAC Buffer Enable
0 Buffer read pointer is disabled. The converted data is always the first word of the buffer.
1 Buffer read pointer is enabled. The converted data is the word that the read pointer points to. It means
converted data can be from any word of the buffer.
30.4.6 DAC Control Register 2 (DACx_C2)
Address: 4003_F000h base + 23h offset = 4003_F023h
Bit 7 6 5 4 3 2 1 0
Read 0 DACBFRP 0DACBFUP
Write
Reset 00000001
DACx_C2 field descriptions
Field Description
7–5
Reserved
This field is reserved.
This read-only field is reserved and always has the value 0.
4
DACBFRP
DAC Buffer Read Pointer
Keeps the current value of the buffer read pointer.
Table continues on the next page...
Memory map/register definition
KL25 Sub-Family Reference Manual, Rev. 3, September 2012
542 Freescale Semiconductor, Inc.

DACx_C2 field descriptions (continued)
Field Description
3–1
Reserved
This field is reserved.
This read-only field is reserved and always has the value 0.
0
DACBFUP
DAC Buffer Upper Limit
Selects the upper limit of the DAC buffer. The buffer read pointer cannot exceed it.
30.5 Functional description
The 12-bit DAC module can select one of the two reference inputs—DACREF_1 and
DACREF_2 as the DAC reference voltage, Vin by C0[DACRFS]. See the module
introduction for information on the source for DACREF_1 and DACREF_2.
When the DAC is enabled, it converts the data in DACDAT0[11:0] or the data from the
DAC data buffer to a stepped analog output voltage. The output voltage range is from Vin
to Vin∕4096, and the step is Vin∕4096.
30.5.1 DAC data buffer operation
When the DAC is enabled and the buffer is not enabled, the DAC module always
converts the data in DAT0 to analog output voltage.
When both the DAC and the buffer are enabled, the DAC converts the data in the data
buffer to analog output voltage. The data buffer read pointer advances to the next word
whenever any hardware or software trigger event occurs. Refer to Introduction for the
hardware trigger connection.
The data buffer can be configured to operate in Normal mode, Swing mode, or One-Time
Scan mode. When the buffer operation is switched from one mode to another, the read
pointer does not change. The read pointer can be set to any value between 0 and
C2[DACBFUP] by writing C2[DACBFRP].
30.5.1.1 DAC data buffer interrupts
There are several interrupts and associated flags that can be configured for the DAC
buffer. SR[DACBFRPBF] is set when the DAC buffer read pointer reaches the DAC
buffer upper limit, that is, C2[DACBFRP] = C2[DACBFUP]. SR[DACBFRPTF] is set
when the DAC read pointer is equal to the start position, 0.
Chapter 30 12-bit Digital-to-Analog Converter (DAC)
KL25 Sub-Family Reference Manual, Rev. 3, September 2012
Freescale Semiconductor, Inc. 543

30.5.1.2 Modes of DAC data buffer operation
The following table describes the different modes of data buffer operation for the DAC
module.
Table 30-23. Modes of DAC data buffer operation
Modes Description
Buffer Normal mode
This is the default mode. The buffer works as a circular buffer.
The read pointer increases by one, every time the trigger
occurs. When the read pointer reaches the upper limit, it goes
to 0 directly in the next trigger event.
Buffer One-time Scan mode
The read pointer increases by 1 every time the trigger occurs.
When it reaches the upper limit, it stops there. If read pointer
is reset to the address other than the upper limit, it will
increase to the upper address and stop there again.
NOTE: If the software set the read pointer to the upper limit,
the read pointer will not advance in this mode.
30.5.2 DMA operation
When DMA is enabled, DMA requests are generated instead of interrupt requests. The
DMA Done signal clears the DMA request.
The status register flags are still set and are cleared automatically when the DMA
completes.
30.5.3 Resets
During reset, the DAC is configured in the default mode and is disabled.
30.5.4 Low-Power mode operation
The following table shows the wait mode and the stop mode operation of the DAC
module.
Table 30-24. Modes of operation
Modes of operation Description
Wait mode The DAC will operate normally, if enabled.
Table continues on the next page...
Functional description
KL25 Sub-Family Reference Manual, Rev. 3, September 2012
544 Freescale Semiconductor, Inc.

Table 30-24. Modes of operation (continued)
Modes of operation Description
Stop mode
If enabled, the DAC module continues to operate
in Normal Stop mode and the output voltage will
hold the value before stop.
In low-power stop modes, the DAC is fully
shut down.
NOTE
The assignment of module modes to core modes is chip-
specific. For module-to-core mode assignments, see the chapter
that describes how modules are configured.
Chapter 30 12-bit Digital-to-Analog Converter (DAC)
KL25 Sub-Family Reference Manual, Rev. 3, September 2012
Freescale Semiconductor, Inc. 545

Functional description
KL25 Sub-Family Reference Manual, Rev. 3, September 2012
546 Freescale Semiconductor, Inc.

Chapter 31
Timer/PWM Module (TPM)
31.1 Introduction
The TPM (Timer/PWM Module) is a two to eight channel timer which supports input
capture, output compare, and the generation of PWM signals to control electric motor and
power management applications. The counter, compare and capture registers are clocked
by an asynchronous clock that can remain enabled in low power modes.
31.1.1 TPM Philosophy
The TPM is built upon a very simple timer (HCS08 Timer PWM Module – TPM) used
for many years on Freescale's 8-bit microcontrollers. The TPM extends the functionality
to support operation in low power modes by clocking the counter, compare and capture
registers from an asynchronous clock that can remain functional in low power modes.
31.1.2 Features
The TPM features include:
• TPM clock mode is selectable
• Can increment on every edge of the asynchronous counter clock
• Can increment on rising edge of an external clock input synchronized to the
asynchronous counter clock
• Prescaler divide-by 1, 2, 4, 8, 16, 32, 64, or 128
• TPM includes a 16-bit counter
KL25 Sub-Family Reference Manual, Rev. 3, September 2012
Freescale Semiconductor, Inc. 547

• It can be a free-running counter or modulo counter
• The counting can be up or up-down
• Includes 6 channels that can be configured for input capture, output compare, or
edge-aligned PWM mode
• In input capture mode the capture can occur on rising edges, falling edges or
both edges
• In output compare mode the output signal can be set, cleared, pulsed, or toggled
on match
• All channels can be configured for center-aligned PWM mode
• Support the generation of an interrupt and/or DMA request per channel
• Support the generation of an interrupt and/or DMA request when the counter
overflows
• Support selectable trigger input to optionally reset or cause the counter to start
incrementing.
• The counter can also optionally stop incrementing on counter overflow
• Support the generation of hardware triggers when the counter overflows and per
channel
31.1.3 Modes of Operation
During debug mode, the TPM can can be configured to temporarily pause all counting
until the core returns to normal user operating mode or to operate normally. When the
counter is paused, trigger inputs and input capture events are ignored.
During doze mode, the TPM can be configured to operate normally or to pause all
counting for the duration of doze mode. When the counter is paused, trigger inputs and
input capture events are ignored.
During stop mode, the TPM counter clock can remain functional and the TPM can
generate an asynchronous interrupt to exit the MCU from stop mode.
31.1.4 Block Diagram
The TPM uses one input/output (I/O) pin per channel, CHn (TPM channel (n)) where n is
the channel number.
Introduction
KL25 Sub-Family Reference Manual, Rev. 3, September 2012
548 Freescale Semiconductor, Inc.

The following figure shows the TPM structure. The central component of the TPM is the
16-bit counter with programmable final value and its counting can be up or up-down.
no clock selected
(counter disable)
module clock
external clock
CMOD
synchronizer
CPWMS
PS
TOIE
TOF
MOD
Module counter
timer overflow
interrupt
Channel 0
MS0B:MS0A
ELS0B:ELS0A
input capture
mode logic
channel 0
input C0V
CH0IE
CH0F
channel 0
interrupt
channel 0
output signal
output modes logic
prescaler
Channel N
MSNB:MSNA
ELSNB:ELSNA
input capture
mode logic
channel N
input CNV
CHNIE
CHNF
channel N
interrupt
channel N
output signal
output modes logic
(generation of channel N outputs signals in
output compare, EPWM and CPWM modes)
(generation of channel 0 outputs signals in
output compare, EPWM and CPWM modes)
(1, 2, 4, 8, 16, 32, 64 or 128)
3
Figure 31-1. TPM block diagram
31.2 TPM Signal Descriptions
Table 31-1 shows the user-accessible signals for the TPM.
Table 31-1. TPM signal descriptions
Signal Description I/O
TPM_EXTCLK External clock. TPM external clock can be selected to increment the TPM
counter on every rising edge synchronized to the counter clock.
I
TPM_CHn TPM channel (n = 5 to 0) I/O
Chapter 31 Timer/PWM Module (TPM)
KL25 Sub-Family Reference Manual, Rev. 3, September 2012
Freescale Semiconductor, Inc. 549

31.2.1 TPM_EXTCLK — TPM External Clock
The rising edge of the external input signal is used to increment the TPM counter if
selected by CMOD[1:0] bits in the SC register. This input signal must be less than half of
the TPM counter clock frequency. The TPM counter prescaler selection and settings are
also used when an external input is selected.
31.2.2 TPM_CHn — TPM Channel (n) I/O Pin
Each TPM channel can be configured to operate either as input or output. The direction
associated with each channel, input or output, is selected according to the mode assigned
for that channel.
31.3 Memory Map and Register Definition
This section provides a detailed description of all TPM registers.
Attempting to access a reserved register location in the TPM memory map will generate a
bus error.
TPM memory map
Absolute
address
(hex)
Register name Width
(in bits) Access Reset value Section/
page
4003_8000 Status and Control (TPM0_SC) 32 R/W 0000_0000h 31.3.1/552
4003_8004 Counter (TPM0_CNT) 32 R/W 0000_0000h 31.3.2/553
4003_8008 Modulo (TPM0_MOD) 32 R/W 0000_FFFFh 31.3.3/554
4003_800C Channel (n) Status and Control (TPM0_C0SC) 32 R/W 0000_0000h 31.3.4/555
4003_8010 Channel (n) Value (TPM0_C0V) 32 R/W 0000_0000h 31.3.5/557
4003_8014 Channel (n) Status and Control (TPM0_C1SC) 32 R/W 0000_0000h 31.3.4/555
4003_8018 Channel (n) Value (TPM0_C1V) 32 R/W 0000_0000h 31.3.5/557
4003_801C Channel (n) Status and Control (TPM0_C2SC) 32 R/W 0000_0000h 31.3.4/555
4003_8020 Channel (n) Value (TPM0_C2V) 32 R/W 0000_0000h 31.3.5/557
4003_8024 Channel (n) Status and Control (TPM0_C3SC) 32 R/W 0000_0000h 31.3.4/555
4003_8028 Channel (n) Value (TPM0_C3V) 32 R/W 0000_0000h 31.3.5/557
4003_802C Channel (n) Status and Control (TPM0_C4SC) 32 R/W 0000_0000h 31.3.4/555
4003_8030 Channel (n) Value (TPM0_C4V) 32 R/W 0000_0000h 31.3.5/557
4003_8034 Channel (n) Status and Control (TPM0_C5SC) 32 R/W 0000_0000h 31.3.4/555
4003_8038 Channel (n) Value (TPM0_C5V) 32 R/W 0000_0000h 31.3.5/557
4003_8050 Capture and Compare Status (TPM0_STATUS) 32 R/W 0000_0000h 31.3.6/557
4003_8084 Configuration (TPM0_CONF) 32 R/W 0000_0000h 31.3.7/559
Memory Map and Register Definition
KL25 Sub-Family Reference Manual, Rev. 3, September 2012
550 Freescale Semiconductor, Inc.

TPM memory map (continued)
Absolute
address
(hex)
Register name Width
(in bits) Access Reset value Section/
page
4003_9000 Status and Control (TPM1_SC) 32 R/W 0000_0000h 31.3.1/552
4003_9004 Counter (TPM1_CNT) 32 R/W 0000_0000h 31.3.2/553
4003_9008 Modulo (TPM1_MOD) 32 R/W 0000_FFFFh 31.3.3/554
4003_900C Channel (n) Status and Control (TPM1_C0SC) 32 R/W 0000_0000h 31.3.4/555
4003_9010 Channel (n) Value (TPM1_C0V) 32 R/W 0000_0000h 31.3.5/557
4003_9014 Channel (n) Status and Control (TPM1_C1SC) 32 R/W 0000_0000h 31.3.4/555
4003_9018 Channel (n) Value (TPM1_C1V) 32 R/W 0000_0000h 31.3.5/557
4003_901C Channel (n) Status and Control (TPM1_C2SC) 32 R/W 0000_0000h 31.3.4/555
4003_9020 Channel (n) Value (TPM1_C2V) 32 R/W 0000_0000h 31.3.5/557
4003_9024 Channel (n) Status and Control (TPM1_C3SC) 32 R/W 0000_0000h 31.3.4/555
4003_9028 Channel (n) Value (TPM1_C3V) 32 R/W 0000_0000h 31.3.5/557
4003_902C Channel (n) Status and Control (TPM1_C4SC) 32 R/W 0000_0000h 31.3.4/555
4003_9030 Channel (n) Value (TPM1_C4V) 32 R/W 0000_0000h 31.3.5/557
4003_9034 Channel (n) Status and Control (TPM1_C5SC) 32 R/W 0000_0000h 31.3.4/555
4003_9038 Channel (n) Value (TPM1_C5V) 32 R/W 0000_0000h 31.3.5/557
4003_9050 Capture and Compare Status (TPM1_STATUS) 32 R/W 0000_0000h 31.3.6/557
4003_9084 Configuration (TPM1_CONF) 32 R/W 0000_0000h 31.3.7/559
4003_A000 Status and Control (TPM2_SC) 32 R/W 0000_0000h 31.3.1/552
4003_A004 Counter (TPM2_CNT) 32 R/W 0000_0000h 31.3.2/553
4003_A008 Modulo (TPM2_MOD) 32 R/W 0000_FFFFh 31.3.3/554
4003_A00C Channel (n) Status and Control (TPM2_C0SC) 32 R/W 0000_0000h 31.3.4/555
4003_A010 Channel (n) Value (TPM2_C0V) 32 R/W 0000_0000h 31.3.5/557
4003_A014 Channel (n) Status and Control (TPM2_C1SC) 32 R/W 0000_0000h 31.3.4/555
4003_A018 Channel (n) Value (TPM2_C1V) 32 R/W 0000_0000h 31.3.5/557
4003_A01C Channel (n) Status and Control (TPM2_C2SC) 32 R/W 0000_0000h 31.3.4/555
4003_A020 Channel (n) Value (TPM2_C2V) 32 R/W 0000_0000h 31.3.5/557
4003_A024 Channel (n) Status and Control (TPM2_C3SC) 32 R/W 0000_0000h 31.3.4/555
4003_A028 Channel (n) Value (TPM2_C3V) 32 R/W 0000_0000h 31.3.5/557
4003_A02C Channel (n) Status and Control (TPM2_C4SC) 32 R/W 0000_0000h 31.3.4/555
4003_A030 Channel (n) Value (TPM2_C4V) 32 R/W 0000_0000h 31.3.5/557
4003_A034 Channel (n) Status and Control (TPM2_C5SC) 32 R/W 0000_0000h 31.3.4/555
4003_A038 Channel (n) Value (TPM2_C5V) 32 R/W 0000_0000h 31.3.5/557
4003_A050 Capture and Compare Status (TPM2_STATUS) 32 R/W 0000_0000h 31.3.6/557
4003_A084 Configuration (TPM2_CONF) 32 R/W 0000_0000h 31.3.7/559
Chapter 31 Timer/PWM Module (TPM)
KL25 Sub-Family Reference Manual, Rev. 3, September 2012
Freescale Semiconductor, Inc. 551

31.3.1 Status and Control (TPMx_SC)
SC contains the overflow status flag and control bits used to configure the interrupt
enable, module configuration and prescaler factor. These controls relate to all channels
within this module.
Address: Base address + 0h offset
Bit 31 30 29 28 27 26 25 24 23 22 21 20 19 18 17 16
R0
W
Reset 0 0 0 0 0 0 0 0 0 0 0 0 0 0 0 0
Bit 15 14 13 12 11 10 9 8 7 6 5 4 3 2 1 0
R0
DMA
TOF
TOIE
CPWMS
CMOD PS
Ww1c
Reset 0 0 0 0 0 0 0 0 0 0 0 0 0 0 0 0
TPMx_SC field descriptions
Field Description
31–9
Reserved
This field is reserved.
This read-only field is reserved and always has the value 0.
8
DMA
DMA Enable
Enables DMA transfers for the overflow flag.
0 Disables DMA transfers.
1 Enables DMA transfers.
7
TOF
Timer Overflow Flag
Set by hardware when the LPTPM counter equals the value in the MOD register and increments. The TOF
bit is cleared by writing a 1 to TOF bit. Writing a 0 to TOF has no effect.
If another LPTPM overflow occurs between the flag setting and the flag clearing, the write operation has
no effect; therefore, TOF remains set indicating another overflow has occurred. In this case a TOF
interrupt request is not lost due to a delay in clearing the previous TOF.
Table continues on the next page...
Memory Map and Register Definition
KL25 Sub-Family Reference Manual, Rev. 3, September 2012
552 Freescale Semiconductor, Inc.

TPMx_SC field descriptions (continued)
Field Description
0 LPTPM counter has not overflowed.
1 LPTPM counter has overflowed.
6
TOIE
Timer Overflow Interrupt Enable
Enables LPTPM overflow interrupts.
0 Disable TOF interrupts. Use software polling or DMA request.
1 Enable TOF interrupts. An interrupt is generated when TOF equals one.
5
CPWMS
Center-aligned PWM Select
Selects CPWM mode. This mode configures the LPTPM to operate in up-down counting mode.
This field is write protected. It can be written only when the counter is disabled.
0 LPTPM counter operates in up counting mode.
1 LPTPM counter operates in up-down counting mode.
4–3
CMOD
Clock Mode Selection
Selects the LPTPM counter clock modes. When disabling the counter, this field remain set until
acknolwedged in the LPTPM clock domain.
00 LPTPM counter is disabled
01 LPTPM counter increments on every LPTPM counter clock
10 LPTPM counter increments on rising edge of LPTPM_EXTCLK synchronized to the LPTPM counter
clock
11 Reserved
2–0
PS
Prescale Factor Selection
Selects one of 8 division factors for the clock mode selected by CMOD.
This field is write protected. It can be written only when the counter is disabled.
000 Divide by 1
001 Divide by 2
010 Divide by 4
011 Divide by 8
100 Divide by 16
101 Divide by 32
110 Divide by 64
111 Divide by 128
31.3.2 Counter (TPMx_CNT)
The CNT register contains the LPTPM counter value.
Reset clears the CNT register. Writing any value to COUNT also clears the counter.
When debug is active, the LPTPM counter does not increment unless configured
otherwise.
Chapter 31 Timer/PWM Module (TPM)
KL25 Sub-Family Reference Manual, Rev. 3, September 2012
Freescale Semiconductor, Inc. 553

Reading the CNT register adds two wait states to the register access due to
synchronization delays.
Address: Base address + 4h offset
Bit 31 30 29 28 27 26 25 24 23 22 21 20 19 18 17 16 15 14 13 12 11 10 9 8 7 6 5 4 3 2 1 0
R0COUNT
W
Reset 0 0 0 0 0 0 0 0 0 0 0 0 0 0 0 0 0 0 0 0 0 0 0 0 0 0 0 0 0 0 0 0
TPMx_CNT field descriptions
Field Description
31–16
Reserved
This field is reserved.
This read-only field is reserved and always has the value 0.
15–0
COUNT
Counter value
31.3.3 Modulo (TPMx_MOD)
The Modulo register contains the modulo value for the LPTPM counter. When the
LPTPM counter reaches the modulo value and increments, the overflow flag (TOF) is set
and the next value of LPTPM counter depends on the selected counting method (see
Counter ).
Writing to the MOD register latches the value into a buffer. The MOD register is updated
with the value of its write buffer according to MOD Register Update .
It is recommended to initialize the LPTPM counter (write to CNT) before writing to the
MOD register to avoid confusion about when the first counter overflow will occur.
Address: Base address + 8h offset
Bit 31 30 29 28 27 26 25 24 23 22 21 20 19 18 17 16 15 14 13 12 11 10 9 8 7 6 5 4 3 2 1 0
R0MOD
W
Reset 0 0 0 0 0 0 0 0 0 0 0 0 0 0 0 0 1 1 1 1 1 1 1 1 1 1 1 1 1 1 1 1
TPMx_MOD field descriptions
Field Description
31–16
Reserved
This field is reserved.
This read-only field is reserved and always has the value 0.
15–0
MOD
Modulo value
When writing this field, all bytes must be written at the same time.
Memory Map and Register Definition
KL25 Sub-Family Reference Manual, Rev. 3, September 2012
554 Freescale Semiconductor, Inc.

31.3.4 Channel (n) Status and Control (TPMx_CnSC)
CnSC contains the channel-interrupt-status flag and control bits used to configure the
interrupt enable, channel configuration, and pin function. When switching from one
channel mode to a different channel mode, the channel must first be disabled and this
must be acknowledged in the LPTPM counter clock domain.
Table 31-34. Mode, Edge, and Level Selection
CPWMS MSnB:MSnA ELSnB:ELSnA Mode Configuration
X 00 00 None Channel disabled
X 01/10/11 00 Software compare Pin not used for LPTPM
0 00 01 Input capture Capture on Rising Edge
Only
10 Capture on Falling
Edge Only
11 Capture on Rising or
Falling Edge
01 01 Output compare Toggle Output on
match
10 Clear Output on match
11 Set Output on match
10 10 Edge-aligned PWM High-true pulses (clear
Output on match, set
Output on reload)
X1 Low-true pulses (set
Output on match, clear
Output on reload)
11 10 Output compare Pulse Output low on
match
X1 Pulse Output high on
match
1 10 10 Center-aligned PWM High-true pulses (clear
Output on match-up,
set Output on match-
down)
X1 Low-true pulses (set
Output on match-up,
clear Output on match-
down)
Address: Base address + Ch offset + (8d × i), where i=0d to 5d
Bit 31 30 29 28 27 26 25 24 23 22 21 20 19 18 17 16
R0
W
Reset 0 0 0 0 0 0 0 0 0 0 0 0 0 0 0 0
Chapter 31 Timer/PWM Module (TPM)
KL25 Sub-Family Reference Manual, Rev. 3, September 2012
Freescale Semiconductor, Inc. 555

Bit 15 14 13 12 11 10 9 8 7 6 5 4 3 2 1 0
R0 CHF CHIE MSB MSA ELSB ELSA 0DMA
Ww1c
Reset 0 0 0 0 0 0 0 0 0 0 0 0 0 0 0 0
TPMx_CnSC field descriptions
Field Description
31–8
Reserved
This field is reserved.
This read-only field is reserved and always has the value 0.
7
CHF
Channel Flag
Set by hardware when an event occurs on the channel. CHF is cleared by writing a 1 to the CHF bit.
Writing a 0 to CHF has no effect.
If another event occurs between the CHF sets and the write operation, the write operation has no effect;
therefore, CHF remains set indicating another event has occurred. In this case a CHF interrupt request is
not lost due to the delay in clearing the previous CHF.
0 No channel event has occurred.
1 A channel event has occurred.
6
CHIE
Channel Interrupt Enable
Enables channel interrupts.
0 Disable channel interrupts.
1 Enable channel interrupts.
5
MSB
Channel Mode Select
Used for further selections in the channel logic. Its functionality is dependent on the channel mode. When
a channel is disabled, this bit will not change state until acknowledged in the LPTPM counter clock
domain.
4
MSA
Channel Mode Select
Used for further selections in the channel logic. Its functionality is dependent on the channel mode. When
a channel is disabled, this bit will not change state until acknowledged in the LPTPM counter clock
domain.
3
ELSB
Edge or Level Select
The functionality of ELSB and ELSA depends on the channel mode. When a channel is disabled, this bit
will not change state until acknowledged in the LPTPM counter clock domain.
2
ELSA
Edge or Level Select
The functionality of ELSB and ELSA depends on the channel mode. When a channel is disabled, this bit
will not change state until acknowledged in the LPTPM counter clock domain.
1
Reserved
This field is reserved.
This read-only field is reserved and always has the value 0.
0
DMA
DMA Enable
Enables DMA transfers for the channel.
0 Disable DMA transfers.
1 Enable DMA transfers.
Memory Map and Register Definition
KL25 Sub-Family Reference Manual, Rev. 3, September 2012
556 Freescale Semiconductor, Inc.

31.3.5 Channel (n) Value (TPMx_CnV)
These registers contain the captured LPTPM counter value for the input modes or the
match value for the output modes.
In input capture mode, any write to a CnV register is ignored.
In compare modes, writing to a CnV register latches the value into a buffer. A CnV
register is updated with the value of its write buffer according to CnV Register Update .
Address: Base address + 10h offset + (8d × i), where i=0d to 5d
Bit 31 30 29 28 27 26 25 24 23 22 21 20 19 18 17 16 15 14 13 12 11 10 9 8 7 6 5 4 3 2 1 0
R0VAL
W
Reset 0 0 0 0 0 0 0 0 0 0 0 0 0 0 0 0 0 0 0 0 0 0 0 0 0 0 0 0 0 0 0 0
TPMx_CnV field descriptions
Field Description
31–16
Reserved
This field is reserved.
This read-only field is reserved and always has the value 0.
15–0
VAL
Channel Value
Captured LPTPM counter value of the input modes or the match value for the output modes. When writing
this field, all bytes must be written at the same time.
31.3.6 Capture and Compare Status (TPMx_STATUS)
The STATUS register contains a copy of the status flag CHnF bit (in CnSC) for each
LPTPM channel, as well as the TOF bit (in SC), for software convenience.
Each CHnF bit in STATUS is a mirror of CHnF bit in CnSC. All CHnF bits can be
checked using only one read of STATUS. All CHnF bits can be cleared by writing all
ones to STATUS.
Hardware sets the individual channel flags when an event occurs on the channel. CHF is
cleared by writing a 1 to the CHF bit. Writing a 0 to CHF has no effect.
If another event occurs between the flag setting and the write operation, the write
operation has no effect; therefore, CHF remains set indicating another event has occurred.
In this case a CHF interrupt request is not lost due to the clearing sequence for a previous
CHF.
Chapter 31 Timer/PWM Module (TPM)
KL25 Sub-Family Reference Manual, Rev. 3, September 2012
Freescale Semiconductor, Inc. 557

Address: Base address + 50h offset
Bit 31 30 29 28 27 26 25 24 23 22 21 20 19 18 17 16
R0
W
Reset 0 0 0 0 0 0 0 0 0 0 0 0 0 0 0 0
Bit 15 14 13 12 11 10 9 8 7 6 5 4 3 2 1 0
R0
TOF
0
CH5F
CH4F
CH3F
CH2F
CH1F
CH0F
Ww1c w1c w1c w1c w1c w1c w1c
Reset 0 0 0 0 0 0 0 0 0 0 0 0 0 0 0 0
TPMx_STATUS field descriptions
Field Description
31–9
Reserved
This field is reserved.
This read-only field is reserved and always has the value 0.
8
TOF
Timer Overflow Flag
See register description
0 LPTPM counter has not overflowed.
1 LPTPM counter has overflowed.
7–6
Reserved
This field is reserved.
This read-only field is reserved and always has the value 0.
5
CH5F
Channel 5 Flag
See the register description.
0 No channel event has occurred.
1 A channel event has occurred.
4
CH4F
Channel 4 Flag
See the register description.
0 No channel event has occurred.
1 A channel event has occurred.
3
CH3F
Channel 3 Flag
See the register description.
0 No channel event has occurred.
1 A channel event has occurred.
Table continues on the next page...
Memory Map and Register Definition
KL25 Sub-Family Reference Manual, Rev. 3, September 2012
558 Freescale Semiconductor, Inc.

TPMx_STATUS field descriptions (continued)
Field Description
2
CH2F
Channel 2 Flag
See the register description.
0 No channel event has occurred.
1 A channel event has occurred.
1
CH1F
Channel 1 Flag
See the register description.
0 No channel event has occurred.
1 A channel event has occurred.
0
CH0F
Channel 0 Flag
See the register description.
0 No channel event has occurred.
1 A channel event has occurred.
31.3.7 Configuration (TPMx_CONF)
This register selects the behavior in debug and wait modes and the use of an external
global time base.
Address: Base address + 84h offset
Bit 31 30 29 28 27 26 25 24 23 22 21 20 19 18 17 16
R0
TRGSEL
0
CROT
CSOO
CSOT
W
Reset 0 0 0 0 0 0 0 0 0 0 0 0 0 0 0 0
Bit 15 14 13 12 11 10 9 8 7 6 5 4 3 2 1 0
R0
GTBEEN
0
DBGMODE
DOZEEN
0
W
Reset 0 0 0 0 0 0 0 0 0 0 0 0 0 0 0 0
TPMx_CONF field descriptions
Field Description
31–28
Reserved
This field is reserved.
This read-only field is reserved and always has the value 0.
Table continues on the next page...
Chapter 31 Timer/PWM Module (TPM)
KL25 Sub-Family Reference Manual, Rev. 3, September 2012
Freescale Semiconductor, Inc. 559

TPMx_CONF field descriptions (continued)
Field Description
27–24
TRGSEL
Trigger Select
Selects the input trigger to use for starting the counter and/or reloading the counter. This field should only
be changed when the LPTPM counter is disabled. See Chip configuration section for available options.
23–19
Reserved
This field is reserved.
This read-only field is reserved and always has the value 0.
18
CROT
Counter Reload On Trigger
When set, the LPTPM counter will reload with zero (and initialize PWM outputs to their default value) when
a rising edge is detected on the selected trigger input.
The trigger input is ignored if the LPTPM counter is paused during debug mode or doze mode. This field
should only be changed when the LPTPM counter is disabled.
0 Counter is not reloaded due to a rising edge on the selected input trigger
1 Counter is reloaded when a rising edge is detected on the selected input trigger
17
CSOO
Counter Stop On Overflow
When set, the LPTPM counter will stop incrementing once the counter equals the MOD value and
incremented (this also sets the TOF). Reloading the counter with zero due to writing to the counter register
or due to a trigger input does not cause the counter to stop incrementing. Once the counter has stopped
incrementing, the counter will not start incrementing unless it is disabled and then enabled again, or a
rising edge on the selected trigger input is detected when CSOT set.
This field should only be changed when the LPTPM counter is disabled.
0 LPTPM counter continues incrementing or decrementing after overflow
1 LPTPM counter stops incrementing or decrementing after overflow.
16
CSOT
Counter Start on Trigger
When set, the LPTPM counter will not start incrementing after it is enabled until a rising edge on the
selected trigger input is detected. If the LPTPM counter is stopped due to an overflow, a rising edge on the
selected trigger input will also cause the LPTPM counter to start incrementing again.
The trigger input is ignored if the LPTPM counter is paused during debug mode or doze mode. This field
should only be changed when the LPTPM counter is disabled.
0 LPTPM counter starts to increment immediately, once it is enabled.
1 LPTPM counter only starts to increment when it a rising edge on the selected input trigger is detected,
after it has been enabled or after it has stopped due to overflow.
15–10
Reserved
This field is reserved.
This read-only field is reserved and always has the value 0.
9
GTBEEN
Global time base enable
Configures the LPTPM to use an externally generated global time base counter. When an externally
generated timebase is used, the internal LPTPM counter is not used by the channels but can be used to
generate a periodic interrupt or DMA request using the Modulo register and timer overflow flag.
0 All channels use the internally generated LPTPM counter as their timebase
1 All channels use an externally generated global timebase as their timebase
8
Reserved
This field is reserved.
This read-only field is reserved and always has the value 0.
7–6
DBGMODE
Debug Mode
Table continues on the next page...
Memory Map and Register Definition
KL25 Sub-Family Reference Manual, Rev. 3, September 2012
560 Freescale Semiconductor, Inc.

TPMx_CONF field descriptions (continued)
Field Description
Configures the LPTPM behavior in debug mode. All other configurations are reserved.
00 LPTPM counter is paused and does not increment during debug mode. Trigger inputs and input
capture events are also ignored.
11 LPTPM counter continues in debug mode.
5
DOZEEN
Doze Enable
Configures the LPTPM behavior in wait mode.
0 Internal LPTPM counter continues in Doze mode.
1 Internal LPTPM counter is paused and does not increment during Doze mode. Trigger inputs and
input capture events are also ignored.
4–0
Reserved
This field is reserved.
This read-only field is reserved and always has the value 0.
31.4 Functional Description
The following sections describe the TPM features.
31.4.1 Clock Domains
The TPM module supports two clock domains.
The bus clock domain is used by the register interface and for synchronizing interrupts
and DMA requests.
The TPM counter clock domain is used to clock the counter and prescaler along with the
output compare and input capture logic. The TPM counter clock is considered
asynchronous to the bus clock, can be a higher or lower frequency than the bus clock and
can remain operational in Stop mode. Multiple TPM instances are all clocked by the
same TPM counter clock in support of the external timebase feature.
31.4.1.1 Counter Clock Mode
The CMOD[1:0] bits in the SC register either disable the TPM counter or select one of
two possible clock modes for the TPM counter. After any reset, CMOD[1:0] = 0:0 so the
TPM counter is disabled.
Chapter 31 Timer/PWM Module (TPM)
KL25 Sub-Family Reference Manual, Rev. 3, September 2012
Freescale Semiconductor, Inc. 561

The CMOD[1:0] bits may be read or written at any time. Disabling the TPM counter by
writing zero to the CMOD[1:0] bits does not affect the TPM counter value or other
registers, but must be acknowledged by the TPM counter clock domain before they read
as zero.
The external clock input passes through a synchronizer clocked by the TPM counter
clock to assure that counter transitions are properly aligned to counter clock transitions.
Therefore, to meet Nyquist criteria considering also jitter, the frequency of the external
clock source must be less than half of the counter clock frequency.
31.4.2 Prescaler
The selected counter clock source passes through a prescaler that is a 7-bit counter. The
value of the prescaler is selected by the PS[2:0] bits. The following figure shows an
example of the prescaler counter and TPM counter.
0
0
0
00
0 0
0 00 0 0
1
1 1
2 2
3 3
1
11 1 11 1 1
1
selected input clock
prescaler counter
timer module counting is up.
PS[2:0] = 001
CNTIN = 0x0000
timer module counter
Figure 31-78. Example of the Prescaler Counter
31.4.3 Counter
The TPM has a 16-bit counter that is used by the channels either for input or output
modes. The counter updates from the selected clock divided by the prescaler.
The TPM counter has these modes of operation:
• up counting (see Up Counting)
• up-down counting (see Up-Down Counting)
31.4.3.1 Up Counting
Up counting is selected when (CPWMS = 0)
Functional Description
KL25 Sub-Family Reference Manual, Rev. 3, September 2012
562 Freescale Semiconductor, Inc.

The value of zero is loaded into the TPM counter, and the counter increments until the
value of MOD is reached, at which point the counter is reloaded with zero.
The TPM period when using up counting is (MOD + 0x0001) × period of the TPM
counter clock.
The TOF bit is set when the TPM counter changes from MOD to zero.
MOD = 0x0004
TOF bit
3400
1 12 2
3 3
44012
timer module counter
set TOF bit
period of timer module counter clock
period of counting = (MOD + 0x0001) x period of timer module counter clock
set TOF bit set TOF bit
Figure 31-79. Example of TPM Up Counting
Note
• MOD = 0000 is a redundant condition. In this case, the
TPM counter is always equal to MOD and the TOF bit is
set in each rising edge of the TPM counter clock.
31.4.3.2 Up-Down Counting
Up-down counting is selected when (CPWMS = 1). When configured for up-down
counting, configuring MOD to less than 2 is not supported.
The value of zero is loaded into the TPM counter, and the counter increments until the
value of MOD is reached, at which point the counter is decremented until it returns to
zero and the up-down counting restarts.
The TPM period when using up-down counting is 2 × MOD × period of the TPM counter
clock.
The TOF bit is set when the TPM counter changes from MOD to (MOD – 1).
Chapter 31 Timer/PWM Module (TPM)
KL25 Sub-Family Reference Manual, Rev. 3, September 2012
Freescale Semiconductor, Inc. 563

0 0 0
1 1 11 1
2 2 22 23 3 33 34 4 4
TOF bit
set TOF bit set TOF bit
period of counting = 2 x MOD x period of timer module counter clock
MOD = 0x0004
period of timer module counter clock
Timer module counter
Figure 31-80. Example of Up-Down Counting
31.4.3.3 Counter Reset
Any write to CNT resets the TPM counter and the channel outputs to their initial values
(except for channels in output compare mode).
31.4.4 Input Capture Mode
The input capture mode is selected when (CPWMS = 0), (MSnB:MSnA = 0:0), and
(ELSnB:ELSnA ≠ 0:0).
When a selected edge occurs on the channel input, the current value of the TPM counter
is captured into the CnV register, at the same time the CHnF bit is set and the channel
interrupt is generated if enabled by CHnIE = 1 (see the following figure).
When a channel is configured for input capture, the TPM_CHn pin is an edge-sensitive
input. ELSnB:ELSnA control bits determine which edge, falling or rising, triggers input-
capture event. Note that the maximum frequency for the channel input signal to be
detected correctly is counter clock divided by 4, which is required to meet Nyquist
criteria for signal sampling.
Writes to the CnV register are ignored in input capture mode.
Functional Description
KL25 Sub-Family Reference Manual, Rev. 3, September 2012
564 Freescale Semiconductor, Inc.

channel (n) input
synchronizer
edge
detector
was falling
edge selected?
was rising
edge selected?
rising edge
falling edge
0
1
1
0
0 0
CnV
D Q
CLK
D Q
CLK
channel (n) interrupt
CHnIE
CHnF
timer module clock
timer module counter
Figure 31-81. Input capture mode
The CHnF bit is set on the third rising edge of the counter clock after a valid edge occurs
on the channel input.
31.4.5 Output Compare Mode
The output compare mode is selected when (CPWMS = 0), and (MSnB:MSnA = 0:1).
In output compare mode, the TPM can generate timed pulses with programmable
position, polarity, duration, and frequency. When the counter matches the value in the
CnV register of an output compare channel, the channel (n) output can be set, cleared, or
toggled.
When a channel is initially configured to output compare mode, the channel output
updates with its negated value (logic 0 for set/toggle/pulse high and logic one for clear/
pulse low).
The CHnF bit is set and the channel (n) interrupt is generated (if CHnIE = 1) at the
channel (n) match (TPM counter = CnV).
Chapter 31 Timer/PWM Module (TPM)
KL25 Sub-Family Reference Manual, Rev. 3, September 2012
Freescale Semiconductor, Inc. 565

TOF bit
...
... 01 1 1
22
3 3
4 45 5
0 0
previous value
previous value
channel (n) output
counter
overflow counter
overflow counter
overflow
channel (n)
match channel (n)
match
CNT
MOD = 0x0005
CnV = 0x0003
CHnF bit
Figure 31-82. Example of the output compare mode when the match toggles the channel
output
TOF bit
...
... 01 1 1
22
3 3
4 45 5
0 0
previous value
previous value
channel (n) output
counter
overflow counter
overflow counter
overflow
channel (n)
match channel (n)
match
CNT
MOD = 0x0005
CnV = 0x0003
CHnF bit
Figure 31-83. Example of the output compare mode when the match clears the channel
output
channel (n) output
CHnF bit
TOF bit
CNT
MOD = 0x0005
CnV = 0x0003
counter
overflow channel (n)
match counter
overflow channel (n)
match counter
overflow
... 0123 4 5 01234501...
previous value
previous value
Figure 31-84. Example of the output compare mode when the match sets the channel
output
It is possible to use the output compare mode with (ELSnB:ELSnA = 0:0). In this case,
when the counter reaches the value in the CnV register, the CHnF bit is set and the
channel (n) interrupt is generated (if CHnIE = 1), however the channel (n) output is not
modified and controlled by TPM.
Functional Description
KL25 Sub-Family Reference Manual, Rev. 3, September 2012
566 Freescale Semiconductor, Inc.

31.4.6 Edge-Aligned PWM (EPWM) Mode
The edge-aligned mode is selected when (CPWMS = 0), and (MSnB:MSnA = 1:0). The
EPWM period is determined by (MOD + 0x0001) and the pulse width (duty cycle) is
determined by CnV.
The CHnF bit is set and the channel (n) interrupt is generated (if CHnIE = 1) at the
channel (n) match (TPM counter = CnV), that is, at the end of the pulse width.
This type of PWM signal is called edge-aligned because the leading edges of all PWM
signals are aligned with the beginning of the period, which is the same for all channels
within an TPM.
period
counter overflow counter overflow counter overflow
channel (n) output
channel (n) match channel (n) match channel (n) match
pulse
width
Figure 31-85. EPWM period and pulse width with ELSnB:ELSnA = 1:0
If (ELSnB:ELSnA = 0:0) when the counter reaches the value in the CnV register, the
CHnF bit is set and the channel (n) interrupt is generated (if CHnIE = 1), however the
channel (n) output is not controlled by TPM.
If (ELSnB:ELSnA = 1:0), then the channel (n) output is forced high at the counter
overflow (when the zero is loaded into the TPM counter), and it is forced low at the
channel (n) match (TPM counter = CnV) (see the following figure).
TOF bit
CHnF bit
CNT
channel (n) output
MOD = 0x0008
CnV = 0x0005
counter
overflow channel (n)
match counter
overflow
...
0 1 2345678012
...
previous value
Figure 31-86. EPWM signal with ELSnB:ELSnA = 1:0
If (ELSnB:ELSnA = X:1), then the channel (n) output is forced low at the counter
overflow (when zero is loaded into the TPM counter), and it is forced high at the channel
(n) match (TPM counter = CnV) (see the following figure).
Chapter 31 Timer/PWM Module (TPM)
KL25 Sub-Family Reference Manual, Rev. 3, September 2012
Freescale Semiconductor, Inc. 567

TOF bit
CHnF bit
CNT
channel (n) output
MOD = 0x0008
CnV = 0x0005 counter
overflow channel (n)
match counter
overflow
...
0 1 2345678012
...
previous value
Figure 31-87. EPWM signal with ELSnB:ELSnA = X:1
If (CnV = 0x0000), then the channel (n) output is a 0% duty cycle EPWM signal. If (CnV
> MOD), then the channel (n) output is a 100% duty cycle EPWM signal and CHnF bit is
not set since there is never a channel (n) match. Therefore, MOD must be less than
0xFFFF in order to get a 100% duty cycle EPWM signal.
31.4.7 Center-Aligned PWM (CPWM) Mode
The center-aligned mode is selected when (CPWMS = 1) and (MSnB:MSnA = 1:0).
The CPWM pulse width (duty cycle) is determined by 2 × CnV and the period is
determined by 2 × MOD (see the following figure). MOD must be kept in the range of
0x0001 to 0x7FFF because values outside this range can produce ambiguous results.
In the CPWM mode, the TPM counter counts up until it reaches MOD and then counts
down until it reaches zero.
The CHnF bit is set and channel (n) interrupt is generated (if CHnIE = 1) at the channel
(n) match (TPM counter = CnV) when the TPM counting is down (at the begin of the
pulse width) and when the TPM counting is up (at the end of the pulse width).
This type of PWM signal is called center-aligned because the pulse width centers for all
channels are when the TPM counter is zero.
The other channel modes are not designed to be used with the up-down counter (CPWMS
= 1). Therefore, all TPM channels should be used in CPWM mode when (CPWMS = 1).
Functional Description
KL25 Sub-Family Reference Manual, Rev. 3, September 2012
568 Freescale Semiconductor, Inc.

pulse width
counter overflow
timer module counter =
MOD
period
(2 x CnV)
(2 x MOD)
timer module counter = 0
channel (n) match
(timer module counting
is down)
channel (n) match
(timer module counting
is up)
counter overflow
timer module counter =
MOD
channel (n) output
Figure 31-88. CPWM period and pulse width with ELSnB:ELSnA = 1:0
If (ELSnB:ELSnA = 0:0) when the TPM counter reaches the value in the CnV register,
the CHnF bit is set and the channel (n) interrupt is generated (if CHnIE = 1), however the
channel (n) output is not controlled by TPM.
If (ELSnB:ELSnA = 1:0), then the channel (n) output is forced high at the channel (n)
match (TPM counter = CnV) when counting down, and it is forced low at the channel (n)
match when counting up (see the following figure).
TOF bit
... 78 8
7 7 7
6 6 6
5 5 54 43 3
2 21 01...
previous value
CNT
channel (n) output
counter
overflow
channel (n) match in
down counting channel (n) match in
up counting channel (n) match in
down counting
counter
overflow
CHnF bit
MOD = 0x0008
CnV = 0x0005
Figure 31-89. CPWM signal with ELSnB:ELSnA = 1:0
If (ELSnB:ELSnA = X:1), then the channel (n) output is forced low at the channel (n)
match (TPM counter = CnV) when counting down, and it is forced high at the channel (n)
match when counting up (see the following figure).
TOF bit
... 78 8
7 7 7
6 6 6
5 5 54 43 3
2 21 01...
previous value
CNT
channel (n) output
counter
overflow
channel (n) match in
down counting channel (n) match in
up counting channel (n) match in
down counting
counter
overflow
CHnF bit
MOD = 0x0008
CnV = 0x0005
Figure 31-90. CPWM signal with ELSnB:ELSnA = X:1
Chapter 31 Timer/PWM Module (TPM)
KL25 Sub-Family Reference Manual, Rev. 3, September 2012
Freescale Semiconductor, Inc. 569

If (CnV = 0x0000) then the channel (n) output is a 0% duty cycle CPWM signal.
If (CnV > MOD), then the channel (n) output is a 100% duty cycle CPWM signal,
although the CHnF bit is set when the counter changes from incrementing to
decrementing. Therefore, MOD must be less than 0xFFFF in order to get a 100% duty
cycle CPWM signal.
31.4.8 Registers Updated from Write Buffers
31.4.8.1 MOD Register Update
If (CMOD[1:0] = 0:0) then MOD register is updated when MOD register is written.
If (CMOD[1:0] ≠ 0:0), then MOD register is updated according to the CPWMS bit, that
is:
• If the selected mode is not CPWM then MOD register is updated after MOD register
was written and the TPM counter changes from MOD to zero.
• If the selected mode is CPWM then MOD register is updated after MOD register was
written and the TPM counter changes from MOD to (MOD – 1).
31.4.8.2 CnV Register Update
If (CMOD[1:0] = 0:0) then CnV register is updated when CnV register is written.
If (CMOD[1:0] ≠ 0:0), then CnV register is updated according to the selected mode, that
is:
• If the selected mode is output compare then CnV register is updated on the next TPM
counter increment (end of the prescaler counting) after CnV register was written.
• If the selected mode is EPWM then CnV register is updated after CnV register was
written and the TPM counter changes from MOD to zero.
• If the selected mode is CPWM then CnV register is updated after CnV register was
written and the TPM counter changes from MOD to (MOD – 1).
Functional Description
KL25 Sub-Family Reference Manual, Rev. 3, September 2012
570 Freescale Semiconductor, Inc.

31.4.9 DMA
The channel generates a DMA transfer request according to DMA and CHnIE bits (see
the following table).
Table 31-110. Channel DMA Transfer Request
DMA CHnIE Channel DMA Transfer Request Channel Interrupt
0 0 The channel DMA transfer request is not
generated.
The channel interrupt is not generated.
0 1 The channel DMA transfer request is not
generated.
The channel interrupt is generated if (CHnF = 1).
1 0 The channel DMA transfer request is generated if
(CHnF = 1).
The channel interrupt is not generated.
1 1 The channel DMA transfer request is generated if
(CHnF = 1).
The channel interrupt is generated if (CHnF = 1).
If DMA = 1, the CHnF bit can be cleared either by channel DMA transfer done or writing
a one to CHnF bit (see the following table).
Table 31-111. Clear CHnF Bit
DMA How CHnF Bit Can Be Cleared
0 CHnF bit is cleared by writing a 1 to CHnF bit.
1 CHnF bit is cleared either when the channel DMA transfer is done or by writing a 1 to CHnF bit.
31.4.10 Reset Overview
The TPM is reset whenever any chip reset occurs.
When the TPM exits from reset:
• the TPM counter and the prescaler counter are zero and are stopped (CMOD[1:0] =
0:0);
• the timer overflow interrupt is zero;
• the channels interrupts are zero;
• the channels are in input capture mode;
• the channels outputs are zero;
• the channels pins are not controlled by TPM (ELS(n)B:ELS(n)A = 0:0).
31.4.11 TPM Interrupts
This section describes TPM interrupts.
Chapter 31 Timer/PWM Module (TPM)
KL25 Sub-Family Reference Manual, Rev. 3, September 2012
Freescale Semiconductor, Inc. 571

31.4.11.1 Timer Overflow Interrupt
The timer overflow interrupt is generated when (TOIE = 1) and (TOF = 1).
31.4.11.2 Channel (n) Interrupt
The channel (n) interrupt is generated when (CHnIE = 1) and (CHnF = 1).
Functional Description
KL25 Sub-Family Reference Manual, Rev. 3, September 2012
572 Freescale Semiconductor, Inc.

Chapter 32
Periodic Interrupt Timer (PIT)
32.1 Introduction
NOTE
For the chip-specific implementation details of this module's
instances see the chip configuration information.
The PIT module is an array of timers that can be used to raise interrupts and trigger DMA
channels.
32.1.1 Block diagram
The following figure shows the block diagram of the PIT module.
KL25 Sub-Family Reference Manual, Rev. 3, September 2012
Freescale Semiconductor, Inc. 573

Timer n
Timer 1
PIT
Peripheral
load_value
PIT
Triggers
bus clock
bus
Peripheral
Iinterrupts
registers
Figure 32-1. Block diagram of the PIT
NOTE
See the chip configuration details for the number of PIT
channels used in this MCU.
32.1.2 Features
The main features of this block are:
• Ability of timers to generate DMA trigger pulses
• Ability of timers to generate interrupts
• Maskable interrupts
• Independent timeout periods for each timer
32.2 Signal description
The PIT module has no external pins.
Signal description
KL25 Sub-Family Reference Manual, Rev. 3, September 2012
574 Freescale Semiconductor, Inc.

32.3 Memory map/register description
This section provides a detailed description of all registers accessible in the PIT module.
NOTE
• Reserved registers will read as 0, writes will have no effect.
• See the chip configuration details for the number of PIT channels used in this MCU.
Table 32-2. Timer Channel n / RTI Channel
Address Offset Use Access
Channel + 0x00 Timer Load Value Register R/W
Channel + 0x04 Current Timer Value Register R
Channel + 0x08 Timer Control Register R/W
Channel + 0x0C Timer Flag Register R/W
PIT memory map
Absolute
address
(hex)
Register name Width
(in bits) Access Reset value Section/
page
4003_7000 PIT Module Control Register (PIT_MCR) 32 R/W 0000_0002h 32.3.1/575
4003_70E0 PIT Upper Lifetime Timer Register (PIT_LTMR64H) 32 R 0000_0000h 32.3.2/577
4003_70E4 PIT Lower Lifetime Timer Register (PIT_LTMR64L) 32 R 0000_0000h 32.3.3/577
4003_7100 Timer Load Value Register (PIT_LDVAL0) 32 R/W 0000_0000h 32.3.4/578
4003_7104 Current Timer Value Register (PIT_CVAL0) 32 R 0000_0000h 32.3.5/578
4003_7108 Timer Control Register (PIT_TCTRL0) 32 R/W 0000_0000h 32.3.6/579
4003_710C Timer Flag Register (PIT_TFLG0) 32 R/W 0000_0000h 32.3.7/580
4003_7110 Timer Load Value Register (PIT_LDVAL1) 32 R/W 0000_0000h 32.3.4/578
4003_7114 Current Timer Value Register (PIT_CVAL1) 32 R 0000_0000h 32.3.5/578
4003_7118 Timer Control Register (PIT_TCTRL1) 32 R/W 0000_0000h 32.3.6/579
4003_711C Timer Flag Register (PIT_TFLG1) 32 R/W 0000_0000h 32.3.7/580
32.3.1 PIT Module Control Register (PIT_MCR)
This register enables or disables the PIT timer clocks and controls the timers when the
PIT enters the Debug mode.
Chapter 32 Periodic Interrupt Timer (PIT)
KL25 Sub-Family Reference Manual, Rev. 3, September 2012
Freescale Semiconductor, Inc. 575

Address: 4003_7000h base + 0h offset = 4003_7000h
Bit 0 1 2 3 4 5 6 7 8 9 10 11 12 13 14 15
R0
W
Reset 0 0 0 0 0 0 0 0 0 0 0 0 0 0 0 0
Bit 16 17 18 19 20 21 22 23 24 25 26 27 28 29 30 31
R0
Reserved
MDIS FRZ
W
Reset 0 0 0 0 0 0 0 0 0 0 0 0 0 0 1 0
PIT_MCR field descriptions
Field Description
0–28
Reserved
This field is reserved.
This read-only field is reserved and always has the value 0.
29
Reserved
This field is reserved.
30
MDIS
Module Disable - (PIT section)
Disables the standard timers. The RTI timer is not affected by this field. This field must be enabled before
any other setup is done.
0 Clock for standard PIT timers is enabled.
1 Clock for standard PIT timers is disabled.
31
FRZ
Freeze
Allows the timers to be stopped when the device enters the Debug mode.
0 Timers continue to run in Debug mode.
1 Timers are stopped in Debug mode.
Memory map/register description
KL25 Sub-Family Reference Manual, Rev. 3, September 2012
576 Freescale Semiconductor, Inc.

32.3.2 PIT Upper Lifetime Timer Register (PIT_LTMR64H)
This register is intended for applications that chain timer 0 and timer 1 to build a 64-bit
lifetimer.
Address: 4003_7000h base + E0h offset = 4003_70E0h
Bit 0 1 2 3 4 5 6 7 8 9 10 11 12 13 14 15 16 17 18 19 20 21 22 23 24 25 26 27 28 29 30 31
RLTH
W
Reset 0 0 0 0 0 0 0 0 0 0 0 0 0 0 0 0 0 0 0 0 0 0 0 0 0 0 0 0 0 0 0 0
PIT_LTMR64H field descriptions
Field Description
0–31
LTH
Life Timer value
Shows the timer value of timer 1. If this register is read at a time t1, LTMR64L shows the value of timer 0
at time t1.
32.3.3 PIT Lower Lifetime Timer Register (PIT_LTMR64L)
This register is intended for applications that chain timer 0 and timer 1 to build a 64-bit
lifetimer.
To use LTMR64H and LTMR64L, timer 0 and timer 1 need to be chained. To obtain the
correct value, first read LTMR64H and then LTMR64L. LTMR64H will have the value
of CVAL1 at the time of the first access, LTMR64L will have the value of CVAL0 at the
time of the first access, therefore the application does not need to worry about carry-over
effects of the running counter.
Address: 4003_7000h base + E4h offset = 4003_70E4h
Bit 0 1 2 3 4 5 6 7 8 9 10 11 12 13 14 15 16 17 18 19 20 21 22 23 24 25 26 27 28 29 30 31
RLTL
W
Reset 0 0 0 0 0 0 0 0 0 0 0 0 0 0 0 0 0 0 0 0 0 0 0 0 0 0 0 0 0 0 0 0
PIT_LTMR64L field descriptions
Field Description
0–31
LTL
Life Timer value
Shows the value of timer 0 at the time LTMR64H was last read. It will only update if LTMR64H is read.
Chapter 32 Periodic Interrupt Timer (PIT)
KL25 Sub-Family Reference Manual, Rev. 3, September 2012
Freescale Semiconductor, Inc. 577

32.3.4 Timer Load Value Register (PIT_LDVALn)
These registers select the timeout period for the timer interrupts.
Address: 4003_7000h base + 100h offset + (16d × i), where i=0d to 1d
Bit 0 1 2 3 4 5 6 7 8 9 10 11 12 13 14 15 16 17 18 19 20 21 22 23 24 25 26 27 28 29 30 31
RTSV
W
Reset 0 0 0 0 0 0 0 0 0 0 0 0 0 0 0 0 0 0 0 0 0 0 0 0 0 0 0 0 0 0 0 0
PIT_LDVALn field descriptions
Field Description
0–31
TSV
Timer Start Value
Sets the timer start value. The timer will count down until it reaches 0, then it will generate an interrupt and
load this register value again. Writing a new value to this register will not restart the timer; instead the
value will be loaded after the timer expires. To abort the current cycle and start a timer period with the new
value, the timer must be disabled and enabled again.
32.3.5 Current Timer Value Register (PIT_CVALn)
These registers indicate the current timer position.
Address: 4003_7000h base + 104h offset + (16d × i), where i=0d to 1d
Bit 0 1 2 3 4 5 6 7 8 9 10 11 12 13 14 15 16 17 18 19 20 21 22 23 24 25 26 27 28 29 30 31
RTVL
W
Reset 0 0 0 0 0 0 0 0 0 0 0 0 0 0 0 0 0 0 0 0 0 0 0 0 0 0 0 0 0 0 0 0
PIT_CVALn field descriptions
Field Description
0–31
TVL
Current Timer Value
Represents the current timer value, if the timer is enabled.
NOTE: • If the timer is disabled, do not use this field as its value is unreliable.
• The timer uses a downcounter. The timer values are frozen in Debug mode if MCR[FRZ] is
set.
Memory map/register description
KL25 Sub-Family Reference Manual, Rev. 3, September 2012
578 Freescale Semiconductor, Inc.

32.3.6 Timer Control Register (PIT_TCTRLn)
These register contain the control bits for each timer.
Address: 4003_7000h base + 108h offset + (16d × i), where i=0d to 1d
Bit 0 1 2 3 4 5 6 7 8 9 10 11 12 13 14 15
R0
W
Reset 0 0 0 0 0 0 0 0 0 0 0 0 0 0 0 0
Bit 16 17 18 19 20 21 22 23 24 25 26 27 28 29 30 31
R0CHN TIE TEN
W
Reset 0 0 0 0 0 0 0 0 0 0 0 0 0 0 0 0
PIT_TCTRLn field descriptions
Field Description
0–28
Reserved
This field is reserved.
This read-only field is reserved and always has the value 0.
29
CHN
Chain Mode
When activated, Timer n-1 needs to expire before timer n can decrement by 1.
Timer 0 can not be changed.
0 Timer is not chained.
1 Timer is chained to previous timer. For example, for Channel 2, if this field is set, Timer 2 is chained to
Timer 1.
30
TIE
Timer Interrupt Enable
When an interrupt is pending, or, TFLGn[TIF] is set, enabling the interrupt will immediately cause an
interrupt event. To avoid this, the associated TFLGn[TIF] must be cleared first.
0 Interrupt requests from Timer n are disabled.
1 Interrupt will be requested whenever TIF is set.
31
TEN
Timer Enable
Enables or disables the timer.
0 Timer n is disabled.
1 Timer n is enabled.
Chapter 32 Periodic Interrupt Timer (PIT)
KL25 Sub-Family Reference Manual, Rev. 3, September 2012
Freescale Semiconductor, Inc. 579

32.3.7 Timer Flag Register (PIT_TFLGn)
These registers hold the PIT interrupt flags.
Address: 4003_7000h base + 10Ch offset + (16d × i), where i=0d to 1d
Bit 0 1 2 3 4 5 6 7 8 9 10 11 12 13 14 15
R0
W
Reset 0 0 0 0 0 0 0 0 0 0 0 0 0 0 0 0
Bit 16 17 18 19 20 21 22 23 24 25 26 27 28 29 30 31
R0 TIF
Ww1c
Reset 0 0 0 0 0 0 0 0 0 0 0 0 0 0 0 0
PIT_TFLGn field descriptions
Field Description
0–30
Reserved
This field is reserved.
This read-only field is reserved and always has the value 0.
31
TIF
Timer Interrupt Flag
Sets to 1 at the end of the timer period. Writing 1 to this flag clears it. Writing 0 has no effect. If enabled,
or, when TCTRLn[TIE] = 1, TIF causes an interrupt request.
0 Timeout has not yet occurred.
1 Timeout has occurred.
32.4 Functional description
This section provides the functional description of the module.
32.4.1 General operation
This section gives detailed information on the internal operation of the module. Each
timer can be used to generate trigger pulses and interrupts. Each interrupt is available on
a separate interrupt line.
Functional description
KL25 Sub-Family Reference Manual, Rev. 3, September 2012
580 Freescale Semiconductor, Inc.

32.4.1.1 Timers
The timers generate triggers at periodic intervals, when enabled. The timers load the start
values as specified in their LDVAL registers, count down to 0 and then load the
respective start value again. Each time a timer reaches 0, it will generate a trigger pulse
and set the interrupt flag.
All interrupts can be enabled or masked by setting TCTRLn[TIE]. A new interrupt can be
generated only after the previous one is cleared.
If desired, the current counter value of the timer can be read via the CVAL registers.
The counter period can be restarted, by first disabling, and then enabling the timer with
TCTRLn[TEN]. See the following figure.
p1
Timer enabled
Disable
timer
p1 p1
Start value = p1
Trigger
event
p1
Re-enable
timer
Figure 32-17. Stopping and starting a timer
The counter period of a running timer can be modified, by first disabling the timer,
setting a new load value, and then enabling the timer again. See the following figure.
Timer enabled Disable timer,
p1
p1
Re-enable
timer
Start value = p1
Trigger
event
Set new load value
p2 p2 p2
Figure 32-18. Modifying running timer period
It is also possible to change the counter period without restarting the timer by writing
LDVAL with the new load value. This value will then be loaded after the next trigger
event. See the following figure.
Chapter 32 Periodic Interrupt Timer (PIT)
KL25 Sub-Family Reference Manual, Rev. 3, September 2012
Freescale Semiconductor, Inc. 581

Timer enabled
p1 p1
Start value = p1
Trigger
event
p2 p2
p1
New start
Value p2 set
Figure 32-19. Dynamically setting a new load value
32.4.1.2 Debug mode
In Debug mode, the timers will be frozen based on MCR[FRZ]. This is intended to aid
software development, allowing the developer to halt the processor, investigate the
current state of the system, for example, the timer values, and then continue the
operation.
32.4.2 Interrupts
All the timers support interrupt generation. See the MCU specification for related vector
addresses and priorities.
Timer interrupts can be enabled by setting TCTRLn[TIE]. TFLGn[TIF] are set to 1 when
a timeout occurs on the associated timer, and are cleared to 0 by writing a 1 to the
corresponding TFLGn[TIF].
32.4.3 Chained timers
When a timer has chain mode enabled, it will only count after the previous timer has
expired. So if timer n-1 has counted down to 0, counter n will decrement the value by
one. This allows to chain some of the timers together to form a longer timer. The first
timer (timer 0) cannot be chained to any other timer.
32.5 Initialization and application information
In the example configuration:
• The PIT clock has a frequency of 50 MHz.
Initialization and application information
KL25 Sub-Family Reference Manual, Rev. 3, September 2012
582 Freescale Semiconductor, Inc.

• Timer 1 creates an interrupt every 5.12 ms.
• Timer 3 creates a trigger event every 30 ms.
The PIT module must be activated by writing a 0 to MCR[MDIS].
The 50 MHz clock frequency equates to a clock period of 20 ns. Timer 1 needs to trigger
every 5.12 ms/20 ns = 256,000 cycles and Timer 3 every 30 ms/20 ns = 1,500,000 cycles.
The value for the LDVAL register trigger is calculated as:
LDVAL trigger = (period / clock period) -1
This means LDVAL1 and LDVAL3 must be written with 0x0003E7FF and 0x0016E35F
respectively.
The interrupt for Timer 1 is enabled by setting TCTRL1[TIE]. The timer is started by
writing 1 to TCTRL1[TEN].
Timer 3 shall be used only for triggering. Therefore, Timer 3 is started by writing a 1 to
TCTRL3[TEN]. TCTRL3[TIE] stays at 0.
The following example code matches the described setup:
// turn on PIT
PIT_MCR = 0x00;
// Timer 1
PIT_LDVAL1 = 0x0003E7FF; // setup timer 1 for 256000 cycles
PIT_TCTRL1 = TIE; // enable Timer 1 interrupts
PIT_TCTRL1 |= TEN; // start Timer 1
// Timer 3
PIT_LDVAL3 = 0x0016E35F; // setup timer 3for 1500000 cycles
PIT_TCTRL3 |= TEN; // start Timer 3
32.6 Example configuration for chained timers
In the example configuration:
• The PIT clock has a frequency of 100 MHz.
• Timers 1 and 2 are available.
• An interrupt shall be raised every 1 hour.
The PIT module needs to be activated by writing a 0 to MCR[MDIS].
Chapter 32 Periodic Interrupt Timer (PIT)
KL25 Sub-Family Reference Manual, Rev. 3, September 2012
Freescale Semiconductor, Inc. 583

The 100 MHz clock frequency equates to a clock period of 10 ns, so the PIT needs to
count for 6000 million cycles, which is more than a single timer can do. So, Timer 1 is
set up to trigger every 6 s (600 million cycles). Timer 2 is chained to Timer 1 and
programmed to trigger 10 times.
The value for the LDVAL register trigger is calculated as number of cycles-1, so
LDVAL1 receives the value 0x23C345FF and LDVAL2 receives the value 0x00000009.
The interrupt for Timer 2 is enabled by setting TCTRL2[TIE], the Chain mode is
activated by setting TCTRL2[CHN], and the timer is started by writing a 1 to
TCTRL2[TEN]. TCTRL1[TEN] needs to be set, and TCTRL1[CHN] and TCTRL1[TIE]
are cleared.
The following example code matches the described setup:
// turn on PIT
PIT_MCR = 0x00;
// Timer 2
PIT_LDVAL2 = 0x00000009; // setup Timer 2 for 10 counts
PIT_TCTRL2 = TIE; // enable Timer 2 interrupt
PIT_TCTRL2 |= CHN; // chain Timer 2 to Timer 1
PIT_TCTRL2 |= TEN; // start Timer 2
// Timer 1
PIT_LDVAL1 = 0x23C345FF; // setup Timer 1 for 600 000 000 cycles
PIT_TCTRL1 = TEN; // start Timer 1
32.7 Example configuration for the lifetime timer
To configure the lifetimer timer, channels 0 and 1 need to be chained together.
First the PIT module needs to be activated by writing a 0 to the MDIS bit in the CTRL
register, then the LDVAL registers need to be set to the maximum value.
The timer is a downcounter.
The following example code matches the described setup:
// turn on PIT
PIT_MCR = 0x00;
// Timer 1
PIT_LDVAL1 = 0xFFFFFFFF; // setup timer 1 for maximum counting period
PIT_TCTRL1 = 0x0; // disable timer 1 interrupts
PIT_TCTRL1 |= CHN; // chain timer 1 to timer 0
PIT_TCTRL1 |= TEN; // start timer 1
// Timer 0
Example configuration for the lifetime timer
KL25 Sub-Family Reference Manual, Rev. 3, September 2012
584 Freescale Semiconductor, Inc.

PIT_LDVAL0 = 0xFFFFFFFF; // setup timer 0 for maximum counting period
PIT_TCTRL0 = TEN; // start timer 0
To access the lifetime, read first LTMR64H and then LTMR64L.
current_uptime = PIT_LTMR64H<<32;
current_uptime = current_uptime + PIT_LTMR64L;
Chapter 32 Periodic Interrupt Timer (PIT)
KL25 Sub-Family Reference Manual, Rev. 3, September 2012
Freescale Semiconductor, Inc. 585

Example configuration for the lifetime timer
KL25 Sub-Family Reference Manual, Rev. 3, September 2012
586 Freescale Semiconductor, Inc.

Chapter 33
Low-Power Timer (LPTMR)
33.1 Introduction
NOTE
For the chip-specific implementation details of this module's
instances see the chip configuration information.
The low-power timer (LPTMR) can be configured to operate as a time counter with
optional prescaler, or as a pulse counter with optional glitch filter, across all power
modes, including the low-leakage modes. It can also continue operating through most
system reset events, allowing it to be used as a time of day counter.
33.1.1 Features
The features of the LPTMR module include:
• 16-bit time counter or pulse counter with compare
• Optional interrupt can generate asynchronous wakeup from any low-power mode
• Hardware trigger output
• Counter supports free-running mode or reset on compare
• Configurable clock source for prescaler/glitch filter
• Configurable input source for pulse counter
• Rising-edge or falling-edge
33.1.2 Modes of operation
The following table describes the operation of the LPTMR module in various modes.
KL25 Sub-Family Reference Manual, Rev. 3, September 2012
Freescale Semiconductor, Inc. 587

Table 33-1. Modes of operation
Modes Description
Run The LPTMR operates normally.
Wait
The LPTMR continues to operate normally and
may be configured to exit the low-power mode
by generating an interrupt request.
Stop
The LPTMR continues to operate normally and
may be configured to exit the low-power mode
by generating an interrupt request.
Low-Leakage
The LPTMR continues to operate normally and
may be configured to exit the low-power mode
by generating an interrupt request.
Debug
The LPTMR operates normally in Pulse Counter
mode, but counter does not increment in Time
Counter mode.
33.2 LPTMR signal descriptions
Table 33-2. LPTMR signal descriptions
Signal I/O Description
LPTMR_ALTnI Pulse Counter Input pin
33.2.1 Detailed signal descriptions
Table 33-3. LPTMR interface—detailed signal descriptions
Signal I/O Description
LPTMR_ALTnI Pulse Counter Input
The LPTMR can select one of the input pins to be used in Pulse Counter mode.
State meaning Assertion—If configured for pulse counter mode with
active-high input, then assertion causes the CNR to
increment.
Deassertion—If configured for pulse counter mode with
active-low input, then deassertion causes the CNR to
increment.
Timing Assertion or deassertion may occur at any time; input may
assert asynchronously to the bus clock.
33.3 Memory map and register definition
LPTMR signal descriptions
KL25 Sub-Family Reference Manual, Rev. 3, September 2012
588 Freescale Semiconductor, Inc.

LPTMR memory map
Absolute
address
(hex)
Register name Width
(in bits) Access Reset value Section/
page
4004_0000 Low Power Timer Control Status Register (LPTMR0_CSR) 32 R/W 0000_0000h 33.3.1/589
4004_0004 Low Power Timer Prescale Register (LPTMR0_PSR) 32 R/W 0000_0000h 33.3.2/590
4004_0008 Low Power Timer Compare Register (LPTMR0_CMR) 32 R/W 0000_0000h 33.3.3/592
4004_000C Low Power Timer Counter Register (LPTMR0_CNR) 32 R 0000_0000h 33.3.4/592
33.3.1 Low Power Timer Control Status Register (LPTMRx_CSR)
Address: 4004_0000h base + 0h offset = 4004_0000h
Bit 31 30 29 28 27 26 25 24 23 22 21 20 19 18 17 16
R0
W
Reset 0 0 0 0 0 0 0 0 0 0 0 0 0 0 0 0
Bit 15 14 13 12 11 10 9 8 7 6 5 4 3 2 1 0
R0 TCF TIE TPS TPP TFC TMS TEN
Ww1c
Reset 0 0 0 0 0 0 0 0 0 0 0 0 0 0 0 0
LPTMRx_CSR field descriptions
Field Description
31–8
Reserved
This field is reserved.
This read-only field is reserved and always has the value 0.
7
TCF
Timer Compare Flag
TCF is set when the LPTMR is enabled and the CNR equals the CMR and increments. TCF is cleared
when the LPTMR is disabled or a logic 1 is written to it.
0 The value of CNR is not equal to CMR and increments.
1 The value of CNR is equal to CMR and increments.
6
TIE
Timer Interrupt Enable
When TIE is set, the LPTMR Interrupt is generated whenever TCF is also set.
0 Timer interrupt disabled.
1 Timer interrupt enabled.
5–4
TPS
Timer Pin Select
Configures the input source to be used in Pulse Counter mode. TPS must be altered only when the
LPTMR is disabled. The input connections vary by device. See the chip configuration details for
information on the connections to these inputs.
00 Pulse counter input 0 is selected.
Table continues on the next page...
Chapter 33 Low-Power Timer (LPTMR)
KL25 Sub-Family Reference Manual, Rev. 3, September 2012
Freescale Semiconductor, Inc. 589

LPTMRx_CSR field descriptions (continued)
Field Description
01 Pulse counter input 1 is selected.
10 Pulse counter input 2 is selected.
11 Pulse counter input 3 is selected.
3
TPP
Timer Pin Polarity
Configures the polarity of the input source in Pulse Counter mode. TPP must be changed only when the
LPTMR is disabled.
0 Pulse Counter input source is active-high, and the CNR will increment on the rising-edge.
1 Pulse Counter input source is active-low, and the CNR will increment on the falling-edge.
2
TFC
Timer Free-Running Counter
When clear, TFC configures the CNR to reset whenever TCF is set. When set, TFC configures the CNR to
reset on overflow. TFC must be altered only when the LPTMR is disabled.
0 CNR is reset whenever TCF is set.
1 CNR is reset on overflow.
1
TMS
Timer Mode Select
Configures the mode of the LPTMR. TMS must be altered only when the LPTMR is disabled.
0 Time Counter mode.
1 Pulse Counter mode.
0
TEN
Timer Enable
When TEN is clear, it resets the LPTMR internal logic, including the CNR and TCF. When TEN is set, the
LPTMR is enabled. While writing 1 to this field, CSR[5:1] must not be altered.
0 LPTMR is disabled and internal logic is reset.
1 LPTMR is enabled.
33.3.2 Low Power Timer Prescale Register (LPTMRx_PSR)
Address: 4004_0000h base + 4h offset = 4004_0004h
Bit 31 30 29 28 27 26 25 24 23 22 21 20 19 18 17 16
R0
W
Reset 0 0 0 0 0 0 0 0 0 0 0 0 0 0 0 0
Bit 15 14 13 12 11 10 9 8 7 6 5 4 3 2 1 0
R0PRESCALE PBYP PCS
W
Reset 0 0 0 0 0 0 0 0 0 0 0 0 0 0 0 0
Memory map and register definition
KL25 Sub-Family Reference Manual, Rev. 3, September 2012
590 Freescale Semiconductor, Inc.

LPTMRx_PSR field descriptions
Field Description
31–7
Reserved
This field is reserved.
This read-only field is reserved and always has the value 0.
6–3
PRESCALE
Prescale Value
Configures the size of the Prescaler in Time Counter mode or width of the glitch filter in Pulse Counter
mode. PRESCALE must be altered only when the LPTMR is disabled.
0000 Prescaler divides the prescaler clock by 2; glitch filter does not support this configuration.
0001 Prescaler divides the prescaler clock by 4; glitch filter recognizes change on input pin after 2 rising
clock edges.
0010 Prescaler divides the prescaler clock by 8; glitch filter recognizes change on input pin after 4 rising
clock edges.
0011 Prescaler divides the prescaler clock by 16; glitch filter recognizes change on input pin after 8
rising clock edges.
0100 Prescaler divides the prescaler clock by 32; glitch filter recognizes change on input pin after 16
rising clock edges.
0101 Prescaler divides the prescaler clock by 64; glitch filter recognizes change on input pin after 32
rising clock edges.
0110 Prescaler divides the prescaler clock by 128; glitch filter recognizes change on input pin after 64
rising clock edges.
0111 Prescaler divides the prescaler clock by 256; glitch filter recognizes change on input pin after 128
rising clock edges.
1000 Prescaler divides the prescaler clock by 512; glitch filter recognizes change on input pin after 256
rising clock edges.
1001 Prescaler divides the prescaler clock by 1024; glitch filter recognizes change on input pin after 512
rising clock edges.
1010 Prescaler divides the prescaler clock by 2048; glitch filter recognizes change on input pin after
1024 rising clock edges.
1011 Prescaler divides the prescaler clock by 4096; glitch filter recognizes change on input pin after
2048 rising clock edges.
1100 Prescaler divides the prescaler clock by 8192; glitch filter recognizes change on input pin after
4096 rising clock edges.
1101 Prescaler divides the prescaler clock by 16,384; glitch filter recognizes change on input pin after
8192 rising clock edges.
1110 Prescaler divides the prescaler clock by 32,768; glitch filter recognizes change on input pin after
16,384 rising clock edges.
1111 Prescaler divides the prescaler clock by 65,536; glitch filter recognizes change on input pin after
32,768 rising clock edges.
2
PBYP
Prescaler Bypass
When PBYP is set, the selected prescaler clock in Time Counter mode or selected input source in Pulse
Counter mode directly clocks the CNR. When PBYP is clear, the CNR is clocked by the output of the
prescaler/glitch filter. PBYP must be altered only when the LPTMR is disabled.
0 Prescaler/glitch filter is enabled.
1 Prescaler/glitch filter is bypassed.
1–0
PCS
Prescaler Clock Select
Selects the clock to be used by the LPTMR prescaler/glitch filter. PCS must be altered only when the
LPTMR is disabled. The clock connections vary by device.
NOTE: See the chip configuration details for information on the connections to these inputs.
Table continues on the next page...
Chapter 33 Low-Power Timer (LPTMR)
KL25 Sub-Family Reference Manual, Rev. 3, September 2012
Freescale Semiconductor, Inc. 591

LPTMRx_PSR field descriptions (continued)
Field Description
00 Prescaler/glitch filter clock 0 selected.
01 Prescaler/glitch filter clock 1 selected.
10 Prescaler/glitch filter clock 2 selected.
11 Prescaler/glitch filter clock 3 selected.
33.3.3 Low Power Timer Compare Register (LPTMRx_CMR)
Address: 4004_0000h base + 8h offset = 4004_0008h
Bit 31 30 29 28 27 26 25 24 23 22 21 20 19 18 17 16 15 14 13 12 11 10 9 8 7 6 5 4 3 2 1 0
R0COMPARE
W
Reset 0 0 0 0 0 0 0 0 0 0 0 0 0 0 0 0 0 0 0 0 0 0 0 0 0 0 0 0 0 0 0 0
LPTMRx_CMR field descriptions
Field Description
31–16
Reserved
This field is reserved.
This read-only field is reserved and always has the value 0.
15–0
COMPARE
Compare Value
When the LPTMR is enabled and the CNR equals the value in the CMR and increments, TCF is set and
the hardware trigger asserts until the next time the CNR increments. If the CMR is 0, the hardware trigger
will remain asserted until the LPTMR is disabled. If the LPTMR is enabled, the CMR must be altered only
when TCF is set.
33.3.4 Low Power Timer Counter Register (LPTMRx_CNR)
Address: 4004_0000h base + Ch offset = 4004_000Ch
Bit 31 30 29 28 27 26 25 24 23 22 21 20 19 18 17 16 15 14 13 12 11 10 9 8 7 6 5 4 3 2 1 0
R0 COUNTER
W
Reset 0 0 0 0 0 0 0 0 0 0 0 0 0 0 0 0 0 0 0 0 0 0 0 0 0 0 0 0 0 0 0 0
LPTMRx_CNR field descriptions
Field Description
31–16
Reserved
This field is reserved.
This read-only field is reserved and always has the value 0.
15–0
COUNTER
Counter Value
Memory map and register definition
KL25 Sub-Family Reference Manual, Rev. 3, September 2012
592 Freescale Semiconductor, Inc.

33.4 Functional description
33.4.1 LPTMR power and reset
The LPTMR remains powered in all power modes, including low-leakage modes. If the
LPTMR is not required to remain operating during a low-power mode, then it must be
disabled before entering the mode.
The LPTMR is reset only on global Power On Reset (POR) or Low Voltage Detect
(LVD). When configuring the LPTMR registers, the CSR must be initially written with
the timer disabled, before configuring the PSR and CMR. Then, CSR[TIE] must be set as
the last step in the initialization. This ensures the LPTMR is configured correctly and the
LPTMR counter is reset to zero following a warm reset.
33.4.2 LPTMR clocking
The LPTMR prescaler/glitch filter can be clocked by one of the four clocks. The clock
source must be enabled before the LPTMR is enabled.
NOTE
The clock source selected may need to be configured to remain
enabled in low-power modes, otherwise the LPTMR will not
operate during low-power modes.
In Pulse Counter mode with the prescaler/glitch filter bypassed, the selected input source
directly clocks the CNR and no other clock source is required. To minimize power in this
case, configure the prescaler clock source for a clock that is not toggling.
NOTE
The clock source or pulse input source selected for the LPTMR
should not exceed the frequency fLPTMR defined in the device
datasheet.
33.4.3 LPTMR prescaler/glitch filter
The LPTMR prescaler and glitch filter share the same logic which operates as a prescaler
in Time Counter mode and as a glitch filter in Pulse Counter mode.
Chapter 33 Low-Power Timer (LPTMR)
KL25 Sub-Family Reference Manual, Rev. 3, September 2012
Freescale Semiconductor, Inc. 593

NOTE
The prescaler/glitch filter configuration must not be altered
when the LPTMR is enabled.
33.4.3.1 Prescaler enabled
In Time Counter mode, when the prescaler is enabled, the output of the prescaler directly
clocks the CNR. When the LPTMR is enabled, the CNR will increment every 22 to 216
prescaler clock cycles. After the LPTMR is enabled, the first increment of the CNR will
take an additional one or two prescaler clock cycles due to synchronization logic.
33.4.3.2 Prescaler bypassed
In Time Counter mode, when the prescaler is bypassed, the selected prescaler clock
increments the CNR on every clock cycle. When the LPTMR is enabled, the first
increment will take an additional one or two prescaler clock cycles due to
synchronization logic.
33.4.3.3 Glitch filter
In Pulse Counter mode, when the glitch filter is enabled, the output of the glitch filter
directly clocks the CNR. When the LPTMR is first enabled, the output of the glitch filter
is asserted, that is, logic 1 for active-high and logic 0 for active-low. The following table
shows the change in glitch filter output with the selected input source.
If Then
The selected input source remains deasserted for at least 21
to 215 consecutive prescaler clock rising edges
The glitch filter output will also deassert.
The selected input source remains asserted for at least 21 to
215 consecutive prescaler clock rising-edges
The glitch filter output will also assert.
NOTE
The input is only sampled on the rising clock edge.
The CNR will increment each time the glitch filter output asserts. In Pulse Counter mode,
the maximum rate at which the CNR can increment is once every 22 to 216 prescaler
clock edges. When first enabled, the glitch filter will wait an additional one or two
prescaler clock edges due to synchronization logic.
Functional description
KL25 Sub-Family Reference Manual, Rev. 3, September 2012
594 Freescale Semiconductor, Inc.

33.4.3.4 Glitch filter bypassed
In Pulse Counter mode, when the glitch filter is bypassed, the selected input source
increments the CNR every time it asserts. Before the LPTMR is first enabled, the selected
input source is forced to be asserted. This prevents the CNR from incrementing if the
selected input source is already asserted when the LPTMR is first enabled.
33.4.4 LPTMR compare
When the CNR equals the value of the CMR and increments, the following events occur:
• CSR[TCF] is set.
• LPTMR interrupt is generated if CSR[TIE] is also set.
• LPTMR hardware trigger is generated.
• CNR is reset if CSR[TFC] is clear.
When the LPTMR is enabled, the CMR can be altered only when CSR[TCF] is set. When
updating the CMR, the CMR must be written and CSR[TCF] must be cleared before the
LPTMR counter has incremented past the new LPTMR compare value.
33.4.5 LPTMR counter
The CNR increments by one on every:
• Prescaler clock in Time Counter mode with prescaler bypassed
• Prescaler output in Time Counter mode with prescaler enabled
• Input source assertion in Pulse Counter mode with glitch filter bypassed
• Glitch filter output in Pulse Counter mode with glitch filter enabled
The CNR is reset when the LPTMR is disabled or if the counter register overflows. If
CSR[TFC] is cleared, then the CNR is also reset whenever CSR[TCF] is set.
The CNR continues incrementing when the core is halted in Debug mode when
configured for Pulse Counter mode, the CNR will stop incrementing when the core is
halted in Debug mode when configured for Time Counter mode.
The CNR cannot be initialized, but can be read at any time. On each read of the CNR,
software must first write to the CNR with any value. This will synchronize and register
the current value of the CNR into a temporary register. The contents of the temporary
register are returned on each read of the CNR.
When reading the CNR, the bus clock must be at least two times faster than the rate at
which the LPTMR counter is incrementing, otherwise incorrect data may be returned.
Chapter 33 Low-Power Timer (LPTMR)
KL25 Sub-Family Reference Manual, Rev. 3, September 2012
Freescale Semiconductor, Inc. 595

33.4.6 LPTMR hardware trigger
The LPTMR hardware trigger asserts at the same time the CSR[TCF] is set and can be
used to trigger hardware events in other peripherals without software intervention. The
hardware trigger is always enabled.
When Then
The CMR is set to 0 with CSR[TFC] clear The LPTMR hardware trigger will assert on the first compare
and does not deassert.
The CMR is set to a nonzero value, or, if CSR[TFC] is set The LPTMR hardware trigger will assert on each compare
and deassert on the following increment of the CNR.
33.4.7 LPTMR interrupt
The LPTMR interrupt is generated whenever CSR[TIE] and CSR[TCF] are set.
CSR[TCF] is cleared by disabling the LPTMR or by writing a logic 1 to it.
CSR[TIE] can be altered and CSR[TCF] can be cleared while the LPTMR is enabled.
The LPTMR interrupt is generated asynchronously to the system clock and can be used to
generate a wakeup from any low-power mode, including the low-leakage modes,
provided the LPTMR is enabled as a wakeup source.
Functional description
KL25 Sub-Family Reference Manual, Rev. 3, September 2012
596 Freescale Semiconductor, Inc.

Chapter 34
Real Time Clock (RTC)
34.1 Introduction
NOTE
For the chip-specific implementation details of this module's
instances see the chip configuration information.
34.1.1 Features
The RTC module features include:
• 32-bit seconds counter with roll-over protection and 32-bit alarm
• 16-bit prescaler with compensation that can correct errors between 0.12 ppm and
3906 ppm
• Register write protection
• Lock register requires POR or software reset to enable write access
• 1 Hz square wave output
34.1.2 Modes of operation
The RTC remains functional in all low power modes and can generate an interrupt to exit
any low power mode.
KL25 Sub-Family Reference Manual, Rev. 3, September 2012
Freescale Semiconductor, Inc. 597

34.1.3 RTC Signal Descriptions
Table 34-1. RTC signal descriptions
Signal Description I/O
RTC_CLKOUT 1 Hz square-wave output O
34.1.3.1 RTC clock output
The clock to the seconds counter is available on the RTC_CLKOUT signal. It is a 1 Hz
square wave output.
34.2 Register definition
All registers must be accessed using 32-bit writes and all register accesses incur three
wait states.
Write accesses to any register by non-supervisor mode software, when the supervisor
access bit in the control register is clear, will terminate with a bus error.
Read accesses by non-supervisor mode software complete as normal.
Writing to a register protected by the lock register does not generate a bus error, but the
write will not complete.
RTC memory map
Absolute
address
(hex)
Register name Width
(in bits) Access Reset value Section/
page
4003_D000 RTC Time Seconds Register (RTC_TSR) 32 R/W 0000_0000h 34.2.1/599
4003_D004 RTC Time Prescaler Register (RTC_TPR) 32 R/W 0000_0000h 34.2.2/599
4003_D008 RTC Time Alarm Register (RTC_TAR) 32 R/W 0000_0000h 34.2.3/600
4003_D00C RTC Time Compensation Register (RTC_TCR) 32 R/W 0000_0000h 34.2.4/600
4003_D010 RTC Control Register (RTC_CR) 32 R/W 0000_0000h 34.2.5/601
4003_D014 RTC Status Register (RTC_SR) 32 R/W 0000_0001h 34.2.6/603
4003_D018 RTC Lock Register (RTC_LR) 32 R/W 0000_00FFh 34.2.7/604
4003_D01C RTC Interrupt Enable Register (RTC_IER) 32 R/W 0000_0007h 34.2.8/605
Register definition
KL25 Sub-Family Reference Manual, Rev. 3, September 2012
598 Freescale Semiconductor, Inc.

34.2.1 RTC Time Seconds Register (RTC_TSR)
Address: 4003_D000h base + 0h offset = 4003_D000h
Bit 31 30 29 28 27 26 25 24 23 22 21 20 19 18 17 16 15 14 13 12 11 10 9 8 7 6 5 4 3 2 1 0
RTSR
W
Reset 0 0 0 0 0 0 0 0 0 0 0 0 0 0 0 0 0 0 0 0 0 0 0 0 0 0 0 0 0 0 0 0
RTC_TSR field descriptions
Field Description
31–0
TSR
Time Seconds Register
When the time counter is enabled, the TSR is read only and increments once a second provided SR[TOF]
or SR[TIF] are not set. The time counter will read as zero when SR[TOF] or SR[TIF] are set. When the
time counter is disabled, the TSR can be read or written. Writing to the TSR when the time counter is
disabled will clear the SR[TOF] and/or the SR[TIF]. Writing to TSR with zero is supported, but not
recommended because TSR will read as zero when SR[TIF] or SR[TOF] are set (indicating the time is
invalid).
34.2.2 RTC Time Prescaler Register (RTC_TPR)
Address: 4003_D000h base + 4h offset = 4003_D004h
Bit 31 30 29 28 27 26 25 24 23 22 21 20 19 18 17 16 15 14 13 12 11 10 9 8 7 6 5 4 3 2 1 0
R0TPR
W
Reset 0 0 0 0 0 0 0 0 0 0 0 0 0 0 0 0 0 0 0 0 0 0 0 0 0 0 0 0 0 0 0 0
RTC_TPR field descriptions
Field Description
31–16
Reserved
This field is reserved.
This read-only field is reserved and always has the value 0.
15–0
TPR
Time Prescaler Register
When the time counter is enabled, the TPR is read only and increments every 32.768 kHz clock cycle. The
time counter will read as zero when SR[TOF] or SR[TIF] are set. When the time counter is disabled, the
TPR can be read or written. The TSR[TSR] increments when bit 14 of the TPR transitions from a logic one
to a logic zero.
Chapter 34 Real Time Clock (RTC)
KL25 Sub-Family Reference Manual, Rev. 3, September 2012
Freescale Semiconductor, Inc. 599

34.2.3 RTC Time Alarm Register (RTC_TAR)
Address: 4003_D000h base + 8h offset = 4003_D008h
Bit 31 30 29 28 27 26 25 24 23 22 21 20 19 18 17 16 15 14 13 12 11 10 9 8 7 6 5 4 3 2 1 0
RTAR
W
Reset 0 0 0 0 0 0 0 0 0 0 0 0 0 0 0 0 0 0 0 0 0 0 0 0 0 0 0 0 0 0 0 0
RTC_TAR field descriptions
Field Description
31–0
TAR
Time Alarm Register
When the time counter is enabled, the SR[TAF] is set whenever the TAR[TAR] equals the TSR[TSR] and
the TSR[TSR] increments. Writing to the TAR clears the SR[TAF].
34.2.4 RTC Time Compensation Register (RTC_TCR)
Address: 4003_D000h base + Ch offset = 4003_D00Ch
Bit 31 30 29 28 27 26 25 24 23 22 21 20 19 18 17 16 15 14 13 12 11 10 9 8 7 6 5 4 3 2 1 0
RCIC TCV CIR TCR
W
Reset 0 0 0 0 0 0 0 0 0 0 0 0 0 0 0 0 0 0 0 0 0 0 0 0 0 0 0 0 0 0 0 0
RTC_TCR field descriptions
Field Description
31–24
CIC
Compensation Interval Counter
Current value of the compensation interval counter. If the compensation interval counter equals zero then
it is loaded with the contents of the CIR. If the CIC does not equal zero then it is decremented once a
second.
23–16
TCV
Time Compensation Value
Current value used by the compensation logic for the present second interval. Updated once a second if
the CIC equals 0 with the contents of the TCR field. If the CIC does not equal zero then it is loaded with
zero (compensation is not enabled for that second increment).
15–8
CIR
Compensation Interval Register
Configures the compensation interval in seconds from 1 to 256 to control how frequently the TCR should
adjust the number of 32.768 kHz cycles in each second. The value written should be one less than the
number of seconds. For example, write zero to configure for a compensation interval of one second. This
register is double buffered and writes do not take affect until the end of the current compensation interval.
7–0
TCR
Time Compensation Register
Configures the number of 32.768 kHz clock cycles in each second. This register is double buffered and
writes do not take affect until the end of the current compensation interval.
Table continues on the next page...
Register definition
KL25 Sub-Family Reference Manual, Rev. 3, September 2012
600 Freescale Semiconductor, Inc.

RTC_TCR field descriptions (continued)
Field Description
80h Time Prescaler Register overflows every 32896 clock cycles.
... ...
FFh Time Prescaler Register overflows every 32769 clock cycles.
00h Time Prescaler Register overflows every 32768 clock cycles.
01h Time Prescaler Register overflows every 32767 clock cycles.
... ...
7Fh Time Prescaler Register overflows every 32641 clock cycles.
34.2.5 RTC Control Register (RTC_CR)
Address: 4003_D000h base + 10h offset = 4003_D010h
Bit 31 30 29 28 27 26 25 24 23 22 21 20 19 18 17 16
R0
W
Reset 0 0 0 0 0 0 0 0 0 0 0 0 0 0 0 0
Bit 15 14 13 12 11 10 9 8 7 6 5 4 3 2 1 0
R0
Reserved
SC2P SC4P SC8P
SC16P
CLKO
OSCE
0
UM SUP WPE SWR
W0
Reset 0 0 0 0 0 0 0 0 0 0 0 0 0 0 0 0
RTC_CR field descriptions
Field Description
31–15
Reserved
This field is reserved.
This read-only field is reserved and always has the value 0.
Table continues on the next page...
Chapter 34 Real Time Clock (RTC)
KL25 Sub-Family Reference Manual, Rev. 3, September 2012
Freescale Semiconductor, Inc. 601

RTC_CR field descriptions (continued)
Field Description
14
Reserved
This field is reserved.
It must always be written to 0.
13
SC2P
Oscillator 2pF Load Configure
0 Disable the load.
1 Enable the additional load.
12
SC4P
Oscillator 4pF Load Configure
0 Disable the load.
1 Enable the additional load.
11
SC8P
Oscillator 8pF Load Configure
0 Disable the load.
1 Enable the additional load.
10
SC16P
Oscillator 16pF Load Configure
0 Disable the load.
1 Enable the additional load.
9
CLKO
Clock Output
0 The 32 kHz clock is output to other peripherals.
1 The 32 kHz clock is not output to other peripherals.
8
OSCE
Oscillator Enable
0 32.768 kHz oscillator is disabled.
1 32.768 kHz oscillator is enabled. After setting this bit, wait the oscillator startup time before enabling
the time counter to allow the 32.768 kHz clock time to stabilize.
7–4
Reserved
This field is reserved.
This read-only field is reserved and always has the value 0.
3
UM
Update Mode
Allows SR[TCE] to be written even when the Status Register is locked. When set, the SR[TCE] can always
be written if the SR[TIF] or SR[TOF] are set or if the SR[TCE] is clear.
0 Registers cannot be written when locked.
1 Registers can be written when locked under limited conditions.
2
SUP
Supervisor Access
0 Non-supervisor mode write accesses are not supported and generate a bus error.
1 Non-supervisor mode write accesses are supported.
1
WPE
Wakeup Pin Enable
The wakeup pin is optional and not available on all devices.
0 Wakeup pin is disabled.
1 Wakeup pin is enabled and wakeup pin asserts if the RTC interrupt asserts or the wakeup pin is
turned on.
0
SWR
Software Reset
Table continues on the next page...
Register definition
KL25 Sub-Family Reference Manual, Rev. 3, September 2012
602 Freescale Semiconductor, Inc.

RTC_CR field descriptions (continued)
Field Description
0 No effect.
1 Resets all RTC registers except for the SWR bit . The SWR bit is cleared by POR and by software
explicitly clearing it.
34.2.6 RTC Status Register (RTC_SR)
Address: 4003_D000h base + 14h offset = 4003_D014h
Bit 31 30 29 28 27 26 25 24 23 22 21 20 19 18 17 16
R0
W
Reset 0 0 0 0 0 0 0 0 0 0 0 0 0 0 0 0
Bit 15 14 13 12 11 10 9 8 7 6 5 4 3 2 1 0
R0TCE 0 TAF TOF TIF
W
Reset 0 0 0 0 0 0 0 0 0 0 0 0 0 0 0 1
RTC_SR field descriptions
Field Description
31–5
Reserved
This field is reserved.
This read-only field is reserved and always has the value 0.
4
TCE
Time Counter Enable
When time counter is disabled the TSR register and TPR register are writeable, but do not increment.
When time counter is enabled the TSR register and TPR register are not writeable, but increment.
0 Time counter is disabled.
1 Time counter is enabled.
3
Reserved
This field is reserved.
This read-only field is reserved and always has the value 0.
2
TAF
Time Alarm Flag
Time alarm flag is set when the TAR[TAR] equals the TSR[TSR] and the TSR[TSR] increments. This bit is
cleared by writing the TAR register.
0 Time alarm has not occurred.
1 Time alarm has occurred.
1
TOF
Time Overflow Flag
Time overflow flag is set when the time counter is enabled and overflows. The TSR and TPR do not
increment and read as zero when this bit is set. This bit is cleared by writing the TSR register when the
time counter is disabled.
0 Time overflow has not occurred.
1 Time overflow has occurred and time counter is read as zero.
Table continues on the next page...
Chapter 34 Real Time Clock (RTC)
KL25 Sub-Family Reference Manual, Rev. 3, September 2012
Freescale Semiconductor, Inc. 603

RTC_SR field descriptions (continued)
Field Description
0
TIF
Time Invalid Flag
The time invalid flag is set on POR or software reset. The TSR and TPR do not increment and read as
zero when this bit is set. This bit is cleared by writing the TSR register when the time counter is disabled.
0 Time is valid.
1 Time is invalid and time counter is read as zero.
34.2.7 RTC Lock Register (RTC_LR)
Address: 4003_D000h base + 18h offset = 4003_D018h
Bit 31 30 29 28 27 26 25 24 23 22 21 20 19 18 17 16
R0
W
Reset 0 0 0 0 0 0 0 0 0 0 0 0 0 0 0 0
Bit 15 14 13 12 11 10 9 8 7 6 5 4 3 2 1 0
R0 1 LRL SRL CRL TCL 1
W
Reset 0 0 0 0 0 0 0 0 1 1 1 1 1 1 1 1
RTC_LR field descriptions
Field Description
31–8
Reserved
This field is reserved.
This read-only field is reserved and always has the value 0.
7
Reserved
This field is reserved.
This read-only field is reserved and always has the value 1.
6
LRL
Lock Register Lock
After being cleared, this bit can be set only by POR or software reset.
0 Lock Register is locked and writes are ignored.
1 Lock Register is not locked and writes complete as normal.
5
SRL
Status Register Lock
After being cleared, this bit can be set only by POR or software reset.
0 Status Register is locked and writes are ignored.
1 Status Register is not locked and writes complete as normal.
4
CRL
Control Register Lock
After being cleared, this bit can only be set by POR.
0 Control Register is locked and writes are ignored.
1 Control Register is not locked and writes complete as normal.
Table continues on the next page...
Register definition
KL25 Sub-Family Reference Manual, Rev. 3, September 2012
604 Freescale Semiconductor, Inc.

RTC_LR field descriptions (continued)
Field Description
3
TCL
Time Compensation Lock
After being cleared, this bit can be set only by POR or software reset.
0 Time Compensation Register is locked and writes are ignored.
1 Time Compensation Register is not locked and writes complete as normal.
2–0
Reserved
This field is reserved.
This read-only field is reserved and always has the value 1.
34.2.8 RTC Interrupt Enable Register (RTC_IER)
Address: 4003_D000h base + 1Ch offset = 4003_D01Ch
Bit 31 30 29 28 27 26 25 24 23 22 21 20 19 18 17 16
R0
W
Reset 0 0 0 0 0 0 0 0 0 0 0 0 0 0 0 0
Bit 15 14 13 12 11 10 9 8 7 6 5 4 3 2 1 0
R0
WPON
Reserved TSIE
Reserved
TAIE TOIE TIIE
W
Reset 0 0 0 0 0 0 0 0 0 0 0 0 0 1 1 1
RTC_IER field descriptions
Field Description
31–8
Reserved
This field is reserved.
This read-only field is reserved and always has the value 0.
7
WPON
Wakeup Pin On
The wakeup pin is optional and not available on all devices. Whenever the wakeup pin is enabled and this
bit is set, the wakeup pin will assert.
0 No effect.
1 If the wakeup pin is enabled, then the wakeup pin will assert.
6–5
Reserved
This field is reserved.
4
TSIE
Time Seconds Interrupt Enable
The seconds interrupt is an edge-sensitive interrupt with a dedicated interrupt vector. It is generated once
a second and requires no software overhead (there is no corresponding status flag to clear).
Table continues on the next page...
Chapter 34 Real Time Clock (RTC)
KL25 Sub-Family Reference Manual, Rev. 3, September 2012
Freescale Semiconductor, Inc. 605

RTC_IER field descriptions (continued)
Field Description
0 Seconds interrupt is disabled.
1 Seconds interrupt is enabled.
3
Reserved
This field is reserved.
2
TAIE
Time Alarm Interrupt Enable
0 Time alarm flag does not generate an interrupt.
1 Time alarm flag does generate an interrupt.
1
TOIE
Time Overflow Interrupt Enable
0 Time overflow flag does not generate an interrupt.
1 Time overflow flag does generate an interrupt.
0
TIIE
Time Invalid Interrupt Enable
0 Time invalid flag does not generate an interrupt.
1 Time invalid flag does generate an interrupt.
34.3 Functional description
34.3.1 Power, clocking, and reset
The RTC is an always powered block that remains active in all low power modes.
The time counter within the RTC is clocked by a 32.768 kHz clock sourced from an
external crystal using the oscillator.
The power-on-reset signal initializes all RTC registers to their default state. A software
reset bit can also initialize all RTC registers.
34.3.1.1 Oscillator control
The 32.768 kHz crystal oscillator is disabled at POR and must be enabled by software.
After enabling the cystal oscillator, wait the oscillator startup time before setting
SR[TCE] or using the oscillator clock external to the RTC.
The crystal oscillator includes tunable capacitors that can be configured by software. Do
not change the capacitance unless the oscillator is disabled.
Functional description
KL25 Sub-Family Reference Manual, Rev. 3, September 2012
606 Freescale Semiconductor, Inc.

34.3.1.2 Software reset
Writing one to the CR[SWR] forces the equivalent of a POR to the rest of the RTC
module. The CR[SWR] is not affected by the software reset and must be cleared by
software.
34.3.1.3 Supervisor access
When the supervisor access control bit is clear, only supervisor mode software can write
to the RTC registers, non-supervisor mode software will generate a bus error. Both
supervisor and non-supervisor mode software can always read the RTC registers.
34.3.2 Time counter
The time counter consists of a 32-bit seconds counter that increments once every second
and a 16-bit prescaler register that increments once every 32.768 kHz clock cycle.
The time seconds register and time prescaler register can be written only when SR[TCE]
is clear. Always write to the prescaler register before writing to the seconds register,
because the seconds register increments on the falling edge of bit 14 of the prescaler
register.
The time prescaler register increments provided SR[TCE] is set, SR[TIF] is clear,
SR[TOF] is clear, and the 32.768 kHz clock source is present. After enabling the
oscillator, wait the oscillator startup time before setting SR[TCE] to allow time for the
oscillator clock output to stabilize.
If the time seconds register overflows then the SR[TOF] will set and the time prescaler
register will stop incrementing. Clear SR[TOF] by initializing the time seconds register.
The time seconds register and time prescaler register read as zero whenever SR[TOF] is
set.
SR[TIF] is set on POR and software reset and is cleared by initializing the time seconds
register. The time seconds register and time prescaler register read as zero whenever
SR[TIF] is set.
34.3.3 Compensation
The compensation logic provides an accurate and wide compensation range and can
correct errors as high as 3906 ppm and as low as 0.12 ppm. The compensation factor
must be calculated externally to the RTC and supplied by software to the compensation
Chapter 34 Real Time Clock (RTC)
KL25 Sub-Family Reference Manual, Rev. 3, September 2012
Freescale Semiconductor, Inc. 607

register. The RTC itself does not calculate the amount of compensation that is required,
although the 1 Hz clock is output to an external pin in support of external calibration
logic.
Crystal compensation can be supported by using firmware and crystal characteristics to
determine the compensation amount. Temperature compensation can be supported by
firmware that periodically measures the external temperature via ADC and updates the
compensation register based on a look-up table that specifies the change in crystal
frequency over temperature.
The compensation logic alters the number of 32.768 kHz clock cycles it takes for the
prescaler register to overflow and increment the time seconds counter. The time
compensation value is used to adjust the number of clock cycles between -127 and +128.
Cycles are added or subtracted from the prescaler register when the prescaler register
equals 0x3FFF and then increments. The compensation interval is used to adjust the
frequency at which the time compensation value is used, that is, from once a second to
once every 256 seconds.
Updates to the time compensation register will not take effect until the next time the time
seconds register increments and provided the previous compensation interval has expired.
When the compensation interval is set to other than once a second then the compensation
is applied in the first second interval and the remaining second intervals receive no
compensation.
Compensation is disabled by configuring the time compensation register to zero.
34.3.4 Time alarm
The time alarm register, SR[TAF], and IER[TAIE] allow the RTC to generate an
interrupt at a predefined time. The 32-bit time alarm register is compared with the 32-bit
time seconds register each time it increments. The SR[TAF] will set when the time alarm
register equals the time seconds register and the time seconds register increments.
The time alarm flag is cleared by writing the time alarm register. This will usually be the
next alarm value, although writing a value that is less than the time seconds register, such
as zero, will prevent the time alarm flag from setting again. The time alarm flag cannot
otherwise be disabled, although the interrupt it generates is enabled or disabled by
IER[TAIE].
Functional description
KL25 Sub-Family Reference Manual, Rev. 3, September 2012
608 Freescale Semiconductor, Inc.

34.3.5 Update mode
The Update Mode bit in the Control register (CR[UM]) configures software write access
to the Time Counter Enable (SR[TCE]) bit. When CR[UM] is clear, SR[TCE] can be
written only when the LR[SRL] bit is set. When CR[UM] is set, the SR[TCE] can also be
written when SR[TCE] is clear or when SR[TIF] or SR[TOF] are set. This allows the
time seconds and prescaler registers to be initialized whenever time is invalidated, while
preventing the time seconds and prescaler registers from being changed on the fly. When
LR[SRL] is set, CR[UM] has no effect on SR[TCE].
34.3.6 Register lock
The lock register can be used to block write accesses to certain registers until the next
POR or software reset. Locking the control register will disable the software reset.
Locking the lock register will block future updates to the lock register.
Write accesses to a locked register are ignored and do not generate a bus error.
34.3.7 Interrupt
The RTC interrupt is asserted whenever a status flag and the corresponding interrupt
enable bit are both set. It is always asserted on POR, and software reset. The RTC
interrupt is enabled at the chip level by enabling the chip-specific RTC clock gate control
bit. The RTC interrupt can be used to wakeup the chip from any low-power mode.
The optional RTC seconds interrupt is an edge-sensitive interrupt with a dedicated
interrupt vector that is generated once a second and requires no software overhead (there
is no corresponding status flag to clear). It is enabled in the RTC by the time seconds
interrupt enable bit and enabled at the chip level by setting the chip-specific RTC clock
gate control bit. This interrupt is optional and may not be implemented on all devices.
Chapter 34 Real Time Clock (RTC)
KL25 Sub-Family Reference Manual, Rev. 3, September 2012
Freescale Semiconductor, Inc. 609

Functional description
KL25 Sub-Family Reference Manual, Rev. 3, September 2012
610 Freescale Semiconductor, Inc.

Chapter 35
Universal Serial Bus OTG Controller (USBOTG)
35.1 Introduction
NOTE
For the chip-specific implementation details of this module's
instances see the chip configuration information.
This section describes the USB. The OTG implementation in this module provides
limited host functionality and device solutions for implementing a USB 2.0 full-speed/
low-speed compliant peripheral. The OTG implementation supports the On-The-Go
(OTG) addendum to the USB 2.0 Specification. Only one protocol can be active at any
time. A negotiation protocol must be used to switch to a USB host functionality from a
USB device. This is known as the Master Negotiation Protocol (MNP).
35.1.1 USB
The USB is a cable bus that supports data exchange between a host computer and a wide
range of simultaneously accessible peripherals. The attached peripherals share USB
bandwidth through a host-scheduled, token-based protocol. The bus allows peripherals to
be attached, configured, used, and detached while the host and other peripherals are in
operation.
USB software provides a uniform view of the system for all application software, hiding
implementation details making application software more portable. It manages the
dynamic attach and detach of peripherals.
There is only one host in any USB system. The USB interface to the host computer
system is referred to as the Host Controller.
There may be multiple USB devices in any system such as joysticks, speakers, printers,
etc. USB devices present a standard USB interface in terms of comprehension, response,
and standard capability.
KL25 Sub-Family Reference Manual, Rev. 3, September 2012
Freescale Semiconductor, Inc. 611

The host initiates transactions to specific peripherals, whereas the device responds to
control transactions. The device sends and receives data to and from the host using a
standard USB data format. USB 2.0 full-speed /low-speed peripherals operate at 12Mbit/s
or 1.5 Mbit/s.
For additional information, see the USB 2.0 specification.
External Hub
Root
Hub
USB Cable
USB Cable
USB Cable
External Hub
USB Peripherals
Host PC
Host
Software
USB Cables
Figure 35-1. Example USB 2.0 system configuration
35.1.2 USB On-The-Go
USB is a popular standard for connecting peripherals and portable consumer electronic
devices such as digital cameras and hand-held computers to host PCs. The On-The-Go
(OTG) Supplement to the USB Specification extends USB to peer-to-peer application.
Using USB OTG technology consumer electronics, peripherals, and portable devices can
connect to each other to exchange data. For example, a digital camera can connect
directly to a printer, or a keyboard can connect to a Personal Digital Assistant to
exchange data.
With the USB On-The-Go product, you can develop a fully USB-compliant peripheral
device that can also assume the role of a USB host. Software determines the role of the
device based on hardware signals, and then initializes the device in the appropriate mode
of operation (host or peripheral) based on how it is connected. After connecting the
devices can negotiate using the OTG protocols to assume the role of host or peripheral
based on the task to be accomplished.
For additional information, see the On-The-Go Supplement to the USB 2.0 Specification.
Introduction
KL25 Sub-Family Reference Manual, Rev. 3, September 2012
612 Freescale Semiconductor, Inc.

Print Photos
Keyboard Input
Swap Songs
Download Songs
Hot Sync
Figure 35-2. Example USB 2.0 On-The-Go configurations
35.1.3 USB-FS Features
• USB 1.1 and 2.0 compliant full-speed device controller
• 16 bidirectional end points
• DMA or FIFO data stream interfaces
• Low-power consumption
• On-The-Go protocol logic
35.2 Functional description
The USB-FS 2.0 full-speed/low-speed module communicates with the processor core
through status registers, control registers, and data structures in memory.
Chapter 35 Universal Serial Bus OTG Controller (USBOTG)
KL25 Sub-Family Reference Manual, Rev. 3, September 2012
Freescale Semiconductor, Inc. 613

35.2.1 Data Structures
The function of the device operation is to transfer a request in the memory image to and
from the Universal Serial Bus. To efficiently manage USB endpoint communications the
USB-FS implements a Buffer Descriptor Table (BDT) in system memory. See Figure
35-3.
35.3 Programmers interface
This section discusses the major components of the programming model for the USB
module.
35.3.1 Buffer Descriptor Table
To efficiently manage USB endpoint communications the USB-FS implements a Buffer
Descriptor Table (BDT) in system memory. The BDT resides on a 512-byte boundary in
system memory and is pointed to by the BDT Page Registers. Every endpoint direction
requires two 8-byte Buffer Descriptor (BD) entries. Therefore, a system with 16 fully
bidirectional endpoints would require 512 bytes of system memory to implement the
BDT. The two BD entries allows for an EVEN BD and ODD BD entry for each endpoint
direction. This allows the microprocessor to process one BD while the USB-FS is
processing the other BD. Double buffering BDs in this way allows the USB-FS to
transfer data easily at the maximum throughput provided by USB.
The software API intelligently manages buffers for the USB-FS by updating the BDT
when needed. This allows the USB-FS to efficiently manage data transmission and
reception, while the microprocessor performs communication overhead processing and
other function dependent applications. Because the buffers are shared between the
microprocessor and the USB-FS, a simple semaphore mechanism is used to distinguish
who is allowed to update the BDT and buffers in system memory. A semaphore, the
OWN bit, is cleared to 0 when the BD entry is owned by the microprocessor. The
microprocessor is allowed read and write access to the BD entry and the buffer in system
memory when the OWN bit is 0. When the OWN bit is set to 1, the BD entry and the
buffer in system memory are owned by the USB-FS. The USB-FS now has full read and
write access and the microprocessor must not modify the BD or its corresponding data
buffer. The BD also contains indirect address pointers to where the actual buffer resides
in system memory. This indirect address mechanism is shown in the following diagram.
Programmers interface
KL25 Sub-Family Reference Manual, Rev. 3, September 2012
614 Freescale Semiconductor, Inc.

Current
Endpoint
BDT
Buffer in Memory
BDT Page
Start of Buffer
•
000ODDTXBDT_PAGE Registers END_POINT
• • • • •
End of Buffer
System Memory
Figure 35-3. Buffer descriptor table
35.3.2 RX vs. TX as a USB target device or USB host
The USB-FS core uses software control to switch between two modes of operation:
• USB target device
• USB hosts
In either mode, USB host or USB target device, the same data paths and buffer
descriptors are used for the transmission and reception of data. For this reason, a USB-FS
core centric nomenclature is used to describe the direction of the data transfer between
the USB-FS core and the USB:
• RX (or receive) describes transfers that move data from the USB to memory.
• TX (or transmit) describes transfers that move data from memory to the USB.
The following table shows how the data direction corresponds to the USB token type in
host and target device applications.
Table 35-1. Data direction for USB host or USB target
RX TX
Device OUT or SETUP IN
Host IN OUT or SETUP
Chapter 35 Universal Serial Bus OTG Controller (USBOTG)
KL25 Sub-Family Reference Manual, Rev. 3, September 2012
Freescale Semiconductor, Inc. 615

35.3.3 Addressing BDT entries
An understanding of the addressing mechanism of the Buffer Descriptor Table is useful
when accessing endpoint data via the USB-FS or microprocessor. Some points of interest
are:
• The BDT occupies up to 512 bytes of system memory.
• 16 bidirectional endpoints can be supported with a full BDT of 512 bytes.
• 16 bytes are needed for each USB endpoint direction.
• Applications with less than 16 endpoints require less RAM to implement the BDT.
• The BDT Page Registers (BDT_PAGE) point to the starting location of the BDT.
• The BDT must be located on a 512-byte boundary in system memory.
• All enabled TX and RX endpoint BD entries are indexed into the BDT to allow easy
access via the USB-FS or MCU core.
When a USB token on an enabled endpoint is received, the USB-FS uses its integrated
DMA controller to interrogate the BDT. The USB-FS reads the corresponding endpoint
BD entry to determine whether it owns the BD and corresponding buffer in system
memory.
To compute the entry point in to the BDT, the BDT_PAGE registers is concatenated with
the current endpoint and the TX and ODD fields to form a 32-bit address. This address
mechanism is shown below:
Table 35-2. BDT address calculation fields
Field Description
BDT_PAGE BDT_PAGE registers in the Control Register Block
END_POINT END POINT field from the USB TOKEN
TX 1 for transmit transfers and 0 for receive transfers
ODD Maintained within the USB-FS SIE. It corresponds to the buffer currently in use. The buffers are
used in a ping-pong fashion.
35.3.4 Buffer Descriptors (BDs)
A buffer descriptor provides endpoint buffer control information for the USB-FS and
processor. The Buffer Descriptors have different meaning based on whether it is the
USB-FS or processor reading the BD in memory.
The USB-FS Controller uses the data stored in the BDs to determine:
Programmers interface
KL25 Sub-Family Reference Manual, Rev. 3, September 2012
616 Freescale Semiconductor, Inc.

• Who owns the buffer in system memory
• Data0 or Data1 PID
• Whether to release ownership upon packet completion
• No address increment (FIFO mode)
• Whether data toggle synchronization is enabled
• How much data is to be transmitted or received
• Where the buffer resides in system memory
While the processor uses the data stored in the BDs to determine:
• Who owns the buffer in system memory
• Data0 or Data1 PID
• The received TOKEN PID
• How much data was transmitted or received
• Where the buffer resides in system memory
The format for the BD is shown in the following figure.
Table 35-3. Buffer descriptor format
31:26 25:16 15:8 7 6 5 4 3 2 1 0
RSVD BC
(10 bits) RSVD OWN DATA0/1 KEEP/
TOK_PID[3]
NINC/
TOK_PID[2]
DTS/
TOK_PID[1]
BDT_STALL/
TOK_PID[0] 0 0
Buffer Address (32-Bits)
Table 35-4. Buffer descriptor fields
Field Description
31–26
RSVD
Reserved
25–16
BC
Byte Count
Represents the 10-bit byte count. The USB-FS SIE changes this field upon the completion of a RX
transfer with the byte count of the data received.
15–8
RSVD
Reserved
Table continues on the next page...
Chapter 35 Universal Serial Bus OTG Controller (USBOTG)
KL25 Sub-Family Reference Manual, Rev. 3, September 2012
Freescale Semiconductor, Inc. 617

Table 35-4. Buffer descriptor fields (continued)
Field Description
7
OWN
Determines whether the processor or the USB-FS currently owns the buffer. Except when KEEP=1,
the SIE hands ownership back to the processor after completing the token by clearing this bit.
This must always be the last byte of the BD that the processor updates when it initializes a BD.
0 The processor has exclusive access to the BD. The USB-FS ignores all other fields in the BD.
1 USB-FS has exclusive access to the BD. After the BD has been assigned to the USB-FS, the
processor should not change it in any way.
6
DATA0/1
Defines whether a DATA0 field (DATA0/1=0) or a DATA1 (DATA0/1=1) field was transmitted or
received. It is unchanged by the USB-FS.
5
KEEP/
TOK_PID[3]
Typically, this bit is 1 with ISO endpoints feeding a FIFO. The microprocessor is not informed that a
token has been processed, the data is simply transferred to or from the FIFO. When KEEP is set,
normally the NINC bit is also set to prevent address increment.
0 Bit 3 of the current token PID is written back to the BD by the USB-FS. Allows the USB-FS to
release the BD when a token has been processed.
1 This bit is unchanged by the USB-FS. If the OWN bit also is set, the BD remains owned by the
USB-FS forever.
4
NINC/
TOK_PID[2]
No Increment (NINC)
Disables the DMA engine address increment. This forces the DMA engine to read or write from the
same address. This is useful for endpoints when data needs to be read from or written to a single
location such as a FIFO. Typically this bit is set with the KEEP bit for ISO endpoints that are
interfacing to a FIFO.
0 The USB-FS writes bit 2 of the current token PID to the BD.
1 This bit is unchanged by the USB-FS.
3
DTS/
TOK_PID[1]
Setting this bit enables the USB-FS to perform Data Toggle Synchronization.
• If KEEP=0, bit 1 of the current token PID is written back to the BD.
• If KEEP=1, this bit is unchanged by the USB-FS.
0 Data Toggle Synchronization is disabled.
1 Enables the USB-FS to perform Data Toggle Synchronization.
2
BDT_STALL
TOK_PID[0]
Setting this bit causes the USB-FS to issue a STALL handshake if a token is received by the SIE
that would use the BDT in this location. The BDT is not consumed by the SIE (the owns bit remains
set and the rest of the BDT is unchanged) when a BDT-STALL bit is set.
• If KEEP=0, bit 0 of the current token PID is written back to the BD.
• If KEEP=1, this bit is unchanged by the USB-FS.
0 No stall issued.
1 The BDT is not consumed by the SIE (the OWN bit remains set and the rest of the BDT is
unchanged).
Table continues on the next page...
Programmers interface
KL25 Sub-Family Reference Manual, Rev. 3, September 2012
618 Freescale Semiconductor, Inc.

Table 35-4. Buffer descriptor fields (continued)
Field Description
TOK_PID[n] Bits [5:2] can also represent the current token PID. The current token PID is written back in to the
BD by the USB-FS when a transfer completes. The values written back are the token PID values
from the USB specification:
• 0x1h for an OUT token.
• 0x9h for an IN token.
• 0xDh for a SETUP token.
In host mode, this field is used to report the last returned PID or a transfer status indication. The
possible values returned are:
• 0x3h DATA0
• 0xBh DATA1
• 0x2h ACK
• 0xEh STALL
• 0xAh NAK
• 0x0h Bus Timeout
• 0xFh Data Error
1–0
Reserved
Reserved, should read as zeroes.
ADDR[31:0] Address
Represents the 32-bit buffer address in system memory. These bits are unchanged by the USB-
FS.
35.3.5 USB transaction
When the USB-FS transmits or receives data, it computes the BDT address using the
address generation shown in "Addressing Buffer Descriptor Entries" table.
If OWN =1, the following process occurs:
1. The USB-FS reads the BDT.
2. The SIE transfers the data via the DMA to or from the buffer pointed to by the
ADDR field of the BD.
3. When the TOKEN is complete, the USB-FS updates the BDT and, if KEEP=0,
changes the OWN bit to 0.
4. The STAT register is updated and the TOK_DNE interrupt is set.
5. When the processor processes the TOK_DNE interrupt, it reads from the status
register all the information needed to process the endpoint.
6. At this point, the processor allocates a new BD so that additional USB data can be
transmitted or received for that endpoint, and then processes the last BD.
The following figure shows a timeline of how a typical USB token is processed after the
BDT is read and OWN=1.
Chapter 35 Universal Serial Bus OTG Controller (USBOTG)
KL25 Sub-Family Reference Manual, Rev. 3, September 2012
Freescale Semiconductor, Inc. 619

SETUP TOKEN DATA ACK
USB RST SOF
IN TOKEN DATA ACK
OUT TOKEN DATA ACK
USB_RST
Interrupt Generated
USB Host Function
TOK_DNE
Interrupt Generated
SOF Interrupt Generated
TOK_DNE
Interrupt Generated
TOK_DNE
Interrupt Generated
Figure 35-4. USB token transaction
The USB has two sources for the DMA overrun error:
Memory Latency
The memory latency may be too high and cause the receive FIFO to overflow. This is
predominantly a hardware performance issue, usually caused by transient memory access
issues.
Oversized Packets
The packet received may be larger than the negotiated MaxPacket size. Typically, this is
caused by a software bug. For DMA overrun errors due to oversized data packets, the
USB specification is ambiguous. It assumes correct software drivers on both sides.
NAKing the packet can result in retransmission of the already oversized packet data.
Therefore, in response to oversized packets, the USB core continues ACKing the packet
for non-isochronous transfers.
Table 35-5. USB responses to DMA overrun errors
Errors due to Memory Latency Errors due to Oversized Packets
Non-Acknowledgment (NAK) or Bus Timeout (BTO) — See
bit 4 in "Error Interrupt Status Register (ERRSTAT)" as
appropriate for the class of transaction.
Continues acknowledging (ACKing) the packet for non-
isochronous transfers.
—The data written to memory is clipped to the MaxPacket size
so as not to corrupt system memory.
The DMAERR bit is set in the ERRSTAT register for host and
device modes of operation. Depending on the values of the
INTENB and ERRENB register, the core may assert an
interrupt to notify the processor of the DMA error.
Asserts ERRSTAT[DMAERR] ,which can trigger an interrupt
and TOKDNE interrupt fires. Note: The TOK_PID field of the
BDT is not 1111 because the DMAERR is not due to latency.
Table continues on the next page...
Programmers interface
KL25 Sub-Family Reference Manual, Rev. 3, September 2012
620 Freescale Semiconductor, Inc.

Table 35-5. USB responses to DMA overrun errors (continued)
Errors due to Memory Latency Errors due to Oversized Packets
• For host mode, the TOKDNE interrupt is generated and
the TOK_PID field of the BDT is 1111 to indicate the
DMA latency error. Host mode software can decide to
retry or move to next scheduled item.
• In device mode, the BDT is not written back nor is the
TOKDNE interrupt triggered because it is assumed that
a second attempt is queued and will succeed in the
future.
The packet length field written back to the BDT is the
MaxPacket value that represents the length of the clipped
data actually written to memory.
From here, the software can decide an appropriate course of action for future transactions such as stalling the endpoint,
canceling the transfer, disabling the endpoint, etc.
35.4 Memory map/Register definitions
This section provides the memory map and detailed descriptions of all USB interface
registers.
USB memory map
Absolute
address
(hex)
Register name Width
(in bits) Access Reset value Section/
page
4007_2000 Peripheral ID register (USB0_PERID) 8 R 04h 35.4.1/623
4007_2004 Peripheral ID Complement register (USB0_IDCOMP) 8 R FBh 35.4.2/624
4007_2008 Peripheral Revision register (USB0_REV) 8 R 33h 35.4.3/624
4007_200C Peripheral Additional Info register (USB0_ADDINFO) 8 R 01h 35.4.4/625
4007_2010 OTG Interrupt Status register (USB0_OTGISTAT) 8 R/W 00h 35.4.5/625
4007_2014 OTG Interrupt Control Register (USB0_OTGICR) 8 R/W 00h 35.4.6/626
4007_2018 OTG Status register (USB0_OTGSTAT) 8 R/W 00h 35.4.7/627
4007_201C OTG Control register (USB0_OTGCTL) 8 R/W 00h 35.4.8/628
4007_2080 Interrupt Status register (USB0_ISTAT) 8 R/W 00h 35.4.9/629
4007_2084 Interrupt Enable register (USB0_INTEN) 8 R/W 00h 35.4.10/
630
4007_2088 Error Interrupt Status register (USB0_ERRSTAT) 8 R/W 00h 35.4.11/
631
4007_208C Error Interrupt Enable register (USB0_ERREN) 8 R/W 00h 35.4.12/
632
4007_2090 Status register (USB0_STAT) 8 R 00h 35.4.13/
633
4007_2094 Control register (USB0_CTL) 8 R/W 00h 35.4.14/
634
4007_2098 Address register (USB0_ADDR) 8 R/W 00h 35.4.15/
635
Table continues on the next page...
Chapter 35 Universal Serial Bus OTG Controller (USBOTG)
KL25 Sub-Family Reference Manual, Rev. 3, September 2012
Freescale Semiconductor, Inc. 621

USB memory map (continued)
Absolute
address
(hex)
Register name Width
(in bits) Access Reset value Section/
page
4007_209C BDT Page Register 1 (USB0_BDTPAGE1) 8 R/W 00h 35.4.16/
636
4007_20A0 Frame Number Register Low (USB0_FRMNUML) 8 R/W 00h 35.4.17/
636
4007_20A4 Frame Number Register High (USB0_FRMNUMH) 8 R/W 00h 35.4.18/
637
4007_20A8 Token register (USB0_TOKEN) 8 R/W 00h 35.4.19/
637
4007_20AC SOF Threshold Register (USB0_SOFTHLD) 8 R/W 00h 35.4.20/
638
4007_20B0 BDT Page Register 2 (USB0_BDTPAGE2) 8 R/W 00h 35.4.21/
639
4007_20B4 BDT Page Register 3 (USB0_BDTPAGE3) 8 R/W 00h 35.4.22/
639
4007_20C0 Endpoint Control register (USB0_ENDPT0) 8 R/W 00h 35.4.23/
639
4007_20C4 Endpoint Control register (USB0_ENDPT1) 8 R/W 00h 35.4.23/
639
4007_20C8 Endpoint Control register (USB0_ENDPT2) 8 R/W 00h 35.4.23/
639
4007_20CC Endpoint Control register (USB0_ENDPT3) 8 R/W 00h 35.4.23/
639
4007_20D0 Endpoint Control register (USB0_ENDPT4) 8 R/W 00h 35.4.23/
639
4007_20D4 Endpoint Control register (USB0_ENDPT5) 8 R/W 00h 35.4.23/
639
4007_20D8 Endpoint Control register (USB0_ENDPT6) 8 R/W 00h 35.4.23/
639
4007_20DC Endpoint Control register (USB0_ENDPT7) 8 R/W 00h 35.4.23/
639
4007_20E0 Endpoint Control register (USB0_ENDPT8) 8 R/W 00h 35.4.23/
639
4007_20E4 Endpoint Control register (USB0_ENDPT9) 8 R/W 00h 35.4.23/
639
4007_20E8 Endpoint Control register (USB0_ENDPT10) 8 R/W 00h 35.4.23/
639
4007_20EC Endpoint Control register (USB0_ENDPT11) 8 R/W 00h 35.4.23/
639
4007_20F0 Endpoint Control register (USB0_ENDPT12) 8 R/W 00h 35.4.23/
639
4007_20F4 Endpoint Control register (USB0_ENDPT13) 8 R/W 00h 35.4.23/
639
4007_20F8 Endpoint Control register (USB0_ENDPT14) 8 R/W 00h 35.4.23/
639
Table continues on the next page...
Memory map/Register definitions
KL25 Sub-Family Reference Manual, Rev. 3, September 2012
622 Freescale Semiconductor, Inc.

USB memory map (continued)
Absolute
address
(hex)
Register name Width
(in bits) Access Reset value Section/
page
4007_20FC Endpoint Control register (USB0_ENDPT15) 8 R/W 00h 35.4.23/
639
4007_2100 USB Control register (USB0_USBCTRL) 8 R/W C0h 35.4.24/
640
4007_2104 USB OTG Observe register (USB0_OBSERVE) 8 R 50h 35.4.25/
641
4007_2108 USB OTG Control register (USB0_CONTROL) 8 R/W 00h 35.4.26/
642
4007_210C USB Transceiver Control Register 0 (USB0_USBTRC0) 8 R/W 00h 35.4.27/
642
4007_2114 Frame Adjust Register (USB0_USBFRMADJUST) 8 R/W 00h 35.4.28/
643
35.4.1 Peripheral ID register (USBx_PERID)
Reads back the value of 0x04. This value is defined for the USB peripheral.
Address: 4007_2000h base + 0h offset = 4007_2000h
Bit 7 6 5 4 3 2 1 0
Read 0 ID
Write
Reset 00000100
USBx_PERID field descriptions
Field Description
7–6
Reserved
This field is reserved.
This read-only field is reserved and always has the value 0.
5–0
ID
Peripheral Identification
This field always reads 0x4h.
Chapter 35 Universal Serial Bus OTG Controller (USBOTG)
KL25 Sub-Family Reference Manual, Rev. 3, September 2012
Freescale Semiconductor, Inc. 623

35.4.2 Peripheral ID Complement register (USBx_IDCOMP)
Reads back the complement of the Peripheral ID register. For the USB peripheral, the
value is 0xFB.
Address: 4007_2000h base + 4h offset = 4007_2004h
Bit 7 6 5 4 3 2 1 0
Read 1 NID
Write
Reset 11111011
USBx_IDCOMP field descriptions
Field Description
7–6
Reserved
This field is reserved.
This read-only field is reserved and always has the value 1.
5–0
NID
Ones complement of peripheral identification bits.
35.4.3 Peripheral Revision register (USBx_REV)
Contains the revision number of the USB module.
Address: 4007_2000h base + 8h offset = 4007_2008h
Bit 7 6 5 4 3 2 1 0
Read REV
Write
Reset 00110011
USBx_REV field descriptions
Field Description
7–0
REV
Revision
Indicate the revision number of the USB Core.
Memory map/Register definitions
KL25 Sub-Family Reference Manual, Rev. 3, September 2012
624 Freescale Semiconductor, Inc.

35.4.4 Peripheral Additional Info register (USBx_ADDINFO)
Reads back the value of the fixed Interrupt Request Level (IRQNUM) along with the
Host Enable bit.
Address: 4007_2000h base + Ch offset = 4007_200Ch
Bit 7 6 5 4 3 2 1 0
Read IRQNUM 0 IEHOST
Write
Reset 00000001
USBx_ADDINFO field descriptions
Field Description
7–3
IRQNUM
Assigned Interrupt Request Number
2–1
Reserved
This field is reserved.
This read-only field is reserved and always has the value 0.
0
IEHOST
When this bit is set, the USB peripheral is operating in host mode.
35.4.5 OTG Interrupt Status register (USBx_OTGISTAT)
Records changes of the ID sense and VBUS signals. Software can read this register to
determine the event that triggers interrupt. Only bits that have changed since the last
software read are set. Writing a one to a bit clears the associated interrupt.
Address: 4007_2000h base + 10h offset = 4007_2010h
Bit 7 6 5 4 3 2 1 0
Read
IDCHG ONEMSEC
LINE_
STATE_
CHG
0SESSVLDC
HG
B_SESS_
CHG
0
AVBUSCHG
Write
Reset 00000000
USBx_OTGISTAT field descriptions
Field Description
7
IDCHG
This bit is set when a change in the ID Signal from the USB connector is sensed.
6
ONEMSEC
This bit is set when the 1 millisecond timer expires. This bit stays asserted until cleared by software. The
interrupt must be serviced every millisecond to avoid losing 1msec counts.
5
LINE_STATE_
CHG
This bit is set when the USB line state changes. The interrupt associated with this bit can be used to
detect Reset, Resume, Connect, and Data Line Pulse signaling
Table continues on the next page...
Chapter 35 Universal Serial Bus OTG Controller (USBOTG)
KL25 Sub-Family Reference Manual, Rev. 3, September 2012
Freescale Semiconductor, Inc. 625

USBx_OTGISTAT field descriptions (continued)
Field Description
4
Reserved
This field is reserved.
This read-only field is reserved and always has the value 0.
3
SESSVLDCHG
This bit is set when a change in VBUS is detected indicating a session valid or a session no longer valid.
2
B_SESS_CHG
This bit is set when a change in VBUS is detected on a B device.
1
Reserved
This field is reserved.
This read-only field is reserved and always has the value 0.
0
AVBUSCHG
This bit is set when a change in VBUS is detected on an A device.
35.4.6 OTG Interrupt Control Register (USBx_OTGICR)
Enables the corresponding interrupt status bits defined in the OTG Interrupt Status
Register.
Address: 4007_2000h base + 14h offset = 4007_2014h
Bit 7 6 5 4 3 2 1 0
Read IDEN ONEMSEC
EN
LINESTATE
EN
0 SESSVLDE
NBSESSEN 0AVBUSEN
Write
Reset 00000000
USBx_OTGICR field descriptions
Field Description
7
IDEN
ID Interrupt Enable
0 The ID interrupt is disabled
1 The ID interrupt is enabled
6
ONEMSECEN
One Millisecond Interrupt Enable
0 Diables the 1ms timer interrupt.
1 Enables the 1ms timer interrupt.
5
LINESTATEEN
Line State Change Interrupt Enable
0 Disables the LINE_STAT_CHG interrupt.
1 Enables the LINE_STAT_CHG interrupt.
4
Reserved
This field is reserved.
This read-only field is reserved and always has the value 0.
3
SESSVLDEN
Session Valid Interrupt Enable
0 Disables the SESSVLDCHG interrupt.
1 Enables the SESSVLDCHG interrupt.
2
BSESSEN
B Session END Interrupt Enable
Table continues on the next page...
Memory map/Register definitions
KL25 Sub-Family Reference Manual, Rev. 3, September 2012
626 Freescale Semiconductor, Inc.

USBx_OTGICR field descriptions (continued)
Field Description
0 Disables the B_SESS_CHG interrupt.
1 Enables the B_SESS_CHG interrupt.
1
Reserved
This field is reserved.
This read-only field is reserved and always has the value 0.
0
AVBUSEN
A VBUS Valid Interrupt Enable
0 Disables the AVBUSCHG interrupt.
1 Enables the AVBUSCHG interrupt.
35.4.7 OTG Status register (USBx_OTGSTAT)
Displays the actual value from the external comparator outputs of the ID pin and VBUS.
Address: 4007_2000h base + 18h offset = 4007_2018h
Bit 7 6 5 4
Read ID ONEMSECEN LINESTATESTABLE 0
Write
Reset 0 0 0 0
Bit 3 2 1 0
Read SESS_VLD BSESSEND 0AVBUSVLD
Write
Reset 0 0 0 0
USBx_OTGSTAT field descriptions
Field Description
7
ID
Indicates the current state of the ID pin on the USB connector
0 Indicates a Type A cable is plugged into the USB connector.
1 Indicates no cable is attached or a Type B cable is plugged into the USB connector.
6
ONEMSECEN
This bit is reserved for the 1ms count, but it is not useful to software.
5
LINESTATESTABLE
Indicates that the internal signals that control the LINE_STATE_CHG field of OTGISTAT are stable for
at least 1 millisecond. First read LINE_STATE_CHG field and then read this field. If this field reads as
1, then the value of LINE_STATE_CHG can be considered stable.
0 The LINE_STAT_CHG bit is not yet stable.
1 The LINE_STAT_CHG bit has been debounced and is stable.
4
Reserved
This field is reserved.
This read-only field is reserved and always has the value 0.
3
SESS_VLD
Session Valid
0 The VBUS voltage is below the B session valid threshold
1 The VBUS voltage is above the B session valid threshold.
Table continues on the next page...
Chapter 35 Universal Serial Bus OTG Controller (USBOTG)
KL25 Sub-Family Reference Manual, Rev. 3, September 2012
Freescale Semiconductor, Inc. 627

USBx_OTGSTAT field descriptions (continued)
Field Description
2
BSESSEND
B Session End
0 The VBUS voltage is above the B session end threshold.
1 The VBUS voltage is below the B session end threshold.
1
Reserved
This field is reserved.
This read-only field is reserved and always has the value 0.
0
AVBUSVLD
A VBUS Valid
0 The VBUS voltage is below the A VBUS Valid threshold.
1 The VBUS voltage is above the A VBUS Valid threshold.
35.4.8 OTG Control register (USBx_OTGCTL)
Controls the operation of VBUS and Data Line termination resistors.
Address: 4007_2000h base + 1Ch offset = 4007_201Ch
Bit 7 6 5 4 3 2 1 0
Read DPHIGH 0DPLOW DMLOW 0OTGEN 0
Write
Reset 00000000
USBx_OTGCTL field descriptions
Field Description
7
DPHIGH
D+ Data Line pullup resistor enable
0 D+ pullup resistor is not enabled
1 D+ pullup resistor is enabled
6
Reserved
This field is reserved.
This read-only field is reserved and always has the value 0.
5
DPLOW
D+ Data Line pull-down resistor enable
This bit should always be enabled together with bit 4 (DMLOW)
0 D+ pulldown resistor is not enabled.
1 D+ pulldown resistor is enabled.
4
DMLOW
D– Data Line pull-down resistor enable
0 D- pulldown resistor is not enabled.
1 D- pulldown resistor is enabled.
3
Reserved
This field is reserved.
This read-only field is reserved and always has the value 0.
2
OTGEN
On-The-Go pullup/pulldown resistor enable
Table continues on the next page...
Memory map/Register definitions
KL25 Sub-Family Reference Manual, Rev. 3, September 2012
628 Freescale Semiconductor, Inc.

USBx_OTGCTL field descriptions (continued)
Field Description
0 If USB_EN is 1 and HOST_MODE is 0 in the Control Register (CTL), then the D+ Data Line pull-up
resistors are enabled. If HOST_MODE is 1 the D+ and D– Data Line pull-down resistors are engaged.
1 The pull-up and pull-down controls in this register are used.
1–0
Reserved
This field is reserved.
This read-only field is reserved and always has the value 0.
35.4.9 Interrupt Status register (USBx_ISTAT)
Contains fields for each of the interrupt sources within the USB Module. Each of these
fields are qualified with their respective interrupt enable bits. All fields of this register are
logically OR'd together along with the OTG Interrupt Status Register (OTGSTAT) to
form a single interrupt source for the processor's interrupt controller. After an interrupt
bit has been set it may only be cleared by writing a one to the respective interrupt bit.
This register contains the value of 0x00 after a reset.
Address: 4007_2000h base + 80h offset = 4007_2080h
Bit 7 6 5 4 3 2 1 0
Read STALL ATTACH RESUME SLEEP TOKDNE SOFTOK ERROR USBRST
Write w1c w1c w1c w1c w1c w1c w1c w1c
Reset 00000000
USBx_ISTAT field descriptions
Field Description
7
STALL
Stall Interrupt
In Target mode this bit is asserted when a STALL handshake is sent by the SIE.
In Host mode this bit is set when the USB Module detects a STALL acknowledge during the handshake
phase of a USB transaction.This interrupt can be used to determine whether the last USB transaction was
completed successfully or stalled.
6
ATTACH
Attach Interrupt
This bit is set when the USB Module detects an attach of a USB device. This signal is only valid if
HOSTMODEEN is true. This interrupt signifies that a peripheral is now present and must be configured.
5
RESUME
This bit is set depending upon the DP/DM signals, and can be used to signal remote wake-up signaling on
the USB bus. When not in suspend mode this interrupt must be disabled.
4
SLEEP
This bit is set when the USB Module detects a constant idle on the USB bus for 3 ms. The sleep timer is
reset by activity on the USB bus.
3
TOKDNE
This bit is set when the current token being processed has completed. The processor must immediately
read the STATUS (STAT) register to determine the EndPoint and BD used for this token. Clearing this bit
(by writing a one) causes STAT to be cleared or the STAT holding register to be loaded into the STAT
register.
2
SOFTOK
This bit is set when the USB Module receives a Start Of Frame (SOF) token.
Table continues on the next page...
Chapter 35 Universal Serial Bus OTG Controller (USBOTG)
KL25 Sub-Family Reference Manual, Rev. 3, September 2012
Freescale Semiconductor, Inc. 629

USBx_ISTAT field descriptions (continued)
Field Description
In Host mode this field is set when the SOF threshold is reached, so that software can prepare for the next
SOF.
1
ERROR
This bit is set when any of the error conditions within Error Interrupt Status (ERRSTAT) register occur. The
processor must then read the ERRSTAT register to determine the source of the error.
0
USBRST
This bit is set when the USB Module has decoded a valid USB reset. This informs the processor that it
should write 0x00 into the address register and enable endpoint 0. USBRST is set after a USB reset has
been detected for 2.5 microseconds. It is not asserted again until the USB reset condition has been
removed and then reasserted.
35.4.10 Interrupt Enable register (USBx_INTEN)
Contains enable fields for each of the interrupt sources within the USB Module. Setting
any of these bits enables the respective interrupt source in the ISTAT register. This
register contains the value of 0x00 after a reset.
Address: 4007_2000h base + 84h offset = 4007_2084h
Bit 7 6 5 4 3 2 1 0
Read STALLEN ATTACHEN RESUMEEN SLEEPEN TOKDNEEN SOFTOKEN ERROREN USBRSTEN
Write
Reset 00000000
USBx_INTEN field descriptions
Field Description
7
STALLEN
STALL Interrupt Enable
0 Diasbles the STALL interrupt.
1 Enables the STALL interrupt.
6
ATTACHEN
ATTACH Interrupt Enable
0 Disables the ATTACH interrupt.
1 Enables the ATTACH interrupt.
5
RESUMEEN
RESUME Interrupt Enable
0 Disables the RESUME interrupt.
1 Enables the RESUME interrupt.
4
SLEEPEN
SLEEP Interrupt Enable
0 Disables the SLEEP interrupt.
1 Enables the SLEEP interrupt.
3
TOKDNEEN
TOKDNE Interrupt Enable
0 Disables the TOKDNE interrupt.
1 Enables the TOKDNE interrupt.
2
SOFTOKEN
SOFTOK Interrupt Enable
Table continues on the next page...
Memory map/Register definitions
KL25 Sub-Family Reference Manual, Rev. 3, September 2012
630 Freescale Semiconductor, Inc.

USBx_INTEN field descriptions (continued)
Field Description
0 Disbles the SOFTOK interrupt.
1 Enables the SOFTOK interrupt.
1
ERROREN
ERROR Interrupt Enable
0 Disables the ERROR interrupt.
1 Enables the ERROR interrupt.
0
USBRSTEN
USBRST Interrupt Enable
0 Disables the USBRST interrupt.
1 Enables the USBRST interrupt.
35.4.11 Error Interrupt Status register (USBx_ERRSTAT)
Contains enable bits for each of the error sources within the USB Module. Each of these
bits are qualified with their respective error enable bits. All bits of this register are
logically OR'd together and the result placed in the ERROR bit of the ISTAT register.
After an interrupt bit has been set it may only be cleared by writing a one to the
respective interrupt bit. Each bit is set as soon as the error conditions is detected.
Therefore, the interrupt does not typically correspond with the end of a token being
processed. This register contains the value of 0x00 after a reset.
Address: 4007_2000h base + 88h offset = 4007_2088h
Bit 7 6 5 4 3 2 1 0
Read BTSERR 0 DMAERR BTOERR DFN8 CRC16 CRC5EOF PIDERR
Write w1c w1c w1c w1c w1c w1c w1c
Reset 00000000
USBx_ERRSTAT field descriptions
Field Description
7
BTSERR
This bit is set when a bit stuff error is detected. If set, the corresponding packet is rejected due to the error.
6
Reserved
This field is reserved.
This read-only field is reserved and always has the value 0.
5
DMAERR
This bit is set if the USB Module has requested a DMA access to read a new BDT but has not been given
the bus before it needs to receive or transmit data. If processing a TX transfer this would cause a transmit
data underflow condition. If processing a RX transfer this would cause a receive data overflow condition.
This interrupt is useful when developing device arbitration hardware for the microprocessor and the USB
module to minimize bus request and bus grant latency. This bit is also set if a data packet to or from the
host is larger than the buffer size allocated in the BDT. In this case the data packet is truncated as it is put
in buffer memory.
4
BTOERR
This bit is set when a bus turnaround timeout error occurs. The USB module contains a bus turnaround
timer that keeps track of the amount of time elapsed between the token and data phases of a SETUP or
Table continues on the next page...
Chapter 35 Universal Serial Bus OTG Controller (USBOTG)
KL25 Sub-Family Reference Manual, Rev. 3, September 2012
Freescale Semiconductor, Inc. 631

USBx_ERRSTAT field descriptions (continued)
Field Description
OUT TOKEN or the data and handshake phases of a IN TOKEN. If more than 16 bit times are counted
from the previous EOP before a transition from IDLE, a bus turnaround timeout error occurs.
3
DFN8
This bit is set if the data field received was not 8 bits in length. USB Specification 1.0 requires that data
fields be an integral number of bytes. If the data field was not an integral number of bytes, this bit is set.
2
CRC16
This bit is set when a data packet is rejected due to a CRC16 error.
1
CRC5EOF
This error interrupt has two functions. When the USB Module is operating in peripheral mode
(HOSTMODEEN=0), this interrupt detects CRC5 errors in the token packets generated by the host. If set
the token packet was rejected due to a CRC5 error.
When the USB Module is operating in host mode (HOSTMODEEN=1), this interrupt detects End Of Frame
(EOF) error conditions. This occurs when the USB Module is transmitting or receiving data and the SOF
counter reaches zero. This interrupt is useful when developing USB packet scheduling software to ensure
that no USB transactions cross the start of the next frame.
0
PIDERR
This bit is set when the PID check field fails.
35.4.12 Error Interrupt Enable register (USBx_ERREN)
Contains enable bits for each of the error interrupt sources within the USB module.
Setting any of these bits enables the respective interrupt source in ERRSTAT. Each bit is
set as soon as the error conditions is detected. Therefore, the interrupt does not typically
correspond with the end of a token being processed. This register contains the value of
0x00 after a reset.
Address: 4007_2000h base + 8Ch offset = 4007_208Ch
Bit 7 6 5 4 3 2 1 0
Read BTSERREN 0DMAERREN BTOERREN DFN8EN CRC16EN CRC5EOFE
NPIDERREN
Write
Reset 00000000
USBx_ERREN field descriptions
Field Description
7
BTSERREN
BTSERR Interrupt Enable
0 Disables the BTSERR interrupt.
1 Enables the BTSERR interrupt.
6
Reserved
This field is reserved.
This read-only field is reserved and always has the value 0.
5
DMAERREN
DMAERR Interrupt Enable
0 Disables the DMAERR interrupt.
1 Enables the DMAERR interrupt.
Table continues on the next page...
Memory map/Register definitions
KL25 Sub-Family Reference Manual, Rev. 3, September 2012
632 Freescale Semiconductor, Inc.

USBx_ERREN field descriptions (continued)
Field Description
4
BTOERREN
BTOERR Interrupt Enable
0 Disables the BTOERR interrupt.
1 Enables the BTOERR interrupt.
3
DFN8EN
DFN8 Interrupt Enable
0 Disables the DFN8 interrupt.
1 Enables the DFN8 interrupt.
2
CRC16EN
CRC16 Interrupt Enable
0 Disables the CRC16 interrupt.
1 Enables the CRC16 interrupt.
1
CRC5EOFEN
CRC5/EOF Interrupt Enable
0 Disables the CRC5/EOF interrupt.
1 Enables the CRC5/EOF interrupt.
0
PIDERREN
PIDERR Interrupt Enable
0 Disables the PIDERR interrupt.
1 Enters the PIDERR interrupt.
35.4.13 Status register (USBx_STAT)
Reports the transaction status within the USB module. When the processor's interrupt
controller has received a TOKDNE, interrupt the Status Register must be read to
determine the status of the previous endpoint communication. The data in the status
register is valid when TOKDNE interrupt is asserted. The Status register is actually a
read window into a status FIFO maintained by the USB module. When the USB module
uses a BD, it updates the Status register. If another USB transaction is performed before
the TOKDNE interrupt is serviced, the USB module stores the status of the next
transaction in the STAT FIFO. Thus STAT is actually a four byte FIFO that allows the
processor core to process one transaction while the SIE is processing the next transaction.
Clearing the TOKDNE bit in the ISTAT register causes the SIE to update STAT with the
contents of the next STAT value. If the data in the STAT holding register is valid, the
SIE immediately reasserts to TOKDNE interrupt.
Address: 4007_2000h base + 90h offset = 4007_2090h
Bit 7 6 5 4 3 2 1 0
Read ENDP TX ODD 0
Write
Reset 00000000
Chapter 35 Universal Serial Bus OTG Controller (USBOTG)
KL25 Sub-Family Reference Manual, Rev. 3, September 2012
Freescale Semiconductor, Inc. 633

USBx_STAT field descriptions
Field Description
7–4
ENDP
This four-bit field encodes the endpoint address that received or transmitted the previous token. This
allows the processor core to determine the BDT entry that was updated by the last USB transaction.
3
TX
Transmit Indicator
0 The most recent transaction was a receive operation.
1 The most recent transaction was a transmit operation.
2
ODD
This bit is set if the last buffer descriptor updated was in the odd bank of the BDT.
1–0
Reserved
This field is reserved.
This read-only field is reserved and always has the value 0.
35.4.14 Control register (USBx_CTL)
Provides various control and configuration information for the USB module.
Address: 4007_2000h base + 94h offset = 4007_2094h
Bit 7 6 5 4
Read JSTATE SE0 TXSUSPENDTOKENB
USY RESET
Write
Reset 0 0 0 0
Bit 3 2 1 0
Read HOSTMODEEN RESUME ODDRST USBENSOFEN
Write
Reset 0 0 0 0
USBx_CTL field descriptions
Field Description
7
JSTATE
Live USB differential receiver JSTATE signal
The polarity of this signal is affected by the current state of LSEN .
6
SE0
Live USB Single Ended Zero signal
5
TXSUSPENDTOKENBUSY
In Host mode, TOKEN_BUSY is set when the USB module is busy executing a USB token.
Software must not write more token commands to the Token Register when TOKEN_BUSY is
set.. Software should check this field before writing any tokens to the Token Register to ensure
that token commands are not lost.
In Target mode, TXD_SUSPEND is set when the SIE has disabled packet transmission and
reception. Clearing this bit allows the SIE to continue token processing. This bit is set by the
SIE when a SETUP Token is received allowing software to dequeue any pending packet
transactions in the BDT before resuming token processing.
4
RESET
Setting this bit enables the USB Module to generate USB reset signaling. This allows the USB
Module to reset USB peripherals. This control signal is only valid in Host mode
(HOSTMODEEN=1). Software must set RESET to 1 for the required amount of time and then
clear it to 0 to end reset signaling. For more information on reset signaling see Section 7.1.4.3
of the USB specification version 1.0.
Table continues on the next page...
Memory map/Register definitions
KL25 Sub-Family Reference Manual, Rev. 3, September 2012
634 Freescale Semiconductor, Inc.

USBx_CTL field descriptions (continued)
Field Description
3
HOSTMODEEN
When set to 1, this bit enables the USB Module to operate in Host mode. In host mode, the
USB module performs USB transactions under the programmed control of the host processor.
2
RESUME
When set to 1 this bit enables the USB Module to execute resume signaling. This allows the
USB Module to perform remote wake-up. Software must set RESUME to 1 for the required
amount of time and then clear it to 0. If the HOSTMODEEN bit is set, the USB module appends
a Low Speed End of Packet to the Resume signaling when the RESUME bit is cleared. For
more information on RESUME signaling see Section 7.1.4.5 of the USB specification version
1.0.
1
ODDRST
Setting this bit to 1 resets all the BDT ODD ping/pong fields to 0, which then specifies the
EVEN BDT bank.
0
USBENSOFEN
USB Enable
Setting this bit causes the SIE to reset all of its ODD bits to the BDTs. Therefore, setting this bit
resets much of the logic in the SIE. When host mode is enabled, clearing this bit causes the
SIE to stop sending SOF tokens.
0 Disables the USB Module.
1 Enables the USB Module.
35.4.15 Address register (USBx_ADDR)
Holds the unique USB address that the USB module decodes when in Peripheral mode
(HOSTMODEEN=0). When operating in Host mode (HOSTMODEEN=1) the USB
module transmits this address with a TOKEN packet. This enables the USB module to
uniquely address an USB peripheral. In either mode, USB_EN within the control register
must be 1. The Address register is reset to 0x00 after the reset input becomes active or the
USB module decodes a USB reset signal. This action initializes the Address register to
decode address 0x00 as required by the USB specification.
Address: 4007_2000h base + 98h offset = 4007_2098h
Bit 7 6 5 4 3 2 1 0
Read LSEN ADDR
Write
Reset 00000000
USBx_ADDR field descriptions
Field Description
7
LSEN
Low Speed Enable bit
Informs the USB module that the next token command written to the token register must be performed at
low speed. This enables the USB module to perform the necessary preamble required for low-speed data
transmissions.
6–0
ADDR
USB Address
Defines the USB address that the USB module decodes in peripheral mode, or transmits when in host
mode.
Chapter 35 Universal Serial Bus OTG Controller (USBOTG)
KL25 Sub-Family Reference Manual, Rev. 3, September 2012
Freescale Semiconductor, Inc. 635

35.4.16 BDT Page Register 1 (USBx_BDTPAGE1)
Provides address bits 15 through 9 of the base address where the current Buffer
Descriptor Table (BDT) resides in system memory. The 32-bit BDT Base Address is
always aligned on 512-byte boundaries, so bits 8 through 0 of the base address are always
zero.
Address: 4007_2000h base + 9Ch offset = 4007_209Ch
Bit 7 6 5 4 3 2 1 0
Read BDTBA 0
Write
Reset 00000000
USBx_BDTPAGE1 field descriptions
Field Description
7–1
BDTBA
Provides address bits 15 through 9 of the BDT base address.
0
Reserved
This field is reserved.
This read-only field is reserved and always has the value 0.
35.4.17 Frame Number Register Low (USBx_FRMNUML)
Contains an 11-bit value used to compute the address where the current Buffer Descriptor
Table (BDT) resides in system memory.
Address: 4007_2000h base + A0h offset = 4007_20A0h
Bit 7 6 5 4 3 2 1 0
Read FRM[7:0]
Write
Reset 00000000
USBx_FRMNUML field descriptions
Field Description
7–0
FRM[7:0]
This 8-bit field and the 3-bit field in the Frame Number Register High are used to compute the address
where the current Buffer Descriptor Table (BDT) resides in system memory.
Memory map/Register definitions
KL25 Sub-Family Reference Manual, Rev. 3, September 2012
636 Freescale Semiconductor, Inc.

35.4.18 Frame Number Register High (USBx_FRMNUMH)
Contains an 11-bit value used to compute the address where the current Buffer Descriptor
Table (BDT) resides in system memory.
Address: 4007_2000h base + A4h offset = 4007_20A4h
Bit 7 6 5 4 3 2 1 0
Read 0 FRM[10:8]
Write
Reset 00000000
USBx_FRMNUMH field descriptions
Field Description
7–3
Reserved
This field is reserved.
This read-only field is reserved and always has the value 0.
2–0
FRM[10:8]
This 3-bit field and the 8-bit field in the Frame Number Register Low are used to compute the address
where the current Buffer Descriptor Table (BDT) resides in system memory.
35.4.19 Token register (USBx_TOKEN)
Used to initiate USB transactions when in host mode (HOSTMODEEN=1). When the
software needs to execute a USB transaction to a peripheral, it writes the TOKEN type
and endpoint to this register. After this register has been written, the USB module begins
the specified USB transaction to the address contained in the address register. The
processor core must always check that the TOKEN_BUSY bit in the control register is
not 1 before writing to the Token Register. This ensures that the token commands are not
overwritten before they can be executed. The address register and endpoint control
register 0 are also used when performing a token command and therefore must also be
written before the Token Register. The address register is used to select the USB
peripheral address transmitted by the token command. The endpoint control register
determines the handshake and retry policies used during the transfer.
Address: 4007_2000h base + A8h offset = 4007_20A8h
Bit 7 6 5 4 3 2 1 0
Read TOKENPID TOKENENDPT
Write
Reset 00000000
USBx_TOKEN field descriptions
Field Description
7–4
TOKENPID
Contains the token type executed by the USB module.
Table continues on the next page...
Chapter 35 Universal Serial Bus OTG Controller (USBOTG)
KL25 Sub-Family Reference Manual, Rev. 3, September 2012
Freescale Semiconductor, Inc. 637

USBx_TOKEN field descriptions (continued)
Field Description
0001 OUT Token. USB Module performs an OUT (TX) transaction.
1001 IN Token. USB Module performs an In (RX) transaction.
1101 SETUP Token. USB Module performs a SETUP (TX) transaction
3–0
TOKENENDPT
Holds the Endpoint address for the token command. The four bit value written must be a valid endpoint.
35.4.20 SOF Threshold Register (USBx_SOFTHLD)
The SOF Threshold Register is used only in Host mode (HOSTMODEEN=1). When in
Host mode, the 14-bit SOF counter counts the interval between SOF frames. The SOF
must be transmitted every 1ms so therefore the SOF counter is loaded with a value of
12000. When the SOF counter reaches zero, a Start Of Frame (SOF) token is transmitted.
The SOF threshold register is used to program the number of USB byte times before the
SOF to stop initiating token packet transactions. This register must be set to a value that
ensures that other packets are not actively being transmitted when the SOF time counts to
zero. When the SOF counter reaches the threshold value, no more tokens are transmitted
until after the SOF has been transmitted.
The value programmed into the threshold register must reserve enough time to ensure the
worst case transaction completes. In general the worst case transaction is an IN token
followed by a data packet from the target followed by the response from the host. The
actual time required is a function of the maximum packet size on the bus.
Typical values for the SOF threshold are:
• 64-byte packets=74;
• 32-byte packets=42;
• 16-byte packets=26;
• 8-byte packets=18.
Address: 4007_2000h base + ACh offset = 4007_20ACh
Bit 7 6 5 4 3 2 1 0
Read CNT
Write
Reset 00000000
USBx_SOFTHLD field descriptions
Field Description
7–0
CNT
Represents the SOF count threshold in byte times.
Memory map/Register definitions
KL25 Sub-Family Reference Manual, Rev. 3, September 2012
638 Freescale Semiconductor, Inc.

35.4.21 BDT Page Register 2 (USBx_BDTPAGE2)
Contains an 8-bit value used to compute the address where the current Buffer Descriptor
Table (BDT) resides in system memory.
Address: 4007_2000h base + B0h offset = 4007_20B0h
Bit 7 6 5 4 3 2 1 0
Read BDTBA
Write
Reset 00000000
USBx_BDTPAGE2 field descriptions
Field Description
7–0
BDTBA
Provides address bits 23 through 16 of the BDT base address that defines the location of Buffer Descriptor
Table resides in system memory.
35.4.22 BDT Page Register 3 (USBx_BDTPAGE3)
Contains an 8-bit value used to compute the address where the current Buffer Descriptor
Table (BDT) resides in system memory.
Address: 4007_2000h base + B4h offset = 4007_20B4h
Bit 7 6 5 4 3 2 1 0
Read BDTBA
Write
Reset 00000000
USBx_BDTPAGE3 field descriptions
Field Description
7–0
BDTBA
Provides address bits 31 through 24 of the BDT base address that defines the location of Buffer Descriptor
Table resides in system memory.
35.4.23 Endpoint Control register (USBx_ENDPTn)
Contains the endpoint control bits for each of the 16 endpoints available within the USB
module for a decoded address. The format for these registers is shown in the following
figure. Endpoint 0 (ENDPT0) is associated with control pipe 0, which is required for all
USB functions. Therefore, after a USBRST interrupt occurs the processor core should set
ENDPT0 to contain 0x0D.
Chapter 35 Universal Serial Bus OTG Controller (USBOTG)
KL25 Sub-Family Reference Manual, Rev. 3, September 2012
Freescale Semiconductor, Inc. 639

In Host mode ENDPT0 is used to determine the handshake, retry and low speed
characteristics of the host transfer. For Control, Bulk and Interrupt transfers, the
EPHSHK bit should be 1. For Isochronous transfers it should be 0. Common values to
use for ENDPT0 in host mode are 0x4D for Control, Bulk, and Interrupt transfers, and
0x4C for Isochronous transfers.
Address: 4007_2000h base + C0h offset + (4d × i), where i=0d to 15d
Bit 7 6 5 4 3 2 1 0
Read HOSTWOH
UB RETRYDIS 0EPCTLDIS EPRXEN EPTXEN EPSTALL EPHSHK
Write
Reset 00000000
USBx_ENDPTn field descriptions
Field Description
7
HOSTWOHUB
This is a Host mode only field and is present in the control register for endpoint 0 (ENDPT0) only. When
set this bit allows the host to communicate to a directly connected low speed device. When cleared, the
host produces the PRE_PID. It then switches to low-speed signaling when sends a token to a low speed
device as required to communicate with a low speed device through a hub.
6
RETRYDIS
This is a Host mode only bit and is present in the control register for endpoint 0 (ENDPT0) only. When set
this bit causes the host to not retry NAK'ed (Negative Acknowledgement) transactions. When a transaction
is NAKed, the BDT PID field is updated with the NAK PID, and the TOKEN_DNE interrupt is set. When
this bit is cleared NAKed transactions is retried in hardware. This bit must be set when the host is
attempting to poll an interrupt endpoint.
5
Reserved
This field is reserved.
This read-only field is reserved and always has the value 0.
4
EPCTLDIS
This bit, when set, disables control (SETUP) transfers. When cleared, control transfers are enabled. This
applies if and only if the EPRXEN and EPTXEN bits are also set.
3
EPRXEN
This bit, when set, enables the endpoint for RX transfers.
2
EPTXEN
This bit, when set, enables the endpoint for TX transfers.
1
EPSTALL
When set this bit indicates that the endpoint is called. This bit has priority over all other control bits in the
EndPoint Enable Register, but it is only valid if EPTXEN=1 or EPRXEN=1. Any access to this endpoint
causes the USB Module to return a STALL handshake. After an endpoint is stalled it requires intervention
from the Host Controller.
0
EPHSHK
When set this bit enables an endpoint to perform handshaking during a transaction to this endpoint. This
bit is generally 1 unless the endpoint is Isochronous.
35.4.24 USB Control register (USBx_USBCTRL)
Address: 4007_2000h base + 100h offset = 4007_2100h
Bit 7 6 5 4 3 2 1 0
Read SUSP PDE 0
Write
Reset 11000000
Memory map/Register definitions
KL25 Sub-Family Reference Manual, Rev. 3, September 2012
640 Freescale Semiconductor, Inc.

USBx_USBCTRL field descriptions
Field Description
7
SUSP
Places the USB transceiver into the suspend state.
0 USB transceiver is not in suspend state.
1 USB transceiver is in suspend state.
6
PDE
Enables the weak pulldowns on the USB transceiver.
0 Weak pulldowns are disabled on D+ and D–.
1 Weak pulldowns are enabled on D+ and D–.
5–0
Reserved
This field is reserved.
This read-only field is reserved and always has the value 0.
35.4.25 USB OTG Observe register (USBx_OBSERVE)
Provides visibility on the state of the pull-ups and pull-downs at the transceiver. Useful
when interfacing to an external OTG control module via a serial interface.
Address: 4007_2000h base + 104h offset = 4007_2104h
Bit 7 6 5 4 3 2 1 0
Read DPPU DPPD 0 DMPD 0 0
Write
Reset 01010000
USBx_OBSERVE field descriptions
Field Description
7
DPPU
Provides observability of the D+ Pullup . signal output from the USB OTG module
0 D+ pullup disabled.
1 D+ pullup enabled.
6
DPPD
Provides observability of the D+ Pulldown . signal output from the USB OTG module
0 D+ pulldown disabled.
1 D+ pulldown enabled.
5
Reserved
This field is reserved.
This read-only field is reserved and always has the value 0.
4
DMPD
Provides observability of the D� Pulldown . signal output from the USB OTG module
0 D– pulldown disabled.
1 D– pulldown enabled.
3–1
Reserved
This field is reserved.
This read-only field is reserved and always has the value 0.
0
Reserved
This field is reserved.
This read-only field is reserved and always has the value 0.
Chapter 35 Universal Serial Bus OTG Controller (USBOTG)
KL25 Sub-Family Reference Manual, Rev. 3, September 2012
Freescale Semiconductor, Inc. 641

35.4.26 USB OTG Control register (USBx_CONTROL)
Address: 4007_2000h base + 108h offset = 4007_2108h
Bit 7 6 5 4
Read 0 DPPULLUPNONOTG
Write
Reset 0 0 0 0
Bit 3 2 1 0
Read 0
Write
Reset 0 0 0 0
USBx_CONTROL field descriptions
Field Description
7–5
Reserved
This field is reserved.
This read-only field is reserved and always has the value 0.
4
DPPULLUPNONOTG
Provides control of the DP Pullup in the USB OTG module, if USB is configured in non-OTG device
mode.
0 DP Pullup in non-OTG device mode is not enabled.
1 DP Pullup in non-OTG device mode is enabled.
3–0
Reserved
This field is reserved.
This read-only field is reserved and always has the value 0.
35.4.27 USB Transceiver Control Register 0 (USBx_USBTRC0)
Address: 4007_2000h base + 10Ch offset = 4007_210Ch
Bit 7 6 5 4
Read USBRESMEN 0
Write USBRESET 1
Reset 0 0 0 0
Bit 3 2 1 0
Read 0 SYNC_DET USB_RESUME_INT
Write
Reset 0 0 0 0
USBx_USBTRC0 field descriptions
Field Description
7
USBRESET
USB Reset
Generates a hard reset to the USB_OTG module. After this bit is set and the reset occurs, this bit is
automatically cleared.
Table continues on the next page...
Memory map/Register definitions
KL25 Sub-Family Reference Manual, Rev. 3, September 2012
642 Freescale Semiconductor, Inc.

USBx_USBTRC0 field descriptions (continued)
Field Description
NOTE: This bit is always read as zero. Wait two USB clock cycles after setting this bit.
0 Normal USB module operation.
1 Returns the USB module to its reset state.
6
Reserved
This field is reserved.
NOTE: Software must set this bit to 1b.
5
USBRESMEN
Asynchronous Resume Interrupt Enable
This bit, when set, allows the USB module to send an asynchronous wakeup event to the MCU upon
detection of resume signaling on the USB bus. The MCU then re-enables clocks to the USB module. It is
used for low-power suspend mode when USB module clocks are stopped or the USB transceiver is in
Suspend mode. Async wakeup only works in device mode.
0 USB asynchronous wakeup from suspend mode disabled.
1 USB asynchronous wakeup from suspend mode enabled. The asynchronous resume interrupt differs
from the synchronous resume interrupt in that it asynchronously detects K-state using the unfiltered
state of the D+ and D– pins. This interupt should only be enabled when the Transceiver is suspended.
4–2
Reserved
This field is reserved.
This read-only field is reserved and always has the value 0.
1
SYNC_DET
Synchronous USB Interrupt Detect
0 Synchronous interrupt has not been detected.
1 Synchronous interrupt has been detected.
0
USB_RESUME_
INT
USB Asynchronous Interrupt
0 No interrupt was generated.
1 Interrupt was generated because of the USB asynchronous interrupt.
35.4.28 Frame Adjust Register (USBx_USBFRMADJUST)
Address: 4007_2000h base + 114h offset = 4007_2114h
Bit 7 6 5 4 3 2 1 0
Read ADJ
Write
Reset 00000000
USBx_USBFRMADJUST field descriptions
Field Description
7–0
ADJ
Frame Adjustment
In Host mode, the frame adjustment is a twos complement number that adjusts the period of each USB
frame in 12-MHz clock periods. A SOF is normally generated every 12,000 12-MHz clock cycles. The
Frame Adjust Register can adjust this by -128 to +127 to compensate for inaccuracies in the USB 48-MHz
clock. Changes to the ADJ bit take effect at the next start of the next frame.
Chapter 35 Universal Serial Bus OTG Controller (USBOTG)
KL25 Sub-Family Reference Manual, Rev. 3, September 2012
Freescale Semiconductor, Inc. 643

35.5 OTG and Host mode operation
The Host mode logic allows devices such as digital cameras and palmtop computers to
function as a USB Host Controller. The OTG logic adds an interface to allow the OTG
Host Negotiation and Session Request Protocols (HNP and SRP) to be implemented in
software. Host Mode allows a peripheral such as a digital camera to be connected directly
to a USB compliant printer. Digital photos can then be easily printed without having to
upload them to a PC. In the palmtop computer application, a USB compliant keyboard/
mouse can be connected to the palmtop computer with the obvious advantages of easier
interaction.
Host mode is intended for use in handheld-portable devices to allow easy connection to
simple HID class devices such as printers and keyboards. It is not intended to perform the
functions of a full OHCI or UHCI compatible host controller found on PC motherboards.
The USB-FS is not supported by Windows 98 as a USB host controller. Host mode
allows bulk, isochronous, interrupt and control transfers. Bulk data transfers are
performed at nearly the full USB interface bandwidth. Support is provided for ISO
transfers, but the number of ISO streams that can be practically supported is affected by
the interrupt latency of the processor servicing the token during interrupts from the SIE.
Custom drivers must be written to support Host mode operation.
Setting the HOST_MODE_EN bit in the CTL register enables Host mode. The USB-FS
core can only operate as a peripheral device or in Host mode. It cannot operate in both
modes simultaneously. When HOST_MODE is enabled, only endpoint zero is used. All
other endpoints should be disabled by software.
35.6 Host Mode Operation Examples
The following sections illustrate the steps required to perform USB host functions using
the USB-FS core. While it is useful to understand the interaction of the hardware and the
software at a detailed level, an understanding of the interactions at this level is not
required to write host applications using the API software.
To enable host mode and discover a connected device:
1. Enable Host Mode (CTL[HOST_MODE_EN]=1). The pull-down resistors are
enabled, and pull-up disabled. Start of Frame (SOF) generation begins. SOF counter
loaded with 12,000. Disable SOF packet generation to eliminate noise on the USB by
writing the USB enable bit to 0 (CTL[USB_EN]=0).
OTG and Host mode operation
KL25 Sub-Family Reference Manual, Rev. 3, September 2012
644 Freescale Semiconductor, Inc.

2. Enable the ATTACH interrupt (INT_ENB[ATTACH]=1).
3. Wait for ATTACH interrupt (INT_STAT[ATTACH]). Signaled by USB Target pull-
up resistor changing the state of DPLUS or DMINUS from 0 to 1 (SE0 to J or K
state).
4. Check the state of the JSTATE and SE0 bits in the control register. If the connecting
device is low speed (JSTATE bit is 0), set the low-speed bit in the address registers
(ADDR[LS_EN]=1) and the Host Without Hub bit in endpoint 0 register control
(ENDPT0[HOSTWOHUB]=1).
5. Enable RESET (CTL[RESET]=1) for 10 ms.
6. Enable SOF packet to keep the connected device from going to suspend
(CTL[USB_EN=1]).
7. Start enumeration by sending a sequence of device framework commands, device
frame work packets to the default control pipe of the connected device. See the
Universal Serial Bus Revision 2.0 specification, "Chapter 9 USB Device Framework"
(http://www.usb.org/developers/docs).
To complete a control transaction to a connected device:
1. Complete all the steps to discover a connected device
2. Set up the endpoint control register for bidirectional control transfers ENDPT0[4:0]
= 0x0d.
3. Place a copy of the device framework setup command in a memory buffer. See the
Universal Serial Bus Revision 2.0 specification, "Chapter 9 USB Device Framework"
(http://www.usb.org/developers/docs).
4. Initialize current even or odd TX EP0 BDT to transfer the 8 bytes of command data
for a device framework command (for example, a GET DEVICE DESCRIPTOR).
• Set the BDT command word to 0x00080080 –Byte count to 8, OWN bit to 1.
• Set the BDT buffer address field to the start address of the 8 byte command
buffer.
5. Set the USB device address of the target device in the address register (ADDR[6:0]).
After the USB bus reset, the device USB address is zero. It is set to some other value
usually 1 by the Set Address device framework command.
6. Write the token register with a SETUP to Endpoint 0 the target device default control
pipe (TOKEN=0xD0). This initiates a setup token on the bus followed by a data
packet. The device handshake is returned in the BDT PID field after the packets
Chapter 35 Universal Serial Bus OTG Controller (USBOTG)
KL25 Sub-Family Reference Manual, Rev. 3, September 2012
Freescale Semiconductor, Inc. 645

complete. When the BDT is written, a token done (ISTAT[TOKDNE]) interrupt is
asserted. This completes the setup phase of the setup transaction. Se the Universal
Serial Bus Revision 2.0 specification, "Chapter 9 USB Device Framework" (http://
www.usb.org/developers/docs).
7. To initiate the data phase of the setup transaction (that is, get the data for the GET
DEVICE DESCRIPTOR command), set up a buffer in memory for the data to be
transferred.
8. Initialize the current even or odd TX EP0 BDT to transfer the data.
• Set the BDT command word to 0x004000C0 – BC to 64 (the byte count of the
data buffer in this case), OWN bit to 1, Data toggle to Data1.
• Set the BDT buffer address field to the start address of the data buffer
9. Write the token register with a IN or OUT token to Endpoint 0 the target device
default control pipe, an IN token for a GET DEVICE DESCRIPTOR command
(TOKEN=0x90). This initiates an IN token on the bus followed by a data packet
from the device to the host. When the data packet completes, the BDT is written and
a token done (ISTAT[DNE]) interrupt is asserted. For control transfers with a single
packet data phase this completes the data phase of the setup transaction. See the
Universal Serial Bus Revision 2.0 specification, "Chapter 9 USB Device Framework"
(http://www.usb.org/developers/docs).
10. To initiate the status phase of the setup transaction, set up a buffer in memory to
receive or send the zero length status phase data packet.
11. Initialize the current even or odd TX EP0 BDT to transfer the status data.
• Set the BDT command word to 0x00000080 – BC to 0 (the byte count of the
data buffer in this case), OWN bit to 1, Data toggle to Data1.
• Set the BDT buffer address field to the start address of the data buffer
12. Write the token register with a IN or OUT token to Endpoint 0 the target device
default control pipe, an OUT token for a GET DEVICE DESCRIPTOR command
(TOKEN=0x10). This initiates an OUT token on the bus followed by a zero length
data packet from the host to the device. When the data packet completes, the BDT is
written with the handshake from the device and a Token Done (ISTAT[TOKDNE])
interrupt is asserted. This completes the data phase of the setup transaction. See the
Universal Serial Bus Revision 2.0 specification, "Chapter 9 USB Device Framework"
(http://www.usb.org/developers/docs).
To send a full speed bulk data transfer to a target device:
Host Mode Operation Examples
KL25 Sub-Family Reference Manual, Rev. 3, September 2012
646 Freescale Semiconductor, Inc.

1. Complete all steps to discover a connected device and to configure a connected
device. Write the ADDR register with the address of the target device. Typically,
there is only one other device on the USB bus in host mode so it is expected that the
address is 0x01 and should remain constant.
2. Write 0x1D to ENDPT0 register to enable transmit and receive transfers with
handshaking enabled.
3. Setup the even TX EP0 BDT to transfer up to 64 bytes.
4. Set the USB device address of the target device in the address register (ADDR[6:0]).
5. Write the TOKEN register with an OUT token to the desired endpoint. The write to
this register triggers the USB-FS transmit state machines to begin transmitting the
TOKEN and the data.
6. Setup the odd TX EP0 BDT to transfer up to 64 bytes.
7. Write the TOKEN register with an OUT token as in step 4. Two tokens can be
queued at a time to allow the packets to be double buffered to achieve maximum
throughput.
8. Wait for the TOKDNE interrupt. This indicates that one of the BDTs has been
released back to the processor and the transfer has completed. If the target device
asserts NAKs, the USB-FS continues to retry the transfer indefinitely without
processor intervention unless the ENDPT0[RETRYDIS] is 1. If the retry disable field
is set, the handshake (ACK, NAK, STALL, or ERROR (0xf)) is returned in the BDT
PID field. If a stall interrupt occurs, the pending packet must be dequeued and the
error condition in the target device cleared. If a Reset interrupt occurs (SE0 for more
than 2.5 μs), the target has detached.
9. After the TOK_DNE interrupt occurs, the BDTs can be examined and the next data
packet queued by returning to step 2.
35.7 On-The-Go operation
The USB-OTG core provides sensors and controls to enable On-The-Go (OTG)
operation. These sensors are used by the OTG API software to implement the Host
Negotiation Protocol (HNP) and Session Request Protocol (SRP). API calls are provided
to give access the OTG protocol control signals, and include the OTG capabilities in the
device application. The following state machines show the OTG operations involved with
HNP and SRP protocols from either end of the USB cable.
Chapter 35 Universal Serial Bus OTG Controller (USBOTG)
KL25 Sub-Family Reference Manual, Rev. 3, September 2012
Freescale Semiconductor, Inc. 647

35.7.1 OTG dual role A device operation
A device is considered the A device because of the type of cable attached. If the USB
Type A connector or the USB Type Mini A connector is plugged into the device, it is
considered the A device.
A dual role A device operates as the following flow diagram and state description table
illustrates.
A_IDLE
A_WAIT_VFALL A_WAIT_VRISE
A_PERIPHERAL
A_SUSPEND
B_IDLE
A_WAIT_BCON
A_HOST
Figure 35-93. Dual role A device flow diagram
Table 35-96. State descriptions for the dual role A device flow
State Action Response
A_IDLE If ID Interrupt.
The cable has been un-plugged or a Type B cable has been
attached. The device now acts as a Type B device.
Go to B_IDLE
If the A application wants to use the bus or if the B device is doing
an SRP as indicated by an A_SESS_VLD Interrupt or Attach or Port
Status Change Interrupt check data line for 5 –10 msec pulsing.
Go to A_WAIT_VRISE
Turn on DRV_VBUS
A_WAIT_VRISE If ID Interrupt or if A_VBUS_VLD is false after 100 msec
The cable has been changed or the A device cannot support the
current required from the B device.
Go to A_WAIT_VFALL
Turn off DRV_VBUS
If A_VBUS_VLD interrupt Go to A_WAIT_BCON
Table continues on the next page...
On-The-Go operation
KL25 Sub-Family Reference Manual, Rev. 3, September 2012
648 Freescale Semiconductor, Inc.

Table 35-96. State descriptions for the dual role A device flow (continued)
State Action Response
A_WAIT_BCON After 200 ms without Attach or ID Interrupt. (This could wait forever
if desired.)
Go to A_WAIT_FALL
Turn off DRV_VBUS
A_VBUS_VLD Interrupt and B device attaches Go to A_HOST
Turn on Host mode
A_HOST Enumerate Device determine OTG Support.
If A_VBUS_VLD/ Interrupt or A device is done and doesn't think he
wants to do something soon or the B device disconnects
Go to A_WAIT_VFALL
Turn off Host mode
Turn off DRV_VBUS
If the A device is finished with session or if the A device wants to
allow the B device to take bus.
Go to A_SUSPEND
ID Interrupt or the B device disconnects Go to A_WAIT_BCON
A_SUSPEND If ID Interrupt, or if 150 ms B disconnect timeout (This timeout value
could be longer) or if A_VBUS_VLD\ Interrupt
Go to A_WAIT_VFALL
Turn off DRV_VBUS
If HNP enabled, and B disconnects in 150 ms then B device is
becoming the host.
Go to A_PERIPHERAL
Turn off Host mode
If A wants to start another session Go to A_HOST
A_PERIPHERAL If ID Interrupt or if A_VBUS_VLD interrupt Go to A_WAIT_VFALL
Turn off DRV_VBUS.
If 3 –200 ms of Bus Idle Go to A_WAIT_BCON
Turn on Host mode
A_WAIT_VFALL If ID Interrupt or (A_SESS_VLD/ & b_conn/) Go to A_IDLE
35.7.2 OTG dual role B device operation
A device is considered a B device if it connected to the bus with a USB Type B cable or a
USB Type Mini B cable.
A dual role B device operates as the following flow diagram and state description table
illustrates.
Chapter 35 Universal Serial Bus OTG Controller (USBOTG)
KL25 Sub-Family Reference Manual, Rev. 3, September 2012
Freescale Semiconductor, Inc. 649

B_IDLE
B_HOST B_SRP_INIT
B_WAIT_ACON
A_IDLE
B_PERIPHERAL
Figure 35-94. Dual role B device flow diagram
Table 35-97. State descriptions for the dual role B device flow
State Action Response
B_IDLE If ID\ Interrupt.
A Type A cable has been plugged in and the device should now
respond as a Type A device.
Go to A_IDLE
If B_SESS_VLD Interrupt.
The A device has turned on VBUS and begins a session.
Go to B_PERIPHERAL
Turn on DP_HIGH
If B application wants the bus and Bus is Idle for 2 ms and the
B_SESS_END bit is set, the B device can perform an SRP.
Go to B_SRP_INIT
Pulse CHRG_VBUS
Pulse DP_HIGH 5-10
ms
B_SRP_INIT If ID\ Interrupt or SRP Done (SRP must be done in less than 100
ms.)
Go to B_IDLE
B_PERIPHERAL If HNP enabled and the bus is suspended and B wants the bus, the
B device can become the host.
Go to B_WAIT_ACON
Turn off DP_HIGH
B_WAIT_ACON If A connects, an attach interrupt is received Go to B_HOST
Turn on Host Mode
If ID\ Interrupt or B_SESS_VLD/ Interrupt
If the cable changes or if VBUS goes away, the host doesn't support
us.
Go to B_IDLE
Go to B_IDLE
If 3.125 ms expires or if a Resume occurs Go to B_PERIPHERAL
B_HOST If ID\ Interrupt or B_SESS_VLD\ Interrupt
If the cable changes or if VBUS goes away, the host doesn't support
us.
Go to B_IDLE
If B application is done or A disconnects Go to B_PERIPHERAL
On-The-Go operation
KL25 Sub-Family Reference Manual, Rev. 3, September 2012
650 Freescale Semiconductor, Inc.

Chapter 36
USB Voltage Regulator
36.1 Introduction
NOTE
For the chip-specific implementation details of this module's
instances see the chip configuration information.
The USB Voltage Regulator module is a LDO linear voltage regulator to provide 3.3V
power from an input power supply varying from 2.7 V to 5.5 V. It consists of one 3.3 V
power channel. When the input power supply is below 3.6 V, the regulator goes to pass-
through mode. The following figure shows the ideal relation between the regulator output
and input power supply.
OUTPUT
(Volt)
3.3
2.1
2.7
3.6 5.5
INPUT (Volt)
Figure 36-1. Ideal Relation Between the Regulator Output and Input Power Supply
KL25 Sub-Family Reference Manual, Rev. 3, September 2012
Freescale Semiconductor, Inc. 651

36.1.1 Overview
A simplified block diagram for the USB Voltage Regulator module is shown below.
STANDBY
reg33_in reg33_out
Yes
No
RUN Regulator
STANDBY Regulator
Voltage Regulator
Chip
Power
Supply
Regulated Output
Voltage
Voltage Regulator ESR: 5m -> 100m Ohms
External Capacitor
typical = 2.2uF
Other Modules
Figure 36-2. USB Voltage Regulator Block Diagram
This module uses 2 regulators in parallel. In run mode, the RUN regulator with the
bandgap voltage reference is enabled and can provide up to 120 mA load current. In run
mode, the STANDBY regulator and the low power reference are also enabled, but a
switch disconnects its output from the external pin. In STANDBY mode, the RUN
regulator is disabled and the STANDBY regulator output is connected to the external pin.
Internal power mode signals control whether the module is in RUN or STANDBY mode.
36.1.2 Features
• Low drop-out linear voltage regulator with one power channel (3.3V).
• Low drop-out voltage: 300 mV.
• Output current: 120 mA.
• Three different power modes: RUN, STANDBY and SHUTDOWN.
• Low quiescent current in RUN mode.
• Typical value is around 120 uA (one thousand times smaller than the maximum
load current).
• Very low quiescent current in STANDBY mode.
• Typical value is around 1 uA.
• Automatic current limiting if the load current is greater than 290 mA.
Introduction
KL25 Sub-Family Reference Manual, Rev. 3, September 2012
652 Freescale Semiconductor, Inc.

• Automatic power-up once some voltage is applied to the regulator input.
• Pass-through mode for regulator input voltages less than 3.6 V
• Small output capacitor: 2.2 uF
• Stable with aluminum, tantalum or ceramic capacitors.
36.1.3 Modes of Operation
The regulator has these power modes:
• RUN—The regulating loop of the RUN regulator and the STANDBY regulator are
active, but the switch connecting the STANDBY regulator output to the external pin
is open.
• STANDBY—The regulating loop of the RUN regulator is disabled and the standby
regulator is active. The switch connecting the STANDBY regulator output to the
external pin is closed.
• SHUTDOWN—The module is disabled.
The regulator is enabled by default. This means that once the power supply is provided,
the module power-up sequence to RUN mode starts.
36.2 USB Voltage Regulator Module Signal Descriptions
The following table shows the external signals for the regulator.
Table 36-1. USB Voltage Regulator Module Signal Descriptions
Signal Description I/O
reg33_in Unregulated power supply I
reg33_out Regulator output voltage O
Chapter 36 USB Voltage Regulator
KL25 Sub-Family Reference Manual, Rev. 3, September 2012
Freescale Semiconductor, Inc. 653

USB Voltage Regulator Module Signal Descriptions
KL25 Sub-Family Reference Manual, Rev. 3, September 2012
654 Freescale Semiconductor, Inc.

Chapter 37
Serial Peripheral Interface (SPI)
37.1 Introduction
NOTE
For the chip-specific implementation details of this module's
instances see the chip configuration information.
The serial peripheral interface (SPI) module provides for full-duplex, synchronous, serial
communication between the MCU and peripheral devices. These peripheral devices can
include other microcontrollers, analog-to-digital converters, shift registers, sensors, and
memories, among others.
The SPI runs at a baud rate up to the bus clock divided by two in master mode and up to
the bus clock divided by four in slave mode. Software can poll the status flags, or SPI
operation can be interrupt driven.
NOTE
For the actual maximum SPI baud rate, refer to the Chip
Configuration details and to the device’s Data Sheet.
The SPI also includes a hardware match feature for the receive data buffer.
The SPI includes an internal DMA interface to support continuous SPI transmission
through an on-chip DMA controller instead of through the CPU. This feature decreases
CPU loading, allowing CPU time to be used for other work.
37.1.1 Features
The SPI includes these distinctive features:
• Master mode or slave mode operation
• Full-duplex or single-wire bidirectional mode
KL25 Sub-Family Reference Manual, Rev. 3, September 2012
Freescale Semiconductor, Inc. 655

• Programmable transmit bit rate
• Double-buffered transmit and receive data register
• Serial clock phase and polarity options
• Slave select output
• Mode fault error flag with CPU interrupt capability
• Control of SPI operation during wait mode
• Selectable MSB-first or LSB-first shifting
• Receive data buffer hardware match feature
• Support transmission of both Transmit and Receive by DMA
37.1.2 Modes of Operation
The SPI functions in three modes, run, wait, and stop.
• Run Mode
This is the basic mode of operation.
• Wait Mode
SPI operation in wait mode is a configurable low power mode, controlled by the
SPISWAI bit located in the SPIx_C2 register. In wait mode, if the SPISWAI bit is
clear, the SPI operates like in Run Mode. If the SPISWAI bit is set, the SPI goes into
a power conservative state, with the SPI clock generation turned off. If the SPI is
configured as a master, any transmission in progress stops, but is resumed after CPU
enters run mode. If the SPI is configured as a slave, reception and transmission of a
byte continues, so that the slave stays synchronized to the master.
• Stop Mode
To reduce power consumption, the SPI is inactive in stop modes where the peripheral
bus clock is stopped but internal logic states are retained. If the SPI is configured as a
master, any transmission in progress stops, but is resumed after the CPU enters run
mode. If the SPI is configured as a slave, reception and transmission of a data
continues, so that the slave stays synchronized to the master.
Introduction
KL25 Sub-Family Reference Manual, Rev. 3, September 2012
656 Freescale Semiconductor, Inc.

The SPI is completely disabled in stop modes where the peripheral bus clock is
stopped and internal logic states are not retained. When the CPU wakes from these
stop modes, all SPI register content is reset.
Detailed descriptions of operating modes appear in Low Power Mode Options.
37.1.3 Block Diagrams
This section includes block diagrams showing SPI system connections, the internal
organization of the SPI module, and the SPI clock dividers that control the master mode
bit rate.
37.1.3.1 SPI System Block Diagram
The following figure shows the SPI modules of two MCUs connected in a master-slave
arrangement. The master device initiates all SPI data transfers. During a transfer, the
master shifts data out (on the MOSI pin) to the slave while simultaneously shifting data
in (on the MISO pin) from the slave. The transfer effectively exchanges the data that was
in the SPI shift registers of the two SPI systems. The SPSCK signal is a clock output
from the master and an input to the slave. The slave device must be selected by a low
level on the slave select input (SS pin). In this system, the master device has configured
its SS pin as an optional slave select output.
SPI SHIFTER
MASTER
8 BITS
CLOCK
GENERATOR
MOSI
MISO MISO
MOSI
SPSCK SPSCK
SS SS
SLAVE
SPI SHIFTER
8 BITS
Figure 37-1. SPI System Connections
Chapter 37 Serial Peripheral Interface (SPI)
KL25 Sub-Family Reference Manual, Rev. 3, September 2012
Freescale Semiconductor, Inc. 657

37.1.3.2 SPI Module Block Diagram
The following is a block diagram of the SPI module. The central element of the SPI is the
SPI shift register. Data is written to the double-buffered transmitter (write to SPIx_D) and
gets transferred to the SPI shift register at the start of a data transfer. After shifting in 8
bits of data, the data is transferred into the double-buffered receiver where it can be read
from SPIx_D. Pin multiplexing logic controls connections between MCU pins and the
SPI module.
When the SPI is configured as a master, the clock output is routed to the SPSCK pin, the
shifter output is routed to MOSI, and the shifter input is routed from the MISO pin.
When the SPI is configured as a slave, the SPSCK pin is routed to the clock input of the
SPI, the shifter output is routed to MISO, and the shifter input is routed from the MOSI
pin.
In the external SPI system, simply connect all SPSCK pins to each other, all MISO pins
together, and all MOSI pins together. Peripheral devices often use slightly different
names for these pins.
Introduction
KL25 Sub-Family Reference Manual, Rev. 3, September 2012
658 Freescale Semiconductor, Inc.

ENABLE
SPI SYSTEM
SHIFT
OUT
SHIFT
DIRECTION SHIFT
CLOCK
Rx BUFFER
FULL
Tx BUFFER
EMPTY
SHIFT
IN
Tx BUFFER (WRITE SPIxD)
SPI SHIFT REGISTER
Rx BUFFER (READ SPIxD)
PIN CONTROL
MASTER CLOCK
SLAVE CLOCK
BUS RATE
CLOCK
SPIBR
CLOCK GENERATOR
MASTER/SLAVE
MODE SELECT
CLOCK
LOGIC
MODE FAULT
DETECTION
RX DMA DONE
Rx_DMA REQ
TX DMA DONE
TX DMA REQ
8-BIT COMPARATOR
SPIxM
MASTER/
SLAVE
SPSCK
SS
S
M
S
M
S
MMOSI
(MOMI)
MISO
(SISO)
INTERRUPT
REQUEST
SPE
LSBFE
MSTR
SPMF
SPMIE
SPTIE
SPIE
MODF
TXDMAE
RXDMAE
SPRF
SPTEF
MOD-
SSOE
SPC0
BIDIROE
Figure 37-2. SPI Module Block Diagram without FIFO
37.2 External Signal Description
The SPI optionally shares four port pins. The function of these pins depends on the
settings of SPI control bits. When the SPI is disabled (SPE = 0), these four pins revert to
other functions that are not controlled by the SPI (based on chip configuration).
Chapter 37 Serial Peripheral Interface (SPI)
KL25 Sub-Family Reference Manual, Rev. 3, September 2012
Freescale Semiconductor, Inc. 659

37.2.1 SPSCK — SPI Serial Clock
When the SPI is enabled as a slave, this pin is the serial clock input. When the SPI is
enabled as a master, this pin is the serial clock output.
37.2.2 MOSI — Master Data Out, Slave Data In
When the SPI is enabled as a master and SPI pin control zero (SPC0) is 0 (not
bidirectional mode), this pin is the serial data output. When the SPI is enabled as a slave
and SPC0 is 0, this pin is the serial data input. If SPC0 is 1 to select single-wire
bidirectional mode, and master mode is selected, this pin becomes the bidirectional data
I/O pin (MOMI). Also, the bidirectional mode output enable bit determines whether the
pin acts as an input (BIDIROE is 0) or an output (BIDIROE is 1). If SPC0 is 1 and slave
mode is selected, this pin is not used by the SPI and reverts to other functions (based on
chip configuration).
37.2.3 MISO — Master Data In, Slave Data Out
When the SPI is enabled as a master and SPI pin control zero (SPC0) is 0 (not
bidirectional mode), this pin is the serial data input. When the SPI is enabled as a slave
and SPC0 is 0, this pin is the serial data output. If SPC0 is 1 to select single-wire
bidirectional mode, and slave mode is selected, this pin becomes the bidirectional data I/
O pin (SISO), and the bidirectional mode output enable bit determines whether the pin
acts as an input (BIDIROE is 0) or an output (BIDIROE is 1). If SPC0 is 1 and master
mode is selected, this pin is not used by the SPI and reverts to other functions (based on
chip configuration).
37.2.4 SS — Slave Select
When the SPI is enabled as a slave, this pin is the low-true slave select input. When the
SPI is enabled as a master and mode fault enable is off (MODFEN is 0), this pin is not
used by the SPI and reverts to other functions (based on chip configuration). When the
SPI is enabled as a master and MODFEN is 1, the slave select output enable bit
determines whether this pin acts as the mode fault input (SSOE is 0) or as the slave select
output (SSOE is 1).
External Signal Description
KL25 Sub-Family Reference Manual, Rev. 3, September 2012
660 Freescale Semiconductor, Inc.

Memory Map and Register Descriptions
The SPI has 8-bit registers to select SPI options, to control baud rate, to report SPI status,
to hold an SPI data match value, and for transmit/receive data.
SPI memory map
Address
offset (hex)
Absolute
address
(hex)
Register name Width
(in bits) Access Reset value Section/
page
0 4007_6000 SPI control register 1 (SPI0_C1) 8 R/W 04h 37.3.1/661
1 4007_6001 SPI control register 2 (SPI0_C2) 8 R/W 00h 37.3.2/663
2 4007_6002 SPI baud rate register (SPI0_BR) 8 R/W 00h 37.3.3/664
3 4007_6003 SPI status register (SPI0_S) 8 R 20h 37.3.4/665
5 4007_6005 SPI data register (SPI0_D) 8 R/W 00h 37.3.5/667
7 4007_6007 SPI match register (SPI0_M) 8 R/W 00h 37.3.6/668
0 4007_7000 SPI control register 1 (SPI1_C1) 8 R/W 04h 37.3.1/661
1 4007_7001 SPI control register 2 (SPI1_C2) 8 R/W 00h 37.3.2/663
2 4007_7002 SPI baud rate register (SPI1_BR) 8 R/W 00h 37.3.3/664
3 4007_7003 SPI status register (SPI1_S) 8 R 20h 37.3.4/665
5 4007_7005 SPI data register (SPI1_D) 8 R/W 00h 37.3.5/667
7 4007_7007 SPI match register (SPI1_M) 8 R/W 00h 37.3.6/668
37.3.1 SPI control register 1 (SPIx_C1)
This read/write register includes the SPI enable control, interrupt enables, and
configuration options.
Address: 4007_6000h base + 0h offset = 4007_6000h
Bit 7 6 5 4 3 2 1 0
Read SPIE SPE SPTIE MSTR CPOL CPHA SSOE LSBFE
Write
Reset 00000100
SPI0_C1 field descriptions
Field Description
7
SPIE
SPI interrupt enable: for SPRF and MODF
This bit enables the interrupt for SPI receive buffer full (SPRF) and mode fault (MODF) events.
Table continues on the next page...
37.3
Chapter 37 Serial Peripheral Interface (SPI)
KL25 Sub-Family Reference Manual, Rev. 3, September 2012
Freescale Semiconductor, Inc. 661

SPI0_C1 field descriptions (continued)
Field Description
0 Interrupts from SPRF and MODF are inhibited—use polling
1Request a hardware interrupt when SPRF or MODF is 1
6
SPE
SPI system enable
This bit enables the SPI system and dedicates the SPI port pins to SPI system functions. If SPE is
cleared, the SPI is disabled and forced into an idle state, and all status bits in the S register are reset.
0 SPI system inactive
1 SPI system enabled
5
SPTIE
SPI transmit interrupt enable
This is the interrupt enable bit for SPI transmit buffer empty (SPTEF). An interrupt occurs when the SPI
transmit buffer is empty (SPTEF is set).
0 Interrupts from SPTEF inhibited (use polling)
1 When SPTEF is 1, hardware interrupt requested
4
MSTR
Master/slave mode select
This bit selects master or slave mode operation.
0 SPI module configured as a slave SPI device
1 SPI module configured as a master SPI device
3
CPOL
Clock polarity
This bit selects an inverted or non-inverted SPI clock. To transmit data between SPI modules, the SPI
modules must have identical CPOL values.
This bit effectively places an inverter in series with the clock signal either from a master SPI device or to a
slave SPI device. Refer to the description of “SPI Clock Formats” for details.
0 Active-high SPI clock (idles low)
1 Active-low SPI clock (idles high)
2
CPHA
Clock phase
This bit selects one of two clock formats for different kinds of synchronous serial peripheral devices. Refer
to the description of “SPI Clock Formats” for details.
0 First edge on SPSCK occurs at the middle of the first cycle of a data transfer
1 First edge on SPSCK occurs at the start of the first cycle of a data transfer
1
SSOE
Slave select output enable
This bit is used in combination with the mode fault enable (MODFEN) bit in the C2 register and the master/
slave (MSTR) control bit to determine the function of the SS pin.
0 When MODFEN is 0: In master mode, SS pin function is general-purpose I/O (not SPI). In slave mode,
SS pin function is slave select input.
When MODFEN is 1: In master mode, SS pin function is SS input for mode fault. In slave mode, SS
pin function is slave select input.
1 When MODFEN is 0: In master mode, SS pin function is general-purpose I/O (not SPI). In slave mode,
SS pin function is slave select input.
When MODFEN is 1: In master mode, SS pin function is automatic SS output. In slave mode: SS pin
function is slave select input.
Table continues on the next page...
Memory Map and Register Descriptions
KL25 Sub-Family Reference Manual, Rev. 3, September 2012
662 Freescale Semiconductor, Inc.

SPI0_C1 field descriptions (continued)
Field Description
0
LSBFE
LSB first (shifter direction)
This bit does not affect the position of the MSB and LSB in the data register. Reads and writes of the data
register always have the MSB in bit 7.
0 SPI serial data transfers start with most significant bit
1 SPI serial data transfers start with least significant bit
37.3.2 SPI control register 2 (SPIx_C2)
This read/write register is used to control optional features of the SPI system. Bit 6 is not
implemented and always reads 0.
Address: 4007_6000h base + 1h offset = 4007_6001h
Bit 7 6 5 4 3 2 1 0
Read SPMIE Reserved TXDMAE MODFEN BIDIROE RXDMAE SPISWAI SPC0
Write
Reset 00000000
SPI0_C2 field descriptions
Field Description
7
SPMIE
SPI match interrupt enable
This is the interrupt enable bit for the SPI receive data buffer hardware match (SPMF) function.
0 Interrupts from SPMF inhibited (use polling)
1 When SPMF is 1, requests a hardware interrupt
6
Reserved
This field is reserved.
Do not write to this reserved bit.
5
TXDMAE
Transmit DMA enable
This bit enables a transmit DMA request. When this bit is set to 1, a transmit DMA request is asserted
when both SPTEF and SPE are set, and the interrupt from SPTEF is disabled.
0 DMA request for transmit is disabled and interrupt from SPTEF is allowed
1 DMA request for transmit is enabled and interrupt from SPTEF is disabled
4
MODFEN
Master mode-fault function enable
When the SPI is configured for slave mode, this bit has no meaning or effect. (The SS pin is the slave
select input.) In master mode, this bit determines how the SS pin is used. For details, refer to the
description of the SSOE bit in the C1 register.
0 Mode fault function disabled, master SS pin reverts to general-purpose I/O not controlled by SPI
1 Mode fault function enabled, master SS pin acts as the mode fault input or the slave select output
Table continues on the next page...
Chapter 37 Serial Peripheral Interface (SPI)
KL25 Sub-Family Reference Manual, Rev. 3, September 2012
Freescale Semiconductor, Inc. 663

SPI0_C2 field descriptions (continued)
Field Description
3
BIDIROE
Bidirectional mode output enable
When bidirectional mode is enabled, because SPI pin control 0 (SPC0) is set to 1, the BIDIROE bit
determines whether the SPI data output driver is enabled to the single bidirectional SPI I/O pin. Depending
on whether the SPI is configured as a master or a slave, it uses the MOSI (MOMI) or MISO (SISO) pin,
respectively, as the single SPI data I/O pin. When SPC0 is 0, BIDIROE has no meaning or effect.
0 Output driver disabled so SPI data I/O pin acts as an input
1 SPI I/O pin enabled as an output
2
RXDMAE
Receive DMA enable
This is the enable bit for a receive DMA request. When this bit is set to 1, a receive DMA request is
asserted when both SPRF and SPE are set, and the interrupt from SPRF is disabled.
0 DMA request for receive is disabled and interrupt from SPRF is allowed
1 DMA request for receive is enabled and interrupt from SPRF is disabled
1
SPISWAI
SPI stop in wait mode
This bit is used for power conservation while the device is in wait mode.
0 SPI clocks continue to operate in wait mode
1 SPI clocks stop when the MCU enters wait mode
0
SPC0
SPI pin control 0
This bit enables bidirectional pin configurations.
0 SPI uses separate pins for data input and data output (pin mode is normal).
In master mode of operation: MISO is master in and MOSI is master out.
In slave mode of operation: MISO is slave out and MOSI is slave in.
1 SPI configured for single-wire bidirectional operation (pin mode is bidirectional).
In master mode of operation: MISO is not used by SPI; MOSI is master in when BIDIROE is 0 or
master I/O when BIDIROE is 1.
In slave mode of operation: MISO is slave in when BIDIROE is 0 or slave I/O when BIDIROE is 1;
MOSI is not used by SPI.
37.3.3 SPI baud rate register (SPIx_BR)
Use this register to set the prescaler and bit rate divisor for an SPI master. This register
may be read or written at any time.
Address: 4007_6000h base + 2h offset = 4007_6002h
Bit 7 6 5 4 3 2 1 0
Read 0 SPPR[2:0] SPR[3:0]
Write
Reset 00000000
Memory Map and Register Descriptions
KL25 Sub-Family Reference Manual, Rev. 3, September 2012
664 Freescale Semiconductor, Inc.

SPI0_BR field descriptions
Field Description
7
Reserved
This field is reserved.
This read-only field is reserved and always has the value 0.
6–4
SPPR[2:0]
SPI baud rate prescale divisor
This 3-bit field selects one of eight divisors for the SPI baud rate prescaler. The input to this prescaler is
the bus rate clock (BUSCLK). The output of this prescaler drives the input of the SPI baud rate divider.
Refer to the description of “SPI Baud Rate Generation” for details.
000 Baud rate prescaler divisor is 1
001 Baud rate prescaler divisor is 2
010 Baud rate prescaler divisor is 3
011 Baud rate prescaler divisor is 4
100 Baud rate prescaler divisor is 5
101 Baud rate prescaler divisor is 6
110 Baud rate prescaler divisor is 7
111 Baud rate prescaler divisor is 8
3–0
SPR[3:0]
SPI baud rate divisor
This 4-bit field selects one of nine divisors for the SPI baud rate divider. The input to this divider comes
from the SPI baud rate prescaler. Refer to the description of “SPI Baud Rate Generation” for details.
0000 Baud rate divisor is 2
0001 Baud rate divisor is 4
0010 Baud rate divisor is 8
0011 Baud rate divisor is 16
0100 Baud rate divisor is 32
0101 Baud rate divisor is 64
0110 Baud rate divisor is 128
0111 Baud rate divisor is 256
1000 Baud rate divisor is 512
All others Reserved
37.3.4 SPI status register (SPIx_S)
This register contains read-only status bits. Writes have no meaning or effect.
NOTE
Bits 3 through 0 are not implemented and always read 0.
Address: 4007_6000h base + 3h offset = 4007_6003h
Bit 7 6 5 4 3 2 1 0
Read SPRF SPMF SPTEF MODF 0
Write
Reset 00100000
Chapter 37 Serial Peripheral Interface (SPI)
KL25 Sub-Family Reference Manual, Rev. 3, September 2012
Freescale Semiconductor, Inc. 665

SPI0_S field descriptions
Field Description
7
SPRF
SPI read buffer full flag
SPRF is set at the completion of an SPI transfer to indicate that received data may be read from the SPI
data (D) register. When the receive DMA request is disabled (RXDMAE is 0), SPRF is cleared by reading
SPRF while it is set and then reading the SPI data register. When the receive DMA request is enabled
(RXDMAE is 1), SPRF is automatically cleared when the DMA transfer for the receive DMA request is
completed (RX DMA Done is asserted).
0 No data available in the receive data buffer
1Data available in the receive data buffer
6
SPMF
SPI match flag
SPMF is set after SPRF is 1 when the value in the receive data buffer matches the value in the M register.
To clear the flag, read SPMF when it is set and then write a 1 to it.
0 Value in the receive data buffer does not match the value in the M register
1 Value in the receive data buffer matches the value in the M register
5
SPTEF
SPI transmit buffer empty flag
This bit is set when the transmit data buffer is empty. When the transmit DMA request is disabled
(TXDMAE is 0), SPTEF is cleared by reading the S register with SPTEF set and then writing a data value
to the transmit buffer at D. The S register must be read with SPTEF set to 1 before writing data to the D
register; otherwise, the D write is ignored. When the transmit DMA request is enabled (TXDMAE is 1),
SPTEF is automatically cleared when the DMA transfer for the transmit DMA request is completed (TX
DMA Done is asserted). SPTEF is automatically set when all data from the transmit buffer transfers into
the transmit shift register. For an idle SPI, data written to D is transferred to the shifter almost immediately
so that SPTEF is set within two bus cycles, allowing a second set of data to be queued into the transmit
buffer. After completion of the transfer of the data in the shift register, the queued data from the transmit
buffer automatically moves to the shifter, and SPTEF is set to indicate that room exists for new data in the
transmit buffer. If no new data is waiting in the transmit buffer, SPTEF simply remains set and no data
moves from the buffer to the shifter.
If a transfer does not stop, the last data that was transmitted is sent out again.
0 SPI transmit buffer not empty
1SPI transmit buffer empty
4
MODF
Master mode fault flag
MODF is set if the SPI is configured as a master and the slave select input goes low, indicating some
other SPI device is also configured as a master. The SS pin acts as a mode fault error input only when
MSTR is 1, MODFEN is 1, and SSOE is 0; otherwise, MODF will never be set. MODF is cleared by
reading MODF while it is 1 and then writing to the SPI control register 1 (C1).
0 No mode fault error
1 Mode fault error detected
3–0
Reserved
This field is reserved.
This read-only field is reserved and always has the value 0.
Memory Map and Register Descriptions
KL25 Sub-Family Reference Manual, Rev. 3, September 2012
666 Freescale Semiconductor, Inc.

37.3.5 SPI data register (SPIx_D)
This register is both the input and output register for SPI data. A write to the register
writes to the transmit data buffer, allowing data to be queued and transmitted.
When the SPI is configured as a master, data queued in the transmit data buffer is
transmitted immediately after the previous transmission has completed.
The SPTEF bit in the S register indicates when the transmit data buffer is ready to accept
new data. When the transmit DMA request is disabled (TXDMAE is 0): The S register
must be read when SPTEF is set before writing to the SPI data register; otherwise, the
write is ignored. When the transmit DMA request is enabled (TXDMAE is 1) when
SPTEF is set, the SPI data register can be written automatically by DMA without reading
the S register first.
Data may be read from the SPI data register any time after SPRF is set and before another
transfer is finished. Failure to read the data out of the receive data buffer before a new
transfer ends causes a receive overrun condition, and the data from the new transfer is
lost. The new data is lost because the receive buffer still held the previous character and
was not ready to accept the new data. There is no indication for a receive overrun
condition, so the application system designer must ensure that previous data has been
read from the receive buffer before a new transfer is initiated.
Address: 4007_6000h base + 5h offset = 4007_6005h
Bit 7 6 5 4 3 2 1 0
Read Bits[7:0]
Write
Reset 00000000
SPI0_D field descriptions
Field Description
7–0
Bits[7:0]
Data (low byte)
Chapter 37 Serial Peripheral Interface (SPI)
KL25 Sub-Family Reference Manual, Rev. 3, September 2012
Freescale Semiconductor, Inc. 667

37.3.6 SPI match register (SPIx_M)
This register contains the hardware compare value. When the value received in the SPI
receive data buffer equals this hardware compare value, the SPI match flag (SPMF) sets.
Address: 4007_6000h base + 7h offset = 4007_6007h
Bit 7 6 5 4 3 2 1 0
Read Bits[7:0]
Write
Reset 00000000
SPI0_M field descriptions
Field Description
7–0
Bits[7:0]
Hardware compare value (low byte)
37.4 Functional Description
This section provides the functional description of the module.
37.4.1 General
The SPI system is enabled by setting the SPI enable (SPE) bit in SPI Control Register 1.
While the SPE bit is set, the four associated SPI port pins are dedicated to the SPI
function as:
• Slave select (SS)
• Serial clock (SPSCK)
• Master out/slave in (MOSI)
• Master in/slave out (MISO)
An SPI transfer is initiated in the master SPI device by reading the SPI status register
(SPIx_S) when SPTEF = 1 and then writing data to the transmit data buffer (write to
SPIxD ). When a transfer is complete, received data is moved into the receive data buffer.
The SPIxD register acts as the SPI receive data buffer for reads and as the SPI transmit
data buffer for writes.
Functional Description
KL25 Sub-Family Reference Manual, Rev. 3, September 2012
668 Freescale Semiconductor, Inc.

The clock phase control bit (CPHA) and clock polarity control bit (CPOL) in the SPI
Control Register 1 (SPIx_C1) select one of four possible clock formats to be used by the
SPI system. The CPOL bit simply selects a non-inverted or inverted clock. The CPHA bit
is used to accommodate two fundamentally different protocols by sampling data on odd
numbered SPSCK edges or on even numbered SPSCK edges.
The SPI can be configured to operate as a master or as a slave. When the MSTR bit in
SPI Control Register 1 is set, master mode is selected; when the MSTR bit is clear, slave
mode is selected.
37.4.2 Master Mode
The SPI operates in master mode when the MSTR bit is set. Only a master SPI module
can initiate transmissions. A transmission begins by reading the SPIx_S register while
SPTEF = 1 and writing to the master SPI data registers. If the shift register is empty, the
byte immediately transfers to the shift register. The data begins shifting out on the MOSI
pin under the control of the serial clock.
• SPSCK
• The SPR3, SPR2, SPR1, and SPR0 baud rate selection bits in conjunction with
the SPPR2, SPPR1, and SPPR0 baud rate preselection bits in the SPI Baud Rate
register control the baud rate generator and determine the speed of the
transmission. The SPSCK pin is the SPI clock output. Through the SPSCK pin,
the baud rate generator of the master controls the shift register of the slave
peripheral.
• MOSI, MISO pin
• In master mode, the function of the serial data output pin (MOSI) and the serial
data input pin (MISO) is determined by the SPC0 and BIDIROE control bits.
•SS pin
• If MODFEN and SSOE bit are set, the SS pin is configured as slave select
output. The SS output becomes low during each transmission and is high when
the SPI is in idle state. If MODFEN is set and SSOE is cleared, the SS pin is
configured as input for detecting mode fault error. If the SS input becomes low
this indicates a mode fault error where another master tries to drive the MOSI
and SPSCK lines. In this case, the SPI immediately switches to slave mode by
clearing the MSTR bit and also disables the slave output buffer MISO (or SISO
in bidirectional mode). As a result, all outputs are disabled, and SPSCK, MOSI
and MISO are inputs. If a transmission is in progress when the mode fault
occurs, the transmission is aborted and the SPI is forced into idle state. This
Chapter 37 Serial Peripheral Interface (SPI)
KL25 Sub-Family Reference Manual, Rev. 3, September 2012
Freescale Semiconductor, Inc. 669

mode fault error also sets the mode fault (MODF) flag in the SPI Status Register
(SPIx_S). If the SPI interrupt enable bit (SPIE) is set when the MODF flag gets
set, then an SPI interrupt sequence is also requested. When a write to the SPI
Data Register in the master occurs, there is a half SPSCK-cycle delay. After the
delay, SPSCK is started within the master. The rest of the transfer operation
differs slightly, depending on the clock format specified by the SPI clock phase
bit, CPHA, in SPI Control Register 1 (see SPI Clock Formats).
Note
A change of the bits CPOL, CPHA, SSOE, LSBFE, MODFEN,
SPC0, BIDIROE with SPC0 set, SPPR2-SPPR0 and SPR3-
SPR0 in master mode abort a transmission in progress and force
the SPI into idle state. The remote slave cannot detect this,
therefore the master has to ensure that the remote slave is set
back to idle state.
37.4.3 Slave Mode
The SPI operates in slave mode when the MSTR bit in SPI Control Register1 is clear.
• SPSCK
In slave mode, SPSCK is the SPI clock input from the master.
• MISO, MOSI pin
In slave mode, the function of the serial data output pin (MISO) and serial data input
pin (MOSI) is determined by the SPC0 bit and BIDIROE bit in SPI Control Register
2.
• SS pin
The SS pin is the slave select input. Before a data transmission occurs, the SS pin of
the slave SPI must be low. SS must remain low until the transmission is complete. If
SS goes high, the SPI is forced into an idle state.
The SS input also controls the serial data output pin. If SS is high (not selected), the
serial data output pin is high impedance. If SS is low, the first bit in the SPI Data
Register is driven out of the serial data output pin. Also, if the slave is not selected
(SS is high), then the SPSCK input is ignored and no internal shifting of the SPI shift
register occurs.
Functional Description
KL25 Sub-Family Reference Manual, Rev. 3, September 2012
670 Freescale Semiconductor, Inc.

Although the SPI is capable of duplex operation, some SPI peripherals are capable of
only receiving SPI data in a slave mode. For these simpler devices, there is no serial
data out pin.
Note
When peripherals with duplex capability are used, take care not
to simultaneously enable two receivers whose serial outputs
drive the same system slave's serial data output line.
As long as no more than one slave device drives the system slave's serial data output line,
it is possible for several slaves to receive the same transmission from a master, although
the master would not receive return information from all of the receiving slaves.
If the CPHA bit in SPI Control Register 1 is clear, odd numbered edges on the SPSCK
input cause the data at the serial data input pin to be latched. Even numbered edges cause
the value previously latched from the serial data input pin to shift into the LSB or MSB
of the SPI shift register, depending on the LSBFE bit.
If the CPHA bit is set, even numbered edges on the SPSCK input cause the data at the
serial data input pin to be latched. Odd numbered edges cause the value previously
latched from the serial data input pin to shift into the LSB or MSB of the SPI shift
register, depending on the LSBFE bit.
When CPHA is set, the first edge is used to get the first data bit onto the serial data output
pin. When CPHA is clear and the SS input is low (slave selected), the first bit of the SPI
data is driven out of the serial data output pin. After the eighth shift, the transfer is
considered complete and the received data is transferred into the SPI Data register. To
indicate transfer is complete, the SPRF flag in the SPI Status Register is set.
Note
A change of the bits BIDIROE with SPC0 set, CPOL, CPHA,
SSOE, LSBFE, MODFEN, and SPC0 in slave mode will
corrupt a transmission in progress and must be avoided.
37.4.4 SPI Transmission by DMA
SPI supports both Transmit and Receive by DMA. The basic flow of SPI transmission by
DMA is as below.
Chapter 37 Serial Peripheral Interface (SPI)
KL25 Sub-Family Reference Manual, Rev. 3, September 2012
Freescale Semiconductor, Inc. 671

Configure SPI before Transmission
RESET
Configure DMA Controller
for SPI Transmission
Set TXDMAE/RXDMAE=1 to enable
Transmit/Receive by DMA
Set SPE=1 to start transmission in
master mode or enable SPI for
transmission in slave moe
Wait for interrupt(s) of DMA Controller
indicating end of SPI transmission
Figure 37-21. Basic Flow of SPI Transmission by DMA
37.4.4.1 Transmit by DMA
Transmit by DMA is supported only when TXDMAE is set. A transmit DMA request is
asserted when both SPE and SPTEF are set. Then the on-chip DMA controller detects
this request and transfers data from memory into the SPI data register. After that, TX
DMA DONE is asserted to clear SPTEF automatically. This process repeats until all data
for transmission (the number is decided by the configuration register[s] of the DMA
controller) is sent.
After DMA transfers the first byte to the SPI data register, the SPI pushes this data into
the shifter, thereby making SPTEF high again. This generates another DMA request
immediately, but the CPU lacks enough time to service the first DMA interrupt service
request (ISR). The subsequent DMA request is paced at the SPI transfer rate. Manage this
behavior during the first byte transfer through the DMA channel. Write the first byte to
the SPI data register via the CPU. The other bytes are transmitted by the DMA.
Functional Description
KL25 Sub-Family Reference Manual, Rev. 3, September 2012
672 Freescale Semiconductor, Inc.

Configure SPI before Transmission
RESET
Configure DMA Controller
for SPI transmission
Set SPE=1 to start transmission in
master mode or enable SPI for
transmission in slave mode
Wait for interrupt(s) of DMA Controller
indicating end of SPI transmission
Read SPI status register
Write the first byte to SPI data register
via CPU
Set TXDMAE to enable Transmit by
DMA
Figure 37-22. Recommended startup of SPI transmit by DMA
37.4.4.2 Receive by DMA
Receive by DMA is supported only when RXDMAE is set. A receive DMA request is
asserted when both SPE and SPRF are set. Then the on-chip DMA controller detects this
request and transfers data from the SPI data register into memory. After that, RX DMA
DONE is asserted to clear SPRF automatically. This process repeats until all data to be
received (the number is decided by configuration register[s] of the DMA controller) is
received or no receive DMA request is generated again because the SPI transmission is
finished.
37.4.5 SPI Clock Formats
To accommodate a wide variety of synchronous serial peripherals from different
manufacturers, the SPI system has a clock polarity (CPOL) bit and a clock phase (CPHA)
control bit to select one of four clock formats for data transfers. CPOL selectively inserts
an inverter in series with the clock. CPHA chooses between two different clock phase
relationships between the clock and data.
Chapter 37 Serial Peripheral Interface (SPI)
KL25 Sub-Family Reference Manual, Rev. 3, September 2012
Freescale Semiconductor, Inc. 673

The following figure shows the clock formats when CPHA = 1. At the top of the figure,
the eight bit times are shown for reference with bit 1 starting at the first SPSCK edge and
bit 8 ending one-half SPSCK cycle after the eighth SPSCK edge. The MSB first and LSB
first lines show the order of SPI data bits depending on the setting in LSBFE. Both
variations of SPSCK polarity are shown, but only one of these waveforms applies for a
specific transfer, depending on the value in CPOL. The SAMPLE IN waveform applies
to the MOSI input of a slave or the MISO input of a master. The MOSI waveform applies
to the MOSI output pin from a master and the MISO waveform applies to the MISO
output from a slave. The SS OUT waveform applies to the slave select output from a
master (provided MODFEN and SSOE = 1). The master SS output goes to active low
one-half SPSCK cycle before the start of the transfer and goes back high at the end of the
eighth bit time of the transfer. The SS IN waveform applies to the slave select input of a
slave.
SS OUT
SS IN
(SLAVE)
(MASTER)
(SLAVE OUT)
MISO
MSB FIRST
LSB FIRST
MOSI
(MASTER OUT)
(MISO OR MOSI)
SAMPLE IN
SPSCK
(CPOL = 1)
SPSCK
(CPOL = 0)
BIT TIME #
(REFERENCE)
BIT 7
BIT 0 BIT 6
BIT 1 BIT 2
BIT 5 BIT 0
BIT 7
BIT 1
BIT 6
12 6 78
...
...
...
Figure 37-23. SPI Clock Formats (CPHA = 1)
When CPHA = 1, the slave begins to drive its MISO output when SS goes to active low,
but the data is not defined until the first SPSCK edge. The first SPSCK edge shifts the
first bit of data from the shifter onto the MOSI output of the master and the MISO output
Functional Description
KL25 Sub-Family Reference Manual, Rev. 3, September 2012
674 Freescale Semiconductor, Inc.

of the slave. The next SPSCK edge causes both the master and the slave to sample the
data bit values on their MISO and MOSI inputs, respectively. At the third SPSCK edge,
the SPI shifter shifts one bit position which shifts in the bit value that was just sampled,
and shifts the second data bit value out the other end of the shifter to the MOSI and
MISO outputs of the master and slave, respectively.
When CPHA = 1, the slave's SS input is not required to go to its inactive high level
between transfers. In this clock format, a back-to-back transmission can occur, as
follows:
1. A transmission is in progress.
2. A new data byte is written to the transmit buffer before the in-progress transmission
is complete.
3. When the in-progress transmission is complete, the new, ready data byte is
transmitted immediately.
Between these two successive transmissions, no pause is inserted; the SS pin remains
low.
The following figure shows the clock formats when CPHA = 0. At the top of the figure,
the eight bit times are shown for reference with bit 1 starting as the slave is selected (SS
IN goes low), and bit 8 ends at the last SPSCK edge. The MSB first and LSB first lines
show the order of SPI data bits depending on the setting in LSBFE. Both variations of
SPSCK polarity are shown, but only one of these waveforms applies for a specific
transfer, depending on the value in CPOL. The SAMPLE IN waveform applies to the
MOSI input of a slave or the MISO input of a master. The MOSI waveform applies to the
MOSI output pin from a master and the MISO waveform applies to the MISO output
from a slave. The SS OUT waveform applies to the slave select output from a master
(provided MODFEN and SSOE = 1). The master SS output goes to active low at the start
of the first bit time of the transfer and goes back high one-half SPSCK cycle after the end
of the eighth bit time of the transfer. The SS IN waveform applies to the slave select input
of a slave.
Chapter 37 Serial Peripheral Interface (SPI)
KL25 Sub-Family Reference Manual, Rev. 3, September 2012
Freescale Semiconductor, Inc. 675

SS OUT
SS IN
(SLAVE)
(MASTER)
(SLAVE OUT)
MISO
MSB FIRST
LSB FIRST
MOSI
(MASTER OUT)
(MISO OR MOSI)
SAMPLE IN
SPSCK
(CPOL = 1)
SPSCK
(CPOL = 0)
BIT TIME #
(REFERENCE)
BIT 7
BIT 0 BIT 6
BIT 1 BIT 2
BIT 5 BIT 0
BIT 7
BIT 1
BIT 6
12678
...
...
...
Figure 37-24. SPI Clock Formats (CPHA = 0)
When CPHA = 0, the slave begins to drive its MISO output with the first data bit value
(MSB or LSB depending on LSBFE) when SS goes to active low. The first SPSCK edge
causes both the master and the slave to sample the data bit values on their MISO and
MOSI inputs, respectively. At the second SPSCK edge, the SPI shifter shifts one bit
position which shifts in the bit value that was just sampled and shifts the second data bit
value out the other end of the shifter to the MOSI and MISO outputs of the master and
slave, respectively. When CPHA = 0, the slave's SS input must go to its inactive high
level between transfers.
37.4.6 SPI Baud Rate Generation
As shown in the following figure, the clock source for the SPI baud rate generator is the
bus clock. The three prescale bits (SPPR2:SPPR1:SPPR0) choose a prescale divisor of 1,
2, 3, 4, 5, 6, 7, or 8. The three rate select bits (SPR3:SPR2:SPR1:SPR0) divide the output
of the prescaler stage by 2, 4, 8, 16, 32, 64, 128, 256, or 512 to get the internal SPI master
mode bit-rate clock.
Functional Description
KL25 Sub-Family Reference Manual, Rev. 3, September 2012
676 Freescale Semiconductor, Inc.

The baud rate generator is activated only when the SPI is in the master mode and a serial
transfer is taking place. In the other cases, the divider is disabled to decrease IDD current.
The baud rate divisor equation is as follows (except those reserved combinations in the
SPI Baud Rate Divisor table).
BaudRateDivisor = (SPPR + 1) × 2(SPR + 1)
The baud rate can be calculated with the following equation:
BaudRate = BusClock / BaudRateDivisor
MASTER
SPI
BIT RATE
BAUD RATE DIVIDER
PRESCALER
BUS
CLOCK
SPPR2:SPPR1:SPPR0 SPR3:SPR2:SPR1:SPR0
DIVIDE BY
1, 2, 3, 4, 5, 6, 7, or 8
DIVIDE BY
2, 4, 8, 16, 32, 64, 128,
256, or 512
Figure 37-25. SPI Baud Rate Generation
37.4.7 Special Features
The following section shows the module special features.
37.4.7.1 SS Output
The SS output feature automatically drives the SS pin low during transmission to select
external devices and drives the SS pin high during idle to deselect external devices. When
the SS output is selected, the SS output pin is connected to the SS input pin of the
external device.
The SS output is available only in master mode during normal SPI operation by asserting
the SSOE and MODFEN bits as shown in the description of the C1[SSOE] bit.
The mode fault feature is disabled while SS output is enabled.
Note
Be careful when using the SS output feature in a multimaster
system because the mode fault feature is not available for
detecting system errors between masters.
Chapter 37 Serial Peripheral Interface (SPI)
KL25 Sub-Family Reference Manual, Rev. 3, September 2012
Freescale Semiconductor, Inc. 677

37.4.7.2 Bidirectional Mode (MOMI or SISO)
The bidirectional mode is selected when the SPC0 bit is set in SPI Control Register 2 (see
the following table). In this mode, the SPI uses only one serial data pin for the interface
with one or more external devices. The MSTR bit decides which pin to use. The MOSI
pin becomes the serial data I/O (MOMI) pin for the master mode, and the MISO pin
becomes serial data I/O (SISO) pin for the slave mode. The MISO pin in master mode
and MOSI pin in slave mode are not used by the SPI.
Table 37-22. Normal Mode and Bidirectional Mode
When SPE = 1 Master Mode MSTR = 1 Slave Mode MSTR = 0
Normal Mode
SPC0 = 0
MOSI
MISO
Serial Out
SPI
Serial In
MOSI
MISO
Serial Out
SPI
Serial In
Bidirectional Mode
SPC0 = 1
Serial Out
SPI
Serial In
MOMI
BIDIROE
Serial Out
SPI
Serial In
SISO
BIDIROE
The direction of each serial I/O pin depends on the BIDIROE bit. If the pin is configured
as an output, serial data from the shift register is driven out on the pin. The same pin is
also the serial input to the shift register.
The SPSCK is an output for the master mode and an input for the slave mode.
SS is the input or output for the master mode, and it is always the input for the slave
mode.
The bidirectional mode does not affect SPSCK and SS functions.
Note
In bidirectional master mode, with the mode fault feature
enabled, both data pins MISO and MOSI can be occupied by
the SPI, though MOSI is normally used for transmissions in
bidirectional mode and MISO is not used by the SPI. If a mode
fault occurs, the SPI is automatically switched to slave mode. In
this case, MISO becomes occupied by the SPI and MOSI is not
used. Consider this scenario if the MISO pin is used for another
purpose.
Functional Description
KL25 Sub-Family Reference Manual, Rev. 3, September 2012
678 Freescale Semiconductor, Inc.

37.4.8 Error Conditions
The SPI module has one error condition: the mode fault error.
37.4.8.1 Mode Fault Error
If the SS input becomes low while the SPI is configured as a master, it indicates a system
error where more than one master may be trying to drive the MOSI and SPSCK lines
simultaneously. This condition is not permitted in normal operation, and it sets the
MODF bit in the SPI status register automatically provided that the MODFEN bit is set.
In the special case where the SPI is in master mode and the MODFEN bit is cleared, the
SS pin is not used by the SPI. In this special case, the mode fault error function is
inhibited and MODF remains cleared. If the SPI system is configured as a slave, the SS
pin is a dedicated input pin. A mode fault error does not occur in slave mode.
If a mode fault error occurs, the SPI is switched to slave mode, with the exception that
the slave output buffer is disabled. So the SPSCK, MISO and MOSI pins are forced to be
high impedance inputs to avoid any possibility of conflict with another output driver. A
transmission in progress is aborted and the SPI is forced into idle state.
If the mode fault error occurs in the bidirectional mode for an SPI system configured in
master mode, the output enable of MOMI (MOSI in bidirectional mode) is cleared if it
was set. No mode fault error occurs in the bidirectional mode for the SPI system
configured in slave mode.
The mode fault flag is cleared automatically by a read of the SPI Status Register (with
MODF set) followed by a write to SPI Control Register 1. If the mode fault flag is
cleared, the SPI becomes a normal master or slave again.
37.4.9 Low Power Mode Options
This section describes the low power mode options.
37.4.9.1 SPI in Run Mode
In run mode, with the SPI system enable (SPE) bit in the SPI control register clear, the
SPI system is in a low-power, disabled state. SPI registers can still be accessed, but
clocks to the core of this module are disabled.
Chapter 37 Serial Peripheral Interface (SPI)
KL25 Sub-Family Reference Manual, Rev. 3, September 2012
Freescale Semiconductor, Inc. 679

37.4.9.2 SPI in Wait Mode
SPI operation in wait mode depends upon the state of the SPISWAI bit in SPI Control
Register 2.
• If SPISWAI is clear, the SPI operates normally when the CPU is in wait mode.
• If SPISWAI is set, SPI clock generation ceases and the SPI module enters a power
conservation state when the CPU is in wait mode.
• If SPISWAI is set and the SPI is configured for master, any transmission and
reception in progress stops at wait mode entry. The transmission and reception
resumes when the SPI exits wait mode.
• If SPISWAI is set and the SPI is configured as a slave, any transmission and
reception in progress continues if the SPSCK continues to be driven from the
master. This keeps the slave synchronized to the master and the SPSCK.
If the master transmits data while the slave is in wait mode, the slave continues
to send data consistent with the operation mode at the start of wait mode (that is,
if the slave is currently sending its SPIx_D to the master, it continues to send the
same byte. Otherwise, if the slave is currently sending the last data received byte
from the master, it continues to send each previously received data from the
master byte).
Note
Care must be taken when expecting data from a master while
the slave is in a wait mode or a stop mode where the peripheral
bus clock is stopped but internal logic states are retained. Even
though the shift register continues to operate, the rest of the SPI
is shut down (that is, an SPRF interrupt is not generated until an
exit from stop or wait mode). Also, the data from the shift
register is not copied into the SPIx_D registers until after the
slave SPI has exited wait or stop mode. An SPRF flag and
SPIx_D copy is only generated if wait mode is entered or exited
during a transmission. If the slave enters wait mode in idle
mode and exits wait mode in idle mode, neither an SPRF nor a
SPIx_D copy occurs.
Functional Description
KL25 Sub-Family Reference Manual, Rev. 3, September 2012
680 Freescale Semiconductor, Inc.

37.4.9.3 SPI in Stop Mode
Operation in a stop mode where the peripheral bus clock is stopped but internal logic
states are retained depends on the SPI system. The stop mode does not depend on the
SPISWAI bit. Upon entry to this type of stop mode, the SPI module clock is disabled
(held high or low).
• If the SPI is in master mode and exchanging data when the CPU enters the stop
mode, the transmission is frozen until the CPU exits stop mode. After the exit from
stop mode, data to and from the external SPI is exchanged correctly.
• In slave mode, the SPI remains synchronized with the master.
The SPI is completely disabled in a stop mode where the peripheral bus clock is stopped
and internal logic states are not retained. After an exit from this type of stop mode, all
registers are reset to their default values, and the SPI module must be re-initialized.
37.4.10 Reset
The reset values of registers and signals are described in the Memory Map and Register
Descriptions content, which details the registers and their bitfields.
• If a data transmission occurs in slave mode after a reset without a write to SPIx_D,
the transmission consists of "garbage" or the data last received from the master
before the reset.
• Reading from SPIx_D after reset always returns zeros.
37.4.11 Interrupts
The SPI originates interrupt requests only when the SPI is enabled (the SPE bit in the
SPIx_C1 register is set). The following is a description of how the SPI makes a request
and how the MCU should acknowledge that request. The interrupt vector offset and
interrupt priority are chip dependent.
Four flag bits, three interrupt mask bits, and one interrupt vector are associated with the
SPI system. The SPI interrupt enable mask (SPIE) enables interrupts from the SPI
receiver full flag (SPRF) and mode fault flag (MODF). The SPI transmit interrupt enable
mask (SPTIE) enables interrupts from the SPI transmit buffer empty flag (SPTEF). The
SPI match interrupt enable mask bit (SPIMIE) enables interrupts from the SPI match flag
(SPMF). When one of the flag bits is set, and the associated interrupt mask bit is set, a
hardware interrupt request is sent to the CPU. If the interrupt mask bits are cleared,
software can poll the associated flag bits instead of using interrupts. The SPI interrupt
Chapter 37 Serial Peripheral Interface (SPI)
KL25 Sub-Family Reference Manual, Rev. 3, September 2012
Freescale Semiconductor, Inc. 681

service routine (ISR) should check the flag bits to determine which event caused the
interrupt. The service routine should also clear the flag bit(s) before returning from the
ISR (usually near the beginning of the ISR).
37.4.11.1 MODF
MODF occurs when the master detects an error on the SS pin. The master SPI must be
configured for the MODF feature (see the description of the C1[SSOE] bit). Once MODF
is set, the current transfer is aborted and the master (MSTR) bit in the SPIx_C1 register
resets to 0.
The MODF interrupt is reflected in the status register's MODF flag. Clearing the flag also
clears the interrupt. This interrupt stays active while the MODF flag is set. MODF has an
automatic clearing process that is described in the SPI Status Register.
37.4.11.2 SPRF
SPRF occurs when new data has been received and copied to the SPI receive data buffer.
After SPRF is set, it does not clear until it is serviced. SPRF has an automatic clearing
process that is described in the SPI Status Register details. If the SPRF is not serviced
before the end of the next transfer (that is, SPRF remains active throughout another
transfer), the subsequent transfers are ignored and no new data is copied into the Data
register.
37.4.11.3 SPTEF
SPTEF occurs when the SPI transmit buffer is ready to accept new data.
After SPTEF is set, it does not clear until it is serviced. SPTEF has an automatic clearing
process that is described in the SPI Status Register details.
37.4.11.4 SPMF
SPMF occurs when the data in the receive data buffer is equal to the data in the SPI
match register.
Functional Description
KL25 Sub-Family Reference Manual, Rev. 3, September 2012
682 Freescale Semiconductor, Inc.

37.4.11.5 Asynchronous interrupt in low power modes
When the CPU is in wait mode or stop mode and the SPI module receives a transmission,
the SPI module can generate an asynchronous interrupt to wake the CPU from the low
power mode. The module generates the asynchronous interrupt only when all of the
following conditions apply:
1. The C1[SPIE] bit is set to 1.
2. The CPU is in wait mode—in which case the C2[SPISWAI] bit must be 1—or in
stop mode where the peripheral bus clock is stopped but internal logic states are
retained.
3. The SPI module is in slave mode.
4. The received transmission ends.
After the interrupt wakes the CPU and the peripheral bus clock is active again, the SPI
module copies the received data from the shifter into the Data register and generates flags
or DMA request signals. During the wakeup phase, a continuous transmission from a
master would destroy the first received data.
37.5 Initialization/Application Information
This section discusses an example of how to initialize and use the SPI.
37.5.1 Initialization Sequence
Before the SPI module can be used for communication, an initialization procedure must
be carried out, as follows:
1. Update control register 1 (SPIx_C1) to enable the SPI and to control interrupt
enables. This register also sets the SPI as master or slave, determines clock phase and
polarity, and configures the main SPI options.
2. Update control register 2 (SPIx_C2) to enable additional SPI functions such as the
SPI match interrupt feature, the master mode-fault function, and bidirectional mode
output as well as to control and other optional features.
3. Update the baud rate register (SPIx_BR) to set the prescaler and bit rate divisor for
an SPI master.
4. Update the hardware match register (SPIx_M) with the value to be compared to the
receive data register for triggering an interrupt if hardware match interrupts are
enabled.
Chapter 37 Serial Peripheral Interface (SPI)
KL25 Sub-Family Reference Manual, Rev. 3, September 2012
Freescale Semiconductor, Inc. 683

5. In the master, read SPIx_S while SPTEF = 1, and then write to the transmit data
register (SPIx_D) to begin transfer.
37.5.2 Pseudo-Code Example
In this example, the SPI module is set up for master mode with only hardware match
interrupts enabled. The SPI runs at a maximum baud rate of bus clock divided by 2.
Clock phase and polarity are set for an active-high SPI clock where the first edge on
SPSCK occurs at the start of the first cycle of a data transfer.
SPIx_C1=0x54(%01010100)
Bit 7 SPIE = 0 Disables receive and mode fault interrupts
Bit 6 SPE = 1 Enables the SPI system
Bit 5 SPTIE = 0 Disables SPI transmit interrupts
Bit 4 MSTR = 1 Sets the SPI module as a master SPI device
Bit 3 CPOL = 0 Configures SPI clock as active-high
Bit 2 CPHA = 1 First edge on SPSCK at start of first data transfer cycle
Bit 1 SSOE = 0 Determines SS pin function when mode fault enabled
Bit 0 LSBFE = 0 SPI serial data transfers start with most significant bit
SPIx_C2 = 0x80(%10000000)
Bit 7 SPMIE = 1 SPI hardware match interrupt enabled
Bit 6 = 0 Unimplemented
Bit 5 TXDMAE = 0 DMA request disabled
Bit 4 MODFEN = 0 Disables mode fault function
Bit 3 BIDIROE = 0 SPI data I/O pin acts as input
Bit 2 RXDMAE = 0 DMA request disabled
Bit 1 SPISWAI = 0 SPI clocks operate in wait mode
Bit 0 SPC0 = 0 uses separate pins for data input and output
SPIx_BR = 0x00(%00000000)
Bit 7 = 0 Reserved
Bit 6:4 = 000 Sets prescale divisor to 1
Bit 3:0 = 0000 Sets baud rate divisor to 2
SPIx_S = 0x00(%00000000)
Bit 7 SPRF = 0 Flag is set when receive data buffer is full
Bit 6 SPMF = 0 Flag is set when SPIx_M = receive data buffer
Table continues on the next page...
Initialization/Application Information
KL25 Sub-Family Reference Manual, Rev. 3, September 2012
684 Freescale Semiconductor, Inc.

SPIx_S = 0x00(%00000000)
Bit 5 SPTEF = 0 Flag is set when transmit data buffer is empty
Bit 4 MODF = 0 Mode fault flag for master mode
Bit 3:0 = 0 Reserved
SPIx_M = 0xXX
Holds bits 0–7 of the hardware match buffer.
SPIx_D = 0xxx
Holds bits 0–7 of the data to be transmitted by the transmit buffer and received by the receive buffer.
Chapter 37 Serial Peripheral Interface (SPI)
KL25 Sub-Family Reference Manual, Rev. 3, September 2012
Freescale Semiconductor, Inc. 685

RESET
CONTINUE
READ SPMF WHILE SET
TO CLEAR FLAG,
THEN WRITE A 1 TO IT
YES
SPMF = 1
?
NO
NO
NO
YES
YES
YES
READ
WRITE TO
SPRF = 1
?
SPTEF = 1
?
INITIALIZE SPI
SPIxC1 = 0x54
SPIxC2 =
SPIxBR = 0x00
0x80
SPIxD
SPIxD
Figure 37-26. Initialization Flowchart Example for SPI Master Device
Initialization/Application Information
KL25 Sub-Family Reference Manual, Rev. 3, September 2012
686 Freescale Semiconductor, Inc.

Chapter 38
Inter-Integrated Circuit (I2C)
38.1 Introduction
NOTE
For the chip-specific implementation details of this module's
instances see the chip configuration information.
The inter-integrated circuit (I2C, I2C, or IIC) module provides a method of
communication between a number of devices. The interface is designed to operate up to
100 kbit/s with maximum bus loading and timing. The I2C device is capable of operating
at higher baud rates, up to a maximum of clock/20, with reduced bus loading. The
maximum communication length and the number of devices that can be connected are
limited by a maximum bus capacitance of 400 pF. The I2C module also complies with
the System Management Bus (SMBus) Specification, version 2.
38.1.1 Features
The I2C module has the following features:
• Compatible with The I2C-Bus Specification
• Multimaster operation
• Software programmable for one of 64 different serial clock frequencies
• Software-selectable acknowledge bit
• Interrupt-driven byte-by-byte data transfer
• Arbitration-lost interrupt with automatic mode switching from master to slave
• Calling address identification interrupt
• START and STOP signal generation and detection
• Repeated START signal generation and detection
• Acknowledge bit generation and detection
• Bus busy detection
• General call recognition
KL25 Sub-Family Reference Manual, Rev. 3, September 2012
Freescale Semiconductor, Inc. 687

• 10-bit address extension
• Support for System Management Bus (SMBus) Specification, version 2
• Programmable glitch input filter
• Low power mode wakeup on slave address match
• Range slave address support
• DMA support
38.1.2 Modes of operation
The I2C module's operation in various low power modes is as follows:
• Run mode: This is the basic mode of operation. To conserve power in this mode,
disable the module.
• Wait mode: The module continues to operate when the core is in Wait mode and can
provide a wakeup interrupt.
• Stop mode: The module is inactive in Stop mode for reduced power consumption,
except that address matching is enabled in Stop mode. The STOP instruction does
not affect the I2C module's register states.
38.1.3 Block diagram
The following figure is a functional block diagram of the I2C module.
Introduction
KL25 Sub-Family Reference Manual, Rev. 3, September 2012
688 Freescale Semiconductor, Inc.

Interrupt
Write/Read
Address
SCL SDA
Module Enable
CTRL_REG
DATA_MUX
ADDR_DECODE
DATA_REGSTATUS_REGADDR_REGFREQ_REG
Input
Sync
Clock
Control
START
STOP
Arbitration
Control
In/Out
Data
Shift
Register
Address
Compare
Figure 38-1. I2C Functional block diagram
38.2 I2C signal descriptions
The signal properties of I2C are shown in the following table.
Table 38-1. I2C signal descriptions
Signal Description I/O
SCL Bidirectional serial clock line of the I2C system. I/O
SDA Bidirectional serial data line of the I2C system. I/O
Memory map and register descriptions
This section describes in detail all I2C registers accessible to the end user.
38.3
Chapter 38 Inter-Integrated Circuit (I2C)
KL25 Sub-Family Reference Manual, Rev. 3, September 2012
Freescale Semiconductor, Inc. 689

I2C memory map
Absolute
address
(hex)
Register name Width
(in bits) Access Reset value Section/
page
4006_6000 I2C Address Register 1 (I2C0_A1) 8 R/W 00h 38.3.1/690
4006_6001 I2C Frequency Divider register (I2C0_F) 8 R/W 00h 38.3.2/691
4006_6002 I2C Control Register 1 (I2C0_C1) 8 R/W 00h 38.3.3/692
4006_6003 I2C Status register (I2C0_S) 8 R/W 80h 38.3.4/694
4006_6004 I2C Data I/O register (I2C0_D) 8 R/W 00h 38.3.5/695
4006_6005 I2C Control Register 2 (I2C0_C2) 8 R/W 00h 38.3.6/696
4006_6006 I2C Programmable Input Glitch Filter register (I2C0_FLT) 8 R/W 00h 38.3.7/697
4006_6007 I2C Range Address register (I2C0_RA) 8 R/W 00h 38.3.8/698
4006_6008 I2C SMBus Control and Status register (I2C0_SMB) 8 R/W 00h 38.3.9/699
4006_6009 I2C Address Register 2 (I2C0_A2) 8 R/W C2h 38.3.10/
701
4006_600A I2C SCL Low Timeout Register High (I2C0_SLTH) 8 R/W 00h 38.3.11/
701
4006_600B I2C SCL Low Timeout Register Low (I2C0_SLTL) 8 R/W 00h 38.3.12/
701
4006_7000 I2C Address Register 1 (I2C1_A1) 8 R/W 00h 38.3.1/690
4006_7001 I2C Frequency Divider register (I2C1_F) 8 R/W 00h 38.3.2/691
4006_7002 I2C Control Register 1 (I2C1_C1) 8 R/W 00h 38.3.3/692
4006_7003 I2C Status register (I2C1_S) 8 R/W 80h 38.3.4/694
4006_7004 I2C Data I/O register (I2C1_D) 8 R/W 00h 38.3.5/695
4006_7005 I2C Control Register 2 (I2C1_C2) 8 R/W 00h 38.3.6/696
4006_7006 I2C Programmable Input Glitch Filter register (I2C1_FLT) 8 R/W 00h 38.3.7/697
4006_7007 I2C Range Address register (I2C1_RA) 8 R/W 00h 38.3.8/698
4006_7008 I2C SMBus Control and Status register (I2C1_SMB) 8 R/W 00h 38.3.9/699
4006_7009 I2C Address Register 2 (I2C1_A2) 8 R/W C2h 38.3.10/
701
4006_700A I2C SCL Low Timeout Register High (I2C1_SLTH) 8 R/W 00h 38.3.11/
701
4006_700B I2C SCL Low Timeout Register Low (I2C1_SLTL) 8 R/W 00h 38.3.12/
701
38.3.1 I2C Address Register 1 (I2Cx_A1)
This register contains the slave address to be used by the I2C module.
Address: Base address + 0h offset
Bit 7 6 5 4 3 2 1 0
Read AD[7:1] 0
Write
Reset 00000000
Memory map and register descriptions
KL25 Sub-Family Reference Manual, Rev. 3, September 2012
690 Freescale Semiconductor, Inc.

I2Cx_A1 field descriptions
Field Description
7–1
AD[7:1]
Address
Contains the primary slave address used by the I2C module when it is addressed as a slave. This field is
used in the 7-bit address scheme and the lower seven bits in the 10-bit address scheme.
0
Reserved
This field is reserved.
This read-only field is reserved and always has the value 0.
38.3.2 I2C Frequency Divider register (I2Cx_F)
Address: Base address + 1h offset
Bit 7 6 5 4 3 2 1 0
Read MULT ICR
Write
Reset 00000000
I2Cx_F field descriptions
Field Description
7–6
MULT
The MULT bits define the multiplier factor mul. This factor is used along with the SCL divider to generate
the I2C baud rate.
00 mul = 1
01 mul = 2
10 mul = 4
11 Reserved
5–0
ICR
ClockRate
Prescales the bus clock for bit rate selection. This field and the MULT field determine the I2C baud rate,
the SDA hold time, the SCL start hold time, and the SCL stop hold time. For a list of values corresponding
to each ICR setting, see I2C divider and hold values.
The SCL divider multiplied by multiplier factor (mul) determines the I2C baud rate.
I2C baud rate = bus speed (Hz)/(mul × SCL divider)
The SDA hold time is the delay from the falling edge of SCL (I2C clock) to the changing of SDA (I2C data).
SDA hold time = bus period (s) × mul × SDA hold value
The SCL start hold time is the delay from the falling edge of SDA (I2C data) while SCL is high (start
condition) to the falling edge of SCL (I2C clock).
SCL start hold time = bus period (s) × mul × SCL start hold value
The SCL stop hold time is the delay from the rising edge of SCL (I2C clock) to the rising edge of SDA (I2C
data) while SCL is high (stop condition).
SCL stop hold time = bus period (s) × mul × SCL stop hold value
For example, if the bus speed is 8 MHz, the following table shows the possible hold time values with
different ICR and MULT selections to achieve an I2C baud rate of 100 kbps.
Table continues on the next page...
Chapter 38 Inter-Integrated Circuit (I2C)
KL25 Sub-Family Reference Manual, Rev. 3, September 2012
Freescale Semiconductor, Inc. 691

I2Cx_F field descriptions (continued)
Field Description
MULT ICR Hold times (μs)
SDA SCL Start SCL Stop
2h 00h 3.500 3.000 5.500
1h 07h 2.500 4.000 5.250
1h 0Bh 2.250 4.000 5.250
0h 14h 2.125 4.250 5.125
0h 18h 1.125 4.750 5.125
38.3.3 I2C Control Register 1 (I2Cx_C1)
Address: Base address + 2h offset
Bit 7 6 5 4 3 2 1 0
Read IICEN IICIE MST TX TXAK 0WUEN DMAEN
Write RSTA
Reset 00000000
I2Cx_C1 field descriptions
Field Description
7
IICEN
I2C Enable
Enables I2C module operation.
0 Disabled
1 Enabled
6
IICIE
I2C Interrupt Enable
Enables I2C interrupt requests.
0 Disabled
1 Enabled
5
MST
Master Mode Select
When the MST bit is changed from a 0 to a 1, a START signal is generated on the bus and master mode
is selected. When this bit changes from a 1 to a 0, a STOP signal is generated and the mode of operation
changes from master to slave.
0 Slave mode
1 Master mode
4
TX
Transmit Mode Select
Table continues on the next page...
Memory map and register descriptions
KL25 Sub-Family Reference Manual, Rev. 3, September 2012
692 Freescale Semiconductor, Inc.

I2Cx_C1 field descriptions (continued)
Field Description
Selects the direction of master and slave transfers. In master mode this bit must be set according to the
type of transfer required. Therefore, for address cycles, this bit is always set. When addressed as a slave
this bit must be set by software according to the SRW bit in the status register.
0 Receive
1 Transmit
3
TXAK
Transmit Acknowledge Enable
Specifies the value driven onto the SDA during data acknowledge cycles for both master and slave
receivers. The value of the FACK bit affects NACK/ACK generation.
NOTE: SCL is held low until TXAK is written.
0 An acknowledge signal is sent to the bus on the following receiving byte (if FACK is cleared) or the
current receiving byte (if FACK is set).
1 No acknowledge signal is sent to the bus on the following receiving data byte (if FACK is cleared) or
the current receiving data byte (if FACK is set).
2
RSTA
Repeat START
Writing a one to this bit generates a repeated START condition provided it is the current master. This bit
will always be read as zero. Attempting a repeat at the wrong time results in loss of arbitration.
1
WUEN
Wakeup Enable
The I2C module can wake the MCU from low power mode with no peripheral bus running when slave
address matching occurs.
0 Normal operation. No interrupt generated when address matching in low power mode.
1 Enables the wakeup function in low power mode.
0
DMAEN
DMA Enable
The DMAEN bit enables or disables the DMA function.
0 All DMA signalling disabled.
1DMA transfer is enabled and the following conditions trigger the DMA request:
• While FACK = 0, a data byte is received, either address or data is transmitted. (ACK/NACK
automatic)
• While FACK = 0, the first byte received matches the A1 register or is general call address.
If any address matching occurs, IAAS and TCF are set. If the direction of transfer is known from
master to slave, then it is not required to check the SRW. With this assumption, DMA can also be
used in this case. In other cases, if the master reads data from the slave, then it is required to rewrite
the C1 register operation. With this assumption, DMA cannot be used.
When FACK = 1, an address or a data byte is transmitted.
Chapter 38 Inter-Integrated Circuit (I2C)
KL25 Sub-Family Reference Manual, Rev. 3, September 2012
Freescale Semiconductor, Inc. 693

38.3.4 I2C Status register (I2Cx_S)
Address: Base address + 3h offset
Bit 7 6 5 4 3 2 1 0
Read TCF IAAS BUSY ARBL RAM SRW IICIF RXAK
Write w1c w1c
Reset 10000000
I2Cx_S field descriptions
Field Description
7
TCF
Transfer Complete Flag
This bit sets on the completion of a byte and acknowledge bit transfer. This bit is valid only during or
immediately following a transfer to or from the I2C module. The TCF bit is cleared by reading the I2C data
register in receive mode or by writing to the I2C data register in transmit mode.
0 Transfer in progress
1 Transfer complete
6
IAAS
Addressed As A Slave
This bit is set by one of the following conditions:
• The calling address matches the programmed slave primary address in the A1 register or range
address in the RA register (which must be set to a nonzero value).
• GCAEN is set and a general call is received.
• SIICAEN is set and the calling address matches the second programmed slave address.
• ALERTEN is set and an SMBus alert response address is received
• RMEN is set and an address is received that is within the range between the values of the A1 and
RA registers.
This bit sets before the ACK bit. The CPU must check the SRW bit and set TX/RX accordingly. Writing the
C1 register with any value clears this bit.
0 Not addressed
1 Addressed as a slave
5
BUSY
Bus Busy
Indicates the status of the bus regardless of slave or master mode. This bit is set when a START signal is
detected and cleared when a STOP signal is detected.
0 Bus is idle
1 Bus is busy
4
ARBL
Arbitration Lost
This bit is set by hardware when the arbitration procedure is lost. The ARBL bit must be cleared by
software, by writing a one to it.
0 Standard bus operation.
1 Loss of arbitration.
3
RAM
Range Address Match
This bit is set to 1 by any of the following conditions:
Table continues on the next page...
Memory map and register descriptions
KL25 Sub-Family Reference Manual, Rev. 3, September 2012
694 Freescale Semiconductor, Inc.

I2Cx_S field descriptions (continued)
Field Description
• Any nonzero calling address is received that matches the address in the RA register.
• The RMEN bit is set and the calling address is within the range of values of the A1 and RA registers.
NOTE: For the RAM bit to be set to 1 correctly, C1[IICIE] must be set to 1.
Writing the C1 register with any value clears this bit to 0.
0 Not addressed
1 Addressed as a slave
2
SRW
Slave Read/Write
When addressed as a slave, SRW indicates the value of the R/W command bit of the calling address sent
to the master.
0 Slave receive, master writing to slave
1 Slave transmit, master reading from slave
1
IICIF
Interrupt Flag
This bit sets when an interrupt is pending. This bit must be cleared by software by writing a 1 to it, such as
in the interrupt routine. One of the following events can set this bit:
• One byte transfer, including ACK/NACK bit, completes if FACK is 0. An ACK or NACK is sent on the
bus by writing 0 or 1 to TXAK after this bit is set in receive mode.
• One byte transfer, excluding ACK/NACK bit, completes if FACK is 1.
• Match of slave address to calling address including primary slave address, range slave address,
alert response address, second slave address, or general call address.
• Arbitration lost
• In SMBus mode, any timeouts except SCL and SDA high timeouts
• I2C bus stop detection if the STOPIE bit in the Input Glitch Filter register is 1
NOTE: To clear the I2C bus stop detection interrupt: In the interrupt service routine,
first clear the STOPF bit in the Input Glitch Filter register by writing 1 to it, and
then clear the IICIF bit. If this sequence is reversed, the IICIF bit is asserted
again.
0 No interrupt pending
1 Interrupt pending
0
RXAK
Receive Acknowledge
0 Acknowledge signal was received after the completion of one byte of data transmission on the bus
1 No acknowledge signal detected
38.3.5 I2C Data I/O register (I2Cx_D)
Address: Base address + 4h offset
Bit 7 6 5 4 3 2 1 0
Read DATA
Write
Reset 00000000
Chapter 38 Inter-Integrated Circuit (I2C)
KL25 Sub-Family Reference Manual, Rev. 3, September 2012
Freescale Semiconductor, Inc. 695

I2Cx_D field descriptions
Field Description
7–0
DATA
Data
In master transmit mode, when data is written to this register, a data transfer is initiated. The most
significant bit is sent first. In master receive mode, reading this register initiates receiving of the next byte
of data.
NOTE: When making the transition out of master receive mode, switch the I2C mode before reading the
Data register to prevent an inadvertent initiation of a master receive data transfer.
In slave mode, the same functions are available after an address match occurs.
The C1[TX] bit must correctly reflect the desired direction of transfer in master and slave modes for the
transmission to begin. For example, if the I2C module is configured for master transmit but a master
receive is desired, reading the Data register does not initiate the receive.
Reading the Data register returns the last byte received while the I2C module is configured in master
receive or slave receive mode. The Data register does not reflect every byte that is transmitted on the I2C
bus, and neither can software verify that a byte has been written to the Data register correctly by reading it
back.
In master transmit mode, the first byte of data written to the Data register following assertion of MST (start
bit) or assertion of RSTA (repeated start bit) is used for the address transfer and must consist of the
calling address (in bits 7-1) concatenated with the required R/W bit (in position bit 0).
38.3.6 I2C Control Register 2 (I2Cx_C2)
Address: Base address + 5h offset
Bit 7 6 5 4 3 2 1 0
Read GCAEN ADEXT HDRS SBRC RMEN AD[10:8]
Write
Reset 00000000
I2Cx_C2 field descriptions
Field Description
7
GCAEN
General Call Address Enable
Enables general call address.
0 Disabled
1 Enabled
6
ADEXT
Address Extension
Controls the number of bits used for the slave address.
0 7-bit address scheme
1 10-bit address scheme
5
HDRS
High Drive Select
Controls the drive capability of the I2C pads.
Table continues on the next page...
Memory map and register descriptions
KL25 Sub-Family Reference Manual, Rev. 3, September 2012
696 Freescale Semiconductor, Inc.

I2Cx_C2 field descriptions (continued)
Field Description
0 Normal drive mode
1 High drive mode
4
SBRC
Slave Baud Rate Control
Enables independent slave mode baud rate at maximum frequency, which forces clock stretching on SCL
in very fast I2C modes. To a slave, an example of a "very fast" mode is when the master transfers at 40
kbps but the slave can capture the master's data at only 10 kbps.
0 The slave baud rate follows the master baud rate and clock stretching may occur
1 Slave baud rate is independent of the master baud rate
3
RMEN
Range Address Matching Enable
This bit controls slave address matching for addresses between the values of the A1 and RA registers.
When this bit is set, a slave address match occurs for any address greater than the value of the A1
register and less than or equal to the value of the RA register.
0 Range mode disabled. No address match occurs for an address within the range of values of the A1
and RA registers.
1 Range mode enabled. Address matching occurs when a slave receives an address within the range of
values of the A1 and RA registers.
2–0
AD[10:8]
Slave Address
Contains the upper three bits of the slave address in the 10-bit address scheme. This field is valid only
while the ADEXT bit is set.
38.3.7 I2C Programmable Input Glitch Filter register (I2Cx_FLT)
Address: Base address + 6h offset
Bit 7 6 5 4 3 2 1 0
Read SHEN STOPF STOPIE FLT
Write w1c
Reset 00000000
I2Cx_FLT field descriptions
Field Description
7
SHEN
Stop Hold Enable
Set this bit to hold off entry to stop mode when any data transmission or reception is occurring.
The following scenario explains the holdoff functionality:
1. The I2C module is configured for a basic transfer, and the SHEN bit is set to 1.
2. A transfer begins.
3. The MCU signals the I2C module to enter stop mode.
4. The byte currently being transferred, including both address and data, completes its transfer.
5. The I2C slave or master acknowledges that the in-transfer byte completed its transfer and
acknowledges the request to enter stop mode.
6. After receiving the I2C module's acknowledgment of the request to enter stop mode, the MCU
determines whether to shut off the I2C module's clock.
Table continues on the next page...
Chapter 38 Inter-Integrated Circuit (I2C)
KL25 Sub-Family Reference Manual, Rev. 3, September 2012
Freescale Semiconductor, Inc. 697

I2Cx_FLT field descriptions (continued)
Field Description
If the SHEN bit is set to 1 and the I2C module is in an idle or disabled state when the MCU signals to enter
stop mode, the module immediately acknowledges the request to enter stop mode.
If SHEN is cleared to 0 and the overall data transmission or reception that was suspended by stop mode
entry was incomplete: To resume the overall transmission or reception after the MCU exits stop mode,
software must reinitialize the transfer by resending the address of the slave.
If the I2C Control Register 1's IICIE bit was set to 1 before the MCU entered stop mode, system software
will receive the interrupt triggered by the I2C Status Register's TCF bit after the MCU wakes from the stop
mode.
0 Stop holdoff is disabled. The MCU's entry to stop mode is not gated.
1 Stop holdoff is enabled.
6
STOPF
I2C Bus Stop Detect Flag
Hardware sets this bit when the I2C bus's stop status is detected. The STOPF bit must be cleared by
writing 1 to it.
0 No stop happens on I2C bus
1 Stop detected on I2C bus
5
STOPIE
I2C Bus Stop Interrupt Enable
This bit enables the interrupt for I2C bus stop detection.
NOTE: To clear the I2C bus stop detection interrupt: In the interrupt service routine, first clear the STOPF
bit by writing 1 to it, and then clear the IICIF bit in the status register. If this sequence is reversed,
the IICIF bit is asserted again.
0 Stop detection interrupt is disabled
1 Stop detection interrupt is enabled
4–0
FLT
I2C Programmable Filter Factor
Controls the width of the glitch, in terms of bus clock cycles, that the filter must absorb. For any glitch
whose size is less than or equal to this width setting, the filter does not allow the glitch to pass.
00h No filter/bypass
01-1Fh Filter glitches up to width of n bus clock cycles, where n=1-31d
38.3.8 I2C Range Address register (I2Cx_RA)
Address: Base address + 7h offset
Bit 7 6 5 4 3 2 1 0
Read RAD 0
Write
Reset 00000000
I2Cx_RA field descriptions
Field Description
7–1
RAD
Range Slave Address
Table continues on the next page...
Memory map and register descriptions
KL25 Sub-Family Reference Manual, Rev. 3, September 2012
698 Freescale Semiconductor, Inc.

I2Cx_RA field descriptions (continued)
Field Description
This field contains the slave address to be used by the I2C module. The field is used in the 7-bit address
scheme. Any nonzero write enables this register. This register's use is similar to that of the A1 register, but
in addition this register can be considered a maximum boundary in range matching mode.
0
Reserved
This field is reserved.
This read-only field is reserved and always has the value 0.
38.3.9 I2C SMBus Control and Status register (I2Cx_SMB)
NOTE
When the SCL and SDA signals are held high for a length of
time greater than the high timeout period, the SHTF1 flag sets.
Before reaching this threshold, while the system is detecting
how long these signals are being held high, a master assumes
that the bus is free. However, the SHTF1 bit rises in the bus
transmission process with the idle bus state.
NOTE
When the TCKSEL bit is set, there is no need to monitor the
SHTF1 bit because the bus speed is too high to match the
protocol of SMBus.
Address: Base address + 8h offset
Bit 7 6 5 4 3 2 1 0
Read FACK ALERTEN SIICAEN TCKSEL SLTF SHTF1 SHTF2 SHTF2IE
Write w1c w1c
Reset 00000000
I2Cx_SMB field descriptions
Field Description
7
FACK
Fast NACK/ACK Enable
For SMBus packet error checking, the CPU must be able to issue an ACK or NACK according to the result
of receiving data byte.
0 An ACK or NACK is sent on the following receiving data byte
1 Writing 0 to TXAK after receiving a data byte generates an ACK. Writing 1 to TXAK after receiving a
data byte generates a NACK.
6
ALERTEN
SMBus Alert Response Address Enable
Enables or disables SMBus alert response address matching.
NOTE: After the host responds to a device that used the alert response address, you must use software
to put the device's address on the bus. The alert protocol is described in the SMBus specification.
Table continues on the next page...
Chapter 38 Inter-Integrated Circuit (I2C)
KL25 Sub-Family Reference Manual, Rev. 3, September 2012
Freescale Semiconductor, Inc. 699

I2Cx_SMB field descriptions (continued)
Field Description
0 SMBus alert response address matching is disabled
1 SMBus alert response address matching is enabled
5
SIICAEN
Second I2C Address Enable
Enables or disables SMBus device default address.
0 I2C address register 2 matching is disabled
1 I2C address register 2 matching is enabled
4
TCKSEL
Timeout Counter Clock Select
Selects the clock source of the timeout counter.
0 Timeout counter counts at the frequency of the bus clock / 64
1 Timeout counter counts at the frequency of the bus clock
3
SLTF
SCL Low Timeout Flag
This bit is set when the SLT register (consisting of the SLTH and SLTL registers) is loaded with a non-zero
value (LoValue) and an SCL low timeout occurs. Software clears this bit by writing a logic 1 to it.
NOTE: The low timeout function is disabled when the SLT register's value is zero.
0 No low timeout occurs
1 Low timeout occurs
2
SHTF1
SCL High Timeout Flag 1
This read-only bit sets when SCL and SDA are held high more than clock × LoValue / 512, which indicates
the bus is free. This bit is cleared automatically.
0 No SCL high and SDA high timeout occurs
1 SCL high and SDA high timeout occurs
1
SHTF2
SCL High Timeout Flag 2
This bit sets when SCL is held high and SDA is held low more than clock × LoValue/512. Software clears
this bit by writing a 1 to it.
0 No SCL high and SDA low timeout occurs
1 SCL high and SDA low timeout occurs
0
SHTF2IE
SHTF2 Interrupt Enable
Enables SCL high and SDA low timeout interrupt.
0 SHTF2 interrupt is disabled
1 SHTF2 interrupt is enabled
Memory map and register descriptions
KL25 Sub-Family Reference Manual, Rev. 3, September 2012
700 Freescale Semiconductor, Inc.

38.3.10 I2C Address Register 2 (I2Cx_A2)
Address: Base address + 9h offset
Bit 7 6 5 4 3 2 1 0
Read SAD 0
Write
Reset 11000010
I2Cx_A2 field descriptions
Field Description
7–1
SAD
SMBus Address
Contains the slave address used by the SMBus. This field is used on the device default address or other
related addresses.
0
Reserved
This field is reserved.
This read-only field is reserved and always has the value 0.
38.3.11 I2C SCL Low Timeout Register High (I2Cx_SLTH)
Address: Base address + Ah offset
Bit 7 6 5 4 3 2 1 0
Read SSLT[15:8]
Write
Reset 00000000
I2Cx_SLTH field descriptions
Field Description
7–0
SSLT[15:8]
Most significant byte of SCL low timeout value that determines the timeout period of SCL low.
38.3.12 I2C SCL Low Timeout Register Low (I2Cx_SLTL)
Address: Base address + Bh offset
Bit 7 6 5 4 3 2 1 0
Read SSLT[7:0]
Write
Reset 00000000
I2Cx_SLTL field descriptions
Field Description
7–0
SSLT[7:0]
Least significant byte of SCL low timeout value that determines the timeout period of SCL low.
Chapter 38 Inter-Integrated Circuit (I2C)
KL25 Sub-Family Reference Manual, Rev. 3, September 2012
Freescale Semiconductor, Inc. 701

38.4 Functional description
This section provides a comprehensive functional description of the I2C module.
38.4.1 I2C protocol
The I2C bus system uses a serial data line (SDA) and a serial clock line (SCL) for data
transfers. All devices connected to it must have open drain or open collector outputs. A
logic AND function is exercised on both lines with external pull-up resistors. The value
of these resistors depends on the system.
Normally, a standard instance of communication is composed of four parts:
1. START signal
2. Slave address transmission
3. Data transfer
4. STOP signal
The STOP signal should not be confused with the CPU STOP instruction. The following
figure illustrates I2C bus system communication.
S C L
S D A
D 0
D a ta B y t e
N e w C a llin g A d d re s s
X X
W r it e
C a llin g A d d r e s s
W r it e W rite
S D A
C a llin g A d d r e s s R e a d /
X X X D 7 D 6 D 5 D 4 D 3 D 2 D 1A D 6 A D 5A D 7 A D 4
L S B
M S B
1
6
258
3479
1
6
258
3479
L S B
M S B
1
6
258
3479
L S B
M S B
1
6
258
3479
L S B
M S B
A D 6 R /WA D 3 A D 2 A D 1A D 5A D 7 A D 4 A D 6 R /WA D 3 A D 2 A D 1A D 5A D 7 A D 4
R e a d / R e a d /
R /WA D 3 A D 2 A D 1
SCL
Start Signal Ack
Bit
No
Ack
Bit
Stop
Signal
Start
Signal
Ack
Bit
Repeated
Start
Signal
No
Ack
Bit
Stop
Signal
Figure 38-38. I2C bus transmission signals
Functional description
KL25 Sub-Family Reference Manual, Rev. 3, September 2012
702 Freescale Semiconductor, Inc.

38.4.1.1 START signal
The bus is free when no master device is engaging the bus (both SCL and SDA are high).
When the bus is free, a master may initiate communication by sending a START signal.
A START signal is defined as a high-to-low transition of SDA while SCL is high. This
signal denotes the beginning of a new data transfer—each data transfer might contain
several bytes of data—and brings all slaves out of their idle states.
38.4.1.2 Slave address transmission
Immediately after the START signal, the first byte of a data transfer is the slave address
transmitted by the master. This address is a 7-bit calling address followed by an R/W bit.
The R/W bit tells the slave the desired direction of data transfer.
• 1 = Read transfer: The slave transmits data to the master
• 0 = Write transfer: The master transmits data to the slave
Only the slave with a calling address that matches the one transmitted by the master
responds by sending an acknowledge bit. The slave sends the acknowledge bit by pulling
SDA low at the ninth clock.
No two slaves in the system can have the same address. If the I2C module is the master, it
must not transmit an address that is equal to its own slave address. The I2C module
cannot be master and slave at the same time. However, if arbitration is lost during an
address cycle, the I2C module reverts to slave mode and operates correctly even if it is
being addressed by another master.
38.4.1.3 Data transfers
When successful slave addressing is achieved, data transfer can proceed on a byte-by-
byte basis in the direction specified by the R/W bit sent by the calling master.
All transfers that follow an address cycle are referred to as data transfers, even if they
carry subaddress information for the slave device.
Each data byte is 8 bits long. Data may be changed only while SCL is low. Data must be
held stable while SCL is high. There is one clock pulse on SCL for each data bit, and the
MSB is transferred first. Each data byte is followed by a ninth (acknowledge) bit, which
is signaled from the receiving device by pulling SDA low at the ninth clock. In summary,
one complete data transfer needs nine clock pulses.
Chapter 38 Inter-Integrated Circuit (I2C)
KL25 Sub-Family Reference Manual, Rev. 3, September 2012
Freescale Semiconductor, Inc. 703

If the slave receiver does not acknowledge the master in the ninth bit, the slave must
leave SDA high. The master interprets the failed acknowledgement as an unsuccessful
data transfer.
If the master receiver does not acknowledge the slave transmitter after a data byte
transmission, the slave interprets it as an end to data transfer and releases the SDA line.
In the case of a failed acknowledgement by either the slave or master, the data transfer is
aborted and the master does one of two things:
• Relinquishes the bus by generating a STOP signal.
• Commences a new call by generating a repeated START signal.
38.4.1.4 STOP signal
The master can terminate the communication by generating a STOP signal to free the
bus. A STOP signal is defined as a low-to-high transition of SDA while SCL is asserted.
The master can generate a STOP signal even if the slave has generated an
acknowledgement, at which point the slave must release the bus.
38.4.1.5 Repeated START signal
The master may generate a START signal followed by a calling command without
generating a STOP signal first. This action is called a repeated START. The master uses
a repeated START to communicate with another slave or with the same slave in a
different mode (transmit/receive mode) without releasing the bus.
38.4.1.6 Arbitration procedure
The I2C bus is a true multimaster bus that allows more than one master to be connected
on it.
If two or more masters try to control the bus at the same time, a clock synchronization
procedure determines the bus clock. The bus clock's low period is equal to the longest
clock low period, and the high period is equal to the shortest one among the masters.
The relative priority of the contending masters is determined by a data arbitration
procedure. A bus master loses arbitration if it transmits logic level 1 while another master
transmits logic level 0. The losing masters immediately switch to slave receive mode and
Functional description
KL25 Sub-Family Reference Manual, Rev. 3, September 2012
704 Freescale Semiconductor, Inc.

stop driving SDA output. In this case, the transition from master to slave mode does not
generate a STOP condition. Meanwhile, hardware sets a status bit to indicate the loss of
arbitration.
38.4.1.7 Clock synchronization
Because wire AND logic is performed on SCL, a high-to-low transition on SCL affects
all devices connected on the bus. The devices start counting their low period and, after a
device's clock has gone low, that device holds SCL low until the clock reaches its high
state. However, the change of low to high in this device clock might not change the state
of SCL if another device clock is still within its low period. Therefore, the synchronized
clock SCL is held low by the device with the longest low period. Devices with shorter
low periods enter a high wait state during this time; see the following diagram. When all
applicable devices have counted off their low period, the synchronized clock SCL is
released and pulled high. Afterward there is no difference between the device clocks and
the state of SCL, and all devices start counting their high periods. The first device to
complete its high period pulls SCL low again.
S C L 2
S ta rt C o u n tin g H ig h P e r io d
In te rn a l C o u n te r R e s e t
S C L 1
S C L
D e la y
Figure 38-39. I2C clock synchronization
38.4.1.8 Handshaking
The clock synchronization mechanism can be used as a handshake in data transfers. A
slave device may hold SCL low after completing a single byte transfer (9 bits). In this
case, it halts the bus clock and forces the master clock into wait states until the slave
releases SCL.
Chapter 38 Inter-Integrated Circuit (I2C)
KL25 Sub-Family Reference Manual, Rev. 3, September 2012
Freescale Semiconductor, Inc. 705

38.4.1.9 Clock stretching
The clock synchronization mechanism can be used by slaves to slow down the bit rate of
a transfer. After the master drives SCL low, a slave can drive SCL low for the required
period and then release it. If the slave's SCL low period is greater than the master's SCL
low period, the resulting SCL bus signal's low period is stretched. In other words, the
SCL bus signal's low period is increased to be the same length as the slave's SCL low
period.
38.4.1.10 I2C divider and hold values
NOTE
For some cases on some devices, the SCL divider value may
vary by +/-2 or +/-4 when ICR’s value ranges from 00h to 0Fh.
These potentially varying SCL divider values are highlighted in
the following table. For the actual SCL divider values for your
device, see the chip-specific details about the I2C module.
Table 38-41. I2C divider and hold values
ICR
(hex)
SCL
divider
SDA hold
value
SCL hold
(start)
value
SCL hold
(stop)
value
ICR
(hex)
SCL
divider
(clocks)
SDA hold
(clocks)
SCL hold
(start)
value
SCL hold
(stop)
value
00 20 7 6 11 20 160 17 78 81
01 22 7 7 12 21 192 17 94 97
02 24 8 8 13 22 224 33 110 113
03 26 8 9 14 23 256 33 126 129
04 28 9 10 15 24 288 49 142 145
05 30 9 11 16 25 320 49 158 161
06 34 10 13 18 26 384 65 190 193
07 40 10 16 21 27 480 65 238 241
08 28 7 10 15 28 320 33 158 161
09 32 7 12 17 29 384 33 190 193
0A 36 9 14 19 2A 448 65 222 225
0B 40 9 16 21 2B 512 65 254 257
0C 44 11 18 23 2C 576 97 286 289
0D 48 11 20 25 2D 640 97 318 321
0E 56 13 24 29 2E 768 129 382 385
0F 68 13 30 35 2F 960 129 478 481
10 48 9 18 25 30 640 65 318 321
11 56 9 22 29 31 768 65 382 385
12 64 13 26 33 32 896 129 446 449
13 72 13 30 37 33 1024 129 510 513
Table continues on the next page...
Functional description
KL25 Sub-Family Reference Manual, Rev. 3, September 2012
706 Freescale Semiconductor, Inc.

Table 38-41. I2C divider and hold values (continued)
ICR
(hex)
SCL
divider
SDA hold
value
SCL hold
(start)
value
SCL hold
(stop)
value
ICR
(hex)
SCL
divider
(clocks)
SDA hold
(clocks)
SCL hold
(start)
value
SCL hold
(stop)
value
14 80 17 34 41 34 1152 193 574 577
15 88 17 38 45 35 1280 193 638 641
16 104 21 46 53 36 1536 257 766 769
17 128 21 58 65 37 1920 257 958 961
18 80 9 38 41 38 1280 129 638 641
19 96 9 46 49 39 1536 129 766 769
1A 112 17 54 57 3A 1792 257 894 897
1B 128 17 62 65 3B 2048 257 1022 1025
1C 144 25 70 73 3C 2304 385 1150 1153
1D 160 25 78 81 3D 2560 385 1278 1281
1E 192 33 94 97 3E 3072 513 1534 1537
1F 240 33 118 121 3F 3840 513 1918 1921
38.4.2 10-bit address
For 10-bit addressing, 0x11110 is used for the first 5 bits of the first address byte.
Various combinations of read/write formats are possible within a transfer that includes
10-bit addressing.
38.4.2.1 Master-transmitter addresses a slave-receiver
The transfer direction is not changed. When a 10-bit address follows a START condition,
each slave compares the first 7 bits of the first byte of the slave address (11110XX) with
its own address and tests whether the eighth bit (R/W direction bit) is 0. It is possible that
more than one device finds a match and generates an acknowledge (A1). Each slave that
finds a match compares the 8 bits of the second byte of the slave address with its own
address, but only one slave finds a match and generates an acknowledge (A2). The
matching slave remains addressed by the master until it receives a STOP condition (P) or
a repeated START condition (Sr) followed by a different slave address.
Chapter 38 Inter-Integrated Circuit (I2C)
KL25 Sub-Family Reference Manual, Rev. 3, September 2012
Freescale Semiconductor, Inc. 707

Table 38-42. Master-transmitter addresses slave-receiver with a 10-bit
address
SSlave
address
first 7 bits
11110 +
AD10 +
AD9
R/W
0A1 Slave
address
second
byte
AD[8:1]
A2 Data A ... Data A/A P
After the master-transmitter has sent the first byte of the 10-bit address, the slave-receiver
sees an I2C interrupt. User software must ensure that for this interrupt, the contents of the
Data register are ignored and not treated as valid data.
38.4.2.2 Master-receiver addresses a slave-transmitter
The transfer direction is changed after the second R/W bit. Up to and including
acknowledge bit A2, the procedure is the same as that described for a master-transmitter
addressing a slave-receiver. After the repeated START condition (Sr), a matching slave
remembers that it was addressed before. This slave then checks whether the first seven
bits of the first byte of the slave address following Sr are the same as they were after the
START condition (S), and it tests whether the eighth (R/W) bit is 1. If there is a match,
the slave considers that it has been addressed as a transmitter and generates acknowledge
A3. The slave-transmitter remains addressed until it receives a STOP condition (P) or a
repeated START condition (Sr) followed by a different slave address.
After a repeated START condition (Sr), all other slave devices also compare the first
seven bits of the first byte of the slave address with their own addresses and test the
eighth (R/W) bit. However, none of them are addressed because R/W = 1 (for 10-bit
devices), or the 11110XX slave address (for 7-bit devices) does not match.
Table 38-43. Master-receiver addresses a slave-transmitter with a 10-bit
address
SSlave
address
first 7
bits
11110 +
AD10 +
AD9
R/W
0A1 Slave
address
second
byte
AD[8:1]
A2 Sr Slave
address
first 7
bits
11110 +
AD10 +
AD9
R/W
1A3 Data A ... Data A P
After the master-receiver has sent the first byte of the 10-bit address, the slave-transmitter
sees an I2C interrupt. User software must ensure that for this interrupt, the contents of the
Data register are ignored and not treated as valid data.
Functional description
KL25 Sub-Family Reference Manual, Rev. 3, September 2012
708 Freescale Semiconductor, Inc.

38.4.3 Address matching
All received addresses can be requested in 7-bit or 10-bit address format.
• AD[7:1] in Address Register 1, which contains the I2C primary slave address, always
participates in the address matching process. It provides a 7-bit address.
• If the ADEXT bit is set, AD[10:8] in Control Register 2 participates in the address
matching process. It extends the I2C primary slave address to a 10-bit address.
Additional conditions that affect address matching include:
• If the GCAEN bit is set, general call participates the address matching process.
• If the ALERTEN bit is set, alert response participates the address matching process.
• If the SIICAEN bit is set, Address Register 2 participates in the address matching
process.
• If the Range Address register is programmed to a nonzero value, the range address
itself participates in the address matching process.
• If the RMEN bit is set, any address within the range of values of Address Register 1
and the Range Address register participates in the address matching process. The
Range Address register must be programmed to a value greater than the value of
Address Register 1.
When the I2C module responds to one of these addresses, it acts as a slave-receiver and
the IAAS bit is set after the address cycle. Software must read the Data register after the
first byte transfer to determine that the address is matched.
38.4.4 System management bus specification
SMBus provides a control bus for system and power management related tasks. A system
can use SMBus to pass messages to and from devices instead of tripping individual
control lines. Removing the individual control lines reduces pin count. Accepting
messages ensures future expandability. With the system management bus, a device can
provide manufacturer information, tell the system what its model/part number is, save its
state for a suspend event, report different types of errors, accept control parameters, and
return its status.
38.4.4.1 Timeouts
The TTIMEOUT,MIN parameter allows a master or slave to conclude that a defective device
is holding the clock low indefinitely or a master is intentionally trying to drive devices
off the bus. The slave device must release the bus (stop driving the bus and let SCL and
Chapter 38 Inter-Integrated Circuit (I2C)
KL25 Sub-Family Reference Manual, Rev. 3, September 2012
Freescale Semiconductor, Inc. 709

SDA float high) when it detects any single clock held low longer than TTIMEOUT,MIN.
Devices that have detected this condition must reset their communication and be able to
receive a new START condition within the timeframe of TTIMEOUT,MAX.
SMBus defines a clock low timeout, TTIMEOUT, of 35 ms, specifies TLOW:SEXT as the
cumulative clock low extend time for a slave device, and specifies TLOW:MEXT as the
cumulative clock low extend time for a master device.
38.4.4.1.1 SCL low timeout
If the SCL line is held low by a slave device on the bus, no further communication is
possible. Furthermore, the master cannot force the SCL line high to correct the error
condition. To solve this problem, the SMBus protocol specifies that devices participating
in a transfer must detect any clock cycle held low longer than a timeout value condition.
Devices that have detected the timeout condition must reset the communication. When
the I2C module is an active master, if it detects that SMBCLK low has exceeded the
value of TTIMEOUT,MIN, it must generate a stop condition within or after the current data
byte in the transfer process. When the I2C module is a slave, if it detects the
TTIMEOUT,MIN condition, it resets its communication and is then able to receive a new
START condition.
38.4.4.1.2 SCL high timeout
When the I2C module has determined that the SMBCLK and SMBDAT signals have
been high for at least THIGH:MAX, it assumes that the bus is idle.
A HIGH timeout occurs after a START condition appears on the bus but before a STOP
condition appears on the bus. Any master detecting this scenario can assume the bus is
free when either of the following occurs:
• SHTF1 rises.
• The BUSY bit is high and SHTF1 is high.
When the SMBDAT signal is low and the SMBCLK signal is high for a period of time,
another kind of timeout occurs. The time period must be defined in software. SHTF2 is
used as the flag when the time limit is reached. This flag is also an interrupt resource, so
it triggers IICIF.
Functional description
KL25 Sub-Family Reference Manual, Rev. 3, September 2012
710 Freescale Semiconductor, Inc.

38.4.4.1.3 CSMBCLK TIMEOUT MEXT and CSMBCLK TIMEOUT SEXT
The following figure illustrates the definition of the timeout intervals TLOW:SEXT and
TLOW:MEXT. When in master mode, the I2C module must not cumulatively extend its
clock cycles for a period greater than TLOW:MEXT within a byte, where each byte is
defined as START-to-ACK, ACK-to-ACK, or ACK-to-STOP. When CSMBCLK
TIMEOUT MEXT occurs, SMBus MEXT rises and also triggers the SLTF.
Start LOW:SEXT
TStop
LOW:MEXT
TClkAck
LOW:MEXT
TClkAck
LOW:MEXT
T
SCL
SDA
Figure 38-40. Timeout measurement intervals
A master is allowed to abort the transaction in progress to any slave that violates the
TLOW:SEXT or TTIMEOUT,MIN specifications. To abort the transaction, the master issues a
STOP condition at the conclusion of the byte transfer in progress. When a slave, the I2C
module must not cumulatively extend its clock cycles for a period greater than
TLOW:SEXT during any message from the initial START to the STOP. When CSMBCLK
TIMEOUT SEXT occurs, SEXT rises and also triggers SLTF.
NOTE
CSMBCLK TIMEOUT SEXT and CSMBCLK TIMEOUT
MEXT are optional functions that are implemented in the
second step.
38.4.4.2 FAST ACK and NACK
To improve reliability and communication robustness, implementation of packet error
checking (PEC) by SMBus devices is optional for SMBus devices but required for
devices participating in and only during the address resolution protocol (ARP) process.
The PEC is a CRC-8 error checking byte, calculated on all the message bytes. The PEC is
appended to the message by the device that supplied the last data byte. If the PEC is
present but not correct, a NACK is issued by the receiver. Otherwise an ACK is issued.
To calculate the CRC-8 by software, this module can hold the SCL line low after
Chapter 38 Inter-Integrated Circuit (I2C)
KL25 Sub-Family Reference Manual, Rev. 3, September 2012
Freescale Semiconductor, Inc. 711

receiving the eighth SCL (8th bit) if this byte is a data byte. So software can determine
whether an ACK or NACK should be sent to the bus by setting or clearing the TXAK bit
if the FACK (fast ACK/NACK enable) bit is enabled.
SMBus requires a device always to acknowledge its own address, as a mechanism to
detect the presence of a removable device (such as a battery or docking station) on the
bus. In addition to indicating a slave device busy condition, SMBus uses the NACK
mechanism to indicate the reception of an invalid command or invalid data. Because such
a condition may occur on the last byte of the transfer, SMBus devices are required to
have the ability to generate the not acknowledge after the transfer of each byte and before
the completion of the transaction. This requirement is important because SMBus does not
provide any other resend signaling. This difference in the use of the NACK signaling has
implications on the specific implementation of the SMBus port, especially in devices that
handle critical system data such as the SMBus host and the SBS components.
NOTE
In the last byte of master receive slave transmit mode, the
master must send a NACK to the bus, so FACK must be
switched off before the last byte transmits.
38.4.5 Resets
The I2C module is disabled after a reset. The I2C module cannot cause a core reset.
38.4.6 Interrupts
The I2C module generates an interrupt when any of the events in the following table
occur, provided that the IICIE bit is set. The interrupt is driven by the IICIF bit (of the
I2C Status Register) and masked with the IICIE bit (of the I2C Control Register 1). The
IICIF bit must be cleared (by software) by writing 1 to it in the interrupt routine. The
SMBus timeouts interrupt is driven by SLTF and masked with the IICIE bit. The SLTF
bit must be cleared by software by writing 1 to it in the interrupt routine. You can
determine the interrupt type by reading the Status Register.
NOTE
In master receive mode, the FACK bit must be set to zero
before the last byte transfer.
Functional description
KL25 Sub-Family Reference Manual, Rev. 3, September 2012
712 Freescale Semiconductor, Inc.

Table 38-44. Interrupt summary
Interrupt source Status Flag Local enable
Complete 1-byte transfer TCF IICIF IICIE
Match of received calling address IAAS IICIF IICIE
Arbitration lost ARBL IICIF IICIE
I2C bus stop detection STOPF IICIF IICIE & STOPIE
SMBus SCL low timeout SLTF IICIF IICIE
SMBus SCL high SDA low timeout SHTF2 IICIF IICIE & SHTF2IE
Wakeup from stop or wait mode IAAS IICIF IICIE & WUEN
38.4.6.1 Byte transfer interrupt
The Transfer Complete Flag (TCF) bit is set at the falling edge of the ninth clock to
indicate the completion of a byte and acknowledgement transfer. When FACK is enabled,
TCF is then set at the falling edge of eighth clock to indicate the completion of byte.
38.4.6.2 Address detect interrupt
When the calling address matches the programmed slave address (I2C Address Register)
or when the GCAEN bit is set and a general call is received, the IAAS bit in the Status
Register is set. The CPU is interrupted, provided the IICIE bit is set. The CPU must
check the SRW bit and set its Tx mode accordingly.
38.4.6.3 Stop Detect Interrupt
When the stop status is detected on the I2C bus, the STOPF bit is set to 1. The CPU is
interrupted, provided the IICIE and STOPIE bits are both set to 1.
38.4.6.4 Exit from low-power/stop modes
The slave receive input detect circuit and address matching feature are still active on low
power modes (wait and stop). An asynchronous input matching slave address or general
call address brings the CPU out of low power/stop mode if the interrupt is not masked.
Therefore, TCF and IAAS both can trigger this interrupt.
Chapter 38 Inter-Integrated Circuit (I2C)
KL25 Sub-Family Reference Manual, Rev. 3, September 2012
Freescale Semiconductor, Inc. 713

38.4.6.5 Arbitration lost interrupt
The I2C is a true multimaster bus that allows more than one master to be connected on it.
If two or more masters try to control the bus at the same time, the relative priority of the
contending masters is determined by a data arbitration procedure. The I2C module asserts
the arbitration-lost interrupt when it loses the data arbitration process and the ARBL bit
in the Status Register is set.
Arbitration is lost in the following circumstances:
1. SDA is sampled as low when the master drives high during an address or data
transmit cycle.
2. SDA is sampled as low when the master drives high during the acknowledge bit of a
data receive cycle.
3. A START cycle is attempted when the bus is busy.
4. A repeated START cycle is requested in slave mode.
5. A STOP condition is detected when the master did not request it.
The ARBL bit must be cleared (by software) by writing 1 to it.
38.4.6.6 Timeout interrupt in SMBus
When the IICIE bit is set, the I2C module asserts a timeout interrupt (outputs SLTF and
SHTF2) upon detection of any of the mentioned timeout conditions, with one exception.
The SCL high and SDA high TIMEOUT mechanism must not be used to influence the
timeout interrupt output, because this timeout indicates an idle condition on the bus.
SHTF1 rises when it matches the SCL high and SDA high TIMEOUT and falls
automatically just to indicate the bus status. The SHTF2's timeout period is the same as
that of SHTF1, which is short compared to that of SLTF, so another control bit,
SHTF2IE, is added to enable or disable it.
38.4.7 Programmable input glitch filter
An I2C glitch filter has been added outside legacy I2C modules but within the I2C
package. This filter can absorb glitches on the I2C clock and data lines for the I2C
module. The width of the glitch to absorb can be specified in terms of the number of
(half) bus clock cycles. A single Programmable Input Glitch Filter control register is
provided. Effectively, any down-up-down or up-down-up transition on the data line that
Functional description
KL25 Sub-Family Reference Manual, Rev. 3, September 2012
714 Freescale Semiconductor, Inc.

occurs within the number of clock cycles programmed in this register is ignored by the
I2C module. The programmer must specify the size of the glitch (in terms of bus clock
cycles) for the filter to absorb and not pass.
SCL, SDA
external signals
DFF
Noise
suppress
circuits
SCL, SDA
internal signals
DFF DFF DFF
Figure 38-41. Programmable input glitch filter diagram
38.4.8 Address matching wakeup
When a primary, range, or general call address match occurs when the I2C module is in
slave receive mode, the MCU wakes from a low power mode with no peripheral bus
running. Data sent on the bus that is the same as a target device address might also wake
the target MCU.
After the address matching IAAS bit is set, an interrupt is sent at the end of address
matching to wake the core. The IAAS bit must be cleared after the clock recovery.
NOTE
After the system recovers and is in Run mode, restart the I2C
module if it is needed to transfer packets. The SCL line is not
held low until the I2C module resets after address matching.
The main purpose of this feature is to wake the MCU from a
low power mode where no peripheral bus is running. When the
MCU is in such a mode: addressing as a slave, slave read/write,
and sending an acknowledge bit are not fully supported. To
avoid I2C transfer problems resulting from this situation,
firmware should prevent the MCU execution of a STOP
instruction when the I2C module is in the middle of a transfer
unless the Stop mode holdoff feature is used during this period
(set FLT[SHEN] to 1).
Chapter 38 Inter-Integrated Circuit (I2C)
KL25 Sub-Family Reference Manual, Rev. 3, September 2012
Freescale Semiconductor, Inc. 715

38.4.9 DMA support
If the DMAEN bit is cleared and the IICIE bit is set, an interrupt condition generates an
interrupt request. If the DMAEN bit is set and the IICIE bit is set, an interrupt condition
generates a DMA request instead. DMA requests are generated by the transfer complete
flag (TCF).
If the DMAEN bit is set, the only arbitration lost is to another I2C module (error), and
SCL low timeouts (error) generate CPU interrupts. All other events initiate a DMA
transfer.
NOTE
Before the last byte of master receive mode, TXAK must be set
to send a NACK after the last byte’s transfer. Therefore, the
DMA must be disabled before the last byte’s transfer.
NOTE
In 10-bit address mode transmission, the addresses to send
occupy 2-3 bytes. During this transfer period, the DMA must be
disabled because the C1 register is written to send a repeat start
or to change the transfer direction.
38.5 Initialization/application information
Module Initialization (Slave)
1. Write: Control Register 2
• to enable or disable general call
• to select 10-bit or 7-bit addressing mode
2. Write: Address Register 1 to set the slave address
3. Write: Control Register 1 to enable the I2C module and interrupts
4. Initialize RAM variables (IICEN = 1 and IICIE = 1) for transmit data
5. Initialize RAM variables used to achieve the routine shown in the following figure
Module Initialization (Master)
1. Write: Frequency Divider register to set the I2C baud rate (see example in
description of ICR)
2. Write: Control Register 1 to enable the I2C module and interrupts
3. Initialize RAM variables (IICEN = 1 and IICIE = 1) for transmit data
4. Initialize RAM variables used to achieve the routine shown in the following figure
5. Write: Control Register 1 to enable TX
Initialization/application information
KL25 Sub-Family Reference Manual, Rev. 3, September 2012
716 Freescale Semiconductor, Inc.

6. Write: Control Register 1 to enable MST (master mode)
7. Write: Data register with the address of the target slave (the LSB of this byte
determines whether the communication is master receive or transmit)
The routine shown in the following figure encompasses both master and slave I2C
operations. For slave operation, an incoming I2C message that contains the proper
address begins I2C communication. For master operation, communication must be
initiated by writing the Data register.
Chapter 38 Inter-Integrated Circuit (I2C)
KL25 Sub-Family Reference Manual, Rev. 3, September 2012
Freescale Semiconductor, Inc. 717

Clear IICIF
Master
mode?
Tx/Rx? Arbitration
lost?
IIAAS=1?
Tx/Rx?
ACK from
receiver?
SRW=1?
IIAAS=1?
Clear ARBL
2nd to
last byte to be
read?
Last byte
to be read?
RXAK=0?
Last byte
transmitted?
End of
address cycle
(master Rx)?
Write next
byte to Data reg Set TXACK Generate stop
signal (MST=0)
Write data
to Data reg
Set TX mode
Transmit
next byte
Read data from
Data reg
and store
RTI
Switch to
Rx mode
Set Rx mode
Switch to
Rx mode
Dummy read
from Data reg
Generate stop
signal (MST=0)
Read data from
Data reg
and store
Dummy read
from Data reg
Dummy read
from Data reg
N
Y
N
N
N
N
N
N
Y
Y
YY
Y
(read)
N (write)
N
Y
RxTx
Rx
Tx
Y
N
Address transfer
see note 1
Data transfer
see note 2
N
Y
Y
Y
Notes:
1. If general call is enabled, check to determine if the received address is a general call address (0x00).
If the received address is a general call address, the general call must be handled by user software.
2. When 10-bit addressing addresses a slave, the slave sees an interrupt following the first byte of the extended address.
Ensure that for this interrupt, the contents of the Data register are ignored and not treated as a valid data transfer.
Figure 38-42. Typical I2C interrupt routine
Initialization/application information
KL25 Sub-Family Reference Manual, Rev. 3, September 2012
718 Freescale Semiconductor, Inc.

Master
mode?
Tx/Rx? Arbitration
lost?
IAAS=1?
Tx/Rx?
ACK from
receiver?
SRW=1?
IAAS=1?
Clear ARBL
2nd to
last byte to be
read?
Last byte
to be read?
RXAK=0?
Last byte
transmitted?
End of
address cycle
(master Rx)?
Write next
byte to Data reg
Generate stop
signal (MST=0)
Set TXAK to
proper value
Clear IICIF
Delay (note 2)
Delay (note 2)
Read data from
Data reg
and soft CRC
Transmit
next byte
RTI
Switch to
Rx mode
Switch to
Rx mode
Dummy read
from Data reg
Generate stop
signal (MST=0)
Read data from
Data reg
and store
Read data from
Data reg
and store
Dummy read
from Data reg
N
Y
N
N
N
N
N
N
Y
Y
Y
Y
Y
(read)
N (write)
N
Y
RxTx
Rx
Tx
Y
N
Address transfer
see note 1
N
Y
Y
Y
SLTF or
SHTF2=1?
N
Y
Clear IICIF
FACK=1?
N
Y
See typical I2C
interrupt routine
flow chart
Set TXAK to
proper value
Clear IICIF
Delay (note 2) Set Tx mode
Write data
to Data reg
Clear IICIF
Notes:
1. If general call or SIICAEN is enabled, check to determine if the received address is a general call address (0x00) or an SMBus
device default address. In either case, they must be handled by user software.
2. In receive mode, one bit time delay may be needed before the first and second data reading.
Clear IICIF
Delay (note 2)
Read data from
Data reg
and soft CRC
Set TXAK to
proper value
Clear IICIF
Delay (note 2)
Delay (note 2)
Read data from
Data reg
and soft CRC
Set TXACK=1
Clear FACK=0
Delay (note 2)
Read data and
Soft CRC
Set TXAK to
proper value
Delay (note 2)
Figure 38-43. Typical I2C SMBus interrupt routine
Chapter 38 Inter-Integrated Circuit (I2C)
KL25 Sub-Family Reference Manual, Rev. 3, September 2012
Freescale Semiconductor, Inc. 719

Initialization/application information
KL25 Sub-Family Reference Manual, Rev. 3, September 2012
720 Freescale Semiconductor, Inc.

Chapter 39
Universal Asynchronous Receiver/Transmitter
(UART0)
39.1 Introduction
39.1.1 Features
Features of the UART module include:
• Full-duplex, standard non-return-to-zero (NRZ) format
• Double-buffered transmitter and receiver with separate enables
• Programmable baud rates (13-bit modulo divider)
• Transmit and receive baud rate can operate asynchronous to the bus clock:
• Baud rate can be configured independently of the bus clock frequency
• Supports operation in Stop modes
• Configurable receiver buad rate oversampling ratio from 4x to 32x
• Interrupt, DMA or polled operation:
• Transmit data register empty and transmission complete
• Receive data register full
• Receive overrun, parity error, framing error, and noise error
• Idle receiver detect
• Active edge on receive pin
• Break detect supporting LIN
• Hardware parity generation and checking
• Programmable 8-bit, 9-bit or 10-bit character length
• Programmable 1-bit or 2-bit stop bits
• Receiver wakeup by idle-line, address-mark or address match
• Optional 13-bit break character generation / 11-bit break character detection
• Selectable transmitter output and receiver input polarity
KL25 Sub-Family Reference Manual, Rev. 3, September 2012
Freescale Semiconductor, Inc. 721

39.1.2 Modes of operation
39.1.2.1 Stop mode
The UART will remain functional during Stop mode, provided the asynchronous transmit
and receive clock remains enabled. The UART can generate an interrupt or DMA request
to cause a wakeup from Stop mode.
39.1.2.2 Wait mode
The UART can be configured to Stop in Wait modes, when the DOZEEN bit is set. The
transmitter and receiver will finish transmitting/receiving the current word.
39.1.2.3 Debug mode
The UART remains functional in debug mode.
39.1.3 Block diagram
The following figure shows the transmitter portion of the UART.
Introduction
KL25 Sub-Family Reference Manual, Rev. 3, September 2012
722 Freescale Semiconductor, Inc.

H 8 7 6 5 4 3 2 1 0 L
UART_D – Tx Buffer
(Write-Only)
Internal Bus
Stop
11-BIT Transmit Shift Register
Start
SHIFT DIRECTION
lsb
1 Baud
Rate Clock
Parity
Generation
Transmit Control
Shift Enable
Preamble (All 1s)
Break (All 0s)
UART Controls TxD
TxD Direction
TO TxD
Pin Logic
Loop
Control To Receive
Data In
To TxD Pin
Tx Interrupt
Request
LOOPS
RSRC
TIE
TC
TDRE
M
PT
PE
TCIE
TE
SBK
T8
TXDIR
Load From UARTx_D
TXINV
BRK13
Figure 39-1. UART transmitter block diagram
The following figure shows the receiver portion of the UART.
Chapter 39 Universal Asynchronous Receiver/Transmitter (UART0)
KL25 Sub-Family Reference Manual, Rev. 3, September 2012
Freescale Semiconductor, Inc. 723

M
PE
PT
RE
VARIABLE 12-BIT RECEIVE
STOP
START
RECEIVE
WAKEUP
DATA BUFFER
INTERNAL BUS
SBR12:0
BAUDRATE
CLOCK
RAF
LOGIC
SHIFT DIRECTION
ACTIVE EDGE
DETECT
LBKDE
MSBF
GENERATOR SHIFT REGISTER M10
RXINV
IRQ / DMA
LOGIC
DMA Requests
IRQ Requests
PARITY
LOGIC
CONTROL
RxD
RxD
LOOPS
RSRC
From Transmitter
RECEIVER
SOURCE
CONTROL
BAUD
Figure 39-2. UART receiver block diagram
39.2 Register definition
The UART includes registers to control baud rate, select UART options, report UART
status, and for transmit/receive data. Accesses to address outside the valid memory map
will generate a bus error.
UART memory map
Absolute
address
(hex)
Register name Width
(in bits) Access Reset value Section/
page
4006_A000 UART Baud Rate Register High (UART0_BDH) 8 R/W 00h 39.2.1/725
4006_A001 UART Baud Rate Register Low (UART0_BDL) 8 R/W 04h 39.2.2/726
4006_A002 UART Control Register 1 (UART0_C1) 8 R/W 00h 39.2.3/726
4006_A003 UART Control Register 2 (UART0_C2) 8 R/W 00h 39.2.4/728
4006_A004 UART Status Register 1 (UART0_S1) 8 R/W C0h 39.2.5/729
Table continues on the next page...
Register definition
KL25 Sub-Family Reference Manual, Rev. 3, September 2012
724 Freescale Semiconductor, Inc.

UART memory map (continued)
Absolute
address
(hex)
Register name Width
(in bits) Access Reset value Section/
page
4006_A005 UART Status Register 2 (UART0_S2) 8 R/W 00h 39.2.6/731
4006_A006 UART Control Register 3 (UART0_C3) 8 R/W 00h 39.2.7/733
4006_A007 UART Data Register (UART0_D) 8 R/W 00h 39.2.8/734
4006_A008 UART Match Address Registers 1 (UART0_MA1) 8 R/W 00h 39.2.9/735
4006_A009 UART Match Address Registers 2 (UART0_MA2) 8 R/W 00h 39.2.10/
736
4006_A00A UART Control Register 4 (UART0_C4) 8 R/W 0Fh 39.2.11/
736
4006_A00B UART Control Register 5 (UART0_C5) 8 R/W 00h 39.2.12/
737
39.2.1 UART Baud Rate Register High (UARTx_BDH)
This register, along with UART _BDL, controls the prescale divisor for UART baud rate
generation. The 13-bit baud rate setting [SBR12:SBR0] should only be updated when the
transmitter and receiver are both disabled.
Address: Base address + 0h offset
Bit 7 6 5 4 3 2 1 0
Read LBKDIE RXEDGIE SBNS SBR
Write
Reset 00000000
UARTx_BDH field descriptions
Field Description
7
LBKDIE
LIN Break Detect Interrupt Enable (for LBKDIF)
0 Hardware interrupts from UART _S2[LBKDIF] disabled (use polling).
1 Hardware interrupt requested when UART _S2[LBKDIF] flag is 1.
6
RXEDGIE
RX Input Active Edge Interrupt Enable (for RXEDGIF)
0 Hardware interrupts from UART _S2[RXEDGIF] disabled (use polling).
1 Hardware interrupt requested when UART _S2[RXEDGIF] flag is 1.
5
SBNS
Stop Bit Number Select
SBNS determines whether data characters are one or two stop bits. This bit should only be changed when
the transmitter and receiver are both disabled.
0 One stop bit.
1 Two stop bit.
Table continues on the next page...
Chapter 39 Universal Asynchronous Receiver/Transmitter (UART0)
KL25 Sub-Family Reference Manual, Rev. 3, September 2012
Freescale Semiconductor, Inc. 725

UARTx_BDH field descriptions (continued)
Field Description
4–0
SBR
Baud Rate Modulo Divisor.
The 13 bits in SBR[12:0] are referred to collectively as BR, and they set the modulo divide rate for the
baud rate generator. When BR is 1 - 8191, the baud rate equals baud clock / ((OSR+1) × BR).
39.2.2 UART Baud Rate Register Low (UARTx_BDL)
This register, along with UART _BDH, control the prescale divisor for UART baud rate
generation. The 13-bit baud rate setting [SBR12:SBR0] can only be updated when the
transmitter and receiver are both disabled.
UART _BDL is reset to a non-zero value, so after reset the baud rate generator remains
disabled until the first time the receiver or transmitter is enabled; that is, UART _C2[RE]
or UART _C2[TE] bits are written to 1.
Address: Base address + 1h offset
Bit 7 6 5 4 3 2 1 0
Read SBR
Write
Reset 00000100
UARTx_BDL field descriptions
Field Description
7–0
SBR
Baud Rate Modulo Divisor
These 13 bits in SBR[12:0] are referred to collectively as BR. They set the modulo divide rate for the baud
rate generator. When BR is 1 - 8191, the baud rate equals baud clock/((OSR+1) × BR).
39.2.3 UART Control Register 1 (UARTx_C1)
This read/write register controls various optional features of the UART system. This
register should only be altered when the transmitter and receiver are both disabled.
Address: Base address + 2h offset
Bit 7 6 5 4 3 2 1 0
Read LOOPS DOZEEN RSRC M WAKE ILT PE PT
Write
Reset 00000000
Register definition
KL25 Sub-Family Reference Manual, Rev. 3, September 2012
726 Freescale Semiconductor, Inc.

UARTx_C1 field descriptions
Field Description
7
LOOPS
Loop Mode Select
Selects between loop back modes and normal 2-pin full-duplex modes. When LOOPS is set, the
transmitter output is internally connected to the receiver input.
0 Normal operation - UART _RX and UART _TX use separate pins.
1 Loop mode or single-wire mode where transmitter outputs are internally connected to receiver input.
(See RSRC bit.) UART _RX pin is not used by UART .
6
DOZEEN
Doze Enable
0 UART is enabled in Wait mode.
1 UART is disabled in Wait mode.
5
RSRC
Receiver Source Select
This bit has no meaning or effect unless the LOOPS bit is set to 1. When LOOPS is set, the receiver input
is internally connected to the UART _TX pin and RSRC determines whether this connection is also
connected to the transmitter output.
0 Provided LOOPS is set, RSRC is cleared, selects internal loop back mode and the UART does not
use the UART _RX pins.
1 Single-wire UART mode where the UART _TX pin is connected to the transmitter output and receiver
input.
4
M
9-Bit or 8-Bit Mode Select
0 Receiver and transmitter use 8-bit data characters.
1 Receiver and transmitter use 9-bit data characters.
3
WAKE
Receiver Wakeup Method Select
0 Idle-line wakeup.
1 Address-mark wakeup.
2
ILT
Idle Line Type Select
Setting this bit to 1 ensures that the stop bits and logic 1 bits at the end of a character do not count toward
the 10 to 13 bit times of logic high level needed by the idle line detection logic.
0 Idle character bit count starts after start bit.
1 Idle character bit count starts after stop bit.
1
PE
Parity Enable
Enables hardware parity generation and checking. When parity is enabled, the bit immediately before the
stop bit is treated as the parity bit.
0 No hardware parity generation or checking.
1 Parity enabled.
0
PT
Parity Type
Provided parity is enabled (PE = 1), this bit selects even or odd parity. Odd parity means the total number
of 1s in the data character, including the parity bit, is odd. Even parity means the total number of 1s in the
data character, including the parity bit, is even.
0 Even parity.
1 Odd parity.
Chapter 39 Universal Asynchronous Receiver/Transmitter (UART0)
KL25 Sub-Family Reference Manual, Rev. 3, September 2012
Freescale Semiconductor, Inc. 727

39.2.4 UART Control Register 2 (UARTx_C2)
This register can be read or written at any time.
Address: Base address + 3h offset
Bit 7 6 5 4 3 2 1 0
Read TIE TCIE RIE ILIE TE RE RWU SBK
Write
Reset 00000000
UARTx_C2 field descriptions
Field Description
7
TIE
Transmit Interrupt Enable for TDRE
0 Hardware interrupts from TDRE disabled; use polling.
1 Hardware interrupt requested when TDRE flag is 1.
6
TCIE
Transmission Complete Interrupt Enable for TC
0 Hardware interrupts from TC disabled; use polling.
1 Hardware interrupt requested when TC flag is 1.
5
RIE
Receiver Interrupt Enable for RDRF
0 Hardware interrupts from RDRF disabled; use polling.
1 Hardware interrupt requested when RDRF flag is 1.
4
ILIE
Idle Line Interrupt Enable for IDLE
0 Hardware interrupts from IDLE disabled; use polling.
1 Hardware interrupt requested when IDLE flag is 1.
3
TE
Transmitter Enable
TE must be 1 to use the UART transmitter. When TE is set, the UART forces the UART _TX pin to act as
an output for the UART system.
When the UART is configured for single-wire operation (LOOPS = RSRC = 1), TXDIR controls the
direction of traffic on the single UART communication line ( UART _TX pin).
TE can also queue an idle character by clearing TE then setting TE while a transmission is in progress.
When TE is written to 0, the transmitter keeps control of the port UART _TX pin until any data, queued
idle, or queued break character finishes transmitting before allowing the pin to tristate.
0 Transmitter disabled.
1 Transmitter enabled.
2
RE
Receiver Enable
When the UART receiver is off or LOOPS is set, the UART _RX pin is not used by the UART .
When RE is written to 0, the receiver finishes receiving the current character (if any).
0 Receiver disabled.
1 Receiver enabled.
1
RWU
Receiver Wakeup Control
Table continues on the next page...
Register definition
KL25 Sub-Family Reference Manual, Rev. 3, September 2012
728 Freescale Semiconductor, Inc.

UARTx_C2 field descriptions (continued)
Field Description
This bit can be written to 1 to place the UART receiver in a standby state where it waits for automatic
hardware detection of a selected wakeup condition. The wakeup condition is an idle line between
messages, WAKE = 0, idle-line wakeup, or a logic 1 in the most significant data bit in a character, WAKE =
1, address-mark wakeup. Application software sets RWU and, normally, a selected hardware condition
automatically clears RWU.
0 Normal UART receiver operation.
1 UART receiver in standby waiting for wakeup condition.
0
SBK
Send Break
Writing a 1 and then a 0 to SBK queues a break character in the transmit data stream. Additional break
characters of 10 to 13, or 13 to 16 if BRK13 = 1, bit times of logic 0 are queued as long as SBK is set.
Depending on the timing of the set and clear of SBK relative to the information currently being transmitted,
a second break character may be queued before software clears SBK.
0 Normal transmitter operation.
1 Queue break character(s) to be sent.
39.2.5 UART Status Register 1 (UARTx_S1)
Address: Base address + 4h offset
Bit 7 6 5 4 3 2 1 0
Read TDRE TC RDRF IDLE OR NF FE PF
Write w1c w1c w1c w1c w1c
Reset 11000000
UARTx_S1 field descriptions
Field Description
7
TDRE
Transmit Data Register Empty Flag
TDRE is set out of reset and whenever there is room to write data to the transmit data buffer. To clear
TDRE, write to the UART data register ( UART _D).
0 Transmit data buffer full.
1 Transmit data buffer empty.
6
TC
Transmission Complete Flag
TC is set out of reset and when TDRE is set and no data, preamble, or break character is being
transmitted.
TC is cleared automatically by one of the following:
• Write to the UART data register ( UART _D) to transmit new data
• Queue a preamble by changing TE from 0 to 1
• Queue a break character by writing 1 to UART _C2[SBK]
0 Transmitter active (sending data, a preamble, or a break).
1 Transmitter idle (transmission activity complete).
Table continues on the next page...
Chapter 39 Universal Asynchronous Receiver/Transmitter (UART0)
KL25 Sub-Family Reference Manual, Rev. 3, September 2012
Freescale Semiconductor, Inc. 729

UARTx_S1 field descriptions (continued)
Field Description
5
RDRF
Receive Data Register Full Flag
RDRF becomes set whenever the receive data buffer is full. To clear RDRF, read the UART data register
( UART _D).
0 Receive data buffer empty.
1 Receive data buffer full.
4
IDLE
Idle Line Flag
IDLE is set when the UART receive line becomes idle for a full character time after a period of activity.
When ILT is cleared, the receiver starts counting idle bit times after the start bit. If the receive character is
all 1s, these bit times and the stop bits time count toward the full character time of logic high, 10 to 13 bit
times, needed for the receiver to detect an idle line. When ILT is set, the receiver doesn't start counting
idle bit times until after the stop bits. The stop bits and any logic high bit times at the end of the previous
character do not count toward the full character time of logic high needed for the receiver to detect an idle
line.
To clear IDLE, write logic 1 to the IDLE flag. After IDLE has been cleared, it cannot become set again until
after a new character has been received and RDRF has been set. IDLE is set only once even if the
receive line remains idle for an extended period.
0 No idle line detected.
1 Idle line was detected.
3
OR
Receiver Overrun Flag
OR is set when a new serial character is ready to be transferred to the receive data buffer, but the
previously received character has not been read from UART _D yet. In this case, the new character, and
all associated error information, is lost because there is no room to move it into UART _D. To clear OR,
write a logic 1 to the OR flag.
0 No overrun.
1 Receive overrun (new UART data lost).
2
NF
Noise Flag
The advanced sampling technique used in the receiver takes three samples in each of the received bits. If
any of these samples disagrees with the rest of the samples within any bit time in the frame, the flag NF is
set at the same time as RDRF is set for the character. To clear NF, write logic one to the NF.
0 No noise detected.
1 Noise detected in the received character in UART _D.
1
FE
Framing Error Flag
FE is set at the same time as RDRF when the receiver detects a logic 0 where a stop bit was expected.
This suggests the receiver was not properly aligned to a character frame. To clear FE, write a logic one to
the FE flag.
0 No framing error detected. This does not guarantee the framing is correct.
1 Framing error.
0
PF
Parity Error Flag
PF is set at the same time as RDRF when parity is enabled (PE = 1) and the parity bit in the received
character does not agree with the expected parity value. To clear PF, write a logic one to the PF.
Table continues on the next page...
Register definition
KL25 Sub-Family Reference Manual, Rev. 3, September 2012
730 Freescale Semiconductor, Inc.

UARTx_S1 field descriptions (continued)
Field Description
0 No parity error.
1 Parity error.
39.2.6 UART Status Register 2 (UARTx_S2)
This register contains one read-only status flag.
When using an internal oscillator in a LIN system, it is necessary to raise the break
detection threshold one bit time. Under the worst case timing conditions allowed in LIN,
it is possible that a 0x00 data character can appear to be 10.26 bit times long at a slave
running 14% faster than the master. This would trigger normal break detection circuitry
designed to detect a 10-bit break symbol. When the LBKDE bit is set, framing errors are
inhibited and the break detection threshold increases, preventing false detection of a 0x00
data character as a LIN break symbol.
Address: Base address + 5h offset
Bit 7 6 5 4 3 2 1 0
Read LBKDIF RXEDGIF MSBF RXINV RWUID BRK13 LBKDE RAF
Write
Reset 00000000
UARTx_S2 field descriptions
Field Description
7
LBKDIF
LIN Break Detect Interrupt Flag
LBKDIF is set when the LIN break detect circuitry is enabled and a LIN break character is detected.
LBKDIF is cleared by writing a 1 to it.
0 No LIN break character has been detected.
1 LIN break character has been detected.
6
RXEDGIF
UART _RX Pin Active Edge Interrupt Flag
RXEDGIF is set when an active edge, falling if RXINV = 0, rising if RXINV=1, on the UART _RX pin
occurs. RXEDGIF is cleared by writing a 1 to it.
0 No active edge on the receive pin has occurred.
1 An active edge on the receive pin has occurred.
5
MSBF
MSB First
Setting this bit reverses the order of the bits that are transmitted and received on the wire. This bit does
not affect the polarity of the bits, the location of the parity bit or the location of the start or stop bits. This bit
should only be changed when the transmitter and receiver are both disabled.
Table continues on the next page...
Chapter 39 Universal Asynchronous Receiver/Transmitter (UART0)
KL25 Sub-Family Reference Manual, Rev. 3, September 2012
Freescale Semiconductor, Inc. 731

UARTx_S2 field descriptions (continued)
Field Description
0 LSB (bit0) is the first bit that is transmitted following the start bit. Further, the first bit received after the
start bit is identified as bit0.
1 MSB (bit9, bit8, bit7 or bit6) is the first bit that is transmitted following the start bit depending on the
setting of C1[M], C1[PE] and C4[M10]. Further, the first bit received after the start bit is identified as
bit9, bit8, bit7 or bit6 depending on the setting of C1[M] and C1[PE].
4
RXINV
Receive Data Inversion
Setting this bit reverses the polarity of the received data input.
NOTE: Setting RXINV inverts the UART _RXD input for all cases: data bits, start and stop bits, break,
and idle.
0 Receive data not inverted.
1 Receive data inverted.
3
RWUID
Receive Wake Up Idle Detect
RWUID controls whether the idle character that wakes up the receiver sets the IDLE bit. This bit should
only be changed when the receiver is disabled.
0 During receive standby state (RWU = 1), the IDLE bit does not get set upon detection of an idle
character.
1 During receive standby state (RWU = 1), the IDLE bit gets set upon detection of an idle character.
2
BRK13
Break Character Generation Length
BRK13 selects a longer transmitted break character length. Detection of a framing error is not affected by
the state of this bit. This bit should only be changed when the transmitter is disabled.
0 Break character is transmitted with length of 10 bit times (if M = 0, SBNS = 0) or 11 (if M = 1, SBNS =
0 or M = 0, SBNS = 1) or 12 (if M = 1, SBNS = 1 or M10 = 1, SNBS = 0) or 13 (if M10 = 1, SNBS = 1).
1 Break character is transmitted with length of 13 bit times (if M = 0, SBNS = 0) or 14 (if M = 1, SBNS =
0 or M = 0, SBNS = 1) or 15 (if M = 1, SBNS = 1 or M10 = 1, SNBS = 0) or 16 (if M10 = 1, SNBS = 1).
1
LBKDE
LIN Break Detection Enable
LBKDE selects a longer break character detection length. While LBKDE is set, framing error (FE) and
receive data register full (RDRF) flags are prevented from setting.
0 Break character is detected at length 10 bit times (if M = 0, SBNS = 0) or 11 (if M = 1, SBNS = 0 or M
= 0, SBNS = 1) or 12 (if M = 1, SBNS = 1 or M10 = 1, SNBS = 0) or 13 (if M10 = 1, SNBS = 1).
1 Break character is detected at length of 11 bit times (if M = 0, SBNS = 0) or 12 (if M = 1, SBNS = 0 or
M = 0, SBNS = 1) or 14 (if M = 1, SBNS = 1 or M10 = 1, SNBS = 0) or 15 (if M10 = 1, SNBS = 1).
0
RAF
Receiver Active Flag
RAF is set when the UART receiver detects the beginning of a valid start bit, and RAF is cleared
automatically when the receiver detects an idle line.
0 UART receiver idle waiting for a start bit.
1 UART receiver active ( UART _RXD input not idle).
Register definition
KL25 Sub-Family Reference Manual, Rev. 3, September 2012
732 Freescale Semiconductor, Inc.

39.2.7 UART Control Register 3 (UARTx_C3)
Address: Base address + 6h offset
Bit 7 6 5 4 3 2 1 0
Read R8T9 R9T8 TXDIR TXINV ORIE NEIE FEIE PEIE
Write
Reset 00000000
UARTx_C3 field descriptions
Field Description
7
R8T9
Receive Bit 8 / Transmit Bit 9
When the UART is configured for 9-bit data (M = 1), R8 can be thought of as a ninth receive data bit to the
left of the msb of the buffered data in the UART_D register. When reading 9-bit data, read R8 before
reading UART_D because reading UART_D completes automatic flag clearing sequences that could allow
R8 and UART_D to be overwritten with new data.
When the UART is configured for 10-bit data (M10 = 1), T9 may be thought of as a tenth transmit data bit.
When writing 10-bit data, the entire 10-bit value is transferred to the UART transmit buffer when UART_D
is written so T9 and T8 should be written, if it needs to change from its previous value, before UART_D is
written. If T9 and T8 do not need to change in the new value, such as when it is used to generate mark or
space parity, they need not be written each time UART_D is written.
6
R9T8
Receive Bit 9 / Transmit Bit 8
When the UART is configured for 9-bit data (M = 1), T8 may be thought of as a ninth transmit data bit to
the left of the msb of the data in the UART_D register. When writing 9-bit data, the entire 9-bit value is
transferred to the UART transmit buffer after UART_D is written so T8 should be written, if it needs to
change from its previous value, before UART_D is written. If T8 does not need to change in the new value,
such as when it is used to generate mark or space parity, it need not be written each time UART_D is
written.
When the UART is configured for 10-bit data (M10 = 1), R9 can be thought of as a tenth receive data bit.
When reading 10-bit data, read R9 and R8 before reading UART_D because reading UART_D completes
automatic flag clearing sequences that could allow R8, R9 and UART_D to be overwritten with new data.
5
TXDIR
UART _TX Pin Direction in Single-Wire Mode
When the is configured for single-wire half-duplex operation (LOOPS = RSRC = 1), this bit determines the
direction of data at the UART_TXD pin. When clearing TXDIR, the transmitter will finish receiving the
current character (if any) before the receiver starts receiving data from the UART_TXD pin.
0 UART _TXD pin is an input in single-wire mode.
1 UART _TXD pin is an output in single-wire mode.
4
TXINV
Transmit Data Inversion
Setting this bit reverses the polarity of the transmitted data output.
NOTE: Setting TXINV inverts the UART _TXD output for all cases: data bits, start and stop bits, break,
and idle.
0 Transmit data not inverted.
1 Transmit data inverted.
3
ORIE
Overrun Interrupt Enable
This bit enables the overrun flag (OR) to generate hardware interrupt requests.
Table continues on the next page...
Chapter 39 Universal Asynchronous Receiver/Transmitter (UART0)
KL25 Sub-Family Reference Manual, Rev. 3, September 2012
Freescale Semiconductor, Inc. 733

UARTx_C3 field descriptions (continued)
Field Description
0 OR interrupts disabled; use polling.
1 Hardware interrupt requested when OR is set.
2
NEIE
Noise Error Interrupt Enable
This bit enables the noise flag (NF) to generate hardware interrupt requests.
0 NF interrupts disabled; use polling.
1 Hardware interrupt requested when NF is set.
1
FEIE
Framing Error Interrupt Enable
This bit enables the framing error flag (FE) to generate hardware interrupt requests.
0 FE interrupts disabled; use polling.
1 Hardware interrupt requested when FE is set.
0
PEIE
Parity Error Interrupt Enable
This bit enables the parity error flag (PF) to generate hardware interrupt requests.
0 PF interrupts disabled; use polling).
1 Hardware interrupt requested when PF is set.
39.2.8 UART Data Register (UARTx_D)
This register is actually two separate registers. Reads return the contents of the read-only
receive data buffer and writes go to the write-only transmit data buffer. Reads and writes
of this register are also involved in the automatic flag clearing mechanisms for some of
the UART status flags.
Address: Base address + 7h offset
Bit 7 6 5 4 3 2 1 0
Read R7T7 R6T6 R5T5 R4T4 R3T3 R2T2 R1T1 R0T0
Write
Reset 00000000
UARTx_D field descriptions
Field Description
7
R7T7
Read receive data buffer 7 or write transmit data buffer 7.
6
R6T6
Read receive data buffer 6 or write transmit data buffer 6.
5
R5T5
Read receive data buffer 5 or write transmit data buffer 5.
Table continues on the next page...
Register definition
KL25 Sub-Family Reference Manual, Rev. 3, September 2012
734 Freescale Semiconductor, Inc.

UARTx_D field descriptions (continued)
Field Description
4
R4T4
Read receive data buffer 4 or write transmit data buffer 4.
3
R3T3
Read receive data buffer 3 or write transmit data buffer 3.
2
R2T2
Read receive data buffer 2 or write transmit data buffer 2.
1
R1T1
Read receive data buffer 1 or write transmit data buffer 1.
0
R0T0
Read receive data buffer 0 or write transmit data buffer 0.
39.2.9 UART Match Address Registers 1 (UARTx_MA1)
The MA1 and MA2 registers are compared to input data addresses when the most
significant bit is set and the associated C4[MAEN] bit is set. If a match occurs, the
following data is transferred to the data register. If a match fails, the following data is
discarded. Software should only write a MA register when the associated C4[MAEN] bit
is clear.
Address: Base address + 8h offset
Bit 7 6 5 4 3 2 1 0
Read MA
Write
Reset 00000000
UARTx_MA1 field descriptions
Field Description
7–0
MA
Match Address
Chapter 39 Universal Asynchronous Receiver/Transmitter (UART0)
KL25 Sub-Family Reference Manual, Rev. 3, September 2012
Freescale Semiconductor, Inc. 735

39.2.10 UART Match Address Registers 2 (UARTx_MA2)
The MA1 and MA2 registers are compared to input data addresses when the most
significant bit is set and the associated C4[MAEN] bit is set. If a match occurs, the
following data is transferred to the data register. If a match fails, the following data is
discarded. Software should only write a MA register when the associated C4[MAEN] bit
is clear.
Address: Base address + 9h offset
Bit 7 6 5 4 3 2 1 0
Read MA
Write
Reset 00000000
UARTx_MA2 field descriptions
Field Description
7–0
MA
Match Address
39.2.11 UART Control Register 4 (UARTx_C4)
Address: Base address + Ah offset
Bit 7 6 5 4 3 2 1 0
Read MAEN1 MAEN2 M10 OSR
Write
Reset 00001111
UARTx_C4 field descriptions
Field Description
7
MAEN1
Match Address Mode Enable 1
Refer to Match address operation for more information.
0 All data received is transferred to the data buffer if MAEN2 is cleared.
1 All data received with the most significant bit cleared, is discarded. All data received with the most
significant bit set, is compared with contents of MA1 register. If no match occurs, the data is
discarded. If match occurs, data is transferred to the data buffer.
6
MAEN2
Match Address Mode Enable 2
Refer to Match address operation for more information.
0 All data received is transferred to the data buffer if MAEN1 is cleared.
1 All data received with the most significant bit cleared, is discarded. All data received with the most
significant bit set, is compared with contents of MA2 register. If no match occurs, the data is
discarded. If match occurs, data is transferred to the data buffer.
Table continues on the next page...
Register definition
KL25 Sub-Family Reference Manual, Rev. 3, September 2012
736 Freescale Semiconductor, Inc.

UARTx_C4 field descriptions (continued)
Field Description
5
M10
10-bit Mode select
The M10 bit causes a tenth bit to be part of the serial transmission. This bit should only be changed when
the transmitter and receiver are both disabled.
0 Receiver and transmitter use 8-bit or 9-bit data characters.
1 Receiver and transmitter use 10-bit data characters.
4–0
OSR
Over Sampling Ratio
This field configures the oversampling ratio for the receiver between 4x (00011) and 32x (11111). Writing
an invalid oversampling ratio will default to an oversampling ratio of 16 (01111). This field should only be
changed when the transmitter and receiver are both disabled.
39.2.12 UART Control Register 5 (UARTx_C5)
Address: Base address + Bh offset
Bit 7 6 5 4 3 2 1 0
Read TDMAE 0RDMAE 0BOTHEDGE RESYNCDI
S
Write
Reset 00000000
UARTx_C5 field descriptions
Field Description
7
TDMAE
Transmitter DMA Enable
TDMAE configures the transmit data register empty flag, S1[TDRE], to generate a DMA request.
0 DMA request disabled.
1 DMA request enabled.
6
Reserved
This field is reserved.
This read-only field is reserved and always has the value 0.
5
RDMAE
Receiver Full DMA Enable
RDMAE configures the receiver data register full flag, S1[RDRF], to generate a DMA request.
0 DMA request disabled.
1 DMA request enabled.
4–2
Reserved
This field is reserved.
This read-only field is reserved and always has the value 0.
1
BOTHEDGE
Both Edge Sampling
Enables sampling of the received data on both edges of the baud rate clock, effectively doubling the
number of times the receiver samples the input data for a given oversampling ratio. This bit must be set for
oversampling ratios between x4 and x7 and is optional for higher oversampling ratios. This bit should only
be changed when the receiver is disabled.
Table continues on the next page...
Chapter 39 Universal Asynchronous Receiver/Transmitter (UART0)
KL25 Sub-Family Reference Manual, Rev. 3, September 2012
Freescale Semiconductor, Inc. 737

UARTx_C5 field descriptions (continued)
Field Description
0 Receiver samples input data using the rising edge of the baud rate clock.
1 Receiver samples input data using the rising and falling edge of the baud rate clock.
0
RESYNCDIS
Resynchronization Disable
When set, disables the resynchronization of the received data word when a data one followed by data
zero transition is detected. This bit should only be changed when the receiver is disabled.
0 Resynchronization during received data word is supported
1 Resynchronization during received data word is disabled
39.3 Functional description
The UART supports full-duplex, asynchronous, NRZ serial communication and
comprises a baud rate generator, transmitter, and receiver block. The transmitter and
receiver operate independently, although they use the same baud rate generator. The
following describes each of the blocks of the UART.
39.3.1 Baud rate generation
A 13-bit modulus counter in the baud rate generator derive the baud rate for both the
receiver and the transmitter. The value from 1 to 8191 written to SBR[12:0] determines
the baud clock divisor for the asynchronous UART baud clock. The SBR bits are in the
UART baud rate registers, BDH and BDL. The baud rate clock drives the receiver, while
the transmitter is driven by the baud rate clock divided by the over sampling ratio.
Depending on the over sampling ratio, the receiver has an acquisition rate of 4 to 32
samples per bit time.
Baud rate generation is subject to two sources of error:
• Integer division of the module clock may not give the exact target frequency.
• Synchronization with the asynchronous UART baud clock can cause phase shift.
39.3.2 Transmitter functional description
This section describes the overall block diagram for the UART transmitter, as well as
specialized functions for sending break and idle characters.
Functional description
KL25 Sub-Family Reference Manual, Rev. 3, September 2012
738 Freescale Semiconductor, Inc.

The transmitter output (UART_TX) idle state defaults to logic high, C3[TXINV] is
cleared following reset. The transmitter output is inverted by setting C3[TXINV]. The
transmitter is enabled by setting the C2[TE] bit. This queues a preamble character that is
one full character frame of the idle state. The transmitter then remains idle until data is
available in the transmit data buffer. Programs store data into the transmit data buffer by
writing to the UART data register.
The central element of the UART transmitter is the transmit shift register that is 10-bit to
13 bits long depending on the setting in the C1[M], C2[M10] and BDH[SBNS] control
bits. For the remainder of this section, assume C1[M], C2[M10] and BDH[SBNS] are
cleared, selecting the normal 8-bit data mode. In 8-bit data mode, the shift register holds a
start bit, eight data bits, and a stop bit. When the transmit shift register is available for a
new UART character, the value waiting in the transmit data register is transferred to the
shift register, synchronized with the baud rate clock, and the transmit data register empty
(S1[TDRE]) status flag is set to indicate another character may be written to the transmit
data buffer at UART_D.
If no new character is waiting in the transmit data buffer after a stop bit is shifted out the
UART_TX pin, the transmitter sets the transmit complete flag and enters an idle mode,
with UART_TX high, waiting for more characters to transmit.
Writing 0 to C2[TE] does not immediately disable the transmitter. The current transmit
activity in progress must first be completed. This includes data characters in progress,
queued idle characters, and queued break characters.
39.3.2.1 Send break and queued idle
The UART_C2[SBK] bit sends break characters originally used to gain the attention of
old teletype receivers. Break characters are a full character time of logic 0, 10-bit to 12-
bit times including the start and stop bits. A longer break of 13-bit times can be enabled
by setting UART_S2[BRK13]. Normally, a program would wait for UART_S1[TDRE]
to become set to indicate the last character of a message has moved to the transmit
shifter, write 1, and then write 0 to the UART_C2[SBK] bit. This action queues a break
character to be sent as soon as the shifter is available. If UART_C2[SBK] remains 1
when the queued break moves into the shifter, synchronized to the baud rate clock, an
additional break character is queued. If the receiving device is another Freescale
Semiconductor UART, the break characters are received as 0s in all data bits and a
framing error (UART_S1[FE] = 1) occurs.
When idle-line wakeup is used, a full character time of idle (logic 1) is needed between
messages to wake up any sleeping receivers. Normally, a program would wait for
UART_S1[TDRE] to become set to indicate the last character of a message has moved to
Chapter 39 Universal Asynchronous Receiver/Transmitter (UART0)
KL25 Sub-Family Reference Manual, Rev. 3, September 2012
Freescale Semiconductor, Inc. 739

the transmit shifter, then write 0 and then write 1 to the UART_C2[TE] bit. This action
queues an idle character to be sent as soon as the shifter is available. As long as the
character in the shifter does not finish whileUART_C2[TE] is cleared, the UART
transmitter never actually releases control of the UART_TX pin.
The length of the break character is affected by the UART_S2[BRK13], UART_C1[M]
and UART_C4[M10] bits as shown below.
Table 39-27. Break character length
BRK13 M M10 SBNS Break character
length
0 0 0 0 10 bit times
0 0 0 1 11 bit times
0 1 0 0 11 bit times
0 1 0 1 12 bit times
0 X 1 0 12 bit times
0 X 1 1 13 bit times
1 0 0 0 13 bit times
1 0 0 1 14 bit times
1 1 0 0 14 bit times
1 1 0 1 15 bit times
1 X 1 0 15 bit times
1 X 1 1 16 bit times
39.3.3 Receiver functional description
In this section, the receiver block diagram is a guide for the overall receiver functional
description. Next, the data sampling technique used to reconstruct receiver data is
described in more detail. Finally, two variations of the receiver wakeup function are
explained.
The receiver input is inverted by setting UART_S2[RXINV]. The receiver is enabled by
setting the UART_C2[RE] bit. Character frames consist of a start bit of logic 0, eight to
ten data bits (msb or lsb first), and one or two stop bits of logic 1. For information about
9-bit or 10-bit data mode, refer to 8-bit, 9-bit and 10-bit data modes. For the remainder of
this discussion, assume the UART is configured for normal 8-bit data mode.
After receiving the stop bit into the receive shifter, and provided the receive data register
is not already full, the data character is transferred to the receive data register and the
receive data register full (UART_S1[RDRF]) status flag is set. If UART_S1[RDRF] was
already set indicating the receive data register (buffer) was already full, the overrun (OR)
Functional description
KL25 Sub-Family Reference Manual, Rev. 3, September 2012
740 Freescale Semiconductor, Inc.

status flag is set and the new data is lost. Because the UART receiver is double-buffered,
the program has one full character time after UART_S1[RDRF] is set before the data in
the receive data buffer must be read to avoid a receiver overrun.
When a program detects that the receive data register is full (UART_S1[RDRF] = 1), it
gets the data from the receive data register by reading UART_D. Refer to Interrupts and
status flags for details about flag clearing.
39.3.3.1 Data sampling technique
The UART receiver supports an oversampling rate of between 4× and 32× of the baud
rate clock for sampling. The receiver starts by taking logic level samples at the
oversampling rate times the baud rate to search for a falling edge on the UART_RX serial
data input pin. A falling edge is defined as a logic 0 sample after three consecutive logic
1 samples. The oversampling baud rate clock divides the bit time into 4 to 32 segments
from 1 to OSR (where OSR is the configured oversampling ratio). When a falling edge is
located, three more samples are taken at (OSR/2), (OSR/2)+1, and (OSR/2)+2 to make
sure this was a real start bit and not merely noise. If at least two of these three samples
are 0, the receiver assumes it is synchronized to a receive character. If another falling
edge is detected before the receiver is considered synchronized, the receiver restarts the
sampling from the first segment.
The receiver then samples each bit time, including the start and stop bits, at (OSR/2),
(OSR/2)+1, and (OSR/2)+2 to determine the logic level for that bit. The logic level is
interpreted to be that of the majority of the samples taken during the bit time. If any
sample in any bit time, including the start and stop bits, in a character frame fails to agree
with the logic level for that bit, the noise flag (UART_S1[NF]) is set when the received
character is transferred to the receive data buffer.
When the UART receiver is configured to sample on both edges of the baud rate clock,
the number of segments in each received bit is effectively doubled (from 1 to OSR*2).
The start and data bits are then sampled at OSR, OSR+1 and OSR+2. Sampling on both
edges of the clock must be enabled for oversampling rates of 4× to 7× and is optional for
higher oversampling rates.
The falling edge detection logic continuously looks for falling edges. If an edge is
detected, the sample clock is resynchronized to bit times (unless resynchronization has
been disabled). This improves the reliability of the receiver in the presence of noise or
mismatched baud rates. It does not improve worst case analysis because some characters
do not have any extra falling edges anywhere in the character frame.
Chapter 39 Universal Asynchronous Receiver/Transmitter (UART0)
KL25 Sub-Family Reference Manual, Rev. 3, September 2012
Freescale Semiconductor, Inc. 741

In the case of a framing error, provided the received character was not a break character,
the sampling logic that searches for a falling edge is filled with three logic 1 samples so
that a new start bit can be detected almost immediately.
39.3.3.2 Receiver wakeup operation
Receiver wakeup is a hardware mechanism that allows an UART receiver to ignore the
characters in a message intended for a different UART receiver. In such a system, all
receivers evaluate the first character(s) of each message, and as soon as they determine
the message is intended for a different receiver, they write logic 1 to the receiver wake up
control bit(UART_C2[RWU]). When RWU bit is set, the status flags associated with the
receiver, with the exception of the idle bit, IDLE, when UART_S2[RWUID] bit is set,
are inhibited from setting, thus eliminating the software overhead for handling the
unimportant message characters. At the end of a message, or at the beginning of the next
message, all receivers automatically force UART_C2[RWU] to 0 so all receivers wake
up in time to look at the first character(s) of the next message.
39.3.3.2.1 Idle-line wakeup
When wake is cleared, the receiver is configured for idle-line wakeup. In this mode,
UART_C2[RWU] is cleared automatically when the receiver detects a full character time
of the idle-line level. The UART_C1[M] and UART_C4[M10] control bit selects 8-bit to
10-bit data mode and the UART_BDH[SBNS] bit selects 1-bit or 2-bit stop bit number
that determines how many bit times of idle are needed to constitute a full character time,
10 to 13 bit times because of the start and stop bits.
When UART_C2[RWU] is one and UART_S2[RWUID] is zero, the idle condition that
wakes up the receiver does not set the UART_S1[IDLE] flag. The receiver wakes up and
waits for the first data character of the next message that sets the UART_S1[RDRF] flag
and generates an interrupt if enabled. When UART_S2[RWUID] is one, any idle
condition sets the UART_S1[IDLE] flag and generates an interrupt if enabled, regardless
of whether UART_C2[RWU] is zero or one.
The idle-line type (UART_C1[ILT]) control bit selects one of two ways to detect an idle
line. When UART_C1[ILT] is cleared, the idle bit counter starts after the start bit so the
stop bit and any logic 1s at the end of a character count toward the full character time of
idle. When UART_C1[ILT] is set, the idle bit counter does not start until after the stop bit
time, so the idle detection is not affected by the data in the last character of the previous
message.
Functional description
KL25 Sub-Family Reference Manual, Rev. 3, September 2012
742 Freescale Semiconductor, Inc.

39.3.3.2.2 Address-mark wakeup
When wake is set, the receiver is configured for address-mark wakeup. In this mode,
UART_C2[RWU] is cleared automatically when the receiver detects a logic 1 in the most
significant bit of a received character.
Address-mark wakeup allows messages to contain idle characters, but requires the msb
be reserved for use in address frames. The logic 1 in the msb of an address frame clears
the UART_C2[RWU] bit before the stop bits are received and sets the UART_S1[RDRF]
flag. In this case, the character with the msb set is received even though the receiver was
sleeping during most of this character time.
39.3.3.2.3 Match address operation
Match address operation is enabled when the UART_C4[MAEN1] or
UART_C4[MAEN2] bit is set. In this function, a frame received by the UART_RX pin
with a logic 1 in the bit position immediately preceding the stop bit is considered an
address and is compared with the associated MA1 or MA2 register. The frame is only
transferred to the receive buffer, and UART_S1[RDRF] is set, if the comparison matches.
All subsequent frames received with a logic 0 in the bit position immediately preceding
the stop bit are considered to be data associated with the address and are transferred to the
receive data buffer. If no marked address match occurs then no transfer is made to the
receive data buffer, and all following frames with logic zero in the bit position
immediately preceding the stop bit are also discarded. If both the UART_C4[MAEN1]
and UART_C4[MAEN2] bits are negated, the receiver operates normally and all data
received is transferred to the receive data buffer.
Match Address operation functions in the same way for both MA1 and MA2 registers.
• If only one of UART_C4[MAEN1] and UART_C4[MAEN2] is asserted, a marked
address is compared only with the associated match register and data is transferred to
the receive data buffer only on a match.
• If UART_C4[MAEN1] and UART_C4[MAEN2] are asserted, a marked address is
compared with both match registers and data is transferred only on a match with
either register.
39.3.4 Additional UART functions
The following sections describe additional UART functions.
Chapter 39 Universal Asynchronous Receiver/Transmitter (UART0)
KL25 Sub-Family Reference Manual, Rev. 3, September 2012
Freescale Semiconductor, Inc. 743

39.3.4.1 8-bit, 9-bit and 10-bit data modes
The UART system, transmitter and receiver, can be configured to operate in 9-bit data
mode by setting the UART_C1[M] or 10-bit data mode by setting UART_C4[M10]. In 9-
bit mode, there is a ninth data bit to the left of the msb of the UART data register, in 10-
bit mode there is a tenth data bit. For the transmit data buffer, these bits are stored in T8
and T9 in UART_C3. For the receiver, these bits are held in UART_C3[R8] and
UART_C3[R9].
For coherent writes to the transmit data buffer, write to UART_C3[T8] and
UART_C3[T9] before writing to UART_D.
If the bit values to be transmitted as the ninth and tenth bit of a new character are the
same as for the previous character, it is not necessary to write to T8 and T9 again. When
data is transferred from the transmit data buffer to the transmit shifter, the value in T8
and T9 is copied at the same time data is transferred from UART_D to the shifter.
The 9-bit data mode is typically used with parity to allow eight bits of data plus the parity
in the ninth bit, or it is used with address-mark wakeup so the ninth data bit can serve as
the wakeup bit. The 10-bit data mode is typically used with parity and address-mark
wakeup so the ninth data bit can serve as the wakeup bit and the tenth bit as the parity bit.
In custom protocols, the ninth and/or tenth bits can also serve as software-controlled
markers.
39.3.4.2 Loop mode
When UART_C1[LOOPS] is set, the UART_C1[RSRC] bit in the same register chooses
between loop mode (UART_C1[RSRC] = 0) or single-wire mode (UART_C1[RSRC] =
1). Loop mode is sometimes used to check software, independent of connections in the
external system, to help isolate system problems. In this mode, the transmitter output is
internally connected to the receiver input and the UART_RX pin is not used by the
UART.
39.3.4.3 Single-wire operation
When UART_C1[LOOPS] is set, the RSRC bit in the same register chooses between
loop mode (UART_C1[RSRC] = 0) or single-wire mode (UART_C1[RSRC] = 1).
Single-wire mode implements a half-duplex serial connection. The receiver is internally
connected to the transmitter output and to the UART_TX pin (the UART_RX pin is not
used).
Functional description
KL25 Sub-Family Reference Manual, Rev. 3, September 2012
744 Freescale Semiconductor, Inc.

In single-wire mode, the UART_C3[TXDIR] bit controls the direction of serial data on
the UART_TX pin. When UART_C3[TXDIR] is cleared, the UART_TX pin is an input
to the UART receiver and the transmitter is temporarily disconnected from the
UART_TX pin so an external device can send serial data to the receiver. When
UART_C3[TXDIR] is set, the UART_TXD pin is an output driven by the transmitter, the
internal loop back connection is disabled, and as a result the receiver cannot receive
characters that are sent out by the transmitter.
39.3.5 Interrupts and status flags
The UART system generates three separate interrupts to reduce the amount of software
needed to isolate the cause of the interrupt. One interrupt is associated with the
transmitter for TDRE and TC events. Another interrupt is associated with the receiver for
RDRF, IDLE, RXEDGIF, and LBKDIF events. A third interrupt is used for OR, NF, FE,
and PF error conditions. Each of these ten interrupt sources can be separately masked by
local interrupt enable masks. The flags can be polled by software when the local masks
are cleared to disable generation of hardware interrupt requests.
The UART transmitter has two status flags that can optionally generate hardware
interrupt requests. Transmit data register empty (UART_S1[TDRE]) indicates when there
is room in the transmit data buffer to write another transmit character to UART_D. If the
transmit interrupt enable (UART_C2[TIE]) bit is set, a hardware interrupt is requested
when UART_S1[TDRE] is set. Transmit complete (UART_S1[TC]) indicates that the
transmitter is finished transmitting all data, preamble, and break characters and is idle
with UART_TX at the inactive level. This flag is often used in systems with modems to
determine when it is safe to turn off the modem. If the transmit complete interrupt enable
(UART_C2[TCIE]) bit is set, a hardware interrupt is requested when UART_S1[TC] is
set. Instead of hardware interrupts, software polling may be used to monitor the
UART_S1[TDRE] and UART_S1[TC] status flags if the corresponding UART_C2[TIE]
or UART_C2[TCIE] local interrupt masks are cleared.
When a program detects that the receive data register is full (UART_S1[RDRF] = 1), it
gets the data from the receive data register by reading UART_D. The UART_S1[RDRF]
flag is cleared by reading UART_D.
The IDLE status flag includes logic that prevents it from getting set repeatedly when the
UART_RX line remains idle for an extended period of time. IDLE is cleared by writing 1
to the UART_S1[IDLE] flag. After UART_S1[IDLE] has been cleared, it cannot become
set again until the receiver has received at least one new character and has set
UART_S1[RDRF].
Chapter 39 Universal Asynchronous Receiver/Transmitter (UART0)
KL25 Sub-Family Reference Manual, Rev. 3, September 2012
Freescale Semiconductor, Inc. 745

If the associated error was detected in the received character that caused
UART_S1[RDRF] to be set, the error flags - noise flag (UART_S1[NF]), framing error
(UART_S1[FE]), and parity error flag (UART_S1[PF]) - are set at the same time as
UART_S1[RDRF]. These flags are not set in overrun cases.
If UART_S1[RDRF] was already set when a new character is ready to be transferred
from the receive shifter to the receive data buffer, the overrun (UART_S1[OR]) flag is
set instead of the data along with any associated NF, FE, or PF condition is lost.
At any time, an active edge on the UART_RX serial data input pin causes the
UART_S2[RXEDGIF] flag to set. The UART_S2[RXEDGIF] flag is cleared by writing a
1 to it. This function depends on the receiver being enabled (UART_C2[RE] = 1).
Functional description
KL25 Sub-Family Reference Manual, Rev. 3, September 2012
746 Freescale Semiconductor, Inc.

Chapter 40
Universal Asynchronous Receiver/Transmitter
(UART1 and UART2)
40.1 Introduction
40.1.1 Features
Features of UART module include:
• Full-duplex, standard non-return-to-zero (NRZ) format
• Double-buffered transmitter and receiver with separate enables
• Programmable baud rates (13-bit modulo divider)
• Interrupt-driven or polled operation:
• Transmit data register empty and transmission complete
• Receive data register full
• Receive overrun, parity error, framing error, and noise error
• Idle receiver detect
• Active edge on receive pin
• Break detect supporting LIN
• Hardware parity generation and checking
• Programmable 8-bit or 9-bit character length
• Programmable 1-bit or 2-bit stop bits
• Receiver wakeup by idle-line or address-mark
• Optional 13-bit break character generation / 11-bit break character detection
• Selectable transmitter output polarity
• 5-channel DMA interface
KL25 Sub-Family Reference Manual, Rev. 3, September 2012
Freescale Semiconductor, Inc. 747

40.1.2 Modes of operation
See Section Functional description for details concerning UART operation in these
modes:
• 8- and 9-bit data modes
• Stop mode operation
• Loop mode
• Single-wire mode
40.1.3 Block diagram
The following figure shows the transmitter portion of the UART.
PE
PT
H876543210L
11-BIT TRANSMIT SHIFT REGISTER
STOP
START
T8
TDRE
TIE
TCIE
SBK
TC
PARITY
GENERATION
MSB
UART DATA REGISTER (UART_D)
LOAD FROM UART_D
SHIFT ENABLE
PREAMBLE (ALL 1s)
BREAK (ALL 0s)
TRANSMITTER CONTROL
M
INTERNAL BUS
SBR12–SBR0
BAUD DIVIDER ÷16
TDRE INTERRUPT/DMA
TC INTERRUPT/DMA
MODULE
LOOP
RSRC
CLOCK
TE
TO
CONTROL
RECEIVER
LOOPS
TXINV
TxD Pin Control
TXDIR
TxD
SHIFT DIRECTION
TXINV
DMA done
REQUEST
Tx Pin Logic
REQUEST
Figure 40-1. UART transmitter block diagram
The following figure shows the receiver portion of the UART.
Introduction
KL25 Sub-Family Reference Manual, Rev. 3, September 2012
748 Freescale Semiconductor, Inc.

ALL 1s
M
WAKE
ILT
PE
PT
RE H876543210L
11-BIT RECEIVE SHIFT REGISTER
STOP
START
DATA
WAKEUP
PARITY
CHECKING
MSB
UART DATA REGISTER (UART_D)
R8
RWU
INTERNAL BUS
MODULE
SBR12–SBR0
BAUD DIVIDER
CLOCK
RAF RECOVERY
LOGIC
RDRF
SHIFT DIRECTION
RXINV
From RxD Pin
LOOPS
RSRC
SINGLE-WIRE
LOOP CONTROL
FROM
TRANSMITTER
ACTIVE EDGE
DETECT
LBKDE
RIE
IDLE
ILIE
LBKDIF
LBKDIE
RXEDGIF
RXEDGIE
OR
ORIE
FE
FEIE
NF
NEIE
PF
PEIE
RWUID
Rx
Error
Request
Interrupt/DMA
Requestt
Interrupt
Figure 40-2. UART receiver block diagram
Chapter 40 Universal Asynchronous Receiver/Transmitter (UART1 and UART2)
KL25 Sub-Family Reference Manual, Rev. 3, September 2012
Freescale Semiconductor, Inc. 749

40.2 Register definition
The UART has 8-bit registers to control baud rate, select UART options, report UART
status, select DMA options, and for transmit/receive data.
Refer to the direct-page register summary in the memory chapter of this document or the
absolute address assignments for all UART registers. This section refers to registers and
control bits only by their names. A Freescale-provided equate or header file is used to
translate these names into the appropriate absolute addresses.
UART memory map
Absolute
address
(hex)
Register name Width
(in bits) Access Reset value Section/
page
4006_B000 UART Baud Rate Register: High (UART1_BDH) 8 R/W 00h 40.2.1/751
4006_B001 UART Baud Rate Register: Low (UART1_BDL) 8 R/W 04h 40.2.2/751
4006_B002 UART Control Register 1 (UART1_C1) 8 R/W 00h 40.2.3/752
4006_B003 UART Control Register 2 (UART1_C2) 8 R/W 00h 40.2.4/753
4006_B004 UART Status Register 1 (UART1_S1) 8 R C0h 40.2.5/755
4006_B005 UART Status Register 2 (UART1_S2) 8 R/W 00h 40.2.6/756
4006_B006 UART Control Register 3 (UART1_C3) 8 R/W 00h 40.2.7/758
4006_B007 UART Data Register (UART1_D) 8 R/W 00h 40.2.8/760
4006_B008 UART Control Register 4 (UART1_C4) 8 R/W 00h 40.2.9/760
4006_C000 UART Baud Rate Register: High (UART2_BDH) 8 R/W 00h 40.2.1/751
4006_C001 UART Baud Rate Register: Low (UART2_BDL) 8 R/W 04h 40.2.2/751
4006_C002 UART Control Register 1 (UART2_C1) 8 R/W 00h 40.2.3/752
4006_C003 UART Control Register 2 (UART2_C2) 8 R/W 00h 40.2.4/753
4006_C004 UART Status Register 1 (UART2_S1) 8 R C0h 40.2.5/755
4006_C005 UART Status Register 2 (UART2_S2) 8 R/W 00h 40.2.6/756
4006_C006 UART Control Register 3 (UART2_C3) 8 R/W 00h 40.2.7/758
4006_C007 UART Data Register (UART2_D) 8 R/W 00h 40.2.8/760
4006_C008 UART Control Register 4 (UART2_C4) 8 R/W 00h 40.2.9/760
Register definition
KL25 Sub-Family Reference Manual, Rev. 3, September 2012
750 Freescale Semiconductor, Inc.

40.2.1 UART Baud Rate Register: High (UARTx_BDH)
This register, along with UART_BDL, controls the prescale divisor for UART baud rate
generation. To update the 13-bit baud rate setting [SBR12:SBR0], first write to
UART_BDH to buffer the high half of the new value and then write to UART_BDL. The
working value in UART_BDH does not change until UART_BDL is written.
Address: Base address + h offset
Bit 7 6 5 4 3 2 1 0
Read LBKDIE RXEDGIE SBNS SBR
Write
Reset 00000000
UARTx_BDH field descriptions
Field Description
7
LBKDIE
LIN Break Detect Interrupt Enable (for LBKDIF)
0 Hardware interrupts from UART_S2[LBKDIF] disabled (use polling).
1 Hardware interrupt requested when UART_S2[LBKDIF] flag is 1.
6
RXEDGIE
RxD Input Active Edge Interrupt Enable (for RXEDGIF)
0 Hardware interrupts from UART_S2[RXEDGIF] disabled (use polling).
1 Hardware interrupt requested when UART_S2[RXEDGIF] flag is 1.
5
SBNS
Stop Bit Number Select
SBNS determines whether data characters are one or two stop bits.
0 One stop bit.
1 Two stop bit.
4–0
SBR
Baud Rate Modulo Divisor.
The 13 bits in SBR[12:0] are referred to collectively as BR, and they set the modulo divide rate for the
UART baud rate generator. When BR is cleared, the UART baud rate generator is disabled to reduce
supply current. When BR is 1 - 8191, the UART baud rate equals BUSCLK/(16×BR).
40.2.2 UART Baud Rate Register: Low (UARTx_BDL)
This register, along with UART_BDH, control the prescale divisor for UART baud rate
generation. To update the 13-bit baud rate setting [SBR12:SBR0], first write to
UART_BDH to buffer the high half of the new value and then write to UART_BDL. The
working value in UART_BDH does not change until UART_BDL is written.
Chapter 40 Universal Asynchronous Receiver/Transmitter (UART1 and UART2)
KL25 Sub-Family Reference Manual, Rev. 3, September 2012
Freescale Semiconductor, Inc. 751

UART_BDL is reset to a non-zero value, so after reset the baud rate generator remains
disabled until the first time the receiver or transmitter is enabled; that is, UART_C2[RE]
or UART_C2[TE] bits are written to 1.
Address: Base address + h offset
Bit 7 6 5 4 3 2 1 0
Read SBR
Write
Reset 00000100
UARTx_BDL field descriptions
Field Description
7–0
SBR
Baud Rate Modulo Divisor
These 13 bits in SBR[12:0] are referred to collectively as BR. They set the modulo divide rate for the
UART baud rate generator. When BR is cleared, the UART baud rate generator is disabled to reduce
supply current. When BR is 1 - 8191, the UART baud rate equals BUSCLK/(16×BR).
40.2.3 UART Control Register 1 (UARTx_C1)
This read/write register controls various optional features of the UART system.
Address: Base address + h offset
Bit 7 6 5 4 3 2 1 0
Read LOOPS UARTSWAI RSRC M WAKE ILT PE PT
Write
Reset 00000000
UARTx_C1 field descriptions
Field Description
7
LOOPS
Loop Mode Select
Selects between loop back modes and normal 2-pin full-duplex modes. When LOOPS is set, the
transmitter output is internally connected to the receiver input.
0 Normal operation - RxD and TxD use separate pins.
1 Loop mode or single-wire mode where transmitter outputs are internally connected to receiver input.
(See RSRC bit.) RxD pin is not used by UART.
6
UARTSWAI
UART Stops in Wait Mode
0 UART clocks continue to run in wait mode so the UART can be the source of an interrupt that wakes
up the CPU.
1 UART clocks freeze while CPU is in wait mode.
5
RSRC
Receiver Source Select
Table continues on the next page...
Register definition
KL25 Sub-Family Reference Manual, Rev. 3, September 2012
752 Freescale Semiconductor, Inc.

UARTx_C1 field descriptions (continued)
Field Description
This bit has no meaning or effect unless the LOOPS bit is set to 1. When LOOPS is set, the receiver input
is internally connected to the TxD pin and RSRC determines whether this connection is also connected to
the transmitter output.
0 Provided LOOPS is set, RSRC is cleared, selects internal loop back mode and the UART does not
use the RxD pins.
1 Single-wire UART mode where the TxD pin is connected to the transmitter output and receiver input.
4
M
9-Bit or 8-Bit Mode Select
0 Normal - start + 8 data bits (lsb first) + stop.
1 Receiver and transmitter use 9-bit data characters start + 8 data bits (lsb first) + 9th data bit + stop.
3
WAKE
Receiver Wakeup Method Select
0 Idle-line wakeup.
1 Address-mark wakeup.
2
ILT
Idle Line Type Select
Setting this bit to 1 ensures that the stop bits and logic 1 bits at the end of a character do not count toward
the 10 or 11 bit times of logic high level needed by the idle line detection logic.
0 Idle character bit count starts after start bit.
1 Idle character bit count starts after stop bit.
1
PE
Parity Enable
Enables hardware parity generation and checking. When parity is enabled, the most significant bit (msb) of
the data character, eighth or ninth data bit, is treated as the parity bit.
0 No hardware parity generation or checking.
1 Parity enabled.
0
PT
Parity Type
Provided parity is enabled (PE = 1), this bit selects even or odd parity. Odd parity means the total number
of 1s in the data character, including the parity bit, is odd. Even parity means the total number of 1s in the
data character, including the parity bit, is even.
0 Even parity.
1 Odd parity.
40.2.4 UART Control Register 2 (UARTx_C2)
This register can be read or written at any time.
Address: Base address + h offset
Bit 7 6 5 4 3 2 1 0
Read TIE TCIE RIE ILIE TE RE RWU SBK
Write
Reset 00000000
Chapter 40 Universal Asynchronous Receiver/Transmitter (UART1 and UART2)
KL25 Sub-Family Reference Manual, Rev. 3, September 2012
Freescale Semiconductor, Inc. 753

UARTx_C2 field descriptions
Field Description
7
TIE
Transmit Interrupt Enable for TDRE
0 Hardware interrupts from TDRE disabled; use polling.
1 Hardware interrupt requested when TDRE flag is 1.
6
TCIE
Transmission Complete Interrupt Enable for TC
0 Hardware interrupts from TC disabled; use polling.
1 Hardware interrupt requested when TC flag is 1.
5
RIE
Receiver Interrupt Enable for RDRF
0 Hardware interrupts from RDRF disabled; use polling.
1 Hardware interrupt requested when RDRF flag is 1.
4
ILIE
Idle Line Interrupt Enable for IDLE
0 Hardware interrupts from IDLE disabled; use polling.
1 Hardware interrupt requested when IDLE flag is 1.
3
TE
Transmitter Enable
TE must be 1 to use the UART transmitter. When TE is set, the UART forces the TxD pin to act as an
output for the UART system.
When the UART is configured for single-wire operation (LOOPS = RSRC = 1), TXDIR controls the
direction of traffic on the single UART communication line (TxD pin).
TE can also queue an idle character by clearing TE then setting TE while a transmission is in progress.
When TE is written to 0, the transmitter keeps control of the port TxD pin until any data, queued idle, or
queued break character finishes transmitting before allowing the pin to revert to a general-purpose I/O pin.
0 Transmitter off.
1 Transmitter on.
2
RE
Receiver Enable
When the UART receiver is off, the RxD pin reverts to being a general-purpose port I/O pin. If LOOPS is
set the RxD pin reverts to being a general-purpose I/O pin even if RE is set.
0 Receiver off.
1 Receiver on.
1
RWU
Receiver Wakeup Control
This bit can be written to 1 to place the UART receiver in a standby state where it waits for automatic
hardware detection of a selected wakeup condition. The wakeup condition is an idle line between
messages, WAKE = 0, idle-line wakeup, or a logic 1 in the most significant data bit in a character, WAKE =
1, address-mark wakeup. Application software sets RWU and, normally, a selected hardware condition
automatically clears RWU.
0 Normal UART receiver operation.
1 UART receiver in standby waiting for wakeup condition.
0
SBK
Send Break
Writing a 1 and then a 0 to SBK queues a break character in the transmit data stream. Additional break
characters of 10 or 11 or 12, 13 or 14 or 15 if BRK13 = 1, bit times of logic 0 are queued as long as SBK is
set. Depending on the timing of the set and clear of SBK relative to the information currently being
transmitted, a second break character may be queued before software clears SBK.
Table continues on the next page...
Register definition
KL25 Sub-Family Reference Manual, Rev. 3, September 2012
754 Freescale Semiconductor, Inc.

UARTx_C2 field descriptions (continued)
Field Description
0 Normal transmitter operation.
1 Queue break character(s) to be sent.
40.2.5 UART Status Register 1 (UARTx_S1)
This register has eight read-only status flags. Writes have no effect. Special software
sequences, which do not involve writing to this register, clear these status flags.
Address: Base address + h offset
Bit 7 6 5 4 3 2 1 0
Read TDRE TC RDRF IDLE OR NF FE PF
Write
Reset 11000000
UARTx_S1 field descriptions
Field Description
7
TDRE
Transmit Data Register Empty Flag
TDRE is set out of reset and when a transmit data value transfers from the transmit data buffer to the
transmit shifter, leaving room for a new character in the buffer. To clear TDRE, read UART_S1 with TDRE
set and then write to the UART data register (UART_D).
0 Transmit data register (buffer) full.
1 Transmit data register (buffer) empty.
6
TC
Transmission Complete Flag
TC is set out of reset and when TDRE is set and no data, preamble, or break character is being
transmitted.
TC is cleared automatically by reading UART_S1 with TC set and then doing one of the following:
• Write to the UART data register (UART_D) to transmit new data
• Queue a preamble by changing TE from 0 to 1
• Queue a break character by writing 1 to UART_C2[SBK]
0 Transmitter active (sending data, a preamble, or a break).
1 Transmitter idle (transmission activity complete).
5
RDRF
Receive Data Register Full Flag
RDRF becomes set when a character transfers from the receive shifter into the receive data register
(UART_D). To clear RDRF, read UART_S1 with RDRF set and then read the UART data register
(UART_D).
0 Receive data register empty.
1 Receive data register full.
4
IDLE
Idle Line Flag
IDLE is set when the UART receive line becomes idle for a full character time after a period of activity.
When ILT is cleared, the receiver starts counting idle bit times after the start bit. If the receive character is
Table continues on the next page...
Chapter 40 Universal Asynchronous Receiver/Transmitter (UART1 and UART2)
KL25 Sub-Family Reference Manual, Rev. 3, September 2012
Freescale Semiconductor, Inc. 755

UARTx_S1 field descriptions (continued)
Field Description
all 1s, these bit times and the stop bits time count toward the full character time of logic high, 10 or 11 bit
times depending on the M control bit, needed for the receiver to detect an idle line. When ILT is set, the
receiver doesn't start counting idle bit times until after the stop bits. The stop bits and any logic high bit
times at the end of the previous character do not count toward the full character time of logic high needed
for the receiver to detect an idle line.
To clear IDLE, read UART_S1 with IDLE set and then read the UART data register (UART_D). After IDLE
has been cleared, it cannot become set again until after a new character has been received and RDRF
has been set. IDLE is set only once even if the receive line remains idle for an extended period.
0 No idle line detected.
1 Idle line was detected.
3
OR
Receiver Overrun Flag
OR is set when a new serial character is ready to be transferred to the receive data register (buffer), but
the previously received character has not been read from UART_D yet. In this case, the new character,
and all associated error information, is lost because there is no room to move it into UART_D. To clear
OR, read UART_S1 with OR set and then read the UART data register (UART_D).
0 No overrun.
1 Receive overrun (new UART data lost).
2
NF
Noise Flag
The advanced sampling technique used in the receiver takes seven samples during the start bit and three
samples in each data bit and the stop bits. If any of these samples disagrees with the rest of the samples
within any bit time in the frame, the flag NF is set at the same time as RDRF is set for the character. To
clear NF, read UART_S1 and then read the UART data register (UART_D).
0 No noise detected.
1 Noise detected in the received character in UART_D.
1
FE
Framing Error Flag
FE is set at the same time as RDRF when the receiver detects a logic 0 where the stop bits was expected.
This suggests the receiver was not properly aligned to a character frame. To clear FE, read UART_S1
with FE set and then read the UART data register (UART_D).
0 No framing error detected. This does not guarantee the framing is correct.
1 Framing error.
0
PF
Parity Error Flag
PF is set at the same time as RDRF when parity is enabled (PE = 1) and the parity bit in the received
character does not agree with the expected parity value. To clear PF, read UART_S1 and then read the
UART data register (UART_D).
0 No parity error.
1 Parity error.
40.2.6 UART Status Register 2 (UARTx_S2)
This register contains one read-only status flag.
Register definition
KL25 Sub-Family Reference Manual, Rev. 3, September 2012
756 Freescale Semiconductor, Inc.

When using an internal oscillator in a LIN system, it is necessary to raise the break
detection threshold one bit time. Under the worst case timing conditions allowed in LIN,
it is possible that a 0x00 data character can appear to be 10.26 bit times long at a slave
running 14% faster than the master. This would trigger normal break detection circuitry
designed to detect a 10-bit break symbol. When the LBKDE bit is set, framing errors are
inhibited and the break detection threshold changes from 10 bits to 11 bits, preventing
false detection of a 0x00 data character as a LIN break symbol.
Address: Base address + h offset
Bit 7 6 5 4 3 2 1 0
Read LBKDIF RXEDGIF 0RXINV RWUID BRK13 LBKDE RAF
Write
Reset 00000000
UARTx_S2 field descriptions
Field Description
7
LBKDIF
LIN Break Detect Interrupt Flag
LBKDIF is set when the LIN break detect circuitry is enabled and a LIN break character is detected.
LBKDIF is cleared by writing a 1 to it.
0 No LIN break character has been detected.
1 LIN break character has been detected.
6
RXEDGIF
RxD Pin Active Edge Interrupt Flag
RXEDGIF is set when an active edge, falling if RXINV = 0, rising if RXINV=1, on the RxD pin occurs.
RXEDGIF is cleared by writing a 1 to it.
0 No active edge on the receive pin has occurred.
1 An active edge on the receive pin has occurred.
5
Reserved
This field is reserved.
This read-only field is reserved and always has the value 0.
4
RXINV
Receive Data Inversion
Setting this bit reverses the polarity of the received data input.
NOTE: Setting RXINV inverts the RxD input for all cases: data bits, start and stop bits, break, and idle.
0 Receive data not inverted.
1 Receive data inverted.
3
RWUID
Receive Wake Up Idle Detect
RWUID controls whether the idle character that wakes up the receiver sets the IDLE bit.
0 During receive standby state (RWU = 1), the IDLE bit does not get set upon detection of an idle
character.
1 During receive standby state (RWU = 1), the IDLE bit gets set upon detection of an idle character.
2
BRK13
Break Character Generation Length
Table continues on the next page...
Chapter 40 Universal Asynchronous Receiver/Transmitter (UART1 and UART2)
KL25 Sub-Family Reference Manual, Rev. 3, September 2012
Freescale Semiconductor, Inc. 757

UARTx_S2 field descriptions (continued)
Field Description
BRK13 selects a longer transmitted break character length. Detection of a framing error is not affected by
the state of this bit.
0 Break character is transmitted with length of 10 bit times (if M = 0, SBNS = 0) or 11 (if M = 1, SBNS =
0 or M = 0, SBNS = 1) or 12 (if M = 1, SBNS = 1).
1 Break character is transmitted with length of 13 bit times (if M = 0, SBNS = 0) or 14 (if M = 1, SBNS =
0 or M = 0, SBNS = 1) or 15 (if M = 1, SBNS = 1).
1
LBKDE
LIN Break Detection Enable
LBKDE selects a longer break character detection length. While LBKDE is set, framing error (FE) and
receive data register full (RDRF) flags are prevented from setting.
0 Break character is detected at length 10 bit times (if M = 0, SBNS = 0) or 11 (if M = 1, SBNS = 0 or M
= 0, SBNS = 1) or 12 (if M = 1, SBNS = 1).
1 Break character is detected at length of 11 bit times (if M = 0, SBNS = 0) or 12 (if M = 1, SBNS = 0 or
M = 0, SBNS = 1) or 13 (if M = 1, SBNS = 1).
0
RAF
Receiver Active Flag
RAF is set when the UART receiver detects the beginning of a valid start bit, and RAF is cleared
automatically when the receiver detects an idle line. This status flag can be used to check whether an
UART character is being received before instructing the MCU to go to stop mode.
0 UART receiver idle waiting for a start bit.
1 UART receiver active (RxD input not idle).
40.2.7 UART Control Register 3 (UARTx_C3)
Address: Base address + h offset
Bit 7 6 5 4 3 2 1 0
Read R8 T8 TXDIR TXINV ORIE NEIE FEIE PEIE
Write
Reset 00000000
UARTx_C3 field descriptions
Field Description
7
R8
Ninth Data Bit for Receiver
When the UART is configured for 9-bit data (M = 1), R8 can be thought of as a ninth receive data bit to the
left of the msb of the buffered data in the UART_D register. When reading 9-bit data, read R8 before
reading UART_D because reading UART_D completes automatic flag clearing sequences that could allow
R8 and UART_D to be overwritten with new data.
6
T8
Ninth Data Bit for Transmitter
When the UART is configured for 9-bit data (M = 1), T8 may be thought of as a ninth transmit data bit to
the left of the msb of the data in the UART_D register. When writing 9-bit data, the entire 9-bit value is
transferred to the UART shift register after UART_D is written so T8 should be written, if it needs to
change from its previous value, before UART_D is written. If T8 does not need to change in the new value,
Table continues on the next page...
Register definition
KL25 Sub-Family Reference Manual, Rev. 3, September 2012
758 Freescale Semiconductor, Inc.

UARTx_C3 field descriptions (continued)
Field Description
such as when it is used to generate mark or space parity, it need not be written each time UART_D is
written.
5
TXDIR
TxD Pin Direction in Single-Wire Mode
When the UART is configured for single-wire half-duplex operation (LOOPS = RSRC = 1), this bit
determines the direction of data at the TxD pin.
0 TxD pin is an input in single-wire mode.
1 TxD pin is an output in single-wire mode.
4
TXINV
Transmit Data Inversion
Setting this bit reverses the polarity of the transmitted data output.
NOTE: Setting TXINV inverts the TxD output for all cases: data bits, start and stop bits, break, and idle.
0 Transmit data not inverted.
1 Transmit data inverted.
3
ORIE
Overrun Interrupt Enable
This bit enables the overrun flag (OR) to generate hardware interrupt requests.
0 OR interrupts disabled; use polling.
1 Hardware interrupt requested when OR is set.
2
NEIE
Noise Error Interrupt Enable
This bit enables the noise flag (NF) to generate hardware interrupt requests.
0 NF interrupts disabled; use polling).
1 Hardware interrupt requested when NF is set.
1
FEIE
Framing Error Interrupt Enable
This bit enables the framing error flag (FE) to generate hardware interrupt requests.
0 FE interrupts disabled; use polling).
1 Hardware interrupt requested when FE is set.
0
PEIE
Parity Error Interrupt Enable
This bit enables the parity error flag (PF) to generate hardware interrupt requests.
0 PF interrupts disabled; use polling).
1 Hardware interrupt requested when PF is set.
Chapter 40 Universal Asynchronous Receiver/Transmitter (UART1 and UART2)
KL25 Sub-Family Reference Manual, Rev. 3, September 2012
Freescale Semiconductor, Inc. 759

40.2.8 UART Data Register (UARTx_D)
This register is actually two separate registers. Reads return the contents of the read-only
receive data buffer and writes go to the write-only transmit data buffer. Reads and writes
of this register are also involved in the automatic flag clearing mechanisms for the UART
status flags.
Address: Base address + h offset
Bit 7 6 5 4 3 2 1 0
Read R7T7 R6T6 R5T5 R4T4 R3T3 R2T2 R1T1 R0T0
Write
Reset 00000000
UARTx_D field descriptions
Field Description
7
R7T7
Read receive data buffer 7 or write transmit data buffer 7.
6
R6T6
Read receive data buffer 6 or write transmit data buffer 6.
5
R5T5
Read receive data buffer 5 or write transmit data buffer 5.
4
R4T4
Read receive data buffer 4 or write transmit data buffer 4.
3
R3T3
Read receive data buffer 3 or write transmit data buffer 3.
2
R2T2
Read receive data buffer 2 or write transmit data buffer 2.
1
R1T1
Read receive data buffer 1 or write transmit data buffer 1.
0
R0T0
Read receive data buffer 0 or write transmit data buffer 0.
40.2.9 UART Control Register 4 (UARTx_C4)
Address: Base address + h offset
Bit 7 6 5 4 3 2 1 0
Read TDMAS 0RDMAS 0 0 0
Write
Reset 00000000
Register definition
KL25 Sub-Family Reference Manual, Rev. 3, September 2012
760 Freescale Semiconductor, Inc.

UARTx_C4 field descriptions
Field Description
7
TDMAS
Transmitter DMA Select
TDMAS configures the transmit data register empty flag, TDRE, to generate interrupt or DMA requests if
TIE is set.
NOTE: If UART_C2[TIE] is cleared, TDRE DMA and TDRE interrupt request signals are not asserted
when the TDRE flag is set, regardless of the state of TDMAS.
If UART_C2[TIE] and TDMAS are both set, then UART_C2[TCIE] must be cleared, and UART_D
must not be written outside of servicing of a DMA request.
0 If TIE is set and the TDRE flag is set, the TDRE interrupt request signal is asserted to request
interrupt service.
1 If TIE is set and the TDRE flag is set, the TDRE DMA request signal is asserted to request a DMA
transfer.
6
Reserved
This field is reserved.
This read-only field is reserved and always has the value 0.
5
RDMAS
Receiver Full DMA Select
RDMAS configures the receiver data register full flag, RDRF, to generate interrupt or DMA requests if RIE
is set.
NOTE: If RIE is cleared, the RDRF DMA and RDRF interrupt request signals are not asserted when the
RDRF flag is set, regardless of the state of RDMAS.
0 If RIE is set and the RDRF flag is set, the RDRF interrupt request signal is asserted to request
interrupt service.
1 If RIE is set and the RDRF flag is set, the RDRF DMA request signal is asserted to request a DMA
transfer.
4
Reserved
This field is reserved.
This read-only field is reserved and always has the value 0.
3
Reserved
This field is reserved.
This read-only field is reserved and always has the value 0.
2–0
Reserved
This field is reserved.
This read-only field is reserved and always has the value 0.
40.3 Functional description
The UART allows full-duplex, asynchronous, NRZ serial communication among the
MCU and remote devices, including other MCUs. The UART comprises a baud rate
generator, transmitter, and receiver block. The transmitter and receiver operate
independently, although they use the same baud rate generator. During normal operation,
the MCU monitors the status of the UART, writes the data to be transmitted, and
processes received data. The following describes each of the blocks of the UART.
Chapter 40 Universal Asynchronous Receiver/Transmitter (UART1 and UART2)
KL25 Sub-Family Reference Manual, Rev. 3, September 2012
Freescale Semiconductor, Inc. 761

40.3.1 Baud rate generation
As shown in the following figure, the clock source for the UART baud rate generator is
the bus-rate clock.
SBR[12:0] Divide By Tx Baud Rate
Rx Sampling Clock
(16 × Baud Rate)
Baud Rate Generator
Off If [SBR12:SBR0] = 0
Baud Rate = SBR[12:0] × 16
16
Modulo Divide By
(1 through 8191)
UART Module Clock
UART Module Clock
Figure 40-30. UART baud rate generation
UART communications require the transmitter and receiver, which typically derive baud
rates from independent clock sources, to use the same baud rate. Allowed tolerance on
this baud frequency depends on the details of how the receiver synchronizes to the
leading edge of the start bit and how bit sampling is performed.
The MCU resynchronizes to bit boundaries on every high-to-low transition. In the worst
case, there are no such transitions in the full 10- or 11-bit or 12-bittime character frame
so any mismatch in baud rate is accumulated for the whole character time. For a
Freescale UART system whose bus frequency is driven by a crystal, the allowed baud
rate mismatch is about ±4.5 percent for 8-bit data format and about ±4 percent for 9-bit
data format. Although baud rate modulo divider settings do not always produce baud
rates that exactly match standard rates, it is normally possible to get within a few percent,
which is acceptable for reliable communications.
40.3.2 Transmitter functional description
This section describes the overall block diagram for the UART transmitter, as well as
specialized functions for sending break and idle characters.
The transmitter output (TxD) idle state defaults to logic high, UART_C3[TXINV] is
cleared following reset. The transmitter output is inverted by setting UART_C3[TXINV].
The transmitter is enabled by setting the TE bit in UARTxC2. This queues a preamble
character that is one full character frame of the idle state. The transmitter then remains
idle until data is available in the transmit data buffer. Programs store data into the
transmit data buffer by writing to the UART data register (UART_D).
The central element of the UART transmitter is the transmit shift register that is 10 or 11
or 12 bits long depending on the setting in the UART_C1[M] control bit and
UART_BDH[SBNS] bit. For the remainder of this section, assume UART_C1[M] is
Functional description
KL25 Sub-Family Reference Manual, Rev. 3, September 2012
762 Freescale Semiconductor, Inc.

cleared, UART_BDH[SBNS] is also cleared, selecting the normal 8-bit data mode. In 8-
bit data mode, the shift register holds a start bit, eight data bits, and a stop bit. When the
transmit shift register is available for a new UART character, the value waiting in the
transmit data register is transferred to the shift register, synchronized with the baud rate
clock, and the transmit data register empty (UART_S1[TDRE]) status flag is set to
indicate another character may be written to the transmit data buffer at UART_D.
If no new character is waiting in the transmit data buffer after a stop bit is shifted out the
TxD pin, the transmitter sets the transmit complete flag and enters an idle mode, with
TxD high, waiting for more characters to transmit.
Writing 0 to UART_C2[TE] does not immediately release the pin to be a general-purpose
I/O pin. Any transmit activity in progress must first be completed. This includes data
characters in progress, queued idle characters, and queued break characters.
40.3.2.1 Send break and queued idle
The UART_C2[SBK] bit sends break characters originally used to gain the attention of
old teletype receivers. Break characters are a full character time of logic 0, 10 bit times
including the start and stop bits. A longer break of 13 bit times can be enabled by setting
UART_S2[BRK13]. Normally, a program would wait for UART_S1[TDRE] to become
set to indicate the last character of a message has moved to the transmit shifter, write 1,
and then write 0 to the UART_C2[SBK] bit. This action queues a break character to be
sent as soon as the shifter is available. If UART_C2[SBK] remains 1 when the queued
break moves into the shifter, synchronized to the baud rate clock, an additional break
character is queued. If the receiving device is another Freescale Semiconductor UART,
the break characters are received as 0s in all eight data bits and a framing error
(UART_S1[FE] = 1) occurs.
When idle-line wakeup is used, a full character time of idle (logic 1) is needed between
messages to wake up any sleeping receivers. Normally, a program would wait for
UART_S1[TDRE] to become set to indicate the last character of a message has moved to
the transmit shifter, then write 0 and then write 1 to the UART_C2[TE] bit. This action
queues an idle character to be sent as soon as the shifter is available. As long as the
character in the shifter does not finish while UART_C2[TE] is cleared, the UART
transmitter never actually releases control of the TxD pin. If there is a possibility of the
shifter finishing while UART_C2[TE] is cleared, set the general-purpose I/O controls so
the pin shared with TxD is an output driving a logic 1. This ensures that the TxD line
looks like a normal idle line even if the UART loses control of the port pin between
writing 0 and then 1 to UART_C2[TE].
Chapter 40 Universal Asynchronous Receiver/Transmitter (UART1 and UART2)
KL25 Sub-Family Reference Manual, Rev. 3, September 2012
Freescale Semiconductor, Inc. 763

The length of the break character is affected by the UART_S2[BRK13] and
UART_C1[M] bits as shown below.
Table 40-31. Break character length
BRK13 M SBNS Break character length
0 0 0 10 bit times
0 0 1 11 bit times
0 1 0 11 bit times
0 1 1 12 bit times
1 0 0 13 bit times
1 0 1 14 bit times
1 1 0 14 bit times
1 1 1 15 bit times
40.3.3 Receiver functional description
In this section, the receiver block diagram is a guide for the overall receiver functional
description. Next, the data sampling technique used to reconstruct receiver data is
described in more detail. Finally, two variations of the receiver wakeup function are
explained.
The receiver input is inverted by setting UART_S2[RXINV]. The receiver is enabled by
setting the UART_C2[RE] bit. Character frames consist of a start bit of logic 0, eight (or
nine) data bits (lsb first), and one (or two) stop bits of logic 1. For information about 9-bit
data mode, refer to 8- and 9-bit data modes. For the remainder of this discussion, assume
the UART is configured for normal 8-bit data mode.
After receiving the stop bit into the receive shifter, and provided the receive data register
is not already full, the data character is transferred to the receive data register and the
receive data register full (UART_S1[RDRF]) status flag is set. If UART_S1[RDRF] was
already set indicating the receive data register (buffer) was already full, the overrun (OR)
status flag is set and the new data is lost. Because the UART receiver is double-buffered,
the program has one full character time after UART_S1[RDRF] is set before the data in
the receive data buffer must be read to avoid a receiver overrun.
When a program detects that the receive data register is full (UART_S1[RDRF] = 1), it
gets the data from the receive data register by reading UART_D. The UART_S1[RDRF]
flag is cleared automatically by a two-step sequence normally satisfied in the course of
the user's program that manages receive data. Refer to Interrupts and status flags for more
details about flag clearing.
Functional description
KL25 Sub-Family Reference Manual, Rev. 3, September 2012
764 Freescale Semiconductor, Inc.

40.3.3.1 Data sampling technique
The UART receiver uses a 16× baud rate clock for sampling. The receiver starts by
taking logic level samples at 16 times the baud rate to search for a falling edge on the
RxD serial data input pin. A falling edge is defined as a logic 0 sample after three
consecutive logic 1 samples. The 16× baud rate clock divides the bit time into 16
segments labeled UART_D[[RT1] through UART_D[RT16]. When a falling edge is
located, three more samples are taken at UART_D[RT3], UART_D[RT5], and
UART_D[RT7] to make sure this was a real start bit and not merely noise. If at least two
of these three samples are 0, the receiver assumes it is synchronized to a receive
character.
The receiver then samples each bit time, including the start and stop bits, at
UART_D[RT8], UART_D[RT9], and UART_D[RT10] to determine the logic level for
that bit. The logic level is interpreted to be that of the majority of the samples taken
during the bit time. In the case of the start bit, the bit is assumed to be 0 if at least two of
the samples at UART_D[RT3], UART_D[RT5], and UART_D[RT7] are 0 even if one or
all of the samples taken at UART_D[RT8], UART_D[RT9], and UART_D[RT10] are 1s.
If any sample in any bit time, including the start and stop bits, in a character frame fails to
agree with the logic level for that bit, the noise flag (UART_S1[NF]) is set when the
received character is transferred to the receive data buffer.
The falling edge detection logic continuously looks for falling edges. If an edge is
detected, the sample clock is resynchronized to bit times. This improves the reliability of
the receiver in the presence of noise or mismatched baud rates. It does not improve worst
case analysis because some characters do not have any extra falling edges anywhere in
the character frame.
In the case of a framing error, provided the received character was not a break character,
the sampling logic that searches for a falling edge is filled with three logic 1 samples so
that a new start bit can be detected almost immediately.
In the case of a framing error, the receiver is inhibited from receiving any new characters
until the framing error flag is cleared. The receive shift register continues to function, but
a complete character cannot transfer to the receive data buffer if UART_S1[FE] remains
set.
Chapter 40 Universal Asynchronous Receiver/Transmitter (UART1 and UART2)
KL25 Sub-Family Reference Manual, Rev. 3, September 2012
Freescale Semiconductor, Inc. 765

40.3.3.2 Receiver wakeup operation
Receiver wakeup is a hardware mechanism that allows an UART receiver to ignore the
characters in a message intended for a different UART receiver. In such a system, all
receivers evaluate the first character(s) of each message, and as soon as they determine
the message is intended for a different receiver, they write logic 1 to the receiver wake up
control bit(UART_C2[RWU]). When RWU bit is set, the status flags associated with the
receiver, with the exception of the idle bit, IDLE, when UART_S2[RWUID] bit is set,
are inhibited from setting, thus eliminating the software overhead for handling the
unimportant message characters. At the end of a message, or at the beginning of the next
message, all receivers automatically force UART_C2[RWU] to 0 so all receivers wake
up in time to look at the first character(s) of the next message.
40.3.3.2.1 Idle-line wakeup
When wake is cleared, the receiver is configured for idle-line wakeup. In this mode,
UART_C2[RWU] is cleared automatically when the receiver detects a full character time
of the idle-line level. The UART_C1[M] control bit selects 8-bit or 9-bit data mode and
the UART_BDH[SBNS] bit selects 1-bit or 2-bit stop bit number that determines how
many bit times of idle are needed to constitute a full character time, 10 or 11 or 12 bit
times because of the start and stop bits.
When UARTI_C2[RWU] is one and UART_S2[RWUID] is zero, the idle condition that
wakes up the receiver does not set the UART_S1[IDLE] flag. The receiver wakes up and
waits for the first data character of the next message that sets the UART_S1[RDRF] flag
and generates an interrupt if enabled. When UART_S2[RWUID] is one, any idle
condition sets the UART_S1[IDLE] flag and generates an interrupt if enabled, regardless
of whether UART_C2[RWU] is zero or one.
The idle-line type (UART_C1[ILT]) control bit selects one of two ways to detect an idle
line. When UART_C1[ILT] is cleared, the idle bit counter starts after the start bit so the
stop bit and any logic 1s at the end of a character count toward the full character time of
idle. When UART_C1[ILT] is set, the idle bit counter does not start until after a stop bit
time, so the idle detection is not affected by the data in the last character of the previous
message.
40.3.3.2.2 Address-mark wakeup
When wake is set, the receiver is configured for address-mark wakeup. In this mode,
UART_C2[RWU] is cleared automatically when the receiver detects a, or two, if
UART_BDH[SBNS] = 1, logic 1 in the most significant bits of a received character,
eighth bit when UART_C1[M] is cleared and ninth bit when UART_C1[M] is set.
Functional description
KL25 Sub-Family Reference Manual, Rev. 3, September 2012
766 Freescale Semiconductor, Inc.

Address-mark wakeup allows messages to contain idle characters, but requires the msb
be reserved for use in address frames. The one, or two, if UART_BDH[SBNS] = 1, logic
1s msb of an address frame clears the UART_C2[RWU] bit before the stop bits are
received and sets the UART_S1[RDRF] flag. In this case, the character with the msb set
is received even though the receiver was sleeping during most of this character time.
40.3.4 Interrupts and status flags
The UART system has three separate interrupt vectors to reduce the amount of software
needed to isolate the cause of the interrupt. One interrupt vector is associated with the
transmitter for UART_S1[TDRE] and UART_S1[TC] events. Another interrupt vector is
associated with the receiver for RDRF, IDLE, RXEDGIF, and LBKDIF events. A third
vector is used for OR, NF, FE, and PF error conditions. Each of these ten interrupt
sources can be separately masked by local interrupt enable masks. The flags can be
polled by software when the local masks are cleared to disable generation of hardware
interrupt requests.
The UART transmitter has two status flags that can optionally generate hardware
interrupt requests. Transmit data register empty (UART_S1[TDRE]) indicates when there
is room in the transmit data buffer to write another transmit character to UART_D. If the
transmit interrupt enable (UART_C2[TIE]) bit is set, a hardware interrupt is requested
when UART_S1[TDRE] is set. Transmit complete (UART_S1[TC]) indicates that the
transmitter is finished transmitting all data, preamble, and break characters and is idle
with TxD at the inactive level. This flag is often used in systems with modems to
determine when it is safe to turn off the modem. If the transmit complete interrupt enable
(UART_C2[TCIE]) bit is set, a hardware interrupt is requested when UART_S1[TC] is
set. Instead of hardware interrupts, software polling may be used to monitor the
UART_S1[TDRE] and UART_S1[TC] status flags if the corresponding UART_C2[TIE]
or UART_C2[TCIE] local interrupt masks are cleared.
When a program detects that the receive data register is full (UART_S1[RDRF] = 1), it
gets the data from the receive data register by reading UART_D. The UART_S1[RDRF]
flag is cleared by reading UARTxS1 while UART_S1[RDRF] is set and then reading
UART_D.
When polling is used, this sequence is naturally satisfied in the normal course of the user
program. If hardware interrupts are used, UARTxS1 must be read in the interrupt service
routine (ISR). Normally, this is done in the ISR anyway to check for receive errors, so the
sequence is automatically satisfied.
Chapter 40 Universal Asynchronous Receiver/Transmitter (UART1 and UART2)
KL25 Sub-Family Reference Manual, Rev. 3, September 2012
Freescale Semiconductor, Inc. 767

The IDLE status flag includes logic that prevents it from getting set repeatedly when the
RxD line remains idle for an extended period of time. IDLE is cleared by reading
UARTxS1 while UART_S1[IDLE] is set and then reading UART_D. After
UART_S1[IDLE] has been cleared, it cannot become set again until the receiver has
received at least one new character and has set UART_S1[RDRF].
If the associated error was detected in the received character that caused
UART_S1[RDRF] to be set, the error flags - noise flag (UART_S1[NF]), framing error
(UART_S1[FE]), and parity error flag (UART_S1[PF]) - are set at the same time as
UART_S1[RDRF]. These flags are not set in overrun cases.
If UART_S1[RDRF] was already set when a new character is ready to be transferred
from the receive shifter to the receive data buffer, the overrun (UART_S1[OR]) flag is
set instead of the data along with any associated NF, FE, or PF condition is lost.
At any time, an active edge on the RxD serial data input pin causes the
UART_S2[RXEDGIF] flag to set. The UART_S2[RXEDGIF] flag is cleared by writing a
1 to it. This function depends on the receiver being enabled (UART_C2[RE] = 1).
40.3.5 DMA Operation
In the transmitter, flags TDRE and TC can be configured to assert a DMA transfer
request. In the receiver, flags RDRF, IDLE and LBKDIF can be configured to assert a
DMA transfer request. The following table shows the configuration bit settings required
to configure each flag for DMA operation.
Table 40-32. DMA configuration
Flag Request enable bit DMA select bit
TDRE TIE = 1 TDMAS = 1
TC TCIE = 1 TCDMAS = 1
RDRF RIE = 1 RDMAS = 1
IDLE ILIE = 1 ILDMAS = 1
LBKDIF LBKDIE = 1 LBKDDMAS = 1
When a flag is configured for a DMA request, its associated DMA request is asserted
when the flag is set. When the RDRF or IDLE flag is configured as a DMA request, the
clearing mechanism of reading UART_S1 followed by reading UART_D does not clear
the associated flag.The DMA request remains asserted until an indication is received that
the DMA transactions are done. When this indication is received, the flag bit and the
associated DMA request are cleared. If the DMA operation failed to remove the situation
that caused the DMA request another request will be issued.
Functional description
KL25 Sub-Family Reference Manual, Rev. 3, September 2012
768 Freescale Semiconductor, Inc.

40.3.6 Additional UART functions
The following sections describe additional UART functions.
40.3.6.1 8- and 9-bit data modes
The UART system, transmitter and receiver, can be configured to operate in 9-bit data
mode by setting the UART_C1[M]. In 9-bit mode, there is a ninth data bit to the left of
the msb of the UART data register. For the transmit data buffer, this bit is stored in T8 in
UART_C3. For the receiver, the ninth bit is held in UART_C3[R8].
For coherent writes to the transmit data buffer, write to the UART_C3[T8] bit before
writing to UART_D.
If the bit value to be transmitted as the ninth bit of a new character is the same as for the
previous character, it is not necessary to write to UART_C3[T8] again. When data is
transferred from the transmit data buffer to the transmit shifter, the value in
UART_C3[T8] is copied at the same time data is transferred from UART_D to the
shifter.
The 9-bit data mode is typically used with parity to allow eight bits of data plus the parity
in the ninth bit, or it is used with address-mark wakeup so the ninth data bit can serve as
the wakeup bit. In custom protocols, the ninth bit can also serve as a software-controlled
marker.
40.3.6.2 Stop mode operation
During all stop modes, clocks to the UART module are halted.
No UART module registers are affected in stop3 mode.
Because the clocks are halted, the UART module resumes operation upon exit from stop,
only in stop and VLPS mode. Software must ensure stop mode is not entered while there
is a character being transmitted out of or received into the UART module.
40.3.6.3 Loop mode
When UART_C1[LOOPS] is set, the UART_C1[RSRC] bit in the same register chooses
between loop mode (UART_C1[RSRC] = 0) or single-wire mode (UART_C1[RSRC] =
1). Loop mode is sometimes used to check software, independent of connections in the
Chapter 40 Universal Asynchronous Receiver/Transmitter (UART1 and UART2)
KL25 Sub-Family Reference Manual, Rev. 3, September 2012
Freescale Semiconductor, Inc. 769

external system, to help isolate system problems. In this mode, the transmitter output is
internally connected to the receiver input and the RxD pin is not used by the UART, so it
reverts to a general-purpose port I/O pin.
40.3.6.4 Single-wire operation
When UART_C1[LOOPS] is set, the RSRC bit in the same register chooses between
loop mode (UART_C1[RSRC] = 0) or single-wire mode (UART_C1[RSRC] = 1).
Single-wire mode implements a half-duplex serial connection. The receiver is internally
connected to the transmitter output and to the TxD pin. The RxD pin is not used and
reverts to a general-purpose port I/O pin.
In single-wire mode, the UART_C3[TXDIR] bit controls the direction of serial data on
the TxD pin. When UART_C3[TXDIR] is cleared, the TxD pin is an input to the UART
receiver and the transmitter is temporarily disconnected from the TxD pin so an external
device can send serial data to the receiver. When UART_C3[TXDIR] is set, the TxD pin
is an output driven by the transmitter, the internal loop back connection is disabled, and
as a result the receiver can not receive characters that are sent out by the transmitter.
Functional description
KL25 Sub-Family Reference Manual, Rev. 3, September 2012
770 Freescale Semiconductor, Inc.

Chapter 41
General-Purpose Input/Output (GPIO)
41.1 Introduction
NOTE
For the chip-specific implementation details of this module's
instances see the chip configuration information.
The general-purpose input and output (GPIO) module communicates to the processor
core via a zero wait state interface for maximum pin performance. The GPIO registers
support 8-bit, 16-bit or 32-bit accesses.
The GPIO data direction and output data registers control the direction and output data of
each pin when the pin is configured for the GPIO function. The GPIO input data register
displays the logic value on each pin when the pin is configured for any digital function,
provided the corresponding Port Control and Interrupt module for that pin is enabled.
Efficient bit manipulation of the general-purpose outputs is supported through the
addition of set, clear, and toggle write-only registers for each port output data register.
41.1.1 Features
• Features of the GPIO module include:
• Pin input data register visible in all digital pin-multiplexing modes
• Pin output data register with corresponding set/clear/toggle registers
• Pin data direction register
• Zero wait state access to GPIO registers through IOPORT
NOTE
GPIO module is clocked by system clock.
KL25 Sub-Family Reference Manual, Rev. 3, September 2012
Freescale Semiconductor, Inc. 771

41.1.2 Modes of operation
The following table depicts different modes of operation and the behavior of the GPIO
module in these modes.
Table 41-1. Modes of operation
Modes of operation Description
Run The GPIO module operates normally.
Wait The GPIO module operates normally.
Stop The GPIO module is disabled.
Debug The GPIO module operates normally.
41.1.3 GPIO signal descriptions
Table 41-2. GPIO signal descriptions
GPIO signal descriptions Description I/O
PORTA31–PORTA0 General-purpose input/output I/O
PORTB31–PORTB0 General-purpose input/output I/O
PORTC31–PORTC0 General-purpose input/output I/O
PORTD31–PORTD0 General-purpose input/output I/O
PORTE31–PORTE0 General-purpose input/output I/O
NOTE
Not all pins within each port are implemented on each device.
See the chapter on signal multiplexing for the number of GPIO
ports available in the device.
Introduction
KL25 Sub-Family Reference Manual, Rev. 3, September 2012
772 Freescale Semiconductor, Inc.

41.1.3.1 Detailed signal description
Table 41-3. GPIO interface-detailed signal descriptions
Signal I/O Description
PORTA31–PORTA0
PORTB31–PORTB0
PORTC31–PORTC0
PORTD31–PORTD0
PORTE31–PORTE0
I/O General-purpose input/output
State meaning Asserted: The pin is logic 1.
Deasserted: The pin is logic 0.
Timing Assertion: When output, this
signal occurs on the rising-
edge of the system clock. For
input, it may occur at any time
and input may be asserted
asynchronously to the system
clock.
Deassertion: When output,
this signal occurs on the
rising-edge of the system
clock. For input, it may occur
at any time and input may be
asserted asynchronously to
the system clock.
41.2 Memory map and register definition
Any read or write access to the GPIO memory space that is outside the valid memory
map results in a bus error.
NOTE
For simplicity, each GPIO port's registers appear with the same
width of 32 bits, corresponding to 32 pins. The actual number
of pins per port (and therefore the number of usable control bits
per port register) is chip-specific. Refer to the Chip
Configuration chapter to see the exact control bits for the non-
identical port instance.
GPIO memory map
Absolute
address
(hex)
Register name Width
(in bits) Access Reset value Section/
page
400F_F000 Port Data Output Register (GPIOA_PDOR) 32 R/W 0000_0000h 41.2.1/775
400F_F004 Port Set Output Register (GPIOA_PSOR) 32
W
(always
reads 0)
0000_0000h 41.2.2/776
Table continues on the next page...
Chapter 41 General-Purpose Input/Output (GPIO)
KL25 Sub-Family Reference Manual, Rev. 3, September 2012
Freescale Semiconductor, Inc. 773

GPIO memory map (continued)
Absolute
address
(hex)
Register name Width
(in bits) Access Reset value Section/
page
400F_F008 Port Clear Output Register (GPIOA_PCOR) 32
W
(always
reads 0)
0000_0000h 41.2.3/776
400F_F00C Port Toggle Output Register (GPIOA_PTOR) 32
W
(always
reads 0)
0000_0000h 41.2.4/777
400F_F010 Port Data Input Register (GPIOA_PDIR) 32 R 0000_0000h 41.2.5/777
400F_F014 Port Data Direction Register (GPIOA_PDDR) 32 R/W 0000_0000h 41.2.6/778
400F_F040 Port Data Output Register (GPIOB_PDOR) 32 R/W 0000_0000h 41.2.1/775
400F_F044 Port Set Output Register (GPIOB_PSOR) 32
W
(always
reads 0)
0000_0000h 41.2.2/776
400F_F048 Port Clear Output Register (GPIOB_PCOR) 32
W
(always
reads 0)
0000_0000h 41.2.3/776
400F_F04C Port Toggle Output Register (GPIOB_PTOR) 32
W
(always
reads 0)
0000_0000h 41.2.4/777
400F_F050 Port Data Input Register (GPIOB_PDIR) 32 R 0000_0000h 41.2.5/777
400F_F054 Port Data Direction Register (GPIOB_PDDR) 32 R/W 0000_0000h 41.2.6/778
400F_F080 Port Data Output Register (GPIOC_PDOR) 32 R/W 0000_0000h 41.2.1/775
400F_F084 Port Set Output Register (GPIOC_PSOR) 32
W
(always
reads 0)
0000_0000h 41.2.2/776
400F_F088 Port Clear Output Register (GPIOC_PCOR) 32
W
(always
reads 0)
0000_0000h 41.2.3/776
400F_F08C Port Toggle Output Register (GPIOC_PTOR) 32
W
(always
reads 0)
0000_0000h 41.2.4/777
400F_F090 Port Data Input Register (GPIOC_PDIR) 32 R 0000_0000h 41.2.5/777
400F_F094 Port Data Direction Register (GPIOC_PDDR) 32 R/W 0000_0000h 41.2.6/778
400F_F0C0 Port Data Output Register (GPIOD_PDOR) 32 R/W 0000_0000h 41.2.1/775
400F_F0C4 Port Set Output Register (GPIOD_PSOR) 32
W
(always
reads 0)
0000_0000h 41.2.2/776
400F_F0C8 Port Clear Output Register (GPIOD_PCOR) 32
W
(always
reads 0)
0000_0000h 41.2.3/776
400F_F0CC Port Toggle Output Register (GPIOD_PTOR) 32
W
(always
reads 0)
0000_0000h 41.2.4/777
400F_F0D0 Port Data Input Register (GPIOD_PDIR) 32 R 0000_0000h 41.2.5/777
400F_F0D4 Port Data Direction Register (GPIOD_PDDR) 32 R/W 0000_0000h 41.2.6/778
Memory map and register definition
KL25 Sub-Family Reference Manual, Rev. 3, September 2012
774 Freescale Semiconductor, Inc.

GPIO memory map (continued)
Absolute
address
(hex)
Register name Width
(in bits) Access Reset value Section/
page
400F_F100 Port Data Output Register (GPIOE_PDOR) 32 R/W 0000_0000h 41.2.1/775
400F_F104 Port Set Output Register (GPIOE_PSOR) 32
W
(always
reads 0)
0000_0000h 41.2.2/776
400F_F108 Port Clear Output Register (GPIOE_PCOR) 32
W
(always
reads 0)
0000_0000h 41.2.3/776
400F_F10C Port Toggle Output Register (GPIOE_PTOR) 32
W
(always
reads 0)
0000_0000h 41.2.4/777
400F_F110 Port Data Input Register (GPIOE_PDIR) 32 R 0000_0000h 41.2.5/777
400F_F114 Port Data Direction Register (GPIOE_PDDR) 32 R/W 0000_0000h 41.2.6/778
41.2.1 Port Data Output Register (GPIOx_PDOR)
This register configures the logic levels that are driven on each general-purpose output
pins.
NOTE
Do not modify pin configuration registers associated with pins
not available in your selected package. All un-bonded pins not
available in your package will default to DISABLE state for
lowest power consumption.
Address: Base address + 0h offset
Bit 31 30 29 28 27 26 25 24 23 22 21 20 19 18 17 16 15 14 13 12 11 10 9 8 7 6 5 4 3 2 1 0
RPDO
W
Reset 0 0 0 0 0 0 0 0 0 0 0 0 0 0 0 0 0 0 0 0 0 0 0 0 0 0 0 0 0 0 0 0
GPIOx_PDOR field descriptions
Field Description
31–0
PDO
Port Data Output
Register bits for un-bonded pins return a undefined value when read.
0 Logic level 0 is driven on pin, provided pin is configured for general-purpose output.
1 Logic level 1 is driven on pin, provided pin is configured for general-purpose output.
Chapter 41 General-Purpose Input/Output (GPIO)
KL25 Sub-Family Reference Manual, Rev. 3, September 2012
Freescale Semiconductor, Inc. 775

41.2.2 Port Set Output Register (GPIOx_PSOR)
This register configures whether to set the fields of the PDOR.
Address: Base address + 4h offset
Bit 31 30 29 28 27 26 25 24 23 22 21 20 19 18 17 16 15 14 13 12 11 10 9 8 7 6 5 4 3 2 1 0
R0
WPTSO
Reset 0 0 0 0 0 0 0 0 0 0 0 0 0 0 0 0 0 0 0 0 0 0 0 0 0 0 0 0 0 0 0 0
GPIOx_PSOR field descriptions
Field Description
31–0
PTSO
Port Set Output
Writing to this register will update the contents of the corresponding bit in the PDOR as follows:
0 Corresponding bit in PDORn does not change.
1 Corresponding bit in PDORn is set to logic 1.
41.2.3 Port Clear Output Register (GPIOx_PCOR)
This register configures whether to clear the fields of PDOR.
Address: Base address + 8h offset
Bit 31 30 29 28 27 26 25 24 23 22 21 20 19 18 17 16 15 14 13 12 11 10 9 8 7 6 5 4 3 2 1 0
R0
WPTCO
Reset 0 0 0 0 0 0 0 0 0 0 0 0 0 0 0 0 0 0 0 0 0 0 0 0 0 0 0 0 0 0 0 0
GPIOx_PCOR field descriptions
Field Description
31–0
PTCO
Port Clear Output
Writing to this register will update the contents of the corresponding bit in the Port Data Output Register
(PDOR) as follows:
0 Corresponding bit in PDORn does not change.
1 Corresponding bit in PDORn is cleared to logic 0.
Memory map and register definition
KL25 Sub-Family Reference Manual, Rev. 3, September 2012
776 Freescale Semiconductor, Inc.

41.2.4 Port Toggle Output Register (GPIOx_PTOR)
Address: Base address + Ch offset
Bit 31 30 29 28 27 26 25 24 23 22 21 20 19 18 17 16 15 14 13 12 11 10 9 8 7 6 5 4 3 2 1 0
R0
WPTTO
Reset 0 0 0 0 0 0 0 0 0 0 0 0 0 0 0 0 0 0 0 0 0 0 0 0 0 0 0 0 0 0 0 0
GPIOx_PTOR field descriptions
Field Description
31–0
PTTO
Port Toggle Output
Writing to this register will update the contents of the corresponding bit in the PDOR as follows:
0 Corresponding bit in PDORn does not change.
1 Corresponding bit in PDORn is set to the inverse of its existing logic state.
41.2.5 Port Data Input Register (GPIOx_PDIR)
NOTE
Do not modify pin configuration registers associated with pins
not available in your selected package. All un-bonded pins not
available in your package will default to DISABLE state for
lowest power consumption.
Address: Base address + 10h offset
Bit 31 30 29 28 27 26 25 24 23 22 21 20 19 18 17 16 15 14 13 12 11 10 9 8 7 6 5 4 3 2 1 0
RPDI
W
Reset 0 0 0 0 0 0 0 0 0 0 0 0 0 0 0 0 0 0 0 0 0 0 0 0 0 0 0 0 0 0 0 0
GPIOx_PDIR field descriptions
Field Description
31–0
PDI
Port Data Input
Reads 0 at the unimplemented pins for a particular device. Pins that are not configured for a digital
function read 0. If the Port Control and Interrupt module is disabled, then the corresponding bit in PDIR
does not update.
0 Pin logic level is logic 0, or is not configured for use by digital function.
1 Pin logic level is logic 1.
Chapter 41 General-Purpose Input/Output (GPIO)
KL25 Sub-Family Reference Manual, Rev. 3, September 2012
Freescale Semiconductor, Inc. 777

41.2.6 Port Data Direction Register (GPIOx_PDDR)
The PDDR configures the individual port pins for input or output.
Address: Base address + 14h offset
Bit 31 30 29 28 27 26 25 24 23 22 21 20 19 18 17 16 15 14 13 12 11 10 9 8 7 6 5 4 3 2 1 0
RPDD
W
Reset 0 0 0 0 0 0 0 0 0 0 0 0 0 0 0 0 0 0 0 0 0 0 0 0 0 0 0 0 0 0 0 0
GPIOx_PDDR field descriptions
Field Description
31–0
PDD
Port Data Direction
Configures individual port pins for input or output.
0 Pin is configured as general-purpose input, for the GPIO function.
1 Pin is configured as general-purpose output, for the GPIO function.
41.3 FGPIO memory map and register definition
Any read or write access to the FGPIO memory space that is outside the valid memory
map results in a bus error. All register accesses complete with zero wait states, except
error accesses which complete with one wait state.
NOTE
For simplicity, each FGPIO port's registers appear with the
same width of 32 bits, corresponding to 32 pins. The actual
number of pins per port (and therefore the number of usable
control bits per port register) is chip-specific. Refer to the Chip
Configuration chapter to see the exact control bits for the non-
identical port instance.
FGPIO memory map
Absolute
address
(hex)
Register name Width
(in bits) Access Reset value Section/
page
F80F_F000 Port Data Output Register (FGPIOA_PDOR) 32 R/W 0000_0000h 41.3.1/780
F80F_F004 Port Set Output Register (FGPIOA_PSOR) 32
W
(always
reads 0)
0000_0000h 41.3.2/781
Table continues on the next page...
FGPIO memory map and register definition
KL25 Sub-Family Reference Manual, Rev. 3, September 2012
778 Freescale Semiconductor, Inc.

FGPIO memory map (continued)
Absolute
address
(hex)
Register name Width
(in bits) Access Reset value Section/
page
F80F_F008 Port Clear Output Register (FGPIOA_PCOR) 32
W
(always
reads 0)
0000_0000h 41.3.3/781
F80F_F00C Port Toggle Output Register (FGPIOA_PTOR) 32
W
(always
reads 0)
0000_0000h 41.3.4/782
F80F_F010 Port Data Input Register (FGPIOA_PDIR) 32 R 0000_0000h 41.3.5/782
F80F_F014 Port Data Direction Register (FGPIOA_PDDR) 32 R/W 0000_0000h 41.3.6/783
F80F_F040 Port Data Output Register (FGPIOB_PDOR) 32 R/W 0000_0000h 41.3.1/780
F80F_F044 Port Set Output Register (FGPIOB_PSOR) 32
W
(always
reads 0)
0000_0000h 41.3.2/781
F80F_F048 Port Clear Output Register (FGPIOB_PCOR) 32
W
(always
reads 0)
0000_0000h 41.3.3/781
F80F_F04C Port Toggle Output Register (FGPIOB_PTOR) 32
W
(always
reads 0)
0000_0000h 41.3.4/782
F80F_F050 Port Data Input Register (FGPIOB_PDIR) 32 R 0000_0000h 41.3.5/782
F80F_F054 Port Data Direction Register (FGPIOB_PDDR) 32 R/W 0000_0000h 41.3.6/783
F80F_F080 Port Data Output Register (FGPIOC_PDOR) 32 R/W 0000_0000h 41.3.1/780
F80F_F084 Port Set Output Register (FGPIOC_PSOR) 32
W
(always
reads 0)
0000_0000h 41.3.2/781
F80F_F088 Port Clear Output Register (FGPIOC_PCOR) 32
W
(always
reads 0)
0000_0000h 41.3.3/781
F80F_F08C Port Toggle Output Register (FGPIOC_PTOR) 32
W
(always
reads 0)
0000_0000h 41.3.4/782
F80F_F090 Port Data Input Register (FGPIOC_PDIR) 32 R 0000_0000h 41.3.5/782
F80F_F094 Port Data Direction Register (FGPIOC_PDDR) 32 R/W 0000_0000h 41.3.6/783
F80F_F0C0 Port Data Output Register (FGPIOD_PDOR) 32 R/W 0000_0000h 41.3.1/780
F80F_F0C4 Port Set Output Register (FGPIOD_PSOR) 32
W
(always
reads 0)
0000_0000h 41.3.2/781
F80F_F0C8 Port Clear Output Register (FGPIOD_PCOR) 32
W
(always
reads 0)
0000_0000h 41.3.3/781
F80F_F0CC Port Toggle Output Register (FGPIOD_PTOR) 32
W
(always
reads 0)
0000_0000h 41.3.4/782
F80F_F0D0 Port Data Input Register (FGPIOD_PDIR) 32 R 0000_0000h 41.3.5/782
F80F_F0D4 Port Data Direction Register (FGPIOD_PDDR) 32 R/W 0000_0000h 41.3.6/783
Chapter 41 General-Purpose Input/Output (GPIO)
KL25 Sub-Family Reference Manual, Rev. 3, September 2012
Freescale Semiconductor, Inc. 779

FGPIO memory map (continued)
Absolute
address
(hex)
Register name Width
(in bits) Access Reset value Section/
page
F80F_F100 Port Data Output Register (FGPIOE_PDOR) 32 R/W 0000_0000h 41.3.1/780
F80F_F104 Port Set Output Register (FGPIOE_PSOR) 32
W
(always
reads 0)
0000_0000h 41.3.2/781
F80F_F108 Port Clear Output Register (FGPIOE_PCOR) 32
W
(always
reads 0)
0000_0000h 41.3.3/781
F80F_F10C Port Toggle Output Register (FGPIOE_PTOR) 32
W
(always
reads 0)
0000_0000h 41.3.4/782
F80F_F110 Port Data Input Register (FGPIOE_PDIR) 32 R 0000_0000h 41.3.5/782
F80F_F114 Port Data Direction Register (FGPIOE_PDDR) 32 R/W 0000_0000h 41.3.6/783
41.3.1 Port Data Output Register (FGPIOx_PDOR)
This register configures the logic levels that are driven on each general-purpose output
pins.
Address: Base address + 0h offset
Bit 31 30 29 28 27 26 25 24 23 22 21 20 19 18 17 16 15 14 13 12 11 10 9 8 7 6 5 4 3 2 1 0
RPDO
W
Reset 0 0 0 0 0 0 0 0 0 0 0 0 0 0 0 0 0 0 0 0 0 0 0 0 0 0 0 0 0 0 0 0
FGPIOx_PDOR field descriptions
Field Description
31–0
PDO
Port Data Output
Unimplemented pins for a particular device read as zero.
0 Logic level 0 is driven on pin, provided pin is configured for general-purpose output.
1 Logic level 1 is driven on pin, provided pin is configured for general-purpose output.
FGPIO memory map and register definition
KL25 Sub-Family Reference Manual, Rev. 3, September 2012
780 Freescale Semiconductor, Inc.

41.3.2 Port Set Output Register (FGPIOx_PSOR)
This register configures whether to set the fields of the PDOR.
Address: Base address + 4h offset
Bit 31 30 29 28 27 26 25 24 23 22 21 20 19 18 17 16 15 14 13 12 11 10 9 8 7 6 5 4 3 2 1 0
R0
WPTSO
Reset 0 0 0 0 0 0 0 0 0 0 0 0 0 0 0 0 0 0 0 0 0 0 0 0 0 0 0 0 0 0 0 0
FGPIOx_PSOR field descriptions
Field Description
31–0
PTSO
Port Set Output
Writing to this register will update the contents of the corresponding bit in the PDOR as follows:
0 Corresponding bit in PDORn does not change.
1 Corresponding bit in PDORn is set to logic 1.
41.3.3 Port Clear Output Register (FGPIOx_PCOR)
This register configures whether to clear the fields of PDOR.
Address: Base address + 8h offset
Bit 31 30 29 28 27 26 25 24 23 22 21 20 19 18 17 16 15 14 13 12 11 10 9 8 7 6 5 4 3 2 1 0
R0
WPTCO
Reset 0 0 0 0 0 0 0 0 0 0 0 0 0 0 0 0 0 0 0 0 0 0 0 0 0 0 0 0 0 0 0 0
FGPIOx_PCOR field descriptions
Field Description
31–0
PTCO
Port Clear Output
Writing to this register will update the contents of the corresponding bit in the Port Data Output Register
(PDOR) as follows:
0 Corresponding bit in PDORn does not change.
1 Corresponding bit in PDORn is cleared to logic 0.
Chapter 41 General-Purpose Input/Output (GPIO)
KL25 Sub-Family Reference Manual, Rev. 3, September 2012
Freescale Semiconductor, Inc. 781

41.3.4 Port Toggle Output Register (FGPIOx_PTOR)
Address: Base address + Ch offset
Bit 31 30 29 28 27 26 25 24 23 22 21 20 19 18 17 16 15 14 13 12 11 10 9 8 7 6 5 4 3 2 1 0
R0
WPTTO
Reset 0 0 0 0 0 0 0 0 0 0 0 0 0 0 0 0 0 0 0 0 0 0 0 0 0 0 0 0 0 0 0 0
FGPIOx_PTOR field descriptions
Field Description
31–0
PTTO
Port Toggle Output
Writing to this register will update the contents of the corresponding bit in the PDOR as follows:
0 Corresponding bit in PDORn does not change.
1 Corresponding bit in PDORn is set to the inverse of its existing logic state.
41.3.5 Port Data Input Register (FGPIOx_PDIR)
Address: Base address + 10h offset
Bit 31 30 29 28 27 26 25 24 23 22 21 20 19 18 17 16 15 14 13 12 11 10 9 8 7 6 5 4 3 2 1 0
RPDI
W
Reset 0 0 0 0 0 0 0 0 0 0 0 0 0 0 0 0 0 0 0 0 0 0 0 0 0 0 0 0 0 0 0 0
FGPIOx_PDIR field descriptions
Field Description
31–0
PDI
Port Data Input
Reads 0 at the unimplemented pins for a particular device. Pins that are not configured for a digital
function read 0. If the Port Control and Interrupt module is disabled, then the corresponding bit in PDIR
does not update.
0 Pin logic level is logic 0, or is not configured for use by digital function.
1 Pin logic level is logic 1.
FGPIO memory map and register definition
KL25 Sub-Family Reference Manual, Rev. 3, September 2012
782 Freescale Semiconductor, Inc.

41.3.6 Port Data Direction Register (FGPIOx_PDDR)
The PDDR configures the individual port pins for input or output.
Address: Base address + 14h offset
Bit 31 30 29 28 27 26 25 24 23 22 21 20 19 18 17 16 15 14 13 12 11 10 9 8 7 6 5 4 3 2 1 0
RPDD
W
Reset 0 0 0 0 0 0 0 0 0 0 0 0 0 0 0 0 0 0 0 0 0 0 0 0 0 0 0 0 0 0 0 0
FGPIOx_PDDR field descriptions
Field Description
31–0
PDD
Port Data Direction
Configures individual port pins for input or output.
0 Pin is configured as general-purpose input, for the GPIO function.
1 Pin is configured as general-purpose output, for the GPIO function.
41.4 Functional description
41.4.1 General-purpose input
The logic state of each pin is available via the Port Data Input registers, provided the pin
is configured for a digital function and the corresponding Port Control and Interrupt
module is enabled.
41.4.2 General-purpose output
The logic state of each pin can be controlled via the port data output registers and port
data direction registers, provided the pin is configured for the GPIO function. The
following table depicts the conditions for a pin to be configured as input/output.
If Then
A pin is configured for the GPIO function and the
corresponding port data direction register bit is clear.
The pin is configured as an input.
A pin is configured for the GPIO function and the
corresponding port data direction register bit is set.
The pin is configured as an output and and the logic state of
the pin is equal to the corresponding port data output register.
Chapter 41 General-Purpose Input/Output (GPIO)
KL25 Sub-Family Reference Manual, Rev. 3, September 2012
Freescale Semiconductor, Inc. 783

To facilitate efficient bit manipulation on the general-purpose outputs, pin data set, pin
data clear, and pin data toggle registers exist to allow one or more outputs within one port
to be set, cleared, or toggled from a single register write.
The corresponding Port Control and Interrupt module does not need to be enabled to
update the state of the port data direction registers and port data output registers including
the set/clear/toggle registers.
41.4.3 IOPORT
The GPIO registers are also aliased to the IOPORT interface on the Cortex-M0+ from
address $F800_0000. Accesses via the IOPORT interface occur in parallel with any
instruction fetches and will therefore complete in a single cycle. If the DMA attempts to
access the GPIO registers on the same cycle as an IOPORT access, then the DMA access
will stall until any IOPORT accesses have completed.
During Compute Operation, the GPIO registers remain accessible via the IOPORT
interface only. Since the clocks to the Port Control and Interrupt modules are disabled
during Compute Operation, the Pin Data Input Registers do not update with the current
state of the pins.
Functional description
KL25 Sub-Family Reference Manual, Rev. 3, September 2012
784 Freescale Semiconductor, Inc.

Chapter 42
Touch Sensing Input (TSI)
42.1 Introduction
The touch sensing input (TSI) module provides capacitive touch sensing detection with
high sensitivity and enhanced robustness. Each TSI pin implements the capacitive
measurement by a current source scan, charging and discharging the electrode, once or
several times. A reference oscillator ticks the scan time and stores the result in a 16-bit
register when the scan completes. Meanwhile, an interrupt request is submitted to CPU
for post-processing if TSI interrupt is enabled and DMA function is not selected.The TSI
module can be periodically triggered to work in low power mode with ultra-low current
adder and wake CPU at the end of scan or the conversion result is out of the range
specified by TSI threshold. It provides a solid capacitive measurement module to the
implementation of touch keyboard, rotaries and sliders.
42.1.1 Features
TSI features includes:
• Support up to 16 external electrodes
• Automatic detection of electrode capacitance across all operational power modes
• Internal reference oscillator for high-accuracy measurement
• Configurable software or hardware scan trigger
• Fully support Freescale touch sensing software (TSS) library, see
www.freescale.com/touchsensing.
• Capability to wake MCU from low power modes
• Compensate for temperature and supply voltage variations
• High sensitivity change with 16-bit resolution register
• Configurable up to 4096 scan times.
• Support DMA data transfer
KL25 Sub-Family Reference Manual, Rev. 3, September 2012
Freescale Semiconductor, Inc. 785

42.1.2 Modes of operation
This module supports the following operation modes.
Table 42-1. Operating modes
Mode Description
Stop and low power stop TSI module is fully functional in all of the stop modes as long
as TSI_GENCS[STPE] is set. The channel specified by
TSI_DATA[TSICH] will be scanned upon the trigger. After
scan finishes, either end-of-scan or out-of-range interrupt can
be selected to bring MCU out of low power modes.
Wait TSI module is fully functional in this mode. When a scan
completes, TSI submits an interrupt request to CPU if the
interrupt is enabled.
Run TSI module is fully functional in this mode. When a scan
completes, TSI submits an interrupt request to CPU if the
interrupt is enabled.
42.1.3 Block diagram
The following figure is a block diagram of the TSI module.
ANALOG MUX
TSI0
TSI1
TSI2
TSI3
TSI14
TSI15
+
–
2PS
Reference Clock
Interrupt
TSIIEN
Int. 1.8V
DVOLT
TSICH
EOSF
Write SWTS “1”
TSI_PENx
MUX
STM EXTCHRG
NSCN 16-bit Counter
REFCHRG
TSI_CNTH
TSI_CNTL
Voltage
SCNIP
Control
Logic
Divider
CURSW
Electrode
Reference
Oscillator
Oscillator
TSIEN TSIIEN STPE
Hardware Trigger
Figure 42-1. TSI module block diagram
Introduction
KL25 Sub-Family Reference Manual, Rev. 3, September 2012
786 Freescale Semiconductor, Inc.

42.2 External signal description
The TSI module contains up to 16 external pins for touch sensing. The following table
describes each of the TSI external pins.
Table 42-2. TSI signal description
Name Port Direction Function Reset state
TSI[15:0] TSI I/O TSI capacitive pins.
Switches driver that
connects directly to the
electrode pins TSI[15:0]
can operate as GPIO
pins.
I/O
42.2.1 TSI[15:0]
When TSI functionality is enabled , the TSI analog portion uses the corresponding
channel to connect external on-board touch capacitors. The PCB connection between the
pin and the touch pad must be kept as short as possible to reduce distribution capacity on
board.
42.3 Register definition
This section describes the memory map and control/status registers for the TSI module.
TSI memory map
Absolute
address
(hex)
Register name Width
(in bits) Access Reset value Section/
page
4004_5000 TSI General Control and Status Register (TSI0_GENCS) 32 R/W 0000_0000h 42.3.1/787
4004_5004 TSI DATA Register (TSI0_DATA) 32 R/W 0000_0000h 42.3.2/792
4004_5008 TSI Threshold Register (TSI0_TSHD) 32 R/W 0000_0000h 42.3.3/793
42.3.1 TSI General Control and Status Register (TSIx_GENCS)
This control register provides various control and configuration information for the TSI
module.
Chapter 42 Touch Sensing Input (TSI)
KL25 Sub-Family Reference Manual, Rev. 3, September 2012
Freescale Semiconductor, Inc. 787

NOTE
When TSI is working, the configuration bits (GENCS[TSIEN],
GENCS[TSIIEN], and GENCS[STM]) must not be changed.
The EOSF flag is kept until the software acknowledge it.
Address: 4004_5000h base + 0h offset = 4004_5000h
Bit 31 30 29 28 27 26 25 24 23 22 21 20 19 18 17 16
R
OUTRGF
0
ESO
RMODE REFCHRG DVOLT EXTCHRG
Ww1c
Reset 0 0 0 0 0 0 0 0 0 0 0 0 0 0 0 0
Bit 15 14 13 12 11 10 9 8 7 6 5 4 3 2 1 0
R
PS NSCN
TSIEN
TSIIEN
STPE STM
SCNIP
EOSF
CURSW
0
Ww1c
Reset 0 0 0 0 0 0 0 0 0 0 0 0 0 0 0 0
TSIx_GENCS field descriptions
Field Description
31
OUTRGF
Out of Range Flag.
This flag is set if the result register of the enabled electrode is out of the range defined by the
TSI_THRESHOLD register. This flag is set only when TSI is configured in non-noise detection mode. It
can be read once the CPU wakes. Write "1" , when this flag is set, to clear it.
30–29
Reserved
This field is reserved.
This read-only field is reserved and always has the value 0.
28
ESOR
End-of-scan or Out-of-Range Interrupt Selection
This bit is used to select out-of-range or end-of-scan event to generate an interrupt.
0 Out-of-range interrupt is allowed.
1 End-of-scan interrupt is allowed.
Table continues on the next page...
Register definition
KL25 Sub-Family Reference Manual, Rev. 3, September 2012
788 Freescale Semiconductor, Inc.

TSIx_GENCS field descriptions (continued)
Field Description
27–24
MODE
TSI analog modes setup and status bits.
Set up TSI analog modes, especially, setting MODE[3:2] to not 2'b00 will configure TSI to noise detection
modes. MODE[1:0] take no effect on TSI operation mode and should always write to 2'b00 for setting up.
When reading this field will return the analog status. Refer to chapter "Noise detection mode" for details.
0000 Set TSI in capacitive sensing(non-noise detection) mode.
0100 Set TSI analog to work in single threshold noise detection mode and the frequency limitation circuit
is disabled.
1000 Set TSI analog to work in single threshold noise detection mode and the frequency limitation circuit
is enabled to work in higher frequencies operations.
1100 Set TSI analog to work in automatic noise detection mode.
23–21
REFCHRG
REFCHRG
These bits indicate the reference oscillator charge and discharge current value.
000 500 nA.
001 1 μA.
010 2 μA.
011 4 μA.
100 8 μA.
101 16 μA.
110 32 μA.
111 64 μA.
20–19
DVOLT
DVOLT
These bits indicate the oscillator's voltage rails as below.
00 DV = 1.03 V; VP = 1.33 V; Vm = 0.30 V.
01 DV = 0.73 V; VP = 1.18 V; Vm = 0.45 V.
10 DV = 0.43 V; VP = 1.03 V; Vm = 0.60 V.
11 DV = 0.29 V; VP = 0.95 V; Vm = 0.67 V.
18–16
EXTCHRG
EXTCHRG
These bits indicate the electrode oscillator charge and discharge current value.
000 500 nA.
001 1 μA.
010 2 μA.
011 4 μA.
100 8 μA.
101 16 μA.
110 32 μA.
111 64 μA.
15–13
PS
PS
These bits indicate the prescaler of the output of electrode oscillator.
000 Electrode Oscillator Frequency divided by 1
001 Electrode Oscillator Frequency divided by 2
Table continues on the next page...
Chapter 42 Touch Sensing Input (TSI)
KL25 Sub-Family Reference Manual, Rev. 3, September 2012
Freescale Semiconductor, Inc. 789

TSIx_GENCS field descriptions (continued)
Field Description
010 Electrode Oscillator Frequency divided by 4
011 Electrode Oscillator Frequency divided by 8
100 Electrode Oscillator Frequency divided by 16
101 Electrode Oscillator Frequency divided by 32
110 Electrode Oscillator Frequency divided by 64
111 Electrode Oscillator Frequency divided by 128
12–8
NSCN
NSCN
These bits indicate the scan number for each electrode. The scan number is equal to NSCN + 1, which
allows the scan time ranges from 1 to 32. By default, NSCN is configured as 0, which asserts the TSI
scans once on the selected eletrode channel.
00000 Once per electrode
00001 Twice per electrode
00010 3 times per electrode
00011 4 times per electrode
00100 5 times per electrode
00101 6 times per electrode
00110 7 times per electrode
00111 8 times per electrode
01000 9 times per electrode
01001 10 times per electrode
01010 11 times per electrode
01011 12 times per electrode
01100 13 times per electrode
01101 14 times per electrode
01110 15 times per electrode
01111 16 times per electrode
10000 17 times per electrode
10001 18 times per electrode
10010 19 times per electrode
10011 20 times per electrode
10100 21 times per electrode
10101 22 times per electrode
10110 23 times per electrode
10111 24 times per electrode
11000 25 times per electrode
11001 26 times per electrode
11010 27 times per electrode
11011 28 times per electrode
11100 29 times per electrode
11101 30 times per electrode
11110 31 times per electrode
11111 32 times per electrode
7
TSIEN
Touch Sensing Input Module Enable
This bit enables TSI module.
Table continues on the next page...
Register definition
KL25 Sub-Family Reference Manual, Rev. 3, September 2012
790 Freescale Semiconductor, Inc.

TSIx_GENCS field descriptions (continued)
Field Description
0 TSI module disabled.
1 TSI module enabled.
6
TSIIEN
Touch Sensing Input Interrupt Enable
This bit enables TSI module interrupt request to CPU when the scan completes. The interrupt will wake
MCU from low power mode if this interrupt is enabled.
0 TSI interrupt is disabled.
1 TSI interrupt is enabled.
5
STPE
TSI STOP Enable
This bit enables TSI module function in low power modes (stop, VLPS, LLS and VLLS{3,2,1}).
0 TSI is disabled when MCU goes into low power mode.
1 Allows TSI to continue running in all low power modes.
4
STM
Scan Trigger Mode
This bit specifies the trigger mode. User is allowed to change this bit when TSI is not working in progress.
0 Software trigger scan.
1 Hardware trigger scan.
3
SCNIP
Scan In Progress Status
This read-only bit indicates if scan is in progress. This bit will get asserted after the analog bias circuit is
stable after a trigger and it changes automatically by the TSI.
0 No scan in progress.
1 Scan in progress.
2
EOSF
End of Scan Flag
This flag is set when all active electrodes are finished scanning after a scan trigger. Write "1" , when this
flag is set, to clear it.
0 Scan not complete.
1 Scan complete.
1
CURSW
CURSW
This bit specifies if the current sources of electrode oscillator and reference oscillator are swapped.
0 The current source pair are not swapped.
1 The current source pair are swapped.
0
Reserved
This field is reserved.
This read-only field is reserved and always has the value 0.
Chapter 42 Touch Sensing Input (TSI)
KL25 Sub-Family Reference Manual, Rev. 3, September 2012
Freescale Semiconductor, Inc. 791

42.3.2 TSI DATA Register (TSIx_DATA )
Address: 4004_5000h base + 4h offset = 4004_5004h
Bit 31 30 29 28 27 26 25 24 23 22 21 20 19 18 17 16
R
TSICH
0
DMAEN
0 0
W
SWTS
Reset 0 0 0 0 0 0 0 0 0 0 0 0 0 0 0 0
Bit 15 14 13 12 11 10 9 8 7 6 5 4 3 2 1 0
RTSICNT
W
Reset 0 0 0 0 0 0 0 0 0 0 0 0 0 0 0 0
TSIx_DATA field descriptions
Field Description
31–28
TSICH
TSICH
These bits specify current channel to be measured. In hardware trigger mode (TSI_GENCS[STM] = 1), the
scan will not start until the hardware trigger occurs. In software trigger mode (TSI_GENCS[STM] = 0), the
scan starts immediately when TSI_DATA[SWTS] bit is written by 1.
0000 Channel 0.
0001 Channel 1.
0010 Channel 2.
0011 Channel 3.
0100 Channel 4.
0101 Channel 5.
0110 Channel 6.
0111 Channel 7.
1000 Channel 8.
1001 Channel 9.
1010 Channel 10.
1011 Channel 11.
1100 Channel 12.
1101 Channel 13.
Table continues on the next page...
Register definition
KL25 Sub-Family Reference Manual, Rev. 3, September 2012
792 Freescale Semiconductor, Inc.

TSIx_DATA field descriptions (continued)
Field Description
1110 Channel 14.
1111 Channel 15.
27–24
Reserved
This field is reserved.
This read-only field is reserved and always has the value 0.
23
DMAEN
DMA Transfer Enabled
This bit is used together with the TSI interrupt enable bits(TSIIE, ESOR) to generate a DMA transfer
request instead of an interrupt.
0 Interrupt is selected when the interrupt enable bit is set and the corresponding TSI events assert.
1 DMA transfer request is selected when the interrupt enable bit is set and the corresponding TSI
events assert.
22
SWTS
Software Trigger Start
This write-only bit is a software start trigger. When STM bit is clear, write "1" to this bit will start a scan.
The electrode channel to be scanned is determinated by TSI_DATA[TSICH] bits.
0 No effect.
1 Start a scan to determine which channel is specified by TSI_DATA[TSICH].
21–16
Reserved
This field is reserved.
This read-only field is reserved and always has the value 0.
15–0
TSICNT
TSI Conversion Counter Value
These read-only bits record the accumulated scan counter value ticked by the reference oscillator.
42.3.3 TSI Threshold Register (TSIx_TSHD)
Address: 4004_5000h base + 8h offset = 4004_5008h
Bit 31 30 29 28 27 26 25 24 23 22 21 20 19 18 17 16 15 14 13 12 11 10 9 8 7 6 5 4 3 2 1 0
RTHRESH THRESL
W
Reset 0 0 0 0 0 0 0 0 0 0 0 0 0 0 0 0 0 0 0 0 0 0 0 0 0 0 0 0 0 0 0 0
TSIx_TSHD field descriptions
Field Description
31–16
THRESH
TSI Wakeup Channel High-threshold
This half-word specifies the high threshold of the wakeup channel.
15–0
THRESL
TSI Wakeup Channel Low-threshold
This half-word specifies the low threshold of the wakeup channel.
42.4 Functional description
Chapter 42 Touch Sensing Input (TSI)
KL25 Sub-Family Reference Manual, Rev. 3, September 2012
Freescale Semiconductor, Inc. 793

42.4.1 Capacitance measurement
The electrode pin capacitance measurement uses a dual oscillator approach. The
frequency of the TSI electrode oscillator depends on the external electrode capacitance
and the TSI module configuration. After going to a configurable prescaler, the TSI
electrode oscillator signal goes to the input of the module counter. The time for the
module counter to reach its module value is measured using the TSI reference oscillator.
The measured electrode capacitance is directly proportional to the time.
42.4.1.1 TSI electrode oscillator
The TSI electrode oscillator circuit is illustrated in the following figure. A configurable
constant current source is used to charge and discharge the external electrode
capacitance. A buffer hysteresis defines the oscillator delta voltage. The delta voltage
defines the margin of high and low voltage which are the reference input of the
comparator in different time.
Figure 42-8. TSI electrode oscillator circuit
The current source applied to the pad capacitance is controlled by the
SCANC[EXTCHRG]. The hysteresis delta voltage is defined in the module electrical
specifications present in the device Data Sheet. The figure below shows the voltage
amplitude waveform of the electrode capacitance charging and discharging with a
programmable current.
Functional description
KL25 Sub-Family Reference Manual, Rev. 3, September 2012
794 Freescale Semiconductor, Inc.

Electrode
Voltage
Time
Electrode Capacitor Charging and
Discharging with constant current
Hysteresis
Voltage Delta
Figure 42-9. TSI electrode oscillator chart
The oscillator frequency is give by the following equation
Felec I
2 * Celec *
ΔV
Figure 42-10. Equation 1: TSI electrode oscillator frequency
Where:
I: constant current
Celec: electrode capacitance
ΔV: Hysteresis delta voltage
So by this equation, for example, an electrode with Celec= 20 pF, with a current source of
I = 16 µA and ΔV = 600 mV have the following oscillation frequency:
Felec
16 µA
2 * 20pF *600mV 0.67MHz
Figure 42-11. Equation 2: TSI electrode oscillator frequency
The current source is used to accommodate the TSI electrode oscillator frequency with
different electrode capacitance sizes.
42.4.1.2 Electrode oscillator and counter module control
The TSI oscillator frequency signal goes through a prescaler defined by the GENCS[PS]
and then enters in a modulus counter. The bit field GENCS[NSCN] defines the maximum
count value of the modulus counter.
Chapter 42 Touch Sensing Input (TSI)
KL25 Sub-Family Reference Manual, Rev. 3, September 2012
Freescale Semiconductor, Inc. 795

The pin capacitance sampling time is given by the time the module counter takes to go
from zero to its maximum value, defined by NSCN. The electrode sample time is
expressed by the following equation:
Tcap_samp PS * NSCN
Felec
Using Equation 1.
Tcap_samp 2 * PS * NSCN * Celec * ΔV
I
Figure 42-12. Equation 3: Electrode sampling time
Where:
PS: prescaler value
NSCN: module counter maximum value
I: constant current
Celec: electrode capacitance
ΔV: Hysteresis delta voltage
By this equation we have that an electrode with C = 20 pF, with a current source of I = 16
µA and ΔV = 600 mV, PS = 2 and NSCN = 16 have the following sampling time:
Tcap_samp 2*2*16*20pF*600mV
16µA 48µs
42.4.1.3 TSI reference oscillator
The TSI reference oscillator has the same topology of the TSI electrode oscillator. The
TSI reference oscillator instead of using an external capacitor for the electrode oscillator
has an internal reference capacitor.
The TSI reference oscillator has an independent programmable current source controlled
by the SCANC[REFCHRG].
The reference oscillator frequency is given by the following equation:
Fref_osc Iref
2 *Cref *ΔV
Figure 42-13. Equation 4: TSI reference oscillator frequency
Where:
Functional description
KL25 Sub-Family Reference Manual, Rev. 3, September 2012
796 Freescale Semiconductor, Inc.

Cref: Internal reference capacitor
Iref: Reference oscillator current source
∆V : Hysteresis delta voltage
Considering Cref = 1.0 pF, Iref = 12 µA and ∆V = 600 mV, follows
Fref_osc 12µA
2 *1.0pF *600mV 10.0MHz
42.4.2 TSI measurement result
The capacitance measurement result is defined by the number of TSI reference oscillator
periods during the sample time and is stored in the TSICHnCNT register.
TSICHnCNT = Tcap_samp * Fref_osc
Using Equation 2 and Equation 1 follows:
TSICHnCNT Iref * PS *NSCN
Cref *Ielec * Celec
Figure 42-14. Equation 5: Capacitance result value
In the example where Fref_osc = 10.0MHz and Tcap_samp = 48 µs, TSICHnCNT = 480
42.4.3 Enable TSI module
The TSI module can be fully functional in run, wait and low power modes. The
TSI_GENCS[TSIEN] bit must be set to enable the TSI module in run and wait mode.
When TSI_GENCS[STPE] bit is set, it allows the TSI module to work in low power
mode.
42.4.4 Software and hardware trigger
The TSI module allows a software or hardware trigger to start a scan. When a software
trigger is applied ( TSI_GENCS[STM] bit clear), the TSI_GENCS[SWTS] bit must be
written "1" to start the scan electrode channel that is identified by TSI_DATA[TSICH].
When a hardware trigger is applied ( TSI_GENCS[STM] bit set), the TSI will not start
scanning until the hardware trigger arrives. The hardware trigger is different depending
on the MCU configuration. Generally, it could be an event that RTC overflows. See chip
configuration section for details.
Chapter 42 Touch Sensing Input (TSI)
KL25 Sub-Family Reference Manual, Rev. 3, September 2012
Freescale Semiconductor, Inc. 797

42.4.5 Scan times
The TSI provides multi-scan function. The number of scans is indicated by the
TSI_GENCS[NSCN] bits that allow the scan number from 1 to 32. When
TSI_GENCS[NSCN] is set to 0 (only once), the single scan is engaged. The 16-bit
counter accumulates all scan results until the NSCN time scan completes, and users can
read TSI_DATA[TSICNT] to get this accumulation. When DMA transfer is enabled, the
counter values can also be read out by DMA engine.
42.4.6 Clock setting
TSI is built with dual oscillator architecture. In normal sensing application, the reference
oscillator clock is the only clock source for operations. The reference clock is used to
measure the electrode oscillator by ticking a 16-bit counter. The reference oscillator
frequency depends on the current source setting. Please refer to the Current source for
more details.
The output of electrode oscillator has several prescalers up to 128 indicated by
TSI_GENCS[PS]bits. This allows a flexible counter configuration for different electrode
oscillator frequency.
42.4.7 Reference voltage
The TSI module offers a internal reference voltage for both electrode oscillator and
reference oscillator. The internal reference voltage can work in low power modes even
when the MCU regulator is partially powered down, which is ideally for low-power touch
detection.
The charge and discharge difference voltage is configurable upon the setting of
TSI_GENCS[DVOLT] bits. The following table shows the all the delta voltage
configurations.Note this table doesn't apply to noise mode, where the details should be
consult form noise modes chapters.
Table 42-11. Delta voltage configuration
DVOLT Vp (V) Vm (V) ΔV (V)
00 1.328 0.302 1.026
01 1.111 0.519 0.592
10 0.986 0.644 0.342
11 0.914 0.716 0.198
Functional description
KL25 Sub-Family Reference Manual, Rev. 3, September 2012
798 Freescale Semiconductor, Inc.

42.4.8 Current source
The TSI module supports eight different current source power to increment from 500 nA
to 64uA. The TSI_GENCS[EXTCHRG] bits determine the current of electrode oscillator
that charges and discharges external electrodes. The TSI_GENCS[REFCHRG] bits
determine the current of reference oscillator on which the internal reference clock
depends. The lower current source takes more time for charge and discharge, which is
useful to detect high-accuracy change. The higher current source takes less time, which
can be used to charge a big electrode by less power consumption.
The TSI_GENCS[CURSW] bit allows the current source to swap, so that the reference
oscillator and electrode oscillator use the opposite current sources. When
TSI_GENCS[CURSW] is set and the current sources are swapped, the
TSI_GENCS[EXTCHRG] bits and TSI_GENCS[REFCHRG] bits still control the
corresponding current sources, that is, TSI_GENCS[EXTCHRG] controls the reference
oscillator current and TSI_GENCS[REFCHRG] controls the electrode oscillator current.
42.4.9 End of scan
As a scan starts, [SCNIP] bit is set to indicate scan is in progress. When the scan
completes, the [EOSF] bit is set. Before clearing the [EOSF] bit, the value in
TSI_DATA[TSICNT] must be read. If the TSI_GENCS[TSIIEN] bit is set
andTSI_GENCS[DMAEN]is not set, an interrupt is submitted to CPU for post-
processing immediately. The interrupt is also optional to wake MCU to execute ISR if it
is in low power mode. When DMA function is enabled by setting TSI_GENCS[TSIIEN]
and TSI_GENCS[ESOR], as soon as scan completes, a DMA transfer request is asserted
to DMA controller for data movement, generally, DMA engine will fetch TSI conversion
result from TSI_DATA register,store it to other memory space and then refresh the TSI
scan channel index(TSI_DATA[TSICH]) for next loop. When DMA transfer is done,
TSI_GENCS[EOSF] is cleared automatically.
42.4.10 Out-of-range interrupt
If enabled, TSI will scan the electrode specified by TSI_DATA[TSICH] as soon as the
trigger arrives. The TSI_GENCS[OUTRGF] flag generates a TSI interrupt request if the
TSI_GENCS[TSIIE] bit is set and GENCS[ESOR] bit is cleared. With this configuration,
after the end-of-electrode scan, the electrode capacitance will be converted and stored to
the result register TSI_DATA[TSICNT], the out-of-range interrupt is only requested if
Chapter 42 Touch Sensing Input (TSI)
KL25 Sub-Family Reference Manual, Rev. 3, September 2012
Freescale Semiconductor, Inc. 799

there is a considerable capacitance change defined by the TSI_TSHD. For instance, if in
low power mode the electrode capacitance does not vary, the out-of-range interrupt does
not interrupt the CPU. This interrupt will not happen in noise detection mode. It is worthy
to note that when the counter value reaches 0xFFFF is treated as an extreme case the out-
of-range will not happen. Also in noise detection mode, the out-of-range will not assert
either.
42.4.11 Wake up MCU from low power modes
In low power modes, once enabled by TSI_GENCS[STPE] and TSI_GENCS[TSIIE],
TSI can bring MCU out of its low power modes(STOP, VLPS, VLLS,etc) by either end
of scan or out of range interrupt, that is, if TSI_GENCS[ESOR] is set, end of scan
interrupt is selected and otherwise, out of range is selected.
42.4.12 DMA function support
Transmit by DMA is supported only when TSI_DATA[DMAEN] is set. A DMA transfer
request is asserted when all of TSI_GENCS[EOSF], TSI_GENCS[ESOR] and
TSI_GENCS[TSIIE] are set. Then the on-chip DMA controller detects this request and
transfers data between memory space and TSI register space. After the data tranfer, DMA
DONE is asserted to clear TSI_GENCS[EOSF] automatically. This function is normally
used by DMA controller to get the conversion result from TSI_DATA[TSICNT] upon a
end-of-scan event and then refresh the channel index(TSI_DATA[TSICH]) for next
trigger. DMA function is not available when MCU is in stop modes.
42.4.13 Noise detection mode
The noise detection mode change the circuit configuration as shown in the following
figure. With this configuration, it is possible to detect touch with high levels of EMC
noise present. To enter the test mode, see TSIx_GENCS[MODE] register field.
In noise detection mode the reference oscillator has the same configuration except the
output goes to Counter2 and this counter will have the it's maximum count set by NSCN.
2^(PS). This means this oscillator will setup the noise detection mode sense duration.
The blocks of external oscillator is changed and instead of an oscillator the circuit
implements an RF amplitude detection. The thrshold for this amplitude detection is set by
DVOLT register bits.
Also the external voltage is biased by vmid voltage with a Rs series resistance.
Functional description
KL25 Sub-Family Reference Manual, Rev. 3, September 2012
800 Freescale Semiconductor, Inc.

The vmid voltage is defined as V(vmid) = (V(vp) + V(vm))/2.
The Rs value is defined by i_ext_3v<2:0> register bits.
Figure 42-15. TSI circuit in noise detection mode
To determine the noise level the below algorithm can be used:
1. Initialize Rs = maxrs; Dvolt = minDv (set other configurations also)
2. Perform a noise cycle.
3. If TSIcounter < 3, go to step 8
4. If Rs = minrs, go to step 6.
5. Reduce value of Rs. go to step 2
6. If Dvolt = maxDv, go to END
7. Increase value of Dvolt. Set Rs = maxrs. go to step 2
8. If Rs > minrs, (Reduce value of Rs, go to END)
9. Rs = maxrs, reduce value of Dvolt.
10. END Get value of Rs and Dvolt.
Chapter 42 Touch Sensing Input (TSI)
KL25 Sub-Family Reference Manual, Rev. 3, September 2012
Freescale Semiconductor, Inc. 801

One example of noise detection mode is shown in the following figure. in this figure the
TSI is working in capacitive mode until 30uS when it is changed to noise detection mode.
In noise detection mode the selected pad is biased with 0.815V and all AC waveform in
this pad is caused by a noise source external to IC.
It is possible to observe in the following figure that, in noise detection mode, the clkref
output has the peak detection and the number of detected peaks can be counted or used by
digital block. The clkext output has the internal oscillator output and can be used to set
the maximum noise detection time window.
The waveform of the following figure shows two operations during noise detection mode:
• The V(vp) and V(vm) thresholds are changed in 34.4 µs.
• The Rs series resistance value is changed between 184 kΩ (iext<2:0>=011) and 32
kΩ (iext<2:0>=101). Because of this Rs change the amplitude of noise waveform
change also.
Figure 42-16. TSI noise detection mode waveform
Functional description
KL25 Sub-Family Reference Manual, Rev. 3, September 2012
802 Freescale Semiconductor, Inc.

42.4.13.1 Automatic noise mode
This mode is set by MODE[3:2] = 11 (noise mode 3). In this mode, the thresholds are
incremented internally by the module until the point that there is no noise voltage
trepassing the threshold.
The following diagram shows how it is done. The threshold comparator output goes to a
counter and as the DVOLT control bits are increased the DVOLT thresholds are
increased as well. The four bits are counted until 1111 (=15) and the counter is stop with
this maximum value.
Figure 42-17. Block diagram automatic noise threshold operation
The signals that have different behavior in this noise mode (wrt capacitive mode) are
shown in the following table.
Table 42-12. Signal properties in automatic noise operation mode
Name Function I/O type Power Up/Reset state
MODE[3:2] 11 - Noise mode operation
with frequency limitation and
automatic threshold counter.
I 00
Table continues on the next page...
Chapter 42 Touch Sensing Input (TSI)
KL25 Sub-Family Reference Manual, Rev. 3, September 2012
Freescale Semiconductor, Inc. 803

Table 42-12. Signal properties in automatic noise operation mode (continued)
Name Function I/O type Power Up/Reset state
EXTCHRG[2:1] In this operation mode these
bits select the number of filter
bits.
00 - 3 filter bits
01 - 2 filter bits
10 - 1 filter bit
11 - no filter bit
I 00
EXTCHRG[0] In this operation mode this
bits selects the series
resistance.
0 - uses Rs=32 kΩ
0 - uses Rs=187 kΩ
Independent of this bit
selection the threshold 15 is
done with Rs = 5.5 kΩ
I 0
DVOLT[1:0] Select voltage rails of the
internal oscillator
I 00
MODE[3:0] DVOLT counter bits output.
This register content is reset
always the MODE[3:2] is not
11, and after beginning of
automatic noise mode
operation.
O 0000
42.4.13.2 Single threshold noise modes
These modes reset by MODE[3:2]=01 and 10. The difference between these two modes
is that in mode 2 (MODE[3:2]=10) there is a frequency limitation circuit that enables the
circuit to operate in higher frequencies. In mode 1 (MODE[3:2]=01) this frequency
limitation circuit is not enabled.
In this mode the thresholds are set by user via register bits as described in the following
table.
During these modes the internal oscillator rails are set to the maximum (equivalent to
DVOLT[1:0]=00).
Table 42-13. Signal properties in single noise modes (1,2)
Name Function I/O type Power up /
reset
MODE[3:2] 01 or 10- Single thrshold noise mode operation. I 00
Table continues on the next page...
Functional description
KL25 Sub-Family Reference Manual, Rev. 3, September 2012
804 Freescale Semiconductor, Inc.

Table 42-13. Signal properties in single noise modes (1,2) (continued)
Name Function I/O type Power up /
reset
DVOLT[1:0],
EXTCHRG[2:1]
In this operation mode these 4 bits are used select the noise
threshold.
0000 - DVpm = 0.038 V, Vp = 0.834 V, Vm = 0.796 V
0001 - DVpm = 0.050 V, Vp = 0.830 V, Vm = 0.790 V
0010 - DVpm = 0.066 V, Vp = 0.848 V, Vm = 0.782 V
0011 - DVpm = 0.087 V, Vp = 0.858 V, Vm = 0.772 V
0100 - DVpm = 0.114 V, Vp = 0.872 V, Vm = 0.758 V
0101 - DVpm = 0.150 V, Vp = 0.890 V, Vm = 0.740 V
0110 - DVpm = 0.197 V, Vp = 0.914 V, Vm = 0.716 V
0111 - DVpm = 0.260 V, Vp = 0.945 V, Vm = 0.685 V
1000 - DVpm = 0.342 V, Vp = 0.986 V, Vm = 0.644 V
1001 - DVpm = 0.450 V, Vp = 1.040 V, Vm = 0.590 V
1010 - DVpm = 0.592 V, Vp = 1.111 V, Vm = 0.519 V
1011 - DVpm = 0.780 V, Vp = 1.205 V, Vm = 0.425 V
1100 - DVpm = 1.026 V, Vp = 1.328 V, Vm = 0.302 V
1101 - DVpm = 1.350 V, Vp = 1.490 V, Vm = 0.140 V
1110 - DVpm = 1.630 V, Vp = 1.630 V, Vm = 0 V
1111 - DVpm = 1.630 V, Vp = 1.630 V, Vm = 0 V
I XXXX
EXTCHRG[0] In this operation mode this bits selects the series resistance.
0 - uses Rs = 32 kΩ.
1- uses Rs = 187 kΩ.
Independent of this bit selection the threshold 15 is done with Rs =
5.5 kΩ.
I XX
Chapter 42 Touch Sensing Input (TSI)
KL25 Sub-Family Reference Manual, Rev. 3, September 2012
Freescale Semiconductor, Inc. 805

KL25 Sub-Family Reference Manual Rev. 3; September 2012
A-1Freescale Semiconductor
Appendix A
Revision History of this Document
This appendix describes corrections to the this reference manual for convenience. Grammatical and
formatting changes are not listed here unless the meaning of something changed.
A.1 Changes between revisions 3 and 2
Table A-1. Changes between revisions 3 and 2
Chapter Description
Flash Memory Module
(FTFA)
• Updated register absolute address.
12-bit Digital-to-Analog
Converter (DAC)
• Updated register absolute address.

How to Reach Us:
Home Page:
www.freescale.com
Web Support:
http://www.freescale.com/support
USA/Europe or Locations Not Listed:
Freescale Semiconductor
Technical Information Center, EL516
2100 East Elliot Road
Tempe, Arizona 85284
+1-800-521-6274 or +1-480-768-2130
www.freescale.com/support
Europe, Middle East, and Africa:
Freescale Halbleiter Deutschland GmbH
Technical Information Center
Schatzbogen 7
81829 Muenchen, Germany
+44 1296 380 456 (English)
+46 8 52200080 (English)
+49 89 92103 559 (German)
+33 1 69 35 48 48 (French)
www.freescale.com/support
Japan:
Freescale Semiconductor Japan Ltd.
Headquarters
ARCO Tower 15F
1-8-1, Shimo-Meguro, Meguro-ku,
Tokyo 153-0064
Japan
0120 191014 or +81 3 5437 9125
support.japan@freescale.com
Asia/Pacific:
Freescale Semiconductor China Ltd.
Exchange Building 23F
No. 118 Jianguo Road
Chaoyang District
Beijing 100022
China
+86 10 5879 8000
support.asia@freescale.com
Document Number: KL25P80M48SF0RM
Rev. 3, September 2012
Information in this document is provided solely to enable system and software
implementers to use Freescale Semiconductors products. There are no express or implied
copyright licenses granted hereunder to design or fabricate any integrated circuits or
integrated circuits based on the information in this document.
Freescale Semiconductor reserves the right to make changes without further notice to any
products herein. Freescale Semiconductor makes no warranty, representation, or
guarantee regarding the suitability of its products for any particular purpose, nor does
Freescale Semiconductor assume any liability arising out of the application or use of any
product or circuit, and specifically disclaims any liability, including without limitation
consequential or incidental damages. "Typical" parameters that may be provided in
Freescale Semiconductor data sheets and/or specifications can and do vary in different
applications and actual performance may vary over time. All operating parameters,
including "Typicals", must be validated for each customer application by customer's
technical experts. Freescale Semiconductor does not convey any license under its patent
rights nor the rights of others. Freescale Semiconductor products are not designed,
intended, or authorized for use as components in systems intended for surgical implant
into the body, or other applications intended to support or sustain life, or for any other
application in which failure of the Freescale Semiconductor product could create a
situation where personal injury or death may occur. Should Buyer purchase or use
Freescale Semiconductor products for any such unintended or unauthorized application,
Buyer shall indemnify Freescale Semiconductor and its officers, employees, subsidiaries,
affiliates, and distributors harmless against all claims, costs, damages, and expenses, and
reasonable attorney fees arising out of, directly or indirectly, any claim of personal injury
or death associated with such unintended or unauthorized use, even if such claims alleges
that Freescale Semiconductor was negligent regarding the design or manufacture of
the part.
RoHS-compliant and/or Pb-free versions of Freescale products have the functionality and
electrical characteristics as their non-RoHS-complaint and/or non-Pb-free counterparts.
For further information, see http://www.freescale.com or contact your Freescale
sales representative.
For information on Freescale's Environmental Products program, go to
http://www.freescale.com/epp.
Freescale™ and the Freescale logo are trademarks of Freescale Semiconductor, Inc.
All other product or service names are the property of their respective owners.
© 2012 Freescale Semiconductor, Inc.