MDV24 MFV24 Opman
User Manual: MDV24
Open the PDF directly: View PDF
.
Page Count: 16

Glastender, Inc. · 5400 North Michigan Road · Saginaw, MI · 48604-9780
800.748.0423 · 989.752.4275 · Fax 989.752.4444 · www.glastender.com
© 2010 Glastender, Inc.
Operation Manual, Parts Directory and Price List
MFV24
Reach-In Mug chIlleRs
MFV24-SS(L)
with optional casters
Rev 02-13-18
This manual applies to MFV24 models manufactured prior to SN404144876N and
July 10, 2013. For MFV24 models manufactured after, please see the Front Venting
Self-Contained Coolers and Mug Frosters manual.

InstallatIon
Introduction .............................................................................. 1
Utility requirements and connections ...................................... 1
Uncrating and start-up instructions .......................................... 1
Operation .................................................................................. 1
Cleaning instructions ............................................................... 2
Floor sealing instructions ......................................................... 2
Electrical and refrigeration specifications ............................... 2
servIce and Parts
Terms and Conditions .............................................................. 3
Warranty statement ................................................................ 12
WIrIng dIagram .......................................................................... 4
Parts and servIce
Compressor and condenser related parts ..............................5-6
Evaporator and related parts .................................................... 7
Electrical components .............................................................. 8
Shelving and related parts ........................................................ 9
Doors, tops and related parts ................................................. 10
Refrigeration compartment covers ........................................ 11
Glastender, Inc. • 5400 North Michigan Road • Saginaw, MI • 48604-9780
800.748.0423 • 989.752.4275 • Fax 989.752.4444 • www.glastender.com
Index

1
Glastender, Inc. • 5400 North Michigan Road • Saginaw, MI • 48604-9780
800.748.0423 • 989.752.4275 • Fax 989.752.4444 • www.glastender.com
InstallatIon
IntroductIon
This manual describes the operational features of the Reach-In Mug Chiller model MFV24. Please review this information
before attempting installation and operation.
Long term, trouble-free service will follow if good housekeeping and maintenance procedures are followed. Thank you for
selecting Glastender, Inc. products.
utIlIty requIrements and connectIons
• Electrical: 115 Volt AC, 1 Phase, 60 Hz, 8.55 Full Load Amps. A separate 15 Amp circuit is recommended. A 6-foot
grounded cord is included.
• Plumbing: Automatic condensate evaporator is included. No drain connection required.
uncratIng and start-uP InstructIons
All Reach-In Mug Chiller models are shipped in one carton. These steps should be followed:
1. If legs or casters are included, bolt them to the base with the bolts provided.
2. Unwrap power cord from base.
3. Position the Reach-In Mug Chiller and level and/or seal as required (see page 2).
4. Install shelves.
5. Plug into 115 volt AC outlet.
6. Load with mugs, glasses, plates, etc.
7. Your Glastender Reach-In Mug Chiller is now ready for use.
oPeratIon
The Reach-In Mug Chiller is designed to chill mugs, glasses, plates, etc. that will appear “frosted” when removed. The operating
temperature range of 0°F(-18°C) to 35°F(2°C).
The Reach-In Mug Chiller should be filled with dry, room-temperature mugs, glasses, plates, etc. to allow maximum chilling.
During business hours, the Reach-In Mug Chiller can be loaded with additional dry, room-temperature mugs, glasses, plates,
etc. Allow 30 minutes for chilling.
The Reach-In Mug Chiller includes an automatic defrost system. Defrosting will occur every six hours for approximately 20
minutes. During the defrost cycle, the fan inside the Reach-In Mug Chiller will turn off and a small amount of mist may appear
if the door is opened.
There is also a manual defrost system controlled by a switch located on the front left bottom of the Reach-In Mug Chiller. This
is used when there is ice or snow accumulation inside. An end-of-the-day or weekly schedule can be established for the activa-
tion of this manual defrost cycle.
When the manual defrost switch is pushed, a light will turn on and the Reach-In Mug Chiller will go into a six-hour defrost.
After six hours, the Reach-In Mug Chiller will resume normal operation.
If the manual defrost switch is accidentally pushed, the defrost cycle can be terminated by unplugging the power cord for
three seconds.

electrIcal and refrIgeratIon sPecIfIcatIons
cleanIng InstructIons
Cleaning is essential to sustaining the integrity of your equipment and preventing corrosion.
ESTIMATED CLEANING TIME: 5 to 10 minutes per unit daily, 45 minutes quarterly
FREQUENCY: Daily cleaning of exterior & door gaskets. Quarterly cleaning of interior, including shelves.
PROCEDURE:
1. A non-chlorine based cleaner or mild detergent and warm water applied with a soft cloth or sponge to all contact surfaces.
2. Immediately rinse off cleaning agent(s), using clean warm water, clean soft cloth or sponge.
3. Dry with a soft clean cloth, removing standing water as soon as possible.
NOTES:
1. Never use hydrochloric acid, wire brushes, steel wool, scrapers, or chlorine based cleaners on stainless steel surfaces,
since they will break down the passivity layer and allow corrosion to occur.
2. On stainless steel surfaces, you may use a soft bristle brush or Scotch-Brite® pad for more stubborn stains. Always
scrub with the direction of the grain. Follow with a thorough cleaning as described above.
3. Deposits from food preparation must be properly removed. Even hard water deposits will rust stainless steel, if
not removed.
4. Repeated cleaning may dry up black-vinyl-clad steel (exterior) surfaces of the cooler. Armor All® or similar product
can bring back the shine. Apply the product to a cloth and then rub into the surface, rather than spraying it directly onto
the black-vinyl-clad surface.
5. The cooler door gaskets are most often overlooked when cleaning. Failure to clean them regularly will lead to prema-
ture failure, since alcohol and moisture build-up breaks down the gasket material.
sealIng reach-In mug chIller Base to floor
To comply with NSF & health codes. The Reach-In Mug Chiller base must be sealed to the floor using NSF listed sealant.
Place a bead of sealant along outer edges of the base and remove excess with disposable towel.
2
Glastender, Inc. • 5400 North Michigan Road • Saginaw, MI • 48604-9780
800.748.0423 • 989.752.4275 • Fax 989.752.4444 • www.glastender.com
InstallatIon
desIgn
model refrIgerant Pressure
(L-to-R length) electrIcal tyPe charge hIgh loW
24” 115V, 1Ph., 60 Hz., 8.55 Amp R404A 9.75oz. 350 175

Glastender, Inc. • 5400 North Michigan Road • Saginaw, MI • 48604-9780
800.748.0423 • 989.752.4275 • Fax 989.752.4444 • www.glastender.com
3
terms and condItIons
PrIces:
All prices are LIST. Applicable taxes will be added.
quotatIons:
Unless otherwise stated, quotations are effective for 30 days only.
accePtance:
All orders are subject to acceptance by Glastender, Inc.’s headquarters in
Saginaw, Michigan. Possession of the Product Directory and Price List
is not an offer to sell.
shIPments:
F.O.B. factory in Saginaw, Michigan. Freight terms are Third Party or
Collect if shipped directly to you. Prepay and Add to Invoice freight
terms are available upon request. The approximate shipping weights of
all products are listed with the prices. Partial shipments will be made
unless otherwise specified by the customer. Surface freight classifica-
tions are:
• GT-24/GT-30/GW24 Glasswashers - Class 175
• GT-18 Glasswashers - Class 250
• All Underbar Equipment - Class 175
• Bar Die Orders – Class 250
• Portable Bars - Class 175
• Remote refrigerators (i.e., no compressor) or dry storage back bar
equipment - Class 175
• Self-contained refrigeration equipment - Class 150
• Ice Display Units (IDU and GDU) - Class 85
• Lighted Liquor Displays - Class 85
• Beer line chillers and beer towers (beverage dispensing equipment)
- Class 92.5
• Bottle Disintegration System - Class 150
• Ice Cream Freezers - Class 77.5
All small items are evaluated to see the most cost effective means for
shipment. Many small items ship via UPS or FedEx; however, when
dimensional weight is excessive, LTL carriers are the most cost effective
choice. Spare parts orders received before 1:00 PM EST can usually be
shipped the same day.
The order department is happy to assist with routing or shipping questions.
Payment terms:
Cash should be included with all orders unless credit terms have been
arranged. To establish credit, banking and trade references are required.
A convenient credit application is available upon request. Payment via
credit card is not our normal means of receiving payment. Visa and
MasterCard will be accepted, but must be charged at the time of ship-
ment. In addition, a payment via credit card for orders totaling more than
$500 will incur a 3% convenience fee on the total transaction amount.
delIvery:
The majority of equipment is manufactured to order and typically ships
within three to six weeks after complete order information is received by
the factory. In-stock equipment typically ships within two to three days
of the factory receiving complete order information.
returns:
Items specified as “Manufactured to Order” are NOT returnable.
A Return Authorization number must be issued by the factory in
advance for any items that are returnable. The number MUST be noted
on the outside of the returned package. Returns must be received within
90 days of the issue date. Shipping charges must be prepaid. A mini-
mum 20% restocking charge will be applied to all authorized returns if
received in new, unused condition in the original packaging.
The above conditions apply to spare part returns, except spare part
returns must be received within 30 days of original shipment for elec-
tronic or electrical parts or within 90 days for all other parts.
loss or damage:
For customer routed shipments, Glastender, Inc. is not responsible for
any loss, damage, or delay of merchandise during shipment. Such transit
claims must be filed with the carrier. Merchandise must be examined on
arrival. If shortages occur, Glastender, Inc. must be notified in writing
within five (5) days of delivery to honor any shortage claim. Glastender
will assume responsibility for freight claims on Prepay and Add ship-
ments but the customer must inspect freight and note any damage upon
receipt. Failure to do so may result in losses at the customer’s expense.
custom orders:
Custom orders must be paid in advance and are not subject to cancellation.
lamInates:
Some products include common, readily available plastic laminates of
the customer’s selection. There may be an additional charge if uncom-
mon varieties are ordered.
12/14/17

4
Glastender, Inc. • 5400 North Michigan Road • Saginaw, MI • 48604-9780
800.748.0423 • 989.752.4275 • Fax 989.752.4444 • www.glastender.com
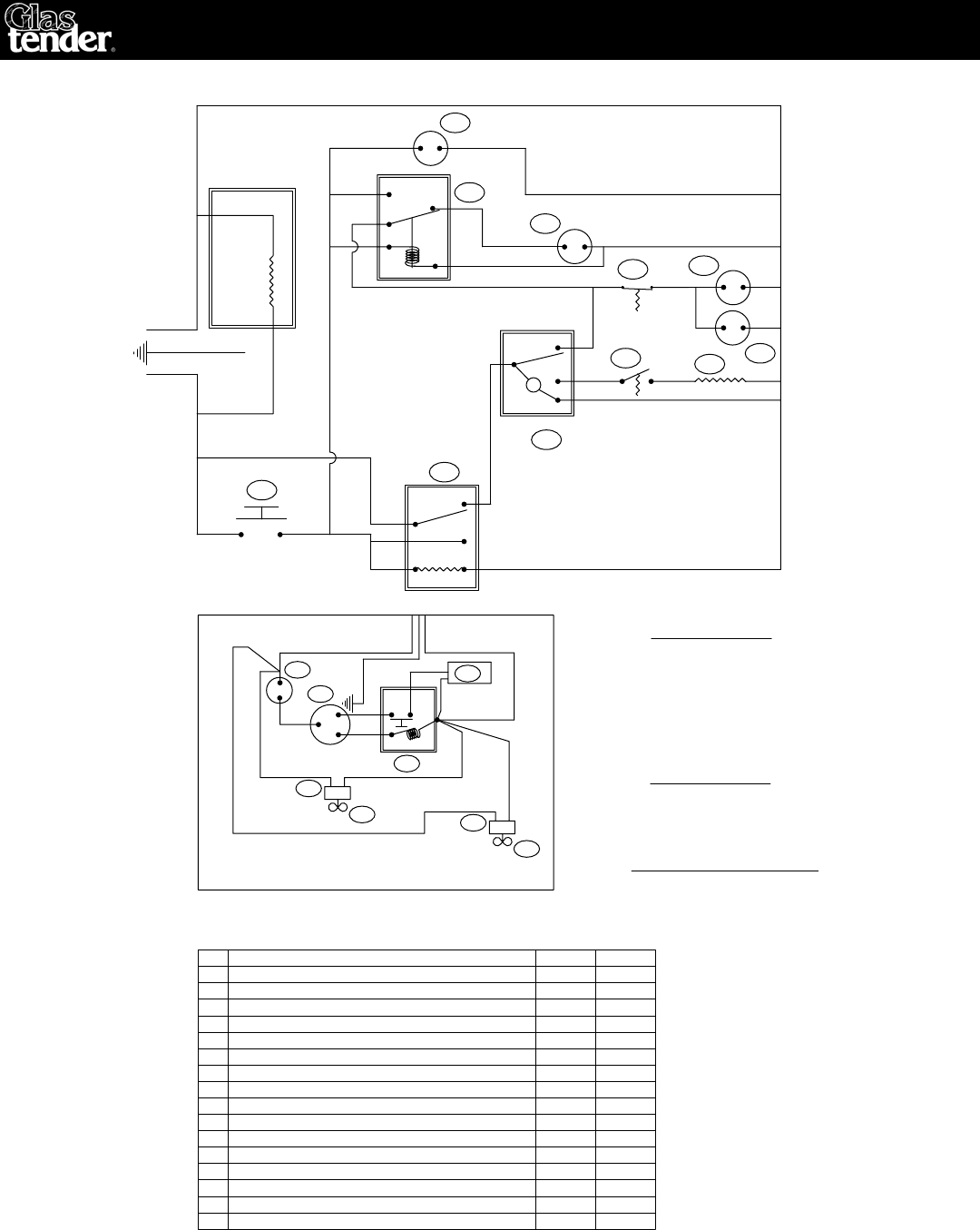
WIrIng dIagram
10
11
2
1
14
15
6
13
5
12
8
7
9
3
5
4
6
16
3
Mug Froster
MFV Wiring
BL
O = Orange
W/R = White W/ Red
W = White
P = Purple
R = Red
P
BR = Brown
BL = Blue
B = Black
LEGEND
4
3
2
1
P
RECOMMENDED
15 AMP. SERVICE
115 VOLT
POWER
NEUTRAL
B
B
GROUND
W
P
P
5
W/R
P
B
7
A
2
5
W
115V, Single Phase, 60Hz, 3 wire.
Condensing Unit Fan Motor
TOTAL AMPS
Evaporator Fan Motor
Compressor
All wires are 16 Gauge
8.85
.53 AMP
.82 AMP
7.60 AMP
ELECTRICAL RATINGS
W
1/26/95
COMPRESSOR WIRING
C
M
W
M
S
B
1
2
M3
1
4
2R
OPENS ABOVE +45°F
BR
O O
OVERLOAD PROTECTOR, 1/3hp R404a, TECUMSEH 12
FAN BLADE, CONDENSER, 5 BLADE
RELAY, 1/3hp R404a, TECUMSEH COMPRESSOR
START CAPACITOR, 1/3hp R404a, TECUMSEH COMPRESSOR
13
14
15
W
W
W
DEFROST HEATER, 115v
SWITCH, MANUAL DEFROST, START AND CYCLE TEST
MANUAL DEFROST TIMER, 6 HOUR
COMPRESSOR, 1/3 hp, R404a, (TECUMSEH) AFTER 01/2002
CONDENSER, FAN MOTOR, 6W
SENSOR, DEFROST
DEFROST TIMER, AUTOMATIC, 115v 6-HOUR, PARAGON
MOTOR, EVAPORATOR FAN, 115v
THERMOSTAT
RELAY, EVAPORATOR FAN, 115v, MUG FROSTER
9
10
11
5
6
8
7
3
4
2
W
W
W
W
LIGHT, MANUAL DEFROST, RED, 125v1
ITEM DESCRIPTION
07000128
07000155
06001380
07000168
07000156
07000257
07000169
07000165
06001397
07000175
06001449
06001445
07000621
07000166
07000171
MT#
GT-033000
GT-034112
GT-031207
GT-032206
GT-032803
GT-033413
GT-033001
GT-033401
GT-034704
GT-035107
GT-035114
GT-035026
GT-034105
GT-034907
GT#
W
B
HEATER
GLASS DOOR
OPTIONAL
FOR MFV-24
16 EVAPORATOR FAN BLADE, 5 BLADE, BLACK GT-032804 09000298
P

22
1
9
13
5
Glastender, Inc. • 5400 North Michigan Road • Saginaw, MI • 48604-9780
800.748.0423 • 989.752.4275 • Fax 989.752.4444 • www.glastender.com
16
2
3
4
comPressor and condenser related Parts
12
10
18
2
20
19
17
23
21
15
14
11

comPressor and condenser related Parts
6
Glastender, Inc. • 5400 North Michigan Road • Saginaw, MI • 48604-9780
800.748.0423 • 989.752.4275 • Fax 989.752.4444 • www.glastender.com
8
5
6
Tecumseh 1/3 HP Compressor
Tecumseh 1/3 HP Compressor
Part no. old Part no. descrIPtIon PrIce
1. 07000173 GT-035008 1/3 HP Aspera compressor, R404A (prior to 01/00) $450.00
2. 07000151 GT-032203 Start Capacitor, Aspera 1/3 HP R404A compressor 25.00
3. 06001414 GT-034103 Relay for 1/3 HP Aspera, R404A compressor 14.00
4. 07000127 GT-031205 Overload protector, Aspera 1/3 HP R404A compressor 15.00
5. 07000175 GT-035026 1/3 HP Tecumseh compressor, R404A (after 01/00) 375.00
6. 06001380 GT-032206 Start Capacitor, for Tecumseh 1/3 HP R404A compressor 40.00
7. 07000168 GT-034112 Relay for Tecumseh 1/3 HP R404A compressor 32.25
8. 07000128 GT-031207 Overload protector, for Tecumseh 1/3 HP R404A compressor 12.00
9. 06001449 GT-035114 Motor, condenser fan, 6W 100.00
10. 07000155 GT-032803 Fan blade, condenser, 5 blade (metal) 12.00
11. 06001321 GT-031515 Bracket, condenser fan motor mounting (metal) 5.00
12. 07000179 GT-035714 Nut, condenser fan blade mounting 1.00
13. 07000152 GT-032302 Fan shroud, condenser 15.00
14. 06001445 GT-035107 Motor, circulation fan 45.00
15. 09000298 GT-032804 Fan blade, circulation fan, five blade (black plastic) 5.00
16. 07000133 Bracket, circulation fan motor 20.00
17. 07000953 Accumulator, suction line 30.00
18. 08000078 GT-032607 Condenser coil 145.00
19. 08000125 GT-038006 Pan, condensate 60.00
20. 07000235 GT-038203 Wicking material, 4", consists of 11 pieces 14.00
21. 06001345 GT-031716 Tubing, drain, clear plastic, 1/2" ID x 5/8" OD, per foot 1.45
22. 06001385 Filter dryer, 1/4" x 1/4" 20.00
23. 06001313 GT-031400 Condensing unit power cord 20.00
7

7
4
10
3
7
Glastender, Inc. • 5400 North Michigan Road • Saginaw, MI • 48604-9780
800.748.0423 • 989.752.4275 • Fax 989.752.4444 • www.glastender.com
evaPorator and related Parts
9
2
5
814
13
11
12
Part no. old Part no. descrIPtIon PrIce
07000380 Evaporator coil replacement kit, prior to SN 404105086N $180.00
1. 07000504 Evaporator coil SN 404105068N and after 160.00
2. 06001445 GT-035107 Fan motor, evaporator 45.00
3. 07000310 GT-031514 Bracket, evaporator fan motor 14.00
4. 09000298 GT-032804 Fan blade, evaporator, 5 blade (black plastic) 5.00
5. 07000153 GT-032303 Evaporator fan box back, prior to
SN 404105086N
24.00
6. 07000362 Evaporator fan box back,
SN 404105086N
and after 24.00
7. 07000134 GT-031516 Temperature control mounting bracket, prior to SN 404105086N 10.00
8. 07000621 Thermostat, includes knob, plate, and tubing 70.00
9. 07000165 GT-033413 Defrost sensor 35.00
10. 07000169 GT-034704 Defrost heater 60.00
11. 07000228 GT-037420 Evaporator housing, prior to SN 404105086N 60.00
07000365 Evaporator housing, SN 404105086N and after 60.00
12. 07000141 GT-031549 Evaporator mounting bracket 12.00
13. 07000182 GT-036100 Cover, front, evaporator, prior to SN 404105086N 54.00
07000364 Cover, front, evaporator, SN 404105086N and after 54.00
07000183 GT-036101 Cover, bottom, evaporator, prior to SN 404105086N 42.00
07000360 Cover, bottom, evaporator, SN 404105086N and after 42.00
07000724 Tubing, capillary, .049x64" 20.00
14. 06001574 GT-038833 10-32" x 1/2" thumbscrew (4 required) (2 req prior to
SN 404105086N
) 2.00
1
6
Unit prior to
SN 404105086N
SN 404105068N
and after

8
Glastender, Inc. • 5400 North Michigan Road • Saginaw, MI • 48604-9780
800.748.0423 • 989.752.4275 • Fax 989.752.4444 • www.glastender.com
electrIcal comPonents
1
93
4
2
8
10
4
7
6
5
9
3
Part no. old Part no. descrIPtIon PrIce
1. 06009527 Power cord, exterior, 132" long $35.00
07000599 Replacement power cord assembly, 40.00
includes (06001572, 01000669, 06009527)
2. 07000246 GT-031608 Decal, control module 7.00
3. 06001397 GT-033000 Automatic defrost 32.00
4. 07000156 GT-033001 Manual defrost timer (6 hr) 90.00
5. 01000547 GT-033301 Receptacle, 3 wire, mate-n-lok 1.00
6. 06001634 GT-033302 Receptacle, 6 wire, mate-n-lok 1.50
7. 06001409 GT-033304 Receptacle, compressor 5.00
8. 07000257 GT-033401 Manual defrost switch 20.00
9. 07000166 GT-034105 Evaporator fan relay 65.00
10. 07000171 GT-034907 Manual defrost light, red 10.00

9
Glastender, Inc. • 5400 North Michigan Road • Saginaw, MI • 48604-9780
800.748.0423 • 989.752.4275 • Fax 989.752.4444 • www.glastender.com
4
5
MFV24 = 2 MFV24 = 1
Entire Shelving kits for: MFV24 = 07000226
3
2
1
Part no. old Part no. descrIPtIon PrIce
1. 07000139 GT-031547 8" shelf bracket (2 required) $10.00
2. 07000140 GT-031548 14" shelf bracket (2 required) 16.00
3. 07000159 GT-033104 Shelf, 19-5/8" x 19-5/8", bottom & middle (2 required) 50.00
4. 07000160 GT-033105 Shelf, 9-13/16" x 19-5/8", top (1 required) 35.00
07000226 GT-036943 Shelf kit (07000159 = 2, 07000160 = 1) 135.00
5. 06001574 GT-038833 10-32" x 1/2" thumbscrew, ss 2.00
shelvIng and related Parts
Part no. descrIPtIon PrIce
07000281 Compressor, 1/3 HP, 220/50Hz, R404A $750.00
06001793 Start capacitor, for 1/3 HP R404A and R22 compressor, 220/50Hz 25.00
06001794 Relay, compressor, 1/3 HP, 220V/50Hz, R404A 10.00
06001795 Overload for 1/3 HP R404A compressor, 220/50Hz 15.00
06001451 Motor, condenser fan, 9 watt, 220V 50/60 Hz 120.00
06001448 Motor, evaporator fan, 220V 57.00
07000170 Defrost heater, 220V 115.00
06001398 Defrost timer, automatic, 220V, 50 cycle 43.00
07000157 Defrost timer, manual, 220V, 50 cycle, 6 hour 140.00
14000086 Light, red, 220V 12.00
07000167 Relay, evaporator fan, 220V 72.50
220 volt electrIcal Parts

10
Glastender, Inc. • 5400 North Michigan Road • Saginaw, MI • 48604-9780
800.748.0423 • 989.752.4275 • Fax 989.752.4444 • www.glastender.com
doors, toPs, and related Parts
3
2
1
7
4
5
6
Part no. old Part no. descrIPtIon PrIce
1. 06001462 GT-035402 Door handle, mirror finish stainless steel $60.00
06001653 GT-035401 Door handle, polished brass 110.00
07000218 GT-036260 Door, black vinyl-clad 308.00
2. 07000219 GT-036261 Door, stainless steel 408.00
07000220 GT-036262 Door, unlaminated 308.00
07000221 GT-036263 Door, laminated 440.00
07000963 07000372/3* Door, glass, black, triple pane (* replaces 07000372 and 688.00
07000373, heated glass doors)
07000964 07000374/5* Door, glass, stainless, triple pane (* replaces 07000374 and 738.00
07000375, heated glass doors)
07000966 07000376 * Door, glass, laminate, triple pane, right (* Heated door, discontinued) 808.00
07000965 07000377 * Door, glass, laminate, triple pane, left (* Heated door, discontinued) 808.00
3. 06001710 GT-038121 Top, stainless steel 240.00
07000265 GT-038122 Top, laminated 385.00
06001536 GT-036602 Door lock, stainless 36.00
06004009 Key, #806, for stainless cooler door lock (06001536) 4.00
06001535 GT-036601 Door lock, brass 43.00
06004010 Key, #606, for brass cooler door lock (06001535) 4.00
4. 07000356 Lock bracket 5.00
5. 06001363 GT-032105 Hinge set and brackets, right (complete with screws) 35.00
06001364 GT-032106 Hinge set and brackets, left (complete with screws) 35.00
07000267 GT-032109 Lock bracket for wood door 5.00
06001365 GT-032107 Hinge set and brackets, for wood door, right (complete with screws) 40.00
07000268 GT-032108 Hinge set and brackets, for wood door, left (complete with screws) 40.00
6. 06001569 GT-038495 Bushing, cooler door hinge, (black) 1.00
7. 06001485 GT-036012 Washer, nylon, cooler door hinge 1.00
8. 07000131* GT-031325 Gasket, door, MFV24, black, 23½" x 24" OD (*Heated glass door) 42.00
06003713 Gasket, door, 22-1/2" x 23" OD, triple pane glass door, after 03/2017 42.00
8

11
Glastender, Inc. • 5400 North Michigan Road • Saginaw, MI • 48604-9780
800.748.0423 • 989.752.4275 • Fax 989.752.4444 • www.glastender.com
refrIgeratIon comPartment covers
Front view
Rear view
4
1
3
2
Front view
Part no. old Part no. descrIPtIon PrIce
07000204 GT-036163 Front, black vinyl-clad $33.00
1. 07000205 GT-036165 Front, stainless steel 48.00
2. 07000206 GT-036166 Back, black vinyl-clad 40.00
07000207 GT-036167 Back, stainless steel 80.00
3. 07000784 Side, left, stainless steel 80.00
07000785 Side, left, black vinyl-clad 40.00
4. 07000786 Side, right, stainless steel 80.00
07000783 Side, right, black vinyl-clad 40.00

Glastender, Inc. • 5400 North Michigan Road • Saginaw, MI • 48604-9780
800.748.0423 • 989.752.4275 • Fax 989.752.4444 • www.glastender.com
Warranty statement
12
Glastender, Inc. warrants all products to be free of defects in mate-
rial and workmanship. One-year labor and parts warranty applies to
all glasswashers, self-contained refrigeration models, and BDS model
bottle disintegration units. In established areas, a start up is included
with GT-24 and GT-30 model glasswashers. Warranty is effective for
one year from the date of installation or up to 18 months from date of
factory shipment, whichever occurs sooner. Glastender, Inc. will replace
any part or assembly found defective under normal use and service.
For warranty labor claims beyond 15 months from the date of factory
shipment, proof of date of installation or occupancy must be provided.
Authorization for labor must be obtained from Glastender within the
warranty period and prior to the service being performed.
Labor warranty applies to the United States and Canada only.
Remote refrigeration models and beer line chillers include a one-year
parts warranty only. There is no labor warranty on these products.
Field replacement parts not covered under the original warranty include
a 90-day part warranty from the date of installation.
FOUR YEAR ADDITIONAL COMPRESSOR WARRANTY:
Glastender will warrant to the original user the compressor for all self-
contained refrigeration models for an additional four years following the
regular one-year warranty period. This plan applies to the compressor
only.
A completed warranty claim form MUST accompany all returned defec-
tive parts or assemblies. Upon request, a defective part or assembly must
be returned to Glastender, Inc., Saginaw, Michigan, with all transporta-
tion and delivery charges prepaid. Warranty repairs or replacements
will be shipped FOB factory in Saginaw, Michigan. Reimbursement for
applicable freight charges covers ground service only.
Glastender provides in-warranty repairs during a service company’s
regular working days and hours. There is no provision for payment
of a premium rate during “overtime” hours. When warranty service is
requested during other than normal working hours, the end user will be
charged the premium portion of the overtime rate.
The warranty covers substantiated travel expenses for up to 2 hours /
100 miles round trip up to a maximum of $150. Any additional costs
due to installations that require extra work, time, or travel to gain access
for service are the sole responsibility of the equipment purchaser. Any
exceptions to these travel and access limitations must be pre-approved
by a factory representative.
The warranty does not cover door gaskets, chemical tubing, pump
squeeze tubing, and/or any equipment subjected to accidents, freight
damage, alterations from the original design, improper power and/or
plumbing hookups, improper chemical use, general misuse, or lack
of routine required maintenance as determined by Glastender, Inc.
Installation, normal control adjustments, general maintenance, correct-
ing an installation error, or service calls that reveal the unit is function-
ing normally will not be reimbursed under warranty.
Condenser coils on self-contained refrigeration products must be
cleaned regularly. Failure to provide adequate air flow to a refrigeration
unit will void the warranty.
Glastender shall not be liable for loss of use, revenue, or profit, or for
any other indirect, incidental, special, or consequential damage includ-
ing, but not limited to, product spoilage or loss.
This warranty is conditioned upon Glastender receiving notice of any
defect subject to this warranty within sixty (60) days of its discovery
by the end user or dealer. All products are warranted only for the initial
place of installation. Removal of a product automatically terminates
this warranty.
SECOND YEAR EXTENDED PARTS & LABOR WARRANTY:
Glastender’s one-year parts and labor warranty on self-contained refrig-
eration units, excluding beer line chillers, can be extended to two years
with the purchase of a two year parts and labor warranty. Specify part
number EWR2 ($150 net price) when ordering.
EXPORT WARRANTY - One year parts only.
EXCLUSION OF WARRANTIES
EXCEPT AS PROVIDED ABOVE, GLASTENDER MAKES
NO WARRANTIES, EXPRESS OR IMPLIED, INCLUDING,
BUT NOT LIMITED TO, ANY IMPLIED WARRANTY OF
MERCHANTABILITY, FITNESS FOR A PARTICULAR PURPOSE
OR NON-INFRINGEMENT.
LIMITATION OF REMEDIES AND DAMAGES
If Buyer makes a valid and timely claim as outlined above, Glastender’s
liability and Buyer’s remedies under this agreement will be limited solely
to labor charges authorized and/or replacement or credit, at Glastender’s
option, with respect to Products returned at Buyer’s expense within thir-
ty (30) days after warranty repair. GLASTENDER’S LIABILITY WILL
IN NO EVENT BE GREATER IN AMOUNT THAN THE PURCHASE
PRICE OF THE RETURNED PRODUCTS. GLASTENDER
WILL NOT BE LIABLE UNDER ANY CIRCUMSTANCE FOR
CONSEQUENTIAL OR INCIDENTAL DAMAGES, INCLUDING,
BUT NOT LIMITED TO, LABOR COSTS EXCEPT AS COVERED
UNDER OUR WARRANTY, LOST PROFITS OR THE LOSS OF
PERISHABLE PRODUCTS RESULTING FROM THE USE OF OR
INABILITY TO USE OUR PRODUCTS OR FROM OUR PRODUCTS’
INCORPORATION INTO OR BECOMING A COMPONENT OF
ANY OTHER PRODUCT. NEITHER PARTY WILL HAVE ANY
NEGLIGENCE OR OTHER TORT LIABILITY TO THE OTHER, OR
TO ANY THIRD PARTY, ARISING FROM ANY BREACH OF THIS
AGREEMENT.
GOVERNING LAW - JURISDICTION
The terms and conditions of an order are to be governed and construed
according to the laws of the State of Michigan, without regard to conflict
of laws principles. Buyer hereby consents to the jurisdiction and venue
of the courts located in Saginaw County, Michigan.
No representative, distributor, dealer, or any other person is authorized
to modify this warranty. This warranty replaces all other written or
verbal warranties.
NOTE: Glastender, Inc.’s policy of constant quality improvement
means that prices, specifications, and policies are subject to change
without notice. Questions regarding this warranty should be directed to
Glastender’s Warranty Administrator.
04-19-17
APPLICABLE TO ALL PRODUCTS SOLD WITHIN THE UNITED STATES AND CANADA
IMPORTANT!!
Attention Service Companies
Please review the important warranty information on this page. If you
believe a service call should be covered by the factory, please call
the factory for authorization between 8AM and 5PM EST, Monday
through Friday.

Expect more
more flexibility
more features
Glastender has the most complete line of bar equipment and
the ability to manufacture custom units, giving you virtually
unlimited design exibility. Each piece of equipment is
engineered with features that enhance your efciency, ease
your maintenance, and prolong the life of your investment.
The exibility you want. The features you need.
Glastender. Expect more.
UNPARALLELED UNDERBAR DESIGN & ENGINEERING
GLASSWASHERS • COCKTAIL STATIONS • COOLERS • FROSTERS • BEER SYSTEMS