U87Ai_068820 A11_01 Manual
Manual Manual Manual 416040 s studiospares 3:
Manual Manual Manual 416041 s studiospares 3:
Manual Manual Manual 416080 s studiospares 3:
Manual Manual Manual 416085 s studiospares 3:
Manual Manual Manual 416090 s studiospares 3:
2017-07-17
: Manual Manual 416095 prd
Open the PDF directly: View PDF
.
Page Count: 16

U 87 Ai
Bedienungsanleitung
Operating Instructions
georg neumann gmbh · leipziger str. 112 · 10117 berlin · germany
tel +49 (0)30 / 41 77 24-0 · fax -50 · headoffice@neumann.com · www.neumann.com

2
Table of Contents
1. The U 87 Ai Condenser Microphone
2. Microphone Versions and Output Wiring
3. Microphone Cables
4. Power Supply
5. Operation with Unbalanced or Center Tap
Grounded Inputs
6. Disassembling of the Microphone and Test Input
7. Technical Speci cations
8. Frequency Responses and Polar Pattern
9. Some Remarks on Microphone Maintenance
10. Accessories
1. The U 87 Ai Condenser Microphone
The U 87 Ai condenser microphone is an “fet 80®”
series studio microphone with three switchable
directional patterns, outstanding performance
and an attractive shape. The U 87 Ai is equally
well suited for applications in radio and television
broadcasting, lms and phonograph production.
The supplementary letter “A” in the name indicates
the current version (since 1986) of the U 87 i mi-
crophone supplied since 1967.
The modi cation applies only to the electrical part
of the microphone: it makes the U 87 Ai safer to op-
erate by reason of a lower-impedance supply lead
for the capsule polarizing voltages; it increases the
transmission factor by about 10dB for the same
sound pressure level; and it improves the S/N ratio
by 3dB. In place of the battery holder of the U 87 i,
the U 87 Ai has a dc converter, which increases the
current consumption to 0.8mA.
The acoustic characteristics and the external form
of the microphone remain unaltered:
Its large grille houses an elastically suspended
dual-membrane capsule. The axis of maximum sen-
sitivity is at right angles to the microphone body.
Its front is marked by the Neumann emblem. Below
the grille are three switches. These enable the di-
rectional characteristic, low frequency response
and attenuation factor to be changed for di erent
requirements.
Inhaltsverzeichnis
1. Das Kondensatormikrofon U 87 Ai
2. Ausführungsformen und Beschaltung des
Ausganges
3. Mikrofonkabel
4. Stromversorgung
5. Betrieb an unsymmetrischen oder mitten-
geerdeten Eingängen
6. Zerlegen des Mikrofons und Messeingang
7. Technische Daten
8. Frequenzgänge und Polardiagramme
9. Einige Hinweise zur P ege von Mikrofonen
10. Zubehör
1. Das Kondensatormikrofon U 87 Ai
Das Kondensatormikrofon U 87 Ai ist ein umschalt-
bares Studiomikrofon der Serie „fet80®“, das sich
durch seine Übertragungseigenscha en, verschie-
dene Schaltmöglichkeiten und seine gefällige Form
auszeichnet. Das U 87 Ai ist für eine große Anzahl
von An wen dungs fällen in der Rundfunk-, Fernseh-,
Film- und Tonträger-Aufnahmetechnik in gleicher
Weise gut geeignet.
Der Zusatzbuchstabe „A“ in der Bezeichnung deu-
tet auf die aktuelle Ausführungsart (seit 1986)
im Vergleich zum seit 1967 gelieferten Mikrofon
U 87 i hin.
Die Änderung bezieht sich nur auf den elektrischen
Teil des Mikrofons: sie macht das U 87 Ai betriebs-
sicherer durch eine niederohmigere Zuführung der
Kapselvorspannungen; sie erhöht das Übertra-
gungsmaß bei gleichem Schalldruck um ca. 10dB
und verbessert den Geräuschspannungsabstand
um 3dB. Das U 87 Ai hat anstelle der Batteriehal-
terung im U 87 i einen Gleichspannungswandler,
wodurch sich der Stromverbrauch des Mikrofons
auf 0,8mA erhöht.
Die akustischen Eigenscha en des Mikrofons sowie
seine äußere Form haben sich nicht verändert:
Die elastisch gelagerte Doppelmembrankapsel
umgibt ein großer Drahtgeflechtkorb. Die Ein-
sprechrichtung ist seitlich, wobei die Vorderseite
durch das Firmenschild gekennzeichnet ist. Un-

3
U 87 Ai
terhalb des Korbes sind drei Schalter angeordnet.
Mit ihnen lassen sich Richtcharakteristik, Fre-
quenzgang und Übertragungsfaktor verändern und
unterschiedlichen Anforderungen anpassen:
Für die Einstellung der Richtcharakteristiken „Ku-
gel“, „Niere“ oder „Acht“ dient der Schiebeschalter
an der Vorderseite. Ein darüberliegendes Fenster
zeigt in Sym bolen die Einstellung an. Der Frequenz-
gang des Übertragungsfaktors ist für die Charak-
teristiken „Niere“ und „Acht“ auch im oberen
Tonfrequenzbereich für senkrechten Schalleinfall
praktisch linear. Damit kann das Mikrofon speziell
auch in geringem Abstand von den Schallquellen
eingesetzt werden, ohne dass sich ein unnatürlich
scharfer Klangeindruck ergibt.
Ein weiterer Schiebeschalter an der Rückseite des
Mikrofons schaltet eine Vordämpfung von ca. 10dB
ein. Das Mikrofon vermag dann Schalldruckpegel
bis zu 127dB (entspricht einem Schalldruck von
45Pa) verzerrungsfrei zu übertragen.
Als Maßnahme gegen Störschall beschneidet im
U 87 Ai ein elektrischer Hochpass unterhörfre-
quenten Schall.
Betätigt man den dritten Schalter, so wird im
entsprechenden Fenster das Zeichen sicht-
bar, und die untere Grenzfrequenz des Mikrofons
wird heraufgesetzt: Tie requenter Störschall wird
schon am Eingang des Mikrofonverstärkers abge-
schwächt. Der bei Druckgradientenempfängern
unvermeidbare Tiefenanstieg bei Nahbesprechung
wird derart kompensiert, das sich in Stellung „Nie-
re“ für einen Besprechungsabstand von 30...40cm
und in Stellung „Acht“ für 15...20cm Abstand ein
ebener Frequenzgang ergibt.
Siebglieder im Mikrofonausgang, eine statische
Schutz wicklung im Übertrager und dessen hohe
Unsymmetriedämpfung schützen das Mikrofon
nicht nur vor parasitären Wechselströmen im Ka-
belschirm (sogenannten Brummschleifen usw.),
sondern auch vor Störungen durch Rundfunk- und
Fernsehsender sowie durch Radargeräte.
Das Mikrofon hat einen symmetrischen Ausgang
mit Übertrager. Der 3-polige XLR-Stecker hat fol-
gende Belegung:
Pin 1: 0 V/Masse
Pin 2: Modulation (+Phase)
Pin 3: Modulation (–Phase)
The directional characteristics “omni”, “cardioid”
or “ gure-8” are set with a slider switch on the
front of the microphone. A window above this
switch shows the setting by symbols. In the “car-
dioid” and “ gure -8” positions the frequency
response of the transmission factor is practically
linear for perpendicular sound incidence, even in
the upper audio frequency range. The microphone
is thus particularly suitable for use at short dis-
tances from the sound source without an unnatu-
rally sharp sound impression.
A second slider switch located on the rear of the
microphone introduces a preattenuation of about
10dB in the circuit. The microphone will handle
sound pressure levels of up to 127dB (correspond-
ing to a sound pressure of 45Pa) without distor-
tion.
To avoid structure born or wind noise, an electri-
cal high-pass lter in the U 87 Ai clips sub-audio
frequencies.
Operating the third switch makes the sign vis-
ible in its corresponding cutout window and intro-
duces a low frequency roll-o . Low frequency inter-
fering noises are thus attenuated at the input of the
microphone ampli er. The unavoidable emphasis
on bass notes which occurs in all pressure-gradient
microphones during close talking (proximity e ect)
is compensated to such an extent that a uniform fre-
quency response is produced in the “cardioid” posi-
tion for a talking distance of 30–40cm and in the
“ gure-8” position for a distance of 15–20cm.
The microphone is largely immune to parasitic al-
ternating currents in the cable shield, ac-induced
hum and interference caused by radio and TV
transmitters and radar equipment due to ltering
in its output line and a specially constructed out-
put transformer with high common mode rejection
and a static shield winding.
The microphone has a transformer-balanced out-
put. The 3-pin XLR connector has the following pin
assignments:
Pin 1: 0 V/ground
Pin 2: Modulation (+phase)
Pin 3: Modulation (–phase)

4
2. Microphone Versions and
Output Wiring
These versions are available:
U 87 Ai ................ ni .............Cat. No. 007022
Standard version with male 3-pole connector in-
sert and satin nickel nish. Requires XLR 3 F cable
connector.
The microphone is wired as per DIN EN 60268-12
or IEC 60268-12:
Modulation is connected to pins 2 and 3, the shield
to pin 1. A sudden sound pressure rise in front of
the diaphragm causes a positive voltage to appear
at pin 2.
The U 87 Ai has an electrical source impedance of
200ohms. The input impedance of the following
ampli er should be at least ve times as great, i.e.
1000ohms.
U 87 Ai mt ............ blk ............ Cat. No. 007023
As above, but with matt black nish.
3. Microphone Cables
The cable length between microphone and follow-
ing preampli er should not exceed 300m (980 .).
The capacitance of greater cable lengths could af-
fect the frequency response and, in conjunction
with the leakage inductance of the microphone’s
output transformer, would result in a rise at the
upper end of the frequency range.
The following cables are available for the U87Ai
microphone:
IC 3 mt ................blk ............ Cat. No. 006543
Microphone cable with double twist (double helix)
braiding as shield. Ø 5 mm, length 10 m. XLR 3 con-
nectors, matte black.
IC 4 (10 m) ........... ni .............. Cat. No. 006547
IC 4 mt (10m) ........ blk ............ Cat. No. 006557
Microphone cable with rotatable swivel mount for
microphones with a thread, and double twist braid-
ing as shield. It has a 5/8"-27 female thread, plus a
thread adapter to connect to 1/2"- and 3/8" stands.
Ø 5 mm, length 10 m. XLR 3 connectors.
AC 22 (0.3 m) ......................... Cat. No. 006598
Adapter cable with XLR 5 M connector and unbal-
anced 3.5 mm stereo jack. It is used to connect
2. Ausführungsformen und Beschal tung
des Ausganges
Folgende Ausführungsformen sind erhältlich:
U 87 Ai ................ ni ............. Best.-Nr. 007022
Standardausführung mit 3-poligem Switchcra -
Steckereinsatz und nickelmatter Ober äche. Er-
forderliches Gegenstück: XLR 3 F.
Die Zuordnung der Mikrofonanschlüsse entspricht
DIN EN 60268-12 bzw. IEC 60268-12.
Die Modulationsadern liegen an Pin 2 und 3, die
Abschirmung an Pin 1. Bei einem Schalldruckan-
stieg vor der Mikrofonmembran tritt an Pin 2 eine
positive Spannung auf.
Das U 87 Ai hat einen elektrischen Innenwiderstand
von 200Ohm. Der Eingangswiderstand des nach-
folgenden Verstärkers sollte möglichst fünfmal so
groß oder größer sein, also 1000Ohm.
U 87 Ai mt ............ sw ............ Best.-Nr. 007023
Wie oben, jedoch schwarzmatte Ober äche.
3. Mikrofonkabel
Die höchste zulässige Kabellänge zwischen Mi-
krofon und Verstärker beträgt etwa 300m. Bei
größeren Kabellängen beein usst die Kabelkapa-
zität den Frequenzgang und führt in Verbindung
mit der Streuinduktivität des Mikrofonübertragers
zu-nächst zu einem Anstieg am oberen Ende des
Übertragungsbereiches.
Für das Mikrofon U87Ai stehen folgende Kabel
zur Verfügung:
IC 3 mt ................. sw ............ Best.-Nr. 006543
Mikrofonkabel mit Doppeldrallumspinnung als
Abschirmung. Ø 5 mm, Länge 10 m. XLR 3 Steck-
verbinder, schwarzmatt.
IC 4 (10 m) ............ ni ............. Best.-Nr. 006547
IC 4 mt (10 m) ....... sw ............ Best.-Nr. 006557
Kabel mit dreh- und schwenkbarem Stativgelenk
für Mikrofone mit Gewindeanschluss, mit Doppel-
drallumspinnung als Abschirmung. Der Gewindean-
schluss hat 5/8"-27-Gang, mit Adapter für 1/2"- und
3/8"-Stative. Ø 5 mm, Länge 10 m. XLR 3-Verbinder.
AC 22 (0,3 m) ......................... Best.-Nr. 006598
Adapterkabel mit XLR 5 F-Buchse und 3,5 mm
Stereoklinkenstecker, unsymmetrisch, für den

5
U 87 Ai
the 5-pin XLR output of the BS 48 i-2 power sup-
ply or the MTX 191 A matrix ampli er to units with
a 3.5 mm stereo input. It is designed for all mi-
crophones of the fet 80/100 series and KM 100 F,
excluding the KM 100 and the GFM 132.
AC 25 (0.3 m) ......................... Cat. No. 006600
Adapter cable with XLR 3 M connector and unbal-
anced 6.3 mm mono jack. It is used to connect
3-pin XLR outputs of power supplies to units with
a 6.3mm monojack input. Designed for all micro-
phones, excluding KM100 System and GFM132.
AC 27 (0.3 m) ......................... Cat. No. 006602
Y-cable with XLR 5 M connector and two unbal-
anced 6.3 mm mono jacks. It is used to connect
XLR 5 outputs of the BS 48i-2 power supply or the
MTX 191 A matrix ampli er to units with 6.3mm
monojack inputs. Designed for all microphones,
excluding KM100 System and GFM 132.
Custom-made cables are available on request.
4. Power Supply
4.1 Phantom Powering
The U 87 Ai microphone operates on 48volt phan-
tom power (P48, IEC 61938).
With phantom powering the dc from the positive
supply terminal is divided via two identical re-
sistors, one half of the dc owing through each
audio (modulation) conductor to the microphone,
and returning to the voltage source via the cable
shield. As a consequence, the e ect of dc supply
voltage noise super-imposed on the microphone
output voltage is reduced by the common mode
rejection factor. Neumann microphones have a
common mode rejection factor exceeding 60dB.
Phantom powering provides a fully compatible
connecting system, since no potential di erences
exist between the two audio conductors. Studio
outlets so powered will therefore also accept
dynamic microphones and ribbon microphones as
well as the modulation conductors of tube-equipped
condenser microphones without the need to switch
o the dc supply voltage. No harm is done even if
a phantom power supply is connected to an outlet
which is centrally phantom powered.
Anschluss des XLR 5-Ausganges des Speisege-
rätes BS 48 i-2 oder der Matrixbox MTX 191 A an
Geräte mit 3,5 mm Stereoklinkenbuchse. Für alle
Mikrofone außer der Ausgangsstufe KM 100 und
des GFM 132.
AC 25 (0,3 m) ......................... Best.-Nr. 006600
Adapterkabel mit XLR 3 F-Buchse und 6,3 mm
Monoklinkenstecker, unsymmetrisch, für den
Anschluss des 3-poligen XLR-Ausganges eines
Speisegerätes an Geräte mit 6,3 mm Monoklin-
kenbuchse. Für alle Mikrofone mit Ausnahme der
Ausgangsstufe KM 100 und des GFM 132.
AC 27 (0,3 m) ......................... Best.-Nr. 006602
Y-Kabel mit einer XLR 5 F-Buchse und zwei 6,3 mm
Monoklinkensteckern, unsymmetrisch, für den
Anschluss des XLR 5-Ausganges des Speisegerätes
BS48 i-2 oder der Matrixbox MTX 191 A an Geräte
mit 6,3 mm Monoklinkenbuchsen. Für alle Mikrofo-
ne mit Ausnahme von KM 100 und GFM 132.
Andere Kabellängen sind auf Wunsch lieferbar.
4. Stromversorgung
4.1 Die Phantomspeisung
Das Mikrofon U 87 Ai wird mit 48V phantomge-
speist (P48, IEC 61938).
Bei der Phantomspeisung ießt der Speisestrom
vom positiven Pol der Spannungsquelle über die
elektrische Mitte der beiden Modulationsadern
zum Mikrofon. Er wird hierzu über zwei gleich große
Widerstände beiden Tonadern gleichsinnig zuge-
führt. Die Rückleitung des Gleichstroms erfolgt über
den Kabelschirm. Der Ein uss von Störspannungen,
die der Speisegleichspannung überlagert sind, auf
die Ausgangsspannung des Mikrofons wird dadurch
um das Maß der Unsymmetriedämpfung herabge-
setzt, bei Neumann-Mikrofonen um mehr als 60dB.
Mit der Phantomspeisung ist eine kompatible An-
schlusstechnik möglich, weil zwischen beiden Mo-
dulationsadern keine Potential di erenz besteht:
Auf die Anschlussdosen können wahlweise auch
dynamische Mikrofone oder Bändchen mikrofone
sowie die Modulationskabel röhrenbestückter
Kondensator-Mikrofone geschaltet werden, ohne
dass die Speisegleichspannung abgeschaltet wer-
den muss.

6
4.2 ac Supply Operation
All P48 power supplies in accordance with IEC 1938
which provide at least 0.8 mA per channel, are suit-
able for powering the microphones.
The Neumann P48 power supply unit bears the
designation N 248. It is designed to power two
mono condenser microphones or one stereo mi-
crophone at 48 V ± 1 V, max. 2 x 6 mA (see also
Neumann bulletin no. 68832: ”Phantom 48 VDC
Power Supplies“).
The assignment of the microphone terminals and
the modulation polarity at the power supply output
are identical to those at the microphone.
The N248 supplies one stereo microphone, or two
mono condenser microphones with 48 V phantom
power (P48). All connectors are of XLR 3 type. The
audio signal outputs are DC-free.
These versions are available:
N 248 ................... blk ............ Cat. No. 008537
4.3 Battery Powering
If a mains power source is not available, power can
be supplied by one of the battery units
BS 48 i ................................... Cat. No. 006494
(for one microphone)
BS 48 i-2 ................................ Cat. No. 006496
(for two microphones)
Both units deliver 48V ± 1V, at 5mA maximum,
and are powered by a 9-volt monobloc battery
Type IEC 6 F 22.
The BS 48 i-2 is equipped with 5-pin XLR connec-
tors, the BS 48 i with 3-pin XLR connectors.
(See Neumann bulletin 68832... “Phantom 48 VDC
Power Supplies”.)
The assignment of the microphone terminals and
the modulation polarity at the power supply output
are identical to those at the microphone.
5. Operation with Unbalanced or
Center Tap Grounded lnputs
The BS 48 i, BS 48 i-2 and N 248 phantom 48 Vdc
power supplies are dc-free so that no transformer
is required for connection to unbalanced inputs.
4.2 Betrieb mit Netzgeräten
Für die Stromversorgung sind alle P48-Netzgeräte
geeignet, die mindestens 0,8 mA je Kanal abge-
ben.
Das Neumann P48-Netzgerät hat die Bezeichnung
N 248. Es ist zur Stromversorgung zweier Mono-
Kondensatormikrofone oder eines Stereomikrofons
mit 48 V ± 1 V, maximal 2 x 6 mA, geeignet (siehe
auch Neumann-Druckschri 68832: „48 V-Phan-
tomspeisegeräte“).
Die Zuordnung der Mikrofonanschlüsse und die
Polarität der Modulationsadern ist am Ausgang des
Speisegerätes die gleiche wie am Mikrofon.
Das Netzgerät N 248 versorgt ein oder zwei Mikrofo-
ne mit 48 V-Phantomspeisung P48. Alle Anschlüsse
mit XLR 3-Flanschdosen. Die Modulationsausgänge
sind gleichspannungsfrei.
Folgende Ausführungsformen sind erhältlich:
N 248 ................... sw ............ Best.-Nr. 008537
4.3 Batteriespeisung
Steht keine Netzspannung zur Verfügung, kann die
Speisung mit einem der Geräte
BS 48 i .................................. Best.-Nr. 006494
(für ein Mikrofon)
BS 48 i-2 ............................... Best.-Nr. 006496
(für zwei Mikrofone)
erfolgen. Beide Geräte liefern 48V ± 1V, maxi-
mal je 5mA, und werden jeweils von einer 9 Volt-
Blockbatterie Typ IEC 6 F 22 gespeist.
Das Gerät BS 48 i-2 ist mit 5-poligen, das BS 48 i mit
3-poligen XLR-Steckverbindern ausgerüstet.
(Siehe auch Neumann-Druckschri 68832... „48 V-
Phantomspeisegeräte“).
Die Zuordnung der Mikrofonanschlüsse und die
Polarität der Modulationsadern ist am Ausgang der
Speisegeräte die gleiche wie am Mikrofon.
5. Betrieb an unsymmetrischen oder
mittengeerdeten Eingängen
Die 48 V-Phantom-Speisegeräte BS 48 i, BS 48 i-2
und N 248 haben gleichspannungsfreie Ausgänge,
so dass für den Anschluss an unsymmetrische
Eingänge kein Übertrager erforderlich ist.

7
U 87 Ai
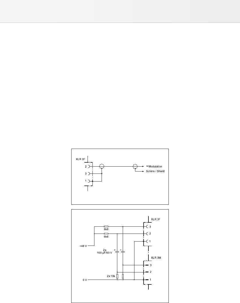
Beim U 87 Ai ist Pin 2 normgemäß die „heiße Pha-
se“. Für unsymmetrische Eingänge muss PIN 3 am
Ausgang des Speisegerätes an Masse gelegt werden
(siehe Abbildung 1).
Bei vielen anderen als den o.g. Phantomspeisege-
räten liegen nicht nur die Modulationsleitungen
zum Mikrofon auf dem Potential der Speisespan-
nung von +48 V, sondern auch die vom Speisegerät
abgehenden Modulationsleitungen. Für die in der
Studiotechnik allgemein üblichen symmetrischen
und erdfreien Verstärker und Mischpulteingänge
ist dies ohne Bedeutung. Dagegen wird die Speise-
spannung beim Anschluss an einseitig oder mitten-
geerdete Verstärkereingänge kurzgeschlossen, und
es ist kein Betrieb möglich. Dann bestehen folgende
Lösungsmöglichkeiten:
a) In mittengeerdeten Geräten mit Ein gangs-
übertrager (z.B. einige NAGRA-Geräte) kann die be-
tre ende Erdverbindung fast immer ohne Nachteile
für die Funktion des Gerätes aufgetrennt werden.
b) In jede abgehende
Modulationsleitung kann
zur Abblockung der 48 V-
Gleichspannung eine RC-
Kombination eingefügt
werden (siehe Abbildung 2
und Neumann-Informati-
on Nr. 84 221).
In the case of the U 87 Ai condenser microphone
pin 2 is the “hot phase“, in accordance with the
standard, and pin 3 of the output of the power sup-
ply must be connected to earth (see Fig. 1).
In the case of many other phantom powering units
(except those mentioned above), not only the
modulation leads to the microphone, but also the
outgoing modulation leads from the powering unit,
are at the potential of the feed voltage (+48 V).
This is of no signi cance for the balanced, oat-
ing ampli er and mixing console inputs in general
studio use. On the other hand, the feed voltage will
be short-circuited when connected to single-ended
or center tap grounded ampli er inputs, and no op-
eration will be possible. This can be circumvented
as follows:
a) In center tap grounded equipment with input
transformer (e.g. some NAGRA units), the earth
lead can almost always be disconnected without
a ecting the function of the equipment.
b) In every outgoing
modulation lead, an RC
network can be incorpo-
rated to block the 48 Vdc
voltage (See Figure 2 and
Neumann-Information
no. 84 222).
Abbildung / Figure 2
Abbildung / Figure 1

8
6. Zerlegen des Mikrofons und
Meßeingang
Nach Linksdrehen der Überwurfmutter am unteren
Teil des Mikrofons lässt sich das Gehäuserohr ab-
ziehen, und es wird eine rote Buchse sichtbar. Über
diese kann in die zum Kapselfußpunkt führende
Leitung eine Tonfrequenzspannung eingeschlei
werden, die den Verstärkereingang über die Kapsel-
kapazität in gleicher Weise beaufschlagt, wie dies
beim Au re en eines entsprechenden Schallwech-
seldruckes der Fall wäre.
Die meisten elektrischen Daten des Mikrofonver-
stärkers wie Verstärkung, Frequenzgang und Aus-
steuerbarkeit können so direkt überprü werden.
Der Eingangswiderstand des Messeinganges ist
ca. 600 Ohm.
Rot: zum Kapselfußpunkt.
Sollwerte für das U 87 Ai sind (Toleranz ± 1 dB):
Spannungsverstärkung
(1 kHz, Abschluss 1 kOhm ) ..........................0 dB
Rel. Verstärkung bei 40 Hz
(bezogen auf den Wert bei 1 kHz) ...............–3 dB
Rel. Verstärkung bei 40 Hz
(Schalter ) ..........................................–18 dB
Rel. Verstärkung bei 16 kHz .......................–4 dB
Maximale Eingangswechselspannung
(1 kHz), bei der der Klirrfaktor
unter 0,5 % sein soll .............................390 mVeff
Stromaufnahme bei 48 V .............. 0,8 ± 0,05 mA
Störspannungen (DIN 45 405, CCIR 468-3;
0 dB : 0,775 V; Toleranz +1 dB):
Unbewerteter Störspannungspegel .......–103 dBqs
Bewerteter Störspannungspegel ..........–101 dBqps
6. Disassembling of the Microphone and
Test Input
Unscrew the large lower ring of the microphone;
the conical housing tube can then be withdrawn
downwards and a red socket can be seen. This
socket enable an audio frequency test signal to
be applied to the ampli er input via the capsule
capacitance in the same way as a corresponding
change in sound pressure.
Most of the electrical data of the microphone am-
pli er, such as gain, frequency response, self noise,
and modulability can thus be directly tested. Input
impedance of the measuring input: 600 ohms ap-
prox.
Red: to capsule base-point.
The nominal values for the U 87 Ai are as follows
(tolerance: ± 1dB):
Voltage gain
(1 kHz, 1 kOhm termination) ........................0 dB
Rel. gain at 40 Hz,
(ref. 1 kHz) ................................................ –3 dB
Rel. gain at 40 Hz,
(switch ) ............................................ –18 dB
Rel. gain at 16 kHz ....................................–4 dB
Maximum input ac voltage (1 kHz)
at which the THD should be less
than 0.5 % ...........................................390 mVrms
Current consumption at 48 V ......... 0.8 ± 0.05 mA
Nominal self-noise level (DIN 45 405,
CCIR 468-3, Reference: 0.775 V, peak to peak,
tolerance: +1 dB):
Unweighted self-noise level .................. –103 dBqs
Weighted self-noise level ....................–101 dBqps

9
U 87 Ai
7. Technische Daten
Akust. Arbeitsweise .... Druckgradientenempfänger
Richtcharakteristik ................... Kugel/Niere/Acht
Übertragungsbereich ....................20 Hz...20 kHz
Feldübertragungs-
faktor1) ............................ 20/28/22 mV/Pa ± 1 dB
Nennimpedanz .....................................200 Ohm
Nennlastimpedanz ...............................1000 Ohm
Geräuschpegelabstand2),
CCIR3) ............................................. 68/71/69 dB
Geräuschpegelabstand2),
A-bewertet3) .................................... 79/82/80 dB
Ersatzgeräuschpegel,
CCIR3) ............................................26/23/25 dB
Ersatzgeräuschpegel,
A-bewertet3) ................................15/12/14 dB-A
Grenzschalldruckpegel bei 1 kHz für
0,5 % Klirrfaktor4) (Niere) .........................117 dB
mit Vordämpfung......................................127 dB
Max. Ausgangsspannung ..........................–6 dBu
Speisespannung5) .................................48 V ± 4 V
Stromaufnahme5) ......................................0,8 mA
Mindestbetriebszeit mit BS 48 i ............ca. 20 Std.
Erforderlicher Steckverbinder ................... XLR 3 F
Gewicht ..................................................... 500 g
Durchmesser ........................................... 56 mm
Länge .................................................... 200 mm
94 dB SPL entspr. 1 Pa = 10 μbar
0 dB entspr. 20 μPa
1) bei 1 kHz an 1 kOhm Nennlastimpedanz.
2) bezogen auf 94 dB SPL
3) nach IEC 60268-1;
CCIR-Bewertung nach CCIR 468-3, Quasi-Spitzenwert;
A-Bewertung nach IEC 61672-1, Eff ektivwert
4) Klirrfaktor des Mikrofonverstärkers bei einer Eingangsspannung,
die der von der Kapsel beim entsprechenden Schalldruck abgegebe-
nen Spannung entspricht.
5) Phantomspeisung (P48, IEC 61938).
7. Technical Specifi cations
Acoustical op. principle .............Pressure gradient
transducer
Directional pattern ........... Omni/cardioid/fi gure-8
Frequency range ............................20 Hz...20 kHz
Sensitivity1)...................... 20/28/22 mV/Pa ± 1 dB
Rated impedance .................................200 ohms
Rated load impedance ........................1000 ohms
Signal-to-noise ratio2),
CCIR3) ............................................68/71/69 dB
Signal-to-noise ratio2),
A-weighted3) ................................... 79/82/80 dB
Equivalent noise level,
CCIR3) ............................................26/23/25 dB
Equivalent noise level,
A-weighted3) ................................15/12/14 dB-A
Max. SPL for 0.5 % THD4) at
1 kHz (cardioid) .......................................117 dB
with preattenuation .................................127 dB
Max. output voltage ..................................– 6 dBu
Supply voltage5) ...................................48 V ± 4 V
Current consumption5) ..............................0.8 mA
Minimum operating time
with BS 48 i .............................. approx. 20 hours
Matching connector .................................. XLR 3 F
Weight ......................................500 g (17.7 ozs.)
Diameter ........................................ 56 mm (2.2")
Length ......................................... 200 mm (7.9")
94 dB SPL equiv. to 1 Pa = 10 μbar
0 dB equiv. to 20 μPa
1) at 1 kHz into 1 kohms rated load impedance.
2) re 94 dB SPL
3) according to IEC 60268-1;
CCIR-weighting acccording to CCIR 468-3, quasi peak;
A-weighting according to IEC 61672-1, RMS
4) THD of microphone amplifi er at an input voltage equivalent
to the capsule output at the specifi ed SPL.
5) Phantom powering (P48, IEC 61938).

10
8. Frequenzgänge und Polardiagramm
Frequency Responses and Polar Pattern
gemessen im freien Schallfeld nach IEC 60268-4, Toleranz ±2 dB
measured in free-fi eld conditions (IEC 60268-4), tolerance ±2 dB

11
U 87 Ai

12
9. Einige Hinweise zur Pfl ege von
Mikrofonen
Staubschutz verwenden: Mikrofone, die nicht
im Einsatz sind, sollte man nicht auf dem Stativ
einstauben lassen. Mit einem Staubschutzbeutel
(nicht fusselnd) wird dies verhindert. Wird ein
Mikrofon längere Zeit nicht verwendet, sollte es
staubgeschützt bei normalem Umgebungsklima
au ewahrt werden.
Popschutz verwenden: Ein Popschutz hat nicht nur
die Aufgabe, bei Gesangsaufnahmen die Entste-
hung von Poplauten zu verhindern. Er vermeidet
auch e zient, dass sich von der Feuchtigkeit des
Atems bis hin zu Essensresten unerwünschte Par-
tikel auf der Membran ablagern.
Keine überalterten Windschutze verwenden: Auch
Schaumsto altert. Das Material kann brüchig und
krümelig werden. Anstatt das Mikrofon zu schüt-
zen, kann er dann zur Verunreinigung der Mikro-
fonkapsel führen. Überalterte Windschutze also
bitte entsorgen.
Funktionstest: Moderne Kondensatormikrofone
nehmen durch lautes Ansprechen keinen Schaden.
Zur Kontrolle, ob ein solches Mikrofon angeschlos-
sen ist, sollte man es aber keinesfalls anpusten
oder anpoppen, da dies einem akustischen Signal
von mehr als 140 dB (!) entsprechen kann. Normale
Sprache genügt zum Funktionstest völlig.
Selbsthilfe kann teuer sein! Leider kommt es doch
vor, dass durch eine Selbstreparatur mehr beschä-
digt als behoben wird. Insbesondere das Reinigen
verschmutzter Kapseln erfordert viel Erfahrung
und die Hand eines Fachmanns. Der Lackschutz
auf Platinen zeigt u.a. an, dass dort nicht gelötet
werden darf. Einige Bauteile sind speziell selektiert
und können nicht durch Material von der Stange
ersetzt werden. Um unnötige Kosten zu vermeiden,
emp ehlt sich die Einsendung an unsere Vertretun-
gen oder an uns.
Inspektion durchführen lassen: Regelmäßiges
Durchchecken des Mikrofonbestands, wie es einige
Schauspielhäuser und Rundfunkanstalten prakti-
zieren, kann bei der Früherkennung von Schäden
helfen. Leichte Verschmutzungen lassen sich eher
beseitigen, als eine untrennbar in die Membran
eingebrannte Nikotinschicht. Insbeson-dere bei
Mikrofonen im Verleih und in verunreinigenden
Umgebungen emp ehlt sich die regelmäßige Kon-
trolle, deren Kosten im Vergleich zu einer aufwen-
digen Reparatur sehr gering sind.
9. Hints on Microphone Maintenance
Use a dust cover: Microphones not in use should
not be le on the stand gathering dust. This can
be prevented by the use of a non- u y dust cover.
When not in use for a longer period, the micro-
phone should be sealed against dust and stored
under standard climatic conditions.
Use a pop screen: A pop screen not only prevents
the occurrence of plosive pop noises in vocal re-
cordings, but also e ciently prevents unwanted
particles, from respiratory moisture to food rem-
nants, from settling on the diaphragm.
Avoid the use of old wind shields: As the foam ma-
terial of a wind shield ages it can become brittle
and crumbly. Instead of protecting the microphone,
an old wind shield can thus lead to soiling of the
microphone capsule. Therefore please dispose of
worn-out wind shields.
Function testing: Although modern condenser mi-
crophones are not harmed by high sound pressure
levels, one should under no circumstances use a
pop-test to check whether the microphone is con-
nected and the channel on the mixing console is
pulled up, since this can result in sound pressure
levels of over 140 dB! Normal speech is quite suf-
cient for function testing.
Do-it-yourself repairs can be expensive! Unfortu-
nately, do-it-yourself repairs sometimes do more
harm than good. Cleaning soiled capsules in par-
ticular requires considerable experience and an
expert touch. The protective lacquer on circuit
boards indicates, among other things, places
which must not be soldered. Certain components
are specially selected and cannot be replaced by
standard parts. To avoid unnecessary expense, we
recommend sending defective microphones to us
or our representatives for servicing.
Regular inspections: Sending in microphones regu-
larly for inspection, as practiced by some theaters
and broadcasting corporations, can aid in the early
detection of damage. Slight soiling can be removed
much more easily than a nicotine layer inextricably
bonded to the diaphragm. Regular inspections are
particularly to be recommended for microphones
which are rented or are used in dusty or smoky en-
vironments, since the costs are low in comparison
with the cost of a major overhaul.

13
U 87 Ai
10. Zubehör*)
Elastische Aufhängung
Um mechanische Erschütterung fernzuhalten,
emp ehlt sich die Verwendung einer elastischen
Mikrofonau ängung.
EA 87 .................... ni ............. Best.-Nr. 007297
EA 87 mt ............... sw ............ Best.-Nr. 007298
Die EA 87 ist für das Mikrofon U 87 Ai vorgesehen.
Der schwenkbare Gewindeanschluss hat 5/8"-27-
Gang, mit Adapter für 1/2"- und 3/8"-Stative.
Stativgelenke und mechanische Adapter
SG 287.................. sw ............ Best.-Nr. 008658
Die Halterung des SG 287 ist aus Metall, der Ge-
windeanschluss hat 5/8"-27-Gang, mit Adapter für
1/2"- und 3/8"-Stative.
Mikrofonneigevorrichtung
MNV 87 ................. ni ............. Best.-Nr. 006804
MNV 87 mt ............ sw ............ Best.-Nr. 006806
Die Neigevorrichtung besteht aus einer Kabelhal-
terung und einem drehbaren 1/2"-Gewindezapfen
zum Anschluss an z.B. Stativgelenke. Das Kabel
wird in die Halterung geklemmt und dort xiert. Die
Neigung des an seinem Kabel hängenden Mikrofons
ist damit frei einstellbar.
Fußbodenständer
MF 4 ..................... sw ............ Best.-Nr. 007337
Der Mikrofonfuß MF 4 ist ein Fußbodenständer
aus Grauguss, ca. 2,6 kg schwer, Ø 160 mm. Der
Ständer ist schwarzmatt lackiert und steht gleitfest
auf einem Gummiring. Ein umwendbarer Gewin-
dezapfen und ein mitgeliefertes Reduzierstück
ermöglichen die Verwendung für 1/2"- und 3/8"-
Gewindeanschlüsse.
MF 5 ..................... gr ............. Best.-Nr. 008489
Der Mikrofonfuß MF 5 hat eine graue So -Touch
Pulverbeschichtung und steht gleitfest und tritt-
schalldämmend auf einem Gummiring. Der Stativ-
anschluss hat ein 3/8"-Gewinde. Gewicht 2,7 kg,
Ø 250 mm.
10. Accessories*)
Elastic Suspension
The use of an elastic suspension is recommended
to prevent the microphone from being exposed to
strong mechanical vibrations caused by structure
borne shock waves.
EA 87 .................... ni .............. Cat. No. 007297
EA 87 mt ...............blk ............ Cat. No. 007298
The EA87 is designed for the U87Ai microphone.
It has a swivel mount with a 5/8"-27 female thread,
plus a thread adapter to connect to 1/2"- and 3/8"
stands.
Stand Mounts and Mechanical Adapter
SG 287 ................. blk ............ Cat. No. 008658
The microphone mount of the SG 287 is made of
metal. It has a 5/8"-27 female thread, plus a thread
adapter to connect to 1/2"- and 3/8" stands.
Auditorium Hanger
MNV 87 ................. ni .............. Cat. No. 006804
MNV 87 mt ............ blk ............ Cat. No. 006806
The auditorium hanger consists of a cable suspen-
sion and a rotating 1/2" threaded stud, to connect
to e. g. swivel mounts. The stud is screwed into
the threaded coupling of the swivel mount. Then
the microphone can be tilted while it is suspended
from its own cable.
Floor Stands
MF 4 .....................blk ............ Cat. No. 007337
Floor stand with grey cast iron base. The oor
stand has a matt black nish and rests on a non-
skid rubber disk attached to the bottom. A reversi-
ble stud and a reducer for 1/2" and 3/8" threads are
also supplied. Weight 2.6 kg, Ø 160 mm.
MF 5 .....................gr .............. Cat. No. 008489
Floor stand with grey so -touch powder coating.
It has a non-skid sound-absorbing rubber disk at-
tached to the bottom. The stand connection has a
3/8" thread. Weight 2.7 kg, Ø 250 mm.

14
STV 4 .................... sw ............ Best.-Nr. 006190
STV 20 .................. sw ............ Best.-Nr. 006187
STV 40 .................. sw ............ Best.-Nr. 006188
STV 60 .................. sw ............ Best.-Nr. 006189
Die Stativverlängerungen STV ... werden zwischen
Mikrofonständer (z.B. MF 4, MF 5) und Stativgelenk
(z.B. SG 21 bk) geschraubt.
Die STV ... haben eine Länge von 40, 200, 400 oder
600 mm. Ø 19 mm.
Popschutz
Popschirme bieten einen sehr wirksamen Schutz
vor den sogenannten Popgeräuschen. Sie bestehen
aus einem runden, dünnen Rahmen, der beidseitig
mit schwarzer Gaze bespannt ist.
Popschirme sind an einem etwa 30 cm langen
Schwanenhals montiert. Eine Klammer mit einer
Rändelschraube an dessen Ende dient der Befe-
stigung am Mikrofonstativ.
PS 15 .................. sw ............ Best.-Nr. 008472
Der Rahmendurchmesser beträgt 15 cm.
PS 20 a ................ sw ............ Best.-Nr. 008488
Der Rahmendurchmesser beträgt 20 cm.
Schaumstoff windschutz
WS 87 .................. sw ............ Best.-Nr. 006753
Dämpfung des Windgeräusches 26 dB. Dämpfung
bei 15 kHz 3 dB. Ø ca. 90 mm. Farbe schwarz.
*) Weitere Artikel sind im Katalog „Zubehör“ beschrieben.
STV 4 .................... blk ............ Cat. No. 006190
STV 20 .................. blk ............ Cat. No. 006187
STV 40 .................. blk ............ Cat. No. 006188
STV 60 .................. blk ............ Cat. No. 006189
The STV... stand extensions are screwed between
microphone stands (for example MF 4, MF 5) and
swivel mounts (for example SG21 bk).
Length 40, 200, 400 or 600 mm. Ø 19 mm.
Popscreen
Pop screens provide excellent suppression of so-
called pop noise. They consist of a round, thin
frame covered with black gauze on both sides.
A gooseneck of about 30 cm (12") in length is
mounted at the popshield. It will be attached to
microphone stands by means of a clamp with a
knurled screw.
PS 15 .................. blk ............ Cat. No. 008472
The frame is 15cm in diameter.
PS 20 a ................ blk ............ Cat. No. 008488
The frame is 20cm in diameter.
Foam Windscreen
WS 87 .................. blk ............ Cat. No. 006753
Wind noise attenuation 26 dB. Attenuation at
15kHz 3dB. Ø 90 mm. Color black.
*) Further articles are described in the catalog “Accessories”.

15
U 87 Ai
IC 3 mt
EA 87 (mt)
AC 25 N 248
BS 48 i-2BS 48 i
SG 287
IC 4 (mt)
AC 27
AC 22
MNV 87 (mt) MF 4

MF 5 PS 15
PS 20 a
STV...
WS 87
Irrtümer und technische Änderungen vorbehalten • Errors excepted, subject to changes
Printed in Germany • Publ. 10/14 068820/A11
Konformitätserklärung
Die Georg Neumann GmbH erklärt, dass dieses Gerät die anwendbaren
CE-Normen und -Vorschri en erfüllt.
® Neumann ist in zahlreichen Ländern eine eingetragene Marke der
Georg Neumann GmbH.
Declaration of Conformity
Georg Neumann GmbH hereby declares that this device conforms to
the applicable CE standards and regulations.
® Neumann is a registered trademark of the Georg Neumann GmbH in
certain countries.
Haftungsausschluss
Die Georg Neumann GmbH übernimmt keinerlei Ha ung für Folgen eines
unsachgemäßen Gebrauchs des Produkts, d.h. die Folgen eines Gebrauchs,
der von den in der Bedienungsanleitung genannten technischen Vorausset-
zungen abweicht (z.B. Bedienungsfehler, mechanische Beschädigungen,
falsche Spannung, Abweichung von empfohlenen Korrespondenzgeräten).
Jegliche Ha ung der Georg Neumann GmbH für Schäden und Folgeschä-
den, die dem Benutzer aufgrund eines solchen abweichenden Gebrauchs
entstehen sollten, wird ausgeschlossen. Ausgenommen von diesem Haf-
tungsausschluss sind Ansprüche aufgrund zwingender gesetzlicher Haf-
tung, wie z.B. nach Produktha ungsgesetz.
Limitation of Liability
Georg Neumann GmbH shall not be liable for consequences of an inappro-
priate use of the product not being in compliance with the technical allow-
ance in the user manual such as handling errors, mechanical spoiling, false
voltage and using other than the recommended correspondence devices.
Any liability of Georg Neumann GmbH for any damages including indirect,
consequential, special, incidental and punitive damages based on the
user’s non-compliance with the user manual or unreasonable utilization
of the product is hereby excluded as to the extent permitted by law. This
limitation of liability on damages is not applicable for the liability under
European product liability codes or for users in a state or country where
such damages cannot be limited.