VE Manual Digital Multi Control Panel EN NL FR DE ES
User Manual:
Open the PDF directly: View PDF
.
Page Count: 71
- For a more generic description of this panel please refer to chapter 3.
- Refer to chapter 4 for a description on how to connect the DMC to the system.
- The generator current limit can be set during installation. See chapter 6 for detailed instructions.
- Example: You have four 30A Multis. The scaling factor is then: (4 * 2) – 1 = 7
- Important notes:
- Important note:
- Example 1: Two VE.Bus Multis 16A/230V + 4kVA gen. (3000 rpm) + external transfer switch.
- Zie hoofdstuk 3 voor een algemenere beschrijving van dit paneel.
- Zie hoofdstuk 4 voor meer informatie over het verbinden van de DMC met uw systeem.
- De stroomgrens van de generator kunt u instellen tijdens de installatie. Zie hoofdstuk 6 voor gedetailleerde instructies.
- Alleen VE.Bus:
- Voorbeeld: U heeft vier 30A Multi’s. De schaalwaarde is dan: (4 * 2) – 1 = 7
- Belangrijke opmerkingen:
- Belangrijke opmerking:
- Voorbeeld 1: Twee VE.Bus Multi’s 16A/230V + 4kVA generator (3000 RPM) + externe omschakelautomaat.
- Pour une description plus générique de ce tableau de contrôle, veuillez-vous référer au paragraphe 3.
- Consultez le paragraphe 4 pour une description de la procédure à suivre pour connecter le DMC au système.
- La limite de courant du générateur peut être établie pendant l’installation. Pour des instructions plus détaillées, voir le paragraphe 6.
- VE.Bus seulement:
- Exemple: Vous avez 4 Multis de 30A. Alors, le facteur d’échelle est: (4 * 2) – 1 = 7
- Remarques importantes:
- Remarque importante:
- Exemple 1: Deux Multis avec VE.Bus de 16A/230V + gén. de 4k VA (3000 tr/min) + commutateur de transfert externe.
- Nur VE.Bus:
- Beispiel: Sie betreiben vier 30A Multis. Dann ist der Maßstabsfaktor: (4 * 2) – 1 = 7
- Wichtige Anmerkungen:
- Wichtiger Hinweis:
- Kleine 3000 min-1 Generatoren einiger Hersteller neigen bei längerer Zeit mit Vollastbetrieb zur Überhitzung. Bei einigen Modellen sollte man den Maximalstrom auf höchstens 70 % begrenzen. Bei 1500 min-1 Generatoren sollte generell der Maximalstrom au...
- Beispiel 1: Zwei VE.Bus Multis 16A/230V + 4 kVA Gen. (3000 min-1) + externer Übergangsschalter.
- Para obtener una descripción más genérica de este panel, consulte el capítulo 3.
- Consulte el capítulo 4 para una descripción de cómo conectar el DMC al sistema.
- El límite de corriente del generador puede establecerse durante la instalación. Consulte el capítulo 6 para obtener instrucciones detalladas.
- Sólo VE.Bus:
- Ejemplo: Usted tiene cuatro Multis de 30 A. El factor de escalamiento sería: (4 * 2) – 1 = 7
- Notas importantes:
- Nota importante:
- Ejemplo 1: Dos Multis con VE.Bus 16A/230V + generador de 4kVA (3.000 rpm) + conmutador de transferencia externo.

Manual
EN
Handleiding
NL
Manuel
FR
Anleitung
DE
Manual
ES
Appendix
Digital Multi Control Panel
Copyrights 2008 Victron Energy B.V.
All Rights Reserved
This publication or parts thereof, may not be reproduced in any form, by any method,
for any purpose.
For conditions of use and permission to use this manual for publication in other than
the English language, contact Victron Energy B.V.
VICTRON ENERGY B.V. MAKES NO WARRANTY, EITHER EXPESSED OR
IMPLIED, INCLUDING BUT NOT LIMITED TO ANY IMPLIED WARRANTIES OF
MERCHANTABILITY OR FITNESS FOR A PARTICULAR PURPOSE, REGARDING
THESE VICTRON ENERGY PRODUCTS AND MAKES SUCH VICTRON ENERGY
PRODUCTS AVAILABLE SOLELY ON AN “AS IS” BASIS.
IN NO EVENT SHALL VICTRON ENERGY B.V. BE LIABLE TO ANYONE FOR
SPECIAL, COLLATERAL, INCIDENTAL, OR CONSEQUENTIAL DAMAGES IN
CONNECTION WITH OR ARISING OUT OF PURCHASE OR USE OF THESE
VICTRON ENERGY PRODUCTS. THE SOLE AND EXCLUSIVE LIABILITY TO
VICTRON ENERGY B.V., REGARDLESS OF THE FORM OF ACTION, SHALL NOT
EXCEED THE PURCHASE PRICE OF THE VICTRON ENERGY PRODUCTS
DESCRIBED HERE IN.
Victron Energy B.V. reserves the right to revise and improve its products as it sees fit.
This publication describes the state of this product at the time of its publication and
may not reflect the product at all times in the future.

1
EN NL FR DE ES Appendix
1. Quick Start
The Digital Multi Control panel (DMC) is a remote panel designed to work with all Multis
/Quattro’s and Multi/Quattro systems. This includes stand alone, parallel and 2-3 phase
configurations. Both VE.Bus and non VE.Bus systems are supported.
Connecting the DMC to your system is a simple procedure. In most cases just connecting the
DMC with a RJ45 cable is sufficient and no extra set-up handling is required.
To help you to set-up your system rapidly this manual contains in chapter 2 several
paragraphs for the most common applications. Please find your application in the table below
and jump to the appropriate paragraph.
For a more generic description of this panel please refer to chapter 3.
To setup a:
Refer to paragraph
VE.Bus system with 1 AC source
2.1
VE.Bus system with 2 AC sources
2.2
Extended VE.Bus system with Multis
2.2.1
VE.Bus system build with Quattro’s
2.2.2
VE.Bus Multi system + external transfer switch (PowerMan)
2.2.3
Non VE.Bus system with 1 AC source
2.3
Non VE.Bus system with 2 AC sources
2.4
Notes:
1) The word “system” refers to an installation of one or more Multis or Quattro’s.
2) To determine whether or not your system is VE.Bus, check the firmware version in the Multi. All
Multi firmware versions 15xxyyy, 17xxyyy and 18xxyyy are non VE.Bus. (Quattro’s are always
VE.Bus.)

2
2. Standard installations
2.1 VE.Bus system with 1 AC source
Setup for such a system is easy: Just connect the DMC to the VE.Bus system (see paragraph 4.1)
and the DMC will automatically adapt to the current system.
No parameters need to be changed in the DMC unless you want to limit the maximum current the
operator can set. In that case you only need to adapt the “Upper shore limit for AC input 1”
setting. Refer to chapter 6 for a description of how to do this.
2.2 VE.Bus system with 2 AC sources
There are several ways to build a VE.Bus system with 2 AC sources. Refer to the appropriate
sub-paragraph for your installation.
2.2.1 Extended VE.Bus system with Multis
A system with more than 1 AC input can be build with normal Multis. The extended VE.Bus
functionality is used for this purpose. This functionality comes available when a dongle is
connected to the system. The system must then be configured with the “VE.Bus System
Configurator” tool.
From the DMC point of view there is no difference between a system build with Quattro’s and a
system build with Multis. So read on with paragraph 2.2.2. Note that, by using VeConfigure2, it is
possible to determine whether or not an AC input shore limit can be overruled by the remote
panel.
2.2.2 VE.Bus system built with Quattro’s
If your system is build with one or more Quattro’s the installation of the DMC is straight-forward.
Just connect the DMC to the VE.Bus system (see paragraph 4.1) and the DMC will automatically
adapt to the current system.
Most likely you do not need to change any settings in the DMC.
In a Quattro the AC1 input has always priority over the AC2 input. The default setting in a Quattro
is that the AC2 shore current can be overruled by the remote panel and the AC1 limit is fixed.
(This can be changed with VeConfigure2)
A common practice is that a generator is connected to AC1 and shore power to AC2. As long as
the generator is running the Quattro’s will use the generator. The DMC will display in that
case and turning the knob on the DMC will not have any influence.
When the generator is stopped and shore power is applied, the Quattro’s will switch to the shore
power. Now the DMC will continuously toggle the display between and the current shore limit
set point. Turning the knob will now change the shore limit set point in the Quattro’s.
If you want to limit the maximum current the operator can set you can change the “Upper shore
limit for AC input 2” parameter. Refer to paragraph 6 for a description of how to do this.
Please refer to paragraph 6.4.1 if you want to get rid off the display toggling ( ↔ shore limit
value).

3
EN NL FR DE ES Appendix
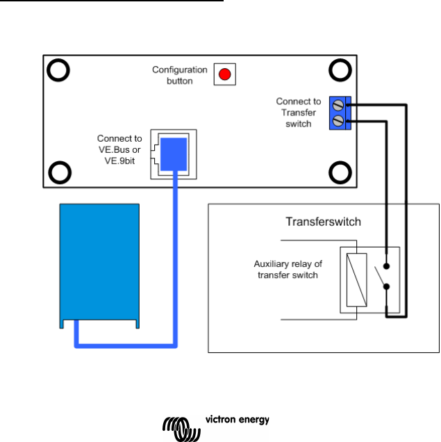
2.2.3 VE.Bus Multi system + external transfer switch (PowerMan)
If an external transfer switch is placed before the Multis then this switch determines which AC
source is used. The Multis do not have any information about the state of the switch. The DMC
provides a way to specify different shore limits for both AC sources.
To achieve this, the DMC must have information about the state of the external transfer switch.
For this purpose a screw connector is placed at the backside of the DMC.
Normally the DMC will send the shore current set point as determined by the knob to the Multis.
If however the terminals of this screw connector are short circuited the DMC sends a
preconfigured shore limit to the Multis. The display on the DMC will then show: .
The two terminals of the screw connector are to be connected to the PowerMan. An auxiliary
relay of the external transfer switch is the normal place. Refer to the transfer switch manual for
more information.
Refer to chapter 4 for a description on how to connect the DMC to the system.
For this application, the DMC has to be configured because it must “know” the current limit it
should send to the Multis when the terminals are short circuited. Please change the “Generator
current limit” parameter as needed. Refer to chapter 6 for a description of how to do this.
If you want to limit the maximum current the operator can set, you can change the “Upper
shore limit for AC input 1” parameter. Refer to chapter 6 for a description of how to do this.
2.3 Non VE.Bus system with 1 AC source
The DMC must be scaled (matched to the system) when it is used with non VE.Bus systems.
This can be done by changing the “scaling factor” parameter. Refer to the configuration
chapter for a description of how to do this.
After correct scaling the maximum current limit the operator can set is equal to the maximum limit
of the system. If you want to limit the maximum current the operator can set, you have to adapt
the “Upper shore limit for AC input 1” setting. Refer to the configuration chapter for a description
of how to do this.
2.4 Non VE.Bus system with 2 AC sources
The DMC must be scaled (matched to the system) when it is used with non VE.Bus systems. This
can be done by changing the “scaling factor” parameter. Refer to chapter 6 for a description of
how to do this.
A non VE.Bus system with 2 AC sources can only be build with an external transfer switch
(PowerMan). Installation is exactly the same as when using a VE.Bus system with an external
transfer switch so please refer to paragraph 2.2.3.

4
3. Description of the Digital Multi Control panel
The DMC is a remote panel designed to work with all Multis/Quattro’s and Multi/Quattro systems.
This includes stand alone, parallel and 2-3 phase configurations. Both VE.Bus and non VE.Bus
systems are supported.
With the DMC a separate shore current and generator current can be set.
When used in an extended VE.Bus system one can even set up to 4 different shore currents.
For VE.Bus systems, the DMC will automatically adapt the adjustable range to match with the
connected system.
3.1 Generator support
The DMC provides a means to change the AC input current limit when the AC source is switched
externally from shore to generator.
Normally the DMC will send the shore current set point as determined by the knob to the
connected devices. If however the terminals of the screw connector on the backside of the DMC
are short circuited the DMC sends a preconfigured shore limit to the connected devices.
This preconfigured limit is generally used for a generator. The display on the DMC will therefore
show: .
The two terminals of the screw connector are to be connected to an externally controlled switch.
Normally spoken this will be an auxiliary relay of an external transfer switch.
3.2 Connecting VE.Bus devices
Using the DMC with VE.Bus devices is straightforward. Just connect the DMC to the system. The
maximum/minimum shore currents which can be set are automatically adapted to the system.
This means that:
- Connecting the DMC to one Multi with 16A feed through capacity will limit the maximum shore
setting to 16A.
- Connecting the DMC to five of these Multis in parallel will result in 80A as maximum shore limit.
(If needed, an upper limit can be set to prevent the operator from setting a too high shore limit.
(See section 6.4)
The DMC is capable of dealing with a Quattro or an extended VE.Bus system which has more
than 1 AC input. When the system switches over from one AC input to another, the DMC switches
too, setting the current limit to the last used value for that AC input.
In the Multi/Quattro configuration it is possible to indicate that a shore current limit is not to be
overruled by the remote panel. In such a case the DMC will not display a shore current limit value
but it will display the AC input identification as , , or .
If, in a system with more than 1 input, the corresponding input does allow changing by the remote
panel, the DMC will display the shore current value and the AC input identification alternating.
Exception to this is AC input 1. If AC input 1 is active only the shore current value will be
displayed and not the AC input identification.

5
EN NL FR DE ES Appendix
3.3 Connecting non-VE.Bus devices
In order to operate the DMC with non VE.Bus devices one must configure a scaling parameter
to match the DMC with the connected system.
The default setting is for a standalone Multi with a 16A transfer switch.
There will be no adjustment for the minimum shore current limit in this case.
If needed, an upper limit can be set to prevent the user from setting a too high limit. (See
section 6.4)

6
4. Installation of the Digital Multi Control panel
To install your DMC you will need:
1) One UTP (Unshielded Twisted Pair) cable with two RJ45 connectors (to connect to a Multi or
Quattro) available in 5, 10, 15, 20, 25 and 30 meters.
2) When the Generator support functionality (see paragraph 3.1) of the DMC is used you will also
need two wires for connecting the DMC to the transfer switch. This connection can be made by
using 2 wires of 0.25 – 1.0mm².
Refer to the transfer switch manual for more information.
3) There are no special requirements to build in the Digital Multi Control Panel
4.1 Bus cable
To connect the DMC to a Multi or Quattro use a standard straight UTP cable with RJ45
connectors.
Note: In case of a non VE.Bus parallel system connect the DMC to the master Multi.
4.2 Transfer switch wiring
Only when an external transfer switch is used one has to connect a switch to the screw connector
on the back of the DMC. When the switch is open the current limit is controlled by the knob on the
front of the DMC. When the switch is closed the DMC sends the preset generator current limit to
the connected devices. This switch is normally controlled by your shore/generator transfer switch.

7
EN NL FR DE ES Appendix
5. Using the Digital Multi Control panel
The DMC is used to remotely set up to four (five including the generator functionality) different
input currents, read out the status of your system and turn on and off the Multis or Quattro’s.
5.1 Turning the system on and off
Use the switch on the front to turn the system on, off or to charger only operation.
5.2 Setting the system input current limit
The shore current limit is set by the control knob on the DMC. Turn the knob right or left to set the
desired value. The current limit will be shown on the 7-segment display.
The generator current limit can be set during installation. See chapter 6 for detailed instructions.
When PowerAssist is enabled there is a minimum AC input current limit of approximately 2-3Amp
per device. Setting a lower limit than this minimum will result in the minimum limit. This is normal
Multi/Quattro behavior.
There is a feature in the Multi/Quattro that, when PowerAssist is enabled and the shore current
setting from the remote panel is zero amps, the internal transfer relay is opened and the device
starts inverting.
VE.Bus only:
- The DMC will not allow you to set a limit lower than the minimum shore current limit.
To be able to use the above mentioned feature, the DMC allows the operator to set the shore
current limit to 0 Amps which is actually below the minimum shore current limit. To achieve this,
the operator must turn the knob ‘downwards’ with a higher speed. The display will then ‘jump’ to
0.0 and the connected device(s) will start inverting. When the knob is turned upwards again the
display will ‘jump’ to the minimum shore current limit.
- If your system has more than 1 AC input the display will also indicate which input is currently in
use by displaying , , or .

8
5.3 LED brightness
For your comfort, the brightness of the LEDs is controlled automatically using a light sensor.
When the ambient light level becomes lower the LEDs will be less bright which is more pleasant
for the eye and reduces power consumption.

9
EN NL FR DE ES Appendix
6. Configuring the Digital Multi Control panel
This chapter describes the configuration parameters and procedure.
6.1 Procedure
During configuration 6 parameters can be set. The configuration procedure is straight forward.
- To enter the configuration mode press the button on the back of the DMC until the bottom
LED in the left column starts flashing, indicating that the first parameter can be changed.
- To change the value of a parameter, turn the knob until the displayed value is as required.
- Press the button to advance to the next parameter.
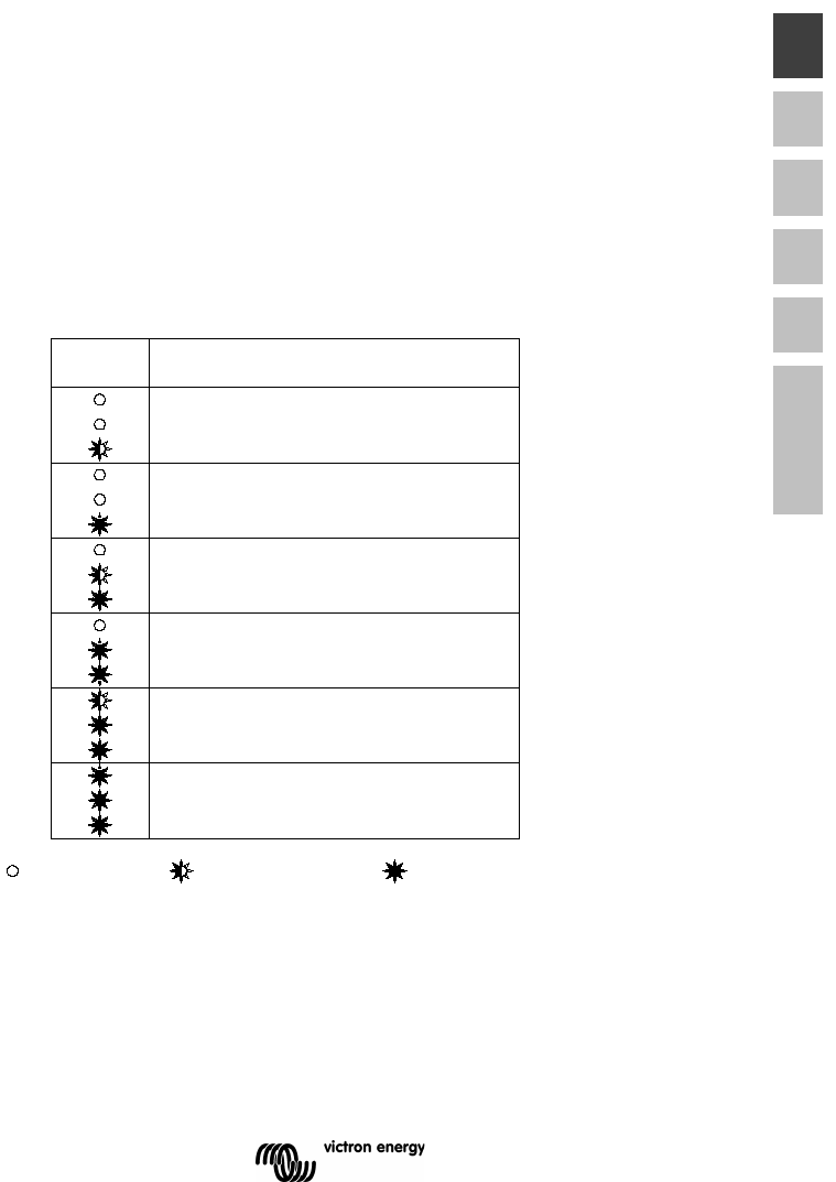
The lower three LEDs in the left column on the DMC indicate which parameter is being
adjusted according to the table below:
LED
indication Selected parameter
Scaling factor. default:0, range:0-9
(this parameter is ignored when using
VE.Bus devices)
Generator current limit in Amps.
default:16, range:0..198
Upper shore limit for AC input 1 in Amps.
default:254, range:0..254
Upper shore limit for AC input 2 in Amps.
default:254, range:0..254
Upper shore limit for AC input 3 in Amps.
default:254, range:0..254
Upper shore limit for AC input 4 in Amps.
default:254, range:0..254
means LED is off, means LED is blinking, means LED is on
Notes:
- The connected Multis or Quattro’s switch to “Inverter only” when the configuration button is
pressed and during configuration mode.
- Pressing the button when the last parameter of the table is selected will end configuration mode
and activate all parameters. So even if only one parameter needs to be adjusted you have step
through all parameters to exit the configuration mode.

10
6.2 Setting the scaling factor
Configuration of the scaling factor is only needed for non VE.Bus Multis. (All Multi firmware
versions 15xxyyy, 17xxyyy and 18xxyyy)
The scaling factor is used to match the currents displayed by the DMC to the currents in the
system.
The scaling factor is calculated using the formula:
Scaling factor = (NrOfDevices * DeviceType) - 1
The DeviceType is 1 for a 16A model Multi and 2 for a 30A model Multi.
NrOfDevices is all the Multis including the master Multi.
Example: You have four 30A Multis. The scaling factor is then: (4 * 2) – 1 = 7
Important notes:
1) Do NOT specify the number of slaves (with VEConfigure2) in the Multis when you have
specified a Scaling factor other than zero!
In that case the number of slaves in the Multis must be set to zero!
The system will not work properly if you set the scaling factor in the DMC and the number of
slaves in the Multis!
2) When using a split-phase or 3-phase configuration, the NrOfDevices is determined by the
number of devices in 1 phase. So for a 3-phase system build with 6 Multis the NrOfDevices=2.
6.3 Setting the generator current limit
This parameter needs only to be configured when using an external transfer switch (PowerMan)
(see paragraph 3.1) and is of no influence otherwise.
The generator current limit can be set from 0 to 198 Amps in steps of 2 Amps.
Important note:
Small 3000 rpm generator sets of certain brands will overheat when operating for long periods at
full load. In some cases the maximum current will have to be set at no more than 70 % of the
rated maximum current. The current limit of 1500 rpm generator sets can in general be set at
around 90 % of the rated output current.
6.4 Setting the Upper Shore limits for AC input 1 to 4
To prevent that the operator of the DMC sets a too high current limit for the system an Upper
Shore limit can be set.
Example: You have a system with 5 Multis in parallel. The maximum feed through current would
be 80A. This might be a far too high setting for the circuit breakers used in your system. By
adjusting the “Upper Shore limit” you can prevent that the shore current limit is set higher than, for
instance, 30A.
Four different limits can be set because VE.Bus systems can have up to 4 AC inputs.
For simple VE.Bus systems with Multis or non VE.Bus systems it is sufficient to set only the
“Upper Shore limit for AC input 1”. The others will not be used then.

11
EN NL FR DE ES Appendix
6.4.1 Special display feature
When you have an extended VE.Bus system (or a Quattro system) and you use more than 1
AC input you might come across the following situation:
Assuming you use two AC inputs. You would like to give the generator priority over the shore
so you connect the generator to AC input 1. You do not want the user to adapt the current limit
set point of the generator so in VEConfigure2 you uncheck the ‘overruled by remote’ checkbox
for the current limit setting for AC input 1.
You connect the shore current to AC input 2. For AC Input 2 you leave the ‘overruled by
remote’ checkbox checked.
The DMC will then behave as follows:
If the generator is selected the DMC displays .
When the generator is switched off and shore current is applied, the DMC will display the set
point for AC input 2 alternating with the AC input identification .
This alternating might not be what you want or expect. There is only one current limit set point
that the user can change! When the other AC input is selected the display will always display
. It would be sufficient to display the current limit value when AC input 2 is selected
because that is enough indication for the operator that the system has switched to shore
current.
To achieve this, all but one of the “Upper Shore limits” must be programmed to zero.
So in this example the limits for AC1, AC3 and AC4 must be programmed to zero. The display
will then not alternate between and the set point for AC2.
Summary: Setting all but one of the “Upper Shore limits” to zero will stop the alternating of the
display.
6.5 Configuration examples
Two examples are given to help you understand the setting of the parameters.
Example 1: Two VE.Bus Multis 16A/230V + 4kVA gen. (3000 rpm) + external transfer switch.
Because this is a VE.Bus system the scaling factor does not need to be set.
A 4kVA generator can supply a maximum current of 17,4A. Using the 70% safety margin we will
set the generator current to 12A. To set the configuration, do the following:
1) Press and hold the configuration button until the bottom LED in the left column starts flashing.
This means you entered the configuration mode and you can change the scaling factor. As said
this parameter can be ignored in case of VE.Bus Multis.
2) Press the button to go to the next setting. The lower left LED will turn on indicating that the
generator current can be set.
3) Turn on the knob until the display indicates 12.
4) Press the button to advance to the “Upper Shore limit for AC input 1” setting.
5) If you want the maximum shore current the operator can set to be lower than 32 Amps you can
change this value.
6) Since the next 3 parameters (Upper Shore limit for AC input 2, 3 and 4) need not to be
configured you can press the button 4 times to step through the settings and finalize the
configuration.

12
Example 2: Four non VE.Bus Multis 30A/120V + 13kVA gen. (1500 rpm) + external transfer
switch.
For this configuration the “scaling factor” must be calculated. The NrOfDevices is 4, the
DeviceType is 2 so the “scaling factor” is (4 x 2) – 1 = 7
A 13kVA generator 120V can supply a maximum current of 108,3A. Using the 90% safety margin
we will set the generator current to 98A. To set the configuration, do the following:
1) Press and hold the configuration button until the bottom LED in the left column starts flashing.
This means you entered the configuration mode and you can change the scaling factor.
2) Turn on the knob until the display indicates 7.
3) Press the button to go to the next setting. The lower left LED will turn on indicating that the
generator current can be set.
4) Turn on the knob until the display indicates 98.
5) Press the button to advance to the “Upper Shore limit for AC input 1” setting
6) You probably want the maximum shore current the operator can set to be lower than 128 Amps
so turn the knob until the display indicates a proper maximum shore current.
7) Since the next 3 parameters (Upper Shore limit for AC input 2, 3 and 4) need not to be
configured you can press the button 4 times to step through the settings and finalize the
configuration.

1
EN NL FR DE ES Appendix
1. Quick Start
Het Digital Multi Control paneel (DMC) is een paneel dat geschikt is voor alle Multi’s/Quattro’s
en Multi/Quattro systemen. Dit is inclusief standalone, parallelle, en 2+3-fase configuraties.
Zowel VE.Bus als non VE.Bus systemen worden ondersteund.
Het verbinden van de DMC met uw systeem is zeer simpel. In de meeste gevallen kunt u
simpelweg doormiddel van een RJ45 kabel deze verbinding bewerkstelligen.
Om u te helpen met het instellen van uw systeem beschrijft hoofdstuk 2 verschillende
manieren voor de meest voorkomende installaties. Zie de tabel hieronder om de juiste
paragraaf te vinden voor uw systeem.
Zie hoofdstuk 3 voor een algemenere beschrijving van dit paneel.
Systeem dat u wilt instellen:
Zie paragraaf:
VE.Bus systeem met 1 wisselstroom bron
2.1
VE.Bus systeem met 2 wisselstroom bronnen
2.2
Uitgebreid VE.Bus systeem met Multi’s
2.2.1
VE.Bus systeem gebouwd met Quattro’s
2.2.2
VE.Bus Multi systeem + externe omschakelautomaat
(PowerMan)
2.2.3
Non VE.Bus systeem met 1 wisselstroombron
2.3
Non VE.Bus systeem met 2 wisselstroombronnen
2.4
Opmerkingen:
1) Het woord “systeem” refereert naar een installatie van één of meer Multi’s/ Quattro’s.
2) Om te bepalen of uw systeem VE.Bus is: controleer de firmware versie in de Multi. De
volgende Multi firmware versies zijn non VE.Bus: 15xxyyy, 17xxyyy and 18xxyyy.
Quattro’s zijn altijd VE.Bus.

2
2. Standaard installaties
2.1 VE.Bus systeem met 1 wisselstroom bron
Het instellen van dit systeem is eenvoudig: verbind de DMC met het VE.Bus systeem (zie
paragraaf 4.1). De DMC zal zich automatisch aanpassen aan het huidige systeem.
U hoeft in principe geen parameters te veranderen in de DMC. Behalve als u een bovengrens wilt
instellen voor de stroom die de gebruiker kan instellen. In dit geval hoeft u alleen de “Upper shore
limit voor AC input 1” aan te passen. Zie hoofdstuk 6 voor meer informatie.
2.2 VE.Bus systeem met 2 wisselstroom bronnen
Er zijn verschillende manieren om een VE.Bus systeem met 2 wisselstroom bronnen te bouwen.
Zie één van de paragrafen hieronder voor de voor u juiste installatie.
2.2.1 Uitgebreid VE.Bus systeem met Multi’s
Een systeem met meer dan 1 wisselstroom input kan gebouwd worden met normale Multi’s. Voor
dit doeleinde wordt de uitgebreide VE.Bus functionaliteit gebruikt. Deze functionaliteit is
beschikbaar wanneer er een dongle verbonden is met het systeem. Daarna moet het systeem
geconfigureerd worden met de “VE.Bus System Configurator” tool.
Wat de DMC betreft is er geen verschil tussen een systeem dat bestaat uit Quattro’s en een
systeem dat bestaat uit Multi’s. Ga daarom verder naar paragraaf 2.2.2.
Opmerking: doormiddel van “VeConfigure 2” is het mogelijk om in te stellen of een wisselstroom
input walstroomgrens wel/niet terzijde gesteld kan worden door het paneel.
2.2.2 VE.Bus systeem gebouwd met Quattro’s
De installatie van de DMC is eenvoudig indien uw systeem uit één of meerdere Quattro’s bestaat.
Verbind de DMC met het VE.Bus systeem (zie paragraaf 4.1). De DMC zal zich automatisch
aanpassen aan het huidige systeem.
U hoeft hoogst waarschijnlijk geen instellingen te veranderen in de DMC.
De AC1 input van een Quattro heeft altijd een hogere prioriteit dan de AC2 input. De standaard
instelling in een Quattro is dat de AC2 walstroom terzijde gesteld kan worden door het paneel.
Het AC1 limiet staat vast (dit kan veranderd worden met “VeConfigure2”).
Het is gebruikelijk dat de generator verbonden is met AC1 en de walstroom met AC2. De
Quattro’s zullen gebruik maken van de generator zolang deze draait. In dit geval zal de DMC
‘’ weergeven. Draaien aan de knop heeft hier geen invloed op.
Wanneer de generator stopt en er walstroom binnenkomt, zullen de Quattro’s switchen naar de
walstroom. Nu zal het display van de DMC om en om ‘’ en de walstroomgrens weergeven.
Als u nu aan de knop draait verandert u de walstroomgrens van de Quattro’s.
U kunt de “Upper shore limit for AC input 2” parameter veranderen indien u een bovengrens wilt
instellen voor de maximum stroom die ingesteld kan worden door de gebruiker. Zie paragraaf 6
voor meer informatie.
Zie paragraaf 6.4.1 indien u niet wilt dat het display om en om ‘’ ↔ walstroomgrens
weergeeft.

3
EN NL FR DE ES Appendix
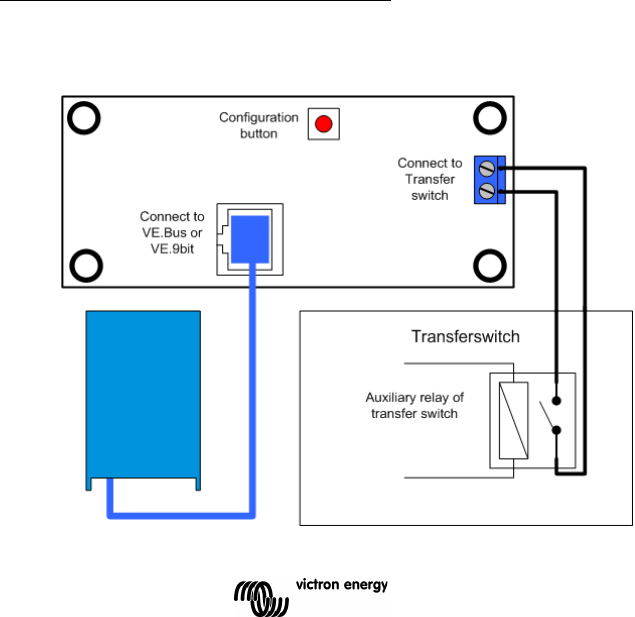
2.2.3 VE.Bus Multi systeem + externe omschakelautomaat (PowerMan)
Indien er een externe omschakelautomaat geplaatst is voordat er Multi’s geplaatst zijn, bepaalt
de automaat welke wisselstroom bron gebruikt wordt. De Multi’s hebben geen informatie over
de status van de automaat. De DMC biedt een mogelijkheid om verschillende
walstroomgrenzen te specificeren voor beide wisselstroom bronnen.
Om dit te bereiken heeft de DMC informatie nodig over de toestand van de externe
omschakelautomaat. Hiervoor is er een connector aan de achterzijde van de DMC geplaatst.
Normaliter stuurt de DMC de met de controleknop ingestelde stroomwaarde naar de Multi’s.
Indien de connector wordt kortgesloten zal de DMC een ingestelde stroomgrens aan de Multi’s
doorgeven. Het display van de DMC zal dan ‘’ weergeven.
De twee klemmen van de connector moeten verbonden worden met de PowerMan. Een
hulprelais van de externe omschakelautomaat is de gebruikelijke plaats hiervoor. Kijk voor
meer informatie in de handleiding van de omschakelautomaat.
Zie hoofdstuk 4 voor meer informatie over het verbinden van de DMC met uw systeem.
Voor deze toepassing, dient de DMC geconfigureerd te worden. Dit omdat de DMC de
stroomgrens moet “weten” die hij naar de Multi’s moet sturen op het moment dat de klemmen
kortgesloten worden. Verander zo nodig de “Generator current limit”. Zie hoofdstuk 6 voor
meer informatie.
Als u een limiet wilt stellen voor de maximum stroom die de gebruiker kan instellen, verander
dan de “Upper shore limit for AC input 1” parameter. Zie hoofdstuk 6 voor meer informatie.
2.3 Non VE.Bus systeem met 1 wisselstroom bron
De DMC moet aan het systeem aangepast worden indien het gebruikt wordt met non VE.Bus
systemen. Dit kunt u doen door de ‘schaalwaarde’ parameter te veranderen. Zie het configuratie
hoofdstuk voor meer informatie hierover.
Na een correcte aanpassing van de DMC aan het systeem, is de maximum stroom die de
gebruiker in kan stellen gelijk aan het maximum limiet van het systeem. Als u een limiet wilt
instellen voor de maximum stroom die de gebruiker in kan stellen, moet u de
“Upper shore limit for AC input 1” parameter aanpassen. Zie het hoofdstuk 6 voor meer
informatie.
2.4 Non VE.Bus systeem met 2 wisselstroom bronnen
De DMC moet aan het systeem aangepast worden indien het gebruikt wordt met non VE.Bus
systemen Dit kunt u doen door de ‘schaalwaarde’ parameter te veranderen. Zie hoofdstuk 6 voor
meer informatie hierover.
Een non VE.Bus systeem met 2 wisselstroom bronnen kan alleen gebouwd worden met een
externe omschakelautomaat (PowerMan). De installatie hiervan is exact hetzelfde als wanneer u
een VE.Bus systeem gebruik met een externe omschakelautomaat. Zie paragraaf 2.2.3 voor
meer informatie hierover.

4
3. Beschrijving van het Digital Multi Control paneel
De DMC is een paneel dat geschikt is voor alle Multi’s/Quattro’s en Multi/Quattro systemen. Dit is
inclusief standalone, parallelle, en 2+3-fase configuraties. Zowel VE.Bus als non VE.Bus
systemen worden ondersteund.
U kunt met de DMC een aparte walstroom en generatorstroom instellen. U kunt zelfs tot en met 4
verschillende walstromen instellen indien u het paneel gebruikt in een uitgebreid VE.Bus systeem.
Voor VE.Bus systemen, past de DMC automatisch de maximaal instelbare waarde aan in
overeenstemming met het verbonden systeem.
3.1 Generator support
Met de DMC kunt u de wisselstroom input stroomgrens veranderen wanneer de wisselstroom
bron extern van walstroom naar generator geschakeld wordt.
Normaliter stuurt de DMC de (met de knop aan de voorkant) ingestelde walstroomwaarde naar de
verbonden apparaten. Maar als de aansluitklemmen van de schroefconnector aan de achterkant
van de DMC kortgesloten worden, stuurt de DMC een vooraf ingestelde walstroomgrens naar de
verbonden apparaten. Deze vooraf ingestelde grens wordt over het algemeen gebruikt voor een
generator. Het display op de DMC zal daarom ‘’ weergeven.
De twee klemmen van de schroefconnector dienen verbonden te worden met een relais dat
extern bestuurd wordt. Normaliter betreft dit een hulprelais van een externe omschakelautomaat.
3.2 VE.Bus apparaten verbinden
De DMC gebruiken met VE.Bus apparaten is eenvoudig: verbind de DMC met het systeem. De
maximum/minimum walstromen (welke ingesteld kunnen worden) worden automatisch aangepast
aan het systeem.
Dit betekent dat:
- Als u een DMC verbindt met een Multi met 16A doorschakelstroom, wordt de maximale
walstroom instelling automatisch op 16A gezet.
- Het verbinden van de DMC met 5 van deze parallelgeschakelde Multi’s resulteert in 80A als
maximale walstroomgrens. Indien nodig, kunt u een bovengrens instellen om te voorkomen dat
de gebruiker een te hoge walstroomgrens instelt. Zie paragraaf 6.4 voor meer informatie.
De DMC kan omgaan met een Quattro of een uitgebreid VE.Bus systeem dat meer dan 1
wisselstroom input heeft. Wanneer het systeem schakelt van de ene wisselstroom input naar de
ander, schakelt de DMC ook. Als gevolg daarvan wordt de stroomgrens gezet op de voor die
wisselstroom input laatst gebruikte waarde.
In de Multi/Quattro configuratie is het mogelijk om aan te geven dat een walstroomgrens niet
terzijde gesteld mag worden door het paneel. In een dergelijk geval zal de DMC geen
walstroomgrens weergeven. In plaats daarvan geeft hij de wisselstroom input identificaties weer,
zoals: ‘ ’, ‘ ’, ‘ ’ of ‘ ’.
De DMC geeft (om en om) de walstroomwaarde en de wisselstroom input identificatie weer indien
in een systeem met meer dan 1 input de corresponderende input veranderingen door het paneel
toelaat. Een uitzondering hierop is wisselstroom input 1. Als deze input actief is, zal alleen de
walstroomwaarde weergegeven worden. En dus niet de wisselstroom input identificatie.

5
EN NL FR DE ES Appendix
3.3 Non-VE.Bus apparaten verbinden
Om de DMC te bedienen met non VE.Bus apparaten, moet u de ‘schaalwaarde’ parameter
configureren. Zodoende past de DMC zich aan het systeem aan.
De standaard instelling is geschikt voor een standalone Multi met een 16A
omschakelautomaat.
In dit geval is er geen aanpassing nodig voor de minimum walstroomgrens.
Indien nodig, kan er een bovengrens ingesteld worden om te voorkomen dat de gebruiker een
te hoge grens instelt. Zie paragraaf 6.4 voor meer informatie.

6
4. Installatie van het Digital Multi Control paneel
Om uw DMC te installeren heeft u het volgende nodig:
1) Eén UTP (Unshielded Twisted Pair) kabel met twee RJ45 connectors (om hem te verbinden
met een Multi of Quattro). Deze is beschikbaar in 5, 10, 15, 20, 25 en 30 meter.
2) Als de ‘Generator support’ toepassing (zie paragraaf 3.1) van de DMC gebruikt wordt, heeft u
tevens twee draden nodig om de DMC met de omschakelautomaat te verbinden. Deze verbinding
kunt u bewerkstelligen met 2 draden van 0.25 – 1.0mm².
Zie de handleiding van de omschakelautomaat voor meer informatie.
3) Aan de inbouw van het Digital Multi Control Panel worden geen speciale eisen gesteld.
4.1 Bus kabel
Gebruik een standaard UTP kabel met RJ45 connectors om de DMC te verbinden met een Multi
of Quattro.
Opmerking: In het geval van een non VE.Bus parallel systeem: verbind de DMC met de master
Multi.
4.2 Bedrading van de omschakelautomaat
Alleen indien u een externe omschakelautomaat heeft, dient u een relais te verbinden met de
connector op de achterkant van de DMC. Wanneer het relais open is, worden de stroomgrenzen
gecontroleerd door de knop op de voorkant van de DMC. Wanneer het relais gesloten is, stuurt
de DMC het vooraf ingestelde generatorstroomgrens naar de verbonden apparaten. Dit relais
wordt normaliter aangestuurd door uw walstroom/generator omschakelautomaat.

7
EN NL FR DE ES Appendix
5. Het Digital Multi Control paneel gebruiken
U kunt de DMC gebruiken om op afstand vier (vijf inclusief de generator functionaliteit)
verschillende input stromen in te stellen, de systeem status af te lezen en uw Multi’s/Quattro’s
aan/uit te zetten.
5.1 Het systeem aan en uit zetten
U kunt het systeem met de schakelaar aan de voorkant aan/uit of op alleen laden zetten.
5.2 De systeem input stroomgrens instellen
U kunt de walstroom bepalen doormiddel van de controleknop op de DMC. Draai de knop om de
gewenste waarde te kiezen. De stroomgrens wordt weergegeven op het display.
De stroomgrens van de generator kunt u instellen tijdens de installatie. Zie hoofdstuk 6 voor
gedetailleerde instructies.
Als PowerAssist is ingeschakeld is er een minimum wisselstroom input stroomgrens van
omstreeks 2-3A per apparaat. Kiezen voor een lagere grens dan dit minimum resulteert alsnog in
hantering van het minimum. Dit is gebruikelijk Multi/Quattro gedrag. Er is een functionaliteit in de
Multi/Quattro die ervoor zorgt dat wanneer PowerAssist ingeschakeld is, en de ingestelde
walstroom op het paneel op nul ampère staat, de interne omschakelautomaat wordt geopend en
het apparaat begint om te vormen.
Alleen VE.Bus:
- De DMC staat niet toe dat u een grens instelt die lager is dan de minimale walstroomgrens. Om
gebruik te maken van de hierboven genoemde functionaliteit, kan de gebruiker de
walstroomgrens instellen op 0 ampère. Dit is eigenlijk onder de minimale walstroomgrens.
Om dit de bereiken moet de gebruiker de knop naar links draaien.
Het display springt dan naar 0.0 en het verbonden apparaat/apparaten zullen beginnen met
omvormen. Wanneer de knop naar rechts wordt gedraaid, zal het display naar de minimale
walstroomgrens springen.
- Als uw systeem meer dan 1 wisselstroom input heeft, zal de display aangeven welke input op
dat moment in gebruik is door ‘’, ‘ ’, ‘ ’ of ‘ ’ weer te geven.

8
5.3 LED helderheid
Voor uw comfort wordt de helderheid van de LED’s automatisch bepaald doormiddel van een
lichtsensor. Als de omgevingslichtsterkte lager wordt zal de helderheid van de LED’s ook dalen.
Dit is prettig voor het oog en verminderd tevens het stroomverbruik.

9
EN NL FR DE ES Appendix
6. Het Digital Multi Control paneel configureren
Dit hoofdstuk beschrijft de configuratie parameters en -procedure.
6.1 Procedure
U kunt 6 parameters instellen tijdens de configuratie. De configuratie procedure is simpel:
- Druk op de knop aan de achterkant van de DMC totdat de laagste LED in de linkerkolom
begint te branden. U heeft nu de configuratie modus opgestart. Als de LED brandt betekent dit
dat u de eerste parameter kunt veranderen.
- Om de waarde van een parameter te veranderen, draai de knop totdat de gewenste waarde
is bereikt.
- Druk op de knop om door te gaan naar de volgende parameter.
De laagste drie LED’s in de linkerkolom op de DMC geven weer welke parameter wordt
aangepast. Zie de tabel hieronder.
LED
indicatie Geselecteerde parameter
Schaalwaarde. Standaard:0, bereik:0-9
(deze parameter wordt genegeerd indien u
VE.Bus apparaten gebruikt).
Generator stroomgrens in Ampère.
Standaard:16, bereik: 0..198.
Bovengrens voor wisselstroom input 1
in Ampère.
Standaard:254, bereik:0..254.
Bovengrens voor wisselstroom input 2
in Ampère.
Standaard:254, bereik:0..254.
Bovengrens voor wisselstroom input 3
in Ampère.
Standaard:254, bereik:0..254.
Bovengrens voor wisselstroom input 4
in Ampère.
Standaard:254, bereik:0..254.
LED is uit LED knippert LED is aan
Opmerkingen:
- De verbonden Multi’s of Quattro’s schakelen naar “Inverter only” wanneer de configuratie knop
ingedrukt wordt; en gedurende de configuratie modus.
- Als u op de knop drukt nadat de laatste parameter in de tabel is geselecteerd beëindigd u de
configuratie modus en activeert u alle parameters. Dus: zelfs als u maar 1 parameter wilt
veranderen zult u langs alle parameters moeten gaan om de configuratie modus te beëindigen.

10
6.2 De schaalwaarde instellen
De schaalwaarde instellen is alleen nodig indien u gebruik maakt van non VE.Bus Multi’s (dit zijn
Multi’s met de volgende firmware versies: 15xxyyy, 17xxyyy and 18xxyyy).
De schaalwaarde wordt gebruikt om de stromen die weergegeven worden op de DMC af te
stemmen met de stromen in het systeem.
De schaalwaarde wordt berekend aan de hand van de volgende formule:
Schaalwaarde = (Aantal apparaten * Type apparaat) - 1
Het type apparaat is 1 voor een 16A model Multi en 2 voor een 30A model Multi.
Aantal apparaten zijn alle Multi’s inclusief de master Multi.
Voorbeeld: U heeft vier 30A Multi’s. De schaalwaarde is dan: (4 * 2) – 1 = 7
Belangrijke opmerkingen:
1)Specificeer het aantal slaves NIET (met ‘VEConfigure2’) in de Multi’s wanneer u een andere
schaalwaarde dan nul heeft ingesteld.
In dat geval dient u het aantal slaves in de Multi’s op nul in te stellen!
Het systeem werkt niet als u de schaalwaarde in de DMC instelt en tevens het aantal slaves in de
Multi’s instelt.
2) Wanneer u een split-fase of 3-fase configuratie gebruikt, wordt het aantal apparaten bepaald
door het aantal apparaten in 1 fase. Dus voor een 3-fase systeem gebouwd met 6 Multi’s is het
aantal apparaten 2.
6.3 De generator stroomgrens instellen
Deze parameter hoeft alleen geconfigureerd te worden indien u een externe omschakelautomaat
(PowerMan) gebruikt (zie paragraaf 3.1). Gebruikt u deze niet dan heeft deze parameter geen
invloed. De generator stroomgrens kan ingesteld worden op 0 tot ongeveer 198 ampère in
stappen van 2 ampère.
Belangrijke opmerking:
Kleine 3000 RPM generatorsets van bepaalde merken raken oververhit als ze gedurende lange
periodes met maximale belasting draaien. In sommige gevallen moet de maximumstroom op
maximaal 70% van de nominale maximumstroom ingesteld worden. De stroomgrens van 1500
RPM generatorsets kan over het algemeen ingesteld worden op rond de 90% van de nominale
outputstroom.
6.4 De “Upper Shore limits” voor wisselstroom input 1 t/m 4 instellen
Om te voorkomen dat de gebruiker van de DMC een te hoge stroomgrens voor het systeem
instelt, kunt u een ‘Upper Shore limit’ instellen.
Voorbeeld: U heeft een systeem met 5 parallel geschakelde Multi’s. De maximale
doorschakelstroom zou dan 80A zijn. Dit kan een veel te hoge instelling zijn voor de schakelaars
in uw systeem. Door de “Upper Shore limit” aan te passen voorkomt u dat de walstroomgrens
hoger ingesteld wordt dan, bijvoorbeeld, 30A.
U kunt vier verschillende grenzen instellen omdat VE.Bus systemen maximaal vier wisselstroom
inputs hebben. Voor simpele VE.Bus systemen met Multi’s of non VE.Bus systemen is het
voldoende om alleen de “Upper Shore limit voor AC input 1” in te stellen. De anderen worden dan
niet gebruikt.

11
EN NL FR DE ES Appendix
6.4.1 Speciale display functionaliteit
Indien u een uitgebreid VE.Bus systeem (of een Quattro systeem) heeft, en u gebruikt meer
dan 1 wisselstroom input, kunt u te maken krijgen met de volgende situatie:
Laten we aannemen dat we 2 wisselstroom inputs gebruiken. Als we de generator prioriteit
willen geven boven de wal dan sluiten we de generator aan op AC input 1. De gebruiker mag
de instelling voor de generator niet veranderen. Om dit in te stellen zet je, in VEConfigure2,
het vinkje van ‘overruled by remote’ voor AC input 1 uit. De wal wordt aangesloten op AC
ingang 2. Voor AC input 2 laten we het ‘overruled by remote’ aanvink vak aangevinkt.
De DMC zal zich dan als volgt gedragen:
Als de generator geselecteerd is geeft de DMC ‘ ’ weer.
Als de generator uitgeschakeld is en de walstroom wordt toegepast, zal de DMC om en om de
ingestelde waarde voor wisselstroom input 2 en de wisselstroom input identificatie ‘’
weergeven.
Deze om en om weergave is misschien niet wat u wilt of verwacht. Er is immers maar één
ingestelde waarde die de gebruiker kan aanpassen. Wanneer wisselstroom input 1 is
geselecteerd zal er altijd ‘’ weergegeven worden. Het is dan duidelijk dat: wanneer de
ingestelde stroom wordt weergegeven, wisselstroom input 2 geselecteerd is.
Om dit te bereiken, dient u alle (behalve één) “Upper Shore limits” op nul in te stellen.
Dus in dit voorbeeld dient u AC1, AC3 and AC4 op nul in te stellen. Het display zal dan niet om
en om de ingestelde waarde en ‘’ weergeven.
Samenvatting: het instellen op nul van alle behalve één “Upper Shore limits”, heeft als
resultaat dat het display niet meer om en om ‘ ’ en de ingestelde waarde zal weergeven.
6.5 Configuratie voorbeelden
Hieronder staan twee voorbeelden om u te helpen met het instellen van de parameters.
Voorbeeld 1: Twee VE.Bus Multi’s 16A/230V + 4kVA generator (3000 RPM) + externe
omschakelautomaat.
Omdat dit een VE.Bus systeem is hoeft de schaalwaarde niet ingesteld te worden.
Een 4kVA generator kan een maximale stroom van 17,4A leveren. Omdat wij uitgaan van een
veiligheidsmarge van 70% stellen we de generatorstroom in op 12A. Om de configuratie te
bewerkstelligen, doe het volgende:
1) Houdt de configuratie knop ingedrukt totdat de onderste LED van de linkerkolom begint te
knipperen. U zit nu in de configuratiemodus. Nu kunt u de schaalwaarde veranderen. Zoals
eerder in deze handleiding vermeldt, kan deze parameter genegeerd worden in het geval van
VE.Bus Multi’s.
2) Druk op de knop om door te gaan met de volgende instelling. De onderste LED in de
linkerkolom zal gaan branden. Dit betekent dat u de generatorstroom in kunt stellen.
3) Draai de knop totdat het display ‘12’ weergeeft.
4) Druk op de knop om door te gaan naar de “Upper Shore limit for AC input 1” instelling.
5) Als u wilt dat de maximale walstroom die ingesteld kan worden door de gebruiker lager is dan
32 ampère, dient u deze waarde te veranderen.
6) Aangezien het niet nodig is om de volgende 3 parameters (Upper Shore limit for AC input 2, 3
and 4) in te stellen, kunt u 4 keer op de knop drukken en zodoende de configuratiemodus
afsluiten.

12
Voorbeeld 2: Vier non VE.Bus Multi’s 30A/120V + 13kVA generator (1500 RPM) + externe
omschakelautomaat.
Voor deze configuratie dient de schaalwaarde berekend te worden. Het aantal apparaten is 4, het
type apparaat is 2, dus de schaalwaarde is (4 x 2) – 1 = 7.
Een13kVA generator 120V kan een maximum stroom van 108,3A leveren. Omdat wij in dit geval
uitgaan van een veiligheidsmarge van 90%, stellen we de generatorstroom in op 98A. Om de
configuratie te bewerkstelligen, doe het volgende:
1) Houdt de configuratie knop ingedrukt totdat de onderste LED van de linkerkolom begint te
knipperen. U zit nu in de configuratiemodus. Nu kunt u de schaalwaarde veranderen.
2) Draai de knop totdat het display ‘7’ weergeeft.
3) Druk op de knop om door te gaan naar de volgende instelling. De onderste LED in de
linkerkolom zal gaan branden. Dit betekent dat u de generatorstroom in kunt stellen.
4) Draai de knop totdat het display ‘98’ weergeeft.
5) Druk op de knop om door te gaan naar de “Upper Shore limit for AC input 1” instelling.
6) Waarschijnlijk wilt u dat de maximale walstroom die ingesteld kan worden door de gebruiker
lager is dan 128 ampère. Draai daarom de knop totdat het display de gewenste waarde hiervoor
weergeeft.
7) Aangezien het niet nodig is om de volgende 3 parameters (Upper Shore limit for AC input 2, 3
and 4) in te stellen, kunt u 4 keer op de knop drukken en zodoende de configuratiemodus af te
sluiten.

1
EN NL FR DE ES Appendix
1. Démarrage Rapide
Le tableau de contrôle DMC (Digital Multi Control) est un tableau de contrôle à distance conçu
pour travailler avec tous les systèmes Multis/Quattro’s et Multi/Quattro. Ceci comprend les
configurations autonome, parallèle et biphasée ou triphasée. Aussi bien les systèmes VE.Bus
que les non VE.Bus sont compatibles.
Connecter le DMC à votre système est une procédure très simple. Dans la plupart des cas, il
suffit de connecter le DMC avec un câble RJ45 sans qu’aucune autre manipulation ne soit
nécessaire.
Afin de vous aider à configurer votre système rapidement, ce manuel contient dans le
paragraphe 2 différents alinéas relatifs aux applications les plus communes. Veuillez trouver
dans le tableau ci-dessous l’application recherchée et référez-vous à l’alinéa correspondant.
Pour une description plus générique de ce tableau de contrôle, veuillez-vous référer au
paragraphe 3.
Pour configurer:
Consultez le
paragraphe:
Système VE.Bus avec 1 source d’alimentation AC
2.1
Système VE.Bus avec 2 sources AC
2.2
Système VE.Bus étendu avec Multis
2.2.1
Système VE.Bus monté avec Quattros
2.2.2
Système Multi VE.Bus + commutateur de transfert externe
(PowerMan)
2.2.3
Système sans VE.Bus avec 1 source AC
2.3
Système sans VE.Bus avec 2 sources AC
2.4
Remarques:
1) Le mot «système» renvoie à l’installation de un ou plusieurs Multis ou Quattros.
2) Afin de déterminer si votre système est VE.Bus ou non, vérifiez la version du firmware du Multi.
Toutes les versions du firmware Multi 15xxyyy, 17xxyyy et 18xxyyy ne disposent pas du VE.Bus.
(Les Quattros ont toujours le VE.Bus)

2
2. Installations standard
2.1 Système VE.Bus avec 1 source d’alimentation AC
La configuration pour ce genre de système est très facile: Vous n’avez qu’à connecter le DMC à
votre système VE.Bus (voir le paragraphe 4.1), et le DMC va s’adapter automatiquement au
système installé actuellement.
Il n’est pas nécessaire de changer les paramètres du DMC, sauf si vous souhaitez limiter le
courant maximum que l’opérateur peut configurer. Dans ce cas, vous n’avez qu’à adapter la
configuration «Limite maximum du courant de quai pour entrée AC 1». Voir le paragraphe 6 pour
une description de la procédure à suivre.
2.2 Système VE.Bus avec 2 sources d’alimentation AC
Il y a plusieurs manières de monter un système VE.Bus avec 2 sources d’alimentation AC.
Consultez le sous-paragraphe correspondant à votre installation.
2.2.1 Système VE.Bus étendu avec Multis
Un système disposant de plus d’une entrée AC peut être installé avec des Multis normaux. La
fonctionnalité du VE.Bus étendu est utilisée dans ce but. Cette fonctionnalité est disponible quand
une fiche est connectée au système. Dans ce cas, le système doit être configuré avec l’outil
«VE.Bus System Configurator».
Du point de vue du DMC, il n’y a pas de différence entre un système installé avec des Quattros et
un système installé avec des Multis. Ainsi que consultez le paragraphe 2.2.2. Notez qu’en
utilisant VeConfigure2, il est possible de déterminer si une limite d’entrée AC du quai peut être
invalidée ou non par le tableau de contrôle à distance.
2.2.2 Système VE.Bus monté avec Quattros
Si votre système est installé avec un ou plusieurs Quattros, l’installation du DMC se fait
directement. Vous n’avez qu’à connecter le DMC à votre système VE.Bus (voir le paragraphe 4.1),
et le DMC va s’adapter automatiquement au système installé actuellement.
Le plus probable est que vous n'ayez aucun changement de configuration à faire dans le DMC.
Dans un Quattro, l'entrée AC1 a toujours priorité sur l'entrée AC2. La configuration par défaut
dans un Quattro établit que le courant de quai AC2 peut être annulé par le tableau de contrôle à
distance et que la limite AC1 est fixe. (Cela peut être changé avec VeConfigure2)
Dans la pratique en général, un générateur est connecté à l'AC1 et l’entrée du courant de quai à
l’AC2. Tant que le générateur est en marche, les Quattros utiliseront le générateur. Dans ce cas,
le DMC affichera et le fait de tourner le sélecteur du DMC n’aura aucun effet.
Lorsque le générateur est arrêté et le courant de quai est appliqué, les Quattros commuteront au
réseau électrique du secteur. Maintenant l'écran du DMC changera en continue entre et la
limite fixée pour le courant de quai. Et à présent, le fait de tourner le sélecteur va changer la limite
fixée dans les Quattros.
Si vous souhaitez limiter le courant maximum que l’opérateur peut configurer, vous pouvez
changer le paramètre «Upper Shore limit for AC input 2» (limite supérieure du courant de quai
pour l’entrée AC2). Voir le paragraphe 6 pour une description de la procédure à suivre.
Veuillez consulter le paragraphe 6.4.1 si vous souhaitez effacer le clignotement de l’écran (
<-> valeur limite du courant de quai)

3
EN NL FR DE ES Appendix
2.2.3 Système Multi VE.Bus + commutateur de transfert externe (PowerMan)
Si un commutateur de transfert externe est installé avant les Multis, alors ce commutateur
déterminera quelle source AC est utilisée. Les Multis n’ont aucune information quant à l'état du
commutateur. Le DMC propose une manière d’établir différentes limites pour les deux sources
d'alimentation AC.
Pour cela, le DMC doit disposer d'informations sur l’état du commutateur de transfert externe.
À cette fin, un connecteur à vis est placé sur la partie arrière du DMC.
Normalement, le DMC va envoyer aux Multis le courant de quai tel qu’établi par le sélecteur.
Si toutefois, les bornes de ce connecteur à vis sont court-circuitées, le DMC envoie aux Multis
une limite de courant préconfigurée. L’écran du DMC affichera alors: .
Les deux bornes du connecteur à vis doivent être connectées au PowerMan. Un relais
auxiliaire du commutateur de transfert externe est la place normale. Pour plus d’informations,
consultez le manuel du commutateur de transfert.
Consultez le paragraphe 4 pour une description de la procédure à suivre pour connecter le
DMC au système.
Pour cette application, le DMC doit être configuré car il doit «connaître» le courant limite qu'il
doit envoyer aux Multis quand les bornes sont court-circuitées. Veuillez changer le paramètre
de la «limite de courant du générateur» si nécessaire. Voir le paragraphe 6 pour une
description de la procédure à suivre.
Si vous souhaitez limiter le courant maximum que l’opérateur peut configurer, vous pouvez
changer le paramètre Upper Shore limit for AC input 1 (Limite supérieure de courant de quai
pour une entrée AC). Voir le paragraphe 6 pour une description de la procédure à suivre.
2.3 Système sans VE.Bus avec 1 source d’alimentation AC
Le DMC doit être ajusté (assorti au système) quand il est utilisé avec un système non VE.Bus.
Ceci peut se faire en changeant le paramètre de «facteur d’échelle». Voir le paragraphe de
configuration pour une description de la procédure à suivre.
Une fois la mise à l’échelle correctement faite, la limite de courant maximum que l’opérateur peut
établir est égale à la limite maximum du système. Si vous souhaitez limiter le courant maximum
que l’opérateur peut configurer, vous devez adapter le paramètre Upper Shore limit for AC input 1
(Limite supérieure de courant de quai pour une entrée AC). Voir le paragraphe de configuration
pour une description de la procédure à suivre.

4
2.4 Système sans VE.Bus avec 2 sources d’alimentation AC.
Le DMC doit être ajusté (assorti au système) quand il est utilisé avec un système non VE.Bus.
Ceci peut se faire en changeant le paramètre de «facteur d’échelle». Voir le paragraphe 6 pour
une description de la procédure à suivre.
Un système non VE.Bus avec 2 sources d'alimentation AC ne peut être monté qu'avec un
commutateur de transfert externe (PowerMan). L’installation est la même que pour l’utilisation
d’un système VE.Bus avec un commutateur de transfert externe. Merci de consulter le
paragraphe 2.2.3.

5
EN NL FR DE ES Appendix
3. Description du tableau de contrôle DMC
Le DMC (Digital Multi Control) est un tableau de contrôle à distance conçu pour travailler avec
tous les systèmes Multis/Quattros et Multi/Quattro. Ceci comprend les configurations
autonome, parallèle et biphasée ou triphasée. Aussi bien les systèmes VE.Bus que les non
VE.Bus sont compatibles.
Avec le DMC, vous pouvez installer séparément des courants de quai et de générateur.
Si vous l’utilisez avec un système VE.Bus, vous pouvez même installer 4 courants de quai
différents.
Pour les systèmes VE.Bus, le DMC va adapter automatiquement l’amplitude ajustable pour
coïncider avec le système connecté.
3.1 Soutien au générateur
Le DMC fournit différents moyens de changer la limite du courant d’entrée AC lorsque l’AC est
commutée extérieurement du quai au générateur.
Normalement, le DMC va envoyer aux appareils connectés le courant de quai tel qu’établi par
le sélecteur. Si toutefois, les bornes de ce connecteur à vis qui se trouvent sur la partie arrière
du DMC sont court-circuitées, celui-ci envoie aux appareils connectés une limite de courant
préconfigurée.
La limite préconfigurée est généralement utilisée pour un générateur. L’écran du DMC
affichera alors: .
Les deux bornes du connecteur à vis doivent être connectées à un commutateur contrôlé
extérieurement. En fait, cela sera un relais auxiliaire ou un commutateur de transfert externe.
3.2 Connexion d’appareils VE.Bus
L’utilisation du DMC avec des appareils VE.Bus est très simple. Vous n’avez qu’à connecter le
DMC au système. Les courants de quai maximum/minimum qui peuvent être configurés sont
automatiquement adaptés au système.
Ce qui signifie que:
- La connexion du DMC à un Multi d’une capacité de 16A limitera la configuration maximum du
courant de quai à 16A.
- La connexion du DMC à 5 Multis en parallèle donnera une limite de courant maximum de 80A.
(Si cela est nécessaire, une limite supérieure peut être configurée afin d’éviter que l’opérateur
n’établisse une limite de courant de quai trop élevée. Voir la section 6.4)
Le DMC est capable de travailler avec un Quattro ou un système VE.Bus étendu qui dispose de
plus d'1 entrée AC. Quand le système commute d’une entrée AC à une autre, le DMC commute
aussi, configurant la limite de courant selon la dernière valeur utilisée pour cette entrée AC.
Il est possible de configurer le Multi/Quattro pour indiquer que la limite du courant de quai ne peut
pas être annulée par le tableau de contrôle à distance. Dans ce cas, le DMC n’affichera aucune
valeur limite de courant de quai, et il affichera l’identification de l’entrée AC de la manière
suivante : , , ou .
Si pour un système de plus d’une entrée, l’entrée correspondante permet un changement par le
tableau de contrôle à distance, le DMC affichera la valeur du courant en alternance avec
l'identification de l'entrée AC.
Seule exception: l’entrée AC1. Si l’entrée AC 1 est active, seule la valeur du courant de quai sera
affichée, mais pas l'identification d'entrée AC.

6
3.3 Connexion d’appareils non VE.Bus
Afin de faire fonctionner le DMC avec des appareils non VE.Bus, il faut configurer un paramètre
de mise à l’échelle pour assortir le DMC avec le système connecté.
La configuration par défaut correspond à un Multi autonome avec un commutateur de transfert de
16A.
Dans ce cas, il n’y aura pas de mise à l’échelle pour la limite de courant de quai minimum.
Si cela est nécessaire, une limite supérieure peut être configurée afin d’éviter que l’opérateur
n’établisse une limite trop élevée. (Voir la section 6.4)

7
EN NL FR DE ES Appendix
4. Installation du tableau de contrôle DMC
Pour installer votre DMC, il vous faudra:
1) Un câble UTP (paire torsadée non blindée) avec deux connecteurs RJ45 (pour connecter à
un Multi ou à un Quattro) disponible en 5, 10, 15, 20, 25 et 30 mètres.
2) Quand la fonctionnalité de soutien du générateur (voir le paragraphe 3.1) du DMC est
utilisée, vous aurez aussi besoin de deux fils pour connecter le DMC au commutateur de
transfert. Cette connexion peut être réalisée en utilisant 2 fils de 0.25-1.0mm².
Pour plus d’informations, consultez le manuel du commutateur de transfert.
3) Aucune condition spécifique requise pour intégrer le Tableau de commande numérique
Multi Control.
4.1 Câble Bus
Pour connecter le DMC à un Multi ou à un Quattro, utilisez un câble standard UTP avec des
connecteurs RJ45.
Remarque: Pour le système parallèle sans VE.Bus, connectez le DMC au Multi principal.
4.2 Câblage du commutateur de transfert
Seulement en cas d’utilisation d’un commutateur de transfert externe, il faut connecter un
commutateur au connecteur à vis qui se trouve sur la partie arrière du DMC. Quand le
commutateur est ouvert, la limite de courant est contrôlée par le sélecteur qui se trouve sur la
partie avant du DMC. Quand le commutateur est fermé, le DMC envoie la limite préétablie de
courant du générateur aux appareils connectés. Normalement, cet interrupteur est contrôlé par
votre commutateur de transfert du générateur/quai.

8
5. Utilisation du tableau de contrôle DMC
Le DMC est utilisé pour configurer à distance jusqu’à quatre (cinq en tenant compte de la fonction
de générateur) entrée de courants différentes, pour lire le statut de votre système et pour éteindre
et allumer les Multis ou les Quattros.
5.1 Allumage et extinction du système.
Utilisez l’interrupteur situé sur la partie avant pour allumer, éteindre le système ou pour le mettre
en mode chargeur.
5.2 Configuration de la limite du courant d'entrée du système
La limite de courant de quai se configure avec le sélecteur situé sur le DMC. Tourner le à droite
ou à gauche pour établir la valeur souhaitée. La limite de courant sera affichée sur l’écran à 7
segments.
La limite de courant du générateur peut être établie pendant l’installation. Pour des instructions
plus détaillées, voir le paragraphe 6.
Si le PowerAssist est activé, il y a une limite minimum de courant d’entrée AC d’environ 2-3 A par
appareil. Si vous configurez une limite inférieure à ce minimum, vous obtiendrez la limite
minimum. C’est une réaction normale du Multi/Quattro.
Le Multi/Quattro a une fonction qui fait que, lorsque le PowerAssist est activé et que le tableau de
contrôle à distance affiche une configuration du courant de quai de 0 Ampères, le relais de
transfert interne s'ouvre et l'appareil commence à invertir.
VE.Bus seulement:
- Le DMC ne vous permettra pas de configurer une limite inférieure à la limite minimum de
courant de quai.
Afin de pouvoir utiliser la fonction ci-dessus, le DMC permet à l’opérateur de configurer une limite
de courant de quai jusqu’à 0 Ampères, ce qui est réellement inférieur à la limite minimum de
courant de quai. Pour y arriver, l’opérateur doit tourner le sélecteur vers le bas à une vitesse
supérieure. L’écran passera à 0.0 et l’appareil connecté (ou les appareils) commencera
l’inversion. Si le sélecteur est tourné vers le haut à nouveau, l’écran « sautera » à la limite
minimum de courant de quai.
- Si votre système a plus d’une entrée AC, l’écran indiquera quelle est l’entrée qui est
actuellement utilisée en affichant , , ou .

9
EN NL FR DE ES Appendix
5.3 Luminosité des DEL.
Pour votre confort, la luminosité des DELs (diode électroluminescente) est contrôlée
automatiquement par un capteur de lumière. Quand le niveau de la lumière ambiante diminue,
les voyants (DEL) seront moins brillants ce qui sera plus agréable pour les yeux et réduira la
consommation d'énergie.

10
6. Configuration du tableau de contrôle DMC
Ce paragraphe décrit les paramètres et la procédure de configuration.
6.1 Procédure
Au cours de la configuration, 6 paramètres doivent être établis. La procédure de configuration est
simple.
- Pour entrer dans le mode de configuration, appuyez sur le bouton qui se trouve sur la partie
arrière du DMC jusqu’à ce que le voyant du bas de la colonne de gauche commence à clignoter,
indiquant ainsi que le premier paramètre peut être changé.
- Pour changer la valeur d’un paramètre, tournez le sélecteur jusqu’à ce que la valeur souhaitée
s'affiche.
- Appuyez sur le bouton de configuration pour passer au paramètre suivant.
Les trois voyants inférieurs de la colonne de gauche du DMC indiquent quel est le paramètre qui
est en cours de configuration selon le tableau suivant :
Indication
Voyants Paramètre Sélectionné
Facteur d’échelle. Défaut: 0, échelle: 0-9
(ce paramètre est ignoré lors de
l’utilisation d'appareils avec VE.Bus)
Limite du courant du Générateur en
Ampères.
Défaut: 16, échelle: 0..198
Limite max du courant de quai pour 1
entrée AC en Ampères.
Défaut: 254, échelle: 0..254
Limite max du courant de quai pour 2
entrées AC en Ampères.
Défaut: 254, échelle: 0..254
Limite max du courant de quai pour 3
entrées AC en Ampères.
Défaut: 254, échelle: 0..254
Limite max du courant de quai pour 4
entrées AC en Ampères.
Défaut: 254, échelle: 0..254
= Voyant éteint, = voyant clignotant, = voyant allumé
Remarques:
- Les Multis ou Quattros connectés changent à «Convertisseur seulement» quand on appuie sur
le bouton de configuration et pendant le mode de configuration.
- En appuyant sur le bouton quand le dernier paramètre du tableau est sélectionné vous mettrez
fin au mode de configuration et cela activera tous les paramètres. Donc même si vous ne voulez
ajuster qu'un seul paramètre, vous devez passer par tous les paramètres pour sortir du mode de
configuration.

11
EN NL FR DE ES Appendix
6.2 Configuration du facteur d’échelle
Cette configuration n'est nécessaire que pour les Multis sans VE.Bus. (Tous les Multis avec
des versions de firmware 15xxyyy, 17xxyyy et 18xxyyy)
Le facteur d’échelle est utilisé pour assortir les courants affichés par le DMC aux courants du
système.
Le facteur d’échelle est calculé selon la formule:
Facteur d’échelle = (NrOfDevices * DeviceType) - 1
Le DeviceType (type d’appareils) est 1 pour le modèle Multi de 16A et 2 pour celui de 30A.
NrOfDevices (Nombre d’appareils) correspond à tous les Multis, y compris le Multi principal.
Exemple: Vous avez 4 Multis de 30A. Alors, le facteur d’échelle est: (4 * 2) – 1 = 7
Remarques importantes:
1) NE SPÉCIFIER PAS le nombre d’esclaves (avec VECconfigure2) dans les Multis si vous
avez spécifié un facteur d'échelle autre que zéro !
Dans ce cas, le nombre d’esclaves dans les Multis doit être configuré à zéro!
Le système ne marchera pas correctement si vous configurez le facteur d’échelle dans le
DMC et le nombre d’esclaves dans les Multis!
2) Si vous utilisez une configuration par phase auxiliaire ou triphasée, le NrOfDevices est
déterminé par le nombre d’appareils dans 1 phase. Ainsi pour un système triphasé monté
avec 6 Multis, le NrOfDevices=2.
6.3 Configuration de la limite de courant du générateur
Ce paramètre ne doit être configuré que si un commutateur de transfert externe (PowerMan) est
utilisé (voir le paragraphe 3.1) et sinon il n’a pas d’influence.
La limite de courant du générateur peut être établie de 0 à 198 A en tranches de 2A.
Remarque importante:
Les petits générateurs de 3000 tr/min de certaines marques peuvent se surchauffer s’ils restent
en marche trop longtemps en charge complète. Dans certains cas, le courant maximum ne devra
pas être configuré à plus de 70% du courant maximum nominal. La limite de courant des
générateurs de 1500 tr/min peut être établie en général à environ 90% du courant de sortie
nominal.
6.4 Configuration des limites maxima de courant de quai pour des
entrées AC de 1 à 4.
Afin d’éviter que l’opérateur du DMC n’établisse une limite de courant trop élevée pour le système,
une limite maximum de courant de quai peut être configurée.
Exemple: Vous avez un système avec 5 Multis en parallèle. Le courant d’alimentation maximum
devrait être de 80A. Cela peut être trop élevé pour les disjoncteurs utilisés dans votre système.
En ajustant la «limite maximum de courant de quai» (Upper Shore Limit), vous pouvez faire en
sorte que la limite de courant de quai ne soit pas supérieure à 30A par exemple.
Quatre limites différentes peuvent être configurées car les systèmes avec VE.Bus peuvent avoir
jusqu’à 4 entrées AC.
Pour des systèmes VE.Bus simples avec Multis ou pour des systèmes sans VE.bus, la
configuration «limite maximum de courant de quai pour l’entrée AC 1» est suffisante. Les autres
ne seront alors pas utilisées.

12
6.4.1 Fonction d’affichage spéciale
Si vous avez un système VE.Bus étendu (ou un système Quattro) et que vous utilisez plus d’1
entrée AC, vous pourriez vous retrouver dans la situation suivante :
Supposons que vous utilisiez 2 entrées AC. Vous aimeriez donner la priorité au générateur par
rapport au courant de quai, alors vous connectez le générateur à l’entrée AC 1. Cependant, vous
ne souhaitez pas que l’opérateur du tableau de contrôle puisse adapter la limite de courant qui a
été établie pour le générateur, ainsi qu’avec VEConfigure2 vous quittez l’option «annuler à
distance» pour la limite de courant établie pour l’entrée AC 1.
Vous connectez le courant de quai à l'entrée AC 2. Pour cette dernière, vous laissez marquée
l'option «annuler à distance».
Le DMC aura le comportement suivant:
Si le générateur est sélectionné, le DMC affichera .
Si le générateur n’est pas allumé et que le courant de quai est appliqué, le DMC affichera la
valeur définie pour l’entrée AC 2 en alternance avec l’identification de l’entrée AC .
Ceci ne correspond peut être pas à ce que vous souhaitez ou attendez. Pourquoi l’écran affiche
en alternance la valeur et ? L’utilisateur ne peut changer qu’une seule valeur définie ! Si
l'autre entrée AC est sélectionnée, l’écran affichera toujours . Ce serait suffisant d’afficher la
valeur de limite du courant quand l’entrée AC 2 est sélectionnée, car avec cela l’opérateur a
assez d’indications pour savoir si le système est commuté au courant de quai.
Pour cela, toutes les limites supérieures de courant de quai doivent être programmées à zéro.
Ainsi pour cet exemple, les limites pour AC1, AC3 et AC4 doivent être programmées à zéro. Ainsi,
l’écran n'affichera pas en alternance et la valeur définie pour AC 2.
En résumé: Configurer toutes les limites supérieures de courant de quai à zéro évitera un
affichage clignotant pour l’entrée AC «restante».
6.5 Exemples de configuration
Deux exemples vous sont proposés pour vous aider à comprendre la configuration des
paramètres.
Exemple 1: Deux Multis avec VE.Bus de 16A/230V + gén. de 4k VA (3000 tr/min) + commutateur
de transfert externe.
Du fait que ce soit un système avec VE.Bus, le facteur d’échelle n’a pas besoin d’être configuré.
Un générateur 4kVA peut fournir un courant maximum de 17,4 A. En utilisant une marge de
sécurité de 70%, nous configurerons le courant du générateur à 12 A. Pour établir la configuration,
réaliser les pas suivants:
1) Appuyez et maintenez appuyé le bouton de configuration jusqu'à ce que le voyant du bas de la
colonne de gauche commence à clignoter. Cela signifie que vous être entré dans le mode de
configuration et vous pouvez changer le facteur d’échelle. Comme il a été déjà précisé, ce
paramètre peut être ignoré dans les cas de Multis avec VE.Bus.
2) Appuyez sur le bouton de configuration pour passer au paramètre suivant. Le voyant du bas à
gauche va s’allumer ce qui indique que le courant du générateur peut être configuré.
3) Tournez le sélecteur jusqu’à ce que l’écran affiche 12.
4) Appuyez sur le bouton de configuration pour avancer jusqu’à la configuration de «Limite
maximum de courant de quai pour l'entrée AC 1" (Upper Shore Limite for AC input 1).
5) Si vous souhaitez que le courant de quai maximum qui peut être établi par l’opérateur soit
inférieur à 32 A, vous pouvez changer cette valeur.

13
EN NL FR DE ES Appendix
6) Comme les 3 paramètres suivants (Limite Supérieure de courant de quai pour les entrées
AC 2, 3 et 4) n’ont pas besoin d'être configurés, appuyez 4 fois sur le bouton de configuration
pour avancer jusqu’à la fin de la programmation.
Exemple 2: Quatre Multis de 30A/120V sans VE.Bus + gén. de 13k VA (1500 tr/min) +
commutateur de transfert externe.
Dans ce cas de configuration, le facteur d’échelle doit être calculé. Le NrOfDevices est 4, et le
DeviceType est 2, donc le facteur d’échelle est (4x2)-1 = 7
Un générateur de 13kVA de 120 V peut fournir un courant maximum de 108,3 A. En utilisant
une marge de sécurité de 90%, nous configurerons le courant du générateur à 98 A. Pour
établir la configuration, réaliser les pas suivants:
1) Appuyez et maintenez appuyé le bouton de configuration jusqu'à ce que le voyant du bas
de la colonne de gauche commence à clignoter. Cela signifie que vous être entré dans le
mode de configuration et vous pouvez changer le facteur d’échelle.
2) Tournez le sélecteur jusqu’à ce que l’écran affiche 7.
3) Appuyez sur le bouton de configuration pour passer au paramètre suivant. Le voyant du bas
à gauche va s’allumer ce qui indique que le courant du générateur peut être configuré.
4) Tournez le sélecteur jusqu’à ce que l’écran affiche 98.
5) Appuyez sur la touche de configuration pour avancer jusqu’à la configuration de « Limite
Supérieure de courant de quai pour l'entrée AC 1".
6) Vous souhaitez sûrement que le courant de quai maximum que puisse établir l’opérateur
soit inférieur à 128 A. Pour cela, tournez le sélecteur jusqu’à ce que l’écran indique la valeur
correcte de courant de quai maximum.
7) Comme les 3 paramètres suivants (Limite Supérieure de courant de quai pour les entrées
AC 2, 3 et 4) n’ont pas besoin d'être configurés, appuyez 4 fois sur le bouton de configuration
pour avancer jusqu’à la fin de la programmation.

1
EN NL FR DE ES Appendix
1. Schnellstart
Das Digital Multi Control Paneel (DMC) wurde als Fernbedienungs-Paneel zur Steuerung aller
Multis/Quattros und Multi/Quattro Systeme entwickelt. Dies umfasst Einzelgerätbetrieb,
Parallelbetrieb ebenso wie Parallel und 2-3 Phasen Konfigurationen. Sowohl VE.Bus als auch
Nicht - VE.Bus Systeme werden unterstützt.
Der Anschluss des DMC an ihr System ist ein einfacher Vorgang. Im Allgemeinen genügt es,
das DMC mit einem RJ45 Kabel anzuschließen; weitere Einstellarbeiten sind dann nicht
erforderlich.
Zu Ihrer Unterstützung bei der schnellen Einrichtung finden Sie im Kapitel 2 dieses
Handbuches einige Abschnitte bezüglich der wesentlichen Anwendungen. Wählen Sie aus der
nachstehenden Tabelle Ihren Anwendungsfall, und gehen Sie dann weiter zu dem
entsprechenden Anwendungsabschnitt. Eine tiefergehende Beschreibung des Paneels wird in
Abschnitt 3 gegeben.
Anmerkungen:
1) Der Begriff “System” bezieht sich auf die Installation von einem oder mehreren Multis oder
Quattros.
2) Zur Feststellung, ob Sie ein VE.Bus System haben, prüfen Sie bitte Firmware-Version-Nr. des
Gerätes. Alle Multi Firmware Versionen 15xxyyy, 17xxyyy und 18xxyyy sind nicht VE.Bus - fähig.
(Quattros sind immer VE.Bus-fähig.)
Einrichtung von:
Siehe Abschnitt:
VE.Bus System mit einer Wechselstromquelle
2.1
VE.Bus System mit zwei Wechselstromquellen
2.2
Erweitertes VE.Bus System mit Multis
2.2.1
VE.Bus System mit Quattros
2.2.2
VE.Bus Multi System + externer Übergangsschalter
(PowerMan)
2.2.3
Nicht VE.Bus System mit einer Wechselstromquelle
2.3
Nicht VE.Bus System mit zwei Wechselstromquellen
2.4

2
2. Standard Installationen
2.1. VE.Bus System mit 1 Wechselstromquelle
Die Einrichtung eines solchen Systems ist einfach: Verbinden Sie das DMC mit dem VE.Bus
System (siehe Abschnitt 4.1) und das DMC wird sich automatisch an das vorhandene System
anpassen.
Sie brauchen keine Parameter am DMC einstellen, es sei denn Sie möchten den Maximalstrom,
der vom Betreiber eingestellt werden kann, begrenzen. In dem Fall müssen Sie lediglich die
Obergrenze der Landstrom Eingangsspannung an “AC input 1” neu einstellen. In Kapitel 6 finden
Sie nähere Angaben zu dieser Einstellungsveränderung.
2.2 VE.Bus System mit 2 Wechselstromquellen
Um ein VE.Bus System mit 2 Wechselstromquellen zu konfigurieren haben Sie mehrere
Möglichkeiten. Lesen Sie die entsprechenden Abschnitte die für Ihre Anordnung gelten.
2.2.1 Erweitertes VE.Bus System mit Multis
Ein System mit mehr als einem Wechselstromeingang kann mit den normalen Multis konfiguriert
werden. Hierbei wird die erweiterte VE.Bus Funktionalität genutzt. Diese kann mit einem Dongle
im System hergestellt werden. Das System wird dann mit dem “VE.Bus System Configurator”
Werkzeug konfiguriert.
Hinsichtlich der DMC Funktionalität gibt es praktisch keinen Unterschied zwischen einem System
mit Quattros oder mit Multis. Lesen Sie weiter in Abschnitt 2.2.2. Beachten Sie, dass Sie bei
Nutzung von VeConfigure2, feststellen können, ob eine Wechselstromeingangs - Begrenzung mit
der Fernbedienung überspielt werden kann.
2.2.2 VE.Bus System mit Quattros
Wenn Ihre System mit einem oder mit mehreren Quattros aufgebaut ist, wird der Einbau des
DMC ganz einfach. Sie verbinden lediglich das DMC mit dem VE.Bus system (siehe Abschnitt 4.1)
und das DMC wird automatisch an das vorhandene System angepasst.
Sie werden höchstwahrscheinlich keinerlei Einstellungen am DMC verändern müssen.
Im Quattro hat der AC1 Eingang immer Vorrang vor dem AC2 Eingang. Die Werkseinstellung
beim Quattro ist so, dass der AC2 Landstrom durch die Fernbedienung einstellbar ist, wobei die
AC1 Begrenzung fest bleibt (mit VeConfigure2 kann das verändert werden).
Üblicherweise wird der Generator am Eingang AC1 angeschlossen und der Landanschluss an
AC2. Wenn der Generator in Betrieb ist wird der Quattro den Generator nutzen. Das DMC zeigt
AC 2 an und im genannten Fall hat der Drehknopf keine Funktion und keinen Einfluss. Sobald
der Generator stoppt und Landstrom anliegt schaltet der Quattro auf Landstrom um.
Die Anzeige des DMC wird jetzt kontinuierlich zwischen AC2 und dem eingestellten Grenzwert
des Landanschlusses wechseln. Jetzt kann durch Drehen des Knopfes der Landstromgrenzwert
in den Quattros verändert werden.
Wenn Sie den Maximalstrom, den der Betreiber einstellen kann, verändern wollen, können Sie
dies durch Einstellung des Oberen Grenzwertes für Landstrom am AC2 Eingang erreichen. In
Kapitel 6 finden Sie entsprechende Beschreibungen.
Beachten Sie auch Abschnitt 6.4.1 falls Sie das Hin- und Her-Springen der Anzeige (AC 2 shore
limit value) unterdrücken wollen.

3
EN NL FR DE ES Appendix
2.2.3 VE.Bus Multi System + externer Übergangsschalter (PowerMan)
Falls ein externer Übergangsschalter vor den Multis eingebaut ist, bestimmt dieser Schalter,
welche Wechselstromquelle genutzt wird. Die Multis haben keine Information hinsichtlich der
Schalterstellung. Der DMC ermöglicht es unterschiedliche Stromgrenzen für beide
Wechselstromeingänge festzulegen. Hierzu benötigt der DMC die Information über die
Stellung des externen Schalters. Hierzu gibt es eine Schraubklemme an der DMC-Rückseite.
Der DMC gibt im Normalfall die am Drehknopf des Multis eingestellten Landstromwerte weiter.
Wenn allerdings die Anschlüsse der Schraubklemme kurzgeschlossen sind, gibt DMC nur
voreingestellte Grenzwerte an die Multis. Am DMC Display erscheint dann GEN.
Die zwei Anschlüsse der Schraubverbindung müssen mit dem PowerMan verbunden werden.
Ein Hilfsrelais am externen Übergangsschalter ist der übliche Anschluss. Weitere
Informationen finden Sie im Handbuch für den Übergangsschalter.
In Kapitel 4 finden Sie eine Anleitung hinsichtlich des Anschlusses des DMC im System.
Hierzu muss der DMC zunächst so konfiguriert werden, dass er die Stromgrenzwerte, die an
die Multis weitergeleitet werden sollen erkennt wenn die Anschlüsse kurzgeschlossen sind.
Der “Generator Strom Grenzwert” muss entsprechend angepasst werden. In Kapitel 6 wird
erläutert wie das eingestellt werden kann.
Falls gewünscht wird den Maximalstrom, den der Nutzer einstellen kann zu begrenzen, muss
die Einstellung “Oberer Landstrom-Grenzwert für AC Eingang 1” entsprechend geändert
werden.
In Kapitel 6 wird erläutert wie das eingestellt werden kann.
2.3 System ohne VE.Bus mit 1 Wechselstrom-Eingang
Der DMC muss entsprechend skaliert werden (Systemanpassung) wenn er in Nicht-VE.Bus
Systemen eingesetzt wird. Dies wird durch Veränderung des “Maßstabsfaktors” erreicht. Im
Kapitel zur Geräte-Einstellung wird dies erläutert.
Nach richtiger Einstellung entspricht der Maximalstromwert, den der Betreiber einstellen kann
dem maximalen Strom, den das System verträgt. Falls Sie es wünschen wird der Maximalstrom,
den der Nutzer einstellen kann, durch die Einstellung “Oberer Landstrom-Grenzwert für AC
Eingang 1” entsprechend geändert. Im Konfigurations- - Kapitel wird erläutert wie Einstellungen
vorgenommen werden können.
2.4 System mit 2 Wechselstromquellen ohne VE.Bus
Das DMC muss angepasst werden (entsprechend dem aktuellen System) wenn es in einem nicht
VE.Bus System eingesetzt wird. Dies wird durch Änderung der sog. “scaling factor”
(Maßstabsfaktor) – Parameter erreicht. Lesen Sie die entsprechende Beschreibung in Kapitel 6.
Ein VE.Bus System mit zwei Wechselstromquellen kann nur mit einem externen Übergangs-
Schalter (PowerMan) aufgebaut werden. Der Einbau entspricht exakt der Vorgehensweise im
VE.Bus – System mit externem Übergangsschalter. Die Einzelheiten finden Sie in Abschnitt 2.2.3.

4
3. Beschreibung des Digital Multi Control (DMC) Paneels
Das DMC ist ein Fernbedienungspaneel für die Nutzung aller Multis/Quattros und von
Multi/Quattro Systemen entwickelt wurde. Dies umfasst Einzelgeräte, Parallelbetrieb und
Mehrphasenbetrieb. Es unterstützt sowohl VE.Bus - als auch Nicht VE.Bus – Systeme.
Mit DMC kann Land – und Generatorstrom getrennt eingestellt werden. Beim Einsatz in einem
erweiterten VE.Bus System können bis zu vier verschiedene Landstromquellen eingestellt werden.
Im VE.Bus-System wird DMC automatisch die Einstellbereiche so wählen, dass sie zum
angeschlossenen System passen.
3.1 Generator Betrieb
Mit dem DMC lassen sich Wechselstrom-Grenzwerte verändern, wenn die Stromquelle extern
vom Landanschluss zum Generator gelegt wird.
Im Normalbetrieb werden die Landstrom - Grenzwerte (entsprechend der Einstellung am
Drehknopf) an die angeschlossenen Geräte weitergeleitet. Wenn jedoch die Schraubklemmen an
er Rückseite des DMC überbrückt (kurzgeschlossen) sind, wird DMC den voreingestellten
Landstromgrenzwert an die Geräte weiterleiten. Dieser voreingestellte Grenzwert bezieht sich im
Allgemeinen auf einen Generatoranschluss. Die Anzeige am DMC wird deshalb dann zeigen.
Die beiden Anschlüsse der Schraubklemme müssen auf einen außerhalb bedienbaren Schalter
gelegt werden. Üblicherweise wird dies ein Hilfsrelais eines externen Übergangsschalters sein.
3.2 Anschluss von VE.Bus Einrichtungen
Die Nutzung des DMC mit VE.Bus – Geräten ist einfach. Schließen Sie das DMC in Ihrem
System an. Die eingestellten Landstrom - Grenzwerte werden automatisch vom System
übernommen. Das bedeutet:
- Der Anschluss des DMC an einen Multi mit 16 A begrenzt den Landstromanschluss auf
ebenfalls 16 A.
- Wird das DMC an fünf solcher Multis parallel geschaltet angeschlossen, so erhöht sich der
Maximal-Landstrom auf 80 A. (Falls nötig kann die Obergrenze der Landstromaufnahme niedriger
gesetzt werden. (Siehe auch Abschnitt 6.4)
Das DMC kann auch in Verbindung mit dem Quattro oder einem erweiterten VE.Bus – System mit
mehreren Wechselstromeingängen arbeiten. Wenn das System von einem zum anderen
Wechselstromeingang umschaltet, wird auch das DMC entsprechend umgeschaltet. Dabei wird
der Stromwert dem zuletzt am betreffenden Gerät eingestellten Grenzwert entsprechen.
In einer Multi/Quattro Konfiguration kann angezeigt werden, dass die Landstrombegrenzung nicht
durch Einstellungen am Paneel verändert werden soll. Das DMC wird dann nicht die Landstrom-
Begrenzung anzeigen, sondern durch Anzeigen wie , , oder . darauf hinweisen,
dass die vorgenannte Einschränkung vorliegt.
Wenn in einem System mit mehr als einem Eingang ein bestimmter Eingang die Veränderung der
Stromstärke über das Paneel nicht zulässt, dann wird das DMC abwechselnd den
augenblicklichen Stromwert und die betreffende Eingangs-Identifikation anzeigen. Eine
Ausnahme bildet hierbei der Wechselstromeingang 1. Hier wird dann nur der Landstromwert
angezeigt, und nicht die Eingangsidentifikation.

5
EN NL FR DE ES Appendix
3.3 Anschluss von Nicht-VE.Bus Geräten
Zum Betrieb des DMC mit nicht VE.Bus geeigneten Geräten muss zur Anpassung des DMC
an das angeschlossene System ein Maßstabsfaktor eingestellt werden.
Die Werkseinstellung gilt für ein Multi Einzelgerät mit 16 A Übergangsschalter. Es gibt keine
Anpassung bezüglich eines unteren Spannungs-Grenzwertes für den Landanschluss.
Falls notwendig kann ein oberer Grenzwert eingestellt werden um zu verhindern, dass ein zu
hoher Wert durch den Betreiber gewählt werden kann. (Siehe auch Abschnitt 6.4)

6
4. Einbau des Digital Multi Control Paneel
Zum Einbau des DMC benötigen Sie:
1) Ein UTP (Unshielded Twisted Pair) Kabel mit zwei RJ45 (zum Anschluss eines Multi oder
Quattro) verfügbar in Längen von 5, 10, 15, 20, 25 und 30 Meter.
2) Falls die Funktionalität Generator-Unterstützung (siehe Absatz 3.1) des DMC genutzt werden
soll, wird außerdem ein zweiadriges Kabel für den Anschluss des DMC an den
Übergangsschalter benötigt. Diese Verbindung kann mit zwei Adern von 0,25 – 1,0 mm² gemacht
werden.
Beachten sie auch die entsprechenden Hinweise in der Einbauanleitung für den Schalter.
3) Es gibt für den Einbau des Digital Multi Control Paneels keine besonderen Voraussetzungen.
4.1 Netzwerk-Kabel
Zum Anschluss des DMC an das Multi oder den Quattro können Sie ebenfalls Standard UTP –
Kabel mit RJ45 Anschlüssen nehmen.
Achtung: In einem Nicht VE.Bus – System müssen Sie das DMC an das Master-Multi
anschließen
4.2 Anschluss eines externen Übergangsschalters
Nur wenn ein externer Übergangsschalters benutzt wird, muss ein Schalter am Schraubanschluss
an der Rückseite des DMC angeschlossen werden. Bei geöffnetem Schalter wird die
Strombegrenzung durch den Drehknopf an der DMC - Vorderseite eingestellt. Bei geschlossenem
Schalter leitet DMC den voreingestellten Generatorstrom an die angeschlossenen Geräte.
Üblicherweise wird dieser Schalter vom Landanschluss/Generator – Übergangsschalter gesteuert.

7
EN NL FR DE ES Appendix
5. Nutzung des Digital Multi Control Paneels
Mit dem DMC können Sie bis zu vier (fünf bei Einschluss der Generator Funktionalität)
unterschiedliche unterschiedliche Eingangsspannungen einstellen, sich den Status Ihres
Systems
Anzeigen lassen und Ihre Multis oder Quattros ein- und ausschalten.
5.1 Ein- und Ausschalten des Systems
Mit dem vorne angebrachten Schalter wird das System oder nur das Ladegerät ein- und
ausgeschaltet.
5.2 Einstellung der Eingangsstrom – Begrenzung
Die Landstrom-Begrenzung wird mit dem Steuerungsknopf des DMC eingestellt. Drehen Sie nach
rechts oder links um den gewünschten Wert einzustellen. Die Strombegrenzung wird im
siebenstelligen Display angezeigt.
Die Generator-Strombegrenzung kann beim Einbau festgelegt werden. Anleitungen finden Sie im
Abschnitt 6.
Wenn PowerAssist aktiviert ist, gibt es einen unteren Grenzwert von ca. 2-3 A je Gerät. Bei
niedrigerer Einstellung führt das zum Minimalwert, was Normalverhalten für Multi/Quattro ist.
Eine Funktionalität des Multi/Quattro führt dazu, dass bei aktivierter PowerAssist Funktion und
Einstellung des Ladestroms auf null Ampère das interne Übergangsrelais öffnet und das Gerät in
die Lader-Funktion wechselt.
Nur VE.Bus:
- Das DMC lässt es nicht zu eine geringere als die unterste Landstromstärke einzustellen.
Um die erwähnte Funktionalität zu nutzen kann der Nutzer den landstromwert auf Null A setzen,
was tatsächlich unterhalb des niedrigsten Landstrom-Wertes liegt. Zur Einstellung dieser Funktion
muß der Nutzer den Drehknopf schnell nach unten drehen. Das Display “springt” dann auf 0,0 A
und die angeschlossenen Geräte arbeiten als Wechselrichter Wenn der Drehknopf wieder
aufwärts gedreht wird, “springt” die Anzeige auf den untersten Landstromwert..
- Falls Ihr System mehr als 1 Wechselstromeingang hat, wird das Display Ihnen anzeigen welcher
Eingang augenblicklich aktiv ist. Die Anzeige zeigt Ihnen , , oder .

8
5.3 LED Helligkeit
Für Ihren Komfort wird die Helligkeit der Anzeige automatisch über einem Lichtsensor geregelt.
Bei abnehmender Umgebungshelligkeit leuchten die LEDs schwächer. Das ist angenehmer für
die Augen und es spart Strom

9
EN NL FR DE ES Appendix
6. Einrichtung des Digital Multi Control Paneels
Dieses Kapitel beschreibt die Einstellungsparameter und das Einstellen.
6.1 Vorgehensweise
Sechs Parameter können eingestellt werden. Die Konfiguration ist einfach.
- Zum Start des Einstellungsprozesses drücken sie den Knopf auf der Rückseite des DMC
solange bis die untere LED der linken Säule zu blinken beginnt. Damit wird angezeigt, dass
der erste Parameter eingestellt oder geändert werden kann.
- Um den Wert des Parameters einzustellen oder zu ändern, drehen Sie den Knopf solange,
bis der gewünschte Wert angezeigt wird.
- Drücken Sie dann den Knopf um zum nächsten Einstellwert zu kommen.
Die unteren drei LEDs in der linken Säule des DMC zeigen entsprechend folgendender
Tabelle an, welcher Wert gerade angepasst wird.
LED
Anzeige Gewählter Parameter (Einstellwert)
Maßstabsfaktor. default: 0, Bereich: 0-9
(dieser Wert bei Nutzung von VE.Bus
Geräten ignoriert)
Generator Stromgrenze in Ampère.
Werkseinstellung: 16, Bereich: 0..198
Oberer Grenzwert Landstrom Eingang
AC 1 in Ampère.
Werkseinstellung: 254, Bereich: 0..254
Oberer Grenzwert Landstrom Eingang
AC Eingang 2 in Ampère.
Werkseinstellung t:254, Bereich: 0..254
Oberer Grenzwert Landstrom Eingang
AC Eingang 3 in Ampère.
Werkseinstellung: 254, Bereich: 0..254
Oberer Grenzwert Landstrom Eingang
AC Eingang 4 in Ampère.
Werkseinstellung: 254, Bereich: 0..254
bedeutet LED ist aus, bedeutet LED blinkt, bedeutet LED brennt
Bemerkungen:
- Die angeschlossenen Multis oder Quattros schalten bei gedrücktem Einstellungsknopf und
während der Konfiguration in den Wechselrichter Betrieb
- Durch Knopfdrücken nach Einstellung des letzen Wertes wird der Einstellungsmodus verlassen,
und die eingestellten Parameter werden aktiviert. Auch wenn nur ein Parameter angepasst
werden muss, sind alle anderen Werte ebenfalls zu durchlaufen um den Einstellungsmodus
wieder zu verlassen.

10
6.2 Einstellung des Maßstabsfaktors
Die Einstellung des Maßstabsfaktors ist nur für Nicht - VE.Bus Multis erforderlich. (Alle Multis mit
den Versionsnummern 15xxyyy, 17xxyyy and 18xxyyy)
Der Maßstabsfaktor wird benötigt um die am DMC angezeigten Stromwerte den Strömen im
System anzupassen.
Der Maßstabsfaktor wird nach folgender Formel berechnet:
Maßstabsfaktor = (Geräteanzahl * Gerätetyp) - 1
Der Gerätetyp ist 1 für das 16A Multi-Modell und 2 für das 30A Multi-Modell.
Dei Geräteanzahl umfasst alle Multis einschließlich des MasterMulti.
Beispiel: Sie betreiben vier 30A Multis. Dann ist der Maßstabsfaktor: (4 * 2) – 1 = 7
Wichtige Anmerkungen:
1) Geben Sie nicht die Anzahl der Folgegeräte (mit VEConfigure2) der Multis an, wenn Sie
einen von Null abweichenden Maßstabsfaktor festgelegt haben!
In einem solchen Fall muß die Zahl der Folgegeräte in den Multis auf Null gesetzt werden! Das
System wird nicht korrekt arbeiten, wenn Sie den Maßstabsfaktor im DMC und die Zahl der
Folgegeräte in den Multis selbst einstellen!
2) Wenn Sie ein 3-Phasensystem oder eínes mit abweichender Phasenlage nutzen, wird die
Gerätezahl durch die Zahl der Geräte mit gleicher Phase bestimmt. So ist dann in einem 3-
Phasensystem, das mit 6 Multis konfiguriert wurde die Gerätezahl 2.
6.3 Einstellung der Generator Strombegrenzung
Dieser Parameter muß nur dann eingestellt werden, wenn ein externer Übergangsschalter (Power
Man) vorhanden ist (siehe Absatz 3.1). Ansonsten hat er keine Bedeutung. Die Strombegrenzung
des Generators kann von 0 bis 198 A in 2 A Schritten eingestellt werden.
Wichtiger Hinweis:
Kleine 3000 min-1 Generatoren einiger Hersteller neigen bei längerer Zeit mit Vollastbetrieb zur
Überhitzung. Bei einigen Modellen sollte man den Maximalstrom auf höchstens 70 % begrenzen.
Bei 1500 min-1 Generatoren sollte generell der Maximalstrom auf ca. 90 % eingestellt werden.
6.4 Einstellung der oberen Land-Strombegrenzung für die
≈ Eingänge 1 bis 4
Um zu verhindern, dass der Betreiber des DMC eine zu hohe Strombegrenzung einstellt, kann
man für das System eine Stromobergrenze einstellen.
Beispiel: Sie betreiben ein System mit 5 Multis parallel. Der Maximalstrom ist 80 A. Dies könnte
ein deutlich zu hoher Wert für Absicherungen in Ihrem System sein. Durch Einstellung einer
Landstrom-Obergrenze können Sie so verhindern, dass die Obergrenze des Landstroms höher
als der eingestellte Grenzwert z.B. 30 A liegt.
Es können vier verschiedene Grenzwerte eingestellt werden, da das VE.Bus System bis zu vier
verschiedene Eingänge haben kann. In einfachen VE.Bus-Systemen mit Multis oder auch
anderen nicht VE.Bus Systemen genügt es üblicherweise, nur die Stromobergrenze für
≈ Eingang 1 einzustellen. Die anderen Eingänge bleiben frei.

11
EN NL FR DE ES Appendix
6.4.1 Besondere Anzeige Eigenschaften
In einem erweiterten VE.Bus System (oder Quattro System) können Sie die folgende Situation
haben wenn Sie mehr als einen Wechselstromeingang nutzen:
Nehmen Sie einen doppelten ≈ Eingang. Sie wollen dem Generator Priorität vor Landstrom
geben. Also weisen Sie dem Generator den ≈ Eingang 1 zu. Andererseits wollen Sie jedoch
nicht, dass die Strombegrenzung hinsichtlich des Generators wirkt. Mit VEConfigure2 löschen
Sie den Eintrag “Vorrang Fernbedienung”. für den ≈ Eingang 1. Sie legen den Landstrom auf
den ≈ Eingang 2. Für diesen Eingang lassen Sie weiterhin ‘Vorrang Fernbedienung bestehen’.
Das DMC wird dann wie folgt arbeiten:
Wenn der Generator gewählt wurde zeigt das DMC .
Wenn der Generator ausgeschaltet wird und Landstrom anliegt, zeigt das Display
abwechselnd den eingestellten Wert für den ≈ Eingang 2 abwechselnd mit der
Eingangsangabe .
Das könnte Sie stören, denn warum soll das Display abwechselnd diese beiden Anzeigen
geben?
Es kann nur ein benutzerdefinierter Grenzwert eingestellt werden! Wenn ein anderer Eingang
gewählt wird zeigt das Display immer . Es würde ausreichen wenn die Anzeige den
Stromgrenzwert anzeigt wenn ≈ Eingang 2 gewählt wird, denn das ist ausreichend um
anzuzeigen, dass das System am Landstrom liegt. Um das zu erreichen müssen bis auf einen
alle oberen Landstrom-Grenzwerte auf Null gesetzt werden.
Im Beispiel müssen die Grenzwerte der Eingänge AC1, AC3 und AC4 auf Null gesetzt werden.
Die Anzeige wird dann nicht mehr die Anzeigen und den Grenzwert abwechselnd
anzeigen.
Zusammenfassung: Wenn der “Obere Landstromgrenzwert” an allen Eingängen bis auf einen auf
Null gesetzt wird, unterbleibt das alternierende Anzeigen.
6.5 Beispiele für Konfigurationen
Die beiden folgenden Beispiele sollen Ihnen helfen, die Parametereinstellungen besser zu
verstehen.
Beispiel 1: Zwei VE.Bus Multis 16A/230V + 4 kVA Gen. (3000 min-1) + externer
Übergangsschalter.
Da es sich um ein VE.Bus System handelt braucht kein Maßstabsfaktor eingestellt zu werden.
Ein 4 kVA Generator kann maximal einen Strom von 4,4A abgeben. Mit einer 70 % Sicherheits-
grenze kann man den Stromauf 12A einstellen. Zur Einstellung gehen Sie wie folgt vor:
1) Drücken und halten Sie den Konfigurationsknopf solange bis die untere LED in der Linken
Säule zu blinken beginnt.
2) Dies zeigt an, dass Sie den Konfigurationsmodus erreicht haben und Sie jetzt den
Maßstabsfaktor ändern können. Im Fall von VE.Bus Multis ist dieser Schritt überflüssig. Drücken
Sie den Knopf um zur nächsten Einstellung zu kommen. Die untere LED in der linken Säule wird
aufleuchten um anzuzeigen, dass der Generatorstrom jetzt eingestellt werden kann.
3) Drehen Sie den Knopf, bis der Wert 12 im Display erscheint.
4) Drücken Sie den Knopf um zur Einstellung des oberen Grenzwertes für den Landstromeingang
1 zu kommen.

12
5) Wenn Sie es wünschen, kann jetzt der Maximal-Landstrom auf kleinere Werte als 32 A
eingestellt werden.
6) Da die nächsten 3 Parameter (Obere Grenzwerte für Wechselstrom-Eingänge 2,3 und 4) nicht
eingestellt werden müssen, kann der Einstellmodus schrittweise durch viermaliges Drücken des
Knopfes verlassen und abgeschlossen werden.
Beispiel 2: Vier nicht Bus VE.Bus Multis 30A/120V + 13 kVA Gen. (1500 min -1) + externer
Übergangs-Schalter.
Bezüglich dieser Konfiguration muß der Maßstabsfaktor ermittelt werden. Die Anzahl der Geräte
ist 4, der Gerätetyp ist 2; somit wird der Maßstabsfaktor (4 x 2) – 1 = 7
Ein 13 kVA Generator 120V liefert einen Maximalstrom von 108,3A. Mit 90 % Sicherheitsfaktor
wird der Generator-Strom auf 98A eingestellt. Um diese Konfiguration einzustellen, ist folgendes
erforderlich:
1) Drücken und halten Sie den Konfigurationsknopf bis die untere LED in der linken Säule zu
blinken beginnt. Dies bedeutet, dass der Konfigurationsmodus aktiv ist und der Maßstabsfaktor
eingestellt werden kann.
2) Drehen Sie den Knopf bis im Display die 7 erscheint.
3) Drücken Sie den Knopf, um zur nächsten Einstellung zu kommen. Die untere linke LED wird
leuchten und zeigt damit an, dass der Generator Strom eingestellt werden kann.
4) Drehen Sie den Knopf bis im Display die 98 erscheint.
5) Drücken Sie den Knopf um zur Einstellung “Oberer Grenzwert für Wechselstrom Eingang 1” zu
kommen.
6) Wahrscheinlich wollen Sie den maximalen Landstrom auf weniger als 128 A einstellen. Drehen
Sie den Knopf solange, bis ein passender Wert angezeigt wird.
7) Da die nächsten 3 Parameter (Stromobergrenze für Eingänge 2,3 und 4 nicht eingestellt
werden müssen, drücken Sie den Knopf viermal um durch dei Einstellungen zu gehen und die
Konfiguration abzuschließen.

1
EN NL FR DE ES Appendix
1. Guía de inicio rápido
El panel DMC (Digital Multi Control) es un panel remoto diseñado para interactuar con todos
los sistemas Multis/Quattro’s y Multi/Quattro. Esto incluye las configuraciones autónoma,
paralela, bifásica o trifásica. Es compatible tanto con los sistemas que disponen de VE.Bus
como con los que no.
Conectar el DMC a su sistema es un procedimiento muy sencillo. En la mayoría de los casos
será suficiente conectar el DMC a su sistema con un cable RJ45, siendo innecesaria
configuración adicional alguna.
Para ayudarle a configurar su sistema rápidamente, en el capítulo 2 de este manual
encontrará varios párrafos dedicados a las aplicaciones más comunes. Busque su aplicación
en la tabla siguiente y vaya directamente al párrafo que le interesa.
Para obtener una descripción más genérica de este panel, consulte el capítulo 3.
Para configurar un:
Consulte el párrafo:
Sistema VE.Bus con 1 fuente CA
2.1
Sistema VE.Bus con 2 fuentes CA
2.2
Sistema VE.Bus ampliado con Multis.
2.2.1
Sistema VE.Bus montado con Quattros
2.2.2
Sistema VE.Bus Multi + conmutador de transferencia
externo (PowerMan)
2.2.3
Sistema sin VE.Bus con una fuente CA
2.3
Sistema sin VE.Bus con dos fuentes CA
2.4
Notas:
1) El término “sistema” se refiere a una instalación compuesta por uno o más Multis o Quattros.
2) Para determinar si su sistema es VE.Bus o no, compruebe la versión del firmware del Multi.
Todas las versiones de firmware 15xxyyy, 17xxyyy, y 18xxyyy no disponen de VE.Bus.
(Los Quattro siempre son VE.Bus).

2
2. Instalaciones estándar
2.1 Sistema VE.Bus con 1 fuente CA
La configuración de este sistema es fácil: Sólo tiene que conectar el DMC al sistema VE.Bus (ver
párrafo 4.1) y el DMC se adaptará automáticamente al sistema al que se ha conectado.
No se necesita cambiar ningún parámetro en el DMC, a menos que desee limitar la corriente
máxima ajustable por el operario. En tal caso, solo necesitará adaptar el ajuste “Límite superior
del pantalán para entrada CA 1”. Consulte el capítulo 6 para una descripción de cómo hacerlo.
2.2 Sistema VE.Bus con 2 fuentes CA
Existen distintas maneras de montar un sistema VE.Bus con 2 fuentes CA. Consulte el
subpárrafo apropiado para su instalación.
2.2.1 Sistema VE.Bus ampliado con Multis.
Un sistema con más de 1 entrada CA puede montarse con Multis normales. Para ello se utiliza la
función VE.Bus ampliada. Para disponer de esta funcionalidad se debe conectar una mochila al
sistema. A continuación, se deberá configurar el sistema con la herramienta “VE.Bus System
Configurator”
Desde el punto de vista del DMC no hay diferencia entre un sistema montado con Quattros y un
sistema montado con Multis. De manera que consulte el párrafo 2.2.2. Tenga en cuenta que
utilizando el VeConfigure2 es posible determinar si el panel remoto puede invalidar o no el límite
de una entrada CA del pantalán.
2.2.2 Sistema VE.Bus montado con Quattros
Si su sistema está montado con uno o más Quattros, la instalación del DMC no tiene ninguna
complicación. Sólo tiene que conectar el DMC al sistema VE.Bus (ver párrafo 4.1) y el DMC se
adaptará automáticamente al sistema al que se ha conectado.
Lo más probable es que no necesite cambiar ningún ajuste en el DMC.
En un Quattro, la entrada AC1 siempre tiene prioridad sobre la entrada AC2. En el Quattro, el
ajuste por defecto establece que la corriente de pantalán AC2 puede ser invalidada por el panel
remoto y el límite AC1 está fijo. (Esto puede cambiarse con VeConfigure2)
Lo más habitual es conectar un generador al AC1 y la entrada del pantalán al AC2. Siempre que
el generador esté en funcionamiento, el Quatro lo utilizará. En este caso el DMC mostrará , y
girar el selector del DMC no tendrá efecto alguno.
Cuando se detiene el generador y se aplica la corriente del pantalán, el Quattro conmutará a la
red eléctrica del pantalán. Ahora el visor del DMC alternará continuamente entre y el límite
de corriente de pantalán. Si giramos el selector ahora, sí cambiará el límite de corriente de
pantalán del Quattro.
Si desea limitar la corriente máxima que el operario pueda establecer, deberá cambiar el
parámetro “Límite superior del pantalán para entrada CA 2”. Consulte el párrafo 6 para una
descripción de cómo cambiarlo.
Consulte el párrafo 6.4.1 si desea que el visor no alterne más entre y el valor límite del
pantalán.

3
EN NL FR DE ES Appendix
2.2.3 Sistema VE.Bus Multi + conmutador de transferencia externo (PowerMan)
Si se instala un conmutador de transferencia externo por delante de los Multis, el conmutador
determinará qué fuente CA utilizar. Los Multis no tienen información alguna sobre el estado
del conmutador. Con el DMC se pueden establecer distintos límites de corriente de pantalán
para cada fuente CA.
Para ello, el DMC deberá disponer de información sobre el estado del conmutador de
transferencia externo. Con este fin se ha colocado un conector de rosca en la parte trasera del
DMC.
Normalmente, el DMC enviará el límite de corriente de pantalán establecido por el selector a
los Multis. Sin embargo, si los terminales del conector de rosca estuvieran cortocircuitados, el
DMC enviará a los Multis un límite de entrada de corriente del pantalán preconfigurado. El
visor del DMC mostrará entonces: .
Los dos terminales del conector de rosca deberán conectarse al PowerMan. Normalmente a
un relé auxiliar del conmutador de transferencia externo. Consulte el manual del conmutador
de transferencia para más información.
Consulte el capítulo 4 para una descripción de cómo conectar el DMC al sistema.
Para esta aplicación el DMC debe estar configurado, ya que necesita “conocer” el límite de
corriente que debe enviar a los Multis cuando los terminales se cortocircuiten. Cambie el
parámetro “Límite de corriente del generador” como corresponda. Consulte el capítulo 6 para
una descripción de cómo hacerlo.
Si desea limitar la corriente máxima que el operario pueda establecer, deberá cambiar el
parámetro “Límite superior del pantalán para entrada CA 1”. Consulte el capítulo 6 para una
descripción de cómo hacerlo.
2.3 Sistema sin VE.Bus con 1 fuente CA
El DMC deberá escalarse (igualarse al sistema) cuando se utilice con sistemas sin VE.Bus. Esto
puede hacerse cambiando el parámetro “factor de escalamiento”. Consulte el capítulo de
configuración para una descripción de cómo hacerlo.
Después de un escalamiento correcto, el límite máximo que puede establecer el operario será
igual al límite máximo del sistema. Si desea limitar la corriente máxima que el operario pueda
establecer, deberá adaptar el ajuste “Límite superior del pantalán para entrada CA 1”. Consulte el
capítulo de configuración para una descripción de cómo hacerlo.
2.4 Sistema sin VE.Bus con 2 fuentes CA
El DMC deberá escalarse (igualarse al sistema) cuando se utilice con sistemas sin VE.Bus. Esto
puede hacerse cambiando el parámetro “factor de escalamiento”. Consulte el capítulo 6 para una
descripción de cómo hacerlo.
Un sistema sin VE.Bus con 2 fuentes CA sólo puede montarse con un conmutador de
transferencia externo (PowerMan). La instalación es exactamente la misma que la de un sistema
VE.Bus con un conmutador de transferencia externo; consulte el párrafo 2.2.3.

4
3. Descripción del panel Digital Multi Control
El panel DMC (Digital Multi Control) es un panel remoto diseñado para interactuar con todos los
Multis/Quattro’s y con los sistemas montados con Multi/Quattro. Esto incluye las configuraciones
autónoma, paralela, bifásica y trifásica. Es compatible tanto con los sistemas que disponen de
VE.Bus como con los que no.
Con el DMC pueden configurarse corrientes de pantalán y de generador por separado.
Cuando se utiliza en un sistema VE.Bus ampliado, se pueden configurar hasta 4 corrientes de
pantalán distintas.
En los sistemas VE.Bus, el DMC adaptará automáticamente el rango ajustable para igualarse al
sistema conectado.
3.1 Envío al generador
Con el DMC se puede cambiar el límite de corriente de entrada CA cuando la fuente CA se
conmuta externamente del pantalán al generador.
Normalmente, el DMC enviará el límite de corriente de pantalán establecido por el selector a los
dispositivos conectados. Sin embargo, si los terminales del conector de rosca de la parte trasera
del DMC están cortocircuitados, el DMC enviará un límite de corriente de pantalán
preconfigurado a los dispositivos conectados.
Este límite preconfigurado se utiliza normalmente para un generador. Por lo tanto, el visor del
DMC mostrará entonces: .
Los dos terminales del conector de rosca deberán conectarse a un conmutador controlado
externamente. Normalmente, se conectarán a un relé auxiliar del conmutador de transferencia
externo.
3.2 Conexión de dispositivos VE.Bus
La utilización del DMC con dispositivos VE.Bus no tiene ninguna complicación. Sólo tiene que
conectar el DMC al sistema. Las corrientes de pantalán máxima/mínima que puedan configurarse
serán adaptadas automáticamente al sistema.
Esto significa que:
- La conexión de un DMC a un Multi con capacidad máxima de 16 A limitará el ajuste máximo del
pantalán a 16 A.
- La conexión de un DMC a cinco de estos Multis en paralelo tendrá como resultado un límite
máximo de pantalán de 80 A (si fuese necesario, se puede establecer un límite superior para
evitar que el operario pueda establecer uno demasiado alto). (Ver sección 6.4)
El DMC es capaz de manejar un Quattro o un sistema VE.Bus ampliado con más de una entrada
CA. Cuando el sistema cambie de una entrada CA a otra, el DMC cambiará con el, estableciendo
el último valor utilizado en esa entrada CA como límite de corriente.
En la configuración Multi/Quattro es posible indicar que un límite de corriente de pantalán no
pueda ser invalidado por el panel remoto. En este caso, el DMC no mostrará un valor de límite de
corriente de pantalán, sino que mostrará las identificaciones de las entradas CA como , ,
o .
Si en un sistema con más de una entrada, la entrada correspondiente no permite que pueda ser
cambiada por el panel remoto, el visor del DMC alternará entre el valor de la corriente de
pantalán y la identificación de la entrada CA.
La excepción a la regla es la entrada CA 1. Si la entrada CA 1 está activa, sólo se mostrará el
valor de la corriente de pantalán y no la identificación CA.

5
EN NL FR DE ES Appendix
3.3 Conexión de dispositivos sin VE.Bus
Para que el DMC funcione con dispositivos sin VE.Bus se debe configurar un parámetro de
escalamiento que iguale el DMC con el sistema conectado.
El ajuste por defecto es para un Multi autónomo con un conmutador de transferencia de 16 A.
En este caso no habrá ajuste de límite mínimo de corriente de pantalán.
si fuese necesario, se puede establecer un límite superior para evitar que el operario pueda
establecere uno demasiado alto. (Ver sección 6.4)

6
4. Instalación del panel Digital Multi Control
Para instalar su DMC necesitará:
1) Un cable UTP (par trenzado no apantallado) con dos conectores RJ45 (para su conexión a un
Multi o a un Quattro) disponible en 5, 10, 15, 20, 25 y 30 metros.
2) Cuando se utilice la función de compatibilidad con el generador del DMC (ver párrafo 3.1),
también necesitarán dos cables para conectar el DMC al conmutador de transferencia. Esta
conexión puede hacerse mediante dos cables de 0,25 – 1,0 mm².
Consulte el manual del conmutador de transferencia para más información.
3) No hay ningún requisito especial para incorporar el panel Digital Multi Control
4.1 Cable Bus
Para conectar el DMC a un Multi o a un Quattro, utilice un cable UTP recto estándar con
conectores RJ45.
Nota: Si se tratase de un sistema en paralelo sin VE.Bus, conecte el DMC al Multi maestro.
4.2 Cableado del conmutador de transferencia
Sólo cuando se utiliza un conmutador de transferencia externo se debe conectar un interruptor en
el conector de rosca de la parte trasera del DMC. Cuando el interruptor esté abierto el límite de
corriente será controlado por el selector que se encuentra en la parte frontal del DMC. Cuando el
interruptor esté cerrado, el DMC enviará el límite de corriente del generador preestablecido a los
dispositivos conectados. Normalmente, este interruptor lo controla el conmutador de
transferencia del pantalán/generador.

7
EN NL FR DE ES Appendix
5. Uso del panel Digital Multi Control
El DMC se utiliza para configurar de manera remota hasta cuatro (cinco si contamos la
función de generador) entradas de corriente distintas, leer el estado de su sistema y apagar y
encender los Multis o Quattros.
5.1 Encendido y apagado del sistema
Utilice el interruptor de la parte frontal para encender, apagar el sistema o ponerlo en sólo
cargador.
5.2 Ajuste del límite de corriente de entrada del sistema
El límite de corriente de pantalán se establece con el selector giratorio de la parte frontal del
DMC. Gire el selector a derecha o izquierda para ajustar el valor deseado. El límite de corriente
se mostrará en el visor de 7 segmentos.
El límite de corriente del generador puede establecerse durante la instalación. Consulte el
capítulo 6 para obtener instrucciones detalladas.
Cuando se activa el PowerAssist, hay un límite de corriente de entrada CA mínimo de unos 2-3
amperios por dispositivo. Si establece un límite inferior a este mínimo, obtendrá el límite mínimo.
Este comportamiento es normal en el Multi/Quattro.
El Multi/Quattro tiene una función que, cuando se activa PowerAssist y el valor de la corriente de
pantalán que se lee en el panel remoto es de cero amperios, el relé de transferencia interno se
abre y el dispositivo empieza a invertir.
Sólo VE.Bus:
- El DMC no le permitirá establecer un límite inferior al límite de corriente de pantalán mínimo.
Para utilizar la función mencionada, el DMC permite que el operario establezca el límite de
corriente de pantalán en 0 amperios, que está realmente por debajo del límite de corriente de
pantalán mínimo. Para lograr esto, el operario deberá girar el selector “hacia abajo” con una
velocidad mayor. El visor “saltará” entonces a 0,0 y el(los) dispositivo(s) empezarán a invertir.
Cuando se gire el selector hacia arriba de nuevo, el visor “saltará” al límite de corriente de
pantalán mínimo.
- Si su sistema dispone de más de una entrada CA, el visor también indicará qué entrada está
siendo utilizada, mostrando , , o .

8
5.3 Luminosidad de los LED
Para su comodidad, la luminosidad de los LED se controla automáticamente por medio de un
fotosensor. Cuando disminuye la luminosidad ambiental, los LED brillarán menos, lo cual es más
agradable para los ojos y reduce el consumo de energía.

9
EN NL FR DE ES Appendix
6. Configuración del panel Digital Multi Control
El capítulo describe los parámetros de configuración y el procedimiento.
6.1 Procedimiento
Se pueden configurar 6 parámetros. El procedimiento de configuración es muy sencillo.
- Para entrar en modo de configuración, pulse el botón en la parte trasera del DMC hasta que
el LED inferior de la columna izquierda empiece a parpadear, indicando que se puede
modificar el primer parámetro.
- Para cambiar el valor de un parámetro, gire el selector hasta que el visor muestre el valor
deseado.
- Pulse el botón para continuar al próximo parámetro.
Los tres LED inferiores de la columna de la izquierda del DMC indican qué parámetro se está
ajustando según la tabla siguiente:
Indicación
LED Parámetro seleccionado
Factor de escalamiento. Defecto: 0,
rango: 0-9 (parámetro no necesario con
dispositivos VE.Bus)
Límite de corriente del generador en
amperios.
defecto: 16, rango: 0-198
Límite superior de pantalán para
entrada CA 1 en amperios.
defecto: 254, rango: 0-254
Límite superior de pantalán para
entrada CA 2 en amperios.
defecto: 254, rango: 0-254
Límite superior de pantalán para
entrada CA 3 en amperios.
defecto: 254, rango: 0-254
Límite superior de pantalán para
entrada CA 4 en amperios.
defecto: 254, rango: 0-254
Significa que el LED está apagado, significa que el LED parpadea, significa que el LED
está fijo
Notas:
- Los Multis o Quattros conectados cambian a “Inversor only” al pulsar el botón configuración y
mientras el modo de configuración esté activo.
- Al pulsar el botón mientras está seleccionado el último parámetro de la tabla se detendrá el
modo de configuración y se activarán todos los parámetros. De manera que, si sólo se necesita
ajustar un parámetro deberá pasar por todos los parámetros para salir del modo de configuración.

10
6.2 Ajuste del factor de escalamiento
El ajuste del factor de escalamiento sólo es necesario para Multis sin VE.Bus. (Todos los Multi
con versiones de firmware 15xxyyy, 17xxyyy y 18xxyyy)
El factor de escalamiento se utiliza para igualar las corrientes mostradas por el DMC con las
corrientes del sistema.
El factor de escalamiento se calcula utilizando la fórmula:
Factor de escalamiento = (Ctd.DeDispositivos * TipoDeDispositivo) – 1.
El TipoDeDisposivo es “1” para modelos Multi de 16 A y “2” para los de 30 A.
Ctd.DeDispositivos es la cantidad de Multis del sistema, incluido el Multi maestro.
Ejemplo: Usted tiene cuatro Multis de 30 A. El factor de escalamiento sería: (4 * 2) – 1 = 7
Notas importantes:
1)¡NO especifique la cantidad de esclavos (con VEConfigure2) en los Multis cuando haya
especificado un factor de escalamiento distinto a cero!
¡En ese caso, la cantidad de esclavos en los Multis debe establecerse en cero!
¡El sistema no funcionará adecuadamente si establece el factor de escalamiento en el DMC y
también la cantidad de esclavos en los Multis!
2) Al utilizar una fase dividida o una configuración trifásica, la Ctd.DeDispositivos queda
determinada por la cantidad de dispositivos en 1 fase. De manera que en un sistema trifásico
montado con 6 Multis, la Ctd.DeDispositivos=2.
6.3 Ajuste del límite de corriente del generador
Este parámetro sólo necesita configurarse al utilizar un conmutador de transferencia externo
(PowerMan) (ver párrafo 3.1) y no tiene efecto alguno en caso contrario.
El límite de corriente del generador puede establecerse entre 0 y 198 amperios en pasos de 2
amperios.
Nota importante:
Los pequeños generadores de 3000 rpm de ciertas marcas se calientan en exceso al funcionar
durante largos periodos de tiempo a carga completa. En algunos casos deberá establecerse la
corriente máxima a no más del 70% de la corriente máxima nominal. El límite de corriente de los
generadores de 1500 rpm puede establecerse, en general, alrededor del 90% de la corriente de
salida nominal.
6.4 Ajuste del Límite superior de pantalán para entradas CA 1-4.
Para evitar que el operario del DMC ponga un límite de corriente demasiado alto para el sistema,
se puede establecer un límite superior de corriente de pantalán.
Ejemplo: Usted tiene un sistema con 5 Multis en paralelo. La corriente de alimentación máxima
sería de 80 A. Esto podría ser demasiado elevado para los disyuntores que utiliza en su sistema.
Al ajustar el “límite superior de corriente de pantalán” podrá evitar que el límite de la corriente de
pantalán pueda superar, por ejemplo, los 30 A.
Se pueden establecer cuatro límites distintos, ya que los sistemas VE.Bus tienen 4 entradas CA.
Para los sistemas VE.Bus sencillos, con Multis o sistemas no VE.Bus, es suficiente con
establecer sólo el “Límite superior de corriente de pantalán” para la entrada CA 1. Las otras no se
utilizarán en estos casos.

11
EN NL FR DE ES Appendix
6.4.1 Visualización especial
Si tuviera un sistema VE.Bus ampliado (o un sistema Quattro) y utilizara más de una entrada
CA, podría encontrarse con la siguiente situación:
Supongamos que utiliza 2 entradas CA. Usted quiere darle prioridad al generador sobre el
pantalán, de manera que conecta el generador a la entrada CA 1. Sin embargo, no quiere que
el operario del panel modifique el punto de disparo del límite de corriente del generador, así
que con VEConfigure2 quita la selección de la casilla “invalidada por el panel remoto” para el
límite de corriente de la entrada CA 1.
Conecta la corriente del pantalán a la entrada CA 2. Para la entrada CA 2 usted deja
seleccionada la casilla “invalidada por el panel remoto”.
El DMC se comportará entonces de la manera siguiente:
Si se selecciona el generador, el DMC mostrará .
Cuando se apaga el generador y se aplica la corriente de pantalán, el DMC mostrará
alternativamente el punto de ajuste de la entrada CA 2 y la identificación de la entrada CA
.
Puede que esto no sea lo que usted desea, ya que ¿por qué motivo debería el visor alternar
entre el valor y ? ¡Sólo hay un punto de ajuste que el usuario puede cambiar! Cuando se
selecciona la otra entrada CA, el visor siempre mostrará . Sería suficiente mostrar el valor
del límite actual cuando se selecciona la entrada CA 2, ya que es suficiente indicación para el
operario de que el sistema está conmutado a la corriente de pantalán.
Para conseguir esto, todos los “límites superiores de corriente de pantalán” deben estar
programados en cero.
Así que en este ejemplo los límites para CA 1, CA 3 y CA 4 deben estar programados en cero.
De esta manera, el visor no alternará entre y el punto de ajuste de la entrada CA 2.
Resumen: Poner todos los “límites superiores de corriente de pantalán” a cero evitará la
alternancia del visor para la entrada de CA “restante”.
6.5 Ejemplos de configuración
Se ofrecen dos ejemplos para ayudarle a comprender la configuración de los parámetros.
Ejemplo 1: Dos Multis con VE.Bus 16A/230V + generador de 4kVA (3.000 rpm) + conmutador
de transferencia externo.
Puesto que se trata de un sistema VE.Bus, no es necesario configurar el factor de escalamiento.
Un generador de 4kVA puede suministrar una corriente máxima de 17,4 A. Al utilizar el margen
de seguridad del 70%, dejaremos la corriente del generador en 12 A. Para ajustar la
configuración, haga lo siguiente:
1) Pulse y mantenga pulsado el botón de configuración hasta que el LED inferior que se
encuentra en la columna izquierda empiece a parpadear. Esto significa que ha entrado en modo
configuración y que puede cambiar el factor de escalamiento. Como ya hemos dicho, este
parámetro puede ignorarse en el caso de los VE.Bus Multis.
2) Pulse el botón para seguir con el próximo parámetro. El LED inferior se encenderá, indicando
que ya se puede ajustar la corriente del generador.
3) Gire el selector hasta que el visor indique 12.
4) Pulse el botón para seguir hasta el ajuste del “Límite superior de corriente del pantalán para
entrada CA 1”.
5) Si desea que la corriente máxima que el operario pueda configurar sea inferior a 32 amperios,
puede cambiar este valor.

12
6) Ya que no desea configurar los próximos 3 parámetros (límites superiores de corriente del
pantalán para entradas CA 2, 3 y 4), puede pulsar el botón 4 veces para saltarse las entradas y
finalizar la configuración.
Ejemplo 2: Cuatro Multis sin VE.Bus 30A/120V + generador de 13kVA (1500 rpm) + conmutador
de transferencia externo.
Para esta configuración se debe calcular el “factor de escalamiento”. La CtdDeDispositivos es 4,
el TipoDeDispositivo es 2, de manera que el factor de escalamiento es (4 x 2) – 1 = 7
Un generador de 13kVA puede suministrar una corriente máxima de 108,3 A. Al utilizar el margen
de seguridad del 90% dejaremos la corriente del generador en 98 A. Para ajustar la configuración,
haga lo siguiente:
1) Pulse y mantenga pulsado el botón de configuración hasta que el LED inferior que se
encuentra en la columna izquierda empiece a parpadear. Esto significa que ha entrado en modo
configuración y que puede cambiar el factor de escalamiento.
2) Gire el selector hasta que el visor indique 7.
3) Pulse el botón para seguir con el próximo parámetro. El LED inferior se encenderá, indicando
que ya se puede ajustar la corriente del generador.
4) Gire el selector hasta que el visor indique 98.
5) Pulse el botón para seguir hasta el ajuste del “Límite superior de corriente del pantalán para
entrada CA 1”.
6) Probablemente querrá que la corriente máxima del pantalán que pueda ajustar el operario sea
inferior a 128 amperios, de manera que deberá girar el selector hasta que el visor muestre la
corriente máxima deseada.
7) Ya que no desea configurar los próximos 3 parámetros (límites superiores de corriente del
pantalán para entradas CA 2, 3 y 4), puede pulsar el botón 4 veces para saltarse las entradas y
finalizar la configuración.

EN NL FR DE ES Appendix
Appendix 1 Technical data
EN:
Supply voltage range
9 ... 70VDC
Supply current
Standby
Active
@12V
<5mA
<30mA
@24V
<5mA
<15mA
Operating temperature range
0 ... 50°C
Dimensions
65 x 120 x 55mm
Net weight
120 gram
Material:
Body
Aluminum
NL:
Voedingsspanningbereik
9 ... 70VDC
Voedingsstroom
Standby
Actief
@12V
<5mA
<30mA
@24V
<5mA
<15mA
Bedrijfstemperatuurbereik
0 ... 50°C
Afmetingen
65 x 120 x 55mm
Netto gewicht
120 gram
Materiaal:
Body
Aluminium
FR:
Plage de tension d'alimentation
9 à 70VDC
Courant d’alimentation
En
Attente
Actif
@12V
<5mA
<30mA
@24V
<5mA
<15mA
Température de fonctionnement
0 à 50°C
Dimensions
65 x 120 x 55mm
Poids net
120 gr
Matériel :
Corps
Aluminium

DE:
Bereich der Versorgungsspannung
9 ... 70 VDC
Versorgungsstrom
Standby
Betrieb
@12V
<5mA
<30mA
@24V
<5mA
<15mA
Bereich der Betriebstemperatur
0 ... 50°C
Abmessungen
65 x 120 x 55mm
Netto Gewicht
120 Gramm
Material:
Gehäuse
Aluminium
ES:
Tensión de alimentación
9 ... 70 VCC
Corriente de alimentación
En
espera
Activa
@12V
<5mA
<30mA
@24V
<5mA
<15mA
Temperatura de funcionamiento
0 ... 50°C
Dimensiones
65 x 120 x 55mm
Peso neto
120 gr.
Material:
Cuerpo
Aluminio

Victron Energy Blue Power
Distributor:
Serial number:
Version : 6
Date : 24 April 2018
Victron Energy B.V.
De Paal 35 | 1351 JG Almere
PO Box 50016 | 1305 AA Almere | The Netherlands
General phone : +31 (0)36 535 97 00
Customer support desk : +31 (0)36 535 97 03
Fax : +31 (0)36 535 97 40
E-mail : sales@victronenergy.com
www.victronenergy.com