FM 2500DD A Parker Sandwich
User Manual: FM 2500DD-A
Open the PDF directly: View PDF
.
Page Count: 64
- Click below to go to:
- Division Web Home Page
- Warning-Safety Guide
- Terms of Sale with Warranty Limitations
- Catalog Front Cover
- Table of Contents
- Alphanumeric Index
- Valve Function/Series Index
- Directional Control Valves
- Sandwich Valves
- Subplates and Manifolds
- Pressure Control Valves
- Flow Control and Check Valves
- International Sales Offices
- Catalog Back Cover

Parker Sandwich.indd, dd
Parker Hannifin Corporation
Hydraulic Valve Division
Elyria, Ohio, USA
Sandwich Valves
Catalog HY14-2500/US
B2
B
B
Introduction Series CM, CPOM, FM, PRDM, PRM, RM, Z**
Sandwich valves provide a variety of check, flow con-
trol, pressure relief and pressure reducing functions in
a compact NFPA D03, D05, D07 and D08 sandwich
style valve. The NFPA D03 valve body conforms to
the ISO 40 mm (1.57") thickness. These valves are
mounted between directional control valves and their
mounting surface.
The NFPA D03 Sandwich valves may also be used in
conjunction with Parker's Cartpak Series of sandwich
valves which offer a wide variety of additional func-
tions including relief, pressure reducing/relieving, load
check, back pressure check, needle, flow control,
pressure compensated flow control, crossover, relief
and directional valves.
Check Valves
Series CM, ZRV
• Valve bodies are manufactured from steel which
provide extra strength and durability for longer life.
Internal hardened steel components also provide
longer life.
• Positive shut-off is provided by a fully guided
poppet and allows full flow in the unchecked posi-
tion.
• Parker CM, ZRV sandwich style check valves can
be used either on the 'P', 'A', 'B', 'T' port or combi-
nation.
• Large internal flow paths allow high flow at low
pressure drop.
P.O. Check Valves
Series CPOM, ZRE
• Parker CPOM, ZRE sandwich style, pilot operated
check valves can be provided in either single or
double configurations.
• The pilot operated checks may be positioned in 'A'
port or 'B' port; or both 'A' and 'B' ports.
• Valve bodies are manufactured from steel which
provide extra strength and durability for longer life.
Internal hardened steel components also provide
longer life.
• Large internal flow paths allow high flow at low
pressure drop.
CM*AA CM*AAF
CM*BB CM*BBF
CM*TT, ZRV-TCM*PP, ZRV-P
CM*DDFCM*DD
CPOM*AA, ZRE-A CPOM*BB, ZRE-B
CPOM*DD, ZRE-AB
CM*PT
www.comoso.com

Parker Sandwich.indd, dd
Parker Hannifin Corporation
Hydraulic Valve Division
Elyria, Ohio, USA
Sandwich Valves
Catalog HY14-2500/US
B3
B
B
Introduction Series CM, CPOM, FM, PRDM, PRM, RM, Z**
Flow Control Valves
Series FM, ZRD
• Parker FM, ZRD sandwich style flow control valves
can be provided in either single or double
configurations.
The flow controls may be positioned in 'P' port,
'A' port, 'B' port, or both 'A' and 'B' ports.
• Valve bodies are manufactured from steel which
provide extra strength and durability for longer life.
Internal hardened steel components also provide
longer life.
• Two step needles (standard) provide fine
adjustment for the first three turns and course
adjustment for the last three turns. Fine metering
needles are available as an option on D03 and D05
valves.
• Large bypass checks allow high flow at a low pres-
sure drop.
• Reversible (invert 180°) for meter-in or meter-out
(D03 & D05 only).
FM*DD, ZRD-ABA
(Meter Out)
FM*AA, ZRD-AA
(Meter Out)
FM*BB, ZRD-BA
(Meter Out)
FM*PP
(Meter Out)
Pressure Reducing Valves
Series PRDM
• PRDM sandwich valves may be selected to reduce
pressure in the 'P' port, 'A' port or 'B' port.
• The direct operated, cushioned piston design
results in fast response, low leakage and minimal
hysteresis.
• Up to nine pressure adjustment ranges are
available with maximum pressure settings.
• Adjustment options include: internal hex screw,
hand knob or internal hex with keylock.
• Fluorocarbon and nitrile seals are available for
multi-fluid compatibility.
• Available gage port connections include SAE, NPT,
Metric and BSPP.
TP A B
M
TP AB
M
TP AB
M
PRDM*PP
PRDM*AA
PRDM*BB
www.comoso.com

Parker Sandwich.indd, dd
Parker Hannifin Corporation
Hydraulic Valve Division
Elyria, Ohio, USA
Sandwich Valves
Catalog HY14-2500/US
B4
B
B
Introduction Series CM, CPOM, FM, PRDM, PRM, RM, Z**
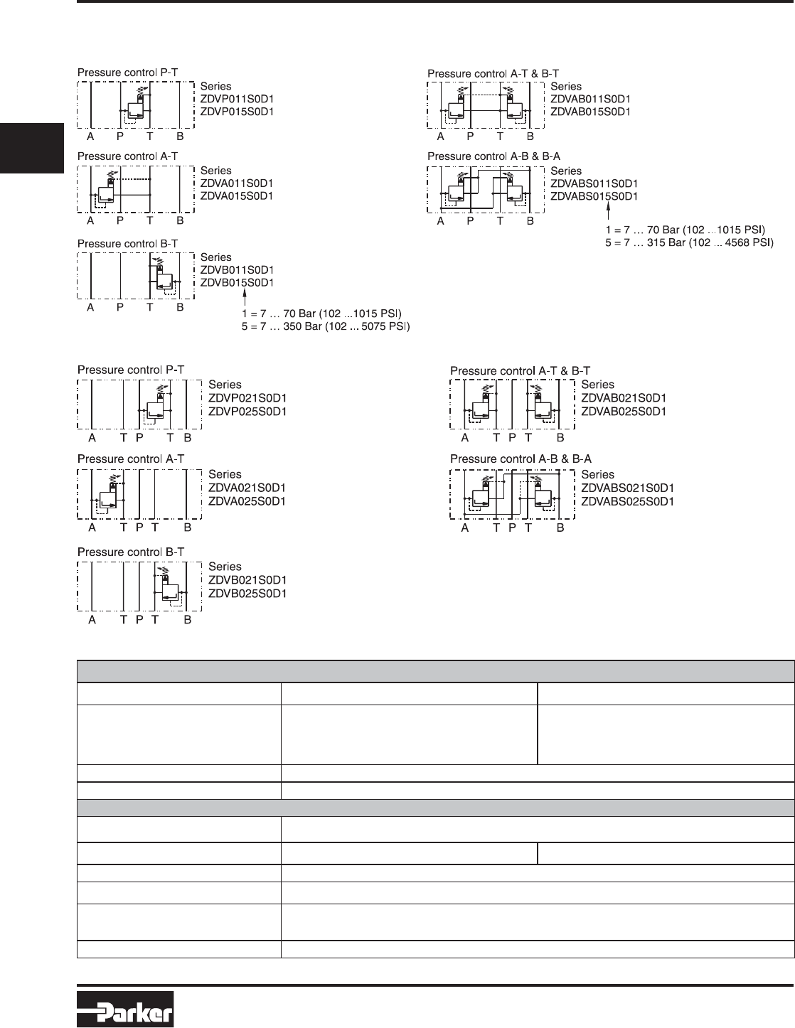
Pressure Relief Valves
Series RM, ZDV
• Parker RM, ZDV sandwich style relief valve is a
'P' port to 'T' port relief.
• Valve bodies are manufactured from steel which
provide extra strength and durability for longer life.
Internal hardened steel components also provide
longer life.
• Three pressure adjustment options available:
slotted screw, knob and locking knob.
RM*PT, ZDV-P
Pressure Reducing Valves
Series PRM, ZDR
• Parker PRM, ZDR sandwich style pressure reduc-
ing valves can be used to reduce pressure on the
'P' port, the 'A' port, or the 'B' port.
• Three pressure adjustment options available:
slotted screw, knob and locking knob.
• Valve bodies are manufactured from steel which
provide extra strength and durability for longer life.
Internal hardened steel components also provide
longer life.
PRM*AA, ZDR-A
PRM*BB, ZDR-B
PRM*PP, ZDR-P
www.comoso.com

Parker Sandwich.indd, dd
Parker Hannifin Corporation
Hydraulic Valve Division
Elyria, Ohio, USA
Sandwich Valves
Catalog HY14-2500/US
B5
B
B
Technical Information Series CM
General Description
Series CM check valves provide an integral, full flow
check valve in the pressure 'P' port, 'A' port, 'B' port, or
the tank 'T' port of the directional valve. Reverse flow is
blocked. The CM2 and CM3 sizes offer a combination
P&T check version.
Features
• Valve bodies are manufactured from steel which provides
extra strength and durability for longer life. Internal hard-
ened steel components also provide longer life.
• Positive shut-off is provided by a fully guided poppet and
allows full flow in the unchecked position.
• Parker CM sandwich style check valves can be used
either on the 'P', 'A', 'B', 'T' ports, or combinations.
• Large internal flow paths allow high flow at low pressure
drop.
0
100 7
200 14
300 20
400 27
500
PSI
34
Bar
Pressure
0
LPM
GPM
Flow
18.9
5
37.9
10
56.8
15
75.7
20
CM3 Reverse Flow Check
94.6
25
113.6
30
75 PSI
45 PSI
5 PSI
0
100 7
200 14
300 20
400 27
500
PSI
34
Bar
Pressure
0
LPM
GPM Flow
18.9
5
37.9
10
56.8
15
75.7
20
45 PSI
5 PSI
75 PSI
CM2 Reverse Flow Check
0
100 7
200 14
300 20
400 27
500
PSI
34
Bar
Pressure
0
LPM
GPM
Flow
56.8
15
113.6
30
170.3
45
227.1
60
CM6 Reverse Flow Check
283.9
75
340.6
90
5 PSI
45 PSI
75 PSI
Performance Curves
CM2 CM3 CM6
Mounting NFPA D03, NFPA D05, NFPA D08,
Pattern CETOP 3, CETOP 5, CETOP 8,
NG6 NG10 NG25
Maximum 345 Bar 345 Bar 345 Bar
Pressure (5000 PSI) (5000 PSI) (5000 PSI)
Maximum 76 LPM 113 LPM 340 LPM
Flow (20 GPM) (30 GPM) (90 GPM)
Cracking 0.3 Bar 0.3 Bar 0.3 Bar
Pressure (5 PSI), (5 PSI), (5 PSI)
3 Bar* 3 Bar*
(45 PSI), (45 PSI),
5 Bar* 5 Bar*
(75 PSI) (75 PSI)
* Optional
Specifications
VISCOSITY CORRECTION FACTOR
Viscosity (SSU) 75 150 200 250 300 350 400
% of P (Approx.) 93 111 119 126 132 137 141
Curves were generated using 100 SSU hydraulic oil. For any other viscosity, pressure
drop will change per chart.
www.comoso.com

Parker Sandwich.indd, dd
Parker Hannifin Corporation
Hydraulic Valve Division
Elyria, Ohio, USA
Sandwich Valves
Catalog HY14-2500/US
B6
B
B
Series CMOrdering Information
DD Option DDF Option PP Option TT Option PT Option
AA Option AAF Option BB Option BBF Option
Schematics
Size "6"
Sandwich & Valve Bolt Qty/ Torque
Combination Kit Description Kit IN-LBS
1 Sandwich & D6*VW Valve BK121 1/2 - 13 x 5.25 6 80
2 Sandwich & D6*VW Valve BK122 1/2 - 13 x 8.00 6 80
3 Sandwich & D6*VW Valve BK123 1/2 - 13 x 10.75 6 80
4 Sandwich & D6*VW Valve BK124 1/2 - 13 x 13.50 6 80
Note: Bolt Kits must be ordered separately.
Unit Weight:
CM2 0.8 kg (1.7 lbs.)
CM3 1.8 kg (3.9 lbs.)
CM6 7.7 kg (17 lbs.)
Size "3"
Sandwich
D3W-30
No. of & Valve D3DW & Bolt Length
Sandwich Combination D31*W* mm (in)
1 Sandwich & D3 BK141 88.9 (3.50)
2 Sandwich & D3 BK142 139.7 (5.50)
3 Sandwich & D3 BK143 190.5 (7.50)
Manapak Bolt Kits
Size "2"
Sandwich
No. of & Valve Bolt Bolt Length
Sandwich Combination Kit mm (in)
1 Sandwich & D1 BK243 73.2 (2.88)
2 Sandwich & D1 BK225 111.3 (4.38)
3 Sandwich & D1 BK244 152.4 (6.00)
4 Sandwich & D1 BK245 190.5 (7.50)
Code Description
PP* P Port Check
PT* P and T Port Checks
TT* T Port Check
DD A and B Port Checks
AA A Port Check
BB B Port Check
AAF A Port Inverted
BBF B Port Inverted
DDF A and B Ports Inverted
* Not available on 6 size
Code Type
V Fluorocarbon
N Nitrile
Code Description
2 NFPA D03
Subplate Mounting
3 NFPA D05
Subplate Mounting
6 NFPA D08
Subplate Mounting
Code Type
Omit 5 PSI
Y 45 PSI*
Z 75 PSI*
Check
Valve
Size Port Cracking
Pressure
Seal Design
Series
NOTE:
Not required
when ordering.
CM *
Bolt Kits must be ordered separately. *D31VW with
internal pilot and internal drain only.
* Not available
on 6 size.
Bold: Designates Tier I products and options.
Non-Bold: Designates Tier II products and options. These products will have longer lead times.
www.comoso.com

Parker Sandwich.indd, dd
Parker Hannifin Corporation
Hydraulic Valve Division
Elyria, Ohio, USA
Sandwich Valves
Catalog HY14-2500/US
B7
B
B
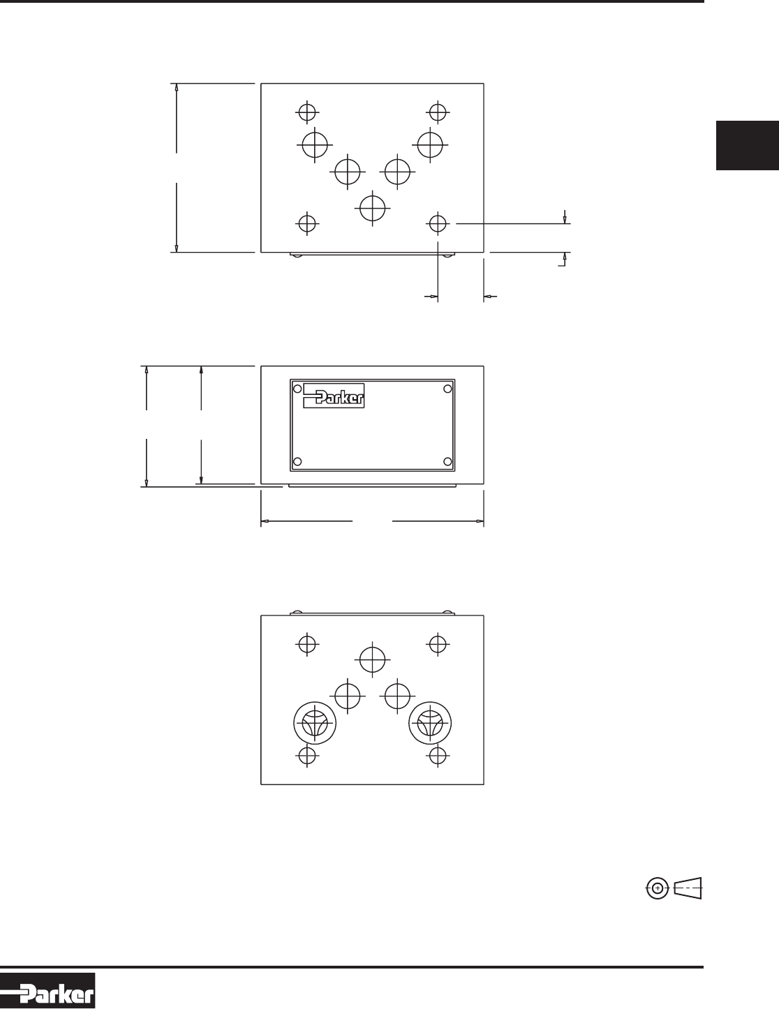
Dimensions Series CM2
Note: Transfer the locating pin to the hole on the opposite side of the valve body for 'T' port option.
(Invert body 180°)
Top View
Bottom View
Face View
Inch equivalents for millimeter dimensions are shown in (**)
14.5
(0.57)
7.0
(0.28)
45.0
(1.77)
T
AB
P
70.0
(2.76)
38.8
(1.53)
40.0
(1.57)
3.2
(0.13)
3.2
(0.13)
P
AB
T
SHOWN WITHOUT O-RING PLATE
www.comoso.com

Parker Sandwich.indd, dd
Parker Hannifin Corporation
Hydraulic Valve Division
Elyria, Ohio, USA
Sandwich Valves
Catalog HY14-2500/US
B8
B
B
Surface Patterns Series CM2
PP/PT
TT
DD DDF
BB BBF
AA AAF
Bottom Views Top Views
P
BA
T
T
AB
P
P
AB
T
T
A
P
B
P
AB
T
T
AB
P
P
AB
T
T
AB
P
www.comoso.com

Parker Sandwich.indd, dd
Parker Hannifin Corporation
Hydraulic Valve Division
Elyria, Ohio, USA
Sandwich Valves
Catalog HY14-2500/US
B9
B
B
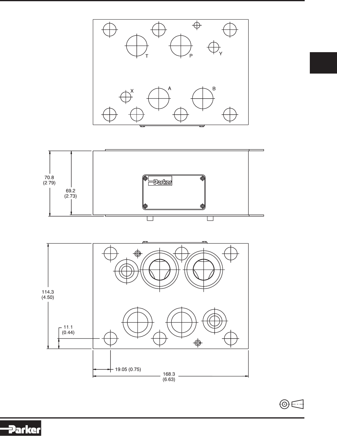
Series CM3Dimensions
Inch equivalents for millimeter dimensions are shown in (**)
Top View
Face View
Bottom View
69.9
(2.75)
T
B
P
A
T
11.9
(0.47)
19.1
(0.75)
50.0
(1.97)
48.8
(1.92)
92.1
(3.63)
SHOWN WITHOUT O-RING PLATE
www.comoso.com

Parker Sandwich.indd, dd
Parker Hannifin Corporation
Hydraulic Valve Division
Elyria, Ohio, USA
Sandwich Valves
Catalog HY14-2500/US
B10
B
B
Surface Patterns Series CM3
DD
TT PP/PT
DDF
AA AAF
BB BBF
Bottom Views Top Views
T
B
P
A
T
P
A
T
T
B
P
B
T
A
T
T
B
P
A
T
P
A
B
TT
T
B
P
A
T
P
A
B
T
T
T
B
P
A
T
www.comoso.com

Parker Sandwich.indd, dd
Parker Hannifin Corporation
Hydraulic Valve Division
Elyria, Ohio, USA
Sandwich Valves
Catalog HY14-2500/US
B11
B
B
Dimensions Series CM6
Inch equivalents for millimeter dimensions are shown in (**)
Top View
Face View
Bottom View
www.comoso.com

Parker Sandwich.indd, dd
Parker Hannifin Corporation
Hydraulic Valve Division
Elyria, Ohio, USA
Sandwich Valves
Catalog HY14-2500/US
B12
B
B
Surface Patterns Series CM6
XAB
TP
YX
AB
Y
PT
TPY
X
AB
XAB
YP
T
XAB
Y
P
T
TPY
X
AB
DD
Bottom Views Top Views
DDF
AA AAF
BB BBF
www.comoso.com

Parker Sandwich.indd, dd
Parker Hannifin Corporation
Hydraulic Valve Division
Elyria, Ohio, USA
Sandwich Valves
Catalog HY14-2500/US
B13
B
B
Technical Information Series CPOM
General Description
Series CPOM double pilot operated check valves block
leakage from the actuator ports to tank when the direc-
tional valve is in the center position.
NOTE: For max. response and shut off, a directional valve with both
cylinder ports drained to tank in the center position is recommend-
ed for use with sandwich double pilot operated check valves.
Features
• Parker CPOM sandwich style, p.o. check valves can be
provided in either single or double configurations.
• The p.o. checks may be positioned in 'A' port or 'B' port;
or both 'A' and 'B' ports.
• Valve bodies are manufactured from steel providing extra
strength and durability for longer life. Internal hardened
steel components also provide longer life.
• Positive shut-off is provided by a hardened poppet
and cage assembly.
• Large internal flow paths allow high flow at low
pressure drop.
Performance Curves
CPOM2 CPOM3 CPOM6
Mounting NFPA D03, NFPA D05, NFPA D08,
Pattern CETOP 3, CETOP 5, CETOP 8,
NG 6 NG 10 NG 25
Maximum 345 Bar 345 Bar 205 Bar
Pressure (5000 PSI) (5000 PSI) (3000 PSI)
Maximum 53 LPM 76 LPM 227 LPM
Flow (14 GPM) (20 GPM) (60 GPM)
@ 21 Bar @ 11 Bar @ 24 Bar
(305 PSI) (155 PSI) (350 PSI)
Pressure Drop Pressure Drop Pressure Drop
Cracking 1.0 Bar 0.3 Bar 0.4 Bar
Pressure (15 PSI) (5 PSI) (6 PSI)
Pilot Ratio 3:1 3:1 3:1
Leakage 5 DPM 5 DPM 5 DPM
Specifications
Viscosity Correction Factor
Viscosity (SSU) 75 150 200 250 300 350 400
Percentage of ∆P (Approx.) 93 111 119 126 132 137 141
Curves were generated using 100 SSU hy-
draulic oil. For any other viscosity, pressure
drop will change as per chart.
Flow
0
0
12.5
3.3
25
6.6
229
458
687
8
Bar
116
PSI
37.5
9.9
50
13.2
LPM
GPM
CPOM2
free flow
piloted open
Pressure Differential
Flow
0
0
18.9
5
37.9
10
3.450
6.8100
10.2
Bar
150
PSI
56.8
15
75.7
20
LPM
GPM
Pressure Differential
CPOM3
free flow
piloted open
0
0
37.9
10
75.7
20
113.6
30
189.3
50
6.8100
13.6200
20.5
Bar
300
PSI
151.4
40
227.2
60
LPM
GPM
Flow
Pressure Differential
CPOM6
free flow
piloted open
www.comoso.com

Parker Sandwich.indd, dd
Parker Hannifin Corporation
Hydraulic Valve Division
Elyria, Ohio, USA
Sandwich Valves
Catalog HY14-2500/US
B14
B
B
Ordering Information Series CPOM
Bolt Kits
Size "2"
Sandwich
No. of & Valve Bolt Bolt Length
Sandwich Combination Kit mm (in)
1 Sandwich & D1 BK243 73.2 (2.88)
2 Sandwich & D1 BK225 111.3 (4.38)
3 Sandwich & D1 BK244 152.4 (6.00)
4 Sandwich & D1 BK245 190.5 (7.50)
Code Description
2 NFPA D03
Subplate Mounting
3 NFPA D05
Subplate Mounting
6 NFPA D08
Subplate Mounting
Code Description
DD Double Poppet
A and B Ports
AA A Port Only
BB B Port Only
Size "3"
Sandwich D3W-30
No. of & Valve D3DW & Bolt Length
Sandwich Combination D31*W* mm (in)
1 Sandwich & D3 BK141 88.9 (3.50)
2 Sandwich & D3 BK142 139.7 (5.50)
3 Sandwich & D3 BK143 190.5 (7.50)
AA Option BB Option DD Option
Schematics
Size "6"
No. of Sandwich & Valve Bolt Bolt Length
Sandwich Combination Kit mm (in)
1 Sandwich & D6 BK121 133.4 (5.25)
2 Sandwich & D6 BK122 203.2 (8.00)
3 Sandwich & D6 BK123 273.1 10.75)
4 Sandwich & D6 BK124 342.9 (13.5)
Bolt Kits must be ordered separately.
Unit Weight:
CPOM2D 0.8 kg (1.7 lbs.)
CPOM3D 4.4 kg (9.6 lbs.)
CPOM6D 9.5 kg (21.0 lbs.)
Pilot
Operated
Check Valve
Size Poppet
Style
Seal Design
Series
NOTE:
Not required
when ordering.
CPOM *
Code Type
N Nitrile
V Fluorocarbon
* D31VW with internal pilot and internal drain only.
Cracking
Pressure
Code Type
Omit** 5 PSI
Y* 45 PSI
Z* 75 PSI
* Available in
size 2 only.
** 15 PSI on
CPOM2
Bold: Designates Tier I products and options.
Non-Bold: Designates Tier II products and options. These products will have longer lead times.
www.comoso.com

Parker Sandwich.indd, dd
Parker Hannifin Corporation
Hydraulic Valve Division
Elyria, Ohio, USA
Sandwich Valves
Catalog HY14-2500/US
B15
B
B
Series CPOM2Dimensions
Inch equivalents for millimeter dimensions are shown in (**)
Face View
Top View
End View
Bottom View
33.5
(1.32)
T
A
B
P
7.0
(0.28)
45.0
(1.77)
22.5
(0.89)
18.0
(0.71)
40.0
(1.57)
3.2
(0.13)
3.2
(0.13)
111.5
(4.39)
129.1
(5.08)
P
A
T
B
www.comoso.com

Parker Sandwich.indd, dd
Parker Hannifin Corporation
Hydraulic Valve Division
Elyria, Ohio, USA
Sandwich Valves
Catalog HY14-2500/US
B16
B
B
Dimensions Series CPOM3
Inch equivalents for millimeter dimensions are shown in (**)
Bottom View
Top View
End View
Face View
69.9
(2.75)
38.2
(1.50)
50.0
(1.97) 28.7
(1.13)
146.1
(5.75)
165.1
(6.50)
46.0
(1.81)
11.9
(0.47)
P
A
TT
B
www.comoso.com

Parker Sandwich.indd, dd
Parker Hannifin Corporation
Hydraulic Valve Division
Elyria, Ohio, USA
Sandwich Valves
Catalog HY14-2500/US
B17
B
B
Dimensions Series CPOM6
Inch equivalents for millimeter dimensions are shown in (**)
Top View
Face View
End View
Bottom View
BA
PT
x
Y
23.8
(0.94)
63.5
(2.50)
69.5
(2.74)
6.4
(0.25)
6.4 (0.25) Locating pins
114.3
(4.50)
11.1
(0.44)
11.1
(0.44)
200.6
(7.90)
168.3
(6.62)
(2 Places)
www.comoso.com

Parker Sandwich.indd, dd
Parker Hannifin Corporation
Hydraulic Valve Division
Elyria, Ohio, USA
Sandwich Valves
Catalog HY14-2500/US
B18
B
B
Viscosity Correction Factor
Viscosity (SSU) 75 150 200 250 300 350 400
Percentage of ∆P (Approx.) 93 111 119 126 132 137 141
Curves were generated using 100 SSU
hydraulic oil @49°C (120°F). For any other
viscosity, pressure drop will change as per
chart.
Technical Information Series FM
Specifications
FM2 FM3 FM6
Mounting NFPA D03, NFPA D05, NFPA D08,
Pattern CETOP 3, CETOP 5, CETOP 8,
NG 6 NG 10 NG 25
Maximum 345 Bar 345 Bar 205 Bar
Pressure (5000 PSI) (5000 PSI) (3000 PSI)
Maximum 76 LPM 113 LPM 341 LPM
Flow (20 GPM) (30 GPM) (90 GPM)
Cracking 0.3 Bar 0.3 Bar 0.3 Bar
Pressure (5 PSI) (5 PSI) (5 PSI)
General Description
Series FM double flow control valves permit free flow
from the directional valve to the actuator and adjustable
independent flow regulation in each return line from the
actuator (meter-out). The FM2 and FM3 have a seal
plate and can be inverted for meter-in applications (see
installation drawing for flow direction).
Features
• FM style flow control valves can be provided in either
single or double configurations.
• The flow controls may be positioned in 'A' port, 'B' port,
both 'A' and 'B' ports or 'P' port.
• Valve bodies are manufactured from steel providing extra
strength and durability for longer life. Internal hardened
steel components also provide longer life.
• Two step needles provide fine adjustment for the first
few turns and course adjustment for the last few turns.
Standard and fine adjustment needles available.
• Large bypass checks allow high flow at a low pressure
drop.
• Valve is reversible (invert 180°) for meter-in or
meter-out applications (FM2 and FM3 only).
• Adjustment options include Allen hex or hand knob.
Performance Curves
0
0
15.1
4
7.6
2
30.3
8
22.7
6
20
40
300
600
60
900
80
1200
102
Bar
1500
PSI
45.4
12
37.9
10
53.0
14
LPM
GPM
Flow
Pressure
60.6
16
68.1
18
75.7
20
FM2 Standard Needle
Turns from
Closed
146
2
8
10
12
Full
Open
0
0
15.1
4
7.6
2
30.3
8
22.7
6
20
40
300
600
60
900
80
1200
102
Bar
1500
PSI
45.4
12
37.9
10
53.0
14
LPM
GPM Flow
Pressure
60.6
16
68.1
18
75.7
20
FM2**D Fine Needle Turns from
Closed
10
Full
Open
246 8
Pressure Drop
Reference
Chart
P A B T
PP ✽ 2 2 1
DD 1 ✽ ✽ 1
AA 1 ✽ 1 1
BB 1 1 ✽ 1
✽ See specific
flow vs. turns
0
0
15.1
4
7.6
2
30.3
8
22.7
6
7
14
100
200
20300
27400
34
Bar
500
PSI
45.4
12
37.9
10
53.0
14
LPM
GPM
Flow
Pressure
60.6
16
68.1
18
75.7
20
1
2
Reverse Flow
Check
FM2 Reverse Flow Check
P
www.comoso.com

Parker Sandwich.indd, dd
Parker Hannifin Corporation
Hydraulic Valve Division
Elyria, Ohio, USA
Sandwich Valves
Catalog HY14-2500/US
B19
B
B
Ordering Information Series FM
Code Description
AA Single Function
A Port Only
BB Single Function
B Port Only
DD A and B Ports
Dual Function
PP** Single Function
P Port
** Not availabe on size 6.
Code Description
2 NFPA D03
Subplate Mounting
3 NFPA D05
Subplate Mounting
*6 NFPA D08
Subplate Mounting
* FM6 - Meter out only
Schematics
AA Option BB Option DD Option
Code Description
Omit Standard
D* Fine Meter
* D needle is the stan-
dard needle in valves
used as pilot chokes.
Not available on size 6.
Code Type
S Allen Hex
K Knob
Code Type
N Nitrile
V Fluorocarbon
PP Option
Unit Weight:
FM2 1.7 kg (3.8 lbs.)
FM3 2.4 kg (5.2 lbs.)
FM6 7.9 kg (17.5 lbs.)
Bolt Kits
Size "2"
Sandwich
No. of & Valve Bolt Bolt Length
Sandwich Combination Kit mm (in)
1 Sandwich & D1 BK243 73.2 (2.88)
2 Sandwich & D1 BK225 111.3 (4.38)
3 Sandwich & D1 BK244 152.4 (6.00)
4 Sandwich & D1 BK245 190.5 (7.50)
Size "3"
Sandwich D3W-30
No. of & Valve D3DW & Bolt Length
Sandwich Combination D31*W* mm (in)
1 Sandwich & D3 BK141 88.9 (3.50)
2 Sandwich & D3 BK142 139.7 (5.50)
3 Sandwich & D3 BK143 190.5 (7.50)
Design
Series
NOTE:
Not required
when ordering.
FM
Flow Valve
Control
Size Meter
Option
Needles Adjustment Seal
*
Size "6"
No. of Sadnwich & Valve Bolt Bolt Length
Sandwich Combination Kit mm (in)
1 Sandwich & D6 BK121 133.4 (5.25)
2 Sandwich & D6 BK122 203.2 (8.00)
3 Sandwich & D6 BK123 273.1 (10.75)
4 Sandwich & D6 BK124 342.9 (13.5)
Bolt Kits must be ordered separately.
* D31VW with internal pilot and internal drain only.
Bold: Designates Tier I products and options.
Non-Bold: Designates Tier II products and options. These products will have longer lead times.
www.comoso.com

Parker Sandwich.indd, dd
Parker Hannifin Corporation
Hydraulic Valve Division
Elyria, Ohio, USA
Sandwich Valves
Catalog HY14-2500/US
B20
B
B
Performance Curves Series FM
018.9
5
37.9
10
56.8
15
75.7
20
LPM
GPM
Flow
FM3 Reverse Flow Check
94.6
25
113.6
30
0
7
14
100
200
20300
27
Bar
400
PSI
Pressure
34500
1
2
Reverse
Flow
Check
P
Turns
from Closed
Nominal Flow
018.9
5
37.8
10
56.8
15
75.7
20
LPM
GPM
FM3 Standard Needle
0
20
40
300
600
60900
80
Bar
1200
PSI
Pressure
1021500
94.6
25
113.6
30
12 46
8
10
12
Full
Open
Turns
from Closed
Flow
0
0
18.9
5
37.9
10
20300
60
40
900
600
102
80
Bar
1500
1200
PSI
56.8
15
75.7
20
LPM
GPM
Pressure
FM3**D Fine Needle
94.6
25
113.6
30
123
468
10
12
14
Full
Open
Pressure Drop Reference Chart
✽ See specific flow vs. turns chart
P A B T
PP ✽ 2 2 1
DD 1 ✽ ✽ 1
AA 1 ✽ 1 1
BB 1 1 ✽ 1
076
20
38
10
151
40
189
50
114
30
265
70
227
60
341
90
303
80
LPM
GPM
Flow
FM6 Reverse Flow Check
0
7
14
100
200
20300
27
Bar
400
PSI
Pressure
34500
Turns
from Closed
Nominal Flow
076
20
38
10
189
50
227
60
114
30
151
40
265
70
303
80
341
90
LPM
GPM
FM6 Standard Needle
0
20
40
300
600
60900
80
Bar
1200
PSI
Pressure
1021500 12345
6
8
10
12
14
16
Full
Open
www.comoso.com

Parker Sandwich.indd, dd
Parker Hannifin Corporation
Hydraulic Valve Division
Elyria, Ohio, USA
Sandwich Valves
Catalog HY14-2500/US
B21
B
B
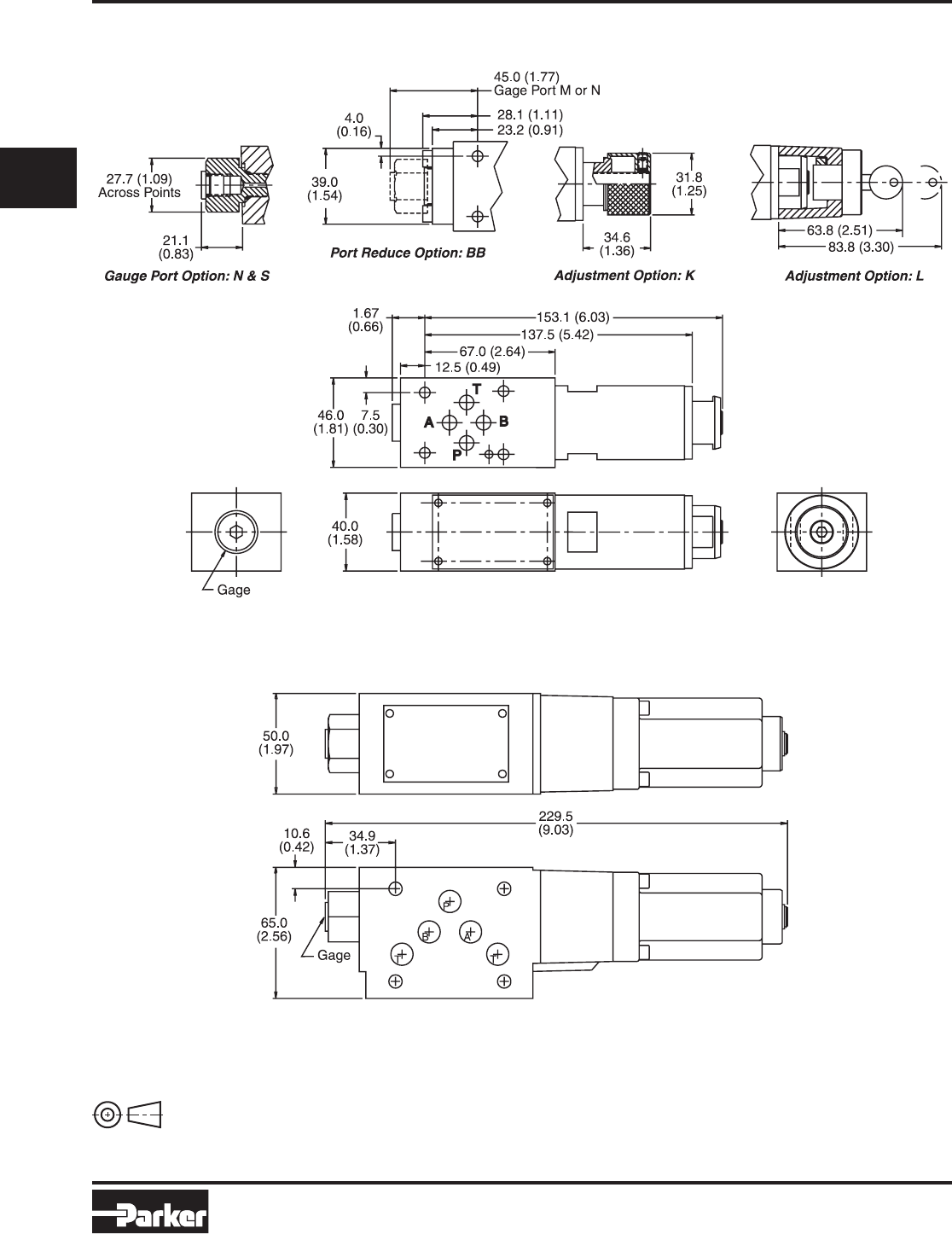
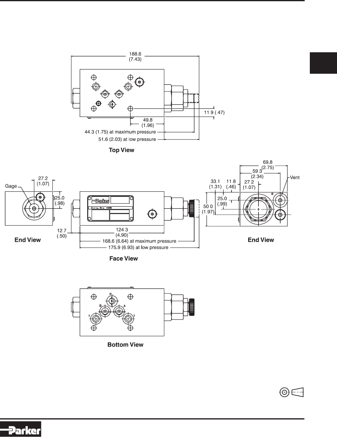
Inch equivalents for millimeter dimensions are shown in (**)
Note: For meter-in option, invert body 180°.
Dimensions Series FM2
www.comoso.com

Parker Sandwich.indd, dd
Parker Hannifin Corporation
Hydraulic Valve Division
Elyria, Ohio, USA
Sandwich Valves
Catalog HY14-2500/US
B22
B
B
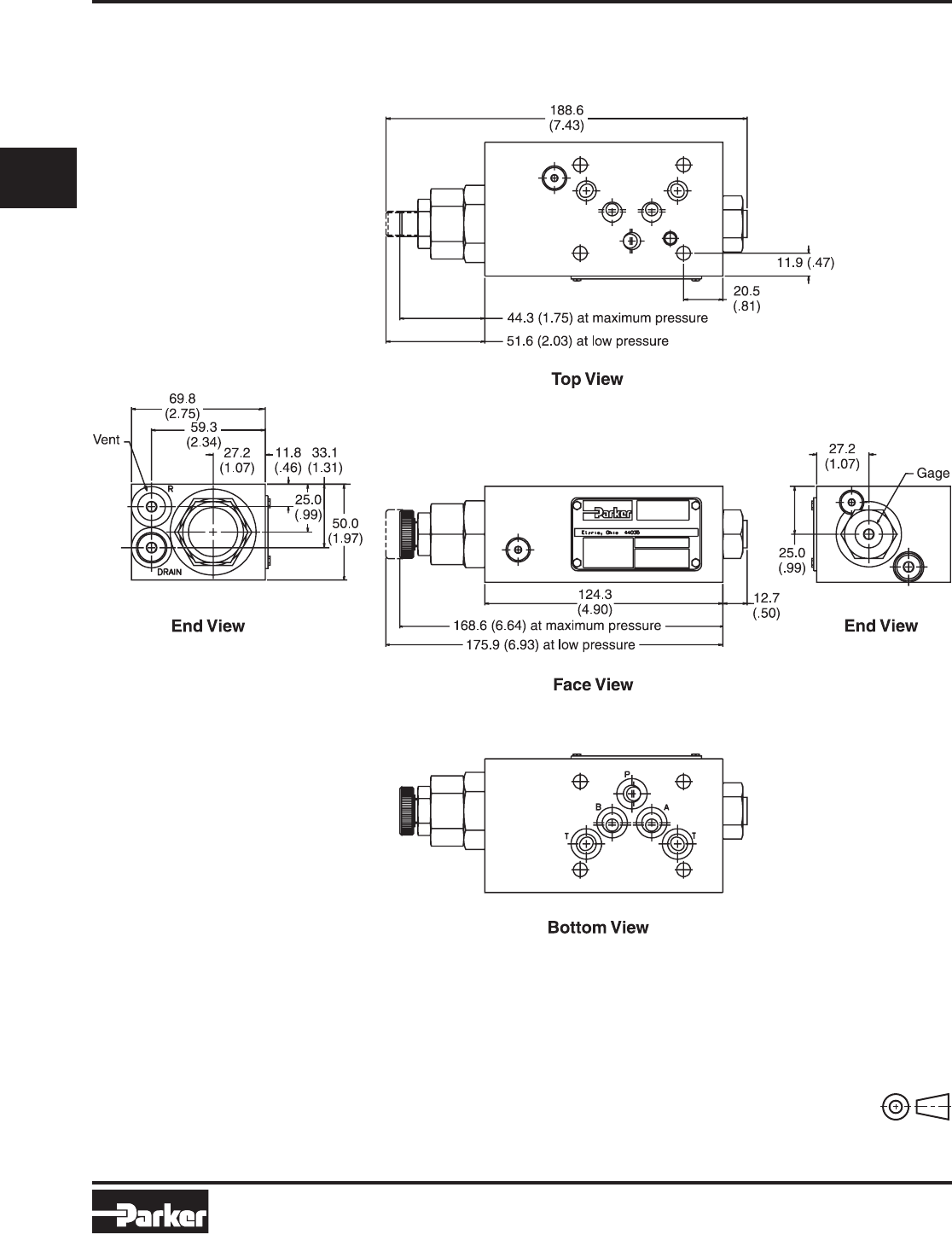
Dimensions Series FM3
Inch equivalents for millimeter dimensions are shown in (**)
Note: For meter-in option, invert body 180°.
www.comoso.com

Parker Sandwich.indd, dd
Parker Hannifin Corporation
Hydraulic Valve Division
Elyria, Ohio, USA
Sandwich Valves
Catalog HY14-2500/US
B23
B
B
Dimensions Series FM6
Inch equivalents for millimeter dimensions are shown in (**)
www.comoso.com

Parker Sandwich.indd, dd
Parker Hannifin Corporation
Hydraulic Valve Division
Elyria, Ohio, USA
Sandwich Valves
Catalog HY14-2500/US
B24
B
B
Technical Information Series PRDM
PRDM2 PRDM3
Mounting NFPA D03, NFPA D05,
Pattern CETOP 3, NG6 CETOP 5, NG10
Maximum
Operating
Pressure
P, A, B 350 Bar (5000 PSI) 315 Bar (4560 PSI)
T 10 Bar (145 PSI) 10 Bar (145 PSI)
Max. Flow 40 LPM (10.5 GPM) 80 LPM (21 GPM)
Maximum
Leakage
P-A 15 ml/min (1.0 cu. in.)
Pressure Code Range
Range 01 1.0 to 14 Bar (15 to 200 PSI)
02* 1.5 to 25 Bar (22 to 363 PSI)
05** 2 to 50 Bar (29 to 725 PSI)
06* 1.5 to 64 Bar (22 to 928 PSI)
10** 4 to 100 Bar (58 to 1450 PSI)
15** 6 to 150 Bar (87 to 2175 PSI)
16* 3 to 160 Bar (44 to 2320 PSI)
21 8 to 210 Bar (116 to 3045 PSI)
35* 10 to 315 Bar (147 to 4560 PSI)
Viscosity
Range 12 to 230 cSt / mm²/s (56 to 1066 SSU)
Filtration ISO Code 18/16/13 or Better
* PRDM2 only
** PRDM3 only.
General Description
Series PRDM are direct operated pressure reducing
valves that are used to regulate pressure in one area
of a hydraulic circuit at a predetermined level below
normal system pressure. Additionally, an integral
pressure relieving function for the secondary reduced
pressure circuit is incorporated into the design.
Operation
These valves are “normally open” devices that allow
fluid to flow through the controlled port during their
non-actuated or “at rest” condition. When downstream
pressure exceeds the value set by the spring force,
the control piston moves off its seat, closing off the
flow path and thus reducing the fluid passing through
from the main system. The cushioned piston
modulates to maintain the preset pressure in this
branch of the hydraulic circuit. If, due to external
forces, the pressure continues to rise in this branch
circuit, the piston will keep moving against the spring
force allowing fluid to be drained to tank, thereby limit-
ing maximum pressure to the valve’s setting.
Features
• PRDM sandwich valves may be selected to
reduce pressure in the 'P' port, 'A' port or 'B' port.
• The direct operated, cushioned piston design results in
fast response, low leakage and minimal hysteresis.
• Up to nine pressure adjustment ranges are available with
maximum pressure settings.
• Adjustment options include: internal hex screw, hand
knob or internal hex with keylock.
• Fluorocarbon seals are available.
• Available gage port connections include SAE, NPT,
Metric and BSPP.
Specifications
www.comoso.com

Parker Sandwich.indd, dd
Parker Hannifin Corporation
Hydraulic Valve Division
Elyria, Ohio, USA
Sandwich Valves
Catalog HY14-2500/US
B25
B
B
Ordering Information Series PRDM
Code Description
2 NFPA D03
Subplate Mounting
3 NFPA D05
Subplate Mounting
Code Description
PP P Port Only
AA A Port Only
BB B Port Only
Code Description
01 1 to 14 Bar (15 to 200 PSI)
02* 1.5 to 25 Bar (22 to 363 PSI)
05** 2 to 50 Bar (29 to 725 PSI)
06* 1.5 to 64 Bar (22 to 928 PSI)
10** 4 to 100 Bar (58 to 1450 PSI)
15** 6 to 150 Bar (87 to 2175 PSI)
16* 3 to 160 Bar (44 to 2320 PSI)
21 8 to 210 Bar (116 to 3045 PSI)
35* 10 to 315 Bar (147 to 4560 PSI)
Code Type
L Hex w/Key Lock
S Internal Hex
Screw Adj.
K Knob
Schematics
PP Option AA Option BB Option
TP A B
M
TP AB
M
TP AB
M
Weights:
PRDM2 1.3 kg (2.9 lbs.)
PRDM3 2.6 kg (5.8 lbs.)
Code Type
N 1/4” NPT
S SAE #4 (UNF-2B 7/16-20)
Adapter in PRDM3
M Metric
G 1/4" BSPP
Bolt Kits must be ordered separately.
Bolt Kits
Size "2"
Sandwich
No. of & Valve Bolt Bolt Length
Sandwich Combination Kit mm (in)
1 Sandwich & D1 BK243 73.2 (2.88)
2 Sandwich & D1 BK225 111.3 (4.38)
3 Sandwich & D1 BK244 152.4 (6.00)
4 Sandwich & D1 BK245 190.5 (7.50)
Size "3"
Sandwich D3W-30
No. of & Valve D3DW & Bolt Length
Sandwich Combination D31*W* mm (in)
1 Sandwich & D3 BK141 88.9 (3.50)
2 Sandwich & D3 BK142 139.7 (5.50)
3 Sandwich & D3 BK143 190.5 (7.50)
Design
Series
NOTE:
Not required
when ordering.
PRDM
Pressure
Reducing/
Relieving
Size Port
Reduction
Pressure
Range
Adjustment Seal Gage
Port
* D31VW with internal pilot and internal drain only.
PRDM
* PRDM2 only.
** PRDM3 only.
Bold: Designates Tier I products and options.
Non-Bold: Designates Tier II products and options.
These products will have longer lead times.
Code Type
N Nitrile
V Fluorocarbon
www.comoso.com

Parker Sandwich.indd, dd
Parker Hannifin Corporation
Hydraulic Valve Division
Elyria, Ohio, USA
Sandwich Valves
Catalog HY14-2500/US
B26
B
B
Performance Curves Series PRDM
NOTE: Lowest pressure setting dependent upon system resistance.
www.comoso.com

Parker Sandwich.indd, dd
Parker Hannifin Corporation
Hydraulic Valve Division
Elyria, Ohio, USA
Sandwich Valves
Catalog HY14-2500/US
B27
B
B
Performance Curves Series PRDM
NOTE: Lowest pressure setting dependent upon system resistance.
www.comoso.com

Parker Sandwich.indd, dd
Parker Hannifin Corporation
Hydraulic Valve Division
Elyria, Ohio, USA
Sandwich Valves
Catalog HY14-2500/US
B28
B
B
Dimensions Series PRDM
PRDM2
Inch equivalents for millimeter dimensions are shown in (**)
PRDM3
Inch equivalents for millimeter dimensions are shown in (**)
www.comoso.com

Parker Sandwich.indd, dd
Parker Hannifin Corporation
Hydraulic Valve Division
Elyria, Ohio, USA
Sandwich Valves
Catalog HY14-2500/US
B29
B
B
PRM3 PRM6
Mounting NFPA D05, NFPA D08,
Pattern CETOP 5, NG 10 CETOP 8, NG 25
Minimum 10 Bar (150 PSI) with rated flow, 150 SSU
Pressure oil, and fluid temperature of 38°C (100°F).1
Maximum 345 Bar 345 Bar
Pressure (5000 PSI) (5000 PSI)
Min. 3.78 LPM 3.78 LPM
Flow (1 GPM) (1 GPM)
Maximum 64 LPM 189 LPM
Flow (17 GPM) (50 GPM)
Pressure Code Pressure Range
Range 07 10 to 70 Bar (150 - 1000 PSI)
17 10 to 175 Bar (150 - 2500 PSI)
25 10 to 250 Bar (150 - 3500 PSI)
35 10 to 350 Bar (150 - 5000 PSI)
General Description
Series PRM reducing valves are used to regulate
pressure, in one area of a circuit, below normal sys-
tem pressure. This style valve is well suited to perform
this function as it mounts directly below the directional
control valve.
Operation
These are "normally open" valves that allow fluid to
pass through the controlled port during typical opera-
tion. When downstream pressure rises above the
value set by an adjustable spring force, the control
pilot opens and allows the main spool to move from
a full open position. The main spool modulates to
maintain the desired "reduced pressure" downstream
of the valve. The PRM3 also has a relieving mode.
Features
• PRM sandwich style pressure reducing valves can be
used to reduce pressure on the 'P' port, the 'A' port, or
the 'B' port.
• Three pressure adjustment options are available: slotted
screw, knob and locking knob. (PRM6 only)
• Valve bodies are manufactured from steel which provide
extra strength and durability for longer life. Internal hard-
ened steel components also provide longer life.
Specifications
PRM3/PRM6
Filtration ISO 4406 (1999); 18/16/13 (meet NAS 1638:7)
Venting Connecting the vent port to tank allows the
reducing valve to divert flow at minimum
pressure.
Remote Remote control valve connected to the vent
Control port can be used to control the pressure.2
Drain Drain line from pilot valve is internally
Line connected to the tank port. Tank line
pressure is thus added to the valve setting.3
1 Change in flow, temperature or fluid (SSU) rating will affect valve
minimum pressure.
2 Set main valve pressure 10 Bar (150 PSI) higher than remote pilot.
3 It is important that the drain line connection be taken into consideration
when determining the minimum valve setting.
Technical Information Series PRM
www.comoso.com

Parker Sandwich.indd, dd
Parker Hannifin Corporation
Hydraulic Valve Division
Elyria, Ohio, USA
Sandwich Valves
Catalog HY14-2500/US
B30
B
B
Size "6"
Sandwich
No. of & Valve Bolt Bolt Length
Sandwich Combination Kit mm (in)
1 Sandwich & D6 BK121 133.4 (5.25)
2 Sandwich & D6 BK122 203.2 (8.00)
3 Sandwich & D6 BK123 273.1 (10.75)
4 Sandwich & D6 BK124 342.9 (13.5)
Code Description
3 NFPA D05
Subplate Mounting
6 NFPA D08
Subplate Mounting
Available Models
Code Description PRM3 PRM6
PP P Port Only ✓
AA A Port Only ✓
BB B Port Only ✓ ✓
PA P Port Reduced/Convertible ✓
to A Port Reduced
AP A Port Reduced/Convertible ✓
to P Port Reduced
Code Description
07 10 to 70 Bar (150 to 1000 PSI)
17 10 to 175 Bar (150 to 2500 PSI)
25 10 to 250 Bar (150 to 3500 PSI)
35 10 to 345 Bar (150 to 5000 PSI)
Code Type
Omit* SAE
S† SAE
N† NPT
M† Metric
G 1/4 BSPP
* PRM6 only.
† PRM3 only.
Code Type
K Knob
L* Locking Knob
S Screw Adj.
* PRM6 only.
Code Type
N Nitrile
V Fluorocarbon
Bolt Kits
Unit Weight:
PRM3 3.0 kg (6.6 lbs.)
PRM6 5.6 kg (12.5 lbs.)
Schematics
PA Option AP Option
AA Option
‘A’ Port Reduced
BB Option
‘B’ Port Reduced
PP Option
‘P’ Port Reduced
VALVE SIDE
SUBPLATE SIDE SUBPLATE SIDE SUBPLATE SIDE
VALVE SIDE VALVE SIDE
PRM6
PRM3
Size "3"
Sandwich D3W-30
No. of & Valve D3DW & Bolt Length
Sandwich Combination D31*W* mm (in)
1 Sandwich & D3 BK141 88.9 (3.50)
2 Sandwich & D3 BK142 139.7 (5.50)
3 Sandwich & D3 BK143 190.5 (7.50)
Design
Series
NOTE:
Not required
when ordering.
PRM
Pressure
Reducing
Valve
Size Port
Reduction
Pressure
Range
Adjustment Seal
*
Gauge Port Drain
Code Type
Omit Internal
Y External
Bolt Kits must be ordered separately.
* D31VW with internal pilot and internal drain only.
Bold: Designates Tier I products and options.
Non-Bold: Designates Tier II products and options.
These products will have longer lead times.
Ordering Information Series PRM
www.comoso.com

Parker Sandwich.indd, dd
Parker Hannifin Corporation
Hydraulic Valve Division
Elyria, Ohio, USA
Sandwich Valves
Catalog HY14-2500/US
B31
B
B
Performance Curves
NOTE: Lowest pressure setting dependent upon system resistance.
Mode Flow Path
P → P A → A B → B T → T
PP 1 2 3 4
AA 1 2 3 5
BB 1 2 3 5
Viscosity Correction Factor
Viscosity (SSU) 75 150 200 250 300 350 400
% of ∆P (approx.) 93 111 119 126 132 137 141
Curves were generated using 100 SSU hydraulic oil.
For any other viscosity, pressure drop will change per chart.
Minimum
Setting
20
10
20
38
75 75
38
30
0113
0
1000
100
3000 200
4000
5000
PSI
250
Bar
Pressure Drop
LPM
GPM
Flow Rate
RELIEVING
300
150
50
2000
Valve will not function in this region
10 0
REDUCING
06030
12 15 1836 9
0
100
10
300 20
400
500
PSI
25
35
Bar
Pressure Drop
LPM
GPM
Flow Rate
30
15
55
3
2
1
4
200
Technical Information Series PRM3
www.comoso.com

Parker Sandwich.indd, dd
Parker Hannifin Corporation
Hydraulic Valve Division
Elyria, Ohio, USA
Sandwich Valves
Catalog HY14-2500/US
B32
B
B
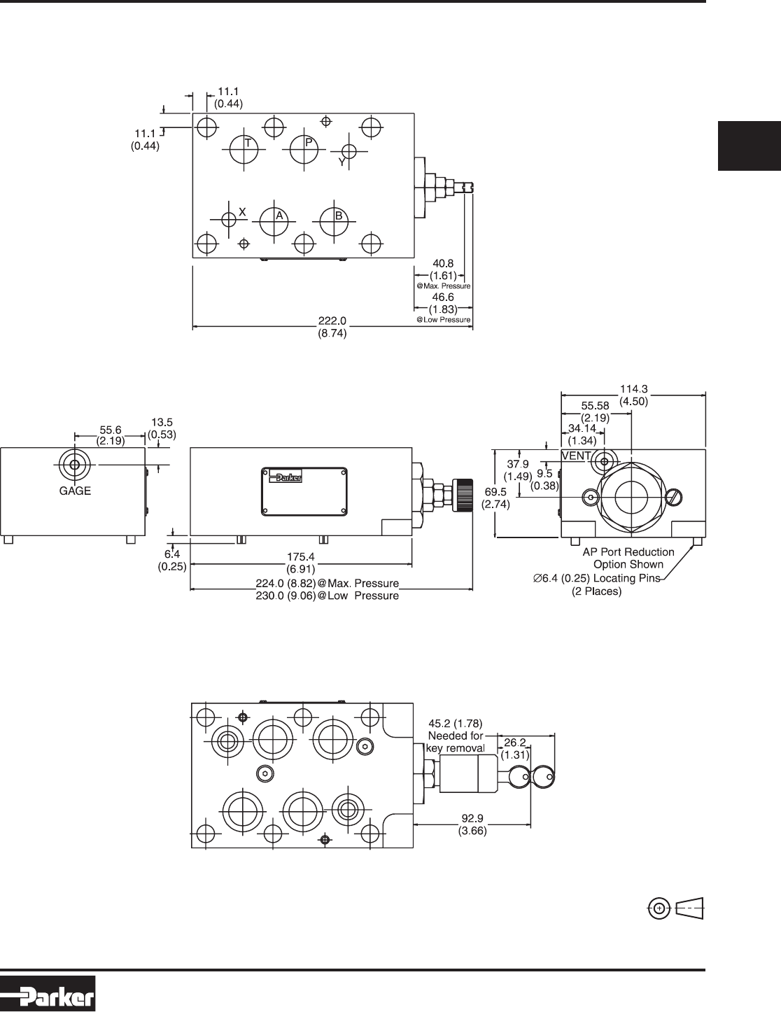
Dimensions Series PRM3
PRM3AA
Inch equivalents for millimeter dimensions are shown in (**)
www.comoso.com

Parker Sandwich.indd, dd
Parker Hannifin Corporation
Hydraulic Valve Division
Elyria, Ohio, USA
Sandwich Valves
Catalog HY14-2500/US
B33
B
B
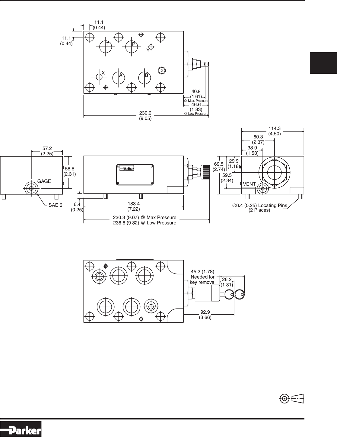
Dimensions Series PRM3
PRM3BB
Inch equivalents for millimeter dimensions are shown in (**)
www.comoso.com

Parker Sandwich.indd, dd
Parker Hannifin Corporation
Hydraulic Valve Division
Elyria, Ohio, USA
Sandwich Valves
Catalog HY14-2500/US
B34
B
B
Dimensions
PRM3PP
Inch equivalents for millimeter dimensions are shown in (**)
Series PRM3
www.comoso.com

Parker Sandwich.indd, dd
Parker Hannifin Corporation
Hydraulic Valve Division
Elyria, Ohio, USA
Sandwich Valves
Catalog HY14-2500/US
B35
B
B
Dimensions
Inch equivalents for millimeter dimensions are shown in (**)
Top View
Bottom View
Face View End View
Series PRM6
www.comoso.com

Parker Sandwich.indd, dd
Parker Hannifin Corporation
Hydraulic Valve Division
Elyria, Ohio, USA
Sandwich Valves
Catalog HY14-2500/US
B36
B
B
Technical Information Series RM
General Description
Series RM relief valves limit system pressure by
opening to tank when system pressure reaches the
valve setting. With D03 size, they can also be config-
ured to limit the 'A' or 'B' work port pressures indepen-
dently.
Features
• RM sandwich style relief valves can be used to limit pres-
sure in the 'P' port, 'A' port, or 'B' port.
• Valve bodies are manufactured from steel which provide
extra strength and durability for longer life. Internal hard-
ened steel components also provide longer life.
• Three pressure adjustment options are available: slotted
screw, knob and locking knob.
• SAE Gage Port
Specifications
RM2 RM3 RM6
Mounting NFPA D03, NFPA D05, NFPA D08,
Pattern CETOP 3, CETOP 5, CETOP 8,
NG 6 NG 10 NG 25
Minimum 10 Bar (150 PSI) with rated flow, 150 SSU
Pressure oil, and fluid temperature of 38°C (100°F).1
Maximum 350 Bar 350 Bar 350 Bar
Pressure (5000 PSI) (5000 PSI) (5000 PSI)
Minimum 3.78 LPM 3.78 LPM 3.78 LPM
Flow (1 GPM) (1 GPM) (1 GPM)
Maximum 53 LPM 76 LPM 341 LPM
Flow (14 GPM) (20 GPM) (90 GPM)
Pressure Code Pressure Range
Range 07 10 to 70 Bar (150 - 1000 PSI)
17 10 to 175 Bar (150 - 2500 PSI)
25 10 to 250 Bar (150 - 3500 PSI)
35 10 to 350 Bar (150 - 5000 PSI)
Filtration ISO 4406 (1999); 18/16/13
(meet NAS 1638:7)
Venting Connecting the vent port to tank allows
the relief valve to divert flow at minimum
pressure.2
Remote Remote control valve connected to the vent
Control port can be used to control the pressure.3
1 Change in flow, temperature or fluid (SSU) rating will affect valve
minimum pressure.
2 Not available on Model RM2.
3 Set main valve pressure 10 Bar (150 PSI) higher than remote
pilot.
Performance Curves
0
0
18.9
5
68
136
1000
2000
2053000
2734000
341
Bar
5000
PSI
37.9
10
56.8
15
LPM
GPM Flow
Pressure
RM2 Override Characteristics
35 spring
25 spring
17 spring
07 spring
Min setting
VISCOSITY CORRECTION FACTOR
Viscosity (SSU) 75 150 200 250 300 350 400
% of ∆P (Approx.) 93 111 119 126 132 137 141
Curves were generated using 100 SSU hydraulic oil. For any other viscosity,
pressure drop will change per chart.
www.comoso.com

Parker Sandwich.indd, dd
Parker Hannifin Corporation
Hydraulic Valve Division
Elyria, Ohio, USA
Sandwich Valves
Catalog HY14-2500/US
B37
B
B
Series RMOrdering Information
Code Description
2 NFPA D03
Subplate Mounting
3 NFPA D05
Subplate Mounting
6 NFPA D08
Subplate Mounting
Schematics
AT Option BT Option PT Option
Code Type
K Knob
L Locking Knob
S Slotted Screw
with Jam Nut
Code Description
07 10 to 70 Bar (150 to 1000 PSI)
17 10 to 175 Bar (150 to 2500 PSI)
25 10 to 250 Bar (150 to 3500 PSI)
35 10 to 350 Bar (150 to 5000 PSI)
Code Description
PT Relief P to T
AT* Relief A to T
BT* Relief B to T
* RM2 only.
Bolt Kits
Size "2"
Sandwich
No. of & Valve Bolt Bolt Length
Sandwich Combination Kit mm (in)
1 Sandwich & D1 BK243 73.2 (2.88)
2 Sandwich & D1 BK225 111.3 (4.38)
3 Sandwich & D1 BK244 152.4 (6.00)
4 Sandwich & D1 BK245 190.5 (7.50)
Size "3"
Sandwich D3W-30
No. of & Valve D3DW & Bolt Length
Sandwich Combination D31*W* mm (in)
1 Sandwich & D3 BK141 88.9 (3.50)
2 Sandwich & D3 BK142 139.7 (5.50)
3 Sandwich & D3 BK143 190.5 (7.50)
Unit Weight:
RM2 .95 kg (2.1 lbs.)
RM3 3.0 kg (6.6 lbs.)
RM6 5.9 kg (13.0 lbs.)
Design
Series
NOTE:
Not required
when ordering.
RM
Relief Valve Size Port
Option
Pressure
Range
Adjustment Seal
*
Size "6"
No. of Sandwich & Valve Bolt Bolt Length
Sandwich Combination Kit mm (in)
1 Sandwich & D6 BK121 133.4 (5.25)
2 Sandwich & D6 BK122 203.2 (8.00)
3 Sandwich & D6 BK123 273.1 (10.75)
4 Sandwich & D6 BK124 342.9 (13.5)
Bolt Kits must be ordered separately.
* D31VW with internal pilot and internal drain only.
Bold: Designates Tier I products and options.
Non-Bold: Designates Tier II products and options. These products will have longer lead times.
Code Type
N Nitrile
V Fluorocarbon
www.comoso.com

Parker Sandwich.indd, dd
Parker Hannifin Corporation
Hydraulic Valve Division
Elyria, Ohio, USA
Sandwich Valves
Catalog HY14-2500/US
B38
B
B
Performance Curves Series RM
0
0
18.9
5
68
136
1000
2000
2053000
BarPSI
37.9
10
56.8
15
75.7
20
LPM
GPM
Flow
Pressure
RM3 Override Characteristics
17 spring
25 spring
07 spring
Min setting
0
0
95
25
68
136
1000
2000
2053000
BarPSI
189
50
284
75
379
100
LPM
GPM
Flow
Pressure
RM6 Override Characteristics
17 spring
25 spring
07 spring
Min setting
0
0
18.9
5
1.4
.7
2.7
2.1
20
10
40
30
4.1
4.8
3.4
60
70
50
BarPSI
37.9
10
56.8
15
LPM
GPM
Flow
Pressure
RM3 Vent Flow
RM6 Vent Press vs. Flow
0
0
25
25
3.4
6.8
50
100
10.2150
BarPSI
189
50
284
75
379
100
LPM
GPM
Flow
Pressure
VISCOSITY CORRECTION FACTOR
Viscosity (SSU) 75 150 200 250 300 350 400
% of ∆P (Approx.) 93 111 119 126 132 137 141
Curves were generated using 100 SSU hydraulic oil. For any other viscosity,
pressure drop will change per chart.
www.comoso.com

Parker Sandwich.indd, dd
Parker Hannifin Corporation
Hydraulic Valve Division
Elyria, Ohio, USA
Sandwich Valves
Catalog HY14-2500/US
B39
B
B
Series RM2Dimensions
Inch equivalents for millimeter dimensions are shown in (**)
Top View
Bottom View
Face View
End View
169.4
(6.49)
9.0
(0.35)
T
AB
P
7.0
(0.28)
3.5
(0.14)
41.4
(1.63)
@Low Pressure
34.8
(1.37)
PT Body Shown
Gage Port Location
Varies from AT Body
and BT Body
3.2
(0.13)
3.2
(0.13) 128.0
(5.04)
170.3 (6.70) @ Max. Pressure
177.0 (6.97) @ Low Pressure
40.0
(1.57)
45.0
(1.77)
Pilot Cartridge Is Located
On The Right Side
For PT Body And BT Body
88.0
(3.46)
45.2 (1.78)
Needed for
key removal26.2
(1.31)
P
AB
T
SAE 4
@Max. Pressure
www.comoso.com

Parker Sandwich.indd, dd
Parker Hannifin Corporation
Hydraulic Valve Division
Elyria, Ohio, USA
Sandwich Valves
Catalog HY14-2500/US
B40
B
B
Dimensions Series RM3
Inch equivalents for millimeter dimensions are shown in (**)
End View
Top View
Face View
Bottom View
Back View
@ Low Pressure
@ Max.
Pressure
T
BA
T
P
186.6
(7.35)
72.2
(2.84)
11.9
(0.47)
15.9
(0.63)
50.0
(1.97)
145.3
(5.71)
26.2
(1.31)
88.0
(3.46)
93.7
(3.69)
19.8
(0.78)
45.2 (1.78)
Needed for
key removal
187.6 (7.39) @Max. Pressure
194.2 (7.65) @Low Pressure
27.8
(1.09)
21.4
(0.84)
45.6
(1.80)
69.9
(2.75)
41.4
(1.63)
34.8
(1.37)
VENT
GAGE
SAE 4
www.comoso.com

Parker Sandwich.indd, dd
Parker Hannifin Corporation
Hydraulic Valve Division
Elyria, Ohio, USA
Sandwich Valves
Catalog HY14-2500/US
B41
B
B
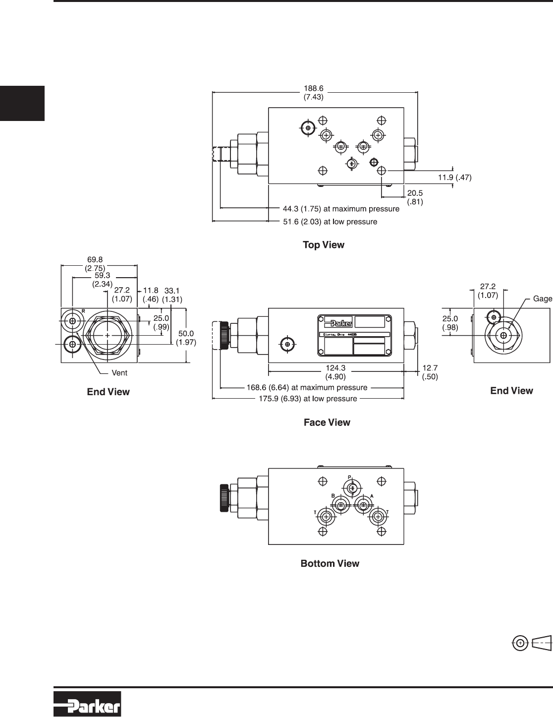
Dimensions Series RM6
Inch equivalents for millimeter dimensions are shown in (**)
End View
Bottom View
Top View
Face View
www.comoso.com

Denison Sandwich.indd, dd
Parker Hannifin Corporation
Hydraulic Valve Division
Elyria, Ohio, USA
Sandwich Valves
Catalog HY14-2500/US
B42
B
B
Technical Information Series ZDR
General Description
Series ZDR pilot operated pressure reducing valves
are designed for maximum flow rates.
The reducing function can be located in the ports P, A
or B. The sizes NG06 and NG10 are equipped with an
integral return flow check valve (reducing function in A
or B).
Features
• High flow capacity.
• Sizes::
– ZDR01 – NFPA D03 / NG6 / CETOP 3
– ZDR02 – NFPA D05 / NG10 / CETOP 5
• With integral return flow check valve.
Specifications
General
Size NG6 NG10
Mounting Interface DIN 24340 A6
ISO 4401
NFPA D03
CETOP RP 121
DIN 24340 A10
ISO 4401
NFPA D05
CETOP RP 121
Mounting Position Unrestricted
Ambient Temperature Range -20°C to +50°C (-4°F to +122°F)
Hydraulic
Maximum Operating Pressure up to 350 Bar (5075 PSI); ZDR-AR / BR up to 315 Bar (4568 PSI)
Nominal Flow 80 LPM (21.2 GPM) 120 LPM (31.7 GPM)
Pilot Oil 0.2 LPM (0.1 GPM) 0.3 LPM (0.1 GPM)
Fluid Hydraulic oil as per DIN 51524 ... 51525
Fluid Temperature -20°C to +80°C (-4°F to +176°F)
Viscosity Permitted
Recommended
10 to 650 cSt / mm2/s (46 to 3013 SSU)
30 cSt / mm2/s (139 SSU)
Filtration ISO Class 4406 (1999) 18/16/13 (acc. NAS 1638: 7)
ZDR-P01
ZDR-B02
ZDR-B01
www.comoso.com

Denison Sandwich.indd, dd
Parker Hannifin Corporation
Hydraulic Valve Division
Elyria, Ohio, USA
Sandwich Valves
Catalog HY14-2500/US
B43
B
B
Technical Information Series ZDR
Pressure
Reducing
Valve
Port
Option
ZDR
Code Description
01 NFPA D03 / NG6
02 NFPA D05 / NG10
Size
Code Size Description
P 01/02 Pressure reducing in P
with pressure gauge port M
AR 01/02 Pressure reducing in A
with check valve
BR 01/02 Pressure reducing in B
with check valve
Pressure
Range
Code Description
1 up to 100 Bar (1450 PSI)
5* up to 350 Bar (5075 PSI)
Hexagon Screw
with Lock Nut
S0
Design
Series
D
Code Description
1 Nitrile
5 Fluorocarbon
Seal
Weight: ZDR-P ZDR-AR/BR
ZDR*01 1.6 kg (3.5 lbs.) 1.8 kg (4.0 lbs.)
ZDR*02 2.9 kg (6.4 lbs.) 3.0 kg (6.6 lbs.)
ZDR01 ZDR02
* AR/BR 325 Bar (4568 PSI)
ZDR-P/AR/BR01 ZDR-P/AR/BR02
Performance Curves
Ordering Information
www.comoso.com

Denison Sandwich.indd, dd
Parker Hannifin Corporation
Hydraulic Valve Division
Elyria, Ohio, USA
Sandwich Valves
Catalog HY14-2500/US
B44
B
B
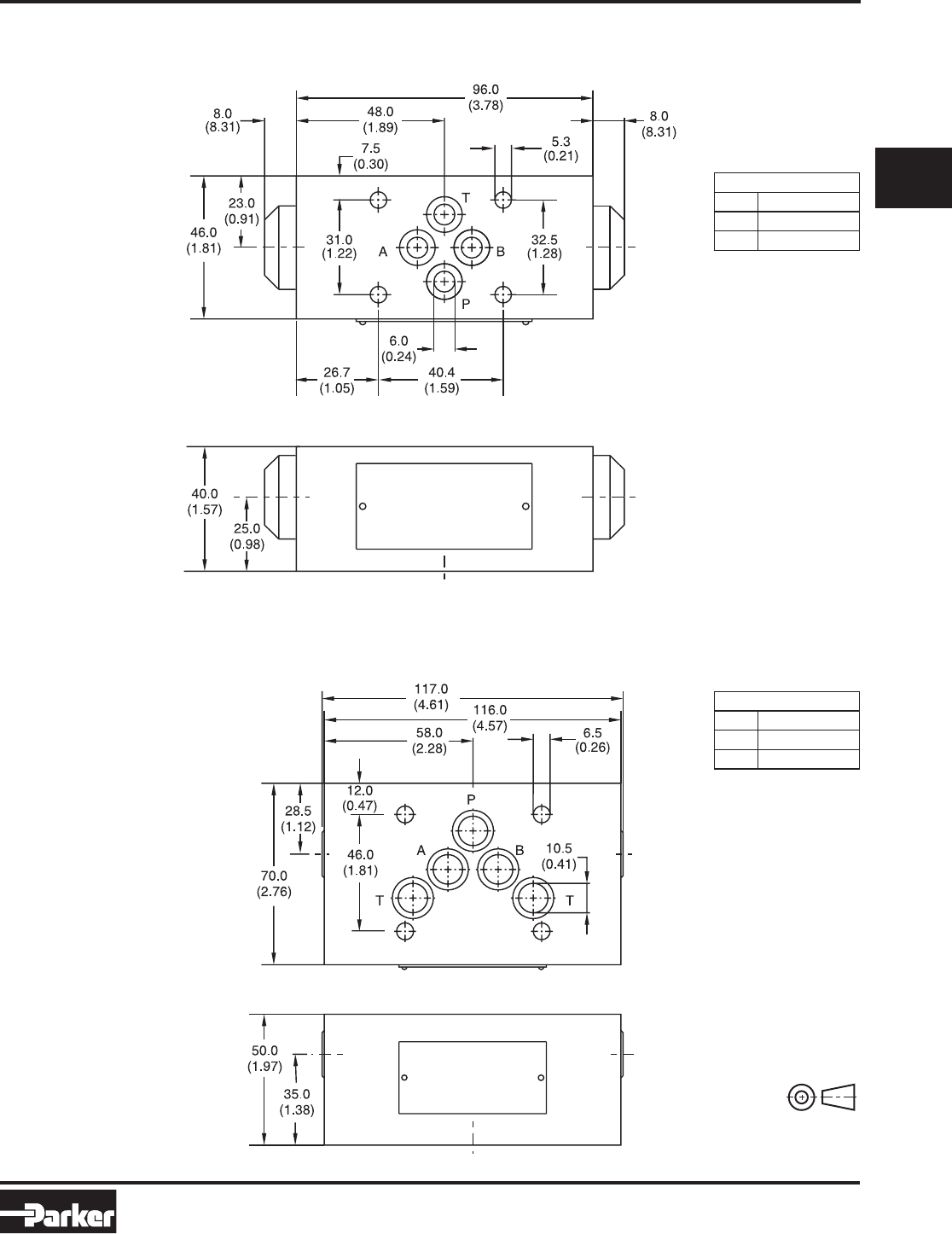
Series ZDRDimensions
ZDR01 – Inch equivalents for millimeter dimensions are shown in (**)
ZDR02 – Inch equivalents for millimeter dimensions are shown in (**)
Seal Kit
Seal Order Code
1 098-91184-0
5 098-91185-0
Complete Cartridge
Seal Order Code
1 098-91102-0
5 098-91103-0
Seal Kit
Seal Order Code
1 098-91182-0
5 098-91183-0
Complete Cartridge
Seal Order Code
1 098-91102-0
5 098-91103-0
www.comoso.com

Denison Sandwich.indd, dd
Parker Hannifin Corporation
Hydraulic Valve Division
Elyria, Ohio, USA
Sandwich Valves
Catalog HY14-2500/US
B45
B
B
Technical Information Series ZDV
General Description
Series ZDV pilot operated pressure relief valves are
designed for maximum flow rates.
The relief function can be located between P and T,
A and T, B and T or A and T + B and T for typical pres-
sure relief functions.
For a pre-charge function the ZDV can be ordered with
pressure function between A and B + B and A.
Features
• High flow capacity.
• Pressure function in P, A, B or A + B.
• Sizes:
– ZDV01 – NFPA D03 / NG6 / CETOP 3
– ZDV02 – NFPA D05 / NG10 / CETOP 5
ZDV-P01
ZDV-B02
ZDV-B01
Pressure
Relief
Valve
Port
Option
ZDV
Code Description
01 NFPA D03 / NG6
02 NFPA D05 / NG10
Size
Code Size Description
P 01/02 P – T
A 01/02 A – T
B 01/02 B – T
AB 01/02 A – T & B – T
ABS 01/02 A – B & B – A
Pressure
Range
Code Description
1 up to 70 Bar (1015 PSI)
5* up to 350 Bar (5075 PSI)
Hexagon Screw
with Lock Nut
S0
Design
Series
D
Code Description
1 Nitrile
5 Fluorocarbon
Seal
Weight: One Cartridge Two Cartridges
ZDV*01 1.6 kg (3.5 lbs.) 2.5 kg (5.5 lbs.)
ZDV*02 3.0 kg (6.6 lbs.) 3.7 kg (8.2 lbs.)
Ordering Information
* ABS 315 Bar (4568 PSI)
www.comoso.com

Denison Sandwich.indd, dd
Parker Hannifin Corporation
Hydraulic Valve Division
Elyria, Ohio, USA
Sandwich Valves
Catalog HY14-2500/US
B46
B
B
Series ZDVTechnical Information
ZDV01
ZDV02
Specifications
General
Size NG6 NG10
Mounting DIN 24340 A6
ISO 4401
NFPA D03
CETOP RP 121
DIN 24340 A10
ISO 4401
NFPA D05
CETOP RP 121
Mounting Position Unrestricted
Ambient Temperature Range -20° to +50°C (-4°F to +122°F)
Hydraulic
Maximum Operating Pressure up to 350 Bar (5075 PSI); ZDV*ABS up to 315 Bar (4568 PSI)
Nominal Flow 80 LPM (21.2 GPM) 140 LPM (37.0 GPM)
Fluid Hydraulic oil as per DIN 51524 ... 51525
Fluid Temperature -20° to +80°C (-4°F to +176°F)
Viscosity Permitted
Recommended
10 to 650 cSt / mm2/s (46 to 3013 SSU)
30 cSt / mm2/s (139 SSU)
Filtration ISO Class 4406 (1999) 18/16/13 (acc. NAS 1638: 7)
Ordering Information
www.comoso.com

Denison Sandwich.indd, dd
Parker Hannifin Corporation
Hydraulic Valve Division
Elyria, Ohio, USA
Sandwich Valves
Catalog HY14-2500/US
B47
B
B
Performance Curves Series ZDV
ZDV-P/A/B/ABS01 ZDV-AB01
ZDV-P/A/B/AB02 ZDV-ASB02
www.comoso.com

Denison Sandwich.indd, dd
Parker Hannifin Corporation
Hydraulic Valve Division
Elyria, Ohio, USA
Sandwich Valves
Catalog HY14-2500/US
B48
B
B
Dimensions Series ZDV
ZDV01 – Inch equivalents for millimeter dimensions are shown in (**)
ZDV02 – Inch equivalents for millimeter dimensions are shown in (**)
Seal Kit
Seal Order Code
1 098-91182-0
5 098-91183-0
Complete Cartridge
Seal Order Code
1 098-91116-0
5 098-91117-0
Seal Kit
Seal Order Code
1 098-91076-0
5 098-91077-0
Complete Cartridge
Seal Order Code
1 098-91116-0
5 098-91117-0
www.comoso.com

Denison Sandwich.indd, dd
Parker Hannifin Corporation
Hydraulic Valve Division
Elyria, Ohio, USA
Sandwich Valves
Catalog HY14-2500/US
B49
B
B
Technical Information Series ZNS
Ordering Information
General Description
Series ZNS counterbalance valve controls the actuator
movement at overrunning loads.
The return flow from the actuator is piloted and con-
trolled by the inlet flow to the actuator, ensuring a
cavitation-free lowering of the load.
The counterbalance valve operates as a pressure relief
valve. The setting pressure is lowered by the pressure
in the inlet line. To ensure safe load holding the setting
pressure should be approximately 30% higher than the
max. load pressure.
Features
• Controlled movement loads.
• Load holding via leak-free poppet valve.
• Secondary relief protection for the actuator.
• Sizes:
ZNS*01 – NFPA D03 / NG6 / CETOP 3
ZNS*02 – NFPA D05 / NG10 / CETOP 5
ZNS-AB01
ZNS-B01
ZNS-B01
ZNS01 ZNS02
Counterbalance
Valve
Port
Option
ZNS
Size Pressure
Range
Hexagon Screw
with Lock Nut
S0
Design
Series
D
Seal
Weight: 1 cartridge 2 cartridges
ZNS*01 1.3 kg (2.9 lbs.) 3.0 kg (6.6 lbs.)
ZNS*02 1.6 kg (3.5 lbs.) 3.9 kg (8.6 lbs.)
Code Description
01 NFPA D03 / NG6
02 NFPA D05 / NG10
Code Description
A in A
B in B
AB in A and B
Code Description
1 Nitrile
5 Fluorocarbon
Code Description
2 70 to 175 Bar (1015 to 2538 PSI)
5 1) 140 to 350 Bar (2030 to 5075 PSI)
1) ZNS02 to 315 Bar (4568 PSI)
www.comoso.com

Denison Sandwich.indd, dd
Parker Hannifin Corporation
Hydraulic Valve Division
Elyria, Ohio, USA
Sandwich Valves
Catalog HY14-2500/US
B50
B
B
Series ZNSSpecifications
Specifications
General
Size NG6 NG10
Mounting Interface DIN 24340 A6
ISO 4401
NFPA D03
DIN 24340 A10
ISO 4401
NFPA D05
Mounting Position Unrestricted
Ambient Temperature Range -20°C to +50°C (-4°F to +122°F)
Hydraulic
Maximum Operating Pressure 350 Bar (5075 PSI) 315 Bar (4568 PSI)
Pressure Range 175 Bar (2538 PSI), 350 Bar (5075 PSI)
Pilot Ratio 4.5 : 1
Leakage On request
Nominal Flow 60 LPM (15.9 GPM) 120 LPM (31.7 GPM)
Opening Pressure 0.3 LPM (0.1 GPM) 0.3 LPM (0.1 GPM)
Fluid Hydraulic oil as per DIN 51524 ... 51525
Fluid Temperature -20°C to +80°C (-4°F to +176°F)
Viscosity Permitted
Recommended
10 to 650 cSt / mm2/s (46 to 3013 SSU)
30 cSt / mm2/s (139 SSU)
Filtration ISO Class 4406 (1999) 18/16/13 (acc. NAS 1638: 7)
www.comoso.com

Denison Sandwich.indd, dd
Parker Hannifin Corporation
Hydraulic Valve Division
Elyria, Ohio, USA
Sandwich Valves
Catalog HY14-2500/US
B51
B
B
Performance Curves Series ZNS
ZNS01
ZNS02
All characteristic curves measured with HLP46 at 50°C (122°F).
www.comoso.com

Denison Sandwich.indd, dd
Parker Hannifin Corporation
Hydraulic Valve Division
Elyria, Ohio, USA
Sandwich Valves
Catalog HY14-2500/US
B52
B
B
Dimensions Series ZNS
ZNS01 – Inch equivalents for millimeter dimensions are shown in (**)
ZNS02 – Inch equivalents for millimeter dimensions are shown in (**)
Seal Kit
Seal Order Code
1 098-91153-0
5 098-91154-0
Complete Cartridge
Seal Order Code
1 517-01017-2
5 517-00448-8
Seal Kit
Seal Order Code
1 098-91155-0
5 098-91183-0
Complete Cartridge
Seal Order Code
1 517-00449-8
5 517-00450-8
www.comoso.com

Denison Sandwich.indd, dd
Parker Hannifin Corporation
Hydraulic Valve Division
Elyria, Ohio, USA
Sandwich Valves
Catalog HY14-2500/US
B53
B
B
Technical Information Series ZRD
General Description
Series ZRD throttle check valves are designed for
maximum flow rates.
The throttle check function can be located in port A or
B as well as in A + B. Meter-in or meter-out functional-
ity can be selected by model code.
A low flow / high resolution version in NFPA 03 / NG6
for sensitive shifting time adjustment of pilot operated
directional control valves is available on request.
Features
• High flow capacity.
• Various functional arrangements.
• Sizes:
– ZRD01 – NFPA D03 / NG6 / CETOP 3
– ZRD02 – NFPA D05 / NG10 / CETOP 5
ZRD-AA02
ZRD-ABZ01 ZRD-AA02
Ordering Information
Code Description
AA Meter-out
Control in A
AZ Meter-in
Control in A
BA Meter-out
Control in B
BZ Meter-in
Control in B
ABA Meter-out
Control in A and B
ABZ Meter-in
Control in A and B
Throttle Valve
with Check
Meter
Option
Design
Series
ZRD
Code Description
01 NFPA D03 / NG6
02 NFPA D05 / NG10
SealHexagon
Screw with
Lock Nut
S0 D
Code Description
1 Nitrile
5 Fluorocarbon
Size
Weight: 1 Cartridge 2 Cartridges
ZRD*01 1.2 kg (2.6 lbs) 1.3 kg (2.9 lbs)
ZRD*02 2.8 kg (6.2 lbs.) 2.9 kg (6.4 lbs.)
ZRD01
ZRD02
(continued on
next page)
www.comoso.com

Denison Sandwich.indd, dd
Parker Hannifin Corporation
Hydraulic Valve Division
Elyria, Ohio, USA
Sandwich Valves
Catalog HY14-2500/US
B54
B
B
Ordering Information Series ZRD
ZRD02
General
Size NG6 NG10
Mounting
DIN 24340 A6
ISO 4401
NFPA D03
CETOP RP 121
DIN 24340 A10
ISO 4401
NFPA D05
CETOP RP 121 5
Mounting Position Unrestricted
Ambient Temprature -20°C to +50°C (-4°F to +122°F)
Hydraulic
Max. Operating Pressure 350 Bar (5075 PSI)
Nominal Flow 80 LPM (21.2 GPM) 160 LPM (42.3 GPM)
Leakage — —
Cracking Pressure — —
Fluid Hydraulic oil as per DIN 51524 ... 51525
Fluid Temperature -20°C to +80°C (-4°F to +176°F)
Viscosity
Permitted
Recommended
10 to 650 cSt / mm2/s (46 to 3013 SSU)
30 cSt / mm2/s (139 SSU)
Filtration ISO 4406 (1999) 18/16/13 (acc. NAS 1638: 7)
Specifications
Ordering Information
www.comoso.com

Denison Sandwich.indd, dd
Parker Hannifin Corporation
Hydraulic Valve Division
Elyria, Ohio, USA
Sandwich Valves
Catalog HY14-2500/US
B55
B
B
Performance Curves Series ZRD
p/Q Performance Curves
ZRD01
ZRD02
Fluid Viscosity 30 cSt @ 50°C (122°F)
* Throttle closed
www.comoso.com

Denison Sandwich.indd, dd
Parker Hannifin Corporation
Hydraulic Valve Division
Elyria, Ohio, USA
Sandwich Valves
Catalog HY14-2500/US
B56
B
B
Dimensions Series ZRD
Inch equivalents for millimeter dimensions are shown in (**)
ZRD02
ZRD01
Seal Kit
Seal Order Code
1 098-91096-0
5 098-91097-0
Complete Cartridge
Order Code
098-91119-0
O-ring Plate
Order Code
S26-27553-0
Seal Kit
Seal Order Code
1 098-91098-0
5 098-91099-0
Complete Cartridge
Order Code
098-91120-0
O-ring Plate
Order Code
S16-85742-0
Inch equivalents for millimeter dimensions are shown in (**)
www.comoso.com

Denison Sandwich.indd, dd
Parker Hannifin Corporation
Hydraulic Valve Division
Elyria, Ohio, USA
Sandwich Valves
Catalog HY14-2500/US
B57
B
B
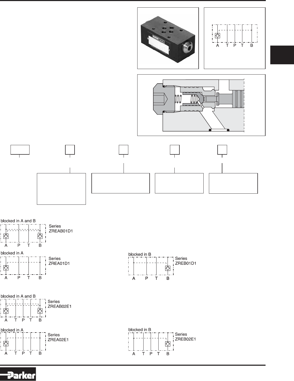
Technical Information Series ZRE
General Description.
Series ZRE pilot operated check valves are designed
for maximum flow rates and long life time.
The valves are typically used in combination with spool
type directional control valves to ensure leak free posi-
tioning of the actuator.
The inlet flow is free while the outlet flow is blocked.
Pressure in the inlet line opens the check valve and
allows free outlet flow.
Features
• High life time.
• Check function in A, B or A + B.
• Sizes:
– ZRE01 – NFPA D03 / NG6 / CETOP 3
– ZRE02 – NFPA D05 / NG10 / CETOP 5
ZRE-A02
ZRE-B01 ZRE-A02
Pilot Operated
Check Valve
Port
Option
Size Design
Series
Seal
ZRE
ZRE01
Code Description
A Blocked in A
B Blocked in B
AB Blocked in A
and B Weight:
ZRE*01 1.2 kg (2.6 lbs)
ZRE*02 3.1 kg (6.8 lbs.)
Code Description
D Size 01
E Size 02
Code Description
01 NFPA D03 / NG6
02 NFPA D05 / NG10
Code Description
1 Nitrile
5 Fluorocarbon
Ordering Information
ZRE02
www.comoso.com

Denison Sandwich.indd, dd
Parker Hannifin Corporation
Hydraulic Valve Division
Elyria, Ohio, USA
Sandwich Valves
Catalog HY14-2500/US
B58
B
B
Technical Information Series ZRE
Specifications
General
Size NG6 NG10
Mounting Interface
DIN 24340 A6
ISO 4401
NFPA D03
CETOP RP 121
DIN 24340 A10
ISO 4401
NFPA D05
CETOP RP 121 5
Mounting Position Unrestricted
Ambient Temprature -20°C to +50°C (-4°F to +122°F)
Hydraulic
Max. Operating Pressure 350 Bar (5075 PSI)
Nominal Flow 60 LPM (15.9 GPM) 120 LPM (31.7 GPM)
Opening Ratio
(Pilot Cone/Main Cone) 1:6 1:6
Cracking Pressure 1.2 Bar (17.4 PSI) 2.0 Bar (29.0 PSI)
Fluid Hydraulic oil in accordance with DIN 51524 ... 51525
Fluid Temperature -20°C to +80°C (-4°F to +176°F)
Viscosity
Permitted
Recommended
10 to 650 cSt / mm2/s (46 to 3013 SSU)
30 cSt / mm2/s (139 SSU)
Filtration ISO 4406 (1999) 18/16/13 (acc. NAS 1638: 7)
Performance Curves
p/Q
ZRE01 ZRE02
Fluid Viscosity 30 cSt at 50°C (122°F).
www.comoso.com

Denison Sandwich.indd, dd
Parker Hannifin Corporation
Hydraulic Valve Division
Elyria, Ohio, USA
Sandwich Valves
Catalog HY14-2500/US
B59
B
B
Dimensions Series ZRE
Inch equivalents for millimeter dimensions are shown in (**)
ZRE01
ZRE02
Seal Kit
Seal Order Code
1 098-91088-0
5 098-91089-0
Seal Kit
Seal Order Code
1 098-91090-0
5 098-91091-0
Inch equivalents for millimeter dimensions are shown in (**)
www.comoso.com

Denison Sandwich.indd, dd
Parker Hannifin Corporation
Hydraulic Valve Division
Elyria, Ohio, USA
Sandwich Valves
Catalog HY14-2500/US
B60
B
B
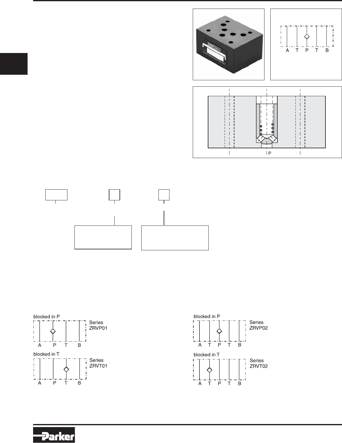
Series ZRVTechnical Information
General Description
Series ZRV direct operated check valves have a car-
tridge type insert to provide zero leakage and high life
time.
The check function can be located in the P-port or in
the T-port.
Features
• Leakage-free seat.
• High life time.
• Cracking pressure 0.5 Bar (7.25 PSI).
• Sizes:
– ZRV01 – NFPA D03 / NG6 / CETOP 3
– ZRV02 – NFPA D05 / NG10 / CETOP 5
ZRV-P02
ZRV-P02
ZRV-P02
Direct Operated
Check Valve
Port
Option
Size
ZRV
ZRV01 ZRV02
Code Description
P Blocked in P
T Blocked in T
Ordering Information
Code Description
01 NFPA D03 / NG6
02 NFPA D05 / NG10
Weight:
ZRV*01 0.7 kg (1.5 lbs)
ZRV*02 2.0 kg (4.4 lbs.)
www.comoso.com

Denison Sandwich.indd, dd
Parker Hannifin Corporation
Hydraulic Valve Division
Elyria, Ohio, USA
Sandwich Valves
Catalog HY14-2500/US
B61
B
B
Technical Information Series ZRV
Specifications
General
Size NG6 NG10
Mounting Interface
DIN 24340 A6
ISO 4401
NFPA D03
CETOP RP 121
DIN 24340 A10
ISO 4401
NFPA D05
CETOP RP 121 5
Mounting Position Unrestricted
Ambient Temprature -20°C to +50°C (-4°F to +122°F)
Hydraulic
Max. Operating Pressure 350 Bar (5075 PSI)
Nominal Flow 40 LPM (10.6 GPM) 100 LPM (26.5 GPM)
Cracking Pressure 0.5 Bar (7.25 PSI) 0.5 Bar (7.25 PSI)
Fluid Hydraulic oil as per DIN 51524 ... 51525
Fluid Temperature -20°C to +80°C (-4°F to +176°F)
Viscosity
Permitted
Recommended
10 to 650 cSt / mm2/s (46 to 3013 SSU)
30 cSt / mm2/s (139 SSU)
Filtration ISO 4406 (1999) 18/16/13 (acc. NAS 1638: 7)
p/Q Performance Curves
ZRV P/T01 ZRV P/T02
www.comoso.com

Denison Sandwich.indd, dd
Parker Hannifin Corporation
Hydraulic Valve Division
Elyria, Ohio, USA
Sandwich Valves
Catalog HY14-2500/US
B62
B
B
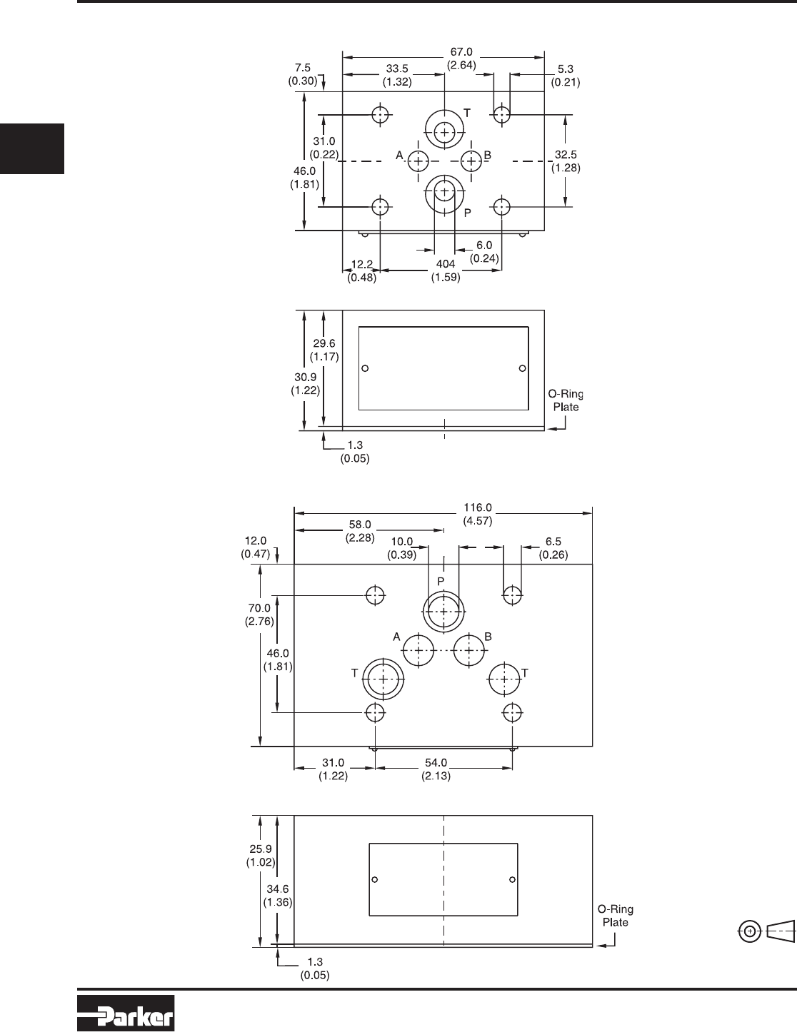
Dimensions Series ZRV
ZRV01 – Inch equivalents for millimeter dimensions are shown in (**)
ZRV02 – Inch equivalents for millimeter dimensions are shown in (**)
www.comoso.com

Denison Sandwich.indd, dd
Parker Hannifin Corporation
Hydraulic Valve Division
Elyria, Ohio, USA
Sandwich Valves
Catalog HY14-2500/US
B63
B
B
CAUTION:
Sandwich Installation
Prior to installation of Sandwich valves, please review
flow paths. Due to the reversibility of the DO3 size, in-
correct installation will alter the hydraulic circuit. Care
must be taken during installation to insure that the
Sandwich is installed in compliance with the hydraulic
schematic. Please consult with your Parker represen-
tative with any questions that may arise.
Pressure Ratings
Unless otherwise specified, all Parker Sandwich
valves have continuous duty pressure rating as shown
in this catalog.
Special Requirements
Consult your Parker representative for factory recom-
mendations on such situations as:
• Installations that will operate at pressures higher than
published catalog ratings.
• Use of hydraulic fluids which do not meet our recom-
mended specifications.
• Operations where fluid temperature will exceed 121°C
(250°F).
Recommended Mounting Surface
Surface must be flat within .0004 inch T.I.R. and
smooth with 32 micro-inch.
System Cleanliness
Any hydraulic system that includes Parker valves
should be carefully protected against dirt and fluid
contamination. Life of the valves, as well as of all other
components, will be greatly lengthened. Operation will
be smoother and more precise. Maintenance and re-
pairs will be reduced. Lost production because of low
pressure and flow will be minimized. Fluid contamina-
tion should be maintained to less than 500 particles
larger than 10 micrometers per milliliter of fluid (SAE
class 4 or better/ISO Code 16/13).
Hydraulic Fluids
Parker recommends using top-quality hydraulic
fluids having a viscosity range of 32 to 54 cSt
(150 to 250 SSU) at 38°C (100°F). The absolute
viscosity range should be 16 to 220 cSt (80 to 1000
SSU). Fluids should have highest anti-wear character-
istics and be treated to avoid rust and oxidation.
Seals
When used with water-glycol, water/oil emulsions, and
high-grade petroleum base hydraulic fluids, Parker
standard nitrile seals are suitable.
When using phosphate ester fluids or their blends,
specify Parker optional seals made of fluorocarbon.
Synthetic fire-resistant fluids require special seal ma-
terials which your Parker representative can recom-
mend.
Torque Specifications
The recommended torque valves are for the bolts
which mount the valve to the manifold or subplate are
as follows:
Size Torque Valve
D03 5.7 N.m. (50 in.-lbs.)
D05 16.3 N.m. (12 ft.-lbs.)
D07 63.0 N.m. (46.5 ft.-lbs.)
D08 108.5 N.m. (80 ft.-lbs.)
Installation Information Series CM, CPOM, FM, PRDM, PRM, RM, Z**
www.comoso.com

Denison Sandwich.indd, dd
Parker Hannifin Corporation
Hydraulic Valve Division
Elyria, Ohio, USA
Sandwich Valves
Catalog HY14-2500/US
B64
B
B
Mounting Pattern – NFPA D03, CETOP 3 & NG6
M5-0.8 (10-24) UNC-2B thread
x 10.40 (.410) min. thread depth
4-holes
O 7.5 (.295) max.
P. A.B. &T ports
O 3.86/4.27 (.152/.168)
x 4.00 (.160) min. depth
0.56
(0.022)
4.80 (0.190) R. max. typ.
4 places
0.28
(0.011)
0.28
(0.011)
A
A
A
A
A
B
B
B
5.10
(0.200)
0.75
(0.030)
S
S
L
B
B
P
T
12.70
(0.500)
31.75
(1.250)
31.00
(1.220)
43.00
(1.70)
min. 25.90
(1.020)
15.50
(0.610)
21.50
(0.850)
30.20
(1.190)
33.00
(1.300)
40.50
(1.594)
51.00
(2.000)
min.
AB
P
TT
¼ – 20 UNC – 2B (M6 x 1) th'd
x 9.7 (0.38) min. th'd depth
4 places
0.28
(0.011) AB
S
O11.2(0.441) max.
P. A.B. &Tports
0.56
(0.022) AB
L
91.2
(3.62)
54.0
(2.13)
50.8
(2.00) 37.3
(1.47)
27.0
(1.06)
21.4
(0.84)
32.5
(1.28)
46.0
(1.81)
75.0
(2.95)
6.4
(0.25)
16.7
(0.66)
3.2
(0.13)
- B -
- A -
Mounting Pattern – NFPA D05, CETOP 5 & NG10
Inch equivalents for millimeter dimensions are shown in (**)
Inch equivalents for millimeter dimensions are shown in (**)
Installation Information Series CM, CPOM, FM, PRDM, PRM, RM, Z**
www.comoso.com

Denison Sandwich.indd, dd
Parker Hannifin Corporation
Hydraulic Valve Division
Elyria, Ohio, USA
Sandwich Valves
Catalog HY14-2500/US
B65
B
B
Mounting Pattern – NFPA D07, CETOP 7 & NG16
O11.2 (0.441) max.
3 holes
0.56
(0.022) AB
L
O 23.42 (0.922) max.
4 holes
0.56
(0.022) AB
L
O 0.288 / 272x0.31 mindp.
(7.32 / 6.91) (8)
2 holes
0.28
(0.011) AB
L
½–13 UNC–2Bx22.22 minth'ddp.
(M12) (0.875)
6 holes
0.28
(0.011) AB
S
152.4
(6.00)
112.7
(4.44)
100.8
(3.97)
130.2
(5.13)
77.0
(3.03)
29.4
(1.16)
17.5
(0.69)
74.6
(2.94)
92.1
(3.63)
130.0
(5.12)
4.8
(0.19)
73.0
(2.88)
53.2
(2.09)
94.5
(3.72)
17.5
(0.69)
- B -
- A -
Mounting Pattern – NFPA D08, CETOP 8 & NG25
Inch equivalents for millimeter dimensions are shown in (**)
Inch equivalents for millimeter dimensions are shown in (**)
Installation Information Series CM, CPOM, FM, PRDM, PRM, RM, Z**
www.comoso.com