SCR1100_D02_Datasheet SCR1100 D02 Datasheet V2 1
User Manual:
Open the PDF directly: View PDF
.
Page Count: 21
- SCR1100-D02 Single axis Gyroscope with digital SPI interface
- 1 General Description
- 2 Specifications
- 3 Reset and Power Up
- 4 Component Interfacing
- 5 Application Information

Doc.Nr. 82 1130 00
SCR1100-D02 SINGLE AXIS GYROSCOPE WITH DIGITAL SPI INTERFACE
Features
• ±100 º/s angular rate measurement range
• Angular rate measurement around X axis
• Angular rate sensor exceptionally insensitive to
mechanical vibrations and shocks
• Superior bias instability for MEMS gyroscopes
(<1º/h)
• Digital SPI interfacing
• Enhanced self diagnostics features
• Small size 8.5 x 18.7 x 4.5 mm (w x l x h)
• RoHS compliant robust packaging suitable for
lead free soldering process and SMD mounting
• Proven capacitive 3D-MEMS technology
• Temperature range -40 °C...+125 °C
Applications
SCR1100-D02 is targeted to applications with high
stability and tough environmental requirements. Typical
applications are:
• Inertial Measurement Units (IMUs) for highly
demanding environments
• Platform stabilization and control
• Motion analysis and control
• Roll over detection
• Robotic control systems
• Guidance systems
• Navigation systems
General Description
SCR1100-D02 is a single axis high performance gyroscope. It is part of Murata's high performance gyro family and it has
the same gyro section as the combined gyro acceleration product SCC1300-D02. The sensor is based on Murata's
proven capacitive 3D-MEMS technology and it has highly sophisticated signal conditioning ASIC with digital SPI
interface. Small robust packaging guarantees reliable operation over product lifetime. The housing is suitable for SMD
mounting and the component is compatible with RoHS and ELV directives.
SCR1100-D02 is designed, manufactured and tested against high stability, reliability and quality requirements. The
angular rate sensor provides highly stable output over wide ranges of temperature and mechanical noise. The bias
stability is in the elite of MEMS gyros and the component has several advanced self diagnostics features.
Data Sheet

SCR1100-D02
Murata Electronics Oy Subject to changes 2/21
www.murata.com Doc.Nr. 82 1130 00 Rev. 2.1
TABLE OF CONTENTS
SCR1100-D02 Single axis Gyroscope with digital SPI interface ...................... 1
Features............................................................................................................................................... 1
Applications ........................................................................................................................................ 1
General Description ............................................................................................................................ 1
1 General Description ........................................................................................ 4
1.1 Introduction ............................................................................................................................... 4
1.2 General Product Description .................................................................................................... 4
1.2.1 Factory Calibration ............................................................................................................. 5
1.3 Abbreviations ............................................................................................................................ 5
2 Specifications .................................................................................................. 6
2.1 Performance Specifications for Gyroscope ............................................................................ 6
2.2 Absolute Maximum Ratings ..................................................................................................... 7
2.3 Digital I/O Specification ............................................................................................................ 7
2.4 SPI AC Characteristics ............................................................................................................. 8
3 Reset and Power Up ....................................................................................... 9
3.1 Power-up Sequence .................................................................................................................. 9
3.2 Reset .......................................................................................................................................... 9
4 Component Interfacing ................................................................................... 9
4.1 SPI Interfaces ............................................................................................................................ 9
4.1.1 SPI Transfer ........................................................................................................................ 9
4.1.2 SPI Transfer Parity Mode ................................................................................................. 11
4.2 ASIC Addressing Space ......................................................................................................... 12
4.2.1 Register Definition ............................................................................................................ 12
4.2.2 Data Register Block .......................................................................................................... 12
4.2.3 Temperature Output Registers ........................................................................................ 13
5 Application Information ................................................................................ 14
5.1 Pin Description ........................................................................................................................ 14
5.2 Application Circuitry and External Component Characteristics .......................................... 15
5.2.1 Separate Analog and Digital Ground Layers with Long Power Supply Lines .............. 16

SCR1100-D02
Murata Electronics Oy Subject to changes 3/21
www.murata.com Doc.Nr. 82 1130 00 Rev. 2.1
5.3 Boost Regulator and Power Supply Decoupling in Layout .................................................. 16
5.3.1 Layout Example ................................................................................................................ 17
5.3.2 Thermal Connection ......................................................................................................... 18
5.4 Measurement Axis and Directions ......................................................................................... 19
5.5 Package Characteristics ......................................................................................................... 20
5.5.1 Package Outline Drawing ................................................................................................. 20
5.5.2 PCB Footprint ................................................................................................................... 21
5.6 Assembly instructions ............................................................................................................ 21

SCR1100-D02
Murata Electronics Oy Subject to changes 4/21
www.murata.com Doc.Nr. 82 1130 00 Rev. 2.1
1 General Description
1.1 Introduction
This document contains essential technical information for SCR1100 sensor. Specifications, SPI
interface descriptions, user accessible register details, electrical properties and application
information etc. This document should be used as a reference when designing in SCR1100
component.
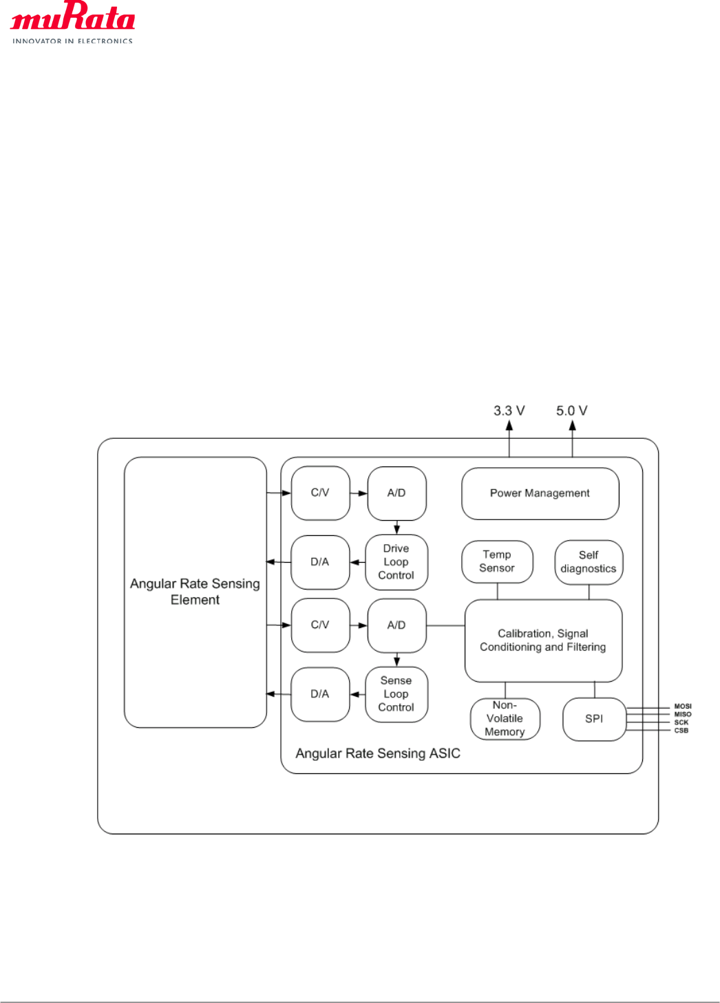
1.2 General Product Description
The SCR1100 sensor consists of silicon based MEMS angular rate sensing element and
Application Specific Integrated Circuits (ASIC) used to sense and control sensing element. Figure 1
represents an upper level block diagram of the component. ASIC have digital SPI interfaces to
control and read the gyroscope.
Figure 1. SCR1100 component block diagram.
The angular rate sensing element is manufactured using Murata proprietary High Aspect Ratio
(HAR) 3D-MEMS process, which enables making robust, extremely stable and low noise capacitive
sensors.

SCR1100-D02
Murata Electronics Oy Subject to changes 5/21
www.murata.com Doc.Nr. 82 1130 00 Rev. 2.1
The angular rate sensing element consists of moving masses that are purposely exited to in-plane
drive motion. Rotation in sensitive direction causes out-of-plane movement that can be measured
as capacitance change with the signal conditioning ASIC.
1.2.1 Factory Calibration
SCR1100 sensor is factory calibrated. No separate calibration is required in the application.
Trimmed parameters during production include sensitivities and offsets over temperature, and
frequency responses. However it should be noted that assembly can cause minor offset/bias errors
to the sensor output. If best possible offset/bias accuracy is required, system level offset/bias
calibration (zeroing) after assembly is recommended.
Calibration parameters are stored during manufacturing inside non-volatile memory. The
parameters are read automatically from the internal non-volatile memory during the start-up.
1.3 Abbreviations
ASIC Application Specific Integrated Circuit
SPI Serial Peripheral Interface
RT Room Temperature
STC Self Test Continuous (continuous self testing of accelerometer element)
STS Self Test Static (gravitational based self test of accelerometer element)
Avdd Analog supply voltage
Dvdd Digital supply voltage

SCR1100-D02
Murata Electronics Oy Subject to changes 6/21
www.murata.com Doc.Nr. 82 1130 00 Rev. 2.1
2 Specifications
2.1 Performance Specifications for Gyroscope
Table 1. Gyroscope performance specifications (Avdd = 5 V, Dvdd = 3.3 V and ambient temperature unless
otherwise specified).
Parameter
Condition
Min A)
Typ
Max A)
Units
Analog supply voltage
4.75
5
5.25
V
Analog supply current
Temperature range -40 ... +125 °C
24
26
29.5
mA
Digital supply voltage
3.0
3.3
3.6
V
Digital supply current
Temperature range -40 ... +125 °C
16
20
24
mA
Operating range
Measurement axis X
-100
100
°/s
Offset error B)
-1
1
°/s
Offset over temperature
Temperature range -40 ... +125 °C
Temperature range -10 … +60 °C
-0.6
-0.3
0.6
0.3
°/s
°/s
Offset drift velocity
Temperature gradient ≤ 2.5 K/min
-0.3
0.3
(°/s)/min
Offset short term instability C)
<1
°/h
Angular random walk (ARW) C)
0.45
º/ h
Sensitivity
50
LSB/(°/s)
Sensitivity over temperature
Temperature range -40 ... +125 °C
-1
1
%
Total sensitivity error B)
-2
2
%
Nonlinearity
Temperature range -40 ... +125 °C
-0.5
0.5
°/s
Noise (RMS)
0.06
0.1
°/s
Noise Density
0.0085
(º/s)/ Hz
Cross-axis sensitivity D)
1.7
%
G-sensitivity
-0.1
0.1
(°/s)/g
Shock sensitivity
50g, 6ms
2.0
°/s
Shock recovery time
50.0
ms
Amplitude response
-3dB frequency
50
Hz
Power on setup time
0.8
s
Output data rate
2
kHz
Output load
200
pF
SPI clock rate
0.1
8
MHz
A) MIN/MAX values are ±3 sigma variation limits from validation test population.
B) Including calibration error and drift over lifetime.
C) Typical, constant temperature, Allan Variance curve Figure 2 b).
D) Cross-axis sensitivity is the maximum sensitivity in the plane perpendicular to the measuring direction relative to the
sensitivity in the measuring direction. The specified limit must not be exceeded by either axis.
SCR1100-D02 Gyro Offset over Temperature
-0.8
-0.6
-0.4
-0.2
0
0.2
0.4
0.6
-40 -20 020 40 60 80 100 120
Temperature [ºC]
Offset [º/s]
+3sigma
AVG
-3sigma
SCR1100-D02 Allan Variance Curve
0.1
1
10
100
0.1 110 100 1000 10000 100000
tau [s]
Allan deviation [º/h]
+3 sigma
Average
Figure 2 a) SCR1100-D02 Gyroscope offset over full temperature range, b) Allan variance curve

SCR1100-D02
Murata Electronics Oy Subject to changes 7/21
www.murata.com Doc.Nr. 82 1130 00 Rev. 2.1
2.2 Absolute Maximum Ratings
Table 2. Absolute maximum ratings of the SCR1100 sensor.
Parameter
Condition
Min
Typ
Max
Units
Analog supply voltage, AVDD_G
-0.5
7
V
Digital supply voltage, DVDD_G
-0.3
3.6
V
Maximum voltage at analog input/output pins
-0.3
AVDD_G + 0.3V
Maximum voltage at digital input/output pins
-0.3
DVDD_G + 0.3
V
Operating temperature
-40
125
°C
Storage temperature
-40
125
°C
Max 96h
-40
150
°C
Maximum junction temperature during
lifetime. Note: device has to be functional,
but not in full spec.
155 °C
Mechanical Shock
3000
g
ESD
HBM
2
kV
CDM
500
V
Ultrasonic Cleaning
Prohibited
2.3 Digital I/O Specification
Table 3 below describe the DC characteristics of SCR1100 sensor digital I/O pins. Supply voltage
is 3.3 V unless otherwise noted. Current flowing into the circuit has positive values.
Table 3. Absolute maximum ratings of the SCR1100 gyroscope SPI interface.
Parameter
Conditions
Symbol
Min
Typ
Max
Unit
Input terminal CSN_G
Pull up current
VIN = 0 V
IPU
10
50
µ
A
Input high voltage DVDD_G = 3.3 V VIH 2 DVDD_G V
Input low voltage
DVDD_G = 3.3 V
VIL
0.8
V
Hysteresis
DVDD_G = 3.3 V
VHYST
0.3
V
VIN
Open circuit
VIN
2
V
Input terminal SCK_G
Input high voltage
DVDD_G = 3.3 V
VIH
2
DVDD_G
V
Input low voltage
DVDD_G = 3.3 V
VIL
0.8
V
Hysteresis
DVDD_G = 3.3 V
VHYST
0.3
V
Input leakage current
0 < VMISO < 3.3 V
ILEAK
-1
1
uA
Output terminal MOSI_G
Input high voltage
DVDD_G = 3.3 V
VIH
2
DVDD_G
V
Input low voltage
DVDD_G = 3.3 V
VIL
0.8
V
Hysteresis
DVDD_G = 3.3 V
VHYST
0.3
V
Input current source (pull-down)
VIN = VDVDD_G
ILEAK
10
50
uA
VIN
Open circuit
VIN
0.3
V
Output terminal MISO_G (Tri-state)
Output high voltage IOUT = -1mA
VOH DVDD_G -0.5V V
IOUT = -50µA DVDD_G -0.2V V
Output low voltage
0 ≤ VMISO ≤ 3.3 V
VOL
0.5
V
Capacitive load
200
pF

SCR1100-D02
Murata Electronics Oy Subject to changes 8/21
www.murata.com Doc.Nr. 82 1130 00 Rev. 2.1
2.4 SPI AC Characteristics
The AC characteristics of SCR1100 are defined in Figure 3 and Table 4.
CSN_G, CSB_A
SCK_G, SCK
MOSI_G, MOSI_A
MISO_G, MISO_A
T
LS1
T
CH
T
HOL
T
SET
T
VAL1
T
VAL2
T
LZ
T
LS2
T
LH
MSB in
MSB out
LSB in
LSB out
DATA out
DATA in
T
CL
Figure 3. Timing diagram of SPI communication
Table 4. Timing Characteristics of SPI Communication.
Parameter
Condition
Min
Typ
Max
Units
FSPI
8
MHz
TSPI
1/ FSPI
TCH
SCK_G high time
TSPI /2
ns
TCL
SCK_G low time
TSPI /2
ns
TLS1
CSN_G setup time
TSPI /2
ns
TVAL1
Delay CSN_G -> MISO_G
TSPI /4
ns
TSET
MOSI_G setup time
TSPI /4
ns
THOL MOSI_G data hold time TSPI /4 ns
TVAL2
Delay SCK_G -> MISO_G
1.3 * TSPI /4
ns
TLS2 CSN_G hold time TSPI /2 ns
TLZ
Tri-state delay time
TSPI /4
ns
TRISE
Rise time of the SCK_G
10
ns
TFALL
Fall time of the SCK_G
10
ns
TLH
Time between SPI cycles
TSPI
ns

SCR1100-D02
Murata Electronics Oy Subject to changes 9/21
www.murata.com Doc.Nr. 82 1130 00 Rev. 2.1
3 Reset and Power Up
After the start-up the angular rate and acceleration data is immediately available through SPI
registers. There is no need to initialize the gyroscope or accelerometer before starting to use it. If
the application requires monitoring operation correctness there are several options available to
monitor the status.
3.1 Power-up Sequence
To ensure correct ASIC start up please connect the digital supply voltage VDVDD_G (3.3V) before the
analog supply voltage VAVDD_G (5.0V) to the gyro ASIC. After power up please read Status register
twice to clear error flags. Angular rate data is available immediately so no start up command
sequence is required if error flags are not used.
Table 5. SCR1100 gyroscope power-up sequence.
Procedure
Functions
Check
Set VDVDD_G V=3.0...3.6V
Wait 10ms
Set VAVDD_G V=4.75...5.25V
Wait 800 ms
Read Status register (08h) two times
Acknowledge error flags after start up
3.2 Reset
SCR1100 can be reset by writing 0x04 in to IC Identification register (address 07h) or with external
active low reset pin (EXTRESN_G). Power supplies should be within the specified range before the
reset pin can be released.
4 Component Interfacing
4.1 SPI Interfaces
SCR1100 sensor SPI interface is a digital 4 wire interface where SCR1100 always operate as
slave devices in the master-slave operation mode.
SCR1100 Angular rate sensor ASIC SPI interface:
MOSI_G master out slave in µP → ASIC
MISO_G master in slave out ASIC → µP
SCK_G serial clock µP → ASIC
CSN_G chip select (low active) µP → ASIC
4.1.1 SPI Transfer
The SPI transfer is based on a 16-bit protocol. Figure 4 shows an example of a single 16-bit data
transmission. Each output data/status-bits are shifted out on the falling edge of SCK (MISO line).
Each bit is sampled on the rising edge of SCK (MOSI line).
Figure 4. SCR1100 angular rate sensor 16-bit data transmission

SCR1100-D02
Murata Electronics Oy Subject to changes 10/21
www.murata.com Doc.Nr. 82 1130 00 Rev. 2.1
After the falling edge of CSN_G the device interprets the first 16-bit word is an address transfer
having a bit coding scheme below.
Address Transfer:
D15 D14 D13 D12 D11 D10 D9 D8 D7 D6 D5 D4 D3 D2 D1 D0
0 0 0 0 0 0 ADR6 ADR5 ADR4 ADR3 ADR2 ADR1 ADR0 RW 0 Par
odd
ADR[6:0] : Register address
RW : RW=1 : Write access
RW=0 : Read access
par odd : odd parity bit.
par odd = 0 : the number of ones in the data word (D15:D1) is odd.
par odd = 1 : the number of ones in the data word (D15:D1) is even.
The address selects an internal register of the device; the RW bit selects the access mode.
RW = ‘0' The master performs a read access on the selected register. During the
transmission of the next word, the slave sends the requested register value to MISO_G. The slave
interprets the next word at MOSI_G as an address transfer.
RW = ‘1' The master performs a write access on the selected register. The slave stores the
next transmitted word in the selected device register of MOSI_G and sends the actual register
value in response to MOSI_G. The transmission goes on with an address transfer to MOSI_G and
the address mode flags to MISO_G.
If the device is addressed by a nonexistent address it will respond with ´0´.
The next table shows the encoding scheme of a data value for a write access.
Data Transfer:
D15
D14
D13
D12
D11
D10
D9
D8
D7
D6
D5
D4
D3
D2
D1
D0
Dat14 Dat13 Dat12 Dat11 Dat10 Dat9 Dat8 Dat7 Dat6 Dat5 Dat4 Dat3 Dat2 Dat1 Dat0 Par
odd
dat[14:0] : data value for write access (15 Bit)
par odd : see Address Transfer
It is possible to combine the two access modes (write and read access) during one communication.
The communication can be finished after last transmitted word of mixed access communication
frame with CSN_G='1'. CSN_G must be '0' during mixed access communication frame.
SPI result values on MISO_G
Within SPI communication SCR1100 gyro ASIC sends Status Flags (Status/Config register value)
and register result values on MISO_G. The following two tables show the encoding scheme:
Status Flags:
D15
D14
D13
D12
D11
D10
D9
D8
D7
D6
D5
D4
D3
D2
D1
D0
s_ok
par odd
S_OK is generated out of the monitoring flags in the status register (08h).

SCR1100-D02
Murata Electronics Oy Subject to changes 11/21
www.murata.com Doc.Nr. 82 1130 00 Rev. 2.1
Register Result:
D15 D14 D13 D12 D11 D10 D9 D8 D7 D6 D5 D4 D3 D2 D1 D0
reg 14
reg 13
reg 12
reg11
reg 10
reg9
reg8
reg7
reg6
reg5
reg4
reg3
reg2
reg1
reg0
par
odd
reg[14:0] : value of the internal register. All bits, which are not used, are set to zero.
par odd : see Address Transfer
Figure 5 shows an example of communication sequence:
Figure 5. Communication example
Each communication frame in the figure 6 contain 16 SCK cycles. After communication start
(CSN_G falling edge) the master sends ADR1 and performs a read access. In parallel the slave
sends Status Flags. During the transmission of the next data word (ADR2) the slave sends the
register value of ADR1 (Result_1). On ADR2 the master performs a write access (RW='1'). The
slave stores Data_2 in the register of ADR2 and sends the current register value of ADR2 to
MISO_G. After the transmission of data value during a write access the slave always sends Status
Flags. To receive Result_5 of the last read access the Master has to send an additional word ('Zero
Vector').
Example of how to read out Rate output
The MCU begins by sending the address frame followed by a zero vector (with correct parity). The
zero vector is necessary for the sensor to be able to reply to the MCU during the last 16-bit frame.
The sensor replies by sending first the status bits followed by the rate data.
MOSI: 0x0001 0x0001
MISO: 0x3FFE 0x0008
4.1.2 SPI Transfer Parity Mode
SCR1100 gyro ASIC is able to support parity check during SPI Transfer. This functionality is
controlled by the IC Identification Register. The internal parity status is reported in Status/Config
Register.
With parity enable bit set the SCR1100 gyro ASIC is expecting an additional parity bit after the
transmission of each 16 bit data word. This additional parity bit requires an additional SCK cycle,
i.e. the SPI frame consists of 17 SCK cycles instead of the normal 16 SCK cycles. Detecting a
wrong parity bit has the following consequences:
During read access:
The Parity Error Flag in the Status/Config Register is set. The SCR1100 reports the contents of the
received register address.
During write access:
The Parity Error Flag in the Status/Config Register is set. The SPI Write Access is cancelled.
These actions are performed either if the parity failure is detected in the address word or the data
word.
Due to the additional parity bit a single SPI Transfer is using now 17 Bit as shown in the Figure 6.

SCR1100-D02
Murata Electronics Oy Subject to changes 12/21
www.murata.com Doc.Nr. 82 1130 00 Rev. 2.1
Figure 6. Communication in parity mode.
At the end of the data word the SPI master and the SPI slave have to add an additional parity bit.
Both devices have to check the received parity according to the selected parity mode odd or even.
4.2 ASIC Addressing Space
4.2.1 Register Definition
The ASIC has multiple register and EEPROM blocks. The EEPROM blocks holding the calibration
data will be programmed via SPI during manufacturing process. User only needs to access the
Data Register Block at addresses 00h and 07h - 0Ah (addresses 01h-06h are reserved). The
content of this register block is described below.
4.2.2 Data Register Block
Table 6. Register map of data register block.
Address
Dec (hex)
Register Name
[bit definition]
Number of
Bits
Read/
Write/
Factory
Data Format Description
00(00)
Rate_X[0]
1
R
-
odd Parity bit of Rate_X[14,1]
00(00)
Rate_X[1]
(S_OK Flag)
1
R
-
S_OK =0 Rate_X failed
S_OK =1 Rate_X valid (ok)
S_OK is generated out of the monitoring flags in the
status register (08h).
If either one of the flags in register 08h [15:2] is 0,
S_OK will be 0. Only if all flags in register 08h[15:2]
are 1 S_OK is set to 1
00(00)
Rate_X[15:2]
14
R
S
Sensor output data format two's complement
07(07) IC Identification
[14, 11:4, 2, 1]
13 F - Reserved
07(07) IC Identification [] 1 r Soft Reset bit
Writing '1' to this register bit will reset the device
07(07) IC Identification[12]
HWParEn
1 W Setting this bit to ‘1’ is enabling the Parity functionality
07(07) IC Identification[13]
HWParSel
1 W
This bit is selecting an even or an odd parity mode.
Bit = 0: Even Parity mode means that the number of
ones in the data word including the parity bit is even.
Bit = 1: Odd Parity mode means that the number of
ones in the data word including the parity bit is odd.
08(08) Status/Config
[14:10, 8:1]
14 F - Reserved
08(08) Status/Config[9]
(Parity_OK)
1 R -
This bit is set as soon as the SPI logic is detecting a
wrong parity bit received from the µC. This bit is
automatically cleared during read access to this
register.
Bit = 0 : Parity error
Bit = 1 : Parity check ok.
09(09) Reserved 14 F - Reserved
10(0A)
Temp[0]
1
R
-
odd Parity bit of TEMP[14,1]
10(0A)
Temp[1] (S_OK Flag)
1
R
-
S_OK =0 Rate_X failed

SCR1100-D02
Murata Electronics Oy Subject to changes 13/21
www.murata.com Doc.Nr. 82 1130 00 Rev. 2.1
S_OK =1 Rate_X valid
10(0A)
Temp[15,2]
14
R
S
Temperature sensor output
The offset of temperature data is factory calibrated but sensitivity of the temperature data varies
from part to part. Note: Registers marked with F are reserved for factory use only and not to be
written to.
4.2.3 Temperature Output Registers
The offset of temperature sensor is factory calibrated but sensitivity of the temperature data varies
from part to part. The temperature doesn't reflect absolute ambient temperature.
Temperature data is in 2's complement format in 14 bits (15:2) of Temp register. To use the
temperature sensor as an absolute temperature sensor or for additional system level
compensations, the offset and sensitivity of the sensor should be measured and calibrated on
system level
Temperature registers’ typical output at +23 °C is -1755 counts and 1 °C change in temperature
typically corresponds to 65 count change in temperature sensor output. Temperature information
can be converted from decimals to [°C] as follows
[ ] [ ]
65/)3250+(=º LSBTempCTemp
,
where Temp[°C] is temperature in Celsius and Temp[LSB] is temperature from TEMP registers in
decimal format,
Temperature sensor offset calibration error at 25°C: ≤ ±15 °C
Temperature sensor sensitivity calibration error: ≤ 5%

SCR1100-D02
Murata Electronics Oy Subject to changes 14/21
www.murata.com Doc.Nr. 82 1130 00 Rev. 2.1
5 Application Information
5.1 Pin Description
The pin out for SCR1100 is presented in Figure 7 (pin descriptions can be found from Table 7).
Figure 7. SCR1100 pinout diagram.
Table 7. SCR1100 pin descriptions.
pin #
Name
Type 1)
PD/PU/HV 3)
Description
1
HEAT
A1
Heatsink connection, externally connected to AVSS_G.
2
REFGND_G
AI
Analog reference ground should be connected external to AVSS_G
3 VREFP_G AO
External C for positive reference voltage and output pin for use as supply
for external load. Max load current is 5mA. Note this voltage can only be
used as supply for analog circuits. Circuits that produce high current spikes
due to switching circuit can not be driven by this node.
4 EXTRESN_G DI PU External Reset, 3.3V level Schmitt-trigger input with internal pull-up, High
low transition cause system restart
5
RESERVED
R
Factory used only, leave floating
6
AHVVDDS_G
AO
HV (~30V)
External C for high voltage analog supply, high voltage pad ≈30V
7
LHV
AI
Connection for inductor for high voltage generation, high voltage pad ≈30V
8
DVDD_G
AI
Digital Supply Voltage
9
DVSS_G
AI
Digital Supply Return, external connected to AVSS_G
10
MISO_G
DOZ
Data Out of SPI Interface, 3.3V level, Level definition see SPI-section
11
NC
NC
Not connected, connect to GND or leave floating.
12
NC
NC
Not connected, connect to GND or leave floating.
13
NC
NC
Not connected, connect to GND or leave floating.
14
NC
NC
Not connected, connect to GND or leave floating.
14
NC
NC
Not connected, connect to GND or leave floating.
15
NC
NC
Not connected, connect to GND or leave floating.
16
HEAT
A1
Heatsink connection, externally connected to AVSS_G.
17
HEAT
A1
Heatsink connection, externally connected to AVSS_G.
18
NC
NC
Not connected, connect to GND or leave floating.
19
NC
NC
Not connected, connect to GND or leave floating.
19
NC
NC
Not connected, connect to GND or leave floating.
20
NC
NC
Not connected, connect to GND or leave floating.
21
NC
NC
Not connected, connect to GND or leave floating.
22
NC
NC
Not connected, connect to GND or leave floating.
23
MOSI_G
DI
PD
Data In of SPI Interface, 3.3V level Schmitt-trigger input
24 SCK_G DI PD Clk Signal of SPI Interface, 3.3V level Schmitt-trigger input, Input Clock
range 2 to 8MHz. Level definition see SPI-section
25 CSN_G DI PU Chip Select of SPI Interface, 3.3V level Schmitt-trigger input, Input Clock
range 2 to 8MHz. Level definition see SPI-section
26
RESERVED
R
Factory used only, leave floating

SCR1100-D02
Murata Electronics Oy Subject to changes 15/21
www.murata.com Doc.Nr. 82 1130 00 Rev. 2.1
pin #
Name
Type 1)
PD/PU/HV 3)
Description
27
RESERVED
R
Factory used only, leave floating
28
AVDD_G
AI
Analog Supply voltage
29
SUB
AI
Connected external to AVSS_G
30
RESERVED
R
Factory used only, leave floating
31
RESERVED
R
Factory used only, leave floating
32
HEAT
A1
Heat sink connection, externally connected to AVSS_G.
Notes:
1) A=Analog, D=Digital, I=Input, O=Output, Z=Tristate Output, R = Reserved
3) PU=internal pullup, PD=internal pulldown, HV = high voltage
5.2 Application Circuitry and External Component Characteristics
See recommended schematics in Figure 8. Component characteristics are presented in Table 8.
Figure 8. SCR1100 recommended circuit diagram.
Optional filtering recommendations for better PSRR (Power Supply Rejection Ratio) is presented in
Figure 9. Please note that PSSR filtering is optional and not required if the 3.3V power supply is
already stabile enough. RC filtering (R1 & C7 without L2) could also be sufficient for most cases.
Figure 9. Optional filtering recommendation to improve PSRR if required.

SCR1100-D02
Murata Electronics Oy Subject to changes 16/21
www.murata.com Doc.Nr. 82 1130 00 Rev. 2.1
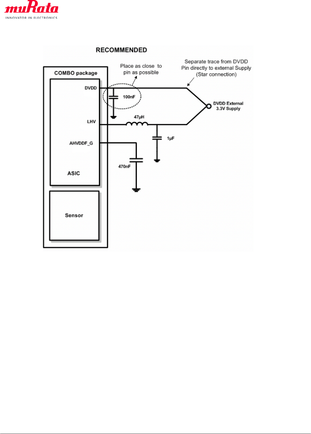
5.2.1 Separate Analog and Digital Ground Layers with Long Power Supply Lines
If power supply routings/cablings are long separate ground cabling, routing and layers for analog
and digital supply voltages should be used to avoid excessive power supply ripple.
In the recommended circuit diagram Figure 8 and layout Figure 11 joint ground is used as it is the
simplest solution and is adequate as long as the supply voltage lines are not long (when
connecting the SCR1100 directly to µC on the same PCB).
Table 8. SCR1100 external components.
Component
Parameter
Min
Typ
Max
Units
C1, C3, C5
Capacitance
70
100
130
nF
ESR @ 1 MHz
100
mΩ
Voltage rating
7
V
C39
Capacitance
376
470
564
nF
ESR @ 1 MHz
100
mΩ
Voltage rating
30
V
L1
Inductance
37
47
57
µH
ESR L=47 µH
5
Ω
Voltage rating
30
V
C6
Capacitance
0.7
1
1.3
µF
ESR @ 1 MHz
100
mΩ
Optional for better PSRR:
R1
Resistance
10
Ω
C7
Capacitance
4.7
µF
L2
Impedance
1k
Ω
5.3 Boost Regulator and Power Supply Decoupling in Layout

SCR1100-D02
Murata Electronics Oy Subject to changes 18/21
www.murata.com Doc.Nr. 82 1130 00 Rev. 2.1
Figure 11. Example layout for SCR1100.
5.3.2 Thermal Connection
The component includes heat sink pins to transfer the internally generated heat from the package
to outside. The thermal resistance to ambient should be low enough not to self heat the device. If
the internal junction temperature gets too high compared to ambient, that may lead to out of
specification behaviour.
Table 9. Thermal resistance.
Component
Parameter
Min
Typ
Max
Units
Thermal resistance ΘJA
Total resistance from junction to ambient
50
°C/W

SCR1100-D02
Murata Electronics Oy Subject to changes 20/21
www.murata.com Doc.Nr. 82 1130 00 Rev. 2.1
5.5 Package Characteristics
5.5.1 Package Outline Drawing
The SCR1100 package outline and dimensions are presented in Figure 13 and Table 10.
Figure 13. SCR1100 package outline and dimensions.
Limits for linear measures (ISO2768-f)
Tollerance class
Limits in mm for nominal size in mm
0.5 to 3
Above 3 to 6
Above 6 to 30
Above 30 to 120
f (fine)
±0.05
±0.05
±0.1
±0.15
Table 10. SCR1100 package dimensions.
Component
Parameter
Min
Typ
Max
Units
Length
Without leads
19.71
mm
Width
Without leads
8.5
mm
Width
With leads
12.1
mm
Height With leads
(including stand-off and EMC lead)
4.60 mm
Lead pitch
1.0
mm

SCR1100-D02
Murata Electronics Oy Subject to changes 21/21
www.murata.com Doc.Nr. 82 1130 00 Rev. 2.1
5.5.2 PCB Footprint
SCR1100 footprint dimensions are presented in Figure 14 and Table 11.
Figure 14. SCR1100 footprint.
Table 11. SCR1100 footprint dimensions.
Component
Parameter
Min
Typ
Max
Units
Footprint length
Without lead footprints
15.7
mm
Footprint width
Without lead footprints
13.0
mm
Footprint lead pitch
Long side leads
1.0
mm
Footprint lead length
2.20
mm
Footprint lead width
Long side leads
0.7
mm
5.6 Assembly instructions
Usage of PCB coating materials may affect component performance. The coating material and
coating process used should be validated. For additional assembly related details please refer to
“Technical Note 82” for assembly instructions.

