SM_MFC465CN_MFC685CW_MFC885CW SM MFC465CN MFC685CW MFC885CW
User Manual: SM_MFC465CN_MFC685CW_MFC885CW shared.swissparts.ch - /Manuals/Brother/Fax/
Open the PDF directly: View PDF
.
Page Count: 453 [warning: Documents this large are best viewed by clicking the View PDF Link!]
- Top Page
- Preface
- How this manual is organized
- SAFETY PRECAUTIONS
- CHAPTER 1 PARTS NAMES AND FUNCTIONS
- CHAPTER 2 SPECIFICATIONS
- CHAPTER 3 THEORY OF OPERATION
- 3.1 OVERVIEW
- 3.2 MECHANICAL COMPONENTS
- 3.3 CONTROL ELECTRONICS
- CHAPTER 4 ERROR INDICATION AND TROUBLESHOOTING
- 4.1 ERROR INDICATION
- 4.2 TROUBLESHOOTING
- 4.2.1 Introduction
- 4.2.2 Precautions
- 4.2.3 Checking Prior to Troubleshooting
- 4.2.4 Troubleshooting Based on Problem Type
- [ 1 ] Control panel and LCD problems
- [ 2 ] Telephone problems
- [ 3 ] Communications problems
- [ 4 ] Paper/document feeding problems
- [ 5 ] Print-image problems
- [ 6 ] PC-driven printing problems
- [ 7 ] Printing from memory cards--Compact Flash, Memory Stick, SD Memory Card, or xD-Picture Card
- [ 8 ] Wireless LAN (WLAN)
- [ 9 ] Others
- 4.2.5 Problems Encountered Frequently in the Past
- 4.2.6 Possible Component Defects and Resulting Problems
- CHAPTER 5 TRANSFER OF DATA LEFT IN THE MACHINE TO BE SENT FOR REPAIR
- CHAPTER 6 DISASSEMBLY/REASSEMBLY AND LUBRICATION
- 6.1 DISASSEMBLY/REASSEMBLY
- Safety Precautions
- Tightening Torque
- Preparation
- How to Access the Target Component
- Disassembly Flowchart
- 6.1.1 Jam Clear Cover
- 6.1.2 Scanner Cover (Scanner Unit)
- 6.1.3 ADF & Document Cover ASSY* (Document Cover)
- 6.1.4 Disassembly of ADF & Document Cover ASSY (Only for models with ADF)
- 6.1.5 Control Panel ASSY, Scanner Cover Sensor Actuator, Ink Cartridge Cover Sensor Actuator, and Cover Sensor PCB
- 6.1.6 Components of Control Panel ASSY
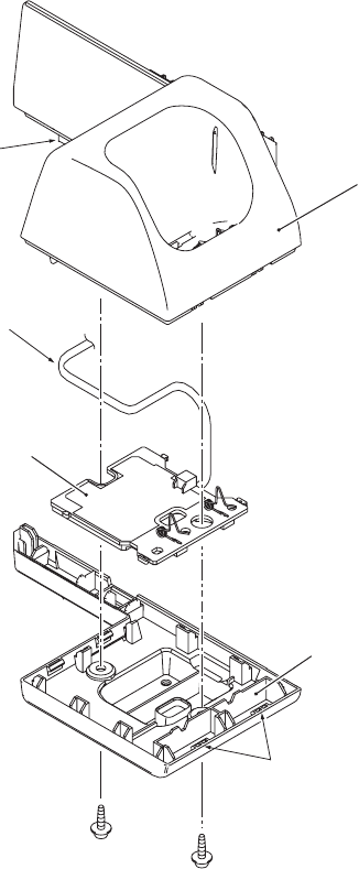
- 6.1.7 Charge Stand ASSY (for models with cordless handset)
- 6.1.8 Backup Battery (for models with backup battery) and Upper Cover
- 6.1.9 Antenna & Cordless PCB ASSY (for models with cordless handset)
- 6.1.10 Speaker
- 6.1.11 Ink Cartridge Cover, Media Module Cover, Front Cover, and WLAN PCB
- 6.1.12 Main PCB
- 6.1.13 MJ/PS Shield Box and Power Supply PCB
- 6.1.14 Hook Switch PCB (for models with handset)
- 6.1.15 Head/Carriage Unit and Ink Refill ASSY
- 6.1.16 Ink Absorber Box, Ink Absorber Felt, and PF Encoder Disk
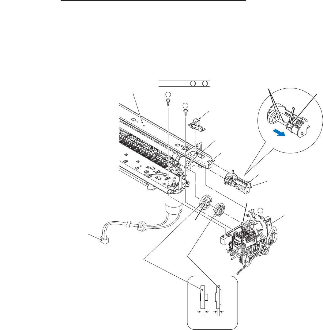
- 6.1.17 Engine Unit and Flushing Box
- 6.1.18 Components on the Engine Unit (Maintenance unit, Mode switching lever & clutch gear ASSY, Carriage motor, Inner chute ASSY, Registration sensor PCB, PF encoder PCB, Paper feed motor, Paper pull-in gear shaft, and Paper pull-in roller holder)
- 6.1.19 Paper Tray ASSY
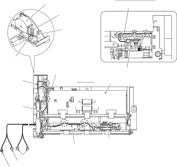
- 6.1.20 Routing of the Harnesses, Flat Cables, and Ink Supply Tubes
- 6.2 LUBRICATION
- 6.1 DISASSEMBLY/REASSEMBLY
- CHAPTER 7 ADJUSTMENTS AND UPDATING OF SETTINGS, REQUIRED AFTER PARTS REPLACEMENT
- 7.1 PREPARATION
- 7.2 IF YOU REPLACE THE HEAD/CARRIAGE UNIT OR ENGINE UNIT
- [ 1 ] Update the head property information stored in the EEPROM on the main PCB
- [ 2 ] Clean the new head/carriage unit (Function code 76)
- [ 3 ] Print out a test pattern (Function code 09)
- [ 4 ] Correct the positioning error of the head/carriage unit
- [ 5 ] Update the paper feeding correction value (Function code 58)
- [ 6 ] Align vertical print lines (Function code 65)
- [ 7 ] Margin adjustment in borderless printing (Function code 66)
- [ 8 ] Print out a total check pattern
- [ 9 ] Switch back to standby
- [ 10 ] Replace the ink cartridges with the protective part
- 7.3 IF YOU REPLACE THE MAIN PCB
- [ 1 ] Load programs
- [ 2 ] Initialize the EEPROM on the main PCB (Function code 01)
- [ 3 ] Specify the CIS type (Function code 59)
- [ 4 ] Customize the EEPROM on the main PCB (Function code 74)
- [ 5 ] Register base ID code to the main PCB and base unit (cordless PCB)
- [ 6 ] Check the control panel PCB for normal operation (Function code 13)
- [ 7 ] Check the sensor operation (Function code 32)
- [ 8 ] Acquire white level data and set CIS scanner area (Function code 55)
- [ 9 ] Set an ID code and update the head property information
- [ 10 ] Update the paper feeding correction value (Function code 58)
- [ 11 ] Align vertical print lines (Function code 65)
- [ 12 ] Margin adjustment in borderless printing (Function code 66)
- [ 13 ] Get MAC address from the WLAN PCB (Only for wireless LAN-enabled models)
- [ 14 ] Switch back to standby
- [ 15 ] Register cordless handsets
- 7.4 IF YOU REPLACE THE INK ABSORBER BOX OR FLUSHING BOX
- 7.5 IF YOU REPLACE THE SCANNER COVER (SCANNER UNIT)
- 7.6 IF YOU REPLACE THE CORDLESS PCB
- 7.7 IF YOU REPLACE THE CORDLESS HANDSETS
- 7.8 IF YOU REPLACE THE WLAN PCB (ONLY FOR WIRELESS LAN-ENABLED MODELS)
- CHAPTER 8 CLEANING
- CHAPTER 9 MAINTENANCE MODE
- 9.1 MAINTENANCE MODE FOR THE MACHINE
- 9.1.1 Entry into the Machine Maintenance Mode
- 9.1.2 List of Functions in the Machine Maintenance Mode
- 9.1.3 User-access to the Machine Maintenance Mode
- 9.1.4 Detailed Description of Functions in the Machine Maintenance Mode
- 9.1.4.1 EEPROM Parameter Initialization (Function code 01, 91)
- 9.1.4.2 Printout of Scanning Compensation Data (Function code 05)
- 9.1.4.3 ADF Performance Test (Function code 08)
- 9.1.4.4 Test Pattern (Function code 09)
- 9.1.4.5 Firmware Switch Setting and Printout (Function codes 10 and 11)
- 9.1.4.6 Operational Check of LCD (Function code 12)
- 9.1.4.7 Operational Check of Control Panel PCB (Function code 13)
- 9.1.4.8 Sensor Operational Check (Function code 32)
- 9.1.4.9 Transfer of Received FAX Data and/or Equipment's Log (Function code 53)
- 9.1.4.10 Fine Adjustment of Scanning Start/End Position (Function code 54)
- 9.1.4.11 Acquisition of White Level Data and CIS Scanner Area Setting (Function code 55)
- 9.1.4.12 Updating of Paper Feeding Correction Value (Function code 58)
- 9.1.4.13 Checking of CIS Travel and Specifying of CIS Type (Function code 59)
- 9.1.4.14 Travel Check of the Head/Carriage Unit and Initial Setup Mode (Function code 63)
- 9.1.4.15 Alignment of Vertical Print Lines in Monochrome (Function code 65)
- 9.1.4.16 Margin Adjustment in Borderless Printing (Function code 66)
- 9.1.4.17 Updating of Property Data (Function code 68)
- 9.1.4.18 Head/Carriage Unit Traveling Speed Check (Function code 69)
- 9.1.4.19 EEPROM Customizing (Function code 74)
- 9.1.4.20 Travel of Head/Carriage Unit (for removing paper particles and dust accumulated on the maintenance unit) (Function code 75)
- 9.1.4.21 Purging Operation (Function code 76)
- 9.1.4.22 Display of the Equipment's Log (Function code 80)
- 9.1.4.23 Equipment Error Code Indication (Function code 82)
- 9.1.4.24 Output of Transmission Log to the Telephone Line (Function code 87)
- 9.1.4.25 Assurance Mode Switch Setting (Function code 88)
- 9.1.4.26 Cancellation of the Pin TX Lock Mode (Not applicable to U.S.A. models)
- 9.2 MAINTENANCE MODE FOR CORDLESS HANDSETS
- 9.2.1 Overview
- 9.2.2 Maintenance Functions for U.S.A. Models
- 9.2.2.1 List of Maintenance Functions
- 9.2.2.2 Checking of Cordless Handset ID Code and Base ID Code (Function code 086)
- 9.2.2.3 Measuring of RSSI (Received Signal Strength Indicator) (Function code 195)
- 9.2.2.4 Measuring of BER (Bit Error Rate) (Function code 196)
- 9.2.2.5 Version Information on Cordless Handset (Function code 197)
- 9.2.2.6 EEPROM Parameter Initialization (Function code 198)
- 9.2.3 Maintenance Functions for European Models
- 9.1 MAINTENANCE MODE FOR THE MACHINE
- Appendix 1. Reading Labels
- Appendix 2. Firmware Installation
- Appendix 3. EEPROM Customizing Codes
- Appendix 4. Firmware Switches (WSW)
- Appendix 5. Wiring Diagrams
- Appendix 6. Circuit Diagrams
- Appendix 7. Deletion of Personal Information
- SPECIFICATIONS LIST
- Paper Specifications
- Maintenance-mode Functions
- MACHINE ERROR XX
Confidential
© Copyright Brother 2007
All rights reserved.
No part of this publication may be reproduced in any
form or by any means without permission in writing
from the publisher.
Specifications are subject to change without notice.

i Confidential
Preface
This Service Manual is intended for use by service personnel and details the specifications,
construction, theory of operation, and maintenance for the Brother machines noted on the front cover.
It includes information required for troubleshooting and service--disassembly, reassembly, and
lubrication--so that service personnel will be able to understand equipment function, repair the
equipment in a timely manner and order spare parts as necessary.
To perform appropriate maintenance so that the machine is always in the best possible condition for
the customer, service personnel must adequately understand and apply this manual.
The table below shows the functional comparison between the models covered by this manual.
Model MFC885CW MFC685CW MFC680CN MFC465CN MFC265C MFC260C MFC235C
RAM 32M 16M
Color LCD
LCD 4.2-inch wide 3.3-inch wide 2.0-inch
Monochrome LCD
(16 characters x 1 line)
Wired LAN √ √ √ √ --- --- ---
Wireless LAN (WLAN) √ √ --- --- --- --- ---
Handset
(Hook switch PCB, Hook
switch sensor, Sensor
actuators)
--- √ √ --- --- --- ---
Cordless handset
(Cordless PCB) 1 unit * --- --- --- --- --- ---
Backup battery √ √ √ --- --- --- ---
TAD √ √ √ --- --- --- ---
PhotoCapture Center √ √ √ √ √ √ ---
PictBridge/USB flash
memory drive √ √ √ √ √ √ √
Movable platen √ √ √ √ --- --- ---
Photo tray √ √ √ √ --- --- ---
ADF √ √ √ √ √ √ ---
Low yield ink cartridge --- --- --- --- --- √ √
* Number of cordless handsets that the machine has as standard. Up to four cordless handsets including optional ones
can be registered.
This manual describes the models and their versions destined for major countries. The specifications and functions are
subject to change depending upon each destination.
ii Confidential
How this manual is organized
This manual is made up of nine chapters and appendices.
CHAPTER 1 PARTS NAMES AND FUNCTIONS
Contains external views and names of components and describes their functions. Information about
the keys on the control panel is included to help you check operation or make adjustments.
CHAPTER 2 SPECIFICATIONS
Lists the specifications of each model, which enables you to make a comparison of different models.
CHAPTER 3 THEORY OF OPERATION
Gives an overview of the scanning and printing mechanisms as well as the sensors, actuators, and
control electronics. It aids in understanding the basic principles of operation as well as locating
defects for troubleshooting.
CHAPTER 4 ERROR INDICATION AND TROUBLESHOOTING
Details error messages and codes that the incorporated self-diagnostic functions display if any error
or malfunction occurs. If any error message appears, refer to this chapter to find which components
should be checked or replaced.
The latter half of this chapter provides sample problems that could occur in the main sections of the
machine and related troubleshooting procedures. This will help service personnel pinpoint and
repair defective components.
CHAPTER 5 TRANSFER OF DATA LEFT IN THE MACHINE TO BE SENT FOR REPAIR
Describes how to transfer data left in the machine to be sent for repair. The service personnel
should instruct end users to follow the transfer procedure given in this chapter if the machine at the
user site cannot print received data due to the printing mechanism defective. End users can transfer
received data to another machine to prevent data loss.
CHAPTER 6 DISASSEMBLY/REASSEMBLY AND LUBRICATION
Details procedures for disassembling and reassembling the machine together with related notes. The
disassembly order flow provided enables you to see at a glance the quickest way to get to
component(s) involved.
At the start of a disassembly job, you check the disassembly order flow that guides you through a
shortcut to the target components.
This chapter also covers screw tightening torques and lubrication points to which the specified
lubricants should be applied during reassembly jobs.
CHAPTER 7 ADJUSTMENTS AND UPDATING OF SETTINGS, REQUIRED AFTER PARTS
REPLACEMENT
Details adjustments and updating of settings, which are required if the head/carriage unit, main PCB
and some other parts have been replaced.
CHAPTER 8 CLEANING
Provides cleaning procedures not covered by the User's Guide. Before starting any repair work,
clean the machine as it may solve the problem concerned.
iii Confidential
CHAPTER 9 MAINTENANCE MODE
Describes the maintenance mode which is exclusively designed for the purpose of checks, settings
and adjustments of the machine using the keys on the control panel.
In the maintenance mode, you can update memory (EEPROM: electrically erasable programmable
read-only memory) contents for optimizing the drive conditions of the head/carriage unit or the
paper feed roller and paper ejection roller in the engine unit, if those units have been replaced, or
for setting the CIS scanner area, for example. You can also customize the EEPROM according to
the shipment destination of the machine concerned. In addition, you can perform operational checks
of the LCD, control panel PCB or sensors, perform a print test, display the log information or error
codes, and modify firmware switches (WSW).
For models with a cordless handset, the maintenance functions dedicated to cordless handsets are
provided.
Appendix 1 Reading Labels
Shows the location of labels put on some parts and describes the coding information for serial
number, property data, and manufacturing information.
Appendix 2 Firmware Installation
Provides instructions on how to change firmware stored in the flash ROM on the main PCB or load
firmware to a new main PCB from the host PC.
Appendix 3 EEPROM Customizing Codes
Provides instructions on how to set up the EEPROM customizing codes for the various preferences
exclusively designed for each destination. The specified customizing code is stored in the EEPROM
mounted on the main PCB. If the main PCB is replaced, therefore, you need to set up the proper
customizing code with the machine in the maintenance mode.
Customizing codes customize firmware for individual models, enabling the common firmware to be
used for various models. A list of EEPROM customizing codes comes with the firmware data
provided by Brother Industries.
Appendix 4 Firmware Switches (WSW)
Describes the functions of the firmware switches, which can be divided into two groups: one is for
customizing preferences designed for the shipping destination (as described in Appendix 3) and the
other is for modifying preferences that match the machine to the environmental conditions. Use the
latter group if the machine malfunctions due to mismatching.
Appendix 5 Wiring Diagrams
Provides the wiring diagrams that help you understand the connections between PCBs.
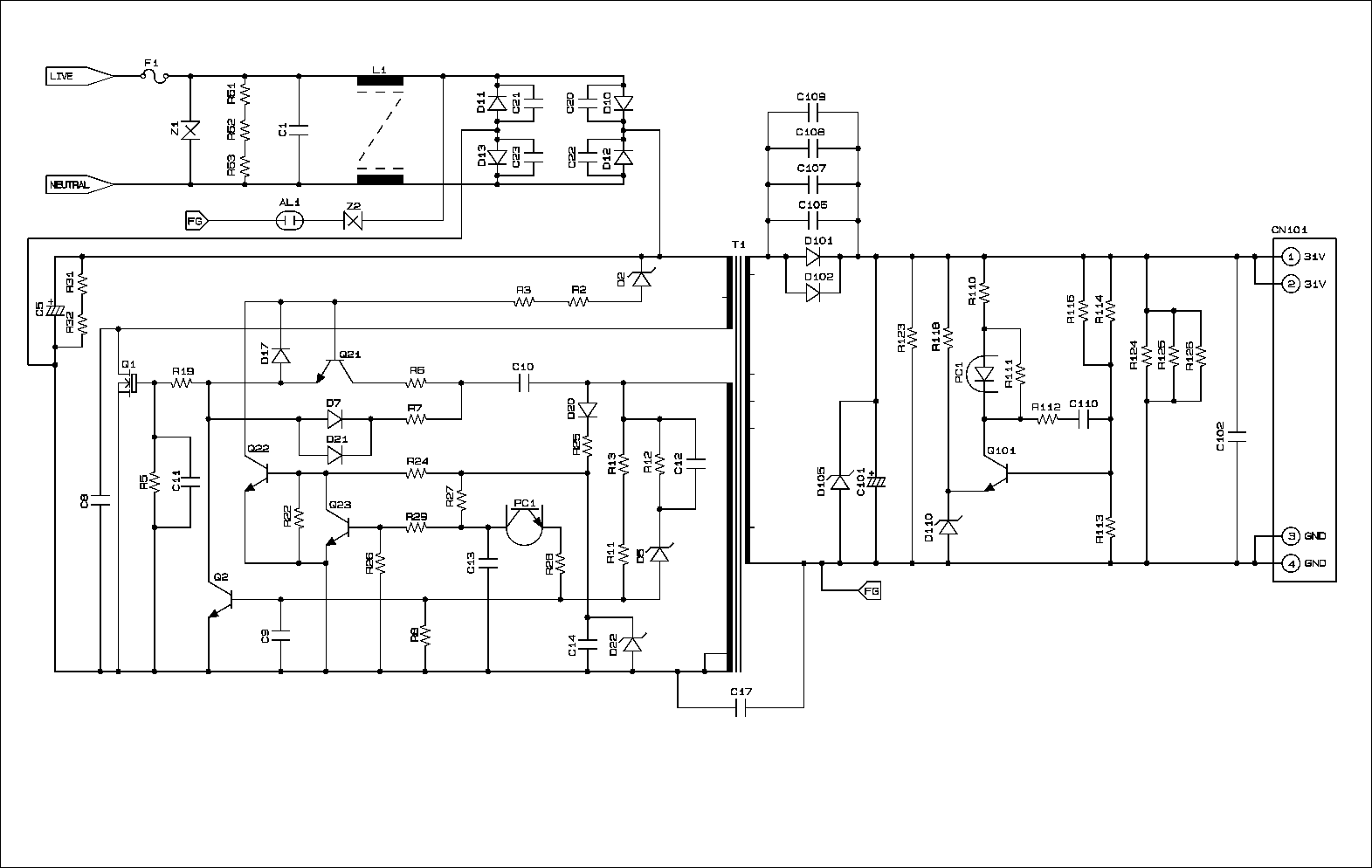
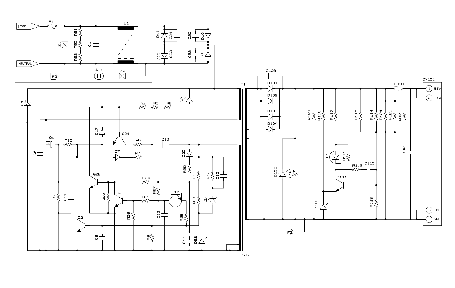
Appendix 6 Circuit Diagrams
Provides the circuit diagrams of the MJ PCB and power supply PCB.
Appendix 7 Deletion of Personal Information
Provides instructions on how to delete personal information recorded in the machine and cordless
handset(s).

iv Confidential
SAFETY PRECAUTIONS
To use the machine safely
Please refer to these instructions for later reference and before attempting any maintenance.

v Confidential

vi Confidential

vii Confidential

viii Confidential

ix Confidential
Legal limitations for copying
Confidential
CHAPTER 1
PARTS NAMES AND FUNCTIONS
Confidential
CHAPTER 1 PARTS NAMES AND FUNCTIONS
This chapter contains external views and names of components and describes their functions.
Information about the keys on the control panel is included to help you check operation or make
adjustments.
CONTENTS
1.1 OUTLINE.....................................................................................................................1-1
1.2 CONTROL PANEL......................................................................................................1-4
1.3 COMPONENTS.........................................................................................................1-16

1-1 Confidential
1.1 OUTLINE
Fax machine
Front view
(1) Control panel
(3) Paper tray
(7) Scanner cover
(Scanner unit) (2) Ink cartridge cover
(4) Media slots for
PhotoCapture Center*
(front_handset_e)
(8) ADF & document cover ASSY (For models with ADF)
Document cover (For models without ADF)
(10)
Telephone line jack
(9)
External telephone
line jack
1
(6) Handset*
2
(5) Port for PictBridge/USB flash memory drive
Back view
(13) Jam clear cove
r
(12) USB interface connector
(back_view_e)
(11) LAN cable connector*
3
*1 For models with PhotoCapture Center
*2 For models with handset
*3 For wired LAN-enabled models

1-2 Confidential
No. Name Description
(1) Control panel Use the keys to operate the machine. The liquid crystal display
(LCD) shows the machine operation status.
(2) Ink cartridge cover Open to replace ink cartridges.
(3) Paper tray Load paper here. Paper will be fed into the machine, sheet by
sheet.
(4) Media slots for PhotoCapture
Center*1 Insert a memory card here.
(5) Port for PictBridge/USB flash
memory drive
Connect a digital camera (with PictBridge) to this connector using
the USB cable.
Insert a USB flash memory drive here.
(6) Handset*2 Use for telephone conversations.
(7) Scanner cover (Scanner unit) Open to remove jammed paper.
(8)
ADF & document cover ASSY
(For models with ADF)
Document cover
(For models without ADF)
ADF (Only for models with ADF): Load documents (originals)
here. Documents will be fed into the machine, page by page.
Document cover: Open to place the document (original) on the
scanner glass.
(9) External telephone line jack Plug in the modular plug on the external telephone line here.
(10) Telephone line jack Plug in the modular plug on the telephone line here.
(11) LAN cable connector*3 Connect the LAN cable here.
(12) USB interface connector Connect the USB cable here.
(13) Jam clear cover Open to remove paper jammed inside the machine.
*1 For models with PhotoCapture Center
*2 For models with handset
*3 For wired LAN-enabled models

1-3 Confidential
Cordless handset (For models with cordless handset)
(1) Cordless handset
(Cordless_handset)
No. Name Description
(1) Cordless handset Use for telephone conversations.

1-5 Confidential

1-6 Confidential

1-7 Confidential

1-8 Confidential
European Models of MFC885CW and MFC680CN
The European models of MFC885CW/680CN do not have the Hold/Intercom, Hold, Ink, On/Off, Message
Center, or Erase key, but they have the following keys that are not on the U.S.A. models.
2 R
Use this key to gain access to an outside line or transfer a call to another extension when it is connected to
a PBX.
8 Ink Management
Lets you clean the print head, check the print quality, and check the available ink volume.
11 Power Save
You can turn the machine on or off. This key lets you put the machine into Power Save mode.
12 Digital TAD
Turns the Telephone Answering Device (TAD) on or off. Will also flash if you have new messages.
12 Erase/Mute
Puts the current phone call on hold. Also, deletes voice messages.

1-9 Confidential
MFC465CN (For keys exclusive to the European models, see page 1-11.)
9 8 7 6
1 2 3 4 5

1-10 Confidential

1-11 Confidential
European Models of MFC465CN
The European models of MFC465CN do not have the Hook, On/Off, or Ink key, but they have the following
keys that are not on the U.S.A. models.
2 Tel/R
This key is used to have a telephone conversation after picking up the external handset during the F/T
pseudo-ring. Also, use this key to gain access to an outside line, or transfer a call to another extension when
it is connected to a PBX.
6 Power Save
You can turn the machine on or off. This key lets you put the machine into Power Save mode.
9 Ink Management
Lets you clean the print head, check the print quality, and check the available ink volume.

1-12 Confidential
MFC265C/260C/235C (For keys exclusive to the European models, see the next page.)
11 10 9 8 7
1 2 3 4 5 6

1-13 Confidential
European Models of MFC260C/235C
The European models of MFC260C/235C do not have the Hook, Ink, or On/Off key, but they have the
following keys that are not on the U.S.A. models.
1 Tel/R
This key is used to have a telephone conversation after picking up the external handset in F/T pseudo-ring.
Also, use this key to gain access to an outside line, or transfer a call to another extension when it is
connected to a PBX.
5 Ink Management
Lets you clean the print head, check the print quality, and check the available ink volume.
11 Power Save
You can turn the machine on or off. This key lets you put the machine into Power Save mode.

1-14 Confidential
Cordless handset (For models with cordless handset)
(For keys exclusive to the European models,
see the next page.)

1-15 Confidential
Cordless Handset for the European Model of MFC885CW
The cordless handset for the European model of MFC885CW does not have the Flash/Callwait or
Hold/Intercom key, but it has the following keys that are not on the U.S.A. model.
9 R
Use this key to gain access to an outside line to recall the operator, or transfer a call to another extension
when it is connected to a PBX.
13 Int (Mute/Intercom)
Puts the current phone call on hold. Also, press this key to speak on the intercom or to transfer an incoming
call to the cordless handset.
(U.S.A. model only)

1-16 Confidential
1.3 COMPONENTS
The machine consists of the following major components:
Color LCD
unit
Control panel
ASSY
Wide color LCD type
ADF & document cover ASSY (For models with ADF)
Document cover (For models without ADF)
Scanner cover
(Scanner unit)
Scanner cover
damper
Scanner cover
support
Upper cover*
Upper cover* *
Head/carriage
unit
Engine unit
PF encoder PCB
Registration sensor
PCB
Flushing box
Lower cover
Power supply PCB
MJ/PS shield box Paper tray ASSY
Ink absorber box
Main PCB ASSY
Ink refill ASSY
Maintenance unit
Front cover
Ink cartridge cove
r
Media module cover
WLAN PCB*
Cover sensor PCB
Control panel
ASSY
Color LCD
unit
Control panel
ASSY
Color LCD type
Monochrome LCD type
(COMPONENTS_MFC_e)
MJ PCB
Handset mount*
1
Handset*
1
Charge stand
ASSY*
2
Hook switch PCB*
1
4
Speaker
Jam clear cover
Cordless
handset*
2
Antenna & cordless
PCB ASSY*
2
12
3
*1 For models with handset
*2 For models with cordless handset
*3 For models without handset and
cordless handset
*4 For wireless LAN-enabled models
Confidential
CHAPTER 2
SPECIFICATIONS
Confidential
CHAPTER 2 SPECIFICATIONS
This chapter lists the specifications of each model, which enables you to make a comparison of
different models.
CONTENTS
2.1 GENERAL ...................................................................................................................2-1
2.1.1 General Specifications .....................................................................................2-1
2.1.2 Paper Specifications ........................................................................................2-4
2.1.3 Printable Area ..................................................................................................2-7
2.2 SPECIFICATIONS LIST ..............................................................................................2-8

2-1 Confidential
2.1 GENERAL
2.1.1 General Specifications
Memory Capacity
Models with color LCD: 32 MB
Models with monochrome LCD: 16 MB
Automatic Document Feeder (ADF) Up to 10 pages
Paper Tray 100 sheets, 80 g/m2 (20 lb)
Printer Type Ink Jet
Print Method Piezoelectric, 376 nozzles
(47 nozzles x 2 lines staggered, for each color)
Liquid Crystal Display (LCD)
MFC885CW: 4.2-inch wide color
MFC685CW/680CN: 3.3-inch wide color
MFC465CN: 2.0-inch color
MFC265C/260C/235C: 16 characters x 1 line, monochrome
Operating Environment 50 to 95°F (10 to 35°C)
Best Print Quality 68 to 91°F (20 to 33°C)
Power Source 100 to 120 VAC, 50/60 Hz (U.S.A./Canada)
220 to 240 VAC, 50/60 Hz (Europe/Asia)
Power Consumption
USA/Canada Europe/Asia
Minimum Standby Peak Minimum Standby Peak
MFC885CW 6.5W 10W 35W 8.5W 11W 38W
MFC685CW 6W 7W 31W 5W 8W 33W
MFC680CN --- --- --- 5W 8W 33W
MFC465CN 4W 6W 31W 5W 8W 33W
MFC265C 4W 6W 29W 5W 8W 32W
MFC260C --- --- --- 5W 8W 32W
MFC235C --- --- --- 5W 7W 21W

2-2 Confidential
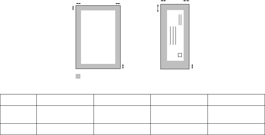
Dimensions (W x D x H)
Models with ADF
MFC465CN/265C/260C
398 x 370 x 180 mm (15.7 x 14.6 x 7.1 inches)
(with paper tray flap opened) 398 x 443 x 180 mm (15.7 x 17.4 x 7.1 inches)
398 mm (15.7 inches)
180 mm
(7.1 inches)
(dimensions_ADF)
370 mm (14.6 inches)
443 mm (17.4 inches)
MFC885CW (with cordless handset)
476 x 370 x 180 mm (18.7 x 14.6 x 7.1 inches)
(with paper tray flap opened) 476 x 443 x 180 mm (18.7 x 17.4 x 7.1 inches)
476 mm (18.7 inches)
(dimensions_ADF_cordless)
351 mm (13.8 inches)
398 mm (15.7 inches)
180 mm
(7.1 inches)
370 mm (14.6 inches)
443 mm (17.4 inches)
MFC685CW/680CN (with handset)
468 x 370 x 180 mm (18.4 x 14.6 x 7.1 inches)
(with paper tray flap opened) 468 x 443 x 180 mm (18.4 x 17.4 x 7.1 inches)
(dimensions_ADF_handset)
443 mm (17.4 inches)
370 mm (14.6 inches)
180 mm
(7.1 inches)
468 mm (18.4 inches)
398 mm (15.7 inches)
Models without ADF
MFC235C
398 x 360 x 150 mm (15.7 x 14.2 x 5.9 inches)
(with paper tray flap opened) 398 x 443 x 150 mm (15.7 x 17.4 x 5.9 inches)
(dimensions_235C)
443 mm (17.4 inches)
398 mm (15.7 inches)
150 mm
(5.9 inches)
360 mm (14.2 inches)

2-3 Confidential
Weight
MFC885CW 8.7 kg (19.2 lb)
MFC685CW 8.4 kg (18.5 lb)
MFC680CN 8.5 kg (18.7 lb)
MFC465CN 8.1 kg (17.9 lb)
MFC265C 7.9 kg (17.4 lb)
MFC260C 8.0 kg (17.6 lb)
MFC235C 7.3 kg (16.1 lb)

2-4 Confidential
2.1.2 Paper Specifications
Recommended Paper
Brother Paper
Paper Type Item
Letter Plain BP60PL (USA only)
Letter Glossy BP61GLL
Letter Inkjet (Photo Matte) BP60ML (USA only)
4 x 6 inch Glossy Photo BP61GLP
Transparencies: 3M Transparency Film
Paper Type and Size for Each Operation
Usage
Paper Type Paper Size
mm (inches) Fax Copy PhotoCapture Printer
Cut Sheet Letter 216 x 279 (8 1/2 x 11) Yes Yes Yes Yes
A4 210 x 297 (8.3 x 11.7) Yes Yes Yes Yes
Legal 216 x 356 (8 1/2 x 14) Yes Yes - Yes
Executive 184 x 267 (7 1/4 x 10 1/2) - - - Yes
JIS B5 182 x 257 (7.2 x 10.1) - - - Yes
A5 148 x 210 (5.8 x 8.3) - Yes - Yes
A6 105 x 148 (4.1 x 5.8) - - - Yes
Cards Photo 102 x 152 (4 x 6) - Yes Yes Yes
Photo L 89 x 127 (3 1/2 x 5) - - - Yes
Photo 2L 127 x 178 (5 x 7) - - Yes Yes
Index Card 127 x 203 (5 x 8) - - - Yes
Post Card 1 100 x 148 (3.9 x 5.8) - - - Yes
Post Card 2 (Double) 148 x 200 (5.8 x 7.9) - - - Yes
Envelopes C5 Envelope 162 x 229 (6.4 x 9) - - - Yes
DL Envelope 110 x 220 (4.3 x 8.7) - - - Yes
COM-10 105 x 241 (4 1/8 x 9 1/2) - - - Yes
Monarch 98 x 191 (3 7/8 x 7 1/2) - - - Yes
JE4 Envelope 105 x 235 (4.1 x 9.3) - - - Yes
Transparencies Letter 216 x 279 (8 1/2 x 11) - Yes - Yes
A4 210 x 297 (8.3 x 11.7) - Yes - Yes

2-5 Confidential
Paper Weight, Thickness and Capacity
Paper Type Weight Thickness No. of sheets
Cut Sheet Plain Paper 64 to 120 g/m2
(17 to 32 lb) 0.08 to 0.15 mm
(0.003 to 0.006 inch) 100*
Inkjet Paper 64 to 200 g/m2
(17 to 53 lb) 0.08 to 0.25 mm
(0.003 to 0.01 inch) 20
Glossy Paper Up to 220 g/m2
(Up to 58 lb) Up to 0.25 mm
(Up to 0.01 inch) 20
Cards Photo
4 x 6 inches Up to 240 g/m2
(Up to 64 lb) Up to 0.28 mm
(Up to 0.01 inch) 20
Index Card Up to 120 g/m2
(Up to 32 lb) Up to 0.15 mm
(Up to 0.006 inch) 30
Post Card Up to 200 g/m2
(Up to 53 lb) Up to 0.23 mm
(Up to 0.01 inch) 30
Envelopes 75 to 95 g/m2
(20 to 25 lb) Up to 0.52 mm
(Up to 0.02 inch) 10
Transparencies - - 10
* Up to 100 sheets for paper of 80 g/m2 (20 lb)
Up to 50 sheets for Legal size paper of 80 g/m2 (20 lb)
Output Paper Capacity of the Paper Tray Cover*
Paper Tray Cover* Up to 50 sheets of 80 g/m2 (20 lb) (Letter)
- Transparencies or glossy paper must be picked up from the
paper tray cover* one page at a time to avoid smudging.
*Photo tray on some models

2-6 Confidential
DO NOT use the following kinds of paper:
Damaged, curled, wrinkled, or irregularly shaped paper
2 mm
(0.08 inch)
or longer
2 mm
(0.08 inch)
or longer
Extremely shiny or highly textured paper
Paper already printed on by a printer
Paper that cannot be arranged uniformly when stacked
Paper made with a short grain
DO NOT use envelopes:
that are of a baggy construction
that are embossed (have raised writing on them)
that have clasps or staples
that are preprinted on the inside

2-7 Confidential
2.1.3 Printable Area
The printable area depends on the settings in the application you are using. The figures below show the
unprintable areas on cut sheet paper and envelopes.
(1) (1)
(2) (2)
(3) (4) (3) (4)
Cut Sheet Paper Envelopes
unprintable area
Paper (1) Top (2) Bottom (3) Left (4) Right
Cut sheet 3 mm (0.12 inch)
0 mm (0 inch)* 3 mm (0.12 inch)
0 mm (0 inch)* 3 mm (0.12 inch)
0 mm (0 inch)* 3 mm (0.12 inch)
0 mm (0 inch)*
Envelopes 12 mm (0.47 inch) 24 mm (0.95 inch) 3 mm (0.12 inch) 3 mm (0.12 inch)
* When you set the borderless printing feature to ON.
Printable area depends on the printer driver settings.
The figures above are approximate and the printable area may vary depending on the
type of cut sheet paper you are using.
The borderless feature is not available for envelopes.

AREA Europe Asia /
Oceania USA /
Canada Europe Asia /
Oceania USA /
Canada Europe Asia /
Oceania Europe USA /
Canada Asia /
Oceania USA /
Canada Europe Asia /
Oceania
Model name
MFC-265C MFC-680CN
GENERAL
Print Head
Technology
Scanning Method
CPU Speed
Back up Clock
Operating
Environment
Temperature
(BestPrintQuality
)
Humidity
On/Off Switch
Demo Model Yes Yes N/A Yes N/A Yes
Panel Key for
demo sheet
FAX+COPY FAX+COPY N/A FAX+COPY N/A FAX+COPY
LCD Demo
Simultaneous
Operation
Test Sheet
Support OS
version
(Windows)
Support OS
version
(Mac)
Min. Input of ADF
( Width/Height)
Max. Input of
ADF
( Width/Height)
Max. Input of
Glass
( Width/Height)
Min. Output of
Auto Cut sheet
Feeder(Width/He
ight)
Max. Output of
Auto Cut sheet
Feeder(Width/He
ight)
Min. Output
Photo Paper
Tray(Width/Heigh
t)
Max. Output
PhotoPaper
Tray(Width/Heigh
t)
Min. Output
LowerTray(Width
/Height)
2.2 SPECIFICATIONS LIST
216/356mm
(8.5/14.0")
89/127mm
(3.5/5.0")
101.6/152.4mm
(4.0/6.0")
MFC-465CN MFC-685CW MFC-885CW
N/A
N/A
N/A
MFC-260C
N/A
BH7 (KKCCMMYY) 47 nozzles / line x 2 (each color)
MFC-235C
Inkjet
20 - 80 %(w/o condensation)
Yes
50 - 95˚F / 10 - 35˚C (68 - 91˚F / 20 - 33˚C)
Yes
Yes:Print Quality/Alignment (in Ink Key)
148/148mm
(5.8/5.8")
215.9/355.6mm
(8.5/14")
Mac OSX 10.2.4(greater)
N/A
215.9/297mm
(8.5/11.7")
89/127mm
(3.5/5.0")
N/A
N/A
N/A
N/A
N/A
CIS
RISC 133MHZ
Yes
N/A
N/A
N/A
N/A
2K/XP/XP Professional X64/Vista
2-8 Confidential

AREA Europe Asia /
Oceania USA /
Canada Europe Asia /
Oceania USA /
Canada Europe Asia /
Oceania Europe USA /
Canada Asia /
Oceania USA /
Canada Europe Asia /
Oceania
Model name
MFC-265C MFC-680CNMFC-465CN MFC-685CW MFC-885CWMFC-260CMFC-235C
Max. Output
LowerTray(Width
/Height)
Sheet Weight
(Paper tray)
Sheet Weight
(Lower tray)
Sheet Weight
(ADF)
Sheet Weight
(Photo Paper
Tray)
ADF (pages)
Paper Capacity
(sheets)
Output Paper
Capacity
(sheets)
Brother Paper
(for Plain,Glossy
and Inkjet)
LTR Plain
LTR Glossy
LTR Inkjet
4x6in
Glossy
LTR Plain
LTR Glossy
LTR Inkjet
4x6in
Glossy
A4 Plain
A4 Glossy
A4 Inkjet
4x6in
Glossy
LTR Plain
LTR Glossy
LTR Inkjet
4x6in
Glossy
A4 Plain
A4 Glossy
A4 Inkjet
4x6in
Glossy
LTR Plain
LTR Glossy
LTR Inkjet
4x6in
Glossy
Recommended
Paper Only for
Transparency
LCD Size Wide3.3"Col
orLCD
LCD Back Light
& Color
LCD Language Depend on
each
country
English English
French for
Canada
model
Depend on
each
country
English English
French for
CAN model
Depend on
each
country
English Depend on
each
country
English
French for
CAN model
English English
French for
CAN model
Selectable
Wallpaper
Illuminated Mode
Key
Illuminated Mode
Key Color
Status LED Color
Memory
Capacity
(physical:
Mbytes)
Memory Backup
(with battery 24
hours )
Back Up
Print:ON/OFF
(in function
Menu)
Yes
Memory Security Yes
Transmission
Lock
100 (80 g/m2)
N/A
N/A
64N/A90g/mm2 (17N/A24lb.)
64 N/A220 g/m2 ( 17 N/A 58 lb. )
Yes(10)
N/A
64-220g/m2 ( 17-58 lb. )
N/A
N/A
N/A
Yes
Yes
For with MC or Fax Preview Only
N/A
Depend on each country
Yes
Yes
32MB
A4 Plain
A4 Glossy
A4 Inkjet
4x6in Glossy
2.0" ColorLCD
Yes
Yes
16MB
N/A
A4 Plain
A4 Glossy
A4 Inkjet
4x6in Glossy
16x1line
N/A
A4 Plain
A4 Glossy
A4 Inkjet
4x6in Glossy
50
A4 Plain
A4 Glossy
A4 Inkjet
4x6in Glossy
Wide4.2"ColorLCD
Yes
N/A
N/A
N/A
Yes
N/A
3M 3410 Transparency film
Fax/Scan/Copy/Photo Capture/MCFax/Scan/Copy/Photo Capture
Yellow Green
16x1line Wide3.3"ColorLCD
YesN/A
N/A
2-9 Confidential

AREA Europe Asia /
Oceania USA /
Canada Europe Asia /
Oceania USA /
Canada Europe Asia /
Oceania Europe USA /
Canada Asia /
Oceania USA /
Canada Europe Asia /
Oceania
Model name
MFC-265C MFC-680CNMFC-465CN MFC-685CW MFC-885CWMFC-260CMFC-235C
Power Source AC100-120
V 50/60Hz
AC100-120
V 50/60Hz
AC 220-240
V 50/60Hz
AC100-120
V 50/60Hz
AC 220-240
V 50/60Hz
AC100-120
V 50/60Hz
Power
Consumption
(Operating/Stand
by/Off mode)
29W / 6W /
4.0W
31W / 6W /
4.0W
33W / 8W /
5.0W
31W / 7W /
6.0W
33W / 8W /
5.0W
35W / 10W
/ 6.5W
Energy Star
Compliant
Machine Noise
(Operating)
Ink Guige
Indication
Yes
(Icon in
standby
mode/In ink
key/Status
Monitor)
Activity
Report/Journal
Report
Transmission
Verification
Report
Help List
Caller ID List
Quick Dial List
Tel Index List
User Setting List
Order Form
Network Config
INTERFACE
Host Interface
LAN
Wireless LAN
Cable included
PictBridge
USB Memory
Acceptable
Media Card
Ink Cartridge LC970BK
LC970C
LC970M
LC970Y
LC37BK
LC37C
LC37M
LC37Y
LC51BK
LC51C
LC51M
LC51Y
LC970BK
LC970C
LC970M
LC970Y
LC37BK
LC37C
LC37M
LC37Y
LC51BK
LC51C
LC51M
LC51Y
LC1000BK
LC1000C
LC1000M
LC1000Y
LC57BK
LC57C
LC57M
LC57Y
LC1000BK
LC1000C
LC1000M
LC1000Y
LC51BK
LC51C
LC51M
LC51Y
LC57BK
LC57C
LC57M
LC57Y
LC51BK
LC51C
LC51M
LC51Y
LC1000BK
LC1000C
LC1000M
LC1000Y
LC57BK
LC57C
LC57M
LC57Y
Supply Ink
Cartridge (Life /
Yield)
Approximate
ly
500/400
pages
(Normal
@5%)
YesN/A
N/A Yes
Yes
Yes
(Icon in standby mode/In
ink key/Status Monitor)
AC 220-240 V 50/60Hz
33W / 8W / 5.0W21W / 7W / 5.0W
AC 220-240 V 50/60Hz
32W / 8W / 5.0W
Yes
(In ink key/Status Monitor)
CF / MS / SD(MMC) / xDN/A
SUPPLIES/ OPTIONS
50dBA (Maximum)
Yes
Yes
(Icon in standby mode/In ink key/Status
Monitor)
Yes
(Icon in standby mode/In ink key/Status
Monitor)
Yes
N/A
Yes
38W / 11W / 8.5W
AC 220-240 V 50/60Hz
N/A Approximately
500/400 pages
(Normal @5%)
Yes
(In ink key/Status
Monitor)
AC 220-240 V 50/60Hz
N/A
N/A
Yes
Yes
LIST/REPORT
Yes
2
Yes(up to 200)
N/A
N/A Yes
N/A ABC
2-10 Confidential

AREA Europe Asia /
Oceania USA /
Canada Europe Asia /
Oceania USA /
Canada Europe Asia /
Oceania Europe USA /
Canada Asia /
Oceania USA /
Canada Europe Asia /
Oceania
Model name
MFC-265C MFC-680CNMFC-465CN MFC-685CW MFC-885CWMFC-260CMFC-235C
Supply Ink
Cartridge
(Life / Yield)
*HighCapacity
Supply Ink
Cartridge
(Life / Yield)
*LowCapacity
N/A
Monthly Volume
Machine Life
(year)
MTBF
(Mean Time
Between
Failures)
MTTR
(Mean Time To
BE Repaired)
TELEPHONE
Handset Yes(Detach
able)
Digital Cordless
Phone
Hook N/A Yes Yes N/A Yes Yes N/A Yes Yes
Duplex Speaker
Phone
Yes
SKYPE/VOIP
Power Failure
Phone
Power Failure
Dialing
Chain Dialing
Automatic Redial Yes
1 time/5 min
Yes
1 time/5 min
Yes
3 times/5
min
Yes
1 time/5 min
Yes
3 times/5
min
Yes
1 time/5 min
PBX Feature
(EUR Only)
Yes N/A N/A Yes N/A N/A Yes N/A Yes N/A Yes N/A
Handset Volume N/A Yes(2steps
+Amplify)
N/A
Speaker Volume
Ring Volume
Hold/Mute Key
Music on Hold
Monitoring the
Line on Hold with
Music
One-Touch Dial
Speed Dial
Figures of
OneN/ATouch &
Speed Dial
Resisterable
Number Of
Characters
Approximately
350/300 pages
(Normal @5%)
SERVICE INFORMATION
2500 pages
30000 pages or 5years
Yes
N/A
Yes(Detachable)
Yes
3 times/5 min
Yes
Yes
Yes
N/A
N/A
N/A
4000 hours
30 minutes
Yes
Yes
3 times/5 min
N/A
N/A
40 80x2number
16 characters
20 digits
100x2number
Yes (3 steps +OFF)
Yes (3 steps +OFF)
N/A
N/A
N/A
N/A
Yes
N/A
Approximately
350/300 pages
(Normal @5%)
N/A
Yes
3 times/5 min
Yes
3 times/5 min
N/AN/A
N/A
N/A
N/A
Yes
N/A
2-11 Confidential

AREA Europe Asia /
Oceania USA /
Canada Europe Asia /
Oceania USA /
Canada Europe Asia /
Oceania Europe USA /
Canada Asia /
Oceania USA /
Canada Europe Asia /
Oceania
Model name
MFC-265C MFC-680CNMFC-465CN MFC-685CW MFC-885CWMFC-260CMFC-235C
Group Dial (Up to
X groups)
Telephone Index
(Search/Speed
dial key)
Backup Caller ID
list
Tel service
Caller ID
Call Waiting
Caller ID
Call from Caller
ID List
Call from Call List
Call waiting
Read
y
External TAD
Interface
Distinctive
Ringing
Yes
Denmark /
United
Kingdom
only
Yes
Australia /
New
Zealand /
Singapore /
Hong Kong
only
Yes Yes
Denmark /
United
Kingdom
only
Yes
Australia /
New
Zealand /
Singapore /
Hong Kong
only
Yes Yes
Denmark /
United
Kingdom
only
Yes
Australia /
New
Zealand /
Singapore /
Hong Kong
only
Yes
Denmark /
United
Kingdom
only
Yes Yes
Australia /
New
Zealand /
Singapore /
Hong Kong
only
Yes Yes
Denmark /
United
Kingdom
only
Yes
Australia /
New
Zealand /
Singapore /
Hong Kong
only
Modem Speed
(bps)
Transmission
Speed (sec.)
ITU-T Group
Display FAX RX Yes
Display FAX TX Yes
Coding Method
Fax/Tel Switch Yes (Tel) Yes (Hook
key)
Yes (Hook
key)
Yes (Tel) Yes (Hook
key)
Yes (Hook
key)
Yes (Tel) Yes (Hook
key)
Yes
(by H/S or
SPK)
Super Fine
Gray Scale
Contrast
(Auto/S.Light/S.D
ark)
Dual Access
Enhanced
Remote Activate
Station ID
(20 digits/20
characters)
Remote
Maintenance
RX Mode
Indication
Resolution
Indication
Yes
LCD
LCD
Yes
Yes 20 digits/20 characters
Yes
(by H/S or SPK)
COLOR FAX
Yes
Yes
(by H/S or SPK)
YesN/A
14,400 (Fax)
N/A
Yes
N/A
N/A
Yes
Yes
G3
N/A
N/A
Yes
N/A Yes
Yes (B&W only)
Mono: MH/MR/MMR
Color: JPEG
N/A
N/A
Approx.6sec (Brother#1,MMR)
N/A
N/AN/A
Yes
N/A
N/A
Yes
Yes(6)
Yes
Yes
Mono: 64
Color: 256
Yes (TX&RX:B&W only)
Yes
2-12 Confidential

AREA Europe Asia /
Oceania USA /
Canada Europe Asia /
Oceania USA /
Canada Europe Asia /
Oceania Europe USA /
Canada Asia /
Oceania USA /
Canada Europe Asia /
Oceania
Model name
MFC-265C MFC-680CNMFC-465CN MFC-685CW MFC-885CWMFC-260CMFC-235C
Paper Handling
Size
Document
Scanning Width
Delayed Timer
(up to 50: B&W
only)
Up to 50 /
B&W only
Polled Sending
(type)
*B&W only
Yes
(Std/Secure
)
Yes
(Std)
Yes
(Std/Secure
)
Yes
(Std)
Batch
Transmission
Yes (B&W
only/not
color)
Quick-Scan
(Memory
transmission)
Memory
Transmission
(ITU-T Test Chart
#1/MMR)
Up to
400pages
Memory
Transmission
(Brother Chart/
MMR)
Up to 480
pages
ECM (Error
Correction Mode)
Error Re-
Transmission
Broadcasting
(Speed+OneTou
ch+Manual)
Yes(210
locations)
Manual
Broadcasting
Easy
Receive/Fax
Detect
Polling Receiving
(type)
*B&W only
Yes
(Std./Seq)
Yes
(Std/Seq/Se
cure/Timer)
Yes
(Std./Seq)
Yes
(Std/Seq/Se
cure/Timer)
Yes
(Std./Seq)
Auto Reduction
Out-of-Paper
Reception
(ITU-T Test Chart
#1/MMR)
Out-of-Paper
Reception
(Brother Chart/
MMR)
Remote Access
Fax Retrieval
Fax Forwarding
Paging N/A Yes(FAX&V
oice
N/A Yes(FAX&V
oice
Color FAX
(Document
Send/Receive)
Color FAX
(Memory
Send/Receive)
COLOR PRINTE
R
N/A
N/A
Up to
170 pages
N/A
N/A
Up to 170pages
Up to 200pages
Up to
200 pages
N/A
Yes(90 locations)
N/A
Yes
Yes(B&W only)
Up to 400 pages
Up to 480 pages
N/A
N/A
N/A
Up to 50 / B&W only
Yes
(Std/Secure)
Up to 400pages
Up to 480 pages
Yes(210 locations)
Yes
(Std/Secure)
N/A
N/A
N/A
Yes
Yes
(Std/Seq/Secure/Timer)
N/A
Up to
170 pages
Up to
200 pages
N/A
N/A
Up to 480 pagesUp to 480 pages
Yes(210 locations)Yes(90 locations)
Yes (B&W only/not color)Yes (B&W only/not color)
Up to 400 pages Up to 400pages
Yes
(Std/Seq/Secure/Timer)
Yes(250 locations)
No /Yes(ITU-T color FAX)
N/A Up to 50 / B&W onlyUp to 50 / B&W only
Yes(B&W only)
Yes/Yes(ITU-T color FAX)
N/A
Yes (B&W only/not color)
Yes
LTR, A4+
LEGAL(with ADF)
208mm
N/A
Up to 170pages
Up to 200pages
Approx.4.72sec/page@LTR
Approx. 5.02 sec./page@A4
Yes(50locations)
N/A
Yes
2-13 Confidential

AREA Europe Asia /
Oceania USA /
Canada Europe Asia /
Oceania USA /
Canada Europe Asia /
Oceania Europe USA /
Canada Asia /
Oceania USA /
Canada Europe Asia /
Oceania
Model name
MFC-265C MFC-680CNMFC-465CN MFC-685CW MFC-885CWMFC-260CMFC-235C
Color/Mono
Resolution
(horizontal x
vertical)
Speed (ppm) 30/25 ppm
(Mono/Color
: 600x150
dpi)
Fonts CD Based
Paper Handling
Size
(Paper Tray)
Paper Handling
Size
(Lower Tray)
Paper Handling
Size
(Photo Paper
Tray)
Media Type
(Paper Tray)
Media Type
(Lower Tray)
Media Type
(Photo Paper
Tray)
Print Paper
Margin
(upper, lower,
left, right)
Japan Original
Print
Variable Dot
Print
Minimum Droplet
Size
Color
Enhancement
COLOR COPY
Color/Mono
Speed (cpm)
*time calculated
including paper
feeding
**EU's default is
calculated by
"normal
mode"speed.
22/20 cpm
Multi Copy
(Stack)
Multi Copy (Sort)
Reduction/Enlarg
ement (%)
Resolution
(Mono)
(horizontal x
vertical)
Resolution
(Color)
(horizontal x
vertical)
27/22 ppm
(Mono/Color: 600x150 dpi)
4"x6"
30/25 ppm
(Mono/Color: 600x150 dpi)
Yes
Yes (3 sizes)
Yes
1.5 pl
30/25 ppm
(Mono/Color: 600x150 dpi)
30/25ppm
(Mono/Color:600x150dpi)
22/20 cpm
Color
up to 1200x6000 dpi
Print: Max. 1200x1200 dpi
Scan: Max. 600x1200 dpi
Print: Max. 600x1200 dpi
Scan: Max. 600x1200 dpi
Yes(Mono Only)
18/16 cpm
N/A
25 -- 400 in 1% increments
25/20 ppm
(Mono/Color: 600x150
dpi)
A4, LTR, LGL, EXE,
JISB5, A5, A6, Photo(102x152mm/4x6"), Indexcard(127x203mm/5x8"), Photo L(89x127mm/3.5x5"),
Photo2L(127x178mm/5x7"), Post Card 1(100x148mm/3.9x5.8"),
Post Card 2 (Double)(148x200mm/5.8x7.8"), C5 Envelope, Com-10,
DL Envelope, Monarch,
JE4 Envelope.
Borderless
ON: 0, 0, 0, 0*
OFF: 3, 3, 3, 3 mm/0.12, 0.12, 0.12, 0.12"**
* Borderless For A4, LTR, A6, Photo(102x152mm/4x6"), Indexcard(127x203mm/5x8"), Photo L(89x127mm/3.5x5"), Photo 2L(127x178mm/5x7"), Post Card 1(100x148mm/3.9x5.8") only
** 12, 24, 3, 3 mm/0.47, 0.95, 0.12, 0.12" for Envelops
Color
Yes (99)
22/20 cpm
Yes (35 True Type)
N/A
Plain, Inkjet, Brother Photo,
Other Photo Transparency
N/A
N/A
Plain, Inkjet, Glossy
N/A
22/20cpm20/18 cpm
N/A
2-14 Confidential

AREA Europe Asia /
Oceania USA /
Canada Europe Asia /
Oceania USA /
Canada Europe Asia /
Oceania Europe USA /
Canada Asia /
Oceania USA /
Canada Europe Asia /
Oceania
Model name
MFC-265C MFC-680CNMFC-465CN MFC-685CW MFC-885CWMFC-260CMFC-235C
N in 1
Poster
Image
Enhancement
Paper Handling
Size (Paper
Tray)
Paper Handling
Size
(Lower Tray)
Paper Handling
Size
(Photo Paper
Tray)
Media Type
(Paper Tray)
Media Type
(Lower Tray)
Media Type
(Photo Paper
Tray)
Print Paper
Margin
(upper, lower,
left, right)
Resolution
Indication
N/A
Color/Mono
Resolution
(horizontal x
vertical)
Interpolated
Resolution (dpi)
Gray Scale
Document
Scanning width
Scan Image
Scan / OCR
Scan to E-mail
Scan to File
Scan to Media
(Media = Card or
USB memory)
Scan speed
(Mono/Color)
*@100dpi
Color Depth
(Input/Output)
TAD Yes
Plain, Inkjet, Brother Photo,
Other Photo Transparency
Yes (Scan Key)
Yes (Scan Key)
Yes
N/A
N/A
Yes (Scan Key)
Plain, Inkjet, Glossy
LCD
N/A
N/A
N/A
N/AN/A
Max.3.59/5.66 sec (Letter)
Max.3.82/6.02 sec (A4)
Yes (Scan Key)
N/A
Yes (3x3)
4"x6"
3, 3, 3, 3 mm
(0.12, 0.12, 0.12, 0.12")
up to 19200x19200 dpi
(For XP, with special tool. 1200x1200 dpi for XP w/o special tool)
Color
600x2400 dpi
LCD N/A
210 mm
LCD
Letter/Legal/A4/A5Letter/Legal/A4/A5/10(W)x15(H)cm(4"x6")
N/A
N/A
N/A
256
36/24 bit color processing
MESSAGE CENTER
Yes
Yes (Scan Key)
COLOR SCANNER
2in1/4in1
A4/LTR/Legal only
*Mono only
2in1/4in1, A4/LTR/Legal, Mono&Color
2-15 Confidential

AREA Europe Asia /
Oceania USA /
Canada Europe Asia /
Oceania USA /
Canada Europe Asia /
Oceania Europe USA /
Canada Asia /
Oceania USA /
Canada Europe Asia /
Oceania
Model name
MFC-265C MFC-680CNMFC-465CN MFC-685CW MFC-885CWMFC-260CMFC-235C
ICM Recording
Time
Toll Saver Yes
Recording
Conversation
Yes
OGM
(MC/TAD,F/T)
Yes
User Recording
OGM TIME
(MC/TAD, F/T)
Yes(20sec)
Supplier
Color/Mono
Sending
Receiving
PC-Fax Protocol
Broadcasting
Acceptable
Media Card &
Size
Acceptable USB
flash memory
Size
Paper Handling
Size & Type
(Paper Tray)
Paper Handling
Size & Type
(Photo Paper
Tray)
Print Paper
Margin
(upper, lower,
left, right)
Available paper
size for full (Max)
size printing
Direct Print Size
for A4/LTR
Borderless /
Cropping (Full
Auto)
Media Format
Image Format
Print by Media
Card/USB
memory
Yes
N/A
N/A
N/A
N/AN/A Yes
Yes
Yes
Mono
10x8 cm (4x3")
13x9 cm (5x3.5")
15x10 cm (6x4")
18x13 cm (7x5")
20x15 cm (8x6")
Up tp 8GB
Yes (Network/USB)
All size
N/A
N/A
10x15cm (4x6")/
13x18cm (5x7") only
<Paper Size>
Letter
10x15 cm (4x6")
13x18 cm (5x7")
A4
<Paper Type>
Plain Paper
Inkjet Paper
Brother Photo
Other Photo
4"x6"
10x15cm (4x6")/
13x18cm (5x7") only
N/A
Yes/Yes
DPOF, Exif DCF
Yes (Network/USB)
NA for MAC
Compact Flash (Type-1only, - for Type2&Micro-Drive): 4MB-8GB
Memory Stick: 16MB-128MB (Duo with Adopter)
Memory Stick Pro: 256MB-8GB
(MagicGate: Yes if not use MG function)
Secure Digital (SD & MMC): 16MB-2GB (MiniSD with Adopter)
Secure Digital High Capacity (SDHC): 4-8GB
xD Picture Card: 16MB-512MB
xD Picture Card Type M/Type H: 256MB-2GB
Photo Print: JPEG/JPEG
Up to 50
Yes(20sec)
N/A
N/A
Yes
N/A
N/A
N/A
Yes
N/A
N/A
N/A
N/A
N/A
N/A
Brother
N/A
Yes(20sec)
YesN/A
Max.29minutes Or Max.99 msgs (Max.180sec./1msg)
PHOTO CAPTURE CENTER
PC FAX
10x8 cm (4x3")
13x9 cm (5x3.5")
15x10 cm (6x4")
18x13 cm (7x5")
20x15 cm (8x6")
Max.Size
Borderless (For all size)
ON: 0, 0, 0, 0
OFF: 3, 3, 3, 3 mm/0.12, 0.12, 0.12, 0.12"
RX: Class 2
TX: PC-FAX Driver
TX: PC-FAX Driver
2-16 Confidential

AREA Europe Asia /
Oceania USA /
Canada Europe Asia /
Oceania USA /
Canada Europe Asia /
Oceania Europe USA /
Canada Asia /
Oceania USA /
Canada Europe Asia /
Oceania
Model name
MFC-265C MFC-680CNMFC-465CN MFC-685CW MFC-885CWMFC-260CMFC-235C
Color
Enhancement
Removable Disk
(Media Card/USB
memory)
Scan to Media
(Media = Card or
USB memory)
Network Media
Card/USB
memory access
Rotate Function Yes
Monochrome/Se
pia
Yes
Trimming Yes
Search from date Yes
Slide-show Yes
Photo Enhance
NETWORK
COMMON
Standard/Option
(User Option or
Dealer Option)
ITU SUB
Addressing
Printer
Scanner
PC FAX
Internet FAX
(Firmware)
Format (Scan to
E-mail server)
Support
Protocols
Protocols
Protocols
Protocols
Protocols
LDAP
Network
Management
(BRAdmin Light)
Network
Management
(Network Remote
Setup)
Network
Management
(MIBN/AII as well
as Brother
private MIB)
Network reset
WIRED
Model name
(Ether)
Yes Yes
N/A
N/A
N/A
Yes
Yes
Yes
N/A
N/A
N/A
Yes
Yes
Yes
Yes
Yes
Yes
Yes
Yes
YesYes
Yes
Yes
N/A
Yes
Yes
N/A
N/A
Yes (read & write)/Yes (read & write)
Color: JPEG/PDF
B&W: TIFF/PDF
Yes (read & write)
Yes: Standard
TCP/IP
(IPv4)
ARP/RARP, BOOTP, DHCP, APIPA, NetBIOS, WINS
LPR/LPD, Port9100
mDNS, FTP,
TELNET, SNMP, TFTP, Scanner port
Yes (for WLAN & WIRED at once)
(in LAN Menu )
Embedded (NC-150h)
N/A
N/A
N/A
N/A
N/A
N/A
N/A
N/A
Yes
N/A
Yes (read & write)(USB
memory only, Card is
N/A)
N/A
N/A
N/A
N/A
N/A
N/A
N/A
N/A
N/A
N/A
N/A
Yes
Yes
YesN/A
N/A
N/A
N/A
N/A
2-17 Confidential

AREA Europe Asia /
Oceania USA /
Canada Europe Asia /
Oceania USA /
Canada Europe Asia /
Oceania Europe USA /
Canada Asia /
Oceania USA /
Canada Europe Asia /
Oceania
Model name
MFC-265C MFC-680CNMFC-465CN MFC-685CW MFC-885CWMFC-260CMFC-235C
Network
connection
(Ether)
WIRELESS
Model name
(Wireless)
Network
connection
(Wireless)
Wireless
Security
Wi-Fi
Certification
Secure EZ Setup
WCN
AOSS
Auto Switch W-
LAN/WIRED LAN
Others
Cordless Phone
Remote
Setup(USB)
Web translator
Face Filter
Application (CD-
ROM)
PictBridge
Paper Size
Paper Type
Direct Print Size
for A4/LTR
Borderless /
Cropping (Full
Auto)
Index Print
DPOF
Colour
Enhancement
Print Quality
N/A Yes
Embedded(NC-160w)
Normal/Fine/Printer Setting
A4/Letter/4"x6"/Printer Setting
Plain Paper/Inkjet Paper/Glossy/Printer Setting
Ethernet 10/100BASE-TX Auto Negotiation
Yes
(up to 4units)
Yes
N/A
N/A
N/A
Yes/No
N/A
N/A Yes
N/A
N/A
N/A
Max.Size Only8"x6"(20cmx15cm)
N/A
Yes
YesN/A
N/A
N/A Yes
(for W-LAN model)
Wifi B and G
IEEE 802.11b/g
SSID (32 chr)
WEP 64/128bit
WPA-TKIP/AES
**NO LEAP**
N/A
Embedded(NC-160w)
2-18 Confidential
Confidential
CHAPTER 3
THEORY OF OPERATION
Confidential
CHAPTER 3 THEORY OF OPERATION
This chapter gives an overview of the scanning and printing mechanisms as well as the sensors,
actuators, and control electronics. It aids in understanding the basic principles of operation as
well as locating defects for troubleshooting.
CONTENTS
3.1 OVERVIEW .............................................................................................................3-1
3.2 MECHANICAL COMPONENTS.................................................................................3-2
3.2.1 Scanner Mechanism......................................................................................3-5
3.2.2 Printing Mechanism .......................................................................................3-8
3.2.2.1 Ink supply and ink jet mechanism............................................................3-9
[ 1 ] Overview ..............................................................................................3-9
[ 2 ] Features.............................................................................................3-10
[ 3 ] Head/carriage unit ...............................................................................3-11
[ 4 ] Ink cartridges......................................................................................3-18
[ 5 ] Ink refill assembly................................................................................3-20
[ 6 ] Ink supply tubes ..................................................................................3-21
3.2.2.2 Head maintenance mechanism..............................................................3-22
[ 1 ] Overview ............................................................................................3-22
[ 2 ] Maintenance unit components...............................................................3-22
[ 3 ] Mechanisms constituting the head maintenance mechanism....................3-24
[ 4 ] Purge mechanism details .....................................................................3-29
3.2.2.3 Carriage drive mechanism....................................................................3-34
3.2.2.4 Paper pulling-in, registration, feeding and ejecting mechanisms...............3-38
3.2.3 Sensors and Actuators ................................................................................3-44
3.3 CONTROL ELECTRONICS....................................................................................3-47
3.3.1 Components ...............................................................................................3-47

3-1 Confidential
3.1 OVERVIEW
Fax Control Section Printer Control Section
Print data
AC
Color
LCD USB
interface WLAN
PCB PhotoCapture
Center
Paper feeding
mechanism Power
supply
Ink jet printer unit
- Head/carriage unit
- Carriage PCB with
head flat cables
- Carriage motor
- Ink refill ASSY
- Maintenance unit
Host
- Compact Flash
- Memory Stick
- SD Memory Card
- xD-Picture Card
- Paper feed
motor
LAN
interface
LANWLAN
Control
panel
*
6
5
*
2
*
Monochrome
LCD
1
*
(Mini3e_MFC_Overview)
Backup
battery Cordless
PCB
Cordless
handsets
MJ PCB
Line Scanner unit
- CIS unit
- CIS motor
Speaker
Handset ADF unit
- ADF motor
SDAA
8
*
3
*
4
*
4
*
7
*
USB
interface
- Digital camera
(with PictBridge)
- USB flash memory
drive
9
*
Charge
PCB
4
*
*1 For models with monochrome LCD
*2 For models with color LCD
*3 For models with backup battery
*4 For models with cordless handsets
*5 For wireless LAN-enabled models
*6 For wired LAN-enabled models
*7 For models with PhotoCapture Center
*8 For models with handset
*9 For models with ADF

3-2 Confidential
3.2 MECHANICAL COMPONENTS
This machine consists of the following mechanisms and uses motors (four in models with ADF and
three in models without ADF), two encoders, various sensors, and thermistors.
Scanner Mechanism
(Right)
(Left)
(3_01)
Document path for ADF scanning
Document for flat-bed scanning
Printing Mechanism
Ink supply and ink jet mechanism, head maintenance mechanism, and carriage drive mechanism.
(Front) (Rear)
- Carriage drive mechanism
- Ink supply and ink jet mechanism
- Head maintenance mechanism
(3_01_1)

3-3 Confidential
Paper pulling-in, registration, feeding and ejecting mechanisms
(Front) (Rear)
(Section_PF)
Recording paper path

3-4 Confidential
- Document scanning mechanism CIS motor
(stepping motor)
Scanner Mechanism
(See Section 3.2.1.)
- Automatic document feeder (ADF)
mechanism*1
ADF motor*1
(stepping motor)
- Ink supply and ink jet mechanism
(See Section 3.2.2.1.)
- Head maintenance mechanism
(head capping, carriage lock, purge, head
wiper, and air removing)
(See Section 3.2.2.2.)
Paper feed motor
(DC motor)
- Carriage drive mechanism
(See Section 3.2.2.3.)
Carriage motor
(DC motor)
Printing Mechanism
(See Section 3.2.2.)
- Paper pulling-in, registration, feeding and
ejecting mechanisms
(See Section 3.2.2.4.)
Paper feed motor
(DC motor)
Encoders
(See Section 3.2.3.)
- Carriage motor (CR) encoder
- Paper feed motor (PF) encoder
Sensors
(See Section 3.2.3.)
- Document front and rear sensors*1
- Scanner/ink cartridge cover sensor
- Registration sensor
- Paper width (media) sensor
- Ink cartridge sensors
- Purge cam switch
- Hook switch*2
Thermistors
(See Section 3.2.3.)
- Head thermistor
- Casing internal temperature thermistor
*1 For models with ADF
*2 For models with handset

3-5 Confidential
3.2.1 Scanner Mechanism
This mechanism consists of the automatic document feeder (ADF)*, document cover, and scanner
unit (scanner cover).
The scanner unit consists of a scanner top cover, CIS unit, CIS drive assembly, and scanner base.
The detailed illustration on the next page shows the components making up the ADF: document
pull-in roller, document separation roller, document feed rollers, ADF motor, and document front
and rear sensors.
For further details on the sensors, see Section 3.2.3.
*For models with ADF
CIS unit
ADF unit*
Document cover
White reference film
CIS drive assembly
(CIS motor)
CIS rail
CIS idle pulley
Scanner base
CIS flat cable
CIS drive belt
Scanner top cover
Scanner unit
(Scanner cover)
14442444
3
144424443
ADF & document
cover ASSY
(3_02_e)

3-6 Confidential
Models with ADF
(3_02_1)
ADF pull-in piece
ADF motor
Document front sensor actuator
Separation pad
Document feed roller 1
Document ejection pinch rollers
Document rear sensor actuator
Document feed roller 2
(Left)
Pinch rollers 2
CIS unit
Pinch rollers 1
Document separation roller
Document pull-in roller
(Right)
ADF pull-in piece
Document front sensor actuator
Separation pad
Document feed roller 1
Document ejection pinch rollers
Document rear sensor actuator
Document feed roller 2
(Left)
Pinch rollers 2
CIS unit Pinch rollers 1
Document separation roller
Document pull-in roller
Document path for
ADF scanning
Document cover
Ejected document support section
Document guides
ADF motor
Document for flat-bed scanning
Models with ADF offer two types of scanning: ADF scanning and flat-bed scanning. They
automatically switch to the former at the start of a scan operation if the document front sensor
inside the ADF detects a document. Models without ADF offer only flat-bed scanning.

3-7 Confidential
(1) ADF scanning: Document moves across stationary CIS unit (Only for models with ADF)
Placing a document face down in the ADF activates the document front sensor, switching to ADF
scanning.
The CIS drive mechanism (details below) operates for each scanning command executed. First, the
CIS motor moves the CIS unit to the white reference film for white level compensation. Secondly,
the ADF motor rotates the document pull-in roller* to pull the document into the ADF. (*This roller
is added to this series of machines in order to pull in documents horizontally placed.) Thirdly, the
CIS motor again moves the CIS unit to the ADF scanning position.
The document separation roller feeds the pages one at a time, starting from the bottom, to the
document feed rollers (1 and 2), which rotate to move the page in a curve left, up, and right. The
page is scanned as it passes over the CIS unit. It then leaves the machine face up onto the ejected
document support section of the document guides. The machine ejects subsequent pages under this
one to preserve the document page order.
(2) Flat-bed scanning: CIS unit moves under stationary document
The user lifts the document cover, places a page (or open book) face down on the glass plate, and
closes the document cover.
The CIS drive mechanism (details below) operates for each scanning command executed. The CIS
unit first moves to the white reference film for white level compensation. It then moves right,
scanning as it goes. It returns to its home position after the scan.
CIS drive mechanism
The contact image sensor (CIS) unit rides along the CIS rail, driven by the CIS drive belt.
Clockwise motion of the CIS motor moves the unit to the right; counterclockwise motion, to the left.
This unit consists of the document illumination LED array, the lens array gathering the light
reflected from the scanned image, and the CIS PCB converting the light input to pixel data output.

3-8 Confidential
3.2.2 Printing Mechanism
The printing mechanism consists of the following.
Ink supply and ink jet mechanism (Section 3.2.2.1)
Head maintenance mechanism (Section 3.2.2.2)
Carriage drive mechanism (Section 3.2.2.3)
Paper pulling-in, registration, feeding and ejecting mechanisms (Section 3.2.2.4)
The ink supply mechanism supplies ink to the head/carriage unit, in which the ink jet mechanism
sprays ink droplets from the head nozzles onto paper.
The major components of the ink supply mechanism are:
- Ink refill assembly: This secures the ink cartridges and connects them to the corresponding ink
supply tubes.
- Ink supply tubes: These supply the head/carriage unit with ink fed from the ink cartridges via the
ink refill assembly.
The major components of the ink jet mechanism (head/carriage unit) are:
- Front end: This is an ink-jet head consisting of piezoelectric plate (PZT), metal plates, nozzle
plate, and head driver. It jets out ink to produce images on paper.
- Back end: This consists of damper assemblies and an air vent unit. Each damper assembly
dampens the ink pressure fluctuations in the corresponding ink supply tube and collects air
bubbles that result from pressure changes on the ink.
To keep the optimum head performance, the head maintenance mechanism caps the head nozzles
to prevent them from drying up, purges for removing air bubbles from the head/maintenance unit,
and wipes off any ink remaining on the head nozzle surface.
The carriage drive mechanism moves the head/carriage unit with a DC motor (carriage motor)
along the recording paper. It has a CR encoder sensor that scans the CR encoder strip and monitors
the current head position relative to the home position and the current travel speed.
The paper pulling-in, registration, feeding and ejecting mechanisms are driven by a single DC
motor (paper feed motor).
The major components are:
- Paper tray: Recording paper is stored in this tray.
- Paper pull-in rollers and their holder: These pull in paper into the machine.
- Bank ASSY: This separates paper, sheet by sheet to feed it into the printer section.
- Jam clear cover: Removing this cover allows the user to access paper jammed. It also guides
paper pulled in from the paper tray into the printer section.
- Paper feed roller: This roller performs paper registration and feeds paper to the printer section
precisely.
- Paper ejection roller: This roller ejects paper and keeps paper tension tight.
- Paper feed motor: This motor is the drive source for rollers.
- Clutch gear: This gear switches the transmission route of the paper feed motor rotation torque
between three gears--SF changeover gear, HS changeover gear, and purge gear, enabling the
torque to be applied to the various mechanisms.
- PF rotary encoder: This generates a signal indicating the rotation speed of the PF roller gear. The
signal is sent to the controller and used for controlling the paper feed position and speed.

3-9 Confidential
3.2.2.1 Ink supply and ink jet mechanism
[ 1 ] Overview
The ink supply and ink-jet mechanism consists of the head/carriage unit, four ink cartridges, ink
refill assembly, and ink supply tubes.
The head/carriage unit scans the surface of the recording paper, jetting out ink supplied through the
ink supply tubes onto the paper to produce images. For further details, see "[ 3 ] Head/carriage
unit" below.
The four ink cartridges (black, yellow, cyan, and magenta) are mounted on the ink refill assembly.
For further details, see "[ 4 ] Ink cartridges" below.
The ink refill assembly secures the ink cartridges and connects them to the corresponding ink
supply tubes. For further details, see "[ 5 ] Ink refill assembly" below.
The ink supply tubes supply the head/carriage unit with ink fed from the ink cartridges via the ink
refill assembly. For further details, see "[ 6 ] Ink supply tubes" below.
(3_03)
Head/carriage unit
(Flushing box) Ink supply tubes Ink refill assembly
(Ink absorber box)
(Maintenance unit)
3-10 Confidential
[ 2 ] Features
A distinct feature of this machine is the use of ink supply tubes between the ink cartridges and the
head/carriage unit. Relieving the head/carriage unit of the task of carrying heavy ink cartridges back
and forth across the page, the approach generally adopted by other ink-jet printers, offers the
following advantages.
- Smaller unit size--lower height, in particular
- Lower power consumption
- Lower noise levels
- Lower vibration
During print operation, the ink-jet mechanism inside the head/carriage unit sprays ink droplets from
the head nozzles. The loss of this ink from the head produces a negative pressure that replenishes
the head with ink from the ink tank through the supply tubes.
Note, however, that the above ink flow is only possible when the ink supply tubes are full of ink.
The factory therefore primes the ink supply path by applying strong suction to the head nozzles with
the maintenance unit to suck both air and ink through the ink supply tubes.
Leaving too long interval between this priming and actual use, however, risks air bubbles, increased
viscosity, and other quality issues with the ink in the supply tubes. Before using this machine for the
first time, therefore, this machine automatically replaces the ink supply path contents with fresh ink
using an initial purge, a repeat of this priming operation.
When the machine is on standby, a constant negative pressure (which is produced according to the
difference in height between the head/carriage unit and ink cartridges) is applied to the rear of the
print head, thus preventing ink from leading out of those nozzles.
NOTE: The above applies only as long as this machine rests on a horizontal surface. Standing this
machine on end or even just tilting it backwards with the print head uncapped risks overcoming this
slight negative pressure preventing ink leakage from the head nozzles.
Piezoelectric ceramic actuators inside the print head convert this ink to droplets sprayed onto the
paper. For further details, see "[ 3 ] Head/carriage unit" below.

3-11 Confidential
[ 3 ] Head/carriage unit
The head/carriage unit consists of a front end (ink-jet head) and a back end (buffer and air vent unit)
as shown below.
The front end consists of metal plates laminated together and etched to form ink flow channels.
Piezoelectric ceramic actuators generate the spray pressure. The response of individual front ends
to applied voltages and waveforms varies, however, because of the nature of piezoelectric materials,
fluctuation in manufacturing accuracy, and other factors. The front end therefore leaves the
production line with head property labels giving property data. The manufacturer writes this data to
the EEPROM on the main PCB incorporating this unit to insure consistent performance without
fluctuations.
Filter
(Head)
Head driver
Metal plates
Piezo plate
Back end
(Buffer and
air vent unit)
Front end
(Ink-jet head)
Nozzle plate

3-12 Confidential
Front end
Front end components and their main roles
- Piezoelectric plate
Applying a voltage stretches the plate, serving as the actuator for spraying ink. Consisting of thin
piezoelectric plates laminated together, this plate can be driven even by a low voltage.
- Filter
This removes foreign materials from the ink.
- Metal plates
These form the head nozzle pressure chambers, ink flow paths, and manifolds.
- Nozzle plate
This plate has a total of 376 nozzles, 47 nozzles x 2 lines staggered x 4 colors (black, yellow,
cyan, and magenta).
- Head driver
This flexible circuit board holds the piezoelectric driver chip.
Nozzle array (head bottom plate viewed from the top)
0.16930.1693 0.1693 0.1693
3.2173
6.096
8.9747
2.8787
2.8787
0.1693
(Nozzle)
Ink-jet unit (Viewed from the top)
Magenta
Cyan
Paper feed direction
Print head travel direction
Yellow
Black
Nozzles
Channels
Magenta
Cyan
Yellow
Black

3-13 Confidential
Ink spray function
The head employs drop-on-demand ink-jet printing.
Print commands to the drive circuit apply a bias voltage to the layer electrodes on the piezoelectric
ceramic surface stretching the elements perpendicular to that surface. Drive signals removing this
voltage for specific channel electrodes allow the piezoelectric elements to return to their original
shape, sucking ink into the corresponding channels*. Reapplying the bias voltage stretches the
elements once again, applying pressure to the ink, spraying it from the head nozzle. The ink drop
hits the paper on the platen, forming a dot.
* Pressure chambers for individual nozzles

3-14 Confidential
Damper ASSY (Black)
Shut-off valves
Air vent unit
(Air vent cap)
Damper ASSY (Yellow)
Damper ASSY (Cyan)
Damper ASSY (Magenta)
Right chamber
Right chamber
Right chamber
Right
chamber
Left chamber
Left chamber
Left chamber
Left chamber
(BackEnd)
(Air vent rods)
(A part of maintenance unit)
Back end
Back end components and their main roles
- Damper assemblies
Each assembly has two roles: dampening the ink pressure fluctuations* in the ink supply tube as
the carriage moves and collecting air bubbles that grow in the ink flow path.
* Ink pressure fluctuations: As the head/carriage unit travels, inertia means that the ink remains in the same
place, temporarily raising or lowering the pressure in the right chamber.
- Air vent unit
At regular scheduled intervals, this vents any air bubbles that have accumulated in the damper
assemblies. The air vent rods in the maintenance unit push up the shut-off valves, opening the air
vent flow paths.

3-15 Confidential
Damping
Without damping, ink pressure fluctuations directly affect the size of ink-jet head droplets, risking
lower print quality.
Each damper assembly has two chambers. The one on the right in the illustration below has a loose
film across its top and serves as a damper. The film immediately flexes in and out in response to
falls and rises in pressure, adjusting the chamber volume to counteract pressure fluctuations in the
ink supply tubes.
Film
(DamperFunc)
Left chamber
Air buffering
Liquid ink contains trace amounts of air. These molecules coalesce into air bubbles as the
piezoelectric ceramic actuators vary the pressure on the ink in the ink-jet head channel. (See the
illustration on page 3-12.) Removing as many of these bubbles as possible before the ink reaches
the ink-jet head is essential to maintaining proper print quality. The above illustration shows how
the damper assemblies provide air buffers, the chambers on the left, for consolidating these air
bubbles away from the ink-jet head and vent flow paths for purging them at regular scheduled
intervals.
This loose film flexes in and o ut in
response to changes in ink pressure.

3-16 Confidential
Bubble
Ink
(GrowthBubble)
Bubble
Ink
(GrowingBubble)
[ Tip: Air bubble growth ]
Liquid ink contains trace amounts of air. The amount varies with the pressure on the ink because
increasing the pressure raises the ink's ability to absorb air from its surroundings and lowering the
pressure forces the ink to give up some of this air.
The ink pressure fluctuations caused by the piezoelectric ceramic actuators repeatedly expand and
contract any air bubbles, growing them larger gradually. This is because the amount of the air per
unit area passing through the boundary surface between the ink and the bubble is always constant
but the boundary surface area decreases or increases when the bubble contracts or expands,
respectively.
That is, when the pressure becomes high, the bubble contracts so that the amount of air moving from
the bubble to the ink decreases in proportion to the boundary surface area decreased. On the
contrary, when the pressure becomes low, the bubble expands so that the amount of air moving from
the ink to the bubble increases in proportion to the boundary surface area increased.
The design therefore compensates by allowing the purging/flushing of air bubbles during printing to
keep the amount of air dissolved in the ink to a minimum.
Ink pressure in the ink supply tubes
High Low
: Pressure
: Air flow

3-17 Confidential
[ Tip: What's so bad about air bubble growth? ]
Pressure fluctuations do not affect the volume of a liquid (ink), but Boyle's Law says that the
volume of a gas (air) varies with the pressure on it. The main issue with air bubbles in the ink flow
path is their damping effect, absorbing the pressure from the piezoelectric ceramic actuators and
thus degrading ink-jet performance.
Bubble (High pressure)
Piezoelectric element
Pressure chamber
(Channel)
Bubble (Without pressure)
(Head_bubble)
The above illustration shows an example of an extremely large air bubble reaching the head nozzle
from the channel ink flow path; the dotted line, the changes resulting from applying a voltage to the
laminated electrode, expanding the piezoelectric ceramic actuator. Note how contraction of the air
bubble absorbs the pressure from the piezoelectric ceramic actuator, preventing ink ejection.

3-18 Confidential
[ 4 ] Ink cartridges
Disc valve D
(Ink_cartridge)
Disc valve S
Air
Sensor actuator
Ink cartridge
sensor
Ink
Ink empty
Filled with ink
Ink cartridge features
This machine uses four ink cartridges: a black one and three color ones with a slightly lower
capacity. It features horizontal insertion in the ink refill base over plastic needles.
Each cartridge has two ports: one supplying the ink for printing and another supplying air to replace
that ink. Both ports have a disc valve preventing ink leakage. Mounting a cartridge over the plastic
needles in the ink refill base forces these valves open to secure flow paths for both the ink and the
air.
Inks
"Removing air"
An earlier page explained how too much air in the ink risks air bubbles degrading ink-jet
performance. The manufacturing process prevents such air bubbles with a step, deaeration, that
removes air from the ink before injection into the cartridge. Vacuum packaging then prevents air
contamination during shipping and storage.
"Pigment-based ink"
Previous Brother machines used only dye-based inks. This one switches to a pigment-based ink for
black only, reducing fuzziness from print character outlines, boosting resolution for black dots, and
producing clearer images on plain paper.
This machine provides separate head caps and individual vent unit drive mechanisms for this black
pigment-based ink and its dye-based color counterparts. Such special design measures are
necessary because any mixing of the two types triggers a chemical reaction producing residue
clogging head nozzles, filters, maintenance unit piping, and other components, degrading print
performance.

3-19 Confidential
Ink cartridge components and their main roles
- Disc valve S
A plastic needle in the refill base opens this valve to supply air to the ink cartridge. Removing
the ink cartridge closes this valve to prevent leakage due to ink backflow.
- Disc valve D
A plastic needle in the refill base opens this valve to allow ink to flow out of the ink cartridge.
Removing the ink cartridge closes this valve to prevent leakage.
- Sensor actuator
This actuator indicates the amount of ink remaining. Certain positions cut the light beam to the
ink cartridge sensor on the ink cartridge PCB inside the ink refill assembly.
Ink near empty
Sensor actuator
Ink cartridge sensor
Filled with ink No ink cartridge loaded
(InkCartridgeSensor)
These ink cartridges are single-use affairs. There is no provision for refilling them. The design
reduces environment load by using no metals and only burnable materials yielding no toxic
substances.
Ink near-empty detection
The ink refill assembly has four ink cartridge sensors (photosensors of transparent type) that
monitor the ink levels with sensor actuators inside the ink cartridges.
Attached to one end of the sensor actuator is a float. When there is ink in the cartridge, buoyancy
lifts the float, rotating the sensor actuator about a pivot near the center of the actuator to block the
light beam to the sensor, indicating that there is ink. As the ink level in the ink cartridge drops,
however, the float falls, eventually moving the sensor actuator out of the beam.
Light hitting the sensor is the signal that ink is running low ("Ink near-empty"), activating a firmware
counter tracking ink usage during ink-jet printing, purges, and other operations. When this counter
reaches a predetermined limit, the firmware considers the "ink empty" and prompts the user to
replace it.

3-20 Confidential
[ 5 ] Ink refill assembly
(3_04)
Ink refill case
Ink cartridge PCB
Ink cartridge sensors
Cartridge lock levers
Ink refill base
Ink tube joints
Ink absorber felt

3-21 Confidential
Ink refill assembly components and their main roles
- Ink refill case
- Cartridge lock levers
- Ink refill base
- Ink tube joints
- Ink cartridge sensors (on the ink cartridge PCB)
- Ink absorber felts
Inserting the ink cartridges into the ink refill case and securing them with the cartridge lock levers
forces the cartridges' ink supply ports into close contact with the ink refill base to prevent ink
leakage.
The ink from the ink cartridges flows through the ink refill base into the ink supply tubes connected
to the ink tube joints. As the ink level in an ink cartridge drops, the pressure inside falls, drawing air
in the ink cartridge.
An ink cartridge sensor actuator blocking light to an ink cartridge sensor indicates that there is ink
in the ink cartridge. When ink runs low, the actuator moves out of the beam, activating the sensor
("Ink near-empty"). (Note that the firmware also interprets a missing ink cartridge as running low on
ink.)
At the back of and beneath the ink refill case are ink absorber felts that absorb any ink that leaks
from the ink cartridges, limiting its spread and thus reducing the risk of damage to other components.
[ 6 ] Ink supply tubes
These are made of an elastomer providing a highly impermeable barrier against air ingress and
drying out of the ink during extended periods of nonuse. This material is also soft and highly
flexible to better withstand the sharp and frequent bending associated with high-speed head
operation repeatedly over extended periods.

3-22 Confidential
3.2.2.2 Head maintenance mechanism
[ 1 ] Overview
The head maintenance mechanism consists of the maintenance unit and the ink absorber box. (See
the illustration below.)
The maintenance unit has the following mechanisms.
- Head capping mechanism (See page 3-24.)
- Carriage lock mechanism (See page 3-25.)
- Purge mechanism (See page 3-25.)
- Head wiper mechanism (See page 3-27.)
- Air removing mechanism (See page 3-28.)
The ink absorber box absorbs the ink sucked out by purge operations.
(3_05)
(Head/carriage unit)
Flushing box (Ink supply tubes) (Ink refill assembly)
Ink absorber box
Maintenance unit
[ 2 ] Maintenance unit components
See the illustration given on the next page.
- Pump switching unit
This switches the application target of the negative pressure generated by the tube pump (see the
next page) between the head cap for black ink, the one for color ink, and the air vent cap. Usually
the pump switching unit is switched to the opening tube to the atmospheric air so that the
pressure in the head caps and air vent cap is equal to the normal atmospheric pressure.
- Purge cam
This rotating cam drives the carriage lock, the pump switching unit, the air vent rods, the head
wiper, etc.
- Head/carriage lock
This locks the head/carriage unit in its home position so that the head cap unit (see the next page)
protects the head nozzles.

3-23 Confidential
- Purge gear and purge bevel gear
These gears transmit the power from the clutch gear (detailed in [ 4 ] later) to the planetary arm.
- Planetary arm
This switches power to the tube pump or pump switching unit depending on the direction of paper
feed motor rotation.
- Tube pump
A roller squeezes the main drain tube looped inside, forcing their contents toward the ink
absorber box and creating negative pressure.
- Head cap unit
When the power is off or the machine is not printing, the head cap unit fits tightly over the print
head to prevent the head nozzles from drying up and to seal the head nozzles for purge operations
to suck up old ink.
- Air vent cap and rods
During air venting with the tube pump, the air vent cap fits tightly over the air vent unit in the
head/carriage unit so that the negative pressure applies to the air vent unit. Pushing up the air
vent rods opens the shut-off valves inside the air vent unit, removing air trapped in the damper
assemblies. (For the air vent unit, see Section 3.2.2.1, [ 3 ].)
- Head wiper
As the head/carriage unit moves, this wipes off any ink remaining on the head nozzle surface.
- Head cap holder
This moves to the right together with the head/carriage unit as the latter returns to its home
position. Rightward motion of the head cap holder turns the lift arms, fitting the head cap unit
tightly over the print head to seal the head nozzles.
Viewed from the top Viewed from the bottom
(3_05_1)
Air vent rods
Head cap unit
Head wiper
Head/carriage lock
Head cap holder
Purge gear
Air vent cap
(3_05_2)
Pump switching unit
Purge cam
Purge bevel gear Planetary arm
Tube pump
Purge gear

3-24 Confidential
[ 3 ] Mechanisms constituting the head maintenance mechanism
(1) Head capping mechanism
When the power is off or the machine is not printing, this mechanism fits the head cap unit (which
contains two head caps) tightly over the print head to prevent the head nozzles from drying up and
to keep dust off the head nozzle surface.
This mechanism is driven by the head/carriage unit. When the head/carriage unit returns to its home
position, it presses against the head cap holder in the maintenance unit. The lift arms in the
maintenance unit raise the head cap unit, fitting it tightly over the head nozzle surface to protect it.
Head/carriage unit
Head cap unit
(Containing two
head caps)
Lift arms
Head cap holder
(Purge_3_1)
Head cap for black ink
Print head
Head cap for color ink
Color drain tube
Main drain tube
Pump switching unit
Black drain tube
(Purge_3_2)
To opening to
atmospheric air
To air vent cap

3-25 Confidential
(2) Carriage lock mechanism
This mechanism locks the head/carriage unit to prevent the head nozzles from getting out of the
head cap unit accidentally due to external vibration or impact when the machine is not printing,
when the power is off, or during transport.
Driving the purge cam causes the carriage lock to pop up in order to lock the head/carriage unit
when the head caps are tightly pressed against the ink-jet units.
(3_09)
Carriage lock
Purge cam
(Front)
Maintenance unit
(3) Purge mechanism
Driving the purge cam to the pump switching unit's black or color ink drain position reverses the
paper feed motor and activates the tube pump, producing negative pressure to drain the air and old
ink from the head nozzles and channels into the ink absorber box.
Pump switching unit
Purge bevel gear
Tube pump
Main drain tube
Color drain tube
Black drain tube
Opening tube to
the atmospheric air
Air vent tube
(3_10)
Purge cam
Main drain tube

3-26 Confidential
(3.1) Switching pump
The pump switching unit switches the application target of the negative pressure generated by the
pump between the head cap for black ink, the one for color ink, and the air vent cap.
When the purge cam is in a head capping position and the carriage lock fits the head cap unit tightly
over the print head, the pump switching unit is switched to the opening tube to the atmospheric air
so that the pressure in the head caps and air vent cap returns to the normal atmospheric pressure.
Head cap for black ink
Print head
Head cap for color ink
Color drain tube
Main drain tube
Pump switching unit
Black drain tube
(Purge_3_2)
To opening to
atmospheric air
To air vent cap
(3.2) Draining ink
The tube pump consists of a pump gear and tube roller. As the pump gear rotates, the tube roller on
its circumference squeezes the main drain tube looped around the pump gear, forcing its content
toward the ink absorber box and creating negative pressure.
Main drain tube
Pump gear
Tube roller
Tube pump
(TubePump
)
For details about the purge mechanism, see [ 4 ] below.

3-27 Confidential
(4) Head wiper mechanism
After the purge operation, the purge cam pushes up the head wiper, wiping off any ink remaining on
the head nozzle surface as the head/carriage unit moves from right to left.
(3_11)
Maintenance unit
Pur
g
e cam
Head wiper

3-28 Confidential
Damper ASSY (Black)
Shut-off valves
Air vent unit
(Air vent cap)
Damper ASSY (Yellow)
Damper ASSY (Cyan)
Damper ASSY (Magenta)
Right chamber
Right chamber
Right chamber
Right
chamber
Left chamber
Left chamber
Left chamber
Left chamber
(BackEnd)
(Air vent rods)
(A part of maintenance unit)
(5) Air removing mechanism
Another position of the purge cam shifts the slide cams, producing vertical motion of the air vent
rods. Pushing up the air vent rods opens the shut-off valves inside the air vent unit of the
head/carriage unit. Simultaneously adding negative pressure from the tube pump removes air
trapped in the damper assemblies.
(3_12)
Clutch gear
Purge gear
Slide cam
for color ink
Purge cam
Slide cam
for black in
k
Air vent cap
Air vent rods
Maintenance unit

3-29 Confidential
[ 4 ] Purge mechanism details
This mechanism draws its power from the paper feed motor on the left side of the engine chassis.
Power transmission route from paper feed motor to maintenance unit
The paper feed motor drives the PF roller gear L that rotates the paper feed roller. At the right end
of the roller (left in the illustration because the view is from the rear) is the PF roller gear R which
always meshes with the clutch gear.
The clutch gear also meshes with the SF changeover gear when the mode switching lever is in the
leftmost position (as viewed from the front). When the head/carriage unit travels from the left to
right to reach the purge position, a tab on the carriage rear panel pushes the mode switching lever to
the right (left in the illustration). The clutch gear spring pushes the clutch gear to the right, away
from the SF changeover gear and HS changeover gear, to mesh with the purge gear. This way, the
clutch gear switches the operation mode to the purge mode.
The power transmission route and operation mode switching are detailed in Section 3.2.2.4.
(3_06)
Paper feed roller
(Front)
Mode switching lever
Switching lever spring
Clutch gear
Purge bevel gear
Purge gear
HS changeover gear
SF changeover gear
Clutch gear spring
PF roller gear R
Paper feed motor
PF roller gear L
(Right)

3-30 Confidential
Purge mode
In the purge mode, the motor rotational torque is transmitted to the purge gear, purge bevel gear, and
planetary arm to drive the pump switching unit or tube pump (depending upon the motor rotational
direction).
(3_07)
PF roller gear L
Purge gear
Paper feed motor
SF changeover gear
HS changeover gear Purge bevel gear
Planetary arm
Pump switching unit
Maintenance unit
PF roller gear R
Tube pump
When the head/carriage unit moves left from the purge position, the tab on the carriage rear panel
releases the mode switching lever, allowing the switching lever spring to force the mode switching
lever and the clutch gear to the left (see the illustration on the previous page). The switching lever
spring is stronger, so forces the clutch gear spring back, disengaging it from the purge gear.
(3_09_1)
Clutch gear
HS changeover gear
SF changeover gear
Purge cam
(Front)
Maintenance unit
Purge gear (engaged with the
purge bevel gear)
Mode switching lever

3-31 Confidential
Switching the power transmission with the planetary arm in the maintenance unit
When the paper feed motor is driving the maintenance unit, the counterclockwise (when viewed
from the output gear side) rotation meshes the planetary arm with the tube pump; the clockwise
rotation, with the purge cam.
Purge bevel gear
Planetary arm
Tube pump
Main drain tube
Black drain tube
Opening tube to
the atmospheric air
Pump switching unit
Air vent tube
Color drain tube
Purge cam switch
(3_08)
Purge cam
Purge cam mechanism
The purge cam is so designed that:
- the carriage lock pops out to lock the head/carriage unit before purging and pops in before
cleaning with the head wiper (this lock also secures the head/carriage unit during transportation),
- the pump switching unit switches the application target of the negative pressure generated by the
pump between the head cap for black ink, the one for color ink, the air vent cap, and the opening
tube to the atmospheric air,
- the head wiper comes out to clean the nozzle surface, and
- the air vent rods are pushed up via the slide cams to remove air trapped.
The purge cam switch detects the cam drive positions. (See Section 3.2.3.)

3-32 Confidential
Purge types, ink usage, purge counts, and purge codes
Purge Types Description Ink Usage Purge Counts
Purge Codes
(In the maintenance
mode, Function
code 76)
Normal purge This purge operation removes
dried ink sticking to the head
nozzles.
Black: 0.21 mL
Per color: 0.13 mL
Black: 11
Total of
colors: 21
1
Periodical reset
purge
This purge operation removes
any bubbles that have
accumulated in the ink supply
tubes.
Black: 0.44 mL
Per color: 0.32 mL
Black: 24
Total of
colors: 54
2
Power purge More powerful than a
periodical reset purge, this
purge operation is for
removing stubborn clogging
from the head nozzles and ink
supply tubes.
Black: 0.59 mL
Per color: 0.38 mL
Black: 32
Total of
colors: 64
3
Initial purge When the user loads ink
cartridges for the first time,
this purge operation
automatically runs to refill the
ink supply tubes and print
head with fresh ink.
Black: 2.92 mL
Per color: 2.59 mL
Black: 163
Total of
colors: 432
4
User reset purge This purge operation should
be performed if the print
quality problem persists after
a user has performed the
purge operation repeatedly by
pressing the Ink (Ink
Management) key.
Black: 0.50 mL
Per color: 0.32 mL
Black: 28
Total of
colors: 54
5
Engine setup
purge
This purge operation refills
the ink supply tubes with ink
when there is no ink in those
tubes.
Black: 2.92 mL
Per color: 2.59 mL
Black: 163
Total of
colors: 432
6

3-33 Confidential
Ink cartridge capacities
Ink Cartridge Type Contents Usable Portion
Black ink cartridge 18.2 mL 16.3 mL or more*1
Standard type
Color ink cartridges 9.0 mL 5.9 mL or more*1
Black ink cartridge 14.1 mL 12.16 mL or more*1
Starter and spare
ink cartridges
Low yield type*2
Color ink cartridges 6.8 mL 4.9 mL or more*1
*1 These are the values measured with an actual machine, not the guaranteed ones.
Number of printable pages per ink cartridge
Print conditions: 600 x 600 dpi ("Normal" print quality), continuous printing, 5% coverage
Ink Cartridge Type Number of Printable Pages per Ink Cartridge*3
Black ink cartridge Approx. 500 pages
Standard type
Color ink cartridge Approx. 400 pages
Black ink cartridge Approx. 350 pages
Low yield type*2
Color ink cartridge Approx. 300 pages
*2 For models with low yield ink cartridges
*3 When the ink cartridge is not used for an initial purge
■ The contents and usable portion of ink cartridges are subject to change without notice.
■ The ink consumption differs depending on individual machines and ambient environmental
conditions. The numbers of printable pages per ink cartridge listed above are typical values under
ordinary conditions.

3-34 Confidential
3.2.2.3 Carriage drive mechanism
The head/carriage unit, which integrates the print head unit and carriage, is supported and guided by
the CR guide rail and CR support chassis. The CR timing belt transmits the carriage motor rotation
to the head/carriage unit. Clockwise motor rotations move the head/carriage unit to the right;
counterclockwise ones to the left.
The CR encoder sensor on the top of the head/carriage unit scans the CR encoder strip above the
CR support chassis to monitor the current head position relative to the home position. The
controller uses this signal for robust control ensuring uniform speed.
The CR encoder strip is a clear film striped in a 1/150 inch cycle. It offers a choice of two travel
speeds of the head/carriage unit, 43.3 and 21.7 ips, to match the print resolution.
(3_13_e)
(Front)
CR timing belt
CR encoder strip
Idle pulley
Carriage motor Carriage motor
pulley
(Paper feed roller)
Head/carriage unit
CR guide rail
CR support chassis
CR encoder sensor

3-35 Confidential
Adjusting the print head angle relative to carriage
For optimal image printing, the print head nozzle array must be perpendicular to the head/carriage
unit's line of travel. Manufacturing limitations, however, make perfect alignment impossible during
mass production. The angle must be adjusted at the individual machine level.
The following describes this adjustment mechanism's components and their roles.
Slider L, the slider, and the rib attach the head/carriage unit to the CR support chassis. The rib acts
as a pivot for the slider's damping springs pressing the head/carriage unit to the rear. Slider L has a
head skew adjuster knob that shifts the slider back and forth, adjusting the angle of this backward
pressure. Rotating the head skew adjuster knob tilts the entire head/carriage unit, thus adjusting the
head nozzle vertical angle relative to the carriage unit's line of travel.
This knob offers 15 settings, from -7 to +7.
Viewed from the bottom
Damping springs
Rib
CR encoder strip
CR timing belt
(Front)
Slider
Slider L
Head skew adjuster knob
(3_14)

3-36 Confidential
Height adjustment of the head/carriage unit
For optimal image printing, a pair of slider cams mounted on the head/carriage unit switches the
height of the head/carriage unit against the CR guide rail and support chassis between three levels
for "Brother premium glossy photo paper," "thick paper and envelopes" and "other types of paper"
in order to bring the optimum distance between the head nozzle surface and paper.
The slider cams can be switched by hitting against the stoppers at the right and left ends of the CR
guide rail and CR support chassis.
(3_15_1)
Head/carriage unit
Slider cam
CR guide rail
CR support chassis
Slider cam
For "Brother premium glossy photo paper":
When printing on Brother premium glossy photo paper, the machine uses ink droplets of 1.5
picoliters (pL) and switches the head/carriage unit to the lowest position to make the distance ("a"
in the illustration below) narrower than the one ("b") specified for other types of paper. This enables
jetted minimal ink droplets to accurately hit the target position on paper.
For "thick paper and envelopes" and "other types of paper":
The machine adjusts the height of the head/carriage unit to keep the distance ("b") constant.
For "Brother premium glossy
photo paper"
For "other types of paper"
(Paper except Brother premium glossy
photo paper, thick paper and envelopes)
For "thick paper and envelopes"
Paper
Head nozzle surface
Platen
"a"
Head nozzle surface
Paper
Platen
"b"
Head nozzle surface
Paper
Platen
"b"
Head/carriage unit (top view)
Slider cam
Slider cam
(Front)
(3_15_2)
(3_15_3_e)

3-37 Confidential
As listed below, the printer driver on the connected PC or the paper type setting on the machine
controls the slider cams to determine the height of the head/carriage unit.
Adjustment for:
Controlled by: Brother premium glossy photo
paper
Thick paper and envelopes
Printer driver (in printing from PC) Yes Yes
Paper type setting (in copying and
printing via PhotoCapture Center*) Yes No
* For models with PhotoCapture Center

3-38 Confidential
3.2.2.4 Paper pulling-in, registration, feeding and ejecting mechanisms
These mechanisms are driven by a single paper feed motor located on the left side of the engine
chassis via a gear train. (See the illustration on the next page.)
The following illustration is a cross-sectional view of the machine viewed from the right. Place the
recording paper face down in the paper tray. This paper first proceeds to the rear, bends upward,
heads back toward the front, passes under the head/carriage unit for printing, and finally comes out
onto the top of the paper tray cover.
Paper tray
Paper tray cover
Paper pull-in rollers
Bank ASSY
Paper pull-in roller holder
Platen
Paper ejection roller
Head/carriage unit
Star wheel holder ASSY
Paper feed roller
Jam clear cover
Registration sensor actuato
r
(Front)
(PrintingMechanism)
Recording paper path
The machine supports two paper feed modes--"normal SF mode" and "high-speed feed mode." The
latter mode applies when the "Fast" print quality is selected and the former mode, when any other
print quality is selected.

3-39 Confidential
Power transmission route and motor rotational direction
The rotation torque of the paper feed motor is transmitted via the PF roller gear L and paper feed
roller to the PF roller gear R which always meshes with the clutch gear, as described in Section
3.2.2.2, [ 4 ].
The clutch gear also meshes with the SF changeover gear, HS changeover gear, or purge gear when
the mode switching lever is in the leftmost position, 2nd position from the left, or right position,
thereby switching the operation mode to the normal SF, high-speed feed, or purge mode,
respectively.
Purge gear
Mode switching lever
Clutch gear
HS changeover gear
SF changeover gear
SF idle gears
Paper pull-in rollers
Paper pull-in gear shaft
Paper pull-in gear shaft
HS idle gear
Head/carriage unit
Mode switching lever
(Normal SF mode position)
SF changeover gear
Paper pull-in gear
PF roller gear R
(3_16_e)
PF roller gear L
Paper feed motor
PF motor gear
Ejection idle gear
PF timing belt Paper ejection roller
(Front)
SF idle gears
Paper feed roller
(Purge mode position)
(High-speed feed mode position)

3-40 Confidential
Normal SF mode High-speed feed mode Purge mode
Paper feed motor
PF roller gear L
PF roller gear R
Clutch gear Switching to normal SF mode,
high-speed feed mode, or
purge mode
Switching depending upon
the motor rotational direction
CW:
CCW:
Paper feed roller
SF changeover gear
SF idle gears HS idle gear
Paper pull-in gear shaft
Gear train in the paper
pull-in roller holder Purge cam Tube pump
Paper pull-in rollers
Purge bevel gear
Planetary arm
HS changeover gear Purge gear
[CW] [CCW]
[CCW/CW] [CW] [CW/CCW]
[Reverse/Forward] [Forward] [Forward/Reverse]
[Reverse/Forward] [Forward]
Motor rotation
Clockwise
Counterclockwise
Maintenance unit
Switching operation modes--Normal SF, high-speed feed, and purge modes
The table below shows the relationship between the position of the mode switching lever, the
rotational directions of the paper feed motor, paper feed roller, and paper pull-in rollers, and the
maintenance unit components driven.
Position of mode
switching lever Operation
Paper feed motor
(viewed from the
output gear side)
Paper feed
roller
Paper pull-
in rollers
Component
driven in
maintenance unit
Paper feeding Counterclockwise Reverse Forward ---
Leftmost position
(Normal SF mode) Printing Clockwise Forward (Reverse)* ---
High-speed paper
feeding & printing Clockwise Forward Forward ---
2nd position from the
left
(High-speed feed
mode) Paper reversing Counterclockwise Reverse Reverse ---
Clockwise --- --- Purge cam
Right position
(Purge mode) Purging
Counterclockwise --- --- Tube pump
*The paper pull-in rollers are idling in the reverse direction.

3-41 Confidential
Normal SF mode
1st stage The paper feed motor rotates counterclockwise (when viewed from the output gear side)
and its rotational torque is transmitted to the PF roller gear L that rotates the paper feed
roller in the reverse direction. (See the illustration on page 3-39.)
At the right end of the paper feed roller is the PF roller gear R that always meshes with
the clutch gear. The clutch gear also meshes with the SF changeover gear when the mode
switching lever is placed in the normal SF mode position (Leftmost position).
The rotational torque is further transmitted from the SF changeover gear via the SF idle
gears to the paper pull-in gear shaft and gear train in the paper pull-in roller holder.
Consequently, the paper pull-in rollers turn in the forward direction to pull in a sheet of
paper loaded in the paper tray.
2nd stage After the pulled-in paper pushes the registration sensor actuator to turn the sensor on,
the motor further rotates counterclockwise for the predetermined period to align
(register) the leading edge of the paper with the paper feed roller rotating in the reverse
direction.
3rd stage The paper feed motor changes the rotational direction to clockwise to rotate the paper
feed roller in the forward direction to feed the paper to the printing start position.
The rotational torque of the PF roller gear L is also transmitted via the ejection idle gear
and PF timing belt to the paper ejection roller that rotates in the forward direction to
eject the paper printed.
High-speed feed mode
1st stage The paper feed motor rotates clockwise (when viewed from the output gear side) and its
rotation is transmitted to the PF roller gear L that rotates the paper feed roller in the
forward direction.
At the right end of the paper feed roller is the PF roller gear R that always meshes with
the clutch gear. The clutch gear also meshes with the HS changeover gear when the
mode switching lever is placed in the high-speed feed mode position (2nd position from
the left).
The rotational torque is further transmitted from the HS changeover gear via the HS idle
gear to the paper pull-in gear shaft and gear train in the paper pull-in roller holder. Just
as in the normal SF mode, the paper pull-in rollers turn in the forward direction to pull
in a sheet of paper loaded in the paper tray.
Registration sensor activation has no effect on the paper feeding operation in the high-
speed feed mode.
The paper feed roller keeps rotating in the forward direction; therefore, the paper
continues to advance to the printing start position.
Just as in the normal SF mode, the rotational torque of the PF roller gear L is also
transmitted via the ejection idle gear and PF timing belt to the paper ejection roller that
rotates in the forward direction to eject the first sheet of paper printed.
Even after the first sheet of paper leaves the paper tray, the paper pull-in rollers keep
rotating in the forward direction to continuously pull in paper sheet by sheet. At the
completion of the first printing sequence, another sheet of paper has been halfway pulled
in. The paper feed roller always rotates faster than the paper pull-in rollers; therefore,
the trailing edge of the preceding sheet will not overlap with the leading edge of the
subsequent one.
2nd stage When the registration sensor actuator returns to the no-paper state after completion of a
sequence of printing operation, the paper feed motor starts rotating counterclockwise to
rotate the paper pull-in rollers in the reverse direction so that the halfway-pulled-in
paper goes back into the paper tray. The paper hits the paper length guide provided in
the paper tray and goes back into place.

3-42 Confidential
Movable platen*
*Only for models with movable platen
The movable platen has movable ribs that move in synchronization with the leading or trailing edge
of advancing paper. It realizes the following.
- Increased printing speed in borderless printing
- Eliminating paper deflection that could occur in printing on the trailing edge of paper
Synchronization with leading edge of paper
When the leading edge of the paper reaches the movable rib drive position, the head/carriage unit
moves to the left end of its travel and pushes the upper end of the movable platen lever, releasing
its lower end that blocks the rotation of the movable platen cam gear. This triggers driving the
movable platen mechanism.
The mechanism transmits the paper feed motor rotation to the movable ribs. They move from the
home position (center) to the upstream limit of the movable range to wait for the leading edge of the
paper to come. They move in synchronization with the leading edge of the paper advancing. When
they reach the downstream limit, they return to the home position. This is a sequence of the
movable rib operation.
Synchronization with trailing edge of paper
When the registration sensor detects the trailing edge of the paper, the motor further feeds the paper
for the predetermined amount. After that, the head/carriage unit pushes the upper end of movable
platen lever again. Just as for the leading edge of paper, the movable ribs move to the upstream
limit of the movable range to wait for the trailing edge of the paper advancing to come and then
move in synchronization with the trailing edge. When the movable ribs have reached the downstream
limit and the printing operation has completed, they return to the home position.
(Front)
(3_17_e)
Head/carriage unit
CR guide rail
Paper feed roller
Movable platen
Movable platen lever Movable ribs
Home position
(Center)
Upstream limit
Downstream limit

3-43 Confidential
Other controls
Paper feed position and speed control
A PF encoder disk with the resolution of 300 dpi (0.084 mm pitch) is mounted on the PF roller gear
L. The PF encoder sensor uses it to generate a signal indicating the gear rotation speed--in other
words, the paper feed roller speed--to the controller for use in controlling paper feed position and
speed.
Paper stop position control
The controller uses the PF encoder signal for proportional, integration, differential (PID) control of
the paper feed motor to produce high-resolution precision paper positioning during printing. This
signal also determines the motor parameters for rapidly and precisely positioning the paper.
Fixed-speed paper feed
This operation rotates the paper feed roller to feed the paper at a constant speed regardless of load
fluctuations. The primary application is ejecting paper when printing is complete--in other words, in
situations where precision stop position control is not needed.
Paper feeding amount control
There is variation in the head nozzle pitch of individual head/carriage units, as well as in the shape
of the paper feed and ejection rollers. To make those parts match each other, therefore, updating the
paper feeding correction value and correcting the positioning error of the head/carriage unit are
necessary (see Chapter 7).

3-44 Confidential
3.2.3 Sensors and Actuators
This machine uses the following sensors and thermistors.
Sensor Name Sensor Type Location
Document front sensor*1 Photosensor
Document rear sensor*1 Photosensor
In the ADF unit*1
Scanner/ink cartridge cover sensor Photosensor On the cover sensor PCB
Paper width sensor (media sensor) Photosensor
Head thermistor Thermistor
CR encoder sensor Photosensor
On the carriage PCB
Registration sensor Photosensor On the registration sensor PCB
PF encoder sensor Photosensor On the PF encoder PCB
Purge cam switch Mechanical switch On the maintenance unit
Ink cartridge sensors (four) Photosensor
Casing internal temperature thermistor Thermistor
On the ink cartridge PCB inside
the ink refill assembly
Hook switch*2 Photosensor
On the hook switch PCB*2 in
the lower cover
*1 For models with ADF
*2 For models with handset
• The document front sensor detects whether there is a document in the ADF.
• The document rear sensor detects the leading and trailing edges of document pages, indicating to
the control circuitry the point at which to start reading and when page scanning is complete.
• The scanner/ink cartridge cover sensor detects whether the scanner cover (scanner unit) and the
ink cartridge cover are properly closed.
• The paper width (media) sensor detects the size of recording paper. With this sensor signal, the
controller prevents the print head from printing on the outside of paper in borderless printing. It
also protects the platen from no-paper printing when a paper jam occurs, preventing stains on the
platen and the back side of paper.
• The head thermistor detects the temperature of the print engine. According to the sensor
information, the controller adjusts the head driver to compensate for changes in ink viscosity.
• The carriage motor (CR) encoder sensor monitors the head/carriage unit's current position and
speed. If the controller detects a head's travel speed error, it interprets the error state as a paper
jam and stops the operation.
• The registration sensor detects the leading and trailing edges of paper for use in determining print
start and end timings and detecting paper jams.
• The paper feed motor (PF) encoder sensor monitors the PF roller rotation angle and speed for
use in optimizing paper feed amount and speed.
• The purge cam switch detects the drive positions of the purge cam.
• There are four ink cartridge sensors, one for each color. The sensor actuator inside the ink
cartridge usually blocks the light path to indicate the presence of ink. When ink runs low (near-
empty), the arm moves out of the beam, activating the sensor. The same signal also indicates
whether there is an ink cartridge present.

3-45 Confidential
• The casing internal temperature thermistor monitors the temperature inside the machine. With
this thermistor signal, the controller determines the periodical automatic purge interval since the
casing internal temperature is almost equal to the ambient temperature of ink inside the ink
cartridges.
• The hook switch* detects whether the handset is on the handset mount.
*For models with handset
Most sensors are photointerrupters consisting of a light-emitting diode and a light-sensitive
transistor as shown below. The only exception is the paper width sensor, which uses reflective type.
The illustration on the next page gives the sensor and actuator locations.
Actuator's end
Light-sensitive
transistor
Light-emitting
diode

3-46 Confidential
Document rear sensor
Document front sensor
Document rear sensor actuator
Document front
sensor actuator ADF & document
cover ASSY
(Sensors&ActuatorsADF_J)
*
1
*
1
*
1
*
1
*
1
CR encoder sensor
PF encoder sensor
Registration sensor
(Registration sensor
PCB)
(PF encoder PCB)
PF encoder disk
Registration sensor actuator
(Head/carriage unit)
Ink cartridge sensors
(3_18_MFC_J)
(Cover sensor PCB)
Scanner/ink cartridge
cover sensor
Ink cartridge cover
sensor actuator
Scanner cover sensor
actuator
Purge cam switch
(Maintenance unit)
CR encoder strip
Paper width
sensor
(Ink cartridge PCB on which
the casing internal temperature
thermistor is also mounted)
(Carriage PCB on which the
head thermistor is also mounted)
Hook switch
(Hook switch PCB)
Hook switch actuator*2
*2
*2
*1 For models with ADF
*2 For models with handset
Sensors and Actuators Locations

3-47 Confidential
3.3 CONTROL ELECTRONICS
3.3.1 Components
The following illustration shows the hardware components. The corresponding wiring diagrams
appear in Appendix 5.
Main PCB
ROM
SDRAM Control panel PCB
Cover sensor PCB
Carriage PCB
CR encoder sensor
Head thermistor
14-wire (Head 1)
12-wire (Head 3)
13-wire (Head 2)
Head/
carriage
unit
Paper width sensor
2-wire
Carriage motor
12-wire
CIS unit
4-wire
4-wire
3-wire
3-wire
CIS motor
Paper feed motor
SCANNING
INK JET PRINTING & PAPER FEEDING
Media 1
(xD/SD/MS
card)
Media 2
(CF card)
Ink refill ASSY
9-wire
2-wire
EEPROM
DC motor driver
Stepping motor driver
Ink cartridge PCB
Ink cartridge sensors
Purge cam switch
Maintenance unit
ADF motor
ADF unit
Document rear sensor
Stepping motor driver
PF encoder PCB
PF encoder sensor
Registration sensor PCB
7-wire
2-wire
32MB
16MB
Main
ASIC
8MB
4MB
Document front sensor
*
2
*
1
Color LCD
4-wire
7-wire
5-wire
18-wire
LAN PC
LAN I/F USB
Power supply
PCB AC line
*
6
Monochrome LCD
PictBridge
USB
Registration sensor
4-wire
3-wire
WLAN PCB
WLAN
4-wire in 6-wire
connector housing
- Digital camera
- USB flash memory drive
Scanner/ink cartridge
cover sensor
(Mini3e_MFC_BlockDiagram)
Casing internal temperature thermistor
4-wire
Backup battery
2-wire
18-wire
2-wire
2-wire
Speaker
Cordless PCB
MJ PCB Line
External telephone
SDAA
MODEM
*
11
*
12
*
12
*
3
*
6
*
7
*
6
*
7
*
5
*
4
DC motor driver
Antenna
*
3
*
4
2-wire
28-wire
*
7
*
8
*
10
*
8
*
8
2-wire
Charge PCB
*
3
6-wire
Hook switch PCB
*
9
*1 For wireless LAN-enabled models
*2 For wired LAN-enabled models
*3 For models with cordless handsets
*4 For models with TAD
*5 For models without TAD
*6 For models with monochrome LCD
*7 For models with wide color LCD
*8 For models with 2.0-inch color LCD
*9 For models with handset
*10 For models with ADF
*11 For models with backup battery
*12 For models with PhotoCapture Center
Confidential
CHAPTER 4
ERROR INDICATION AND
TROUBLESHOOTING

Confidential
CHAPTER 4 ERROR INDICATION AND TROUBLESHOOTING
This chapter details error messages and codes that the incorporated self-diagnostic functions
display if any error or malfunction occurs. If any error message appears, refer to this chapter to
find which components should be checked or replaced.
The latter half of this chapter provides sample problems that could occur in the main sections of
the machine and related troubleshooting procedures. This will help service personnel pinpoint
and repair defective components.
CONTENTS
4.1 ERROR INDICATION ...............................................................................................4-1
4.1.1 Equipment Errors..........................................................................................4-1
[ 1 ] Error messages appearing on the LCD ...................................................4-1
On the machine..........................................................................................4-1
On cordless handsets (For models with cordless handset).............................4-6
[ 2 ] Error codes contained in "MACHINE ERROR X X" messages...................4-7
4.1.2 Communications Errors................................................................................4-21
Definition of Error Codes on the Communications List..................................4-22
4.2 TROUBLESHOOTING...........................................................................................4-28
4.2.1 Introduction.................................................................................................4-28
4.2.2 Precautions ................................................................................................4-28
4.2.3 Checking Prior to Troubleshooting ................................................................4-28
4.2.4 Troubleshooting Based on Problem Type......................................................4-30
[ 1 ] Control panel and LCD problems ..........................................................4-30
[ 2 ] Telephone problems ............................................................................4-30
[ 3 ] Communications problems....................................................................4-31
[ 4 ] Paper/document feeding problems........................................................4-31
[ 5 ] Print-image problems...........................................................................4-32
[ 6 ] PC-driven printing problems..................................................................4-37
[ 7 ] Printing from memory cards--Compact Flash, Memory Stick, SD Memory
Card, or xD-Picture Card (For models with PhotoCapture Center)...........4-37
[ 8 ] Wireless LAN (WLAN)*........................................................................4-38
[ 9 ] Others................................................................................................4-38
4.2.5 Problems Encountered Frequently in the Past................................................4-39
Confidential
[ 1 ] Paper jams .........................................................................................4-39
[ 2 ] "MACHINE ERROR 4F" error message.................................................4-40
[ 3 ] Ink-related problems............................................................................4-40
[ 4 ] Auto document feeder (ADF) malfunction (For models with ADF) ............4-41
4.2.6 Possible Component Defects and Resulting Problems....................................4-43
[ 1 ] ADF mechanism (For models with ADF)................................................4-43
[ 2 ] Scanner mechanism.............................................................................4-44
[ 3 ] Head/carriage unit drive and purge mechanisms.....................................4-45
[ 4 ] Print head mechanism..........................................................................4-46
[ 5 ] Sheet feeder (SF) mechanism..............................................................4-47
[ 6 ] Paper feeding mechanism....................................................................4-47
[ 7 ] Speaker..............................................................................................4-47
[ 8 ] Control panel and LCD.........................................................................4-48
[ 9 ] PCBs..................................................................................................4-48
[ 10 ] Adjustments/data in the memories ........................................................4-49

4-1 Confidential
4.1 ERROR INDICATION
To help the user or the service personnel promptly locate the cause of a problem (if any), the
machine incorporates the self-diagnostic functions which display error messages for equipment
errors.
4.1.1 Equipment Errors
If an equipment error occurs in the machine, the machine emits an audible alarm (five short beeps
twice) and shows the error message on the LCD. If an equipment error occurs in the cordless
handset(s), the cordless handset shows the error message on the LCD. For the error messages, see
[ 1 ] below.
To display detailed error information, use Function code 82 described in Chapter 9, Section
9.1.4.23 (that is, make the machine enter the maintenance mode and then press the 8 and 2 keys).
Following the MACHINE ERROR, one of the error codes listed in [ 2 ] will appear on the LCD.
[ 1 ] Error messages appearing on the LCD
On the machine
Error Message Cause Action
BT Call Sign On
(UK models only)
BT Call Sign is set to ON.
You cannot change the
Receive Mode from Manual
to another mode.
Set BT Call Sign to OFF.
Comm. Error Poor telephone line quality
caused a communication
error.
Send the fax again or connect the
machine to another telephone line. If the
problem continues, call the telephone
company and ask them to check your
phone line.
Connection Fail You tried to poll a fax
machine that is not in Polled
Waiting mode.
Check the other fax machine's polling
setup.
Cover is Open The scanner cover (scanner
unit) or ink cartridge cover is
not closed completely.
Lift the scanner cover and then close it
again.
Firmly close the ink cartridge cover
until it clicks.

4-2 Confidential
Error Message Cause Action
Print data is left in the
machine's memory. Re-start printing from your computer. Data Remaining
Print data is left in the
machine's memory. The USB
cable was unplugged while
the computer was sending the
data to the machine.
Press Stop/Exit. The machine will
cancel the job and clear it from the
memory. Try to print again.
Disconnected The other person or other
person's fax machine stopped
the call.
Try to send or receive again.
Document Jam The document was not
inserted or fed properly, or the
document scanned from the
ADF was too long.
Remove the jammed document.
(Only for models with ADF.)
DR Mode in Use The machine is set to
Distinctive Ring mode. You
cannot change the Receive
Mode from Manual to another
mode.
Set Distinctive Ring to off.
High Temperature The print head is too warm. Allow the machine to cool down.
Hub is Unusable. A Hub or USB flash memory
drive with a Hub has been
connected to the USB direct
interface.
A Hub or USB flash memory drive
with a Hub is not supported. Unplug
the device from the USB direct
interface.
Image Too Long. The proportions of your
photo are irregular so effects
could not be added.
Choose a regularly proportioned
image.
Image Too Small. The size of your photo is too
small to trim. Choose a larger image.

4-3 Confidential
Error Message Cause Action
Ink Empty One or more of the ink
cartridges is empty. The
machine will stop all print
operations. While memory is
available, black and white
faxes will be stored in the
memory. If a sending machine
has a color fax, the machine's
"handshake" will ask that the
fax be sent as black and white.
If the sending machine has the
ability to convert it, the color
fax will be stored in the
memory as a black and white
fax.
Replace the empty ink cartridges.
Low Temperature The print head is too cool. Allow the machine to warm up.
Media Error * The memory card is either
corrupted, improperly
formatted, or there is a
problem with the memory
card.
Put the card firmly into the slot again to
make sure it is in the correct position. If
the error remains, check the media drive
by putting in another memory card that
you know is working.
Media is Full. The memory card* or USB
flash memory drive you are
using has no available
memory to scan the
documents.
Delete the data stored in your memory
card or USB flash memory drive to
make some space.
Near Empty One or more of the ink
cartridges are running out of
ink. If a sending machine has
a color fax, the machine's
"handshake" will ask that the
fax be sent as black and
white. If the sending machine
has the ability to convert it,
the color fax will be received
into the memory as a black
and white fax.
Order a new ink cartridge.
No Caller ID There is no incoming call
history. You did not receive
calls or you have not
subscribed to the Caller ID
service from your telephone
company.
If you want to use the Caller ID feature
call your telephone company.
* For models with PhotoCapture Center

4-4 Confidential
Error Message Cause Action
No Cartridge An ink cartridge is not
installed properly. Reinstall the ink cartridge.
No File The memory card* or USB
flash memory drive loaded in
the machine does not contain
a .JPG file.
Put the correct memory card or USB
flash memory drive into the machine
again.
The machine is out of paper
or paper is not properly
loaded in the paper tray.
Do one of the following:
• Refill the paper in the paper tray, and
then press Black Start (Mono Start)
or Color Start.
• Remove the paper and load it again
and then press Black Start (Mono
Start) or Color Start.
No Paper Fed
Paper is jammed in the
machine. Remove the jammed paper.
No Response/Busy The number you dialed does
not answer or is busy. Verify the number and try again.
Not Registered You tried to access a Speed
Dial number that is not
programmed.
Set up the Speed Dial number.
Out of Memory The machine's memory is
full.
Fax sending or copy operation in
progress
Do one of the following:
• Press Stop/Exit and wait until the
other operations in progress finish and
then try again.
• Clear the data in the memory. To gain
extra memory, you can turn off
Advanced Fax Operation.
• Print the faxes that are in the memory.
Printing operation in progress
Reduce print resolution.
Paper Jam Paper is jammed in the
machine. Open the jam clear cover (at the back
of the machine) and remove the
jammed paper.
* For models with PhotoCapture Center

4-5 Confidential
Error Message Cause Action
(On color LCD) *
Unable to Change XX
Unable to Clean XX
Unable to Init. XX
Unable to Print XX
Unable to Scan XX
Unable to use Phone XX
(On monochrome LCD) *
Change Unable XX
Clean Unable XX
Init. Unable XX
Print Unable XX
Scan Unable XX
The machine has a
mechanical problem.
or
A foreign object such as a
clip or ripped paper is in the
machine.
Open the scanner cover and remove any
foreign objects inside the machine.
If the error message continues, see
Chapter 5, Section 5.1
"TRANSFERRING RECEIVED FAX
DATA" before disconnecting the
machine so you will not lose any
important messages. Then, disconnect
the machine from the power for several
minutes and then reconnect it. (The
machine can be turned off for
approximately 24 hours without losing
faxes stored in the memory.)
(On color LCD)
Unusable Device
Disconnect device
from front connector
& turn machine off &
then on
(On monochrome LCD)
Unusable Device
Disconnect device
from front connector.
Turn the machine off
& on by pressing
On/Off button on
control panel.
A broken device has been
connected to the USB direct
interface.
Unplug the device from the USB direct
interface, then press On/Off (Power
Save) to turn the machine off and then
on again.
Unusable Device
Please Disconnect
USB Device.
A USB flash memory drive
that is not supported has been
connected to the USB direct
interface.
Unplug the device from the USB direct
interface.
Wrong Paper Size Paper is not the correct size. Load the correct size of paper (Letter,
Legal or A4), and then press Black
Start (Mono Start) or Color Start.
* XX represents one of the error codes shown in "[ 2 ] Error codes contained in "MACHINE ERROR X X"
messages."

4-6 Confidential
On cordless handsets (For models with cordless handset)
Error Message Cause Action
The machine (base unit) is being
used for intercom calling. Wait until the line is free.
The machine (base unit) is being
set up for cordless handset
registration.
Wait until the registration is finished.
Base Unit in use
The machine (base unit) is being
used for Message Center
functions such as OGM
recording or ICM playing.
Wait until the machine (base unit) is
back in standby mode.
Cannot register
handset You failed to register the
cordless handset. Try to register the cordless handset
again.
Another person is on the phone
line using the machine's (base
unit) speaker phone or another
cordless handset.
Wait until the line is free.
Line in use
The machine (base unit) is
receiving faxes. Wait until the line is free.
<Low battery>
Put handset
on cradle
The battery of the cordless
handset is low. Charge the battery.
No Caller ID No caller ID is recorded. Dial with the numerical keypad.
The cordless handset is too far
from the machine (base unit). Bring the cordless handset closer to the
machine (base unit).
The On/Off key on the machine
(base unit) is off. Check that the machine (base unit) is
plugged in and the On/Off key on the
machine (base unit) is on.
Searching for
Base Unit
(Base Unit
not detected)
You have not registered the
cordless handset. Register the cordless handset.

4-7 Confidential
[ 2 ] Error codes contained in "MACHINE ERROR X X" messages
Using Function code 82 (described in Chapter 9, Section 9.1.4.23) displays the most recent error in
the format of "MACHINE ERROR XX." The XX represents one of the error codes listed in this
section.
XX in error messages "Unable to Change XX" to "Unable to Scan XX" and "Change Unable XX" to
"Scan Unable XX" given in item [ 1 ] also represents one of these error codes.
NOTE: When checking a PCB as instructed in the "Solution" column, also check its harness.
NOTE: To check sensors, use Function code 32 described in Chapter 9, Section 9.1.4.8 (that is,
press the 3 and 2 keys in the maintenance mode).
Error Code
(Hex) Symptom Probable Cause Solution
25 Not used.
Running out of ink or the
ink cartridge not set in
place
26: Black ink
27: Yellow ink
28: Cyan ink
29: Magenta ink
Replace or reload ink
cartridges, referring to
the User's Guide.
Ink cartridge PCB
defective Replace the ink refill
ASSY.
26
27
28
29
Cannot detect ink
cartridges.
Main PCB defective Replace the main PCB.
2A-2F Not used.
Software malfunction Open and close the
scanner cover.
Unplug and plug the AC
cord.
Any obstacles on the
travel path of the
head/carriage unit
Clean and lubricate the
CR guide rail and CR
support chassis.
CR motor harness not
connected correctly Correct the connection.
CR timing belt come off Set the CR timing belt
into place.
CR encoder strip stained
or scratched Replace the CR encoder
strip.
Carriage PCB defective Replace the carriage PCB
ASSY.
Head/carriage unit
broken Replace the head/carriage
unit.
Carriage motor defective Replace the carriage
motor.
Main PCB defective Replace the main PCB.
Power supply PCB
defective Replace the power supply
PCB.
3* Head/carriage unit travel
error.
Maintenance unit
defective Replace the maintenance
unit.

4-8 Confidential
Error Code
(Hex) Symptom Probable Cause Solution
Main PCB defective Replace the main PCB. 40 The casing internal
temperature thermistor has
detected abnormal
temperature in the
machine.
Casing internal
temperature thermistor
defective
Replace the ink refill
ASSY.
41 Not used.
Piezoelectric ceramic
actuator or head driver
defective
Replace the head/carriage
unit.
Carriage PCB defective Replace the carriage PCB
ASSY.
42 The head drive voltage has
not dropped from the high
to low level within the
specified period.
Main PCB defective Replace the main PCB.
Head flat cables not
connected correctly Correct those flat cables.
Head flat cables broken Replace the carriage
PCB ASSY.
Carriage PCB defective Replace the carriage PCB
ASSY.
43 The head thermistor has
been opened or shorted
abnormally.
Main PCB defective Replace the main PCB.
Head property
parameters incorrect in
the EEPROM
Enter the correct
parameter values.
Air bubbles in the
head/carriage unit Perform the initial purge.
Head flat cables and
carriage-head flat cable
not connected correctly
Correct those flat cables.
Head flat cables broken Replace the carriage PCB
ASSY.
Carriage-head flat cable
broken Replace the head/carriage
unit.
Head/carriage unit
broken Replace the
head/carriage unit.
44 The temperature of the
print head driver has risen
abnormally.
The head driver chip
temperature sensor in the
head driver detects
abnormally high
temperature.
Main PCB defective Replace the main PCB.
45 Not used.

4-9 Confidential
Error Code
(Hex) Symptom Probable Cause Solution
The number of performed
purge sequences has
reached the limit.
The ink absorber box may
be filled with drained ink.
Purge counter overflown
46
The number of flushing
operations has reached the
limit.
The flushing box may be
filled with drained ink.
Flushing counter
overflown
Replace both the ink
absorber box and
flushing box and reset
their counters. (When
you need to replace the
ink absorber box or
flushing box, replace
both.)
47 Not used.
Correct the connection
of the head flat cables.
Replace the carriage
PCB ASSY.
Replace the
head/carriage unit.
48 Weak connection of the
head flat cables. Head flat cables or
carriage-head flat cable
broken or not
connected
Replace the main PCB.
Head flat cables and
carriage-head flat cable
not connected correctly
Correct those flat cables.
Replace the carriage PCB
ASSY.
Head/carriage unit
defective
Replace the head/carriage
unit.
Main PCB defective Replace the main PCB.
49 The head drive voltage has
not risen to the specified
level.
Power supply PCB
defective Replace the power supply
PCB.
4A-4E Not used.
Replace the carriage PCB
ASSY.
Piezoelectric ceramic
actuator defective
(Cracks or rare short) Replace the head/carriage
unit.
4F The head drive voltage has
dropped from the high to
low level in an abnormally
short period.
The head drive voltage has
not risen to the specified
level within the specified
period in the self-
diagnosis.
Main PCB defective Replace the main PCB.

4-10 Confidential
Error Code
(Hex) Symptom Probable Cause Solution
Set the maintenance unit
into place.
Planetary arm assembly
not engaged correctly
If the planetary arm does
not move smoothly,
clean it.
Purge cam switch
harness not connected
correctly
Correct the connection.
Purge cam switch broken Replace the purge cam
switch.
Gear(s) on the
maintenance unit broken Replace the maintenance
unit.
Paper feed motor
defective Replace the paper feed
motor.
Power supply PCB
defective Replace the power
supply PCB.
50
51 The purge cam switch
does not come ON or OFF
even after the purge cam
has been driven by the
specified number of
pulses.
Main PCB defective Replace the main PCB.
Set the maintenance unit
into place.
Planetary arm assembly
not engaged correctly
If the planetary arm does
not move smoothly, clean
it.
Purge cam switch
harness not connected
correctly
Correct the connection.
Purge cam switch broken Replace the purge cam
switch.
Gear(s) on the
maintenance unit
broken
Abnormal load applied
to the purge cam
Replace the maintenance
unit.
Paper feed motor broken Replace the paper feed
motor.
52 The purge cam switch
does not come ON at each
detection point.
Main PCB defective Replace the main PCB.
53 Not used.

4-11 Confidential
Error Code
(Hex) Symptom Probable Cause Solution
Foreign materials in the
machine Remove foreign materials.
Clutch gear broken Replace the clutch gear.
PF encoder disk being in
contact with the upper
cover and deformed
Replace the PF encoder
disk.
PF encoder PCB
defective Replace the PF encoder
PCB.
Main drain tube bent Replace the main drain
tube.
Purge cam gear broken
Abnormal load applied
to the purge cam
Replace the maintenance
unit.
Planetary arm assembly
broken Replace the maintenance
unit.
Main PCB defective Replace the main PCB.
Power supply PCB
defective Replace the power supply
PCB.
Paper feed motor
defective Replace the paper feed
motor.
54
55 The tube pump rotates
abnormally.
PF roller gear L broken Replace the engine unit.
56 Not used.
Head cap unit, head
wiper or other parts on
the maintenance unit
interfering with the
head/carriage unit
Set these parts back into
place.
If any part on the
maintenance unit does not
operate smoothly, replace
the unit.
CR encoder strip stained Clean the CR encoder
strip.
Any obstacles on the
travel path of the
head/carriage unit
Clean the CR guide rail
and CR support chassis.
Carriage motor defective Replace the carriage
motor.
Head/carriage unit
defective Replace the head/carriage
unit.
Main PCB defective Replace the main PCB.
57 After a purging operation,
the head/carriage unit will
not return to the home
position (capping
position).
Power supply PCB
defective Replace the power supply
PCB.

4-12 Confidential
Error Code
(Hex) Symptom Probable Cause Solution
58, 59 Not used.
Foreign materials in the
machine Remove foreign materials.
Clutch gear broken Replace the clutch gear.
5A The purge cam stops
abnormally when it is in
operation.
PF encoder disk being in
contact with the upper
cover and deformed
Replace the PF encoder
disk.
PF encoder PCB
defective Replace the PF encoder
PCB.
Main drain tube bent Replace the main drain
tube.
5B The tube pump stops
abnormally during air
venting.
Purge cam gear broken
Abnormal load applied
to the purge cam
Replace the maintenance
unit.
Planetary arm assembly
broken Replace the maintenance
unit.
Main PCB defective Replace the main PCB.
Power supply PCB
defective Replace the power supply
PCB.
Paper feed motor
defective Replace the paper feed
motor.
5C The tube pump stops
abnormally during purging
operation.
PF roller gear L broken Replace the engine unit.
Remove foreign materials.
Replace the clutch gear.
Replace the PF encoder
disk.
Replace the PF encoder
PCB.
5D Current protection for the
driver IC activated when the
purge cam was being
driven.
Replace the main drain
tube.
Replace the maintenance
unit.
Replace the main PCB.
Replace the power supply
PCB.
Replace the paper feed
motor.
5E Current protection for the
driver IC activated when the
pump was in operation.
The driving current has
exceeded the limit due to
an abnormal load applied
to the maintenance unit.
Replace the engine unit.

4-13 Confidential
Error Code
(Hex) Symptom Probable Cause Solution
5F Not used.
Paper width sensor
defective Replace the carriage
PCB ASSY.
Head flat cables broken Replace the carriage
PCB ASSY.
60
61
62
Paper width sensor (media
sensor) error.
Main PCB defective Replace the main PCB.
63-7D Not used.
No head property data
has been entered Enter the head property
data.
7E No head parameters stored
in the EEPROM.
(This code may appear only
in the maintenance mode.) Main PCB defective Replace the main PCB.
7F Not used.
Paper smaller than the
specified size loaded in
the paper tray
Load the correct size of
paper.
Paper width sensor
defective Replace the carriage PCB
ASSY.
Paper width sensor not
adjusted Adjust the margin for
borderless printing with
Function code 66 in the
maintenance mode.
80 At the start of FAX
message printing, the
controller detects that
paper is smaller than A4
size in width.
Main PCB defective Replace the main PCB.
81 Not used.
Foreign materials in the
paper path Remove foreign materials.
Paper not loaded
correctly in the paper
tray
Reload paper.
Head flat cable
connection failure Insert the head flat
cables correctly.
Paper width sensor
defective Replace the carriage PCB
ASSY.
82 Recording paper jam in
paper pull-in operation.
(The paper width sensor
fails to detect the leading
edge of paper.)
Main PCB defective Replace the main PCB.

4-14 Confidential
Error Code
(Hex) Symptom Probable Cause Solution
Paper is not correctly
set in the paper tray Reload paper.
Bank ASSY deformed Replace the bank ASSY.
Registration sensor
actuator unhooked Set the registration
sensor actuator into
place.
Main PCB defective Replace the main PCB.
83 Recording paper jam.
(The registration sensor
detects paper abnormally
early in paper feeding
operation in the normal SF
mode.)
(The registration sensor
sticks to ON in the high-
speed feed mode.)
Registration sensor
defective Replace the registration
sensor PCB.
Foreign materials in the
paper path Remove foreign
materials.
Registration sensor
actuator caught on the
surrounding parts
Correct the surrounding
parts on which the
actuator caught.
Registration sensor
defective Replace the registration
sensor PCB.
PF timing belt come off Set the PF timing belt
into place.
The paper ejection
roller does not rotate
correctly
Replace the engine unit.
84 Recording paper jam.
(The registration sensor
sticks to ON after
completion of paper
ejection operation.)
Main PCB defective Replace the main PCB.
85-87 Not used.

4-15 Confidential
Error Code
(Hex) Symptom Probable Cause Solution
Recording paper not
loaded correctly Instruct the user to load
the recording paper
correctly.
Jam clear cover not set
correctly Set the jam clear cover
into place.
Registration sensor
defective Replace the registration
sensor PCB.
Bank ASSY deformed
Replace the bank ASSY.
Paper pull-in roller
holder defective Replace the paper pull-in
roller holder.
Mode switching lever
(at the right end of CR
guide rail) not sliding
smoothly
Clean the mode switching
lever.
At the ends of the paper
feed roller shaft, any
gear(s) damaged
Replace the engine unit.
Main PCB defective Replace the main PCB.
88 Recording paper jam.
(Even after paper pulling-in
operation, the registration
sensor is still OFF.)
Paper feed motor
defective Replace the paper feed
motor.
89 Not used.
Paper feed motor harness
not connected correctly Reconnect the paper feed
motor harness.
Abnormal load applied to
the paper feed roller
PF-related gear(s) broken
Replace the PF-related
gear(s).
PF encoder disk stained
or scratched Replace the PF encoder
disk.
PF encoder sensor
defective
Replace the PF encoder
PCB.
Main PCB defective Replace the main PCB.
8A The paper feed motor does
not rotate.
Paper feed motor
defective Replace the paper feed
motor.

4-16 Confidential
Error Code
(Hex) Symptom Probable Cause Solution
Abnormal load applied to
the paper feed roller
PF-related gear(s) broken
Replace the PF-related
gear(s).
PF encoder disk stained
or scratched Replace the PF encoder
disk.
PF encoder sensor
defective Replace the PF encoder
PCB.
Main PCB defective Replace the main PCB.
8B The paper feed motor
stops suddenly.
Paper feed motor
defective Replace the paper feed
motor.
Replace the PF-related
gears.
Replace the PF encoder
disk.
Replace the PF encoder
PCB.
Replace the main PCB.
8C Current protection for the
driver IC activated in
paper feeding operation.
The driving current has
exceeded the limit due to
an abnormal load applied
to the PF-related gears
and rollers.
Replace the paper feed
motor.
PF encoder disk
stained or scratched Replace the PF encoder
disk.
PF encoder disk
dislocated Replace the PF encoder
disk.
PF encoder sensor
defective Replace the PF encoder
PCB.
Abnormal load applied
to the paper feed roller Check the PF roller gear
and its related gears.
Main PCB defective Replace the main PCB.
8D The paper feed motor
rotates in the reverse
direction.
Paper feed motor
defective Replace the paper feed
motor.
8E Not used.

4-17 Confidential
Error Code
(Hex) Symptom Probable Cause Solution
Software malfunction Open and close the
scanner cover.
Unplug and plug the AC
cord.
8F The paper feed motor is
being driven and cannot be
stopped.
Paper feed motor harness
not connected correctly Correct the connection.
90-A0 Not used.
Scanner/ink cartridge
cover sensor broken
Replace the cover sensor
PCB.
Scanner cover sensor
actuator or ink
cartridge cover sensor
actuator unhooked
Set the scanner cover
sensor actuator or ink
cartridge cover sensor
actuator into place.
Control panel PCB
defective
Replace the control
panel PCB.
A1 Scanner cover (scanner unit)
or ink cartridge cover is
open.
Main PCB defective Replace the main PCB.
Document jam Remove the jammed
document.
Foreign materials in the
machine Remove foreign materials.
Document rear sensor
actuator caught on the
surrounding parts
Correct the surrounding
parts on which the
actuator caught.
Document rear sensor
broken
Replace the document
rear sensor PCB.
A2 Document length exceeding
the scan limitation.
During scanning, a
document of 90 cm* or
longer is detected.
During document feeding or
ejecting, a document of 400
cm* or longer is detected.
Main PCB defective Replace the main PCB.
Document jam Remove the jammed
document.
Foreign materials in the
machine Remove foreign materials.
Document rear sensor
actuator caught on the
surrounding parts
Correct the surrounding
parts on which the
actuator caught.
Document rear sensor
broken
Replace the document
rear sensor PCB.
A3 The document rear sensor
does not come ON during
document pull-in operation.
Main PCB defective Replace the main PCB.
* These values are defaults and can be modified by WSW16, selector 7.

4-18 Confidential
Error Code
(Hex) Symptom Probable Cause Solution
A4 Not used.
A5 FAX scanning failure
(1st time). CIS defective
White reference film
stained in the scanner
cover
Replace the scanner
cover (scanner unit).
A6 FAX scanning failure (retry).
Main PCB defective Replace the main PCB.
A7 Mismatch between the type
of the CIS mounted and
EEPROM data.
Scanner cover containing
the improper CIS type
mounted at repair.
Check the CIS type
mounted and enter the new
CIS type into the
EEPROM with Function
code 59 in the
maintenance mode. (Refer
to Chapter 9, Section
9.1.4.13).
A8 Color parameter matching
error. (Used for monitoring
bugs at the factory.)
Install the latest firmware.
A9-AE Not used.
Mismatch between the
type of the CIS mounted
and EEPROM data
Check the CIS type
mounted and enter the
new CIS type into the
EEPROM with Function
code 59 in the
maintenance mode. (Refer
to Chapter 9, Section
9.1.4.13).
CIS flat cable broken or
not connected properly Correct the cable
connection.
Replace the scanner cover
(scanner unit).
CIS motor harness not
connected properly Correct the harness
connection.
CIS motor defective Replace the scanner cover
(scanner unit).
CIS drive unit defective Replace the scanner cover
(scanner unit).
CIS defective Replace the scanner cover
(scanner unit).
AF CIS positioning error.
Main PCB defective Replace the main PCB.

4-19 Confidential
Error Code
(Hex) Symptom Probable Cause Solution
B0-BC Not used.
CIS defective Replace the scanner cover
(scanner unit).
BD Black level data error.
Main PCB defective Replace the main PCB.
BE-DE Not used.
DF Modem error. Main PCB defective Replace the main PCB.
E0, E1 Not used.
E2 Wired LAN MAC address
not registered. *1 MAC address not
registered correctly Replace the main PCB.
E3 Wireless LAN MAC
address not registered. *2 MAC address not
registered correctly Replace the WLAN
PCB.
E4 Not used.
Reregister the cordless
handset ID code.
Replace the cordless
handset.
E5 Write error in EEPROM
on the cordless PCB. *3 The base ID code and
cordless handset ID
code registered are
mismatched.
Replace the cordless
PCB.
E6 Write error in EEPROM. Main PCB defective Replace the main PCB.
Reregister the cordless
handset ID code.
Replace the cordless
handset.
E7 No communication
between cordless PCB and
cordless handset. *3
The base ID code and
cordless handset ID
code registered are
mismatched.
Replace the cordless
PCB.
CIS defective Replace the scanner
cover (scanner unit).
E8 Data scanning error during
transmission.
Main PCB defective Replace the main PCB.
E9 Not used.
*1 For wired LAN-enabled models
*2 For wireless LAN-enabled models
*3 For models with cordless handset

4-20 Confidential
Error Code
(Hex) Symptom Probable Cause Solution
Document front sensor
actuator caught on the
surrounding parts
Correct the surrounding
parts on which the
actuator caught.
Document front sensor
defective Replace the document
front sensor PCB.
EA Document removed at
phase B. *1
Main PCB defective Replace the main PCB.
EB Not used.
Color LCD version not
detected correctly. Unplug and plug the AC
cord.
EC Color LCD version
detection failure. *2
Mismatch of color
LCD version Replace the color LCD
unit.
ED-F6 Not used.
F7 Media module detection
failure.*3 Main PCB defective Replace the main PCB.
F8 Battery harness connection
failure (For models with
backup battery)
(Available in the
maintenance mode only)
Battery harness not
inserted correctly.
Correct the connection.
F9-FF Not used.
*1 Phase B: FAX negotiation stage between sending machine and receiving machine
*2 For models with color LCD
*3 For models with PhotoCapture Center

4-21 Confidential
4.1.2 Communications Errors
If a communications error occurs, the machine:
emits an audible alarm (intermittent beeping) for approximately 4 seconds,
displays the corresponding error message, and
prints out the transmission verification report if the machine is in sending operation.

4-22 Confidential
Definition of Error Codes on the Communications List
(1) Calling
Code 1 Code 2 Causes
10 08 Wrong number called.
11 01 No dial tone detected before start of dialing.
11 02 Busy tone detected before dialing.
11 03 2nd dial tone not detected.
11 05 No loop current detected.*
11 06 Busy tone detected after dialing or called.
11 07 No response from the remote station in sending.
11 10 Unobtainable tone detected after dialing.
17 07 No response from the calling station in receiving.
*Available in German models only.
(2) Command reception
Code 1 Code 2 Causes
20 01 Unable to detect a flag field.
20 02 Carrier was OFF for 200 milliseconds or longer.
20 03 Abort detected ("1" in succession for 7 bits or more).
20 04 Overrun detected.
20 05 A frame for 3 seconds or more received.
20 06 CRC error in answerback.
20 07 Error command received.
20 08 Invalid command received.
20 09 Command ignored once for document setting or for dumping-out at
turn-around transmission.
20 0A T5 time-out error.
20 0B CRP received.
20 0C EOR and NULL received.

4-23 Confidential
(3) Compatibility [checking the NSF and DIS]
Code 1 Code 2 Causes
32 01 Remote terminal only with V.29 capability in 2400 or 4800 bps
transmission.
32 02 Remote terminal not ready for polling.
32 10 Remote terminal not equipped with password function or its
password switch OFF.
32 11 Remote terminal not equipped with or not ready for confidential
mailbox function.
32 12 Remote terminal not equipped with or not ready for relay
broadcasting function.
32 13 No confidential mail in the remote terminal.
32 14 The available memory space of the remote terminal is less than
that required for reception of the confidential or relay broad-
casting instruction.
32 18 Remote terminal not equipped with color function.

4-24 Confidential
(4) Instructions received from the remote terminal [checking the NSC, DTC, NSS, and DCS]
Code 1 Code 2 Causes
40 02 Illegal coding system requested.
40 03 Illegal recording width requested.
40 05 ECM requested although not allowed.
40 06 Polled while not ready.
40 07 No document to send when polled.
40 10 Nation code or manufacturer code not coincident.
40 13 Polled by any other manufacturers' terminal while waiting for
secure polling.
40 17 Invalid resolution selected.
40 20 Invalid full-color mode requested.
(5) Command reception [checking the NSF and DIS after transmission of NSS and DCS]
Code 1 Code 2 Causes
50 01 Vertical resolution capability changed after compensation of
background color.

4-25 Confidential
(6) ID checking
Code 1 Code 2 Causes
63 01 Password plus "lower 4 digits of telephone number" not
coincident.
63 02 Password not coincident.
63 03 Polling ID not coincident.
(7) DCN reception
Code 1 Code 2 Causes
74 DCN received.
(8) TCF transmission/reception
Code 1 Code 2 Causes
80 01 Fallback impossible.

4-26 Confidential
(9) Signal isolation
Code 1 Code 2 Causes
90 01 Unable to detect video signals and commands within 6 seconds
after CFR is transmitted.
90 02 Received PPS containing invalid page count or block count.
(10) Video signal reception
Code 1 Code 2 Causes
A0 03 Error correction sequence not terminated even at the final
transmission speed for fallback.
A0 11 Receive buffer empty. (5-second time-out)
A0 12 Receive buffer full during operation except receiving into memory.
A0 13 Decoding error continued on 500 lines.
A0 14 Decoding error continued for 10 seconds.
A0 15 Time-out: 13 seconds or more for one-line transmission.
A0 16 RTC not found and carrier OFF signal detected for 6 seconds.
A0 17 RTC found but no command detected for 60 seconds.
AA 18 Receive buffer full during receiving into memory.
A0 19 No video data to be sent.
A0 20 Unable to continue to receive color FAX. (Remaining ink
insufficient)
A8 01 RTN, PIN, or ERR received at the calling terminal.*
A9 01 RTN, PIN, or ERR received at the called terminal.*
* Available in German models only

4-27 Confidential
(11) General communications-related
Code 1 Code 2 Causes
B0 02 Unable to receive the next-page data.
B0 03 Unable to receive polling even during turn-around transmission
due to call reservation.
B0 04 PC interface error.
BF 01 Communication canceled by pressing the STOP key before
establishment of FAX communication*.
BF 02 Communication canceled by pressing the STOP key after
establishment of FAX communication*.
BF 03 Transmission canceled due to a scanning error caused by no
document or document feed problem in ADF scanning in real time
transmission.
* Establishment of FAX communication
FAX communication is established when the calling station receives a DIS (reception capability)
signal from the called station and the called station receives an NSS or DCS (communications test)
signal from the calling station.
(12) Maintenance mode
Code 1 Code 2 Causes
E0 01 Failed to detect 1300 Hz signal in burn-in operation.
E0 02 Failed to detect PB signals in burn-in operation.
(13) Equipment error
Code 1 Code 2 Causes
FF X X Equipment error. (For X X, refer to Section 4.1.1 [ 2 ].)

4-28 Confidential
4.2 TROUBLESHOOTING
4.2.1 Introduction
This section gives the service personnel some of the troubleshooting procedures to be followed if
an error or malfunction occurs with the machine. It is impossible to anticipate all of the possible
problems which may occur in future and determine the troubleshooting procedures, so this section
covers some sample problems. However, those samples will help service personnel pinpoint and
repair other defective elements if he/she analyzes and examines them well.
4.2.2 Precautions
Be sure to observe the following to prevent the secondary troubles from happening:
(1) Always unplug the AC power cord from the outlet when removing the covers and PCBs,
adjusting the mechanisms, or conducting continuity testing with a circuit tester.
(2) When disconnecting the connectors, do not pull the lead wires but hold the connector housings.
(3) z Before handling the PCBs, touch a metal portion of the machine to discharge static electricity
charged in your body.
z When repairing the PCBs, handle them with extra care.
After repairing the defective section, be sure to check again if the repaired section works correctly.
Also record the troubleshooting procedure so that it would be of use for future trouble occurrence.
4.2.3 Checking Prior to Troubleshooting
Prior to proceeding to the troubleshooting procedures given in Section 4.2.4, make the following
initial checks:
Environmental conditions
Check that:
(1) The machine is placed on a flat, firm surface.
(2) The machine is used in a clean environment at or near normal room temperature (10°C to
35°C) with normal relative humidity (20 to 80%).
(3) The machine is not exposed to direct sunlight or harmful gases.
Power requirements
Check that:
(1) The power supply specified on the rating plate on the machine is used. The supply voltage
stays within the rating ±10%.
(2) Each voltage level on AC input lines and DC lines is correct.
(3) All cables and harnesses are firmly connected.

4-29 Confidential
Recording paper
Check that:
(1) A recommended type of recording paper is used.
(2) The recording paper is not dampened.
Ink cartridges
(1) Check that all of four ink cartridges are loaded.
Head/carriage unit
(1) Repeat the purging operation (Function code 76) several times. (Refer to Chapter 9, Section
9.1.4.21.)
(2) Clean the print surface of the head/carriage unit.

4-30 Confidential
4.2.4 Troubleshooting Based on Problem Type
[ 1 ] Control panel and LCD problems
Problem Check:
(1) LCD shows nothing. Models with color LCD
• Color LCD and its flat cable
• Power supply PCB
• Main PCB
Models with monochrome LCD
• Monochrome LCD and its flat cable
• Panel-main harness
• Control panel PCB
• Power supply PCB
• Main PCB
(2) Control panel inoperative. • Panel-main harness
• Control panel PCB
• Rubber keypads
• Main PCB
[ 2 ] Telephone problems
Problem Check:
(1) No phone call can be made
with the handset. *1
• Hook switch
• Rubber keypads
• Control panel PCB
• Main PCB
• MJ PCB
(2) Speed dialing will not work. • Ordinary dialing function
If it works normally, check the main PCB; if not, refer to item
(1) above.
(3) Dial does not switch between
tone and pulse. • Main PCB
(4) The ringer does not sound. • Speaker
• Main PCB
• MJ PCB
(5) No phone call can be made
with the cordless handset. *2 • Cordless handset
• Cordless PCB
• Main PCB
• MJ PCB
*1 For models with handset
*2 For models with cordless handset

4-31 Confidential
[ 3 ] Communications problems
Problem Check:
(1) No tone is transmitted. • Main PCB
• MJ PCB
[ 4 ] Paper/document feeding problems
Problem Check:
(1) The "Enter Fax No." message
does not appear although
documents are set.*
• Sensors by using Function code 32 in the maintenance mode
(Refer to Chapter 9, Section 9.1.4.8.)
• Document front sensor actuator
• Document front sensor PCB
• Main PCB
(2) Document not fed.* • ADF and its related sections
• Foreign materials in the document path
• ADF motor and its harness
• Document feed rollers and their related gears
• Document front and rear sensor PCBs
• Main PCB
(3) Document double feeding* • ADF parts
(4) Document jam* • Document rear sensor actuator
• Foreign materials in the document path
• Sensors by using Function code 32 in the maintenance mode
(Refer to Chapter 9, Section 9.1.4.8.)
• ADF motor
• Main PCB
(5) Recording paper not fed. • Paper pull-in roller holder
• Base pad in the paper tray
• Jam clear cover
• PF-related gears
• Main PCB
• Paper feed motor
(6) Recording paper jam • Paper feeding mechanism
• Foreign materials in the paper path
• Check that the carriage-head flat cable is connected to the
carriage PCB.
• Carriage PCB
• Main PCB
*For models with ADF

4-32 Confidential
[ 5 ] Print-image problems
If there is any problem with any image printed, first make a copy using the machine.
If the copied image is normal, the cause of the problem may be the sending station (e.g., PC and
digital camera) or the memory card* inserted; if it is abnormal, proceed with the following checks:
* For models with PhotoCapture Center
Examples of Defective Images
Completely blank All black Random color Light Dark
Straight vertical
stripes
Blurred
vertical
stripes
White vertical
streaks Ink splash Ink splash
Print edges not
aligned Random
missing dots White horizontal
streaks
Stained leading
edge of recording
paper
Overlapping lines
over the whole
page
Separated lines
over the whole
page
Overlapping lines
at the trailing
edge of the
recording paper
Separated lines at
the trailing edge of
the recording paper
Characters having
shadows (ghost)
VWXYZ

4-33 Confidential
Problem Action to be taken
(1) Completely blank
(2) Random color
At the scanner
Check that the document is placed facing in the correct direction.
In ADF scanning (available only in models with ADF units), is
the document placed face down in the document tray?
In flat-bed scanning also, is the document placed face down on
the scanner glass?
Check the following components:
- Scanner cover (CIS flat cable)
- Main PCB
At the printer
• Check the ink cartridges. If any cartridges have run out of ink,
replace them.
• Press the Ink (Ink Management) key to perform a head
cleaning operation.
• Check the connection of the head flat cables on the main PCB.
(If either of those cables is broken or damaged, replace it.)
• Check the head property data. (Refer to Chapter 9, Section
9.1.4.17.)
• Replace the head/carriage unit.
• Replace the main PCB.
• Clean the head caps and wiper of the maintenance unit with a
Rubycel stick. For the cleaning procedure, refer to Chapter 8,
Section 8.2 "CLEANING THE MAINTENANCE UNIT."
• Replace the maintenance unit.
• Check that the drain tubes are not bent.
(3) All black
At the scanner
Check the following components:
- Scanner cover (CIS flat cable)
- Main PCB
At the printer
Check the following components:
- Head/carriage unit and carriage PCB ASSY
- Main PCB

4-34 Confidential
Problem Action to be taken
(4) Light
At the scanner
Check the following components:
- Scanner cover (CIS unit)
- Main PCB
At the printer
Check the following components:
- Ink cartridges
- Head/carriage unit and carriage PCB ASSY
- Main PCB
- Power supply PCB
- Head property data (Refer to Chapter 9, Section 9.1.4.17.)
- Maintenance unit
(5) Dark
At the scanner
Check the following components:
- Scanner cover (CIS unit)
- Main PCB
At the printer side
• Perform the purging operation (Function code 76) several
times to remove dust or air bubbles from its nozzles. If the
problem persists, replace the head/carriage unit. (Refer to
Chapter 9, Section 9.1.4.21.)
Check the following components:
- Ink cartridges
- Head/carriage unit and carriage PCB ASSY
- Main PCB
- Power supply PCB
- Head property data (Refer to Chapter 9, Section 9.1.4.17.)
- Maintenance unit
(6) Straight or blurred vertical
stripes
Scanner
Check the following components:
- Scanner cover (CIS unit)
- Scanner glass
Printer
• Check whether paper is coming into contact with any
components other than the ones it should during ejecting.
• Check the CR encoder strip for stains or scratches. (If the CR
encoder strip is not hooked properly, correct it.)

4-35 Confidential
Problem Action to be taken
(7) Ink splash
Printer
• Perform the purging operation (Function code 76) several times
to remove dust or air bubbles from its nozzles. (Refer to
Chapter 9, Section 9.1.4.21.)
• Check the ink cartridges. Any of them has run out of ink or the
ink viscosity has been increased, so replace it.
• Check the head property data (Refer to Chapter 9, Section
9.1.4.17.)
• Check that the main drain tube is not bent.
• Replace the head/carriage unit.
• Replace the main PCB.
• Replace the power supply PCB.
• Replace the maintenance unit.
(8) Print edges not aligned
Printer
• Check the alignment of vertical print lines with Function code
65 in the maintenance mode. (Refer to Chapter 9, Section
9.1.4.15.)
• Perform the print head skew compensation with the head skew
adjuster knob. Refer to Chapter 7, Section 7.2, [ 4 ].
• Check the head/carriage unit.
• Check the CR encoder strip for stains or scratches. (If the CR
encoder strip is not hooked properly, correct it.)
• Correct the positioning error of the head/carriage unit. (Refer to
Chapter 7, Section 7.2, [ 4 ].)
• Check the height adjustment mechanism of the head/carriage
unit (Refer to Chapter 3, Section 3.2.2.3.)
• If the "head-platen gap offset" is enabled with assurance mode
switch AMS 02 (Function code 88), align the vertical print lines
(Function code 65). (Refer to Chapter 9, Sections 9.1.4. 25 and
9.1.4.15.)
(9) Random missing dots
Printer
• Perform the purging operation (Function code 76) several times
to remove dust or air bubbles from its nozzles. (Refer to
Chapter 9, Section 9.1.4.21.)
• Check the ink cartridges. If any cartridges have run out of ink,
replace them.
• Check that the carriage-head flat cable is connected to the
carriage PCB.
• Replace the head/carriage unit.
• Check the connection of the head flat cables on the main PCB.
(If either of those cables is broken or damaged, replace it.)
• Replace the main PCB.
• Clean the head caps and wiper of the maintenance unit with a
Rubycel stick. For the cleaning procedure, refer to Chapter 8,
Section 8.2 "CLEANING THE MAINTENANCE UNIT."
• Replace the maintenance unit.

4-36 Confidential
Problem Action to be taken
(10) White horizontal streaks
• Perform the purging operation (Function code 76) several
times to remove dust or air bubbles from its nozzles. (Refer to
Chapter 9, Section 9.1.4.21.)
• Replace the head/carriage unit.
• Check the paper feed-related rollers.
• Perform the print head skew compensation with the head skew
adjuster knob. Refer to Chapter 7, Section 7.2, [ 4 ].
• Clean the head caps and wiper of the maintenance unit with a
Rubycel stick. For the cleaning procedure, refer to Chapter 8,
Section 8.2 "CLEANING THE MAINTENANCE UNIT."
(11) Stained leading edge of
recording paper
Printer
• Press the Ink (Ink Management) key to perform a head
cleaning operation.
• Check that the head/carriage unit is set into place.
• Check the height adjustment mechanism of the head/carriage
unit (Refer to Chapter 3, Section 3.2.2.3.)
• If the "head-platen gap offset" is enabled with assurance mode
switch AMS 02 (Function code 88), align the vertical print
lines (Function code 65). (Refer to Chapter 9, Sections 9.1.4.
25 and 9.1.4.15.)
(12) Overlapping or separated
lines over the whole page
• Adjust the paper feeding correction value of the paper feed
roller with Function code 58 in the maintenance mode. (Refer
to Chapter 7, Section 7.2, [ 5 ].)
• Perform the print head skew compensation with the head skew
adjuster knob. Refer to Chapter 7, Section 7.2, [ 4 ].
(13) Overlapping or separated
lines at the trailing edge of the
recording paper
• Adjust the paper feeding correction value of the paper ejection
roller with Function code 58 in the maintenance mode. (Refer
to Chapter 7, Section 7.2, [ 5 ].)
(14) Characters having shadows
(ghost)
VWXYZ
• Adjust the paper feeding correction values of the paper feed
roller and paper ejection roller with Function code 58 in the
maintenance mode. (Refer to Chapter 7, Section 7.2, [ 5 ].)
• Correct the positioning error of the head/carriage unit with
Function code 63 in the maintenance mode. (Refer to Chapter
7, Section 7.2, [ 4 ].)
• Replace the PF encoder disk.
• Replace the PF encoder PCB.

4-37 Confidential
[ 6 ] PC-driven printing problems
Problem Action to be taken
(1) PC-driven printing is
impossible. • Interface with the host computer
• PC interface cable
• Main PCB
• USB interface
• Network interface
[ 7 ] Printing from memory cards--Compact Flash, Memory Stick, SD Memory Card, or xD-Picture
Card (For models with PhotoCapture Center)
Problem Action to be taken
(1) No image data can be read. • Insertion direction of memory cards
- Insert a Compact Flash card, SD Memory Card, or xD-
Picture Card with the label side facing up.
- Insert a Memory Stick card with the cutout corner leading
and facing towards the left.
• Memory cards
- Formatted?
- Any data in the memory card?
- Images stored in the memory card are in EXIF2.0-
compliant JPEG file format (having extension .JPG)?
• Main PCB
(2) More than one memory
card cannot be recognized. • The machine can recognize only a single memory card at a
time even if it has two cards in the two slots. Only the first
inserted one can be recognized.
If only a single memory card is inserted, refer to item (1)
above.
(3) Media printing is
impossible. • Check whether the memory is full.

4-38 Confidential
[ 8 ] Wireless LAN (WLAN)*
Problem Action to be taken
(1) PC-driven printing via the
wireless LAN is
impossible.
Check the following:
- The address has not been changed at both the machine and
PC.
- Connection between the WLAN PCB and the main PCB
- WLAN PCB
*For wireless LAN-enabled models
[ 9 ] Others
Problem Action to be taken
(1) When the power is turned
on (when the power cord is
plugged into an electrical
outlet), the scanner makes a
grating noise.
Check the following components:
- Scanner cover (CIS flat cable)
- Main PCB

4-39 Confidential
4.2.5 Problems Encountered Frequently in the Past
This section lists the four problems most frequently encountered during on-site service in the past.
- Paper jams
- Error message "MACHINE ERROR 4F"
- Ink-related problems
- Auto document feeder (ADF) failure (For models with ADF)
[ 1 ] Paper jams
A paper jam may occur not only due to machine malfunction but also to the user's actions.
IMPORTANT: In some cases, foreign material that has found its way into the machine without the
user realizing can be the cause of a paper jam. Instruct the user to place nothing on top of the
machine that might fall into it.
Problems due to the user's actions
Check Possible causes Problems that may result
Recording paper Paper not suited to use with the
machine was used. Paper with labels attached, for
example, may leave labels
inside the machine.
For foreign
materials Fragments of paper that were left
behind when previous paper jams
occurred.
Foreign materials such as tacks
have found their way into the
machine.
Foreign materials can hinder the
paper feed.
Problems due to machine malfunction
Check Possible causes Problems that may result
Star wheels on star
wheel support Star wheels became dislocated
when paper jam occurred. Dislocated star wheels can
hinder paper feed.
Sensors and
actuators Any sensor(s) not working. If a sensor does not turn on, the
related roller(s) will not rotate.
Bank ASSY
The bank ASSY is deformed.
A deformed section on the bank
ASSY can cause double-
feeding.
CR encoder strip The CR encoder strip is stained. A stained CR encoder strip can
cause a carriage drive error
during printing that will stop the
printing operation.

4-40 Confidential
[ 2 ] "MACHINE ERROR 4F" error message
The error message "MACHINE ERROR 4F" appears if the head drive voltage drops from the high
to low level in an abnormally short period. The source of the problem is mainly the head/carriage
unit.
Check Possible causes Problems that may result
Head/carriage unit - The carriage-head flat cable is
disconnected from the carriage
PCB.
- Piezoelectric ceramic actuator
defective. (Cracks or rare short)
At the start of printing or head
cleaning operation, correct
voltage will not be applied to
the electrodes on the surface of
the piezoelectric ceramic
actuator (described in Chapter
3, Section 3.2.2.1).
Main PCB - A power failure when the
machine was in operation resulted
in a damaged part.
- The drive voltage and current
supplied are too low to drive the
head/carriage unit.
- Voltage detection circuit
defective.
Carriage PCB - Head power circuit insulation
failure.
The head drive voltage drops
from the high to low level in an
abnormally short period.
The head drive voltage
becomes too high or low.
[ 3 ] Ink-related problems
Problems of this nature may arise not only due to machine malfunction but also to the user's actions.
IMPORTANT: In many cases, the user fails to set ink cartridges in place.
Problems due to the user's actions
Check Possible causes Problems that may result
Ink cartridges - Ink cartridges are not inserted
fully into the ink refill ASSY.
- One or more of the ink cartridges
are not loaded.
- One or more of the ink cartridges
has run out of ink.
The machine will not be able to
print.

4-41 Confidential
Problems due to machine malfunction
Check Possible causes Problems that may result
Head/carriage unit - Air bubbles, high viscosity ink, or
foreign materials have found their
way into the head/carriage unit.
- Head flat cables are broken.
- The carriage-head flat cable has
not been inserted into the carriage
PCB.
Dot missing occurs on the
printout.
The machine will not be able to
print or drive the head/carriage
unit.
Maintenance unit - Air bubbles, high viscosity ink, or
foreign materials get into the
maintenance unit.
- Torque not transmitted.
- Drain tube bent or pinched.
Head cleaning operation will
not be possible and/or the
maintenance unit will not work.
CIS unit The CIS unit is weak in identifying
colors. The quality of print colors in
copying operation will be low.
[ 4 ] Auto document feeder (ADF) malfunction (For models with ADF)
An ADF failure may occur not only due to machine malfunction but also to the user's actions.
Problems due to the user's actions
Check Possible causes Problems that may result
Document guides The document guides are not
positioned to match the width of
document(s) loaded.
Documents will skew.
Inside the ADF - Foreign materials have found
their way into ADF.
- The size of the document loaded
is smaller than the specified size.
Foreign materials can hinder
document feeding.
The document will jam inside
the ADF.

4-42 Confidential
Problems due to machine malfunction
Check Possible causes Problems that may result
The spring plates of the ADF parts
are deformed. Documents will stop halfway
through feeding.
ADF
The ADF parts are deformed or
worn. Two or more sheets of
documents will be fed through
at once.
Document rear
sensor - The document rear sensor is
defective.
- The document rear sensor
actuator is deformed.
Documents will stop halfway
through feeding or the machine
will not be able to recognize
them.
ADF motor The ADF motor does not rotate. Documents will not be able to
be drawn in.
Main PCB The motor driver IC is defective. Documents will not be able to
be drawn in.

4-43 Confidential
4.2.6 Possible Component Defects and Resulting Problems
This section lists possible component defects and what happens due to them. It also describes what
happens if the necessary adjustments or data settings into the memories is not made.
[ 1 ] ADF mechanism (For models with ADF)
Defective component Result Error codes
ADF motor - Document will not be able to be fed. ---
Document feed rollers
1, 2 - Documents will jam.
- Documents will skew.
- Documents will not be able to be fed.
A2, A3
Separation pad - Two or more sheets of documents will be fed at
once. ---
Document front sensor
actuator - Document draw-in operation will not start even
though documents have been set. A3
Document rear sensor
actuator - Document draw-in operation will continue even
though all documents have been fed into the
machine.
A2, A3

4-44 Confidential
[ 2 ] Scanner mechanism
Defective component Result Error codes
CIS unit - Any of the following images may appear on the
printout:
- When the power is turned on, abnormal noises will
be heard from the machine.
- Any of the following errors occurs:
- Dark level offset data level error for scanning
- Gain control data level error for scanning
- Scan area right/left edge detection error
- Horizontal scanning edge reduction/enlargement
detection error in scanning area setting
- White/black level data error
- Scan starting edge detection error
BD
CIS flat cable - When the power is turned on, the "Unable to Init.
AF" (for models with color LCD) or "Init. Unable
AF" (for models with monochrome LCD) appears
on the LCD.
---
Scanner drive unit - When the power is turned on, abnormal noises will
be heard from the machine. ---

4-45 Confidential
[ 3 ] Head/carriage unit drive and purge mechanisms
Defective component Result Error codes
Head/carriage unit - Any of the following images may appear on the
printout:
---
Carriage motor - The head/carriage unit will not be able to travel
normally.
- When the power is turned on, the "Unable to Init.
3*" (for models with color LCD) or "Init. Unable
3*" (for models with monochrome LCD) appears on
the LCD.
- The following image may appear on the printout:
30, 31, 32,
33
CR encoder strip - The head/carriage unit will not be able to travel
normally.
- Any of the following images may appear on the
printout:
30, 31, 32,
33
Ink cartridge PCB - The "Ink Empty XX" message will appear even
though there is ink.
- Even though the ink has run out, the "Ink Empty
XX" message will not appear.
26, 27, 28,
29
- A paper jam will occur. 80, 82
Paper width sensor
- Print on the platen without paper. ---

4-46 Confidential
Defective component Result Error codes
Maintenance unit
Head caps or
wiper
- Any of the following images may appear on the
printout:
---
Tube pump - The tube pump will not draw out ink from the head
nozzles. ---
Purge cam switch - The purge cam switch will not detect the purge cam
ON/OFF timing. 50, 51, 52
[ 4 ] Print head mechanism
Defective component Result Error codes
Head/carriage unit and
carriage PCB ASSY
- Any of the following images may appear on the
printout:
---

4-47 Confidential
[ 5 ] Sheet feeder (SF) mechanism
Defective component Result Error codes
Bank ASSY
(shown on page 4-39) - Two or more sheets of paper will be fed at once.
- No paper will be fed.
82, 83, 88
[ 6 ] Paper feeding mechanism
Defective component Result Error codes
Paper feed roller
Paper ejection roller
(If the paper feed
roller or paper
ejection roller is
defective, it is
necessary to replace
the engine unit.)
- Any of the following images may appear on the
printout:
---
PF encoder disk
PF encoder sensor
- The following image may appear on the printout:
VWXYZ
---
[ 7 ] Speaker
Defective component Result Error codes
Speaker - No key clicks will be heard.
- Abnormal noises will be heard from the machine.
- The ringer will not sound.
- No tone will be transmitted.
---

4-48 Confidential
[ 8 ] Control panel and LCD
Defective component Result Error codes
Rubber keypad - Keys will not work. ---
Control panel PCB - The monochrome LCD will show nothing. *1
- Keys will not work.
- The LEDs will not light.
---
Color LCD *2 The color LCD will show nothing. ---
*1 For models with monochrome LCD
*2 For models with color LCD
[ 9 ] PCBs
Defective component Result Error codes
Main PCB - No faxes will be able to be sent.
- No phone calls will be able to be made.
- Copying will not be possible.
- PC-driven printing will not be possible.
- Scanning will not be possible.
- The machine will not be able to be turned on.
- Any of the following images may appear on the
printout:
- The ringer will not sound.
---
MJ PCB - No faxes will be able to be sent.
- No phone calls will be able to be made.
- The ringer will not sound.
- No tone will be detected.
- The machine will not be able to switch to the
external telephone.
D*
Power supply PCB - The machine will not be able to be turned on.
- The LED will not light.
- The LCD will show nothing.
---

4-49 Confidential
[ 10 ] Adjustments/data in the memories
Adjustment/data
setting error in the
following
components:
Result Refer to:
Error
codes
EEPROM
customizing code - The machine will not work as
specified for that model or that
shipping destination.
- Chapter 9,
Section 9.1.4.19
- Appendix 3
ID code - The machine will not be able to be
identified by the PC connected to it
via USB.
- Chapter 7,
Section 7.3, [ 9 ]
Head property data
(in the EEPROM) - The print quality will deteriorate. - Chapter 7,
Section 7.2, [ 1 ]
- Chapter 9,
Section 9.1.4.17
Correction of head
positioning error - Any of the following images may
appear on the printout:
- Chapter 7,
Section 7.2, [ 4 ]
Updating of the
paper feeding
correction value
for the paper feed
roller/paper
ejection roller
(Function code 58)
- Any of the following images may
appear on the printout:
- Chapter 7,
Section 7.2, [ 5 ]
- Chapter 9,
Section 9.1.4.12
Setting of the CIS
scanner area - The white and black level data will
not be compensated properly.
- The scanning center position will not
be centered.
- The enlargement/reduction ratio of
copies will go wrong.
- Chapter 9,
Section 9.1.4.11
Confidential
CHAPTER 5
TRANSFER OF DATA LEFT IN THE MACHINE
TO BE SENT FOR REPAIR
Confidential
CHAPTER 5 TRANSFER OF DATA LEFT IN THE MACHINE
TO BE SENT FOR REPAIR
This chapter describes how to transfer data left in the machine to be sent for repair. The service
personnel should instruct end users to follow the transfer procedure given in this chapter if the
machine at the user site cannot print received data due to the printing mechanism defective. End
users can transfer received data to another machine to prevent data loss.
CONTENTS
5.1 TRANSFERRING RECEIVED FAX DATA..................................................................5-1

5-1 Confidential
5.1 TRANSFERRING RECEIVED FAX DATA
When the machine at the user site requires to be repaired, unplugging the power cord from the wall
socket for sending the machine for repair will lose received FAX data if unprinted and left in the
machine.
To prevent such data loss, the service personnel should instruct end users (e.g., by telephone) to
transfer data to another facsimile machine using the procedure below.
NOTE: The number of files that can be transferred at a time is 99. To transfer 100 files or more,
carry out the following procedure more than one time.
TIP: If there are both color and monochrome data in a file to be transferred, the monochrome data
will be transferred first. If the receiver machine does not support the color function, the sender
machine cannot transfer color data, resulting in an error.
Operating Procedure
(1) Connect the machine to be repaired (that has received data in the memory) to the telephone
line.
(2) Switch the machine on.
(3) Press the Menu, Black Start (Mono Start), Menu, and Black Start (Mono Start) keys in
this order to access user-accessible functions in the maintenance mode.
The "MAINTENANCE 10" appears on the LCD.
(4) Call up the "MAINTENANCE 53" using the and keys and press the OK key.
The "FAX TRANSFER" appears on the LCD.
(5) To check the number of received files, press the 1 key.
The "1.NO. OF JOBS" appears on the LCD.
Press the OK key, and the number of received files appears, just as "NO. OF. JOBS: 10."
Pressing the Stop/Exit key returns the machine to the "FAX TRANSFER" state.
(6) Select data to transfer as follows.
To transfer the activity report only, press the 2 key.
The "2.ACTIVITY" appears.
To transfer received files together with the activity report, press the 3 key.
The "3.DOCUMENTS" appears. Note that if there is no received file, the "NO
DOCUMENTS" appears.
To transfer the communication list for the latest communication, press the 4 key.
The "4.COM.LIST (NEW)" appears.
To transfer the communication list for last three errors, press the 5 key.
The "5.COM.LIST (ERR3)" appears.
(7) With the "2.ACTIVITY," "3.DOCUMENTS," "4.COM.LIST (NEW)," or "5.COM.LIST
(ERR3)" being displayed in step (6), press the OK key.
The "ENTER NO. &SET" appears.
5-2 Confidential
(8) Enter the telephone number of the receiver machine and press the OK key again.
NOTE: Be sure to type the telephone number with the numerical keys. No speed dialing is
allowed in this procedure.
The machine displays the "ACCEPTED" for approx. two seconds and starts dialing to transfer
data.
The machine automatically returns to the standby state.
No station ID will be attached. A cover page and end page as shown on the next page will be
automatically attached, instead.

5-3 Confidential
Cover page sample
End page sample
Confidential
CHAPTER 6
DISASSEMBLY/REASSEMBLY AND
LUBRICATION
Confidential
CHAPTER 6 DISASSEMBLY/REASSEMBLY AND LUBRICATION
This chapter details procedures for disassembling and reassembling the machine together with
related notes. The disassembly order flow provided enables you to see at a glance the quickest
way to get to component(s) involved.
At the start of a disassembly job, you check the disassembly order flow that guides you through
a shortcut to the target components.
This chapter also covers screw tightening torques and lubrication points to which the specified
lubricants should be applied during reassembly jobs.
The illustrations in this chapter are based on "models with ADF" and "models with handset."
CONTENTS
6.1 DISASSEMBLY/REASSEMBLY...............................................................................6-1
Safety Precautions...............................................................................................6-1
Tightening Torque................................................................................................6-2
Preparation .........................................................................................................6-3
How to Access the Target Component ..................................................................6-4
Disassembly Flowchart ........................................................................................6-5
6.1.1 Jam Clear Cover...........................................................................................6-6
6.1.2 Scanner Cover (Scanner Unit).......................................................................6-7
6.1.3 ADF & Document Cover ASSY* (Document Cover).......................................6-13
6.1.4 Disassembly of ADF & Document Cover ASSY (Only for models with ADF)....6-16
6.1.5 Control Panel ASSY, Scanner Cover Sensor Actuator, Ink Cartridge
Cover Sensor Actuator, and Cover Sensor PCB ...........................................6-24
6.1.6 Components of Control Panel ASSY ............................................................6-26
6.1.7 Charge Stand ASSY (for models with cordless handset).....................................6-30
6.1.8 Backup Battery (for models with backup battery) and Upper Cover .....................6-31
6.1.9 Antenna & Cordless PCB ASSY (for models with cordless handset)....................6-33
6.1.10 Speaker .....................................................................................................6-35
6.1.11 Ink Cartridge Cover, Media Module Cover, Front Cover, and WLAN PCB*......6-36
6.1.12 Main PCB...................................................................................................6-38
6.1.13 MJ/PS Shield Box and Power Supply PCB ...................................................6-44
6.1.14 Hook Switch PCB (for models with handset).....................................................6-47
6.1.15 Head/Carriage Unit and Ink Refill ASSY .......................................................6-49
6.1.16 Ink Absorber Box, Ink Absorber Felt, and PF Encoder Disk ...........................6-61
6.1.17 Engine Unit and Flushing Box......................................................................6-63
Confidential
6.1.18 Components on the Engine Unit (Maintenance unit, Mode switching lever &
clutch gear ASSY, Carriage motor, Inner chute ASSY, Registration sensor PCB,
PF encoder PCB, Paper feed motor, Paper pull-in gear shaft, and Paper
pull-in roller holder) ......................................................................................6-67
6.1.19 Paper Tray ASSY .......................................................................................6-73
6.1.20 Routing of the Harnesses, Flat Cables, and Ink Supply Tubes .......................6-75
6.2 LUBRICATION......................................................................................................6-87

6-1 Confidential
6.1 DISASSEMBLY/REASSEMBLY
Safety Precautions
To prevent the creation of secondary problems by mishandling, observe the following precautions
during maintenance work.
(1) Before replacing parts or units, unplug the power cord and telephone line.
In particular, when having access to the power supply inside the machine, make sure that the
power cord is unplugged from the electrical outlet; when having access to the main PCB or MJ
PCB, make sure that both the power cord and telephone line are unplugged from the electrical
outlet.
(2) Be careful not to lose screws, washers, or other parts removed for parts replacement.
(3) When using soldering irons and other heat-generating tools, take care not to damage the resin
parts such as wires, PCBs, and covers.
(4) Static electricity charged in your body may damage electronic parts.
Before handling the PCBs, touch a metal portion of the machine to discharge static electricity
charged in your body. When transporting PCBs, be sure to wrap them in conductive sheets.
When replacing the head/carriage unit, put on a grounding wrist band and perform the job on a
static mat. Also take care not to touch the conductor sections on the flat cables.
(5) Be sure to reinsert self-tapping screws correctly, if removed.
(6) Tighten screws to the torque values listed on the next page.
(7) When connecting or disconnecting cable connectors, hold the connector bodies not the wires. If
the connector has a lock, always slide the connector lock to unlock it.
(8) Before reassembly, apply the specified lubricant to the specified points. (Refer to Section 6.2 in
this chapter.)
(9) After repairs, check not only the repaired portion but also that the connectors and other related
portions function properly before operation checks.
(10) Once the head/carriage unit prints, it will start head locking operation after five seconds from
the end of printing. The head locking operation will take 5 to 10 seconds. NEVER unplug the
power cord before the machine completes the head locking operation; doing so will make the
head/carriage unit unusable and require replacement with a new head/carriage unit.
When you receive the machine from the user or when you pack it for sending it back to the
user, check the head locking state.

6-2 Confidential
Tightening Torque
Location of screw Screw type Q'ty Tightening torque
N•m (kgf•cm)
Grounding wire*1 (for ADF motor) Taptite, cup S M3x6 1 0.40 ±0.1 (4 ±1)
ADF reinforcement plate*1 Taptite, cup B M3x8 1 0.50 ±0.1 (5 ±1)
ADF unit*1 Taptite, bind B M4x12 3 0.70 ±0.1 (7 ±1)
Taptite, cup B M3x8 1 0.50 ±0.1 (5 ±1)
ADF motor*1 Screw, pan (s/p washer) M3x6 2 0.70 ±0.1 (7 ±1)
(Together with grounding wire*1 using one screw)
Document roller holder*1 Taptite, cup B M3x10 1 0.50 ±0.1 (5 ±1)
Control panel ASSY Taptite, cup B M3x10 3 0.40 ±0.1 (4 ±1)
LCD support cover*2 Taptite, bind B M3x8 2 0.40 ±0.1 (4 ±1)
Charge stand ASSY*3 Taptite, cup B M3x10 2 0.40 ±0.1 (4 ±1)
(Together with charge PCB)
Upper cover Taptite, bind B M4x12 6 0.70 ±0.1 (7 ±1)
Taptite, cup B M3x10 1 0.40 ±0.1 (4 ±1)
(Together with cordless PCB) Taptite, cup S M3x6*3 1 0.40 ±0.1 (4 ±1)
Antenna & cordless PCB ASSY*3 Taptite, Torx pan B M3x10 1 0.40 ±0.1 (4 ±1)
Taptite, cup B M3x12 1 0.60 ±0.1 (6 ±1)
Grounding wire (for WLAN PCB)*4 Screw, pan (s/p washer) M3x8 1 0.40 ±0.1 (4 ±1)
(Together with main PCB shield frame)
Main PCB shield Taptite, cup B M3x10 2 0.40 ±0.1 (4 ±1)
Taptite, cup S M3x6*2 1 0.40 ±0.1 (4 ±1)
Main PCB Taptite, cup S M3x6 2 0.40 ±0.1 (4 ±1)
Main PCB shield frame Screw, pan (s/p washer) M3x8 1 0.40 ±0.1 (4 ±1)
(Together with MJ/PS shield box)
MJ/PS shield box Screw, pan (s/p washer) M3x8 1 0.40 ±0.1 (4 ±1)
Taptite, cup S M3x6 1 0.40 ±0.1 (4 ±1)
Power cord holder*5 Taptite, cup B M3x12 1 0.60 ±0.1 (6 ±1)
Power supply PCB Taptite, cup S M3x6 4 0.40 ±0.1 (4 ±1)
MJ shield Screw, pan (s/p washer) M3x8 1 0.40 ±0.1 (4 ±1)
MJ PCB Taptite, cup S M3x6 1 0.40 ±0.1 (4 ±1)
Flat cable support plate Taptite, bind B M4x12 1 0.70 ±0.1 (7 ±1)
Chassis support Taptite, cup B M3x12 1 0.60 ±0.1 (6 ±1)
Engine unit Taptite, cup B M3x12 1 0.60 ±0.1 (6 ±1)
Maintenance unit (top) Taptite, bind B M3x8 2 0.40 ±0.1 (4 ±1)
(right side) Taptite, cup S M3x6 1 0.80 ±0.1 (8 ±1)
Carriage motor Screw, bind M3x6 2 0.70 ±0.1 (7 ±1)
PF encoder PCB Screw, bind M2x12 1 0.15 ±0.05 (1.5 ±0.5)
Paper feed motor Screw, bind M2.6x4 2 0.40 ±0.1 (4 ±1)
*1 For models with ADF
*2 For models with color LCD
*3 For models with cordless handset
*4 For wireless LAN-enabled models
*5 For 120V series

6-3 Confidential
Preparation
Prior to proceeding with the disassembly procedure,
(1) Unplug the following:
- Power cord from the electrical outlet
- Modular jack of the telephone line from the machine
- Modular jack of the curled cord*1 (and remove the handset*1)
- USB cable, if connected
- LAN cable*2, if connected
- USB digital camera cable or USB flash memory drive, if connected
- Modular jack of the external telephone set, if connected
(2) Remove the following:
- Paper tray ASSY
- Handset mount*1 (see the illustration below)
(3) Remove memory cards*3 if inserted in the machine. *1 For models with handset
*2 For wired LAN-enabled models
*3 For models with PhotoCapture Center
Handset mount*
1
Paper tray ASSY
(6_01)
Telephone line cord
Handset*
1
Removing the handset mount Installing the handset mount
Pull the tab on the bottom of the
handset mount outwards, and
remove the handset mount in the
direction of the arrow.
Align the markings on the
machine and handset mount with
each other and slide the handset
mount in the direction of the arrow.

6-4 Confidential
(4) Remove all four ink cartridges and set the protective part instead.
(6_02_J)
Ink cartridges
Ink cartridge cover Protective part
How to Access the Target Component
• On the next page is a disassembly flowchart which helps you access the target components. To
remove the maintenance unit, first find it on the flowchart and note its number ( in this case).
To access it, you need to remove all the parts above the maintenance unit on the flowchart ( ,
, , , and in this case) before the unit itself can be removed.
• Unless otherwise specified, all parts should be replaced in the opposite order to which they were
removed to reassemble the machine.

6-5 Confidential
Disassembly Flowchart
6.1.1 6.1.2
6.1.2
6.1.3
6.1.2
6.1.4
6.1.3 6.1.4
6.1.4 6.1.4
6.1.4
6.1.4
6.1.19
6.1.5
6.1.5
6.1.5
6.1.8
6.1.6
6.1.15
6.1.15
6.1.15
6.1.15
6.1.15 6.1.16
6.1.16
6.1.8
6.1.11 6.1.11
6.1.12
6.1.12
6.1.13
6.1.13
6.1.14
6.1.13
6.1.18
6.1.18
6.1.18
6.1.18
6.1.18
6.1.11 6.1.16
6.1.18
6.1.18
6.1.18
6.1.18
6.1.18
6.1.17
(Mini3e_MFC_flowchart)
6.1.11
6.1.9
6.1.15
6.1.10
Jam clear cover CIS flat cable cover
and harness cover
Document stopper
- Paper tray cover
- Paper tray extension
- Paper tray and base pad
- Bank ASSY
Scanner cover (Scanner unit)
Scanner cover damper
and support
Document sponge
ASSY
ADF & document
cover ASSY
- ADF motor
- Gear 20/45
- Document rear sensor PCB
- Document front sensor PCB
- Document pull-in roller
- Document separation roller
- ADF parts
(Note 1)
ADF cover
Document
pressure bar ADF
reinforcement plate
Pinch roller &
spring assemblies
ADF unit
Paper tray ASSY
- Control panel PCB
- LCD (Color or monochrome)
- Rubber keypad
Control panel ASSY
Scanner cover sensor actuator
Ink cartridge cover sensor actuator
Cover sensor PCB
Backup battery
(Note 2)
CR encoder
strip Media module cover
Main PCB shield
Ink cartridge cover
Upper cover
Front cover PF encoder disk
Main PCB and its
shield frame
MJ/PS shield box
MJ PCB
Hook switch PCB
Flat cable support plate
Tube support wire
Carriage PCB with
head flat cables
Ink refill ASSY
(Note 3)
(Note 4)
Head/carriage unit
and CR timing belt
Engine unit
Ink absorber felt
Ink absorber box
Maintenance unit
(Note 5)
Mode switching lever &
clutch gear ASSY
Paper pull-in gear shaft
Paper pull-in roller holder
Carriage motor Inner chute ASSY
Registration sensor actuator
Registration sensor PCB
PF encoder PCB
(PF encoder disk)
Paper feed motor
(Note 6)
Head cover
10/10
10/10
3
*
4
*
6
*
5/15
30/30
50/65 5/30
15/30
30/10
10/20
75/35
20/20
10/10
6.1.3
Document cover
10/10
10/10
15/15
10/10
70/70
75/50
10/20 5/5
10/1050/70 5/5
5/5
WLAN PCB
5/5
Antenna &
cordless PCB ASSY
5/20
Speaker
10/20 20/20
20/60
10/5 30/50
50/50
20/20
25/70 10/15
70/70 30/30
Power supply PCB
with power cord
70/190
30/30 10/20 10/10
5/5 5/5
5/15 10/10
5/20
15/20
20/20
5/5
6.1.17
Flushing box
5
*
10/10
20/35
10/10
*2
*1
6.1.7
Charge stand ASSY
4
*
30/30
Sensors, encoders, and thermistors
(
Note 1
)
In the ADF unit*1:
Document front and rear sensors
(
Note 2
)
On the cover sensor PCB: Scanner/ink
cartridge cover sensor
(
Note 3
)
In the ink refill ASSY:
Four ink cartridge sensors and casing
internal temperature thermistor
(
Note 4
)
On the head/carriage unit:
Paper width sensor, head thermistor and
CR encoder sensor
(
Note 5
)
On the maintenance unit:
Purge cam switch
(
Note 6
)
On the registration sensor PCB:
Registration sensor
On the PF encoder PCB:
PF encoder sensor
*1 For models with ADF
*2 For models without ADF
*3 For models with backup battery
*4 For models with cordless handset
*5 For wireless LAN-enabled models
*6 For models with handset
Disassembly/reassembly
standard time
(
seconds
)

6-6 Confidential
6.1.1 Jam Clear Cover
(1) Pull the jam clear cover to unlatch the two lock arms at both sides.
Lock arm
(6_03)
Jam clear cover
Lock arm

6-7 Confidential
6.1.2 Scanner Cover (Scanner Unit)
The scanner cover should be removed together with the ADF & document cover ASSY*
(document cover) whose removal procedure is given in Section 6.1.3. The disassembly of the ADF
& document cover ASSY* is detailed in Section 6.1.4.
*For models with ADF
(1) Open the scanner cover until it locks.
(2) Remove the CIS flat cable cover and the harness cover by inserting the tip of a flat screwdriver
into the slots and releasing the latches.
(6_04)
Slots (latches)
Harness cover
Slots (latches)
Upper cover
Scanner cover
(Scanner unit)
Pawl
Pawl
CIS flat cable cover
ADF & document
cover ASSY

6-8 Confidential
(3) Disconnect the CIS flat cable from the main PCB, pull it to the rear through the flat core, and
then release it from the cable guides. Unlatch the flat core and take it out of the upper cover.
(4) Disconnect the following harnesses from the main PCB.
- CIS motor harness
- ADF motor harness*
- Document front sensor harness*
- Document rear sensor harness*
(5) Release the grounding wire* by removing the screw. *For models with ADF
(6_05_e)
Latch
Taptite, cup S M3x6 Scanner cover
(Scanner unit)
Grounding wire*
ADF motor harness*
Document rear sensor harness*
Document front sensor harness*
CIS motor harness
Upper cover
Flat core
CIS flat cable
(6_06_e)
Main PCB
CIS flat cable
(12-wire)
ADF motor harness
(4-wire)
Document front sensor harness
(3-wire)
Document rear sensor harness
(3-wire)
CIS motor harness
(4-wire)
CIS motor harness
(4-wire)
ADF motor harness*
(4-wire)
Document rear
sensor harness*
(3-wire)
Document front sensor harness*
(3-wire)
For models with monochrome LCD For models with color LCD

6-9 Confidential
(6) While supporting the scanner cover by hand, press the lock arm and release the front end of the
scanner cover support from the upper cover.
(7) Release the harnesses from the cable guides provided at the left end of the upper cover.
*For models with ADF
(6_07_e)
Lock arm
CIS motor harness
ADF motor harness*
Grounding wire*
Document rear sensor harness*
Scanner cover
(Scanner unit)
Scanner cover support
Document front sensor harness*
Upper cover
Scanner cover
support
(8) Open the scanner cover at approx. 90° and pull it to the rear and off the machine.
(6_08_e)
CIS flat cable
Scanner cover
(Scanner unit)
CIS motor harness
ADF motor harness*
Grounding wire* Document rear sensor harness*
Document front sensor harness*
Flat core

6-10 Confidential
(9) Place the scanner cover upside down.
(10) To prevent the scanner cover support and damper from getting broken, remove them from the
scanner cover as follows.
Release the lock arm of the scanner cover damper from the scanner cover and pull out the
damper in the direction of arrows shown below. The scanner cover support also comes off.
*For models with ADF
(6_09)
CIS motor harness
Scanner cover
(placed upside down)
Scanner cover support
Scanner cover damper
Lock arm
Document front sensor harness*
Document rear sensor harness*
Grounding wire*
ADF motor harness*
(Rear)
CIS flat cable
Assembling Notes
• Route the CIS motor harness, document front and rear sensor harnesses*, ADF motor harness*
and grounding wire* as shown on the next page. (*For models with ADF)
• If you replace the scanner cover, check the CIS type (Canon, Rohm, or Lite-On) printed on the
CIS bar code label on the new scanner cover and enter it to the EEPROM (Function code 59),
referring to Chapter 9, Section 9.1.4.13.
After that, acquire the white level data and set the CIS scanner area (Function code 55), referring
to Chapter 9, Section 9.1.4.11.

6-11 Confidential
Upper cover
(Rear)
Document front sensor harness
Document rear sensor harness
CIS motor harness
ADF motor harness
Grounding wire
Main PCB
Route the bundle of document
front and rear sensor harnesses
on this side.
Route the CIS motor harness
and the bundle of ADF motor
harness and grounding wire
on this side.
(6_10_440CN)
Upper cover
(Rear)
Document rear sensor harness
Document front sensor harness
CIS motor harness
ADF motor harness
Grounding wire
Main PCB
Route the bundle of document
front and rear sensor harnesses
on this side.
Route the CIS motor harness
and the bundle of ADF motor
harness and grounding wire
on this side.
(6_10_240C)
Models except MFC265C/260C/235C
MFC265C/260C

6-12 Confidential
Upper cover
(Rear)
CIS motor harness
Main PCB
Route the CIS motor harness
on this side.
(6_10_750CW)
MFC235C

6-13 Confidential
6.1.3 ADF & Document Cover ASSY* (Document Cover)
(1) Release the bundle of harnesses (ADF motor harness*, grounding wire*, and document front
and rear sensor harnesses*) from the cable guide in the rear corner of the scanner cover as
shown below. *For models with ADF
Scanner cover
(placed upside down)
(6_12)
Bundle of harnesses
(ADF motor harness*, grounding wire*,
and document front and rear sensor harnesses*)
CIS motor harness
CIS motor harness
Bundle of harnesses
Cable guide
(Rear)

6-14 Confidential
(2) Place the scanner cover right side up.
(3) Models with ADF: Turn the ADF & document cover ASSY upright. Slightly lift up the ASSY
and press both ends of hinge R inwards to separate hinge R from the scanner cover.
Slightly lift up the ASSY and unlatch hinge L from the scanner cover with the tip of a flat
screwdriver as shown below.
To remove those hinges from the ASSY, turn them slightly.
NOTE: Hinge L holds the bundle of harnesses (ADF motor harness*, grounding wire*, and
document front and rear sensor harnesses*) even if it is removed from the ASSY. If it is not
easy to remove hinge L from the bundle of harnesses, try it after separating the ADF unit from
the document cover (see page 6-18).
Models without ADF: Turn the document cover upright, unlatch the two hinges, and lift up
the cover. *For models with ADF
Document front sensor harness*
(6_13_e)
Hinge R*
Scanner cover
(Scanner unit)
CIS motor harness
Hinge L*
ADF & document cover ASSY (For models with ADF)
Document cover (For models without ADF)
Hinge L*
ADF motor harness*
Grounding wire*
Document rear sensor harness*

6-15 Confidential
(4) Models with ADF: Remove the document sponge ASSY by releasing the four latches with a
flat screwdriver. *For models with ADF
(6_14)
Thick
Latches "A"
Document sponge ASSY*
Thin
Latches "B"
(Rear)
ADF motor harness*
Grounding wire*
Document rear sensor harness*
Document front sensor harness*
ADF & document cover ASSY*
(Right)
Assembling Notes
• Models with ADF: When mounting the document sponge ASSY on the ADF & document cover
ASSY, face the thick side towards the right and insert latches "A" into the document cover first,
and then set latches "B" as shown above.
• Models with ADF: When mounting the ADF & document cover ASSY on the scanner cover, be
sure to route a bundle of harnesses (ADF motor harness*, grounding wire*, and document front
and rear sensor harnesses*) through the cable guide provided in the left rear corner of the scanner
cover as shown on page 6-13.

6-16 Confidential
6.1.4 Disassembly of ADF & Document Cover ASSY (Only for models with ADF)
ADF cover and document stopper
(1) Place the ADF & document cover ASSY right side up as shown below.
(2) Pull up the left end of the ADF cover to open and turn it upright.
(3) Pull the front end of the ADF cover outwards to release it from the front boss provided on the
document cover.
(4) Turn the front end of the ADF cover to the left slightly and release the rear end from the rear
boss on the document cover.
(5) Remove the document stopper.
(Front)
(6_21)
ADF cover
Rear boss
Front boss
Latch
Latch
Document stoppe
r
Document cover

6-17 Confidential
Document pressure bar
(6) Place the ADF & document cover ASSY upside down.
(7) Press the lock arms on the ADF unit outwards, push the document pressure bar once to release
the two tabs from the square openings, and pull it out. The spring also comes off.
NOTE: When handling the document pressure bar, take care not to stain or scratch the white
reference film on the bar.
(6_15)
ADF motor harness
Grounding wire
Document rear sensor harness
Document front sensor harness
Spring
Lock arm
Tabs
Document pressure bar
Tabs
White reference film
Square
openings
Lock arm (Rear)
ADF & document cover ASSY
Lock arm
Spring
Lock arm
When mounting the document pressure bar,
press the lock arms outwards, fully insert
this end and then fit the two tabs into the
square openings.

6-18 Confidential
ADF reinforcement plate and pinch roller & spring assemblies
(8) Remove the screw that secures the ADF reinforcement plate and pull out the plate.
(9) Remove the three pinch roller & spring assemblies.
(6_16)
ADF & document cover ASSY
Taptite, cup B M3x8
ADF reinforcement plate
Pinch roller & spring assemblies
(Rear)
ADF motor harness
Grounding wire
Document rear sensor harness
Document front sensor harness
Separating the ADF unit from the document cover
(10) Remove four screws (three "a" and one "b" screws) from the ADF unit.
(11) Pull the rear side of the document cover outwards and take the ADF unit out of the document
cover.
(6_17)
ADF motor harness
Grounding wire
Document rear sensor harness
Document front sensor harness
(Rear)
ADF unit
"a"
Pull here outwards to
release the ADF unit
Document cover
1
2
3
4
"a"
"a"
"b"
Tighten these screws
in the order of 1 to 4 .
"a": Taptite, bind B M4x12
"b": Taptite, cup B M3x8

6-19 Confidential
ADF motor and document rear sensor PCB
(12) Place the ADF unit right side up as shown below.
(13) Remove the ADF motor with the following steps.
1) Remove the gear 20/45 by releasing the latch.
NOTE: The gear 21/46 and planet gear 23 become freed. Take care not to lose them.
2) Remove the two screws.
3) Disconnect the ADF motor harness from the ADF motor.
(14) Push down the two lock arms and take out the document rear sensor PCB. Then disconnect the
document rear sensor harness from the PCB.
ADF motor harness
(6_18)
ADF motor
Routing the ADF motor harness
and grounding wire
Cable guide
ADF motor harness
Grounding wire
Gear
21/46
Screw, pan
(s/p washer)
M3x6
Gear 20/45
Planet gear 23
(Rear)
ADF motor harness
Grounding wire
Document rear sensor harness
Document front
sensor harness
(Left)
Lock arms
Document rear
sensor PCB
Document rear sensor harness
Document rear sensor PCB
ADF unit
ADF motor
Grounding wire

6-20 Confidential
Document front sensor PCB
(15) Place the ADF unit upside down.
(16) Pull the lock arm outwards and take out the document front sensor PCB. Then disconnect the
document front sensor harness from the PCB.
(6_19)
Document front sensor PCB
Document front sensor harness
(Rear)
ADF unit
(placed upside down)
Lock arm
Document front sensor harness
ADF unit
Bundle of harnesses
(ADF motor harness, grounding wire,
and document front and rear sensor harnesses)
Cable guide
Routing the document front sensor harness
through the cable guides

6-21 Confidential
Document pull-in roller and document separation roller
(17) Press the lock arm on the document roller holder and pull out the separation roller gear.
(18) Remove the screw that secures the document roller holder.
(19) Release the two tabs on the left end of the document roller holder from the ADF unit and take
it out.
(20) Remove the document pull-in roller and document separation roller from the document roller
holder.
(6_20)
Document pull-in roller
ADF unit
(placed upside down)
(Rear)
Document front
sensor harness Separation roller gea
r
Lock arm
Document roller holder
Apply grease here.
Apply grease here.
Document separation roller
Document roller holder
Taptite, cup B
M3x10
Tabs
(Front)
Lock arm

6-22 Confidential
ADF parts
(21) Place the document cover upside down.
(22) Remove the ADF pull-in piece and its spring from the document cover.
(23) Remove the separation pad from the document cover.
(Rear)
(6_22)
Document cover
(placed upside down)
ADF pull-in piece
ADF pull-in spring
Separation pad
ADF pull-in piece
ADF pull-in spring
Assembling Notes
• When mounting the ADF pull-in piece on the document cover, be sure to set the ADF pull-in
spring as shown above.
• Before mounting the document roller holder onto the ADF unit (see page 6-21), apply the
specified lubricant to the specified points, referring to Section 6.2.
• When mounting the ADF motor onto the ADF unit, route the ADF motor harness and the
grounding wire as shown on page 6-19. When securing the motor with two screws, be sure to
secure the grounding wire also with one of those screws (see page 6-19).

6-23 Confidential
• Before mounting the ADF unit on the document cover, make sure that the ADF motor harness,
grounding wire, and document front and rear sensor harnesses are routed on the top of the ADF
unit as shown below. Also make sure that the bundle of those harnesses is routed through the
cable guide (shown on page 6-20) provided at the rear of the ADF unit.
Document rear sensor PCB
(6_23)
ADF unit
Top view
Document front sensor harness
Grounding wire
ADF motor harness
(Rear)
Document front and rear sensor harnesses
ADF motor harness
Grounding wire
Document rear sensor harness
• When securing the ADF unit on the document cover, tighten four screws (three "a" and one "b"
screws) in the order of through as shown at the bottom of page 6-18.
When mounting the ADF reinforcement plate and three pinch roller & spring assemblies, first
secure the ADF reinforcement plate with the screw. Then insert the pinch roller & spring
assemblies between the plate and document cover until they snap into place.
• When handling the document pressure bar, be careful not to stain or scratch the white reference
film on the bar. (See page 6-17.)
When mounting the document pressure bar on the ADF unit, set the spring, press the lock arms
on the ADF unit outwards, fully insert the no-tab end of the document pressure bar into the ADF
unit, and then fit the two tabs into the square openings. After that, make sure that the document
pressure bar is supported by the two lock arms. (See page 6-17.)

6-24 Confidential
6.1.5 Control Panel ASSY, Scanner Cover Sensor Actuator, Ink Cartridge Cover Sensor Actuator,
and Cover Sensor PCB
Control panel ASSY
(1) Remove the three screws from the control panel ASSY.
(2) Pull up the rear end of the control panel ASSY and turn it up slightly.
NOTE: Do not pull the control panel ASSY away from the machine since it is connected to the
machine with a short LCD flat cable* and harnesses.
(3) While holding the control panel ASSY at an angle of approx. 45°, disconnect the LCD flat
cable* and panel-main harness from the main PCB, and the cover sensor harness from the
control panel PCB.
*For models with color LCD
(6_24)
Tighten these screws
in the order of 1 to 3 .
Control panel PCB
Taptite, cup B M3x10
Main PCB
Panel-main harness
Cover sensor harness
Control panel ASSY
1
2
3
LCD flat cable*

6-25 Confidential
Scanner cover sensor actuator, ink cartridge cover sensor actuator, and cover sensor PCB
(4) Remove the scanner cover sensor actuator from the upper cover, pulling the lock arms
outwards. The actuator spring also comes off.
(5) Open the ink cartridge cover. Remove the ink cartridge cover sensor actuator, pulling the lock
arms outwards. The actuator spring also comes off.
(6) Remove the cover sensor PCB by pulling the two lock arms outwards that hold the
photosensor.
Scanner/ink cartridge cover sensor
(6_25)
Scanner cover sensor actuator
Actuator spring
Cover sensor PCB
Cover sensor harness
Upper cover
Ink cartridge cover
Ink cartridge cover sensor actuator
Scanner cover
sensor actuato
r
Actuator spring
Ink cartridge cover sensor actuator
Actuator lever
Lock arm Hook
Rib
Removing the actuators
by pulling the lock arms
outwards
Actuator spring
Hook
Actuator spring
Assembling Notes
• Mount the ink cartridge cover sensor actuator with the ink cartridge cover being opened. When
setting its spring, fit the bent end under the hook on the actuator, and the straight end on the
upper cover as shown above. After closing the cover, check that the cover's actuator lever pushes
down the sensor actuator.
• When mounting the scanner cover sensor actuator, fit the bent end under the hook on the actuator,
and the straight end between the rib and boss on the upper cover.
• When securing the control panel ASSY to the upper cover, tighten the three screws in the order
of to as shown on the previous page. After mounting the control panel ASSY, check that
there is no gap between the front end of the control panel ASSY and that of the upper cover.

6-26 Confidential
6.1.6 Components of Control Panel ASSY
For models with color LCD
(1) Place the control panel ASSY upside down.
(2) Pull four latches "x" and remove the control panel PCB to the front.
(3) Remove the two rubber keypads and the keys.
(6_26)
(Front)
Control panel PCB
Rubber keypad
Rubber keypad
Latches "x"
Latches "x"
Control panel
(placed upside down)
Panel-main harness
Keys
Microphone
(For models with TAD)
(4) Remove the two screws and lift up the LCD support cover.
(5) Take the color LCD unit out of the control panel.
(6) Warp the cable protection plate and release it from the color LCD.
(6_27)
Square opening
Taptite, bind B M3x8
LCD support cover
Cable protection plate
Color LCD
Latches
(Front)
Control panel
(placed upside down)
LCD flat cable
There are three types of color LCDs: 4.2-/3.3-inch wide color LCDs and 2.0-inch color
LCD. Their removal/installation procedures are the same although these three types are
different in shape. The illustrations here are based on the model with 2.0-inch color LCD.

6-27 Confidential
(7) Remove the control panel from the control panel base by releasing nine latches.
(6_28)
Latches
Control panel base
Latchs
Latches
Latches
Control panel
Assembling Notes
• A new LCD is covered with a protection sheet. Before setting it, remove the protection sheet.
• When setting the cable protection plate on the color LCD, take care not to pinch the LCD flat
cable between the plate and LCD.
• When mounting the LCD support cover, route the LCD flat cable through the square opening.
• After setting the color LCD back into place, wipe fingerprints or dust off the LCD surface with a
soft cloth.

6-28 Confidential
For models with monochrome LCD
(1) Place the control panel ASSY upside down.
(2) Pull four latches "x" and remove the control panel PCB.
NOTE: Do not pull the control panel PCB away from the control panel base since it is
connected to the monochrome LCD mounted on the control panel base with a short panel-LCD
flat cable.
(3) Disconnect the panel-LCD flat cable from the control panel PCB after releasing the connector
lock.
(4) Remove the three rubber keypads and the keys.
(5) Remove the monochrome LCD by releasing the two lock arms.
(6) Remove the control panel from the control panel base by releasing eight latches "y."
(6_29_e)
Control panel PCB
Panel-main harness
Monochrome LCD
Panel-LCD flat cable
Lock arms
Control panel base
Control panel
Latches "y"
Latches "y"
Rubber keypad
Rubber keypad
Rubber keypad
Latches "x"
Latches "x"
Keys

6-29 Confidential
Assembling Notes
• Before setting the monochrome LCD back into place, wipe fingerprints or dust off the LCD
surface and control panel window with a soft cloth.
• A new LCD is covered with a protection sheet. Before setting it, remove the protection sheet.

6-30 Confidential
6.1.7 Charge Stand ASSY (for models with cordless handset)
(1) Remove the two screws from the bottom charge cover.
(2) Release the two latches on the bottom charge cover and pull the cover down and off the top
charge cover.
(3) While pulling the hook on the top charge cover outwards, slide the cover to the rear and take it
off the upper cover.
(4) Disconnect the charge harness from the charge PCB.
Top charge cover
Charge PCB
Bottom charge cover
(6_01_1)
Latches
Charge harness
Hook
Taptite, cup B M3x10

6-31 Confidential
6.1.8 Backup Battery (for models with backup battery) and Upper Cover
NOTE: Make sure that the jam clear cover has been removed.
(1) Disconnect the battery harness from the main PCB and remove the backup battery from the
upper cover.
(2) Disconnect the cordless flat cable* and speaker harness from the main PCB.
(3) Open the ink cartridge cover.
(4) Remove the seven screws (six "a" and one "b" screws) (for models with cordless handset, eight
screws including one "c" screw) from the upper cover.
(5) Insert the tip of a small flat screwdriver into the two openings provided in the front end of the
upper cover, release the upper cover from the bosses on the lower cover, and lift it up.
NOTE: Do not put your hands in the opening above the platen (shown below). Doing so may
damage or stain the CR encoder strip inside. * For models with cordless handset
(6_30_J)
1
2
8
3
6
5
4
Peep hole
Upper cover
Front cover Boss
Lower cover
Opening
Ink cartridge cover
Boss
Opening
Actuator
lever
Rib
Cover arm
PF encoder disk
Upper cover
Cordless flat cable*
Cable guide
Cordless flat cable*
Backup battery
Cable guide
Upper cover
Speaker harness
Main PCB
7
"b"
"a"
"a"
"a"
"a"
"a"
"c"*
"a"
Opening above the platen
"a": Taptite, bind B M4x12
"b": Taptite, cup B M3x10
"c"*: Taptite, cup S M3x6
Tighten seven (eight*)
screws in the order of
to ( to *).

6-32 Confidential
CAUTION
- There is a danger of explosion if the battery is incorrectly replaced.
- Do not disassemble or recharge the battery.
- Do not dispose of the battery in fire.
- Used batteries should be disposed of according to the local regulations.
Assembling Notes
• When mounting the upper cover:
- Make sure that the jam clear cover is not mounted.
- Make sure that the head/carriage unit is placed in the head capping position (home position).
This prevents the ink supply tubes from getting crushed between the upper and lower covers.
- Make sure that the ink cartridge cover is opened if the ink cartridge cover sensor actuator has
been mounted. (Mounting the upper cover with the ink cartridge cover being closed will
dislocate the ink cartridge cover sensor actuator.)
- Take care not to deform the PF encoder disk.
- Tighten seven screws to (eight screws to for models with cordless handset) in this
order as shown on the previous page.
• After mounting the upper cover, check that the PF encoder disk is not bent or deformed through
the peep hole. (See the illustration on the previous page.)
• Route the battery harness as shown below.
(6_30_1_J)
Cable guide
Cable guide
Backup battery
Main PCB
Upper cover

6-33 Confidential
6.1.9 Antenna & Cordless PCB ASSY (for models with cordless handset)
(1) Place the upper cover upside down.
(2) Remove the screw from the cordless PCB.
NOTE: Take care not to bend the wire that works as an antenna on the cordless PCB.
(3) Release the antenna wire from the cable guide.
NOTE: Take care not to pull the soldered point of the antenna wire or apply force to that point.
Do not bend or pull the antenna wire.
(4) Remove the screw that secures the antenna and its support together to the upper cover.
(5) Pull the antenna and its support inward and off the upper cover.
(6) Take the antenna & cordless PCB ASSY out of the upper cover.
(6_30_2_J)
Antenna
Soldered point
Latch
Antenna wire
Cordless PCB
Wire
(that works as antenna)
Antenna support
Antenna support
Antenna &
cordless PCB ASSY
Taptite, Torx
pan B M3x10
Taptite, cup B
M3x12
Upper cover
placed upside down
(Do not pull the
antenna wire.)

6-34 Confidential
Assembling Notes
• Route the antenna wire as shown below.
(6_30_3_e)
Antenna wire
Speaker harness
Upper cover
Antenna support
Antenna & cordless PCB ASSY
Pass the antenna wire through
this guide provided on the
antenna support.
Route the antenna wire
between these two ribs.
Plate spring

6-35 Confidential
6.1.10 Speaker
(1) Release the speaker harness from the cable guides provided on the upper cover.
(2) Press the latch of the plate spring with the tip of a flat screwdriver and pull it up. Then take the
speaker and its frame out of the pocket provided on the inner surface of the upper cover.
(6_30_1)
Speaker
Speaker frame
Plate spring
Latch
Upper cover
(placed upside down)
Speaker harness
Speaker
Routing the speaker harness through the cable guides on the inner surface of the upper cover
Assembling Notes
• After mounting the speaker, its frame, and plate spring into the pocket provided on the inner
surface of the upper cover, route the speaker harness as shown above.

6-36 Confidential
6.1.11 Ink Cartridge Cover, Media Module Cover, Front Cover, and WLAN PCB*
* For wireless LAN-enabled models
(1) Lightly lift up the front end of the lower cover and remove the ink cartridge cover.
(2) Remove the media module cover.
(3) For wireless LAN-enabled models: Proceed to step (4).
For models not supporting wireless LAN: Lightly pull up the retainer on the inside of the front
cover to release it from the lower cover. Then lightly lift up the front end of the lower cover
and remove the front cover.
(6_31)
Actuator leve
r
Cover arm
Main PCB shield
Retainer
Latch
Media module cover
Ink cartridge cover
Latch
Front cover
Boss
Boss
Sockets
Linear boss

6-37 Confidential
For wireless LAN-enabled models, remove the front cover and WLAN PCB using the
following steps.
(4) Release the grounding wire by removing the screw.
(5) Disconnect the WLAN PCB harness from the main PCB.
(6) Lightly pull up the retainer on the inside of the front cover to release it from the lower cover.
Then lightly lift up the front end of the lower cover and remove the front cover together with
the WLAN PCB.
(7) Release the two latches on the front cover and take out the WLAN PCB.
(6_32_e)
Main PCB
Lower cover
Retainer
WLAN PCB harness
Grounding wire
Front cover
Screw, pan (s/p washer)
M3x8
Latch
Latch
WLAN PCB
WLAN PCB
harness
Grounding wire
Linear boss
Linear boss
Assembling Notes
• For wireless LAN-enabled models: When mounting the front cover and WLAN PCB onto the
lower cover, route the WLAN PCB harness and grounding wire as shown above.
• When mounting the front cover, lightly lift up the front end of the lower cover and fit the linear
boss provided on the inside bottom of the front cover on the bottom of the lower cover.
• When mounting the ink cartridge cover, lightly lift up the frond end of the lower cover, fit the
two sockets over the bosses on the lower cover at the angle shown below and rotate the ink
cartridge cover. Then, set the cover arm on the rib on the right side of the lower cover (see the
illustration on the previous page).
(Ink_cartridge_cover)
Cover arm
Ink cartridge cover
Lower cover Fit the sockets provided on the ink
cartridge cover over the bosses on
the lower cover.
110

6-38 Confidential
6.1.12 Main PCB
CAUTION: Before accessing the main PCB, make sure that the power cord is unplugged from the
electrical outlet and the telephone line is disconnected; otherwise, an electric shock could occur.
CAUTION: At the time of removal of the main PCB, untightening screws should be preceded by
disconnection of the harnesses and flat cables, and at the time of installation, connection of the
harnesses and flat cables, by tightening of screws. Observing this sequence prevents harnesses and
flat cables from getting crushed or damaged by screws or screwdrivers.
(1) Models with color LCD: Remove the three screws (two "a" and one "b" screws) from the
main PCB shield and lift it up.
Models with monochrome LCD: Remove the two screws "a" from the main PCB shield and
lift it up.
(6_33)
Ink cartridge
sensor harness
"a"
"b"
"a"
Main PCB shield
Paper feed
motor harness
PF encoder/registration
sensor harness Power supply harness
Main PCB
Purge cam
switch harness
(Only on models
with color LCD)
SDAA enclosure
"a": Taptite, cup B M3x10
"b": Taptite, cup S M3x6 (Only on models with color LCD)

6-39 Confidential
(2) Disconnect the following harnesses and flat cables from the main PCB.
CAUTION: Do not remove the screws from the main PCB before disconnecting harnesses and
flat cables.
- Purge cam switch harness (2-wire)
- Ink cartridge sensor harness (9-wire)
- Power supply harness (4-wire)
- PF encoder/registration sensor harness (7-wire)
- Paper feed motor harness (2-wire)
- Carriage motor harness (2-wire)
- Main-MJ (EXT) harness (2-wire in black)
- Main-MJ (LINE) harness (2-wire in blue)
- Head flat cable 1 (14-wire)
- Head flat cable 2 (13-wire)
- Head flat cable 3 (12-wire)
- Hook switch harness*1 (6-wire)
- Charge harness*2 (2-wire) *1 For models with handset
*2 For models with cordless handset
(3) Release the main-MJ (EXT) harness and main-MJ (LINE) harness from the cable guides
provided on the SDAA enclosure.
Models with color LCD
Main PCB
Power supply harness
(4-wire)
Carriage motor harness
(2-wire)
Paper feed motor harness
(2-wire)
PF encoder/registration
sensor harness
(7-wire)
(WLAN PCB harness)
(4-wire in 6-wire connector
housing)
Hook switch harness (6-wire)
(Battery harness)
(4-wire)
For debugging at the factory.
Do not disturb it.
(LCD flat cable)
(28-wire)
(18-wire)
Ink cartridge senso
r
harness
(9-wire)
Purge cam switch
harness
(2-wire)
(LAN interface)
(CIS flat cable)
(12-wire)
Head flat cable 1
(14-wire)
Head flat cable 2
(13-wire)
Head flat cable 3
(12-wire)
(CIS motor harness)
(4-wire) (USB interface)
For debugging at the factory.
Do not disturb it.
(6_34_1_e)
(Speaker harness)
(2-wire)
(Cordless flat cable)
(18-wire)
Main-MJ (EXT) harness
(2-wire in black)
Main-MJ (LINE)
harness
(2-wire in blue)
(ADF motor harness)
(4-wire)
(Document rear
sensor harness)
(3-wire)
(Document front
sensor harness)
(3-wire)
*
2
*
1
*
3
*
9
*
8
(Panel-main harness)
(7-wire , 5-wire )
*
6
*
7
*
5
*
4
Charge harness (2-wire)
*
2
*1 For wired LAN-enabled models
*2 For models with cordless handset
*3 For models with 4.2-/3.3-inch wide color LCD
*4 For models with 2.0-inch color LCD
*5 For models with backup battery
*6 For models with TAD
*7 For models without TAD
*8 For wireless LAN-enabled models
*9 For models with handset

6-40 Confidential
Models with monochrome LCD
(Speaker harness)
(2-wire)
(6_35_e)
Main PCB
Head flat cable 3
(12-wire)
(CIS motor harness)
(4-wire)
Carriage motor harness
(2-wire)
Paper feed motor harness
(2-wire)
PF encoder/registration
sensor harness
(7-wire)
Power supply harness
(4-wire)
(Panel-main harness)
(5-wire)
Ink cartridge sensor harness
(9-wire)
Purge cam switch harness
(2-wire)
(CIS flat cable)
(12-wire)
Head flat cable 1
(14-wire)
Head flat cable 2
(13-wire)
(USB interface)
For debugging at the factory.
Do not disturb it.
Main-MJ (EXT) harness
(2-wire in black)
Main-MJ (LINE)
harness
(2-wire in blue)
(ADF motor harness)
(4-wire)
(Document rear sensor harness)
(3-wire)
(Document front sensor harness)
(3-wire)
*
*
*
* For models with ADF

6-41 Confidential
(4) Remove two screws "c" from the main PCB, then lift up the PCB.
(5) Remove the SDAA enclosure by unlatching it from the solder side of the main PCB.
(6) Remove screw "d" from the main PCB shield frame, then lift up the shield frame. (This screw
also secures the MJ/PS shield box.)
(6_36)
Main PCB
Main PCB
"c"
"c"
"d"
Carriage motor
harness
Paper feed motor
harness
PF encoder/registration
sensor harness Power supply harness
Lower cover
Ink cartridge sensor harness
Purge cam switch harness
Main PCB shield frame Main PCB shield frame
"c" "c"
Thermal conductor rubber
(For 200V series only)
L-shaped boss
Models with color LCD Models with monochrome LCD
SDAA enclosure
SDAA enclosure
Thermal conductor rubber
"c": Taptite, cup S M3x6
"d": Screw, pan (s/p washer) M3x8
Align the edge of the
thermal conductor rubbers
with the L-shaped bosses
on the main PCB shield
frame.

6-42 Confidential
Assembling Notes
• Before mounting the main PCB, check that the thermal conductor rubbers (two for 200V series,
one for other models) are set on the main PCB shield frame. If they have come off, attach them to
the main PCB shield frame so that they become aligned with the L-shaped bosses on the shield
frame as shown on the previous page.
• When replacing the main PCB, check that the thermal conductor rubbers (two for 200V series,
one for other models) are on the main PCB shield frame, not on the bottom of the main PCB.
Take care not to remove the old PCB with the conductor rubbers being attached.
• If you replace the main PCB, also replace the ink absorber box and flushing box. Otherwise,
drained ink may overflow after long-term use.
• If you replace the main PCB, you need to make the specified adjustments and updating of
settings stored in the flash ROM, referring to Chapter 7, Section 7.3. Before starting, make sure
that the head/carriage unit is mounted.
• Before securing the main PCB shield, route the main-MJ (EXT) harness and main-MJ (LINE)
harness through the SDAA enclosure as shown below and connect them to the main PCB.
Models except MFC265C/260C/235C
*1 For models with handset
*2 For models with cordless handset
SDAA enclosure
Main-MJ (LINE) harness (blue)
Main-MJ (EXT) harness (black)
Carriage motor harness
Paper feed motor harness
PF encoder/registration
sensor harness
Power supply harness
Hook switch harness
Charge harness
Main PCB
(6_36_1_e)
*
1
*
2

6-43 Confidential
MFC265C/260C/235C
SDAA enclosure
Main-MJ (LINE) harness (blue)
Main-MJ (EXT) harness (black)
Carriage motor harness
Paper feed motor harness
PF encoder/registration
sensor harness
Power supply harness
Main PCB
(6_36_1_240C)

6-44 Confidential
6.1.13 MJ/PS Shield Box and Power Supply PCB
(1) If the main PCB shield frame has not been removed, disconnect the power supply harness from
the main PCB and remove screw "d" (shown on page 6-41) from the main PCB shield frame.
(2) Remove the two screws ("e" and "f").
(3) Remove the MJ/PS shield box from the underside of the lower cover.
(6_38)
MJ/PS shield box
Lower cover
Power supply harness
"e"
"f"
Main-MJ (LINE) harness
Main-MJ (EXT) harness
U-shaped cutout
"e": Screw, pan (s/p washer) M3x8
"f": Taptite, cup S M3x6

6-45 Confidential
(4) For 120V series: Remove the power cord holder by removing the screw "g." Then release the
power cord from the cable guides (shown on the next page).
(5) Remove the power supply shield from the lower MJ/PS shield.
(6) Remove four "j" screws from the power supply PCB.
(7) Remove screw "h" from the MJ shield and take it off the lower MJ/PS shield.
(8) Remove screw "i" from the MJ PCB and take it off the lower MJ/PS shield.
Lower MJ/PS
shield
(6_39)
1
2
3
4
Cable tie
"Y"
MJ shield
Power cord
MJ shield
Tabs
Power supply shield
Tab
Power supply harness
Slit Lower MJ/PS shield
"X"
Slits
"Y"
Power supply PCB
Power supply
PCB
Power cord
holder Power cord
"g"
"h"
"i"
"j"
"j"
"j"
"j"
MJ PCB
Main-MJ (LINE)
harness (blue)
Main-MJ (EXT)
harness (black)
CN1
CN2
For 120V series
"g": Taptite, cup B M3x12
"h": Screw, pan (s/p washer) M3x8
"i" and "j": Taptite, cup S M3x6
Tighten four screws in
the order of to .

6-46 Confidential
Paper feed motor harness Carriage motor harness
PF encoder/registration
sensor harness
Power supply harness
Lower cover
Main PCB
Main-MJ (EXT) harness
SDAA enclosure
Main-MJ (LINE) harness
(6_39_2_MFC_e)
Channel
Paper feed motor
harness and PF encoder/
registration sensor harness
Main-MJ (EXT) and
Main-MJ (LINE) harnesses
Hook switch harness
Charge harness *
1
*
2
Assembling Notes
• Route the main-MJ (LINE) and (EXT) harnesses through the harness guide on the lower MJ/PS
shield as shown below.
• When securing the power supply PCB, tighten four "j" screws in the order of , , and as
shown on the previous page.
• Secure the power cord to the two holes provided in section "Y" (shown on the previous page) of
the lower MJ/PS shield with a cable tie. After that, route the power cord through the cable guides
as shown below.
Main-MJ (LINE) harness
(blue)
Main-MJ (EXT) harness
(black)
Power cord
Cable guide
Ferrite core
Power supply shield
Power supply PCB
Top view
Cable guides
(6_39_1)
Power supply harness
Harness guide
• When mounting the power supply shield on the lower MJ/PS shield, insert three tabs into three
slits. Make sure that section "X" of the lower MJ/PS shield is fitted over the power supply shield.
(See the previous page.)
• When mounting the MJ/PS shield box, route the power supply harness through the U-shaped
cutout (shown on page 6-44) in the lower MJ/PS shield.
After mounting the MJ/PS shield box, route the power supply harness through the channel as
shown below. Make sure that the main-MJ (LINE) and (EXT) harnesses are routed as shown
below.
*1 For models with handset
*2 For models with cordless handset

6-47 Confidential
(6_39_3_J)
Lower cover
Hook switch actuator
Spring Hook switch PCB
6.1.14 Hook Switch PCB (for models with handset)
(1) Make sure that the MJ/PS shield box has been removed.
(2) Make sure that the hook switch harness has been disconnected from the main PCB.
(3) Release the hook switch actuator from the lower cover, turn it counterclockwise (viewed from
the left), and remove it together with the spring.
(4) Place the machine on its right end and support it by hand.
(5) Press the latch (the black plastic part on the lower cover) that locks the bottom of the hook
switch PCB, to release the PCB.
(6_39_4_J)
Lower cover
Latch
Bottom of hook switch PCB
Viewed from the botto
m

6-48 Confidential
(6_39_5_J)
Lower cover
Hook switch PCB
(6) Place the machine right side up.
(7) Lift the hook switch PCB up and out of the lower cover.

6-49 Confidential
6.1.15 Head/Carriage Unit and Ink Refill ASSY
During disassembly jobs, except when removing the ink refill ASSY or engine unit (including the
maintenance unit), leave the head/carriage unit in the machine.
Before removing the head/carriage unit, ink refill ASSY or engine unit, you need to remove all four
ink cartridges and set the protective part instead (see page 6-4). Be sure to insert the protective part
into place to prevent ink remaining in the ink supply tubes from leaking and the machine from
getting stained with leaked ink.
NOTE: Make sure that the power cord is unplugged from the electrical outlet.
NOTE: When replacing the head/carriage unit, put on a grounding wrist band and perform the job
on a static mat. Also take care not to touch the conductor sections on the flat cables.
NOTE: During the removal or installation job for the head/carriage unit, take care not to
contaminate the CR encoder strip or PF encoder disk with ink or grease.
NOTE: If you replace the head/carriage unit, also replace the ink cartridges. This is because
sufficient ink volume is necessary for refilling the ink supply tubes after replacement of the
head/carriage unit.

6-50 Confidential
CR encoder strip
(1) While lightly pushing the CR encoder strip support on the left end of the engine unit inwards,
unhook the right end of the CR encoder strip from the hook ().
(2) Slide the CR encoder strip to the left () and out of the head cover. At the left end of the CR
encoder strip, align the rectangular hole in the strip with the boss of the strip support () and
take the strip off.
NOTE: Take care not to scratch or damage the encoder strip. If it becomes dirty, wipe it with a
soft, dry cloth. If it is stained with ink, replace it.
Flat cable support plate, tube support wire and its spring
(3) Unhook the spring from the tube support wire.
(4) Release the four ink supply tubes from the tube support wire.
(5) Remove the screw from the flat cable support plate.
(6) Unlatch the support plate from the lower cover and remove it together with the tube support
wire and its spring.
(7) Remove the spring and tube support wire from the flat cable support plate.
(6_40_e)
Taptite, bind B
M4x12
This should point up.
CR encoder strip
Ink supply tubes
Tube support wire
Flat cable support plate
CR encoder strip support
Engine unit
Lower cover
(Front)
Hook
Tube/cable guide
Latch
Spring
1
2
3
Head cover

6-51 Confidential
Head cover
(8) Move the head/carriage unit to position "P" (shown below) by hand.
NOTE: If the head/carriage unit does not move, rotate the ejection idle gear clockwise (viewed
from the left) by hand to unlock the head/carriage unit and move it to position "P."
(9) Unlatch the head cover from the head/carriage unit and pull it up.
Lower cover
(6_42_e)
Ink absorber box
Latches
Tabs
Head cover
Latch
Head/carriage unit
Latches

6-52 Confidential
Carriage PCB ASSY (carriage PCB with head flat cables)
(10) Unlock the connector on the carriage PCB and disconnect the carriage-head flat cable.
(11) Release the head flat cables out of the cable guides and pull them out (together with the flat
core) to the rear through the opening provided in the lower cover as shown below.
NOTE: When replacing the carriage PCB ASSY, remove the flat core from the old head flat
cables and set it to the new ones.
(12) Unlatch the FFC support, which holds the three head flat cables, from the head/carriage unit.
(13) Lift up the carriage PCB ASSY.
(14) Remove the FFC support from the head flat cables.
(6_43)
FFC support
Latch
Latch
Carriage PCB
Carriage-head flat cable
Lower cover
Head flat cables
Flat core
Opening

6-53 Confidential
Head joint and ink refill ASSY
(15) Pull out the joint leaf spring to the right to release the head joint.
(16) Pull the head joint up and off the head/carriage unit.
Remove the head joint rubber (that is a part of the head/carriage unit but may come off with the
head joint) and put it on a clean vinyl sheet while taking care not to contaminate it.
NOTE: Wipe off the ink remaining on the section where the head joint was mounted with a
clean, lint-free cloth.
NOTE: Wrap the head joint in a clean, lint-free cloth and keep it higher than the ink supply
tubes to prevent ink remaining in the ink supply tubes from leaking and the machine from
getting stained with leaked ink.
(6_45)
Joint leaf spring
Head joint
Ink supply tubes
Head/carriage unit
Head/carriage unit
Head joint
Joint leaf spring
Head joint rubber

6-54 Confidential
(17) Take out the ink supply tubes routed on the lower cover.
(18) While pressing the four lock release levers with your fingers, lift the ink refill ASSY up and
out of the lower cover.
NOTE: On the back of the ink refill ASSY is an ink absorber felt that may be stained with ink.
If it is excessively stained, replace it.
(6_46)
Ink refill ASSY
Black
Yellow
Cyan
Magenta
Head joint
Ink supply tubes
Ink cartridge
sensor harness
Lower cover
Lower cover
Tube guide
Sponge
Lock release levers
Ink absorber felt (in this plastic case)
Routing the Ink Supply Tubes
Black
Yellow
Cyan
Magenta
(Rear)
When routing the ink supply tubes
through this tube guide, do not overlap
them with each other.

6-55 Confidential
Head/carriage unit and CR timing belt
NOTE: During the removal or installation job for the head/carriage unit, take care not to
contaminate the PF encoder disk with ink or grease.
(19) While pressing the idle pulley holder to the right, remove the CR timing belt from the carriage
motor pulley and idle pulley.
(20) Move the head/carriage unit to the left end of its travel by hand.
(21) Lift the head/carriage unit (with the CR timing belt) up and off the engine unit in the direction
of the arrow shown below.
NOTE: Do not touch the head nozzles (the printing ends) or ink supply ports (to which ink
supply tubes are connected) of the head/carriage unit; doing so will not only stain your hands
with ink but also damage the nozzles and supply ports. If you do touch them though, clean
them with a special-purpose cleaning stick and liquid.
NOTE: Do not remove the CR timing belt from the head/carriage unit unless it needs to be
replaced. Once removed, the belt will become unusable and a new one will have to be put back
in.
NOTE: If the head/carriage unit needs to be replaced, replace not only that unit but also the
CR timing belt.
(6_47_e)
CR timing belt
Head/carriage unit
Cutouts
Idle pulley
PF encoder disk
Idle pulley holder
Idle pulley spring
(Front)
CR support chassis
Carriage motor pulley
CR guide rail
Engine unit
When mounting a new head/carriage
unit, apply grease to the CR guide
rail (13 lubrication points).
When mounting a new head/carriage
unit, apply grease to the CR support
chassis (13 lubrication points).
When mounting a new
head/carriage unit, apply
grease here.

6-56 Confidential
(22) A head/carriage unit is assigned a property code that represents the properties unique to that
head/carriage unit. The property code is printed on head property labels--bar code label and QR
code label, each of which is attached to the lower cover and carriage-head flat cable,
respectively.
When you remove the head/carriage unit and store it separately from the machine, remove the
property label (bar code label) from the lower cover and store it together with the head/carriage
unit.
If you replace the head/carriage unit, attach the property label (bar code label) that comes with
the new head/carriage unit to the lower cover as shown below.
Head/carriage unit
Lower cover
Carriage-head flat cable
(6_48)
Property code
(15-digit)
Head property label (Bar code)
Head property label (QR code)

6-57 Confidential
NOTE: When storing the head/carriage unit for a long period, be sure to put an air buffer cap
on the head/carriage unit and store the unit in the head casing, as shown below. Leaving the
head/carriage unit out of the casing will cause the head nozzles and ink supply ports to dry up,
resulting in a damaged head.
Latch
Head casing (upper)
Air buffer cap
Head casing (lower)
Head/carriage unit
(6_49)
Assembling Notes
• When handling the head/carriage unit, put on a grounding wrist band and perform the job on a
static mat. Also take care not to touch the conductor sections on the flat cables.
• When accessing the head/carriage unit placed on the engine unit, put the head/carriage unit in
position "P" (on the right edge of the engine chassis) as shown on page 6-51.
• When replacing the head/carriage unit, replace not only that unit but also the CR timing belt.
Refer to page 6-55.
• When mounting a new head/carriage unit, apply the specified lubricant to the specified point,
referring to Section 6.2.
Also, after mounting a new head/carriage unit, apply the specified lubricant to the specified
points on the sliding surfaces of the CR guide rail and CR support chassis, referring to Section
6.2.

6-58 Confidential
• Before mounting the head/carriage unit on the engine unit, be sure to move the front and rear
slider cams to the rightmost position to prevent them from scratching or damaging the PF
encoder disk.
Head/carriage unit
(6_50)
Rear slider cam
Front slider cam
• When mounting the head/carriage unit on the left end of the engine unit, first fit the front end
over the CR support chassis (shown on page 6-55) and then set the rear end onto the CR guide
rail. Make sure that the two front bosses (see below) provided on the bottom of the head/carriage
unit catch the front edge of the CR support chassis and the two rear bosses are fitted in the two
cutouts (on page 6-55) in the CR guide rail.
Rear bosses
(6_50_1)
Front bosses
Viewed from the bottom
• After mounting the head/carriage unit, slide it by hand to check that it smoothly moves to the
right and left ends of its travel.
• After mounting the ink refill ASSY, route the ink supply tubes on the lower cover, aligning
magenta, cyan, yellow, and black ones in this order from the bottom, as shown on page 6-54.
• Before setting the head joint, make sure that the head joint rubber is set on the head/carriage unit
as shown on page 6-53. Then secure the head joint to the head/carriage unit with the joint leaf
spring.
• When mounting the carriage PCB ASSY, route the head flat cables, observing instructions given
on the next page.

6-59 Confidential
Routing the Head Flat Cables When Mounting the Carriage PCB ASSY
1) Set the FFC support on the head flat cables.
- Fit the loop of the head flat cables over the small boss inside the FFC support as shown below.
(6_44_1)
FFC support
Small boss Head flat
cables
Loop
Carriage PCB
2) Mount the carriage PCB on the head/carriage unit (see page 6-52).
3) Latch the FFC support onto the head/carriage unit (see page 6-52).
4) Route the head flat cables through the cable guides
and pass them through the flat core and the opening
provided in the lower cover.
(6_44_2)
Head flat cable 3
Head flat cable 2
Head flat cable 1
Opening
Boss Cable guides
Cable guides
Carriage motor harness
Flat core
(Rear)
5) Set the tube support wire and spring onto the
flat cable support plate. Fit the bent end of the
spring on the tube/cable guide as shown below,
turn the spring clockwise once and hook it on
the tube support wire so that the spring pulls the
wire to the front.
Then, mount the flat cable support plate so that
the head flat cables (and ink supply tubes) pass
between the tube/cable guide on the support
plate and the lower cover.
Tube/cable guide
Flat cable support plate
Tube support wire
Lower cover
(6_44_3)
(Rear)
Spring
Hook

6-60 Confidential
• After mounting the flat cable support plate, pass the ink supply tubes between the tube/cable
guide and the lower cover and then through the bent section of the tube support wire as shown
below.
(6_46_A)
Black
Yellow
Cyan
Magenta
Lower cover
Sponge
(Rear)
Flat cable support plate
Bent section of
tube support wire
Tube/cable guide Tube guide
Spring
Hook
When routing the ink
supply tubes through this
tube guide, do not overlap
them with each other.
• After mounting the head cover, set the CR encoder strip so that the -marked end is to the right
(carriage motor side) and the mark points upwards as shown on page 6-50, using the following
steps.
1) Hook the left end of the CR encoder strip on the left-hand strip support, aligning the
rectangular hole provided in the strip with the boss of the strip support.
2) Pass the strip through the CR encoder sensor located on the head/carriage unit by inserting it
into the opening of the head cover from left to right.
3) Hook the right end of the strip while pushing the left-hand strip support inwards.
• After replacement of the head/carriage unit, check that the CR encoder strip and PF encoder disk
are free of grease and ink. If they are stained with grease or ink, replace them.
• If you replace the head/carriage unit, make adjustments specified in Chapter 7, Section 7.2.

6-61 Confidential
6.1.16 Ink Absorber Box, Ink Absorber Felt, and PF Encoder Disk
NOTE: Do not remove the ink absorber box unless it needs to be replaced.
NOTE: Once the two tubes (main drain tube and opening tube to the atmospheric air) are removed
from the ink absorber box for the replacement of the ink absorber box, they will become unusable
and new parts will have to be put back in. Using the removed tubes again may result in an ink
leakage.
(1) Pull out the two tubes (main drain tube and opening tube to the atmospheric air) from the ink
absorber box.
NOTE: Pinch the end of the main drain tube with a clip and wrap the end of the opening tube
to the atmospheric air in tissue paper in order to prevent drained ink from leaking and the
machine from getting stained with leaked ink.
(2) Pull the ink absorber box up and out of the lower cover.
(3) Immediately set a new ink absorber box. Then replace these two tubes; that is, pull them off
their joints on the maintenance unit and connect new tubes to the joints and new ink absorber
box as shown below.
NOTE: If the ink absorber box or its surroundings are stained with ink, wipe them off with a
cloth.
(4) Take the ink absorber felt out of the lower cover.
Maintenance unit
Pull up the opening tube to the atmospheric
air from this joint and immediately connect
a new one to this.
Pull down the main drain tube from this
joint and immediately connect a new one
to this.
Main drain tube
(6_51)
Opening tube to the
atmospheric air
Ink absorber box
Ink absorber felt
Lower cover
Viewed from the right

6-62 Confidential
PF roller gear L
PF encoder sensor
PF encoder disk Lower cover
(6_52)
(5) Peel off the PF encoder disk from the PF roller gear L only when it should be replaced.
NOTE: Once removed, the PF encoder disk will become unusable and a new disk will have to
be put back in.
NOTE: Remove any adhesive remaining left on the PF roller gear L.
Assembling Notes
• When attaching the PF encoder disk to the PF roller gear L, using a spatular tool makes the job
easier. Put on clean gloves to protect the disk surface from dust or fingerprints.
• If you replace the ink absorber box (without replacing the main PCB), you also need to replace
the flushing box (see Section 6.1.17) and reset both the purge and flushing counters as specified
in Chapter 7, Section 7.4.

6-63 Confidential
6.1.17 Engine Unit and Flushing Box
During disassembly jobs, except when removing the ink refill ASSY or engine unit (including the
maintenance unit), leave the head/carriage unit in the machine.
Before removing the head/carriage unit, ink refill ASSY or engine unit, you need to replace all four
ink cartridges with the protective part (see page 6-4).
(1) If the MJ/PS shield box has not been removed, you need to remove screw "e" shown on page
6-44.
(2) Remove the chassis support by removing the screw.
(3) Remove the screw from the rear of the engine unit.
(4) Take the carriage motor harness and purge cam switch harness out of the harness guides
provided on the lower cover.
Cutout provided in the
engine chassis
(6_53)
Chassis support
Chassis support
Engine unit
Carriage motor harness
Purge cam switch harness
Taptite, cup B M3x12
Lower cover
Ferrite core on the carriage motor harness

6-64 Confidential
(5) Take the paper feed motor harness and PF encoder/registration sensor harness out of the
harness guides provided on the lower cover.
(6) Lift the engine unit up and out of the lower cover in the direction of the arrow shown below,
holding the inner chute located beneath the CR guide rail.
NOTE: Do not hold the CR guide rail.
NOTE: Take care not to touch the PF encoder disk.
NOTE: If the ink absorber box does not need to be replaced, be sure to take it out of the lower
cover together with the engine unit. Do not disconnect the two tubes (main drain tube and
opening tube to the atmospheric air) from the ink absorber box. Once disconnected, those tubes
will become unusable and new parts will have to be put back in.
NOTE: Do not place the engine unit directly on a flat surface; doing so may break the PF
encoder disk and gears. Be sure to place a support pad under the engine unit as shown below.
(7) Take the flushing box out of the lower cover.
Support pad
(6_54)
Engine unit
Carriage motor harness
PF encoder/registration
sensor harness
CR guide rail
Flushing box
Lower cover
PF encoder
disk Engine unit
Purge cam switch harness
Paper feed
motor harness
PF encoder disk

6-65 Confidential
Assembling Notes
• Before mounting the engine unit on the lower cover, make sure that the PF encoder/registration
sensor harness and the paper feed motor harness are routed through the cable guides on the inner
chute as shown on page 6-69.
• When mounting the engine unit on the lower cover, be careful not to crush the harnesses between
the unit and the cover. Mount the engine unit parallel to the lower cover so that the screws are
tightened securely.
• Route the harnesses as shown below.
Carriage motor harness
(6_55)
PF encoder/
registration
sensor harness
Purge cam switch harness
Top view
Lower cover
Paper feed
motor harness
PF encoder/
registration
sensor harness
(7-wire)
Paper feed motor harness
Lower cover
Ferrite core
Inner chute
ASSY
(Rear)
(Left)
PF encoder PCB
Registration sensor PCB
Registration
sensor wires
(3-wire)
PF encoder
sensor wires
(4-wire)
6-66 Confidential
• Insert the chassis support into the cutout provided in the right end of the engine chassis (see page
6-63), not between the chassis and the lower cover.
• If you replace the engine unit, make adjustments specified in Chapter 7, Section 7.2.
• If you replace the flushing box (without replacing the main PCB), you also need to replace the
ink absorber box (see Section 6.1.16) and reset both the flushing and purge counters as specified
in Chapter 7, Section 7.4.

6-67 Confidential
6.1.18 Components on the Engine Unit
(Maintenance unit, Mode switching lever & clutch gear ASSY, Carriage motor, Inner chute ASSY,
Registration sensor PCB, PF encoder PCB, Paper feed motor, Paper pull-in gear shaft, and Paper
pull-in roller holder)
Maintenance unit and mode switching lever & clutch gear ASSY
(1) Remove the three screws from the maintenance unit--two "a" screws from the top and one "b"
screw from the right side.
(2) Take the maintenance unit off the engine unit.
(3) Remove the SF changeover gear and HS changeover gear from the maintenance unit.
(4) Slide the mode switching lever & clutch gear ASSY outwards to remove it.
(5) Unlatch the switching lever guide from the CR guide rail.
(6_56_e)
"a"
"a"
(Front)
CR guide rail
Carriage motor
harness
SF changeover
gear
HS
changeover
gear
Thick Thin
"b" Maintenance unit
Mode switching lever &
clutch gear ASSY
Switching lever
guide
PF roller gear R
Apply grease here.
Apply
grease
here.
Apply grease here. Apply
grease
here.
Cutout
Right hook
1
2
3
Tighten these screws
in the order of 1 to 3 .
"a": Taptite, bind B M3x8
"b": Taptite, cup S M3x6

6-68 Confidential
Carriage motor
(6) Remove the carriage motor from the engine unit by removing the two screws.
CR support chassis
(6_57)
PF encoder/registration
sensor harness
Paper feed
motor harness
Carriage motor
CR guide rail
Screw, bind M3x6
Inner chute ASSY, registration sensor actuator, registration sensor PCB, and PF encoder
PCB
(7) Release the three latches of the inner chute ASSY from the engine unit.
NOTE: Do not pull the inner chute ASSY away from the engine unit since it is connected to
the engine unit with the PF encoder/registration sensor harness and the paper feed motor
harness.
(8) Release the PF encoder/registration sensor harness and the paper feed motor harness from the
cable guides on the inner chute ASSY. (The routing detail is shown on the next page.)
(6_58)
Latches
(Front)
PF encoder/registration
sensor harness
Paper feed
motor harness Engine unit
Inner chute ASSY

6-69 Confidential
(9) Turn the registration sensor actuator in the direction of the arrow shown below and take it off
the inner chute ASSY. The sensor actuator spring comes off.
(10) Take the registration sensor PCB out of the support arms.
NOTE: The registration sensor PCB and the PF encoder PCB are assembled with their
harnesses. To completely release the registration sensor PCB from the engine unit, therefore,
you need to remove the PF encoder PCB at the next step.
Cable guide
Registration sensor PCB
Cable guide
Registration sensor PCB
(6_59)
Routing the PF encoder/registration sensor
harness and the paper feed motor harness
on the inner chute ASSY
Inner chute ASSY
PF encoder/
registration
sensor harness
Sensor actuator spring
Inner chute ASSY
Hooking the sensor actuator spring
Sensor
actuator
spring
Registration sensor actuator
Actuator support
Support arms
Registration sensor
actuator
Paper feed motor harness

6-70 Confidential
(6_60)
Paper feed motor harness
Encoder PCB support
PF encoder PCB
Screw, bind M2x12
PF encoder disk
Engine unit
PF encoder/
registration
sensor harness
PF roller gear L
Ejection idle gear
Ejection roller gear
Paper feed roller
(11) At the left end of the engine unit, remove the screw that secures the PF encoder PCB and its
support to the engine unit, taking care not to touch the PF encoder disk (if it has not been
removed in Section 6.1.16).
(12) If the PF encoder disk needs to be replaced, peel it off from the PF roller gear L.
NOTE: Once removed, the PF encoder disk will become unusable and a new disk will have to
be put back in.
NOTE: Remove any adhesive remaining left on the PF roller gear L.
Paper feed motor
(13) Remove the two screws from the left end of the engine unit and remove the paper feed motor
in the direction of the arrow.
(6_61)
Paper feed motor
Screw, bind M2.6x4
PF roller gear L
(Left)
Paper feed motor
harness
Engine unit placed
upside down

6-71 Confidential
Paper pull-in gear shaft and paper pull-in roller holder
(14) Press the lock arm and pull out the paper pull-in gear shaft to the right.
(15) Lift the paper pull-in roller holder up and out of the engine unit, together with its spring.
(6_62)
Lock arm
Paper pull-in roller holder
Paper pull-in roller spring
Paper pull-in roller holder
Fitting the paper pull-in roller
spring into the cutout Engine unit placed upside down
Paper pull-in gear shaft
Pressing the lock arm to remove
the paper pull-in gear shaft
Paper pull-in roller holder
Engine unit
Assembling Notes
• When setting the paper pull-in roller holder back into place, fit the longer end of the paper pull-in
roller spring into the cutout provided in the engine chassis.
While holding down the paper pull-in roller holder lightly, insert the paper pull-in gear shaft
from the right until it locks.
• When mounting the paper feed motor, route its harness as shown on the previous page and secure
the motor with two screws with the label facing towards the front.
• When attaching the PF encoder disk to the PF roller gear L, using a spatular tool makes the job
easier. Put on clean gloves to protect the disk surface from dust or fingerprints.
• Before mounting the inner chute on the engine unit, set the registration sensor actuator and its
spring. Also set the registration sensor PCB and route the PF encoder/registration sensor harness
and the paper feed motor harness. See page 6-69.
• When mounting the carriage motor, face the label outwards (see page 6-68).
6-72 Confidential
• Mount the switching lever guide and the mode switching lever & clutch gear ASSY onto the
engine unit in this order.
Before mounting the ASSY, apply the specified lubricant to the specified points, referring to
Section 6.2.
When mounting the ASSY, insert the shaft end into the hole provided in the CR guide rail and fit
the right hook over the cutout (see page 6-67).
The ASSY should be mounted immediately before you mount the maintenance unit.
• Before mounting the maintenance unit onto the engine unit:
- Apply the specified lubricant to the SF changeover gear and the purge gear shaft, referring to
Section 6.2.
- Put the two gears (SF changeover gear and HS changeover gear) together so that there is a gap
between those gears as shown on page 6-67. Then set them onto the purge gear shaft with the
HS changeover gear (thinner one) facing towards the maintenance unit.
• When securing the maintenance unit with three screws (two "a" and one "b" screws), tighten
these screws in the order of to as shown on page 6-67.

6-73 Confidential
6.1.19 Paper Tray ASSY
(1) While pulling each of the left and right sides of the paper tray outwards, release each of the left
and right rear corners of the paper tray cover, respectively.
(6_63)
*The paper tray cover shown
here has a photo tray.
Paper tray cover*
Paper tray (Front)
(2) While pressing the universal guide release button (shown below), slide the paper tray extension
to the front until it clicks.
(3) While pulling sections "x" of the paper tray outwards, push down the paper tray extension and
slide it to the front and out of the paper tray.
(Front)
Paper tray
Paper tray extension
"x"
Universal guide
release button
(6_64)
"x"

6-74 Confidential
(4) Pull the four lock arms on the rear of the paper tray outwards and release the four latches of the
bank ASSY. Then pull the bank ASSY up and out of the paper tray.
(5) If the base pad needs to be replaced, peel it off the bottom of the paper tray.
NOTE: Once removed, the base pad will become unusable and a new pad will have to be put
back in.
(6_65)
Latch Unlatching the bank ASSY
Lock arm
Bank ASSY
Paper tray
Tabs
Bank ASSY
Base pad
Paper tray
Align the edge of the base pad
with the front edge of the
depressed section on the paper tray.
Paper tray
Base pad
Depressed
section
Assembling Notes
• When attaching a new base pad to the paper tray, align the edge of the base pad with the front
edge of the depressed section on the paper tray as shown above.
• When mounting the bank ASSY, first insert the four tabs into the openings in the paper tray and
then press the inside of the bank ASSY so that the latches snap into place.

6-75 Confidential
Upper cover
(Rear)
Document front sensor harness
Document rear sensor harness
CIS motor harness
ADF motor harness
Grounding wire
Main PCB
Route the bundle of document
front and rear sensor harnesses
on this side.
Route the CIS motor harness
and the bundle of ADF motor
harness and grounding wire
on this side.
(6_10_440CN)
Upper cover
(Rear)
Document rear sensor harness
Document front sensor harness
CIS motor harness
ADF motor harness
Grounding wire
Main PCB
Route the bundle of document
front and rear sensor harnesses
on this side.
Route the CIS motor harness
and the bundle of ADF motor
harness and grounding wire
on this side.
(6_10_240C)
6.1.20 Routing of the Harnesses, Flat Cables, and Ink Supply Tubes *For models with ADF
Routing A: CIS motor harness, document front and rear sensor harnesses*, ADF motor harness* and grounding
wire*
On the upper cover
Models except MFC265C/260C/235C
MFC265C/260C

6-76 Confidential
Upper cover
(Rear)
CIS motor harness
Main PCB
Route the CIS motor harness
on this side.
(6_10_750CW)
MFC235C

6-77 Confidential
On the ADF unit* *For models with ADF
Document rear sensor PCB
(6_66)
ADF unit
Top view
Document front sensor harness
Grounding wire
ADF motor harness
(Rear)
Document front and rear sensor harnesses
ADF motor harness
Grounding wire
Document rear sensor harness
Viewed from the bottom
Document front sensor PCB
Document front sensor harness
ADF motor harness
ADF motor
Cable guide
Grounding wire

6-78 Confidential
Routing B: Antenna wire (For models with cordless handset)
(6_30_3_e)
Antenna wire
Speaker harness
Upper cover
Antenna support
Antenna & cordless PCB ASSY
Pass the antenna wire through
this guide provided on the
antenna support.
Route the antenna wire
between these two ribs.
Plate spring
Routing C: Speaker harness through the cable guides on the inner surface of the upper cover
(6_67_1)
Upper cover
(placed upside down)
Speaker harness
Speaker

6-79 Confidential
Routing D: WLAN PCB harness (For wireless LAN-enabled models)
(6_67)
Main PCB
Lower cover
Retainer
WLAN PCB harness
Grounding wire
Front cover
Screw, pan (s/p washer)
M3x8
Linear boss

6-80 Confidential
Paper feed motor harness Carriage motor harness
PF encoder/registration
sensor harness Power supply harness
Lower cover
Main PCB
Main-MJ (EXT) harness
SDAA enclosure
Main-MJ (LINE) harness
(6_68_240C)
Channel
Paper feed motor
harness and PF encoder/
registration sensor harness
Main-MJ (EXT) and
Main-MJ (LINE) harnesses
Paper feed motor harness Carriage motor harness
PF encoder/registration
sensor harness
Power supply harness
Lower cover
Main PCB
Main-MJ (EXT) harness
SDAA enclosure
Main-MJ (LINE) harness
(6_39_2_MFC_e)
Channel
Paper feed motor
harness and PF encoder/
registration sensor harness
Main-MJ (EXT) and
Main-MJ (LINE) harnesses
Hook switch harness
Charge harness *
1
*
2
Routing E: Carriage motor harness, paper feed motor harness, PF encoder/registration sensor harness, power
supply harness, main-MJ (EXT) harness, main-MJ (LINE) harness, and hook switch harness* on the
lower cover
Models except MFC265C/260C/235C *1 For models with handset
*2 For models with cordless handset
MFC265C/260C/235C

6-81 Confidential
Routing F: Main-MJ (LINE) and Main-MJ (EXT) harnesses through the SDAA enclosure
Models except MFC265C/260C/235C *1 For models with handset
*2 For models with cordless handset
SDAA enclosure
Main-MJ (LINE) harness (blue)
Main-MJ (EXT) harness (black)
Carriage motor harness
Paper feed motor harness
PF encoder/registration
sensor harness
Power supply harness
Hook switch harness
Charge harness
Main PCB
(6_36_1_e)
*1
*2
MFC265C/260C/235C
SDAA enclosure
Main-MJ (LINE) harness (blue)
Main-MJ (EXT) harness (black)
Carriage motor harness
Paper feed motor harness
PF encoder/registration
sensor harness
Power supply harness
Main PCB
(6_36_1_240C)

6-82 Confidential
Routing G: Power supply harness and power cord in the MJ/PS shield box
(6_69)
Top view
MJ shield
Cable tie
Power supply harness
Lower MJ/PS shield
Power supply shield
Power supply PCB
Cable guides
Main-MJ (LINE) harness
(blue)
Main-MJ (EXT) harness
(black)
Power cord
Ferrite core
Power supply shield
Power supply PCB
Power supply harness
Harness guide
Cable guide
Routing H: Ink supply tubes
(6_46_A)
Black
Yellow
Cyan
Magenta
Lower cover
Sponge
(Rear)
Flat cable support plate
Bent section of
tube support wire
Tube/cable guide Tube guide
Spring
Hook
When routing the ink
supply tubes through this
tube guide, do not overlap
them with each other.

6-83 Confidential
Routing I: Head flat cables
Tube/cable guide
Flat cable support plate
Tube support wire
Lower cover
(6_44_3A)
(Rear)
Spring
Hook
Routing J: Purge cam switch harness and carriage motor harness on the lower cover
(6_69_1)
Ferrite core
Carriage motor harness
Purge cam switch harness
Lower cover

6-84 Confidential
Routing K: PF encoder/registration sensor harness and paper feed motor harness
On the inner chute ASSY
(6_70)
Cable guide
Registration sensor PCB
Cable guide
Inner chute ASSY
PF encoder/registration
sensor harness
Paper feed motor harness
On the lower cover
PF encoder/
registration
sensor harness
(7-wire)
Paper feed motor harness
Lower cover
Ferrite core
Inner chute
ASSY
(Left)
PF encoder PCB
Registration sensor PCB
Registration
sensor wires
(3-wire)
PF encoder
sensor wires
(4-wire)
(6_70_1)

6-85 Confidential
Routing L: Harnesses, flat cables and ink supply tubes on the lower cover
MFC885CW/685CW/680CN/465CN
Top view
Head flat
cable 2
Carriage motor harness
5
2
Paper feed motor harness
PF encoder/registration
sensor harness
Power supply harness
Hook switch harness*
Charge harness*
Head flat
cable 3
Head flat
cable 1
Head flat
cables
(Connector
for LCD
flat cable* )
(Connector
for battery
harness* )
(Connector for
WLAN PCB harness* ) (Main PCB) Purge cam switch
harness
Ink supply tubes
Ink cartridge
sensor harness
(Lower cover)
Carriage
motor
harness
SDAA enclosure
Main-MJ (EXT) harness
(black)
Main-MJ (LINE) harness
(blue)
(Connector for
speaker harness)
(Connector for
cordless flat cable* )
345
1
5
Hook switch harness*
Charge harness*
1
Carriage motor harness
Paper feed motor
harness
PF encoder/registration
sensor harness
Power supply harness SDAA enclosure
Main-MJ (EXT)
harness (black)
Main-MJ (LINE)
harness (blue)
(6_71_1_e)
Paper feed motor
harness and PF
encoder/registration
sensor harness
*1 For models with handset
*2 For wireless LAN-enabled
models
*3 For models with backup
battery
*4 For models with color LCD
*5 For models with cordless
handset

6-86 Confidential
MFC265C/260C/235C
Top view
Head flat
cable 2
Carriage motor harness
Paper feed motor harness
PF encoder/registration
sensor harness
Power supply harness
Head flat
cable 3
Head flat
cable 1
Head flat
cables
(Main PCB) Purge cam switch
harness
Ink supply tubes
Ink cartridge
sensor harness
(Lower cover)
Carriage
motor
harness
SDAA enclosure
Main-MJ (EXT) harness
(black)
Main-MJ (LINE) harness
(blue)
(Connector for
speaker harness)
Carriage motor harness
Paper feed motor
harness
PF encoder/registration
sensor harness
Power supply harness SDAA enclosure
Main-MJ (EXT)
harness (black)
Main-MJ (LINE)
harness (blue)
(6_71_2)
Paper feed motor
harness and PF
encoder/registration
sensor harness

6-87 Confidential
6.2 LUBRICATION
Apply the specified lubricants to the lubrication points as shown below.
Lubricant type
(Manufacturer) Lubrication points No. of
points Lubricant amount
per point
Document pull-in roller* 1
Molykote EM-30LG
(Dow Corning) Document separation roller* 1 4 mm diameter ball
Head/carriage unit 1 1.5 mm diameter ball
CR guide rail 13
CR support chassis 13 1.5 mm diameter ball
Mode switching lever 1
Molykote EM-60L
(Dow Corning)
Clutch gear shaft 2 2 mm diameter ball
SF changeover gear 1 Silicone G-501
(Shin-Etsu Chemical) Purge gear shaft 1 3 mm diameter ball
*For models with ADF
Document pull-in roller and document separation roller in the document roller holder
(For models with ADF)
Apply a 4 mm diameter ball of grease (Molykote EM-30LG) to each of the lubrication points
below.
(6_72)
Document pull-in roller
Document
separation roller
Document roller holder
Apply grease here.
Apply grease here.

6-88 Confidential
Head/carriage unit
Apply a 1.5 mm diameter ball of grease (Molykote EM-60L) to the lubrication point below.
Head/carriage unit
Apply grease here.
(6_73)

6-89 Confidential
CR guide rail and CR support chassis
Apply a 1.5 mm diameter ball of grease (Molykote EM-60L) to the 26 lubrication points below.
Lubrication procedure
(1) Move the head/carriage unit to the right end of its travel and hit it against the stoppers provided
at the right end of the CR guide rail and support chassis. This is to make the pair of slider cams
protrude to the left from the head/carriage unit, raising the head/carriage unit to the highest
position.
(2) Move the head/carriage unit close to the left end of its travel, taking care not to hit the slider
cams against the left stoppers to prevent the slider cams from protruding to the right.
(3) Apply grease to the 24 lubrication points on the CR guide rail and support chassis as specified
below.
As for the leftmost two lubrication points, apply grease after moving the head/carriage unit to
the right and out of those points.
(4) Move the head/carriage unit from the left to the right ends of its travel to spread the applied
grease on the CR guide rail and chassis.
11+0.5
7+0.5
7+0.5
3+0.5
6020
(6_76)
CR guide rail
Apply grease to
these 13 points.
To apply grease to this
leftmost point, move the
head/carriage unit to the right.
CR support chassis
Apply grease to
these 13 points.
To apply grease to this
leftmost point, move the
head/carriage unit to the
right.

6-90 Confidential
Mode switching lever and clutch gear shaft
Apply a 2 mm diameter ball of grease (Molykote EM-60L) to each of the lubrication points below.
Apply grease here.
Apply grease here.
Mode switching lever
Clutch gear shaft
(6_74)
SF changeover gear and purge gear shaft
Apply a 3 mm diameter ball of grease (Silicone G-501) to each of the lubrication points below.
Apply grease
here. Purge gear
Maintenance unit
Apply grease here.
Apply grease here.
HS changeover
gear
Purge gear
SF changeover
gear
(6_75_e)
Confidential
CHAPTER 7
ADJUSTMENTS AND UPDATING OF SETTINGS,
REQUIRED AFTER PARTS REPLACEMENT
Confidential
CHAPTER 7 ADJUSTMENTS AND UPDATING OF SETTINGS,
REQUIRED AFTER PARTS REPLACEMENT
This chapter details adjustments and updating of settings, which are required if the head/carriage
unit, main PCB and some other parts have been replaced.
CONTENTS
7.1 PREPARATION...........................................................................................................7-1
7.1.1 Requirements...................................................................................................7-1
7.1.2 Loading the Programs to the Machine ..............................................................7-2
7.2 IF YOU REPLACE THE HEAD/CARRIAGE UNIT OR ENGINE UNIT .........................7-6
[ 1 ] Update the head property information stored in the EEPROM
on the main PCB......................................................................................7-6
[ 2 ] Clean the new head/carriage unit (Function code 76) ...............................7-9
[ 3 ] Print out a test pattern (Function code 09)................................................7-9
[ 4 ] Correct the positioning error of the head/carriage unit ............................7-10
[ 5 ] Update the paper feeding correction value (Function code 58) ...............7-13
[ 6 ] Align vertical print lines (Function code 65) ............................................7-17
[ 7 ] Margin adjustment in borderless printing (Function code 66) ..................7-19
[ 8 ] Print out a total check pattern.................................................................7-22
[ 9 ] Switch back to standby...........................................................................7-24
[ 10 ] Replace the ink cartridges with the protective part..................................7-24
7.3 IF YOU REPLACE THE MAIN PCB...........................................................................7-25
[ 1 ] Load programs.......................................................................................7-25
[ 2 ] Initialize the EEPROM on the main PCB (Function code 01) ..................7-25
[ 3 ] Specify the CIS type (Function code 59).................................................7-25
[ 4 ] Customize the EEPROM on the main PCB (Function code 74) ..............7-25
[ 5 ] Register base ID code to the main PCB and base unit (cordless PCB) ...7-26
[ 6 ] Check the control panel PCB for normal operation (Function code 13) ...7-26
[ 7 ] Check the sensor operation (Function code 32)......................................7-26
[ 8 ] Acquire white level data and set CIS scanner area (Function code 55)...7-27
[ 9 ] Set an ID code and update the head property information ......................7-27
[ 10 ] Update the paper feeding correction value (Function code 58) ...............7-29
[ 11 ] Align vertical print lines (Function code 65) ............................................7-29
[ 12 ] Margin adjustment in borderless printing (Function code 66) ..................7-29
[ 13 ] Get MAC address from the WLAN PCB
(Only for wireless LAN-enabled models).................................................7-29
Confidential
[ 14 ] Switch back to standby...........................................................................7-29
[ 15 ] Register cordless handsets.....................................................................7-30
7.4 IF YOU REPLACE THE INK ABSORBER BOX OR FLUSHING BOX.......................7-32
[ 1 ] Reset each of the purge and flushing counters .......................................7-32
7.5 IF YOU REPLACE THE SCANNER COVER (SCANNER UNIT)................................7-32
[ 1 ] Specify the CIS type (Function code 59).................................................7-32
[ 2 ] Acquire white level data and set CIS scanner area (Function code 55)...7-32
7.6 IF YOU REPLACE THE CORDLESS PCB................................................................7-33
[ 1 ] Register base ID code to the main PCB and base unit (cordless PCB) ...7-33
[ 2 ] Register cordless handsets.....................................................................7-33
7.7 IF YOU REPLACE THE CORDLESS HANDSETS ....................................................7-33
[ 1 ] Deregister and register cordless handsets ..............................................7-33
7.8 IF YOU REPLACE THE WLAN PCB
(ONLY FOR WIRELESS LAN-ENABLED MODELS) ................................................7-35
[ 1 ] Transfer MAC address to the main PCB.................................................7-35

7-1 Confidential
7.1 PREPARATION
7.1.1 Requirements
Before proceeding to perform any adjustments or update any settings, you need the executables, data
files, spare parts and supplies (provided by Brother Industries) and must set up your PC.
NOTE: Use a PC/AT-compatible computer running Windows 98SE/Me, Windows 2000
Professional, Windows XP Home/Professional, or Windows Vista.
Executables and Data Files Required for Adjustments and Updating of Settings
BHL2-Maintenance
Printer driver brusbsn.exe brusbsn.ini filedg32.exe incline.prn
Head/carriage unit, Engine unit
(Section 7.2) √ √ √ √ √
Main PCB (Section 7.3) √ √ √ √ √
Ink absorber box, Flushing box
(Section 7.4)
Scanner cover (Section 7.5)
Cordless PCB (Section 7.6)
Cordless handsets (Section 7.7)
pfadj.prn exitadj.prn media.prn qualbh7.prn
Head/carriage unit, Engine unit
(Section 7.2) √ √ √ √
Main PCB (Section 7.3) √ √ √
Ink absorber box, Flushing box
(Section 7.4)
Scanner cover (Section 7.5)
Cordless PCB (Section 7.6)
Cordless handsets (Section 7.7)
NOTE: Executables and data files listed above should be saved in an arbitrary folder in your PC
beforehand.
Spare Parts and Supplies Required for Adjustments and Updating of Settings
Recording paper* Ink cartridges Protective part
Head/carriage unit, Engine unit
(Section 7.2) √ √ √
Main PCB (Section 7.3) √ √
Ink absorber box, Flushing box
(Section 7.4)
Scanner cover (Section 7.5)
Cordless PCB (Section 7.6)
Cordless handsets (Section 7.7)
* Letter-size paper is necessary to correctly print check patterns in "updating the paper feeding correction
value" and "adjusting the margins in borderless printing."

7-2 Confidential
7.1.2 Loading the Programs to the Machine
If you want to change the programs stored in the flash ROM on the main PCB or after you replace
the main PCB, load the desired programs to the flash ROM.
Loading requires a PC/AT-compatible computer running Windows 98SE/Me, Windows 2000
Professional, Windows XP Home/Professional, or Windows Vista.
CAUTION: During loading, never turn off your PC or the machine, unplug the USB interface cable,
interrupt loading, or load invalid data. If you do so, loading will fail, causing the PCB to be unusable.
You will have to replace the main PCB and load programs to a new PCB.
Preparation
You need the BHL2-Maintenance Printer driver and filedg32.exe (provided by Brother Industries).
Save them in an arbitrary folder in your PC.
Installing the BHL2-Maintenance Printer driver
To identify terminals connected via USB interface, a PC requires the corresponding virtual USB
devices to be implemented by driver/software. If you connect any number of machines to your PC,
therefore, the same number of virtual USB devices will be automatically configured on your PC. To
prevent virtual USB devices from being configured limitlessly, use the unique driver installation
procedure described below that enables your PC to identify terminals via a single virtual USB device.
NOTE: Once this installation procedure is carried out for a PC, no more driver/software installation
will be required for that PC to identify machines. If the BHL2-Maintenance Printer driver has been
already installed to your PC according to this procedure, skip this section.
NOTE: Before proceeding to the procedure given below, make sure that the BHL2-Maintenance
Printer driver (listed in Chapter 7, Section 7.1.1) is stored in your PC.
(1) Make sure that the machine's power cord is unplugged from an electrical outlet.
If the machine is connected to a PC, unplug the USB cable.
(2) Switch on your PC.
(3) Plug the machine's power cord into an electrical outlet.
(4) Press the Menu and Black Start (Mono Start) keys in this order. Next press the key four
times to make the machine enter the maintenance mode. (Refer to Chapter 9.)
TIP: FAX models equipped with a numerical keypad can enter the maintenance mode in the
same way as conventional models; that is, by pressing the Menu, *, 2, 8, 6 and 4 keys in this
order.
The machine beeps for approx. one second and displays " " on the
LCD, indicating that it is placed in the initial stage of the maintenance mode, a mode in which
the machine is ready to accept entry from the keys.
(5) Connect the machine to your PC using the USB cable.
The following window appears.

7-3 Confidential
(6) The following screen appears, indicating the detection of new hardware device by the system.
Click Next to proceed.
(7) Select "Search for a suitable driver for my device (recommended)" and click Next.
(8) Select "Specify a location" and click Next.

7-4 Confidential
(9) Select the folder where the copy of the BHL2-Maintenance Printer driver is located (or click
Browse to specify it), then click OK.
(This sample screen is captured on the Windows 2000 desktop.)
(10) Click Next.
(11) To proceed, click Yes.

7-5 Confidential
(12) If the driver is successfully installed, the following message window appears. Click Finish to
return to Windows.
NOTE: After completion of the driver installation, if the machine exits the maintenance mode, the
"Found New Hardware Wizard" screen in step (6) appears again. Click Cancel.
NOTE: To check that the printer driver is successfully installed, click Start|Settings|Printers to call
up the Printers window as shown below and confirm that the BHL2-Maintenance Printer icon is
displayed.

7-6 Confidential
7.2 IF YOU REPLACE THE HEAD/CARRIAGE UNIT
OR ENGINE UNIT
[ 1 ] Update the head property information stored in the EEPROM on the main PCB
(1) Make sure that the machine's power cord is unplugged from an electrical outlet.
If the machine is connected to a PC, unplug the USB cable.
(2) Switch on the PC.
(3) Plug the machine's power cord into an electrical outlet.
(4) Press the Menu and Black Start (Mono Start) keys. Next press the key four times to make
the machine enter the maintenance mode.
TIP: FAX models equipped with a numerical keypad can enter the maintenance mode in the
same way as conventional models; that is, by pressing the Menu, *, 2, 8, 6 and 4 keys in this
sequence.
The machine beeps for approx. one second and displays " " on the
LCD, indicating that it is placed in the initial stage of the maintenance mode, a mode in which
the machine is ready to accept entry from the keys.
(5) Connect the machine to the PC using a USB cable.
(6) On the PC, run the ID/head property setup utility (brusbsn.exe) in the folder created. The
following window appears.
(7) On the model menu, click BH7.

7-7 Confidential
(8) In Port on the BrUsbSn screen, select the port number assigned to the BHL2-Maintenance
Printer. If the port number is unknown, follow steps 1) through 4) below.
1) Click Start | Settings | Printers.
The Printers window appears as shown below.
2) Right-click the BHL2-Maintenance Printer icon.
3) Click Properties.

7-8 Confidential
The BHL2-Maintenance Printer Properties window appears as shown below.
4) Click the Ports tab.
In this example, the port number assigned to the Brother BHL2-Maintenance Printer is USB010.
(9) In the Head Info. box on the BrUsbSn screen (page 7-6), type the 15-digit property code (e.g.,
ALR778402F00000) which is printed on the bar code label attached to the lower cover. Click
the OK button.
(10) To check that the entered head property code is correct (using function code 68 in Chapter 9,
Section 9.1.4.17), press the 6 and 8 keys in this order. Then press the 2, 5, 8, and 0 keys in this
order.
The LCD shows the current head property information (15-digit code) stored in the EEPROM
on the main PCB.
(11) Check that the character string entered in step (9) appears.
If it is OK, press the Stop/Exit key.
If something other than that appears, check the connection between the PC and machine and go
back to step (6).

7-9 Confidential
[ 2 ] Clean the new head/carriage unit (Function code 76)
(1) Open the ink cartridge cover, set new ink cartridges into the ink refill ASSY, and close the ink
cartridge cover.
(2) Carry out "Initial purge" (with function code 76) using the steps below. (See Chapter 9, Section
9.1.4.21.)
Press the 7 and 6 keys in this order.
The machine displays "CLEANING ALL" on the LCD and enters the purge mode.
Press the 4 and Black Start (Mono Start) keys in this order.
The machine starts an initial purge that refills the ink supply tubes and the new print head with
fresh ink.
[ 3 ] Print out a test pattern (Function code 09)
To check that the head/carriage unit normally sprays ink droplets from all head nozzles, print out a
test pattern with function code 09 (see Chapter 9, Section 9.1.4.4) with the following steps.
(1) Press the 0 and 9 keys in this order.
(2) If a missing dot or any other print problem is found, go back to [ 2 ] above to clean the
head/carriage unit again.
Test Pattern

7-10 Confidential
[ 4 ] Correct the positioning error of the head/carriage unit
(1) Run "filedg32.exe" in the folder created.
The Filedrgs window appears as shown below.
(2) Drag and drop the "incline.prn" icon onto the BHL2-Maintenance Printer icon in the Filedrgs
window shown above.
The machine displays the "RECEIVING DATA" on the LCD and prints out the "Incline
Adjust" test pattern shown on the next page.
(3) Out of the three rows of the "Incline Adjust" test pattern (on the next page), check the middle
row and select the block that is the least uneven print. Make a note of that block number.

7-11 Confidential
Head Positioning Test Pattern

7-12 Confidential
(4) Move the head/carriage unit to the center of its travel with function code 63 (see Chapter 9,
Section 9.1.4.14) using the following key operation.
Press the 6, 3, and * keys in this order.
(5) Turn the head skew adjuster knob by the number of divisions specified by the pattern number
you recorded in step (3), using a spanner.
If block +1 is the least uneven print, for example, turn the head skew adjuster knob to the front
by one division; if block -1, turn it to the rear by one division.
Head skew adjuster knob

7-13 Confidential
[ 5 ] Update the paper feeding correction value (Function code 58)
Before starting the operation below, be sure to set letter-size paper for printing check patterns.
(1) On your PC, run "filedg32.exe" in the folder created in Section 7.1.1.
The Filedrgs window appears as shown below.
(2) Drag and drop the "pfadj.prn" onto the BHL2-Maintenance Printer icon in the Filedrgs window
shown above.
The machine displays the "RECEIVING DATA" on the LCD and prints out "PF adjust check"
patterns (see page 7-15 for a sample printout).
(3) On the machine, press the 5 and 8 keys in this order.
The "1.PF 2.EXIT" appears on the LCD.
(4) To select the paper feed roller adjustment, press the 1 key.
The "PF ADJ NO. +0" appears on the LCD.
(5) Out of the three rows of the "PF adjust check" pattern (on page 7-15), check the middle row and
select the block that is the least uneven print. Make a note of that block number.
If the least unevenness seems to be far to the left of -8, regard it as -8; if it seems to be far to the
right of +8, regard it as +8. In this case, you need to check whether the paper feed roller and
head/carriage unit are set into place.

7-14 Confidential
(6) Enter the number of the least uneven block found in step (5).
For example, if the number of the least uneven block is +4, press the 4 key when the "PF ADJ
NO. +0" is displayed on the LCD.
If the number is -4, press the key to display the "PF ADJ NO. -0" and press the 4 key.
Then press the OK key, and the machine returns to the initial stage of the maintenance mode.
(7) On your PC, drag and drop the "exitadj.prn" onto the BHL2-Maintenance Printer icon in the
Filedrgs window.
The machine displays the "RECEIVING DATA" on the LCD and prints out three sheets of
"EXIT adjust check" patterns (on page 7-16 for a sample printout).
(8) On the machine, press the 5 and 8 keys in this order.
The "1.PF 2.EXIT" appears on the LCD.
(9) To select the paper ejection roller adjustment, press the 2 key.
The "EXIT ADJ NO. +0" appears on the LCD.
(10) Out of the three sheets of the "EXIT adjust check" patterns (on page 7-16), check the middle
sheet and select the block that is the least uneven print. Make a note of that block number.
(11) Enter the number of the least uneven block found in step (10) in the same way as in step (6).
Then press the OK key, and the machine returns to the initial stage of the maintenance mode.

7-15 Confidential
Paper Feeding Check Pattern for the Paper Feed Roller

7-16 Confidential
Paper Feeding Check Pattern for the Paper Ejection Roller
7-17 Confidential
[ 6 ] Align vertical print lines (Function code 65)
(1) Press the 6, 5 and 1 keys in this order.
The machine prints out two sets of vertical alignment check patterns in monochrome for 600 dpi
and 1200 dpi (see the next page), each of which consists of #0 through #8 blocks. If the vertical
alignment is ON, #5 block shows vertically aligned lines.
The "600DPI NO.(1-8)" appears on the LCD.
(2) For 600 dpi, check the printed vertical alignment check patterns and find which number block
shows full alignment.
If the full alignment block is other than #5, enter that block number by using the numerical keys.
The "1200DPI NO.(1-8)" appears.
(3) For 1200 dpi, perform the same operation as in step (2).
The machine automatically returns to the initial stage of the maintenance mode.
NOTE: If #1 or #8 block is fully aligned so that you press the 1 or 8 key in the above procedure,
then go back to step (1) to confirm that #5 block becomes aligned.

7-18 Confidential
Vertical Alignment Check Patterns
600DPI
1200DPI

7-19 Confidential
[ 7 ] Margin adjustment in borderless printing (Function code 66)
Before starting the operation below, be sure to set letter-size paper for printing a check pattern.
(1) On the PC, run "filedg32.exe" in the folder created in Section 7.1.1.
The Filedrgs window appears as shown below.
(2) Drag and drop the "media.prn" onto the BHL2-Maintenance Printer icon in the Filedrgs window
shown above.
The machine displays the "RECEIVING DATA" on the LCD and prints out the "MEDIA
CHECK" pattern (see page 7-21 for a sample printout).
(3) Measure the left and right margins on the printout.
(Example) Left: 1.3 mm, Right: 1.4 mm
If both margins are within the range from 0.9 to 1.1 mm, no adjustment is required.
(4) If either margin is out of the specified range, press the 6 key twice on the machine.
The "MEDIA SENSOR ADJ" appears. (Note: The Media Sensor refers to the paper width
sensor.)
(5) To make the machine ready for data entry, press the * key.
The "LEFT: 10" appears on the LCD.
7-20 Confidential
(6) To adjust the left margin, enter the measured value (in units of 0.1 mm) multiplied by 10.
In this example, the left margin measured in step (3) is 1.3 mm, so press the 1, 3, and OK keys.
(7) The "RIGHT: 10" appears on the LCD.
To adjust the right margin, enter the measured value (in units of 0.1 mm) multiplied by 10.
In this example, the right margin measured in step (3) is 1.4 mm, so press the 1, 4, and OK
keys.
(8) Upon completion of the entry, the machine automatically returns to the initial stage of the
maintenance mode.
Go back to step (2) and print out the margin check pattern again.
(9) Measure the left and right margins on the printout.
If both margins are within the range from 0.9 to 1.1 mm, the adjustment is completed.

7-21 Confidential
Margin Check Pattern

7-22 Confidential
[ 8 ] Print out a total check pattern
Before starting the operation below, be sure to set letter-size paper for printing a check pattern.
(1) On your PC, run "filedg32.exe" in the folder created in Section 7.1.1.
The Filedrgs window appears as shown below.
(2) Drag and drop the "qualbh7.prn" onto the BHL2-Maintenance Printer icon in the Filedrgs
window shown above.
The machine displays the "RECEIVING DATA" on the LCD and prints out the "Total Quality
Check Pattern" (see the next page for a sample printout).
(3) Check the printed check pattern. If any problem is found, go back to the related item (any of
[ 4 ] through [ 7 ] above) and make adjustments again.
A: Margin adjustment for borderless printing Go back to Section 7.2 [7].
B: Paper feed roller adjustment Go back to Section 7.2 [5].
C: Vertical print lines adjustment Go back to Section 7.2 [6].
D: Head positioning adjustment Go back to Section 7.2 [4].
E: Paper ejection roller adjustment Go back to Section 7.2 [5].
(4) Repeat steps (2) and (3) until no problem is found.

7-23 Confidential
Total Check Pattern
A: Margin adjustment for borderless printing
B: Paper feed roller adjustment
C: Vertical print lines adjustment
D: Head positioning adjustment
E: Paper ejection roller adjustment
A
B
C
D
E

7-24 Confidential
[ 9 ] Switch back to standby
After completion of the adjustment, disconnect the USB cable and then press the 9 key twice to
return to the standby state.
NOTE: Be sure to disconnect the USB cable first. Returning to standby without disconnecting the
USB cable runs "Found New Hardware Wizard" that starts USB driver installation (as described in
Section 7.1.2).
NOTE: Enable the initial setup mode (see Chapter 9, Section 9.1.4.14).
[ 10 ] Replace the ink cartridges with the protective part
Remove all four ink cartridges and set the protective part instead.
Ink cartridges
Ink cartridge cover Protective part

7-25 Confidential
7.3 IF YOU REPLACE THE MAIN PCB
NOTE: If the main PCB is replaced, you should also replace both of the ink absorber box and flushing box.
Using the machine without replacing them for a long period may cause an overflow of drained ink from them,
thereby staining the machine.
[ 1 ] Load programs
If the main PCB is replaced with a new one, load the desired programs onto the flash ROM. Refer to
Appendix 2, page App. 2-5.
If the main PCB is replaced with the one used for any other machine, follow the steps below.
(1) Change the firmware stored in the flash ROM. Refer to Appendix 2, page App. 2-7.
(2) Reset each of the purge and flushing counters with the following procedure.
1) Press the Menu and Black Start (Mono Start) keys in this order. Next press the key four
times to make the machine enter the maintenance mode.
TIP: FAX models equipped with a numerical keypad can enter the maintenance mode in the
same way as conventional models; that is, by pressing the Menu, *, 2, 8, 6 and 4 keys in this
order.
The machine beeps for approx. one second and displays " " on the
LCD, indicating that it is placed in the initial stage of the maintenance mode, a mode in
which the machine is ready to accept entry from the keys.
2) Press the 8 and 0 keys in this order.
3) Press the Black Start (Mono Start) key several times until the purge (or flushing) count
appears on the LCD.
4) Press the 2, 7, 8, and 3 keys in this order to reset the purge (or flushing) count.
5) Press the Stop/Exit key to return to the initial stage of the maintenance mode.
6) Press the 9 key twice to exit from the maintenance mode.
[ 2 ] Initialize the EEPROM on the main PCB (Function code 01)
Refer to Chapter 9, Section 9.1.4.1.
[ 3 ] Specify the CIS type (Function code 59)
Refer to Chapter 9, Section 9.1.4.13.
[ 4 ] Customize the EEPROM on the main PCB (Function code 74)
Refer to Chapter 9, Section 9.1.4.19.

7-26 Confidential
[ 5 ] Register base ID code to the main PCB and base unit (cordless PCB)
The following procedure registers the base ID code to both the main PCB and base unit (cordless
PCB) at the same time. For the registration procedure of cordless handsets, see [14] below.
(1) Read the base ID code from the label attached to the rear of the machine.
NOTE: The code may be 8 or 10 digits long depending upon the machine models.
(base_ID_code_label_MFC)
Base ID code label
(2) On the machine, press the Menu, Black Start (Mono Start), , , , in this order.
The machine enters the maintenance mode and displays the " " on the
LCD.
(3) Press the 0, 0, 8, and 6 keys in this order.
The current base ID code registered appears on the LCD.
ID: XXXXXXXX
(4) If the displayed code is different from the one read in step (1), move the cursor to the digit to be
modified, using the and keys, and then enter the one read in step (1). To enter numerals,
use the numerical keys; to enter alphabets A through F, use the and keys.
NOTE: To cancel the procedure halfway, press the Stop/Exit key.
(5) Press the OK key.
If the registration completes normally, the "COMPLETE" appears on the LCD.
NOTE: If the "FAILED" appears, the registration has failed. Go back to step (2) above.
(6) Wait two seconds for the screen to return to the initial stage of the maintenance mode and
display the " ."
(7) Press the 9 key twice to return to the standby state.
[ 6 ] Check the control panel PCB for normal operation (Function code 13)
Refer to Chapter 9, Section 9.1.4.7.
[ 7 ] Check the sensor operation (Function code 32)
Refer to Chapter 9, Section 9.1.4.8.

7-27 Confidential
[ 8 ] Acquire white level data and set CIS scanner area (Function code 55)
Refer to Chapter 9, Section 9.1.4.11.
[ 9 ] Set an ID code and update the head property information
NOTE: Make sure that the BHL2-Maintenance Printer driver has been installed to your PC. To do
it, click Start|Settings|Printers to call up the Printers window and confirm that the BHL2-
Maintenance Printer icon (shown on the sample window on page 7-5) is displayed. If the driver has
not been installed, install it referring to Section 7.1.2.
(1) Make sure that your PC is turned off, then connect the machine to your PC using a USB cable.
(2) Switch your PC on.
(3) On your PC, run the ID/head property utility (brusbsn.exe) in the folder created in Section 7.1.1.
The following window appears.
(4) On the model menu, click BH7.

7-28 Confidential
(5) In Port on the BrUsbSn screen (on the previous page), select the port number assigned to the
BHL2-Maintenance Printer. If the port number is unknown, follow the instructions given in
Section 7.2 [ 1 ], step (8).
(6) In the Serial No box on the BrUsbSn screen, type the 9-digit serial number (e.g., D6F111101)
printed on the nameplate labeled to the machine as an ID code.
Serial number label
(app01b_MFC)
(7) In the Head Info. box, type the 15-digit property code (e.g., ALR778402F00000) which is
printed on the bar code label attached to the lower cover. Click the OK button.
Head property label
(Bar code label) (app01d_MFC)
(8) Check whether the entered character strings (ID code and head property information) are
correct with the following procedure.
Press the 8 and 0 keys in this order. Then press the Black Start (Mono Start) key several times,
and the ID code appears on the LCD. Check that the displayed code is that string entered in step
(6).
Next, press the 6 and 8 keys in this order. Then press the 2, 5, 8, and 0 keys in this order, and
the head property code appears on the LCD. Check that the displayed code is that string entered
in step (7).
(9) If both are OK, proceed to [ 10 ] below.
If something wrong is displayed, check the connection between the PC and machine and go back
to step (2).

7-29 Confidential
[ 10 ] Update the paper feeding correction value (Function code 58)
Refer to Section 7.2, [ 5 ].
[ 11 ] Align vertical print lines (Function code 65)
Refer to Section 7.2, [ 6 ].
[ 12 ] Margin adjustment in borderless printing (Function code 66)
Refer to Section 7.2, [ 7 ].
[ 13 ] Get MAC address from the WLAN PCB (Only for wireless LAN-enabled models)
MAC address: Media access control address
(1) Disconnect the USB cable and then press the 9 key twice to return to the standby state.
(2) Press the Menu and Black Start (Mono Start) keys. Next press the , , , keys in this
order to make the machine enter the maintenance mode.
(3) Press the 0 key twice.
The "SPECIAL MAINT" appears on the LCD.
(4) Press the 0 and 2 keys in this order.
The "PLS INPUT NO.0-A" appears on the LCD.
(5) Press the 8 key, and the main PCB gets the MAC address from the WLAN PCB. (This
operation backs up the EEPROM data stored on the WLAN PCB.)
The "E2PCOPY START" appears on the LCD.
NOTE: If an error is detected during the backup operation, the machine displays "E2P
BACKUP ERR!!" on the LCD and becomes inoperable. If it happens, turn the machine off and
check the connection between the WLAN PCB and main PCB, and then go back to step (2)
again.
(6) Press the Stop/Exit key to return to the initial stage of the maintenance mode.
[ 14 ] Switch back to standby
Refer to Section 7.2, [ 9 ].

7-30 Confidential
[ 15 ] Register cordless handsets
--------------------------------------------------- USA models -------------------------------------------------------
On the cordless handset
(1) Press the Menu/OK key.
(2) Press the or key to choose "Register HS," then press the Menu/OK key.
The cordless handset enters the registration mode.
On the machine (base unit)
Complete steps (3) through (6) below within two minutes from the entry of the registration mode.
(3) Press the Menu key.
(4) Press the or key to choose "Initial Setup," then press the OK key.
(5) Press the or key to choose "Register Handset," then press the OK key.
(6) Press the or key to choose "Register," then press the OK key.
The "Registering" appears on the LCD.
Upon successful end of registration, the machine sounds a long beep.
Notes • If the machine sounds three short beeps, indicating the failure of registration, it returns to
the "Register Handset" state. Perform steps (2) and (6) again.
• If you want to install another cordless handset, repeat steps (1), (2), and (6).
• Up to four cordless handsets can be registered to the machine.
(7) Press the Stop/Exit key. The machine returns to the standby state.
----------------------------------------------- European models ----------------------------------------------------
On the machine (base unit)
(1) Check the PIN code of the base unit with Function code 80 in the maintenance mode. (Refer to
Chapter 9, Section 9.1.4.22.)
On the cordless handset
(2) Press the Menu/OK key.
(3) Press the or key to choose "Register HS," then press the Menu/OK key.
(4) Press the or key to choose any one of "Base1," "Base2," "Base3," and "Base4," then press
the Menu/OK key.
Note: Only unused base unit can be chosen.
The cordless handset enters the registration mode.
On the machine (base unit)
Complete steps (5) through (9) below within two minutes from the entry of the registration mode.
(5) Press the Menu key.
(6) Press the or key to choose "Initial Setup," then press the OK key.
(7) Press the or key to choose "Register Handset," then press the OK key.
(8) Press the or key to choose "Register," then press the OK key.

7-31 Confidential
On the cordless handset
The cordless handset is searching for the base unit.
(9) Enter the 4-digit PIN code obtained in step (1) above using the numerical keys and press the
Menu/OK key.
Notes • If the machine sounds three short beeps, indicating the failure of registration, it returns to
the "Register Handset" state. Perform steps (3), (4), (8), and (9) again.
• If you want to install another cordless handset, repeat steps (2) through (4), (8), and (9).
• Up to four cordless handsets can be registered to the machine.
On the machine (base unit)
(10) Press the Stop/Exit key. The machine returns to the standby state.

7-32 Confidential
7.4 IF YOU REPLACE THE INK ABSORBER BOX
OR FLUSHING BOX
When either the ink absorber box or flushing box is replaced, you should replace both of them.
[ 1 ] Reset each of the purge and flushing counters
(1) Press the Menu and Black Start (Mono Start) keys. Next press key four times to make the
machine enter the maintenance mode.
TIP: FAX models equipped with a numerical keypad can enter the maintenance mode in the
same way as conventional models; that is, by pressing the Menu, *, 2, 8, 6 and 4 keys in this
order.
The machine beeps for approx. one second and displays " " on the
LCD, indicating that it is placed in the initial stage of the maintenance mode, a mode in which
the machine is ready to accept entry from the keys.
(2) Press the 8 and 0 keys in this order in the initial stage of the maintenance mode.
(3) Press the Black Start (Mono Start) key several times until the purge (or flushing) count
appears on the LCD.
(4) Press the 2, 7, 8, and 3 keys in this order to reset the purge (or flushing) count.
(5) Press the Stop/Exit key to return to the initial stage of the maintenance mode.
(6) Press the 9 key twice to exit from the maintenance mode.
TIP: This machine counts all purge operations performed since produced in order to prevent the ink
absorber box from overflowing with drained ink. An initial purge, for example, advances the counter
by 163 + 432 = 595.
When the purge or flushing counter approaches 9600 or 475852272, respectively, "MACHINE
ERROR 46" appears, and further purge or flushing operations are prohibited. Replace both the ink
absorber box and flushing box and reset their counters.
7.5 IF YOU REPLACE THE SCANNER COVER
(SCANNER UNIT)
[ 1 ] Specify the CIS type (Function code 59)
Refer to Chapter 9, Section 9.1.4.13.
[ 2 ] Acquire white level data and set CIS scanner area (Function code 55)
Refer to Chapter 9, Section 9.1.4.11.

7-33 Confidential
7.6 IF YOU REPLACE THE CORDLESS PCB
[ 1 ] Register base ID code to the main PCB and base unit (cordless PCB)
Refer to Section 7.3, [ 5 ].
[ 2 ] Register cordless handsets
Refer to Section 7.3, [ 15 ].
7.7 IF YOU REPLACE THE CORDLESS
HANDSETS
[ 1 ] Deregister and register cordless handsets
The machine can support up to four cordless handsets registered. If you replace any of them,
deregister all cordless handsets and then register them.
-- Deregistering a cordless handset --
On the machine (base unit)
(1) Press the Menu key.
(2) Press the or key to choose "Initial Setup," then press the OK key.
(3) Press the or key to choose "Register Handset," then press the OK key.
(4) Press the or key to choose "Terminate," then press the OK key.
The "All Delete?" appears on the LCD.
(5) Press the 1 key.
All cordless handsets will be deregistered and the machine returns to the "Register Handset"
state.
(6) Press the Stop/Exit key. The machine returns to the standby state.

7-34 Confidential
-- Registering a cordless handset --
------------------------------------------------ USA models -------------------------------------------------------
On the cordless handset
(1) Press the Menu/OK key.
(2) Press the or key to choose "Register HS," then press the Menu/OK key.
The cordless handset enters the registration mode.
On the machine (base unit)
Complete steps (3) through (6) below within two minutes from the entry of the registration mode.
(3) Press the Menu key.
(4) Press the or key to choose "Initial Setup," then press the OK key.
(5) Press the or key to choose "Register Handset," then press the OK key.
(6) Press the or key to choose "Register," then press the OK key.
The "Registering" appears on the LCD.
Upon successful end of registration, the machine sounds a long beep.
Notes • If the machine sounds three short beeps, indicating the failure of registration, it returns to
the "Register Handset" state. Perform steps (2) and (6) again.
• If you want to install another cordless handset, repeat steps (1), (2), and (6).
• Up to four cordless handsets can be registered to the machine.
(7) Press the Stop/Exit key. The machine returns to the standby state.
----------------------------------------------- European models -------------------------------------------------
On the machine (base unit)
(1) Check the PIN code of the base unit with Function code 80 in the maintenance mode. (Refer to
Chapter 9, Section 9.1.4.22.)
On the cordless handset
(2) Press the Menu/OK key.
(3) Press the or key to choose "Register HS," then press the Menu/OK key.
(4) Press the or key to choose any one of "Base1," "Base2," "Base3," and "Base4," then press
the Menu/OK key.
Note: Only unused base unit can be chosen.
The cordless handset enters the registration mode.
On the machine (base unit)
Complete steps (5) through (9) below within two minutes from the entry of the registration mode.
(5) Press the Menu key.
(6) Press the or key to choose "Initial Setup," then press the OK key.
(7) Press the or key to choose "Register Handset," then press the OK key.
(8) Press the or key to choose "Register," then press the OK key.

7-35 Confidential
On the cordless handset
The cordless handset is searching for the base unit.
(9) Enter the 4-digit PIN code obtained in step (1) above using the numerical keys and press the
Menu/OK key.
Notes • If the machine sounds three short beeps, indicating the failure of registration, it returns to
the "Register Handset" state. Perform steps (3), (4), (8), and (9) again.
• If you want to install another cordless handset, repeat steps (2) through (4), (8), and (9).
• Up to four cordless handsets can be registered to the machine.
On the machine (base unit)
(10) Press the Stop/Exit key. The machine returns to the standby state.
7.8 IF YOU REPLACE THE WLAN PCB (ONLY
FOR WIRELESS LAN-ENABLED MODELS)
[ 1 ] Transfer MAC address to the main PCB
MAC address: Media access control address
(1) Press the Menu and Black Start (Mono Start) keys. Next press the , , , keys in this
order to make the machine enter the maintenance mode.
(2) Press the 0 key twice.
The "SPECIAL MAINT" appears on the LCD.
(3) Press the 0 and 2 keys in this order.
The "PLS INPUT NO.0-A" appears on the LCD.
(4) Press the 8 key, and the main PCB gets the MAC address from the WLAN PCB. (This
operation backs up the EEPROM data stored on the WLAN PCB.)
The "E2PCOPY START" appears on the LCD.
NOTE: If an error is detected during the backup operation, the machine displays "E2P
BACKUP ERR!!" on the LCD and becomes inoperable. If it happens, turn the machine off and
check the connection between the WLAN PCB and main PCB, and then go back to step (1)
again.
(5) Press the Stop/Exit key to return to the initial stage of the maintenance mode.
Confidential
CHAPTER 8
CLEANING
Confidential
CHAPTER 8 CLEANING
This chapter provides cleaning procedures not covered by the User's Guide. Before starting any
repair work, clean the machine as it may solve the problem concerned.
CONTENTS
8.1 CLEANING THE EXTERNAL AND INTERNAL SURFACES OF THE MACHINE...........8-1
8.2 CLEANING THE MAINTENANCE UNIT.....................................................................8-2
For the cleaning procedures of the head/carriage unit, scanner unit, and platen, refer to the User's
Guide.

8-1 Confidential
8.1 CLEANING THE EXTERNAL AND INTERNAL
SURFACES OF THE MACHINE
(1) If the external surface of the machine is stained, clean it with a soft, clean and lint-free cloth.
NOTE: Do not use isopropyl alcohol (IPA) to remove dirt or stains from the molding parts.
Doing so may cause cracks in those parts.
(2) If the inside of the machine is stained, first unplug the power cord from the electrical outlet and
then clean it with a soft, clean and lint-free cloth.
NOTE: Do not use liquid or aerosol cleaners.
(3) If the PF encoder disk or encoder strip is stained, replace it with a new one. Do not try to clean
it.

8-2 Confidential
8.2 CLEANING THE MAINTENANCE UNIT
(1) Plug the power cord of the machine into an electrical outlet.
(2) Press the Menu and Black Start (Mono Start) keys. Next press the key four times to make
the machine enter the maintenance mode.
TIP: FAX models equipped with a numerical keypad can enter the maintenance mode in the
same way as conventional models; that is, by pressing the Menu, *, 2, 8, 6 and 4 keys in this
sequence.
The machine beeps for approx. one second and displays " " on the
LCD, indicating that it is placed in the initial stage of the maintenance mode, a mode in which
the machine is ready to accept entry from the keys.
(3) Move the head/carriage unit to the center of its travel (function code 63 in Chapter 9, Section
9.1.4.14) by pressing the 6, 3, and * keys in this sequence.
(4) Unplug the power cord of the machine from the electrical outlet.
(5) Open the scanner cover (scanner unit).
(6) Clean the two head caps and wiper of the maintenance unit with a "Rubycel" stick that is a
head cleaner stick provided as a spare part.
NOTE: Do not use a cotton swab that may leave lint on the cleaned sections. Lint left on the
maintenance unit will affect the print performance.
NOTE: Use a new Rubycel stick and do not use the used one for any other maintenance units.
NOTE: During the cleaning jobs, take care not to touch the head caps or wiper directly by
hand or scratch their surfaces. Do not remove them from the head cap holder.
(7) Close the scanner cover.
(8) Plug the power cord of the machine into an electrical outlet.
(9) Hear the head/carriage unit moving. After the moving sound stops, unplug the machine's power
cord from the electrical outlet.
Maintenance uni
t
Head caps
Head wiper
Rubycel stick
Confidential
CHAPTER 9
MAINTENANCE MODE
Confidential
CHAPTER 9 MAINTENANCE MODE
This chapter describes the maintenance mode which is exclusively designed for the purpose of
checks, settings and adjustments of the machine using the keys on the control panel.
In the maintenance mode, you can update memory (EEPROM: electrically erasable
programmable read-only memory) contents for optimizing the drive conditions of the
head/carriage unit or the paper feed roller and paper ejection roller in the engine unit, if those
units have been replaced, or for setting the CIS scanner area, for example. You can also
customize the EEPROM according to the shipment destination of the machine concerned. In
addition, you can perform operational checks of the LCD, control panel PCB or sensors, perform
a print test, display the log information or error codes, and modify firmware switches (WSW).
For models with a cordless handset, the maintenance functions dedicated to cordless handsets are
provided.
CONTENTS
9.1 MAINTENANCE MODE FOR THE MACHINE .............................................................9-1
9.1.1 Entry into the Machine Maintenance Mode.......................................................9-1
9.1.2 List of Functions in the Machine Maintenance Mode.........................................9-2
9.1.3 User-access to the Machine Maintenance Mode...............................................9-3
9.1.4 Detailed Description of Functions in the Machine Maintenance Mode...............9-4
9.1.4.1 EEPROM Parameter Initialization (Function code 01, 91).........................9-4
9.1.4.2 Printout of Scanning Compensation Data (Function code 05) ...................9-5
9.1.4.3 ADF Performance Test (Function code 08)...............................................9-7
9.1.4.4 Test Pattern (Function code 09) ...............................................................9-8
9.1.4.5 Firmware Switch Setting and Printout (Function codes 10 and 11)..........9-10
9.1.4.6 Operational Check of LCD (Function code 12)........................................9-15
9.1.4.7 Operational Check of Control Panel PCB (Function code 13) .................9-15
9.1.4.8 Sensor Operational Check (Function code 32)........................................9-18
9.1.4.9 Transfer of Received FAX Data and/or Equipment's Log
(Function code 53) .................................................................................9-20
9.1.4.10 Fine Adjustment of Scanning Start/End Position (Function code 54).......9-22
9.1.4.11 Acquisition of White Level Data and CIS Scanner Area Setting
(Function code 55) .................................................................................9-23
9.1.4.12 Updating of Paper Feeding Correction Value (Function code 58)............9-24
9.1.4.13 Checking of CIS Travel and Specifying of CIS Type (Function code 59).9-28
9.1.4.14 Travel Check of the Head/Carriage Unit and Initial Setup Mode
(Function code 63) .................................................................................9-30
9.1.4.15 Alignment of Vertical Print Lines in Monochrome (Function code 65) .....9-31
Confidential
9.1.4.16 Margin Adjustment in Borderless Printing (Function code 66) .................9-33
9.1.4.17 Updating of Property Data (Function code 68)........................................9-36
9.1.4.18 Head/Carriage Unit Traveling Speed Check (Function code 69) .............9-37
9.1.4.19 EEPROM Customizing (Function code 74).............................................9-38
9.1.4.20 Travel of Head/Carriage Unit (for removing paper particles and dust
accumulated on the maintenance unit) (Function code 75) .....................9-41
9.1.4.21 Purging Operation (Function code 76) ....................................................9-42
9.1.4.22 Display of the Equipment's Log (Function code 80) ................................9-45
9.1.4.23 Equipment Error Code Indication (Function code 82)..............................9-47
9.1.4.24 Output of Transmission Log to the Telephone Line (Function code 87)...9-47
9.1.4.25 Assurance Mode Switch Setting (Function code 88) ...............................9-48
9.1.4.26 Cancellation of the Pin TX Lock Mode (Not applicable to U.S.A. models)9-55
9.2 MAINTENANCE FUNCTIONS FOR CORDLESS HANDSETS..................................9-56
9.2.1 Overview........................................................................................................9-56
9.2.2 Maintenance Functions for U.S.A. Models......................................................9-56
9.2.2.1 List of Maintenance Functions................................................................9-56
9.2.2.2 Checking of Cordless Handset ID Code and Base ID Code
(Function code 086) ...............................................................................9-57
9.2.2.3 Measuring of RSSI (Received Signal Strength Indicator)
(Function code 195) ...............................................................................9-58
9.2.2.4 Measuring of BER (Bit Error Rate) (Function code 196)..........................9-59
9.2.2.5 Version Information on Cordless Handset (Function code 197)...............9-59
9.2.2.6 EEPROM Parameter Initialization (Function code 198) ..........................9-60
9.2.3 Maintenance Functions for European Models.................................................9-61
9.2.3.1 List of Maintenance Functions................................................................9-61
9.2.3.2 Version Information on Cordless Handset...............................................9-61
9.2.3.3 Checking of Cordless Handset ID Code..................................................9-62
9.2.3.4 Checking of Base ID Code .....................................................................9-62
9.2.3.5 EEPROM Parameter Initialization ..........................................................9-63
9.2.3.6 Initializing the Cordless Handset.............................................................9-64

9-1 Confidential
9.1 MAINTENANCE MODE FOR THE MACHINE
9.1.1 Entry into the Machine Maintenance Mode
Press the Menu and Black Start (Mono Start) keys in this order. Next press the key four times to
make the machine enter the maintenance mode.
TIP: FAX models equipped with a numerical keypad can enter the maintenance mode in the same
way as conventional models; that is, by pressing the Menu, *, 2, 8, 6 and 4 keys in this order.
The machine beeps for approx. one second and displays " " on the LCD,
indicating that it is placed in the initial stage of the maintenance mode, a mode in which the machine
is ready to accept entry from the keys.
To select one of the maintenance-mode functions listed in Section 9.1.2, enter the corresponding 2-
digit function code with the numerical keys on the control panel. (The details of each maintenance-
mode function are described in Section 9.1.4.)
NOTES • To exit from the maintenance mode and switch to standby, press the 9 key twice in the
initial stage of the maintenance mode.
• Pressing the Stop/Exit key after entering only one digit restores the machine to the
initial stage of the maintenance mode.
• If an invalid function code is entered, the machine resumes the initial stage of the
maintenance mode.

9-2 Confidential
9.1.2 List of Functions in the Machine Maintenance Mode
Maintenance-mode Functions
Function
Code Function Reference
Section (Page)
01 EEPROM Parameter Initialization 9.1.4.1 (9-4)
05 Printout of Scanning Compensation Data 9.1.4.2 (9-5)
08 ADF Performance Test 9.1.4.3 (9-7)
09 Test Pattern 9.1.4.4 (9-8)
10 Firmware Switch Setting 9.1.4.5 (9-10)
11 Printout of Firmware Switch Data 9.1.4.5 (9-13)
12 Operational Check of LCD 9.1.4.6 (9-15)
13 Operational Check of Control Panel PCB
(Check of Keys) 9.1.4.7 (9-16)
32 Sensor Operational Check 9.1.4.8 (9-18)
53 Transfer of Received FAX Data and/or Equipment's Log 9.1.4.9 (9-20)
54 Fine Adjustment of Scanning Start/End Position 9.1.4.10 (9-22)
55 Acquisition of White Level Data and CIS Scanner Area Setting 9.1.4.11 (9-23)
58 Updating of Paper Feeding Correction Value 9.1.4.12 (9-24)
59 Checking of CIS Travel and Specifying of CIS Type 9.1.4.13 (9-28)
63 Travel Check of the Head/Carriage Unit and Initial Setup Mode 9.1.4.14 (9-30)
65 Alignment of Vertical Print Lines in Monochrome 9.1.4.15 (9-31)
66 Margin Adjustment in Borderless Printing 9.1.4.16 (9-33)
68 Updating of Property Data 9.1.4.17 (9-36)
69 Head/Carriage Unit Traveling Speed Check 9.1.4.18 (9-37)
74 EEPROM Customizing 9.1.4.19 (9-38)
75 Travel of Head/Carriage Unit (for removing paper particles and
dust accumulated on the maintenance unit) 9.1.4.20 (9-41)
76 Purging Operation 9.1.4.21 (9-42)
80 Display of the Equipment's Log 9.1.4.22 (9-45)
82 Equipment Error Code Indication 9.1.4.23 (9-47)
87 Output of Transmission Log to the Telephone Line 9.1.4.24 (9-47)
88 Assurance Mode Switch Setting 9.1.4.25 (9-48)
91 EEPROM Parameter Initialization (except the telephone number
storage area) 9.1.4.1 (9-4)
99 Exit from the Maintenance Mode ----- (9-1)
(Menu + #, 2, 7,
9, 0, 0) Cancellation of the Pin TX Lock Mode (Not applicable to
U.S.A. models) 9.1.4.26 (9-55)

9-3 Confidential
9.1.3 User-access to the Machine Maintenance Mode
Basically, the maintenance-mode functions listed on the previous page should be accessed by service
personnel only. However, you can allow end users to access some of these under the guidance of
service personnel (e.g., by telephone).
The user-accessible functions (codes 10, 11, 12, 53, 66, 75, 76, 80, 82, 87, 88, and 91) are shaded
in the table given on the previous page. Function code 10 accesses the firmware switches, each of
which has eight selectors. You should not allow end users to access all of those selectors, but you
can allow them to access user-accessible selectors which are shaded in the firmware switch tables in
Appendix 4.
The service personnel should instruct end users to follow the procedure given below.
(1) Press the Menu, Black Start (Mono Start), Menu, and Black Start (Mono Start) keys in this
order.
The "MAINTENANCE 10" appears on the LCD.
TIP: For the models equipped with a numerical keypad, you may press the Menu, Black Start
(Mono Start), and 0 keys instead in the same way as conventional models. Then pressing 1 and
0 keys, for example, calls up the setting screen for Function code 10.
(2) To access Function code 10, press the OK key.
To access any other function code, call up the desired code using the and keys or numerical
keys.
Then press the OK key.
For Function code 10, access the desired firmware switch according to the operating procedure
described in Appendix 4.
(3) To make the machine return to standby, press the Stop/Exit key. When each of the user-
accessible functions is completed, the machine automatically returns to standby.
Black Start ke
y
(Mono Start key)
Men
u
ke
y
OK ke
y
Stop/Exit ke
y
and ke
y
s

9-4 Confidential
9.1.4 Detailed Description of Functions in the Machine Maintenance Mode
9.1.4.1 EEPROM Parameter Initialization (Function code 01, 91)
Function
The machine initializes the parameters, user switches, firmware switches and assurance mode switch
settings registered in the EEPROM, to the initial values. Entering Function code 01 initializes almost
all of the EEPROM areas, but entering 91 does not initialize some areas, as listed below.
Function code
Data item 01 91
Maintenance-mode functions
User switches
Firmware switches
Remote activation code
Assurance mode switch settings
These will be
initialized.
Activity report
Station ID data
Outside line number
Telephone function registration
One-touch dialing
Speed dialing
Group dialing
Call transfer data
All of these will be
initialized.
These will not be
initialized.
EEPROM customizing code
(4-digit) This will not be initialized.
(Note that the first digit of the 4-digit code will be initialized
to "0." If the code is 1001, for example, it will be initialized
to 0001.)
NOTE: If you replace the main PCB with the one used for any other machine, carry out this
procedure and then customize the EEPROM (Function code 74 in Section 9.1.4.19).
Operating Procedure
(1) Press the 0 and 1 keys (or the 9 and 1 keys according to your need) in this order in the initial
stage of the maintenance mode.
The "PARAMETER INIT" appears on the LCD.
(2) Upon completion of parameter initialization, the machine returns to the initial stage of the
maintenance mode.

9-5 Confidential
9.1.4.2 Printout of Scanning Compensation Data (Function code 05)
Function
The machine prints out the white and black level data for scanning compensation.
Operating Procedure
Do not start this function merely after powering on the machine but start it after carrying out a
sequence of scanning operation. Unless the machine has carried out any scanning operation, this
function cannot print out correct scanning compensation data. This is because at the start of
scanning operation, the machine initializes white and black level data and takes in the scanning
compensation reference data.
NOTE: Be sure to disconnect the USB cable from the machine before proceeding to the procedure
below.
(1) Press the 0 and 5 keys in this order in the initial stage of the maintenance mode.
The "PRINTING" appears on the LCD.
(2) The machine prints out the scanning compensation data list containing the following:
a) Black/white data graph
b) LED light intensity pulse data for green image (2 bytes)
c) LED light intensity pulse data for blue image (2 bytes)
d) LED light intensity pulse data for red image (2 bytes)
e) Compensation data for background color (1 byte)
f) Black level data (4970 bytes)
g) White level data for red image (4970 bytes)
h) White level data for green image (4970 bytes)
i) White level data for blue image (4970 bytes)
(3) Upon completion of recording of the compensation data list, the machine returns to the initial
stage of the maintenance mode.
NOTE: When the machine prints monochrome images after monochrome scanning, only the green
data is valid.
NOTE: If any data is abnormal, its code will be printed in inline style.

9-6 Confidential
Scanning Compensation Data List
a)
b
)
c)
d)
e)
f)
|
i)

9-7 Confidential
9.1.4.3 ADF Performance Test (Function code 08)
Function
The machine counts the documents fed by the automatic document feeder (ADF) and displays the
count on the LCD for checking the ADF performance.
Operating Procedure
(1) Set documents. (Allowable up to the ADF capacity.)
The "DOC. READY" appears on the LCD.
(2) Press the 0 and 8 keys in this order in the initial stage of the maintenance mode.
The machine feeds the documents in and out while counting them and displaying the current
count on the LCD as shown below.
ADF CHECK P.01
Current count (1st page in this example)
(3) After counting all documents, the machine shows the final count. To return the machine to the
initial stage of the maintenance mode, press the Stop/Exit key.

9-8 Confidential
9.1.4.4 Test Pattern (Function code 09)
Function
This function prints out a test pattern (Print Quality Check sheet) to allow the service personnel to
check the print quality.
Operating Procedure
Press the 0 and 9 keys in this order in the initial stage of the maintenance mode.
The figure on the next page shows a test pattern which is printed on the Print Quality Check sheet.
According to the instructions printed on the sheet, you can check or correct the print quality.

9-9 Confidential
Test Pattern

9-10 Confidential
9.1.4.5 Firmware Switch Setting and Printout (Function codes 10 and 11)
[ A ] Firmware switch setting
Function
The machine incorporates the following firmware switch functions which can be activated with the
procedures using the control panel keys.
The firmware switches have been set at the factory in conformity to the communications standards
and codes of each country. Do not disturb them unless necessary. Some firmware switches may not
be applicable in some versions. The firmware switch data list indicates "Not used." for those
inapplicable switches.
Firmware Switches (WSW01 through WSW59)
WSW No. Function
WSW01 Dial pulse setting
WSW02 Tone signal setting
WSW03 PBX mode setting
WSW04 TRANSFER facility setting
WSW05 1st dial tone and busy tone detection
WSW06 Pause key setting and 2nd dial tone detection
WSW07 Dial tone setting 1
WSW08 Dial tone setting 2
WSW09 Protocol definition 1
WSW10 Protocol definition 2
WSW11 Busy tone setting
WSW12 Signal detection condition setting
WSW13 Modem setting
WSW14 AUTO ANS facility setting
WSW15 REDIAL facility setting
WSW16 Function setting 1
WSW17 Function setting 2
WSW18 Function setting 3
WSW19 Transmission speed setting
WSW20 Overseas communications mode setting
WSW21 TAD setting 1
WSW22 ECM and call waiting caller ID
WSW23 Communications setting
WSW24 TAD setting 2
WSW25 TAD setting 3
WSW26 Function setting 4
WSW27 Function setting 5
WSW28 Function setting 6
WSW29 Function setting 7
WSW30 Function setting 8
WSW31 Function setting 9
WSW32 Function setting 10
WSW33 Function setting 11
WSW34 Function setting 12

9-11 Confidential
Firmware Switches (WSW01 through WSW59) Continued
WSW35 Function setting 13
WSW36 Function setting 14
WSW37 Function setting 15
WSW38 V.34 transmission settings (Not used.)
WSW39 V.34 transmission speed (Not used.)
WSW40 V.34 modem settings (Not used.)
WSW41 ON-duration of the scanning light source
WSW42 Internet mail settings (Not used.)
WSW43 Function setting 21
WSW44 Speeding up scanning-1 (Not used.)
WSW45 Speeding up scanning-2
WSW46 Monitor of power ON/OFF state and parallel port kept at high
WSW47 Switching between high- and full-speed USB
WSW48 USB setup latency
WSW49 End-of-copying beep and black ink print mode
WSW50 SDAA settings
WSW51 Function setting 16
WSW52 Function setting 17
WSW53 Function setting 18
WSW54 Function setting 19
WSW55 Function setting 20 (Not used.)
WSW56 Function setting 21 (Not used.)
WSW57 Function setting 22
WSW58 Function setting 23
WSW59 Function setting 24

9-12 Confidential
Operating Procedure
(1) Press the 1 and 0 keys in this order in the initial stage of the maintenance mode.
The machine displays the "WSW00" on the LCD and becomes ready to accept a firmware
switch number.
(2) Enter the desired number from the firmware switch numbers (01 through 59).
The following appears on the LCD:
Selector 1 Selector 8
↓ ↓
WSWXX = 0 0 0 0 0 0 0 0
(3) Use the right and left arrow keys to move the cursor to the selector position to be modified.
(4) Enter the desired number using the 0 and 1 keys.
(5) Press the OK key. This operation saves the newly entered selector values onto the EEPROM
and readies the machine for accepting a firmware switch number.
(6) Repeat steps (2) through (5) until the modification for the desired firmware switches is
completed.
(7) Press the Stop/Exit key to return the machine to the initial stage of the maintenance mode.
NOTES: • To cancel this operation and return the machine to the initial stage of the maintenance
mode during the above procedure, press the Stop/Exit key.
• If there is a pause of more than one minute after a single-digit number is entered for
double-digit firmware switch numbers, the machine will automatically return to the
initial stage of the maintenance mode.
Details of Firmware Switches
The details of the firmware switches are described in Appendix 4 in which the user-accessible
selectors of the firmware switches are shaded.

9-13 Confidential
[ B ] Printout of firmware switch data
Function
The machine prints out the setting items of the firmware switches and their contents specified.
Operating Procedure
(1) Press the 1 key twice in the initial stage of the maintenance mode.
The "PRINTING" appears on the LCD.
(2) The machine prints out the configuration list as shown on the next page.
(3) Upon completion of printing, the machine returns to the initial stage of the maintenance mode.

9-14 Confidential
Configuration List

9-15 Confidential
9.1.4.6 Operational Check of LCD (Function code 12)
Function
This function allows you to check whether the LCD on the control panel works normally.
Operating Procedure
Checking the display state of the LCD:
(1) Press the 1 and 2 keys in this order in the initial stage of the maintenance mode.
(2) Models with color LCD
Press the
key.
The LCD shows the screen given below.
Each time you press the key, the LCD cycles through the displays as shown below.
Models with monochrome LCD
Press the Black Start key.
The LCD shows the screen given below.
Each time you press the Black Start key, the LCD cycles through the displays as shown
below.
(3) Press the Stop/Exit key in any process of the above display cycle. The machine returns to
the initial stage of the maintenance mode.
For models with wide color LCD
For models with 2.0-inch color LCD
(blue)
(black)
(red)
(gray)
(green)
(white)
For models with monochrome LCD
Black Start key
Black Start key
Black Start key
key
key
key
key
key
key
key
key
key
key
key
key
key

9-16 Confidential
9.1.4.7 Operational Check of Control Panel PCB (Function code 13)
Function
This function allows you to check the control panel PCB for normal operation.
Operating Procedure
(1) Press the 1 and 3 keys in this order in the initial stage of the maintenance mode.
The "00 " will appear on the LCD.
(2) Press the keys in the order designated in the illustration shown below.
The LCD shows the corresponding number in decimal notation each time a key is pressed.
Check that the displayed number is correct by referring to the illustration below.
If a key is pressed out of order, the machine beeps and displays the "INVALID OPERATE" on
the LCD. To return to the status ready to accept key entry for operational check, press the
Stop/Exit key.
(3) After the last number key is pressed, the machine beeps and returns to the initial stage of the
maintenance mode
To terminate this operation, press the Stop/Exit key. The machine returns to the initial stage of
the maintenance mode.
For models with wide color LCD
1
2
3
4
6
57
11 12 13
16
8
14 15
910
17
18
19
20
21
22
23
24
25
26
27 28
29
30
31 32
33
34
35
For models with 2.0-inch color LCD
123
46
5
7
11 12
13
16
8
14
15
9
10
17
18
19
20
21
22 23
24
25
26 27
28
29
30
31
Key Entry Order (1)

9-17 Confidential
For models with monochrome LCD
1
2
3
46
5
7
11 12
13
16
8
14 15
9
10
17 18 19
20
21
22
23
24 25
26
27
28 29
30
31
32
Key Entry Order (2)

9-18 Confidential
9.1.4.8 Sensor Operational Check (Function code 32)
Function
This function allows you to check the following:
- Document front sensor
- Document rear sensor
- Scanner/ink cartridge cover sensor
- Registration sensor
- Purge cam switch
- Black ink cartridge sensor
- Yellow ink cartridge sensor
- Cyan ink cartridge sensor
- Magenta ink cartridge sensor
- Head thermistor (in the head driver chip)
- Casing internal temperature thermistor (in the complex IC)
- Hook switch (for models with handset)
Operating Procedure
(1) Press the 3 and 2 keys in this order in the initial stage of the maintenance mode.
The machine sounds 1100 Hz and 400 Hz tones cyclically through the following volumes for
testing the speaker:
NOTE: To stop beeping, press the Menu or OK key.
If the sensing statuses are as listed below, the LCD will show "DFDRCVRSCCP1****" and
"IKIYICIMVTHKLKTH," which can be switched by pressing the Black Start (Mono Start)
key.
Given below is the relationship between the LCD indication, sensor name and sensor status.
LCD Sensors Sensing status
DF Document front sensor*1 No document detected.
DR Document rear sensor*1 No document detected.
CV Scanner cover sensor*2 Scanner cover and ink cartridge cover closed.
RS Registration sensor No recording paper detected.
CC Ink cartridge cover sensor*2 Scanner cover and ink cartridge cover closed.
P1 Purge cam switch Purge cam switch ON.
IK Black ink cartridge sensor Black ink cartridge loaded (Black ink present).
IY Yellow ink cartridge sensor Yellow ink cartridge loaded (Yellow ink present).
IC Cyan ink cartridge sensor Cyan ink cartridge loaded (Cyan ink present).
IM Magenta ink cartridge sensor Magenta ink cartridge loaded (Magenta ink present).
VT Head thermistor Driver chip temperature within the allowable range.
HK Hook switch*3 On-hook state.
LK High yield ink cartridge sensor*4 High yield ink cartridge not loaded.
TH Casing internal temperature thermistor Normal temperature detected.
For models with ADF
9-19 Confidential
*1 For models with ADF
*2 Sensor sharing: Two sensor actuators share a single photosensor (scanner/ink cartridge cover
sensor) so that the sensor acts as a scanner cover sensor and ink cartridge cover sensor. If either the
scanner cover or ink cartridge cover is open, both "CV" and "CC" disappear.
*3 The "HK" is always displayed even on models not equipped with a handset.
*4 The "LK" is always displayed even on models not equipped with a high yield ink cartridge sensor.
(2) Change the detecting conditions (e.g., open the scanner cover or insert paper through the
registration sensor or remove the ink cartridges), and then check that the indication on the LCD
changes according to the sensor states.
(3) To stop this operation and return the machine to the initial stage of the maintenance mode, press
the Stop/Exit key.

9-20 Confidential
9.1.4.9 Transfer of Received FAX Data and/or Equipment's Log (Function code 53)
Function
This function transfers received FAX data to another machine. It is useful when the machine cannot
print received data due to the printing mechanism defective.
NOTE: The number of files that can be transferred at a time is 99. To transfer 100 files or more,
carry out the following procedure more than one time.
TIP: If there are both color and monochrome data in a file to be transferred, the monochrome data
will be transferred first. If the receiver machine does not support the color function, the sender
machine cannot transfer color data, resulting in an error.
Operating Procedure
(1) Press the 5 and 3 keys in this order in the initial stage of the maintenance mode.
The "FAX TRANSFER" appears on the LCD.
(2) To check the number of received files, press the 1 key.
The "1.NO. OF JOBS" appears on the LCD.
Press the OK key, and the number of received files appears, just as "NO. OF. JOBS: 10."
Pressing the Stop/Exit key returns the machine to the "FAX TRANSFER" state.
(3) Select data to transfer as follows.
To transfer the activity report only, press the 2 key.
The "2.ACTIVITY" appears.
To transfer received files (together with the activity report), press the 3 key.
The "3.DOCUMENTS" appears. Note that if there is no received file, the "NO DOCUMENTS"
appears.
To transfer the communication list for the latest communication, press the 4 key.
The "4.COM.LIST (NEW)" appears.
To transfer the communication list for the last three errors, press the 5 key.
The "5.COM.LIST (ERR3)" appears.
(4) With the "2.ACTIVITY," "3.DOCUMENTS," "4.COM.LIST (NEW)," or "5.COM.LIST
(ERR3)" being displayed in step (3), press the OK key.
The "ENTER NO. &SET" appears.
(5) Enter the telephone number of the receiver machine and press the OK key again.
NOTE: Be sure to type the telephone number with the numerical keys. No speed dialing is
allowed in this procedure.
The machine displays the "ACCEPTED" for approx. two seconds and starts dialing to transfer
data.
No station ID will be attached. A cover page and end page as shown on the next page will be
automatically attached, instead.

9-21 Confidential
Cover page sample
End page sample

9-22 Confidential
9.1.4.10 Fine Adjustment of Scanning Start/End Position (Function code 54)
Function
This function allows you to adjust the scanning start/end position.
For models without an ADF, selecting "1.ADF" in steps (2) and (3) below produces nothing. Select
"2.FB" to adjust the start/end position of flat-bed scanning.
Operating Procedure
(1) Press the 5 and 4 keys in this order in the initial stage of the maintenance mode.
The "SCAN START ADJ." appears on the LCD.
(2) Wait for the LCD to display the "1.ADF 2.FB."
(3) Press the 1 or 2 key, and the current scanning position correction value appears.
You can adjust the correction value to 11 levels from +5 to -5 (mm).
(4) To increase the correction value, press the right arrow key; to decrease it, press the left arrow
key.
If you press the Stop/Exit key, the machine returns to the initial stage of the maintenance mode
without making change of the correction value.
(5) Press the OK key.
The "ACCEPTED" appears on the LCD. After one second, the LCD returns to the "1.ADF
2.FB" screen.
(6) Press the Stop/Exit key to return to the initial stage of the maintenance mode.
5 and 4 keys
1 or 2 key
Stop/Exit key
Stop/Exit key
OK key
Stop/Exit
key
OK key
1 second later
Right arrow keyLeft arrow key
NOTE: The relationship between the
scanning start/end positions and their
correction values is shown below.
Right arrow ke
y
Left arrow key

9-23 Confidential
9.1.4.11 Acquisition of White Level Data and CIS Scanner Area Setting (Function code 55)
Function
This function allows the machine to obtain white level data for the CIS scanner and save it together
with the CIS scanner area into the EEPROM on the main PCB.
Operating Procedure
(1) Press the 5 key twice in the initial stage of the maintenance mode.
The "SCANNER AREA SET" appears on the LCD.
The machine automatically obtains white level data.
(2) If this operation completes normally, the machine returns to the initial stage of the maintenance
mode.
If any error is detected, the "SCANNER ERROR" appears on the LCD. To return the machine
to the initial stage of the maintenance mode, press the Stop/Exit key.

9-24 Confidential
9.1.4.12 Updating of Paper Feeding Correction Value (Function code 58)
Function
To keep the paper feeding performance in the best condition for quality print, the controller
optimizes the rotation of the paper feed roller, using the correction value stored in the EEPROM on
the main PCB.
If you replace the engine unit or head/carriage unit, you need to update the paper feeding correction
value according to the procedure given here.
Operating Procedure
(1) Switch on your PC.
(2) Place the machine in the maintenance mode (see Section 9.1.1) and set letter-size paper to print
check patterns.
(3) Connect the machine to your PC using a USB cable.
(4) On your PC, run "filedg32.exe" in the folder created in Section 7.1.1.
The Filedrgs window appears as shown below.
(5) Drag and drop the "pfadj.prn" onto the BHL2-Maintenance Printer icon in the Filedrgs window
shown above.
The machine displays the "RECEIVING DATA" on the LCD and prints out "PF adjust check"
pattern (see page 9-26 for a sample printout).
(6) On the machine, press the 5 and 8 keys in this order.
The "1.PF 2.EXIT" appears on the LCD.

9-25 Confidential
(7) To select the paper feed roller adjustment, press the 1 key.
The "PF ADJ NO. +0" appears on the LCD.
(8) Out of the three rows of the "PF adjust check" pattern (on the next page), check the middle row
and select the block that is the least uneven print. Make a note of that block number.
If the least unevenness seems to be far to the left of -8, regard it as -8; if it seems to be far to the
right of +8, regard it as +8. In this case, you need to check whether the paper feed roller and
head/carriage unit are set into place.
(9) Enter the number of the least uneven block found in step (8).
For example, if the number of the least uneven block is +4, press the 4 key when the "PF ADJ
NO. +0" is displayed on the LCD.
If the number is -4, press the key to display the "PF ADJ NO. -0" and press the 4 key.
Then press the OK key, and the machine returns to the initial stage of the maintenance mode.
(10) On your PC, drag and drop the "exitadj.prn" onto the BHL2-Maintenance Printer icon in the
Filedrgs window.
The machine displays the "RECEIVING DATA" on the LCD and prints out three sheets of
"EXIT adjust check" pattern (on page 9-27 for a sample printout).
(11) On the machine, press the 5 and 8 keys in this order.
The "1.PF 2.EXIT" appears on the LCD.
(12) To select the paper ejection roller adjustment, press the 2 key.
The "EXIT ADJ NO. +0" appears on the LCD.
(13) Out of the three sheets of the "EXIT adjust check" pattern (on page 9-27), check the middle
sheet and select the block that is the least uneven print. Make a note of that block number.
(14) Enter the number of the least uneven block found in step (13) in the same way as in step (9).
Then press the OK key, and the machine returns to the initial stage of the maintenance mode.

9-26 Confidential
Paper Feeding Check Pattern for the Paper Feed Roller

9-27 Confidential
Paper Feeding Check Pattern for the Paper Ejection Roller

9-28 Confidential
9.1.4.13 Checking of CIS Travel and Specifying of CIS Type (Function code 59)
Function
This procedure allows you to check the movement of the CIS unit integrated in the scanner cover
(scanner unit). The CIS unit travels to the three positions--the white reference film position, scanning
start and end positions.
It also allows you to enter the CIS type (Canon, Rohm, or Lite-On) into the EEPROM on the main
PCB. If you replace the scanner cover or the main PCB, you need to specify the CIS type according
to the procedure given below.
Operating Procedure
-- Check the movement of the CIS unit --
(1) Press the 5 and 9 keys in this order in the initial stage of the maintenance mode.
The "1:MO 2:CO 3:CHG?" appears on the LCD.
(2) To call up the CIS travel menu, press the 1 key.
(The "3:CHG" is for specifying the CIS type, as described on the next page. The "2:CO" is for
checking scanning clocks at the factory, so do not access it.)
The "LED PWM: " appears on the LCD.
(3) Press the OK key.
The "1:WHT 2:FRT 3:MV" appears.
(4) Press the 3, 1, or 2 key, then press the OK key.
The CIS unit moves to the scanning end position, white reference film position, or scanning start
position, respectively.
(5) Press the Stop/Exit key, and the CIS unit returns to the home position.
The machine returns to the initial stage of the maintenance mode.

9-29 Confidential
-- Specify the CIS type --
(1) Open the scanner cover and check the CIS bar code label on the scanner cover.
G: Rohm
B: Canon
H: Lite-On
Bar code label
(CIS_LABEL_MFC_e)
(2) Press the 5 and 9 keys in this order in the initial stage of the maintenance mode.
The "1:MO 2:CO 3: 3:CHG?" appears on the LCD.
(3) To call up the CIS type menu, press the 3 key.
(The "1:MO" is for checking the CIS travel, as described on the previous page. The "2:CO" is
for checking scanning clocks at the factory, so do not access it.)
The ""CIS G:1 B:0 H:2"" appears on the LCD.
(4) If the CIS type is "B" (Canon), press the 0 key; if "G" (Rohm), press the 1 key; if "H" (Lite-On),
press the 2 key.
Upon completion of the entry, the machine returns to the initial stage of the maintenance mode.

9-30 Confidential
9.1.4.14 Travel Check of the Head/Carriage Unit and Initial Setup Mode (Function code 63)
Function
This procedure moves the head/carriage unit to the center of its travel (Function code 63 + *).
It can also enable or disable the initial setup mode when the power is applied at the next time
(Function code 63 + 1 or Function code 63 +3).
Operating Procedure
(1) Press the 6 and 3 keys in this order in the initial stage of the maintenance mode.
The "MAINTENANCE 63" appears on the LCD.
(2) To make the head/carriage unit travel to the center of its travel, press the * key.
After completion of head replacement or adjustment jobs, press the Stop/Exit key. The
head/carriage unit returns to the home position where the head/carriage unit will be locked.
(3) To enable or disable the initial setup mode when the power is applied at the next time, press the
1 or 3 key, respectively.
If you enable the initial setup mode, wait until the "INIT" appears on the LCD and the
head/carriage unit becomes locked. When the "HEAD LOCKED" appears, turn the power off.
NOTE: Enabling the initial setup mode resets all counts which can be displayed with Function
code 80 (described in Section 9.1.4.22 "Display of the Equipment's Log").
If you disable the initial setup mode, the machine displays the "NOT INIT" on the LCD and
returns to the initial stage of the maintenance mode.

9-31 Confidential
9.1.4.15 Alignment of Vertical Print Lines in Monochrome (Function code 65)
Function
This function allows you to align vertical lines printed in the forward and backward direction of the
head/carriage unit.
If the head/carriage unit or main PCB is replaced with a new one, you need to make the adjustment
given in this section.
NOTE: If the head/carriage unit is replaced, you need to make other adjustments in addition. Refer
to Chapter 7, Section 7.2.
Operating Procedure
(1) Press the 6 and 5 keys in this order in the initial stage of the maintenance mode. Then press the
1 key.
The machine displays the "MAINTENANCE 65" on the LCD and prints two sets of vertical
alignment check patterns (shown on the next page) in monochrome for 600 dpi and 1200 dpi,
each of which consists of #0 through #8 blocks. If the vertical alignment is ON, #5 block shows
vertically aligned lines.
The "600DPI NO. (1-8)" appears on the LCD.
(2) For 600 dpi, check the printed vertical alignment check patterns and find which number block
shows full alignment.
If the full alignment block is other than #5, enter that block number by using the numerical keys.
The "1200DPI NO.(1-8)" appears on the LCD.
(3) For 1200 dpi, perform the same operation as in step (2).
The machine automatically returns to the initial stage of the maintenance mode.
NOTE: If #1 or #8 block is fully aligned so that you press the 1 or 8 key in the above procedure,
then go back to step (1) to confirm that #5 block becomes aligned.

9-32 Confidential
Vertical Alignment Check Patterns
600DPI
1200DPI

9-33 Confidential
9.1.4.16 Margin Adjustment in Borderless Printing (Function code 66)
Function
This function allows you to adjust the left and right margins for borderless printing. You print out a
margin check pattern, measure the left and right margins, and enter the correction values.
Operating Procedure
(1) Switch on your PC.
(2) Place the machine in the maintenance mode (see Section 9.1.1) and set letter-size paper to print
a margin check pattern.
(3) Connect the machine to your PC using a USB cable.
(4) On the PC, run "filedg32.exe" in the folder created in Section 7.1.1.
The Filedrgs window appears as shown below.
(5) Drag and drop the "media.prn" onto the BHL2-Maintenance Printer icon in the Filedrgs window
shown above.
The machine displays the "RECEIVING DATA" on the LCD and prints out the "MEDIA
CHECK" pattern (see page 9-35 for a sample printout).
(6) Measure the left and right margins on the printout.
(Example) Left: 1.3 mm, Right: 1.4 mm
If both margins are within the range from 0.9 to 1.1 mm, no adjustment is required.
9-34 Confidential
(7) If either margin is out of the specified range, press the 6 key twice on the machine.
The "MEDIA SENSOR ADJ" appears. (Note: The Media Sensor refers to the paper width
sensor.)
(8) To make the machine ready for data entry, press the * key.
The "LEFT: 10" appears on the LCD.
(9) To adjust the left margin, enter the measured value (in units of 0.1 mm) multiplied by 10.
In this example, the left margin measured in step (6) is 1.3 mm, so press the 1, 3, and OK keys.
(10) The "RIGHT: 10" appears on the LCD.
To adjust the right margin, enter the measured value (in units of 0.1 mm) multiplied by 10.
In this example, the right margin measured in step (6) is 1.4 mm, so press the 1, 4, and OK keys.
(11) Upon completion of the entry, the machine automatically returns to the initial stage of the
maintenance mode.
Go back to step (5) and print out the margin check pattern again.
(12) Measure the left and right margins on the printout.
If both margins are within the range from 0.9 to 1.1 mm, the adjustment is completed.

9-35 Confidential
Margin Check Pattern

9-36 Confidential
9.1.4.17 Updating of Property Data (Function code 68)
Function
To keep the print quality, the controller optimizes the drive conditions of individual head/carriage
units according to the property data. For instance, the controller optimizes the head drive strength,
ink jet-out timing and other drive conditions according to the electromechanical properties unique to
individual head/carriage units and ambient temperature.
The property data is stored in the EEPROM on the main PCB and its property code is printed on the
property labels attached to the machine and the head/carriage unit.
If you replace the head/carriage unit with a new spare part, you need to enter its property code
printed on the property label (that comes with the new spare part) and replace the old property label
on the machine (see Appendix 1 for the label location) with the new one. If the old part may be used
in future, store the old property label also with the old part.
Operating Procedure
(1) Press the 6 and 8 keys in this order in the initial stage of the maintenance mode.
(2) Press the 2, 5, 8, and 0 keys in this order.
The current property data stored in the EEPROM appears on the LCD and the machine is ready
for entry.
(3) Check the property label that comes with a new head/carriage unit and then enter the property
code.
The code to be entered is 12 digits excluding the heading alphabets.
Head property code
To enter letters "A" through "F," press the 1 through 6 keys while holding down the # key,
respectively.
(4) Press the OK key.
The machine beeps, shows the "INPUT ACCEPTED" on the LCD, and writes the entered
property code into the EEPROM. Then it returns to the initial stage of the maintenance mode.
NOTE: If the entered data contains any checksum error, the machine beeps, shows the "INPUT
ERROR" and returns to the ready-to-enter state. Go back to step (3).

9-37 Confidential
9.1.4.18 Head/Carriage Unit Traveling Speed Check (Function code 69)
Function
This function checks whether or not the traveling speed of the head/carriage unit is within the
specified range.
This procedure should be performed when you replace the head/carriage unit or carriage motor, or
when you loosen the CR timing belt.
Operating Procedure
(1) Press the 6 and 9 keys in this order in the initial stage of the maintenance mode.
The machine starts aging the head/carriage unit, showing the "CR AGING" on the LCD.
In each of travel speeds 43.3 and 21.7 inches/sec, the machine checks whether the maximum and
minimum speeds are within the specified range.
- If both are within the range, the "43O 21O" appears on the LCD.
- If either one is out of the range, the machine shows some message, e.g., "43O 21X" on the
LCD. This sample message indicates that the speed variation is within the allowable range
when the head/carriage unit travels at 43.3 inches/sec.; however, it is out of the range at 21.7
inches/sec.
(2) Press the Stop/Exit key to return to the initial stage of the maintenance mode.

9-38 Confidential
9.1.4.19 EEPROM Customizing (Function code 74)
The "EEPROM Customizing Codes List" is given on the next page.
Function
This function allows you to customize the EEPROM according to language, function settings, and
firmware switch settings.
NOTE: If you replace the main PCB, be sure to carry out this procedure.
Operating Procedure
(1) Press the 7 and 4 keys in this order in the initial stage of the maintenance mode.
The current customizing code appears on the LCD.
(2) Enter the desired customizing code.
To enter letters "A" through "F," press the 1 through 6 keys while holding down the # key,
respectively.
The newly entered code appears.
NOTE: If a wrong 4-digit code is entered, the machine will malfunction.
(3) Press the Black Start (Mono Start) key.
The machine saves the setting and returns to the initial stage of the maintenance mode.
If you press the Stop/Exit key or no keys are pressed for one minute in the above procedure, the
machine stops the procedure and returns to the initial stage of the maintenance mode.

9-39 Confidential
EEPROM Customizing Codes List
Destination US
Mexico Canada UK Germany France Italy Spain Portugal
Country Code 01 02 04 03 05 16 15 18
MFC235C --- --- 0104 0103 0105 0116 0115 0118
MFC260C --- --- 0204 0203 0205 0216 0215 0218
MFC265C 0301 0302 --- --- --- --- --- ---
MFC465CN 0001 0002 0004 0003 0005 0016 0015 0018
MFC680CN --- --- 0004 0003 0005 0016 0015 0018
MFC685CW 0101 0102 --- --- --- --- --- ---
MFC885CW 0201 0202 0204 0203 0205 0216 0215 0218
Destination Switzerland Netherlands Belgium
Norway
Sweden
Finland
Denmark
Austria
Czech
Hungary
Poland
Rumania
Bulgaria
Turkey
Russia
Country Code 10 09 08 57 14 54 48
MFC235C 0110 0109 0108 0157 0103 0154 0148
MFC260C 0210 0209 0208 0257 0203 0254 0248
MFC265C --- --- --- --- --- --- ---
MFC465CN 0010 0009 0008 0057 0003 0054 ---
MFC680CN 0010 0009 0008 --- 0003 --- ---
MFC685CW --- --- --- --- --- --- ---
MFC885CW 0210 0209 0208 0257 --- --- 0248

9-40 Confidential
Destination S. Africa
Singapore, Thailand, Malaysia,
Philippines, Hong Kong,
Indonesia, Vietnam, UAE,
Iran, India, Jordan, Egypt,
Lebanon, Syria, Pakistan, Kenya
Australia
New Zealand China
Country Code 24 40 56 20
MFC235C 0124 0140 0156 ---
MFC260C --- 0240 0256 ---
MFC265C --- --- --- 0120
MFC465CN --- 0040 0056 0020
MFC680CN --- --- --- ---
MFC685CW --- 0140 0156 0120
MFC885CW 0224 0240 0256 ---
The above information is as of April 30, 2007. The up-to-date information is available from your local
Brother Customer Service.

9-41 Confidential
9.1.4.20 Travel of Head/Carriage Unit (for removing paper particles and dust accumulated on the
maintenance unit) (Function code 75)
Function
This function is used to remove paper particles and dust accumulated between the maintenance unit
and head/carriage unit. Using this function moves the head/carriage unit to the flushing position,
allowing you to easily remove the paper particles and dust accumulated.
Operating Procedure
(1) Press the 7 and 5 keys in this order in the initial stage of the maintenance mode.
The head/carriage unit moves to the flushing position and the "PLS OPEN COVER" appears on
the LCD.
(2) Open the scanner cover.
The "PLS CLOSE COVER" appears on the LCD. Remove the paper particles and dust
accumulated.
(3) Close the scanner cover.
The head/carriage unit moves back to the home position.
The machine returns to the initial stage of the maintenance mode.

9-42 Confidential
9.1.4.21 Purging Operation (Function code 76)
Function
The machine can carry out several types of purging operations--normal purge, periodical reset purge,
power purge, initial purge, user reset purge, and engine setup purge. This function allows you to
select the desired purge type and carry it out.
TIP: The purge types and their details are described on the next page.
Operating Procedure
(1) Press the 7 and 6 keys in this order in the initial stage of the maintenance mode.
The machine displays the "CLEANING ALL" on the LCD and enters the purge mode.
(2) Press the or key to display the target color for purge.
Each time the or key is pressed, the "CLEANING ALL," "CLEANING BLACK,"
"CLEANING MAGENTA," "CLEANING CYAN," or "CLEANING YELLOW" appears
cyclically.
"CLEANING ALL": Purge for all four color inks
"CLEANING BLACK": Purge for black ink
"CLEANING MAGENTA" / "CLEANING CYAN" / "CLEANING YELLOW": Any color
choice performs purge for all three color inks.
(3) Enter the purge code according to the table on the next page.
(4) Press the Black Start (Mono Start) key.
Upon completion of purging, the machine automatically returns to the initial stage of the
maintenance mode.

9-43 Confidential
Purge types, ink usage, purge counts, and purge codes
Purge Types Description Ink Usage Purge Counts
(See Note.)
Purge Codes
(In the
maintenance mode,
Function code 76)
Normal purge This purge operation removes
dried ink sticking to the head
nozzles.
Black: 0.21 mL
Per color: 0.13 mL
Black: 11
Total of
colors: 21
1
Periodical reset
purge This purge operation removes
any bubbles that have
accumulated in the ink supply
tubes.
Black: 0.44 mL
Per color: 0.32 mL
Black: 24
Total of
colors: 54
2
Power purge More powerful than a
periodical reset purge, this
purge operation is for
removing stubborn clogging
from the head nozzles and ink
supply tubes.
Black: 0.59 mL
Per color: 0.38 mL
Black: 32
Total of
colors: 64
3
Initial purge When the user loads ink
cartridges for the first time,
this purge operation
automatically runs to refill the
ink supply tubes and print
head with fresh ink.
Black: 2.92 mL
Per color: 2.59 mL
Black: 163
Total of
colors: 432
4
User reset purge This purge operation should
be performed if the print
quality problem persists after
a user has performed the
purge operation repeatedly by
pressing the Ink (Ink
Management) key.
Black: 0.50 mL
Per color: 0.32 mL
Black: 28
Total of
colors: 54
5
Engine setup
purge This purge operation refills
the ink supply tubes with ink
when there is no ink in those
tubes.
Black: 2.92 mL
Per color: 2.59 mL
Black: 163
Total of
colors: 432
6
(Note) This machine counts all purge operations and flushing operations performed since produced in
order to prevent the ink absorber box and flushing box from overflowing with drained and flushed
ink, respectively. An initial purge, for example, advances the counter by 163 + 432 = 595. When
the purge or flushing counter approaches 9600 or 475852272, respectively, the "MACHINE
ERROR 46" appears, and further purge or flushing operations are prohibited. Replace the ink
absorber box and flushing box, and then reset their counters with the following procedure.

9-44 Confidential
Resetting purge or flushing counter
1) Press the Menu and Black Start (Mono Start) keys. Next press the key four times to
make the machine enter the maintenance mode.
The machine beeps for approx. one second and displays " " on
the LCD, indicating that it is placed in the initial stage of the maintenance mode, a mode in
which the machine is ready to accept entry from the keys.
2) Press the 8 and 0 keys in this order in the initial stage of the maintenance mode to call up
the machine's log information. (Function code 80. Refer to Section 9.1.4.22.)
3) Press the Black Start (Mono Start) key several times until the purge or flushing count
appears on the LCD.
4) Press the 2, 7, 8, and 3 keys in this order to reset the purge or flushing count.
5) Press the Stop/Exit key to return the machine to the initial stage of the maintenance mode.
6) Press the 9 key twice to return to the standby state.

9-45 Confidential
9.1.4.22 Display of the Equipment's Log (Function code 80)
Function
The machine can display its log information on the LCD.
This procedure allows you to reset the purge count. It is necessary to reset the purge count when the
ink absorber box is replaced with a new one without replacing the main PCB.
Operating Procedure
(1) Press the 8 and 0 keys in this order in the initial stage of the maintenance mode.
The calendar clock appears on the LCD.
(2) Press the Black Start (Mono Start) key. Pressing the key more than ten times calls up the
following log information items on the LCD, one by one. (The following list does not include all
items.)
- Head property code
- PictBridge information
- Ink drop count, indicating how many droplets have been jetted out from each of the ink
cartridges*1
- Ink drop count after near-empty, indicating how many droplets have been jetted out from
each of the ink cartridges*1 after the ink cartridge sensor detects near-empty.
- Total ink drop count, indicating how many droplets the machine has jetted out from each of
the ink cartridges*1 since produced
- Ink cartridge change count, indicating how many times ink cartridge replacement has been
made for each color*1
- Jam count, indicating how many times a paper jam has occurred
- Total page count, indicating how many pages have been printed since the machine was
produced
- PC print page count, indicating how many pages the machine has printed as an output device
of the connected PC
- Color copy page count, indicating how many copies in color have been made
- Black copy page count, indicating how many copies in monochrome have been made
- Memory card print page count, indicating how many pages have been printed from memory
card data (On models without PhotoCapture Center, this counter is always fixed to "0.")
- FAX page count, indicating how many received FAX pages have been printed
- Purge count, indicating how many times the purge operation has been carried out
(With the purge count displayed, pressing the 2, 7, 8 and 3 keys in this order resets the purge
count.)
- Purging record for each purge type
- Wiper count, indicating how many times the wiper operation has been carried out
- Flushing count, indicating how many times the flushing operation has been carried out
(With the flushing count displayed, pressing the 2, 7, 8 and 3 keys in this order resets the
flushing count.)
9-46 Confidential
- Total power-ON time
- Error code of the most recent machine error*2
- ADF paper jam count, indicating how many times a paper jam has occurred*3
- ADF page count, indicating how many pages the ADF has fed*3
- Flat-bed page count, indicating how many documents have been scanned
- Error code of the most recent communications error*4
- Base ID code (which appears only on models with a cordless handset)
- Cordless handset ID code(s) (which appears only on models with a cordless handset)*5
- PIN code of base unit (which appears only on European models with a cordless handset.)
After all of the log information items above are displayed, pressing the Black Start (Mono
Start) key returns the screen to the calendar clock in step (1) above.
(3) To stop this operation and return the machine to the initial stage of the maintenance mode, press
the Stop/Exit key.
*1 To check each of the four ink cartridges, press the OK key. Pressing the key cycles through black,
yellow, cyan, and magenta.
*2 When a machine error code is displayed, pressing the OK key cycles through recent nine errors that
have occurred.
*3 For models with ADF
*4 When a communications error code is displayed, pressing the OK key cycles through the latest error,
2nd latest error, and 3rd latest error.
*5 Up to four cordless handsets can be registered to the base unit (cordless PCB). For the ones not
registered, "FFFFFFFF" is displayed each.

9-47 Confidential
9.1.4.23 Equipment Error Code Indication (Function code 82)
Function
This function displays an error code of the last error on the LCD.
Operating Procedure
(1) Press the 8 and 2 keys in this order in the initial stage of the maintenance mode.
The LCD shows the "MACHINE ERROR X X."
(2) To stop this operation and return the machine to the initial stage of the maintenance mode, press
the Stop/Exit key.
9.1.4.24 Output of Transmission Log to the Telephone Line (Function code 87)
Function
This function outputs the transmission log (that the machine has stored about the latest transmission)
to the telephone line. It allows the service personnel to receive the transmission log of the user's
machine at a remote location and use it for analyzing problems arising in the user's machine.
Operating Procedure
(1) If the user's machine has a transmission-related problem, call the user's machine at a remote
location from your machine.
(2) If the line is connected, have the user perform the following:
1) Press the Menu, Redial/Pause, and 0 keys in this order.
2) Press the 8 and 7 keys in this order.
The above operation makes the user's machine send CNG to your machine for sending the
transmission log.
(3) If you hear the CNG sent from the user's machine, press the Black Start (Mono Start) key of
your machine.
Your machine will start to receive the transmission log from the user's machine.

9-48 Confidential
9.1.4.25 Assurance Mode Switch Setting (Function code 88)
Function
The machine incorporates four assurance mode switches (AMS01 through AMS04) that are
firmware switches just like the ones described in Section 9.1.4.5.
When the machine does not function normally because the usage environments or operating
conditions are not usual, the assurance mode switches provide workarounds to make the machine
usable by changing the machine settings to untypical ones.
The user is allowed to access the assurance mode switches under the guidance of service personnel
(e.g., by telephone).
The details about AMS01 through AMS04 are described on the following pages.
Operating Procedure
(1) Press the 8 key twice in the initial stage of the maintenance mode.
The machine displays "AMS00" on the LCD and becomes ready to accept an assurance mode
switch number.
(2) Enter the desired number from the assurance mode switch numbers (01 through 04).
The following appears on the LCD:
Selector 1 Selector 8
↓ ↓
AMSXX = 0 0 0 0 0 0 0 0
(3) Move the cursor to the selector position to be modified, using the right and left arrow keys.
(4) Enter the desired number using the 0 and 1 keys.
(5) Press the OK key. This operation saves the newly entered selector values onto the EEPROM
and readies the machine for accepting an assurance mode switch number.
(6) Repeat steps (2) through (5) until the modification for the desired assurance mode switches is
completed.
(7) Press the Stop/Exit key to return the machine to the initial stage of the maintenance mode.
NOTES: • To cancel this operation and return the machine to the initial stage of the maintenance
mode during the above procedure, press the Stop/Exit key.
• If there is a pause of more than one minute after a single-digit number is entered for
double-digit assurance mode switch numbers, the machine will automatically return to
the initial stage of the maintenance mode.
• Initializing the EEPROM with Function code 01 or 91 initializes the AMS switch
settings.

9-49 Confidential
AMS01 (Printing assurance 1)
Selector
No. Function Setting and Specifications
1 Prevention of stains on back side of
leading edge of paper in borderless
printing 0: Disable (default) 1: Enable
2
Reduction of banding in borderless
printing
(Limit of the number of head nozzles
to be used)
0: Disable 1: Enable
(No limit) (Limit)
3
4
Protection of platen from no-paper
printing to prevent stains
(Functional restriction on the paper
width sensor)
No. 3 4
0 0 : Enable (Determine the sensor
function depending upon the print
resolution selected) (default)
0 1 : Enable (Detect the leading edge
plus right and left edges of paper)
1 0 : Enable (Detect the leading edge
of paper)
1 1 : Disable (No paper detection)
5
Assurance print 1
(Printing with black and cyan inks in
monochrome copy) 0: Disable (default) 1: Enable
6
Assurance print 2
(Printing with black and cyan inks in
monochrome FAX reception and in
list output)
0: Disable (default) 1: Enable
7
8
Workaround for false jam detection
(Functional restriction on the paper
width sensor)
No. 7 8
0 0 : Detect both the leading edge and
width of paper (default)
0 1 : Detect both the leading edge and
width of paper
1 0 : Detect only the leading edge of
paper
1 1 : No detection
Selector 1: Prevention of stains on back side of leading edge of paper in borderless printing
Setting this selector to "1" reduces the protruding amount of the leading edge of recording paper to
the platen groove to minimize stains that could be caused by ink mist on the back side of the leading
edge. Enabling this function reduces the throughput than disabling it.
Selector 2: Reduction of banding in borderless printing (Limit of the number of head nozzles to be
used)
Setting this selector to "1" limits the number of head nozzles to be used in borderless printing to
reduce banding.
The default setting of this selector is "0" for models with movable platen, and "1" for models without
movable platen.
9-50 Confidential
Selectors 3 and 4: Protection of platen from no-paper printing to prevent stains (Functional
restriction on the paper width sensor)
The setting made by these selectors applies to such printing that is assumed to be at a high resolution,
that is, printing from a PC or memory card*, copying, and printing from PictBridge/USB flash
memory drive.
* For models with PhotoCapture Center
If these selectors are set to "0, 0," the machine automatically determines the functions of the paper
width sensor depending upon the print resolution selected. Therefore, in low resolution printing, e.g.
when the "Fast" print quality is selected, the paper width sensor is automatically disabled. On the
contrary, in high resolution printing, e.g. when the "Highest" print quality is selected, the sensor is
automatically enabled.
Setting these selectors to "1, 1" disables the paper width sensor to save the sensing time for higher
throughput.
Selectors 5 and 6: Assurance print 1 and 2
Enabling assurance print 1 or 2 causes the machine to mix black ink (pigment-based) and a little of
cyan ink (dye-based) to use in monochrome copy or in monochrome FAX reception and list output,
respectively.
If black ink is not jetted out normally, cyan ink can be substituted for black ink in printing. This
ensures that in list printing (in which data once printed will be deleted) the data will be preserved as
a printout.
Selectors 7 and 8: Workaround for false jam detection (Functional restriction on the paper width
sensor)
The setting made by these selectors applies to the list and index printing and test printing.
When logo printed recording paper is used, for example, the paper width sensor might misdetect the
paper present state as "no paper loaded" due to the logo's color. Limiting the paper width sensor
functions with these selectors avoids detecting such a false paper jam.

9-51 Confidential
AMS02 (Printing assurance 2)
Selector
No. Function Setting and Specifications
1 For glossy paper 0: Disable (default) 1: Enable
2
Head-platen gap offset
(Prevention of stains
on recording paper) For recording paper
except glossy paper 0: Disable (default) 1: Enable
3
|
5
Paper feed amount compensation
(for preventing banding at the leading edge
of recording paper fed from the photo tray)
No. 3 4 5
0 0 0 : Enable for 4 x 6
postcards (default)
1 0 0 : Enable for Photo L-size
paper in Japan
Others : Disable
6 Registration time offset to slipping in plain
paper feeding 0: Disable (default) 1: Enable
7 Unidirectional print for higher print quality 0: Disable (default) 1: Enable
8 Improvement of paper feeding reliability 0: Disable (default) 1: Enable
Selectors 1 and 2: Head-platen gap offset (Prevention of stains on recording paper)
If using curled or thick recording paper results in a stained print face of the paper, increase the gap
between the head nozzles and the platen with these selectors to reduce the production of stains.
Enabling the head-platen gap offset increases the gap to 1.6 or 2.3 mm if it was 1.3 or 1.6 mm,
respectively. (The details are given in the table below.)
In borderless printing, even if enabled by these selectors, the head-platen gap offset becomes disabled
except when the Brother premium glossy photo paper is used with the "Photo" or "Highest" print
quality selected.
Head-platen gap offset (specified by selector 1 or 2)
ON for glossy paper ON for recording paper
except glossy paper
Recording
paper Print quality
selected OFF
Using A4,
letter, or legal
paper in
borderless
printing
In printing
with borderless
printing OFF,
or using paper
except A4,
letter, and
legal paper
Using A4,
letter, or
legal paper
in
borderless
printing
In printing
with borderless
printing OFF,
or using paper
except A4,
letter, and legal
paper
"Highest" 1.3 mm 1.6 mm 1.6 mm
"Photo" 1.3 mm 1.6 mm 1.6 mm
Brother
p
remium glossy
photo paper "Fine" 1.6 mm (1.6 mm) 2.3 mm
"Highest" 1.6 mm (1.6 mm) 2.3 mm
"Photo" 1.6 mm (1.6 mm) 2.3 mm
Other glossy
paper
"Fine" 1.6 mm (1.6 mm) 2.3 mm
---
---
"Photo" 1.6 mm (1.6 mm) 2.3 mm Inkjet paper
"Fine" 1.6 mm (1.6 mm) 2.3 mm
"Fine" 1.6 mm (1.6 mm) 2.3 mm
"Normal" 1.6 mm (1.6 mm) 2.3 mm
"Fast Normal" 1.6 mm (1.6 mm) 2.3 mm
Plain paper
(except the
above)
"Fast" 1.6 mm
---
---
(1.6 mm) 2.3 mm
In the above table, values in parentheses are not changed since the offset is automatically disabled.

9-52 Confidential
Selectors 3 to 5: Paper feed amount compensation (for preventing banding at the leading edge of
recording paper fed from the photo tray)
This compensation function is usually enabled for preventing banding (horizontal streaks) from
occurring at the leading edge of recording paper fed from the photo tray.
When postcards or small size paper are fed from the standard paper tray, however, this
compensation function can be counterproductive. If so, disable the function, and the print quality
may be improved.
Selector 6: Registration time offset to slipping in plain paper feeding
Enabling the registration time offset with this selector increases the registration time (during which
the paper feed roller rotates in the reverse direction), avoiding the occurrence of a paper feeding
timeout error even if the paper cannot reach the registration sensor actuator within the predetermined
registration time due to slipping of the paper pull-in rollers against paper in the paper tray.
Selecting the "Fast" print quality disables the registration time offset even if it is enabled with this
selector.
NOTE: Selecting the "Glossy paper" automatically enables the registration time offset.
Selector 7: Unidirectional print for higher print quality
The machine prints bidirectionally by default. To get higher print quality, set this selector to "1" to
switch to the unidirectional print mode in which printing is performed only when the head/carriage
unit travels from left to right. Note that the unidirectional print mode sacrifices the print speed.
Print object Unidirectional print
Print FAX message received Yes
Copy Yes
Print from PC No
Print from memory cards*, PictBridge, or USB
flash memory drive Yes
Print memory card index*, PictBridge index, or
USB flash memory drive index Yes
Print a list Yes
Print a test pattern No
* For models with PhotoCapture Center
Selector 8: Improvement of paper feeding reliability
Setting this selector to "1" improves the paper feeding reliability, sacrificing the print speed.

9-53 Confidential
AMS03 (Maintenance assurance 1)
Selector
No. Function Setting and Specifications
1 Protection of head caps from drying 0: Disable (default) 1: Enable
2
3 Auto capping start time
No. 2 3
0 0 : 30 seconds (default)
0 1 : 5 seconds
1 0 : 15 seconds
1 1 : 300 seconds
4 Purge more powerful than normal
purge 0: Disable (default) 1: Enable
5
6 Not used.
7 Automatic purging interval
programmed for matching the
ambient temperature (for color ink) 0: Enable (default) 1: Disable
8 Automatic purging interval
programmed for matching the
ambient temperature (for black ink) 0: Enable (default) 1: Disable
Selector 1: Protection of head caps from drying
If the protection function is enabled with this selector, the head/carriage unit automatically returns to
the home position (head capping position) for flushing each time the machine prints the specified
number of pages in order to protect the inside of the head caps from drying up. This function is
useful in a dry environment or for heavy duty print per printing cycle.
Selectors 2 and 3: Auto capping start time
If data transfer from the PC stops midway through printing for some reason in the PC, the
head/carriage unit automatically returns to the home position (head capping position) after the
specified auto capping start time (default: 30 seconds) to prevent the head surface from drying up.
At the restart of printing after the auto capping operation, print image unevenness could occur. To
avoid it, increase the auto capping start time with these selectors.
Selector 4: Purge more powerful than normal purge
Setting this selector to "1" automatically selects a purge more powerful than the normal purge from
the first if the purge is initiated immediately after printing.
Selectors 7 and 8: Automatic purging interval programmed for matching the ambient temperature
The "automatic purging interval programmed for matching the ambient temperature" is enabled by
default. If the machine is set in an excessively hot or cold place, therefore, the automatic purging
interval becomes short, resulting in increased ink waste.
Disabling this interval enables the one programmed for the ordinary temperature. In the first printing
after a long no-print period, however, the print quality may lower.

9-54 Confidential
AMS04 (Maintenance assurance 2)
Selector
No. Function Setting and Specifications
1 Line monitor volume 0: Normal (default) 1: Extra-high
2 Not used.
3 Black ink print mode 0: Disable 1: Enable
(default)
4 Automatic purging for color ink 0: Enable (default) 1: Disable
5 Not used.
6
7 Automatic purging interval
No. 6 7
0 0 : 30 days (black and color)
0 1 : 20 days (black), 30 days (color)
1 0 : 30 days (black), no purge (color)
1 1 : No purge (black and color)
8 Automatic purging for black ink 0: Enable (default) 1: Disable
Selector 3: Black ink print mode
If any color ink runs out, printing is no longer possible by default. Setting this selector to "1" allows
the machine to function as a monochrome printer, making it possible to print with black ink only
even in an ink empty state as listed below.
Printing FAX message received Monochrome printing only possible.
Printing from a PC Monochrome printing only possible.
Copying Monochrome printing only possible. The Black Start
(Mono Start) key is enabled, but the Color Start key is
disabled.
Printing from memory cards* No printing possible.
Printing from PictBridge or USB flash
memory drive No printing possible.
Printing lists Monochrome printing only possible.
Purge operation Purge operation possible for black ink only, not possible for
all-color or any specific color.
* For models with PhotoCapture Center
Tip: Difference between selector 3 on AMS04 and selector 8 on WSW49 (See page App. 4-53.)
Both selector 3 on AMS04 and selector 8 on WSW49 specify the similar black ink print mode that
applies if any color ink runs out. The difference is that the former allows the machine to print all
data received as a monochrome printer with black ink only; the latter to ignore the ink empty state,
receive both color and black data, and print it, resulting in a printout missing color components.
Selectors 4 and 8: Automatic purging for color ink and for black ink
The machine periodically performs an automatic purge by default. The automatic purge, however,
wastes ink when no printing has occurred. To avoid it, disable the automatic purge with these
selectors. In the first printing after a long no-print period, disabling it may lower the print quality.
Setting selector 4 or 8 to "1" disables the setting made by selectors 6 and 7.
Selectors 6 and 7: Automatic purging interval
These selectors allow you to select the automatic purging interval to reduce ink consumption.
Setting these selectors to "1, 1" (No purge) disables the setting made by selectors 4 and 8.

9-55 Confidential
9.1.4.26 Cancellation of the Pin TX Lock Mode (Not applicable to U.S.A. models)
Function
This procedure can cancel the Pin TX lock mode. Use this procedure if the user forgets his/her
password entered when setting the Pin TX lock mode so as not to exit from the mode.
NOTE: Carrying out this procedure will lose passwords previously entered but retain FAX
messages received in the Pin TX lock mode.
Operating Procedure
(1) When the PIN TX LOCK is displayed on the LCD, press the Menu and # keys at the same time.
Within two seconds, start to press the 2, 7, 9, 0, and 0 keys.
The Pin TX lock mode will be canceled and the machine returns to the calendar clock screen.

9-56 Confidential
9.2 MAINTENANCE FUNCTIONS FOR CORDLESS
HANDSETS
9.2.1 Overview
Section 9.2 applies to models with a cordless handset.
Cordless handsets have the built-in maintenance functions. Their menu and operating procedures
differ depending on the shipping destination of the machines. For U.S.A. models, refer to Section
9.2.2; for European modes, Section 9.2.3.
9.2.2 Maintenance Functions for U.S.A. Models
9.2.2.1 List of Maintenance Functions
The table below lists the maintenance functions built in handsets of U.S.A. models.
To access one of these functions, press the Menu/OK, *, and # keys, enter the corresponding 3-digit
function code with the numerical keys, and then press the # key on the cordless handset.
Maintenance Functions for U.S.A. Models
Function
Code Function Reference
Section (Page)
086 Checking of Cordless Handset ID Code and Base ID Code 9.2.2.2 (9-57)
195 Measuring of RSSI (Received Signal Strength Indicator) 9.2.2.3 (9-58)
196 Measuring of BER (Bit Error Rate) 9.2.2.4 (9-59)
197 Version Information on Cordless Handset 9.2.2.5 (9-59)
198 EEPROM Parameter Initialization 9.2.2.6 (9-60)
NOTES • Pressing the Off key after entering only one or two digits restores the cordless handset to
the standby state.
• Entering an invalid function code does not display any error message so that the cordless
handset superficially appears to accept the entry. If you make a mistake in entering a
code, therefore, press the Off key to return to the standby state and then go back to the
beginning of the procedure.

9-57 Confidential
9.2.2.2 Checking of Cordless Handset ID Code and Base ID Code (Function code 086)
Function
The cordless handset and base unit (cordless PCB in the machine) each have a unique ID code.
When the machine leaves the factory, the cordless handset ID code is registered to the base unit, and
the base ID code, to the cordless handset so that the handset and base unit are exclusively paired.
Once paired, they can identify each other and initiate wireless communication between them.
Up to four cordless handset ID codes can be registered to the base unit.
Function code 086 allows you to check the cordless handset ID code and base ID code registered in
the handset.
Operating Procedure
(1) On the cordless handset, press the Menu/OK, *, #, 0, 8, 6, and # keys in this order in the
standby state.
The cordless handset displays its ID code as shown below.
Handset
ID = XXXXXXXX
(2) To display the base ID code registered in the cordless handset, press the or key on the
cordless handset.
Base Unit
ID = YYYYYYYY
(3) To return to the standby state, press the Off key or leave the handset for one minute without
pressing any key.

9-58 Confidential
9.2.2.3 Measuring of RSSI (Received Signal Strength Indicator) (Function code 195)
Function
This function is used to measure the RSSI (received signal strength indicator) of outside radio
frequency interference (RFI) with the frequency band in a channel selected in an environment where
the cordless handset is used.
Select a channel (001ch through 089ch) and measure the RSSI using the procedure below. Lower
measured value means less radio frequency interference and better communications state.
If noise is heard with the cordless handset due to radio frequency interference, changing the locations
of the machine and the cordless handset may avoid the noise.
Operating Procedure
(1) On the cordless handset, press the Menu/OK, *, #, 1, 9, 5, and # keys in this order in the
standby state.
The following appears on the handset's LCD.
RF TEST MODE
RSSI
CH = 040
(2) To change the channel, enter a 3-digit channel number from 001 through 089 using the
numerical keys or the arrow keys ( or ) on the cordless handset.
(3) Press the Menu/OK key on the cordless handset to start measuring the RSSI.
RSSI ****H
CH = 089
Where, "H" or "L" at the end of the first line means high or low gain modulation, respectively.
Pressing the
or key switches to high or low gain modulation, respectively.
Note: The higher the measured value, the higher the radio frequency interference.
(4) To measure the RSSI for other channels, repeat steps (2) and (3) above.
(5) To returns to the standby state, press the Off key.

9-59 Confidential
9.2.2.4 Measuring of BER (Bit Error Rate) (Function code 196)
Function
This function is used to measure the BER (bit error rate) in data received through the wireless
communications link between the base unit (cordless PCB in the machine) and the cordless handset.
Operating Procedure
(1) On the cordless handset, press the Menu/OK, *, #, 1, 9, 6, and # keys in this order in the
standby state.
The following appears on the handset's LCD.
Rx Quality
C* S* P* G** (BER in base unit)
C* S* P* G** (BER in cordless handset)
Where,
C: Count of CRC errors per 100 frames Max. = 9 Best = 0
S: Count of SYNC errors per 100 frames Max. = 9 Best = 0
P: Count of Parity errors per 100 frames Max. = 9 Best = 0
G: Count of LowGain selected per 100 frames Max. = 99 Best = 99
Note: For C, S, and P, the lower value, the higher RF sensitivity; for G, the higher value, the
higher sensitivity.
(2) Bring the cordless handset into contact with the antenna on the base unit (in the machine) and
check for a while that the measured values change.
The measured values come to the best ones and stay on. If not, the wireless communication is
abnormal.
(3) To return to the standby state, press the Off key twice.
9.2.2.5 Version Information on Cordless Handset (Function code 197)
Function
This function is used to check the version information on the cordless handset.
Operating Procedure
(1) On the cordless handset, press the Menu/OK, *, #, 1, 9, 7, and # keys in this order in the
standby state.
The following appears on the handset's LCD.
PT: 3442 3108
FW: 4567
CP: 15678901
Where,
PT indicates the 8-digit compilation date of the internal host. The higher 4 digits are fixed to
3442; the lower indicates the date (in this example, 3108 means August 31).
FW indicates the 4-digit firmware version.
CP indicates the 8-digit CP version or revision.
(2) To return to the standby state, press the Off key.

9-60 Confidential
9.2.2.6 EEPROM Parameter Initialization (Function code 198)
Function
This function initializes the contents of the EEPROM in the cordless handset to the initial values,
erasing all personal information stored.
NOTE: This function also erases the cordless handset ID code and base ID code which have been
registered to the EEPROM in the cordless handset.
Operating Procedure
(1) On the cordless handset, press the Menu/OK, *, #, 1, 9, 8, and # keys in this order in the
standby state.
The following appears on the handset's LCD.
E2PROM INIT
1. Yes 2. No
Number input
(2) To initialize the contents of the EEPROM in the cordless handset, press the 1 key; to cancel
initialization, press the 2 key.
If you press the 1 key, the following confirmation screen appears.
All Delete?
1. Yes 2. No
Number input
(3) To initialize it, press the 1 key again; to cancel initialization, press the 2 key.
(4) To return to the standby state, press the Off key or leave the handset for one minute without
pressing any key.

9-61 Confidential
9.2.3 Maintenance Functions for European Models
9.2.3.1 List of Maintenance Functions
The table below lists the maintenance functions built in handsets of European models.
To access one of these functions, press the keys specified below on the cordless handset.
Maintenance Functions for European Models
To access the following function: Press: Display the
following: Reference
Section (Page)
Version Information on Cordless
Handset SW VERSION 9.2.3.2 (9-61)
Checking of Cordless Handset ID
Code TEST IPUI 9.2.3.3 (9-62)
Checking of Base ID Code TEST RFPI 9.2.3.4 (9-62)
EEPROM Parameter
Initialization
Menu/OK, *, 1, 9, 3, and 7 keys
EPROM DIRECT 9.2.3.5 (9-63)
Initializing the Cordless Handset Menu/OK, *, 0, 7, and 4 keys Set Country 9.2.3.6 (9-64)
NOTE: Functions other than the above can also appear, but do not access them. They are
exclusively prepared for maintenance at the factory.
9.2.3.2 Version Information on Cordless Handset
Function
This function is used to check the version information on the cordless handset.
Operating Procedure
(1) On the cordless handset, press the Menu/OK, *, 1, 9, 3, and 7 keys in this order in the standby
state.
The "SW VERSION" appears on the handset's LCD.
(2) Press the Menu/OK key.
The following appears on the handset's LCD.
H: XXXXXXXXXX
Pressing the
or key switches the display between the items below.
F: XXXXXXXXXX
CP: XXXXXXXX
EEPROM: XXXX
DATE: XX/XX
Where,
H indicates the 10-digit internal host.
F indicates the 10-digit firmware version.
CP indicates the 8-digit CP version or revision.
EEPROM indicates the 4-digit version.
DATE indicates the month and the day in 4-digit.
(3) To return to the standby state, press the C key twice.

9-62 Confidential
9.2.3.3 Checking of Cordless Handset ID Code
Function
The cordless handset has a unique ID code. When the machine leaves the factory, the cordless
handset ID code is registered to the base unit, and the base ID code, to the cordless handset so that
the handset and base unit are exclusively paired. Once paired, they can identify each other and
initiate wireless communication between them.
Up to four cordless handset ID codes can be registered to the base unit.
This function allows you to check the cordless handset ID code registered in the handset.
Operating Procedure
(1) On the cordless handset, press the Menu/OK, *, 1, 9, 3, and 7 keys in this order in the standby
state.
The "SW VERSION" appears on the handset's LCD.
(2) Press the or key to display "TEST IPUI" and press the Menu/OK key.
The cordless handset displays its 10-digit ID code as shown below.
Handset
ID = XXXXXXXXXX
(3) To return to the standby state, press the C key twice.
9.2.3.4 Checking of Base ID Code
Function
The base unit (cordless PCB in the machine) has a unique ID code. When the machine leaves the
factory, the cordless handset ID code is registered to the base unit, and the base ID code, to the
cordless handset so that the handset and base unit are exclusively paired. Once paired, they can
identify each other and initiate wireless communication between them.
Up to four base ID codes (Base1, Base2, Base3, and Base4) can be registered to the cordless handset.
This function allows you to check the base ID code(s) registered in the handset.
Operating Procedure
(1) On the cordless handset, choose the desired base unit (Base1, Base2, Base3, or Base4) with the
following steps in the standby state.
1) Press the Menu/OK key.
2) Press the or key to choose HS Settings. Then press the Menu/OK key.
3) Press the or key to choose Select BASE. Then press the Menu/OK key.
4) Press the or key to choose the desired base unit. Then press the Menu/OK key.
(2) Press the Menu/OK, *, 1, 9, 3, and 7 keys in this order in the standby state.
The cordless handset displays "SW VERSION."

9-63 Confidential
(3) Press the or key to display "TEST IPUI" and press the Menu/OK key.
The 10-digit base ID code appears on the handset's LCD as shown below.
Base Unit
ID = XXXXXXXXXX
Current BASE=Y
NOTE: Y indicates the base unit number selected in step (1) above.
(4) To return to the standby state, press the C key twice.
NOTE: To display the ID code of another base unit, repeat steps (1) to (3) after returning to the
standby state.
9.2.3.5 EEPROM Parameter Initialization
Function
This function initializes the contents of the EEPROM in the cordless handset to the initial values,
erasing all personal information stored.
NOTE: This function also erases the cordless handset ID code and base ID code which have been
registered to the EEPROM in the cordless handset.
Operating Procedure
(1) On the cordless handset, press the Menu/OK, *, 1, 9, 3, and 7 keys in this order in the standby
state.
The "SW VERSION" appears on the handset's LCD.
(2) Press the or key to display "EPROM DIRECT."
(3) To initialize the contents of the EEPROM in the cordless handset, press the Menu/OK key.
NOTE: Pressing the Menu/OK key immediately starts to initialize the EEPROM without
displaying any confirmation message.
After completion of initialization, the cordless handset automatically returns to the standby state.

9-64 Confidential
9.2.3.6 Initializing the Cordless Handset
Function
Deleting personal info from the cordless handset (see Appendix 7.2) cannot initialize all settings.
This function initializes the cordless handset. Using this function allows the cordless handset, for
example, to be able to start up in the country selection mode at the next time when the user loads a
battery to the cordless handset.
Operating Procedure
(1) On the cordless handset, press the Menu/OK, *, 0, 7, and 4 keys in this order in the standby
state.
The "Set Country" appears on the handset's LCD.
(2) Remove the battery from the cordless handset.
When the user loads a battery to the cordless handset at the next time, the cordless handset will
start up in the country selection mode displaying the "Set Country." The default country is U.K.
Confidential
Appendix 1. Reading Labels
This appendix shows the location of labels put on some parts and describes the coding information
for serial number, property data, and manufacturing information.

App. 1-1 Confidential
Reading Labels
An individual machine has a "serial number label" for the machine itself and "property labels" for the
head/carriage unit. An individual ink cartridge and a battery in the cordless handset also have a
"manufacturing information label."
This section lists the coding information for those serial number, property data, and manufacturing
information.
(1) Serial number label for the machine itself
(app01a)
Location
Serial number label
(app01b_MFC)

App. 1-2 Confidential
(2) Head property labels
The property code of the head/carriage unit is printed on head property labels--bar code label and
QR code label, each of which is attached to the lower cover and the head/carriage unit,
respectively.
On the lower cover
Head property code
Serial number (6-digit)
Production lot number
Production year
(Example) 6 : 2006
7 : 2007
Production month
A :
B :
C :
D :
E :
F :
G :
H :
J :
K :
L :
M :
July
August
September
October
November
December
January
February
March
April
May
June
(bar_code_label)
Head property label
(Bar code label) (app01d_MFC)
(Engine bar code label)
NOTE: The head property label is attached on the left side of the lower cover as shown above. The
label on the right side is for the engine bar code. When reading the head property code, take care
not to read a wrong label.
On the head/carriage unit
Head property label
(QR code label)
(app01f)

App. 1-3 Confidential
(3) Manufacturing information label for an ink cartridge
Factory code
Product code
Production year
(Example) 06 : 2006
07 : 2007
Production month
A :
B :
C :
D :
E :
F :
G :
H :
J :
K :
L :
M :
July
August
September
October
November
December
Barcode
January
February
March
April
May
June
Production date
(Example) 11 : 11th
20 : 20th
C 06 11 A1
(app01g)
Location
Manufacturing information label
(app01h)
(4) Manufacturing information label for a battery (in cordless handsets)
$%.$6
Nickel metal-hydride battery
Production year
K :
L :
Production month
A :
B :
C :
D :
E :
F :
G :
H :
I :
J :
K :
L :
July
August
September
October
November
December
January
February
March
April
May
June
(app01i)
2006
2007
Confidential
Appendix 2. Firmware Installation
This appendix provides instructions on how to change firmware stored in the flash ROM on the
main PCB or load firmware to a new main PCB from the host PC.
A2.1 Loading the Programs to the Flash ROM........................................................App. 2-1

App. 2-1 Confidential
A2.1 Loading the Programs to the Flash ROM
If you want to change the programs stored in the flash ROM on the main PCB or after you replace
the main PCB, load the desired programs to the flash ROM.
Loading requires a PC/AT-compatible computer running Windows 98SE/Me, Windows 2000
Professional, Windows XP Home/Professional, or Windows Vista.
CAUTION: During loading, never turn off your PC or the machine, unplug the USB interface
cable, interrupt loading or load invalid data. If you do so, loading will fail, causing the PCB to
be unusable. You will have to replace the main PCB and load programs to a new PCB.
Preparation
You need the BHL2-Maintenance Printer driver and filedg32.exe (provided by Brother Industries).
Save them in an arbitrary folder in your PC.
Installing the BHL2-Maintenance Printer driver
To identify terminals connected via USB interface, a PC requires the corresponding virtual USB
devices to be implemented by driver/software. If you connect any number of machines to your PC,
therefore, the same number of virtual USB devices will be automatically configured on your PC. To
prevent virtual USB devices from being configured limitlessly, use the unique driver installation
procedure described below that enables your PC to identify terminals via a single virtual USB device.
NOTE: Once this installation procedure is carried out for a PC, no more driver/software installation
will be required for that PC to identify machines. If the BHL2-Maintenance Printer driver has been
already installed to your PC according to this procedure, skip this section.
NOTE: Before proceeding to the procedure given below, make sure that the BHL2-Maintenance
Printer driver (listed in Chapter 7, Section 7.1.1) is stored in your PC.
(1) Make sure that the power cord of the machine is unplugged from the electrical outlet.
If the machine is connected to your PC, unplug the USB cable.
(2) Switch on your PC.
(3) Plug the power cord of the machine into an electrical outlet.
(4) Press the Menu and Black Start (Mono Start) keys. Next press the key four times to make
the machine enter the maintenance mode. (Refer to Chapter 9.)
TIP: FAX models equipped with a numerical keypad can enter the maintenance mode in the
same way as conventional models; that is, by pressing the Menu, *, 2, 8, 6 and 4 keys in this
sequence.
The machine beeps for approx. one second and displays " " on the
LCD, indicating that it is placed in the initial stage of the maintenance mode, a mode in which
the machine is ready to accept entry from the keys.
(5) Connect the machine to your PC using a USB cable.
The following window appears.

App. 2-2 Confidential
(6) The following screen appears, indicating the detection of new hardware device by the system.
Click Next to proceed.
(7) Select "Search for a suitable driver for my device (recommended)" and click Next.
(8) Select "Specify a location" and click Next.

App. 2-3 Confidential
(9) Select the folder where the copy of the BHL2-Maintenance Printer driver is located (or click
Browse to specify it), then click OK.
(This sample screen is captured on the Windows 2000 desktop.)
(10) Click Next.
(11) To proceed, click Yes.

App. 2-4 Confidential
(12) If the driver is successfully installed, the following message window appears. Click Finish to
return to Windows.
NOTE: After completion of the driver installation, if the machine exits the maintenance mode, the
"Found New Hardware Wizard" screen in step (6) appears again. Click Cancel.
NOTE: To check that the printer driver is successfully installed, click Start|Settings|Printers to call
up the Printers window as shown below and confirm that the Brother BHL2-Maintenance Printer
icon is displayed.

App. 2-5 Confidential
Loading the programs onto the flash ROM of the machine
After replacing the main PCB with a new one
Unplug the power cord of the machine from the electrical outlet and disconnect the USB cable that
connects the machine with your PC.
(1) On your PC, run "filedg32.exe."
The Filedrgs window will appear as shown below.
(2) Connect the machine to your PC using a USB cable.
(3) On the machine, follow the steps below to enter the firmware loading mode.
1) Plug the power cord into an electrical outlet with the (Copy Options) key held down and
keep holding it down until the following appears on the LCD.
Wide color LCD 2.0-inch color LCD Monochrome LCD
2) Hold down the (Enlarge/Reduce) key until the following appears on the LCD.
Wide color LCD 2.0-inch color LCD Monochrome LCD

App. 2-6 Confidential
3) Hold down the (Copy Quality) key until the following appears on the LCD.
Wide color LCD 2.0-inch color LCD Monochrome LCD
4) Hold down the OK key until the following appears on the LCD.
Wide color LCD 2.0-inch color LCD Monochrome LCD
When the black and white pattern shown above is displayed, the machine is ready to receive
programs or data for firmware installation from the connected PC.
NOTE: Pressing a wrong key or no key within the specified time in steps 1) through 4) above
causes an error. If it happens, unplug the power cord and go back to step (1) above.
(4) Drag and drop the firmware (e.g., lz0023_a.pmu) onto the BHL2-Maintenance Printer icon in
the Filedrgs window.
NOTE: To use a firmware file, extract it beforehand by double-clicking. It is a self-extracting
file having the extension .exe.
After approx. 2 to 5 minutes, the loading operation is complete and the machine automatically
reboots and returns to the standby state.
(5) Check the version of the firmware installed, with the following steps.
Press the * and # keys at the same time to display the firmware version on the LCD.
- Sample version number shown on the monochrome LCD: A0307252244:CF30
- Sample version number shown on the color LCD: 0A63061910:FE46
(The top line shows the version number.) P0601242005:4123
B0601242005:1C8D
If the displayed version number is identical with the firmware version you installed, the loading
operation has been successfully finished.
NOTE: If loading operation ends abnormally, turn the machine off and on. Wait for the machine to
emit a long beep and automatically enter the firmware loading mode, and then perform the loading
procedure above again.

App. 2-7 Confidential
After replacing the main PCB with the one used for any other machine or when changing programs
Unplug the power cord from the electrical outlet and make sure that the machine is connected with
your PC using a USB cable.
While holding down the 5 key, plug the power cord into an electrical outlet.
The black and white pattern appears on the LCD as shown on the previous page. The machine is
ready to receive programs or data for firmware installation from the connected PC.
(1) On your PC, run "filedg32.exe."
The Filedrgs window will appear as shown below.
(2) Drag and drop the firmware (e.g., lz0023_a.pmu) onto the BHL2-Maintenance Printer icon in
the Filedrgs window shown above.
NOTE: To use a firmware file, extract it beforehand by double-clicking. It is a self-extracting
file having the extension .exe.
After approx. 2 to 5 minutes, the loading operation is complete and the machine automatically
reboots and returns to the standby state.
App. 2-8 Confidential
(3) On the machine, check the version of the firmware installed, with the following steps.
Press the * and # keys at the same time to display the firmware version on the LCD.
- Sample version number shown on the monochrome LCD: A0307252244:CF30
- Sample version number shown on the color LCD: 0A63061910:FE46
(The top line shows the version number.) P0601242005:4123
B0601242005:1C8D
If the displayed version number is identical with the firmware version you installed, the loading
operation has been successfully finished.
NOTE: If loading operation ends abnormally, turn the machine off and on. Wait for the machine to
emit a long beep and automatically enter the firmware loading mode, and then perform the loading
procedure above again.
Confidential
Appendix 3. EEPROM Customizing Codes
This appendix provides instructions on how to set up the EEPROM customizing codes for the
various preferences exclusively designed for each destination. The specified customizing code is
stored in the EEPROM mounted on the main PCB. If the main PCB is replaced, therefore, you
need to set up the proper customizing code with the machine in the maintenance mode.
NOTE: Customizing codes customize firmware for individual models, enabling the common
firmware to be used for various models. A list of EEPROM customizing codes comes with the
firmware data provided by Brother Industries.

App. 3-1 Confidential
EEPROM CUSTOMIZING CODES
This function allows you to customize the EEPROM according to language, function settings, and
firmware switch settings.
Refer to the "EEPROM Customizing Codes List" on the next page.
Operating Procedure
(1) Press the Menu and Black Start (Mono Start) keys in this order. Next press the key four
times to make the machine enter the maintenance mode.
TIP: FAX models equipped with a numerical keypad can enter the maintenance mode in the
same way as conventional models; that is, by pressing the Menu, *, 2, 8, 6 and 4 keys in this
order.
The machine beeps for approx. one second and displays " " on the
LCD, indicating that it is placed in the initial stage of the maintenance mode, a mode in which
the machine is ready to accept entry from the keys.
(2) Start customizing the EEPROM (with Function code 74) as follows:
Press the 7 and 4 keys in this order in the initial stage of the maintenance mode.
The current customizing code appears on the LCD.
(3) Enter the desired customizing code.
To enter letters "A" through "F," press the 1 through 6 keys while holding down the # key,
respectively.
The newly entered code appears.
NOTE: If a wrong 4-digit code is entered, the machine will malfunction.
(4) Press the Black Start (Mono Start) key.
The machine saves the setting and returns to the initial stage of the maintenance mode.
If you press the Stop/Exit key or no keys are pressed for one minute in the above procedure,
the machine stops the procedure and returns to the initial stage of the maintenance mode.

App. 3-2 Confidential
EEPROM Customizing Codes List
Destination US
Mexico Canada UK Germany France Italy Spain Portugal
Country Code 01 02 04 03 05 16 15 18
MFC235C --- --- 0104 0103 0105 0116 0115 0118
MFC260C --- --- 0204 0203 0205 0216 0215 0218
MFC265C 0301 0302 --- --- --- --- --- ---
MFC465CN 0001 0002 0004 0003 0005 0016 0015 0018
MFC680CN --- --- 0004 0003 0005 0016 0015 0018
MFC685CW 0101 0102 --- --- --- --- --- ---
MFC885CW 0201 0202 0204 0203 0205 0216 0215 0218
Destination Switzerland Netherlands Belgium
Norway
Sweden
Finland
Denmark
Austria
Czech
Hungary
Poland
Rumania
Bulgaria
Turkey
Russia
Country Code 10 09 08 57 14 54 48
MFC235C 0110 0109 0108 0157 0103 0154 0148
MFC260C 0210 0209 0208 0257 0203 0254 0248
MFC265C --- --- --- --- --- --- ---
MFC465CN 0010 0009 0008 0057 0003 0054 ---
MFC680CN 0010 0009 0008 --- 0003 --- ---
MFC685CW --- --- --- --- --- --- ---
MFC885CW 0210 0209 0208 0257 --- --- 0248

App. 3-3 Confidential
Destination S. Africa
Singapore, Thailand, Malaysia,
Philippines, Hong Kong,
Indonesia, Vietnam, UAE,
Iran, India, Jordan, Egypt,
Lebanon, Syria, Pakistan, Kenya
Australia
New Zealand China
Country Code 24 40 56 20
MFC235C 0124 0140 0156 ---
MFC260C --- 0240 0256 ---
MFC265C --- --- --- 0120
MFC465CN --- 0040 0056 0020
MFC680CN --- --- --- ---
MFC685CW --- 0140 0156 0120
MFC885CW 0224 0240 0256 ---
The above information is as of April 30, 2007. The up-to-date information is available from your local Brother
Customer Service.

Confidential
Appendix 4. Firmware Switches (WSW)
This appendix describes the functions of the firmware switches, which can be divided into two
groups: one is for customizing preferences designed for the shipping destination (as described in
Appendix 3) and the other is for modifying preferences that match the machine to the
environmental conditions. Use the latter group if the machine malfunctions due to mismatching.
NOTE: Each of the firmware switches has eight selectors. You should not allow end users to
access all of those selectors, but you can allow them to access user-accessible selectors which are
shaded in the firmware switch tables in this appendix.
NOTE: The firmware switch setting procedure is given in Chapter 9, Section 9.1.4.5 (Function
code 10).

App. 4-1 Confidential
WSW No. Function Refer to:
WSW01 Dial pulse setting App. 4-3
WSW02 Tone signal setting App. 4-4
WSW03 PBX mode setting App. 4-5
WSW04 TRANSFER facility setting App. 4-6
WSW05 1st dial tone and busy tone detection App. 4-7
WSW06 Pause key setting and 2nd dial tone detection App. 4-9
WSW07 Dial tone setting 1 App. 4-11
WSW08 Dial tone setting 2 App. 4-12
WSW09 Protocol definition 1 App. 4-13
WSW10 Protocol definition 2 App. 4-14
WSW11 Busy tone setting App. 4-15
WSW12 Signal detection condition setting App. 4-16
WSW13 Modem setting App. 4-17
WSW14 AUTO ANS facility setting App. 4-18
WSW15 REDIAL facility setting App. 4-19
WSW16 Function setting 1 App. 4-20
WSW17 Function setting 2 App. 4-21
WSW18 Function setting 3 App. 4-22
WSW19 Transmission speed setting App. 4-23
WSW20 Overseas communications mode setting App. 4-24
WSW21 TAD setting 1 App. 4-25
WSW22 ECM and call waiting caller ID App. 4-26
WSW23 Communications setting App. 4-27
WSW24 TAD setting 2 App. 4-28
WSW25 TAD setting 3 App. 4-29
WSW26 Function setting 4 App. 4-30
WSW27 Function setting 5 App. 4-31
WSW28 Function setting 6 App. 4-32
WSW29 Function setting 7 App. 4-33
WSW30 Function setting 8 App. 4-34
WSW31 Function setting 9 App. 4-35
WSW32 Function setting 10 App. 4-36
WSW33 Function setting 11 App. 4-37
WSW34 Function setting 12 App. 4-38
WSW35 Function setting 13 App. 4-39
WSW36 Function setting 14 App. 4-40
WSW37 Function setting 15 App. 4-41
WSW38 V.34 transmission setting (Not used.) App. 4-42
WSW39 V.34 transmission speed (Not used.) App. 4-43
WSW40 V.34 modem settings (Not used.) App. 4-44
WSW41 ON-duration of the scanning light source App. 4-46
WSW42 Internet mail settings (Not used.) App. 4-47
WSW43 Function setting 21 App. 4-47
WSW44 Speeding up scanning-1 (Not used.) App. 4-48
WSW45 Speeding up scanning-2 App. 4-49
WSW46 Monitor of power ON/OFF state and parallel port kept at high App. 4-50

App. 4-2 Confidential
WSW47 Switching between high- and full-speed USB App. 4-51
WSW48 USB setup latency App. 4-52
WSW49 End-of-copying beep and black ink print mode App. 4-53
WSW50 SDAA settings App. 4-54
WSW51 Function setting 16 App. 4-55
WSW52 Function setting 17 App. 4-56
WSW53 Function setting 18 App. 4-57
WSW54 Function setting 19 App. 4-58
WSW55 Function setting 20 (Not used.) App. 4-59
WSW56 Function setting 21 (Not used.) App. 4-59
WSW57 Function setting 22 App. 4-60
WSW58 Function setting 23 App. 4-61
WSW59 Function setting 24 App. 4-63

App. 4-3 Confidential
WSW01 (Dial pulse setting)
Selector
No. Function Setting and Specifications
1
2
Dial pulse generation mode
No. 1 2
0 0 : N
0 1 : N+1
1 0 : 10-N
1 1 : N
3
4
Break time length in pulse dialing
No. 3 4
0 0 : 60 ms
0 1 : 67 ms
1 0 : 40 ms (for 16 PPS)
1 1 : 64 ms (at 106-ms intervals)
5
6
Inter-digit pause
No. 5 6
0 0 : 800 ms
0 1 : 850 ms
1 0 : 950 ms
1 1 : 600 ms
7
Switching between pulse (DP) and
tone (PB) dialing, by the function
switch
0: Yes 1: No
8 Default dialing mode, pulse (DP) or
tone (PB) dialing 0: PB 1: DP
ms: millisecond(s)
Selectors 1 and 2: Dial pulse generation mode
These selectors set the number of pulses to be generated in pulse dialing.
N: Dialing "N" generates "N" pulses. (Dialing "0" generates 10 pulses.)
N + 1: Dialing "N" generates "N + 1" pulses.
10 - N: Dialing "N" generates "10 - N" pulses.
Selectors 3 and 4: Break time length in pulse dialing
These selectors set the break time length in pulse dialing.
(Example: If "1," "2," and "3" are dialed when N is set by selectors 1 and 2.)
Selectors 5 and 6: Inter-digit pause
These selectors set the inter-digit pause in pulse dialing.
(Example: If "1," "2," and "3" are dialed when N is set by selectors 1 and 2.)

App. 4-4 Confidential
Selector 7: Switching between pulse (DP) and tone (PB) dialing, by the function switch
This selector determines whether or not the dialing mode can be switched between the pulse (DP) and
tone (PB) dialing by using the function switch.
Selector 8: Default dialing mode, pulse (DP) or tone (PB) dialing
This selector sets the default dialing mode (pulse dialing or tone dialing) which can be changed by
the function switch. If the user switches it with the function switch when selector 7 is set to "0," the
setting specified by this selector will also be switched automatically.
WSW02 (Tone signal setting)
Selector
No. Function Setting and Specifications
1
2
Tone signal transmission time
length
No. 1 2
0 0 : 70 ms
0 1 : 80 ms
1 0 : 90 ms
1 1 : 100 ms
3
4
Min. pause in tone dialing
No. 3 4
0 0 : 70 ms
0 1 : 80 ms
1 0 : 90 ms
1 1 : 140 ms
5
|
8
Attenuator for pseudo ring
backtone to the line (selectable in
the range of 0-15 dB, in 1 dB
increments)
0 : 0 dB 1: 8 dB
0 : 0 dB 1: 4 dB
0 : 0 dB 1: 2 dB
0 : 0 dB 1: 1 dB
ms: millisecond(s)
Selectors 1 through 4: Tone signal transmission time length and Min. pause in tone dialing
These selectors set the tone signal transmission time length and minimum pause in tone dialing.
(Example: If "1," "2," "3," "4," and "5" are dialed.)
Selectors 5 through 8: Attenuator for pseudo ring backtone to the line
These selectors are used to adjust the sound volume of a ring backtone in the F/T mode, an on-hold
sound, or a beep generated as a signal during remote control operation or at the start of ICM
recording.
The larger the value specified by these selectors, the greater the attenuation.

App. 4-5 Confidential
WSW03 (PBX* mode setting)
Selector
No. Function Setting and Specifications
1
CNG detection when sharing a
modular wall socket with a
telephone
0: A 1: B
2
|
4
Detection time length of
PBX* dial tone, required for
starting dialing
No. 2 3 4
0 0 0 : 50 ms
0 0 1 : 210 ms
0 1 0 : 500 ms
0 1 1 : 800 ms
1 0 0 : 900 ms
1 0 1 : 1.5 sec.
1 1 0 : 2.0 sec.
1 1 1 : 2.5 sec.
5
CNG detection when sharing
a modular wall socket with a
telephone
0: A 1: B
6
7
Dial tone detection in PBX*
No. 6 7
0 0 : No detection
(3.5 sec. WAIT)
0 1 : No detection
(5 sec. WAIT)
1 0 : No detection
(7 sec. WAIT)
1 1 : Detection
(Frequency only)
8 Not used.
sec.: second(s), ms: millisecond(s)
* PBX: Private branch exchange
NOTE: Selectors 2 through 4, 6 and 7 are not applicable where no PBX is installed.
Selectors 1 and 5: CNG detection when sharing a modular wall socket with a telephone
These selectors determine whether or not the machine detects a CNG signal when a line is connected
to a telephone sharing a modular wall socket with the machine. Upon detection of CNG signals by
the number of cycles specified by these selectors, the machine interprets CNG as an effective signal
and then starts FAX reception.
Selector
No. 1 No. 5 Cycle
0 (A) 0 (A)
0 (A) 1 (B)
1 (B) 0 (A)
1 (B) 1 (B)
0.5 cycle
1.0 cycle
1.5 cycles
2.0 cycles
Selectors 2 through 4: Detection time length of PBX dial tone, required for starting dialing
Upon detection of the PBX dial tone for the time length set by these selectors, the machine starts
dialing.
These selectors are effective only when both selectors 6 and 7 are set to "1" (Detection).

App. 4-6 Confidential
Selectors 6 and 7: Dial tone detection in PBX
These selectors activate or deactivate the dial tone detection function which detects a dial tone when
a line is connected to the PBX.
Setting both of these selectors to "1" activates the dial tone detection function so that the machine
starts dialing upon detection of a dial tone when a line is connected.
Other setting combinations deactivate the dial tone detection function so that the machine starts
dialing after the specified WAIT (3.5, 5.0, or 7.0 seconds) without detection of a dial tone when a
line is connected.
WSW04 (TRANSFER facility setting)
Selector
No. Function Setting and Specifications
1 Earth function in transfer
facility (Not used.) 0: Provided 1: Not provided
2
3
Dual tone detection frequency
in ICM recording
No. 2 3
0 0 : 350 and 440 Hz (A)
0 1 : 440 and 480 Hz (B)
1 0 :
1 1 :
4 Dual tone detection sensitivity
in ICM recording 0: Normal 1: High
5
Time to be added to the
setting specified by selectors
3 and 4 on WSW24 (Time
length from CML ON to start
of pseudo ring backtone
transmission)
0: Not added 1: +4 seconds added
6
|
8
Break time length for flash
function
No. 6 7 8 No. 6 7 8
0 0 0 : 80 ms 1 0 1 : 250 ms
0 0 1 : 100 ms 1 1 0 : 500 ms
0 1 0 : 110 ms 1 1 1 : 700 ms
0 1 1 : 120 ms
1 0 0 : 200 ms
ms: millisecond(s)
NOTE: Selectors 1 and 5 through 8 are not applicable in those countries where no transfer facility is
supported.
NOTE: Selectors 2 through 4 are applicable to models equipped with built-in TAD.
480 and 620 Hz (C)

App. 4-7 Confidential
Selector 1: Earth function in transfer facility (Not used.)
This selector determines whether or not the earth function is added to the transfer setting menu to be
accessed by the function switch.
Selectors 2 and 3: Dual tone detection frequency in ICM recording
If the machine detects either of the frequencies specified by these selectors in ICM recording, it
disconnects the line. For example, if these selectors are set to “0, 0,” the machine disconnects the line
upon detection of 350 or 440 Hz.
Selector 4: Dual tone detection sensitivity in ICM recording
Setting this selector to "1" increases the tone detection sensitivity in ICM recording.
Selectors 6 through 8: Break time length for flash function
These selectors set the break time length.
This setting is effective only when the flash function is selected for the Speed Dial key by using the
function switch.
WSW05 (1st dial tone and busy tone detection)
Selector
No. Function Setting and Specifications
1
|
3
1st dial tone detection
No. 1 2 3
0 0 0 : 3.5 sec. WAIT
0 0 1 : 7.0 sec. WAIT
0 1 0 : 10.5 sec. WAIT
0 1 1 : 14.0 sec. WAIT
1 0 0 : 17.5 sec. WAIT
1 0 1 : 21.0 sec. WAIT
1 1 0 : 2.5 sec. WAIT
1 1 1 : Detection (Without WAIT)
4 Max. pause time allowable for
remote ID code detection 0 : 2 seconds 1: 1 second
5
6
Busy tone detection in auto-
matic sending mode
No. 5 6
0 0 : No detection
0 1 : Detection only after dialing
1 0 : No detection
1 1 : Detection before and after dialing
7 Busy tone detection in auto-
matic receiving mode 0 : Yes 1: No
8 Not used.
sec.: second(s)
NOTE: Selectors 5 through 7 are not applicable in those countries where no busy tone detection is
supported.
App. 4-8 Confidential
Selectors 1 through 3: 1st dial tone detection
These selectors activate or deactivate the 1st dial tone detection function which detects the 1st dial
tone issued from the PSTN when a line is connected to the PSTN.
Setting all of these selectors to "1" activates the dial tone detection function so that the machine
starts dialing upon detection of a dial tone when a line is connected. (However, in those countries
which support no dial tone detection function, e.g., in the U.S.A., setting these selectors to "1" makes
the machine start dialing after a WAIT of 3.5 seconds.) For the detecting conditions of the 1st dial
tone, refer to WSW07 and WSW08.
Other setting combinations deactivate the dial tone detection function so that the machine starts
dialing after the specified WAIT (2.5, 7.0, 10.5, 14.0, 17.5, or 21.0 seconds) without detection of a
dial tone when a line is connected to the PSTN.
Selector 4: Max. pause time allowable for remote ID code detection
This selector sets the maximum pause time allowable for detecting the second digit of a remote ID
code after detection of the first digit in remote reception.
If selector 4 is set to "0" (2 seconds), for instance, only a remote ID code whose second digit is
detected within 2 seconds after detection of the first digit will become effective so as to activate the
remote function.
Selectors 5 and 6: Busy tone detection in automatic sending mode
These selectors determine whether or not the machine automatically disconnects a line upon detection
of a busy tone in automatic sending mode.
Setting selector 6 to "0" ignores a busy tone so that the machine does not disconnect the line.
Setting selectors 5 and 6 to "0" and "1," respectively, makes the machine detect a busy tone only
after dialing and disconnect the line.
Setting both of selectors 5 and 6 to "1" makes the machine detect a busy tone before and after dialing
and then disconnect the line.
Selector 7: Busy tone detection in automatic receiving mode
This selector determines whether or not the machine automatically disconnects the line upon
detection of a busy tone in automatic receiving mode.

App. 4-9 Confidential
WSW06 (Pause key setting and 2nd dial tone detection)
Selector
No. Function Setting and Specifications
1
|
3
Pause key setting and 2nd dial tone
detection
No. 1 2 3
0 0 0 : No pause
0 0 1 : 3.5 sec. WAIT
0 1 0 : 7 sec. WAIT
0 1 1 : 10.5 sec. WAIT
1 0 0 : 2.5 sec. WAIT
1 1 0 : 2nd dial tone detection
only in pulse dialing (DP)
system
1 0 1 : 2nd dial tone detection
1 1 1 : both in DP and push-button
(PB) dialing system
4
|
6
Detection of international tone
No. 4 5 6
0 0 0 : 50 ms
0 0 1 : 250 ms
0 1 0 : 500 ms
0 1 1 : 620 ms
1 0 0 : 800 ms
1 0 1 : 1.5 sec.
1 1 0 : 2.0 sec.
1 1 1 : 2.5 sec.
7 No. of 2nd dial tone detection
cycles 0: 1 cycle 1: 2 cycles
8 Allowable instantaneous interrupt
during reception of 2nd dial tone 0: 30 ms 1: 50 ms
sec.: second(s), ms: millisecond(s)
NOTE: Selectors 4 through 8 are not applicable in those countries where no dial tone detection is
supported, e.g., U.S.A.

App. 4-10 Confidential
Selectors 1 through 3: Pause key setting and 2nd dial tone detection
Selectors
1 2 3
0 0 0 No WAIT is inserted even if the Pause key is pressed.
0 0 1
0 1 0
0 1 1
1 0 0
If you press the Pause key during dialing, the machine will insert WAIT as
defined in the above table.
If the Pause key is pressed repeatedly, the machine inserts the specified WAIT
multiplied by the number of depressions. It applies also in hook-up dialing.
1 0 1
1 1 0
1 1 1
When these selectors are set to "1, 0, 1":
Each time you press the Pause key in dialing, the machine will wait for the 2nd
dial tone to be sent via the communications line regardless of pulse dialing or
tone dialing.
When these selectors are set to "1, 1, 0":
If you press the Pause key in pulse dialing, the machine will first wait for the
2nd dial tone to be sent via the communications line. After that, pressing the
Pause key will cause the machine to insert a WAIT of 3.5 seconds. In tone
dialing, the machine will insert a WAIT of 3.5 seconds.
When these selectors are set to "1, 1, 1":
If you press the Pause key, the machine will first wait for the 2nd dial tone to
be sent via the communications line regardless of pulse dialing or tone dialing.
After that, pressing the Pause key will cause the machine to insert a WAIT of
3.5 seconds.
(In those countries where no dial tone detection function is supported, setting
these selectors to "1, 0, 1," "1, 1, 0," or "1, 1, 1" inserts a WAIT of 3.5
seconds.)
Selectors 4 through 6: Detection of international tone
Upon detection of the 2nd dial tone for the time length specified by these selectors, the machine starts
dialing.
This setting is effective only when the 2nd dial tone detection function is activated by selectors 1
through 3 (Setting 101, 110, or 111).
This function does not apply in those countries where no dial tone detection function is supported.
Selector 7: No. of 2nd dial tone detection cycles
This selector sets the number of dial tone detection cycles required for starting dialing.
Selector 8: Allowable instantaneous interrupt during reception of 2nd dial tone
This selector sets the allowable instantaneous interrupt period that should be ignored during
reception of the 2nd dial tone.

App. 4-11 Confidential
WSW07 (Dial tone setting 1)
Selector
No. Function Setting and Specifications
1
2
Dial tone frequency band
control
No. 1 2
0 0 : Narrows by 10 Hz
0 1 : Initial value
1 0 : Widens by 10 Hz
1 1 : Widens by 10 Hz
3 Line current detection
(Not used.) 0: No 1: Yes
4
|
6
2nd dial tone detection level
(Z = 600 Ω)
No. 4 5 6
0 0 0 : -21 dBm
0 0 1 : -24 dBm
0 1 0 : -27 dBm
0 1 1 : -30 dBm
1 0 0 : -33 dBm
1 0 1 : -36 dBm
1 1 0 : -39 dBm
1 1 1 : -42 dBm
7
Allowable instantaneous
interrupt during reception of 1st
dial tone
0: 30 ms 1: 50 ms
8 Not used.
ms: millisecond(s)
NOTE: Selectors 1, 2, 4 through 7 are not applicable in those countries where no dial tone or line
current detection is supported, e.g., U.S.A.
NOTE: Selector 3 is not applicable to those models having no loop current detection function.
Selectors 1 and 2: Dial tone frequency band control
These selectors set the frequency band for the 1st dial tone and busy tone (before dialing) to be
detected.
This setting is effective only when selectors 1 through 3 on WSW05 are set to "1,1,1."
Selector 3: Line current detection (Not used.)
This selector determines whether or not to detect a line current before starting dialing.
Selectors 4 through 6: 2nd dial tone detection level
These selectors set the detection level of the 2nd dial tone.
Selector 7: Allowable instantaneous interrupt during reception of 1st dial tone
This selector sets the allowable instantaneous interrupt period that should be ignored during
reception of the 1st dial tone.

App. 4-12 Confidential
WSW08 (Dial tone setting 2)
Selector
No. Function Setting and Specifications
1
|
3
1st dial tone detection time
length
No. 1 2 3
0 0 0 : 50 ms
0 0 1 : 250 ms
0 1 0 : 500 ms
0 1 1 : 620 ms
1 0 0 : 800 ms
1 0 1 : 1.5 sec.
1 1 0 : 2.0 sec.
1 1 1 : 2.5 sec.
4
5
Time-out length for 1st and
2nd dial tone detection
No. 4 5
0 0 : 10 sec.
0 1 : 20 sec.
1 0 : 15 sec.
1 1 : 30 sec.
6
|
8
Detection level of 1st dial
tone and busy tone before
dialing
No. 6 7 8
0 0 0 : -21 dBm
0 0 1 : -24 dBm
0 1 0 : -27 dBm
0 1 1 : -30 dBm
1 0 0 : -33 dBm
1 0 1 : -36 dBm
1 1 0 : -39 dBm
1 1 1 : -42 dBm
sec.: second(s), ms: millisecond(s)
NOTE: The WSW08 is not applicable in those countries where no dial tone detection is supported, e.g.,
U.S.A.
Selectors 1 through 3: 1st dial tone detection time length
Upon detection of the 1st dial tone for the time length set by these selectors, the machine starts
dialing.
This setting is effective only when selectors 1 through 3 on WSW05 are set to "1,1,1."
Selectors 4 and 5: Time-out length for 1st and 2nd dial tone detection
These selectors set the time-out length for the 1st and 2nd dial tone detection so that the machine
waits dial tone input for the specified time length and disconnects itself from the line when no dial
tone is inputted.

App. 4-13 Confidential
WSW09 (Protocol definition 1)
Selector
No. Function Setting and Specifications
1 Frame length selection 0: 256 octets 1: 64 octets
2 Use of non-standard commands 0: Allowed 1: Prohibited
3
4
No. of retries
No. 3 4
0 0 : 4 times
0 1 : 3 times
1 0 : 2 times
1 1 : 1 time
5 T5 timer 0: 300 sec. 1: 60 sec.
6 T1 timer 0: 35 sec. 1: 40 sec.
7
8
Timeout for response from
the called station in
automatic sending mode
No. 7 8
0 0 : 55 sec. (in U.S.A. and Canadian
models)
60 sec. (in other models)
0 1 : 140 sec.
1 0 : 90 sec.
1 1 : 35 sec.
sec.: second(s)
NOTE: Selectors 1 through 5 are not applicable in those models which do not support ECM.
Selector 1: Frame length selection
Usually a single frame consists of 256 octets (1 octet = 8 bits). For communications lines with higher
bit error rate, however, set selector 1 to "1" so that the machine can divide a message into 64-octet
frames.
Remarks: The error correction mode (ECM) is a facsimile transmission manner in which the
machine divides a message into frames for transmission so that if any data error occurs on the
transmission line, the machine retransmits only those frames containing the error data.
Selector 2: Use of non-standard commands
If this selector is set to "0," the machine can use non-standard commands (the machine’s native-mode
commands, e.g., NSF, NSC, and NSS) for communications. If it is set to "1," the machine will use
standard commands only.
Selectors 3 and 4: No. of retries
These selectors set the number of retries in each specified modem transmission speed.
Selector 5: T5 timer
This selector sets the time length for the T5 timer.
Selector 6: T1 timer
This selector sets the time length for the T1 timer.
Selectors 7 and 8: Timeout for response from the called station in automatic sending mode
If the machine (calling station) receives no response (no G3 command) from the called terminal in
automatic sending mode for the period specified by these selectors, it disconnects the line.

App. 4-14 Confidential
WSW10 (Protocol definition 2)
Selector
No. Function Setting and Specifications
1 Not used.
2
Time length from transmission
of the last dial digit to CML
ON
0: 100 ms 1: 50 ms
3 Time length from CML ON to
CNG transmission 0: 2 sec. 1: 4 sec.
4
Time length from CML ON to
CED transmission (except for
facsimile-to-telephone
switching)
0: 0.5 sec. 1: 2 sec.
5
6 No. of training retries
No. 5 6
0 0 : 1 time
0 1 : 2 times
1 0 : 3 times
1 1 : 4 times
7 MR 0: Allowed 1: Not allowed
8
Encoding system
(Compression) MMR 0: Allowed 1: Not allowed
sec.: second(s), ms: millisecond(s)
Selector 2: Time length from transmission of the last dial digit to CML ON
This selector sets the time length from when the machine transmits the last dial digit until the CML
relay comes on.
Selector 3: Time length from CML ON to CNG transmission
This selector sets the time length until the machine transmits a CNG after it turns on the CML relay.
Selector 4: Time length from CML ON to CED transmission
This selector sets the time length until the machine transmits a CED after it turns on the CML relay.
This setting does not apply to switching between facsimile and telephone.
Selectors 5 and 6: No. of training retries
These selectors set the number of training retries to be repeated before automatic fallback.
Selectors 7 and 8: Encoding system (Compression)
This selector determines whether or not to allow the use of the MR/MMR coding system.

App. 4-15 Confidential
WSW11 (Busy tone setting)
Selector
No. Function Setting and Specifications
1
2
Busy tone frequency band
control
No. 1 2
0 0 : Narrows by 10 Hz
0 1 : Initial value
1 0 : Widens by 10 Hz
1 1 : Widens by 10 Hz
3 1: 250-750/250-750 ms
4 1: 400-600/400-600 ms
5 1: 175-440/175-440 ms
6 1: 100-1000 ms/17-660 ms
7 1: 110-410/320-550 ms
8
ON/OFF time length ranges
for busy tone
(More than one setting
allowed)
1: 100-660/100-660 ms
ms: millisecond(s)
NOTE: WSW11 is not applicable in those countries where no busy tone detection is supported.
NOTE: The setting of WSW11 is effective only when selectors 5 and 6 on WSW05 are set to "0, 1" or
"1, 1" (Busy tone detection).
Selectors 1 and 2: Busy tone frequency band control
These selectors set the frequency band for busy tone to be detected.
Selectors 3 through 8: ON/OFF time length ranges for busy tone
These selectors set the ON and OFF time length ranges for busy tone to be detected. If more than
one selector is set to "1," the ranges become wider. For example, if selectors 4 and 5 are set to "1,"
the ON and OFF time length ranges are from 175 to 600 milliseconds.

App. 4-16 Confidential
WSW12 (Signal detection condition setting)
Selector
No. Function Setting and Specifications
1
2
Min. detection period required
for interpreting incoming
calling signal (CI) as OFF
No. 1 2
0 0 : 1500 ms
0 1 : 500 ms
1 0 : 700 ms
1 1 : 900 ms
3
4
Max. detection period for
incoming calling signal (CI)
being OFF
No. 3 4
0 0 : 6 sec.
0 1 : 7 sec.
1 0 : 9 sec.
1 1 : 11 sec.
5
6
Min. detection period required
for acknowledging incoming
calling signal (CI) as ON
No. 5 6
0 0 : 800 ms (1000 ms*)
0 1 : 200 ms
1 0 : 250 ms
1 1 : 150 ms
7 Line connection timing 0: Ringer-OFF 1: Ringer-ON
period (default) period
8 Not used.
sec.: second(s), ms: millisecond(s)
*1000 milliseconds in Chinese models.
Selectors 1 through 4: Min. detection period required for interpreting incoming calling signal (CI)
as OFF
Max. detection period for incoming calling signal (CI) being OFF
If the machine detects the OFF state of a CI signal for the period greater than the value set by
selectors 1 and 2 and less than the value set by selectors 3 and 4, it interprets the CI signal as OFF.
Selectors 5 and 6: Min. detection period required for acknowledging incoming calling signal (CI) as
ON
These selectors set the period required to make the machine acknowledge itself to be called. That is,
if the machine continuously detects a CI signal with the frequency set by selectors 1 through 4 on
WSW14 during the period set by these selectors 5 and 6, then it acknowledges the call.
Selector 7: Line connection timing
If a line is connected in a ringer-ON period, FAX models equipped with SDAA circuits may
malfunction due to the ringer voltage. To make the line connection stable, this selector should be set
to "0" so that a line is connected in a ringer-OFF period.

App. 4-17 Confidential
WSW13 (Modem setting)
Selector
No. Function Setting and Specifications
1
2 Cable equalizer
No. 1 2
0 0 : 0 km
0 1 : 1.8 km
1 0 : 3.6 km
1 1 : 5.6 km
3
4 Reception level
No. 3 4
0 0 : -43 dBm
0 1 : -47 dBm
1 0 : -49 dBm
1 1 : -51 dBm
5
|
8
Modem attenuator
0: 0 dB 1: 8 dB
0: 0 dB 1: 4 dB
0: 0 dB 1: 2 dB
0: 0 dB 1: 1 dB
The modem should be adjusted according to the user's line conditions.
Selectors 1 and 2: Cable equalizer
These selectors are used to improve the pass-band characteristics of analogue signals on a line.
(Attenuation in the high-band frequency is greater than in the low-band frequency.)
Set these selectors according to the distance from the telephone switchboard to the machine.
Selectors 3 and 4: Reception level
These selectors set the optimum receive signal level.
Selectors 5 through 8: Modem attenuator
These selectors are used to adjust the transmitting level attenuation of the modem when the reception
level at the remote station is improper due to line loss. This function applies for G3 protocol signals.
Setting two or more selectors to "1" produces addition of attenuation assigned to each selector.
If selector 8 on WSW23 is set to "0," this setting is so limited that 10 dB (1 dB in France) or higher
setting only is effective. Note that in Japan and China, 9 dB or higher and 2 dB or higher settings
only are effective, respectively, regardless of whether selector 8 on WSW23 is set to "0."

App. 4-18 Confidential
WSW14 (AUTO ANS facility setting)
Selector
No. Function Setting and Specifications
1
2
Frequency band selection (lower
limit) for incoming calling signal (CI)
No. 1 2
0 0 : 13 Hz
0 1 : 15 Hz
1 0 : 23 Hz
1 1 : 20 Hz
3
4
Frequency band selection (upper
limit) for incoming calling signal (CI)
No. 3 4
0 0 : 30 Hz
0 1 : 55 Hz
1 0 : 70 Hz
1 1 : 200 Hz
5
|
8
No. of rings in AUTO ANS mode
No. 5 6 7 8
0 0 0 0 : Fixed to once
0 0 0 1 : 1 to 6 times
0 0 1 0 : 1 to 8 times
0 0 1 1 : 2 to 8 times
0 1 0 0 : 1 to 2 times
0 1 0 1 : 1 to 3 times
0 1 1 0 : 1 to 4 times
0 1 1 1 : 1 to 5 times
1 0 0 0 : 2 to 3 times
1 0 0 1 : 2 to 4 times
1 0 1 0 : 2 to 5 times
1 0 1 1 : 2 to 6 times
1 1 0 0 : 1 to 10 times
1 1 0 1 : 2 to 10 times
1 1 1 0 : 3 to 5 times
1 1 1 1 : 4 to 10 times
Selectors 1 through 4: Frequency band selection for incoming calling signal (CI)
These selectors are used to select the frequency band of CI for activating the AUTO ANS facility.
In the French models, if the user sets the PBX to OFF from the control panel, the setting made by
selectors 1 and 2 will take no effect and the frequency's lower limit will be fixed to 32 Hz. (Even if
the setting made by these selectors does not apply, it will be printed on the configuration list.)
Selectors 5 through 8: No. of rings in AUTO ANS mode
These selectors set the number of rings to initiate the AUTO ANS facility.

App. 4-19 Confidential
WSW15 (REDIAL facility setting)
Selector
No. Function Setting and Specifications
1
2
Redial interval
No. 1 2
0 0 : 5 minutes
0 1 : 1 minute
1 0 : 2 minutes
1 1 : 3 minutes
3
|
6
No. of redialings
No. 3 4 5 6
0 0 0 0 : 16 times
0 0 0 1 : 1 times
0 0 1 0 : 2 times
0 0 1 1 : 3 times
| |
1 1 1 1 : 15 times
7 Not used.
8 CRP option 0: Disable 1: Enable
Selectors 1 through 6: Redial interval and No. of redialings
The machine redials by the number of times set by selectors 3 through 6 at intervals set by selectors
1 and 2.
Selector 8: CRP option
If a command error occurs in the machine (calling station), the machine usually waits for three
seconds and then makes a retry three times. This CRP option is a request command that can be sent
from the called station for requesting the calling station to retry the failed command immediately.

App. 4-20 Confidential
WSW16 (Function setting 1)
Selector
No. Function Setting and Specifications
1 Not used.
2 ITU-T (CCITT) superfine
recommendation 0: OFF 1: ON
3
|
6
Not used.
7 Max. document length limitation 0: 400 cm 1: 90 cm
8 Stop key pressed during reception 0: Not functional 1: Functional
NOTE: Selector 7 is applicable to models equipped with ADF unit.
Selector 2: ITU-T (CCITT) superfine recommendation
If this selector is set to "1," the machine communicates in ITU-T (CCITT) recommended superfine
mode (15.4 lines/mm). If it is set to "0," it communicates in native superfine mode.
Selector 7: Max. document length limitation
This selector is used to select the maximum length of a document to be sent.
Selector 8: Stop key pressed during reception
If this selector is set to "1," pressing the Stop key can stop the current receiving operation. The
received data will be lost.

App. 4-21 Confidential
WSW17 (Function setting 2)
Selector
No. Function Setting and Specifications
1
2 Off-hook alarm
No. 1 2
0 0 : No alarm
0 1 : Always valid
1 0 : Valid except when
1 1 : 'call reservation' is selected.
3
4 Not used.
5 Calendar clock type 0: U.S.A. type 1: European type
6 Not used.
7 Non-ring reception 0: OFF 1: ON
8 Not used.
Selectors 1 and 2: Off-hook alarm
These selectors activate or deactivate the alarm function which sounds an alarm when the
communication is completed with the handset being off the hook.
Selector 5: Calendar clock type
If this selector is set to "0" (USA), the MM/DD/YY hh:mm format applies; if it is set to "1"
(Europe), the DD/MM/YY hh:mm format applies: DD is the day, MM is the month, YY is the last
two digits of the year, hh is the hour, and mm is the minute.
Selector 7: Non-ring reception
Setting this selector to "1" makes the machine receive calls without ringer sound if the Ring Delay is
set to 0.

App. 4-22 Confidential
WSW18 (Function setting 3)
Selector
No. Function Setting and Specifications
1 Not used.
2
3
Detection enabled time for CNG
or "no tone"
No. 2 3
0 0 : 40 sec.
0 1 : 0 sec. (No detection)
1 0 : 5 sec.
1 1 : 80 sec.
4
5 Not used.
6 Registration of station ID 0: Permitted 1: Prohibited
7
8
Tone sound monitoring
No. 7 8
0 0 : No monitoring
0 1 : No monitoring
1 0 : Up to phase B at the
calling station only
1 1 : All transmission phases
both at the calling and
called stations
sec.: second(s)
Selectors 2 and 3: Detection enabled time for CNG or "no tone"
After the line is connected via the external telephone or by picking up the handset of the machine, the
machine can detect a CNG signal or "no tone" for the time length specified by these selectors. The
setting specified by these selectors becomes effective only when selector 8 on WSW20 is set to "1."
Selector 6: Registration of station ID
Setting this selector to "0" permits the registration of station ID for Austrian and Czech models.
Selectors 7 and 8: Tone sound monitoring
These selectors set monitoring specifications of the tone sound inputted from the line.

App. 4-23 Confidential
WSW19 (Transmission speed setting)
Selector
No. Function Setting and Specifications
1
|
3
First transmission speed choice
for fallback
No. 1 2 3
No. 4 5 6
0 0 0 : 2,400 bps
0 0 1 : 4,800 bps
0 1 0 : 7,200 bps
4
|
6
Last transmission speed choice
for fallback
0 1 1 : 9,600 bps
1 0 0 : 12,000 bps
1 0 1 :
1 1 0 : 14,400 bps
1 1 1 :
7 V.34 mode (Not used.) 0: Permitted 1: Prohibited
8 V.17 mode 0: Permitted 1: Prohibited
NOTE: Selector 7 takes effect only in models supporting V.34 mode.
Selectors 1 through 6: First and last choices of transmission speed for fallback
These selectors are used to set the MODEM speed range. With the first transmission speed choice
specified by selectors 1 through 3, the machine attempts to establish the transmission link via the
MODEM. If the establishment fails, the machine automatically steps down to the next lowest speed
and attempts to establish the transmission link again. The machine repeats this sequence while
stepping down the transmission speed to the last choice specified by selectors 4 through 6.
If the MODEM always falls back to a low transmission speed (e.g., 4,800 bps), set the first
transmission speed choice to the lower one (e.g., modify it from 12,000 bps to 7,200 bps) in order to
deactivate the high-speed MODEM function and reduce the training time for shorter transmission
time.
Generally, to save the transmission time, set the last transmission speed choice to a higher one.
Selector 7: V.34 mode (Not used.)
Permitting the V.34 mode with this selector makes WSW38 to WSW40, and WSW41 (selectors 5 to
8) effective.

App. 4-24 Confidential
WSW20 (Overseas communications mode setting)
Selector
No. Function Setting and Specifications
1 EP* tone prefix 0: OFF 1: ON
2 Overseas communications mode
(Reception) 0: 2100 Hz 1: 1100 Hz
3 Overseas communications mode
(Transmission) 0: OFF 1: Ignores DIS once.
4
5
Min. time length from reception
of CFR to start of transmission
of video signals
No. 4 5
0 0 : 100 ms
0 1 : 200 ms
1 0 : 300 ms
1 1 : 400 ms
6
7
At CNG detection, elimination
of chattering noise
No. 6 7
0 0 : Yes, at both ON/OFF timings
0 1 : Yes, at OFF timing
1 0 : No
1 1 : No
8 Limitation on CNG detection 0: OFF 1: ON
ms: millisecond(s)
* EP: Echo protection
NOTE: Selectors 6 and 7 are applicable to models equipped with an SDAA circuit.
Selector 1: EP tone prefix
Setting this selector to "1" makes the machine transmit a 1700 Hz echo protection (EP) tone
immediately preceding training in V.29 modulation system to prevent omission of training signals.
Prefixing an EP tone is useful when the machine fails to transmit at the V.29 modem speed and
always has to fall back to 4,800 bps transmission.
The setting made by this selector takes effect only when the Overseas Mode is set to ON.
Selectors 2 and 3: Overseas communications mode
These selectors should be used if the machine malfunctions in overseas communications. According
to the communications error state, select the signal specifications.
Setting selector 2 to "1" allows the machine to use 1100 Hz CED signal instead of 2100 Hz in
receiving operation. This prevents malfunctions resulting from echoes, since the 1100 Hz signal does
not disable the echo suppressor (ES) while the 2100 Hz signal does.
Setting selector 3 to "1" allows the machine to ignore a DIS signal sent from the called station once
in sending operation. This operation suppresses echoes since the first DIS signal immediately follows
a 2100 Hz CED (which disables the ES) so that it is likely to be affected by echoes in the disabled
ES state. However, such a disabled ES state will be removed soon so that the second and the
following DIS signals are not susceptible to data distortion due to echoes. Note that some models
when called may cause error by receiving a self-outputted DIS.
The setting made by selector 3 takes effect only when the Overseas Communications Mode is set to
ON. (The setting made by selector 2 is always effective.)

App. 4-25 Confidential
Selectors 8: Limitation on CNG detection
If this selector is set to "1," the machine detects a CNG signal according to the condition preset by
selectors 2 and 3 on WSW18 after a line is connected. If it is set to "0," the machine detects a CNG
signal as long as the line is connected.
WSW21 (TAD setting 1)
Selector
No. Function Setting and Specifications
1
|
5
"No tone" detection period
during recording of ICM
(Max. waiting time for voice
signal)
No. 1 2 3 4 5
0 0 0 0 0 : No detection
0 0 0 0 1 : 1 sec.
0 0 0 1 0 : 2 sec.
0 0 0 1 1 : 3 sec.
| |
0 0 1 1 0 : 6 sec. (default)
| |
1 1 1 1 1 : 31 sec.
6
7 Taping the call
No. 6 7
0 0 : Enable (signaling for U.S.A.) (A)
0 1 : Enable (signaling for countries
except U.S.A.) (B)
1 0 : Enable (without signaling) (C)
1 1 : Disable (D)
8 Erasure of message stored in the
memory after the message
transfer
0: Yes 1: No
sec.: second(s)
NOTE: Selectors 1 through 5 are applicable to models equipped with ICM recorder.
NOTE: Selectors 6 through 8 are applicable to models with a built-in TAD.
Selectors 1 through 5: "No tone" detection period during recording of ICM (Max. waiting time for
voice signal)
If the machine detects "no tone"* during recording of ICM for the time length specified by these
selectors, it automatically stops recording ICM and disconnects the line. (*Tone whose level is less
than the threshold specified by selectors 1 through 3 on WSW33 is interpreted as "no tone.")
Selectors 6 and 7: Taping the call
These selectors select whether or not to tape the call. Setting them to "1, 0" enables taping the call
without signaling to the calling station that the call is being taped.
Selector 8: Erasure of message stored in the memory after the message transfer
Setting this selector to "0" will erase the message recorded in the memory after the document
retrieval feature transfers the message.

App. 4-26 Confidential
WSW22 (ECM and call waiting caller ID)
Selector
No. Function Setting and Specifications
1 ECM* in sending 0: ON 1: OFF
2 ECM* in receiving 0: ON 1: OFF
3 Call Waiting Caller ID 0: ON 1: OFF
4 Not used.
5
|
8
Acceptable TCF bit error rate (%)
(Only at 4,800 bps)
(Not used.)
0: 0% 1: 8%
0: 0% 1: 4%
0: 0% 1: 2%
0: 0% 1: 1%
* ECM: Error correction mode
NOTE: Selector 3 is applicable to the American models.
NOTE: Selectors 5 through 8 are applicable to the Chinese, Taiwanese and Asian models only.
Selector 3: Call Waiting Caller ID
Setting this selector to "0" allows the user to decide whether or not to interrupt the current call when
a new call comes in. If Call Waiting Caller ID service is available in the area and the user subscribes
to it, he/she can see information about his/her incoming call on the LCD.
Selectors 5 through 8: Acceptable TCF bit error rate (%) (Not used.)
Setting two or more selectors to "1" produces addition of percent assigned to each selector. If you set
selectors 7 and 8 to "1," the acceptable TCF bit error rate will be 3%.

App. 4-27 Confidential
WSW23 (Communications setting)
Selector
No. Function Setting and Specifications
1 Starting point of training check
(TCF)
0: From the head of a series of zeros
1: From any arbitrary point
2
3
Allowable training error rate
No. 2 3
0 0 : 0%
0 1 : 0.5%
1 0 : 1%
1 1 : 2%
4
5
Decoding error rate for
transmission of RTN
No. 4 5
0 0 : 16%
0 1 : 14%
1 0 : 10%
1 1 : 8%
6
7 Not used.
8 Limitation of attenuation level 0: Yes 1: No
NOTE: Selector 8 is not applicable to the French models.
Selector 1: Starting point of training check (TCF)
At the training phase of receiving operation, the called station detects for 1.0 second a training check
(TCF) command, a series of zeros which is sent from the calling station for 1.5 seconds to verify
training and give the first indication of the acceptability of the line.
This selector sets the starting point from which the called station should start counting those zeros. If
this selector is set to "0," the called station starts counting zeros 100 milliseconds after the head of a
series of zeros is detected.
If it is set to "1," the called station starts counting zeros upon detection of 10-millisecond successive
zeros 50 milliseconds after the head of a series of zeros is detected. In this case, if the detection of
10-millisecond successive zeros is too late, the data counting period will become less than 1.0 second,
making the called station judge the line condition unacceptable.
Selectors 2 and 3: Allowable training error rate
The called station checks a series of zeros gathered in training (as described in Selector 1) according
to the allowable training error rate set by these selectors. If the called station judges the line
condition to be accepted, it responds with CFR; if not, it responds with FTT.
Selectors 4 and 5: Decoding error rate for transmission of RTN
The machine checks the actual decoding errors and then transmits an RTN according to the decoding
error rate (Number of lines containing an error per page ÷ Total number of lines per page) set by
these selectors.
Selector 8: Limitation of attenuation level
Setting this selector to "0" limits the transmitting level of the modem to 10 dB (1 dB in France).
This setting has priority over the settings selected by WSW02 (selectors 5 through 8) and WSW13
(selectors 5 through 8).

App. 4-28 Confidential
WSW24 (TAD setting 2)
Selector
No. Function Setting and Specifications
1
2 Maximum OGM recording time
No. 1 2
0 0 : 15 sec.
0 1 : 20 sec.
1 0 : 30 sec.
1 1 : 50 sec.
3
4
Time length from CML ON to
start of pseudo ring backtone
transmission
No. 3 4
0 0 : 4 sec.
0 1 : 3 sec.
1 0 : 2 sec.
1 1 : 1 sec.
5
|
8
Attenuator for playback of
ICM/OGM to the line
(Selectable from the range of
0-15 dB)
0: 0 dB 1: 8 dB
0: 0 dB 1: 4 dB
0: 0 dB 1: 2 dB
0: 0 dB 1: 1 dB
sec.: second(s)
Selectors 1 and 2: Maximum OGM recording time
These selectors specify the allowable maximum recording time for an OGM.
Selectors 3 and 4: Time length from CML ON to start of pseudo ring backtone transmission
These selectors specify the length of time from CML-ON up to the start of pseudo ring backtone
transmission.
In models with OGM facilities, the settings made by these selectors also apply to the length of time
from CML-ON up to the start of OGM transmission.
Selectors 5 through 8: Attenuator for playback of ICM/OGM to the line
Setting two or more selectors to "1" produces addition of attenuation assigned to each selector.
This setting is not limited by selector 8 on WSW23.

App. 4-29 Confidential
WSW25 (TAD setting 3)
Selector
No. Function Setting and Specifications
1
2
Delay time for starting "no tone"
detection in the external TAD
mode
No. 1 2
0 0: 0 sec.
0 1: 8 sec.
1 0: 16 sec.
1 1: 24 sec.
3
4
Threshold level of "no tone"
detection in the external TAD
mode
No. 3 4
0 0: -43 dB (A)
0 1: -46 dB (B)
1 0: -49 dB (C)
1 1: -51 dB (D)
5
|
7
Pause between paging number and
PIN
No. 5 6 7
0 0 0 : 2 sec.
0 0 1 : 4 sec.
0 1 0 : 6 sec.
0 1 1 : 8 sec.
1 0 0 : 10 sec.
1 0 1 : 12 sec.
1 1 0 : 14 sec.
1 1 1 : 16 sec.
8 Not used.
sec.: second(s)
NOTE: Selectors 1 through 4 are not applicable to the U.S.A. models, models without "no tone"
detecting function in the external TAD mode, or models with Rockwell modem V24.
NOTE: Selectors 5 through 7 are applicable to the U.S.A. models only.
Selectors 1 and 2: Delay time for starting "no tone" detection in the external TAD mode
These selectors take effect only in the external TAD mode. The machine delays starting detection of
"no tone" by the time length specified by these selectors.
The total length of the delay time specified by these selectors and the maximum waiting time
specified by WSW21 (selectors 1 through 5) should not exceed 40 seconds.
Selectors 3 and 4: Threshold level of "no tone" detection in the external TAD mode
These selectors specify the threshold level of "no tone" detection in the external TAD mode.
Selectors 5 through 7: Pause between paging number and PIN
These selectors set the pause time between a telephone number being paged and PIN (personal
identification number) for the paging feature.

App. 4-30 Confidential
WSW26 (Function setting 4)
Selector
No. Function Setting and Specifications
1
2 Not used.
3
Dialing during document
reading into the temporary
memory in in-memory message
transmission
0: Disable 1: Enable
4
5
No. of CNG cycles to be
detected
(when the line is connected via
the external telephone except in
the external TAD mode or via
the built-in telephone)
No. 4 5
0 0 : 0.5 (A)
0 1 : 1 (B)
1 0 : 1.5 (C)
1 1 : 2 (D)
6
7
No. of CNG cycles to be
detected
(when the line is connected via
the external telephone in the
external TAD mode, via the
built-in telephone in the TAD
mode, or via the machine in the
automatic reception of the F/T
mode)
No. 6 7
0 0 : 0.5 (A)
0 1 : 1 (B)
1 0 : 1.5 (C)
1 1 : 2 (D)
8 Not used.
Selector 3: Dialing during document reading into the temporary memory in in-memory message
transmission
If this selector is set to "0," the machine waits for document reading into the memory to complete and
then starts dialing. This enables the machine to list the total number of pages in the header of the
facsimile message.
Selectors 4 and 5: No. of CNG cycles to be detected (when the line is connected via the external
telephone except in the external TAD mode or via the built-in telephone)
The machine interprets a CNG as an effective signal if it detects the CNG by the number of cycles
specified by these selectors when the line is connected via the external telephone except in the
external TAD mode or via the built-in telephone.
Selectors 6 and 7: No. of CNG cycles to be detected (when the line is connected via the external
telephone in the external TAD mode, via the built-in telephone in the TAD mode,
or via the machine in the automatic reception of the F/T mode)
The machine interprets a CNG as an effective signal if it detects the CNG by the number of cycles
specified by these selectors when the line is connected via the external telephone in the external TAD
mode, via the built-in telephone in the TAD mode, or via the machine in the automatic reception of
the F/T mode.

App. 4-31 Confidential
WSW27 (Function setting 5)
Selector
No. Function Setting and Specifications
1 Not used.
2 Ringer OFF setting 0: Yes 1: No
3 Automatic playback of OGM when
switched to the TAD mode 0: No 1: Yes
4 Detection of distinctive ringing
pattern 0: Yes 1: No
5 Not used.
6 Recording quality 0: Normal 1: High
7 Recording time for high recording
quality
0: Short 1: Long
(9.6 kbps) (8.8 kbps)
8 Not used.
NOTE: Selectors 4 and 5 are applicable to the U.S.A. models only.
Selector 2: Ringer OFF setting
This selector determines whether or not the ringer can be set to OFF.
Selector 3: Automatic playback of OGM when switched to the TAD mode
This selector determines whether or not to automatically play back an OGM the moment the machine
switches to the TAD mode.
Selector 4: Detection of distinctive ringing pattern
If this selector is set to "1," the machine detects only the number of rings; if it is set to "0," the
machine detects the number of rings and the ringing time length to compare the detected ringing
pattern with the registered distinctive one.
Selector 6: Recording quality
This selector determines the recording quality for the OGM and ICM. Selecting "1" (High) increases
the quality, sacrificing the recording time.
Selector 7: Recording time for high recording quality
This setting takes effect when selector 6 is set to "1" (High). Setting this selector to "0" (Short)
further increases the recording quality, sacrificing the recording time.
The recording quality and time to be applied when this selector is set to "1" (Long) are higher and
shorter than the ones to be applied when selector 6 is set to "0" (Normal).
The recording quality and time determined by this selector being set to "1" (Long) are higher and
shorter than the ones determined by selector 6 being set to "0" (Normal).

App. 4-32 Confidential
WSW28 (Function setting 6)
Selector
No. Function Setting and Specifications
1
|
3
Transmission level of DTMF
high-band frequency signal
No. 1 2 3
0 0 0 : 0 dB
0 0 1 : +1 dB
0 1 0 : +2 dB
0 1 1 : +3 dB
1 0 0 : 0 dB
1 0 1 : -1 dB
1 1 0 : -2 dB
1 1 1 : -3 dB
4
|
6
Transmission level of
DTMF low-band frequency
signal
No. 4 5 6
0 0 0 : 0 dB
0 0 1 : +1 dB
0 1 0 : +2 dB
0 1 1 : +3 dB
1 0 0 : 0 dB
1 0 1 : -1 dB
1 1 0 : -2 dB
1 1 1 : -3 dB
7
8 Not used.
Selectors 1 through 6: Transmission level of DTMF high-/low-band frequency signal
These selectors are intended for the manufacturer who tests the machine for the Standard. Never
access them.

App. 4-33 Confidential
WSW29 (Function setting 7)
Selector
No. Function Setting and Specifications
1
|
3
Compression threshold level for
voice signals inputted via the
telephone line in the built-in
TAD operation
No. 1 2 3
0 0 0 : -47.0 dBm (A)
0 0 1 : -48.5 dBm (B)
0 1 0 : -50.0 dBm (C)
0 1 1 : -51.5 dBm (D)
1 0 0 : -53.0 dBm (E)
1 0 1 : -54.5 dBm (F)
1 1 0 : -56.0 dBm (G)
1 1 1 : OFF (H)
4
|
6
Compression threshold level for
voice signals inputted via the
handset in the built-in TAD
operation
No. 4 5 6
0 0 0 : -44.0 dBm (A)
0 0 1 : -45.5 dBm (B)
0 1 0 : -47.0 dBm (C)
0 1 1 : -48.5 dBm (D)
1 0 0 : -50.0 dBm (E)
1 0 1 : -51.5 dBm (F)
1 1 0 : -53.0 dBm (G)
1 1 1 : OFF (H)
7 Impedance switching control in
pulse dialing 0: OFF 1: ON
8
Prompt beep when the memory
area for the activity report
becomes full
0: No 1: Yes
NOTE: Selectors 1 through 6 are applicable to models with built-in TAD.
NOTE: Selectors 7 and 8 are applicable only to the European versions.
Selectors 1 through 6: Compression threshold level for voice signals inputted via the telephone
line in the built-in TAD operation
If voice signals inputted via the telephone line are below the level specified by these selectors, the
TAD interprets those received voice signals as no signal, compressing the recording time.
Selector 8: Prompt beep for activity report
This selector determines whether or not to beep if the memory area for the activity report becomes
full, for prompting you to print out the report. (Printing it out will clear the memory area.)

App. 4-34 Confidential
WSW30 (Function setting 8)
Selector
No. Function Setting and Specifications
1
|
3
Dial tone/busy tone detection
level during recording of ICM
No. 1 2 3
0 0 0 : -38.0 dBm (A)
0 0 1 : -39.5 dBm (B)
0 1 0 : -41.0 dBm (C)
0 1 1 : -42.5 dBm (D)
1 0 0 : -44.0 dBm (E)
1 0 1 : -45.5 dBm (F)
1 1 0 : -47.0 dBm (G)
1 1 1 : -48.5 dBm (H)
4
|
8
Not used.
NOTE: Selectors 1 through 3 are applicable to models with built-in TAD.
Selectors 1 through 3: Dial tone/busy tone detection level during recording of ICM
If the machine (called station) detects dial tone (400 Hz continuously) or busy tone (400 Hz
intermittently) exceeding the detection level specified by these selectors for the period specified by
selectors 1 through 4 on WSW35, then it interprets the calling station as being disconnected. The
machine stops TAD recording and disconnects the line.

App. 4-35 Confidential
WSW31 (Function setting 9)
Selector
No. Function Setting and Specifications
1 Not used.
2
Default reduction rate for
failure of automatic reduction
during recording
0: 100% 1: 70%
3 Not used.
4 (Do not disturb this selector.)
5
Minimum ON and OFF
duration of ringer signals
effective in distinctive ringing
0: 130 ms 1: 90 ms
6
|
8
Not used.
ms: millisecond(s)
NOTE: Selector 5 is applicable only to the U.S.A. models.
Selector 2: Default reduction rate for failure of automatic reduction during recording
This selector sets the default reduction rate to be applied if the automatic reduction function fails to
record one-page data sent from the calling station in a single page of the current recording paper.
If it is set to "0," the machine records one-page data at full size (100%) without reduction; if it is set
to "1," the machine records it at 70% size.
Selector 5: Minimum ON and OFF duration of ringer signals effective in distinctive ringing
The ringer pattern consists of short and long rings, e.g., short-short-long rings. This selector sets the
minimum ON and OFF duration of ringer signals that are required for the machine to interpret ringer
signals as being ON or OFF. This is to prevent components of a ringer pattern from being
misinterpreted due to chattering in distinctive ringing.
The machine monitors ringer signals at 10-millisecond intervals. If the signal is ON, the machine
counts +1; if it is OFF, it counts -1. If the counter increments up to +5 or +13 when this selector is
set to "1" (90 milliseconds) or "0" (130 milliseconds), respectively, the machine interprets the current
signal as being ON.
If the counter returns to zero, the machine interprets the signal as being OFF.
If the Distinctive Ring is set to OFF, this selector is not effective.

App. 4-36 Confidential
WSW32 (Function setting 10)
Selector
No. Function Setting and Specifications
1
|
4
Not used.
5
6 Default resolution
No. 5 6
0 0 : Standard
0 1 : Fine
1 0 : Super fine
1 1 : Photo
7
8 Default contrast
No. 7 8
0 0 : Automatic
0 1 : Automatic
1 0 : Super light
1 1 : Super dark
Selectors 5 and 6: Default resolution
These selectors set the default resolution which applies when the machine is turned on or completes a
transaction.
Selectors 7 and 8: Default contrast
These selectors set the default contrast which applies when the machine is turned on or completes a
transaction.

App. 4-37 Confidential
WSW33 (Function setting 11)
Selector
No. Function Setting and Specifications
1
|
3
Threshold level of "no tone"
detection during recording of
ICM
No. 1 2 3
0 0 0 : -48 dBm (A)
0 0 1 : -50 dBm (B)
0 1 0 : -52 dBm (C)
0 1 1 : -54 dBm (D)
1 0 0 : -56 dBm (E)
1 0 1 : -58 dBm (F)
1 1 0 : -60 dBm (G) (default)
1 1 1 : -62 dBm (H)
4
5
FAX receiving speed to be kept
within the transmission speed
limit to the PC
No. 4 5
0 0 : 14,400 bps
0 1 : 12,000 bps
1 0 : 9,600 bps
1 1 : 7,200 bps
6 Report output of polled
transmission requests 0: Yes 1: No
7
8 Comfortable noise level
No. 7 8
0 0 : OFF
0 1 : Low (A)
1 0 : Medium (B)
1 1 : High (C)
NOTE: Selectors 1 through 3 are applicable to models with built-in TAD.
Selectors 1 through 3: Threshold level of "no tone" detection during recording of ICM
If the tone level during recording of ICM is less than the threshold setting made by these selectors,
the tone is interpreted as "no tone." When the "no tone" state is kept for the period specified by
selectors 1 through 5 on WSW21, the machine stops recording ICM and disconnects the line.
Selectors 4 and 5: FAX receiving speed to be kept within the transmission speed limit to the PC
To transmit FAX data being received from other machine to the connected PC, you may need to keep
the FAX receiving speed within the transmission speed limit specified for the PC. In an initial
negotiation sequence for transmission, the machine responds to the calling station with the allowable
FAX receiving speed specified by these selectors.
Selectors 7 and 8: Comfortable noise level
These selectors set the level of noise to be added during playing-back of voice signals recorded with
no-signal compression.
If they are set to "0, 0," no noise will be added.

App. 4-38 Confidential
WSW34 (Function setting 12)
Selector
No. Function Setting and Specifications
1
|
3
Erasing time length of ICM tone
recorded preceding the tone
detection starting point in the
case of automatic line
disconnection due to no voice
signal received
No. 1 2 3
0 0 0 : 0 sec.
0 0 1 : 1 sec.
0 1 0 : 2 sec.
0 1 1 : 3 sec.
1 0 0 : 4 sec.
1 0 1 : 5 sec.
1 1 0 : 6 sec.
1 1 1 : 7 sec.
4
5
No. of CNG cycles to be
detected
(when the line is connected via
the external telephone in the
external TAD mode or via the
machine in F/T mode)
No. 4 5
0 0 : 0.5 (A)
0 1 : 1 (B)
1 0 : 1.5 (C)
1 1 : 2 (D)
6
7
Number of DTMF tone signals
for inhibiting the detection of
CNG during external TAD
operation
No. 6 7
0 0 : 3
0 1 : 2
1 0 : 1
1 1 : OFF
8 Not used.
sec.: second(s)
NOTE: Selectors 1 through 5 are applicable to models equipped with built-in TAD.
Selectors 1 through 3: Erasing time length of ICM tone recorded preceding the tone detection
starting point in the case of automatic line disconnection due to no voice
signal received
If the machine has disconnected the line after detection of disconnection tone in ICM recording, it
erases tone recorded preceding the tone detection starting point for the time length set by these
selectors.
Selectors 4 and 5: No. of CNG cycles to be detected (when the line is connected via the external
telephone in the external TAD mode or via the machine in F/T mode)
The machine interprets a CNG as an effective signal if it detects a CNG signal by the number of
cycles specified by these selectors when the line is connected via the external telephone in the
external TAD mode or via the machine in F/T mode.
Selectors 6 and 7: Number of DTMF tone signals for inhibiting the detection of CNG during external
TAD operation
If the machine receives this specified number of DTMF tone signals during external TAD operation,
it will not detect CNG afterwards.
If these selectors are set to "1, 1," the CNG detection will not be inhibited.

App. 4-39 Confidential
WSW35 (Function setting 13)
Selector
No. Function Setting and Specifications
1
|
4
Max. detection period of dial
tone/busy tone during recording of
ICM
No. 1 2 3 4
0 0 0 0 : No detection
0 0 0 1 : 1 sec.
0 0 1 0 : 2 sec.
0 1 0 0 : 4 sec.
| |
1 1 1 1 : 15 sec.
5
|
8
Not used.
sec.: second(s)
NOTE: Selectors 1 through 4 are applicable to models with built-in TAD.
Selectors 1 through 4: Max. detection period of dial tone/busy tone during recording of ICM
If the machine (called station) detects dial tone or busy tone exceeding the detection level specified
by selectors 1 through 3 on WSW30 for the period specified by these selectors, then it interprets the
state as the calling station's breaking the connection, stops recording the ICM, and disconnects the
line.

App. 4-40 Confidential
WSW36 (Function setting 14)
Selector
No. Function Setting and Specifications
1 ECP mode* 0: ON 1: OFF
2 Recovery from Inactive PC
Interface 0: Disable 1: Enable
3 PC Power-off Recognition Time 0: Normal 1: Long
4 Not used.
5 Escape from phase C 0: Yes 1: No
6
|
8
Extension of incoming calling
signal (CI) frequency band
specified by selectors 1 through 4
on WSW14
No. 6 7 8
0 0 0 : 0 (Ignored)
0 0 1 : 4 (448 Hz)
0 1 0 : 8 (244 Hz)
0 1 1 : 12 (162 Hz)
1 0 0 : 16 (122 Hz)
1 0 1 : 20 (97 Hz)
1 1 0 : 24 (81 Hz)
1 1 1 : 28 (69 Hz)
*ECP (Enhanced Capabilities Port)
NOTE: Selectors 2 and 3 on WSW36 take effect only when the "Monitoring the PC ON/OFF state" is
enabled with selectors 1 and 2 on WSW46.
Selector 1: ECP mode
The ECP mode enhances the normal bidirectional communications between the machine and the
connected PC for higher transmission speed.
Selector 2: Recovery from Inactive PC Interface
If the machine recognizes via the STB signal line that the connected PC is powered off, it will turn
the PC interface outputs Low to protect the PC from hazards that could be caused by weak electric
current accidentally flown from the machine.
This selector determines whether or not the machine should recover from the inactive PC interface to
normal interfacing state upon receipt of data from the PC.
Selector 3: PC Power-off Recognition Time
This selector sets the time length from when the machine detects the PC powered off until it
recognizes the detected state as power-off.
If selector 2 is set to "0," it is recommended that selector 3 be set to "1"; otherwise, the machine may
mistakenly detect PC powered off.
Selector 5: Escape from phase C
This selector determines whether or not the machine will escape from phase C when it detects an
RTC (Return to Control) in non-ECM mode or an RCP (Return to Control Partial page) in ECM
mode.

App. 4-41 Confidential
Selectors 6 through 8: Extension of incoming calling signal (CI) frequency band specified by
selectors 1 through 4 on WSW14
At the start of reception, if the machine detects the frequency of a CI signal specified by selectors 1
through 4 on WSW14, it starts the ringer sounding. However, the machine may fail to detect the CI
signal normally due to noise superimposed at the time of reception. To prevent it, use selectors 6
through 8 on WSW36.
If the machine detects higher frequencies than the setting made here, it regards them as noise and
interprets the detecting state as being normal, allowing the ringer to keep sounding according to the
preset number of ringers (until it starts automatic reception of FAX data in the FAX mode or enters
the TAD mode in the TEL mode).
WSW37 (Function setting 15)
Selector
No. Function Setting and Specifications
1 Printout of the stored image data of an unsent
document onto an error report 0: No 1: Yes
2
Erasure of the stored image data of an unsent
document at the time of the subsequent in-
memory message transmission
0: No 1: Yes
3
|
8
Not used.
Selector 1: Printout of the stored image data of an unsent document onto an error report
This selector determines whether or not to print out the 1st-page image data of a document onto the
error report if the document image data stored in the temporary memory cannot be transmitted
normally.
Selector 2: Erasure of the stored image data of an unsent document at the time of the
subsequent in-memory message transmission
If in-memory message transmission fails repeatedly when selector 1 is set to "1," the temporary
memory will be occupied with image data. Setting selector 2 to "1" will automatically erase the
stored 1st-page image data of an unsent document at the time of the subsequent in-memory message
transmission only when recording paper or toner runs out.

App. 4-42 Confidential
WSW38 (V.34 transmission settings) (Not used.)
Selector
No. Function Setting and Specifications
1
2 Setting of the equalizer
No. 1 2
0 0 : Automatic
0 1 : Automatic
1 0 : Fixed to 4 points
1 1 : Fixed to 16 points
3 Sending level of guard tone at phase
2 0: Normal - 7 db 1: Normal
4 Stepping down the transmission
speed at fallback each 0: 2,400 bps 1: 4,800 bps
5
6
Automatic control of modem's
EQM gain for proper transmission
speed choice
No. 5 6
0 0 : For higher transmission speed
than the current setting
0 1 : No change from the current
setting
1 0 : For lower transmission speed
than the current setting
1 1 : For further lower transmission
than the setting made by 1, 0
7 Redialing when a communications
error occurs 0: ON 1: OFF
8 Detection of CED for stopping
CNG 0: ON 1: OFF
NOTE: WSW38 takes effect only when the V.34 mode is permitted (WSW19, selector 7) in models
supporting V.34 mode.
Selectors 1 and 2: Setting of the equalizer
These selectors set the equalizer's training level to be applied if the machine fails to send training due
to weak line connection. If these selectors are set to "0, 0" or "0, 1," the modem will automatically
set the appropriate training level.
Selector 3: Sending level of guard tone at phase 2
This selector sets the sending level of guard tone for 1800 Hz to be sent at Phase 2 in the V. 34 mode.
Selector 4: Stepping down the transmission speed at fallback each
This selector determines how much the modem steps down the transmission speed at fallback when
called by the remote station. If this selector is set to "1," the modem may step down the transmission
speed from 33,600 bps to 28,800 bps by one-time fallback.
Selectors 5 and 6: Automatic control of modem's EQM gain for proper transmission speed choice
These selectors determine how the modem controls the EQM (Eye Quality Monitor) gain for proper
choice of the transmission speed, which applies if the modem selects higher transmission speed than
the possible speed so that it always repeats falling back.
Selector 8: Detection of CED for stopping CNG
If this selector is set to "0," the detection time of CED specified by WSW43, selectors 4 and 5 will
apply.

App. 4-43 Confidential
WSW39 (V.34 transmission speed) (Not used.)
Selector
No. Function Setting and Specifications
1
|
4
First transmission speed choice for
fallback
No. 1 2 3 4
No. 5 6 7 8
0 0 0 0 : 2,400 bps
0 0 0 1 : 4,800 bps
0 0 1 0 : 7,200 bps
0 0 1 1 : 9,600 bps
0 1 0 0 : 12,000 bps
0 1 0 1 : 14,400 bps
0 1 1 0 : 16,800 bps
0 1 1 1 : 19,200 bps
5
|
8
Last transmission speed choice for
fallback
1 0 0 0 : 21,600 bps
1 0 0 1 : 24,000 bps
1 0 1 0 : 26,400 bps
1 0 1 1 : 28,800 bps
1 1 0 0 : 31,200 bps
1 1 0 1 : 33,600 bps
1 1 1 0 : 33,600 bps
1 1 1 1 : 33,600 bps
NOTE: WSW39 takes effect only when the V.34 mode is permitted (WSW19, selector 7) in models
supporting V.34 mode. For the transmission speed setting in other modes, refer to WSW19.
Selectors 1 through 8: First and last choices of transmission speed for fallback
These selectors are used to set the modem speed range. With the first transmission speed choice
specified by selectors 1 through 4, the machine attempts to establish the transmission link via the
modem. If the establishment fails, the machine automatically steps down to the next highest speed
and attempts to establish the transmission link again. The machine repeats this sequence while
stepping down the transmission speed to the last choice specified by selectors 5 through 8.
If the modem always falls back to a low transmission speed (e.g., 24,000 bps), set the first
transmission speed choice to the lower one (e.g., modify it from 31,200 bps to 26,400 bps) in order
to deactivate the high-speed modem function and reduce the training time for shorter transmission
time.
WSW39 will be limited by selectors 3 through 8 on WSW40.

App. 4-44 Confidential
WSW40 (V.34 modem settings) (Not used.)
Selector
No. Function Setting and Specifications
1
2 Not used.
3
|
8
Masking of symbol rate(s)
Not masking Masking
No. 3 0 1 3429 symbols/sec
No. 4 0 1 3200 symbols/sec
No. 5 0 1 3000 symbols/sec
No. 6 0 1 2800 symbols/sec
No. 7 - - Not used.
No. 8 0 1 2400 symbols/sec
sec: second(s)
NOTE: WSW40 takes effect only when the V.34 mode is permitted (WSW19, selector 7) in models
supporting V.34 mode.
Selectors 3 through 8: Masking of symbol rate(s)
These selectors allow you to limit the transmission speed range in V.34 mode by masking the desired
symbol rate(s). Transmission speeds assigned to the symbol rates are listed on the next page. The
setting made by these selectors will limit the setting made by selectors 1 through 4 on WSW39.
If selector 3 is set to "1" to mask the 3429 symbols/second when the first transmission speed choice
is 33,600 bps (specified by selectors 1 through 4 on WSW39), for example, then the allowable
maximum transmission speed will be limited to 31,200 bps. If selector 8 is set to "1" to mask the
2400 symbols/second when the first transmission speed choice is 33,600 bps, then the allowable
maximum transmission speed remains 33,600 bps.
If selector 8 is set to "1" to mask the 2400 symbols/second when the first transmission speed choice
is 21,600 bps (specified by selectors 1 through 4 on WSW39), then the allowable maximum
transmission speed remains 21,600 bps but the minimum transmission speed will be limited to 4,800
bps.

App. 4-45 Confidential
Symbol rate Transmission speed
(bps)
Symbol rate Transmission speed
(bps)
Symbol rate Transmission speed
(bps)
2400 2,400 3000 4,800 3429 4,800
4,800 7,200 7,200
7,200 9,600 9,600
9,600 12,000 12,000
12,000 14,400 14,400
14,400 16,800 16,800
16,800 19,200 19,200
19,200 21,600 21,600
21,600 24,000 24,000
2800 4,800 26,400 28,800
7,200 28,800 31,200
9,600 3200 4,800 33,600
12,000 7,200
14,400 9,600
16,800 12,000
19,200 14,400
21,600 16,800
24,000 19,200
26,400 21,600
24,000
26,400
28,800
31,200

App. 4-46 Confidential
WSW41 (ON-duration of the scanning light source)
Selector
No. Function Setting and Specifications
1
|
3
ON-duration of the scanning light
source at room temperature
(Not used.)
No. 1 2 3
0 0 0 : 16 hours
0 0 1 : 24 hours
0 1 0 : 12 hours
0 1 1 : 8 hours
1 0 0 : 4 hours
1 0 1 : 2 hours
1 1 0 : 10 minutes
1 1 1 : 0 minute
4 I-FAX relay report 0: ON 1: OFF
5
|
8 Modem attenuator
No. 5 6 7 8
0 0 0 0 : -10 dBm
0 0 0 1 : -11 dBm
0 0 1 0 : -12 dBm
0 0 1 1 : -13 dBm
0 1 0 0 : -14 dBm
| |
1 1 1 1 : -25 dBm
NOTE: Selectors 1 through 3 are applicable to CCD models.
Selectors 1 through 3: ON-duration of the scanning light source at room temperature (Not used.)
If the scanning operation is started when the scanning light source is off, then it will come on for
scanning. These selectors determine how long the light source is ON after scanning.
If these selectors are set to "1, 1, 1," the light source goes off immediately after the scanning
sequence.
Selectors 5 through 8: Modem attenuator
These selectors are used to adjust the transmitting level of the modem when the reception level at the
remote station is improper due to line loss. This function applies to super G3 protocol signals.

App. 4-47 Confidential
WSW42 (Internet mail settings) (Not used.)
Selector
No. Function Setting and Specifications
1
Access to the incoming mail
(POP3) server
(Periodical or on-demand)
0: Disable 1: Enable
2 Access to the outgoing mail
(SMTP) server 0: Disable 1: Enable
3 I-FAX relay 0: Disable 1: Enable
4
|
8
Not used.
NOTE: WSW42 is applicable to models equipped with LAN interface.
WSW43 (Function setting 21)
Selector
No. Function Setting and Specifications
1 Not used.
2
3 Wait time for PC-Fax reception (Class 2)
and FPTS command transmission
No. 2 3
0 0 : 50 ms
0 1 : 100 ms
1 0 : 150 ms
1 1 : 0 ms
4
5 Detection time of 2100 Hz CED or ANSam
No. 4 5
0 0 : 200 ms
0 1 : 300 ms
1 0 : 400 ms
1 1 : 500 ms
6 Not used.
7 Automatic start of remote maintenance 0: No 1: Yes
8 JPEG coding 0: Disable 1: Enable
ms: millisecond(s)
z Selector 8: JPEG coding
Setting this selector to "0" disables the machine from sending/receiving JPEG color images and from
receiving JPEG monochrome images.

App. 4-48 Confidential
WSW44 (Speeding up scanning-1) (Not used.)
Selector
No. Function Setting and Specifications
1
|
5
Not used.
6
|
8
Effective time length of the
white level compensation data
obtained beforehand
No. 6 7 8
0 0 0 : Obtained compensation data
ineffective
0 0 1 : 1 min.
0 1 0 : 3 min.
0 1 1 : 5 min.
1 0 0 : 10 min.
1 0 1 : 15 min.
1 1 0 : 20 min.
1 1 1 : 30 min.
min.: minute(s)
Selectors 6 through 8: Effective time length of the white level compensation data obtained
beforehand
If you set documents in the ADF and the document front sensor detects them, the controller will
make correction of the reference voltage to be applied to white level compensation for document
scanning before the Copy key is pressed.
These selectors determine how long compensation data obtained beforehand will keep effective.

App. 4-49 Confidential
WSW45 (Speeding up scanning-2)
Selector
No. Function Setting and Specifications
1
|
3
Delay time from when
documents are set until the
ADF starts drawing them in
(Not used.)
No. 1 2 3
0 0 0 : No automatic drawing-in
0 0 1 : 1 sec.
0 1 0 : 2 sec.
0 1 1 : 3 sec.
1 0 0 : 4 sec.
1 0 1 : 5 sec.
1 1 0 : 6 sec.
1 1 1 : 7 sec.
4
|
6
Periodical correction intervals
of the reference voltage to be
applied to white level
compensation for document
scanning, during standby
(Not used.)
No. 4 5 6
0 0 0 : No correction of reference
voltage during standby
0 0 1 : 10 sec.
0 1 0 : 30 sec.
0 1 1 : 1 min.
1 0 0 : 3 min.
1 0 1 : 5 min.
1 1 0 : 10 min.
1 1 1 : 30 min.
7 Standby position of the CIS unit
0: CIS home position 1: Location of
the white reference
film
8 Line polarity reversal detector 0: Disable 1: Enable
sec.: second(s), min: minute(s)
Selectors 1 through 3: Delay time from when documents are set until the ADF starts drawing them in
(Not used.)
These selectors determine how long the ADF will delay automatic drawing-in of documents (to the
scanning standby position) after you set them in the ADF, as well as determining whether or not the
ADF automatically draws in documents.
Selectors 4 through 6: Periodical correction intervals of the reference voltage applied to white level
compensation for document scanning, during standby (Not used.)
These selectors set the correction intervals (in seconds) of the reference voltage to be applied to white
level compensation for document scanning during standby, as well as determining whether or not the
controller makes the reference voltage correction during standby. (Conventionally, the correction has
been made immediately before the start of actual scanning)
This function takes effect in copying. Making the correction during standby may shorten the
preparation time for copying.
NOTE: Do not access these selectors.
Selector 7: Standby position of the CIS unit
This selector determines whether the standby position of the CIS unit should be the home position or
the location of the white reference film (attached to the inside of the scanner top cover). If the
location of the reference film is selected, the CIS unit will not return to the home position so as to
shorten the travel time, decreasing the preparation time for copying.

App. 4-50 Confidential
Selector 8: Line polarity reversal detector
When the remote station breaks the connection, a line polarity reversal occurs. Enabling the polarity
reversal detector with this selector allows the machine to detect the polarity reversal if detected when
the user is leaving a message on the station's answering machine.
WSW46 (Monitor of power ON/OFF state and parallel port kept at high)
Selector
No. Function Setting and Specifications
1
2
Monitoring the PC ON/OFF
state
No. 1 2
0 0 : Disable
0 1 : Monitor SELECT IN
1 0 : Monitor STROBE
1 1 : Monitor both SELECT IN and
STROBE
3 Parallel port output pins kept at
high level 0: Enable 1: Disable
4
Previous filtering parameters for
white level compensation
(Not used.)
0: Enable 1: Disable
5
|
8
Not used.
NOTE: Selector 4 is not applicable to models equipped with flat-bed scanner.
Selectors 1 and 2: Monitoring the PC ON/OFF state
For the related functions, refer to WSW36, selectors 2 and 3.
Selector 3: Parallel port output pins kept at high level
Setting this selector to "0" will keep all parallel output pins of the machine at high level. Use this
setting if Resource Manager (bundled with MFC models) installed to WindowsNT running on the
connected PC fails to monitor the power ON/OFF state of the machine.
Selector 4: Previous filtering parameters for white level compensation (Not used.)
At the start of scanning operation, the machine usually initializes white and black level data stored in
the EEPROM by scanning the white reference film attached to the inside of the scanner top cover.
After long use of the machine, however, the film may be contaminated with dust or dirt. Accordingly,
incorrect white level data will be set up so that white vertical streaks will be brought on the scanning
result.
Setting this selector to "0" (Enabled) will apply previously saved white level data instead of new
incorrect compensation.

App. 4-51 Confidential
WSW47 (Switching between high- and full-speed USB)
Selector
No. Function Setting and Specifications
1
Handling paper at the
occurrence of a paper feed
timing error
0: Eject paper w/o print 1: Print on the current
paper
2 Not used.
3
4
Delay of FAX line disconnection
when switching to the pseudo-
ringing external telephone
No. 3 4
0 0 : 200 ms
0 1 : 400 ms
1 0 : 700 ms
1 1 : 1000 ms
5 Disable the ringer of external
telephone at non-ring reception 0: No 1: Yes
6 Not used.
7
Disable the ringer of external
telephone with CAR signal
when caller ID service is
available
0: No 1: Yes
8 Switching between high-speed
USB and full-speed USB
0: Auto switching between 1: Fixed to full-speed
high-speed USB (ver. 2.0) USB (ver. 1.1)
and full-speed USB (ver. 1.1)
ms: millisecond(s)
NOTE: Selector 1 is applicable only to models equipped with flat-bed scanner.
NOTE: Selectors 3 and 4 are applicable only to models supporting pseudo-ringing of a connected
external telephone.
Selector 1: Handling paper at the occurrence of a paper feed timing error
When feeding paper to the print start position, the machine might cause a feed timing error so that
the registration sensor goes ON signaling the presence of paper. This selector determines whether the
machine prints on the current paper or ejects the current paper without printing and prints on the
next paper.
Selectors 3 and 4: Delay of FAX line disconnection when switching to the pseudo-ringing external
telephone
When the machine receives a phone call, it can make the connected external telephone ring (so called
pseudo-ringing). During pseudo-ringing, if you pick up the handset of the external telephone, the line
might be disconnected due to cut-off of the line current.
To hold the line, the machine may supply line current by making use of the pulse generator circuit
that forms a parallel loop. This way the FAX line disconnection may be delayed. These selectors
determine the delay period.

App. 4-52 Confidential
WSW48 (USB setup latency)
Selector
No. Function Setting and Specifications
1
2 Not used.
3
|
5
Number of PCs registrable to each of
TWAIN-enabled applications over a
network
No. 3 4 5
0 0 0 : 25
0 0 1 : 50
0 1 0 : 75
0 1 1 : 100
1 0 0 : 125
1 0 1 : 150
1 1 0 : 175
1 1 1 : 200
6
|
8
USB setup latency
No. 6 7 8
0 0 0 : Default period
0 0 1 : Shorter 1
0 1 0 : Longer 1
0 1 1 : Longer 2
1 0 0 : Longer 3
1 0 1 : Longer 4
1 1 0 : Shorter 2
1 1 1 : Shorter 3
Selectors 6 through 8: USB setup latency
These selectors should not be disturbed.

App. 4-53 Confidential
WSW49 (End-of-copying beep and black ink print mode)
Selector
No. Function Setting and Specifications
1
2 Not used.
3 End-of-copying beep
(Not used.) 0: Yes 1: No
4
5 Command flag detection time
No. 4 5
0 0 : 150 ms
0 1 : 350 ms
1 0 : 550 ms
1 1 : 750 ms
6
7
CCD warmup time adjustment
(Not used.)
No. 6 7
0 0 : No adjustment
0 1 : 80%
1 0 : 120%
1 1 : 150%
8 Black ink print mode 0: Disable (default) 1: Enable
ms: millisecond(s)
Selectors 4 and 5: Command flag detection time
After receiving a command flag, the machine will wait for the command that should follow for the
time length specified by these selectors.
Selector 8: Black ink print mode
If any color ink runs out, printing is no longer possible by default. Setting this selector to "1" allows
the machine to ignore the ink empty state and print data with black ink only, resulting in a printout
missing color components.
Note: The assurance mode switch setting made by selector 3 on AMS04 (triggered with function
code 88 described in Chapter 9, Section 9.1.4.25) allows the machine to print all color and black
data as a monochrome printer with black ink only.

App. 4-54 Confidential
WSW50 (SDAA settings)
Selector
No. Function Setting and Specifications
1
2
Percentage voltage for
interpreting the external
telephone as being hooked up
(based on the network's standard
voltage)
No. 1 2
0 0 : 50%
0 1 : 80%
1 0 : 30%
1 1 : No detection
3
DC mask curve table to be
applied when the line is
connected
0: Apply the initial value specified by local
regulations
1: Apply table DC5 prepared specially
4 AC impedance to be applied
when the line is connected
0: 600Ω termination
1: ZR termination
5
6
Current control to be applied
immediately after connection
of the line
No. 5 6
0 0 : Standard
0 1 : Increase start-up current for
termination
1 0 : Fine current control for termination
1 1 : Not used. (equal to "0, 0")
7
8
AC voltage threshold for
detection of ring
No. 7 8
0 0 : 19 V
0 1 : 11 V
1 0 : 25 V
1 1 : 31 V
NOTE: WSW50 is applicable to models equipped with an SDAA circuit.
Selectors 5 and 6: Current control to be applied immediately after connection of the line
FAX models equipped with an SDAA circuit (on which an NTU chip is mounted) might not be
connected to a broad band line such as an ADSL (Asynchronous Digital Subscriber Line) in a stable
condition. If those models fail to connect to such a line, try to change the current control to be
applied immediately after connection of the line by using selectors 5 and 6.
If selectors 5 and 6 are set to "0" and "1," respectively, the SDAA draws more current, decreasing
the period required to terminate the current control. If they are set to "1" and "0," the SDAA finely
controls precision of the termination current against the voltage to approach nearer to the specified
DC curve that specifies the current vs. voltage characteristics of the network termination. Selecting
either control may solve an unstable connection problem.

App. 4-55 Confidential
WSW51 (Function setting 16)
Selector
No. Function Setting and Specifications
1
Output of communications error
report when transmission
verification report is disabled
0: Enable 1: Disable
2 CR motor control for reducing
torque fluctuation 0: Activate 1: Deactivate
3
4 Cordless handset transmitter volume
No. 3 4
0 0 : Middle (default)
0 1 : Low
1 0 : High
1 1 : Very high
5
|
7
Transmitter level and echo
suppression
No. 5 6 7
0 0 0 : Transmitter level 0 &
echo suppression OFF
0 0 1 : Transmitter level 1 &
echo suppression ON
0 1 0 : Transmitter level 2 &
echo suppression ON
0 1 1 : Transmitter level 3 &
echo suppression ON
8
Switching from ink near-empty to
ink empty when opening the scanner
cover
0: Yes 1: No
(No change from ink near-
empty)
NOTE: Selectors 3 and 4 are applicable to models equipped with cordless handset.
Selector 2: CR motor control for reducing torque fluctuation
When the CR motor runs, the motor torque may vary so as to cause the head/carriage unit travel
velocity to fluctuate, affecting the print quality. Setting this selector to "0" activates the CR motor
control that regulates the motor drive current to reduce torque fluctuation, running the CR motor
smoothly.
Selectors 5 through 7: Transmitter level and echo suppression
Transmitter level 0 sets the transmitter volume to a maximum. As the level increases, the volume
decreases. The transmitter level can also be changed by the user switch and its setting is interlocked
with the setting made by these selectors.
Enabling the echo suppression suppresses echoes in both the receiver and transmitter.
Selector 8: Switching from ink near-empty to ink empty when opening the scanner cover
If this selector is set to "0," opening the scanner cover switches from ink near-empty (if detected) to
ink empty state, prompting the user to replace the near-empty ink cartridge(s) immediately.

App. 4-56 Confidential
WSW52 (Function setting 17)
Selector
No. Function Setting and Specifications
1
|
3
Transmitter level and echo suppression
for cordless handsets
No. 1 2 3
0 0 0 : Transmitter level 0 &
echo suppression OFF
0 0 1 : Transmitter level 1 &
echo suppression ON
0 1 0 : Transmitter level 2 &
echo suppression ON
0 1 1 : Transmitter level 3 &
echo suppression ON
4
|
6
External telephone pseudo ring signal
frequency
No. 4 5 6
0 0 0 : 16 Hz
0 0 1 : 20 Hz
0 1 0 : 24 Hz
0 1 1 : 28 Hz
1 0 0 : 32 Hz
1 0 1 : 16 Hz
1 1 0 : 16 Hz
1 1 1 : 16 Hz
7
Caller ID display (number display) being
kept ON even after switching back to
TEL from FAX mode
0: Enable 1: Disable
8
Dial number being displayed during
faxing
(Not used.)
0: Enable 1: Disable
Selectors 4 through 6: External telephone pseudo ring signal frequency
These selectors provide a choice of pseudo ring sounds of the external telephone.
Selector 7: Caller ID display (number display) being kept ON even after switching back to TEL from
FAX mode
Enabling this function keeps the caller ID display ON even after the machine switches back to the
TEL mode from the FAX mode.
Selector 8: Dial number being displayed during faxing (Not used.)
Setting this selector to "0" enables the machine to keep displaying the dial number of the FAX
receiver on the LCD until the end of faxing.

App. 4-57 Confidential
WSW53 (Function setting 18)
Selector
No. Function Setting and Specifications
1
2 Not used.
3
4
FSK receive timing delay
for caller ID
No. 3 4
0 0 : 0 ms
0 1 : 100 ms
1 0 : 150 ms
1 1 : 200 ms
5
6
Allowable instantaneous interrupt
period during reception of caller ID
No. 5 6
0 0 : 20 ms
0 1 : 10 ms
1 0 : 30 ms
1 1 : 0 ms
7 CNG detection retry after detection of
invalid CNG 0: Yes 1: No
8 JPEG decompressor 0: ASIC (default) 1: Software
NOTE: Selector 8 is applicable to models equipped with PhotoCapture Center.
Selectors 3 through 6: FSK receive timing delay for caller ID
Allowable instantaneous interrupt period during reception of caller ID
If a communications error occurs during a telephone conversation when the user has subscribed to
the caller ID service, change the settings of these selectors, and it may improve the communications
state. First, change the settings of selectors 3 and 4. If the error persists, change the settings of
selectors 5 and 6.
Selector 8: JPEG decompressor
By default, the ASIC (Application specified integrated circuit) in the machine decompresses the
compressed JPEG data in a memory card inserted. If it fails to decompress the data and reproduce
the image normally, switch from the ASIC to any proven decompressor software with this selector.

App. 4-58 Confidential
WSW54 (Function setting 19)
Selector
No. Function Setting and Specifications
1
2 PictBridge command delay time
No. 1 2
0 0 : 100 ms (default)
0 1 : 0 ms
1 0 : 50 ms
1 1 : 200 ms
3
Extension of the "No. of CNG cycles
to be detected" for Easy Receive
mode
0: No 1: + 2 cycles
4 Recovery of cordless handset ID 0: Enable 1: Disable
5
6 Caller ID tone alert detection period
No. 5 6
0 0 : 10 ms (default)
0 1 : 20 ms
1 0 : 30 ms
1 1 : 40 ms
7 Transmission of caller ID wetting
pulse
0: Enable 1: Disable
(default)
8 Switching between DTMF and FSK
for caller ID
0: DTMF 1: FSK
(default)
ms: millisecond(s)
NOTE: Selectors 1 and 2 are applicable to PictBridge-enabled models.
NOTE: Selector 4 is applicable to models with cordless handset.
NOTE: Selectors 5 through 7 are applicable to the UK models.
NOTE: Selector 8 is applicable to the Chinese models.
Selectors 1 and 2: PictBridge command delay time
These selectors specify the PictBridge command delay time that applies when the machine responds
to the digital camera connected via PictBridge during negotiation. If the machine fails to receive data
from the digital camera, change the delay time.
Selector 3: Extension of the "No. of CNG cycles to be detected" for Easy Receive mode
In Easy Receive mode, if the machine fails to detect the CNG even after the setting made by selectors
4 and 5 on WSW26, extend the "No. of CNG cycles to be detected" by two cycles.
Selector 4: Recovery of cordless handset ID
Enabling this function automatically writes the cordless handset ID registered on the main PCB onto
the cordless PCB when the power is turned on if the ID on the cordless PCB is discrepant with the
one on the main PCB.
Selectors 5 and 6: Caller ID tone alert detection period
If the machine misdetects a tone alert for a caller ID, adjust the detection period with these selectors.

App. 4-59 Confidential
Selector 7: Transmission of caller ID wetting pulse
If the machine fails to display a caller ID due to a wetting pulse transmitted after the detection of a
tone alert, disable the transmission of caller ID wetting pulse.
Selector 8: Switching between DTMF and FSK for caller ID
If the machine fails to receive a caller ID, switch from DTMF to FSK. This setting is equivalent to
the DTMF/FSK setting made from the menu.
WSW55 (Function setting 20) (Not used.)
Selector
No. Function Setting and Specifications
1
|
8
WSW56 (Function setting 21) (Not used.)
Selector
No. Function Setting and Specifications
1
|
8

App. 4-60 Confidential
WSW57 (Function setting 22)
Selector
No. Function Setting and Specifications
1
|
3
Caller ID judgment voltage level to
discriminate caller ID event from
ring event
No. 1 2 3
0 0 0 : 0 V
0 0 1 : 5 V (default)
0 1 0 : 10 V
0 1 1 : 15 V
1 0 0 : 20 V
1 0 1 : 25 V
1 1 0 : 30 V
1 1 1 : Maximum
4
|
6
Caller ID judgment voltage level to
detect line polarity reversal
No. 4 5 6
0 0 0 : 0 V
0 0 1 : 5 V (default)
0 1 0 : 10 V
0 1 1 : 15 V
1 0 0 : 20 V
1 0 1 : 25 V
1 1 0 : 30 V
1 1 1 : Maximum
7 Time limit for judging a caller ID
burst ring
0: Enable 1: Disable
(default)
8 Start key on the machine
after dialing with cordless handset
0: Disable 1: Enable
(default)
NOTE: Selectors 1 through 7 are applicable to the European models.
Selectors 1 through 3: Caller ID judgment voltage level to discriminate caller ID event from ring
event
If the machine misdetects a caller ID event as a ring event due to voltage variation, it fails to display
a caller ID. If it happens, increase the judgment voltage level provided that the setting made by these
selectors is equal to or more than the setting made by selectors 4 through 6.
Selectors 4 through 6: Caller ID judgment voltage level to detect line polarity reversal
If the machine fails to detect a line polarity reversal for a caller ID due to a great difference between
the line voltage when a polarity reversal occurs and the one at the steady state, it fails to display a
caller ID. If it happens, increase the judgment voltage level provided that the setting made by these
selectors is equal to or less than the setting made by selectors 1 through 3.
Selector 7: Time limit for judging a caller ID burst ring
The time limit for judging a caller ID burst ring is enabled by default so that receiving a burst ring
out of the specified time limit causes the machine to interpret it as an ordinary call involving no
caller ID signal, resulting in no caller ID display.
When the machine fails to display a caller ID if you have the caller ID subscriber service from your
telephone company, disable the time limit with this selector to receive a caller ID burst ring
independent of the burst ring time.

App. 4-61 Confidential
z Selector 8: Start key on the machine after dialing with cordless handset
Pressing the Start key on the machine to send a fax during a telephone conversation with the
cordless handset cannot start a sending operation by default. Setting this selector to "1" enables the
Start key pressed even after dialing with cordless handset.
WSW58 (Function setting 23)
Selector
No. Function Setting and Specifications
1
|
3
Prevention against line disconnection
during ICM recording
(Percentage of guard tone response time
relative to end-of-call tone ON time)
No. 1 2 3
0 0 0 : Disable
0 0 1 : 10%
0 1 0 : 20%
0 1 1 : 30% (default)
1 0 0 : 40%
1 0 1 : 50%
1 1 0 : 60%
1 1 1 : 70%
4 Trimming of R key signal issued from
cordless handset--For connection to base
unit with PBX OFF
0: Disable 1: Enable
(default)
5 Call transfer to cordless handset from
telephone(s) connected in parallel with the
machine (base unit)
0: Enable 1: Disable
(default)
6
Extension of the "No. of CNG cycles to
be detected"
(which allows two cycles to be added to
the cycles specified by selectors 6 and 7
on WSW26 and selectors 4 and 5 on
WSW34)
0: No 1: +2 cycles
7
8 No. of busy tone detection cycles
No. 7 8
0 0 : -1 cycles
0 1 : +0 cycles (default)
1 0 : +1 cycles
1 1 : +2 cycles
NOTE: Selectors 1 through 3 are applicable to models equipped with TAD.
NOTE: Selector 4 is applicable to European models with a cordless handset.
NOTE: Selector 5 is applicable to U.S.A. models with a cordless handset.
App. 4-62 Confidential
Selectors 1 through 3: Prevention against line disconnection during ICM recording (Percentage of
guard tone response time relative to end-of-call tone ON time)
If the machine misdetects an ICM tone as an end-of-call tone, it disconnects the line even during
recording of the ICM. If it happens, change the percentage of the guard tone response time relative to
the end-of-call tone ON time with these selectors.
If the percentage of the actual guard tone response time is more than the setting made by these
selectors, the machine interprets it as no detection of end-of-call tone, continuing recording the ICM.
Selector 4: Trimming of R key signal issued from cordless handset--For connection to base unit
with PBX OFF
For European models, a cordless handset can be registered to up to four base units.
On the cordless handset registered to more than one base unit, if you have programmed an R key
press as part of a number stored in a Speed-Dial location, you can dial using a Speed-Dial location
stored in the handset when connected to the base unit in which PBX is set to ON.
When the cordless handset is connected to any other base unit in which PBX is set to OFF, however,
using a Speed-Dial location may dial an unintended telephone number or cause a malfunction due to
the programmed R key signal preceding the intended number. To avoid such problems, enable the R
key signal trimming function with this selector so that the base unit dials trimming the received R
key signal.
Selector 5: Call transfer to cordless handset from telephone(s) connected in parallel with the
machine (base unit)
Enabling this function allows the machine (base unit) to transfer a call transferred from telephone(s)
connected in parallel with the machine to the cordless handset.

App. 4-63 Confidential
WSW59 (Function setting 24)
Selector
No. Function Setting and Specifications
1 Transmission of USB serial
number to PC
0: Enable 1: Disable
(default)
2 Not used.
3
|
5
Checking of the specified
character code set when
displaying or printing the
folder/file names stored in
memory cards or USB flash
memory drives
No. 3 4 5
0 0 0 : No checking
(default for USA/European models)
0 0 1 : SJIS (default for Japanese model)
0 1 0 : Simplified Chinese
(default for Chinese/Asia & Pacific
models)
0 1 1 :
| Reserved.
1 1 1 :
6
7 Not used.
8
Improvement of DTMF
detection function (to minimize
the effects of momentary power
failure or noise)
0: Disable 1: Enable
(default)
Selector 1: Transmission of USB serial number to PC
By default, the machine transmits the USB serial number to the connected PC.
If Windows Vista is running on the PC, the transmission of the USB serial number to the PC might
cause a problem. If it happens, disable the transmission with this selector.
Selectors 3 through 5: Checking of the specified character code set when displaying or printing the
folder/file names stored in memory cards or USB flash memory drives
When folder/file names stored in memory cards or USB flash memory drives contain Chinese
characters, for example, those characters may get garbled in displaying on the color LCD or printing
indexes. If it happens, select the character code set of the used language with these selectors.
Confidential
Appendix 5. Wiring Diagrams
This appendix provides the wiring diagrams that help you understand the connections between
PCBs.

Main PCB
Media 1
xD/SD
/MS
Media 2
CF
CN6
CN7
FG/GND
R-GND
G-GND
B-GND
CLK/M
VLED
Power
supply
PCB
-3
-2
-1
P0V
+31V CN13-4
P0V
+31V
TG/TR
VREF/RS
VCC/VDD
GND
MODE/VAD
AD
CN29-12
-11
-10
-9
-8
-7
-6
-5
-4
-3
-2
-1
CN30
CIS unit
-11
-10
-9
-8
-7
-6
-5
-4
-3
-2
-1
CN28-14
-13
-12
VSS1
VDD1
-11
-10
-9
-8
-7
-6
-5
-4
-3
-2
-1
CN27-13
CN26-12
VTEMP
VSS1
MEDIACNTL
FIRE04
FIRE14
FIRE05
FIRE15
FIRE16
FIRE06
SIN0
FIRE11
FIRE12
FIRE13
FIRE01
FIRE02
FIRE03
Carriage PCB
-8
-7
-6
-5
-4
-3
-2
-1
CN4-9
S0V
EMP
LEDPWR
MCNT
CCNT
YCNT
BCNT
Ink cartridge PCB
Purge
cam
switch
S0V
PURGE
LF-
-1
LF+
CN18-2
Carriage
motor
RESI
SLP5V
S0V
ENC1
ENC2
-6
-5
-4
-3
-2
-1
PF
encorder
sensor
CN15-7
LAN
CN31
CN23-3
CN21-3
-2
-1
S0V
S0V
FSEN
SLP5V
+5V
RSEN
Document
rear
sensor
Confidential
MFC885CW/685CW/680CN
EMP_THM
EMP_THM_IN
-1
CN3-2
LED_PWR
S0V
Registration
sensor
Document
front
sensor
-2
-1
-1
CN17-2
Paper
feed
motor
CR-
CR+
OUT_A
OUT_B
OUT_B
OUT_A
OUT_B
OUT_A
OUT_B
OUT_A
-11
-10
-9
-8
-7
-6
-5
-4
-3
-2
-1
-12
CLK
SIN1
SIN2
SIN3
VSS2
VSS2
VSS2
VSS2
VSS2
VSS2
T_M_IN
VDD2
VDD2
VDD2
VDD2
T_M
MCNT5V
MEDIA
CNT5V
ENC1
ENC2
Head
CN12
USB
Scanner/ink cartridge
cover sensor
-5
-1
-2
-3
-4
-5
-6
-7
-8
-9
-10
-11
-12
-13
-14
-16
-17
-15
-18
-19
-20
-21
-22
-23
-24
-25
COM
COM -26
-27
CN1-28
FG
FG
VSS2
VSS2
VDD2
VDD2
VSS1
VDD1
FIRE1_2
FIRE0_2
FIRE1_1
FIRE0_1
FIRE1_3
FIRE0_3
VTEMP
SIN2
SIN3
SIN1
SIN0
FIRE1_4
FIRE1_5
FIRE1_5
FIRE0_5
FIRE0_6
FIRE0_4
CLK
CN2-3
-2
-1
SENPOW
CSEN
GND
HEAD 1 HEAD 2 HEAD 3
-1 Main-MJ
(EXT)
CN25b-2
S0V
RELAY
S0V
BAT_N
BAT_P
BATCHK
-3
-2
-1
-4
-5
Cordless
PCB
-6
RING
S0V
S0V
RST
RTS
TXD
S0V
FG
POR
+3.3V
DATA+
DATA-
MFC885CW/685CW only
Line
Ext
VOUT1
VOUT2
HOOK
LEDV
TELSL1
TELRL
M0V
TELSL2
-9
-8
-7
-10
-11
-12
-13
-14
-15
-16
CN32-18
-17
LOUT0D
M0V
CI
LIN0D
MIPD
HSMIPD
RXD
CTS
SPOUTPD
+3.3V
+3.3V
HSSPOUTP
CN1-2
-1
Lb
La Main-MJ
(LINE)
MFC885CW only
MJ PCB
MFC685CW/680CN only
Antenna
P0V
+31V
MFC885CW only
CN16a-2
CN16a-1
Charge
PCB
PictBridge/
USB flash
memory drive
SDIN
S0V
CLK
+5V
-4
-3
-2
-1
Control panel PCB
SDOUT
CN19-4
-3
-2
-1
CIS
motor
CN20-4
-3
-2
-1
ADF
motor
MICP
MICN
CN11-4
-3
-2
-1
Battery
-3
-2
-1
WLAN
PCB
-4
Speaker
-1
CN2-2
-4
-3
-2
-1
Hook
switch
PCB
CN16-6
-5
-6
CN10-7
Microphone
-22
-21
-20
-19
-18
-17
-16
-15
-14
-13
-12
-11
4.2-/3.3-inch wide color LCD
CN8-28
-27
-26
-25
-24
-23
-10
-9
-8
-7
-6
-5
-4
-3
-2
-1
CS1B
RSTB
RS
WDB
RDB
DB0
DB1
DB2
DB3
DB4
DB5
DB6
DB7
LED-VSS
VSS
VDD
LED-V
VSS
DB15
DB14
DB13
DB12
VDD
VSS
DB11
DB10
DB9
DB8

Main PCB
Media 1
xD/SD
/MS
Media 2
CF
CN6
CN7
FG/GND
R-GND
G-GND
B-GND
CLK
VLED
Power
supply
PCB
-3
-2
-1
P0V
+31V CN13-4
P0V
+31V
Wireless PCB
-3
-2
-1
+5V
DATA- -4
FG
DATA+
CN14-6
-5
FG
S0V
TG
VREF
VCC
GND
MODE
AD
CN29-12
-11
-10
-9
-8
-7
-6
-5
-4
-3
-2
-1
CN30
CIS unit
-11
-10
-9
-8
-7
-6
-5
-4
-3
-2
-1
CN28-14
-13
-12
VSS1
VDD1
-11
-10
-9
-8
-7
-6
-5
-4
-3
-2
-1
CN27-13
CN26-12
VTEMP
VSS1
MEDIACNTL
FIRE04
FIRE14
FIRE05
FIRE15
FIRE16
FIRE06
SIN0
FIRE11
FIRE12
FIRE13
FIRE01
FIRE02
FIRE03
Carriage PCB
-8
-7
-6
-5
-4
-3
-2
-1
CN4-9
S0V
EMP
LEDPWR
MCNT
CCNT
YCNT
BCNT
Ink cartridge PCB
Purge
cam
switch
S0V
PURGE
LF-
-1
LF+
CN18-2
Carriage
motor
RESI
SLP5V
S0V
ENC1
ENC2
-6
-5
-4
-3
-2
-1
PF
encorder
sensor
CN15-7
LAN
CN31
CN23-3
CN21-3
-2
-1
S0V
S0V
FSEN
SLP5V
+5V
RSEN
Document
rear
sensor
Confidential
MFC465CN
EMP_THM
EMP_THM_IN
-1
CN3-2
LED_PWR
S0V
Registration
sensor
Document
front
sensor
-2
-1
-1
CN17-2
Paper
feed
motor
CR-
CR+
OUT_A
OUT_B
OUT_B
OUT_A
OUT_B
OUT_A
OUT_B
OUT_A
-12
-11
-10
-9
-8
-7
-6
-5
-4
-3
-2
-1
2.0-inch color LCD
CN8a-18
-17
-16
-15
-14
-13
-11
-10
-9
-8
-7
-6
-5
-4
-3
-2
-1
-12
CLK
SIN1
SIN2
SIN3
VSS2
VSS2
VSS2
VSS2
VSS2
VSS2
T_M_IN
VDD2
VDD2
VDD2
VDD2
T_M
MCNT5V
MEDIA
CNT5V
ENC1
ENC2
Head
CN12
USB
Scanner/ink cartridge
cover sensor
-1
-2
-3
-4
-5
-6
-7
-8
-9
-10
-11
-12
-13
-14
-16
-17
-15
-18
-19
-20
-21
-22
-23
-24
-25
COM
COM -26
-27
CN1-28
FG
FG
VSS2
VSS2
VDD2
VDD2
VSS1
VDD1
FIRE1_2
FIRE0_2
FIRE1_1
FIRE0_1
FIRE1_3
FIRE0_3
VTEMP
SIN2
SIN3
SIN1
SIN0
FIRE1_4
FIRE1_5
FIRE1_6
FIRE0_5
FIRE0_6
FIRE0_4
CLK
CN2-3
-2
-1
SENPOW
CSEN
GND
HEAD 1 HEAD 2 HEAD 3
-3
-2
-1
-4
-5
MJ2
CN24-6
-1 Main-MJ
(EXT)
CN25b-2
S0V
RELAY
+31V
S0V
RELAY
TELOFF
CHRG
GIJI
CN10b-5
-3
-2
-1
-4
-5
Hook
CN16-6
CN2-2
-1 Speaker
TELSL1
TELRL
M0V
TELSL2
HOOK
LEDV
VOUT1
VOUT2
-1
CN1-2
La
Lb
MJ PCB
Main-MJ
(LINE) Line
Ext
-1 MJ1
CN25b-2
-1
CN1-2
MJ PCB
MJ-
Line Line
Ext
S0V
RELAY
La
Lb
PictBridge/
USB flash
memory drive
SDIN
S0V
CLK
+5V
-4
-3
-2
-1
Control panel PCB
SDOUT
CN19-4
-3
-2
-1
CIS
motor
CN20-4
-3
-2
-1
ADF
motor
CS1B
RSTB
RS
WDB
RDB
DB0
DB1
DB2
DB3
DB4
DB5
DB6
DB7
LED-VSS
VSS
VDD
LED-V
VSS
MFC845CW/665CW only

Main PCB
Media 1
xD/SD
/MS
Media 2
CF
CN6
CN5
FG/GND
R-GND
G-GND
B-GND
CLK
VLED
Power supply PCB
-3
-2
-1
P0V
+31V CN24-4
P0V
+31V
TG
VREF
VCC
GND
MODE
AD
CN13-12
-11
-10
-9
-8
-7
-6
-5
-4
-3
-2
-1
CN11
CIS unit
-11
-10
-9
-8
-7
-6
-5
-4
-3
-2
-1
CN15-14
-13
-12
VSS1
VDD1
-11
-10
-9
-8
-7
-6
-5
-4
-3
-2
-1
CN14-13
CN16-12
VTEMP
VSS1
MEDIACNTL
FIRE04
FIRE14
FIRE05
FIRE15
FIRE16
FIRE06
SIN0
FIRE11
FIRE12
FIRE13
FIRE01
FIRE02
FIRE03
Carriage PCB
-8
-7
-6
-5
-4
-3
-2
-1
CN9-9
S0V
EMP
LEDPWR
MCNT
CCNT
YCNT
BCNT
Ink cartridge PCB
Purge
cam
switch
S0V
PURGE
LF-
-1
LF+
CN3-2
Carriage
motor
RESI
SLP5V
S0V
ENC1
ENC2
-6
-5
-4
-3
-2
-1
PF
encorder
sensor
CN23-7
Confidential
MFC265C/260C/235C
EMP_THM
EMP_THM_IN
-1
CN8-2
LED_PWR
S0V
Registration
sensor
-1
CN4-2
Paper
feed
motor
CR-
CR+
OUT_A
OUT_B
OUT_B
OUT_A
-11
-10
-9
-8
-7
-6
-5
-4
-3
-2
-1
-12
CLK
SIN1
SIN2
SIN3
VSS2
VSS2
VSS2
VSS2
VSS2
VSS2
T_M_IN
VDD2
VDD2
VDD2
VDD2
T_M
MCNT5V
MEDIA
CNT5V
ENC1
ENC2
Head
CN20
USB
Scanner/ink cartridge
cover sensor
-1
-2
-3
-4
-5
-6
-7
-8
-9
-10
-11
-12
-13
-14
-16
-17
-15
-18
-19
-20
-21
-22
-23
-24
-25
COM
COM -26
-27
CN1-28
FG
FG
VSS2
VSS2
VDD2
VDD2
VSS1
VDD1
FIRE1_2
FIRE0_2
FIRE1_1
FIRE0_1
FIRE1_3
FIRE0_3
VTEMP
SIN2
SIN3
SIN1
SIN0
FIRE1_4
FIRE1_5
FIRE1_6
FIRE0_5
FIRE0_6
FIRE0_4
CLK
-7
-6
-5
CN2-8
-3
-2
-1
-4
FG
FG
VSS
VDD
VREF
STB
SCK
DATA
HEAD 1 HEAD 2 HEAD 3
PictBridge/
USB flash
memory drive
MFC265C/260C only
MFC265C/260C only
SDIN
S0V
CLK
+5V
CN18-5
-4
-3
-2
-1
Control panel
PCB
SDOUT
CN12-4
-3
-2
-1
CIS
motor
CN4-3
-2
-1 CSEN
GND
SENPOW
16 x 1
monochrome
LCD
CN22-3
CN21-3
-2
-1
S0V
S0V
FSEN
SLP5V
+5V
RSEN
Document
rear
sensor
Document
front
sensor
-2
-1
OUT_B
OUT_A
OUT_B
OUT_A
CN2-4
-3
-2
-1
ADF
motor
-1 Main-MJ
(LINE)
CN1-2
-1 Main-MJ
(EXT)
CN19-2
RDPS
+31V
Lb
La
MJ PCB
Line
Ext
Confidential
Appendix 6. Circuit Diagrams
This appendix provides the circuit diagrams of the MJ PCB and power supply PCB.
A. MJ PCB (U.S.A., Canadian, and Asian models)
MJ PCB (European and Oceanian models)
MJ PCB (S. African models)
B. Power supply PCB (U.S.A. and Canadian models)
Power supply PCB (European, Asian and Oceanian models)

L4
DL-6503C
L6
DL-6503C
L3 RCH-855 332K
FG
S0V
POL
D2 1SS120
C9
C682
JW3
L2
DL-6503C
S0V
D4 1SS120
L5
DL-6503C
L1
RCH-855 332K
CN1
B2B-PH-K-E(LF)(SN)
1La
2Lb
CN2a
B2B-PH-K-K(LF)(SN)
1RELAY
2S0V
R3
39k
POL
CN2b
B3B-PH-K-K(LF)(SN)
1POL
2RELAY
3S0V
C3
C104
S0V
RELAY
RELAY
S0V
CN4
MJ-62J-RD315(LF)
3
Ta
4
Tb
7
FG
8
FG
C8
C473
PH1
PS2521-1
A
K
E
C
C4
C153
C5
C153
CN3
MJ-66J-RD315(LF)
1
S
2
Ta
3
La
4
Lb
5
Tb
6
E
7
FG
8
FG
C6
C474
JW2
JW1
0
C1
C221
C2
C221
D3
P3100ECL
R2
1k
R1
330
F1
SW1
A5X-G-24E-908
1
2
12 11
7
NC
NC NC
NC
NC
NC
NC
NC
D1
RA-302M-C6
JW4
D5
TVB270SC-L
MJ PCB
to
MAIN
SDAA
to Main PCB
to
Line
to
EXT
A. MJ PCB (U.S.A., Canadian, and Asian models)
Confidential

L4
DL-6503C
L6
DL-6503C
L3 RCH-855 332K
FG
S0V
POL
D2 1SS120
C9
C682
JW3
L2
DL-6503C
S0V
D4 1SS120
L5
DL-6503C
L1
RCH-855 332K
CN1
B2B-PH-K-E(LF)(SN)
1La
2Lb
CN2a
B2B-PH-K-K(LF)(SN)
1RELAY
2S0V
R3
39k
POL
CN2b
B3B-PH-K-K(LF)(SN)
1POL
2RELAY
3S0V
C3
C104
S0V
RELAY
RELAY
S0V
CN4
MJ-62J-RD315(LF)
3
Ta
4
Tb
7
FG
8
FG
C8
C473
PH1
PS2521-1
A
K
E
C
C4
C153
C5
C153
CN3
MJ-66J-RD315(LF)
1
S
2
Ta
3
La
4
Lb
5
Tb
6
E
7
FG
8
FG
C6
C474
JW2
JW1
0
C1
C221
C2
C221
D3
P3100ECL
R2
1k
R1
330
F1
SW1
A5X-G-24E-908
1
2
12 11
7
NC
NC NC
NC
NC
NC
NC
NC
D1
RA-302M-C6
JW4
D5
TVB270SC-L
MJ PCB
to
MAIN
SDAA
to Main PCB
to
Line
to
EXT
A. MJ PCB (European and Oceanian models)
Confidential

L4
DL-6503C
L6
DL-6503C
L3 RCH-855 332K
FG
S0V
POL
D2 1SS120
C9
C682
JW3
L2
DL-6503C
S0V
D4 1SS120
L5
DL-6503C
L1
RCH-855 332K
CN1
B2B-PH-K-E(LF)(SN)
1La
2Lb
CN2a
B2B-PH-K-K(LF)(SN)
1RELAY
2S0V
R3
39k
POL
CN2b
B3B-PH-K-K(LF)(SN)
1POL
2RELAY
3S0V
C3
C104
S0V
RELAY
RELAY
S0V
CN4
MJ-62J-RD315(LF)
3
Ta
4
Tb
7
FG
8
FG
C8
C473
PH1
PS2521-1
A
K
E
C
C4
C153
C5
C153
CN3
MJ-66J-RD315(LF)
1
S
2
Ta
3
La
4
Lb
5
Tb
6
E
7
FG
8
FG
C6
C474
JW2
JW1
0
C1
C221
C2
C221
D3
P3100ECL
R2
1k
R1
330
F1
SW1
A5X-G-24E-908
1
2
12 11
7
NC
NC NC
NC
NC
NC
NC
NC
D1
RA-302M-C6
JW4
D5
TVB270SC-L
MJ PCB
to
MAIN
SDAA
to Main PCB
to
Line
to
EXT
A. MJ PCB (S.African models)
Confidential

Confidential
B. Power supply PCB (U.S.A. and Canadian models)

Confidential
B. Power supply PCB (European, Asian and Oceanian models)
Confidential
Appendix 7. Deletion of Personal Information
This appendix provides instructions on how to delete personal information recorded in the
machine and cordless handset(s).
A7.1 Deleting Personal Info from the Machine..................................................... App. 7-1
A7.2 Deleting Personal Info from the Cordless Handset(s).................................. App. 7-2

App. 7-1 Confidential
A7.1 Deleting Personal Info from the Machine
The personal information in the machine is recorded in the EEPROM on the main PCB. It cannot be
deleted all by a single operation. Use Function code 01 in the maintenance mode, unplug the power
cord from the electrical outlet, and disconnect the backup battery*.
*For models with backup battery
[ 1 ] Using Function code 01
Using Function code 01 (EEPROM parameter initialization) in the maintenance mode deletes the
following data that have been recorded in the main PCB:
- Activity report
- Station ID data
- Outside line number
- One-touch dialing
- Speed dialing
- Group dialing
- Call transfer data
Operating Procedure
(1) On the machine, press the Menu and Black Start (Mono Start) keys in this order. Next press
the key four times to make the machine enter the maintenance mode.
TIP: FAX models equipped with a numerical keypad can enter the maintenance mode in the
same way as conventional models; that is, by pressing the Menu, *, 2, 8, 6 and 4 keys in this
order.
(2) Press the 0 and 1 keys in this order.
Parameter initialization starts and the "PARAMETER INIT" appears on the LCD.
(3) Upon completion of parameter initialization, the machine returns to the initial stage of the
maintenance mode.
[ 2 ] Unplugging the power cord from the electrical outlet and disconnecting the backup battery*
*For models with backup battery
Unplugging the power cord from the electrical outlet and disconnecting the backup battery* deletes
the Caller ID list, fax data received into memory, transmission verification report (for image),
broadcasting report and batch transmission data (in the memory).
Operating Procedure
(1) Unplug the power cord from the electrical outlet.
(2) For models with backup battery, disconnect the backup battery harness from the main PCB (see
Chapter 6).
(3) Leave the machine for approx. 24 hours.

App. 7-2 Confidential
A7.2 Deleting Personal Info from the Cordless
Handset(s)
The personal information recorded in the cordless handset can be deleted all at once by a single
operation. The following procedure deletes the records of sent/received calls and telephone
directory recorded in the cordless handset.
Operating Procedure
------------------------------------------------ USA models -------------------------------------------------------
(1) On the cordless handset, press the Menu/OK, *, Menu/OK, and * keys in this order. The
cordless handset displays the following.
Initialize
Settings?
1. Yes 2. No
(2) Press the 1 key. The cordless handset displays the following.
All Delete?
1. Yes 2. No
(3) Press the 1 key again.
All personal information recorded in the cordless handset will be deleted.
(4) Press the Off key.
NOTE: Each cordless handset has individual personal information. If two or more cordless
handsets are used, carry out steps (1) through (4) on each of them.
----------------------------------------------- European models -------------------------------------------------
(1) On the cordless handset, press the Menu/OK key.
(2) Press the or key to choose "HS Settings," then press the Menu/OK key.
(3) Press the or key to choose "HS Default," then press the Menu/OK key.
(4) Press the 1 key.
All personal information recorded in the cordless handset will be deleted.

Confidential
May '07
SM-FAX067
8CAE03(1)
Printed in Japan


