Sec7 VHF2_High Power VHF2 High
Sec7_VHF2_High Power Sec7_VHF2_High Power
User Manual: Sec7-VHF2_High Power
Open the PDF directly: View PDF
.
Page Count: 93
- Sec7Chap4ScheVHF_87Z04.pdf
- 3.0 VHF 2, 25-45W PCB 8486487Z04 / Schematics
- VHF 2 Interconnection between Main Board and Power Amplifier Compartment
- VHF 2 (146-174 MHz) 25-45 W 8486487Z04, Top Side View
- VHF 2 (146-174 MHz) 25-45 W 8486487Z04, Bottom Side View
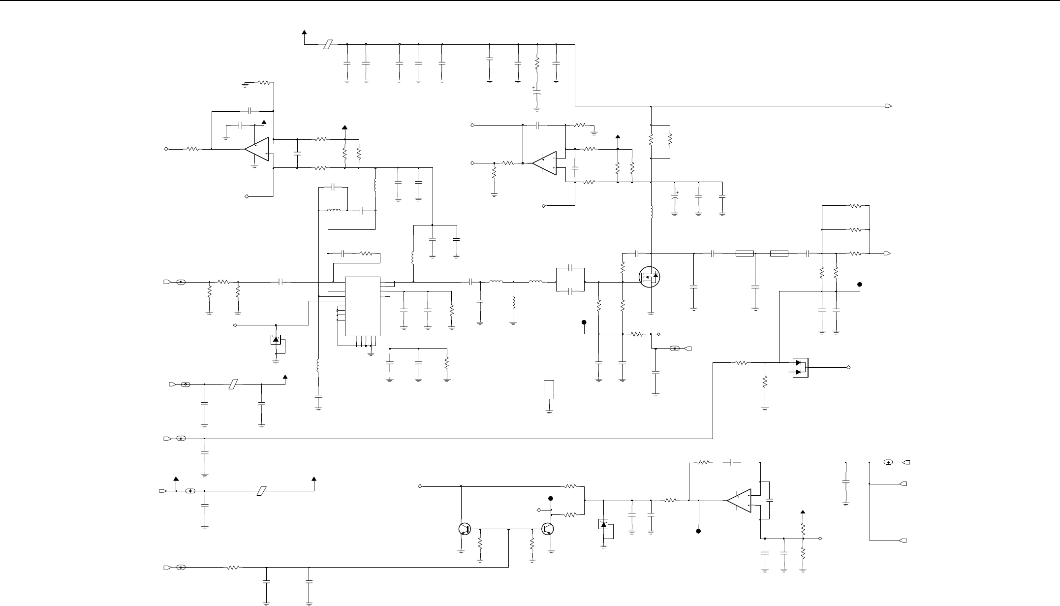
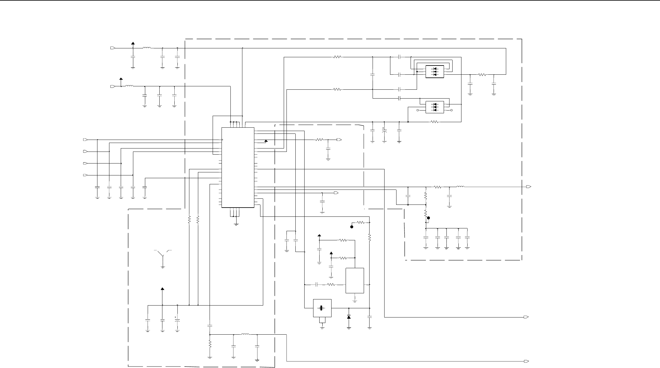
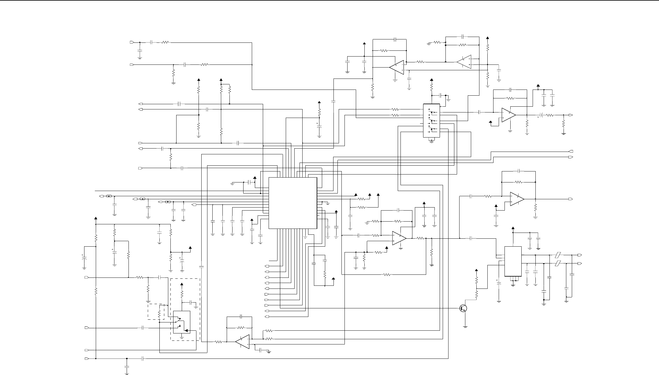
- VHF 2 (146-174 MHz) 25-45W Main Circuit (Sht 1 of 2)
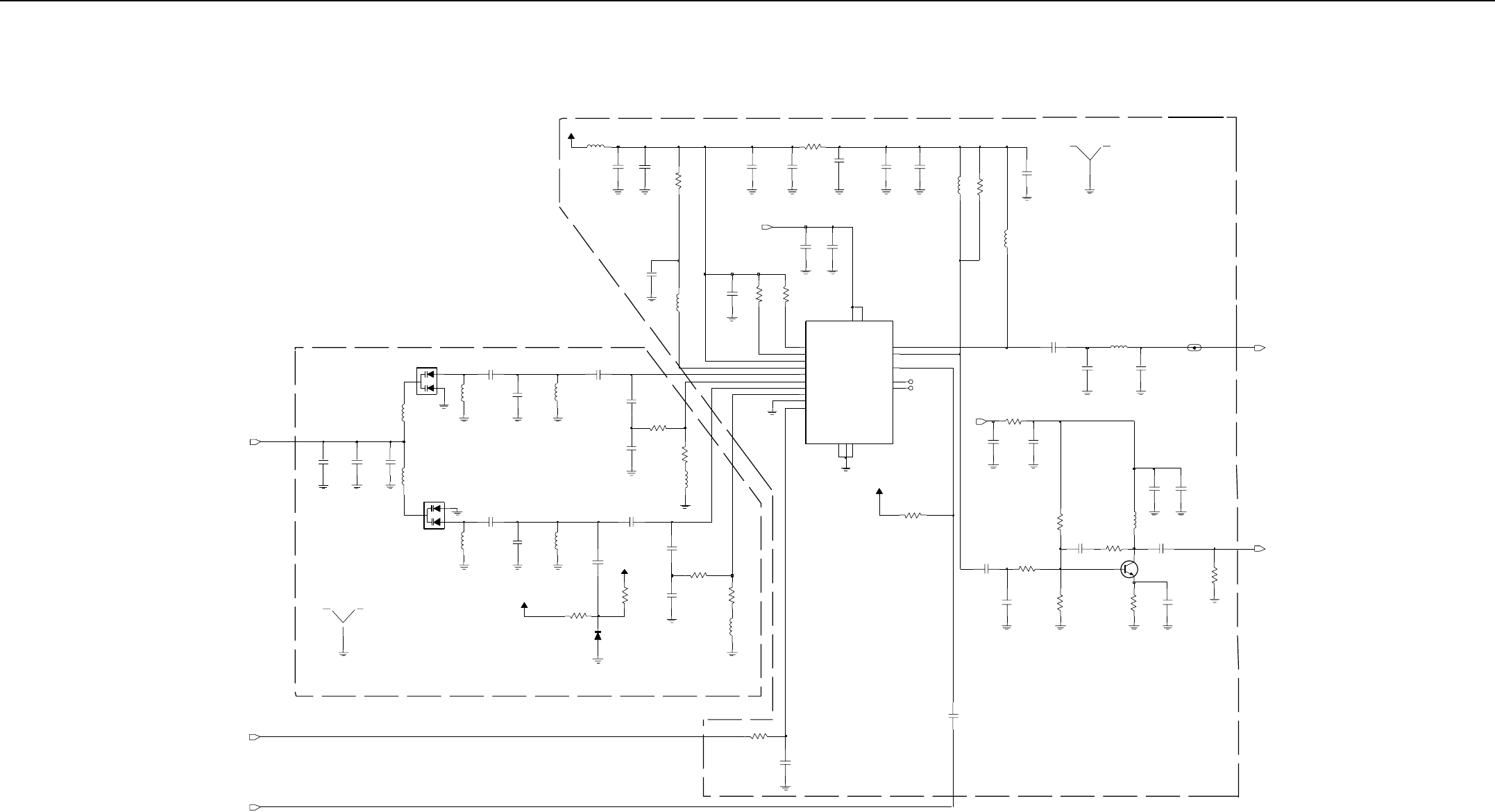
- VHF 2 (146-174 MHz) 25-45W Main Circuit (Sht 2 of 2)
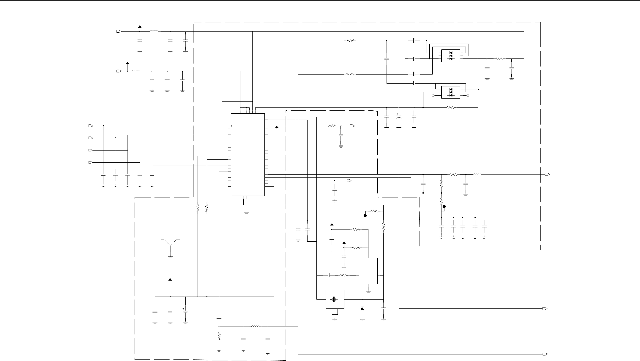
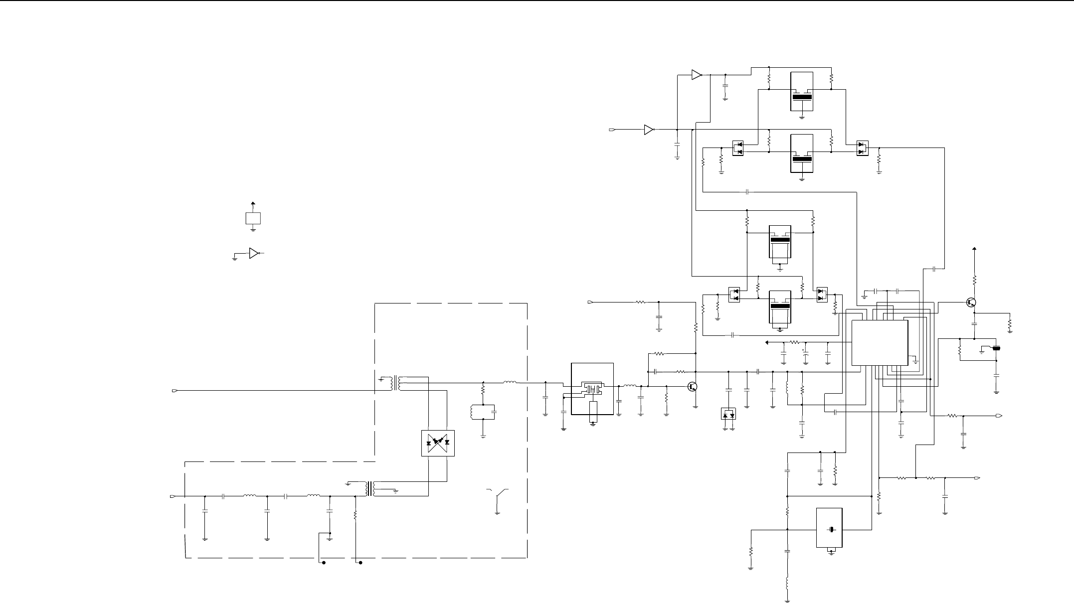
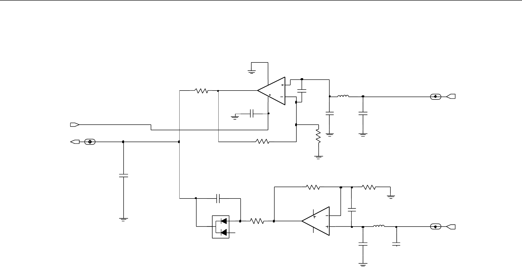
- VHF 2 (146-174 MHz) 25-45W Transmitter (Sht 1 of 2)
- VHF 2 (146-174 MHz) 25-45W Transmitter (Sht 2 of 2)
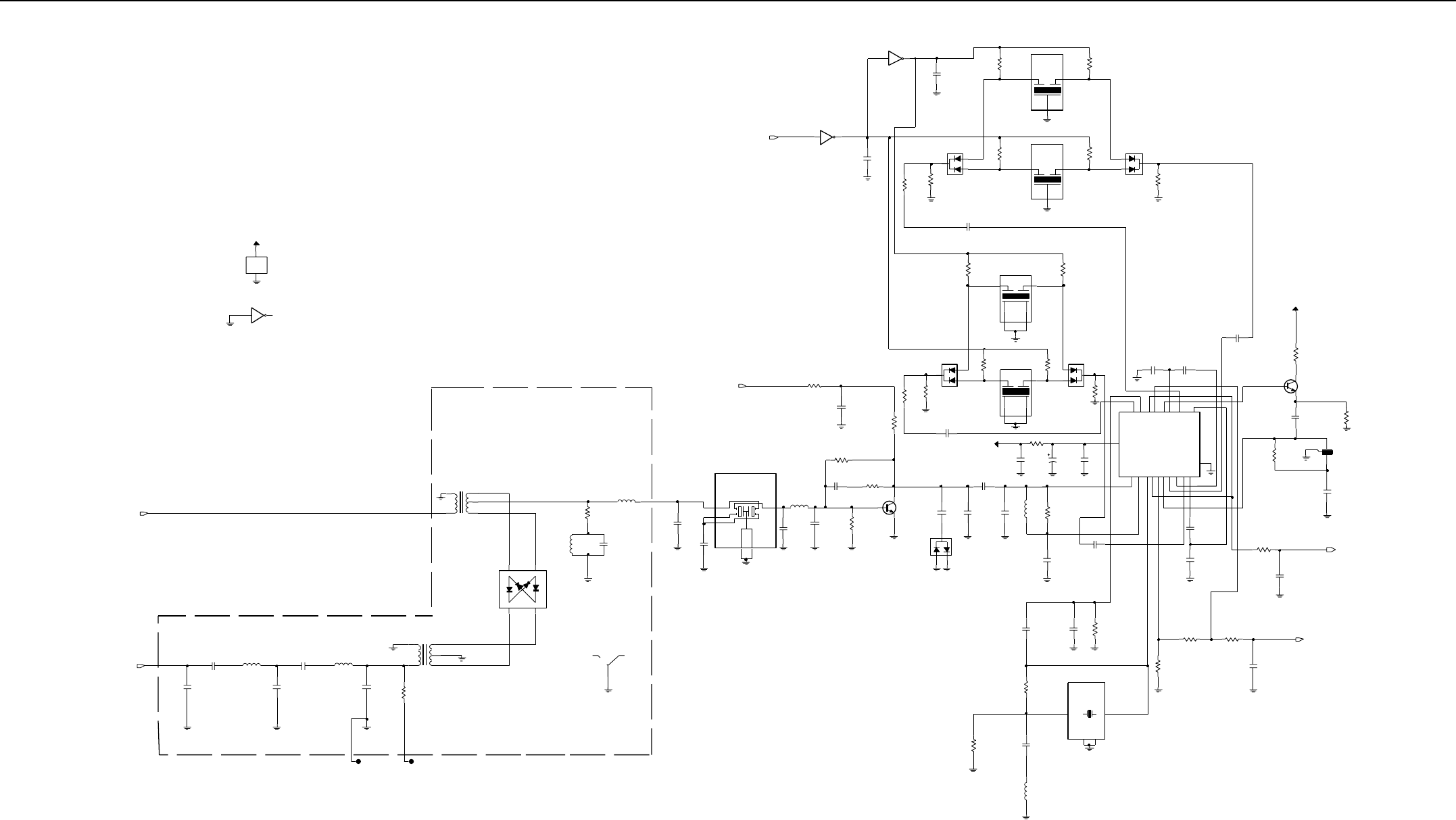
- VHF 2 (146-174 MHz) 25-45W Synthesiser and VCO (Sht 1 of 2)
- VHF 2 (146-174 MHz) 25-45W Synthesiser and VCO (Sht 2 of 2)
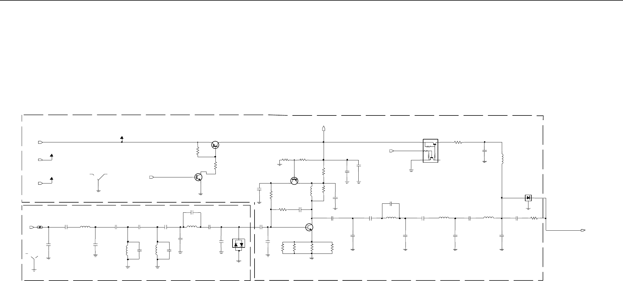
- VHF 2 (146-174 MHz) 25-45W Receiver Front and Back End (Sht 1 of 2)
- VHF 2 (146-174 MHz) 25-45W Receiver Front and Back End (Sht 2 of 2)
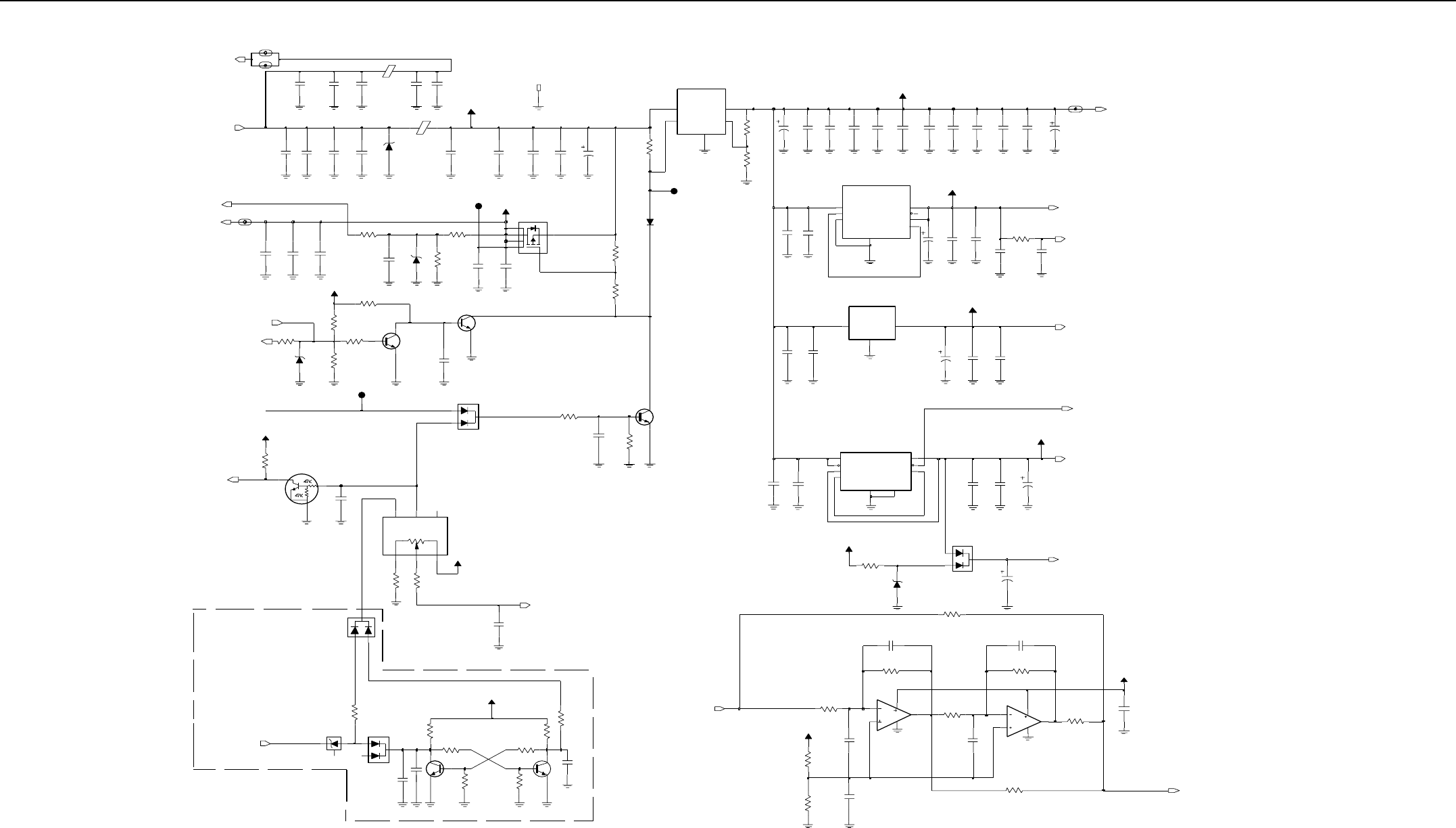
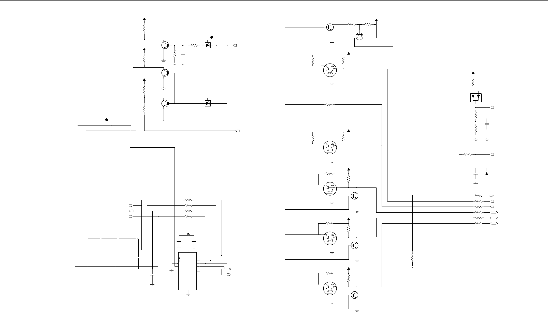
- VHF 2 (146-174 MHz) 25-45W DC and Audio Circuits (Sht 1 of 2)
- VHF 2 (146-174 MHz) 25-45W DC and Audio Circuits (Sht 2 of 2)
- VHF 2 (146-174 MHz) 25-45W Microprocessor and Controller Circuits (Sht 1 of 2)
- VHF 2 (146-174 MHz) 25-45W Microprocessor and Controller Circuits (Sht 2 of 2)
- VHF 2 (146-174 MHz) 25-45W Power Control Circuit
- 3.1 VHF 2 PCB 8486487Z04 Parts List 25-45W
- 3.0 VHF 2, 25-45W PCB 8486487Z04 / Schematics

Commercial Series
CM Radios
VHF2 (146-174MHz) High Power
Service Information
Issue: October 2004

ii
Computer Software Copyrights
The Motorola products described in this manual may include copyrighted Motorola computer programs stored
in semiconductor memories or other media. Laws in the United States and other countries preserve for
Motorola certain exclusive rights for copyrighted computer programs, including the exclusive right to copy or
reproduce in any form, the copyrighted computer program. Accordingly, any copyrighted Motorola computer
programs contained in the Motorola products described in this manual may not be copied or reproduced in
any manner without the express written permission of Motorola. Furthermore, the purchase of Motorola
products shall not be deemed to grant, either directly or by implication, estoppel or otherwise, any license
under the copyrights, patents or patent applications of Motorola, except for the normal non-exclusive royalty-
free license to use that arises by operation of law in the sale of a product.

iii
Table of Contents
Chapter 1 MODEL CHART AND TECHNICAL SPECIFICATIONS
1.0 CM140/CM160 Model Chart ................................................................................1-1
2.0 Technical Specifications ......................................................................................1-2
Chapter 2 THEORY OF OPERATION
1.0 Introduction ..........................................................................................................2-1
2.0 VHF (146-174MHz) Receiver..............................................................................2-1
2.1 Receiver Front-End .......................................................................................2-1
2.2 Receiver Back-End.........................................................................................2-2
3.0 VHF (146-174MHz) Transmitter Power Amplifier ...............................................2-2
3.1 First Power Controller Stage...........................................................................2-2
3.2 Power Controlled Driver Stage .......................................................................2-3
3.3 Final Stage......................................................................................................2-3
3.4 Directional Coupler.........................................................................................2-3
3.5 Antenna Switch...............................................................................................2-3
3.6 Harmonic Filter ...............................................................................................2-4
3.7 Power Control.................................................................................................2-4
4.0 VHF (146-174MHz) Frequency Synthesis ..........................................................2-4
4.1 Reference Oscillator.......................................................................................2-4
4.2 Fractional-N Synthesizer ................................................................................2-5
4.3 Voltage Controlled Oscillator (VCO) ...............................................................2-6
4.4 Synthesizer Operation ....................................................................................2-7
5.0 Controller Theory of Operation ............................................................................2-8
5.1 Radio Power Distribution................................................................................2-8
5.2 Protection Devices........................................................................................2-10
5.3 Automatic On/Off ..........................................................................................2-10
5.4 Microprocessor Clock Synthesiser ...............................................................2-11
5.5 Serial Peripheral Interface (SPI)...................................................................2-12
5.6 SBEP Serial Interface...................................................................................2-12
5.7 General Purpose I/O.....................................................................................2-12
5.8 Normal Microprocessor Operation................................................................2-13
5.9 Static Random Access Memory....................................................................2-14
6.0 Control Board Audio and Signalling Circuits ......................................................2-14
6.1 Audio Signalling Filter IC and Compander (ASFIC CMP) ............................2-14
7.0 Transmit Audio Circuits......................................................................................2-15
7.1 Microphone Input Path .................................................................................2-15
7.2 PTT Sensing and TX Audio Processing .......................................................2-16

iv
8.0 Transmit Signalling Circuits ...............................................................................2-17
8.1 Sub-Audio Data (PL/DPL) ............................................................................2-17
8.2 High Speed Data ..........................................................................................2-18
8.3 Dual Tone Multiple Frequency (DTMF) Data ............................................... 2-18
9.0 Receive Audio Circuits.......................................................................................2-19
9.1 Squelch Detect .............................................................................................2-19
9.2 Audio Processing and Digital Volume Control.............................................. 2-20
9.3 Audio Amplification Speaker (+) Speaker (-) ................................................2-20
9.4 Handset Audio..............................................................................................2-21
9.5 Filtered Audio and Flat Audio ....................................................................... 2-21
10.0 Receive Audio Circuits .....................................................................................2-21
10.1 Sub-Audio Data (PL/DPL) and High Speed Data Decoder ..........................2-21
10.2 Alert Tone Circuits........................................................................................ 2-22
Chapter 3 TROUBLESHOOTING CHARTS
1.0 Troubleshooting Flow Chart for Receiver RF (Sheet 1 of 2)................................3-2
1.1 Troubleshooting Flow Chart for Receiver (Sheet 2 of 2) ................................3-3
2.0 Troubleshooting Flow Chart for 45W Transmitter (Sheet 1 of 3) ........................3-4
2.1 Troubleshooting Flow Chart for 45W Transmitter (Sheet 2 of 3)...................3-5
2.2 Troubleshooting Flow Chart for 45W Transmitter (Sheet 3 of 3)...................3-6
3.0 Troubleshooting Flow Chart for Synthesizer .......................................................3-7
4.0 Troubleshooting Flow Chart for VCO...................................................................3-8
5.0 Troubleshooting Flow Chart for DC Supply (Sheet 1 of 2) ..................................3-9
5.1 Troubleshooting Flow Chart for DC Supply (Sheet 2 of 2) ...........................3-10
Chapter 4 VHF PCB/SCHEMATICS/PARTS LISTS
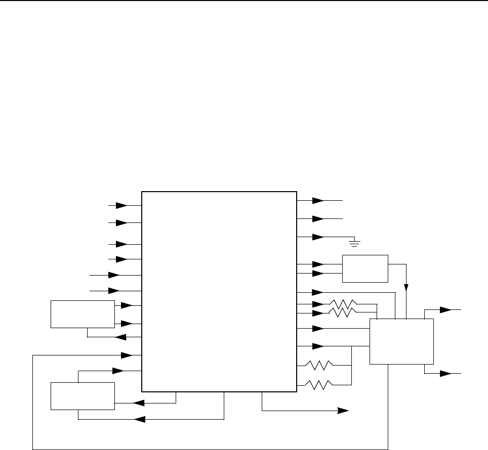
1.0 Allocation of Schematics and Circuit Boards .......................................................4-1
1.1 VHF2 25-45W and Controller Circuits ............................................................4-1
2.0 VHF2 25-45W PCB 8486487Z03-B / Schematics ...............................................4-3
2.1 VHF2 25-45W PCB 8486487Z03-B Parts List ............................................. 4-19
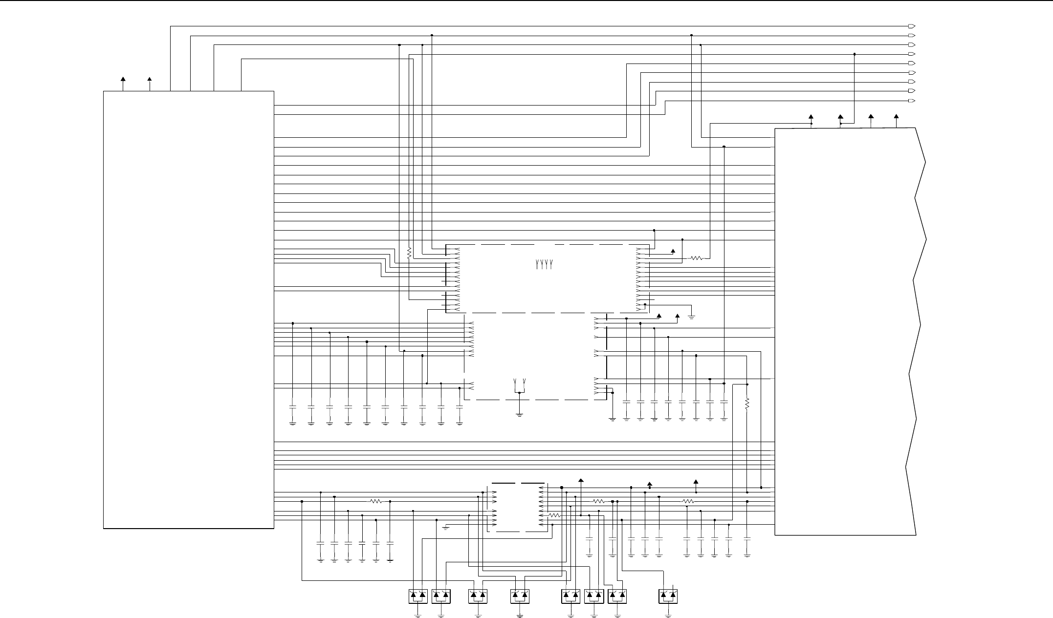
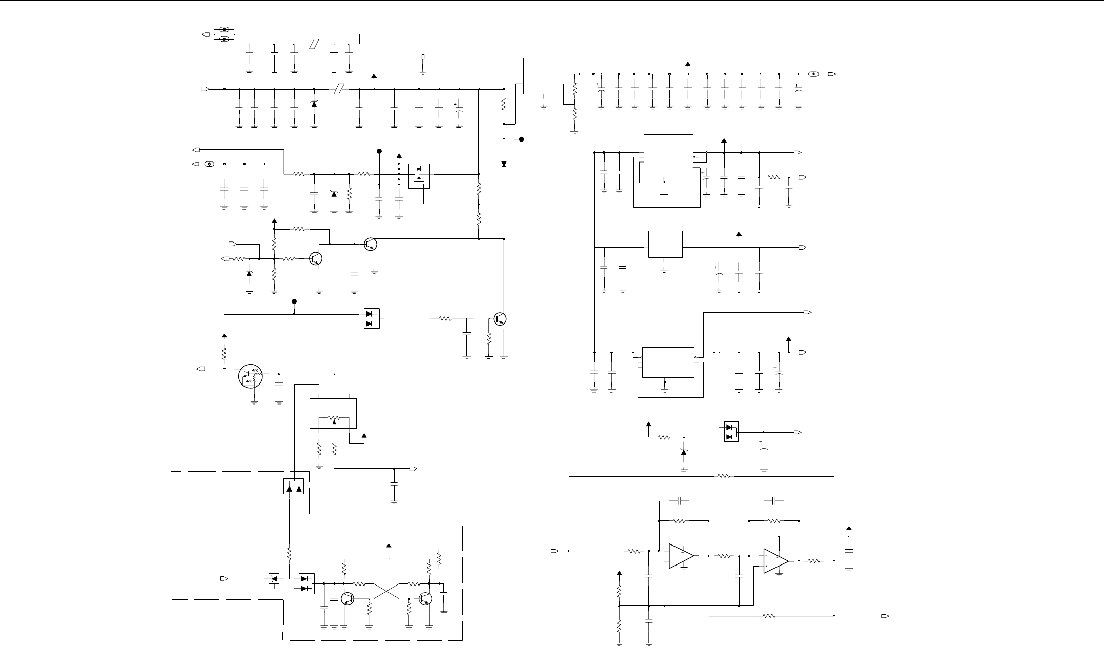
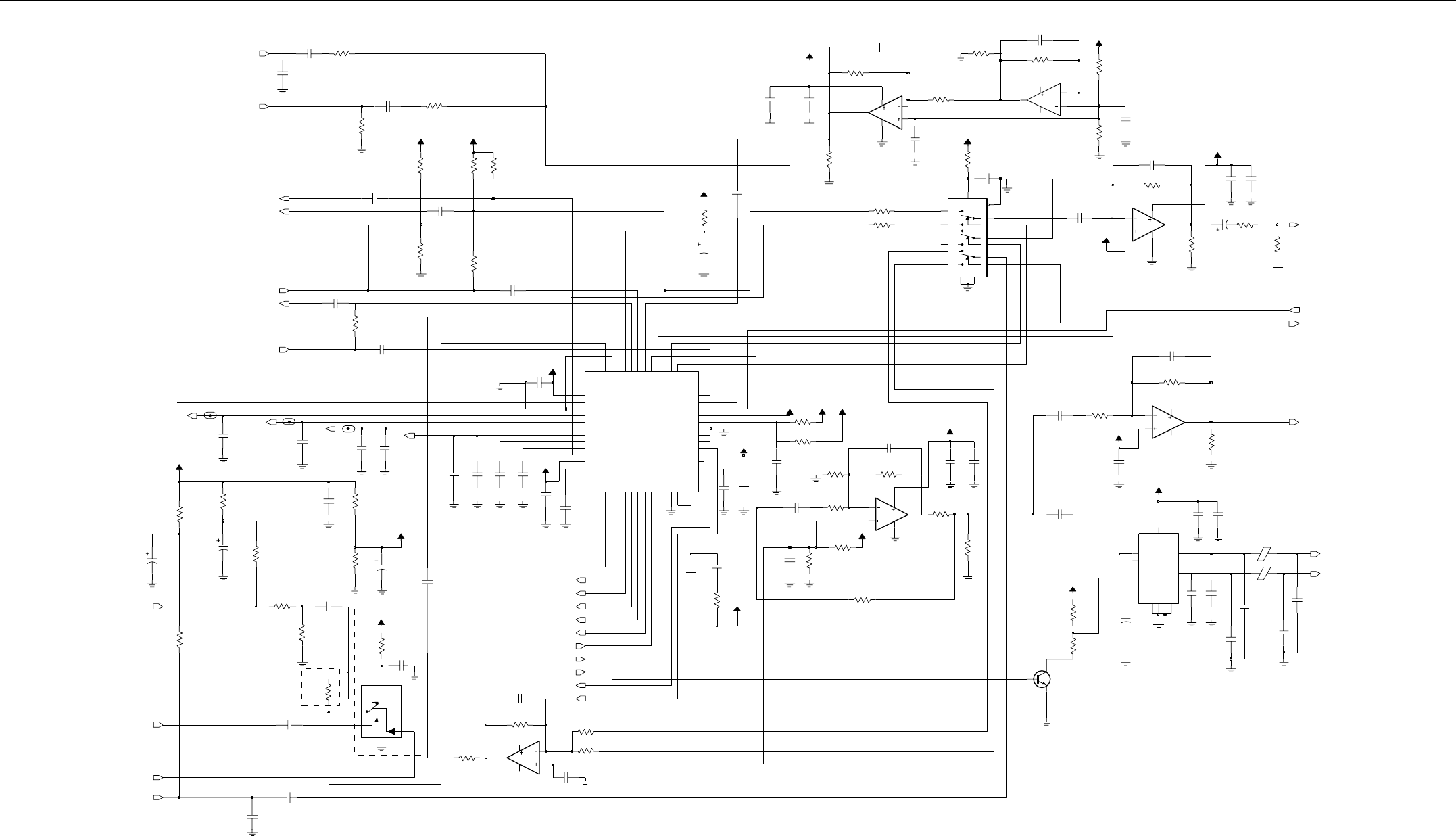
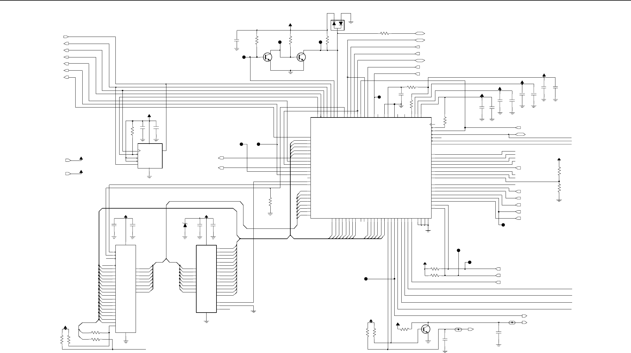
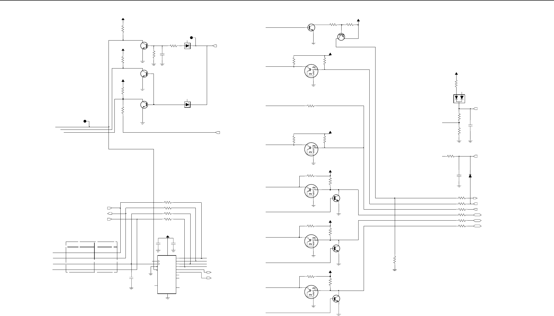
3.0 VHF2 25-45W PCB 8486487Z04 / Schematics.................................................4-29
3.1 VHF2 25-45W PCB 8486487Z04 Parts List .................................................4-45

Chapter 1
MODEL CHART AND TECHNICAL SPECIFICATIONS
1.0 CM140/CM160 Model Chart
CM Series, VHF2, 146-174 MHz
Model Description
MDM50KQC9AA2 CM140 146-174 MHz, 45W, 8CH, BNC
MDM50KQF9AA2 CM160 146-174 MHz, 45W, 64CH, BNC
Item Description
X PMUD1848_ CM140 Super Tanapa VHF2, 45W, 8CH, BNC
X PMUD1894_ CM160 Super Tanapa VHF2, 45W, 64CH, BNC
X PMUD1885_ CM140 Tanapa VHF2, 45W, 8CH, BNC
X PMUD1887_ CM160 Tanapa VHF2, 45W, 64CH, BNC
X FCN6288_ Control Head
X FCN5523_ Control Head
X PMUD1885_S CM140 UHF2 U/C BNC Service Board
X PMUD1887_S CM160 UHF2 U/C BNC Service Board
XXRMN5018 Mag One Microphone
X X 6866546D02_ RTTE Leaflet
X X 6866537D37_ Safety Leaflet
X X GLN7324_ Low Profile Trunnion
x = Indicates one of each is required.

1-2 MODEL CHART AND TECHNICAL SPECIFICATIONS
2.0 Technical Specifications
Data is specified for +25°C unless otherwise stated.
General
Specification VHF2
Frequency Range: 146-174 MHz
Frequency Stability
(-30°C to +60°C, 25°C Ref.)
±2 PPM
Channel Capacity: CM140 - 8
CM160 - 64
Channel Spacing: 12.5/20/25 kHz
Power Output: 25-45W
Power Supply: 13.2Vdc (10.8 - 15.6 Vdc) negative vehicle ground
Dimensions (L X W X H) 118mm X 169mm X 44mm
Weight:
Low power (1-25W) 1.02 Kg
Operating Temperature -30 to 60 o C
Storage temperature -40 to 80o C
Shock and Vibration Meets MIL-STD 810-C,D&E and TIA/EIA 603
Dust Meets MIL-STD 810-C,D&E and TIA/EIA 603
Humidity Meets MIL-STD 810-C,D&E and TIA/EIA 603

Technical Specifications 1-3
*Availability subject to the laws and regulations of individual countries.
Transmitter
Specification VHF2
Frequency Stability: +/- 2.5ppm
Modulation Limiting: ±2.5 kHz @ 12.5 kHz
±4.0 kHz @ 20 kHz
±5.0 kHz @ 20/25 kHz
Current Drain Transmit: 7A (25W)
FM Hum and Noise: -40 dB@12.5 kHz
-45 dB@ 20/25 kHz
Conducted/Radiated
Emissions:
-36 dBm < 1 GHz
-30 dBm > 1 GHz
Adjacent Channel Power -60dB @12.5,
-70dB @ 20/25kHz
Audio Response:
( 300 to 3000Hz) +1, -3dB
Audio Distortion:
@ 1000 Hz, 60%
Rated Maximum Deviation:
3% Typical
Receiver
Specification VHF2
Sensitivity (12dBSINAD): (ETS) 0.35µV (12.5kHz) 0.30µV (25kHz) Typical
Intermodulation : (ETS) >65dB
Adjacent Channel
Selectivity: (ETS)
75 dB @ 25 kHz
65 dB @ 12.5 kHz
Spurious Rejection: (ETS) 75 dB
Rated Audio: (ETS) (Extended audio with 4 Ohm
speaker)
4W Internal , 13W External
Audio Distortion @ Rated Audio: 3% Typical
Hum and Noise: -40 dB @ 12.5 kHz
-45 dB @ 20/25 kHz
Audio Response:
( 300 to 3000Hz) +1, -3dB
Conducted Spurious
Emission per FCC Part 15:
-57 dBm <1 GHz
-47 dBm >1 GHz

1-4 MODEL CHART AND TECHNICAL SPECIFICATIONS

Chapter 2
THEORY OF OPERATION
1.0 Introduction
This Chapter provides a detailed theory of operation for the VHF circuits in the radio. Details of the
theory of operation and trouble shooting for the the associated Controller circuits are included in this
Section of the manual.
2.0 VHF (146-174MHz) Receiver
2.1 Receiver Front-End
The received signal is applied to the radio’s antenna input connector and routed through the
harmonic filter and antenna switch. The insertion loss of the harmonic filter/antenna switch is less
than 1 dB. The signal is routed to the first filter (4-pole), which has an insertion loss of 2 dB typically.
The output of the filter is matched to the base of the LNA (Q303) that provides a 16 dB gain and a
noise figure of better than 2 dB. Current source Q301 is used to maintain the collector current of
Q303. Diode CR301 protects Q303 by clamping excessive input signals. Q303 output is applied to
the second filter (3-pole) which has an insertion loss of 1.5 dB. In Distance mode, Q304 turns on and
causes D305 to conduct, thus bypassing C322 and R337. In Local mode, the signal is routed
through C322 and R337, thus inserting 7 dB attenuation. Since the attenuator is located after the RF
amplifier, the receiver sensitivity is reduced only by 6 dB, while the overall third order input intercept
is raised.
The first mixer is a passive, double-balanced type, consisting of T300, T301 and U302. This mixer
provides all of the necessary rejection of the half-IF spurious response. High-side injection at +15
dBm is delivered to the first mixer. The mixer output is then connected to a duplex network which
matches its output to the XTAL filter input (FL300) at the IF frequency of 44.85 MHz. The duplex
network terminates into a 50 ohm resistor (R340) at all other frequencies.
Figure 2-1 VHF Receiver Block Diagram
Mixer Xtal Filter
Controller
Front Filter
Antenna
First LO
2nd LO Xtal Osc
IF Amp
Second Filter 4- Pole
25kHzFilter
12.5kHzFilter
Phase Shift
Element
IFIC
LNA
25kHzFilter
12.5kHzFilter

2-2 THEORY OF OPERATION
2.2 Receiver Back End
The IF signal from the crystal filter enters the IF amplifier which provides 20 dB of gain and feeds
the IF IC at pin 1. The first IF signal at 44.85 MHz mixes with the second local oscillator (LO) at
44.395 MHz to produce the second IF at 455 kHz. The second LO uses the external crystal Y301.
The second IF signal is amplified and filtered by two external ceramic filters (FL303/FL302 for
12.5KHz channel spacing and FL304/FL301 for 25KHz channel spacing). The IF IC demodulates
the signal by means of a quadrature detector and feeds the detected audio (via pin 7) to the audio
processing circuits. At IF IC pin 5, an RSSI signal is available with a dynamic range of 70 dB.
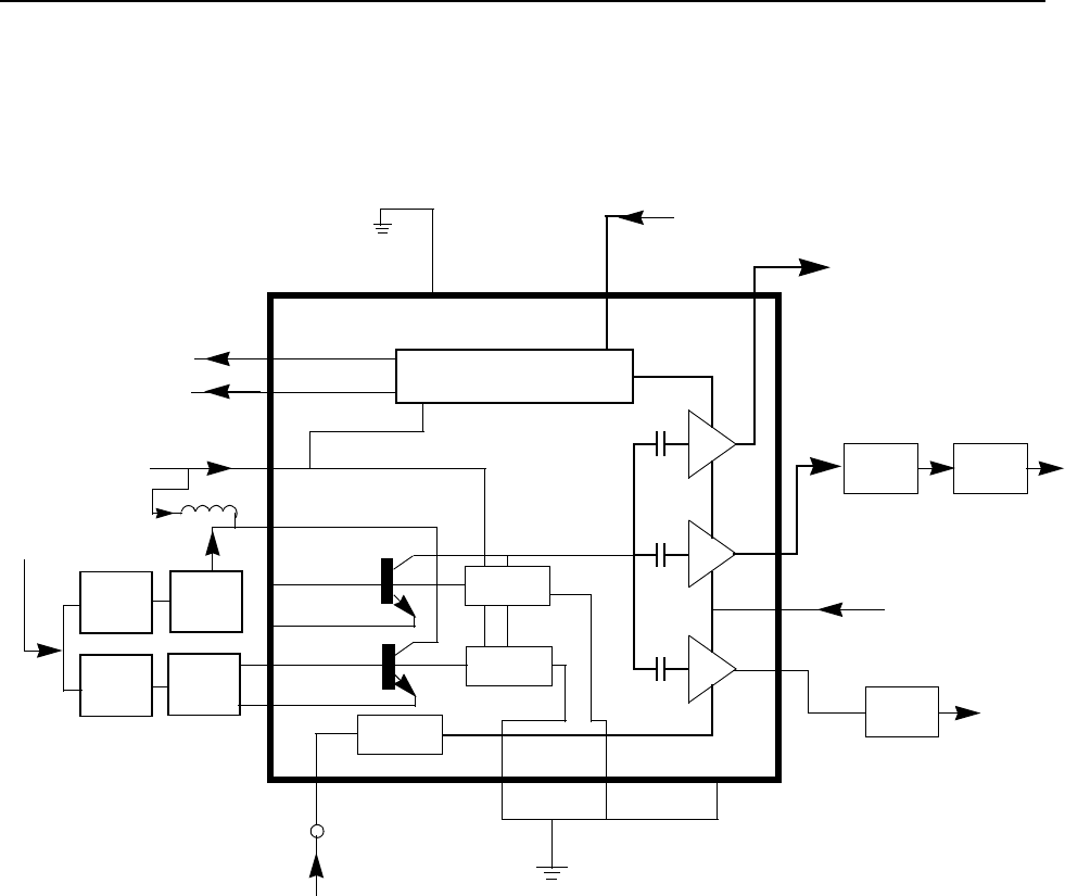
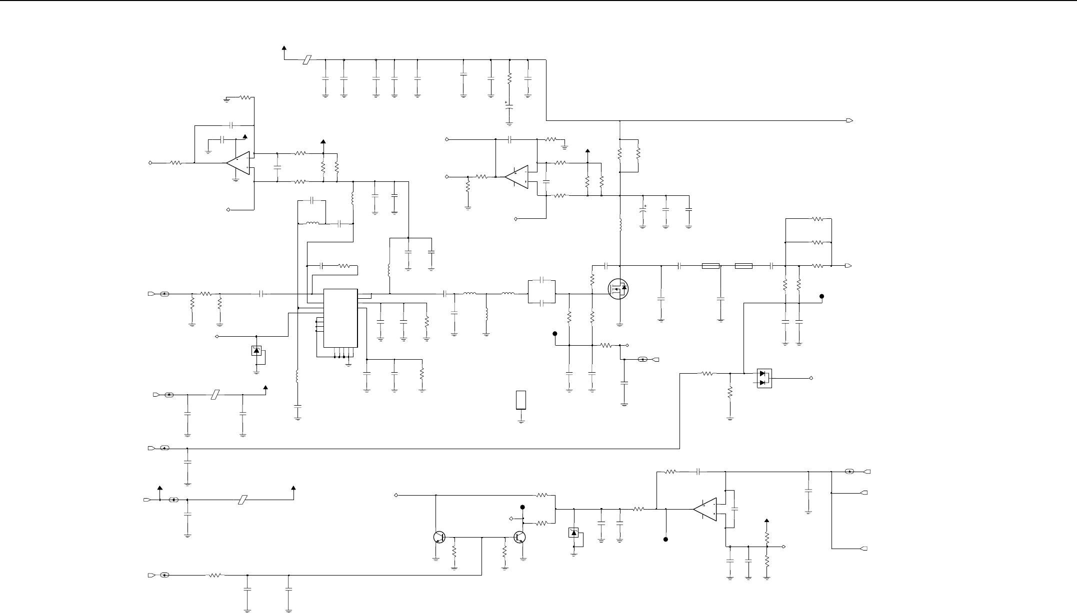
3.0 VHF Transmitter Power Amplifier (146-174 MHz)
The radio’s 45W PA is a three-stage amplifier used to amplify the output from the TX_INJ to the
antenna port. All three stages utilize LDMOS technology. The gain of the first stage (U101) is
adjustable and is controlled by pin 7 of U103-2 via U103-3 and U102-1. It is followed by an LDMOS
driver Q105 and final stage Q100.
Figure 2-2 VHF Transmitter Block Diagram
Devices U101, Q105 and Q100 are surface mounted.Two screws with Belleville washers provide
direct pressure ensuring good thermal contact between both the driver and final stage, and the
chassis.
3.1 First Power Controller Stage
The first stage (U101) is a 20dB gain integrated circuit containing two LDMOS FET amplifier stages.
It amplifies the RF signal from the VCO (TX_INJ). The output power of stage U101 is controlled by a
DC voltage applied to pin 1 from the op-amp U103-3, pin 8. The control voltage simultaneously
varies the bias of two FET stages within U101. This biasing point determines the overall gain of
U101 and therefore its output drive level to Q105, which in turn controls the output power of the PA.
Loop
Pin Diode
Antenna
Switch RF Jack
Antenna
Harmonic
Filter
Coupler
PA-Final
Stage
From VCO (TX_INJ)
Controlled
Stage
Bias
Temperature
Sense
SPI BUS
ASFIC_CMP
PA
PWR
SET
PA
Driver
Controller
U103-2
Forward
Bias

VHF Transmitter Power Amplifier (146-174 MHz) 2-3
Op-amp U103-3 monitors the drain current of U101 via resistor R122 and adjusts the bias voltage of
U101.
In receive mode, the DC voltage from RX_EN line turns on Q101, which in turn switches off the
biasing voltage to U101.
3.2 Power Controlled Driver Stage
The next stage is an LDMOS device (Q105) which provides a gain of 12dB. This device requires a
positive gate bias and a quiescent current flow for proper operation. The bias is set during transmit
mode by the V_cntrl_driver which is set to provide 100-150mA of quiescent current by the factory,
and fed to the gate of Q105 via the resistive network.
The V_cntrl_driver is directly controlled by the ASFIC CMP. In receive mode, the ASFIC CMP
(U504) sets V_cntrl_driver to 0V (DACR pin 5).
3.3 Final Stage
The final stage is an LDMOS device (Q100) providing a gain of 12dB. This device also requires a
positive gate bias and a quiescent current flow for proper operation. The voltage of the line PA_BIAS
is set in transmit mode by the ASFIC and fed to the gate of Q100 via the resistive network R134,
R131. This bias voltage is tuned in the factory. If the transistor is replaced, the bias voltage must be
tuned using the Tuner. Care must be taken not to damage the device by exceeding the maximum
allowed bias voltage. The device’s drain current is drawn directly from the radio’s DC supply voltage
input, B+, via L117 and L115.
A matching network consisting of C1004-5, C1007-9, C1096, C1021, C1013, C1019, L116: and two
striplines, transforms the impedance to 50 ohms and feeds the directional coupler.
3.4 Bi-Directional Coupler
The bi-directional Coupler is a microstrip printed circuit, which couples a small amount of the
forward and reverse power of the RF power from Q100.The coupled signal is rectified to an output
power which is proportional to the DC voltage rectified by diode D105; and the resulting DC voltage
is routed to the power control section to ensure that the forward power out of the radio is held to a
constant value.
3.5 Antenna Switch
The antenna switch utilizes the existing dc feed (B+) to the last stage device (Q100). The basic
operation is to have both PIN diodes (D103, D104) turned on during key-up by forward biasing
them. This is achieved by pulling down the voltage at the cathode end of D104 to around 12.4V
(0.7V drop across each diode). The current through the diodes needs to be set around 100 mA to
fully open the transmit path through resistor R108. Q106 is a current source controlled by Q103
which is turned on in Tx mode by TX_EN. VR102 ensures that the voltage at resistor R107 never
exceeds 5.6V.

2-4 THEORY OF OPERATION
3.6 Harmonic Filter
Inductors L111, L112, L124 and L113 along with capacitors C11321, C1022, C1020, C1137, C1018
and C1017 form a low-pass filter to attenuate harmonic energy coming from the transmitter.
Resistor R150 drains any electrostatic charges that might otherwise build up on the antenna. The
harmonic filter also prevents high level RF signals above the receiver passband from reaching the
receiver circuits to improve spurious response rejection.
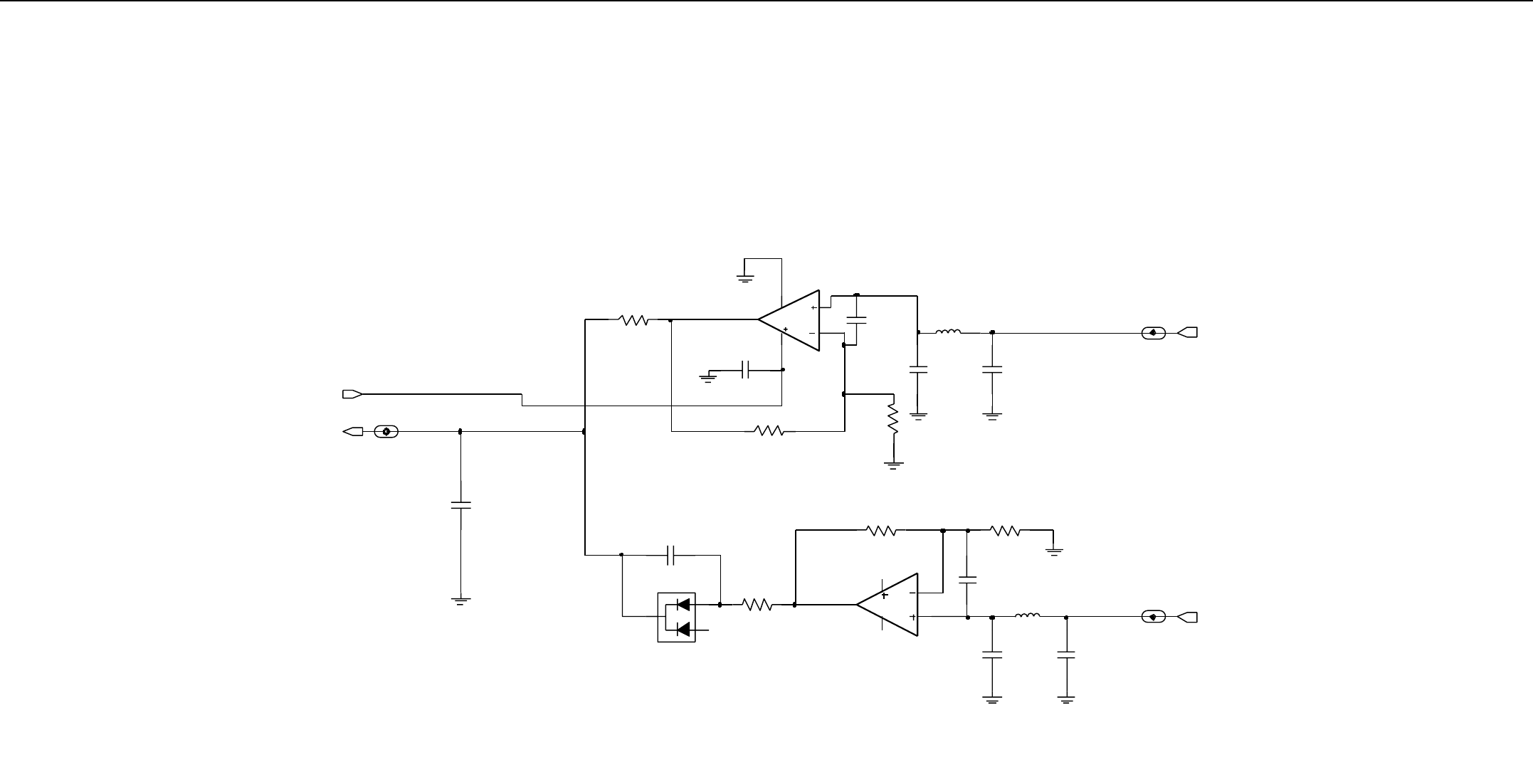
3.7 Power Control
The output power is regulated by using a forward power detection control loop. A directional coupler
samples a portion of the forward and reflected RF power. The forward sampled RF is rectified by
diode D105, and the resulting DC voltage is routed to the operational amplifier U100. The error
output current is then routed to an integrator, and converted into the control voltage. This voltage
controls the bias of the pre-driver (U101) stage. The output power level is set by way of a DAC,
PWR_SET, in the audio processing IC (U504), which acts at the forward power control loop
reference.
The sampled reflected power is rectified by diode D107. The resulting DC voltage is amplified by an
operational amplifier U100 and routed to the summing junction. This detector protects the final stage
Q100 from reflected power by increasing the error current. The temperature sensor protects the
final stage Q100 from overheating by increasing the error current. A thermistor RT100 measures the
final stage Q100 temperature. The voltage divider output is routed to an operational amplifier U103
and then goes to the summing junction. The Zener Diode VR101 keeps the loop control voltage
below 5.6V and eliminates the DC current from the 9.3 regulator U501.
A local loop for the Pre Driver (U101) is used in order to stabilize the current for each stage.
In Rx mode, the two transistors Q101 and Q102 go to saturation and shut down the transmitter by
applying ground to the Pre Driver U101.
4.0 VHF (146-174MHz) Frequency Synthesis
The synthesizer consists of a reference oscillator (Y201), low voltage Fractional-N (LVFRAC-N)
synthesizer (U200), and a voltage controlled oscillator (VCO) (U201).
4.1 Reference Oscillator
The reference oscillator is a crystal (Y201) controlled Colpitts oscillator and has a frequency of
16.8MHz. The oscillator transistor and start-up circuit are located in the LVFRAC-N (U200) while the
oscillator feedback capacitors, crystal, and tuning varactors are external. An analog-to-digital (A/D)
converter internal to the LVFRAC-N (U200) and controlled by the microprocessor via SPI sets the
voltage at the warp output of U200 pin 25. This sets the frequency of the oscillator. Consequently,
the output of the crystal Y201 is applied to U200 pin 23.
The method of temperature compensation is to apply an inverse Bechmann voltage curve, which
matches the crystal’s Bechmann curve to a varactor that constantly shifts the oscillator back on
frequency. The crystal vendor characterizes the crystal over a specified temperature range and
codes this information into a bar code that is printed on the crystal package. In production, this
crystal code is read via a 2-dimensional bar code reader and the parameters are saved.

VHF (146-174MHz) Frequency Synthesis 2-5
This oscillator is temperature compensated to an accuracy of +/-2.5 PPM from -30 to 60 degrees C.
The temperature compensation scheme is implemented by an algorithm that uses five crystal
parameters (four characterize the inverse Bechmann voltage curve and one for frequency accuracy
of the reference oscillator at 25 degrees C). This algorithm is implemented by the LVFRAC-N (U200)
at the power up of the radio.
4.2 Fractional-N Synthesizer
The LVFRAC-N U200 consists of a pre-scaler, programmable loop divider, control divider logic,
phase detector, charge pump, A/D converter for low frequency digital modulation, balanced
attenuator used to balance the high and low frequency analog modulation, 13V positive voltage
multiplier, serial interface for control, and a super filter for the regulated 5 volts.
Figure 2-3 VHF Synthesizer Block Diagram
A voltage of 5V applied to the super filter input (U200, pin 30) supplies an output voltage of 4.5Vdc
(VSF) at U200, pin 28. This supplies 4.5 V to the VCO Buffer IC U201.
To generate a high voltage to supply the phase detector (charge pump) output stage at pin VCP
(U200, pin 47) while using a low voltage 3.3Vdc supply, a 13V positive voltage multiplier is used
(D200, D201, and capacitors C2024, 2025, 2026, 2055, 2027, 2001).
Output lock (U200, pin 4) provides information about the lock status of the synthesizer loop. A high
level at this output indicates a stable loop. A 16.8 MHz reference frequency is provided at U200, pin
19.
DATA
CLK
CEX
MODIN
VCC, DC5V
XTAL1
XTAL2
WARP
PREIN
VCP
REFERENCE
OSCILLATOR
VOLTAGE
MULTIPLIER
DATA (U403 PIN 100)
CLOCK (U403 PIN 1)
CSX (U403 PIN 2)
MOD IN (U501 PIN 40)
+5V (U503 PIN 1)
7
8
9
10
13, 30
23
24
25
32
47
VMULT2 VMULT1
BIAS1
SFOUT
AUX3
AUX4
IADAPT
IOUT
GND
FREFOUT
LOCK 4
19
6, 22, 33, 44
43
45
3
2
28
14 15
40
FILTERED 5V
STEERING
LOCK (U403 PIN 56)
PRESCALER IN
FREF (U504 PIN 34)
39
BIAS2
41
48
5, 20, 34, 36
+5V (U503 PIN 1)
AUX1
VDD, DC5V MODOUT
U200
LOW VOLTAGE
FRACTIONAL-N
SYNTHESIZER
AUX2 1
BWSELECT
VCO Bias
TRB
To IF
Section
TX RF INJECTION
(1ST STAGE OF PA)
LO RF INJECTION
VOLTAGE
CONTROLLED
OSCILLATOR
LINE
LOOP
FILTER

2-6 THEORY OF OPERATION
4.3 Voltage Controlled Oscillator (VCO)
The Voltage Controlled Oscillator (VCO) consists of the VCO/Buffer IC (VCOBIC, U201), the TX and
RX tank circuits, the external RX amplifier, and the modulation circuitry.
Figure 2-4 VHF VCO Block Diagram
The VCOBIC together with the LVFRAC-N (U200) generate the required frequencies in both
transmit and receive modes. The TRB line (U201, pin 19) determines which VCO and buffer is
enabled (high being TX output at pin 10, low being RX output at pin 8). A sample of the signal from
the enabled output is routed from U201, pin 12 (PRESC_OUT), via a low pass filter to U200, pin 32
(PREIN).
A steering line voltage between 3.0V and 10.0V at varactor D204 tunes the TX VCO through the
frequency range of 146-174MHz, and at D203 tunes the RX VCO through the frequency range of
190-219MHz.
The external RX amplifier is used to increase the output from U201, pin 9 from 3-4 dBm to the
required 15dBm for proper mixer operation. In TX mode, the modulation signal from the LVFRAC-N
(U200, pin 41) is applied to the VCO by way of the modulation circuit D205, R212, R211, C2073.
Presc
RX
TX
Q200 Low Pass
Filter
Attenuator
Pin8
Pin14
Pin10
(U200 Pin28)
VCC Buffers
TX RF Injection
U200 Pin 32
AUX3 (U200 Pin 2)
Prescaler Out
Pin 12Pin 19
Pin 20
TX/RX/BS
Switching Network
U201
VCOBIC
Rx
Active Bias
Tx
Active Bias
Pin2
Rx-I adjust
Pin1
Tx-I adjust
Pins 9,11,17
Pin18
Vsens
Circuit
Pin15
Pin16
RX VCO
Circuit
TX VCO
Circuit
RX Tank
TX Tank
Pin7
Vcc-Superfilter
Collector/RF in
Pin4
Pin5
Pin6
RX
TX
(U200 Pin 28)
Rx-SW
Tx-SW
Vcc-Logic
(U200 Pin 28)
Steer Line
Voltage
(VCTRL)
Pin13
Pin3
TRB IN
LO RF INJECTION
Buffer

VHF (146-174MHz) Frequency Synthesis 2-7
4.4 Synthesizer Operation
The synthesizer consists of a low voltage FRAC-N IC (LVFRAC-N), reference oscillator, charge
pump circuits, loop filter circuit, and DC supply. The output signal (PRESC_OUT) of the VCOBIC
(U201, pin 12) is fed to the PREIN, pin 32 of U200 via a low pass filter which attenuates harmonics
and provides a correct input level to the LVFRAC-N in order to close the synthesizer loop.
The pre-scaler in the synthesizer (U200) is a dual modulus pre-scaler with selectable divider ratios.
The divider ratio of the pre-scaler is controlled by the loop divider, which in turn receives its inputs
via the SPI. The output of the pre-scaler is applied to the loop divider. The output of the loop divider
is connected to the phase detector, which compares the loop divider’s output signal with the
reference signal. The reference signal is generated by dividing down the signal of the reference
oscillator (Y201).
The output signal of the phase detector is a pulsed dc signal that is routed to the charge pump. The
charge pump outputs a current from U200, pin 43 (IOUT). The loop filter (consisting of R224, R217,
R234, C2074, C2075, C2077, C2078, C2079, C2080, C2028, and L205) transforms this current into
a voltage that is applied the varactor diodes D203 and D204 for RX and TX respectively. The output
frequency is determined by this control voltage. The current can be set to a value fixed in the
LVFRAC-N or to a value determined by the currents flowing into BIAS 1 (U200, pin 40) or BIAS 2
(U200, pin 39). The currents are set by the value of R200 or R206 respectively. The selection of the
three different bias sources is done by software programming.
To modulate the synthesizer loop, a two-spot modulation method is utilized via the MODIN (U200,
pin 10) input of the LVFRAC-N. The audio signal is applied to both the A/D converter (low frequency
path) and the balance attenuator (high frequency path). The A/D converter converts the low
frequency analog modulating signal into a digital code which is applied to the loop divider, thereby
causing the carrier to deviate. The balance attenuator is used to adjust the VCO’s deviation
sensitivity to high frequency modulating signals. The output of the balance attenuator is presented
at the MODOUT port of the LVFRAC-N (U200,pin 41) and connected to the VCO modulation
varactor D205.

2-8 THEORY OF OPERATION
5.0 Controller Theory of Operation
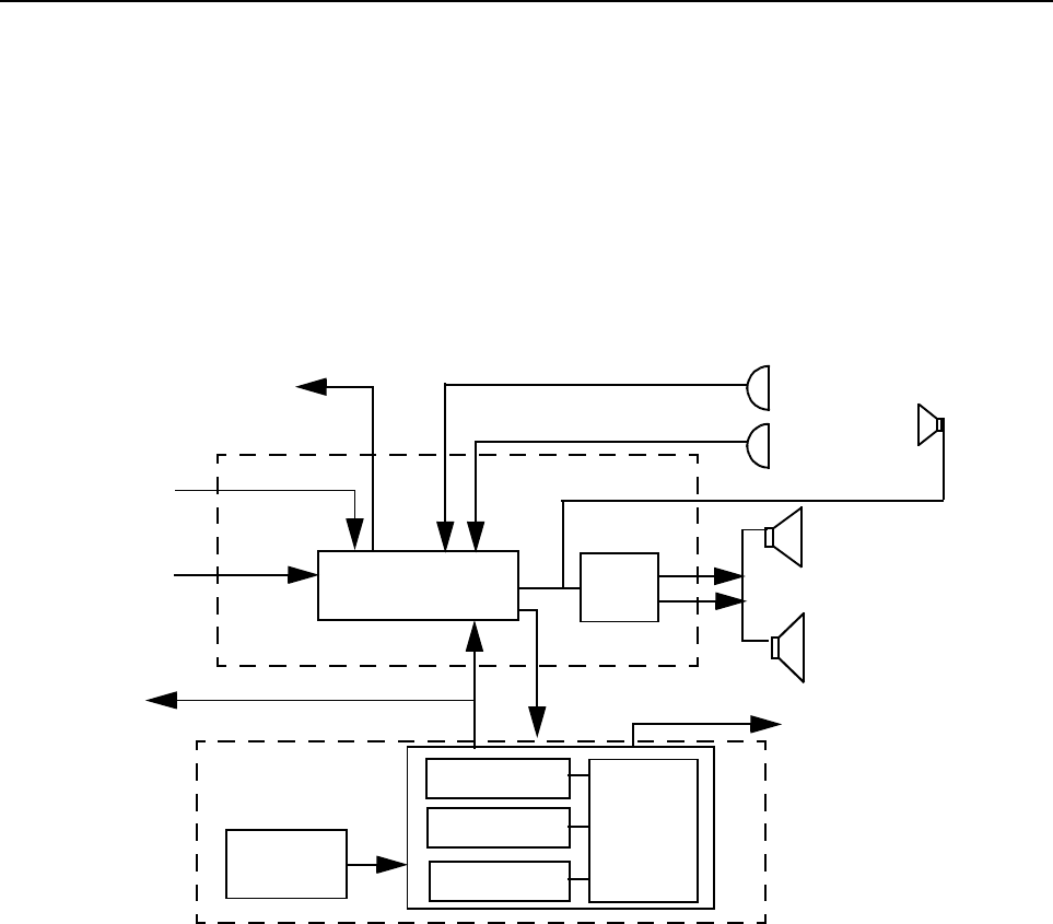
This section provides a detailed theory of operation for the radio and its components. The main
radio is a single-board design, consisting of the transmitter, receiver, and controller circuits. A
control head is connected by an extension cable. The control head contains LED indicators, a
microphone connector, buttons, and speaker.
In addition to the power cable and antenna cable, an accessory cable can be attached to a
connector on the rear of the radio. The accessory cable enables you to connect accessories to the
radio, such as an external speaker, emergency switch, foot-operated PTT, and ignition sensing, etc.
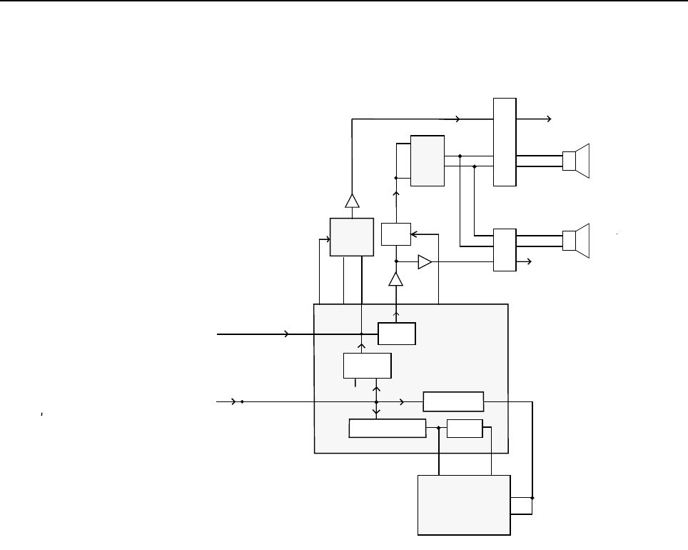
Figure 2-5 Controller Block Diagram
5.1 Radio Power Distribution
Voltage distribution is provided by five separate devices:
■U514 P-cH FET - Batt + (Ext_SWB+)
■U501 LM2941T - 9.3V
■U503 LP2951CM - 5V
■U508 MC 33269DTRK - 3.3V
■U510 LP2986ILDX - 3.3V Digital
External
Microphone
Internal
Microphone
External
Speaker
Internal
Speaker
SCI to
Control Head
Audio
PA
Audio/Signaling
Architecture
To Synthesizer
Mod
Out
16.8 MHz
Reference Clock
from Synthesizer
Disc Audio
To RF S ection SPI
Digital
Architecture
µP Clock
3.3V
Regulator
RAM
EEPROM
FLASH
HC11FL0
ASFIC_CMP
Accessory &
Connector
Handset
.

Controller Theory of Operation 2-9
The DC voltage applied to connector P2 supplies power directly to the following circuitry:
■Electronic on/off control
■RF power amplifier
■12 volts P-cH FET -U514
■9.3 volt regulator
■Audio PA
Figure 2-6 DC Power Distribution Block Diagram
Regulator U501 is used to generate the 9.3 volts required by some audio circuits, the RF circuitry
and power control circuitry. Input and output capacitors are used to reduce high frequency noise.
Resistors R5001 / R5081 set the output voltage of the regulator. This regulator output is
electronically enabled by a 0 volt signal on pin 2. Q502, Q505 and R5038 are used to disable the
regulator when the radio is turned off.
Voltage regulator U510 provides 3.3 volts for the digital circuitry. Operating voltage is from the
regulated 9.3V supply. Input and output capacitors are used to reduce high frequency noise and
provide proper operation during battery transients. U510 provides a reset output that goes to 0 volts
if the regulator output goes below 3.1 volts. This is used to reset the controller to prevent improper
operation.
Voltage regulator U508 provides 3.3V for the RF circuits and ASFIC_CMP. Input and output
capacitors are used to reduce the high frequency noise and provide proper operation during battery
transients.
U501
9.3V Regulator
FET
P-CH
On/Off
Control
500mA
SW_Filt_B+
Acces Conn
Audio PA_Soutdown
Power Loop Op_Amp
Auto
On/Off
Switch
Control
Ignition B+
RF_PA
Audio_PA
Antenna Switch
Power Control
Filt_B+
Ferrite Bit
Control Head
Mic Connector
Mic Bias
9V, 5mA
Keypad
7_Seg
Bed
to
7-Seg
Shift
Reg
3.2V
72mA
9.3V
65mA
Status LEDs
7_Seg
DOT
Back
light
On/Off
Control
11-16.6V
0.9A 0.85A
U503
5V RF Regulator
U508
3.3V RF Reg
U510
3.3V D Reg
Reset
Rx_Amp
PA_Pre-driver
PA Driver
500mA
LVFRAC_N
IF_Amp
ASFIC_CMP
IFIC
RX Cct
micro P
RAM
Flash
EEPROM
90mA
25mA50mA45mA
9.3V
45mA
9.3V
75mA
9.3V
162mA

2-10 THEORY OF OPERATION
Voltage regulator U503 provides 5V for the RF circuits. Input and output capacitors are used to
reduce the high frequency noise and provide proper operation during battery transients.
VSTBY is used only for CM360 5-tone radios.
The voltage VSTBY, which is derived directly from the supply voltage by components R5103 and
VR502, is used to buffer the internal RAM. Capacitor C5120 allows the battery voltage to be
disconnected for a couple of seconds without losing RAM parameters. Dual diode D501 prevents
radio circuitry from discharging this capacitor. When the supply voltage is applied to the radio,
C5120 is charged via R5103 and D501.
5.2 Protection Devices
Diode VR500 acts as protection against ESD, wrong polarity of the supply voltage, and load dump.
VR692 - VR699 are for ESD protection.
5.3 Automatic On/Off
The radio can be switched ON in any one of the following three ways:
■On/Off switch. (No Ignition Mode)
■Ignition and On/Off switch (Ignition Mode)
■Emergency
5.3.1 No Ignition Mode
When the radio is connected to the car battery for the first time, Q500 will be in saturation, Q503 will
cut-off, Filt_B+ will pass through R5073, D500, and S5010-pin 6 (On/Off switch). When S5010 is
ON, Filt_B+ will pass through S5010-pin5, D511, R5069, R5037 and base of Q505 and move Q505
into saturation. This pulls U501-pin2 through R5038, D502 to 0.2V and turns On U514 and U501
9.3V regulator which supplies voltage to all other regulators and consequently turns the radio on,
When U504 (ASFIC_CMP) gets 3.3V, GCB2 goes to 3.3V and holds Q505 in saturation, for soft turn
off.
5.3.2 Ignition Mode
When ignition is connected for the first time, it will force high current through Q500 collector, This
will move Q500 out of saturation and consequently Q503 will cut-off. S5010 pin 6 will get ignition
voltage through R601 (for load dump), R610, (R610 & C678 are for ESD protection), VR501,
R5074, and D500. When S5010 is ON, Filt_B+ passes through S5010-pin 5, D511, R5069, R5037
and base of Q505 and inserts Q505 into saturation. This pulls U501-pin 2 through R5038, D502 to
0.2V and turns on U514 and U501 9.3V regulator which supply voltage to all other regulators and
turns the radio on, When U504 (ASFIC_CMP) get 3.3V supply, GCB2 goes to 3.3V and holds Q505
in saturation state to allow soft turn off,
When ignition is off Q500, Q503 will stay at the same state so S5010 pin 6 will get 0V from Ignition,
Q504 goes from Sat to Cut, ONOFF_SENSE goes to 3.3V and it indicates to the radio to soft turn
itself by changing GCB2 to ‘0’ after de registration if necessary.

Controller Theory of Operation 2-11
5.3.3 Emergency Mode
The emergency switch (P1 pin 9), when engaged, grounds the base of Q506 via EMERGENCY
_ACCES_CONN. This switches Q506 to off and consequently resistor R5020 pulls the collector of
Q506 and the base of Q506 to levels above 2 volts. Transistor Q502 switches on and pulls U501
pin2 to ground level, thus turning ON the radio. When the emergency switch is released R5030 pulls
the base of Q506 up to 0.6 volts. This causes the collector of transistor Q506 to go low (0.2V),
thereby switching Q502 to off.
While the radio is switched on, the µP monitors the voltage at the emergency input on the accessory
connector via U403-pin 62. Three different conditions are distinguished: no emergency kit is
connected, emergency kit connected (unpressed), and emergency press.
If no emergency switch is connected or the connection to the emergency switch is broken, the
resistive divider R5030 / R5049 will set the voltage to about 3.14 volts (indicates no emergency kit
found via EMERGENCY_SENSE line). If an emergency switch is connected, a resistor to ground
within the emergency switch will reduce the voltage on EMERGENCY _SENSE line, and indicate to
the µP that the emergency switch is operational. An engaged emergency switch pulls line
EMERGENCY _SENSE line to ground level. Diode VR503 limits the voltage to protect the µP input.
While EMERGENCY _ACCES_CONN is low, the µP starts execution, reads that the emergency
input is active through the voltage level of µP pin 64, and sets the DC POWER ON output of the
ASFIC CMP pin 13 to a logic high. This high will keep Q505 in saturation for soft turn off.
5.4 Microprocessor Clock Synthesiser
The clock source for the µP system is generated by the ASFIC CMP (U504). Upon power-up the
synthesizer IC (FRAC-N) generates a 16.8 MHz waveform that is routed from the RF section to the
ASFIC CMP pin 34. For the main board controller the ASFIC CMP uses 16.8 MHz as a reference
input clock signal for its internal synthesizer. The ASFIC CMP, in addition to audio circuitry, has a
programmable synthesizer which can generate a synthesized signal ranging from 1200Hz to
32.769MHz in 1200Hz steps.
When power is first applied, the ASFIC CMP will generate its default 3.6864MHz CMOS square
wave UP CLK (on U504 pin 28) and this is routed to the µP (U403 pin 90). After the µP starts
operation, it reprograms the ASFIC CMP clock synthesizer to a higher UP CLK frequency (usually
7.3728 or 14.7456 MHz) and continues operation.
The ASFIC CMP may be reprogrammed to change the clock synthesizer frequencies at various
times depending on the software features that are executing. In addition, the clock frequency of the
synthesizer is changed in small amounts if there is a possibility of harmonics of the clock source
interfering with the desired radio receive frequency.
The ASFIC CMP synthesizer loop uses C5025, C5024 and R5033 to set the switching time and jitter
of the clock output. If the synthesizer cannot generate the required clock frequency it will switch
back to its default 3.6864MHz output.
Because the ASFIC CMP synthesizer and the µP system will not operate without the 16.8 MHz
reference clock it (and the voltage regulators) should be checked first when debugging the system.

2-12 THEORY OF OPERATION
5.5 Serial Peripheral Interface (SPI)
The µP communicates to many of the IC’s through its SPI port. This port consists of SPI TRANSMIT
DATA (MOSI) (U403-pin100), SPI RECEIVE DATA (MISO) (U403-pin 99), SPI CLK (U0403-pin1)
and chip select lines going to the various IC’s, connected on the SPI PORT (BUS). This BUS is a
synchronous bus, in that the timing clock signal CLK is sent while SPI data (SPI TRANSMIT DATA
or SPI RECEIVE DATA) is sent. Therefore, whenever there is activity on either SPI TRANSMIT
DATA or SPI RECEIVE DATA there should be a uniform signal on CLK. The SPI TRANSMIT DATA
is used to send serial from a µP to a device, and SPI RECEIVE DATA is used to send data from a
device to a µP.
In the controller section, there are two IC’s on the SPI BUS, ASFIC CMP (U504 pin 22), and
EEPROM (U400). In the RF sections there is one IC on the SPI BUS, the FRAC-N Synthesizer. The
chip select line CSX from U403 pin 2 is shared by the ASFIC CMP and FRAC-N Synthesizer. Each
of these IC’s check the SPI data and when the sent address information matches the IC’s address,
the following data is processed.
When the µP needs to program any of these Is it brings the chip select line CSX to a logic “0” and
then sends the proper data and clock signals. The amount of data sent to the various IC’s are
different; e.g., the ASFIC CMP can receive up to 19 bytes (152 bits). After the data has been sent
the chip select line is returned to logic “1”.
5.6 SBEP Serial Interface
The SBEP serial interface allows the radio to communicate with the Customer Programming
Software (CPS), or the Universal Tuner via the Radio Interface Box (RIB) or the cable with internal
RIB. This interface connects to the SCI pin via control head connector (J2-pin 17) and to the
accessory connector P1-6 and comprises BUS+. The line is bi-directional, meaning that either the
radio or the RIB can drive the line. The µP sends serial data and it reads serial data via pin 97.
Whenever the µP detects activity on the BUS+ line, it starts communication.
5.7 General Purpose Input/Output
The controller provides six general purpose lines (PROG I/O) available on the accessory connector
P1 to interface to external options. Lines PROG IN 3 and 6 are inputs, PROG OUT 4 is an output
and PROG IN OUT 8, 12 and 14 are bi-directional. The software and the hardware configuration of
the radio model define the function of each port.
■PROG IN 3 can be used as external PTT input, or others, set by the CPS. The µP reads this
port via pin 72 and Q412.
■PROG OUT 4 can be used as external alarm output, set by the CPS. Transistor Q401 is
controlled by the µP (U403 pin 55)
■PROG IN 6 can be used as normal input, set by the CPS. The µP reads this port via pin 73
and Q411. This pin is also used to communicate with the RIB if resistor R421 is placed.
■DIG IN OUT 8,12,14 are bi-directional and use the same circuit configuration. Each port uses
an output Q416, Q404, Q405 controlled by µP pins 52, 53, 54. The input ports are read
through µP pins 74, 76, 77; using Q409, Q410, Q411

Controller Theory of Operation 2-13
5.8 Normal Microprocessor Operation
For this radio, the µP is configured to operate in one of two modes, expanded and bootstrap. In
expanded mode the µP uses external memory devices to operate, whereas in bootstrap operation
the µP uses only its internal memory. In normal operation of the radio the µP is operating in
expanded mode as described below.
During normal operation, the µP (U403) is operating in expanded mode and has access to 3
external memory devices; U400 (EEPROM), U402 (SRAM), U404 (Flash). Also, within the µP there
are 3 Kilobytes of internal RAM, as well as logic to select external memory devices.
The external EEPROM (U400) space contains the information in the radio which is customer
specific, referred to as the codeplug. This information consists of items such as: 1) what band the
radio operates in, 2) what frequencies are assigned to what channel, and 3) tuning information.
The external SRAM (U402) as well as the µP’s own internal RAM space are used for temporary
calculations required by the software during execution. All of the data stored in both of these
locations is lost when the radio powers off.
The µP provides an address bus of 16 address lines (ADDR 0 - ADDR 15), and a data bus of 8 data
lines (DATA 0 - DATA 7). There are also 3 control lines; CSPROG (U403-38) to chip select U404-pin
30 (FLASH), CSGP2 (U403-pin 41) to chip select U404-pin 20 (SRAM) and PG7_R_W (U403-pin 4)
to select whether to read or to write.
When the µP is functioning normally, the address and data lines should be toggling at CMOS logic
levels. Specifically, the logic high levels should be between 3.1 and 3.3V, and the logic low levels
should be between 0 and 0.2V. No other intermediate levels should be observed, and the rise and
fall times should be <30ns.
The low-order address lines (ADDR 0 - ADDR 7) and the data lines (DATA 0-DATA 7) should be
toggling at a high rate, e.g., you should set your oscilloscope sweep to 1us/div. or faster to observe
individual pulses. High speed CMOS transitions should also be observed on the µP control lines.
On the µP the lines XIRQ (U403-pin 48), MODA LIR (U403-pin 58), MODB VSTPY (U403-pin 57)
and RESET (U403-pin 94) should be high at all times during normal operation. Whenever a data or
address line becomes open or shorted to an adjacent line, a common symptom is that the RESET
line goes low periodically, with the period being in the order of 20ms. In the case of shorted lines you
may also detect the line periodically at an intermediate level, i.e. around 2.5V when two shorted
lines attempt to drive to opposite rails.
The MODA LIR (U403-pin 58) and MODB VSTPY (U403-pin 57) inputs to the µP must be at a logic
“1” for it to start executing correctly. After the µP starts execution it will periodically pulse these lines
to determine the desired operating mode. While the Central Processing Unit (CPU) is running,
MODA LIR is an open-drain CMOS output which goes low whenever the µP begins a new
instruction. An instruction typically requires 2-4 external bus cycles, or memory fetches.
There are eight analog-to-digital coverter ports (A/D) on U403 labelled within the device block as
PEO-PE7. These lines sense the voltage level ranging from 0 to 3.3V of the input line and convert
that level to a number ranging from 0 to 255 which is read by the software to take appropriate action.

2-14 THEORY OF OPERATION
5.9 Static Random Access Memory (SRAM)
The SRAM (U402) contains temporary radio calculations or parameters that can change very
frequently, and which are generated and stored by the software during its normal operation. The
information is lost when the radio is turned off.
The device allows an unlimited number of write cycles. SRAM accesses are indicated by the CS
signal U402 (which comes from U403-CSGP2) going low. U402 is commonly referred to as the
external RAM as opposed to the internal RAM which is the 3 kilobytes of RAM which is part of the
68HC11FL0. Both RAM spaces serve the purpose. However, the internal RAM is used for the
calculated values which are accessed most often.
Capacitor C402 and C411 serves to filter out any AC noise which may ride on +3.3 V at U402
6.0 Control Board Audio and Signalling Circuits
6.1 Audio Signalling Filter IC and Compander (ASFIC CMP)
The ASFIC CMP (U504) used in the controller has the following four functions:
1. RX/TX audio shaping, i.e. filtering, amplification, attenuation
2. RX/TX signaling, PL/DPL/HST/MDC
3. Squelch detection
4. µP clock signal generation
The ASFIC CMP is programmable through the SPI BUS (U504 pins-20/21/22), normally receiving
19 bytes. This programming sets up various paths within the ASFIC CMP to route audio and/or
signaling signals through the appropriate filtering, gain and attenuator blocks. The ASFIC CMP also
has 6 General Control Bits GCB0-5 which are CMOS level outputs and used for the following:
■GCBO - BW Select
■GCBI - switches the audio PA On/Off
■GCB2 - DC Power On switches the voltage regulator (and the radio) on and off
■GCB3 - Control on MUX U509 pin 9 to select between Low Cost Mic path to STD Mic Path
■GCB4 - Control on MUX U509 pin 11 to select between Flat RX path to filtered RX path on the
accessory connector.
■GCB5 - Control on MUX U509 pin 10 to select between Flat TX path mute and Flat TX path

Transmit Audio Circuits 2-15
7.0 Transmit Audio Circuits
Figure 2-7 Transmit Audio Paths
7.1 Microphone Input Path
The radio supports 2 distinct microphone paths known as internal (from control head J2-15) and
external mic (from accessory connector P1-2) and an auxiliary path (FLAT TX AUDIO, from
accessory connector P1-5). The microphones used for the radio require a DC biasing voltage
provided by a resistive network.
The two microphone audio input paths enter the ASFIC CMP at U504-pin 48 (external mic) and
U504-pin 46 (internal mic). The microphone is plugged into the radio control head and connected to
the audio DC via J2-pin 15. The signal is then routed via C5045 to MUX U509 that select between
two paths with different gain to support Low Cost Mic (Mic with out amplifier in it) and Standard Mic.
7.1.1 Low Cost Microphone
Hook Pin is shorted to Pin 1(9.3V) inside the Low Cost Mic, This routes 9.3V to R429, and creates
2.6V on MIC_SENSE (u.P U403-67) by Voltage Divider R429/R430. U403 senses this voltage and
sends command to ASFIC_CMP U504 to get GCB3 = ‘0’. The audio signal is routed from C5045 via
U509-5 (Z0), R5072, U507, R5026, C5091, R5014 via C5046 to U504- 46 int. mic (C5046 100nF
creates a 159Hz pole with U504- 46 int mic impedance of 16k ohm).
MIC
IN
MOD IN TO
RF
SECTION
(SYNTHESIZER)
36
44
40
P1
ACCESSORY
CONNECTOR
J2
CONTROL HEAD
CONNECTOR
MIC
EXT MIC
FLAT TX
AUDIO
42
5
48
46
15
2
24kOhms
FILTERS AND
PREEMPHASIS
HS SUMMER
SPLATTER
FILTER
LS SUMMER
LIMITER
ATTENUATOR
VCO
ATN
TX RTN
TX SND
MIC
INT
AUX
TX
ASFIC_CMP
U504
U509
MIC
EXT
FLAT TX
AUDIO MUTE
GCB3
MUX
35
U509
MUX
GCB5
38

2-16 THEORY OF OPERATION
7.1.2 Standard Microphone
Hook Pin is shorted to the hook mic inside the standard Mic, If the mic is out off hook, 3.3V is routed
to R429 via R458, D401, and it create 0.7V on MIC_SENSE (u.P U403-67) by Voltage Divider
R429/R430. U403 senses this voltage and sends command to ASFIC_CMP U504 to get GCB3 =‘1’.
The audio signal is routed from C5045 via U509-3 (Z1), R5072, U507, R5026, C5091, R5014 via
C5046 to U504- 46 int mic (C5046 100nF create a159Hz pole with U504- 46 int mic impedance of
16Kohm). 9.3VDC is routed via R5077, R5075 to J2-15, It create 4.65V with Mic Impedance. C5010
supplies AC Ground to create AC impedance of 510 Ohms via R5075. and Filter 9.3V DC mic bias
supply.
Note: The audio signal at U504-pin 46 should be approximately 12mV for 1.5kHz or 3kHz of
deviation with 12.5kHz or 25kHz channel spacing.
The external microphone signal enters the radio on accessory connector P1 pin 2 and is routed via
line EXT MIC to R5054. R5078 and R5076 provide the 9.3Vdc bias. Resistive divider R5054/ R5070
divide the input signal by 5.5 and provide input protection for the CMOS amplifier input. R5076 and
C5009 provide a 510 ohm AC path to ground that sets the input impedance for the microphone and
determines the gain based on the emitter resistor in the microphone’s amplifier circuit.
C5047 serves as a DC blocking capacitor. The audio signal at U504-pin 48 should be approximately
14mV for 1.5kHz or 3kHz of deviation with 12.5kHz or 25kHz channel spacing.
The FLAT TX AUDIO signal from accessory connector P1-pin 5 is fed to the ASFIC CMP (U504 pin
42 through U509 pin 2 to U509 pin 15 via U506 OP-AMP circuit and C5057.
The ASFIC has an internal AGC that can control the gain in the mic audio path. The AGC can be
disabled / enabled by the µP. Another feature that can be enabled or disabled in the ASFIC is the
VOX. This circuit, along with Capacitor C5023 at U504-pin 7, provides a DC voltage that can allow
the µP to detect microphone audio. The ASFIC can also be programmed to route the microphone
audio to the speaker for public address operation.
7.2 PTT Sensing and TX Audio Processing
Internal microphone PTT is sensed by µP U403 pin 71. Radio transmits when this pin is “0” and
selects inside the ASFIC_ CMP U504 internal Mic path. When the internal Mic PTT is “0” then
external Mic PTT is grounded via D402. External Mic PTT is sensed by U403 pin 72 via Q412
circuits. The radio transmits when this pin is “0” and selects inside the ASFIC _CMP U504 External
Mic path.
Inside the ASFIC CMP, the mic audio is filtered to eliminate frequency components outside the 300-
3000Hz voice band, and pre-emphasized if pre-emphasis is enabled. The signal is then limited to
prevent the transmitter from over deviating. The limited mic audio is then routed through a summer,
which is used to add in signaling data, and then to a splatter filter to eliminate high frequency
spectral components that could be generated by the limiter. The audio is then routed to an
attenuator, which is tuned in the factory or the field to set the proper amount of FM deviation. The
TX audio emerges from the ASFIC CMP at U504-pin 40 MOD IN, at which point it is routed to the
RF section.

Transmit Signalling Circuits 2-17
8.0 Transmit Signalling Circuits
Figure 2-8 Transmit Signalling Path
From a hardware point of view, there are 3 types of signaling:
■Sub-audible data (PL / DPL / Connect Tone) that gets summed with transmit voice or
signaling,
■DTMF data for telephone communication in trunked and conventional systems, and
■Audible signaling including MDC and high-speed trunking.
Note: All three types are supported by the hardware while the radio software determines which
signaling type is available.
8.1 Sub-Audio Data (PL/DPL)
Sub-audible data implies signaling whose bandwidth is below 300Hz. PL and DPL waveforms are
used for conventional operation and connect tones for trunked voice channel operation. The
trunking connect tone is simply a PL tone at a higher deviation level than PL in a conventional
system. Although it is referred to as “sub-audible data”, the actual frequency spectrum of these
waveforms may be as high as 250 Hz, which is audible to the human ear. However, the radio
receiver filters out any audio below 300Hz, so these tones are never heard in the actual system.
Only one type of sub-audible data can be generated by U504 (ASFIC CMP) at any one time. The
process is as follows, using the SPI BUS, the µP programs the ASFIC CMP to set up the proper low-
speed data deviation and select the PL or DPL filters. The µP then generates a square wave which
strobes the ASFIC PL / DPL encode input LSIO U504-pin 18 at twelve times the desired data rate.
For example, for a PL frequency of 103Hz, the frequency of the square wave would be 1236Hz.
This drives a tone generator inside U504 which generates a staircase approximation to a PL sine
wave or DPL data pattern. This internal waveform is then low-pass filtered and summed with voice
or data. The resulting summed waveform then appears on U504-pin 40 (MOD IN), where it is sent to
the RF board as previously described for transmit audio. A trunking connect tone would be
generated in the same manner as a PL tone.
19
18
40
MOD IN
TO RF
SECTION
(SYNTHESIZER)
80
44 HIGH SPEED
CLOCK IN
(HSIO)
LOW SPEED
CLOCK IN
(LSIO)
ASFIC_CMP U504
MICRO
CONTROLLER
U403
HS
SUMMER
5-3-2 STATE
ENCODER
DTMF
ENCODER
SPLATTER
FILTER
PL
ENCODER LS
SUMMER
ATTENUATOR
85
82
SPI
BUS

2-18 THEORY OF OPERATION
8.2 High Speed Data
High speed data refers to the 3600 baud data waveforms, known as Inbound Signaling Words
(ISWs) used in a trunking system for high speed communication between the central controller and
the radio. To generate an ISW, the µP first programs the ASFIC CMP (U504) to the proper filter and
gain settings. It then begins strobing U504-pin 19 (HSIO) with a pulse when the data is supposed to
change states. U504’s 5-3-2 State Encoder (which is in a 2-state mode) is then fed to the post-
limiter summer block and then the splatter filter. From that point it is routed through the modulation
attenuator and then out of the ASFIC CMP to the RF board. MDC is generated in much the same
way as trunking ISW. However, in some cases these signals may also pass through a data pre-
emphasis block in the ASFIC CMP. Also these signaling schemes are based on sending a
combination of 1200 Hz and 1800 Hz tones only. Microphone audio is muted during high speed data
signaling.
8.3 Dual Tone Multiple Frequency (DTMF) Data
DTMF data is a dual tone waveform used during phone interconnect operation. It is the same type
of tones which are heard when using a “Touch Tone” telephone.
There are seven frequencies, with four in the low group (697, 770, 852, 941Hz) and three in the high
group (1209, 1336, 1477Hz). The high-group tone is generated by the µP (U403-46) strobing U504-
19 at six times the tone frequency for tones less than 1440Hz or twice the frequency for tones
greater than 1440Hz. The low group tone is generated by the ASFIC CMP, controlled by the µP via
SPI bus. Inside U504 the low-group and high-group tones are summed (with the amplitude of the
high group tone being approximately 2 dB greater than that of the low group tone) and then pre-
emphasized before being routed to the summer and splatter filter. The DTMF waveform then follows
the same path as was described for high-speed data.

Receive Audio Circuits 2-19
9.0 Receive Audio Circuits
Figure 2-9 Receive Audio Paths
9.1 Squelch Detect
The radio’s RF circuits are constantly producing an output at the discriminator (IF IC). This signal
(DISC AUDIO) is routed to the ASFIC CMP’s squelch detect circuitry input DISC (U504-pin 2). All of
the squelch detect circuitry is contained within the ASFIC CMP. Therefore from a user’s point of
view, DISC AUDIO enters the ASFIC CMP, and the ASFIC CMP produces two CMOS logic outputs
based on the result. They are CH ACT (U504-16) and SQ DET (U504-17).
The squelch signal entering the ASFIC CMP is amplified, filtered, attenuated, and rectified. It is then
sent to a comparator to produce an active high signal on CH ACT. A squelch tail circuit is used to
produce SQ DET (U504-17) from CH ACT. The state of CH ACT and SQ DET is high (logic “1”)
when carrier is detected, otherwise low (logic “0”).
CH ACT is routed to the µP pin 84 while SQ DET is routed to the µP pin 83.
SQ DET is used to determine all audio mute / unmute decisions except for Conventional Scan. In
this case CH ACT is a pre-indicator as it occurs slightly faster than SQ DET.
FLT RX AUDIO
P1
11
16
1EXTERNAL
SPEAKER
INTERNAL
SPEAKER
ACCESSORY
CONNECTOR
CONTROL HEAD
CONNECTOR
HANDSET
AUDIO
18
20
19
J2
INT
SPKR-
SPKR +
SPKR -
1
9
2
U509
4110
INT
SPKR+
4
6
DISC
ASFIC_CMP
U504
AUDIO
PA
U502
VOLUME
ATTEN.
FILTER AND
DEEMPHASIS
17
MICRO
CONTROLLER
U403
80
FROM
RF
SECTION
(IF IC) LIMITER, RECTIFIER
FILTER, COMPARATOR
SQ DET
SQUELCH
CIRCUIT
16
PL FILTER
LIMITER
CH ACT
AUX RX
43
18
LS IO
U IO AUDIO
83
84
39
URX OUT
DISC
AUDIO
37
85
GCB4
MUTE
GCB1
14
U505

2-20 THEORY OF OPERATION
9.2 Audio Processing and Digital Volume Control
The receiver audio signal (DISC AUDIO) enters the controller section from the IF IC where it is.DC
coupled to ASFIC CMP via the DISC input U504-pin 2. The signal is then applied to both the audio
and the PL/DPL paths
The audio path has a programmable amplifier, whose setting is based on the channel bandwidth
being received, an LPF filter to remove any frequency components above 3000Hz, and a HPF to
strip off any sub-audible data below 300Hz. Next, the recovered audio passes through a de-
emphasis filter (if it is enabled to compensate for Pre-emphasis which is used to reduce the effects
of FM noise). The IC then passes the audio through the 8-bit programmable attenuator whose level
is set depending on the value of the volume control. Finally the filtered audio signal passes through
an output buffer within the ASFIC CMP. The audio signal exits the ASFIC CMP at AUDIO output
(U504 pin 41).
The µP programs the attenuator, using the SPI BUS, based on the volume setting. The minimum /
maximum settings of the attenuator are set by codeplug parameters.
Since sub-audible signaling is summed with voice information on transmit, it must be separated
from the voice information before processing. Any sub-audible signaling enters the ASFIC CMP
from the IF IC at DISC U504-2. Once inside, it goes through the PL/DPL path. The signal first
passes through one of the two low-pass filters, either the PL low-pass filter or the DPL/LST low-pass
filter. Either signal is then filtered and goes through a limiter and exits the ASFIC CMP at LSIO
(U504-pin 18). At this point, the signal will appear as a square wave version of the sub-audible
signal which the radio received. The µP U403 pin 80 will decode the signal directly to determine if it
is the tone / code which is currently active on that mode.
9.3 Audio Amplification Speaker (+) Speaker (-)
The output of the ASFIC CMP’s digital volume pot, U504-pin 41 is routed through DC blocking
capacitor C5049 to the audio PA (U502 pin 1 and 9).
The audio power amplifier has one inverted and one non-inverted output that produces the
differential audio output SPK+/SPK- (U502 pins 4 and 6)
The audio PA is enabled via the ASFIC CMP (U504-GCB1). When the base of Q501 is low, the
transistor is off and U502-pin 8 is high, using pull up resistor R5041, and the audio PA is ON. The
voltage at U502-pin 8 must be above 8.5Vdc to properly enable the device.
If the voltage is between 3.3 and 6.4V, the device will be active but has its input (U502-pins 1/9) off.
This is a mute condition which is used to prevent an audio pop when the PA is enabled.
The SPK+ and SPK- outputs of the audio PA have a DC bias which varies proportionately with B+
(U502- pin 7). B+ of 11V yields a DC offset of 5V, and B+ of 17V yields a DC offset of 8.5V. If either
of these lines is shorted to ground, it is possible that the audio PA will be damaged. SPK+ and SPK-
are routed to the accessory connector (P1-pin 1 and 16) and to the control head (connector J2-pins
19 and 20).

Receive Signalling Circuits 2-21
9.4 Handset Audio
Certain handheld accessories have a speaker within them which require a different voltage level
than that provided by U502. For these devices HANDSET AUDIO is available at control head
connector J2 pin18.
The received audio from the output of the ASFIC CMP’s digital volume attenuator is routed to U505
pin 2 where it is amplified. This signal is routed from the output of the op-amp U505 to J2-pin 18.
From the control head, the signal is sent directly to the microphone jack.
9.5 Filtered Audio and Flat Audio
The ASFIC CMP output audio at U504-pin 39 is filtered and de-emphasized, but has not gone
through the digital volume attenuator. From ASFIC CMP U504-pin 39 the signal is routed via R5034
through gate U509-pin 12 and AC coupled to U505-pin 6. The gate controlled by ASFIC CMP port
GCB4 selects between the filtered audio signal from the ASFIC CMP pin 39 (URXOUT) or the
unfiltered (flat) audio signal from the ASFIC CMP pin 10 (UIO). Resistors R5034 and R5021
determine the gain of op-amp UU505-pin 6 for the filtered audio while R5032 and R5021 determine
the gain for the flat Audio. The output of U505-pin 7 is then routed to P1 pin 11 via DC blocking
capacitor C5003. Note that any volume adjustment of the signal on this path must be done by the
accessory.
10.0 Receive Signalling Circuits
Figure 2-10 Receive Signalling Paths
10.1 Sub-Audio Data (PL/DPL) and High Speed Data Decoder
The ASFIC CMP (U504) is used to filter and limit all received data. The data enters the ASFIC CMP
at input DISC (U504 pin 2). Inside U504 the data is filtered according to data type (HS or LS), then it
is limited to a 0-3.3V digital level. The MDC and trunking high speed data appear at U504-pin 19,
where it connects to the µP U403 pin 82.
DET AUDIO
DISCRIMINATOR AUDIO
FROM RF SECTION
(IF IC)
19
18
25
2
82
80
DISC
PLCAP2
LSIO
HSIO
DATA FILTER
AND DEEMPHASIS LIMITER
FILTER LIMITER
ASFIC_CMP
U504
MICRO
CONTROLLER
U403
85
44
8
PLEAP

2-22 THEORY OF OPERATION
The low speed limited data output (PL, DPL, and trunking LS) appears at U504-pin18, where it
connects to the µP U403-pin 80.
The low speed data is read by the µP at twice the frequency of the sampling waveform; a latch
configuration in the ASFIC CMP stores one bit every clock cycle. The external capacitors C5028,
and C5026 set the low frequency pole for a zero crossings detector in the limiters for PL and HS
data. The hysteresis of these limiters is programmed based on the type of received data.
10.2 Alert Tone Circuits
When the software determines that it needs to give the operator an audible feedback (for a good
key press, or for a bad key press), or radio status (trunked system busy, phone call, circuit failures),
it sends an alert tone to the speaker. It does so by sending SPI BUS data to U504 which sets up the
audio path to the speaker for alert tones. The alert tone itself can be generated in one of two ways:
internally by the ASFIC CMP, or externally using the µP and the ASFIC CMP.
The allowable internal alert tones are 304, 608, 911, and 1823Hz. In this case a code contained
within the SPI BUS load to the ASFIC CMP sets up the path and determines the tone frequency,
and at what volume level to generate the tone. (It does not have to be related to the voice volume
setting.)
For external alert tones, the µP can generate any tone within the 100-3000Hz audio band. This is
accomplished by the µP generating a square wave which enters the ASFIC CMP at U504 pin 19.
Inside the ASFIC CMP this signal is routed to the alert tone generator.
The output of the generator is summed into the audio chain just after the RX audio de-emphasis
block. Inside U504, the tone is amplified and filtered, then passed through the 8-bit digital volume
attenuator, which is typically loaded with a special value for alert tone audio. The tone exits at U504-
pin 41 and is routed to the audio PA like receive audio.
Chapter 3
TROUBLESHOOTING CHARTS
This section contains detailed troubleshooting flowcharts. These charts should be used as a guide in
determining the problem areas. They are not a substitute for knowledge of circuit operation and
astute troubleshooting techniques. It is advisable to refer to the related detailed circuit descriptions
in the theory of operation sections prior to troubleshooting a radio.
Most troubleshooting charts end up by pointing to an IC to replace. It is not always noted, but it is
good practice to verify supplies and grounds to the affected IC and to trace continuity to the
malfunctioning signal and related circuitry before replacing any IC. For instance, if a clock signal is
not available at a destination, continuity from the source IC should be checked before replacing the
source IC.

3-2 TROUBLESHOOTING CHARTS
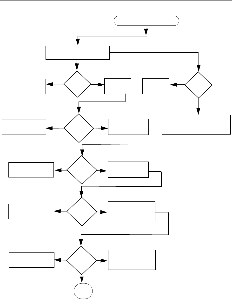
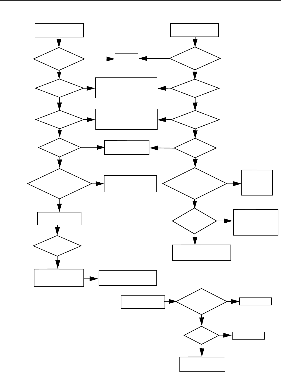
1.0 Troubleshooting Flow Chart for Receiver RF (Sheet 1 of 2)
Problem in 12 KHz and
25 KHz channel spacing
9V on
R310 (LNA)
OK?
Check
RX_EN
No
Go to
DC Section
Yes
RX_EN
ON ?
No
Check Q306, Q300
and U403
Yes
START
LOC_DIST
ON?
Check Q304, D305
and U403
LO
POWER
OK ?
Go to SYN
Section
Yes
Yes
No
No
Go
to A
Yes
3 V
to U301
Okay ?
No
Check
LOC_DIST
Go to
DC Section
Yes
Check D301-304
Replace IF Filters( FL304, FL301)
If problem in 25 KHz spacing
Check
TP1
Check 5V
on R336
5V
(IF AMP)
OK ?
Go to
DC Section
Yes
No
Check 3V
on R338
No

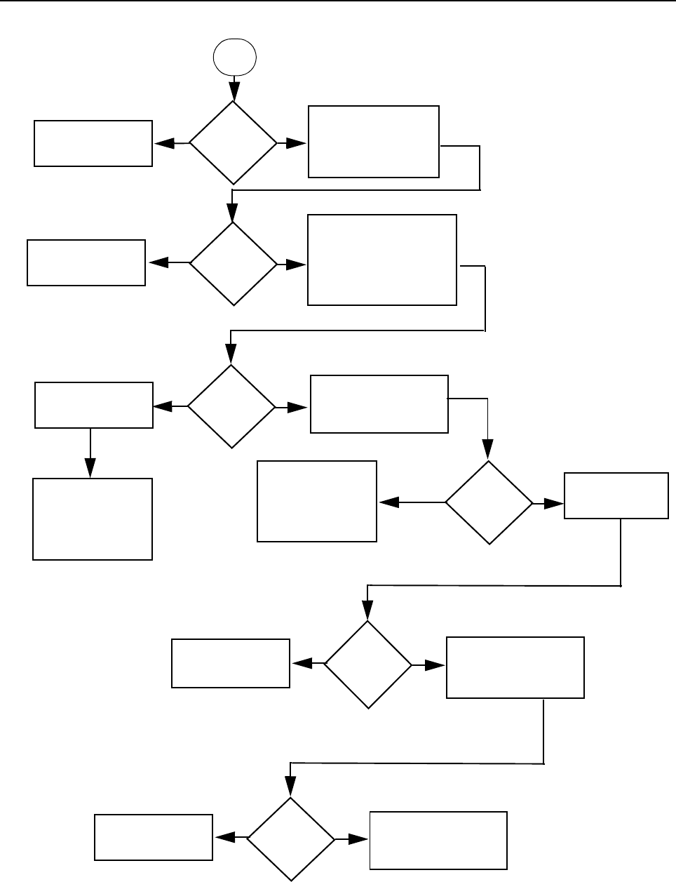
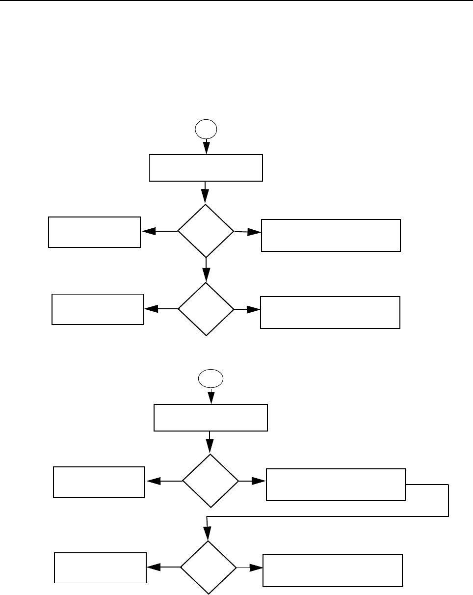
Troubleshooting Flow Chart for Receiver RF (Sheet 1 of 2) 3-3
1.1 Troubleshooting Flow Chart for Receiver (Sheet 2 of 2)
3V
(IFIC -Vcc)
OK ?
Installation
OK ?
Yes
Yes
No
No
A
From
Check visually
all receiver
components
installation ?
Inject - 40dBm (CW)
to RF connector
Check Power on
C332
RF
Power
> -28 dBM?
Yes
No
Check Power on
C336
Go to
DC Section
Check
the component
Antenna to Mixer
circuitry problem
Replace
Q303, Q301
Check passive
components
RF
Power
> -28 dBM?
Yes
No
Replace
Q305, Q300, U302
Check passive
components
Check Y301
44.395 MHz
Y301
OK?
Yes
No
Replace Q302, Y300
Check D301 - 304
Replace Y301
3V to
U301
OK?
Yes
No
Replace U300
Go to DC Section

3-4 TROUBLESHOOTING CHARTS
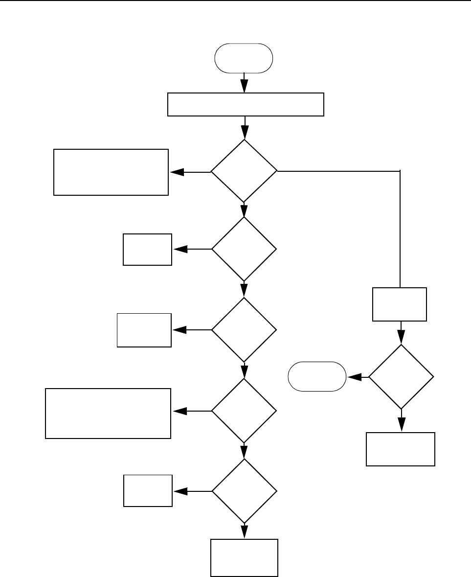
2.0 Troubleshooting Flow Chart for 45W Transmitter (Sheet 1 of 3)
START
Yes
No
Check components between
Q100 and RF output,
Antenna Switch D104,
D103, VR102 and Q106
No or too low power when keyed
Current
increase when
keyed?
Check power settings, tuning
& components between U103
Pin 3 and ASFIC Pin 6 before
replacing ASFIC
Control
Voltage at
TP150
>4Vdc?
Check PA
Stages
>4A
Voltage U103
pin 5 =
4.6V?
U103 Pin 3
<1.6Vdc
U100 Pin 3
>1.8Vdc
Check 9.3V
Regulator
U501
Yes
Yes
No
No
Yes
Check
U103
Check forward
Power Sense
Circuit
No
Short U100
Pin 3 to
ground
Voltage at
TP150 rises?
Check PA
Stages
Check Forward
Power Sense
Circuit
Yes
No
>500mA & <4A
<500mA

Troubleshooting Flow Chart for 45W Transmitter (Sheet 1 of 3) 3-5
2.1 Troubleshooting Flow Chart for 45W Transmitter (Sheet 2 of 3)
Yes
Check bias tuning
before replacing
U504
Check PA
Stages
No or too low power when keyed
DC
Voltage
at Q101
base=0?
DC
Voltage
at U103
Pin 8
Check U510
Check resistive network at
Pin 9 and 10 of U103
before replacing U101
DC
Voltage at
C1095
Check Final PA Stages
ASFIC
U504
Pin 5 2-3V
Check components be-
tween ASFIC and Q105
before replacing Q105
DC
Voltage at
U103 Pin
10=8.9V
Check Q101, R122,
R197, R153, R136,
R165, R168,
Check U103 before re-
placing U101
No
No
Yes
>5V
2 to 5V
2-3V
Yes
No
0V
<2V

3-6 TROUBLESHOOTING CHARTS
2.2 Troubleshooting Flow Chart for 45W Transmitter (Sheet 3 of 3)
No
Yes
Yes
No
Check Final PA Stage
PA_Bias
Voltage at
R134
RF Voltage
after C1044
>100mV?
Voltage
across R122
>2V?
RF Voltage
Q105 gate
>1V?
RF Voltage
Q100 gate
>1.5V?
Check components
between Q100 &
antenna connector
Replace Q100
Check FGU
Check components
between C1044 &
C1117
Check components
between C1117 &
Q105
Check components
between Q105 &
Q100
No
No
Yes
Yes
1-4Vdc
Supply Voltage
Check components
between ASFIC &
Q100 before re-
placing Q100
RF Voltage
after C1044
>100mV?
Check Bias Tuning
before replacing
ASFIC U504
Yes
No
0V

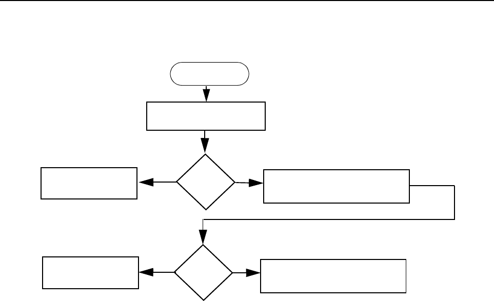
Troubleshooting Flow Chart for Synthesizer 3-7
3.0 Troubleshooting Flow Chart for Synthesizer
+5V at
U200 Pins
13 & 30?
5V
at pin 6 of
D200
Is information
from µP U403
correct?
Is U200
Pin 47
= 13VDC?
Is U201 Pin 19
<40 mVDC in RX &
>4.5 VDC in TX?
(at VCO section)
Start
Visual
check of the
Board OK?
Correct
Problem
Check 5V
Regulator
U503
Is 16.8MHz
Signal at
U200 Pin 19?
Check
Y201 and associated
parts
Are signals
at Pins 14 &
15 of U200?
Check
R228
Check R201
Is U200 pin 2
>4.5 VDC in Tx &
<40 mVDC in Rx
Replace U200
Remove
Shorts
Is there a short
between Pin 47 and
Pins 14 & 15 of
U200?
Is RF level at
U200 Pin 32
-12 < x <-25
dBm?
Replace
U200
If C2052, R208, C2067
C2068. C210, are OK, then
see VCO
troubleshooting chart
Are Waveforms
at Pins 14 & 15
triangular?
Do Pins
7,8 & 9 of
U200 toggle
when channel is
changed?
Check programming
lines between U403
and U200 Pins 7,8 & 9
Replace U200
Check µP U403
Troubleshooting
Chart
No
Yes
No
Yes
No
Yes
No
No
No
Yes
Yes
Yes
No
No
Yes
Yes
No
No
No
Yes
No
Yes
Yes
Check D200, D201,
C2026, C2025,
C2024 & C2027
3V at
U200 pins 5,
20, 34 & 36
C h e c k 3 V
Regulator
U508
Is
16.8MHz
signal at
U200 pin
23?
Replace
U200
Yes
No
No
Yes
No
Yes
Yes

3-8 TROUBLESHOOTING CHARTS
4.0 Troubleshooting Flow Chart for VCO
Are Q200
Base at 2.4V
Collector at 4.5V
Emitter at 1.7V
Are U201 Pins
13 at 4.4V
15 at 1.1V
10 at 4.5V
16 at 1.9V
Low or no RF Signal
at TP1
Visual check
of board
OK?
35mV DC at
U201 Pin 19
NO
YES
at base of Q200
NO
NO
NO
NO
YES
YES
YES
YES
Low or no RF Signal
at input to PA
3.3V DC at U201
Pin 14 & 18 OK?
4.8V DC at
U201 Pin 19
Is RF available
at C2060
YES
YES
YES
YES
YES
NO
NO
NO
NO
NO
Audio =180mVrms
at “+” side of
D205
2.5VDC
at D205
If R211 is Ok,
replace D205
Replace R211
Replace R212
NO
NO
YES
YES
TX VCO
RX VCO
Correct
Problem
Visual check
of board
OK?
Make sure U508 is working
correctly and runner
between U508 Pin 1 and
U201 Pin 14 & 18 is OK
Check runner
between U200 Pin 2
and U201 Pin 19
Is RF available
If all parts from U200 Pin 8
to Base of Q200 are OK,
replace U200
Check parts between
TP1 and Q200
Power OK but
no modulation
Check Transmiter
Pre Driver
If all parts
associated
with the pins
are OK,
replace U201
4.5V DC at
U201 Pin 3 OK?
YES
NO 4.5V DC at
U201 Pin 3 OK?
YES
NO
Make sure Synthesizer is
working correctly and runner
between U200 Pin 28 and
U201 Pin 3 is OK
3.3 DC at U201
Pin 14 & 18 OK?
OK? OK?
If all parts associated
with the pins are OK
replace U201
If L216, C2071, C2070,
C2060 are okay
replace U201
Check 9V at R230
YES

Troubleshooting Flow Chart for DC Supply (1 of 2) 3-9
5.0 Troubleshooting Flow Chart for DC Supply (1 of 2)
Since the failure of a critical voltage supply might cause the radio to automatically power down,
supply voltages should first be probed with a multimeter. If all the board voltages are absent, then
the voltage test point should be retested using a rising-edge-triggered oscilloscope. If the voltage is
still absent, then another voltage should be tested using the oscilloscope. If that voltage is present,
then the original voltage supply in question is defective and requires investigation of associated
circuitry.
Check VDC on
C5008
V=3.3V
?
Check Voltage on
C5043
No
Go to D3_3V
Yes
9v<V<9.8v
?
Go to Start
No
Replace U508
Yes
3V
Check VDC on
C5006
V=5V
?
Check Voltage on
C5042
No
Go to 3V
Yes
9v<V<9.8v
?
Go to Start
No
Replace U503
Yes
5V

3-10 TROUBLESHOOTING CHARTS
5.1 Troubleshooting Flow Chart for DC Supply (2 of 2)
Check VDC on
C5007
V=3.3V
?
Check Voltage on
C5041
No
Go to Digital Section
Yes
9v<V<9.8v
?
Go to Start
No
Replace U510
Yes
D3_3V

Chapter 4
VHF2 PCB/ SCHEMATICS/ PARTS LISTS
1.0 Allocation of Schematics and Circuit Boards
1.1 VHF2 and Controller Circuits
The VHF circuits are contained on the printed circuit board (PCB) which also contains the Controller
circuits. This Chapter shows the schematics for both the VHF circuits and the Controller circuits. The
PCB component layouts and the Parts Lists in this Chapter show both the Controller and VHF circuit
components. The VHF and Controller schematics and the related PCB and parts list are shown in
the tables below.
Table 4-1 VHF2 25-45W Diagrams and Parts Lists
PCB :
8486487Z03-B Main Board Top Side
8486487Z03-B Main Board Bottom Side
Page 4-4
Page 4-5
SCHEMATICS
Main Circuit
Transmitter
Synthesiser and VCO
Receiver Front and Back End
DC and Audio Ccts
Microprocessor and Controller Ccts
Power Control Cct
Page 4-6/Page 4-7
Page 4-8/Page 4-9
Page 4-10/Page 4-11
Page 4-12/Page 4-13
Page 4-14/Page 4-15
Page 4-16/Page 4-17
Page 4-18
Parts List
8486487Z03-B Page 4-19
Controller version is T1
Table 4-2 VHF2 25-45W Diagrams and Parts Lists
PCB : 8486487Z04 Main Board Top Side
8486487Z04 Main Board Bottom Side
Page 4-30
Page 4-31
SCHEMATICS
Main Circuit
Transmitter
Synthesiser and VCO
Receiver Front and Back End
DC and Audio Ccts
Microprocessor and Controller Ccts
Power Control Cct
Page 4-32/Page 4-33
Page 4-34/Page 4-35
Page 4-36/Page 4-37
Page 4-38/Page 4-39
Page 4-40/Page 4-41
Page 4-42/Page 4-43
Page 4-44
Parts List
8486487Z04 Page 4-45
Controller version is T1

4-2 VHF2 PCB/ SCHEMATICS/ PARTS LISTS
THIS PAGE INTENTIONALLY LEFT BLANK

VHF 2, 25-45W PCB 8486487Z03-B / Schematics 4-3
2.0 VHF 2, 25-45W PCB 8486487Z03-B / Schematics
FILT_SW_B+
9V
COMP_B+
DET-VFWD
DET_VRVS
FILT_SW_B+
INTEGRATOR
PA_BIAS
PWR_SET
RX
RX_EN
TX_EN
TX_INJ
V_CTRL_DRIVER
9V
COMP_B+
DET_VFWD
DET_VRVS
FILT_SW_B+
INTEGRATOR
PA_BIAS
PWR_SET
RX
RX_EN
TX_EN
TX_INJ
V_CTRL_DRIVER
9V
VHF2 Interconnection between Main Board and Power Amplifier Compartment

4-4 VHF 2, 25-45W PCB 8486487Z03-B / Schematics
C301
C302
C303
C304 C305
C306
C307
C308 C309
C310
C311
C312
C313
C314
C315
C316 C317
C318
C319
C320
C322
C335
C336
C352
C353
C356
C357
C359
C360
C364
C367
C402
C406
C411
C414
C418
C490
C602
C603
C604
C605
C606
C607
C608
C609
C610
C611
C612
C613
C614
C615
C616
C617
C618
C619
C620
C621
C622
C623
C624
C625
C626
C627
C628
C629
C630
C631
C632
C633
C662
C678
C1001
C1004C1005
C1007
C1008 C1009
C1011
C1012
C1013
C1014
C1015
C1017
C1018
C1019
C1020
C1021
C1022
C1026
C1030
C1031
C1033
C1034
C1037
C1039
C1041
C1044
C1047
C1049
C1052
C1057
C1063
C1064
C1065
C1068
C1069
C1074
C1076
C1082
C1087
C1088
C1096 C1097
C1098
C1099
C1100
C1104
C1105
C1111
C1113
C1114
C1115
C1116
C1117
C1118 C1119
C1120
C1122
C1123
C1124
C1125
C1132
C1137
C1199
C2001
C2002 C2004
C2012
C2013
C2014
C2016
C2024
C2025
C2026
C2027
C2028
C2030
C2033
C2036
C2052
C2055
C2056
C2057
C2058
C2059
C2061
C2062
C2063
C2064
C2066
C2067
C2068
C2069
C2073 C2074
C2075
C2077
C2078
C2079
C2080
C2081
C5001
C5003
C5005
C5006
C5008
C5010
C5011
C5012
C5013
C5014
C5015
C5016
C5018
C5019
C5020
C5021
C5022
C5023
C5024
C5025
C5026
C5027
C5028 C5029
C5030
C5032
C5033
C5034
C5035
C5038
C5042
C5043
C5044
C5046
C5047
C5048
C5050
C5051
C5052
C5053
C5054
C5056
C5057
C5059
C5062
C5064
C5066
C5068
C5070
C5071
C5074
C5076
C5078
C5079
C5080
C5081
C5087
C5088
C5089
C5090
C5095
C5096
C5100
C5101
C5102
C5103
C5110
C5111
C5112
CR300
D101
D104
D200
D201
D203
D204
D205
D301
D302
D303
D304
D400
D401
D500
D502
D513
23
4
5
6FL300
2
3
FL301
2
3
FL302
43
2
FL303
43
2
FL304
J11
L102
L103
L104
L105
L106
L107
L111
L112
L113
L116
L119
L120
L122
L123
21 L124
L203
L204
L205
L206
L207
L210
L211 L213
L214
L215
L301
L304
L315
M1 M2
M3
M4
M5
1M6
M7
M8
M9
M100
M101
M102
M103
M104
M105 M106
M107
M108 M109 M110
115
216
P1
5
2
64
31
78Q100
Q302
Q305
Q400
Q407
Q414
Q415
Q500
Q503
1
4
32
R101
R102
R105
R106
R107
R108
R109
R123
R124
R125
R146
R148
R150
R151
R171
R173
R174
R176
R178
R179
R190
R191
R197
R199
R200
R202
R206
R208
R211
R212
R217
R221
R222
R224 R225
R226
R228
R232
R233
R234
R302
R303
R304
R305
R306
R307
R308
R309
R311
R312
R313
R314
R315
R316
R317
R318
R319
R320
R321
R322
R323
R324
R325
R326
R328
R329
R331
R332
R334
R336
R338
R406
R428
R429
R430
R431
R439
R440
R441
R444
R445
R450
R451
R458
R459
R461
R462
R472
R473
R601
R602
R610
R5000
R5001
R5009
R5010
R5011
R5019
R5021
R5022
R5024
R5031
R5032
R5033
R5034
R5038
R5039
R5040
R5043
R5044
R5045
R5046
R5047
R5048
R5050
R5052
R5053
R5054
R5055
R5056
R5057
R5063
R5064
R5065
R5066
R5067
R5068
R5070
R5071
R5073
R5074
R5075
R5077
R5079
R5080
R5081 R5082 R5083
R5084
R5085
R5086
R5087
R5089
R6000 R6001
1
RT100
1
SH200
1
SH202
TP3
1
16
8
9
U101
1
37 25
13
U200
11
1
20
10
U300
4
58U301
22
21 8
7
1
U402
4
3
2
5
U501
1
9
U502
1
4
58
U503
1
37
25
13
U504
14
58 U505
1
4U506
3
2
1
U508
9
8
1
16 U509
43
6
U515
VR101
VR105
VR401
VR500 VR501
VR504
VR693
2
3
Y300
4
3
2Y301
85
VHF2 (146-174MHz) 25-45W 8486487Z03-B Top Side

VHF 2, 25-45W PCB 8486487Z03-B / Schematics 4-5
C300
C321
C323
C324
C325
C326
C327
C328
C329
C330C331
C332
C333
C334
C337
C338
C339
C340
C341
C342
C343
C344
C345
C346
C347
C348
C349
C350
C351
C354
C355
C361
C362
C363
C365
C366
C400
C401
C403
C404
C405
C407
C408
C410
C412
C413
C415
C416
C417
C421
C422
C423
C1000
C1002
C1003
C1006
C1010
C1027
C1028
C1029
C1032
C1035
C1036
C1038
C1040
C1042
C1043
C1045
C1046
C1048
C1050
C1051
C1053
C1054
C1055
C1056
C1058
C1059
C1060
C1061
C1062
C1066
C1067
C1070
C1071
C1072
C1073
C1075
C1077
C1078
C1079
C1080
C1081
C1083
C1084
C1085
C1086
C1089
C1090
C1091
C1092
C1093 C1094
C1095
C1101
C1102
C1103
C1106
C1107
C1108
C1109
C1110
C1112
C1121
C1126
C1127
C1128
C1129
C1130
C1131
C1133
C1134
C1136
C2000
C2003
C2005
C2006
C2007
C2008
C2009
C2010
C2011
C2015
C2017
C2018
C2019
C2020
C2021
C2022
C2023
C2029
C2031
C2032
C2034
C2035
C2037
C2038
C2039
C2040
C2041
C2042
C2043
C2044
C2045
C2046
C2047
C2048
C2049
C2050
C2051
C2053
C2054
C2060
C2065
C2070
C2071
C2072
C2076
C5000
C5002
C5007
C5009
C5017
C5031
C5036
C5037
C5039
C5040
C5041
C5045
C5049
C5055
C5058
C5060
C5061
C5063
C5065
C5067
C5069
C5072
C5073
C5075
C5077
C5082
C5083
C5084
C5085
C5086
C5091
C5092
C5094
C5097
C5098
C5099
C5104
C5113
C5114
C5115
C5116
C5117
C5118
C5119
C5120
CR301
D100
D102
D103
D105
D106
D107
D108
D202
D305
D402
D501
D511
1
J2
29
28 2
29
30 32
31
J3
L100
L101
L108
L109
L110
L114
L115
L117
L118
L121
L131
L132
L200
L201
L202
L208
L209
L212
L216
L217
1L300
L302 L303
L305
L306
1 L307
1L308
1 L309
1L310
1L311
1 L312
1L313
1 L314
L500
L501
L502
M111
M112
M113
M114
1P2
Q101Q102
Q103
1
2
3
Q105
Q106
Q200
Q300
Q301
Q303
Q304
Q306
Q401
Q403
Q404
Q405
Q408
Q409
Q410
Q411
Q412
Q413
Q416
Q417
Q501
Q502
Q504
Q505 Q506
R103
R104
R110
R111
R112
R113
R114
R115
R116
R117
R118
R120
R121
R122
R126
R127
R130
R131
R132
R134
R135
R136
R137
R138
R139
R140
R141
R142
R143
R144
R145
R147
R149
R153
R155
R156
R157
R158
R159
R160
R161
R162
R163
R164
R165 R166
R167
R168
R169
R170
R172
R175
R177
R180
R181
R182
R185
R186 R188
R189
R195
R196
R198
R201
R203
R204
R205
R207
R209
R210
R213
R214
R215
R216
R218
R219
R220
R223
R227
R229
R230
R231
R235
R300
R301
R310
R327
R330
R333 R335
R337
R339
R340
R341
R342
R343
R344
R345
R346
R401
R402
R403 R404
R405
R407
R414 R415
R421
R422
R423
R424
R425
R426
R427
R432
R433
R434
R435
R436
R438
R442
R443
R453
R454
R455
R456 R457
R460
R463
R466
R467
R468
R469
R470
R471
R600
R615
R5002
R5008
R5013
R5014
R5016
R5020
R5023
R5025
R5026
R5027
R5028
R5029
R5030
R5035
R5036
R5037
R5041
R5042
R5049
R5051
R5058
R5059
R5060
R5061
R5062
R5069
R5072
R5076
R5078
R5088
R5092
R5093
R5094
R5095
R5096
R5097
R5098
R5099
R5100
R5103
R5290 R5291
1
6
5
4
3
2
1
S5010
1
SH201
SH300
SH301
SH302
6
4
3T300
64
3
T301
TP1
TP2
TP4
TP101
TP102
TP103
TP104
TP106
TP107
TP108
TP110
TP111
TP112
TP113
TP114
TP150
TP200
TP201
TP400
TP401
TP402
TP403
TP404
TP405
TP406
TP407
TP408
TP409
TP410
TP425
TP500
TP555
TP556
1
4
58
U100
14
58 U102
8
71
14
U103
11
1
20
10
U201
U302
14
58 U400
1
76 51
26
U403
16
17
32
U404
9
8
1
16 U405
14
58 U500
14
58 U507
4
58
U510
U514
VR102
VR400
VR402
VR502
VR503
VR692
VR694
VR695
VR696
VR697
VR698
VR699
Y200
4
3
2Y201
VHF2 (146-174MHz) 25-45W 8486487Z03-B Bottom Side

4-6 VHF 2, 25-45W PCB 8486487Z03-B / Schematics
GND
KEYPAD COLUM N
Internal spkr+ jumper
SPI_MOSI
ELP ONLY
SERIAL CLOCK
ELP ONLY
KEYPAD_COLUMN
DNP
Option Board Connector
ELP ONLY
VOICE STORAGE IN T
RX AUDIO RETURN
BACKLIGHT
SCI_PROGRAMMING
Accessory Connector
DATA READY/REQUEST
SPI_CLK
NC
DNP
DISPLAY DRIVER CHIP SELEC TNC
TX AUDIO RETURN
D3_3V
DNP
ANALOG 3 VOLT SUPPLY
OPTION BOARD ENABLE
EXTERNAL MIC
(SOURCE)
9V3
9.3V
DETECTOR AUDIO SEND
KEYPAD ROW
DISPLAY_DRIVER_CS_EN
NC
Place capacitors near J2
INT_SPKR-
SERIAL DATA RETURN
VOICE STORAGE GAIN SELEC T
NC
SERIAL DATA SEN D
HANDSET_RX_AUDI O
RESET
NC
VOICE STORAGE AUDIO SELEC T
MIC_AUDIO
(SOURCE )
ELP ONLY
VOICE STORAGE CS
Control Head Connector
KEYPAD_ROW
BOOT/RESET
PUSH TO TAL K
UNMUTED RX AUDIO SEND
INT_SPKR+
DISPLAY_DRIVER_COMMAND/DATA_SEL
(SOURCE)
J3 -
TX AUDIO SEND
28 pins connector
Place capacitors near J2
MIC_PTT
GND
DNP
(SOURCE)
ELP ONLY
GND
VOICE STORAGE RA C
DIGITAL 3.3 VOLT SUPPL Y
Place capacitors near J2
SHIFT_REG_CS
GND
HOOK
Place capacitors near J2
POST-LIMITER FLAT TX AUDIO RETURN
DISPLAY_DRIVER_RESET
J2-22
G2
2
24
C609 1000pF
J3-26 26
J3-24
14
J3-28 28
J3-21 21
J3-14
R602
0
J3-1212
J2-18 18
1000pF
2
C621
4
2
J2-4
2
R615 100
J2-2
2
C678
0.1uF
2
P1-2
C623
1000pF
C611 1000pF
2
VR695
1
2
J2-1616
20.0
2
J2-1717
C605 1000pF
2
P1-11 11
1000pF
C620
J2-77
SPKR+
J2-55
J2-21
G1
2
D3_3V
1000pF
C632
J3-22
1000pF
C628
2
20.0
1
VR697
1000pF C624
2
C631 1000pF
D3_3V
C615 1000pF
2
3
J3-9
J2-14 14
J2-3
1000pF
2
C607
P1-33 330
R6011
J3- 77
J3-4
J3-55
22
J3-20 20
J3-11 11
J3-22
J3-25 25
J3-23 23
1
2
J3-27 27
VR694
20.0 VR692
20.0
1
4
J2-88
2
P1-4
1000pF
C602
J2-20 20
J2-12 12
1000pF
2
FILT_SW_B+
2
C633
C617 1000pF
VR698
20.0
1
2
2
J2-1010
1000pF
C622
1000pF
C604 2
J2-11
P1-1 1
C625
1000pF
2
1000pF 2
VOX
VSTBY
VS_AUDIO_SEL
VS_MIC
uP_CLK
C627
ONOFF_SENSE
POST_LIMITER_FLAT_TX_AUDIO_RETURN_OPT_BRD
RESET
RX_AUDIO_OUTPUT_ACCESS_CONN
RX_AUDIO_RETURN_OPT_BRD
SPI_CLK
SPI_MOSI
SPKR+
SPKR-
SQ_DET
TX_AUDIO_RETURN_OPT_BRD
TX_AUDIO_SEND_OPT_BRD
UNMUTED_RX_AUDIO_SEND_OPT_BRD
VOL_INDIRECT
D3_3V
DETECTOR_AUDIO_SEND_OPT_BRD
EMERGENCY_ACCES_CONN
EMERGENCY_SENSE
EXTERNAL_MIC_AUDIO_ACCESS_CONN
F1200
FLAT_TX_AUDIO_INPUT_ACCESS_CONN
HANDSET_RX_AUDIO_CH
HSIO
IGNITION
LSIO
MIC_AUDIO_CH
3V 5V
5V_CH
9V
ASFIC_CS
BATT_SENSE
CH_ACT
P1-9 9
1000pF
2
C608
2
C619
1000pF
1000pF
2
J2-99
C603
6
15
J3- 33 J3-6
J2-15
J2-1313
FILT_SW_B+
1000pF
C614 2
19 J3-1818
2
J3-19
1000pF
C662
P1-1010
3V
9V
2
J2-66
C613 1000pF
11
P1-1414
J2-11
29 J3-30
30
J3-29
13
J3-1515
J3-1010
J3-13
P1-66
D3_3V
1000pF
2
9V
C629
0R6001
0
R6000
1
1
2
VR693
33.
20.0
VR696
J2-19 19
SPKR -
D3_3V
P1-1616
5V
J3-11
15
R610 220
VS_GAIN_SEL
VS_INT
VS_RAC
uP_CLK
P1-15
RSSI
RX_EN
SCI_CH
SHIFT_R_CS
SPI_CLK SPI_MISO
SPI_MOSI
SQ_DET
SYNTH_CS
SYNTH_LOCK
TX_EN
VOL_INDIRECT
VOX
VSTBY
VS_AUDIO_SEL
VS_CS
HSIO
KEYPAD_COL_CH
KEYPAD_ROW_CH
LOC_DIST
LSIO
MIC_PTT_CH
ONOFF_SENSE
OPT_DATA_R_OPBD
OPT_EN_OPBD
PROG_I-ACC_C_3
PROG_I-ACC_C_6
PROG_IO-ACC_C_12
PROG_IO-ACC_C_14
PROG_IO-ACC_C_8
PROG_O-ACC_C_4
RESET
8
ASFIC_CS
BATT_SENSE
BOOT_EN_IN_CH
CH_ACT
COMM_DATA_SEL_CH
D3_3V
DISPLAY_CS_CH
EMERGENCY_SENSE
F1200
FILT_SW_B+
HOOK_CH
2
P1-8
1000pF
C612
17
J3-1616
5
J3-88
J3-17
2
P1-5
1000pF
C606
P1-1212
20.0
VR699
1
2
J3-31
31
2
J3-32
32
1000pF
C616
P1-13 13
1000pF
C630
2
C618 2
1000pF
1000pF
C626
2
1000pF
C610 2
P1-7
7
R600
21 0
ACCESSORY CONNECTOR
EXT_ALARM_OUT
EXT_MIC_PTT
PROG_IN
PROG_I/O
PROG_I/O
PROG_I/O
KEYPAD / DISPLAY OPTION BOARD
DC & AUDIO
9
4
DIGITAL
TX_EN
SPI_CLK
SPI_MOSI
9V
RSSI
SYNTH_CS
LOC_DIST
RX_EN
SYNTH_LOCK
FULL DISPLAY ONLY
FULL DISPLAY ONLY
VHF2 (146-174MHz) 25-45W Main Circuit (Sht 1 of 2)

VHF 2, 25-45W PCB 8486487Z03-B / Schematics 4-7
(SOURCE)
DC Connector
HOLES FOR PA SHIELD
(SOURCE)
BOARD HOLES
PEDS FOR GND CONTACTS
M110
1
3V
FILT_SW_B+
TEST_POINT
M101
1
FILT_SW_B+
INTEGRATOR
M106
1
DET_VFWD
DET_VRVS
9R
M104
TEST_POINT
1
1
9R
TEST_POINT
TP3
TP 2
TEST_POINT
1
TEST_POINT
M8
1
SPI_MOSI
SYNTH_CS
SYNTH_LOCK
TX_INJ
TEST_POINT
M3
1
16.8MHz
3V5V 9R
MOD_IN RX_IN J
SPI_CLK
TEST_POINT
M102
1
V_CTRL_DRIVER
PA_BIAS
PWR_SET
COMP_B+
DEMOD
FILT_SW_B+
MOD_OUT
M9
NUT
16.8MHz
B+
BW_SEL
M108
1
M7
TEST_POINT
1
M5
TEST_POINT
1
5V
P2-11
TEST_POINT
M1
1
3V5V
9R 9V
BW_SEL
DEMOD
LOC_DIST
RSSI RX
RX_EN
RX_INJ
1
1
M109
1
M107
TEST_POINT
M2
M103
TEST_POINT
1
9V
2
M105
1
P2-2
5V VCC
COMP_B+
9V
DET-VFWD
DET_VRVS
INTEGRATOR
RX
PWR_SET
V_CTRL_DRIVER
PA_BIAS
FILT_SW_B+
TX_EN
RX_EN
TX_INJ
DC & AUDIO
FGU
RX
POWER_CONTROL
TX_EN
SPI_CLK
SPI_MOSI
9V
RSSI
SYNTH_CS
LOC_DIST
RX_EN
SYNTH_LOCK
VHF2 (146-174MHz) 25-45W Main Circuit (Sht 2 of 2)

4-8 VHF 2, 25-45W PCB 8486487Z03-B / Schematics
MRF1518’s Thermal pad
1.542*4 0.8*2 5
(SOURCE)
V_CNTRL
220pF
C1095
2.4K
NU
R166
R168
2.2K
C1063
330pF
C1062
1000pF
R137
39K
C1001
1uF
C1105
470pF
R106
51
C1117
1000pF
36pF
C1089
IF113
C1043
110pF
100K
R131
5.6K
R159
NU
NU
R188
0
39K
R139
NU
FILT_SW_B+_PA
C1107
470pF
470pF
C1106
510
R170
330pF
C1068
C1014
56pF
FLT_9V
NU
.022uF
C1037
.022uF
C1039
FILT_SW_B+_PA
C1030
27pF
L105
68nH
C1029
0.1uF
12nH
L104
FLT_9V
R122
4.7
R189
330pF
C1065
NU
0
R102
51
C1084
220pF
VR105
5.6V
TP102
1
IF106
C1104
.01uF
MC3303
U103-3
9
10
8
4
11
MC3303
U103-2
6
5
74
11
C1119
24pF
33pF
C1118
NU
R175
220
TP150
1
36
R178
C1040 NU
2200pF
FILT_SW_B+
PA_FILT_B+
35U02
L121
110pF
C1042
0.1uF
C1028
220pF
C1109
R130
0
C1038
M100
HEATSINK
POS
1
NU
.022uF
13.85nH
L122
R173
150
C1026
1000pF
220pF
C1126
330pF
C1044
10K
R155
22K
R147
120nH
R176
470pF
C1041
R174
150
NU
2
3
18
4
U102-1
LM2904
5.6V
VR101
R136
39K
.022uF
C1033
R167
2.2K
1000pF
C1066
R109
30
4.7
R197
FLT_9V
IF107
R134
47K
C1057
1000pF
0
R199
NU
11.03nH
L109
2.2K
NU
R169
C1060
1000pF
56pF
C1012
R126
1
10uF
C1027
220pF
C1000 C1112
220pF
R165
2.4K
C1120
33pF
L118
35U02
C1061
NU
1000pF
R179
36
R182
10K
R153
10K
RFIN
16 RFOUT1 6
RFOUT2 7
VCNTRL
1
VD1
14 VG1 2
VG2 3
GND1
4
GND2
5
GND3
12
GND4
13
NC1
8
NC2
9
NC3
10
NC4
15 30C65
U101
17 EP
G2
11
.022uF
C1032
R171
220
C1053 1000pF
1000pF
C1092
.022uF
C1036
2.7
R124
R125
2.7
R123
2.7
Q105
NU
C1069
330pF
FLT_9V
R186
5.1
C1064
1000pF
4.22nH
L107
C1054
IF100
1000pF
Q101
R158
5.6K
NU
39K
R138
220pF
C1110
.033uF
C1103
C1086
1000pF
IF104
D100
NU
IF108
220pF
C1129
1
R127
C1081
1000pF
C1072
1000pF
C1070
1000pF
IF105
7.66nH
L106
47K
R181
47K
R180
C1074
51
1000pF
1
R105
TP104
Q102
12nH
L110
TP103
1
L100
35U02
.022uF
C1031
C1015
FILT_SW_B+
9V
PA_BIAS
V_CTRL_DRIVER
V_CTRL_DRIVER
V_CTRL_PREDRIVER
110pF
V_CTRL_DRIVER
VCNTR3
RX_EN
V_REF_OPAMP
VCNTR1
VCNTR1 VCNTR1
VCNTR2
VCNTR2 VCNTR2
INTEGRATOR
VCNTR3
VCNTR3
TX_INJ
V_CTRL_PREDRIVER
V_CTRL_PREDRIVER
PA_FILT_B+
Q100-G
INTEGRATOR
INTEGRATOR
NU
NU
VHF2 (146-174MHz) 25-45W Transmitter (Sht 1 of 2)

VHF 2, 25-45W PCB 8486487Z03-B / Schematics 4-9
Coupler
Temp. Sense
Place near both sides of PA shields
7.5 width 2.032 Antenna Connector (Mini-U / BNC )
3.3K
R160
S3
S4
D
G
GND1
GND2
S1
S2
MRF1550
Q100
IF101
R185
10K
16pF
NU
C5112
NU
6.8pF
C1121
C1020
39pF
D108
100nH
L132
NU
0
R196
0
R198
82pF
C1096
1000pF
C1067
NU
10K
R114
R110
NU
TP114
1
1K
R172
470
1MEG
R191
1
M111
22K
R142
J11- 5
G2
3.3K
R162
R113
10K
NU
35U02L119
R161
3.3K
1uF
C1002
4
11
MC3303
U103-4
13
12
14
C1134
24pF
1000pF
C1099
32pF
C1019
FLT_9V
Q106
D103
D104
NU
C1010
100pF
IF103
220pF
C1116
L108
1.2uH
R143
22K
0
R195
NU
R115
NU 62K
R112
10K
TP113
1
150
R118
TP112
1
IF102
L123
1.2uH
62pF
C1009
51nH
L113
D106
M112
1
1000pF
C1091
C1111
470pF
L114
82pF
51nH
C1007
51nH
L112 L124
48nH
R157
56K
C1101
100pF
D105
7.5pF
C1008
C1051
1000pF
IF109
24K
R135
100pF
C1005
J11- 22
35U02
L117
C1080
1000pF
MC3303
U103-1
2
3
1
4
11 C1059
1000pF
R190
1MEG
C1013
6.2pF
7.5K
R151
C1052
1000pF
470pF
NU
C1003
D107
VR102
5.6V
100pF
C1004
82pF
C1132
NU
1000pF
1
TP110
1
C1055
TP107
IF110
160pF
C1006
R121
R120 100
C1056
NU
100
1000pF
L103
1uH
47K
R132
NU
RT100
100K
51nH
L111
68pF
G1
C1108
J11- 33 J11-4
33pF
C1133
1000pF
C1079
R156
10K
1
TP108
C1130
220pF
82pF
C1011
NU
120nH
L131
1.639m
R101
R148
22K
R150
47K
1000pF
C1058
NU
NU
C1021
6.2pF
Q103
100
R5291
R5290
100
C1100
1000pF
R149
22K
C1017
15pF
R103
51
51
R104
C1035
.022uF
PA_FILT_B+
C1115 7
8
4
220pF
U102-2
LM2904
NU
6
5
17nH
L116
17nH
L115
C1018
39pF
FILT_SW_B+_PA
C1199
NU
16pF
4.7pF
C1136
3.3K
R163
IF111
28pF
C1022
IF112
M4
1
C1102
100pF
51
R108
NU
51
R107
R111
1K
C1137
43pF
C1073
NU
1000pF
C1077
1000pF
R116
NU
10K
R177
100 NU
C1050
22K
R145
1000pF
D102
1 J11-1
TX_EN
PWR_SET
DET_VRVS
DET_VFW D
COMP_B+
Final_cur_sense
V_forward
Final_cur_sense
V_reverse
V_reverse
V_REF_OPAMP
V_REF_OPAMP
RX
INTEGRATOR
INTEGRATOR
PA_FILT_B+
R123
R124
R125
NU
1
M113
M114
1
NU
VHF2 (146-174MHz) 25-45W Transmitter (Sht 2 of 2)

4-10 VHF 2, 25-45W PCB 8486487Z03-B / Schematics
DNP
DNP
DNP
DNP
DNP
DNP
LVFRACN Shield
DNP
3V
2.7pF
C2072
C2001
4.7u F
C2015
0.1u F
C2014
5V
0.1uF
390nH
L200
470pF
C2046
2.2uF
C2006
45J68
2
GND
3OUT
VCC
4
1
VCON
16.8MHz
Y200
0.1uF
C2075
1.5K
R224
SH200
SHIELD
1
NC
2.2uF
C2000
.01uF
C2026
22pF
C2055
C2047
470pF
C2053
100pF
.01uF
C2024
C2080
0.1uF
R209
100K
C2052
470pF
C2049
470pF
TEST_POINT
TP201
1
L210
100nH
R202 0
C2036
1000pF
0
R205
1000pF
C2035
C2079
0.1uF
C2020
0.1uF
C2068
6.8pF
2200pF
C2028
R226
150
100K
R210
R208
51
C2078
0.1uF
C2002
10uF
390nH
L217
C2051
220pF
C2017
0.1uF
K2
K3
D201
A1
A2
A3
K1
TP200
TEST_POINT
1
C2074
0.1uF
150K
V_SF
R207
8.2pF
C2067
100
R228
C2033
1000pF
1000pF
C2034
R229
100
C2013
0.1u F
R234
39
A1
A2
A3
K1
K2
K3
D200
C2025
.01uF
150
R225
0.1uF
C2077
1.3K
R217
C2023
.01uF
62pF
C2054
0
R204
C2016
0.1uF
470pF
C2048
VCO_MOD
3
OUT
1IN
Y201
14R06
16.8MHz
2
GND
4
GND1
1uH
L205
12
VMULT4 11
13
VRO
WARP 25
XTAL123
XTAL2 24
30
SFOUT 28
TEST1 37
TEST238
VBPASS
21
VCP 47
VMULT1 15
VMULT2 14
VMULT3
PD_VDD
PREIN
32
PRE_GND
33 PRE_VDD 34
PVREF
35
REFSEL
18
SFBASE
27 SFCAP
26
SFIN
43
4
LOCK
MODIN
10
MODOUT 41
NC1
17
NC2
29
NC3
31
PD_GND
44
5
9CLK
8
DATA
7
DGND
6
DVDD 36
FREFOUT 19
IADAPT 45
INDMULT 16
IOUT
48
AUX2 1
AUX3 2
AUX4 3
AVDD 20
BIAS1
40
BIAS2
39
CCOMP
42
CEX
U200
63A27
ADAPTSW 46
AGND
22
AUX1
470pF
C2050
150K
R206
2.2uF
C2004
R200
120K
470pF
C2045
5V
3V
C2027
.01uF
2.2uF
C2005
D202
NC
3V
5V
SYNTH_LOCK
16.8MHZ
SYNTH_CS
MOD_I N
SPI_CLK
SPI_MOSI
AU3
PRESEC_CLK
VCO SHLD
L203 & L204
VHF2 (146-174MHz) 25-45W Synthesiser and VCO (Sht 1 of 2)

VHF 2, 25-45W PCB 8486487Z03-B / Schematics 4-11
DNP
DNP
DNP
DNP
VCOBIC Shield
VCO Shield
16pF
C2064
D204
L203 100nH
L211
680nH
47nH
L216
L209
100nH
R215
4.7K
R216
3.9K
18pF
C2057
100
R230
100nH
L212
NC
R218
1K
C2007
0.1uF
V_SF
C2021
.01uF
C2030
3900pF
R235
18
C2061
12pF
220
R222
100
R227
R221
L201
680nH
220
SHIELD
SH201
1
C2032
1000pF
R223
220
C2012
0.1uF
0.1uF
C2019
18pF
C2058
C2081
470pF
C2071
39pF
V_SF
0.1uF
C2076
8.2pF
C2066
C2039
1000pF
1000pF
C2029
D205
V_SF
C2063
15pF
R233
47
1pF
C2073
47nH
L214
L213
100nH
30K
R212
C2065
10pF
IF200
1
C2009
0.1uF
C2031
1000pF
510
R220
L204
680nH
SH202
SHIELD
1
C2069
5.6pF TX_EMITTER
15
TX_IADJ
1TX_OUT 10
TX_SWITCH 13
VCC_BUFFERS 14
VCC_LOGIC18
NC
RX_BASE
5
RX_EMITTER
6
RX_IADJ
2RX_OUT8
RX_SWITCH 7
SUPER_FLTR
3
TRB_IN
19
TX_BASE
16
50U54
COLL_RFIN
4
FLIP_IN
20
GND_BUFFERS
11 GND_FLAG
9
17 GND_LOGIC
PRESC_OUT 12
L215
U201
47nH
.01uF
C2022
0
R203
C2011
0.1uF
3.3pF
C2044
820
R219
C2018
0.1uF
R231
51
C2060
15pF
R201
0
47nH
L207
0.1uF
C2010
C2041
1000pF
18pF
C2056
39pF
C2070
C2038
1000pF
VCO_MOD
3
2
Q200
BFS540
1
L202
680nH
R232
47
R214
C2008
4.7K
L206
0.1uF
4.7K
33nH
R213
L208
100nH
12pF
C2062
1000pF
C2042
1000pF
C2040
R211
47K
1000pF
C2037 C2003
0.1uF
6.8pF
C2043
18pF
C2059
D203
TX_INJ
3V
9R
RX_IN J
AU3
PRESEC_CLK
VCO SHLD
L203 & L204
VHF2 (146-174MHz) 25-45W Synthesiser and VCO (Sht 2 of 2)

4-12 VHF 2, 25-45W PCB 8486487Z03-B / Schematics
DNP
DNP
DNP
DNP
FRONT-END SHIELD
DNP
R346
10K
C363
12pF
120pF
C338 C365
5.6pF
C329
470pF 51
R339
1
SHIELD
SH301
33.47nH
L308 R344
10
C355
30pF C341
82pF
C333
91pF
C334
91pF
D305
R342
10
82pF
C345
L300
33.47nH
9V
C323
1000pF
CR301
R300
10K
L302
1.2uH
C331
470pF
82pF
C343
1000pF
C325
10
R341
L303
1.2uH
1000pF
C324
IF300
1
L310
33.47nH
51pF
C300
C350
36pF
C349
36pF
Q301
3V
330pF
C332
100
R337
C330
470pF
Q300
C354
30pF 180pF
C337
2.4K
R327
Q304
470pF
C328
Q306
C340
82pF
.01uF
C321
L309
33.47nH
15K
R310
C347
39pF
33.47nH
L314
82pF
C344
1K
R330
C351
36pF
56pF
C346C339
100pF
5V
R333
430
R345
10K
220
R335
Q303
BFS540
L307
33.47nH
3.3pF
C366
10
R343
L311
33.47nH
SHIELD
SH300
1
RX_EN
9V
9R
LOC_DIST
RX
3V
5V
TO T300
VHF2 (146-174MHz) 25-45W Receiver Front and Back End (Sht 1 of 2)

VHF 2, 25-45W PCB 8486487Z03-B / Schematics 4-13
NU
DNP
NU
TC7W04F
U301-2
NU
DNP
DNP
MIXER SHIELD
Check if it is 3v or another value
1.8K
R328
22pF
C360
10K
R320
20K
R306
2.4K
R326
12 K
R313
A2
A4
K1
K3
U302
FL303
CFWC455G
3
GND1
GND2
4
1IN 2
OUT
R304
33K
C367
2.7pF
100
R336
33pF
C307
0.1uF
C352
T301
XFMR
4
6
3
1
2
1.2K
R329
C336
6.8pF
30pF
C353
R323
4.7K
0.1uF
C311
C319
0.1uF
U301-3
TC7W04F
R312
13K
TEST_POINT
TP4
1
R316
12K
R302 0
0.1uF
33.47nH
C313
L312
D302
C335
9.1pF
1000pF
C326
C305
0.1uF
15K
R311
C364
8.2pF
20 K
R305
C317
0.1uF
L301
1.2uH
L305
470nH
CR300
R314
12K
R325
3.3K
15K
R309
4.7K
R322
D303
C320
0.1uF
R334
390
3V
R338
51
2CC1
5CC2
1
GND1
4
GND2
3IN 6
OUT
5
RSSIOUT
9RSSI_FEED
6
VCC
44.85MHz
MXF45
FL300
13
LIM_DEC1
12 LIM_DEC2
20
MIXOUT
4OSCIN
3
OSCOUT
10 QUADIN
1RFIN
2RFIN_DEC
7
AUDIO_FEED
15
GND
18 IFAMPIN16
IFAMPOUT
19 IFAMP_DEC1 17
IFAMP_DEC
2
14 LIMIN
11
LIMOU
T
SA616
U300
8
20K
R308
Q302
R307
20K
C310
0.1uF
C308
0.1uF
150nH
L306
0.1uF
C304
C342
82pF
Q305
C314
0.1uF
R319
12K
GND
2
GND1
4
OUT
31
IN
Y301
06B09
44.395MHz
0
R303
L315
27nH
C361
18pF
0.1uF
C315
1
SHIELD
SH302
12K
R315
D301
L313
33.47nH
TC7W04F
U301-1
R331
4
GND2
1IN 2
OUT
680
FL30 4
CFWC455D
GND1
3
C303
0.1uF
D304
C318
R317
12K
0.1uF
C348
39pF
3.3K
R324
0.1uF
C316
U301-4
PWR_GND
4
GND
8
VCC
TP1
TEST_POINT
1
R340
51 C359
22pF
10uF
C301
C357
22pF
12K
R318
GND
3
IN
1OUT 2
6
3
1
2
FLTR
FL301
XFMR
T300
4
560
R332
C322
4700pF
1
C306
0.1uF
455KHz
Y300
45B02
3
2
1000pF
C327
18pF
C362
470
R301
8.2K
R321
1.2uH
L304
3V
C309
0.1uF
C302
130pF
0.1uF
C312
2
3V
30pF
C356
FLTR
FL302
GND
3
IN
1OUT
RX_INJ
DEMOD
RSSI
BW_SEL
5V
35
62
17
AUDIOOUT
FROM R337
VHF2 (146-174MHz) 25-45W Receiver Front and Back End (Sht 2 of 2)

4-14 VHF 2, 25-45W PCB 8486487Z03-B / Schematics
1%
Smart Fuse Circuit
AUDIO
spacer for TO-22 0
SOURCE
Volume
SOURCE 9.3V
Place near uP
Audio
9.3V
Indirect
On/Off for ATE
1%
POWER SUPPLY
DNP DNP
C5067
.022uF
1000pF
C5085
Q500
R5062
10K
.022uF
C5086
13K
R5050
C5104
10uF
R5074
1K
GND
3
ON_OFF
2
VIN
4VOUT 5
U501
LM2941T
ADJ 1
VR501
5.1V
1K
R5001
Q504
R5049
15K
Q503
R5071
2.2K
IF500
1
33K
R5038
L500
35U02
1TP555
TEST_POINT
C5060
0.1uF
24V
VR500
33K
R5030
D3_3V
654
2
SWITCH
S5010
50.K
3
LOW
1
HIGH
3.3V
VR503
220pF
C5094
220pF
C1125
220pF
C5095
FILT_SW_B+
C5001
10uF
D511
C5000
1000pF
0.1uF
C5063
24K
R5048
M6
C1128
220pF 100K
0.1uF
R5028
C5037
C1085
1000pF
100
R5079
0.1uF
C5038
100pF
C5083
47K
R5035
220pF
C1113
Q502
1000pF
C1097
L120
35U02
FILT_B +
C5110
1000pF
150K
R5020
C5062
0.1uF
C1124
220pF
R5081
6.34K
C1087
FILT_B+
1000pF
C1098
1000pF
100K
R5029
220pF
C1123
C1122
220pF
C5061
0.1uF 100pF
C5084
10K
R5069
Q505
R5037
10K
C5119
10uF
220pF
C1034
1K
R5073
TEST_POINT
TP556
1
220pF
C5092
R5000
0
D500
TEST_POINT
TP500
1
Q506
220pF
C5096
R5082
51K
C5005
100uF
C5015
0.1uF
D3_3V
R5039
100K
C1114
220pF
47K
R5036
1
IF502
1
IF503
IF501
1MEG
R5085
R5089
1MEG
0.1uF
C5035
VR504
3.3V
9V
1000pF
C5074
R5031
62K
D513
D502
1000pF
C5111
U514
FILT_B+
R5083
270K
1000pF
C1088
100uF
C1127
FILT_SW_B+
ONOFF_SENSE
9V
B+
COMP_B+
POST_LIMITER_FLAT_TX_AUDIO_RETURN_OPT_BR
DC_POWER_ON
BATT_SENSE
FLAT_TX_AUDIO_INPUT_ACCESS_CONN
VOL_INDIRECT
IGNITION
EMERGENCY_SENSE
DNP
DNP
DNP
3.3v Digital REGULATOR
SOURCE
5V TO LVFRACN
For mid_band
3.3V RF REGULATOR
DNP
SOURCE
SOURCE
5V RF Regulator
3.3V to IFIC, ASFI
DNP
DNP
3.3v digital
DNP
C5069
1000pF 47uF
C5007
FILT_B+
24K
R5103
C5040
0.1uF 0.1uF
C5039
1uF
C5043
0.1uF
C5018
0.1uF
C5016
D3_3V
2.2uF
C5041
C5070
1000pF
47uF
C512
0
C5065
1000pF
5V
D501
C5066
1000pF
3V
10uF
C5006 C5068
1000pF
R5002 0
10uF
C5008
3.9V
VR502
TAP
3
ERROR 7
2
FEEDBACK
GND1
19
GND2
4INPUT 5
OUTPUT
6SENSE
8SHUTDOWN
LP2986ILDX
U510
MC33269D
1
GND
3IN 2
OUT
3SHUTDOWN
U508
U503
6
5V_TAP
5
ERROR
7FEEDBACK
4
GND
8INPUT 1
OUTPUT
2
SENSE
LP2951C
1uF
C5042
C5017
0.1uF
C5064
1000pF
D3_3V
VSTBY
5V_CH
RESET
EMERGENCY_ACCES_CONN
DNP
DNP
DNP
DNP
DNP
DNP
0
R5098
R5100
1MEG
24K
R5095
2
31
8
4
LM2904
U500-1
5V
10K
R5096
10K
R5092
6.8pF
C5115
C5113
220pF
5V
1uF
C5114
C5116
220pF
R5094
1MEG
0
R5097
NU
16pF
C5117
LM2904
U500-2
6
57
8
4
0.1uF
C5118
10K
R5093 R5099
100K
DEMOD
DISC
VHF2 (146-174MHz) 25-45W DC and Audio Circuits (Sht 1 of 2)

VHF 2, 25-45W PCB 8486487Z03-B / Schematics 4-15
DNP
DNP IN NON-DISPLAY MODELS
DNP
DNP
DNP
DNP
DNP
DNP
DNP
DNP
DNP DNP
VAG=4.5v
DNP
DNP IN DISPLAY MODELS
C5058
0.1uF
12K
R5051
0.1uF
C5025
0.1uF
C5020
200K
R5019
C5031
0.1uF
C5048
0.1uF
R5065
6.2K
C5080
1000pF
C5036
0.1uF
R5011
0
FILT_SW_B+
L501
35U02
47uF
C5002
1000pF
C5076
C5019
0.1uF
C5022
5V
Q501
0.1uF
220pF
NU
C1090
C5059
.022uF
10
R5080
0.1uF
C5103
3V
3V
0.1uF
C5029
C5034
0.1uF
VAG
0.1uF
C5054
3V
3V
24K
L502
35U02
R5043
100K
R5023
0.1uF
C5047
C5055
4.7uF
R5064
8.2K
1MEG
R5016
C5012
9V
4.7uF
10K
R5059
C5052
0.1uF
R5057
10K
C5030
0.1uF
4.7uF
C5056
C5078
1000pF
U505-1
LM2904
2
3
1
8
4
2.2K
R5070
C5075
1000pF
C5023
0.1uF
R5047
0
0
R5010
R5060
10K
33K
R5045
C5077
1000pF
10K
R5061
C5089
82pF
R5034 36K
3V
3V
10K
R5053
10K
R5058
10K
R5052
4NC
6
NO
VPOS
2
U515
5
COM
GND
3
1
IN
C5091
82pF
0.1uF
C5024
6.2K
R5068
3V
1000pF
C5101
R5008
0
0.1uF
C5028
R5086
560
3V
0
R5009
U507-2
LM2904
6
5
7
8
4
0.1uF
C5102
1000pF
C5082
R5046
24K
C5003
VAG
9V
47uF
0.1uF
C5053
R5084
0
R5087
100K
R5072
4.7K
VDDA
1
VDDCP 32
VDDD 33
VDDDAC
11
VDDRC 45
VDDSYN27
VOX
7
RXSND 39
SQCAP
12
SQDET
17
SQI N
9SYN 28
TXRTN 36
TXSND 44
UIO
10
LSIO
18
MICEXT 48
MICINT 46
40
MOD
NC 26
PLCAP
8
25
PLCAP2
RXRTN 43
GCB5 38
GNDA
3
GNDD 31
30
GNDDO
GNDRC 47
GNDSYN
23
HSIO
19
LCAP
24
DAT A
22
DISC
2
F1200 29
GCB0
15
14 GCB1
GCB2
13
GCB3 35
GCB4 37
AUXTN 42
CHACT
16
21 CLK
CLK168 34
20 CSX
DACG
6DACR
5DACU
4
30C53
U504
AUDIO 41
C5014
2.2uF
82pF
C5090
220pF
C5098
U506-2
LM2904 6
5
7
8
4
C5021
0.1uF
220pF
C5099
R5025
100K 0.1uF
C5032
C5071
1000pF
3V
3V
C5087
120pF
10K
R5055
C5009
10uF
1000pF
C5073
510
R5076
C5079
1000pF
3V
C5100 220pF
C5050
0.1uF
8.2K
R5063
C5033
0.1uF
R5054
10K
R5014
0
C5011
10uF
4.7uF
B+
C5044
1000pF
C5072
R5027
270K
8
4
U506-1
LM2904
2
3
1
3V
3V
LM2904
U507-1
2
3
1
8
4
NU
R5013
0
C1094
1000pF
47K
R5033
9V
47K
R5032
10K
R5056
IF505
1
VAG
IF506
R5088
0
IF504
100K
R5024
R5026
33K
4
Z
Z0
5
3Z1
VCC
16
VEE
7
X14
X0
12
13 X1
Y15
Y0
2
Y1
1
U509
MC14053B
11
A
B10
C9
EN 6
GND
8
R5067
6.2K
R5078
C5057
100
4.7uF
IN V
9
M_SS
8
NINV
1OUT14
OUT 26
RR
3
VCC
7
U502
TDA1519C
GND1
2
GND2
5
10 GND3
GND4
R5041
24K
NU
C1093
220pF C1131
220pF
NU
U505-2
LM2904
6
5
7
8
4
C5027
0.1uF
100K
R5021
0.1uF
C5051
C5013
1.0uF
C5026 0.1uF
220pF
C5097
510
R5075
C5081
1000pF
30K
R5040
C5088
82pF
300
R5077
R5044
24K
0.1uF
C5046
10uF
C5010
1uF
C5045
24K
R5042
C5049
1K
R5066
0.1uF
PWR_SET
V_CTRL_DRIVE
R
3V
R5022
100K
DC_POWER_ON
MIC_AUDIO_CH
SPKR
-
SPKR+
POST_LIMITER_FLAT_TX_AUDIO_RETURN_OPT_BRD
VS_AUDIO_SEL
VS_MIC
RX_AUDIO_OUTPUT
_ACCESS_CONN
FLAT_TX_AUDIO_INPUT_ACCESS_CONN
VOX
EXTERNAL_MIC_AUDIO
_ACCESS_CONN
16.8MHz
MOD_OUT
TX_AUDIO_RETURN_OPT_BRD
TX_AUDIO_SEND_OPT_BRD
RX_AUDIO_RETURN_OPT_BRD
UNMUTED_RX_AUDIO_SEND_OPT_BRD
DETECTOR_AUDIO_SEND_OPT_BRD
CH_ACT
SPI_CLK
ASFIC_CS
PA_BIAS
SPI_MOS I
F1200
BW_SEL
AUDIO_PA_EN
FLAT_OR_DEEMPH_RX_AUD_SEL FLAT_TX_AUDIO_MUTE
HSIO
LSIO
SQ_DET
uP_CLK
HANDSET_RX_AUDIO_CH
DISC
11
VHF2 (146-174MHz) 25-45W DC and Audio Circuits (Sht 2 of 2)

4-16 VHF 2, 25-45W PCB 8486487Z03-B / Schematics
DNP
DNP
SYNTH_CS
ASFIC_CS
DISPLAY_CS_CH
DNP
DNP
DNP
SPI_MOSI
PROVIDE WIRED OR OPERATION ON CSPROG
EE_CS
DNP
SPI_CLK
SHIFT_R_CS
DO NOT CONNECT THIS CS IN ORDER TO
SPI_MISO
R415 0
1
TP404
TEST_POINT
1
TP402
TEST_POINT
0.1uF
C405
C413
1000pF
C414
1000pF
D3_3V
D3_3V
10K
R463
R473
100K
D3_3V
R472
100K
R441
10K
100K
R427
1000pF
C415 C407
0.1uF
R425
100K
51
R462
9RESET
8
VCC
21
I_O0 22
I_O1 23
I_O2 25
I_O3 26
I_O4 27
I_O5 28
I_O6
I_O7 29
14 A6
13 A7
3A8
2A9
30 EN_CE
32 EN_OE
7EN_WE
24 GND
5A14
11 A15
10 A16
A17
6
18 A2
17 A3
16 A4
15 A5
AT49LV002N_70VI
20 A0
19 A1
31 A10
1A11
12 A12
4A13
28
VDD
14
VSS 27
WE
U404
12 D2
13 D3
15 D4
16 D5
17 D6
18 D7
19 D8
22
OE
6
A4 5
A5 4
A6 3
A7 25
A8 24
A9
20
CS
11 D1
9
A1
21
A10 23
A11 2
A12 26
A13 1
A14
8
A2 7
A3
SRM2B256
U402
10
A0
TP410
TEST_POINT
110K
R450
R451
10K
C401
VSSR
87
93
XFC
XIRQ 48
XTAL 91
0.1uF
VDD 12
VDDL 39
VDDR 88
VDDSYN 92
VRH 69
VRL 68
VSS
13
VSSL
40
PJ1_CSGP4 72
PJ2 73
PJ3 74
PJ4 75
PJ5 76
PJ6 77
PJ7 78
RESET 94
PI1
55 PI2
54 PI3
53 PI4
52 PI5
51 PI6
50 PI7
49
PJ0_CSGP3 71
PH1_PW2
46
PH2_PW3
45
PH3_PW4
44
PH4_CSIO
43
PH5_CSGP1
42
PH6_CSGP2
41
PH7_CSPROG
38
PI0
56
PG1_XA14
16
PG2_XA15
20
PG3_XA16
19
PG4_XA17
17
PG5_XA18
18
PG6_AS
5
PG7_R_W 4
PH0_PW1
47
PF2_ADDR2
27 PF3_ADDR3
26 PF4_ADDR4
25 PF5_ADDR5
24 PF6_ADDR6
23 PF7_ADDR7
22
PFO_ADDR0
29
PG0_XA13
6
66
PE1_AN1 65
PE2_AN2 64
PE3_AN3 63
PE4_AN4 62
PE5_AN5 61
PE6_AN6 60
PE7_AN7
PF1_ADDR1
28
PD0_RXD 97
PD1_TXD 98
PD2_MISO 99
PD3_MOSI 100
PD4_SCK 1
PD5_SS 2
3
PD6_LVIN
67
PE0_AN0
PC0_DATA0
30
PC1_DATA1
31
PC2_DATA2
32
PC3_DATA3
33
PC4_DATA4
34
PC5_DATA5
35
PC6_DATA6
36
PC7_DATA7
37
PB1_ADDR9
10 PB2_ADDR10
11 PB3_ADDR11
9PB4_ADDR12
21 PB5_ADDR13
15 PB6_ADDR14
8PB7_ADDR15
7
PBO_ADDR8
14
PA0_IC3 79
PA1_IC280
PA2_IC181
PA3_IC4_OC5_OC1 82
PA4_OC4_OC1 83
PA5_OC3_OC1 84
PA6_OC2_OC1 85
PA7_PA1_OC1 86
AVDD 59
AVSS
70
ECLK 89
EXTAL 90
IRQ 96
95
LVOUT
MODA_LIR58
MODB_VSTBY 57
MC68HC11FL0
U403
C402
0.1uF
D40
D3_3V
D3_3V
1
TP400
TEST_POINT
0.1uF
C408
100K
R423
D3_3V
0.1uF
C404
100K
R428
D3_3V
1
R443
3.3K
TP425
TEST_POINT
R426
100K
220pF
C1078
R438
10K
Q407
D3_3V
D3_3V
FILT_SW_B+
TP403
TEST_POINT
1
100K
R424
CS
1
HOLD
7
SCK
6
SI
5
SO 2
VCC
8
VSS
4
3WP X25128-2.7
U400
D3_3V
1
IF401
1
IF400
10K
R442
Q417
D3_3V
1000pF
C411
10
R47 1
0.1uF
C403
1
TP406
TEST_POINT
0
R414
1000pF
C416
D3_3V
C410
0.1uF
1000pF
C412
1000pF
C1083
TP409
TEST_POINT 1
Q400
R439
10K
0.1uF
C406
1000pF
C400
TP401
TEST_POINT
1
D3_3V
4.3V
VR401
TP407
TEST_POINT
1
EMERGENCY_SENSE
BATT_SENSE
VOX
ONOFF_SENSE
VOL_INDIRECT
F1200
DISPLAY_CS_CH
DISPLAY_CS_CH
KEYPAD_COL_CH
KEYPAD_ROW_CH
RSSI
RESET
TX_EN
OPT_EN_OPBD
D3_3V
RX_EN
ASFIC_CS
ASFIC_CS
SYNTH_CS
SYNTH_CS
SPI_CLK
SPI_CLK
SPI_CLK
SPI_MOSI
SPI_MOSI
SPI_MOSI
SPI_MISO
SPI_MISO
SPI_MISO
MIC_SENSE
SCI_CH
A(8)
A(9)
A(0:18)
EE_CS
EE_CS
OPT_DATA_R_OPBD
D(0:7)
HSIO
PROG_IN-P6_I
PROG_IO-P8_I
PROG_IO-P14_I
PROG_IO-P12_I
COMM_DATA_SEL_CH
SHIFT_R_CS
SHIFT_R_CS
MIC_PTT
D(3)
D(4)
D(6)
D(7)
A18_RES
D(5)
A(0)
A(1)
A(10)
A(11)
A(12)
A(13)
A(14)
A(2)
A(3)
A(4)
A(5)
A(6)
A(7)
A(4)
A(5)
A(6)
A(7)
A(8)
A(9)
A(15)
A(16)
A(18)
A(17)
A18_RES
R_W
uP_CLK
ACCESS_PTT
D(0)
D(1)
D(2)
FILT_SW_B+
R_W
A(0)
A(1)
A(10)
A(11)
A(12)
A(13)
A(14)
A(2)
A(3)
D(1)
D(2)
D(3)
D(4)
D(5)
D(6)
D(7)
D(0)
D(1)
D(2)
D(3)
D(4)
D(5)
D(6)
D(7)
R_W
D3_3V
LSIO
SQ_DET
CH_ACT
A(9)
A(10)
A(11)
A(12)
A(13)
A(8)
D(0)
A(1)
A(2)
A(3)
A(4)
A(5)
A(6)
A(7)
A(0)
A(14)
LOC_DIST
SYNTH_LOCK
A(15)
A(16)
A(17)
A(18)
RESET
PI1
PI2
PI3
PI4
MODB_VSTBY
MODA_LIR
VHF2 (146-174MHz) 25-45W Microprocessor and Controller Circuits (Sht 1 of 2)

VHF 2, 25-45W PCB 8486487Z03-B / Schematics 4-17
PROG_I/O
EXT_ALARM_OUT
PROG_I/O
DNP
SHIFT_REGN_CS
DNP
VS_CS
PROG_I N
DNP
PROG_I/O
PROG_OUT-ALARM_4
VS_RAC
EXT_MIC_PTT
DNP
NON-DISPLAY
PROG_IO-P14_O
DNP
DNP
VS_INT
PROG_IO-P8_O
PROG_IO-P12_O
DISPLAY
2.7K
R401
7
RESET
10
SERIN
14
SEROUT 9
VCC
16
8
Q0 15
Q1 1
Q2 2
Q3 3
Q4 4
Q5 5
Q6
6
Q7
U405
MC74HC595A
CLK_L
12 CLK_S
11
EN_OE
13
GND
TP405
TEST_POINT
1
D3_3V
R429
100K
R436
33K
10K
R431
D401
C422
1000pF
220
R421
R430
39K
1000pF
C417
FILT_SW_B+
R433
33K
R458
3.3K
33K
R434
33K
R432
D3_3V
D3_3V
3.3K
R455
R405 0
3.3K
R456
47K
R459
C423
0.1uF
.022uF
C421
0
R403
VR402
3.3V
1000pF
C418
C490
1uF
1.5K
R460
Q408
R461
220
0
3.3K
R402
3.3K
R454
R453
TP408
TEST_POINT
1
Q411
Q401
Q415
6.8V
VR400
D402
R468 DNP
R467 DNP
D3_3V
D3_3V
DNP
R469
Q413
R457
3.3K
DNP
R466
Q414
D3_3V
Q409
R406 0
0
D3_3V
R407
D3_3V
Q412
10K
R470
Q403
Q410
R445
10K
Q416
10K
R422
Q405
D3_3V
10K
R440
R435
33K
0
R404
10K
Q404
R444
D3_3V
SPI_CL K
SPI_MOSI
BOOT_EN_IN_CH
VSTBY
SCI_CH
HOOK_CH
VS_INT
VS_RAC
VS_CS
PROG_OUT-ALARM_4
PROG_IO-P8_O
PROG_IO-P12_O
PROG_IO-P14_O
VS_AUDIO_SEL
VS_GAIN_SEL
PROG_IO-P8_O
PROG_IO-P8_ I
PROG_IO-P12_O
PROG_IO-P12_I
PROG_IO-P14_O
PROG_IO-P14_I
MIC_PTT_CH
MIC_PT T
MIC_SENSE
PROG_O-ACC_C_4
PROG_I-ACC_C_ 3
PROG_OUT-ALARM_4
ACCESS_PTT
PROG_IN-P6_I
PROG_I-ACC_C_ 6
PROG_IO-ACC_C_8
PROG_IO-ACC_C_12
PROG_IO-ACC_C_14
RESET
PI1
PI2
PI3
PI4
MODB_VSTBY
MODA_LIR
VHF2 (146-174MHz) 25-45W Microprocessor and Controller Circuits (Sht 2 of 2)

4-18 VHF 2, 25-45W PCB 8486487Z03-B / Schematics
1uH
L102
R117
22K
R141
22K
R140
18K
1000pF
C1046
C1045
1000pF
1uH
IF702
L101
1
IF701
1
IF700
NU
1000pF
C1082
C1076
1000pF
7
8
4
1000pF
C1075
3
1
8
4
U100-2
LM2904
6
5
U100-1
LM2904
2
C1071
1000pF
22K
R146
C1049
1000pF
D101
6.2K
R164
R144
22K
C1048
1000pF
C1047
DET_VFWD
INTEGRATOR
DET_VRVS
FILT_SW_B+
1000pF
VHF2 (146-174MHz) 25-45W Power Control Circuit

VHF 2, 25-45W PCB 8486487Z03-B / Schematics 4-19
2.1 VHF2 PCB 8486487Z03-B Parts List 25-45W
Circuit
Ref. Motorola
Part No. Description
C300 2113740F44 CAP, 51pF
C301 2311049A57 CAP, 10uF
C302 2113740F54 CAP, 130pF
C303 2113743K15 CAP, 0.1uF
C304 2113743E20 CAP, 0.1uF
C305 2113743E20 CAP, 0.1uF
C306 2113743E20 CAP, 0.1uF
C307 2113743E20 CAP, 0.1uF
C308 2113743E20 CAP, 0.1uF
C309 2113743E20 CAP, 0.1uF
C310 2113743E20 CAP, 0.1uF
C311 2113743E20 CAP, 0.1uF
C312 2113743E20 CAP, 0.1uF
C313 2113743E20 CAP, 0.1uF
C314 2113743E20 CAP, 0.1uF
C315 2113743E20 CAP, 0.1uF
C316 2113743E20 CAP, 0.1uF
C317 2113743E20 CAP, 0.1uF
C318 2113743E20 CAP, 0.1uF
C319 2113743E20 CAP, 0.1uF
C320 2113743E20 CAP, 0.1uF
C321 2113741F49 CAP, .01uF
C322 2113741F41 CAP, 4700pF
C323 2113741F25 CAP, 1000pF
C324 2113741F25 CAP, 1000pF
C325 2113741F25 CAP, 1000pF
C326 2113741F25 CAP, 1000pF
C327 2113741F25 CAP, 1000pF
C328 2113740F67 CAP, 470pF
C329 2113740F67 CAP, 470pF
C330 2113740F67 CAP, 470pF
C331 2113740F67 CAP, 470pF
C332 2113741F13 CAP, 330pF
C333 2113740L41 CAP, 91pF
C334 2113740L41 CAP, 91pF
C335 2113740L17 CAP, 9.1pF
C336 2113740L14 CAP, 6.8pF
C337 2113740F57 CAP, 180pF
C338 2113740F53 CAP, 120pF
C339 2113740F51 CAP, 100pF
C340 2113740F49 CAP, 82pF
C341 2113740F49 CAP, 82pF
C342 2113740F49 CAP, 82pF
C343 2113740F49 CAP, 82pF
C344 NOT PLACED CAP, 82pF
C345 NOT PLACED CAP, 82pF
C346 2113740F45 CAP, 56pF
C347 2113740F41 CAP, 39pF
C348 2113740F41 CAP, 39pF
C349 NOT PLACED CAP, 36pF
C350 2113740F40 CAP, 36pF
C351 2113740F40 CAP, 36pF
C352 2113740F39 CAP, 33pF
C353 2113740F38 CAP, 30pF
C354 2113740F38 CAP, 30pF
C355 2113740F38 CAP, 30pF
C356 NOT PLACED CAP, 30pF
C357 2113740F35 CAP, 22pF
C359 NOT PLACED CAP, 22pF
Circuit
Ref. Motorola
Part No. Description
C360 NOT PLACED CAP, 22pF
C361 2113740F33 CAP, 18pF
C362 2113740F33 CAP, 18pF
C363 NOT PLACED CAP, 12pF
C364 2113740F25 CAP, 8.2pF
C365 2113740F21 CAP, 5.6pF
C366 NOT PLACED CAP, 3.3pF
C367 NOT PLACED CAP, 2.7pF
C400 2113741F25 CAP, 1000pF
C401 2113743K15 CAP, 0.1uF
C402 2113743K15 CAP, 0.1uF
C403 2113743K15 CAP, 0.1uF
C404 2113743K15 CAP, 0.1uF
C405 2113743K15 CAP, 0.1uF
C406 2113743K15 CAP, 0.1uF
C407 2113743K15 CAP, 0.1uF
C408 2113743K15 CAP, 0.1uF
C410 2113743K15 CAP, 0.1uF
C411 2113741F25 CAP, 1000pF
C412 2113741F25 CAP, 1000pF
C413 2113741F25 CAP, 1000pF
C414 2113741F25 CAP, 1000pF
C415 2113741F25 CAP, 1000pF
C416 2113741F25 CAP, 1000pF
C417 2113741F25 CAP, 1000pF
C418 2113741F25 CAP, 1000pF
C421 NOT PLACED CAP, .022uF
C422 NOT PLACED CAP, 1000pF
C423 NOT PLACED CAP, 0.1uF
C490 NOT PLACED CAP, 1uF
Circuit
Ref. Motorola
Part No. Description
C602 2113741F25 CAP, 1000pF
C603 2113741F25 CAP, 1000pF
C604 2113741F25 CAP, 1000pF
C605 2113741F25 CAP, 1000pF
C606 2113741F25 CAP, 1000pF
C607 2113741F25 CAP, 1000pF
C608 NOT PLACED CAP, 1000pF
C609 NOT PLACED CAP, 1000pF
C610 2113741F25 CAP, 1000pF
C611 2113741F25 CAP, 1000pF
C612 2113741F25 CAP, 1000pF
C613 2113741F25 CAP, 1000pF
C614 2113741F25 CAP, 1000pF
C615 2113741F25 CAP, 1000pF
C616 2113741F25 CAP, 1000pF
C617 2113741F25 CAP, 1000pF
C618 2113741F25 CAP, 1000pF
C619 NOT PLACED CAP, 1000pF
C620 2113741F25 CAP, 1000pF
C621 2113741F25 CAP, 1000pF
C622 2113741F25 CAP, 1000pF
C623 2113741F25 CAP, 1000pF
C624 2113741F25 CAP, 1000pF
C625 2113741F25 CAP, 1000pF
C626 2113741F25 CAP, 1000pF
C627 2113741F25 CAP, 1000pF
C628 2113741F25 CAP, 1000pF
C629 2113741F25 CAP, 1000pF
C630 2113741F25 CAP, 1000pF
C631 2113741F25 CAP, 1000pF
Circuit
Ref. Motorola
Part No. Description

4-20 VHF 2, 25-45W PCB 8486487Z03-B / Schematics
C632 2113741F25 CAP, 1000pF
C633 2113741F25 CAP, 1000pF
C662 2113741F25 CAP, 1000pF
C678 2113741M69 CAP, 0.1uF
C1000 2113740F59 CAP, 220pF
C1001 2311049A08 CAPP, 1uF
C1002 2113741W01 CAP, 1uF
C1003 NOT PLACED CAP, 470pF
C1004 2111078B42 CAP, 100pF
C1005 2111078B42 CAP, 100pF
C1006 2111078B48 CAP, 160pF
C1007 2111078B40 CAP, 82pF
C1008 2111078B10 CAP, 7.5pF
C1009 2111078B37 CAP, 62pF
C1010 NOT PLACED CAP, 100pF
C1011 NOT PLACED CAP, 82pF
C1012 2111078B36 CAP, 56pF
C1013 2111078B08 CAP, 6.2pF
C1014 NOT PLACED CAP, 56pF
C1015 2111078B43 CAP, 110pF
C1017 2111078B18 CAP, 15pF
C1018 2111078B32 CAP, 39pF
C1019 2111078B28 CAP, 32pF
C1020 2111078B32 CAP, 39pF
C1021 NOT PLACED CAP, 6.2pF
C1022 2111078B26 CAP, 28pF
C1026 2113740A79 CAP, 1000pF
C1027 2311049A45 CAPP, 10uF
C1028 2113743K15 CAP, 0.1uF
C1029 2113743K15 CAP, 0.1uF
Circuit
Ref. Motorola
Part No. Description
C1030 2113740F37 CAP, 27pF
C1031 2113743E07 CAP, .022uF
C1032 2113743E07 CAP, .022uF
C1033 2113743E07 CAP, .022uF
C1034 2113740F59 CAP, 220pF
C1035 2113743E07 CAP, .022uF
C1036 2113743E07 CAP, .022uF
C1037 2113743E07 CAP, .022uF
C1038 NOT PLACED CAP, .022uF
C1039 2113743E07 CAP, .022uF
C1040 NOT PLACED CAP, 2200pF
C1041 2113741F17 CAP, 470pF
C1042 2113740F52 CAP, 110pF
C1043 2113740F52 CAP, 110pF
C1044 2113741F13 CAP, 330pF
C1045 2113741F25 CAP, 1000pF
C1046 2113741F25 CAP, 1000pF
C1047 2113741F25 CAP, 1000pF
C1048 2113741F25 CAP, 1000pF
C1049 2113741F25 CAP, 1000pF
C1050 2113741F25 CAP, 1000pF
C1051 2113741F25 CAP, 1000pF
C1052 2113741F25 CAP, 1000pF
C1053 2113741F25 CAP, 1000pF
C1054 2113741F25 CAP, 1000pF
C1055 NOT PLACED CAP, 1000pF
C1056 NOT PLACED CAP, 1000pF
C1057 2113741F25 CAP, 1000pF
C1058 NOT PLACED CAP, 1000pF
C1059 2113741F25 CAP, 1000pF
Circuit
Ref. Motorola
Part No. Description
C1060 2113741F25 CAP, 1000pF
C1061 NOT PLACED CAP, 1000pF
C1062 2113741F25 CAP, 1000pF
C1063 2113740F63 CAP, 330pF
C1064 2113741F25 CAP, 1000pF
C1065 2113740F63 CAP, 330pF
C1066 2113741F25 CAP, 1000pF
C1067 2113741F25 CAP, 1000pF
C1068 2113741F13 CAP, 330pF
C1069 NOT PLACED CAP, 330pF
C1070 2113741F25 CAP, 1000pF
C1071 2113741F25 CAP, 1000pF
C1072 2113741F25 CAP, 1000pF
C1073 NOT PLACED CAP, 1000pF
C1074 2113741F25 CAP, 1000pF
C1075 2113741F25 CAP, 1000pF
C1076 2113741F25 CAP, 1000pF
C1077 2113741F25 CAP, 1000pF
C1078 2113740F59 CAP, 220pF
C1079 2113741F25 CAP, 1000pF
C1080 2113741F25 CAP, 1000pF
C1081 2113741F25 CAP, 1000pF
C1082 NOT PLACED CAP, 1000pF
C1083 2113741F25 CAP, 1000pF
C1084 2113740F59 CAP, 220pF
C1085 2113741F25 CAP, 1000pF
C1086 2113741F25 CAP, 1000pF
C1087 2113741F25 CAP, 1000pF
C1088 2113741F25 CAP, 1000pF
C1089 2113741F25 CAP, 1000pF
Circuit
Ref. Motorola
Part No. Description
C1090 NOT PLACED CAP, 220pF
C1091 2113741F25 CAP, 1000pF
C1092 2113741F25 CAP, 1000pF
C1093 NOT PLACED CAP, 220pF
C1094 NOT PLACED CAP, 1000pF
C1095 2113740F59 CAP, 220pF
C1096 2111078B40 CAP, 82pF
C1097 2113741F25 CAP, 1000pF
C1098 2113741F25 CAP, 1000pF
C1099 2113741F25 CAP, 1000pF
C1100 2113741F25 CAP, 1000pF
C1101 2113741F01 CAP, 100pF
C1102 2113741F01 CAP, 100pF
C1103 2113741A57 CAP, .033uF
C1104 2113741A45 CAP, .01uF
C1105 2113740F67 CAP, 470pF
C1106 2113740F67 CAP, 470pF
C1107 2113740F67 CAP, 470pF
C1108 2113740F47 CAP, 68pF
C1109 2113740F59 CAP, 220pF
C1110 2113740F59 CAP, 220pF
C1111 2111078B59 CAP, 470pF
C1112 2113740F59 CAP, 220pF
C1113 2113740F59 CAP, 220pF
C1114 2113740F59 CAP, 220pF
C1115 2113740F59 CAP, 220pF
C1116 2113740F59 CAP, 220pF
C1117 2113740F40 CAP, 36pF
C1118 2113740F39 CAP, 33pF
C1119 2113740F36 CAP, 24pF
Circuit
Ref. Motorola
Part No. Description

VHF 2, 25-45W PCB 8486487Z03-B / Schematics 4-21
C1120 2113740F39 CAP, 33pF
C1121 NOT PLACED CAP, 6.8pF
C1122 2113740F59 CAP, 220pF
C1123 2113740F59 CAP, 220pF
C1124 2113740F59 CAP, 220pF
C1125 2113740F59 CAP, 220pF
C1126 2113740F59 CAP, 220pF
C1127 2360567A03 CAPP, 100uF
C1128 2113740F59 CAP, 220pF
C1129 2113740F59 CAP, 220pF
C1130 2113740F59 CAP, 220pF
C1131 NOT PLACED CAP, 220pF
C1132 2111078B40 CAP, 82pF
C1133 2113740A41 CAP, 33pF
C1134 2113740A38 CAP, 24pF
C1136 2113740F19 CAP, 4.7pF
C1137 2111078B33 CAP, 43pF
C1199 NOT PLACED CAP, 16pF
C2000 2113743F18 CAP, 2.2uF
C2001 2311049J11 CAPP, 4.7uF
C2002 2311049A72 CAPP, 10uF
C2003 2113743K15 CAP, 0.1uF
C2004 2113743F18 CAP, 2.2uF
C2005 2113743F18 CAP, 2.2uF
C2006 2113743F18 CAP, 2.2uF
C2007 2113743E20 CAP, 0.1uF
C2008 2113743E20 CAP, 0.1uF
C2009 2113743E20 CAP, 0.1uF
C2010 2113743E20 CAP, 0.1uF
C2011 2113743E20 CAP, 0.1uF
Circuit
Ref. Motorola
Part No. Description
C2012 NOT PLACED CAP, 0.1uF
C2013 2113743E20 CAP, 0.1uF
C2014 2113743E20 CAP, 0.1uF
C2015 2113743E20 CAP, 0.1uF
C2016 2113743E20 CAP, 0.1uF
C2017 2113743E20 CAP, 0.1uF
C2018 2113743E20 CAP, 0.1uF
C2019 2113743E20 CAP, 0.1uF
C2020 2113743E20 CAP, 0.1uF
C2021 2113741F49 CAP, .01uF
C2022 2113741F49 CAP, .01uF
C2023 2113741F49 CAP, .01uF
C2024 2113741F49 CAP, .01uF
C2025 2113741F49 CAP, .01uF
C2026 2113741F49 CAP, .01uF
C2027 2113741F49 CAP, .01uF
C2028 2113741F33 CAP, 2200pF
C2029 2113741F25 CAP, 1000pF
C2030 2113741F39 CAP, 3900pF
C2031 NOT PLACED CAP, 1000pF
C2032 2113741F25 CAP, 1000pF
C2033 2113741F25 CAP, 1000pF
C2034 2113741F25 CAP, 1000pF
C2035 2113741F25 CAP, 1000pF
C2036 2113741F25 CAP, 1000pF
C2037 2113741F25 CAP, 1000pF
C2038 2113741F25 CAP, 1000pF
C2039 2113741F25 CAP, 1000pF
C2040 2113741F25 CAP, 1000pF
C2041 2113741F25 CAP, 1000pF
Circuit
Ref. Motorola
Part No. Description
C2042 2113741F25 CAP, 1000pF
C2043 2113740L14 CAP, 6.8pF
C2044 2113740L06 CAP, 3.3pF
C2045 2113740F67 CAP, 470pF
C2046 2113740F67 CAP, 470pF
C2047 2113740F67 CAP, 470pF
C2048 2113740F67 CAP, 470pF
C2049 NOT PLACED CAP, 470pF
C2050 2113740F67 CAP, 470pF
C2051 2113740F59 CAP, 220pF
C2052 2113740F67 CAP, 470pF
C2053 NOT PLACED CAP, 100pF
C2054 2113740L37 CAP, 62pF
C2055 2113740F35 CAP, 22pF
C2056 2113740F33 CAP, 18pF
C2057 2113740F33 CAP, 18pF
C2058 2113740F33 CAP, 18pF
C2059 2113740F33 CAP, 18pF
C2060 2113740F31 CAP, 15pF
C2061 2113740F29 CAP, 12pF
C2062 2113740F29 CAP, 12pF
C2063 2113740L22 CAP, 15pF
C2064 2113740F32 CAP, 16pF
C2065 2113740F27 CAP, 10pF
C2066 2113740L16 CAP, 8.2pF
C2067 2113740F25 CAP, 8.2pF
C2068 2113740F23 CAP, 6.8pF
C2069 2113740L12 CAP, 5.6pF
C2070 2113740F41 CAP, 39pF
C2071 2113740F41 CAP, 39pF
Circuit
Ref. Motorola
Part No. Description
C2072 2113740L04 CAP, 2.7pF
C2073 2113740F03 CAP, 1pF
C2074 2109720D14 CAP, 0.1uF
C2075 2109720D14 CAP, 0.1uF
C2076 NOT PLACED CAP, 0.1uF
C2077 2109720D14 CAP, 0.1uF
C2078 2109720D14 CAP, 0.1uF
C2079 2109720D14 CAP, 0.1uF
C2080 2109720D14 CAP, 0.1uF
C2081 2113740F67 CAP, 470pF
C5000 2113741F25 CAP, 1000pF
C5001 2389289U01 CAPP, 10uF
C5002 2311049A99 CAPP, 47uF
C5003 2311049A99 CAPP, 47uF
C5005 2360567A03 CAPP, 100uF
C5006 2311049A57 CAPP, 10uF
C5007 2311049A99 CAPP, 47uF
C5008 2311049A57 CAPP, 10uF
C5009 2311049A57 CAPP, 10uF
C5010 2311049A57 CAPP, 10uF
C5011 2311049A57 CAPP, 10uF
C5012 2311049A56 CAPP, 4.7uF
C5013 2113928P04 CAP, 1.0uF
C5014 NOT PLACED CAP, 2.2uF
C5015 2113743K15 CAP, 0.1uF
C5016 2113743K15 CAP, 0.1uF
C5017 2113743K15 CAP, 0.1uF
C5018 2113743K15 CAP, 0.1uF
C5019 2113743K15 CAP, 0.1uF
C5020 2113743K15 CAP, 0.1uF
Circuit
Ref. Motorola
Part No. Description

4-22 VHF 2, 25-45W PCB 8486487Z03-B / Schematics
C5021 2113741M69 CAP, 0.1uF
C5022 2113743K15 CAP, 0.1uF
C5023 2113743K15 CAP, 0.1uF
C5024 2113743K15 CAP, 0.1uF
C5025 2113743K15 CAP, 0.1uF
C5026 2113743K15 CAP, 0.1uF
C5027 2113743K15 CAP, 0.1uF
C5028 2113743K15 CAP, 0.1uF
C5029 2113743K15 CAP, 0.1uF
C5030 2113743K15 CAP, 0.1uF
C5031 2113743K15 CAP, 0.1uF
C5032 2113743K15 CAP, 0.1uF
C5033 2113743K15 CAP, 0.1uF
C5034 2113743K15 CAP, 0.1uF
C5035 2113743K15 CAP, 0.1uF
C5036 2113743K15 CAP, 0.1uF
C5037 2113743K15 CAP, 0.1uF
C5038 2113743K15 CAP, 0.1uF
C5039 NOT PLACED CAP, 0.1uF
C5040 NOT PLACED CAP, 0.1uF
C5041 2113743F18 CAP, 2.2uF
C5042 2113743F16 CAP, 1uF
C5043 2113743F16 CAP, 1uF
C5044 2113928C04 CAP, 4.7uF
C5045 2113743F16 CAP, 1uF
C5046 2113743E20 CAP, 0.1uF
C5047 2113743E20 CAP, 0.1uF
C5048 2113743E20 CAP, 0.1uF
C5049 2113743E20 CAP, 0.1uF
C5050 2113743E20 CAP, 0.1uF
Circuit
Ref. Motorola
Part No. Description
C5051 NOT PLACED CAP, 0.1uF
C5052 2113743E20 CAP, 0.1uF
C5053 NOT PLACED CAP, 0.1uF
C5054 NOT PLACED CAP, 0.1uF
C5055 2113928C04 CAP, 4.7uF
C5056 2113928C04 CAP, 4.7uF
C5057 2113928C04 CAP, 4.7uF
C5058 NOT PLACED CAP, 0.1uF
C5059 2113743E07 CAP, .022uF
C5060 2113741M69 CAP, 0.1uF
C5061 2113741M69 CAP, 0.1uF
C5062 2113741M69 CAP, 0.1uF
C5063 2113741M69 CAP, 0.1uF
C5064 2113741F25 CAP, 1000pF
C5065 2113741F25 CAP, 1000pF
C5066 2113741F25 CAP, 1000pF
C5067 2113741F25 CAP, 1000pF
C5068 2113741F25 CAP, 1000pF
C5069 2113741F25 CAP, 1000pF
C5070 2113741F25 CAP, 1000pF
C5071 2113741F25 CAP, 1000pF
C5072 2113741F25 CAP, 1000pF
C5073 2113741F25 CAP, 1000pF
C5074 2113741F25 CAP, 1000pF
C5075 NOT PLACED CAP, 1000pF
C5076 2113741F25 CAP, 1000pF
C5077 2113741F25 CAP, 1000pF
C5078 2113741F25 CAP, 1000pF
C5079 2113741F25 CAP, 1000pF
C5080 2113741F25 CAP, 1000pF
Circuit
Ref. Motorola
Part No. Description
C5081 2113741F25 CAP, 1000pF
C5082 2113741F25 CAP, 1000pF
C5083 2113740F51 CAP, 100pF
C5084 2113740F51 CAP, 100pF
C5085 2113741A53 CAP, .022uF
C5086 2113741A53 CAP, .022uF
C5087 2113740F53 CAP, 120pF
C5088 2113740F49 CAP, 82pF
C5089 2113740F49 CAP, 82pF
C5090 2113740F49 CAP, 82pF
C5091 2113740F49 CAP, 82pF
C5092 2113740F59 CAP, 220pF
C5094 2113740F59 CAP, 220pF
C5095 2113740F59 CAP, 220pF
C5096 2113740F59 CAP, 220pF
C5097 2113740F59 CAP, 220pF
C5098 2113740F59 CAP, 220pF
C5099 2113740F59 CAP, 220pF
C5100 2113740F59 CAP, 220pF
C5101 NOT PLACED CAP, 1000pF
C5102 NOT PLACED CAP, 0.1uF
C5103 NOT PLACED CAP, 0.1uF
C5104 NOT PLACED CAP, 10uF
C5110 2113741F25 CAP, 1000pF
C5111 2113741F25 CAP, 1000pF
C5112 NOT PLACED CAP, 16pF
C5113 NOT PLACED CAP, 220pF
C5114 2113743F16 CAP, 1uF
C5115 NOT PLACED CAP, 6.8pF
C5116 NOT PLACED CAP, 220pF
Circuit
Ref. Motorola
Part No. Description
C5117 NOT PLACED CAP, 16pF
C5118 2113743E20 CAP, 0.1uF
C5119 2113743H14 CAP, 10uF
C5120 NOT PLACED CAPP, 47uF
CR300 4880154K03 MMBD353, SCHOTTKY
COMM AK
CR301 4880154K03 MMBD353, SCHOTTKY
COMM AK
D100 NOT PLACED MMBD6100, DUAL COMM
CATH
D101 4813833C02 MMBD6100, DUAL COMM
CATH
D102 4813833C02 MMBD6100, DUAL COMM
CATH
D103 4802482J02 MA4P959, PIN
D104 4802482J02 MA4P959, PIN
D105 4805218N57 RB715F, DUAL COMM
CATH
D106 4805218N57 RB715F, DUAL COMM
CATH
D107 4805218N57 RB715F, DUAL COMM
CATH
D108 4805218N57 RB715F, DUAL COMM
CATH
D200 4802233J09 IMN10, 3 DIODE ARRAY
D201 4802233J09 IMN10, 3 DIODE ARRAY
D202 4862824C03 1SV232, VARACTOR
D203 4805649Q13 1SV228, VARACTOR
D204 4805649Q13 1SV228, VARACTOR
D205 4862824C01 1SV229, VARACTOR
D301 4802245J97 DAN235ETL, DUAL
COMM CATH
D302 4802245J97 DAN235ETL, DUAL
COMM CATH
Circuit
Ref. Motorola
Part No. Description

VHF 2, 25-45W PCB 8486487Z03-B / Schematics 4-23
D303 4802245J97 DAN235ETL, DUAL
COMM CATH
D304 4802245J97 DAN235ETL, DUAL
COMM CATH
D305 4880142L01 MMBV3401LT, PIN
D400 4813833C07 MMBD7000, DUAL COMM
AK
D401 4813833C02 MMBD6100, DUAL COMM
CATH
D402 4809948D42 RB751V40, SCHOTTKY
D500 4813833C02 MMBD6100, DUAL COMM
CATH
D501 NOT PLACED MMBD6100, DUAL COMM
CATH
D502 4813825A23 MMSD301T1, SCHOTTKY
D511 4813833C02 MMBD6100, DUAL COMM
CATH
D513 4813833C02 MMBD6100, DUAL COMM
CATH
FL300 9180022M11 MXF45, 44.85MHz BPF
FL301 9180468V06 FLTR, 455kHZ, BW
25KHZ
FL302 9180468V04 FLTR, 455kHZ, BW
12.5KHZ
FL303 9180469V03 FLTR, 455kHZ, BW
12.5KHZ
FL304 9180469V06 FLTR, 455kHZ, BW
25KHZ
J2 0989241U02 CONNECTOR 22 PIN
J3 NOT PLACED CONNECTOR 32 PIN
J11 2889309U01 ANTENNA CONNECTOR
L100 7686135U02 FERRITE BEAD
L101 2462587T30 IDCTR, 1uH
L102 2462587T30 IDCTR, 1uH
L103 2462587T30 IDCTR, 1uH
Circuit
Ref. Motorola
Part No. Description
L104 2462587T38 IND CHIP 22NH 5% LOW
PRO
L105 2462587T13 IDCTR, 68nH
L106 2460591A11 IDCTR, 7.66nH
L107 2460591A01 IDCTR, 4.22nH
L108 2462587X69 IDCTR, 1.2uH
L109 NOT PLACED IDCTR, 11.03nH
L110 2462587N42 IDCTR, 12nH
L111 2460592B01 IDCTR, 51nH
L112 2460592B01 IDCTR, 51nH
L113 2460592B01 IDCTR, 51nH
L114 2460592B01 IDCTR, 51nH
L115 2460592A01 IDCTR, 17nH
L116 2460592A01 IDCTR, 17nH
L117 7686135U02 FERRITE BEAD
L118 7686135U02 FERRITE BEAD
L119 7686135U02 FERRITE BEAD
L120 7686135U02 FERRITE BEAD
L121 7686135U02 FERRITE BEAD
L122 2460591C23 IDCTR, 13.85nH
L123 2462587X69 IDCTR, 1.2uH
L124 2485873L05 IDCTR, 48nH
L131 NOT PLACED IDCTR, 120nH
L132 2462587N15 IDCTR, 100nH
L200 2462587Q42 IDCTR, 390nH
L201 2462587V44 IDCTR, 680nH
L202 2462587V44 IDCTR, 680nH
L203 2462587V44 IDCTR, 680nH
L204 2462587V44 IDCTR, 680nH
L205 2462587Q47 IDCTR, 1uH
L206 2413923C05 IDCTR, 33nH
Circuit
Ref. Motorola
Part No. Description
L207 2413923C07 IDCTR, 47nH
L208 2413926N24 IDCTR, 100nH
L209 2413926N24 IDCTR, 100nH
L210 2413926N24 IDCTR, 100nH
L211 2413926N24 IDCTR, 100nH
L212 2413926N24 IDCTR, 100nH
L213 2413926N24 IDCTR, 100nH
L214 2413926H20 IDCTR, 47nH
L215 2413926H20 IDCTR, 47nH
L216 2413926H20 IDCTR, 47nH
L217 2462587Q42 IDCTR, 390nH
L300 2460591G24 IDCTR, 33.47nH
L301 2462587X69 IDCTR, 1.2uH
L302 2462587X69 IDCTR, 1.2uH
L303 2462587N69 IDCTR, 1.2uH
L304 2483411T74 IDCTR, 1.2uH
L305 2413926K31 IDCTR, 470nH
L306 2462587N55 IDCTR, 150nH
L307 2460591G24 IDCTR, 33.47nH
L308 2460591G24 IDCTR, 33.47nH
L309 2460591G24 IDCTR, 33.47nH
L310 2460591G24 IDCTR, 33.47nH
L311 2460591G24 IDCTR, 33.47nH
L312 2460591G24 IDCTR, 33.47nH
L313 2460591G24 IDCTR, 33.47nH
L314 2460591G24 IDCTR, 33.47nH
L315 NOT PLACED IDCTR, 27nH
L500 7686135U02 FERRITE BEAD
L501 7686135U02 FERRITE BEAD
L502 7686135U02 FERRITE BEAD
Circuit
Ref. Motorola
Part No. Description
M6 4387454V01 SPACER
M9 0289511U01 NUT
M100 2680499Z01 HEATSINK
M105 7588823L03 CONTACT, METAL
M106 7588823L03 CONTACT, METAL
M107 7588823L03 CONTACT, METAL
M108 7588823L04 CONTACT, METAL
M109 7588823L04 CONTACT, METAL
M110 7588823L04 CONTACT, METAL
M111 NOT PLACED CONTACT, METAL
M112 NOT PLACED CONTACT, METAL
M113 NOT PLACED CONTACT, METAL
M114 NOT PLACED CONTACT, METAL
P1 2804503J01 CONNECTOR, 16 PIN
P2 NOT PLACED CONNECTOR, 2 PIN DC
Q100 4886136B01 MRF1550, LDMOS RF
Q101 4813824A10 MMBT3904, BIPOLAR
NPN
Q102 NOT PLACED MMBT3904, BIPOLAR
NPN
Q103 4813824A06 MMBTA13, DARLINGTON,
NPN
Q105 4886212B01 MRF1518, LDMOS RF
Q106 4805128M27 BSR33, BIPOLAR, PNP
Q200 4802245J95 BFS540, NPN
Q300 4809940E02 DTC114YE, NPN
Q301 4813824A17 MMBT3906, BIPOLAR
PNP
Q302 4813824A10 MMBT3904, BIPOLAR
NPN
Q303 4802245J95 BFS540, NPN
Q304 4809939C04 UMC3
Circuit
Ref. Motorola
Part No. Description

4-24 VHF 2, 25-45W PCB 8486487Z03-B / Schematics
Q305 4802197J95 PBR941, NPN
Q306 4813824A17 MMBT3906, BIPOLAR
PNP
Q400 4809940E02 DTC114YE, NPN
Q401 4880141L03 BCW68G, BIPOLAR PNP
Q403 4809940E02 DTC114YE, NPN
Q404 4809940E02 DTC114YE, NPN
Q405 4809940E02 DTC114YE, NPN
Q407 4809940E02 DTC114YE, NPN
Q408 4880048M01 DTC144EKA, BIPOLAR
Q409 4880048M01 DTC144EKA, BIPOLAR
Q410 4880048M01 DTC144EKA, BIPOLAR
Q411 4880048M01 DTC144EKA, BIPOLAR
Q412 4880048M01 DTC144EKA, BIPOLAR
Q413 4809940E02 DTC114YE, NPN
Q414 4809940E02 DTC114YE, NPN
Q415 NOT PLACED MMBT3904
Q416 4809940E02 DTC114YE, NPN
Q417 4813824A10 MMBT3904, BIPOLAR
NPN
Q500 4813824A10 MMBT3904, BIPOLAR
NPN
Q501 4809940E02 DTC114YE, NPN
Q502 4809940E02 DTC114YE, NPN
Q503 4813824A10 MMBT3904, BIPOLAR
NPN
Q504 4880048M01 DTC144EKA, BIPOLAR
Q505 4813824A10 MMBT3904, BIPOLAR
NPN
Q506 4813824A10 MMBT3904, BIPOLAR
NPN
R101 1705603W01 SHUNT, 1.639m
R102 0680194M18 RES, 51
Circuit
Ref. Motorola
Part No. Description
R103 0683994M18 RES, 51
R104 0680194M18 RES, 51
R105 0680194M18 RES, 51
R106 0680194M18 RES, 51
R107 0680194M18 RES, 51
R108 0680194M18 RES, 51
R109 0662057A12 RES, 30
R110 NOT PLACED RES, 1K
R111 NOT PLACED RES, 1K
R112 NOT PLACED RES, 62K
R113 NOT PLACED RES, 10K
R114 NOT PLACED RES, 10K
R115 NOT PLACED RES, 10K
R116 NOT PLACED RES, 10K
R117 0662057A81 RES, 22K
R118 0662057C55 RES, 150
R120 0662057C51 RES, 100
R121 NOT PLACED RES, 100
R122 0662057C19 RES, 4.7
R123 0662057C13 RES, 2.7
R124 0662057C13 RES, 2.7
R125 0662057C13 RES, 2.7
R126 0662057C03 RES, 1
R127 0662057C03 RES, 1
R130 0662057B47 RES, 0
R131 0662057A97 RES, 100K
R132 NOT PLACED RES, 100K
R134 0662057A89 RES, 47K
R135 0662057A82 RES, 24K
R136 0662057A87 RES, 39K
Circuit
Ref. Motorola
Part No. Description
R137 0662057A87 RES, 39K
R138 NOT PLACED RES, 39K
R139 NOT PLACED RES, 39K
R140 0662057A79 RES, 718K
R141 0662057A81 RES, 22K
R142 0662057A81 RES, 22K
R143 0662057A81 RES, 22K
R144 0662057A75 RES, 12K
R145 0662057A81 RES, 22K
R146 0662057A81 RES, 22K
R147 0662057A81 RES, 22K
R148 0662057A81 RES, 22K
R149 0662057A81 RES, 22K
R150 0662057A89 RES, 47K
R151 0662057A70 RES, 7.5K
R153 0662057A73 RES, 10K
R155 NOT PLACED RES, 10K
R156 0662057A73 RES, 10K
R157 0662057A91 RES, 56K
R158 0662057A67 RES, 5.6K
R159 NOT PLACED RES, 5.6K
R160 0662057A61 RES, 3.3K
R161 0662057A61 RES, 3.3K
R162 0662057A61 RES, 3.3K
R163 0662057A61 RES, 3.3K
R164 0662057A68 RES, 6.2K
R165 0662057A58 RES, 2.4K
R166 NOT PLACED RES, 2.4K
R167 0662057A57 RES, 2.2K
R168 0662057A57 RES, 2.2K
Circuit
Ref. Motorola
Part No. Description
R169 NOT PLACED RES, 2.2K
R170 0662057A42 RES, 510
R171 0662057A33 RES, 220
R172 0662057A41 RES, 470
R173 0662057A29 RES, 150
R174 0662057A29 RES, 150
R175 NOT PLACED RES, 220
R176 2413926N25 IDCTR, 120nH
R177 NOT PLACED RES, 100
R178 0662057A14 RES, 36
R179 0662057A14 RES, 36
R180 0660082A89 RES, 47K
R181 0660082A89 RES, 47K
R182 0662057A73 RES, 10K
R185 0662057A73 RES, 10K
R186 0662057C20 RES, 5.1
R188 NOT PLACED RES, 0
R189 NOT PLACED RES, 0
R190 0662057G64 RES, 1MEG
R191 0662057G64 RES, 1MEG
R195 0662057C01 RES, 0
R196 NOT PLACED RES, 0
R197 0662057C19 RES, 4.7
R198 0662057C01 RES, 0
R199 0662057B47 RES, 0
R200 0662057A99 RES, 120K
R201 0662057B47 RES, 0
R202 NOT PLACED RES, 0
R203 0662057B47 RES, 0
R204 NOT PLACED RES, 0
Circuit
Ref. Motorola
Part No. Description

VHF 2, 25-45W PCB 8486487Z03-B / Schematics 4-25
R205 NOT PLACED RES, 0
R206 0662057B02 RES, 150K
R207 0662057B02 RES, 150K
R208 0662057A18 RES, 51
R209 0662057A97 RES, 100K
R210 NOT PLACED RES, 100K
R211 0662057A89 RES, 47K
R212 0662057A84 RES, 30K
R213 0662057A65 RES, 4.7K
R214 0662057A65 RES, 4.7K
R215 0662057A65 RES, 4.7K
R216 0662057A63 RES, 3.9K
R217 0662057A52 RES, 1.3K
R218 0662057A49 RES, 1K
R219 NOT PLACED RES, 820
R220 0662057A42 RES, 510
R221 0662057A33 RES, 220
R222 0662057A33 RES, 220
R223 0662057A33 RES, 220
R224 0662057A53 RES, 1.5K
R225 0662057A29 RES, 150
R226 0662057A29 RES, 150
R227 0662057A25 RES, 100
R228 0662057A25 RES, 100
R229 0662057A25 RES, 100
R230 0662057A25 RES, 100
R231 0662057A18 RES, 51
R232 0662057A17 RES, 47
R233 0662057A17 RES, 47
R234 0662057A15 RES, 39
Circuit
Ref. Motorola
Part No. Description
R235 0662057A07 RES, 18
R300 0662057A73 RES, 10K
R301 0662057A41 RES, 470
R302 0662057B47 RES, 0
R303 0662057B47 RES, 0
R304 0662057A85 RES, 33K
R305 0662057A80 RES, 20K
R306 0662057A80 RES, 20K
R307 0662057A80 RES, 20K
R308 0662057A80 RES, 20K
R309 0662057A77 RES, 15K
R310 0662057A77 RES, 15K
R311 NOT PLACED RES, 15K
R312 0662057A76 RES, 13K
R313 0662057A75 RES, 12K
R314 0662057A75 RES, 12K
R315 0662057A75 RES, 12K
R316 0662057A75 RES, 12K
R317 0662057A75 RES, 12K
R318 0662057A75 RES, 12K
R319 0662057A75 RES, 12K
R320 0662057A73 RES, 10K
R321 0662057A71 RES, 8.2K
R322 0662057A65 RES, 4.7K
R323 0662057A65 RES, 4.7K
R324 0662057A61 RES, 3.3K
R325 0662057A61 RES, 3.3K
R326 0662057A58 RES, 2.4K
R327 0662057A58 RES, 2.4K
R328 0662057A55 RES, 1.8K
Circuit
Ref. Motorola
Part No. Description
R329 0662057A51 RES, 1.2K
R330 0662057A49 RES, 1K
R331 0662057A45 RES, 680
R332 0662057A43 RES, 560
R333 0662057A40 RES, 430
R334 0662057A39 RES, 390
R335 0662057A33 RES, 220
R336 0662057A25 RES, 100
R337 0662057A25 RES, 100
R338 0662057A18 RES, 51
R339 0662057A18 RES, 51
R340 0662057A18 RES, 51
R341 0662057A01 RES, 10
R342 0662057A01 RES, 10
R343 0662057A01 RES, 10
R344 0662057A01 RES, 10
R345 0662057A73 RES, 10K
R346 0662057A73 RES, 10K
R401 0662057C85 RES, 2.7K
R402 0662057B47 RES, 0
R403 0662057B47 RES, 0
R404 0662057B47 RES, 0
R405 0662057B47 RES, 0
R406 0662057B47 RES, 0
R407 0662057B47 RES, 0
R414 0662057B47 RES, 0
R415 NOT PLACED RES, 0
R421 0662057A33 RES, 220
R422 0662057A73 RES, 10K
R423 NOT PLACED RES, 100K
Circuit
Ref. Motorola
Part No. Description
R424 NOT PLACED RES, 100K
R425 0662057A97 RES, 100K
R426 0662057A97 RES, 100K
R427 NOT PLACED RES, 100K
R428 0662057A97 RES, 100K
R429 0662057A97 RES, 100K
R430 0662057A87 RES, 39K
R431 NOT PLACED RES, 10K
R432 0662057A85 RES, 33K
R433 0662057A85 RES, 33K
R434 0662057A85 RES, 33K
R435 0662057A85 RES, 33K
R436 0662057A85 RES, 33K
R438 0662057A73 RES, 10K
R439 0662057A73 RES, 10K
R440 0662057A73 RES, 10K
R441 0662057A73 RES, 10K
R442 0662057A73 RES, 10K
R443 0662057A61 RES, 3.3K
R444 0662057A73 RES, 10K
R445 0662057A73 RES, 10K
R450 0662057A73 RES, 10K
R451 0662057A73 RES, 10K
R453 0662057A61 RES, 3.3K
R454 0662057A61 RES, 3.3K
R455 0662057A61 RES, 3.3K
R456 0662057A61 RES, 3.3K
R457 0662057A61 RES, 3.3K
R458 0662057A61 RES, 3.3K
R459 NOT PLACED RES, 47K
Circuit
Ref. Motorola
Part No. Description

4-26 VHF 2, 25-45W PCB 8486487Z03-B / Schematics
R460 0662057A53 RES, 1.5K
R461 0662057A33 RES, 220
R462 0662057A18 RES, 51
R463 0662057A73 RES, 10K
R466 0662057B47 RES, 0
R467 0662057B47 RES, 0
R468 0662057B47 RES, 0
R469 0662057B47 RES, 0
R470 NOT PLACED RES, 10K
R471 0662057A01 RES, 10
R472 NOT PLACED RES, 100K
R473 NOT PLACED RES, 100K
R600 0662057C01 RES, 0
R601 0611077A62 RES, 330
R602 0662057B47 RES, 0
R610 0662057C59 RES, 220
R615 0662057A25 RES, 100
R5000 0662057B47 RES, 0
R5001 0662057T68 RES, 1K
R5002 NOT PLACED RES, 0
R5008 0662057B47 RES, 0
R5009 0662057B47 RES, 0
R5010 0662057B47 RES, 0
R5011 NOT PLACED RES, 0
R5013 NOT PLACED RES, 0
R5014 0662057B47 RES, 0
R5016 NOT PLACED RES, 1MEG
R5019 0662057B05 RES, 200K
R5020 0662057B02 RES, 150K
R5021 0662057A97 RES, 100K
Circuit
Ref. Motorola
Part No. Description
R5022 0662057A97 RES, 100K
R5023 0662057A97 RES, 100K
R5024 NOT PLACED RES, 100K
R5025 0662057A97 RES, 100K
R5026 0662057A85 RES, 33K
R5027 0662057B08 RES, 270K
R5028 0662057A97 RES, 100K
R5029 0662057A97 RES, 100K
R5030 0662057A85 RES, 33K
R5031 0662057A92 RES, 62K
R5032 0662057A89 RES, 47K
R5033 0662057A89 RES, 47K
R5034 0662057A86 RES, 36K
R5035 0662057A89 RES, 47K
R5036 0662057A89 RES, 47K
R5037 0662057A73 RES, 10K
R5038 0662057A85 RES, 33K
R5039 0662057A97 RES, 100K
R5040 0662057A84 RES, 30K
R5041 0662057A82 RES, 24K
R5042 0662057A82 RES, 24K
R5043 0662057A82 RES, 24K
R5044 0662057A82 RES, 24K
R5045 0662057A85 RES, 33K
R5046 0662057A82 RES, 24K
R5047 0662057B47 RES, 0
R5048 0662057A82 RES, 24K
R5049 0662057A77 RES, 15K
R5050 0662057A76 RES, 13K
R5051 0662057A75 RES, 12K
Circuit
Ref. Motorola
Part No. Description
R5052 0662057A73 RES, 10K
R5053 0662057A73 RES, 10K
R5054 0662057A73 RES, 10K
R5055 0662057A73 RES, 10K
R5056 0662057A73 RES, 10K
R5057 0662057A73 RES, 10K
R5058 NOT PLACED RES, 10K
R5059 NOT PLACED RES, 10K
R5060 0662057A73 RES, 10K
R5061 0662057A73 RES, 10K
R5062 0662057A73 RES, 10K
R5063 NOT PLACED RES, 8.2K
R5064 NOT PLACED RES, 8.2K
R5065 0662057A68 RES, 6.2K
R5066 0662057A49 RES, 1K
R5067 NOT PLACED RES, 6.2K
R5068 NOT PLACED RES, 6.2K
R5069 0662057A73 RES, 10K
R5070 0662057A57 RES, 2.2K
R5071 0662057A57 RES, 2.2K
R5072 0662057A65 RES, 4.7K
R5073 0662057A49 RES, 1K
R5074 0662057A49 RES, 1K
R5075 0662057A42 RES, 510
R5076 0662057A42 RES, 510
R5077 0662057A36 RES, 300
R5078 0662057A25 RES, 100
R5079 0662057A25 RES, 100
R5080 0662057A01 RES, 10
R5081 0613952D78 RES, 6.34K
Circuit
Ref. Motorola
Part No. Description
R5082 0662057A90 RES, 51K
R5083 0662057B08 RES, 270K
R5084 NOT PLACED RES, 0
R5085 NOT PLACED RES, 1MEG
R5086 0662057A43 RES, 560
R5087 0662057A97 RES, 100K
R5088 0662057B47 RES, 0
R5089 NOT PLACED RES, 1MEG
R5092 0662057A73 RES, 10K
R5093 0662057A73 RES, 10K
R5094 NOT PLACED RES, 1MEG
R5095 0662057A82 RES, 24K
R5096 0662057A73 RES, 10K
R5097 NOT PLACED RES, 0
R5098 0662057B47 RES, 0
R5099 NOT PLACED RES, 100K
R5100 NOT PLACED RES, 1MEG
R5103 NOT PLACED RES, 24K
R5290 0662057A25 RES, 100
R5291 0662057A25 RES, 100
R6000 NOT PLACED RES, 0
R6001 NOT PLACED RES, 0
RT100 0680361L01 THERM, 47K
S5010 1889288U01 SWITCH, 50.K
SH200 2689590U01 SHIELD
SH201 2689589U01 SHIELD
SH202 2689589U01 SHIELD
SH300 2689591U01 SHIELD
SH301 2689593U01 SHIELD
SH302 2689591U01 SHIELD
Circuit
Ref. Motorola
Part No. Description

VHF 2, 25-45W PCB 8486487Z03-B / Schematics 4-27
T300 2580541Z01 XFMR
T301 2580541Z01 XFMR
U100 5180932W01 LM2904
U101 5185130C65 30C65, RF PREDRIVER
U102 NOT PLACED LM2904, OPAMP
U103 5113819A04 MC3303
U200 5185963A27 63A27, LVFRACN
U201 5105750U54 50U54, VCOBIC
U300 5186144B01 SA616, IFIC
U301 5109522E10 TC7W04F, INVERTER
U302 4808612Y05 SMS3928_023, MIXER
U400 5102463J64 X25128-2.7, EEPROM
U402 5102463J36 SRM2B256, SRAM
U403 5102226J56 MC68HC11FL0, MICRO
PROC
U404 5189233U02 AT49LV002N_70VI,
FLASH
U405 NOT PLACED MC74HC595A, SHIFT
REG
U500 5180932W01 LM2904, OPAMP
U501 5102190C33 LM2941T, 9.3V REGULA-
TOR
U502 5102463J95 TDA1519C, AUDIO PA
U503 5105469E65 LP2951C, 5V REGULA-
TOR
U504 5185130C53 30C53, ASFIC CMP
U505 5180932W01 LM2904, OPAMP
U506 5180932W01 LM2904, OPAMP
U507 5180932W01 LM2904, OPAMP
U508 5113816A30 MC33269D, 3.3V REGU-
LATOR
U509 5113806A20 MC14053B, MUX
Circuit
Ref. Motorola
Part No. Description
U510 5104187K94 LP2986ILDX, 3.3V REGU-
LATOR
U514 4802393L66 SI3455ADV, 12V P-Ch
FET
U515 NOT PLACED MAX4599EXT, SWITCH
VR101 4813830A15 MMBZ5232B, 5.6V
ZENER
VR102 4813830A15 MMBZ5232B, 5.6V
ZENER
VR105 4813830A15 MMBZ5232B, 5.6V
ZENER
VR400 NOT PLACED MMBZ5232B, 5.6V
ZENER
VR401 4813830G12 MMSZ4687T1, 4.3V
ZENER
VR402 4813830A09 MMBZ5226B, 3.3V
ZENER
VR500 4813832C77 MR2835S, 24V ZENER
VR501 4813830A14 MMBZ5231B, 5.1V
ZENER
VR502 NOT PLACED MMSZ4686T1, 3.9V
ZENER
VR503 4813830G09 MMSZ4684, 3.3V ZENER
VR504 4813830G09 MMSZ4684, 3.3V ZENER
VR692 4813830A75 MMBZ20VAL, 20V DUAL
ZENER
VR693 4813830A77 MMBZ33VAL, 33V DUAL
ZENER
VR694 4813830A75 MMBZ20VAL, 20V DUAL
ZENER
VR695 4813830A77 MMBZ33VAL, 33V DUAL
ZENER
VR696 4813830A75 MMBZ20VAL, 20V DUAL
ZENER
VR697 4813830A75 MMBZ20VAL, 20V DUAL
ZENER
Circuit
Ref. Motorola
Part No. Description
VR698 4813830A75 MMBZ20VAL, 20V DUAL
ZENER
VR699 4813830A75 MMBZ20VAL, 20V DUAL
ZENER
Y200 NOT PLACED 45J68, TCXO
Y201 4880114R06 14R06, 16.8MHZ XTAL
OSC
Y300 9186145B02 45B02, 455KHZ XTAL
Y301 4880606B09 06B09, 44.395MHZ XTAL
OSC
Circuit
Ref. Motorola
Part No. Description

4-28 VHF 2, 25-45W PCB 8486487Z03-B / Schematics
THIS PAGE INTENTIONALLY LEFT BLANK

VHF 2, 25-45W PCB 8486487Z04 / Schematics 4-29
3.0 VHF 2, 25-45W PCB 8486487Z04 / Schematics
FILT_SW_B+
9V
COMP_B+
DET-VFWD
DET_VRVS
FILT_SW_B+
INTEGRATOR
PA_BIAS
PWR_SET
RX
RX_EN
TX_EN
TX_INJ
V_CTRL_DRIVER
9V
COMP_B+
DET_VFWD
DET_VRVS
FILT_SW_B+
INTEGRATOR
PA_BIAS
PWR_SET
RX
RX_EN
TX_EN
TX_INJ
V_CTRL_DRIVER
9V
VHF 2 Interconnection between Main Board and Power Amplifier Compartment

4-30 VHF 2, 25-45W PCB 8486487Z04 / Schematics
C301
C302
C303
C304 C305
C306
C307
C308
C309
C310
C311
C312
C313
C314
C315
C316 C317
C318
C319
C320
C322
C335
C336
C352
C353
C356
C357
C359
C360
C364
C367
C402
C406
C411
C414
C418
C490
C602
C603
C604
C605
C606
C607
C608
C609
C610
C611
C612
C613
C614
C615
C616
C617
C618
C619
C620
C621
C622
C623
C624
C625
C626
C627
C628
C629
C630
C631
C632
C633
C662
C678
C1001
C1004C1005
C1007
C1008 C1009
C1011
C1012
C1013
C1014
C1015
C1017
C1018
C1019
C1020
C1021
C1022
C1026
C1030
C1031
C1033
C1034
C1037
C1039
C1041
C1044
C1047
C1049
C1052
C1057
C1063
C1064
C1065
C1068
C1069
C1074
C1076
C1082
C1087
C1088
C1096 C1097
C1098
C1099
C1100
C1104
C1105
C1111
C1113
C1114
C1115
C1116
C1117
C1118 C1119
C1120
C1122
C1123
C1124
C1125
C1132
C1137
C1199
C2001
C2002 C2004
C2012
C2013
C2014
C2016
C2024
C2025
C2026
C2027
C2028
C2030
C2033
C2036
C2052
C2055
C2056
C2057
C2058
C2059
C2061
C2062
C2063
C2064
C2066
C2067
C2068
C2069
C2073
C2074
C2075
C2077
C2078
C2079
C2080
C2081
C5001
C5003
C5005
C5006
C5008
C5010
C5011
C5012
C5013
C5014
C5015
C5016
C5018
C5019
C5020
C5021
C5022
C5023
C5024
C5025
C5026
C5027
C5028
C5029
C5030
C5032
C5033
C5034
C5035
C5038
C5042
C5043
C5044
C5046
C5047
C5048
C5050
C5051
C5052
C5053
C5054
C5056
C5057
C5059
C5062
C5064
C5066
C5068
C5070
C5071
C5074
C5076
C5078
C5079
C5080
C5081
C5087
C5088
C5089
C5090
C5095
C5096
C5100
C5101
C5102
C5103
C5110
C5111
C5112
CR300
D101
D104
D200
D201
D203
D204
D205
D301
D302
D303
D304
D400
D401
D500
D502
D513
23
4
5
6
FL300
2
3
FL301
2
3
FL302
43
2
FL303
43
2
FL304
J11
L102
L103
L104
L105
L106
L107
L111
L112
L113
L116
L119
L120
L122
L123
21 L124
L203
L204
L205
L206
L207
L210
L211 L213
L214
L215
L301
L304
L315
M1 M2
M3
M4
M5
1M6
M7
M8
1
M9
M100
M101
M102
M103 M104
M105 M106
M107
M108
M109
M110
115
216
P1
5
2
64
31
78
Q100
Q302
Q305
Q400
Q407
Q414
Q415
Q500
Q503
1
4
32
R101
R102
R105
R106
R107
R108
R109
R123
R124
R125
R146
R148
R150
R151
R171
R173
R174
R176
R178
R179
R190
R191
R197
R199
R200
R202
R206
R208
R211
R212
R217
R221
R222
R224 R225
R226
R228
R232
R233
R234
R302
R303
R304
R305
R306
R307
R308
R309
R311
R312
R313
R314
R315
R316
R317
R318
R319
R320
R321
R322
R323
R324
R325
R326
R328
R329
R331
R332
R334
R336
R338
R406
R428
R429
R430
R431
R439
R440
R441
R444
R445
R450
R451
R458
R459
R461
R462
R472
R473
R601
R602
R610
R5000
R5001
R5009
R5010
R5011
R5019
R5021
R5022
R5024
R5031
R5032
R5033
R5034
R5038
R5039
R5040
R5043
R5044
R5045
R5046
R5047
R5048
R5050
R5052
R5053
R5054
R5055
R5056
R5057
R5063
R5064
R5065
R5066
R5067
R5068
R5070
R5071
R5073
R5074
R5075
R5077
R5079
R5080
R5081 R5082
R5083
R5084
R5085
R5086
R5087
R5089
R6000
R6001
RT100
1
SH200
1
SH202
TP3
1
16
8
9
U101
1
37 25
13
U200
11
1
20
10
U300
4
58
U301
22
21 8
7
1
U402
4
3
2
5
U501
1
9
U502
1
4
58
U503
1
37
25
13
U504
14
58
U505
1
4
U506
3
2
1
U508
9
8
1
16
U509
43
6
U515
VR101
VR401
VR500
VR501
VR504
VR693
2
3
Y300
4
3
2
Y301
8
5
VHF 2 (146-174 MHz) 25-45 W 8486487Z04, Top Side View

VHF 2, 25-45W PCB 8486487Z04 / Schematics 4-31
C300
C321
C323
C324
C325
C326
C327
C328
C329
C330C331
C332
C333
C334
C337
C338
C339
C340
C341
C342
C343
C344
C345
C346
C347
C348
C349
C350
C351
C354
C355
C361
C362
C363
C365
C366
C400
C401
C403
C404
C405
C407
C408
C410
C412
C413
C415
C416
C417
C421
C422
C423
C1000
C1002
C1003
C1006
C1010
C1027
C1028
C1029
C1032
C1035
C1036
C1038
C1040
C1042
C1043
C1045
C1046
C1048
C1050
C1051
C1053
C1054
C1055
C1056
C1058
C1059
C1060
C1061
C1062
C1066
C1067
C1070
C1071
C1072
C1073
C1075
C1077
C1078
C1079
C1080
C1081
C1083
C1084
C1085
C1086
C1089
C1090
C1091
C1092
C1093 C1094
C1095
C1101
C1102
C1103
C1106
C1107
C1108
C1109
C1110
C1112
C1121
C1126
C1127
C1128
C1129
C1130
C1131
C1133
C1134
C1135
C1136
C2000
C2003
C2005
C2006
C2007
C2008
C2009
C2010
C2011
C2015
C2017
C2018
C2019
C2020
C2021
C2022
C2023
C2029
C2031
C2032
C2034
C2035
C2037
C2038
C2039
C2040
C2041
C2042
C2043
C2044
C2045
C2046
C2047
C2048
C2049
C2050
C2051
C2053
C2054
C2060
C2065
C2070
C2071
C2072
C2076
C5000
C5002
C5007
C5009
C5017
C5031
C5036
C5037
C5039
C5040
C5041
C5045
C5049
C5055
C5058
C5060
C5061
C5063
C5065
C5067
C5069
C5072
C5073
C5075
C5077
C5082
C5083
C5084
C5085
C5086
C5091
C5092
C5094
C5097
C5098
C5099
C5104
C5113
C5114
C5115
C5116
C5117
C5118
C5119
C5120
CR301
D100
D102
D103
D105
D106
D107
D108
D202
D305
D402
D501
D511
1
J2
29
28 2
29
30
32
31
J3
L100
L101
L108
L109
L110
L114
L115
L117
L118
L121
L130
L131
L132
L200
L201
L202
L208
L209
L212
L216
L217
L300
L302 L303
L305
L306
L307
L308
L309
L310
L311
L312
L313
L314
L500
L501
L502
M111
M112
1P2
Q101
Q102
Q103
1
2
3
Q105
Q106
Q200
Q300
Q301
Q303
Q304
Q306
Q401
Q403
Q404
Q405
Q408
Q409
Q410
Q411
Q412
Q413
Q416
Q417
Q501
Q502
Q504
Q505
Q506
R103
R104
R110
R111
R112
R113
R114
R115R116
R117
R118
R120
R121
R122
R126
R127
R130
R131
R132
R134
R135
R136
R137
R138
R139
R140
R141
R142
R143
R144
R145
R147
R149
R153
R155
R156
R157
R158
R159
R160
R161
R162
R163
R164
R165
R166
R167
R168
R169
R170
R172
R175
R177
R180
R181
R182
R185
R186
R188
R189
R195
R196
R198
R201
R203
R204
R205
R207
R209
R210
R213
R214
R215
R216
R218
R219
R220
R223
R227
R229
R230
R231
R235
R300
R301
R310
R327
R330
R333 R335
R337
R339
R340
R341
R342
R343
R344
R345
R346
R401
R402
R403 R404
R405
R407
R414 R415
R421
R422
R423
R424
R425
R426
R427
R432
R433
R434
R435
R436
R438
R442
R443
R453
R454
R455
R456
R457
R460
R463
R466
R467
R468
R469
R470
R471
R600
R615
R5002
R5008 R5013
R5014
R5016
R5020
R5023
R5025
R5026
R5027
R5028
R5029
R5030
R5035
R5036
R5037
R5041
R5042
R5049
R5051
R5058
R5059
R5060
R5061
R5062
R5069
R5072
R5076
R5078
R5088
R5092
R5093
R5094
R5095
R5096
R5097
R5098
R5099
R5100
R5103
R5290
R5291
1
6
5
4
3
2
1
S5010
1
SH201
SH300
SH301
SH302
6
4
3
T300
64
3
T301
TP1
TP2
TP4
TP102
TP103
TP104
TP107
TP108
TP110
TP112
TP113
TP114
TP150
TP200
TP201
TP400
TP401
TP402
TP403
TP404
TP405
TP406
TP407
TP408
TP409
TP410
TP425
TP500
TP555
TP556
1
4
58
U100
14
58
U102
8
71
14
U103
11
1
20
10
U201
U302
14
58
U400
1
76 51
26
U403
16
17
32
U404
9
8
1
16
U405
14
58
U500
14
58
U507
4
58
U510
U514
VR102
VR105
VR400
VR402
VR502
VR503
VR692
VR694
VR695
VR696
VR697
VR698
VR699
Y200
4
3
2
Y201
1
1
1
1
VHF 2 (146-174 MHz) 25-45 W 8486487Z04, Bottom Side View

4-32 VHF 2, 25-45W PCB 8486487Z04 / Schematics
GND
KEYPAD COLUM N
Internal spkr+ jumper
SPI_MOSI
ELP ONLY
SERIAL CLOCK
ELP ONLY
KEYPAD_COLUMN
DNP
Option Board Connector
ELP ONLY
VOICE STORAGE IN T
RX AUDIO RETURN
BACKLIGHT
SCI_PROGRAMMING
Accessory Connector
DATA READY/REQUEST
SPI_CLK
NC
DNP
DISPLAY DRIVER CHIP SELEC TNC
TX AUDIO RETURN
D3_3V
DNP
ANALOG 3 VOLT SUPPLY
OPTION BOARD ENABLE
EXTERNAL MIC
(SOURCE)
9V3
9.3V
DETECTOR AUDIO SEND
KEYPAD ROW
DISPLAY_DRIVER_CS_EN
NC
Place capacitors near J2
INT_SPKR-
SERIAL DATA RETURN
VOICE STORAGE GAIN SELEC T
NC
SERIAL DATA SEN D
HANDSET_RX_AUDI O
RESET
NC
VOICE STORAGE AUDIO SELEC T
MIC_AUDIO
(SOURCE )
ELP ONLY
VOICE STORAGE CS
Control Head Connector
KEYPAD_ROW
BOOT/RESET
PUSH TO TAL K
UNMUTED RX AUDIO SEND
INT_SPKR+
DISPLAY_DRIVER_COMMAND/DATA_SEL
(SOURCE)
J3 -
TX AUDIO SEND
28 pins connector
Place capacitors near J2
MIC_PTT
GND
DNP
(SOURCE)
ELP ONLY
GND
VOICE STORAGE RA C
DIGITAL 3.3 VOLT SUPPL Y
Place capacitors near J2
SHIFT_REG_CS
GND
HOOK
Place capacitors near J2
POST-LIMITER FLAT TX AUDIO RETURN
DISPLAY_DRIVER_RESET
J2-22
G2
2
24
C609 1000pF
J3-26 26
J3-24
14
J3-28 28
J3-21 21
J3-14
R602
0
J3-1212
J2-18 18
1000pF
2
C621
4
2
J2-4
2
R615 100
J2-2
2
C678
0.1uF
2
P1-2
C623
1000pF
C611 1000pF
2
VR695
1
2
J2-1616
20.0
2
J2-1717
C605 1000pF
2
P1-11 11
1000pF
C620
J2-77
SPKR+
J2-55
J2-21
G1
2
D3_3V
1000pF
C632
J3-22
1000pF
C628
2
20.0
1
VR697
1000pF C624
2
C631 1000pF
D3_3V
C615 1000pF
2
3
J3-9
J2-14 14
J2-3
1000pF
2
C607
P1-33 330
R6011
J3- 77
J3-4
J3-55
22
J3-20 20
J3-11 11
J3-22
J3-25 25
J3-23 23
1
2
J3-27 27
VR694
20.0 VR692
20.0
1
4
J2-88
2
P1-4
1000pF
C602
J2-20 20
J2-12 12
1000pF
2
FILT_SW_B+
2
C633
C617 1000pF
VR698
20.0
1
2
2
J2-1010
1000pF
C622
1000pF
C604 2
J2-11
P1-1 1
C625
1000pF
2
1000pF 2
VOX
VSTBY
VS_AUDIO_SEL
VS_MIC
uP_CLK
C627
ONOFF_SENSE
POST_LIMITER_FLAT_TX_AUDIO_RETURN_OPT_BRD
RESET
RX_AUDIO_OUTPUT_ACCESS_CONN
RX_AUDIO_RETURN_OPT_BRD
SPI_CLK
SPI_MOSI
SPKR+
SPKR-
SQ_DET
TX_AUDIO_RETURN_OPT_BRD
TX_AUDIO_SEND_OPT_BRD
UNMUTED_RX_AUDIO_SEND_OPT_BRD
VOL_INDIRECT
D3_3V
DETECTOR_AUDIO_SEND_OPT_BRD
EMERGENCY_ACCES_CONN
EMERGENCY_SENSE
EXTERNAL_MIC_AUDIO_ACCESS_CONN
F1200
FLAT_TX_AUDIO_INPUT_ACCESS_CONN
HANDSET_RX_AUDIO_CH
HSIO
IGNITION
LSIO
MIC_AUDIO_CH
3V 5V
5V_CH
9V
ASFIC_CS
BATT_SENSE
CH_ACT
P1-9 9
1000pF
2
C608
2
C619
1000pF
1000pF
2
J2-99
C603
6
15
J3- 33 J3-6
J2-15
J2-1313
FILT_SW_B+
1000pF
C614 2
19 J3-1818
2
J3-19
1000pF
C662
P1-1010
3V
9V
2
J2-66
C613 1000pF
11
P1-1414
J2-11
29 J3-30
30
J3-29
13
J3-1515
J3-1010
J3-13
P1-66
D3_3V
1000pF
2
9V
C629
0R6001
0
R6000
1
1
2
VR693
33.
20.0
VR696
J2-19 19
SPKR -
D3_3V
P1-1616
5V
J3-11
15
R610 220
VS_GAIN_SEL
VS_INT
VS_RAC
uP_CLK
P1-15
RSSI
RX_EN
SCI_CH
SHIFT_R_CS
SPI_CLK SPI_MISO
SPI_MOSI
SQ_DET
SYNTH_CS
SYNTH_LOCK
TX_EN
VOL_INDIRECT
VOX
VSTBY
VS_AUDIO_SEL
VS_CS
HSIO
KEYPAD_COL_CH
KEYPAD_ROW_CH
LOC_DIST
LSIO
MIC_PTT_CH
ONOFF_SENSE
OPT_DATA_R_OPBD
OPT_EN_OPBD
PROG_I-ACC_C_3
PROG_I-ACC_C_6
PROG_IO-ACC_C_12
PROG_IO-ACC_C_14
PROG_IO-ACC_C_8
PROG_O-ACC_C_4
RESET
8
ASFIC_CS
BATT_SENSE
BOOT_EN_IN_CH
CH_ACT
COMM_DATA_SEL_CH
D3_3V
DISPLAY_CS_CH
EMERGENCY_SENSE
F1200
FILT_SW_B+
HOOK_CH
2
P1-8
1000pF
C612
17
J3-1616
5
J3-88
J3-17
2
P1-5
1000pF
C606
P1-1212
20.0
VR699
1
2
J3-31
31
2
J3-32
32
1000pF
C616
P1-13 13
1000pF
C630
2
C618 2
1000pF
1000pF
C626
2
1000pF
C610 2
P1-7
7
R600
21 0
ACCESSORY CONNECTOR
EXT_ALARM_OUT
EXT_MIC_PTT
PROG_IN
PROG_I/O
PROG_I/O
PROG_I/O
KEYPAD / DISPLAY OPTION BOARD
DC & AUDIO
9
4
DIGITAL
TX_EN
SPI_CLK
SPI_MOSI
9V
RSSI
SYNTH_CS
LOC_DIST
RX_EN
SYNTH_LOCK
FULL DISPLAY ONLY
FULL DISPLAY ONLY
VHF 2 (146-174 MHz) 25-45W Main Circuit (Sht 1 of 2)

VHF 2, 25-45W PCB 8486487Z04 / Schematics 4-33
(SOURCE)
DC Connector
HOLES FOR PA SHIELD
(SOURCE)
BOARD HOLES
PEDS FOR GND CONTACTS
M110
1
3V
FILT_SW_B+
TEST_POINT
M101
1
FILT_SW_B+
INTEGRATOR
M106
1
DET_VFWD
DET_VRVS
9R
M104
TEST_POINT
1
1
9R
TEST_POINT
TP3
TP 2
TEST_POINT
1
TEST_POINT
M8
1
SPI_MOSI
SYNTH_CS
SYNTH_LOCK
TX_INJ
TEST_POINT
M3
1
16.8MHz
3V5V 9R
MOD_IN RX_IN J
SPI_CLK
TEST_POINT
M102
1
V_CTRL_DRIVER
PA_BIAS
PWR_SET
COMP_B+
DEMOD
FILT_SW_B+
MOD_OUT
M9
NUT
16.8MHz
B+
BW_SEL
M108
1
M7
TEST_POINT
1
M5
TEST_POINT
1
5V
P2-11
TEST_POINT
M1
1
3V5V
9R 9V
BW_SEL
DEMOD
LOC_DIST
RSSI RX
RX_EN
RX_INJ
1
1
M109
1
M107
TEST_POINT
M2
M103
TEST_POINT
1
9V
2
M105
1
P2-2
5V VCC
COMP_B+
9V
DET-VFWD
DET_VRVS
INTEGRATOR
RX
PWR_SET
V_CTRL_DRIVER
PA_BIAS
FILT_SW_B+
TX_EN
RX_EN
TX_INJ
DC & AUDIO
FGU
RX
POWER_CONTROL
TX_EN
SPI_CLK
SPI_MOSI
9V
RSSI
SYNTH_CS
LOC_DIST
RX_EN
SYNTH_LOCK
VHF 2 (146-174 MHz) 25-45W Main Circuit (Sht 2 of 2)

VHF 2, 25-45W PCB 8486487Z04 / Schematics 4-34
MRF1518’s Thermal pad
1.542*4 0.8*2 5
(SOURCE)
V_CNTRL
220pF
C1095
2.4K
NU
R166
R168
2.2K
C1063
330pF
C1062
1000pF
R137
39K
C1001
1uF
C1105
470pF
R106
51
C1117
1000pF
36pF
C1089
IF113
C1043
110pF
100K
R131
5.6K
R159
NU
NU
R188
0
39K
R139
NU
FILT_SW_B+_PA
C1107
470pF
470pF
C1106
510
R170
330pF
C1068
C1014
56pF
FLT_9V
NU
.022uF
C1037
.022uF
C1039
FILT_SW_B+_PA
C1030
27pF
L105
68nH
C1029
0.1uF
12nH
L104
FLT_9V
R122
4.7
R189
330pF
C1065
NU
0
R102
51
C1084
220pF
VR105
5.6V
TP102
1
IF106
C1104
.01uF
MC3303
U103-3
9
10
8
4
11
MC3303
U103-2
6
5
74
11
C1119
24pF
33pF
C1118
NU
R175
220
TP150
1
36
R178
C1040 NU
2200pF
FILT_SW_B+
PA_FILT_B+
35U02
L121
110pF
C1042
0.1uF
C1028
220pF
C1109
R130
0
C1038
M100
HEATSINK
POS
1
NU
.022uF
13.85nH
L122
R173
150
C1026
1000pF
220pF
C1126
330pF
C1044
10K
R155
22K
R147
120nH
R176
470pF
C1041
R174
150
NU
2
3
18
4
U102-1
LM2904
5.6V
VR101
R136
39K
.022uF
C1033
R167
2.2K
1000pF
C1066
R109
30
4.7
R197
FLT_9V
IF107
R134
47K
C1057
1000pF
0
R199
NU
11.03nH
L109
2.2K
NU
R169
C1060
1000pF
56pF
C1012
R126
1
10uF
C1027
220pF
C1000 C1112
220pF
R165
2.4K
C1120
33pF
L118
35U02
C1061
NU
1000pF
R179
36
R182
10K
R153
10K
RFIN
16 RFOUT1 6
RFOUT2 7
VCNTRL
1
VD1
14 VG1 2
VG2 3
GND1
4
GND2
5
GND3
12
GND4
13
NC1
8
NC2
9
NC3
10
NC4
15 30C65
U101
17 EP
G2
11
.022uF
C1032
R171
220
C1053 1000pF
1000pF
C1092
.022uF
C1036
2.7
R124
R125
2.7
R123
2.7
Q105
NU
C1069
330pF
FLT_9V
R186
5.1
C1064
1000pF
4.22nH
L107
C1054
IF100
1000pF
Q101
R158
5.6K
NU
39K
R138
220pF
C1110
.033uF
C1103
C1086
1000pF
IF104
D100
NU
IF108
220pF
C1129
1
R127
C1081
1000pF
C1072
1000pF
C1070
1000pF
IF105
7.66nH
L106
47K
R181
47K
R180
C1074
51
1000pF
1
R105
TP104
Q102
12nH
L110
TP103
1
L100
35U02
.022uF
C1031
C1015
FILT_SW_B+
9V
PA_BIAS
V_CTRL_DRIVER
V_CTRL_DRIVER
V_CTRL_PREDRIVER
110pF
V_CTRL_DRIVER
VCNTR3
RX_EN
V_REF_OPAMP
VCNTR1
VCNTR1 VCNTR1
VCNTR2
VCNTR2 VCNTR2
INTEGRATOR
VCNTR3
VCNTR3
TX_INJ
V_CTRL_PREDRIVER
V_CTRL_PREDRIVER
PA_FILT_B+
Q100-G
INTEGRATOR
INTEGRATOR
NU
NU
VHF 2 (146-174 MHz) 25-45W Transmitter (Sht 1 of 2)

VHF 2, 25-45W PCB 8486487Z04 / Schematics 4-35
Coupler
Temp. Sense
Place near both sides of PA shields
7.5 width 2.032 Antenna Connector (Mini-U / BNC )
3.3K
R160
S3
S4
D
G
GND1
GND2
S1
S2
MRF1550
Q100
IF101
R185
10K
16pF
NU
C5112
NU
6.8pF
C1121
C1020
39pF
D108
100nH
L132
NU
0
R196
0
R198
82pF
C1096
1000pF
C1067
NU
10K
R114
R110
NU
TP114
1
1K
R172
470
1MEG
R191
1
M111
22K
R142
J11- 5
G2
3.3K
R162
R113
10K
NU
35U02L119
R161
3.3K
1uF
C1002
4
11
MC3303
U103-4
13
12
14
C1134
24pF
1000pF
C1099
32pF
C1019
FLT_9V
Q106
D103
D104
NU
C1010
100pF
IF103
220pF
C1116
L108
1.2uH
R143
22K
0
R195
NU
R115
NU 62K
R112
10K
TP113
1
150
R118
TP112
1
IF102
L123
1.2uH
62pF
C1009
51nH
L113
D106
M112
1
1000pF
C1091
C1111
470pF
L114
82pF
51nH
C1007
51nH
L112 L124
48nH
R157
56K
C1101
100pF
D105
7.5pF
C1008
C1051
1000pF
IF109
24K
R135
100pF
C1005
J11- 22
35U02
L117
C1080
1000pF
MC3303
U103-1
2
3
1
4
11 C1059
1000pF
R190
1MEG
C1013
6.2pF
7.5K
R151
C1052
1000pF
470pF
NU
C1003
D107
VR102
5.6V
100pF
C1004
82pF
C1132
NU
1000pF
1
TP110
1
C1055
TP107
IF110
160pF
C1006
R121
R120 100
C1056
NU
100
1000pF
L103
1uH
47K
R132
NU
RT100
100K
51nH
L111
68pF
G1
C1108
J11- 33J11-4
33pF
C1133
1000pF
C1079
R156
10K
1
TP108
C1130
220pF
82pF
C1011
NU
120nH
L131
1.639m
R101
R148
22K
R150
47K
1000pF
C1058
NU
NU
C1021
6.2pF
Q103
100
R5291
R5290
100
C1100
1000pF
R149
22K
C1017
15pF
R103
51
51
R104
C1035
.022uF
PA_FILT_B+
C1115 7
8
4
220pF
U102-2
LM2904
NU
6
5
17nH
L116
17nH
L115
C1018
39pF
FILT_SW_B+_PA
C1199
NU
16pF
4.7pF
C1136
3.3K
R163
IF111
28pF
C1022
IF112
M4
1
C1102
100pF
51
R108
NU
51
R107
R111
1K
C1137
43pF
C1073
NU
1000pF
C1077
1000pF
R116
NU
10K
R177
100 NU
C1050
22K
R145
1000pF
D102
1 J11-1
TX_EN
PWR_SET
DET_VRVS
DET_VFW D
COMP_B+
Final_cur_sense
V_forward
Final_cur_sense
V_reverse
V_reverse
V_REF_OPAMP
V_REF_OPAMP
RX
INTEGRATOR
INTEGRATOR
PA_FILT_B+
R123
R124
R125
NU
1
M113
M114
1
NU
VHF 2 (146-174 MHz) 25-45W Transmitter (Sht 2 of 2)

4-36 VHF 2, 25-45W PCB 8486487Z04 / Schematics
DNP
DNP
DNP
DNP
DNP
DNP
LVFRACN Shield
DNP
3V
2.7pF
C2072
C2001
4.7u F
C2015
0.1u F
C2014
5V
0.1uF
390nH
L200
470pF
C2046
2.2uF
C2006
45J68
2
GND
3OUT
VCC
4
1
VCON
16.8MHz
Y200
0.1uF
C2075
1.5K
R224
SH200
SHIELD
1
NC
2.2uF
C2000
.01uF
C2026
22pF
C2055
C2047
470pF
C2053
100pF
.01uF
C2024
C2080
0.1uF
R209
100K
C2052
470pF
C2049
470pF
TEST_POINT
TP201
1
L210
100nH
R202 0
C2036
1000pF
0
R205
1000pF
C2035
C2079
0.1uF
C2020
0.1uF
C2068
6.8pF
2200pF
C2028
R226
150
100K
R210
R208
51
C2078
0.1uF
C2002
10uF
390nH
L217
C2051
220pF
C2017
0.1uF
K2
K3
D201
A1
A2
A3
K1
TP200
TEST_POINT
1
C2074
0.1uF
150K
V_SF
R207
8.2pF
C2067
100
R228
C2033
1000pF
1000pF
C2034
R229
100
C2013
0.1u F
R234
39
A1
A2
A3
K1
K2
K3
D200
C2025
.01uF
150
R225
0.1uF
C2077
1.3K
R217
C2023
.01uF
62pF
C2054
0
R204
C2016
0.1uF
470pF
C2048
VCO_MOD
3
OUT
1IN
Y201
14R06
16.8MHz
2
GND
4
GND1
1uH
L205
12
VMULT4 11
13
VRO
WARP 25
XTAL123
XTAL2 24
30
SFOUT 28
TEST1 37
TEST238
VBPASS
21
VCP 47
VMULT1 15
VMULT2 14
VMULT3
PD_VDD
PREIN
32
PRE_GND
33 PRE_VDD 34
PVREF
35
REFSEL
18
SFBASE
27 SFCAP
26
SFIN
43
4
LOCK
MODIN
10
MODOUT 41
NC1
17
NC2
29
NC3
31
PD_GND
44
5
9CLK
8
DATA
7
DGND
6
DVDD 36
FREFOUT 19
IADAPT 45
INDMULT 16
IOUT
48
AUX2 1
AUX3 2
AUX4 3
AVDD 20
BIAS1
40
BIAS2
39
CCOMP
42
CEX
U200
63A27
ADAPTSW 46
AGND
22
AUX1
470pF
C2050
150K
R206
2.2uF
C2004
R200
120K
470pF
C2045
5V
3V
C2027
.01uF
2.2uF
C2005
D202
NC
3V
5V
SYNTH_LOCK
16.8MHZ
SYNTH_CS
MOD_I N
SPI_CLK
SPI_MOSI
AU3
PRESEC_CLK
VCO SHLD
L203 & L204
VHF 2 (146-174 MHz) 25-45W Synthesiser and VCO (Sht 1 of 2)

VHF 2, 25-45W PCB 8486487Z04 / Schematics 4-37
DNP
DNP
DNP
DNP
VCOBIC Shield
VCO Shield
16pF
C2064
D204
L203 100nH
L211
680nH
47nH
L216
L209
100nH
R215
4.7K
R216
3.9K
18pF
C2057
100
R230
100nH
L212
NC
R218
1K
C2007
0.1uF
V_SF
C2021
.01uF
C2030
3900pF
R235
18
C2061
12pF
220
R222
100
R227
R221
L201
680nH
220
SHIELD
SH201
1
C2032
1000pF
R223
220
C2012
0.1uF
0.1uF
C2019
18pF
C2058
C2081
470pF
C2071
39pF
V_SF
0.1uF
C2076
8.2pF
C2066
C2039
1000pF
1000pF
C2029
D205
V_SF
C2063
15pF
R233
47
1pF
C2073
47nH
L214
L213
100nH
30K
R212
C2065
10pF
IF200
1
C2009
0.1uF
C2031
1000pF
510
R220
L204
680nH
SH202
SHIELD
1
C2069
5.6pF TX_EMITTER
15
TX_IADJ
1TX_OUT 10
TX_SWITCH 13
VCC_BUFFERS 14
VCC_LOGIC18
NC
RX_BASE
5
RX_EMITTER
6
RX_IADJ
2RX_OUT8
RX_SWITCH 7
SUPER_FLTR
3
TRB_IN
19
TX_BASE
16
50U54
COLL_RFIN
4
FLIP_IN
20
GND_BUFFERS
11 GND_FLAG
9
17 GND_LOGIC
PRESC_OUT 12
L215
U201
47nH
.01uF
C2022
0
R203
C2011
0.1uF
3.3pF
C2044
820
R219
C2018
0.1uF
R231
51
C2060
15pF
R201
0
47nH
L207
0.1uF
C2010
C2041
1000pF
18pF
C2056
39pF
C2070
C2038
1000pF
VCO_MOD
3
2
Q200
BFS540
1
L202
680nH
R232
47
R214
C2008
4.7K
L206
0.1uF
4.7K
33nH
R213
L208
100nH
12pF
C2062
1000pF
C2042
1000pF
C2040
R211
47K
1000pF
C2037 C2003
0.1uF
6.8pF
C2043
18pF
C2059
D203
TX_INJ
3V
9R
RX_IN J
AU3
PRESEC_CLK
VCO SHLD
L203 & L204
VHF 2 (146-174 MHz) 25-45W Synthesiser and VCO (Sht 2 of 2)

4-38 VHF 2, 25-45W PCB 8486487Z04 / Schematics
DNP
DNP
DNP
DNP
FRONT-END SHIELD
DNP
R346
10K
C363
12pF
120pF
C338 C365
5.6pF
C329
470pF 51
R339
1
SHIELD
SH301
33.47nH
L308 R344
10
C355
30pF C341
82pF
C333
91pF
C334
91pF
D305
R342
10
82pF
C345
L300
33.47nH
9V
C323
1000pF
CR301
R300
10K
L302
1.2uH
C331
470pF
82pF
C343
1000pF
C325
10
R341
L303
1.2uH
1000pF
C324
IF300
1
L310
33.47nH
51pF
C300
C350
36pF
C349
36pF
Q301
3V
330pF
C332
100
R337
C330
470pF
Q300
C354
30pF 180pF
C337
2.4K
R327
Q304
470pF
C328
Q306
C340
82pF
.01uF
C321
L309
33.47nH
15K
R310
C347
39pF
33.47nH
L314
82pF
C344
1K
R330
C351
36pF
56pF
C346C339
100pF
5V
R333
430
R345
10K
220
R335
Q303
BFS540
L307
33.47nH
3.3pF
C366
10
R343
L311
33.47nH
SHIELD
SH300
1
RX_EN
9V
9R
LOC_DIST
RX
3V
5V
TO T300
VHF 2 (146-174 MHz) 25-45W Receiver Front and Back End (Sht 1 of 2)

VHF 2, 25-45W PCB 8486487Z04 / Schematics 4-39
NU
DNP
NU
TC7W04F
U301-2
NU
DNP
DNP
MIXER SHIELD
Check if it is 3v or another value
1.8K
R328
22pF
C360
10K
R320
20K
R306
2.4K
R326
12 K
R313
A2
A4
K1
K3
U302
FL303
CFWC455G
3
GND1
GND2
4
1IN 2
OUT
R304
33K
C367
2.7pF
100
R336
33pF
C307
0.1uF
C352
T301
XFMR
4
6
3
1
2
1.2K
R329
C336
6.8pF
30pF
C353
R323
4.7K
0.1uF
C311
C319
0.1uF
U301-3
TC7W04F
R312
13K
TEST_POINT
TP4
1
R316
12K
R302 0
0.1uF
33.47nH
C313
L312
D302
C335
9.1pF
1000pF
C326
C305
0.1uF
15K
R311
C364
8.2pF
20 K
R305
C317
0.1uF
L301
1.2uH
L305
470nH
CR300
R314
12K
R325
3.3K
15K
R309
4.7K
R322
D303
C320
0.1uF
R334
390
3V
R338
51
2CC1
5CC2
1
GND1
4
GND2
3IN 6
OUT
5
RSSIOUT
9RSSI_FEED
6
VCC
44.85MHz
MXF45
FL300
13
LIM_DEC1
12 LIM_DEC2
20
MIXOUT
4OSCIN
3
OSCOUT
10 QUADIN
1RFIN
2RFIN_DEC
7
AUDIO_FEED
15
GND
18 IFAMPIN16
IFAMPOUT
19 IFAMP_DEC1 17
IFAMP_DEC
2
14 LIMIN
11
LIMOU
T
SA616
U300
8
20K
R308
Q302
R307
20K
C310
0.1uF
C308
0.1uF
150nH
L306
0.1uF
C304
C342
82pF
Q305
C314
0.1uF
R319
12K
GND
2
GND1
4
OUT
31
IN
Y301
06B09
44.395MHz
0
R303
L315
27nH
C361
18pF
0.1uF
C315
1
SHIELD
SH302
12K
R315
D301
L313
33.47nH
TC7W04F
U301-1
R331
4
GND2
1IN 2
OUT
680
FL30 4
CFWC455D
GND1
3
C303
0.1uF
D304
C318
R317
12K
0.1uF
C348
39pF
3.3K
R324
0.1uF
C316
U301-4
PWR_GND
4
GND
8
VCC
TP1
TEST_POINT
1
R340
51 C359
22pF
10uF
C301
C357
22pF
12K
R318
GND
3
IN
1OUT 2
6
3
1
2
FLTR
FL301
XFMR
T300
4
560
R332
C322
4700pF
1
C306
0.1uF
455KHz
Y300
45B02
3
2
1000pF
C327
18pF
C362
470
R301
8.2K
R321
1.2uH
L304
3V
C309
0.1uF
C302
130pF
0.1uF
C312
2
3V
30pF
C356
FLTR
FL302
GND
3
IN
1OUT
RX_INJ
DEMOD
RSSI
BW_SEL
5V
35
62
17
AUDIOOUT
FROM R337
VHF 2 (146-174 MHz) 25-45W Receiver Front and Back End (Sht 2 of 2)

4-40 VHF 2, 25-45W PCB 8486487Z04 / Schematics
1%
Smart Fuse Circuit
AUDIO
spacer for TO-22 0
SOURCE
Volume
SOURCE 9.3V
Place near uP
Audio
9.3V
Indirect
On/Off for ATE
1%
POWER SUPPLY
DNP DNP
C5067
.022uF
1000pF
C5085
Q500
R5062
10K
.022uF
C5086
13K
R5050
C5104
10uF
R5074
1K
GND
3
ON_OFF
2
VIN
4VOUT 5
U501
LM2941T
ADJ 1
VR501
5.1V
1K
R5001
Q504
R5049
15K
Q503
R5071
2.2K
IF500
1
33K
R5038
L500
35U02
1TP555
TEST_POINT
C5060
0.1uF
24V
VR500
33K
R5030
D3_3V
654
2
SWITCH
S5010
50.K
3
LOW
1
HIGH
3.3V
VR503
220pF
C5094
220pF
C1125
220pF
C5095
FILT_SW_B+
C5001
10uF
D511
C5000
1000pF
0.1uF
C5063
24K
R5048
M6
C1128
220pF 100K
0.1uF
R5028
C5037
C1085
1000pF
100
R5079
0.1uF
C5038
100pF
C5083
47K
R5035
220pF
C1113
Q502
1000pF
C1097
L120
35U02
FILT_B +
C5110
1000pF
150K
R5020
C5062
0.1uF
C1124
220pF
R5081
6.34K
C1087
FILT_B+
1000pF
C1098
1000pF
100K
R5029
220pF
C1123
C1122
220pF
C5061
0.1uF 100pF
C5084
10K
R5069
Q505
R5037
10K
C5119
10uF
220pF
C1034
1K
R5073
TEST_POINT
TP556
1
220pF
C5092
R5000
0
D500
TEST_POINT
TP500
1
Q506
220pF
C5096
R5082
51K
C5005
100uF
C5015
0.1uF
D3_3V
R5039
100K
C1114
220pF
47K
R5036
1
IF502
1
IF503
IF501
1MEG
R5085
R5089
1MEG
0.1uF
C5035
VR504
3.3V
9V
1000pF
C5074
R5031
62K
D513
D502
1000pF
C5111
U514
FILT_B+
R5083
270K
1000pF
C1088
100uF
C1127
FILT_SW_B+
ONOFF_SENSE
9V
B+
COMP_B+
POST_LIMITER_FLAT_TX_AUDIO_RETURN_OPT_BR
DC_POWER_ON
BATT_SENSE
FLAT_TX_AUDIO_INPUT_ACCESS_CONN
VOL_INDIRECT
IGNITION
EMERGENCY_SENSE
DNP
DNP
DNP
3.3v Digital REGULATOR
SOURCE
5V TO LVFRACN
For mid_band
3.3V RF REGULATOR
DNP
SOURCE
SOURCE
5V RF Regulator
3.3V to IFIC, ASFI
DNP
DNP
3.3v digital
DNP
C5069
1000pF 47uF
C5007
FILT_B+
24K
R5103
C5040
0.1uF 0.1uF
C5039
1uF
C5043
0.1uF
C5018
0.1uF
C5016
D3_3V
2.2uF
C5041
C5070
1000pF
47uF
C5120
C5065
1000pF
5V
D501
C5066
1000pF
3V
10uF
C5006 C5068
1000pF
R5002 0
10uF
C5008
3.9V
VR502
TAP
3
ERROR 7
2
FEEDBACK
GND1
19
GND2
4INPUT 5
OUTPUT
6SENSE
8SHUTDOWN
LP2986ILDX
U510
MC33269D
1
GND
3IN 2
OUT
3SHUTDOWN
U508
U503
6
5V_TAP
5
ERROR
7FEEDBACK
4
GND
8INPUT 1
OUTPUT
2
SENSE
LP2951C
1uF
C5042
C5017
0.1uF
C5064
1000pF
D3_3V
VSTBY
5V_CH
RESET
EMERGENCY_ACCES_CONN
DNP
DNP
DNP
DNP
DNP
DNP
0
R5098
R5100
1MEG
24K
R5095
2
31
8
4
LM2904
U500-1
5V
10K
R5096
10K
R5092
6.8pF
C5115
C5113
220pF
5V
1uF
C5114
C5116
220pF
R5094
1MEG
0
R5097
NU
16pF
C5117
LM2904
U500-2
6
57
8
4
0.1uF
C5118
10K
R5093 R5099
100K
DEMOD
DISC
VHF 2 (146-174 MHz) 25-45W DC and Audio Circuits (Sht 1 of 2)

VHF 2, 25-45W PCB 8486487Z04 / Schematics 4-41
DNP
DNP IN NON-DISPLAY MODELS
DNP
DNP
DNP
DNP
DNP
DNP
DNP
DNP
DNP DNP
VAG=4.5v
DNP
DNP IN DISPLAY MODELS
C5058
0.1uF
12K
R5051
0.1uF
C5025
0.1uF
C5020
200K
R5019
C5031
0.1uF
C5048
0.1uF
R5065
6.2K
C5080
1000pF
C5036
0.1uF
R5011
0
FILT_SW_B+
L501
35U02
47uF
C5002
1000pF
C5076
C5019
0.1uF
C5022
5V
Q501
0.1uF
220pF
NU
C1090
C5059
.022uF
10
R5080
0.1uF
C5103
3V
3V
0.1uF
C5029
C5034
0.1uF
VAG
0.1uF
C5054
3V
3V
24K
L502
35U02
R5043
100K
R5023
0.1uF
C5047
C5055
4.7uF
R5064
8.2K
1MEG
R5016
C5012
9V
4.7uF
10K
R5059
C5052
0.1uF
R5057
10K
C5030
0.1uF
4.7uF
C5056
C5078
1000pF
U505-1
LM2904
2
3
1
8
4
2.2K
R5070
C5075
1000pF
C5023
0.1uF
R5047
0
0
R5010
R5060
10K
33K
R5045
C5077
1000pF
10K
R5061
C5089
82pF
R5034 36K
3V
3V
10K
R5053
10K
R5058
10K
R5052
4NC
6
NO
VPOS
2
U515
5
COM
GND
3
1
IN
C5091
82pF
0.1uF
C5024
6.2K
R5068
3V
1000pF
C5101
R5008
0
0.1uF
C5028
R5086
560
3V
0
R5009
U507-2
LM2904
6
5
7
8
4
0.1uF
C5102
1000pF
C5082
R5046
24K
C5003
VAG
9V
47uF
0.1uF
C5053
R5084
0
R5087
100K
R5072
4.7K
VDDA
1
VDDCP 32
VDDD 33
VDDDAC
11
VDDRC 45
VDDSYN27
VOX
7
RXSND 39
SQCAP
12
SQDET
17
SQI N
9SYN28
TXRTN 36
TXSND 44
UIO
10
LSIO
18
MICEXT 48
MICINT 46
40
MOD
NC 26
PLCAP
8
25
PLCAP2
RXRTN 43
GCB5 38
GNDA
3
GNDD 31
30
GNDDO
GNDRC 47
GNDSYN
23
HSIO
19
LCAP
24
DAT A
22
DISC
2
F1200 29
GCB0
15
14 GCB1
GCB2
13
GCB3 35
GCB4 37
AUXTN 42
CHACT
16
21 CLK
CLK168 34
20 CSX
DACG
6DACR
5DACU
4
30C53
U504
AUDIO 41
C5014
2.2uF
82pF
C5090
220pF
C5098
U506-2
LM2904 6
5
7
8
4
C5021
0.1uF
220pF
C5099
R5025
100K 0.1uF
C5032
C5071
1000pF
3V
3V
C5087
120pF
10K
R5055
C5009
10uF
1000pF
C5073
510
R5076
C5079
1000pF
3V
C5100 220pF
C5050
0.1uF
8.2K
R5063
C5033
0.1uF
R5054
10K
R5014
0
C5011
10uF
4.7uF
B+
C5044
1000pF
C5072
R5027
270K
8
4
U506-1
LM2904
2
3
1
3V
3V
LM2904
U507-1
2
3
1
8
4
NU
R5013
0
C1094
1000pF
47K
R5033
9V
47K
R5032
10K
R5056
IF505
1
VAG
IF506
R5088
0
IF504
100K
R5024
R5026
33K
4
Z
Z0
5
3Z1
VCC
16
VEE
7
X14
X0
12
13 X1
Y15
Y0
2
Y1
1
U509
MC14053B
11
A
B10
C9
EN 6
GND
8
R5067
6.2K
R5078
C5057
100
4.7uF
IN V
9
M_SS
8
NINV
1OUT14
OUT 26
RR
3
VCC
7
U502
TDA1519C
GND1
2
GND2
5
10 GND3
GND4
R5041
24K
NU
C1093
220pF C1131
220pF
NU
U505-2
LM2904
6
5
7
8
4
C5027
0.1uF
100K
R5021
0.1uF
C5051
C5013
1.0uF
C5026 0.1uF
220pF
C5097
510
R5075
C5081
1000pF
30K
R5040
C5088
82pF
300
R5077
R5044
24K
0.1uF
C5046
10uF
C5010
1uF
C5045
24K
R5042
C5049
1K
R5066
0.1uF
PWR_SET
V_CTRL_DRIVE
R
3V
R5022
100K
DC_POWER_ON
MIC_AUDIO_CH
SPKR
-
SPKR+
POST_LIMITER_FLAT_TX_AUDIO_RETURN_OPT_BRD
VS_AUDIO_SEL
VS_MIC
RX_AUDIO_OUTPUT
_ACCESS_CONN
FLAT_TX_AUDIO_INPUT_ACCESS_CONN
VOX
EXTERNAL_MIC_AUDIO
_ACCESS_CONN
16.8MHz
MOD_OUT
TX_AUDIO_RETURN_OPT_BRD
TX_AUDIO_SEND_OPT_BRD
RX_AUDIO_RETURN_OPT_BRD
UNMUTED_RX_AUDIO_SEND_OPT_BRD
DETECTOR_AUDIO_SEND_OPT_BRD
CH_ACT
SPI_CLK
ASFIC_CS
PA_BIAS
SPI_MOS I
F1200
BW_SEL
AUDIO_PA_EN
FLAT_OR_DEEMPH_RX_AUD_SEL FLAT_TX_AUDIO_MUTE
HSIO
LSIO
SQ_DET
uP_CLK
HANDSET_RX_AUDIO_CH
DISC
11
VHF 2 (146-174 MHz) 25-45W DC and Audio Circuits (Sht 2 of 2)

4-42 VHF 2, 25-45W PCB 8486487Z04 / Schematics
DNP
DNP
SYNTH_CS
ASFIC_CS
DISPLAY_CS_CH
DNP
DNP
DNP
SPI_MOSI
PROVIDE WIRED OR OPERATION ON CSPROG
EE_CS
DNP
SPI_CLK
SHIFT_R_CS
DO NOT CONNECT THIS CS IN ORDER TO
SPI_MISO
R415 0
1
TP404
TEST_POINT
1
TP402
TEST_POINT
0.1uF
C405
C413
1000pF
C414
1000pF
D3_3V
D3_3V
10K
R463
R473
100K
D3_3V
R472
100K
R441
10K
100K
R427
1000pF
C415 C407
0.1uF
R425
100K
51
R462
9RESET
8
VCC
21
I_O0 22
I_O1 23
I_O2 25
I_O3 26
I_O4 27
I_O5 28
I_O6
I_O7 29
14 A6
13 A7
3A8
2A9
30 EN_CE
32 EN_OE
7EN_WE
24 GND
5A14
11 A15
10 A16
A17
6
18 A2
17 A3
16 A4
15 A5
AT49LV002N_70VI
20 A0
19 A1
31 A10
1A11
12 A12
4A13
28
VDD
14
VSS 27
WE
U404
12 D2
13 D3
15 D4
16 D5
17 D6
18 D7
19 D8
22
OE
6
A4 5
A5 4
A6 3
A7 25
A8 24
A9
20
CS
11 D1
9
A1
21
A10 23
A11 2
A12 26
A13 1
A14
8
A2 7
A3
SRM2B256
U402
10
A0
TP410
TEST_POINT
110K
R450
R451
10K
C401
VSSR
87
93
XFC
XIRQ 48
XTAL 91
0.1uF
VDD 12
VDDL 39
VDDR 88
VDDSYN 92
VRH 69
VRL 68
VSS
13
VSSL
40
PJ1_CSGP4 72
PJ2 73
PJ3 74
PJ4 75
PJ5 76
PJ6 77
PJ7 78
RESET 94
PI1
55 PI2
54 PI3
53 PI4
52 PI5
51 PI6
50 PI7
49
PJ0_CSGP3 71
PH1_PW2
46
PH2_PW3
45
PH3_PW4
44
PH4_CSIO
43
PH5_CSGP1
42
PH6_CSGP2
41
PH7_CSPROG
38
PI0
56
PG1_XA14
16
PG2_XA15
20
PG3_XA16
19
PG4_XA17
17
PG5_XA18
18
PG6_AS
5
PG7_R_W 4
PH0_PW1
47
PF2_ADDR2
27 PF3_ADDR3
26 PF4_ADDR4
25 PF5_ADDR5
24 PF6_ADDR6
23 PF7_ADDR7
22
PFO_ADDR0
29
PG0_XA13
6
66
PE1_AN1 65
PE2_AN2 64
PE3_AN3 63
PE4_AN4 62
PE5_AN5 61
PE6_AN6 60
PE7_AN7
PF1_ADDR1
28
PD0_RXD 97
PD1_TXD 98
PD2_MISO 99
PD3_MOSI 100
PD4_SCK 1
PD5_SS 2
3
PD6_LVIN
67
PE0_AN0
PC0_DATA0
30
PC1_DATA1
31
PC2_DATA2
32
PC3_DATA3
33
PC4_DATA4
34
PC5_DATA5
35
PC6_DATA6
36
PC7_DATA7
37
PB1_ADDR9
10 PB2_ADDR10
11 PB3_ADDR11
9PB4_ADDR12
21 PB5_ADDR13
15 PB6_ADDR14
8PB7_ADDR15
7
PBO_ADDR8
14
PA0_IC3 79
PA1_IC280
PA2_IC181
PA3_IC4_OC5_OC1 82
PA4_OC4_OC1 83
PA5_OC3_OC1 84
PA6_OC2_OC1 85
PA7_PA1_OC1 86
AVDD 59
AVSS
70
ECLK 89
EXTAL 90
IRQ 96
95
LVOUT
MODA_LIR58
MODB_VSTBY 57
MC68HC11FL0
U403
C402
0.1uF
D40
D3_3V
D3_3V
1
TP400
TEST_POINT
0.1uF
C408
100K
R423
D3_3V
0.1uF
C404
100K
R428
D3_3V
1
R443
3.3K
TP425
TEST_POINT
R426
100K
220pF
C1078
R438
10K
Q407
D3_3V
D3_3V
FILT_SW_B+
TP403
TEST_POINT
1
100K
R424
CS
1
HOLD
7
SCK
6
SI
5
SO 2
VCC
8
VSS
4
3WP X25128-2.7
U400
D3_3V
1
IF401
1
IF400
10K
R442
Q417
D3_3V
1000pF
C411
10
R47 1
0.1uF
C403
1
TP406
TEST_POINT
0
R414
1000pF
C416
D3_3V
C410
0.1uF
1000pF
C412
1000pF
C1083
TP409
TEST_POINT 1
Q400
R439
10K
0.1uF
C406
1000pF
C400
TP401
TEST_POINT
1
D3_3V
4.3V
VR401
TP407
TEST_POINT
1
EMERGENCY_SENSE
BATT_SENSE
VOX
ONOFF_SENSE
VOL_INDIRECT
F1200
DISPLAY_CS_CH
DISPLAY_CS_CH
KEYPAD_COL_CH
KEYPAD_ROW_CH
RSSI
RESET
TX_EN
OPT_EN_OPBD
D3_3V
RX_EN
ASFIC_CS
ASFIC_CS
SYNTH_CS
SYNTH_CS
SPI_CLK
SPI_CLK
SPI_CLK
SPI_MOSI
SPI_MOSI
SPI_MOSI
SPI_MISO
SPI_MISO
SPI_MISO
MIC_SENSE
SCI_CH
A(8)
A(9)
A(0:18)
EE_CS
EE_CS
OPT_DATA_R_OPBD
D(0:7)
HSIO
PROG_IN-P6_I
PROG_IO-P8_I
PROG_IO-P14_I
PROG_IO-P12_I
COMM_DATA_SEL_CH
SHIFT_R_CS
SHIFT_R_CS
MIC_PTT
D(3)
D(4)
D(6)
D(7)
A18_RES
D(5)
A(0)
A(1)
A(10)
A(11)
A(12)
A(13)
A(14)
A(2)
A(3)
A(4)
A(5)
A(6)
A(7)
A(4)
A(5)
A(6)
A(7)
A(8)
A(9)
A(15)
A(16)
A(18)
A(17)
A18_RES
R_W
uP_CLK
ACCESS_PTT
D(0)
D(1)
D(2)
FILT_SW_B+
R_W
A(0)
A(1)
A(10)
A(11)
A(12)
A(13)
A(14)
A(2)
A(3)
D(1)
D(2)
D(3)
D(4)
D(5)
D(6)
D(7)
D(0)
D(1)
D(2)
D(3)
D(4)
D(5)
D(6)
D(7)
R_W
D3_3V
LSIO
SQ_DET
CH_ACT
A(9)
A(10)
A(11)
A(12)
A(13)
A(8)
D(0)
A(1)
A(2)
A(3)
A(4)
A(5)
A(6)
A(7)
A(0)
A(14)
LOC_DIST
SYNTH_LOCK
A(15)
A(16)
A(17)
A(18)
RESET
PI1
PI2
PI3
PI4
MODB_VSTBY
MODA_LIR
VHF 2 (146-174 MHz) 25-45W Microprocessor and Controller Circuits (Sht 1 of 2)

VHF 2, 25-45W PCB 8486487Z04 / Schematics 4-43
PROG_I/O
EXT_ALARM_OUT
PROG_I/O
DNP
SHIFT_REGN_CS
DNP
VS_CS
PROG_I N
DNP
PROG_I/O
PROG_OUT-ALARM_4
VS_RAC
EXT_MIC_PTT
DNP
NON-DISPLAY
PROG_IO-P14_O
DNP
DNP
VS_INT
PROG_IO-P8_O
PROG_IO-P12_O
DISPLAY
2.7K
R401
7
RESET
10
SERIN
14
SEROUT 9
VCC
16
8
Q0 15
Q1 1
Q2 2
Q3 3
Q4 4
Q5 5
Q6
6
Q7
U405
MC74HC595A
CLK_L
12 CLK_S
11
EN_OE
13
GND
TP405
TEST_POINT
1
D3_3V
R429
100K
R436
33K
10K
R431
D401
C422
1000pF
220
R421
R430
39K
1000pF
C417
FILT_SW_B+
R433
33K
R458
3.3K
33K
R434
33K
R432
D3_3V
D3_3V
3.3K
R455
R405 0
3.3K
R456
47K
R459
C423
0.1uF
.022uF
C421
0
R403
VR402
3.3V
1000pF
C418
C490
1uF
1.5K
R460
Q408
R461
220
0
3.3K
R402
3.3K
R454
R453
TP408
TEST_POINT
1
Q411
Q401
Q415
6.8V
VR400
D402
R468 DNP
R467 DNP
D3_3V
D3_3V
DNP
R469
Q413
R457
3.3K
DNP
R466
Q414
D3_3V
Q409
R406 0
0
D3_3V
R407
D3_3V
Q412
10K
R470
Q403
Q410
R445
10K
Q416
10K
R422
Q405
D3_3V
10K
R440
R435
33K
0
R404
10K
Q404
R444
D3_3V
SPI_CL K
SPI_MOSI
BOOT_EN_IN_CH
VSTBY
SCI_CH
HOOK_CH
VS_INT
VS_RAC
VS_CS
PROG_OUT-ALARM_4
PROG_IO-P8_O
PROG_IO-P12_O
PROG_IO-P14_O
VS_AUDIO_SEL
VS_GAIN_SEL
PROG_IO-P8_O
PROG_IO-P8_ I
PROG_IO-P12_O
PROG_IO-P12_I
PROG_IO-P14_O
PROG_IO-P14_I
MIC_PTT_CH
MIC_PT T
MIC_SENSE
PROG_O-ACC_C_4
PROG_I-ACC_C_ 3
PROG_OUT-ALARM_4
ACCESS_PTT
PROG_IN-P6_I
PROG_I-ACC_C_ 6
PROG_IO-ACC_C_8
PROG_IO-ACC_C_12
PROG_IO-ACC_C_14
RESET
PI1
PI2
PI3
PI4
MODB_VSTBY
MODA_LIR
VHF 2 (146-174 MHz) 25-45W Microprocessor and Controller Circuits (Sht 2 of 2)

4-44 VHF 2, 25-45W PCB 8486487Z04 / Schematics
1uH
L102
R117
22K
R141
22K
R140
18K
1000pF
C1046
C1045
1000pF
1uH
IF702
L101
1
IF701
1
IF700
NU
1000pF
C1082
C1076
1000pF
7
8
4
1000pF
C1075
3
1
8
4
U100-2
LM2904
6
5
U100-1
LM2904
2
C1071
1000pF
22K
R146
C1049
1000pF
D101
6.2K
R164
R144
22K
C1048
1000pF
C1047
DET_VFWD
INTEGRATOR
DET_VRVS
FILT_SW_B+
1000pF
VHF 2 (146-174 MHz) 25-45W Power Control Circuit

VHF 2, 25-45W PCB 8486487Z04 / Schematics 4-45
3.1 VHF 2 PCB 8486487Z04
Parts List 25-45W
Circuit
Ref. Motorola
Part No. Description
C300 2113740F44 CAP, 51pF
C301 2311049A57 CAP, 10uF
C302 2113740F54 CAP, 130pF
C303 2113743K15 CAP, 0.1uF
C304 2113743E20 CAP, 0.1uF
C305 2113743E20 CAP, 0.1uF
C306 2113743E20 CAP, 0.1uF
C307 2113743E20 CAP, 0.1uF
C308 2113743E20 CAP, 0.1uF
C309 2113743E20 CAP, 0.1uF
C310 2113743E20 CAP, 0.1uF
C311 2113743E20 CAP, 0.1uF
C312 2113743E20 CAP, 0.1uF
C313 2113743E20 CAP, 0.1uF
C314 2113743E20 CAP, 0.1uF
C315 2113743E20 CAP, 0.1uF
C316 2113743E20 CAP, 0.1uF
C317 2113743E20 CAP, 0.1uF
C318 2113743E20 CAP, 0.1uF
C319 2113743E20 CAP, 0.1uF
C320 2113743E20 CAP, 0.1uF
C321 2113741F49 CAP, .01uF
C322 2113741F41 CAP, 4700pF
C323 2113741F25 CAP, 1000pF
C324 2113741F25 CAP, 1000pF
C325 2113741F25 CAP, 1000pF
C326 2113741F25 CAP, 1000pF
C327 2113741F25 CAP, 1000pF
C328 2113740F67 CAP, 470pF
C329 2113740F67 CAP, 470pF
C330 2113740F67 CAP, 470pF
C331 2113740F67 CAP, 470pF
C332 2113741F13 CAP, 330pF
C333 2113740L41 CAP, 91pF
C334 2113740L41 CAP, 91pF
C335 2113740L17 CAP, 9.1pF
C336 2113740L14 CAP, 6.8pF
C337 2113740F57 CAP, 180pF
C338 2113740F53 CAP, 120pF
C339 2113740F51 CAP, 100pF
C340 2113740F49 CAP, 82pF
C341 2113740F49 CAP, 82pF
C342 2113740F49 CAP, 82pF
C343 2113740F49 CAP, 82pF
C344 NOT PLACED CAP, 82pF
C345 NOT PLACED CAP, 82pF
C346 2113740F45 CAP, 56pF
C347 2113740F41 CAP, 39pF
C348 2113740F41 CAP, 39pF
C349 NOT PLACED CAP, 36pF
C350 2113740F40 CAP, 36pF
C351 2113740F40 CAP, 36pF
C352 2113740F39 CAP, 33pF
C353 2113740F38 CAP, 30pF
C354 2113740F38 CAP, 30pF
C355 2113740F38 CAP, 30pF
C356 NOT PLACED CAP, 30pF
C357 2113740F35 CAP, 22pF
C359 NOT PLACED CAP, 22pF
Circuit
Ref. Motorola
Part No. Description
C360 NOT PLACED CAP, 22pF
C361 2113740F33 CAP, 18pF
C362 2113740F33 CAP, 18pF
C363 NOT PLACED CAP, 12pF
C364 2113740F25 CAP, 8.2pF
C365 2113740F21 CAP, 5.6pF
C366 NOT PLACED CAP, 3.3pF
C367 NOT PLACED CAP, 2.7pF
C400 2113741F25 CAP, 1000pF
C401 2113743K15 CAP, 0.1uF
C402 2113743K15 CAP, 0.1uF
C403 2113743K15 CAP, 0.1uF
C404 2113743K15 CAP, 0.1uF
C405 2113743K15 CAP, 0.1uF
C406 2113743K15 CAP, 0.1uF
C407 2113743K15 CAP, 0.1uF
C408 2113743K15 CAP, 0.1uF
C410 2113743K15 CAP, 0.1uF
C411 2113741F25 CAP, 1000pF
C412 2113741F25 CAP, 1000pF
C413 2113741F25 CAP, 1000pF
C414 2113741F25 CAP, 1000pF
C415 2113741F25 CAP, 1000pF
C416 2113741F25 CAP, 1000pF
C417 2113741F25 CAP, 1000pF
C418 2113741F25 CAP, 1000pF
C421 NOT PLACED CAP, .022uF
C422 2113741F25 CAP, 1000pF
C423 2113743K15 CAP, 0.1uF
C490 NOT PLACED CAP, 1uF
Circuit
Ref. Motorola
Part No. Description
C602 2113741F25 CAP, 1000pF
C603 2113741F25 CAP, 1000pF
C604 2113741F25 CAP, 1000pF
C605 2113741F25 CAP, 1000pF
C606 2113741F25 CAP, 1000pF
C607 2113741F25 CAP, 1000pF
C608 NOT PLACED CAP, 1000pF
C609 NOT PLACED CAP, 1000pF
C610 2113741F25 CAP, 1000pF
C611 2113741F25 CAP, 1000pF
C612 2113741F25 CAP, 1000pF
C613 2113741F25 CAP, 1000pF
C614 2113741F25 CAP, 1000pF
C615 2113741F25 CAP, 1000pF
C616 2113741F25 CAP, 1000pF
C617 2113741F25 CAP, 1000pF
C618 2113741F25 CAP, 1000pF
C619 NOT PLACED CAP, 1000pF
C620 2113741F25 CAP, 1000pF
C621 2113741F25 CAP, 1000pF
C622 2113741F25 CAP, 1000pF
C623 2113741F25 CAP, 1000pF
C624 2113741F25 CAP, 1000pF
C625 2113741F25 CAP, 1000pF
C626 2113741F25 CAP, 1000pF
C627 2113741F25 CAP, 1000pF
C628 2113741F25 CAP, 1000pF
C629 2113741F25 CAP, 1000pF
C630 2113741F25 CAP, 1000pF
C631 2113741F25 CAP, 1000pF
Circuit
Ref. Motorola
Part No. Description

4-46 VHF 2, 25-45W PCB 8486487Z04 / Schematics
C632 2113741F25 CAP, 1000pF
C633 2113741F25 CAP, 1000pF
C662 2113741F25 CAP, 1000pF
C678 2113741M69 CAP, 0.1uF
C1000 2113740F59 CAP, 220pF
C1001 2311049A08 CAPP, 1uF
C1002 2113741W01 CAP, 1uF
C1003 NOT PLACED CAP, 470pF
C1004 2111078B42 CAP, 100pF
C1005 2111078B42 CAP, 100pF
C1006 2111078B48 CAP, 160pF
C1007 2111078B40 CAP, 82pF
C1008 2111078B10 CAP, 7.5pF
C1009 2111078B37 CAP, 62pF
C1010 NOT PLACED CAP, 100pF
C1011 2111078B40 CAP, 82pF
C1012 2111078B36 CAP, 56pF
C1013 2111078B08 CAP, 6.2pF
C1014 NOT PLACED CAP, 56pF
C1015 2111078B43 CAP, 110pF
C1017 2111078B18 CAP, 15pF
C1018 2111078B32 CAP, 39pF
C1019 2111078B28 CAP, 32pF
C1020 2111078B32 CAP, 39pF
C1021 NOT PLACED CAP, 6.2pF
C1022 2111078B26 CAP, 28pF
C1026 2113740A79 CAP, 1000pF
C1027 2311049A45 CAPP, 10uF
C1028 2113743K15 CAP, 0.1uF
C1029 2113743K15 CAP, 0.1uF
Circuit
Ref. Motorola
Part No. Description
C1030 2113740F37 CAP, 27pF
C1031 2113743E07 CAP, .022uF
C1032 2113743E07 CAP, .022uF
C1033 2113743E07 CAP, .022uF
C1034 2113740F59 CAP, 220pF
C1035 2113743E07 CAP, .022uF
C1036 2113743E07 CAP, .022uF
C1037 2113743E07 CAP, .022uF
C1038 NOT PLACED CAP, .022uF
C1039 2113743E07 CAP, .022uF
C1040 NOT PLACED CAP, 2200pF
C1041 2113741F17 CAP, 470pF
C1042 2113740F52 CAP, 110pF
C1043 2113740F52 CAP, 110pF
C1044 2113741F13 CAP, 330pF
C1045 2113741F25 CAP, 1000pF
C1046 2113741F25 CAP, 1000pF
C1047 2113741F25 CAP, 1000pF
C1048 2113741F25 CAP, 1000pF
C1049 2113741F25 CAP, 1000pF
C1050 2113741F25 CAP, 1000pF
C1051 2113741F25 CAP, 1000pF
C1052 2113741F25 CAP, 1000pF
C1053 2113741F25 CAP, 1000pF
C1054 2113741F25 CAP, 1000pF
C1055 NOT PLACED CAP, 1000pF
C1056 NOT PLACED CAP, 1000pF
C1057 2113741F25 CAP, 1000pF
C1058 NOT PLACED CAP, 1000pF
C1059 2113741F25 CAP, 1000pF
Circuit
Ref. Motorola
Part No. Description
C1060 2113741F25 CAP, 1000pF
C1061 NOT PLACED CAP, 1000pF
C1062 2113741F25 CAP, 1000pF
C1063 2113740F63 CAP, 330pF
C1064 2113741F25 CAP, 1000pF
C1065 2113740F63 CAP, 330pF
C1066 2113741F25 CAP, 1000pF
C1067 2113741F25 CAP, 1000pF
C1068 2113741F13 CAP, 330pF
C1069 NOT PLACED CAP, 330pF
C1070 2113741F25 CAP, 1000pF
C1071 2113741F25 CAP, 1000pF
C1072 2113741F25 CAP, 1000pF
C1073 NOT PLACED CAP, 1000pF
C1074 2113741F25 CAP, 1000pF
C1075 2113741F25 CAP, 1000pF
C1076 2113741F25 CAP, 1000pF
C1077 2113741F25 CAP, 1000pF
C1078 2113740F59 CAP, 220pF
C1079 2113741F25 CAP, 1000pF
C1080 2113741F25 CAP, 1000pF
C1081 2113741F25 CAP, 1000pF
C1082 NOT PLACED CAP, 1000pF
C1083 2113741F25 CAP, 1000pF
C1084 2113740F59 CAP, 220pF
C1085 2113741F25 CAP, 1000pF
C1086 2113741F25 CAP, 1000pF
C1087 2113741F25 CAP, 1000pF
C1088 2113741F25 CAP, 1000pF
C1089 2113741F25 CAP, 1000pF
Circuit
Ref. Motorola
Part No. Description
C1090 NOT PLACED CAP, 220pF
C1091 2113741F25 CAP, 1000pF
C1092 2113741F25 CAP, 1000pF
C1093 NOT PLACED CAP, 220pF
C1094 NOT PLACED CAP, 1000pF
C1095 2113740F59 CAP, 220pF
C1096 2111078B40 CAP, 82pF
C1097 2113741F25 CAP, 1000pF
C1098 2113741F25 CAP, 1000pF
C1099 2113741F25 CAP, 1000pF
C1100 2113741F25 CAP, 1000pF
C1101 2113741F01 CAP, 100pF
C1102 2113741F01 CAP, 100pF
C1103 2113741A57 CAP, .033uF
C1104 2113741A45 CAP, .01uF
C1105 2113740F67 CAP, 470pF
C1106 2113740F67 CAP, 470pF
C1107 2113740F67 CAP, 470pF
C1108 2113740F47 CAP, 68pF
C1109 2113740F59 CAP, 220pF
C1110 2113740F59 CAP, 220pF
C1111 2111078B59 CAP, 470pF
C1112 2113740F59 CAP, 220pF
C1113 2113740F59 CAP, 220pF
C1114 2113740F59 CAP, 220pF
C1115 2113740F59 CAP, 220pF
C1116 2113740F59 CAP, 220pF
C1117 2113740F40 CAP, 36pF
C1118 2113740F39 CAP, 33pF
C1119 2113740F36 CAP, 24pF
Circuit
Ref. Motorola
Part No. Description

VHF 2, 25-45W PCB 8486487Z04 / Schematics 4-47
C1120 2113740F39 CAP, 33pF
C1121 NOT PLACED CAP, 6.8pF
C1122 2113740F59 CAP, 220pF
C1123 2113740F59 CAP, 220pF
C1124 2113740F59 CAP, 220pF
C1125 2113740F59 CAP, 220pF
C1126 2113740F59 CAP, 220pF
C1127 2360567A03 CAPP, 100uF
C1128 2113740F59 CAP, 220pF
C1129 2113740F59 CAP, 220pF
C1130 2113740F59 CAP, 220pF
C1131 NOT PLACED CAP, 220pF
C1132 2111078B40 CAP, 82pF
C1133 0662057C01 RES, 0
C1134 NOT PLACED RES, 100
C1135 0662057C01 RES, 0
C1136 NOT PLACED CAP, 4.7pF
C1137 2111078B33 CAP, 43pF
C1199 NOT PLACED CAP, 16pF
C2000 2113743F18 CAP, 2.2uF
C2001 2311049J11 CAPP, 4.7uF
C2002 2311049A72 CAPP, 10uF
C2003 2113743K15 CAP, 0.1uF
C2004 2113743F18 CAP, 2.2uF
C2005 2113743F18 CAP, 2.2uF
C2006 2113743F18 CAP, 2.2uF
C2007 2113743E20 CAP, 0.1uF
C2008 2113743E20 CAP, 0.1uF
C2009 2113743E20 CAP, 0.1uF
C2010 2113743E20 CAP, 0.1uF
Circuit
Ref. Motorola
Part No. Description
C2011 2113743E20 CAP, 0.1uF
C2012 NOT PLACED CAP, 0.1uF
C2013 2113743E20 CAP, 0.1uF
C2014 2113743E20 CAP, 0.1uF
C2015 2113743E20 CAP, 0.1uF
C2016 2113743E20 CAP, 0.1uF
C2017 2113743E20 CAP, 0.1uF
C2018 2113743E20 CAP, 0.1uF
C2019 2113743E20 CAP, 0.1uF
C2020 2113743E20 CAP, 0.1uF
C2021 2113741F49 CAP, .01uF
C2022 2113741F49 CAP, .01uF
C2023 2113741F49 CAP, .01uF
C2024 2113741F49 CAP, .01uF
C2025 2113741F49 CAP, .01uF
C2026 2113741F49 CAP, .01uF
C2027 2113741F49 CAP, .01uF
C2028 2113741F33 CAP, 2200pF
C2029 2113741F25 CAP, 1000pF
C2030 2113741F39 CAP, 3900pF
C2031 NOT PLACED CAP, 1000pF
C2032 2113741F25 CAP, 1000pF
C2033 2113741F25 CAP, 1000pF
C2034 2113741F25 CAP, 1000pF
C2035 2113741F25 CAP, 1000pF
C2036 2113741F25 CAP, 1000pF
C2037 2113741F25 CAP, 1000pF
C2038 2113741F25 CAP, 1000pF
C2039 2113741F25 CAP, 1000pF
C2040 2113741F25 CAP, 1000pF
Circuit
Ref. Motorola
Part No. Description
C2041 2113741F25 CAP, 1000pF
C2042 2113741F25 CAP, 1000pF
C2043 2113740L14 CAP, 6.8pF
C2044 2113740L06 CAP, 3.3pF
C2045 2113740F67 CAP, 470pF
C2046 2113740F67 CAP, 470pF
C2047 2113740F67 CAP, 470pF
C2048 2113740F67 CAP, 470pF
C2049 NOT PLACED CAP, 470pF
C2050 2113740F67 CAP, 470pF
C2051 2113740F59 CAP, 220pF
C2052 2113740F67 CAP, 100pF
C2053 NOT PLACED CAP, 100pF
C2054 2113740L37 CAP, 62pF
C2055 2113740F35 CAP, 22pF
C2056 2113740F33 CAP, 18pF
C2057 2113740F33 CAP, 18pF
C2058 2113740F33 CAP, 18pF
C2059 2113740F33 CAP, 18pF
C2060 2113740F31 CAP, 15pF
C2061 2113740F29 CAP, 12pF
C2062 2113740F29 CAP, 12pF
C2063 2113740L22 CAP, 15pF
C2064 2113740F32 CAP, 16pF
C2065 2113740F27 CAP, 10pF
C2066 2113740L16 CAP, 8.2pF
C2067 2113740F25 CAP, 8.2pF
C2068 2113740F23 CAP, 6.8pF
C2069 2113740L12 CAP, 5.6pF
C2070 2113740F41 CAP, 39pF
Circuit
Ref. Motorola
Part No. Description
C2071 2113740F41 CAP, 39pF
C2072 2113740L04 CAP, 2.7pF
C2073 2113740F03 CAP, 1pF
C2074 2109720D14 CAP, 0.1uF
C2075 2109720D14 CAP, 0.1uF
C2076 NOT PLACED CAP, 0.1uF
C2077 2109720D14 CAP, 0.1uF
C2078 2109720D14 CAP, 0.1uF
C2079 2109720D14 CAP, 0.1uF
C2080 2109720D14 CAP, 0.1uF
C2081 2113740F67 CAP, 470pF
C5000 2113741F25 CAP, 1000pF
C5001 2389289U01 CAPP, 10uF
C5002 2311049A99 CAPP, 47uF
C5003 2311049A99 CAPP, 47uF
C5005 2360567A03 CAPP, 100uF
C5006 2311049A57 CAPP, 10uF
C5007 2311049A99 CAPP, 47uF
C5008 2311049A57 CAPP, 10uF
C5009 2311049A57 CAPP, 10uF
C5010 2311049A57 CAPP, 10uF
C5011 2311049A57 CAPP, 10uF
C5012 2311049A56 CAPP, 4.7uF
C5013 2113928P04 CAP, 1.0uF
C5014 NOT PLACED CAP, 2.2uF
C5015 2113743K15 CAP, 0.1uF
C5016 2113743K15 CAP, 0.1uF
C5017 2113743K15 CAP, 0.1uF
C5018 2113743K15 CAP, 0.1uF
C5019 2113743K15 CAP, 0.1uF
Circuit
Ref. Motorola
Part No. Description

4-48 VHF 2, 25-45W PCB 8486487Z04 / Schematics
C5020 2113743K15 CAP, 0.1uF
C5021 2113741M69 CAP, 0.1uF
C5022 2113743K15 CAP, 0.1uF
C5023 2113743K15 CAP, 0.1uF
C5024 2113743K15 CAP, 0.1uF
C5025 2113743K15 CAP, 0.1uF
C5026 2113743K15 CAP, 0.1uF
C5027 2113743K15 CAP, 0.1uF
C5028 2113743K15 CAP, 0.1uF
C5029 2113743K15 CAP, 0.1uF
C5030 2113743K15 CAP, 0.1uF
C5031 2113743K15 CAP, 0.1uF
C5032 2113743K15 CAP, 0.1uF
C5033 2113743K15 CAP, 0.1uF
C5034 2113743K15 CAP, 0.1uF
C5035 2113743K15 CAP, 0.1uF
C5036 2113743K15 CAP, 0.1uF
C5037 2113743K15 CAP, 0.1uF
C5038 2113743K15 CAP, 0.1uF
C5039 NOT PLACED CAP, 0.1uF
C5040 NOT PLACED CAP, 0.1uF
C5041 2113743F18 CAP, 2.2uF
C5042 2113743F16 CAP, 1uF
C5043 2113743F16 CAP, 1uF
C5044 2113928C04 CAP, 1uF
C5045 2113743F16 CAP, 1uF
C5046 2113743E20 CAP, 0.1uF
C5047 2113743E20 CAP, 0.1uF
C5048 2113743E20 CAP, 0.1uF
C5049 2113743E20 CAP, 0.1uF
Circuit
Ref. Motorola
Part No. Description
C5050 2113743E20 CAP, 0.1uF
C5051 NOT PLACED CAP, 0.1uF
C5052 2113743E20 CAP, 0.1uF
C5053 NOT PLACED CAP, 0.1uF
C5054 NOT PLACED CAP, 0.1uF
C5055 2113928C04 CAP, 4.7uF
C5056 2113928C04 CAP, 4.7uF
C5057 2113928C04 CAP, 4.7uF
C5058 NOT PLACED CAP, 0.1uF
C5059 2113743E07 CAP, .022uF
C5060 2113741M69 CAP, 0.1uF
C5061 2113741M69 CAP, 0.1uF
C5062 2113741M69 CAP, 0.1uF
C5063 2113741M69 CAP, 0.1uF
C5064 2113741F25 CAP, 1000pF
C5065 2113741F25 CAP, 1000pF
C5066 2113741F25 CAP, 1000pF
C5067 2113741F25 CAP, 1000pF
C5068 2113741F25 CAP, 1000pF
C5069 2113741F25 CAP, 1000pF
C5070 2113741F25 CAP, 1000pF
C5071 2113741F25 CAP, 1000pF
C5072 2113741F25 CAP, 1000pF
C5073 2113741F25 CAP, 1000pF
C5074 2113741F25 CAP, 1000pF
C5075 NOT PLACED CAP, 1000pF
C5076 2113741F25 CAP, 1000pF
C5077 2113741F25 CAP, 1000pF
C5078 2113741F25 CAP, 1000pF
C5079 2113741F25 CAP, 1000pF
Circuit
Ref. Motorola
Part No. Description
C5080 2113741F25 CAP, 1000pF
C5081 2113741F25 CAP, 1000pF
C5082 2113741F25 CAP, 1000pF
C5083 2113740F51 CAP, 100pF
C5084 2113740F51 CAP, 100pF
C5085 2113741A53 CAP, .022uF
C5086 2113741A53 CAP, .022uF
C5087 2113740F53 CAP, 120pF
C5088 2113740F49 CAP, 82pF
C5089 2113740F49 CAP, 82pF
C5090 2113740F49 CAP, 82pF
C5091 2113740F49 CAP, 82pF
C5092 2113740F59 CAP, 220pF
C5094 2113740F59 CAP, 220pF
C5095 2113740F59 CAP, 220pF
C5096 2113740F59 CAP, 220pF
C5097 2113740F59 CAP, 220pF
C5098 2113740F59 CAP, 220pF
C5099 2113740F59 CAP, 220pF
C5100 2113740F59 CAP, 220pF
C5101 NOT PLACED CAP, 1000pF
C5102 NOT PLACED CAP, 0.1uF
C5103 NOT PLACED CAP, 0.1uF
C5104 NOT PLACED CAP, 10uF
C5110 2113741F25 CAP, 1000pF
C5111 2113741F25 CAP, 1000pF
C5112 NOT PLACED CAP, 16pF
C5113 NOT PLACED CAP, 220pF
C5114 2113743F16 CAP, 1uF
C5115 NOT PLACED CAP, 6.8pF
Circuit
Ref. Motorola
Part No. Description
C5116 NOT PLACED CAP, 220pF
C5117 NOT PLACED CAP, 16pF
C5118 2113743E20 CAP, 0.1uF
C5119 2113743H14 CAP, 10uF
C5120 NOT PLACED CAPP, 47uF
CR300 4880154K03 MMBD353, SCHOTTKY
COMM AK
CR301 4880154K03 MMBD353, SCHOTTKY
COMM AK
D100 NOT PLACED MMBD6100, DUAL
COMM CATH
D101 4813833C02 MMBD6100, DUAL
COMM CATH
D102 4813833C02 MMBD6100, DUAL
COMM CATH
D103 4802482J02 MA4P959, PIN
D104 4802482J02 MA4P959, PIN
D105 4805218N57 RB715F, DUAL COMM
CATH
D106 4805218N57 RB715F, DUAL COMM
CATH
D107 4805218N57 RB715F, DUAL COMM
CATH
D108 4805218N57 RB715F, DUAL COMM
CATH
D200 4802233J09 IMN10, 3 DIODE ARRAY
D201 4802233J09 IMN10, 3 DIODE ARRAY
D202 4862824C03 1SV232, VARACTOR
D203 4805649Q13 1SV228, VARACTOR
D204 4805649Q13 1SV228, VARACTOR
D205 4862824C01 1SV229, VARACTOR
D301 4802245J97 DAN235ETL, DUAL
COMM CATH
D302 4802245J97 DAN235ETL, DUAL
COMM CATH
Circuit
Ref. Motorola
Part No. Description

VHF 2, 25-45W PCB 8486487Z04 / Schematics 4-49
D303 4802245J97 DAN235ETL, DUAL
COMM CATH
D304 4802245J97 DAN235ETL, DUAL
COMM CATH
D305 4880142L01 MMBV3401LT, PIN
D400 4813833C07 MMBD7000, DUAL
COMM AK
D401 4813833C02 MMBD6100, DUAL
COMM CATH
D402 4809948D42 RB751V40, SCHOTTKY
D500 4813833C02 MMBD6100, DUAL
COMM CATH
D501 NOT PLACED MMBD6100, DUAL
COMM CATH
D502 4813825A23 MMSD301T1, SCHOTTKY
D511 4813833C02 MMBD6100, DUAL
COMM CATH
D513 4813833C02 MMBD6100, DUAL
COMM CATH
FL300 9180022M11 MXF45, 44.85MHz BPF
FL301 9180468V06 FLTR, 455kHZ, BW
25KHZ
FL302 9180468V04 FLTR, 455kHZ, BW
12.5KHZ
FL303 9180469V03 FLTR, 455kHZ, BW
12.5KHZ
FL304 9180469V06 FLTR, 455kHZ, BW
25KHZ
J2 0989241U02 CONNECTOR 22 PIN
J3 NOT PLACED CONNECTOR 32 PIN
J11 2889309U01 ANTENNA CONNECTOR
L100 7686135U02 FERRITE BEAD
L101 2462587T30 IDCTR, 1uH
L102 2462587T30 IDCTR, 1uH
L103 2462587T30 IDCTR, 1uH
Circuit
Ref. Motorola
Part No. Description
L104 2462587T38 IND CHIP 22NH 5% LOW
PRO
L105 2462587T13 IDCTR, 68nH
L106 2460591A11 IDCTR, 7.66nH
L107 2460591A01 IDCTR, 4.22nH
L108 2462587X69 IDCTR, 1.2uH
L109 NOT PLACED IDCTR, 11.03nH
L110 2462587N42 IDCTR, 12nH
L111 2460592B01 IDCTR, 51nH
L112 2460592B01 IDCTR, 51nH
L113 2460592B01 IDCTR, 51nH
L114 2460592B01 IDCTR, 51nH
L115 2460592A01 IDCTR, 17nH
L116 2460592A01 IDCTR, 17nH
L117 7686135U02 FERRITE BEAD
L118 7686135U02 FERRITE BEAD
L119 7686135U02 FERRITE BEAD
L120 7686135U02 FERRITE BEAD
L121 7686135U02 FERRITE BEAD
L122 2460591C23 IDCTR, 13.85nH
L123 2462587X69 IDCTR, 1.2uH
L124 2485873L05 IDCTR, 48nH
L130 NOT PLACED IDCTR, 120nH
L131 NOT PLACED IDCTR, 120nH
L132 NOT PLACED IDCTR, 18nH
L200 2462587Q42 IDCTR, 390nH
L201 2462587V44 IDCTR, 680nH
L202 2462587V44 IDCTR, 680nH
L203 2462587V44 IDCTR, 680nH
L204 2462587V44 IDCTR, 680nH
L205 2462587Q47 IDCTR, 1uH
Circuit
Ref. Motorola
Part No. Description
L206 2413923C05 IDCTR, 33nH
L207 2413923C07 IDCTR, 47nH
L208 2413926N24 IDCTR, 100nH
L209 2413926N24 IDCTR, 100nH
L210 2413926N24 IDCTR, 100nH
L211 2413926N24 IDCTR, 100nH
L212 2413926N24 IDCTR, 100nH
L213 2413926N24 IDCTR, 100nH
L214 2413926H20 IDCTR, 47nH
L215 2413926H20 IDCTR, 47nH
L216 2413926H20 IDCTR, 47nH
L217 2462587Q42 IDCTR, 390nH
L300 2460591G24 IDCTR, 33.47nH
L301 2462587X69 IDCTR, 1.2uH
L302 2462587X69 IDCTR, 1.2uH
L303 2462587N69 IDCTR, 1.2uH
L304 2483411T74 IDCTR, 1.2uH
L305 2413926K31 IDCTR, 470nH
L306 2462587N55 IDCTR, 150nH
L307 2460591G24 IDCTR, 33.47nH
L308 2460591G24 IDCTR, 33.47nH
L309 2460591G24 IDCTR, 33.47nH
L310 2460591G24 IDCTR, 33.47nH
L311 2460591G24 IDCTR, 33.47nH
L312 2460591G24 IDCTR, 33.47nH
L313 2460591G24 IDCTR, 33.47nH
L314 2460591G24 IDCTR, 33.47nH
L315 NOT PLACED IDCTR, 27nH
L500 7686135U02 FERRITE BEAD
L501 7686135U02 FERRITE BEAD
Circuit
Ref. Motorola
Part No. Description
L502 7686135U02 FERRITE BEAD
M6 4387454V01 SPACER
M9 0289511U01 NUT
M100 2680499Z01 HEATSINK
M105 7588823L03 CONTACT, METAL
M106 7588823L03 CONTACT, METAL
M107 7588823L03 CONTACT, METAL
M108 7588823L04 CONTACT, METAL
M109 7588823L04 CONTACT, METAL
M110 7588823L04 CONTACT, METAL
M111 NOT PLACED CONTACT, METAL
M112 NOT PLACED CONTACT, METAL
P1 2804503J01 CONNECTOR, 16 PIN
P2 NOT PLACED CONNECTOR, 2 PIN DC
Q100 4886136B01 MRF1550, LDMOS RF
Q101 4813824A10 MMBT3904, BIPOLAR
NPN
Q102 4813824A10 MMBT3904, BIPOLAR
NPN
Q103 4813824A06 MMBTA13, DARLING-
TON, NPN
Q105 4886212B01 MRF1518, LDMOS RF
Q106 4805128M27 BSR33, BIPOLAR, PNP
Q200 4802245J95 BFS540, NPN
Q300 4809940E02 DTC114YE, NPN
Q301 4813824A17 MMBT3906, BIPOLAR
PNP
Q302 4813824A10 MMBT3904, BIPOLAR
NPN
Q303 4802245J95 BFS540, NPN
Q304 4809939C04 UMC3
Q305 4802197J95 PBR941, NPN
Circuit
Ref. Motorola
Part No. Description

4-50 VHF 2, 25-45W PCB 8486487Z04 / Schematics
Q306 4813824A17 MMBT3906, BIPOLAR
PNP
Q400 4809940E02 DTC114YE, NPN
Q401 4880141L03 BCW68G, BIPOLAR PNP
Q403 4809940E02 DTC114YE, NPN
Q404 4809940E02 DTC114YE, NPN
Q405 4809940E02 DTC114YE, NPN
Q407 4809940E02 DTC114YE, NPN
Q408 4880048M01 DTC144EKA, BIPOLAR
Q409 4880048M01 DTC144EKA, BIPOLAR
Q410 4880048M01 DTC144EKA, BIPOLAR
Q411 4880048M01 DTC144EKA, BIPOLAR
Q412 4880048M01 DTC144EKA, BIPOLAR
Q413 4809940E02 DTC114YE, NPN
Q414 4809940E02 DTC114YE, NPN
Q415 NOT PLACED MMBT3904
Q416 4809940E02 DTC114YE, NPN
Q417 4813824A10 MMBT3904, BIPOLAR
NPN
Q500 4813824A10 MMBT3904, BIPOLAR
NPN
Q501 4809940E02 DTC114YE, NPN
Q502 4809940E02 DTC114YE, NPN
Q503 4813824A10 MMBT3904, BIPOLAR
NPN
Q504 4880048M01 DTC144EKA, BIPOLAR
Q505 4813824A10 MMBT3904, BIPOLAR
NPN
Q506 4813824A10 MMBT3904, BIPOLAR
NPN
R101 1705603W01 SHUNT, 1.639m
R102 0680194M18 RES, 51
R103 0683962T51 RES, 120
Circuit
Ref. Motorola
Part No. Description
R104 0680194M18 RES, 51
R105 0680194M18 RES, 51
R106 0680194M18 RES, 51
R107 0680194M18 RES, 51
R108 0680194M18 RES, 51
R109 0662057A12 RES, 30
R110 NOT PLACED RES, 1K
R111 NOT PLACED RES, 1K
R112 NOT PLACED RES, 62K
R113 NOT PLACED RES, 10K
R114 NOT PLACED RES, 10K
R115 NOT PLACED RES, 10K
R116 NOT PLACED RES, 10K
R117 0662057A77 RES, 15K
R118 0662057C51 RES, 100
R120 0662057C51 RES, 100
R121 NOT PLACED RES, 100
R122 0662057C19 RES, 4.7
R123 0662057C13 RES, 2.7
R124 0662057C13 RES, 2.7
R125 0662057C13 RES, 2.7
R126 0662057C03 RES, 1
R127 0662057C03 RES, 1
R130 0662057B47 RES, 0
R131 0662057A97 RES, 100K
R132 NOT PLACED RES, 100K
R134 0662057A89 RES, 47K
R135 0662057A88 RES, 43K
R136 0662057A87 RES, 39K
R137 0662057A87 RES, 39K
Circuit
Ref. Motorola
Part No. Description
R138 NOT PLACED RES, 39K
R139 NOT PLACED RES, 39K
R140 0662057A70 RES, 7.5K
R141 0662057A81 RES, 22K
R142 0662057A81 RES, 22K
R143 0662057A81 RES, 22K
R144 0662057A75 RES, 12K
R145 0662057A81 RES, 22K
R146 0662057A81 RES, 22K
R147 0662057A81 RES, 22K
R148 0662057A81 RES, 22K
R149 0662057A81 RES, 22K
R150 0662057A89 RES, 47K
R151 0662057A67 RES, 5.6K
R153 0662057A73 RES, 10K
R155 0662057A73 RES, 10K
R156 0662057A73 RES, 10K
R157 0662057A91 RES, 56K
R158 0662057A67 RES, 5.6K
R159 NOT PLACED RES, 5.6K
R160 0662057A61 RES, 3.3K
R161 0662057A61 RES, 3.3K
R162 0662057A61 RES, 3.3K
R163 0662057A61 RES, 3.3K
R164 0662057A63 RES, 3.9K
R165 0662057A58 RES, 2.4K
R166 NOT PLACED RES, 2.4K
R167 0662057A57 RES, 2.2K
R168 0662057A57 RES, 2.2K
R169 NOT PLACED RES, 2.2K
Circuit
Ref. Motorola
Part No. Description
R170 0662057A42 RES, 510
R171 0662057A33 RES, 220
R172 0662057A41 RES, 470
R173 0662057A29 RES, 150
R174 0662057A29 RES, 150
R175 NOT PLACED RES, 220
R176 2413926N25 IDCTR, 120nH
R177 NOT PLACED RES, 100
R178 0662057A14 RES, 36
R179 0662057A14 RES, 36
R180 0660082A89 RES, 47K
R181 0660082A89 RES, 47K
R182 0662057A73 RES, 10K
R185 0662057A73 RES, 10K
R186 0662057C20 RES, 5.1
R188 NOT PLACED RES, 0
R189 NOT PLACED RES, 0
R190 0662057G64 RES, 1MEG
R191 0662057G64 RES, 1MEG
R195 0662057C01 RES, 0
R196 NOT PLACED RES, 0
R197 0662057C19 RES, 4.7
R198 0662057C01 RES, 0
R199 0662057B47 RES, 0
R200 0662057A99 RES, 200K
R201 0662057B47 RES, 0
R202 NOT PLACED RES, 0
R203 0662057B47 RES, 0
R204 NOT PLACED RES, 0
R205 NOT PLACED RES, 0
Circuit
Ref. Motorola
Part No. Description

VHF 2, 25-45W PCB 8486487Z04 / Schematics 4-51
R206 0662057B02 RES, 150K
R207 0662057B02 RES, 150K
R208 0662057A18 RES, 390
R209 0662057A97 RES, 100K
R210 NOT PLACED RES, 100K
R211 0662057A89 RES, 47K
R212 0662057A84 RES, 30K
R213 0662057A65 RES, 4.7K
R214 0662057A65 RES, 4.7K
R215 0662057A65 RES, 4.7K
R216 0662057A63 RES, 3.9K
R217 0662057A52 RES, 1.3K
R218 0662057A49 RES, 1K
R219 NOT PLACED RES, 820
R220 0662057A42 RES, 510
R221 0662057A33 RES, 220
R222 0662057A33 RES, 220
R223 0662057A33 RES, 220
R224 0662057A53 RES, 1.5K
R225 0662057A29 RES, 150
R226 0662057A29 RES, 150
R227 0662057A25 RES, 100
R228 0662057A25 RES, 100
R229 0662057A25 RES, 100
R230 0662057A25 RES, 100
R231 0662057A18 RES, 51
R232 0662057A17 RES, 47
R233 0662057A17 RES, 47
R234 0662057A15 RES, 39
R235 0662057A07 RES, 18
Circuit
Ref. Motorola
Part No. Description
R300 0662057A73 RES, 10K
R301 0662057A41 RES, 470
R302 0662057B47 RES, 0
R303 0662057B47 RES, 0
R304 0662057A85 RES, 33K
R305 0662057A80 RES, 20K
R306 0662057A80 RES, 20K
R307 0662057A80 RES, 20K
R308 0662057A80 RES, 20K
R309 0662057A77 RES, 15K
R310 0662057A77 RES, 15K
R311 NOT PLACED RES, 15K
R312 0662057A76 RES, 13K
R313 0662057A75 RES, 12K
R314 0662057A75 RES, 12K
R315 0662057A75 RES, 12K
R316 0662057A75 RES, 12K
R317 0662057A75 RES, 12K
R318 0662057A75 RES, 12K
R319 0662057A75 RES, 12K
R320 0662057A73 RES, 10K
R321 0662057A71 RES, 8.2K
R322 0662057A65 RES, 4.7K
R323 0662057A65 RES, 4.7K
R324 0662057A61 RES, 3.3K
R325 0662057A61 RES, 3.3K
R326 0662057A58 RES, 2.4K
R327 0662057A58 RES, 2.4K
R328 0662057A55 RES, 1.8K
R329 0662057A51 RES, 1.2K
Circuit
Ref. Motorola
Part No. Description
R330 0662057A49 RES, 1K
R331 0662057A45 RES, 680
R332 0662057A43 RES, 560
R333 0662057A40 RES, 430
R334 0662057A39 RES, 390
R335 0662057A33 RES, 220
R336 0662057A25 RES, 100
R337 0662057A25 RES, 100
R338 0662057A18 RES, 51
R339 0662057A18 RES, 51
R340 0662057A18 RES, 51
R341 0662057A01 RES, 10
R342 0662057A01 RES, 10
R343 0662057A01 RES, 10
R344 0662057A01 RES, 10
R345 0662057A73 RES, 10K
R346 0662057A73 RES, 10K
R401 0662057C85 RES, 2.7K
R402 0662057B47 RES, 0
R403 0662057B47 RES, 0
R404 0662057B47 RES, 0
R405 0662057B47 RES, 0
R406 0662057B47 RES, 0
R407 0662057B47 RES, 0
R414 0662057B47 RES, 0
R415 NOT PLACED RES, 0
R421 0662057A33 RES, 220
R422 0662057A73 RES, 10K
R423 NOT PLACED RES, 100K
R424 NOT PLACED RES, 100K
Circuit
Ref. Motorola
Part No. Description
R425 0662057A97 RES, 100K
R426 0662057A97 RES, 100K
R427 NOT PLACED RES, 100K
R428 0662057A97 RES, 100K
R429 0662057A97 RES, 100K
R430 0662057A87 RES, 39K
R431 NOT PLACED RES, 10K
R432 0662057A85 RES, 33K
R433 0662057A85 RES, 33K
R434 0662057A85 RES, 33K
R435 0662057A85 RES, 33K
R436 0662057A85 RES, 33K
R438 0662057A73 RES, 10K
R439 0662057A73 RES, 10K
R440 0662057A73 RES, 10K
R441 0662057A73 RES, 10K
R442 0662057A73 RES, 10K
R443 0662057A61 RES, 3.3K
R444 0662057A73 RES, 10K
R445 0662057A73 RES, 10K
R450 0662057A73 RES, 10K
R451 0662057A73 RES, 10K
R453 0662057A61 RES, 3.3K
R454 0662057A61 RES, 3.3K
R455 0662057A61 RES, 3.3K
R456 0662057A61 RES, 3.3K
R457 0662057A61 RES, 3.3K
R458 0662057A61 RES, 3.3K
R459 NOT PLACED RES, 47K
R460 0662057A53 RES, 1.5K
Circuit
Ref. Motorola
Part No. Description

4-52 VHF 2, 25-45W PCB 8486487Z04 / Schematics
R461 0662057A33 RES, 220
R462 0662057A18 RES, 51
R463 0662057A73 RES, 10K
R466 NOT PLACED RES, 0
R467 NOT PLACED RES, 0
R468 NOT PLACED RES, 0
R469 NOT PLACED RES, 0
R470 NOT PLACED RES, 10K
R471 0662057A01 RES, 10
R472 NOT PLACED RES, 100K
R473 NOT PLACED RES, 100K
R600 0662057C01 RES, 0
R601 0611077A62 RES, 330
R602 0662057B47 RES, 0
R610 0662057C59 RES, 220
R615 0662057A25 RES, 100
R5000 0662057B47 RES, 0
R5001 0662057T68 RES, 1K
R5002 NOT PLACED RES, 0
R5008 0662057B47 RES, 0
R5009 0662057B47 RES, 0
R5010 0662057B47 RES, 0
R5011 NOT PLACED RES, 0
R5013 NOT PLACED RES, 0
R5014 0662057B47 RES, 0
R5016 NOT PLACED RES, 1MEG
R5019 0662057B05 RES, 200K
R5020 0662057B02 RES, 150K
R5021 0662057A97 RES, 100K
R5022 0662057A97 RES, 100K
Circuit
Ref. Motorola
Part No. Description
R5023 0662057A97 RES, 100K
R5024 NOT PLACED RES, 100K
R5025 0662057A97 RES, 100K
R5026 0662057A85 RES, 33K
R5027 0662057B08 RES, 270K
R5028 0662057A97 RES, 100K
R5029 0662057A97 RES, 100K
R5030 0662057A85 RES, 33K
R5031 0662057A92 RES, 62K
R5032 0662057A89 RES, 47K
R5033 0662057A89 RES, 47K
R5034 0662057A86 RES, 36K
R5035 0662057A89 RES, 47K
R5036 0662057A89 RES, 47K
R5037 0662057A73 RES, 10K
R5038 0662057A85 RES, 33K
R5039 0662057A97 RES, 100K
R5040 0662057A84 RES, 30K
R5041 0662057A82 RES, 24K
R5042 0662057A82 RES, 24K
R5043 0662057A82 RES, 24K
R5044 0662057A82 RES, 24K
R5045 0662057A85 RES, 33K
R5046 0662057A82 RES, 24K
R5047 0662057B47 RES, 0
R5048 0662057A82 RES, 24K
R5049 0662057A77 RES, 15K
R5050 0662057A76 RES, 13K
R5051 0662057A75 RES, 12K
R5052 0662057A73 RES, 10K
Circuit
Ref. Motorola
Part No. Description
R5053 0662057A73 RES, 10K
R5054 0662057A73 RES, 10K
R5055 0662057A73 RES, 10K
R5056 0662057A73 RES, 10K
R5057 0662057A73 RES, 10K
R5058 NOT PLACED RES, 10K
R5059 NOT PLACED RES, 10K
R5060 0662057A73 RES, 10K
R5061 0662057A73 RES, 10K
R5062 0662057A73 RES, 10K
R5063 NOT PLACED RES, 8.2K
R5064 NOT PLACED RES, 8.2K
R5065 0662057A68 RES, 6.2K
R5066 0662057A49 RES, 1K
R5067 NOT PLACED RES, 6.2K
R5068 NOT PLACED RES, 6.2K
R5069 0662057A73 RES, 10K
R5070 0662057A57 RES, 2.2K
R5071 0662057A57 RES, 2.2K
R5072 0662057A65 RES, 4.7K
R5073 0662057A49 RES, 1K
R5074 0662057A49 RES, 1K
R5075 0662057A42 RES, 510
R5076 0662057A42 RES, 510
R5077 0662057A36 RES, 300
R5078 0662057A25 RES, 100
R5079 0662057A25 RES, 100
R5080 0662057A01 RES, 10
R5081 0613952D78 RES, 6.34K
R5082 0662057A90 RES, 51K
Circuit
Ref. Motorola
Part No. Description
R5083 0662057B08 RES, 270K
R5084 NOT PLACED RES, 0
R5085 NOT PLACED RES, 1MEG
R5086 0662057A43 RES, 560
R5087 0662057A97 RES, 100K
R5088 0662057B47 RES, 0
R5089 NOT PLACED RES, 1MEG
R5092 0662057A73 RES, 10K
R5093 0662057A73 RES, 10K
R5094 NOT PLACED RES, 1MEG
R5095 0662057A82 RES, 24K
R5096 0662057A73 RES, 10K
R5097 NOT PLACED RES, 0
R5098 0662057B47 RES, 0
R5099 NOT PLACED RES, 100K
R5100 NOT PLACED RES, 1MEG
R5103 NOT PLACED RES, 24K
R5290 0662057A25 RES, 100
R5291 0662057A25 RES, 100
R6000 NOT PLACED RES, 0
R6001 NOT PLACED RES, 0
RT100 0680361L01 THERM, 47K
S5010 1889288U01 SWITCH, 50.K
SH200 2689590U01 SHIELD
SH201 2689589U01 SHIELD
SH202 2689589U01 SHIELD
SH300 2689591U01 SHIELD
SH301 2689593U01 SHIELD
SH302 2689591U01 SHIELD
T300 2580541Z01 XFMR
Circuit
Ref. Motorola
Part No. Description

VHF 2, 25-45W PCB 8486487Z04 / Schematics 4-53
T301 2580541Z01 XFMR
U100 5180932W01 LM2904
U101 5185130C65 30C65, RF PREDRIVER
U102 NOT PLACED LM2904, OPAMP
U103 5113819A04 MC3303
U200 5185963A27 63A27, LVFRACN
U201 5105750U54 50U54, VCOBIC
U300 5186144B01 SA616, IFIC
U301 5109522E10 TC7W04F, INVERTER
U302 4808612Y05 SMS3928_023, MIXER
U400 5102463J64 X25128-2.7, EEPROM
U402 5102463J36 SRM2B256, SRAM
U403 5102226J56 MC68HC11FL0, MICRO
PROC
U404 5189233U02 AT49LV002N_70VI,
FLASH
U405 5113805A75 MC74HC595A, SHIFT
REG
U500 5180932W01 LM2904, OPAMP
U501 5102190C33 LM2941T, 9.3V REGULA-
TOR
U502 5102463J95 TDA1519C, AUDIO PA
U503 5105469E65 LP2951C, 5V REGULA-
TOR
U504 5185130C53 30C53, ASFIC CMP
U505 5180932W01 LM2904, OPAMP
U506 5180932W01 LM2904, OPAMP
U507 5180932W01 LM2904, OPAMP
U508 5113816A30 MC33269D, 3.3V REGU-
LATOR
U509 5113806A20 MC14053B, MUX
U510 5104187K94 LP2986ILDX, 3.3V REGU-
LATOR
Circuit
Ref. Motorola
Part No. Description
U514 4802393L66 SI3455ADV, 12V P-Ch
FET
U515 NOT PLACED MAX4599EXT, SWITCH
VR101 4813830A15 MMBZ5232B, 5.6V
ZENER
VR102 4813830A15 MMBZ5232B, 5.6V
ZENER
VR105 4813830A15 MMBZ5232B, 5.6V
ZENER
VR400 NOT PLACED MMBZ5232B, 5.6V
ZENER
VR401 4813830G12 MMSZ4687T1, 4.3V
ZENER
VR402 4813830A09 MMBZ5226B, 3.3V
ZENER
VR500 4813832C77 MR2835S, 24V ZENER
VR501 4813830A14 MMBZ5231B, 5.1V
ZENER
VR502 NOT PLACED MMSZ4686T1, 3.9V
ZENER
VR503 4813830G09 MMSZ4684, 3.3V ZENER
VR504 4813830G09 MMSZ4684, 3.3V ZENER
VR692 4813830A75 MMBZ20VAL, 20V DUAL
ZENER
VR693 4813830A77 MMBZ33VAL, 33V DUAL
ZENER
VR694 4813830A75 MMBZ20VAL, 20V DUAL
ZENER
VR695 4813830A77 MMBZ33VAL, 33V DUAL
ZENER
VR696 4813830A75 MMBZ20VAL, 20V DUAL
ZENER
VR697 4813830A75 MMBZ20VAL, 20V DUAL
ZENER
VR698 4813830A75 MMBZ20VAL, 20V DUAL
ZENER
Circuit
Ref. Motorola
Part No. Description
VR699 4813830A75 MMBZ20VAL, 20V DUAL
ZENER
Y200 NOT PLACED 45J68, TCXO
Y201 4880114R06 14R06, 16.8MHZ XTAL
OSC
Y300 9186145B02 45B02, 455KHZ XTAL
Y301 4880606B09 06B09, 44.395MHZ XTAL
OSC
Circuit
Ref. Motorola
Part No. Description