Fc 9EFOZ/10EOZ Tp5587
User Manual: 9EFOZ/10EOZ
Open the PDF directly: View PDF
.
Page Count: 68

Marine Generator Sets
Models:
8CCFOZ/9CCOZ
8EFOZ/9EOZ
9EFOZ/10EOZ
TP-5587 2/08d
Service Parts
Table of Contents
Table of Contents
Description Page Description Page
Introduction 1..........................................
Numbering System Significance 1........................
Illustrations 1..........................................
How to Find Part Numbers 1.............................
Hardware References 1.................................
Specification Number Index 2............................
Group 1: Cylinder Block 4...............................
Group 2: Gear Housing 6...............................
Group 3: Flywheel Housing & Oil Sump 8.................
Group 4: Cylinder Head 10..............................
Group 5: Intake Manifold 12.............................
Group 6: Camshaft 13..................................
Group 7: Crankshaft, Flywheel, & Pistons 14...............
Group 8: Lube Oil System 16............................
Group 9: Cooling Water System 17.......................
Group 10: Fuel Injection Pump 18........................
Group 11: Fuel Injection Lines 20........................
Group 12: Fuel Line & Filter 22..........................
Group 13: Governor 26.................................
Group 14: Starting Motor 30.............................
Group 15: Gasket Set 32................................
Group 101: Air Intake 34................................
Group 103: Fuel System 35.............................
Group 104: Cooling System 36..........................
Group 105: Engine 40..................................
Group 107: Nameplate and Decals 42....................
Group 109: Skid and Plant Mounting 43...................
Group 201: Generator and Mounting 44...................
Group 301: Controller and Mounting 46...................
Group 501: Housing 48.................................
Group 701: Literature 48................................
Paint and Miscellaneous Parts 48.........................
Parts List: Accessories 49...............................
Appendix A. Abbreviations 58...........................
Appendix B. Common Hardware Application Guidelines 60..
Appendix C. General Torque Specifications 61.............
Appendix D. Common Hardware Identification 62...........
Appendix E. Common Hardware List 63...................
3
TP-5587 2/08
Introduction
This manual lists service replacement parts for 8--10 kW
generator sets.
At the time of print this manual applied to the generator
set specification (spec) numbers listed in the
Specification Number Index. On occasion this manual
may apply to specs not listed in the Specification
Number Index.
Information in this publication represents data available
at the time of print. Kohler Co. reserves the right to
change this publication and the products represented
without notice and without any obligation or liability
whatsoever.
This manual includes the following main sections:
Table of Contents. Lists the sections of the manual.
Introduction (and other information sections).
Contains introductory material about part numbers,
illustrations, and hardware.
Index. Lists the generator set specs and groups.
Group Parts Lists. List the part numbers of parts in the
groups.
Kit Sections. List modules and accessories and their
parts.
Appendices. Include Abbreviations, Common
Hardware Application Guidelines, General Torque
Specifications, Common Hardware Identification, and
Common Hardware List.
Numbering System Significance
This manual uses the following numbering systems:
Specification Number. A six-digit number with a PA-
prefix. The Specification Number Index does not show
the prefix. Spec numbers break down into groups.
Group Number. A unique number representing a parts
group needed to assemble a generator set function. For
example, Group 101 is the Air Intake group.
Variation or Module Number. A group might have
several variations. Each variation performs the same
function with different parts lists. For example, a 50 Hz
generator alternator and 60 Hz generator alternator
both perform the same function, however, with different
parts. Each difference requires a group variation or
module number.
Part Number. The part number identifies an individual
assembly, subassembly, component, or accessory kit.
Illustrations
Illustrations (or exploded-view drawings) best
representing the widest range of variations accompany
most groups in this manual. Illustrations do not depict all
details and may not show all parts. Do not use
illustrations for assembly or disassembly instructions.
How to Find Part Numbers
Use the following steps to locate a service replacement
part.
1. Locate the generator set nameplate to identify the
generator set spec number.
2. Locate a second generator set nameplate listing
accessories to identify installed modules.On
some models the accessory nameplate is mounted
inside the generator junction box.
3. Turn to the Specification Number Index.The
first column lists the generator set spec numbers.
The headings identify the groups of parts that make
up the generator set.
4. Identify the group most likely to include the
service part number.
5. Find the group variation number at the
intersection of the spec number row and the group
column. Note the variation number.
6. Page forward to locate the group identified in
step 4 or find the appropriate page in the Table of
Contents.
7. Find the part on the illustration and note the item
number of the part or find the part description in
the parts list.
8. Select the part number that corresponds to
your group variation. The first column lists the
illustration item number. Find the variation
identified in the Specification Number Index or the
module number found on the generator set
nameplate in the appropriate column on the right
side of the parts list table. Find the quantity used at
the intersection of the item number row and the
variation column. A blank space at the intersection
means the variation/module does not use that part
number.
Hardware References
Many common hardware items do not appear in parts
manuals or will appear as common hardware entries. A
common hardware entry lists the size of the hardware.
For example, an item that appears as “Hardware,
3/8-16” in the text means that the piece is 3/8-16 size.
Obtain common hardware locally or, if contacting the
factory, use the Common Hardware List in the appendix
to identify the common hardware part number and
specifications. See Common Hardware Application
Guidelines in the appendix for mating hardware
instructions.
Some hardware items require a specific size or some
other characteristic. In that case, use the part number
listedinthetext.
When replacing hardware, do not substitute inferior
grade hardware. Replacement hardware grade should
be equal to or better than the grade of the
manufacturer’s original hardware. Use the Common
Hardware List in the appendix to identify the common
hardware hardness.

4TP-5587 2/08
Specification Number Index
Group No.. 1 2 3 4 5 6 7 8 9 10 11 12 13
Spec No. VARIATION NUMBER
Group Title
8CCFOZ/
9CCOZ
126117 1111111111111
126123 1111111111111
126135 1111111111111
126140 2 2 2 2 2 1 2 2 2 2 2/3 2/3 2
126142 2 2 2 2 2 1 2 2 2 2 2/3 2/3 2
126144 1111111111111
126146 1111111111111
8EFOZ/9EOZ
126168 2 2 2 2 2 1 2 2 2 2 2/3 2/3 2
126169 2 2 2 2 2 1 2 2 2 2 2/3 2/3 2
126171 2 2 2 2 2 1 2 2 3 2 2/3 4 3
126179 2 2 2 2 2 1 2 2 2 2 2/3 2/3 2
9EFOZ/10EOZ
126195 3323213223452
126196 3323213233463
GM28314-GA1 3323213223452

5
TP-5587 2/08
Specification Number Index
Group No. 14 15 101 103 104 105 107 109 201 301 501 701
Spec No. VARIATION NUMBER
Group Title
8CCFOZ/
9CCOZ
126117 1 1 2 2 6 19 7 8 19 23 — 8
126123 1 1 2 2 9 24 7 8 19 23 — 8
126135 1 1 2 2 9 24 7 8 19 28 3 8
126140 1 2 3 6 13 29 11 8 19 34 — 12
126142 1 2 3 6 14 30 11 8 19 35 7 12
126144 1 1 2 6 6 19 7 8 19 23 — 8
126146 1 1 2 6 9 24 7 8 19 28 3 8
8EFOZ/9EOZ
126168 1 2 3 6 13 29 11 8 27 34 — 19
126169 1 2 3 6 14 30 11 8 27 35 13 19
126171 2 2 3 9 16 34 11 8 27 41 — 19
126179 1 2 3 6 14 30 11 8 27 35 10 12
9EFOZ/10EOZ
126195 3 3 3 6 13 38 11 8 27 34 — 19
126196 4 3 3 9 16 39 11 8 27 41 — 19
GM28314-GA1 3 3 3 6 13 GR1 11 8 27 34 — 19

6TP-5587 2/08
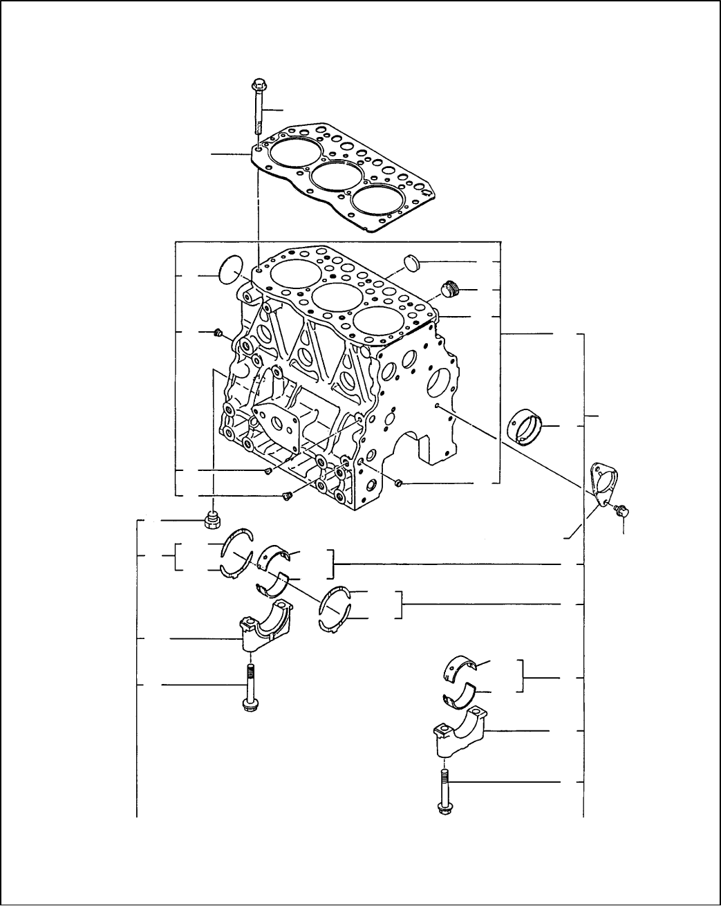
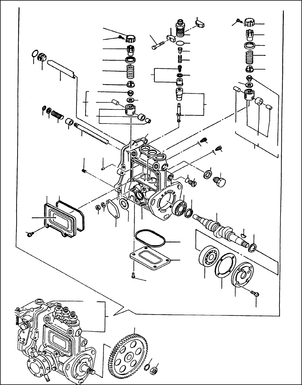
Group 1: Cylinder Block
1
2
3
4
5
6
7
8
9
10
11
12
13
14
15
16
17
18
19
20
21
22
23
17
18
12 13
16
See Group 6
558701
5

7
TP-5587 2/08
Group 1: Cylinder Block
Quantity
Part Variation Number
Item Number Description 1 2 3
1229806 Block assembly, cylinder (includes items 2-20) 1
1225441 Block assembly, cylinder (includes items 2-20) 1
1GM13811 Block assembly, cylinder (includes items 2-20) 1
2 X Block assembly, cylinder 1 1
3 X Block, cylinder 1 1
4252566 Plug 1 1 1
5252771 Plug, PT 1/4 2 2 2
6256515 Plug, PT 1/8, screw 1 1
6GM13812 Plug, PT 1/8, screw 1
7225827 Plug 50 1 1 1
8252728 Plug 12 2 2 2
9252731 Plug 30 6 6 6
10 XBearing cap 1 1
11 XBearing cap 3 3
12 225703 Bolt, bearing cap 8 8 8
13 229801 Main bearing 4
13 225832 Main bearing 4 4
13 225709 Main bearing, undersize 0.25 4 4 4
14 XMain bearing 4 4
15 XMain bearing 4 4
16 229802 Bearing, thrust 2
16 225833 Bearing, thrust 2 2
16 225710 Bearing, thrust, oversize 0.25 2 2 2
17 XBearing, thrust 2 2
18 XBearing, thrust 2 2
19 252933 Bush, camshaft 1 1 1
20 256518 Plug 12, hex 2 2
20 252771 Plug, PT 1/4 1
21 252696 Bolt, M8 x 16 plated 2
21 225818 Bolt, M8 x 14 plated 2 2
22 225705 Bolt, cylinder head 14 14 14
23 GM33837 Gasket, cylinder head 1
23 225399 Gasket, cylinder head 1
23 GM33836 Gasket, cylinder head 1
X Item not sold separately

8TP-5587 2/08
Group 2: Gear Housing
1
2
3
4
5
6
7
8
9
10
11
12
13
14
15
16
17
18
19
20 21
22
23
1A
13
13
24
24
558701
25
26
27

9
TP-5587 2/08
Group 2: Gear Housing
Quantity
Part Variation Number
Item Number Description 1 2 3
1229799 Housing assembly, gear 1 1 1
1A XHousing, gear 1 1 1
2252931 Seal, oil 1 1 1
3252409 Stud, M8 x 22 3 3 3
4250837 Cap, lub. oil supply 1 1 1
5252861 Flange, gear housing 1 1 1
6256531 Cover 1 1 1
7252085 Gasket 1 1 1
8252932 Pipe, knock 2 2 2
9252764 O-ring, fuel injection pump 1 1 1
10 250981 O-ring 2 2 2
11 252684 O-ring 1 1 1
12 252695 Bolt, M8 x 12 plated 4 4 4
13 252696 Bolt, M8 x 16 plated 4 4 4
14 252703 Bolt, M8 x 45 plated 6 6 6
15 256798 Bolt, M8 x 55 plated 3 3 3
16 256799 Bolt, M8 x 85 plated 4 4 4
17 252723 Nut, M8 3 3 3
18 252734 Seal, washer 8 4 4 4
19 252697 Bolt, M8 x 20 plated 2 2 2
20 252734 Seal, washer 8 1 1 1
21 252750 Cover, blind 1 1 1
22 256796 O-ring 1 1 1
23 225816 Bolt, M6 x 12 plated 2 2
23 252693 Bolt, M6 x 16 plated 2
24 252998 Liquid gasket AR AR AR
25 252808 Retainer 1 1
26 252756 Stud 1 1
26 GM13815 Stud 1
27 229772 Nut, M10 1 1
X Item not sold separately

10 TP-5587 2/08
Group 3: Flywheel Housing & Oil Sump
1
2
3
4
5
6
7
8
9
10
11
12
13
14
15
16
17
18
18
18
10
18
558703

11
TP-5587 2/08
Group 3: Flywheel Housing & Oil Sump
Quantity
Part Variation Number
Item Number Description 1 2
1229114 Back plate 1 1
2229489 Parallel pin, 8 x 20 2
2256750 Parallel pin, 8 x 16 2
3229505 Bolt, M10 x 20 6 6
4252714 Bolt, M10 x 25 4 4
5225706 Spacer, oil sump 1 1
6229694 Sump assembly, lub. oil (includes items 7-9) 1 1
7252943 Plug 22 1
7225386 Plug 22 1
8 X Refer to item 6
9256796 O-ring 1
9225425 Seal, washer 22S 1
10 252696 Bolt, M8 x 16 plated 6 6
11 252703 Bolt, M8 x 45 plated 22 22
12 256750 Parallel pin, 8 x 16 2 2
13 225755 Case assembly, oil seal (includes items 14 and 15) 1 1
14 229702 Case, oil seal 1 1
15 225707 Seal, oil 1 1
16 363430 Bolt, M8 x 30 plated 6 6
17 252701 Bolt, M8 x 35 plated 3 3
18 252998 Liquid gasket AR AR
X Item not sold separately

12 TP-5587 2/08
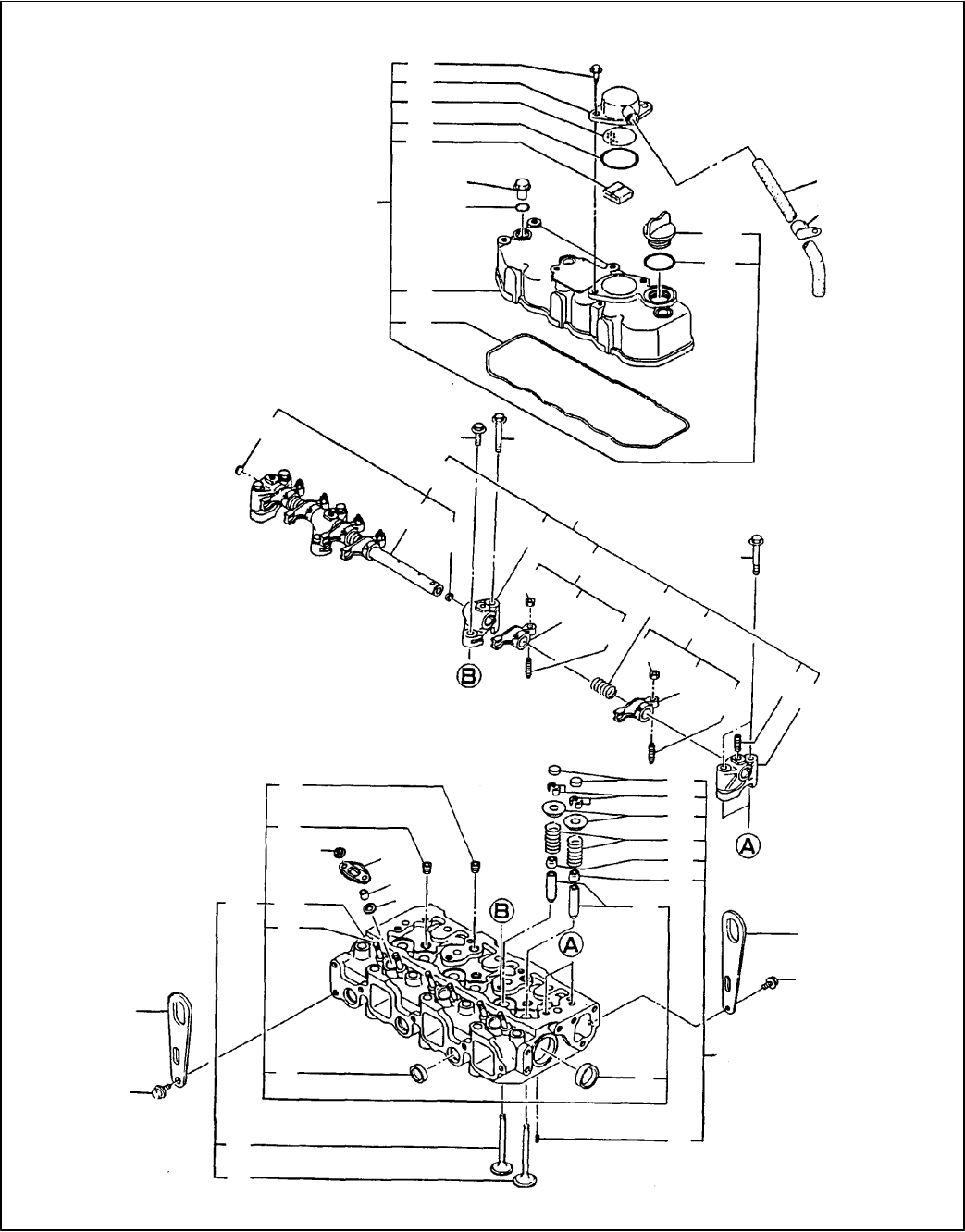
Group 4: Cylinder Head
1
23 4
5
6
7
89
10
11
12
13
14
15
16
17
18
19
20
21
22
23
24
25
26
27
28
29
30
31
32
33
34 35
36
37
38
39
40
41
42
43
44
45
46
47
48
49
50
51
52
27
28
29
35
26
22
51
52
558704

13
TP-5587 2/08
Group 4: Cylinder Head
Quantity
Part Variation Number
Item Number Description 1 2 3
1229804 Head assembly, cylinder (includes items 2-18) 1
1225392 Head assembly, cylinder (includes items 2-18) 1 1
2 X Head assembly, cylinder (includes items 3-9) 1 1 1
3 X Head, cylinder 1 1 1
4250835 Guide, valve 6 6 6
5256825 Plug, Pt 1/4 2 2 2
6250975 Plug, Pt 3/8, screw 3 3 3
7225822 Stud, M6 x 30 plated 6 6 6
8252729 Plug 22 3 3 3
9252732 Plug 40 2 2 2
10 225711 Valve, intake 3 3 3
11 229695 Valve, exhaust 3 3 3
12 225713 Spring, valve 6 6 6
13 250882 Retainer, spring 6 6 6
14 225700 Cotter 6 6
14 250806 Cotter 7 6
15 225766 Seal, valve stem 3 3 3
16 250844 Seal, valve stem 3 3 3
17 250999 Cap, valve 6 6 6
18 250963 Spring pin, 6 x 12 2 2 2
19 229703 Support assembly, rocker (includes items 20-30) 1 1 1
20 225714 Shaft, rocker arm (includes items 21 and 22) 1 1 1
21 XShaft 1 1 1
22 229511 Plug 10 2 2 2
23 252843 Support, rocker arm 2 2 2
24 252844 Support, rocker arm 2 2 2
25 252815 Spring 3 3 3
26 229803 Arm assembly, rocker (includes items 27-29) 6 6 6
27 229844 Screw, valve 6 6 6
28 XArm, rocker 6 6 6
29 252817 Nut, M8 6 6 6
30 252722 Stud, M8 x 18 plated 3 3 3
31 252743 Protector, nozzle 3 3 3
32 252744 Seat, nozzle 3 3 3
33 252745 Retainer 3 3 3
34 252699 Bolt, M8 x 25 plated 2 2 2
35 252704 Bolt, M8 x 50 plated 6 6 6
36 250989 Nut, M6 6 6 6
37 225715 Bonnet assembly (includes items 38-46) 1
37 225439 Bonnet assembly (includes items 38-46) 1 1
38 250837 Cap, lub. oil supply 1 1 1
39 229696 Bonnet 1 1 1
40 225758 Gasket, bonnet 1 1 1
41 225812 O-ring 1 1 1
42 252696 Bolt, M8 x 16 plated 2 2 2
43 252684 O-ring 1 1 1
44 225773 Cover, breather 1 1 1
45 252805 Baffle, breather 1 1 1
46 252806 Plate, shelter 1 1 1
47 252470 Knob 3 3 3
48 250801 O-ring 3 3 3
49 See group 105 Pipe, breather 1 1
49 229414 Pipe, breather 1
50 229425 Clamp 1
51 256532 Lifter, engine 1 1 1
52 225818 Bolt, M8 x 14 plated 4 4 4
X Item not sold separately

14 TP-5587 2/08
Group 5: Intake Manifold
1
2
3
4
5
6
558705
7
Quantity
Part Variation Number
Item Number Description 1 2
1225716 Gasket 1
1GM33685 Gasket 1
2225763 Manifold intake 1
2 225393 Manifold intake 1
3 252699 Bolt, M8 x 25 plated 3 3
4 225717 Gasket, exhaust manifold 1 1
5229719 Gasket, air heater 1 1
6256760 Air heater 1 1
7252701 Bolt, M8 x 35 plated 1

15
TP-5587 2/08
Group 6: Camshaft
1
23
45
6
7
89
10 11
12
558706
Quantity
Part
Variation
Number
Item Number Description 1
1229697 Camshaft assembly (includes item 2-5) 1
2 X Camshaft 1
3256587 Gear, camshaft 1
4252669 Key 1
5252804 Bearing, thrust 1
6225718 Rod, push 6
7252819 Tappet 6
8252782 Shaft, idle gear 1
9256590 Gear, idle (includes items 10 and 11) 1
10 XGear, idle 1
11 252825 Bush, idle gear 1
12 252703 Bolt, M8 x 45 plated 2
X Item not sold separately

16 TP-5587 2/08
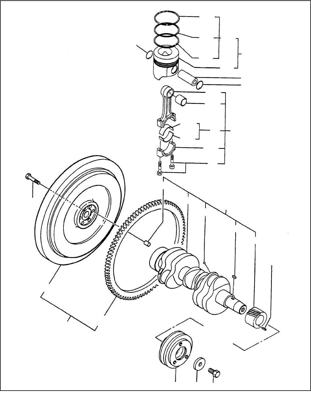
Group 7: Crankshaft, Flywheel, & Pistons
1
2
3
4
5
6
7
89
10
11
12
13
14
15
16
17
18
19
20
21
22
23
24
25
26
27
22
24
558707

17
TP-5587 2/08
Group 7: Crankshaft, Flywheel, & Pistons
Quantity
Part Variation Number
Item Number Description 1 2 3
1229807 Crankshaft assembly (includes items 2-6) 1
1225394 Crankshaft assembly (includes items 2-6) 1 1
2256750 Parallel pin, 8 x 16 1 1 1
3 X Crankshaft 1 1 1
4252821 Gear, crankshaft 1 1 1
5 X Ball, steel 3 3 3
6252669 Key 1 1 1
7252668 Spring pin 1 1 1
8252918 V-pulley 1 1 1
9252937 Washer 1 1 1
10 252763 Bolt, V-pulley 1 1 1
11 252401 Bolt, flywheel 6 6 6
12 229115 Flywheel assembly (includes items 13 and 14) 1 1 1
13 XFlywheel 1 1 1
14 252774 Gear, ring 1 1 1
15 229700 Piston w/rings (includes items 16 and 17) 3
15 225400 Piston w/rings (includes items 16 and 17) 3
15 GM13816 Piston w/rings (includes items 16 and 17) 3
15 229808 Piston w/rings, oversized 0.25 (includes items 16 and 17) 3
15 225402 Piston w/rings, oversized 0.25 (includes items 16 and 17) 3
15 GM13818 Piston w/rings, oversized 0.25 (includes items 16 and 17) 3
15 229701 Piston w/rings, oversized 0.50 (includes items 16 and 17) 3
16 XPiston 3 3 3
17 229810 Ring set (includes items 18-20) 3
17 225401 Ring set (includes items 18-20) 3
17 GM13817 Ring set (includes items 18-20) 3
17 229815 Ring set, oversized 0.25 (includes items 18-20) 3
17 225403 Ring set, oversized 0.25 (includes items 18-20) 3
17 GM13819 Ring set, oversized 0.25 (includes items 18-20) 3
17 229701 Ring set, oversized 0.50 (includes items 18-20) 3
18 XRing, top 3 3 3
19 XRing, second 3 3 3
20 XRing, oil 3 3 3
21 250879 Pin, piston 3
21 225395 Pin, piston 3 3
22 229738 Circlip 6 6 6
23 225838 Rod assembly, connecting (includes items 24-27) 3 3 3
24 XRod, connecting 3 3 3
25 225726 Bush, piston pin 3 3 3
26 225723 Bolt, connecting rod 6 6 6
27 225724 Bearing, crankpin 3 3 3
27 225725 Bearing, pin, undersized 0.25 3 3 3
X Item not sold separately

18 TP-5587 2/08
Group 8: Lube Oil System
1
2
3
4
5
67
8
9
10
11
12
13
14
15
16
17
18
19 20
21
17
17
17
558708
Quantity
Part
Variation
Number
Item Number Description 1 2
1225727 Pump assembly, oil 1
1225412 Pump assembly, oil 1
2252829 Gasket, oil pump 1 1
3252724 Bolt, M6 x 25 4 4
4225701 Dipstick 1 1
5252759 Guide, dipstick 1 1
6256591 Bracket, filter 1 1
7225776 Gasket 1 1
8229841 Oil filter 1 1
9252747 Valve assembly, oil pressure 1
9225413 Valve assembly, oil pressure 1
10 252835 Nut 1 1
11 250981 O-ring 1 1
12 252697 Bolt, M8 x 20 plated 1 1
13 225775 Gasket 1 1
14 229698 Pipe, oil inlet 1 1
15 252701 Bolt, M8 x 35 plated 2 2
16 252084 Joint bolt 10 1 1
17 225729 Pipe assembly, lub. oil 1 1
18 256530 Switch, low oil pressure 1 1
19 252090 Bolt 1 1
20 252734 Seal washer 2 2
21 250968 Gasket, 10 round 2 2

19
TP-5587 2/08
Group 9: Cooling Water System
1
2
3
4
5
6
7
8
9
10
11
12
13
14
15
16
1718
19
20
1
2
558709
Quantity
Part Variation Number
Item Number Description 1 2 3
1225003 Pump assembly, cooling pump (includes item 2) 1 1 1
1252839 O-ring 1 1 1
1250876 Impeller (not shown) 1 1 1
2250975 Plug, Pt 3/8, screw 2 2 2
3252838 Gasket, water pump 1 1 1
4252701 Bolt, M8 x 35 plated 1 1 1
5256798 Bolt, M8 x 55 plated 3 3 3
6225022 V-belt (alternator) 1
6225428 V-belt (alternator) 1
6226929 V-belt, 40 in. (alternator) 1
7252845 V-pulley 1 1 1
8225919 Bolt, M6 x 14 4 4 4
9229706 Cover, thermostat 1 1 1
10 249865 Gasket 1 1 1
11 252699 Bolt, M8 x 25 plated 1 1 1
12 252706 Bolt, M8 x 65 plated 1 1 1
13 225704 Drain cock assembly 1 1 1
14 XBody 1 1 1
15 XValve 1 1 1
16 252757 Plug, M16 1 1 1
17 229782 Sender 1 1 1
18 252773 Gasket 1 1 1
19 252773 Gasket 1 1 1
20 252692 Bolt, M8 x 25 1 1 1
X Item not sold separately

20 TP-5587 2/08
Group 10: Fuel Injection Pump
1
2
3
4
5
6
7
8
9
10
11
12
13
14
15
16
18
19
6
21
22
23
28
29
30
31
32
33
34
558710
35
36
37
38
39
40
41 42
43
44
45
46
47
48
49
50
51
52
53
54
55
56
57
58
59
60
61
62
63
64
8
9
10
11
12
13
14
16
17
34
33
32
24
25
27
26
38

21
TP-5587 2/08
Group 10: Fuel Injection Pump
Quantity
Part Variation Number
Item Number Description 1 2 3
1229809 Pump assembly, fuel inject. w/gov.(includes items 2-61) 1
1225442 Pump assembly, fuel inject. w/gov.(includes items 2-61) 1
1GM13820 Pump assembly, fuel inject. w/gov.(includes items 2-61) 1
2256735 Camshaft 1 1 1
3256543 Ball bearing, thrust 1 1 1
4256535 Retainer, bearing 1 1 1
5256528 Key 1 1 1
6252864 Plunger w/barrel 3
6225416 Plunger w/barrel 3 3
7256721 Pin, barrel locking 3 3 3
8252589 Retainer 3 3 3
9256536 Spring shoe, plunger 3 3 3
10 252490 Spring, plunger 3 3 3
11 252848 Tappet assembly (includes item 12-14) 3 3 3
12 252593 Roller assembly 3 3 3
12 XRoller, inner 3 3 3
12 XRoller, outer 3 3 3
12 XGuide, roller 3 3 3
13 256722 Bolt, adjusting 3 3 3
14 229739 Pin, roller 3 3 3
15 256537 Locking, tappet 3 3 3
16 252849 O-ring 3 3 3
17 250849 Valve w/seat, delivery 3
17 256583 Valve w/seat, delivery 3 3
17 XSeat 3 3 3
17 XValve, delivery 3 3 3
18 256777 Spring, valve 3 3 3
19 256724 Valve guard, delivery 3 3 3
20 250839 Gasket, delivery 3 3 3
21 250840 O-ring 3 3 3
22 256725 Stopper, valve 3 3 3
23 256726 Locking 3 3 3
24 256727 Locking 2 2 2
24 229741 Spring washer 5 2 2
25 256728 Deflecter 1 1 1
26 256778 Check bolt, deflecter 1 1 1
27 256729 Shim set, adjusting 1 1 1
28 256730 Rack, control 1 1 1
29 256780 Bush, rack 1 1 1
30 256694 Spacer, aux. spring 1 1 1
31 256695 Circlip 1 1 1
32 256696 Pinion, control 3 3 3
33 256697 Screw, pinion 3 3 3
34 256698 Pinion 3 3 3
35 256781 Plug 1 1 1
36 252850 O-ring 1 1 1
37 256699 Spring, rack 1 1 1
38 256700 Shim pack 3 3 3
39 256782 Cover 1 1 1
40 252926 Gasket 1 1 1
41 225893 Cover, side 1 1 1
42 252927 Gasket 1 1 1
43 256701 Locking, rack 1 1 1
44 225791 Label, caution 1 1 1
45 256702 Spacer, 3.25 mm 1 1 1
46 256703 Spacer, 1.5 mm 1 1 1
47 225804 Spring washer 2 2 2
48 225808 Spring pin 2 2 2
49 256794 Ball bearing 1 1 1
50 252686 O-ring 1 1 1
51 256776 Stud, feed pump 2 2 2
52 225814 Screw, M5 x 10 4 4 4
53 225814 Screw, M5 x 10 4 4 4
54 225815 Screw, M6 x 16 4 4 4
55 252725 Nut, M6 2 2 2
56 225821 Bolt, M5 x 30 plated 2 2 2
57 256779 Plug 1 1 1
58 256663 Seal washer 1 1 1
59 252851 Gasket 1 1 1
60 256755 Cover, blind 1 1 1
61 XGovernor assembly (see Group 13) 1 1 1
62 252827 Gear 1 1 1
63 252666 Washer 12, spring 1 1 1
64 252725 Nut, M12 1 1 1

22 TP-5587 2/08
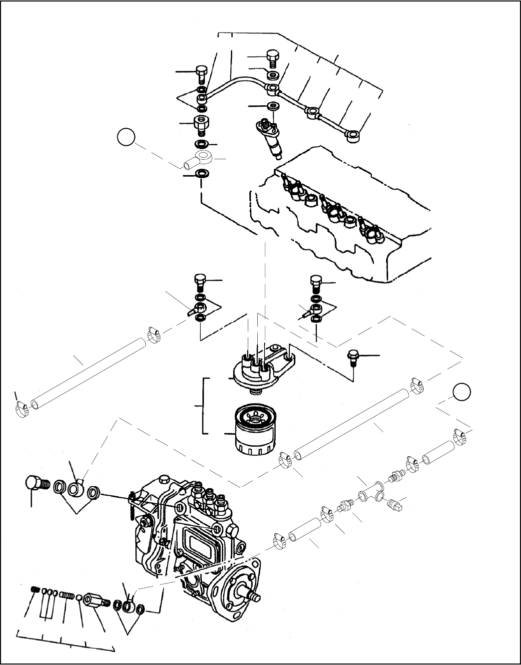
Group 11: Fuel Injection Lines
1
2
3
4
5
6
7
8
9
10
11
12
13
14
558711
Var. 1 and 3 Var. 2
4
9
5
6
8
7
2
3

23
TP-5587 2/08
Group 11: Fuel Injection Lines
Quantity
Part Variation Number
Item Number Description 1 2 3 4
1256800 Valve assembly, fuel injection* (includes items 2-9) 3 3 3
1252975 Valve assembly, fuel injection* (includes items 2-9) 3
2252746 Nozzle assembly, fuel injection* 3 3
2225404 Nozzle assembly, fuel injection* 3 3
2 X Valve 3 3 3 3
2 X Body 3 3 3 3
3256520 Nut, nozzle case 3 3 3 3
4256706 Holder* 3 3 3
4252790 Holder* 3
5256521 Spring, nozzle 3 3 3 3
6256522 Seat, nozzle spring 3 3 3 3
7256523 Plate, stop 3 3 3 3
8256707 Pin* 6 6 6 6
9256524 Shim pack 3 3 3 3
10 252453 Retainer* 1
10 225374 Retainer* 1 1
10 256774 Retainer* 1 1
10 XClamp, upper 1 1 1
10 XClamp, lower 1 1 1
11 225777 Bolt, M4 x 12* 2 2
11 225418 Bolt, M4 x 12* 2 2
12 225731 Pipe, fuel injection* 1
12 225396 Pipe, fuel injection* 1 1 1
13 225732 Pipe, fuel injection* 1
13 225397 Pipe, fuel injection* 1 1 1
14 225733 Pipe, fuel injection* 1
14 225398 Pipe, fuel injection* 1 1 1
* Variation 2 only: fuel return changed from rubber to steel return line. Use variation 3 (steel line)
after Yanmar engine 3TNE78AC serial number 00326.
X Item not sold separately

24 TP-5587 2/08
Group 12: Fuel Line & Filter
A
A
1
23
4
5
6
7
8
10
11
12 13
14
15
16
17
18
5
7
15
9
19
20
21
22
23
24
25
26
27
28
29
30
31
32
33
34
35
36
37
38
28
23
30
27
34
34
Variation 1
558712A

25
TP-5587 2/08
Group 12: Fuel Line & Filter
Quantity
Part
Variation
Number
Item Number Description 1
1256567 Joint 12, pipe 1
2256713 Bolt, pipe joint 3
3225799 Pipe, fuel return (includes items 4-8) 1
4 X Joint 1
5 X Joint, pipe 2
6 X Joint, pipe 1
7 X Pipe 1
8 X Pipe 1
9252792 Valve assembly, check 1
10 XShim set 1
11 XBody 1
12 X Spring 1
13 XBall, 1/4 steel 1
14 XPlug 10 1
15 252355 Gasket 6, round 6
16 250969 Gasket 12, round 2
17 229552 Bolt, pipe joint 1
18 256567 Joint 12, pipe 1
19 252739 Gasket 2
20 256609 Filter assembly, fuel (includes items 23 and 24) 1
21 XBody, fuel filter 1
22 225021 Filter, fuel 1
23 X-6288-1 Union, banjo 2
24 225796 Bolt, pipe joint 1
25 X-6288-2 Union, banjo 1
26 252356 Gasket 2
27 250969 Gasket, round 4
28 252675 Gasket, round 2
29 225810 Bolt, M3 joint 1
30 250972 Bolt, M6 joint 2
31 225820 Bolt, M10 x 30 plated 2
32 X-203-10 Tee, pipe 1
33 X-380-1 Connector, hose 1/8 x 1/4 2
34 X-426-9 Clamp, hose 8
35 X-75-1 Plug, pipe 1/8 1
36 X-386-74 Line, fuel 1
37 X-386-6 Line, fuel 1
38 X-386-99 Line, fuel 1
X Item not sold separately

26 TP-5587 2/08
Group 12: Fuel Line & Filter, continued
Variations 2--6
from pump
A
A
B
B
C
C
1
2
3
4
5
6
7
89
10
12
13
14
15
16
17
18 19 20
21
22
36
24
25
26
27
28
29
30
31
32
4
4
4
4
4
4
4
8
7
6
11
19
21
21
21
26
558712Ba
Variation 3
29
30
28
33
34
35
35
23
See Group 11
22
21
21
21
37
25
Early return line on 3TNE78A engine
(variation 2)

27
TP-5587 2/08
Group 12: Fuel Line & Filter, continued
Quantity
Part Variation Number
Item Number Description 2 3 4 5 6
1256609 Filter assembly, fuel 1 1 1 1 1
2225422 Body, fuel filter 1 1 1 1 1
3225021 Filter, fuel 1 1 1 1 1
4X-426-9 Clamp, hose 1 1 1 1 1
5X-386-62 Line, flexible fuel 1 1 1
5X-386-14 Line, flexible fuel 1 1
6X-6288-1 Union, banjo 2 2 2 2 2
7250972 Joint bolt 6 1 1 1 1 1
8250969 Gasket 12, round 4 4 4 4 4
9225820 Bolt, M10 x 30 plated 2 2 2 2 2
10 X-386-14 Line, flexible fuel 1/4 x 9 in. 1 1 1 1 1
11 X-6288-3 Union, banjo 1 1 1 1 1
12 225810 Joint bolt 3 1 1 1 1 1
13 252356 Gasket 8 2 2 2 2 2
14 225796 Bolt, pipe joint 2 2 2 2 2
15 252675 Gasket 14, round 2 2 2 2 2
16 X-6288-2 Union, banjo 1 1 1 1 1
17 X-386-74 Line, flexible fuel 1
17 X-386-99 Line, flexible fuel 1 1 1 1
18 229552 Bolt, pipe joint 1 1 1 1 1
19 225424 Seal washer 2 2 2 2 2
20 256569 Joint 12, pipe 1 1 1 1 1
21 225411 Clamp 8 6
22 252753 Pipe, fuel* 2
23 GM28396 Pipe, steel fuel return 1 1 1 1
24 252792 Valve assembly, check 1 1 1 1 1
25 225406 Joint 1
25 256567 Joint 1 1 1 1
26 250969 Gasket 12, round 2 2 2
26 225424 Seal washer 2 2
27 X-386-99 Line, flexible fuel 1
27 X-386-74 Line, flexible fuel 1 1
27 X-386-48 Line, flexible fuel 1 1
28 25 326 03 Connector, hose 1/8 1 1 1 1 1
29 X-203-10 Tee, pipe 1 1 1 1 1
30 X-75-2 Plug, pipe 1 1 1 1 1
30 X-509-1 Adapter, pipe 1/4 x 1/8 (not shown) 1 1 1 1 1
31 X-380-6 Connector, hose 1
32 X-6078-1 Line, flexible fuel 1
33 D-244 Connector, compression 1 1 1
34 256713 Bolt, pipe joint 3 3 3 3
35 252355 Gasket 6, round 6 6
35 363451 Seal washer 6 6
36 225419 Cap 1
37 225405 Pipe, fuel inject 1
* Fuel return changed from rubber to steel return line. Use Variation 3 after Yanmar 3TNE78A engine serial
number 00326.
X Item not sold separately

28 TP-5587 2/08
Group 13: Governor
2
3
4
5
6
7
8
9
10
11
12
13
14 15 16
17
18
19
20
21
22
23
31
32
33
44
45
46
2
47
48
49
52
53
54
55
56
57
60
61
62
63 64
65
66
67
68
69
71
72
73
75
76
77
50
23
64
46 33
61
58
67
74
77
66
70
51
59
Variation 1
558713A

29
TP-5587 2/08
Group 13: Governor
Quantity
Part
Variation
Number
Item Number Description 1
1 X Governor assembly (includes items 2-63) 1
2252849 O-ring 2
3225767 Nut, lock 1
4 X Label 1
5225782 Spacer, shaft 1
6229486 Case, governor 1
7252853 Gasket, governor case 1
8252854 Cover, governor case 1
9252855 Gasket, case cover 1
10 256787 Link, 30 mm 1
11 256558 Link, 31 mm 1
12 256559 Link, 30.5 mm 1
13 252974 Weight assembly, governor (includes items 14-16) 1
14 XWeight 4
15 XPin, governor weight 4
16 XSupport 1
17 225781 Sleeve 1
18 252794 Shaft assembly, control 1
19 225800 Lever, control 1
20 225783 Bolt, limit 1
21 225784 Bolt, idle limit 1
22 225785 Bolt, fuel control 1
23 225786 Spacer assembly 2
31 225787 Shaft, governor lever 1
32 252795 Lever assembly, governor (includes items 33-49) 1
33 252592 Shim set 2
44 XLever, tension 1
45 XLever, governor 1
46 XBush 2
47 XHook 1
48 XPin 1
49 X Screw, M6 x 12 1
50 225788 Shifter 1
51 256732 Spring, fuel control 1
52 225795 Spring governor 1
53 225789 Pin, stop lever 1
54 252856 O-ring 1
55 225702 Nut, cap 1
56 225790 Bolt, washer based 1
57 225826 Nut, lock M12 plated 2
58 225829 Seal washer 1
59 225803 Washer 1
60 225805 Circlip 1
61 225806 Circlip 2
62 256704 Washer 1
63 225807 Spring pin 1
64 225809 Snap pin 2
65 250994 Seal washer 6 1
66 252367 Seal washer 12 2
67 256517 Plug 1
68 225817 Bolt, M6 x 20 plated 6
69 252723 Nut, M8 1
70 225814 Screw, M5 x 10 4
71 225826 Nut, lock M12 plated 1
72 225825 Nut, lock M6 plated 2
73 225801 Lever assembly, stop 1
74 225811 O-ring 1
75 225770 Nut, cap 1
76 225783 Bolt, revol. limit 1
77 228828 Seal washer 6 2
X Item not sold separately

30 TP-5587 2/08
Group 13: Governor, continued
Variations 2 and 3
2
3
4
5
6
7
8
9
10
11
12 13
14
15
16
17
18
19
20
21
22
23
24
25
26
27
28
29
30
31
32
33
34
35
36
37 38
39
40
41
42
43
44
45
46
47
48
49
50
51
52
53
54
55
56
58
59
60
19
28
22
44
57
558713B

31
TP-5587 2/08
Group 13: Governor, continued
Quantity
Part
Variation
Number
Item Number Description 2 3
1 X Governor assembly (includes items 2-52) 1 1
2252849 O-ring 2 2
3 X Case, governor 1 1
4225417 Gasket, spacer 1 1
5225414 Cover 1 1
6225408 Packing 1 1
7256787 Link 30 mm 1 1
8256558 Link 31 mm 1 1
9256559 Link 30.5 mm 1 1
10 252974 Weight assembly, governor (includes items 11-13) 1 1
11 XWeight 4 4
12 XPin, governor weight 4 4
13 XSupport 1 1
14 225781 Sleeve 1 1
15 225409 Shaft assembly, control 1 1
16 225782 Spacer, shaft 1 1
17 225410 Bolt, limit 1
17 GM13294 Bolt, limit 1
18 225784 Bolt, idle limit 1 1
19 225786 Spacer assembly 2 2
20 225415 Shaft, governor lever 1 1
21 225421 Lever assembly, governor (includes items 22-34) 1 1
22 252592 Shim set 2 2
23 XLever 1 1
24 XLever, governor 1 1
25 XLever, governor 1 1
26 225407 Spring 1 1
27 X Shifter 1 1
28 XBush 2 2
29 XFitting 1 1
30 XHook, tension lever 1 1
31 XPin 1 1
32 XCirclip 1 1
33 X Screw, M6 x 12 1 1
34 X Screw, M5 x 10 2 2
35 252856 O-ring 2 2
36 229692 Retainer, shaft 1 1
37 225790 Bolt, washer based 1 1
38 225391 Carb nut, high idle 1 1
39 225803 Washer 4 1 1
40 250994 Seal washer 6 1 1
41 225829 Seal washer 10 2 2
42 225424 Seal washer 12 2 2
43 256704 Washer 12 1 1
44 225809 Snap pin 4 2 2
45 256517 Plug 1 1
46 229498 Bolt, M6 x 10 plated 1 1
47 229498 Bolt, M6 x 10 plated 4 4
48 225818 Bolt, M6 x 14 plated 2 2
49 225817 Bolt, M6 x 20 plated 6 6
50 225825 Nut, lock M6 plated 1 1
51 225826 Nut, lock M12 plated 1 1
52 225390 Carb nut, flow limit 1 1
53 252723 Nut, M8 1 1
54 225800 Lever, control 1 1
55 GM13320 Spring, fuel control 1 1
56 225795 Spring governor 1 1
57 225461 Kit, fuel solenoid (O-ring 225427) 1
57 344746 Fuel solenoid, 24 V (order O-ring 225427) 1
58 225785 Bolt, fuel control 1 1
59 225381 Plug 22 1 1
60 225382 Plug 14 1 1
X Item not sold separately

32 TP-5587 2/08
Group 14: Starting Motor
1
2
3
4
5
6
7
8
9
10 11
12
13 14
15
16
17 18
19
20
21
22 23
24
25 26
27
28 29
30
31
32
33
34
32
19
19
558714

33
TP-5587 2/08
Group 14: Starting Motor
Quantity
Part Variation Number
Item Number Description 1 2 3 4
1225013 Starter (includes items 2-32) 1 1
1344743 Starter, 24V 1
1GM39020 Starter, 24V 1
2225895 Armature assembly (includes items 3 and 4) 1 1
3225896 Bearing 1 1
4225897 Bearing 1 1
5229477 Yoke assembly (includes items 6-8) 1 1
6225898 Coil assembly, field 1 1
7225899 Screw, pole core set 4 4
8225900 Brush (+) 2 2
9225901 Holder assembly, brush (includes items 10 and 11) 1 1
10 225902 Brush (--) 2 2
11 225903 Spring, brush 4 4
12 225904 Cover, rear 1 1
13 225905 Housing assembly, gear 1 1
14 225906 Housing, center 1 1
15 225907 Switch, magnetic 1 1
16 225908 Lever set, shift (includes items 17 and 18) 4 4
17 229478 Lever 1 1
18 229479 Spring 1 1
19 225909 Dust cover 1 1
20 225910 Bolt, through 2 2
21 225911 Pinion assembly (includes items 22-29) 1 1
22 225912 Shaft, pinion 1 1
23 225913 Stopper set, pinion (includes items 24-26) 1 1
24 229480 Stopper, pinion 1 1
25 229481 Spring 1 1
26 229482 Clip, pinion stopper 1 1
27 225914 Clutch assembly (includes items 28 and 29) 1 1
28 225915 Ball bearing 1 1
29 225916 Ball bearing 1 1
30 225917 Cover, terminal 1 1
31 225920 Bolt, M6 x 32 plated 2 2
32 225921 Bolt, M6 x 40 plated 3 3
33 252481 Cover, terminal 1 1 1 1
34 252713 Bolt, M12 x 30 plated 2 2
34 252712 Bolt, M12 x 25 plated 2 2

34 TP-5587 2/08
Group 15: Gasket Set
1
234
56
7
Variation 1
558715A
Item not shown: 8
Quantity
Part
Variation
Number
Item Number Description 1
1229805 Gasket set 1
2229699 Gasket, cylinder head 1
3225758 Gasket, bonnet 1
4250801 O-ring 1
5225716 Gasket, intake manifold 1
6225717 Gasket, exhaust manifold 1
7252838 Gasket, cooling water pump 1
8252998 Gasket, liquid (not shown) 1

35
TP-5587 2/08
Group 15: Gasket Set
Variations2&3
558715B
Item not shown: 25
1
2345, 12 6
78910 11
13 14 15 16 17
23, 24 18--22
Quantity
Part Variation Number
Item Number Description 2 3
1225440 Gasket set, 3TNE78A engine 1
1GM13821 Gasket set, 3TNE82A engine 1
2225399 Gasket, cylinder head 1
2GM13813 Gasket, cylinder head 1
3252085 Gasket 1 1
4252764 O-ring, fuel injection pump 1 1
5225766 Seal, valve stem 3 3
6225385 Protector, nozzle 3 3
7252744 Seat, nozzle 3 3
8225758 Gasket, valve cover 1 1
9229719 Gasket, air heater 1 1
10 GM33685 Gasket, intake manifold 1 1
11 225717 Gasket, exhaust manifold 1 1
12 250844 Seal, valve stem 3 3
13 252829 Gasket, oil pump 1 1
14 225775 Gasket 1 1
15 225776 Gasket 1 1
16 252838 Gasket, water pump 1 1
17 249865 Gasket 1 1
18 250801 O-ring, 1A P 12.0 3 3
19 250981 O-ring, 1A P 16.0 3 3
20 252684 O-ring, 1A P 32.0 1 1
21 256796 O-ring, 1A P 50.0 1 1
22 256796 O-ring, 1A P 24.0 1 1
23 250968 Gasket 10, round 2 2
24 252773 Gasket 16 2
24 250969 Gasket 12, round 4
25 252998 Gasket, liquid (not shown) 1 1

36 TP-5587 2/08
Group 101: Air Intake
1
2
3
45
6
7
8
9
10
11
12
101-125-2
Quantity
Part
Variation
Number
Item Number Description 2 3
1227463 Cover, plastic 1 1
2278805 Adapter, nylon hose 1 1
3278862 Clip, air cleaner 4 4
4X-426-4 Clamp, hose, 1.31/2.25 1
4X-426-19 Clamp, hose 1/2 in. 1
5229383 Hose, air intake 1
5344224 Hose, air intake 1
6X-426-6 Clamp, hose 1-9/16 x 2-1/2 1 1
7278855 Base, air cleaner 1 1
8278858 Element, filter 1 1
9278857 Filter 1 1
10 X-6050-8 Screw, HC 2 2
11 X-400-28 Spacer 1 1
12 229387 Bracket, air cleaner 1 1
12 #Hardware,1/4-20 3 3
# Common hardware. Procure locally.

37
TP-5587 2/08
Group 103: Fuel System
1
2
3
4
5
6
7
8
9
10
11
12
5
11
103-125-2
See Group 12, Fuel Line for additional Fuel
System components
Quantity
Part Variation Number
Item Number Description 2 6 9
1229051 Pump, fuel 1 1
1344740 Pump, fuel 1
2229168 Lead assembly 1 1 1
3X-555-1 Elbow, street 1/4 x 1/4 1 1 1
4X-391-20 Connector, hose elbow 1 1 1
5X-426-9 Clamp, hose 2 2 2
6X-386-74 Line, fuel 1
6X-386-62 Line, fuel 1
6X-386-14 Line, fuel 1
7229065 Bracket, fuel pump 1 1 1
8 # Washer,1/2 2 2 2
9X-6052-1 Screw, HC M12 -1.75 x 2 2 2 2
10 X-101-25 Nut, hex elastic stop 3 3 3
11 #Washer,1/4 3 3 3
12 X-284-39 Grommet 3 3 3
# Common hardware. Procure locally.

38 TP-5587 2/08
Group 104: Cooling System
104-125-6
46
53
1
2
3
4
5
6
78
9
10
11
12
13
14
16
17
18
19
20
21
22
23
24
25
26
27
28
29
30
31
32
33
34
35
36
37
38 39
40
41
42
43
44
45
47
48
49
50
52 15
35
51
45
45
45
54
56
55
55

39
TP-5587 2/08
Group 104: Cooling System
Quantity
Part Variation Number
Item Number Description 6 9 13 14 16
1229062 Guard, belt 1 1
1344319 Guard, belt 1 1 1
1344815 Guard, alternator fan (not shown) 1
2X-284-39 Grommet 3 3 3 3 3
3 # Washer, 1/4 3 3 3 3 3
4229330 Screw, wing 3 3 3 3 3
5229069 Bracket, belt guard 1 1 1 1
5344816 Bracket, belt guard 1
6229067 Bracket, belt guard 1 1 1 1
6 344817 Bracket, belt guard 1
7 229068 Bracket, belt guard 1 1 1 1
7 344818 Bracket, belt guard 1
8X-672-25 Clamp, insulated 1 1 1 1 1
9229125 V-Belt 1 1 1 1 1
10 229054 Pulley, seawater pump 1 1 1 1 1
11 # Washer, 7/16 2 2 2 2 2
12 X-6051-3 Screw, H.C 2 2 2 2 2
13 See Table on page 38 Pump, seawater 1 1 1 1 1
14 344844 Bracket, seawater pump 1 1 1 1 1
15 X-6068-4 Screw, HC 2 2 2 2 2
16 X-400-199 Spacer 1 1 1 1 1
17 X-6050-6 Screw, hex head cap 1 1 1 1 1
18 260115 Manifold, exhaust 1 1 1 1 1
19 241311 Neck (50 440 01) 1 1 1 1 1
20 276954 Cap, 7 psi 1 1 1 1
20 229980 Cap, 14 psi 1 1 1 1
20 226734 Cap, 14 psi 1
21 # Washer, 5/16 6 6 6 6 6
22 X-6050-14 Screw, hex head cap 6 6 6 6 6
23 249905 Gasket, exhaust 1 1 1 1 1
24 229063 Tube, mixing 1 1 1 1 1
25 #Washer, 5/16 4 4 4 4 4
26 X-125-5 Screw, 5/16-18 x 1, ref. 4 4 4 4
27 254920 Thermostat 1 1 1 1 1
28 229963 Gasket, water outlet 1 1 1 1 1
29 229064 Cover, thermostat 1 1 1 1 1
30 #Washer, 5/16 2 2 2 2 2
31 X-125-31 Screw, 5/16-8 x .875, ref. 2 2 2 2 2
32 229232 Hose, coolant 1 1 1 1 1
33 X-426-8 Clamp, hose 15/16 x 1-3/4 2 2 2 2
34 229272 Hose, molded 1 1 1 1
34 344825 Hose, molded 1
35 X-426-8 Clamp, hose 15/16 x 1-3/4 2 2 2 2 2
36 229064 Cover, thermostat 1 1 1 1 1
37 229963 Gasket, water outlet 1 1 1 1 1
38 # Washer, 5/16 2 2 2 2 2
39 X-125-31 Screw, 5/16-8 x .875, ref. 2 2 2 2 2
40 229057 Hose, molded 1 1 1 1 1
41 X-426-8 Clamp, hose 15/16 x 1-3/4 2 2 2 2 2
42 229058 Exchanger, heat (includes item 43) 1 1 1 1 1
43 260085 Zinc anode 0.375 in., 9.52 mm 1 1 1 1 1
43 229972 Zinc anode 0.5 in., 12.70 mm 1 1 1 1 1
44 X-312-16 Hose 1 1 1 1 1
45 X-426-3 Clamp, hose 1/2 x 1-13/32 4 4 4 4 4
46 X-391-26 Connector, hose 1 1
46 X-391-2 Connector, hose 1 1 1
47 X-312-46 Hose 1 1 1 1 1
48 X-672-3 Clamp, insulating 1 1 1 1 1
49 # Washer, 5/16 1 1 1 1 1
50 229232 Hose, coolant 1 1 1 1 1
51 X-426-8 Clamp, hose 15/16 x 1-3/4 2 2 2 2 2
52 X-391-26 Elbow, 90 deg. hose connector 1
52 X-391-31 Elbow, 90 deg. hose connector 1 1
52 X-391-2 Elbow, 90 deg. hose connector 1 1
53 X-582-19 Hose connector 1 1
53 X-582-2 Hose connector 1 1 1
54 249396 Bottle, overflow (cap 229980) 1 1
54 359037 Bottle, overflow 1 1 1
54 359038 Bracket, water bottle (not shown) 1 1 1
54 X-400-74 Spacer (not shown) 1 1 1
54 X-6050-8 Screw, hex head cap (not shown) 1 1 1
55 X-426-9 Clamp, hose 1 1 2 2 2
56 X-386-34 Line, flex fuel 5/16 x 28 1 1 1
# Common hardware. Procure locally.

40 TP-5587 2/08
Group 104: Cooling System, continued
13
61
62
63
64
65
66
67
68
69
70
Pump 267373 Components
S/N 296898 and before
Pump 344089 and GM46936 Components
S/N 296899 and later
88
71
77
75
13
82
83
84 78
85
86
80
81
79
76
72
73
74
87
88
75
87
Seawater Pump Component Parts
Part Number
Item Description
Serial Numbers
296898 and before
Serial Numbers
296899 through
2104902
Serial Numbers
2104903 and above
13 Seawater Pump (includes the following) 267373 344089 GM46936
Service Kit, Seawater Pump N/A GM46959* N/A
61 Cover Plate N/A 344306 344306
62 Gasket 252475 344584 344584
63 Impeller Kit (includes gasket) 229955 229826 229826
64 Ball Bearing N/A 344043 344043
65 Housing N/A 344585 order item 13
66 Pulley N/A 344606 order item 13
67 Drive Shaft N/A 344587 order item 13
68 Seal N/A GM16865 GM16865
69 Seat, ceramic N/A GM22995 GM22995
70 Key N/A GM17702 GM17702
71 Impeller 250872 N/A N/A
72 Shaft, pump 252437 N/A N/A
73 Cam 252476 N/A N/A
74 Screw, M4 x 10 # N/A N/A
75 Bearing 252364 N/A N/A
76 Seal, oil 250871 N/A N/A
77 Key, feather 252473 N/A N/A
78 Drip, water 252474 N/A N/A
79 Circlip, 15-S 252346 N/A N/A
80 Circlip, 35-H 252348 N/A N/A
81 Cover 252439 N/A N/A
82 Gasket 252475 N/A N/A
83 Screw, M4 x 8 # N/A N/A
84 Cover, bearing 252438 N/A N/A
85 V-pulley 252464 N/A N/A
86 U-nut, M8 252336 N/A N/A
87 Washer 252466 N/A N/A
88 Joint, 3/8 NPT 252443 N/A N/A
Seawater pump repair kit
(includes items 71, 72, 75--82, 84, 87) GM28669 N/A N/A
* Effective with serial number 2104903, seawater pump GM46936 replaced seawater pump 344089. New seawater pump GM46936 incorporates a
pressed-on pulley.
When service stock of 344089 seawater pumps is depleted, replace the 344089 pump with seawater pump service kit GM46959.
Seawater pump service kit includes pump GM46936, item 14 bracket, and hardware. After installing the kit, refer to seawater pump GM46936 column
in the table above for seawater pump component parts.

41
TP-5587 2/08
Group 104: Cooling System, continued
Multiple seawater pump pulley failures on seawater pump number 344089
indicate shaft wear. On the next pulley failure, replace both the pulley and
shaft using kit GM29437 to prevent future pulley failure.
Pulley Replacement Kit Components
1
1. Pulley (344606)
2. Shaft (GM29438)
3. Whiz nut (GM29441) torqued to 28/30 ft. lbs.
4. Star washer (GM29440)
5. Flat washer (GM29439)
2
5
4
3
Top View
End View

42 TP-5587 2/08
Group 105: Engine
18
19
21
22
23
24
25
26
19
20
27
105-125-19
To oil pan
2
4
5
6
7
8
910
11
12 13
14
15
16
17
3
10
See Group 9, Cooling Water System
for mounting hardware
28
29
30
31
To stator assembly
34
35
To mixing tube,
Group 104
32
33
36
37
See Group 101, Air Intake

43
TP-5587 2/08
Group 105: Engine
Quantity
Part Variation Number
Item Number Description 19 24 29 30 34 38 39 GR1
1A-229187 Engine assembly (groups 1--15) (model 3TNC78E) 1 1
1A-344047 Engine assembly (groups 1--15) (model 3TNE78A) 1 1 1
1A-359553-BLK Engine assembly (groups 1--15) (model 3TNE82A) 1 1 1
2258628 Solenoid, fuel 1 1
3229302 Bracket, solenoid 1 1
4 # Hardware, 1/4-20 2 2 2 2 2 2 2 2
5X-6050-8 Screw, HC 2 2 2 2
6 # Washer, 5/16 2 2 2 2 2 2 2 2
7X-22-16 Washer, lock 5/16 1 1 1 1 1 1 1 1
8X-283-15 Terminal 1 1
9273731 Ball joint 1 1
10 X-81-9 Nut, hex 4 4
11 X-352-82 Stud 1 1
12 273730 Ball joint 1 1
13 X-22-11 Washer, lock 1/4 1 1
14 229170 Bracket, fuel filter 1 1
14 344225 Bracket, fuel filter 1 1 1 1 1 1
15 X-6050-8 Screw, HC 4 4 4 4 4 4 4 4
16 #Hardware, 3/8-16 2 2 2 2 2 2 2 2
17 #Washer, 3/8 2 2 2 2 2 2 2 2
18 X-651-34 Hose 1 1 1 1 1
19 X-426-9 Clamp, hose 2 2 2 2 2 2
20 X-652-1 Fitting, hose 2 2 2 2
21 X-268-3 Cap, pipe 1 1 1 1
21 X-75-10 Plug, drain 1 1
22 X-25-145 Washer, plain 1 1 1 1 1 1 1 1
23 229179 Valve, drain 1
23 344828 Valve, drain 1 1 1 1
23 359653 Valve, drain 1 1
23 249959 Adapter 1 1 1
24 X-6084-1 Clip, hose 1 1 1 1 1 1
25 #Screw, 1/4-20 1 1 1 1 1 1 1 1
26 #Washer, #8 1 1 1 1 1 1 1 1
27 # Nut, 1/4-20 1 1 1 1 1 1 1 1
28 256924 Alternator 1111 1
28 344742 Alternator, 24V 1 1
29 229212 Bracket, alt. adjusting 1 1 1 1 1 1
29 254784 Bracket, alt. adjusting 1 1
30 X-400-184 Spacer 1111 1
30 X-400-152 Spacer 1 1
31 # Hardware, 5/16-18 1 1 1 1 1 1 1
32 249872 Switch, high temp. cutout 1 1 1 1 1 1 1 1
33 X-6238-10 Screw, HC, ref. 1 1 1 1 1 1
34 229113 Guard, generator fan 1 1 1 1 1 1 1 1
35 X-67-113 Screw, self-tapping 2 2 2 2 2 2 2 2
36 X-577-35 Hose, oil proof 1 1
36 X-577-41 Hose, oil proof 1 1 1
36 —Use hose supplied with engine (group 4) 1 1 1
37 X-426-10 Clamp, hose 22222
# Common hardware. Procure locally.

44 TP-5587 2/08
Group 107: Nameplate and Decals
Quantity
Part
Variation
Number
Item Number Description 711
1249810 Decal, warning “hot coolant” 1 1
2246274 Decal, “notice zinc anode” 1
2344282 Decal, “notice zinc anode” 1
3241655 Decal, neg. battery connection 1
3 226917 Decal, neg. battery connection 1
4290435 Decal, equipment ground 1
4344295 Decal, equipment ground 1
5280561 Decal, water drain 2
5GM14167 Decal, drain 2
6 249808 Decal, warning “rotating parts” 1 1
7 280562 Decal, oil drain 1
7 GM14167 Decal, drain 1
8224233 Decal, 1-800 number 1 1
9267468 Decal, Coast Guard 1
10 249809 Decal, warning “hot engine” 1 1
11 229177 Nameplate 1 1
12 X-793-3 Rivet, pop 4 4
13 229831 Decal, reconnection 1 1
14 X-6348-6 Decal, Kohler Power System 1 1
15 344486 Decal, CE 1 1
16 294520 Decal, danger, high voltage 1

45
TP-5587 2/08
Group 109: Skid and Plant Mounting
1
2
3
4
5
6
7
8
9
10
11
12
13
14
7
8
10
10
11
10
12
6
109-125-8
Quantity
Part
Variation
Number
Item Number Description 8
1229081 Tray 1
2229079 Bracket, engine mounting 2
3 # Washer,1/2 7
4X-6052-1 Screw, hex head cap 8
5X-22-4 Washer, lock 1
6 # Hardware, 5/16-18 12
7278322 Vibromount 4
8X-25-96 Washer, plain 4
9245297 Strap, ground 1
10 X-22-12 Washer, shakeproof 4
11 #Hardware, 1/4-20 2
12 #Hardware, 1/4-20 2
13 X-377-12 Connector, cable 1
14 X-22-11 Washer, lock 1/4 1
# Common hardware. Procure locally.

46 TP-5587 2/08
Group 201: Generator and Mounting
6
574
3
2
19
8
11
10
15
14
13
16
12
17
18
19
28
31
26
27
39
30
29
41
40
38
37
36
34
32
34
32
33 32
23
24
25
20
21
22
To end
bracket
201-125-19
35
To flywheel
To engine bell
housing
To flywheel
To end bracket
Item 38 Field Exciter Measurements
25.40 mm (1.0 in.)
12.70 mm (0.5 in.)
New Design with 0.5 in. Pad
(Part Number 344569)
Old Design with 1.0 in. Pad
(Part Number A-229276)

47
TP-5587 2/08
Group 201: Generator and Mounting
Quantity
Part
Variation
Number
Item Number Description 19 27
1229385 Stator assembly 1 1
2229109 Guard, generator fan 1 1
3257442 Clip, speed 1 1
4X-67-125 Screw, self-tapping 1 1
5229097 Plate, locator 1 1
6229356 Pin, knurled 2 2
7X-6051-13 Screw, HC 6 6
8257017 Disc, armature drive 2 2
9X-6238-3 Screw, 3/8-16 x .875 8 8
10 X-6050-8 Screw, HC 8 8
11 #Washer, 5/16 8 8
12 225215 Fan, generator 1 1
13 X-6284-1 Screw, M5 x .8 x 10mm 4 4
14 X-6284-2 Screw, M5 x .8 x 45mm 4 4
15 X-400-189 Spacer 4 4
16 A-229147 Rotor assembly (includes item 17) 1 1
17 X-758-15 Bearing, ball 1 1
18 229110 O-ring 1 1
19 See note below Bracket, end 1
19 344566 Bracket, end 1
20 229350 Resistor assembly 1 1
21 X-363-1 Bracket, resistor mounting 2 2
22 #Screw, 1/4-20 2 2
23 X-51-46 Screw, RHM 8-32 x 5 1 1
24 X-364-4 Washer, resistor 2 2
25 #Nut, 8/32 1 1
26 X-801-3 Washer, hardened 4 4
27 X-6051-16 Screw, HC M10 x 1.5 4 4
28 344567 Exciter, armature 1 1
29 X-25-129 Washer, plain 1
29 X-67-135 Washer, plain 1
30 X-6238-3 Screw, 3/8-16 x .875 1 1
31 A-229152 Circuit board, diode board 1 1
32 X-283-3 Terminal 3 3
33 X-51-8 Screw, 8-32 x .75 5 5
34 X-6020-3 Sleeve 2
35 X-22-7 Washers, #8 5 5
36 X-712-17 Spacer 3 3
37 X-67-135 Screw, self-tapping 3 3
38 See note below Exciter assembly, field 1
38 344569 Exciter assembly, field 1
39 X-97-15 Screw, hex. head machine 4 4
40 225545 Panel, end bracket 1 1
41 X-67-113 Screw, self-tapping 6 6
# Common hardware. Procure locally.
Note
The replacement part numbers of the end bracket and field exciter
assembly in variation 19 depend on the length of the field exciter’s (item
38) mounting pad.
Measure the pad after referring to the measurement points on the
drawing insert on the opposite page. Use the adjacent table to determine
the end bracket and exciter part numbers.
Use the following table to determine replacement service part numbers.
Service Part Numbers
A
p
p
ro
x
imate Len
g
th Replacement Part Number
A
p
p
r
o
x
i
m
a
t
e
L
e
n
g
t
h
of Field Exciter
Mounting Pad
Item 19,
End Bracket
Item 38,
Field Exciter
12.70 mm (0.5 in.) 344566 344569
25.40 mm (1.0 in.) Order kit 354241*
* Kit includes both the end bracket and field exciter.

48 TP-5587 2/08
Group 301: Controller and Mounting
301-125-20
A-229301
2
3
4
5
6
78
9
10
11
12
13
14
15
16
17
18
18
19
20
21
22
23
24
25
26
27
28
29
30
31
33
32
34
35
37
39
To generator
case
36
40
41
38
Items 42--45 not shown.

49
TP-5587 2/08
Group 301: Controller and Mounting
Quantity
Part Variation Number
Item Number Description 23 28 34 35 41
1A-229301 Controller assembly 1
1A-344002 Controller assembly 1
1A-344321 Controller assembly 1
1A-344322 Controller assembly 1
1A-344744 Controller assembly 1
2229332 Box, controller 1 1 1
2334004 Box, controller 1 1
3249406 Switch, rocker 1 1 1
3229997 Switch, rocker 1 1
4250719 Breaker, circuit, 10 amp 1 1 1 1 1
5238736 Meter, hour 1 1 1 1 1
6X-49-26 Screw, 6-32 x .625 6 6 6 6 6
7X-22-6 Washer, lock #6 6 6 6 6 6
8X-71-2 Nut, hex 6-32 2 2 2 2 2
9245264-BLK Plate, cover 1 1 1 1 1
9X-506-43 Breaker, circuit 1 1
9249956 Terminal (not shown) 1 1
10 X-49-25 Screw, 6-32 x .25 4 4 4 4 4
11 #Nut, #6 32 4 4 4 4 4
12 229353 Mount, controller 4 4 4 4 4
13 #Nut, 1/4-20 4 4 4 4 4
14 229305 Cover, controller 1 1 1 1 1
15 X-67-52 Screw, hex head 10-24 4 4 4 4 4
16 #Washers, #10 4 4 4 4 4
17 LK-0616-1515 Lead 1 1 1 1 1
18 X-22-12 Washer, shakeproof 2 2 2 2
19 #Hardware, 1/4-20 1 1 1 1 1
20 X-22-11 Washer, lock 1/4 3 3 3 3 3
21 X-81-8 Nut, hex 1 1 1 1 1
22 #Bolt, 1/4-20 1 1 1 1 1
23 X-22-12 Washer, shakeproof 2 2 2 2 2
24 #Hardware, 1/4-20 2 2 2 2 2
25 X-22-11 Washer, lock 1/4 1 1 1 1 1
26 X-634-18 Bushing 1 1 1 1 1
27 229333 Harness, controller 1 1 1
27 344011 Harness, controller 1 1
28 X-71-2 Nut, hex 6 32 4 4 4 4 4
29 X-49-26 Screw, 632x.50 4 4 4 4 4
30 X-6266-1 Connector, cable 1 1 1 1 1
31 H-239563 Circuit board assembly 1 1 1 1
31 A-344753 Circuit board assembly 1
32 X-71-2 Nut, hex 6 32 4 4 4 4 4
33 X-712-11 Spacer, fiber 5 5 5 5 5
34 259391 Relay 2 2 2 2
34 272684 Relay 2
35 # Nut, #10-24 2 2 2 2 2
36 X-50-13 Screw, #10 24 x .375 2 2 2 2 2
37 228605 Voltage regulator (PBIIIE) 1 1 1 1 1
38 X-51-5 Screw, #8 32 x .438 4 4 4 4 4
39 249986 Spacer 4 4 4 4 4
40 #Washer, #8 4 4 4 4 4
41 # Nut, #8 32 4 4 4 4 4
42 229384 Harness, engine (not shown) 1 1
42 344020 Harness, engine (not shown) 1 1
42 344222 Harness, engine (not shown) 1
43 248362 Relay (not shown) 1 1
44 233442 Relay, status (not shown) 1 1
45 229233 Harness, air heater relay (not shown) 1 1
# Common hardware. Procure locally.

50 TP-5587 2/08
Group 501: Housing
Variation 3: See parts list of sound shield kit 229925 in accessories section for parts listing.
Variation 7: See parts list of sound shield kit 334333 in accessories section for parts listing.
Variation 10, 13: See parts list of sound shield kit 334832 in accessories section for parts listing.
Group 701: Literature
Quantity
Part Variation Number
Item Number Description 812 19
1TP-5365 Service manual, Yanmar engine 1 1
1TP-5876 Service manual, Yanmar engine 1
2TP-5586 Operation manual, 5/9CCOZ 1
2TP-5766 Operation manual, 5/9EOZ, 4/8EFOZ 1
2TP-5856 Operation manual, 5-32 kW 1
3TP-5857 Installation manual, Yanmar engine 1
4TP-5587 Parts catalog, 9CCOZ/9EOZ 111
5TP-5588 Service manual, 5/9CCOZ, 4/8CCFOZ 1 1
5TP-6053 Service manual, 5/8/9/10EOZ, 4/6.5/8/9EFOZ 1
6 TP-5620 Safety precautions 111
Paint and Miscellaneous Parts
Quantity
Part
Variation
Number
Item Number Description all
1221334 Gallon can of white paint (Chris Craft white) 1
1221335 Spray can of white paint (Chris Craft white) 1

51
TP-5587 2/08
Parts List: Accessories
Qty. Description Part No.
Battery Cables Kits
Battery Cable Kit PA-250761
1 Cable, battery, positive X-545-47
1 Cable, battery, negative X-545-48
Circuit Breaker Kits
Circuit Breaker Kit PA-229184
1 Breaker, circuit, 35 amp X-506-46
1 Plate, cover 229183
1 Decal, notice 246242
1 Installation Instructions TT-875
Circuit Breaker Kit PA-229186
1 Breaker, circuit, 70 amp X-506-48
1 Plate, cover 229183
1 Installation Instructions TT-875
Circuit Breaker Kit PA-229392
1 Breaker, circuit, 35 amp X-506-42
1 Installation Instructions TT-875
Circuit Breaker Kit PA-229393
1 Breaker, circuit, 42 amp X-506-43
1 Terminal, jumper 249956
1 Installation Instructions TT-875
Circuit Breaker Kit PA-229394
1 Breaker, circuit, 42 amp X-506-36
1 Decal, notice 246242
1 Terminal, jumper 249956
1 Installation Instructions TT-875
Circuit Breaker Kit PA-229542
1 Breaker, circuit 50 amp X-506-38
1 Terminal, jumper 249956
1 Installation Instructions TT-875
Circuit Breaker Kit PA-344052
1 Breaker, circuit, 30 amp X-506-36
1 Decal, notice 246242
1 Installation Instructions TT-875
Circuit Breaker Kit PA-344053
1 Breaker, circuit, 50 amp X-506-38
1 Decal, notice 246242
1 Installation Instructions TT-875
Circuit Breaker Kit PA-344054
1 Breaker, circuit, 42 amp X-506-43
1 Installation Instructions TT-875
Circuit Breaker Kit PA-359286
1 Breaker, circuit, 42 amp X-506-60
1 Plate, cover 229183
1 Decal, notice 246242
1 Installation Instructions TT-875
Qty. Description Part No.
Circuit Breaker Kit PA-359555
1 Breaker, circuit X-506-69
1 Plate, cover 229183
1 Installation Instructions TT-875
Conversion Kits
24-Volt Conversion Kit PA-344901
1 Screw X-125-122
1 Spacer X-400-152
1 Terminal X-431-37
1 Arm, alternator 254784
2 Relay 272684
1 Pump, fuel 344740
1 Alternator 344742
1 Motor, starting GM39020
1 Solenoid, fuel 344746
1 Guard, alternator fan 344815
1 Belt, V 226929
1 PCB assembly 24 volts DC A-344753
1 TT 12 to 24-Volt Conv, 8.5-10EOZ/EFOZ TT-1348
Keel Cooling Kit PA-359015
1 Installation Instructions TT-1182
1 Gasket, exhaust 249905
1 Flange, exhaust 254692
Flexible Fuel Line Kits
Flexible Fuel Line PA-250798
2 Hose, fuel overflow 258344
Fuel Attachment Block
Fuel Block PA-229834
1 Installation Instructions TT-1010
2 Bolt, hex cap 230578
1 Fuel line, 1/4 in. X-386-19
1 Fuel line, 1/2 in. X-386-57
2 Elbow, hose connector X-391-20
2 Spacer, 0.344 x 0.625 x 0.656 X-400-100
4 Clamp, hose X-426-9
3 Fitting, hose X-652-3
1 Block, fuel 229835
Harnesses
Extension Harness Kit, 15 Ft. PA-249334
1 Strap, wire, 5/8 X-526-3
1 Harness, extension 249334

52 TP-5587 2/08
Parts List: Accessories, continued
Qty. Description Part No.
Extension Harness Kit, 25 Ft. PA-249336
1 Strap, wire 5/8 X-526-3
1 Harness, extension 249336
Remote Harness, Pigtail 12 In. PA-249941
1 Harness, extension 249935
Fire System Interface PA-229833
1 Harness, wiring 229832
1 Installation Instructions TT-930
Coolant Overflow Extension Hose
Coolant Overflow Extension Hose PA-229931
2 Clamp, hose X-426-10
1 Hose, 10.8 ft. X-651-30
Panel and Meter Kits
Remote Start Panel Kit (12 volt) PA-250797
1 Decal, warning 249494
1 Installation Instructions TT-642
1 Panel assembly, remote A-250795
(includes the following)
1 Connector, plug 241617
1 Panel, remote 250796
1 Switch, rocker 269296
Remote Start & 4-Meter Panel PAA-267414
1 Screw, RHM 8-32 x 3/4 X-51-11
1 Installation Instructions TT-688
1 Decal, warning 249494
1 Panel assembly, control A-267414
(includes the following)
1 Switch, rocker 249330
1 Harness, wiring 249467
1 Panel 249419
1 Gauge, oil pressure 249438
1 Gauge, water temperature 249440
1 Hourmeter 249461
1 Voltmeter, battery 249462
Remote Start & 2-Meter Panel PAA-267415
1 Screw, RHM 8-32 x 3/4 X-51-11
1 Decal, warning 249494
1 Installation Instructions TT-687
1 Panel assembly, control A-267415
(includes the following)
1 Switch, rocker 249330
1 Harness, wiring 249331
1 Panel 249332
1 Gauge, oil pressure 249438
1 Gauge, water temperature 249440
Qty. Description Part No.
Remote Start & 2-Meter Panel (12 volt) PA-344040
1 Installation Instructions TT-1072
1 Decal, warning 249494
1 Panel assembly, control A-344033
(includes the following)
1 Switch, rocker 344039
1 Harness, wiring 344031
1 Panel 344029
1 Gauge, oil pressure 344036
1 Gauge, water temperature 344035
Remote Start & 4-Meter Panel (12 volt) PA-344041
1 Installation Instructions TT-1073
1 Decal, warning 249494
1 Panel assembly, control A-344034
(includes the following)
1 Switch, rocker 344039
1 Harness, wiring 344032
1 Panel 344030
1 Gauge, oil pressure 344036
1 Gauge, water temperature 344035
1 Voltmeter 344037
1 Hourmeter GM28814
Remote Start & 2-Meter Panel (24 volt) PA-344842
1 Installation Instructions TT-1072
1 Decal, warning 249494
1 Panel assembly, control A-344840
(includes the following)
1 Panel, control 344029
1 Harness, wiring 344031
1 Gauge, temperature 344035
1 Gauge, oil pressure 344036
1 Switch, rocker 344839
2 Bulb, light GM28614
2 Resistor, gauge GM28615
Remote Start & 4-Meter Panel (24 volt) PA-344843
1 Installation Instructions TT-1073
1 Decal, warning 249494
1 Panel assembly, control A-344841
(includes the following)
1 Panel control 344030
1 Harness, wiring 344032
1 Gauge, temperature 344035
1 Gauge, oil pressure 344036
1 Gauge, volt GM33131
1 Gauge, hourmeter GM28814
1 Switch, rocker 344839
Remote Start Panel Kit PA-359581
1 Decal, warning 249494
1 Panel assembly, remote A-226965
(includes the following)
1 Panel, control 226964
1 Harness, wiring 226979
1 Meter, run time, 10,000 hour 238736
1 Switch, rocker, 1pole 344039
1 Installation Instructions TT-1245

53
TP-5587 2/08
Parts List: Accessories, continued
Qty. Description Part No.
Remote Start Panel (24 volt) GM23015-KP1
1 Installation Instructions TT-1245
1 Decal, warning 249494
1 Panel assembly, control GM23014
(includes the following)
1 Panel control 226964
1 Harness, wiring 226979
1 Meter, runtime 238736
1 Switch, rocker 344839
Preheat Kit
Air Intake Heater Kit (12 volt) PA-229240
1 Installation Instructions TT-897
1 Washer, shakeproof X-22-12
2 Washer, plain X-25-40
1 Screw, HC 1/4-20 x 0.75 X-465-16
1 Screw, HC 1/4-20 x 0.50 X-465-6
2 Nut, whiz lock 1/4-20 X-6210-2
1 Harness, air heater 229233
1 Relay 233442
1 Boot 238915
Air Intake Heater Kit (24 volt) PA-344748
1 Installation Instructions TT-897
1 Washer, shakeproof X-22-12
2 Washer, plain X-25-40
1 Screw, HC 1/4-20 x 0.75 X-465-16
1 Screw, HC 1/4-20 x 0.50 X-465-6
2 Nut, whiz lock 1/4-20 X-6210-2
1 Harness, air heater 229233
1 Solenoid 344741
1 Heater, air 344903
2 Heater, air 344904
1 Boot 238915
Seawater Strainers
1 Filter, water 1/2 in. X-661-1
1 Filter, water 1 in. X-661-2
Sender Kits
Sender Kit
(Oil Pressure and Water Temp.) PA-229390
1 Bushing, reducer 1/8 x 1/4 X-202-27
1 Installation Instructions TT-896
1 Sender, oil pressure 344305
1 Sender, water temperature 249348
Sender Kit PA-344288
1 Installation Instructions TT-896
1 Adapter, sender 225307
1 Sender, oil pressure 344305
1 Sender, water temperature 249348
Qty. Description Part No.
Ship-To-Shore Switches
Transfer Switch Kit PAA-246617
1 Switch, transfer A-246617
1 Installation Instructions TT-535
Siphon Break
Siphon Break Kit PA-229928
1 Installation Instructions TT-1268
1 Tubing, clear flexible plastic GM34883
1 Clamp, hose, 0.25/0.70 in. X-426-9
1 Valve, siphon break GM32985
(includes the following)
1 Valve, duct 328666
1 Cap, siphon valve GM32984
1 Loop, siphon valve vent GM32988
Siphon Break Kit PA-267965
1 Valve, anti-siphon 267935
1 Installation Instructions TT-715
Siphon Break Kit PA-359115
1 Installation Instructions TT-1184
2 Grommet X-284-42
1 Hose X-312-4
1 Hose X-312-43
2 Clamp, hose 1/2-1-13 X-426-3
1 Valve, siphon 229928
2 Connector, hose 344934

54 TP-5587 2/08
Parts List: Accessories, continued
Qty. Description Part No.
Sound Shields
Sound Shield Kit PA-229231
5 Grommet D-1128
4 Screw, H.C. #10-32 x .625 X-117-3
4 Washer, 0.406 x 0.812 x 0.065, plain X-25-37
6 Washer, 0.281 x 0.625 x 0.065, plain X-25-40
4 Washer, 0.208 x 0.75 x 0.060, plain X-25-45
1 Hose, radiator X-281-30
3 Plug, button X-301-36
6 Plug, button X-301-37
1 Connector, hose elbow X-391-19
4 Spacer X-400-192
4 Clamp, hose X-426-16
2 Clamp, hose 1/2 X-426-3
2 Clamp, hose 1-15/16 X-426-8
6 Screw, hex X-465-18
1 Connector, hose X-582-1
4 Washer, nylon X-6278-1
1 Duct, carburetor 227549
1 Rail, sound shield 229213
1 Rail, sound shield 229214
1 Rail, end 229222
1 Base 229238
2 Seal, dampening 229235
1 Hose, molded 229259
1 Insulation, acoustic 229256
1 Insulation, acoustic 229257
1 Insulation, acoustic 229258
1 Coupling, bulkhead 229270
1 Seal, dampening 229327
2 Insulation, acoustic 229538
4 Mount, controller 246267
1 Enclosure, sound shield A-229225
(includes the following)
1 Logo, Kohler X-6267-1
1 Logo, Kohler X-6267-2
1 Panel, front 229215
1 Panel, left rear 229216
1 Panel, right rear 229217
1 Panel, top 229218
1 Panel, left door 229219
1 Panel, right door 229220
1 Panel, rear 229221
4 Bracket, door catch 229341
1 Decal, caution 267957
Qty. Description Part No.
Sound Shield Kit PA-229925
5 Grommet D-1128
4 Screw, HC #10-32 x .625 X-117-3
4 Washer, 0.406 x 0.812 x 0.065, plain X-25-37
6 Washer, 0.281 x 0.625 x 0.065, plain X-25-40
4 Washer, 0.208 x 0.75 x 0.060, plain X-25-45
3 Plug, button X-301-36
6 Plug, button X-301-37
1 Connector, hose elbow X-391-19
4 Spacer X-400-192
6 Spacer X-400-194
8 Clamp, hose X-426-16
2 Clamp, hose 1/2 X-426-3
2 Clamp, hose 1-15/16 X-426-8
1 Connector, hose X-582-1
4 Washer, nylon X-6278-1
1 Hose, radiator 153417
1 Duct, carburetor 227549
1 Rail, sound shield 229213
1 Rail, sound shield 229214
1 Rail, end 229222
1 Base 229238
2 Seal, dampening 229235
1 Hose, molded 229259
1 Insulation, acoustic 229256
1 Insulation, acoustic 229257
1 Insulation, acoustic 229258
1 Coupling, bulkhead 229270
1 Plate, controller mounting 229321
1 Seal, dampening 229327
2 Insulation, acoustic 229538
1 Tube, exhaust 229889
1 Tube, exhaust 229890
1 Rail, end 229903
4 Mount, controller 246267
1 Enclosure, sound shield A-229921
(includes the following)
1 Logo, Kohler X-6267-1
1 Logo, Kohler X-6267-2
1 Panel, front 229215
1 Panel, left rear 229216
1 Panel, right rear 229217
1 Panel, top 229218
1 Panel, left door 229219
1 Panel, right door 229220
4 Bracket, door catch 229341
2 Support, rear mounting 229902
2 Support, rear mounting 229907
1 Panel, rear 229911
1 Latch, door 229951
1 Decal, caution 267957

55
TP-5587 2/08
Parts List: Accessories, continued
Qty. Description Part No.
Sound Shield Kit PA-344332
5 Grommet, round D-1128
1 Installation Instructions TT-907
4 Screw, hex head machine X-117-3
4 Washer, plain, 0.406 ID x 0.812 in. OD X-25-37
6 Washer, plain, 0.281 ID x 0.625 in. OD X-25-40
4 Washer, plain, 0.203 ID x 0.75 in. OD X-25-45
3 Plug, button X-301-36
6 Plug, button X-301-37
1 Fitting, hose connector 90°X-391-19
4 Spacer, 0.209 ID x 0.375 OD x 0.219 in. X-400-192
6 Spacer, 0.257 ID x 0.312 OD x 0.281 in. X-400-194
8 Clamp, hose, 1.81/2.75 in. X-426-16
2 Clamp, hose, 0.56/1.06 in. X-426-3
2 Clamp, hose, 0.81/1.75 in. X-426-8
6 Screw, hex head machine X-465-18
1 Coupling, hose X-582-1
6 Nut, flange spiralock, 1/4-20 X-6210-2
4 Screw, Phillips hex crimptite X-6216-1
4 Screw, hex head machine X-6238-3
4 Washer, nylon, 0.201 ID x 0.46 in. OD X-6278-1
2 Hose, radiator, straight, 2 in. ID 153417
1 Duct, carburetor preheat 227549
1 Rail, sound shield 229213
1 Rail, sound shield 229214
2 Seal, dampening 229235
1 Base 229238
1 Insulator 229256
1 Insulator 229257
1 Insulator 229258
1 Hose, molded, 0.62 in. ID 229259
1 Coupling, bulkhead pipe 229270
1 Plate, controller mounting 229321
1 Seal, dampening 229327
2 Insulator 229538
1 Tube, exhaust, fiberglass, 2 in. OD 229889
1 Tube, exhaust, stainless steel, 2 in. O 229890
1 Rail, end 229903
4 Mount, controller 246267
1 Enclosure, sound A-344327
(includes the following)
1 Decal X-6348-3
1 Panel, front 229215
1 Panel, rear left 229216
1 Panel, rear right 229217
1 Panel, top 229218
1 Panel, left door 229219
1 Panel, right door 229220
2 Support, rear mounting 229902
2 Support, rear mounting 229907
1 Panel, rear 229911
1 Latch, grabber 229951
1 Decal, caution-not a step 343165
1 Decal, CE 344486
Qty. Description Part No.
Sound Shield Kit PA-344333
5 Grommet D-1128
4 Washer, 0.208 x 0.75 x 0.060 plain X-25-45
1 Grommet X-284-23
3 Plug, button X-301-36
6 Plug, button X-301-37
4 Spacer X-400-192
6 Spacer X-400-194
8 Clamp, hose X-426-16
2 Clamp, hose 1-15/16 X-426-8
4 Washer, nylon X-6278-1
1 Hose, radiator 153417
1 Duct, carburetor 227549
1 Rail, sound shield 229213
1 Rail, sound shield 229214
2 Seal, dampening 229235
1 Base 229238
1 Hose, molded 229259
1 Insulation, acoustic 229256
1 Insulation, acoustic 229257
1 Insulation, acoustic 229258
1 Plate, controller mounting 229321
1 Seal, dampening 229327
2 Insulation, acoustic 229538
1 Tube, exhaust 229889
1 Tube, exhaust 229890
1 Rail, end 229897
4 Mount, controller 246267
1 Enclosure, sound shield A-344327
(includes the following)
1 Decal X-6348-3
1 Panel, front 229215
1 Panel, rear left 229216
1 Panel, rear right 229217
1 Panel, top 229218
1 Panel, left door 229219
1 Panel, right door 229220
2 Support, rear mounting 229902
2 Support, rear mounting 229907
1 Panel, rear 229911
1 Latch, grabber 229951
1 Decal, caution-not a step 343165
1 Decal, CE 344486
5 Grommet, round D-1128

56 TP-5587 2/08
Parts List: Accessories, continued
Qty. Description Part No.
Sound Shield Kit PA-344832
4 Washer, plain (0.39 x 1 x 0.065) X-25-138
30 Washer (0.281 x 0.625 x 0.065) X-25-142
1 Grommet X-284-42
1 Line, flex fuel inlet (18.5 in.) X-386-108
1 Line, flex fuel return (28 in.) X-386-111
1 Connector, hose elbow X-391-16
8 Clamp, hose (2.75 x 1.81) X-426-16
2 Clamp, hose (1.06 x 0.56) X-426-3
2 Clamp, hose (1.75 x 0.81) X-426-8
4 Clamp, hose (0.70 x 0.25) X-426-9
30 Screw, hex cap 1/4-20 X-465-24
1 Connector, hose X-582-9
1 Channel, U (30.00 in.) grommet X-6047-22
1 Channel, U (38.12 in.) grommet X-6047-25
10 Clip, speed X-6220-1
4 Nut, hex X-6234-7
4 Screw, hardened (3/8 -16) X-6238-29
1 Connector, hose X-652-1
1 Clamp X-672-21
6 Screw, PHM 1/4-20 x 2 X-73-33
1 Plug, pipe 3/8 X-75-10
40 Rivet, pop X-781-14
2 Hose 153417
1 Foam, PVC Seal (1.54 ft.) 19010 08112
6 Washer, fiber 222889
1 Duct 227549
1 Hose, molded 229259
1 Tube, exhaust 229889
4 Mount, controller 246267
10 Clip, speed 297596
6 Connector, outside 344137
2 Connector, inside 344138
18 Bracket, corner rail 344635
2 Bracket, corner rail 344636
1 Base, sound shield 344664
Qty. Description Part No.
Sound Shield Kit, continued PA-344832
1 Rail, sound shield 344665
1 Rail, sound shield 344666
1 Rail, sound shield 344667
1 Rail, sound shield 344668
1 Support, sound shield 344679
1 Support, sound shield 344680
2 Rail, sound shield 344681
2 Rail, sound shield 344682
2 Rail, sound shield 344683
2 Rail, sound shield 344684
2 Rail, sound shield 344685
3 Rail, sound shield 344686
1 Elbow, hose 344934
1 Bushing, reducer 344947
1 Tube, exhaust 344694
1 Seal, dampening 344696
1 Seal, dampening 344697
2 Seal, dampening 344698
1 Insulation, acoustic (15.3 in.) 344702
1 Insulation, acoustic (7 in.) 344706
1 Insulation, acoustic (18 in.) 344719
1 Insulation, acoustic (18 in.) 344720
1 Insulation, acoustic (7 in.) 344750
2 Connector, hose 344754
1 Roof 344855
1 Roof 344857
1 Door 344860
1 Door 344863
1 Door 344866
1 Door 344869
1 Panel 344872
1 Door 344875
2 Panel 344877
1 Panel 344886
1 Duct, end bracket 344889
1 Silencer, air intake 359125

57
TP-5587 2/08
Parts List: Accessories, continued
Qty. Description Part No.
Sound Shield Kit, continued PA-344333
2 Insulation, acoustic, 13.38 x 1.20 in. 344708
2 Insulation, acoustic, 10.44 x 1.20 in. 344709
1 Insulation, acoustic, 13.38 x 8.88 in. 344711
1 Insulation, acoustic, 16.75 x 6.15 in. 344712
1 Insulation, acoustic, 17.56 x 16.75 in. 344713
1 Insulation, acoustic, 17.06 x 16.35 in. 344714
1 Insulation, acoustic, 17 x 16.35 in. 344715
1 Insulation, acoustic, 17 x 8.81 in. 344716
1 Insulation, acoustic, 15 x 4.25 in. 344718
1 Insulation, acoustic, 18 x 4.25 in. 344719
1 Insulation, acoustic, 18 x 4.25 in. 344720
1 Insulation, acoustic, 16.12 x 7.78 in. 344749
1 Insulation, acoustic, foam, 7 x 4.25 in 344750
2 Insulation, acoustic, foam, 5.38 x 5 in 344778
1 Roof subassembly 344855
1 Grommet, round X-284-10
4 Insert, threaded, 1/4-20 in. 344484
1 Roof, sound shield (alternator) 344669
1 Insulation, acoustic, 16.75 x 6.15 in. 344712
1 Roof subassembly 344857
1 Decal, caution-not a step 343165
1 Roof, sound shield (engine) 344670
1 Insulation, acoustic, 17.56 x 16.75 in. 344713
1 Door, sound shield subassembly 344860
4 Washer, plain, 0.172 ID x 0.375 in. OD X-25-6
4 Screw, slotted flat machine X-31-9
4 Nut, hex machine screw, 8-32 X-6234-8
4 Rivet, pop, 0.187 in. X-781-14
1 Door, fire extinguisher 344147
2 Bracket, door locating 344366
1 Decal, warning 344435
1 Decal, warning 344436
1 Door, sound shield 344671
1 Latch, sound shield 344692
1 Insulation, acoustic, 17.06 x 16.35 in. 344714
1 Door, sound shield subassembly 344863
4 Rivet, pop, 0.187 in. X-781-14
2 Bracket, door locating 344366
2 Stud, self-clinching, 0.223 x 0.75 in. X-6205-29
1 Door, sound shield (front) 344673
1 Latch, sound shield 344692
1 Insulation, acoustic, 17 x 16.35 in. 344715
1 Door, sound shield subassembly 344866
4 Rivet, pop, 0.187 in. X-781-14
2 Bracket, door locating 344366
2 Stud, self-clinching, 0.223 x 0.75 in. X-6205-29
1 Door, sound shield alternator 344675
1 Latch, sound shield 344692
1 Insulation, acoustic, 17 x 8.81 in. 344716
1 Door, sound shield subassembly 344869
12 Rivet, pop, .187 in. X-781-14
2 Bracket, door locating 344366
2 Stud, self-clinching, 0.223 x 0.75 in. X-6205-29
1 Door, sound shield 344672
1 Duct, air outlet 344678
1 Latch, sound shield 344692
1 Insulation, acoustic, 16.12 x 7.78 in. 344705
2 Insulation, acoustic, 13.38 x 1.20 in. 344708
2 Insulation, acoustic, 10.44 x 1.20 in. 344709
1 Insulation, acoustic, 13.38 x 8.88 in. 344711
1 Insulation, acoustic, 16.12 x 7.78 in. 344749
Qty. Description Part No.
Sound Shield Kit, continued PA-344333
1 Panel, subassembly sound shield 344872
4 Rivet, pop, 0.187 in. X-781-14
2 Bracket, door locating 344366
2 Stud, self-clinching, 0.223 x 0.75 in. X-6205-29
1 Panel, sound shield 344676
1 Insulation, acoustic, foam, 8.75 x 7 in 344703
1 Insulation, acoustic, 8.75 x 2.5 in. 344704
1 Door, sound shield subassembly 344875
2 Clip, speed 297596
1 Door, sound shield (rear) 344674
2 Insulation, acoustic, 15 x 4.25 in. 344718
2 Panel, subassembly access 344877
12 Washer, plain, 0.203 ID x 0.438 in. OD X-25-115
6 Rivet, pop, 0.187 in. X-781-14
2 Panel, access 344125
6 Clip, spring 344146
2 Insulation, acoustic, foam, 5.38 x 5 in. 344778
1 Panel, subassembly sound shield 344886
1 Decal X-6348-3
4 Rivet, pop, 0.187 in. X-781-14
2 Bracket, door locating 344366
2 Stud, self-clinching, 0.223 x 0.75 in. X-6205-29
1 Panel, sound shield 344676
1 Insulation, acoustic, foam, 8.75 x 7 in 344703
1 Insulation, acoustic, 8.75 x 2.5 in. 344704
1 Duct, sound shield subassembly 344889
2 Grommet, round D-1128
1 Channel, U X-6047-14
1 Seal, push-on trim X-6422-2
1 Seal, push-on trim X-6423-2
2 Grommet, round 200872
1 Duct, air intake (alternator) 344693
1 Coupling, hose 344934
1 Silencer, air intake 359125
1 Decal, fuel inlet 359278
1 Decal, fuel return 359279

58 TP-5587 2/08
Parts List: Accessories, continued
Qty. Description Part No.
Sound Shield Kit (10EOZ) 359480
28 Washer, plain, 0.281 ID x 0.625 in. OD X-25-142
1 Grommet, round X-284-42
8 Clamp, hose, 1.81/2.75 in. X-426-16
2 Clamp, hose, 0.56/1.06 in. X-426-3
2 Clamp, hose, 0.81/1.75 in. X-426-8
28 Screw, hex head machine X-465-24
1 Coupling, hose X-582-9
8 Clip, speed X-6220-1
8 Bushing, 0.938 x 1.187 in. NPT X-634-14
1 Bushing, 0.672 x 0.875 in. NPT X-634-25
1 Decal X-6348-3
1 Clamp, insulated, 1.68 in. X-672-21
6 Screw, cross recess pan head machine X-73-33
1 Plug, pipe X-75-55
48 Rivet, pop, .187 in. X-781-14
2 Hose, exhaust 2 in. x 6.5 in. GM10073
6 Washer, fiber, 0.25 ID x .71 in. OD 222889
1 Hose, molded, 0.62 in. ID 229259
1 Tube, exhaust, fiberglass, 2 in. OD 229889
4 Mount, controller 246267
1 Decal, warning 249808
12 Clip, speed 297596
1 Decal, caution-not a step 343165
6 Connector, outside corner 344137
2 Coupling, inside corner 344138
1 Decal GM10148
1 Decal, warning 344436
16 Insert, threaded, 1/4-20 in. 344484
18 Bracket, corner rail 344635
2 Bracket, corner rail 344636
1 Base 344664
1 Rail, sound shield, RS 344665
1 Rail, sound shield 344666
1 Rail, sound shield 344667
1 Duct, air outlet 344678
1 Support, sound shield 344679
1 Support, sound shield 344680
2 Rail, sound shield 344681
2 Rail, sound shield 344682
2 Rail, sound shield 344683
2 Rail, sound shield 344684
Qty. Description Part No.
Sound Shield Kit (10EOZ), continued 359480
2 Rail, sound shield 344685
3 Rail, sound shield 344686
4 Latch, sound shield 344692
1 Tube, exhaust, stainless steel, 2 in. 344694
1 Seal, dampening 344696
1 Seal, dampening 344697
2 Seal, dampening 344698
1 Coupling, hose 344934
12 Pin, threaded 345283
1 Decal, fuel inlet 359278
1 Decal, fuel return 359279
1 Connector, hose 359476
1 Roof, sound shield, alternator 359483
1 Roof, sound shield, engine 359484
1 Door, sound shield, RS 359485
1 Door, sound shield, front 359486
1 Door, sound shield, rear 359487
1 Door, sound shield alternator 359488
2 Panel, sound shield 359489
1 Duct, air intake (alternator) 359490
1 Door, sound shield (LS) 359543
1 Foam, acoustic (kit) 359557
1 Insulation, acoustic, foam, 15.3 in. 344702
2 Insulation, acoustic, foam, 8.75 x 7 in 344703
2 Insulation, acoustic, 8.75 x 2.5 in. 344704
1 Insulation, acoustic, 16.12 x 7.78 in. 344705
1 Insulation, acoustic, foam, 7 x 4.25 in 344706
2 Insulation, acoustic, 13.38 x 1.20 in. 344708
2 Insulation, acoustic, 10.44 x 1.20 in. 344709
1 Insulation, acoustic, 13.38 x 8.88 in. 344711
1 Insulation, acoustic, 16.75 x 6.15 in. 344712
1 Insulation, acoustic, 17.56 x 16.75 in. 344713
1 Insulation, acoustic, 17.06 x 16.35 in. 344714
1 Insulation, acoustic, 17 x 16.35 in. 344715
1 Insulation, acoustic, 17 x 8.81 in. 344716
1 Insulation, acoustic, 15 x 4.25 in. 344718
1 Insulation, acoustic, 18 x 4.25 in. 344719
1 Insulation, acoustic, 18 x 4.25 in. 344720
1 Insulation, acoustic, 16.12 x 7.78 in. 344749
1 Insulation, acoustic, foam, 7 x 4.25 in 344750
1 Insulation, acoustic, foam GM11484
3 Insulation, acoustic, foam 359584
1 Duct, carb preheater 359585
1 Rail, sound shield, rear 359588

59
TP-5587 2/08
Parts List: Accessories, continued
Qty. Description Part No.
Sound Shield Kit (10EOZ) GM22731-KP1
28 Washer, 0.281 x 0.625 x 0.065 X-25-142
4 Washer, plain, 0.406 x 0.812 x 0.065 X-25-37
8 Clamp, hose, 2.75 x 1.81 X-426-16
2 Clamp, hose, 1.06 x 0.56 X-426-3
28 Screw, hex cap, 1/4-20 X-465-24
4 Screw, hardened, 3/8-16 x 0.62 X-6238-2
1 Clamp, 1.68 in. ID X-672-21
6 Screw, PHM, 1/4-20 x 2 X-73-33
2 Hose, 2 x 6.5 in. GM10073
6 Washer, fiber, 0.25 in. ID x 0.71 in. OD 222889
1 Hose, molded, 0.62 in. ID 229259
1 Tube, exhaust, 2 in. OD 229889
6 Connector, outside GM15486
2 Connector, inside GM15487
1 Base, 22.75 x 36.75 in. 344664
1 Support, R.H. service side GM22698
1 Support, L.H. nonservice side GM22699
2 Extruded rail, 14.02 in. 344681
2 Extruded rail, 6.25 in. 344682
2 Extruded rail, 2.60 in. 344683
2 Extruded rail, 17.19 in. 344684
2 Extruded rail, 21.56 in. 344685
3 Extruded rail, 17.25 in. 344686
1 Tube, exhaust, 2 in. OD 344694
1 Door, engine end, 18.5 x 17.85 in. 359505-S
1 Door, generator end, 18.5 x 10.31 in. 359508-S
1 Door, rear, 18.5 x 5.0 in. 359511-S
1 Door, L.H. nonservice side, 19.06 x 17.85 in. 359516-S
1 Door, R.H. service side, 19.06 x 17.85 in. 359520-S
1 Duct, end bracket, 18.56 x 15.62 in. 359524-S
1 Panel, nonservice side, 11.16 x 10.34 in. 359528-S
1 Panel, service side, 11.16 x 10.34 in. 359531-S
1 Roof, generator, 18.5 x 7.9 in. 359536-S
1 Roof, engine, 19.06 x 18.5 in. 359539-S
1 Rail, service side, 30.5 x 4.48 in. 363513-S
1 Rail, engine end, 18.75 x 4.48 in. 363517-S
1 Rail, nonservice side, 30.5 x 4.48 in. 363520-S
1 Rail, generator end, 18.75 x 4.48 in. 363524-S
44 Screw, drill, #8 stainless steel X-794-5
12 Clip, speed 297596
Qty. Description Part No.
Sound Shield Accessory Kits
S.W. Hose Connector GM17053-KP1
1 Coupling, bulkhead pipe 229270
1 Connector, 90 deg., 5/8 in. ID hose X-391-19
1 Connector, hose, 5/8 in. x 1/2 in. X-582-1
2 Washer, copper, 1.188 ID x 1.732 in. X-6427-1
Siphon Break Kit GM24866-KA1
1 Tubing, clear flexible plastic GM34883
1 Clamp, hose, 0.25/0.70 in. X-426-9
1 Valve, siphon break GM32985
(includes the following)
1 Valve, duct 328666
1 Cap, siphon valve GM32984
1 Loop, siphon valve vent GM32988

TP-5587 2/0860 Appendix
Appendix A Abbreviations
The following list contains abbreviations that may appear in this publication.
A, amp ampere
ABDC after bottom dead center
AC alternating current
A/D analog to digital
ADC advanced digital control;
analog to digital converter
adj. adjust, adjustment
ADV advertising dimensional
drawing
Ah amp-hour
AHWT anticipatory high water
temperature
AISI American Iron and Steel
Institute
ALOP anticipatory low oil pressure
alt. alternator
Al aluminum
ANSI American National Standards
Institute (formerly American
Standards Association, ASA)
AO anticipatory only
APDC Air Pollution Control District
API American Petroleum Institute
approx. approximate, approximately
AQMD Air Quality Management District
AR as required, as requested
AS as supplied, as stated, as
suggested
ASE American Society of Engineers
ASME American Society of
Mechanical Engineers
assy. assembly
ASTM American Society for Testing
Materials
ATDC after top dead center
ATS automatic transfer switch
auto. automatic
aux. auxiliary
avg. average
AVR automatic voltage regulator
AWG American Wire Gauge
AWM appliance wiring material
bat. battery
BBDC before bottom dead center
BC battery charger, battery
charging
BCA battery charging alternator
BCI Battery Council International
BDC before dead center
BHP brake horsepower
blk. black (paint color), block
(engine)
blk. htr. block heater
BMEP brake mean effective pressure
bps bits per second
br. brass
BTDC before top dead center
Btu British thermal unit
Btu/min. British thermal units per minute
C Celsius, centigrade
cal. calorie
CAN controller area network
CARB California Air Resources Board
CB circuit breaker
cc cubic centimeter
CCA cold cranking amps
ccw. counterclockwise
CEC Canadian Electrical Code
cert. certificate, certification, certified
cfh cubic feet per hour
cfm cubic feet per minute
CG center of gravity
CID cubic inch displacement
CL centerline
cm centimeter
CMOS complementary metal oxide
substrate (semiconductor)
cogen. cogeneration
com communications (port)
coml commercial
Coml/Rec Commercial/Recreational
conn. connection
cont. continued
CPVC chlorinated polyvinyl chloride
crit. critical
CRT cathode ray tube
CSA Canadian Standards
Association
CT current transformer
Cu copper
cUL Canadian Underwriter’s
Laboratories
CUL Canadian Underwriter’s
Laboratories
cu. in. cubic inch
cw. clockwise
CWC city water-cooled
cyl. cylinder
D/A digital to analog
DAC digital to analog converter
dB decibel
dB(A) decibel (A weighted)
DC direct current
DCR direct current resistance
deg., °degree
dept. department
DFMEA Design Failure Mode and
Effects Analysis
dia. diameter
DI/EO dual inlet/end outlet
DIN Deutsches Institut fur Normung
e. V. (also Deutsche Industrie
Normenausschuss)
DIP dual inline package
DPDT double-pole, double-throw
DPST double-pole, single-throw
DS disconnect switch
DVR digital voltage regulator
E, emer. emergency (power source)
ECM electronic control module,
engine control module
EDI electronic data interchange
EFR emergency frequency relay
e.g. for example (exempli gratia)
EG electronic governor
EGSA Electrical Generating Systems
Association
EIA Electronic Industries
Association
EI/EO end inlet/end outlet
EMI electromagnetic interference
emiss. emission
eng. engine
EPA Environmental Protection
Agency
EPS emergency power system
ER emergency relay
ES engineering special,
engineered special
ESD electrostatic discharge
est. estimated
E-Stop emergency stop
etc. et cetera (and so forth)
exh. exhaust
ext. external
F Fahrenheit, female
fglass. fiberglass
FHM flat head machine (screw)
fl. oz. fluid ounce
flex. flexible
freq. frequency
FS full scale
ft. foot, feet
ft. lb. foot pounds (torque)
ft./min. feet per minute
ftp file transfer protocol
ggram
ga. gauge (meters, wire size)
gal. gallon
gen. generator
genset generator set
GFI ground fault interrupter
GND, ground
gov. governor
gph gallons per hour
gpm gallons per minute
gr. grade, gross
GRD equipment ground
gr. wt. gross weight
H x W x D height by width by depth
HC hex cap
HCHT high cylinder head temperature
HD heavy duty
HET high exhaust temp., high
engine temp.
hex hexagon
Hg mercury (element)
HH hex head
HHC hex head cap
HP horsepower
hr. hour
HS heat shrink
hsg. housing
HVAC heating, ventilation, and air
conditioning
HWT high water temperature
Hz hertz (cycles per second)
IC integrated circuit
ID inside diameter, identification
IEC International Electrotechnical
Commission
IEEE Institute of Electrical and
Electronics Engineers
IMS improved motor starting
in. inch
in. H2O inches of water
in. Hg inches of mercury
in. lb. inch pounds
Inc. incorporated
ind. industrial
int. internal
int./ext. internal/external
I/O input/output
IP iron pipe
ISO International Organization for
Standardization
J joule
JIS Japanese Industry Standard
TP-5587 2/08 Appendix 61
k kilo (1000)
K kelvin
kA kiloampere
KB kilobyte (210 bytes)
KBus Kohler communication protocol
kg kilogram
kg/cm2kilograms per square
centimeter
kgm kilogram-meter
kg/m3kilograms per cubic meter
kHz kilohertz
kJ kilojoule
km kilometer
kOhm, kΩkilo-ohm
kPa kilopascal
kph kilometers per hour
kV kilovolt
kVA kilovolt ampere
kVAR kilovolt ampere reactive
kW kilowatt
kWh kilowatt-hour
kWm kilowatt mechanical
kWth kilowatt-thermal
L liter
LAN local area network
L x W x H length by width by height
lb. pound, pounds
lbm/ft3pounds mass per cubic feet
LCB line circuit breaker
LCD liquid crystal display
ld. shd. load shed
LED light emitting diode
Lph liters per hour
Lpm liters per minute
LOP low oil pressure
LP liquefied petroleum
LPG liquefied petroleum gas
LS left side
Lwa sound power level, A weighted
LWL low water level
LWT low water temperature
m meter, milli (1/1000)
M mega (106when used with SI
units), male
m3cubic meter
m3/hr. cubic meters per hour
m3/min. cubic meters per minute
mA milliampere
man. manual
max. maximum
MB megabyte (220 bytes)
MCCB molded-case circuit breaker
MCM one thousand circular mils
meggar megohmmeter
MHz megahertz
mi. mile
mil one one-thousandth of an inch
min. minimum, minute
misc. miscellaneous
MJ megajoule
mJ millijoule
mm millimeter
mOhm, mΩmilliohm
MOhm, MΩmegohm
MOV metal oxide varistor
MPa megapascal
mpg miles per gallon
mph miles per hour
MS military standard
ms millisecond
m/sec. meters per second
MTBF mean time between failure
MTBO mean time between overhauls
mtg. mounting
MTU Motoren-und Turbinen-Union
MW megawatt
mW milliwatt
μF microfarad
N, norm. normal (power source)
NA not available, not applicable
nat. gas natural gas
NBS National Bureau of Standards
NC normally closed
NEC National Electrical Code
NEMA National Electrical
Manufacturers Association
NFPA National Fire Protection
Association
Nm newton meter
NO normally open
no., nos. number, numbers
NPS National Pipe, Straight
NPSC National Pipe, Straight-coupling
NPT National Standard taper pipe
thread per general use
NPTF National Pipe, Taper-Fine
NR not required, normal relay
ns nanosecond
OC overcrank
OD outside diameter
OEM original equipment
manufacturer
OF overfrequency
opt. option, optional
OS oversize, overspeed
OSHA Occupational Safety and Health
Administration
OV overvoltage
oz. ounce
p., pp. page, pages
PC personal computer
PCB printed circuit board
pF picofarad
PF power factor
ph., ∅phase
PHC Phillipsrhead Crimptiter
(screw)
PHH Phillipsrhex head (screw)
PHM pan head machine (screw)
PLC programmable logic control
PMG permanent magnet generator
pot potentiometer, potential
ppm parts per million
PROM programmable read-only
memory
psi pounds per square inch
psig pounds per square inch gauge
pt. pint
PTC positive temperature coefficient
PTO power takeoff
PVC polyvinyl chloride
qt. quart, quarts
qty. quantity
R replacement (emergency)
power source
rad. radiator, radius
RAM random access memory
RDO relay driver output
ref. reference
rem. remote
Res/Coml Residential/Commercial
RFI radio frequency interference
RH round head
RHM round head machine (screw)
rly. relay
rms root mean square
rnd. round
ROM read only memory
rot. rotate, rotating
rpm revolutions per minute
RS right side
RTU remote terminal unit
RTV room temperature vulcanization
RW read/write
SAE Society of Automotive
Engineers
scfm standard cubic feet per minute
SCR silicon controlled rectifier
s, sec. second
SI Systeme international d’unites,
International System of Units
SI/EO side in/end out
sil. silencer
SN serial number
SNMP simple network management
protocol
SPDT single-pole, double-throw
SPST single-pole, single-throw
spec specification
specs specification(s)
sq. square
sq. cm square centimeter
sq. in. square inch
SS stainless steel
std. standard
stl. steel
tach. tachometer
TD time delay
TDC top dead center
TDEC time delay engine cooldown
TDEN time delay emergency to
normal
TDES time delay engine start
TDNE time delay normal to
emergency
TDOE time delay off to emergency
TDON time delay off to normal
temp. temperature
term. terminal
THD total harmonic distortion
TIF telephone influence factor
TIR total indicator reading
tol. tolerance
turbo. turbocharger
typ. typical (same in multiple
locations)
UF underfrequency
UHF ultrahigh frequency
UL Underwriter’s Laboratories, Inc.
UNC unified coarse thread (was NC)
UNF unified fine thread (was NF)
univ. universal
US undersize, underspeed
UV ultraviolet, undervoltage
V volt
VAC volts alternating current
VAR voltampere reactive
VDC volts direct current
VFD vacuum fluorescent display
VGA video graphics adapter
VHF very high frequency
W watt
WCR withstand and closing rating
w/ with
w/o without
wt. weight
xfmr transformer

TP-5587 2/0862 Appendix
Appendix B Common Hardware Application Guidelines
Use the information below and on the following pages to
identify proper fastening techniques when no specific
reference for reassembly is made.
Bolt/Screw Length: When bolt/screw length is not given,
use Figure 1 as a guide. As a general rule, a minimum
length of one thread beyond the nut and a maximum
length of 1/2 the bolt/screw diameter beyond the nut is
the preferred method.
Washers and Nuts: Use split lock washers as a bolt
locking device where specified. Use SAE flat washers
with whiz nuts, spiralock nuts, or standard nuts and
preloading (torque) of the bolt in all other applications.
See Appendix C, General Torque Specifications, and
other torque specifications in the service literature.
G-585
Preferred Nut/Bolt Clearance
Unacceptable Nut/Bolt Clearance
12
3
1. 1/2 of bolt diameter
2. Min. 1 full thread beyond top of nut
3. Below top of nut
Figure 1 Acceptable Bolt Lengths
Steps for common hardware application:
1. Determine entry hole type: round or slotted.
2. Determine exit hole type: fixed female thread
(weld nut), round, or slotted.
For round and slotted exit holes, determine if
hardware is greater than 1/2 inch in diameter, or
1/2 inch in diameter or less. Hardware that is
greater than 1/2 inch in diameter takes a standard
nut and SAE washer. Hardware 1/2 inch or less in
diameter can take a properly torqued whiz nut or
spiralock nut. See Figure 2.
3. Follow these SAE washer rules after determining
exit hole type:
a. Always use a washer between hardware and a
slot.
b. Always use a washer under a nut (see 2 above
for exception).
c. Use a washer under a bolt when the female
thread is fixed (weld nut).
4. Refer to Figure 2, which depicts the preceding
hardware configuration possibilities.
G-585
12
3
4
5
6
1. Cap screw
2. Entry hole types
3. Standard nut and SAE washer
4. Whiz nut or spiralock: up to 1/2 in. dia. hardware
5. Weld nuts: above 1/2 in. dia. hardware
6. Exit hole types
Figure 2 Acceptable Hardware Combinations

TP-5587 2/08 63Appendix
Appendix C General Torque Specifications
American Standard Fasteners Torque Specifications
T
o
r
q
e
Assembled into Cast Iron or Steel Assembled into
A
l
u
m
i
n
u
m
Size
Torque
Measurement Grade 2 Grade 5 Grade 8
A
luminum
Grade2or5
8-32 Nm (in. lb.) 1.8 (16) 2.3 (20) —
10-24 Nm (in. lb.) 2.9 (26) 3.6 (32) —
10-32 Nm (in. lb.) 2.9 (26) 3.6 (32) —
1/4-20 Nm (in. lb.) 6.8 (60) 10.8 (96) 14.9 (132)
1/4-28 Nm (in. lb.) 8.1 (72) 12.2 (108) 16.3 (144)
5/16-18 Nm (in. lb.) 13.6 (120) 21.7 (192) 29.8 (264)
5/16-24 Nm (in. lb.) 14.9 (132) 23.1 (204) 32.5 (288)
3/8-16 Nm (ft. lb.) 24.0 (18) 38.0 (28) 53.0 (39)
3/8-24 Nm (ft. lb.) 27.0 (20) 42.0 (31) 60.0 (44)
7/16-14 Nm (ft. lb.) 39.0 (29) 60.0 (44) 85.0 (63)
7/16-20 Nm (ft. lb.) 43.0 (32) 68.0 (50) 95.0 (70) SeeNote3
1/2-13 Nm (ft. lb.) 60.0 (44) 92.0 (68) 130.0 (96)
1/2-20 Nm (ft. lb.) 66.0 (49) 103.0 (76) 146.0 (108)
9/16-12 Nm (ft. lb.) 81.0 (60) 133.0 (98) 187.0 (138)
9/16-18 Nm (ft. lb.) 91.0 (67) 148.0 (109) 209.0 (154)
5/8-11 Nm (ft. lb.) 113.0 (83) 183.0 (135) 259.0 (191)
5/8-18 Nm (ft. lb.) 128.0 (94) 208.0 (153) 293.0 (216)
3/4-10 Nm (ft. lb.) 199.0 (147) 325.0 (240) 458.0 (338)
3/4-16 Nm (ft. lb.) 222.0 (164) 363.0 (268) 513.0 (378)
1-8 Nm (ft. lb.) 259.0 (191) 721.0 (532) 1109.0 (818)
1-12 Nm (ft. lb.) 283.0 (209) 789.0 (582) 1214.0 (895)
Metric Fasteners Torque Specifications, Measured in Nm (ft. lb.)
Assembled into Cast Iron or Steel Assembled into
A
l
u
m
i
n
u
m
Size (mm) Grade 5.8 Grade 8.8 Grade 10.9
A
luminum
Grade 5.8 or 8.8
M6 x 1.00 6.2 (4.6) 9.5 (7) 13.6 (10)
M8 x 1.25 15.0 (11) 23.0 (17) 33.0 (24)
M8 x 1.00 16.0 (11) 24.0 (18) 34.0 (25)
M10 x 1.50 30.0 (22) 45.0 (34) 65.0 (48)
M10 x 1.25 31.0 (23) 47.0 (35) 68.0 (50)
M12 x 1.75 53.0 (39) 80.0 (59) 115.0 (85)
M12 x 1.50 56.0 (41) 85.0 (63) 122.0 (90) SeeNote3
M14 x 2.00 83.0 (61) 126.0 (93) 180.0 (133)
M14 x 1.50 87.0 (64) 133.0 (98) 190.0 (140)
M16 x 2.00 127.0 (94) 194.0 (143) 278.0 (205)
M16 x 1.50 132.0 (97) 201.0 (148) 287.0 (212)
M18 x 2.50 179.0 (132) 273.0 (201) 390.0 (288)
M18 x 1.50 189.0 (140) 289.0 (213) 413.0 (305)
Notes:
1. The torque values above are general guidelines. Always use the torque values specified in the service manuals and/or assembly drawings
when they differ from the above torque values.
2. The torque values above are based on new plated threads. Increase torque values by 15% if non-plated threads are used.
3. Hardware threaded into aluminum must have either two diameters of thread engagement or a 30% or more reduction in the torque to
prevent stripped threads.
4. Torque values are calculated as equivalent stress loading on American hardware with an approximate preload of 90% of the yield strength
and a friction coefficient of 0.125.

TP-5587 2/0864 Appendix
Appendix D Common Hardware Identification
Screw/Bolts/Studs
Head Styles
Hex Head or Machine Head
Hex Head or Machine Head
with Washer
Flat Head (FHM)
Round Head (RHM)
Pan Head
Hex Socket Head Cap or
AllentHead Cap
Hex Socket Head or Allent
Head Shoulder Bolt
Sheet Metal Screw
Stud
Drive Styles
Hex
Hex and Slotted
Phillipsr
Slotted
Hex Socket
Nuts
Nut Styles
Hex Head
Lock or Elastic
Square
Cap or Acorn
Wing
Washers
Washer Styles
Plain
Split Lock or Spring
Spring or Wave
External Tooth Lock
Internal Tooth Lock
Internal-External Tooth Lock
Hardness Grades
American Standard
Grade 2
Grade 5
Grade 8
Grade 8/9 (Hex Socket
Head)
Metric
Number stamped on
hardware; 5.8 shown 5.8
Allenthead screw is a trademark of Holo-Krome Co.
Phillipsrscrew is a registered trademark of Phillips Screw Company.
Sample Dimensions
1/4-20 x 1
Major Thread Diameter In Fractional Inches Or Screw Number Size
Length In Inches (Screws and Bolts)
Threads Per Inch
American Standard (Screws, Bolts, Studs, and Nuts)
Metric (Screws, Bolts, Studs, and Nuts)
M8-1.25 x 20
Major Thread Diameter In Millimeters
Length In Millimeters (Screws and Bolts)
Distance Between Threads In Millimeters
9/32 x5/8x 1/16
Plain Washers
Internal Dimension
Thickness
External Dimension
Lock Washers
Internal Dimension
5/8

TP-5587 2/08 Appendix 65
Appendix E Common Hardware List
The Common Hardware List lists part numbers and dimensions for common hardware items.
American Standard
Part No. Dimensions
Hex Head Bolts (Grade 5)
X-465-17 1/4-20 x .38
X-465-6 1/4-20 x .50
X-465-2 1/4-20 x .62
X-465-16 1/4-20 x .75
X-465-18 1/4-20 x .88
X-465-7 1/4-20 x 1.00
X-465-8 1/4-20 x 1.25
X-465-9 1/4-20 x 1.50
X-465-10 1/4-20 x 1.75
X-465-11 1/4-20 x 2.00
X-465-12 1/4-20 x 2.25
X-465-14 1/4-20 x 2.75
X-465-21 1/4-20 x 5.00
X-465-25 1/4-28 x .38
X-465-20 1/4-28 x 1.00
X-125-33 5/16-18 x .50
X-125-23 5/16-18 x .62
X-125-3 5/16-18 x .75
X-125-31 5/16-18 x .88
X-125-5 5/16-18 x 1.00
X-125-24 5/16-18 x 1.25
X-125-34 5/16-18 x 1.50
X-125-25 5/16-18 x 1.75
X-125-26 5/16-18 x 2.00
230578 5/16-18 x 2.25
X-125-29 5/16-18 x 2.50
X-125-27 5/16-18 x 2.75
X-125-28 5/16-18 x 3.00
X-125-22 5/16-18 x 4.50
X-125-32 5/16-18 x 5.00
X-125-35 5/16-18 x 5.50
X-125-36 5/16-18 x 6.00
X-125-40 5/16-18 x 6.50
X-125-43 5/16-24 x 1.75
X-125-44 5/16-24 x 2.50
X-125-30 5/16-24 x .75
X-125-39 5/16-24 x 2.00
X-125-38 5/16-24 x 2.75
X-6238-2 3/8-16 x .62
X-6238-10 3/8-16 x .75
X-6238-3 3/8-16 x .88
X-6238-11 3/8-16 x 1.00
X-6238-4 3/8-16 x 1.25
X-6238-5 3/8-16 x 1.50
X-6238-1 3/8-16 x 1.75
X-6238-6 3/8-16 x 2.00
X-6238-17 3/8-16 x 2.25
X-6238-7 3/8-16 x 2.50
X-6238-8 3/8-16 x 2.75
X-6238-9 3/8-16 x 3.00
X-6238-19 3/8-16 x 3.25
X-6238-12 3/8-16 x 3.50
X-6238-20 3/8-16 x 3.75
X-6238-13 3/8-16 x 4.50
X-6238-18 3/8-16 x 5.50
X-6238-25 3/8-16 x 6.50
Part No. Dimensions
Hex Head Bolts, cont.
X-6238-14 3/8-24 x .75
X-6238-16 3/8-24 x 1.25
X-6238-21 3/8-24 x 4.00
X-6238-22 3/8-24 x 4.50
X-6024-5 7/16-14 x .75
X-6024-2 7/16-14 x 1.00
X-6024-8 7/16-14 x 1.25
X-6024-3 7/16-14 x 1.50
X-6024-4 7/16-14 x 2.00
X-6024-11 7/16-14 x 2.75
X-6024-12 7/16-14 x 6.50
X-129-15 1/2-13 x .75
X-129-17 1/2-13 x 1.00
X-129-18 1/2-13 x 1.25
X-129-19 1/2-13 x 1.50
X-129-20 1/2-13 x 1.75
X-129-21 1/2-13 x 2.00
X-129-22 1/2-13 x 2.25
X-129-23 1/2-13 x 2.50
X-129-24 1/2-13 x 2.75
X-129-25 1/2-13 x 3.00
X-129-27 1/2-13 x 3.50
X-129-29 1/2-13 x 4.00
X-129-30 1/2-13 x 4.50
X-463-9 1/2-13 x 5.50
X-129-44 1/2-13 x 6.00
X-129-51 1/2-20 x .75
X-129-45 1/2-20 x 1.25
X-129-52 1/2-20 x 1.50
X-6021-3 5/8-11 x 1.00
X-6021-4 5/8-11 x 1.25
X-6021-2 5/8-11 x 1.50
X-6021-1 5/8-11 x 1.75
273049 5/8-11 x 2.00
X-6021-5 5/8-11 x 2.25
X-6021-6 5/8-11 x 2.50
X-6021-7 5/8-11 x 2.75
X-6021-12 5/8-11 x 3.75
X-6021-11 5/8-11 x 4.50
X-6021-10 5/8-11 x 6.00
X-6021-9 5/8-18 x 2.50
X-6239-1 3/4-10 x 1.00
X-6239-8 3/4-10 x 1.25
X-6239-2 3/4-10 x 1.50
X-6239-3 3/4-10 x 2.00
X-6239-4 3/4-10 x 2.50
X-6239-5 3/4-10 x 3.00
X-6239-6 3/4-10 x 3.50
X-792-1 1-8 x 2.25
X-792-5 1-8 x 3.00
X-792-8 1-8 x 5.00
Part No. Dimensions Type
Hex Nuts
X-6009-1 1-8 Standard
X-6210-3 6-32 Whiz
X-6210-4 8-32 Whiz
X-6210-5 10-24 Whiz
X-6210-1 10-32 Whiz
X-6210-2 1/4-20 Spiralock
X-6210-6 1/4-28 Spiralock
X-6210-7 5/16-18 Spiralock
X-6210-8 5/16-24 Spiralock
X-6210-9 3/8-16 Spiralock
X-6210-10 3/8-24 Spiralock
X-6210-11 7/16-14 Spiralock
X-6210-12 1/2-13 Spiralock
X-6210-15 7/16-20 Spiralock
X-6210-14 1/2-20 Spiralock
X-85-3 5/8-11 Standard
X-88-12 3/4-10 Standard
X-89-2 1/2-20 Standard
Washers
Bolt/
Part No. ID OD Thick. Screw
X-25-46 .125 .250 .022 #4
X-25-9 .156 .375 .049 #6
X-25-48 .188 .438 .049 #8
X-25-36 .219 .500 .049 #10
X-25-40 .281 .625 .065 1/4
X-25-85 .344 .687 .065 5/16
X-25-37 .406 .812 .065 3/8
X-25-34 .469 .922 .065 7/16
X-25-26 .531 1.062 .095 1/2
X-25-15 .656 1.312 .095 5/8
X-25-29 .812 1.469 .134 3/4
X-25-127 1.062 2.000 .134 1
TP-5587 2/0866 Appendix
Metric
Hex head bolts are hardness grade 8.8 unless noted.
Part No. Dimensions
Hex Head Bolts (Partial Thread)
M931-05055-60 M5-0.80 x 55
M931-06040-60 M6-1.00 x 40
M931-06055-60 M6-1.00 x 55
M931-06060-60 M6-1.00 x 60
M931-06060-SS M6-1.00 x 60
M931-06070-60 M6-1.00 x 70
M931-06070-SS M6-1.00 x 70
M931-06075-60 M6-1.00 x 75
M931-06090-60 M6-1.00 x 90
M931-06145-60 M6-1.00 x 145
M931-06150-60 M6-1.00 x 150
M931-08035-60 M8-1.25 x 35
M931-08040-60 M8-1.25 x 40
M931-08045-60 M8-1.25 x 45
M931-08050-60 M8-1.25 x 50
M931-08055-60 M8-1.25 x 55
M931-08055-82 M8-1.25 x 55*
M931-08060-60 M8-1.25 x 60
M931-08070-60 M8-1.25 x 70
M931-08070-82 M8-1.25 x 70*
M931-08075-60 M8-1.25 x 75
M931-08080-60 M8-1.25 x 80
M931-08090-60 M8-1.25 x 90
M931-08095-60 M8-1.25 x 95
M931-08100-60 M8-1.25 x 100
M931-08110-60 M8-1.25 x 110
M931-08120-60 M8-1.25 x 120
M931-08130-60 M8-1.25 x 130
M931-08140-60 M8-1.25 x 140
M931-08150-60 M8-1.25 x 150
M931-08200-60 M8-1.25 x 200
M931-10040-82 M10-1.25 x 40*
M931-10040-60 M10-1.50 x 40
M931-10045-60 M10-1.50 x 45
M931-10050-60 M10-1.50 x 50
M931-10050-82 M10-1.25 x 50*
M931-10055-60 M10-1.50 x 55
M931-10060-60 M10-1.50 x 60
M931-10065-60 M10-1.50 x 65
M931-10070-60 M10-1.50 x 70
M931-10080-60 M10-1.50 x 80
M931-10080-82 M10-1.25 x 80*
M931-10090-60 M10-1.50 x 90
M931-10090-82 M10-1.50 x 90*
M931-10100-60 M10-1.50 x 100
M931-10110-60 M10-1.50 x 110
M931-10120-60 M10-1.50 x 120
M931-10130-60 M10-1.50 x 130
M931-10140-60 M10-1.50 x 140
M931-10180-60 M10-1.50 x 180
M931-10235-60 M10-1.50 x 235
M931-10260-60 M10-1.50 x 260
M960-10330-60 M10-1.25 x 330
M931-12045-60 M12-1.75 x 45
M960-12050-60 M12-1.25 x 50
M960-12050-82 M12-1.25 x 50*
M931-12050-60 M12-1.75 x 50
M931-12050-82 M12-1.75 x 50*
M931-12055-60 M12-1.75 x 55
M931-12060-60 M12-1.75 x 60
M931-12060-82 M12-1.75 x 60*
M931-12065-60 M12-1.75 x 65
M931-12075-60 M12-1.75 x 75
M931-12080-60 M12-1.75 x 80
M931-12090-60 M12-1.75 x 90
M931-12100-60 M12-1.75 x 100
M931-12110-60 M12-1.75 x 110
Part No. Dimensions
Hex Head Bolts (Partial Thread),
continued
M960-16090-60 M16-1.50 x 90
M931-16090-60 M16-2.00 x 90
M931-16100-60 M16-2.00 x 100
M931-16100-82 M16-2.00 x 100*
M931-16120-60 M16-2.00 x 120
M931-16150-60 M16-2.00 x 150
M931-20065-60 M20-2.50 x 65
M931-20090-60 M20-2.50 x 90
M931-20100-60 M20-2.50 x 100
M931-20120-60 M20-2.50 x 120
M931-20140-60 M20-2.50 x 140
M931-20160-60 M20-2.50 x 160
M931-22090-60 M22-2.50 x 90
M931-22120-60 M22-2.50 x 120
M931-22160-60 M22-2.50 x 160
M931-24090-60 M24-3.00 x 90
M931-24120-60 M24-3.00 x 120
M931-24160-60 M24-3.00 x 160
M931-24200-60 M24-3.00 x 200
Hex Head Bolts (Full Thread)
M933-04006-60 M4-0.70 x 6
M933-05030-60 M5-0.80 x 30
M933-05035-60 M5-0.80 x 35
M933-05050-60 M5-0.80 x 50
M933-06010-60 M6-1.00 x 10
M933-06012-60 M6-1.00 x 12
M933-06014-60 M6-1.00 x 14
M933-06016-60 M6-1.00 x 16
M933-06020-60 M6-1.00 x 20
M933-06025-60 M6-1.00 x 25
M933-06030-60 M6-1.00 x 30
M933-06040-60 M6-1.00 x 40
M933-06050-60 M6-1.00 x 50
M933-07025-60 M7-1.00 x 25
M933-08010-60 M8-1.25 x 10
M933-08012-60 M8-1.25 x 12
M933-08016-60 M8-1.25 x 16
M933-08020-60 M8-1.25 x 20
M933-08025-60 M8-1.25 x 25
M933-08030-60 M8-1.25 x 30
M933-08030-82 M8-1.25 x 30*
M933-10012-60 M10-1.50 x 12
M961-10020-60 M10-1.25 x 20
M933-10020-60 M10-1.50 x 20
M933-10025-60 M10-1.50 x 25
M961-10025-60 M10-1.25 x 25
M933-10025-82 M10-1.50 x 25*
M961-10030-60 M10-1.25 x 30
M933-10030-60 M10-1.50 x 30
M933-10030-82 M10-1.50 x 30*
M961-10035-60 M10-1.25 x 35
M933-10035-60 M10-1.50 x 35
M933-10035-82 M10-1.50 x 35*
M961-10040-60 M10-1.25 x 40
Part No. Dimensions
Hex Head Bolts (Full Thread),
continued
M933-12016-60 M12-1.75 x 16
M933-12020-60 M12-1.75 x 20
M961-12020-60F M12-1.50 x 20
M933-12025-60 M12-1.75 x 25
M933-12025-82 M12-1.75 x 25*
M961-12030-60 M12-1.25 x 30
M933-12030-82 M12-1.75 x 30*
M961-12030-82F M12-1.50 x 30*
M933-12030-60 M12-1.75 x 30
M933-12035-60 M12-1.75 x 35
M961-12040-82 M12-1.25 x 40*
M933-12040-60 M12-1.75 x 40
M933-12040-82 M12-1.75 x 40*
M961-14025-60 M14-1.50 x 25
M933-14025-60 M14-2.00 x 25
M961-14050-82 M14-1.50 x 50*
M961-16025-60 M16-1.50 x 25
M933-16025-60 M16-2.00 x 25
M961-16030-82 M16-1.50 x 30*
M933-16030-82 M16-2.00 x 30*
M933-16035-60 M16-2.00 x 35
M961-16040-60 M16-1.50 x 40
M933-16040-60 M16-2.00 x 40
M961-16045-82 M16-1.50 x 45*
M933-16045-82 M16-2.00 x 45*
M933-16050-60 M16-2.00 x 50
M933-16050-82 M16-2.00 x 50*
M933-16060-60 M16-2.00 x 60
M933-16070-60 M16-2.00 x 70
M933-18035-60 M18-2.50 x 35
M933-18050-60 M18-2.50 x 50
M933-18060-60 M18-2.50 x 60
M933-20050-60 M20-2.50 x 50
M933-20055-60 M20-2.50 x 55
M933-24060-60 M24-3.00 x 60
M933-24065-60 M24-3.00 x 65
M933-24070-60 M24-3.00 x 70
Pan Head Machine Screws
M7985A-03010-20 M3-0.50 x 10
M7985A-03012-20 M3-0.50 x 12
M7985A-04010-20 M4-0.70 x 10
M7985A-04016-20 M4-0.70 x 16
M7985A-04020-20 M4-0.70 x 20
M7985A-04050-20 M4-0.70 x 50
M7985A-04100-20 M4-0.70 x 100
M7985A-05010-20 M5-0.80 x 10
M7985A-05012-20 M5-0.80 x 12
M7985A-05016-20 M5-0.80 x 16
M7985A-05020-20 M5-0.80 x 20
M7985A-05025-20 M5-0.80 x 25
M7985A-05030-20 M5-0.80 x 30
M7985A-05080-20 M5-0.80 x 80
M7985A-05100-20 M5-0.80 x 100
M7985A-06100-20 M6-1.00 x 100
Flat Head Machine Screws
M965A-04012-SS M4-0.70 x 12
M965A-05012-SS M5-0.80 x 12
M965A-05016-20 M5-0.80 x 16
M965A-06012-20 M6-1.00 x 12
* This metric hex bolt’s hardness is grade 10.9.
TP-5587 2/08 Appendix 67
Metric, continued
Part No. Dimensions Type
Hex Nuts
M934-03-50 M3-0.50 Standard
M934-04-50 M4-0.70 Standard
M934-04-B M4-0.70 Brass
M934-05-50 M5-0.80 Standard
M934-06-60 M6-1.00 Standard
M934-06-64 M6-1.00 Std. (green)
M6923-06-80 M6-1.00 Spiralock
M982-06-80 M6-1.00 Elastic Stop
M934-08-60 M8-1.25 Standard
M6923-08-80 M8-1.25 Spiralock
M982-08-80 M8-1.25 Elastic Stop
M934-10-60 M10-1.50 Standard
M934-10-60F M10-1.25 Standard
M6923-10-80 M10-1.50 Spiralock
M6923-10-62 M10-1.50 Spiralock[
M982-10-80 M10-1.50 Elastic Stop
M934-12-60 M12-1.75 Standard
M934-12-60F M12-1.25 Standard
M6923-12-80 M12-1.75 Spiralock
M982-12-80 M12-1.75 Elastic Stop
M982-14-60 M14-2.00 Elastic Stop
M6923-16-80 M16-2.00 Spiralock
M982-16-80 M16-2.00 Elastic Stop
M934-18-80 M18-2.5 Standard
M982-18-60 M18-2.50 Elastic Stop
M934-20-80 M20-2.50 Standard
M982-20-80 M20-2.50 Elastic Stop
M934-22-60 M22-2.50 Standard
M934-24-80 M24-3.00 Standard
M982-24-60 M24-3.00 Elastic Stop
M934-30-80 M30-3.50 Standard
Washers
Bolt/
Part No. ID OD Thick. Screw
M125A-03-80 3.2 7.0 0.5 M3
M125A-04-80 4.3 9.0 0.8 M4
M125A-05-80 5.3 10.0 1.0 M5
M125A-06-80 6.4 12.0 1.6 M6
M125A-08-80 8.4 16.0 1.6 M8
M125A-10-80 10.5 20.0 2.0 M10
M125A-12-80 13.0 24.0 2.5 M12
M125A-14-80 15.0 28.0 2.5 M14
M125A-16-80 17.0 30.0 3.0 M16
M125A-18-80 19.0 34.0 3.0 M18
M125A-20-80 21.0 37.0 3.0 M20
M125A-24-80 25.0 44.0 4.0 M24
[This metric hex nut’s hardness is grade 8.

E1996, 1998, 2000, 2005, 2008 by Kohler Co. All rights reserved.
TP-5587 2/08d
KOHLER CO. Kohler, Wisconsin 53044
Phone 920-565-3381, Fax 920-459-1646
For the nearest sales/service outlet in the
US and Canada, phone 1-800-544-2444
KohlerPower.com
Kohler Power Systems
Asia Pacific Headquarters
7 Jurong Pier Road
Singapore 619159
Phone (65) 6264-6422, Fax (65) 6264-6455