WSC 1204 Submittal Sheet GIT1
User Manual: WSC-1204 Submittal-sheet GIT1 of /wp-content/uploads
Open the PDF directly: View PDF
.
Page Count: 3

™
The w
orld’s best-selling electric floor heating brand
™
The world’s best-selling electric floor heating brand
GIT-1 GUTTER ICE SENSOR
SUBMITTAL SHEET WSC-1204
WARMUP INC.
USA: us@warmup.com
Tel.: 1-888-927-6333
www.warmup.com
CANADA: ca@warmup.com
Tel.: 1-888-592-7687
www.warmup.ca
PRODUCT CODE
GIT-1
PRODUCT DESCRIPTION
An automatic control system for gutters and downspouts,
employs one or more GIT–1 Gutter Ice Sensors and an APS–3C
Control Panel.
Heaters operate only if moisture occurs at temperatures
below 38°F(3.3°C), thus saving energy and ensuring reliable
ice melting.
Since the GIT–1 mounts in gutters and downspouts it senses
actual environmental conditions. This improves sensing
accuracy. Solid state moisture and temperature sensors
provide the sensitivity required for effective automatic
control. Ice bridging occurs if incomplete melting occurs near
the heater or sensor leaving an air space.
The air insulates thus preventing effective heater and sensor
operation. The GIT–1’s unique microcontroller design frees its
moisture sensor from ice bridging.
Additional features prevent heater operation under conditions
favorable to heater ice tunneling. Low Voltage operation
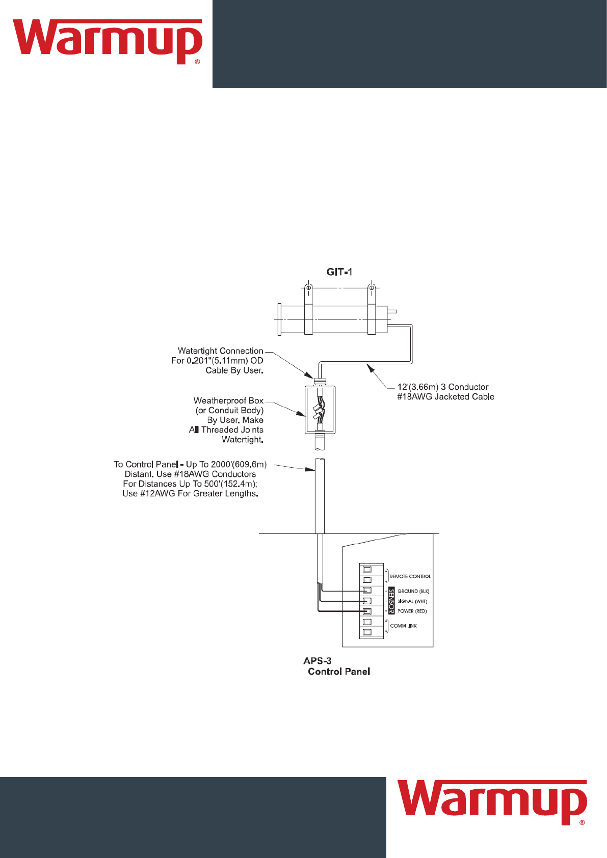
simplifies installation. Sensors can be located up to 2,000’
(609.6m) away form the control panel.
ADVANTAGES
• Minimum snow melting costs
• No supervision required
• Simple installation
SPECIFICATION
Area of Use Gutters
Heater hold-on timer None
Activation Temperature 38˚F (3.37˚C)
Circuit type NEC Class 2
Supply voltage 24 VAC (Supplied by panel)
Bus-wire type 3-wire jacketed cable
Lead Length
Up to 2,000’ (609m) using 12 AWG 3-wire jacketed
cable
Up to 500’ (152m) using 18 AWG 3-wire jacketed cable
Operating temperature −40°F to 160°F (−40°C to 71°C)
Storage temperature −50°F to 180°F (−45°C to 82°C)

™
The w
orld’s best-selling electric floor heating brand
™
The world’s best-selling electric floor heating brand
GIT-1 GUTTER ICE SENSOR
SUBMITTAL SHEET WSC-1204
WARMUP INC.
USA: us@warmup.com
Tel.: 1-888-927-6333
www.warmup.com
CANADA: ca@warmup.com
Tel.: 1-888-592-7687
www.warmup.ca
INSTALLATION
C
For the installation, choose an unobstructed, elevated location exposed to snowfall.
Gutters: Position sensor within 1/4" (6.4mm) of gutter bottom with moisture sensing grid facing downstream (ambient air
temperature sensor facing up stream). Sensor may be fastened to the fascia using the mounting clamps and gasketed screws
(not furnished).
Downspouts: Fold cable back parallel to sensor body and secure with mounting clamps. Suspend sensor in downspout with
moisture sensing grid facing up (ambient air temperature sensor facing down).

™
The w
orld’s best-selling electric floor heating brand
WARMUP INC.
USA: us@warmup.com
Tel.: 1-888-927-6333
www.warmup.com
CANADA: ca@warmup.com
Tel.: 1-888-592-7687
www.warmup.ca
™
The world’s best-selling electric floor heating brand
GIT-1 GUTTER ICE SENSOR
SUBMITTAL SHEET WSC-1204
PRODUCT LISTING
Code Description Amp (A)
COMMBOX-600
Plug-and-Play outdoor controller with 4 x 50A/3pole contactors allowing for a total load of 600A with a
minimum power supply of 60A. Comes in LED enclosure with GFEP protection, built-in Digital controller and
ground temperature sensor.
600A
AIRsense Outdoor moisture and temperature sensor, supplied with mounting bracket. N/A
APS-3C Snow Melting Controller with incl. slab sensor and built-in dry contacts for EMC and remote control. Rated
208-277V single phase. N/A
SIT-6E Surface-mounted snow and ice sensor used with APS series panels. Detects moisture and temperatures and
triggers below 38F for energy-efficient operation. Easy mounting in slabs with multiple conduit connections. N/A
CIT-1 The maintenance free CIT sensors activate snow melting systems below 38oF and provide automatic
triggering of APS series panels. Mast or roof mounting. N/A
GIT-1 GIT-1 gutter sensor for APS-3C panel. Measures moisture & temperature. Active below 38F. N/A
GF-PRO Automatic Controller with GFEP and GF Load 30A
WARRANTY & MAINTENANCE
When installed according to the installation manual, the GIT-1 is covered with Warmup’s 2-year manufacturer
warranty.
TECHNICAL SUPPORT
Warmup is available 24/7/365 at (888) 927-6333.
For quotes, layouts and specific technical information, contact us at:
Warmup USA
52 Federal Rd #1F, Danbury, CT 06810
(888) 927-6333
us@warmup.com
Warmup CANADA
374 Wellington St W, Toronto, ON M5V 1E3
(905) 990-2075
ca@warmup.com
RELATED PRODUCTS
• CIT-1 Aerial Snow Sensor - see WSC-1104
• SIT-6E Pavement Mounted Snow Sensor - see WSC-1304
• APS-3C Snow Melting and Gutter De-icing - see WSC-1404
• GF-PRO Snow Switch Model - see WSC-1504