RRV3262 XVGX3
User Manual: XVGX3
Open the PDF directly: View PDF
.
Page Count: 96
- XV-GX3
- <グラフィック>
- CONTENTS
- CONTENTS
- 1. SPECIFICATIONS
- 2. EXPLODED VIEWS AND PARTS LIST
- 2.1 PACKING SECTION
- 2.2 EXTERIOR SECTION
- 2.3 FRONT PANEL SECTION
- 2.4 05 LOADER ASSY
- 2.5 TRAVERSE MECHANISM ASSY-S
- 2.6 DECK MECHANISM ASSY
- 3. BLOCK DIAGRAM AND SCHEMATIC DIAGRAM
- 3.1 BLOCK DIAGRAM
- 3.2 OVERALL WIRING CONNECTION DIAGRAM and LOAB ASSY
- 3.3 DVDM ASSY (1/2)
- 3.4 DVDM ASSY (2/2)
- 3.5 MAIN ASSY (1/4)
- 3.6 MAIN ASSY (2/4)
- 3.7 MAIN ASSY (3/4)
- 3.8 MAIN ASSY (4/4)
- 3.9 DISPLAY and MIC ASSYS
- 3.10 WAVEFORMS
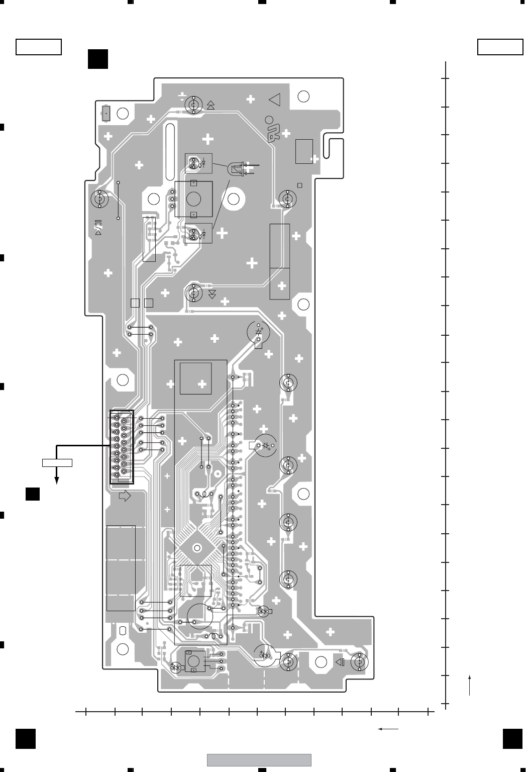
- 4. PCB CONNECTION DIAGRAM
- 4.1 LOAB ASSY
- 4.2 DVDM ASSY
- 4.3 MAIN ASSY
- 4.4 DISPLAY ASSY
- 4.5 MIC ASSY
- 5. PCB PARTS LIST
- 6. ADJUSTMENT
- 6.1 DECK SECTION
- 6.1.1 ADJUSTMENT CONDITION
- 6.1.2 PLAYBACK and RECORDING SECTION
- 6.2 DVD SECTION
- 6.2.1 ADJUSTMENT ITEMS AND LOCATION
- 6.2.2 JIG AND MEASURING INSTRUMENTS
- 6.2.3 NECESSARY ADJUSTMENT POINTS
- 6.2.4 TEST MODE
- 6.2.5 MECHANISM ADJUSTMENT
- 7. GENERAL INFORMATION
- 7.1 DIAGNOSIS
- 7.1.1 TEST MODE
- 7.1.2 DISPLAY SPECIFICATION OF THE TEST MODE
- 7.1.3 FUNCTIONAL SPECIFICATION OF THE SHORTCUT KEY
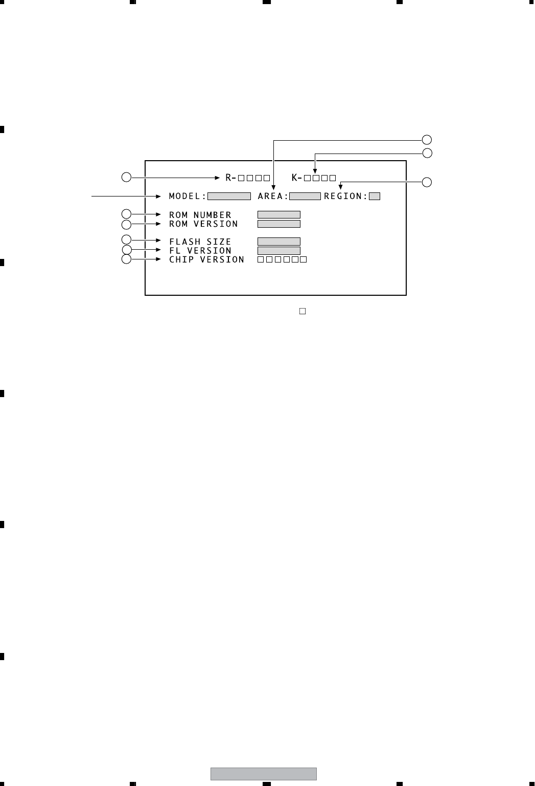
- 7.1.4 SPECIFICATION OF THE MODEL INFORMATION DISPLAY
- 7.1.5 FUNCTIONAL SPECIFICATION OF THE SERVICE MODE
- 7.1.6 SERVICE TEST MODE
- 7.1.7 METHOD FOR DIAGNOSING DEGRADATION OF THE LDs ON THE PICKUP ASSY
- 7.1.8 DVD TROUBLE SHOOTING
- 7.1.9 ID NUMBER AND ID DATA SETTING
- 7.1.10 DISASSEMBLY
- 7.2 PARTS
- 7.2.1 IC
- 8. PANEL FACILITIES

ORDER NO.
PIONEER CORPORATION 4-1, Meguro 1-chome, Meguro-ku, Tokyo 153-8654, Japan
PIONEER ELECTRONICS (USA) INC. P.O. Box 1760, Long Beach, CA 90801-1760, U.S.A.
PIONEER EUROPE NV Haven 1087, Keetberglaan 1, 9120 Melsele, Belgium
PIONEER ELECTRONICS ASIACENTRE PTE. LTD. 253 Alexandra Road, #04-01, Singapore 159936
PIONEER CORPORATION 2005
STANDBY/ON
OPEN/CLOSE
P.BASS
PUSH OPEN
REVERSE
MODE
MIC MIC VOL
MAIN SUB MIN MAX
REC/STOP FUNCTION
XV-GX3
RRV3262
STEREO DVD CASETTE DECK RECEIVER
XV-GX3
THIS MANUAL IS APPLICABLE TO THE FOLLOWING MODEL(S) AND TYPE(S).
Model Type Power Requirement
Regional
restriction codes
(Region No.)
The voltage can be
converted by the
following method.
Remarks
XV-GX3 DFLXJ AC 110-120V/220-230V/240V 3 With the voltage selector
XV-GX3 DDXJ/RD AC 110-127V/220-230V/240V 4 With the voltage selector
XV-GX3 DDXJ/RB AC 110-120V/220-230V/240V 2 With the voltage selector
XV-GX3 MTXJ AC 220-230V 3 –––––
For details, refer to "Important Check Points for good servicing".
T-ZZS NOV. 2005 printed in Japan

XV-GX3
2
1234
1234
C
D
F
A
B
E
SAFETY INFORMATION
This service manual is intended for qualified service technicians ; it is not meant for the casual do-
it-yourselfer. Qualified technicians have the necessary test equipment and tools, and have been
trained to properly and safely repair complex products such as those covered by this manual.
Improperly performed repairs can adversely affect the safety and reliability of the product and
may void the warranty. If you are not qualified to perform the repair of this product properly and
safely, you should not risk trying to do so and refer the repair to a qualified service technician.
WARNING !
THE AEL (ACCESSIBLE EMISSION LEVEL) OF THE LASER POWER OUTPUT IS LESS THAN CLASS 1
BUT THE LASER COMPONENT IS CAPABLE OF EMITTING RADIATION EXCEEDING THE LIMIT FOR
CLASS 1.
A SPECIALLY INSTRUCTED PERSON SHOULD DO SERVICING OPERATION OF THE APPARATUS.
LASER DIODE CHARACTERISTICS
FOR DVD : MAXIMUM OUTPUT POWER : 5 mW
WAVELENGTH : 650 nm
FOR CD : MAXIMUM OUTPUT POWER : 7 mW
WAVELENGTH : 780 nm
Additional Laser Caution
Printing on Rear Panel
1. Laser Interlock Mechanism
• Loading switch (S101 on the LOAB Assy) is used for interlock
mechanism of the laser.
When this switch turned ON in SW2 (CLOSE) side (OPEN signal is
0V and CLOSE signal is 3.5V), a laser becomes the status which can
completely oscillation.
Furthermore, the laser completely oscillates in the disc judgment and
disc playback.
When player is power ON state and laser diode is not completely
oscillating, 780nm laser diode is always oscillating by half power.
• Laser diode is driving with Q307 (650nm LD) and Q308 (780nm LD)
on the DVDM Assy.
Therefore, when short-circuit between the emitter and collector of these
transistors or the base voltage is supplied for transistors turn on, the
laser oscillates. (failure mode)
• In the test mode ∗ , there is the mode that the laser oscillates except
for the disc judgment and playback. LD ON mode in the test mode
oscillates with the laser forcibly.
The interlock mechanism mentioned above becomes invalid in this
mode.
2. When the cover is open, close viewing through the objective lens with
the naked eye will cause exposure to the laser beam.
LABEL CHECK
∗ : Refer to page 65.
VRW2159
DFLXJ type
VRW1699
DDXJ/RB,
DDXJ/RD,
MTXJ type

XV-GX3 3
5678
5678
C
D
F
A
B
E
[Important Check Points for Good Servicing]
In this manual, procedures that must be performed during repairs are marked with the below symbol.
Please be sure to confirm and follow these procedures.
1. Product safety
Please conform to product regulations (such as safety and radiation regulations), and maintain a safe servicing environment by
following the safety instructions described in this manual.
1 Use specified parts for repair.
Use genuine parts. Be sure to use important parts for safety.
2 Do not perform modifications without proper instructions.
Please follow the specified safety methods when modification(addition/change of parts) is required due to interferences such as
radio/TV interference and foreign noise.
3 Make sure the soldering of repaired locations is properly performed.
When you solder while repairing, please be sure that there are no cold solder and other debris.
Soldering should be finished with the proper quantity. (Refer to the example)
4 Make sure the screws are tightly fastened.
Please be sure that all screws are fastened, and that there are no loose screws.
5 Make sure each connectors are correctly inserted.
Please be sure that all connectors are inserted, and that there are no imperfect insertion.
6 Make sure the wiring cables are set to their original state.
Please replace the wiring and cables to the original state after repairs.
In addition, be sure that there are no pinched wires, etc.
7 Make sure screws and soldering scraps do not remain inside the product.
Please check that neither solder debris nor screws remain inside the product.
8 There should be no semi-broken wires, scratches, melting, etc. on the coating of the power cord.
Damaged power cords may lead to fire accidents, so please be sure that there are no damages.
If you find a damaged power cord, please exchange it with a suitable one.
9 There should be no spark traces or similar marks on the power plug.
When spark traces or similar marks are found on the power supply plug, please check the connection and advise on secure
connections and suitable usage. Please exchange the power cord if necessary.
0 Safe environment should be secured during servicing.
When you perform repairs, please pay attention to static electricity, furniture, household articles, etc. in order to prevent injuries.
Please pay attention to your surroundings and repair safely.
2. Adjustments
To keep the original performance of the products, optimum adjustments and confirmation of characteristics within specification.
Adjustments should be performed in accordance with the procedures/instructions described in this manual.
4. Cleaning
For parts that require cleaning, such as optical pickups, tape deck heads, lenses and mirrors used in projection monitors, proper
cleaning should be performed to restore their performances.
3. Lubricants, Glues, and Replacement parts
Use grease and adhesives that are equal to the specified substance.
Make sure the proper amount is applied.
5. Shipping mode and Shipping screws
To protect products from damages or failures during transit, the shipping mode should be set or the shipping screws should be
installed before shipment. Please be sure to follow this method especially if it is specified in this manual.

XV-GX3
4
1234
1234
C
D
F
A
B
E
CONTENTS
SAFETY INFORMATION..................................................................................................................................... 2
1. SPECIFICATIONS ............................................................................................................................................ 5
2. EXPLODED VIEWS AND PARTS LIST ............................................................................................................ 6
2.1 PACKING SECTION .................................................................................................................................. 6
2.2 EXTERIOR SECTION................................................................................................................................ 8
2.3 FRONT PANEL SECTION ....................................................................................................................... 10
2.4 05 LOADER ASSY................................................................................................................................... 12
2.5 TRAVERSE MECHANISM ASSY-S ......................................................................................................... 14
2.6 DECK MECHANISM ASSY ..................................................................................................................... 15
3. BLOCK DIAGRAM AND SCHEMATIC DIAGRAM..........................................................................................16
3.1 BLOCK DIAGRAM ................................................................................................................................... 16
3.2 OVERALL WIRING CONNECTION DIAGRAM and LOAB ASSY ........................................................... 18
3.3 DVDM ASSY (1/2).................................................................................................................................... 20
3.4 DVDM ASSY (2/2).................................................................................................................................... 22
3.5 MAIN ASSY (1/4) ..................................................................................................................................... 24
3.6 MAIN ASSY (2/4) ..................................................................................................................................... 26
3.7 MAIN ASSY (3/4) ..................................................................................................................................... 28
3.8 MAIN ASSY (4/4) ..................................................................................................................................... 30
3.9 DISPLAY and MIC ASSYS....................................................................................................................... 32
3.10 WAVEFORMS ........................................................................................................................................ 34
4. PCB CONNECTION DIAGRAM ..................................................................................................................... 35
4.1 LOAB ASSY............................................................................................................................................. 35
4.2 DVDM ASSY ............................................................................................................................................ 36
4.3 MAIN ASSY ............................................................................................................................................. 38
4.4 DISPLAY ASSY........................................................................................................................................ 42
4.5 MIC ASSY................................................................................................................................................ 44
5. PCB PARTS LIST ........................................................................................................................................... 46
6. ADJUSTMENT ............................................................................................................................................... 57
6.1 DECK SECTION ...................................................................................................................................... 57
6.1.1 ADJUSTMENT CONDITION ............................................................................................................. 57
6.1.2 PLAYBACK and RECORDING SECTION ......................................................................................... 58
6.2 DVD SECTION......................................................................................................................................... 60
6.2.1 ADJUSTMENT ITEMS AND LOCATION ........................................................................................... 60
6.2.2 JIG AND MEASURING INSTRUMENTS........................................................................................... 60
6.2.3 NECESSARY ADJUSTMENT POINTS ............................................................................................. 61
6.2.4 TEST MODE...................................................................................................................................... 62
6.2.5 MECHANISM ADJUSTMENT............................................................................................................ 63
7. GENERAL INFORMATION ............................................................................................................................. 65
7.1 DIAGNOSIS ............................................................................................................................................. 65
7.1.1 TEST MODE...................................................................................................................................... 65
7.1.2 DISPLAY SPECIFICATION OF THE TEST MODE............................................................................ 66
7.1.3 FUNCTIONAL SPECIFICATION OF THE SHORTCUT KEY ............................................................ 67
7.1.4 SPECIFICATION OF THE MODEL INFORMATION DISPLAY .......................................................... 68
7.1.5 FUNCTIONAL SPECIFICATION OF THE SERVICE MODE ............................................................. 69
7.1.6 SERVICE TEST MODE ..................................................................................................................... 70
7.1.7 METHOD FOR DIAGNOSING DEGRADATION OF THE LDs ON THE PICKUP ASSY ................... 72
7.1.8 DVD TROUBLE SHOOTING.............................................................................................................. 73
7.1.9 ID NUMBER AND ID DATA SETTING ............................................................................................... 76
7.1.10 DISASSEMBLY................................................................................................................................ 79
7.2 PARTS...................................................................................................................................................... 89
7.2.1 IC ....................................................................................................................................................... 89
8. PANEL FACILITIES ........................................................................................................................................ 92

XV-GX3 5
5678
5678
C
D
F
A
B
E
1. SPECIFICATIONS
• Amplifier section
Front . . . . . . . . . . . . . . . . . . 100 W per channel
(1 kHz, 10 % T.H.D., 6 Ω)
• Disc section
Digital audio
characteristics . . . . . . . . DVD fs: 96 kHz, 24-bit
Type . . . DVD system, Video CD/Super VCD system
system and Compact Disc digital audio system
Frequency response . . . . . . . . . 4 Hz to 44 kHz
S/N ratio. . . . . . . . . . . . . . . . . . . . . . . . . 107 dB
Dynamic range. . . . . . . . . . . . . . . . . . . . . 94 dB
Total harmonic distortion . . . . . . . . . . . 0.007 %
Wow and Flutter . . . . . . . Limit of measurement
(±0.001 % W.PEAK) or less (JEITA)
• Cassette deck section
Systems. . . . . . . . . . . 4 track, 2-channel stereo
Heads . . . . . . . . . Recording/playback head x 1
Erasing head x 1
Motor . . . . . . . . . . . . . . . . . DC servo motor x 1
Tape types . . . . . . . . . . . . . . . . Type I (Normal)
• FM tuner section
Frequency range . . . . . . 87.5 MHz to 108 MHz
Antenna . . . . . . . . . . . . . . . . 75 Ω, unbalanced
• AM tuner section
Frequency range
With 9kHz step . . . . . . . . 1 kHz to 1,602 kHz
With 10kHz step (Singapore, Malaysia,
Taiwan, Indonesia and Philippines models
only) . . . . . . . . . . . . . . 530 kHz to 1,700 kHz
Antenna . . . . . . . . . . . . . . . . . . . Loop antenna
• Miscellaneous
Power requirements
Singapore, Malaysia, Taiwan, Indonesia,
models . . . AC 110-120/220-230/240 V
(switchable), 50/60 Hz
Philippines, Mexico and South America
Power consumption . . . . . . . . . . . . . . . . 124 W
(0.32 W in standby)
Power requirements
Middle East and South Africa models
. . . AC 110-127/220-230/240 V
(switchable), 50/60 Hz
Power consumption . . . . . . . . . . . . . . . . 126 W
(0.32 W in standby)
Power requirements
Thai model
. . . AC 220-230V (non switchable), 50 Hz
Power consumption . . . . . . . . . . . . . . . . 120 W
(0.32 W in standby)
Dimensions (Stereo DVD Cassette
Deck Receiver). . .360 (W) x 145 (H) x 364 (D) mm
Weight (Stereo DVD Cassette Deck Receiver)
. . . . . . . . . . . . . . . . . . . . . . . . . . . . . . . . . 6.6 kg
•Accessories (Stereo DVD Cassette
Deck Receiver)
Remote control . . . . . . . . . . . . . . . . . . . . . . . . 1
Power Plug Adapter(DDXJ/RD only) . . . . . . . 1
Dry cell batteries (AA/R6) . . . . . . . . . . . . . . . . 2
Video cord . . . . . . . . . . . . . . . . . . . . . . . . . . . . 1
AM loop antenna . . . . . . . . . . . . . . . . . . . . . . . 1
FM antenna . . . . . . . . . . . . . . . . . . . . . . . . . . . 1
Power cord
Singapore, Malaysia, Taiwan, Indonesia and
Philippines models . . . . . . . . . . . . . . . . . . . . 2
All other models . . . . . . . . . . . . . . . . . . . . . . 1
Operating instructions
Note
•Specifications and design subject to
possible modification without notice, due
to improvements.
Manufactured under license from Dolby
Laboratories.“Dolby” and the double-D symbol
are trademarks of Dolby Laboratories.
“DTS” and “DTS 2.0” are trademarks of Digital
Theater Systems, Inc.
Accessories
• Power cord
(ADG1154)
• Power cord
DFLXJ only
(ADG7097)
• FM Antenna (ADH7030)
• AM Loop Antenna
(ATB7013)
• Video Cord
(L = 1.5m) (XDE3046)
• Dry Cell Batteries
Yellow
• Remote Control
(AXD7429)
STANDBY/ON P.BASS
DVD/CD
PGM RPT RDM
FM/AM
TUNER TAPE
LINE
HOME
MENU
DVD
MENU
RETURN
SOUND
MODE
SFC
CLEAR MUTE
VOLUME
SLEEP
DISPLAY
AUDIO
SYSTEM SETUP
ECHO
KARAOKE
SUBTITLE
ANGLE ZOOM
TOP MENU
31
46
7
2
5
890
TUNE
STST
TUNE
ENTER
SHIFT
• Power Plug Adapter
DDXJ/RD only
(XKM3001)
Disc / content format playback
compatibility
This player is compatible with a wide range of disc types (media)
and formats. Playable discs will generally feature one of the following
logos on the disc and/or disc packaging. Note however that some
disc types, such as recordable CD and DVD, may be in an unplayable
format. See the Disc compatibility table below for more information.
• Also compatible with KODAK Picture CD
This player supports the IECís Super VCD standard for
superior picture quality, dual soundtracks, and widescreen
support.
About DualDisc playback
A DualDisc is a new two-sided disc, one side of which
contains DVD content (video, audio, etc.) while the other
side contains non-DVD content such as digital audio
material. The non-DVD, audio side of the disc is not
compliant with the CD Audio specification and therefore
may not play. The DVD side of a DualDisc plays in this
product (excluding DVD-Audio content). For more detailed
information on the DualDisc specification, please refer to
the disc manufacturer or disc retailer.
DVD-Video DVD-R DVD-RW
Video CDAudio CD CD-R CD-RW Fujicolor CD
• is a trademark of Fuji Photo Film Co. Ltd.
• is a trademark of DVD Format/Logo
Licensing Corporation
VIDEO
CD
Super Video CD (Super VCD)

XV-GX3
6
1234
1234
C
D
F
A
B
E
2. EXPLODED VIEWS AND PARTS LIST
2.1 PACKING SECTION
Parts marked by "NSP" are generally unavailable because they are not in our Master Spare Parts List.
The mark found on some component parts indicates the importance of the safety factor of the part.
Therefore, when replacing, be sure to use parts of identical designation.
Screws adjacent to mark on product are used for disassembly.
For the applying amount of lubricants or glue, follow the instructions in this manual.
(In the case of no amount instructions, apply as you think it appropriate.)
NOTES:
Yellow
DFLXJ only
DFLXJ only
DDXJ/RD only
MTXJ only
MTXJ only
8
20
23
14
14
17
14
12
16
18
13
15
9
1
2
Junction
11
19
6
4
10
5
7
21
22

XV-GX3 7
5678
5678
C
D
F
A
B
E
(1) PACKING SECTION PARTS LIST
(2) CONTRAST TABLE
DFLXJ, DDXJ/RB, DDXJ/RD and MTXJ are constracted the same except for the following:
Mark No. Description Part No.
NSP 1 Getter 2CH See Contrast table (2)
NSP 2 Label VRW1629
3• • • • • •
>
4Power Cord ADG1154
>
5Power Cord See Contrast table (2)
6 FM Antenna ADH7030
7Operating Instructions (English) See Contrast table (2)
8Operating Instructions (Chinese)See Contrast table (2)
9Caution Card SB See Contrast table (2)
10 AM Loop Antenna ATB7013
11 Remote Control AXD7429
NSP 12 Dry Cell Batteries (AA/R6) VEM1031
13 Video Cord XDE3046
NSP 14 Polyethylene Bag Z21-038
15 Pad L AHA7450
16 Pad R AHA7451
17 Packing Sheet AHG7010
18 Packing Case See Contrast table (2)
19 Battery Cover VNK4998
20 Service Map (Thai) See Contrast table (2)
21 Polyethylene Bag See Contrast table (2)
NSP 22 Warranty Card (Thai) See Contrast table (2)
23 Power Plug Adapter See Contrast table (2)
Mark No. Description Part No.
Mark No. Description DFLXJ DDXJ/RB DDXJ/RD MTXJ
NSP 1 Getter 2CH AAX8096 AAX8096 AAX8097 AAX8096
>
5Power Cord ADG7097 Not used Not used Not used
7 Operating Instructions
(English)
ARB7347 ARB7347 Not used Not used
7 Operating Instructions
(Spanish)
Not used Not used ARC7653 Not used
7 Operating Instructions
(Thai)
Not used Not used Not used ARC7654
8 Operating Instructions
(Chinese)
ARC7655 Not used Not used Not used
9 Caution Card SB ARM7064 Not used Not used Not used
18 Packing Case XHD3577 XHD3580 XHD3579 XHD3578
20 Service Map (Thai) Not used Not used Not used XRY3005
21 Polyethylene Bag Not used Not used Not used AHG7031
NSP 22 Warranty Card (Thai) Not used Not used Not used XRY3004
23 Power Plug Adapter Not used Not used XKM3001 Not used

XV-GX3
8
1234
1234
C
D
F
A
B
E
2.2 EXTERIOR SECTION
CONTACT SIDE
NON-CONTACT
SIDE
29
29
29
29
29
33
29
29
15
29
29
29
29
12
29
17
18
19
19
19
18
29
29
29
29
13
21
24
29
29
32
29
29
29
27
28
Refer to
"2.3 FRONT PANEL
SECTION".
ABC
A
BC
E
E
F
F
D
D
G
G
H
H
I
I
J
J
M
M
L
L
K
K
N
N
111
22
8
26
O
O
PP
5
614
35
10
16
7
930
31
2
4
3
23
23
Refer to
"2.4 05 LOADER ASSY".
25
20
Q
Q
DFLXJ
DDXJ/RB
DDXJ/RD
only
C
B
34
Fans
Cleaning paper
GED-008

XV-GX3 9
5678
5678
C
D
F
A
B
E
(1) EXTERIOR SECTION PARTS LIST
(2) CONTRAST TABLE
DFLXJ and DDXJ/RB and DDXJ/RD and MTXJ are constracted the same except for the following:
Mark No. Description Part No.
1DVDM Assy AWM7966
2MAIN Assy See Contrast table (2)
3FM/AM TUNER Unit AXX7173
>
4Power Transformer ATS7406
>
5Fuse (FU2, FU3) See Contrast table (2)
>
6Fuse (FU1) See Contrast table (2)
>
7 Fuse (FU4) REK1029(T5A)
8 25P F.F.C/60V ADD7520
9 27P F.F.C/60V ADD7521
10 11P F.F.C/60V ADD7523
11 Connector Assy PG05KK-E45
12 DC Fan Motor XXM3009
NSP 13 05 LOADER Assy VWT1219
14 VS Knob See Contrast table (2)
NSP 15 Bottom Chassis ANA7186
16 Rear Panel DFL See Contrast table (2)
17 Heatsink Holder AND7079
18 Side Angle A ANG7336
19 FET Bracket A ANG7418
NSP 20 Heat Sink ANH7184
21 Ring ABH7213
22 S Cover AEB7262
23 LEG Cushion XEB3028
24 VOL Knob Assy AAB7263
25 Tray Panel AAK8304
26 Bonnet Case AZN8013
27 Caution Label See Contrast table (2)
NSP 28 ID Label Assy VXW1002
29 Screw BBZ30P080FNI
30 Screw BBZ30P140FTC
31 Screw BBZ30P300FTC
32 Screw BCZ40P060FNI
NSP 33 Label VRW1629
34 Cord Clamper RNH-184
35 Fuse Card See Contrast table (2)
Mark No. Description Part No.
Mark No. Description DFLXJ DDXJ/RB DDXJ/RD MTXJ
2 MAIN Assy AWM8013 AWM8016 AWM8013 AWM8015
>
5 Fuse (FU2, FU3) REK1025(T2A) REK1025(T2A) REK1025(T2A) Not used
>
6 Fuse (FU1) REK1028(T4A) REK1028(T4A) REK1028(T4A) REK1025(T2A)
14 VS Knob AAD7690 AAD7690 AAD7690 Not used
16 Rear Panel ANC8357 ANC8370 ANC8369 ANC8368
27 Caution Label VRW2159 VRW1699 VRW1699 VRW1699
NSP 35 Fuse Card Not used Not used Not used AAX2357

XV-GX3
10
1234
1234
C
D
F
A
B
E
2.3 FRONT PANEL SECTION
CONTACT SIDE
NON-CONTACT
SIDE
1
2
3
13
14
16
18
19
4
Refer to
"2.2 EXTERIOR
SECTION ".
K
M
Refer to
"2.2 EXTERIOR
SECTION ".
L
Refer to
"2.2 EXTERIOR
SECTION ".
Refer to
"2.2 EXTERIOR
SECTION ".
O
Refer to
"2.2 EXTERIOR
SECTION ".
P
11
5
6
7
9
10
12
20
20
21
22
23
23
23
15
17
8
Refer to
"2.2 EXTERIOR
SECTION ".
Q
Refer to
"2.2 EXTERIOR
SECTION ".
N
Refer to
"2.6 DECK MECHANISM ASSY".
D
E

XV-GX3 11
5678
5678
C
D
F
A
B
E
FRONT PANEL SECTION PARTS LIST
Mark No. Description Part No.
1 DISPLAY Assy AWU8275
2 MIC Assy AWU8276
3 17P F.F.C/30V ADD7410
4 5P F.F.C/60V ADD7522
5 11P F.F.C/60V ADD7523
6 Cable Assy ADE7118
NSP 7 Cord With Plug DE010VE0
8 DECK Mechanism Unit XYM3019
9 Door Spring_R XBH3002
10 MIC Knob AAK8309
11 Front Panel Assy AXG7277
12 Button Center (PLS) ADD7750
13 Button L ADD7751
14 Display Window AAK8303
15 Deck Door AAN7231
16 Ratch Spring R ABH7131
17 Front Panel AMB7904
18 Damper Assy AXA7052
19 Pioneer Name Plate VAM1129
20 LEG Cushion XEB3028
21 Ratch Mold R XMR3002
22 Screw with Washer ABA7124
23 Screw PPZ30P080FNI

XV-GX3
12
1234
1234
C
D
F
A
B
E
2.4 05 LOADER ASSY
05 LOADER ASSY PARTS LIST
A
A
To DVDM CN101 (Pickup)
To DVDM CN104 (Stepping Motor)
To DVDM CN102 (Spindle Motor)
To
DVDM CN103
2
12
23
13
17
21
16
22
15
14
22
22
22
20
19
91
7
10
11
6
8
8
8
8
18
24
3
A
Lubricating Oil
GYA1001
Daifree
GEM1036
Refer to
" Application of Lubricant".
Note :
Lubricating Oil
GYA1001
Refer to
"2.5 TRAVERSE MECHANISM
ASSY-S".
Pickup leneses
Cleaning liquid
GEM1004
Cleaning paper
GED-008
Mark No. Description Part No.
NSP 1 LOAB Assy VWG2346
2Traverse Mechanism Assy-S DXX2568
3 Loading Motor Assy VXX2912
4• • • • •
5• • • • •
6 Flexible Cable (24P) VDA2008
7 Connector Assy 2P VKP2253
8 Floating Rubber VEB1351
9 Belt VEB1358
10 Stabilizer VNE2253
11 Loading Base VNL1917
12 Float Base 04 VNL1968
13 Drive Cam VNL1919
14 Gear Pulley VNL1921
15 Loading Gear VNL1922
16 Drive Gear VNL1923
17 SW Lever VNL1925
18 Clamper Plate 04 VNE2342
19 Bridge 04 VNE2343
20 Clamper 04 VNL1969
21 Screw JGZ17P028FTC
22 Screw VBA1094
23 Tray VNL1920
24 Clamp Magnet VMG1029
Mark No. Description Part No.

XV-GX3 13
5678
5678
C
D
F
A
B
E
Application of Lubricant
Lubricating Oil
GYA1001
Around the shaft
No. 11
Loading Base
No. 13
Drive Cam
No. 13
Drive Cam
No. 23
Tray
No. 23
Tray
Front View Rear View
Daifree
GEM1036
Inner side of a ditch
Concave of unevenness
Top View Bottom View
Daifree
GEM1036
Daifree
GEM1036
Side of the rib
Concave of unevenness
Daifree
GEM1036 Concave of unevenness
Daifree
GEM1036
Inner side of a ditch
Lubricating Oil
GYA1001
Inner side of a ditch
Lubricating Oil
GYA1001
Lubricating Oil
GYA1001
Lubricating Oil
GYA1001
Lubricating Oil
GYA1001
Lubricating Oil
GYA1001

XV-GX3
14
1234
1234
C
D
F
A
B
E
2.5 TRAVERSE MECHANISM ASSY-S
TRAVERSE MECHANISM ASSY-S PARTS LIST
To
DVDM CN101
(Pickup Assy)
To
DVDM CN104
(Stepping Motor)
To DVDM CN102
(Spindle Motor)
CONTACT SIDE
NON-CONTACT
SIDE
13
10
10
11
11
12
2
4
1
3
6
9
5
7
Silicone Adhesive
GEM1037
Refer to
" Application of Lubricant".
Note :
Note : When part #2 is replaced,
part #13 also need to be
replaced at the same time.
8
Note : Spindle screw (DBA1252) of No.13 is the screw which applied special bond.
Therefore the adhesion becomes ineffective when takes it off once. Spindle screw is the part which cannot recycle.
When part #2 is replaced, part #13 also need to be replaced at the same time.
Pickup leneses
Cleaning liquid
GEM1004
Cleaning paper
GED-008
Mark No. Description Part No.
>
1 05SD Pickup Assy-S OXX8014
2 Spindle Motor N200 DXM1197
NSP 3 Guide Shaft VK1 DLA1940
NSP 4 Sub Guide Shaft VK1 DLA1941
NSP 5 Joint VK1B DNK4272
NSP 6 Joint Spring VK1 DBK1235
7 Stepping Motor VK1 DXM1201
NSP 8 Mechanism Frame VK1 DNK4160
9 Precision Screw VK1 DBA1209
10 Skew Screw VK1 DBA1211
11 Skew Spring VK1 DBH1516
NSP 12 Stepping Screw DBA1205
13 Spindle Screw VK1(for Service) DBA1252
Mark No. Description Part No.

XV-GX3 15
5678
5678
C
D
F
A
B
E
2.6 DECK MECHANISM ASSY
DECK MECHANISM ASSY PARTS LIST
CONTACT SIDE
NON-CONTACT
SIDE
2
7
1
8
6
4
5
3
Cassette heads
Pinch rollers
Capstans
Cleaning paper
GED-008
Mark No. Description Part No.
1 Main Belt FF20B-13A
2 F/R Belt FF19S-31
3 Plate HD Blk F513-926
4 Roller Pinch Blk R F514-133
5 Roller Pinch Blk L F514-134
6 Clutch Assy Blk F522-063
7 Motor Main Blk F525-394
8 PCB Control Blk F567-747

XV-GX3
16
1234
1234
C
D
F
A
B
E
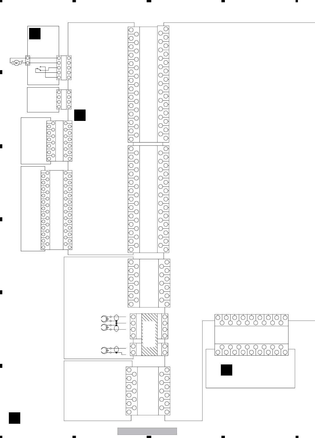
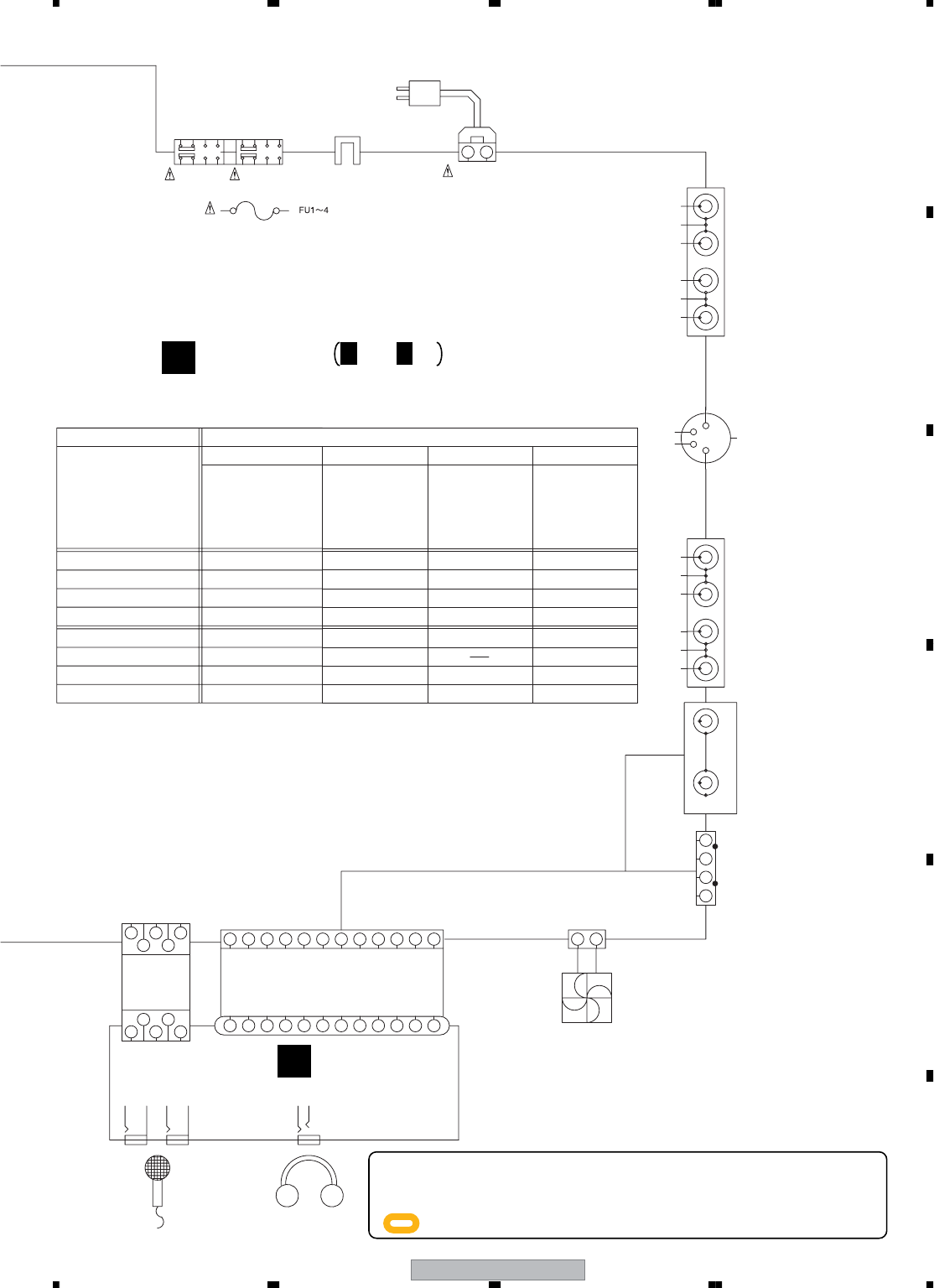
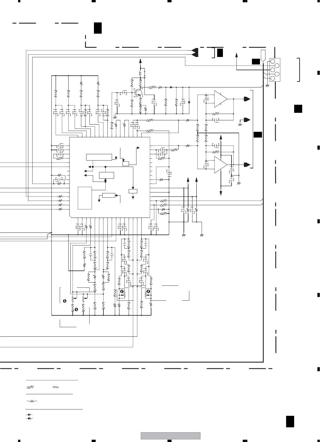
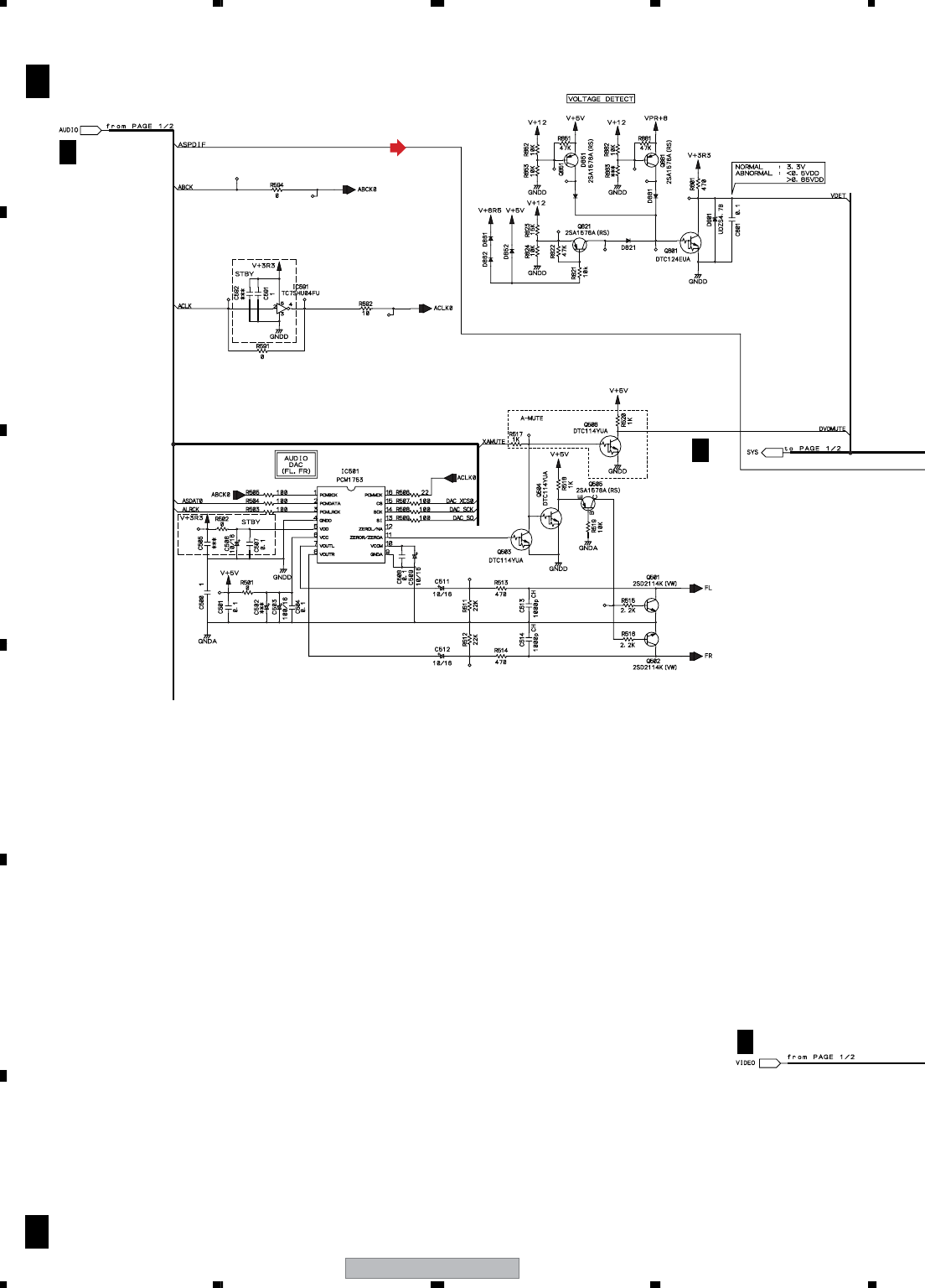
3. BLOCK DIAGRAM AND SCHEMATIC DIAGRAM
3.1 BLOCK DIAGRAM
2ch Block Diagram
Compornent
OUT
Video OUT
Y/C OUT
DVD MODULE VOLUME IC
BD3401KS2
IC3001
Video AMP
MM1623BF
Back End IC
MT1389FE
FTS Driver
BD7995EFS
Input SEL
MIC MIX
2ch DAC
PCM1753 Vocal Fader
64M 16M 4K
SDRAM FLASH EEPROM
FM/AM
TUNER
UNIT
LINE IN
LINE OUT DECK BLOCK
Q2301
PB/REC
HEAD
ALC
ERASE
HEAD
Bias OSC
RECOUT1
PB
MIC ECHO
M65855FP
IC3921
MIC BLOCK
IC5701
BU1924F
RDS
MAIN ASSY
C
DVDM ASSY
B
MIC ASSY
E
CN902(2/2)
CN3001(2/2)
JA8801
JA8802
CN902
(1/2)
CN3001
(1/2)
CN901
CN1501
CN5701(1/2)
JA3901
JA3902
CN3901
CN3051
CN5701(2/2)
J3001
CN2301
CN2302
BA4560RF
IC3901
BA4560RF
IC3901
2489
75
6
1
2
3
58
15
54
4
65
3
1
10
9
9
10
8
6
6 10 12 14 16
8
6 10 12 14 16
BIAS
RDSDATA
63
61
59
3
7
9
(1/2) (2/2)
25 25

XV-GX3 17
5678
5678
C
D
F
A
B
E
2ch Block Diagram
Power AMP Block
MAIN VOL
Power AMP
BASS Boost
STK433-070
Bass Middle Treble
MS Circuit
Godzzila AMP
SP OUT
LEVEL Detect
Circuit
(STBY)
Volum JOG
S5971
D5981
S5961-S5970
V5901
D5982
Blue LED
KEY
Remocon
FL Drider
IC5901
PT6315
IC5902
RPM7140
-H9
Power Supply Block
FL
DISPLAY ASSY
D
JA3992
JA3301
CN5651CN5901
CPU
PDC-129A-K
PDC-129A8-K
IC5501
IC3521,3522
IC3301
BA4560RF
IC3031
1420
94
39 38
73 15 3
7
86
65
8
10
4
31 11 4
14
57
5
6
12
13
18
19
15
I
17
14
I
29
34
I
42
1
I
3
26
I
28
18
19
40
70
96
97
MUTE
4 95
7-9
33
31
I
32

XV-GX3
18
1234
1234
C
D
F
A
B
E
3.2 OVERALL WIRING CONNECTION DIAGRAM and LOAB ASSY
FLDATA
FLCS
GNDFL
REMOCON
FLDC+
FLDC-
FLCK
VFDP
VE+5
VFL+5
KEY2
JOG
LED1
VLED+12
GNDU
KEY1
52045-1145
52045-1745
B2B-PH-K-S
B4B-PH-K-S
52045-1745
52045-1145
VKN1285
VKN1258
NoAssign6
CN5701
CN5901
NoAssign1 CN2302
NoAssign7 CN2301
NoAssign5
CN901
CN5651
CN2901
CN1501
CN902 CN3001
(11P FFC)
CE
DI
CLK
ADD7523
DO
VSM
TXR
+9V
GND
TXL
GND
RDS
YK56R-AA4N3
(2P+4P)
ADE7118
MOTOR
RECR
(11P FFC)
ADD7523
GNDM
RECF
VD+5V
PULSE
HALF
MODE
VDVD+12
VPR+8
GNDM
SOL
N.C.
VPR+8
VPR+8(M)
ADD7520 (25P FFC)
VPR+8(M)
GNDM
GNDM
GNDD
GNDD
DOUT(AC3)
GNDD
GNDD
DVDPOWER
XDVDRST
XREADY
SCLK
SDATA
MDATA
DVDACK
GNDD
GNDD
VDET
TRKUP
NC
DVDMUTE
FR
R
FL
GNDA
GNDA
GNDD
B
GNDD
(17P FFC)ADD7410
GNDLED
ADD7521 (27P FFC)
GNDD
GNDD
Cr/R
Cb/B
GNDD
G
CY/G
GNDD
GNDD
SY
GNDD
V
GNDD
SQUEEZE
SC
ASPECT
VSEL2
VSEL1
P/XI
11
9
10
3
4
7
8
5
6
2
1
4
3
2
1
8
7
6
59
10
13
14
11
12
1715
16
3
1
4
2
2
1
10
11
4
7
8
5
6
9
25
24
2
3
25
24
1
21
22
19
20
23
18
21
22
19
20
23
18
12
11
16
15
14
13
17
12
11
16
15
14
13
17
5
6
10
9
8
7
5
6
10
9
8
7
3
4
1
2
27 27
1
3
4
2
23
25
20
22
21
26
24
22
23
21
26
24
25
1
4
3
28
7
6
59
10
13
14
11
12
1715
16
19
16
15
14
17
18
19
20
17
16
15
14
18
10
12
11
9
13
8
7
13
12
11
10
9
8
3
4
5
6
2
11
2
3
4
5
6
7
VKN1285
VKN1526
DVDM ASSY
(AWM7966)
B
DECK MECHA
(XYM3019)
FM/AM
TUNER UNIT
(AXX7173)
DISPLAY ASSY
(AWU8275)
(FL,LED,KEY,IR)
D
S5B-PH-SM3
AKN7035
RKN1053
VKN1482
CN102
CN104
CN103
CN101
2
1
3
4
5
4
1
3
2
1
3
4
2
4
1
3
2
5
8
9
7
12
10
11
16
18
21
22
23
24
17
20
19
13
12
15
14
11
7
10
8
9
4
5
6
3
2
3
4
5
6
8
12
10
2
4
6
1
9
7
11
3
5
1
20
21
17
16
19
18
22
23
24
7
4
5
10
13
12
15
14
8
9
6
11
3
1
22
1
V+3D
SW2
LOAD+
LOAD-
MOTOR
STEPPING
SW1
H2+
H1-
H1+
A1
A2
A3
SPINDLE
LOAD-
SW2
V+3D
LOAD+
SW1
ST2-
ST1-
ST1+
ST2+
H2+
H1-
H1+
A2
A3
A1
GNDS
H3-
H3+
H2-
MOTOR
INSIDE
V+5S
CN1013
FOCS RTN
FOCS DRV
TRKG RTN
TRKG DRV
PD
GND
LD(780)
LD(650)
VSHF
PICKUP ASSY
MD
GND
VREF(2.1V)
MPD(650)
MPD(780)
B1
B2
OEICG
B3
B4
780/650
A
C
24P FFC
ADD7418
H2-
H3+
H3-
INSIDE
V+5S
GNDS
GND
PD
TRKG DRV
TRKG RTN
FOCS DRV
FOCS RTN
VSHF
LD(650)
LD(780)
OEICG
780/650
GND
MD
B2
B1
A
C
B4
B3
MPD(780)
MPD(650)
VREF(2.1V)
GND
VCC VCC
GND
S5B-PH-K-S
CN601
CN602
2
1
LOADING
MOTOR
ASSY
: VXX2912
LOAB ASSY
(VWG2346)
A
A
* No schematic diagram

XV-GX3 19
5678
5678
C
D
F
A
B
E
52044-0545 51048-1200
52045-0545
52147-1210
KM200SA2
XKE3020
AKB1233
AKB7170
AKP7045
AKX7017 AKX7017 XKP3084 VKB1168
CN3901 J3992
CN3051
CN3991
CN3651
JA3301
JA3992
JA3001
JA8802
S101 S102 AN1 JA8801
AKN7003
JA3901 RKN1004
JA3902
(5P FFC)
AKN7003
JA3991
DC FAN MOTOR
XXM3009
ADD7522
GNDA
VA+12V
MIC
D20PYY1215E
AMPL
ECHOCONT
MICSW
SPL
SPL
AMPR
J3992
AMPL
HPL
GNDHP
GNDHP
HPR
SPR
AMPR
SPR
Main Trans(T1)
FU4
FU2,3
FU1
MIC ASSY
DISPLAY ASSY
MAIN ASSY
SUB ASSY
ATS7406 ATS7406 ATS7406 ATS7406
REK1025 REK1025
REK1029 REK1029 REK1029 REK1029
AWU8276 AWU8276 AWU8276 AWU8276
AWM8014 AWM8014 AWM8014 AWM8014
REK1028
AWU8275 AWU8275 AWU8275 AWU8275
AWM8013 AWM8013
Philippines
Taiwan
Indonesia
Model
Singapore
/DFLXJ
Malaysia
R
SP OUT
L
R
LINE IN
R
R
LINE OUT
L
SURROUND
MATRIX
L
L
S-VIDEO OUT
V
S
VIDEO OUT
COMPONENT+COMPOSITE OUT
SELECTORVOLTAGE
240/220-230/110-120 VNE1948
AC CORD
Y
Cb
Cr
1
2
321
5
436547891011 12
1
2
321
43
5496758 1210 11 21
3
2
1
5
4
1
3
6
2
21
43
6
5
21
4
3
2
1
-
+
-
+
REK1028 REK1025
Middle &
South
America
AWM8015
REK1025
REK1028
AWM8016
Middle East
/MTXJ/DDXJ/RD
XV-GX3
Mexico Thailand
/DDXJ/RB
South Africa
MIC ASSY
(AWU8276)
MAIN ASSY
(AWM8013) (AWM8015)
(AWM8016)
E
C
C1/4 - C4/4
÷When ordering service parts, be sure to refer to "EXPLODED VIEWS and PARTS LIST" or
"PCB PARTS LIST".
÷The > mark found on some component parts indicates the importance of the safety factor
of the part. Therefore, when replacing, be sure to use parts of identical designation.
÷: The power supply is shown with the marked box.

XV-GX3
20
1234
1234
C
D
F
A
B
E
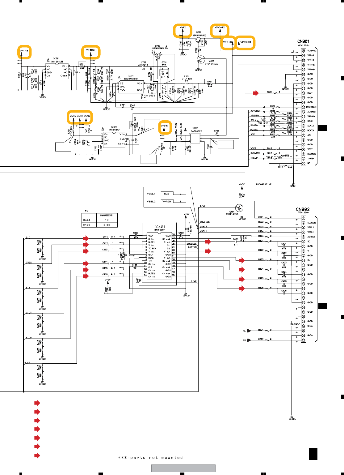
3.3 DVDM ASSY (1/2)
AKN7035
S5B-PH-SM3
A
B
: TRACKING SERVO LOOP LINE
(T)
: FOCUS SERVO LOOP LINE
(F)
: AUDIO SIGNAL ROUTE(DIGITAL)
: RF SIGNAL ROUTE
(T)
(T)
(F)
(F)
(S)
(S)
(S)
(S)
(F)
(F)
(S)
(S)
(S)
(S)
(F)
(F) (T)
(T)
(T)
(T)
: STEPPING SERVO LOOP LINE
(S)
(D)
(RF)
(RF)
(RF)
1/2
ACN601 PICKUP ASSY CN1013SPINDLE MOTOR
STEPPING
MOTOR
: VIDEO SIGNAL ROUTE(G/Y)
(G/Y)
: VIDEO SIGNAL ROUTE(R/Cr)
(R/Cr)
: VIDEO SIGNAL ROUTE
: S VIDEO SIGNAL ROUTE
(S_Y)
: VIDEO SIGNAL ROUTE(B/Cb)
(B/Cb)
: S VIDEO SIGNAL ROUTE
(S_C)
(C/V)
LD Driver for CD
LD Driver for DVD
FTS DRIVER
1
23

XV-GX3 23
5678
5678
C
D
F
A
B
E
A
B
2/2
: VIDEO SIGNAL ROUTE(G/Y)
(G/Y)
: VIDEO SIGNAL ROUTE(R/Cr)
(R/Cr)
: VIDEO SIGNAL ROUTE
: AUDIO SIGNAL ROUTE
: S VIDEO SIGNAL ROUTE
(S_Y)
: VIDEO SIGNAL ROUTE(B/Cb)
(B/Cb)
: S VIDEO SIGNAL ROUTE
(S_C)
(R/Cr)
(B/Cb)
(G/Y)
(S_Y)
(C/V)
(S_C) (S_C)
(C/V)
(S_Y)
NC
NC
NC
NC
FL
FR
G
B
R
(G/Y)
(B/Cb)
(R/Cr)
(C/V)
(D)
(D)
CN1501
CN3001
Video Driver Amp
5V Regulator
3V Regulator
1.8V Regulator
6.5V Regulator
7.8V
6.4V
5.0V 7.8V
1/4C
2/4
C

XV-GX3
24
1234
1234
C
D
F
A
B
E
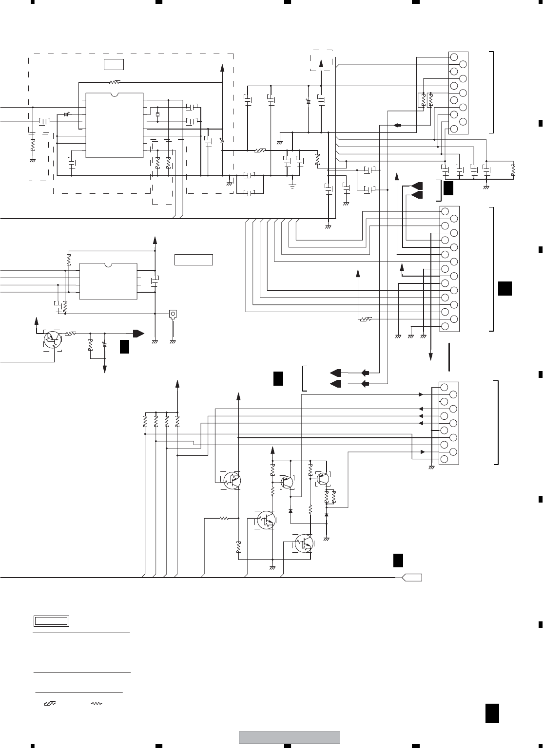
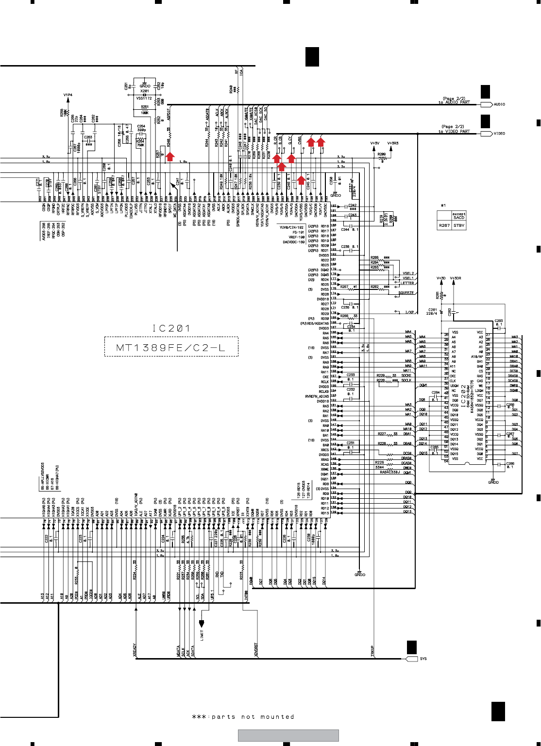
3.5 MAIN ASSY (1/4)
RELAY
LEVEL
XPROTECT
23
24
25
67
17
32
30
93
1
45
48
49
50
51
52
26
28
30
27
24
25
22
23
20
19
17
18
7
6
1
3
22
92
91
90
U-COM
57
58
59
60
62
61
64
65
66
68
67
18
70
LED1
94
74
50
49
SYSPOW
PB/XREC
BIAS
97
94
96
92
93
91
90
85
84
83
51
48
SUBAC
65
RDS
CNB25
CNB07
CN1501
R5589
C5589
C1506
C1503
C1505
C1501
C1502
C1507
R5545
R5546
R5544
R5586D5501
D5502
R5531
C5505
R5532
C5509
C5510
R5521
R5517R5519
C5504
R5516
R5515
X5501
C5503
X5502
C5502
R5509
R5508
R5504
R5572
C5501
C5585
CN5501
W229
R5507
C5506
R5537
R5538
R5539
R5540
R5542
R5541
R5535
R5529
R5530
R5528
R5527
R5526
R5525
R5522
R5514
R5543
C5507
R5547
R5548
R5550
R5549
R5552
R5551
R5513
R5512
R5511
R5510
R5506
IC5501
R5505
R5503
R5502
R5501
R5553
R5554
R5555
R5556
R5558
R5559
R5564
R5565
R5563
R5568
R5567
R5566
C5508
C5584
C5582
R5581
R5585
Q5502
C5586
R5584
C5583
C5587
C5588
Q5503
R5582
R5583
C5581
R5580
L5501
VKN1256
220k
GNDU
1/50
GNDVDM
47/25
GNDD
0.1
1000/16
0.1
0.1
STBY
VPR+8M
VPR+8
VDVD+12
10k
12k
10k
VE+5
120k1SS355
GNDU
VE+5
220
220
220
220
220
100p
1M
STBY
0.01
0.01
CH
1M
220
220
220
220
0.01
10K
10K
STBY
220
220
ASS7034 10MHz
VE+5
VSS1197
STBY
STBY
STBY
STBY
220
STBY
220
100K
470
1k
VE+5
GNDU
15k
VE+5
STBY
STBY(220)
STBY
4.7K
8.2k
220
220
220
220
220 STBY
220
220
220
220
220
220
100
STBY
STBY
STBY
220
220
220
220
220
220
220
220
220
220
STBY
0.1
0.01
DTC143EUA 10/50
STBY
GNDU
CH
100p
10K
2.2K
100/10
47k
0.01
0.1
1K
2SC4081(QR)
10K
1/50
1K
VU+5
22u
VE+5
1
2
3
4
5
6
119
8
7
10
19
20
12 16
15
14
13 17
18
21
22
2523
24
3
4
7
5
6
1
2
31
33
32
35
34
37
36
39
38
40
41
42
43
44
45
46
49
47
48
50
29 3027 282625
52 51535456 55
22 23 2420 211918
5960 586162 5763
171614 151312
676869 646566
11109876
71 7073 727476 75
54321
100
98
99
96
97
94
95
91
92
93
88
90
89
78 777980
86
85
87
83
84
82
81
1
E
1
1
2
C
B
21
1
2
2
2
1
1
1
E
2
1
1
2
21
CB
1
2
1
2
1
2
21
2
2
2
NC(DVDMUTE)
NC
XREADY
SCLK
SDATA
MDATA
DVDACK
GNDD
GNDD
VDET
TRKUP
VDVD+12
VPR+8(M)
DOUT(AC3)
DVDPOWER
XDVDRST
VPR+8(M)
GNDM
GNDM
GNDD
GNDD
GNDD
GNDD
VPR+8
VPR+8
VEF1040
PCB Binder
TEST POINT
SHORT for
STBY*2
UTEST
STEST
*
*
FLASH U_P
(HLEM7S-1)
VE+5
XRESET
FLASH CLK
NC
GNDU
FLASH E/D
FLASH DO
NC
XRECMUTE
NC
NC
SCLK
FLDATA
FLCE
RELAY
NC
NC
VDD4
VSS4
NC
STEST
(ATT6dB)STBY
NC
30.XREADY
29.(DTS ON/OFF)STBY
28.FLCLK
UTEST
ECHOCONT2
ECHOCONT1
EPROM_O
EPROMCS
NC
EPROM_I
NC
52.TXCE
51.EPROM_CLK VDD2
NC
VSS2
SDATA
MDATA
XPROTECT
LEVELIN
JOG
KEY2
TCMODE
TCHALF
TCRECF
TCRECR
TXCLK
TXODATA
VDET
KEY1
SIMUKE
MODEL
VDD1
CF2
CF1 KEY1
NC
DVDACK
RDSPOW
TXIDATA
RDSDATA
TCPULSE
XT2
VSS1
XT1
XRESET
REMOCON
RDSCLK
PDC129A-K
PDC129A8-K
78.NC NC
LED2
LED1
NC
NC
TCMSIN
ACPULSE
REMOCON
(HPDET)
MIC DET
DVDON/OFF
NC
NC
NC
VOLDATA/CE
80.(XPBMUTE)
79.NC
VOLCLK
XSYSMUTE
SYSPOW
FLASH CLK
FLASH DO
XDVDRST
FLASH E/D
VSS3
VDD3
NC
NC
BIAS
BEATCUT
MOTOR
(RECMUTE)
PB/XREC
NC
SOL
RESET
SIMUKE R5519 47k
R5517
R5553
*
R5554
R5505
for
RDS
for
STBY
STBY
STBY
AWM8013
STBY RESET
AC PULSE
STBY 22k
STBY
STBY
STBY
AWM8015
47k
MTXJ
STBY
STBY
STBY
AWM8016
39k
DDXJ/RB
DDXJ/RD,DFLXJ
C
1/4
MAIN ASSY
(AWM8013 : DFLXJ, DDXJ/RD)
(AWM8015 : MTXJ) (AWM8016 : DDXJ/RB)
C
1/4
CN901
3/4, 4/4C
3/4
C
2/2
B
3/4
C

XV-GX3 25
5678
5678
C
D
F
A
B
E
GNDLED
VLED+12
LED1
GNDU
KEY1
KEY2
JOG
VFL+5
GNDFL
VE+5
VFDP
FLDC-
REMOCON
FLDC+
FLCS
FLCK
FLDATA
U-COM
TX_RCH
TX_LCH
MUTE
FLDC+
FLDC-
60
59
57
58
68
84
83
MUTE
LED1
64
6
20
18
27
19
28
7
26
52
62
61
66
RDS
CNB11
NoAssign1 NoAssign2
R2911
R2909
Q2902
D2902
R2908
Q2902
Q2901
R2907
R2905
R2906
R2901
Q2905
R5412
C5411
R5411
Q5411
C5402
R5402
R2902
R2904
R2903
KN3
C5401
R5401
IC5401
R5706
C5720
R5707
R5708
C5711
C5709
C5717
C5710
C5718
C5706
C5707
R5714
R5713
D2901 R2910
R2912 Q2906
CN2901
R5653
C5708
CN5651
C5702
C5701
C5703
C5712
C5714
R5715
C5713
C5719
C5721
IC5701
R5705
C5716
X5701
C5715
C5723
C5704
C5722
C5705
R5704
R5703
CN5701
GNDD
47k
1k(1/4W)
GNDM
RN1901
1SS133
1k(1/4W)
DTA124EUA
RN1901
1k(1/4W)
1
47k
47k
47k
VM+12
2SB1132(RS)
VA-12
560
47k
22/50
DTA143EUA
VD+5
CH
47p
47k
47k
47k
VD+5
47k
VD+5
GNDU GNDS
VNF1084
0.1
47k
S-93C46BD0I-J8T1
GNDD
STBY
560p
CH
VE+5
STBY
STBY
STBY
GNDD STBY
0.01
47/16
0.1
STBY
STBY GNDX
1SS133
1 2SB1132(RS)
GNDTCM
52045-1145
GNDLED
GNDFLGNDU
VFDP
10
VLED+12 VFL+5
GNDA
GNDA
0.01
1000p
STBY
GNDD
52045-1745
STBY
STBY
STBY
VE+5
STBY
STBY
220k
STBY
270p CH BU1924F
10/50
100
27p
ASS7004
CH
CH27p
STBY
STBY
STBY
VD+5
VA+9
1000p
STBY
STBY
52045-1145
B
E2
E
B2
C2
BC
E
C
BC
B
E
BC
E
4
36
5
2
1
8
7
7
8
9
10
C
E
8
7
6
11
9
10
5
1
2
3
4
17
13
12
15
14
11
16
4
8
7
6
5
10
9
2
1
3
5
6
4
3
2
1
12
11
14
13
16
15
1
2
3
4
5
6
9
11
10
7
8
:1/16W
ALL RESISTORS ARE IN
LAU***J
UNLESS OTHERWISE SPECIFIED
(1/2W): RD1/2PM***J
:1/4WPU
UNLESS OTHERWISE SPECIFIED
ALL INDUCTORS ARE IN µH
(OTHER : CEAT***M##)
AL:CEAL***M##-*
TS:CE*****M##-TS
OTHER:CKSRYB***
CH:CCSRCH***
UNLESS OTHERWISE SPECIFIED
ALL CAPACITORS ARE IN µF
NOTES
DI
DO
TEST
GND
SK
Vcc
NC
CS
Main:
Sub:BR93L46RFJ-W
STBY
CMP
VSS3
BACKUP
STBY
GNDS(PJ)
T1
T2
GNDM
RECF
VD+5V
MOTOR
RECR
MODE
(TXR) GNDM
SOL
N.C.
PULSE
HALF
(TXL)
VSS1
VDD1
RDS
VREF
QUAL
RDSDATA
RDS
VSS2
VDD2
XI
XO
RDSCLK
NC
STBY
(TXL)
GND
TXL
CE
DI
DO
CLK
GND
RDS
VSM
TXR
+9V
C
1/4
DECK MECHA FM/AM TUNER UNIT
3/4C
2/4
C
4/4C
2/4, 4/4
C
CN5901
D

XV-GX3
26
1234
1234
C
D
F
A
B
E
3.6 MAIN ASSY (2/4)
RECAC
Rch
Lch
85
BIAS
PB/XREC
32
GNDA
BIAS OSC.
AL:CEAL***M##-*
(OTHER : CEAT***M##)
TS:CE*****M##-TS
JQ:CEJQ***M##-*
M:CQMA***
OTHER:CKSRYB***
YF:CKSRYF***
UNLESS OTHERWISE SPECIFIED
ALL CAPACITORS ARE IN µF
NOTES
CH:CCSRCH***
105KHz
YK56R-AA4N3
LINE OUT
STBY
LINE IN
R
L
R
Video out
L
(2/2)
(1/2)
S-VIDEO OUT
STBY
STBY
(C)
Cout
Y1out
(Y)
V
COMPONENT+COMPOSITE OUT
VIDEO OUT
Y
Cb
Cr
Vout
(Cb)
(Y)
(Cr)
P/XI
VSEL1
VSEL2
ASPECT
SC
SQUEEZE
GNDD
GNDD
V
GNDD
SY
Cb/B
GNDD
Cr/R
GNDD
CY/G
GNDD
GNDD
G
GNDD
B
GNDD
GNDA
GNDA
FL
R
FR
E
CB
43
B
6
52
1
B
E
B
C
E
C
C
E
2
1
3
2
C
B
1
1
2
E
E
B
4
3
1
C
3
2
4
2
5
1
3
C2
6E2
B2
E
B
C
4
2
3
1
E
C
E
B2
B
C
B
E2
C2
B
CE
1
1
21
2
1
2
2
5
2
6
4
1
3
1
2
3
4
5
6
7
8
15
9
13
12
11
10
17
16
14
18
19
22
23
20
21
26
24
25
27
C2810
C2809
Q2806
R2816
R2815
C2808
L2801
C2805
L2802
R2801
C2803
VR2802
VR2801
C2801
C2802
R2802
C2804
Q2805
R2810
R2811
C2807
R2809
Q2802
R2803
R2805
Q2801
L2812 R2822 R2824
R2804
R2814
R2813
Q2302
D2302
R2302
C2302
D2304
D2306
C2304
R2304
D2303
D2305
Q2304
R2303
CN2301
D2301
C2301
Q2301
R2301
Q2303
C2303
C3102
R3102
C3104
C3002
C3101
C3103
R3101
R3002
JA3001
C3001
Q3001
R3001
Q3001
F8841 R8842
JA8802
F8831
C8842
C8832
C8822
R8832
R8835
C8831
R8822
C2812 C2814
C2811 C2813
C2816
C2306 R2821
L2811
R2351
R2823 C2815
D2307
Q2351
Q2352
R2352
Q2352
C2305
R3104
C3106
C3108
R3103
C3105
C3107
R3004 C3004
R3007
R3006
R3005
R3003 Q3003 C3003
R1503 R1504
R1501
C1509
R1502
C1510
L8821 C8881
R8821
L8851
C8852 C8862
L8861
R8855
R8856
C8851
R8866
R8865
R8853
R8863
C8861
JA8801
C8872
L8871
R8875
R8876
R8873 C8871
CN3001
33/50
GNDB
150p/200
ACG7058- -T
2SC2240(GR)
4.7k
1k
(2125)
2SC1815(YGR)
HA
8200p/100
RTD1082
33/50
0.15mH
LFEA151J
4700p
2SC1815(YGR)
M
10k
M
BIAS OFFSET
100k-B
PCP1032
100k-B
PCP1032
0.012
6800p
M
10k
M
4700p
1k
4.7
(1/2W)
47/25
47k
1k MB:CQMBA***
HA:CQHA***
VM
VM
(1/2W)
160
VB+12
2SC1815(YGR)
10mH
RTF1004 11k 1/50
1k
STBY
1k
1k
2SK373(YGR)
1SS133
10p CH
1SS133
1SS133
1M
820p
DTC114TK
B2B-PH-K-S
CN2302
1SS133
1SS133
B4B-PH-K-S
1SS133
10p CH
1M
DTC114TK
820p
2SK373(YGR)
GNDA
220p
15k
STBY
220p
STBY
15k
470p
220k
IMX9
AKB7170
470p
IMX9
220k
GNDD
STBY
STBY 1000/6.3
1%75
1%75
AKP7045
STBY CH
STBY
47p
STBY
STBY STBY
1%
75 1000/6.3
CH
220p M
1500p
CH220p M
1500p
10/50
1SS133
330k
GNDA RTF1004
10mH 11k
VA-12
1k 1/50
GNDA GNDA
100k
DTA124EUA
RN1901
22k
RN1901
330k
10/50
VA+12
10/50
22K
STBY
22K
STBY
1.8k
10/50
VA-12
10/50
4.7K
47k
4.7K
1.8k DTA124EUA 10/50
VE+5
22k 22k
5.6k
CH
270p
5.6k
CH
270p
STBY
CH47p
STBY
STBY
47p
STBY
CH
STBY
75 1000/6.3
1%
STBY
470/6.3
1%
75
VKB1168
CH47p
STBY
STBY
STBY
75 470/6.3
1%
VKN1258
S
D
G
S
D
G
C
2/4
CN902
3/4C
2/2
B
DECK MECHA

XV-GX3 27
5678
5678
C
D
F
A
B
E
-
+
-
+
ROUT
LOUT
GNDA
TX_LCH
TX_RCH
U-COM
96
97
70
3
MTZJ***
DZ
ALL COILS ARE IN µH
UNLESS OTHERWISE SPECIFIED
ALL DIODES ARE 1SS133
UNLESS OTHERWISE SPECIFIED
LAU***J
1SS133
UNLESS OTHERWISE SPECIFIED
ALL RESISTORS ARE IN
1/16W 1/4WPU
PB LEVEL Adj.
STBY
REC LEVEL Adj.
STBY
D1
C2
E2
E1
D2
PBOUT1
PBOUT2
PBNF2
TAPEA2
TAPEA1
PBNF1
TAPEB1
RECNF2
TAPEB2
ALC
RECNF1
RECOUT1
RECOUT2
C1
B2
B1
A2
SEL
INPUT Buffer
A1
MIC
CAP
ALC
1/2VCC
VCC
GND
VDD
SI
SC
SAOUT1
SAOUT2
KARAOKE
MIC MIX
LINEOUT1
LINEOUT2
SUR1
SUR2
SURROUND
BASS/TRE
LF4
SWOUT
FILTER
VOL
VOLOUT1
LF2
LF3
TONEOUT2
TONEOUT1
BBIN1
BBNF1
BBIN2
LF1
TNF2
TNF1
MNF2
MOUT2
MOUT1
MNF1
BNF1
BOUT1
BOUT2
BNF2
AMSOUT
VIN2
VIN1
VOLOUT2
BBNF2
MICSW
ECHOCONT
GNDA
MIC
VA+12
1
3
2
4
5
6
7
64
10
8
9
13
11
12
16
14
15
17
63 62 6061 59 58
1918 2120 22 23
5657 535455 52 51
2524 2726 28 3029
4950
48
47
46
45
43
42
44
40
39
41
38
37
36
35
34
33
31 32
6
5
7
4
8
28
1
34
3
4
5
1
2
R2330
R2329
R2328
R2326
C2325
R2410
C2410
R2409
R2327
R2311
R2325
C2409
C2324
C2323
R2354
R2324
C2326
R2323
R2353
R2408
C2408
C2406
R2406
C2321
C2404
C2407
R2407
R2405
C2405
C2403
IC3001
C3011
C3060
C3059
C3056
C3055
C3057
C2322
R2312
R2321
R2322
R2403
R2404
C2402
R2402
R2401
C2401
C3012
C3013
C3014
C3015
C3016
C3017
C3018
C3020
C3019
C3058
C3054
R3051
C3053
C3052
C3051
C3048
C3047
C3050
C3024
C3027
C3034
R2101
C3042
C3041
C3031
C3032
C3033
C3049
C3043
C3029
C3044
R3029
C3030
C2102
R2105
R2106
R3030
R2104
C2103
C2104
R2108
C2106
R2109
C3021
C3022
C3023
C3025
C3038
IC3031
C3026
R3036
R3040
C3036
R3038
C3040
R3039
R3037
C3035 C3039
R3035
D2102
C3037
R3044
R3043
R3041
R3042
C3045
C3046
C2101
R2102
R2103
L2101
Q2101
R2107
D2101C2105
W288
IC3031
CN3051
10K
10K
VR2302
VR2301
STBY
3.3/50
10/50
4.7K
STBY 0
VR2402
VR2401
10/50
4.7K
0
0
3.3/50
STBY
33K
680
68K
220p
0
STBY
220p
STBY
33K
STBY
220p
68K
STBY
220p
BD3401KS2
10/50
10/50
10/50
10/50
STBY
10/50
6800p
MB
680
470K
470K
6800p
470K
MB
0.033
220K
MB
470K
STBY
220K
0.033
MB
GNDA
STBY
STBY
10/50
10/50
STBY
STBY
STBY
STBY
4.7M
R3011
470p
4.7/50
R3013
R3012 220
220
-T
47/25
0.33/50
4.7k
1
2200p
2200p
0.1
1
470p
180k
R3032
0.056
10/50
10/50
0.056 15k
R3034
R3033
180k
15k
1
0.1
0.068
STBY
0.068
0
STBY
10k
0.056
GNDU
0.056
1800p
1k
0
0.01
33k
270
R3031
22/50
100k
STBY
270k
GNDD
47/25
1000p
47/25
BA4560RF
GNDA
0.1
VA-12
VD+5
STBY
VA+9
12k
0.1
-T
10/50
15k
12k
180p CH
15k
12k
VA+12
10/50 180p CH
12k
0.33
STBY
STBY
4.7K
4.7K
4.7K
4.7K
10/50
10/50
120k
3.9k
STBY
2SC4081
1k
10/50 1SS133
VA+12
BA4560RF
GNDA
VA+12 52045-0545
U-COM
C
2/4
C
2/4
MAIN ASSY
(AWM8013 : DFLXJ, DDXJ/RD)
(AWM8015 : MTXJ) (AWM8016 : DDXJ/RB)
3/4C
1/4C
1/4C
CN3901
E

XV-GX3
28
1234
1234
C
D
F
A
B
E
3.7 MAIN ASSY (3/4)
+
-
-
+
+
-
+
-
ROUT
GNDA
LOUT
MUTE
LEVEL
RELAY
VD+5
GNDF
XPROTECT
21
21
21
12
E
1
2
1
1
12
1
1
2
1
2
1
2
1
21
2
1
2
2
1
21
1
1
2
2
1
3
2
3
1
1
2
2
1
2
4
1
2
5
1
7
8
8
6
2
2
1
1
43
2
1
34
2
28
1
12
1
5
2
6E
7
8
4
21
CB
E
B
BC
E
C
B
E
12BC
2
1
B
2
C
21
2
2
1
1
12
12
E
2
12
2
1325468791011 12 14 1513
B
C
E
2
1
2
1
G
S
D
2
2
1
1
B
C
E
2
1
2
1
E
B
C
1
2
2
2
1
1
G
2
1
1
D
S
2
B
E
C
B
E
C
E
B
C
1
2
2
C
1
1
E2
2
1
2
1
E
C
B
C
E
B2
BC
BC
E
E2
C2
1
2
B
2
2
2
E1
1
E
B
C
12
C
21
1
C2
B
2
2
E1E2
B2
C2
B2
C2
E2
21 21
E2
B2
B2
C2
R
MUTE
R
GNDS
GNDP
GNDA
GNDA
STBY
LL
CH2NF
CH2IN
Godzilla Amp (SIGNAL CLIP DETECTOR)
:ACN7122-
R3321,R3322
L,R POWER AMP
CH1-VE
CH1+VE
+PRE
+VCC
-PRE
CH2-VE
CH2+VE
-VCC
SUB
ST-BY
GND
CH1 NF
CH1 IN
CH2 IN
CH2 NF
VL/VH
(1/2)
(2/2)
FAN+
TO FAN
FAN-
STBY
XPROTECT
(1/2)
(1/2)
(2/2)
(1/2)
PROTECT
(2/2)
(2/2)
IC3304
W179
IC3303
W182
R3302
C3302
R3308
C3304
R3306
C3315
C3317
C3318
D3305
C3306
R3310
R3356
D3301
D3303
R3325
R3316
C3308
R3314
C3313
D3307 D3304
R3327
R3361
R3362
R3363
C3316
D3306
C3319 R3330
D3308
R3328
R3364
C3314
D3302
R3326
R3301
R3304
Q3302
R3303
R3305
Q3301
R3307
C3301 C3303
IC3521
IC3521
C3522
R3522
C3521
R3527
R3528
C3528
C3524
R3525
C3523
R3521
IC3522
R3530
C3525
R3526
R3524
R3523
C3526
Q3521
IC3522
R3529
R3532
C3527 R3531
D3654
R3655
C3653
D3653
Q3654
R3654
D3651
R3651
C3652
R3656
Q3653
R3312
Q3304
Q3303
R3311
R3355
R3317
R3315
C3307
C3309
C3311
R3319
R3309
C3305
R3313
R3321
R3322
R3329
IC3301
R3318
C3312
C3310
R3320
R3323
R3332
C3320
Q3305
D3309 R3334
R3333
R3335
D3512
C3529
Q3502
D3508
R3510
D3510
R3512
Q3504 D3506
R3514
R3506
D3504
D3502
R3504
R3533
R3513
R3505
D3503
D3505
D3509
Q3503
R3511
D3501
R3503
R3541
D3541 C3541
D3507
R3509
Q3501
D3511 R3547
Q3542
R3544 R3545
R3546
Q3541
Q3606
C3602
R3617
R3615
R3616
R3543
R3542
D3542
D3543
Q3606
D3602
C3651
CN3651
R3652
Q3651
R3607
R3608
D3652 Q3652
R3653
Q3652
R3605
R3606
R3603
R3604
Q3602
R3602
TH3601
Q3601
R3610
Q3604
D3605
D3604
Q3605
C3601
R3614
R3611
R3612
Q3605
Q3603
D3603
Q3603
Q3604
R3613D3601
S
D
G
S
D
G
GNDP GNDS
STBY
AEK7021 (7A)
STBY
STBY
2.2/50
0
STBY
GNDP
S5688G
220/50
0.22/50
-T
S5688G
S5688G S5688G
1k
2.2/50
0
2.2k
100k
MUF
(1/4W) S5688G
47
220
56k
1000p
STBY
10/50
1/10w
2.2
1/10w
2.2
GNDS
GNDA
S5688G
220/50
S5688G
-T
0.22/50
STBY STBY
STBY
1/10w
2.2
2.2
1/10w
10/50
S5688G
-T
MUF
(1/4W)
47
STBY
STBY
STBY
STBY STBY
STBY
2.2/50
0
0
1/50
STBY
STBY
STBY STBY
STBY
STBY
STBY
STBY
STBY
STBY
STBY
STBY
STBY
VA-12
STBY
STBY
STBY
STBY
STBY
STBY
STBY
VA+12
STBY
STBY
STBY
STBY
VD+5 GNDF
VF-12
1SS133
2SD2144S(UV)
22k
8.2k 3.3k
100/25
1SS133
1SS133
33
47/25
DTA124EUA
RN1901
2SD2114K(VW)
2SD2114K(VW)
2.2k
100k
CH
56k
47p
1000p
1.5k
CH8p
56k
1k
2.2/50
220
ACN7122
2W 0.22
2W 0.22
ACN7122
1
30PDA20-FC6
STK433-070
VL- VH-
1.5k
CH CH
8p
47p
56k 1
5.6k
47/25
1SS133
2SC4081
33k
1k
2.2k
2SK2232
MTZJ10B
MTZJ18B
100
100k
STBY
1SS133
15k
100k
MTZJ36B
2SA1576A
10k
DAP202K
DAN202K
STBY
15k
2SC4081
MTZJ36B
100k
1SS133
MTZJ10B
100
MTZJ18B
10k
10K
ISS355
0.01
2SJ304
30PDA20-FC6
0
100k
2SC4081
47k
UDZS7.5B
VL+ VH+
47k
2SA1576A
UMH1N
-T
1/50
10k
1k
10k
1SS133
100k
22k
VA-12
UDZS20B4.7k
GNDS
UMH1N
MTZJ7.5B
KM200SA2
47/25
DTA124TK
2.2k
VF+12
STBY
STBY
STBY
MTZJ3.9B
RN1901
1.8k
STBY
1k
VD+5
STBY
GNDD
NCP18WF104J03RB
1k
220
VD+5
2SC4081
27k
UMB1N
1SS133
VF+12
UMB1N
VA+12
VD+5
UMH1N
1/50
10k
1k
10k
UMH1N
UMB1N
1SS133
UMB1N
VH+
VH-
820
MTZJ7.5B
C
3/4
1/4, 4/4C
1/4
C
1/4
C
4/4C
1/4C
2/4C
CAUTION : FOR CONTINUED PROTECTION AGAINST
RISK OF FIRE. REPLACE ONLY WITH
SAME TYPE NO. 491007 MFD, BY
LITTELFUSE INK. FOR IC3303.

XV-GX3 29
5678
5678
C
D
F
A
B
E
ROUT
LOUT
RECAC
AC1
XPROTECT
2
1
1
2
1
2
2
E
B
C
E2
B2
C2
B
C
E
2
1
1
1
1
2
1
B
1
2
2
B
2
E
C
C
C
B
E
EC
B
E
1
3
4
2
5
6
3
2
1
2
1
3
4
5
8
9
6
7
12
10
11
(R)
(L)
SPOUT
R
L
(1/10W)
(1/10W)
(1/10W)
(1/10W)
(L)
MATRIX SURROUND
SPR
SPR
AMPR
AMPR
HPR
GNDHP
GNDHP
AMPL
HPL
AMPL
SPL
SPL
R3630
C3623
D3626D3625
R3626
C3622
Q3625
Q3625
C3624 Q3628
R3628
R3629
Q3629
D3621 R3621
R3622
D3622
R3625
R3623 D3624
W398
Q3623
R3627
D3623
Q3622
C3621
R3624
Q3621
D3321
D3323
R3341
R3342
R3340
Q3322
R3344
C3324 R3348 C3326
R3338
R3346
L3302
R3343
R3339
Q3321
C3323 R3347
R3345
L3301
C3325
R3337
Q3620
D3627
Q3624
C3331 C3329
C3332 C3330
JA3301
R3349
R3351
R3350
R3352
C3328
C3327
C3996
C3997
JA3992
R3991
R3992
CN3991
-
+
-
+
470/6.3
1SS133 1SS1333.3k
2.2/100
HN1C01FU(YGR)
HN1C01FU(YGR)
DTC124EUA
10/50
GNDSP
10k
STBY
27k
DTC143EUA
MTZJ5.1B
DAN202K
22k
22k
2.7k
6.8k 1SS133
DTA124EUA
STBY
0
VD+5
1SS133
VH+
2SC4081(QR)
STBY
STBY
GNDS
DAP202K
DTA124EUA
DAN202K
33k
33k
2SC4081(QR)
1.8k
27k
0.022 4.7
(1/2W)PMF
0.022
2SC4081(QR)
ACN7112(2W)
0.1
ATH-059
100
1.8k
ACN7112(2W)
0.1
27k
4.7
0.022
(1/2W)PMF
100
ATH-059
0.022
GNDSP
DTA124EUA
STBY
STBY
GNDHP GNDC
XKE3020-
STBY STBY
STBYSTBY
STBY
STBY
STBY
STBY
0.01
0.01
XCG3008
XCG3008
STBY
STBY
NP
AKB1233
LMF3W
470
LMF3W
470
52147-1210
C
3/4
C
3/4
MAIN ASSY
(AWM8013 : DFLXJ, DDXJ/RD)
(AWM8015 : MTXJ) (AWM8016 : DDXJ/RB)
1/4, 4/4C
4/4
C
2/4
C
J3922
E

XV-GX3
30
1234
1234
C
D
F
A
B
E
3.8 MAIN ASSY (4/4)
KN1
VNE1948-
240V
220V-230V
110V-127V
NEUTRAL
50/60Hz
/DFLXJ REK1028
FU1
W404
W367
FU2
REK1025
FU3
REK1025
FU4
REK1029
W131
H1,H2:AKR7001
LIVE W366
FU1 W365 W132
W370
W371
W306
VOLTAGE SELECTOR
W374
W337
W373
W447
W372
W338
240/220-230/110-120
W446
W438
W439
W441
W440
FU2
PROTECT BAIDEN 13.5V
0V
NC
115V
W338
W337
W333
W334
W439
W438
230V
NC
0V
NC
0V
NC
NC
NC
NC
0V
100V 120V230V
W441
W440
W447
W446
W373
W372
W412
W411
W134
W133
W375
W374
W307
W371
W370
W404
W306
W131
W132
W307
W334
W333
W367
W366
W365
/DFLXJ
W375
2
*1*2
0 0
1
3
4
2
120
0 0
0
120
W134
W133
FU3
1 0
10
FUSE01
9
10
8
7
FLAC2
FLAC1
SUBAC2
SUBAC1
BLAC2
6
BLAC1
5
GND
BHAC2
4
3
W412
W411 PRIMARY PART
120
ATS7406T1
BHAC1
VFDP
2
1
SYSPOW
SUBAC
U-COM
1
2
1
2
87
43
56
12
8
4
5
6
7
8
9
3
4
2
1
1
1
2
2
4
3
76
32
5
1
+
-
~
~
1000/25
10k
GNDD
39
DAN217
1000p
2.2k
S1NB60 22k
MTZJ20B
2SC4081(QR)
1k
2SD1858X(QR)
ASR7027
1SS133
0.01
1/50
10/50
ATT7080
ACE7013
0.01
STBY STBY
XKP3084
ASR7027
ACG7033
AKX7017
VUN+5
TA7805S
VE+5
B2P3S-VH
B4P7S-VH
AKX7017
C11
R11
R15
D13
R16
D11
D12
R12
R14
Q12
D14
C14
C12
C13
C1
L1 C3
AN1
H1 H2
RY1
C5
S102 S101
H4 H3 H5
C15
Q11 RY1
T2
IC11
CN1
H6 CN2
U-COM
/MTXJ
/DDXJ/RD
/DDXJ/RB
/DDXJ/RB
/MTXJ
/DDXJ/RD
REK1028
REK1028
REK1025 REK1025
REK1025
-
REK1025
REK1029
REK1029
REK1029
-
REK1025
H3-H6:AKR7001
ATT7078ONLY /MTXJ
EXCEPT /MTXJ
EXCEPT /MTXJ
EXCEPT
/MTXJ
C
4/4
C
4/4
1/4C
MAIN ASSY
(AWM8013 : DFLXJ, DDXJ/RD)
(AWM8015 : MTXJ) (AWM8016 : DDXJ/RB)
• NOTE FOR FUSE REPLACEMENT
FOR CONTINUED PROTECTION AGAINST RISK OF FIRE.
REPLACE WITH SAME TYPE AND RATINGS OF FUSE.
CAUTION -

XV-GX3 31
5678
5678
C
D
F
A
B
E
FLDC-
FLDC+
XPROTECT
AC1
FU4
H7,H8:AKR7001
:DFL ONLY
C33 ~ C36
E
C
B
BC
E
7
10
8
9
6
5
3
4
BC
E
2
1
OUT IN
OUTIN
+
-
~
~
+
-
~
~OUTIN
OUTIN
OUTIN
+
-
~
~
GNDF
GNDSP
MTZJ2.0B
VFDP
3.3k
2SB1565(EF)
1
1000/10
-T
10k
MTZJ3R6(B)
0.22
S5688G
2SB1565(EF)
GNDS VA-12
220k
DTC124EUA
82k
DTA124EUA
VL-
VFDP
1
TA79012S
1
VA-12 VF-12
(1/2W)
3.3k
1SS133
PMF
22/50
33/50
MTZJ27B
GNDD
0.047/50
MTZJ15C
10/50
GNDA
GNDSP
GNDMGLED
GNDU
1/50
220
NJM78L08A
47/25
MTZJ11B
D5SBA20(B)
S5688G
VUNVFDP
100/63
S5688G
XCG3008-
-T
D5SBA20(B)
6800/25
VL-
2SB1565(EF)
VUN+8
VPR+8
VPR+8 VPR+8M
VUN+8
XCG3008- GNDM
4700/35
XCG3008-
GNDS
GNDP GNDB
GNDF GNDC
1/50
STBY
STBY
STBY
22/50
4700/35
XCG3008-
VL+
VDVD+12
TA7812S
VA+12 VLED+12
0.047
47/25
MTZJ7.5C
NJM78M05DL1A-TLB
VFL+5VD+5
GNDREG
GNDTCM
1/50
STBY
0.1
47/25
10
10/50
47k
2SD2012
NJM78M09DL1A-TLB
VA+9
STBY
VA+9
B10PS-VH
STBY STBY
STBY
STBY
D5SBA20(B)
VH-
2200/63
VL+
2200/63
VH+
VM+12 VB+12 VF+12
VA+12
C81
D83
R84
Q81
R82
R81
C82
D81
Q51
R56
D82
Q52
R55
Q53
R57
IC51
R58
R51
D55
C54
C53
D53
C56
C57
D57
C44
R41
IC42
C47
D44
H7
D41
H8
D52
D51
C51
C34
D31
C41
Q41
C61
D61
C63
C62
C64
C36
C35
C32
C31
C33
IC61
C42
C43
D43
IC41
C71
C72
C73
C74
R62
C65
D62
R61
IC71
CN21 C26 C25
C24
D21 C23
C22C21
Q61
C
4/4
1/4C
1/4, 3/4C
3/4
C
3/4
C

XV-GX3
32
1234
1234
C
D
F
A
B
E
3.9 DISPLAY and MIC ASSYS
SG1
SG2
SG3
SG4
SG5
SG9
SG8
SG7
SG6
SG14
SG15
SG13
SG12
SG11
SG10
GR4
GR3
GR2
SG16
VEE
SG18
SG17
GR7
GR6
GR5
GR8
GR9
GR10
GR1
F-
GR3
GR2
GR4
GR5
GR6
GR7
GR8
GR9
GR10
SG18
SG17
SG15
SG16
SG13
SG14
SG10
SG12
SG8
SG7
SG11
SG9
SG5
SG6
SG4
SG3
SG1
GR1
SG2
F+
FL
Vout
GND
Vcc
F-
10G
5G
6G
7G
3G
4G
1G
2G
9G
8G
P18
P17
P16
P15
P14
P13
P10
P7
P8
P9
P12
P11
P5
P6
P3
P4
P2
P1
F+
1
1
21
2
2
2
2
1
1
21
2
1
3
4
2
1
21
8
7
5
6
9
10
13
14
15
16
12
11
17
21
3
21
1
1
2
2
2
2
2
2
2
2
2
2
1
1
12
1
221
1
1
1
2
1
2
1
21
1
12
1
1
1
1
2
122
13 1412 15 1716 22211918 20
8
7
10
11
9
6
26
27
24
25
23
28
4
5
1
3
2
43 4244 41 3940
30
29
31
33
32
363738 3435
12
15876119141312
1
21
15 16 17 19 20 22 23 27 32302924 26 3533 3837 39 40
2
2
1
45
R5981
Q5981
R5982
R5973
C5971
R5974
S5962
S5963
R5962
CN5901
C5951
R5953
C5952
R5903
R5902
C5981
D5982 D5981
D5983
S5971
R5971
R5972
S5961
S5968
S5969
S5970
S5967
S5966
S5965
S5964
R5967 R5968 R5969 R5963 R5966 R5965 R5964
R5952
R5954
R5951
IC5902
C5921
C5920
C5922
C5915
R5901
R5904 IC5901
C5916
L5902
C5917
D5902
C5918
C5919
R5908
W133
C5904
C5906
C5908
C5903
C5905
C5907
V5901
C5911
C5912
C5913
L5901
C5914
D5901
R5906
Q5901
R5905
W132
Q5902
R5907
GNDLED
1k
1/10W
2SC4081(QR)
220 SLR-343BBT
0.022
12K
VSG1024
VSG1024
1k
52045-1745
JQ-TS
47/6.3
0.022
STBY STBY
0.01
SLR-343BBT
1SS355
XSX3007
27K
GNDU VE+5
VLED+12
10K
10K
VE+5
VSG1024
VSG1024
VSG1024
VSG1024
VSG1024
VSG1024
VSG1024
VSG1024
1k 1.2k 1.5k 1.8k 2.7k 3.3k 5.6k
STBY
STBY
100
47
RPM7140-H9
VFDP
VE+5
220p
220p
220p
GNDFL
0.01/50
CH
CH
CH
220
220
220
PT6315
JQ-TS
82k
STBY
0.022/50
0.022/50
10LAU100J
STBY
47/35
JQ-T
STBY
STBY
STBY
STBY
STBY
JQ-T
47/35 VFL+5
AAV7109-
0.022
0.022
47/6.3
22
LAU220J
STBY
STBY
STBY
STBY STBY
STBY
BLUE LED
VOL JOG
POWER ON O/C FUNCTION P.BASS
MODE
REVERSE REC/STOP
1
2
3
SR
KEY
FL DRIVER
GR1
FL
GNDLED
VLED+12
LED1
JOG
GNDU
KEY1
KEY2
REMOCON
VFL+5
GNDFL
VE+5
VFDP
FLCS
FLCK
FLDC-
FLDC+
FLDATA
VEF1040
PCB BINDER
VSS
VDD
VSS
VDD
VEE
AEB7091
FL SPACER FL SPACER
AEB7091
DISPLAY ASSY (AWU8275 )
D
D
CN5651
1/4
C

XV-GX3 33
5678
5678
C
D
F
A
B
E
+
-+
-
12
12
9
10
8
11
1
2
3
4
5
7
6
6
7
5
4
3
2
1
8
6
7
9
11
10
4
5
2
3
1
13
12
15
14
16
2
5
3
4
1
1
2
3
4
2
3
7
6
1
5
34
2
1
8
8
54
6
7
C3996
C3995
KN3991
C3993
R3993
L3991
JA3991
C3991
C3992
J3992
C3922
C3926
C3927
R3923
C3924
C3925
R3922
R3927
R3928
C3931
R3926
R3925
R3921 C3923
C3921
C3930
C3928
C3929
R3924
C3904
R3904
C3902
IC3921
C3905 R3903
C3903
C3906
R3905
VR3901
C3912
C3913
C3914
R3909
R3907
R3908
C3932
D3921
C3933
L3921
R3930
R3929
R3931
CN3901
C3916 C3917
R3910 R3911
C3919
C3918
JA3902
JA3901
R3902
C3907
R3901
C3901
IC3901
C3910
R3906
C3911
C3908
IC3901
C3915
0.01
GNDC
VNF1084
0.1
STBY
0.01
STBY
GNDHP
AKN7003-
STBY
STBY
51048-1200
0.47/50
AT-TS
0.047
4.7/50
AT-T
12k
0.01
22/25
4.7k
12k
AT-TS
12k
4700p
8.2k
10k
15k
0.01
STBY
M65855FP
0.01
STBY
120k
0.1
STBY 100pF
CH
GNDC
0.01
0.1
GNDA
STBY
100pF
STBY
3.3k
CH
10k
47/16
AT-TS
CH
0.1
100pF
ACS7042
47k
3.3k
0.012
AT-TS
100/16
UDZS5.1B
STBY
10
(1/10W)
(1/10W)
STBY
680
52044-0545
AT-T
2.2/50 1200p
3.3k
1.5k 12k
0.1
STBY
RKN1004
AKN7003
STBY
3.3k JQ-TS
2.2/50
BA4560RF
AT-T
2.2/50
100K
2.2/50
AT-T
330p
CH
STBY
BA4560RF
VA+12
SPR
AMPR
SPR
AMPR
HPR
ALL INDUCTORS ARE IN µH
LAU***J-TA
RS1/16S***J
ALL RESISTORS ARE IN
RS1/10S***J
GNDHP
HPL
AMPL
GNDHP
AMPL
SPL
SPL
MIC OUT
DALPF OUT
DALPF IN
MIC IN
ADLPF IN
ADLPF OUT
DAINT OUT
DAINT IN
ADINT OUT
ADINT IN
BIAS
ECHO VR MUTE
GND
Vcc
CR
(MIC)
(SUB)
MIC ECHO
MIC AMP
JQ : CEJQ**M**
AT : CEAT**M**
AL : CEAL**M**
CKSRYB**K50
UNLESS OTHERWISE SPECIFIED
ALL CAPACITORS ARE IN µF
NOTES
STBY
W106
ECHOCONT
VA+12V
GNDA
MIC
MIC SW
(MAIN)
(1/2) (2/2)
MIC ASSY (AWU8276 )
E
E
CN3991
3/4
C
CN3051
2/4
C

XV-GX3
34
1234
1234
C
D
F
A
B
E
3.10 WAVEFORMS
Note : The encircled numbers denote measuring point in the schematic diagram.
Measurement condition ;
No. 1 to 10 : reference A1 (DVD), T2-chp 19, Color-bar
No. 11 to 14 : reference A1 (DVD), T1
DVDM ASSY
B
2IC201-pin 39 [TROPENPWM]
V: 1V/div. H: 5µsec/div.
3IC201-pin37 [DMSO]
V: 1V/div. H: 10µsec/div. V: 1V/div. H: 10µsec/div. V: 1V/div. H: 2sec/div.
1IC201-pin47 [FG]
V: 1V/div. H: 2msec/div.
8IC401-pin23 [CompositeVideo Out]
V: 1V/div. H: 10µsec/div.
4CN102-pin 11, 10, 9 (IC101-pin 14, 13, 12)
[SPINDLE (WVU)]
V: 2V/div. H: 2msec/div.
GND
GND GND GND
GND
GND
GND
GND
GND
PLAY
Tray :
opening
Pless OPEN key Pless PLAY key
Braking a turn of disc
[Tray stops]
[TRAY OPEN] [DVD PLAY] [DMSO]
[Tray is opening] [Tray is closing]
9
9
10
9
10
IC401-pin21 [S VIDEO OUT - Y]
V: 1V/div. H: 10µsec/div.
10 IC401-pin26 [S VIDEO OUT - C]
V: 1V/div. H: 10µsec/div.
GND
GND
11 IC201-pin225 [ASPDIF AUDIO DIGITAL SIGNAL]
V: 2V/div. H: 500nsec/div.
GND

XV-GX3 35
5678
5678
C
D
F
A
B
E
4. PCB CONNECTION DIAGRAM
4.1 LOAB ASSY
NOTE FOR PCB DIAGRAMS :
1. Part numbers in PCB diagrams match those in the schematic
diagrams.
2. A comparison between the main parts of PCB and schematic
diagrams is shown below.
3. The parts mounted on this PCB include all necessary parts for
several destinations.
For further information for respective destinations, be sure to
check with the schematic diagram.
4. View point of PCB diagrams.
Symbol In PCB
Diagrams
Symbol In Schematic
Diagrams Part Name
BCE
D
D
G
G
S
S
BCE
BCE
DGS
BCEBCE
BCE
Transistor
Transistor
with resistor
Field effect
transistor
Resistor array
3-terminal
regulator
Capacitor
Connector
P.C.Board Chip Part
SIDE A
SIDE B
15
51
SW2
(V+5D)
V+3D
LOAD-
LOAD+
GND
PNE-1B1
C102
C101
CN602
CN601
12
51
VWG2346-
VWG2279-
5
VWG
LOAB
5
1
VNP1836-C
CN602
S101
CN601
SIDE A SIDE B
LOAB ASSY
ALOAB ASSY
A
CN104
B
(VNP1836-C) (VNP1836-C)
LOADING MOTOR
ASSY
M
CN601CN602 CN601 CN602
A A

XV-GX3
36
1234
1234
C
D
F
A
B
E
4.2 DVDM ASSY
24
1
1
9
UP SIDE
14
125
112
17
LF
122
45
13
13
45
1
4
57
9
1
1
9
129
12865
64
256 193
192
1
21
5
3
8
5
4
1
1
27
4
31
5
58
14
1
4
R
1
5
BOTTOM SIDE
BOTTOM SIDE UP SIDE
GNDD
12V
8V
UP SIDE
E
5V
GNDM
6.5V
E
GNDD
LD_CD
LD_DVD
3.3V
3.3V
C
D
3.3V
C
GNDD
UP SIDE
LR
GNDA
5V
A
B
1.8V
GNDD
V
GNDD
5V
AB
2/2 D
C376
CN101
C374
C564
IC561
R568
R569
C567
R567
Q563
C372
C373
CN103
C371
CN901
C140
Q304
CN102
Q701
C701
R702
R701
CN903
C569
R536 R535
R565
Q561
C571
C572
R537
C573
R566
R575
R564
R576
Q564
R573
R538
C561
R561
R572
R563
R574
R534
C568
R582
R581
R373
Q562
C574
R571
Q565
R579
R910
R911
R912
R913
R908
R152 R153
C152
R133
C146
R135
C144
C141
C142
C143
R154 C161
R136
C104
C133
R909
R914
R915
R905
R318
C103
C153
C151
C102
C535
C566
C563
C565
R151
C562
R562
R315
R314
C536
C145
IC101
R903
R313
Q305
R907
D733
C761
Q702
L751
R904
R906
C132
C131
C101
R764 C763
C762
R901
IC731
C734
C732
C731
IC751
C754
R732
D751
C736
C752
R733
C753
R763
R762
IC761
C733
C751
R731
R761
L731
C702
D881
R750
R751
C1002
R520
R541
C544
R578
C534
C512
R509
C542
C539
R548
C541
R533
R543
R539
R546
IC531
Q534
C531
R544
C538
Q531
R545
C543
C537
R601
R602
R531
C504
C503
R504
R501
R506
R505
Q532
R503
Q503
C508
Q504
R542
R552
R551
Q533
R508
C507
IC501
R507
C511
Q506
C509
Q535
R549
C320
R132
R134
C213
C215
C344
C343
R256
C202
C203
C346
Q307
R322
Q308
R321
R310
C310
R532
R131
R326
L308 L309
C532
C533
C505
R594
R595
IC201
R502
C506
C345
C309
R325
D801
R801
R210
R211
R217
R216
C216
C217
R284
R852
Q851
R214
D821
C712 R713
R714
R712
Q731
R215
R883 R853
R201
R202
R205
R206
C209
C208
C211
C212
C210 R204
C221
C204
C205
C206
C219
R212
R213
R881
IC711
Q821
C737
D861
D851
C740
C713
C714
C739
C735
R734
R735
D731
R738
R740
Q881
C711
C738
R737
L732
C801
R822R851
R823
D862
R824
R711
R736
R882
Q801
D852
R821
R739
C424
C425
C426
CN902
C454
C451
C476
C474
C475
R521
R522
C513
C502
C501
R512
R518
R514
R515
R513
Q502
Q501
C514
Q401
R511
R516 R519
Q505
C1001
R270
R269
R207
R592
C252
X201
C251
R251 R252
C258
R253
C259
C262 C263
C265 C267
C268
C269
C270
C271
C272
C273
R241
R242
R243
R244
R245
R246
IC591
R593
R591
R401
R416
R412
R431
R433
R414
R415
R411
R224
IC204
C224
C223
C222
R235
C220
R232
R221
R237
R220
CN204
C201
R223
R259
R260R261
R200
R258
R234
C290
R228
R219
R218
C421
C422
C423
R921
R923
R922
R924
C404
Q481
R481
R405
R209
C244
R404
R279
C237
R280
C243
C242
R262
R263
R264
R265
CN104
R432
R434
R436
R413
R435
R225
R229
R227
R226
10
0
10
0
20
30
40
50
60
70
80
90
100
110
120
130
140
20 30 40 50 60 70 80 90 100 110 120
X
Y
SIDE ASIDE A
DVDM ASSY
B
(ANP7527-A)
B B
To SPINDLE MOTOR
To PICKUP ASSY
To STEPPING MOTOR
CN104
CN3001
C
CN601
A
CN1501
C
CN102
CN902 CN101 CN103
CN901

XV-GX3 37
5678
5678
C
D
F
A
B
E
LF
A
B
C
1
0
0
321
0987654321
0
1
113
48
124
25
1
64
3
21
28
1
14 15
18
16 9
54
127
28
DVDM ASSY
AWM7
9 9 9
8 8 8
7 7 7
6 6 6
5 5 5
4 4 4
3 3 3
2 2 2
1 1 1
0 0 0
PRODUCTION CODE
ICT FC
R301
R371
R372
R374
R375
R303
R302
R902
R530
R560
C560
R577
C121
R917
L901 R916
C1003
R500
R603
C530
C500
R517
R547
R604
CN951
C257
C260
C266
IC203
R208
Q732
CN952
Q201
C218
R282
D732
C453
C465
C452
C464
C455
C466
R474
R475
R476
R426
IC401
R590
IC451
C347
R267
R238
C245
C246
R247
R249 R257
C250
R248
C248
C247
R240
C253
C241
C240
C239
R230
C254
R254
C256
C255 C261
C264
R255
R231
C591
C416
C415
C235
C236
C592
R268
R266
C289
C225
C226
C228
R233
R285
R236
C214
C207
R239
C296
C288
C227
C230
C233
IC202 C282
C231
C286
C232
C287
C234
C283
R281
C281
R1001
R1003
R1002
R403
R424
R425
C402
C401
R422
R421
R423
R402
C406
C411
C413
C414
C412
C405
C403
C284
C285
10
0
2030405060708090100110120
X
10
0
20
30
40
50
60
70
80
90
100
110
120
130
140
Y
SIDE BSIDE B
DVDM ASSY
B
(ANP7527-A)
B B

XV-GX3
38
1234
1234
C
D
F
A
B
E
4.3 MAIN ASSY
X5501
D2902
D2901
R2909
R2908
R2907
C5583
L5501
C5586
CN5501
C5411
CN2901
R5507
C1505
C1506
C1507
W117
C5704
CN5701
X5701
C5721
W112
W501
W294
W169
W163
W272
W139
VR2402VR2401
VR2301 VR2302
CN2302
L2801
D2307
W292
W109
W341
W287
W342
C3004 C3003
C3019
C2321
C2325 C2326
C2322
C3014 C3013
C2324
C2323
C3024
C3021
C3023
C3036
C3035
C3042
C3041
C3046
C3045
C3054
C3107
C3108
C2305
C2306
C2410
C2402
C2401
C2409
C8831
CN3001
C8881
C8861
C8851
C8871
C3059
C3060
C3055
C3056
L2101
C2103
C2105
D2101
D2102
W239
W340
W347
W383
C3057
CN3051
CN2301
D2303
D2301
D2305
D2306
D2302
D2304
L2811
C2813
C2814
L2812
C2815
C2816
VR2802 VR2801
C2808
R2815
C2810
Q2806
C2805
C2801
C2802
C2804 C2803
Q2802
Q2801
L2802
Q2805
R2803
R2805
C2807
JA3001
C3314
C3316
C3318
C3317
C3315
C3313
C3306
R3327
R3328
C3305
C
C3601
D3603
C3302C3301
Q3501
R3511
D3507
D3509
D3505
D3503
D3511
D3504
D3506
D3510
D3512
D3508
R3512
Q3502
D3303
D3308
D3305
D3307
R3325
D3301
D3306
D3304
R3326
D3302
R3321
R3322
D3601
C3997
L3301
R3337
L3302
R3346
R3338
R3627
D3627
C3623
R3345
R3621
R3623
R3622
D3621
R3625
D3623
C3622
D3624
C3624
C3529
C3524 C3523
D3309
C3320
W512
C3304C3303
IC3301
JA3301
R3992
R3991 W245
W381
C74
C71
W396
W389
W520
W113
W114
W325
W295
W171
W354
W246
W296
KN3
W107
W271
W356
W238
W241
W144
W273
W242
W276
W275
W293
W355
W244
W243
W359
W419
W358
W322
W323
W339
W12
W248
W424
W119
W421
W394
W422
W324
W357
W400
W401
W528
W202
W199
W274
W399
W388
JA3992
CN8802
JA8801
W343
W416
W379
W384
W380
W136
C5718
W414
W415
W348
W418
W230
W397
W420
W120
W417
W423
W353
W349
W127
W352
W115
W125
W315
W395
W519
R5563
W175
W116
W350
W321
W351
W176
W142
W526
W106
W108
W521
W502
W237
W527
W522
W524
W141
W173
W174
W314
W126
W130
Q3301
Q3302
W316
W290
W105
W104
W103
W101
W102
W516
W518
W168
W386
W223
W291
W313
W312
W270
W286
W196
W194
W170
W197
Q2302
Q2301
W289
W311
W310
W308
C5589
W235
W164
W514
W511
W234
W232
W228
W309
W532
W264
W263
W265
W267
W513
W517
W162
W135
W510
W165
W159
W160
W161
W185
W187
W186
W515
W529
W236
W269
W229
W227
W231
W226
W233
W225
W224
W268
W222
W220
W221
W218
W523
W129
W288
W398
W266
CN1501
W525
W531
W530
W110
304
2232
EVOLCLK
VIDEO AUDIO
EVOLDATA
XRECMUTE
PRINT SIDE
Vref
123.0mm
123.0mm
PRODUCTION CODE
CONTACT SIDE
CONTACT SIDE
CONTACT SIDE CONTACT SIDE
UPPER SIDE
C
O
OPEN SIDE
OPEN SIDE
(
(
(
(
(
(
GNDA
GNDA
VA+12
VA-12
XPROTECT
XSYSMUTE
TCMODE
BIAS
PB/XREC
VD+5
GNDP
VDET
SDATA
MDATA
SCLK
XREADY
GNDU
VE+5
XPROTECT
XBEATCUT
SPL
SPR
AMPL
AMPR
17
1
11
11 1
1
1
27
15
41
NP
151
word surface
FCICT
DI P
25 1
230
MAIN ASSY
C
C
SIDE A
CN5701
To FM/AM TUNER UNIT
CN2301CN2302
To DECK MECHA
To DECK MECHA
CN3001
CN902
B
CN901
B
CN2901 CN1501
CN3901
E
CN3051
10
0
10
0
20
30
40
50
60
70
80
90
100
110
120
130
140
150
160
170
180
190
200
210
220
20 30 40 50 60 70 80 90 100 110 120 130 140 150 160
X
Y

XV-GX3 39
5678
5678
C
D
F
A
B
E
W254
W300
C5581
W504
W253
W205
W184
W501
W255
W209
W441
W303
W447
W446
W440
W412
W411
W374
W365
W367
W133
W334
W338
W371
W337
W217
W366
W256
W370
W404
W333
W134
W307
W306
W299
W432
C3057
CN3051
C3316
C3318
C3317
C3315
R3327
C3602
C3601
D3603
C3651
7
5
3
D3511
D3512
D3303
Q3654
C3653
D3653
R3651
D3651
C3652
D3305
D3307
R3325
D3301
R3326
D3302
H7
H8
D3654
Q61
R3322
D3601
L3301
R3337
L3302
R3338
D3627
R3345
R3621
R3623
R3622
D3621
R3625
D3623
R3626
D3625
C3622
D3624
D3626
C3624
IC3303
IC3304
D3604
D3602
D3652
R3992
R3991 W245
D3605
CN3651
AN1
C1
C3
RY1
L1
H2
H1
H4
H3
H6 H5
CN2
CN1
W252
W373
W372
W375
KN1
C11
D14
W251
C5
C12
C13
IC11
D12
D31
D21
C41
D41
C21
C22
C32
C31
D51
C51
CN21
D52
D43
D57
C57
C43
D44
IC51
C47
Q51
D55
C54
D53
C53
R51
IC61
C64
D61
C61
C65
D62
S101
S102
T2
Q12
W279
W302
W180
W250
W113
W114
W304
W426
W285
W155
W147
W181
W214
W215
W262
W427
W325
W295
Q54
W246
W331
W298
W152
W296
W206
W281
KN2
W280
W356
W433
W282
W144
W329
W330
W328
Q41
W179
W210
W213
W257
W212
W503
W149
W278
W301
W359
W153
W146
W428
W204
W358
W261
W322
W323
W183
W132
W131
W121
W248
W425
W119
W297
W362
W363
W324
W327
W506
W445
W156
W505
W507
W305
W438
W361
W216
W360
W402
W357
W400
W401
W528
W399
W403
W120
W208
W115
W207
W211
W151
W502
W148
W527
W508
W439
W398
W182
W150
C81
D81
D82
D83
Q81
R82
R84
W157
R16
W124
W123
C44
IC42
CN5651
CN3991
R41
W283
1565 7812 2012 79012
1565
240V
POSITION
240V
POSITION
(
(
ATTENTION
EN CAS REMPLACEMENT DES FUSIBLES IC3303 N'UTILISER
QUE LA REFERENCE 491007 DE CHEZ LITTELFUSE INC.
HOLDER
BOND
BOND
BOND
CMKM-P3X
LF
MAIN ASSY
AWM8013
AWM8016 AWM
AWM8015
FU1
FU2
FU3
REPLACE WITH SAME TYPE
#491007 FOR IC3303 MFD.
BY LITTEL FUSE INC.
CAUTION
PRIMARY
SECONDARY
CONTACT SIDE
CONTACT SIDE
(
(
(
(
(
4700/35
6800/25
2200/63
SYSPOW
FU4
GNDP
VPR+8
VFDP
SPL
SPR
AMPL
AMPR
15
1
14
12
110
R
FC
C
T
D
IP
117
12110
230
330
SIDE A
C
To DC FUN MOTOR
J3992
E
CN3991
CN3901
E
CN3051
CN5901
D
CN5651
4
0150 160 170 180 190 200 210 220 230 240 250 260 270 280 290 300 310 320
10
20
30
40
50
60
70
80
90
100
110
120
130
140
150
160
170
180
190
200
210
220
Y
(ANP7548-A)
CN3651

XV-GX3
40
1234
1234
C
D
F
A
B
E
230
MAIN ASSY
C
C
SIDE B
320
330
10
0
20
30
40
50
60
70
80
90
100
110
120
130
140
150
160
170
180
190
200
210
220
Y
1
5
160170180190200210220230240250260270280290300310
CN5651 CN3991 CN3051
R5580
R5581
Q5503
R5582
R5583
R62
TH3601
C23
C24
C25
C26
C33
C34
R3617 R3616
R3615
R3610
R3614
R3611
Q3604
Q3606
Q360
5
R3653
C35 C36
R3655
R3654
Q3653
Q3651
R3652
Q3652
R3656
Q3601
R3604
R3603
R3602
R3606
R3605
R3608
R3607
Q3602
R3613
Q3628
R3629
Q
Q3621
C3325
C3323
R3628
D3622
Q3622
R3343
D3323
R5653
Q362
9
Q3624
Q362
3
R14
C14
D13
R15
R12
Q11
R11
C42
C56
IC41
C63
C62
R61
D11
R55
R56
Q53
Q52
R81
C82
CN3051
CN3991
CN5651
CN3651
CONTACT SIDE
CONTACT SIDE
LIVE
NEUTRAL
VPR+8
PRIMARY
SECONDARY
CMKM-P3X
AWM
7
8
B
E2
E
B2
B
C
C2
1.MICSW
2.ECHOCONT
3.VA+12
4.MIC
5.GNDA
12.SPL
11.SPL
10.AMPL
9.AMPL
8.HPL
6.GNDHP
7.GNDHP
5.HPR
4.AMPR
3.AMPR
2.SPR
1.SPR
19.GNDLED
18.VLED+12
17.LED2
16.LED1
15.JOG
14.KEY2
13.KEY1
12.GNDU
11.GNDU
10.VFL+5
9.GNDFL
8.REMOCON
7.VE+5
6.FLAC
5.FLAC
4.VFDP
3.FLCS
2.FLCK
1.FLDATA
MIC
GNDP
VA-12
VL-
GNDA
VM+12
VL+
VH+
VH-
VA+12
VL+
VD+5
VE+5
VUN+8
VPR+8
FLCS
FLDATA
FLCLK
GNDLED
GNDFL
VFDP
SYSPOW
SPL
SPR
AMPL
CN21 CN2CN1
15
NP
NP
NP
N
P
NP
14 1
210 1
41
23
R
0
0
0
0
1
2
3
4
5
6
7
8
9
00
11
22
33
44
55
66
77
88
99
A-
117

XV-GX3 41
5678
5678
C
D
F
A
B
E
230
SIDE B
C
0
10
20
30
40
50
60
70
80
90
100
110
120
130
140
150
160
170
180
190
200
210
220
Y
10
0
2030405060708090100110120130140150160170
X
(ANP7548-A)
CN3051 CN1501 CN2901
CN2302 CN3001CN2301 CN5701
R5503
R5568
R5510
R5517
R5566
R5501
R5502
R5564
R5540
R5542
R5538
R5539
R5541
R5559
R5556
R5547
R5525
R5551
R5555
R5552
R5506
R5513
R5522
R5514
R5535
R5530
R5528
C5501
C5507
C5506
R5567
R5527
R5565
IC5501
R5537
R5558
R5519
R2905
R2911
R2906
R5511
R2901
R2902
R2903
R2904
R5521
C5504
Q5502
C5584
R5585
C5585
C5588 R5584
C5587
C5582
R5512
R5550
R5549
R5543
R5526
C5508
R5412
R5411
R5548
R5572
R5532
R5504
C5510
C5509
R5545
R5546
C1501
C1502
C1503
C5701
C5702
C5705
R5714
C5709
C5708
R5713
C5706
C5707
C5710
C5711
C5713C5712
C5703
C5719
IC5701
C5715
C5717
C5716
C5720
IC5401
C5401
R5402
R5401
C5402
R5529
R5544
R5515
R5516
C5505
R5531
R5704
R5703
C5714
Q5411
Q2901
Q2902
Q2906 Q2905
C1510
C1509
IC3001
R3103 C3103
R3002
C3102
C3101
R3104 C3106
C3002
C3001
R3101
C3104
C3105
R3004
R3102
R3001
R3003
R3011
R3012
R3013
C3011
R2321
C3012
C3015
C3016
R2323 R2311
R2312
R2322R2324
R2325
R2326
R2328
R2327
R2329
R2330
C3020
C3022
C3034
C3032
R3034
C3033
C3031
R3032
R3033
R3031
C3044
C3043
R3042
R3041
C3049
C3047
C3048
C3050
R3043
R3044
C3051
C3052
C3053
R3051
C3038
C3037
R3038
R3037
R3005
R3006
R2408 R2402
R2404
R2406
C2404
C2406
C2408
R2410
R2401
R2403
C2403
R2405
C2405
C2407
R2407
R2409
F8841
R8842
C8842
C8832
R8835
R8832 F8831
L8861
R8875
R8876
C8872
R8821
R8822
L8871
L8821
C8822
L8851
R8855
R8856
C8852
R8853
R8865 R8866
C8862R8863
R8873
R2101
C2101
C2102 R2105
R2102
R2103
Q2101
R2104
R2106
R2107
R2108
R2109
C2106
C2104
C3017
C3018
R2804
R1501 R1502
R1503 R1504
Q3001
R3007
R3039
R3040
C3025
C3026
C2301
R2301
R2302
C2302
Q2303 Q2304
C2303
R2303
R2304 C2304
R2351
R2352
R2821
R2823
C2811
C2812
R2824
R2822
R2814
R2813
R2816
C2809
R2801
R2802
R2811
R2810
R2809
Q2351
Q2352
Q3003
R3036
R3035
C3039
C3040
IC3031
C3319 R3330
R3318
C3308
R3317
R3314
R3316
R3312
R3310
C3310
C3312
C3311
C3307
R3315
R3320
R3319
R3313
C3309
R3309
R3311
R3302
R3301
R3617 R3616
R3615
R3610
R3614
R3612
R3611
R3308
R3304
R3307
R3303
R3509 R3505
R3513R3514
R3506
R3504
R3510
R3503
Q3604
Q3606
Q3605
Q3603
Q3503
Q3504
D3501
D3502
R3329
R3613
Q3628
R3629
R3630
C3324
R3348
C3326
R3340
R3341
Q3322
Q3321
C3996
R3342
C3332
Q3621
C3621
R3624
R3339
C3325
R3347
C3323
R3628
C3327
C3329
R3352
R3350
R3349
R3351
C3331
C3330
D3622
D3321
Q3622
Q3625
C3328
R3344
R3343
Q3521
R3531
R3532
R3533
IC3522
IC3521
R3530
R3521
C3521
C3522
R3522
C3528
R3528
R3527
R3526
C3526
C3525
R3523
R3524
R3529
C3527
R3525
R3332
Q3305
R3334
R3333
R3335
R3306
R3305
R3355
R3356
D3323
R5705
Q3303
Q3304
Q3629
Q3624
Q3620
Q3623
R5706
R5707
C72
C73
R2353
R2354
IC71
C3058
R5715
C5722
C5723
C3030
C3029
R3030
R3029
R3323
R3361
R3362
R3363
R3364
R3547
D5501
D5502
R5586
R5587
R3541
R3542
R3543
R3544
R3545 R3546
C3541
D3541
D3542
D3543
Q3541
Q3542
C3027
XRECMUTE
CN2901
CN1501
CN3051
CN5501
CN5701
CN3001
CN2301
CN2302
CONTACT SIDE
UPPER SIDE
CONTACT SIDE CONTACT SIDE
CONTACT SIDE
CONTACT SIDE
Vref
(
(
X
A
STEST
UTEST
SC
SI
RECLEVEL Adj
Lch
Rch
Lch
Rch
PB LEVEL Adj
BIAS Adj
Lch
Rch
1.GND
2.RDS
3.VSM
4.TXR
5.+9V
6.TXL
7.GND
8.DO
9.CLK
10.DI
11.CE
27.FR
26.GNDA
25.FL
24.GNDA
23.GNDD
22.R
21.GNDD
20.B
19.GNDD
18.G
17.GNDD
16.Cr/R
15.GNDD
14.Cb/B
1.P/XI
2.SQUEEZE
3.VSEL2
4.VSEL1
5.ASPECT
6.SC
7.GNDD
8.V
9.GNDD
10.SY
11.GNDD
12.CY/G
13.GNDD
11.RECR
10.MOTOR
9.RECF
8.VD+5V
7.GNDM
6.MODE
5.HALF
4.PULSE
3.N.C.
2.SOL
1.GNDM
1.NC
2.TRKUP
3.DVDMUTE
4.VDET
5.GNDD
6.GNDD
7.DVDACK
8.MDATA
9.SDATA
10.SCLK
11.XREADY
12.XDVDRST
13.CVDPOWER
14.GNDD
15.GNDD
16.DOUT
17.GNDD
18.GNDD
19.GNDM
20.GNDM
21.VPR+8
22.VPR+8
23.VPR+8
24.VPR+8
25.VDVD+12
1.MICSW
2.ECHOCONT
3.VA+12
4.MIC
5.GNDA
1.Rch
2.GNDA
3.Lch
4.GNDA
1.BIAS
2.GNDB
1.FLASH E/D
2.FLASH DO
3.FLASH CLK
4.XRESET
5.VE+5
6.GNDU
7.NC
VE+5
GNDU
XPROTECT
GNDTCM
XREADY
SCLK
MDATA
SDATA
VDET
MIC
XDVDRST
XSYSMUTE
GNDB
VA+9
GNDREG
TXL
TXR
GNDA
VA+12
(
(
LINEOUTL
LINEOUTR
LINEINL
LINEINR
VA-12
DVDL
DVDR
EVOLOUTR EVOLOUTL
XPROTECT
GNDP
(
L
+
RECL
RECR
PBR
PBL
GNDA
(
SPL
SPR
AMPL
TCMODE
PB/XREC
BIAS
VD+5
AMPR
XBEATCUT
OPEN SIDE
OPEN SIDE
EVOLCLK
EVOLDATA
81 100
130
31 50
51
80
1
7
10
111
10
111
9
8
1
16
1
85
4
NP
1
116
17 32
33 48
49 64
1
27
NP
15
14
NP
1
85
4
NP
NP
NP
NP
NP
1
85
4
1
85
4
115
1
0123456789
0123
0
01
C
B
A
125

XV-GX3
42
1234
1234
C
D
F
A
B
E
4.4 DISPLAY ASSY
320
180
120 110 100 90 80 70 60 50 40 30 20 10 0
X
110
120
130
140
150
160
170
180
190
200
210
220
230
240
250
260
270
280
290
300
310
330
Y
L5901
C5913
C5918
L5902
IC5902
C5952
S5961
S5967
S5962
S5965 S5966
S5964
S5963
V5901
C5908
C5907
S5971
D5981 D5982
W126
W129
W128
W124
W116
W130
W123
S5968
S5969
S5970
W119
W118
W117
W114 W115
W120
W127
W121
CN5901
W125
W133
W131
W132
AWU
CMKM-P3X
Production Code
POWER
KEY1
VFL+5
GNDFL
REMOCON
VE+5
FLDATA
FLCS
FLCK
FLDC-
VFL+5
GR10 VFDP
VFDP
GNDFL
VE+5
GNDU
P.BASS REVERSE MODE REC/STOP FUNCTION
FL SPACER
FL SPACER
JOG
AWU8275
DISPLAY ASSY
FC ICT
2/2
45
1
CONTACT SIDE
17
1
LF
R
CN5901
CN5651
C
(ANP7549-A)
SIDE ASIDE A DISPLAY ASSY
D
D D

XV-GX3 43
5678
5678
C
D
F
A
B
E
34
33
22
23
44
111
12
117
LF
R
R5903
R5901
R5902
C5920
C5921
C5922
C5915
C5919
C5911
C5914
C5912
D5901
C5917
C5916
D5902
R5952
R5951
C5951
R5953
R5963
R5966
R5964
R5965
R5962
R5904
C5905
C5903
C5904
IC5901
C5906
R5905
R5906
R5908
R5907
Q5902
Q5901
R5954
R5971
R5972
R5973
R5974
C5971
R5981
R5982
C5981
D5983
R5967
R5968
R5969
Q5981
AWU
CMKM-P3X
POWER
2.VLED+12
1.GNDLED
5.KEY2
3.LED1
4.JOG
6.KEY1
7.GNDU
8.VFL+5
9.GNDFL
10.REMOCON
11.VE+5
12.FLDC-
13.FLDC+
14.VFDP
15.FLCS
16.FLCK
17.FLDATA
KEY1
VFL+5
GNDFL
REMOCON
VE+5
FLDATA
FLCS
FLCK
FLDC-
VFL+5
GR10
VFDP
VFDP
GNDFL
VE+5
GNDU
P.BASSREVERSE MODE
REC/STOP
FUNCTION
JOG
AWU8275
DISPLAY ASS'Y
A
B
C
D
F
E
G
H
I
(ANP7549-A)
10
0
120
110
130
140
150
160
170
180
190
200
210
220
230
240
250
260
270
280
280
300
310
320
330
20 30 40 50 60 70 80 90 100 110 120
X
Y
SIDE BSIDE B DISPLAY ASSY
D
D D
CN5901

XV-GX3
44
1234
1234
C
D
F
A
B
E
4.5 MIC ASSY
JA3991
C3910
VR3901
C3901
C3916
C3912
C3911
C3925
C3933
C3922
L3921
C3927
CN3921
J3992
JA3901
JA3902
C3918
KN3991
W108
W102
W109
W110
W103
W107
W105
W106
W112
W101
W111
W104
AWU
CMKM-P3X
GNDA
GNDA
GNDA
MIC SW
GNDHP
AMPR
HPR
HPR
HPL
MIC IN
DALPF OUT
AWU8276
MIC ASSY
A
1/2
UPPER SIDE
1
5
112 LF
R
CONTACT SIDE
(ANP7549-A)
10
0
60
70
80
90
100
110
120
130
140
150
160
170
180
190
200
210
220
230
240
250
20 30 40 50 60 70 80 90 100 110 120 130
X
Y
SIDE ASIDE A
MIC ASSY
E
E E
J3992
CN3991
C
CN3901
CN3051
C

XV-GX3 45
5678
5678
C
D
F
A
B
E
130 120 110 100 90 80 70 60 50 40 30 20 10 0
X
(ANP7549-A)
1
85
4
16 9
8
1
51
112
LF
R
C3991
C3992
R3993
C3993
L3991
R3901
IC3901
R3905
C3907
R3902
C3917
R3910
C3915
R3907
R3908
R3911
C3903
R3903
C3906
C3914
R3906
C3904
C3905
R3904
C3902
C3908
R3909
C3913R3927
R3928
C3931
R3926
R3923
C3926
C3930
C3928
C3923
C3924
R3925
C3932
R3931
C3921
R3921
R3924
C3929
R3929
R3922
IC3921
D3921
R3930
C3995 C3996
C3919
AWU
CMKM-P3X
GNDA
1.MIC SW
2.ECHOCONT
3.VA+12
4.MIC
5.GNDA
GNDA
MIC SW
GNDHP
AMPR
HPR
HPR
HPL
1.SPL
2.SPL
3.AMPL
4.AMPL
5.HPL
6.GNDHP
7.GNDHP
8.HPR
9.AMPR
10.AMPR
11.SPR
12.SPR
GNDA
MIC IN
DALPF OUT
AWU8276
MIC ASSY
240
60
70
80
90
100
110
120
130
140
150
160
170
180
190
200
210
220
230
250
Y
MIC ASSY
E
SIDE BSIDE B
E E
J3992
CN3901

XV-GX3
46
1234
1234
C
D
F
A
B
E
5. PCB PARTS LIST
77
77 CONTRAST OF PCB ASSEMBLIES
AWM8013, AWM8016 and AWM8015 are constructed the same except for the following :
77
77 PCB PARTS LIST FOR DFLXJ TYPE UNLESS OTHER WISE NOTED
Parts marked by "NSP" are generally unavailable because they are not in our Master Spare Parts List.
The mark found on some component parts indicates the importance of the safety factor of the part.
Therefore, when replacing, be sure to use parts of identical designation.
When ordering resistors, first convert resistance values into code form as shown in the following examples.
Ex.1 When there are 2 effective digits (any digit apart from 0), such as 560 ohm and 47k ohm (tolerance is shown by J=5%,
and K=10%).
Ex.2 When there are 3 effective digits (such as in high precision metal film resistors).
561
473
R50
1R0
5621
NOTES:
560 Ω
47k Ω
0.5 Ω
1 Ω
RD1/4PU J
RD1/4PU J
RN2H K
RS1P K
56 x 10
1
47 x 10
3
R50
1R0
561
473
5.62k Ω
RN1/4PC F562 x 10
1
5621
Meaning of the figures and others in the parentheses in the parts list.
Example) IC 301 is on the point (face A, 91 of x-axis, and 111 of y-axis) of the corresponding
PC board.
IC 301 (A, 91, 111) IC NJM2068V
Mark No. Description Part No.
LIST OF ASSEMBLIES
NSP 1..05 LOADER ASSY VWT1219
2..LOAB ASSY VWG2346
1..DVDM ASSY AWM7966
1..MAINASSY (DFLXJ, DDXJ/RD) AWM8013
1..MAINASSY (DDXJ/RB) AWM8016
1..MAINASSY (MTXJ) AWM8015
NSP 1..SUB ASSY AWM8014
2..DISPLAY ASSY AWU8275
2..MIC ASSY AWU8276
1..FM/AM TUNER UNIT AXX7173
Mark No. Description Part No.
CMAIN ASSY
Mark Symbol and Description AWM8013 AWM8016 AWM8015
H3–H6 FUSE CLIP AKR7001 AKR7001 Not used
>S101, S102 VOLTAGE SELECTOR AKX7017 AKX7017 Not used
>T2 STANDBY TRANSFORMER ATT7080 ATT7080 ATT7078
R5517 Not used RS1/16S393J RS1/16S473J
R5519 RS1/16S473J RS1/16S223J Not used
C33–C36 CHIP CAPACITOR XCG3008 Not used Not used
Mark No. Description Part No.
ALOAB ASSY
MISCELLANEOUS
S101 VSK1011
CN602 CONNECTOR S2B-PH-K
CN601 CONNECTOR S5B-PH-K
BDVDM ASSY
MISCELLANEOUS
IC 101 (A,62 ,106 ) 6CH DRIVER IC BD7995EFS
IC 201 (A,50 ,44 ) DVD IC MT1389FE/C2-L
IC 202 (B,34 ,25 ) IC K4S641632H-TC75
IC 203 (B,34 ,54 ) FLASH ROM AYW7082
IC 204 (A,19 ,44 ) EEPROM S-24CS04AFJ
IC 401 (B,92 ,22 ) DVD VIDEO AMP IC MM1623BF
IC 501 (A,98 ,71 ) D/A CONVERTER PCM1753DBQ
>IC 711 (A,33 ,74 ) REGULATOR (1.8V) MM1661JH
>IC 731 (A,29 ,92 ) DC/DC CONTROLLER IC R1224N102H
>IC 751 (A,32 ,113 ) REGULATOR IC (5.0V) MM1565AF
>IC 761 (A,41 ,119 ) REGURATOR (ADJ.) BA3948FP
Q304 (A,77 ,127 ) TRANSISTOR 2SC4081
Q305 (A,84 ,125 ) NMOS FET TRANSISTOR UM5K1N
Q307 (A,71 ,87 ) CHIP TRANSISTOR HN1A01F
Q308 (A,63 ,87 ) CHIP TRANSISTOR HN1A01F
Q481 (A,100 ,7 ) CHIP TRANSISTOR DTC114YUA
Q501 (A,103 ,56 ) TRANSISTOR 2SD2114K
Q502 (A,94 ,56 ) TRANSISTOR 2SD2114K
Q503 (A,105 ,69 ) CHIP TRANSISTOR DTC114YUA
Q504 (A,108 ,69 ) CHIP TRANSISTOR DTC114YUA
Q505 (A,98 ,53 ) TRANSISTOR 2SA1576A
Q506 (A,114 ,69 ) CHIP TRANSISTOR DTC114YUA
Q701 (A,24 ,134 ) TRANSISTOR 2SA1576A
Q702 (A,27 ,129 ) DIGITAL TRANSISTOR DTC124EUA
>Q732 (B,22 ,90 ) FET RSQ035P03
Mark No. Description Part No.

XV-GX3 47
5678
5678
C
D
F
A
B
E
Q801 (A,50 ,87 ) DIGITAL TRANSISTOR DTC124EUA
Q821 (A,42 ,86 ) TRANSISTOR 2SA1576A
Q851 (A,42 ,89 ) TRANSISTOR 2SA1576A
Q881 (A,42 ,93 ) TRANSISTOR 2SA1576A
D731 (A,29 ,87 ) DIODE 1SS355
D732 (B,18 ,92 ) DIODE RSX201L-30
D733 (A,24 ,94 ) DIODE 1SS355
D801 (A,50 ,85 ) DIODE UDZS4R7(B)
D821 (A,46 ,86 ) DIODE 1SS355
D851 (A,46 ,89 ) DIODE 1SS355
D852 (A,42 ,82 ) DIODE 1SS355
D861 (A,46 ,82 ) DIODE 1SS355
D862 (A,46 ,83 ) DIODE 1SS355
D881 (A,46 ,93 ) DIODE 1SS355
L731 (A,23 ,109 )
POWER INDUCTOR(22U)
DTL1099
L732 (A,22 ,84 ) POWER INDUCTOR ATH7011
L751 (A,34 ,99 ) CHIP BEADS VTL1095
L901 (B,44 ,129 ) CHIP BEADS VTL1075
X201 (A,77 ,45 ) CRYSTAL RESONATOR VSS1172
(27MHz)
CN101 (A,88 ,140 ) 0.5-24P CONNECTER VKN1482
CN102 (A,69 ,142 ) 12P CONNECTOR AKN7031
CN103 (A,103 ,139 ) 04P CONNECTOR RKN1045
CN104 (A,79 ,9 ) CONNECTOR AKM1291
CN901 (A,42 ,142 ) 25P CONNECTOR VKN1317
CN902 (A,116 ,28 ) 27P CONNECTOR VKN1319
RESISTORS
R131 (A,61 ,95 ) RS1/10S4R7J
R132 (A,63 ,95 ) RS1/10S4R7J
R133 (A,66 ,95 ) RS1/10S4R7J
R134 (A,65 ,95 ) RS1/10S4R7J
R135 (A,68 ,95 ) RS1/10S4R7J
R136 (A,70 ,95 ) RS1/10S4R7J
R151 (A,59 ,117 ) RS1/10S1R0J
R152 (A,59 ,121 ) RS1/10S1R8J
R153 (A,57 ,117 ) RS1/10S1R0J
R154 (A,57 ,121 ) RS1/10S1R8J
R200 (A,25 ,56 ) RS1/10S0R0J
R201 (A,49 ,67 ) RS1/16S152J
R202 (A,48 ,67 ) RS1/16S223J
R204 (A,47 ,67 ) RS1/16S223J
R205 (A,45 ,67 ) RS1/16S184J
R206 (A,46 ,64 ) RS1/16S224J
R207 (A,65 ,60 ) RS1/10S0R0J
R208 (B,27 ,71 ) RS1/10S0R0J
R209 (A,57 ,16 ) RS1/10S0R0J
R212 (A,40 ,70 ) RS1/16S103J
R213 (A,41 ,70 ) RS1/16S103J
R214 (A,45 ,72 ) RS1/16S0R0J
R216 (A,36 ,62 ) RS1/16S0R0J
R217 (A,31 ,61 ) RS1/10S0R0J
R218 (A,18 ,37 ) RS1/16S103J
R219 (A,18 ,35 ) RS1/16S103J
R221 (A,25 ,44 ) RS1/16S330J
R223 (A,29 ,35 ) RS1/16S330J
R224 (A,29 ,49 ) RS1/16S330J
R225 (A,40 ,23 ) CHIP RESISTOR ARRAY RAB4C330J
R226 (A,43 ,23 ) RS1/16S330J
R227 (A,44 ,23 ) RS1/16S330J
Mark No. Description Part No.
R229 (A,48 ,24 ) RS1/16S330J
R230 (B,71 ,35 ) RS1/16S101J
R231 (B,71 ,37 ) RS1/16S101J
R232 (A,34 ,60 ) RS1/16S0R0J
R233 (B,42 ,50 ) RS1/16S0R0J
R234 (A,26 ,42 ) RS1/16S330J
R235 (A,26 ,41 ) RS1/16S472J
R237 (A,23 ,41 ) RS1/16S330J
R238 (B,60 ,35 ) RS1/16S103J
R241 (A,71 ,36 ) RS1/16S330J
R242 (A,71 ,37 ) RS1/16S330J
R243 (A,69 ,39 ) RS1/16S100J
R244 (A,69 ,41 ) RS1/16S330J
R247 (B,58 ,37 ) RS1/16S103J
R248 (B,58 ,46 ) RS1/16S330J
R249 (B,59 ,40 ) RS1/16S103J
R251 (A,70 ,47 ) RS1/16S104J
R252 (A,68 ,45 ) RS1/16S0R0J
R253 (A,70 ,45 ) RS1/16S681J
R254 (B,65 ,48 ) RS1/16S754J
R255 (B,57 ,52 ) RS1/16S104J
R256 (A,73 ,59 ) RS1/16S153J
R257 (B,64 ,42 ) RS1/16S0R0J
R258 (A,23 ,39 ) RS1/16S330J
R259 (A,26 ,39 ) RS1/16S330J
R260 (A,24 ,37 ) RS1/16S330J
R261 (A,27 ,38 ) RS1/16S330J
R266 (B,51 ,38 ) RS1/16S330J
R268 (B,68 ,37 ) RS1/16S101J
R269 (A,73 ,33 ) RS1/16S102J
R270 (A,73 ,35 ) RS1/16S102J
R279 (A,63 ,25 ) CHIP RESISTOR RS1/16S2201F
R281 (B,19 ,33 ) RS1/10S0R0J
R284 (A,34 ,61 ) RS1/16S103J
R301 (B,89 ,136 ) RS1/10S0R0J
R302 (B,86 ,136 ) RS1/10S0R0J
R303 (B,87 ,133 ) RS1/10S0R0J
R313 (A,80 ,125 ) RS1/16S104J
R314 (A,75 ,125 ) RS1/16S103J
R315 (A,80 ,128 ) RS1/16S103J
R318 (A,80 ,126 ) RS1/16S104J
R321 (A,61 ,87 ) RS1/16S4R7J
R322 (A,73 ,87 ) RS1/16S4R7J
R325 (A,68 ,87 ) RS1/16S4R7J
R326 (A,66 ,87 ) RS1/16S4R7J
R401 (A,82 ,30 ) RS1/16S103J
R402 (B,99 ,14 ) RS1/16S103J
R403 (B,99 ,13 ) RS1/16S0R0J
R404 (A,83 ,25 ) RS1/16S102J
R411 (A,69 ,23 ) RS1/16S1500F
R412 (A,70 ,23 ) RS1/16S1500F
R413 (A,67 ,23 ) RS1/16S1500F
R414 (A,71 ,23 ) RS1/16S1500F
R415 (A,73 ,23 ) RS1/16S1500F
R416 (A,74 ,23 ) RS1/16S1500F
R421 (B,102 ,15 ) RS1/16S0R0J
R422 (B,99 ,20 ) RS1/16S0R0J
R423 (B,99 ,21 ) RS1/16S0R0J
R424 (B,99 ,23 ) RS1/16S0R0J
R425 (B,99 ,25 ) RS1/16S0R0J
Mark No. Description Part No.

XV-GX3
48
1234
1234
C
D
F
A
B
E
R426 (B,99 ,29 ) RS1/16S0R0J
R481 (A,103 ,7 ) RS1/16S102J
R501 (A,91 ,64 ) RS1/16S0R0J
R503 (A,92 ,73 ) RS1/16S101J
R504 (A,92 ,74 ) RS1/16S101J
R505 (A,94 ,74 ) RS1/16S101J
R506 (A,101 ,74 ) RS1/16S220J
R507 (A,104 ,74 ) RS1/16S101J
R508 (A,104 ,73 ) RS1/16S101J
R509 (A,104 ,72 ) RS1/16S101J
R511 (A,100 ,60 ) RS1/16S223J
R512 (A,97 ,60 ) RS1/16S223J
R513 (A,103 ,59 ) RS1/16S471J
R514 (A,95 ,59 ) RS1/16S471J
R515 (A,99 ,56 ) RS1/16S222J
R516 (A,98 ,56 ) RS1/16S222J
R517 (B,105 ,68 ) RS1/16S102J
R518 (A,101 ,52 ) RS1/16S102J
R519 (A,99 ,50 ) RS1/16S103J
R520 (A,111 ,69 ) RS1/16S102J
R521 (A,110 ,53 ) RS1/16S0R0J
R522 (A,112 ,53 ) RS1/16S0R0J
R591 (A,83 ,50 ) RS1/16S0R0J
R592 (A,79 ,55 ) RS1/16S100J
R594 (A,80 ,72 ) RS1/16S0R0J
R701 (A,24 ,137 ) RS1/16S473J
R702 (A,27 ,134 ) RS1/16S103J
R732 (A,25 ,91 ) RS1/10S100J
R733 (A,25 ,93 ) RS1/16S220J
R734 (A,30 ,89 ) RS1/16S473J
R735 (A,29 ,84 ) RS1/16S272J
R736 (A,32 ,93 ) RS1/16S1802F
R737 (A,31 ,83 ) RS1/16S2702F
R738 (A,29 ,82 ) RS1/16S1502F
R739 (A,19 ,78 ) RS1/16S0R0J
R740 (A,29 ,85 ) RS1/16S0R0J
R750 (A,30 ,99 ) RS1/16S0R0J
R751 (A,33 ,119 ) RS1/16S0R0J
R761 (A,37 ,114 ) RS1/16S0R0J
R762 (A,45 ,114 ) RS1/16S3902F
R763 (A,44 ,112 ) RS1/16S334J
R764 (A,44 ,110 ) RS1/16S334J
R801 (A,54 ,85 ) RS1/16S471J
R821 (A,42 ,83 ) RS1/16S103J
R822 (A,39 ,86 ) RS1/16S473J
R823 (A,36 ,86 ) RS1/16S153J
R824 (A,37 ,86 ) RS1/16S103J
R851 (A,39 ,89 ) RS1/16S473J
R852 (A,36 ,89 ) RS1/16S103J
R853 (A,37 ,89 ) RS1/16S103J
R881 (A,39 ,93 ) RS1/16S473J
R882 (A,36 ,93 ) RS1/16S103J
R901 (A,39 ,128 ) RS1/16S0R0J
R902 (B,40 ,131 ) RS1/16S0R0J
R903 (A,43 ,128 ) RS1/16S332J
R904 (A,41 ,128 ) RS1/16S682J
R905 (A,44 ,128 ) RS1/16S332J
R906 (A,42 ,126 ) RS1/16S682J
R907 (A,46 ,128 ) RS1/16S471J
R908 (A,47 ,128 ) RS1/16S332J
Mark No. Description Part No.
R909 (A,46 ,125 ) RS1/16S682J
R910 (A,48 ,128 ) RS1/16S221J
R911 (A,50 ,128 ) RS1/16S221J
R912 (A,53 ,128 ) RS1/16S0R0J
R916 (B,47 ,128 ) RS1/16S223J
R917 (B,44 ,125 ) RS1/16S223J
R921 (A,106 ,7 ) RS1/16S0R0J
R922 (A,106 ,8 ) RS1/16S0R0J
R923 (A,105 ,10 ) RS1/16S0R0J
R924 (A,105 ,11 ) RS1/16S0R0J
R1001(B,107 ,6 ) RS1/10S0R0J
R1002(B,116 ,16 ) RS1/10S0R0J
R1003(B,118 ,16 ) RS1/10S0R0J
CAPACITORS
C101 (A,49 ,120 ) CEVW101M16
C102 (A,73 ,101 ) CKSRYB105K10
C103 (A,66 ,116 ) CKSRYB105K10
C104 (A,61 ,117 ) CKSRYB105K10
C121 (B,61 ,112 ) CKSRYB105K10
C131 (A,52 ,103 ) CKSRYB104K25
C140 (A,60 ,137 ) CKSRYB105K10
C144 (A,62 ,99 ) CKSRYB222K50
C145 (A,64 ,98 ) CKSRYB222K50
C146 (A,60 ,98 ) CKSRYB222K50
C151 (A,68 ,114 ) CKSRYB103K50
C152 (A,71 ,114 ) CKSRYB103K50
C153 (A,73 ,111 ) CKSRYB103K50
C161 (A,58 ,96 ) CKSRYB102K50
C201 (A,21 ,52 ) CHIP ELECT.CAPACITOR CEVW221M4
C202 (A,69 ,64 ) CHIP ELECT.CAPACITOR CEVW221M4
C203 (A,55 ,78 ) CHIP ELECT.CAPACITOR CEVW470M16
C204 (A,52 ,63 ) CKSRYB104K25
C205 (B,52 ,69 ) CKSRYB104K25
C206 (A,47 ,77 ) CHIP ELECT.CAPACITOR CEVW470M16
C207 (B,53 ,55 ) CKSRYB104K25
C208 (A,48 ,70 ) CKSRYB222K50
C209 (A,50 ,70 ) CKSRYB104K25
C210 (A,47 ,70 ) CKSRYB222K50
C211 (A,46 ,70 ) CCSRCH560J50
C212 (A,44 ,70 ) CCSRCH560J50
C213 (A,55 ,63 ) CKSRYB104K25
C214 (B,50 ,54 ) CKSRYB104K25
C215 (A,55 ,69 ) CHIP ELECT.CAPACITOR CEVW470M16
C216 (A,46 ,62 ) CKSRYB104K25
C217 (A,42 ,62 ) CKSRYB104K25
C219 (A,36 ,61 ) CKSRYB152K50
C220 (A,31 ,58 ) CKSRYB104K25
C222 (A,29 ,53 ) CKSRYB104K25
C223 (A,29 ,51 ) CKSRYB104K25
C224 (A,25 ,45 ) CKSRYB104K25
C225 (B,34 ,39 ) CKSRYB104K25
C226 (B,40 ,39 ) CKSRYB103K50
C227 (B,36 ,40 ) CCSRCH221J50
C228 (B,39 ,37 ) CKSRYB104K25
C230 (B,37 ,35 ) CKSRYB102K50
C231 (B,42 ,35 ) CKSRYB104K25
C232 (B,46 ,36 ) CKSRYB104K25
C233 (B,49 ,33 ) CKSRYB104K25
C234 (B,52 ,33 ) CKSRYB104K25
Mark No. Description Part No.

XV-GX3 49
5678
5678
C
D
F
A
B
E
C235 (B,55 ,35 ) CKSRYB104K25
C236 (B,56 ,33 ) CKSRYB104K25
C237 (A,65 ,16 ) CHIP ELECT.CAPACITOR CEVW221M4
C239 (B,60 ,34 ) CKSRYB104K25
C240 (B,59 ,39 ) CKSRYB104K25
C241 (B,61 ,43 ) CKSRYB104K25
C243 (A,61 ,25 ) CKSRYB105K10
C244 (A,60 ,25 ) CKSRYB104K25
C245 (B,61 ,31 ) CKSRYB104K25
C246 (B,63 ,32 ) CKSRYB104K25
C250 (B,64 ,36 ) CKSRYB103K50
C251 (A,73 ,47 ) CCSRCH8R0D50
C252 (A,73 ,44 ) CCSRCH100D50
C253 (B,64 ,44 ) CKSRYB104K25
C254 (B,64 ,48 ) CCSRCH391J50
C255 (B,65 ,53 ) CKSRYB474K10
C256 (B,72 ,52 ) CEVW100M16
C257 (B,60 ,49 ) CKSRYB104K25
C258 (A,69 ,49 ) CKSRYB473K50
C259 (A,72 ,50 ) CKSRYB473K50
C260 (B,60 ,50 ) CKSRYB104K25
C265 (A,73 ,53 ) CCSRCH220J50
C266 (B,60 ,52 ) CKSRYB104K25
C267 (A,70 ,53 ) CKSRYB102K50
C268 (A,73 ,56 ) CKSRYB104K25
C269 (A,72 ,56 ) CKSRYB333K16
C271 (A,70 ,57 ) CKSRYB104K25
C272 (A,70 ,58 ) CKSRYB104K25
C273 (A,69 ,60 ) CKSRYB104K25
C281 (B,18 ,27 ) CHIP ELECT.CAPACITOR CEVW221M4
C282 (B,22 ,31 ) CKSRYB105K10
C283 (B,46 ,33 ) CKSRYB104K25
C284 (B,33 ,17 ) CKSRYB104K25
C285 (B,27 ,17 ) CKSRYB104K25
C286 (B,27 ,33 ) CKSRYB104K25
C287 (B,31 ,33 ) CKSRYB104K25
C288 (B,34 ,33 ) CKSRYB104K25
C289 (B,34 ,40 ) CKSRYB105K10
C290 (A,20 ,39 ) CKSRYB104K25
C296 (B,34 ,42 ) CKSRYB102K50
C309 (A,71 ,77 ) CHIP ELECT.CAPACITOR CEVW470M16
C310 (A,63 ,77 ) CHIP ELECT.CAPACITOR CEVW470M16
C343 (A,64 ,64 ) CKSRYB105K10
C344 (A,60 ,64 ) CKSRYB105K10
C345 (A,62 ,64 ) CKSRYB105K10
C346 (A,63 ,64 ) CKSRYB105K10
C347 (A,59 ,64 ) CKSRYB105K10
C371 (A,94 ,134 ) CKSRYB104K25
C372 (B,94 ,134 ) CKSRYB104K25
C373 (A,99 ,127 ) CEVW101M16
C401 (B,90 ,9 ) CEVW101M16
C402 (B,97 ,11 ) CKSRYB104K25
C404 (A,93 ,23 ) CEVW101M16
C405 (B,84 ,22 ) CKSRYB104K25
C406 (B,99 ,16 ) CKSRYB104K25
C411 (B,84 ,15 ) CKSRYB104K25
C412 (B,84 ,18 ) CKSRYB105K10
C413 (B,84 ,21 ) CKSRYB105K10
C414 (B,84 ,25 ) CKSRYB105K10
C415 (B,84 ,27 ) CKSRYB104K25
Mark No. Description Part No.
C416 (B,84 ,29 ) CKSRYB104K25
C500 (B,95 ,70 ) CKSRYB105K10
C501 (A,91 ,60 ) CKSRYB104K25
C503 (A,86 ,65 ) CEVW101M16
C504 (A,93 ,68 ) CKSRYB104K25
C508 (A,104 ,66 ) CKSRYB104K25
C509 (A,106 ,62 ) CEVW100M16
C511 (A,100 ,65 ) CEVW100M16
C512 (A,95 ,65 ) CEVW100M16
C513 (A,100 ,58 ) CKSRYB102K50
C514 (A,97 ,58 ) CKSRYB102K50
C701 (A,24 ,131 ) CKSQYB105K16
C711 (A,28 ,73 ) CKSRYB105K10
C712 (A,35 ,78 ) CCSRCH471J50
C713 (A,29 ,66 ) CKSQYB225K10
C732 (A,22 ,113 ) CHIP CERAMIC C. DCH1165
C733 (A,20 ,105 ) CHIP CERAMIC C. DCH1165
C734 (A,21 ,100 ) CEVW101M16
C735 (A,20 ,95 ) CHIP CERAMIC C. DCH1165
C736 (A,25 ,89 ) CKSRYB104K25
C737 (A,28 ,82 ) CCSRCH121J50
C738 (A,24 ,78 ) CHIP CERAMIC C. DCH1165
C739 (A,21 ,66 ) CEVW101M16
C751 (A,32 ,119 ) CKSRYB105K10
C752 (A,34 ,108 ) CCSRCH471J50
C753 (A,30 ,108 ) CKSQYB225K10
C761 (A,41 ,103 ) CEVW101M16
C762 (A,40 ,112 ) CKSRYB105K10
C801 (A,50 ,83 ) CKSRYB104K25
CMAIN ASSY
MISCELLANEOUS
>IC 11 (A,232 ,72 ) IC TA7805S
>IC 41 (B,218 ,88 ) REGULATOR IC NJM78M05DL1A
>IC 42 (A,210 ,103 ) IC NJM78L08A
>IC 51 (A,200 ,149 ) REGULATOR IC TA79012S
>IC 61 (A,200 ,108 ) REGULATOR IC TA7812S
>IC 71 (B,49 ,200 ) REGULATOR IC NJM78M09DL1A
IC 3001(B,80 ,168 ) E-VOL IC BD3401KS2
IC 3031(B,108 ,184 ) OP-AMP IC BA4560RF
>IC 3301(A,126 ,119 ) AUDIO IC STK433-070
>IC 3303(A,230 ,43 ) PROTECTOR(7A) AEK7021
IC 5401(B,41 ,38 ) EEPROM S-93C46BD0I-J8T1
IC 5501(B,66 ,63 )
SYSTEM CONTROL MICON
PDC129A
Q11 (B,249 ,100 ) TRANSISTOR 2SC4081
Q12 (A,255 ,104 ) TRANSISTOR 2SD1858X
>Q41 (A,200 ,92 ) TRANSISTOR 2SB1565
>Q51 (A,305 ,46 ) TRANSISTOR 2SB1565
Q52 (B,275 ,13 ) DIGITAL TRANSISTOR DTC124EUA
Q53 (B,278 ,9 ) CHIP DIGITAL TRANS. DTA124EUA
>Q61 (A,200 ,134 ) TRANSISTOR 2SD2012
Q81 (A,309 ,12 ) TRANSISTOR 2SB1565
Q2101(B,78 ,110 ) TRANSISTOR 2SC4081
Q2301(A,33 ,120 ) N-FET 2SK373
Q2302(A,31 ,127 ) N-FET 2SK373
Q2303(B,27 ,116 ) TRANSISTOR DTC114TK
Q2304(B,20 ,117 ) TRANSISTOR DTC114TK
Q2351(B,67 ,116 ) CHIP DIGITAL TRANS. DTA124EUA
Q2352(B,57 ,117 ) CHIP TRANSISTOR RN1901
Mark No. Description Part No.

XV-GX3
50
1234
1234
C
D
F
A
B
E
Q2801(A,11 ,72 ) TRANSISTOR 2SC1815
Q2802(A,20 ,76 ) TRANSISTOR 2SC1815
Q2805(A,30 ,101 ) TRANSISTOR 2SC1815
Q2806(A,30 ,96 ) TRANSISTOR 2SC2240
Q2901(B,23 ,10 ) CHIP DIGITAL TRANS. DTA124EUA
Q2902(B,36 ,22 ) CHIP TRANSISTOR RN1901
Q2905(B,45 ,20 ) TRANSISTOR 2SB1132
Q2906(B,55 ,20 ) TRANSISTOR 2SB1132
Q3001(B,67 ,207 ) TRANSISTOR IMX9
Q3003(B,146 ,193 ) CHIP DIGITAL TRANS. DTA124EUA
Q3303(B,104 ,115 ) TRANSISTOR 2SD2114K
Q3304(B,112 ,115 ) TRANSISTOR 2SD2114K
Q3305(B,123 ,82 ) TRANSISTOR 2SC4081
Q3321(B,147 ,80 ) TRANSISTOR 2SC4081
Q3322(B,147 ,84 ) TRANSISTOR 2SC4081
>Q3501(A,129 ,173 ) MOS FET 2SJ304
>Q3502(A,129 ,157 ) MOS FET 2SK2232
Q3503(B,133 ,171 ) TRANSISTOR 2SC4081
Q3504(B,133 ,154 ) TRANSISTOR 2SA1576A
Q3541(B,122 ,61 ) TRANSISTOR 2SA1576A
Q3542(B,102 ,80 ) TRANSISTOR 2SC4081
Q3603(B,150 ,155 ) CHIP TR (PNP X 2) UMB1N
Q3604(B,163 ,157 ) CHIP TR (PNP X 2) UMB1N
Q3605(B,153 ,148 ) TRANSISTOR UMH1N
Q3606(B,165 ,142 ) TRANSISTOR UMH1N
Q3620(B,144 ,188 ) CHIP DIGITAL TRANS. DTA124EUA
Q3621(B,161 ,172 ) CHIP DIGITAL TRANS. DTA124EUA
Q3622(B,154 ,174 ) TRANSISTOR 2SC4081
Q3623(B,155 ,180 ) CHIP DIGITAL TRANS. DTA124EUA
Q3625(B,114 ,74 ) CHIP TRANSISTOR HN1C01FU
Q3628(B,160 ,184 ) DIGITAL TRANSISTOR DTC124EUA
Q3629(B,155 ,186 ) DIGITAL TRANSISTOR DTC143EUA
Q3651(B,207 ,218 ) TRANSISTOR DTA124TK
Q3652(B,194 ,218 ) CHIP TRANSISTOR RN1901
Q3653(B,198 ,210 ) CHIP DIGITAL TRANS. DTA124EUA
Q3654(A,202 ,192 ) TRANSISTOR 2SD2144S
Q5411(B,85 ,104 ) DIGITAL TRANSISTOR DTA143EUA
Q5502(B,108 ,39 ) DIGITAL TRANSISTOR DTC143EUA
Q5503(B,279 ,24 ) TRANSISTOR 2SC4081
>D11 (B,231 ,101 ) BRIDGE DIODE S1NB60
D12 (A,245 ,108 ) DIODE MTZJ20(B)
D13 (B,248 ,105 ) DIODE DAN217
D14 (A,270 ,104 ) DIODE 1SS133
>D21 (A,290 ,35 ) DIODE D5SBA20(B)
>D31 (A,280 ,35 ) DIODE D5SBA20(B)
>D41 (A,301 ,102 ) DIODE D5SBA20(B)
D43 (A,223 ,81 ) DIODE MTZJ7R5(C)
D44 (A,205 ,83 ) DIODE MTZJ11(B)
>D51 (A,309 ,60 ) DIODE S5688G
>D52 (A,306 ,60 ) DIODE S5688G
D53 (A,309 ,40 ) DIODE MTZJ27(B)
D55 (A,309 ,43 ) DIODE 1SS133
D57 (A,205 ,153 ) DIODE MTZJ15(C)
D81 (A,310 ,26 ) DIODE S5688G
D82 (A,304 ,22 ) DIODE MTZJ3R6(B)
D83 (A,309 ,19 ) DIODE MTZJ2R0(B)
D2101(A,71 ,112 ) DIODE 1SS133
D2301(A,23 ,111 ) DIODE 1SS133
D2302(A,17 ,113 ) DIODE 1SS133
D2303(A,26 ,106 ) DIODE 1SS133
Mark No. Description Part No.
D2304(A,20 ,108 ) DIODE 1SS133
D2305(A,33 ,107 ) DIODE 1SS133
D2306(A,10 ,117 ) DIODE 1SS133
D2307(A,29 ,112 ) DIODE 1SS133
D2901(A,77 ,14 ) DIODE 1SS133
D2902(A,67 ,14 ) DIODE 1SS133
D3301(A,141 ,104 ) DIODE S5688G
D3302(A,146 ,126 ) DIODE S5688G
D3303(A,141 ,107 ) DIODE S5688G
D3304(A,137 ,126 ) DIODE S5688G
D3305(A,151 ,104 ) DIODE S5688G
D3306(A,137 ,129 ) DIODE S5688G
D3307(A,148 ,110 ) DIODE S5688G
D3308(A,136 ,133 ) DIODE S5688G
D3309(A,125 ,80 ) DIODE 1SS133
D3321(B,128 ,74 ) DIODE DAP202K
D3323(B,151 ,86 ) DIODE DAN202K
D3501(B,134 ,182 ) DIODE DAN202K
D3502(B,128 ,162 ) DIODE DAP202K
D3503(A,136 ,175 ) DIODE MTZJ36(B)
D3504(A,140 ,153 ) DIODE MTZJ36(B)
D3505(A,136 ,172 ) DIODE 1SS133
D3506(A,137 ,161 ) DIODE 1SS133
D3507(A,136 ,166 ) DIODE MTZJ18(B)
D3508(A,137 ,153 ) DIODE MTZJ18(B)
D3509(A,136 ,178 ) DIODE MTZJ10(B)
D3510(A,130 ,148 ) DIODE MTZJ10(B)
D3511(A,151 ,115 ) DIODE 30PDA20-FC6
D3512(A,144 ,135 ) DIODE 30PDA20-FC6
D3541(B,101 ,91 ) DIODE 1SS355
D3542(B,103 ,91 ) DIODE UDZS7R5(B)
D3543(B,126 ,56 ) DIODE UDZS20(B)
D3601(A,157 ,146 ) DIODE MTZJ7R5(B)
D3602(A,169 ,161 ) DIODE MTZJ7R5(B)
D3603(A,148 ,165 ) DIODE 1SS133
D3604(A,179 ,145 ) DIODE 1SS133
D3605(A,179 ,138 ) DIODE 1SS133
D3621(A,145 ,173 ) DIODE MTZJ5R1(B)
D3622(B,165 ,172 ) DIODE DAN202K
D3623(A,151 ,178 ) DIODE 1SS133
D3624(A,145 ,181 ) DIODE 1SS133
D3625(A,270 ,82 ) DIODE 1SS133
D3626(A,267 ,87 ) DIODE 1SS133
D3651(A,206 ,210 ) DIODE 1SS133
D3652(A,207 ,225 ) DIODE MTZJ3R9(B)
D3653(A,206 ,204 ) DIODE 1SS133
D3654(A,207 ,222 ) DIODE 1SS133
D5501(B,124 ,56 ) DIODE 1SS355
D5502(B,95 ,56 ) DIODE 1SS355
L2801(A,25 ,86 ) COIL RTD1082
L2802(A,59 ,109 ) RADIAL INDUCTOR LFEA151J
L2811(A,48 ,112 ) COIL RTF1004
L2812(A,38 ,112 ) COIL RTF1004
L3301(A,157 ,71 ) COIL ATH-059
L3302(A,144 ,72 ) COIL ATH-059
L5501(A,93 ,44 ) AXIAL INDUCTOR LAU220J
>AN1 (A,228 ,230 ) AC INLET 1P XKP3084
H1 (A,230 ,208 ) FUSE CLIP AKR7001
H2 (A,230 ,187 ) FUSE CLIP AKR7001
H3 (A,315 ,171 ) FUSE CLIP AKR7001
Mark No. Description Part No.

XV-GX3 51
5678
5678
C
D
F
A
B
E
H4 (A,315 ,192 ) FUSE CLIP AKR7001
H5 (A,303 ,176 ) FUSE CLIP AKR7001
H6 (A,303 ,155 ) FUSE CLIP AKR7001
H7 (A,301 ,90 ) FUSE CLIP AKR7001
H8 (A,279 ,90 ) FUSE CLIP AKR7001
JA 3001(A,61 ,230 ) JACK AKB7170
JA 3301(A,107 ,230 )
SPEAKER TERMINAL 4-P
XKE3020
JA 8801(A,18 ,230 ) JACK VKB1168
KN1 (A,316 ,225 ) SCREW PLATE VNE1948
KN3 (A,12 ,31 ) WRAPPING TERMINAL VNF1084
VR2801(A,20 ,97 ) VR PCP1032
VR2802(A,10 ,96 ) VR PCP1032
>RY1 (A,267 ,100 ) RELAY ASR7027
>S101 (A,303 ,214 ) VOLTAGE SELECTOR AKX7017
>S102 (A,266 ,214 ) VOLTAGE SELECTOR AKX7017
>T2 (A,227 ,135 )
STANDBY TRANSFORMER
ATT7080
X5501(A,87 ,56 ) CERAMIC RESONATOR ASS7034
(10MHz)
>CN1 (A,310 ,118 ) CONNECTOR B2P3S-VH
>CN2 (A,310 ,133 ) CONNECTOR B4P7S-VH
CN21 (A,310 ,70 ) CONNECTOR B10PS-VH
CN1501(A,115 ,14 ) 25P CONNECTOR VKN1256
CN2301(A,13 ,114 ) CONNECTOR B4B-PH
CN2302(A,11 ,89 ) CONNECTOR POST B2B-PH
CN2901(A,80 ,11 ) CONNECTOR 52045-1145
CN3001(A,8 ,157 ) 27P CONNECTOR VKN1258
CN3051(A,161 ,13 ) CONNECTOR 52045-0545
CN3651(A,211 ,201 ) PLUG(2P) KM200SA2
CN3991(A,186 ,10 )
12PJUMPER CONNECTOR
52147-1210
CN5651(A,262 ,11 ) CONNECTOR 52045-1745
CN5701(A,16 ,177 ) CONNECTOR 52045-1145
CN8802(A,39 ,230 ) SOCKET AKP7045
PCB BINDER VEF1040
3992PIN JACK(2P) AKB1233
RESISTORS
R11 (B,245 ,100 ) RS1/16S222J
R12 (B,247 ,100 ) RS1/16S223J
R14 (B,252 ,105 ) RS1/16S102J
R15 (B,252 ,101 ) RS1/16S103J
R16 (A,252 ,97 ) RD1/4PU390J
R41 (A,204 ,92 ) RD1/4PU221J
R51 (A,301 ,53 )
CARBON FILM RESISTOR
RD1/2PMF332J
R55 (B,269 ,12 ) RS1/16S823J
R56 (B,271 ,12 ) RS1/16S224J
R57 RS1/16S1R0J
R58 RS1/16S1R0J
R61 (B,203 ,135 ) RS1/16S473J
R62 (B,202 ,129 ) RS1/16S100J
R81 (B,304 ,28 ) RS1/16S103J
R82 (A,304 ,16 ) RD1/4PU1R0J
R84 (A,288 ,16 ) RD1/4PU332J
R1501(B,118 ,183 ) RS1/16S562J
R1502(B,116 ,190 ) RS1/16S562J
R1503(B,115 ,148 ) RS1/16S223J
R1504(B,115 ,186 ) RS1/16S223J
R2101(B,82 ,116 ) RS1/16S103J
R2102(B,77 ,116 ) RS1/16S124J
R2103(B,75 ,116 ) RS1/16S392J
R2104(B,74 ,104 ) RS1/16S271J
R2105(B,83 ,110 ) RS1/16S333J
Mark No. Description Part No.
R2106(B,81 ,106 ) RS1/16S102J
R2107(B,73 ,116 ) RS1/16S102J
R2108(B,72 ,104 ) RS1/16S104J
R2109(B,70 ,104 ) RS1/16S274J
R2301(B,33 ,116 ) RS1/16S105J
R2302(B,31 ,130 ) RS1/16S105J
R2303(B,50 ,132 ) RS1/16S334J
R2304(B,45 ,132 ) RS1/16S334J
R2311(B,60 ,154 ) RS1/16S681J
R2312(B,70 ,153 ) RS1/16S681J
R2321(B,60 ,150 ) RS1/16S474J
R2322(B,72 ,153 ) RS1/16S474J
R2323(B,60 ,147 ) RS1/16S333J
R2324(B,71 ,149 ) RS1/16S333J
R2325(B,63 ,138 ) RS1/16S0R0J
R2326(B,69 ,138 ) RS1/16S0R0J
R2351(B,69 ,116 ) RS1/16S104J
R2352(B,64 ,116 ) RS1/16S223J
R2353(B,62 ,144 ) RS1/16S0R0J
R2354(B,71 ,143 ) RS1/16S0R0J
R2401(B,39 ,154 ) RS1/16S224J
R2402(B,50 ,151 ) RS1/16S224J
R2403(B,39 ,150 ) RS1/16S474J
R2404(B,53 ,155 ) RS1/16S474J
R2407(B,31 ,152 ) RS1/16S683J
R2408(B,47 ,147 ) RS1/16S683J
R2409(B,34 ,138 ) RS1/16S472J
R2410(B,41 ,150 ) RS1/16S472J
R2801(B,32 ,81 ) RS1/16S103J
R2802(B,13 ,78 ) RS1/16S103J
R2803(A,44 ,97 )
CARBON FILM RESISTOR
RD1/2VM4R7J
R2805(A,60 ,100 )
CARBON FILM RESISTOR
RD1/2VM161J
R2809(B,75 ,82 ) RS1/16S102J
R2810(B,42 ,100 ) RS1/16S473J
R2811(B,38 ,101 ) RS1/16S102J
R2813(B,19 ,102 ) RS1/16S102J
R2814(B,10 ,101 ) RS1/16S102J
R2815(A,39 ,88 ) RD1/4PU102J
R2816(B,32 ,92 ) RS1/16S472J
R2821(B,50 ,118 ) RS1/16S113J
R2822(B,40 ,118 ) RS1/16S113J
R2823(B,53 ,115 ) RS1/16S102J
R2824(B,43 ,115 ) RS1/16S102J
R2901(B,59 ,10 ) RS1/16S473J
R2902(B,61 ,10 ) RS1/16S473J
R2903(B,57 ,12 ) RS1/16S473J
R2904(B,55 ,12 ) RS1/16S473J
R2905(B,49 ,19 ) RS1/16S473J
R2906(B,59 ,20 ) RS1/16S473J
R2907(A,51 ,24 ) RD1/4PU102J
R2908(A,62 ,24 ) RD1/4PU102J
R2909(A,21 ,15 ) RD1/4PU102J
R2910 RS1/16S1R0J
R2911(B,26 ,10 ) RS1/16S473J
R2912 RS1/16S1R0J
R3001(B,71 ,212 ) RS1/16S224J
R3002(B,66 ,212 ) RS1/16S224J
R3003(B,78 ,209 ) RS1/16S182J
R3004(B,64 ,208 ) RS1/16S182J
R3005(B,76 ,209 ) RS1/16S472J
Mark No. Description Part No.

XV-GX3
52
1234
1234
C
D
F
A
B
E
R3006(B,74 ,209 ) RS1/16S472J
R3007(B,80 ,209 ) RS1/16S473J
R3011(B,60 ,177 ) RS1/16S475J
R3012(B,64 ,173 ) RS1/16S221J
R3013(B,58 ,166 ) RS1/16S221J
R3029(B,94 ,177 ) RS1/16S0R0J
R3030(B,91 ,181 ) RS1/16S0R0J
R3031(B,87 ,189 ) RS1/16S153J
R3032(B,79 ,192 ) RS1/16S184J
R3033(B,82 ,183 ) RS1/16S184J
R3034(B,79 ,188 ) RS1/16S153J
R3035(B,109 ,177 ) RS1/16S123J
R3036(B,100 ,192 ) RS1/16S123J
R3037(B,103 ,187 ) RS1/16S123J
R3038(B,98 ,192 ) RS1/16S123J
R3039(B,94 ,190 ) RS1/16S153J
R3040(B,96 ,192 ) RS1/16S153J
R3041(B,97 ,181 ) RS1/16S472J
R3042(B,95 ,181 ) RS1/16S472J
R3043(B,96 ,173 ) RS1/16S472J
R3044(B,97 ,169 ) RS1/16S472J
R3051(B,93 ,163 ) RS1/16S472J
R3101(B,57 ,212 ) RS1/16S153J
R3102(B,50 ,212 ) RS1/16S153J
R3103(B,57 ,205 ) RS1/16S223J
R3104(B,54 ,205 ) RS1/16S223J
R3305(B,112 ,136 ) RS1/16S0R0J
R3306(B,120 ,136 ) RS1/16S0R0J
R3307(B,110 ,136 ) RS1/16S0R0J
R3308(B,122 ,136 ) RS1/16S0R0J
R3309(B,103 ,128 ) RS1/16S102J
R3310(B,124 ,131 ) RS1/16S102J
R3311(B,102 ,108 ) RS1/16S222J
R3312(B,109 ,107 ) RS1/16S222J
R3313(B,118 ,108 ) RS1/16S221J
R3314(B,110 ,111 ) RS1/16S221J
R3315(B,104 ,108 ) RS1/16S563J
R3316(B,108 ,111 ) RS1/16S563J
R3317(B,116 ,97 ) RS1/16S152J
R3318(B,117 ,90 ) RS1/16S152J
R3319(B,118 ,97 ) RS1/16S563J
R3320(B,121 ,92 ) RS1/16S563J
R3321(A,138 ,97 )
METAL OXIDE RESISTOR
ACN7122
R3322(A,144 ,97 )
METAL OXIDE RESISTOR
ACN7122
R3323(B,124 ,88 ) RS1/16S1R0J
>R3325(A,145 ,101 )
CARBON FILM RESISTOR
RD1/4MUF470J
>R3326(A,151 ,127 )
CARBON FILM RESISTOR
RD1/4MUF470J
R3329(B,144 ,92 ) RS1/16S1R0J
R3332(B,128 ,88 ) RS1/16S562J
R3333(B,128 ,84 ) RS1/16S333J
R3334(B,126 ,84 ) RS1/16S102J
R3335(B,130 ,84 ) RS1/16S222J
R3337(A,140 ,77 )
"RESISTOR (0.1OHM,2W)"
ACN7112
R3338(A,140 ,82 )
"RESISTOR (0.1OHM,2W)"
ACN7112
R3339(B,143 ,80 ) RS1/16S182J
R3340(B,142 ,86 ) RS1/16S182J
R3341(B,145 ,80 ) RS1/16S333J
R3342(B,144 ,84 ) RS1/16S333J
R3343(B,154 ,69 ) RS1/16S273J
R3344(B,141 ,71 ) RS1/16S273J
Mark No. Description Part No.
R3345(A,151 ,72 )
CARBON FILM RESISTOR
RD1/2PMF101J
R3346(A,138 ,72 )
CARBON FILM RESISTOR
RD1/2PMF101J
R3347(B,149 ,64 ) RS1/16S4R7J
R3348(B,142 ,66 ) RS1/16S4R7J
R3355(B,107 ,115 ) RS1/16S104J
R3356(B,122 ,130 ) RS1/16S104J
R3361(B,139 ,106 ) RS1/10S2R2J
R3362(B,136 ,106 ) RS1/10S2R2J
R3363(B,136 ,141 ) RS1/10S2R2J
R3364(B,134 ,141 ) RS1/10S2R2J
R3503(B,141 ,181 ) RS1/16S103J
R3504(B,133 ,160 ) RS1/16S103J
R3505(B,133 ,176 ) RS1/16S104J
R3506(B,133 ,150 ) RS1/16S104J
R3509(B,133 ,167 ) RS1/16S104J
R3510(B,135 ,150 ) RS1/16S104J
R3511(A,141 ,169 ) RD1/4PU101J
R3512(A,140 ,156 ) RD1/4PU101J
R3513(B,143 ,168 ) RS1/16S153J
R3514(B,142 ,154 ) RS1/16S153J
R3541(B,95 ,98 ) RS1/16S103J
R3542(B,102 ,85 ) RS1/16S104J
R3543(B,98 ,96 ) RS1/16S223J
R3544(B,123 ,65 ) RS1/16S473J
R3545(B,124 ,61 ) RS1/16S473J
R3546(B,126 ,65 ) RS1/16S472J
R3547(B,118 ,114 ) RS1/16S0R0J
R3610(B,162 ,148 ) RS1/16S273J
R3611(B,157 ,153 ) RS1/16S102J
R3612(B,148 ,153 ) RS1/16S103J
R3613(B,157 ,149 ) RS1/16S821J
R3614(B,150 ,160 ) RS1/16S103J
R3615(B,164 ,148 ) RS1/16S102J
R3616(B,169 ,144 ) RS1/16S103J
R3617(B,169 ,140 ) RS1/16S103J
R3621(A,148 ,173 ) RD1/4PU223J
R3622(A,151 ,170 ) RD1/4PU223J
R3623(A,148 ,176 ) RD1/4PU682J
R3625(A,154 ,165 ) RD1/4PU272J
R3626(A,267 ,77 ) RD1/4PU332J
R3629(B,163 ,185 ) RS1/16S273J
R3630(B,124 ,73 ) RS1/16S103J
R3651(A,206 ,213 ) RD1/4PU330J
R3652(B,210 ,217 ) RS1/16S222J
R3653(B,191 ,218 ) RS1/16S182J
R3654(B,195 ,210 ) RS1/16S822J
R3655(B,193 ,205 ) RS1/16S223J
R3656(B,193 ,210 ) RS1/16S332J
R3991(A,152 ,54 )
METAL OXIDE RESISTOR
RS3LMF471J
R3992(A,146 ,52 )
METAL OXIDE RESISTOR
RS3LMF471J
R5401(B,36 ,32 ) RS1/16S473J
R5402(B,48 ,40 ) RS1/16S473J
R5411(B,85 ,113 ) RS1/16S561J
R5412(B,92 ,101 ) RS1/16S473J
R5501(B,94 ,66 ) RS1/16S221J
R5502(B,91 ,66 ) RS1/16S102J
R5503(B,98 ,63 ) RS1/16S471J
R5504(B,93 ,62 ) RS1/16S104J
R5506(B,95 ,62 ) RS1/16S221J
R5511(B,80 ,52 ) RS1/16S101J
Mark No. Description Part No.

XV-GX3 53
5678
5678
C
D
F
A
B
E
R5512(B,76 ,41 ) RS1/16S221J
R5513(B,75 ,37 ) RS1/16S221J
R5514(B,74 ,41 ) RS1/16S221J
R5515(B,77 ,35 ) RS1/16S103J
R5516(B,79 ,35 ) RS1/16S103J
R5519(B,89 ,37 ) RS1/16S473J
R5521(B,78 ,38 ) RS1/16S105J
R5522(B,72 ,37 ) RS1/16S221J
R5525(B,69 ,41 ) RS1/16S221J
R5526(B,67 ,37 ) RS1/16S221J
R5527(B,66 ,41 ) RS1/16S221J
R5528(B,65 ,37 ) RS1/16S221J
R5529(B,64 ,41 ) RS1/16S221J
R5530(B,62 ,37 ) RS1/16S221J
R5531(B,52 ,36 ) RS1/16S105J
R5535(B,61 ,41 ) RS1/16S221J
R5537(B,51 ,46 ) RS1/16S472J
R5538(B,49 ,46 ) RS1/16S822J
R5539(B,47 ,48 ) RS1/16S221J
R5540(B,45 ,48 ) RS1/16S221J
R5541(B,43 ,48 ) RS1/16S221J
R5542(B,41 ,48 ) RS1/16S221J
R5543(B,45 ,56 ) RS1/16S221J
R5544(B,48 ,36 ) RS1/16S123J
R5545(B,50 ,40 ) RS1/16S103J
R5546(B,52 ,40 ) RS1/16S103J
R5547(B,45 ,60 ) RS1/16S221J
R5548(B,43 ,56 ) RS1/16S221J
R5549(B,43 ,60 ) RS1/16S221J
R5550(B,40 ,55 ) RS1/16S221J
R5551(B,51 ,73 ) RS1/16S221J
R5552(B,53 ,73 ) RS1/16S221J
R5555(B,55 ,81 ) RS1/16S221J
R5556(B,57 ,81 ) RS1/16S221J
R5558(B,61 ,82 ) RS1/16S221J
R5559(B,63 ,82 ) RS1/16S221J
R5563(A,85 ,75 ) RD1/4PU221J
R5564(B,85 ,71 ) RS1/16S221J
R5565(B,87 ,71 ) RS1/16S221J
R5566(B,80 ,79 ) RS1/16S221J
R5567(B,82 ,85 ) RS1/16S221J
R5568(B,82 ,79 ) RS1/16S221J
R5572(B,42 ,11 ) RS1/16S153J
R5580(B,293 ,24 ) RS1/16S102J
R5581(B,284 ,25 ) RS1/16S103J
R5582(B,282 ,25 ) RS1/16S102J
R5583(B,213 ,21 ) RS1/16S103J
R5584(B,114 ,41 ) RS1/16S473J
R5585(B,112 ,41 ) RS1/16S222J
R5586(B,121 ,55 ) RS1/16S124J
R5587(B,119 ,55 ) RS1/16S224J
R5653(B,233 ,8 ) RS1/16S100J
R5715(B,21 ,180 ) RS1/16S224J
R8821(B,27 ,209 ) CHIP RESISTOR RS1/16S75R0F
R8832(B,36 ,211 ) CHIP RESISTOR RS1/16S75R0F
R8842(B,42 ,211 ) CHIP RESISTOR RS1/16S75R0F
R8853(B,22 ,209 ) CHIP RESISTOR RS1/16S75R0F
R8863(B,11 ,210 ) CHIP RESISTOR RS1/16S75R0F
R8873(B,15 ,209 ) CHIP RESISTOR RS1/16S75R0F
Mark No. Description Part No.
CAPACITORS
>C1 (A,223 ,186 ) FILM CAPACITOR ACE7013
>C5 (A,258 ,127 ) CKA (10000P/AC250V) ACG7033
C11 (A,238 ,97 ) ELECT. CAPACITOR CEAT102M25
C12 (A,238 ,70 ) CEAT1R0M50
C13 (A,225 ,63 ) CEAT100M50
C14 (B,221 ,73 ) CKSRYB103K50
C15 CKSRYB102K50
C21 (A,265 ,33 ) ELECT. CAPACITOR CEAT222M63
C22 (A,265 ,53 ) ELECT. CAPACITOR CEAT222M63
C31 (A,245 ,33 ) CEAT472M35
C32 (A,245 ,53 ) CEAT472M35
C33 (B,280 ,41 ) CHIP CAPACITOR XCG3008
C34 (B,278 ,41 ) CHIP CAPACITOR XCG3008
C35 (B,277 ,49 ) CHIP CAPACITOR XCG3008
C36 (B,277 ,56 ) CHIP CAPACITOR XCG3008
C41 (A,254 ,73 ) ELECT. CAPACITOR CEAT682M25
C42 (B,224 ,90 ) CKSRYB473K50
C43 (A,225 ,85 ) ELECT. CAPACITOR CEAT470M25
C44 (A,208 ,93 ) CEAT1R0M50
C47 (A,207 ,87 ) ELECT. CAPACITOR CEAT470M25
C51 (A,299 ,62 ) ELECT. CAPACITOR CEAT101M63
C53 (A,301 ,38 ) ELECT. CAPACITOR CEAT330M50
C54 (A,297 ,48 ) ELECT. CAPACITOR CEAT220M50
C56 (B,204 ,150 ) CKSRYB473K50
C57 (A,209 ,154 ) CEAT100M50
C61 (A,208 ,108 ) CEAT1R0M50
C64 (A,208 ,117 ) ELECT. CAPACITOR CEAT220M50
C65 (A,208 ,148 ) CEAT100M50
C71 (A,54 ,197 ) CEAT1R0M50
C73 (B,45 ,202 ) CKSRYB104K16
C74 (A,41 ,199 ) ELECT. CAPACITOR CEAT470M25
C81 (A,301 ,28 ) ELECTR.CAPACITOR CEAT102M10
C82 (B,267 ,9 ) CKSRYB224K16
C1501(B,129 ,26 ) CKSRYB104K16
C1502(B,111 ,22 ) CKSRYB104K16
C1503(B,142 ,27 ) CKSRYB104K16
C1505(A,127 ,28 ) ELECT. CAPACITOR CEAT102M16
C1506(A,109 ,23 ) ELECT. CAPACITOR CEAT470M25
C1509(B,115 ,182 ) CCSRCH271J50
C1510(B,114 ,152 ) CCSRCH271J50
C2101(B,79 ,116 ) CKSRYB103K50
C2102(B,83 ,106 ) CKSRYB182K50
C2103(A,78 ,104 ) ELECT. CAPACITOR CEAT220M50
C2105(A,75 ,111 ) CEAT100M50
C2106(B,68 ,104 ) CKSRYB334K10
C2301(B,31 ,116 ) CCSRCH100D50
C2302(B,33 ,130 ) CCSRCH100D50
C2303(B,48 ,132 ) CKSRYB821K50
C2304(B,45 ,136 ) CKSRYB821K50
C2305(A,50 ,137 ) CEAT100M50
C2306(A,50 ,143 ) CEAT100M50
C2321(A,63 ,148 ) FILM CAPACITOR CQMBA682J50
C2322(A,73 ,150 ) FILM CAPACITOR CQMBA682J50
C2325(A,64 ,155 ) ELECT. CAPACITOR CEAT3R3M50
C2326(A,71 ,156 ) ELECT. CAPACITOR CEAT3R3M50
C2401(A,36 ,154 ) FILM CAPACITOR CQMBA333J50
C2402(A,47 ,151 ) FILM CAPACITOR CQMBA333J50
C2405(B,37 ,148 ) CKSRYB221K50
C2406(B,45 ,149 ) CKSRYB221K50
Mark No. Description Part No.

XV-GX3
54
1234
1234
C
D
F
A
B
E
C2407(B,35 ,149 ) CKSRYB221K50
C2408(B,43 ,150 ) CKSRYB221K50
C2409(A,32 ,134 ) CEAT100M50
C2410(A,38 ,136 ) CEAT100M50
C2801(A,25 ,81 ) CQMA123J50
C2802(A,33 ,77 ) CQMA682J50
C2803(A,29 ,81 ) CQMA472J50
C2804(A,16 ,78 ) CQMA472J50
C2805(A,48 ,100 ) ELECT. CAPACITOR CEAT330M50
C2807(A,40 ,103 ) ELECT. CAPACITOR CEAT470M25
C2808(A,20 ,91 ) PPS CAPACITOR CQHA822J2A
C2809(B,26 ,100 ) CHIP CAPACITOR ACG7058
C2810(A,39 ,93 ) ELECT. CAPACITOR CEAT330M50
C2811(B,50 ,114 ) CCSRCH221J50
C2812(B,40 ,114 ) CCSRCH221J50
C2813(A,48 ,119 ) CQMA152J50
C2814(A,38 ,119 ) CQMA152J50
C2815(A,25 ,133 ) CEAT1R0M50
C2816(A,39 ,129 ) CEAT1R0M50
C3001(B,69 ,212 ) CKSRYB471K50
C3002(B,64 ,212 ) CKSRYB471K50
C3003(A,125 ,199 ) CEAT100M50
C3004(A,119 ,198 ) CEAT100M50
C3013(A,66 ,135 ) CEAT100M50
C3014(A,60 ,135 ) CEAT100M50
C3019(A,58 ,173 ) CEAT4R7M50
C3020(B,67 ,179 ) CKSRYB471K50
C3021(A,64 ,180 ) ELECT. CAPACITOR CEAT470M25
C3022(B,53 ,177 ) CKSRYB102K50
C3023(A,58 ,180 ) ELECT. CAPACITOR CEAT470M25
C3024(A,67 ,184 ) CEAT470M25
C3025(B,105 ,173 ) CKSRYB104K16
C3026(B,112 ,185 ) CKSRYB104K16
C3027(B,75 ,194 ) CKSRYB471K50
C3031(B,89 ,189 ) CKSRYB563K16
C3032(B,77 ,192 ) CKSRYB563K16
C3033(B,84 ,183 ) CKSRYB563K16
C3034(B,77 ,188 ) CKSRYB563K16
C3035(A,103 ,182 ) CEAT100M50
C3036(A,84 ,188 ) CEAT100M50
C3039(B,107 ,177 ) CCSRCH181J50
C3040(B,102 ,192 ) CCSRCH181J50
C3041(A,88 ,183 ) CEAT100M50
C3042(A,93 ,185 ) CEAT100M50
C3043(B,96 ,177 ) CKSRYB683K16
C3044(B,93 ,181 ) CKSRYB683K16
C3045(A,101 ,169 ) CEAT100M50
C3046(A,99 ,176 ) CEAT100M50
C3047(B,94 ,173 ) CKSRYB105K10
C3048(B,93 ,169 ) CKSRYB105K10
C3049(B,92 ,173 ) CKSRYB104K16
C3050(B,95 ,169 ) CKSRYB104K16
C3051(B,98 ,165 ) CKSRYB222K50
C3052(B,97 ,162 ) CKSRYB222K50
C3053(B,95 ,163 ) CKSRYB105K10
C3054(A,91 ,157 ) ELECT. CAPACITOR CEATR33M50
C3055(A,60 ,198 ) CEAT100M50
C3056(A,52 ,189 ) CEAT100M50
C3057(A,153 ,24 ) CEAT100M50
C3059(A,84 ,150 ) CEAT100M50
Mark No. Description Part No.
C3060(A,88 ,145 ) CEAT100M50
C3101(B,55 ,212 ) CKSRYB221K50
C3102(B,52 ,212 ) CKSRYB221K50
C3107(A,123 ,192 ) CEAT100M50
C3108(A,122 ,186 ) CEAT100M50
C3301(A,111 ,140 ) CEAT2R2M50
C3302(A,117 ,140 ) CEAT2R2M50
C3305(A,103 ,120 ) CEAT2R2M50
C3306(A,110 ,120 ) CEAT2R2M50
C3307(B,118 ,103 ) CKSRYB102K50
C3308(B,116 ,87 ) CKSRYB102K50
C3309(B,122 ,97 ) CCSRCH470J50
C3310(B,123 ,92 ) CCSRCH470J50
C3311(B,120 ,97 ) CCSRCH8R0D50
C3312(B,119 ,92 ) CCSRCH8R0D50
C3313(A,114 ,101 ) CEAT100M50
C3314(A,113 ,88 ) CEAT100M50
C3315(A,146 ,93 ) CEAT221M50
C3316(A,140 ,142 ) CEAT221M50
C3317(A,157 ,112 ) ELECT. CAPACITOR CEATR22M50
C3318(A,158 ,119 ) ELECT. CAPACITOR CEATR22M50
C3320(A,114 ,82 ) ELECT. CAPACITOR CEAT470M25
C3323(B,153 ,64 ) CKSRYB223K50
C3324(B,140 ,66 ) CKSRYB223K50
C3325(B,151 ,66 ) CKSRYB223K50
C3326(B,147 ,66 ) CKSRYB223K50
C3327(B,113 ,215 ) CHIP CAPACITOR XCG3008
C3328(B,100 ,215 ) CHIP CAPACITOR XCG3008
C3541(B,92 ,97 ) CKSRYB103K50
C3601(A,145 ,154 ) CEAT1R0M50
C3602(A,164 ,152 ) CEAT1R0M50
C3622(A,158 ,166 ) ELECT. CAPACITOR CEAT2R2M2A
C3623(A,122 ,74 ) CEAT471M6R3
C3624(A,161 ,179 ) CEAT100M50
C3651(A,202 ,204 ) ELECT. CAPACITOR CEAT470M25
C3652(A,202 ,211 ) ELECT. CAPACITOR CEAT470M25
C3653(A,202 ,218 ) ELECT. CAPACITOR CEAT101M25
C5401(B,46 ,36 ) CKSRYB104K16
C5402(B,46 ,40 ) CCSRCH470J50
C5411(A,89 ,102 ) ELECT. CAPACITOR CEAT220M50
C5501(B,78 ,49 ) CKSRYB104K16
C5504(B,80 ,38 ) CKSRYB103K50
C5505(B,50 ,36 ) CCSRCH101J50
C5509(B,77 ,31 ) CKSRYB103K50
C5510(B,79 ,31 ) CKSRYB103K50
C5581(A,288 ,26 ) CEAT1R0M50
C5582(B,97 ,67 ) CCSRCH101J50
C5583(A,111 ,36 ) CEAT100M50
C5585(B,110 ,41 ) CKSRYB103K50
C5586(A,81 ,46 ) CEAT101M10
C5587(B,85 ,44 ) CKSRYB103K50
C5588(B,115 ,37 ) CKSRYB104K16
C5589(A,116 ,62 ) CEAT1R0M50
C5705(B,19 ,183 ) CKSRYB102K50
C5706(B,21 ,193 ) CKSRYB104K16
C5708(B,31 ,194 ) CKSRYB102K50
C5709(B,29 ,194 ) CKSRYB103K50
C8822(B,27 ,213 ) CCSRCH470J50
C8831(A,39 ,205 ) ELECT. CAPACITOR CEAT102M6R3
C8851(A,21 ,200 ) ELECT. CAPACITOR CEAT102M6R3
Mark No. Description Part No.

XV-GX3 55
5678
5678
C
D
F
A
B
E
C8852(B,24 ,213 ) CCSRCH470J50
C8861(A,9 ,207 ) CEAT471M6R3
C8862(B,10 ,214 ) CCSRCH470J50
C8871(A,9 ,200 ) CEAT471M6R3
C8872(B,14 ,213 ) CCSRCH470J50
C8881(A,30 ,203 ) ELECT. CAPACITOR CEAT102M6R3
DDISPLAY ASSY
MISCELLANEOUS
IC 5901(B,165 ,81 ) FL DRIVER IC PT6315
IC 5902(A,125 ,82 )
REMOTE RECEIVER UNIT
RPM7140-H9
Q5981(B,268 ,90 ) TRANSISTOR 2SC4081
D5981(A,274 ,82 ) LED(BLUE) SLR-343BBT(GHJ)
D5982(A,299 ,82 ) LED(BLUE) SLR-343BBT(GHJ)
D5983(B,274 ,87 ) DIODE 1SS355
L5901(A,134 ,78 ) AXIAL INDUCTOR LAU220J
L5902(A,184 ,76 ) AXIAL INDUCTOR LAU100J
V5901(A,137 ,69 ) FL TUBE AAV7109
S5961(A,290 ,115 ) SWITCH VSG1024
S5962(A,128 ,49 ) SWITCH VSG1024
S5963(A,128 ,24 ) SWITCH VSG1024
S5964(A,152 ,49 ) SWITCH VSG1024
S5965(A,172 ,49 ) SWITCH VSG1024
S5966(A,192 ,49 ) SWITCH VSG1024
S5967(A,221 ,49 ) SWITCH VSG1024
S5968(A,318 ,82 ) SWITCH VSG1024
S5969(A,285 ,49 ) SWITCH VSG1024
S5970(A,252 ,82 ) SWITCH VSG1024
S5971(A,288 ,82 ) ROTARY ENCODER XSX3007
CN5901(A,211 ,109 ) CONNECTOR 52045-1745
PCB BINDER VEF1040
5901FL SPACER(CR) AEB7091
RESISTORS
R5901(B,151 ,88 ) RS1/16S221J
R5902(B,154 ,88 ) RS1/16S221J
R5903(B,152 ,88 ) RS1/16S221J
R5904(B,158 ,88 ) RS1/16S823J
R5951(B,126 ,94 ) RS1/16S470J
R5954(B,130 ,94 ) RS1/16S101J
R5962(B,129 ,30 ) RS1/16S102J
R5963(B,248 ,84 ) RS1/16S182J
R5964(B,168 ,50 ) RS1/16S562J
R5965(B,185 ,55 ) RS1/16S332J
R5966(B,217 ,50 ) RS1/16S272J
R5967(B,318 ,87 ) RS1/16S102J
R5968(B,285 ,53 ) RS1/16S122J
R5969(B,257 ,78 ) RS1/16S152J
R5971(B,273 ,97 ) RS1/16S103J
R5972(B,279 ,97 ) RS1/16S103J
R5973(B,275 ,97 ) RS1/16S123J
R5974(B,277 ,97 ) RS1/16S273J
R5981(B,263 ,90 ) RS1/16S102J
R5982(B,272 ,91 ) RS1/10S221J
CAPACITORS
C5907(A,243 ,60 ) ELECT. CAPACITOR CEJQ470M35
C5911(B,134 ,82 ) CKSRYB223K50
C5912(B,136 ,74 ) CKSRYB223K50
C5913(A,143 ,59 ) CEJQ470M6R3
C5915(B,171 ,90 ) CKSRYB103K50
Mark No. Description Part No.
C5916(B,182 ,81 ) CKSRYB223K50
C5917(B,180 ,77 ) CKSRYB223K50
C5918(A,201 ,55 ) ELECT. CAPACITOR CEJQ470M35
C5920(B,151 ,91 ) CCSRCH221J50
C5921(B,154 ,91 ) CCSRCH221J50
C5922(B,152 ,91 ) CCSRCH221J50
C5951(B,129 ,76 ) CKSRYB223K50
C5952(A,123 ,90 ) CEJQ470M6R3
C5971(B,281 ,96 ) CKSRYB223K50
C5981(B,278 ,87 ) CKSRYB103K50
EMIC ASSY
MISCELLANEOUS
IC 3901(B,35 ,147 ) OP-AMP IC BA4560RF
IC 3921(B,42 ,181 ) ECHO IC M65855FP
D3921(B,31 ,167 ) DIODE UDZS5R1(B)
L3921(A,30 ,193 ) AXIAL INDUCTOR LAU100J
J3992(A,24 ,65 ) JUMPER WIRE 12P D20PYY1225E
JA 3902(A,55 ,117 ) JACK RKN1004
KN3991(A,15 ,82 ) WRAPPING TERMINAL VNF1084
VR3901(A,47 ,139 ) VARIABLE( 10K-X1) ACS7042
CN3921(A,34 ,210 ) 5P CONNECTOR 52044-0545
3991JACK AKN7003
399212P CABLE HOLDER 51048-1200
3901JACK AKN7003
RESISTORS
R3901(B,49 ,106 ) RS1/16S332J
R3902(B,46 ,106 ) RS1/16S332J
R3905(B,41 ,155 ) RS1/16S103J
R3906(B,33 ,139 ) RS1/16S104J
R3907(B,39 ,155 ) RS1/16S473J
R3908(B,37 ,155 ) RS1/16S332J
R3909(B,44 ,153 ) RS1/16S332J
R3910(B,40 ,163 ) RS1/16S152J
R3911(B,33 ,155 ) RS1/16S123J
R3921(B,41 ,189 ) RS1/16S153J
R3922(B,43 ,189 ) RS1/16S472J
R3923(B,45 ,189 ) RS1/16S123J
R3924(B,36 ,172 ) RS1/16S124J
R3925(B,41 ,172 ) RS1/16S103J
R3926(B,46 ,172 ) RS1/16S822J
R3927(B,49 ,189 ) RS1/16S123J
R3928(B,48 ,172 ) RS1/16S123J
R3929(B,38 ,198 ) RS1/10S681J
CAPACITORS
C3901(A,34 ,135 ) CEJQ2R2M50
C3902(B,52 ,102 ) CCSRCH101J50
C3903(B,41 ,117 ) CCSRCH101J50
C3904(B,37 ,99 ) CKSRYB103K50
C3905(B,34 ,99 ) CKSRYB104K16
C3908(B,35 ,139 ) CCSRCH331J50
C3910(A,41 ,137 ) CEAT2R2M50
C3911(A,41 ,151 ) CEAT2R2M50
C3912(A,51 ,152 ) CEAT470M16
C3913(B,48 ,153 ) CKSRYB104K16
C3914(B,46 ,153 ) CCSRCH101J50
C3916(A,44 ,164 ) CEAT2R2M50
C3917(B,35 ,155 ) CKSRYB122K50
Mark No. Description Part No.

XV-GX3
56
1234
1234
C
D
F
A
B
E
C3919(B,29 ,155 ) CKSRYB104K16
C3922(A,43 ,193 ) ELECT. CAPACITOR CEATR47M50
C3923(B,39 ,190 ) CKSRYB103K50
C3924(B,47 ,189 ) CKSRYB103K50
C3925(A,32 ,188 ) ELECT. CAPACITOR CEAT220M25
C3926(B,46 ,194 ) CKSRYB473K50
C3927(A,49 ,159 ) CEAT4R7M50
C3929(B,35 ,172 ) CKSRYB104K16
C3930(B,39 ,172 ) CKSRYB103K50
C3931(B,44 ,172 ) CKSRYB472K50
C3932(B,51 ,175 ) CKSRYB123K50
C3933(A,37 ,168 ) CEAT101M16
C3993(B,36 ,90 ) CKSRYB104K16
C3995(B,42 ,73 ) CKSRYB103K50
C3996(B,41 ,67 ) CKSRYB103K50
Mark No. Description Part No.

XV-GX3 57
5678
5678
C
D
F
A
B
E
6. ADJUSTMENT
6.1 DECK SECTION
6.1.1 ADJUSTMENT CONDITION
7 Adjustment Condition
(1) The ground at the time of adjustment shall be JA3001(GND)
(Refer to Fig. 6–2).
(2) Clean the heads and demagnetize them using a head eraser.
(3) Set the measurement level to 0 dBV = 1 Vrms.
(4) Use the specified tape for adjustment. Use the labeled (A) side
of the test tape.
NCT–111 or STD-301 : For Tape Speed adjustment
NCT-112 or STD-331E : For Playback adjustment
STD–630 or STD-631 : Normal blank tape
(5) Provide yourself with the following measuring devides:
÷ AC millivoltmeter
÷ Low-frequency oscillator
÷ Attenuator
÷ Oscilloscope
(6) Adjust both right and left channels unless other wise specified.
(7) Warm up the unit for several minutes before adjustment. In
particular, be sure to warm up the unit in the REC/PLAY mode
for 3 to 5 minutes before starting recording/playback frequency
characteristics adjustment.
(8) Always follow the indicated adjustment order.
Otherwise, a complete adjustment may not be achieved.
7List of Adjustments
¶ Playback Section
(1) Tape Speed Confirmation
(2) Head Azimuth Adjustment
¶ Recording Section
(1) Recording Bias Adjustment
Fig. 6-1 Test Tape NCT– 112 ( STD-331E)
0 dB
–20 dB
30s 0 dB: 315 Hz, 250 nwb/m
315 Hz
6.3 kHz 10 kHz 315 Hz 14 kHz 12.5
kHz
6.3
kHz
500
Hz
250
Hz
125
Hz
10 kHz 8 kHz 4 kHz 2 kHz 63 Hz 40 Hz
1 kHz
30 s 30 s 30 s 10s 10s .......................................................................................................... 10s
* As the reference recording level is 250nwb/m for STD-331E,
the recording level will be higher by 4 dB for STD-331B
(160nwb/m).
When adjusting, pay carefull attention to the type of tape used.

XV-GX3
58
1234
1234
C
D
F
A
B
E
6.1.2 PLAYBACK and RECORDING SECTION
NCT-111 (3kHz)
or
STD-301 (3kHz)
ADJ. VR on
CASSETTE MECHA
(Refer to Fig. 6-3)
No. Mode Input Signal/Test Tape Adjustment Points Measurement Points Adjustment Value Remarks
PLAY
1LINE OUT R (JA3001)
(MAIN ASSY) 3000 Hz Hz
(1) Tape Speed Confirmation
(1) Recording Bias Adjustment
¶ After the adjustment, caution should be exercised so as not to become under bias by checking the distortion rate.
NCT-112 or STD-331E
(Playback: 10 kHz, –20 dB)
Head azimuth
adjustment Screw
(Refer to Fig. 6-3)
Remarks
PLAY
1
LINE OUT L (JA3001)
LINE OUT R (JA3001)
(MAIN ASSY)
LINE OUT L (JA3001)
LINE OUT R (JA3001)
(MAIN ASSY)
Max. Playback
signal level
(2) Head Azimuth Adjustment
¶ This unit is equipped with auto tape selector.
¶ Do not switch between forward and reverse operation with the screwdriver inserted.
+10
–10
Playback Section
After adjustment, apply silicon
bond to the head azimuth
adjustment screw.
Recording Section
VR2801
REC/
PAUSE
1Input a 315Hz signal to the LINE -
IN terminal. ∗
L ch
R ch VR2802
Input signal level –23.7 dBV
REC =
PLAY
2
Load the STD–630 or 631 test tape
and record / playback the 315Hz
and 10KHz signals.
(see the Note below)
Repeat adjustment until playback level of
the 10kHz signal is within 0dBV ±0.5dB
from that of the 315Hz signal.
Note: Set the 10kHz input signal level to the same value as the 315Hz input signal level of step 1.
No. Mode Input Signal/Test Tape Adjustment Points Measurement
Points
Adjustment
Value
Remarks
No. Mode Input Signal/Test Tape Adjustment Points Measurement
Points
Adjustment
Value
FWD adjustment
REV Confirmation
( 3000 Hz Hz)
+40
–40
7
7

XV-GX3 59
5678
5678
C
D
F
A
B
E
C5411
R5507
C5704
CN5701
X5701
C5721
VR2402VR2401
VR2301 VR2302
CN2302
L2801
D2307
W341
W287
W342
C3019
C2321
C2325 C2326
C2322
C3014 C3013
C2324
C2323
C3024
C3021
C3023
C3036
C
C3041
C30
5
C2305
C2306
C2410
C2402
C2401
C2409
C8831
CN3001
C8881
C8861
C8851
C8871
C3059
C3060
C3055
C3056
L2101
C2103
C2105
D2101
D2102
W340
W347
W383
CN2301
D2303
D2301
D2305
D2306
D2302
D2304
L2811
C2813
C2814
L2812
C2815
C2816
VR2802 VR2801
C2808
R2815
C2810
Q2806
C2805
C2801
C2802
C2804 C2803
Q2802
Q2801
L2802
Q2805
R2803
R2805
C2807
JA3001
C3997
C3529
C352
4
J
A
W381
C74
C71
W389
W419
W339
W421
W394
W388
JA3992
CN8802
JA8801
W343
W416
W379
W384
W380
W136
C5718
W414
W415
W348
W418
W230
W420
W417
W349
W127
R5563
W290
W386
W223
W313
W312
W270
W286
Q2302
Q2301
W289
W311
W310
W308
W232
W228
W309
W264
W263
W265
W267
W135
W269
W229
W227
W231
W226
W233
W225
W224
W268
W222
W220
W221
W218
W288
W266
EVOLCLK
VIDEO AUDIO
EVOLDATA
PRINT SIDE
Vref
123.0mm
123.0mm
P
CONTACT SIDE
CONTACT SIDE
OPEN SIDE
OPEN SIDE
GNDA
GNDA
XSYSMUTE
BIAS
PB/XREC
XPROTECT
XBEATCUT
11 1
1
1
27
41
NP
REV Azimuth
Adjustment Screw
FWD Azimuth
Adjustment Screw
Front Side Cassette
Mechanism
Section
(Side View)
Tape Speed
ADJ. VR
JA3001 (LINE OUT)
MAIN ASSY C
BIAS
VR2801
(Lch)
VR2802
(Rch)
Fig. 6-2 Adjustment and Measurement Points
MECHANISM UNIT

XV-GX3
60
1234
1234
C
D
F
A
B
E
6.2 DVD SECTION
6.2.1 ADJUSTMENT ITEMS AND LOCATION
6.2.2 JIG AND MEASURING INSTRUMENTS
1
2
Adjustment Items
[Mechanism Part]
[Electrical Part]
Tangential and Radial Height Coarse Adjustment
DVD Error Rate Adjustment
Electrical adjustments are not required.
Adjustment Points (Mechanism Part)
Cautions: After adjustment, adjustment screw locks with the
Screw tight.
1 2
Radial
adjustment
screw
1 2
Tangential
adjustment
screw
Screwdriver (large) TV monitor
Precise screwdriver DVD test disc
(GGV1025)
Test mode remote control
unit (GGF1381)
Screw tight
(GYL1001)
Screwdriver (medium)
Soldering iron

XV-GX3 61
5678
5678
C
D
F
A
B
E
6.2.3 NECESSARY ADJUSTMENT POINTS
∗After adjustment, screw locks
with the Screw tight.
~, Ÿ
Mechanical
point
Electric
point
Mechanical
point
Electric
point
Mechanical
point
Electric
point
LOAB and DVDM ASSYS
Exchange Parts of Mechanism
Exchange PCB Assy
When Adjustment Points
Exchange the 05SD Pickup Assy
Exchange the Traverse Mechanism
Assy-S
Exchange PC Board
∗After adjustment, screw locks
with the Screw tight.
Ÿ
Mechanical
point
Electric
point
Exchange the Spindle Motor

XV-GX3
62
1234
1234
C
D
F
A
B
E
6.2.4 TEST MODE
POWER ON
DSC - &&&
GGF1381
Test mode
remote control
unit
GGF1381
Test mode
remote control
unit
<TRAY OPEN> <TRAY CLOSE>
OPEN/CLOSE
(Player)
OPEN/CLOSE
Press the play key
( ) of the normal
remote control unit.
(Player)
TEST MODE: PLAY
TEST MODE: OFF
An address is displayed
OR
ESC
<PLAY>
ESC TEST
CHECK
DVD, CD
DVD disc
POWER
ON
OFF
POWER
DISC SET
Notes:
• After going into test mode, if you play back the disc, "DISC-NON" is displayed.
• The video signal and the audio signal are outputted during the test mode.
• The SKIP key and the SCAN key are effective during the test mode.

XV-GX3 63
5678
5678
C
D
F
A
B
E
6.2.5 MECHANISM ADJUSTMENT
• Remove the 05SD Pickup Assy from the Traverse Mechanism Assy-S.
• Remove the joint and the joint spring of the 05SD Pickup Assy.
• Put the joint between the Tangential (or Radial) adjustment screw and the mechanism base
and turn each screw to adjust the height.
(Refer to "6.2.1 ADJUSTMENT ITEMS AND LOCATION".)
START
Tangential and Radial Height Coarse Adjustment
1
Note:
Before removing the flexible cable for the
pickup, soldering of the pickup circuit is
necessary.
For details, see "7.1.10 DISASSEMBLY".
• Pass through the guide shaft to a new 05SD Pickup Assy.
• Attach it to the Traverse Mechanism Assy-S.
• Attach the Traverse Mechanism Assy-S to the 05 LOADER Assy.
• Turn it over and attach the joint and the joint spring.
• Arrange the flexible cables.
(Refer to "7.1.10 DISASSEMBLY".)
7.5mm
Joint
Mechanism base
05SD Pickup Assy
05SD Pickup Assy
Joint
Joint Spring
Guide Shaft

XV-GX3
64
1234
1234
C
D
F
A
B
E
Player
Monitor
•Play the DVD test disc
at inner track
(around #30000)
•Play the DVD test disc
at outer track
(around #200000)
Traverse Mechanism
Assy-S
Adjust the radial adjustment
screw so that
ERROR RATE becomes
around "5E-4".
Traverse Mechanism
Assy-S
Fasten the radial
adjustment screw so that
ERROR RATE becomes
around "1E-3".
START
DVD Error Rate Adjustment
2
ERROR RATE: - - - -
ERROR RATE : "5E-4" ERROR RATE : "1E-3"
Service mode end
Disc playback normally.
• The measurement of
block error rate
If error rate is OK,
locks a root of
tangential and radial
adjustment screws with
the Screw tight.
Screw tight: GYL1001
Turn the POWER OFF in
case of NG once, and
perform the adjustment
once again.
CHP/TIMESC ESC
\ Service mode
Service mode end
ESC
NG
OK
•Play the DVD test disc
at inner track
• Display ERROR RATE
on the monitor
CHP/TIMESC
Notes:
•Use disc: GGV1025
•Unfasten the radial adjustment screw
by 90 degrees step till ERROR RATE
becomes around "1E-3" again .
• Record the number of rotation (N1).
(memorizing how much the screw was rotated.)
•Fasten the radial adjustment screw
till the number of rotation becomes
harf of N1.
Traverse Mechanism
Assy-S
Fasten the tangential
adjustment screw so that
ERROR RATE becomes
around "1E-3".
•Unfasten the tangential screw
by 90 degrees step till ERROR RATE
becomes around "1E-3" again .
• Record the number of rotation (N1).
•Fasten the tangential adjustment screw
till the number of rotation becomes
harf of N1.
ERROR RATE : "1E-3"
In this check, the error rate
that is less than "5E-5"is
better.
CHECK
CHP/TIMESC
A
B
B
C
Best Radial point
C
Best tangential point
1E-3
5E-4
Rotation of Radial screw
and Tangential screw
BER
Anticlock wise Clock wise
Best point
AA
BC

XV-GX3 65
5678
5678
C
D
F
A
B
E
7. GENERAL INFORMATION
7.1 DIAGNOSIS
7.1.1 TEST MODE
Test Mode Functional Specification
1 Test mode entry
In the power ON state, press the [ESC] (A8-5F) key and [TEST] (A8-5E) key in order of the Test mode remote control unit.
• OSD displays test mode.
2 LD ON
Enter the test mode.
DVD : Press the [TEST] (A8-5E) and [1] (A8-01) keys in order, and turn on the laser diode (650n).
CD : Press the [TEST] (A8-5E) and [4] (A8-04) keys in order, and turn on the laser diode (780n).
3 Release the Test mode
• Turn off the power.
• Press the [ESC] (A8-5F) key of the remote control unit and reset it.

XV-GX3
66
1234
1234
C
D
F
A
B
E
7.1.2 DISPLAY SPECIFICATION OF THE TEST MODE
Character in bold : Item name
: Information display
1
5
6
10
11
8
9
3
2
12
15
13
14
1 Address indication
The address being traced is displayed in number.
(as for the DVD, indication of decimal number is possible.)
DVD : ID indication (hexadecimal number, 8 digits)
[∗ ∗ ∗ ∗ ∗ ∗ ∗ ∗]
CD : ID indication [∗ ∗ ∗ ∗ ∗ ∗ ∗ ∗]
2 Code indication of remote control unit [R – ∗ ∗ ∗ ∗]
In case of double code, display a 2nd code.
3 Main unit keycode indication [K – ∗ ∗]
5 Tracking status [TRKG – ∗ ∗ ∗]
Tracking on : [ON]
Tracking off : [OFF]
6 Spindle status [SPDL – ∗ ∗ ∗]
CLV : [CLV]
Off : [OFF]
7 Mechanism (loading) position value [M – ∗ ∗]
Unknown : [01] or [41]
Open state : [04]
Close state : [08]
During opening : [12]
During closing : [22]
8 Slider position [S – ∗ ∗ ∗ ∗]
In Side Switch ON : [01]
In Side Switch OFF : [00]
9 Output video system [V – ∗ ∗ ∗ ∗]
NTSC system : [NTSC]
PAL system : [PAL]
Automatic setting : [AUTO]
Scart terminal output [SK – ∗ ∗]
(Display only the WY model which can do the output setting
of scart terminal.)
VIDEO : [00]
S-VIDEO : [01]
RGB : [02]
0 Disc sensing [DSC – ∗ ∗ ∗]
The type of discs loaded is displayed.
[DVD], [CD ]
- Jitter value [J – ∗ ∗ ∗ ∗]
Note: Don't use it.
= Version of the FL controller [FL: ∗ ∗ ∗ ∗]
Note: Don't use it.
~ Region setting of the player [REG: ∗]
Setting value : [1] to [6]
! Destination setting of the FL controller
[MDL: ∗ ∗ ∗ ∗ / ∗ ∗ ∗]
Four characters in the front represent code 01.
Three characters in the back represent the destination code.
J: /J, K: /KU, /KC, /KU/KC, R: /RL/RD, RAM : /RAM,
LB: /LB, WY: /WY
@ Version of the flash ROM [V: ∗ ∗. ∗ ∗]
Flash ROM size [FLASH = ∗ ∗]
7

XV-GX3 67
5678
5678
C
D
F
A
B
E
7.1.3 FUNCTIONAL SPECIFICATION OF THE SHORTCUT KEY
• Service mode indication (ESC + CHP/TIM keys)
ID Address
The error rate is always displayed in exponential notation, e.g., ∗.∗ ∗ e - ∗, for both DVDs and CDs.
EDC/ID/AV 1 error history (ID Address, EDC/ID Error, last eight errors)
• Calculation of the average error rate (ESC + "5" [Test mode remote control unit] keys)
The average of the last eight error rates is calculated and indicated in exponential notation. After the calculation is completed, "OK" or "NG" is
displayed. If "NG" is displayed, the disc tray will open (for both DVDs and CDs)
For DVDs: OK with 5.0e-4 or less, for CDs: OK with 7.6e-3 or less
• Indication of model information (ESC + CHAP keys)
The items from 12 to 15 of the TEST MODE Indications are displayed. However, in the indications, S in the standard test mode is changed to
CHIP VERSION, and M is changed to RF VERSION. For details, see 7.1.4.
• Region confirmation mode (ESC + A.MON [Test mode remote control unit] + "1"-"8" [Test mode remote control unit] keys)
After you press the AUDIO key while holding the ESC key pressed and then input the region number, if the number is different from that set in
the unit, an error message is displayed, and the tray opens.
Command Contents Conditions Remote Control
Key Name
Remote
Control Code
Memory clear and region / revision indication CLEAR (∗1) A8-45
Average value measurement of DVD error rate 5 (∗1) A8-05
CD error rate measurement 5 (∗1) A8-05
Scart terminal output : VIDEO
WY, models equipped with Scart terminal
AUDIO A3-BE
Scart terminal output : S-VIDEO SUBTITLE A3-36
Scart terminal output : RGB ANGLE A3-B5
Progressive OFF Only for progressive models R_SKIP A3-9D
Progressive ON F_SKIP A3-9C
FL indication of ID number STEREO (∗1) A8-4A
ZOOM ON (×4) ZOOM A3-37
Service mode indication (error rate indication, etc.) CHP/TIM (∗1) A8-13
Model information indication CHAP (∗1) A8-40
Title search Input mode IN
Title No. input
Search execution
SIDE A (∗1)
Numbers (∗1)
PLAY (∗1)
A8-4D
A8-00 to A8-09
A8-17
Region confimation mode A.MON (∗1)
Numbers (∗1)
A8-1E
A8-01 to A8-08
Only during normal playback, the following shortcut keys can be assigned by pressing a required key after pressing the ESC
key of the remote control unit. To quit, press the ESC key
∗1 : Test mode remote control unit

XV-GX3
68
1234
1234
C
D
F
A
B
E
7.1.4 SPECIFICATION OF THE MODEL INFORMATION DISPLAY
• Display contents
Character in bold : Item name
: Information display
1
2
3
4
5
6
7
9
10
1 Destination indication
Display it according to model information set from the FL controller.
2 Region No.
3 Part number
4 ROM version
5 Flash size
6 FL controller version
7 CHIP VERSION
9 Remote control code
0 Key code of Main unit
To display model information : Press the ESC key then the CHAP key.
To close the model information display : Press the ESC key.
Don't care.

XV-GX3 69
5678
5678
C
D
F
A
B
E
7.1.5 FUNCTIONAL SPECIFICATION OF THE SERVICE MODE
• Display during Service Mode
To enter Service Mode, press the CHP/TIM key while holding the ESC key pressed.
To quit, press the ESC key.
Service mode display
1 ID Address
2 Error rate (always displayed), in exponential notation
ERROR RATE : ∗ ∗ ∗ ∗ ∗ ∗ ∗
( ∗ ∗ ∗ ∗ )
• Calculation of the average error rate
For DVDs: OK with 5.0e-4 or less, for CDs: OK with 7.6e-3 or less
3 EDC/ID error history (ID Address, EDC/ID errors, last eight errors)
Note:
∗ Error of AV1 is not supported in this player.
Number of error
Indication plan contents
Character in bold : Item name
: Information display
1
2
3
ex) For DVDs
• Step 1
%%e -&
%%e -6 : OK
%%e -5 : OK
%%e -4 : Refer to Step 2
%%e -3 : NG
%%e -2 : NG
• Step 2
%%e -4
3.0e -4 : OK
4.0e -4 : OK
5.0e -4 : OK
6.0e -4 : NG
7.0e -4 : NG

XV-GX3
70
1234
1234
C
D
F
A
B
E
7.1.6 SERVICE TEST MODE
1. Conditions During Service Test Mode
• During Service Test mode, the unit will not be shut down for an emergency even if one of the failures mentioned below
occurs.
• After the unit has been shut down in Normal mode for an emergency upon detection of one of the failures mentioned below,
you can turn it on immediately, without waiting for one minute, in Service Test mode.
• The accumulated power-on time can be checked during Service Test mode.
2. How to enter Service Test mode
• Connect AC power cord with the STEST port (microcomputer terminal IC5501: 43-pin) at High (5 V). (See "Service Test
mode connecting point".)
Note: Initial function setting is DVD/CD.
• Connect AC power cord while holding both the and POWER keys on the main unit pressed. The unit will be turned on,
and the following indication will be displayed:
3. How to quit Service Test mode, and conditions for quitting
• To quit Service Test mode, turn the power off or disconnect the AC power cord to turn the power off.
• When Service Test mode is quit, only data on protection in RAM will be initialized, and data on user settings in RAM will not
be initialized.
4. Indications on the FL display when Service Test mode is entered
• Indications on the FL display when Service Test mode is entered differ depending on whether the unit was turned off
normally or shut down for emergency protection, immediately before Service Test mode starts, as follows:
5. Operations during Service Test Mode
• Basically, operations in Service Test mode are the same as in Normal mode. However, to indicate that the unit is in
Service Test mode, the following are displayed when the functions are changed:
W e l c o m e
[After a normal power-off]
FL display
Vo l 0
V o l 0
FL display
VSD ER V C
S ER V C
S ER V C
VD
FL display
[After a shutdown caused by an EEPROM (IC5401) failure]
SER V C
E E P E R R
FL display
Vo l 0
FL display
V
D
FL display
PR T C T W G
FL display
FL display
FL display
DVD/CD
X
T
TUNER
C
TAPE
[After a shutdown caused by an AMP-system abnormality]
Vo l 0
S ER V CVD
P R T C T E R
FL display
FL display
FL display
[After a shutdown caused by an AMP-system failure]
Vo l 0
VD
S ER V C
S ER V C
S ER V C
S ER V C
VD
D V P R T C T
FL display
FL display
FL display
[After a shutdown caused by a DVD-system failure]
[Functions] [FL display]
N
LINE
T
L

XV-GX3 71
5678
5678
C
D
F
A
B
E
R5510
R5502
R5564
R5540
R5542
R5538
R5539
R5541
R5547
R5525
R5551
R5552
R5513
R5522
R5514
R5535
R5530
R5528
C5501
C5507
C5506
R5527
R5565
IC5501
R5537
R5519
R2906
R5511
R5521
C5504 C5587
R5512
R5550
R5549
R5543
R5526
C
5
R5548
R5532
C5510
C5509
R5545
R5546
IC5401
C5401
R5402
R5401
C5402
R5529
R5544
R5515
R5516
C5505
R5531
Q2902
Q2906 Q2905
M
UTE
STEST
UTEST VE+5
GNDU
A
DY
K
A
S
T
TCMODE
81 100
130
31 50
51
80
1
85
4
Service Test Mode connecting point
MAIN ASSY
CConnecting point
SIDE B
6. Failures
• Depending on the types of errors, one of the following error messages will be displayed when the unit is turned on:
E E P E R R
P R T C T W G
D V P R T C T
Version of the system-controller
About 3 seconds after
A protection circuit was activated:
1. The V+10, V+5, V+3R3, or VFDP was short-circuited (See the protection circuit on "3.4 DVD MAIN ASSY (2/2)"),
or the value at V+10, V+5, or V+3R3 exceeded the standard value because of an abnormality in its power section.
2. The XPROTECT line up to the system-control computer (PDC129A) was short-circuited by grounding or was broken.
P R T C T E R
A protection circuit was activated:
1. The V+10, V+5, V+3R3, or VFDP was short-circuited (See the protection circuit on "3.4 DVD MAIN ASSY (2/2)"),
or the value at V+10, V+5, or V+3R3 exceeded the standard value because of an abnormality in its power section.
2. The XPROTECT line up to the system-control computer (PDC129A) was short-circuited by grounding or was broken.
7. Accumulated power-on time display
• Hold the STOP key on the unit pressed for 8 seconds during Service Test mode. After the version for the system-control
computer is displayed, the accumulated power-on time is displayed.
P D C 1 2 9 A
Accumulated power-on time 1 0 H 3 0 M
• Power-on time is always counted while the power is on, regardless of unit's functions and operations.
However, it is not counted during Standby mode.
• The maximum countable power-on time is 255H59M (255 hours 59 minutes.) The indication will not advance beyond that.
• The accumulated power-on time basically cannot be cleared.
Abnormality in the DVD section
1. The V+6R8, V+5V, or V+3 was short-circuited, or the value at V+6R8, V+5V, or V+3 exceeded the standard value
because of an abnormality in its power section.
2. The VDET line up to the system-control computer (PDC129A) was short-circuited by grounding or was broken.
(See VDET circuit on "3.4 DVD MAIN ASSY (2/4)")
1. Breakage or short-circuiting of the communication line between the µ-COM (IC5501) and the EEPROM (IC5401) can
be suspected.
2. A failure in the EEPROM (IC5401) can be suspected.

XV-GX3
72
1234
1234
C
D
F
A
B
E
7.1.7 METHOD FOR DIAGNOSING DEGRADATION OF THE LDs ON THE PICKUP ASSY
05SD PICKUP ASSY
CN101
R321
R322
R325
R326
R325
R326
Case when this diagnosis is required :
When playback of any disc, including a test disc (DVD: GGV1025, CD: STD-905), won't play or doesn't play
How to diagnose
In the case mentioned above, degradation of the laser diodes (LDs) mounted on the 05SD Pickup Assy is suspected.
Measure the voltage between the two ends of one of the resistors mentioned below.
Measure the voltage between the both ends of R322 or R325 on the DVDM
Assy. If the voltage is 0.4 V or higher, the 650-nm LD is degraded.
No playback of a DVD :
Measure the voltage between the both ends of R321 or R326 on the DVDM
Assy. If the voltage is 0.4 V or higher, the 780-nm LD is degraded.
No playback of a CD :
If the measurements show degradation
of an LD, replace the 05SD Pickup
Assy.
DVDM ASSY
B
SIDE A
Front side

XV-GX3 73
5678
5678
C
D
F
A
B
E
7.1.8 DVD TROUBLE SHOOTING
No. Symptoms Diagnosis Contents Possible Defective Points
1 The power is not turned on. Are wires of output connector (POWER SUPPLY Unit) and CN901
(DVDM Assy) disconnected or damaged ? Connector / cable
Check that the following voltage is output :
+ side of C739 : 3.3V
DVDM Assy
3.3V Regulator IC (IC341)
2An opening screen is not
displayed on the monitor
(The FL display lights. The
mechanism does not work.)
Are the signals output from IC201-pin 98 (MDATA) and pin 99 (SCLK)
on the DVDM Assy ? (in the range of 0-3V)
DVDM Assy
DVD IC (IC201)
Are the signals input into IC5501-pin 50 (MDATA) and pin 51 (SCLK)
on the IFAF Assy ? (in the range of 0-3V)
MAIN Assy
UCOM (IC5501)
Check that the following voltage are output :
IC751-pin 1 on the DVDM Assy : 5V
DVDM Assy
5V Regulator IC (IC751)
Is a resonator (X201: 27MHz) on the DVDM Assy oscillating ?
DVDM Assy
Crystal resonator (X201)
DVD IC (IC201)
• Is a signal input into IC203-pin26 (PCE#) on the DVDM Assy ?
(Is a signal "H" for 80 mS and then "L" after the power is turned
on ?)
→ Communication with flash ROM.
• Are the signals input into IC202-pin 16 (DWE#), pin 19 (DCS#)
and pin 38 (SDCLK) on the DVDM Assy ?
(Is a signal fluctuating ?)
→ Communication with SDRAM
DVDM Assy
DVD IC (IC201)
Flash ROM (IC203)
SDRAM (IC202)
Is a signal output from IC203-pin 28 (PRD#) on the DVDM Assy?
(Is a signal fluctuating for several hundred mS after the power is turned
on ?)
DVDM Assy
Flash ROM (IC203)
Is a signal input into IC5501-pin 67 (DVD ACK) on the CONTROL
Assy ? (Is a signal fluctuating ?)
→ Communication with FL Control IC
DVDM Assy
DVD IC (IC201)
MAIN Assy
UCOM (IC5501)
Is a signal output from IC5501-pin 30 (XREADY) on the CONTROL
Assy ? (Is a signal fluctuating in the range of 0-5V ?)
MAIN Assy
UCOM (IC5501)
Are the signals output from IC5501-pin 49 (SDATA) on the CONTROL
Assy ? (in the range of 0-5V)
DVDM Assy
DVD IC (IC201)
MAIN Assy
UCOM (IC5501)
Are the signals of IC204-pin 5(SDA) and pin 6(SCL) on the DVDM Assy
fluctuating for one or two seconds after the power is turned ?
DVDM Assy
EEPROM (IC204)
3An opening screen is not
displayed on the monitor
(The FL display lights. The
mechanism works.)
Check the video signal path between DVD IC (DVDM Assy IC201) and
video-out terminal (see the block diagram)
DVDM Assy
Video circuit after DVD IC
(IC201)

XV-GX3
74
1234
1234
C
D
F
A
B
E
No. Symptoms Diagnosis Contents Possible Defective Points
4
A tray cannot be opened.
(An opening screen is
displayed on the monitor)
Does the voltage of CN104-pin 3 and pin 5 on the DVDM Assy change
normally ?
Pin 3 (SW2(TRIN)): Tray is fully closed: "L"
Pin 5 (SW1(TROUT)): Tray is fully opened: "L"
LOAB Assy
Tray SW (S101)
Is the signal input into IC101-pin 11 (TROPEN) on the DVDM Assy ?
At open: 3.3V, At close: 0V
DVDM Assy
DVD IC (IC201)
Are the signals output from IC101-pin 1 and pin 2 (CN103-pin 1 and
pin 2) on the DVDM Assy ?
Pin 2: Approx. 6V during opening tray approx. 0V during closing tray.
Pin 1: Approx. 0V during opening tray approx. 6V during closing tray.
DVDM Assy
FTS Driver IC (IC101)
Are wires of CN104 and CN103 on the DVDM Assy disconnected or
damaged ? Connector / cable
Does the voltage of CN102-pin 1 on the DVDM Assy change to 0V by
pressing the Inside switch. Inside switch
5Playback impossible
(no focusing)
Are the signals output from IC101-pin 3 (FOCS_DRV) and pin 4
(FOCS_RTN) on the DVDM Assy ?
DVDM Assy
FTS Driver IC (IC101)
Does 650-nm LD emit light ?
Does a pickup lens move up / down ?
Does an actuator spring bend ?
Pickup
Are plastic parts damaged ? Or is a shaft detached ?
Is the turntable detached or tilted ? Mechanism section (motor)
Is flexible cable of CN101 on the DVDM Assy disconnected or
damaged ? Flexible cable / connector
Is signal output from IC201-pin 42 (FOSO) on the DVDM Assy ?
(Device control of about 1.4 V is output usually. It is fluctuated by about
± 250 mV with focus up / down.)
DVDM Assy
DVD IC (IC201)
6Playback impossible
(Spindle does not turn)
Are the signals output from IC101-pin 30 (W), pin 33 (V) and pin 35 (U)
on the DVDM Assy ?
Is pin 26 (STBY) fixed LOW ? (pin 26 is High at playback: 3V)
DVDM Assy
FTS Driver IC (IC101)
Is there any part detached from the spindle motor ?
Or Is there any foreign object lodged in it ?
Mechanism section
(Spindle motor)
Are wires of CN102 on the DVDM Assy disconnected or damaged ? Flexible cable / connector
Is signal output from IC201-pin 37 (DMSO) on the DVDM Assy ? DVDM Assy
DVD IC (IC201)
7Playback impossible
(Playback stops)
Does 650-nm LD deteriorate ?
If the voltage at each both ends of R322 and R325 on the DVDM Assy
is 0.4 V or more, the 650-nm LD is definitely deteriorated.
650-nm LD deteriorated.
(When playback of a DVD is
impossible)
Does 780-nm LD deteriorate ?
If the voltage at each both ends of R321 and R326 on the DVDM Assy
is 0.4 V or more, the 780-nm LD is definitely deteriorated.
780-nm LD deteriorated.
(When playback of a CD is
impossible)
Is there abnormality in FG waveform ? (IC201-pin 47) DVDM Assy
FG output : FTS Driver IC (IC101)
Are there scratches or dirt on the disc ? Disc
8
Picture disturbance during
playback
(block noise, freeze, other)
Are there scratches or dirt on the disc ?
Is there a problem with the format of the disc ?
Check the video signals.
Composite video signal (IC401-pin 25)
S video signal (IC401-pin 21, pin 26)
RGB video signal (IC401-pin 16, pin 18, pin 20)
Disc
9No sound
(Picture is normal) Check the waveform (SPDIF: CN901-pin 16). DVDM Assy
DVD IC (IC201)
DVDM Assy
DVD IC (IC201)
Video IC (IC401, IC451)

XV-GX3 75
5678
5678
C
D
F
A
B
E
Symptoms that may occur when any of the following ICs is in failure
IC Symptoms
EEP ROM
(DVDM Assy : IC204)
User's data cannot be stored in memory.
The ID number is lost.
Flash ROM
(DVDM Assy : IC203)
The power cannot be turned on.
Downloading of the firmware cannot be performed.
DVD IC
(DVDM Assy : IC201)
Any kind of symptoms (no power, a failure in any of the servo, video and audio systems, etc.) may be
generated, because the DVD processing is performed by a single chip.
64M SDRAM
(DVDM Assy : IC202)
No power.
Block noise is generated during playback.

XV-GX3
76
1234
1234
C
D
F
A
B
E
7.1.9 ID NUMBER AND ID DATA SETTING
This display appears when the PLAY key is pressed in Step 4.
Enter a 9-digit number to compare. The number is also
displayed on the FL display.
6
By pressing the CLEAR key without having input a number, the
unit returns to Step 2 without doing anything else. Each press
of this key after a number has been input deletes one digit.
7
After entering all 9 digits, if you press the PLAY key, the unit
compares the numbers input in Steps 2 and 6, and only if the
numbers match, that number is set as the ID. Then the unit
automatically enters ID DATA Input Mode. If the numbers do not
match, the disc tray is opened, and the unit exits ID Number
Input Mode.
8
[Player's ID Number Setting]
ID Number ?
0 0 0 0 0 0 0 0 1
Compare
∗ ∗ ∗ ∗ ∗ ∗ ∗ ∗ ∗
Input ID Number !
6
[Player's ID Number Setting]
ID Number ?
0 0 0 0 0 0 0 0 1
Compare
0 0 0 0 0 0 0 0 1
<PLAY> Enter
Input ID Number !
8
Input ID Number !
After entering all 9 digits, if you press the SEARCH key, the
unit unconditionally sets the input number as the ID number.
Then the unit automatically enters Player's Data Input Mode.
(The SEARCH key is not accepted after all 9 digits have been
entered.)
5
[Player's ID Number Setting]
ID Number ?
0 0 0 0 0 0 0 0 1
<PLAY> Compare Mode
<SEARCH> Enter
4
5
Caution:
For the DVD players compatible with DVD-RW, for playback of a DVD-RW disc (CPRM), it is necessary that an individual ID
number and ID data are set for each player. If the ID number and ID data be not properly set in the manner described below,
future operations cannot be guaranteed. The ID number is written on the yellow label at the rear panel of the player.
If there is no yellow label, before downloading FLASH ROM, take note of the ID number set following the procedures
outlined in "ID Number Confirmation Mode" on the next page.
Note: Enter ID numbers while the unit is in Stop mode so that the values set will be immediately written to the flash ROM.
Note: If you press the PLAY button before inputting a 9-digit ID
number, the unit returns to Step 6 without doing anything
else.
To enter ID Number Input Mode, with no ID number set, such as
in a case of immediately after upgrading the firmware, press the
ESC key then the STEREO key.
Note: If a previous ID number and ID data, such as a factory-
preset ID number and ID data, are maintained, the unit
enters ID Number Confirmation Mode when the above keys
are pressed. However, if only an ID number is maintained,
the unit enters ID Data Input Mode.
ID Number Input Mode
[Player's ID Number Setting]
ID Number ?
- - - - - - - - -
<CLEAR> Exit
Input ID Number !
1
Enter a 9-digit ID number. The ID number is also displayed on
the FL display.
2
By pressing the CLEAR key without having input a number, you
can exit this mode. Each press of this key after a number has
been input deletes one digit.
3
After entering all 9 digits, if you press the PLAY key, the unit
enters Compare mode. Enter the same ID number again. Only
if your two input numbers match, the ID number is set. Compare
mode helps eliminate mistyping of the ID number.
4
2
3
Note: If you press the PLAY button before inputting a 9-digit ID
number, the unit returns to Step 2 without doing anything
else.
Setting an ID number or ID data is required in the
following case:
If NO NUM! or NO DATA is displayed on the FL display
immediately after the power to the player is turned on or
during Stop mode.
JIGS AND MEASURING INSTRUMENTS
DVD Data Disc
[GGV1175]
Service Remote Control Unit
[GGF1381]

XV-GX3 77
5678
5678
C
D
F
A
B
E
To enter ID Number Confirmation Mode after the ID number and
the ID data are set, press the ESC key then the STEREO key.
ID Number Confirmation Mode
1
The ID number already set is displayed.
(It is also displayed on the FL display.)
2
Enter a 9-digit number for comparison. This is not required
when you only wish to check the ID number visually.
(The number is also displayed on the FL display.)
3
By pressing the CLEAR key without having input a number, you
can exit this mode. Each press of this key after a number has
been input deletes one digit.
4
After entering all 9 digits, if you press the PLAY key, the unit
compares the number entered in Step 2 with the ID number
set, and only if the numbers match, the unit automatically exits
ID Number Confirmation Mode. If an ID data has not been
entered, the unit enters ID DATA Input Mode. If the numbers do
not match, the disc tray is opened, and the unit exits ID Number
Confirmation Mode.
5
After entering all 9 digits, if you press the STOP key, the unit
compares the number entered in Step 3 with the ID number
set, and only if the numbers match, the unit automatically
deletes the ID number and exits this mode. If the numbers do
not match, the disc tray is opened, and the unit exits this mode.
(The STOP key is not accepted after all 9 digits have been
entered.)
6
[Player's ID Number Setting]
ID Number ?
0 0 0 0 0 0 0 0 1
Compare
∗ ∗ ∗ ∗ ∗ ∗ ∗ ∗ ∗
<CLEAR> Exit
Input ID Number !
3
2
4
[Player's ID Number Setting]
ID Number ?
0 0 0 0 0 0 0 0 1
Compare
0 0 0 0 0 0 0 0 1
<PLAY> Enter
<STOP> Memory Clear
Input ID Number !
5
6
Note: If you press the PLAY button before inputting a 9-digit ID
number, the unit returns to Step 4 without doing anything
else.
• Indication of an ID number already set
An ID number already set is displayed in the following cases:
1) When the ESC key then the CLEAR key are pressed, user
settings are cleared, then the ID number set is displayed on
the screen. In this case, the ID number is not displayed on the
FL display.
2) When the unit enters ID Number Confirmation Mode by your
pressing the ESC key then the CLEAR key, the ID number set
is displayed. In this case, the ID number is also displayed on
the FL display.
If you only need to confirm the ID number, you can exit
this mode by pressing the CLEAR key or turning off the power.
• Indication when no ID number is set
If no ID number is set, the message "NO NUM!" flashes on
the screen and FL display for a few seconds after the power is
turned on or during Stop mode.

XV-GX3
78
1234
1234
C
D
F
A
B
E
To enter ID DATA Input Mode, with the ID number set, press the
ESC key then the STEREO key.
ID DATA Input Mode
1When writing of the data read from the disc to flash ROM is
completed, "Rom Write OK!" is displayed. After seeing this
message, you can exit this mode by pressing the CLEAR key.
5
If the data cannot be read from the disc, "Disc Error!" is
displayed on the screen, and the disc is ejected.
6
When the STEREO key is pressed, the unit enters ID DATA
Input Mode.
2
If the DVD DATA DISC is loaded in this mode, the unit
automatically starts reading the data.
(If the DVD DATA DISC has already been loaded, the unit does
not start reading the data. In this case, open then close the
tray.)
3
To exit this mode, press the CLEAR key. While data are being
read from the DVD DATA DISC, you cannot exit this mode.
4
[Player's ID Number Setting]
ID Number ?
[ 0 0 0 0 0 0 0 0 1 ]
Compare
> ∗ ∗ ∗ ∗ ∗ ∗ ∗ ∗ ∗
<CLEAR> Exit
<STEREO> ID Data Setting Mode
Input ID Number !
2
[Player's Data Input Mode]
<CLEAR> Exit
Insert The ID Data Disc !
4
[Player's Data Input Mode]
Rom Write OK!
<CLEAR> Exit
5
[Player's Data Input Mode]
Disc Error!
<CLEAR> Exit
6
Note: Whether or not the data have been written to flash ROM can
be confirmed by watching for the message "Rom Write OK!"
being displayed after the disc is read.
• Indication when the data have not been set
If no ID data are set after the ID number is changed, the message
"NO DATA" displays on FL display after the power is turned on or
during Stop mode.

XV-GX3 79
5678
5678
C
D
F
A
B
E
7.1.10 DISASSEMBLY
1Remove 11 screws from Bonnet.
2
2 7
Press the STANDBY/ON button to turn on the power.
3Press the 0 OPEN/CLOSE button to open the Tray.
4Remove the Tray Panel.
5Set the Test Disc.
Bonnet and Tray panel
1
How to open the Tray when the power cannot be on
Insert a Tweezer(as shown in the photo) into the Slit located at
the bottom of the unit and slide the projection of the Drive Cam in
the Loader Assy in the direction of the arrow, as indicated in the
photo.
If the Tray pops out a little, fully pull it out by hand.
Diagnosis of PCB's
Note 1: Do NOT look directly into the pickup lens. The laser beam may cause eye injury.
Note 2: Even if the unit shown in the photos and illustrations in this manual may differ from your product, the procedures
described here are common.
Note 3: For performing the diagnosis shown below, the following jigs for service is required:
• Flexible cable for service (GGD1309, GGD1447)
6Press the 0 OPEN/CLOSE button to close the Tray.
(Test disc is clamped.)
7Press the STANDBY/ON button to turn off the power.
8Pull out the Power cord.
Tray Panel
Test Disc
Tweezer
Rear View
Bottom View
1
3
3
4
5
6
6
Slit
1

XV-GX3
80
1234
1234
C
D
F
A
B
E
1Remove the grounding screw of the MIC Assy.
Front Panel and Rear Panel
2
9Slide the Heatsink Holder to the Rear Panel side, and take
out the Rear Panel and MAIN Assy.
2Disconnect FFC Cables at CN5651, CN3991 and CN3051.
6Remove 2 screws from Bottom Chassis and Rear Panel.
7Disconnect the FFC Cables at CN1501 and CN3001.
(Do not remove other cables.)
8Remove 2 screws on the MAIN Assy.
3Remove the grounding screw.
4Disconnect the cables at CN2302, CN2301 and CN2901.
5Released the hook at the right and left side of the Front
Panel Assy.
Heat Sink Heatsink Holder Rear Panel
3
1
6
5
5
MIC Assy
MAIN Assy
MAIN Assy
2
4
Bottom View
7
8
MAIN Assy
E
C

XV-GX3 81
5678
5678
C
D
F
A
B
E
1Set the Rear Panel and MAIN Assy upright.
2Set the Front Panel upright, which you took off in the previ-
ous procedure, and connect the six cables to CN5651,
CN3991, CN3051, CN2901, CN2302, and CN2301 of the
MAIN Assy, respectively.
MAIN Assy diagnosis
3
Front Panel
MAIN Assy
2
C
DVDM Assy
3Take the original cable off from CN901 of the DVDM Assy to
use the GGD1309 cable to connect to CN1501 of the MAIN
Assy.
In the same way, take the original cable off from CN902 of
the DVDM Assy to use the GGD1447 cable to connect to
CN3001 of the MAIN Assy.
GGD1309
GGD1447
B

XV-GX3
82
1234
1234
C
D
F
A
B
E
1Remove 4 screws on the DVDM Assy.
DVD Main Board diagnosis
4
2Set the DVDM Assy upright.
DVDM Assy
1
DVDM Assy
MAIN Assy
DISPLAY Assy
B
B
D
C
MIC Assy
E

XV-GX3 83
5678
5678
C
D
F
A
B
E
Rear view
05 LOADER Assy
2
2
2
2
4
1Short-circuit point by soldering.
2Disconnect the four connectors.
Note: After replacement, connect the flexible cable,
then remove the soldered joint (open).
3Remove the two screws.
4Remove the 05 LOADER Assy.
1
05SD Pickup Assy-S
Removing the Traverse Mechanism Assy-S and 05SD Pickup Assy-S
05 LOADER Assy
1
3

XV-GX3
84
1234
1234
C
D
F
A
B
E
1Remove the one screw.
2Remove the bridge 04.
3Pull out the tray, then remove it by pressing the
hook.
1
2
3
Bridge 04
Front side
Hook
Tray
Loading base Triangle
PinDrive cam
-2
3-2
Note when reinserting the tray
When reinserting the tray, first align the triangle
printed on the loading base and the pin of the drive
cam, then insert the tray.
Bridge 04, Tray
2

XV-GX3 85
5678
5678
C
D
F
A
B
E
1
Traverse Mechanism Assy-S
3
Dislodge the two flexible cables from their factory
placement.
2Unhook the four hooks.
3Remove the Traverse Mechanism Assy-S
× 2
2
× 2
2
3
Traverse Mechanism Assy-S
1
1
Front Side
Flexible cable
for the spindle motor
Flexible cable for the pickup
Bottom view

XV-GX3
86
1234
1234
C
D
F
A
B
E
3
2
2Adjustment screw
(skew screw VK1)
Adjustment screw
(skew screw VK1)
Adjustment screw
(skew screw VK1)
Adjustment spring
(skew spring VK1)
05SD Pickup Assy-S
4
Note: The 05SD Pickup Assy can be removed
without removing the TTraverse Mechanism
Assy-S.(shown as Step π.)
Note: Be careful not to lose the adjustment spring
(skew spring VK1).
Flexible cable for the pickup
05SD Pickup Assy-S
1
Front Side
1Disconnect the flexible cable for the pickup.
2Remove the two adjustment screws.
3Remove the 05SD Pickup Assy.
Bottom view
05SD Pickup Assy-S

XV-GX3 87
5678
5678
C
D
F
A
B
E
Note: The screw is secured with the silicone
adhesive.
Make sure to apply the silicone adhesive after
reattaching the screw.
4Remove the one screw.
4
Silicone Adhesive
GEM1037
05SD Pickup Assy
Joint VK1B
Joint spring VK1
: Conductive surface
Arrangement of the flexible cable for the spindle motor
Front Side
Hook
Hook
Bottom view

XV-GX3
88
1234
1234
C
D
F
A
B
E
Front Side
Note:
Be sure to move the 05SD Pickup Assy to the innermost perimeter.
: Conductive surface
Arrangement of the flexible cable for the pickup
2
3
7
2Attach the flexible cable for the pickup to the connector. 6Fold the flexible cable along the hook.
7Pass the flexible cable through the hook.
3Pass the flexible cable through the hook.
Bottom View
Make sure that the cable is loose
Backing
Backing
Reference line
Hook
Hook
45
5Pass the flexible cable through the hook.
4Hook the part folded in Step 1 to the hook.
Hook
Reference line
6
Hook
1Fold the flexible cable for the pickup with the backing outward
in the illustration below.
76 mm
1
Hook
Hook

XV-GX3 89
5678
5678
C
D
F
A
B
E
7.2 PARTS
7.2.1 IC
PDC129A (MAIN ASSY : IC5501)
• System Control Microcomputer
• The information shown in the list is basic information and may not correspond exactly to that shown in the schematic diagrams.
• List of IC
PDC129A
No. Pin Name I/O Pin Function
1DVDON/OFF O Control power supply for DVD module
2NC O
Mic Detection
3MICDET I
4ACPULSE I AC PULSE input detection (Interruption 0)
5NC O
6(RDSCLK) O
7REMOCON I REMOCON signal input (Interruption 3)
8XRESET I µ-com reset input
9XT1 −Subclock (connect to VDD when no use)
10 XT2 −Subclock (leave open when no use, and set the bit 6 of OCR SFR)
11 VSS1 −
12 CF1 −Main Clock (connect to VDD when no use)
13 CF2 −
−
−
Main Clock (leave open when no use)
14 VDD1 −
15 SIMUKE I Destination distinction input
16 MODEL I Model distinction input
17 VDET I DVD3.3V detection input
18 KEY1 I Key1 input
Key2 input
JOG
Level meter signal input
19 KEY2 I
20 JOG I
21 LEVELIN I
22 XPROTECT I
23 SDATA O System bus data output (for DVD)
24 MDATA I System bus data input (for DVD)
25 SCLK I System bus clock input(for DVD)
26 FLCE O CE for FL driver
27 FLDATA O Data for FL driver
28 FLCLK O Clock for FL driver
29 NC O
30 XREADY O Chip select for system bus (to DVD module)
31 NC O
REC OUT MUTE
32 XRECMUTE O
33 UTEST_CHK O UNITCHECK IN for checker
34 UTEST_EEPOK O EEPROM CHECK OK for checker
35 RELAY O SP RELAY ON/OFF
36 NC O
37 NC O
38 NC O
39 VSS4
40 VDD4
Pin Functions

XV-GX3
90
1234
1234
C
D
F
A
B
E
No. Pin Name I/O Pin Function
41 NC O
42 NC O
43 STEST I Set TESTMODE for Service
44 UTEST I Set UNITCHECK for checker
45 ECHCONT1 O Control for ECHO1
46 ECHCONT2 O Control for ECHO2
47 NC O
48 EPROM_CS O EEPROM CS
49 EPROM_O O EEPROM D0
50 EPROM_I I EEPROM D1
51 EPROM_CLK I EEPROM CLK
Chip enable for Tuner LSI
52 TXCE O
53 NC
54 NC
55 VDD2
56 VSS2
57 TCHALF I Input switch of mecha half
58 TCMODE I Input switch of mecha mode
59 TCRECF I Input switch of mecha during recording forward
60 TCRECR I Input switch of mecha during recording reverse
61 TXCLK O Clock for tuner LSI
62 TXODATA O Data for tuner LSI
63 NC O
64 (RDSPOW) O Control power supply of RDS(L:POWER ON)
65 (RDSDATA) I Input RDS data
66 TXIDATA I Input data from tuner LSI
67 DVDACK I Ackknowlegement from DVD MODULE(Interruption 4)
68 TCPULSE I Input pulse of TC reel
69 NC O
70 TCMSIN I Input MS signa
71 NC O
72 NC O
73 LED1 O LED1
74 NC O
75 NC O
76 NC O
77 NC O
78 NC O
79 NC O
80 NC O
−
−
−
−

XV-GX3 91
5678
5678
C
D
F
A
B
E
No. Pin Name I/O Pin Function
81 PB/XRCE O Switch PB/REC
82 NC O
83 MOTOR O Output tape motor
84 SOL O Output tape solenoid
85 BEATCUT O Control beat cut of deck
86 BIAS O Control bias of deck
87 NC O
88 VSS3 −
89 VDD3 −
90 FLASHE/D −for FLASH writing / On board debugger
91 FLASHDO −for FLASH writing / On board debugger
92 FLASHCLK −for FLASH writing / On board debugger
93 XDVDRST O RESET to DVD MODULE
94 SYSMUTE O Control mute of system
95 SYSPOW O Control power supply of system
96 VOLCLK O Clock for E-vol IC
97 VOLDATA/CE O
98 NC O
99 NC O
100 NC O

XV-GX3
92
1234
1234
C
D
F
A
B
E
8. PANEL FACILITIES
Front panel
1 STANDBY/ON
Switches the player on or into standby.
2 Remote sensor
3 P.BASS
Press to switch on the bass boost.
4 Display
See Display below.
5 Tape cassette controls
REVERSE MODE – Selects the playback
mode for tapes.
REC/STOP– Starts/stops recording on the
tape deck.
6 FUNCTION
Selects the source you want to listen to.
7 Playback / volume control
The playback controls are used for playing,
pausing, skipping and stopping playback. Turn
the middle section to adjust the volume.
8 PUSH OPEN
Press down on this side of the cassette door to
open the tape deck.
9 OPEN/CLOSE
Ejects the disc.
10 Headphone jack
11 MIC VOL and MIC input jacks
Controls the volume of the karaoke mics
(MAIN and SUB).
12 Disc tray
STANDBY/ON
OPEN/CLOSE
P.BASS
PUSH OPEN
REVERSE
MODE
MIC MIC VOL
MAIN SUB MIN MAX
REC/STOP FUNCTION
5 6 71 3 4 82
9 11 1210

XV-GX3 93
5678
5678
C
D
F
A
B
E
Display
1 Format indicators
DTS - Lights during playback of a DTS source.
2D - Lights during playback of a Dolby
Digital source.
2Sound processing indicators
P.BASS - Lights when the bass boost is
switched on.
SFC - Lights when one of the Sound Field
Control modes is selected.
3
Lights during playback.
4Character display
5 PRGSVE
Lights when the player is set to output
progressive scan video.
6Karaoke indicators
ECHO - Lights when the Karaoke ECHO
effect is selected.
KEY - Lights when the Karaoke pitch control
is selected.
(Vocal cancel) ñ Vocals in the backing
track are partially eliminated using EQ.
L - Left channel only. Use for tracks that
have a vocal recorded in the right channel.
R - Right channel only. Use for tracks that
have a vocal recorded in the left channel.
L R - Use to put a single-channel vocal track
into the center of the mix.
7Tuner indicators
- Lights when a broadcast is being received.
- Lights when a stereo FM broadcast is
being received in auto stereo mode.
- Lights when FM mono reception is
selected.
8
Lights when the sleep timer is active.
9Cassette deck indicators
B.CUT - Lights when the beat cut mode has
been switched to B.CUT 2.
REC - Lights when recording to the tape deck.
- Indicates the direction of tape playback.
- Indicates the reverse mode.
10 kHz / MHz
Indicates the unit of the frequency shown in the
display (kHz for AM, MHz for FM).
11 Playback mode indicators
RPT-1 - RPT lights during repeat play
(RPT-1 lights during repeat one-track/
chapter play).
PGM - Lights during program play.
RDM - Lights during program play.
P.BASS SFC
KEY ECHO
PRGSVE
kHz
MHz
PGM
RDM
RPT-1
DTS B.CUT L R
D
REC
9 10 118
2 6 73 4
1 5
6

XV-GX3
94
1234
1234
C
D
F
A
B
E
Remote control
1 STANDBY/ON
Switches the player on or into standby.
2 Input source function select
Selects the source you want to listen to; DVD/
CD, TUNER, TAPE or LINE (SHIFT+TAPE).
3 Number buttons and SHIFT functions
The number buttons can be used for selecting
titles/chapters/tracks directly, the functions
above the buttons are accessed by pressing
SHIFT at the same time as the button.
PGM (SHIFT+1) - Use to program/play a
program list.
RPT (SHIFT+2) - Selects a repeat play mode.
RDM (SHIFT+3) - Selects a random play mode.
AUDIO (SHIFT+7) - Selects the audio
channel or language.
SUBTITLE (SHIFT+8) - Selects a subtitle
display.
ANGLE (SHIFT+9) - Changes the camera
angle during DVD multi-angle scene playback.
ZOOM (SHIFT+0) -Changes the zoom level.
4 HOME MENU
Press to display (or exit) the on-screen menu
for Initial Settings, Play Mode functions, etc.
SYSTEM SETUP (SHIFT+HOME MENU)
Use to make various system settings.
Also used to save station presets and select
mono FM reception when using the tuner.
5Cursor buttons, ENTER, tuning and karaoke
buttons
Cursor buttons - Use the cursor buttons
(///) to navigate on-screen displays
and menus.
ENTER - Selects an option or executes a
command.
TUNE (+/-) -Tunes the radio.
ST (+/-) - Selects station presets when listening
to the radio.
The karaoke functions are accessed by pressing
SHIFT at the same time as the corresponding
button:
KARAOKE (SHIFT+) - Selects audio
channels for karaoke.
ECHO (SHIFT+) - Changes the echo
level on the karaoke mics.
Key controls and (SHIFT+/) -
Lowers/raises the pitch of the backing track.
STANDBY/ON P.BASS
DVD/CD
PGM RPT RDM
FM/AM
TUNER TAPE
LINE
HOME
MENU
DVD
MENU
RETURN
SOUND
MODE
SFC
CLEAR MUTE
VOLUME
SLEEP
DISPLAY
AUDIO
SYSTEM SETUP
ECHO
KARAOKE
SUBTITLE
ANGLE ZOOM
TOP MENU
31
46
7
2
5
890
TUNE
STST
TUNE
ENTER
SHIFT
1
2
4
5
6
7
3
8
12
13
9
11
10

XV-GX3 95
5678
5678
C
D
F
A
B
E
6 SFC
Selects sound modes or custom settings from
from the Sound Field Control.
SOUND MODE (SHIFT+SFC)
Accesses settings in the Sound menu, such
as the tone controls.
7 Playback controls
See Playing discs, Playing cassette
tapes, and Disc playback features for an
explanation of these controls.
8 SHIFT
Some of the buttons have alternate functions
(they are outlined on the remote control). Press
and hold SHIFT to access these.
9 P.BASS
Press to switch on the bass boost.
10 VOLUME
Adjusts the volume level.
11 DVD MENU
Press to display a DVD disc menu, or the
Disc Navigator.
TOP MENU (SHIFT+DVD MENU)
Displays the top menu of a DVD disc in the
play positionóthis may be the same as pressing
pressing DVD MENU.
12 RETURN
Press to return to a previous menu screen.
13 CLEAR
Clears an entry.
MUTE
Mutes the volume.
DISPLAY
Switches between information displays.
SLEEP (SHIFT+DISPLAY) – Use for setting
the sleep timer.
Range of the remote control unit
The remote control has a range of about 7
meters at an angle of 30˚ of the remote control
control sensor. It may not work properly if:
• There are obstacles between the remote
control and this unit's remote sensor.
• Direct sunlight or fluorescent light is
shining onto the remote sensor.
•This system is located near a device that
is emitting infrared rays.
•This unit is operated simultaneously with
another infrared remote control unit.

XV-GX3
96
1234
1234
C
D
F
A
B
E
Service Remote Control Unit GGF1381
DVD Test Disc (DVD-Video) GGV1025
adjustment, diagnosis
Name Jig No. Remarks
Check of DVD-Video
CD Test Disc STD-905 Check of CD
Flexible Cable (27P) GGD1447
Flexible Cable (25P) GGD1309
diagnosis of DVDM ASSY
diagnosis of DVDM ASSY
Test Tape NCT-111 or STD-301 Tape Speed adjustment
Test Tape NCT-112 or STD-331E Tape Playback adjustment
Test Tape STD-630 or STD-631 Normal blank tape
DVD Data Disc GGV1175 diagnosis (ID data setting)
7 Jigs list
Lubricating Oil GYA1001
GEM1036
Daifree
Name Lubricants and Glues No. Remarks
refer to "2.4 05 LOADER ASSY"
refer to "2.4 05 LOADER ASSY"
GEM1037
Silicone Adhesive refer to "2.5 TRAVERSE MECHANISM ASSY-S"
GYL1001
Screw tight refer to "6.2.5 MECHANISM ADJUSTMENT"
7 Lubricants and Glues list
Before shipping out the product, be sure to clean the following positions by using the prescribed cleaning tools:
Position to be cleaned Cleaning tools
Pickup leneses Cleaning liquid : GEM1004
Cleaning paper : GED-008
Position to be cleaned Cleaning tools
Cassette heads
Pinch rollers Cleaning paper : GED-008
Capstans
Position to be cleaned Cleaning tools
Fans Cleaning paper : GED-008

