Processor Tech Access, Vol One, Num Two Access_v1n2 Access V1n2
User Manual: access_v1n2
Open the PDF directly: View PDF
.
Page Count: 38

A Letter from the Editor
"Everyone should believe in something. I believe I'll have another drink." —
Steele's Plagiarism of Somebody's Philosophy
Welcome to issue #2 of ACCESS. I hope the first one was able to provide you with something
useful, after waiting so patiently for delivery. Wasn't entirely our fault this time, honest; we now
know from personal experience that mailing services have their gremlins too. Anyway, issue #2 is
now here and filled with goodies we hope you can use on your pet project.
One thing issue #2 isn't filled with is feedback from you. No way it could be, since it went to
press before most of you ever got your hands on #2. We really do want to facilitate an exchange
of ideas, comments, gripes, what have you, so please get those cards and letters into us. Are you
more interested in hardware stuff than software stuff? Vice versa? What bugs bug you? What
do you do with your Sol anyway? Got any hot tips on interfacing with exotic equipment? Just
want to sound off about something? Or maybe even say something nice about us? We definitely
want issue #3 to have more of you in it, instead of just us talking to the walls.
Speaking of us, you'll be reading this just about the time of the 1st West Coast Computer
Faire. Come give us some feedback in person; we'll be there along with all the competition, and
we'll have some good stuff to show you. You might even get to see me if you look closely; I'm the
one wearing the red suspenders. For those of you who can't make it to San Francisco, we'll have
a report in ACCESS #3.
Got to sign off now and fix that Sol PCB that just came in for warranty repair. Probably
sabotage — whoever heard of a SOL not working?)
Aram Attarian II
Subscription Information
ACCESS is published every six weeks. If you like what you see, we hope you'll send us $4.00
for a year's subscription so we can keep the info coming. Write to us at Processor Technology,
6200 Hollis Street, Emeryville, CA 94608.
75¢ per issue Published by Wible/Rampton Advertising, San Francisco, Volume One, Number Two, April 1977

Inside Emeryville!
One to One Communication
We're going to make this column a regular feature, under the peerless direction o f our Customer
Service Manager, the world renowned Ralph I. Palsson (applause). He'll keep you informed on what's
happening in the world of availability, delivery dates, and other such precious tidbits, and do his best
to keep the lines of communication open. Good luck, Ralph. (A.A. II, Editor)
A Customer Service Department has only one reason for its existence: to fix the responsibility on
someone for keeping the communication lines open, so the company doesn't become just another
faceless entity, vaguely malevolent to your attempts to pursue the love and lore of computing. The
someone's me, Ralph Palsson; I'm here to welcome your telephone and letter inquiries and provide you
with immediate, personal service. Whether it be pre-sales information, placing an order, finding the
nearest Processor Technology dealer, checking on the availability of existing or forthcoming
products-we'll do our best to help.
Are you interested in more information about a product than you could glean from the catalog
description? How about the VDM-1 kit you ordered way back when and still haven't received? Even
the best of us make occasional errors, and letting us know about your problems is the first step towards
their solution. Letters are now being sent regularly to advise you, our customers, of anticipated
production and delivery schedules. PTC dealers are being kept informed too, so you can call them for
on-going status reports. We're trying continually to expand and improve the Customer Service
Department with the aim of giving even more efficient, reliable service. Some of the ways we're doing
it:
Teletroubleshooting. Having a problem with a PTC kit? Is your Sol-20 displaying 0's and 9's and
nothing else? Need technical advice on interfacing? One of our applications engineers is available
daily for phone consultation and technical assistance. Call (415) 652-8080 between 9:30 am and noon
or 1:30 and 4:00 pm Pacific Time. Technically oriented software questions should go to our new
division, Software Technology, at (415) 349-8080. (That's right, 8080!)
When you make a technical call about a malfunctioning kit, it helps if you take time to think out
your questions first, maybe make a few notes. It's also a good idea to have your kit manual handy, and
if possible, the recalcitrant piece of equipment. All calls are taken on a first come, first serve basis, so
if you do have to hold for a few minutes, please be assured that you're not running up your bill for the
benefit of someone who called in later. If you do run into a wait, you can also ask us to call you back
collect. We will.
Again, let us remind you that if you purchased your PTC product through a dealer, try him/her first.
They're all authorized to service the equipment they sell, precisely because they can give you more
personalized, faster service than anyone can by mail or phone.
Need a defective part replaced? Again, the best way to handle this is through your dealer. If he's
out of stock, or if you purchased directly from us, send us the defective part for replacement. Similarly,
if you're missing a part from a kit, call your dealer or write to us, giving as complete a description as
you can of what's missing.
Finally. We are always interested in improving our one-to-one communication, and we're open to
your comments, criticisms, and suggestions. Please feel free to contact us if we can be of service in any
way.
Error, Error, Does Not Compute
Errors do appear from time to time in all high class publications. ACCESS is no exception — our
score for the first issue was three unfortunate oversights.
1. The instructions for wiring the 3P+S for a keyboard interface (page 3). At Step 5, we told you to
connect pin 7 to a point on 3P+S leading to J2 pin 12. Pin 12 is a ground point, and you don't really
want to do that. Pin 7 should be connected to a point on the 3P+S leading to IC 14 pin 13.
2. The article on interfacing PT 4KRA memory boards with the Motorola M6800 (page 2). It's all
right as far as it goes, but we neglected to give proper credit to the contributor. Our apologies and
thanks to J. W. Schook, P O. Box 185, Rocky Point, N.Y.
3. Last, but not least, those ever-present gremlins managed to alter our mailing address to 6800
Hollis St. Now, that's really adding insult to injury. Our correct address is 6200 Hollis St., Emeryville,
CA 94608.
Introducing Software Technology Corporation
We've pulled a protozoan trip and split in two: Software Technology Corp. is a separate new
company formed to take over software development from Processor Technology. The idea is to give
you more and better software support by not scattering our energies about, randomly.
Software Technology is three people with an impressively vast reservoir of experience in operating
systems, time sharing, real time systems, compilers, interpreters, simulators, business systems, and
software development. Did we leave anything out? During this transitional period, they'll be
maintaining, supporting and producing all the current PTC software, plus developing some of their
own. Later (not too much later), they'll be coming out with lots of good stuff designed to get the most
out of Sol.
You should have your first chance to see the caliber of Software Technology developments at the
Computer Faire in San Francisco. But we're not going to tell you what, because one fundamental
policy of Software Technology is not to announce anything that isn't ready. Nobody likes a tease.
Meanwhile, Software is in business and even has a phone. If you have any problems with Processor
Technology software you're using now, you can call their 24-hour phone line. When nobody's there,
there's an answering machine to take your message, and they will get back to you promptly. The

number is (415) 349-8080. You're also welcome to write your questions: PO. Box 5260, San Mateo,
CA 94402.
For the time being, orders, questions about delivery and of course hardware questions should still be
directed to Processor Technology. (See One to One Communication)
Read on for your first example of Software Technology software.
Announcing the SOL USERS GROUP!
The Sol Users Group was recently organized by members of the Homebrew Computer Club in Palo
Alto; SUG is not affiliated in any way with Processor Tech-Technology. The purposes of SUG are to
exchange software and other applications, and to create standards. If plenty of interest is shown, a Sol
Newsletter will be published and sent to members.
If you own or have ordered a Sol, send your name, address, phone number and ideas to:
Bill Burns
4190 Maybell Way
Palo Alto, CA 94306
(Please don't call.)
Attention, CONSOL Users
All Processor Technology software has recently been modified in a very important way that
encourages standardization. If you've been looking forward to having some Sol software for your
CONSOL Proms, you'll have to let us reprogram for you. There's no charge. Just mail your CONSOL
Proms, suitably packaged, to Processor Technology; we'll take care of the rest. Turn-around time is
about 2 weeks, dependent on the vagaries of the U. S. Postal Service, natch.
If you're planning to upgrade to SOLOS anyway, don't worry about it.
Editor: Aram Attarian II Publisher: Wible/Rampton Advertising,
727 15th Avenue, San Francisco, CA 94118
ACCESS is published approximately every six weeks. Subscription
rate: $4 per year, from Processor Technology Corp., 6200 Hollis St.,
Emeryville, CA 94608.
ACCESS Copyright © April 1977 by Processor Technology Corp. All
Rights Reserved. Material in this publication may not be reproduced in
any form without permission from Processor Technology Corp.
Clarkes third law: Any sufficiently advanced technology is
indistinguishable from magic.

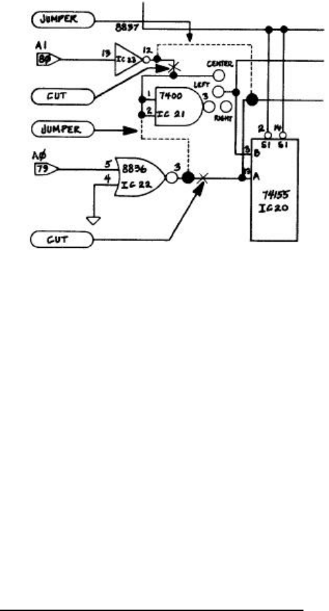
Double Your Pleasure, Double Your Fun, Or, How to Use Both
Parallel Ports on the 3P+S
You can take maximum advantage of the 3P+S's versatility by making a simple modification that
gives you simultaneous access to both parallel ports. Then you'll be able to use one port for a keyboard
input, the other for paper tape input/output. The serial port is available for an RS232 or TTY, with
status and control available at Port 0 for Processor Technology software compatibility.
The change procedure is as follows:
1. Cut the existing trace from IC 22 pin 3 to IC 20 pin 13; at IC 22 pin 3
2. Cut the existing trace from IC 23 pin 12 to IC 21 pins 1 and 2; at IC 23 pin 12
3. Run a jumper from IC 23 pin 12 to IC 20 pin 13
4. Run a jumper from IC 22 pin 3 to IC 21 pins 1 and 2
5. Select area "B" option; jumper from left to right
Assuming that area "A" board address options "00" have been selected, the ports will now be set up
as follows:
Port 0 = Channel C. Control and status
Port 1 = Channel A.* Parallel data (keyboard)
Port 2 = Channel D. UART (RS232 or TTY)
Port 3 = Channel B.* Parallel data (paper tape reader)
*The strobe latches for the parallel ports remain with their respective channels.
Changing the data available status. The 3P+S interface is laid out to respond to a negative strobe
input pulse low active status (i.e., FA, FB). For compatibility with Processor software, you'll want to
select a high active data available status. Run a jumper from the !Q output of the respective strobe
latch (i.e., AKA, AKB) to the correct status bit input in area "G." In the above configuration, the
amounts to jumpering keyboard data available IC 15 pin 7 to area "G" point C6.
Osborns Law: Variables won't. Constants
aren't.

CUTE, CUTEST, CUTER
Below is the complete source listing for the control and monitor programs for the CUTS board.
This program, CUTER, was made available with the CUTS module in the form of a cassette selling for
$11.
The CUTER cassette contains object code along with a relocating loader for loading the program in
any 256-byte boundary of available RAM. A new version of BASIC-5 for use with CUTER and
SOLOS is also on the cassette, followed by the complete source code of CUTER. Not a bad deal for
$11.
So why buy the cassette now that we're giving you the listing? It's not that we're mercenary, but
consider: if you want to use PTC's software packages on cassettes; then CUTER is going to be a
tremendous asset in loading those tapes, right? Right-otherwise you could spend 3 or 4 hours toggling
it in from the front panel of your A#$%&R or I(*@ I.
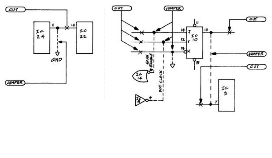
And now, the VDM-½! Or, Modifying Your VDM-1 for 32-character Display
We're pleased to announce that unceasing technical progress has now made possible a reduction in
the number of characters per line of the VDM-1 display from 64 to 32! Seriously, the modification is
quite handy if you want to work with large type display, or feed RF modulated signals to a TV antenna
input.
The hardware modifications are shown in the schematic drawing below. One word of caution:
since we're tying the low-order address bit to ground, only character locations with bit 0 equal to 0 (i.e.,
even-numbered addresses), will be displayed. So if you use the modified VDM with unmodified
software, you'll end up with only alternate characters on the screen and a rather cryptic message!
In the next issue of ACCESS, we'll have some spiffy software routines to use with the "VDM-½."
Meanwhile, you can probably come up with some of your own. (Drop us a line if you run across
anything interesting.) Just remember that a left shift of a 64-character address will give you the
32-character address, providing that you shift in a 0 to bit 0. Good luck!
1. Cut traces at:
A—pin 10 IC 10 D—pin 14 IC 10
B—pin 12 IC 10 E—pin 7 IX 3
C—pin 13 IC 10 F—pin 14 IC 22
2. Add jumpers between:
A—IC 24 pin 11 and Ground
B—IC 10 pin 10 and IC 3 pin 7
C—IC 10 pin 12 and IC 19 pin 4
D—IC 10 pin 13 and Ground
E—IC 10 pin 14 and IC 14 pin 6

FLASH - VDM Access Flicker Eliminated, Part 2
In the last issue, we gave you a hardware modification to take care of the flicker produced
whenever the VDM memory is being accessed. We also promised to explore the implications a bit
further this time. So here's a subroutine for the VDM driver program that implements the modification
via software.
One thing to remember: if reads from the screen memory are needed by the driver, they have to be
synchronized by a subroutine similar to this. This one only takes care of flickerless access to the
memory.
Next issue, we'll continue the flicker saga by providing a version of the Processor PATTERN
program which contains this routine for flickerless display.
1000 * THIS ROUTINE MOVES A CHAR. IN REGISTER B
1005 * TO VDM DISPLAY MEMORY
1010 *
1015 ***** ASSUMPTIONS:
1020 *
1025 * 1. THE CALLER HAS SET UP A STACK
1030 *
1035 * 2. REGISTER PAIR H&L CONTAIN THE
1040 * VDM DISPLAY MEMORY ADDRESS
1045 *
1050 * 3. THE ROUTINE IS RUNNING IN MEMORY
1055 * WITH NO (0) WAIT STATES.
1060 *
1065 *
1070 *
1075 *
1080 START PUSH B
1085 MVI C,2 SYNC BIT MASK (BIT 1)
1090 *
1095 * CATCH FALLING EDGE OF SYNC
1100 *
1115 HILP IN 0C8H VDM STATUS PORT
1110 ANA C ONLY BIT 1 REMAINS
1115 JZ HILP UNTIL SYNC IS HI
1120 *
1125 * SYNC IS HI. NOW WAIT
1130 * TILL IT IS LOW
1135 *
1140 LOLP IN 0C8H VDM STATUS PORT
1145 ANA C ONLY BIT 1 REMAINS
1150 JNZ LOLP
1155 *
1160 * DISPLAY SWEEP IS NOW AT LEFT MARGIN
1165 *
1170 CALL WAIT SO SWEEP CAN MOVE TO
1175 * RIGHT MARGIN
1180 *
1185 * NOW THAT SWEEP IS OFF THE SCREEN:
1190 *
1195 MOV M,B ACCESS DISPLAY MEMORY
1200 *
1205 *
1210 POP B GIVE IT BACK
1215 RET
1220 *
1225 * THIS ROUTINE DELAYS FOR JUST ENOUGH TIME
1230 * TO ALLOW THE SWEEP TO CROSS THE SCREEN
1235 * *** ALTER IT WITH CARE ***
1240 *
1245 WAIT NOP
1250 PUSH H
1255 POP H
1260 PUSH H
1265 POP H
1270 RET
Cann's Axiom: When all else fails, read the instructions.

This issue's Bug Squad focuses on the Sol PC board
Revision D, the one you have. All the fixes described
are aimed at worst case conditions, so hopefully you've
never encountered the problems. But we do
recommend making the changes now to forestall future
headaches that might crop up if you use demanding
peripherals such as discs. All the modifications
described will be incorporated in the forthcoming
Revision E board, so in the future we'll be designing on
the assumption that all boards in the field have these
fixes.
Now, you may wonder where we get the gall to
blurt out that our product is not the ultimate in all respects. Quite simply, we have too much experience
in product design to let ourselves get away with the attitude that goes, "We're perfect. Something must
be wrong with you:" So things can be better, and here's how.
1. Clock Width Fix
The bug: Currently the width of the phase 1 (φφ1) clock pulse is 70 nanoseconds. If you want
to bring it into spec with existing 8080 chips, you should increase it to 140 nanoseconds. (8080A
or 9080A are OK at 70 nsec.)
The squasher: On the top (component) side of the board, cut the trace between jumpers D and E of
(U90 and U91) of the clock generator. On the bottom (solder) side of the board, connect the jumper
from pin E to the feedthrough which leads to pin 5 of U91.
2. Phantom Glitch Fix
The bug: Occasionally a Sol will power up with three "phantom" cycles instead of the
necessary four, causing a "crash: These are the cycles which use the "four phase wonder"
software in the monitor.
The squasher: Connect a jumper on the solder side of the board as shown in Figure B. It goes from
pin 4 of U76 to the feedthrough immediately below pin 1 of U76.
3. Ground Noise Fix
The bug: The paths from the bus drivers to the bus ground are too long, producing occasional
ground noise.
The Squasher: Shorten them by connecting jumpers on the solder side of the board as shown in
Figure B. They go from pin 8 of IC's U33, U50, U68, and U81 to the ground feedthrough leading to
C45.
4. Protect Fix
The bug: The protect line is floating, which allows noise pulses to set a memory board
"protected" at the most inconvenient times.
The squasher: Connect a jumper wire on the solder side as shown in Figure B. It goes from the
ground terminal of C 11 to pin 70 of the 100-pin bus connector J11.

5. DMA/Interrupt Unscramble
This fix has probably been included in your kit or preassembled board, but better check the
connections just to make sure.
The bug: PINT (pin 73), PHOLD (pin 74), and PINTS (pin 26) got scrambled at an early stage
in development and weren't noticed until too late.
The squasher: On the component side of the board, cut the trace leading to pin 73 on J11; on the
solder side, cut the trace leading to pin 1 of U45, and also the second trace to the right of U64. (Refer
to Figure B). Now connect three jumpers: From pin 73 of J11 to pin 1 of U45. From pin 28 of J11 to
the feedthrough indicated (the one that was isolated by the cut on the component side). From the
feedthrough directly below pin 1 of U45 to the feedthrough to the right of pin 3 of U64.
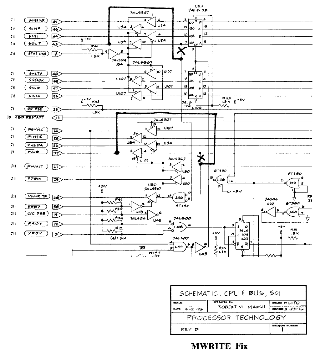
6 MWRITE Fix
The bug: If you want to operate with DMA devices which write into memory, such as discs,
you; need to be able to generate the MWRITE pulse externally.
The squasher: You accomplish this by connecting the signals which generate MWRITE directly to
the bus. On the solder side of the board, cut the trace which leads to pin 7 of U93. Now connect a
jumper from the trace which has been isolated, to the feedthrough leading to pin 9 of U94. Now, still
on the solder side, locate the feedthrough immediately below pin 1 of U92 and break the trace leading
to it; do NOT break the trace leading to pin 1 of U92. Connect a jumper from that feedthrough to pin
13 of U107.
Further Remarks on D and E
The other major change between the D and E revision Sol boards involves reversing the order of the
parallel input data lines as connected to the parallel connector J2. The schematic is correct for the D
board, and the list of signals in the manual is correct for the E board. The change will simplify future
connections to J2 by placing the POD lines adjacent to the PID lines; that way, you can create a
bidirectional input/output bus with a simple jumpering scheme at the connector.
We're planning an adaptor connector to convert Rev. D J2 into Rev. E J2. It will have a 25-pin
plug, a PC board which reverses the connections from pins 6 to 13, and a 25-pin socket connector. If
you're developing a device which plugs into the Sol J2, reverse the order of pins 6 through 13 and use
this adapter (PTC pt. 900011) to ensure that your plug-in device will be compatible with E revision
Sol's.
7. Current Loop Fix
The bug: R23 and R24 should be connected to +12 volts instead of +5 volts.
The squasher: Break the large trace on the solder side of the board which leads to these two
resistors. Still on the solder side, connect a jumper from the isolated end of R23 to the +12 volt
feedthrough as shown. Be sure that you do not accidentally connect to the -12 volt feedthrough, which
is slightly higher than the +12 volt one.
Weinberg's Law: If builders built buildings the way programmers
wrote programs then the first woodpecker that came along
would destroy civilization.

And a Bug in 5K(pre-Sol)
The bug: Our attention has been called to some problems with the integer function in
BASIC-5 — the non-Sol version.
The squasher: Page 32 of the 5K BASIC manual (Software #2) should be changed to read as
follows:
0000 *
0001 *
0002 * BASIC-5 INTEGER FIX
0003
0BAA 0004 ORG 0BAAH
0005
0BAA 0A 0006 AINT LDAX B
0BAB D6 81 0007 SUI 129
0BAD 16 05 0008 MVI D,FPSIZ
0BAF FA BF 0B 0009 JM AINT3
0BB2 00 0010 NOP . SPACE FILLER
0011 *
0012 * EXP > 0
0013 *
0BB3 D6 05 0014 SUI FPNIB-1
0BB5 D0 0015 RNC
0BB6 57 0016 MOV D,A COUNT
0BB7 0B 0017 DCX B
0018 *
0BB8 08 0019 AINT2 DCX B
0BB9 0A 0020 LDAX B
0BBA E6 F0 0021 ANI 360Q
0BBC 02 0022 STAX B
0BBD 14 0023 INR D
0BBE C8 0024 RZ
0025 *
0BBF AF 0026 AINT3 XRA A
0BC0 02 0027 STAX B
0BC1 14 0028 INR D
0BC2 C2 B8 0B 0029 JNZ AINT2
0BC5 C9 0030 RET
0031 *
0032 *
Your ALS-8 Applications Notes are on the Way!
After a seemingly interminable delay, the first batch of Application notes are really and truly in the
mail to all you ALS-8 Users' Group members. Once the material is in your hot little hands (in a very
fancy binder, no less), you'll be better able to appreciate the power and versatility of your ALS-8, and
you should have some very happy hours of computing. If you haven't received your notes by the time
you read this, please drop us a note right now, so we can track down whatever clerical or shipping
errors crossed you up.
Our sincerest apologies for the delay.
Ninety-Ninety `Rule of Project Schedules:
The first ninety percent of the task takes ninety percent of the time
and the last ten percent takes the other ninety percent.

** PROGRAM DEVELOPMENT SYSTEM
SOFTWARE TECHNOLOGY CORP.
CUTER (TM) 77-03-27 P.O. BOX 5260
COPYRIGHT (C) 1977 SAN MATEO, CA 94402
9999 COPY CUTER1/1
0002 *
0003 *
0004 *
0005 * CUTER(TM)
0006 *
0007 * COPYRIGHT (C) 1977
0008 * SOFTWARE TECHNOLOGY CORP.
0009 * P.O. BOX 5260
0010 * SAN MATEO, CA 94402
0011 * (415) 349-8080
0012 *
0013 * A L L R I G H T S R E S E R V E D ! ! !
0014 *
0015 *
0016 * VERSION 1.3
0017 * 77-03-27
0018 *
0019 *
0020 * THIS PROGRAM IS DESIGNED TO BE A STANDALONE CUTS
0021 * OPERATING SYSTEM. CUTER IS DESIGNED TO BE READ IN FROM
0022 * CASSETTE TAPE OR TO BE RESIDENT IN READ-ONLY-MEMORY.
0023 * CUTER SUPPORTS VARIOUS DEVICES INCLUDING SERIAL,
0024 * PARALLEL, THE PROCESSOR TECHNOLOGY VDM(TM) AND UP TO
0025 * TWO CUTS TAPE DRIVES.
0026 *
0027 * CUTER(TM) HAS BEEN WRITTEN SO AS TO BE COMPATIBLE WITH
0028 * SOLOS(TM). THE FOLLOWING KEYS ARE USED BY CUTER(TM)
0029 * IN PLACE OF THE SPECIAL KEYS ON THE SOL KEYBOARD:
0030 *
0031 * CURSOR UP CTL-W
0032 * CURSOR LEFT CTL-A
0033 * CURSOR RIGHT CTL-S
0034 * CURSOR DOWN CTL-Z
0035 * CURSOR HOME CTL-N
0036 * CLEAR SCREEN CTL-K
0037 * MODE CTL-@
0038 *
0039 *
0040 *
0041 *
0042 *
0043 * AUTO-STARTUP CODE
0044 *
C000 7F 0045 START MOV A,A SHOW THIS IS CUTER (SOLOS=00)
0046 * THIS BYTE ALLOWS AUTOMATIC POWER ON ENTRY
0047 * WHEN IN ROM SUPPORTING THIS HARDWARE FEATURE.
C001 C3 D7 C1 0048 INIT JMP STRTA SYSTEM RESTART ENTRY POINT
0049 *
0050 * THESE JUMP POINTS ARE PROVIDED TO ALLOW COMMON ENTRY
0051 * LOCATIONS FOR ALL VERSIONS OF CUTER. THEY ARE USED
0052 * EXTENSIVELY BY CUTS SYSTEM PROGRAMS AND IT IS RECOMMENDED
0053 * THAT USER ROUTINES ACCESS CUTER ROUTINES THROUGH THESE
0054 * POINTS ONLY!
0055 *
C004 C3 18 C2 0056 RETRN JMP COMND RETURN TO CUTER COMMAND PROCESSOR
C007 C3 DC C5 0057 FOPEN JMP BOPEN CASSETTE OPEN FILE ENTRY
C00A C3 FF C5 0058 FCLOS JMP PCLOS CASSETTE CLOSE FILE ENTRY
C00D C3 42 C6 0059 RDBYT JMP RTBYT CASSETTE READ BYTE ENTRY
C010 C3 7F C6 0060 WRBYT JMP WTBYT CASSETTE WRITE BYTE ENTRY
C013 C3 C7 C6 0061 RDBLK JMP RTAPE CASSETTE READ BLOCK ENTRY
C016 C3 7B C7 0062 WRBLK JMP WTAPE CASSETTE WRITE BLOCK ENTRY
0063 *
0064 * SYSTEM I/O ENTRY POINTS
0065 *
0066 * THESE FOUR ENTRY POINTS ARE USED TO EITHER INPUT
0067 * OR OUTPUT TO CUTER PSUEDO PORTS.
0068 * THESE PSUEDO PORTS ARE AS FOLLOWS:
0069 *
0070 * PORT INPUT OUTPUT
0071 * ---- ----------------- ---------------------
0072 * 0 KEYBOARD INPUT BUILT-IN VDM DRIVER
0073 * ACTUAL PORT 3 PORT C8, MEMORY FROM CC00
0074 * 1 SERIAL PORT SERIAL PORT
0075 * ACTUAL PORT 1 ACTUAL PORT 1
0076 * 2 PARALLEL PORT PARALLEL PORT
0077 * ACTUAL PORT 2 ACTUAL PORT 2
0078 * 3 USER'S INPUT RTN USER'S OUTPUT ROUTINE
0079 *
0080 * STATUS FOR ACTUAL PORTS 1, 2 AND 3 IS VIA ACTUAL
0081 * PORT 0. THE BITS OF PORT ZERO ARE DEFINED AS FOLLOWS:
0082 *
0083 * : : : : : :---- : --- : --- :
0084 * : TBE : RDA : : : :PXDR : PDR : KDR :
0085 * BIT 7 6 5 4 3 2 1 0
0086 *
0087 * WHERE:
0088 * TBE 1=TRANSMITTER BUFFER EMPTY (SERIAL)
0089 * RDA 1=READER DATA AVAILABLE (SERIAL)
0090 * ----
0091 * PXDR 0=PARALLEL EXTERNAL DEVICE READY
0092 * ---
0093 * PDR 0=PARALLEL DATA READY
0094 * ---
0095 * KDR 0=KEYBOARD DATA READY
0096 *
0097 *
0098 *
0099 *
0100 * NOTE: SOUT AND SINP ARE "LDA" INSTRUCTIONS.
0101 * THIS FACT IS USED TO ALLOW ACCESS TO THE
0102 * BYTES "OPORT" AND "IPORT" DYNAMICALLY.
0103 * THESE MUST REMAIN "LDA" INSTRUCTIONS!!!!!
0104 *
C019 3A 07 C8 0105 SOUT LDA OPORT OUTPUT VIA STANDARD OUTPUT PSUEDO PORT
C01C C3 2E C0 0106 AOUT JMP OUTPR OUTPUT VIA PSUEDO PORT SPECIFIED IN REG A
C01F 3A 06 C8 0107 SINP LDA IPORT INPUT VIA STANDARD INPUT PSUEDO PORT
C022 0108 AINP EQU $ INPUT VIA PSUEDO PORT SPECIFIED IN REG A
0109 * -----------END OF SYSTEM ENTRY POINTS----------
0110 *
0111 *
0112 * AINP CONTINUES HERE (IT COULD HAVE BEEN A "JMP" THOUGH)
C022 E5 0113 PUSH H SAVE HL FM ENTRY
C023 21 09 C3 0114 LXI H,ITAB
0115 *
0116 * THIS ROUTINE PROCESSES THE I/O REQUESTS
0117 *
C026 E6 03 0118 IOPRC ANI 3 KEEP REGISTER "A" TO FOUR VALUES
C028 07 0119 RLC . COMPUTE ENTRY ADDRESS
C029 85 0120 ADD L
C02A 6F 0121 MOV L,A WE HAVE ADDRESS
C02B C3 87 C2 0122 JMP DISPT DISPATCH TO IT
0123 *
0124 *
C02E 0125 OUTPR EQU $ PROCESS OUTPUT REQUESTS
C02E E5 0126 PUSH H SAVE REGS
C02F 21 01 C3 0127 LXI H,OTAB POINT TO OUTPUT DISPATCH TABLE
C032 C3 26 C0 0128 JMP IOPRC DISPATCH FOR PROPER PSUEDO PORT
0129 *
0130 *
0131 *
0132 * CUTER SYSTEM I/O ROUTINES
0133 *
0134 *
0135 * THIS ROUTINE IS A MODEL OF ALL INPUT ROUTINES WITHIN
0136 * CUTER. THE FIRST ROUTINE "KREA1" PERFORMS THE INPUT
0137 * FROM THE STANDARD KEYBOARD ON PARALLEL PORT 3.
0138 * ALL STANDARD INPUT DRIVERS RETURN EITHER THE CHARACTER
0139 * WITH A NON-ZERO FLAG, OR JUST A ZERO FLAG INDICATING
0140 * THAT NO CHARACTER IS AVAILABLE YET. IT WILL BE THE
0141 * RESPONSIBILITY OF THE USER TO LOOP WAITING FOR A
0142 * CHARACTER, OR TO USE THE INPUT AS A STATUS REQUEST.
0143 * WHEN A CHARACTER IS AVAILABLE, IT IS RETURNED IN REG A.
0144 *
0145 * THE FOLLOWING KEYBOARD ROUTINE MAY BE USED AS A SAMPLE
0146 * OF HOW TO WRITE A USER INPUT ROUTINE.
0147 *
0148 * KEYBOARD INPUT ROUTINE
0149 *
C035 0150 KREA1 EQU $ KEYBOARD READ ROUTINE
C035 DB 00 0151 IN STAPT GET STATUS WORD
C037 2F 0152 CMA . INVERT IT FOR PROPER RETURN
C038 E6 01 0153 ANI KDR TEST NOT KEYBOARD DATA READY
C03A C8 0154 RZ . ZERO IF NO CHARACTER RECEIVED
0155 *
C03B DB 03 0156 IN KDATA GET CHARACTER
C03D C9 0157 RET . GO BACK WITH IT
0158 *
0159 *
0160 *
0161 * SERIAL INPUT ROUTINE
0162 *
C03E 0163 SREA1 EQU $ SERIAL INPUT ROUTINE
C03E DB 00 0164 IN STAPT GET STATUS
C040 E6 40 0165 ANI SDR TEST FOR SERIAL DATA READY
C042 C8 0166 RZ . FLAGS ARE SET
0167 *
C043 DB 01 0168 IN SDATA GET DATA BYTE
0169 * IT IS UP TO THE CALLER TO STRIP PARITY IF DESIRED
C045 C9 0170 RET . WE HAVE IT
0171 *
0172 *
0173 * SERIAL DATA OUTPUT
0174 *
C046 0175 SEROT EQU $ SERIAL OUTPUT ROUTINE
C046 DB 00 0176 IN STAPT GET STATUS
C048 17 0177 RAL . PUT HIGH BIT IN CARRY
C049 D2 46 C0 0178 JNC SEROT LOOP UNTIL TRANSMITTER BUFFER IS EMPTY
C04C 78 0179 MOV A,B GET THE CHARACTER BACK
C04D D3 01 0180 OUT SDATA SEND IT OUT
C04F C9 0181 RET . AND WE'RE DONE
0182 *
0183 *
0184 * PARALLEL DATA INPUT
C050 0185 PARIT EQU $ GET CHAR FM PARALLEL PORT
C050 DB 00 0186 IN STAPT STATUS
C052 2F 0187 CMA . INVERT FOR PROPER RETURN
C053 E6 02 0188 ANI PDR IS DATA READY?
C055 C8 0189 RZ . NO--JUST EXIT
C056 DB 02 0190 IN PDATA YES--GET CHAR THEN
C058 C9 0191 RET . THEN EXIT
0192 *
0193 *
0194 * PARALLEL DATA OUTPUT ROUTINE
C059 0195 PAROT EQU $ OUTPUT CHAR TO PARALLEL PORT
C059 DB 00 0196 IN STAPT STATUS
C05B E6 04 0197 ANI PXDR IS EXTERNAL DEVICE READY?
C05D C2 59 C0 0198 JNZ PAROT NO--WAIT TIL IT IS
C060 78 0199 MOV A,B GET CHAR
C061 D3 02 0200 OUT PDATA SEND DATA NOW
C063 C9 0201 RET . DONE
0202 *
0203 *
0204 * USER DEFINED INPUT/OUTPUT ROUTINES
C064 0205 ERRIT EQU $ USER INPUT ROUTINE
C064 E5 0206 PUSH H SAVE ORIG HL
C065 2A 00 C8 0207 LHLD UIPRT GET USER'S RTN ADDR
C068 C3 6F C0 0208 JMP ERRO1 MERGE TO VERIFY THE ADDR
0209 *
C06B 0210 ERROT EQU $ USER OUTPUT ROUTINE
C06B E5 0211 PUSH H SAVE ORIG HL
C06C 2A 02 C8 0212 LHLD UOPRT GET USER'S RTR ADDR
C06F 0213 ERRO1 EQU $ WE MERGE HERE TO VFY ADDR
C06F 7D 0214 MOV A,L ZERO=UNDEFINED
C070 B4 0215 ORA H IS IT?
C071 C2 8B C2 0216 JNZ DISP1 NO--VALID--OFF TO IT
C074 C3 0F C2 0217 JMP STRTD RESET I/O PORTS AND BACK TO COMMAND MODE
0218 *
0219 *
0220 *
0221 * VIDEO DISPLAY ROUTINES
0222 *
0223 *
0224 * THESE ROUTINES ALLOW FOR STANDARD VIDEO TERMINAL
0225 * OPERATIONS. ON ENTRY, THE CHARACTER FOR OUTPUT IS IN
0226 * REGISTER B AND ALL REGISTERS ARE UNALTERED ON RETURN.
0227 *
0228 *
0229 *
C077 0230 VDM01 EQU $ VDM OUTPUT DRIVER
C077 E5 0231 PUSH H SAVE HL
C078 D5 0232 PUSH D SAVE DE
C079 C5 0233 PUSH B
0234 *
0235 * PROCESS ESC SEQUENCE IF ANY
0236 *
C07A 3A 0C C8 0237 LDA ESCFL GET ESCAPE FLAG
C07D B7 0238 ORA A
C07E C2 87 C1 0239 JNZ ESCS IF NON ZERO GO PROCESS THE REST OF THE SEQUENCE
0240 *
C081 78 0241 MOV A,B GET CHAR
C082 E6 7F 0242 ANI 7FH CLR HI BIT IN CASE
C084 47 0243 MOV B,A USE CHAR STRIPPED OF HI BIT FOR COMPATABILITY
C085 CA 9F C0 0244 JZ GOBK MAKE A QUICK EXIT FOR A NULL
0245 *
C088 21 E2 C2 0246 LXI H,TBL
C08B CD A5 C0 0247 CALL TSRCH GO PROCESS
0248 *
C08E 0249 GOBACK EQU $ RESET CURSOR AND DELAY
C08E CD 44 C1 0250 CALL VDADD GET SCRN ADDR
C091 7E 0251 MOV A,M GET CHAR
C092 F6 80 0252 ORI 80H INVERSE VIDEO
C094 77 0253 MOV M,A CURSOR IS NOW THERE
C095 2A 0A C8 0254 LHLD SPEED-1 GET DELAY SPEED
C098 2C 0255 INR L MAKE IT DEFINITELY NON-ZERO
C099 AF 0256 XRA A DELAY ENDS WHEN H=ZERO
C09A 2B 0257 TIMER DCX H LOOP FOR DELAY AMNT
C09B BC 0258 CMP H IS IT DONE YET
C09C C2 9A C0 0259 JNZ TIMER NO--KEEP DELAYING
C09F C1 0260 GOBK POP B
C0A0 D1 0261 POP D RESTORE ALL REGISTERS
C0A1 E1 0262 POP H
C0A2 C9 0263 RET . EXIT FROM VDMOT
0264 *
0265 *
C0A3 0266 NEXT EQU $ GO TO NEXT CHR
C0A3 23 0267 INX H
C0A4 23 0268 INX H
0269 *
0270 * THIS ROUTINE SEARCHES FOR A MATCH OF THE CHAR IN "B"
0271 * TO THE CHAR IN THE TBL POINTED TO BY HL.
0272 *
C0A5 7E 0273 TSRCH MOV A,M GET CHR FROM TABLE
C0A6 B7 0274 ORA A SEE IF END OF TBL
C0A7 CA B7 C0 0275 JZ CHAR ZERO IS THE LAST
C0AA B8 0276 CMP B TEST THE CHR
C0AB 23 0277 INX H POINT FORWARD
C0AC C2 A3 C0 0278 JNZ NEXT
C0AF E5 0279 PUSH H FOUND ONE...SAVE ADDRESS
C0B0 CD 5E C1 0280 CALL CREM REMOVE CURSOR
C0B3 E3 0281 XTHL . RESTORE ADDR OF CHAR ENTRY IN TBL
C0B4 C3 87 C2 0282 JMP DISPT DISPATCH FOR CURSOR CONTROL
0283 *
0284 *
C0B7 0285 CHAR EQU $ WE HAVE A CHAR
C0B7 78 0286 MOV A,B GET CHARACTER
C0B8 FE 7F 0287 CPI 7FH IS IT A DEL?
C0BA C8 0288 RZ . GO BACK IF SO
0289 *
0290 *
0291 *
C0BB CD 44 C1 0292 OCHAR CALL VDADD GET SCREEN ADDRESS
C0BE 70 0293 MOV M,B PUT CHR ON SCREEN
C0BF 3A 08 C8 0294 LDA NCHAR GET CHARACTER POSITION
C0C2 FE 3F 0295 CPI 63 END OF LINE?
C0C4 DA E4 C0 0296 JC OK
C0C7 3A 09 C8 0297 LDA LINE
C0CA FE 0F 0298 CPI 15 END OF SCREEN?
C0CC C2 E4 C0 0299 JNZ OK
0300 *
0301 * END OF SCREEN...ROLL UP ONE LINE
0302 *
C0CF AF 0303 SCROLL XRA A
C0D0 32 08 C8 0304 STA NCHAR BACK TO FIRST CHAR POSITION
C0D3 4F 0305 SROL MOV C,A
C0D4 CD 4B C1 0306 CALL VDAD CALCULATE LINE TO BE BLANKED
C0D7 AF 0307 XRA A
C0D8 CD 22 C1 0308 CALL CLIN1 CLEAR IT
C0DB 3A 0A C8 0309 LDA BOT
C0DE 3C 0310 INR A
C0DF E6 0F 0311 ANI 0FH
C0E1 C3 11 C1 0312 JMP ERAS3
0313 *
0314 * INCREMENT LINE COUNTER IF NECESSARY
0315 *
C0E4 3A 08 C8 0316 OK LDA NCHAR GET CHR POSITION
C0E7 3C 0317 INR A
C0E8 E6 3F 0318 ANI 3FH MOD 64
C0EA 32 08 C8 0319 STA NCHAR STORE THE NEW
C0ED C0 0320 RNZ . MORE CHARS THIS LINE
C0EE 0321 PDOWN EQU $ MOVE CURSOR DOWN ONE LINE
C0EE 3A 09 C8 0322 LDA LINE GET THE LINE COUNT
C0F1 3C 0323 INR A
C0F2 E6 0F 0324 CURSC ANI 0FH MOD 15 INCREMENT
C0F4 32 09 C8 0325 CUR STA LINE STORE THE NEW
C0F7 C9 0326 RET
0327 *
0328 * ERASE SCREEN
0329 *
C0F8 21 00 CC 0330 PERSE LXI H,VDMEM POINT TO SCREEN
C0FB 36 A0 0331 MVI M,80H+' ' THIS IS THE CURSOR
0332 *
C0FD 23 0333 INX H NEXT CHAR
C0F4 0334 ERAS1 EQU $ LOOP TO CLR SCRN
C0FE 36 20 0335 MVI M,' ' BLANK IT OUT
C100 23 0336 INX H NEXT SCRN LOC
C101 7C 0337 MOV A,H SEE IF DONE
C102 FE D0 0338 CPI 0D0H DID IT GO ABOVE VDM
C104 DA FE C0 0339 JC ERAS1 NO--MORE
C107 37 0340 STC . SAY WE WANT TO DROP THRU TO ERAS3
0341 *
C108 0342 PHOME EQU $ RESET CURSOR TO HOME
C108 3E 00 0343 MVI A,0 CLEAR, LEAVE CARRY AS IS
C10A 32 09 C8 0344 STA LINE ZERO LINE
C10D 32 08 C8 0345 STA NCHAR LEFT SIDE OF SCREEN
C110 D0 0346 RNC . THIS IS JUST A HOME OPERATION
0347 *
C111 D3 C8 0348 ERAS3 OUT DSTAT RESET SCROLL PARAMETERS
C113 32 0A C8 0349 STA BOT BEGINNING OF TEXT OFFSET
C116 C9 0350 RET
0351 *
0352 *
C117 0353 CLIN2 EQU $ HERE TO SEE IF VDM OUTPUT
C117 3A 07 C8 0354 LDA OPORT GET CRNT OUTPUT PORT
C11A B7 0355 ORA A
C11B C0 0356 RNZ . NOT VDM--DONE THEN
C11C CD 44 C1 0357 CLINE CALL VDADD GET CURRENT SCREEN ADDRESS
C11F 3A 08 C8 0358 LDA NCHAR CURRENT CURSOR POSITION
C122 FE 40 0359 CLIN1 CPI 64 NO MORE THAN 63
C124 D0 0360 RNC . ALL DONE
C125 36 20 0361 MVI M,' ' ALL SPACED OUT
C127 23 0362 INX H
C128 3C 0363 INR A
C129 C3 22 C1 0364 JMP CLIN1 LOOP TO END OF LINE
0365 *
0366 *
0367 * ROUTINE TO MOVE THE CURSOR UP ONE LINE
0368 *
C12C 3A 09 C8 0369 PUP LDA LINE GET LINE COUNT
C12F 3D 0370 DCR A
C130 C3 F2 C0 0371 JMP CURSC MERGE
0372 *
0373 * MOVE CURSOR LEFT ONE POSITION
0374 *
C133 3A 08 C8 0375 PLEFT LDA NCHAR
C136 3D 0376 DCR A
C137 0377 PCUR EQU $ TAKE CARE OF CURSOR SAME LINE
C137 E6 3F 0378 ANI 03FH LET CURSOR WRAP AROUND
C139 32 08 C8 0379 STA NCHAR UPDATED CURSOR
C13C C9 0380 RET
0381 *
0382 * CURSOR RIGHT ONE POSITION
0383 *
C13D 3A 08 C8 0384 PRIT LDA NCHAR
C140 3C 0385 INR A
C141 C3 37 C1 0386 JMP PCUR
0387 *
0388 * ROUTINE TO CALCULATE SCREEN ADDRESS
0389 *
0390 * ENTRY AT: RETURNS:
0391 *
0392 * VDADD CURRENT SCREEN ADDRESS
0393 * VDAD2 ADDRESS OF CURRENT LINE, CHAR 'C'
0394 * VDAD LINE 'A', CHARACTER POSITION 'C'
0395
C144 3A 08 C8 0396 VDADD LDA NCHAR GET CHARACTER POSITION
C147 4F 0397 MOV C,A 'C' KEEPS IT
C148 3A 09 C8 0398 VDAD2 LDA LINE LINE POSITION
C14B 6F 0399 VDAD MOV L,A INTO 'L'
C14C 3A 0A C8 0400 LDA BOT GET TEXT OFFSET
C14F 85 0401 ADD L ADD IT TO THE LINE POSITION
C150 0F 0402 RRC . TIMES TWO
C151 0F 0403 RRC . MAKES FOUR
C152 6F 0404 MOV L,A L HAS IT
C153 E6 03 0405 ANI 3 MOD THREE FOR LATER
C155 C6 CC 0406 ADI <VDMEM LOW SCREEN OFFSET
C157 67 0407 MOV H,A NOW H IS DONE
C158 7D 0408 MOV A,L TWIST L'S ARM
C159 E6 C0 0409 ANI 0C0H
C15B 81 0410 ADD C
C15C 6F 0411 MOV L,A
C15D C9 0412 RET . H & L ARE NOW PERVERTED
0413 *
0414 * ROUTINE TO REMOVE CURSOR
0415 *
C15E CD 44 C1 0416 CREM CALL VDADD GET CURRENT SCREEN ADDRESS
C161 7E 0417 MOV A,M
C162 E6 7F 0418 ANI 7FH STRIP OFF THE CURSOR
C164 77 0419 MOV M,A
C165 C9 0420 RET
0421 *
0422 * ROUTINE TO BACKSPACE
0423 *
C166 CD 33 C1 0424 PBACK CALL PLEFT
C169 CD 44 C1 0425 CALL VDADD GET SCREEN ADDRESS
C16C 36 20 0426 MVI M,' ' PUT A BLANK THERE
C16E C9 0427 RET
0428 *
0429 * ROUTINE TO PROCESS A CARRIAGE RETURN
0430 *
C16F CD 1C C1 0431 PCR CALL CLINE CLEAR FROM CURRENT CURSOR TO END OF LINE
0432 * NOTE THAT A COMES BACK=64 WHICH WILL BE CLEARED AT PCUR
C172 C3 37 C1 0433 JMP PCUR AND STORE THE NEW VALUE
0434 *
0435 * ROUTINE TO PROCESS LINEFEED
0436 *
C175 3A 09 C8 0437 PLF LDA LINE GET LINE COURT
C178 3C 0438 INR A NEXT LINE
C179 E6 0F 0439 ANI 15 SEE IF IT WRAPPED AROUND
C17B C2 F4 C0 0440 JNZ CUR IT DID NOT--NO SCROLL
0441 *
C17E C3 D3 C0 0442 JMP SROL SCROLL ONE LINE--CURSOR SOME POSITION
0443 *
0444 * SET ESCAPE PROCESS FLAG
0445 *
C181 3E FF 0446 PESC MVI A,-1
C183 32 0C C8 0447 STA ESCFL SET FLAG
C186 C9 0448 RET
0449 *
0450 * PROCESS ESCAPE SEQUENCE
0451 *
C187 CD 5E C1 0452 ESCS CALL CREM REMOVE CURSOR
C18A CD 90 C1 0453 CALL ESCSP PROCESS THE CHARACTER
C18D C3 8E C0 0454 JMP GOBACK
0455 *
C190 3A 0C C8 0456 ESCSP LDA ESCFL GET ESCAPE FLAG
C193 FE FF 0457 CPI -1 TEST FLAG
C195 CA B8 C1 0458 JZ SECOND
0459 *
0460 * PROCESS THIRD CHR OF ESC SEQUENCE
0461 *
C198 21 0C C8 0462 LXI H,ESCFL
C19B 36 00 0463 MVI M,0
C19D FE 02 0464 CPI 2
C19F DA B0 C1 0465 JC SETX SET X
C1A2 CA B4 C1 0466 JZ SETY SET Y
C1A5 FE 08 0467 CPI 8 SPECIAL SET SPEED
C1A7 CA 94 C5 0468 JZ STSPD YES--SET
C1AA FE 09 0469 CPI 9
C1AC DA BB C0 0470 JC OCHAR PUT IT ON THE SCREEN
C1AF C0 0471 RNZ
0472 *
0473 * TAB ABSOLUTE TO VALUE IN REG B
0474 *
C1B0 78 0475 SETX MOV A,B
C1B1 C3 37 C1 0476 JMP PCUR
0477 *
0478 * SET CURSOR TO LINE "B"
0479 *
C1B4 78 0480 SETY MOV A,B
C1B5 C3 F2 C0 0481 JMP CURSC
0482 *
0483 *
0484 * PROCESS SECOND CHR OF ESC SEQUENCE
0485 *
C1B8 78 0486 SECOND MOV A,B
C1B9 FE 03 0487 CPI 3
C1BB CA CE C1 0488 JZ CURET
C1BE FE 04 0489 CPI 4
C1C0 C2 CA C1 0490 JNZ ARET2
0491 *
C1C3 44 0492 ARET MOV B,H
C1C4 4D 0493 MOV C,L PRESENT SCREEN ADDRESS TO BC FOR RETURN
C1C5 E1 0494 ARET1 POP H RETURN ADDRESS
C1C6 D1 0495 POP D OLD B
C1C7 C5 0496 PUSH B
C1C8 E5 0497 PUSH H
C1C9 AF 0498 XRA A
C1CA 32 0C C8 0499 ARET2 STA ESCFL
C1CD C9 0500 RET
0501 *
0502 *
0503 * RETURN PRESENT SCREEN PARAMETERS IN BC
0504 *
C1CE 21 08 C8 0505 CURET LXI H,NCHAR
C1D1 46 0506 MOV B,M CHARACTER POSITION
C1D2 23 0507 INX H
C1D3 4E 0508 MOV C,M LINE POSITION
C1D4 C3 C5 C1 0509 JMP ARET1
0510 *
0511 *
0512 *
0513 * START UP SYSTEM
0514 *
0515 * CLEAR SCREEN AND THE FIRST 256 BYTES OF GLOBAL RAM
0516 * THEN ENTER THE COMMAND MODE.
0517 *
C1D7 AF 0518 STRTA XRA A
C1D8 4F 0519 MOV C,A
C1D9 21 04 C8 0520 LXI H,DFLTS CLEAR AFTER USER PORT ADDRESSES
0521 *
C1DC 77 0522 CLERA MOV M,A
C1DD 23 0523 INX H
C1DE 0C 0524 INR C
C1DF C2 DC C1 0525 JNZ CLERA
0526 *
0527 * DETERMINE THE DEFAULT PORTS
0528 * THIS COULD BECOME "MVI A,XX" FOR YOUR SPECIFIC PORTS
C1E2 DB FF 0529 IN SENSE GET SWITCHES
0530 *
C1E4 47 0531 MOV B,A SAVE IT
C1E5 E6 03 0532 ANI 3 MAKE IT A VALID PORT
C1E7 32 05 C8 0533 STA DFLTS+1 SET DEFAULT OUTPUT PORT
C1EA B7 0534 ORA A SEE IF THIS THE VDM
C1EB C2 F4 C1 0535 JNZ STRTB NO--DO NOT RESET VDM
C1EE 31 FF CB 0536 LXI SP,SYSTP SET UP THE STACK FOR CALL
C1F1 CD F8 C0 0537 CALL PERSE (REG A ASSUMED TO COME BACK ZERO)
C1F4 0538 STRTB EQU $ FINISH OFF THIS PORT THEN DO NEXT
C1F4 21 00 00 0539 LXI H,0 USE FOR CLEARING USER ADDRESSES
C1F7 FE 03 0540 CPI 3 IS IT A USER PORT
C1F9 CA FF C1 0541 JZ STRTC YES-- DO NOT CLEAR IT
C1FC 22 02 C8 0542 SHLD UOPRT NO--CLEAR ADDR
C1FF 0543 STRTC EQU $ OUTPUT PORT ALL SET
C1FF 78 0544 MOV A,B FM SENSE SWITCHES
C200 1F 0545 RAR .
C201 1F 0546 RAR . NEXT 2 SITS ARE INPUT PORT
C202 E6 03 0547 ANI 3 VALID PORT
C204 32 04 C8 0548 STA DFLTS THIS IS DEFAULT INPUT PORT
C207 FE 03 0549 CPI 3 IS THIS ONE A USER PORT
C209 CA 0F C2 0550 JZ STRTD YES--DO NOT CLEAR IT THEN
C20C 22 00 C8 0551 SHLD UIPRT NO--FORCE USER ADDRESS ZERO
C20F 0552 STRTD EQU $ 1ST TIME INITIALIZATION ALL DONE NOW
C20F 2A 04 C8 0553 LHLD DFLTS PICK UP DEFAULT PORTS
C212 22 06 C8 0554 SHLD IPORT FORCE PORTS TO DEFAULT
C215 0555 COMN1 EQU $ HERE TO TURN OFF TAPES, THEN COMMAND MODE
C215 AF 0556 XRA A
C216 D3 FA 0557 OUT TAPPT BE SURE TAPES ARE OFF
0558 *
0559 *
0560 *
0561 * =-- COMMAND MODE --=
0562 *
0563 *
0564 * THIS ROUTINE GETS AND PROCESSES COMMANDS
0565 *
C218 31 FF CB 0566 COMND LXI SP,SYSTP SET STACK POINTER
C21B CD 3A C3 0567 CALL PROMPT PUT PROMPT ON SCREEN
C21E CD 27 C2 0568 CALL GCLIO INIT TO GET COMMAND LINE
C221 CD 6A C2 0569 CALL COPRC PROCESS THE LINE
C224 C3 18 C2 0570 JMP COMND OVER AND OVER
0571 *
0572 *
0573 *
0574 * THIS ROUTINE READS A COMMAND LINE FROM THE SYSTEM
0575 * KEYBOARD
0576 *
0577 * C/R TERMINATES THE SEQUENCE ERASING ALL CHARS TO THE
0578 * RIGHT OF THE CURSOR
0579 * L/F TERMINATES THE SEQUENCE
0580 * ESC RESETS TO COMMAND MODE.
0581 *
C227 0582 GCLI0 EQU $ HERE TO INIT FOR GCLIN
C227 21 63 CA 0583 LXI H,INLIN-1 PT TO CHAR IN FRONT OF INPUT RFR
C22A 36 07 0584 MVI M,7 MAKE SURE IT IS "BELL" TO KEEP FM DEL'ING TOO FAR
C22C 23 0585 INX H NOW PT TO INPUT BFR
C22D 22 0E C8 0586 SHLD INPTR SAVE AS STARTING PTR
C230 3E 50 0587 MVI A,80 NUMBER OF CHARS IN LINE (MAX)
C232 0588 GCLI1 EQU $ LOOP TO BLANK OUT LINE BFR
C232 36 20 0589 MVI M, BLANKS
C234 23 0590 INX H NEXT CHAR
C235 3D 0591 DCR A FOR THIS COUNT
C236 C2 32 C2 0592 JNZ GCLI1 ENTIRE LINE
C239 CD 1F C0 0593 GCLIN CALL SINP READ INPUT DEVICE
C23C CA 39 C2 0594 JZ GCLIN
C23F E6 7F 0595 ANI 7FH MAKE SURE NO X'80' BIT DURING CMND MODE
C241 CA 0F C2 0596 JZ STRTD IF EITHER MODE (OR CTL-@)
C244 47 0597 MOV B,A
C245 FE 0D 0598 CPI CR IS IT CR?
C247 CA 17 C1 0599 JZ CLIN2 YES--TERMINATE LINE HERE (CLR IF VDM)
C24A FE 0A 0600 CPI LF IS IT A LINEFEED
C24C C8 0601 RZ . YES--TERMINATE LINE AS IS
C24D 2A 0E C8 0602 LHLD INPTR CRNT LINE PTR
C250 FE 7F 0603 CPI 7FH DELETE CHR?
C252 C2 5F C2 0604 JNZ GCLI2 NO--OK
C255 06 5F 0605 MVI B,BACKS REPLACE IT
C257 2B 0606 DCX H BACK LINE PTR UP TOO
C258 3E 07 0607 MVI A,'G'-40H SEE IF A BELL
C25A BE 0608 CMP M IS IT?
C25B C2 61 C2 0609 JNZ GCLI3 NO--OK
C25E 47 0610 MOV B,A YES--RING THE BELL THEN
C25F 0611 GCLI2 EQU $ STORE CHAR IN INPUT AREA
C25F 70 0612 MOV M,B PLACE CHAR INTO LINE
C260 23 0613 INX H NEXT CHAR
C261 0614 GCLI3 EQU $ SAVE NEW LINE PTR
C261 22 0E C8 0615 SHLD INPTR SAVE PTR
0616 *
C264 CD 19 C0 0617 CONT CALL SOUT
C267 C3 39 C2 0618 JMP GCLIN
0619 *
0620 *
0621 *
0622 *
0623 * FIND AND PROCESS COMMAND
0624 *
C26A 0625 COPRC EQU $ PROCESS THIS COMMAND LINE
C26A CD AA C2 0626 CALL STUP SETUP TO PROCESS INPUT LINE
C26D EB 0627 XCHG . DE=ADDR
C26E 21 00 C0 0628 LXI H,START PREP SO THAT HL WILL PT TO CUTER LATER
C271 E5 0629 PUSH H PLACE PTR TO CUTER ON STACK FOR LATER DISPT
C272 CD 6C C3 0630 CALL SCHR SCAN PAST BLANKS
C275 CA 6B C4 0631 JZ ERR1 NO COMMAND?
C278 EB 0632 XCHG . HL HAS FIRST CHR
C279 11 BD C2 0633 LXI D,COMTAB POINT TO COMMAND TABLE
C27C CD 91 C2 0634 CALL FDCOM SEE IF IN PRIMARY TABLE
C27F CC 8E C2 0635 CZ FDCOU TRY CUSTOM ONLY IF NOT PRIMARY COMMAND
C282 0636 DISP0 EQU $ HERE TO EITHER DISPATCH OR DO ERROR
C282 CA 6C C4 0637 JZ ERR2 NOT IN EITHER TABLE
C285 13 0638 INX D PT DE TO ADDR OF RTN
C286 EB 0639 XCHG . HL=ADDR OF ADDR OF RTN
0640 * **** DROP THRU TO DISPT ***
0641 *
0642 * THIS ROUTINE DISPTACHES TO THE ADDR AT CONTENTS OF HL.
0643 * HL ARE RESTORED PRIOR TO GOING TO ROUTINE.
0644 *
C287 0645 DISPT EQU $ DISPATCH
C287 7E 0646 MOV A,M LOW BYTE
C288 23 0647 INX H
C289 66 0648 MOV H,M HI BYTE
C28A 6F 0649 MOV L,A AND LO, HL NOW COMPLETE
C28B 0650 DISP1 EQU $ HERE TO GO OFF TO HL DIRECTLY
C28B E3 0651 XTHL . HL RESTORED AND ADDR ON STACK
C28C 7D 0652 MOV A,L ALWAYS PASS L IN "A" (PRIMARILY FOR SET'S)
C28D C9 0653 RET . OFF TO ROUTINE
0654 *
0655 *
0656 *
0657 * THIS ROUTINE SEARCHES THROUGH A TABLE, POINTED TO
0658 * BY 'DE', FOR A DOUBLE CHARACTER MATCH OF THE 'HL'
0659 * MEMORY CONTENT. IF NO MATCH IS FOUND THE SCAN ENDS
0660 * WITH THE ZERO FLAG SET, ELSE NON-ZERO SET.
0661 *
C28E 0662 FDCOU EQU $ HERE TO SCAN CUSTOM TABLE
C28E 11 3C C8 0663 LXI D,CUTAB PT TO CUSTOM RTN TBL
C291 1A 0664 FDCOM LDAX D
C292 B7 0665 ORA A TEST FOR TABLE END
C293 C8 0666 RZ . NOT FOUND POST THAT AND RETURN
C294 E5 0667 PUSH H SAVE START OF SCAN ADDRESS
C295 BE 0668 CMP M TEST FIRST CHR
C296 13 0669 INX D
C297 C2 A3 C2 0670 JNZ NCOM
0671 *
C29A 23 0672 INX H
C29B 1A 0673 LDAX D
C29C BE 0674 CMP M NOW SECOND CHARACTER
C29D C2 A3 C2 0675 JNZ NCOM GOODNESS
0676 *
C2A0 E1 0677 POP H RETURN HL TO PT TO CHAR START
C2A1 B7 0678 ORA A FORCE TO NON-ZERO FLAG
C2A2 C9 0679 RET . LET CALLER KNOW
0680 *
0681 *
C2A3 13 0682 NCOM INX D G0 TO NEXT ENTRY
C2A4 13 0683 INX D
C2A5 13 0684 INX D
C2A6 E1 0685 POP H GET BACK ORIGINAL ADDRESS
C2A7 C3 91 C2 0686 JMP FDCOM CONTINUE SEARCH
0687 *
0688 *
0689 * SET UP TO PROCESS AN INPUT LINE
C2AA 0690 STUP EQU $ PREPARE WHETHER VDM OR NOT
C2AA 21 64 CA 0691 LXI H,INLIN ASSUME NON-VDM INPUT
C2AD 22 0E C8 0692 SHLD INPTR ALSO RESET PTR FOR NOW
C2B0 3A 07 C8 0693 LDA OPORT SEE IF IT IS VDM
C2B3 B7 0694 ORA A IS IT THE VDM PORT
C2B4 C0 0695 RNZ . NO--HL ARE SET PROPERLY
C2B5 CD 5E C1 0696 CALL CREM REMOVE CURSOR
C2B8 0E 01 0697 MVI C,1 GET VDM ADDR FM POSITION ONE
C2BA C3 48 C1 0698 JMP VDAD2 GET SCRN ADDR
0699 *
0700 * COMMAND TABLE
0701 *
0702 * THIS TABLE DESCRIBES THE VALID COMMANDS FOR CUTER
0703 *
C2BD 0704 COMTAB EQU $ START OF KNOWN COMMANDS
C2BD 44 55 0705 ASC 'DU' DUMP
C2BF AD C3 0706 DW DUMP
C2C1 45 4E 0707 ASC 'EN' ENTR
C2C3 14 C4 0708 DW ENTER
C2C5 45 58 0709 ASC 'EX' EXEC
C2C7 49 C4 0710 DW EXEC
C2C9 47 45 0711 ASC 'GE' GET
C2CB A1 C4 0712 DW TLOAD
C2CD 53 41 0713 ASC 'SA' SAVE
C2CF E0 C4 0714 DW TSAVE
C2D1 58 45 0715 ASC 'XE' XEQ
C2D3 A0 C4 0716 DW TXEQ
C2D5 43 41 0717 ASC 'CA' CAT
C2D7 27 C5 0718 DW TLIST
C2D9 53 45 0719 ASC 'SE' SET COMMAND
C2DB 76 C5 0720 DW SET
C2DD 43 55 0721 ASC 'CU' CUSTOM COMMAND ENTER/CLEAR
C2DF B9 C5 0722 DW CUSET
C2E1 00 0723 DB 0 END OF TABLE MARK
0724 *
0725 *
0726 * DISPLAY DRIVER COMMAND TABLE
0727 *
0728 * THIS TABLE DEFINES THE CHARACTERS FOR SPECIAL
0729 * PROCESSING. IF THE CHARACTER IS NOT IN THE TARLP IT
0730 * GOES TO THE SCREEN.
0731 *
C2E2 0B 0732 TBL DB CLEAR SCREEN
C2E3 F8 C0 0733 DW PERSE
C2E5 17 0734 DB UP CURSOR
C2E6 2C C1 0735 DW PUP
C2E8 1A 0736 DB DOWN "
C2E9 EE C0 0777 DW PDOWN
C2EB 01 0738 DB LEFT "
C2EC 33 C1 0739 DW PLEFT
C2EE 13 0740 DB RIGHT "
C2EF 3D C1 0741 DW PRIT
C2F1 0E 0742 DB HOME "
C2F2 08 C1 0743 DW PHOME
C2F4 0D 0744 DB CR CARRIAGE RETURN
C2F5 6F C1 0745 DW PCR
C2F7 0A 0746 DB LF LINE FEED
C2F8 75 C1 0747 DW PLF
C2FA 5F 0748 DB BACKS BACK SPACE
C2FB 66 C1 0749 DW PBACK
C2FD 1B 0750 DB ESC ESCAPE KEY
C2FE 81 C1 0751 DW PESC
C300 00 0752 DB 0 END OF TABLE
0753 *
0754 * OUTPUT DEVICE TABLE
0755 *
C301 77 C0 0756 OTAB DW VDM01 VDM DRIVER
C303 46 C0 0757 DW SEROT SERIAL OUTPUT
C305 59 C0 0758 DW PAROT PARALLEL OUTPUT
C307 6B C0 0759 DW ERROT ERROR OR USER DRIVER HANDLER
0760 *
0761 * INPUT DEVICE TABLE
0762 *
C309 35 C0 0763 ITAB DW KREA1 KEYBOARD INPUT
C30B 3E C0 0764 DW SREA1 SERIAL INPUT
C30D 50 C0 0765 DW PARIT PARALLEL INPUT
C30F 64 C0 0766 DW ERRIT ERROR OR USER DRIVER HANDLER
0767 *
0768 *
0769 * SECONDARY COMMAND TABLE FOR SET COMMAND
0770 *
C311 54 41 0771 SETAB ASC 'TA' SET TAPE SPEED
C313 8A C5 0772 DW TASPD
C315 53 3D 0773 ASC 'S=' SET DISPLAY SPEED
C317 95 C5 0774 DW DISPD
C319 49 3D 0775 ASC 'I=' SET INPUT PORT
C31B 99 C5 0776 DW SETIN
C31D 4F 3D 0777 ASC 'O=' SET OUTPUT PORT
C31F 9D C5 0778 DW SETOT
C321 43 49 0779 ASC 'CI' SET CUSTOM DRIVER ADDRESS
C323 A1 C5 0780 DW SETCI
C325 43 4F 0781 ASC 'CO' SET CUSTOM OUTPUT DRIVER ADDRESS
C327 A5 C5 0782 DW SETCO
C329 58 45 0783 ASC 'XE' SET HEADER XEQ ADDRESS
C32B AD C5 0784 DW SETXQ
C32D 54 59 0785 ASC 'TY' SET HEADER TYPE
C32F A9 C5 0786 DW SETTY
C331 4E 3D 0787 ASC 'N=' SET NUMBER OF NULLS
C333 B1 C5 0788 DW SETNU
C335 43 52 0789 ASC 'CR' SET CRC (NORMAL OR IGNORE CRC ERRORS)
C337 B5 C5 0790 DW SETCR
C339 00 0791 DB 0 END OF TABLE MARK
0792 * -*-
9999 COPY CUTER2/1 2 OF 3 ****
0793 *
0794 *
0795 * OUTPUT A CRLF FOLLOWED BY A PROMPT
0796 *
C33A CD 42 C3 0797 PROMPT CALL CRLF
C33D 06 3E 0798 MVI B,'>' THE PROMPT
C33F C3 19 C0 0799 JMP SOUT PUT IT ON THE SCREEN
0800 *
C342 06 0A 0801 CRLF MVI B,LF LINE FEED
C344 CD 19 C0 0802 CALL SOUT
C347 06 0D 0803 MVI B,CR CARRIAGE RETURN
C349 CD 19 C0 0804 CALL SOUT
C34C 3A 10 C8 0805 LDA NUCNT GET COUNT OF NULLS TO OUTPUT
C34F 4F 0806 MOV C,A SAVE COUNT IN C
C350 0D 0807 NULOT DCR C
C351 F8 0808 RM . COUNTED DOWN PAST ZERO (MAX COUNT IS X'7F')
C352 AF 0809 XRA A HERE IS THE NULL
C353 CD 10 C4 0810 CALL OUTH OUTPUT IT
C356 C3 50 C3 0811 JMP NULOT LOOP FOR NUMBER OF NULLS
0812 *
0813 *
0814 * SCAN OVER UP TO 12 CHARACTERS LOOKING FOR A BLANK
0815 *
C359 DE 0C 0816 SBLK MVI C,12 MAXIMUM COMMAND STRING
C35B 1A 0817 SBLK1 LDAX D
C35C FE 20 0818 CPI BLANK
C35E CA 6C C3 0819 JZ SCHR GOT A BLANK NOW SCAN PAST IT
C361 13 0820 INX D
C362 FE 3D 0821 CPI '=' A EQUAL WILL ALSO STOP US (AT NEXT CHAR)
C364 CA 6C C3 0822 JZ SCHR FOUND, DE PT TO NEXT CHAR
C367 0D 0823 DCR C NO MORE THAN TWELVE
C368 C2 5B C3 0824 JNZ SBLK1
C36B C9 0825 RET . GO BACK WITH ZERO FLAG SET
0826 *
0827 *
0828 * SCAN PAST UP TO 10 BLANK POSITIONS LOOKING FOR
0829 * A NON BLANK CHARACTER.
0830 *
C36C 0E 0A 0831 SCHR MVI C,10 SCAN TO FIRST NON BLANK CHR WITHIN 10
C36E 1A 0832 SCHR1 LDAX D GET NEXT CHARACTER
C36F FE 20 0833 CPI SPACE
C371 C0 0834 RNZ . WE'RE PAST THEM
C372 13 0835 INX D NEXT SCAN ADDRESS
C373 0D 0836 DCR C
C374 C8 0837 RZ . COMMAND ERROR
C375 C3 6E C3 0838 JMP SCHR1 KEEP LOOPING
0839 *
0840 * THIS ROUTINE SCANS OVER CHARACTERS, PAST BLANKS AND
0841 * CONVERTS THE FOLLOWING ADDRESS TO HEX. ERRORS RETURN TO
0842 * THE ERROR HANDLER.
0843 *
C378 CD 59 C3 0844 SCONV CALL SBLK
C37B CA 6B C4 0845 JZ ERR1
0846 *
0847 * THIS ROUTINE CONVERTS ASCII DIGITS INTO BINARY FOLLOWING
0848 * A STANDARD HEX CONVERSION. THE SCAN STOPS WHEN AN ASCII
0849 * SPACE IS ENCOUNTERED. PARAMETER ERRORS REPLACE THE ERROR
0850 * CHARACTER ON THE SCREEN WITH A QUESTION MARK.
0851 *
C37E 21 00 00 0852 SHEX LXI H,0 CLEAR H & L
C381 1A 0853 SHE1 LDAX D GET CHARACTER
C382 FE 20 0854 CPI 20H IS IT A SPACE?
C384 C8 0855 RZ . IF SO
C385 FE 2F 0856 CPI '/'
C387 C8 0857 RZ
C388 FE 3A 0858 CPI ':'
C38A C8 0859 RZ
0860 *
C38B 29 0861 HCONV DAD H MAKE ROOM FOR THE NEW ONE
C38C 29 0862 DAD H
C38D 29 0863 DAD H
C38E 29 0864 DAD H
C38F CD 9B C3 0865 CALL HCOV1 DO THE CONVERSION
C392 D2 6B C4 0866 JNC ERR1 NOT VALID HEXIDECIMAL VALUE
C395 85 0867 ADD L
C396 6F 0868 MOV L,A MOVE IT IN
C397 13 0869 INX D BUMP THE POINTER
C398 C3 81 C3 0870 JMP SHE1
0871 *
C39B D6 30 0872 HCOV1 SUI 48 REMOVE ASCII BIAS
C39D FE 0A 0873 CPI 10
C39F D8 0874 RC . IF LESS THAN 9
C3A0 D6 07 0875 SUI 7 IT'S A LATTER??
C3A2 FE 10 0876 CPI 10H
C3A4 C9 0877 RET . WITH TEST IN HAND
0878 *
0879 *
0880 * THIS ROUTINE WILL SEE IF A FIELD (OPERAND) IS PRESENT.
0881 * IF NOT, THEN HL WILL REMAIN AS THEY WERE ON ENTRY.
0882 * IF IT WAS PRESENT, THEN HL=THAT VALUE IN HEX.
0883 *
C3A5 0884 PSCAN EQU $ OPTIONAL PIELD SCANNER
C3A5 CD 59 C3 0885 CALL SBLK SEE IF FIELD IS PRESENT
C3A8 C8 0886 RZ . RETURN LEAVING HL AS THEY WERE ON ENTRY
C3A9 CD 7E C3 0887 CALL SHEX FIELD IS THERE, GO GET IT
C3AC C9 0888 RET . HL= EITHER OPTIONAL FIELD (HEX), OR AS IT WAS
0889 *
0890 *
0891 *
0892 *
0893 * DUMP COMMAND
0894 *
0895 * THIS ROUTINE DUMPS CHARACTERS FROM MEMORY TO THE
0896 * CURRENT OUTPUT DEVICE.
0897 * ALL VALUES ARE DESPLAYED AS ASCII HEX.
0898 *
0899 * THE COMMAND FORM IS AS FOLLOWS:
0900 *
0901 * DUMP ADDR1 ADDR2
0902 *
0903 * THE VALUES FROM ADDR1 TO ADDR2 ARE THEN OUTPUT TO THE
0904 * OUTPUT DEVICE. IF ONLY ADDR1 IS SPECIFIED THEN THE
0905 * VALUE AT THAT ADDRESS IS OUTPUT.
0906 *
0907 * IF WHILE DUMPING, THE MODE KEY IS PRESSED, THE DUMP WILL
0908 * BE TERMINATED. IF THE SPACE BAR IS PRESSED, THE DUMP
0909 * WILL BE TEMPORARILY SUSPENDED UNTIL ANY KEY IS PRESSED.
0910 *
C3AD 0911 DUMP EQU $ SET UP REGS TO DUMP SPECIFIED AREA
C3AD CD 78 C3 0912 CALL SCONV GET START ADDR (REQUIRED)
C3B0 E5 0913 PUSH H SAVE THE START ADDR
C3B1 CD A5 C3 0914 CALL PSCAN GET OPTIONAL END ADDR, HL=THIS OR START ADDR
C3B4 D1 0915 POP D DE=START ADDR
C3B5 EB 0916 XCHG . DE=END ADDR, HL=START ADDR NOW
0917 *
C3B6 CD 42 C3 0918 DLOOP CALL CRLF
C3B9 CD D9 C3 0919 CALL ADOUT OUTPUT ADDRESS
C3BC CD F7 C3 0920 CALL BOUT ANOTHER SPACE TO KEEP IT PRETTY
C3BF 0E 10 0921 MVI C,16 VALUES PER LINE
0922 *
C3C1 7E 0923 DLP1 MOV A,M GET THE CHR
C3C2 C5 0924 PUSH B SAVE VALUE COUNT
C3C3 CD DE C3 0925 CALL HBOUT SEND IT OUT WITH A BLANK
C3C6 7C 0926 MOV A,H CRNT ADDR
C3C7 BA 0927 CMP D VERSUS ENDING ADDR
C3C8 DA D0 C3 0928 JC DLP1A NOT DONE YET
C3CB 7D 0929 MOV A,L TRY LOW ORDER BYTE
C3CC BB 0930 CMP E
C3CD D2 18 C2 0931 JNC COMND ALL DONE WHEN CRNT REACHES ENDING
C3D0 0932 DLP1A EQU $ HERE TO KEEP DUMPING
C3D0 C1 0933 POP B VALUES PER LINE
C3D1 23 0934 INX H
C3D2 0D 0935 DCR C BUMP THE LINE COUNT
C3D3 C2 C1 C3 0936 JNZ DLP1 NOT ZERO IF MORE FOR THIS LINE
C3D6 C3 B6 C3 0937 JMP DLOOP DO A LFCR BEFORE THE NEXT
0938 *
0939 * OUTPUT HL AS HEX 16 BIT VALUE
0940 *
C3D9 7C 0941 ADOUT MOV A,H H FIRST
C3DA CD FC C3 0942 CALL HEOUT
C3DD 7D 0943 MOV A,L THEN L FOLLOWED BY A SPACE
0944 *
C3DE CD FC C3 0945 HBOUT CALL HEOUT
C3E1 CD 1F C0 0946 CALL SINP SEE IF WE SHD ESCAPE FM DUMP
C3E4 CA F7 C3 0947 JZ BOUT NO--ADD THE SPACE THEN
C3E7 E6 7F 0948 ANI 7FH MAKE SURE ITS CLEAR OF PARITY
C3E9 CA 18 C2 0949 JZ COMND EITHER MODE (OR CTL-@)
C3EC FE 20 0950 CPI ' ' IS IT SPACE
C3EE C2 F7 C3 0951 JNZ BOUT NO--IGNORE THE CHAR
C3F1 CD 1F C0 0952 WTLP1 CALL SINP ON SPACE, WAIT FOR ANY OTHER CHAR
C3F4 CA F1 C3 0953 JZ WTLP1 JUST LOOP AFTER A SPACE UNTIL ANY KEY PRESSED
C3F7 06 20 0954 BOUT MVI B,' '
C3F9 C3 19 C0 0955 JMP SOUT PUT IT OUT
0956 *
C3FC 4F 0957 HEOUT MOV C,A GET THE CHARACTER
C3FD 0F 0958 RRC
C3FE 0F 0959 RRC MOVE THE HIGH FOUR DOWN
C3FF 0F 0960 RRC
C400 0F 0961 RRC
C401 CD 05 C4 0962 CALL HEOU1 PUT THEM OUT
C404 79 0963 MOV A,C THIS TIME THE LOW FOUR
0964 *
C405 E6 0F 0965 HEOU1 ANI 0FH FOUR ON THE FLOOR
C407 C6 30 0966 ADI 48 WE WORK WITH ASCII HERE
C409 FE 3A 0967 CPI 58 0-9?
C40B DA 10 C4 0968 JC OUTH YUP!
C40E C6 07 0969 ADI 7 MAKE IT A LETTER
C410 47 0970 OUTH MOV B,A OUTPUT IT FROM REGISTER 'B'
C411 C3 19 C0 0971 JMP SOUT
0972 *
0973 *
0974 * ENTR COMMAND
0975 *
0976 * THIS ROUTINE GETS VALUES FROM THE KEYBOARD AND ENTERS
0977 * THEM INTO MEMORY. THE INPUT VALUES ARE SCANNED FOLLOWING
0978 * A STANDARD 'GCLIN' INPUT SO ON-SCREEN EDITING MAY TAKE
0979 * PLACE PRIOR TO THE LINE TERMINATOR. A SLASH '/'
0980 * ENDS THE ROUTINE AND RETURNS CONTROL TO THE COMMAND MODE.
0981 *
C414 CD 78 C3 0982 ENTER CALL SCONV SCAN OVER CHARS AND GET ADDRESS
C417 E5 0983 PUSH H SAVE ADDRESS
0984 *
C418 CD 42 C3 0985 ENLOP CALL CRLF
C41B 06 3A 0986 MVI B,':'
C41D CD 19 C0 0987 CALL SOUT DSPLY THE COLON
C420 CD 27 C2 0988 CALL GCLI0 INIT AND PROCESS A LINE
C423 CD AA C2 0989 CALL STUP SET UP TO PROCESS INPUT LINE
C426 EB 0990 XCHG . ....TO DE
0991 *
0992 *
C427 0E 03 0993 ENLO1 MVI C,3 NO MORE THAN THREE SPACES BETWEEN VALUES
C429 CD 6E C3 0994 CALL SCHR1 SCAN TO NEXT VALUE
C42C CA 18 C4 0995 JZ ENLOP LAST ENTRY FOUND START NEW LINE
0996 *
C42F FE 2F 0997 CPI '/' COMMAND TERMINATOR?
C431 CA 18 C2 0998 JZ COMND IF SO...
C434 CD 7E C3 0999 CALL SHEX CONVERT VALUE
C437 FE 3A 1000 CPI ':' ADDRESS TERMINATOR?
C439 CA 44 C4 1001 JZ ENLO3 GO PROCESS IF SO
C43C 7D 1002 MOV A,L GET LOW PART AS CONVERTED
C43D E1 1003 POP H GET MEMORY ADDRESS
C43E 77 1004 MOV M,A PUT IN THE VALUE
C43F 23 1005 INX H
C440 E5 1006 PUSH H BACK GOES THE ADDRESS
C441 C3 27 C4 1007 JMP ENLO1 CONTINUE THE SCAN
1008 *
C444 E3 1009 ENLO3 XTHL . PUT NEW ADDRESS ON STACK
C445 13 1010 INX D MOVE SCAN PAST TERMINATOR
C446 C3 27 C4 1011 JMP ENLO1
1012 *
1013 *
1014 * EXECUTE COMMAND
1015 *
1016 * THIS ROUTINE GETS THE FOLLOWING PARAMETER AND DOES A
1017 * PROGRAM JUMP TO THE LOCATION GIVEN BY IT. IF PROPER
1018 * STACK OPERATIONS ARE USED WITHIN THE EXTERNAL PROGRAM
1019 * IT CAN DO A STANDARD 'RET'URN TO THE CUTER COMMAND MODE.
1020 *
1021 *
C449 CD 78 C3 1022 EXEC CALL SCONV SCAN PAST BLANKS AND GET PARAMETER
C44C 1023 EXEC1 EQU $ HERE TO GO TO HL
C44C E5 1024 PUSH H SAVE ON STACK
C44D 21 00 C0 1025 LXI H,START LET USER KNOW WHERE WE ARE
C450 C9 1026 RET . AND OFF TO USER
1027 *
1028 *
1029 *
1030 *
1031 * THIS ROUTINE GETS A NAME OF UP TO 5 CHARACTERS
1032 * FROM THE INPUT STRING. IF THE TERMINATOR IS A
1033 * SLASH (/) THEN THE CHARACTER FOLLOWING IS TAKEN
1034 * AS THE CASSETTE UNIT SPECIFICATION.
1035 *
1036 *
C451 1037 NAME0 EQU $ ENTER HERE TO SET HL TO THEAD
C451 21 1C C8 1038 LXI H,THEAD PT WHERE TO PUT NAME
C454 CD 59 C3 1039 NAME CALL SBLK SCAN OVER TO FIRST CHRS
C457 06 06 1040 MVI B,6
1041 *
C459 1A 1042 NAME1 LDAX D GET CHARACTER
C45A FE 20 1043 CPI ' ' NO UNIT DELIMITER
C45C CA 80 C4 1044 JZ NFIL
C45F FE 2F 1045 CPI '/' UNIT DELIMTTER
C461 CA 80 C4 1046 JZ NFIL
C464 77 1047 MOV M,A
C465 13 1048 INX D BUMP THE SCAN POINTER
C466 23 1049 INX H
C467 05 1050 DCR B
C468 C2 59 C4 1051 JNZ NAME1 NAME IS OK, FALL THRU TO 'ERR1' IF NOT
1052 *
1053 * CUTER ERROR HANDLER
1054 *
C46B EB 1055 ERR1 XCHG . GET SCAN ADDRESS
C46C 36 3F 1056 ERR2 MVI M,'?' FLAG THE ERROR
C46E 3A 07 C8 1057 LDA OPORT SEE IF VIA VDM DRIVER
C471 B7 1058 ORA A
C472 CA 18 C2 1059 JZ COMND YES--VDM SCREEN NOW HAS THE ?
C475 CD 42 C3 1060 CALL CRLF
C478 06 3F 1061 MVI B,'?' SET UP THE ????
C47A CD 19 C0 1062 CALL SOUT INDICATE INPUT NOT VALID
C47D C3 18 C2 1063 JMP COMND NOW READY FOR NEXT INPUT
1064 *
1065 *
1066 *
1067 * HERE WE HAVE SCANNED OFF THE NAME. ZERO FILL IN FOR
1068 * NAMES LESS THAN FIVE CHARACTERS.
1069 *
C480 36 00 1070 NFIL MVI M,0 PUT IN AT LEAST ONE ZERO
C482 23 1071 INX H
C483 05 1072 DCR B
C484 C2 80 C4 1073 JNZ NFIL LOOP UNTIL B IS ZERO
1074 *
C487 FE 2F 1075 CPI '/' IS THERE A UNIT SPECIFICATION?
C489 3E 01 1076 MVI A,1 PRETEND NOT
C48B C2 94 C4 1077 JNZ DEFLT
C48E 13 1078 INX D MOVE PAST THE TERMINATOR
C48F CD 6C C3 1079 CALL SCHR GO GET IT
C492 D6 30 1080 SUI '0' REMOVE ASCII BIAS
1081 *
C494 1082 DEFLT EQU $ CNVRT TO INTERNAL BIT FOR TAPE CONTROL
C494 E6 01 1083 ANI 1 JUST BIT ZERO
C496 3E 80 1084 MVI A,TAPE1 ASSUME TAPE ONE
C498 C2 9C C4 1085 JNZ STUNT IF NON ZERO, IT IS ONE
C49B 1F 1086 RAR . ELSE MAKE IT TAPE TWO
C49C 32 54 C8 1087 STUNT STA FNUMF SET IT IN
C49F C9 1088 RET
1089 *
1090 *
1091 *
1092 * THIS ROUTINE PROCESSES THE XEQ AND GET COMMANDS
1093 *
1094 *
C4A0 3E 1095 TXEQ DB 3EH THIS BEGINS "MVI" OF THE "XRA" FOLLOWING
C4A1 AF 1096 TLOAD XRA A A=0 TLOAD, A=AF (#0) THEN XEQ
C4A2 F5 1097 PUSH PSW SAVE FLAG TO SAY WHETHER LOAD OR XEQ
C4A3 21 2C C8 1098 LXI H,DHEAD PLACE DUMMY HDR HERE FOR COMPARES
C4A6 CD 54 C4 1099 CALL NAME SET IN NAME AND UNIT
C4A9 21 00 00 1100 LXI H,0 ASSUME LOAD ADDR NOT GIVEN
C4AC CD A5 C3 1101 CALL PSCAN HL EITHER =0, OR OVERRIDE LOAD ADDR
1102 *
C4AF EB 1103 TLOA2 XCHG . PUT ADDRESS IN DE
C4B0 21 2C C8 1104 LXI H,DHEAD PT TO NORMAL HDR
C4B3 7E 1105 MOV A,M GET 1ST CHAR OF NAME
C4B4 B7 1106 ORA A IS THERE A NAME?
C4B5 C2 BB C4 1107 JNZ TLOA3 YES--LOOK FOR IT
C4B8 21 1C C8 1108 LXI H,THEAD PT TO SAME HDR TO LOAD NEXT FILE
C4BB E5 1109 TLOA3 PUSH H SAVE PTR TO WHICH HDR TO USE
C4BC CD 44 C5 1110 CALL ALOAD GET UNIT AND SPEED
C4BF E1 1111 POP H RESTORE PTR TO PROPER HDR TO USE
C4C0 CD C7 C6 1112 CALL RTAPE READ IN THE TAPE
C4C3 DA 10 C5 1113 JC TAERR TAPE ERROR?
1114 *
C4C6 CD 4C C5 1115 CALL NAOUT PUT OUT THE HEADER PARAMETERS
C4C9 F1 1116 POP PSW RESTORE FLAG SAYING WHETHER IT WAS LOAD OR XEQ
C4CA B7 1117 ORA A
C4CB C8 1118 RZ . AUTO XEQ NOT WANTED
C4CC 3A 22 C8 1119 LDA HTYPE CHECK TYPE
C4CF B7 1120 ORA A SET FLAGS
C4D0 FA 10 C5 1121 JM TAERR TYPE IS NON XEQ
C4D3 3A 21 C8 1122 LDA THEAD+5
C4D6 B7 1123 ORA A
C4D7 C2 10 C5 1124 JNZ TAERR THE BYTE MUST BE ZERO FOR AUTO XEQ
C4DA 2A 27 C8 1125 LHLD XEQAD GET THE TAPE ADDRESS
C4DD C3 4C C4 1126 JMP EXEC1 AND GO OFF TO IT
1127 *
1128 *
1129 *
1130 * THIS ROUTINE IS USED TO SAVE PROGRAMS AND DATA ON
1131 * THE CASSETTE UNIT.
1132 *
1133 *
C4E0 1134 TSAVE EQU $ SAVE MEMORY IMAGE TO TAPE
C4E0 CD 51 C4 1135 CALL NAME0 GET NAME AND UNIT
C4E3 CD 78 C3 1136 CALL SCONV GET START ADDRESS
C4E6 E5 1137 PUSH H SAVE START ADDR FOR SIZE COMPUTATION LATER
C4E7 CD 78 C3 1138 CALL SCONV GET END ADDR (REQUIRED)
C4EA E3 1139 XTHL . HL=START ADDR NOW, STACK=END ADDR
C4EB E5 1140 PUSH H STACK =START FOLLOWED BY END
C4EC CD A5 C3 1141 CALL PSCAN SEE IF RETRIEVE FROM ADDR
C4EF 22 25 C8 1142 SHLD LOADR EITHER ACTUAL START, OR OVERRIDE INTO HDR
C4F2 E1 1143 POP H HL=START ADDR
C4F3 D1 1144 POP D DE=END ADDR
C4F4 E5 1145 PUSH H PUT START BACK ONTO STACK
C4F5 7B 1146 MOV A,E SIZE=END-START+1
C4F6 95 1147 SUB L
C4F7 6F 1148 MOV L,A
C4F8 7A 1149 MOV A,D
C4F9 DE 00 1150 SBI 0 THIS EQUALS A SBB H
C4FB 94 1151 SUB H THIS IS NEEDED
C4FC 67 1152 MOV H,A
C4FD 23 1153 INX H
C4FE 22 23 C8 1154 SHLD BLOCK STORE THE SIZE
C501 E5 1155 PUSH H SAVE AS THE BLOCK SIZE
1156 *
C502 CD 44 C5 1157 CALL ALOAD GET UNIT AND SPEED
C505 21 1C C8 1158 LXI H,THEAD PT TO HEADER TO WRITE
C508 CD AB C7 1159 CALL WHEAD TURN TAPE ON, THEN WRITE HEADER
C50B D1 1160 POP D GET BACK THE SIZE
C50C E1 1161 POP H AND GET BACK THE ACTUAL START ADDR
C50D C3 8C C7 1162 JMP WTAP1 WHITE THE BLK (W/EXTRA PUSH)
1163 *
1164 * OUTPUT ERROR AND HEADER
1165 *
C510 CD 42 C3 1166 TAERR CALL CRLF
C513 16 06 1167 MVI D,6
C515 21 21 C5 1168 LXI H,ERRM
C518 CD 66 C5 1169 CALL NLOOP OUTPUT ERROR
C51B CD 4C C5 1170 CALL NAOUT THEN THE HEADER
C51E C3 15 C2 1171 JMP COMN1
1172 *
C521 45 52 52 4F 1173 ERRM ASC !ERROR !
52 20
1174 *
1175 *
1176 * CAT COMMAND
1177 *
1178 * THIS ROUTINE READS HEADERS FROM THE TAPE AND OUTPUTS
1179 * THEM TO THE OUTPUT DEVICE. IT CONTINUES UNTIL THE
1180 * MODE KEY IS DEPRESSED.
1181 *
C527 1182 TLIST EQU $ PRODUCE A LIST OF FILES ON A TAPE
C527 CD 51 C4 1183 CALL NAME0 GET UNIT IF ANY (NAME IS IGNORED)
C52A CD 42 C3 1184 CALL CRLF START ON A FRESH LINE
1185 *
1186 *
C52D CD 44 C5 1187 LLIST CALL ALOAD
C530 06 01 1188 MVI B,1
C532 CD EB C7 1189 CALL TON TURN ON THE TAPE
C535 CD 1F C7 1190 LIST1 CALL RHEAD
C538 DA 15 C2 1191 JC COMN1 TRUN OFF THE TAPE UNIT
C53B C2 35 C5 1192 JNZ LIST1
C53E CD 4C C5 1193 CALL NAOUT OUTPUT THE HEADER
C541 C3 2D C5 1194 JMP LLIST
1195 *
1196 *
1197 * THIS ROUTINE GETS THE CASSETTE UNIT NUMBER AND
1198 * SPEED TO REGISTER "A" FOR THE TAPE CALLS
1199 *
C544 21 54 C8 1200 ALOAD LXI H,FNUMF POINT TO THE UNIT SPECIFICATION
C547 3A 0D C8 1201 LDA TSPD GET THE TAPE SPEED
C54A B6 1202 ORA M PUT THEM TOGETHER
C54B C9 1203 RET . AND GO BACK
1204 *
1205 * THIS ROUTINE OUTPUTS THE NAME AND PARAMETERS OF
1206 * THEAD TO THE OUTPUT DEVICE.
1207 *
1208 *
C54C 16 08 1209 NAOUT MVI D,8
C54E 21 1B C8 1210 LXI H,THEAD-1 POINT TO THE HEADER
C551 CD 66 C5 1211 CALL NLOOP OUTPUT THE HEADER
C554 CD F7 C3 1212 CALL BOUT ANOTHER BLANK
C557 2A 25 C8 1213 LHLD LOADR NOW THE LOAD ADDRESS
C55A CD D9 C3 1214 CALL ADOUT PUT IT OUT
C55D 2A 23 C8 1215 LHLD BLOCK AND THE BLOCK SIZE
C560 CD D9 C3 1216 CALL ADOUT
C563 C3 42 C3 1217 JMP CRLF DO THE CRLF AND RETURN
1218 *
1219 *
C566 7E 1220 NLOOP MOV A,M GET CHARACTER
C567 B7 1221 ORA A
C568 C2 6D C5 1222 JNZ CHRLI IF IT ISN'T A ZERO
C56B 3E 20 1223 MVI A,' ' SPACE OTHERWISE
C56D 1224 CHRLI EQU $ CHAR IS OK TO SEND
C56D CD 10 C4 1225 CALL OUTH OUTPUT IT FROM A REG
C570 23 1226 INX H
C571 15 1227 DCR D
C572 C2 66 C5 1228 JNZ NLOOP
C575 C9 1229 RET
1230 *
1231 *
1232 *
1233 *
1234 * "SET" COMMAND
1235 *
1236 * THIS ROUTINE GETS THE ASSOCIATED PARAMETER AND
1237 * DISPATCHES TO THE PROPER ROUTINE FOR SETTING
1238 * MEMORY VALUES.
1239 *
C576 CD 59 C3 1240 SET CALL SBLK SCAN TO SECONDARY COMMAND
C579 CA 6B C4 1241 JZ ERR1 MUST HAVE AT LEAST SOMETHING!!
C57C D5 1242 PUSH D SAVE SCAN ADDRESS
C57D CD 78 C3 1243 CALL SCONV CONVERT FOLLOWING VALUE
C580 E3 1244 XTHL . HL=SAVED SCAN ADDR AND STACK=VALUE
C581 11 11 C3 1245 LXI D,SETAB SECONDARY COMMAND TAALF
C584 CD 91 C2 1246 CALL FDCOM TRY TO LOCATE IT
C587 C3 82 C2 1247 JMP DISP0 OFF TO IT OR ERROR IF NOT IN TBL
1248 *
1249 *
1250 * THIS ROUTINE SETS THE TAPE SPEED
1251 *
C58A 1252 TASPD EQU $ GET CONVERTED VALUE
C58A B7 1253 ORA A IS IT ZERO?
C58B CA 90 C5 1254 JZ SETSP YES--THAT IS A PROPER SPEED
C58E 3E 20 1255 MVI A,32 NO--SET SPEED PROPERLY THEN
C590 32 0D C8 1256 SETSP STA TSPD
C593 C9 1257 RET
1258 *
1259 *
C594 1260 STSPD EQU $ VDM ESCAPE SEQUENCE COMES HERE
C594 78 1261 MOV A,B GET CHAR FOR FOLLOWING DISPD
C595 1262 DISPD EQU $ SET DISPLAY SPEED
C595 32 0B C8 1263 STA SPEED
C598 C9 1264 RET
1265 *
1266 *
C599 1267 SETIN EQU $ SET AN INPUT PSUEDO PORT
C599 32 06 C8 1268 STA IPORT
C59C C9 1269 RET
1270 *
1271 *
C59D 1272 SETOT EQU $ SET AN OUTPUT PSUEDO PORT
C59D 32 07 C8 1273 STA OPORT
C5A0 C9 1274 RET
1275 *
1276 *
C5A1 1277 SETCI EQU $ DEFINE USER INPUT RTN ADDR
C5A1 22 00 C8 1278 SHLD UIPRT
C5A4 C9 1279 RET
1280 *
1281 *
C5A5 1282 SETCO EQU $ DEFINE USER OUTPUT RTN ADDR
C5A5 22 02 C8 1283 SHLD UOPRT
C5A8 C9 1284 RET
1285 *
1286 *
C5A9 1287 SETTY EQU $ SET TAPE HDR TYPE
C5A9 32 22 C8 1288 STA HTYPE
C5AC C9 1289 RET
1290 *
1291 *
C5AD 1292 SETXQ EQU $ SET TAPE-EXECUTE ADDDR FOR HDR
C5AD 22 27 C8 1293 SHLD XEQAD
C5B0 C9 1294 RET
1295 *
1296 *
C5B1 1297 SETNU EQU $ HERE TO SET NUMBER OF NULLS
C5B1 32 10 C8 1298 STA NUCNT THIS IS IT
C5B4 C9 1299 RET .
1300 *
1301 *
C5B5 1302 SETCR EQU $ SET CRC TO BE NORMAL, OR IGNORE CRC ERRORS
C5B5 32 11 C8 1303 STA IGNCR FF=IGNORE CRC ERRORS, ELSE=NORMAL
C5B8 C9 1304 RET .
1305 *
1306 *
C5B9 1307 CUSET EQU $ TRY TO SET/CLEAR CUSTOM ROUTINE ADDR
C5B9 CD 51 C4 1308 CALL NAME0 GET A NAME (S/B 2 CHARS OR MORE)
C5BC 21 18 C2 1309 LXI H,COMND PT HERE IN CASE ADDR NOT GIVEN
C5BF CD A5 C3 1310 CALL PSCAN GET OPTIONAL OPERAND IF ANY
C5C2 E5 1311 PUSH H SAVE THAT VALUE (IF ANY)
C5C3 21 1C C8 1312 LXI H,THEAD PT TO NAME
C5C6 CD 8E C2 1313 CALL FDCOU SEE IF NAME IS KNOWN IN CUST TABLE
C5C9 CA CF C5 1314 JZ CUSE2 NO--PROCEED TO KNOW IT
C5CC 1B 1315 DCX D DE PT TO 1ST CHAR OF NAME IN TBL
C5CD 36 00 1316 MVI M,0 (HL CAME BACK PT'ING TO THEAD) CLR THIS NAME
C5CF 1317 CUSE2 EQU $ ENTER NEW ONE IN TBL
C5CF 7E 1318 MOV A,M GET 1ST CHAR OF NAME
C5D0 12 1319 STAX D PUT NAME INTO TABLE
C5D1 13 1320 INX D
C5D2 23 1321 INX H
C5D3 7E 1322 MOV A,M GET 2ND CHAR OF NAME
C5D4 12 1323 STAX D NAME IS NOW POSTED
C5D5 13 1324 INX D PT TO 1ST BYTE OF ADDR
C5D6 E1 1325 POP H RESTORE SAVED RTN ADDR
C5D7 EB 1326 XCHG . DE=RTN ADDR, HL=THIS CU ENTRY
C5D8 73 1327 MOV M,E LO BYTE
C5D9 23 1328 INX H
C5DA 72 1329 MOV M,D AND HI BYTE
C5DB C9 1330 RET . ALL DONE
1331 *
1332 *
1333 * -*-
9999 COPY CUTER3/1 3 OF 3
1334 *
1335 *
1336 *
1337 *
1338 * THE FOLLOWING ROUTINES PROVIDE "BYTE BY BYTE" ACCESS
1339 * TO THE CASSETTE TAPES ON EITHER A READ OR WRITE BASIS.
1340 *
1341 * THE TAPE IS READ ONE BLOCK AT A TIME AND INDIVIDUAL
1342 * TRANSFERS OF DATA HANDLED BY MANAGING A BUFFER AREA.
1343 *
1344 * THE BUFFER AREA IS CONTROLLED BY A FILE CONTROL BLOCK
1345 * (FCB) WHOSE STRUCTURE IS:
1346 *
1347 *
1348 * 7 BYTES FOR EACH OR THE TWO FILES STRUCTURED AS
1349 * FOLLOWS:
1350 *
1351 * 1 BYTE - ACCESS CONTROL 00 IF CLOSED
1352 * FF IF READING
1353 * FE IF WRITING
1354 * 1 BYTE - READ COUNTER
1355 * 1 BYTE - BUFFER POSITION POINTER
1356 * 2 BYTE - CONTROL HEADER ADDRESS
1357 * 2 BYTE - BUFFER LOCATION ADDRESS
1358 *
1359 *
1360 *
1361 * THIS ROUTINE "OPENS" THE CASSETTE UNIT FOR ACCESS
1362 *
1363 * ON ENTRY: A - HAS THE TAPE UNIT NUMBER (1 OR 2)
1364 * HL - HAS USER SUPPLIED HEADER FOR TAPE FILE
1365 *
1366 *
1367 * NORMAL RETURN: ALL REGISTERS ARE ALTERED
1368 * BLOCK TS READY FOR ACCESS
1369 *
1370 * ERROR RETURN: CARRY BIT IS SET
1371 *
1372 * ERRORS: BLOCK ALREADY OPEN
1373 *
1374 *
C5DC E5 1375 BOPEN PUSH H SAVE HEADER ADDRESS
C5DD CD 2F C6 1376 CALL LFCB GET ADDRESS OF FILE CONTROL
C5E0 C2 F6 C5 1377 JNZ TERE2 FILE WAS ALREADY OPEN
C5E3 36 01 1378 MVI M,1 NOW IT IS
C5E5 23 1379 INX H POINT TO READ COUNT
C5E6 77 1380 MOV M,A ZERO
C5E7 23 1381 INX H POINT TO BUFFER CURSOR
C5E8 77 1382 MOV M,A PUT IN THE ZERO COUNT
1383 *
1384 * ALLOCATE THE BUFFER
1385 *
C5E9 11 63 C8 1386 LXI D,FBUF1 POINT TO BUFFER AREA
C5EC 3A 54 C8 1387 LDA FNUMF GET WHICH ONE WE ARE GOING TO USE
C5EF 82 1388 ADD D
C5F0 57 1389 MOV D,A 256 BIT ADD
1390 *
C5F1 C1 1391 UBUF POP B HEADER ADDRESS
C5F2 B7 1392 ORA A CLEAR CARRY AND RETURN AFTER STORING PARAMS
C5F3 C3 B2 C6 1393 JMP PSTOR STORE THE VALUES
1394 *
1395 * GENERAL ERROR RETURN POINTS FOR STACK CONTROL
1396 *
C5F6 E1 1397 TERE2 POP H
C5F7 D1 1398 TERE1 POP D
C5F8 AF 1399 TERE0 XRA A CLEAR ALL FLAGS
C5F9 37 1400 STC . SET ERROR
C5FA C9 1401 RET
1402 *
1403 *
C5FB 3D 1404 EOFER DCR A SET MINUS FLAGS
C5FC 37 1405 STC . AND CARRY
C5FD D1 1406 POP D CLEAR THE STACK
C5FE C9 1407 RET . THE FLAGS TELL ALL
1408 *
1409 *
1410 *
1411 *
1412 * THIS ROUTINE CLOSES THE FILE BUFFER TO ALLOW ACCESS
1413 * FOR A DIFFERENT CASSETTE OR PROGRAM. IF THE FILE
1414 * OPERATIONS WERE "WRITE" THEN THE LAST BLOCK IS WRITTED
1415 * OUT AND AN "END OF FILE" WRITTEN TO THE TAPE. IF
1416 * THE OPERATIONS WERE "READS" THEN THE FILE IS JUST
1417 * MADE READY FOR NEW USE.
1418 *
1419 * ON ENTRY: A - HAS WHICH UNIT (1 OR 2)
1420 *
1421 * ERROR RETURNS: FILE WASN'T OPEN
1422 *
1423 *
C5FF CD 2F C6 1424 PCLOS CALL LFCB GET CONTROL BLOCK ADDRESS
C602 C8 1425 RZ . WASN'T OPEN, CARRY IS SET FROM LFCB
C603 B7 1426 ORA A CLEAR CARRY
C604 3C 1427 INR A SET CONDITION FLAGS
C605 36 00 1428 MVI M,0 CLOSE THE CONTROL BYTE
C607 C8 1429 RZ . WE WERE READING...NOTHING MORE TO DO
1430 *
1431 * THE FILE OPERATIONS WERE "WRITES"
1432 *
1433 * PUT THE CURRENT BLOCK ON THE TAPE
1434 * (EVEN IF ONLY ONE BYTE!!)
1435 * THEN WRITE AN END OF FILE TO THE TAPE
1436 *
1437 *
C608 23 1438 INX H
C609 23 1439 INX H
C60A 7E 1440 MOV A,M GET CURSOR POSITION
C60B 7E 1441
C60C CD BB C6 1442 CALL PLOAD BC GET HEADER ADDRESS, DE BUFFER ADDRESS
C60F C5 1443 PUSH B HEADER TO STACK
C610 21 07 00 1444 LXI H,BLKOF OFFSET TO BLOCK SIZE
C613 09 1445 DAD B
C614 B7 1446 ORA A TEST COUNT
C615 CA 27 C6 1447 JZ EOFW NO BYTES...JUST WRITE EOF
1448 *
1449 * WRITE LAST BLOCK
1450 *
C618 E5 1451 PUSH H SAVE BLOCK SIZE POINTER FOR EOF
C619 77 1452 MOV M,A PUT IN COUNT
C61A 23 1453 INX H
C61B 36 00 1454 MVI M,0 ZERO THE HIGHER BYTE
C61D 23 1455 INX H
C61E 73 1456 MOV M,E BUFFER ADDRESS
C61F 23 1457 INX H
C620 72 1458 MOV M,D
C621 60 1459 MOV H,B
C622 69 1460 MOV L,C PUT HEADER ADDRESS IN HL
C623 CD 78 C7 1461 CALL WFBLK GO WRITE IT OUT
C626 E1 1462 POP H BLOCK SIZE POINTER
1463 *
1464 * NOW WRITE END OF FILE TO CASSETTE
1465 *
C627 AF 1466 EOFW XRA A PUT IN ZEROS FOR SIZE: EOF MARK IS ZERO BYTES
C628 77 1467 MOV M,A
C629 23 1468 INX H
C62A 77 1469 MOV M,A
C62B E1 1470 POP H HEADER ADDRESS
C62C C3 78 C7 1471 JMP WFBLK WRITE IT OUT AND RETURN
1472 *
1473 *
1474 *
1475 *
1476 * THIS ROUTINE LOCATES THE FILE CONTROL BLOCK POINTED TO
1477 * BY REGISTER "A". ON RETURN HL POINT TO THE CONTROL BYT
1478 * AND REGISTER "A" HAS THE CONTROL WORD WITH THE FLAGS
1479 * SET FOR IMMEDIATE CONDITION DECISIONS.
1480 *
1481 *
C62F 21 55 C8 1482 LFCB LXI H,FCBAS POINT TO THE BASE OF IT
C632 1F 1483 RAR . MOVE THE 1 & 2 TO 0 & 1 LIKE COMPUTERS LIKE
C633 E6 01 1484 ANI 1 SMALL NUMBERS ARE THE RULE
C635 32 54 C8 1485 STA FNUMF CURRENT ACCESS FILE NUMBER
C638 CA 3E C6 1486 JZ LFCB1 UNIT ONE (VALUE OF ZERO)
C63B 21 5C C8 1487 LXI H,FCBA2 UNIT TWO--PT TO ITS FCB
C63E 1488 LFCB1 EQU $ HL PT TO PROPER FCB
C63E 7E 1489 MOV A,M PICK UP FLAGS FM FCB
C63F B7 1490 ORA A SET FLAGS BASED ON CONTROL WORD
C640 37 1491 STC SET CARRY IN CASE OF IMMEDIATE ERROR RETURN
C641 C9 1492 RET
1493 *
1494 *
1495 *
1496 *
1497 * READ TAPE BYTE ROUTINE
1498 *
1499 * ENTRY: - A - HAS FILE NUMBER
1500 * EXIT: NORMAL - A - HAS BYTE
1501 * ERROR
1502 * CARRY SET - IF FILE NOT OPEN OR
1503 * PREVIOUS OPERATIONS WERE WRITE
1504 * CARRY & MINUS - END OF FILE ENCOUNTERED
1505 *
1506 *
1507 *
1508 *
C642 CD 2F C6 1509 RTBYT CALL LFCB LOCATE THE FILE CONTROL BLOCK
C645 C8 1510 RZ . FILE NOT OPEN
C646 3C 1511 INR A TEST IF FF
C647 FA F8 C5 1512 JM TERE0 ERROR WAS WRITING
C64A 36 FF 1513 MVI M,-1 SET IT AS READ (IN CASE IT WAS JUST OPENED)
C64C 23 1514 INX H
C64D 7E 1515 MOV A,M GET READ COUNT
C64E E5 1516 PUSH H SAVE COUNT ADDRESS
C64F 23 1517 INX H
C650 CD BB C6 1518 CALL PLOAD GET THE OTHER PARAMETERS
C653 E1 1519 POP H
C654 B7 1520 ORA A
C655 C2 71 C6 1521 JNZ GTBYT IF NOT EMPTY GO GET BYTE
1522 *
1523 * CURSOR POSITION WAS ZERO...READ A NEW BLOCK INTO
1524 * THE BUFFER.
1525 *
C658 D5 1526 RDNBLK PUSH D BUFFER POINTER
C659 E5 1527 PUSH H TABLE ADDRESS
C65A 23 1528 INX H
C65B CD A2 C6 1529 CALL PHEAD PREPARE THE HEADER FOR READ
C65E CD C4 C6 1530 CALL RFBLK READ IN THE BLOCK
C661 DA F6 C5 1531 JC TERE2 ERROR POP OFF STACK BEFORE RETURN
C664 E1 1532 POP H
C665 7B 1533 MOV A,E LOW BYTE OF COUNT (WILL BE ZERO IF 256)
C666 B2 1534 ORA D SEE IF BOTH ARE ZERO
C667 CA FB C5 1535 JZ EOFER BYTE COUNT WAS ZERO....END OF FILE
C66A 73 1536 MOV M,E NEW COUNT ( ZERO IS 256 AT THIS POINT)
C66B 23 1537 INX H BUFFER LOCATION POINTER
C66C 36 00 1538 MVI M,0
C66E 2B 1539 DCX H
C66F 7B 1540 MOV A,E COUNT TO A
C670 D1 1541 POP D GET BACK BUFFER ADDRESS
1542 *
1543 *
1544 *
1545 * THIS ROUTINE GETS ONE BYTE FROM THE BUFFER
1546 * AND RETURNS IT IN REGISTER "A". IF THE END
1547 * OF THE BUFFER IS REACHED IT MOVES THE POINTER
1548 * TO THE BEGINNING OF THE BUFFER FOR THE NEXT
1549 * LOAD.
1550 *
C671 3D 1551 GTBYT DCR A BUMP THE COUNT
C672 77 1552 MOV M,A RESTORE IT
C673 23 1553 INX H
C674 7E 1554 MOV A,M GET BUFFER POSITION
C675 34 1555 INR M BUMP IT
1556 *
C676 83 1557 ADD E
C677 5F 1558 MOV E,A DE NOW POINT TO CORRECT BUFFER POSITION
C678 D2 7C C6 1559 JNC RT1
C67B 14 1560 INR D
C67C 1A 1561 RT1 LDAX D GET CHARACTER FROM BUFFER
C67D B7 1562 ORA A CLEAR CARRY
C67E C9 1563 RET . ALL DONE
1564 *
1565 *
1566 *
1567 *
1568 * THIS ROUTINE IS USED TO WRITE A BYTE TO THE FILE
1569 *
1570 * ON ENTRY: A - HAS FILE NUMBER
1571 * B - HAS DATA BYTE
1572 *
1573 *
C67F CD 2F C6 1574 WTBYT CALL LFCB GET CONTROL BLOCK
C682 C8 1575 RZ . FILE WASN'T OPEN
C683 3C 1576 INR A
C684 C8 1577 RZ . FILE WAS READ
C685 36 FE 1578 MVI M,0FEH SET IT TO WRITE
C687 23 1579 INX H
C688 23 1580 INX H
C689 78 1581 MOV A,B GET CHARACTER
C68A F5 1582 PUSH PSW
C68B E5 1583 PUSH H SAVE CONTROL ADDRESS+2
1584 *
1585 * NOW DO THE WRITE
1586 *
C68C CD BB C6 1587 CALL PLOAD BC GETS HEADER ADDR, DE BUFFER ADDRESS
C68F E1 1588 POP H
C690 7E 1589 MOV A,M COUNT BYTE
C691 83 1590 ADD E
C692 5F 1591 MOV E,A
C693 D2 97 C6 1592 JNC WT1
C696 14 1593 INR D
C697 F1 1594 WT1 POP PSW CHARACTER
C698 12 1595 STAX D PUT CHR IN BUFFER
C699 B7 1596 ORA A CLEAR FLAGS
C69A 34 1597 INR M INCREMENT THE COUNT
C69B C0 1598 RNZ . RETURN IF COUNT DIDN'T ROLL OVER
1599 *
1600 * THE BUFFER IS FULL. WRITE IT TO TAPE AND RESET
1601 * CONTROL BLOCK.
1602 *
C69C CD A2 C6 1603 CALL PHEAD PREPARE THE HEADER
C69F C3 78 C7 1604 JMP WFBLK WRITE IT OUT AND RETURN
1605 *
1606 *
1607 *
1608 *
1609 * THIS ROUTINE PUTS THE BLOCK SIZE (256) AND BUFFER
1610 * ADDRESS IN THE FILE HEADER.
1611 *
C6A2 CD BB C6 1612 PHEAD CALL PLOAD GET HEADER AND BUFFER ADDRESSES
C6A5 C5 1613 PUSH B HEADER ADDRESS
C6A6 21 06 00 1614 LXI H,BLKOF-1 PSTOR DOES AN INCREMENT
C6A9 09 1615 DAD B HL POINT TO BLOCKSIZE ENTRY
C6AA 01 00 01 1616 LXI B,256
C6AD CD B2 C6 1617 CALL PSTOR
C6B0 E1 1618 POP H HL RETURN WITH HEADER ADDRESS
C6B1 C9 1619 RET
1620 *
1621 *
C6B2 23 1622 PSTOR INX H
C6B3 71 1623 MOV M,C
C6B4 23 1624 INX H
C6B5 70 1625 MOV M,B
C6B6 23 1626 INX H
C6B7 73 1627 MOV M,E
C6B8 23 1628 INX H
C6B9 72 1629 MOV M,D
C6BA C9 1630 RET
1631 *
1632 *
C6BB 23 1633 PLOAD INX H
C6BC 4E 1634 MOV C,M
C6BD 23 1635 INX H
C6BE 46 1636 MOV B,M
C6BF 23 1637 INX H
C6C0 5E 1638 MOV E,M
C6C1 23 1639 INX H
C6C2 56 1640 MOV D,M
C6C3 C9 1641 RET
1642 *
1643 *
1644 *
1645 *
1646 *
1647 * THIS ROUTINE SETS THE CORRECT UNIT FOR SYSTEM READS
C6C4 CD DA C7 1648 RFBLK CALL GTUNT SET UP A=UNTT WITH SPEED
1649 *
1650 *
1651 *
1652 *
1653 * TAPE READ ROUTINES
1654 *
1655 * ON-ENTRY: A HAS UNIT AND SPEED
1656 * HL POINT TO HEADER BLOCK
1657 * DE HAVE OPTIONAL PUT ADDRESS
1658 *
1659 * ON EXIT: CARRY IS SET IF ERROR OCCURED
1660 * TAPE UNITS ARE OFF
1661 *
1662 *
C6C7 D5 1663 RTAPE PUSH D SAVE OPTIONAL ADDRESS
C6C8 06 03 1664 MVI B,3 SHORT DELAY
C6CA CD EB C7 1665 CALL TON
C6CD DB FB 1666 IN TDATA CLEAR THE UART FLAGS
1667 *
C6CF E5 1668 PTAP1 PUSH H HEADER ADDRESS
C6D0 CD 1F C7 1669 CALL RHEAD GO READ HEADER
C6D3 E1 1670 POP H
C6D4 DA 02 C7 1671 JC TERR IF AN ERROR OR ESC WAS RECEIVED
C6D7 C2 CF C6 1672 JNZ PTAP1 IF VALID HEADER NOT FOUND
1673 *
1674 * FOUND A VALID HEADER NOW DO COMPARE
1675 *
C6DA E5 1676 PUSH H GET BACK AND RESAVE ADDRESS
C6DB 11 1C C8 1677 LXI D,THEAD
C6DE CD CE C7 1678 CALL DHCMP COMPARE DE-HL HEADERS
C6E1 E1 1679 POP H
C6E2 C2 CF C6 1680 JNZ PTAP1
1681 *
1682 *
C6E5 D1 1683 POP D OPTIONAL "PUT" ADDRESS
C6E6 7A 1684 MOV A,D
C6E7 B3 1685 ORA E SEE IF DE IS ZERO
C6E8 2A 23 C8 1686 LHLD BLOCK GET BLOCK SIZE
C6EB EB 1687 XCHG . ...TO DE
1688 * DE HAS HBLOCK....HL HAS USER OPTION
C6EC C2 F2 C6 1689 JNZ RTAP IF DE WAS ZERO GET TAPE LOAD ADDRESS
C6EF 2A 25 C8 1690 LHLD LOADR GET TAPE LOAD ADDRESS
1691 *
1692 *
1693 * THIS ROUTINE READS "DE" BYTES FROM THE TAPE
1694 * TO ADDRESS HL. THE BYTES MUST BE FROM ONE
1695 * CONTIGUOUS PHYSICAL BLOCK ON THE TAPE.
1696 *
1697 * HL HAS "PUT" ADDRESS
1698 * DE HAS SIZE OF TAPE BLOCK
1699 *
C6F2 D5 1700 RTAP PUSH D SAVE SIZE FOR RETURN TO CALLING PROGRAM
1701 *
C6F3 1702 RTAP2 EQU $ HERE TO LOOP RDING RLKS
C6F3 CD 11 C7 1703 CALL DCRCT DROP COUNT, B=LEN THIS BLK
C6F6 CA 0C C7 1704 JZ RTOFF ZERO=ALL DONE
1705 *
C6F9 CD 40 C7 1706 CALL RHED1 READ THAT MANY BYTES
C6FC DA 02 C7 1707 JC TERR IF ERROR OR ESC
C6FF CA F3 C6 1708 JZ RTAP2 RD OK--READ SOME MORE
1709 *
1710 * ERROR RETURN
1711 *
C702 AF 1712 TERR XRA A
C703 37 1713 STC . SET ERROR FLAGS
C704 C3 0D C7 1714 JMP RTOF1
1715 *
1716 *
C707 06 01 1717 TOFF MVI B,1
C709 CD ED C7 1718 CALL DELAY
C70C AF 1719 RTOFF XRA A
C70D D3 FA 1720 RTOF1 OUT TAPPT
C70F D1 1721 POP D RETURN BYTE COUNT
C710 C9 1722 RET
1723 *
1724 *
C711 1725 DCRCT EQU $ COMMON RTN TO COUNT DOWN BLK LENGTHS
C711 AF 1726 XRA A CLR FOR LATER TESTS
C712 47 1727 MOV B,A SET THIS BLK LEN=256
C713 B2 1728 ORA D IS AMNT LEFT < 256
C714 C2 1C C7 1729 JNZ DCRC2 NO--REDUCE AMNT BY 256
C717 B3 1730 ORA E IS ENTIRE COUNT ZERO
C718 C8 1731 RZ ALL DONE--ZERO THIS CONDITIOL
C719 43 1732 MOV B,E SET THIS BLK LEN TO AMNT REMAININ(',
C71A 5A 1733 MOV E,D MAKE ENTIRE COUNT ZERO NOW
C71B C9 1734 RET . ALL DONE (NON-ZERO FLAG)
C71C 1735 DCRC2 EQU $ REDUCE COUNT BY 256
C71C 15 1736 DCR D DROP BY 256
C71D B7 1737 ORA A FORCE NON-ZERO FLAG
C71E C9 1738 RET NON-ZERO=NOT DONE YET (BLK LEN=256)
1739 *
1740 *
1741 * READ THE HEADER
1742 *
C71F 06 0A 1743 RHEAD MVI B,10 FIND 10 NULLS
C721 CD 59 C7 1744 RHEA1 CALL STAT
C724 D8 1745 RC . IF ESCAPE
C725 DB FB 1746 IN TDATA IGNORE ERROR CONDITIONS
C727 B7 1747 ORA A ZERO?
C728 C2 1F C7 1748 JNZ RHEAD
C72B 05 1749 DCR B
C72C C2 21 C7 1750 JNZ RHEA1 LOOP UNTIL 10 IN A ROW
1751 *
1752 * WAIT FOR THE START CHARACTER
1753 *
C72F CD 6B C7 1754 SOHL CALL TAPIN
C732 D8 1755 RC . ERROR OR ESCAPE
C733 FE 01 1756 CPI 1 ARE WE AT THE 01 YET (START CHAR)
C735 DA 2F C7 1757 JC SOHL NO, BUT STIL ZEROES
C738 C2 1F C7 1758 JNZ RHEAD NO, LOOK FOR ANOTHER 10 NULLS
1759 *
1760 * WE HAVE 10 (OR MORE) NULLS FOLLOWED IMMEDIATELY
1761 * BY AN 01. NOW READ THE HEADER.
1762 *
C73B 21 1C C8 1763 LXI H,THEAD POINT TO BUFFER
C73E 06 10 1764 MVI B,HLEN LENGTH TO READ
1765 *
C740 1766 RHED1 EQU $ RD A BLOCK INTO HL FOR B BYTES
C740 0E 00 1767 MVI C,0 INIT THE CRC
C742 1768 RHED2 EQU $ LOOP HERE
C742 CD 6B C7 1769 CALL TAPIN GET A BYTE
C745 D8 1770 RC
C746 77 1771 MOV M,A STORE IT
C747 23 1772 INX H INCREMENT ADDRESS
C748 CD A4 C7 1773 CALL DOCRC GO COMPUTE THE CRC
C74B 05 1774 DCR B WHOLE HEADER YET?
C74C C2 42 C7 1775 JNZ RHED2 DO ALL THE BYTES
1776 *
1777 * THIS ROUTINE GETS THE NEXT BYTE AND COMPARES IT
1778 * TO THE VALUE IN REGISTER C. THE FLAGS ARE SET ON
1779 * RETURN.
1780 *
C74F CD 6B C7 1781 CALL TAPIN GET CRC BYTE
C752 A9 1782 XRA C CLR CARRY AND SET ZERO IF MATCH, ELSE NON-ZERO
C753 C8 1783 RZ . CRC IS FINE
C754 3A 11 C8 1784 LDA IGNCR BAD CRC, SHD WE STILL ACCEPT IT
C757 3C 1785 INR A SEE IF IT WAS FF, IF FF THEN ZERO SAYS IGN ERR
1786 * NOW, CRC ERR DETECTION DEPENDS ON IGNCR.
C758 C9 1787 RET
1788 *
1789 * THIS ROUTINE GETS THE NEXT AVAILABLE BYTE FROM THE
1790 * TAPE. WHILE WAITING FOR THE BYTE THE KEYBOARD IS TESTED
1791 * FOR AN ESC COMMAND. IF RECEIVED THE TAPE LOAD IS
1792 * TERMINATED AND A RETURN TO THE COMMAND MODE IS MADE.
1793 *
C759 DB FA 1794 STAT IN TAPPT TAPE STATUS PORT
C75B E6 40 1795 ANI TDR
C75D C0 1796 RNZ
C75E CD 1F C0 1797 CALL SINP CHECK INPUT
C761 CA 59 C7 1798 JZ STAT NOTHING THERE YET
C764 E6 7F 1799 ANI 7FH CLEAR PARITY 1ST
C766 C2 59 C7 1800 JNZ STAT EITHER MODE OR CTL-@
C769 37 1801 STC . SET ERROR FLAG
C76A C9 1802 RET . AND RETURN
1803 *
1804 *
1805 *
C76B CD 59 C7 1806 TAPIN CALL STAT WAIT UNTIL A CHARACTER IS AVAILABLE
C76E D8 1807 RC
1808 *
C76F DB FA 1809 TREDY IN TAPPT TAPE STATUS
C771 E6 18 1810 ANI TFE+TOE DATA ERROR?
C773 DB FB 1811 IN TDATA GET THE DATA
C775 C8 1812 RZ . IF NO ERRORS
C776 37 1813 STC . SET ERROR FLAG
C777 C9 1814 RET
1815 *
1816 *
1817 * THIS ROUTINE GETS THE CORRECT UNIT FOR SYSTEM WRITES
C778 CD DA C7 1818 WFBLK CALL GTUNT SET UP A WITH UNIT AND SPEED
1819 *
1820 *
1821 *
1822 * WRITE TAPE BLOCK ROUTINE
1823 *
1824 * ON ENTRY: A HAS UNIT AND SPEED
1825 * HL HAS POINTER TO HEADER
1826 *
1827 *
C77B 1828 WTAPE EQU $ HERE TO WRITE TAPE
C77B E5 1829 PUSH H SAVE HEADER ADDRESS
C77C CD AB C7 1830 CALL WHEAD TURN ON, THEN WRITE HDR
C77F E1 1831 POP H
C780 11 07 00 1832 LXI D,BLKOF OFFSET TO BLOCK SIZE IN HEADER
C783 19 1833 DAD D HL POINT TO BLOCK SIZE
C784 5E 1834 MOV E,M
C785 23 1835 INX H
C786 56 1836 MOV D,M DE HAVE SIZE
C787 23 1837 INX H
C788 7E 1838 MOV A,M
C789 23 1839 INX H
C78A 66 1840 MOV H,M
C78B 6F 1841 MOV L,A HL HAVE STARTING ADDRESS
1842 *
1843 * THIS ROUTINE WRITES ONE PHYSICAL BLOCK ON THE
1844 * TAPE "DE" BYTES LONG FROM ADDRESS "HL".
1845 *
1846 *
C78C 1847 WTAP1 EQU $ HERE FOR THE EXTRA PUSH
C78C E5 1848 PUSH H A DUMMY PUSH FOR LATER EXIT
C78D 1849 WTAP2 EQU $ LOOP HERE UNTIL ENTIRE AMOUNT READ
C78D CD 11 C7 1850 CALL DCRCT DROP COUNT IN DE AND SET UP B W/LEN THIS BLK
C790 CA 07 C7 1851 JZ TOFF RETURNS ZERO IF ALL DONE
C793 CD BF C7 1852 CALL WTBL WRITE BLOCK FOR BYTES IN B (256)
C796 C3 8D C7 1853 JMP WTAP2 LOOP UNTIL ALL DONE
1854 *
1855 *
C799 F5 1856 WRTAP PUSH PSW
C79A DB FA 1857 WRWAT IN TAPPT TAPE STATUS
C79C E6 80 1858 ANI TTBE IS TAPE READY FOR A CHAR YET
C79E CA 9A C7 1859 JZ WRWAT NO--WAIT
C7A1 F1 1860 POP PSW YES--RESTORE CHAR TO OUTPUT
C7A2 D3 FB 1861 OUT TDATA SEND CHAR TO TAPE
1862 *
C7A4 1863 DOCRC EQU $ A COMMON CRC COMPUTATION ROUTINE
C7A4 91 1864 SUB C
C7A5 4F 1865 MOV C,A
C7A6 A9 1866 XRA C
C7A7 2F 1867 CMA
C7A8 91 1868 SUB C
C7A9 4F 1869 MOV C,A
C7AA C9 1870 RET . ONE BYTE NOW WRITTEN
1871 *
1872 *
1873 * THIS ROUTINE WRITES THE HEADER POINTED TO BY
1874 * HL TO THE TAPE.
1875 *
C7AB 1876 WHEAD EQU $ HERE TO 1ST TURN ON THE TAPE
C7AB CD E9 C7 1877 CALL WTON TURN IT ON, THEN WRITE HEADER
C7AE 16 32 1878 MVI D,50 WRITE 50 ZEROS
C7B0 AF 1879 NULOP XRA A
C7B1 CD 99 C7 1880 CALL WRTAP
C7B4 15 1881 DCR D
C7B5 C2 B0 C7 1882 JNZ NULOP
1883 *
C7B8 3E 01 1884 MVI A,1
C7BA CD 99 C7 1885 CALL WRTAP
C7BD 06 10 1886 MVI B,HLEN LENGTH TO WRITE OUT
1887 *
C7BF 0E 00 1888 WTBL MVI C,0 RESET CRC BYTE
C7C1 7E 1889 WLOOP MOV A,M GET CHARACTER
C7C2 CD 99 C7 1890 CALL WRTAP WRITE IT TO THE TAPE
C7C5 05 1891 DCR B
C7C6 23 1892 INX H
C7C7 C2 C1 C7 1893 JNZ WLOOP
C7CA 79 1894 MOV A,C GET CRC
C7CB C3 99 C7 1895 JMP WRTAP PUT IT ON THE TAPE AND RETURN
1896 *
1897 *
1898 * THIS ROUTINE COMPARES THE HEADER IN THEAD TO
1899 * THE USER SUPPLIED HEADER IN ADDRESS HL.
1900 * ON RETURN IF ZERO IS SET THE TWO NAMES COMPARED
1901 *
C7CE 06 05 1902 DHCMP MVI B,5
C7D0 1A 1903 DHLOP LDAX D
C7D1 BE 1904 CMP M
C7D2 C0 1905 RNZ
C7D3 05 1906 DCR B
C7D4 C8 1907 RZ . IF ALL FIVE COMPARED
C7D5 23 1908 INX H
C7D6 13 1909 INX D
C7D7 C3 D0 C7 1910 JMP DHLOP
1911 *
C7DA 1912 GTUNT EQU $ SET A=SPEED + UNIT
C7DA 3A 54 C8 1913 LDA FNUMF GET UNIT
C7DD B7 1914 ORA A SEE WHICH UNIT
C7DE 3A 0D C8 1915 LDA TSPD BUT 1ST GET SPEED
C7E1 C2 E6 C7 1916 JNZ GTUN2 MAKE IT UNIT TWO
C7E4 C6 40 1917 ADI TAPE2 THIS ONCE=UNIT 2, TWICE=UNIT 1
C7E6 C6 40 1918 GTUN2 ADI TAPE2 UNIT AND SPEED NOW SET IN A
C7E8 C9 1919 RET . ALL DONE
1920 *
C7E9 06 04 1921 WTON MVI B,4 SET LOOP DELAY (BIT LONGER ON A WRITE)
C7EB 1922 TON EQU $ HERE TO TURN A TAPE ON THEN DELAY
C7EB D3 FA 1923 OUT TAPPT GET TAPE MOVING, THEN DELAY
1924 *
C7ED 11 00 00 1925 DELAY LXI D,0
C7F0 1B 1926 DLOP1 DCX D
C7F1 7A 1927 MOV A,D
C7F2 B3 1928 ORA E
C7F3 C2 F0 C7 1929 JNZ DLOP1
C7F6 05 1930 DCR B
C7F7 C2 ED C7 1931 JNZ DELAY
C7FA C9 1932 RET
1933 *
1934 *
1935 ***** -- END OF PROGRAM--
1936 *
1937 *
1938 *
1939 *
1940 * S Y S T E M E Q U A T E S
1941 *
1942 *
1943 * VDM PARAMETERS
1944 *
CC00 1945 VDMEM EQU 0CC00H VDM SCREEN MEMORY
1946 *
1947 *
1948 * KEYBOARD SPECIAL KEY ASSIGNMENTS
1949 *
1950 * THESE DEFINITIONS ARE DESIGNED TO ALLOW
1951 * COMPATABILITY WITH SOLOS(TM). THESE ARE THE
1952 * SAME KEYS WITH BIT 7 (X'80') STRIPPED OFF.
1953 *
001A 1954 DOWN EQU 1AH CTL Z
0017 1955 UP EQU 17H CIL W
0001 1956 LEFT EQU 01H CTL A
0013 1957 RIGHT EQU 13H CTL S
000B 1958 CLEAR EQU 0BH CTL K
000E 1959 HOME EQU 0EH CTL N
0000 1960 MODE EQU D0H CTL-@
005F 1961 BACKS EQU 5FH BACKSPACE
000A 1962 LF EQU 10
000D 1963 CR EQU 13
0020 1964 BLANK EQU ' '
0020 1965 SPACE EQU BLANK
0018 1966 CX EQU 'X'-40H
001B 1967 ESC EQU 1BH
1968 *
1969 * PORT ASSIGNMENTS
1970 *
0000 1971 STAPT EQU 0 STATUS PORT GENERAL
0001 1972 SDATA EQU 1 SERIAL DATA
0002 1973 PDATA EQU 2 PARALLEL DATA
0003 1974 KDATA EQU 3 KEYBOARD DATA
00C8 1975 DSTAT EQU 0C8H VDM CONTROL PORT
00FA 1976 TAPPT EQU 0FAH TAPE STATUS PORT
00FB 1977 TDATA EQU 0FBH TAPE DATA PORT
00FF 1978 SENSE EQU 0FFH SENSE SWITCHES
1979 *
1980 *
1981 *
1962 * BIT ASSIGNMENT MASKS
1983 *
0001 1984 SCD EQU 1 SERIAL CARRIER DETECT
0002 1985 SDSR EQU 2 SERIAL DATA SET READY
0004 1986 SPE EQU 4 SERIAL PARITY ERROR
0008 1987 SFE EQU 8 SERIAL FRAMING ERROR
0010 1988 SOE EQU 16 SERIAL OVERRUN ERROR
0020 1989 SCTS EQU 32 SERIAL CLEAR TO SEND
0040 1990 SDR EQU 64 SERIAL DATA READY
0080 1991 STBE EQU 128 SERIAL TRANSMITTER BUFFER EMPTY
1992 *
0001 1993 KDR EQU 1 KEYBOARD DATA READY
0002 1994 PDR EQU 2 PARALLEL DATA READY
0004 1995 PXDR EQU 4 PARALLEL DEVICE READY
0008 1996 TFE EQU 8 TAPE FRAMING ERROR
0010 1997 TOE EQU 16 TAPE OVERFLOW ERROR
0040 1998 TDR EQU 64 TAPE DATA READY
0080 1999 TTBE EQU 128 TAPE TRANSMITTER BUFFER EMPTY
2000 *
0001 2001 SOK EQU 1 SCROLL OK FLAG
2002 *
0080 2003 TAPE1 EQU 80H 1=TURN TAPE ONE ON
0040 2004 TAPE2 EQU 40H 1=TURN TAPE TWO ON
2005 *
2006 *
2007 *
2008 *
2009 * S Y S T E M G L O B A L A R E A
2010 *
C800 2011 ORG START+0800H RAM STARTS JUST AFTER ROM
2012 *
C800 2013 SYSRAM EQU $ START OF SYSTEM RAM
CBFF 2014 SYSTP EQU SYSRAM+3FFH STACK WORKS FM TOP DOWN
2015 *
2016 *
2017 * PARAMETERS STORED IN RAM
2018 *
C800 2019 UIPRT DS 2 USER DEFINED INPUT RTN IF NON ZERO
C802 2020 UOPRT DS 2 USER DEFINED OUTPUT RTN IF NON ZERO
C804 2021 DFLTS DS 2 DEFAULT PSUEDO I/O PORTS
C806 2022 IPORT DS 1 CRNT INPUT PSUEDO PORT
C807 2023 OPORT DS 1 CRNT OUTPUT PSUEDO PORT
C808 2024 NCHAR DS 1 CURRENT CHARACTER POSITION
C809 2025 LINE DS 1 CURRENT LINE POSITION
C80A 2026 BOT DS 1 BEGINNING OF TEXT DISPLACEMENT
C80B 2027 SPEED DS 1 SPEED CONTROL BYTE
C80C 2028 ESCFL DS 1 ESCAPE FLAG CONTROL BYTE
C80D 2029 TSPD DS 1 CURRENT TAPE SPEED
C80E 2030 INPTR DS 2 PTR TO NEXT CHAR POSITION IN INLIN
C810 2031 NUCNT DS 1 NUMBER OF NULLS AFTER CRLF
C811 2032 IGNCR DS 1 IGN CRC ERR FLAG, FF=IGN CRC ERRS, ELSE=NORMAL
2033 *
C812 2034 DS 10 ROOM FOR FUTURE EXPANSION
2035 *
2036 * * * * * * * * * * * * * * * * * * * * * * * * * * * * * *
2037 * T H I S I S T H E R E A D E R L A Y O U T *
2038 * * * * * * * * * * * * * * * * * * * * * * * * * * * * * *
2039 *
C81C 2040 THEAD DS 5 NAME
C821 2041 DS 1 THIS BYTE MUST BE ZERO
C822 2042 HTYPE DS 1 TYPE
C823 2043 BLOCK DS 2 BLOCK SIZE
C825 2044 LOADR DS 2 LOAD ADDRESS
C827 2045 XEQAD DS 2 AUTO EXECUTE ADDRESS
C829 2046 HSPR DS 3 SPARES
2047 *
0010 2048 HLEN EQU $-THEAD LENGTH OF HEADER
0007 2049 BLKOF EQU BLOCK-THEAD OFFSET TO BLOCK SIZE
C82C 2050 DHEAD DS HLEN A DUMMY HDR FOR COMPARES WHILE RD'ING
2051 *
2052 *
C83C 2053 CUTAB DS 6*4 ROOM FOR UP TO 6 CUSTOM USER COMMANDS
2054 *
2055 *
C854 2056 FNUMF DS 1 FOR CURRENT FILE OPERATIONS
C855 2057 FCBAS DS 7 1ST FILE CONTROL BLOCK
C85C 2058 FCBA2 DS 7 2ND FILE CONTROL BLOCK
C863 2059 FBUF1 DS 2*256 SYSTEM FILE BUFFER BASE
CA63 2060 DS 1 "BELL" (X'07') FLAGS START OF INPUT BFR
CA64 2061 INLIN DS 80 ROOM FOR THE INPUT LINE
CAB4 2062 USARE EQU $ START OF USER AREA
2063 *
2064 * REMEMBER THAT THE STACK WORKS ITS WAY DOWN-FROM
2065 * THE END OF THIS 1K RAM AREA.
2066 *
2067 * -*-
ADOUT C3D9 AINP C022 ALOAD C544 AOUT C01C
ARET C1C3 ARET1 C1C5 ARET2 C1CA BACKS 005F
BLANK 0020 BLKOF 0007 BLOCK C823 BOPEN C5DC
BOT C80A BOUT C3F7 CHAR C0B7 CHRLI C56D
CLEAR 000B CLERA C1DC CLIN1 C122 CLIN2 C117
CLINE C11C COMN1 C215 COMND C218 COMTA C2BD
CONT C264 COPRC C26A CR 000D CREM C15E
CRLF C342 CUR C0F4 CURET C1CE CURSC C0F2
CUSE2 C5CF CUSET C5B9 CUTAB C83C CX 0018
DCRC2 C71C DCRCT C711 DEFLT C494 DELAY C7ED
DFLTS C804 DHCMP C7CE DHEAD C82C DHLOP C7D0
DISP0 C282 DISP1 C28B DISPD C595 DISPT C287
DLOOP C3B6 DLOP1 C7F0 DLP1 C3C1 DLP1A C3D0
DOCRC C7A4 DOWN 001A DSTAT 00CB DUMP C3AD
ENLO1 C427 ENLO3 C444 ENLOP C418 ENTER C414
EOFER C5FB EOFW C627 ERAS1 C0FE ERAS3 C111
ERR1 C46B ERR2 C46C ERRIT C064 ERRM C521
ERRO1 C06F ERROT C06B ESC 001B ESCFL C80C
ESCS C187 ESCSP C190 EXEC C449 EXEC1 C44C
FBUF1 C863 FCBA2 C85C FCBAS C855 FCLOS C00A
FDCOM C291 FDCOU C28E FNUMF C854 FOPEN C007
GCLI0 C227 GCLI1 C232 GCLI2 C25F GCLI3 C261
GCLIN C239 GOBAC C08E GORK C09F GTBYT C671
GTUN2 C7E6 GTUNT C7DA HBOUT C3DE HCONV C38B
HCOV1 C39B HEOU1 C405 HEOUT C3FC HLEN 0010
HOME 000E HSPR C829 HTYPE C822 IGNCR C811
INIT C001 INLIN CA64 INPTR C80E IOPRC C026
IPORT C806 ITAB C309 KDATA 0003 KDR 0001
KREA1 C035 LEFT 0001 LF 000A LFCB C62F
LFCB1 C63E LINE C809 LIST1 C535 LLIST C52D
LOADR C825 MODE 0000 NAME C454 NAME0 C451
NAME1 C459 NAOUT C54C NCHAR C808 NCOM C2A3
NEXT C0A3 NFIL C480 NLOOP C566 NUCNT C810
NULOP C7B0 NULOT C350 OCHAR C0BB OK C0E4
OPORT C807 OTAB C301 OUTH C410 OUTPR C02E
PARIT C050 PAROT C059 PBACK C166 PCLOS C5FF
PCR C16F PCUR C137 PDATA 0002 PDOWN C0EE
PDR 0002 PERSE C0F8 PFSC C181 PHEAD C6A2
PHOME C108 PLEFT C133 PLF C175 PLOAD C6BB
PRIT C13D PROMP C33A PSCAN C3A5 PSTOR C6B2
PTAP1 C6CF PUP C12C PXDR 0004 RDSLK C013
RDBYT C00D RDNBL C658 RETRN C004 RFBLK C6C4
RHEA1 C721 RHEAD C71F RHED1 C740 RHED2 C742
RIGHT 0013 RT1 C67C RTAP C6F2 RTAP2 C6F3
RTAPE C6C7 RTBYT C642 RTOF1 C70D RTOFF C70C
SBLK C359 SBLK1 C35B SCD 0001 SCHR C36C
SCHR1 C36E SCONV C378 SCROL C0CF SCTS 0020
SDATA 0001 SDR 0040 SDSR 0002 SECON C1B8
SENSE 00FF SEROT C046 SET C576 SETAB C311
SETCI C5A1 SETCO C5A5 SETCR C5B5 SETIN C599
SETNU C5B1 SETOT C59D SETSP C590 SETTY C5A9
SETX C1B0 SETXQ C5AD SETY C1B4 SFE 0008
SHE1 C381 SHEX C37E SINP C01F SOE 0010
SOHL C72F SOK 0001 SOUT C019 SPACE 0020
SPE 0004 SPEED C80B SREA1 C03E SROL C0D3
STAPT 0000 START C000 STAT C759 STBE 0080
STRTA C1D7 STRTB C1F4 STRTC C1FF STRTD C20F
STSPD C594 STUNT C49C STUP C2AA SYSRA C800
SYSTP CBFF TAERR C510 TAPE1 0080 TAPE2 0040
TAPIN C76B TAPPT 00FA TASPD C58A TBL C2E2
TDATA 00FB TDR 0040 TERE0 C5F8 TERE1 C5F7
TERE2 C5F6 TERR C702 TEE 0008 THEAD C81C
TIMER C09A TLIST C527 TLOA2 C4AF TLOA3 C4BB
TLOAD C4A1 TOE 0010 TOFF C707 TON C7EB
TREDY C76F TSAVE C4E0 TSPD C80D TSRCH C0A5
TTBE 0080 TXEQ C4A0 UBUF C5F1 UIPRT C800
UOPRT C802 UP 0017 USARE CAB4 VDAD C14B
VDAD2 C148 VDADD C144 VDM01 C077 VDMEM CC00
WFBLK C778 WHEAD C7AB WLOOP C7C1 WRBLK C016
WRBYT C010 WRTAP C799 WRWAT C79A WT1 C697
WTAP1 C78C WTAP2 C78D WTAPE C77B WTBL C7BF
WTBYT C67F WTLP1 C3F1 WTON C7E9 XEQAD C827
Waiting for BASIC-5
A lot of people have asked why Sol BASIC-5 took so long to be released. The main reason is
Processor's policy concerning the release of new products: we don't ship 'til we have the finalized
version, and that means product PLUS documentation. We feel that our reputation is based on selling
products that live up to the advertising claims, and we intend to live up to our reputation. (Note: we've
never been forced to recall a product.)
We could have provided you with a version of our original BASIC-5 a long time ago, with a
modification of only 12 instructions. But that wasn't what we advertised Sol BASIC-5 to be. And in
getting it to be what we wanted, we kept thinking it would be neat to add just a couple more nifty
features and then just one more and one more and . . . So as with all fanatics, one thing led to another
'til somebody remembered that this is a business and there are customers out there who could only
stand so much "neat stuff" (especially if they had to wait until the year 2000).
Anyway, by now you will have received said BASIC-5, so load it in and run it for a while. We
think you'll agree that it was almost worth the wait.

Computer of the Future
Drawing by Brian Marsh, Age 6.
Contributions Welcome!