BAR60, BAR61 Datasheet. Www.s Manuals.com. Siemens
User Manual: Marking of electronic components, SMD Codes 61, 617, 618, 61851ACBZ, 61851AIBZ, 61851BCBZ, 61851BIBZ, 61851CCBZ, 61851CIBZ, 61851DCBZ, 61851DIBZ, 61851ECBZ, 61851EIBZ, 61851FCBZ, 61851FIBZ, 61851GCBZ, 61851GIBZ, 61851HCBZ, 61851HIBZ, 61851ICBZ, 61851IIBZ, 61851JCBZ, 61851JIBZ, 61851KCBZ, 61851KIBZ, 61851LCBZ, 61851LIBZ, 619, 61S, 61U, 61V. Datasheets BAR61, FMMT617, FMMT618, FMMT619, ISL61851ACBZ, ISL61851AIBZ, ISL61851BCBZ, ISL61851BIBZ, ISL61851CCBZ, ISL61851CIBZ, ISL61851DCBZ, ISL61851DIBZ, ISL61851ECBZ,
Open the PDF directly: View PDF
.
Page Count: 5

Semiconductor Group 1
Silicon PIN Diodes BAR 60
BAR 61
Maximum Ratings per Diode
Type Ordering Code
(tape and reel)
Marking Package1)
Pin Configuration
BAR 60 Q62702-A78660 SOT-143
BAR 61 Q62702-A12061
Parameter Symbol Values Unit
Reverse voltage VR100 V
Total power dissipation, TS≤65 ˚C2) Ptot 250 mW
Tj150 ˚C
Forward current IF140 mA
Junction temperature
Storage temperature range
Top – 55 … + 150
Tstg – 55 … + 150
Thermal Resistance
Junction - ambient2) Rth JA ≤ 580 K/W
Junction - soldering point Rth JS ≤ 340
Operating temperature range
1) For detailed information see chapter Package Outlines.
2) Package mounted on alumina 15 mm ×16.7 mm ×0.7 mm.
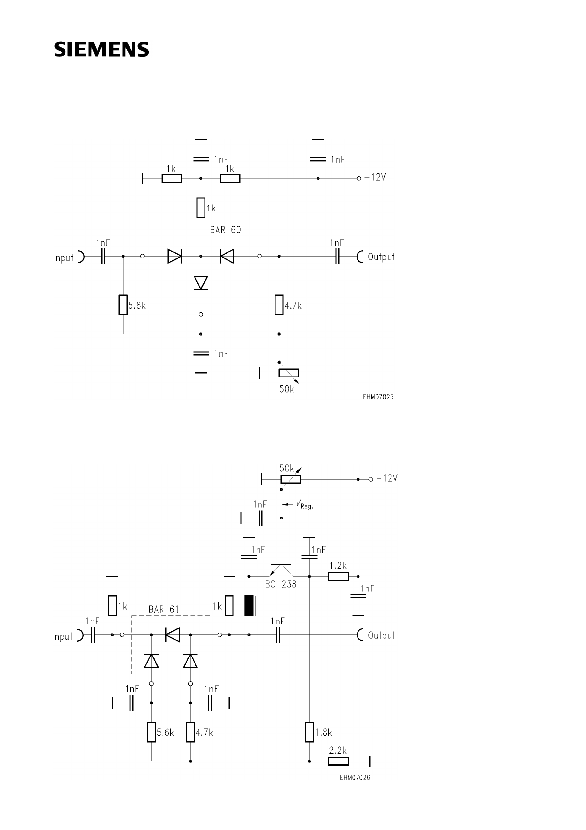
●RF switch
●RF attenuator for frequencies above 10 MHz
07.94

Semiconductor Group 2
BAR 60
BAR 61
BAR 60
Electrical Characteristics per Diode
at TA = 25 ˚C, unless otherwise specified.
UnitValues
Parameter Symbol
min. typ. max.
DC/AC Characteristics
VForward voltage
I
F = 100 mA VF– – 1.25
µsCharge carrier life time
I
F = 10 mA, IR = 6 mA
τL–1–
nA
µA
Reverse current
VR = 50 V
VR = 100 V
IR
–
––
–100
1
µSZero bias conductance
VR = 0, f = 100 MHz gp–50–
pFDiode capacitance
VR = 50 V, f = 1 MHz
VR = 0, f = 100 MHz
CT
–
–0.25
0.2 0.5
–
ΩDifferential forward resistance
f = 100 MHz, IF = 0.01 mA
IF = 0.1 mA
IF = 1.0 mA
IF = 10 mA
rf
–
–
–
–
2800
380
45
7
–
–
–
–

Semiconductor Group 3
BAR 60
BAR 61
BAR 60
Forward current IF = f (VF)
Forward resistance rf = f (IF)
f = 100 MHz
Forward current IF = f (TS;TA*)
*Package mounted on alumina
Diode capacitance CT = f (VR)

Semiconductor Group 4
BAR 60
BAR 61
BAR 60
Application circuit for attenuation networks with diode BAR 60
Application circuit for attenuation networks with diode BAR 61
