Bluespec(TM) Reference Guide Bsv
User Manual:
Open the PDF directly: View PDF
.
Page Count: 462 [warning: Documents this large are best viewed by clicking the View PDF Link!]
- Table of Contents
- Introduction
- Lexical elements
- Packages and the outermost structure of a BSV design
- Types
- Modules and interfaces, and their instances
- Static and dynamic semantics
- User-defined types (type definitions)
- Variable declarations and statements
- Expressions
- Pattern matching
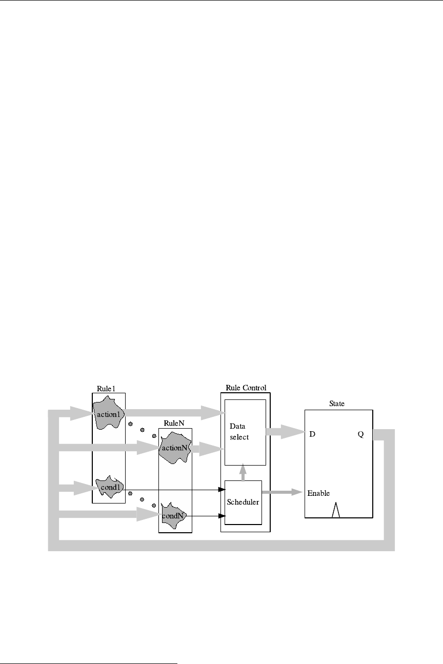
- Finite state machines
- Important primitives
- Guiding the compiler with attributes
- Advanced topics
- Embedding RTL in a BSV design
- Embedding C in a BSV Design
- Keywords
- The Standard Prelude package
- AzureIP Foundation Libraries
- Storage Structures
- FIFOs
- Aggregation: Vectors
- Creating and Generating Vectors
- Extracting Elements and Sub-Vectors
- Vector to Vector Functions
- Tests on Vectors
- Bit-Vector Functions
- Functions on Vectors of Registers
- Combining Vectors with Zip
- Mapping Functions over Vectors
- ZipWith Functions
- Fold Functions
- Scan Functions
- Monadic Operations
- Converting to and from Vectors
- ListN
- Aggregation: Lists
- Math
- FSM
- Connectivity
- Utilities
- Multiple Clock Domains and Clock Generators
- Special Collections
- Other Libraries
- Index
- Function and Module by Package
- Packages provided as BSV source code
- Typeclasses

BluespecTM SystemVerilog
Reference Guide
Revision: 30 July 2014
Copyright c
2000 – 2014 Bluespec, Inc. All rights reserved
1

Reference Guide Bluespec SystemVerilog
Trademarks and copyrights
Verilog is a trademark of IEEE (the Institute of Electrical and Electronics Engineers). The Verilog
standard is copyrighted, owned and maintained by IEEE.
VHDL is a trademark of IEEE (the Institute of Electrical and Electronics Engineers). The VHDL
standard is copyrighted, owned and maintained by IEEE.
SystemVerilog is a trademark of IEEE. The SystemVerilog standard is owned and maintained by
IEEE.
SystemC is a trademark of IEEE. The SystemC standard is owned and maintained by IEEE.
Bluespec is a trademark of Bluespec, Inc.
AzureIP is a trademark of Bluespec, Inc.
2

Bluespec SystemVerilog Reference Guide
Contents
Table of Contents 3
1 Introduction 13
1.1 Meta notation ........................................ 13
2 Lexical elements 14
2.1 Whitespace and comments ................................. 14
2.2 Identifiers and keywords .................................. 14
2.3 Integer literals ....................................... 14
2.3.1 Type conversion of integer literals ........................ 15
2.4 Real literals ......................................... 16
2.4.1 Type conversion of real literals .......................... 16
2.5 String literals ........................................ 16
2.5.1 Type conversion of string literals ......................... 17
2.6 Don’t-care values ...................................... 17
2.7 Compiler directives ..................................... 17
2.7.1 File inclusion: ‘include and ‘line ......................... 18
2.7.2 Macro definition and substitution: ‘define and related directives ....... 18
2.7.3 Conditional compilation: ‘ifdef and related directives .............. 19
3 Packages and the outermost structure of a BSV design 20
3.1 Scopes, name clashes and qualified identifiers ...................... 21
3.2 The Standard Prelude package .............................. 22
3.3 AzureIPTM Foundation Libraries ............................. 22
4 Types 22
4.1 Polymorphism ........................................ 24
4.2 Provisos (brief intro) .................................... 24
4.2.1 The pseudo-function valueof (or valueOf) .................... 26
4.3 A brief introduction to deriving clauses ......................... 26
5 Modules and interfaces, and their instances 27
5.1 Explicit state via module instantiation, not variables .................. 27
5.2 Interface declaration .................................... 28
5.2.1 Subinterfaces .................................... 30
5.3 Module definition ...................................... 31
5.4 Module and interface instantiation ............................ 33
3

Reference Guide Bluespec SystemVerilog
5.4.1 Short form instantiation .............................. 33
5.4.2 Long form instantiation .............................. 34
5.5 Interface definition (definition of methods) ........................ 35
5.5.1 Shorthands for Action and ActionValue method definitions .......... 37
5.5.2 Definition of subinterfaces ............................. 37
5.5.3 Definition of methods and subinterfaces by assignment ............. 38
5.6 Rules in module definitions ................................ 39
5.7 Examples .......................................... 40
5.8 Synthesizing Modules ................................... 42
5.8.1 Type Polymorphism ................................ 43
5.8.2 Module Interfaces and Arguments ........................ 44
6 Static and dynamic semantics 44
6.1 Static semantics ...................................... 45
6.1.1 Type checking ................................... 45
6.1.2 Proviso checking and bit-width constraints ................... 45
6.1.3 Static elaboration ................................. 45
6.2 Dynamic semantics ..................................... 46
6.2.1 Reference semantics ................................ 46
6.2.2 Mapping into efficient parallel clocked synchronous hardware ......... 47
6.2.3 How rules are chosen to fire ............................ 48
6.2.4 Mapping specific hardware models ........................ 49
7 User-defined types (type definitions) 50
7.1 Type synonyms ....................................... 50
7.2 Enumerations ........................................ 51
7.3 Structs and tagged unions ................................. 53
8 Variable declarations and statements 55
8.1 Variable and array declaration and initialization .................... 56
8.2 Variable assignment .................................... 57
8.3 Implicit declaration and initialization ........................... 58
8.4 Register reads and writes ................................. 59
8.4.1 Registers and square-bracket notation ...................... 59
8.4.2 Registers and range notation ........................... 60
8.4.3 Registers and struct member selection ...................... 61
8.5 Begin-end statements .................................... 61
8.6 Conditional statements ................................... 62
4

Bluespec SystemVerilog Reference Guide
8.7 Loop statements ...................................... 63
8.7.1 While loops ..................................... 64
8.7.2 For loops ...................................... 64
8.8 Function definitions .................................... 65
8.8.1 Definition of functions by assignment ....................... 66
8.8.2 Function types ................................... 66
9 Expressions 67
9.1 Don’t-care expressions ................................... 67
9.2 Conditional expressions .................................. 68
9.3 Unary and binary operators ................................ 68
9.4 Bit concatenation and selection .............................. 69
9.5 Begin-end expressions ................................... 70
9.6 Actions and action blocks ................................. 71
9.7 Actionvalue blocks ..................................... 72
9.8 Function calls ........................................ 74
9.9 Method calls ........................................ 74
9.10 Static type assertions .................................... 75
9.11 Struct and union expressions ............................... 76
9.11.1 Struct expressions ................................. 76
9.11.2 Struct member selection .............................. 76
9.11.3 Tagged union expressions ............................. 77
9.11.4 Tagged union member selection .......................... 77
9.12 Interface expressions .................................... 78
9.12.1 Differences between interfaces and structs .................... 79
9.13 Rule expressions ...................................... 80
10 Pattern matching 81
10.1 Case statements with pattern matching ......................... 83
10.2 Case expressions with pattern matching ......................... 84
10.3 Pattern matching in if statements and other contexts .................. 85
10.4 Pattern matching assignment statements ......................... 86
11 Finite state machines 87
5

Reference Guide Bluespec SystemVerilog
12 Important primitives 87
12.1 The types bit and Bit ................................... 87
12.1.1 Bit-width compatibility .............................. 88
12.2 UInt, Int, int and Integer ................................. 88
12.3 String and Char ...................................... 88
12.4 Tuples ............................................ 89
12.5 Registers ........................................... 89
12.6 FIFOs ............................................ 90
12.7 FIFOFs ........................................... 91
12.8 System tasks and functions ................................ 91
12.8.1 Displaying information ............................... 91
12.8.2 $format ....................................... 93
12.8.3 Opening and closing file operations ....................... 93
12.8.4 Writing to a file .................................. 94
12.8.5 Formatting output to a string ........................... 95
12.8.6 Reading from a file ................................. 96
12.8.7 Flushing output .................................. 96
12.8.8 Stopping simulation ................................ 96
12.8.9 VCD dumping ................................... 97
12.8.10 Time functions ................................... 97
12.8.11 Real functions ................................... 97
12.8.12 Testing command line input ............................ 97
13 Guiding the compiler with attributes 98
13.1 Verilog module generation attributes ........................... 98
13.1.1 synthesize ..................................... 98
13.1.2 noinline ...................................... 99
13.2 Interface attributes ..................................... 99
13.2.1 Renaming attributes ................................ 100
13.2.2 Port protocol attributes .............................. 101
13.2.3 Interface attributes example ............................ 101
13.3 Scheduling attributes .................................... 102
13.3.1 fire_when_enabled ................................ 102
13.3.2 no_implicit_conditions ............................ 103
13.3.3 descending_urgency ............................... 105
13.3.4 execution_order ................................. 107
13.3.5 mutually_exclusive .............................. 107
6

Bluespec SystemVerilog Reference Guide
13.3.6 conflict_free .................................. 107
13.3.7 preempts ...................................... 108
13.4 Evaluation behavior attributes .............................. 109
13.4.1 split and nosplit ................................ 109
13.5 Input clock and reset attributes .............................. 110
13.5.1 Clock and reset prefix naming attributes ..................... 110
13.5.2 Gate synthesis attributes ............................. 111
13.5.3 Default clock and reset naming attributes .................... 112
13.5.4 Clock family attributes .............................. 112
13.6 Module argument and parameter attributes ....................... 113
13.6.1 Argument-level clock and reset naming attributes ................ 114
13.6.2 clocked_by= .................................... 114
13.6.3 reset_by= ..................................... 115
13.6.4 port= ........................................ 115
13.6.5 parameter= ..................................... 115
13.7 Documentation attributes ................................. 116
13.7.1 Modules ....................................... 116
13.7.2 Module instantiation ................................ 117
13.7.3 Rules ........................................ 118
14 Advanced topics 119
14.1 Type classes (overloading groups) and provisos ..................... 119
14.1.1 Provisos ....................................... 120
14.1.2 Type class declarations .............................. 120
14.1.3 Instance declarations ................................ 122
14.1.4 The Bits type class (overloading group) ..................... 123
14.1.5 The SizeOf pseudo-function ........................... 124
14.1.6 Deriving Bits .................................... 124
14.1.7 Deriving Eq ..................................... 126
14.1.8 Deriving Bounded .................................. 126
14.1.9 Deriving FShow ................................... 126
14.1.10 Deriving type class instances for isomorphic types ............... 128
14.1.11 Monad ........................................ 129
14.2 Higher-order functions ................................... 129
14.3 Module types ........................................ 130
7

Reference Guide Bluespec SystemVerilog
15 Embedding RTL in a BSV design 131
15.1 Parameter .......................................... 133
15.2 Method ........................................... 134
15.3 Port ............................................. 135
15.4 Input clock ......................................... 135
15.5 Default clock ........................................ 136
15.6 Output clock ........................................ 138
15.7 Input reset ......................................... 138
15.8 Default reset ........................................ 139
15.9 Output reset ........................................ 141
15.10Ancestor, same family ................................... 141
15.11Schedule ........................................... 142
15.12Path ............................................. 143
15.13Interface ........................................... 144
15.14Inout ............................................. 144
16 Embedding C in a BSV Design 145
16.1 Argument Types ...................................... 146
16.2 Return types ........................................ 147
16.3 Implicit pack/unpack .................................... 148
16.4 Other examples ....................................... 148
A Keywords 150
B The Standard Prelude package 154
B.1 Type classes ......................................... 154
B.1.1 Bits ......................................... 154
B.1.2 Eq .......................................... 155
B.1.3 Literal ........................................ 156
B.1.4 RealLiteral ..................................... 156
B.1.5 SizedLiteral ..................................... 157
B.1.6 Arith ........................................ 157
B.1.7 Ord ......................................... 159
B.1.8 Bounded ....................................... 161
B.1.9 Bitwise ....................................... 162
B.1.10 BitReduction .................................... 163
B.1.11 BitExtend ...................................... 165
B.1.12 SaturatingArith ................................... 166
8

Bluespec SystemVerilog Reference Guide
B.1.13 Alias and NumAlias ................................ 167
B.1.14 FShow ........................................ 167
B.1.15 StringLiteral .................................... 169
B.2 Data Types ......................................... 169
B.2.1 Bit .......................................... 169
B.2.2 UInt ......................................... 171
B.2.3 Int .......................................... 171
B.2.4 Integer ........................................ 171
B.2.5 Bool ......................................... 172
B.2.6 Real ......................................... 173
B.2.7 String ........................................ 174
B.2.8 Char ......................................... 176
B.2.9 Fmt ......................................... 178
B.2.10 Void ......................................... 179
B.2.11 Maybe ........................................ 179
B.2.12 Tuples ........................................ 180
B.2.13 Array ........................................ 182
B.2.14 Ordering ...................................... 183
B.2.15 File ......................................... 183
B.2.16 Clock ........................................ 184
B.2.17 Reset ........................................ 184
B.2.18 Inout ........................................ 184
B.2.19 Action/ActionValue ................................ 186
B.2.20 Rules ........................................ 187
B.3 Operations on Numeric Types ............................... 188
B.3.1 Size Relationship/Provisos ............................. 188
B.3.2 Size Relationship Type Functions ......................... 189
B.3.3 valueOf and SizeOf pseudo-functions ....................... 189
B.4 Registers and Wires .................................... 190
B.4.1 Reg ......................................... 190
B.4.2 CReg ........................................ 192
B.4.3 RWire ........................................ 195
B.4.4 Wire ......................................... 196
B.4.5 BypassWire ..................................... 198
B.4.6 DWire ........................................ 198
B.4.7 PulseWire ...................................... 199
B.4.8 ReadOnly ...................................... 201
9

Reference Guide Bluespec SystemVerilog
B.4.9 WriteOnly ...................................... 202
B.5 Miscellaneous Functions .................................. 203
B.5.1 Compile-time Messages .............................. 203
B.5.2 Arithmetic Functions ............................... 204
B.5.3 Operations on Functions .............................. 205
B.5.4 Bit Functions .................................... 206
B.5.5 Integer Functions .................................. 207
B.5.6 Control Flow Function ............................... 207
B.6 Environment Values .................................... 208
B.7 Compile-time IO ...................................... 209
C AzureIP Foundation Libraries 213
C.1 Storage Structures ..................................... 213
C.1.1 Register File .................................... 213
C.1.2 ConfigReg ...................................... 216
C.1.3 DReg ........................................ 217
C.1.4 RevertingVirtualReg ................................ 218
C.1.5 BRAM ....................................... 219
C.1.6 BRAMCore ..................................... 226
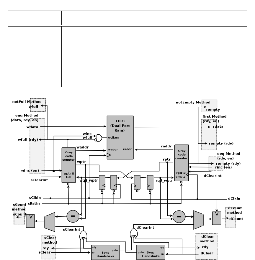
C.2 FIFOs ............................................ 231
C.2.1 FIFO Overview ................................... 231
C.2.2 FIFO and FIFOF packages ............................ 231
C.2.3 FIFOLevel ..................................... 239
C.2.4 BRAMFIFO .................................... 246
C.2.5 SpecialFIFOs .................................... 248
C.2.6 AlignedFIFOs .................................... 250
C.2.7 Gearbox ....................................... 254
C.2.8 MIMO ........................................ 256
C.3 Aggregation: Vectors .................................... 258
C.3.1 Creating and Generating Vectors ......................... 260
C.3.2 Extracting Elements and Sub-Vectors ...................... 262
C.3.3 Vector to Vector Functions ............................ 265
C.3.4 Tests on Vectors .................................. 268
C.3.5 Bit-Vector Functions ................................ 270
C.3.6 Functions on Vectors of Registers ......................... 271
C.3.7 Combining Vectors with Zip ............................ 271
C.3.8 Mapping Functions over Vectors ......................... 272
10

Bluespec SystemVerilog Reference Guide
C.3.9 ZipWith Functions ................................. 273
C.3.10 Fold Functions ................................... 274
C.3.11 Scan Functions ................................... 277
C.3.12 Monadic Operations ................................ 279
C.3.13 Converting to and from Vectors .......................... 282
C.3.14 ListN ........................................ 283
C.4 Aggregation: Lists ..................................... 283
C.4.1 Creating and Generating Lists .......................... 284
C.4.2 Extracting Elements and Sub-Lists ........................ 285
C.4.3 List to List Functions ............................... 289
C.4.4 Tests on Lists .................................... 291
C.4.5 Combining Lists with Zip Functions ....................... 293
C.4.6 Mapping Functions over Lists ........................... 294
C.4.7 ZipWith Functions ................................. 294
C.4.8 Fold Functions ................................... 295
C.4.9 Scan Functions ................................... 298
C.4.10 Monadic Operations ................................ 300
C.5 Math ............................................. 301
C.5.1 Real ......................................... 301
C.5.2 OInt ......................................... 305
C.5.3 Complex ....................................... 306
C.5.4 FixedPoint ..................................... 309
C.5.5 NumberTypes .................................... 316
C.6 FSM ............................................. 318
C.6.1 StmtFSM ...................................... 318
C.7 Connectivity ........................................ 328
C.7.1 GetPut ....................................... 328
C.7.2 Connectable ..................................... 334
C.7.3 ClientServer ..................................... 335
C.7.4 Memory ....................................... 337
C.7.5 CGetPut ...................................... 339
C.7.6 CommitIfc ..................................... 341
C.8 Utilities ........................................... 345
C.8.1 LFSR ........................................ 345
C.8.2 Randomizable .................................... 347
C.8.3 Arbiter ....................................... 349
C.8.4 Cntrs ........................................ 351
11

Reference Guide Bluespec SystemVerilog
C.8.5 GrayCounter .................................... 353
C.8.6 Gray ......................................... 354
C.8.7 CompletionBuffer .................................. 355
C.8.8 UniqueWrappers .................................. 359
C.8.9 DefaultValue .................................... 362
C.8.10 TieOff ........................................ 364
C.8.11 Assert ........................................ 365
C.8.12 Probe ........................................ 366
C.8.13 Reserved ...................................... 367
C.8.14 TriState ....................................... 368
C.8.15 ZBus ......................................... 369
C.8.16 CRC ......................................... 372
C.8.17 OVLAssertions ................................... 374
C.8.18 Printf ........................................ 387
C.8.19 BuildVector ..................................... 389
C.9 Multiple Clock Domains and Clock Generators ..................... 390
C.9.1 Clock Generators and Clock Manipulation .................... 392
C.9.2 Clock Multiplexing ................................. 396
C.9.3 Clock Division ................................... 398
C.9.4 Bit Synchronizers .................................. 400
C.9.5 Pulse Synchronizers ................................ 405
C.9.6 Word Synchronizers ................................ 407
C.9.7 FIFO Synchronizers ................................ 409
C.9.8 Asynchronous RAMs ................................ 412
C.9.9 Null Crossing Primitives .............................. 413
C.9.10 Reset Synchronization and Generation ...................... 415
C.10 Special Collections ..................................... 420
C.10.1 ModuleContext ................................... 420
C.10.2 ModuleCollect ................................... 425
C.10.3 CBus ........................................ 429
C.10.4 HList ........................................ 436
C.10.5 UnitAppendList .................................. 440
D Other Libraries 441
Index 442
Function and Module by Package 454
12

Reference Guide Bluespec SystemVerilog
1 Introduction
Bluespec SystemVerilog (BSV) is aimed at hardware designers who are using or expect to use Verilog
[IEE05], VHDL [IEE02], SystemVerilog [IEE13], or SystemC [IEE12] to design ASICs or FPGAs. It
is also aimed at people creating synthesizable models, transactors, and verification components to
run on FPGA emulation platforms. BSV substantially extends the design subset of SystemVerilog,
including SystemVerilog types, modules, module instantiation, interfaces, interface instantiation,
parameterization, static elaboration, and “generate” elaboration. BSV can significantly improve the
hardware designer’s productivity with some key innovations:
•It expresses synthesizable behavior with Rules instead of synchronous always blocks. Rules
are powerful concepts for achieving correct concurrency and eliminating race conditions. Each
rule can be viewed as a declarative assertion expressing a potential atomic state transition.
Although rules are expressed in a modular fashion, a rule may span multiple modules, i.e., it
can test and affect the state in multiple modules. Rules need not be disjoint, i.e., two rules
can read and write common state elements. The BSV compiler produces efficient RTL code
that manages all the potential interactions between rules by inserting appropriate arbitration
and scheduling logic, logic that would otherwise have to be designed and coded manually. The
atomicity of rules gives a scalable way to avoid unwanted concurrency (races) in large designs.
•It enables more powerful generate-like elaboration. This is made possible because in BSV,
actions, rules, modules, interfaces and functions are all first-class objects. BSV also has more
general type parameterization (polymorphism). These enable the designer to “compute with
design fragments,” i.e., to reuse designs and to glue them together in much more flexible ways.
This leads to much greater succinctness and correctness.
•It provides formal semantics, enabling formal verification and formal design-by-refinement.
BSV rules are based on Term Rewriting Systems, a clean formalism supported by decades
of theoretical research in the computer science community [Ter03]. This, together with a
judicious choice of a design subset of SystemVerilog, makes programs in BSV amenable to
formal reasoning.
This manual is meant to be a stand-alone reference for BSV, i.e., it fully describes the subset of
Verilog and SystemVerilog used in BSV. It is not intended to be a tutorial for the beginner. A reader
with a working knowledge of Verilog 1995 or Verilog 2001 should be able to read this manual easily.
Prior knowledge of SystemVerilog is not required.
1.1 Meta notation
The grammar in this document is given using an extended BNF (Backus-Naur Form). Grammar
alternatives are separated by a vertical bar (“|”). Items enclosed in square brackets (“[ ]”) are
optional. Items enclosed in curly braces (“{ }”) can be repeated zero or more times.
Another BNF extension is parameterization. For example, a moduleStmt can be a moduleIf, and an
actionStmt can be an actionIf. A moduleIf and an actionIf are almost identical; the only difference
is that the former can contain (recursively) moduleStmts whereas the latter can contain actionStmts.
Instead of tediously repeating the grammar for moduleIf and actionIf, we parameterize it by giving
a single grammar for <ctxt>If, where <ctxt>is either module or action. In the productions for
<ctxt>If, we call for <ctxt>Stmt which, therefore, either represents a moduleStmt or an actionStmt,
depending on the context in which it is used.
14

Bluespec SystemVerilog Reference Guide
2 Lexical elements
BSV has the same basic lexical elements as Verilog.
2.1 Whitespace and comments
Spaces, tabs, newlines, formfeeds, and carriage returns all constitute whitespace. They may be used
freely between all lexical tokens.
Acomment is treated as whitespace (it can only occur between, and never within, any lexical token).
A one-line comment starts with // and ends with a newline. A block comment begins with /* and
ends with */ and may span any number of lines.
Comments do not nest. In a one-line comment, the character sequences //,/* and */ have no special
significance. In a block comment, the character sequences // and /* have no special significance.
2.2 Identifiers and keywords
An identifier in BSV consists of any sequence of letters, digits, dollar signs $and underscore char-
acters (_). Identifiers are case-sensitive: glurph,gluRph and Glurph are three distinct identifiers.
The first character cannot be a digit.
BSV currently requires a certain capitalization convention for the first letter in an identifier. Identi-
fiers used for package names, type names, enumeration labels, union members and type classes must
begin with a capital letter. In the syntax, we use the non-terminal Identifier to refer to these. Other
identifiers (including names of variables, modules, interfaces, etc.) must begin with a lowercase letter
and, in the syntax, we use the non-terminal identifier to refer to these.
As in Verilog, identifiers whose first character is $are reserved for so-called system tasks and functions
(see Section 12.8).
If the first character of an instance name is an underscore, (_), the compiler will not generate
this instance in the Verilog hierarchy name. This can be useful for removing submodules from the
hierarchical naming.
There are a number of keywords that are essentially reserved identifiers, i.e., they cannot be used by
the programmer as identifiers. Keywords generally do not use uppercase letters (the only exception
is the keyword valueOf). BSV includes all keywords in SystemVerilog. All keywords are listed in
Appendix A.
The types Action and ActionValue are special, and cannot be redefined.
2.3 Integer literals
Integer literals are written with the usual Verilog and C notations:
intLiteral ::= ’0 |’1
|sizedIntLiteral
|unsizedIntLiteral
sizedIntLiteral ::= bitWidth baseLiteral
unsizedIntLiteral ::= [ sign ]baseLiteral
|[sign ]decNum
baseLiteral ::= (’d |’D)decDigitsUnderscore
|(’h |’H)hexDigitsUnderscore
15

Reference Guide Bluespec SystemVerilog
|(’o |’O)octDigitsUnderscore
|(’b |’B)binDigitsUnderscore
decNum ::= decDigits [decDigitsUnderscore ]
bitWidth ::= decDigits
sign ::= +|-
decDigits ::= {0...9}
decDigitsUnderscore ::= {0...9,_}
hexDigitsUnderscore ::= {0...9,a...f,A...F,_}
octDigitsUnderscore ::= {0...7,_}
binDigitsUnderscore ::= {0,1,_}
An integer literal is a sized integer literal if a specific bitWidth is given (e.g., 8’o255). There is no
leading sign (+or -) in the syntax for sized integer literals; instead we provide unary prefix +or
-operators that can be used in front of any integer expression, including literals (see Section 9).
An optional sign (+or -) is part of the syntax for unsized literals so that it is possible to construct
negative constants whose negation is not in the range of the type being constructed (e.g. Int#(4)
x = -8; since 8is not a valid Int#(4), but -8 is).
Examples:
125
-16
’h48454a
32’h48454a
8’o255
12’b101010
32’h_FF_FF_FF_FF
2.3.1 Type conversion of integer literals
Integer literals can be used to specify values for various integer types and even for user-defined
types. BSV uses its systematic overloading resolution mechanism to perform these type conversions.
Overloading resolution is described in more detail in Section 14.1.
An integer literal is a sized literal if a specific bitWidth is given (e.g., 8’o255), in which case
the literal is assumed to have type bit [w−1:0]. The compiler implicitly applies the function
fromSizedInteger to the literal to convert it to the type required by the context. Thus, sized
literals can be used for any type on which the overloaded function fromSizedInteger is defined,
i.e., for the types Bit,UInt and Int. The function fromSizedInteger is part of the SizedLiteral
typeclass, defined in Section B.1.5.
If the literal is an unsized integer literal (a specific bitWidth is not given), the literal is assumed
to have type Integer. The compiler implicitly applies the overloaded function fromInteger to the
literal to convert it to the type required by the context. Thus, unsized literals can be used for any
type on which the overloaded function fromInteger is defined. The function fromInteger is part
of the Literal typeclass, defined in Section B.1.3.
The literal ’0 just stands for 0. The literal ’1 stands for a value in which all bits are 1 (the width
depends on the context).
16

Bluespec SystemVerilog Reference Guide
2.4 Real literals
Real number literals are written with the usual Verilog notation:
realLiteral ::= decNum[.decDigitsUnderscore ]exp [sign ]decDigitsUnderscore
|decNum.decDigitsUnderscore
sign ::= +|-
exp ::= e|E
decNum ::= decDigits [decDigitsUnderscore ]
decDigits ::= {0...9}
decDigitsUnderscore ::= {0...9,_}
There is no leading sign (+or -) in the syntax for real literals. Instead, we provide the unary prefix
+and -operators that can be used in front of any expression, including real literals (Section 9).
If the real literal contains a decimal point, there must be digits following the decimal point. An
exponent can start with either an Eor an e, followed by an optional sign (+or -), followed by digits.
There cannot be an exponent or a sign without any digits. Any of the numeric components may
include an underscore, but an underscore cannot be the first digit of the real literal.
Unlike integer literals, real literals are of limited precision. They are represented as IEEE floating
point numbers of 64 bit length, as defined by the IEEE standard.
Examples:
1.2
0.6
2.4E10 // exponent can be e or E
5e-3
325.761_452_e-10 // underscores are ignored
9.2e+4
2.4.1 Type conversion of real literals
Real literals can be used to specify values for real types. By default, real literals are assumed to
have the type Real. BSV uses its systematic overloading resolution mechanism to perform these type
conversions. Overloading resolution is described in more detail in Section 14.1. There are additional
functions defined for Real types, provided in the Real package (Section C.5.1).
The function fromReal (Section B.1.4) converts a value of type Real into a value of another datatype.
Whenever you write a real literal in BSV (such as 3.14), there is an implied fromReal applied to it,
which turns the real into the specified type. By defining an instance of RealLiteral for a datatype,
you can create values of that type from real literals.
The type FixedPoint, defined in the FixedPoint package, defines a type for representing fixed
point numbers. The FixedPoint type has an instance of RealLiteral defined for it and contains
functions for operating on fixed-point real numbers.
2.5 String literals
String literals are written enclosed in double quotes "···"and must be contained on a single source
line.
stringLiteral ::= "··· string characters ··· "
Special characters may be inserted in string literals with the following backslash escape sequences:
17

Reference Guide Bluespec SystemVerilog
\nnewline
\ttab
\\ backslash
\"double quote
\vvertical tab
\fform feed
\abell
\OOO exactly 3 octal digits (8-bit character code)
\xHH exactly 2 hexadecimal digits (8-bit character code)
Example - printing characters using form feed.
module mkPrinter (Empty);
String display_value;
display_value = "a\nb\nc"; //prints a
// b
// c repeatedly
rule every;
$display(display_value);
endrule
endmodule
2.5.1 Type conversion of string literals
String literals are used to specify values for string types. BSV uses its systematic overloading
resolution mechanism to perform these type conversions. Overloading resolution is described in
more detail in Section 14.1.
Whenever you write a string literal in BSV there is an implicit fromString applied to it, which
defaults to type String.
2.6 Don’t-care values
A lone question mark ?is treated as a special don’t-care value. For example, one may return ?
from an arm of a case statement that is known to be unreachable.
Example - Using ?as a don’t-care value
module mkExample (Empty);
Reg#(Bit#(8)) r <- mkReg(?); // don’t-care is used for the
rule every; // reset value of the Reg
$display("value is %h", r); // the value of r is displayed
endrule
endmodule
2.7 Compiler directives
The following compiler directives permit file inclusion, macro definition and substitution, and condi-
tional compilation. They follow the specifications given in the Verilog 2001 LRM plus the extensions
given in the SystemVerilog 3.1a LRM.
In general, these compiler directives can appear anywhere in the source text. In particular, they do
not need to be on lines by themselves, and they need not begin in the first column. Of course, they
should not be inside strings or comments, where the text remains uninterpreted.
18

Bluespec SystemVerilog Reference Guide
2.7.1 File inclusion: ‘include and ‘line
compilerDirective ::= ‘include "filename"
|‘include <filename>
|‘include macroInvocation
In an ‘include directive, the contents of the named file are inserted in place of this line. The
included files may themselves contain compiler directives. Currently there is no difference between
the "..." and <...> forms. A macroInvocation should expand to one of the other two forms. The
file name may be absolute, or relative to the current directory.
compilerDirective ::= ‘line lineNumber "filename"level
lineNumber ::= decLiteral
level ::= 0|1|2
A‘line directive is terminated by a newline, i.e., it cannot have any other source text after the level.
The compiler automatically keeps track of the source file name and line number for every line of
source text (including from included source files), so that error messages can be properly correlated to
the source. This directive effectively overrides the compiler’s internal tracking mechanism, forcing
it to regard the next line onwards as coming from the given source file and line number. It is
generally not necessary to use this directive explicitly; it is mainly intended to be generated by other
preprocessors that may themselves need to alter the source files before passing them through the
BSV compiler; this mechanism allows proper references to the original source.
The level specifier is either 0, 1 or 2:
•1 indicates that an include file has just been entered
•2 indicates that an include file has just been exited
•0 is used in all other cases
2.7.2 Macro definition and substitution: ‘define and related directives
compilerDirective ::= ‘define macroName [(macroFormals )]macroText
macroName ::= identifier
macroFormals ::= identifier {,identifier }
The ‘define directive is terminated by a bare newline. A backslash (\) just before a newline
continues the directive into the next line. When the macro text is substituted, each such continuation
backslash-newline is replaced by a newline.
The macroName is an identifier and may be followed by formal arguments, which are a list of
comma-separated identifiers in parentheses. For both the macro name and the formals, lower and
upper case are acceptable (but case is distinguished). The macroName cannot be any of the compiler
directives (such as include,define, ...).
The scope of the formal arguments extends to the end of the macroText.
The macroText represents almost arbitrary text that is to be substituted in place of invocations of
this macro. The macroText can be empty.
One-line comments (i.e., beginning with //) may appear in the macroText; these are not considered
part of the substitutable text and are removed during substitution. A one-line comment that is not
on the last line of a ‘define directive is terminated by a backslash-newline instead of a newline.
A block comment (/*...*/) is removed during substitution and replaced by a single space.
The macroText can also contain the following special escape sequences:
19

Reference Guide Bluespec SystemVerilog
•‘" Indicates that a double-quote (") should be placed in the expanded text.
•‘\‘" Indicates that a backslash and a double-quote (\") should be placed in the expanded
text.
•‘‘ Indicates that there should be no whitespace between the preceding and following
text. This allows construction of identifiers from the macro arguments.
A minimal amount of lexical analysis of macroText is done to identify comments, string literals,
identifiers representing macro formals, and macro invocations. As described earlier, one-line com-
ments are removed. The text inside string literals is not interpreted except for the usual string
escape sequences described in Section 2.5.
There are two define macros in the define environment initially; ‘bluespec and ‘BLUESPEC.
Once defined, a macro can be invoked anywhere in the source text (including within other macro
definitions) using the following syntax.
compilerDirective ::= macroInvocation
macroInvocation ::= ‘macroName [(macroActuals )]
macroActuals ::= substText {,substText }
The macroName must refer to a macro definition available at expansion time. The macroActuals,
if present, consist of substitution text substText that is arbitrary text, possibly spread over multiple
lines, excluding commas. A minimal amount of parsing of this substitution text is done, so that
commas that are not at the top level are not interpreted as the commas separating macroActuals.
Examples of such “inner” uninterpreted commas are those within strings and within comments.
compilerDirective ::= ‘undef macroName
|‘resetall
The ‘undef directive’s effect is that the specified macro (with or without formal arguments) is no
longer defined for the subsequent source text. Of course, it can be defined again with ‘define in the
subsequent text. The ‘resetall directive has the effect of undefining all currently defined macros,
i.e., there are no macros defined in the subsequent source text.
2.7.3 Conditional compilation: ‘ifdef and related directives
compilerDirective ::= ‘ifdef macroName
|‘ifndef macroName
|‘elsif macroName
|‘else
|‘endif
These directives are used together in either an ‘ifdef-endif sequence or an ifndef-endif sequence.
In either case, the sequence can contain zero or more elsif directives followed by zero or one else
directives. These sequences can be nested, i.e., each ‘ifdef or ifndef introduces a new, nested
sequence until a corresponding endif.
In an ‘ifdef sequence, if the macroName is currently defined, the subsequent text is processed until
the next corresponding elsif,else or endif. All text from that next corresponding elsif or else
is ignored until the endif.
If the macroName is currently not defined, the subsequent text is ignored until the next corresponding
‘elsif,‘else or ‘endif. If the next corresponding directive is an ‘elsif, it is treated just as if it
were an ‘ifdef at that point.
If the ‘ifdef and all its corresponding ‘elsifs fail (macros were not defined), and there is an ‘else
present, then the text between the ‘else and ‘endif is processed.
20

Bluespec SystemVerilog Reference Guide
An ‘ifndef sequence is just like an ‘ifdef sequence, except that the sense of the first test is
inverted, i.e., its following text is processes if the macroName is not defined, and its ‘elsif and
‘else arms are considered only if the macro is defined.
Example using ‘ifdef to determine the size of a register:
‘ifdef USE_16_BITS
Reg#(Bit#(16)) a_reg <- mkReg(0);
‘else
Reg#(Bit#(8)) a_reg <- mkReg(0);
‘endif
3 Packages and the outermost structure of a BSV design
A BSV program consists of one or more outermost constructs called packages. All BSV code is
assumed to be inside a package. Further, the BSV compiler and other tools assume that there is
one package per file, and they use the package name to derive the file name. For example, a package
called Foo is assumed to be located in a file Foo.bsv.
A BSV package is purely a linguistic namespace-management mechanism and is particularly useful
for programming in the large, so that the author of a package can choose identifiers for the package
components freely without worrying about choices made by authors of other packages. Package
structure is usually uncorrelated with hardware structure, which is specified by the module construct.
A package contains a collection of top-level statements that include specifications of what it imports
from other packages, what it exports to other packages, and its definitions of types, interfaces,
functions, variables, and modules. BSV tools ensure that when a package is compiled, all the
packages that it imports have already been compiled.
package ::= package packageIde ;
{exportDecl }
{importDecl }
{packageStmt }
endpackage [:packageIde ]
exportDecl ::= export exportItem {,exportItem };
exportItem ::= identifier [(..) ]
|Identifier [(..) ]
|packageIde :: *
importDecl ::= import importItem {,importItem };
importItem ::= packageIde :: *
packageStmt ::= moduleDef
|interfaceDecl
|typeDef
|varDecl |varAssign
|functionDef
|typeclassDef
|typeclassInstanceDef
|externModuleImport
packageIde ::= Identifier
The name of the package is the identifier following the package keyword. This name can optionally
be repeated after the endpackage keyword (and a colon). We recommend using an uppercase first
letter in package names. In fact, the package and endpackage lines are optional: if they are absent,
BSV derives the assumed package name from the filename.
21

Reference Guide Bluespec SystemVerilog
An export item can specify an identifier defined elsewhere within the package, making the identifier
accessible oustside the package. An export item can also specify an identifier from an imported
package. In that case, the imported identifier is re-exported from this package, so that it is accessible
by importing this package (without requiring the import of its source package). It is also possible
to re-export all of the identifiers from an imported package by using the following syntax: export
packageIde::*.
If there are any export statements in a package, then only those items are exported. If there are
no export statements, by default all identifiers defined in this package (and no identifiers from any
imported packages) are exported.
If the exported identifier is the name of a struct (structure) or union type definition, then the
members of that type will be visible only if (..) is used. By omitting the (..) suffix, only the
type, but not its members, are visible outside the package. This is a way to define abstract data
types, i.e., types whose internal structure is hidden. When the exported identifier is not a structure
or union type definition, the (..) has no effect on the exported identifier.
Each import item specifies a package from which to import identifiers, i.e., to make them visible
locally within this package. For each imported package, all identifiers exported from that package
are made locally visible.
Example:
package Foo;
export x;
export y;
import Bar::*;
... top level definition ...
... top level definition ...
... top level definition ...
endpackage: Foo
Here, Foo is the name of this package. The identifiers xand y, which must be defined by the top-level
definitions in this package are names exported from this package. From package Bar we import all
its definitions. To export all identifiers from packages Foo and Bar, add the statement: export Foo
::*
3.1 Scopes, name clashes and qualified identifiers
BSV uses standard static scoping (also known as lexical scoping). Many constructs introduce new
scopes nested inside their surrounding scopes. Identifiers can be declared inside nested scopes. Any
use of an identifier refers to its declaration in the nearest textually surrounding scope. Thus, an
identifier xdeclared in a nested scope “shadows”, or hides, any declaration of xin surrounding scopes.
We recommend, however, that the programmer avoids such shadowing, because it often makes code
more difficult to read.
Packages form the the outermost scopes. Examples of nested scopes include modules, interfaces,
functions, methods, rules, action and actionvalue blocks, begin-end statements and expressions,
bodies of for and while loops, and seq and par blocks.
When used in any scope, an identifier must have an unambiguous meaning. If there is name clash
for an identifier xbecause it is defined in the current package and/or it is available from one or more
imported packages, then the ambiguity can be resolved by using a qualified name of the form P:: x
to refer to the version of xcontained in package P.
22

Bluespec SystemVerilog Reference Guide
3.2 The Standard Prelude package
The Standard Prelude is a predefined package that is imported implicitly into every BSV package,
i.e., it does not need an explicit import statement. It contains a number of useful predefined entities
(types, values, functions, modules, etc.). The Standard Prelude package is described in more detail
in appendix B. Reusing the name of Prelude entity when defining other entities, which would require
the entity’s name to be qualified with the package name, is strongly discouraged.
3.3 AzureIPTM Foundation Libraries
Section Cdescribes the collection of AzureIP Foundation library packages. To use any of the
constructs or components of these packages you must explicitly import the library package using an
import clause. Many common constructs, such as FIFOs and Vectors are provided in the library.
4 Types
Bluespec provides a strong, static type-checking environment; every variable and every expression
in BSV has a type. Variables must be assigned values which have compatible types. Type checking,
which occurs before program elaboration or execution, ensures that object types are compatible and
applied functions are valid for the context and type.
Data types in BSV are case sensitive. The first character of a type is almost always uppercase, the
only exceptions being the types int and bit for compatibility with Verilog.
The syntax of types (type expressions) is given below:
type ::= typePrimary
|typePrimary (type {,type })Function type
typePrimary ::= typeIde [# ( type {,type })]
|typeNat
|bit [ typeNat :typeNat ]
typeIde ::= Identifier
typeNat ::= decDigits
The Prelude package defines many common datatypes (Section B.2). Other types are defined in the
Foundation library packages (Section C) and users can define new types (Section 7). The following
tables list some of the more commonly used types. Refer to the Prelude and Foundation library
packages for additional types.
Common Bit Types Defined in Prelude(B.2)
Bit types are synthesizable
Type Description Section
Bit#(n) Polymorphic data type containing n bits B.2.1
UInt#(n) Unsigned fixed-width representation of an integer
value of n bits
B.2.2
Int#(n) Signed fixed-width representation of an integer
value of n bit
B.2.3
Bool Type which can have two values, True or False B.2.5
Maybe Used to tag values as Valid or Invalid, where
valid values contain data
B.2.11
Tuples Predefined structures which group a small number
of values together
B.2.12
23

Reference Guide Bluespec SystemVerilog
Common Non-Bit Types Defined in Prelude(B.2)
Type Description Section
Integer Non-synthesizable data type used for integer val-
ues and functions
B.2.4
Real Non-synthesizable data type which can represent
numbers with a fractional component
B.2.6,C.5.1
String, Char Data type representing string literals B.2.7
Fmt Representation of arguments to the $display fam-
ily of tasks
B.2.9
Common Interface Types Defined in Prelude and Foundation Library Packages
Type Description Section
Reg Register interface B.4.1
FIFO FIFO interfaces C.2.2
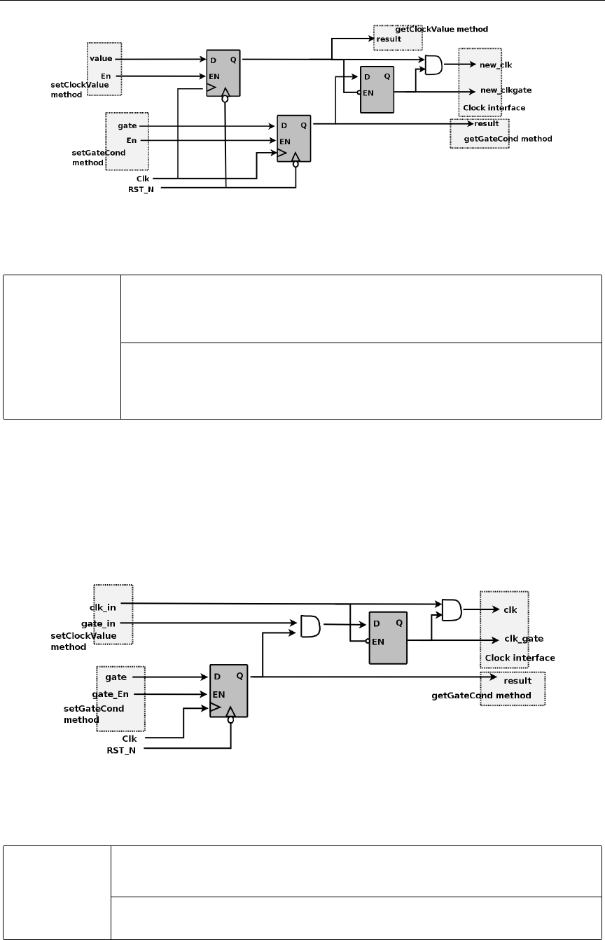
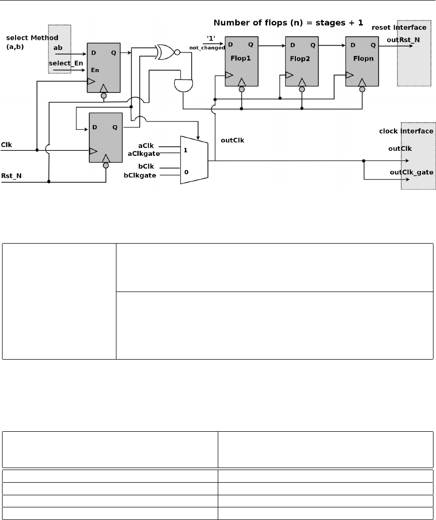
Clock Abstract type with a oscillator and a gate B.2.16,C.9
Reset Abstract type for a reset B.2.17,C.9
Inout Type used to pass Verilog inouts through a BSV
module
B.2.18
Types Used by the Compiler
Type Description Section
Action An expression intended to act on the state of the
circuit
B.2.19
ActionValue An expression intended to act on the state of the
circuit
B.2.19
Rules Used to represent one or more rules as a first class
type
B.2.20
Examples of simple types:
Integer // Unbounded signed integers, for static elaboration only
int // 32-bit signed integers
Bool
String
Action
Type expressions of the form X#(t1,···,tN)are called parameterized types. Xis called a type
constructor and the types t1,···,tNare the parameters of X. Examples:
Tuple2#(int,Bool) // pair of items, an int and a Bool
Tuple3#(int,Bool,String) // triple of items, an int, a Bool and a String
List#(Bool) // list containing booleans
List#(List#(Bool)) // list containing lists of booleans
RegFile#(Integer, String) // a register file (array) indexed by integers, containing strings
Type parameters can be natural numbers (also known as numeric types). These usually indicate
some aspect of the size of the type, such as a bit-width or a table capacity. Examples:
Bit#(16) // 16-bit wide bit-vector (16 is a numeric type)
bit [15:0] // synonym for Bit#(16)
UInt#(32) // unsigned integers, 32 bits wide
Int#(29) // signed integers, 29 bits wide
Vector#(16,Int#(29) // Vector of size 16 containing Int#(29)’s
24

Bluespec SystemVerilog Reference Guide
Currently the second index nin a bit[m:n]type must be 0. The type bit[m:0] represents the
type of bit vectors, with bits indexed from m(msb/left) down through 0 (lsb/right), for m≥0.
4.1 Polymorphism
A type can be polymorphic. This is indicated by using type variables as parameters. Examples:
List#(a) // lists containing items of some type a
List#(List#(b)) // lists containing lists of items of some type b
RegFile#(i, List#(x)) // arrays indexed by some type i, containing
// lists that contain items of some type x
The type variables represent unknown (but specific) types. In other words, List#(a) represents
the type of a list containing items all of which have some type a. It does not mean that different
elements of a list can have different types.
4.2 Provisos (brief intro)
Provisos are described in detail in Section 14.1.1, and the general facility of type classes (overload-
ing groups), of which provisos form a part, is described in Section 14.1. Here we provide a brief
description, which is adequate for most uses and for continuity in a serial reading of this manual.
A proviso is a static condition attached to certain constructs, to impose certain restrictions on the
types involved in the construct. The restrictions are of two kinds:
•Require instance of a type class (overloading group): this kind of proviso states that certain
types must be instances of certain type classes, i.e., that certain overloaded functions are
defined on this type.
•Require size relationships: this kind of proviso expresses certain constraints between the sizes
of certain types.
The most common overloading provisos are:
Bits#(t,n) // Type class (overloading group) Bits
// Meaning: overloaded operators pack/unpack are defined
// on type t to convert to/from Bit#(n)
Eq#(t) // Type class (overloading group) Eq
// Meaning: overloaded operators == and != are defined on type t
Literal#(t) // Type class (overloading group) Literal
// Meaning: Overloaded function fromInteger() defined on type t
// to convert an integer literal to type t. Also overloaded
// function inLiteralRange to determine if an Integer
// is in the range of the target type t.
Ord#(t) // Type class (overloading group) Ord
// Meaning: Overloaded order-comparison operators <, <=,
// > and >= are defined on type t
Bounded#(t) // Type class (overloading group) Bounded
// Meaning: Overloaded identifiers minBound and maxBound
25

Reference Guide Bluespec SystemVerilog
// are defined for type t
Bitwise#(t) // Type class (overloading group) Bitwise
// Meaning: Overloaded operators &, |, ^, ~^, ^~, ~, << and >>
// and overloaded function invert are defined on type t
BitReduction#(t)// Type class (overloading group) BitReduction
// Meaning: Overloaded prefix operators &, |, ^,
// ~&, ~|, ~^, and ^~ are defined on type t
BitExtend#(t) // Type class (overloading group) BitExtend
// Meaning: Overloaded functions extend, zeroExtend, signExtend
// and truncate are defined on type t
Arith#(t) // Type class (overloading group) Arith
// Meaning: Overloaded operators +, -, and *, and overloaded
// prefix operator - (same as function negate), and
// overloaded function negate are defined on type t
The size relationship provisos are:
Add#(n1,n2,n3) // Meaning: assert n1 + n2 = n3
Mul#(n1,n2,n3) // Meaning: assert n1 * n2 = n3
Div#(n1,n2,n3) // Meaning: assert ceiling n1 / n2 = n3
Max#(n1,n2,n3) // Meaning: assert max(n1,n2) = n3
Log#(n1,n2) // Meaning: assert ceiling(log(n1)) = n2
// The logarithm is base 2
Example:
module mkExample (ProvideCurrent#(a))
provisos(Bits#(a, sa), Arith#(a));
Reg#(a) value_reg <- mkReg(?); // requires that type "a" be in the Bits typeclass.
rule every;
value_reg <= value_reg + 1; // requires that type "a" be in the Arith typeclass.
endrule
Example:
function Bit#(m) pad0101 (Bit#(n) x)
provisos (Add#(n,4,m)); // m is 4 bits longer than n
pad0101 = { x, 0b0101 };
endfunction: pad0101
This defines a function pad0101 that takes a bit vector xand pads it to the right with the four bits
“0101” using the standard bit-concatenation notation. The types and proviso express the idea that
the function takes a bit vector of length nand returns a bit vector of length m, where n+ 4 = m.
These provisos permit the BSV compiler to statically verify that entities (values, variables, registers,
memories, FIFOs, and so on) have the correct bit-width.
26

Bluespec SystemVerilog Reference Guide
4.2.1 The pseudo-function valueof (or valueOf)
To get the value that corresponds to a size type, there is a special pseudo-function, valueof, that
takes a size type and gives the corresponding Integer value. The pseudo-function is also sometimes
written as valueOf; both are considered correct.
exprPrimary ::= valueof ( type )
|valueOf ( type )
In other words, it converts from a numeric type expression into an ordinary value. These mechanisms
can be used to do arithmetic to derive dependent sizes. Example:
function ... foo (Vector#(n,int) xs) provisos (Log#(n,k));
Integer maxindex = valueof(n) - 1;
Int#(k) index;
index = fromInteger(maxindex);
...
endfunction
This function takes a vector of length nas an argument. The proviso fixes kto be the (ceiling of
the) logarithm of n. The variable index has bit-width k, which will be adequate to hold an index
into the list. The variable is initialized to the maximum index.
Note that the function foo may be invoked in multiple contexts, each with a different vector length.
The compiler will statically verify that each use is correct (e.g., the index has the correct width).
The pseudo-function valueof, which converts a numeric type to a value, should not be confused
with the pseudo-function SizeOf, described in Section 14.1.5, which converts a type to a numeric
type.
4.3 A brief introduction to deriving clauses
The deriving clause is a part of the general facility of type classes (overloading groups), which is
described in detail in Section 14.1. Here we provide a brief description, which is adequate for most
uses and for continuity in a serial reading of this manual.
It is possible to attach a deriving clause to a type definition (Section 7), thereby directing the
compiler to define automatically certain overloaded functions for that type. The most common
forms of these clauses are:
deriving(Eq) // Meaning: automatically define == and !=
// for equality and inequality comparisons
deriving(Bits) // Meaning: automatically define pack and unpack
// for converting to/from bits
deriving(FShow) // Meaning: automatically define fshow to convert
// to a Fmt representation for $display functions
deriving(Bounded) // Meaning: automatically define minBound and maxBound
Example:
typedef enum {LOW, NORMAL, URGENT} Severity deriving(Eq, Bits);
// == and != are defined for variables of type Severity
27

Reference Guide Bluespec SystemVerilog
// pack and unpack are defined for variables of type Severity
module mkSeverityProcessor (SeverityProcessor);
method Action process(Severity value);
// value is a variable of type Severity
if (value == URGENT) $display("WARNING: Urgent severity encountered.");
// Since value is of the type Severity, == is defined
endmethod
endmodule
5 Modules and interfaces, and their instances
Modules and interfaces form the heart of BSV. Modules and interfaces turn into actual hardware.
An interface for a module mmediates between mand other, external modules that use the facilities
of m. We often refer to these other modules as clients of m.
In SystemVerilog and BSV we separate the declaration of an interface from module definitions.
There was no such separation in Verilog 1995 and Verilog 2001, where a module’s interface was
represented by its port list, which was part of the module definition itself. By separating the
interface declaration, we can express the idea of a common interface that may be offered by several
modules, without having to repeat that declaration in each of the implementation modules.
As in Verilog and SystemVerilog, it is important to distinguish between a module definition and
a module instantiation. A module definition can be regarded as specifying a scheme that can be
instantiated multiple times. For example, we may have a single module definition for a FIFO, and
a particular design may instantiate it multiple times for all the FIFOs it contains.
Similarly, we also distinguish interface declarations and instances, i.e., a design will contain interface
declarations, and each of these may have multiple instances. For example an interface declaration
Imay have one instance i1for communication between module instances a1and b1, and another
instance i2for communication between module instances a2and b2.
Module instances form a pure hierarchy. Inside a module definition mkM, one can specify instantia-
tions of other modules. When mkM is used to instantiate a module m, it creates the specified inner
module instances. Thus, every module instance other than the top of the hierarchy unambiguously
has a single parent module instance. We refer to the top of the hierarchy as the root module. Every
module instance has a unique set, possibly empty, of child module instances. If there are no children,
we refer to it as a leaf module.
A module consists of three things: state, rules that operate on that state, and the module’s interface
to the outside world (surrounding hierarchy). The state conceptually consists of all state in the
subhierarchy headed by this module; ultimately, it consists of all the lower leaf module instances
(see next section on state and module instantiation). Rules are the fundamental means to express
behavior in BSV (instead of the always blocks used in traditional Verilog). In BSV, an interface
consists of methods that encapsulate the possible transactions that clients can perform, i.e., the
micro-protocols with which clients interact with the module. When compiled into RTL, an interface
becomes a collection of wires.
5.1 Explicit state via module instantiation, not variables
In Verilog and SystemVerilog RTL, one simply declares variables, and a synthesis tool “infers” how
these variables actually map into state elements in hardware using, for example, their lifetimes
28

Bluespec SystemVerilog Reference Guide
relative to events. A variable may map into a bus, a latch, a flip-flop, or even nothing at all. This
ambiguity is acknowledged in the Verilog 2001 and SystemVerilog LRMs.1
BSV removes this ambiguity and places control over state instantiation explicitly in the hands of
the designer. From the smallest state elements (such as registers) to the largest (such as memories),
all state instances are specified explicitly using module instantiation.
Conversely, an ordinary declared variable in BSV never implies state, i.e., it never holds a value
over time. Ordinary declared variables are always just convenient names for intermediate values in
a computation. Ordinary declared variables include variables declared in blocks, formal parameters,
pattern variables, loop iterators, and so on. Another way to think about this is that ordinary
variables play a role only in static elaboration, not in the dynamic semantics. This is one of the
aspects of BSV style that may initially appear unusual to the Verilog or SystemVerilog programmer.
Example:
module mkExample (Empty);
// Hardware registers are created here
Reg#(Bit#(8)) value_reg <- mkReg(0);
FIFO#(Bit#(8)) fifo <- mkFIFO;
rule pop;
let value = fifo.first(); // value is a ordinary declared variable
// no state is implied or created
value_reg <= fifo.first(); // value_reg is state variable
fifo.deq();
endrule
endmodule
5.2 Interface declaration
In BSV an interface contains members that are called methods (an interface may also contain subin-
terfaces, which are described in Section 5.2.1). To first order, a method can be regarded exactly
like a function, i.e., it is a procedure that takes zero or more arguments and returns a result. Thus,
method declarations inside interface declarations look just like function prototypes, the only differ-
ence being the use of the keyword method instead of the keyword function. Each method represents
one kind of transaction between a module and its clients. When translated into RTL, each method
becomes a bundle of wires.
The fundamental difference between a method and a function is that a method also carries with it a
so-called implicit condition. These will be described later along with method definitions and rules.
An interface declaration also looks similar to a struct declaration. One can think of an interface
declaration as declaring a new type similar to a struct type (Section 7), where the members all
happen to be method prototypes. A method prototype is essentially the header of a method definition
(Section 5.5).
interfaceDecl ::= [ attributeInstances ]
interface typeDefType ;
{interfaceMemberDecl }
endinterface [:typeIde ]
1In the Verilog 2001 LRM, Section 3.2.2, Variable declarations, says: “A variable is an abstraction of a data storage
element.···NOTE In previous versions of the Verilog standard, the term register was used to encompass both the reg,
integer,time,real and realtime types; but that term is no longer used as a Verilog data type.”
In the SystemVerilog LRM, Section 5.1 says: “Since the keyword reg no longer describes the user’s intent in many
cases,···Verilog-2001 has already deprecated the use of the term register in favor of variable.”
29

Reference Guide Bluespec SystemVerilog
typeDefType ::= typeIde [typeFormals ]
typeFormals ::= # ( typeFormal {,typeFormal })
typeFormal ::= [ numeric ]type typeIde
interfaceMemberDecl ::= methodProto |subinterfaceDecl
methodProto ::= [ attributeInstances ]
method type identifier ([methodProtoFormals ]) ;
methodProtoFormals ::= methodProtoFormal {,methodProtoFormal }
methodProtoFormal ::= [ attributeInstances ]type identifier
Example: a stack of integers:
interface IntStack;
method Action push (int x);
method Action pop;
method int top;
endinterface: IntStack
This describes an interface to a circuit that implements a stack (LIFO) of integers. The push method
takes an int argument, the item to be pushed onto the stack. Its output type is Action, namely it
returns an enable wire which, when asserted, will carry out the pushing action.2The pop method
takes no arguments, and simply returns an enable wire which, when asserted, will discard the element
from the top of the stack. The top method takes no arguments, and returns a value of type int,
i.e., the element at the top of the stack.
What if the stack is empty? In that state, it should be illegal to use the pop and top methods.
This is exactly where the difference between methods and functions arises. Each method has an
implicit ready wire, which governs when it is legal to use it, and these wires for the pop and top
methods will presumably be de-asserted if the stack is empty. Exactly how this is accomplished is
an internal detail of the module, and is therefore not visible as part of the interface declaration. (We
can similarly discuss the case where the stack has a fixed, finite depth; in this situation, it should
be illegal to use the push method when the stack is full.)
One of the major advantages of BSV is that the compiler automatically generates all the control
circuitry needed to ensure that a method (transaction) is only used when it is legal to use it.
Interface types can be polymorphic, i.e., parameterized by other types. For example, the following
declaration describes an interface for a stack containing an arbitrary but fixed type:
interface Stack#(type a);
method Action push (a x);
method Action pop;
method a top;
endinterface: Stack
We have replaced the previous specific type int with a type variable a. By “arbitrary but fixed” we
mean that a particular stack will specify a particular type for a, and all items in that stack will have
that type. It does not mean that a particular stack can contain items of different types.
For example, using this more general definition, we can also define the IntStack type as follows:
typedef Stack#(int) IntStack;
2The type Action is discussed in more detail in Section 9.6.
30

Bluespec SystemVerilog Reference Guide
i.e., we simply specialize the more general type with the particular type int. All items in a stack of
this type will have the int type.
Usually there is information within the interface declaration which indicates whether a polymorphic
interface type is numeric or nonnumeric. The optional numeric is required before the type when
the interface type is polymorphic and must be numeric but there is no information in the interface
declaration which would indicate that the type is numeric.
For example, in the following polymorphic interface, count_size must be numeric because it is
defined as a parameter to Bit#().
interface Counter#(type count_size);
method Action increment();
method Bit#(count_size) read();
endinterface
From this use, it can be deduced that Counter’s parameter count_size must be numeric. However,
sometimes you might want to encode a size in an interface type which isn’t visible in the methods,
but is used by the module implementing the interface. For instance:
interface SizedBuffer#(numeric type buffer_size, type element_type);
method Action enq(element_type e);
method ActionValue#(element_type) deq();
endinterface
In this interface, the depth of the buffer is encoded in the type. For instance, SizedBuffer#(8,
Bool) would be a buffer of depth 8 with elements of type Bool. The depth is not visible in the
interface, but is used by the module to know how much storage to instantiate.
Because the parameter is not mentioned anywhere else in the interface, there is no information
to determine whether the parameter is a numeric type or a non-numeric type. In this situation,
the default is to assume that the parameter is non-numeric. The user can override this default by
specifying numeric in the interface declaration.
The Standard Prelude defines a standard interface called Empty which contains no methods, i.e., its
definition is:
interface Empty;
endinterface
This is often used for top-level modules that integrate a testbench and a design-under-test, and for
modules like mkConnection(C.7.2) that just take interface arguments and do not themselves offer
any interesting interface.
5.2.1 Subinterfaces
Note: this is an advanced topic that may be skipped on first reading.
Interfaces can also be declared hierarchically, using subinterfaces.
subinterfaceDecl ::= [ attributeInstances ]
interface typeDefType;
where typeDefType is another interface type available in the current scope. Example:
31

Reference Guide Bluespec SystemVerilog
interface ILookup;
interface Server#( RequestType, ResponseType ) mif;
interface RAMclient#( AddrType, DataType ) ram;
method Bool initialized;
endinterface: ILookup
This declares an interface ILookup module that consists of three members: a Server subinterface
called mif, a RAMClient subinterface called ram, and a boolean method called initialized (the
Server and RAMClient interface types are defined in the libraries, see Appendix C). Methods of
subinterfaces are accessed using dot notation to select the desired component, e.g.,
ilookup.mif.request.put(...);
Since Clock and Reset are both interface types, they can be used in interface declarations. Example:
interface ClockTickIfc ;
method Action tick() ;
interface Clock new_clk ;
endinterface
5.3 Module definition
A module definition begins with a module header containing the module keyword, the module name,
parameters, arguments, interface type and provisos. The header is followed by zero or more module
statements. Finally we have the closing endmodule keyword, optionally labelled again with the
module name.
moduleDef ::= [ attributeInstances ]
moduleProto
{moduleStmt }
endmodule [:identifier ]
moduleProto ::= module [[type ]]identifier
[moduleFormalParams ]([moduleFormalArgs ])[provisos ];
moduleFormalParams ::= # (moduleFormalParam {,moduleFormalParam })
moduleFormalParam ::= [ attributeInstances ] [ parameter ]type identifier
moduleFormalArgs ::= [ attributeInstances ]type
|[attributeInstances ]type identifier
{,[attributeInstances ]type identifier }
As a stylistic convention, many BSV examples use module names like mkFoo, i.e., beginning with
the letters mk, suggesting the word make. This serves as a reminder that a module definition is not
a module instance. When the module is instantiated, one invokes mkFoo to actually create a module
instance.
The optional moduleFormalParams are exactly as in Verilog and SystemVerilog, i.e., they represent
module parameters that must be supplied at each instantiation of this module, and are resolved at
elaboration time. The optional keyword parameter specifies a Verilog parameter is to be generated;
without the keyword a Verilog port is generated. A Verilog parameter requires that the value is a
constant at elaboration. When the module is instantiated, the actual expression provided for the
parameter must be something that can be computed using normal Verilog elaboration rules. The
bluespec compiler will check for this. The parameter keyword is only relevant when the module is
marked with the synthesize attribute.
32

Bluespec SystemVerilog Reference Guide
Inside the module, the parameter keyword can be used for a parameter nthat is used, for example,
for constants in expressions, register initialization values, and so on. However, ncannot be used
for structural variations in the module, such as declaring an array of nregisters. Such structural
decisions (generate decisions) are taken by the Bluespec compiler, and cannot currently be postponed
into the Verilog.
The optional moduleFormalArgs represent the interfaces used by the module, such as clocks or wires.
The final argument is a single interface provided by the module instead of Verilog’s port list. The
interpretation is that this module will define and offer an interface of that type to its clients. If
the only argument is the interface, only the interface type is required. If there are other arguments,
both a type and an identifier must be specified for consistency, but the final interface name will not
be used in the body. Omitting the interface type completely is equivalent to using the pre-defined
Empty interface type, which is a trivial interface containing no methods.
The arguments and parameters may be enclosed in a single set of parentheses, in which case the #
would be omitted.
Provisos, which are optional, come next. These are part of an advanced feature called type classes
(overloading groups), and are discussed in more detail in Section 14.1.
Examples
A module with parameters and an interface.
module mkFifo#(Int#(8) a) (Fifo);
...
endmodule
A module with arguments and an interface, but no parameters
module mkSyncPulse (Clock sClkIn, Reset sRstIn,
Clock dClkIn,
SyncPulseIfc ifc);
...
endmodule
A module definition with parameters, arguments, and provisos
module mkSyncReg#(a_type initValue)
(Clock sClkIn, Reset sRstIn,
Clock dClkIn,
Reg#(a_type) ifc)
provisos (Bits#(a_type, sa));
...
endmodule
The above module definition may also be written with the arguments and parameters combined in
a single set of parentheses.
module mkSyncReg (a_type initValue,
Clock sClkIn, Reset sRstIn,
Clock dClkIn,
Reg#(a_type) ifc)
provisos (Bits#(a_type, sa));
...
endmodule
33

Reference Guide Bluespec SystemVerilog
The body of the module consists of a sequence of moduleStmts:
moduleStmt ::= moduleInst
|methodDef
|subinterfaceDef
|rule
|varDo |varDeclDo
|functionCall
|systemTaskStmt
|(expression )
|returnStmt
|varDecl |varAssign
|functionDef
|moduleDef
|<module>BeginEndStmt
|<module>If |<module>Case
|<module>For |<module>While
Most of these are discussed elsewhere since they can also occur in other contexts (e.g., in packages,
function bodies, and method bodies). Below, we focus solely on those statements that are found
only in module bodies or are treated specially in module bodies.
5.4 Module and interface instantiation
Module instances form a hierarchy. A module definition can contain specifications for instantiating
other modules, and in the process, instantiating their interfaces. A single module definition may be
instantiated multiple times within a module.
5.4.1 Short form instantiation
There is a one-line shorthand for instantiating a module and its interfaces.
moduleInst ::= [ attributeInstances ]
type identifier <- moduleApp ;
moduleApp ::= identifier
([moduleActualParamArg {,moduleActualParamArg }])
moduleActualParamArg::= expression
|clocked_by expression
|reset_by expression
The statement first declares an identifier with an interface type. After the <- symbol, we have a
module application, consisting of a module identifier optionally followed by a list of parameters and
arguments, if the module is defined to have parameters and arguments. Note that the parameters
and the arguments are within a single set of parentheses, the parameters listed first, and there is no
#before the list.
Each module has an implicit clock and reset. These defaults can be changed by explicitly specifying
aclocked_by or reset_by argument in the module instantiation.
An optional documentation attribute (Section 13.7) placed before the module instantiation will place
a comment in the generated Verilog file.
The following skeleton illustrates the structure and relationships between interface and module
definition and instantiation.
34

Bluespec SystemVerilog Reference Guide
interface ArithIO#(type a); //interface type called ArithIO
method Action input (a x, a y); //parameterized by type a
method a output; //contains 2 methods, input and output
endinterface: ArithIO
module mkGCD#(int n) (ArithIO#(bit [31:0]));
... //module definition for mkGCD
... //one parameter, an integer n
endmodule: mkGCD //presents interface of type ArithIO#(bit{31:0])
//declare the interface instance gcdIFC, instantiate the module mkGCD, set n=5
module mkTest ();
...
ArithIO#(bit [31:0]) gcdIfc <- mkGCD (5, clocked_by dClkIn);
...
endmodule: mkTest
The following example shows an module instantiation using a clocked by statement.
interface Design_IFC;
method Action start(Bit#(3) in_data1, Bit#(3) in_data2, Bool select);
interface Clock clk_out;
method Bit#(4) out_data();
endinterface : Design_IFC
module mkDesign(Clock prim_clk, Clock sec_clk, Design_IFC ifc);
...
RWire#(Bool) select <- mkRWire (select, clocked_by sec_clk);
...
endmodule:mkDesign
5.4.2 Long form instantiation
A module instantiation can also be written in its full form on two consecutive lines, as typical
in SystemVerilog. The full form specifies names for both the interface instance and the module
instance. In the shorthand described above, there is no name provided for the module instance
and the compiler infers one based on the interface name. This is often acceptable because module
instance names are only used occasionally in debugging and in hierarchical names.
An optional documentation attribute (Section 13.7) placed before the module instantiation will place
a comment in the generated Verilog file.
moduleInst ::= [ attributeInstances ]
type identifier ();
moduleApp2 identifier([moduleActualArgs ]) ;
moduleApp2 ::= identifier [# ( moduleActualParam {,moduleActualParam })]
moduleActualParam ::= expression
moduleActualArgs ::= moduleActualArg {,moduleActualArg }
moduleActualArg ::= expression
|clocked_by expression
|reset_by expression
35

Reference Guide Bluespec SystemVerilog
The first line of the long form instantiation declares an identifier with an interface type. The second
line actually instantiates the module and defines the interface. The moduleApp2 is the module
(definition) identifier, and it must be applied to actual parameters (in #(..)) if it had been defined
to have parameters. After the moduleApp, the first identifier names the new module instance.
This may be followed by one or more moduleActualArg which define the arguments being used by
the module. The last identifier (in parentheses) of the moduleActualArg must be the same as the
interface identifier declared immediately above. It may be followed by a clocked_by or reset_by
statement.
The following examples show the complete form of the module instantiations of the examples shown
above.
module mkTest (); //declares a module mkTest
... //
ArithIO#(bit [31:0]) gcdIfc(); //declares the interface instance
mkGCD#(5) a_GCD (gcdIfc); //instantiates module mkGCD
... //sets N=5, names module instance a_GCD
endmodule: mkTest //and interface instance gcdIfc
module mkDesign(Clock prim_clk, Clock sec_clk, Design_IFC ifc);
...
RWire#(Bool) select();
mkRWire t_select(select, clocked_by sec_clk);
...
endmodule:mkDesign
5.5 Interface definition (definition of methods)
A module definition contains a definition of its interface. Typically this takes the form of a collection
of definitions, one for each method in its interface. Each method definition begins with the keyword
method, followed optionally by the return-type of the method, then the method name, its formal
parameters, and an optional implicit condition. After this comes the method body which is exactly
like a function body. It ends with the keyword endmethod, optionally labelled again with the method
name.
moduleStmt ::= methodDef
methodDef ::= method [type ]identifier (methodFormals )[implicitCond ];
functionBody
endmethod [:identifier ]
methodFormals ::= methodFormal {,methodFormal }
methodFormal ::= [ type ]identifier
implicitCond ::= if ( condPredicate )
condPredicate ::= exprOrCondPattern {&&& exprOrCondPattern }
exprOrCondPattern ::= expression
|expression matches pattern
The method name must be one of the methods in the interface whose type is specified in the module
header. Each of the module’s interface methods must be defined exactly once in the module body.
The compiler will issue a warning if a method is not defined within the body of the module.
The return type of the method and the types of its formal arguments are optional, and are present
for readability and documentation purposes only. The compiler knows these types from the method
36

Bluespec SystemVerilog Reference Guide
prototypes in the interface declaration. If specified here, they must exactly match the corresponding
types in the method prototype.
The implicit condition, if present, may be a boolean expression, or it may be a pattern-match
(pattern matching is described in Section 10). Expressions in the implicit condition can use any of
the variables in scope surrounding the method definition, i.e., visible in the module body, but they
cannot use the formal parameters of the method itself. If the implicit condition is a pattern-match,
any variables bound in the pattern are available in the method body. Omitting the implicit condition
is equivalent to saying if (True). The semantics of implicit conditions are discussed in Section 9.13,
on rules.
Every method is ultimately invoked from a rule (a method m1may be invoked from another method
m2which, in turn, may be invoked from another method m3, and so on, but if you follow the chain,
it will end in a method invocation inside a rule). A method’s implicit condition controls whether
the invoking rule is enabled. Using implicit conditions, it is possible to write client code that is not
cluttered with conditionals that test whether the method is applicable. For example, a client of a
FIFO module can just call the enqueue or the dequeue method without having explicitly to test
whether the FIFO is full or empty, respectively; those predicates are usually specified as implicit
conditions attached to the FIFO methods.
Please note carefully that the implicit condition precedes the semicolon that terminates the method
definition header. There is a very big semantic difference between the following:
method ... foo (...) if (expr);
...
endmethod
and
method ... foo (...); if (expr)
...
endmethod
The only syntactic difference is the position of the semicolon. In the first case, if (expr) is an
implicit condition on the method. In the second case the method has no implicit condition, and if
(expr) starts a conditional statement inside the method. In the first case, if the expression is false,
any rule that invokes this method cannot fire, i.e., no action in the rule or the rest of this method
is performed. In the second case, the method does not prevent an invoking rule from firing, and if
the rule does fire, the conditional statement is not executed but other actions in the rule and the
method may be performed.
The method body is exactly like a function body, which is discussed in Section 8.8 on function
definitions.
See also Section 9.12 for the more general concepts of interface expressions and expressions as first-
class objects.
Example:
interface GrabAndGive; // interface is declared
method Action grab(Bit#(8) value); // method grab is declared
method Bit#(8) give(); // method give is declared
endinterface
module mkExample (GrabAndGive);
Reg#(Bit#(8)) value_reg <- mkReg(?);
Reg#(Bool) not_yet <- mkReg(True);
37

Reference Guide Bluespec SystemVerilog
// method grab is defined
method Action grab(Bit#(8) value) if (not_yet);
value_reg <= value;
not_yet <= False;
endmethod
//method give is defined
method Bit#(8) give() if (!not_yet);
return value_reg;
endmethod
endmodule
5.5.1 Shorthands for Action and ActionValue method definitions
If a method has type Action, then the following shorthand syntax may be used. Section 9.6 describes
action blocks in more detail.
methodDef ::= method Action identifier (methodFormals )[implicitCond ];
{actionStmt }
endmethod [:identifier ]
i.e., if the type Action is used after the method keyword, then the method body can directly contain
a sequence of actionStmts without the enclosing action and endaction keywords.
Similarly, if a method has type ActionValue(t)(Section 9.7), the following shorthand syntax may
be used:
methodDef ::= method ActionValue #( type )identifier (methodFormals )
[implicitCond ;]
{actionValueStmt }
endmethod [:identifier ]
i.e., if the type ActionValue(t)is used after the method keyword, then the method body can
directly contain a sequence of actionStmts without the enclosing actionvalue and endactionvalue
keywords.
Example: The long form definition of an Action method:
method grab(Bit#(8) value);
action
last_value <= value;
endaction
endmethod
can be replaced by the following shorthand definition:
method Action grab(Bit#(8) value);
last_value <= value;
endmethod
5.5.2 Definition of subinterfaces
Declaration of subinterfaces (hierarchical interfaces) was described in Section 5.2.1. A subinterface
member of an interface can be defined using the following syntax.
moduleStmt ::= subinterfaceDef
38

Bluespec SystemVerilog Reference Guide
subinterfaceDef ::= interface Identifier identifier ;
{interfaceStmt }
endinterface [:identifier ]
interfaceStmt ::= methodDef
|subinterfaceDef
|expressionStmt
expressionStmt ::= varDecl |varAssign
|functionDef
|moduleDef
|<expression>BeginEndStmt
|<expression>If |<expression>Case
|<expression>For |<expression>While
The subinterface member is defined within interface-endinterface brackets. The first Identifier
must be the name of the subinterface member’s type (an interface type), without any parameters.
The second identifier (and the optional identifier following the endinterface must be the subin-
terface member name. The interfaceStmts then define the methods or further nested subinterfaces
of this member. Example (please refer to the ILookup interface defined in Section 5.2.1):
module ...
...
...
interface Server mif;
interface Put request;
method put(...);
...
endmethod: put
endinterface: request
interface Get response;
method get();
...
endmethod: get
endinterface: response
endinterface: mif
...
endmodule
5.5.3 Definition of methods and subinterfaces by assignment
Note: this is an advanced topic and can be skipped on first reading.
A method can also be defined using the following syntax.
methodDef ::= method [type ]identifier (methodFormals )[implicitCond ]
=expression ;
The part up to and including the implicitCond is the same as the standard syntax shown in Section
5.5. Then, instead of a semicolon, we have an assignment to an expression that represents the
method body. The expression can of course use the method’s formal arguments, and it must have
the same type as the return type of the method. See Sections 9.6 and 9.7 for how to construct
expressions of Action type and ActionValue type, respectively.
39

Reference Guide Bluespec SystemVerilog
A subinterface member can also be defined using the following syntax.
subinterfaceDef ::= interface [type ]identifier =expression ;
The identifier is just the subinterface member name. The expression is an interface expression
(described in Section 9.12) of the appropriate interface type.
For example, in the following module the subinterface Put is defined by assignment.
//in this module, there is an instanciated FIFO, and the Put interface
//of the "mkSameInterface" module is the same interface as the fifo’s:
interface IFC1 ;
interface Put#(int) in0 ;
endinterface
(*synthesize*)
module mkSameInterface (IFC1);
FIFO#(int) myFifo <- mkFIFO;
interface Put in0 = fifoToPut(myFifo);
endmodule
5.6 Rules in module definitions
The internal behavior of a module is described using zero or more rules.
moduleStmt ::= rule
rule ::= [ attributeInstances ]
rule identifier [ruleCond ];
ruleBody
endrule [:identifier ]
ruleCond ::= (condPredicate )
condPredicate ::= exprOrCondPattern {&&& exprOrCondPattern }
exprOrCondPattern ::= expression
|expression matches pattern
ruleBody ::= {actionStmt }
A rule is optionally preceded by an attributeInstances; these are described in Section 13.3. Every
rule must have a name (the identifier). If the closing endrule is labelled with an identifier, it must
be the same name. Rule names must be unique within a module.
The ruleCond, if present, may be a boolean expression, or it may be a pattern-match (pattern
matching is described in Section 10). It can use any identifiers from the scope surrounding the rule,
i.e., visible in the module body. If it is a pattern-match, any variables bound in the pattern are
available in the rule body.
The ruleBody must be of type Action, using a sequence of zero or more actionStmts. We discuss
actionStmts in Section 9.6, but here we make a key observation. Actions include updates to state
elements (including register writes). There are no restrictions on different rules updating the same
state elements. The BSV compiler will generate all the control logic necessary for such shared
update, including multiplexing, arbitration, and resource control. The generated control logic will
ensure rule atomicity, discussed briefly in the next paragraphs.
A more detailed discussion of rule semantics is given in Section 6.2, Dynamic Semantics, but we
outline the key point briefly here. The ruleCond is called the explicit condition of the rule. Within
the ruleCond and ruleBody, there may be calls to various methods of various interfaces. Each such
40

Bluespec SystemVerilog Reference Guide
method call has an associated implicit condition. The rule is enabled when its explicit condition and
all its implicit conditions are true. A rule can fire, i.e., execute the actions in its ruleBody, when the
rule is enabled and when the actions cannot “interfere” with the actions in the bodies of other rules.
Non-interference is described more precisely in Section 6.2 but, roughly speaking, it means that the
rule execution can be viewed as an atomic state transition, i.e., there cannot be any race conditions
between this rule and other rules.
This atomicity and the automatic generation of control logic to guarantee atomicity is a key benefit of
BSV. Note that because of method calls in the rule and, transitively, method calls in those methods,
a rule can touch (read/write) state that is distributed in several modules. Thus, a rule can express
a major state change in the design. The fact that it has atomic semantics guarantees the absence of
a whole class of race conditions that might otherwise bedevil the designer. Further, changes in the
design, whether in this module or in other modules, cannot introduce races, because the compiler
will verify atomicity.
See also Section 9.13 for a discussion of the more general concepts of rule expressions and rules as
first-class objects.
5.7 Examples
A register is primitive module with the following predefined interface:
interface Reg#(type a);
method Action _write (a x1);
method a _read ();
endinterface: Reg
It is polymorphic, i.e., it can contain values of any type a. It has two methods. The _write()
method takes an argument x1 of type aand returns an Action, i.e., an enable-wire that, when
asserted, will deposit the value into the register. The _read() method takes no arguments and
returns the value that is in the register.
The principal predefined module definition for a register has the following header:
// takes an initial value for the register
module mkReg#(a v) (Reg#(a)) provisos (Bits#(a, sa));
The module parameter vof type ais specified when instantiating the module (creating the register),
and represents the initial value of the register. The module defines an interface of type Reg #(a).
The proviso specifies that the type amust be convertible into an sa-bit value. Provisos are discussed
in more detail in Sections 4.2 and 14.1.
Here is a module to compute the GCD (greatest common divisor) of two numbers using Euclid’s
algorithm.
interface ArithIO#(type a);
method Action start (a x, a y);
method a result;
endinterface: ArithIO
module mkGCD(ArithIO#(Bit#(size_t)));
Reg#(Bit#(size_t)) x(); // x is the interface to the register
mkRegU reg_1(x); // reg_1 is the register instance
41

Reference Guide Bluespec SystemVerilog
Reg #(Bit#(size_t)) y(); // y is the interface to the register
mkRegU reg_2(y); // reg_2 is the register instance
rule flip (x > y && y != 0);
x <= y;
y <= x;
endrule
rule sub (x <= y && y != 0);
y<=y-x;
endrule
method Action start(Bit#(size_t) num1, Bit#(size_t) num2) if (y == 0);
action
x <= num1;
y <= num2;
endaction
endmethod: start
method Bit#(size_t) result() if (y == 0);
result = x;
endmethod: result
endmodule: mkGCD
The interface type is called ArithIO because it expresses the interactions of modules that do any kind
of two-input, one-output arithmetic. Computing the GCD is just one example of such arithmetic.
We could define other modules with the same interface that do other kinds of arithmetic.
The module contains two rules, flip and sub, which implement Euclid’s algorithm. In other words,
assuming the registers xand yhave been initialized with the input values, the rules repeatedly
update the registers with transformed values, terminating when the register ycontains zero. At that
point, the rules stop firing, and the GCD result is in register x. Rule flip uses standard Verilog
non-blocking assignments to express an exchange of values between the two registers. As in Verilog,
the symbol <= is used both for non-blocking assignment as well as for the less-than-or-equal operator
(e.g., in rule sub’s explicit condition), and as usual these are disambiguated by context.
The start method takes two arguments num1 and num2 representing the numbers whose GCD is
sought, and loads them into the registers xand y, respectively. The result method returns the
result value from the xregister. Both methods have an implicit condition (y == 0) that prevents
them from being used while the module is busy computing a GCD result.
A test bench for this module might look like this:
module mkTest ();
ArithIO#(Bit#(32)) gcd(); // declare ArithIO interface gcd
mkGCD the_gcd (gcd); // instantiate gcd module the_gcd
rule getInputs;
... read next num1 and num2 from file ...
the_gcd.start (num1, num2); // start the GCD computation
endrule
rule putOutput;
$display("Output is %d", the_gcd.result()); // print result
42

Bluespec SystemVerilog Reference Guide
endrule
endmodule: mkTest
The first two lines instantiate a GCD module. The getInputs rule gets the next two inputs from
a file, and then initiates the GCD computation by calling the start method. The putOutput rule
prints the result. Note that because of the semantics of implicit conditions and enabling of rules,
the getInputs rule will not fire until the GCD module is ready to accept input. Similarly, the
putOutput rule will not fire until the output method is ready to deliver a result.3
The mkGCD module is trivial in that the rule conditions ((x > y) and (x <= y)) are mutually
exclusive, so they can never fire together. Nevertheless, since they both write to register y, the
compiler will insert the appropriate multiplexers and multiplexer control logic.
Similarly, the rule getInputs, which calls the start method, can never fire together with the mkGCD
rules because the implicit condition of getInputs, i.e., (y == 0) is mutually exclusive with the
explicit condition (y != 0) in flip and sub. Nevertheless, since getInputs writes into the_gcd’s
registers via the start method, the compiler will insert the appropriate multiplexers and multiplexer
control logic.
In general, many rules may be enabled simultaneously, and subsets of rules that are simultaneously
enabled may both read and write common state. The BSV compiler will insert appropriate schedul-
ing, datapath multiplexing, and control to ensure that when rules fire in parallel, the net state change
is consistent with the atomic semantics of rules.
5.8 Synthesizing Modules
In order to generate code for a BSV design (for either Verilog or Bluesim), it is necessary to indicate
to the complier which module(s) are to be synthesized. A BSV module that is marked for code
generation is said to be a synthesized module.
In order to be synthesizable, a module must meet the following characteristics:
•The module must be of type Module and not of any other module type that can be defined
with ModuleCollect;
•Its interface must be fully specified; there can be no polymorphic types in the interface;
•Its interface is a type whose methods and subinterfaces are all convertible to wires (see Section
5.8.2).
•All other inputs to the module must be convertible to Bits (see Section 5.8.2).
A module can be marked for synthesis in one of two ways.
1. A module can be annotated with the synthesize attribute (see section 13.1.1). The appro-
priate syntax is shown below.
(* synthesize *)
module mkFoo (FooIfc);
...
endmodule
3The astute reader will recognize that in this small example, since the result method is initially ready, the test
bench will first output a result of 0before initiating the first computation. Let us overlook this by imagining that
Euclid is clearing his throat before launching into his discourse.
43

Reference Guide Bluespec SystemVerilog
2. Alternatively, the -g compiler flag can be used on the bsc command line to indicate which
module is to be synthesized. In order to have the same effect as the attribute syntax shown
above, the flag would be used with the format -g mkFoo (the appropriate module name follows
the -g flag).
Note that multiple modules may be selected for code generation (by using multiple synthesize
attributes, multiple -g compiler flags, or a combination of the two).
Separate synthesis of a module can affect scheduling. This is because input wires to the module, such
as method arguments, now become a fixed resource that must be shared, whereas without separate
synthesis, module inlining allows them to be bypassed (effectively replicated). Consider a module
representing a register file containing 32 registers, with a method read(j) that reads the value of the
j’th register. Inside the module, this just indexes an array of registers. When separately synthesized,
the argument jbecomes a 5-bit wide input port, which can only be driven with one value in any
given clock. Thus, two rules that invoke read(3) and read(11), for example, will conflict and then
they cannot fire in the same clock. If, however, the module is not separately synthesized, the module
and the read() method are inlined, and then each rule can directly read its target register, so the
rules can fire together in the same clock. Thus, in general, the addition of a synthesis boundary can
restrict behaviors.
5.8.1 Type Polymorphism
As discussed in section 4.1, BSV supports polymorphic types, including interfaces (which are them-
selves types). Thus, a single BSV module definition, which provides a polymorphic interface, in effect
defines a family of different modules with different characteristics based on the specific parameter(s)
of the polymorphic interface. Consider the module definition presented in section 5.7.
module mkGCD (ArithIO#(Bit#(size_t)));
...
endmodule
Based on the specific type parameter given to the ArithIO interface, the code required to implement
mkGCD will differ. Since the Bluespec compiler does not create ”parameterized” Verilog, in order for
a module to be synthesizable, the associated interface must be fully specified (i.e not polymorphic).
If the mkGCD module is annotated for code generation as is
(* synthesize *)
module mkGCD (ArithIO#(Bit#(size_t)));
...
endmodule
and we then run the compiler, we get the following error message.
Error: "GCD.bsv", line 7, column 8: (T0043)
"Cannot synthesize ‘mkGCD’: Its interface is polymorphic"
If however we instead re-write the definition of mkGCD such that all the references to the type
parameter size_t are replaced by a specific value, in other words if we write something like,
(* synthesize *)
module mkGCD32 (ArithIO#(Bit#(32)));
44

Bluespec SystemVerilog Reference Guide
Reg#(Bit#(32)) x(); // x is the interface to the register
mkRegU reg_1(x); // reg_1 is the register instance
...
endmodule
then the compiler will complete successfully and provide code for a 32-bit version of the module
(called mkGCD32). Equivalently, we can leave the code for mkGCD unchanged and instantiate it inside
another synthesized module which fully specifies the provided interface.
(* synthesize *)
module mkGCD32(ArithIO#(Bit#(32)));
let ifc();
mkGCD _temp(ifc);
return (ifc);
endmodule
5.8.2 Module Interfaces and Arguments
As mentioned above, a module is synthesizable if its interface is convertible to wires.
•An interface is convertible to wires if all methods and subinterfaces are convertible to wires.
•A method is convertible to wires if
–all arguments are convertible to bits;
–it is an Action method or it is an ActionValue or value method where the return value
is convertible to bits.
•Clock,Reset, and Inout subinterfaces are convertible to wires.
•A Vector interface can be synthesized as long as the type inside the Vector is of type Clock,
Reset,Inout or a type which is convertible to bits.
To be convertible to bits, a type must be in the Bits typeclass.
For a module to be synthesizable its arguments must be of type Clock,Reset,Inout, or a type
convertible to bits. Vectors of the preceding types are also synthesizable. If a module has one or
more arguments which are not one of the above types, the module is not synthesizable. For example,
if an argument is a datatype, such as Integer, which is not in the Bits typeclass, then the module
cannot be separately synthesized.
6 Static and dynamic semantics
What is a legal BSV source text, and what are its legal behaviors? These questions are addressed by
the static and dynamic semantics of BSV. The BSV compiler checks that the design is legal according
to the static semantics, and produces RTL hardware that exhibits legal behaviors according to the
dynamic semantics.
Conceptually, there are three phases in processing a BSV design, just like in Verilog and SystemVer-
ilog:
45

Reference Guide Bluespec SystemVerilog
•Static checking: this includes syntactic correctness, type checking and proviso checking.
•Static elaboration: actual instantiation of the design and propagation of parameters, producing
the module instance hierarchy.
•Execution: execution of the design, either in a simulator or as real hardware.
We refer to the first two as the static phase (i.e., pre-execution), and to the third as the dynamic
phase. Dynamic semantics are about the temporal behavior of the statically elaborated design,
that is, they describe the dynamic execution of rules and methods and their mapping into clocked
synchronous hardware.
A BSV program can also contain assertions; assertion checking can occur in all three phases, de-
pending on the kind of assertion.
6.1 Static semantics
The static semantics of BSV are about syntactic correctness, type checking, proviso checking, static
elaboration and static assertion checking. Syntactic correctness of a BSV design is checked by the
parser in the BSV compiler, according to the grammar described throughout this document.
6.1.1 Type checking
BSV is statically typed, just like Verilog, SystemVerilog, C, C++, and Java. This means the usual
things: every variable and every expression has a type; variables must be assigned values that have
compatible types; actual and formal parameters/arguments must have compatible types, etc. All
this checking is done on the original source code, before any elaboration or execution.
BSV uses SystemVerilog’s new tagged union mechanism instead of the older ordinary unions, thereby
closing off a certain kind of type loophole. BSV also allows more type parameterization (polymor-
phism), without compromising full static type checking.
6.1.2 Proviso checking and bit-width constraints
In BSV, overloading constraints and bit-width constraints are expressed using provisos (Sections 4.2
and 14.1.1). Overloading constraints provide an extensible mechanism for overloading.
BSV is stricter about bit-width constraints than Verilog and SystemVerilog in that it avoids implicit
zero-extension, sign-extension and truncation of bit-vectors. These operations must be performed
consciously by the designer, using library functions, thereby avoiding another source of potential
errors.
6.1.3 Static elaboration
As in Verilog and SystemVerilog, static elaboration is the phase in which the design is instantiated,
starting with a top-level module instance, instantiating its immediate children, instantiating their
children, and so on to produce the complete instance hierarchy.
BSV has powerful generate-like facilities for succinctly expressing regular structures in designs. For
example, the structure of a linear pipeline may be expressed using a loop, and the structure of a
tree-structured reduction circuit may be expressed using a recursive function. All these are also
unfolded and instantiated during static elaboration. In fact, the BSV compiler unfolds all structural
loops and functions during static elaboration.
A fully elaborated BSV design consists of no more than the following components:
46

Bluespec SystemVerilog Reference Guide
•A module instance hierarchy. There is a single top-level module instance, and each module
instance contains zero or more module instances as children.
•An interface instance. Each module instance presents an interface to its clients, and may itself
be a client of zero or more interfaces of other module instances.
•Method definitions. Each interface instance consists of zero or more method definitions.
A method’s body may contain zero or more invocations of methods in other interfaces.
Every method has an implicit condition, which can be regarded as a single output wire that
is asserted only when the method is ready to be invoked. The implicit condition may directly
test state internal to its module, and may indirectly test state of other modules by invoking
their interface methods.
•Rules. Each module instance contains zero or more rules, each of which contains a condition
and an action. The condition is a boolean expression. Both the condition and the action may
contain invocations of interface methods of other modules. Since those interface methods can
themselves contain invocations of other interface methods, the conditions and actions of a rule
may span many modules.
6.2 Dynamic semantics
The dynamic semantics of BSV specify the temporal behavior of rules and methods and their map-
ping into clocked synchronous hardware.
Every rule has a syntactically explicit condition and action. Both of these may contain invocations
of interface methods, each of which has an implicit condition. A rule’s composite condition consists
of its syntactically explicit condition ANDed with the implicit conditions of all the methods invoked
in the rule. A rule is said to be enabled if its composite condition is true.
6.2.1 Reference semantics
The simplest way to understand the dynamic semantics is through a reference semantics, which is
completely sequential. However, please do not equate this with slow execution; the execution steps
described below are not the same as clocks; we will see in the next section that many steps can be
mapped into each clock. The execution of any BSV program can be understood using the following
very simple procedure:
Repeat forever:
Step: Pick any one enabled rule, and perform its action.
(We say that the rule is fired or executed.)
Note that after each step, a different set of rules may be enabled, since the current rule’s action will
typically update some state elements in the system which, in turn, may change the value of rule
conditions and implicit conditions.
Also note that this sequential, reference semantics does not specify how to choose which rule to
execute at each step. Thus, it specifies a set of legal behaviors, not just a single unique behavior.
The principles that determine which rules in a BSV program will be chosen to fire (and, hence, more
precisely constrain its behavior) are described in section 6.2.3.
Nevertheless, this simple reference semantics makes it very easy for the designer to reason about
invariants (correctness conditions). Since only one rule is executed in each step, we only have to
look at the actions of each rule in isolation to check how it maintains or transforms invariants. In
particular, we do not have to consider interactions with other rules executing simultaneously.
47

Reference Guide Bluespec SystemVerilog
Another way of saying this is: each rule execution can be viewed as an atomic state transition.4Race
conditions, the bane of the hardware designer, can generally be explained as an atomicity violation;
BSV’s rules are a powerful way to avoid most races.
The reference semantics is based on Term Rewriting Systems (TRSs), a formalism supported by
decades of research in the computer science community [Ter03]. For this reason, we also refer to the
reference semantics as “the TRS semantics of BSV.”
6.2.2 Mapping into efficient parallel clocked synchronous hardware
A BSV design is mapped by the BSV compiler into efficient parallel clocked synchronous hardware.
In particular, the mapping permits multiple rules to be executed in each clock cycle. This is done
in a manner that is consistent with the reference TRS semantics, so that any correctness properties
ascertained using the TRS semantics continue to hold in the hardware.
Standard clocked synchronous hardware imposes the following restrictions:
•Persistent state is updated only once per clock cycle, at a clock edge. During a clock cycle,
values read from persistent state elements are the ones that were registered in the last cycle.
•Clock-speed requirements place a limit on the amount of combinational computation that can
be performed between state elements, because of propagation delay.
The composite condition of each rule is mapped into a combinational circuit whose inputs, possibly
many, sense the current state and whose 1-bit output specifies whether this rule is enabled or not.
The action of each rule is mapped into a combinational circuit that represents the state transition
function of the action. It can have multiple inputs and multiple outputs, the latter being the
computed next-state values.
Figure 1: A general scheme for mapping an N-rule system into clocked synchronous hardware.
Figure 1illustrates a general scheme to compose rule components when mapping the design to clocked
synchronous hardware. The State box lumps together all the state elements in the BSV design (as
described earlier, state elements are explicitly specified in BSV). The BSV compiler produces a
rule-control circuit which conceptually takes all the enable (cond) signals and all the data (action)
outputs and controls which of the data outputs are actually captured at the next clock in the state
4We use the term atomic as it is used in concurrency theory (and in operating systems and databases), i.e., to
mean indivisible.
48

Bluespec SystemVerilog Reference Guide
elements. The enable signals feed a scheduler circuit that decides which of the rules will actually
fire. The scheduler, in turn, controls data multiplexers that select which data outputs reach the
data inputs of state elements, and controls which state elements are enabled to capture the new
data values. Firing a rule simply means that the scheduler selects its data output and clocks it into
the next state.
At each clock, the scheduler selects a subset of rules to fire. Not all subsets are legal. A subset is
legal if and only if the rules in the subset can be ordered with the following properties:
•A hypothetical sequential execution of the ordered subset of rules is legal at this point, ac-
cording to the TRS semantics. In particular, the first rule in the ordered subset is currently
enabled, and each subsequent rule would indeed be enabled when execution reaches it in the
hypothetical sequence.
A special case is where all rules in the subset are already currently enabled, and no rule would
be disabled by execution of prior rules in the order.
•The hardware execution produces the same net effect on the state as the hypothetical sequential
execution, even though the hardware execution performs reads and writes in a different order
from the hypothetical sequential execution.
The BSV compiler performs a very sophisticated analysis of the rules in a design and synthesizes an
efficient hardware scheduler that controls execution in this manner.
Note that the scheme in Figure 1is for illustrative purposes only. First, it lumps together all the
state, shows a single rule-control box, etc., whereas in the real hardware generated by the BSV
compiler these are distributed, localized and modular. Second, it is not the only way to map the
design into clocked synchronous hardware. For example, any two enabled rules can also be executed
in a single clock by feeding the action outputs of the first rule into the action inputs of the second
rule, or by synthesizing hardware for a composite circuit that computes the same function as the
composition of the two actions, and so on. In general, these alternative schemes may be more
complex to analyze, or may increase total propagation delay, but the compiler may use them in
special circumstances.
In summary, the BSV compiler performs a detailed and sophisticated analysis of rules and their
interactions, and maps the design into very efficient, highly parallel, clocked synchronous hardware
including a dynamic scheduler that allows many rules to fire in parallel in each clock, but always
in a manner that is consistent with the reference TRS semantics. The designer can use the simple
reference semantics to reason about correctness properties and be confident that the synthesized
parallel hardware will preserve those properties. (See Section 13.3 for the “scheduling attributes”
mechanism using which the designer can guide the compiler in implementing the mapping.)
When coding in other HDLs, the designer must maintain atomicity manually. He must recognize
potential race conditions, and design the appropriate data paths, control and synchronization to
avoid them. Reasoning about race conditions can cross module boundaries, and can be introduced
late in the design cycle as the problem specification evolves. The BSV compiler automates all of this
and, further, is capable of producing RTL that is competitive with hand-coded RTL.
6.2.3 How rules are chosen to fire
The previous section described how an efficient circuit can be built whose behavior will be consis-
tent with sequential TRS semantics of BSV. However, as noted previously, the sequential reference
semantics can be consistent with a range of different behaviors. There are two rule scheduling prin-
ciples that guide the BSV compiler in choosing which rules to schedule in a clock cycle (and help
a designer build circuits with predictable behavior). Except when overridden by an explicit user
command or annotation, the BSV compiler schedules rules according to the following two principles:
49

Reference Guide Bluespec SystemVerilog
1. Every rule enabled during a clock cycle will either be fired as part of that clock cycle or a
warning will be issued during compilation.
2. A rule will fire at most one time during a particular clock cycle.
The first principle comes into play when two (or more) rules conflict - either because they are
competing for a limited resource or because the result of their simultaneous execution is not consistent
with any sequential rule execution. In the absence of a user annotation, the compiler will arbitrarily
choose 5which rule to prioritize, but must also issue a warning. This guarantees the designer is
aware of the ambiguity in the design and can correct it. It might be corrected by changing the rules
themselves (rearranging their predicates so they are never simultaneously applicable, for example)
or by adding an urgency annotation which tells the compiler which rule to prefer (see section 13.3.3).
When there are no scheduling warnings, it is guaranteed that the compiler is making no arbitrary
choices about which rules to execute.
The second principle ensures that continuously enabled rules (like a counter increment rule) will
not be executed an unpredictable number of times during a clock cycle. According to the first rule
scheduling principle, a rule that is always enabled will be executed at least once during a clock
cycle. However, since the rule remains enabled it theoretically could execute multiple times in a
clock cycle (since that behavior would be consistent with a sequential semantics). Since rules (even
simple things like a counter increment) consume limited resources (like register write ports) it is
pragmatically useful to restrict them to executing only once in a cycle (in the absence of specific
user instructions to the contrary). Executing a continuously enabled rule only once in a cycle is also
the more straightforward and intuitive behavior.
Together, these two principles allow a designer to completely determine the rules that will be chosen
to fire by the schedule (and, hence, the behavior of the resulting circuit).
6.2.4 Mapping specific hardware models
Annotations on the methods of a module are used by the BSV compiler to model the hardware
behavior into TRS semantics. For example, all reads from a register must be scheduled before any
writes to the same register. That is to say, any rule which reads from a register must be scheduled
earlier than any other rule which writes to it. More generally, there exist scheduling constraints for
specific hardware modules which describe how methods interact within the schedule. The scheduling
annotations describe the constraints enforced by the BSV compiler.
The meanings of the scheduling annotations are:
Cconflicts
CF conflict-free
SB sequence before
SBR sequence before restricted (cannot be in the same rule)
SA sequence after
SAR sequence after restricted (cannot be in the same rule)
The annotations SA and SAR are provided for documentation purposes only; they are not supported
in the BSV language.
Below is an example of the scheduling annotations for a register:
5The compiler’s choice, while arbitrary, is deterministic. Given the same source and compiler version, the same
schedule (and, hence, the same hardware) will be produced. However, because it is an arbitrary choice, it can be
sensitive to otherwise irrelevant details of the program and is not guaranteed to remain the same if the source or
compiler version changes.
50

Bluespec SystemVerilog Reference Guide
Scheduling Annotations
Register
read write
read CF SB
write SA SBR
The table describes the following scheduling constraints:
•Two read methods would be conflict-free (CF), that is, you could have multiple methods that
read from the same register in the same rule, sequenced in any order.
•Awrite is sequenced after (SA) a read.
•Aread is sequenced before (SB) a write.
•And finally, if you have two write methods, one must be sequenced before the other, and they
cannot be in the same rule, as indicated by the annotation SBR.
The scheduling annotations are specific to the TRS model desired and a single hardware component
can have multiple TRS models. For example, a register may be implemented using a mkReg module
or a mkConfigReg module, which are identical except for their scheduling annotations.
7 User-defined types (type definitions)
User-defined types must be defined at the top level of a package.
typeDef ::= typedefSynonym
|typedefEnum
|typedefStruct
|typedefTaggedUnion
As a matter of style, BSV requires that all enumerations, structs and unions be declared only via
typedef, i.e., it is not possible directly to declare a variable, formal parameter or formal argument
as an enum, struct or union without first giving that type a name using a typedef.
Each typedef of an enum, struct or union introduces a new type that is different from all other types.
For example, even if two typedefs give names to struct types with exactly the same corresponding
member names and types, they define two distinct types.
Other typedefs, i.e., not involving an enum, struct or union, merely introduce type synonyms for
existing types.
7.1 Type synonyms
Type synonyms are just for convenience and readability, allowing one to define shorter or more
meaningful names for existing types. The new type and the original type can be used interchangeably
anywhere.
typedefSynonym ::= typedef type typeDefType ;
typeDefType ::= typeIde [typeFormals ]
typeFormals ::= # ( typeFormal {,typeFormal })
typeFormal ::= [ numeric ]type typeIde
Examples. Defining names for bit vectors of certain lengths:
51

Reference Guide Bluespec SystemVerilog
typedef bit [7:0] Byte;
typedef bit [31:0] Word;
typedef bit [63:0] LongWord;
Examples. Defining names for polymorphic data types.
typedef Tuple3#(a, a, a) Triple#(type a);
typdef Int#(n) MyInt#(type n);
The above example could also be written as:
typedef Int#(n) MyInt#(numeric type n);
The numeric is not required because the parameter to Int will always be numeric. numeric is only
required when the compiler can’t determine whether the parameter is a numeric or non-numeric
type. It will then default to assuming it is non-numeric. The user can override this default by
specifying numeric in the typedef statement.
Atypedef statement can be used to define a synonym for an already defined synonym. Example:
typedef Triple#(Longword) TLW;
Since an Interface is a type, we can have nested types:
typedef Reg#(Vector#(8, UInt#(8))) ListReg;
typedef List#(List#(Bit#(4))) ArrayOf4Bits;
The typedef statement must always be at the top level of a package, not within a module. To
introduce a local name within a module, use Alias or NumAlias (B.1.13). Since these introduce
new names which are type variables as opposed to types, the new names must begin with lower case
letters. NumAlias is used to give new names to numeric types, while Alias is used for types which
can be the types of variables. Example:
module mkMod(Ifc)
provisos (Alias#(Bit#(crc_size), crc));
module mkRAM(RAMIfc)
provisos (NumAlias#(addr_size, TLog#(buff_size)));
7.2 Enumerations
typedefEnum ::= typedef enum { typedefEnumElements }Identifier [derives ];
typedefEnumElements ::= typedefEnumElement {,typedefEnumElement }
typedefEnumElement ::= Identifier [=intLiteral ]
|Identifier[intLiteral][=intLiteral ]
|Identifier[intLiteral:intLiteral][=intLiteral ]
Enumerations (enums) provide a way to define a set of unique symbolic constants, also called labels or
member names. Each enum definition creates a new type different from all other types. Enum labels
may be repeated in different enum definitions. Enumeration labels must begin with an uppercase
letter.
52

Bluespec SystemVerilog Reference Guide
The optional derives clause is discussed in more detail in Sections 4.3 and 14.1. One common
form is deriving (Bits), which tells the compiler to generate a bit-representation for this enum.
Another common form of the clause is deriving (Eq), which tells the compiler to pick a default
equality operation for these labels, so they can also be tested for equality and inequality. A third
common form is deriving (Bounded), which tells the compiler to define constants minBound and
maxBound for this type, equal in value to the first and last labels in the enumeration. Also defined in
deriving (FShow), which defines a Fmt type for the labels for use with $Display functions. These
specifications can be combined, e.g., deriving (Bits, Eq, Bounded, FShow). All these default
choices for representation, equality and bounds can be overridden (see Section 14.1).
The declaration may specify the encoding used by deriving(Bits) by assigning numbers to tags.
When an assignment is omitted, the tag receives an encoding of the previous tag incremented by one;
when the encoding for the initial tag is omitted, it defaults to zero. Specifying the same encoding
for more than one tag results in an error.
Multiple tags may be declared by using the index (Tag [ntags ]) or range (Tag [start :end ]) no-
tation. In the former case, ntags tags will be generated, from Tag0 to Tagn-1 ; in the latter case,
|end −start|+ 1 tags, from Tagstart to Tagend .
Example. The boolean type can be defined in the language itself:
typedef enum { False, True } Bool deriving (Bits, Eq);
The compiler will pick a one-bit representation, with 1’b0 and 1’b1 as the representations for False
and True, respectively. It will define the == and != operators to also work on Bool values.
Example. Excerpts from the specification of a processor:
typedef enum { R0, R1, ..., R31 } RegName deriving (Bits);
typedef RegName Rdest;
typedef RegName Rsrc;
The first line defines an enum type with 32 register names. The second and third lines define type
synonyms for RegName that may be more informative in certain contexts (“destination” and “source”
registers). Because of the deriving clause, the compiler will pick a five-bit representation, with
values 5’h00 through 5’h1F for R0 through R31.
Example. Tag encoding when deriving(Bits) can be specified manually:
typedef enum {
Add = 5,
Sub = 0,
Not,
Xor = 3,
...
} OpCode deriving (Bits);
The Add tag will be encoded to five, Sub to zero, Not to one, and Xor to three.
Example. A range of tags may be declared in a single clause:
typedef enum {
Foo[2],
Bar[5:7],
Quux[3:2]
} Glurph;
53

Reference Guide Bluespec SystemVerilog
This is equivalent to the declaration
typedef enum {
Foo0,
Foo1,
Bar5,
Bar6,
Bar7,
Quux3,
Quux2
} Glurph;
7.3 Structs and tagged unions
A struct definition introduces a new record type.
SystemVerilog has ordinary unions as well as tagged unions, but in BSV we only use tagged unions,
for several reasons. The principal benefit is safety (verification). Ordinary unions open a serious
type-checking loophole, whereas tagged unions are completely type-safe. Other reasons are that,
in conjunction with pattern matching (Section 10), tagged unions yield much more succinct and
readable code, which also improves correctness. In the text below, we may simply say “union” for
brevity, but it always means “tagged union.”
typedefStruct ::= typedef struct {
{structMember }
}typeDefType [derives ];
typedefTaggedUnion ::= typedef union tagged {
{unionMember }
}typeDefType [derives ];
structMember ::= type identifier ;
|subUnion identifier ;
unionMember ::= type Identifier ;
|subStruct Identifier ;
|subUnion Identifier ;
|void Identifier ;
subStruct ::= struct {
{structMember }
}
subUnion ::= union tagged {
{unionMember }
}
typeDefType ::= typeIde [typeFormals ]
typeFormals ::= # ( typeFormal {,typeFormal })
typeFormal ::= [ numeric ]type typeIde
All types can of course be mutually nested if mediated by typedefs, but unions can also be mutually
nested directly, as described in the syntax above. Structs and unions contain members. A union
member (but not a struct member) can have the special void type (see the types MaybeInt and
Maybe in the examples below for uses of void). All the member names in a particular struct or
union must be unique, but the same names can be used in other structs and members; the compiler
will try to disambiguate based on type.
54

Bluespec SystemVerilog Reference Guide
A struct value contains the first member and the second member and the third member, and so on.
A union value contains just the first member or just the second member or just the third member,
and so on. Struct member names must begin with a lowercase letter, whereas union member names
must begin with an uppercase letter.
In a tagged union, the member names are also called tags. Tags play a very important safety role.
Suppose we had the following:
typedef union tagged { int Tagi; OneHot Tagoh; } U deriving (Bits);
U x;
The variable xnot only contains the bits corresponding to one of its member types int or OneHot,
but also some extra bits (in this case just one bit) that remember the tag, 0 for Tagi and 1 for
Tagoh. When the tag is Tagi, it is impossible to read it as a OneHot member, and when the tag is
Tagoh it is impossible to read it as an int member, i.e., the syntax and type checking ensure this.
Thus, it is impossible accidentally to misread what is in a union value.
The optional derives clause is discussed in more detail in Section 14.1. One common form is deriving
(Bits), which tells the compiler to pick a default bit-representation for the struct or union. For
structs it is simply a concatenation of the representations of the members. For unions, the repre-
sentation consists of t+mbits, where tis the minimum number of bits to code for the tags in this
union and mis the number of bits for the largest member. Every union value has a code in the t-bit
field that identifies the tag, concatenated with the bits of the corresponding member, right-justified
in the m-bit field. If the member needs fewer than mbits, the remaining bits (between the tag and
the member bits) are undefined.
Struct and union typedefs can define new, polymorphic types, signalled by the presence of type
parameters in #(...). Polymorphic types are discussed in section 4.1.
Section 9.11 on struct and union expressions describes how to construct struct and union values and
to access and update members. Section 10 on pattern-matching describes a more high-level way to
access members from structs and unions and to test union tags.
Example. Ordinary, traditional record structures:
typedef struct { int x; int y; } Coord;
typedef struct { Addr pc; RegFile rf; Memory mem; } Proc;
Example. Encoding instruction operands in a processor:
typedef union tagged {
bit [4:0] Register;
bit [21:0] Literal;
struct {
bit [4:0] regAddr;
bit [4:0] regIndex;
} Indexed;
} InstrOperand;
An instruction operand is either a 5-bit register specifier, a 22-bit literal value, or an indexed memory
specifier, consisting of two 5-bit register specifiers.
Example. Encoding instructions in a processor:
typedef union tagged {
struct {
55

Reference Guide Bluespec SystemVerilog
Op op; Reg rs; CPUReg rt; UInt16 imm;
} Immediate;
struct {
Op op; UInt26 target;
} Jump;
} Instruction
deriving (Bits);
An Instruction is either an Immediate or a Jump. In the former case, it contains a field, op,
containing a value of type Op; a field, rs, containing a value of type Reg; a field, rt, containing a
value of type CPUReg; and a field, imm, containing a value of type UInt16. In the latter case, it
contains a field, op, containing a value of type Op, and a field, target, containing a value of type
UInt26.
Example. Optional integers (an integer together with a valid bit):
typedef union tagged {
void Invalid;
int Valid;
} MaybeInt
deriving (Bits);
AMaybeInt is either invalid, or it contains an integer (Valid tag). The representation of this type
will be 33 bits— one bit to represent Invalid or Valid tag, plus 32 bits for an int. When it carries
an invalid value, the remaining 32 bits are undefined. It will be impossible to read/interpret those
32 bits when the tag bit says it is Invalid.
This MaybeInt type is very useful, and not just for integers. We generalize it to a polymorphic type:
typedef union tagged {
void Invalid;
a Valid;
} Maybe#(type a)
deriving (Bits);
This Maybe type can be used with any type a. Consider a function that, given a key, looks up a
table and returns some value associated with that key. Such a function can return either an invalid
result (Invalid), if the table does not contain an entry for the given key, or a valid result Valid v
if vis associated with the key in the table. The type is polymorphic (type parameter a) because it
may be used with lookup functions for integer tables, string tables, IP address tables, etc. In other
words, we do not over-specify the type of the value vat which it may be used.
See Section 12.4 for an important, predefined set of struct types called Tuples for adhoc structs of
between two and eight members.
8 Variable declarations and statements
Statements can occur in various contexts: in packages, modules, function bodies, rule bodies, action
blocks and actionvalue blocks. Some kinds of statements have been described earlier because they
were specific to certain contexts: module definitions (moduleDef ) and instantiation (moduleInst),
interface declarations (interfaceDecl), type definitions (typeDef ), method definitions (methodDef )
inside modules, rules (rule) inside modules, and action blocks (actionBlock) inside modules.
Here we describe variable declarations, register assignments, variable assignments, loops, and func-
tion definitions. These can be used in all statement contexts.
56

Bluespec SystemVerilog Reference Guide
8.1 Variable and array declaration and initialization
Variables in BSV are used to name intermediate values. Unlike Verilog and SystemVerilog, variables
never represent state, i.e., they do not hold values over time. Every variable’s type must be declared,
after which it can be bound to a value one or more times.
One or more variables can be declared by giving the type followed by a comma-separated list of
identifiers with optional initializations:
varDecl ::= type varInit {,varInit };
varInit ::= identifier [arrayDims ] [ =expression ]
arrayDims ::= [expression ]{[expression ]}
The declared identifier can be an array (when arrayDims is present). The expressions in arrayDims
represent the array dimensions, and must be constant expressions (i.e., computable during static
elaboration). The array can be multidimensional.
Note that array variables are distinct from the RegFile (section C.1.1) and Vector (section C.3)
data types. Array variables are just a structuring mechanism for values, whereas the RegFile type
represents a particular hardware module, like a register file, with a limited number of read and write
ports. In many programs, array variables are used purely for static elaboration, e.g., an array of
registers is just a convenient way to refer to a collection of registers with a numeric index.
The type of array variables is generally expressed anonymously, using the bracket syntax. It is
equivalent to the Array type (section B.2.13), which can be used when an explicit type name is
needed.
Each declared variable can optionally have an initialization.
Example. Declare two Integer variables and initialize them:
Integer x = 16, y = 32;
Example. Declare two array identifiers aand bcontaining int values at each index:
int a[20], b[40];
Example. Declare an array of 3 Int#(5) values and initialize them:
Int#(5) xs[3] = {14, 12, 9};
Example. Declare an array of 3 arrays of 4 Int#(5) values and initialize them:
Int#(5) xs[3][4] = {{1,2,3,4},
{5,6,7,8},
{9,10,11,12}};
Example. The array values can be polymorphic, but they must defined during elaboration:
Get #(a) gs[3] = {g0,g2, g2};
57

Reference Guide Bluespec SystemVerilog
8.2 Variable assignment
A variable can be bound to a value using assignment:
varAssign ::= lValue =expression ;
lValue ::= identifier
|lValue .identifier
|lValue [expression ]
|lValue [expression :expression ]
The left-hand side (lValue) in its simplest form is a simple variable (identifier).
Example. Declare a variable wordSize to have type Integer and assign it the value 16:
Integer wordSize;
wordSize = 16;
Multiple assignments to the same variable are just a shorthand for a cascaded computation. Example:
int x;
x = 23;
// Here, x represents the value 23
x = ifc.meth (34);
// Here, x represents the value returned by the method call
x=x+1;
// Here, x represents the value returned by the method call, plus 1
Note that these assignments are ordinary, zero-time assignments, i.e., they never represent a dynamic
assignment of a value to a register. These assignments only represent the convenient naming of an
intermediate value in some zero-time computation. Dynamic assignments are always written using
the non-blocking assignment operator <=, and are described in Section 8.4.
In general, the left-hand side (lValue) in an assignment statement can be a series of index- and field-
selections from an identifier representing a nesting of arrays, structs and unions. The array-indexing
expressions must be computable during static elaboration.
For bit vectors, the left-hand side (lValue) may also be a range between two indices. The indices must
be computable during static elaboration, and, if the indices are not literal constants, the right-hand
side of the assignment should have a defined bit width. The size of the updated range (determined
by the two literal indices or by the size of the right-hand side) must be less than or equal to the size
of the target bit vector.
Example. Update an array variable b:
b[15] = foo.bar(x);
Example. Update bits 15 to 8 (inclusive) of a bit vector b:
b[15:8] = foo.bar(x);
Example. Update a struct variable (using the processor example from Section 7.3):
cpu.pc = cpu.pc + 4;
Semantically, this can be seen as an abbreviation for:
58

Bluespec SystemVerilog Reference Guide
cpu = Proc { pc: cpu.pc + 4, rf: cpu.rf, mem: cpu.mem };
i.e., it reassigns the struct variable to contain a new struct value in which all members other than
the updated member have their old values. The right-hand side is a struct expression; these are
described in Section 9.11.
Update of tagged union variables is done using normal assignment notation, i.e., one replaces the
current value in a tagged union variable by an entirely new tagged union value. In a struct it makes
sense to update a single member and leave the others unchanged, but in a union, one member
replaces another. Example (extending the previous processor example):
typedef union tagged {
bit [4:0] Register;
bit [21:0] Literal;
struct {
bit [4:0] regAddr;
bit [4:0] regIndex;
} Indexed;
} InstrOperand;
...
InstrOperand orand;
...
orand = tagged Indexed { regAddr:3, regIndex:4 };
...
orand = tagged Register 23;
The right-hand sides of the assignments are tagged union expressions; these are described in Section
9.11.
8.3 Implicit declaration and initialization
The let statement is a shorthand way to declare and initialize a variable in a single statement. A
variable which has not been declared can be assigned an initial value and the compiler will infer the
type of the variable from the expression on the right hand side of the statement:
varDecl ::= let identifier =expression ;
Example:
let n = valueof(BuffSize);
The pseudo-function valueof returns an Integer value, which will be assigned to nat compile time.
Thus the variable nis assumed to have the type of Integer.
If the expression is the value returned by an actionvalue method, the notation will be:
varAssign ::= let identifier <- expression ;
Note the difference between this statement:
let m1 = m1displayfifo.first;
and this statement:
let z1 <- rndm.get;
In the first example, m1displayfifo.first is a value method; m1 is assigned the value and type
returned by the value method. In the latter, rndm.get is an actionvalue method; z1 is assigned the
value and type returned by the actionvalue method.
59

Reference Guide Bluespec SystemVerilog
8.4 Register reads and writes
Register writes occur primarily inside rules and methods.
regWrite ::= lValue <= expression
|(expression ) <= expression
The left-hand side must contain a writeable interface type, such as Reg#(t)(for some type tthat
has a representation in bits). It is either an lValue or a parenthesized expression (e.g., the register
interface could be selected from an array of register interfaces or returned from a function). The
right-hand side must have the same type as the left-hand side would have if it were typechecked
as an expression (including read desugaring, as described below). BSV allows only the so-called
non-blocking assignments of Verilog, i.e., the statement specifies that the register gets the new value
at the end of the current cycle, and is only available in the next cycle.
Following BSV’s principle that all state elements (including registers) are module instances, and all
interaction with a module happens through its interface, a simple register assignment r<=eis just a
convenient alternative notation for a method call:
r. write (e)
Similarly, if ris an expression of type Reg#(t), then mentioning rin an expression is just a convenient
alternative notation for different method call:
r. read ()
The implicit addition of the . read method call to variables of type Reg#(t)is the simplest example
of read desugaring.
Example. Instantiating a register interface and a register, and using it:
Reg#(int) r(); // create a register interface
mkReg#(0) the_r (r); // create a register the_r with interface r
...
...
rule ...
r <= r + 1; // Convenient notation for: r._write (r._read() + 1)
endrule
8.4.1 Registers and square-bracket notation
Register writes can be combined with the square-bracket notation.
regWrite ::= lValue arrayIndexes <= expression
arrayIndexes ::= [expression ]{[expression ]}
There are two different ways to interpret this combination. First, it can mean to select a register
out of a collection of registers and write it.
Example. Updating a register in an array of registers:
List#(Reg#(int)) regs;
...
regs[3] <= regs[3] + 1; // increment the register at position 3
60

Bluespec SystemVerilog Reference Guide
Note that when the square-bracket notation is used on the right-hand side, read desugaring is also
applied6. This allows the expression regs[3] to be interpreted as a register read without unnecessary
clutter.
The indexed register assignment notation can also be used for partial register updates, when the
register contains an array of elements of some type t(in a particular case, this could be an array
of bits). This interpretation is just a shorthand for a whole register update where only the selected
element is updated. In other words,
x[j] <= v;
can be a shorthand for:
x <= replace (x, j, v);
where replace is a pure function that takes the whole value from register xand produces a whole
new value with the j’th element replaced by v. The statement then assigns this new value to the
register x.
It is important to understand the tool infers the appropriate meaning for an indexed register write
based on the types available and the context:
Reg#(Bit#(32)) x;
x[3] <= e;
List#(Reg#(a)) x;
y[3] <= e;
In the former case, xis a register containing an array of items (in this example a bit vector), so the
statement updates the third item in this array (a single bit) and stores the updated bit vector in
the register. In the latter case, yis an array of registers, so register at position 3 in the array is
updated. In the former case, multiple writes to different indices in a single rule with non-exclusive
conditions are forbidden (because they would be multiple conflicting writes to the same register)7,
writing the final result back to the register. In the latter case, multiple writes to different indices
will be allowed, because they are writes to different registers (though multiple writes to the same
index, under non-exclusive conditions would not be allowed, of course).
It also is possible to mix these notations, i.e., writing a single statement to perform a partial update
of a register in an array of registers.
Example: Mixing types of square-bracket notation in a register write
List#(Reg#(bit[3:0])) ys;
...
y[4][3] <= e; // Update bit 3 of the register at position 4
8.4.2 Registers and range notation
Just as there is a range notation for bit extraction and variable assignments, there is also a range
notation for register writes.
regWrite ::= lValue [expression :expression ] <= expression
6To suppress read desugaring use asReg or asIfc
7If multiple partial register writes are desired the best thing to do is to assign the register’s value to a variable and
then do cascaded variable assignments (as described in section 8.2)
61

Reference Guide Bluespec SystemVerilog
The index expressions in the range notation follow the same rules as the corresponding expressions
in variable assignment range updates (they must be static expressions and if they are not literal
constants the right-hand side should have a defined bit width). Just as the indexed, partial register
writes described in the previous subsection, multiple range-notation register writes cannot be mixed
in the same rule8.
Example: A range-notation register write
Reg#(Bit#(32)) r;
r[23:12] <= e; // Update a 12-bit range in the middle of r
8.4.3 Registers and struct member selection
regWrite ::= lValue .identifier <= expression
As with the square-bracket notation, a register update involving a field selection can mean one of
two things. First, for a register containing a structure, it means update the particular field of the
register value and write the result back to the register.
Example: Updating a register containing a structure
typedef struct { Bit#(32) a; Bit#(16) b; } Foo deriving(Bits);
...
Reg#(Foo) r;
...
r.a <= 17;
Second, it can mean to select the named field out of a compile-time structure that contains a register
and write that register.
Example: Writing a register contained in a structure
typedef struct { Reg#(Bit#(32)) c; Reg#(Bit#(16)) d; } Baz;
...
Baz b;
...
b.a <= 23;
In both cases, the same notation is used and the compiler infers which interpretation is appropriate.
As with square-bracket selection, struct member selection implies read desugaring, unless inhibited
by asReg or asIfc.
8.5 Begin-end statements
A begin-end statement is a block that allows one to collect multiple statements into a single state-
ment, which can then be used in any context where a statement is required.
<ctxt>BeginEndStmt ::= begin [:identifier ]
{<ctxt>Stmt }
end [:identifier ]
The optional identifier labels are currently used for documentation purposes only; in the future they
may be used for hierarchical references. The statements contained in the block can contain local
variable declarations and all the other kinds of statements. Example:
8As described in the preceding footnote, using variable assignment is the best way to achive this effect, if desired.
62

Bluespec SystemVerilog Reference Guide
module mkBeginEnd#(Bit#(2) sel) ();
Reg#(Bit#(4)) a <- mkReg(0);
Reg#(Bool) done <- mkReg(False);
rule decode (!done);
case (sel)
2’b00: a <= 0;
2’b01: a <= 1;
2’b10: a <= 2;
2’b11: begin
a <= 3; //in the 2’b11 case we don’t want more than
done <= True; //one action done, therefore we add begin/end
end
endcase
endrule
endmodule
8.6 Conditional statements
Conditional statements include if statements and case statements. An if statement contains a
predicate, a statement representing the true arm and, optionally, the keyword else followed by a
statement representing the false arm.
<ctxt>If ::= if ( condPredicate )
<ctxt>Stmt
[else
<ctxt>Stmt ]
condPredicate ::= exprOrCondPattern {&&& exprOrCondPattern }
exprOrCondPattern ::= expression
|expression matches pattern
If-statements have the usual semantics— the predicate is evaluated, and if true, the true arm is exe-
cuted, otherwise the false arm (if present) is executed. The predicate can be any boolean expression.
More generally, the predicate can include pattern matching, and this is described in Section 10, on
pattern matching.
There are two kinds of case statements: ordinary case statements and pattern-matching case state-
ments. Ordinary case statements have the following grammar:
<ctxt>Case ::= case ( expression )
{<ctxt>CaseItem }
[<ctxt>DefaultItem ]
endcase
<ctxt>CaseItem ::= expression {,expression }:<ctxt>Stmt
<ctxt>DefaultItem ::= default [:]<ctxt>Stmt
Each case item contains a left-hand side and a right-hand side, separated by a colon. The left-
hand side contains a series of expressions, separated by commas. The case items may optionally be
followed, finally, by a default item (the colon after the default keyword is optional).
Case statements are equivalent to an expansion into a series of nested if-then-else statements. For
example:
case (e1)
e2, e3 : s2;
63

Reference Guide Bluespec SystemVerilog
e4 : s4;
e5, e6, e7: s5;
default : s6;
endcase
is equivalent to:
x1 = e1; // where x1 is a new variable:
if (x1 == e2) s2;
else if (x1 == e3) s2;
else if (x1 == e4) s4;
else if (x1 == e5) s5;
else if (x1 == e6) s5;
else if (x1 == e7) s5;
else s6;
The case expression (e1) is evaluated once, and tested for equality in sequence against the value
of each of the left-hand side expressions. If any test succeeds, then the corresponding right-hand
side statement is executed. If no test succeeds, and there is a default item, then the default item’s
right-hand side is executed. If no test succeeds, and there is no default item, then no right-hand side
is executed.
Example:
module mkConditional#(Bit#(2) sel) ();
Reg#(Bit#(4)) a <- mkReg(0);
Reg#(Bool) done <- mkReg(False);
rule decode ;
case (sel)
2’b00: a <= 0;
2’b01: a <= 1;
2’b10: a <= 2;
2’b11: a <= 3;
endcase
endrule
rule finish ;
if (a == 3)
done <= True;
else
done <= False;
endrule
endmodule
Pattern-matching case statements are described in Section 10.
8.7 Loop statements
BSV has for loops and while loops.
It is important to note that this use of loops does not express time-based behavior. Instead, they are
used purely as a means to express zero-time iterative computations, i.e., they are statically unrolled
and express the concatenation of multiple instances of the loop body statements. In particular, the
64

Bluespec SystemVerilog Reference Guide
loop condition must be evaluable during static elaboration. For example, the loop condition can
never depend on a value in a register, or a value returned in a method call, which are only known
during execution and not during static elaboration.
See Section 11 on FSMs for an alternative use of loops to express time-based (temporal) behavior.
8.7.1 While loops
<ctxt>While ::= while ( expression )
<ctxt>Stmt
While loops have the usual semantics. The predicate expression is evaluated and, if true, the loop
body statement is executed, and then the while loop is repeated. Note that if the predicate initially
evaluates false, the loop body is not executed at all.
Example. Sum the values in an array:
int a[32];
int x = 0;
int j = 0;
...
while (j < 32)
x = x + a[j];
8.7.2 For loops
<ctxt>For ::= for ( forInit ;forTest ;forIncr )
<ctxt>Stmt
forInit ::= forOldInit |forNewInit
forOldInit ::= simpleVarAssign {,simpleVarAssign }
simpleVarAssign ::= identifier =expression
forNewInit ::= type identifier =expression {,simpleVarDeclAssign }
simpleVarDeclAssign ::= [ type ]identifier =expression
forTest ::= expression
forIncr ::= varIncr {,varIncr }
varIncr ::= identifier =expression
The forInit phrase can either initialize previously declared variables (forOldInit), or it can declare
and initialize new variables whose scope is just this loop (forNewInit). They differ in whether or
not the first thing after the open parenthesis is a type.
In forOldInit, the initializer is just a comma-separated list of variable assignments.
In forNewInit, the initializer is a comma-separated list of variable declarations and initializations.
After the first one, not every initializer in the list needs a type; if missing, the type is the nearest
type earlier in the list. The scope of each variable declared extends to subsequent initializers, the
rest of the for-loop header, and the loop body statement.
Example. Copy values from one array to another:
int a[32], b[32];
...
...
for (int i = 0, j = i+offset; i < 32-offset; i = i+1, j = j+1)
a[i] = b[j];
65

Reference Guide Bluespec SystemVerilog
8.8 Function definitions
A function definition is introduced by the function keyword. This is followed by the type of the
function return-value, the name of the function being defined, the formal arguments, and optional
provisos (provisos are discussed in more detail in Section 14.1). After this is the function body and,
finally, the endfunction keyword that is optionally labelled again with the function name. Each
formal argument declares an identifier and its type.
functionDef ::= [ attributeInstances ]
functionProto
functionBody
endfunction [:identifier ]
functionProto ::= function type identifier ([functionFormals ])[provisos ];
functionFormals ::= functionFormal {,functionFormal }
functionFormal ::= type identifier
The function body can contain the usual repertoire of statements:
functionBody ::= actionBlock
|actionValueBlock
| { functionBodyStmt }
functionBodyStmt ::= returnStmt
|varDecl |varAssign
|functionDef
|moduleDef
|<functionBody>BeginEndStmt
|<functionBody>If |<functionBody>Case
|<functionBody>For |<functionBody>While
returnStmt ::= return expression ;
A value can be returned from a function in two ways, as in SystemVerilog. The first method is to
assign a value to the function name used as an ordinary variable. This “variable” can be assigned
multiple times in the function body, including in different arms of conditionals, in loop bodies, and
so on. The function body is viewed as a traditional sequential program, and value in the special
variable at the end of the body is the value returned. However, the “variable” cannot be used in
an expression (e.g., on the right-hand side of an assignment) because of ambiguity with recursive
function calls.
Alternatively, one can use a return statement anywhere in the function body to return a value
immediately without any further computation. If the value is not explicitly returned nor bound, the
returned value is undefined.
Example. The boolean negation function:
function Bool notFn (Bool x);
if (x) notFn = False;
else notFn = True;
endfunction: notFn
Example. The boolean negation function, but using return instead:
function Bool notFn (Bool x);
if (x) return False;
else return True;
endfunction: notFn
66

Bluespec SystemVerilog Reference Guide
Example. The factorial function, using a loop:
function int factorial (int n);
intf=1,j=0;
while (j < n)
begin
f=f*j;
j=j+1;
end
factorial = f;
endfunction: factorial
Example. The factorial function, using recursion:
function int factorial (int n);
if (n <= 1) return (1);
else return (n * factorial (n - 1));
endfunction: factorial
8.8.1 Definition of functions by assignment
A function can also be defined using the following syntax.
functionProto ::= function type identifier ([functionFormals ])[provisos ]
=expression ;
The part up to and including the provisos is the same as the standard syntax shown in Section 8.8.
Then, instead of a semicolon, we have an assignment to an expression that represents the function
body. The expression can of course use the function’s formal arguments, and it must have the same
type as the return type of the function.
Example 1. The factorial function, using recursion (from above:)
function int factorial (int n) = (n<=1 ? 1 : n * factorial(n-1));
Example 2. Turning a method into a function. The following function definition:
function int f1 (FIFO#(int) i);
return i.first();
endfunction
could be rewritten as:
function int f2(FIFO#(int) i) = i.first();
8.8.2 Function types
The function type is required for functions defined at the top level of a package and for recursive
functions (such as the factorial examples above). You may choose to leave out the types within a
function definition at lower levels for non-recursive functions,
If not at the top level of a package, Example 2 from the previous section could be rewritten as:
67

Reference Guide Bluespec SystemVerilog
function f1(i);
return i.first();
endfunction
or, if defining the function by assignment:
function f1 (i) = i.first();
Note that currently incomplete type information will be ignored. If, in the above example, partial
type information were provided, it would be the same as no type information being provided. This
may cause a type-checking error to be reported by the compiler.
function int f1(i) = i.first(); // The function type int is specified
// The argument type is not specified
9 Expressions
Expressions occur on the right-hand sides of variable assignments, on the left-hand and right-hand
side of register assignments, as actual parameters and arguments in module instantiation, function
calls, method calls, array indexing, and so on.
There are many kinds of primary expressions. Complex expressions are built using the conditional
expressions and unary and binary operators.
expression ::= condExpr
|operatorExpr
|exprPrimary
exprPrimary ::= identifier
|intLiteral
|realLiteral
|stringLiteral
|systemFunctionCall
|(expression )
| ··· see other productions ···
9.1 Don’t-care expressions
When the value of an expression does not matter, a don’t-care expression can be used. It is written
with just a question mark and can be used at any type. The compiler will pick a suitable value.
exprPrimary ::= ?
A don’t-care expression is similar, but not identical to, the xvalue in Verilog, which represents an
unknown value. A don’t-care expression is unknown to the programmer, but represents a particular
fixed value chosen statically by the compiler.
The programmer is encouraged to use don’t-care values where possible, both because it is useful
documentation and because the compiler can often choose values that lead to better circuits.
Example:
module mkDontCare ();
// instantiating registers where the initial value is "Dontcare"
68

Bluespec SystemVerilog Reference Guide
Reg#(Bit#(4)) a <- mkReg(?);
Reg#(Bit#(4)) b <- mkReg(?);
Bool done = (a==b);
// defining a Variable with an initial value of "Dontcare"
Bool mybool = ?;
endmodule
9.2 Conditional expressions
Conditional expressions include the conditional operator and case expressions. The conditional
operator has the usual syntax:
condExpr ::= condPredicate ?expression :expression
condPredicate ::= exprOrCondPattern {&&& exprOrCondPattern }
exprOrCondPattern ::= expression
|expression matches pattern
Conditional expressions have the usual semantics. In an expression e1?e2:e3,e1can be a boolean
expression. If it evaluates to True, then the value of e2is returned; otherwise the value of e3is
returned. More generally, e1can include pattern matching, and this is described in Section 10, on
pattern matching
Example.
module mkCondExp ();
// instantiating registers
Reg#(Bit#(4)) a <- mkReg(0);
Reg#(Bit#(4)) b <- mkReg(0);
rule dostuff;
a <= (b>4) ? 2 : 10;
endrule
endmodule
Case expressions are described in Section 10, on pattern matching.
9.3 Unary and binary operators
operatorExpr ::= unop expression
|expression binop expression
Binary operator expressions are built using the unop and binop operators listed in the following
table, which are a subset of the operators in SystemVerilog. The operators are listed here in order
of decreasing precedence.
69

Reference Guide Bluespec SystemVerilog
Unary and Binary Operators in order of Precedence
Operator Associativity Comments
+-!~ n/a Unary: plus, minus, logical not, bitwise invert
&n/a Unary: and bit reduction
~& n/a Unary: nand bit reduction
|n/a Unary: or bit reduction
~| n/a Unary: nor bit reduction
^n/a Unary: xor bit reduction
^~ ~^ n/a Unary: xnor bit reduction
*/% Left multiplication, division, modulus
+ - Left addition, subtraction
<< >> Left left and right shift
<= >= < > Left comparison ops
== != Left equality, inequality
&Left bitwise and
^Left bitwise xor
^~ ~^ Left bitwise equivalence (xnor)
|Left bitwise or
&& Left logical and
|| Left logical or
Constructs that do not have any closing token, such as conditional statements and expressions, have
lowest precedence so that, for example,
e1?e2:e3+e4
is parsed as follows:
e1 ? e2 : (e3 + e4)
and not as follows:
(e1 ? e2 : e3) + e4
9.4 Bit concatenation and selection
Bit concatenation and selection are expressed in the usual Verilog notation:
exprPrimary ::= bitConcat |bitSelect
bitConcat ::= {expression {,expression }}
bitSelect ::= exprPrimary [expression [:expression ]]
In a bit concatenation, each component must have the type bit[m:0] (m≥0, width m+ 1). The
result has type bit[n:0] where n+ 1 is the sum of the individual bit-widths (n≥0).
In a bit or part selection, the exprPrimary must have type bit[m:0] (m≥0), and the index expres-
sions must have an acceptable index type (e.g. Integer,Bit#(n),Int#(n), or UInt#(n)). With a
single index ([e]), a single bit is selected, and the output is of type bit[1:0]. With two indexes
([e1:e2]), e1must be ≥e2, and the indexes are inclusive, i.e., the bits selected go from the low
index to the high index, inclusively. The selection has type bit[k:0] where k+ 1 is the width of
the selection and bit[0] is the least significant bit. Since the index expressions can in general be
dynamic values (e.g., read out of a register), the type-checker may not be able to figure out this
70

Bluespec SystemVerilog Reference Guide
type, in which case it may be necessary to use a type assertion to tell the compiler the desired result
type (see Section 9.10). The type specified by the type assertion need not agree with width specified
by the indexes— the system will truncate from the left (most-significant bits) or pad with zeros to
the left as necessary.
Example:
module mkBitConcatSelect ();
Bit#(3) a = 3’b010; //a = 010
Bit#(7) b = 7’h5e; //b = 1011110
Bit#(10) abconcat = {a,b}; // = 0101011110
Bit#(4) bselect = b[6:3]; // = 1011
endmodule
In BSV programs one will sometimes encounter the Bit#(0) type. One common idiomatic example
is the type Maybe#(Bit#(0)) (see the Maybe#() type in Section 7.3). Here, the type Bit#(0) is just
used as a place holder, when all the information is being carried by the Maybe structure.
9.5 Begin-end expressions
A begin-end expression is like an “inline” function, i.e., it allows one to express a computation using
local variables and multiple variable assignments and then finally to return a value. A begin-end
expression is analogous to a “let block” commonly found in functional programming languages. It
can be used in any context where an expression is required.
exprPrimary ::= beginEndExpr
beginEndExpr ::= begin [:identifier ]
{expressionStmt }
expression
end [:identifier ]
Optional identifier labels are currently used for documentation purposes only. The statements con-
tained in the block can contain local variable declarations and all the other kinds of statements.
expressionStmt ::= varDecl |varAssign
|functionDef
|moduleDef
|<expression>BeginEndStmt
|<expression>If |<expression>Case
|<expression>For |<expression>While
Example:
int z;
z = (begin
int x2 = x * x; // x2 is local, x from surrounding scope
int y2 = y * y; // y2 is local, y from surrounding scope
(x2 + y2); // returned value (sum of squares)
end);
71

Reference Guide Bluespec SystemVerilog
9.6 Actions and action blocks
Any expression that is intended to act on the state of the circuit (at circuit execution time) is called
an action and has type Action. The type Action is special, and cannot be redefined.
Primitive actions are provided as methods in interfaces to predefined objects (such as registers or
arrays). For example, the predefined interface for registers includes a ._write() method of type
Action:
interface Reg#(type a);
method Action _write (a x);
method a _read ();
endinterface: Reg
Section 8.4 describes special syntax for register reads and writes using non-blocking assignment so
that most of the time one never needs to mention these methods explicitly.
The programmer can create new actions only by building on these primitives, or by using Verilog
modules. Actions are combined by using action blocks:
exprPrimary ::= actionBlock
actionBlock ::= action [:identifier ]
{actionStmt }
endaction [:identifier ]
actionStmt ::= regWrite
|varDo |varDeclDo
|functionCall
|systemTaskStmt
|(expression )
|actionBlock
|varDecl |varAssign
|functionDef
|moduleDef
|<action>BeginEndStmt
|<action>If |<action>Case
|<action>For |<action>While
The action block can be labelled with an identifier, and the endaction keyword can optionally be
labelled again with this identifier. Currently this is just for documentation purposes.
Example:
Action a;
a = (action
x <= x+1;
y <= z;
endaction);
The Standard Prelude package defines the trivial action that does nothing:
Action noAction;
which is equivalent to the expression:
action
endaction
72

Bluespec SystemVerilog Reference Guide
The Action type is actually a special case of the more general type ActionValue, described in the
next section:
typedef ActionValue#(void) Action;
9.7 Actionvalue blocks
Note: this is an advanced topic and can be skipped on first reading.
Actionvalue blocks express the concept of performing an action and simultaneously returning a value.
For example, the pop() method of a stack interface may both pop a value from a stack (the action)
and return what was at the top of the stack (the value). ActionValue is a predefined abstract type:
ActionValue#(a)
The type parameter arepresents the type of the returned value. The type ActionValue is special,
and cannot be redefined.
Actionvalues are created using actionvalue blocks. The statements in the block contain the actions
to be performed, and a return statement specifies the value to be returned.
exprPrimary ::= actionValueBlock
actionValueBlock ::= actionvalue [:identifier ]
{actionValueStmt }
endactionvalue [:identifier ]
actionValueStmt ::= regWrite
|varDo |varDeclDo
|functionCall
|systemTaskStmt
|(expression )
|returnStmt
|varDecl |varAssign
|functionDef
|moduleDef
|<actionValue>BeginEndStmt
|<actionValue>If |<actionValue>Case
|<actionValue>For |<actionValue>While
Given an actionvalue av, we use a special notation to perform the action and yield the value:
varDeclDo ::= type identifier <- expression ;
varDo ::= identifier <- expression ;
The first rule above declares the identifier, performs the actionvalue represented by the expression,
and assigns the returned value to the identifier. The second rule is similar and just assumes the
identifier has previously been declared.
Example. A stack:
interface IntStack;
method Action push (int x);
method ActionValue#(int) pop();
endinterface: IntStack
...
73

Reference Guide Bluespec SystemVerilog
IntStack s1;
...
IntStack s2;
...
action
int x <- s1.pop; -- A
s2.push (x+1); -- B
endaction
In line A, we perform a pop action on stack s1, and the returned value is bound to x. If we wanted
to discard the returned value, we could have omitted the “x <-” part. In line B, we perform a push
action on s2.
Note the difference between this statement:
x <- s1.pop;
and this statement:
z = s1.pop;
In the former, xmust be of type int; the statement performs the pop action and xis bound to the
returned value. In the latter, zmust be a method of type (ActionValue#(int)) and zis simply
bound to the method s1.pop. Later, we could say:
x <- z;
to perform the action and assign the returned value to x. Thus, the =notation simply assigns the
left-hand side to the right-hand side. The <- notation, which is only used with actionvalue right-hand
sides, performs the action and assigns the returned value to the left-hand side.
Example: Using an actionvalue block to define a pop in a FIFO.
import FIFO :: *;
// Interface FifoWithPop combines first with deq
interface FifoWithPop#(type t);
method Action enq(t data);
method Action clear;
method ActionValue#(t) pop;
endinterface
// Data is an alias of Bit#(8)
typedef Bit#(8) Data;
// The next function makes a deq and first from a fifo and returns an actionvalue block
function ActionValue#(t) fifoPop(FIFO#(t) f) provisos(Bits#(t, st));
return(
actionvalue
f.deq;
return f.first;
endactionvalue
);
endfunction
74

Bluespec SystemVerilog Reference Guide
// Module mkFifoWithPop
(* synthesize, always_ready = "clear" *)
module mkFifoWithPop(FifoWithPop#(Data));
// A fifo of depth 2
FIFO#(Data) fifo <- mkFIFO;
// methods
method enq = fifo.enq;
method clear = fifo.clear;
method pop = fifoPop(fifo);
endmodule
9.8 Function calls
Function calls are expressed in the usual notation, i.e., a function applied to its arguments, listed in
parentheses. If a function does not have any arguments, the parentheses are optional.
exprPrimary ::= functionCall
functionCall ::= exprPrimary [([expression {,expression }])]
A function which has a result type of Action can be used as a statement when in the appropriate
context.
Note that the function position is specified as exprPrimary, of which identifier is just one special
case. This is because in BSV functions are first-class objects, and so the function position can be
an expression that evaluates to a function value. Function values and higher-order functions are
described in Section 14.2.
Example:
module mkFunctionCalls ();
function Bit#(4) everyOtherBit(Bit#(8) a);
let result = {a[7], a[5], a[3], a[1]};
return result;
endfunction
function Bool isEven(Bit#(8) b);
return (b[0] == 0);
endfunction
Reg#(Bit#(8)) a <- mkReg(0);
Reg#(Bit#(4)) b <- mkReg(0);
rule doSomething (isEven(a)); // calling "isEven" in predicate: fire if a is an even number
b <= everyOtherBit(a); // calling a function in the rule body
endrule
endmodule
9.9 Method calls
Method calls are expressed by selecting a method from an interface using dot notation, and then
applying it to arguments, if any, listed in parentheses. If the method does not have any arguments
the parentheses are optional.
75

Reference Guide Bluespec SystemVerilog
exprPrimary ::= methodCall
methodCall ::= exprPrimary .identifier [([expression {,expression }])]
The exprPrimary is any expression that represents an interface, of which identifier is just one special
case. This is because in BSV interfaces are first-class objects. The identifier must be a method in
the supplied interface. Example:
// consider the following stack interface
interface StackIFC #(type data_t);
method Action push(data_t data); // an Action method with an argument
method ActionValue#(data_t) pop(); // an actionvalue method
method data_t first; // a value method
endinterface
// when instantiated in a top module
module mkTop ();
StackIFC#(int) stack <- mkStack; // instantiating a stack module
Reg#(int) counter <- mkReg(0);// a counter register
Reg#(int) result <- mkReg(0);// a result register
rule pushdata;
stack.push(counter); // calling an Action method
endrule
rule popdata;
let x <- stack.pop; // calling an ActionValue method
result <= x;
endrule
rule readValue;
let temp_val = stack.first; // calling a value method
endrule
rule inc_counter;
counter <= counter +1;
endrule
endmodule
9.10 Static type assertions
We can assert that an expression must have a given type by using Verilog’s “type cast” notation:
exprPrimary ::= typeAssertion
typeAssertion ::= type ’bitConcat
|type ’ ( expression )
bitConcat ::= {expression {,expression }}
In most cases type assertions are used optionally just for documentation purposes. Type assertions
are necessary in a few places where the compiler cannot work out the type of the expression (an
example is a bit-selection with run-time indexes).
76

Bluespec SystemVerilog Reference Guide
In BSV although type assertions use Verilog’s type cast notation, they are never used to change an
expression’s type. They are used either to supply a type that the compiler is unable to determine by
itself, or for documentation (to make the type of an expression apparent to the reader of the source
code).
9.11 Struct and union expressions
Section 7.3 describes how to define struct and union types. Section 8.1 describes how to declare
variables of such types. Section 8.2 describes how to update variables of such types.
9.11.1 Struct expressions
To create a struct value, e.g., to assign it to a struct variable or to pass it an actual argument for a
struct formal argument, we use the following notation:
exprPrimary ::= structExpr
structExpr ::= Identifier {memberBind {,memberBind }}
memberBind ::= identifier :expression
The leading Identifier is the type name to which the struct type was typedefed. Each memberBind
specifies a member name (identifier) and the value (expression) it should be bound to. The members
need not be listed in the same order as in the original typedef. If any member name is missing, that
member’s value is undefined.
Semantically, a structExpr creates a struct value, which can then be bound to a variable, passed as
an argument, stored in a register, etc.
Example (using the processor example from Section 7.3):
typedef struct { Addr pc; RegFile rf; Memory mem; } Proc;
...
Proc cpu;
cpu = Proc { pc : 0, rf : ... };
In this example, the mem field is undefined since it is omitted from the struct expression.
9.11.2 Struct member selection
A member of a struct value can be selected with dot notation.
exprPrimary ::= exprPrimary .identifier
Example (using the processor example from Section 7.3):
cpu.pc
Since the same member name can occur in multiple types, the compiler uses type information to
resolve which member name you mean when you do a member selection. Occasionally, you may
need to add a type assertion to help the compiler resolve this.
Update of struct variables is described in Section 8.2.
77

Reference Guide Bluespec SystemVerilog
9.11.3 Tagged union expressions
To create a tagged union value, e.g., to assign it to a tagged union variable or to pass it an actual
argument for a tagged union formal argument, we use the following notation:
exprPrimary ::= taggedUnionExpr
taggedUnionExpr ::= tagged Identifier {memberBind {,memberBind }}
|tagged Identifier exprPrimary
memberBind ::= identifier :expression
The leading Identifier is a member name of a union type, i.e., it specifies which variant of the union
is being constructed.
The first form of taggedUnionExpr can be used when the corresponding member type is a struct.
In this case, one directly lists the struct member bindings, enclosed in braces. Each memberBind
specifies a member name (identifier) and the value (expression) it should be bound to. The members
do not need to be listed in the same order as in the original struct definition. If any member name
is missing, that member’s value is undefined.
Otherwise, one can use the second form of taggedUnionExpr, which is the more general notation,
where exprPrimary is directly an expression of the required member type.
Semantically, a taggedUnionExpr creates a tagged union value, which can then be bound to a variable,
passed as an argument, stored in a register, etc.
Example (extending the previous one-hot example):
typedef union tagged { int Tagi; OneHot Tagoh; } U deriving (Bits);
...
U x; // these lines are (e.g.) in a module body.
x = tagged Tagi 23;
...
x = tagged Tagoh (encodeOneHot (23));
Example (extending the previous processor example):
typedef union tagged {
bit [4:0] Register;
bit [21:0] Literal;
struct {
bit [4:0] regAddr;
bit [4:0] regIndex;
} Indexed;
} InstrOperand;
...
InstrOperand orand;
...
orand = tagged Indexed { regAddr:3, regIndex:4 };
9.11.4 Tagged union member selection
A tagged union member can be selected with the usual dot notation. If the tagged union value does
not have the tag corresponding to the member selection, the value is undefined. Example:
InstrOperand orand;
...
... orand.Indexed.regAddr ...
78

Bluespec SystemVerilog Reference Guide
In this expression, if orand does not have the Indexed tag, the value is undefined. Otherwise, the
regAddr field of the contained struct is returned.
Selection of tagged union members is more often done with pattern matching, which is discussed in
Section 10.
Update of tagged union variables is described in Section 8.2.
9.12 Interface expressions
Note: this is an advanced topic that may be skipped on first reading.
Section 5.2 described top-level interface declarations. Section 5.5 described definition of the interface
offered by a module, by defining each of the methods in the interface, using methodDef s. That is
the most common way of defining interfaces, but it is actually just a convenient alternative notation
for the more general mechanism described in this section. In particular, method definitions in a
module are a convenient alternative notation for a return statement that returns an interface value
specified by an interface expression.
moduleStmt ::= returnStmt
returnStmt ::= return expression ;
expression ::= ··· see other productions ···
|exprPrimary
exprPrimary ::= interfaceExpr
interfaceExpr ::= interface Identifier ;
{interfaceStmt }
endinterface [:Identifier ]
interfaceStmt ::= methodDef
|subinterfaceDef
|expressionStmt
expressionStmt ::= varDecl |varAssign
|functionDef
|moduleDef
|<expression>BeginEndStmt
|<expression>If |<expression>Case
|<expression>For |<expression>While
An interface expression defines a value of an interface type. The Identifier must be an interface type
in an existing interface type definition.
Example. Defining the interface for a stack of depth one (using a register for storage):
module mkStack#(type a) (Stack#(a));
Reg#(Maybe#(a)) r;
...
Stack#(a) stkIfc;
stkIfc = interface Stack;
method push (x) if (r matches tagged Invalid);
r <= tagged Valid x;
endmethod: push
method pop if (r matches tagged Valid .*);
r <= tagged Invalid;
79

Reference Guide Bluespec SystemVerilog
endmethod: pop
method top if (r matches tagged Valid .v);
return v;
endmethod: top
endinterface: Stack
return stkIfc;
endmodule: mkStack
The Maybe type is described in Section 7.3. Note that an interface expression looks similar to an
interface declaration (Section 5.2) except that it does not list type parameters and it contains method
definitions instead of method prototypes.
Interface values are first-class objects. For example, this makes it possible to write interface trans-
formers that convert one form of interface into another. Example:
interface FIFO#(type a); // define interface type FIFO
method Action enq (a x);
method Action deq;
method a first;
endinterface: FIFO
interface Get#(type a); // define interface type Get
method ActionValue#(a) get;
endinterface: Get
// Function to transform a FIFO interface into a Get interface
function Get#(a) fifoToGet (FIFO#(a) f);
return (interface Get
method get();
actionvalue
f.deq();
return f.first();
endactionvalue
endmethod: get
endinterface);
endfunction: fifoToGet
9.12.1 Differences between interfaces and structs
Interfaces are similar to structs in the sense that both contain a set of named items—members in
structs, methods in interfaces. Both are first-class values—structs are created with struct expressions,
and interfaces are created with interface expressions. A named item is selected from both using the
same notation—struct.member or interface.method.
However, they are different in the following ways:
•Structs cannot contain methods; interfaces can contain nothing but methods (and subinter-
faces).
•Struct members can be updated; interface methods cannot.
•Struct members can be selected; interface methods cannot be selected, they can only be invoked
(inside rules or other interface methods).
•Structs can be used in pattern matching; interfaces cannot.
80

Bluespec SystemVerilog Reference Guide
9.13 Rule expressions
Note: This is an advanced topic that may be skipped on first reading.
Section 5.6 described definition of rules in a module. That is the most common way to define rules,
but it is actually just a convenient alternative notation for the more general mechanism described
in this section. In particular, rule definitions in a module are a convenient alternative notation for
a call to the built-in addRules() function passing it an argument value of type Rules. Such a value
is in general created using a rule expression. A rule expression has type Rules and consists of a
collection of individual rule constructs.
exprPrimary ::= rulesExpr
rulesExpr ::= [ attributeInstances ]
rules [:identifier ]
rulesStmt
endrules [:identifier ]
rulesStmt ::= rule |expressionStmt
expressionStmt ::= varDecl |varAssign
|functionDef
|moduleDef
|<expression>BeginEndStmt
|<expression>If |<expression>Case
|<expression>For |<expression>While
A rule expression is optionally preceded by an attributeInstances; these are described in Section 13.3.
A rule expression is a block, bracketed by rules and endrules keywords, and optionally labelled
with an identifier. Currently the identifier is used only for documentation. The individual rule
construct is described in Section 5.6.
Example. Executing a processor instruction:
rules
Word instr = mem[pc];
rule instrExec;
case (instr) matches
tagged Add { .r1, .r2, .r3 }: begin
pc <= pc+1;
rf[r1] <= rf[r2] + rf[r3];
end;
tagged Jz {.r1, .r2} : if (r1 == 0)
begin
pc <= r2;
end;
endcase
endrule
endrules
Example. Defining a counter:
// IfcCounter with read method
interface IfcCounter#(type t);
method t readCounter;
endinterface
81

Reference Guide Bluespec SystemVerilog
// Definition of CounterType
typedef Bit#(16) CounterType;
// The next function returns the rule addOne
function Rules incReg(Reg#(CounterType) a);
return( rules
rule addOne;
a<=a+1;
endrule
endrules);
endfunction
// Module counter using IfcCounter interface
(* synthesize,
reset_prefix = "reset_b",
clock_prefix = "counter_clk",
always_ready, always_enabled *)
module counter (IfcCounter#(CounterType));
// Reg counter gets reset to 1 asynchronously with the RST signal
Reg#(CounterType) counter <- mkRegA(1);
// Add incReg rule to increment the counter
addRules(incReg(asReg(counter)));
// Next rule resets the counter to 1 when it reaches its limit
rule resetCounter (counter == ’1);
action
counter <= 0;
endaction
endrule
// Output the counters value
method CounterType readCounter;
return counter;
endmethod
endmodule
10 Pattern matching
Pattern matching provides a visual and succinct notation to compare a value against structs, tagged
unions and constants, and to access members of structs and tagged unions. Pattern matching can be
used in case statements, case expressions, if statements, conditional expressions, rule conditions,
and method conditions.
pattern ::= .identifier Pattern variable
|.* Wildcard
|constantPattern Constant
|taggedUnionPattern Tagged union
82

Bluespec SystemVerilog Reference Guide
|structPattern Struct
|tuplePattern Tuple
constantPattern ::= intLiteral
|realLiteral
|stringLiteral
|Identifier Enum label
taggedUnionPattern ::= tagged Identifier [pattern ]
structPattern ::= tagged Identifier {identifier :pattern {,identifier :pattern }}
tuplePattern ::= {pattern {,pattern }}
A pattern is a nesting of tagged union and struct patterns with the leaves consisting of pattern
variables, constant expressions, and the wildcard pattern .*.
In a pattern .x, the variable xis declared at that point as a pattern variable, and is bound to the
corresponding component of the value being matched.
A constant pattern is an integer literal, or an enumeration label (such as True or False). Integer
literals can include the wildcard character ?(example: 4’b00??).
A tagged union pattern consists of the tagged keyword followed by an identifier which is a union
member name. If that union member is not a void member, it must be followed by a pattern for
that member.
In a struct pattern, the Identifier following the tagged keyword is the type name of the struct as
given in its typedef declaration. Within the braces are listed, recursively, the member name and a
pattern for each member of the struct. The members can be listed in any order, and members can
be omitted.
A tuple pattern is enclosed in braces and lists, recursively, a pattern for each member of the tuple
(tuples are described in Section 12.4).
A pattern always occurs in a context of known type because it is matched against an expression of
known type. Recursively, its nested patterns also have known type. Thus a pattern can always be
statically type-checked.
Each pattern introduces a new scope; the extent of this scope is described separately for each of
the contexts in which pattern matching may be used. Each pattern variable is implicitly declared
as a new variable within the pattern’s scope. Its type is uniquely determined by its position in the
pattern. Pattern variables must be unique in the pattern, i.e., the same pattern variable cannot be
used in more than one position in a single pattern.
In pattern matching, the value Vof an expression is matched against a pattern. Note that static
type checking ensures that Vand the pattern have the same type. The result of a pattern match is:
•A boolean value, True, if the pattern match succeeds, or False, if the pattern match fails.
•If the match succeeds, the pattern variables are bound to the corresponding members from V,
using ordinary assignment.
Each pattern is matched using the following simple recursive rule:
•A pattern variable always succeeds (matches any value), and the variable is bound to that
value (using ordinary procedural assignment).
•The wildcard pattern .* always succeeds.
83

Reference Guide Bluespec SystemVerilog
•A constant pattern succeeds if Vis equal to the value of the constant. Literals, including
integer literals, string literals, and real literals, can include the wildcard character ?. A literal
containing a wildcard will match any constant obtained by replacing each wildcard character
by a valid digit. For example, ’h12?4 will match any constant between ’h1204 and ’h12f4
inclusive.
•A tagged union pattern succeeds if the value has the same tag and, recursively, if the nested
pattern matches the member value of the tagged union.
•A struct or tuple pattern succeeds if, recursively, each of the nested member patterns matches
the corresponding member values in V. In struct patterns with named members, the textual
order of members does not matter, and members may be omitted. Omitted members are
ignored.
Conceptually, if the value Vis seen as a flattened vector of bits, the pattern specifies the following:
which bits to match, what values they should be matched with and, if the match is successful, which
bits to extract and bind to the pattern identifiers.
10.1 Case statements with pattern matching
Case statements can occur in various contexts, such as in modules, function bodies, action and
actionValue blocks, and so on. Ordinary case statements are described in Section 8.6. Here we
describe pattern-matching case statements.
<ctxt>Case ::= case ( expression ) matches
{<ctxt>CasePatItem }
[<ctxt>DefaultItem ]
endcase
<ctxt>CasePatItem ::= pattern {&&& expression }:<ctxt>Stmt
<ctxt>DefaultItem ::= default [:]<ctxt>Stmt
The keyword matches after the main expression (following the case keyword) signals that this is a
pattern-matching case statement instead of an ordinary case statement.
Each case item contains a left-hand side and a right-hand side, separated by a colon. The left-hand
side contains a pattern and an optional filter (&&& followed by a boolean expression). The right-hand
side is a statement. The pattern variables in a pattern may be used in the corresponding filter and
right-hand side. The case items may optionally be followed, finally, by a default item (the colon
after the default keyword is optional).
The value of the main expression (following the case keyword) is matched against each case item, in
the order given, until an item is selected. A case item is selected if and only if the value matches the
pattern and the filter (if present) evaluates to True. Note that there is a left-to-right sequentiality
in each item— the filter is evaluated only if the pattern match succeeds. This is because the filter
expression may use pattern variables that are meaningful only if the pattern match succeeds. If none
of the case items matches, and a default item is present, then the default item is selected.
If a case item (or the default item) is selected, the right-hand side statement is executed. Note that
the right-hand side statement may use pattern variables bound on the left hand side. If none of the
case items succeed, and there is no default item, no statement is executed.
Example (uses the Maybe type definition of Section 7.3):
case (f(a)) matches
tagged Valid .x : return x;
tagged Invalid : return 0;
endcase
84

Bluespec SystemVerilog Reference Guide
First, the expression f(a) is evaluated. In the first arm, the value is checked to see if it has the form
tagged Valid .x, in which case the pattern variable xis assigned the component value. If so, then
the case arm succeeds and we execute return x. Otherwise, we fall through to the second case arm,
which must match since it is the only other possibility, and we return 0.
Example:
typedef union tagged {
bit [4:0] Register;
bit [21:0] Literal;
struct {
bit [4:0] regAddr;
bit [4:0] regIndex;
} Indexed;
} InstrOperand;
...
InstrOperand orand;
...
case (orand) matches
tagged Register .r : x = rf [r];
tagged Literal .n : x = n;
tagged Indexed {regAddr: .ra, regIndex: .ri} : x = mem[ra+ri];
endcase
Example:
Reg#(Bit#(16)) rg <- mkRegU;
rule r;
case (rg) matches
’b_0000_000?_0000_0000: $display("1");
’o_0?_00: $display("2");
’h_?_0: $display("3");
default: $display("D");
endcase
endrule
10.2 Case expressions with pattern matching
caseExpr ::= case ( expression ) matches
{caseExprItem }
endcase
caseExprItem ::= pattern [&&& expression ]:expression
|default [:]expression
Case expressions with pattern matching are similar to case statements with pattern matching. In
fact, the process of selecting a case item is identical, i.e., the main expression is evaluated and
matched against each case item in sequence until one is selected. Case expressions can occur in
any expression context, and the right-hand side of each case item is an expression. The whole case
expression returns a value, which is the value of the right-hand side expression of the selected item.
It is an error if no case item is selected and there is no default item.
In contrast, case statements can only occur in statement contexts, and the right-hand side of each
case arm is a statement that is executed for side effect. The difference between case statements and
case expressions is analogous to the difference between if statements and conditional expressions.
85

Reference Guide Bluespec SystemVerilog
Example. Rules and rule composition for Pipeline FIFO using case statements with pattern match-
ing.
package PipelineFIFO;
import FIFO::*;
module mkPipelineFIFO (FIFO#(a))
provisos (Bits#(a, sa));
// STATE ----------------
Reg#(Maybe#(a)) taggedReg <- mkReg (tagged Invalid); // the FIFO
RWire#(a) rw_enq <- mkRWire; // enq method signal
RWire#(Bit#(0)) rw_deq <- mkRWire; // deq method signal
// RULES and RULE COMPOSITION ----------------
Maybe#(a) taggedReg_post_deq = case (rw_deq.wget) matches
tagged Invalid : return taggedReg;
tagged Valid .x : return tagged Invalid;
endcase;
Maybe#(a) taggedReg_post_enq = case (rw_enq.wget) matches
tagged Invalid : return taggedReg_post_deq;
tagged Valid .v : return tagged Valid v;
endcase;
rule update_final (isValid(rw_enq.wget) || isValid(rw_deq.wget));
taggedReg <= taggedReg_post_enq;
endrule
10.3 Pattern matching in if statements and other contexts
If statements are described in Section 8.6. As the grammar shows, the predicate (condPredicate)
can be a series of pattern matches and expressions, separated by &&&. Example:
if ( e1matches p1&&& e2&&& e3matches p3)
stmt1
else
stmt2
Here, the value of e1is matched against the pattern p1; if it succeeds, the expression e2is evaluated;
if it is true, the value of e3is matched against the pattern p3; if it succeeds, stmt1 is executed,
otherwise stmt2 is executed. The sequential order is important, because e2and e3may use pattern
variables bound in p1, and stmt1 may use pattern variables bound in p1and p3, and pattern variables
are only meaningful if the pattern matches. Of course, stmt2 cannot use any of the pattern variables,
because none of them may be meaningful when it is executed.
In general the condPredicate can be a series of terms, where each term is either a pattern match
or a filter expression (they do not have to alternate). These are executed sequentially from left to
right, and the condPredicate succeeds only if all of them do. In each pattern match ematches p, the
value of the expression eis matched against the pattern pand, if successful, the pattern variables are
bound appropriately and are available for the remaining terms. Filter expressions must be boolean
86

Bluespec SystemVerilog Reference Guide
expressions, and succeed if they evaluate to True. If the whole condPredicate succeeds, the bound
pattern variables are available in the corresponding “consequent” arm of the construct.
The following contexts also permit a condPredicate cp with pattern matching:
•Conditional expressions (Section 9.2):
cp ?e2:e3
The pattern variables from cp are available in e2but not in e3.
•Conditions of rules (Sections 5.6 and 9.13):
rule r(cp);
... rule body ...
endrule
The pattern variables from cp are available in the rule body.
•Conditions of methods (Sections 5.5 and 9.12):
method t f (...) if (cp);
... method body ...
endmethod
The pattern variables from cp are available in the method body.
Example. Continuing the Pipeline FIFO example from the previous section (10.2).
// INTERFACE ----------------
method Action enq(v) if (taggedReg_post_deq matches tagged Invalid);
rw_enq.wset(v);
endmethod
method Action deq() if (taggedReg matches tagged Valid .v);
rw_deq.wset(?);
endmethod
method first() if (taggedReg matches tagged Valid .v);
return v;
endmethod
method Action clear();
taggedReg <= tagged Invalid;
endmethod
endmodule: mkPipelineFIFO
endpackage: PipelineFIFO
10.4 Pattern matching assignment statements
Pattern matching can be used in variable assignments for convenient access to the components of a
tuple or struct value.
varAssign ::= match pattern =expression ;
87

Reference Guide Bluespec SystemVerilog
The pattern variables in the left-hand side pattern are declared at this point and their scope extends
to subsequent statements in the same statement sequence. The types of the pattern variables are
determined by their position in the pattern.
The left-hand side pattern is matched against the value of the right-hand side expression. On a
successful match, the pattern variables are assigned the corresponding components in the value.
Example:
Reg#(Bit#(32)) a <- mkReg(0);
Tuple2#(Bit#(32), Bool) data;
rule r1;
match {.in, .start} = data;
//using "in" as a local variable
a <= in;
endrule
11 Finite state machines
BSV contains a powerful and convenient notation for expressing finite state machines (FSMs). FSMs
are essentially well-structured processes involving sequencing, parallelism, conditions and loops, with
a precise compositional model of time. In principle, FSMs can be coded with rules, which are strictly
more powerful, but the FSM sublanguage herein provides a succinct notation for FSM structures
and automates all the generation and management of the actual FSM state. In fact, the BSV
compiler translates all the constructs described here internally into rules. In particular, the primitive
statements in these FSMs are standard actions (Section 9.6), obeying all the scheduling semantics
of actions (Section 6.2).
First, one uses the Stmt sublanguage, described in Section C.6.1 to compose the actions of an
FSM using sequential, parallel, conditional and looping structures. This sublanguage is within the
expression syntactic category, i.e., a term in the sublanguage is an expression whose value is of type
Stmt. This value can be bound to identifiers, passed as arguments and results of functions, held in
static data structures, etc., like any other value. Finally, the FSM can be instantiated into hardware,
multiple times if desired, by passing the Stmt value to the module constructor mkFSM. The resulting
module interface has type FSM, which has methods to start the FSM and to wait until it completes.
In order to use this sublanguage, it is necessary to import the StmtFSM package, which is described
in more detail in Section C.6.1.
12 Important primitives
These primitives are available via the Standard Prelude package and other standard libraries. See
also Appendix Cmore useful libraries.
12.1 The types bit and Bit
The type bit[m:0] and its synonym Bit#(Mplus1) represents bit-vectors of width m+ 1, provided
the type Mplus1 has been suitably defined. The lower (lsb) index must be zero. Example:
bit [15:0] zero;
zero = 0
typedef bit [50:0] BurroughsWord;
88

Bluespec SystemVerilog Reference Guide
Syntax for bit concatenation and selection is described in Section 9.4.
There is also a useful function, split, to split a bit-vector into two subvectors:
function Tuple2#(Bit#(m), Bit#(n)) split (Bit#(mn) xy)
provisos (Add#(m,n,mn));
It takes a bit-vector of size mn and returns a 2-tuple (a pair, see Section 12.4) of bit-vectors of size
mand n, respectively. The proviso expresses the size constraints using the built-in Add type class.
The function split is polymorphic, i.e, mand nmay be different in different applications of the func-
tion, but each use is fully type-checked statically, i.e., the compiler verifies the proviso, performing
any calculations necessary to do so.
12.1.1 Bit-width compatibility
BSV is currently very strict about bit-width compatibility compared to Verilog and SystemVerilog,
in order to reduce the possibility of unintentional errors. In BSV, the types bit[m:0] and bit[n:0]
are compatible only if m=n. For example, an attempt to assign from one type to the other, when
m6=n, will be reported by the compiler as a type-checking error—there is no automatic padding or
truncation. The Standard Prelude package (see Section B) contains functions such as extend() and
truncate(), which may be used explicitly to extend or truncate to a required bit-width. These
functions, being overloaded over all bit widths, are convenient to use, i.e., you do not have to
constantly calculate the amount by which to extend or truncate; the type checker will do it for you.
12.2 UInt, Int, int and Integer
The types UInt#(n)and Int#(n), respectively, represent unsigned and signed integer data types of
width nbits. These types have all the operations from the type classes (overloading groups) Bits,
Literal,Eq,Arith,Ord,Bounded,Bitwise,BitReduction, and BitExtend. (See Appendix Bfor
the specifications of these type classes and their associated operations.)
Note that the types UInt and Int are not really primitive; they are defined completely in BSV.
The type int is just a synonym for Int#(32).
The type Integer represents unbounded integers. Because they are unbounded, they are only used
to represent static values used during static elaboration. The overloaded function fromInteger
allows conversion from an Integer to various other types.
12.3 String and Char
The type String is defined in the Standard Prelude package (B.2.7) along with the type Char.
Strings and chars are mostly used in system tasks (such as $display). Strings can be concatenated
using the +infix operator or, equivalently, the strConcat function. Strings can be tested for equality
and inequality using the == and != operators. String literals, written in double-quotes, are described
in Section 2.5.
The Char type provides the ability to traverse and modify the characters of a string. The Char type
can be tested for equality and inequality using the == and != operators. The Char type can also be
compared for ordering through the Ord class.
89

Reference Guide Bluespec SystemVerilog
12.4 Tuples
It is frequently necessary to group a small number of values together, e.g., when returning multiple
results from a function. Of course, one could define a special struct type for this purpose, but BSV
predefines a number of structs called tuples that are convenient:
typedef struct {a _1; b _2;} Tuple2#(type a, type b) deriving (Bits,Eq,Bounded);
typedef ... Tuple3#(type a, type b, type c) ...;
typedef ... ... ...;
typedef ... Tuple8#(type a, ..., type h) ...;
Values of these types can be created by applying a predefined family of constructor functions:
tuple2 (e1, e2)
tuple3 (e1, e2, e3)
...
tuple8 (e1, e2, e3, ..., e8)
where the expressions eJevaluate to the component values of the tuples. The tuple types are defined
in the Standard Prelude package (B.2.12).
Components of tuples can be extracted using a predefined family of selector functions:
tpl_1 (e)
tpl_2 (e)
...
tpl_8 (e)
where the expression eevaluates to tuple value. Of course, only the first two are applicable to
Tuple2 types, only the first three are applicable to Tuple3 types, and so on.
In using a tuple component selector, it is sometimes necessary to use a static type assertion to help
the compiler work out the type of the result. Example:
UInt#(6)’(tpl_2 (e))
Tuple components are more conveniently selected using pattern matching. Example:
Tuple2#(int, Bool) xy;
...
case (xy) matches
{ .x, .y } : ... use x and y ...
endcase
12.5 Registers
The most elementary module available in BSV is the register (B.4), which has a Reg interface.
Registers are instantiated using the mkReg module, whose single parameter is the initial value of the
register. Registers can also be instantiated using the mkRegU module, which takes no parameters
(don’t-care initial value). The Reg interface type and the module types are shown below.
90

Bluespec SystemVerilog Reference Guide
interface Reg#(type a);
method Action _write (a x);
method a _read;
endinterface: Reg
module mkReg#(a initVal) (Reg#(a))
provisos (Bits#(a, sa));
module mkRegU (Reg#(a))
provisos (Bits#(a, sa));
Registers are polymorphic, i.e., in principle they can hold a value of any type but, of course, ulti-
mately registers store bits. Thus, the provisos on the modules indicate that the type must be in the
Bits type class (overloading group), i.e., the operations pack() and unpack() must be defined on
this type to convert into to bits and back.
Section 8.4 describes special notation whereby one rarely uses the _write() and _read methods
explicitly. Instead, one more commonly uses the traditional non-blocking assignment notation for
writes and, for reads, one just mentions the register interface in an expression.
Since mentioning the register interface in an expression is shorthand for applying the _read method,
BSV also provides a notation for overriding this implicit read, producing an expression representing
the register interface itself:
asReg (r)
Since it is also occasionally desired to have automatically read interfaces that are not registers, BSV
also provides a notation for more general suppression of read desugaring, producing an expression
that always represents an interface itself:
asIfc(ifc)
12.6 FIFOs
Package FIFO (C.2.2) defines several useful interfaces and modules for FIFOs:
interface FIFO#(type a);
method Action enq (a x);
method Action deq;
method a first;
method Action clear;
endinterface: FIFO
module mkFIFO#(FIFO#(a))
provisos (Bits#(a, as));
module mkSizedFIFO#(Integer depth) (FIFO#(a))
provisos (Bits#(a, as));
The FIFO interface type is polymorphic, i.e., the FIFO contents can be of any type a. However,
since FIFOs ultimately store bits, the content type amust be in the Bits type class (overloading
group); this is specified in the provisos for the modules.
The module mkFIFO leaves the capacity of the FIFO unspecified (the number of entries in the FIFO
before it becomes full).
91

Reference Guide Bluespec SystemVerilog
The module mkSizedFIFO takes the desired capacity of the FIFO explicitly as a parameter.
Of course, when compiled, mkFIFO will pick a particular capacity, but for formal verification purposes
it is useful to leave this undetermined. It is often useful to be able to prove the correctness of a design
without relying on the capacity of the FIFO. Then the choice of FIFO depth can only affect circuit
performance (speed, area) and cannot affect functional correctness, so it enables one to separate the
questions of correctness and “performance tuning.” Thus, it is good design practice initially to use
mkFIFO and address all functional correctness questions. Then, if performance tuning is necessary,
it can be replaced with mkSizedFIFO.
12.7 FIFOFs
Package FIFOF (C.2.2) defines several useful interfaces and modules for FIFOs. The FIFOF interface
is like FIFO, but it also has methods to test whether the FIFO is full or empty:
interface FIFOF#(type a);
method Action enq (a x);
method Action deq;
method a first;
method Action clear;
method Bool notFull;
method Bool notEmpty;
endinterface: FIFOF
module mkFIFOF#(FIFOF#(a))
provisos (Bits#(a, as));
module mkSizedFIFOF#(Integer depth) (FIFOF#(a))
provisos (Bits#(a, as));
The module mkFIFOF leaves the capacity of the FIFO unspecified (the number of entries in the FIFO
before it becomes full). The module mkSizedFIFOF takes the desired capacity of the FIFO as an
argument.
12.8 System tasks and functions
BSV supports a number of Verilog’s system tasks and functions. There are two types of system tasks;
statements which are conceptually equivalent to Action functions, and calls which are conceptually
equivalent to ActionValue and Value functions. Calls can be used within statements.
systemTaskStmt ::= systemTaskCall ;
12.8.1 Displaying information
systemTaskStmt ::= displayTaskName ([expression [,expression ] ] );
displayTaskName ::= $display |$displayb |$displayo |$displayh
|$write |$writeb |$writeo |$writeh
These system task statements are conceptually function calls of type Action, and can be used in
any context where an action is expected.
The only difference between the $display family and the $write family is that members of the
former always output a newline after displaying the arguments, whereas members of the latter do
not.
92

Bluespec SystemVerilog Reference Guide
The only difference between the ordinary, b,oand hvariants of each family is the format in which
numeric expressions are displayed if there is no explicit format specifier. The ordinary $display
and $write will output, by default, in decimal format, whereas the b,oand hvariants will output
in binary, octal and hexadecimal formats, respectively.
There can be any number of argument expressions between the parentheses. The arguments are
displayed in the order given. If there are no arguments, $display just outputs a newline, whereas
$write outputs nothing.
The argument expressions can be of type String,Char,Bit#(n) (i.e., of type bit[n-1:0]), Integer,
or any type that is a member of the overloading group Bits. Values of type Char are treated as
aString of one character, by implicitly converting to String. Members of Bits will display their
packed representation. The output will be interpreted as a signed number for the types Integer
and Int#(n). Arguments can also be literals. Integers and literals are limited to 32 bits.
Arguments of type String and Char are interpreted as they are displayed. The characters in the
string are output literally, except for certain special character sequences beginning with a %character,
which are interpreted as format-specifiers for subsequent arguments. The following format specifiers
are supported9:
%d Output a number in decimal format
%b Output a number in binary format
%o Output a number in octal format
%h Output a number in hexadecimal format
%c Output a character with given ASCII code
%s Output a string (argument must be a string)
%t Output a number in time format
%m Output hierarchical name
The values output are sized automatically to the largest possible value, with leading zeros, or in the
case of decimal values, leading spaces. The automatic sizing of displayed data can be overridden
by inserting a value nindicating the size of the displayed data. If n=0 the output will be sized to
minimum needed to display the data without leading zeros or spaces.
ActionValues (see Section 9.7) whose returned type is displayable can also be directly displayed.
This is done by performing the associated action (as part of the action invoking $display) and
displaying the returned value.
Example:
$display ("%t", $time);
For display statements in different rules, the outputs will appear in the usual logical scheduling order
of the rules. For multiple display statements within a single rule, technically there is no defined
ordering in which the outputs should appear, since all the display statements are Actions within
the rule and technically all Actions happen simultaneously in the atomic transaction. However, as
a convenience to the programmer, the compiler will arrange for the display outputs to appear in
the normal textual order of the source text, taking into accout the usual flow around if-then-elses,
statically elaborated loops, and so on. However, for a rule that comprises separately compiled parts
(for example, a rule that invokes a method in a separately compiled module), the system cannot
guarantee the ordering of display statements across compilation boundaries. Within each separately
9Displayed strings are passed through the compiler unchanged, so other format specifiers may be supported by
your Verilog simulator. Only the format specifiers above are supported by Bluespec’s C-based simulator.
93

Reference Guide Bluespec SystemVerilog
compiled part, the display outputs will appear in source text order, but these groups may appear in
any order. In particular, verification engineers should be careful about these benign (semantically
equivalent) reorderings when checking the outputs for correctness.
12.8.2 $format
systemTaskCall ::= $format ( [expression [,expression ] ] )
Bluespec also supports $format, a display related system task that does not exist in Verilog. $format
takes the same arguments as the $display family of system tasks. However, unlike $display (which
is a function call of type Action), $format is a value function which returns an object of type Fmt
(section B.2.9). Fmt representations of data objects can thus be written hierarchically and applied
to polymorphic types. The FShow typeclass is based on this capability.
Example:
typedef struct {OpCommand command;
Bit#(8) addr;
Bit#(8) data;
Bit#(8) length;
Bool lock;
} Header deriving (Eq, Bits, Bounded);
function Fmt fshow (Header value);
return ($format("<HEAD ")
+
fshow(value.command)
+
$format(" (%0d)", value.length)
+
$format(" A:%h", value.addr)
+
$format(" D:%h>", value.data));
endfunction
12.8.3 Opening and closing file operations
systemTaskCall ::= $fopen ( fileName [,fileType ])
systemTaskStmt ::= $fclose ( fileIdentifier ) ;
The $fopen system call is of type ActionValue and can be used anywhere an ActionValue is
expected. The argument fileName is of type String. $fopen returns a fileIdentifier of type File. If
there is a fileType argument, the fileIdentifier returned is a file descriptor of type FD.
File is a defined type in BSV which is defined as:
typedef union tagged {
void InvalidFile ;
Bit#(31) MCD;
Bit#(31) FD;
} File;
If there is not a fileType argument, the fileIdentifier returned is a multi channel descriptor of type
MCD.
One file of type MCD is pre-opened for append, stdout_mcd (value 1).
94

Bluespec SystemVerilog Reference Guide
Three files of type FD are pre-opened; they are stdin (value 0), stdout (value 1), and stderr (value
2). stdin is pre-opened for reading and stdout and stderr are pre-opened for append.
The fileType determines, according to the following table, how other files of type FD are opened:
File Types for File Descriptors
Argument Description
"r" or "rb" open for reading
"w" or "wb" truncate to zero length or create for writing
"a" or "ab" append; open for writing at end of file, or create for writing
"r+", or "r+b", or "rb+" open for update (reading and writing)
"w+", or "w+b", or "wb+" truncate or create for update
"a+", or "a+b", or "ab+" append; open or create for update at end of file
The $fclose system call is of type Action and can be used in any context where an action is
expected.
12.8.4 Writing to a file
systemTaskStmt ::= fileTaskName (fileIdentifier ,[expression [,expression ] ] ) ;
fileTaskName ::= $fdisplay |$fdisplayb |$fdisplayo |$fdisplayh
|$fwrite |$fwriteb |$fwriteo |$fwriteh
These system task calls are conceptually function calls of type Action, and can be used in any
context where an action is expected. They correspond to the display tasks ($display,$write)
but they write to specific files instead of to the standard output. They accept the same arguments
(Section 12.8.1) as the tasks they are based on, with the addition of a first parameter fileIdentifier
which indicates where to direct the file output.
Example:
Reg#(int) cnt <- mkReg(0);
let fh <- mkReg(InvalidFile) ;
let fmcd <- mkReg(InvalidFile) ;
rule open (cnt == 0 ) ;
// Open the file and check for proper opening
String dumpFile = "dump_file1.dat" ;
File lfh <- $fopen( dumpFile, "w" ) ;
if ( lfh == InvalidFile )
begin
$display("cannot open %s", dumpFile);
$finish(0);
end
cnt <= 1 ;
fh <= lfh ; // Save the file in a Register
endrule
rule open2 (cnt == 1 ) ;
// Open the file and check for proper opening
// Using a multi-channel descriptor.
String dumpFile = "dump_file2.dat" ;
95

Reference Guide Bluespec SystemVerilog
File lmcd <- $fopen( dumpFile ) ;
if ( lmcd == InvalidFile )
begin
$display("cannot open %s", dumpFile );
$finish(0);
end
lmcd = lmcd | stdout_mcd ; // Bitwise operations with File MCD
cnt <= 2 ;
fmcd <= lmcd ; // Save the file in a Register
endrule
rule dump (cnt > 1 );
$fwrite( fh , "cnt = %0d\n", cnt); // Writes to dump_file1.dat
$fwrite( fmcd , "cnt = %0d\n", cnt); // Writes to dump_file2.dat
dump_file2.dat // and stdout
cnt <= cnt + 1;
endrule
12.8.5 Formatting output to a string
systemTaskStmt ::= stringTaskName (ifcIdentifier ,[expression [,expression ] ] ) ;
stringTaskName ::= $swrite |$swriteb |$swriteo |$swriteh |$sformat
These system task calls are analogous to the $fwrite family of system tasks. They are conceptually
function calls of type Action, and accept the same type of arguments as the corresponding $fwrite
tasks, except that the first parameter must now be an interface with an _write method that takes
an argument of type Bit#(n).
The task $sformat is similar to $swrite, except that the second argument, and only the second
argument, is interpreted as a format string. This format argument can be a static string, or it
can be a dynamic value whose content is interpreted as the format string. No other arguments in
$sformat are interpreted as format strings. $sformat supports all the format specifies supported
by $display, as documented in 12.8.1.
The Bluespec compiler de-sugars each of these task calls into a call of an ActionValue version of
the same task. For example:
$swrite(foo, "The value is %d", count);
de-sugars to
let x <- $swriteAV("The value is %d", count);
foo <= x;
An ActionValue value version is available for each of these tasks. The associated syntax is given
below.
systemTaskCall ::= stringAVTaskName ([expression [,expression ] ] )
stringAVTaskName ::= $swriteAV |$swritebAV |$swriteoAV |$swritehAV |$sformatAV
The ActionValue versions of these tasks can also be called directly by the user.
Use of the system tasks described in this section allows a designer to populate state elements with
dynamically generated debugging strings. These values can then be viewed using other display tasks
(using the %s format specifier) or output to a VCD file for examination in a waveform viewer.
96

Bluespec SystemVerilog Reference Guide
12.8.6 Reading from a file
systemTaskCall ::= $fgetc ( fileIdentifier )
systemTaskStmt ::= $ungetc ( expression,fileIdentifier ) ;
The $fgetc system call is a function of type ActionValue#(int) which returns an int from the file
specified by fileIdentifier.
The $ungetc system statement is a function of type Action which inserts the character specified by
expression into the buffer specified by fileIdentifier.
Example:
rule open ( True ) ;
String readFile = "gettests.dat";
File lfh <- $fopen(readFile, "r" ) ;
int i <- $fgetc( lfh );
if(i!=-1)
begin
Bit#(8) c = truncate( pack(i) ) ;
end
else // an error occurred.
begin
$display( "Could not get byte from %s",
readFile ) ;
end
$fclose ( lfh ) ;
$finish(0);
endrule
12.8.7 Flushing output
systemTaskStmt ::= $fflush ( [fileIdentifier ]) ;
The system call $fflush is a function of type Action and can be used in any context where an
action is expected. The $fflush function writes any buffered output to the file(s) specified by the
fileIdentifier. If no argument is provided, $fflush writes any buffered output to all open files.
12.8.8 Stopping simulation
systemTaskStmt ::= $finish [(expression )];
|$stop [(expression )];
These system task calls are conceptually function calls of type Action, and can be used in any
context where an action is expected.
The $finish task causes simulation to stop immediately and exit back to the operating system. The
$stop task causes simulation to suspend immediately and enter an interactive mode. The optional
argument expressions can be 0, 1 or 2, and control the verbosity of the diagnostic messages printed
by the simulator. the default (if there is no argument expression) is 1.
97

Reference Guide Bluespec SystemVerilog
12.8.9 VCD dumping
systemTaskStmt ::= $dumpvars |$dumpon |$dumpoff ;
These system task calls are conceptually function calls of type Action, and can be used in any
context where an action is expected.
A call to $dumpvars starts dumping the changes of all the state elements in the design to the
VCD file. BSV’s $dumpvars does not currently support arguments that control the specific module
instances or levels of hierarchy that are dumped.
Subsequently, a call to $dumpoff stops dumping, and a call to $dumpon resumes dumping.
12.8.10 Time functions
systemFunctionCall ::= $time |$stime
These system function calls are conceptually of ActionValue type (see Section 9.7), and can be used
anywhere an ActionValue is expected. The time returned is the time when the associated action
was performed.
The $time function returns a 64-bit integer (specifically, of type Bit#(64)) representing time, scaled
to the timescale unit of the module that invoked it.
The $stime function returns a 32-bit integer (specifically, of type Bit#(32)) representing time,
scaled to the timescale unit of the module that invoked it. If the actual simulation time does not fit
in 32 bits, the lower-order 32 bits are returned.
12.8.11 Real functions
There are two system tasks defined for the Real data type (section B.2.6), used to convert between
Real and IEEE standard 64-bit vector representation, $realtobits and $bitstoreal. They are
identical to the Verilog functions.
systemTaskCall ::= $realtobits ( expression )
systemTaskCall ::= $bitstoreal ( expression )
12.8.12 Testing command line input
Information for use in simulation can be provided on the command line. This information is spec-
ified via optional arguments in the command used to invoke the simulator. These arguments are
distinguished from other simulator arguments by starting with a plus (+) character and are therefore
known as plusargs. Following the plus is a string which can be examined during simulation via
system functions.
systemTaskCall ::= $test$plusargs ( expression )
The $test$plusargs system function call is conceptually of ActionValue type (see Section 9.7),
and can be used anywhere an ActionValue is expected. An argument of type String is expected
and a boolean value is returned indicating whether the provided string matches the beginning of any
plusarg from the command line.
98

Bluespec SystemVerilog Reference Guide
13 Guiding the compiler with attributes
This section describes how to guide the compiler in some of its decisions using BSV’s attribute
syntax.
attributeInstances ::= attributeInstance
{attributeInstance }
attributeInstance ::= (* attrSpec {,attrSpec }*)
attrSpec ::= attrName [=expression ]
attrName ::= identifier |Identifier
Multiple attributes can be written together on a single line
(* synthesize, always_ready = "read, subifc.enq" *)
Or attributes can be written on multiple lines
(* synthesize *)
(* always_ready = "read, subifc.enq" *)
Attributes can be associated with a number of different language constructs such as module, interface,
and function definitions. A given attribute declaration is applied to the first attribute construct that
follows the declaration.
13.1 Verilog module generation attributes
In addition to compiler flags on the command line, it is possible to guide the compiler with attributes
that are included in the BSV source code.
The attributes synthesize and noinline control code generation for top-level modules and func-
tions, respectively.
Attribute name Section Top-level module Top-level function
definitions definitions
synthesize 13.1.1 √
noinline 13.1.2 √
13.1.1 synthesize
When the compiler is directed to generate Verilog or Bluesim code for a BSV module, by default it
tries to integrate all definitions into one big module. The synthesize attribute marks a module for
code generation and ensures that, when generated, instantiations of the module are not flattened but
instead remain as references to a separate module definition. Modules that are annotated with the
synthesize attribute are said to be synthesized modules. The BSV hierarchy boundaries associated
with synthesized modules are maintained during code generation. Not all BSV modules can be
synthesized modules (i.e.,can maintain a module boundary during code generation). Section 5.8
describes in more detail which modules are synthesizable.
99

Reference Guide Bluespec SystemVerilog
13.1.2 noinline
The noinline attribute is applied to functions, instructing the compiler to generate a separate
module for the function. This module is instantiated as many times as required by its callers. When
used in complicated calling situations, the use of the noinline attribute can simplify and speed up
compilation. The noinline attribute can only be applied to functions that are defined at the top
level and the inputs and outputs of the function must be in the typeclass Bits.
Example:
(* noinline *)
function Bit#(LogK) popCK(Bit#(K) x);
return (popCountTable(x));
endfunction: popCK
13.2 Interface attributes
Interface attributes express protocol and naming requirements for generated Verilog interfaces. They
are considered during generation of the Verilog module which uses the interface. These attributes
can be applied to synthesized modules, methods, interfaces, and subinterfaces at the top level only.
If the module is not synthesized, the attribute is ignored. The following table shows which attributes
can be applied to which elements. These attributes cannot be applied to Clock,Reset, or Inout
subinterface declarations.
Synthesized Interface Methods of Subinterfaces of
Attribute name Section module type interface type interface type
definitions declarations declarations declarations
ready= 13.2.1 √
enable= 13.2.1 √
result= 13.2.1 √
prefix= 13.2.1 √ √
port= 13.2.1 √
always ready 13.2.2 √ √ √ √
always enabled 13.2.2 √ √ √ √
There is a direct correlation between interfaces in Bluespec and ports in the generated Verilog. These
attributes can be applied to interfaces to control the naming and the protocols of the generated
Verilog ports.
Bluespec uses a simple Ready-Enable micro-protocol for each method within the module’s interface.
Each method contains both a output Ready (RDY) signal and an input Enable (EN) signal in
addition to any needed directional data lines. When a method can be safely called it asserts its
RDY signal. When an external caller sees the RDY signal it may then call (in the same cycle) the
method by asserting the method’s EN signal and providing any required data.
Generated Verilog ports names are based the method name and argument names, with some standard
prefixes. In the ActionValue method method1 shown below
method ActionValue#( type_out ) method1 ( type_in data_in ) ;
the following ports are generated:
RDY_method1 Output ready signal of the protocol
EN_method1 Input signal for Action and Action Value methods
method1 Output signal of ActionValue and Value methods
method1_data_in Input signal for method arguments
100

Bluespec SystemVerilog Reference Guide
Interface attributes allow control over the naming and protocols of individual methods or entire
interfaces.
13.2.1 Renaming attributes
ready= and enable= Ready and enable ports use RDY_ and EN_ as the default prefix to the
method names. The attributes ready= ”string” and enable= ”string” replace the prefix annotation
and method name with the specified string as the name instead. These attributes may be associated
with method declarations (methodProto) only (Section 5.2).
In the above example, the following attribute would replace the RDY_method1 with avMethodIsReady
and EN_method1 with GO.
(* ready = "avMethodIsReady", enable = "GO" *)
Note that the ready= attribute is ignored if the method or module is annotated as always_ready
or always_enabled, while the enable= attribute is ignored for value methods as those are annotated
as always_enabled.
result= By default the output port for value methods and ActionValue methods use the method
name. The attribute result = ”string” causes the output to be renamed to the specified string. This
is useful when the desired port names must begin with an upper case letter, which is not valid for
a method name. These attributes may be associated with method declarations (methodProto) only
(Section 5.2).
In the above example, the following attribute would replace the method1 port with OUT.
(* result = "OUT" *)
Note that the result= attribute is ignored if the method is an Action method which does not
return a result.
prefix= and port= By default, the input ports for methods are named by using the name of the
method as the prefix and the name of the method argument as the suffix, into method_argument.
The prefix and/or suffix name can be replaced by the attributes prefix= ”string” and port= ”string”.
By combining these attributes any desired string can be generated. The prefix= attribute replaces
the method name and the port= attribute replaces the argument name in the generated Verilog port
name. The prefix string may be empty, in which case the joining underscore is not added.
The prefix= attribute may be associated with method declarations (methodProto) or subinterface
declarations (subinterfaceDecl). The port= attribute may be associated with each method prototype
argument in the interface declaration (methodProtoFormal ) (Section 5.2).
In the above example, the following attribute would replace the method1_data_in port with IN_DATA.
(* prefix = "" *)
method ActionValue#( type_out )
method1( (* port="IN_DATA" *) type_in data_in ) ;
Note that the prefix= attribute is ignored if the method does not have any arguments.
The prefix= attribute may also be used on subinterface declarations to aid the renaming of interface
hierarchies. By default, interface hierarchies are named by prefixing the subinterface name to names
of the methods within that interface (Section 5.2.1.) Using the prefix attribute on the subinterface
is a way of replacing the subinterface name. This is demonstrated in the example in Section 13.2.3.
101

Reference Guide Bluespec SystemVerilog
13.2.2 Port protocol attributes
The port protocol attributes always_enabled and always_ready remove unnecessary ports. These
attributes are applied to synthesized modules, methods, interfaces, and subinterfaces at the top
level only. If the module is not synthesized, the attribute is ignored. The compiler verifies that the
attributes are correctly applied.
The attribute always_enabled specifies that no enable signal will be generated for the associated
interface methods. The methods will be executed on every clock cycle and the compiler verifies that
the caller does this.
The attribute always_ready specifies that no ready signals will be generated. The compiler verifies
that the associated interface methods are permanently ready. always_enabled implies always_ready.
The always_ready and always_enabled attributes can be associated with the method declara-
tions (methodProto), the subinterface declarations (subinterfaceDecl), or the interface declaration
(interfaceDecl) itself. In these cases, the attribute does not take any arguments. Example:
interface Test;
(* always_enabled *)
method ActionValue#(Bool) check;
endinterface: Test
The attributes can also be associated with a module, in which case the attribute can have as an
argument the list of methods to which the attribute is applied. When associated with a module, the
attributes are applied when the interface is implemented by a module, not at the declaration of the
interface. Example:
interface ILookup; //the definition of the interface
interface Fifo#(int) subifc;
method Action read ();
endinterface: ILookup
(* synthesize *)
(* always_ready = "read, subifc.enq" * )//the attribute is applied when the
module mkServer (ILookup); //interface is implemented within
... //a module.
endmodule: mkServer
In this example, note that only the enq method of the subifc interface is always_ready. Other
methods of the interface, such as deq, are not always_ready.
If every method of the interface is always_ready or always_enabled, individual methods don’t have
to be specified when applying the attribute to a module. Example:
(* synthesize *)
(* always_enabled *)
module mkServer (ILookup);
13.2.3 Interface attributes example
(* always_ready *) // all methods in this and all subinterface
// have this property
// always_enabled is also allowed here
interface ILookup;
102

Bluespec SystemVerilog Reference Guide
(* prefix = "" *) // subifc_ will not be used in naming
// always_enabled and always_ready are allowed.
interface Fifo#(int) subifc;
(* enable = "GOread" *) // EN_read becomes GOread
method Action read ();
(* always_enabled *) // always_enabled and always_ready
// are allowed on any individual method
(* result = "CHECKOK" *) // output checkData becomes CHECKOK
(* prefix = "" *) // checkData_datain1 becomes DIN1
// checkData_datain2 becomes DIN2
method ActionValue#(Bool) checkData ( (* port= "DIN1" *) int datain1
(* port= "DIN2" *) int datain2 ) ;
endinterface: ILookup
13.3 Scheduling attributes
Attribute name Section Module rule rules
definitions definitions expressions
fire when enabled 13.3.1 √
no implicit conditions 13.3.2 √
descending urgency 13.3.3 √ √ √
execution order 13.3.4 √ √ √
mutually exclusive 13.3.5 √ √ √
conflict free 13.3.6 √ √ √
preempts 13.3.7 √ √ √
Scheduling attributes are used to express certain performance requirements. When the compiler
maps rules into clocks, as described in Section 6.2.2, scheduling attributes guide or constrain its
choices, in order to produce a schedule that will meet performance goals.
Scheduling attributes are most often attached to rules or to rule expressions, but some can also be
added to module definitions.
The scheduling attributes are are only applied when the module is synthesized.
13.3.1 fire_when_enabled
The fire_when_enabled scheduling attribute immediately precedes a rule (just before the rule
keyword) and governs the rule.
It asserts that this rule must fire whenever its predicate and its implicit conditions are true, i.e.,
when the rule conditions are true, the attribute checks that there are no scheduling conflicts with
other rules that will prevent it from firing. This is statically verified by the compiler. If the rule
won’t fire, the compiler will report an error.
Example. Using fire_when_enabled to ensure the counter is reset:
// IfcCounter with read method
interface IfcCounter#(type t);
method t readCounter;
endinterface
103

Reference Guide Bluespec SystemVerilog
// Definition of CounterType
typedef Bit#(16) CounterType;
// Module counter using IfcCounter interface. It never contains 0.
(* synthesize,
reset_prefix = "reset_b",
clock_prefix = "counter_clk",
always_ready = "readCounter",
always_enabled= "readCounter" *)
module counter (IfcCounter#(CounterType));
// Reg counter gets reset to 1 asynchronously with the RST signal
Reg#(CounterType) counter <- mkRegA(1);
// Next rule resets the counter to 1 when it reaches its limit.
// The attribute fire_when_enabled will check that this rule will fire
// if counter == ’1
(* fire_when_enabled *)
rule resetCounter (counter == ’1);
counter <= 1;
endrule
// Next rule updates the counter.
rule updateCounter;
counter <= counter + 1;
endrule
// Method to output the counter’s value
method CounterType readCounter;
return counter;
endmethod
endmodule
Rule resetCounter conflicts with rule updateCounter because both rules try to read and write the
counter register when it contains all its bits set to one. If the rule updateCounter is more urgent, only
the rule updateCounter will fire. In this case, the assertion fire_when_enabled will be violated and
the compiler will produce an error message. Note that without the assertion fire_when_enabled
the compilation process will be correct.
13.3.2 no_implicit_conditions
The no_implicit_conditions scheduling attribute immediately precedes a rule (just before the
rule keyword) and governs the rule.
It asserts that the implicit conditions of all interface methods called within the rule must always
be true; only the explicit rule predicate controls whether the rule can fire or not. This is statically
verified by the compiler, and it will report an error if necessary.
Example:
// Import the FIFO package
import FIFO :: *;
104

Bluespec SystemVerilog Reference Guide
// IfcCounter with read method
interface IfcCounter#(type t);
method t readCounter;
method Action setReset(t a);
endinterface
// Definition of CounterType
typedef Bit#(16) CounterType;
// Module counter using IfcCounter interface
(* synthesize,
reset_prefix = "reset_b",
clock_prefix = "counter_clk",
always_ready = "readCounter",
always_enabled = "readCounter" *)
module counter (IfcCounter#(CounterType));
// Reg counter gets reset to 1 asynchronously with the RST signal
Reg#(CounterType) counter <- mkRegA(1);
// The 4 depth valueFifo contains a list of reset values
FIFO#(CounterType) valueFifo <- mkSizedFIFO(4);
/* Next rule increases the counter with each counter_clk rising edge
if the maximum has not been reached */
(* no_implicit_conditions *)
rule updateCounter;
if (counter != ’1)
counter <= counter + 1;
endrule
// Next rule resets the counter to a value stored in the valueFifo
(* no_implicit_conditions *)
rule resetCounter (counter == ’1);
counter <= valueFifo.first();
valueFifo.deq();
endrule
// Output the counters value
method CounterType readCounter;
return counter;
endmethod
// Update the valueFifo
method Action setReset(CounterType a);
valueFifo.enq(a);
endmethod
endmodule
The assertion no_implicit_conditions is incorrect for the rule resetCounter, resulting in a com-
pilation error. This rule has the implicit condition in the FIFO module due to the fact that the deq
method cannot be invoked if the fifo valueFifo is empty. Note that without the assertion no error
will be produced and that the condition if (counter != ’1) is not considered an implicit one.
105

Reference Guide Bluespec SystemVerilog
13.3.3 descending_urgency
The compiler maps rules into clocks, as described in Section 6.2.2. In each clock, amongst all the
rules that can fire in that clock, the system picks a subset of rules that do not conflict with each
other, so that their parallel execution is consistent with the reference TRS semantics. The order in
which rules are considered for selection can affect the subset chosen. For example, suppose rules r1
and r2 conflict, and both their conditions are true so both can execute. If r1 is considered first and
selected, it may disqualify r2 from consideration, and vice versa. Note that the urgency ordering is
independent of the TRS ordering of the rules, i.e., the TRS ordering may be r1 before r2, but either
one could be considered first by the compiler.
The designer can specify that one rule is more urgent than another, so that it is always considered
for scheduling before the other. The relationship is transitive, i.e., if rule r1 is more urgent than
rule r2, and rule r2 is more urgent than rule r3, then r1 is considered more urgent than r3.
Urgency is specified with the descending_urgency attribute. Its argument is a string containing a
comma-separated list of rule names (see Section 5.6 for rule syntax, including rule names). Example:
(* descending_urgency = "r1, r2, r3" *)
This example specifies that r1 is more urgent than r2 which, in turn, is more urgent than r3.
If urgency attributes are contradictory, i.e., they specify both that one rule is more urgent than
another and its converse, the compiler will report an error. Note that such a contradiction may
be a consequence of a collection of urgency attributes, because of transitivity. One attribute may
specify r1 more urgent than r2, another attribute may specify r2 more urgent than r3, and another
attribute may specify r3 more urgent than r1, leading to a cycle, which is a contradiction.
The descending_urgency attribute can be placed in one of three syntactic positions:
•It can be placed just before the module keyword in a module definitions (Section 5.3), in which
case it can refer directly to any of the rules inside the module.
•It can be placed just before the rule keyword in a rule definition, (Section 5.6) in which case
it can refer directly to the rule or any other rules at the same level.
•It can be placed just before the rules keyword in a rules expression (Section 9.13), in which
case it can refer directly to any of the rules in the expression.
In addition, an urgency attribute can refer to any rule in the module hierarchy at or below the
current module, using a hierarchical name. For example, suppose we have:
module mkFoo ...;
mkBar the_bar (barInterface);
(* descending_urgency = "r1, the_bar.r2" *)
rule r1 ...
...
endrule
endmodule: mkFoo
The hierarchical name the_bar.r2 refers to a rule named r2 inside the module instance the_bar.
This can be several levels deep, i.e., the scheduling attribute can refer to a rule deep in the module
106

Bluespec SystemVerilog Reference Guide
hierarchy, not just the submodule immediately below. In general a hierarchical rule name is a
sequence of module instance names and finally a rule name, separated by periods.
A reference to a rule in a submodule cannot cross synthesis boundaries. This is because synthesis
boundaries are also scheduler boundaries. Each separately synthesized part of the module hierarchy
contains its own scheduler, and cannot directly affect other schedulers. Urgency can only apply to
rules considered within the same scheduler.
If rule urgency is not specified, and it impacts the choice of schedule, the compiler will print a
warning to this effect during compilation.
Example. Using descending_urgency to control the scheduling of conflicting rules:
// IfcCounter with read method
interface IfcCounter#(type t);
method t readCounter;
endinterface
// Definition of CounterType
typedef Bit#(16) CounterType;
// Module counter using IfcCounter interface. It never contains 0.
(* synthesize,
reset_prefix = "reset_b",
clock_prefix = "counter_clk",
always_ready = "readCounter",
always_enabled= "readCounter" *)
module counter (IfcCounter#(CounterType));
// Reg counter gets reset to 1 asynchronously with the RST signal
Reg#(CounterType) counter <- mkRegA(1);
/* The descending_urgency attribute will indicate the scheduling
order for the indicated rules. */
(* descending_urgency = "resetCounter, updateCounter" *)
// Next rule resets the counter to 1 when it reaches its limit.
rule resetCounter (counter == ’1);
action
counter <= 1;
endaction
endrule
// Next rule updates the counter.
rule updateCounter;
action
counter <= counter + 1;
endaction
endrule
// Method to output the counter’s value
method CounterType readCounter;
return counter;
endmethod
endmodule
107

Reference Guide Bluespec SystemVerilog
Rule resetCounter conflicts with rule updateCounter because both try to modify the counter
register when it contains all its bits set to one. Without any descending_urgency attribute, the
updateCounter rule may obtain more urgency, meaning that if the predicate of resetCounter is
met, only the rule updateCounter will fire. By setting the descending_urgency attribute the
designer can control the scheduling in the case of conflicting rules.
13.3.4 execution_order
With the execution_order attribute, the designer can specify that, when two rules fire in the same
cycle, one rule should sequence before the other. This attribute is similar to the descending_urgency
attribute (section 13.3.3) except that it specifies the execution order instead of the urgency order.
The execution_order attribute may occur in the same syntactic positions as the descending_urgency
attribute (Section 13.3.3) and takes a similar argument, a string containing a comma-separated list
of rule names. Example:
(* execution_order = "r1, r2, r3" *)
This example specifies that r1 should execute before r2 which, in turn, should execute before r3.
If two rules cannot execute in the order specified, because of method calls which must sequence in
the opposite order, for example, then the two rules are forced to conflict.
13.3.5 mutually_exclusive
The scheduler always attempts to deduce when two rules are mutually exclusive (based on their
predicates). However, this deduction can fail even when two rules are actually exclusive, either
because the scheduler effort limit is exceeded or because the mutual exclusion depends on a higher-
level invariant that the scheduler does not know about. The mutually_exclusive attribute allows
the designer to overrule the scheduler’s deduction and forces the generated schedule to treat the
annotated rules as exclusive. The mutually_exclusive attribute may occur in the same syntactic
positions as the descending_urgency attribute (Section 13.3.3) and takes a similar argument, a
string containing a comma-separated list of rule names. Example:
(* mutually_exclusive = "r1, r2, r3" *)
This example specifies that every pair of rules that are in the annotation (i.e (r1,r2), (r1,r3), and
(r2,r3)) is a mutually-exclusive rule pair.
Since an asserted mutual exclusion does not come with a proof of this exclusion, the compiler will
insert code that will check and generate a runtime error if two rules ever execute during the same clock
cycle during simulation. This allows a designer to find out when their use of the mutually_exclusive
attribute is incorrect.
13.3.6 conflict_free
Like the mutually_exclusive rule attribute (section 13.3.5), the conflict_free rule attribute is a
way to overrule the scheduler’s deduction about the relationship between two rules. However, unlike
rules that are annotated mutually_exclusive, rules that are conflict_free may fire in the same
clock cycle. Instead, the conflict_free attribute asserts that the annotated rules will not make
method calls that are inconsistent with the generated schedule when they execute.
The conflict_free attribute may occur in the same syntactic positions as the descending_urgency
attribute (Section 13.3.3) and takes a similar argument, a string containing a comma-separated list
of rule names. Example:
108

Bluespec SystemVerilog Reference Guide
(* conflict_free = "r1, r2, r3" *)
This example specifies that every pair of rules that are in the annotation (i.e (r1,r2), (r1,r3), and
(r2,r3)) is a conflict-free rule pair.
For example, two rules may both conditionally enqueue data into a FIFO with a single enqueue
port. Ordinarily, the scheduler would conclude that the two rules conflict since they are competing
for a single method. However, if they are annotated as conflict_free the designer is asserting that
when one rule is enqueuing into the FIFO, the other will not be, so the conflict is apparent, not real.
With the annotation, the schedule will be generated as if any conflicts do not exist and code will be
inserted into the resulting model to check if conflicting methods are actually called by the conflict
free rules during simulation.
It is important to know the conflict_free attribute’s capabilities and limitations. The attribute
works with more than method calls that totally conflict (like the single enqueue port). During simu-
lation, it will check and report any method calls amongst conflict_free rules that are inconsistent
with the generated schedule (including registers being read after they have been written and wires
being written after they are read). On the other hand, the conflict_free attribute does not over-
rule the scheduler’s deductions with respect to resource usage (like uses of a multi-ported register
file).
13.3.7 preempts
The designer can also prevent a rule from firing whenever another rule (or set of rules) fires. The
preempts attribute accepts two elements as arguments. Each element may be either a rule name or
a list of rule names. A list of rule names must be separated by commas and enclosed in parentheses.
In each cycle, if any of the rule names specified in the first list can be executed and are scheduled
to fire, then none of the rules specified in the second list will be allowed to fire.
The preempts attribute is similar to the descending_urgency attribute (section 13.3.3), and may
occur in the same syntactic positions. The preempts attribute is equivalent to forcing a conflict
and adding descending_urgency. With descending_urgency, if two rules do not conflict, then
both would be allowed to fire even if an urgency order had been specified; with preempts, if one
rule preempts the other, they can never fire together. If r1 preempts r2, then the compiler forces a
conflict and gives r1 priority. If r1 is able to fire, but is not scheduled to, then r2 can still fire.
Examples:
(* preempts = "r1, r2" *)
If r1 will fire, r2 will not.
(* preempts = "(r1, r2), r3" *)
If either r1 or r2 (or both) will fire, r3 will not.
(* preempts = "(the_bar.r1, (r2, r3)" *)
If the rule r1 in the submodule the_bar will fire, then neither r2 nor r3 will fire.
109

Reference Guide Bluespec SystemVerilog
13.4 Evaluation behavior attributes
13.4.1 split and nosplit
Attribute name Section Action ActionValue
statements statements
split/nosplit 13.4.1 √ √
The split/nosplit attributes are applied to Action and ActionValue statements, but cannot
precede certain expressions inside an action/endaction including return, variable declarations,
instantiations, and function statements.
When a rule contains an if (or case) statement, the compiler has the option either of splitting the
rule into two mutually exclusive rules, or leaving it as one rule for scheduling but using MUXes in the
production of the action. Rule splitting can sometimes be desirable because the two split rules are
scheduled independently, so non-conflicting branches of otherwise conflicting rules can be scheduled
concurrently. Splitting also allows the split fragments to appear in different positions in the logical
execution order, providing the effect of condition dependent scheduling.
Splitting is turned off by default for two reasons:
•When a rule contains many if statements, it can lead to an exponential explosion in the
number of rules. A rule with 15 if statements might split into 215 rules, depending on how
independent the statements and their branch conditions are. An explosion in the number of
rules can dramatically slow down the compiler and cause other problems for later compiler
phases, particularly scheduling.
•Splitting propagates the branch condition of each if to the predicates of the split rules. Re-
sources required to compute rule predicates are reserved on every cycle. If a branch condition
requires a scarce resource, this can starve other parts of the design that want to use that
resource.
The split and nosplit attributes override any compiler flags, either the default or a flag entered
on the command line (-split-if).
The split attribute splits all branches in the statement immediately following the attribute state-
ment, which must be an Action statement. A split immediately preceding a binding (e.g. let)
statement is not valid. If there are nested if or case statements within the split statement, it will
continue splitting recursively through the branches of the statement. The nosplit attribute can be
used to disable rule splitting within nested if statements.
Example:
module mkConditional#(Bit#(2) sel) ();
Reg#(Bit#(4)) a <- mkReg(0);
Reg#(Bool) done <- mkReg(False);
rule finish ;
(*split*)
if (a == 3)
begin
done <= True;
end
else
(*nosplit*)
110

Bluespec SystemVerilog Reference Guide
if (a == 0)
begin
done <= False;
a <= 1;
end
else
begin
done <= False;
end
endrule
endmodule
To enable rule splitting for an entire design, use the compiler flag -split-if at compile time. See the
user guide for more information on compiler flags. You can enable rule splitting for an entire design
with the -split-if flag and then disable the effect for specific rules, by specifying the nosplit
attribute before the rules you do not want to split.
13.5 Input clock and reset attributes
The following attributes control the definition and naming of clock oscillator, clock gate, and reset
ports. The attributes can only be applied to top-level module definitions.
Attribute name Section Top-level module
clock prefix= 13.5.1 √
gate prefix= 13.5.1 √
reset prefix= 13.5.1 √
gate input clocks= 13.5.2 √
gate all clocks 13.5.2 √
default clock osc= 13.5.3 √
default clock gate= 13.5.3 √
default gate inhigh 13.5.3 √
default gate unused 13.5.3 √
default reset= 13.5.3 √
clock family= 13.5.4 √
clock ancestors= 13.5.4 √
13.5.1 Clock and reset prefix naming attributes
The generated port renaming attributes clock_prefix=,gate_prefix=, and reset_prefix= re-
name the ports for the clock oscillators, clock gates, and resets in a module by specifying a prefix
string to be added to each port name. The prefix is used only when a name is not provided for the
port, (as described in Sections 13.5.3 and 13.6.1), requiring that the port name be created from the
prefix and argument name. The attributes are associated with a module and are only applied when
the module is synthesized.
111

Reference Guide Bluespec SystemVerilog
Clock Prefix Naming Attributes
Attribute Default name Description
clock_prefix= CLK Provides the prefix string to be added to port names for
all the clock oscillators in a module.
gate_prefix= CLK GATE Provides the prefix string to be added to port names for
all the clock gates in a module.
reset_prefix= RST N Provides the prefix string to be added to port names for
all the resets in a module.
If a prefix is specified as the empty string, then no prefix will be used when creating the port names;
that is the argument name alone will be used as the name.
Example:
(* synthesize, clock_prefix = "CK" *)
module mkMod(Clock clk2, ModIfc ifc);
generates the following in the Verilog:
module mkMod (CK, RST_N, CK_clk2, ...
Where CK is the default clock (using the user-supplied prefix), RST_N is the default reset (using the
default prefix), and CK_clk2 is the oscillator for the input clk2 (using the user-supplied prefix).
13.5.2 Gate synthesis attributes
When a module is synthesized, one port, for the oscillator, is created for each clock input (including
the default clock). The gate for the clock is defaulted to a logical 1. The attributes gate_all_clocks
and gate_input_clocks= specify that a second port be generated for the gate.
The attribute gate_all_clocks will add a gate port to the default clock and to all input clocks.
The attribute gate_input_clocks= is used to individually specify each input clock which should
have a gate supplied by the parent module.
If an input clock is part of a vector of clocks, the gate port will be added to all clocks in the vector.
Example:
(* gate_input_clock = "clks, c2" *)
module mkM(Vector#(2, Clock) clks, Clock c2);
In this example, a gate port will be added to both the clocks in the vector clks and the clock c2.
A gate port cannot be added to just one of the clocks in the vector clks.
The gate_input_clocks= attribute can be used to add a gate port to the default clock. Example:
( * gate_input_clocks = "default_clock" * )
Note that by having a gate port, the compiler can no longer assume the gate is always logical 1. This
can cause an error if the clock is connected to a submodule which requires the gate to be logical 1.
The gate synthesis attributes are associated with a module and are only applied when the module
is synthesized.
112

Bluespec SystemVerilog Reference Guide
13.5.3 Default clock and reset naming attributes
The default clock and reset naming attributes are associated with a module and are only applied
when the module is synthesized.
The attributes default_clock_osc=,default_clock_gate=, and default_reset= provide the
names for the default clock oscillator, default gate, and default reset ports for a module. When
a name for the default clock or reset is provided, any prefix attribute for that port is ignored.
The attributes default_gate_inhigh and default_gate_unused indicate that a gate port should
not be generated for the default clock and whether the gate is always logical 1 or unused. The default
is default_gate_inhigh. This is only necessary when the attribute gate_all_clocks (section
13.5.2) has been used.
The attributes no_default_clock and no_default_reset are used to remove the ports for the
default clock and the default reset.
Default Clock and Reset Naming Attributes
Attribute Description
default_clock_osc= Provides the name for the default oscillator port.
no_default_clock Removes the port for the default clock.
default_clock_gate= Provides the name for the default gate port.
default_gate_inhigh Removes the gate ports for the module and the gate is always
high.
default_gate_unused Removes the gate ports for the module and the gate is un-
used.
default_reset= Provides the name for the default reset port.
no_default_reset Removes the port for the default reset.
13.5.4 Clock family attributes
The clock_family and clock_ancestors attributes indicate to the compiler that clocks are in the
same domain in situations where the compiler may not recognize the relationship. For example, when
clocks split in synthesized modules and are then recombined in a subsequent module, the compiler
may not recognize that they have a common ancestor. The clock_ancestors and clock_family
attributes allow the designer to explicitly specify the family relationship between the clocks. These
attributes are applied to modules only.
The clock_ancestors attribute specifies an ancestry relationship between clocks. A clock is a gated
version of its ancestors. In other words, if clk1 is an ancestor of clk2 then clk2 is a gated version
of clk1, as specified in the following statement:
(* clock_ancestors = "clk1 AOF clk2" *)
Multiple ancestors as well as multiple independent groups can be listed in a single attribute state-
ment. For example:
(* clock_ancestors = "clk1 AOF clk2 AOF clk3, clk1 AOF clk4, clka AOF clkb" *)
The above statement specifies that clk1 is an ancestor of clk2, which is itself an ancestor of clk3;
that clk1 is also an ancestor of clk4; and that clka is an ancestor of clkb. You can also repeat
the attribute statement instead of including all clock ancestors in a single statement. Example:
113

Reference Guide Bluespec SystemVerilog
(* clock_ancestors = "clk1 AOF clk2 AOF clk3" *)
(* clock_ancestors = "clk1 AOF clk4" *)
(* clock_ancestors = "clka AOF clkb" *)
For clocks which do not have an ancestor relationship, but do share a common ancestor, you can
use the clock_family attribute. Clocks which are in the same family have the same oscillator with
a different gate. To be in the same family, one does not have to be a gated version of the other,
instead they may be gated versions of a common ancestor.
(* clock_family = "clk1, clk2, clk3" *)
Note that clock_ancestors implies clock_family.
13.6 Module argument and parameter attributes
The attributes in this section are applied to module arguments and module parameters. The fol-
lowing table shows which type of module argument or parameter each attribute can be applied to.
More information on module arguments and module parameters can be found in Section 5.3.
In most instances BSV allows arguments and parameters to be enclosed in a single set of parentheses,
in which case the #is eliminated. However, the compiler is stricter about where attributes are
placed. Only port attributes can be placed in the attribute list () and only parameter attributes in
the parameter #() list.
Examples:
(* synthesize *)
module mkMod((* osc="ACLK", gate="AGATE" *) Clock clk,
(* reset="RESET" *) Reset rst,
ModIfc ifc);
module mkMod #((* parameter="DATA_WIDTH" *) parameter Int#(8) width)
( ModIfc ifc );
Clock/ Reset/ Inout/ Value
Attribute Section vector of clock vector of reset vector of inouts argument Parameter
osc= 13.6.1 √
gate= 13.6.1 √
gate inhigh 13.6.1 √
gate unused 13.6.1 √
reset= 13.6.1 √
clocked by= 13.6.2 √ √ √
reset by= 13.6.3 √ √
port= 13.6.4 √ √
parameter= 13.6.5 √
114

Bluespec SystemVerilog Reference Guide
13.6.1 Argument-level clock and reset naming attributes
The non-default clock and reset inputs to a module will have a port name created using the argument
name and any associated prefix for that port type. This name can be overridden on a per-argument
basis by supplying argument-level attributes that specify the names for the ports.
These attributes are applied to the clock module arguments, except for reset= which is applied to
the reset module arguments.
Argument-level Clock and Reset Naming Attributes
Attribute Applies to Description
osc= Clock or vector of clocks
module arguments
Provides the full name of the oscillator port.
gate= Clock or vector of clocks
module arguments
Provides the full name of the gate port.
gate_inhigh Clock or vector of clocks
module arguments
Indicates that the gate port should be omitted and
the gate is assumed to be high.
gate_unused Clock or vector of clocks
module arguments
Indicates that the gate port should be omitted and is
never used within the module.
reset= Reset or vector of resets
module arguments
Provides the full name of the reset port.
Example:
(* synthesize *)
module mkMod((* osc="ACLK", gate="AGATE" *) Clock clk,
(* reset="RESET" *) Reset rst,
ModIfc ifc);
generates the following in the Verilog:
module mkMod(CLK, RST_N, ACLK, AGATE, RESET, ...
The attributes can be applied to the base name generated for a vector of clocks, gates or resets.
Example:
(* synthesize *)
module mkMod((* osc="ACLK", gate="AGATE" *) Vector#(2, Clock) clks,
(* reset="ARST" *) Vector#(2, Reset) rsts,
ModIfc ifc);
generates the following in the Verilog:
module mkMod(CLK, RST_N, ACLK_0, AGATE_0, ACLK_1, AGATE_1, ARST_0, ARST_1,...
13.6.2 clocked_by=
The attribute clocked_by= allows the user to assert which clock a reset, inout, or value module
argument is associated with, to specify that the argument has no_clock, or to associate the argument
with the default_clock. If the clocked_by= attribute is not provided, the default clock will be
used for inout and value arguments; the clock associated with a reset argument is dervied from where
the reset is connected.
Examples:
115

Reference Guide Bluespec SystemVerilog
module mkMod (Clock c2, (* clocked_by="c2" *) Bool b,
ModIfc ifc);
module mkMod (Clock c2, (* clocked_by="default_clock" *) Bool b,
ModIfc ifc);
module mkMod (Clock c2, (* clocked_by="c2" *) Reset rstIn,
(* clocked_by="default_clock" *) Inout q_inout,
(* clocked_by="c2" *) Bool b,
ModIfc ifc);
To specify that an argument is not associated with any clock domain, the clock no_clock is used.
Example:
module mkMod (Clock c2, (* clocked_by="no_clock" *) Bool b,
ModIfc ifc);
13.6.3 reset_by=
The attribute reset_by= allows the user to assert which reset an inout or value module argument is
associated with, to specify that the argument has no_reset, or to associate the argument with the
default_reset. If the reset_by= attribute is not provided, the default reset will be used.
Examples:
module mkMod (Reset r2, (* reset_by="r2" *) Bool b,
ModIfc ifc);
module mkMod (Reset r2, (* reset_by="default_reset" *) Inout q_inout,
ModIfc ifc);
To specify that the port is not associated with any reset, no_reset is used. Example:
module mkMod (Reset r2, (* reset_by="no_reset" *) Bool b,
ModIfc ifc);
13.6.4 port=
The attribute port= allows renaming of value module arguments. These are port-like arguments
that are not clocks, resets or parameters. It provides the full name of the port generated for the
argument. This is the same attribute as the port= attribute in Section 13.2.1, as applied to module
arguments instead of interface methods.
module mkMod (a_type initValue, (* port="B" *) Bool b, ModIfc ifc);
module mkMod ((* port="PBUS" *) Inout#(Bit#(32)) pbus, ModIfc ifc);
13.6.5 parameter=
The attribute parameter= allows renaming of parameters in the generated RTL. This is similar to
the port= attribute, except that the parameter= attribute can only be used for parameters in the
moduleFormalParams list. More detail on module parameters can be found in Section 5.3. The
name provided in the parameter= attribute statement is the name generated for the parameter in
the RTL.
Example:
116

Bluespec SystemVerilog Reference Guide
module mkMod #((* parameter="DATA_WIDTH" *) parameter Int#(8) width)
( ModIfc ifc );
13.7 Documentation attributes
A BSV design can specify comments to be included in the generated Verilog by use of the doc
attribute.
Top-level
Attribute name Section module Submodule rule rules
definitions instantiations definitions expressions
doc= 13.7 √ √ √ √
Example:
(* doc = "This is a user-provided comment" *)
To provide a multi-line comment, either include a \n character:
(* doc = "This is one line\nAnd this is another" *)
Or provide several instances of the doc attribute:
(* doc = "This is one line" *)
(* doc = "And this is another" *)
Or:
(* doc = "This is one line",
doc = "And this is another" *)
Multiple doc attributes will appear together in the order that they are given. doc attributes can be
added to modules, module instantiations, and rules, as described in the following sections.
13.7.1 Modules
The Verilog file that is generated for a synthesized BSV module contains a header comment prior
to the Verilog module definition. A designer can include additional comments between this header
and the module by attaching a doc attribute to the module being synthesized. If the module is not
synthesized, the doc attributes are ignored.
Example:
(* synthesize *)
(* doc = "This is important information about the following module" *)
module mkMod (IFC);
...
endmodule
117

Reference Guide Bluespec SystemVerilog
13.7.2 Module instantiation
In generated Verilog, a designer might want to include a comment on submodule instantiations,
to document something about that submodule. This can be achieved with a doc attribute on the
corresponding BSV module. There are three ways to express instantiation in BSV syntax, and the
doc attribute can be attached to all three.
(* doc = "This submodule does something" *)
FIFO#(Bool) f();
mkFIFO the_f(f);
(* doc = "This submodule does something else" *)
Server srv <- mkServer;
Client c;
...
(* doc = "This submodule does a third thing" *)
c <- mkClient;
The syntax also works if the type of the module interface is given with let, a variable, or the current
module type. Example:
(* doc = "This submodule does something else" *)
let srv <- mkServer;
If the submodule being instantiated is a separately synthesized module or primitive, then its corre-
sponding Verilog instantiation will be preceded by the comments. Example:
// submodule the_f
// This submodule does something
wire the_f$CLR, the_f$DEQ, the_f$ENQ;
FIFO2 #(.width(1)) the_f(...);
If the submodule is not separately synthesized, then there is no place in the Verilog module to attach
the comment. Instead, the comment is included in the header at the beginning of the module.
For example, assume that the module the_sub was instantiated inside mkTop with a user-provided
comment but was not separately synthesized. The generated Verilog would include these lines:
// ...
// Comments on the inlined module ‘the_sub’:
// This is the submodule
//
module mkTop(...);
The doc attribute can be attached to submodule instantiations inside functions and for-loops.
If several submodules are inlined and their comments carry to the top-module’s header comment, all
of their comments are printed. To save space, if the comments on several modules are the same, the
comment is only displayed once. This can occur, for instance, with doc attributes on instantiations
inside for-loops. For example:
// Comments on the inlined modules ‘the_sub_1‘, ‘the_sub_2‘,
// ‘the_sub_3‘:
// ...
118

Bluespec SystemVerilog Reference Guide
If the doc attribute is attached to a register instantiation and the register is inlined (as is the default),
the Verilog comment is included with the declaration of the register signals. Example:
// register the_r
// This is a register
reg the_r;
wire the_r$D_IN, the_r$EN;
If the doc attribute is attached to an RWire instantiation, and the wire instantiation is inlined (as
is the default), then the comment is carried to the top-module’s header comment.
If the doc attribute is attached to a probe instantiation, the comment appears in the Verilog above
the declaration of the probe signals. Since the probe signals are declared as a group, the comments
are listed at the start of the group. Example:
// probes
//
// Comments for probe ‘the_r’:
// This is a probe
//
wire the_s$PROBE;
wire the_r$PROBE;
...
13.7.3 Rules
In generated Verilog, a designer might want to include a comment on rule scheduling signals (such as
CAN_FIRE_ and WILL_FIRE_ signals), to say something about the actions that are performed when
that rule is executed. This can be achieved with a doc attribute attached to a BSV rule declaration
or rules expression.
The doc attribute can be attached to any rule..endrule or rules...endrules statement. Exam-
ple:
(* doc = "This rule is important" *)
rule do_something (b);
x <= !x;
endrule
If any scheduling signals for the rule are explicit in the Verilog output, their definition will be
preceded by the comment. Example:
// rule RL_do_something
// This rule is important
assign CAN_FIRE_RL_do_something = b ;
assign WILL_FIRE_RL_do_something = CAN_FIRE_RL_do_something ;
If the signals have been inlined or otherwise optimized away and thus do not appear in the Verilog,
then there is no place to attach the comments. In that case, the comments are carried to the top
module’s header. Example:
// ...
// Comments on the inlined rule ‘RL_do_something’:
// This rule is important
//
module mkTop(...);
119

Reference Guide Bluespec SystemVerilog
The designer can ensure that the signals will exist in the Verilog by using an appropriate compiler
flag, the -keep-fires flag which is documented in the Bluespec SystemVerilog User Guide.
The doc attribute can be attached to any rule..endrule expression, such as inside a function or
inside a for-loop.
As with comments on submodules, if the comments on several rules are the same, and those comments
are carried to the top-level module header, the comment is only displayed once.
// ...
// Comments on the inlined rules ‘RL_do_something_2’, ‘RL_do_something_1’,
// ‘RL_do_something’:
// This rule is important
//
module mkTop(...);
14 Advanced topics
This section can be skipped on first reading.
14.1 Type classes (overloading groups) and provisos
Note that for most BSV programming, one just needs to know about a few predefined type classes
such as Bits and Eq, about provisos, and about the automatic mechanism for defining the overloaded
functions in those type classes using a deriving clause. The brief introduction in Sections 4.2 and
4.3 should suffice.
This section is intended for the advanced programmer who may wish to define new type classes
(using a typeclass declaration), or explicitly to define overloaded functions using an instance
declaration.
In programming languages, the term overloading refers to the use of a common function name or
operator symbol to represent some number (usually finite) of functions with distinct types. For
example, it is common to overload the operator symbol +to represent integer addition, floating
point addition, complex number addition, matrix addition, and so on.
Note that overloading is distinct from polymorphism, which is used to describe a single function
or operator that can operate at an infinity of types. For example, in many languages, a single
polymorphic function arraySize() may be used to determine the number of elements in any array,
no matter what the type of the contents of the array.
Atype class (or overloading group) further recognizes that overloading is often performed with
related groups of function names or operators, giving the group of related functions and operators a
name. For example, the type class Ord contains the overloaded operators for order-comparison: <,
<=,>and >=.
If we specify the functions represented by these operator symbols for the types int,Bool,bit[m:0]
and so on, we say that those types are instances of the Ord type class.
Aproviso is a (static) condition attached to some constructs. A proviso requires that certain types
involved in the construct must be instances of certain type classes. For example, a generic sort
function for sorting lists of type List#(t)will have a proviso (condition) that tmust be an instance
of the Ord type class, because the generic function uses an overloaded comparison operator from
that type class, such as the operator <or >.
Type classes are created explicitly using a typeclass declaration (Section 14.1.2). Further, a type
class is explicitly populated with a new instance type t, using an instance declaration (Section
14.1.3), in which the programmer provides the specifications for the overloaded functions for the
type t.
120

Bluespec SystemVerilog Reference Guide
14.1.1 Provisos
Consider the following function prototype:
function List#(t) sort (List#(t) xs)
provisos (Ord#(t));
This prototype expresses the idea that the sorting function takes an input list xs of items of type
t(presumably unsorted), and produces an output list of type t(presumably sorted). In order to
perform its function it needs to compare elements of the list against each other using an overloaded
comparison operator such as <. This, in turn, requires that the overloaded operator be defined on
objects of type t. This is exactly what is expressed in the proviso, i.e., that tmust be an instance
of the type class (overloading group) Ord, which contains the overloaded operator <.
Thus, it is permissible to apply sort to lists of Integers or lists of Bools, because those types are
instances of Ord, but it is not permissible to apply sort to a list of, say, some interface type Ifc
(assuming Ifc is not an instance of the Ord type class).
The syntax of provisos is the following:
provisos ::= provisos ( proviso {,proviso })
proviso ::= Identifier #(type {,type })
In each proviso, the Identifier is the name of type class (overloading group). In most provisos, the
type class name Tis followed by a single type t, and can be read as a simple assertion that tis an
instance of T, i.e., that the overloaded functions of type class Tare defined for the type t. In some
provisos the type class name Tmay be followed by more than one type t1, ..., tnand these express
more general relationships. For example, a proviso like this:
provisos (Bits#(macAddress, 48))
can be read literally as saying that the types macAddress and 48 are in the Bits type class, or
can be read more generally as saying that values of type macAddress can be converted to and from
values of the type bit[47:0] using the pack and unpack overloaded functions of type class Bits.
We sometimes also refer to provisos as contexts, meaning that they constrain the types that may be
used within the construct to which the provisos are attached.
Occasionally, if the context is too weak, the compiler may be unable to figure out how to resolve an
overloading. Usually the compiler’s error message will be a strong hint about what information is
missing. In these situations it may be necessary for the programmer to guide the compiler by adding
more type information to the program, in either or both of the following ways:
•Add a static type assertion (Section 9.10) to some expression that narrows down its type.
•Add a proviso to the surrounding construct.
14.1.2 Type class declarations
A new class is declared using the following syntax:
typeclassDef ::= typeclass typeclassIde typeFormals [provisos ]
[typedepends ];
{overloadedDef }
endtypeclass [ : typeclassIde ]
typeclassIde ::= Identifier
121

Reference Guide Bluespec SystemVerilog
typeFormals ::= # ( typeFormal {,typeFormal })
typeFormal ::= [ numeric ]type typeIde
typedepends ::= dependencies ( typedepend {,typedepend })
typedepend ::= typelist determines typelist
typelist ::= typeIde
|(typeIde {,typeIde })
overloadedDef ::= functionProto
|varDecl
The typeclassIde is the newly declared class name. The typeFormals represent the types that will be
instances of this class. These typeFormals may themselves be constrained by provisos, in which case
the classes named in provisos are called the“super type classes” of this type class. Type dependencies
(typedepends) are relevant only if there are two or more type parameters; the typedepends comes after
the typeclass’s provisos (if any) and before the semicolon. The overloadedDef s declare the overloaded
variables or function names, and their types.
Example (from the Standard Prelude package):
typeclass Literal#(type a);
function a fromInteger (Integer x);
function Bool inLiteralRange(a target, Integer i);
endtypeclass: Literal
This defines the type class Literal. Any type athat is an instance of Literal must have an
overloaded function called fromInteger that converts an Integer value into the type a. In fact,
this is the mechanism that BSV uses to interpret integer literal constants, e.g., to resolve whether a
literal like 6847 is to be interpreted as a signed integer, an unsigned integer, a floating point number,
a bit value of 10 bits, a bit value of 8 bits, etc. (See Section 2.3.1 for a more detailed description.).
The typeclass also provides a function inLiteralRange that takes an argument of type aand an
Integer and returns a Bool. In the standard Literal typeclass this boolean indicates whether or
not the supplied Integer is in the range of legal values for the type a.
Example (from a predefined type class in BSV):
typeclass Bounded#(type a);
a minBound;
a maxBound;
endtypeclass
This defines the type class Bounded. Any type athat is an instance of Bounded will have two values
called minBound and maxBound that, respectively, represent the minimum and maximum of all values
of this type.
Example (from a predefined type class in BSV):10
typeclass Arith #(type data_t)
provisos (Literal#(data_t));
function data_t \+ (data_t x, data_t y);
function data_t \- (data_t x, data_t y);
function data_t negate (data_t x);
10 We are using Verilog’s notation for escaped identifiers to treat operator symbols as ordinary identifiers. The
notation allows an identifier to be constructed from arbitrary characters beginning with a backslash and ending with
a whitespace (the backslash and whitespace are not part of the identifier.)
122

Bluespec SystemVerilog Reference Guide
function data_t \* (data_t x, data_t y);
function data_t \/ (data_t x, data_t y);
function data_t \% (data_t x, data_t y);
endtypeclass
This defines the type class Arith with super type class Literal, i.e., the proviso states that in order
for a type data_t to be an instance of Arith it must also be an instance of the type class Literal.
Further, it has six overloaded functions with the given names and types. Said another way, a type
that is an instance of the Arith type class must have a way to convert integer literals into that type,
and it must have addition, subtraction, negation, multiplication, and division defined on it.
The semantics of a dependency say that once the types on the left of the determines keyword are
fixed, the types on the right are uniquely determined. The types on either side of the list can be a
single type or a list of types, in which case they are enclosed in parentheses.
Example of a typeclass definition specifying type dependencies:
typeclass Connectable #(type a, type b)
dependencies (a determines b, b determines a);
module mkConnection#(a x1, b x2) (Empty);
endtypeclass
For any type twe know that Get#(t) and Put#(t) are connectable because of the following decla-
ration in the GetPut package:
instance Connectable#(Get#(element_type), Put#(element_type));
In the Connectable dependency above, it states that adetermines b. Therefore, you know that if a
is Get#(t), the only possibility for bis Put#(t).
Example of a typeclass definition with lists of types in the dependencies:
typeclass Extend #(type a, type b, type c)
dependencies ((a,c) determines b, (b,c) determines a);
endtypeclass
An example of a case where the dependencies are not commutative:
typeclass Bits#(type a, type sa)
dependencies (a determines sa);
function Bit#(sa) pack(a x);
function a unpack (Bit#(sa) x);
endtypeclass
In the above example, if awere UInt#(16) the dependency would require that bhad to be 16; but
the fact that something occupies 16 bits by no means implies that it has to be a UInt.
14.1.3 Instance declarations
A type can be declared to be an instance of a class in two ways, with a general mechanism or with
a convenient shorthand. The general mechanism of instance declarations is the following:
typeclassInstanceDef ::= instance typeclassIde # ( type {,type })[provisos ];
{varAssign ;|functionDef |moduleDef }
endinstance [:typeclassIde ]
123

Reference Guide Bluespec SystemVerilog
This says that the types are an instance of type class typeclassIde with the given provisos. The
varAssigns, functionDef s and moduleDef s specify the implementation of the overloaded identifiers
of the type class.
Example, declaring a type as an instance of the Eq typeclass:
typedef enum { Red, Blue, Green } Color;
instance Eq#(Color);
function Bool \== (Color x, Color y); //must use \== with a trailing
return True; //space to define custom instances
endfunction //of the Eq typeclass
endinstance
The shorthand mechanism is to attach a deriving clause to a typedef of an enum, struct or tagged
union and let the compiler do the work. In this case the compiler chooses the “obvious” implementa-
tion of the overloaded functions (details in the following sections). The only type classes for which
deriving can be used for general types are Bits,Eq,Bounded, and FShow. Furthermore, deriving
can be used for any class if the type is a data type that is isomorphic to a type that has an instance
for the derived class.
derives ::= deriving ( typeclassIde {,typeclassIde })
Example:
typedef enum { Red, Blue, Green } Color deriving (Eq);
14.1.4 The Bits type class (overloading group)
The type class Bits contains the types that are convertible to bit strings of a certain size. Many
constructs have membership in the Bits class as a proviso, such as putting a value into a register,
array, or FIFO.
Example: The Bits type class definition (which is actually predefined in BSV) looks something like
this:
typeclass Bits#(type a, type n);
function Bit#(n) pack (a x);
function a unpack (Bit#(n) y);
endtypeclass
Here, arepresents the type that can be converted to/from bits, and nis always instantiated by a
size type (Section 4) representing the number of bits needed to represent it. Implementations of
modules such as registers and FIFOs use these functions to convert between values of other types
and the bit representations that are really stored in those elements.
Example: The most trivial instance declaration states that a bit-vector can be converted to a bit
vector, by defining both the pack and unpack functions to be identity functions:
instance Bits#(Bit#(k), k);
function Bit#(k) pack (Bit#(k) x);
return x;
endfunction: pack
function Bit#(k) unpack (Bit#(k) x);
return x;
endfunction: unpack
endinstance
124

Bluespec SystemVerilog Reference Guide
Example:
typedef enum { Red, Green, Blue } Color deriving (Eq);
instance Bits#(Color, 2);
function Bit#(2) pack (Color c);
if (c == Red) return 3;
else if (c == Green) return 2;
else return 1; // (c == Blue)
endfunction: pack
function Color unpack (Bit#(2) x);
if (x == 3) return Red;
else if (x == 2) return Green;
else if (x == 1) return Blue;
else ? //Illegal opcode; return unspecified value
endfunction: unpack
endinstance
Note that the deriving (Eq) phrase permits us to use the equality operator == on Color types
in the pack function. Red,Green and Blue are coded as 3, 2 and 1, respectively. If we had used
the deriving(Bits) shorthand in the Color typedef, they would have been coded as 0, 1 and 2,
respectively (Section 14.1.6).
14.1.5 The SizeOf pseudo-function
The pseudo-function SizeOf#(t)can be applied to a type tto get the numeric type representing its
bit size. The type tmust be in the Bits class, i.e., it must already be an instance of Bits#(t,n),
either through a deriving clause or through an explicit instance declaration. The SizeOf function
then returns the corresponding bit size n. Note that SizeOf returns a numeric type, not a numeric
value, i.e., the output of SizeOf can be used in a type expression, and not in a value expression.
SizeOf, which converts a type to a (numeric) type, should not be confused with the pseudo-function
valueof, described in Section 4.2.1, which converts a numeric type to a numeric value.
Example:
typedef Bit#(8) MyType;
// MyType is an alias of Bit#(8)
typedef SizeOf#(MyType) NumberOfBits;
// NumberOfBits is a numeric type, its value is 8
Integer ordinaryNumber = valueOf(NumberOfBits);
// valueOf converts a numeric type into Integer
14.1.6 Deriving Bits
When attaching a deriving(Bits) clause to a user-defined type, the instance derived for the Bits
type class can be described as follows:
•For an enum type it is simply an integer code, starting with zero for the first enum constant
and incrementing by one for each subsequent enum constant. The number of bits used is the
minimum number of bits needed to represent distinct codes for all the enum constants.
125

Reference Guide Bluespec SystemVerilog
•For a struct type it is simply the concatenation of the bits for all the members. The first
member is in the leftmost bits (most significant) and the last member is in the rightmost bits
(least significant).
•For a tagged union type, all values of the type occupy the same number of bits, regardless of
which member it belongs to. The bit representation consists of two parts—a tag on the left
(most significant) and a member value on the right (least significant).
The tag part uses the minimum number of bits needed to code for all the member names. The
first member name is given code zero, the next member name is given code one, and so on.
The size of the member value part is always the size of the largest member. The member value
is stored in this field, right-justified (i.e., flush with the least-significant end). If the member
value requires fewer bits than the size of the field, the intermediate bits are don’t-care bits.
Example. Symbolic names for colors:
typedef enum { Red, Green, Blue } Color deriving (Eq, Bits);
This is the same type as in Section 14.1.4 except that Red,Green and Blue are now coded as 0, 1
and 2, instead of 3, 2, and 1, respectively, because the canonical choice made by the compiler is to
code consecutive labels incrementing from 0.
Example. The boolean type can be defined in the language itself:
typedef enum { False, True} Bool deriving (Bits);
The type Bool is represented with one bit. False is represented by 0 and True by 1.
Example. A struct type:
typedef struct { Bit#(8) foo; Bit#(16) bar } Glurph deriving (Bits);
The type Glurph is represented in 24 bits, with foo in the upper 8 bits and bar in the lower 16 bits.
Example. Another struct type:
typedef struct{ int x; int y } Coord deriving (Bits);
The type Coord is represented in 64 bits, with xin the upper 32 bits and yin the lower 32 bits.
Example. The Maybe type from Section 7.3:
typedef union tagged {
void Invalid;
a Valid;
} Maybe#(type a)
deriving (Bits);
is represented in 1 + nbits, where nbits are needed to represent values of type a. If the leftmost
bit is 0 (for Invalid) the remaining nbits are unspecified (don’t-care). If the leftmost bit is 1 (for
Valid) then the remaining nbits will contain a value of type a.
126

Bluespec SystemVerilog Reference Guide
14.1.7 Deriving Eq
The Eq type class contains the overloaded operators == (logical equality) and != (logical inequality):
typeclass Eq#(type a);
function Bool \== (a x1, a x2);
function Bool \/= (a x1, a x2);
endtypeclass: Eq
When deriving(Eq) is present on a a user-defined type definition t, the compiler defines these
equality/inequality operators for values of type t. It is the natural recursive definition of these
operators, i.e.,
•If tis an enum type, two values of type tare equal if they represent the same enum constant.
•If tis a struct type, two values of type tare equal if the corresponding members are pairwise
equal.
•If tis a tagged union type, two values of type tare equal if they have the same tag (member
name) and the two corresponding member values are equal.
14.1.8 Deriving Bounded
The predefined type class Bounded contains two overloaded identifiers minBound and maxBound rep-
resenting the minimum and maximum values of a type a:
typeclass Bounded#(type a);
a minBound;
a maxBound;
endtypeclass
The clause deriving(Bounded) can be attached to any user-defined enum definition t, and the
compiler will define the values minBound and maxBound for values of type tas the first and last enum
constants, respectively.
The clause deriving(Bounded) can be attached to any user-defined struct definition twith the
proviso that the type of each member is also an instance of Bounded. The compiler-defined minBound
(or maxBound) will be the struct with each member having its respective minBound (respectively,
maxBound).
14.1.9 Deriving FShow
The intent of the FShow type class is to format values for use with the $display family of functions.
When attaching a deriving(FShow) clause to a user-defined type, the instance derived for the FShow
type class can be described as follows:
•For an enum type, the output contains the enumerated value.
Example:
typedef enum { Red, Blue, Green } Colors deriving (FShow);
...
$display("Basic enum");
127

Reference Guide Bluespec SystemVerilog
Colors be0 = Red;
Colors be1 = Blue;
Colors be2 = Green;
$display(fshow(be0));
$display(fshow(be1));
$display(fshow(be2));
Displays:
Basic enum
Red
Blue
Green
•For a struct type, the output contains the struct name, with each value prepended with the
name of the field. The values are formatted with FShow according to the data type.
Struct_name {field1_name: value1, field2_name: value2....}
Example:
typedef struct {
Bool val_bool;
Bit#(8) val_bit;
UInt#(16) val_uint;
Int#(32) val_int;
} BasicS deriving (FShow);
...
$display("Basic struct");
BasicS bs1 =
BasicS { val_bool: True, val_bit: 22,
val_uint: ’hABCD, val_int: -’hABCD };
$display(fshow(bs1));
Displays:
Basic struct
BasicS { val_bool: True, val_bit: ’h16, val_uint: 43981, val_int: -43981 }
•For a tagged union type, the output contains the name of the tag followed by the value. The
values are formatted with FShow according to the data type.
tagged Tag1 value1
tagged Tag2 value2
Example:
typedef union tagged {
Bool Val_bool;
Bit#(8) Val_bit;
UInt#(16) Val_uint;
Int#(32) Val_int;
} BasicU deriving (FShow);
...
128

Bluespec SystemVerilog Reference Guide
$display("Basic tagged union");
BasicU bu0 = tagged Val_bool True;
BasicU bu1 = tagged Val_bit 22;
BasicU bu2 = tagged Val_uint ’hABCD;
BasicU bu3 = tagged Val_int -’hABCD;
$display(fshow(bu0));
$display(fshow(bu1));
$display(fshow(bu2));
$display(fshow(bu3));
Displays:
Basic tagged union
tagged Val_bool True
tagged Val_bit ’h16
tagged Val_uint 43981
tagged Val_int -43981
14.1.10 Deriving type class instances for isomorphic types
Generally speaking, the deriving(...) clause can only be used for the predefined type classes
Bits,Eq,Bounded, and FShow. However there is a special case where it can be used for any type
class. When a user-defined type tis isomorphic to an existing type t0, then all the functions on t0
automatically work on t, and so the compiler can trivially derive a function for tby just using the
corresponding function for t0.
There are two situations where a newly defined type is isomorphic to an old type: a struct or tagged
union with precisely one member. For example:
typedef struct { t0x; } tderiving (anyClass);
typedef union tagged { t0X; } tderiving (anyClass);
One sometimes defines such a type precisely for type-safety reasons because the new type is distinct
from the old type although isomorphic to it, so that it is impossible to accidentally use a tvalue in
at0context and vice versa. Example:
typedef struct { UInt#(32) x; } Apples deriving (Literal, Arith);
...
Apples five;
...
five = 5; // ok, since RHS applies ’fromInteger()’ from Literal
// class to Integer 5 to create an Apples value
function Apples eatApple (Apples n);
return n - 1; // ’1’ is converted to Apples by fromInteger()
// ’-’ is available on Apples from Arith class
endfunction: eatApple
The typedef could also have been written with a singleton tagged union instead of a singleton struct:
typedef union tagged { UInt#(32) X; } Apples deriving (Literal, Arith);
129

Reference Guide Bluespec SystemVerilog
14.1.11 Monad
The Monad typeclass is an abstraction which allows different composition strategies and is useful
for combining computations into more complex computations. The definition and use of monads in
BSV is the standard definition as used in other programming languages.
The Monad instance for Module and Action are how statements in those blocks are composed, which
is why you can use replicateM and mapM in those blocks. Monad is mostly only needed inside libraries
and not something that users will be working with directly, so beyond modules and actions, this is
an advanced topic that isn’t commonly used.
14.2 Higher-order functions
In BSV it is possible to write an expression whose value is a function value. These function values
can be passed as arguments to other functions, returned as results from functions, and even carried
in data structures.
Example - the function map, as defined in the package Vector (C.3.8):
function Vector#(vsize, b_type) map (function b_type func (a_type x),
Vector#(vsize, a_type) xvect);
Vector#(vsize, b_type) yvect = newVector;
for (Integer j = 0; j < valueof(vsize); j=j+1)
yvect[j] = func (xvect[j]);
return yvect;
endfunction: map
function int sqr (int x);
return x * x;
endfunction: sqr
Vector#(100,int) avect = ...; // initialize vector avect
Vector#(100,int) bvect = map (sqr, avect);
The function map is polymorphic, i.e., is defined for any size type vsize and value types a_type and
b_type. It takes two arguments:
•A function func with input of type a_type and output of type b_type.
•A vector xvect of size vsize containing values of type a_type.
Its result is a new vector yvect that is also of size vsize and containing values of type b_type,
such that yvect[j]=func(xvect[j]). In the last line of the example, we call map passing it the sqr
function and the vector avect to produce a vector bvect that contains the squared versions of all
the elements of vector avect.
Observe that in the last line, the expression sqr is a function-valued expression, representing the
squaring function. It is not an invocation of the sqr function. Similarly, inside map, the identifier
func is a function-valued identifier, and the expression func (xsize [j]) invokes the function.
The function map could be called with a variety of arguments:
130

Bluespec SystemVerilog Reference Guide
// Apply the extend function to each element of avect
Vector#(13, Bit#(5)) avect;
Vector#(13, Bit#(10)) bvect;
...
bvect = map(extend, avect);
or
// test all elements of avect for even-ness
Vector#(100,Bool) bvect = map (isEven, avect);
In other words, map captures, in one definition, the generic idea of applying some function to all
elements of a vector and returning all the results in another vector. This is a very powerful idea
enabled by treating functions as first-class values. Here is another example, which may be useful in
many hardware designs:
interface SearchableFIFO#(type element_type);
... usual enq() and deq() methods ...
method Bool search (element_type key);
endinterface: SearchableFIFO
module mkSearchableFIFO#(function Bool test_func
(element_type x, element_type key))
(SearchableFIFO#(element_type));
...
method Bool search (element_type key);
... apply test_func(x, key) to each element of the FIFO, ...
... return OR of all results ...
endmethod: search
endmodule: mkSearchableFIFO
The SearchableFIFO interface is like a normal FIFO interface (contains usual enq() and deq()
methods), but it has an additional bit of functionality. It has a search() method to which you
can pass a search key key, and it searches the FIFO using that key, returning True if the search
succeeds.
Inside the mkSearchableFIFO module, the method applies some element test predicate test_func to
each element of the FIFO and ORs all the results. The particular element-test function test_func to
be used is passed in as a parameter to mkSearchableFIFO. In one instantiation of mkSearchableFIFO
we might pass in the equality function for this parameter (“search this FIFO for this particular ele-
ment”). In another instantiation of mkSearchableFIFO we might pass in the “greater-than” function
(“search this FIFO for any element greater than the search key”). Thus, a single FIFO definition cap-
tures the general idea of being able to search a FIFO, and can be customized for different applications
by passing in different search functions to the module constructor.
A final important point is that all this is perfectly synthesizable in BSV, i.e., the compiler can
produce RTL hardware for such descriptions. Since polymporphic modules cannot be synthesized,
for synthesis a non-polymorphic version of the module would have to be instantiated.
14.3 Module types
There are many types of modules in BSV. The default BSV module type is Module#(ifc). When
instantiated, a Module adds state elements and rules to the accumulation of elements and rules
131

Reference Guide Bluespec SystemVerilog
already in the design. This is the only synthesizable module type, but other types can exist. For
instance, the type ModuleCollect#(t,ifc), defined in Section C.10.2, allows items other than states
and rules to be collected while elaborating the module structure.
For most applications the modules in the design will be of type Module and the type can be inferred.
When you write:
module mkMod(Ifc);
...
endmodule
the compiler doesn’t force this code to be specific to the basic Module type, although it usually will
be. BSV allows this syntax to be used for any type of module; what you are declaring here is a
polmorphic module. In fact, it is really just a function that returns a module type. But instead of
returning back the type Module, it returns back any type mwith the proviso that mis a module.
That is expressed with the proviso:
IsModule#(m,c)
However, if the code for mkMod uses a feature that is specific to one type of module, such as trying
to add to the collection in a ModuleCollect module, then type inference will discover that your
module can’t be any module type m, but must be a specific type (such as ModuleCollect in this
example).
In that case, you need to declare that the module mkMod works for a specific module type using the
bracket syntax:
module [ModuleCollect#(t)] mkMod(Ifc);
In some instances, type inference will determine that the module must be the specific type Module,
and you may get a signature mismatch error stating that where the code said any module type m,
it really has to be Module. This can be fixed by explicitly stating the module type in the module
declaration:
module [Module] mkMod(Ifc);
15 Embedding RTL in a BSV design
This section describes how to embed existing RTL modules, Verilog or VHDL, in a BSV module.
The import "BVI" statement is used to utilize existing components, utilize components generated by
other tools, or to define a custom set of primitives. One example is the definition of BSV primitives
(registers, FIFOs, etc.), which are implemented through import of Verilog modules. The import
"BVI" statement creates a Bluespec wrapper around the RTL module so that it looks like a BSV
module. Instead of ports, the wrapped module has methods and interfaces.
The import "BVI" statement can be used to wrap Verilog or VHDL modules. Throughout this
section Verilog will be used to refer to either Verilog or VHDL. (One limitatation for VHDL is that
BSV does not support two dimensional ports.)
externModuleImport ::= import "BVI" [identifier =]moduleProto
{moduleStmt }
{importBVIStmt }
endmodule [:identifier ]
132

Bluespec SystemVerilog Reference Guide
The body consists of a sequence of importBVIStmts:
importBVIStmt ::= parameterBVIStmt
|methodBVIStmt
|portBVIStmt
|inputClockBVIStmt
|defaultClockBVIStmt
|outputClockBVIStmt
|inputResetBVIStmt
|defaultResetBVIStmt
|noResetBVIStmt
|outputResetBVIStmt
|ancestorBVIStmt
|sameFamilyBVIStmt
|scheduleBVIStmt
|pathBVIStmt
|interfaceBVIStmt
|inoutBVIStmt
The optional identifier immediately following the "BVI" is the name of the Verilog module to be
imported. This will usually be found in a Verilog file of the same name (identifier.v). If this identifier
is excluded, it is assumed that the Verilog module name is the same as the BSV name of the module.
The moduleProto is the first line in the module definition as described in Section 5.3.
The BSV wrapper returns an interface. All arguments and return values must be in the Bits class
or be of type Clock,Reset,Inout, or a subinterface which meets these requirements. Note that the
BSV module’s parameters have no inherent relationship to the Verilog module’s parameters. The
BSV wrapper is used to connect the Verilog ports to the BSV parameters, performing any data
conversion, such as packs or unpacks, as necessary.
Example of the header of a BVI import statement:
import "BVI" RWire =
module RWire (VRWire#(a))
provisos (Bits#(a,sa));
...
endmodule: vMkRWire
Since the Verilog module’s name matches the BSV name, the header could be also written as:
import "BVI"
module RWire (VRWire#(a))
provisos (Bits#(a,sa));
...
endmodule: vMkRWire
The module body may contain both moduleStmts and importBVIStmts. Typically when including a
Verilog module, the only module statements would be a few local definitions. However, all module
statements, except for method definitions, subinterface definitions, and return statements, are valid,
though most are rarely used in this instance. Only the statements specific to importBVIStmt bodies
are described in this section.
The importBVIStmts must occur at the end of the body, after the moduleStmts. They may be
written in any order.
The following is an example of embedding a Verilog SRAM model in BSV. The Verilog file is shown
after the BSV wrapper.
133

Reference Guide Bluespec SystemVerilog
import "BVI" mkVerilog_SRAM_model =
module mkSRAM #(String filename) (SRAM_Ifc #(addr_t, data_t))
provisos(Bits#(addr_t, addr_width),
Bits#(data_t, data_width));
parameter FILENAME = filename;
parameter ADDRESS_WIDTH = valueOf(addr_width);
parameter DATA_WIDTH = valueof(data_width);
method request (v_in_address, v_in_data, v_in_write_not_read)
enable (v_in_enable);
method v_out_data read_response;
default_clock clk(clk, (*unused*) clk_gate);
default_reset no_reset;
schedule (read_response) SB (request);
endmodule
This is the Verilog module being wrapped in the above BVI import statement.
module mkVerilog_SRAM_model (clk,
v_in_address, v_in_data,
v_in_write_not_read,
v_in_enable,
v_out_data);
parameter FILENAME = "Verilog_SRAM_model.data";
parameter ADDRESS_WIDTH = 10;
parameter DATA_WIDTH = 8;
parameter NWORDS = (1 << ADDRESS_WIDTH);
input clk;
input [ADDRESS_WIDTH-1:0] v_in_address;
input [DATA_WIDTH-1:0] v_in_data;
input v_in_write_not_read;
input v_in_enable;
output [DATA_WIDTH-1:0] v_out_data;
...
endmodule
15.1 Parameter
The parameter statement specifies the parameter values which will be used by the Verilog module.
parameterBVIStmt ::= parameter identifier =expression ;
The value of expression is supplied to the Verilog module as the parameter named identifier. The
expression must be a compile-time constant. The valid types for parameters are String,Integer
and Bit#(n). Example:
import "BVI" ClockGen =
module vAbsoluteClock#(Integer start, Integer period)
( ClockGenIfc );
let halfPeriod = period/2 ;
parameter initDelay = start; //the parameters start,
parameter v1Width = halfPeriod ; //halfPeriod and period
parameter v2Width = period - halfPeriod ; //must be compile-time constants
...
endmodule
134

Bluespec SystemVerilog Reference Guide
15.2 Method
The method statement is used to connect methods in a Bluespec interface to the appropriate Verilog
wires. The syntax imitates a function prototype in that it doesn’t define, but only declares. In the
case of the method statement, instead of declaring types, it declares ports.
methodBVIStmt ::= method [portId ]identifer [([portId {,portId }])]
[enable (portId )] [ ready ( portId)]
[clocked_by ( clockId)] [ reset_by ( resetId)];
The first portId is the output port for the method, and is only used when the method has a return
value. The identifier is the method’s name according to the BSV interface definition. The paren-
thesized list is the input port names corresponding to the method’s arguments, if there are any.
There may follow up to four optional clauses (in any order): enable (for the enable input port if the
method has an Action component), ready (for the ready output port), clocked_by (to indicate the
clock of the method, otherwise the default clock will be assumed) and reset_by (for the associated
reset signal, otherwise the default reset will be assumed). If no ready port is given, the constant
value 1 is used meaning the method is always ready. The names no_clock and no_reset can be used
in clocked_by and reset_by clauses indicating that there is no associated clock and no associated
reset, respectively.
If the input port list is empty and none of the optional clauses are specified, the list and its paren-
theses may be omitted. If any of the optional clauses are specified, the empty list () must be shown.
Example:
method CLOCKREADY_OUT clockready() clocked_by(clk);
If there was no clocked_by statement, the following would be allowed:
method CLOCKREADY_OUT clockready;
The BSV types of all the method’s arguments and its result (if any) must all be in the Bits typeclass.
Any of the port names may have an attribute attached to them. The allowable attributes are reg,
const,unused, and inhigh. The attributes are translated into port descriptions. Not all port
attributes are allowed on all ports.
For the output ports, the ready port and the method return value, the properties reg and const
are allowed. The reg attribute specifies that the value is coming directly from a register with no
intermediate logic. The const attribute indicates that the value is hardwired to a constant value.
For the input ports, the input arguments and the enable port, reg and unused are allowed. In this
context reg specifies that the value is immediately written to a register without intermediate logic.
The attribute unused indicates that the port is not used inside the module; its value is ignored.
Additionally, for the method enable, there is the inhigh property, which indicates that the method
is always_enabled, as described in Section 13.2.2. Inside the module, the value of the enable is
assumed to be 1 and, as a result, the port doesn’t exist. The user still gives a name for the port as
a placeholder. Note that only Action or ActionValue methods can have an enable signal.
The following code fragment shows an attribute on a method enable:
method load(flopA, flopB) enable((*inhigh*) EN);
The output ports may be shared across methods (and ready signals).
135

Reference Guide Bluespec SystemVerilog
15.3 Port
The port statement declares an input port, which is not part of a method, along with the value to
be passed to the port. While parameters must be compile-time constants, ports can be dynamic.
The port statements are analogous to arguments to a BSV module, but are rarely needed, since
BSV style is to interact and pass arguments through methods.
portBVIStmt ::= port identifier [clocked_by ( clockId )]
[reset_by ( resetId )]=expression ;
The defining operator <- or =may be used.
The value of expression is supplied to the Verilog port named identifier. The type of expression
must be in the Bits typeclass. The expression may be dynamic (e.g. the _read method of a register
instantiated elsewhere in the module body), which differentiates it from a parameter statement. The
Bluespec compiler cannot check that the import has specified the same size as declared in the Verilog
module. If the width of the value is not the same as that expected by the Verilog module, Verilog
will truncate or zero-extend the value to fit.
Example - Setting port widths to a specific width:
// Tie off the test ports
Bit#(1) v = 0 ;
port TM = v ; // This ties off the port TM to a 1 bit wide 0
Bit#(w) z = 0 ;
port TD = z ; // This ties off the port TD to w bit wide 0
The clocked_by clause is used to specify the clock domain that the port is associated with, named
by clockId. Any clock in the domain may be used. The values no_clock and default_clock, as
described in Section 15.5, may be used. If the clause is omitted, the associated clock is the default
clock.
Example - BVI import statement including port statements
port BUS_ID clocked_by (clk2) = busId ;
The reset_by clause is used to specify the reset the port is associated with, named by resetId. Any
reset in the domain may be used. The values no_reset and default_reset, as described in Section
15.8 may be used. If the clause is omitted, the associated reset is the default reset.
15.4 Input clock
The input_clock statement specifies how an incoming clock to a module is connected. Typically,
there are two ports, the oscillator and the gate, though the connection may use fewer ports.
inputClockBVIStmt ::= input_clock [identifier ]([portsDef ]) = expression ;
portsDef ::= portId [,[attributeInstances ]portId ]
portId ::= identifier
The defining operator =or <- may be used.
The identifier is the clock name which may be used elsewhere in the import to associate the clock with
resets and methods via a clocked_by clause, as described in Sections 15.7 and 15.2. The portsDef
statement describes the ports that define the clock. The clock value which is being connected is
given by expression.
136

Bluespec SystemVerilog Reference Guide
If the expression is an identifier being assigned with =, and the user wishes this to be the name of
the clock, then the identifier of the clock can be omitted and the expression will be assumed to be
the name. The clock name can be omitted in other circumstances, but then no name is associated
with the clock. An unamed clock cannot be referred to elsewhere, such as in a method or reset or
other statement. Example:
input_clock (OSC, GATE) = clk;
is equivalent to:
input_clock clk (OSC, GATE) = clk;
The user may leave off the gate (one port) or the gate and the oscillator (no ports). It is the
designer’s responsibility to ensure that not connecting ports does not lead to incorrect behavior. For
example, if the Verilog module is purely combinational, there is no requirement to connect a clock,
though there may still be a need to associate its methods with a clock to ensure that they are in
the correct clock domain. In this case, the portsDef would be omitted. Example of an input clock
without any connection to the Verilog ports:
input_clock ddClk() = dClk;
If the clock port is specified and the gate port is to be unconnected, an attribute, either unused
or inhigh, describing the gate port should be specified. The attribute unused indicates that the
submodule doesn’t care what the unconnected gate is, while inhigh specifies the gate is assumed in
the module to be logical 1. It is an error if a clock with a gate that is not logical 1 is connected to
an input clock with an inhigh attribute. The default when a gate port is not specified is inhigh,
though it is recommended style that the designer specify the attribute explicitly.
To add an attribute, the usual attribute syntax, (* attribute_name *) immediately preceding the
object of the attribute, is used. For example, if a Verilog module has no internal transitions and
responds only to method calls, it might be unnecessary to connect the gating signal, as the implicit
condition mechanism will ensure that no method is invoked if its clock is off. So the second portId,
for the gate port, would be marked unused.
input_clock ddClk (OSC, (*unused*) UNUSED) = dClk;
The options for specifying the clock ports in the portsDef clause are:
( ) // there are no Verilog ports
(OSC, GATE) // both an oscillator port and a gate port are specified
(OSC, (*unused*)GATE) // there is no gate port and it’s unused
(OSC, (*inhigh*)GATE) // there is no gate port and it’s required to be logical 1
(OSC) // same as (OSC, (*inhigh*) GATE)
In an input_clock statement, it is an error if both the port names and the input clock name are
omitted, as the clock is then unusable.
15.5 Default clock
In BSV, each module has an implicit clock (the current clock) which is used to clock all instantiated
submodules unless otherwise specified with a clocked_by clause. Other clocks to submodules must
be explicitly passed as input arguments.
137

Reference Guide Bluespec SystemVerilog
Every BVI import module must declare which input clock (if any) is the default clock. This default
clock is the implicit clock provided by the parent module, or explicitly given via a clocked_by
clause. The default clock is also the clock associated with methods and resets in the BVI import
when no clocked_by clause is specified.
The simplest definition for the default clock is:
defaultClockBVIStmt ::= default_clock identifier ;
where the identifier specifies the name of an input clock which is designated as the default clock.
The default clock may be unused or not connected to any ports, but it must still be declared.
Example:
default_clock no_clock;
This statement indicates the implicit clock from the parent module is ignored (and not connected).
Consequently, the default clock for methods and resets becomes no_clock, meaning there is no
associated clock.
To save typing, you can merge the default_clock and input_clock statements into a single line:
defaultClockBVIStmt ::= default_clock [identifier ] [ (portsDef )] [ =expression ];
The defining operator =or <- may be used.
This is precisely equivalent to defining an input clock and then declaring that clock to be the default
clock. Example:
default_clock clk_src (OSC, GATE) = sClkIn;
is equivalent to:
input_clock clk_src (OSC, GATE) = sClkIn;
default_clock clk_src;
If omitted, the =expression in the default_clock statement defaults to <- exposeCurrentClock.
Example:
default_clock xclk (OSC, GATE);
is equivalent to:
default_clock xclk (OSC, GATE) <- exposeCurrentClock;
If the portnames are excluded, the names default to CLK, CLK_GATE. Example:
default_clock xclk = clk;
is equivalent to:
default_clock xclk (CLK, CLK_GATE) = clk;
Alternately, if the expression is an identifier being assigned with =, and the user wishes this to be
the name of the default clock, then he can leave off the name of the default clock and expression
will be assumed to be the name. Example:
138

Bluespec SystemVerilog Reference Guide
default_clock (OSC, GATE) = clk;
is equivalent to:
default_clock clk (OSC, GATE) = clk;
If an expression is provided, both the ports and the name cannot be omitted.
However, omitting the entire statement is equivalent to:
default_clock (CLK, CLK_GATE) <- exposeCurrentClock;
specifying that the current clock is to be associated with all methods which do not specify otherwise.
15.6 Output clock
The output_clock statement gives the port connections for a clock provided in the module’s inter-
face.
outputClockBVIStmt ::= output_clock identifier ([portsDef ]) ;
The identifier defines the name of the output clock, which must match a clock declared in the
module’s interface. Example:
interface ClockGenIfc;
interface Clock gen_clk;
endinterface
import "BVI" ClockGen =
module vMkAbsoluteClock #( Integer start,
Integer period
) ( ClockGenIfc );
...
output_clock gen_clk(CLK_OUT);
endmodule
It is an error for the same identifier to be declared by more than one output_clock statement.
15.7 Input reset
The input_reset statement defines how an incoming reset to the module is connected. Typically
there is one port. BSV assumes that the reset is inverted (the reset is asserted with the value 0).
inputResetBVIStmt ::= input_reset [identifier ] [ (portId )] [ clocked_by ( clockId )]
=expression ;
portId ::= identifier
clockId ::= identifier
where the =may be replaced by <-.
The reset given by expression is to be connected to the Verilog port specified by portId. The identifier
is the name of the reset and may be used elsewhere in the import to associate the reset with methods
via a reset_by clause.
The clocked_by clause is used to specify the clock domain that the reset is associated with, named
by clockId. Any clock in the domain may be used. If the clause is omitted, the associated clock is
the default clock. Example:
139

Reference Guide Bluespec SystemVerilog
input_reset rst(sRST_N) = sRstIn;
is equivalent to:
input_reset rst(sRST_N) clocked_by(clk) = sRstIn;
where clk is the identifier named in the default_clock statement.
If the user doesn’t care which clock domain is associated with the reset, no_clock may be used. In
this case the compiler will not check that the connected reset is associated with the correct domain.
Example
input_reset rst(sRST_N) clocked_by(no_clock) = sRstIn;
If the expression is an identifier being assigned with =, and the user wishes this to be the name of the
reset, then he can leave off the identifier of the reset and the expression will be assumed to be the
name. The reset name can be left off in other circumstances, but then no name is associated with
the reset. An unamed reset cannot be referred to elsewhere, such as in a method or other statement.
In the cases where a parent module needs to associate a reset with methods, but the reset is not
used internally, the statement may contain a name, but not specify a port. In this case, there is no
port expected in the Verilog module. Example:
input_reset rst() clocked_by (clk_src) = sRstIn ;
Example of a BVI import statement containing an input_reset statement:
import "BVI" SyncReset =
module vSyncReset#(Integer stages ) ( Reset rstIn, ResetGenIfc rstOut ) ;
...
// we don’t care what the clock is of the input reset
input_reset rst(IN_RST_N) clocked_by (no_clock) = rstIn ;
...
endmodule
15.8 Default reset
In BSV, when you define a module, it has an implicit reset (the current reset) which is used to
reset all instantiated submodules (unless otherwise specifed via a reset_by clause). Other resets to
submodules must be explicitly passed as input arguments.
Every BVI import module must declare which reset, if any, is the default reset. The default reset
is the implicit reset provided by the parent module (or explicitly given with a reset_by). The
default reset is also the reset associated with methods in the BVI import when no reset_by clause
is specified.
The simplest definition for the default reset is:
defaultResetBVIStmt ::= default_reset identifier ;
where identifier specifies the name of an input reset which is designated as the default reset.
The reset may be unused or not connected to a port, but it must still be declared. Example:
default_reset no_reset;
140

Bluespec SystemVerilog Reference Guide
The keyword default_reset may be omitted when declaring an unused reset. The above statement
can thus be written as:
no_reset; // the default_reset keyword can be omitted
This statement declares that the implicit reset from the parent module is ignored (and not con-
nected). In this case, the default reset for methods becomes no_reset, meaning there is no associated
reset.
To save typing, you can merge the default_reset and input_reset statements into a single line:
defaultResetBVIStmt ::= default_reset [identifier ] [ (portId )] [ clocked_by ( clockId )]
[=expression ];
The defining operator =or <- may be used.
This is precisely equivalent to defining an input reset and then declaring that reset to be the default.
Example:
default_reset rst (RST_N) clocked_by (clk) = sRstIn;
is equivalent to:
input_reset rst (RST_N) clocked_by (clk) = sRstIn;
default_reset rst;
If omitted, = expression in the default_reset statement defaults to <- exposeCurrentReset.
Example:
default_reset rst (RST_N);
is equivalent to
default_reset rst (RST_N) <- exposeCurrentReset;
The clocked_by clause is optional; if omitted, the reset is clocked by the default clock. Example:
default_reset rst (sRST_N) = sRstIn;
is equivalent to
default_reset rst (sRST_N) clocked_by(clk) = sRstIn;
where clk is the default_clock.
If no_clock is specified, the reset is not associated with any clock. Example:
input_reset rst (sRST_N) clocked_by(no_clock) = sRstIn;
If the portId is excluded, the reset port name defaults to RST_N. Example:
default_reset rstIn = rst;
is equivalent to:
141

Reference Guide Bluespec SystemVerilog
default_reset rstIn (RST_N) = rst;
Alternatively, if the expression is an identifier being assigned with =, and the user wishes this to be
the name of the default reset, then he can leave off the name of the default reset and expression will
be assumed to be the name. Example:
default_reset (rstIn) = rst;
is equivalent to:
default_reset rst (rstIn) = rst;
Both the ports and the name cannot be omitted.
However, omitting the entire statement is equivalent to:
default_reset (RST_N) <- exposeCurrentReset;
specifying that the current reset is to be associated with all methods which do not specify otherwise.
15.9 Output reset
The output_reset statement gives the port connections for a reset provided in the module’s inter-
face.
outputResetBVIStmt ::= output_reset identifier [(portId )] [ clocked_by ( clockId )];
The identifier defines the name of the output reset, which must match a reset declared in the
module’s interface. Example:
interface ResetGenIfc;
interface Reset gen_rst;
endinterface
import "BVI" SyncReset =
module vSyncReset#(Integer stages ) ( Reset rstIn, ResetGenIfc rstOut ) ;
...
output_reset gen_rst(OUT_RST_N) clocked_by(clk) ;
endmodule
It is an error for the same identifier to be declared by more than one output_reset statement.
15.10 Ancestor, same family
There are two statements for specifying the relationship between clocks: ancestor and same_family.
ancestorBVIStmt ::= ancestor ( clockId ,clockId ) ;
This statement indicates that the second named clock is an ancestor of the first named clock. To
say that clock1 is an ancestor of clock2, means that clock2 is a gated version of clock1. This
is written as:
ancestor (clock2, clock1);
142

Bluespec SystemVerilog Reference Guide
For clocks which do not have an ancestor relationship, but do share a common ancestor, we have:
sameFamilyBVIStmt ::= same_family ( clockId ,clockId ) ;
This statement indicates that the clocks specified by the clockIds are in the same family (same clock
domain). When two clocks are in the same family, they have the same oscillator with a different
gate. To be in the same family, one does not have to be a gated version of the other, instead they
may be gated versions of a common ancestor. Note that ancestor implies same_family, which then
need not be explicitly stated. For example, a module which gates an input clock:
input_clock clk_in(CLK_IN, CLK_GATE_IN) = clk_in ;
output_clock new_clk(CLK_OUT, CLK_GATE_OUT);
ancestor(new_clk, clk_in);
15.11 Schedule
scheduleBVIStmt ::= schedule ( identifier {,identifier })operatorId
(identifier {,identifier });
operatorId ::= CF
|SB
|SBR
|C
The schedule statement specifies the scheduling constraints between methods in an imported mod-
ule. The operators relate two sets of methods; the specified relation is understood to hold for each
pair of an element of the first set and an element of the second set. The order of the methods in the
lists is unimportant and the parentheses may be omitted if there is only one name in the set.
The meanings of the operators are:
CF conflict-free
SB sequences before
SBR sequences before, with range conflict (that is, not composable in parallel)
Cconflicts
It is an error to specify two relationships for the same pair of methods. It is an error to specify a
scheduling annotation other than CF for methods clocked by unrelated clocks. For such methods,
CF is the default; for methods clocked by related clocks the default is C. The compiler generates a
warning if an annotation between a method pair is missing. Example:
import "BVI" FIFO2 =
module vFIFOF2_MC ( Clock sClkIn, Reset sRstIn,
Clock dClkIn, Reset dRstIn,
Clock realClock, Reset realReset,
FIFOF_MC#(a) ifc )
provisos (Bits#(a,sa));
...
method enq( D_IN ) enable(ENQ) clocked_by( clk_src ) reset_by( srst ) ;
method FULL_N notFull clocked_by( clk_src ) reset_by( srst ) ;
method deq() enable(DEQ) clocked_by( clk_dst ) reset_by( drst ) ;
method D_OUT first clocked_by( clk_dst ) reset_by( drst ) ;
method EMPTY_N notEmpty clocked_by( clk_dst ) reset_by( drst ) ;
143

Reference Guide Bluespec SystemVerilog
schedule (enq, notFull) CF (deq, first, notEmpty) ;
schedule (first, notEmpty) CF (first, notEmpty) ;
schedule (notFull) CF (notFull) ;
// CF: conflict free - methods in the first list can be scheduled
// in any order or any number of times, with the methods in the
// second list - there is no conflict between the methods.
schedule first SB deq ;
schedule (notEmpty) SB (deq) ;
schedule (notFull) SB (enq) ;
// SB indicates the order in which the methods must be scheduled
// the methods in the first list must occur (be scheduled) before
// the methods in the second list
// SB allows these methods to be called from one rule but the
// SBR relationship does not.
schedule (enq) C (enq) ;
schedule (deq) C (deq) ;
// C: conflicts - methods in the first list conflict with the
// methods in the second - they cannot be called in the same clock cycle.
// if a method conflicts with itself, (enq and deq), it
// cannot be called more than once in a clock cycle
endmodule
15.12 Path
The path statement indicates that there is a combinational path from the first port to the second
port.
pathBVIStmt ::= path ( portId,portId ) ;
It is an error to specify a path between ports that are connected to methods clocked by unrelated
clocks. This would be, by definition, an unsafe clock domain crossing. Note that the compiler
assumes that there will be a path from a value or ActionValue method’s input parameters to its
result, so this need not be specified explicitly.
The paths defined by the path statement are used in scheduling. A path may impact rule urgency
by implying an order in how the methods are scheduled. The path is also used in checking for
combinational cycles in a design. The compiler will report an error if it detects a cycle in a design.
In the following example, there is a path declared between WSET and WHAS, as shown in figure 2.
Figure 2: Path in the RWire0 Verilog module between WSET and WHAS ports
import "BVI" RWire0 =
module vMkRWire0 (VRWire0);
...
method wset() enable(WSET) ;
method WHAS whas ;
schedule whas CF whas ;
schedule wset SB whas ;
144

Bluespec SystemVerilog Reference Guide
path (WSET, WHAS) ;
endmodule: vMkRWire0
15.13 Interface
interfaceBVIStmt ::= interface typeDefType ;
{interfaceBVIMembDecl }
endinterface [:typeIde ]
interfaceBVIMembDecl::= methodBVIStmt
|interfaceBVIStmt ;
An interface statement can contain two types of statements: method statements and subinterface
declarations. The interface statement in BVI import is the same as any other interface statement
(Section 5.2) with one difference: the method statements within the interface are BVI method
statements (methodBVIStmt 15.2).
Example:
import "BVI" BRAM2 =
module vSyncBRAM2#(Integer memSize, Bool hasOutputRegister,
Clock clkA, Reset rstNA, Clock clkB, Reset rstNB
) (BRAM_DUAL_PORT#(addr, data))
provisos(Bits#(addr, addr_sz),
Bits#(data, data_sz));
...
interface BRAM_PORT a;
method put(WEA, (*reg*)ADDRA, (*reg*)DIA) enable(ENA) clocked_by(clkA) reset_by(rstA);
method DOA read() clocked_by(clkA) reset_by(rstA);
endinterface: a
interface BRAM_PORT b;
method put(WEB, (*reg*)ADDRB, (*reg*)DIB) enable(ENB) clocked_by(clkB) reset_by(rstB);
method DOB read() clocked_by(clkB) reset_by(rstB);
endinterface: b
endmodule: vSyncBRAM2
Since a BVI wrapper module can only provide a single interface (BRAM_DUAL_PORT in this example),
to provide multiple interfaces you have to create an interface hierarchy using interface statements.
The interface hierarchy provided in this example is:
interface BRAM_DUAL_PORT#(type addr, type data);
interface BRAM_PORT#(addr, data) a;
interface BRAM_PORT#(addr, data) b;
endinterface: BRAM_DUAL_PORT
where the subinterfaces, aand b, are defined as interface statements in the body of the import
"BVI" statement.
15.14 Inout
The following statements describe how to pass an inout port from a wrapped Verilog module through
a BSV module. These ports are represented in BSV by the type Inout. There are two ways that
145

Reference Guide Bluespec SystemVerilog
an Inout can appear in BSV modules: as an argument to the module or as a subinterface of the
interface provided by the module. There are, therefore, two ways to declare an Inout port in a
BVI import: the statement inout declares an argument of the current module; and the statement
ifc_inout declares a subinterface of the provided interface.
inoutBVIStmt ::= inout portId [clocked_by ( clockId )]
[reset_by ( resetId )]=expression ;
The value of portId is the Verilog name of the inout port and expression is the name of an argument
from the module.
inoutBVIStmt ::= ifc_inout identifier (inoutId )[clocked_by ( clockId )]
[reset_by ( resetId )];
Here, the identifier is the name of the subinterface of the provided interface and portId is, again,
the Verilog name of the inout port.
The clock and reset associated with the Inout are assumed to be the default clock and default reset
unless explicitly specified.
Example:
interface Q;
interface Inout#(Bit#(13)) q_inout;
interface Clock c_clock;
endinterface
import "BVI" Foo =
module mkFoo#(Bool b)(Inout#(int) x, Q ifc);
default_clock ();
no_reset;
inout iport = x;
ifc_inout q_inout(qport);
output_clock c_clock(clockport);
endmodule
The wrapped Verilog module is:
module Foo (iport, clockport, qport);
input cccport;
inout [31:0] iport;
inout [12:0] qport;
...
endmodule
16 Embedding C in a BSV Design
This section describes how to declare a BSV function that is provided as a C function. This is used
when there are existing C functions which the designer would like to include in a BSV module. Using
the importBDPI syntax, the user can specify that the implementation of a BSV function is provided
as a C function.
externCImport ::= import "BDPI" [identifier =]function type
identifier ([CFuncArgs ])[provisos ];
146

Bluespec SystemVerilog Reference Guide
CFuncArgs ::= CFuncArg {,CFuncArg }
CFuncArg ::= type [identifier ]
This defines a function identifier in the BSV source code which is implemented by a C function of
the same name. A different link name (C name) can be specified immediately after the "BDPI",
using an optional [identifier = ]. The link name is not bound by BSV case-restrictions on identifiers
and may start with a capital letter.
Example of an import statement where the C name matches the BSV name:
// the C function and the BSV function are both named checksum
import "BDPI" function Bit#(32) checksum (Bit#(n), Bit#(32));
Example of an import statement where the C name does not match the BSV name:
// the C function name is checksum
// the BSV function name is checksum_raw
import "BDPI" checksum = function Bit#(32) checksum_raw (Bit#(n), Bit#(32));
The first type specifies the return type of the function. The optional CFuncArgs specify the argu-
ments of the function, along with an optional identifier to name the arguments.
For instance, in the above checksum example, you might want to name the arguments to indicate
that the first argument is the input value and the second argument is the size of the input value.
import "BDPI" function Bit#(32) checksum (Bit#(n) input_val, Bit#(32) input_size);
16.1 Argument Types
The types for the arguments and return value are BSV types. The following table shows the corre-
lation from BSV types to C types.
BSV Type C Type
String char*
Bit#(0) -Bit#(8) unsigned char
Bit#(9) -Bit#(32) unsigned int
Bit#(33) -Bit#(64) unsigned long long
Bit#(65) -unsigned int*
Bit#(n) unsigned int*
The importBDPI syntax provides the ability to import simple C functions that the user may already
have. A C function with an argument of type char or unsigned char should be imported as a BSV
function with an argument of type Bit#(8). For int or unsigned int, use Bit#(32). For long
long or unsigned long long, use Bit#(64). While BSV creates unsigned values, they can be
passed to a C function which will treat the value as signed. This can be reflected in BSV with
Int#(8),Int#(32),Int#(64), etc.
The user may also import new C functions written to match a given BSV function type. For instance,
a function on bit-vectors of size 17 (that is, Bit#(17)) would expect to pass this value as the C type
unsigned int and the C function should be aware that only the first 17 bits of the value are valid
data.
147

Reference Guide Bluespec SystemVerilog
Wide data Bit vectors of size 65 or greater are passed by reference, as type unsigned int*. This
is a pointer to an array of 32-bit words, where bit 0 of the BSV vector is bit 0 of the first word in
the array, and bit 32 of the BSV vector is bit 0 of the second word, etc. Note that we only pass the
pointer; no size value is passed to the C function. This is because the size is fixed and the C function
could have the size hardcoded in it. If the function needs the size as an additional parameter, then
either a C or BSV wrapper is needed. See the examples below.
Polymorphic data As the above table shows, bit vectors of variable size are passed by reference,
as type unsigned int*. As with wide data, this is a pointer to an array of 32-bit words, where bit
0 of the BSV vector is bit 0 of the first word in the array, and bit 32 of the BSV vector is bit 0 of
the second word, etc. No size value is passed to the C function, because the import takes no stance
on how the size should be communicated. The user will need to handle the communication of the
size, typically by adding an additional argument to the import function and using a BSV wrapper
to pass the size via that argument, as follows:
// This function computes a checksum for any size bit-vector
// The second argument is the size of the input bit-vector
import "BDPI" checksum = function Bit#(32) checksum_raw (Bit#(n), Bit#(32));
// This wrapper handles the passing of the size
function Bit#(32) checksum (Bit#(n) vec);
return checksum_raw(vec, fromInteger(valueOf(n)));
endfunction
16.2 Return types
Imported functions can be value functions, Action functions, or ActionValue functions. The ac-
ceptable return types are the same as the acceptable argument types, except that String is not
permitted as a return type.
Imported functions with return values correlate to C functions with return values, except in the
cases of wide and polymorphic data. In those cases, where the BSV type correlates to unsigned
int*, the simulator will allocate space for the return result and pass a pointer to this memory to
the C function. The C function will not be responsible for allocating memory. When the C function
finishes execution, the simulator copies the result in that memory to the simulator state and frees
the memory. By convention, this special argument is the first argument to the C function.
For example, the following BSV import:
import "BDPI" function Bit#(32) f (Bit#(8));
would connect to the following C function:
unsigned int f (unsigned char x);
While the following BSV import with wide data:
import "BDPI" function Bit#(128) g (Bit#(8));
would connect to the following C function:
void g (unsigned int* resultptr, unsigned char x);
148

Bluespec SystemVerilog Reference Guide
16.3 Implicit pack/unpack
So far we have only mentioned Bit and String types for arguments and return values. Other types
are allowed as arguments and return values, as long as they can be packed into a bit-vector. These
types include Int,UInt,Bool, and Maybe, all of which have an instance in the Bits class.
For example, this is a valid import:
import "BDPI" function Bool my_and (Bool, Bool);
Since a Bool packs to a Bit#(1), it would connect to a C function such as the following:
unsigned char
my_and (unsigned char x, unsigned char y);
In this next example, we have two C functions, signedGT and unsignedGT, both of which implement
a greater-than function, returning a Bool indicating whether xis greater than y.
import "BDPI" function Bool signedGT (Int#(32) x, Int#(32) y);
import "BDPI" function Bool unsignedGT (UInt#(32) x, UInt#(32) y);
Because the function signedGT assumes that the MSB is a sign bit, we use the type-system to make
sure that we only call that function on signed values by specifying that the function only works on
Int#(32). Similarly, we can enforce that unsignedGT is only called on unsigned values, by requiring
its arguments to be of type UInt#(32).
The C functions would be:
unsigned char signedGT (unsigned int x, unsigned int y);
unsigned char unsignedGT (unsigned int x, unsigned int y);
In both cases, the packed value is of type Bit#(32), and so the C function is expected to take the its
arguments as unsigned int. The difference is that the signedGT function will then treat the values
as signed values while the unsignedGT function will treat them as unsigned values. Both functions
return a Bool, which means the C return type is unsigned char.
Argument and return types to imported functions can also be structs, enums, and tagged unions.
The C function will receive the data in bit form and must return values in bit form.
16.4 Other examples
Shared resources In some situations, several imported functions may share access to a resource,
such as memory or the file system. If these functions wish to share file handles, pointers, or other
cookies between each other, they will have to pass the data as a bit-vector, such as unsigned
int/Bit#(32).
When to use Action components If an imported function has a side effect or if it matters
how many times or in what order the function is called (relative to other calls), then the imported
function should have an Action component in its BSV type. That is, the functions should have a
return type of Action or ActionValue.
149

Reference Guide Bluespec SystemVerilog
Removing indirection for polymorphism within a range A polymorphic type will always
become unsigned int* in the C, even if there is a numeric proviso which restricts the size. Consider
the following import:
import "BDPI" function Bit#(n) f(Bit#(n), Bit#(8)) provisos (Add#(n,j,32));
This is a polymorphic vector, so the conversion rules indicate that it should appear as unsigned
int* in the C. However, the proviso indicates that the value of n can never be greater than 32. To
make the import be a specific size and not a pointer, you could use a wrapper, as in the example
below.
import "BDPI" f = function Bit#(32) f_aux(Bit#(32), Bit#(8));
function Bit#(n) f (Bit#(n) x) provisos (Add#(n,j,32));
return f_aux(extend(x), fromInteger(valueOf(n)));
endfunction
References
[IEE02] IEEE. IEEE Standard VHDL Language Reference Manual, IEEE Std 1076-1993, 2002.
[IEE05] IEEE. IEEE Standard Verilog (R) Hardware Description Language, 2005. IEEE Std 1364-
2005.
[IEE12] IEEE. IEEE Standard for Standard SystemC Language Reference Manual, January 9 2012.
IEEE Std 1666-2011.
[IEE13] IEEE. IEEE Standard for System Verilog—Unified Hardware Design, Specification and
Verification Language, 21 February 2013. IEEE Std 1800-2012.
[Ros04] Daniel L. Rosenband. The Ephemeral History Register: Flexible Scheduling for Rule-Based
Designs. In Proc. MEMOCODE’04, June 2004.
[Ter03] Terese. Term Rewriting Systems. Cambridge University Press, 2003.
150

Bluespec SystemVerilog Reference Guide
A Keywords
In general, keywords do not use uppercase letters (the only exception is the keyword valueOf). The
following are the keywords in BSV (and so they cannot be used as identifiers).
Action
ActionValue
BVI
C
CF
E
SB
SBR
action endaction
actionvalue endactionvalue
ancestor
begin
bit
case endcase
clocked_by
default
default_clock
default_reset
dependencies
deriving
determines
e
else
enable
end
enum
export
for
function endfunction
if
ifc_inout
import
inout
input_clock
input_reset
instance endinstance
interface endinterface
let
match
matches
method endmethod
module endmodule
numeric
output_clock
output_reset
package endpackage
parameter
path
port
151

Reference Guide Bluespec SystemVerilog
provisos
reset_by
return
rule endrule
rules endrules
same_family
schedule
struct
tagged
type
typeclass endtypeclass
typedef
union
valueOf
valueof
void
while
152

Bluespec SystemVerilog Reference Guide
The following are keywords in SystemVerilog (which includes all the keywords in Verilog). Although
most of them are not used in BSV, for compatibility reasons they are not allowed as identifiers in
BSV either.
alias
always
always_comb
always_ff
always_latch
and
assert
assert_strobe
assign
assume
automatic
before
begin end
bind
bins
binsof
bit
break
buf
bufif0
bufif1
byte
case endcase
casex
casez
cell
chandle
class endclass
clocking endclocking
cmos
config endconfig
const
constraint
context
continue
cover
covergroup endgroup
coverpoint
cross
deassign
default
defparam
design
disable
dist
do
edge
else
enum
event
expect
export
extends
extern
final
first_match
for
force
foreach
forever
fork
forkjoin
function endfunction
generate endgenerate
genvar
highz0
highz1
if
iff
ifnone
ignore_bins
illegal_bins
import
incdir
include
initial
inout
input
inside
instance
int
integer
interface endinterface
intersect
join
join_any
join_none
large
liblist
library
local
localparam
logic
longint
macromodule
matches
medium
modport
module endmodule
nand
negedge
new
nmos
nor
noshowcancelled
not
notif0
notif1
null
or
output
package endpackage
packed
parameter
pmos
posedge
primitive endprimitive
priority
program endprogram
property endproperty
protected
pull0
pull1
pulldown
pullup
pulsestyle_onevent
pulsestyle_ondetect
pure
rand
randc
randcase
randsequence
rcmos
real
realtime
ref
reg
release
repeat
return
rnmos
rpmos
rtran
rtranif0
rtranif1
scalared
sequence endsequence
shortint
shortreal
showcancelled
153

Reference Guide Bluespec SystemVerilog
signed
small
solve
specify endspecify
specparam
static
string
strong0
strong1
struct
super
supply0
supply1
table endtable
tagged
task endtask
this
throughout
time
timeprecision
timeunit
tran
tranif0
tranif1
tri
tri0
tri1
triand
trior
trireg
type
typedef
union
unique
unsigned
use
var
vectored
virtual
void
wait
wait_order
wand
weak0
weak1
while
wildcard
wire
with
within
wor
xnor
xor
154

Bluespec SystemVerilog Reference Guide
B The Standard Prelude package
This section describes the type classes, data types, interfaces and functions provided by the Prelude
package. The standard Prelude package is automatically included in all BSV packages. You do not
need to take any special action to use any of the features defined in the Prelude package.
Section Cdescribes BSV’s large collection of AzureIP Foundation libraries. To use any of these
libraries in a design you must explicitly import the library package.
B.1 Type classes
A type class groups related functions and operators and allows for instances across the various
datatypes which are members of the typeclass. Hence the function names within a type class are
overloaded across the various type class members.
Atypeclass declaration creates a type class. An instance declaration defines a datatype as
belonging to a type class. A datatype may belong to zero or many type classes.
The Prelude package declares the following type classes:
Prelude Type Classes
Bits Types that can be converted to bit vectors and back.
Eq Types on which equality is defined.
Literal Types which can be created from integer literals.
RealLiteral Types which can be created from real literals.
Arith Types on which arithmetic operations are defined.
Ord Types on which comparison operations are defined.
Bounded Types with a finite range.
Bitwise Types on which bitwise operations are defined.
BitReduction Types on which bitwise operations on a single operand to produce
a single bit result are defined.
BitExtend Types on which extend operations are defined.
SaturatingArith Types with functions to describe how overflow and underflow
should be handled.
Alias Types which can be used interchangeably.
NumAlias Types which give a new name to a numeric type.
FShow Types which can convert a value to a Fmt representation for use
with $display system tasks.
StringLiteral Types which can be created around strings.
B.1.1 Bits
Bits defines the class of types that can be converted to bit vectors and back. Membership in this
class is required for a data type to be stored in a state, such as a Register or a FIFO, or to be used
at a synthesized module boundary. Often instance of this class can be automatically derived using
the deriving statement.
typeclass Bits #(type a, numeric type n);
function Bit#(n) pack(a x);
function a unpack(Bit#(n) x);
endtypeclass
Note: the numeric keyword is not required
The functions pack and unpack are provided to convert elements to Bit#() and to convert Bit#()
elements to another datatype.
155

Reference Guide Bluespec SystemVerilog
Bits Functions
pack Converts element aof datatype data_t to a element of datatype
Bit#() of size_a.
function Bit#(size_a) pack(data_t a);
unpack Converts an element aof datatype Bit#() and size_a into an
element with of element type data_t.
function data_t unpack(Bit#(size_a) a);
Examples
Reg#(int) cycle <- mkReg (0);
..
rule r;
...
if (pack(cycle)[0] == 0) a = a + 1;
else a = a + 2;
if (pack(cycle)[1:0] == 3) a = a + 3;
Int#(10) src_step = unpack(config6[9:0]);
Bool src_rdy_en = unpack(config6[16]);
B.1.2 Eq
Eq defines the class of types whose values can be compared for equality. Instances of the Eq class
are often automatically derived using the deriving statement.
typeclass Eq #(type data_t);
function Bool \== (data_t x, data_t y);
function Bool \/= (data_t x, data_t y);
endtypeclass
The equality functions == and != are Boolean functions which return a value of True if the equality
condition is met. When defining an instance of an Eq typeclass, the \== and \/= notations must be
used. If using or referring to the functions, the standard Verilog operators == and != may be used.
Eq Functions
== Returns True if xis equal to y.
function Bool \== (data_t x, data_t y,);
/= Returns True if xis not equal to y.
function Bool \/= (data_t x, data_t y,);
Examples
return (pack(i) & 3) == 0;
if (a != maxInt)
156

Bluespec SystemVerilog Reference Guide
B.1.3 Literal
Literal defines the class of types which can be created from integer literals.
typeclass Literal #(type data_t);
function data_t fromInteger(Integer x);
function Bool inLiteralRange(data_t target, Integer x);
endtypeclass
The fromInteger function converts an Integer into an element of datatype data_t. Whenever you
write an integer literal in BSV(such as “0” or “1”), there is an implied fromInteger applied to it,
which turns the literal into the type you are using it as (such as Int,UInt,Bit, etc.). By defining
an instance of Literal for your own datatypes, you can create values from literals just as for these
predefined types.
The typeclass also provides a function inLiteralRange that takes an argument of the target type
and an Integer and returns a Bool that indicates whether the Integer argument is in the legal
range of the target type. For example, assuming xhas type Bit#(4),inLiteralRange(x, 15)
would return True, but inLiteralRange(x,22) would return False.
Literal Functions
fromInteger Converts an element xof datatype Integer into an element of data
type data_t
function data_t fromInteger(Integer x);
inLiteralRange Tests whether an element xof datatype Integer is in the legal
range of data type data_t
function Bool inLiteralRange(data_t target, Integer x);
Examples
function foo (Vector#(n,int) xs) provisos (Log#(n,k));
Integer maxindex = valueof(n) - 1;
Int#(k) index;
index = fromInteger(maxindex);
...
endfunction
function Bool inLiteralRange(RegAddress a, Integer i);
return(i >= 0 && i < 83);
endfunction
B.1.4 RealLiteral
RealLiteral defines the class of types which can be created from real literals.
typeclass RealLiteral #(type data_t);
function data_t fromReal(Real x);
endtypeclass
157

Reference Guide Bluespec SystemVerilog
The fromReal function converts a Real into an element of datatype data_t. Whenever you write
a real literal in BSV(such as “3.14”), there is an implied fromReal applied to it, which turns the
real into the specified type. By defining an instance of RealLiteral for a datatype, you can create
values from reals for any type.
RealLiteral Functions
fromReal Converts an element xof datatype Real into an element of data
type data_t
function data_t fromReal(Real x);
Examples
FixedPoint#(is, fs) f = fromReal(n); //n is a Real number
B.1.5 SizedLiteral
SizedLiteral defines the class of types which can be created from integer literals with a specified
size.
typeclass SizedLiteral #(type data_t, type size_t)
dependencies (data_t determines size_t);
function data_t fromSizedInteger(Bit#(size_t);
endtypeclass
The fromSizedInteger function converts a literal of type Bit#(size_t) into an element of datatype
data_t. Whenever you write a sized literal like 1’b0, there is an implied fromSizedInteger which
turns the literal into the type you are using it as, with the defined size. Instances are defined for the
types Bit,UInt, and Int.
SizedLiteral Functions
fromSizedInteger Converts an element of Bit#(size_t) into an element of data
type data_t
function data_t fromSizedInteger(Bit#(size_t));
B.1.6 Arith
Arith defines the class of types on which arithmetic operations are defined.
typeclass Arith #(type data_t)
provisos (Literal#(data_t));
function data_t \+ (data_t x, data_t y);
function data_t \- (data_t x, data_t y);
function data_t negate (data_t x);
function data_t \* (data_t x, data_t y);
function data_t \/ (data_t x, data_t y);
function data_t \% (data_t x, data_t y);
function data_t abs (data_t x);
function data_t signum (data_t x);
function data_t \** (data_t x, data_t y);
158

Bluespec SystemVerilog Reference Guide
function data_t exp_e (data_t x);
function data_t log (data_t x);
function data_t logb (data_t b, data_t x);
function data_t log2 (data_t x);
function data_t log10 (data_t x);
endtypeclass
The Arith functions provide arithmetic operations. For the arithmetic symbols, when defining an
instance of the Arith typeclass, the escaped operator names must be used as shown in the tables
below. The negate name may be used instead of the operator for negation. If using or referring to
these functions, the standard (non-escaped) Verilog operators can be used.
Arith Functions
+Element xis added to element y.
function data_t \+ (data_t x, data_t y);
-Element yis subtracted from element x.
function data_t \- (data_t x, data_t y);
negate Change the sign of the number. When using the function the Ver-
ilog negate operator, -, may be used.
-
function data_t negate (data_t x);
*Element xis multiplied by y.
function data_t \* (data_t x, data_t y);
/Element xis divided by y. The definition depends on the type -
many types truncate the remainder . Note: may not be synthesiz-
able with downstream tools.
function data_t \/ (data_t x, data_t y);
%Returns the remainder of x/y. Obeys the identity ((x/y)∗y) +
(x%y) = x.
function data_t \% (data_t x, data_t y);
Note: Division by 0 is undefined. Both x/0 and x%0 will generate errors at compile-time and
run-time for most instances.
abs Returns the absolute value of x.
function data_t abs (data_t x);
159

Reference Guide Bluespec SystemVerilog
signum Returns a unit value with the same sign as x, such that
abs(x)*signum(x) = x.signum(12) returns 1and signum(-12)
returns -1.
function data_t signum (data_t x);
** The element xis raised to the ypower (x**y =xy).
function data_t \** (data_t x, data_t y);
log2 Returns the base 2logarithm of x(log 2x).
function data_t log2(data_t x) ;
exp_e e is raised to the power of x(ex).
function data_t exp_e (data_t x);
log Returns the base elogarithm of x(log ex).
function data_t log (data_t x);
logb Returns the base blogarithm of x(log bx).
function data_t logb (data_t b, data_t x);
log10 Returns the base 10 logarithm of x (log 10x).
function data_t log10(data_t x) ;
Examples
real u = log(1);
real x = 128.0;
real y = log2(x);
real z = 100.0;
real v = log10(z);
real w = logb(3,9.0);
real a = -x;
real b = abs(x);
B.1.7 Ord
Ord defines the class of types for which an order is defined, allowing comparison operations. A
complete definition of an instance of Ord requires defining either <= or compare.
160

Bluespec SystemVerilog Reference Guide
typeclass Ord #(type data_t);
function Bool \< (data_t x, data_t y);
function Bool \<= (data_t x, data_t y);
function Bool \> (data_t x, data_t y);
function Bool \>= (data_t x, data_t y);
function Ordering compare(data_t x, data_t y);
function data_t min(data_t x, data_t y);
function data_t max(data_t x, data_t y);
endtypeclass
The functions <,<=,>, and >= are Boolean functions which return a value of True if the comparison
condition is met.
Ord Functions
<Returns True if xis less than y.
function Bool \< (data_t x, data_t y);
<= Returns True if xis less than or equal to y.
function Bool \<= (data_t x, data_t y);
>Returns True if xis greater than y.
function Bool \> (data_t x, data_t y);
>= Returns True if xis greater than or equal to y.
function Bool \>= (data_t x, data_t y);
The function compare returns a value of the Ordering (Section B.2.14) data type (LT,GT, or EQ).
compare Returns the Ordering value describing the relationship of xto y.
function Ordering compare (data_t x, data_t y);
The functions min and max return a value of datatype data_t which is either the minimum or
maximum of the two values, depending on the function.
min Returns the minimum of the values xand y.
function data_t min (data_t x, data_t y);
max Returns the maximum of the values xand y.
function data_t max (data_t x, data_t y);
161

Reference Guide Bluespec SystemVerilog
Examples
rule r1 (x <= y);
rule r2 (x > y);
function Ordering onKey(Record r1, Record r2);
return compare(r1.key,r2.key);
endfunction
...
List#(Record) sorted_rs = sortBy(onKey,rs);
List#(List#(Record)) grouped_rs = groupBy(equiv,sorted_rs);
let read_count = min(reads_remaining, 16);
B.1.8 Bounded
Bounded defines the class of types with a finite range and provides functions to define the range.
typeclass Bounded #(type data_t);
data_t minBound;
data_t maxBound;
endtypeclass
The Bounded functions minBound and maxBound define the minimum and maximum values for the
type data_t. Instances of the Bounded class are often automatically derived using the deriving
statement.
Bounded Functions
minBound The minimum value the type data_t can have.
data_t minBound;
maxBound The maximum value the type data_t can have.
data_t maxBound;
Examples
module mkGenericRandomizer (Randomize#(a))
provisos (Bits#(a, sa), Bounded#(a));
typedef struct {
Bit#(2) red;
Bit#(1) blue;
} RgbColor deriving (Eq, Bits, Bounded);
162

Bluespec SystemVerilog Reference Guide
B.1.9 Bitwise
Bitwise defines the class of types on which bitwise operations are defined.
typeclass Bitwise #(type data_t);
function data_t \& (data_t x1, data_t x2);
function data_t \| (data_t x1, data_t x2);
function data_t \^ (data_t x1, data_t x2);
function data_t \~^ (data_t x1, data_t x2);
function data_t \^~ (data_t x1, data_t x2);
function data_t invert (data_t x1);
function data_t \<< (data_t x1, x2);
function data_t \>> (data_t x1, x2);
function Bit#(1) msb (data_t x);
function Bit#(1) lsb (data_t x);
endtypeclass
The Bitwise functions compare two operands bit by bit to calculate a result. That is, the bit in the
first operand is compared to its equivalent bit in the second operand to calculate a single bit for the
result.
Bitwise Functions
&Performs an and operation on each bit in x1 and x2 to calculate
the result.
function data_t \& (data_t x1, data_t x2);
|Performs an or operation on each bit in x1 and x2 to calculate the
result.
function data_t \| (data_t x1, data_t x2);
^Performs an exclusive or operation on each bit in x1 and x2 to
calculate the result.
function data_t \^ (data_t x1, data_t x2);
~^ Performs an exclusive nor operation on each bit in x1 and x2 to
calculate the result.
^~
function data_t \~^ (data_t x1, data_t x2);
function data_t \^~ (data_t x1, data_t x2);
~Performs a unary negation operation on each bit in x1. When using
this function, the corresponding Verilog operator, ~, may be used.
invert
function data_t invert (data_t x1);
163

Reference Guide Bluespec SystemVerilog
The << and >> operators perform left and right shift operations. Whether the shift is an arithmetic
shift (Int) or a logical shift (Bit,UInt) is dependent on how the type is defined.
<< Performs a left shift operation of x1 by the number of bit positions
given by x2.x2 must be of an acceptable index type (Integer,
Bit#(n),Int#(n) or UInt#(n)).
function data_t \<< (data_t x1, x2);
>> Performs a right shift operation of x1 by the number of bit positions
given by x2.x2 must be of an acceptable index type (Integer,
Bit#(n),Int#(n) or UInt#(n)).
function data_t \>> (data_t x1, x2);
The functions msb and lsb operate on a single argument.
msb Returns the value of the most significant bit of x. Returns 0 if
width of data t is 0.
function Bit#(1) msb (data_t x);
lsb Returns the value of the least significant bit of x. Returns 0 if
width of data t is 0.
function Bit#(1) lsb (data_t x);
Examples
function Value computeOp(AOp aop, Value v1, Value v2) ;
case (aop) matches
Aand : return v1 & v2;
Anor : return invert(v1 | v2);
Aor : return v1 | v2;
Axor : return v1 ^ v2;
Asll : return v1 << vToNat(v2);
Asrl : return v1 >> vToNat(v2);
endcase
endfunction: computeOp
Bit#(3) msb = read_counter [5:3];
Bit#(3) lsb = read_counter [2:0];
read_counter <= (msb == 3’b111) ? {msb+1,lsb+1} : {msb+1,lsb};
B.1.10 BitReduction
BitReduction defines the class of types on which the Verilog bit reduction operations are defined.
164

Bluespec SystemVerilog Reference Guide
typeclass BitReduction #(type x, numeric type n)
function x#(1) reduceAnd (x#(n) d);
function x#(1) reduceOr (x#(n) d);
function x#(1) reduceXor (x#(n) d);
function x#(1) reduceNand (x#(n) d);
function x#(1) reduceNor (x#(n) d);
function x#(1) reduceXnor (x#(n) d);
endtypeclass
Note: the numeric keyword is not required
The BitReduction functions take a sized type and reduce it to one element. The most common
example is to operate on a Bit#() to produce a single bit result. The first step of the operation
applies the operator between the first bit of the operand and the second bit of the operand to produce
a result. The function then applies the operator between the result and the next bit of the operand,
until the final bit is processed.
Typically the bit reduction operators will be accessed through their Verilog operators. When defining
a new instance of the BitReduction type class the BSV names must be used. The table below lists
both values. For example, the BSV bit reduction and operator is reduceAnd and the corresponding
Verilog operator is &.
BitReduction Functions
reduceAnd Performs an and bit reduction operation between the elements of
dto calculate the result.
&
function x#(1) reduceAnd (x#(n) d);
reduceOr Performs an or bit reduction operation between the elements of d
to calculate the result.
|
function x#(1) reduceOr (x#(n) d);
reduceXor Performs an xor bit reduction operation between the elements of d
to calculate the result.
^
function x#(1) reduceXor (x#(n) d);
reduceNand Performs an nand bit reduction operation between the elements of
dto calculate the result.
^&
function x#(1) reduceNand (x#(n) d);
reduceNor Performs an nor bit reduction operation between the elements of d
to calculate the result.
~|
function x#(1) reduceNor (x#(n) d);
165

Reference Guide Bluespec SystemVerilog
reduceXnor Performs an xnor bit reduction operation between the elements of
dto calculate the result.
~^
^~
function x#(1) reduceXnor (x#(n) d);
B.1.11 BitExtend
BitExtend defines types on which bit extension operations are defined.
typeclass BitExtend #(numeric type m, numeric type n, type x); // n > m
function x#(n) extend (x#(m) d);
function x#(n) zeroExtend (x#(m) d);
function x#(n) signExtend (x#(m) d);
function x#(m) truncate (x#(n) d);
endtypeclass
The BitExtend operations take as input of one size and changes it to an input of another size, as
described in the tables below. It is recommended that extend be used in place of zeroExtend or
signExtend, as it will automatically perform the correct operation based on the data type of the
argument.
BitExtend Functions
extend Performs either a zeroExtend or a signExtend as appropriate, de-
pending on the data type of the argument (zeroExtend for an un-
signed argument, signExtend for a signed argument).
function x#(n) extend (x#(m) d)
provisos (Add#(k, m, n));
zeroExtend Use of extend instead is recommended. Adds extra zero bits to
the MSB of argument dof size mto make the datatype size n.
function x#(n) zeroExtend (x#(m) d)
provisos (Add#(k, m, n));
signExtend Use of extend instead is recommended. Adds extra sign bits to
the MSB of argument dof size mto make the datatype size nby
replicating the sign bit.
function x#(n) signExtend (x#(m) d)
provisos (Add#(k, m, n));
truncate Removes bits from the MSB of argument dof size nto make the
datatype size m.
function x#(m) truncate (x#(n) d)
provisos (Add#(k, n, m));
166

Bluespec SystemVerilog Reference Guide
Examples
UInt#(TAdd#(1,TLog#(n))) zz = extend(xx) + extend(yy);
Bit#(n) v1 = zeroExtend(v);
Int#(4) i_index = signExtend(i) + 4;
Bit#(32) upp = truncate(din);
r <= zeroExtend(c + truncate(r))
B.1.12 SaturatingArith
The SaturatingArith typeclass contains modified addition and subtraction functions which saturate
to the values defined by maxBound or minBound when the operation would otherwise overflow or
wrap-around.
There are 4 types of saturation modes which determine how an overflow or underflow should be
handled, as defined by the SaturationMode type.
Saturation Modes
Enum Value Description
Sat_Wrap Ignore overflow and underflow, just wrap around
Sat_Bound On overflow or underflow result becomes maxBound or minBound
Sat_Zero On overflow or underflow result becomes 0
Sat_Symmetric On overflow or underflow result becomes maxBound or (minBound+1)
typedef enum { Sat_Wrap
,Sat_Bound
,Sat_Zero
,Sat_Symmetric
} SaturationMode deriving (Bits, Eq);
typeclass SaturatingArith#( type t);
function t satPlus (SaturationMode mode, t x, t y);
function t satMinus (SaturationMode mode, t x, t y);
function t boundedPlus (t x, t y) = satPlus (Sat_Bound, x, y);
function t boundedMinus (t x, t y) = satMinus(Sat_Bound, x, y);
endtypeclass
Instances of the SaturatingArith class are defined for Int,UInt,Complex, and FixedPoint.
satPlus Modified plus function which saturates when the operation would otherwise over-
flow or wrap-around. The saturation value (maxBound, wrap, or 0) is determined
by the value of mode, the SaturationMode.
function t satPlus (SaturationMode mode, t x, t y);
satMinus Modified minus function which saturates when the operation would otherwise
overflow or wrap-around. The saturation value (minBound, wrap, minBound +1,
or 0) is determined by the value of mode, the SaturationMode.
function t satMinus (SaturationMode mode, t x, t y);
167

Reference Guide Bluespec SystemVerilog
boundedPlus Modified plus function which saturates to maxBound when the operation would
otherwise overflow or wrap-around. The function is the same as satPlus where
the SaturationMode is Sat_Bound.
function t boundedPlus (t x, t y) = satPlus (Sat_Bound, x, y);
boundedMinus Modified minus function which saturates to minBound when the operation would
otherwise overflow or wrap-around. The function is the same as satMinus where
the SaturationMode is Sat_Bound.
function t boundedMinus (t x, t y) = satMinus(Sat_Bound, x, y);
Examples
Reg#(SaturationMode) smode <- mkReg(Sat_Wrap);
rule okdata (isOk);
tstCount <= boundedPlus (tstCount, 1);
endrule
B.1.13 Alias and NumAlias
Alias specifies that two types can be used interchangeably, providing a way to introduce local names
for types within a module. They are used in Provisos. See Section 7.1 for more information.
typeclass Alias#(type a, type b)
dependencies (a determines b,
b determines a);
endtypeclass
NumAlias is used to give a new name to a numeric type.
typeclass NumAlias#(numeric type a, numeric type b)
dependencies (a determines b,
b determines a);
endtypeclass
Examples
Alias#(fp, FixedPoint#(i,f));
NumAlias#(TLog#(a,b), logab);
B.1.14 FShow
The FShow typeclass defines the types to which the function fshow can be applied. The function
converts a value to an associated Fmt representation for use with the $display family of system tasks.
Instances of the FShow class can often be automatically derived using the deriving statement.
168

Bluespec SystemVerilog Reference Guide
typeclass FShow#(type t);
function Fmt fshow(t value);
endtypeclass
FShow function
fshow Returns a Fmt representation when applied to a value
function Fmt fshow(t value);
Instances of FShow for Prelude data types are defined in the Prelude package. Instances for non-
Prelude types are documented in the type package. If an instance of FShow is not already defined
for a type you can create your own instance. You can also redefine existing instances as required for
your design.
FShow Instances
Type Fmt Object Description Example
String,Char value value of the string Hello
Bool True Bool values True
False False
Int#(n) n n in decimal format -17
UInt#(n) n n in decimal format 42
Bit#(n) ’hn n in hex, prepended with ’h ’h43F2
Maybe#(a) tagged Valid value FShow applied to value tagged Valid 42
tagged Invalid tagged Invalid
Tuple2#(a,b) < a, b> FShow applied to each value <0, 1>
Tuple3#(a,b,c) < a, b, c> <0, 1, 2>
Tuple4#(a,b,c,d) < a, b, c, d> <0, 1, 2, 3>
...
Tuple8#(a,b,c,d,e,f,g,h)
Example
typedef enum {READ, WRITE, UNKNOWN} OpCommand deriving(Bounded,Bits, Eq, FShow);
typedef struct {OpCommand command;
Bit#(8) addr;
Bit#(8) data;
Bit#(8) length;
Bool lock;
} Header deriving (Eq, Bits, Bounded);
typedef union tagged {Header Descriptor;
Bit#(8) Data;
} Request deriving(Eq, Bits, Bounded);
// Define FShow instances where definition is different
// than the derived values
instance FShow#(Header);
function Fmt fshow (Header value);
return ($format("<HEAD ")
169

Reference Guide Bluespec SystemVerilog
+
fshow(value.command)
+
$format(" (%0d)", value.length)
+
$format(" A:%h", value.addr)
+
$format(" D:%h>", value.data));
endfunction
endinstance
instance FShow#(Request);
function Fmt fshow (Request request);
case (request) matches
tagged Descriptor .a:
return fshow(a);
tagged Data .a:
return $format("<DATA %h>", a);
endcase
endfunction
endinstance
B.1.15 StringLiteral
StringLiteral defines the class of types which can be created from strings.
typeclass StringLiteral #(type data_t);
function data_t fromString(String x);
endtypeclass
StringLiteral Functions
fromString Converts an element xof datatype String into an element of data
type data_t
function data_t fromString(String x);
B.2 Data Types
Every variable and every expression in BSV has a type. Prelude defines the data types which are
always available. An instance declaration defines a data type as belonging to a type class. Each
data type may belong to one or more type classes; all functions, modules, and operators declared
for the type class are then defined for the data type. A data type does not have to belong to any
type classes.
Data type identifiers must always begin with a capital letter. There are three exceptions; bit,int,
and real, which are predefined for backwards compatibility.
B.2.1 Bit
To define a value of type Bit:
Bit#(type n);
170

Bluespec SystemVerilog Reference Guide
Type Classes for Bit
Bits Eq Literal Arith Ord Bounded Bitwise Bit Bit
Reduction Extend
Bit √ √ √ √ √ √ √ √ √
Bit type aliases
bit The data type bit is defined as a single bit. This is a special case
of Bit.
typedef Bit#(1) bit;
Examples
Bit#(32) a; // like ’reg [31:] a’
Bit#(1) b; // like ’reg a’
bit c; // same as Bit#(1) c
The Bit data type provides functions to concatenate and split bit-vectors.
Bit Functions
{x,y} Concatenate two bit vectors, xof size nand yof size mreturning a
bit vector of size k. The Verilog operator { } is used.
function Bit#(k) bitconcat(Bit#(n) x, Bit#(m) y)
provisos (Add#(n, m, k));
split Split a bit vector into two bit vectors (higher-order bits (n), lower-
order bits (m)).
function Tuple2 #(Bit#(n), Bit#(m)) split(Bit#(k) x)
provisos (Add#(n, m, k));
Examples
module mkBitConcatSelect ();
Bit#(3) a = 3’b010; //a = 010
Bit#(7) b = 7’h5e; //b = 1011110
Bit#(10) abconcat = {a,b}; // = 0101011110
Bit#(4) bselect = b[6:3]; // = 1011
endmodule
function Tuple2#(Bit#(m), Bit#(n)) split (Bit#(mn) xy)
provisos (Add#(m,n,mn));
171

Reference Guide Bluespec SystemVerilog
B.2.2 UInt
The UInt type is an unsigned fixed width representation of an integer value.
Type Classes for UInt
Bits Eq Literal Arith Ord Bounded Bitwise Bit Bit
Reduction Extend
UInt √ √ √ √ √ √ √ √ √
Examples
UInt#(8) a = ’h80;
UInt#(12) b = zeroExtend(a); // b => ’h080
UInt#(8) c = truncate(b); // c => ’h80
B.2.3 Int
The Int type is a signed fixed width representation of an integer value.
Type Classes for Int
Bits Eq Literal Arith Ord Bounded Bitwise Bit Bit
Reduction Extend
Int √ √ √ √ √ √ √ √ √
Examples
Int#(8) a = ’h80;
Int#(12) b = signExtend(a); // b => ’hF80
Int#(8) c = truncate(d); // c => ’h80
Int type aliases
int The data type int is defined as a 32-bit signed integer. This is a
special case of Int.
typedef Int#(32) int;
B.2.4 Integer
The Integer type is a data type used for integer values and functions. Because Integer is not
part of the Bits typeclass, the Integer type is used for static elaboration only; all values must be
resolved at compile time.
Type Classes for Integer
Bits Eq Literal Arith Ord Bounded Bitwise Bit Bit
Reduction Extend
Integer √ √ √ √
172

Bluespec SystemVerilog Reference Guide
Integer Functions
div Element xis divided by element yand the result is rounded toward
negative infinity. Division by 0 is undefined.
function Integer div(Integer x, Integer y);
mod Element xis divided by element yusing the div function and the
remainder is returned as an Integer value. div and mod satisfy the
identity (div(x, y)∗y)+mod(x, y) == x. Division by 0 is undefined.
function Integer mod(Integer x, Integer y);
quot Element xis divided by element yand the result is truncated
(rounded towards 0). Division by 0 is undefined.
function Integer quot(Integer x, Integer y);
rem Element xis divided by element yusing the quot function and the
remainder is returned as an Integer value. quot and rem satisfy
the identity (quot(x, y)∗y) + rem(x, y) == x. Division by 0 is
undefined.
function Integer rem(Integer x, Integer y);
The fromInteger function, defined in Section B.1.3, can be used to convert an Integer into any
type in the Literal typeclass.
Examples
Int#(32) arr2[16];
for (Integer i=0; i<16; i=i+1)
arr2[i] = fromInteger(i);
Integer foo = 10;
foo = foo + 1;
foo = foo * 5;
Bit#(16) var1 = fromInteger( foo );
B.2.5 Bool
The Bool type is defined to have two values, True and False.
typedef enum {False, True} Bool;
Type Classes for Bool
Bits Eq Literal Arith Ord Bounded Bitwise Bit Bit
Reduction Extend
Bool √ √
The Bool functions return either a value of True or False.
173

Reference Guide Bluespec SystemVerilog
Bool Functions
not Returns True if x is false, returns False if x is true.
!
function Bool not (Bool x);
&& Returns True if x and y are true, else it returns False.
function Bool \&& (Bool x, Bool y);
|| Returns True if x or y is true, else it returns False.
function Bool \|| (Bool x, Bool y);
Examples
Bool a // A variable named a with a type of Bool
Reg#(Bool) done // A register named done with a type of Bool
Vector#(5, Bool) // A vector of 5 Boolean values
Bool a = 0; // ERROR! You cannot do this
Bool a = True; // correct
if (a) // correct
....
if (a == 0) // ERROR!
....
Bool b1 = True;
Bool b2 = True;
Bool b3 = b1 && b2;
B.2.6 Real
The Real type is a data type used for real values and functions.
Real numbers are of the form:
Real ::= decNum[.decDigitsUnderscore ]exp [sign ]decDigitsUnderscore
|decNum.decDigitsUnderscore
sign ::= +|-
exp ::= e|E
decNum ::= decDigits [decDigitsUnderscore ]
decDigits ::= {0...9}
decDigitsUnderscore ::= {0...9,_}
If there is a decimal point, there must be digits following the decimal point. An exponent can start
with either an Eor an e, followed by an optional sign (+or -), followed by digits. There cannot be an
exponent or a sign without any digits. Any of the numeric components may include an underscore,
but an underscore cannot be the first digit of the real number.
174

Bluespec SystemVerilog Reference Guide
Unlike integer numbers, real numbers are of limited precision. They are represented as IEEE floating
point numbers of 64 bit length, as defined by the IEEE standard.
Because the type Real is not part of the Bits typeclass, the Real type is used for static elaboration
only; all values must be resolved at compile time.
There are many functions defined for Real types, provided in the Real package (Section C.5.1). To
use these functions, the Real package must be imported.
Type Classes for Real
Bits Eq Literal Real Arith Ord Bounded Bitwise Bit Bit
Literal Reduction Extend
Real √ √ √ √ √
Real type aliases
real The SystemVerilog name real is an alias for Real
typedef Real real;
There are two system tasks defined for the Real data type, used to convert between Real and IEEE
standard 64-bit vector representation (Bit#(64)).
Real system tasks
$realtobits Converts from a Real to the IEEE 64-bit vector representation.
function Bit#(64) $realtobits (Real x) ;
$bitstoreal Converts from a 64-bit vector representation to a Real.
function Real $bitstoreal (Bit#(64) x) ;
Examples
Bit#(1) sign1 = 0;
Bit#(52) mantissa1 = 0;
Bit#(11) exp1 = 1024;
Real r1 = $bitstoreal({sign1, exp1, mantissa1}); //r1 = 2.0
Real x = pi;
let m = realToString(x)); // m = 3.141592653589793
B.2.7 String
Strings are mostly used in system tasks (such as $display). The String type belongs to the Eq type
class; strings can be tested for equality and inequality using the == and != operators. The String
type is also part of the Arith class, but only the addition (+) operator is defined. All other Arith
operators will produce an error message.
175

Reference Guide Bluespec SystemVerilog
Type Classes for String
Bits Eq Literal Arith Ord Bounded Bitwise String FShow
Literal
String √ √ √ √
String Functions
strConcat Concatenates two strings (same as the + operator)
+
function String strConcat(String s1, String s2);
stringLength Returns the number of characters in a string
function Integer stringLength (String s);
stringSplit If the string is empty, returns Invalid; otherwise it returns Valid with
the Tuple containing the first character as the head and the rest of the
string as the tail.
function Maybe#(Tuple#2(Char, String)) stringSplit(String s);
stringHead Extracts the first character of a string; reports an error if the string is
empty.
function Char stringHead(String s);
stringTail Extracts all the characters of a string after the first; reports an error
if the string is empty.
function String stringTail(String s);
stringCons Adds a character to the front of a string. This function is the comple-
ment of stringSplit.
function String stringCons(Char c, String s);
stringToCharList Converts a String to a List of characters
function List#(Char) stringToCharList (String s);
charListToString Converts a List of characters to a String
function String charListToString (List#(Char) cs);
quote Add single quotes around a string: ‘str’
function String quote (String s);
176

Bluespec SystemVerilog Reference Guide
doubleQuote Add double quotes around a string: "str"
function String doubleQuote (String s);
Examples
String s1 = "This is a test";
$display("first string = ", s1);
// we can use + to concatenate
String s2 = s1 + " of concatenation";
$display("Second string = ", s2);
B.2.8 Char
The Char data type is used mostly in system tasks (such as $display). The Char type provides the
ability to traverse the characters of a string. The Char type belongs to the Eq type class; chars can
be tested for equality and inequality using the == and != operators.
The Char type belongs to the Ord type class.
Type Classes for Char
Bits Eq Literal Arith Ord Bounded Bitwise String FShow
Literal
Char √ √ √ √
Char Functions
charToString Convert a single character to a string
function String charToString (Char c);
charToInteger Convert a character to its ASCII numeric value
function Integer charToInteger (Char c);
integerToChar Convert an ASCII value to its character equivalent, returns an error
if the number is out of range
function Char integerToChar (Integer n);
isSpace Determine if a character is whitespace (space, tab \t, vertical tab
\v, newline \n, carriage return \r, linefeed \f)
function Bool isSpace (Char c);
isLower Determine if a character is a lowercase ASCII character (a-z)
function Bool isLower (Char c);
177

Reference Guide Bluespec SystemVerilog
isUpper Determine if a character is an uppercase ASCII character (A-Z)
function Bool isUpper (Char c);
isAlpha Determine if a character is an ASCII letter, either upper or lower-
case
function Bool isAlpha (Char c);
isDigit Determine if a character is an ASCII decimal digit (0-9)
function Bool isDigit (Char c);
isAlphaNum Determine if a character is an ASCII letter or decminal digit
function Bool isAlphaNum (Char c);
isOctDigit Determine if a character is an ASCII octal digit (0-7)
function Bool isOctDigit (Char c);
isHexDigit Determine if a character is an ASCII hexadecimal digit (0-9,a-
f, or A-F)
function Bool isHexDigit (Char c);
toUpper Convert an ASCII lowercase letter to uppercase; other characters
are unchanged
function Char toUpper (Char c);
toLower Convert an ASCII uppercase letter to lowercase; other characters
are unchanged
function Char toLower (Char c);
digitToInteger Convert an ASCII decimal digit to its numeric value (0to 0, unlike
charToInteger which would return the ASCII code 48); returns
an error if the character is not a digit.
function Integer digitToInteger (Char c);
digitToBits Convert an ASCII decimal digit to its numeric value; returns an
error if the character is not a digit. Same as digitToInteger, but
returns the value as a bit vector; the vector can be any size, but
the user will get an error if the size is too small to represent the
value
function Bit#(n) digitToBits (Char c);
178

Bluespec SystemVerilog Reference Guide
integerToDigit Convert a decimal digit value (0 to 9) to the ASCII character for
that digit; returns an error if the value is out of range. This function
is the complement of digitToInteger
function Char integerToDigit (Integer d);
bitsToDigit Convert a Bit type digit value to the ASCII character for that digit;
returns an error if the value is out of range. This is the same as
integerToDigit but for values that are Bit types
function Char bitsToDigit (Bit#(n) d);
hexDigitToInteger Convert an ASCII decimal digit to its numeric, including hex char-
acters a-fand A-F
function Integer hexDigitToInteger (Char c);
hexDigitToBits Convert an ASCII decimal digit to its numeric, including hex char-
acters a-fand A-Freturning the value as a bit vector. The
vector can be any size, but an error will be returned if the size is
too small to represent the value.
function Bit#(n) hexDigitToBits (Char c);
integerToHexDigit Convert a hexadecimal digit value (0 to 15) to the ASCII character
for that digit; returns an error if the value is out of range. This
function is the complement of hexDigitToInteger. The function
returns lowercase for the letters ato f; apply the function toUpper
to get uppercase.
function Char integerToHexDigit (Integer d);
bitsToHexDigit Convert a Bit type hexadecimal digit value to the ASCII character
for that digit, returns an error if the value is out of range. The
function returns lowercase for the letters ato f; apply the function
toUpper to get uppercase.
function Char bitsToHexDigit (Bit#(n) d);
B.2.9 Fmt
The Fmt primitive type provides a representation of arguments to the $display family of system
tasks (Section 12.8.1) that can be manipulated in BSV code. Fmt representations of data objects
can be written hierarchically and applied to polymorphic types.
Objects of type Fmt can be supplied directly as arguments to system tasks in the $display family.
An object of type Fmt is returned by the $format (Section 12.8.2) system task.
The Fmt type is part of the Arith class, but only the addition (+) operator is defined. All other
Arith operators will produce an error message.
179

Reference Guide Bluespec SystemVerilog
Type Classes for Fmt
Bits Eq Literal Arith Ord Bounded Bitwise Bit Bit
Reduction Extend
Fmt √ √
Examples
Reg#(Bit#(8)) count <- mkReg(0);
Fmt f = $format("(%0d)", count + 1);
$display(" XYZ ", f, " ", $format("(%0d) ", count));
\\value displayed: XYZ (6) (5)
B.2.10 Void
The Void type is a type which has one literal ?used for constructing concrete values of the type
void . The Void type is part of the Bits and Literal typeclasses.
Type Classes for Void
Bits Eq Literal Arith Ord Bounded Bitwise Bit Bit
Reduction Extend
Void √ √
Examples
typedef union tagged {
void Invalid;
data_t Valid;
} Maybe #(type data_t) deriving (Eq, Bits);
typedef union tagged {
void InvalidFile ;
Bit#(31) MCD;
Bit#(31) FD;
} File;
B.2.11 Maybe
The Maybe type is used for tagging values as either Valid or Invalid. If the value is Valid, the value
contains a datatype data_t.
typedef union tagged {
void Invalid;
data_t Valid;
} Maybe #(type data_t) deriving (Eq, Bits);
Type Classes for Maybe
Bits Eq Literal Arith Ord Bounded Bitwise Bit Bit
Reduction Extend
Maybe √ √
The Maybe data type provides functions to check if the value is Valid and to extract the valid value.
180

Bluespec SystemVerilog Reference Guide
Maybe Functions
fromMaybe Extracts the Valid value out of a Maybe argument. If the tag is
Invalid the default value, defaultval, is returned.
function data_t fromMaybe( data_t defaultval,
Maybe#(data_t) val ) ;
isValid Returns a value of True if the Maybe argument is Valid.
function Bool isValid( Maybe#(data_t) val ) ;
Examples
RWire#(int) rw_incr <- mkRWire(); // increment method is being invoked
RWire#(int) rw_decr <- mkRWire(); // decrement method is being invoked
rule doit;
Maybe#(int) mbi = rw_incr.wget();
Maybe#(int) mbd = rw_decr.wget();
int di = fromMaybe (?, mbi);
int dd = fromMaybe (?, mbd);
if ((! isValid (mbi)) && (! isValid (mbd)))
noAction;
else if ( isValid (mbi) && (! isValid (mbd)))
value2 <= value2 + di;
else if ((! isValid (mbi)) && isValid (mbd))
value2 <= value2 - dd;
else // ( isValid (mbi) && isValid (mbd))
value2 <= value2 + di - dd;
endrule
B.2.12 Tuples
Tuples are predefined structures which group a small number of values together. The following
pseudo code explains the structure of the tuples. You cannot define your own tuples, but must use
the seven predefined tuples, Tuple2 through Tuple8. As shown, Tuple2 groups two items together,
Tuple3 groups three items together, up through Tuple8 which groups eight items together.
typedef struct{
a tpl_1;
b tpl_2;
} Tuple2 #(type a, type b) deriving (Bits, Eq, Bounded);
typedef struct{
a tpl_1;
b tpl_2;
c tpl_3;
} Tuple3 #(type a, type b, type c) deriving (Bits, Eq, Bounded);
typedef struct{
a tpl_1;
b tpl_2;
181

Reference Guide Bluespec SystemVerilog
c tpl_3;
d tpl_4;
} Tuple4 #(type a, type b, type c, type d) deriving (Bits, Eq, Bounded);
typedef struct{
a tpl_1;
b tpl_2;
c tpl_3;
d tpl_4;
e tpl_5;
} Tuple5 #(type a, type b, type c, type d, type e)
deriving (Bits, Eq, Bounded);
typedef struct{
a tpl_1;
b tpl_2;
c tpl_3;
d tpl_4;
e tpl_5;
f tpl_6;
} Tuple6 #(type a, type b, type c, type d, type e, type f)
deriving (Bits, Eq, Bounded);
typedef struct{
a tpl_1;
b tpl_2;
c tpl_3;
d tpl_4;
e tpl_5;
f tpl_6;
g tpl_7;
} Tuple7 #(type a, type b, type c, type d, type e, type f, type g)
deriving (Bits, Eq, Bounded);
typedef struct{
a tpl_1;
b tpl_2;
c tpl_3;
d tpl_4;
e tpl_5;
f tpl_6;
g tpl_7;
h tpl_8;
} Tuple8 #(type a, type b, type c, type d, type e, type f, type g, type h)
deriving (Bits, Eq, Bounded);
Type Classes for Tuples
Bits Eq Literal Arith Ord Bounded Bitwise Bit Bit
Reduction Extend
TupleN √ √ √ √
Tuples cannot be manipulated like normal structures; you cannot create values of and select fields
from tuples as you would a normal structure. Values of these types can be created only by applying
a predefined family of constructor functions.
182

Bluespec SystemVerilog Reference Guide
Tuple Constructor Functions
tuple2 (e1, e2) Creates a variable of type Tuple2 with com-
ponent values e1 and e2.
tuple3 (e1, e2, e3) Creates a variable of type Tuple3 with values
e1, e2, and e3.
tuple4 (e1, e2, e3, e4) Creates a variable of type Tuple4 with com-
ponent values e1, e2, e3, and e4.
tuple5 (e1, e2, e3, e4, e5) Creates a variable of type Tuple5 with com-
ponent values e1, e2, e3, e4, and e5.
tuple6 (e1, e2, e3, e4, e5, e6) Creates a variable of type Tuple6 with com-
ponent values e1, e2, e3, e4, e5, and e6.
tuple7 (e1, e2, e3, e4, e5, e6, e7) Creates a variable of type Tuple7 with com-
ponent values e1, e2, e3, e4, e5, e6, and e7.
tuple8 (e1, e2, e3, e4, e5, e6, e7,
e8)
Creates a variable of type Tuple8 with com-
ponent values e1, e2, e3, e4, e5, e6, e7, and
e8.
Fields of these types can be extracted only by applying a predefined family of selector functions.
Tuple Extract Functions
tpl_1 (x) Extracts the first field of x from a Tuple2 to Tuple8.
tpl_2 (x) Extracts the second field of x from a Tuple2 to Tuple8.
tpl_3 (x) Extracts the third field of x from a Tuple3 to Tuple8.
tpl_4 (x) Extracts the fourth field of x from a Tuple4 to Tuple8.
tpl_5 (x) Extracts the fifth field of x from a Tuple5 to Tuple8.
tpl_6 (x) Extracts the sixth field of x from a Tuple6, Tuple7 or Tuple8.
tpl_7 (x) Extracts the seventh field of x from a Tuple7 or Tuple8.
tpl_8 (x) Extracts the seventh field of x from a Tuple8.
Examples
Tuple2#( Bool, int ) foo = tuple2( True, 25 );
Bool field1 = tpl_1( foo ); // this is value 1 in the list
int field2 = tpl_2( foo ); // this is value 2 in the list
foo = tuple2( !field1, field2 );
B.2.13 Array
Array variables are generally declared anonymously, using the bracket syntax described in section
8.1. However, the type of such variables can be expressed with the type constructor Array, when an
explicit type is needed.
Type Classes for Array
Bits Eq Literal Arith Ord Bounded Bitwise Bit Bit
Reduction Extend
Array √
For example, the following declarations using bracket syntax:
Bool arr[3];
function Bool fn(Bool bits[]);
183

Reference Guide Bluespec SystemVerilog
are equivalent to the following declarations using the explicit type constructor:
Array#(Bool) arr;
function Bool fn(Array#(Bool) bits);
Note that, unlike Vector, the size of an array is not part of its type. In the first declaration, a size is
given for the array arr. However, since arr is not assigned to a value, the size is unused here. If the
array were assigned, the size would be used like a type declaration, to check that the assigned value
has the declared size. Since it is not part of the type, this check would occur during elaboration,
and not during type checking.
B.2.14 Ordering
The Ordering type is used as the return type for the result of generic comparators, including the
compare function defined in the Ord (Section B.1.7) type class. The valid values of Ordering are:
LT,GT, and EQ.
typedef enum {
LT,
EQ,
GT
} Ordering deriving (Eq, Bits, Bounded);
Type Classes for Ordering
Bits Eq Literal Arith Ord Bounded Bitwise Bit Bit
Reduction Extend
Ordering √ √ √
Examples
function Ordering onKey(Record r1, Record r2);
return compare(r1.key,r2.key);
endfunction
B.2.15 File
File is a defined type in BSV which is defined as:
typedef union tagged {
void InvalidFile ;
Bit#(31) MCD;
Bit#(31) FD;
} File;
Type Classes for File
Bits Eq Literal Arith Ord Bounded Bitwise Bit Bit
Reduction Extend
File √ √ √
Note: Bitwise operations are valid only for subtype MCD.
The File type is used by the system tasks described in Section 12.8.
184

Bluespec SystemVerilog Reference Guide
B.2.16 Clock
Clock is an abstract type of two components: a single Bit oscillator and a Bool gate.
typedef ... Clock ;
Clock is in the Eq type class, meaning two values can be compared for equality.
Type Classes for Clock
Bits Eq Literal Arith Ord Bounded Bitwise Bit Bit
Reduction Extend
Clock √
Examples
Clock clk <- exposeCurrentClock;
module mkTopLevel( Clock readClk, Reset readRst, Top ifc );
B.2.17 Reset
Reset is an abstract type.
typedef ... Reset ;
Reset is in the Eq type class, meaning two fields can be compared for equality.
Type Classes for Reset
Bits Eq Literal Arith Ord Bounded Bitwise Bit Bit
Reduction Extend
Reset √
Examples
Reset rst <- exposeCurrentReset;
module mkMod (Reset r2, (* reset_by="no_reset" *) Bool b,
ModIfc ifc);
interface ResetGenIfc;
interface Reset gen_rst;
endinterface
B.2.18 Inout
An Inout type is a first class type that is used to pass Verilog inouts through a BSV module. It
takes an argument which is the type of the underlying signal:
Inout#(type t)
For example, the type of an Inout signal which communicates boolean values would be:
185

Reference Guide Bluespec SystemVerilog
Inout#(Bool)
Type Classes for Inout
Bits Eq Literal Arith Ord Bounded Bitwise Bit Bit
Reduction Extend
Inout
An Inout type is a valid subinterface type (like Clock and Reset). A value of an Inout type is
clocked_by and reset_by a particular clock and reset.
Inouts are connectable via the Connectable typeclass. The use of mkConnection instantiates a
Verilog module InoutConnect. The connected inouts must be on the same clock and the same reset.
The clock and reset of the inouts may be different than the clock and reset of the parent module of
the mkConnection.
instance Connectable#(Inout#(a, x1), Inout#(a, x2))
provisos (Bit#(a,sa));
A module with an Inout subinterface cannot leave that interface undefined since there is no way to
create or examine inout values in BSV. For example, you cannot even write:
Inout#(int) i = ? ; // not valid in BSV
The Inout type exists only so that RTL inout signals can be connected in BSV; the ultimate users
of the signal will be outside the BSV code. An imported Verilog module might have an inout port
that your BSV design doesn’t use, but which needs to be exposed at the top level. In this case, the
submodule will introduce an inout signal that the BSV cannot read or write, but merely provides
in its interfaces until it is exposed at the top level. Or, a design may contain two imported Verilog
modules that have inout ports that expect to be connected. You can import these two modules,
declaring that they each have a port of type Inout#(t) and connect them together. The compiler
will check that both ports are of the same type tand that they are in the same clock domain with
the same reset. Beyond that, BSV does not concern itself with the values of the inout signals.
Examples
Instantiating a submodule with an inout and exposing it at the next level:
interface SubIfc;
...
interface Inout#(Bool) b;
endinterface
interface TopIfc;
...
interface Inout#(Bool) bus;
endinterface
module mkTop (TopIfc);
SubIfc sub <- mkSub;
...
interface bus = sub.b;
endmodule
Connecting two submodules, using SubIfc defined above:
186

Bluespec SystemVerilog Reference Guide
module mkTop(...);
...
SubIfc sub1 <- mkSub;
SubIfc sub2 <- mkSub;
mkConnection (sub1.b, sub2.b);
...
endmodule
B.2.19 Action/ActionValue
Any expression that is intended to act on the state of the circuit (at circuit execution time) is called
an action and has type Action or ActionValue#(a). The type parameter arepresents the type of
the returned value.
Type Classes for Action/ActionValue
Bits Eq Literal Arith Ord Bounded Bitwise Bit Bit
Reduction Extend
Action
The types Action and ActionValue are special keywords, and therefore cannot be redefined.
typedef ··· abstract ··· struct ActionValue#(type a);
ActionValue type aliases
Action The Action type is a special case of the more general type
ActionValue where nothing is returned. That is, the returns type
is (void).
typedef ActionValue#(void) Action;
Action Functions
noAction An empty Action, this is an Action that does nothing.
function Action noAction();
Examples
method Action grab(Bit#(8) value);
last_value <= value;
endmethod
interface IntStack;
method Action push (int x);
method ActionValue#(int) pop();
endinterface: IntStack
seq
noAction;
endseq
187

Reference Guide Bluespec SystemVerilog
B.2.20 Rules
A rule expression has type Rules and consists of a collection of individual rule constructs. Rules
are first class objects, hence variables of type Rules may be created and manipulated. Rules values
must eventually be added to a module in order to appear in synthesized hardware.
Type Classes for Rules
Bits Eq Literal Arith Ord Bounded Bitwise Bit Bit
Reduction Extend
Rules
The Rules data type provides functions to create, manipulate, and combine values of the type Rules.
Rules Functions
emptyRules An empty rules variable.
function Rules emptyRules();
addRules Takes rules rand adds them into a module. This function may only
be called from within a module. The return type Empty indicates
that the instantiation does not return anything.
module addRules#(Rules r) (Empty);
rJoin Symmetric union of two sets of rules. A symmetric union means
that neither set is implied to have any relation to the other: not
more urgent, not execute before, etc.
function Rules rJoin(Rules x, Rules y);
rJoinPreempts Union of two sets of rules, with rules on the left getting scheduling
precedence and blocking the rules on the right.That is, if a rule in
set xfires, then all rules in set yare prevented from firing. This is
the same as specifying descending_urgency plus a forced conflict.
function Rules rJoinPreempts(Rules x, Rules y);
rJoinDescendingUrgency
Union of two sets of rule, with rules in the left having higher urgency.That
is, if some rules compete for resources, then scheduling will select rules in
set xset before set y. If the rules do not conflict, no conflict is added; the
rules can fire together.
function Rules rJoinDescendingUrgency(Rules x, Rules y);
188

Bluespec SystemVerilog Reference Guide
rJoinMutuallyExclusive
Union of two sets of rule, with rules in the all rules in the left set anno-
tated as mutually exclusive with all rules in the right set.No relationship
between the rules in the left set or between the rules in the right set
is assumed. This annotation is used in scheduling and checked during
simulation.
function Rules rJoinMutuallyExclusive(Rules x, Rules y);
rJoinExecutionOrder
Union of two sets of rule, with the rules in the left set executing before the
rules in the right set.No relationship between the rules in the left set or
between the rules in the right set is assumed. If any pair of rules cannot
execute in the specified order in the same clock cycle, that pair of rules
will conflict.
function Rules rJoinExecutionOrder(Rules x, Rules y);
rJoinConflictFree
Union of two sets of rule, with the rules in the left set annotated as
conflict-free with the rules in the right set. This assumption is used during
scheduling and checked during simulation. No relationship between the
rules in the left set or between the rules in the right set is assumed.
function Rules rJoinConflictFree(Rules x, Rules y);
Examples (See Section 9.13 for complete example)
function Rules incReg(Reg#(CounterType) a);
return( rules
rule addOne;
a<=a+1;
endrule
endrules);
endfunction
// Add incReg rule to increment the counter
addRules(incReg(asReg(counter)));
B.3 Operations on Numeric Types
B.3.1 Size Relationship/Provisos
These classes are used in provisos to express constraints between the sizes of types.
Class Proviso Description
Add Add#(n1,n2,n3) Assert n1 + n2 = n3
Mul Mul#(n1,n2,n3) Assert n1∗n2 = n3
Div Div#(n1,n2,n3) Assert ceiling n1/n2 = n3
Max Max#(n1,n2,n3) Assert max(n1, n2) = n3
Min Min#(n1,n2,n3) Assert min(n1, n2) = n3
Log Log#(n1,n2) Assert ceiling log2(n1) = n2.
189

Reference Guide Bluespec SystemVerilog
Examples of Provisos using size relationships:
instance Bits #( Vector#(vsize, element_type), tsize)
provisos (Bits#(element_type, sizea),
Mul#(vsize, sizea, tsize)); // vsize * sizea = tsize
function Vector#(vsize1, element_type)
cons (element_type elem, Vector#(vsize, element_type) vect)
provisos (Add#(1, vsize, vsize1)); // 1 + vsize = vsize1
function Vector#(mvsize,element_type)
concat(Vector#(m,Vector#(n,element_type)) xss)
provisos (Mul#(m,n,mvsize)); // m * n = mvsize
B.3.2 Size Relationship Type Functions
These type functions are used when “defining” size relationships between data types, where the
defined value need not (or cannot) be named in a proviso. They may be used in datatype definition
statements when the size of the datatype may be calculated from other parameters.
Type Function Size Relationship Description
TAdd TAdd#(n1,n2) Calculate n1 + n2
TSub TSub#(n1,n2) Calculate n1−n2
TMul TMul#(n1,n2) Calculate n1∗n2
TDiv TDiv#(n1,n2) Calculate ceiling n1/n2
TLog TLog#(n1) Calculate ceiling log2(n1)
TExp TExp#(n1) Calculate 2n1
TMax TMax#(n1,n2) Calculate max(n1, n2)
TMin TMin#(n1,n2) Calculate min(n1, n2)
Examples using other arithmetic functions:
Int#(TAdd#(5,n)); // defines a signed integer n+5 bits wide
// n must be in scope somewhere
typedef TAdd#(vsize, 8) Bigsize#(numeric type vsize);
// defines a new type Bigsize which
// is 8 bits wider than vsize
typedef Bit#(TLog#(n)) CBToken#(numeric type n);
// defines a new parameterized type,
// CBToken, which is log(n) bits wide.
typedef 8 Wordsize; // Blocksize is based on Wordsize
typedef TAdd#(Wordsize, 1) Blocksize;
B.3.3 valueOf and SizeOf pseudo-functions
Prelude provides these pseudo-functions to convert between types and numeric values. The pseudo-
function valueof (or valueOf) is used to convert a numeric type into the corresponding Integer
value. The pseudo-function SizeOf is used to convert a type t into the numeric type representing
its bit size.
190

Bluespec SystemVerilog Reference Guide
valueof Converts a numeric type into its Integer value.
valueOf
function Integer valueOf (t) ;
Examples
module mkFoo (Foo#(n));
UInt#(n) x;
Integer y = valueOf(n);
endmodule
SizeOf Converts a type into a numeric type representing its bit size.
function t SizeOf#(any_type)
provisos (Bits#(any_type, sa)) ;
Examples
any_type x = structIn;
Bit#(SizeOf#(any_type)) = pack(structIn);
B.4 Registers and Wires
Register and Wire Interfaces and Modules
Name Section Description
Reg B.4.1 Register interface
CReg B.4.2 Implementation of a register with an array of Reg interfaces that
sequence concurrently
RWire B.4.3 Similar to the Reg interface with output wrapped in a Maybe type
to indicate validity
Wire B.4.4 Interchangeable with a Reg interface, validity of the data is implicit
BypassWire B.4.5 Implementation of the Wire interface where the _write method is
always_enabled
DWire B.4.6 Implementation of the Wire interface where the _read method is
always_ready by providing a default value
PulseWire B.4.7 Similar to the RWire interface without any data
ReadOnly B.4.8 Interface which provides a value
WriteOnly B.4.9 Interface which writes a value
B.4.1 Reg
The most elementary module available in BSV is the register, which has a Reg interface. Registers
are polymorphic, i.e., in principle they can hold a value of any type but, of course, ultimately registers
store bits. Thus, the provisos on register modules indicate that the type of the value stored in the
register must be in the Bits type class, i.e., the operations pack and unpack are defined on the type
to convert into bits and back.
Note that all Bluespec registers are considered atomic units, which means that even if one bit is
updated (written), then all the bits are considered updated. This prevents multiple rules from
updating register fields in an inconsistent manner.
191

Reference Guide Bluespec SystemVerilog
When scheduling register modules, reads occur before writes. That is, any rule which reads from a
register must be scheduled earlier than any other rule which writes to the register. The value read
from the register is the value written in the previous clock cycle.
Interfaces and Methods
The Reg interface contains two methods, _write and _read.
interface Reg #(type a_type);
method Action _write(a_type x1);
method a_type _read();
endinterface: Reg
The _write and _read methods are rarely used. Instead, for writes, one uses the non-blocking
assignment notation and, for reads, one just mentions the register interface in an expression.
Reg Interface
Method Arguments
Name Type Description Name Description
_write Action writes a value x1 x1 data to be written
_read a_type returns the value of the
register
Modules
Prelude provides three modules to create a register: mkReg creates a register with a given reset value,
mkRegU creates a register without any reset, and mkRegA creates a register with a given reset value
and with asynchronous reset logic.
mkReg Make a register with a given reset value. Reset logic is synchronous.
module mkReg#(parameter a_type resetval)(Reg#(a_type))
provisos (Bits#(a_type, sizea));
mkRegU Make a register without any reset; initial simulation value is alternating
01 bits.
module mkRegU(Reg#(a_type))
provisos (Bits#(a_type, sizea));
mkRegA Make a register with a given reset value. Reset logic is asynchronous.
module mkRegA#(parameter a_type resetval)(Reg#(a_type))
provisos (Bits#(a_type, sizea));
Scheduling
When scheduling register modules, reads occur before writes. That is, any rule which reads from
a register must be scheduled earlier than any other rule which writes to the register. The value
read from the register is the value written in the previous clock cycle. Multiple rules can write to a
register in a given clock cycle, with the effect that a later rule overwrites the value written by earlier
rules.
192

Bluespec SystemVerilog Reference Guide
Scheduling Annotations
mkReg, mkRegU, mkRegA
read write
read CF SB
write SA SBR
Functions
Three functions are provided for using registers: asReg returns the register interface instead of the
value of the register; readReg reads the value of a register, useful when managing vectors or lists of
registers; and writeReg to write a value into a register, also useful when managing vectors or lists
of registers.
asReg Treat a register as a register, i.e., suppress the normal behavior where the
interface name implicitly represents the value that the register contains
(the _read value). This function returns the register interface, not the
value of the register.
function Reg#(a_type) asReg(Reg#(a_type) regIfc);
readReg Read the value out of a register. Useful for giving as the argument to
higher-order vector and list functions.
function a_type readReg(Reg#(a_type) regIfc);
writeReg Write a value into a register. Useful for giving as the argument to higher-
order vector and list functions.
function Action writeReg(Reg#(a_atype) regIfc, a_type din);
Examples
Reg#(ta) res <- mkReg(0);
// create board[x][y]
Reg#(ta) pipe[depth];
for (Integer i=0; i<depth; i=i+1) begin
Reg#(ta) c();
mkReg#(0) xinst(c);
pipe[i] = asReg(c);
end
function a readReg(Reg#(a) r);
return(r);
endfunction
B.4.2 CReg
The basic register modules described in B.4.1 have scheduling annotations that do not allow two rules
to read and write a register concurrently (that is, sequentially in the same clock cycle). Implementing
193

Reference Guide Bluespec SystemVerilog
this concurrency requires bypassing, so that a value written by one rule is visible to the next rule
that wants to read the register. This can create long paths, and so explicit input from the designer is
preferred. Therefore, the basic registers do not support this bypassing. If a designer wants concurrent
register access between rules, they must explicitly request and manage this, by instantiating one of
the CReg family of modules.
These concurrent registers are also known as EHRs (Ephemeral History Registers) in work by Arvind
and Rosenband [Ros04].
Modules
Prelude provides three modules to create a concurrent register: mkCReg creates a concurrent register
with a given reset value, mkCRegU creates a concurrent register without any reset, and mkCRegA
creates a concurrent register with a given reset value and with asynchronous reset logic.
mkCReg Make a concurrent register with a given number of ports and with a given
reset value. Reset logic is synchronous.
module mkCReg#(parameter Integer n,
parameter a_type resetval)
(Reg#(a_type) ifc[])
provisos (Bits#(a_type, sizea));
mkCRegU Make a concurrent register with a given number of ports and without any
reset. Initial simulation value is alternating 01 bits.
module mkCRegU#(parameter Integer n) (Reg#(a_type) ifc[])
provisos (Bits#(a_type, sizea));
mkCRegA Make a concurrent register with a given number of ports and with a given
reset value. Reset logic is asynchronous.
module mkCRegA#(parameter Integer n,
parameter a_type resetval)
(Reg#(a_type) ifc[])
provisos (Bits#(a_type, sizea));
As indicated by the bracket notation in the interface type, these modules provide an array of Reg
interfaces, whose methods can be called concurrently in separate actions. The modules take a size
parameter n, that indicates the size of the array to return. The minimum size is 0. An implementation
may specify a maximum size (5, in the current implementation).
Scheduling
When a concurrent register is instantiated, it returns an array of Reg interfaces. The scheduling
relationships for _read and _write in one Reg interface are the same as for the basic register modules
in B.4.1. The methods of lower-numbered interfaces sequence before the methods of higher-numbered
interfaces.
The designer manages the concurrency of the register accesses by choosing which interfaces to assign
to which rules.
194

Bluespec SystemVerilog Reference Guide
Scheduling Annotations
mkCReg, mkCRegU, mkCRegA
for j < k
readjwritejreadkwritek
readjCF SB SBR SBR
writejSA SBR SBR SBR
The Reg interfaces execute in sequence starting with element 0 of the array up through element n−1.
That is, the _read method of the first interface will return the value stored in the register from the
previous clock cycle; if the _write method of the first interface is called, the _read method of the
second interface will return the written value, otherwise it returns the registered value. And so on,
with each _read method returning the last value written to any of the lower-numbered interfaces, or
the register value if none of the lower-numbered _write methods were called. The value registered
at the end of clock cycle is the value written by the highest-numbered write method that was called.
Examples
In the following example, the two rules can be scheduled concurrently in the same clock cycle, which
would not have been possible if the register byteCount had been instantiated as a basic mkReg
register. Further, if both rules execute in a given clock cycle, the value read in rule doRecv is the
updated value that was written in rule doSend.
Reg#(Bool) byteCount[2] <- mkCReg(2, True);
rule doSend (canSend);
...
byteCount[0] <= byteCount[0] + len;
endrule
rule doRecv (canRecv);
...
byteCount[1] <= byteCount[1] - len;
endrule
In the above example, mkCReg returns an array of Reg interfaces. This type is expressed implicitly
using the bracket syntax. The type can also be explicitly expressed with the name Array, when
necessary. (See Section B.2.13 for more information on the Array type.) One place where this can
be necessary is when the array type is a component of a larger type. A common example of this
would be when instatiating a Vector of mkCReg modules:
Vector#(N, Array#(Reg#(T))) regs <- replicateM(mkCReg(3,0));
The above instantiation can also be achieved using multidimensional arrays. Instead of a vector of
arrays, one can use an array of arrays:
Integer n = valueOf(N);
Reg#(T) regs[n][3];
for (Integer i=0; i<n; i=i+1)
regs[i] <- mkCReg(3,0);
195

Reference Guide Bluespec SystemVerilog
B.4.3 RWire
An RWire is a primitive stateless module whose purpose is to allow data transfer between methods
and rules without the cycle latency of a register. That is, a RWire may be written in a cycle and
that value can be read out in the same cycle; values are not stored across clock cycles.
When scheduling wire modules, since the value is read in the same cycle in which it is written, writes
must occur before reads. That is, any rule which writes to a wire must be scheduled earlier than
any other rule which reads from the wire. This is the reverse of how registers are scheduled.
Interfaces and Methods
The RWire interface is conceptually similar to a register’s interface, but the output value is wrapped
in a Maybe type. The wset method places a value on the wire and sets the valid signal. The read-like
method, wget, returns the value and a valid signal in a Maybe type. The output is only Valid if a
write has a occurred in the same clock cycle, otherwise the output is Invalid.
RWire Interface
Method Arguments
Name Type Description Name Description
wset Action writes a value and sets the valid
signal
datain data to be sent
on the wire
wget Maybe returns the value and the valid
signal
interface RWire#(type element_type) ;
method Action wset(element_type datain) ;
method Maybe#(element_type) wget() ;
endinterface: RWire
Modules
The mkRWireSBR,mkRWire, and mkUnSafeRWire modules are provided to create an RWire. The
difference between the RWire modules is the scheduling annotations. In mkRWireSBR the wset is
SBR with itself, allowing multiple wsets in the same clock cycle (though not, of course, in the same
rule).
mkRWireSBR Creates an RWire. Output is only valid if a write has occurred in
the same clock cycle. This is the recommended module to use to
create an RWire.
module mkRWireSBR(RWire#(element_type))
provisos (Bits#(element_type, element_width)) ;
mkRWire Creates an RWire. Output is only valid if a write has occurred in
the same clock cycle. The write (wset) must be sequenced before
the read (wget) and they must be in different rules.
module mkRWire(RWire#(element_type))
provisos (Bits#(element_type, element_width)) ;
196

Bluespec SystemVerilog Reference Guide
mkUnsafeRWire Creates an RWire. Output is only valid if a write has occurred in
the same clock cycle. The write (wset) must be sequenced before
the read (wget) but they can be in the same rule.
module mkUnsafeRWire(RWire#(element_type))
provisos (Bits#(element_type, element_width)) ;
Scheduling
When scheduling wire modules, since the value is read in the same cycle in which it is written, writes
must occur before reads. That is, any rule which writes to a wire must be scheduled earlier than
any other rule which reads from the wire. This is the reverse of how registers are scheduled.
Scheduling Annotations
mkRWire
wget wset
wget CF SAR
wset SBR C
Scheduling Annotations
mkRWireSBR
wget wset
wget CF SAR
wset SBR SBR
Scheduling Annotations
mkUnsafeRWire
wget wset
wget CF SA
wset SB C
Examples
RWire#(int) rw_incr <- mkRWire();
rule doit;
Maybe#(int) mbi = rw_incr.wget();
int di = fromMaybe (?, mbi);
if ((! isValid (mbi))
noAction;
else // ( isValid (mbi))
value2 <= value2 + di ;
endrule
rule doitdifferently;
case (rw_incr.wget()) matches
{ tagged Invalid } : noAction;
{ tagged Valid .di} : value <= value + di;
endcase
endrule
method Action increment (int di);
rw_incr.wset (di);
endmethod
B.4.4 Wire
The Wire interface and module are similar to RWire, but the valid bit is hidden from the user and
the validity of the read is considered an implicit condition. The Wire interface works like the Reg
interface, so mentioning the name of the wire gets (reads) its contents whenever they’re valid, and
using <= writes the wire. Wire is an RWire that is designed to be interchangeable with Reg. You
can replace a Reg with a Wire without changing the syntax.
Interfaces and Methods
197

Reference Guide Bluespec SystemVerilog
typedef Reg#(element_type) Wire#(type element_type);
Wire Interface
Method Arguments
Name Type Description Name Description
_write Action writes a value x1 x1 data to be written
_read a_type returns the value of the
wire
Modules
The mkWire and mkUnsafeWire modules are provided to create a Wire. The only difference between
the two modules are the scheduling annotations. The mkWire version requires that the the write and
the read be in different rules.
mkWire Creates a Wire. Validity of the output is automatically checked as
an implicit condition of the read method. The write and the read
methods must be in different rules.
module mkWire(Wire#(element_type))
provisos (Bits#(element_type, element_width));
mkUnsafeWire Creates a Wire. Validity of the output is automatically checked as
an implicit condition of the read method. The write and the read
methods can be in the same rule.
module mkUnsafeWire(Wire#(element_type))
provisos (Bits#(element_type, element_width));
Scheduling Annotations
mkWire
read write
read CF SAR
write SBR C
Scheduling Annotations
mkUnsafeWire
read write
read CF SA
write SB C
Examples
module mkCounter_v2 (Counter);
Reg#(int) value2 <- mkReg(0);
Wire#(int) w_incr <- mkWire();
rule r_incr;
value2 <= value2 + w_incr;
endrule
method int read();
return value2;
endmethod
method Action increment (int di);
w_incr <= di;
endmethod
endmodule
198

Bluespec SystemVerilog Reference Guide
B.4.5 BypassWire
BypassWire is an implementation of the Wire interface where the _write method is an always_enabled
method. The compiler will issue a warning if the method does not appear to be called every clock
cycle. The advantage of this tradeoff is that the _read method of this interface does not carry
any implicit condition (so it can satisfy a no_implicit_conditions assertion or an always_ready
method).
mkBypassWire Creates a BypassWire. The write method is always enabled.
module mkBypassWire(Wire#(element_type))
provisos (Bits#(element_type, element_width));
Scheduling Annotations
mkBypassWire
read write
read CF SAR
write SBR C
Examples
module mkCounter_v2 (Counter);
Reg#(int) value2 <- mkReg(0);
Wire#(int) w_incr <- mkBypassWire();
rule r_incr;
value2 <= value2 + w_incr;
endrule
method int read();
return value2;
endmethod
method Action increment (int di);
w_incr <= di;
endmethod
endmodule
B.4.6 DWire
DWire is an implementation of the Wire interface where the _read method is an always_ready
method and thus has no implicit conditions. Unlike the BypassWire however, the _write method
need not be always enabled. On cycles when a DWire is written to, the _read method returns that
value. On cycles when no value is written, the _read method instead returns a default value that is
specified as an argument during instantiation.
There are two modules to create a DWire; the only difference being the scheduling annotations. A
write is always scheduled before a read, however the mkDWire module requires that the write and
read be in different rules.
mkDWire Creates a DWire. The read method is always ready.
module mkDWire#(a_type defaultval)(Wire#(element_type))
provisos (Bits#(element_type, element_width));
199

Reference Guide Bluespec SystemVerilog
mkUnsafeDWire Creates a DWire. The read method is always ready.
module mkUnsafeDWire#(a_type defaultval)(Wire#(element_type))
provisos (Bits#(element_type, element_width));
Scheduling Annotations
mkDWire
read write
read CF SAR
write SBR C
Scheduling Annotations
mkUnsafeDWire
read write
read CF SA
write SB C
Examples
module mkCounter_v2 (Counter);
Reg#(int) value2 <- mkReg(0);
Wire#(int) w_incr <- mkDWire (0);
rule r_incr;
value2 <= value2 + w_incr;
endrule
method int read();
return value2;
endmethod
method Action increment (int di);
w_incr <= di;
endmethod
endmodule
B.4.7 PulseWire
Interfaces and Methods
The PulseWire interface is an RWire without any data. It is useful within rules and action methods
to signal other methods or rules in the same clock cycle. Note that because the read method is called
_read, the register shorthand can be used to get its value without mentioning the method _read (it
is implicitly added).
PulseWire Interface
Name Type Description
send Action sends a signal down the wire
_read Bool returns the valid signal
interface PulseWire;
method Action send();
method Bool _read();
endinterface
Modules
200

Bluespec SystemVerilog Reference Guide
Four modules are provided to create a PulseWire, the only difference being the scheduling annota-
tions. In the OR versions the send method does not conflict with itself. Calling the send method
for a mkPulseWire from 2 rules causes the two rules to conflict while in the mkPulseWireOR there is
no conflict. In other words, the mkPulseWireOR acts a logical ”OR”. The Unsafe versions allow the
send and _read methods to be in the same rule.
mkPulseWire The writing to this type of wire is used in rules and action methods
to send a single bit to signal other methods or rules in the same
clock cycle.
module mkPulseWire(PulseWire);
mkPulseWireOR Returns a PulseWire which acts like a logical ”Or”. The send
method of the same wire can be used in two different rules without
conflict.
module mkPulseWireOR(PulseWire);
mkUnsafePulseWire The writing to this type of wire is used in rules and action methods
to send a single bit to signal other methods or rules in the same
clock cycle. The send and _read methods can be in the same rule.
module mkUnsafePulseWire(PulseWire);
mkUnsafePulseWireOR Returns a PulseWire which acts like a logical ”Or”. The send
method of the same wire can be used in two different rules without
conflict. The send and _read methods can be in the same rule.
module mkUnsafePulseWireOR(PulseWire);
Scheduling Annotations
mkPulseWire
read send
read CF SAR
send SBR C
Scheduling Annotations
mkUnsafePulseWire
read send
read CF SA
send SB C
Scheduling Annotations
mkPulseWireOR
read send
read CF SAR
send SBR SBR
Scheduling Annotations
mkUnsafePulseWireOR
read send
read CF SA
send SB SBR
Counter Example - Using Reg and PulseWire
interface Counter#(type size_t);
method Bit#(size_t) read();
method Action load(Bit#(size_t) newval);
method Action increment();
201

Reference Guide Bluespec SystemVerilog
method Action decrement();
endinterface
module mkCounter(Counter#(size_t));
Reg#(Bit#(size_t)) value <- mkReg(0); // define a Reg
PulseWire increment_called <- mkPulseWire(); // define the PulseWires used
PulseWire decrement_called <- mkPulseWire(); // to signal other methods or rules
// whether rules fire is based on values of PulseWires
rule do_increment(increment_called && !decrement_called);
value <= value + 1;
endrule
rule do_decrement(!increment_called && decrement_called);
value <= value - 1;
endrule
method Bit#(size_t) read(); // read the register
return value;
endmethod
method Action load(Bit#(size_t) newval); // load the register
value <= newval; // with a new value
endmethod
method Action increment(); // sends the signal on the
increment_called.send(); // PulseWire increment_called
endmethod
method Action decrement(); / sends the signal on the
decrement_called.send(); // PulseWire decrement_called
endmethod
endmodule
B.4.8 ReadOnly
ReadOnly is an interface which provides a value. The _read shorthand can be used to read the
value.
Interfaces and Methods
ReadOnly Interface
Method
Name Type Description
_read a_type Reads the data
interface ReadOnly #( type a_type ) ;
method a_type _read() ;
endinterface
Functions
202

Bluespec SystemVerilog Reference Guide
regToReadOnly Converts a Reg interface into a ReadOnly interface. Useful for giving as the
argument to higher-order vector and list functions.
function ReadOnly#(a_type) regToReadOnly(Reg#(a_type) regIfc);
pulseWireToReadOnly Converts a PulseWire interface into a ReadOnly interface.
function ReadOnly#(Bool) pulseWireToReadOnly(PulseWire ifc);
readReadOnly Takes a ReadOnly interface and returns a value.
function a_type readReadOnly(ReadOnly#(a_type) r);
Examples
interface AHBSlaveIFC;
interface AHBSlave bus;
interface Put#(AHBResponse) response;
interface ReadOnly#(AHBRequest) request;
endinterface
...
interface ReadOnly request;
method AHBRequest _read;
let ctrl = AhbCtrl {command: write_wire,
size: size_wire,
burst: burst_wire,
transfer: transfer_wire,
prot: prot_wire,
addr: addr_wire} ;
let value = AHBRequest {ctrl: ctrl, data: wdata_wire};
return value;
endmethod
endinterface
B.4.9 WriteOnly
WriteOnly is an interface which writes a value. The _write shorthand is used to write the value.
Interfaces and Methods
WriteOnly Interface
Method Arguments
Name Type Description Name Description
_write Action Writes the data xValue to be written, of
datatype a_type.
interface WriteOnly #( type a_type ) ;
method Action _write (a_type x) ;
endinterface
203

Reference Guide Bluespec SystemVerilog
Examples
interface WriteOnly#(type a);
method Action _write(a v);
endinterface
// module with an always-enabled port to tie to a default value
import "BVI" AlwaysWrite =
module mkAlwaysWrite(WriteOnly#(a)) provisos(Bits#(a,sa));
no_reset;
parameter width = valueof(sa);
method _write(D_IN) enable((*inhigh*)EN);
schedule _write C _write;
endmodule
module mkDefaultValue1();
WriteOnly#(UInt#(7)) d1 <- mkAlwaysWrite(clocked_by primMakeDisabledClock);
rule handle_d1;
d1 <= 5;
endrule
endmodule
B.5 Miscellaneous Functions
B.5.1 Compile-time Messages
error Generate a compile-time error message, s, and halt compilation.
function a_type error(String s);
warning When applied to a value vof type a, generate a compile-time warn-
ing message, s, and continue compilation, returning v.
function a_type warning(String s, a_type v);
message When applied to a value vof type a, generate a compile-time in-
formative message, s, and continue compilation, returning v.
function a_type message(String s, a_type v);
errorM Generate a compile-time error message, s, and halt compilation in
a monad.
function m#(void) errorM(String s)
provisos (Monad#(m));
204

Bluespec SystemVerilog Reference Guide
warningM Generate a compilation warning in a monad.
function m#(void) warningM(String s)
provisos (Monad#(m));
messageM Generate a compilation message in a monad.
function m#(void) messageM(String s)
provisos (Monad#(m));
B.5.2 Arithmetic Functions
max Returns the maximum of two values, x and y.
function a_type max(a_type x, a_type y)
provisos (Ord#(a_type));
min Returns the minimum of two values, x and y.
function a_type min(a_type x, a_type y)
provisos (Ord#(a_type));
abs Returns the absolute value of x.
function a_type abs(a_type x)
provisos (Arith#(a_type), Ord#(a_type));
signedMul Performs full precision multiplication on two Int#(n) operands of
different sizes.
function Int#(m) signedMul(Int#(n) x, Int#(k) y)
provisos (Add#(n,k,m));
unsignedMul Performs full precision multiplication on two unsigned UInt#(n)
operands of different sizes.
function UInt#(m) unsignedMul(UInt#(n) x, UInt#(k) y)
provisos (Add#(n,k,m));
signedQuot Performs full precision division on two Int#(n) operands of differ-
ent sizes.
function Int#(m) signedQuot(Int#(n) x, Int#(k) y) ;
205

Reference Guide Bluespec SystemVerilog
unsignedQuot Performs full precision division on two unsigned UInt#(n) operands
of different sizes.
function UInt#(m) unsignedQuot(UInt#(n) x, UInt#(k) y) ;
B.5.3 Operations on Functions
Higher order functions are functions which take functions as arguments and/or return functions as
results. These are often useful with list and vector functions.
compose Creates a new function, c, made up of functions, fand g. That is,
c(a) = f(g(a))
function (function c_type (a_type x0))
compose(function c_type f(b_type x1),
function b_type g(a_type x2));
composeM Creates a new monadic function, m#(c), made up of functions, f
and g. That is, c(a) = f(g(a))
function (function m#(c_type) (a_type x0))
composeM(function m#(c_type) f(b_type x1),
function m#(b_type) g(a_type x2))
provisos # (Monad#(m));
id Identity function, returns xwhen given x. This function is useful
when the argument requires a function which doesn’t do anything.
function a_type id(a_type x);
constFn Constant function, returns x.
function a_type constFn(a_type x, b_type y);
flip Flips the arguments xand y, returning a new function.
function (function c_type new (b_type y, a_type x))
flip (function c_type old (a_type x, b_type y));
curry This function converts a function on a pair (Tuple2) of arguments
into a function which takes the arguments separately. The phrase
t0 f(t1 x, t2 y) is the function returned by curry
function (function t0 f(t1 x, t2 y))
curry (function t0 g(Tuple2#(t1, t2) x));
206

Bluespec SystemVerilog Reference Guide
uncurry This function does the reverse of curry; it converts a function of
two arguments into a function which takes a single argument, a
pair (Tuple2).
function (function t0 g(Tuple2#(t1, t2) x))
uncurry (function t0 f(t1 x, t2 y));
Examples
//using constFn to set the initial values of the registers in a list
List#(Reg#(Resource)) items <- mapM( constFn(mkReg(initRes)),upto(1,numAdd) );
return(pack(map(compose(head0,toList),state)));
xs <- mapM(constFn(mkReg(False)),genList);
B.5.4 Bit Functions
The following functions operate on Bit#(n) variables.
parity Returns the parity of the bit argument v. Example: parity( 5’b1)
= 1, parity( 5’b3) = 0;
function Bit#(1) parity(Bit#(n) v);
reverseBits Reverses the order of the bits in the argument x.
function Bit#(n) reverseBits(Bit#(n) x);
countOnes Returns the count of the number of 1’s in the bit vector bin.
function UInt#(lgn1) countOnes ( Bit#(n) bin )
provisos (Add#(1, n, n1), Log#(n1, lgn1),
Add#(1, xx, lgn1) );
countZerosMSB For the bit vector bin, count the number of 0s until the first 1,
starting from the most significant bit (MSB).
function UInt#(lgn1) countZerosMSB ( Bit#(n) bin )
provisos (Add#(1, n, n1), Log#(n1, lgn1) );
countZerosLSB For the bit vector bin, count the number of 0s until the first 1,
starting from the least significant bit (LSB).
function UInt#(lgn1) countZerosLSB ( Bit#(n) bin )
provisos (Add#(1, n, n1), Log#(n1, lgn1) );
207

Reference Guide Bluespec SystemVerilog
truncateLSB Truncates a Bit#(m) to a Bit#(n) by dropping bits starting with
the LSB.
function Bit#(n) truncateLSB(Bit#(m) x)
provisos(Add#(n,k,m));
Examples
Bit#(6) f6 = truncateLSB(f);
let cmem=countZerosLSB(cfg.memoryAllocate);
let n = countOnes(neighbors);
B.5.5 Integer Functions
The following functions can only be used for static elaboration.
gcd Calculate the greatest common divisor of two Integers.
function Integer gcd(Integer a, Integer b);
lcm Calculate the least common multiple of two Integers.
function Integer lcm(Integer a, Integer b);
B.5.6 Control Flow Function
while Repeat a function while a predicate holds.
function a_type while(function Bool pred(a_type x1),
function a_type f(a_type x1), a_type x);
when Adds an implicit condition onto an expression.
function a when(Bool condition, a arg);
Example - adding the implicit condition readCount==0 to the action
function Action startReadSequence (BAddr startAddr,
UInt#(6) count);
return when ((readCount == 0), // implicit condition of the action
(action
readAddr <= startAddr ;
readCount <= count ;
endaction));
endfunction
rule readSeq; // readCount==0 is an implicit condition
startReadSequence (addr, count);
endrule
208

Bluespec SystemVerilog Reference Guide
B.6 Environment Values
The Environment section of the Prelude contains some value definitions that remain static within a
compilation, but may vary between compilations.
Test whether the compiler is generating C.
genC Returns True if the compiler is generating C.
function Bool genC();
Test whether the compiler is generating Verilog.
genVerilog Returns True if the compiler is generating Verilog.
function Bool genVerilog();
Examples
if (genVerilog)
return (t + fromInteger(adj));
The following two variables provide access to the names of the package being compiled and the
module being synthesized as strings.
genPackageName Returns a String containing the name of the package being com-
piled.
function String genPackageName;
genModuleName Returns a String containing the name of the module being syn-
thesized.
function String genModuleName;
Return the version of the compiler.
compilerVersion Returns a String containing the compiler version. This is the same
string used with the -v flag.
String compilerVersion;
Example:
The statement:
$display("compiler version = %s", compilerVersion);
produces this output:
compiler version = version 3.8.56 (build 7084, 2005-07-22)
209

Reference Guide Bluespec SystemVerilog
Return the build number of the version of the compiler.
buildVersion Returns a Bit#(32) containing the build number portion of the
compiler version.
Bit#(32) buildVersion;
Example:
The statement:
$display("The build version of the compiler is %d", buildVersion);
produces this output:
"The build version of the compiler is 12345"
Get the current date and time.
date Returns a String containing the date.
String date;
Example:
The statement:
$display("date = %s", date);
produces this output:
"date = Mon Feb 6 08:39:59 EST 2006"
Returns the number of seconds from the epoch (1970-01-01 00:00:00) to now.
epochTime Returns a Bit#(32) containing the number of seconds since the
epoch, which is defined as 1970-01-01 00:00:00.
Bit#(32) epochTime;
Example:
The statement:
$display("Current epoch is %d", epochTime);
produces this output:
"Current epoch is 1235481642"
B.7 Compile-time IO
These functions control file IO during elaboration. The functions are expressed as modules and can
only be used as statements inside a module...endmodule block.
The type Handle is a primitive type for a file handle. The value is returned when you open a file
and is used to specify the file by the other functions.
The flag -fdir, described in the User Guide, can be used to specify where relative file paths should
be based from.
The type IOMode is an enumerated type with three values: ReadMode,WriteMode, and AppendMode:
210

Bluespec SystemVerilog Reference Guide
typedef enum { ReadMode, WriteMode, AppendMode } IOMode;
When opening a file you specify the mode (IOMode) and the filename. Opening a file in write mode
creates a new file; in append mode it adds to an existing file.
openFile Opens a file and returns the type Handle.
module openFile #(String filename, IOMode mode) (Handle);
The function hClose explicitly closes the file with the specified handle. The compiler will close any
handles that are still open at the end of elaboration, or upon exiting with an error, but you shouldn’t
rely on this. Buffered files will be flushed when the file is closed.
hClose Closes the file with the specified handle.
module hClose #(Handle hdl) ();
The following functions provide query functions for handles.
hIsEOF Returns a Bool indicating if the end of file has been reached for the
specified handle.
function Bool hIsEOF (Handle hdl);
hIsOpen Returns true if the the handle hdl is open.
function Bool hIsOpen (Handle hdl);
hIsClosed Returns true if the handle hdl is closed.
function Bool hIsClosed (Handle hdl);
hIsReadable Returns true if the handle has been opened in Readable mode and can
be read from.
function Bool hIsReadable (Handle hdl);
hIsWriteable Returns true if handle has been opened in Writeable mode and can be
written to.
function Bool hIsWriteable (Handle hdl);
211

Reference Guide Bluespec SystemVerilog
The default buffering of files is determined by your system. If the system is buffering, you may not
see any output until the handle is flushed or closed. You can override this by setting the buffering
policy of the handle, so that writes are not buffered, or are line buffered. The file handle functions
hFlush,hGetBuffering, and hSetBuffering allow you to control buffering.
At the end of elaboration, or upon exiting with an error, the compiler closes any file handles that
were not otherwised closed. Any buffered files will be flushed at this point.
The data type BufferMode indicates the type of buffering.
typedef union tagged {
void NoBuffering;
void LineBuffering;
Maybe#(Integer) BlockBuffering;
} BufferMode;
hFlush Explicitly flushes the buffer with the specified handle.
function Action hFlush(Handle hdl);
hGetBuffering Returns the buffering policy of the file with the specified handle.
function ActionValue#(BufferMode) hGetBuffering(Handle hdl);
hSetBuffering Sets the buffering mode for the file with the specified handle if the file
system supports it.
function Action hSetBuffering(Handle hdl, BufferMode mode);
The functions hPutStr and hPutStrLn write strings to a file. The function hPutStrLn adds a newline
to the end of the string.
hPutStr Writes the string to the file with the specified handle.
module hPutStr #(Handle hdl, String str) ();
hPutStrLn Writes the string to the file with the specified handle and appends a
newline to the end of the string.
module hPutStr #(Handle hdl, String str) ();
hPutChar Writes the character to the file with the specified handle.
module hPutChar #(Handle hdl, Char c) ();
212

Bluespec SystemVerilog Reference Guide
hGetChar Reads the character from the file with the specified handle.
module hGetChar #(Handle hdl) (Char);
hGetLine Reads a line from the file with the specified handle.
module hGetLine #(Handle hdl) (String);
Example: Creates a file named sysBasicWrite.log containing the line "Hello World".
String fname = "sysBasicWrite.log";
module sysBasicWrite ();
Handle hdl <- openFile(fname, WriteMode);
hPutStr(hdl, "Hello");
hClose(hdl);
mkSub;
endmodule
module mkSub ();
Handle hdl <- openFile(fname, AppendMode);
hPutStrLn(hdl, " World");
hClose(hdl);
endmodule
213

Reference Guide Bluespec SystemVerilog
C AzureIP Foundation Libraries
Section Bdefined the standard Prelude package, which is automatically imported into every pack-
age. This section describes BSV’s large and continuously growing collection of AzureIP Foundation
libraries. To use any of these libraries in a package you must explicitly import the library package
using an import clause (Section 3).
Bluespec’s AzureIP intellectual property (IP) accelerates hardware design and modeling. All pack-
ages in the AzureIP Foundation library are provided as compiled code. Some of the packages are
also provided as BSV source code to facilitate customization. When modifying these files, first copy
them into a local directory and then modify your local copy. Use the -p flag when compiling, as
described in the BSV Users Guide, to include the local directory in your path.
There are two AzureIP library families, Foundation and Premium:
•Foundation is an extensive family of components, types and functions that are included with
the Bluespec toolsets for use in your models and designs – they serve as a foundational base
for your modeling and implementation work.
•Premium is the designation for Bluespec’s fee-based AzureIP.
C.1 Storage Structures
C.1.1 Register File
Package
import RegFile :: * ;
Description
This package provides 5-read-port 1-write-port register array modules.
Note: In a design that uses RegFiles, some of the read ports may remain unused. This may generate
a warning in various downstream tool. Downstream tools should be instructed to optimize away the
unused ports.
Interfaces and Methods
The RegFile package defines one interface, RegFile. The RegFile interface provides two methods,
upd and sub. The upd method is an Action method used to modify (or update) the value of an
element in the register file. The sub method (from ”sub”script) is a Value method which reads and
returns the value of an element in the register file. The value returned is of a datatype data_t.
Interface Name Parameter name Parameter Description Restrictions
RegFile index type datatype of the index must be in the Bits class
data t datatype of the element values must be in the Bits class
interface RegFile #(type index_t, type data_t);
method Action upd(index_t addr, data_t d);
method data_t sub(index_t addr);
endinterface: RegFile
214

Bluespec SystemVerilog Reference Guide
Method Arguments
Name Type Description Name Description
upd Action Change or update an el-
ement within the register
file.
addr index of the element to be
changed, with a datatype of
index_t
dnew value to be stored, with a
datatype of data_t
sub data t Read an element from
the register file and re-
turn it.
addr index of the element, with a
datatype of index_t
Modules
The RegFile package provides three modules: mkRegFile creates a RegFile with registers allocated
from the lo_index to the hi_index;mkRegFileFull creates a RegFile from the minimum index to
the maximum index; and mkRegFileWCF creates a RegFile from lo_index to hi_index for which
the reads and the write are scheduled conflict-free. There is a second set of these modules, the
RegFileLoad variants, which take as an argument a file containing the initial contents of the array.
mkRegFile Create a RegFile with registers allocated from lo_index to hi_index.
lo_index and hi_index are of the index_t datatype and the elements
are of the data_t datatype.
module mkRegFile#( index_t lo_index, index_t hi_index )
( RegFile#(index_t, data_t) )
provisos (Bits#(index_t, size_index),
Bits#(data_t, size_data));
mkRegFileFull Create a RegFile from min to max index where the index is of a datatype
index_t and the elements are of datatype data_t. The min and max are
specified by the Bounded typeclass instance (0 to N-1 for N-bit numbers).
module mkRegFileFull#( RegFile#(index_t, data_t) )
provisos (Bits#(index_t, size_index),
Bits#(data_t, size_data)
Bounded#(index_t) );
mkRegFileWCF Create a RegFile from lo_index to hi_index for which the reads and the
write are scheduled conflict-free. For the implications of this scheduling,
see the documentation for ConfigReg (Section C.1.2).
module mkRegFileWCF#( index_t lo_index, index_t hi_index )
( RegFile#(index_t, data_t) )
provisos (Bits#(index_t, size_index),
Bits#(data_t, size_data));
The RegFileLoad variants provide the same functionality as RegFile, but each constructor function
takes an additional file name argument. The file contains the initial contents of the array using the
Verilog hex memory file syntax, which allows white spaces (including new lines, tabs, underscores,
and form-feeds), comments, binary and hexadecimal numbers. Length and base format must not be
specified for the numbers.
215

Reference Guide Bluespec SystemVerilog
The generated Verilog for file load variants contains $readmemb and $readmemh constructs. These
statements, as well as initial blocks generally, are considered simulation-only constructs because they
are not supported consistently across synthesis tools. Therefore, in the generated Verilog the initial
blocks are protected with a translate_off directive. When using a synthesis tool which supports
these constructs you can remove the directives to allow the tool to processes the $readmemh and
$readmemb tasks during synthesis.
mkRegFileLoad Create a RegFile using the file to provide the initial contents of the array.
module mkRegFileLoad#
( String file, index_t lo_index, index_t hi_index)
( RegFile#(index_t, data_t) )
provisos (Bits#(index_t, size_index),
Bits#(data_t, size_data));
mkRegFileFullLoad Create a RegFile from min to max index using the file to provide the initial
contents of the array. The min and max are specified by the Bounded
typeclass instance (0 to N-1 for N-bit numbers).
module mkRegFileFullLoad#( String file)
( RegFile#(index_t, data_t))
provisos (Bits#(index_t, size_index),
Bits#(data_t, size_data),
Bounded#(index_t) );
mkRegFileWCFLoad Create a RegFile from lo_index to hi_index for which the reads and
the write are scheduled conflict-free (see Section C.1.2), using the file to
provide the initial contents of the array.
module mkRegFileWCFLoad#
( String file, index_t lo_index, index_t hi_index)
( RegFile#(index_t, data_t) )
provisos (Bits#(index_t, size_index),
Bits#(data_t, size_data));
Examples
Use mkRegFileLoad to create Register files and then read the values.
Reg#(Cntr) count <- mkReg(0);
// Create Register files to use as inputs in a testbench
RegFile#(Cntr, Fp64) vecA <- mkRegFileLoad("vec.a.txt", 0, 9);
RegFile#(Cntr, Fp64) vecB <- mkRegFileLoad("vec.b.txt", 0, 9);
//read the values from the Register files
rule drivein (count < 10);
Fp64 a = vecA.sub(count);
Fp64 b = vecB.sub(count);
uut.start(a, b);
count <= count + 1;
endrule
216

Bluespec SystemVerilog Reference Guide
Verilog Modules
RegFile modules correspond to the following Verilog modules, which are found in the Bluespec
Verilog library, $BLUESPECDIR/Verilog/.
BSV Module Name Verilog Module Name Defined in File
mkRegFile RegFile RegFile.v
mkRegFileFull
mkRegFileWCF
mkRegFileLoad RegFileLoad RegFileLoad.v
mkRegFileFullLoad
mkRegFileWCFLoad
C.1.2 ConfigReg
Package
import ConfigReg :: * ;
Description
The ConfigReg package provides a way to create registers where each update clobbers the current
value, but the precise timing of updates is not important. These registers are identical to the mkReg
registers except that their scheduling annotations allows reads and writes to occur in either order
during rule execution.
Rules which fire during the clock cycle where the register is written read a stale value (that is the
value from the beginning of the clock cycle) regardless of firing order and writes which have occurred
during the clock cycle. Thus if rule r1 writes to a ConfigReg cr and rule r2 reads cr later in the
same cycle, the old or stale value of cr is read, not the value written in r1. If a standard register
is used instead, rule r2’s execution will be blocked by r1’s execution or the scheduler may create a
different rule execution order.
The hardware implementation is identical for the more common registers (mkReg,mkRegU and
mkRegA), and the module constructors parallel these as well.
Interfaces
The ConfigReg interface is an alias of the Reg interface (section B.4.1).
typedef Reg#(a_type) ConfigReg #(type a_type);
Modules
The ConfigReg package provides three modules; mkConfigReg creates a register with a given re-
set value and synchronous reset logic, mkConfigRegU creates a register without any reset, and
mkConfigRegA creates a register with a given reset value and asynchronous reset logic.
mkConfigReg Make a register with a given reset value. Reset logic is synchronous
module mkConfigReg#(a_type resetval)(Reg#(a_type))
provisos (Bits#(a_type, sizea));
217

Reference Guide Bluespec SystemVerilog
mkConfigRegU Make a register without any reset; initial simulation value is alternating
01 bits.
module mkConfigRegU(Reg#(a_type))
provisos (Bits#(a_type, sizea));
mkConfigRegA Make a register with a given reset value. Reset logic is asynchronous.
module mkConfigRegA#(a_type, resetval)(Reg#(a_type))
provisos (Bits#(a_type, sizea));
Scheduling Annotations
mkConfigReg, mkConfigRegU, mkConfigRegA
read write
read CF CF
write CF SBR
C.1.3 DReg
Package
import DReg :: * ;
Description
The DReg package allows a designer to create registers which store a written value for only a single
clock cycle. The value written to a DReg is available to read one cycle after the write. If more than
one cycle has passed since the register has been written however, the value provided by the register
is instead a default value (that is specified during module instantiation). These registers are useful
when wanting to send pulse values that are only asserted for a single clock cycle. The DReg is the
register equivalent of a DWire B.4.6.
Modules
The DReg package provides three modules; mkDReg creates a register with a given reset/default value
and synchronous reset logic, mkDRegU creates a register without any reset (but which still takes a
default value as an argument), and mkDRegA creates a register with a given reset/default value and
asynchronous reset logic.
mkDReg Make a register with a given reset/default value. Reset logic is syn-
chronous
module mkDReg#(a_type dflt_rst_val)(Reg#(a_type))
provisos (Bits#(a_type, sizea));
mkDRegU Make a register without any reset but with a specified default; initial
simulation value is alternating 01 bits.
module mkDRegU#(a_type dflt_val)(Reg#(a_type))
provisos (Bits#(a_type, sizea));
218

Bluespec SystemVerilog Reference Guide
mkDRegA Make a register with a given reset/default value. Reset logic is asyn-
chronous.
module mkDRegA#(a_type, dflt_rst_val)(Reg#(a_type))
provisos (Bits#(a_type, sizea));
Scheduling Annotations
mkDReg, mkDRegU, mkDRegA
read write
read CF SB
write SA SBR
C.1.4 RevertingVirtualReg
Package
import RevertingVirtualReg :: * ;
Description
The RevertingVirtualReg package allows a designer to force a schedule when scheduling attributes
cannot be used. Since scheduling attributes cannot be put on methods, this allows a designer to
control the schedule between two methods, or between a method and a rule by adding a virtual
register between the two. The module RevertingVirtualReg creates a virtual register; no actual
state elements are generated.
Modules
The RevertingVirtualReg package provides the module mkRevertingVirtualReg. The properties
of the module are:
•it schedules exactly like an ordinary register;
•it reverts to its reset value at the end of each clock cycle.
These imply that all allowed reads will return the reset value (since they precede any writes in the
cycle); thus the module neither needs nor instantiates any actual state element.
mkRevertingVirtualReg Creates a virtual register reverting to the reset value at the end of
each clock cycle.
module mkRevertingVirtualReg#(a_type rst)(Reg#(a_type))
provisos (Bits#(a_type, sizea));
Scheduling Annotations
mkRevertingVirtualReg
read write
read CF SB
write SA SBR
Example Use mkRevertingVirtualReg to create the execution order of the rule followed by the method
219

Reference Guide Bluespec SystemVerilog
Reg#(Bool) virtualReg <- mkRevertingVirtualReg(True);
rule the_rule (virtualReg); // reads virtualReg
...
endrule
method Action the_method;
virtualReg <= False; // writes virtualReg
...
endmethod
In a given cycle, reads always precede writes for a register. Therefore the reading of virtualReg
by the_rule will precede the writing of virtualReg in the_method. The execution order will be
the_rule followed by the_method.
C.1.5 BRAM
Package
import BRAM :: * ;
Description
The BRAM package provides types, interfaces, and modules to support FPGA BlockRams. The
BRAM modules include FIFO wrappers to provide implicit conditions for proper flow control for
the BRAM latency. Specific tools may determine whether modules are mapped to appropriate
BRAM cells during synthesis.
The BRAM package is open-sourced and can be modified by the user. The low-level wrappers to
the BRAM Verilog and Bluesim modules, which are not open-sourced and cannot be modified, are
provided in the BRAMCore package, Section C.1.6.
This package is provided as both a compiled library package and as BSV source code as documen-
tation. The source code file can be found in the $BLUESPECDIR/BSVSource/Misc directory. To
customize a package, copy the file into a local directory and then include the local directory in the
path when compiling. This is done by specifying the search path with the -p option as described in
the BSV Users Guide.
Types and type classes
BRAM Configure The BRAM_Configure structure specifies the underlying modules and their at-
tributes for instantiation. Default values for the BRAM are defined with the DefaultValue instance
and can easily be modified.
220

Bluespec SystemVerilog Reference Guide
BRAM Configure Structure
Field Type Description Allowed or
Recommended Values
memorySize Integer Number of words in the BRAM
latency Integer Number of stages in the read 1 (address is registered)
2 (address and data are
registered)
loadFormat LoadFormat Describes the load file None
tagged Hex filename
tagged Binary filename
outFIFODepth Integer The depth of the BypassFIFO af-
ter the BRAM for the BRAMServer
module
latency+2
allowWriteResponseBypass
Bool Determines if write responses can di-
rectly be enqueued in the output fifo
(latency = 0 for write).
The size of the BRAM is determined by the memorySize field given in number of words. The width
of a word is determined by the polymorphic type data specified in the BRAM interface. If the
memorySize field is 0, then memory size = 2n, where nis the number of address bits determined
from the address type.
The latency field has two valid values; 1indicates that the address on the read is registered, 2
indicates that both the address on the read input and the data on the read output are registered.
When latency = 2, the components in the dotted box in Figure 3are included.
The outFIFODepth is used to determine the depth of the Bypass FIFO after the BRAM in the
mkBRAMServer module. This value should be latency + 2 to allow full pipeline behavior.
The allowWriteResponseBypass field, when True, specifies that the write response is issued on the
same cycle as the write request. If False, the write reponse is pipelined, which is the same behavior
as the read request. When True, the schedule constraints between put and get are put SBR get.
Otherwise, the annotation is get CF put (no constraint).
typedef struct {Integer memorySize ;
Integer latency ; // 1 or 2 can extend to 3
LoadFormat loadFormat; // None, Hex or Binary
Integer outFIFODepth;
Bool allowWriteResponseBypass;
} BRAM_Configure ;
The LoadFormat defines the type of the load file (None,Hex or Binary). The type None is used
when there is no load file. When the type is Hex or Binary, the name of the load file is provided as
aString.
typedef union tagged {
void None;
String Hex;
String Binary;
} LoadFormat
deriving (Eq, Bits);
The default values are defined in this package using the DefaultValue instance for BRAM_Configure.
You can modify the default values by changing this instance or by modifying specific fields in your
design.
221

Reference Guide Bluespec SystemVerilog
Values defined in defaultValue
Field Type Value Meaning
memorySize Integer 0 2n, where nis the number of address
bits
latency Integer 1 address is registered
outFIFODepth Integer 3 latency + 2
loadFormat LoadFormat None no load file is used
allowWriteResponseBypass Bool False the write response is pipelined
instance DefaultValue #(BRAM_Configure);
defaultValue = BRAM_Configure {memorySize : 0
,latency : 1 // No output reg
,outFIFODepth : 3
,loadFormat : None
,allowWriteResponseBypass : False };
endinstance
To modify a default configuration for your design, set the field you want to change to the new value.
Example:
BRAM_Configure cfg = defaultValue ; //declare variable cfg
cfg.memorySize = 1024*32 ; //new value for memorySize
cfg.loadFormat = tagged Hex "ram.txt"; //value for loadFormat
BRAM2Port#(UInt#(15), Bit#(16)) bram <- mkBRAM2Server (cfg) ;
//instantiate 32K x 16 bits BRAM module
BRAMRequest The BRAM package defines 2 structures for a BRAM request: BRAMRequest, and
the byte enabled version BRAMRequestBE.
BRAMRequest Structure
Field Type Description
write Bool Indicates whether this operation is a write (True) or
a read (False).
responseOnWrite Bool Indicates whether a response should be received from
this write command
address addr Word address of the read or write
datain data Data to be written. This field is ignored for reads.
typedef struct {Bool write;
Bool responseOnWrite;
addr address;
data datain;
} BRAMRequest#(type addr, type data) deriving(Bits, Eq);
BRAMRequestBE The structure BRAMRequestBE allows for the byte enable signal.
222

Bluespec SystemVerilog Reference Guide
BRAMRequestBE Structure
Field Type Description
writeen Bit#(n) Byte-enable indicating whether this operation is a
write (n != 0) or a read (n = 0).
responseOnWrite Bool Indicates whether a response should be received from
this write command
address addr Word address of the read or write
datain data Data to be written. This field is ignored for reads.
typedef struct {Bit#(n) writeen;
Bool responseOnWrite;
addr address;
data datain;
} BRAMRequestBE#(type addr, type data, numeric type n) deriving (Bits, Eq);
Interfaces and Methods
The interfaces for the BRAM are built on the Server interface defined in the ClientServer package,
Section C.7.3. Some type aliases specific to the BRAM are defined here.
BRAM Server and Client interface types :
typedef Server#(BRAMRequest#(addr, data), data) BRAMServer#(type addr, type data);
typedef Client#(BRAMRequest#(addr, data), data) BRAMClient#(type addr, type data);
Byte-enabled BRAM Server and Client interface types:
typedef Server#(BRAMRequestBE#(addr, data, n), data)
BRAMServerBE#(type addr, type data, numeric type n);
typedef Client#(BRAMRequestBE#(addr, data, n), data)
BRAMClientBE#(type addr, type data, numeric type n);
The BRAM package defines 1 and 2 port interfaces, with write-enabled and byte-enabled versions.
Each BRAM port interface contains a BRAMServer#(addr, data) subinterface and a clear action,
which clears the output FIFO of any pending requests. The data in the BRAM is not cleared.
BRAM1Port Interface
1 Port BRAM Interface
Name Type Description
portA BRAMServer#(addr, data) Server subinterface
portAClear Action Method to clear the portA output FIFO
interface BRAM1Port#(type addr, type data);
interface BRAMServer#(addr, data) portA;
method Action portAClear;
endinterface: BRAM1Port
BRAM1PortBE Interface
Byte enabled 1 port BRAM Interface
Name Type Description
portA BRAMServerBE#(addr, data, n) Byte-enabled server subinterface
portAClear Action Method to clear the portA output FIFO
223

Reference Guide Bluespec SystemVerilog
interface BRAM1PortBE#(type addr, type data, numeric type n);
interface BRAMServerBE#(addr, data, n) portA;
method Action portAClear;
endinterface: BRAM1PortBE
BRAM2Port Interface
2 port BRAM Interface
Name Type Description
portA BRAMServer#(addr, data) Server subinterface for port A
portB BRAMServer#(addr, data) Server subinterface for port B
portAClear Action Method to clear the port A output FIFO
portBClear Action Method to clear the port B output FIFO
interface BRAM2Port#(type addr, type data);
interface BRAMServer#(addr, data) portA;
interface BRAMServer#(addr, data) portB;
method Action portAClear;
method Action portBClear;
endinterface: BRAM2Port
BRAM2PortBE Interface
Byte enabled 2 port BRAM Interface
Name Type Description
portA BRAMServerBE#(addr, data, n) Byte-enabled server subinterface for port A
portB BRAMServerBE#(addr, data, n) Byte-enabled server subinterface for port B
portAClear Action Method to clear the portA output FIFO
portBClear Action Method to clear the portB output FIFO
interface BRAM2PortBE#(type addr, type data, numeric type n);
interface BRAMServerBE#(addr, data, n) portA;
interface BRAMServerBE#(addr, data, n) portB;
method Action portAClear;
method Action portBClear;
endinterface: BRAM2PortBE
Modules
The BRAM modules defined in the BRAMCore package (Section C.1.6) are wrapped with control
logic to turn the BRAM into a server, as shown in Figure 3. The BRAM Server modules include
an output FIFO and logic to control its loading and to avoid overflow. A single port, single clock
byte-enabled version is provided as well as 2 port and dual clock write-enabled versions.
mkBRAM1Server BRAM Server module including an output FIFO and logic to control
loading and to avoid overflow.
module mkBRAM1Server #( BRAM_Configure cfg )
( BRAM1Port #(addr, data) )
provisos(Bits#(addr, addr_sz),
Bits#(data, data_sz),
DefaultValue#(data) );
224

Bluespec SystemVerilog Reference Guide
Figure 3: 1 port of a BRAM Server
mkBRAM1ServerBE Byte-enabled BRAM Server module.
module mkBRAM1ServerBE #( BRAM_Configure cfg )
( BRAM1PortBE #(addr, data, n) )
provisos(Bits#(addr, addr_sz),
Bits#(data, data_sz),
Div#(data_sz, n, chunk_sz),
Mul#(chunk_sz, n, data_sz),
DefaultValue#(data) );
mkBRAM2Server 2 port BRAM Server module.
module mkBRAM2Server #( BRAM_Configure cfg )
( BRAM2Port #(addr, data) )
provisos(Bits#(addr, addr_sz),
Bits#(data, data_sz),
DefaultValue#(data) );
mkBRAM2ServerBE Byte-enabled 2 port BRAM Server module.
module mkBRAM2ServerBE #( BRAM_Configure cfg )
( BRAM2PortBE #(addr, data, n) )
provisos(Bits#(addr, addr_sz),
Bits#(data, data_sz),
Div#(data_sz, n, chunk_sz),
Mul#(chunk_sz, n, data_sz) );
225

Reference Guide Bluespec SystemVerilog
mkSyncBRAM2Server 2 port, dual clock, BRAM Server module. The portA subinterface and
portAClear methods are in the clkA domain; the portB subinterface
and portBClear methods are in the clkB domain.
(* no_default_clock, no_default_reset *)
module mkSyncBRAM2Server #( BRAM_Configure cfg,
Clock clkA, Reset rstNA,
Clock clkB, Reset rstNB
) (BRAM2Port #(addr, data) )
provisos(Bits#(addr, addr_sz),
Bits#(data, data_sz),
DefaultValue#(data) );
mkSyncBRAM2ServerBE 2 port, dual clock, byte-enabled BRAM Server module. The portA
subinterface and portAClear methods are in the clkA domain; the
portB subinterface and portBClear methods are in the clkB domain.
(* no_default_clock, no_default_reset *)
module mkSyncBRAM2ServerBE #(BRAM_Configure cfg,
Clock clkA, Reset rstNA,
Clock clkB, Reset rstNB )
(BRAM2PortBE #(addr, data, n))
provisos(Bits#(addr, addr_sz),
Bits#(data, data_sz),
Div#(data_sz, n, chunk_sz),
Mul#(chunk_sz, n, data_sz) );
Example: Using a BRAM
import BRAM::*;
import StmtFSM::*;
import Clocks::*;
function BRAMRequest#(Bit#(8), Bit#(8)) makeRequest(Bool write, Bit#(8) addr, Bit#(8) data);
return BRAMRequest{
write: write,
responseOnWrite:False,
address: addr,
datain: data
};
endfunction
(* synthesize *)
module sysBRAMTest();
BRAM_Configure cfg = defaultValue;
cfg.allowWriteResponseBypass = False;
BRAM2Port#(Bit#(8), Bit#(8)) dut0 <- mkBRAM2Server(cfg);
cfg.loadFormat = tagged Hex "bram2.txt";
BRAM2Port#(Bit#(8), Bit#(8)) dut1 <- mkBRAM2Server(cfg);
//Define StmtFSM to run tests
226

Bluespec SystemVerilog Reference Guide
Stmt test =
(seq
delay(10);
...
action
dut1.portA.request.put(makeRequest(False, 8’h02, 0));
dut1.portB.request.put(makeRequest(False, 8’h03, 0));
endaction
action
$display("dut1read[0] = %x", dut1.portA.response.get);
$display("dut1read[1] = %x", dut1.portB.response.get);
endaction
...
delay(100);
endseq);
mkAutoFSM(test);
endmodule
C.1.6 BRAMCore
Package
import BRAMCore :: * ;
Description
The BRAMCore package, along with the BRAM package (Section C.1.5) provides types, interfaces, and
modules to support FPGA BlockRAMS. Specific tools may determine whether modules are mapped
to appropriate BRAM cells during synthesis.
Most designs should use the the BRAM package instead of BRAMCore, as the BRAM package provides
implicit conditions provided by FIFO wrappers. The BRAMCore package should be used only if you
want the low-level core BRAM modules without implicit conditions.
The BRAMCore package contains the low-level wrappers to the BRAM Verilog and Bluesim modules.
Components are provided for single and dual port, byte-enabled, loadable, and dual clock versions.
Interfaces and Methods
The BRAMCore package defines four variations of a BRAM interface to support single and dual port
BRAMs, as well as byte-enabled BRAMs.
The BRAM_PORT interface declares two methods; an Action method put, and a value method read.
The BRAM_DUAL_PORT interface is defined as two BRAM_PORT subinterfaces, one for each port.
BRAM PORT Interface
Method Arguments
Name Type Description Name Description
put Action Read or write values
in the BRAM.
write Write enable for the port; if True the ac-
tion is write, if False, the action is read.
address Index of the element, with a datatype of
addr.
datain Value to be written, with a datatype of
data. This value is ignored if the action
is read.
read data Returns a value of
type data.
227

Reference Guide Bluespec SystemVerilog
interface BRAM_PORT#(type addr, type data);
method Action put(Bool write, addr address, data datain);
method data read();
endinterface: BRAM_PORT
interface BRAM_DUAL_PORT#(type addr, type data);
interface BRAM_PORT#(addr, data) a;
interface BRAM_PORT#(addr, data) b;
endinterface
Byte-enabled Interfaces
The BRAM_PORT_BE and BRAM_DUAL_PORT_BE interfaces are the byte-enabled versions of the BRAM
interfaces. In this version, the argument writen is of type Bit#(n), where nis the number of byte-
enables. Your synthesis tools and targeted technology determine the restriction of data size and byte
enable size. If n= 0, the action is a read.
The BRAM_DUAL_PORT_BE interface is defined as two BRAM_PORT_BE subinterfaces, one for each port.
BRAM PORT BE Interface
Method Arguments
Name Type Description Name Description
put Action Read or write values
in the BRAM.
writeen Byte-enable for the port; if n!= 0 write
the specified bytes, if n= 0 read.
address Index of the elements to be read or writ-
ten, with a datatype of addr.
datain Value to be written, with a datatype of
data. This value is ignored if the action
is read.
read data Returns a value of
type data.
(* always_ready *)
interface BRAM_PORT_BE#(type addr, type data, numeric type n);
method Action put(Bit#(n) writeen, addr address, data datain);
method data read();
endinterface: BRAM_PORT_BE
interface BRAM_DUAL_PORT_BE#(type addr, type data, numeric type n);
interface BRAM_PORT_BE#(addr, data, n) a;
interface BRAM_PORT_BE#(addr, data, n) b;
endinterface
Modules
The BRAMCore package provides 1 and 2 port BRAM core modules, in both write-enabled and byte-
enabled versions. Note that there are no implicit conditions on the methods of these modules; if
these are required consider using the modules in the BRAM package (Section C.1.5).
The BRAMCore package requires the caller to ensure the correct cycle to capture the read data, as
determined by the hasOutputRegister flag. If hasOutputRegister is True, both the read address
and the read data are registered; if False, only the read address is registered.
•If the output is registered (hasOutputRegister is True), the latency is 2; the read data is
available 2 cycles after the request.
228

Bluespec SystemVerilog Reference Guide
•If the output is not registered (hasOutputRegister is False), the latency is 1; the read data
is available 1 cycle after the request.
The other argument required is memSize, an Integer specifying the memory size in number of words
of type data.
The loadable BRAM modules require two additional arguments:
•file is a String containing the name of the load file.
•binary is a Bool indicating whether the data type of the load file is binary (True) or hex
(False).
mkBRAMCore1 Single port BRAM
module mkBRAMCore1#(Integer memSize,
Bool hasOutputRegister)
(BRAM_PORT#(addr, data))
provisos(Bits#(addr, addr_sz), Bits#(data, data_sz));
mkBRAMCore1BE Byte-enabled, single port BRAM.
module mkBRAMCore1BE#(Integer memSize,
Bool hasOutputRegister )
(BRAM_PORT_BE#(addr, data, n))
provisos(Bits#(addr, addr_sz), Bits#(data, data_sz),
Div#(data_sz, n, chunk_sz),
Mul#(chunk_sz, n, data_sz));
mkBRAMCore1Load Loadable, single port BRAM where the initial contents are in file.
The parameter binary indicates whether the contents of file are
binary (True) or hex (False).
module mkBRAMCore1Load#(Integer memSize,
Bool hasOutputRegister,
String file, Bool binary )
(BRAM_PORT#(addr, data))
provisos(Bits#(addr, addr_sz), Bits#(data, data_sz) );
mkBRAMCore1BELoad Loadable, single port, byte-enabled BRAM.
module mkBRAMCore1BELoad#(Integer memSize,
Bool hasOutputRegister,
String file, Bool binary)
(BRAM_PORT_BE#(addr, data, n))
provisos(Bits#(addr, addr_sz), Bits#(data, data_sz),
Div#(data_sz, n, chunk_sz),
Mul#(chunk_sz, n, data_sz) );
229

Reference Guide Bluespec SystemVerilog
mkBRAMCore2 Dual port, single clock BRAM.
module mkBRAMCore2#(Integer memSize,
Bool hasOutputRegister )
(BRAM_DUAL_PORT#(addr, data))
provisos(Bits#(addr, addr_sz), Bits#(data, data_sz) );
mkBRAMCore2BE Byte-enabled, dual port BRAM.
module mkBRAMCore2BE#(Integer memSize,
Bool hasOutputRegister
) (BRAM_DUAL_PORT_BE#(addr, data, n))
provisos(Bits#(addr, addr_sz),
Bits#(data, data_sz),
Div#(data_sz, n, chunk_sz),
Mul#(chunk_sz, n, data_sz) );
mkSyncBRAMCore2 Dual port, dual clock BRAM.
module mkSyncBRAMCore2#(Integer memSize,
Bool hasOutputRegister,
Clock clkA, Reset rstNA,
Clock clkB, Reset rstNB )
(BRAM_DUAL_PORT#(addr, data))
provisos(Bits#(addr, addr_sz),Bits#(data, data_sz));
mkSyncBRAMCore2BE Dual port, dual clock byte-enabled BRAM.
module mkSyncBRAMCore2BE#(Integer memSize,
Bool hasOutputRegister,
Clock clkA, Reset rstNA,
Clock clkB, Reset rstNB)
(BRAM_DUAL_PORT_BE#(addr, data, n))
provisos(Bits#(addr, addr_sz),
Bits#(data, data_sz),
Div#(data_sz, n, chunk_sz),
Mul#(chunk_sz, n, data_sz) );
mkBRAMCore2Load Dual port, single clock, BRAM where the initial contents are in file.
The parameter binary indicates whether the contents of file are
binary (True) or hex (False).
module mkBRAMCore2Load#(Integer memSize,
Bool hasOutputRegister,
String file, Bool binary)
(BRAM_DUAL_PORT#(addr, data))
provisos(Bits#(addr, addr_sz),Bits#(data, data_sz));
230

Bluespec SystemVerilog Reference Guide
mkBRAMCore2BELoad Dual port, single clock, byte-enabled BRAM where the initial contents
are in file. The parameter binary indicates whether the contents of
file are binary (True) or hex (False).
module mkBRAMCore2BELoad#(Integer memSize,
Bool hasOutputRegister,
String file, Bool binary )
(BRAM_DUAL_PORT_BE#(addr, data, n))
provisos(Bits#(addr, addr_sz),
Bits#(data, data_sz),
Div#(data_sz, n, chunk_sz),
Mul#(chunk_sz, n, data_sz) );
mkSyncBRAMCore2Load Dual port, dual clock BRAM with initial contents in file.
module mkSyncBRAMCore2Load#(Integer memSize,
Bool hasOutputRegister,
Clock clkA, Reset rstNA,
Clock clkB, Reset rstNB,
String file, Bool binary)
(BRAM_DUAL_PORT#(addr, data))
provisos(Bits#(addr, addr_sz), Bits#(data, data_sz));
mkSyncBRAMCore2BELoad Dual port, dual clock, byte-enabledBRAM with initial contents in
file.
module mkSyncBRAMCore2BELoad#(Integer memSize,
Bool hasOutputRegister,
Clock clkA, Reset rstNA,
Clock clkB, Reset rstNB,
String file, Bool binary)
(BRAM_DUAL_PORT_BE#(addr, data, n))
provisos(Bits#(addr, addr_sz),
Bits#(data, data_sz),
Div#(data_sz, n, chunk_sz),
Mul#(chunk_sz, n, data_sz) );
Verilog Modules
BRAM modules correspond to the following Verilog modules, which are found in the Bluespec Verilog
library, $BLUESPECDIR/Verilog/.
231

Reference Guide Bluespec SystemVerilog
BSV Module Name Verilog Module Names
mkBRAMCore1 BRAM1.v
mkBRAMCore1Load BRAM1Load.v
mkBRAMCore1BE BRAM1BE.v
mkBRAMCore1BELoad BRAM1BELoad.v
mkBRAMCore2 BRAM2.v
mkSyncBRAMCore2
mkBRAMCore2BE BRAM2BE.v
mkSyncBRAMCore2BE
mkBRAMCore2Load BRAM2Load.v
mkSyncBRAMCore2Load
mkBRAMCore2BELoad BRAM2BELoad.v
mkSyncBRAMCore2BELoad
C.2 FIFOs
C.2.1 FIFO Overview
The AzureIP Foundation library contains multiple FIFO packages. All library FIFO packages are
supplied as compiled code. The FIFOs in the BRAMFIFO,SpecialFIFO, and AlignedFIFOs packages
are also provided as BSV source code to facilate customization.
Package Name Description BSV Source Section
provided
FIFO Defines the FIFO interface and module constructors. FI-
FOs provided have implicit full and empty signals. In-
cludes pipeline FIFO (mkLFIFO).
C.2.2
FIFOF Defines the FIFOF interface and module constructors. FI-
FOs provided have explicit full and empty signals. Includes
pipeline FIFOF (mkLFIFOF).
C.2.2
FIFOLevel Enhanced FIFO interfaces and modules which include
methods to indicate the level or current number of items
stored in the FIFO. Single and dual clock versions are pro-
vided.
C.2.3
BRAMFIFO FIFOs which utilize the Xilinx Block RAMs. √C.2.4
SpecialFIFOs Additional pipeline and bypass FIFOs √C.2.5
AlignedFIFOs Parameterized FIFO module for creating synchronizing FI-
FOs between clock domains with aligned edges.
√C.2.6
Gearbox FIFOs which change the frequency and data width of data
across clock domains with aligned edges. The overall data
rate stays the samme.
√C.2.7
Clocks Generalized FIFOs to synchronize data being sent across
clock domains
C.9.7
C.2.2 FIFO and FIFOF packages
Packages
232

Bluespec SystemVerilog Reference Guide
import FIFO :: * ;
import FIFOF :: * ;
Description
The FIFO package defines the FIFO interface and four module constructors. The FIFO package is
for FIFOs with implicit full and empty signals.
The FIFOF package defines FIFOs with explicit full and empty signals. The standard version of FIFOF
has FIFOs with the enq, deq and first methods guarded by the appropriate (notFull or notEmpty)
implicit conditions for safety and improved scheduling. Unguarded (UG) versions of FIFOF are
available for the rare cases when implicit conditions are not desired. Guarded (G) versions of FIFOF
are available which allow more control over implicit conditions. With the guarded versions the user
can specify whether the enqueue or dequeue side is guarded.
Type classes
FShow The FIFOF type belongs to the FShow type class. A FIFOF can be turned into a Fmt type.
The Fmt value returned depends on the values of the notEmpty and notFull methods.
FShow values for FIFOF
notEmpty notFull Fmt Object Example
True True <first> 3
True False <first> FULL 2 FULL
False True EMPTY EMPTY
False False EMPTY EMPTY
Note: <first> is the value of the first entry with the fshow function applied
Interfaces and methods
The four common methods, enq,deq,first and clear are provided by both the FIFO and FIFOF
interfaces.
FIFO methods
Method Argument
Name Type Description Name Description
enq Action adds an entry to the FIFO x1 variable to be added to the FIFO
must be of type element type
deq Action removes first entry from
the FIFO
first element type returns first entry the entry returned is of ele-
ment type
clear Action clears all entries from the
FIFO
interface FIFO #(type element_type);
method Action enq(element_type x1);
method Action deq();
method element_type first();
method Action clear();
endinterface: FIFO
FIFOF provides two additional methods, notFull and notEmpty.
233

Reference Guide Bluespec SystemVerilog
Additional FIFOF Methods
Name Type Description
notFull Bool returns a True value if there is space, you can enqueue an
entry into the FIFO
notEmpty Bool returns a True value if there are elements the FIFO, you
can dequeue from the FIFO
interface FIFOF #(type element_type);
method Action enq(element_type x1);
method Action deq();
method element_type first();
method Bool notFull();
method Bool notEmpty();
method Action clear();
endinterface: FIFOF
The FIFO and FIFOF interfaces belong to the ToGet and ToPut typeclasses. You can use the toGet
and toPut functions to convert FIFO and FIFOF interfaces to Get and Put interfaces (Section C.7.1).
Modules
The FIFO and FIFOF interface types are provided by the module constructors: mkFIFO,mkFIFO1,
mkSizedFIFO,mkDepthParamFIFO, and mkLFIFO. Each FIFO is safe with implicit conditions; they do
not allow an enq when the FIFO is full or a deq or first when the FIFO is empty.
Most FIFOs do not allow simultaneous enqueue and dequeue operations when the FIFO is full or
empty. The exceptions are pipeline and bypass FIFOs. A pipeline FIFO (provided as mkLFIFO
in this package), allows simultaneous enqueue and dequeue operations when full. A bypass FIFO
allows simultaneous enqueue and dequeue operations when empty. Additional pipeline and bypass
FIFOs are provided in the SpecialFIFOs package (Section C.2.5). The FIFOs in the SpecialFIFOs
package are provided as both compiled code and BSV source code, so they are customizable.
Allowed Simultaneous enq and deq
by FIFO type
FIFO Condition
FIFO type empty not empty full
not full
mkFIFO √
mkFIFOF
mkFIFO1 NA
mkFIFOF1
mkLFIFO √ √
mkLFIFOF
mkLFIFO1 NA √
mkLFIFOF1
Modules provided in SpecialFIFOs package C.2.5
mkPipelineFIFO NA √
mkPipelineFIFOF
mkBypassFIFO √NA
mkBypassFIFOF
mkSizedBypassFIFOF √ √
mkBypassFIFOLevel √ √
For creating a FIFOF interface (providing explicit notFull and notEmpty methods) use the "F"
version of the module, for example use mkFIFOF instead of mkFIFO.
234

Bluespec SystemVerilog Reference Guide
Module Name BSV Module Declaration
For all modules, width_any may be 0
FIFO or FIFOF of depth 2.
mkFIFO
mkFIFOF
module mkFIFO#(FIFO#(element_type))
provisos (Bits#(element_type, width_any));
FIFO or FIFOF of depth 1
mkFIFO1
mkFIFOF1
module mkFIFO1#(FIFO#(element_type))
provisos (Bits#(element_type, width_any));
FIFO or FIFOF of given depth n
mkSizedFIFO
mkSizedFIFOF
module mkSizedFIFO#(Integer n)(FIFO#(element_type))
provisos (Bits#(element_type, width_any));
FIFO or FIFOF of given depth n where n is a Verilog parameter or computed from
compile-time constants and Verilog parameters.
mkDepthParamFIFO
mkDepthParamFIFOF
module mkDepthParamFIFO#(UInt#(32) n)(FIFO#(element_type))
provisos (Bits#(element_type, width_any));
Unguarded (UG) versions of FIFOF are available for the rare cases when implicit conditions are not
desired. When using an unguarded FIFO, the implicit conditions for correct FIFO operations are
NOT considered during rule and method processing, making it possible to enqueue when full and to
dequeue when empty. These modules provide the FIFOF interface.
Unguarded FIFOF of depth 2
mkUGFIFOF module mkUGFIFOF#(FIFOF#(element_type))
provisos (Bits#(element_type, width_any));
Unguarded FIFOF of depth 1
mkUGFIFOF1 module mkUGFIFO1#(FIFOF#(element_type))
provisos (Bits#(element_type, width_any));
Unguarded FIFOF of given depth n
mkUGSizedFIFOF module mkUGSizedFIFOF#(Integer n)(FIFOF#(element_type))
provisos (Bits#(element_type, width_any));
235

Reference Guide Bluespec SystemVerilog
Unguarded FIFO of given depth n where n is a Verilog parameter or computed from
compile-time constants and Verilog parameters.
mkUGDepthParamFIFOF module mkUGDepthParamFIFOF#(UInt#(32) n)
(FIFOF#(element_type))
provisos (Bits#(element_type, width_any));
The guarded (G) versions of each of the FIFOFs allow you to specify which implicit condition you want
to guard. These modules takes two Boolean parameters; ugenq and ugdeq. Setting either parameter
TRUE indicates the relevant methods (enq for ugenq,first and deq for ugdeq) are unguarded. If
both are TRUE the FIFOF behaves the same as an unguarded FIFOF. If both are FALSE the behavior
is the same as a regular FIFOF.
Guarded FIFOF of depth 2.
mkGFIFOF module mkGFIFOF#(Bool ugenq, Bool ugdeq)(FIFOF#(element_type))
provisos (Bits#(element_type, width_any));
Guarded FIFOF of depth 1
mkGFIFOF1 module mkGFIFOF1#(Bool ugenq, Bool ugdeq)(FIFOF#(element_type))
provisos (Bits#(element_type, width_any));
Guarded FIFOF of given depth n
mkGSizedFIFOF module mkGSizedFIFOF#(Bool ugenq, Bool ugdeq, Integer n)
(FIFOF#(element_type))
provisos (Bits#(element_type, width_any));
Guarded FIFOF of given depth n where n is a Verilog parameter or computed from
compile-time constants and Verilog parameters.
mkGDepthParamFIFOF module mkGDepthParamFIFOF#(Bool ugenq, Bool ugdeq, UInt#(32) n)
(FIFOF#(element_type))
provisos (Bits#(element_type, width_any));
The LFIFOs (pipeline FIFOs) allow enq and deq in the same clock cycle when the FIFO is full.
Additional BSV versions of the pipeline FIFO and also bypass FIFOs (allowing simultaneous enq
and deq when the FIFO is empty) are provided in the SpecialFIFOs package (Section C.2.5). Both
unguarded and guarded versions of the LFIFO are provided in the FIFOF package.
236

Bluespec SystemVerilog Reference Guide
Pipeline FIFO of depth 1. deq and enq can be simultaneously applied in the same clock
cycle when the FIFO is full.
mkLFIFO
mkLFIFOF
mkUGLFIFOF
module mkLFIFO#(FIFO#(element_type))
provisos (Bits#(element_type, width_any));
Guarded pipeline FIFOF of depth 1. deq and enq can be simultaneously applied in the same
clock cycle when the FIFOF is full.
mkGLFIFOF module mkGLFIFOF#(Bool ugenq, Bool ugdeq)(FIFOF#(element_type))
provisos (Bits#(element_type, width_any));
Functions
The FIFO package provides a function fifofToFifo to convert an interface of type FIFOF to an
interface of type FIFO.
Converts a FIFOF interface to a FIFO interface.
fifofToFifo function FIFO#(a) fifofToFifo (FIFOF#(a) f);
Example using the FIFO package
This example creates 2 input FIFOs and moves data from the input FIFOs to the output FIFOs.
import FIFO::*;
typedef Bit#(24) DataT;
// define a single interface into our example block
interface BlockIFC;
method Action push1 (DataT a);
method Action push2 (DataT a);
method ActionValue#(DataT) get();
endinterface
module mkBlock1( BlockIFC );
Integer fifo_depth = 16;
// create the first inbound FIFO instance
FIFO#(DataT) inbound1 <- mkSizedFIFO(fifo_depth);
// create the second inbound FIFO instance
FIFO#(DataT) inbound2 <- mkSizedFIFO(fifo_depth);
// create the outbound instance
FIFO#(DataT) outbound <- mkSizedFIFO(fifo_depth);
// rule for enqueue of outbound from inbound1
237

Reference Guide Bluespec SystemVerilog
// implicit conditions ensure correct behavior
rule enq1 (True);
DataT in_data = inbound1.first;
DataT out_data = in_data;
outbound.enq(out_data);
inbound1.deq;
endrule: enq1
// rule for enqueue of outbound from inbound2
// implicit conditions ensure correct behavior
rule enq2 (True);
DataT in_data = inbound2.first;
DataT out_data = in_data;
outbound.enq(out_data);
inbound2.deq;
endrule: enq2
//Add an entry to the inbound1 FIFO
method Action push1 (DataT a);
inbound1.enq(a);
endmethod
//Add an entry to the inbound2 FIFO
method Action push2 (DataT a);
inbound2.enq(a);
endmethod
//Remove first value from outbound and return it
method ActionValue#(DataT) get();
outbound.deq();
return outbound.first();
endmethod
endmodule
Scheduling Annotations
Scheduling constraints describe how methods interact within the schedule. For example, a clear to
a given FIFO must be sequenced after (SA) an enq to the same FIFO. That is, when both enq and
clear execute in the same cycle, the resulting FIFO state is empty. For correct rule behavior the
rule executing enq must be scheduled before the rule calling clear.
The table below lists the scheduling annotations for the FIFO modules mkFIFO,mkSizedFIFO, and
mkFIFO1.
Scheduling Annotations
mkFIFO, mkSizedFIFO, mkFIFO1
enq first deq clear
enq C CF CF SB
first CF CF SB SB
deq CF SA C SB
clear SA SA SA SBR
The table below lists the scheduling annotations for the pipeline FIFO module, mkLFIFO. The pipeline
FIFO has a few more restrictions since there is a combinational path between the deq side and the
enq side, thus restricting deq calls before enq.
238

Bluespec SystemVerilog Reference Guide
Scheduling Annotations
mkLFIFO
enq first deq clear
enq C SA SAR SB
first SB CF SB SB
deq SBR SA C SB
clear SA SA SA SBR
The FIFOF modules add the notFull and notEmpty methods. These methods have SB annotations
with the Action methods that change FIFO state. These SB annotations model the atomic behavior
of a FIFO, that is when enq,deq, or clear are called the state of notFull and notEmpty are
changed. This is no different than the annotations on mkReg (which is read SB write), where
actions are atomic and the execution module is one rule fires at a time. This does differ from a pure
hardware module of a FIFO or register where the state does not change until the clock edge.
Scheduling Annotations
mkFIFOF, mkSizedFIFOF, mkFIFOF1
enq notFull first deq notEmpty clear
enq C SA CF CF SA SB
notFull SB CF CF SB CF SB
first CF CF CF SB CF SB
deq CF SA SA C SA SB
notEmpty SB CF CF SB CF SB
clear SA SA SA SA SA SBR
Verilog Modules
FIFO and FIFOF modules correspond to the following Verilog modules, which are found in the Blue-
spec Verilog library, $BLUESPECDIR/Verilog/.
BSV Module Name Verilog Module Names Comments
mkFIFO
mkFIFOF
mkUGFIFOF
mkGFIFOF
FIFO2.v FIFO20.v
mkFIFO1
mkFIFOF1
mkUGFIFOF1
mkGFIFOF1
FIFO1.v FIFO10.v
mkSizedFIFO
mkSizedFIFOF
mkUGSizedFIFOF
mkGSizedFIFOF
SizedFIFO.v
FIFO1.v
FIFO2.v
SizedFIFO0.v
FIFO10.v
FIFO20.v
If the depth of the FIFO = 1,
then FIFO1.v and FIFO10.v
are used, if the depth = 2,
then FIFO2.v and FIFO20.v
are used.
239

Reference Guide Bluespec SystemVerilog
mkDepthParamFIFOF
mkUGDepthParamFIFOF
mkGDepthParamFIFOF
SizedFIFO.v SizedFIFO0.v
mkLFIFO
mkLFIFOF
mkUGLFIFOF
mkGLFIFOF
FIFOL1.v FIFOL10.v
C.2.3 FIFOLevel
Package
import FIFOLevel :: * ;
Description
The BSV FIFOLevel library provides enhanced FIFO interfaces and modules which include methods
to indicate the level or the current number of items stored in the FIFO. Both single clock and dual
clock (separate clocks for the enqueue and dequeue sides) versions are included in this package.
Interfaces and methods
The FIFOLevelIfc interface defines methods to compare the current level to Integer constants for
a single clock. The SyncFIFOLevelIfc defines the same methods for dual clocks; thus it provides
methods for both the source (enqueue) and destination (dequeue) clock domains. Instead of methods
to compare the levels, the FIFOCountIfc and SyncFIFOCountIfc define methods to return counts
of the FIFO contents, for single clocks and dual clocks respectively.
Interface Name Parameter
name
Parameter Description Requirements of modules
implementing the ifc
FIFOLevelIfc element type type of the elements stored
in the FIFO
must be in Bits class
fifoDepth the depth of the FIFO must be numeric type and
>2
FIFOCountIfc element type type of the elements stored
in the FIFO
must be in Bits class
fifoDepth the depth of the FIFO must be numeric type and
>2
SyncFIFOLevelIfc element type type of the elements stored
in the FIFO
must be in Bits class
fifoDepth the depth of the FIFO must be numeric type and
must be a power of 2 and
>=2
SyncFIFOCountIfc element type type of the elements stored
in the FIFO
must be in Bits class
fifoDepth the depth of the FIFO must be numeric type and
must be a power of 2 and
>=2
In addition to common FIFO methods, the FIFOLevelIfc interface defines methods to compare the
current level to Integer constants. See Section C.2.2 for details on enq,deq,first,clear,notFull,
240

Bluespec SystemVerilog Reference Guide
and notEmpty. Note that FIFOLevelIfc interface has a type parameter for the fifoDepth. This
numeric type parameter is needed, since the width of the counter is dependent on the FIFO depth.
The fifoDepth parameter must be >2.
FIFOLevelIfc
Method Argument
Name Type Description Name Description
isLessThan Bool Returns True if the depth
of the FIFO is less than the
Integer constant, c1.
c1 an Integer compile-
time constant
isGreaterThan Bool Returns True if the depth of
the FIFO is greater than the
Integer constant, c1.
c1 an Integer compile-
time constant
interface FIFOLevelIfc#( type element_type, numeric type fifoDepth ) ;
method Action enq( element_type x1 );
method Action deq();
method element_type first();
method Action clear();
method Bool notFull ;
method Bool notEmpty ;
method Bool isLessThan ( Integer c1 ) ;
method Bool isGreaterThan( Integer c1 ) ;
endinterface
In addition to common FIFO methods, the FIFOCountIfc interface defines a method to return the
current number of elements as an bit-vector. See Section C.2.2 for details on enq,deq,first,
clear,notFull, and notEmpty. Note that the FIFOCountIfc interface has a type parameter for the
fifoDepth. This numeric type parameter is needed, since the width of the counter is dependent on
the FIFO depth. The fifoDepth parameter must be >2.
FIFOCountIfc
Method
Name Type Description
count UInt#(TLog#(TAdd#(fifoDepth,1))) Returns the number of items in the FIFO.
interface FIFOCountIfc#( type element_type, numeric type fifoDepth) ;
method Action enq ( element_type sendData ) ;
method Action deq () ;
method element_type first () ;
method Bool notFull ;
method Bool notEmpty ;
method UInt#(TLog#(TAdd#(fifoDepth,1))) count;
method Action clear;
endinterface
241

Reference Guide Bluespec SystemVerilog
The interfaces SyncFIFOLevelIfc and SyncFIFOCountIfc are dual clock versions of the FIFOLevelIfc
and FIFOCountIfc. Methods are provided for both source and destination clock domains. The fol-
lowing table describes the dual clock notFull and notEmpty methods, as well as the dual clock
clear methods, which are common to both interfaces. Note that the SyncFIFOLevelIfc and
SyncFIFOCountIfc interfaces each have a type parameter for fifoDepth. This numeric type pa-
rameter is needed, since the width of the counter is dependent on the FIFO depth. The fifoDepth
parameter must be a power of 2 and >= 2.
Common Dual Clock Methods
Name Type Description
sNotFull Bool Returns True if the FIFO appears as not full from the
source side clock.
sNotEmpty Bool Returns True if the FIFO appears as not empty from the
source side clock.
dNotFull Bool Returns True if the FIFO appears as not full from the des-
tination side clock.
dNotEmpty Bool Returns True if the FIFO appears as not empty from the
destination side clock.
sClear Action Clears the FIFO from the source side.
dClear Action Clears the FIFO from the destination side.
In addition to common FIFO methods (Section C.2.2) and the common dual clock methods above,
the SyncFIFOLevelIfc interface defines methods to compare the current level to Integer constants.
Methods are provided for both the source (enqueue side) and destination (dequeue side) clock do-
mains.
SyncFIFOLevelIfc Methods
Method Argument
Name Type Description Name Description
sIsLessThan Bool Returns True if the depth of
the FIFO, as appears on the
source side clock, is less than the
Integer constant, c1.
c1 an Integer compile-
time constant
sIsGreaterThan Bool Returns True if the depth of the
FIFO, as it appears on the source
side clock, is greater than the
Integer constant, c1.
c1 an Integer compile-
time constant.
dIsLessThan Bool Returns True if the depth of the
FIFO, as it appears on the desti-
nation side clock, is less than the
Integer constant, c1.
c1 an Integer compile-
time constant
dIsGreaterThan Bool Returns True if the depth of the
FIFO, as appears on the destina-
tion side clock, is greater than the
Integer constant, c1.
c1 an Integer compile-
time constant.
interface SyncFIFOLevelIfc#( type element_type, numeric type fifoDepth ) ;
method Action enq ( element_type sendData ) ;
method Action deq () ;
method element_type first () ;
method Bool sNotFull ;
method Bool sNotEmpty ;
242

Bluespec SystemVerilog Reference Guide
method Bool dNotFull ;
method Bool dNotEmpty ;
method Bool sIsLessThan ( Integer c1 ) ;
method Bool sIsGreaterThan( Integer c1 ) ;
method Bool dIsLessThan ( Integer c1 ) ;
method Bool dIsGreaterThan( Integer c1 ) ;
method Action sClear;
method Action dClear;
endinterface
In addition to common FIFO methods (Section C.2.2) and the common dual clock methods above,
the SyncFIFOCountIfc interface defines methods to return the current number of elements. Methods
are provided for both the source (enqueue side) and destination (dequeue side) clock domains.
SyncFIFOCountIfc
Method
Name Type Description
sCount UInt#(TLog#(TAdd#(fifoDepth,1))) Returns the number of items in the FIFO
from the source side.
dCount UInt#(TLog#(TAdd#(fifoDepth,1))) Returns the number of items in the FIFO
from the destination side.
interface SyncFIFOCountIfc#( type element_type, numeric type fifoDepth) ;
method Action enq ( element_type sendData ) ;
method Action deq () ;
method element_type first () ;
method Bool sNotFull ;
method Bool sNotEmpty ;
method Bool dNotFull ;
method Bool dNotEmpty ;
method UInt#(TLog#(TAdd#(fifoDepth,1))) sCount;
method UInt#(TLog#(TAdd#(fifoDepth,1))) dCount;
method Action sClear;
method Action dClear;
endinterface
The FIFOLevelIFC,SyncFIFOLevelIfc,FIFOCountIfc, and SyncFIFOCountIfc interfaces belong
to the ToGet and ToPut typeclasses. You can use the toGet and toPut functions to convert these
interfaces to Get and Put interfaces (Section C.7.1).
Modules
The module mkFIFOLevel provides the FIFOLevelIfc interface. Note that the implementation allows
any number of isLessThan and isGreaterThan method calls. Each call with a unique argument
adds an additional comparator to the design.
There is also available a guarded (G) version of FIFOLevel which takes three Boolean parameters;
ugenq,ugdeq, and ugcount. Setting any of the parameters to TRUE indicates the method (enq for
ugenq,deq for ugdeq, and isLessThan,isGreaterThan for ugcount) is unguarded. If all three are
FALSE the behavior is the same as a regular FIFOLevel.
243

Reference Guide Bluespec SystemVerilog
Module Name BSV Module Declaration
mkFIFOLevel module mkFIFOLevel (
FIFOLevelIfc#(element_type, fifoDepth) )
provisos( Bits#(element_type, width_element )
Log#(TAdd#(fifoDepth,1),cntSize) ) ;
Comment: width_element may be 0
Module Name BSV Module Declaration
mkGFIFOLevel module mkGFIFOLevel#(Bool ugenq, Bool ugdeq, Bool ugcount)
( FIFOLevelIfc#(element_type, fifoDepth) )
provisos( Bits#(element_type, width_element ),
Log#(TAdd#(fifoDepth,1),cntSize));
Comment: width_element may be 0
The module mkFIFOCount provides the interface FIFOCountIfc. There is also available a guarded (G)
version of FIFOCount which takes three Boolean parameters; ugenq,ugdeq, and ugcount. Setting
any of the parameters to TRUE indicates the method (enq for ugenq,deq for ugdeq, and count for
ugcount) is unguarded. If all three are FALSE the behavior is the same as a regular FIFOCount.
Module Name BSV Module Declaration
mkFIFOCount module mkFIFOCount(
FIFOCountIfc#(element_type, fifoDepth) ifc )
provisos (Bits#(element_type, width_element));
Comment: width_element may be 0
Module Name BSV Module Declaration
mkGFIFOCount module mkGFIFOCount#(Bool ugenq, Bool ugdeq, Bool ugcount)
( FIFOCountIfc#(element_type, fifoDepth) ifc )
provisos (Bits#(element_type, width_element));
Comment: width_element may be 0
The modules mkSyncFIFOLevel and mkSyncFIFOCount are dual clock FIFOs, where enqueue and
dequeue methods are in separate clocks domains, sClkIn and dClkIn respectively. Because of the
synchronization latency, the flag indicators will not necessarily be identical between the source and
the destination clocks. Note however, that the sNotFull and dNotEmpty flags always give proper
(pessimistic) indications for the safe use of enq and deq methods; these are automatically included
as implicit condition in the enq and deq (and first) methods.
The module mkSyncFIFOLevel provides the SyncFIFOLevelIfc interface.
244

Bluespec SystemVerilog Reference Guide
Module Name BSV Module Declaration
mkSyncFIFOLevel module mkSyncFIFOLevel(
Clock sClkIn, Reset sRstIn,
Clock dClkIn,
SyncFIFOLevelIfc#(element_type, fifoDepth) ifc )
provisos( Bits#(element_type, width_element),
Log#(TAdd#(fifoDepth,1),cntSize));
Comment: width_element may be 0
Figure 4: SyncFIFOCount
The module mkSyncFIFOCount, as shown in Figure 4provides the SyncFIFOCountIfc interface.
Because of the synchronization latency, the count reports may be different between the source and
the destination clocks. Note however, that the sCount and dCount reports give pessimistic values
with the appropriate side. That is, the count sCount (on the enqueue clock) will report the exact
count of items in the FIFO or a larger count. The larger number is due to the synchronization
delay in observing the dequeue action. Likewise, the dCount (on the dequeue clock) returns the
exact count or a smaller count. The maximum disparity between sCount and dCount depends on
the difference in clock periods between the source and destination clocks.
The module provides sClear and dClear methods, both of which cause the contents of the FIFO
to be removed. Since the clears must be synchronized and acknowledged from one domain to the
other, there is a non-trivial delay before the FIFO recovers from the clear and can accept additional
enqueues or dequeues (depending on which side is cleared). The calling of either method immediately
disables other activity in the calling domain. That is, calling sClear in cycle ncauses the enqueue
to become unready in the next cycle, n+1. Likewise, calling dClear in cycle ncauses the dequeue to
become unready in the next cycle, n+1.
245

Reference Guide Bluespec SystemVerilog
After the sClear method is called, the FIFO appears empty on the dequeue side after three dClock
edges. Three sClock edges later, the FIFO returns to a state where new items can be enqueued. The
latency is due to the full handshaking synchronization required to send the clear signal to dClock
and receive the acknowledgement back.
For the dClear method call, the enqueue side is cleared in three sClkIn edges and items can be
enqueued at the fourth edge. All items enqueued at or before the clear are removed from the FIFO.
Note that there is a ready signal associated with both sClear and dClear methods to ensure that
the clear is properly sent between the clock domains. Also, sRstIn must be synchronized with the
sClkIn.
Module Name BSV Module Declaration
mkSyncFIFOCount module mkSyncFIFOCount(
Clock sClkIn, Reset sRstIn,
Clock dClkIn,
SyncFIFOCountIfc#(element_type, fifoDepth) ifc )
provisos( Bits#(element_type, width_element));
Comment: width_element may be 0
Example
The following example shows the use of SyncFIFOLevel as a way to collect data into a FIFO, and
then send it out in a burst mode. The portion of the design shown, waits until the FIFO is almost
full, and then sets a register, burstOut which indicates that the FIFO should dequeue. When the
FIFO is almost empty, the flag is cleared, and FIFO fills again.
...
// Define a fifo of Int(#23) with 128 entries
SyncFIFOLevelIfc#(Int#(23),128) fifo <- mkSyncFIFOLevel(sclk, rst, dclk ) ;
// Define some constants
let sFifoAlmostFull = fifo.sIsGreaterThan( 120 ) ;
let dFifoAlmostFull = fifo.dIsGreaterThan( 120 ) ;
let dFifoAlmostEmpty = fifo.dIsLessThan( 12 ) ;
// a register to indicate a burst mode
Reg#(Bool) burstOut <- mkReg( False, clocked_by (dclk)) ;
...
// Set and clear the burst mode depending on fifo status
rule timeToDeque( dFifoAlmostFull && ! burstOut ) ;
burstOut <= True ;
endrule
rule moveData ( burstOut ) ;
let dataToSend = fifo.first ;
fifo.deq ;
...
burstOut <= !dFifoAlmostEmpty;
endrule
246

Bluespec SystemVerilog Reference Guide
Scheduling Annotations
Scheduling constraints describe how methods interact within the schedule. The annotations for
mkFIFOLevel and mkSyncFIFOLevel are the same, except that methods in different domains (source
and destination) are always conflict free.
Scheduling Annotations
mkFIFOLevel,mkSyncFIFOLevel
enq first deq clear notFull notEmpty isLessThan isGreaterThan
enq C CF CF SB SA SA SA SA
first CF CF SB SB CF CF CF CF
deq CF SA C SB SA SA SA SA
clear SA SA SA SBR SA SA SA SA
notFull SB CF SB SB CF CF CF CF
notEmpty SB CF SB SB CF CF CF CF
isLessThan SB CF SB SB CF CF CF CF
isGreaterThan SB CF SB SB CF CF CF CF
The annotations for mkFIFOCount and mkSyncFIFOCount are the same, except that methods in
different domains (source and destination) are always conflict free.
Scheduling Annotations
mkFIFOCount,mkSyncFIFOCount
enq first deq clear notFull notEmpty count
enq C CF CF SB SA SA SA
first CF CF SB SB CF CF CF
deq CF SA C SB SA SA SA
clear SA SA SA SBR SA SA SA
notFull SB CF SB SB CF CF CF
notEmpty SB CF SB SB CF CF CF
count SB CF SB SB CF CF CF
Verilog Modules
The modules described in this section correspond to the following Verilog modules, which are found
in the Bluespec Verilog library, $BLUESPECDIR/Verilog/.
BSV Module Name Verilog Module Names
mkFIFOLevel
mkFIFOCount
SizedFIFO.v SizedFIFO0.v
mkSyncFIFOLevel
mkSyncFIFOCount
SyncFIFOLevel.v
C.2.4 BRAMFIFO
Package
247

Reference Guide Bluespec SystemVerilog
import BRAMFIFO :: * ;
Description
The BRAMFIFO package provides FIFO interfaces and are built around a BRAM memory. The BRAM
is provided in the BRAMCore package described in Section C.1.6.
This package is provided as both a compiled library package and as BSV source code as documen-
tation. The source code file can be found in the $BLUESPECDIR/BSVSource/Misc directory. To
customize a package, copy the file into a local directory and then include the local directory in the
path when compiling. This is done by specifying the search path with the -p option as described in
the BSV Users Guide.
Interfaces
The BRAMFIFO package provides FIFOF,FIFO, and SyncFIFOIfc interfaces, as defined in the FIFOF,
FIFO, (both in Section C.2.2) and Clocks (Section C.9.7) packages.
Modules
mkSizedBRAMFIFOF Provides a FIFOF interface of a given depth, n.
module mkSizedBRAMFIFOF#(Integer n) (FIFOF#(element_type))
provisos (Bits(element_type, width_any),
Add#(1,z,width_any));
mkSizedBRAMFIFO Provides a FIFO interface of a given depth, n.
module mkSizedBRAMFIFO#(Integer n)(FIFO#(element_type))
provisos(Bits#(t, width_element),
Add#(1, z, width_element) );
mkSyncBRAMFIFO Provides a SyncFIFOIfc interface to send data across clock domains.
The enq method is in the source sClkIn domain, while the deq and
first methods are in the destination dClkIn domain. The input and
output clocks, along with the input and output resets, are explicitly
provided. The default clock and reset are ignored.
module mkSyncBRAMFIFO#(Integer depth,
Clock sClkIn, Reset sRstIn,
Clock dClkIn, Reset dRstIn)
(SyncFIFOIfc#(element_type))
provisos(Bits#(element_type, width_element),
Add#(1, z, width_element));
mkSyncBRAMFIFOToCC Provides a SyncFIFOIfc interface to send data from a second clock
domain into the current clock domain. The output clock and reset are
the current clock and reset.
module mkSyncBRAMFIFOToCC#(Integer depth,
Clock sClkIn, Reset sRstIn)
(SyncFIFOIfc#(element_type))
provisos(Bits#(element_type, width_element),
Add#(1, z, width_element));
248

Bluespec SystemVerilog Reference Guide
mkSyncBRAMFIFOFromCC Provides a SyncFIFOIfc interface to send data from the current clock
domain into a second clock domain. The input clock and reset are the
current clock and reset.
module mkSyncBRAMFIFOFromCC#(Integer depth,
Clock dClkIn, Reset dRstIn)
(SyncFIFOIfc#(element_type))
provisos(Bits#(element_type, width_element),
Add#(1, z, width_element));
C.2.5 SpecialFIFOs
Package
import SpecialFIFOs :: * ;
Description
The SpecialFIFOs package contains various FIFOs provided as BSV source code, allowing users to
easily modify them to their own specifications. Included in the SpecialFIFOs package are pipeline
and bypass FIFOs. The pipeline FIFOs are equivalent to the mkLFIFO (Section C.2.2); they allow
simultaneous enqueue and dequeue operations in the same clock cycle when full. The bypass FIFOs
allow simultaneous enqueue and dequeue in the same clock cycle when empty. FIFOF versions,
with explicit full and empty signals, are provided for both pipeline and bypass FIFOs. The package
also includes the DFIFOF, a FIFOF with unguarded dequeue and first methods (thus they have no
implicit conditions).
FIFOs in Special FIFOs package
Module name Interface Description
mkPipelineFIFO FIFO 1 element pipeline FIFO; can enq and deq simultane-
ously when full.
mkPipelineFIFOF FIFOF 1 element pipeline FIFO with explicit full and empty
signals.
mkBypassFIFO FIFO 1 element bypass FIFO; can enq and deq simultane-
ously when empty.
mkBypassFIFOF FIFOF 1 element bypass FIFO with explicit full and empty
signals.
mkSizedBypassFIFOF FIFOF Bypass FIFO of given depth, with explicit full and
empty signals.
mkBypassFIFOLevel FIFOLevelIfc Same as a FIFOLevel (Section C.2.3), but can enq
and deq when empty.
mkDFIFOF FIFOF A FIFOF with unguarded deq and first methods
where the first method returns specified default
value when the FIFO is empty.
249

Reference Guide Bluespec SystemVerilog
Allowed Simultaneous enq and deq
by FIFO type
FIFO Condition
FIFO type empty not empty full
not full
mkPipelineFIFO NA √
mkPipelineFIFOF
mkBypassFIFO √NA
mkBypassFIFOF
mkSizedBypassFIFOF √ √
mkBypassFIFOLevel √ √
mkDFIFOF √ √ √
This package is provided as both a compiled library package and as BSV source code as documen-
tation. The source code file can be found in the $BLUESPECDIR/BSVSource/Misc directory. To
customize a package, copy the file into a local directory and then include the local directory in the
path when compiling. This is done by specifying the search path with the -p option as described in
the BSV Users Guide.
Interfaces and methods
The modules defined in the SpecialFIFOs package provide the FIFO,FIFOF, and FIFOLevelIfc
interfaces, as shown in the table above. These interfaces are described in Section C.2.2 (FIFO
package) and Section C.2.3 (FIFOLevel package).
Modules
Module Name BSV Module Declaration
1-element pipeline FIFO; can enq and deq simultaneously when full.
mkPipelineFIFO module mkPipelineFIFO (FIFO#(element_type))
provisos (Bits#(element_type, width_any));
1-element pipeline FIFOF; can enq and deq simultaneously when full.
Has explicit full and empty signals.
mkPipelineFIFOF module mkPipelineFIFOF (FIFOF#(element_type))
provisos (Bits#(element_type, width_any));
1-element bypass FIFO; can enq and deq simultaneously when empty.
mkBypassFIFO module mkBypassFIFO (FIFO#(element_type))
provisos (Bits#(element_type, width_any));
250

Bluespec SystemVerilog Reference Guide
1-element bypass FIFOF; can enq and deq simultaneously when empty.
Has explicit full and empty signals.
mkBypassFIFOF module mkBypassFIFOF (FIFOF#(element_type))
provisos (Bits#(element_type, width_any));
Bypass FIFOF of given depth fifoDepth with explicit full and empty signals.
mkSizedBypassFIFOF module mkSizedBypassFIFOF#(Integer fifoDepth)
(FIFOF#(element_type))
provisos (Bits#(element_type, width_any));
Bypass FIFOLevel of given depth fifoDepth
mkBypassFIFOLevel module mkBypassFIFOLevel(FIFOLevelIfc#(element_type,
fifoDepth))
provisos( Bits#(element_type, width_any),
Log#(TAdd#(fifoDepth,1), cntSize));
A FIFOF with unguarded deq and first methods (thus they have no implicit conditions).
The first method returns a specified default value when the FIFO is empty
mkDFIFOF module mkDFIFOF#(element_type default_value)
(FIFOF#(element_type))
provisos (Bits#(element_type, width_any));
C.2.6 AlignedFIFOs
Package
import AlignedFIFOs :: * ;
Description
The AlignedFIFOs package contains a parameterized FIFO module intended for creating synchro-
nizing FIFOs between clock domains with aligned edges for both types of clock domain crossings:
•slow-to-fast crossing - every edge in the source domain implies the existence of a simultaneous
edge in the destination domain
•fast-to-slow crossing - every edge in the destination domain implies the existence of a simulta-
neous edge in the source domain
251

Reference Guide Bluespec SystemVerilog
The FIFO is parameterized on the type of store used to hold the FIFO data, which is itself param-
eterized on the index type, value type, and read latency. Modules to construct stores based on a
single register, a vector of registers and a BRAM are provided, and the user can supply their own
store implementation as well.
The FIFO allows the user to control whether or not outputs are held stable during the full slow
clock cycle or allowed to transition mid-cycle. Holding the outputs stable is the safest option but it
slightly increases the minimum latency through the FIFO.
A primary design goal of this FIFO is to provide an efficient and flexible family of synchronizing
FIFOs between aligned clock domains which are written in BSV and are fully compatible with
Bluesim. These FIFOs (particularly ones using vectors of registers) may not be the best choice for
ASIC synthesis due to the muxing to select the head value in the first method.
This package is provided as both a compiled library package and as BSV source code as documen-
tation. The source code file can be found in the $BLUESPECDIR/BSVSource/Misc directory. To
customize a package, copy the file into a local directory and then include the local directory in the
path when compiling. This is done by specifying the search path with the -p option as described in
the BSV Users Guide.
Interfaces and methods
Store Interface The AlignedFIFO is parameterized on the type of store used to hold the FIFO
data. The three types of stores provided in the AlignedFIFO package (single-element, vector-of-
registers, and BRAM) all return a Store interface.
The Store interface has a prefetch method which is used by some modules (the mkBRAMStore in
this package). If a prefetch is used, the read method returns the value at the previously fetched
index; the value of idx should be ignored. If a prefetch is not used, the read method index value
determines the returned value.
Store Interface Methods
Name Type Description
write Action Writes the value at index idx.
prefetch Action Initiates a prefetch of the value at index idx.
read a Returns the value of type a. If prefetch is not used, returns
the value at index idx. When prefetch is used, returns the
value at the previously fetched index; the value of idx
should be ignored.
interface Store#(type i, type a, numeric type n);
method Action write(i idx, a value);
method Action prefetch(i idx);
method a read(i idx);
endinterface: Store
AlignedFIFO Interface The AlignedFIFO interface provides methods for both source (enqueue)
and destination (dequeue) clock domains.
252

Bluespec SystemVerilog Reference Guide
AlignedFIFO Interface Methods
Name Type Description
enq Action Adds an entry to the FIFO from the source clock domain.
first a Returns the first entry from the FIFO in the destination
clock domain.
deq Action Removes the first entry from the FIFO in the destination
clock domain.
dNotFull Bool Returns True if the FIFO appears not full from the desti-
nation clock domain.
dNotEmpty Bool Returns True if the FIFO appears not empty from the
destination clock domain.
sNotFull Bool Returns True if the FIFO appears not full from the source
clock domain.
sNotEmpty Bool Returns True if the FIFO appears not empty from the
source clock domain.
dClear Action Clears the FIFO from the destination side.
sClear Action Clears the FIFO from the source side.
interface AlignedFIFO#(type a);
method Action enq(a x);
method a first();
method Action deq();
method Bool dNotFull();
method Bool dNotEmpty();
method Bool sNotFull();
method Bool sNotEmpty();
method Action dClear();
method Action sClear();
endinterface: AlignedFIFO
Modules
The AlignedFIFO module is parameterized on the type of store used to hold the FIFO data. The
AlignedFIFOs package contains modules to construct stores based on a single register (mkRegStore),
a vector of registers (mkRegVectorStore), and a BRAM (mkBRAMStore). Users can supply their own
store implementation as well.
The mkRegStore instantiates a single-element store. The module returns a Store interface and does
not use a prefetch.
Module Name BSV Module Declaration
Implementation of a single-element store
mkRegStore module mkRegStore(Clock sClock, Clock dClock,
Store#(UInt#(0),a,0) ifc)
provisos(Bits#(a,a_sz) );
The mkRegVectorStore module instantiates a vector-of-registers store. The module returns a Store
interface and does not use a prefetch.
253

Reference Guide Bluespec SystemVerilog
Implementation of a vector-of-registers store
mkRegVectorStore module mkRegVectorStore(Clock sClock, Clock dClock,
Store#(UInt#(w),a,0) ifc)
provisos( Bits#(a,a_sz) );
The mkBRAMStore2W1R module returns a Store interface and uses a prefetch. This model assumes
the read clock is a 2x divided version of the write clock.
A BRAM-based store where the read clock is a 2x divided version of the write clock.
mkBRAMStore2W1R module mkBRAMStore2W1R(Clock sClock, Reset sReset,
Clock dClock, Reset dReset,
Store#(i,a,1) ifc)
provisos( Bits#(a,a_sz), Bits#(i,w), Eq#(i) );
The mkBRAMStore1W2R module returns a Store interface and uses a prefetch. This model assumes
the write clock is a 2x divided version of the read clock.
A BRAM-based store where the write clock is a 2x divided version of read clock.
mkBRAMStore1W2R module mkBRAMStore1W2R(Clock sClock, Reset sReset,
Clock dClock, Reset dReset,
Store#(i,a,1) ifc)
provisos( Bits#(a,a_sz), Bits#(i,w), Eq#(i) );
The mkAlignedFIFO module makes a synchronizing FIFO for aligned clocks, based on the given
backing store (determined by the type of store instantiated). The store is assumed to have 2wslots
addressed from 0 to 2w−1. The store will be written in the source clock domain and read in the
destination clock domain.
The enq and deq methods will only be callable when the allow_enq and allow_deq inputs are high.
For a slow-to-fast crossing use:
allow_enq = constant True
allow_deq = pre-edge signal
For a fast-to-slow crossing, use:
allow_enq = pre-edge signal
allow_deq = constant True
The pre-edge signal is True when the slow clock will rise in the next clock cycle. The ClockNextRdy
from the ClockDividerIfc (Section C.9.3) can be used as the pre-edge signal.
These settings ensure that the outputs in the slow clock domain are stable for the entire cycle.
Setting both inputs to constant True reduces the minimum latency through the FIFO, but allows
outputs in the slow domain to transition mid-cycle. This is less safe and can interact badly with the
$displays in a Verilog simulation.
It is not advisable to call both dClear and sClear simultaneously.
254

Bluespec SystemVerilog Reference Guide
Implementation of an aligned FIFO
mkAlignedFIFO (* no_default_clock, no_default_reset *)
module mkAlignedFIFO( Clock sClock
, Reset sReset
, Clock dClock
, Reset dReset
, Store#(i,a,n) store
, Bool allow_enq
, Bool allow_deq
, AlignedFIFO#(a) ifc
)
provisos( Bits#(a,sz_a), Bits#(i,w),
Eq#(i), Arith#(i) );
C.2.7 Gearbox
Package
import Gearbox :: *
Description
This package defines FIFO-like converters that convert N-wide data to and from 1-wide data at
N-times the frequency. These converters change the frequency and the data width, while the overall
data rate stays the same. The data width on the fast side is always 1, while the data width on the
slow side is N. The converters are intended to be used between clock domains with aligned edges for
both types of clock domain crossings (fast to slow and slow to fast). For example:
300 MHz at 8-bits converted to 100 MHz at 24-bits (fast to slow)
100 MHz at 24-bits converted to 300 MHz at 8-bits (slow to fast)
In both of these examples, the data type ais Bit#(8) and N=3.
These modules are written in pure BSV using a style that utilzies only mkNullCrossingReg to cross
registered values between clock domains. Restricting the form of clock crossings is important to
ensure that the module preserves atomic semantics and also that it is compatible with both Verilog
and Bluesim backends.
This package is provided as both a compiled library package and as BSV source code as documen-
tation. The source code file can be found in the $BLUESPECDIR/BSVSource/Misc directory. To
customize a package, copy the file into a local directory and then include the local directory in the
path when compiling. This is done by specifying the search path with the -p option as described in
the BSV Users Guide.
Interfaces and methods
The Gearbox interface provides the following methods: enq,deq,first,notFull and notEmpty.
255

Reference Guide Bluespec SystemVerilog
Gearbox Interface
Method
Name
Type Description
enq Action Adds an entry to the converter of type Vector#(in, a),
where ais the datatype. If the input is the fast domain then
in = 1, if the input is the slow domain, in = N.
deq Action Removes the first entry from the converter.
first Vector#(out, a) Returns the first entry from the converter. If the output
domain is the fast side, out = 1, if the output domain is the
slow side, out = N.
notFull Bool Returns a True value if there is space to enqueue an entry
into the FIFO.
notEmpty Bool Returns a True value if there is are elements in the FIFO
and you can dequeue from the FIFO.
interface Gearbox#(numeric type in, numeric type out, type a);
method Action enq(Vector#(in, a) din);
method Action deq();
method Vector#(out, a) first();
method Bool notFull();
method Bool notEmpty();
endinterface
Modules
The package provides two modules: mkNto1Gearbox for slow to fast domain crossings, and mk1toNGearbox
to for fast to slow domain crossings. These are intended for use between clock domains with aligned
edges for both types of clock domain crossings.
Note: for both modules the resets in the source and destination domains (sReset and dReset)
should be asserted together, otherwise only half the unit will be in reset.
With the mkNto1Gearbox module, 2xN elements of data storage are provided, grouped into 2 blocks
of N elements each. Each block is writable in the source (slow) domain and readable in the destination
(fast) domain.
mkNto1Gearbox Moves data from a slow domain to a fast domain, changing the data width
from a larger width to a smaller width. The data rate stays the same.
The width of the output is 1, the width of the input is N.
module mkNto1Gearbox(Clock sClock, Reset sReset,
Clock dClock, Reset dReset,
Gearbox#(in, out, a) ifc)
provisos(Bits#(a, a_sz), Add#(out, 0, 1),
Add#(out, z, in) );
With the mk1toNGearbox module, 2xN elements of data storage are provided, grouped into 2 blocks
of N elements each. Each block is writable in the source (fast) domain and readable in the destination
(slow) domain.
256

Bluespec SystemVerilog Reference Guide
mk1toNGearbox Moves data from a fast domain to a slow domain, changing the data width
from a smaller width to a larger width. The data rate stays the same.
The width of the input is 1, the width of the output is N.
module mk1toNGearbox(Clock sClock, Reset sReset,
Clock dClock, Reset dReset,
Gearbox#(in, out, a) ifc)
provisos(Bits#(a, a_sz), Add#(in, 0, 1),
Add#(in, z, out), Mul#(2, out, elements),
Add#(1, w, elements), Add#(out, x, elements) );
C.2.8 MIMO
Package
import MIMO :: *
Description
This package defines a Multiple-In Multiple-Out (MIMO), an enhanced FIFO that allows the de-
signer to specify the number of objects enqueued and dequeued in one cycle. There are different
implementations of the MIMO available for synthesis: BRAM, Register, and Vector.
This package is provided as both a compiled library package and as BSV source code as documen-
tation. The source code file can be found in the $BLUESPECDIR/BSVSource/Misc directory. To
customize a package, copy the file into a local directory and then include the local directory in the
path when compiling. This is done by specifying the search path with the -p option as described in
the BSV Users Guide.
Types and type classes
The LUInt type is a UInt defined as the log of the n.
typedef UInt#(TLog#(TAdd#(n, 1))) LUInt#(numeric type n);
The MimoConfiguration type defines whether the MIMO is guarded or unguarded, and whether it
is based on a BRAM. There is an instance in the DefaultValue type class. The default MIMO is
guarded and not based on a BRAM.
typedef struct {
Bool unguarded;
Bool bram_based;
} MIMOConfiguration deriving (Eq);
instance DefaultValue#(MIMOConfiguration);
defaultValue = MIMOConfiguration {
unguarded: False,
bram_based: False
};
endinstance
Interfaces and methods
The MIMO interface is polymorphic and takes 4 parameters: max_in,max_out,size, and t.
257

Reference Guide Bluespec SystemVerilog
MIMO Interace Parameters
Name Description
max_in Maximum number of objects enqueued in one cycle. Must be numeric.
max_out Maximum number of objects dequeued in one cycle. Must be numeric.
size Total size of internal storage. Must be numeric.
tData type of the stored objects
The MIMO interface provides the following methods: enq,first,deq,enqReady,enqReadyN,deqReady,
deqReadyN,count, and clear.
MIMO methods
Method Argument
Name Type Description
enq Action adds an entry to the MIMO LUInt#(max_in)
Vector#(max_in, t) data)
first Vector#(max_out, t) Returns a Vector containing
max_out items of type t.
deq Action Removes the first count entries LUint#(max_out)
count
enqReady Bool Returns a True value if there is
space to enqueue an entry
enqReadyN Bool Returns a True value if there is
space to enqueue count entries
LUint#(max_in)
deqReady Bool Returns a True value if there is
an element to dequeue
enqReadyN Bool Returns a True value if there is
are count elements to dequeue
count LUint#(size) Returns the log of the number of
elements in the MIMO
clear Action Clears the MIMO
interface MIMO#(numeric type max_in, numeric type max_out, numeric type size, type t);
method Action enq(LUInt#(max_in) count, Vector#(max_in, t) data);
method Vector#(max_out, t) first;
method Action deq(LUInt#(max_out) count);
method Bool enqReady;
method Bool enqReadyN(LUInt#(max_in) count);
method Bool deqReady;
method Bool deqReadyN(LUInt#(max_out) count);
method LUInt#(size) count;
method Action clear;
endinterface
Modules
The package provides modules to synthesize different implementations of the MIMO: the basic
MIMO (mkMIMO), BRAM-based (mkMIMOBRAM), register-based (mkMIMOReg), and a Vector of registers
(mkMIMOV).
All implementations must meet the following provisos:
•The object must have bit representation
258

Bluespec SystemVerilog Reference Guide
•The object must have at least 2 elements of storage.
•The maximum number of objects enqueued (max_in) must be less than or equal to the total
bits of storage (size)
•The maximum number of objects dequeued (max_out) must be less than or equal to the total
bits of storage (size)
mkMIMO The basic implementation of MIMO. Object must be at least 1 bit in size.
module mkMIMO#(MIMOConfiguration cfg)(MIMO#(max_in, max_out, size, t));
mkMIMOBRAM Implementation of BRAM-based MIMO. Object must be at least 1 byte in size.
module mkMIMOBram#(MIMOConfiguration cfg)(MIMO#(max_in, max_out, size, t));
mkMIMOReg Implementation of register-based MIMO.
module mkMIMOReg#(MIMOConfiguration cfg)(MIMO#(max_in, max_out, size, t));
mkMIMOV Implementation of Vector-based MIMO. The ojbect must have a default value defined.
module mkMIMOV(MIMO#(max_in, max_out, size, t));
C.3 Aggregation: Vectors
Package
import Vector :: * ;
Description
The Vector package defines an abstract data type which is a container of a specific length, holding
elements of one type. Functions which create and operate on this type are also defined within this
package. Because it is abstract, there are no constructors available for this type (like Cons and Nil
for the List type).
typedef struct Vector#(type numeric vsize, type element_type);
Here, the type variable element_type represents the type of the contents of the elements while the
numeric type variable vsize represents the length of the vector.
If the elements are in the Bits class, then the vector is as well. Thus a vector of these elements can
be stored into Registers or FIFOs; for example a Register holding a vector of type int. Note that a
vector can also store abstract types, such as a vector of Rules or a vector of Reg interfaces. These
are useful during static elaboration although they have no hardware implementation.
Typeclasses
259

Reference Guide Bluespec SystemVerilog
Type Classes for Vector
Bits Eq Literal Arith Ord Bounded Bitwise Bit Bit FShow
Reduction Extend
Vector √ √ √ √
Bits A vector can be turned into bits if the individual elements can be turned into bits. When
packed and unpacked, the zeroth element of the vector is stored in the least significant bits. The
size of the resulting bits is given by tsize =vsize ∗SizeOf#(element type) which is specified in the
provisos.
instance Bits #( Vector#(vsize, element_type), tsize)
provisos (Bits#(element_type, sizea),
Mul#(vsize, sizea, tsize));
Vectors are zero-indexed; the first element of a vector v, is v[0]. When vectors are packed, they are
packed in order from the LSB to the MSB.
Example. Vector#(5, Bit#(7)) v1;
From the type, you can see that this will back into a 35-bit vector (5 elements, each with 7 bits).
MSB 34 bit positions 0
v1[4] v1[3] v1[2] v1[1] v1[0] LSB
Example. A vector with a structure:
typedef struct { Bool a, UInt#(5) b} Newstruct deriving (Bits);
Vector#(3, NewStruct) v2;
The structure, Newstruct packs into 6 bits. Therefore v2 will pack into an 18-bit vector. And its
structure would look as follows:
MSB
17 16 - 12 11 10 - 6 5 0
v2[2].a v2[2].b v2[1].a v2[1].b v2[0].a v2[0].b
v2[2] v2[1] v2[0]
LSB
Eq Vectors can be compared for equality if the elements can. That is, the operators == and != are
defined.
Bounded Vectors are bounded if the elements are.
FShow The FShow class provides the fshow function which can be applied to a Vector and returns
an associated Fmt object showing:
<V elem1 elem2 ...>
where the elemn are the elements of the vector with fshow applied to each element value.
260

Bluespec SystemVerilog Reference Guide
C.3.1 Creating and Generating Vectors
The following functions are used to create new vectors, with and without defined elements. There
are no Bluespec SystemVerilog constructors available for this abstract type (and hence no pattern-
matching is available for this type) but the following functions may be used to construct values of
the Vector type.
newVector Generate a vector with undefined elements, typically used when vectors are de-
clared.
function Vector#(vsize, element_type) newVector();
genVector Generate a vector containing integers 0 through n-1, vector[0] will have value 0.
function Vector#(vsize, Integer) genVector();
replicate Generate a vector of elements by replicating the given argument (c).
function Vector#(vsize, element_type) replicate(element_type c);
genWith Generate a vector of elements by applying the given function to 0 through n-1.
The argument to the function is another function which has one argument of type
Integer and returns an element_type.
function Vector#(vsize, element_type)
genWith(function element_type func(Integer x1));
cons Adds an element to a vector creating a vector one element larger. The new element
will be at the 0th position. This function can lead to large compile times, so it
can be an inefficient way to create and populate a vector. Instead, the designer
should build a vector, then set each element to a value.
function Vector#(vsize1, element_type)
cons (element_type elem, Vector#(vsize, element_type) vect)
provisos (Add#(1, vsize, vsize1));
nil Defines a vector of size zero.
function Vector#(0, element_type) nil;
261

Reference Guide Bluespec SystemVerilog
append Append two vectors containing elements of the same type, returning the com-
bined vector. The resulting vector result will contain all the elements of vecta
followed by all the elements of vectb.result[0] =vecta[0],result[vsize-1]
=vectb[v1size-1].
function Vector#( vsize, element_type )
append( Vector#(v0size,element_type) vecta,
Vector#(v1size,element_type) vectb)
provisos (Add#(v0size, v1size, vsize)); //vsize = v0size + v1size
concat Append (concatenate) many vectors, that is a vector of vectors into one vector.
concat(xss)[0]will be xss[0][0], provided mand nare non-zero.
function Vector#(mvsize,element_type)
concat(Vector#(m,Vector#(n,element_type)) xss)
provisos (Mul#(m,n,mvsize));
Examples - Creating and Generating Vectors
Create a new vector, my_vector, of 5 elements of datatytpe Int#(32), with elements which are
undefined.
Vector #(5, Int#(32)) my_vector;
Create a new vector, my_vector, of 5 elements of datatytpe Integer with elements 0, 1, 2, 3 and 4.
Vector #(5, Integer) my_vector = genVector;
// my_vector is a 5 element vector {0,1,2,3,4}
Create a vector, my vector, of five 1’s.
Vector #(5,Int #(32)) my_vector = replicate (1);
// my_vector is a 5 element vector {1,1,1,1,1}
Create a vector, my_vector, by applying the given function add2 to 0 through n-1.
function Integer add2 (Integer a);
Integer c = a + 2;
return(c);
endfunction
Vector #(5,Integer) my_vector = genWith(add2);
// a is the index of the vector, 0 to n-1
// my_vector = {2,3,4,5,6,}
Add an element to my_vector, creating a bigger vector my_vector1.
Vector#(3, Integer) my_vector = genVector();
// my_vector = {0, 1, 2}
let my_vector1 = cons(4, my_vector);
// my_vector1 = {4, 0, 1, 2}
262

Bluespec SystemVerilog Reference Guide
Append vectors, my_vector and my_vector1, resulting in a vector my_vector2.
Vector#(3, Integer) my_vector = genVector();
// my_vector = {0, 1, 2}
Vector#(3, Integer) my_vector1 = genWith(add2);
// my_vector1 = {2, 3, 4}
let my_vector2 = append(my_vector, my_vector1);
// my_vector2 = {0, 1, 2, 2, 3, 4}
C.3.2 Extracting Elements and Sub-Vectors
These functions are used to select elements or vectors from existing vectors, while retaining the input
vector.
[i] The square-bracket notation is available to extract an element from a vector or
update an element within it. Extracts or updates the ith element, where the
first element is [0]. Index i must be of an acceptable index type (e.g. Integer,
Bit#(n),Int#(n) or UInt#(n)). The square-bracket notation for vectors can also
be used with register writes.
anyVector[i];
anyVector[i] = newValue;
select The select function is another form of the subscript notation ([i]), mainly provided
for backwards-compatibility. The select function is also useful as an argument to
higher-order functions. The subscript notation is generally recommended because
it will report a more useful position for any selection errors.
function element_type
select(Vector#(vsize,element_type) vect, idx_type index);
update Update an element in a vector returning a new vector with one element
changed/updated. This function does not change the given vector. This is an-
other form of the subscript notation (see above), mainly provided for backwards
compatibility. The update function may also be useful as an argument to a higher-
order function. The subscript notation is generally recommended because it will
report a more useful position for any update errors.
function Vector#(vsize, element_type)
update(Vector#(vsize, element_type) vectIn,
idx_type index,
element_type newElem);
263

Reference Guide Bluespec SystemVerilog
head Extract the zeroth (head) element of a vector. The vector must have at least one
element.
function element_type
head (Vector#(vsize, element_type) vect)
provisos(Add#(1,xxx,vxize)); // vsize >= 1
last Extract the highest (tail) element of a vector. The vector must have at least one
element.
function element_type
last (Vector#(vsize, element_type) vect)
provisos(Add#(1,xxx,vxize)); // vsize >= 1
tail Remove the head element of a vector leaving its tail in a smaller vector.
function Vector#(vsize,element_type)
tail (Vector#(vsize1, element_type) xs)
provisos (Add#(1, vsize, vsize1));
init Remove the last element of a vector leaving its initial part in a smaller vector.
function Vector#(vsize,element_type)
init (Vector#(vsize1, element_type) xs)
provisos (Add#(1, vsize, vsize1));
take Take a number of elements from a vector starting from index 0. The number of
elements to take is indicated by the type of the context where this is called, and
is not specified as an argument to the function.
function Vector#(vxize2,element_type)
take (Vector#(vsize,element_type) vect)
provisos (Add#(vsize2,xxx,vsize)); // vsize2 <= vsize.
264

Bluespec SystemVerilog Reference Guide
drop
takeTail
Drop a number of elements from the vector starting at the 0th position. The
elements in the result vector will be in the same order as the input vector.
function Vector#(vxize2,element_type)
drop (Vector#(vsize,element_type) vect)
provisos (Add#(vsize2,xxx,vsize)); // vsize2 <= vsize.
function Vector#(vxize2,element_type)
takeTail (Vector#(vsize,element_type) vect)
provisos (Add#(vsize2,xxx,vsize)); // vsize2 <= vsize.
takeAt Take a number of elements starting at startPos.startPos must be a compile-
time constant. If the startPos plus the output vector size extend beyond the end
of the input vector, an error will be returned.
function Vector#(vsize2,element_type)
takeAt (Integer startPos, Vector#(vsize,element_type) vect)
provisos (Add#(vsize2,xxx,vsize)); // vsize2 <= vsize
Examples - Extracting Elements and Sub-Vectors
Extract the element from a vector, my_vector, at the position of index.
// my_vector is a vector of elements {6,7,8,9,10,11}
// index = 3
// select or [ ] will generate a MUX
newvalue = select (my_vector, index);
newvalue = myvalue[index];
// newvalue = 9
Update the element of a vector, my_vector, at the position of index.
// my_vector is a vector of elements {6,7,8,9,10,11}
// index = 3
my_vector = update (my_vector, index, 0);
my_vector[index] = 0;
// my_vector = {6,7,8,0,10,11}
Extract the zeroth element of the vector my_vector.
// my_vector is a vector of elements {6,7,8,9,10,11}
newvalue = head(my_vector);
// newvalue = 6
Extract the last element of the vector my_vector.
// my_vector is a vector of elements {6,7,8,9,10,11}
newvalue = last(my_vector);
// newvalue = 11
265

Reference Guide Bluespec SystemVerilog
Create a vector, my_vector2, of size 4 by removing the head (zeroth) element of the vector my_vector1.
// my_vector1 is a vector with 5 elements {0,1,2,3,4}
Vector #(4, Int#(32)) my_vector2 = tail (my_vector1);
// my_vector2 is a vector of 4 elements {1,2,3,4}
Create a vector, my_vector2, of size 4 by removing the tail (last) element of the vector my_vector1.
// my_vector1 is a vector with 5 elements {0,1,2,3,4}
Vector #(4, Int#(32)) my_vector2 = init (my_vector1);
// my_vector2 is a vector of 4 elements {0,1,2,3}
Create a 2 element vector, my_vector2, by taking the first two elements of the vector my_vector1.
// my_vector1 is vector with 5 elements {0,1,2,3,4}
Vector #(2, Int#(4)) my_vector2 = take (my_vector1);
// my_vector2 is a 2 element vector {0,1}
Create a 3 element vector, my_vector2, by taking the last 3 elements of vector, my_vector1. using
takeTail
// my_vector1 is Vector with 5 elements {0,1,2,3,4}
Vector #(3,Int #(4)) my_vector2 = takeTail (my_vector1);
// my_vector2 is a 3 element vector {2,3,4}
Create a 3 element vector, my_vector2, by taking the 1st - 3rd elements of vector, my_vector1.
using takeAt
// my_vector1 is Vector with 5 elements {0,1,2,3,4}
Vector #(3,Int #(4)) my_vector2 = takeAt (1, my_vector1);
// my_vector2 is a 3 element vector {1,2,3}
C.3.3 Vector to Vector Functions
The following functions generate a new vector by changing the position of elements within the vector.
rotate Move the zeroth element to the highest and shift each element lower by one. For
example, the element at index nmoves to index n-1.
function Vector#(vsize,element_type)
rotate (Vector#(vsize,element_type) vect);
rotateR Move last element to the zeroth element and shift each element up by one. For
example, the element at index nmoves to index n+1.
function Vector#(vsize,element_type)
rotateR (Vector#(vsize,element_type) vect);
266

Bluespec SystemVerilog Reference Guide
rotateBy Shift each element nplaces. The last nelements are moved to the beginning, the
element at index 0moves to index n, index 1to index n+1, etc.
function Vector#(vsize, element_type)
rotateBy (Vector#(vsize,element_type) vect, UInt#(log(v)) n)
provisos (Log#(vsize, logv);
shiftInAt0 Shift a new element into the vector at index 0, bumping the index of all other
element up by one. The highest element is dropped.
function Vector#(vsize,element_type)
shiftInAt0 (Vector#(vsize,element_type) vect,
element_type newElement);
shiftInAtN Shift a new element into the vector at index n, bumping the index of all other
elements down by one. The 0th element is dropped.
function Vector#(vsize,element_type)
shiftInAtN (Vector#(vsize,element_type) vect,
element_type newElement);
shiftOutFrom0 Shifts out amount number of elements from the vector starting at index 0,
bumping the index of all remaining elements down by amount. The shifted
elements are replaced with the value default. This function is similar to a
>> bit operation. amt_type must be of an acceptable index type (Integer,
Bit#(n),Int#(n) or UInt#(n)).
function Vector#(vsize,element_type)
shiftOutFrom0 (element_type default,
Vector#(vsize,element_type) vect,
amt_type amount);
shiftOutFromN Shifts out amount number of elements from the vector starting at index
vsize-1 bumping the index of remaining elements up by amount. The shifted
elements are replaced with the value default. This function is similar to a
<< bit operation. amt_type must be of an acceptable index type (Integer,
Bit#(n),Int#(n) or UInt#(n)).
function Vector#(vsize,element_type)
shiftOutFromN (element_type default,
Vector#(vsize,element_type) vect,
amt_type amount);
267

Reference Guide Bluespec SystemVerilog
reverse Reverse element order
function Vector#(vsize,element_type)
reverse(Vector#(vsize,element_type) vect);
transpose Matrix transposition of a vector of vectors.
function Vector#(m,Vector#(n,element_type))
transpose ( Vector#(n,Vector#(m,element_type)) matrix );
transposeLN Matrix transposition of a vector of Lists.
function Vector#(vsize, List#(element_type))
transposeLN( List#(Vector#(vsize, element_type)) lvs );
Examples - Vector to Vector Functions
Create a vector by moving the last element to the first, then shifting each element to the right.
// my_vector1 is a vector of elements with values {1,2,3,4,5}
my_vector2 = rotateR (my_vector1);
// my_vector2 is a vector of elements with values {5,1,2,3,4}
Create a vector which is the input vector rotated by 2 places.
// my_vector1 is a vector of elements {1,2,3,4,5}
my_vector2 = rotateBy {my_vector1, 2};
// my_vector2 = {4,5,1,2,3}
Create a vector which shifts out 3 elements starting from 0, replacing them with the value F
// my_vector1 is a vector of elements {5,4,3,2,1,0}
my_vector2 = shiftOutFrom0 (F, my_vector1, 3);
// my_vector2 is a vector of elements {F,F,F,5,4,3}
Create a vector which shifts out 3 elements starting from n-1, replacing them with the value F
// my_vector1 is a vector of elements {5,4,3,2,1,0}
my_vector2 = shiftOutFromN (F, my_vector1, 3);
// my_vector2 is a vector of elements {2,1,0,F,F,F}
Create a vector which is the reverse of the input vector.
// my_vector1 is a vector of elements {1,2,3,4,5}
my_vector2 = reverse (my_vector1);
// my_vector2 is a vector of elements {5,4,3,2,1}
268

Bluespec SystemVerilog Reference Guide
Use transpose to create a new vector.
// my_vector1 is a Vector#(3, Vector#(5, Int#(8)))
// the result, my_vector2, is a Vector #(5,Vector#(3,Int #(8)))
// my_vector1 has the values:
// {{0,1,2,3,4},{5,6,7,8,9},{10,11,12,13,14}}
my_vector2 = transpose(my_vector1);
// my_vector2 has the values:
// {{0,5,10},{1,6,11},{2,7,12},{3,8,13},{4,9,14}}
C.3.4 Tests on Vectors
The following functions are used to test vectors. The first set of functions are Boolean functions,
i.e. they return True or False values.
elem Check if a value is an element of a vector.
function Bool elem (element_type x,
Vector#(vsize,element_type) vect )
provisos (Eq#(element_type));
any Test if a predicate holds for any element of a vector.
function Bool any(function Bool pred(element_type x1),
Vector#(vsize,element_type) vect );
all Test if a predicate holds for all elements of a vector.
function Bool all(function Bool pred(element_type x1),
Vector#(vsize,element_type) vect );
or Combine all elements in a vector of Booleans with a logical or. Returns True if
any elements in the Vector are True.
function Bool or (Vector#(vsize, Bool) vect );
and Combine all elements in a vector of Booleans with a logical and. Returns True if
all elements in the Vector are True.
function Bool and (Vector#(vsize, Bool) vect );
The following two functions return the number of elements in the vector which match a condition.
269

Reference Guide Bluespec SystemVerilog
countElem Returns the number of elements in the vector which are equal to a given value.
The return value is in the range of 0 to vsize.
function UInt#(logv1) countElem (element_type x,
Vector#(vsize, element_type) vect)
provisos (Eq#(element_type), Add#(vsize, 1, vsize1),
Log#(vsize1, logv1));
countIf Returns the number of elements in the vector which satisfy a given predicate
function. The return value is in the range of 0 to vsize.
function UInt#(logv1) countIf (function Bool pred(element_type x1)
Vector#(vsize, element_type) vect)
provisos (Add#(vsize, 1, vsize1), Log#(vsize1, logv1));
find Returns the first element that satisfies the predicate or Nothing if there is none.
function Maybe#(element_type)
find (function Bool pred(element_type),
Vector#(vsize, element_type) vect);
The following two functions return the index of an element.
findElem Returns the index of the first element in the vector which equals a given value.
Returns an Invalid if not found or Valid with a value of 0 to vsize-1 if found.
function Maybe#(UInt#(logv)) findElem (element_type x,
Vector#(vsize, element_type) vect)
provisos (Eq#(element_type), Add#(xx1, 1, vsize),
Log#(vsize, logv));
findIndex Returns the index of the first element in the vector which satisfies a given predicate.
Returns an Invalid if not found or Valid with a value of 0 to vsize-1 if found.
function Maybe#(UInt#(logv)) findIndex
(function Bool pred(element_type x1)
Vector#(vsize, element_type) vect)
provisos (Add#(xx1,1,vsize), Log#(vsize, logv));
Examples -Tests on Vectors
Test that all elements of the vector my_vector1 are positive integers.
function Bool isPositive (Int #(32) a);
return (a > 0)
270

Bluespec SystemVerilog Reference Guide
endfunction
// function isPositive checks that "a" is a positive integer
// if my_vector1 has n elements, n instances of the predicate
// function isPositive will be generated.
if (all(isPositive, my_vector1))
$display ("Vector contains all negative values");
Test if any elements in the vector are positive integers.
// function isPositive checks that "a" is a positive integer
// if my_vector1 has n elements, n instances of the predicate
// function isPositive will be generated.
if (any(isPositive, my_vector1))
$display ("Vector contains some negative values");
Check if the integer 5 is in my_vector.
// if my_vector contains n elements, elem will generate n copies
// of the eq test
if (elem(5,my_vector))
$display ("Vector contains the integer 5");
Count the number of elements which match the integer provided.
// my_vector1 is a vector of {1,2,1,4,3}
x = countElem ( 1, my_vector1);
//x=2
y = countElem (4, my_vector1);
//y=1
Find the index of an element which equals a predicate.
let f = findIndex ( beIsGreaterThan( 3 ) , my_vector );
if ( f matches tagged Valid .indx )
begin
printBE ( my_vector[indx] ) ;
$display ("Found data > 3 at index %d ", indx ) ;
else
begin
$display ( "Did not find data > 3" ) ;
end
C.3.5 Bit-Vector Functions
The following functions operate on bit-vectors.
rotateBitsBy Shift each bit to a higher index by nplaces. The last nbits are moved to the
begininng and the bit at index (0) moves to index (n).
function Bit#(n) rotateBitsBy (Bit#(n) bvect, UInt#(logn) n)
provisos (Log#(n,logn), Add#(1,xxx,n));
271

Reference Guide Bluespec SystemVerilog
countOnesAlt Returns the number of elements equal to 1 in a bit-vector. (This function
differs slightly from the Prelude version of countOnes and has fewer provisos.)
function UInt#(logn1) countOnesAlt (Bit#(n) bvect)
provisos (Add#(1,n,n1), Log#(n1,logn1));
C.3.6 Functions on Vectors of Registers
readVReg Returns the values from reading a vector of registers (interfaces).
function Vector#(n,a) readVReg ( Vector#(n, Reg#(a)) vrin) ;
writeVReg Returns an Action which is the write of all registers in vr with the data from
vdin.
function Action writeVReg ( Vector#(n, Reg#(a)) vr,
Vector#(n,a) vdin) ;
C.3.7 Combining Vectors with Zip
The family of zip functions takes two or more vectors and combines them into one vector of Tuples.
Several variations are provided for different resulting Tuples, as well as support for mis-matched
vector sizes.
zip Combine two vectors into a vector of Tuples.
function Vector#(vsize,Tuple2 #(a_type, b_type))
zip( Vector#(vsize, a_type) vecta,
Vector#(vsize, b_type) vectb);
zip3 Combine three vectors into a vector of Tuple3.
function Vector#(vsize,Tuple3 #(a_type, b_type, c_type))
zip3( Vector#(vsize, a_type) vecta,
Vector#(vsize, b_type) vectb,
Vector#(vsize, c_type) vectc);
272

Bluespec SystemVerilog Reference Guide
zip4 Combine four vectors into a vector of Tuple4.
function Vector#(vsize,Tuple4 #(a_type, b_type, c_type, d_type))
zip4( Vector#(vsize, a_type) vecta,
Vector#(vsize, b_type) vectb,
Vector#(vsize, c_type) vectc,
Vector#(vsize, d_type) vectd);
zipAny Combine two vectors into one vector of pairs (2-tuples); result is as long as the
smaller vector.
function Vector#(vsize,Tuple2 #(a_type, b_type))
zipAny(Vector#(m,a_type) vect1,
Vector#(n,b_type) vect2);
provisos (Max#(m,vsize,m), Max#(n, vsize, n));
unzip Separate a vector of pairs (i.e. a Tuple2#(a,b)) into a pair of two vectors.
function Tuple2#(Vector#(vsize,a_type), Vector#(vsize, b_type))
unzip(Vector#(vsize,Tuple2 #(a_type, b_type)) vectab);
Examples - Combining Vectors with Zip
Combine two vectors into a vector of Tuples.
// my_vector1 is a vector of elements {0,1,2,3,4}
// my_vector2 is a vector of elements {5,6,7,8,9}
my_vector3 = zip(my_vector1, my_vector2);
// my_vector3 is a vector of Tuples {(0,5),(1,6),(2,7),(3,8),(4,9)}
Separate a vector of pairs into a Tuple of two vectors.
// my_vector3 is a vector of pairs {(0,5),(1,6),(2,7),(3,8),(4,9)}
Tuple2#(Vector #(5,Int #(5)),Vector #(5,Int #(5))) my_vector4 =
unzip(my_vector3);
// my_vector4 is ({0,1,2,3,4},{5,6,7,8,9})
C.3.8 Mapping Functions over Vectors
A function can be applied to all elements of a vector, using high-order functions such as map. These
functions take as an argument a function, which is applied to the elements of the vector.
map Map a function over a vector, returning a new vector of results.
function Vector#(vsize,b_type)
map (function b_type func(a_type x),
Vector#(vsize, a_type) vect);
273

Reference Guide Bluespec SystemVerilog
Example - Mapping Functions over Vectors
Consider the following code example which applies the extend function to each element of avector
into a new vector, resultvector.
Vector#(13,Bit#(5)) avector;
Vector#(13,Bit#(10)) resultvector;
...
resultvector = map( extend, avector ) ;
This is equivalent to saying:
for (Integer i=0; i<13; i=i+1)
resultvector[i] = extend(avector[i]);
Map a negate function over a Vector
// my_vector1 is a vector of 5 elements {0,1,2,3,4}
// negate is a function which makes each element negative
Vector #(5,Int #(32)) my_vector2 = map (negate, my_vector1);
// my_vector2 is a vector of 5 elements {0,-1,-2,-3,-4}
C.3.9 ZipWith Functions
The zipWith functions combine two or more vectors with a function and generate a new vector.
These functions combine features of map and zip functions.
zipWith Combine two vectors with a function.
function Vector#(vsize,c_type)
zipWith (function c_type func(a_type x, b_type y),
Vector#(vsize,a_type) vecta,
Vector#(vsize,b_type) vectb );
zipWithAny Combine two vectors with a function; result is as long as the smaller vector.
function Vector#(vsize,c_type)
zipWithAny (function c_type func(a_type x, b_type y),
Vector#(m,a_type) vecta,
Vector#(n,b_type) vectb )
provisos (Max#(n, vsize, n), Max#(m, vsize, m));
zipWith3 Combine three vectors with a function.
function Vector#(vsize,d_type)
zipWith3(function d_type func(a_type x, b_type y, c_type z),
Vector#(vsize,a_type) vecta,
Vector#(vsize,b_type) vectb,
Vector#(vsize,c_type) vectc );
274

Bluespec SystemVerilog Reference Guide
zipWithAny3 Combine three vectors with a function; result is as long as the smallest vector.
function Vector#(vsize,c_type)
zipWithAny3(function d_type func(a_type x, b_type y, c_type z),
Vector#(m,a_type) vecta,
Vector#(n,b_type) vectb,
Vector#(o,c_type) vectc )
provisos (Max#(n, vsize, n), Max#(m, vsize, m), Max#(o, vsize, o));
Examples - ZipWith
Create a vector by applying a function over the elements of 3 vectors.
// the function add3 adds 3 values
function Int#(n) add3 (Int #(n) a,Int #(n) b,Int #(n) c);
Int#(n) d = a + b +c ;
return d;
endfunction
// Create the vector my_vector4 by adding the ith element of each of
// 3 vectors (my_vector1, my_vector2, my_vector3) to generate the ith
// element of my_vector4.
// my_vector1 = {0,1,2,3,4}
// my_vector2 = {5,6,7,8,9}
// my_vector3 = {10,11,12,13,14}
Vector #(5,Int #(8)) my_vector4 = zipWith3(add3, my_vector1, my_vector2, my_vector3);
// creates 5 instances of the add3 function in hardware.
// my_vector4 = {15,18,21,24,27}
// This is equivalent to saying:
for (Integer i=0; i<5; i=i+1)
my_vector4[i] = my_vector1[i] + my_vector2[i] + my_vector3[i];
C.3.10 Fold Functions
The fold family of functions reduces a vector to a single result by applying a function over all its
elements. That is, given a vector of element_type,V0, V1, V2, ..., Vn−1, a seed of type b_type, and
a function func, the reduction for foldr is given by
func(V0, func(V1, ..., func(Vn−2, func(Vn−1, seed))));
Note that foldr start processing from the highest index position to the lowest, while foldl starts
from the lowest index (zero), i.e. foldl is:
func(...(func(func(seed, V0), V1), ...)Vn−1)
foldr Reduce a vector by applying a function over all its elements. Start processing
from the highest index to the lowest.
function b_type foldr(function b_type func(a_type x, b_type y),
b_type seed, Vector#(vsize,a_type) vect);
275

Reference Guide Bluespec SystemVerilog
foldl Reduce a vector by applying a function over all its elements. Start processing
from the lowest index (zero).
function b_type foldl (function b_type func(b_type y, a_type x),
b_type seed, Vector#(vsize,a_type) vect);
The functions foldr1 and foldl1 use the first element as the seed. This means they only work on
vectors of at least one element. Since the result type will be the same as the element type, there is
no b_type as there is in the foldr and foldl functions.
foldr1 foldr function for a non-zero sized vector, using element Vn−1as a seed. Vector
must have at least 1 element. If there is only one element, it is returned.
function element_type foldr1(
function element_type func(element_type x, element_type y),
Vector#(vsize,element_type) vect)
provisos (Add#(1, xxx, vsize));
foldl1 foldl function for a non-zero sized vector, using element V0as a seed. Vector must
have at least 1 element. If there is only one element, it is returned.
function element_type foldl1 (
function element_type func(element_type y, element_type x),
Vector#(vsize,element_type) vect)
provisos (Add#(1, xxx, vsize));
The fold function also operates over a non-empty vector, but processing is accomplished in a binary
tree-like structure. Hence the depth or delay through the resulting function will be O(log2(vsize)
rather than O(vsize).
fold Reduce a vector by applying a function over all its elements, using a binary tree-
like structure. The function returns the same type as the arguments.
function element_type fold (
function element_type func(element_type y, element_type x),
Vector#(vsize,element_type) vect )
provisos (Add#(1, xxx, vsize));
276

Bluespec SystemVerilog Reference Guide
mapPairs Map a function over a vector consuming two elements at a time. Any straggling
element is processed by the second function.
function Vector#(vsize2,b_type)
mapPairs (
function b_type func1(a_type x, a_type y),
function b_type func2(a_type x),
Vector#(vsize,a_type) vect )
provisos (Div#(vsize, 2, vsize2));
joinActions Join a number of actions together. joinActions is used for static elaboration
only, no hardware is generated.
function Action joinActions (Vector#(vsize,Action) vactions);
joinRules Join a number of rules together.joinRules is used for static elaboration only,
no hardware is generated.
function Rules joinRules (Vector#(vsize,Rules) vrules);
Example - Folds
Use fold to find the sum of the elements in a vector.
// my_vector1 is a vector of five integers {1,2,3,4,5}
// \+ is a function which returns the sum of the elements
// make sure you leave a space after the \+ and before the ,
// This will build an adder tree, instantiating 4 adders, with a maximum
// depth or delay of 3. If foldr1 or foldl1 were used, it would
// still instantiate 4 adders, but the delay would be 4.
my_sum = fold (\+ , my_vector1));
// my_sum = 15
Use fold to find the element with the maximum value.
// my_vector1 is a vector of five integers {2,45,5,8,32}
my_max = fold (max, my_vector1);
// my_max = 45
Create a new vector using mapPairs. The function sum is applied to each pair of elements (the first
and second, the third and fourth, etc.). If there is an uneven number of elements, the function pass
is applied to the remaining element.
// sum is defined as c = a+b
function Int#(4) sum (Int #(4) a,Int #(4) b);
Int#(4) c = a + b;
return(c);
277

Reference Guide Bluespec SystemVerilog
endfunction
// pass is defined as a
function Int#(4) pass (Int #(4) a);
return(a);
endfunction
// my_vector1 has the elements {0,1,2,3,4}
my_vector2 = mapPairs(sum,pass,my_vector1);
// my_vector2 has the elements {1,5,4}
// my_vector2[0] = 0 + 1
// my_vector2[1] = 2 + 3
// my_vector2[2] = 4
C.3.11 Scan Functions
The scan family of functions applies a function over a vector, creating a new vector result. The
scan function is similar to fold, but the intermediate results are saved and returned in a vector,
instead of returning just the last result. The result of a scan function is a vector. That is, given a
vector of element_type,V0, V1, ..., Vn−1, an initial value initb of type b_type, and a function func,
application of the scanr functions creates a new vector W, where
Wn=init;
Wn−1=func(Vn−1, Wn);
Wn−2=func(Vn−2, Wn−1);
...
W1=func(V1, W2);
W0=func(V0, W1);
scanr Apply a function over a vector, creating a new vector result. Processes elements
from the highest index position to the lowest, and fill the resulting vector in the
same way. The result vector is 1 element longer than the input vector.
function Vector#(vsize1,b_type)
scanr(function b_type func(a_type x1, b_type x2),
b_type initb,
Vector#(vsize,a_type) vect)
provisos (Add#(1, vsize, vsize1));
sscanr Apply a function over a vector, creating a new vector result. The elements are pro-
cessed from the highest index position to the lowest. The Wnelement is dropped
from the result. Input and output vectors are the same size.
function Vector#(vsize,b_type)
sscanr(function b_type func(a_type x1, b_type x2),
b_type initb,
Vector#(vsize,a_type) vect );
278

Bluespec SystemVerilog Reference Guide
The scanl function creates the resulting vector in a similar way as scanr except that the processing
happens from the zeroth element up to the nth element.
W0=init;
W1=func(W0, V0);
W2=func(W1, V1);
...
Wn−1=func(Wn−2, Vn−2);
Wn=func(Wn−1, Vn−1);
The sscanl function drops the first result, init, shifting the result index by one.
scanl Apply a function over a vector, creating a new vector result. Processes elements
from the zeroth element up to the nth element. The result vector is 1 element
longer than the input vector.
function Vector#(vsize1,a_type)
scanl(function a_type func(a_type x1, b_type x2),
a_type q,
Vector#(vsize, b_type) vect)
provisos (Add#(1, vsize, vsize1));
sscanl Apply a function over a vector, creating a new vector result. Processes elements
from the zeroth element up to the nth element. The first result, init, is dropped,
shifting the result index up by one. Input and output vectors are the same size.
function Vector#(vsize,a_type)
sscanl(function a_type func(a_type x1, b_type x2),
a_type q,
Vector#(vsize, b_type) vect );
mapAccumL Map a function, but pass an accumulator from head to tail.
function Tuple2 #(a_type, Vector#(vsize,c_type))
mapAccumL (function Tuple2 #(a_type, c_type)
func(a_type x, b_type y), a_type x0,
Vector#(vsize,b_type) vect );
mapAccumR Map a function, but pass an accumulator from tail to head.
function Tuple2 #(a_type, Vector#(vsize,c_type))
mapAccumR(function Tuple2 #(a_type, c_type)
func(a_type x, b_type y), a_type x0,
Vector#(vsize,b_type) vect );
279

Reference Guide Bluespec SystemVerilog
Examples - Scan
Create a vector of factorials.
// \* is a function which returns the result of a multiplied by b
function Bit #(16) \* (Bit #(16) b, Bit #(8) a);
return (extend (a) * b);
endfunction
// Create a vector of factorials by multiplying each input list element
// by the previous product (the output list element), to generate
// the next product. The seed is a Bit#(16) with a value of 1.
// The elements are processed from the zeroth element up to the $n^{th}$ element.
// my_vector1 = {1,2,3,4,5,6,7}
Vector#(8,Bit #(16)) my_vector2 = scanl (\*, 16’d1, my_vector1);
// 7 multipliers are generated
// my_vector2 = {1,1,2,6,24,120,720,5040}
// foldr with the same arguments would return just 5040.
C.3.12 Monadic Operations
Within Bluespec, there are some functions which can only be invoked in certain contexts. Two
common examples are: ActionValue, and module instantiation. ActionValues can only be invoked
within an Action context, such as a rule block or an Action method, and can be considered as two
parts - the action and the value. Module instantiation can similarly be considered, modules can only
be instantiated in the module context, while the two parts are the module instantiation (the action
performed) and the interface (the result returned). These situations are considered monadic.
When a monadic function is to be applied over a vector using map-like functions such as map,
zipWith, or replicate, the monadic versions of these functions must be used. Moreover, the context
requirements of the applied function must hold. The common application for these functions is in
the generation (or instantiation) of vectors of hardware components.
mapM Takes a monadic function and a vector, and applies the function to all vector
elements returning the vector of corresponding results.
function m#(Vector#(vsize, b_type))
mapM ( function m#(b_type) func(a_type x),
Vector#(vsize, a_type) vecta )
provisos (Monad#(m));
mapM_ Takes a monadic function and a vector, applies the function to all vector elements,
and throws away the resulting vector leaving the action in its context.
function m#(void) mapM_(function m#(b_type) func(a_type x),
Vector#(vsize, a_type) vect)
provisos (Monad#(m));
280

Bluespec SystemVerilog Reference Guide
zipWithM Take a monadic function (which takes two arguments) and two vectors; the func-
tion applied to the corresponding element from each vector would return an action
and result. Perform all those actions and return the vector of corresponding re-
sults.
function m#(Vector#(vsize, c_type))
zipWithM( function m#(c_type) func(a_type x, b_type y),
Vector#(vsize, a_type) vecta,
Vector#(vsize, b_type) vectb )
provisos (Monad#(m));
zipWithM_ Take a monadic function (which takes two arguments) and two vectors; the func-
tion is applied to the corresponding element from each vector. This is the same as
zipWithM but the resulting vector is thrown away leaving the action in its context.
function m#(void)
zipWithM_(function m#(c_type) func(a_type x, b_type y),
Vector#(vsize, a_type) vecta,
Vector#(vsize, b_type) vectb )
provisos (Monad#(m));
zipWith3M Same as zipWithM but combines three vectors with a function. The function is
applied to the corresponding element from each vector and returns an action and
the vector of corresponding results.
function m#(Vector#(vsize, c_type))
zipWith3M( function m#(d_type)
func(a_type x, b_type y, c_type z),
Vector#(vsize, a_type) vecta,
Vector#(vsize, b_type) vectb,
Vector#(vsize, c_type) vectc )
provisos (Monad#(m));
genWithM Generate a vector of elements by applying the given monadic function to 0 through
n-1.
function m#(Vector#(vsize, element_type))
genWithM(function m#(element_type) func(Integer x))
provisos (Monad#(m));
281

Reference Guide Bluespec SystemVerilog
replicateM Generate a vector of elements by using the given monadic value repeatedly.
function m#(Vector#(vsize, element_type))
replicateM( m#(element_type) c)
provisos (Monad#(m));
Examples - Creating a Vector of Registers
The following example shows some common uses of the Vector type. We first create a vector of
registers, and show how to populate this vector. We then continue with some examples of accessing
and updating the registers within the vector, as well as alternate ways to do the same.
// First define a variable to hold the register interfaces.
// Notice the variable is really a vector of Interfaces of type Reg,
// not a vector of modules.
Vector#(10,Reg#(DataT)) vectRegs ;
// Now we want to populate the vector, by filling it with Reg type
// interfaces, via the mkReg module.
// Notice that the replicateM function is used instead of the
// replicate function since mkReg function is creating a module.
vectRegs <- replicateM( mkReg( 0 ) ) ;
// ...
// A rule showing a read and write of one register within the
// vector.
// The readReg function is required since the selection of an
// element from vectRegs returns a Reg#(DType) interface, not the
// value of the register. The readReg functions converts from a
// Reg#(DataT) type to a DataT type.
rule zerothElement ( readReg( vectRegs[0] ) > 20 ) ;
// set 0 element to 0
// The parentheses are required in this context to give
// precedence to the selection over the write operation.
(vectRegs[0]) <= 0 ;
// Set the 1st element to 5
// An alternate syntax
vectRegs[1]._write( 5 ) ;
endrule
rule lastElement ( readReg( vectRegs[9] ) > 200 ) ;
// Set the 9th element to -10000
(vectRegs[9]) <= -10000 ;
endrule
// These rules defined above can execute simultaneously, since
// they touch independent registers
// Here is an example of dynamic selection, first we define a
// register to be used as the selector.
Reg#(UInt#(4)) selector <- mkReg(0) ;
282

Bluespec SystemVerilog Reference Guide
// Now define another Reg variable which is selected from the
// vectReg variable. Note that no register is created here, just
// an alias is defined.
Reg#(DataT) thisReg = select(vectRegs, selector ) ;
//The above statement is equivalent to:
//Reg#(DataT) thisReg = vectRegs[selector] ;
// If the selected register is greater than 20’h7_0000, then its
// value is reset to zero. Note that the vector update function is
// not required since we are changing the contents of a register
// not the vector vectReg.
rule reduceReg( thisReg > 20’h7_0000 ) ;
thisReg <= 0 ;
selector <= ( selector < 9 ) ? selector + 1 : 0 ;
endrule
// As an alternative, we can define N rules which each check the
// value of one register and update accordingly. This is done by
// generating each rule inside an elaboration-time for-loop.
Integer i; // a compile time variable
for(i=0;i<10;i=i+1)begin
rule checkValue( readReg( vectRegs[i] ) > 20’h7_0000 ) ;
(vectRegs[i]) <= 0 ;
endrule
end
C.3.13 Converting to and from Vectors
There are functions which convert between Vectors and other types.
toList Convert a Vector to a List.
function List#(element_type)
toList (Vector#(vsize, element_type) vect);
toVector Convert a List to a Vector.
function Vector#(vsize, element_type)
toVector ( List#(element_type) lst);
arrayToVector Convert an array to a Vector.
function Vector#(vsize, element_type)
arrayToVector ( element_type[ ] arr);
283

Reference Guide Bluespec SystemVerilog
vectorToArray Convert a Vector to an array.
function element_type[ ]
vectorToArray (Vector#(vsize, element_type) vect);
toChunks Convert a value to a Vector of chunks, possibly padding the final chunk. The
input type and size as well as the chunk type and size are determined from
their types.
function Vector#(n_chunk, chunk_type) toChunks(type_x x)
provisos( Bits#(chunk_type, chunk_sz), Bits#(type_x, x_sz)
, Div#(x_sz, chunk_sz, n_chunk) );
Example - Converting to and from Vectors
Convert the vector my_vector to a list named my_list.
Vector#(5,Int#(13)) my_vector;
List#(Int#(13)) my_list = toList(my_vector);
C.3.14 ListN
Package name
import ListN :: * ;
Description
ListN is an alternative implementation of Vector which is preferred for sequential list processing
functions, such as head, tail, map, fold, etc. All Vector functions are available, by substituting ListN
for Vector. See the Vector documentation (C.3) for details. If the implementation requires random
access to items in the list, the Vector construct is recommended. Using ListN where Vectors is
recommended (and visa-versa) can lead to very long static elaboration times.
The ListN package defines an abstract data type which is a ListN of a specific length. Functions
which create and operate on this type are also defined within this package. Because it is abstract,
there are no constructors available for this type (like Cons and Nil for the List type).
struct ListN#(vsize,a_type)
··· abstract ···
Here, the type variable “a_type” represents the type of the contents of the listN while type variable
“vsize” represents the length of the ListN.
C.4 Aggregation: Lists
Package
import List :: * ;
284

Bluespec SystemVerilog Reference Guide
Description
The List package defines a data type and functions which create and operate on this data type. Lists
are similar to Vectors, but are used when the number of items on the list may vary at compile-time
or need not be strictly enforced by the type system. All elements of a list must be of the same type.
The list type is defined as a tagged union as follows.
typedef union tagged {
void Nil;
struct {
a head;
List #(a) tail;
} Cons;
} List #(type a);
A list is tagged Nil if it has no elements, otherwise it is tagged Cons.Cons is a structure of a single
element and the rest of the list.
Lists are most often used during static elaboration (compile-time) to manipulate collections of ob-
jects. Since List#(element_type) is not in the Bits typeclass, lists cannot be stored in registers
or other dynamic elements. However, one can have a list of registers or variables corresponding to
hardware functions.
Data classes
FShow The FShow class provides the function fshow which can be applied to a List and returns
an associated Fmt object showing:
<List elem1 elem2 ...>
where the elemn are the elements of the list with fshow applied to each element value.
C.4.1 Creating and Generating Lists
cons Adds an element to a list. The new element will be at the 0th position.
function List#(element_type)
cons (element_type x, List#(element_type) xs);
upto Create a list of Integers counting up over a range of numbers, from m to n. If m
>n, an empty list (Nil) will be returned.
List#(Integer) upto(Integer m, Integer n);
replicate Generate a list of n elements by replicating the given argument, elem.
function List#(element_type)
replicate(Integer n, element_type elem);
285

Reference Guide Bluespec SystemVerilog
append Append two lists, returning the combined list. The elements of both lists must be
the same datatype, element_type. The combined list will contain all the elements
of xs followed in order by all the elements of ys.
function List#(element_type)
append(List#(element_type) xs, List#(element_type) ys);
concat Append (concatenate) many lists, that is a list of lists, into one list.
function List# (element_type)
concat (List#(List#(element_type)) xss);
Examples - Creating and Generating Lists
Create a new list, my_list, of elements of datatytpe Int#(32) which are undefined
List #(Int#(32)) my_list;
Create a list, my_list, of five 1’s
List #(Int #(32)) my_list = replicate (5,32’d1);
//my_list = {1,1,1,1,1}
Create a new list using the upto function
List #(Integer) my_list2 = upto (1, 5);
//my_list2 = {1,2,3,4,5}
C.4.2 Extracting Elements and Sub-Lists
[i] The square-bracket notation is available to extract an element from a list or update
an element within it. Extracts or updates the ith element, where the first element
is [0]. Index i must be of an acceptable index type (e.g. Integer,Bit#(n),
Int#(n) or UInt#(n)). The square-bracket notation for lists can also be used
with register writes.
anyList[i];
anyList[i] = newValue;
select The select function is another form of the subscript notation ([i]), mainly provided
for backwards-compatibility. The select function is also useful as an argument to
higher-order functions. The subscript notation is generally recommended because
it will report a more useful position for any selection errors.
function element_type
select(List#(element_type) alist, idx_type index);
286

Bluespec SystemVerilog Reference Guide
update Update an element in a list returning a new list with one element
changed/updated. This function does not change the given list. This is another
form of the subscript notation (see above), mainly provided for backwards compat-
ibility. The update function may also be useful as an argument to a higher-order
function. The subscript notation is generally recommended because it will report
a more useful position for any update errors.
function List#(element_type)
update(List#(element_type) alist,
idx_type index,
element_type newElem);
oneHotSelect Select a list element with a Boolean list. The Boolean list should have exactly
one element that is True, otherwise the result is undefined. The returned
element is the one in the corresponding position to the True element in the
Boolean list.
function element_type
oneHotSelect (List#(Bool) bool_list,
List#(element_type) alist);
head Extract the first element of a list. The input list must have at least 1 element, or
an error will be returned.
function element_type head (List#(element_type) listIn);
last Extract the last element of a list. The input list must have at least 1 element, or
an error will be returned.
function element_type last (List#(element_type) alist);
tail Remove the head element of a list leaving the remaining elements in a smaller list.
The input list must have at least 1 element, or an error will be returned.
function List#(element_type) tail (List#(element_type) alist);
init Remove the last element of a list the remaining elements in a smaller list. The
input list must have at least one element, or an error will be returned.
function List#(element_type) init (List#(element_type) alist);
287

Reference Guide Bluespec SystemVerilog
take Take a number of elements from a list starting from index 0. The number to take
is specified by the argument n. If the argument is greater than the number of
elements on the list, the function stops taking at the end of the list and returns
the entire input list.
function List#(element_type)
take (Integer n, List#(element_type) alist);
drop Drop a number of elements from a list starting from index 0. The number to drop
is specified by the argument n. If the argument is greater than the number of
elements on the list, the entire input list is dropped, returning an empty list.
function List#(element_type)
drop (Integer n, List#(element_type) alist);
filter Create a new list from a given list where the new list has only the elements which
satisfy the predicate function.
function List#(element_type)
filter (function Bool pred(element_type),
List#(element_type) alist);
find Return the first element that satisfies the predicate or Nothing if there is none.
function Maybe#(element_type)
find (function Bool pred(element_type),
List#(element_type) alist);
lookup Returns the value in an association list or Nothing if there is no matching value.
function Maybe#(b_type)
lookup (a_type key, List#(Tuple2#(a_type, b_type)) alist)
provisos(Eq#(a_type));
takeWhile Returns the first set of elements of a list which satisfy the predicate function.
function List#(element_type)
takeWhile (function Bool pred(element_type x),
List#(element_type) alist);
288

Bluespec SystemVerilog Reference Guide
takeWhileRev Returns the last set of elements on a list which satisfy the predicate function.
function List#(element_type)
takeWhileRev (function Bool pred(element_type x),
List#(element_type) alist);
dropWhile Removes the first set of elements on a list which satisfy the predicate function,
returning a list with the remaining elements.
function List#(element_type)
dropWhile (function Bool pred(element_type x),
List#(element_type) alist);
dropWhileRev Removes the last set of elements on a list which satisfy the predicate function,
returning a list with the remaining elements.
function List#(element_type)
dropWhileRev (function Bool pred(element_type x),
List#(element_type) alist);
Examples - Extracting Elements and Sub-Lists
Extract the element from a list, my_list, at the position of index.
//my_list = {1,2,3,4,5}, index = 3
newvalue = select (my_list, index);
//newvalue = 4
Extract the zeroth element of the list my_list.
//my_list = {1,2,3,4,5}
newvalue = head(my_list);
//newvalue = 1
Create a list, my_list2, of size 4 by removing the head (zeroth) element of the list my_list1.
//my_list1 is a list with 5 elements, {0,1,2,3,4}
List #(Int #(32)) my_list2 = tail (my_list1);
List #(Int #(32)) my_list3 = tail(tail(tail(tail(tail(my_list1);
//my_list2 = {1,2,3,4}
//my_list3 = Nil
Create a 2 element list, my_list2, by taking the first two elements of the list my_list1.
289

Reference Guide Bluespec SystemVerilog
//my_list1 is list with 5 elements, {0,1,2,3,4}
List #(Int #(4)) my_list2 = take (2,my_list1);
//my_list2 = {0,1}
The number of elements specified to take in take can be greater than the number of elements on
the list, in which case the entire input list will be returned.
//my_list1 is list with 5 elements, {0,1,2,3,4}
List #(Int #(4)) my_list2 = take (7,my_list1);
//my_list2 = {0,1,2,3,4}
Select an element based on a boolean list.
//my_list1 is a list of unsigned integers, {1,2,3,4,5}
//my_list2 is a list of Booleans, only one value in my_list2 can be True.
//my_list2 = {False, False, True, False,False, False, False}.
result = oneHotSelect (my_list2, my_list1));
//result = 3
Create a list by removing the initial segment of a list that meets a predicate.
//the predicate function is a < 2
function Bool lessthan2 (Int #(4) a);
return (a < 2);
endfunction
//my_list1 = {0,1,2,0,1,7,8}
List #(Int #(4)) my_result = (dropWhile(lessthan2, my_list1));
//my_result = {2,0,1,7,8}
C.4.3 List to List Functions
rotate Move the first element to the last and shift each element to the next higher index.
function List#(element_type) rotate (List#(element_type) alist);
rotateR Move last element to the beginning and shift each element to the next lower index.
function List#(element_type) rotateR (List#(element_type) alist);
reverse Reverse element order
function List#(element_type) reverse(List#(element_type) alist);
290

Bluespec SystemVerilog Reference Guide
transpose Matrix transposition of a list of lists.
function List#(List#(element_type))
transpose ( List#(List#(element_type)) matrix );
sort Uses the ordering defined for the element_type data type to return a list in ascending
order. The type element_type must be in the Ord type class.
function List#(element_type) sort(List#(element_type) alist)
provisos(Ord#(element_type)) ;
sortBy Generalizes the sort function to use an arbitrary ordering function defined by the
comparison function comparef in place of the Ord instance for element_type.
function List#(element_type)
sortBy(function Ordering comparef(element_type x, element_type y),
List#(element_type) alist);
group Returns a list of the contiguous subsequences of equal elements (according to the Eq
instance for element_type) found in its input list. Every element in the input list
will appear in exactly one sublist of the result. Every sublist will be a non-empty list
of equal elements. For any list, x,concat(group(x)) == x.
function List#(List#(element_type)) group (List#(element_type) alist)
provisos(Eq#(element_type)) ;
groupBy Generalizes the group function to use an arbitrary equivalence relation defined by
the comparison function eqf in place of the Eq instance for element_type.
function List#(List#(element_type))
groupBy(function Bool eqf(element_type x, element_type y),
List#(element_type) alist);
Examples - List to List Functions
Create a list by moving the last element to the first, then shifting each element to the right.
//my_list1 is a List of elements with values {1,2,3,4,5}
my_list2 = rotateR (my_list1);
//my_list2 is a List of elements with values {5,1,2,3,4}
Create a list which is the reverse of the input List
291

Reference Guide Bluespec SystemVerilog
//my_list1 is a List of elements {1,2,3,4,5}
my_list2 = reverse (my_list1);
//my_list2 is a List of elements {5,4,3,2,1}
Use transpose to create a new list
//my_list1 has the values:
//{{0,1,2,3,4},{5,6,7,8,9},{10,11,12,13,14}}
my_list2 = transpose(my_list1);
//my_list2 has the values:
//{{0,5,10},{1,6,11},{2,7,12},{3,8,13},{4,9,14}}
Use sort to create a new list
//my_list1 has the values: {3,2,5,4,1}
my_list2 = sort(my_list1);
//my_list2 has the values: {1,2,3,4,5}
Use group to create a list of lists
//my_list1 is a list of elements {Mississippi}
my_list2 = group(my_list1);
//my_list2 is a list of lists:
{{M},{i},{ss},{i},{ss},{i},{pp},{i}}
C.4.4 Tests on Lists
==
!=
Lists can be compared for equality if the elements in the list can be compared.
instance Eq #( List#(element_type) )
provisos( Eq#( element_type ) ) ;
elem Check if a value is an element in a list.
function Bool elem (element_type x, List#(element_type) alist )
proviso (Eq#(element_type));
length Determine the length of a list. Can be done at elaboration time only.
function Integer length (List#(element_type) alist );
292

Bluespec SystemVerilog Reference Guide
any Test if a predicate holds for any element of a list.
function Bool any(function Bool pred(element_type x1),
List#(element_type) alist );
all Test if a predicate holds for all elements of a list.
function Bool all(function Bool pred(element_type x1),
List#(element_type) alist );
or Combine all elements in a Boolean list with a logical or. Returns True if any
elements in the list are True.
function Bool or (List# (Bool) bool_list);
and Combine all elements in a Boolean list with a logical and. Returns True if all
elements in the list are true.
function Bool and (List# (Bool) bool_list);
Examples - Tests on Lists
Test that all elements of the list my_list1 are positive integers
function Bool isPositive (Int #(32) a);
return (a > 0)
endfunction
// function isPositive checks that "a" is a positive integer
// if my_list1 has n elements, n instances of the predicate
// function isPositive will be generated.
if (all(isPositive, my_list1))
$display ("List contains all negative values");
Test if any elements in the list are positive integers.
// function isPositive checks that "a" is a positive integer
// if my_list1 has n elements, n instances of the predicate
// function isPositive will be generated.
if (any(pos, my_list1))
$display ("List contains some negative values");
Check if the integer 5 is in my_list
// if my_list contains n elements, elem will generate n copies
// of the eqt Test
if (elem(5,my_list))
$display ("List contains the integer 5");
293

Reference Guide Bluespec SystemVerilog
C.4.5 Combining Lists with Zip Functions
The family of zip functions takes two or more lists and combines them into one list of Tuples.
Several variations are provided for different resulting Tuples. All variants can handle input lists of
different sizes. The resulting lists will be the size of the smallest list.
zip Combine two lists into a list of Tuples.
function List#(Tuple2 #(a_type, b_type))
zip( List#(a_type) lista,
List#(b_type) listb);
zip3 Combine 3 lists into a list of Tuple3.
function List#(Tuple3 #(a_type, b_type, c_type))
zip3( List#(a_type) lista,
List#(b_type) listb,
List#(c_type) listc);
zip4 Combine 4 lists into a list of Tuple4.
function List#(Tuple4 #(a_type, b_type, c_type, d_type))
zip4( List#(a_type) lista,
List#(b_type) listb,
List#(c_type) listc,
List#(d_type) listd);
unzip Separate a list of pairs (i.e. a Tuple2#(a,b)) into a pair of two lists.
function Tuple2#(List#(a_type), List#(b_type))
unzip(List#(Tuple2 #(a_type, b_type)) listab);
Examples - Combining Lists with Zip
Combine two lists into a list of Tuples
//my_list1 is a list of elements {0,1,2,3,4,5,6,7}
//my_list2 is a list of elements {True,False,True,True,False}
my_list3 = zip(my_list1, my_list2);
//my_list3 is a list of Tuples {(0,True),(1,False),(2,True),(3,True),(4,False)}
Separate a list of pairs into a Tuple of two lists
//my_list is a list of pairs {(0,5),(1,6),(2,7),(3,8),(4,9)}
Tuple2#(List#(Int#(5)),List#(Int#(5))) my_list2 = unzip(my_list);
//my_list2 is ({0,1,2,3,4},{5,6,7,8,9})
294

Bluespec SystemVerilog Reference Guide
C.4.6 Mapping Functions over Lists
A function can be applied to all elements of a list, using high-order functions such as map. These
functions take as an argument a function, which is applied to the elements of the list.
map Map a function over a list, returning a new list of results.
function List#(b_type) map (function b_type func(a_type),
List#(a_type) alist);
Example - Mapping Functions over Lists
Consider the following code example which applies the extend function to each element of alist
creating a new list, resultlist.
List#(Bit#(5)) alist;
List#(Bit#(10)) resultlist;
...
resultlist = map( extend, alist ) ;
This is equivalent to saying:
for (Integer i=0; i<13; i=i+1)
resultlist[i] = extend(alist[i]);
Map a negate function over a list
//my_list1 is a list of 5 elements {0,1,2,3,4}
//negate is a function which makes each element negative
List #(Int #(32)) my_list2 = map (negate, my_list1);
//my_list2 is a list of 5 elements {0,-1,-2,-3,-4}
C.4.7 ZipWith Functions
The zipWith functions combine two or more lists with a function and generate a new list. These
functions combine features of map and zip functions.
zipWith Combine two lists with a function. The lists do not have to have the same number
of elements.
function List#(c_type)
zipWith (function c_type func(a_type x, b_type y),
List#(a_type) listx,
List#(b_type) listy );
295

Reference Guide Bluespec SystemVerilog
zipWith3 Combine three lists with a function. The lists do not have to have the same
number of elements.
function List#(d_type)
zipWith3(function d_type func(a_type x, b_type y, c_type z),
List#(a_type) listx,
List#(b_type) listy,
List#(c_type) listz );
zipWith4 Combine four lists with a function. The lists do not have to have the same number
of elements.
function List#(e_type) zipWith4
(function e_type func(a_type x, b_type y, c_type z, d_type w),
List#(a_type) listx,
List#(b_type) listy,
List#(c_type) listz
List#(d_type) listw );
Examples - ZipWith
Create a list by applying a function over the elements of 3 lists.
//the function add3 adds 3 values
function Int#(8) add3 (Int #(8) a,Int #(8) b,Int #(8) c);
Int#(8) d = a + b +c ;
return(d);
endfunction
//Create the list my_list4 by adding the ith element of each of
//3 lists (my_list1, my_list2, my_list3) to generate the ith
//element of my_list4.
//my_list1 = {0,1,2,3,4}
//my_list2 = {5,6,7,8,9}
//my_list3 = {10,11,12,13,14}
List #(Int #(8)) my_list4 = zipWith3(add3, my_list1, my_list2, my_list3);
//my_list4 = {15,18,21,24,27}
// This is equivalent to saying:
for (Integer i=0; i<5; i=i+1)
my_list4[i] = my_list1[i] + my_list2[i] + my_list3[i];
C.4.8 Fold Functions
The fold family of functions reduces a list to a single result by applying a function over all its
elements. That is, given a list of element_type,L0, L1, L2, ..., Ln−1, a seed of type b_type, and a
function func, the reduction for foldr is given by
func(L0, func(L1, ..., func(Ln−2, func(Ln−1, seed))));
296

Bluespec SystemVerilog Reference Guide
Note that foldr start processing from the highest index position to the lowest, while foldl starts
from the lowest index (zero), i.e.,
func(...(func(func(seed, L0), L1), ...)Ln−1)
foldr Reduce a list by applying a function over all its elements. Start processing from
the highest index to the lowest.
function b_type foldr(b_type function func(a_type x, b_type y),
b_type seed,
List#(a_type) alist);
foldl Reduce a list by applying a function over all its elements. Start processing from
the lowest index (zero).
function b_type foldl (b_type function func(b_type y, a_type x),
b_type seed,
List#(a_type) alist);
The functions foldr1 and foldl1 use the first element as the seed. This means they only work on
lists of at least one element. Since the result type will be the same as the element type, there is no
b_type as there is in the foldr and foldl functions.
foldr1 foldr function for a non-zero sized list. Uses element Ln−1as the seed. List must
have at least 1 element.
function element_type foldr1
(element_type function func(element_type x, element_type y),
List#(element_type) alist);
foldl1 foldl function for a non-zero sized list. Uses element L0as the seed. List must
have at least 1 element.
function element_type foldl1
(element_type function func(element_type y, element_type x),
List#(element_type) alist);
The fold function also operates over a non-empty list, but processing is accomplished in a binary
tree-like structure. Hence the depth or delay through the resulting function will be O(log2(lsize)
rather than O(lsize).
297

Reference Guide Bluespec SystemVerilog
fold Reduce a list by applying a function over all its elements, using a binary tree-like
structure. The function returns the same type as the arguments.
function element_type fold
(element_type function func(element_type y, element_type x),
List#(element_type) alist );
joinActions Join a number of actions together.
function Action joinActions (List#(Action) list_actions);
joinRules Join a number of rules together.
function Rules joinRules (List#(Rules) list_rules);
mapPairs Map a function over a list consuming two elements at a time. Any straggling
element is processed by the second function.
function List#(b_type)
mapPairs (
function b_type func1(a_type x, a_type y),
function b_type func2(a_type x),
List#(a_type) alist );
Example - Folds
// my_list1 is a list of five integers {1,2,3,4,5}
// \+ is a function which returns the sum of the elements
my_sum = foldr (\+ , 0, my_list1));
// my_sum = 15
Use fold to find the element with the maximum value
// my_list1 is a list of five integers {2,45,5,8,32}
my_max = fold (max, my_list1);
// my_max = 45
Create a new list using mapPairs. The function sum is applied to each pair of elements (the first
and second, the third and fourth, etc.). If there is an uneven number of elements, the function pass
is applied to the remaining element.
//sum is defined as c = a+b
function Int#(4) sum (Int #(4) a,Int #(4) b);
298

Bluespec SystemVerilog Reference Guide
Int#(4) c = a + b;
return(c);
endfunction
//pass is defined as a
function Int#(4) pass (Int #(4) a);
return(a);
endfunction
//my_list1 has the elements {0,1,2,3,4}
my_list2 = mapPairs(sum,pass,my_list1);
//my_list2 has the elements {1,5,4}
//my_list2[0] = 0 + 1
//my_list2[1] = 2 + 3
//my_list2[3] = 4
C.4.9 Scan Functions
The scan family of functions applies a function over a list, creating a new List result. The scan
function is similar to fold, but the intermediate results are saved and returned in a list, instead
of returning just the last result. The result of a scan function is a list. That is, given a list
of element_type,L0, L1, ..., Ln−1, an initial value initb of type b_type, and a function func,
application of the scanr functions creates a new list W, where
Wn=init;
Wn−1=func(Ln−1, Wn);
Wn−2=func(Ln−2, Wn−1);
...
W1=func(L1, W2);
W0=func(L0, W1);
scanr Apply a function over a list, creating a new list result. Processes elements from
the highest index position to the lowest, and fills the resulting list in the same
way. The result list is one element longer than the input list.
function List#(b_type)
scanr(function b_type func(a_type x1, b_type x2),
b_type initb,
List#(a_type) alist);
299

Reference Guide Bluespec SystemVerilog
sscanr Apply a function over a list, creating a new list result. The elements are processed
from the highest index position to the lowest. Drops the Wnelement from the
result. Input and output lists are the same size.
function List#(b_type)
sscanr(function b_type func(a_type x1, b_type x2),
b_type initb,
List#(a_type) alist );
The scanl function creates the resulting list in a similar way as scanr except that the processing
happens from the zeroth element up to the nth element.
W0=init;
W1=func(W0, L0);
W2=func(W1, L1);
...
Wn−1=func(Wn−2, Ln−2);
Wn=func(Wn−1, Ln−1);
The sscanl function drops the first result, init, shifting the result index by one.
scanl Apply a function over a list, creating a new list result. Processes elements from
the zeroth element up to the nth element. The result list is 1 element longer than
the input list.
function List#(a_type)
scanl(function a_type func(a_type x1, b_type x2),
a_type inita,
List#(b_type) alist);
sscanl Apply a function over a list, creating a new list result. Processes elements from
the zeroth element up to the nth element. Drop the first result, init, shifting the
result index by one. The length of the input and output lists are the same.
function List#(a_type)
sscanl(function a_type func(a_type x1, b_type x2),
a_type inita,
List#(b) alist );
mapAccumL Map a function, but pass an accumulator from head to tail.
function Tuple2 #(a_type, List#(c_type))
mapAccumL (function Tuple2 #(a_type, c_type)
func(a_type x, b_type y),a_type x0,
List#(b_type) alist );
300

Bluespec SystemVerilog Reference Guide
mapAccumR Map a function, but pass an accumulator from tail to head.
function Tuple2 #(a_type, List#(c_type))
mapAccumR(function Tuple2 #(a_type, c_type)
func(a_type x, b_type y),a_type x0,
List#(b_type) alist );
Examples - Scan
Create a list of factorials
//the function my_mult multiplies element a by element b
function Bit #(16) my_mult (Bit #(16) b, Bit #(8) a);
return (extend (a) * b);
endfunction
// Create a list of factorials by multiplying each input list element
// by the previous product (the output list element), to generate
// the next product. The seed is a Bit#(16) with a value of 1.
// The elements are processed from the zeroth element up to the nth element.
//my_list1 = {1,2,3,4,5,6,7}
List #(Bit #(16)) my_list2 = scanl (my_mult, 16’d1, my_list1);
//my_list2 = {1,1,2,6,24,120,720,5040}
C.4.10 Monadic Operations
Within Bluespec, there are some functions which can only be invoked in certain contexts. Two
common examples are: ActionValue, and module instantiation. ActionValues can only be invoked
within an Action context, such as a rule block or an Action method, and can be considered as two
parts - the action and the value. Module instantiation can similarly be considered, modules can only
be instantiated in the module context, while the two parts are the module instantiation (the action
performed) and the interface (the result returned). These situations are considered monadic.
When a monadic function is to be applied over a list using map-like functions such as map, zipWith,
or replicate, the monadic versions of these functions must be used. Moreover, the context require-
ments of the applied function must hold.
mapM Takes a monadic function and a list, and applies the function to all list elements
returning the list of corresponding results.
function m#(List#(b_type))
mapM ( function m#(b_type) func(a_type x),
List#(a_type) alist )
provisos (Monad#(m));
301

Reference Guide Bluespec SystemVerilog
mapM_ Takes a monadic function and a list, applies the function to all list elements, and
throws away the resulting list leaving the action in its context.
function m#(List#(b_type) mapM_(m#(b_type) c_type)
provisos (Monad#(m));
zipWithM Take a monadic function (which takes two arguments) and two lists; the function
applied to the corresponding element from each list would return an action and
result. Perform all those actions and return the list of corresponding results.
function m#(List#(c_type))
zipWithM( function m#(c_type) func(a_type x, b_type y),
List#(a_type) alist,
List#(b_type) blist )
provisos (Monad#(m));
zipWith3M Same as zipWithM but combines three lists with a function. The function is
applied to the corresponding element from each list and returns an action and the
list of corresponding results.
function m#(List#(d_type))
zipWith3M( function m#(d_type)
func(a_type x, b_type y, c_type z),
List#(a_type) alist ,
List#(b_type) blist,
List#(c_type) clist )
provisos (Monad#(m));
replicateM Generate a list of elements by using the given monadic value repeatedly.
function m#(List#(element_type))
replicateM( Integer n, m#(element_type) c)
provisos (Monad#(m));
C.5 Math
C.5.1 Real
Package
import Real :: * ;
Description
302

Bluespec SystemVerilog Reference Guide
The Real library package defines functions to operate on and manipulate real numbers. Real numbers
are numbers with a fractional component. They are also of limited precision. The Real data type
is described in section B.2.6.
Constants
The constant pi (π) is defined.
pi The value of the constant pi (π).
Real pi;
Trigonometric Functions
The following trigonometric functions are provided: sin,cos,tan,sinh,cosh,tanh,asin,acos,
atan,asinh,acosh,atanh, and atan2.
sin Returns the sine of x.
function Real sin (Real x);
cos Returns the cosine of x.
function Real cos (Real x);
tan Returns the tangent of x.
function Real tan (Real x);
sinh Returns the hyperbolic sine of x.
function Real sinh (Real x);
cosh Returns the hyperbolic cosine of x.
function Real cosh (Real x);
303

Reference Guide Bluespec SystemVerilog
tanh Returns the hyperbolic tangent of x.
function Real tanh (Real x);
asinh Returns the inverse hyperbolic sine of x.
function Real asinh (Real x);
acosh Returns the inverse hyperbolic cosine of x.
function Real acosh (Real x);
atanh Returns the inverse hyperbolic tangent of x.
function Real atanh (Real x);
atan2 Returns atan(x/y).atan2(1,x) is equivalent to atan(x), but provides more
precision when required by the division of x/y.
function Real atan2 (Real y, Real x);
Arithmetic Functions
pow The element x is raised to the y power. An alias for **.pow(x,y) =x**y =
xy.
function Real pow (Real x, Real y);
sqrt Returns the square root of x. Returns an error if xis negative.
function Real sqrt (Real x);
304

Bluespec SystemVerilog Reference Guide
Conversion Functions
The following four functions are used to convert a Real to an Integer.
trunc Converts a Real to an Integer by removing the fractional part of x, which
can be positive or negative. trunc(1.1) = 1,trunc(-1.1)= -1.
function Integer trunc (Real x);
round Converts a Real to an Integer by rounding to the nearest whole number. .5
rounds up in magnitude. round(1.5) = 2,round(-1.5)= -2.
function Integer round (Real x);
ceil Converts a Real to an Integer by rounding to the higher number, regardless
of sign. ceil(1.1) = 2,ceil(-1.1) = -1.
function Integer ceil (Real x);
floor Converts a Real to an Integer by rounding to the lower number, regardless
of sign. floor(1.1) = 1,floor(-1.1) = -2.
function Integer floor (Real x);
There are also two system functions $realtobits and $bitstoreal, defined in the Prelude (section
B.2.6) which provide conversion to and from IEEE 64-bit vectors (Bit#(64)).
Introspection Functions
isInfinite Returns True if the value of xis infinite, False if xis finite.
function Bool isInfinite (Real x);
isNegativeZero Returns True if the value of xis negative zero.
function Bool isNegativeZero (Real x);
305

Reference Guide Bluespec SystemVerilog
splitReal Returns a Tuple containing the whole (n) and fractional (f) parts of xsuch
that n+f=x. Both values have the same sign as x. The absolute value of
the fractional part is guaranteed to be in the range [0,1).
function Tuple2#(Integer, Real) splitReal (Real x);
decodeReal Returns a Tuple3 containing the sign, the fraction, and the exponent of a real
number. The second part (the first Integer) represents the fractional part as
a signed Integer value. This can be converted to an Int#(54) (52 bits, plus
hidden bit, plus the sign bit). The last value is a signed Integer representing
the exponent, which can be be converted to an Int#(11) . The real number is
represented exactly as (fractional ×2exp). The Bool represents the sign and
is True for positive and positive zero, False for negative and negative zero.
Since the second value is a signed value, the Bool is redundant except for zero
values.
function Tuple3#(Bool, Integer, Integer) decodeReal (Real x);
realToDigits Deconstructs a real number into its digits. The function takes a base and
a real number and returns a list of digits and an exponent (ignoring the
sign). In particular, if x≥0, and realToDigits(base,x) returned a list
of digits d1, d2, ..., dn and an exponent e, then:
•n≥1
•abs(x) = 0.d1d2...dn * (basee)
•0≤di ≤base-1
function Tuple2#(List#(Integer), Integer)
realToDigits (Integer base, Real r);
C.5.2 OInt
Package
import OInt :: * ;
Description
The OInt#(n) type is an abstract type that can store a number in the range “0..n-1”. The repre-
sentation of a OInt#(n) takes up nbits, where exactly one bit is a set to one, and the others are
zero, i.e., it is a one-hot decoded version of the number. The reason to use a OInt number is that
the select operation is more efficient than for a binary-encoded number; the code generated for
select takes advantage of the fact that only one of the bits may be set at a time.
Types and type classes
Definition of OInt
306

Bluespec SystemVerilog Reference Guide
typedef ... OInt #(numeric type n) ... ;
Type Classes used by OInt
Bits Eq Literal Arith Ord Bounded Bit Bit Bit
wise Reduction Extend
OInt √ √ √ √
Functions
A binary-encoded number can be converted to an OInt.
toOInt Converts from a bit-vector in unsigned binary format to an OInt.
An out-of-range number gives an unspecified result.
function OInt#(n) toOInt(Bit#(k) k)
provisos( Log#(n,k)) ;
An OInt can be converted to a binary-encoded number.
fromOInt Converts an OInt to a bit-vector in unsigned binary format.
function Bit#(k) fromOInt(OInt#(n) o)
provisos( Log#(n,k)) ;
An OInt can be used to select an element from a Vector in an efficient way.
select The Vector select function, where the type of the index is an
OInt.
function a_type select(Vector#(vsize, a_type) vecta,
OInt#(vsize) index)
provisos (Bits#(a_type, sizea));
C.5.3 Complex
Package
import Complex :: * ;
Description
The Complex package provides a representation for complex numbers plus functions to operate on
variables of this type. The basic representation is the Complex structure, which is polymorphic
on the type of data it holds. For example, one can have complex numbers of type Int or of type
FixedPoint. A Complex number is represented in two part, the real part (rel) and the imaginary
part (img). These fields are accessible though standard structure addressing, i.e., foo.rel and
foo.img where foo is of type Complex.
typedef struct {
any_t rel ;
any_t img ;
} Complex#(type any_t)
deriving ( Bits, Eq ) ;
307

Reference Guide Bluespec SystemVerilog
This package is provided as both a compiled library package and as BSV source code to facilitate
customization. The source code file can be found in the $BLUESPECDIR/BSVSource/Math directory.
To customize a package, copy the file into a local directory and then include the local directory in
the path when compiling. This is done by specifying the search path with the -p option as described
in the BSV Users Guide.
Types and type classes
The Complex type belongs to the Arith,Literal,SaturatingArith, and FShow type classes. Each
type class definition includes functions which are then also defined for the data type. The Prelude
library definitions (Section B) describes which functions are defined for each type class.
Type Classes used by Complex
Bits Eq Literal Arith Ord Bounded Bit Bit Bit FShow
wise Reduction Extend
Complex √ √ √ √ √
Arith The type Complex belongs to the Arith type class, hence the common infix operators (+,
-, *, and /) are defined and can be used to manipulate variables of type Complex. The remaining
arithmetic operators are not defined for the Complex type. Note however, that some functions
generate more hardware than may be expected. The complex multiplication (*) produces four
multipliers in a combinational function; some other modules could accomplish the same function with
less hardware but with greater latency. The complex division operator (/) produces 6 multipliers,
and a divider and may not always be synthesizable with downstream tools.
instance Arith#( Complex#(any_type) )
provisos( Arith#(any_type) ) ;
Literal The Complex type is a member of the Literal class, which defines a conversion from the
compile-time Integer type to Complex type with the fromInteger function. This function converts
the Integer to the real part, and sets the imaginary part to 0.
instance Literal#( Complex#(any_type) )
provisos( Literal#(any_type) );
SaturatingArith The SaturatingArith class provides the functions satPlus,satMinus,boundedPlus,
and boundedMinus. These are modified plus and minus functions which saturate to values defined
by the SaturationMode when the operations would otherwise overflow or wrap-around. The type
of the complex value (any_type) must be in the SaturatingArith class.
instance SaturatingArith#(Complex#(any_type))
provisos (SaturatingArith#(any_type));
FShow An instance of FShow is available provided any_type is a member of FShow as well.
instance FShow#(Complex#(any_type))
provisos (FShow#(any_type));
function Fmt fshow (Complex#(any_type) x);
return $format("<C ", fshow(x.rel), ",", fshow(x.img), ">");
endfunction
endinstance
Functions
308

Bluespec SystemVerilog Reference Guide
cmplx A simple constructor function is provided to set the fields.
function Complex#(a_type) cmplx( a_type realA, a_type imagA ) ;
cmplxMap Applies a function to each part of the complex structure. This is useful for
operations such as extend,truncate, etc.
function Complex#(b_type) cmplxMap(
function b_type mapFunc( a_type x),
Complex#(a_type) cin ) ;
cmplxSwap Exchanges the real and imaginary parts.
function Complex#(a_type) cmplxSwap( Complex#(a_type) cin ) ;
cmplxWrite Displays a complex number given a prefix string, an infix string, a postscript
string, and an Action function which writes each part. cmplxWrite is of type
Action and can only be invoked in Action contexts such as Rules and Actions
methods.
function Action cmplxWrite(String pre,
String infix,
String post,
function Action writeaFunc( a_type x ),
Complex#(a_type) cin );
Examples - Complex Numbers
// The following utility function is provided for writing data
// in decimal format. An example of its use is show below.
function Action writeInt( Int#(n) ain ) ;
$write( "%0d", ain ) ;
endfunction
// Set the fields of the complex number using the constructor function cmplx
Complex#(Int#(6)) complex_value = cmplx(-2,7) ;
// Display complex_value as ( -2 + 7i ).
// Note that writeInt is passed as an argument to the cmplxWrite function.
cmplxWrite( "( ", " + ", "i)", writeInt, complex_value );
309

Reference Guide Bluespec SystemVerilog
// Swap the real and imaginary parts.
swap_value = cmplxSwap( complex_value ) ;
// Display the swapped values. This will display ( -7 + 2i).
cmplxWrite( "( ", " + ", "i)", writeInt, swap_value );
C.5.4 FixedPoint
Package
import FixedPoint :: * ;
Description
The FixedPoint library package defines a type for representing fixed-point numbers and correspond-
ing functions to operate and manipulate variables of this type.
A fixed-point number represents signed numbers which have a fixed number of binary digits (bits)
before and after the binary point. The type constructor for a fixed-point number takes two numeric
types as argument; the first (isize) defines the number of bits to the left of the binary point (the
integer part), while the second (fsize) defines the number of bits to the right of the binary point,
(the fractional part).
The following data structure defines this type, while some utility functions provide the reading of
the integer and fractional parts.
typedef struct {
Bit#(isize) i;
Bit#(fsize) f;
}
FixedPoint#(numeric type isize, numeric type fsize )
deriving( Eq ) ;
This package is provided as both a compiled library package and as BSV source code to facilitate
customization. The source code file can be found in the $BLUESPECDIR/BSVSource/Math directory.
To customize a package, copy the file into a local directory and then include the local directory in
the path when compiling. This is done by specifying the search path with the -p option as described
in the BSV Users Guide.
Types and type classes
The FixedPoint type belongs to the following type classes; Bits,Eq,Literal,RealLiteral,Arith,
Ord,Bounded,Bitwise,SaturatingArith, and FShow. Each type class definition includes functions
which are then also defined for the data type. The Prelude library definitions (Section B) describes
which functions are defined for each type class.
Type Classes used by FixedPoint
Bits Eq Literal Real Arith Ord Bounded Bit Bit Bit Format
Literal wise Reduce Extend
FixedPoint √ √ √ √ √ √ √ √ √
Bits The type FixedPoint belongs to the Bits type class, which allows conversion from type Bits
to type FixedPoint.
instance Bits#( FixedPoint#(isize, fsize), bsize )
provisos ( Add#(isize, fsize, bsize) );
310

Bluespec SystemVerilog Reference Guide
Literal The type FixedPoint belongs to the Literal type class, which allows conversion from
(compile-time) type Integer to type FixedPoint. Note that only the integer part is assigned.
instance Literal#( FixedPoint#(isize, fsize) )
provisos( Add#(isize, fsize, bsize) );
RealLiteral The type FixedPoint belongs to the RealLiteral type class, which allows conversion
from type Real to type FixedPoint.
instance RealLiteral#( FixedPoint# (isize, fsize) )
Example:
FixedPoint#(4,10) mypi = 3.1415926; //Implied fromReal
FixedPoint#(2,14) cx = fromReal(cos(pi/4));
Arith The type FixedPoint belongs to the Arith type class, hence the common infix operators
(+, -, *, and /) are defined and can be used to manipulate variables of type FixedPoint. The
arithmetic operator %is not defined.
instance Arith#( FixedPoint#(isize, fsize) )
provisos( Add#(isize, fsize, bsize) ) ;
For multiplication (*) and quotient (/) , the operation is calculated in full precision and the result
is then rounded and saturated to the resulting size. Both operators use the rounding function
fxptTruncateRoundSat, with mode Rnd_Zero,Sat_Bound.
Ord In addition to equality and inequality comparisons, FixedPoint variables can be compared
by the relational operators provided by the Ord type class. i.e., <,>,<=, and >=.
instance Ord#( FixedPoint#(isize, fsize) )
provisos( Add#(isize, fsize, bsize) ) ;
Bounded The type FixedPoint belongs to the Bounded type class. The range of values, v, rep-
resentable with a signed fixed-point number of type FixedPoint#(isize, fsize) is +(2isize−1−
2−fsize)≤v≤ −2isize−1. The function epsilon returns the smallest representable quantum by
a specific type, 2−f size. For example, a variable vof type FixedPoint#(2,3) type can repre-
sent numbers from 1.875 (17
8) to −2.0 in intervals of 1
8= 0.125, i.e. epsilon is 0.125. The type
FixedPoint#(5,0) is equivalent to Int#(5).
instance Bounded#( FixedPoint#(isize, fsize) )
provisos( Add#(isize, fsize, bsize) ) ;
epsilon Returns the value of epsilon which is the smallest representable
quantum by a specific type, 2−fsize.
function FixedPoint#(isize, fsize) epsilon () ;
Bitwise Left and right shifts are provided for FixedPoint variables as part of the Bitwise type
class. Note that the shift right (>>) function does an arithmetic shift, thus preserving the sign of
the operand. Note that a right shift of 1 is equivalent to a division by 2, except when the operand is
equal to −epsilon. The functions msb and lsb are also provided. The other methods of Bitwise
type class are not provided since they have no operational meaning on FixedPoint variables; the
use of these generates an error message.
instance Bitwise#( FixedPoint#(isize, fsize) )
provisos( Add#(isize, fsize, bsize) );
311

Reference Guide Bluespec SystemVerilog
SaturatingArith The SaturatingArith class provides the functions satPlus,satMinus,boundedPlus,
and boundedMinus. These are modified plus and minus functions which saturate to values defined
by the SaturationMode when the operations would otherwise overflow or wrap-around.
instance SaturatingArith#(FixedPoint#(isize, fsize));
FShow The FShow class provides the function fshow which can be applied to a type to create an
associated Fmt representation.
instance FShow#(FixedPoint#(i,f));
function Fmt fshow (FixedPoint#(i,f) value);
Int#(i) i_part = fxptGetInt(value);
UInt#(f) f_part = fxptGetFrac(value);
return $format("<FP %b.%b>", i_part, f_part);
endfunction
endinstance
Functions
Utility functions are provided to extract the integer and fractional parts.
fxptGetInt Extracts the integer part of the FixedPoint number.
function Int#(isize) fxptGetInt ( FixedPoint#(isize, fsize) x );
fxptGetFrac Extracts the fractional part of the FixedPoint number.
function UInt#(fsize) fxptGetFrac ( FixedPoint#(isize, fsize) x );
To convert run-time Int and UInt values to type FixedPoint, the following conversion functions
are provided. Both of these functions invoke the necessary extension of the source operand.
fromInt Converts run-time Int values to type FixedPoint.
function FixedPoint#(ir,fr) fromInt( Int#(ia) inta )
provisos ( Add#(ia, xxA, ir ) ); // ir >= ia
fromUInt Converts run-time UInt values to type FixedPoint.
function FixedPoint#(ir,fr) fromUInt( UInt#(ia) uinta )
provisos ( Add#(ia, 1, ia1), // ia1 = ia + 1
Add#(ia1,xxB, ir ) ); // ir >= ia1
312

Bluespec SystemVerilog Reference Guide
Non-integer compile time constants may be specified by a rational number which is a ratio of two
integers. For example, one-third may be specified by fromRational(1,3).
fromRational Specify a FixedPoint with a rational number which is the ratio of two
integers.
function FixedPoint#(isize, fsize) fromRational(
Integer numerator, Integer denominator)
provisos ( Add#(isize, fsize, bsize ) ) ;
At times, full precision Arithmetic functions may be required, where the operands are not the same
type (sizes), as is required for the infix Arith operators. These functions do not overflow on the
result.
fxptAdd Function for full precision addition. The operands do not have to be of the
same type (size) and there is no overflow on the result.
function FixedPoint#(ri,rf) fxptAdd( FixedPoint#(ai,af) a,
FixedPoint#(bi,bf) b )
provisos (Max#(ai,bi,rim) // ri = 1 + max(ai, bi)
,Add#(1,rim, ri)
,Max#(af,bf,rf)); // rf = max (af, bf)
fxptSub Function for full precision subtraction where the operands do not have to
be of the same type (size) and there is no overflow on the result.
function FixedPoint#(ri,rf) fxptSub( FixedPoint#(ai,af) a,
FixedPoint#(bi,bf) b )
provisos (Max#(ai,bi,rim) // ri = 1 + max(ai, bi)
,Add#(1,rim, ri)
,Max#(af,bf,rf)); // rf = max (af, bf)
fxptMult Function for full precision multiplication, where the result is the sum of the
field sizes of the operands. The operands do not have to be of the same
type (size).
function FixedPoint#(ri,rf) fxptMult( FixedPoint#(ai,af) x,
FixedPoint#(bi,bf) y )
provisos ( Add#(ai,bi,ri) // ri = ai + bi
,Add#(af,bf,rf) // rf = af + bf
,Add#(ai,af,ab)
,Add#(bi,bf,bb)
,Add#(ab,bb,rb)
,Add#(ri,rf,rb) ) ;
313

Reference Guide Bluespec SystemVerilog
fxptQuot Function for full precision division where the operands do not have to be
of the same type (size).
function FixedPoint#(ri,rf) fxptQuot (FixedPoint#(ai,af) a,
FixedPoint#(bi,bf) b )
provisos (Add#(ai1,bf,ri) // ri = ai + bf + 1
,Add#(ai,1,ai1)
,Add#(af,_xf,rf)); // rf >= af
fxptTruncate is a general truncate function which converts variables to FixedPoint#(ai,af) to
type FixedPoint#(ri,rf), where ai ≥ri and af ≥rf. This function truncates bits as appropriate
from the most significant integer bits and the least significant fractional bits.
fxptTruncate Truncates bits as appropriate from the most significant integer bits and the
least significant fractional bits.
function FixedPoint#(ri,rf) fxptTruncate(
FixedPoint#(ai,af) a )
provisos( Add#(xxA,ri,ai), // ai >= ri
Add#(xxB,rf,af)); // af >= rf
Two saturating fixed-point truncation functions are provided: fxptTruncateSat and fxptTruncateRoundSat.
They both use the SaturationMode, defined in Section B.1.12, to determine the final result.
typedef enum { Sat_Wrap
,Sat_Bound
,Sat_Zero
,Sat_Symmetric
} SaturationMode deriving (Bits, Eq);
fxptTruncateSat A saturating fixed point truncation. If the value cannot be represented in
its truncated form, an alternate value, minBound or maxBound, is selected
based on smode.
function FixedPoint#(ri,rf) fxptTruncateSat (
SaturationMode smode, FixedPoint#(ai,af) din)
provisos (Add#(ri,idrop,ai)
,Add#(rf,_f,af) );
The function fxptTruncateRoundSat rounds the saturated value, as determined by the value of
rmode of type RoundMode. The rounding only applies to the truncation of the fractional component
of the fixed-point number, though it may cause a wrap or overflow to the integer component which
requires saturation.
314

Bluespec SystemVerilog Reference Guide
fxptTruncateRoundSat A saturating fixed point truncate function which rounds the truncated frac-
tional component as determined by the value of rmode (RoundMode). If
the final value cannot be represented in its truncated form, the minBound
or maxBound value is returned.
function FixedPoint#(ri,rf) fxptTruncateRoundSat
(RoundMode rmode, SaturationMode smode,
FixedPoint#(ai,af) din)
provisos (Add#(ri,idrop,ai)
,Add#(rf,fdrop,af) );
typedef enum {
Rnd_Plus_Inf
,Rnd_Zero
,Rnd_Minus_Inf
,Rnd_Inf
,Rnd_Conv
,Rnd_Truncate
,Rnd_Truncate_Zero
} RoundMode deriving (Bits, Eq);
These modes are equivalent to the SystemC values shown in the table below. The rounding mode de-
termines how the value is rounded when the truncated value is equidistant between two representable
values.
Rounding Modes
RoundMode SystemC Description Action when truncated value
Equivalent equidistant between values
Rnd_Plus_Inf SC RND Round to plus infinity Always increment
Rnd_Zero SC RND ZERO Round to zero Move towards reduced mag-
nitude (decrement positive
value, increment negative
value)
Rnd_Minus_Inf SC RND MIN INF Round to minus infinity Always decrement
Rnd_Inf SC RND INF Round to infinity Always increase magnitude
Rnd_Conv SC RND CONV Round to convergence Alternate increment and
decrement based on even and
odd values
Rnd_Truncate SC TRN Truncate, no rounding
Rnd_Truncate_Zero SC TRN ZERO Truncate to zero Move towards reduced magni-
tude
Consider what happens when you apply the function fxptTruncateRoundSat to a fixed-point num-
ber. The least significant fractional bits are dropped. If the dropped bits are non-zero, the remaining
fractional component rounds towards the nearest representable value. If the remaining component
is exactly equidistant between two representable values, the rounding mode (rmode) determines
whether the value rounds up or down.
The following table displays the rounding value added to the LSB of the remaining fractional com-
ponent. When the value is equidistant (1/2), the algorithm may be dependent on whether the value
of the variable is positive or negative.
315

Reference Guide Bluespec SystemVerilog
Rounding Value added to LSB of Remaining Fractional Component
RoundMode Value of Truncated Bits
<1/2 1/2 >1/2
Pos Neg
Rnd_Plus_Inf 0111
Rnd_Zero 0011
Rnd_Minus_Inf 0001
Rnd_Inf 0101
Rnd_Conv
Remaining LSB = 0 0 0 0 1
Remaining LSB = 1 0 1 1 1
The final two modes are truncates and are handled differently. The Rnd_Truncate mode simply drops
the extra bits without changing the remaining number. The Rnd_Truncate_Zero mode decreases
the magnitude of the variable, moving the value closer to 0. If the number is positive, the function
simply drops the extra bits, if negative, 1 is added.
RoundMode Sign of Argument Description
Positive Negative
Rnd_Truncate 0 0 Truncate extra bits, no rounding
Rnd_Truncate_Zero 0 1 Add 1 to negative number if trun-
cated bits are non-zero
Example: Truncated values by Round type, where argument is FixedPoint#(2,3) type and result
is a FixedPoint#(2,1) type. In this example, we’re rounding to the nearest 1/2, as determined by
RoundMode.
Result by RoundMode when SaturationMode = Sat Wrap
Argument RoundMode
Binary Decimal Plus_Inf Zero Minus_Inf Inf Conv Trunc Trunc_Zero
10.001 -1.875 -2.0 -2.0 -2.0 -2.0 -2.0 -2.0 -1.5
10.110 -1.250 -1.0 -1.0 -1.5 -1.5 -1.0 -1.5 -1.0
11.101 -0.375 -0.5 -0.5 -0.5 -0.5 -0.5 -0.5 0.0
00.011 0.375 0.5 0.5 0.5 0.5 0.5 0.0 0.0
01.001 1.250 1.5 1.0 1.0 1.5 1.0 1.0 1.0
01.111 1.875 -2.0 -2.0 -2.0 -2.0 -2.0 1.5 1.5
fxptSignExtend A general sign extend function which converts variables of type
FixedPoint#(ai,af) to type FixedPoint#(ri,rf), where ai ≤ri and
af ≤rf. The integer part is sign extended, while additional 0 bits are
added to least significant end of the fractional part.
function FixedPoint#(ri,rf) fxptSignExtend(
FixedPoint#(ai,af) a )
provisos( Add#(xxA,ai,ri), // ri >= ai
Add#(fdiff,af,rf)); // rf >= af
316

Bluespec SystemVerilog Reference Guide
fxptZeroExtend A general zero extend function.
function FixedPoint#(ri,rf) fxptZeroExtend(
FixedPoint#(ai,af) a )
provisos( Add#(xxA,ai,ri), // ri >= ai
Add#(xxB,af,rf)); // rf >= af
Displaying FixedPoint values in a simple bit notation would result in a difficult to read pattern.
The following write utility function is provided to ease in their display. Note that the use of this
function adds many multipliers and adders into the design which are only used for generating the
output and not the actual circuit.
fxptWrite Displays a FixedPoint value in a decimal format, where fwidth give the
number of digits to the right of the decimal point. fwidth must be in
the inclusive range of 0 to 10. The displayed result is truncated without
rounding.
function Action fxptWrite( Integer fwidth,
FixedPoint#(isize, fsize) a )
provisos( Add#(i, f, b),
Add#(33,f,ff)); // 33 extra bits for computations.
Examples - Fixed Point Numbers
// The following code writes "x is 0.5156250"
FixedPoint#(1,6) x = half + epsilon ;
$write( "x is " ) ; fxptWrite( 7, x ) ; $display("" ) ;
AReal value can automatically be converted to a FixedPoint value:
FixedPoint#(3,10) foo = 2e-3;
FixedPoint#(2,3) x = 1.625 ;
C.5.5 NumberTypes
Package
import NumberTypes :: * ;
Description
The NumberTypes package defines two new number types for use as index types: BuffIndex and
WrapNumber.
ABuffIndex#(sz, ln) is an unsigned integer which wraps around, where sz is the number of bits
in its representation and ln is the size of the buffer it is to index. Often sz will be TLog#(ln).
BuffIndex is intended to be used as the index type for buffers of arbitrary size. The values of
BuffIndex are not ordered; you cannot determine which of two values is ahead of the other because
of the wrap-around.
317

Reference Guide Bluespec SystemVerilog
AWrapNumber#(sz) is an unsigned integer which wraps around, where sz is the number of bits in
its representation. The range is the entire value space (i.e.2sz), but should be used in situations
where at any time all valid values are in at most half of that space. The ordering of values can
be defined taking wrap-around into account, so that the nearer distance apart is used to determine
which value is ahead of the other.
This package is provided as both a compiled library package and as BSV source code to facilitate
customization. The source code file can be found in the $BLUESPECDIR/BSVSource/Math directory.
To customize a package, copy the file into a local directory and then include the local directory in
the path when compiling. This is done by specifying the search path with the -p option as described
in the BSV Users Guide.
Types and type classes
ABuffIndex has two numeric type parameters: the size in bits of the representation (sz), and the
length of the buffer it is to index (ln).
typedef struct { UInt#(sz) bix; } BuffIndex#(numeric type sz, numeric type ln)
deriving (Bits, Eq);
AWrapNumber#(sz) has a single numeric type parameter, sz, which is the size in bits of the repre-
sentation.
typedef struct { UInt#(sz) wn; } WrapNumber#(numeric type sz)
deriving (Bits, Eq, Arith, Literal, Bounded);
Both types belong to the Bits,Eq,Arith, and Literal typeclasses. The WrapNumber type also
belongs to the Ord typeclass. Each type class definition includes functions which are then also
defined for the data type. The Prelude library definitions (Section B) describes which functions are
defined for each type class.
Type Classes used by BuffIndex and WrapNumber
Bits Eq Literal Arith Ord Bounded Bit Bit Bit
wise Reduction Extend
WrapNumber √ √ √ √ √ √
BuffIndex √ √ √ √
Literal Both BuffIndex and WrapNumber belong to the Literal typeclass, which allows conversion
from (compile-time) type Integer to these types.
For the BuffIndex type, the fromInteger and inLiteralRange functions are defined as:
instance Literal#(BuffIndex#(sz,ln));
function fromInteger(i) = BuffIndex {bix: fromInteger(i) };
function inLiteralRange(x,i) = (i>=0 && i < valueof(ln));
endinstance
Arith The type class Arith defines the common infix operators. Addition and subtraction are the
only meaningful arithmetic operations for WrapNumber and BuffIndex.
318

Bluespec SystemVerilog Reference Guide
Ord WrapNumber belongs to the Ord typeclass, so values of WrapNumber can be compared by the
relational operators <,>,<=, and >=. Since the ordering of WrapNumber types takes into account
wrap-around, the nearer distance apart is used to determine which value is ahead of the other.
Functions
Utility functions to convert a BuffIndex to a UInt and for adding and subtracting BuffIndex and
UInt values are provided.
unwrapBI Converts a BuffIndex to a UInt
function UInt#(sz) unwrapBI(BuffIndex#(sz,ln) x);
addBIUInt Adds a UInt to a BuffIndex, returning a BuffIndex
function BuffIndex#(sz,ln) addBIUInt(BuffIndex#(sz,ln) bin,
UInt#(sz) i);
sbtrctBIUInt Subtracts a UInt from a BuffIndex, returning a BuffIndex
function BuffIndex#(sz,ln) sbtrctBIUInt(BuffIndex#(sz,ln) bin,
UInt#(sz) i);
Utility functions to convert between a WrapNumber and a UInt, and a function to add a UInt to a
WrapNumber are provided.
wrap Converts a UInt to a WrapNumber
function WrapNumber#(sz) wrap(UInt#(sz) x) ;
unwrap Converts a WrapNumber to a UInt
function UInt#(sz) unwrap (WrapNumber#(sz) x);
addUInt Adds a UInt to a WrapNumber, returning a WrapNumber
function WrapNumber#(sz) addUInt(WrapNumber#(sz) wn,
UInt#(sz) i) ;
C.6 FSM
C.6.1 StmtFSM
Package
import StmtFSM :: * ;
319

Reference Guide Bluespec SystemVerilog
Description
The StmtFSM package provides a procedural way of defining finite state machines (FSMs) which are
automatically synthesized.
First, one uses the Stmt sublanguage to compose the actions of an FSM using sequential, parallel,
conditional and looping structures. This sublanguage is within the expression syntactic category,
i.e., a term in the sublanguage is an expression whose value is of type Stmt. This value can be bound
to identifiers, passed as arguments and results of functions, held in static data structures, etc., like
any other value. Finally, the FSM can be instantiated into hardware, multiple times if desired, by
passing the Stmt value to the module constructor mkFSM. The resulting module interface has type
FSM, which has methods to start the FSM and to wait until it completes.
The Stmt sublanguage
The state machine is automatically constructed from the procedural description given in the Stmt
definition. Appropriate state counters are created and rules are generated internally, corresponding
to the transition logic of the state machine. The use of rules for the intermediate state machine
generation ensures that resource conflicts are identified and resolved, and that implicit conditions
are properly checked before the execution of any action.
The names of generated rules (which may appear in conflict warnings) have suffixes of the form
“l<nn>c<nn>”, where the <nn> are line or column numbers, referring to the statement which gave
rise to the rule.
A term in the Stmt sublanguage is an expression, introduced at the outermost level by the keywords
seq or par. Note that within the sublanguage, if,while and for statements are interpreted
as statements in the sublanguage and not as ordinary statements, except when enclosed within
action/endaction keywords.
exprPrimary ::= seqFsmStmt |parFsmStmt
fsmStmt ::= exprFsmStmt
|seqFsmStmt
|parFsmStmt
|ifFsmStmt
|whileFsmStmt
|repeatFsmStmt
|forFsmStmt
|returnFsmStmt
exprFsmStmt ::= regWrite ;
|expression ;
seqFsmStmt ::= seq fsmStmt {fsmStmt }endseq
parFsmStmt ::= par fsmStmt {fsmStmt }endpar
ifFsmStmt ::= if expression fsmStmt
[else fsmStmt ]
whileFsmStmt ::= while ( expression )
loopBodyFsmStmt
forFsmStmt ::= for ( fsmStmt ;expression ;fsmStmt )
loopBodyFsmStmt
returnFsmStmt ::= return ;
repeatFsmStmt ::= repeat ( expression )
loopBodyFsmStmt
320

Bluespec SystemVerilog Reference Guide
loopBodyFsmStmt ::= fsmStmt
|break ;
|continue ;
The simplest kind of statement is an exprFsmStmt, which can be a register assignment or, more
generally, any expression of type Action (including action method calls and action-endaction
blocks or of type Stmt. Statements of type Action execute within exactly one clock cycle, but of
course the scheduling semantics may affect exactly which clock cycle it executes in. For example, if
the actions in a statement interfere with actions in some other rule, the statement may be delayed
by the schedule until there is no interference. In all the descriptions of statements below, the
descriptions of time taken by a construct are minimum times; they could take longer because of
scheduling semantics.
Statements can be composed into sequential, parallel, conditional and loop forms. In the sequential
form (seq-endseq), the contained statements are executed one after the other. The seq block
terminates when its last contained statement terminates, and the total time (number of clocks) is
equal to the sum of the individual statement times.
In the parallel form (par-endpar), the contained statements (“threads”) are all executed in parallel.
Statements in each thread may or may not be executed simultaneously with statements in other
threads, depending on scheduling conflicts; if they cannot be executed simultaneously they will be
interleaved, in accordance with normal scheduling. The entire par block terminates when the last
of its contained threads terminates, and the minimum total time (number of clocks) is equal to the
maximum of the individual thread times.
In the conditional form (if (b)s1else s2), the boolean expression bis first evaluated. If true,
s1is executed, otherwise s2(if present) is executed. The total time taken is tcycles, if the chosen
branch takes tcycles.
In the while (b)sloop form, the boolean expression bis first evaluated. If true, sis executed, and
the loop is repeated. Each time the condition evaluates true , the loop body is executed, so the total
time is n×tcycles, where nis the number of times the loop is executed (possibly zero) and tis the
time for the loop body statement.
The for (s1;b;s2)sBloop form is equivalent to:
s1; while (b) seq sB;s2endseq
i.e., the initializer s1is executed first. Then, the condition bis executed and, if true, the loop body
sBis executed followed by the “increment” statement s2. The b,sB,s2sequence is repeated as long
as bevaluates true.
Similarly, the repeat (n)sBloop form is equivalent to:
while (repeat_count < n) seq sB;repeat_count <=repeat_count + 1 endseq
where the value of repeat count is initialized to 0. During execution, the condition (repeat count <
n) is executed and, if true, the loop body sBis executed followed by the “increment” statement
repeat count <=repeat count + 1. The sequence is repeated as long as repeat count < n evaluates
true.
In all the loop forms, the loop body statements can contain the keywords continue or break, with
the usual semantics, i.e., continue immediately jumps to the start of the next iteration, whereas
break jumps out of the loop to the loop sequel.
It is important to note that this use of loops, within a Stmt context, expresses time-based (temporal)
behavior.
Interfaces and Methods
321

Reference Guide Bluespec SystemVerilog
Two interfaces are defined with this package, FSM and Once. The FSM interface defines a basic state
machine interface while the Once interface encapsulates the notion of an action that should only be
performed once. A Stmt value can be instatiated into a module that presents an interface of type
FSM.
There is a one clock cycle delay after the start method is asserted before the FSM starts. This
insulates the start method from many of the FSM schedule constraints that change depending on
what computation is included in each specific FSM. Therefore, it is possible that the StmtFSM is
enabled when the start method is called, but not on the next cycle when the FSM actually starts.
In this case, the FSM will stall until the conditions allow it to continue.
Interfaces
Name Description
FSM The state machine interface
Once Used when an action should only be performed once
•FSM Interface
The FSM interface provides four methods; start,waitTillDone,done and abort. Once in-
stantiated, the FSM can be started by calling the start method. One can wait for the FSM
to stop running by waiting explicitly on the boolean value returned by the done method. The
done method is True before the FSM has run the first time. Alternatively, one can use the
waitTillDone method in any action context (including from within another FSM), which (be-
cause of an implicit condition) cannot execute until this FSM is done. The user must not use
waitTillDone until after the FSM has been started because the FSM comes out of a reset as
done. The abort method immediately exits the execution of the FSM.
interface FSM;
method Action start();
method Action waitTillDone();
method Bool done();
method Action abort();
endinterface: FSM
FSM Interface
Methods
Name Type Description
start Action Begins state machine execution. This can only be called
when the state machine is not executing.
waitTillDone Action Does not do any action, but is only ready when the state
machine is done.
done Bool Asserted when the state machine is done and is ready to
rerun. State machine comes out of reset as done.
abort Action Exits execution of the state machine.
•Once Interface
The Once interface encapsulates the notion of an action that should only be performed once.
The start method performs the action that has been encapuslated in the Once module. After
start has been called start cannot be called again (an implicit condition will enforce this).
If the clear method is called, the start method can be called once again.
interface Once;
method Action start();
method Action clear();
method Bool done() ;
endinterface: Once
322

Bluespec SystemVerilog Reference Guide
Once Interface
Methods
Name Type Description
start Action Performs the action that has been encapsulated in the
Once module, but once start has been called it cannot
be called again (an implicit condition will enforce this).
clear Action If the clear method is called, the start method can be
called once again.
done Bool Asserted when the state machine is done and is ready to
rerun.
Modules
Instantiation is performed by passing a Stmt value into the module constructor mkFSM. The state
machine is automatically constructed from the procedural decription given in the definition described
by state machine of type Stmt named seq_stmt. During construction, one or more registers of
appropriate widths are created to track state execution. Upon start action, the registers are loaded
and subsequent state changes then decrement the registers.
module mkFSM#( Stmt seq_stmt ) ( FSM );
The mkFSMWithPred module is like mkFSM above, except that the module constructor takes an ad-
ditional boolean argument (the predicate). The predicate condition is added to the condition of
each rule generated to create the FSM. This capability is useful when using the FSM in conjuction
with other rules and/or FSMs. It allows the designer to explicitly specify to the compiler the condi-
tions under which the FSM will run. This can be used to eliminate spurious rule conflict warnings
(between rules in the FSM and other rules in the design).
module mkFSMWithPred#( Stmt seq_stmt, Bool pred ) ( FSM );
The mkAutoFSM module is also like mkFSM above, except the state machine runs automatically im-
mediately after reset and a $finish(0) is called upon completion. This is useful for test benches.
Thus, it has no interface, that is, it has an empty interface.
module mkAutoFSM#( seq_stmt ) ();
The mkOnce function is used to create a Once interface where the action argument has been encap-
sulated and will be performed when start is called.
module mkOnce#( Action a ) ( Once );
The implementation for Once is a 1 bit state machine (with a state register named onceReady)
allowing the action argument to occur only one time. The ready bit is initially True and then
cleared when the action is performed. It might not be performed right away, because of implicit
conditions or scheduling conflicts.
323

Reference Guide Bluespec SystemVerilog
Name BSV Module Declaration Description
mkFSM
module mkFSM#(Stmt seq_stmt)(FSM);
Instantiate a Stmt value into a mod-
ule that presents an interface of type
FSM.
mkFSMWithPred
module mkFSMWithPred#(Stmt seq_stmt,
Bool pred)(FSM);
Like mkFSM, except that the module
constructor takes an additional pred-
icate condition as an argument. The
predicate condition is added to the
condition of each rule generated to
create the FSM.
mkAutoFSM
module mkAutoFSM#(Stmt seq_stmt)();
Like mkFSM, except that state ma-
chine simulation is automatically
started and a $finish(0)) is called
upon completion.
mkOnce
module mkOnce#( Action a )( Once );
Used to create a Once interface where
the action argument has been encap-
sulated and will be performed when
start is called.
Functions
There are two functions, await and delay, provided by the StmtFSM package.
The await function is used to create an action which can only execute when the condition is True.
The action does not do anything. await is useful to block the execution of an action until a condition
becomes True.
The delay function is used to execute noAction for a specified number of cycles. The function is
provided the value of the delay and returns a Stmt.
Name Function Declaration Description
await
function Action await( Bool cond ) ;
Creates an Action which does nothing,
but can only execute when the condi-
tion is True.
delay
function Stmt delay( a_type value ) ;
Creates a Stmt which executes
noAction for value number of cycles.
a_type must be in the Arith class and
Bits class and <32 bits.
Example - Initializing a single-ported SRAM.
Since the SRAM has only a single port, we can write to only one location in each clock. Hence, we
need to express a temporal sequence of writes for all the locations to be initialized.
Reg#(int) i <- mkRegU; // instantiate register with interface i
Reg#(int) j <- mkRegU; // instantiate register with interface j
// Define fsm behavior
Stmt s = seq
for(i<=0;i<M;i<=i+1)
for(j<=0;j<N;j<=j+1)
sram.write (i, j, i+j);
324

Bluespec SystemVerilog Reference Guide
endseq;
FSM fsm(); // instantiate FSM interface
mkFSM#(s) (fsm); // create fsm with interface fsm and behavior s
...
rule initSRAM (start_reset);
fsm.start; // Start the fsm
endrule
When the start_reset signal is true, the rule kicks off the SRAM initialization. Other rules can
wait on fsm.done, if necessary, for the SRAM initialization to be completed.
In this example, the seq-endseq brackets are used to enter the Stmt sublanguage, and then for
represents Stmt sequencing (instead of its usual role of static generation). Since seq-endseq contains
only one statement (the loop nest), par-endpar brackets would have worked just as well.
Example - Defining and instantiating a state machine.
import StmtFSM :: *;
import FIFO :: *;
module testSizedFIFO();
// Instantiation of DUT
FIFO#(Bit#(16)) dut <- mkSizedFIFO(5);
// Instantiation of reg’s i and j
Reg#(Bit#(4)) i <- mkRegA(0);
Reg#(Bit#(4)) j <- mkRegA(0);
// Action description with stmt notation
Stmt driversMonitors =
(seq
// Clear the fifo
dut.clear;
// Two sequential blocks running in parallel
par
// Enque 2 times the Fifo Depth
for(i <= 1; i <= 10; i <= i + 1)
seq
dut.enq({0,i});
$display(" Enque %d", i);
endseq
// Wait until the fifo is full and then deque
seq
while (i < 5)
seq
noAction;
endseq
while (i <= 10)
action
325

Reference Guide Bluespec SystemVerilog
dut.deq;
$display("Value read %d", dut.first);
endaction
endseq
endpar
$finish(0);
endseq);
// stmt instantiation
FSM test <- mkFSM(driversMonitors);
// A register to control the start rule
Reg#(Bool) going <- mkReg(False);
// This rule kicks off the test FSM, which then runs to completion.
rule start (!going);
going <= True;
test.start;
endrule
endmodule
Example - Defining and instantiating a state machine to control speed changes
import StmtFSM::*;
import Common::*;
interface SC_FSM_ifc;
method Speed xcvrspeed;
method Bool devices_ready;
method Bool out_of_reset;
endinterface
module mkSpeedChangeFSM(Speed new_speed, SC_FSM_ifc ifc);
Speed initial_speed = FS;
Reg#(Bool) outofReset_reg <- mkReg(False);
Reg#(Bool) devices_ready_reg <- mkReg(False);
Reg#(Speed) device_xcvr_speed_reg <- mkReg(initial_speed);
// the following lines define the FSM using the Stmt sublanguage
// the state machine is of type Stmt, with the name speed_change_stmt
Stmt speed_change_stmt =
(seq
action outofReset_reg <= False; devices_ready_reg <= False; endaction
noAction; noAction; // same as: delay(2);
device_xcvr_speed_reg <= new_speed;
noAction; noAction; // same as: delay(2);
outofReset_reg <= True;
if (device_xcvr_speed_reg==HS)
seq noAction; noAction; endseq
// or seq delay(2); endseq
326

Bluespec SystemVerilog Reference Guide
else
seq noAction; noAction; noAction; noAction; noAction; noAction; endseq
// or seq delay(6); endseq
devices_ready_reg <= True;
endseq);
// end of the state machine definition
// the statemachine is instantiated using mkFSM
FSM speed_change_fsm <- mkFSM(speed_change_stmt);
// the rule change_speed starts the state machine
// the rule checks that previous actions of the state machine have completed
rule change_speed ((device_xcvr_speed_reg != new_speed || !outofReset_reg) &&
speed_change_fsm.done);
speed_change_fsm.start;
endrule
method xcvrspeed = device_xcvr_speed_reg;
method devices_ready = devices_ready_reg;
method out_of_reset = outofReset_reg;
endmodule
Example - Defining a state machine and using the await function
// This statement defines this brick’s desired behavior as a state machine:
// the subcomponents are to be executed one after the other:
Stmt brickAprog =
seq
// Since the following loop will be executed over many clock
// cycles, its control variable must be kept in a register:
for (i <= 0; i < 0-1; i <= i+1)
// This sequence requests a RAM read, changing the state;
// then it receives the response and resets the state.
seq
action
// This action can only occur if the state is Idle
// the await function will not let the statements
// execute until the condition is met
await(ramState==Idle);
ramState <= DesignReading;
ram.request.put(tagged Read i);
endaction
action
let rs <- ram.response.get();
ramState <= Idle;
obufin.put(truncate(rs));
endaction
endseq
// Wait a little while:
for (i <= 0; i < 200; i <= i+1)
action
endaction
// Set an interrupt:
action
inrpt.set;
327

Reference Guide Bluespec SystemVerilog
endaction
endseq
);
// end of the state machine definition
FSM brickAfsm <- mkFSM#(brickAprog); //instantiate the state machine
// A register to remember whether the FSM has been started:
Reg#(Bool) notStarted();
mkReg#(True) the_notStarted(notStarted);
// The rule which starts the FSM, provided it hasn’t been started
// previously and the brick is enabled:
rule start_Afsm (notStarted && enabled);
brickAfsm.start; //start the state machine
notStarted <= False;
endrule
Creating FSM Server Modules
Instantiation of an FSM server module is performed in a manner analogous to that of a standard FSM
module constructor (such as mkFSM). Whereas mkFSM takes a Stmt value as an argument, howver,
mkFSMServer takes a function as an argument. More specifically, the argument to mkFSMServer is a
function which takes an argument of type aand returns a value of type RStmt#(b).
module mkFSMServer#(function RStmt#(b) seq_func (a input)) ( FSMServer#(a, b) );
The RStmt type is a polymorphic generalization of the Stmt type. A sequence of type RStmt#(a)
allows valued return statements (where the return value is of type a). Note that the Stmt type is
equivalent to RStmt#(Bit#(0)).
typedef RStmt#(Bit#(0)) Stmt;
The mkFSMServer module constructor provides an interface of type FSMServer#(a, b).
interface FSMServer#(type a, type b);
interface Server#(a, b) server;
method Action abort();
endinterface
The FSMServer interface has one subinterface of type Server#(a, b) (from the ClientServer
package) as well as an Action method called abort; The abort method allows the FSM inside the
FSMServer module to be halted if the client FSM is halted.
An FSMServer module is accessed using the callServer function from within an FSM statement
block. callServer takes two arguments. The first is the interface of the FSMServer module. The
second is the input value being passed to the module.
result <- callServer(serv_ifc, value);
Note the special left arrow notation that is used to pass the server result to a register (or more
generally to any state element with a Reg interface). A simple example follows showing the definition
and use of a mkFSMServer module.
Example - Defining and instantiating an FSM Server Module
328

Bluespec SystemVerilog Reference Guide
// State elements to provide inputs and store results
Reg#(Bit#(8)) count <- mkReg(0);
Reg#(Bit#(16)) partial <- mkReg(0);
Reg#(Bit#(16)) result <- mkReg(0);
// A function which creates a server sequence to scale a Bit#(8)
// input value by and integer scale factor. The scaling is accomplished
// by a sequence of adds.
function RStmt#(Bit#(16)) scaleSeq (Integer scale, Bit#(8) value);
seq
partial <= 0;
repeat (fromInteger(scale))
action
partial <= partial + {0,value};
endaction
return partial;
endseq;
endfunction
// Instantiate a server module to scale the input value by 3
FSMServer#(Bit#(8), Bit#(16)) scale3_serv <- mkFSMServer(scaleSeq(3));
// A test sequence to apply the server
let test_seq = seq
result <- callServer(scale3_serv, count);
count <= count + 1;
endseq;
let test_fsm <- mkFSM(test_seq);
// A rule to start test_fsm
rule start;
test_fsm.start;
endrule
// finish after 6 input values
rule done (count == 6);
$finish;
endrule
C.7 Connectivity
The packages in this section provide useful components, primarily interfaces, to connect hardware
elements in a design.
The basic interfaces, Get and Put are defined in the package GetPut. The typeclass Connectable
indicates that two related types can be connected together. The package ClientServer provides
interfaces using Get and Put for modules that have a request-response type of interface. The package
CGetPut defines a type of the Get and Put interfaces that is implemented with a credit based FIFO.
C.7.1 GetPut
Package
import GetPut :: *;
329

Reference Guide Bluespec SystemVerilog
Description
A common paradigm between two blocks is the get/put mechanism: one side gets or retrieves an
item from an interface and the other side puts or gives an item to an interface. These types of
interfaces are used in Transaction Level Modeling or TLM for short. This pattern is so common in
system design that BSV provides the GetPut library package for this purpose.
The GetPut package provides basic interfaces to implement the TLM paradigm, along with interface
transformer functions and modules to transform to/from FIFO implementations. The ClientServer
package in Section C.7.3 defines more complex interfaces based on the Get and Put interfaces
to support request-response interfaces. The GetPut package must be imported when using the
ClientServer package.
Typeclasses
The GetPut package defines two typeclasses: ToGet and ToPut. The types with instances defined
in these typeclasses provide the functions toGet and toPut, used to create associated Get and Put
interfaces from these other types.
ToGet defines the class to which the function toGet can be applied to create an associated Get
interface.
typeclass ToGet#(a, b);
function Get#(b) toGet(a ax);
endtypeclass
ToPut defines the class to which the function toPut can be applied to create an associated Put
interface.
typeclass ToPut#(a, b);
function Put#(b) toPut(a ax);
endtypeclass
Instances of ToGet and ToPut are defined for the following interfaces:
Defined Instances for ToGet and ToPut
Type (Interface) toGet toPut Comments
a toGet returns value a
ActionValue#(a) toGet performs the Action and returns the value
function Action fn(a) toPut calls Action function fn with argument a
Get#(a) identity function: returns Get#(a)
Put#(a) identity function: returns Put#(a)
Reg#(a) toGet returns _read,toPut calls _write
RWire#(a) toGet returns wget,toPut calls wset
ReadOnly#(a) toGet returns _read
FIFO#(a) toGet calls deq returns first,toPut calls enq
FIFOF#(a) toGet calls deq returns first,toPut calls enq
SyncFIFOIfc#(a) toGet calls deq returns first,toPut calls enq
FIFOLevelIfc#(a) toGet calls deq returns first,toPut calls enq
SyncFIFOLevelIfc#(a) toGet calls deq returns first,toPut calls enq
FIFOCountIfc#(a) toGet calls deq returns first,toPut calls enq
SyncFIFOCountIfc#(a) toGet calls deq returns first,toPut calls enq
Example - Using toPut
330

Bluespec SystemVerilog Reference Guide
module mkTop (Put#(UInt#(64)));
Reg#(UInt#(64)) inValue <- mkReg(0);
Reg#(Bool) startit <- mkReg(True);
...
StimIfc stim_gen <- mkStimulusGen;
rule startTb (startit && inValue!=0);
// Get the value
let val = inValue;
stim_gen.start(val);
startit <= False;
endrule
...
return (toPut(asReg(inValue)));
endmodule: mkTop
Interfaces and methods
The Get interface defines the get method, similar to a dequeue, which retrieves an item from an
interface and removes it at the same time. The Put interface defines the put method, similar to an
enqueue, which gives an item to an interface. Also provided is the GetS interface, which defines
separate methods for the dequeue (deq) and retreiving the item (first) from the interface.
You can design your own Get and Put interfaces with implicit conditions on the get/put to ensure
that the get/put is not performed when the module is not ready. This would ensure that a rule
containing get method would not fire if the element associated with it is empty and that a rule
containing put method would not fire if the element is full.
The following interfaces are defined in the GetPut package. They each take a single parameter,
element_type which must be in the Bits typeclass.
Interfaces defined in GetPut
Interface
Name
Description Methods Type
Get Retrieves item from an interface get ActionValue
Put Adds an item to an interface put Action
GetS Retrieves an item from an interface with 2 methods, first Value
separating the return of the value from the dequeue deq Action
GetPut Combination of a Get and a Put in a Tuple2 get ActionValue
put Action
Get
The Get interface is where you retrieve (get) data from an object. The Get interface is provides a
single ActionValue method, get, which retrieves an item of data from an interface and removes it
from the object. A get is similar to a dequeue, but it can be associated with any interface. A Get
interface is more abstract than a FIFO interface; it does not describe the underlying hardware.
Get
Method Argument
Name Type Description Name Description
get ActionValue returns an item from an
interface and removes it
from the object
331

Reference Guide Bluespec SystemVerilog
interface Get#(type element_type);
method ActionValue#(element_type) get();
endinterface: Get
Example - adding your own Get interface:
module mkMyFifoUpstream (Get#(int));
...
method ActionValue#(int) get();
f.deq;
return f.first;
endmethod
Put
The Put interface is where you can give (put) data to an object. The Put interface provides a single
Action method, put, which gives an item to an interface. A put is similar to an enqueue, but it can
be associated with any interface. A Put interface is more abstract than a FIFO interface; it does not
describe the underlying hardware.
Put
Method Argument
Name Type Description Name Description
put Action gives an item to an interface x1 data to be added to the object
must be of type element_type
interface Put#(type element_type);
method Action put(element_type x1);
endinterface: Put
Example - adding your own Put interface:
module mkMyFifoDownstream (Put#(int));
...
method Action put(int x);
F.enq(x);
endmethod
GetS
The GetS interface is like a Get interface, but separates the get method into two methods: a first
and a deq.
GetS
Method Argument
Name Type Description Name Description
first Value returns an item from the
interface
deq Action Removes the item from
the interface
interface GetS#(type element_type);
method element_type first();
method Action deq();
endinterface: GetS
332

Bluespec SystemVerilog Reference Guide
GetPut
The library also defines an interface GetPut which associates Get and Put interfaces into a Tuple2.
typedef Tuple2#(Get#(element_type), Put#(element_type)) GetPut#(type element_type);
Type classes
The class Connectable (Section C.7.2) is meant to indicate that two related types can be connected
in some way. It does not specify the nature of the connection.
AGet and Put is an example of connectable items. One object will put an element into the interface
and the other object will get the element from the interface.
instance Connectable#(Get#(element_type), Put#(element_type));
Modules
There are three modules provided by the GetPut package which provide the GetPut interface with
a type of FIFO. These FIFOs use Get and Put interfaces instead of the usual enq interfaces. To use
any of these modules the FIFO package must be imported. You can also write your own modules
providing a GetPut interface for other hardware structures.
mkGPFIFO Creates a FIFO of depth 2 with a GetPut interface.
module mkGPFIFO (GetPut#(element_type))
provisos (Bits#(element_type, width_elem));
mkGPFIFO1 Creates a FIFO of depth 1 with a GetPut interface.
module mkGPFIFO1 (GetPut#(element_type))
provisos (Bits#(element_type, width_elem));
mkGPSizedFIFO Creates a FIFO of depth n with a GetPut interface.
module mkGPSizedFIFO# (Integer n) (GetPut#(element_type))
provisos (Bits#(element_type, width_elem));
Functions
There are three functions defined in the GetPut package that change a FIFO interface to a Get,GetS
or Put interface. Given a FIFO we can use the function fifoToGet to obtain a Get interface, which
is a combination of deq and first. Given a FIFO we can use the function fifoToPut to obtain a
Put interface using enq. The functions toGet and toPut (C.7.1) are recommended instead of the
fifoToGet and fifoToPut functions. The function fifoToGetS returns the GetS methods as fifo
methods.
333

Reference Guide Bluespec SystemVerilog
fifoToGet Returns a Get interface. It is recommended that you use the function toGet
(C.7.1) instead of this function.
function Get#(element_type) fifoToGet(FIFO#(element_type) f);
fifoToGetS Returns a GetS interface.
function GetS#(element_type) fifoToGet(FIFO#(element_type) f);
fifoToPut Returns a Put interface. It is recommended that you use the function toPut
(C.7.1) instead of this function.
function Put#(element_type) fifoToPut(FIFO#(element_type) f);
Example of creating a FIFO with a GetPut interface
import GetPut::*;
import FIFO::*;
...
module mkMyModule (MyInterface);
GetPut#(StatusInfo) aFifoOfStatusInfoStructures <- mkGPFIFO;
...
endmodule: mkMyModule
Example of a protocol monitor
This is an example of how you might write a protocol monitor that watches bus traffic between a
bus and a bus target device
import GetPut::*;
import FIFO::*;
// Watch bus traffic beteween a bus and a bus target
interface ProtocolMonitorIfc;
// These subinterfaces are defined inside the module
interface Put#(Bus_to_Target_Request) bus_to_targ_req_ifc;
interface Put#(Target_to_Bus_Response) targ_to_bus_resp_ifc;
endinterface
...
module mkProtocolMonitor (ProtocolMonitorIfc);
// Input FIFOs that have Put interfaces added a few lines down
FIFO#(Bus_to_Target_Request) bus_to_targ_reqs <- mkFIFO;
FIFO#(Target_To_Bus_Response) targ_to_bus_resps <- mkFIFO;
...
// Define the subinterfaces: attach Put interfaces to the FIFOs, and
// then make those the module interfaces
interface bus_to_targ_req_ifc = fifoToPut (bus_to_targ_reqs);
334

Bluespec SystemVerilog Reference Guide
interface targ_to_bus_resp_ifc = fifoToPut (targ_to_bus_resps);
end module: mkProtocolMonitor
// Top-level module: connect mkProtocolMonitor to the system:
module mkSys (Empty);
ProtocolMonitorIfc pmon <- mkProtocolInterface;
...
rule pass_bus_req_to_interface;
let x <- bus.bus_ifc.get; // definition not shown
pmon.but_to_targ_ifc.put (x);
endrule
...
endmodule: mkSys
C.7.2 Connectable
Package
import Connectable :: * ;
Description
The Connectable package contains the definitions for the class Connectable and instances of
Connectables.
Types and Type-Classes
The class Connectable is meant to indicate that two related types can be connected in some way.
It does not specify the nature of the connection. The Connectables type class defines the module
mkConnection, which is used to connect the pairs.
typeclass Connectable#(type a, type b);
module mkConnection#(a x1, b x2)(Empty);
endtypeclass
Instances
Get and Put One instance of the typeclass of Connectable is Get and Put. One object will put
an element into an interface and the other object will get the element from the interface.
instance Connectable#(Get#(a), Put#(a));
Tuples If we have Tuple2 of connectable items then the pair is also connectable, simply by con-
necting the individual items.
instance Connectable#(Tuple2#(a, c), Tuple2#(b, d))
provisos (Connectable#(a, b), Connectable#(c, d));
The proviso shows that the first component of one tuple connects to the first component of the other
tuple, likewise, the second components connect as well. In the above statement, aconnects to band
cconnects to d. This is used by ClientServer (Section C.7.3) to connect the Get of the Client to
the Put of the Server and visa-versa.
This is extensible to all Tuples (Tuple3,Tuple4, etc.). As long as the items are connectable, the
Tuples are connectable.
335

Reference Guide Bluespec SystemVerilog
Vector Two Vectors are connectable if their elements are connectable.
instance Connectable#(Vector#(n, a), Vector#(n, b))
provisos (Connectable#(a, b));
ListN Two ListNs are connectable if their elements are connectable.
instance Connectable#(ListN#(n, a), ListN#(n, b))
provisos (Connectable#(a, b));
Action, ActionValue An ActionValue method (or function) which produces a value can be
connected to an Action method (or function) which takes that value as an argument.
instance Connectable#(ActionValue#(a), function Action f(a x));
instance Connectable#(function Action f(a x), ActionValue#(a));
AValue method (or value) can be connected to an Action method (or function) which takes that
value as an argument.
instance Connectable#(a, function Action f(a x));
instance Connectable#(function Action f(a x), a);
Inout Inouts are connectable via the Connectable typeclass. The use of mkConnection instanti-
ates a Verilog module InoutConnect. The Inouts must be on the same clock and the same reset.
The clock and reset of the Inouts may be different than the clock and reset of the parent module of
the mkConnection.
instance Connectable#(Inout#(a, x1), Inout#(a, x2))
provisos (Bit#(a,sa));
C.7.3 ClientServer
Package
import ClientServer :: * ;
Description
The ClientServer package provides two interfaces, Client and Server which can be used to define
modules which have a request-response type of interface. The GetPut package must be imported
when using this package because the Get and Put interface types are used.
Interfaces and methods
The interfaces Client and Server can be used for modules that have a request-response type of
interface (e.g. a RAM). The server accepts requests and generates responses, the client accepts
responces and generates requests. There are no assumptions about how many (if any) responses a
request generates
Interfaces
Interface Name Parameter name Parameter Description Restrictions
Client req type type of the client request must be in the Bits class
resp type type of the client response must be in the Bits class
Server req type type of the server request must be in the Bits class
resp type type of the server response must be in the Bits class
336

Bluespec SystemVerilog Reference Guide
Client
The Client interface provides two subinterfaces, request and response. From a Client, one gets
a request and puts a response.
Client SubInterface
Name Type Description
request Get#(req_type) the interface through which the outside world
retrieves (gets) a request
response Put#(resp_type) the interface through which the outside world
returns (puts) a response
interface Client#(type req_type, type resp_type);
interface Get#(req_type) request;
interface Put#(resp_type) response;
endinterface: Client
Server
The Server interface provides two subinterfaces, request and response. From a Server, one puts
a request and gets a response.
Server SubInterface
Name Type Description
request Put#(req_type) the interface through which the outside world
returns (puts) a request
response Get#(resp_type) the interface through which the outside world
retrieves (gets) a response
interface Server#(type req_type, type resp_type);
interface Put#(req_type) request;
interface Get#(resp_type) response;
endinterface: Server
ClientServer
AClient can be connected to a Server and vice versa. The request (which is a Get interface)
of the client will connect to response (which is a Put interface) of the Server. By making the
ClientServer tuple an instance of the Connectable typeclass, you can connect the Get of the client
to the Put of the server, and the Put of the client to the Get of the server.
instance Connectable#(Client#(req_type, resp_type), Server#(req_type, resp_type));
instance Connectable#(Server#(req_type, resp_type), Client#(req_type, resp_type));
This Tuple2 can be redefined to be called ClientServer
typedef Tuple2#(Client#(req_type, resp_type), Server#(req_type,resp_type))
ClientServer#(type req_type, type resp_type);
Example Connecting a bus to a target
interface Bus_Ifc;
interface Server#(RQ, RS) to_initor ;
interface Client#(RQ, RS) to_targ;
endinterface
337

Reference Guide Bluespec SystemVerilog
typedef Server#(RQ, RS) Target_Ifc;
typedef Client#(RQ, RS) Initiator_Ifc;
module mkSys (Empty);
// Instantiate subsystems
Bus_Ifc bus <- mkBus;
Target_Ifc targ <- mkTarget;
Initiator_Ifc initor <- mkInitiator;
// Connect bus and targ (to_targ is a Client ifc, targ is a Server ifc)
Empty x <- mkConnection (bus.to_targ, targ);
// Connect bus and initiator (to_initor is a Server ifc, initor is a Client ifc)
mkConnection (bus.to_initor, initor);
// Since mkConnection returns an interface of type Empty, it does
// not need to be specified (but may be as above)
...
endmodule: mkSys
Functions
The ClientServer package includes functions which return a Client interface or a Server interface
from separate request and response interfaces taken as arguments. The argument interfaces must
be able to be converted to Get and Put interfaces, as indicated by the ToGet and ToPut provisos.
toGPClient Function that returns a Client interface from two arguments (request and response inter-
faces). The arguments must be able to be converted to Get and Put interfaces.
function Client#(req_type, resp_type)
toGPClient(req_ifc_type req_ifc, resp_ifc_type resp_ifc)
provisos (ToGet#(req_ifc_type, req_type), ToPut#(resp_ifc_type, resp_type));
toGPServer Function that returns a Server interface from two arguments (request and response inter-
faces). The arguments must be able to be converted to Get and Put interfaces.
function Server#(req_type, resp_type)
toGPServer(req_ifc_type req_ifc, resp_ifc_type resp_ifc)
provisos (ToPut#(req_ifc_type, req_type), ToGet#(resp_ifc_type,resp_type));
C.7.4 Memory
Package
import Memory :: * ;
Description
338

Bluespec SystemVerilog Reference Guide
The Memory package provides the memory structures MemoryRequest and MemoryResponse which
can be used to define a Client/Server memory structure.
This package is provided as both a compiled library package and as BSV source code as documen-
tation. The source code file can be found in the $BLUESPECDIR/BSVSource/Misc directory. To
customize a package, copy the file into a local directory and then include the local directory in the
path when compiling. This is done by specifying the search path with the -p option as described in
the BSV Users Guide.
Types and type classes
AMemoryRequest is a polymorphic structure of a request containing a write bit, a byte enable
(byteen), the address and the data for a memory request:
typedef struct {
Bool write;
Bit#(TDiv#(d,8)) byteen;
Bit#(a) address;
Bit#(d) data;
} MemoryRequest#(numeric type a, numeric type d) deriving (Bits, Eq);
The MemoryResponse contains the data:
typedef struct {
Bit#(d) data;
} MemoryResponse#(numeric type d) deriving (Bits, Eq);
Interfaces and Methods
The interfaces MemoryServer and MemoryClient are defined from the Server and Client interfaces
defined in ClientServer package (Section C.7.3) using the MemoryRequest and MemoryResponse
types.
The MemoryServer accepts requests and generates responses, the MemoryClient accepts responces
and generates requests. There are no assumptions about how many (if any) responses a request
generates.
typedef Server#(MemoryRequest#(a,d), MemoryResponse#(d))
MemoryServer#(numeric type a, numeric type d);
typedef Client#(MemoryRequest#(a,d), MemoryResponse#(d))
MemoryClient#(numeric type a, numeric type d);
Default value instances are defined for both MemoryRequest and MemoryResponse:
instance DefaultValue#(MemoryRequest#(a,d));
defaultValue = MemoryRequest {
write: False,
byteen: ’1,
address: 0,
data: 0
};
endinstance
instance DefaultValue#(MemoryResponse#(d));
defaultValue = MemoryResponse {
data: 0
};
endinstance
339

Reference Guide Bluespec SystemVerilog
An instance of the TieOff class (Section C.8.10) is defined for MemoryClient:
instance TieOff#(MemoryClient#(a, d));
Functions
updateDataWithMask Replaces the original data with new data. The data must be divisible an 8-bit
multiple of the mask. The mask indicates which bits to replace.
function Bit#(d) updateDataWithMask(Bit#(d) origdata
, Bit#(d) newdata
, Bit#(d8) mask);
C.7.5 CGetPut
Package
import CGetPut :: * ;
Description
The interfaces CGet and CPut are similar to Get and Put, but the interconnection of them (via
Connectable) is implemented with a credit-based FIFO. This means that the CGet and CPut inter-
faces have completely registered input and outputs, and furthermore that additional register buffers
can be introduced in the connection path without any ill effect (except an increase in latency, of
course).
In the absence of additional register buffers, the round-trip time for communication between the two
interfaces is 4 clock cycles. Call this number r. The first argument to the type, n, specifies that
transfers will occur for a fraction n/r of clock cycles (note that the used cycles will not necessarily be
evenly spaced). nalso specifies the depth of the buffer used in the receiving interface (the transmitter
side always has only a single buffer). So (in the absence of additional buffers) use n= 4 to allow
full-bandwidth transmission, at the cost of sufficient registers for quadruple buffering at one end;
use n= 1 for minimal use of registers, at the cost of reducing the bandwidth to one quarter; use
intermediate values to select the optimal trade-off if appropriate.
Interfaces and methods
The interface types are abstract to avoid any improper use of the credit signaling protocol.
Interfaces
Interface Name Parameter
name
Parameter Description Restrictions
CGet ndepth of the buffer used in the re-
ceiving interface
must be a numeric
type
element type type of the element must be in Bits class
being retrieved by the CGet
CPut ndepth of the buffer used in the re-
ceiving interface
must be a numeric
type
element type type of the element must be in Bits class
being added by the CPut
•CGet
interface CGet#(numeric type n, type element_type);
...Abstract...
340

Bluespec SystemVerilog Reference Guide
•CPut
interface CPut#(numeric type n, type element_type);
...Abstract...
•Connectables
The CGet and CPut interfaces are connectable.
instance Connectable#(CGet#(n, element_type), CPut#(n, element_type));
instance Connectable#(CPut#(n, element_type), CGet#(n, element_type));
•CClient and CServer
The same idea may be extended to clients and servers.
interface CClient#(type n, type req_type, type resp_type);
interface CServer#(type n, type req_type, type resp_type);
Modules
mkCGetPut Create an n depth FIFO with a CGet interface on the dequeue side and a
Put interface on the enqueue side.
module mkCGetPut(Tuple2#(CGet#(n, element_type),
Put#(element_type)))
provisos (Bits#(element_type));
mkGetCPut Create an n depth FIFO with a Get interface on the dequeue side and a
CPut interface on the enqueue side.
module mkGetCPut(Tuple2#(Get#(element_type),
CPut#(n, element_type)))
provisos (Bits#(element_type));
mkClientCServer Create a CServer with a mkCGetPut and a mkGetCPut. Provides a CServer
interface and a regular Client interface.
module mkClientCServer(
Tuple2#(Client#(req_type, resp_type),
CServer#(n, req_type, resp_type)))
provisos (Bits#(req_type),
Bits#(resp_type));
mkCClientServer Create a CClient with a mkCGetPut and a mkGetCPut. Provides a CClient
interface and a regular Server interface.
module mkCClientServer(
Tuple2#(CClient#(n, req_type, resp_type),
Server#(req_type, resp_type)))
provisos (Bits#(req_type),
Bits#(resp_type));
341

Reference Guide Bluespec SystemVerilog
C.7.6 CommitIfc
Package
import CommitIfc :: * ;
Description
The CommitIfc package defines a Commit/Accept protocol and interfaces to implement a combi-
national connection between two modules without adding an AND gate in the connection. The
protocols implemented by FIFO and Get/Put connections add an AND gate between the modules
being connected. This combinational loop in the connection of the interfaces can cause complications
in FPGA applications and in partitioning for FPGAs. Additionally, some synthesis tools require a
connection level without any gates. By using the CommitIfc protocol the AND gate is moved out
of the connection and into the connecting modules.
The CommitIfc package defines two interfaces, SendCommit and RecvCommit, which model the op-
posit ends of a FIFO. The protocol does not apply an execution order between the dataout and ack
or datain and accept methods. That is, one can signal accept before the data arrives.
This package is provided as both a compiled library package and as BSV source code as documen-
tation. The source code file can be found in the $BLUESPECDIR/BSVSource/Misc directory. To
customize a package, copy the file into a local directory and then include the local directory in the
path when compiling. This is done by specifying the search path with the -p option as described in
the BSV Users Guide.
Interfaces
The CommitIfc package defines two interfaces: SendCommit and RecvCommit.
The SendCommit interface declares two methods: a value method dataout and an Action method
ack. No execution order is applied between the dataout and the ack; one can signal that the data
is accepted before the data rrives.
SendCommit Interface
Name Type Description
dataout a type The data being sent. There is an implicit RDY indicating the data is valid.
ack Action Signal that data has been accepted.
interface SendCommit#(type a_type);
method a_type dataout;
(*always_ready*)
method Action ack;
endinterface
The RecvCommit interface declares two methods: an Action method with the data, datain, and a
value method accept, returning a Bool indicating if the interface can accept data (comparable to a
notFull).
RecvCommit Interface
Name Type Description
datain Action Receives, or enqueues, the value din, of type a_type.
accept Bool A boolean indicating if the interface can accept data, comparable to a
notFull.
342

Bluespec SystemVerilog Reference Guide
interface RecvCommit#(type a_type);
(*always_ready*)
method Action datain (a_type din);
(*always_ready*)
method Bool accept ;
endinterface
Connectble Instances
The CommitIfc package defines instances of the Connectable type class for the SendCommit and
RecvCommit interfaces, defining how the types can be connected. The Connectable type class defines
amkConnection module for each set of pairs.
instance Connectable#(SendCommit#(a_type), RecvCommit#(a_type));
instance Connectable#(RecvCommit#(a_type), SendCommit#(a_type));
FIFOF The SendCommit and RecvCommit interfaces can be connected to FIFOF interfaces.
instance Connectable#(SendCommit#(a_type), FIFOF#(a_type))
provisos (Bits#(a_type, size_a));
instance Connectable#(FIFOF#(a_type), SendCommit#(a_type))
provisos (Bits#(a_type, size_a));
instance Connectable#(RecvCommit#(a_type), FIFOF#(a_type))
provisos (Bits#(a_type, size_a));
instance Connectable#(FIFOF#(a_type), RecvCommit#(a_type))
provisos (Bits#(a_type, size_a));
SyncFIFOIfc The SendCommit and RecvCommit interfaces can be connected to SyncFIFOIfc in-
terfaces.
instance Connectable#(SendCommit#(a_type), SyncFIFOIfc#(a_type))
provisos (Bits#(a_type, size_a));
instance Connectable#(SyncFIFOIfc#(a_type), SendCommit#(a_type))
provisos (Bits#(a_type, size_a));
instance Connectable#(RecvCommit#(a_type), SyncFIFOIfc#(a_type))
provisos (Bits#(a_type, size_a));
instance Connectable#(SyncFIFOIfc#(a_type), RecvCommit#(a_type))
provisos (Bits#(a_type, size_a));
Typeclasses
The CommitIfc package defines typeclasses for converting to these interfaces from other interface
types. These must use a module since rules and wires are required.
typeclass ToSendCommit#(type a_type , type b_type)
dependencies (a_type determines b_type);
module mkSendCommit#(a_type x) (SendCommit#(b_type));
endtypeclass
343

Reference Guide Bluespec SystemVerilog
typeclass ToRecvCommit#(type a_type , type b_type)
dependencies (a_type determines b_type);
module mkRecvCommit#(a_type x) (RecvCommit#(b_type));
endtypeclass
Instances
Instances for the ToSendCommit and ToRecvCommit type classes are defined to convert to convert
from FIFO,FIFOF,SyncFIFOIfc,Get and Put interfaces.
FIFO
instance ToSendCommit#(FIFO#(a), a);
Note: ToRecvCommit#(FIFO#(a_type), a_type) is not possible, because it would need to have a
notFull signal.
FIFOF The FIFOF instances assume that the fifo has proper implicit conditions.
instance ToSendCommit#(FIFOF#(a_type), a_type);
module mkSendCommit #(FIFOF#(a) f) (SendCommit#(a));
instance ToRecvCommit#(FIFOF#(a_type), a_type)
provisos(Bits#(a,sa));
module mkRecvCommit #(FIFOF#(a) f) (RecvCommit#(a));
SyncFIFOIfc The SyncFIFOIfc instances assume that the fifo has proper implicit conditions.
instance ToSendCommit#(SyncFIFOIfc#(a_type), a_type);
module mkSendCommit #(SyncFIFOIfc#(a) f) (SendCommit#(a));
instance ToRecvCommit#(SyncFIFOIfc#(a_type), a_type)
provisos(Bits#(a,sa));
module mkRecvCommit #(SyncFIFOIfc#(a) f) (RecvCommit#(a));
Get and Put These convert from Get and Put interfaces but introduce additional latency:
instance ToSendCommit#(Get#(a_type), a_type)
provisos ( Bits#(a,sa));
module mkSendCommit #(Get#(a_type) g) (SendCommit#(a_type));
instance ToRecvCommit#(Put#(a_type), a_type)
provisos(Bits#(a,sa));
module mkRecvCommit #(Put#(a_type) p) (RecvCommit#(a_type));
These add FIFOs, but maintain loopless behavior:
instance Connectable#(SendCommit#(a_type), Put#(a_type))
provisos (ToRecvCommit#(Put#(a_type), a_type));
instance Connectable#(Put#(a_type), SendCommit#(a_type))
344

Bluespec SystemVerilog Reference Guide
provisos (ToRecvCommit#(Put#(a_type), a_type));
instance Connectable#(RecvCommit#(a_type), Get#(a_type))
provisos (ToSendCommit#(Get#(a_type), a_type));
instance Connectable#(Get#(a_type), RecvCommit#(a_type))
provisos (ToSendCommit#(Get#(a_type), a_type));
Client/Server Variations
The SendCommit and RecvCommit interfaces can be combined into ClientCommit and ServerCommit
type interfaces, similar to the Client and Server interfaces described in Section C.7.3.
AClient provides two subinterfaces, a Get and a Put The ClientCommit interface combines a
SendCommit request with a RecvCommit response.
interface ClientCommit#(type req, type resp);
interface SendCommit#(req) request;
interface RecvCommit#(resp) response;
endinterface
The mkClientfromClientCommit module takes a ClientCommit interface and provides a Client
interface:
mkClientFromClientCommit Provides a Client interface from a ClientCommit interface.
module mkClientFromClientCommit#(ClientCommit#(req, resp) c)
(Client#(req,resp))
provisos ( Bits#(resp,_x), Bits#(req,_y));
AServer interface provides a Put request with a Get response. The ServerCommit interface com-
bines a RecvCommit request with a SendCommit response.
interface ServerCommit#(type req, type resp);
interface RecvCommit#(req) request;
interface SendCommit#(resp) response;
endinterface
ClientCommit and ServerCommit interfaces are connectable to each other.
instance Connectable#(ClientCommit#(req,resp), ServerCommit#(req,resp));
instance Connectable#( ServerCommit#(req,resp), ClientCommit#(req,resp));
ClientCommit and ServerCommit interfaces are connectable to Clients and Servers.
instance Connectable #(ClientCommit#(req,resp), Server#(req,resp))
provisos ( Bits#(resp,_x), Bits#(req,_y));
instance Connectable #(Server#(req,resp), ClientCommit#(req,resp))
provisos ( Bits#(resp,_x), Bits#(req,_y));
345

Reference Guide Bluespec SystemVerilog
instance Connectable #(ServerCommit#(req,resp), Client#(req,resp))
provisos ( Bits#(resp,_x), Bits#(req,_y));
instance Connectable #( Client#(req,resp), ServerCommit#(req,resp))
provisos ( Bits#(resp,_x), Bits#(req,_y));
The SendCommit and RecvCommit can be defined as instances of ToGet and ToPut. These functions
introduce a combinational loop between the Commit interface methods.
instance ToGet#(SendCommit#(a_type, a_type);
instance ToPut#(RecvCommit#(a_type, a_type);
C.8 Utilities
C.8.1 LFSR
Package
import LFSR :: * ;
Description
The LFSR package implements Linear Feedback Shift Registers (LFSRs). LFSRs can be used to
obtain reasonable pseudo-random numbers for many purposes (though not good enough for cryp-
tography). The seed method must be called first, to prime the algorithm. Then values may be
read using the value method, and the algorithm stepped on to the next value by the next method.
When a LFSR is created the start value, or seed, is 1.
Interfaces and Methods
The LFSR package provides an interface, LFSR, which contains three methods; seed,value, and
next. To prime the LFSR the seed method is called with the parameter seed_value, of datatype
a_type. The value is read with the value method. The next method is used to shift the register
on to the next value.
LFSR Interface
Method Arguments
Name Type Description Name Description
seed Action Sets the value of the shift register. a_type datatype of the
seed value
seed_value the initial value
value a_type returns the value of the shift register
next Action signals the shift register to shift to
the next value.
interface LFSR #(type a_type);
method Action seed(a_type seed_value);
method a_type value();
method Action next();
endinterface: LFSR
346

Bluespec SystemVerilog Reference Guide
Modules
The module mkFeedLFSR creates a LFSR where the polynomial is specified by the mask used for
feedback.
mkFeedLFSR Creates a LFSR where the polynomial is specified by the mask (feed) used
for feedback.
module mkFeedLFSR#( Bit#(n) feed )( LFSR#(Bit#(n)) );
For example, the polynominal x7+x3+x2+x+1 is defined by the expression mkFeedLFSR#(8’b1000_1111)
Using the module mkFeedLFSR, the following maximal length LFSR’s are defined in this package.
Module Name feed Module Definition
mkLFSR_4 4’h9 module mkLFSR_4 (LFSR#(Bit#(4)));
x3+ 1
mkLFSR_8 8’h8E module mkLFSR_8 (LFSR#(Bit#(8)));
mkLFSR_16 16’h8016 module mkLFSR_16 (LFSR#(Bit#(16)));
mkLFSR_32 32’h80000057 module mkLFSR_32 (LFSR#(Bit#(32)));
For example,
mkLFSR_4 = mkFeedLFSR( 4’h9 );
The module mkLFSR_4 instantiates the interface LFSR with the value Bit#(4) to produce a 4 bit
shift register. The module uses the polynomial defined by the mask 4’h9 (x3+ 1) and the module
mkFeedLFSR.
The mkRCounter function creates a counter with a LFSR interface. This is useful during debugging
when a non-random sequence is desired. This function can be used in place of the other mkLFSR
module constructors, without changing any method calls or behavior.
mkRCounter Creates a counter with a LFSR interface.
module mkRCounter#( Bit#(n) seed ) ( LFSR#(Bit#(n)) );
Example - Random Number Generator
import GetPut::*;
import FIFO::*;
import LFSR::*;
// We want 6-bit random numbers, so we will use the 16-bit version of
// LFSR and take the most significant six bits.
// The interface for the random number generator is parameterized on bit
347

Reference Guide Bluespec SystemVerilog
// length. It is a "get" interface, defined in the GetPut package.
typedef Get#(Bit#(n)) RandI#(type n);
module mkRn_6(RandI#(6));
// First we instantiate the LFSR module
LFSR#(Bit#(16)) lfsr <- mkLFSR_16 ;
// Next comes a FIFO for storing the results until needed
FIFO#(Bit#(6)) fi <- mkFIFO ;
// A boolean flag for ensuring that we first seed the LFSR module
Reg#(Bool) starting <- mkReg(True) ;
// This rule fires first, and sends a suitable seed to the module.
rule start (starting);
starting <= False;
lfsr.seed(’h11);
endrule: start
// After that, the following rule runs as often as it can, retrieving
// results from the LFSR module and enqueing them on the FIFO.
rule run (!starting);
fi.enq(lfsr.value[10:5]);
lfsr.next;
endrule: run
// The interface for mkRn_6 is a Get interface. We can produce this from a
// FIFO using the fifoToGet function. We therefore don’t need to define any
// new methods explicitly in this module: we can simply return the produced
// Get interface as the "result" of this module instantiation.
return fifoToGet(fi);
endmodule
C.8.2 Randomizable
Package
import Randomizable :: * ;
Description
The Randomizable package includes interfaces and modules to generate random values of a given
data type.
This package is provided as both a compiled library package and as BSV source code as documen-
tation. The source code file can be found in the $BLUESPECDIR/BSVSource/Misc directory. To
customize a package, copy the file into a local directory and then include the local directory in the
path when compiling. This is done by specifying the search path with the -p option as described in
the BSV Users Guide.
Typeclasses
The Randomizable package includes the Randomizable typeclass.
348

Bluespec SystemVerilog Reference Guide
typeclass Randomizable#(type t);
module mkRandomizer (Randomize#(t));
endtypeclass
Interfaces and Methods
Randomize Interface
Name Type Description
cntrl Interface Control interface provided by the module.
next ActionValue Returns the next value of type a.
interface Randomize#(type a);
interface Control cntrl;
method ActionValue#(a) next();
endinterface
Control Interface
Name Type Description
init Control Action method to initialize the randomizer.
interface Control ;
method Action init();
endinterface
Modules
The Randomizable package includes two modules which return random values of type a. The
difference between the two modules is how the min and max values are determined. The module
mkGenericRandomizer uses the min and max values of the type, while the module mkConstrainedRandomizer
uses arguments to set the min and max values. The type amust be in the Bounded class for both
modules.
mkGenericRandomizer This module provides a Randomize interface, which will return the next ran-
dom value when the next method is invoked. The min and max values are
the values defined by the type awhich must be in the Bounded class.
module mkGenericRandomizer (Randomize#(a))
provisos (Bits#(a, sa), Bounded#(a));
mkConstrainedRandomizer This module provides a Randomize interface, which will give the next random
value when the next method is invoked. When instantiated, the min and max
values are provided as arguments. Type amust be in the Bounded class.
module mkConstrainedRandomizer#(a min, a max) (Randomize#(a))
provisos (Bits#(a, sa), Bounded#(a));
349

Reference Guide Bluespec SystemVerilog
Example
The mkTLMRandomizer module, shown below, uses the Randomize package to generate random values
for TLM packets. The mkConstrainedRandomizer module is for fields with specific allowed values or
ranges, while the mkGenericRandomizer module is for field where all values of the type are allowed.
module mkTLMRandomizer#(Maybe#(TLMCommand) m_command) (Randomize#(TLMRequest#(‘TLM_TYPES)))
provisos(Bits#(RequestDescriptor#(‘TLM_TYPES), s0),
Bounded#(RequestDescriptor#(‘TLM_TYPES)),
Bits#(RequestData#(‘TLM_TYPES), s1),
Bounded#(RequestData#(‘TLM_TYPES))
);
...
// Use mkGeneric Randomizer - entire range valid
Randomize#(RequestDescriptor#(‘TLM_TYPES)) descriptor_gen <- mkGenericRandomizer;
Randomize#(Bit#(2)) log_wrap_gen <- mkGenericRandomizer;
Randomize#(RequestData#(‘TLM_TYPES)) data_gen <- mkGenericRandomizer;
// Use mkConstrainedRandomizer to Avoid UNKNOWN
Randomize#(TLMCommand) command_gen <- mkConstrainedRandomizer(READ, WRITE);
Randomize#(TLMBurstMode) burst_mode_gen <- mkConstrainedRandomizer(INCREMENT, WRAP);
// Use mkConstrainedRandomizer to set legal sizes between 1 and 16
Randomize#(TLMUInt#(‘TLM_TYPES)) burst_length_gen <- mkConstrainedRandomizer(1,16);
...
C.8.3 Arbiter
Package
import Arbiter :: * ;
Description
The Arbiter package includes interfaces and modules to implement two different arbiters: a fair
arbiter with changing priorities (round robin) and a sticky arbiter, also round robin, but which gives
the current owner priority.
This package is provided as both a compiled library package and as BSV source code as documen-
tation. The source code file can be found in the $BLUESPECDIR/BSVSource/Misc directory. To
customize a package, copy the file into a local directory and then include the local directory in the
path when compiling. This is done by specifying the search path with the -p option as described in
the BSV Users Guide.
Interfaces and Methods
The Arbiter package includes three interfaces: a arbiter client interface, an arbiter request interface
and an arbiter interface which is a vector of client interfaces.
ArbiterClient IFC The ArbiterClient_IFC interface has two methods: an Action method to
make the request and a Boolean value method to indicate the request was granted. The lock method
is unused in this implementation.
350

Bluespec SystemVerilog Reference Guide
interface ArbiterClient_IFC;
method Action request();
method Action lock();
method Bool grant();
endinterface
ArbiterRequest IFC The ArbiterRequest_IFC interface has two methods: an Action method
to grant the request and a Boolean value method to indicate there is a request. The lock method is
unused in this implementation.
interface ArbiterRequest_IFC;
method Bool request();
method Bool lock();
method Action grant();
endinterface
The ArbiterClient_IFC interface and the ArbiterRequest_IFC interface are connectable.
instance Connectable#(ArbiterClient_IFC, ArbiterRequest_IFC);
Arbiter IFC The Arbiter_IFC has a subinterface which is a vector of ArbiterClient_IFC in-
terfaces. The number of items in the vector equals the number of clients.
interface Arbiter_IFC#(type count);
interface Vector#(count, ArbiterClient_IFC) clients;
endinterface
Modules
The mkArbiter module is a fair arbiter with changing priorities (round robin). The mkStickyArbiter
gives the current owner priority - they can hold priority as long as they keep requesting it. The
modules all provide a Arbiter_IFC interface.
mkArbiter This module is a fair arbiter with changing priorities (round robin). If fixed is
True, the current client holds the priority, if fixed is False, it moves to the next
client. mkArbiter provides a Arbiter_IFC interface. Initial priority is given to
client 0.
module mkArbiter#(Bool fixed) (Arbiter_IFC#(count));
mkStickyArbiter As long as the client currently with the grant continues to assert request, it can
hold the grant. It provides a Arbiter_IFC interface.
module mkStickyArbiter (Arbiter_IFC#(count));
351

Reference Guide Bluespec SystemVerilog
C.8.4 Cntrs
Package
import Cntrs :: * ;
Description
The Cntrs package provides interfaces and modules to implement typed and untyped up/down
counters.
The Count interface and associated mkCount module provides an up/down counter which allows
atomic simultaneous increment and decrement operations. The scheduled order of operations in a
single cycle is:
read SB update SB (incr,decr) SB write
If there are simultaneous update,incr, and decr operations, the final result will be:
update_val + incr_val - decr_val
Awrite sets the new value to write_val regardless of the other methods called in the cycle.
The UCount interface and associated mkUCount module provide an untyped version of an up/down
counter; that is the counter width can be determined at elaboration time rather than type check
time. The value of the counter is represented by an UInt#(n) where the width of the counter is
determined by the maxValue (0 ≤maxV alue < 232) argument. There are no methods to access the
counter value directly; you can only access the value through the comparison operations.
This package is provided as both a compiled library package and as BSV source code as documen-
tation. The source code file can be found in the $BLUESPECDIR/BSVSource/Misc directory. To
customize a package, copy the file into a local directory and then include the local directory in the
path when compiling. This is done by specifying the search path with the -p option as described in
the BSV Users Guide.
Interfaces and Methods
The Cntrs package provides two interfaces; Count which is a typed interface and UCount which is
an untyped interface.
Count Interface Methods
Name Type Description
incr Action Increments the counter by incr_val
decr Action Decrements the counter by decr_val
update Action Sets the value to update_val. Final value will
include increment and decrement values.
_write Action Sets the final value to write_val regardless of
other operations in the cycle.
_read t Returns the value of the counter.
interface Count#(type t);
method Action incr (t incr_val);
method Action decr (t decr_val);
method Action update (t update_val);
method Action _write (t write_val);
method t _read;
endinterface
352

Bluespec SystemVerilog Reference Guide
UCount Interface Methods
Name Type Description
incr Action Increments the counter by incr_val
decr Action Decrements the counter by decr_val
update Action Sets the value to update_val. Final value will
include increment and decrement values.
_write Action Sets the final value to write_val regardless of
other operations in the cycle.
isEqual Bool Returns true if val is equal to the value of the
counter.
isLessThan Bool Returns true if val is less than the value of the
counter.
isGreaterThan Bool Returns true if val is greater than the value of the
counter.
interface UCount;
method Action update (Integer update_val);
method Action _write (Integer write_val);
method Action incr (Integer incr_val);
method Action decr (Integer decr_val);
method Bool isEqual (Integer val);
method Bool isLessThan (Integer val);
method Bool isGreaterThan (Integer val);
endinterface
Modules
mkCounter Instantiates a Counter where read precedes update precedes an increment or
decrement precedes a write. The ModArith provisos limits its use to module
2 arithmetic types: UInt,Int, and Bit. Widths of size 0 are supported.
module mkCount #(t resetVal) (Count#(t))
provisos ( Arith#(t)
,ModArith#(t)
,Bits#(t,st));
mkUCount Instantiates a counter which can count from 0 to maxVal inclusive. maxVal
must be known at compile time. The initValue and maxValue must be
Integers.
module mkUCount#(Integer initValue, Integer maxValue) (UCount);
Verilog Modules
mkCounter and mkUCount corresponds to the following Verilog module, which are found in the
Bluespec Verilog library, $BLUESPECDIR/Verilog/.
BSV Module Name Verilog Module Name Defined in File
mkCounter vCount Counter.v
mkUCount
353

Reference Guide Bluespec SystemVerilog
C.8.5 GrayCounter
Package
import GrayCounter :: * ;
Description
The GrayCounter package provides an interface and a module to implement a gray-coded counter
with methods for both binary and Gray code. This package is designed for use in the BRAMFIFO
module, Section C.2.4. Since BRAMs have registered address inputs, the binary outputs are not
registered. The counter has two domains, source and destination. Binary and Gray code values are
written in the source domain. Both types of values can be read from the source and the destination
domains.
This package is provided as both a compiled library package and as BSV source code as documen-
tation. The source code file can be found in the $BLUESPECDIR/BSVSource/Misc directory. To
customize a package, copy the file into a local directory and then include the local directory in the
path when compiling. This is done by specifying the search path with the -p option as described in
the BSV Users Guide.
Types
The GrayCounter package uses the type Gray, defined in the Gray package, Section C.8.6. The Gray
package is imported by the GrayCounter package.
Interfaces and Methods
The GrayCounter package includes one interface, GrayCounter.
GrayCounter Interface Methods
Name Type Description
incr Action Increments the counter by 1
decr Action Decrements the counter by 1
sWriteBin Action Writes a binary value into the counter in the source
domain.
sReadBin Bit#(n) Returns a binary value from the source domain of
the counter. The output is not registered
sWriteGray Action Writes a Gray code value into the counter in the
source domain.
sReadGray Gray#(n) Returns the Gray code value from the source do-
main of the counter. The output is registered.
dReadBin Bit#(n) Returns the binary value from the destination do-
main of the counter. The output is not registered.
dReadGray Gray#(n) Returns the Gray code value from the destination
domain of the counter. The output is registered.
interface GrayCounter#(numeric type n);
method Action incr;
method Action decr;
method Action sWriteBin(Bit#(n) value);
method Bit#(n) sReadBin;
method Action sWriteGray(Gray#(n) value);
method Gray#(n) sReadGray;
method Bit#(n) dReadBin;
method Gray#(n) dReadGray;
endinterface: GrayCounter
354

Bluespec SystemVerilog Reference Guide
Modules
The module mkGrayCounter instantiates a Gray code counter with methods for both binary and
Gray code.
mkGrayCounter Instantiates a Gray counter with an initial value initval.
module mkGrayCounter#(Gray#(n) initval,
Clock dClk, Reset dRstN)
(GrayCounter#(n))
provisos(Add#(1, msb, n));
C.8.6 Gray
Package
import Gray :: * ;
Description
The Gray package defines a datatype, Gray and functions for working with the Gray type. This type
is used by the GrayCounter package.
This package is provided as both a compiled library package and as BSV source code as documen-
tation. The source code file can be found in the $BLUESPECDIR/BSVSource/Misc directory. To
customize a package, copy the file into a local directory and then include the local directory in the
path when compiling. This is done by specifying the search path with the -p option as described in
the BSV Users Guide.
Types and type classes
The datatype Gray is a representation for Gray code values. The basic representation is the Gray
structure, which is polymorphic on the size of the value.
typedef struct {
Bit#(n) code;
} Gray#(numeric type n) deriving (Bits, Eq);
The Gray type belongs to the Literal and Bounded type classes. Each type class definition includes
functions which are then also defined for the data type. The Prelude library definitions (Section B)
describes which functions are defined for each type class.
Type Classes used by Gray
Bits Eq Literal Arith Ord Bounded Bit Bit Bit
wise Reduction Extend
Gray √ √ √ √
Literal The Gray type is a member of the Literal class, which defines an encoding from the
compile-time Integer type to Gray type with the fromInteger and grayEncode functions. The
fromInteger converts the value to a bit pattern, and then calls grayEncode.
instance Literal #( Gray#(n) )
provisos(Add#(1, msb, n));
355

Reference Guide Bluespec SystemVerilog
Bounded The Gray type is a member of the Bounded class, which provides the functions minBound
and maxBound to define the minimum and maximum Gray code values.
•minimum: ’b0
•maximum: ’b10...0
instance Bounded # ( Gray#(n) )
provisos(Add#(1, msb, n));
Functions
grayEncode This function takes a binary value of type Bit#(n) and returns a Gray
type with the Gray code value.
function Gray#(n) grayEncode(Bit#(n) value)
provisos(Add#(1, msb, n));
grayDecode This function takes a Gray code value of size nand returns the binary
value.
function Bit#(n) grayDecode(Gray#(n) value)
provisos(Add#(1, msb, n));
grayIncrDecr This functions takes a Gray code value and a Boolean, decrement. If
decrement is True, the value returned is one less than the input value.
If decrement is False, the value returned is one greater.
function Gray#(n) grayIncrDecr(Bool decrement,
Gray#(n) value)
provisos(Add#(1, msb, n));
grayIncr Takes a Gray code value and returns a Gray code value incremented
by 1.
function Gray#(n) grayIncr(Gray#(n) value)
provisos(Add#(1, msb, n));
grayDecr Takes a Gray code value a returns a Gray code value decremented by
1.
function Gray#(n) grayDecr(Gray#(n) value)
provisos(Add#(1, msb, n));
C.8.7 CompletionBuffer
Package
356

Bluespec SystemVerilog Reference Guide
import CompletionBuffer :: * ;
Description
ACompletionBuffer is like a FIFO except that the order of the elements in the buffer is independent
of the order in which the elements are entered. Each element obtains a token, which reserves a slot
in the buffer. Once the element is ready to be entered into the buffer, the token is used to place the
element in the correct position. When removing elements from the buffer, the elements are delivered
in the order specified by the tokens, not in the order that the elements were written.
Completion Buffers are useful when multiple tasks are running, which may complete at different
times, in any order. By using a completion buffer, the order in which the elements are placed in the
buffer can be controlled, independent of the order in which the data becomes available.
Interface and Methods
The CompletionBuffer interface provides three subinterfaces. The reserve interface, a Get, allows
the caller to reserve a slot in the buffer by returning a token holding the identity of the slot. When
data is ready to be placed in the buffer, it is added to the buffer using the complete interface of type
Put. This interface takes a pair of values as its argument - the token identifying its slot, and the
data itself. Finally, using the drain interface, of type Get, data may be retrieved from the buffer in
the order in which the tokens were originally allocated. Thus the results of quick tasks might have
to wait in the buffer while a lengthy task ahead of them completes.
The type of the elements to be stored is element_type. The type of the required size of the buffer
is a numeric type n, which is also the type argument for the type for the tokens issued, CBToken.
This allows the type-checking phase of the synthesis to ensure that the tokens are the appropriate
size for the buffer, and that all the buffer’s internal registers are of the correct sizes as well.
CompletionBuffer Interface
Name Type Description
reserve Get Used to reserve a slot in the buffer. Returns a token, CBToken #(n),
identifying the slot in the buffer.
complete Put Enters the element into the buffer. Takes as arguments the slot in the
buffer, CBToken#(n), and the element to be stored in the buffer.
drain Get Removes an element from the buffer. The elements are returned in the
order the tokens were allocated.
interface CompletionBuffer #(numeric type n, type element_type);
interface Get#(CBToken#(n)) reserve;
interface Put#(Tuple2 #(CBToken#(n), element_type)) complete;
interface Get#(element_type) drain;
endinterface: CompletionBuffer
Datatypes
The CBToken type is abstract to avoid misuse.
typedef union tagged { ... } CBToken #(numeric type n) ...;
Modules
The mkCompletionBuffer module is used to instantiate a completion buffer. It takes no size argu-
ments, as all that information is already contained in the type of the interface it produces.
357

Reference Guide Bluespec SystemVerilog
mkCompletionBuffer Creates a completion buffer.
module mkCompletionBuffer(CompletionBuffer#(n, element_type))
provisos (Bits#(element_type, sizea))
Example- Using a Completion Buffer in a server farm of multipliers
A server farm is a set of identical servers, which can each perform the same task, together with
a controller. The controller allocates incoming tasks to any server which happens to be available
(free), and sends results back to its caller.
The time needed to complete each task depends on the value of the multiplier argument; there is
therefore no guarantee that results will become available in the order the tasks were started. It is
required, however, that the controller return results to its caller in the order the tasks were received.
The controller accordingly must instantiate a special mechanism for this purpose. The appropriate
mechanism is a Completion Buffer.
import List::*;
import FIFO::*;
import GetPut::*;
import CompletionBuffer::*;
typedef Bit#(16) Tin;
typedef Bit#(32) Tout;
// Multiplier interface
interface Mult_IFC;
method Action start (Tin m1, Tin m2);
method ActionValue#(Tout) result();
endinterface
typedef Tuple2#(Tin,Tin) Args;
typedef 8 BuffSize;
typedef CBToken#(BuffSize) Token;
// This is a farm of multipliers, mkM. The module
// definition for the multipliers mkM is not provided here.
// The interface definition, Mult_IFC, is provided.
module mkFarm#( module#(Mult_IFC) mkM ) ( Mult_IFC );
// make the buffer twice the size of the farm
Integer n = div(valueof(BuffSize),2);
// Declare the array of servers and instantiate them:
Mult_IFC mults[n];
for (Integer i=0; i<n; i=i+1)
begin
Mult_IFC s <- mkM;
mults[i] = s;
end
FIFO#(Args) infifo <- mkFIFO;
358

Bluespec SystemVerilog Reference Guide
// instantiate the Completion Buffer, cbuff, storing values of type Tout
// buffer size is Buffsize, data type of values is Tout
CompletionBuffer#(BuffSize,Tout) cbuff <- mkCompletionBuffer;
// an array of flags telling which servers are available:
Reg#(Bool) free[n];
// an array of tokens for the jobs in progress on the servers:
Reg#(Token) tokens[n];
// this loop instantiates n free registers and n token registers
// as well as the rules to move data into and out of the server farm
for (Integer i=0; i<n; i=i+1)
begin
// Instantiate the elements of the two arrays:
Reg#(Bool) f <- mkReg(True);
free[i] = f;
Reg#(Token) t <- mkRegU;
tokens[i] = t;
Mult_IFC s = mults[i];
// The rules for sending tasks to this particular server, and for
// dealing with returned results:
rule start_server (f); // start only if flag says it’s free
// Get a token
CBToken#(BuffSize) new_t <- cbuff.reserve.get;
Args a = infifo.first;
Tin a1 = tpl_1(a);
Tin a2 = tpl_2(a);
infifo.deq;
f <= False;
t <= new_t;
s.start(a1,a2);
endrule
rule end_server (!f);
Tout x <- s.result;
// Put the result x into the buffer, at the slot t
cbuff.complete.put(tuple2(t,x));
f <= True;
endrule
end
method Action start (m1, m2);
infifo.enq(tuple2(m1,m2));
endmethod
// Remove the element from the buffer, returning the result
// The elements will be returned in the order that the tokens were obtained.
method result = cbuff.drain.get;
endmodule
359

Reference Guide Bluespec SystemVerilog
C.8.8 UniqueWrappers
Package
import UniqueWrappers :: * ;
Description
The UniqueWrappers package takes a piece of combinational logic which is to be shared and puts it
into its own protective shell or wrapper to prevent its duplication. This is used in instances where a
separately synthesized module is not possible. It allows the designer to use a piece of logic at several
places in a design without duplicating it at each site.
There are times where it is desired to use a piece of logic at several places in a design, but it is too
bulky or otherwise expensive to duplicate at each site. Often the right thing to do is to make the
piece of logic into a separately synthesized module – then, if this module is instantiated only once,
it will not be duplicated, and the tool will automatically generate the scheduling and multiplexing
logic to share it among the sites which use its methods. Sometimes, however, this is not convenient.
One reason might be that the logic is to be incorporated into a submodule of the design which is
itself polymorphic – this will probably cause difficulties in observing the constraints necessary for a
module which is to be separately synthesized. And if a module is not separately synthesized, the
tool will inline its logic freely wherever it is used, and thus duplication will not be prevented as
desired.
This package covers the case where the logic to be shared is combinational and cannot be put
into a separately synthesized module. It may be thought of as surrounding this combinational
function with a protective shell, a unique wrapper, which will prevent its duplication. The module
mkUniqueWrapper takes a one-argument function as a parameter; both the argument type aand the
result type bmust be representable as bits, that is, they must both be in the Bits typeclass.
Interfaces
The UniqueWrappers package provides an interface, Wrapper, with one actionvalue method, func,
which takes an argument of type aand produces a method of type ActionValue#(b). If the module
is instantiated only once, the logic implementing its parameter will be instantiated just once; the
module’s method may, however, be used freely at several places.
Although the function supplied as the parameter is purely combinational and does not change state,
the method is of type ActionValue. This is because actionvalue methods have enable signals and
these signals are needed to organize the scheduling and multiplexing between the calling sites.
Variants of the interface Wrapper are also provided for handling functions of two or three arguments;
the interfaces have one and two extra parameters respectively. In each case the result type is the
final parameter, following however many argument type parameters are required.
Wrapper Interfaces
Wrapper This interface has one actionvalue method, func, which takes an argument of type
a_type and produces an actionvalue of type ActionValue#(b_type).
interface Wrapper#(type a_type, type b_type);
method ActionValue#(b_type) func (a_type x);
Wrapper2 Similar to the Wrapper interface, but it takes two arguments.
interface Wrapper2#(type a1_type, type a2_type, type b_type);
method ActionValue#(b_type) func (a1_type x, a2_type y);
360

Bluespec SystemVerilog Reference Guide
Wrapper3 Similar to the Wrapper interface, but it takes three arguments.
interface Wrapper3#(type a1_type, type a2_type, type a3_type,
type b_type);
method ActionValue#(b_type) func (a1_type x, a2_type y, a3_type z);
Modules
The interfaces Wrapper,Wrapper2, and Wrapper3 are provided by the modules mkUniqueWrapper,
mkUniqueWrapper2, and mkUniqueWrapper3. These modules vary only in the number of aguments
in the parameter function.
If a function has more than three arguments, it can always be rewritten or wrapped as one which
takes the arguments as a single tuple; thus the one-argument version mkUniqueWrapper can be used
with this function.
mkUniqueWrapper
Takes a function, func, with a single parameter xand provides the interface Wrapper.
module mkUniqueWrapper#(function b_type func(a_type x))
(Wrapper#(a_type, b_type))
provisos (Bits#(a_type, sizea), Bits#(b_type, sizeb));
mkUniqueWrapper2
Takes a function, func, with a two parameters, xand y, and provides the interface
Wrapper2.
module mkUniqueWrapper2#(function b_type func(a1_type x, a2_type y))
(Wrapper2#(a1_type, a2_type, b_type))
provisos (Bits#(a1_type, sizea1), Bits#(a2_type, sizea2),
Bits#(b_type, sizeb));
mkUniqueWrapper3
Takes a function, func, with a three parameters, x,y, and z, and provides the interface
Wrapper3.
module mkUniqueWrapper3#(function b_type
func(a1_type x, a2_type y, a3_type z))
(Wrapper3#(a1_type, a2_type, a3_type, b_type))
provisos (Bits#(a1_type, sizea1), Bits#(a2_type, sizea2),
Bits#(a3_type, sizea3), Bits#(b_type, sizeb));
Example: Complex Multiplication
// This module defines a single hardware multiplier, which is then
// used by multiple method calls to implement complex number
// multiplication (a + bi)(c + di)
361

Reference Guide Bluespec SystemVerilog
typedef Int#(18) CFP;
module mkComplexMult1Fifo( ArithOpGP2#(CFP) ) ;
FIFO#(ComplexP#(CFP)) infifo1 <- mkFIFO;
FIFO#(ComplexP#(CFP)) infifo2 <- mkFIFO;
let arg1 = infifo1.first ;
let arg2 = infifo2.first ;
FIFO#(ComplexP#(CFP)) outfifo <- mkFIFO;
Reg#(CFP) rr <- mkReg(0) ;
Reg#(CFP) ii <- mkReg(0) ;
Reg#(CFP) ri <- mkReg(0) ;
Reg#(CFP) ir <- mkReg(0) ;
// Declare and instantiate an interface that takes 2 arguments, multiplies them
// and returns the result. It is a Wrapper2 because there are 2 arguments.
Wrapper2#(CFP,CFP, CFP) smult <- mkUniqueWrapper2( \* ) ;
// Define a sequence of actions
// Since smult is a UnqiueWrapper the method called is smult.func
Stmt multSeq =
seq
action
let mr <- smult.func( arg1.rel, arg2.rel ) ;
rr <= mr ;
endaction
action
let mr <- smult.func( arg1.img, arg2.img ) ;
ii <= mr ;
endaction
action
// Do the first add in this step
let mr <- smult.func( arg1.img, arg2.rel ) ;
ir <= mr ;
rr <= rr - ii ;
endaction
action
let mr <- smult.func( arg1.rel, arg2.img );
ri <= mr ;
// We are done with the inputs so deq the in fifos
infifo1.deq ;
infifo2.deq ;
endaction
action
let ii2 = ri + ir ;
let res = Complex{ rel: rr , img: ii2 } ;
outfifo.enq( res ) ;
endaction
endseq;
// Now convert the sequence into a FSM ;
// Bluespec can assign the state variables, and pick up implict
// conditions of the actions
362

Bluespec SystemVerilog Reference Guide
FSM multfsm <- mkFSM(multSeq);
rule startFSM;
multfsm.start;
endrule
endmodule
C.8.9 DefaultValue
Package
import DefaultValue :: * ;
Description
This package defines a type class of DefaultValue and instances of the type class for many commonly
used datatypes. Users can create their own default value instances for other types. This type class
is particularly useful for defining default values for user-defined structures.
This package is provided as both a compiled library package and as BSV source code as documen-
tation. The source code file can be found in the $BLUESPECDIR/BSVSource/Misc directory. To
customize a package, copy the file into a local directory and then include the local directory in the
path when compiling. This is done by specifying the search path with the -p option as described in
the BSV Users Guide.
Typeclasses
typeclass DefaultValue #( type t );
t defaultValue ;
endtypeclass
The following instances are defined in the DefaultValue package. You can define your own instances
for user-defined structures and other types.
DefaultValue Instances
Literal#(t) Any type tin the Literal class can have a default value which is de-
fined here as 0. The types in the Literal class include Bit#(n),Int#(n),
UInt#(n),Real,Integer,FixedPoint, and Complex.
instance DefaultValue # (t)
provisos (Literal#(t));
defaultValue = fromInteger (0);
Bool The default value for a Bool is defined as False.
instance DefaultValue #( Bool );
defaultValue = False ;
void The default value for a void is defined as ?.
instance DefaultValue #(void);
defaultValue = ?;
363

Reference Guide Bluespec SystemVerilog
Maybe The default value for a Maybe is defined as tagged Invalid.
instance DefaultValue #( Maybe#(t) );
defaultValue = tagged Invalid ;
The default value for a Tuple is composed of the default values of each member type. Instances are
defined for Tuple2 through Tuple8.
Tuple2#(a,b) The default value of a Tuple2 is the default value of element aand the
default value of element b.
instance DefaultValue #( Tuple2#(a,b) )
provisos (DefaultValue#(a)
,DefaultValue#(b) );
defaultValue = tuple2 (defaultValue, defaultValue );
Vector The default value for a Vector replicates the element’s default value type
for each element.
instance DefaultValue #( Vector#(n,t) )
provisos (DefaultValue#(t));
defaultValue = replicate (defaultValue) ;
Examples
Example 1: Specifying the initial or reset values for a structure.
Reg#(Int#(17)) rint <- mkReg#(defaultValue); // initial value 0
Reg#(Tuple2#(Bool,UInt#(5))) tbui <- mkReg#(defaultValue); // value is(False,0)
Reg#(Vector#(n,Bool) vbool <- mkReg#(defaultValue); // initial value all False
Example 2: Using default values to replace the unsafe use of unpack.
import DefaultValue :: *;
typedef struct {
UInt#(4) size;
UInt#(3) depth ;
} MyStruct
deriving (Bits, Eq);
instance DefaultValue #( MyStruct );
defaultValue = MyStruct { size : 0,
depth : 1 };
endinstance
then you can use:
Reg#(MyStruct) mstr <- mkReg(defaultValue);
364

Bluespec SystemVerilog Reference Guide
instead of:
Reg#(MyStruct) mybad <- mkReg(unpack(0)); // Bad use of unpack
Example 3: Module instantiation which requires a large structure as an argument.
ModParam modParams = defaultValue ; // generate default value
modParams.field1 = 5 ; // override some default values
modParams.field2 = 1.4 ;
ModIfc <- mkMod (modArgs) ; // construct the module
C.8.10 TieOff
Package
import TieOff :: * ;
Description
This package provides a typeclass TieOff#(t) which may be userful to provide default enable meth-
ods of some interface t, some of which must be always_enabled or require some action.
This package is provided as both a compiled library package and as BSV source code as documen-
tation. The source code file can be found in the $BLUESPECDIR/BSVSource/Misc directory. To
customize a package, copy the file into a local directory and then include the local directory in the
path when compiling. This is done by specifying the search path with the -p option as described in
the BSV Users Guide.
Typeclasses
typeclass TieOff #(type t);
module mkTieOff#(t ifc) (Empty);
endtypeclass
Example: Defining a TieOff for a Get interface
This is a sink module which pulls data from the Get interface and displays the data.
instance TieOff #(Get #(t) )
provisos (Bits#(t,st),
FShow#(t) );
module mkTieOff ( Get#(t) ifc, Empty inf);
rule getSink (True);
t val <- ifc.get;
$display( "Get tieoff %m", fshow(val) );
endrule
endmodule
endinstance
365

Reference Guide Bluespec SystemVerilog
C.8.11 Assert
Package
import Assert :: *;
Description
The Assert package contains definitions to test assertions in the code. The check-assert flag must
be set during compilation. By default the flag is set to False and assertions are ignored. The flag,
when set, instructs the compiler to abort compilation if an assertion fails.
Functions
staticAssert Compile time assertion. Can be used anywhere a compile-time statement
is valid.
module staticAssert(Bool b, String s);
dynamicAssert Run time assertion. Can be used anywhere an Action is valid, and is
tested whenever it is executed.
function Action dynamicAssert(Bool b, String s);
continuousAssert Continuous run-time assertion (expected to be True on each clock). Can
be used anywhere a module instantiation is valid.
function Action continuousAssert(Bool b, String s);
Examples using Assertions:
import Assert:: *;
module mkAssert_Example ();
// A static assert is checked at compile-time
// This code checks that the indices are within range
for (Integer i=0; i<length(cs); i=i+1)
begin
Integer new_index = (cs[i]).index;
staticAssert(new_index < valueOf(n),
strConcat("Assertion index out of range: ", integerToString(new_index)));
end
rule always_fire (True);
counter <= counter + 1;
endrule
// A continuous assert is checked on each clock cycle
continuousAssert (!fail, "Failure: Fail becomes True");
// A dynamic assert is checked each time the rule is executed
366

Bluespec SystemVerilog Reference Guide
rule test_assertion (True);
dynamicAssert (!fail, "Failure: Fail becomes True");
endrule
endmodule: mkAssert_Example
C.8.12 Probe
Package
import Probe :: * ;
Description
AProbe is a primitive used to ensure that a signal of interest is not optimized away by the compiler
and that it is given a known name. In terms of BSV syntax, the Probe primitive it used just like
a register except that only a write method exists. Since reads are not possible, the use of a Probe
has no effect on scheduling. In the generated Verilog, the associated signal will be named just like
the port of any Verilog module, in this case <instance_name>$PROBE. No actual Probe instance will
be created however. The only side effects of a BSV Probe instantiation relate to the naming and
retention of the associated signal in the generated Verilog.
Interfaces
interface Probe #(type a_type);
method Action _write(a_type x1);
endinterface: Probe
Modules
The module mkProbe is used to instantiate a Probe.
mkProbe Instantiates a Probe
module mkProbe(Probe#(a_type))
provisos (Bits#(a_type, sizea));
Example - Creating and writing to registers and probes
import FIFO::*;
import ClientServer::*;
import GetPut::*;
import Probe::*;
typedef Bit#(32) LuRequest;
typedef Bit#(32) LuResponse;
module mkMesaHwLpm(ILpm);
// Create registers for requestB32 and responseB32
Reg#(LuRequest) requestB32 <- mkRegU();
Reg#(LuResponse) responseB32 <- mkRegU();
// Create a probe responseB32_probe
Probe#(LuResponse) responseB32_probe <- mkProbe();
....
// Define the interfaces:
367

Reference Guide Bluespec SystemVerilog
....
interface Get response;
method get() ;
actionvalue
let resp <- completionBuffer.drain.get();
// record response for debugging purposes:
let {r,t} = resp;
responseB32 <= r; // a write to a register
responseB32_probe <= r; // a write to a probe
// count responses in status register
return(resp);
endactionvalue
endmethod: get
endinterface: response
.....
endmodule
C.8.13 Reserved
Package
import Reserved :: * ;
Description
The Reserved package defines three abstract data types which only have the purpose of taking up
space. They are useful when defining a struct where you need to enforce a certain layout and want
to use the type checker to enforce that the value is not accidently used. One can enforce a layout
unsafely with Bit#(n), but Reserved#(n) gives safety. A value of type Reserved#(n) takes up
exactly nbits.
typedef ··· abstract ··· Reserved#(type n);
Types and Type classes
There are three types defined in the Reserved package: Reserved,ReservedZero, and ReservedOne.
The Reserved type is an abstract data type which takes up exactly nbits and always returns an
unspecified value. The ReservedZero and ReservedOne data types are equivalent to the Reserved
type except that ReservedZero always returns ’0 and ReservedOne always returns ’1.
Type Classes used by Reserved
Bits Eq Literal Arith Ord Bounded Bit Bit Bit
wise Reduction Extend
Reserved √ √ √ √
ReservedZero √ √ √ √
ReservedOne √ √ √ √
•Bits The only purpose of these types is to allow the value to exist in hardware (at port
boundaries and in states). The user should have no reason to use pack/unpack directly.
Converting Reserved to or from Bits returns a don’t care (?).
Converting ReservedZero to or from Bits returns a ’0.
368

Bluespec SystemVerilog Reference Guide
Converting ReservedOne to or from Bits returns a ’1.
•Eq and Ord
Any two Reserved,ReservedZero, or ReservedOne values are considered to be equal.
•Bounded
The upper and lower bound return don’t care (?), ’1 or ’0 values depending on the type.
Example: Structure with a 8 bits reserved.
typedef struct {
Bit#(8) header; // Frame.header
Vector#(2, Bit#(8)) payload; // Frame.payload
Reserved#(8) dummy; // Can’t access 8 bits reserved
Bit#(8) trailer; // Frame.trailer
} Frame;
header payload0 payload1 dummy trailer
8 8 8 8 8
C.8.14 TriState
Package
import TriState :: * ;
Description
The TriState package implements a tri-state buffer, as shown in Figure 5. Depending on the value
of the output_enable,inout can be an input or an output.
Figure 5: TriState Buffer
The buffer has two inputs, an input of type value_type and a Boolean output_enable which
determines the direction of inout. If output_enable is True, the signal is coming in from input
and out through inout and output. If output_enable is False, then a value can be driven in from
inout, and the output value will be the value of inout. The behavior is described in the tables
below.
output enable = 0
output = inout
Inputs
input inout output
0 0 0
0 1 1
1 0 0
1 1 1
369

Reference Guide Bluespec SystemVerilog
output enable = 1
output = in
inout = in
Outputs
input inout output
0 0 0
1 1 1
This module is not supported in Bluesim.
Interfaces and Methods
The TriState interface is composed of an Inout interface and a _read method. The _read method
is similar to the _read method of a register in that to read the method you reference the interface
in an expression.
TriState Interface
Name Type Description
io Inout#(value_type) Inout subinterface providing a value of type
value_type
_read value_type Returns the value of output
(* always_ready, always_enabled *)
interface TriState#(type value_type);
interface Inout#(value_type) io;
method value_type _read;
endinterface: TriState
Modules and Functions
The TriState package provides a module constructor function, mkTriState, which provides the
TriState interface. The interface includes an Inout subinterface and the value of output.
mkTriState Creates a module which provides the TriState interface.
module mkTriState#(Bool output_enable, value_type input)
(TriState#(value_type))
provisos(Bits#(value_type, size_value));
Verilog Modules
The TriState module is implemented by the Verilog module TriState.v which can be found in the
Bluespec Verilog library, $BLUESPECDIR/Verilog/.
C.8.15 ZBus
Package
import ZBus :: * ;
370

Bluespec SystemVerilog Reference Guide
Description
BSV provides the ZBus library to allow users to implement and use tri-state buses. Since BSV does
not support high-impedance or undefined values internally, the library encapsulates the tri-state bus
implementation in a module that can only be accessed through predefined interfaces which do not
allow direct access to internal signals (which could potentially have high-impedance or undefined
values).
The Verilog implementation of the tri-state module includes a number of primitive submodules
that are implemented using Verilog tri-state wires. The BSV representation of the bus, however,
only models the values of the bus at the associated interfaces and thus the need to represent high-
impedance or undefined values in BSV is avoided.
A ZBus consists of a series of clients hanging off of a bus. The combination of the client and the
bus is provided by the ZBusDualIFC interface which consists of 2 subinterfaces, the client and the
bus. The client subinterface is provided by the ZBusClientIFC interface. The bus subinterface is
provided by the ZBusBusIFC interface. The user never needs to manipulate the bus side, this is all
done internally. The user builds the bus out of ZBusDualIFCs and then drives values onto the bus
and reads values from the bus using the ZBusClientIFC.
Interfaces and Methods
There are three interfaces are defined in this package; ZBusDualIFC,ZBusClientIFC, and ZBusBusIFC.
The ZBusDualIFC interface provides two subinterfaces; a ZBusBusIFC and a ZBusClientIFC. For a
given bus, one ZBusDualIFC interface is associated with each bus client.
ZBusDualIFC
Name Type Description
busIFC ZBusBusIFC#() The subinterface providing the bus side of the
ZBus.
clientIFC ZBusClientIFC#(t) The subinterface providing the client side to the
ZBus.
interface ZBusDualIFC #(type value_type) ;
interface ZBusBusIFC#(value_type) busIFC;
interface ZBusClientIFC#(value_type) clientIFC;
endinterface
The ZBusClientIFC allows a BSV module to connect to the tri-state bus. The drive method is
used to drive a value onto the bus. The get() and fromBusValid() methods allow each bus client
to access the current value on the bus. If the bus is in an invalid state (i.e. has a high-impedance
value or an undefined value because it is being driven by more than one client simultaneously), then
the get() method will return 0and the fromBusValid() method will return False. In all other
cases, the fromBusValid() method will return True and the get() method will return the current
value of the bus.
ZBusClientIFC
Method Argument
Name Type Description Name Description
drive Action Drives a current value on
to the bus
value The value being put on
the bus, datatype of
value_type.
get value_type Returns the current
value on the bus.
fromBusValid Bool Returns False if the bus
has a high-impedance
value or is undefined.
371

Reference Guide Bluespec SystemVerilog
interface ZBusClientIFC #(type value_type) ;
method Action drive(value_type value);
method value_type get();
method Bool fromBusValid();
endinterface
The ZBusBusIFC interface connects to the bus structure itself using tri-state values. This interface
is never accessed directly by the user.
interface ZBusBusIFC #(type value_type) ;
method Action fromBusSample(ZBit#(value_type) value, Bool isValid);
method ZBit#(t) toBusValue();
method Bool toBusCtl();
endinterface
Modules and Functions
The library provides a module constructor function, mkZBusBuffer, which allows the user to create
a module which provides the ZBusDualIFC interface. This module provides the functionality of a
tri-state buffer.
mkZBusBuffer Creates a module which provides the ZBusDualIFC interface.
module mkZBusBuffer (ZBusDualIFC #(value_type))
provisos (Eq#(value_type), Bits#(value_type, size_value));
The mkZBus module constructor function takes a list of ZBusBusIFC interfaces as arguments and
creates a module which ties them all together in a bus.
mkZBus Ties a list of ZBusBusIFC interfaces together in a bus.
module mkZBus#(List#(ZBusBusIFC#(value_type)) ifc_list)(Empty)
provisos (Eq#(value_type), Bits#(value_type, size_value));
Examples - ZBus
Creating a tri-state buffer for a 32 bit signal. The interface is named buffer_0.
ZBusDualIFC#(Bit#(32)) buffer_0();
mkZBusBuffer inst_buffer_0(buffer_0);
Drive a value of 12 onto the associated bus.
buffer_0.clientIFC.drive(12);
The following code fragment demonstrates the use of the module mkZBus.
ZBusDualIFC#(Bit#(32)) buffer_0();
mkZBusBuffer inst_buffer_0(buffer_0);
ZBusDualIFC#(Bit#(32)) buffer_1();
mkZBusBuffer inst_buffer_1(buffer_1);
372

Bluespec SystemVerilog Reference Guide
ZBusDualIFC#(Bit#(32)) buffer_2();
mkZBusBuffer inst_buffer_2(buffer_2);
List#(ZBusIFC#(Bit#(32))) ifc_list;
bus_ifc_list = cons(buffer_0.busIFC,
cons(buffer_1.busIFC,
cons(buffer_2.busIFC,
nil)));
Empty bus_ifc();
mkZBus#(bus_ifc_list) inst_bus(bus_ifc);
C.8.16 CRC
Package
import CRC :: * ;
Description
CRC’s are designed to protect against common types of errors on communication channels. The
CRC package defines modules to calculate a check value for each 8-bit block of data, which can
then be verified to determine if data was transmitted and/or received correctly. There are many
commonly used and standardized CRC algorithms. The CRC package provides both a generalized
CRC module as well as module implementations for the CRC-CCITT, CRC-16-ANSI, and CRC-32
(IEEE 802.3) standards. The size of the CRC polynomial is polymorphic and the data size is a byte
(Bit#(8)), which is relevant for many applications. The generalized module uses five arguments
to define the CRC algorithm: the CRC polynomial, the initial CRC value, a fixed bit pattern to
Xor with the remainder, a boolean indicating whether to reverse the data bit order and a boolean
indicating whether to reverse the result bit order. By specifying these arguments, you can implement
many CRC algorithms. This package provides modules for three specific algorithms by defining the
arguments for those algorithms.
This package is provided as both a compiled library package and as BSV source code as documen-
tation. The source code file can be found in the $BLUESPECDIR/BSVSource/Misc directory. To
customize a package, copy the file into a local directory and then include the local directory in the
path when compiling. This is done by specifying the search path with the -p option as described in
the BSV Users Guide.
Interfaces and Methods
The CRC modules provide the CRC interface. The add method is used to calculate the check value
on the data argument. In this package, the argument is always a Bit#(8).
CRC Interface
Method Arguments
Name Type Description Name Description
add Action Update the CRC Bit#(8) data 8-bit data block
clear Action Reset to the initial value
result Bit#(n) Returns the current value of the check value
complete ActionValue(Bit#(n)) Return the result and reset
373

Reference Guide Bluespec SystemVerilog
interface CRC#(numeric type n);
method Action add(Bit#(8) data);
method Action clear();
method Bit#(n) result();
method ActionValue#(Bit#(n)) complete();
endinterface
Modules
The implementation of the generalized CRC module takes the following five arguments:
•Bit#(n) polynomial: the crc operation polynomial, for example x16 +x12 +x5+ 1 is written
as ‘h1021
•Bit#(n) initval: the initial CRC value
•Bit#(n) finalXor: the result is xor’d with this value if desired
•Bool reflectData: if True, reverse the data bit order
•Bool reflectRemainder: if True, reverse the result bit order
mkCRC The generalized CRC module. The provisos enforce the requirement that poly-
nomial and initial value must be at least 8 bits.
module mkCRC#( Bit#(n) polynomial
, Bit#(n) initval
, Bit#(n) finalXor
, Bool reflectData
, Bool reflectRemainder
)(CRC#(n))
provisos( Add#(8, n8, n) );
CRC Arguments for Common Standards
Name polynomial initval finalXor reflectData reflectRemainder
CRC-CCITT ’h1021 ’hFFFF ’h0000 False False
CRC-16-ANSI ’h8005 ’h0000 ’h0000 True True
CRC-32 (IEEE 802.3) ’h04C11DB7 ’hFFFFFFFF ’hFFFFFFFF True True
mkCRC_CCIT Implements the 16-bit CRC-CCITT standard.
(x16 +x15 +x2+ 1).
module mkCRC_CCITT(CRC#(16));
mkCRC16 Implementation of the 16-bit CRC-16-ANSI standard.
(x16 +x15 +x2+ 1).
module mkCRC16(CRC#(16));
374

Bluespec SystemVerilog Reference Guide
mkCRC32 Implementation of the 32-bit CRC-32 (IEEE 802.3) standard.
(x32 +x26 +x23 +x22 +x16 +x12 +x11 +x10 +x8+x7+x5+x4+x2+x1+ 1)
module mkCRC32(CRC#(32));
reflect The reflect function reverses the data bits if the value of reflectData is True.
function Bit#(a) reflect(Bool doIt, Bit#(a) data);
return (doIt) ? reverseBits(data) : data;
endfunction
C.8.17 OVLAssertions
Package
import OVLAssertions :: * ;
Description
The OVLAssertions package provides the BSV interfaces and wrapper modules necessary to al-
low BSV designs to include assertion checkers from the Open Verification Library (OVL). The
OVL includes a set of assertion checkers that verify specific properties of a design. For more
details on the complete OVL, refer to the Accellera Standard OVL Library Reference Manual
(http://www.accellera.org).
Interfaces and Methods
The following interfaces are defined for use with the assertion modules. Each interface has one or
more Action methods. Each method takes a single argument which is either a Bool or polymorphic.
AssertTest IFC Used for assertions that check a test expression on every clock cycle.
AssertTest_IFC
Method Argument
Name Type Name Type Description
test Action test_value a_type Expression to be checked.
interface AssertTest_IFC #(type a_type);
method Action test(a_type test_value);
endinterface
AssertSampleTest IFC Used for assertions that check a test expression on every clock cycle only
if the sample, indicated by the boolean value sample_test is asserted.
AssertSampleTest_IFC
Method Argument
Name Type Name Type Description
sample Action sample_test Bool Assertion only checked if sample_test is
asserted.
test Action test_value a_type Expression to be checked.
375

Reference Guide Bluespec SystemVerilog
interface AssertSampleTest_IFC #(type a_type);
method Action sample(Bool sample_test);
method Action test(a_type test_value);
endinterface
AssertStartTest IFC Used for assertions that check a test expression only subsequent to a
start event, specified by the Boolean value start_test.
AssertStartTest_IFC
Method Argument
Name Type Name Type Description
start Action start_test Bool Assertion only checked after start is as-
serted.
test Action test_value a_type Expression to be checked.
interface AssertStartTest_IFC #(type a_type);
method Action start(Bool start_test);
method Action test(a_type test_value);
endinterface
AssertStartStopTest IFC Used to check a test expression between a start event and a stop event.
AssertStartStopTest_IFC
Method Argument
Name Type Name Type Description
start Action start_test Bool Assertion only checked after start is as-
serted.
stop Action stop_test Bool Assertion only checked until the stop is
asserted.
test Action test_value a_type Expression to be checked.
interface AssertStartStopTest_IFC #(type a_type);
method Action start(Bool start_test);
method Action stop(Bool stop_test);
method Action test(a_type test_value);
endinterface
AssertTransitionTest IFC Used to check a test expression that has a specified start state and
next state, i.e. a transition.
AssertTransitionTest_IFC
Method Argument
Name Type Name Type Description
test Action test_value a_type Expression that should transition to the
next_value.
start Action start_test a_type Expression that indicates the start state
for the assertion check. If the value
of start_test equals the value of
test_value, the check is performed.
next Action next_value a_type Expression that indicates the only valid
next state for the assertion check.
376

Bluespec SystemVerilog Reference Guide
interface AssertTransitionTest_IFC #(type a_type);
method Action test(a_type test_value);
method Action start(a_type start_value);
method Action next(a_type next_value);
endinterface
AssertQuiescentTest IFC Used to check that a test expression is equivalent to the specified
expression when the sample state is asserted.
AssertQuiescentTest_IFC
Method Argument
Name Type Name Type Description
sample Action sampe_test Bool Expression which initiates the quiescent
assertion check when it transistions to
true.
state Action state_value a_type Expression that should have the same
value as check_value
check Action check_value a_type Expression state_value is compared to.
interface AssertQuiescentTest_IFC #(type a_type);
method Action sample(Bool sample_test);
method Action state(a_type state_value);
method Action check(a_type check_value);
endinterface
AssertFifoTest IFC Used with assertions checking a FIFO structure.
AssertFifoTest_IFC
Method Argument
Name Type Name Type Description
push Action push_value a_type Expression which indicates the number of
push operations that will occur during the
current cycle.
pop Action pop_value a_type Expression which indicates the number of
pop operations that will occur during the
current cycle.
interface AssertFifoTest_IFC #(type a_type, type b_type);
method Action push(a_type push_value);
method Action pop(b_type pop_value);
endinterface
Datatypes
The parameters severity_level,property_type,msg, and coverage_level are common to all
assertion checkers.
377

Reference Guide Bluespec SystemVerilog
Common Parameters for all Assertion Checkers
Parameter Valid Values
* indicates default value
severity_level OVL_FATAL
*OVL_ERROR
OVL_WARNING
OVL_Info
property_type *OVL_ASSERT
OVL_ASSUME
OVL_IGNORE
msg *VIOLATION
coverage_level OVL_COVER_NONE
*OVL_COVER_ALL
OVL_COVER_SANITY
OVL_COVER_BASIC
OVL_COVER_CORNER
OVL_COVER_STATISTIC
Each assertion checker may also use some subset of the following parameters.
Other Parameters for Assertion Checkers
Parameter Valid Values
action_on_new_start OVL_IGNORE_NEW_START
OVL_RESET_ON_NEW_START
OVL_ERROR_ON_NEW_START
edge_type OVL_NOEDGE
OVL_POSEDGE
OVL_NEGEDGE
OVL_ANYEDGE
necessary_condition OVL_TRIGGER_ON_MOST_PIPE
OVL_TRIGGER_ON_FIRST_PIPE
OVL_TRIGGER_ON_FIRST_NOPIPE
inactive OVL_ALL_ZEROS
OVL_ALL_ONES
OVL_ONE_COLD
Other Parameters for Assertion Checkers
Parameter Valid Values
num_cks Int#(32)
min_cks Int#(32)
max_cks Int#(32)
min_ack_cycle Int#(32)
max_ack_cycle Int#(32)
max_ack_length Int#(32)
req_drop Int#(32)
deassert_count Int#(32)
depth Int#(32)
value a_type
min a_type
max a_type
check_overlapping Bool
check_missing_start Bool
simultaneous_push_pop Bool
378

Bluespec SystemVerilog Reference Guide
Setting Assertion Parameters
Each assertion checker module has a set of associated parameter values that can be customized for
each module instantiation. The values for these parameters are passed to each checker module in
the form of a single struct argument of type OVLDefaults#(a) A typical use scenario is illustrated
below:
let defaults = mkOVLDefaults;
defaults.min_clks = 2;
defaults.max_clks = 3;
AssertTest_IFC#(Bool) assertWid <- bsv_assert_width(defaults);
The defaults struct (created by mkOVLDefaults) includes one field for each possible parameter.
Initially each field includes the associated default value. By editing fields of the struct, individual
parameter values can be modified as needed to be non-default values. The modified defaults struct
is then provided as a module argument during instantiation.
Modules
Each module in this package corresponds to an assertion checker from the Open Verification Library
(OVL). The BSV name for each module is the same as the OVL name with bsv_ appended to the
beginning of the name.
Module bsv_assert_always
Description Concurrent assertion that the value of the expression is always True.
Interface Used AssertTest_IFC
Parameters common assertion parameters
Module Declaration module bsv_assert_always#(OVLDefaults#(Bool) defaults)
(AssertTest_IFC#(Bool));
Module bsv_assert_always_on_edge
Description Checks that the test expression evaluates True whenever the sample
method is asserted.
Interface Used AssertSampleTest_IFC
Parameters common assertion parameters
edge_type (default value = OVL_NOEDGE)
Module Declaration module bsv_assert_always_on_edge#(OVLDefaults#(Bool)
defaults)(AssertSampleTest_IFC#(Bool));
379

Reference Guide Bluespec SystemVerilog
Module bsv_assert_change
Description Checks that once the start method is asserted, the expression will change
value within num_cks cycles.
Interface Used AssertStartTest_IFC
Parameters common assertion parameters
action_on_new_start (default value = OVL_IGNORE_NEW_START)
num_cks (default value = 1)
Module Declaration module bsv_assert_change#(OVLDefaults#(a_type) defaults)
(AssertStartTest_IFC#(a_type))
provisos (Bits#(a_type, sizea),
Bounded#(a_type), Eq#(a_type));
Module bsv_assert_cycle_sequence
Description Ensures that if a specified necessary condition occurs,it is followed by a
specified sequence of events.
Interface Used AssertTest_IFC
Parameters common assertion parameters
necessary_condition (default value = OVL_TRIGGER_ON_MOST_PIPE)
Module Declaration module bsv_assert_cycle_sequence#(OVLDefaults#(a_type)
defaults)(AssertTest_IFC#(a_type))
provisos (Bits#(a_type, sizea),
Bounded#(a_type), Eq#(a_type));
Module bsv_assert_decrement
Description Ensures that the expression decrements only by the value specifiedR.
Interface Used AssertTest_IFC
Parameters common assertion parameters
value (default value = 1)
Module Declaration module bsv_assert_decrement#(OVLDefaults#(a_type) defaults)
(AssertTest_IFC#(a_type))
provisos (Bits#(a_type, sizea), Literal#(a_type),
Bounded#(a_type), Eq#(a_type));
Module bsv_assert_delta
Description Ensures that the expression always changes by a value within the range
specified by min and max.
Interface Used AssertTest_IFC
Parameters common assertion parameters
min (default value = 1)
max (default value = 1)
Module Declaration module bsv_assert_delta#(OVLDefaults#(a_type) defaults)
(AssertTest_IFC#(a_type))
provisos (Bits#(a_type, sizea), Literal#(a_type),
Bounded#(a_type), Eq#(a_type));
380

Bluespec SystemVerilog Reference Guide
Module bsv_assert_even_parity
Description Ensures that value of a specified expression has even parity, that is an
even number of bits in the expression are active high.
Interface Used AssertTest_IFC
Parameters common assertion parameters
Module Declaration module bsv_assert_even_parity#(OVLDefaults#(a_type)
defaults) (AssertTest_IFC#(a_type))
provisos (Bits#(a_type, sizea),
Bounded#(a_type), Eq#(a_type));
Module bsv_assert_fifo_index
Description Ensures that a FIFO-type structure never overflows or underflows. This
checker can be configured to support multiple pushes (FIFO writes) and
pops (FIFO reads) during the same clock cycle.
Interface Used AssertFifoTest_IFC
Parameters common assertion parameters
depth (default value = 1)
simultaneous_push_pop (default value = True)
Module Declaration module bsv_assert_fifo_index#(OVLDefaults#(Bit#(0))
defaults)(AssertFifoTest_IFC#(a_type, b_type))
provisos (Bits#(a_type, sizea), Bits#(b_type, sizeb));
Module bsv_assert_frame
Description Checks that once the start method is asserted, the test expression eval-
uates true not before min_cks clock cycles and not after max_cks clock
cycles.
Interface Used AssertStartTest_IFC
Parameters common assertion parameters
action_on_new_start (default value = OVL_IGNORE_NEW_START)
min_cks (default value = 1)
max_cks (default value = 1)
Module Declaration module bsv_assert_frame#(OVLDefaults#(Bool) defaults)
(AssertStartTest_IFC#(Bool));
Module bsv_assert_handshake
Description Ensures that the specified request and acknowledge signals follow a spec-
ified handshake protocol.
Interface Used AssertStartTest_IFC
Parameters common assertion parameters
action_on_new_start (default value = OVL_IGNORE_NEW_START)
min_ack_cycle (default value = 1)
max_ack_cycle (default value = 1)
Module Declaration module bsv_assert_handshake#(OVLDefaults#(Bool) defaults)
(AssertStartTest_IFC#(Bool));
381

Reference Guide Bluespec SystemVerilog
Module bsv_assert_implication
Description Ensures that a specified consequent expression is True if the specified
antecedent expression is True.
Interface Used AssertStartTest_IFC
Parameters common assertion parameters
Module Declaration module bsv_assert_implication#(OVLDefaults#(Bool) defaults)
(AssertStartTest_IFC#(Bool));
Module bsv_assert_increment
Description ensure that the test expression always increases by the value of specified
by value.
Interface Used AssertTest_IFC
Parameters common assertion parameters
value (default value = 1)
Module Declaration module bsv_assert_increment#(OVLDefaults#(a_type) defaults)
(AssertTest_IFC#(a_type))
provisos (Bits#(a_type, sizea), Literal#(a_type),
Bounded#(a_type), Eq#(a_type));
Module bsv_assert_never
Description Ensures that the value of a specified expression is never True.
Interface Used AssertTest_IFC
Parameters common assertion parameters
Module Declaration module bsv_assert_never#(OVLDefaults#(Bool) defaults)
(AssertTest_IFC#(Bool));
Module bsv_assert_never_unknown
Description Ensures that the value of a specified expression contains only 0 and 1
bits when a qualifying expression is True.
Interface Used AssertStartTest_IFC
Parameters common assertion parameters
Module Declaration module bsv_assert_never_unknown#(OVLDefaults#(a_type)
defaults)(AssertStartTest_IFC#(a_type))
provisos (Bits#(a_type, sizea),
Bounded#(a_type), Eq#(a_type));
382

Bluespec SystemVerilog Reference Guide
Module bsv_assert_never_unknown_async
Description Ensures that the value of a specified expression always contains only 0
and 1 bits
Interface Used AssertTest_IFC
Parameters common assertion parameters
Module Declaration module bsv_assert_never_unknown_async#(OVLDefaults#(a_type)
defaults)(AssertTest_IFC#(a_type))
provisos (Bits#(a_type, sizea), Literal#(a_type),
Bounded#(a_type), Eq#(a_type));
Module bsv_assert_next
Description Ensures that the value of the specified expression is true a specified
number of cycles after a start event.
Interface Used AssertStartTest_IFC
Parameters common assertion parameters
num_cks (default value = 1)
check_overlapping (default value = True)
check_missing_start (default value = False)
Module Declaration module bsv_assert_next#(OVLDefaults#(Bool) defaults)
(AssertStartTest_IFC#(Bool));
Module bsv_assert_no_overflow
Description Ensures that the value of the specified expression does not overflow.
Interface Used AssertTest_IFC
Parameters common assertion parameters
min (default value = minBound)
max (default value = maxBound)
Module Declaration module bsv_assert_no_overflow#(OVLDefaults#(a_type)
defaults) (AssertTest_IFC#(a_type))
provisos (Bits#(a_type, sizea),
Bounded#(a_type), Eq#(a_type));
Module bsv_assert_no_transition
Description Ensures that the value of a specified expression does not transition from
a start state to the specified next state.
Interface Used AssertTransitionTest_IFC
Parameters common assertion parameters
Module Declaration module bsv_assert_no_transition#(OVLDefaults#(a_type)
defaults) (AssertTransitionTest_IFC#(a_type))
provisos (Bits#(a_type, sizea),
Bounded#(a_type), Eq#(a_type));
383

Reference Guide Bluespec SystemVerilog
Module bsv_assert_no_underflow
Description Ensures that the value of the specified expression does not underflow.
Interface Used AssertTest_IFC
Parameters common assertion parameters
min (default value = minBound)
max (default value = maxBound)
Module Declaration module bsv_assert_no_underflow#(OVLDefaults#(a_type)
defaults)(AssertTest_IFC#(a_type))
provisos (Bits#(a_type, sizea),
Bounded#(a_type), Eq#(a_type));
Module bsv_assert_odd_parity
Description Ensures that the specified expression had odd parity; that an odd num-
ber of bits in the expression are active high.
Interface Used AssertTest_IFC
Parameters common assertion parameters
Module Declaration module bsv_assert_odd_parity#(OVLDefaults#(a_type)
defaults)(AssertTest_IFC#(a_type))
provisos (Bits#(a_type, sizea),
Bounded#(a_type), Eq#(a_type));
Module bsv_assert_one_cold
Description Ensures that exactly one bit of a variable is active low.
Interface Used AssertTest_IFC
Parameters common assertion parameters
inactive (default value = OLV_ONE_COLD)
Module Declaration module bsv_assert_one_cold#(OVLDefaults#(a_type) defaults)
(AssertTest_IFC#(a_type))
provisos (Bits#(a_type, sizea),
Bounded#(a_type), Eq#(a_type))
Module bsv_assert_one_hot
Description Ensures that exactly one bit of a variable is active high.
Interface Used AssertTest_IFC
Parameters common assertion parameters
Module Declaration module bsv_assert_one_hot#(OVLDefaults#(a_type) defaults)
(AssertTest_IFC#(a_type))
provisos (Bits#(a_type, sizea),
Bounded#(a_type), Eq#(a_type));
384

Bluespec SystemVerilog Reference Guide
Module bsv_assert_proposition
Description Ensures that the test expression is always combinationally True. Like
assert_always except that the test expression is not sampled by the
clock.
Interface Used AssertTest_IFC
Parameters common assertion parameters
Module Declaration module bsv_assert_proposition#(OVLDefaults#(Bool) defaults)
(AssertTest_IFC#(Bool));
Module bsv_assert_quiescent_state
Description Ensures that the value of a specified state expression equals a corre-
sponding check value if a specified sample event has transitioned to
TRUE.
Interface Used AssertQuiescentTest_IFC
Parameters common assertion parameters
Module Declaration module bsv_assert_quiescent_state#(OVLDefaults#(a_type)
defaults)(AssertQuiescentTest_IFC#(a_type))
provisos (Bits#(a_type, sizea),
Bounded#(a_type), Eq#(a_type));
Module bsv_assert_range
Description Ensure that an expression is always within a specified range.
Interface Used AssertTest_IFC
Parameters common assertion parameters
min (default value = minBound)
max (default value = maxBound)
Module Declaration module bsv_assert_range#(OVLDefaults#(a_type) defaults)
(AssertTest_IFC#(a_type))
provisos (Bits#(a_type, sizea),
Bounded#(a_type), Eq#(a_type));
Module bsv_assert_time
Description Ensures that the expression remains True for a specified number of clock
cycles after a start event.
Interface Used AssertStartTest_IFC
Parameters common assertion parameters
action_on_new_start (default value = OVL_IGNORE_NEW_START)
num_cks (default value = 1)
Module Declaration module bsv_assert_time#(OVLDefaults#(Bool) defaults)
(AssertStartTest_IFC#(Bool));
385

Reference Guide Bluespec SystemVerilog
Module bsv_assert_transition
Description Ensures that the value of a specified expression transitions properly
froma start state to the specified next state.
Interface Used AssertTransitionTest_IFC
Parameters common assertion parameters
Module Declaration module bsv_assert_transition#(OVLDefaults#(a_type)
defaults)(AssertTransitionTest_IFC#(a_type))
provisos (Bits#(a_type, sizea),
Bounded#(a_type), Eq#(a_type));
Module bsv_assert_unchange
Description Ensures that the value of the specified expression does not change during
a specified number of clock cycles after a start event initiates checking.
Interface Used AssertStartTest_IFC
Parameters common assertion parameters
action_on_new_start (default value = OVL_IGNORE_NEW_START)
num_cks (default value = 1)
Module Declaration module bsv_assert_unchange#(OVLDefaults#(a_type) defaults)
(AssertStartTest_IFC#(a_type))
provisos (Bits#(a_type, sizea),
Bounded#(a_type), Eq#(a_type));
Module bsv_assert_width
Description Ensures that when the test expression goes high it stays high for at least
min and at most max clock cycles.
Interface Used AssertTest_IFC
Parameters common assertion parameters
min_cks (default value = 1)
max_cks (default value = 1)
Module Declaration module bsv_assert_width#(OVLDefaults#(Bool) defaults)
(AssertTest_IFC#(Bool));
Module bsv_assert_win_change
Description Ensures that the value of a specified expression changes in a specified
window between a start event and a stop event.
Interface Used AssertStartStopTest_IFC
Parameters common assertion parameters
Module Declaration module bsv_assert_win_change#(OVLDefaults#(a_type)
defaults)(AssertStartStopTest_IFC#(a_type))
provisos (Bits#(a_type, sizea),
Bounded#(a_type), Eq#(a_type));
386

Bluespec SystemVerilog Reference Guide
Module bsv_assert_win_unchange
Description Ensures that the value of a specified expression does not change in a
specified window between a start event and a stop event.
Interface Used AssertStartStopTest_IFC
Parameters common assertion parameters
Module Declaration module bsv_assert_win_unchange#(OVLDefaults#(a_type)
defaults)(AssertStartStopTest_IFC#(a_type))
provisos (Bits#(a_type, sizea),
Bounded#(a_type), Eq#(a_type));
Module bsv_assert_window
Description Ensures that the value of a specified event is True between a specified
window between a start event and a stop event.
Interface Used AssertStartStopTest_IFC
Parameters common assertion parameters
Module Declaration module bsv_assert_window#(OVLDefaults#(Bool) defaults)
(AssertStartStopTest_IFC#(Bool));
Module bsv_assert_zero_one_hot
Description ensure that exactly one bit of a variable is active high or zero.
Interface Used AssertTest_IFC
Parameters common assertion parameters
Module Declaration module bsv_assert_zero_one_hot#(OVLDefaults#(a_type)
defaults)(AssertTest_IFC#(a_type))
provisos (Bits#(a_type, sizea),
Bounded#(a_type), Eq#(a_type));
Example using bsv assert increment
This example checks that a test expression is always incremented by a value of 3. The assertion
passes for the first 10 increments and then starts failing when the increment amount is changed from
3 to 1.
import OVLAssertions::*; // import the OVL Assertions package
module assertIncrement (Empty);
Reg#(Bit#(8)) count <- mkReg(0);
Reg#(Bit#(8)) test_expr <- mkReg(0);
// set the default values
let defaults = mkOVLDefaults;
// override the default increment value and set = 3
defaults.value = 3;
387

Reference Guide Bluespec SystemVerilog
// instantiate an instance of the module bsv_assert_increment using
// the name assert_mod and the interface AssertTest_IFC
AssertTest_IFC#(Bit#(8)) assert_mod <- bsv_assert_increment(defaults);
rule every (True); // Every clock cycle
assert_mod.test(test_expr); // the assertion is checked
endrule
rule increment (True);
count <= count + 1;
if (count < 10) // for 10 cycles
test_expr <= test_expr + 3; // increment the expected amount
else if (count < 15)
test_expr <= test_expr + 1; // then start incrementing by 1
else
$finish;
endrule
endmodule
Using The Library
In order to use the OVLAssertions package, a user must first download the source OVL library from
Accellera (http://www.accellera.org). In addition, that library must be made available when
building a simulation executable from the BSV generated Verilog.
If the bsc compiler is being used to generate the Verilog simulation executable, the BSC_VSIM_FLAGS
environment variable can be used to set the required simulator flags that enable use of the OVL
library.
For instance, if the iverilog simulator is being used and the OVL library is located in the directory
shared/std_ovl, the BSC_VSIM_FLAGS environment variable can be set to ¨
-I shared/std_ovl -Y
.vlib -y shared/std_ovl -DOVL_VERILOG=1 -DOVL_ASSERT_ON=1¨. These flags:
•Add shared/std_ovl to the Verilog and include search paths.
•Set .vlib as a possible file suffix.
•Set flags used in the OVL source code.
The exact flags to be used will differ based on what OVL behavior is desired and which Verilog
simulator is being used.
C.8.18 Printf
Package
import Printf:: * ;
Description
The Printf package provides the sprintf function to allow users to construct strings using typical
C printf patterns. The function supports a full range of C-style format options.
The sprintf function uses two advanced features, type classes (Section 14.1) and partial function
application, to implement a variable number of arguments. That is why the type signature of the
function includes a proviso for SPrintfType, also defined in this package.
388

Bluespec SystemVerilog Reference Guide
This package is provided as both a compiled library package and as BSV source code as documen-
tation. The source code file can be found in the $BLUESPECDIR/BSVSource/Misc directory. To
customize a package, copy the file into a local directory and then include the local directory in the
path when compiling. This is done by specifying the search path with the -p option as described in
the BSV Users Guide.
Type classes
The Printf package includes the SPrintf and PrintfArg typeclasses. The proviso SPrintf specifies
that the function can take a variable number of arguments, and further the types of those arguments
can be displayed. This last requirement is captured by the PrintfArg typeclass, which is the class
of types that can be displayed.
typeclass SPrintfType#(type t);
function t spr(String fmt, List#(UPrintf) args);
endtypeclass
The PrintfArg typeclass defines a separate conversion for each type in the class.
typeclass PrintfArg#(type t);
function UPrintf toUPrintf(t arg);
endtypeclass
Functions
sprintf Constructs a string given a C-style format string and any input values for
that format.
function r sprintf(String fmt) provisos (SPrintfType#(r));
The sprintf function constructs a string from a format string followed by a variable number of
arguments. Examples:
String s1 = sprintf("Hello");
Bit#(8) x = 0;
String s2 = sprintf("x = %d", x);
Real r = 1.2;
String s3 = sprintf("x = %d, r = %g", x, r);
The behavior of sprintf depends on the types of the arguments. If the type of an argument is
unclear, you may be required to give specific types to those arguments.
For instance, an integer literal can represent many types, so you need to specify which one you are
using:
String s4 = sprintf("%d, %d", 1, 2); // ambiguous
// Example of two ways to specify the type
UInt#(8) n = 1;
String s4 = sprintf("%d, %d", n, Bit#(4)’(2));
When calling sprintf on a value whose type is not known, as in a polymorphic function, you may
be required to add a proviso to the function for the type variable.
The PrintfArg proviso on polymorphic functions is required when the type of the argument is not
known. The type class instances define the conversion functions for each printable type.
389

Reference Guide Bluespec SystemVerilog
function Action disp(t x);
action
String s = sprintf("x=%d", x);
$display(s);
endaction
endfunction
will generate an error message. By adding the proviso, the function compiles correctly:
function Action disp(t x)
provisos( PrintfArg#(t) );
action
String s = sprintf("x=%d", x);
$display(s);
endaction
endfunction
C.8.19 BuildVector
Package
import BuildVector :: * ;
Description
The BuildVector package provides the BuildVector type class to implement a vector construction
function which can take any number of arguments (>0).
In pseudo code, we can show this as:
function Vector#(n, a) vec(a v1, a v2, ..., a vn);
Examples:
Vector#(3, Bool) v1 = vec(True, False, True);
Vector#(4, Integer) v2 = vec(2, 17, 22, 42);
This package is provided as both a compiled library package and as BSV source code as documen-
tation. The source code file can be found in the $BLUESPECDIR/BSVSource/Misc directory. To
customize a package, copy the file into a local directory and then include the local directory in the
path when compiling. This is done by specifying the search path with the -p option as described in
the BSV Users Guide.
Functions
vec A function for creating a Vector of size nfrom narguments. The variable number
of arguments is implemented via the BuildVector typeclass, which is a proviso
of this function.
function r vec(a x) provisos(BuildVector#(a,r,0));
390

Bluespec SystemVerilog Reference Guide
C.9 Multiple Clock Domains and Clock Generators
Package
import Clocks :: * ;
Description
The BSV Clocks library provide features to access and change the default clock. Moreover, there
are hardware primitives to generate clocks of various shapes, plus several primitives which allow the
safe crossing of signals and data from one clock domain to another.
The Clocks package uses the data types Clock and Reset as well as clock functions which are
described below but defined in the Prelude package.
Each section describes a related group of modules, followed by a table indicating the Verilog modules
used to implement the BSV modules.
Types and typeclasses
The Clocks package uses the abstract data types Clock and Reset, which are defined in the Prelude
package. These are first class objects. Both Clock and Reset are in the Eq type class, meaning two
values can be compared for equality.
Clock is an abstract type of two components: a single Bit oscillator and a Bool gate.
typedef ... Clock ;
Reset is an abstract type.
typedef ... Reset ;
Type Classes for Clock and Reset
Bits Eq Literal Arith Ord Bounded Bitwise Bit Bit
Reduction Extend
Clock √
Reset √
Example: Declaring a new clock
Clock clk0;
Example: Instantiating a register with clock and reset
Reg#(Byte) a <- mkReg(0, clocked_by clks0, reset_by rst0);
Functions
The following functions are defined in the Prelude package but are used with multiple clock domains.
Clock Functions
exposeCurrentClock This function returns a value of type Clock, which is the current clock
of the module.
module exposeCurrentClock ( Clock c );
391

Reference Guide Bluespec SystemVerilog
exposeCurrentReset This function returns a value of type Reset, which is the current reset
of the module.
module exposeCurrentReset ( Reset r );
Both exposeCurrentClock and exposeCurrentReset use the module instantiation syntax (<-) to
return the value. Hence these can only be used from within a module.
Example: setting a reset to the current reset
Reset reset_value <- exposeCurrentReset;
Example: setting a clock to the current clock
Clock clock_value <- exposeCurrentClock;
sameFamily A Boolean function which returns True if the clocks are in the same
family, False if the clocks are not in the same family. Clocks in the
same family have the same oscillator but may have different gate con-
ditions.
function Bool sameFamily ( Clock clka, Clock clkb ) ;
isAncestor A Boolean function which returns True if clka is an ancestor of clkb,
that is clkb is a gated version of clka (clka itself may be gated) or if
clka and clkb are the same clock. The ancestry relation is a partial
order (ie., reflexive, transitive and antisymmetric).
function Bool isAncestor ( Clock clka, Clock clkb ) ;
clockOf Returns the current clock of the object obj.
function Clock clockOf ( a_type obj ) ;
noClock Specifies a null clock, a clock where the oscillator never rises.
function Clock noClock() ;
resetOf Returns the current reset of the object obj.
function Reset resetOf ( a_type obj ) ;
392

Bluespec SystemVerilog Reference Guide
noReset Specifies a null reset, a reset which is never asserted.
function Reset noReset() ;
invertCurrentClock Returns a value of type Clock, which is the inverted current clock of
the module.
module invertCurrentClock(Clock);
invertCurrentReset Returns a value of type Reset, which is the inverted current reset of
the module.
module invertCurrentReset(Reset);
C.9.1 Clock Generators and Clock Manipulation
Description
This section provides modules to generate new clocks and to modify the existing clock.
The modules mkAbsoluteClock,mkAbsoluteClockFull,mkClock, and mkUngatedClock all define a
new clock, one not based on the current clock. Both mkAbsoluteClock and mkAbsoluteClockFull
define new oscillators and are not synthesizable. mkClock and mkUngatedClock use an existing oscil-
lator to create a clock, and is synthesizable. The modules, mkGatedClock and mkGatedClockFromCC
use existing clocks to generate another clock in the same family.
Interfaces and Methods
The MakeClockIfc supports user-defined clocks with irregular waveforms created with mkClock
and mkUngatedClock, as opposed to the fixed-period waveforms created with the mkAbsoluteClock
family.
MakeClockIfc Interface
Method and subinterfaces Arguments
Name Type Description Name Description
setClockValue Action Changes the value of the
clock at the next edge of
the clock
value Value the clock will
be set to, must be a
one bit type
getClockValue one_bit_type Retrieves the last value of
the clock
setGateCond Action Changes the gating condi-
tion
gate Must be of the type
Bool
getGateCond Bool Retrieves the last gating
condition set
new_clk Interface Clock interface provided
by the module
393

Reference Guide Bluespec SystemVerilog
interface MakeClockIfc#(type one_bit_type);
method Action setClockValue(one_bit_type value) ;
method one_bit_type getClockValue() ;
method Action setGateCond(Bool gate) ;
method Bool getGateCond() ;
interface Clock new_clk ;
endinterface
The GatedClockIfc is used for adding a gate to an existing clock.
GatedClockIfc Interface
Method and subinterfaces Arguments
Name Type Description Name Description
setGateCond Action Changes the gating condi-
tion
gate Must be of the type
Bool
getGateCond Bool Retrieves the last gating
condition set
new_clk Interface Clock interface provided
by the module
interface GatedClockIfc ;
method Action setGateCond(Bool gate) ;
method Bool getGateCond() ;
interface Clock new_clk ;
endinterface
Modules
The mkClock module creates a Clock type from a one-bit oscillator and a Boolean gate condition.
There is no family relationship between the current clock and the clock generated by this module.
The initial values of the oscillator and gate are passed as parameters to the module. When the
module is out of reset, the oscillator value can be changed using the setClockValue method and the
gate condition can be changed by calling the setGateCond method. The oscillator value and gate
condition can be queried with the getClockValue and getGateCond methods, respectively. The
clock created by mkClock is available as the new_clk subinterface. When setting the gate condition,
the change does not affect the generated clock until it is low, to prevent glitches.
The mkUngatedClock module is an ungated version of the mkClock module. It takes only an oscillator
argument (no gate argument) and returns the same new_clock interface. Since there is no gate,
an error is returned if the design calls the setGetCond method. The getGateCond method always
returns True.
mkClock Creates a Clock type from a one-bit oscillator input, and a Boolean gate
condition. There is no family relationship between the current clock and the
clock generated by this module.
module mkClock #( one_bit_type initVal, Bool initGate)
( MakeClockIfc#(one_bit_type) ifc )
provisos( Bits#(one_bit_type, 1) ) ;
394

Bluespec SystemVerilog Reference Guide
Figure 6: Clock Generator
mkUngatedClock Creates an ungated Clock type from a one-bit oscillator input. There is no
family relationship between the current clock and the clock generated by this
module.
module mkUngatedClock #( one_bit_type initVal)
( MakeClockIfc#(one_bit_type) ifc )
provisos( Bits#(one_bit_type, 1) ) ;
The mkGatedClock module adds (logic and) a Boolean gate condition to an existing clock, thus
creating another clock in the same family. The source clock is provided as the argument clk_in.
The gate condition is controlled by an asynchronously-reset register inside the module. The register
is set with the setGateCond Action method of the interface and can be read with getGateCond
method. The reset value of the gate condition register is provided as an instantiation parameter.
The clock for the register (and thus these set and get methods) is the default clock of the module;
to specify a clock other than the default clock, use the clocked_by directive.
Figure 7: Gated Clock Generator
mkGatedClock Creates another clock in the same family by adding logic and a Boolean gate
condition to the current clock.
module mkGatedClock#(Bool v) ( Clock clk_in, GatedClockIfc ifc );
395

Reference Guide Bluespec SystemVerilog
For convenience, we provide an alternate version in which the source clock is the default clock of the
module
mkGatedClockFromCC An alternate interface for the module mkGatedClock in which the source
clock is the default clock of the module.
module mkGatedClockFromCC#(Bool v) ( GatedClockIfc ifc );
The modules mkAbsoluteClock and mkAbsoluteClockFull provide parametizable clock generation
modules which are not synthesizable, but may be useful for testbenches. In mkAbsoluteClock, the
first rising edge (start) and the period are defined by parameters. These parameters are measured
in Verilog delay times, which are usually specified during simulation with the timescale directive.
Refer to the Verilog LRM for more details on delay times. s Additional parameters are provided by
mkAbsoluteClockFull.
mkAbsoluteClock The first rising edge (start) and period are defined by parameters.
This module is not synthesizable.
module mkAbsoluteClock #( Integer start,
Integer period )
( Clock );
mkAbsoluteClockFull The value initValue is held until time start, and then the clock
oscillates. The value not(initValue) is held for time compValTime,
followed by initValue held for time initValTime. Hence the clock
period after startup is compValTime + initValTime. This module is
not synthesizable.
module mkAbsoluteClockFull #( Integer start,
Bit#(1) initValue,
Integer compValTime,
Integer initValTime )
( Clock );
Verilog Modules
The BSV modules correspond to the following Verilog modules, which are found in the Bluespec
Verilog library, $BLUESPECDIR/Verilog/.
BSV Module Name Verilog Module Name
mkAbsoluteClock ClockGen.v
mkAbsoluteClockFull
mkClock MakeClock.v
mkUngatedClock
mkGatedClock GatedClock.v
mkGatedClockFromCC
396

Bluespec SystemVerilog Reference Guide
C.9.2 Clock Multiplexing
Description
Bluespec provides two gated clock multiplexing primitives: a simple combinational multiplexor and
a stateful module which generates an appropriate reset signal when the clock changes. The first
multiplexor uses the interface MuxClockIfc, which includes an Action method to select the clock
along with a Clock subinterface. The second multiplexor uses the interface SelectClockIfc which
also has a Reset subinterface.
Ungated versions of these modules are also provided. The ungated versions are identical to the gated
versions, except that the input and output clocks are ungated.
Interfaces and Methods
MuxClockIfc Interface
Method and subinterfaces Arguments
Name Type Description Name Description
select Action Method used to select the
clock based on the Boolean
value ab
ab if True, clock_out is
taken from aclk
clock_out Interface Clock interface
interface MuxClkIfc ;
method Action select ( Bool ab ) ;
interface Clock clock_out ;
endinterface
SelectClockIfc Interface
Method and subinterfaces Arguments
Name Type Description Name Description
select Action Method used to select the
clock based on the Boolean
value ab
ab if True, clock out is
taken from aclk
clock_out Interface Clock interface
reset_out Interface Reset interface
interface SelectClkIfc ;
method Action select ( Bool ab ) ;
interface Clock clock_out ;
interface Reset reset_out ;
endinterface
Modules
The mkClockMux module is a simple combinational multiplexor with a registered clock selection
signal, which selects between clock inputs aClk and bClk. The provided Verilog module does not
provide any glitch detection or removal logic; it is the responsibility of the user to provide additional
logic to provide glitch-free behavior. The mkClockMux module uses two arguments and provides a
Clock interface. The aClk is selected if ab is True, while bClk is selected otherwise.
The mkUngatedClockMux module is identical to the mkClockMux module except that the input and
output clocks are ungated. The signals aClkgate,bClkgate, and outClkgate in figure 8don’t exist.
397

Reference Guide Bluespec SystemVerilog
Figure 8: Clock Multiplexor
mkClockMux Simple combinational multiplexor, which selects between aClk and
bClk.
module mkClockMux ( Clock aClk, Clock bClk )
( MuxClkIfc ) ;
mkUngatedClockMux Simple combinational multiplexor, which selects between aClk and
bClk. None of the clocks are gated.
module mkUngatedClockMux ( Clock aClk, Clock bClk )
( MuxClkIfc ) ;
The mkClockSelect module is a clock multiplexor containing additional logic which generates a
reset whenever a new clock is selected. As such, the interface for the module includes an Action
method to select the clock (if ab is True clock out is taken from aClk), provides a Clock interface,
and also a Reset interface.
The constructor for the module uses two clock arguments, and provides the MuxClockIfc interface.
The underlying Verilog module is ClockSelect.v; it is expected that users can substitute their own
modules to meet any additional requirements they may have. The parameter stages is the number
of clock cycles in which the reset is asserted after the clock selection changes.
The mkUngatedClockSelect module is identical to the mkClockSelect module except that the input
and output clocks are ungated. The signals aClkgate,bClkgate, and outClk_gate in figure 9don’t
exist.
mkClockSelect Clock Multiplexor containing additional logic which generates a reset
whenever a new clock is selected.
module mkClockSelect #( Integer stages,
Clock aClk,
Clock bClk,
( SelectClockIfc ) ;
398

Bluespec SystemVerilog Reference Guide
Figure 9: Clock Multiplexor with reset
mkUngatedClockSelect Clock Multiplexor containing additional logic which generates a reset
whenever a new clock is selected. The input and output clocks are
ungated.
module mkUngatedClockSelect #( Integer stages,
Clock aClk,
Clock bClk,
( SelectClockIfc ) ;
Verilog Modules
The BSV modules correspond to the following Verilog modules, which are found in the Bluespec
Verilog library, $BLUESPECDIR/Verilog/.
BSV Module Name Verilog Module Name
mkClockMux ClockMux.v
mkClockSelect ClockSelect.v
mkUngatedClockMux UngatedClockMux.v
mkUngatedClockSelect UngatedClockSelect.v
C.9.3 Clock Division
Description
A clock divider provides a derived clock and also a ClkNextRdy signal, which indicates that the
divided clock will rise in the next cycle. This signal is associated with the input clock, and can only
be used within that clock domain.
The AlignedFIFOs package (Section C.2.6) contains parameterized FIFO modules for creating syn-
chronizing FIFOs between clock domains with aligned edges.
Data Types
The ClkNextRdy is a Boolean signal which indicates that the slow clock will rise in the next cycle.
399

Reference Guide Bluespec SystemVerilog
typedef Bool ClkNextRdy ;
Interfaces and Methods
ClockDividerIfc Interface
Name Type Description
fastClock Interface The original clock
slowClock Interface The derived clock
clockReady Bool Boolean value which indicates that the slow clock will rise
in the next cycle. The method is in the clock domain of the
fast clock.
interface ClockDividerIfc ;
interface Clock fastClock ;
interface Clock slowClock ;
method ClkNextRdy clockReady() ;
endinterface
Modules
The divider parameter may be any integer greater than 1. For even dividers the generated clock’s
duty cycle is 50%, while for odd dividers, the duty cycle is (divider/2)/divider. Since divisor is an
integer, the remainder is truncated when divided. The current clock (or the clocked_by argument)
is used as the source clock.
Figure 10: Clock Divider
mkClockDivider Basic clock divider.
module mkClockDivider #( Integer divisor )
( ClockDividerIfc ) ;
mkGatedClockDivider A gated verison of the basic clock divider.
module mkGatedClockDivider #( Integer divisor
)( ClockDividerIfc ) ;
The mkClockDividerOffset module provides a clock divider where the rising edge can be defined
relative to other clock dividers which have the same divisor. An offset of value 2 will produce a rising
edge one fast clock after a divider with offset 1. mkClockDivider is just mkClockDividerOffset
with an offset of value 0.
400

Bluespec SystemVerilog Reference Guide
mkClockDividerOffset Provides a clock divider, where the rising edge can be defined rel-
ative to other clock dividers which have the same divisor.
module mkClockDividerOffset #( Integer divisor,
Integer offset )
( ClockDividerIfc ) ;
The mkClockInverter and mkGatedClockInverter modules generate an inverted clock having the
same period but opposite phase as the current clock. The mkGatedClockInverter is a gated version
of mkClockInverter. The output clock includes a gate signal derived from the gate of the input
clock.
mkClockInverter Generates an inverted clock having the same period but opposite
phase as the current clock.
module mkClockInverter ( ClockDividerIfc ) ;
mkGatedClockInverter A gated version of mkClockInverter.
module mkGatedClockInverter ( ClockDividerIfc ifc ) ;
Verilog Modules
The BSV modules correspond to the following Verilog modules, which are found in the Bluespec
Verilog library, $BLUESPECDIR/Verilog/.
BSV Module Name Verilog Module Name
mkClockDivider ClockDiv.v
mkClockDividerOffset
mkGatedClockDivider GatedClockDiv.v
mkClockInverter ClockInverter.v
mkGatedClockInverter GatedClockInverter.v
C.9.4 Bit Synchronizers
Description
Bit synchronizers are used to safely transfer one bit of data from one clock domain to another. More
complicated synchronizers are provided in later sections.
Interfaces and Methods
The SyncBitIfc interface provides a send method which transmits one bit of information from one
clock domain to the read method in a second domain.
401

Reference Guide Bluespec SystemVerilog
SyncBitIfc Interface
Methods Arguments
Name Type Description Name Description
send Action Transmits information from
one clock domain to the sec-
ond domain
bitData One bit of information
transmitted
read one_bit_type Reads one bit of data sent
from a different clock domain
interface SyncBitIfc #(type one_bit_type) ;
method Action send ( one_bit_type bitData ) ;
method one_bit_type read () ;
endinterface
Modules
The mkSyncBit,mkSyncBitFromCC and mkSyncBitToCC modules provide a SyncBitIfc across clock
domains. The send method is in one clock domain, and the read method is in a second clock
domain, as shown in Figure 11. The FromCC and ToCC versions differ in that the FromCC module
moves data from the current clock (module’s clock), while the ToCC module moves data to the current
clock domain. The hardware implementation is a two register synchronizer, which can be found in
SyncBit.v in the Bluespec Verilog library directory.
Figure 11: Bit Synchronizer
mkSyncBit Moves data across clock domains. The in and out clocks, along with
the input reset, are explicitly provided. The default clock and reset
are ignored.
module mkSyncBit #( Clock sClkIn, Reset sRst,
Clock dClkIn )
( SyncBitIfc #(one_bit_type) )
provisos( Bits#(one_bit_type, 1)) ;
mkSyncBitFromCC Moves data from the current clock (the module’s clock) to a different
clock domain. The input clock and reset are the current clock and
reset.
module mkSyncBitFromCC #( Clock dClkIn )
( SyncBitIfc #(one_bit_type) )
provisos( Bits#(one_bit_type, 1)) ;
402

Bluespec SystemVerilog Reference Guide
mkSyncBitToCC Moves data into the current clock domain. The output clock is the
current clock. The current reset is ignored.
module mkSyncBitToCC #( Clock sClkIn, Reset sRstIn )
( SyncBitIfc #(one_bit_type) )
provisos( Bits#(one_bit_type, 1)) ;
The mkSyncBit15 module (one and a half) and its variants provide the same interface as the
mkSyncBit modules, but the underlying hardware is slightly modified, as shown in Figure 12. For
these synchronizers, the first register clocked by the destination clock triggers on the falling edge of
the clock.
Figure 12: Bit Synchronizer 1.5 - first register in destination domain triggers on falling edge
mkSyncBit15 Similar to mkSyncBit except it triggers on the falling edge of the clock.
The in and out clocks, along with the input reset, are explicitly pro-
vided. The default clock and reset are ignored.
module mkSyncBit15 #( Clock sClkIn, Reset sRst,
Clock dClkIn )
( SyncBitIfc #(one_bit_type) )
provisos( Bits#(one_bit_type, 1)) ;
mkSyncBit15FromCC Moves data from the current clock and is triggered on the falling edge
of the clock. The input clock and reset are the current clock and reset.
module mkSyncBit15FromCC #(Clock dClkIn)
(SyncBitIfc #(one_bit_type))
provisos( Bits#(one_bit_type, 1)) ;
mkSyncBit15ToCC Moves data into the current clock domain and is triggered on the falling
edge of the clock. The output clock is the current clock. The current
reset is ignored.
module mkSyncBit15ToCC #( Clock sClkIn, Reset sRstIn )
( SyncBitIfc #(one_bit_type) )
provisos( Bits#(one_bit_type, 1)) ;
403

Reference Guide Bluespec SystemVerilog
The mkSyncBit1 module, shown in Figure 13, also provides the same interface but only uses one
register in the destination domain. Synchronizers like this, which use only one register, are not
generally used since meta-stable output is more probable. However, one can use this synchronizer
provided special meta-stable resistant flops are selected during physical synthesis or (for example) if
the output is immediately registered.
Figure 13: Bit Synchronizer 1.0 - single register in destination domain
mkSyncBit1 Moves data from one clock domain to another clock domain, with only
one register in the destination domain. The in and out clocks, along
with the input reset, are explicitly provided. The default clock and
reset are ignored.
module mkSyncBit1 #( Clock sClkIn, Reset sRst,
Clock dClkIn )
( SyncBitIfc #(one_bit_type) )
provisos( Bits#(one_bit_type, 1)) ;
mkSyncBit1FromCC Moves data from the current clock domain, with only one register in
the destination domain. The input clock and reset are the current
clock and reset.
module mkSyncBit1FromCC #( Clock dClkIn )
( SyncBitIfc #(one_bit_type) )
provisos( Bits #(one_bit_type, 1)) ;
mkSyncBit1ToCC Moves data into the current clock domain, with only one register in
the destination domain. The output clock is the current clock. The
current reset is ignored.
module mkSyncBit1ToCC #( Clock sClkIn, Reset sRstIn )
( SyncBitIfc #(one_bit_type) )
provisos( Bits#(one_bit_type, 1)) ;
The mkSyncBit05 module is similar to mkSyncBit1, but the destination register triggers on the
falling edge of the clock, as shown in Figure 14.
404

Bluespec SystemVerilog Reference Guide
Figure 14: Bit Synchronizer .5 - first register in destination domain triggers on falling edge
mkSyncBit05 Moves data from one clock domain to another clock domain, with
only one register in the destination domain. The destination register
triggers on the falling edge of the clock. The in and out clocks, along
with the input reset, are explicitly provided. The default clock and
reset are ignored.
module mkSyncBit05 #( Clock sClkIn, Reset sRst,
Clock dClkIn )
( SyncBitIfc #(one_bit_type) )
provisos( Bits#(one_bit_type, 1)) ;
mkSyncBit05FromCC Moves data from the current clock domain, with only one register in
the destination domain, the destination register triggers on the falling
edge of the clock. The input clock and reset are the current clock and
reset.
module mkSyncBit05FromCC #( Clock dClkIn )
(SyncBitIfc #(one_bit_type) )
provisos( Bits#(one_bit_type, 1)) ;
mkSyncBit05ToCC Moves data into the current clock domain, with only one register in
the destination domain, the destination register triggers on the falling
edge of the clock. The output clock is the current clock. The current
reset is ignored.
module mkSyncBit05ToCC #( Clock sClkIn, Reset sRstIn )
( SyncBitIfc #(one_bit_type) )
provisos( Bits#(one_bit_type, 1)) ;
Verilog Modules
The BSV modules correspond to the following Verilog modules, which are found in the Bluespec
Verilog library, $BLUESPECDIR/Verilog/.
405

Reference Guide Bluespec SystemVerilog
BSV Module Name Verilog Module Name
mkSyncBit SyncBit.v
mkSyncBitFromCC
mkSyncBitToCC
mkSyncBit15 SyncBit15.v
mkSyncBit15FromCC
mkSyncBit15ToCC
mkSyncBit1 SyncBit1.v
mkSyncBit1FromCC
mkSyncBit1ToCC
mkSyncBit05 SyncBit05.v
mkSyncBit05FromCC
mkSyncBit05ToCC
C.9.5 Pulse Synchronizers
Description
Pulse synchronizers are used to transfer a pulse from one clock domain to another.
Interfaces and Methods
The SyncPulseIfc interface provides an Action method, send, which when invoked generates a True
value on the pulse method in a second clock domain.
SyncPulseIfc Interface
Methods
Name Type Description
send Action Starts transmittling a pulse from one clock domain to the
second clock domain.
pulse Bool Where the pulse is received in the second domain. pulse is
True if a pulse is recieved in this cycle.
interface SyncPulseIfc ;
method Action send () ;
method Bool pulse () ;
endinterface
Modules
The mkSyncPulse,mkSyncPulseFromCC and mkSyncPulseToCC modules provide clock domain cross-
ing modules for pulses. When the send method is called from the one clock domain, a pulse will be
seen on the read method in the second. Note that there is no handshaking between the domains,
so when sending data from a fast clock domain to a slower one, not all pulses sent may be seen in
the slower receiving clock domain. The pulse delay is two destination clocks cycles.
mkSyncPulse Sends a pulse from one clock domain to another. The in and out
clocks, along with the input reset, are explicitly provided. The default
clock and reset are ignored.
module mkSyncPulse #( Clock sClkIn, Reset sRstIn,
Clock dClkIn )
( SyncPulseIfc ) ;
406

Bluespec SystemVerilog Reference Guide
Figure 15: Pulse Synchronizer - no handshake
mkSyncPulseFromCC Sends a pulse from the current clock domain to the other clock domain.
The input clock and reset are the current clock and reset.
module mkSyncPulseFromCC #( Clock dClkIn )
( SyncPulseIfc ) ;
mkSyncPulseToCC Sends a pulse from the other clock domain to the current clock domain.
The output clock is the current clock. The current reset is ignored.
module mkSyncPulseToCC #( Clock sClkIn, Reset sRstIn )
( SyncPulseIfc ) ;
The mkSyncHandshake,mkSyncHandshakeFromCC and mkSyncHandshakeToCC modules provide clock
domain crossing modules for pulses in a similar way as mkSyncPulse modules, except that a hand-
shake is provided in the mkSyncHandshake versions. The handshake enforces that another send does
not occur before the first pulse crosses to the other domain. Note that this only guarantees that
the pulse is seen in one clock cycle of the destination; it does not guarantee that the system on that
side reacted to the pulse before it was gone. It is up to the designer to ensure this, if necessary. The
modules are not ready in reset.
The pulse delay from the send method to the read method is two destination clocks. The send
method is re-enabled in two destination clock cycles plus two source clock cycles after the send
method is called.
mkSyncHandshake Sends a pulse from one clock domain to another clock domain with
handshaking. The in and out clocks, along with the input reset, are
explicitly provided. The default clock and reset are ignored.
module mkSyncHandshake #( Clock sClkIn, Reset sRstIn,
Clock dClkIn )
( SyncPulseIfc ) ;
mkSyncHandshakeFromCC Sends a pulse with a handshake from the current clock domain.
The input clock and reset are the current clock and reset.
module mkSyncHandshakeFromCC #( Clock dClkIn )
( SyncPulseIfc ) ;
407

Reference Guide Bluespec SystemVerilog
Figure 16: Pulse Synchronizer with handshake
mkSyncHandshakeToCC Sends a pulse with a handshake to the current clock domain. The
output clock is the current clock. The current reset is ignored.
module mkSyncHandshakeToCC #( Clock sClkIn,
Reset sRstIn )
( SyncPulseIfc ) ;
Verilog Modules
The BSV modules correspond to the following Verilog modules, which are found in the Bluespec
Verilog library, $BLUESPECDIR/Verilog/.
BSV Module Name Verilog Module Name
mkSyncPulse SyncPulse.v
mkSyncPulseFromCC
mkSyncPulseToCC
mkSyncHandshake SyncHandshake.v
mkSyncHandshakeFromCC
mkSyncHandshakeToCC
C.9.6 Word Synchronizers
Description
Word synchronizers are used to provide word synchronization across clock domains. The crossings
are handshaked, such that a second write cannot occur until the first is acknowledged (that the data
has been received, but the value may not have been read) by the destination side. The destination
read is registered.
Interfaces and Methods
408

Bluespec SystemVerilog Reference Guide
Word synchronizers use the common Reg interface (redescribed below), but there are a few subtle
differences which the designer should be aware. First, the _read and _write methods are in different
clock domains and, second, the _write method has an implicit “ready” condition which means that
some synchronization modules cannot be written every clock cycle. Both of these conditions are
handled automatically by the Bluespec compiler relieving the designer of these tedious checks.
Reg Interface
Method Arguments
Name Type Description Name Description
_write Action Writes a value x1 x1 Data to be written
_read a_type Returns the value of the reg-
ister
interface Reg #(a_type);
method Action _write(a_type x1);
method a_type _read();
endinterface: Reg
Modules
The mkSyncReg,mkSyncRegToCC and mkSyncRegFromCC modules provide word synchronization across
clock domains.
Figure 17: Register Synchronization Module (see Figure 16 for the pulse synchronizer with hand-
shake)
mkSyncReg Provides word synchronization across clock domains. The in and out
clocks, along with the input reset, are explicitly provided. The default
clock and reset are ignored.
module mkSyncReg #( a_type initValue,
Clock sClkIn, Reset sRstIn,
Clock dClkIn )
( Reg #(a_type) )
provisos (Bits#(a_type, sa) ) ;
409

Reference Guide Bluespec SystemVerilog
mkSyncRegFromCC Provides word synchronization from the current clock domain. The
input clock and reset are the current clock and reset.
module mkSyncRegFromCC #( a_type initValue,
Clock dClkIn )
( Reg #(a_type) )
provisos (Bits#(a_type, sa)) ;
mkSyncRegToCC Provides word synchronization to the current clock domain. The out-
put clock is the current clock. The current reset is ignored.
module mkSyncRegToCC #( a_type initValue,
Clock sClkIn, Reset sRstIn )
( Reg #(a_type) )
provisos (Bits#(a_type, sa)) ;
Verilog Modules
The BSV modules correspond to the following Verilog modules, which are found in the Bluespec
Verilog library, $BLUESPECDIR/Verilog/.
BSV Module Name Verilog Module Name
mkSyncReg SyncRegister.v
mkSyncRegFromCC
mkSyncRegToCC
C.9.7 FIFO Synchronizers
Description
The SyncFIFO modules use FIFOs to synchronize data being sent across clock domains, provid-
ing registered full and empty signals (notFull and notEmpty). Additional FIFO synchronizers,
SyncFIFOLevel and SyncFIFOCount can be found in the FIFOLevel package (Section C.2.3).
Interfaces and Methods
The SyncFIFOIfc interface defines an interface similar to the FIFOF interface, except it does not
have a clear method.
410

Bluespec SystemVerilog Reference Guide
SyncFIFOIfc Interface
Method Arguments
Name Type Description Name Description
enq Action Adds an entry to the FIFO sendData Data to be added
deq Action Removes the first entry from
the FIFO
first a_type Returns the first entry
notFull Bool Returns True if there is space
and you can enq into the
FIFO
notEmpty Bool Returns True if there are el-
ements in the FIFO and you
can deq from the FIFO
interface SyncFIFOIfc #(type a_type) ;
method Action enq ( a_type sendData ) ;
method Action deq () ;
method a_type first () ;
method Bool notFull () ;
method Bool notEmpty () ;
endinterface
Modules
Figure 18: Synchronization FIFOs
The mkSyncFIFO,mkSyncFIFOFromCC and mkSyncFIFOToCC modules provide FIFOs for sending data
across clock domains. Data items enqueued on the source side will arrive at the destination side and
remain there until they are dequeued. The depth of the FIFO is specified by the depth parameter.
The full and empty signals are registered. The module mkSyncFIFO1 is a 1 element synchronized
FIFO.
411

Reference Guide Bluespec SystemVerilog
mkSyncFIFO Provides a FIFO for sending data across clock domains. The enq
method is in the source (sClkIn) domain, while the deq and first
methods are in the destination (dClkIn) domain. The in and out
clocks, along with the input reset, are explicitly provided. The default
clock and reset are ignored.
module mkSyncFIFO #( Integer depth,
Clock sClkIn, Reset sRstIn,
Clock dClkIn )
( SyncFIFOIfc #(a_type) )
provisos (Bits#(a_type, sa));
mkSyncFIFOFromCC Provides a FIFO to send data from the current clock domain into a
second clock domain. The input clock and reset are the current clock
and reset.
module mkSyncFIFOFromCC #( Integer depth,
Clock dClkIn )
( SyncFIFOIfc #(a_type) )
provisos (Bits#(a_type, sa));
mkSyncFIFOToCC Provides a FIFO to send data from a second clock domain into the
current clock domain. The output clock is the current clock. The
current reset is ignored.
module mkSyncFIFOToCC #( Integer depth,
Clock sClkIn, Reset sRstIn )
( SyncFIFOIfc #(a_type) )
provisos (Bits#(a_type, sa));
mkSyncFIFO1 Provides a 1 element FIFO for sending data across clock domains.
The 1 element module does not have a dedicated output register and
registers for full and empty, as in the depth >1 module. This module
should be used in clock crossing applications where complete FIFO
handshaking is required, but data throughput or storage is minimal.
module mkSyncFIFO #( Clock sClkIn, Reset sRstIn,
Clock dClkIn )
( SyncFIFOIfc #(a_type) )
provisos (Bits#(a_type, sa));
Verilog Modules
The BSV modules correspond to the following Verilog modules, which are found in the Bluespec
Verilog library, $BLUESPECDIR/Verilog/.
412

Bluespec SystemVerilog Reference Guide
BSV Module Name Verilog Module Name
mkSyncFIFO SyncFIFO.v
mkSyncFIFOFromCC
mkSyncFIFOToCC
mkSyncFIFO1 SyncFIFO1.v
C.9.8 Asynchronous RAMs
Description
An asynchronous RAM provides a domain crossing by having its read and write methods in separate
clock domains.
Interfaces and Methods
DualPortRamIfc Interface
Method Arguments
Name Type Description Name Description
write Action Writes data to a an ad-
dress in a RAM
wr_addr Address of datatype addr_t
din Data of datatype data_t
read data_d Reads the data from the
RAM
rd_addr Address to be read from
interface DualPortRamIfc #(type addr_t, type data_t);
method Action write( addr_t wr_addr, data_t din );
method data_t read ( addr_t rd_addr);
endinterface: DualPortRamIfc
Figure 19: Ansynchronous RAM
mkDualRam Provides an asynchronous RAM for when the read and the write meth-
ods are in separate clock domains. The write method is clocked by the
default clock, the read method is not clocked.
module mkDualRam( DualPortRamIfc #(addr_t, data_t) )
provisos ( Bits#(addr_t, sa),
Bits#(data_t, da) ) ;
413

Reference Guide Bluespec SystemVerilog
Verilog Modules
The BSV modules correspond to the following Verilog modules, which are found in the Bluespec
Verilog library, $BLUESPECDIR/Verilog/.
BSV Module Name Verilog Module Name
mkDualRam DualPortRam.v
C.9.9 Null Crossing Primitives
Description
In these primitives, no synchronization is actually done. It is up to the designer to verify that it is
safe for the signal to be used in the other domain. The mkNullCrossingWire is a wire synchronizer.
The mkNullCrossingReg modules are equivalent to a register (mkReg,mkRegA, or mkRegU depending
on the module) followed by a mkNullCrossingWire.
The older mkNullCrossing primitive is deprecated.
Interfaces
The mkNullCrossingWire module, shown in Figure 20, provides the ReadOnly interface which is
defined in the Prelude library B.4.8.
The mkNullCrossingReg modules provide the CrossingReg interface.
Interfaces and Methods
CrossingReg Interface
Method Arguments
Name Type Description Name Description
_write Action Writes a value datain datain Data to be written.
_read a_type Returns the value of the
register in the source clock
domain
crossed a_type Returns the value of the
register in the destination
clock domain
interface CrossingReg #( type a_type ) ;
method Action _write(a datain) ;
method a_type _read() ;
method a_type crossed() ;
endinterface
Modules
mkNullCrossingWire Defines a synchronizer that contains only a wire. It is left up to the
designer to ensure the clock crossing is safe.
module mkNullCrossingWire #( Clock dClk, a_type dataIn )
( ReadOnly#(a_type) )
provisos (Bits#(a_type, sa)) ;
414

Bluespec SystemVerilog Reference Guide
Figure 20: Wire synchronizer
Figure 21: Register with wire synchronizer
mkNullCrossingReg Defines a synchronizer that contains a register with a synchronous reset
value, followed by a wire synchronizer. It is left up to the designer to
ensure the clock crossing is safe.
module mkNullCrossingReg( Clock dClk, a_type resetval,
CrossingReg#(a_type) ifc )
provisos (Bits#(a_type, sz_a)) ;
mkNullCrossingRegA Defines a synchronizer that contains a register with a given reset value
where reset is asynchronous, followed by a wire synchronizer. It is left
up to the designer to ensure the clock crossing is safe.
module mkNullCrossingRegA( Clock dClk, a_type resetval,
CrossingReg#(a_type) ifc )
provisos (Bits#(a_type, sz_a)) ;
mkNullCrossingRegU Defines a synchronizer that contains a register without a reset, followed
by a wire synchronizer. It is left up to the designer to ensure the clock
crossing is safe.
module mkNullCrossingRegU( Clock dClk,
CrossingReg#(a_type) ifc )
provisos (Bits#(a_type, sz_a)) ;
Example: instantiating a null synchronizer
// domain2sig is domain1sig synchronized to clk0 with just a wire.
ReadOnly#(Bit#(2)) domain2sig <- mkNullCrossingWire (clk0, domain1sig);
415

Reference Guide Bluespec SystemVerilog
Note: no synchronization is actually done. This is purely a way to tell BSC that it is safe to use the
signal in the other domain. It is the responsibility of the designer to verify that this is correct.
There are some restrictions on the use of a mkNullCrossingWire. The expression used as the data
argument must not have an implicit condition, and there cannot be another rule which is required
to schedule before any method called in the expression.
mkNullCrossingWires may not be used in sequence to pass a signal across multiple clock boundaries
without synchronization. Once a signal has been crossed from one domain to a second domain
without synchronization, it cannot be subsequently passed unsynchronized to a third domain (or
back to the first domain).
Verilog Modules
The BSV modules correspond to the following Verilog modules, which are found in the Bluespec
Verilog library, $BLUESPECDIR/Verilog/.
BSV Module Name Verilog Module Name
mkNullCrossingWire BypassWire.v
C.9.10 Reset Synchronization and Generation
Description
This section describes the interfaces and modules used to synchronize reset signals from one clock
domain to another and to create reset signals. Reset generation converts a Boolean type to a Reset
type, where the reset is associated with the default or clocked_by clock domain.
Interfaces and Methods
The MakeResetIfc interface is provided by the reset generators mkReset and mkResetSync.
MakeResetIfc Interface
Method
Name Type Description
assertReset Action Method used to assert the reset
isAsserted Bool Indicates whether the reset is asserted
new_rst Reset Generated output reset
interface MakeResetIfc;
method Action assertReset();
method Bool isAsserted();
interface Reset new_rst;
endinterface
The interface MuxRstIfc is provided by the mkResetMux module.
MuxRstIfc Interface
Method Arguments
Name Type Description Name Description
select Action Method used to select
the reset based on the
Boolean value ab
ab Value determines which
input reset to select
reset_out Reset Generated output reset
416

Bluespec SystemVerilog Reference Guide
interface MuxRstIfc;
method Action select ( Bool ab );
interface Reset reset_out;
endinterface
Modules
Reset Synchronization To synchronize resets from one clock domain to another, both syn-
chronous and asynchronous modules are provided. The stages argument is the number of full clock
cycles the output reset is held for after the input reset is deasserted. This is shown as the number of
flops in figures 22 and 23. Specifying a 0 for the stages argument results in the creation of a simple
wire between sRst and dRstOut.
Figure 22: Module for asynchronous resets
mkAsyncReset Provides synchronization of a source reset (sRst) to the destination
domain. The output reset occurs immediately once the source reset is
asserted.
module mkAsyncReset #( Integer stages,
Reset sRst,
Clock dClkIn )
( Reset ) ;
mkAsyncResetFromCR Provides synchronization of the current reset to the destination do-
main. There is no source reset sRst argument because it is taken
from the current reset. The output reset occurs immediately once the
current reset is asserted.
module mkAsyncResetFromCR #( Integer stages,
Clock dClkIn )
( Reset ) ;
The less common mkSyncReset modules are provided for convenience, but these modules require
that sRst be held during a positive edge of dClkIn for the reset assertion to be detected. Both
mkSyncReset and mkSyncResetFromCR use the model in figure 23.
417

Reference Guide Bluespec SystemVerilog
Figure 23: Module for synchronous resets
mkSyncReset Provides synchronization of a source reset (sRst) to the destination
domain. The reset is asserted at the next rising edge of the clock.
module mkSyncReset #( Integer stages
Reset sRst,
Clock dClkIn )
( Reset ) ;
mkSyncResetFromCR Provides synchronization of the current reset to the destination do-
main. The reset is asserted at the next rising edge of the clock.
module mkSyncResetFromCR #( Integer stages
Clock dClkIn )
( Reset ) ;
Example: instantiating a reset synchronizer
// 2 is the number of stages
Reset rstn2 <- mkAsyncResetFromCR (2, clk0);
// if stages = 0, the default reset is used directly
Reset rstn0 <- mkAsyncResetFromCR (0, clk0);
Reset Generation Two modules are provided for reset generation, mkReset and mkResetSync,
where each module has one parameter, stages. The stages parameter is the number of full clock
cycles the output reset is held after the inRst, as seen in figure 24, is deasserted. Specifying a 0
for the stages parameter results in the creation of a simple wire between the input register and
the output reset. That is, the reset is asserted immediately and not held after the input reset is
deasserted. It becomes the designer’s responsibility to ensure that the input reset is asserted for
sufficient time to allow the design to reset properly. The reset is controlled using the assertReset
method of the MakeResetIfc interface.
The difference between mkReset and mkResetSync is that for the former, the assertion of reset
is immediate, while the later asserts reset at the next rising edge of the clock. Note that use of
mkResetSync is less common, since the reset requires clock edges to take effect; failure to assert
reset for a clock edge will result in a reset not being seen at the output reset.
418

Bluespec SystemVerilog Reference Guide
Figure 24: Module for generating resets
mkReset Provides conversion of a Boolean type to a Reset type, where the reset
is associated with dClkIn. This module uses the model in figure 24.
startInRst indicates the reset value of the register. If startInRst
is True, the reset value of the register is 0, which means the output
reset will be asserted whenever the currentReset (sRst) is asserted.
rst_out will remain asserted for the number of clock cycles given
by the stages parameter after sRst is deasserted. If startInRst is
False, the output reset will not be asserted when sRst is asserted,
but only when the assert_reset method is invoked. At the start of
simulation rst_out will only be asserted if startinRst is True and
sRst is initially asserted.
module mkReset #( Integer stages,
Bool startInRst,
Clock dClkIn )
( MakeResetIfc ) ;
mkResetSync Provides conversion of a Boolean type to a Reset type, where the reset
is associated with dClkIn and the assertion of reset is at the next
rising edge of the clock. This module uses the model in figure 24.
startInRst indicates the reset value of the register. If startInRst
is True, the reset value of the register is 0, which means the output
reset will be asserted whenever the currentReset (sRst) is asserted.
rst_out will remain asserted for the number of clock cycles given
by the stages parameter after sRst is deasserted. If startInRst is
False, the output reset will not be asserted when sRst is asserted,
but only when the assert_reset method is invoked. At the start of
simulation rst_out will only be asserted if startinRst is True and
sRst is initially asserted.
module mkResetSync #( Integer stages,
Bool startInRst,
Clock dClkIn )
( MakeResetIfc ) ;
419

Reference Guide Bluespec SystemVerilog
A reset multiplexor mkResetMux, as seen in figure 25, creates one reset signal by selecting between
two existing reset signals.
Figure 25: Reset Multiplexor
mkResetMux Multiplexor which selects between two input resets, aRst and bRst,
to create a single output reset rst_out. The reset is selected through
a Boolean value provided to the select method where True selects
aRst.
module mkResetMux #( Reset aRst, Reset bRst )
( MuxRstIfc rst_out ) ;
For testbenches, in which an absolute clock is being created, it is helpful to generate a reset for
that clock. The module mkInitialReset is available for this purpose. It generates a reset which is
asserted at the start of simulation. The reset is asserted for the number of cycles specified by the
parameter cycles, counting the start of time as 1 cycle. Therefore, a cycles value of 1 will cause
the reset to turn off at the first clock tick. This module is not synthesizable.
mkInitialReset Generates a reset for cycles cycles, where the cycles parameter must
be greater than zero. The clocked_by clause indicates the clock the
reset is associated with. This module is not synthesizable.
module mkInitialReset #( Integer cycles )
( Reset ) ;
Example:
Clock c <- mkAbsoluteClock (10, 5);
// a reset associated with clock c:
Reset r <- mkInitialReset (2, clocked_by c);
When two reset signals need to be combined so that some logic can be reset when either input reset
is asserted, the mkResetEither module can be used.
mkResetEither Generates a reset which is asserted whenever either input reset is as-
serted.
module mkResetEither ( Reset aRst,
Reset bRst)
( Reset out_ifc );
420

Bluespec SystemVerilog Reference Guide
Figure 26: Reset Either
Example:
Reset r <- mkResetEither(rst1, rst2);
mkResetInverter Generates an inverted Reset.
module mkResetInverter#(Reset in)
(Reset);
isResetAsserted Tests whether a Reset is asserted, providing a Boolean value in the
clock domain associated with the Reset.
module isResetAsserted( ReadOnly#(Bool) ifc ) ;
Verilog Modules
The BSV modules correspond to the following Verilog modules, which are found in the Bluespec
Verilog library, $BLUESPECDIR/Verilog/.
BSV Module Name Verilog Module Name Comments
mkASyncReset SyncReset0.v when stages==0
mkASyncResetFromCR SyncResetA.v
mkSyncReset SyncReset0.v when stages==0
mkSyncResetFromCR SyncReset.v
mkReset MakeReset0.v when stages==0
MakeResetA.v instantiates SyncResetA
mkResetSync MakeReset0.v when stages==0
MakeReset.v instantiates SyncReset
mkResetMux ResetMux.v
mkResetEither ResetEither.v
mkResetInverter ResetInverter.v
isResetAsserted ResetToBool.v
C.10 Special Collections
C.10.1 ModuleContext
Package
421

Reference Guide Bluespec SystemVerilog
import ModuleContext :: * ;
Description
An ordinary Bluespec module, when instantiated, adds state elements and rules to the growing
accumulation of elements and rules already in the design. In some designs, items other than state
elements and rules must be accumulated as well. While there is a need to add these items, it is also
desirable to keep these additional design details separate from the main design, keeping the natural
structure of the design intact.
The ModuleContext package provides the capability of accumulating items and maintaining the
compile-time state of additional items, in such a way that it doesn’t change the structure of the
original design.
The ModuleContext mechanism allows the designer to hide the details of the additional interfaces.
Before the module can be synthesized, it must be converted (or exposed) into a module containing
only rules and state elements, as the compiler does not know how to handle the other items. The
ModuleContext package provides the mechanisms to allow additional items to be collected, processed,
and exposed.
This package is provided as both a compiled library package and as BSV source code to facilitate
customization. The source code file can be found in the $BLUESPECDIR/BSVSource/Contexts di-
rectory. To customize a package, copy the file into a local directory and then include the local
directory in the path when compiling. This is done by specifying the search path with the -p option
as described in the BSV Users Guide.
Types and Type Classes
The default BSV module type is Module, but you can define other BSV module types as well. The
ModuleContext type is a variation on the Module type that allows additional items, other than states
and rules, to be collected while elaborating the module structure.
The ModuleContext package defines the typeclass Context, which includes functions getContext
and putContext. A Context typeclass has two type parameters: a module type (mc1) and the
context (c2).
typeclass Context#(type mc1, type c2);
module [mc1] getContext(c2) provisos (IsModule#(mc1, a));
module [mc1] putContext#(c2 s)(Empty) provisos (IsModule#(mc1, a));
endtypeclass
A regular module type (Module) will have a context of void:
instance Context#(Module, void);
A module type of ModuleContext will return the context of the module:
instance Context#(ModuleContext#(st1), st1);
An instance is defined where the context type st1 of the ModuleContext and the context type st2
are different, but Gettable (as defined in Hlist Section C.10.4):
instance Context#(ModuleContext#(st1), st2)
provisos (Gettable#(st1, st2));
422

Bluespec SystemVerilog Reference Guide
The modules applyToContext and applyToContextM are used to apply a function over a context.
The applyToContextM modules is used for monadic functions.
applyToContext Applies a function over a context.
module [mc1] applyToContext#(function c2 f(c2 c))(Empty)
provisos (IsModule#(mc1, a), Context#(mc1, c2));
applyToContextM Applies a monadic function over a context.
module [mc1] applyToContextM#(function module#(c2) m(c2 c))
(Empty)
provisos (IsModule#(mc1, a), Context#(mc1, c2));
ClockContext
The structure ClockContext is defined to be comprised of two clocks: clk1 and clk2 and two resets:
rst1 and rst2.
typedef struct {
Clock clk1;
Clock clk2;
Reset rst1;
Reset rst2;
} ClockContext;
An initClockContext is defined with the values of both clocks set to noClock and both resets set
to noReset:
ClockContext initClockContext = ClockContext {
clk1: noClock, clk2: noClock, rst1: noReset, rst2: noReset };
Expose
The Expose typeclass converts a context to an interface for a synthesis boundary, converting it
to a module type of Module. The Expose typeclass provides the modules unburyContext and
unburyContextWithClocks.
typeclass Expose#(type c, type ifc)
dependencies (c determines ifc);
An HList of contexts is convertible if its elements are, and results in a Tuple of subinterfaces.
instance Expose#(HList1#(ct1), ifc1)
provisos (Expose#(ct1,ifc1));
instance Expose#(HCons#(c1,c2), Tuple2#(ifc1,ifc2))
provisos (Expose#(c1,ifc1), Expose#(c2,ifc2));
instance Expose#(ClockContext, Empty);
423

Reference Guide Bluespec SystemVerilog
The unburyContext module is for use at the top level of a module to be separately synthesized. It
takes as an argument a module which is to be instantiated in a particular context, and an initial
state for that context. The module is instantiated, and the final context converted into an extra
interface, returned in pair with the intantiated module’s own interface.
unburyContext Converts a context to an interface for a synthesis boundary. An HList of
contexts is convertible if its elements are, and results in a tuple of subinter-
faces.
module unburyContext#(c x)(ifc);
module unburyContext#(HList1#(ct1) c1)(ifc1);
module unburyContext#(HCons#(c1,c2) c12)(Tuple2#(ifc1,ifc2));
module unburyContext#(ClockContext x)();
The unburyContextWithClocks takes a ClockContext along with the Context it is specifically
handling
unburyContextWithClocks Converts a context to an interface for a synthesis boundary and takes
a ClockContext as a second argument.
module unburyContextWithClocks#(c x, ClockContext cc)
(ifc);
module unburyContextWithClocks#(HList1#(ct1) c1,
ClockContext cc)(ifc1);
module unburyContextWithClocks#(HCons#(c1,c2) c12,
ClockContext cc)
(Tuple2#(ifc1,ifc2));
module unburyContextWithClocks#(ClockContext x,
ClockContext cc)();
Hide
The Hide typeclass provides the module reburyContext, which takes an interface as an argument
(and provides an Empty interface). It is intended to be run in a context which can absorb the
information from the interface. As with Expose, a Tuple of interfaces can be hidden if each element
can be hidden.
reburyContext Connects the provided interface with the surrounding context.
module [mc] reburyContext#(ifc i)(Empty);
module [mc] reburyContext#(Empty i)(Empty);
module [mc] reburyContext#(Tuple2#(ifc1,ifc2) i12)(Empty);
ContextRun
424

Bluespec SystemVerilog Reference Guide
The ContextRun and ContextsRun typeclasses provides modules to run modules in contexts. The
module runWithContext runs a module with an entirely new context.
typeclass ContextRun#(type m, type c1, type ctx2)
dependencies ((m, c1) determines ctx2);
typeclass ContextsRun#(type m, type c1, type ctx2)
dependencies ((m, c1) determines ctx2);
runWithContext Runs a module with an entirely new context.
module [m] runWithContext #(c1 initState,
ModuleContext#(ctx2, ifcType) mkI)
(Tuple2#(c1, ifcType));
module [ModuleContext#(ctx)] runWithContext#(c1 initState,
ModuleContext#(HCons#(c1, ctx), ifcType) mkI)
(Tuple2#(c1, ifcType));
module [Module] runWithContext#(c1 initState,
ModuleContext#(c1,ifcType) mkI)
(Tuple2#(c1, ifcType));
runWithContexts Runs a module with an entirely new context.
module [m] runWithContexts#(c1 initState,
ModuleContext#(ctx2, ifcType) mkI)
(Tuple2#(c1, ifcType));
module [ModuleContext#(ctx)] runWithContexts#(c1 initState,
ModuleContext#(ctx2, ifcType) mkI)
(Tuple2#(c1, ifcType));
module [Module] runWithContexts#(c1 initState,
ModuleContext#(c1, ifcType) mkI)
(Tuple2#(c1, ifcType));
Contexts.defines
Bluespec provides macros in the Context.defines file to handle the treatment of the module con-
texts at synthesis boundaries.
1. The designer defines a leaf or intermediate node module, with module type [ErrorReporter]
or [ErrorReporterA], appending a 0to its name (e.g. mkM0). Elsewhere in the package the
appropriate macro is chosen from the macros SynthBoundary and SynthBoundaryWithClocks.
2. The macro defines a synthesizable version of the module, mkMV, which provides the original
interface together with an error-reporting subinterface. It also defines a module with the origi-
nal name mkM to be used for instantiating the original module. It uses the Context mechanism
to re-bury the error-reporting plumbing and returns the original interface of the original mkM)
module
425

Reference Guide Bluespec SystemVerilog
These macros assume that the complete module context (such as an HList of individual contexts) is
named CompleteContext and that its initial value may be obtained from either mkInitialCompleteContext
or mkInitialCompleteContextWithClocks.
Example Without Clocks
SynthBoundary(mkM,IM)
Becomes
(*synthesize*)
module [Module] mkMV(Tuple2#(CompleteContextIfc,IM));
let init <- mkInitialCompleteContext;
let _ifc <- unbury(init, mkM0);
return _ifc;
endmodule
module [ModuleContext#(CompleteContext)] mkM(IM);
let _ifc <- rebury(mkMV);
return _ifc;
endmodule
Example With Clocks
SynthBoundaryWithClocks(mkM,IM)
Becomes
(*synthesize*)
module [Module] mkMV#(Clock c1,Reset r1,Clock c2,Reset r2)(Tuple2#(CompleteContextIfc,IM));
let init <- mkInitialCompleteContextWithClocks(c1, r1, c2, r2);
let _ifc <- unburyWithClocks(initialCompleteContext, c1, r1, c2, r2, mkM0);
return _ifc;
endmodule
module [ModuleContext#(CompleteContext)] mkM(IM);
let _ifc <- reburyWithClocks(mkMV);
return _ifc;
endmodule
C.10.2 ModuleCollect
Package
import ModuleCollect :: * ;
Description
The ModuleCollect package provides the capability of adding additional items, such as configuration
bus connections, to a design in such a way that it does not change the structure of the design. This
section provides a brief overview of the package. For a more detailed description of its usage, see the
CBus package (C.10.3), which utilizes ModuleCollect. There is also a detailed example and more
complete discussion of the CBus package in the configbus tutorial in the BSV/tutorials directory.
426

Bluespec SystemVerilog Reference Guide
An ordinary Bluespec module, when instantiated, adds its own state elements and rules to the grow-
ing accumulation of state elements and rules defined in the design. In some designs, for example a
configuration bus, additional items, such as the logic for the bus address decoding must be accumu-
lated as well. While there is a need to add these items, it is also desirable to keep these additional
design details separate from the main design, keeping the natural structure of the design intact.
The ModuleCollect mechanism allows the designer to hide the details of the additional interfaces. A
module which is going to be synthesized must contain only rules and state elements, as the compiler
does not know how to handle the additional items. Therefore, the collection must be brought into
the open, or exposed, before the module can be synthesized. The ModuleCollect package provides
the mechanisms to allow these additional items to be collected, processed and exposed.
This package is provided as both a compiled library package and as BSV source code to facilitate
customization. The source code file can be found in the $BLUESPECDIR/BSVSource/Contexts di-
rectory. To customize a package, copy the file into a local directory and then include the local
directory in the path when compiling. This is done by specifying the search path with the -p option
as described in the BSV Users Guide.
Types and Type Classes
The ModuleCollect type is a variation on the Module type that allows additional items, other than
states and rules, to be collected while elaborating the module structure. A module defining the
accumulation of a special collection will have the type of ModuleCollect which is defined as a type
of ModuleContext (Section C.10.1):
typedef ModuleContext#(HList1#(UAList#(a))) ModuleCollect#(type a_type);
where a_type defines the type of the items being collected. The collection is kept as an HList,
therefore each item in the collection does not have the same type.
Your new type of module is a ModuleCollect defined to collect a specific type. It is often convenient
to give a name to your new type of module using the typedef keyword.
For example:
typedef ModuleCollect#(element_type, ifc_device)
MyModuleType#(type ifc_device)
specifies a type named MyModuleType.
An ordinary module, one defined with the keyword module without a type in square brackets im-
mediately after it, can be of any module type. It is polymorphic, and when instantiated takes the
type of the surrounding module context. Only modules of type Module can be synthesized, so the
*synthesize* attribute forces the type to be Module. This is equivalent to writing:
module [Module]...
Normally, all the modules instantiated inside a synthesized module take the type Module.
A module which is accumulating a collection must have the appropriate type, specified in square
brackets immedately after the keyword, as shown in the following example:
module [AssertModule] mkAssertionReg...
The complete example is found later in this section. This implies that any module instantiating
mkAssertionReg is no longer polymorphic, its type is constrained by the inner module, so it will
have to be explicitly given the AssertModule type too. Note, however, that you can continue
to instantiate other modules not concerned with the collection (for example, mkReg,mkFIFO, etc.)
alongside mkAssertReg just as before. But now they will take the type AssertModule from the
context instead of the type Module.
427

Reference Guide Bluespec SystemVerilog
Since only modules of type Module can be synthesized, before this group of AssertModule instanti-
ations can be synthesized, you must use exposeCollection to contain the collection in a top-level
module of type Module.
Interfaces
The IWithCollection interface couples the normal module interface (the device interface) with
the collection of collected items (the collection interface). This is the interface provided by the
exposeCollection function. It separates the collection list and the device module interface, to allow
the module to be synthesized.
interface IWithCollection #(type a, type i);
method i device();
method List#(a) collection();
endinterface: IWithCollection
OLD:
interface IWithCollection #(type collection_type, type item_type);
interface item_type device();
interface List#(collection_type) collection();
endinterface: IWithCollection
Modules and Functions
In the course of evaluating a module body during its instantiation, an item may be added to the
current collection by using the function addToCollection.
addToCollection Adds an item to the collection.
function ModuleCollect#(a_type, ifc)
addToCollection(a_type item);
Once a set of items has been collected, those items must be exposed before synthesis. The exposeCollection
module constructor is used to bring the collection out into the open. The exposeCollection
module takes as an argument a ModuleCollect module (m) with interface ifc, and provides an
IWithCollection interface.
exposeCollection Expose the collection to allow the module to be synthesized.
module exposeCollection#(ModuleCollect#(a_type, ifc) m)
(IWithCollection#(a_type, ifc));
Finally, the ModuleCollect package provides a function, mapCollection, to apply a function to
each item in the current collection.
mapCollection Apply a function to each item added to the collection within the second
argument.
function ModuleCollect#(a_type, ifc)
mapCollection(function a_type x1(a_type x1),
ModuleCollect#(a_type, ifc) x2);
Example - Assertion Wires
428

Bluespec SystemVerilog Reference Guide
// This example shows excerpts of a design which places various
// test conditions (Boolean expressions) at random places in a design,
// and lights an LED (setting an external wire to 1), if the condition
// is ever satisfied.
import ModuleCollect::*;
import List::*;
import Vector::*;
import Assert::*;
// The desired interface at the top level is:
interface AssertionWires#(type n);
method Bit#(n) wires;
method Action clear;
endinterface
// The "wires" method tells which conditions have been set, and the
// "clear" method resets them all to 0.
// The items in our extra collection will be interfaces of the
// following type:
interface AssertionWire;
method Integer index; //Indicates which wire is to be set if
method Bool fail; // fail method ever returns true.
method Action clear;
endinterface
// We next define the "AssertModule" type. This is to behave like an
// ordinary module providing an interface of type "i", except that it
// also can collect items of type "AssertionWire":
typedef ModuleCollect#(AssertionWire, i) AssertModule#(type i);
typedef Tuple2#(AssertionWires#(n), i) AssertIfc#(type i, type n);
...
// The next definition shows how items are added to the collection.
// This is the module which will be instantiated at various places in
// the design, to test various conditions. It takes one static
// parameter, "ix", to specify which wire is to carry this condition,
// and one dynamic parameter (one varying at run-time) "c", giving the
// value of the condition itself.
interface AssertionReg;
method Action set;
method Action clear;
endinterface
module [AssertModule] mkAssertionReg#(Integer ix)(AssertionReg);
Reg#(Bool) cond <- mkReg(False);
// an item is defined and added to the collection
429

Reference Guide Bluespec SystemVerilog
let item = (interface AssertionWire;
method index;
return (ix);
endmethod
method fail;
return(cond);
endmethod
method Action clear;
cond <= False;
endmethod
endinterface);
addToCollection(item);
...
endmodule
// the collection must be exposed before synthesis
module [Module] exposeAssertionWires#(AssertModule#(i) mkI)(AssertIfc#(i, n));
IWithCollection#(AssertionWire, i) ecs <- exposeCollection(mkI);
...(c_ifc is created from the list ecs.collection)
// deliver the array of values in the registers
let dut_ifc = ecs.device;
// return the values in the collection, and the ifc of the device
return(tuple2(c_ifc, dut_ifc));
endmodule
C.10.3 CBus
Package
import CBus :: * ;
Description
The CBus package provides the interface, types and modules to implement a configuration bus
capability providing access to the control and status registers in a given module hierarchy. This
package utilizes the ModuleCollect package and functionality, as described in section C.10.2. The
ModuleCollect package allows items in addition to usual state elements and rules to be accumulated.
This is required to collect up the interfaces of the control status registers included in a module and
to add the associated logic and ports required to allow them to be accessed via a configuration bus.
This package is provided as both a compiled library package and as BSV source code as documen-
tation. The source code file can be found in the $BLUESPECDIR/BSVSource/Misc directory. To
customize a package, copy the file into a local directory and then include the local directory in the
path when compiling. This is done by specifying the search path with the -p option as described in
the BSV Users Guide.
For a more complete discussion of the CBus package, consult the configbus tutorial in the BSV/tutorials
directory.
Types and Type Classes
The type CBusItem defines the type of item to be collected by ModuleCollect. The items to be
collected are the same as the ifc which we will later expose, so we use a type alias:
430

Bluespec SystemVerilog Reference Guide
typedef CBus#(size_address, size_data)
CBusItem #(type size_address, type size_data);
The type ModWithCBus defines the type of module which is collecting CBusItems. An ordinary
module, one not collecting anything other than state elements and rules, has the type Module. Since
CBusItems are being collected, a module type ModWithCBus is defined. When the module type is
not Module, the type must be specified in square brackets immediately after the module keyword in
the module definition.
typedef ModuleCollect#(CBusItem#(size_address, size_data), item)
ModWithCBus#(type size_address, type size_data, type item);
Interface and Methods
The CBus interface provides read and write methods to access control status registers. It is poly-
morphic in terms of the size of the address bus (size_address) and size of the data bus (size_data).
CBus Interface
Name Description
write Writes the data value to the register if and only if the value of
addr matches the address of the register.
read Returns the value of the associated register if and only if addr
matches the register address. In all other cases the read method
returns an Invalid value.
interface CBus#(type size_address, type size_data);
method Action write(Bit#(size_address) addr, Bit#(size_data) data);
(* always_ready *)
method ActionValue#(Bit#(size_data)) read(Bit#(size_address) addr);
endinterface
The IWithCBus interface combines the CBus interface with a normal module interface. It is defined as
a structured interface with two subinterfaces: cbus_ifc (the associated configuration bus interface)
and device_ifc (the associated device interface). It is polymorphic in terms of the type of the
configuation bus interface and the type of the device interface.
interface IWithCBus#(type cbus_IFC, type device_IFC);
interface cbus_IFC cbus_ifc;
interface device_IFC device_ifc;
endinterface
Modules
The collectCBusIFC module takes as an argument a module with an IWithCBus interface, adds the
associated CBus interface to the current collection (using addToCollection from the ModuleCollect
package), and returns a module with the normal interface. Note that collectCBusIFC is of module
type ModWithCBus.
collectCBusIFC Adds the CBus to the collection and returns a module with just the device
interface.
module [ModWithCBus#(size_address, size_data)]
collectCBusIFC#(Module#(IWithCBus#(
CBus#(size_address,size_data),i)) m)(i);
431

Reference Guide Bluespec SystemVerilog
The exposeCBusIFC module is used to create an IWithCBus interface given a module with a normal
interface and an associated collection of CBusItems. This module takes as an argument a module
of type ModWithCBus and provides an interface of type IWithCBus. The exposeCBusIFC module
exposes the collected CBusItems, processes them, and provides a new combined interface. This
module is synthesizable, because it is of type Module.
exposeCBusIFC A module wrapper that takes a module with a normal interface, processes the
collected CBusItems and provides an IWithCBus interface.
module [Module] exposeCBusIFC#(ModWithCBus#(
size_address, size_data, item) sm)
(IWithCBus#(CBus#(size_address, size_data), item));
The CBus package provides a set of module primitives each of which adds a CBus interface to the
collection and provides a normal Reg interface from the local block point of view. These modules are
used in designs where a normal register would be used, and can be read and written to as registers
from within the design.
mkCBRegR A wrapper to provide a read only CBus interface to the collection and a normal
Reg interface to the local block.
module [ModWithCBus#(size_address, size_data)]
mkCBRegR#(CRAddr#(size_address2) addr, r x)
(Reg#(r))
provisos (Bits#(r, sr), Add#(k, sr, size_data),
Add#(ignore, size_address2, size_address));
mkCBRegRW A wrapper to provide a read/write CBus interface to the collection and a
normal Reg interface to the local block.
module [ModWithCBus#(size_address, size_data)]
mkCBRegRW#(CRAddr#(size_address2) addr, r x)
(Reg#(r))
provisos (Bits#(r, sr), Add#(k, sr, size_data),
Add#(ignore, size_address2, size_address));
mkCBRegW A wrapper to provide a write only CBus interface to the collection and a
normal Reg interface to the local block.
module [ModWithCBus#(size_address, size_data)]
mkCBRegW#(CRAddr#(size_address2) addr, r x)
(Reg#(r))
provisos (Bits#(r, sr), Add#(k, sr, size_data),
Add#(ignore, size_address2, size_address));
432

Bluespec SystemVerilog Reference Guide
mkCBRegRC A wrapper to provide a read/clear CBus interface to the collection and a
normal Reg interface to the local block. This register can read from the config
bus but the write is clear mode; for each write bit a 1 means clear, while a 0
means don’t clear.
module [ModWithCBus#(size_address, size_data)]
mkCBRegRC#(CRAddr#(size_address2) addr, r x)
(Reg#(r))
provisos (Bits#(r, sr), Add#(k, sr, size_data),
Add#(ignore, size_address2, size_address));
The mkCBRegFile module wrapper adds a CBus interface to the collection and provides a RegFile
interface to the design. This module is used in designs as a normal RegFile would be used.
mkCBRegFile A wrapper to provide a normal RegFile interface and automatically add the
CBus interface to the collection.
module [ModWithCBus#(size_address, size_data)]
mkCBRegFile#(Bit#(size_address) reg_addr,
Bit#(size_address) size)
(RegFile#(Bit#(size_address), r))
provisos (Bits#(r, sr), Add#(k, sr, size_data));
Example
Provided here is a simple example of a CBus implementation. The example is comprised of three
packages: CfgDefines,Block, and Tb. The CfgDefines package contains the definition for the
configuration bus, Block is the design block, and Tb is the testbench which executes the block.
The Block package contains the local design. As seen in Figure 27, the configuration bus registers
look like a single field from the CBus (cfgResetAddr, cfgStateAddr, cfgStatusAddr), while each
field (reset, init, cnt, etc.) in the configuration bus registers looks like a regular register from
from the local block point of view.
Figure 27: CBus Registers used in Block example
import CBus::*; // this is a Bluespec library
433

Reference Guide Bluespec SystemVerilog
import CfgDefines::*; // user defines - address,registers, etc
interface Block;
// TODO: normally this block would have at least a few methods
// Cbus interface is hidden, but it is there
endinterface
// In order to access the CBus at this parent, we need to expose the bus.
// Only modules of type [Module] can be synthesized.
module [Module] mkBlock(IWithCBus#(DCBus, Block));
let ifc <- exposeCBusIFC( mkBlockInternal );
return ifc;
endmodule
// Within this module the CBus looks like normal Registers.
// This module can’t be synthesized directly.
// How these registers are combined into CBus registers is
// defined in the CfgDefines package.
module [DModWithCBus] mkBlockInternal( Block );
// all registers are read/write from the local block point of view
// config register interface types can be
// mkCBRegR -> read only from config bus
// mkCBRegRW -> read/write from config bus
// mkCBRegW -> write only from config bus
// mkCBRegRC -> read from config bus, write is clear mode
// i.e. for each bit a 1 means clear, 0 means don’t clear
// reset bit is write only from config bus
// we presume that you use this bit to fire some local rules, etc
Reg#(TCfgReset) reg_reset_reset <- mkCBRegW(cfg_reset_reset, 0 /* init val */);
Reg#(TCfgInit) reg_setup_init <- mkCBRegRW(cfg_setup_init, 0 /* init val */);
Reg#(TCfgTz) reg_setup_tz <- mkCBRegRW(cfg_setup_tz, 0 /* init val */);
Reg#(TCfgCnt) reg_setup_cnt <- mkCBRegRW(cfg_setup_cnt, 1 /* init val */);
Reg#(TCfgOnes) reg_status_ones <- mkCBRegRC(cfg_status_ones, 0 /* init val */);
Reg#(TCfgError) reg_status_error <- mkCBRegRC(cfg_status_error, 0 /* init val */);
// USER: you know have registers, so do whatever it is you do with registers :)
// for instance
rule bumpCounter ( reg_setup_cnt != unpack(’1) );
reg_setup_cnt <= reg_setup_cnt + 1;
endrule
rule watch4ones ( reg_setup_cnt == unpack(’1) );
reg_status_ones <= 1;
endrule
endmodule
The CfgDefines package contains the user defines describing how the local registers are combined
into the configuration bus.
package CfgDefines;
import CBus::*;
434

Bluespec SystemVerilog Reference Guide
////////////////////////////////////////////////////////////////////////////////
/// basic defines
////////////////////////////////////////////////////////////////////////////////
// width of the address bus, it’s easiest to use only the width of the bits needed
// but you may have other reasons for passing more bits around (even if some address
// bits are always 0)
typedef 2 DCBusAddrWidth; // roof( log2( number_of_config_registers ) )
// the data bus width is probably defined in your spec
typedef 32 DCBusDataWidth; // how wide is the data bus
////////////////////////////////////////////////////////////////////////////////
// Define the CBus
////////////////////////////////////////////////////////////////////////////////
typedef CBus#( DCBusAddrWidth,DCBusDataWidth) DCBus;
typedef CRAddr#(DCBusAddrWidth,DCBusDataWidth) DCAddr;
typedef ModWithCBus#(DCBusAddrWidth, DCBusDataWidth, i) DModWithCBus#(type i);
////////////////////////////////////////////////////////////////////////////////
/// Configuration Register Types
////////////////////////////////////////////////////////////////////////////////
// these are configuration register from your design. The basic
// idea is that you want to define types for each individual field
// and later on we specify which address and what offset bits these
// go to. This means that config register address fields can
// actually be split across modules if need be.
//
typedef bit TCfgReset;
typedef Bit#(4) TCfgInit;
typedef Bit#(6) TCfgTz;
typedef UInt#(8) TCfgCnt;
typedef bit TCfgOnes;
typedef bit TCfgError;
////////////////////////////////////////////////////////////////////////////////
/// configuration bus addresses
////////////////////////////////////////////////////////////////////////////////
Bit#(DCBusAddrWidth) cfgResetAddr = 0; //
Bit#(DCBusAddrWidth) cfgStateAddr = 1; //
Bit#(DCBusAddrWidth) cfgStatusAddr = 2; // maybe you really want this to be 0,4,8 ???
////////////////////////////////////////////////////////////////////////////////
/// Configuration Register Locations
////////////////////////////////////////////////////////////////////////////////
// DCAddr is a structure with two fields
// DCBusAddrWidth a ; // this is the address
// // this does a pure comparison
// Bit#(n) o ; // this is the offset that this register
// // starts reading and writting at
DCAddr cfg_reset_reset = DCAddr {a: cfgResetAddr, o: 0}; // bits 0:0
435

Reference Guide Bluespec SystemVerilog
DCAddr cfg_setup_init = DCAddr {a: cfgStateAddr, o: 0}; // bits 0:0
DCAddr cfg_setup_tz = DCAddr {a: cfgStateAddr, o: 4}; // bits 9:4
DCAddr cfg_setup_cnt = DCAddr {a: cfgStateAddr, o: 16}; // bits 24:16
DCAddr cfg_status_ones = DCAddr {a: cfgStatusAddr, o: 0}; // bits 0:0
DCAddr cfg_status_error = DCAddr {a: cfgStatusAddr, o: 0}; // bits 1:1
////////////////////////////////////////////////////////////////////////////////
///
////////////////////////////////////////////////////////////////////////////////
endpackage
The Tb package executes the block.
import CBus::*; // bluespec library
import CfgDefines::*; // address defines, etc
import Block::*; // test block with cfg bus
import StmtFSM::*; // just for creating a test sequence
(* synthesize *)
module mkTb ();
// In order to access this cfg bus we need to use IWithCBus type
IWithCBus#(DCBus,Block) dut <- mkBlock;
Stmt test =
seq
// write the bits need to the proper address
// generally this comes from software or some other packing scheme
// you can, of course, create functions to pack up several fields
// and drive that to bits of the correct width
// For that matter, you could have your own shadow config registers
// up here in the testbench to do the packing and unpacking for you
dut.cbus_ifc.write( cfgResetAddr, unpack(’1) );
// put some ones in the status bits
dut.cbus_ifc.write( cfgStateAddr, unpack(’1) );
// show that only the valid bits get written
$display("TOP: state = %x at ", dut.cbus_ifc.read( cfgStateAddr ), $time);
// clear out the bits
dut.cbus_ifc.write( cfgStateAddr, 0 );
// but the ’ones’ bit was set when it saw all ones on the count
// so read it to see that...
$display("TOP: status = %x at ", dut.cbus_ifc.read( cfgStatusAddr ), $time);
// now clear it
dut.cbus_ifc.write( cfgStatusAddr, 1 );
// see that it’s clear
$display("TOP: status = %x at ", dut.cbus_ifc.read( cfgStatusAddr ), $time);
436

Bluespec SystemVerilog Reference Guide
// and if we had other interface methods, that where not part of CBUS
// we would access them via dut.device_ifc
endseq;
mkAutoFSM( test );
endmodule
C.10.4 HList
Package
import HList :: * ;
Description
The HList package defines a datatype HList which stores a list of data of different types. The
package also provides typeclasses and functions to perform various list operations on the HList
type.
The primitive data structures for an HList are HNil and the polymorphic HCons. The various
functions are provided by typeclasses, one for each function.
The package defines a typeclass Gettable for finding (getIt) and replacing (putIt) items in an
HList. This requires that all the items in the HList are different types. If two types are the same,
they must be disambiguated by encapsulating at least one of them (but preferably each of them) in
a new struct type. The functions of the Gettable typeclass require that the HList be flat (no nested
HLists) and well-formed (terminating in HNil). That is, the target of a recursive search must be
either the complete hHead or found within the hTail.
This package is provided as both a compiled library package and as BSV source code as documen-
tation. The source code file can be found in the $BLUESPECDIR/BSVSource/Misc directory. To
customize a package, copy the file into a local directory and then include the local directory in the
path when compiling. This is done by specifying the search path with the -p option as described in
the BSV Users Guide.
Types and type classes
The HList packages defines a typeclass HList:
typeclass HList#(type l);
The HNil datatype defines a nil instance, the empty set. An HList is usually terminated by a HNil.
typedef struct {} HNil deriving (Eq);
The HCons datatype is a structure with two members, a head of datatype eand a tail of datatype l.
typedef struct {
e hd;
l tl;
} HCons#(type e, type l) deriving (Eq);
Functions
The various functions for heterogenous lists are provided by typeclasses, one for each functions.
437

Reference Guide Bluespec SystemVerilog
HHead Returns the first element of the list.
typeclass HHead#(type l, type h)
dependencies (l determines h);
function h hHead(l x);
endtypeclass
instance HHead#(HCons#(e, l), e);
HTail Returns the tail element from the list.
typeclass HTail#(type l, type lt)
dependencies (l determines lt);
function lt hTail(l xs);
endtypeclass
instance HTail#(HCons#(e, l), l);
HLength Returns a numeric value with the length of the list. For a HNil, will return
0.
typeclass HLength#(type l, numeric type n);
endtypeclass
instance HLength#(HNil, 0);
instance HLength#(HCons#(e, l), nPlus1)
provisos (HLength#(l, n), Add#(n,1,nPlus1));
HAppend Appends two lists, returning the combined list. The elements do not have
to be of the same data type. The combined list will be of type l2, and will
contain all the elements of xs followed in order by all the elements of ys.
typeclass HAppend#(type l, type l1, type l2)
dependencies ((l, l1) determines l2);
function l2 hAppend(l xs, l1 ys);
instance HAppend#(HNil, l, l);
instance HAppend#(HCons#(e, l), l1, HCons#(e, l2))
provisos (HList#(l), HAppend#(l, l1, l2));
438

Bluespec SystemVerilog Reference Guide
HSplit The hSplit function takes an HList of type land returns a Tuple2 of two
HLists. This function is the inverse of hAppend.
typeclass HSplit#(type l, type l1, type l2);
function Tuple2#(l1,l2) hSplit(l xs);
endtypeclass
instance HSplit#(HNil, HNil, HNil);
instance HSplit#(l, HNil, l);
instance HSplit#(HCons#(hd,tl), HCons#(hd,l3), l2)
provisos (HSplit#(tl,l3,l2));
Gettable This typeclass is for finding (getIt) and replacing (putIt) a particular
element in an HList. All items in the HList must be of different types. If
two types are the same, they should be disambiguated by encapsulating at
least one of them (and preferably both of them) in a new struct type.
typeclass Gettable#(type c1, type c2);
function c2 getIt(c1 x);
function c1 putIt(c1 x, c2 y);
endtypeclass
instance Gettable#(HCons#(t1, t2), t1);
instance Gettable#(HCons#(t1, t2), t3)
provisos (Gettable#(t2, t3));
Small Lists
The HList packcage provides type definitions for small lists, ranging from 1 element to 8 elements,
along with constructor functions to build the lists.
HList1
typedef HCons#(t, HNil)
HList1#(type t);
function HList1#(t1) hList1(t1 x1) = hCons(x1, hNil);
HList2
typedef HCons#(t1, HCons#(t2, HNil))
HList2#(type t1, type t2);
function HList2#(t1, t2) hList2(t1 x1, t2 x2) = hCons(x1, hCons(x2, hNil));
HList3
typedef HCons#(t1, HCons#(t2, HCons#(t3, HNil)))
HList3#(type t1, type t2, type t3);
439

Reference Guide Bluespec SystemVerilog
function HList3#(t1, t2, t3) hList3(t1 x1, t2 x2, t3 x3)
= hCons(x1, hCons(x2, hCons(x3, hNil)));
HList4
typedef HCons#(t1, HCons#(t2, HCons#(t3, HCons#(t4, HNil))))
HList4#(type t1, type t2, type t3, type t4);
function HList4#(t1, t2, t3, t4) hList4(t1 x1, t2 x2, t3 x3, t4 x4)
= hCons(x1, hCons(x2, hCons(x3, hCons(x4, hNil))));
HList5
typedef HCons#(t1, HCons#(t2, HCons#(t3, HCons#(t4, HCons#(t5, HNil)))))
HList5#(type t1, type t2, type t3, type t4, type t5);
function HList5#(t1, t2, t3, t4, t5) hList5(t1 x1, t2 x2, t3 x3, t4 x4, t5 x5)
= hCons(x1, hCons(x2, hCons(x3, hCons(x4, hCons(x5, hNil)))));
HList6
typedef HCons#(t1, HCons#(t2, HCons#(t3, HCons#(t4, HCons#(t5, HCons#(t6, HNil))))))
HList6#(type t1, type t2, type t3, type t4, type t5, type t6);
function HList6#(t1, t2, t3, t4, t5, t6)
hList6(t1 x1, t2 x2, t3 x3, t4 x4, t5 x5, t6 x6)
= hCons(x1, hCons(x2, hCons(x3, hCons(x4, hCons(x5, hCons(x6, hNil))))));
HList7
typedef HCons#(t1, HCons#(t2, HCons#(t3, HCons#(t4, HCons#(t5,
HCons#(t6, HCons#(t7, HNil)))))))
HList7#(type t1, type t2, type t3, type t4, type t5, type t6, type t7);
function HList7#(t1, t2, t3, t4, t5, t6, t7)
hList7(t1 x1, t2 x2, t3 x3, t4 x4, t5 x5, t6 x6, t7 x7)
= hCons(x1, hCons(x2, hCons(x3, hCons(x4, hCons(x5, hCons(x6, hCons(x7, hNil)))))));
HList8
typedef HCons#(t1, HCons#(t2, HCons#(t3, HCons#(t4, HCons#(t5,
HCons#(t6, HCons#(t7, HCons#(t8, HNil))))))))
HList8#(type t1, type t2, type t3, type t4, type t5, type t6, type t7, type t8);
function HList8#(t1, t2, t3, t4, t5, t6, t7, t8)
hList8(t1 x1, t2 x2, t3 x3, t4 x4, t5 x5, t6 x6, t7 x7, t8 x8)
= hCons(x1, hCons(x2, hCons(x3, hCons(x4, hCons(x5, hCons(x6,
hCons(x7, hCons(x8, hNil))))))));
440

Bluespec SystemVerilog Reference Guide
C.10.5 UnitAppendList
Package
import UnitAppendList :: * ;
Description
This provides a representation of lists for which append(x,y) is O(1), rather than O(length(x)) as
in the normal representation; the downside is that there is no longer a unique representation for
a given list. These lists are useful for situations in which the list is constructed by recursively
amalgamating lists from sub-computations, and then subsequently processed. Functions for map and
mapM are provided for processing sublists during construction. For final processing it is almost always
preferable first to flatten the list (by a function also provided) into the conventional representation,
thus eliminating empty subtrees.
This package is provided as both a compiled library package and as BSV source code as documen-
tation. The source code file can be found in the $BLUESPECDIR/BSVSource/Misc directory. To
customize a package, copy the file into a local directory and then include the local directory in the
path when compiling. This is done by specifying the search path with the -p option as described in
the BSV Users Guide.
Types and type classes
The UnitAppendList package defines the structure UAList:
typedef union tagged {
void NoItems;
a One;
Tuple2#(UAList#(a),UAList#(a)) Append;
} UAList#(type a);
UAList is a member of the DefaultValue typeclass, which defines a default value for user defined
structures. The default value for UAList is defined as:
instance DefaultValue#(UAList#(a));
defaultValue = NoItems;
endinstance
Functions
flatten0 Given a UAList#(a) and a List#(a), returns a conventional list of type List.
function List#(a) flatten0(UAList#(a) c, List#(a) xs);
flatten Converts a list of type UAList into a conventional list of type List.
function List#(a) flatten(UAList#(a) c) = flatten0(c, Nil);
uaMap Maps a function of a list of type UAList, returning a UAList.
function UAList#(b) uaMap(function b f(a x), UAList#(a) c);
441

Reference Guide Bluespec SystemVerilog
uaMapM Maps a monadic function of a list of type UAList, returning a UAList.
module uaMapM#(function module#(b) f(a x), UAList#(a) c)(UAList#(b));
D Other Libraries
The release contains a directory for packages which may be helpful to the user, but are not supported
or systematically tested by Bluespec. These libraries are provided on an as-is basis and may include
contributions by 3rd parties. The contributed libraries can be found at $BLUESPECDIR/BSVSource/Contrib.
442
Index
<< (Bitwise class method), 163
>> (Bitwise class method), 163
|(BitReduction class method), 163
|(Bitwise class method), 162
π(Real constant), 302
&& (Bool operator), 172
(..) (exporting member names), 20
*(Arith class method), 157
** (Arith class method), 157
*/ (close nested comment), 14
+(String concatenation operator), 174
+(Arith class method), 157
-(Arith class method), 157
.,see structs, member selection
/(Arith class div method), 157
/* (open block comment), 14
// (one-line comment), 14
/= (Eq class method), 155
<(Ord class method), 159
<= (Reg assignment), 59
<= (Ord class method), 159
== (Eq class method), 155
>(Ord class method), 159
>= (Ord class method), 159
?(don’t-care expression), 17,67
[] (bit/part select from bit array), 69
$bitstoreal (Real system function), 97,174
$display,91
$displayb,91
$displayh,91
$displayo,91
$dumpoff,97
$dumpon,97
$dumpvars,97
$fclose,93
$fdisplay,94
$fdisplayb,94
$fdisplayh,94
$fdisplayo,94
$fflush,96
$fgetc,96
$finish,96
$fopen,93
$fwrite,94
$fwriteb,94
$fwriteh,94
$fwriteo,94
$realtobits (Real system function), 97,174
$sformat,95
$sformatAV,95
$stime,97
$stop,96
$swrite,95
$swriteAV,95
$swriteb,95
$swritebAV,95
$swriteh,95
$swritehAV,95
$swriteo,95
$swriteoAV,95
$test$plusargs,97
$time,97
$ungetc,96
$write,91
$writeb,91
$writeh,91
$writeo,91
%(Arith class mod method), 157
&(BitReduction class method), 163
&(Bitwise class method), 162
_read (PulseWire interface method), 199
_read (Reg interface method), 89,190
_write (Reg interface method), 89,190
{} (Bit concatenation operator), 170
{} (concatenation of bit arrays), 69
$ (character in identifiers), 14
_(character in identifiers), 14
‘,see compiler directives
^~ (BitReduction class method), 163
^(BitReduction class method), 163
^(Bitwise class method), 162
^& (BitReduction class method), 163
ˆ˜ (Bitwise class method), 162
~^ (BitReduction class method), 163
˜ (Bitwise class method), 162
~|(BitReduction class method), 163
˜ˆ (Bitwise class method), 162
abs (function), 204
abs (Arith class method), 157
acosh (Real function), 303
Action (type), 186
actions
Action (type), 71
action (keyword), 71
combining, 71
ActionValue (type), 72,186
Add (type provisos), 25,188
addBIUInt (function), 318
addRules (Rules function), 187
443

Reference Guide Bluespec SystemVerilog
addToCollection (ModuleCollect function),
427
addUInt (function), 318
Alias, 51,167
AlignedFIFOs (package), 250
all (List function), 291
all (Vector function), 268
always_enabled (attribute), 101
always_ready (attribute), 101
ancestor(BVI import statement), 141
and (List function), 292
and (Vector function), 268
any (List function), 291
any (Vector function), 268
AOF (clock ancestor attribute), 112
append (List function), 284
append (Vector function), 260
application
of functions to arguments, 74
of methods to arguments, 74
applyToContext (module), 422
applyToContextM (module), 422
Arbiter (package), 349
Arith (type class), 24,157
UInt, Int type instances, 88
Array (type), 182
example, 194
array
anonymous type, 56
named type, 182
example, 194
arrays
update, 57
arrayToVector (Vector function), 282
asIfc (interface pseudo-function), 90
asinh (Real function), 303
asReg (Reg function), 90,190
Assert (package), 365
AssertFifoTest_IFC (interface), 376
AssertQuiescentTest_IFC (interface), 376
AssertSampleTest_IFC (interface), 374
AssertStartStopTest_IFC (interface), 375
AssertStartTest_IFC (interface), 375
AssertTest_IFC (interface), 374
AssertTransitionTest_IFC (interface), 375
assignment statements
pattern matching in, 86
atan2 (Real function), 303
atanh (Real function), 303
attribute
always enabled, 101
always ready, 101
clock ancestors=, 112
clock family=, 112
clock prefix, 110
clocked by=, 114
conflict free, 107
default clock gate=, 112
default clock osc=, 112
default reset=, 112
defualt gate inhigh=, 112
defualt gate unused=, 112
descending urgency, 105
doc=, 116
enable=, 100
execution order, 107
fire when enabled, 102
gate=, 113
gate default clock, 111
gate inhigh, 113
gate input clocks=, 111
gate prefix, 110
gate unused, 113
mutually exclusive, 107
no implicit conditions, 103
noinline, 99
nosplit, 109
osc=, 113
parameter=, 115
port=, 100,115
preempts, 108
prefix=, 100
ready=, 100
reset=, 113
reset by=, 115
reset prefix, 110
result=, 100
split, 109
synthesize, 98
attributes, 98
await (StmtFSM function), 323
begin (keyword), 61,70
begin-end expression blocks, 70
begin-end statement blocks, 61
Bit (type), 87,169
bit (type), 87,170
bitconcat (Bit concatenation operator), 170
BitExtend (type class), 24,165
UInt, Int type instances, 88
BitReduction (type class), 24,163
UInt, Int type instances, 88
Bits (type class), 24,123,154
deriving,124
representation of data types, 124
UInt, Int type instances, 88
Bitwise (type class), 24,162
UInt, Int type instances, 88
444

Bluespec SystemVerilog Reference Guide
Bool (type), 172
Bounded (type class), 24,161
deriving,126
UInt, Int type instances, 88
BRAM (interface type), 222
BRAM (package), 219
BRAM_Configure (type), 219
BRAM_DUAL_PORT (interface type), 226
BRAM_PORT (interface type), 226
BRAMCore (package, 226
BRAMFIFO (package), 246
BRAMRequest (type), 221
bsv_assert_always (module), 378
bsv_assert_always_on_edge (module), 378
bsv_assert_change (module), 378
bsv_assert_cycle_sequence (module), 379
bsv_assert_decrement (module), 379
bsv_assert_delta (module), 379
bsv_assert_even_parity (module), 380
bsv_assert_fifo_index (module), 380
bsv_assert_frame (module), 380
bsv_assert_handshake (module), 380
bsv_assert_implication (module), 381
bsv_assert_increment (module), 381
bsv_assert_never (module), 381
bsv_assert_never_unknown (module), 381
bsv_assert_never_unknown_async (module),
381
bsv_assert_next (module), 382
bsv_assert_no_overflow (module), 382
bsv_assert_no_transition (module), 382
bsv_assert_no_underflow (module), 382
bsv_assert_odd_parity (module), 383
bsv_assert_one_cold (module), 383
bsv_assert_one_hot (module), 383
bsv_assert_proposition (module), 383
bsv_assert_quiescent_state (module), 384
bsv_assert_range (module), 384
bsv_assert_time (module), 384
bsv_assert_transition (module), 384
bsv_assert_unchange (module), 385
bsv_assert_width (module), 385
bsv_assert_win_change (module), 385
bsv_assert_win_unchange (module), 385
bsv_assert_window (module), 386
bsv_assert_zero_one_hot (module), 386
BufferMode (type), 211
BuildVector (package), 389
buildVersion,209
BVI import (keyword)
in interfacing to Verilog, 131
BypassWire (interface), 198
C(scheduling annotations), 49
case (keyword), 62,83,84
case expression, 84
case statements
ordinary, 62
pattern matching, 83
casting, type, 75
CBus (interface), 430
CBus (package), 429
ceil (Real function), 304
CF (scheduling annotations), 49
CGetPut (package), 339
Char (type), 88,176
clear (FIFOF interface method), 91
clear (FIFO interface method), 90
Client (interface), 335
ClientServer (package), 335
Clock (type), 184,390
clock_ancestors= (attribute), 112
clock_family= (attribute), 112
clock_prefix= (attribute), 110
ClockDividerIfc (interface), 398
clocked_by,33
clocked_by=(attribute), 114
clockOf (function), 391
Clocks (package), 390
cmplx (complex function), 307
cmplxMap (complex function), 308
cmplxSwap (complex function), 308
cmplxWrite (complex function), 308
Cntrs (package), 351
collectCBusIFC (module), 430
comment
block, 14
one-line, 14
CommitIfc (package), 341
compare (Ord class method), 159
compiler directives, 17
compilerVersion,208
CompletionBuffer (interface), 356
CompletionBuffer (package), 355
Complex (package), 306
compose (function), 205
composeM (function), 205
concat (List function), 285
concat (Vector function), 261
conditional expressions, 68
pattern matching in, 86
conditional statements, 62
ConfigReg (package,interface), 216
conflict_free (attribute), 107
Connectable (class), 334
Connectable (package), 334
Cons (List constructor), 284
cons (List function), 284
445

Reference Guide Bluespec SystemVerilog
cons (Vector function), 260
constFn (function), 205
context, see provisos
context too weak (overloading resolution), 120
continuousAssert,365
Control (interface), 348
cos (Real function), 302
cosh (Real function), 302
countElem (Vector function), 268
countIf (Vector function), 269
countOnes (function), 206
countOnesAlt (bit-vector function), 270
countZerosLSB (function), 206
countZerosMSB (function), 206
CRC (package), 372
curry (function), 205
date,209
decodeReal (Real function), 305
default (keyword), 62,83
default_clock(BVI import statement), 136
default_clock_gate= (attribute), 112
default_clock_osc= (attribute), 112
default_gate_inhigh (attribute), 112
default_gate_unused (attribute), 112
default_reset(BVI import statement), 139
default_reset= (attribute), 112
DefaultValue (package), 362
‘define (compiler directive), 18
delay (StmtFSM function), 323
deq (FIFOF interface method), 91
deq (FIFO interface method), 90
deriving
Bits,124
Bounded,126
Eq,126
FShow,126
brief description, 26
for isomorphic types, 128
descending_urgency (attribute), 105
Div (type provisos), 25,188
div (Integer function), 171
doc= (attribute), 116
documentation attributes, 116
don’t-care expression, see ?
DReg (package,interface), 217
drop (List function), 287
drop (Vector function), 263
dropWhile (List function), 288
dropWhileRev (List function), 288
DualPortRamIfc (interface), 412
dumpoff,97
dumpon,97
dumpvars,97
DWire (interface), 198
dynamicAssert,365
elem (List function), 291
elem (Vector function), 268
‘else (compiler directive), 19
else (keyword), 62
‘elsif (compiler directive), 19
Empty (interface), 30
emptyRules (Rules variable), 187
enable= (attribute), 100
end (keyword), 61,70
‘endif (compiler directive), 19
endpackage (keyword), 20
enq (FIFOF interface method), 91
enq (FIFO interface method), 90
enum,51
enumerations, 51
epochTime,209
epsilon (FixedPoint function), 310
Eq (type class), 24,155
deriving,126
UInt, Int type instances, 88
error (forced error), 203
errorM (forced error), 203
execution_order (attribute), 107
exp_e (Arith class method), 157
export (keyword), 20
export, identifiers from a package, 20
exposeCBusIFC (module), 431
exposeCollection (ModuleCollect function),
427
exposeCurrentClock (function), 390
exposeCurrentReset (function), 390
extend (BitExtend class method), 165
False (Bool constant), 172
FIFO (package), 231
FIFO (interface type), 90
FIFOCountIfc (interface), 240
FIFOF (package), 231
FIFOF (interface type), 91
fifofToFifo (function), 236
FIFOLevel (package), 239
FIFOLevelIfc (interface), 239
fifoToGet (GetPut function), 332,333
fifoToPut (GetPut function), 333
File (type), 183
select (filter function), 287
find (List function), 287
find (Vector function), 269
findElem (Vector function), 269
findIndex (Vector function), 269
finite state machines, 87
446

Bluespec SystemVerilog Reference Guide
fire_when_enabled (attribute), 102
first (FIFOF interface method), 91
first (FIFO interface method), 90
FixedPoint (package), 309
flatten (function), 440
flatten0 (function), 440
flip (function), 205
floor (Real function), 304
Fmt (type), 178
fold (List function), 296
fold (Vector function), 275
foldl (List function), 296
foldl (Vector function), 274
foldl1 (List function), 296
foldl1 (Vector function), 275
foldr (List function), 296
foldr (Vector function), 274
foldr1 (List function), 296
foldr1 (Vector function), 275
fromInt (FixedPoint function), 311
fromInteger (Literal class method), 15,156,
172
fromMaybe (Maybe function), 179
fromReal (RealLiteral class method), 156
fromSizedInteger (SizedLiteral class method),
15,157
fromUInt (FixedPoint function), 311
FShow (type class), 167
deriving,126
FSMs, 87
function calls, 74
function definitions, 65
fxptAdd (FixedPoint function), 312
fxptGetFrac (FixedPoint function), 311
fxptGetInt (FixedPoint function), 311
fxptMult (FixedPoint function), 312
fxptQuot (FixedPoint function), 313
fxptSignExtend (FixedPoint function), 315
fxptSub (FixedPoint function), 312
fxptTruncate (FixedPoint function), 313
fxptTruncateRoundSat (FixedPoint function),
313
fxptTruncateSat (FixedPoint function), 313
fxptWrite (FixedPoint function), 316
fxptZeroExtend (FixedPoint function), 315
gate= (attribute), 113
gate_default_clock (attribute), 111
gate_inhigh (attribute), 113
gate_input_clocks= (attribute), 111
gate_prefix= (attribute), 110
gate_unused (attribute), 113
GatedClockIfc (interface), 393
gcd (function), 207
Gearbox (interface), 254
Gearbox (package), 254
genC,208
generated clock port renaming, 110
genModuleName,208
genPackageName,208
genVector (Vector function), 260
genVerilog,208
genWith (Vector function), 260
genWithM (Vector function), 280
Get (interface), 328
GetPut (package), 328
Gettable (typeclass), 438
grammar, 13
Gray (package), 354
GrayCounter (package), 353
grayDecode (function), 355
grayDecr (function), 355
grayEncode (function), 355
grayIncr (function), 355
grayIncrDecr (function), 355
group (List function), 290
groupBy (List function), 290
HAppend (typeclass), 437
hClose,210
head (List function), 286
head (Vector function), 262
hFlush,211
hGetBuffering,211
hGetChar,211
hGetLine,212
HHead (typeclass), 436
higher order functions, 129
hIsClosed,210
hIsEOF,210
hIsOpen,210
hIsReadable,210
hIsWriteable,210
HLength (typeclass), 437
HList (package), 436
hPutChar,211
hPutStr,211
hPutStrLn,211
hSetBuffering,211
HSplit (typeclass), 437
HTail (typeclass), 437
id (function), 205
Identifier (grammar terminal), 14
identifier (grammar terminal), 14
identifiers, 14
case sensitivity, 14
export from a package, 20
447

Reference Guide Bluespec SystemVerilog
import into a package, 21
qualified, 21
static scoping, 21
with $ as first letter, 14
if (keyword), 62
in method implicit conditions, 36
if statements, 62
pattern matching in, 85
if-else statements, 62
‘ifdef (compiler directive), 19
‘ifndef (compiler directive), 19
implicit conditions, 36
on interface methods, 36
import (keyword), 20
import "BDPI" (keyword), 145
import "BVI" (keyword), 131
import, identifiers into a package, 21
‘include (compiler directive), 18
infix operators
associativity, 68
precedence, 68
predefined, 68
init (List function), 286
init (Vector function), 263
Inout (type), 184
inout(BVI import statement), 144
input_clock(BVI import statement), 135
input_reset(BVI import statement), 138
instance (of overloading group), 119
instance (of type class), 119
instantiation (module), 33
Int (type), 88,171
int (type), 88,171
Integer (type), 88,171
Integer literals, 14
interface
expression, 78
instantiation, 33
interface (BVI import statement), 144
interface (keyword)
in interface declarations, 28
in interface expressions, 78
interfaces, 28
definition of, 27
Invalid
tagged union member ofMaybe type, 55
Invalid (type constructor), 179
invert (Bitwise class method), 162
invertCurrentClock (function), 392
invertCurrentReset (function), 392
isAncestor (function), 391
isInfinite (Real function), 304
isNegativeZero (Real function), 304
isResetAsserted (module), 420
isValid (Maybe function), 179
IWithCBus (interface), 430
joinActions (List function), 297
joinActions (Vector function), 276
joinRules (List function), 297
joinRules (Vector function), 276
last (List function), 286
last (Vector function), 263
lcm (function), 207
length (List function), 291
let, 58
LevelFIFO, see FIFOLevel
LFSR (package), 345
‘line (compiler directive), 18
List (type), 283
ListN (type), 283
Literal (type class), 24,156
UInt, Int type instances, 88
Literals
Integer, 14
Real, 16
String, 16
Log (type provisos), 25,188
log (Arith class method), 157
log10 (Arith class method), 157
log2 (Arith class method), 157
logb (Arith class method), 157
lookup (List function), 287
loop statements
statically unrolled, 63
temporal, in FSMs, 320
lsb (Bitwise class method), 163
LUInt (type), 256
macro invocation (compiler directive), 19
MakeClockIfc (interface), 392
MakeResetIfc (interface), 415
map (List function), 294
map (Vector function), 272
mapAccumL (List function), 299
mapAccumL (Vector function), 278
mapAccumR (List function), 299
mapAccumR (Vector function), 278
mapCollection (ModuleCollect function), 427
mapM (Monad function on List), 300
mapM (Monad function on Vector), 279
mapM_(List function), 300
mapM_(Vector function), 279
mapPairs (List function), 297
mapPairs (Vector function), 275
match (keyword), 86
Max (type provisos), 25,188
max (Ord class method), 159
448

Bluespec SystemVerilog Reference Guide
max (function), 204
maxBound (Bounded class method), 161
Maybe (type), 55,179
Memory (package), 337
message (compilation message), 203
messageM (compilation message), 204
meta notation, see grammar
method(BVI import statement), 134
method calls, 74
methods
of an interface, 28
pattern matching in, 86
MIMO (interface), 256
MIMO (package), 256
MIMOConfiguration (type), 256
Min (type provisos), 188
min (Ord class method), 159
min (function), 204
minBound (Bounded class method), 161
mk1toNGearbox (module), 255
mkAbsoluteClock (module), 395
mkAbsoluteClockFull (module), 395
mkAlignedFIFO (module), 253
mkArbiter (module), 350
mkAsyncReset (module), 416
mkAsyncResetFromCR (module), 416
mkAutoFSM,322
mkBRAM1Server (module), 223
mkBRAM1ServerBE (module), 223
mkBRAM2Server (module), 224
mkBRAMCore1 (module), 228
mkBRAMCore1BE (module), 228
mkBRAMCore1BELoad (module), 228
mkBRAMCore1Load (module), 228
mkBRAMCore2 (module), 228
mkBRAMCore2BE (module), 229
mkBRAMCore2BELoad (module), 229
mkBRAMCore2Load (module), 229
mkBRAMStore1W2R (module), 253
mkBRAMStore2W1R (module), 253
mkBypassFIFO (module), 249
mkBypassFIFOF (module), 249
mkBypassFIFOLevel (module), 250
mkBypassWire (module), 198
mkCBRegFile (module), 432
mkCBRegR (module), 431
mkCBRegRC (module), 431
mkCBRegRW (module), 431
mkCBRegW (module), 431
mkCClientServer (function), 340
mkCGetPut (function), 340
mkClientCServer (function), 340
mkClock (module), 393
mkClockDivider (module), 398
mkClockDividerOffset (module), 398
mkClockInverter (module), 398
mkClockMux (module), 396
mkClockSelect (module), 397
mkCompletionBuffer (module), 356
mkConfigReg (module), 216
mkConfigRegA (module), 216
mkConfigRegU (module), 216
mkConstrainedRandomizer (module), 348
mkCounter (module), 352
mkCRC(module), 373
mkCRC16(module), 373
mkCRC32(module), 374
mkCRC_CCIT(module), 373
mkCReg (module), 192
mkCRegA (module), 192
mkCRegU (module), 192
mkDepthParamFIFO (module), 234
mkDepthParamFIFOF (module), 234
mkDFIFOF (module), 250
mkDReg (module), 217
mkDRegA (module), 217
mkDRegU (module), 217
mkDualRam (module), 412
mkDWire (module), 198
mkFeedLFSR(module), 346
mkFIFO (module), 90,233
mkFIFO1 (module), 234
mkFIFOCount (module), 243
mkFIFOF (module), 91,233
mkFIFOF1 (module), 234
mkFIFOLevel (module), 242
mkFSM,322
mkFSMServer,327
mkFSMWithPred,322
mkGatedClock (module), 394
mkGatedClockDivider (module), 398
mkGateClockFromCC (module), 395
mkGatedClockInverter (module), 398
mkGDepthParamFIFOF (module), 235
mkGenericRandomizer (module), 348
mkGetCPut (function), 340
mkGFIFOCount (module), 243
mkGFIFOF (module), 235
mkGFIFOF1 (module), 235
mkGFIFOLevel (module), 243
mkGLFIFOF (module), 236
mkGPFIFO (GetPut module), 332
mkGPFIFO1 (GetPut module), 332
mkGPSizedFIFO (GetPut module), 332
mkGrayCounter (module), 354
mkGSizedFIFOF (module), 235
mkInitialReset (module), 417
mkLFIFO (module), 235
449

Reference Guide Bluespec SystemVerilog
mkLFIFOF (module), 235
mkMIMO (module), 258
mkMIMOBRAM (module), 258
mkMIMOReg (module), 258
mkMIMOV (module), 258
mkNto1Gearbox (module), 255
mkNullCrossingReg (module), 414
mkNullCrossingRegA (module), 414
mkNullCrossingRegU (module), 414
mkNullCrossingWire (module), 413
mkOnce,322
mkPipelineFIFO (module), 249
mkPipelineFIFOF (module), 249
mkPulseWire (module), 199
mkPulseWireOR (module), 199
mkReg (module), 89,190
mkRegA (module), 190
mkRegFile (RegFile module), 213
mkRegFileFull (RegFile module), 213
mkRegFileFullFile (RegFileLoad function),
214
mkRegFileLoad (RegFileLoad function), 214
mkRegStore (module), 252
mkRegU (module), 89,190
mkRegVectorStore (module), 252
mkReset (module), 417
mkResetEither (module), 419
mkResetInverter (module), 420
mkResetMux (module), 418
mkResetSync (module), 417
mkRevertingVirtualReg (module), 218
mkRWire (RWire module), 195
mkRWireSBR (RWire module), 195
mkSizedBRAMFIFO (module), 247
mkSizedBRAMFIFOF (module), 247
mkSizedBypassFIFOF (module), 250
mkSizedFIFO (module), 90,234
mkSizedFIFOF (module), 91,234
mkStickyArbiter (module), 350
mkSyncBit (module), 401
mkSyncBit05 (module), 403
mkSyncBit05FromCC (module), 404
mkSyncBit05ToCC (module), 404
mkSyncBit1 (module), 403
mkSyncBit15 (module), 402
mkSyncBit15FromCC (module), 402
mkSyncBit15ToCC (module), 402
mkSyncBit1FromCC (module), 403
mkSyncBit1ToCC (module), 403
mkSyncBitFromCC (module), 401
mkSyncBitToCC (module), 402
mkSyncBRAM2Server (module), 224
mkSyncBRAM2ServerBE (module), 225
mkSyncBRAMCore2 (module), 229
mkSyncBRAMCore2BE (module), 229
mkSyncBRAMCore2BELoad (module), 230
mkSyncBRAMCore2Load (module), 230
mkSyncBRAMFIFO (module), 247
mkSyncBRAMFIFOFromCC (module), 247
mkSyncBRAMFIFOToCC (module), 247
mkSyncFIFO (module), 410
mkSyncFIFO1 (module), 411
mkSyncFIFOCount (module), 244
mkSyncFIFOFromCC (module), 411
mkSyncFIFOLevel (module), 243
mkSyncFIFOToCC (module), 411
mkSyncHandshake (module), 406
mkSyncHandshakeFromCC (module), 406
mkSyncHandshakeToCC (module), 407
mkSyncPulse (module), 405
mkSyncPulseFromCC (module), 406
mkSyncPulseToCC (module), 406
mkSyncReg (module), 408
mkSyncRegFromCC (module), 408
mkSyncRegToCC (module), 409
mkSyncReset (module), 416
mkSyncResetFromCR (module), 416
mkTriState,369
mkUGDepthParamFIFOF (module), 235
mkUGFIFOF (module), 234
mkUGFIFOF1 (module), 234
mkUGLFIFOF (module), 235
mkUGSizedFIFOF (module), 234
mkUngatedClock (module), 393
mkUngatedClockMux (module), 397
mkUngatedClockSelect (module), 397
mkUniqueWrappers (UniqueWrappers module),
359
mkUnsafeDWire (module), 198
mkUnsafePulseWire (module), 199
mkUnsafePulseWireOR (module), 199
mkUnsafeRWire (RWire module), 195
mkUnsafeWire (module), 197
mkWire (module), 197
mkZBus (function), 371
mkZBusBuffer (function), 371
mod (Integer function), 171
module
definition of, 31
instantiation, 33
ModuleCollect (package), 425
ModuleCollect (type), 426
ModuleContext (package), 420
modules
definition of, 27
module (keyword), 31
Monad (type class), 129
msb (Bitwise class method), 163
450

Bluespec SystemVerilog Reference Guide
Mul (type provisos), 25,188
mutually_exclusive (attribute), 107
MuxClockIfc (interface), 396
MuxRstIfc (interface), 415
negate (Arith class method), 157
newVector (Vector function), 260
Nil (List constructor), 284
nil (Vector function), 260
no_implicit_conditions (attribute), 103
noAction (empty action), 71,186
noClock (function), 391
noinline (attribute), 99
noReset (function), 392
nosplit (attribute), 109
not (Bool function), 172
NumAlias, 51,167
NumberTypes (package), 316
OInt (package), 305
OInt (type), 305
oneHotSelect (List function), 286
openFile,209
operators
infix, 68
prefix, 68
or (List function), 292
or (Vector function), 268
Ord (type class), 24,119,120,159
UInt, Int type instances, 88
Ordering (type), 183
osc= (attribute), 113
output_clock(BVI import statement), 138
output_reset(BVI import statement), 141
overloading groups, see type classes
overloading, of types, 119
OVLAssertions (package), 374
pack (Bits type class overloaded function),
123,154
package, 20
package (keyword), 20
parameter, 31
parameter(BVI import statement), 133
parameter= (attribute), 115
parity (function), 206
path(BVI import statement), 143
pattern matching, 81
error, 84
in assignment statements, 86
in case expressions, 84
in case statements, 83
in conditional expressions, 86
in if statements, 85
in methods, 86
in rules, 86
patterns, 81
pi (Real constant), 302
polymorphism, 24
port(BVI import statement), 135
port= (attribute), 100,115
pow (Real function), 303
preempts (attribute), 108
prefix= (attribute), 100
Prelude, see Standard Prelude
Printf (package), 387
Probe (package), 366
provisos, 120,188
brief description, 24
PulseWire (interface), 199
pulseWireToReadOnly (function), 202
Put (interface), 328
quot (Integer function), 171
Randomizable (package), 347
Randomize (interface), 348
ReadOnly (interface), 201
readReadOnly (function), 202
readReg (Reg function), 190
readVReg (Vector function), 271
ready= (attribute), 100
Real (package), 301
Real (type), 173
real (type), 173
Real literals, 16
RealLiteral (type class), 156
realToDigits (Real function), 305
reburyContext (module), 423
records, see struct
reduceAnd (BitReduction class method), 163
reduceNand (BitReduction class method), 163
reduceNor (BitReduction class method), 163
reduceOr (BitReduction class method), 163
reduceXnor (BitReduction class method), 163
reduceXor (BitReduction class method), 163
reflect(CRC function), 374
Reg (interface), 408
Reg (type), 89,190
RegFile (interface type), 213
RegFileLoad (package), 214
register assignment, 59
array element, 60
partial, 60
register writes, 59
regToReadOnly (function), 201
rem (Integer function), 171
replicate (List function), 284
replicate (Vector function), 260
451

Reference Guide Bluespec SystemVerilog
replicateM (List function), 301
replicateM (Vector function), 280
Reserved (type), 367
Reserved (package), 367
ReservedOne (type), 367
ReservedZero (type), 367
Reset (type), 184,390
clear,318
reset= (attribute), 113
reset_by,33
reset_by=(attribute), 115
reset_prefix= (attribute), 110
‘resetall (compiler directive), 19
resetOf (function), 391
result= (attribute), 100
reverse (List function), 289
reverse (Vector function), 266
reverseBits (function), 206
RevertingVirtualReg (package), 218
rJoin (Rules operator), 187
rJoinConflictFree (Rules operator), 187
rJoinDescendingUrgency (Rules operator),
187
rJoinExecutionOrder (Rules operator), 187
rJoinMutuallyExclusive (Rules operator),
187
rJoinPreempts (Rules operator), 187
rotate (List function), 289
rotate (Vector function), 265
rotateBitsBy (bit-vector function), 270
rotateBy (Vector function), 265
rotateR (List function), 289
rotateR (Vector function), 265
round (Real function), 304
rules, 39
expression, 80
pattern matching in, 86
Rules (type), 80,187
runWithContext (function), 424
runWithContexts (function), 424
RWire,195
SA (scheduling annotations), 49
same_family(BVI import statement), 141
sameFamily (function), 391
SAR (scheduling annotations), 49
satMinus (SaturatingArith class method),
166
satPlus (SaturatingArith class method), 166
SaturatingArith (type class), 166
SB (scheduling annotations), 49
SBR (scheduling annotations), 49
sbtrctBIUInt (function), 318
scanl (List function), 299
scanl (Vector function), 278
scanr (List function), 298
scanr (Vector function), 277
schedule(BVI import statement), 142
scheduling annotations, 49
select (List function), 285
select (Vector function), 262
SelectClockIfc (interface), 396
send (PulseWire interface method), 199
Server (interface), 336
shiftInAt0 (Vector function), 266
shiftInAtN (Vector function), 266
shiftOutFrom0 (Vector function), 266
shiftOutFromN (Vector function), 266
signedMul (function), 204
signedQuot (function), 204
signExtend (BitExtend class method), 165
signum (Arith class method), 157
sin (Real function), 302
sinh (Real function), 302
size types, 23
type classes for constraints, 25
SizedLiteral (type class), 157
SizeOf (pseudo-function on types), 124,189
sort (List function), 290
sortBy (List function), 290
SpecialFIFOs (package), 248
split (Bit function), 88,170
split (attribute), 109
splitReal (Real function), 305
sprintf (function), 388
sqrt (Real function), 303
sscanl (List function), 299
sscanl (Vector function), 278
sscanr (List function), 298
sscanr (Vector function), 277
Standard Prelude, 22,71,87,88,121,154
start,318
staticAssert,365
StmtFSM (package), 318
strConcat (String concatenation operator),
174
String (type), 88,174
String literals, 16
StringLiteral (type class), 169
struct
type definition, 53
’struct’,53
structs
member selection, 76
update, 57
sub (RegFile interface method), 213
subinterfaces
declaration of, 30
452

Bluespec SystemVerilog Reference Guide
definition of, 37
SyncBitIfc (interface), 400
SyncFIFOCountIfc (interface), 242
SyncFIFOIfc (interface), 409
SyncFIFOLevelIfc (interface), 241
SyncPulseIfc (interface), 405
synthesize
modules, 42
synthesize (attribute), 98
system functions, 91
$bitstoreal,97
$realtobits,97
$stime,97
$test$plusargs,97
$time,97
system tasks, 91
$display,91
$displayb,91
$displayh,91
$displayo,91
$dumpoff,97
$dumpon,97
$dumpvars,97
$fclose,93
$fdisplay,94
$fdisplayb,94
$fdisplayh,94
$fdisplayo,94
$fflush,96
$fgetc,96
$finish,96
$fopen,93
$fwrite,94
$fwriteb,94
$fwriteh,94
$fwriteo,94
$sformat,95
$sformatAV,95
$stop,96
$swrite,95
$swriteAV,95
$swriteb,95
$swritebAV,95
$swriteh,95
$swritehAV,95
$swriteo,95
$swriteoAV,95
$ungetc,96
$write,91
$writeb,91
$writeh,91
$writeo,91
TAdd (type functions), 189
’tagged’,see union
tagged union
member selection, see pattern matching
member selection using dot notation, 77
type definition, 53
update, 58
tail (List function), 286
tail (Vector function), 263
take (List function), 286
take (Vector function), 263
takeAt (Vector function), 264
takeWhile (List function), 287
takeWhileRev (List function), 287
tan (Real function), 302
tanh (Real function), 303
TDiv (type functions), 189
TExp (type functions), 189
TieOff (package), 364
TLog (type functions), 189
TMax (type functions), 189
TMin (type functions), 189
TMul (type functions), 189
toChunks (Vector function), 283
toGet (function), 329
toGPClient (function), 337
toGPServer (function), 337
toList (Vector function), 282
toPut (function), 329
toVector (Vector function), 282
transpose (List function), 289
transpose (Vector function), 267
transposeLN (Vector function), 267
TriState (interface), 369
TriState (package), 368
True (Bool constant), 172
trunc (Real function), 304
truncate (BitExtend class method), 165
truncateLSB (function), 207
TSub (type functions), 189
tuples
expressions, 89,181
patterns, 89
selecting components, 89,182
type definition, 89,180
type assertions
static, 75
type casting, 75
type classes, 119,154
type declaration, 22
type variables, 24
typedef (keyword), 50
types, 22
parameterized, 23
polymorphic, 24
453

Reference Guide Bluespec SystemVerilog
uaMap (function), 440
uaMapM (function), 440
UInt (type), 88,171
unburyContext (module), 423
unburyContextWithClocks (module), 423
uncurry (function), 206
‘undef (compiler directive), 19
underscore, see
’union’,53
union tagged
type definition, 53
UnitAppendList (package), 440
unpack (Bits type class overloaded function),
123,154
unsignedMul (function), 204
unsignedQuot (function), 205
unwrap (function), 318
unwrapBI (function), 318
unzip (List function), 293
unzip (Vector function), 272
upd (RegFile interface method), 213
update (List function), 285
update (Vector function), 262
updateDataWithMask (module), 339
upto (List function), 284
Valid
tagged union member ofMaybe type, 55
Valid (type constructor), 179
Value Change Dump, 97
valueOf (pseudo-function of size types), 26,
189
valueof (pseudo-function of size types), 189
variable assignment, 57
variable declaration, 56
variable initialization, 56
variables, 56
VCD, 95,97
Vector, 258
vectorToArray (Vector function), 282
Void (type), 179
void (type, in tagged unions), 53
warning (forced warning), 203
warningM (forced warning), 203
wget (RWire interface method), 195
when (function), 207
while (function), 207
Wire (interface), 196
wrap (function), 318
Wrapper (interface type), 359
WriteOnly (interface), 202
writeReg (Reg function), 190
writeVReg (Vector function), 271
wset (RWire interface method), 195
ZBus (package), 369
ZBusBusIFC (interface), 371
ZBusClientIFC (interface), 371
ZBusDualIFC (interface), 370
zeroExtend (BitExtend class method), 165
zip (List function), 293
zip (Vector function), 271
zip3 (List function), 293
zip3 (Vector function), 271
zip4 (List function), 293
zip4 (Vector function), 271
zipAny (Vector function), 272
zipWith (List function), 294
zipWith (Vector function), 273
zipWith3 (List function), 294
zipWith3 (Vector function), 273
zipWith3M (List function), 301
zipWith3M (Vector function), 280
zipWith4 (List function), 295
zipWithAny (Vector function), 273
zipWithAny3 (Vector function), 273
zipWithM (List function), 301
zipWithM (Vector function), 279
454
Function and Module by Package
AlignedFIFOs
mkAlignedFIFO, 253
mkBRAMStore1W2R, 253
mkBRAMStore2W1R, 253
mkRegStore, 252
mkRegVectorStore, 252
BRAM
mkBRAM1Server, 223
mkBRAM1ServerBE, 223
mkBRAM2Server, 224
mkBRAMCore1, 228
mkBRAMCore1BE, 228
mkBRAMCore1BELoad, 228
mkBRAMCore1Load, 228
mkBRAMCore2, 228
mkBRAMCore2BE, 229
mkBRAMCore2BELoad, 229
mkBRAMCore2Load, 229
mkSyncBRAM2Server, 224
mkSyncBRAM2ServerBE, 225
mkSyncBRAMCore2, 229
mkSyncBRAMCore2BE, 229
mkSyncBRAMCore2BELoad, 230
mkSyncBRAMCore2Load, 230
BRAMFIFO
mkSizedBRAMFIFO, 247
mkSizedBRAMFIFOF, 247
mkSyncBRAMFIFO, 247
mkSyncBRAMFIFOFromCC, 247
mkSyncBRAMFIFOToCC, 247
CBus
collectCBusIFC, 430
exposeCBusIFC, 431
mkCBRegFile, 432
mkCBRegR, 431
mkCBRegRC, 431
mkCBRegRW, 431
mkCBRegW, 431
ClientSefiforver
toGPServer, 337
ClientServer
toGPClient, 337
Clocks
clockOf, 391
exposeCurrentClock, 390
exposeCurrentReset, 390
invertCurrentClock, 392
invertCurrentReset, 392
isAncestor, 391
isResetAsserted, 420
mkAbsoluteClock, 395
mkAbsoluteClockFull, 395
mkAsyncReset, 416
mkAsyncResetFromCR, 416
mkClock, 393
mkClockDivider, 398
mkClockDividerOffset, 398
mkClockInverter, 398
mkClockMux, 396
mkClockSelect, 397
mkDualRam, 412
mkGatedClock, 394
mkGatedClockDivider, 398
mkGatedClockFromCC, 395
mkGatedClockInverter, 398
mkInitialReset, 417
mkNullCrossingReg, 414
mkNullCrossingRegA, 414
mkNullCrossingRegU, 414
mkNullCrossingWire, 413
mkReset, 417
mkResetEither, 419
mkResetInverter, 420
mkResetMux, 418
mkResetSync, 417
mkSyncBit, 401
mkSyncBit05, 403
mkSyncBit05FromCC, 404
mkSyncBit05ToCC, 404
mkSyncBit1, 403
mkSyncBit15, 402
mkSyncBit15FromCC, 402
mkSyncBit15ToCC, 402
mkSyncBit1FromCC, 403
mkSyncBit1ToCC, 403
mkSyncBitFromCC, 401
mkSyncBitToCC, 402
mkSyncFIFO, 410
mkSyncFIFO1, 411
mkSyncFIFOFromCC, 411
mkSyncFIFOToCC, 411
mkSyncHandshake, 406
mkSyncHandshakeFromCC, 406
mkSyncHandshakeToCC, 407
mkSyncPulse, 405
mkSyncPulseFromCC, 406
mkSyncPulseToCC, 406
mkSyncReg, 408
455

Reference Guide Bluespec SystemVerilog
mkSyncRegFromCC, 408
mkSyncRegToCC, 409
mkSyncReset, 416
mkSyncResetFromCR, 416
mkUngatedClock, 393
mkUngatedClockMux, 397
mkUngatedClockSelect, 397
noClock, 391
noReset, 392
resetOf, 391
sameFamily, 391
Counter
mkCounter, 352
FIFO
fifofToFifo, 236
mkDepthParamFIFO, 234
mkFIFO, 233
mkFIFO1, 234
mkLFIFO, 235
mkSizedFIFO, 234
FIFOF
mkDepthParamFIFOF, 234
mkFIFOF, 233
mkFIFOF1, 234
mkGDepthParamFIFOF, 235
mkGFIFOF, 235
mkGFIFOF1, 235
mkGLFIFOF, 236
mkGSizedFIFOF, 235
mkLFIFOF, 235
mkSizedFIFOF, 234
mkUGDepthParamFIFOF, 235
mkUGFIFO1, 234
mkUGFIFOF, 234
mkUGLFIFOF, 235
mkUGSizedFIFOF, 234
FIFOLevel
mkFIFOCount, 243
mkFIFOLevel, 242
mkGFIFOCount, 243
mkGFIFOLevel, 243
mkSyncFIFOCount, 244
mkSyncFIFOLevel, 243
FixedPoint
fxptTruncateSat, 313
Gearbox
mk1toNGearbox, 255
mkNto1Gearbox, 255
GetPut
fifoToGet, 332,333
fifoToPut, 333
mkGPFIFO, 332
mkGPFIFO1, 332
mkGPSizedFIFO, 332
toGet, 329
toPut, 329
Gray
grayDecode, 355
grayDecr, 355
grayEncode, 355
grayIncr, 355
grayIncrDecr, 355
GrayCounter
mkGrayCounter, 354
HList
Gettable, 438
HAppend, 437
HHead, 436
HLength, 437
hSplit, 437
HTail, 437
List
all, 291
and, 292
any, 291
append, 284
concat, 285
cons, 284
drop, 287
dropWhile, 288
dropWhileRev, 288
elem, 291
filter, 287
find, 287
fold, 296
foldl, 296
foldl1, 296
foldr, 296
foldr1, 296
group, 290
groupBy, 290
head, 286
init, 286
joinActions, 297
joinRules, 297
last, 286
length, 291
lookup, 287
map, 294
mapAccumL, 299
mapAccumR, 299
mapM, 300
mapM_,300
mapPairs, 297
456

Bluespec SystemVerilog Reference Guide
oneHotSelect, 286
or, 292
replicate, 284
replicateM, 301
reverse, 289
rotate, 289
rotateR, 289
scanl, 299
scanr, 298
select, 285
sort, 290
sortBy, 290
sscanl, 299
sscanr, 298
tail, 286
take, 286
takeWhile, 287
takeWhileRev, 287
transpose, 289
unzip, 293
update, 285
upto, 284
zip, 293
zip3, 293
zip4, 293
zipWith, 294
zipWith3, 294
zipWith3M, 301
zipWith4, 295
zipWithM, 301
Memory
updateDataWithMask, 339
MIMO
mkMIMO, 258
mkMIMOBRAM, 258
mkMIMOReg, 258
mkMIMOV, 258
ModuleContext
applyToContext, 422
applyToContextM, 422
reburyContext, 423
runWithContext, 424
unburyContext, 423
unburyContextWithClocks, 423
NumberTypes
addBIUInt, 318
addUInt, 318
sbtrctBIUInt, 318
unwrap, 318
unwrapBI, 318
wrap, 318
OVLAssertions
bsv assert always, 378
bsv assert always on edge, 378
bsv assert change, 378
bsv assert cycle sequence, 379
bsv assert decrement, 379
bsv assert delta, 379
bsv assert even parity, 380
bsv assert fifo index, 380
bsv assert frame, 380
bsv assert handshake, 380
bsv assert implication, 381
bsv assert increment, 381
bsv assert never, 381
bsv assert never unknown, 381
bsv assert never unknown async, 381
bsv assert next, 382
bsv assert no overflow, 382
bsv assert no transition, 382
bsv assert no underflow, 382
bsv assert odd parity, 383
bsv assert one cold, 383
bsv assert one hot, 383
bsv assert proposition, 383
bsv assert quiescent state, 384
bsv assert range, 384
bsv assert time, 384
bsv assert transition, 384
bsv assert unchange, 385
bsv assert width, 385
bsv assert win change, 385
bsv assert win unchange, 385
bsv assert window, 386
bsv assert zero one hot, 386
Prelude
!=, 155
<<,163
>>,163
|,162,163
*, 157
**, 157
+, 157,174
-, 157
/, 157
<,159
<=, 159
==, 155
>,159
>=, 159
$bitstoreal, 174
$realtobits, 174
%, 157
&, 162,163
ˆ, 162,163
457

Reference Guide Bluespec SystemVerilog
ˆ˜, 162,163
˜, 162,163
˜|,163
˜ˆ, 162,163
abs, 157,204
addRules, 187
asReg, 190
bitsToDigit, 176
bitsToHexDigit, 176
buildVersion, 209
charToInteger, 176
charToString, 176
compare, 159
compilerVersion, 208
compose, 205
composeM, 205
constFn, 205
countOnes, 206
countZerosLSB, 206
countZerosMSB, 206
curry, 205,206
date, 209
digitToBits, 176
digitToInteger, 176
div, 171
doubleQuote, 174
epochTime, 209
error, 203
errorM, 203
exp, 157
extend, 165
flip, 205
fromInteger, 156,172
fromMaybe, 179
fromReal, 156
fromSizedInteger, 157
fromString, 169
fshow, 167
gcd, 207
genC, 208
genModuleName, 208
genPackageName, 208
genVerilog, 208
hClose, 210
hexDigitToBits, 176
hexDigitToInteger, 176
hFlush, 211
hGetBuffering, 211
hGetChar, 211
hGetLine, 212
hIsClosed, 210
hIsEOF, 210
hIsOpen, 210
hIsReadable, 210
hIsWriteable, 210
hPutChar, 211
hPutStr, 211
hPutStrLn, 211
hSetBuffering, 211
id, 205
integerToChar, 176
integerToDigit, 176
integerToHexDigit, 176
invert, 162
isAlpha, 176
isAlphaNum, 176
isDigit, 176
isHexDigit, 176
isLower, 176
isOctDigit, 176
isSpace, 176
isUpper, 176
isValid, 179
lcm, 207
log, 157
log10, 157
log2, 157
logb, 157
lsb, 163
max, 159,204
maxBound, 161
message, 203
messageM, 204
min, 159,204
minBound, 161
mkBypassWire, 198
mkCReg, 192
mkCRegA, 192
mkCRegU, 192
mkDWire, 198
mkPulseWire, 199
mkPulseWireOR, 199
mkReg, 190
mkRegA, 190
mkRegU, 190
mkRWire, 195
mkRWireSBR, 195
mkUnsafeDWire, 198
mkUnsafePulseWire, 199
mkUnsafePulseWireOR, 199
mkUnsafeRWire, 195
mkUnsafeWire, 197
mkWire, 197
mod, 171
msb, 163
negate, 157
not, 172
openFile, 209
458

Bluespec SystemVerilog Reference Guide
pack, 154
parity, 206
pulseWireToReadOnly, 202
quot, 171
quote, 174
readReadOnly, 202
readReg, 190
reduceAnd, 163
reduceNand, 163
reduceNor, 163
reduceOr, 163
reduceXNor, 163
reduceXor, 163
regToReadOnly, 201
rem, 171
reverseBits, 206
rJoin, 187
rJoinConflictFree, 187
rJoinDescendingUrgency, 187
rJoinExecutionOrder, 187
rJoinMutuallyExclusive, 187
rJoinPreempts, 187
satMinus, 166
satPlus, 166
sharListToString, 174
signedMul, 204
signedQuot, 204
signExtend, 165
signum, 157
SizeOf, 189
split, 170
strConcat, 174
stringCons, 174
stringHead, 174
stringLength, 174
stringSplit, 174
stringTail, 174
stringToCharList, 174
TAdd, 189
TDiv, 189
TExp, 189
TLog, 189
TMax, 189
TMin, 189
TMul, 189
toLower, 176
toUpper, 176
truncate, 165
truncateLSB, 207
TSub, 189
unpack, 154
unsignedMul, 204
unsignedQuot, 205
valueOf, 189
warning, 203
warningM, 203
when, 207
while, 207
writeReg, 190
zeroExtend, 165
Printf
sprintf, 388
Real
acosh, 303
asinh, 303
atan2, 303
atanh, 303
ceil, 304
cos, 302
cosh, 302
decodeReal, 305
floor, 304
isInfinite, 304
isNegativeZero, 304
pow, 303
realToDigits, 305
round, 304
sin, 302
sinh, 302
splitReal, 305
sqrt, 303
tan, 302
tanh, 303
trunc, 304
SpecialFIFOs
mkBypassFIFO, 249
mkBypassFIFOF, 249
mkBypassFIFOLevel, 250
mkDFIFOF, 250
mkPipelineFIFO, 249
mkPipelineFIFOF, 249
mkSizedBypassFIFOF, 250
StmtFSM
await, 323
callServer, 327
delay, 323
mkAutoFSM, 322
mkFSM, 322
mkFSMServer, 327
mkFSMwithPred, 322
mkOnce, 322
UnitAppendList
flatten, 440
flatten0, 440
uaMap, 440
uaMapM, 440
459

Reference Guide Bluespec SystemVerilog
Vector, 282
all, 268
and, 268
any, 268
append, 260
arrayToVector, 282
concat, 261
cons, 260
countElem, 268
countIf, 269
countOnesAlt, 270
drop, 263
elem, 268
find, 269
findElem, 269
findIndex, 269
fold, 275
foldl, 274
foldl1, 275
foldr, 274
foldr1, 275
genVector, 260
genWith, 260
genWithM, 280
head, 262
init, 263
joinActions, 276
joinRules, 276
last, 263
map, 272
mapAccumL, 278
mapAccumR, 278
mapM, 279
mapM_,279
mapPairs, 275
newVector, 260
nil, 260
or, 268
readVReg, 271
replicate, 260
replicateM, 280
reverse, 266
rotate, 265
rotateBitsBy, 270
rotateBy, 265
rotateR, 265
scanl, 278
scanr, 277
select, 262
shiftInAt0, 266
shiftInAtN, 266
shiftOutFrom0, 266
shiftOutFromN, 266
sscanl, 278
sscanr, 277
tail, 263
take, 263
takeAt, 264
toChunks, 283
toList, 282
transpose, 267
transposeLN, 267
unzip, 272
update, 262
vectorToArray, 282
writeVReg, 271
zip, 271
zip3, 271
zip4, 271
zipAny, 272
zipWith, 273
zipWith3, 273
zipWith3M, 280
zipWithAny, 273
zipWithAny3, 273
zipWithM, 279
460
Packages provided as BSV source code
AlignedFIFOs, 250
Arbiter, 349
BRAM, 219
BRAMFIFO, 246
CBus, 429
CommitIfc, 341
Complex, 306
DefaultValue, 362
FixedPoint, 309
Gearbox, 254
Gray, 354
GrayCounter, 353
HList, 436
MIMO, 256
ModuleContext, 420
NumberTypes, 316
Randomizable, 347
SpecialFIFOs, 248
TieOff, 364
UnitAppendList, 440
461
Typeclasses
Alias, 167
Arith, 157
BitExtend, 165
BitReduction, 163
Bits, 154
Bitwise, 162
Bounded, 161
Connectable, 334
DefaultValue, 362
Eq, 155
FShow, 167
Literal, 156
Monad, 129
NumAlias, 167
Ord, 159
Randomizable, 347
RealLiteral, 156
SaturatingArith, 166
SizedLiteral, 157
StringLiteral, 169
TieOff, 364
ToGet, 329
ToPut, 329
462
