Clevo W240BU, W241BU, W241BUQ, W245BUQ, W248BUQ, W249BUQ Service Manual. Www.s Manuals.com. Manual
User Manual: Notebook Clevo W249BUQ - Service manuals and Schematics, Disassembly / Assembly. Free.
Open the PDF directly: View PDF
.
Page Count: 97
- Manual
- Notice
- System Startup
- Introduction 1-1
- Disassembly 2-1
- Chapter 1: Introduction
- Overview
- Models Differences
- Specifications
- External Locator - Top View with LCD Panel Open
- External Locator - Front & Right side Views
- External Locator - Left Side & Rear View
- External Locator - Bottom View
- Mainboard Overview - Top (Key Parts)
- Mainboard Overview - Bottom (Key Parts)
- Mainboard Overview - Top (Connectors)
- Mainboard Overview - Bottom (Connectors)
- Chapter 2: Disassembly
- Overview
- Maintenance Tools
- Connections
- Maintenance Precautions
- Disassembly Steps
- Removing the Battery
- Removing the Hard Disk Drive
- Removing the Optical (CD/DVD) Device
- Removing the System Memory (RAM)
- Removing the Wireless LAN Module
- Removing the 3.75G Module
- Removing the Keyboard
- Appendix A: Part Lists
- Part List Illustration Location
- Top (W248BUQ)
- Top (W245BUQ)
- Top (W240BUQ, W241BU-C)
- Bottom (W240BU, W241BU) W/O USIM
- Bottom (W240BU, W241BU) With USIM
- Bottom (W248BUQ, W249BU-C)
- LCD (W240BU, W241BU)
- LCD (W245BUQ)
- LCD (W248BUQ - C)
- SATA-DVD SUPER MULTI (W245BUQ/ W240BUQ/ W241BU-C)
- SATA-DVD SUPER MULTI (W248BUQ)
- HDD
- Appendix B: Schematic Diagrams
- System Block Diagram
- ONTARIO MEM & PCIE I/F, AP
- ONTATIO DISPLAY/ CLK/ MISC
- ONTARIO POWER & DECOUPLING
- INAGUA DDR3 SO-DIMMS A
- INAGUA DDR3 SO-DIMMS B
- Robson S3 PCIE/ LVDS 1/6
- Robson S3 MAIN 2/6
- Robson S3 MEM Interface 3/6
- Robson S3 Straps 4/6
- Robson S3 Power 5/6
- Robson S3 Power 6/6
- Robson DDR3 MEM CH-A
- Robson DDR3 MEM CH-B
- HUDSON PCIE/ PCI/ CLOCK/ FCH
- HUDSON GPIO/ USB/ STRAP
- HUDSON SATA/ DEBUG IO/ SPI
- HUDSON POWER DECOUPLING
- POWERGOOD/ TPM
- LVDS, INVERTER
- HDMI/ CRT
- CCD/ 3G
- Card Reader/ LAN JMC261C
- MINI PCIE/ SATA HDD/ ODD
- AUDIO CODEC ALC261C
- USB 3.0 VL800
- KBC- ITE IT8518
- LED/ MDC/ BT
- USB/ FAN/ TP/ MULTI CON
- 5VS/ 3.3VS/ 1.8VS/ 1.5VS/ 1.1VS
- POWER VDD3/ VDD5
- Power 1.5V/ 0.75
- Power 1.1V/ 1VS
- Power 1.8VS
- APU CORE/ NB CORE
- VGA POWER
- CHARGER/ DC IN
- Click Board
- Audio Board/ USB
- Power Switch & LID Board
- EXTERNAL ODD Board
- Appendix C: Updating the FLASH ROM BIOS

W241BU/W241BUQ/W240BU/W245BUQ/W248BUQ/W249BUQ

Preface
I
Preface
Notebook Computer
W241BU/W241BUQ/W240BU/W245BUQ/W248BUQ/
W249BUQ
Service Manual

Preface
II
Preface
Notice
The company reserves the right to revise this publication or to change its contents without notice. Information contained
herein is for reference only and does not constitute a commitment on the part of the manufacturer or any subsequent ven-
dor. They assume no responsibility or liability for any errors or inaccuracies that may appear in this publication nor are
they in anyway responsible for any loss or damage resulting from the use (or misuse) of this publication.
This publication and any accompanying software may not, in whole or in part, be reproduced, translated, transmitted or
reduced to any machine readable form without prior consent from the vendor, manufacturer or creators of this publica-
tion, except for copies kept by the user for backup purposes.
Brand and product names mentioned in this publication may or may not be copyrights and/or registered trademarks of
their respective companies. They are mentioned for identification purposes only and are not intended as an endorsement
of that product or its manufacturer.
Version 1.0
May 2011
Trademarks
AMD® is a registered trademark of Advanced Micro Devices, Inc.
Windows® is a registered trademark of Microsoft Corporation.
Other brand and product names are trademarks and/or registered trademarks of their respective companies.

Preface
III
Preface
About this Manual
This manual is intended for service personnel who have completed sufficient training to undertake the maintenance and
inspection of personal computers.
It is organized to allow you to look up basic information for servicing and/or upgrading components of the W241BU/
W241BUQ/W240BU/W245BUQ/W248BUQ/W249BUQ series notebook PC.
The following information is included:
Chapter 1, Introduction, provides general information about the location of system elements and their specifications.
Chapter 2, Disassembly, provides step-by-step instructions for disassembling parts and subsystems and how to upgrade
elements of the system.
Appendix A, Part Lists
Appendix B, Schematic Diagrams
Appendix C, Updating the FLASH ROM BIOS

Preface
IV
Preface
IMPORTANT SAFETY INSTRUCTIONS
Follow basic safety precautions, including those listed below, to reduce the risk of fire, electric shock and injury to per-
sons when using any electrical equipment:
1. Do not use this product near water, for example near a bath tub, wash bowl, kitchen sink or laundry tub, in a wet
basement or near a swimming pool.
2. Avoid using a telephone (other than a cordless type) during an electrical storm. There may be a remote risk of elec-
trical shock from lightning.
3. Do not use the telephone to report a gas leak in the vicinity of the leak.
4. Use only the power cord and batteries indicated in this manual. Do not dispose of batteries in a fire. They may
explode. Check with local codes for possible special disposal instructions.
5. This product is intended to be supplied by a Listed Power Unit with an AC Input of 100 - 240V, 50 - 60Hz, DC Output
of 19V, 1.58A (30 Watts) minimum AC/DC Adapter.
CAUTION
This Computer’s Optical Device is a Laser Class 1 Product
FCC Statement
This device complies with Part 15 of the FCC Rules. Operation is subject to the following two conditions:
This device may not cause harmful interference.
This device must accept any interference received, including interference that may cause undesired operation.

Preface
V
Preface
Instructions for Care and Operation
The notebook computer is quite rugged, but it can be damaged. To prevent this, follow these suggestions:
1. Don’t drop it, or expose it to shock. If the computer falls, the case and the components could be damaged.
2. Keep it dry, and don’t overheat it. Keep the computer and power supply away from any kind of heating element. This
is an electrical appliance. If water or any other liquid gets into it, the computer could be badly damaged.
3. Follow the proper working procedures for the computer. Shut the computer down properly and don’t forget to save
your work. Remember to periodically save your data as data may be lost if the battery is depleted.
Do not expose the computer
to any shock or vibration. Do not place it on an unstable
surface. Do not place anything heavy
on the computer.
Do not expose it to excessive
heat or direct sunlight. Do not leave it in a place
where foreign matter or mois-
ture may affect the system.
Don’t use or store the com-
puter in a humid environment. Do not place the computer on
any surface which will block
the vents.
Do not turn off the power
until you properly shut down
all programs.
Do not turn off any peripheral
devices when the computer is
on.
Do not disassemble the com-
puter by yourself. Perform routine maintenance
on your computer.

Preface
VI
Preface
4. Avoid interference. Keep the computer away from high capacity transformers, electric motors, and other strong mag-
netic fields. These can hinder proper performance and damage your data.
5. Take care when using peripheral devices.
Power Safety
The computer has specific power requirements:
• Only use a power adapter approved for use with this computer.
• Your AC adapter may be designed for international travel but it still requires a steady, uninterrupted power supply. If you are
unsure of your local power specifications, consult your service representative or local power company.
• The power adapter may have either a 2-prong or a 3-prong grounded plug. The third prong is an important safety feature; do
not defeat its purpose. If you do not have access to a compatible outlet, have a qualified electrician install one.
• When you want to unplug the power cord, be sure to disconnect it by the plug head, not by its wire.
• Make sure the socket and any extension cord(s) you use can support the total current load of all the connected devices.
• Before cleaning the computer, make sure it is disconnected from any external power supplies.
Use only approved brands of
peripherals. Unplug the power cord before
attaching peripheral devices.
Do not plug in the power
cord if you are wet. Do not use the power cord if
it is broken. Do not place heavy objects
on the power cord.
Power Safety
Warning
Before you undertake
any upgrade proce-
dures, make sure that
you have turned off the
power, and discon-
nected all peripherals
and cables (including
telephone lines). It is
advisable to also re-
move your battery in
order to prevent acci-
dentally turning the
machine on.

Preface
VII
Preface
Battery Precautions
• Only use batteries designed for this computer. The wrong battery type may explode, leak or damage the computer.
• Do not continue to use a battery that has been dropped, or that appears damaged (e.g. bent or twisted) in any way. Even if the
computer continues to work with a damaged battery in place, it may cause circuit damage, which may possibly result in fire.
• Recharge the batteries using the notebook’s system. Incorrect recharging may make the battery explode.
• Do not try to repair a battery pack. Refer any battery pack repair or replacement to your service representative or qualified service
personnel.
• Keep children away from, and promptly dispose of a damaged battery. Always dispose of batteries carefully. Batteries may explode
or leak if exposed to fire, or improperly handled or discarded.
• Keep the battery away from metal appliances.
• Affix tape to the battery contacts before disposing of the battery.
• Do not touch the battery contacts with your hands or metal objects.
Battery Guidelines
The following can also apply to any backup batteries you may have.
• If you do not use the battery for an extended period, then remove the battery from the computer for storage.
• Before removing the battery for storage charge it to 60% - 70%.
• Check stored batteries at least every 3 months and charge them to 60% - 70%.
Battery Disposal
The product that you have purchased contains a rechargeable battery. The battery is recyclable. At the end of its useful life, under var-
ious state and local laws, it may be illegal to dispose of this battery into the municipal waste stream. Check with your local solid waste
officials for details in your area for recycling options or proper disposal.
Caution
Danger of explosion if battery is incorrectly replaced. Replace only with the same or equivalent type recommended by the manufacturer.
Discard used battery according to the manufacturer’s instructions.
Battery Level
Click the battery icon in the taskbar to see the current battery level and charge status. A battery that drops below a level of 10%
will not allow the computer to boot up. Make sure that any battery that drops below 10% is recharged within one week.

Preface
VIII
Preface
Related Documents
You may also need to consult the following manual for additional information:
User’s Manual on CD
This describes the notebook PC’s features and the procedures for operating the computer and its ROM-based setup pro-
gram. It also describes the installation and operation of the utility programs provided with the notebook PC.
System Startup
1. Remove all packing materials.
2. Place the computer on a stable surface.
3. Insert the battery and make sure it is locked in position.
4. Securely attach any peripherals you want to use with the computer (e.g.
keyboard and mouse) to their ports.
5. Attach the AC/DC adapter to the DC-In jack on the left of the computer, then plug
the AC power cord into an outlet, and connect the AC power cord to the AC/DC
adapter.
6. Use one hand to raise the
lid/LCD to a comfortable viewing angle
(do not exceed
130 degrees)
;
use the other hand to support the base of the computer (Note:
Never lift the computer by the lid/LCD).
7. Press the power button to turn the computer “on”.
Shut Down
Note that you should
always shut your
computer down by
choosing Shut Down
from the Start Menu.
This will help prevent
hard disk or system
problems.
130 ゚
Figure 1
Opening the Lid/LCD/Com-
puter with AC/DC Adapter
Plugged-In

Preface
IX
Preface
Contents
Introduction ..............................................1-1
Overview .........................................................................................1-1
Models Differences .........................................................................1-1
Specifications ..................................................................................1-2
External Locator - Top View with LCD Panel Open ......................1-4
External Locator - Front & Right side Views .................................1-5
External Locator - Left Side & Rear View .....................................1-6
External Locator - Bottom View .....................................................1-7
Mainboard Overview - Top (Key Parts) .........................................1-8
Mainboard Overview - Bottom (Key Parts) ....................................1-9
Mainboard Overview - Top (Connectors) .....................................1-10
Mainboard Overview - Bottom (Connectors) ...............................1-11
Disassembly ...............................................2-1
Overview .........................................................................................2-1
Maintenance Tools ..........................................................................2-2
Connections .....................................................................................2-2
Maintenance Precautions .................................................................2-3
Disassembly Steps ...........................................................................2-4
Removing the Battery ......................................................................2-5
Removing the Hard Disk Drive .......................................................2-6
Removing the Optical (CD/DVD) Device ......................................2-8
Removing the System Memory (RAM) ..........................................2-9
Removing the Wireless LAN Module ...........................................2-11
Removing the 3.75G Module ........................................................2-12
Removing the Keyboard ................................................................2-13
Part Lists ..................................................A-1
Part List Illustration Location ........................................................A-2
Top (W248BUQ) ............................................................................A-3
Top (W245BUQ) ............................................................................A-4
Top (W240BUQ, W241BU-C) ...................................................... A-5
Bottom (W240BU, W241BU) W/O USIM ................................... A-6
Bottom (W240BU, W241BU) With USIM ................................... A-7
Bottom (W248BUQ, W249BU-C) ................................................ A-8
LCD (W240BU, W241BU) ........................................................... A-9
LCD (W245BUQ) ....................................................................... A-10
LCD (W248BUQ - C) ................................................................. A-11
SATA-DVD SUPER MULTI (W245BUQ/ W240BUQ/
W241BU-C) ................................................................................. A-12
SATA-DVD SUPER MULTI (W248BUQ) ................................ A-13
HDD ............................................................................................. A-14
Schematic Diagrams.................................B-1
System Block Diagram ...................................................................B-2
ONTARIO MEM & PCIE I/F, AP .................................................B-3
ONTATIO DISPLAY/ CLK/ MISC ...............................................B-4
ONTARIO POWER & DECOUPLING .........................................B-5
INAGUA DDR3 SO-DIMMS A ....................................................B-6
INAGUA DDR3 SO-DIMMS B ....................................................B-7
Robson S3 PCIE/ LVDS 1/6 ...........................................................B-8
Robson S3 MAIN 2/6 .....................................................................B-9
Robson S3 MEM Interface 3/6 .....................................................B-10
Robson S3 Straps 4/6 ....................................................................B-11
Robson S3 Power 5/6 ....................................................................B-12
Robson S3 Power 6/6 ....................................................................B-13
Robson DDR3 MEM CH-A .........................................................B-14
Robson DDR3 MEM CH-B ..........................................................B-15
HUDSON PCIE/ PCI/ CLOCK/ FCH ..........................................B-16
HUDSON GPIO/ USB/ STRAP ...................................................B-17
HUDSON SATA/ DEBUG IO/ SPI .............................................B-18
HUDSON POWER DECOUPLING ............................................B-19

Preface
X
Preface
POWERGOOD/ TPM .................................................................. B-20
LVDS, INVERTER ...................................................................... B-21
HDMI/ CRT ................................................................................. B-22
CCD/ 3G ....................................................................................... B-23
Card Reader/ LAN JMC261C ...................................................... B-24
MINI PCIE/ SATA HDD/ ODD .................................................. B-25
AUDIO CODEC ALC261C ......................................................... B-26
USB 3.0 VL800 ............................................................................ B-27
KBC- ITE IT8518 ........................................................................ B-28
LED/ MDC/ BT ............................................................................ B-29
USB/ FAN/ TP/ MULTI CON ..................................................... B-30
5VS/ 3.3VS/ 1.8VS/ 1.5VS/ 1.1VS .............................................. B-31
POWER VDD3/ VDD5 ...............................................................B-32
Power 1.5V/ 0.75 .......................................................................... B-33
Power 1.1V/ 1VS .......................................................................... B-34
Power 1.8VS ................................................................................. B-35
APU CORE/ NB CORE ............................................................... B-36
VGA POWER .............................................................................. B-37
CHARGER/ DC IN ...................................................................... B-38
Click Board ..................................................................................B-39
Audio Board/ USB ....................................................................... B-40
Power Switch & LID Board ......................................................... B-41
EXTERNAL ODD Board ............................................................ B-42
Updating the FLASH ROM BIOS......... C-1

Introduction
Overview 1 - 1
1.Introduction
Chapter 1: Introduction
Overview
This manual covers the information you need to service or upgrade the W241BU/W241BUQ/W240BU/W245BUQ/
W248BUQ/W249BUQ series notebook computer. Information about operating the computer (e.g. getting started, and the
Setup utility) is in the User’s Manual. Information about drivers (e.g. VGA & audio) is also found in User’s Manual.
That manual is shipped with the computer.
Operating systems (e.g. Windows 7 etc.) have their own manuals as do application software (e.g. word processing and
database programs). If you have questions about those programs, you should consult those manuals.
The W241BU/W241BUQ/W240BU/W245BUQ/W248BUQ/W249BUQ series notebook is designed to be upgradeable.
See Disassembly on page 2 - 1 for a detailed description of the upgrade procedures for each specific component. Please
note the warning and safety information indicated by the “” symbol.
The balance of this chapter reviews the computer’s technical specifications and features.
Models Differences
This notebook series includes different models that vary slightly in design style, color and general appearance. Note that though your
computer may look slightly different from that pictured throughout this documentation, all ports, jacks, indicators, specifications and
general functions are the same for all the design styles.

Introduction
1 - 2 Specifications
1.Introduction
Specifications
Latest Specification Information
The specifications listed here are correct at the
time of sending them to the press. Certain items
(particularly processor types/speeds) may be
changed, delayed or updated due to the manu-
facturer's release schedule. Check with your
service center for more details.
CPU
The CPU is not a user serviceable part. Ac-
cessing the CPU in any way may violate your
warranty.
Processor Options
AMD-C Series Accelerated Processing Unit - C30
(1.2GHz)
512KB L2 Cache, 40nm, DDR3-1066MHz, TDP 9W
AMD-C Series (Dual-Core) Accelerated Processing Unit -
C50 (1.0GHz)
1MB L2 Cache, 40nm, DDR3-1066MHz, TDP 9W
Core Logic
AMD A50M FCH
LCD
14" (35.56cm) HD TFT LCD
Memory
One 204 Pin SO-DIMM Socket Supporting DDR3 1066/
1333MHz Memory
Memory Expandable up to 4GB
BIOS
One 16Mb SPI Flash ROM
AMI BIOS
Storage
(Factory Option) One Changeable 12.7mm(h) Super Multi
Optical Device Drive
(Factory Option) Dummy ODD for Models W240,W241and
W245 only
One Changeable 2.5" 9.5 mm (h) SATA HDD
Video Adapter
AMD Radeon™ HD 6250 (APU Integrated)
Shared Memory Architecture of up to 1469MB
Microsoft® DirectX11 Compatible
Audio
High Definition Audio Compliant Interface
2 * Built-In Speakers
Built-In Microphone
Security
Security (Kensington® Type) Lock Slot
BIOS Password
Communication
Built-In 10Mb/100Mb Ethernet LAN
(Factory Option) 300K/1.3M Pixel USB PC Camera Module
(Factory Option) 3.75G/HSPA Mini-Card Module
WLAN/ Bluetooth Half Mini-Card Modules:
(Factory Option) Wireless LAN (802.11b/g/n)
(Factory Option) Wireless LAN (802.11b/g/n) + Bluetooth
3.0
Keyboard
“WinKey” keyboard (with embedded numeric keypad)
Pointing Device
Built-in Touchpad
Interface
Three USB 2.0 Ports
One HDMI-Out Port
One Headphone-Out Jack
One Microphone-In Jack
One RJ-45 LAN Jack
One DC-in Jack
One External Monitor Port

Introduction
Specifications 1 - 3
1.Introduction
Card Reader
Embedded Multi-In-1 Card Reader
MMC (MultiMedia Card) / RS MMC
SD (Secure Digital) / Mini SD / SDHC/ SDXC
MS (Memory Stick) / MS Pro / MS Duo
Mini Card Slots
Slot 1 for WLAN Module or WLAN and Bluetooth Combo
Module
(Factory Option) Slot 2 for 3.75G/HSPA Module
Power
3 Cell Smart Lithium-Ion Battery Pack, 24.42WH
(Factory Option) 6 Cell Smart Lithium-Ion Battery Pack,
48.84WH
(Factory Option) 4 Cell Smart Lithium-Ion Battery Pack
Full Range AC/DC Adapter
AC Input: 100 - 240V, 50 - 60Hz
DC Output: 19V, 1.58A (30W)
Environmental Spec
Temperature
Operating: 5°C - 35°C
Non-Operating: -20°C - 60°C
Relative Humidity
Operating: 20% - 80%
Non-Operating: 10% - 90%
Dimensions & Weight
340mm (w) * 238mm (d) * 13.9 - 31.8mm (h)
2.05 kg (with 24.42WH Battery and ODD)
Or
341mm (w) * 238.5mm (d) * 16 - 34mm (h)
2.05 kg (with 24.42WH Battery and ODD)

Introduction
1 - 4 External Locator - Top View with LCD Panel Open
1.Introduction
External Locator - Top View with LCD Panel Open
Figure 1
Top View
1. Optional Built-In
PC Camera
2. LCD
3. Power Button
4. Hot Key Buttons
5. LED Status
Indicators
6. Keyboard
7. Built-In
Microphone
8. Touchpad &
Buttons
4
6
3
5
7
1
8
6
3
5
7
1
8
Design I
Design II
2
2
Design II

Introduction
External Locator - Front & Right side Views 1 - 5
1.Introduction
External Locator - Front & Right side Views
Figure 2
Front Views
1. LED Power
Indicators
Figure 3
Right Side Views
1. Microphone-In
Jack
2. Headphone-Out
Jack
3. USB 2.0 Port
4. Optical Device
Drive Bay
5. Security Lock
Slot
6. Security Lock
Slot
1
14
2 3 56

Introduction
1 - 6 External Locator - Left Side & Rear View
1.Introduction
External Locator - Left Side & Rear View
Figure 4
Left Side View
1. DC-In Jack
2. External Monitor
Port
3. RJ-45 LAN Jack
4. HDMI-Out Port
5. 2 * USB 2.0 Ports
6. Vent
7. Multi-in-1 Card
Reader
14
36
2557
Figure 5
Rear View
1. Battery
1

Introduction
External Locator - Bottom View 1 - 7
1.Introduction
External Locator - Bottom View
Figure 6
Bottom View
1. Battery
2. Component Bay
Cover
3. Vent/Fan Intake/
Outlet
4. Hard Disk Bay
Cover
5. 3.75G/HSPA
USIM Card
Cover (optional)
Overheating
To prevent your com-
puter from overheating
make sure nothing
blocks the vent/fan in-
takes while the com-
puter is in use.
2
3
1
4
3
3
5
2
3
1
4
3
3
WITHOUT 3G WITH 3G

Introduction
1 - 8 Mainboard Overview - Top (Key Parts)
1.Introduction
Mainboard Overview - Top (Key Parts)
Figure 7
Mainboard Top
Key Parts
1. JMC261
2. ITE T851E
3. AZALIA Codec
3
4
2
1

Introduction
Mainboard Overview - Bottom (Key Parts) 1 - 9
1.Introduction
Mainboard Overview - Bottom (Key Parts)
7
12
3
4568
Figure 8
Mainboard Bottom
Key Parts
1. Memory Slots
DDR3 SO-DIMM
2. Accelerated
Processing Unit
3. AMD Hudson M1
FCH
4. Mini-Card
Connector (3G
Module)
5. SIMLOCK
6. Mini-Card
Connector (WLAN
Module)
7. CMOS Battery
8. Card Reader
Socket

Introduction
1 - 10 Mainboard Overview - Top (Connectors)
1.Introduction
Mainboard Overview - Top (Connectors)
Figure 9
Mainboard Top
Connectors
1. HDMI-Out Port
2. USB Port 2.0
3. Speaker Cable
Connector
4. Microphone
Cable Connector
5. Audio Board
Connector
6. TouchPad Cable
Connector 2
7. TouchPad Cable
Connector 1
8. Keyboard Cable
Connector
9. Switch Board
Cable Connector
1
2
8
2
3
46
7
5
9

Introduction
Mainboard Overview - Bottom (Connectors) 1 - 11
1.Introduction
Mainboard Overview - Bottom (Connectors)
Figure 10
Mainboard Bottom
Connectors
1. Battery
Connector
2. ODD Connector
3. HDD Connector
4. CPU Fan Cable
Connector
5. RJ-45 LAN Jack
6. External Monitor
Port
7. DC-In Jack
8. CCD Cable
Connector
9. LCD Cable
Connector
1
2
4
5
6
7
8
9
3

Introduction
1 - 12 Mainboard Overview - Bottom (Connectors)
1.Introduction

Disassembly
Overview 2 - 1
2.Disassembly
Chapter 2: Disassembly
Overview
This chapter provides step-by-step instructions for disassembling the W241BU/W241BUQ/W240BU/W245BUQ/
W248BUQ/W249BUQ series notebook’s parts and subsystems. When it comes to reassembly, reverse the procedures
(unless otherwise indicated).
We suggest you completely review any procedure before you take the computer apart.
Procedures such as upgrading/replacing the RAM, optical device and hard disk are included in the User’s Manual but are
repeated here for your convenience.
To make the disassembly process easier each section may have a box in the page margin. Information contained under
the figure # will give a synopsis of the sequence of procedures involved in the disassembly procedure. A box with a
lists the relevant parts you will have after the disassembly process is complete. Note: The parts listed will be for the dis-
assembly procedure listed ONLY, and not any previous disassembly step(s) required. Refer to the part list for the previ-
ous disassembly procedure. The amount of screws you should be left with will be listed here also.
A box with a will also provide any possible helpful information. A box with a contains warnings.
An example of these types of boxes are shown in the sidebar.
Information
Warning

Disassembly
2 - 2 Overview
2.Disassembly
NOTE: All disassembly procedures assume that the system is turned OFF, and disconnected from any power supply (the
battery is removed too).
Maintenance Tools
The following tools are recommended when working on the notebook PC:
• M3 Philips-head screwdriver
• M2.5 Philips-head screwdriver (magnetized)
• M2 Philips-head screwdriver
• Small flat-head screwdriver
• Pair of needle-nose pliers
• Anti-static wrist-strap
Connections
Connections within the computer are one of four types:
Locking collar sockets for ribbon connectors To release these connectors, use a small flat-head screwdriver to
gently pry the locking collar away from its base. When replac-
ing the connection, make sure the connector is oriented in the
same way. The pin1 side is usually not indicated.
Pressure sockets for multi-wire connectors To release this connector type, grasp it at its head and gently
rock it from side to side as you pull it out. Do not pull on the
wires themselves. When replacing the connection, do not try to
force it. The socket only fits one way.
Pressure sockets for ribbon connectors To release these connectors, use a small pair of needle-nose pli-
ers to gently lift the connector away from its socket. When re-
placing the connection, make sure the connector is oriented in
the same way. The pin1 side is usually not indicated.
Board-to-board or multi-pin sockets To separate the boards, gently rock them from side to side as
you pull them apart. If the connection is very tight, use a small
flat-head screwdriver - use just enough force to start.

Disassembly
Overview 2 - 3
2.Disassembly
Maintenance Precautions
The following precautions are a reminder. To avoid personal injury or damage to the computer while performing a re-
moval and/or replacement job, take the following precautions:
1. Don't drop it. Perform your repairs and/or upgrades on a stable surface. If the computer falls, the case and other
components could be damaged.
2. Don't overheat it. Note the proximity of any heating elements. Keep the computer out of direct sunlight.
3. Avoid interference. Note the proximity of any high capacity transformers, electric motors, and other strong mag-
netic fields. These can hinder proper performance and damage components and/or data. You should also monitor
the position of magnetized tools (i.e. screwdrivers).
4. Keep it dry. This is an electrical appliance. If water or any other liquid gets into it, the computer could be badly
damaged.
5. Be careful with power. Avoid accidental shocks, discharges or explosions.
•Before removing or servicing any part from the computer, turn the computer off and detach any power supplies.
•When you want to unplug the power cord or any cable/wire, be sure to disconnect it by the plug head. Do not pull on the wire.
6. Peripherals – Turn off and detach any peripherals.
7. Beware of static discharge. ICs, such as the CPU and main support chips, are vulnerable to static electricity.
Before handling any part in the computer, discharge any static electricity inside the computer. When handling a
printed circuit board, do not use gloves or other materials which allow static electricity buildup. We suggest that
you use an anti-static wrist strap instead.
8. Beware of corrosion. As you perform your job, avoid touching any connector leads. Even the cleanest hands pro-
duce oils which can attract corrosive elements.
9. Keep your work environment clean. Tobacco smoke, dust or other air-born particulate matter is often attracted
to charged surfaces, reducing performance.
10. Keep track of the components. When removing or replacing any part, be careful not to leave small parts, such as
screws, loose inside the computer.
Cleaning
Do not apply cleaner directly to the computer, use a soft clean cloth.
Do not use volatile (petroleum distillates) or abrasive cleaners on any part of the computer.
Power Safety
Warning
Before you undertake
any upgrade proce-
dures, make sure that
you have turned off the
power, and discon-
nected all peripherals
and cables (including
telephone lines). It is
advisable to also re-
move your battery in
order to prevent acci-
dentally turning the
machine on.

Disassembly
2 - 4 Disassembly Steps
2.Disassembly
Disassembly Steps
The following table lists the disassembly steps, and on which page to find the related information. PLEASE PERFORM
THE DISASSEMBLY STEPS IN THE ORDER INDICATED.
To remove the Battery:
1. Remove the battery page 2 - 5
To remove the HDD:
1. Remove the battery page 2 - 5
2. Remove the HDD page 2 - 6
To remove the Optical Device:
1. Remove the battery page 2 - 5
2. Remove the Optical device page 2 - 8
To remove the System Memory:
1. Remove the battery page 2 - 5
2. Remove the system memory page 2 - 9
To remove and install a Processor:
1. Remove the battery page 2 - 5
2. Remove the processor page 2 - 11
3. Install the processor page 2 - 13
To remove the WLAN Module:
1. Remove the battery page 2 - 5
2. Remove the wireless LAN page 2 - 11
To remove the 3.75G Module:
1. Remove the battery page 2 - 5
2. Remove the 3.75G page 2 - 12
To remove the Keyboard:
1. Remove the battery page 2 - 5
2. Remove the keyboard page 2 - 13

Disassembly
Removing the Battery 2 - 5
2.Disassembly
Removing the Battery
1. Turn the computer off, and turn it over.
2. Slide the latch in the direction of the arrow.
3. Slide the latch in the direction of the arrow, and hold it in place.
4. Slide the battery in the direction of the arrow .
3. Battery
1
2
6
3
4
a.
3
b.
2
4
1
Figure 1
Battery Removal
a. Slide the latch and hold
in place.
b. Slide the battery in the di-
rection of the arrow.

Disassembly
2 - 6 Removing the Hard Disk Drive
2.Disassembly
Removing the Hard Disk Drive
The hard disk drive can be taken out to accommodate other 2.5" serial (SATA) hard disk drives with a height of 9.5mm
(h). Follow your operating system’s installation instructions, and install all necessary drivers and utilities (as outlined in
Chapter 4 of the User’s Manual) when setting up a new hard disk.
Hard Disk Upgrade Process
1. Turn off the computer, and remove the battery (page 2 - 5).
2. Locate the hard disk bay cover and remove screws & .
Figure 2
HDD Assembly
Removal
a. Locate the HDD bay
cover and remove the
screws.
•2 Screws
1
2
a.
HDD System Warning
New HDD’s are blank. Before
you begin make sure:
You have backed up any data
you want to keep from your old
HDD.
You have all the CD-ROMs
and FDDs required to install
your operating system and
programs.
If you have access to the inter-
net, download the latest appli-
cation and hardware driver
updates for the operating sys-
tem you plan to install. Copy
these to a removable medium.
2
1

Disassembly
Removing the Hard Disk Drive 2 - 7
2.Disassembly
3. Remove the hard disk bay cover .
4. Grip the tab and slide the hard disk in the direction of arrow .
5. Lift the hard disk out of the bay .
6. Remove the screws - and the mylar cover from the hard disk .
7. Reverse the process to install a new hard disk (do not forget to replace all the screws and covers).
6
3
4
5
6
9
10
11
4
b.
c. e.
5
3
11
10
d.
6
7
8
9
3. HDD Bay Cover
10. Mylar Cover
11. HDD
•4 Screws
Figure 3
HDD Assembly
Removal (cont’d.)
b. Remove the HDD bay
cover.
c. Grip the tab and slide the
HDD in the direction of
the arrow.
d. Lift the HDD assembly
out of the bay.
e. Remove the screw and
mylar cover.

Disassembly
2 - 8 Removing the Optical (CD/DVD) Device
2.Disassembly
Removing the Optical (CD/DVD) Device
1. Turn off the computer, and remove the battery (page 2 - 5).
2. Locate the RAM & CPU bay cover , and remove screws - .
3. Carefully (a fan and cable are attached to the under side of the cover) lift up the bay cover.
4. Carefully disconnect the fan cable , and remove the cover .
5. Remove the screw at point , and use a screwdriver to carefully push out the optical device at point .
6. Insert the new device and carefully slide it into the computer (the device only fits one way. DO NOT FORCE IT; The
screw holes should line up).
7. Restart the computer to allow it to automatically detect the new device.
Figure 4
Optical Device
Removal
a. Remove the screws.
b. Remove the cover.
c. Remove the screw and
push the optical device
out off the computer at
point 8.
1
2
5
6
1
7
9
8
1. Component Bay Cover
9. Optical Device
•5 Screws
3
c.
9
1
4
6
a.
b.
2
5
78

Disassembly
Removing the System Memory (RAM) 2 - 9
2.Disassembly
Removing the System Memory (RAM)
The computer has one memory socket for 200 pin Small Outline Dual In-line Memory Modules (SO-DIMM) supporting
DDR3 1333/ 1066MHz. The main memory can be expanded up to 8GB. The SO-DIMM modules supported are 1GB,
2GB and 4GB and DDRIII Modules. The total memory size is automatically detected by the POST routine once you turn
on your computer.
Memory Upgrade Process
1. Turn off the computer, remove the battery (page 2 - 5) and the component bay cover (page 2 - 8).
2. The RAM modules will be visible at point on the main board.
3. Gently pull the two release latches on the sides of the memory socket.
4. The RAM module will pop-up (Figure 6b), and you can then remove it.
5. Insert a new module holding it at about a 30° angle and fit the connectors firmly into the memory slot.
6. The module’s pin alignment will allow it to only fit one way. Make sure the module is seated as far into the slot as it
will go. DO NOT FORCE the module; it should fit without much pressure.
7. Press the module in and down towards the mainboard until the slot levers click into place to secure the module.
Figure 5
RAM Module
Removal
a. Locate the memory
socket.
b. Remove the mod-
ule.
Contact Warning
Be careful not to touch
the metal pins on the
module’s connecting
edge. Even the clean-
est hands have oils
which can attract parti-
cles, and degrade the
module’s perfor-
mance.
1
2. RAM Module
2
2
b.
a.
1

Disassembly
2 - 10 Removing the System Memory (RAM)
2.Disassembly
8. Replace the bay cover and screws (make sure you reconnect the fan cable before screwing down the bay
cover).
Note that there are four - cover pins which need to be aligned with slots in the case, to insure a proper cover
fit, before screwing down the bay cover.
9. Restart the computer to allow the BIOS to register the new memory configuration as it starts up.
5
8
c.
5
6
7
8
Figure 6
RAM Module
Removal (cont’d.)
d. Properly re-insert the
bay cover pins.

Disassembly
Removing the Wireless LAN Module 2 - 11
2.Disassembly
Removing the Wireless LAN Module
1. Turn off the computer, remove the battery (page 2 - 5) and the component bay cover (page 2 - 9).
2. The Wireless LAN module will be visible at point on the mainboard.
3. Carefully disconnect cables - , then remove screw from the module socket.
4. Lift the Wireless LAN module (Figure 7c) up and off the computer.
Figure 7
Wireless LAN
Module Removal
a. Remove the cover.
b. Disconnect the cables
and remove the screw.
c. Lift the WLAN module
out.
Note: Make sure you
reconnect the antenna
cable to ‘’1’’ +
‘’2’’socket (Figure
b).
1
2
3
4
5
b.
a.
2
3
5
1
c.
4
5. WLAN Module.
•1 Screw

Disassembly
2 - 12 Removing the 3.75G Module
2.Disassembly
Removing the 3.75G Module
1. Turn off the computer, remove the battery (page 2 - 5) and the component bay cover (page 2 - 9).
2. The 3.75G module will be visible at point on the mainboard.
3. Carefully disconnect the cable , then remove the screw from the module socket.
4. The 3.75G module will pop-up.
5. Lift the 3.75G module (Figure 8d) up and off the computer.
Figure 8
3.75G Module
Removal
a. Remove the cover.
b. Disconnect the cable
and remove the screw.
c. The 3.75G module will
pop up.
d. Lift the 3.75G module
out.
1
2
3
4
4
b.
a. d.
2
3
4
1
c. d.
4. 3.75G Module.
•1 Screw

Disassembly
Removing the Keyboard 2 - 13
2.Disassembly
Removing the Keyboard
1. Turn off the computer, and remove the battery (page 2 - 5).
2. Press the four keyboard latches at the top of the keyboard (Figure 9a) to elevate the keyboard from its normal
position (you may need to use a small screwdriver to do this).
3. Carefully lift the keyboard up, being careful not to bend the keyboard ribbon cable (Figure 9b).
4. Disconnect the keyboard ribbon cable from the locking collar socket (Figure 9b).
5. Carefully lift up the keyboard (Figure 9c) off the computer.
5
6
7
Figure 9
Keyboard Removal
a. Press the four latches to
release the keyboard.
b. Lift the keyboard up and
disconnect the cable
from the locking collar.
c. Remove the keyboard.
a.
b.
Keyboard Tabs
13
24
6
7
5
c.
5
7. Keyboard
Re-Inserting the Key-
board
When re-inserting the
keyboard firstly align
the four keyboard tabs
at the bottom of the
keyboard with the slots
in the case.

Disassembly
2-14
2.Disassembly

Part Lists
A-1
A.Part Lists
Appendix A: Part Lists
This appendix breaks down the W241BU/W241BUQ/W240BU/W245BUQ/W248BUQ/W249BUQ series notebook’s
construction into a series of illustrations. The component part numbers are indicated in the tables opposite the drawings.
Note: This section indicates the manufacturer’s part numbers. Your organization may use a different system, so be sure
to cross-check any relevant documentation.
Note: Some assemblies may have parts in common (especially screws). However, the part lists DO NOT indicate the
total number of duplicated parts used.
Note: Be sure to check any update notices. The parts shown in these illustrations are appropriate for the system at the
time of publication. Over the product life, some parts may be improved or re-configured, resulting in new part numbers.

Part Lists
A - 2 Part List Illustration Location
A.Part Lists
Part List Illustration Location
The following table indicates where to find the appropriate part list illustration.
Table A- 1
Part List Illustration
Location
Parts W248BUQ W245BUQ W240BUQ, W241BU-C
Top page A - 3
Top page A - 4
Top page A - 5
Bottom W/O USIM page A - 6
Bottom W/ USIM page A - 7
Bottom (W248BUQ, W249BU-C) page A - 8
LCD page A - 9
LCD page A - 10
LCD page A - 11
DVD-Super Multi Drive page A - 12
DVD-Super Multi Drive page A - 13
HDD page A - 14

Part Lists
Top (W248BUQ) A - 3
A.Part Lists
Top (W248BUQ)
(灰色)
黑色
非耐落
度 黑色
導電布
今皓
今皓
今皓
Figure A - 1
Top (W248BUQ)

Part Lists
A - 4 Top (W245BUQ)
A.Part Lists
Top (W245BUQ)
(灰色)
(非耐落)
非耐落
黑色
頭徑 頭厚 號
度 黑色
Figure A - 2
Top (W245BUQ)

Part Lists
Top (W240BUQ, W241BU-C) A - 5
A.Part Lists
Top (W240BUQ, W241BU-C)
(灰色)
(非耐落)
黑色
非耐落
設變 定位孔
度 黑色
Figure A - 3
Top (W240BUQ,
W241BU-C)

Part Lists
A - 6 Bottom (W240BU, W241BU) W/O USIM
A.Part Lists
Bottom (W240BU, W241BU) W/O USIM
Figure A - 4
Bottom (W240BU,
W241BU) W/O
USIM

Part Lists
Bottom (W240BU, W241BU) With USIM A - 7
A.Part Lists
Bottom (W240BU, W241BU) With USIM
Figure A - 5
Bottom (W240BU,
W241BU) With
USIM

Part Lists
A - 8 Bottom (W248BUQ, W249BU-C)
A.Part Lists
Bottom (W248BUQ, W249BU-C)
Figure A - 6
Bottom
(W248BUQ,
W249BU-C)

Part Lists
LCD (W240BU, W241BU) A - 9
A.Part Lists
LCD (W240BU, W241BU)
今皓 / 泰林
中性 電鑄薄膜鍍亮鉻(字體連結)
銘板
玉鼎 選配
必選
FOR 噴漆BACK CASE
Figure A - 7
LCD (W240BU,
W241BU)

Part Lists
A - 10 LCD (W245BUQ)
A.Part Lists
LCD (W245BUQ)
(華力)
今皓 / 泰林
中性 電鑄薄膜鍍亮鉻(字體連結)
銘板
(銅箔接地)
Figure A - 8
LCD (W245BUQ)

Part Lists
LCD (W248BUQ - C) A - 11
A.Part Lists
LCD (W248BUQ - C)
(華力)
非耐落
無鉛
精乘
設變
Figure A - 9
LCD (W248BUQ -
C)

Part Lists
A - 12 SATA-DVD SUPER MULTI (W245BUQ/ W240BUQ/ W241BU-C)
A.Part Lists
SATA-DVD SUPER MULTI (W245BUQ/ W240BUQ/ W241BU-C)
Figure A - 10
LCD (W245BUQ/
W240BUQ/
W241BU-C)
*(非耐落) 無鉛

Part Lists
SATA-DVD SUPER MULTI (W248BUQ) A - 13
A.Part Lists
SATA-DVD SUPER MULTI (W248BUQ)
*(非耐落) 無鉛
Figure A - 11
SATA-DVD SUPER
MULTI (W248BUQ)

Part Lists
A - 14 HDD
A.Part Lists
HDD
無鉛
(無鉛)
Figure A - 12
SATA-DVD SUPER
MULTI (W248BUQ)

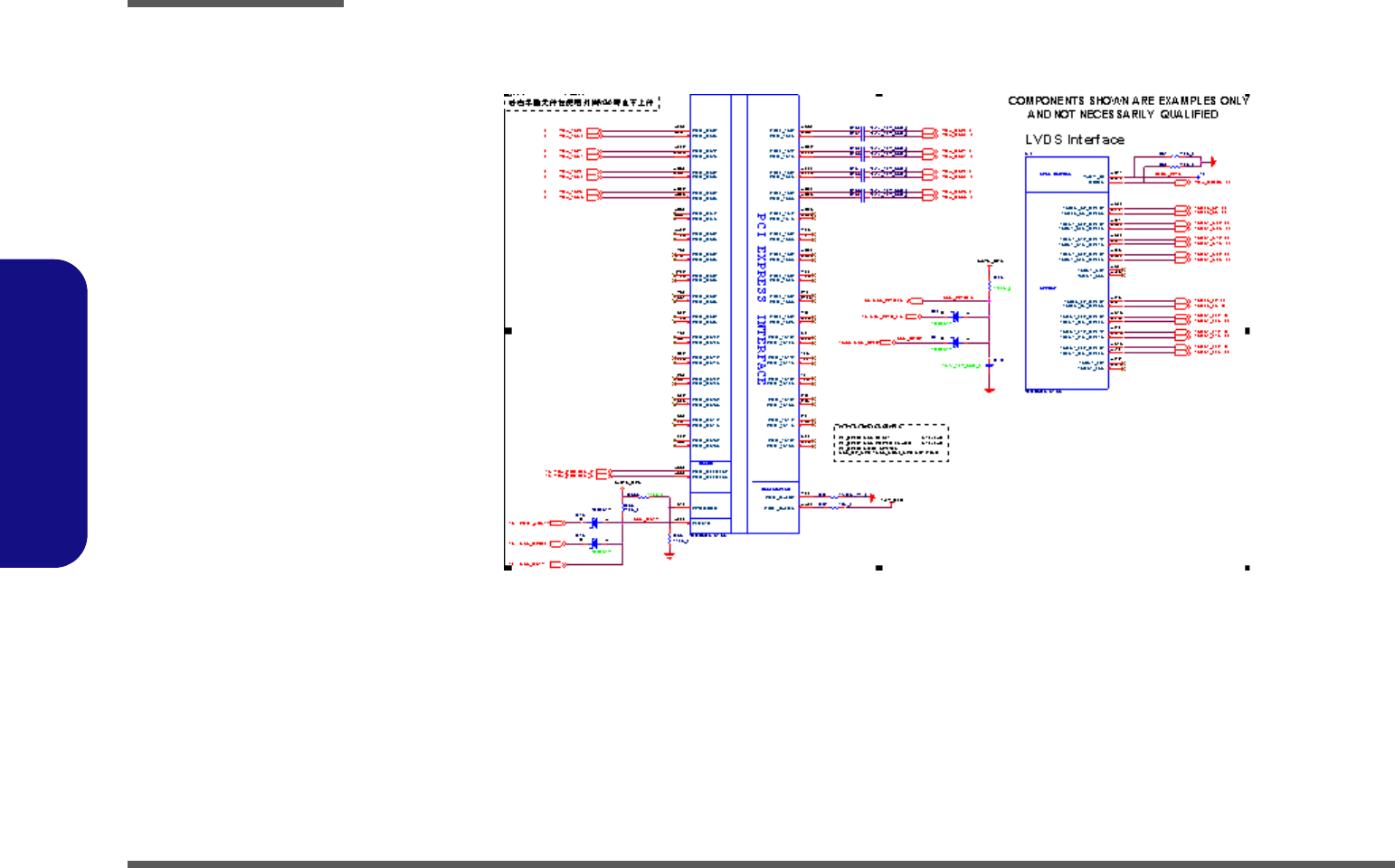
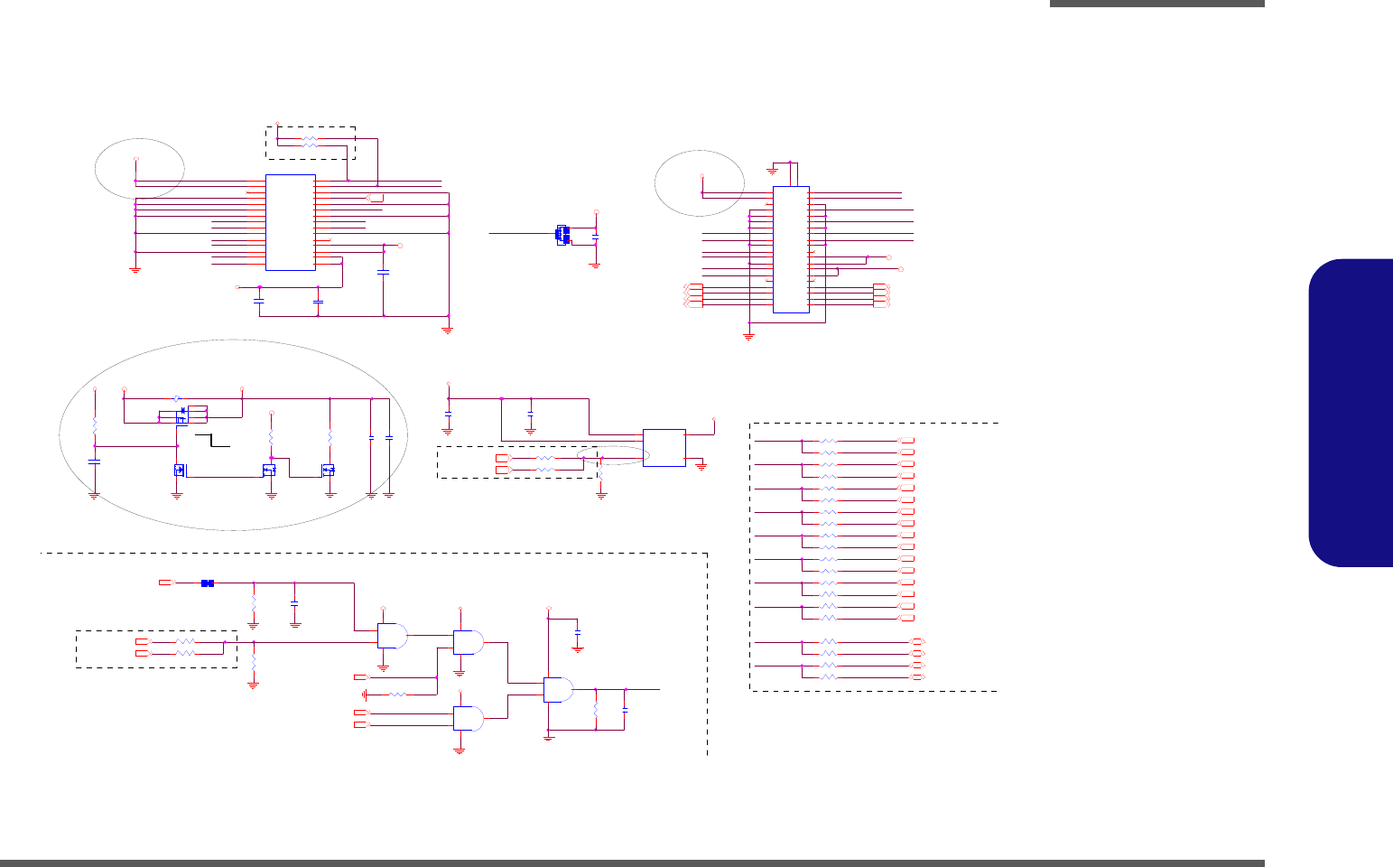
Schematic Diagrams
B-1
B.Schematic Diagrams
Appendix B: Schematic Diagrams
This appendix has circuit diagrams of the W241BU/W241BUQ/W240BU/W245BUQ/W248BUQ/W249BUQ note-
book’s PCB’s. The following table indicates where to find the appropriate schematic diagram.
Diagram - Page Diagram - Page Diagram - Page
System Block Diagram - Page B - 2 HUDSON PCIE/ PCI/ CLOCK/ FCH - Page B - 16 USB/ FAN/ TP/ MULTI CON - Page B - 30
ONTARIO MEM & PCIE I/F, AP - Page B - 3 HUDSON GPIO/ USB/ STRAP - Page B - 17 5VS/ 3.3VS/ 1.8VS/ 1.5VS/ 1.1VS - Page B - 31
ONTATIO DISPLAY/ CLK/ MISC - Page B - 4 HUDSON SATA/ DEBUG IO/ SPI - Page B - 18 POWER VDD3/ VDD5 - Page B - 32
ONTARIO POWER & DECOUPLING - Page B - 5 HUDSON POWER DECOUPLING - Page B - 19 Power 1.5V/ 0.75 - Page B - 33
INAGUA DDR3 SO-DIMMS A - Page B - 6 POWERGOOD/ TPM - Page B - 20 Power 1.1V/ 1VS - Page B - 34
INAGUA DDR3 SO-DIMMS B - Page B - 7 LVDS, INVERTER - Page B - 21 Power 1.8VS - Page B - 35
Robson S3 PCIE/ LVDS 1/6 - Page B - 8 HDMI/ CRT - Page B - 22 APU CORE/ NB CORE - Page B - 36
Robson S3 MAIN 2/6 - Page B - 9 CCD/ 3G - Page B - 23 VGA POWER - Page B - 37
Robson S3 MEM Interface 3/6 - Page B - 10 Card Reader/ LAN JMC261C - Page B - 24 CHARGER/ DC IN - Page B - 38
Robson S3 Straps 4/6 - Page B - 11 MINI PCIE/ SATA HDD/ ODD - Page B - 25 Click Board - Page B - 39
Robson S3 Power 5/6 - Page B - 12 AUDIO CODEC ALC261C - Page B - 26 Audio Board/ USB - Page B - 40
Robson S3 Power 6/6 - Page B - 13 USB 3.0 VL800 - Page B - 27 Power Switch & LID Board - Page B - 41
Robson DDR3 MEM CH-A - Page B - 14 KBC- ITE IT8518 - Page B - 28 EXTERNAL ODD Board - Page B - 42
Robson DDR3 MEM CH-B - Page B - 15 LED/ MDC/ BT - Page B - 29
Table B - 1
Schematic
Diagrams
Version Note
The schematic dia-
grams in this chapter
are based upon ver-
sion 6-7P-W2405-
003. If your main-
board (or other
boards) are a later
version, please
check with the Serv-
ice Center for updat-
ed diagrams (if
required).

Schematic Diagrams
B - 2 System Block Diagram
B.Schematic Diagrams
System Block Diagram
Sheet 1 of 41
System Block
Diagram
512MB DDR3
(U SB 2)
TOUCH PA D
LPC
CARD
READER
GPU POWER, VDDC
SO-DIMM1
HP
OU T INT SPK R
CLICK BOARD
SO CK ET
PCIE
480 Mbps
DDRIII
Mini PC IE
SPI
DDRIII
INT MIC
25
MHz
LCD CONNECTOR
AMD FUSION APU
CRT Connector
HDMI Connector
24 MHz
SHEET 6
MI C
IN
SHEET 5
128pins LQFP
SO-DIMM2
32.768KHz
(USB6)
Bl ue to ot h
1.1V, 1VS
EC SMBUS
USB PORT
AZALIA LINK
(U SB 0) (USB1)
USB PORT
SATA ODDSA TA H DD
BIOS
SPI
LAN
IT E 85 18
INT. K /B
Azalia Codec
EC
5V,3V,5VS,3.3VS
1.5V,0.75VS(VTT_MEM)
USB2.0
ATI ROBSON
VDD3,VDD5
UMI*4
W83L771AWG
32.768 KHz
JM IC RO
APU_CORE,NB_CORE
SATA I/II 3.0Gb/s
1066MHz
DDR3 / 1.5V
(Reserve)
TP M
CC D
(USB5)
REALTEK
ALC269
33 MHz
TH ER MA L
SE NS OR
100 MHz
14 *1 4* 1 .6m m
(S3 TYPE)
SMART
FA N
SM AR T
BA TT ER Y
AC -I N
PCIE*4
JMC261C
W240BU/W250BUQ/W250BAQ System Block Diagram
SHEET 38
RJ -4 5 7 IN 1
SO CK ET
INT SPKER
POWER SW ITCH+H OTKEY X 3
6- 71 -E 51 QS -D 02
CLICK BOARD
EXT. O DD
EXTERNAL ODD BOARD
6- 71 -W 24 02 -D 01
POWER SWITCH BOARD
US B+ EA RP HO NE +E XT .M IC
AUDIO BOARD
6- 71 -E 51 QN -D 01
(Reserve)
6- 71 -W 24 08 -D 02
(USB4)
USB PO RT
Ontario FT1
41 3-BALL
19 mmX19mm BGA
VGA DAC
DISPLAY PORT X2
4 X 1 P C IE G E N 2 GP P
1 X4 UMI-L INK GEN1
SINGLE CHANNEL DDR3
D X 1 1 IG P
AMD HUDSON-M1
23mmX23mm BGA
HW MONITOR
GB M AC
605-BALL
AZALIA HD AUDIO
S PI I/F
IN T . C L K GE N
USB2.0(12) + 1.1 (2)
P C IE G E N 1 I/F ( 4 x 1)
LPC I/F
SATAII (3 PORTS)
CHARGER,DC IN
US B 3 .0 3G CARD
(USB9)
(Optional)
WLAN
1.8VS
1.5VS,1.1VS
MVDDQ,1.8V_REG,1.0V_REG
(U SB 3 )

Schematic Diagrams
ONTARIO MEM & PCIE I/F, AP B - 3
B.Schematic Diagrams
ONTARIO MEM & PCIE I/F, AP
Sheet 2 of 41
ONTARIO MEM &
PCIE I/F, AP
VG A_RXP37
VG A_RXP27VG A_RXN 27
VG A_RXN 37
ME M _ DA T A 6 3
C10 0.1u_10V_X7R_04
ME M _ DA T A 4
C11 0.1u_10V_X7R_04
C12 0.1u_10V_X7R_04
ME M _ DA T A 3 5
C13 0.1u_10V_X7R_04
C_UMI_P_RX015
C14 0.1u_10V_X7R_04
C_UMI_N_RX015
ME M _ DA T A 5
C_UMI_P_RX115
C_UMI_N_RX115
C_UMI_N_RX215
C_UMI_P_RX215
C15 0.1u_10V_X7R_04
C_UMI_P_RX315 C_UMI_N_RX315 C16 0.1u_10V_X7R_04
ME M _ DA T A 3 6
C8 4 2
10u_6.3V_X5R_06
C_U MI_ P_ T X0 1 5
C_U MI_ N _ TX0 1 5
C_U MI_ N _ TX1 1 5
C_U MI_ P_ T X1 1 5
C_U MI_ N _ TX2 1 5
C_U MI_ P_ T X2 1 5
C_U MI_ N _ TX3 1 5
C_U MI_ P_ T X3 1 5
ME M _ DA T A 6
R 1 1. 27K_1%_04
ME M _ DA T A 3 7
ME M _ DA T A 7
MEM _ DQ S_ H05,6
MEM_EVE NT#5,6
M EM_AD DR [15:0]5,6
ME M _ DA T A 3 9
MEM_CLK_H05
ME M _ DA T A 8
ME M _ DA T A 3 8
ME M _ DA T A 9
MEM _B ANK 15,6
MEM _B ANK 25,6
ME M _ DA T A 4 0
ME M _ DA T A 1 0
ONT ARIO (2. 0)
PA RT 1 O F 5
M EMO RY I/F
U1 E
ONTARIO_A PU
V17
M_WE_L
V19
M_CA S_L
U1 8
M_RA S_L
V16
M 1_CS _L1
U1 7
M 1_CS _L0
W16
M 0_CS _L1
T17
M 0_CS _L0
W15
M 1_O DT1
U1 9
M 1_O DT0
V15
M 0_O DT1
W19
M 0_O DT0
E15
M_CK E1
F15
M_CK E0
N1 7
M _ EV ENT _ L
L23
M _ RE SET _ L
L17
M _C LK_L3
L18
M_CLK_H3
N1 9
M _C LK_L2
N1 8
M_CLK_H2
M1 8
M _C LK_L1
M1 9
M_CLK_H1
M1 6
M _C LK_L0
M1 7
M_CLK_H0
AC16
M_DQS_L7
AB16
M_DQS_H7
AC21
M_DQS_L6
AC20
M_DQS_H6
V22
M_DQS_L5
W22
M_DQS_H5
P22
M_DQS_L4
R2 2
M_DQS_H4
J23
M_DQS_L3
J22
M_DQS_H3
E22
M_DQS_L2
E23
M_DQS_H2
A20
M_DQS_L1
B20
M_DQS_H1
B16
M_DQS_L0
A16
M_DQS_H0
AA16
M_DM7
AB20
M_DM6
V23
M_DM5
P23
M_DM4
H2 2
M_DM3
D2 1
M_DM2
B19
M_DM1
D1 5
M_DM0
F16
M_BA NK2
T18
M_BA NK1
R1 8
M_BA NK0
G1 5
M_AD D15
E16
M_AD D14
W17
M_AD D13
E18
M_AD D12
F17
M_AD D11
T19
M_AD D10
E19
M_AD D9
F19
M_AD D8
G1 8
M_AD D7
H1 5
M_AD D6
G1 7
M_AD D5
H1 7
M_AD D4
H1 8
M_AD D3
J17
M_AD D2
H1 9
M_AD D1
R17
M_AD D0
M22
M_Z VDDI O_MEM_S
M23
M_V RE F
AC15
M_DATA 63
AB15
M_DATA 62
AB18
M_DATA 61
AC18
M_DATA 60
AC14
M_DATA 59
AB14
M_DATA 58
Y16
M_DATA 57
AC17
M_DATA 56
Y18
M_DATA 55
AB19
M_DATA 54
AA20
M_DATA 53
AA23
M_DATA 52
AA18
M_DATA 51
AC19
M_DATA 50
AB22
M_DATA 49
Y20
M_DATA 48
Y21
M_DATA 47
W23
M_DATA 46
U23
M_DATA 45
T21
M_DATA 44
Y22
M_DATA 43
Y23
M_DATA 42
V21
M_DATA 41
V20
M_DATA 40
T22
M_DATA 39
R23
M_DATA 38
P20
M_DATA 37
M20
M_DATA 36
T23
M_DATA 35
T20
M_DATA 34
P21
M_DATA 33
N23
M_DATA 32
K23
M_DATA 31
K20
M_DATA 30
H20
M_DATA 29
G23
M_DATA 28
K21
M_DATA 27
K22
M_DATA 26
H23
M_DATA 25
H21
M_DATA 24
F21
M_DATA 23
F20
M_DATA 22
D22
M_DATA 21
C22
M_DATA 20
F22
M_DATA 19
F23
M_DATA 18
D23
M_DATA 17
C23
M_DATA 16
C20
M_DATA 15
A21
M_DATA 14
B18
M_DATA 13
A18
M_DATA 12
D20
M_DATA 11
B21
M_DATA 10
A19
M_D AT A9
C18
M_D AT A8
D16
M_D AT A7
C16
M_D AT A6
C14
M_D AT A5
A14
M_D AT A4
D18
M_D AT A3
A17
M_D AT A2
A15
M_D AT A1
B14
M_D AT A0
MEM_CLK _L15
MEM_CLK _L26MEM_CLK _H26
MEM_CLK _L36
MEM_CLK _H36
ME M _ DA T A 4 1
ME M _ DA T A 1 1
b e dir ec tly t o th e pla n e with ou t a long tr ac e
R6 c onn ec tio n to VD DIO _SU S s h ou ld
Note: Open the sodlermask for Vias on Mem interface
ME M _ DA T A 1 2
ME M _ DA T A 4 2
ME M _ C K E 15, 6
ME M _ C K E 05, 6
ONTARIO (2.0)
PART 2 OF 5
UMI I/F PC IE I/F
U1 A
ONTARIO_AP U
AB7
P _ UM I _ RX N3
AC7
P_UMI_RXP3
AC10
P _ UM I _ RX N2
AB10
P_UMI_RXP2
Y10
P _ UM I _ RX N1
AA10
P_UMI_RXP1
Y12
P _ UM I _ RX N0
AA12
P_UMI_RXP0
Y14
P_ZVDD_10
Y3
P_GPP_RXN3
Y4
P_GPP_RXP3
AA2
P_GPP_RXN2
AA1
P_GPP_RXP2
AC4
P_GPP_RXN1
AB4
P_GPP_RXP1
Y6
P_GPP_RXN0
AA6
P_GPP_RXP0
AC8
P _ UM I _ T X N3
AB8
P_UMI_TXP3
Y8
P _ UM I _ T X N2
AA8
P_UMI_TXP2
AB11
P _ UM I _ T X N1
AC11
P_UMI_TXP1
AC12
P _ UM I _ T X N0
AB12
P_UMI_TXP0
AA14
P_ ZVS S
V4
P_G PP _TX N3
V3
P_G PP _TX P3
Y2
P_G PP _TX N2
Y1
P_G PP _TX P2
AC3
P_G PP _TX N1
AB3
P_G PP _TX P1
AC6
P_G PP _TX N0
AB6
P_G PP _TX P0
C844
0.1u_10V_X7R _04
ME M _ DA T A 1 3
ME M _ DA T A 4 3
DIMM0_ODT15DIMM0_ODT05
DIMM1_ODT16DIMM1_ODT06
MEM_CLK _L05
D IMM 0_C S#15D IMM 0_C S#05
D IMM 1_C S#16
D IMM 1_C S#06
ME M _ DA T A 1 4
ME M _ DA T A 4 4
PLACE NEAR U1
Analog Thermal Sensor
3
2
1
C364
0.1u_10V_X5R _04
Q1 5
G711ST9U
OU T 1
VC C
2
GND
3
C365
0.1u_10V_X5R_04
1 :2 (4 mi ls :8 mi ls )
THE RM _VOLT 27
3. 3V
R679 *0_04
ME M _ DA T A 1 5
ME M _ DA T A 4 5
1.5V
ME M _ DA T A 1 6
ME M _ DA T A 4 6
C5 * 0. 1u _ 1 0 V_ X7R _04
ME M _ DA T A 1 7
ME M _ DA T A 4 7
ON _ ZV S SON _Z V DD
RO UTE A- LIN K D IF F P AI R @ 8 5 O HM + / - 10 %
ME M _ R A S #5, 6
ME M _ W E #5, 6 ME M _ C A S #5, 6
ME M _ DA T A 1 8
1VS
R 680 0_04
ME M _ DA T A 4 8
ME M _ DA T A 1 9
ME M _ DA T A 4 9
ME M _ DA T A 2 0
MEM_ADDR0
MEM_ADDR10
MEM_ADDR12
MEM_ADDR11
MEM_ADDR13
MEM_ADDR14
MEM_ADDR2
MEM_ADDR3
MEM_ADDR5
MEM_ADDR15
MEM_ADDR4
MEM_ADDR1
MEM_ADDR8
MEM_ADDR7
MEM_ADDR9
MEM_ADDR6
ME M _ DA T A 5 0
M EM_ R ESET#5,6
MEM_DM1
MEM_DM3
MEM_DM0
MEM_DM2
C843
1000p_50V_X7R _04
MEM_DM7
MEM_DM5
MEM_DM6
MEM_DM4
R 2 2K_1% _04
ME M _ DA T A 2 1
MEM_Z VDD IO
ME M _ DA T A 5 1
R678
1K_1%_04
MEM _ DQ S_ H15,6
ME M _ D Q S _ L 05,6
ME M _ D Q S _ L 25,6
MEM _ DQ S_ H25,6
ME M _ D Q S _ L 15,6
MEM _ DQ S_ H45,6
ME M _ D Q S _ L 35,6
MEM _ DQ S_ H35,6
MEM _ DQ S_ H55,6
ME M _ D Q S _ L 45,6
ME M _ D Q S _ L 65,6
MEM _ DQ S_ H65,6
ME M _ D Q S _ L 55,6
ME M _ D Q S _ L 75,6
MEM _ DQ S_ H75,6
ME M _ DA T A 2 2
MEM_DM[7:0]5,6
MEM _B ANK 05,6
For W250BAQ
M EM_D ATA[63:0] 5,6
ME M _ DA T A 5 2
ME M _ DA T A 2 3
ONTARIO MEM & PCIE I/F, AP
ME M _ DA T A 5 3
VGA_R XN07
VGA_R XP17
VGA_R XN17
C6 * 0. 1u _ 1 0 V_ X7R _04
VGA_R XP07
ME M _ DA T A 2 4
ME M _ DA T A 5 5
ME M _ DA T A 2 5
ME M _ DA T A 5 4
ME M _ DA T A 2 6
R 6 39. 2_1% _04
MEM_CLK _H15
R681
1K_1%_04
ME M _ DA T A 5 6
ME M _ DA T A 2 7
C1 * 0. 1u _ 1 0 V_ X7R _04
C2 * 0. 1u _ 1 0 V_ X7R _04
C3 * 0. 1u _ 1 0 V_ X7R _04
ME M _ DA T A 2 8
C4 * 0. 1u _ 1 0 V_ X7R _04
ME M _ DA T A 0
ME M _ DA T A 5 7
VG A_TXN 0 7
VG A_TXP0 7
VTT_M EM
VG A_TXN 1 7
VG A_TXP1 7
ME M _ DA T A 2 9
ME M _ DA T A 5 8
C7 * 0. 1u _ 1 0 V_ X7R _04
ME M _ DA T A 3 0
ME M _ DA T A 5 9
ME M _ DA T A 3 1
ME M _ DA T A 6 0
ME M _ DA T A 1
ME M _ DA T A 3 2
VG A_TXP3 7
VG A_TXN2 7
VG A_TXN3 7
VG A_TXP2 7
ME M _ DA T A 6 1
C8 * 0. 1u _ 1 0 V_ X7R _04
ME M _ DA T A 2
ME M _ DA T A 3 3
ME M _ DA T A 6 2
ME M _ DA T A 3
1.5V
C9 0.1u_10V_X7R_04
ME M _ DA T A 3 4

Schematic Diagrams
B - 4 ONTATIO DISPLAY/ CLK/ MISC
B.Schematic Diagrams
ONTATIO DISPLAY/ CLK/ MISC
R38
0_04
1.8VS
R51
1K_04
CPU_SVD
APU _PW R G D
R 593 100K_04
R5 4 * 1 K_ 04
R5 3 * 1 K_ 04
R71 *0_04J108_PLLTST1 APU _TEST1 8 _P LLTE ST1
APU _TEST19_P LLTE ST0J108_PLLTST0 R70 *0_04
R42 51_04
R43 51_04
DBREQ# R69 300_1% _04
R 50 0_04
DBRDY
5V S
ONTARIO DISPLAY/CLK/MISC
APU _TE ST36
R40 510_1%_04
CPU _T HE RM TRIP #16
APU _C L KP15
CPU_SVD35 CP U_ SVC35
H DT+ H EAD ER / PLAC E O N TO P
POR TC_H PD 21
APU _C L KN15
1.8VS
LVD S-LCLK P20
LVD S-LCLK N20
R31 *0_04
R32 *0_04
1. 8V S 1.8VS
APU _S ID
APU _P W R GD15, 35
LD T_R ST#15 R35 0_04
R36 0_04
R 65 * 0_04
R59
1K_04
LDT_R ST#
R66 *10K_04
R41 510_1%_04
R44 *1K_04
AP U_ TAL ER T#17,27
R 591 100K_04
A LLO W_LD TSTP 15
R 58 1K_04
1. 8V S
1.8VS
C 23 0.1u_16V_Y 5V_04
C 24 0.1u_16V_Y 5V_04
1.8VS
LDT_R ST#
J1
* HD R 10 X2 - B LU E - VER TICAL P L UG
1
CP U_ VD DI O
2
CPU_TCK
3
GND
4
CP U_ T M S
5
GND
6
CP U_ TD I
7
GND
8
CP U_ T DO
9
CP U_ TR ST _ L
10
CP U_ P W RO K _ BU F
11
CP U_ DB RDY 3
12
CPU_RST_ L_BUF
13
CP U_ DB RDY 2
14
C PU _ DB RD Y0
15
CP U_ DB RDY 1
16
CPU_DBREQ_L
17
GND
18
CP U_ PLLT ES T0
19
CP U_ VD DI O
20
CP U_ PLLT ES T1
AP U_SID16 AP U_SIC16
ONTARIO (2.0)
PA RT 3 OF 5
TEST VGA DAC
JTAG CTRLSER
CLK
DP MISC
DISPL AYPORT 0DISPLAYPORT 1
ANALOG/ DI SPLAY/MISC
U1B
ON TA R IO_ A PU
V5
RS V D _ 3
W11
RS V D _ 2
B4
RS V D _ 1
F1
VS S_ SEN SE
F3
VD DIO _MEM_S _S ENS E
G1
VDDCR_CPU_S ENSE
F4
VDDCR_NB_SENSE
M1
DB RE Q _ L
M3
DB RD Y
M4
TR ST _L
P2
TM S
P1
TCK
N1
TD O
N2
TD I
T2
AL ER T_ L
U2
TH ER M TR IP_L
U1
PR O CH O T_ L
T4
PW RO K
T3
RE S E T _ L
P4
SI D
P3
SIC
J2
SV D
J1
SVC
D1
DISP_CLKIN_L
D2
DISP_CLKIN_H
V1
CLKIN_L
V2
CLKIN_H
C8
LT DP 0_TX N3
D8
LT DP 0_TX P3
B6
LT DP 0_TX N2
A6
LT DP 0_TX P2
C6
LT DP 0_TX N1
D6
LT DP 0_TX P1
A5
LT DP 0_TX N0
B5
LT DP 0_TX P0
B10
TD P1 _ TX N3
A10
TD P1 _ TX P3
C1 0
TD P1 _ TX N2
D1 0
TD P1 _ TX P2
A9
TD P1 _ TX N1
B9
TD P1 _ TX P1
B8
TD P1 _ TX N0
A8
TD P1 _ TX P0
T1
DMAACTIVE_L
K3
TEST38
R5
TEST37
N5
TEST36
H4
TEST35
T1 5
T ES T34_L
U1 5
TE ST 34_H
J1 9
T ES T33_L
J1 8
TE ST 33_H
M2 1
TEST31
M5
T ES T28_L
L5
TE ST 28_H
K2
T ES T25_L
K1
TE ST 25_H
M2
TEST19
L2
TEST18
L1
TEST17
K4
TEST16
E4
TEST15
T5
TEST14
R6
TEST6
R2
TEST5
R1
TEST4
D1 2
DAC_ ZVSS
D4
DAC _ S DA
F2
DAC_SCL
E2
DA C_ V S Y NC
E1
DA C_ H SY NC
B13
DA C_ B L U E B
A13
DAC_BL UE
B12
DA C_G R EE NB
A12
DAC_GREEN
D1 3
D AC_ RE DB
C1 2
DAC_RED
D3
LT DP 0_H PD
B3
LTD P0_ AU XN
A3
LTD P0_ AU XP
C1
TDP1_HPD
C2
TD P1_ AU XN
B2
TD P1_ AU XP
H1
DP_VARY_BL
H2
DP_DIGON
G2
DP_ BL O N
H3
DP_ ZV SS
DA C_ H SY NC 2 1
DA C_ VS YN C 21
DAC_DDCADATA 21
DAC_DDCACLK 21
APU _TRST#
APU _S IC
R1 9 1K _ 04
R15 *1K_04
3.3VS
APU_THERMTRIP#
APU _SIC
APU _SID
3.3V
APU _TA L ERT#
R2 2 1K _ 04
R2 4 1K _ 04
R2 0 1K _ 04
R1 7 1K _ 04 PRO C HO T#
HDMIB_D2BP21
ON_VARY
ON_DIGON
O N_BLO N
HDMIB_D2BN21
HDMIB_D0BN21
HDMIB_D1BP21
HDMIB_D1BN21
HDMIB_CLKBP21
HDMIB_CLKBN21
HDMIB_D0BP21
LVDS -L2P20
LVDS -L2N20
LVDS -L1P20
LVDS -L0N20
LVDS -L0P20
LVDS -L1N20
HD MI_D D C_C LK 21
HD MI_ D D C_ D ATA 2 1
HDMI_DDC_DATA
HDMI_DDC_CLK
R67 *10K_04
R68 *10K_04
R56
1K_04
HD MI
LVDS
C22
* 150pF_N PO _50V _0402
C21
* 150pF_N PO _50V_0402
R5 2
1K_04
R 598 0_04
LD TRS T_R
LD TPWR GD _R
R37 1K _0 4
Reserve
R2 5 0_ 0 4
R61 1K_04APU _TCK
1.8VS
APU _ TD I
APU _ TM S
APU _ TC K
APU _ TD O
APU _ TR ST#
R63 1K_04APU _TMS
R64 1K_04
APU _ SIC
APU _ SID
APU _TDI
APU _TDO
R30
499_1%_04
DB RD Y
DB REQ #
SB_PROCHOT#17
CPU_VDDNB_RUN_FB_H35
PROCHOT#
APU _B P1_TSTUPD _US CLK1
AP U_PW RG D
APU _TE ST18_PLLTEST1
APU _TE ST25_L_BY PASS CLK
APU _TE ST19_PLLTEST0
APU _TE ST25_H _BY PASSC LK
APU _TE ST33_L_M _C LKTST_L
APU _TE ST33_H _M_C LKTST_H
APU _TE ST35
APU _TH ER MD A
R 62 *100K_04
APU _TH ER MD C
APU_THERMTRIP#
CPU_VDDNB_RUN_FB_L35 CPU_VDD0_RUN_F B_L35
LV D S _ D D C _ D A T A 2 0
LV D S _ D D C _ C LK 2 0
LVDS_DDC_DATA
LVDS_DDC_CLK
DAC _ RS ET
LDTR ST_R
LDTPW RG D_R
ON _ D IGO N
LD T_R ST#
ON _ VA R Y
ON _ BL O N
PR OC HO T#
ONDP_CALR
ON _ D MAA CT IVE #
VDDCR_CPU_SENSE
VD DIO _SU S_SEN SE
VD DC R_ N B_SEN SE
VSS_SE NS E
R39 1K _0 4
R 21 150_1%_04
R12 1K_04
R 592 100K_04
R 14 300_1%_04
R 60 *100K_04
PRO C HO T#15
R11 1K_04
APU_PWRGD
U44 *74AHC1G08GW
1
2
5
4
3
LDT_R ST#_BUF
APU _PW R G D_BU F
R34 0_04
R33 0_04
LDT_R ST#_B UF
1. 8V S
NB_ENAVDD 20
R13
300_1%_04
S MC _CP U_THE RM 16,17,27
S MD _CP U_THE RM 16,17,27
R 45 *10m il_s hort_04
CPU_VDD0_RUN_F B_H35
C840
0.1u_16V_Y 5V_04
BLO N 20
R 16 0_04
R 46 *10m il_s hort_04
CPU_SVC
H DT_TRS T#
DAC_RED 21
DAC_BLUE 21
DAC_GREEN 21
R27 150_1%_04
R28 150_1%_04
R 48 *10m il_s hort_04
R29 150_1%_04
APU _PW R G D_BU F
DISP _CLKN15
DISP _CLKP15
R 49 *10m il_s hort_04
U45 *74AHC1G08GW
1
2
5
4
3
1. 8V S
Sheet 3 of 41
ONTATIO
DISPLAY/ CLK/
MISC

Schematic Diagrams
ONTARIO POWER & DECOUPLING B - 5
B.Schematic Diagrams
ONTARIO POWER & DECOUPLING
1.8VS
C84
180P_50V_N PO _04
C7 7
10u_6.3V _X5R _06
C76
10u_6.3V_X5R_06
C78
10u_6.3V_X5R _06
C79
10u_6.3V_X5R_06
VD DC R _C PU
C8 5
180P_50V _NPO _04
C30
10u_6.3V_X5R_06
C89
1u_6.3V_X5R_04
C92
1u_6.3V_X5R_04
C4 6
10u_6.3V _X5R _06
C45
10u_6.3V_X5R _06
C96
0.1u_10V_X5R _04
C47
10u_6.3V_X5R _06
C94
0.1u_10V_X5R _04
C48
10u_6.3V_X5R_06
C5 0
10u_6.3V _X5R _06
C49
10u_6.3V_X5R _06
C9 5
0.1u_10V _X5R _04
C9 1
1u_6. 3V _X5R _04
C97
0. 1u_10V_X5R_04
C90
1u_6.3V_X5R_04
C68
180P_50V_N PO _04
C86
180P_50V _NPO _04
VD DC R _CPU
3.3VS
C8 7
180P_50V_NP O_04
1.5V
C37
10u_6.3V_X5R _06
C38
10u_6.3V_X5R_06
C70
180P _50V_N PO _04
C39
1u_6.3V_X5R_04
C6 9
180P_50V _NPO _04
C41
0.1u_10V_X5R _04
C4 0
1u_6.3V_X5R_04
C42
0.1u_10V_X5R_04
.
L63
HC B1608KF-121T25
C43
1u_6.3V_X5R_04
C55
1u_6.3V_X5R_04
C59
0. 1u_10V_X5R_04
C60
0.1u_10V_X5R _04
C6 1
0.1u_10V _X5R _04
C88
0.1u_10V_X5R_04
C63
0. 1u_10V_X5R_04
C62
0.1u_10V_X5R _04
EMC CAPS
1.5V
VDD PL_10 1V S
1VS
ONTARIO (2.0)
PART 5 OF 5
GR O UN D
U1D
ONTARIO_APU
N1 1
V SS _49
N8
V SS _48
N6
V SS _47
N4
V SS _46
M7
V SS _45
L22
V SS _44
L20
V SS _43
L13
V SS _42
L11
V SS _41
L8
V SS _40
L6
V SS _39
L4
V SS _38
K14
V SS _37
K10
V SS _36
J20
V SS _35
J7
V SS _34
J5
V SS _33
J4
V SS _32
H1 3
V SS _31
H1 1
V SS _30
H6
V SS _29
G2 2
V SS _28
G2 0
V SS _27
G1 2
V SS _26
G9
V SS _25
G7
V SS _24
G5
V SS _23
G4
V SS _22
F13
V SS _21
F11
V SS _20
F8
V SS _19
E20
V SS _18
E12
V SS _17
E9
V SS _16
E7
V SS _15
D1 9
V SS _14
D1 7
V SS _13
B15
V SS _12
D1 4
V SS _11
D1 1
V SS _10
D9
VSS_9
D7
VSS_8
D5
VSS_7
C4
VSS_6
B22
VSS_5
B17
VSS_4
B11
VSS_3
B7
VSS_2
A7
VSS_1
A11
VSSBG_DAC
AC 13
VS S_9 7
AC 9
VS S_9 6
AC 5
VS S_9 5
AB2 1
VS S_9 4
AB1 7
VS S_9 3
AB1 3
VS S_9 2
AB9
VS S_9 1
AB5
VS S_9 0
AB2
VS S_8 9
AA2 2
VS S_8 8
AA4
VS S_8 7
Y19
VS S_8 6
Y17
VS S_8 5
Y15
VS S_8 4
Y13
VS S_8 3
Y11
VS S_8 2
Y9
VS S_8 1
Y7
VS S_8 0
Y5
VS S_7 9
W20
VS S_7 8
W12
VS S_7 7
W7
VS S_7 6
W5
VS S_7 5
W4
VS S_7 4
W2
VS S_7 3
W1
VS S_7 2
V13
VS S_7 1
V11
VS S_7 0
V9
VS S_6 9
V8
VS S_6 8
U2 2
VS S_6 7
U2 0
VS S_6 6
U1 2
VS S_6 5
U7
VS S_6 4
U5
VS S_6 3
U4
VS S_6 2
T13
VS S_6 1
T11
VS S_6 0
T9
VS S_5 9
T6
VS S_5 8
R2 0
VS S_5 7
R7
VS S_5 6
R4
VS S_5 5
P14
VS S_5 4
P10
VS S_5 3
N2 2
VS S_5 2
N2 0
VS S_5 1
N1 3
VS S_5 0
ONTARIO (2.0)
PART 4 OF 5
POWER
U1C
ONTARIO_APU
U1 6
V DD IO_MEM_S _11
W18
V DD IO_MEM_S _10
R1 9
V DD IO_MEM_S _9
R1 6
V DD IO_MEM_S _8
N1 6
V DD IO_MEM_S _7
L19
V DD IO_MEM_S _6
L16
V DD IO_MEM_S _5
J16
V DD IO_MEM_S _4
E17
V DD IO_MEM_S _3
G1 9
V DD IO_MEM_S _2
G1 6
V DD IO_MEM_S _1
P13
VDDCR_NB_22
P11
VDDCR_NB_21
N1 4
VDDCR_NB_20
N1 2
VDDCR_NB_19
N1 0
VDDCR_NB_18
M1 3
VDDCR_NB_17
M1 2
VDDCR_NB_16
M1 1
VDDCR_NB_15
L14
VDDCR_NB_14
L12
VDDCR_NB_13
L10
VDDCR_NB_12
K13
VDDCR_NB_11
K11
VDDCR_NB_10
H1 2
VDDCR_NB_9
H9
VDDCR_NB_8
G1 3
VDDCR_NB_7
G1 1
VDDCR_NB_6
F12
VDDCR_NB_5
F9
VDDCR_NB_4
E13
VDDCR_NB_3
E11
VDDCR_NB_2
E8
VDDCR_NB_1
R8
VDDCR_CPU_15
N7
VDDCR_CPU_14
M8
VDDCR_CPU_13
M6
VDDCR_CPU_12
L7
VDDCR_CPU_11
J8
VDDCR_CPU_10
J6
VDDCR_CPU_9
H7
VDDCR_CPU_8
H5
VDDCR_CPU_7
G8
VDDCR_CPU_6
G6
VDDCR_CPU_5
F7
VDDCR_CPU_4
F5
VDDCR_CPU_3
E6
VDDCR_CPU_2
E5
VDDCR_CPU_1
A4
V DD _33
T12
VD D_1 0_4
V12
VD D_1 0_3
W13
VD D_1 0_2
U13
VD D_1 0_1
U11
V DD PL _10
W9
V DD _18_D AC
V7
VD D_1 8_7
T7
VD D_1 8_6
W6
VD D_1 8_5
U9
VD D_1 8_4
U6
VD D_1 8_3
W8
VD D_1 8_2
U8
VD D_1 8_1
C93
1u_6.3V_X5R_04
C56
1u_6.3V_X5R_04
C873
*10u_6.3V_X5R_06
C27
1u_6.3V_X5R_04
VD D CR _CP U
1.8VS
R73 0_04
C5 7
1u_6. 3V _X5R _04
VD D CR _NB
C71
180P_50V_NP O_04
C72
180P _50V _N PO_04
3. 3V S
VD D PL_10
C874
*10u_6.3V_X5R _06
1VS
C58
1u_6.3V_X5R_04
VD DA N_18_DA C
C29
1u_6.3V_X5R _04
C5 1
10u_6.3V_X5R_06
C6 4
0.1u_10V_X5R_04
C8 0
1u_6. 3V _X5R _04
C 875
* 10u_6.3V _X5R _06
C5 3
*22u_6.3V_X5R_08
C44
10u_6.3V_X5R_06
1. 5V
C52
10u_6.3V_X5R_06
C73
0.1u_10V_X5R_04
C54
*22u_6.3V_X5R _08
C28
* 1u_6.3V _X5R _04
VD DAN _18_DAC
C 872
*10u_6.3V_X5R _06
C75
10u_6.3V_X5R_06
VDDCR_NB
C871
* 10u_6.3V_X5R _06
C 869
*10u_6.3V_X5R _06
C870
*10u_6.3V_X5R _06
C74
* 0. 1u_10V_X7R_04
C35
1u_6. 3V _X5R _04
C34
10u_6.3V_X5R _06
C36
0.1u_10V_X5R_04
VD DC R _N B
C26
1u_6.3V_X5R _04
ONTARIO POWER & DECOUPLING
1.5V
1.8VS
C31
0. 1u_10V_X5R_04
C67
180P _50V_N PO _04
C65
0.1u_10V_X5R_04
C6 6
* 0.1u_10V_X7 R _04
C81
1u_6.3V _X5R _04
C8 2
1u_6. 3V _X5R _04
C32
10u_6.3V_X5R _06
C33
1u_6.3V_X5R_04
C83
*1u_6.3V_X5R_04
Sheet 4 of 41
ONTARIO POWER
& DECOUPLING

Schematic Diagrams
B - 6 INAGUA DDR3 SO-DIMMS A
B.Schematic Diagrams
INAGUA DDR3 SO-DIMMS A
+
C104
*150u_4V_B_A
MEM_ADDR[15:0]2,6
INAGUA DDR3 SO-DIMMS A
SO-DIMM A
MEM_DATA3
MEM_DATA2
MEM_DATA1
MEM_DATA32
MEM_DATA31
MEM_DATA30
MEM_DATA29
MEM_DATA4
MEM_DATA39
MEM_DATA37
MEM_DATA36
MEM_DATA35
MEM_DATA34
MEM_DATA33
MEM_DATA44
MEM_DATA43
MEM_DATA42
MEM_DATA41
MEM_DATA40
MEM_DATA49
MEM_DATA38
MEM_DATA47
MEM_DATA46
MEM_DATA45
MEM_DATA54
MEM_DATA53
MEM_DATA52
MEM_DATA51
MEM_DATA28
MEM_DATA50
MEM_DATA56
MEM_DATA6
MEM_DATA5
MEM_DATA48
MEM_DATA55
MEM_DATA62
MEM_DATA61
MEM_DATA60
MEM_DATA58
MEM_DATA57
MEM_DATA11
MEM_DATA9
MEM_DATA8
MEM_DATA7
MEM_DATA59
MEM_DATA63
MEM_DATA16
MEM_DATA15
MEM_DATA14
MEM_DATA13
MEM_DATA12
MEM_DATA21
MEM_DATA10
MEM_DATA19
MEM_DATA18
MEM_DATA17
MEM_DATA26
MEM_DATA25
MEM_DATA24
MEM_DATA23
MEM_DATA0
MEM_DATA22
MEM_DATA20
MEM_DATA27
MEM_BA NK02,6
MEM_BA NK22,6
MEM_BA NK12,6
C117
0.1u_16V_Y5V_04
+
C105
*220u_4V_V_A
C123
0.1u_16V_Y5V_04
C111
1u_6.3V_X5R_04
C120
0.1u_16V_Y5V_04
C112
1u_6.3V_X5R_04
C107
10u_10V _Y5V_08
C110
1u_6. 3 V_ X5R_04
C116
0.1u_16V_Y5V_04
C121
0.1u_16V_Y5V _04
C114
0.1u_16V_Y5V_04
C109
1u_6. 3 V_X5R_04
C126
1u_6.3V_X5R_04
C119
0.1u_16V_Y5V_04
C99
0.1u_16V_Y5V_04
C106
10u_10V _Y5V_08
C127
1u_6.3V_X5R_04
R75 1K_04
C124
10u_10V_Y 5V_08
C108
10u_10V _Y5V_08
JDIMM1A
DDRRK -20401- TR4B
A0
98
A1
97
A2
96
A3
95
A4
92
A5
91
A6
90
A7
86
A8
89
A9
85
A10/AP
107
A11
84
A12/BC#
83
A13
119
A14
80
A15
78
DQ0 5
DQ1 7
DQ2 15
DQ3
17
DQ4 4
DQ5 6
DQ6 16
DQ7 18
DQ8 21
DQ9 23
DQ10
33
DQ11 35
DQ12 22
DQ13 24
DQ14 34
DQ15 36
DQ16 39
DQ17 41
DQ18
51
DQ19 53
DQ20 40
DQ21 42
DQ22 50
DQ23 52
DQ24 57
DQ25 59
DQ26
67
DQ27 69
DQ28 56
DQ29 58
DQ30 68
DQ31 70
DQ32 129
DQ33 131
DQ34 141
DQ35 143
DQ36 130
DQ37 132
DQ38 140
DQ39 142
DQ40 147
DQ41
149
DQ42 157
DQ43 159
DQ44 146
DQ45 148
DQ46 158
DQ47 160
DQ48 163
DQ49
165
DQ50 175
DQ51 177
DQ52 164
DQ53 166
DQ54 174
DQ55 176
DQ56 181
DQ57 183
DQ58 191
DQ59 193
DQ60 180
DQ61 182
DQ62 192
DQ63 194
BA0
109
BA1
108
RAS#
110
WE#
113
CAS#
115
S0#
114
S1#
121
CKE0
73
CKE1
74
CK0
101
CK0#
103
CK1
102
CK1#
104
SDA
200 SCL
202 SA1
201 SA0
197
DM0
11
DM1
28
DM2
46
DM3
63
DM4
136
DM5
153
DM6
170
DM7
187
DQS0
12
DQS1
29
DQS2
47
DQS3
64
DQS4
137
DQS5
154
DQS6
171
DQS7
188
DQS0#
10
DQS1#
27
DQS2#
45
DQS3#
62
DQS4#
135
DQS5#
152
DQS6#
169
DQS7#
186
ODT0
116
ODT1
120
BA2
79
C113
1u_6. 3 V_ X5R_04
C128
1u_6.3V_X5R_04
C98
1u_6.3V_X5R_04
C115
0.1u_16V_Y5V_04
C118
0.1u_16V_Y5V _04
C125
1u_6.3V_X5R_04
JDIMM1B
DDRRK-20401- TR4B
VDD1
75
VDD2
76
VDD3
81
VDD4
82
VDD5
87
VDD6
88
VDD7
93
VDD8
94
VDD9
99
VDD10
100
VDD11
105
VDD12
106
VDDSPD
199
NC1
77
NC2
122
N C TEST
125
VREF_DQ
1
V SS1
2
V SS2
3
V SS3
8
V SS4
9
V SS5
13
V SS6
14
V SS7
19
V SS8
20
V SS9
25
V SS10
26
V SS11
31
V SS12
32
V SS13
37
V SS14
38
V SS15
43
V SS16 44
V SS17 48
V SS18 49
V SS19 54
V SS20 55
V SS21 60
V SS22 61
V SS23
65
V SS24 66
V SS25 71
V SS26 72
V SS27 127
V SS28 128
V SS29 133
V SS30 134
V SS31
138
V SS32 139
V SS33 144
V SS34 145
V SS35 150
V SS36 151
V SS37 155
V SS38 156
V SS39 161
V SS40 162
V SS41 167
V SS42 168
V SS43 172
V SS44 173
V SS45 178
V SS46
179
V SS47 184
V SS48 185
V SS49 189
V SS50 190
V SS51 195
V SS52 196
G2 GND2
G1 GND1
VTT2 204
VTT1 203
VREF_CA
126
RESET#
30 E VEN T #
198
VDD13
111
VDD14
112
VDD16
118 VDD15
117
VDD17
123
VDD18
124
C122
0.1u_16V_Y5V_04
3.3VS
1.5V
1.5V
1.5V
V TT_MEM
VTT_MEM
1.5V
MEM_RAS#2,6
MEM_CLK_H12
MEM_R ESE T#2,6DIMM0_ODT12
MEM_WE#2,6
MEM_CAS#2,6
MEM_CLK_L12
DIMM0_ODT02
MEM_CKE02,6
MEM_CLK_H02
MEM_DATA[63:0] 2,6
MEM_CKE12,6
MEM_EV EN T#2,6
MEM_CLK_L02
SD ATA06,10,16
MEM_DM[7:0]2,6
20mils
MEM_ADDR1
R76 1K_1%_04
R77
1K_1%_04
CLOS E TO S O-DIMM A
C103
0.1u_10V_X5R_04
1.5V MVREF_DIMM0
(REV)4.0mm
MEM_DQS _L02,6
MEM_DQS _L72,6
MEM_DQS _H72,6
MEM_DQS _L52,6
MEM_DQS _L12,6
MEM_DQS _H12,6
MEM_DQS _H22,6
MEM_DQS _H62,6
MEM_DQS _L22,6
MEM_DQS _H42,6
MEM_DQS _H52,6
MEM_DQS _L62,6
MEM_DQS _L32,6
MEM_DQS _H02,6
MEM_DQS _H32,6
MEM_DQS _L42,6
MEM_ADDR2
MEM_ADDR3
MEM_ADDR4
MEM_ADDR5
DIMM0_CS#12
DIMM0_CS#02
MEM_ADDR6
MEM_ADDR7
MEM_ADDR8
MEM_ADDR9
MEM_ADDR10
MEM_ADDR11
MEM_ADDR12
MEM_ADDR13
MEM_ADDR14
SC L K06,10,16
MEM_ADDR15
MEM_DM5
MEM_DM6
MEM_DM7
MEM_DM0
MEM_DM2
MEM_DM1
MEM_DM3
MEM_DM4
MVREF_DIMM0
MEM_ADDR0
C100
1u_6.3V_X5R_04
C101
0.1u_10V_X7R_04
C102
1000p_50V_X7R_04
Sheet 5 of 41
INAGUA DDR3 SO-
DIMMS A

Schematic Diagrams
INAGUA DDR3 SO-DIMMS B B - 7
B.Schematic Diagrams
INAGUA DDR3 SO-DIMMS B
MEM_ D ATA3 4
MEM_ D ATA3 3
MEM_ D ATA3 2
MEM_ D ATA3 1
MEM_ D ATA3 0
MEM_ D ATA2 9
MEM_ D ATA4
MEM_ D ATA3
MEM_ D ATA2
MEM_ D ATA1
MEM_ D ATA2 8
MEM_ D ATA5 0
MEM_ D ATA4 9
MEM_ D ATA3 8
MEM_ D ATA4 7
MEM_ D ATA4 6
MEM_ D ATA4 5
MEM_ D ATA4 4
MEM_ D ATA4 3
MEM_ D ATA4 2
MEM_ D ATA4 1
MEM_ D ATA4 0
MEM_ D ATA3 9
MEM_ D ATA3 7
MEM_ D ATA3 6
MEM_ D ATA3 5
MEM_ D ATA5 9
MEM_ D ATA6 3
MEM_ D ATA6 2
MEM_ D ATA6 1
MEM_ D ATA6 0
MEM_ D ATA5 8
MEM_ D ATA5 7
MEM_ D ATA5 6
MEM_ D ATA6
MEM_ D ATA5
MEM_ D ATA4 8
MEM_ D ATA5 5
MEM_ D ATA5 4
MEM_ D ATA5 3
MEM_ D ATA5 2
MEM_ D ATA5 1
MEM_ D ATA0
MEM_ D ATA2 2
MEM_ D ATA2 1
MEM_ D ATA1 0
MEM_ D ATA1 9
MEM_ D ATA1 8
MEM_ D ATA1 7
MEM_ D ATA1 6
MEM_ D ATA1 5
MEM_ D ATA1 4
MEM_ D ATA1 3
MEM_ D ATA1 2
MEM_ D ATA1 1
MEM_ D ATA9
MEM_ D ATA8
MEM_ D ATA7
MEM_DM0
MEM_DM2
MEM_DM1
MEM_DM3
MEM_DM4
MEM_DM5
MEM_DM6
MEM_DM7
MEM_ D ATA2 0
MEM_ D ATA2 7
MEM_ D ATA2 6
MEM_ D ATA2 5
MEM_ D ATA2 4
MEM_ D ATA2 3
MEM_ADDR0
MEM_ADDR4
MEM_ADDR3
MEM_ADDR2
MEM_ADDR1
MEM_ADDR15
MEM_ADDR14
MEM_ADDR13
MEM_ADDR12
MEM_ADDR11
MEM_ADDR10
MEM_ADDR9
MEM_ADDR8
MEM_ADDR7
MEM_ADDR6
MEM_ADDR5
MVREF_DIMM1
MVREF_DIMM1
R80
1K_1%_04
C156
1u_6. 3V_X5R_04
C134
0.1u_10V_X5R_04
C158
1 u_ 6 . 3 V_X5 R _04
C142
1u_6.3V_X5R_04
C137
10u_10V_Y5V_08
C138
10u_10V _Y5V_08
JDIMM2B
DDRRK- 20401-TP8D
VDD1
75
VDD2
76
VDD3
81
VDD4
82
VDD5
87
VDD6
88
VDD7
93
VDD8
94
VDD9
99
VDD10
100
VDD11
105
VDD12
106
VDDSPD
199
NC1
77
NC2
122
N C TEST
125
VREF_DQ
1
VSS1
2
VSS2
3
VSS3
8
VSS4
9
VSS5
13
VSS6
14
VSS7
19
VSS8
20
VSS9
25
VSS10
26
VSS11
31
VSS12
32
VSS13
37
VSS14
38
VSS15
43
VSS 16 44
VSS 17 48
VSS 18 49
VSS 19 54
VSS 20 55
VSS 21 60
VSS 22 61
VSS 23 65
VSS 24 66
VSS 25 71
VSS 26 72
VSS 27 127
VSS 28 128
VSS 29 133
VSS 30 134
VSS 31 138
VSS 32
139
VSS 33 144
VSS 34 145
VSS 35 150
VSS 36 151
VSS 37 155
VSS 38 156
VSS 39 161
VSS 40 162
VSS 41 167
VSS 42 168
VSS 43
172
VSS 44 173
VSS 45 178
VSS 46 179
VSS 47 184
VSS 48 185
VSS 49 189
VSS 50 190
VSS 51 195
VSS 52 196
G2 GND2
G1 GND1
VTT2 204
VTT1 203
VREF_CA
126
RESET#
30 EVENT#
198
VDD13
111
VDD14
112
VDD16
118 VDD15
117
VDD17
123
VDD18
124
C133
1000p_50V _X7 R _0 4
C148
0.1u_16V_Y5V_04
C144
1u_6.3V_X5R_04
JDIMM2A
DDRRK-20401-TP8D
A0
98
A1
97
A2
96
A3
95
A4
92
A5
91
A6
90
A7
86
A8
89
A9
85
A1 0/ AP
107
A11
84
A1 2/ BC #
83
A13
119
A14
80
A15
78
DQ0 5
DQ1 7
DQ2 15
DQ3 17
DQ4 4
DQ5 6
DQ6 16
DQ7 18
DQ8 21
DQ9 23
DQ10
33
DQ11 35
DQ12 22
DQ13 24
DQ14 34
DQ15 36
DQ16 39
DQ17 41
DQ18 51
DQ19 53
DQ20 40
DQ21 42
DQ22 50
DQ23 52
DQ24 57
DQ25 59
DQ26 67
DQ27
69
DQ28 56
DQ29 58
DQ30 68
DQ31 70
DQ32 129
DQ33 131
DQ34 141
DQ35 143
DQ36 130
DQ37 132
DQ38
140
DQ39 142
DQ40 147
DQ41 149
DQ42 157
DQ43 159
DQ44 146
DQ45 148
DQ46 158
DQ47 160
DQ48 163
DQ49 165
DQ50 175
DQ51 177
DQ52 164
DQ53 166
DQ54 174
DQ55 176
DQ56 181
DQ57 183
DQ58 191
DQ59 193
DQ60 180
DQ61 182
DQ62 192
DQ63 194
BA0
109
BA1
108
RAS#
110
WE#
113
CAS#
115
S0#
114
S1#
121
CKE0
73
CKE1
74
CK0
101
CK0#
103
CK1
102
CK1#
104
SD A
200 SC L
202 SA1
201 SA0
197
DM0
11
DM1
28
DM2
46
DM3
63
DM4
136
DM5
153
DM6
170
DM7
187
DQS0
12
DQS1
29
DQS2
47
DQS3
64
DQS4
137
DQS5
154
DQS6
171
DQS7
188
DQS0#
10
DQS1#
27
DQS2#
45
DQS3#
62
DQS4#
135
DQS5#
152
DQS6#
169
DQS7#
186
ODT0
116
ODT1
120
BA2
79
C143
1 u_ 6 . 3V_ X5R _ 0 4
C131
1u_6.3V_X5R_04
C151
0.1u_16V_Y5V_04
C140
1u_6.3V_X5R_04
C141
1u_6.3V_X5R_04
C145
0.1u_16V_Y5V_04
+
C136
*220u_4V_V_A
C157
1u_6.3V_X5R_04
C129
1u_6.3V_X5R_04
C139
10u _1 0V_ Y 5V_08
C159
1u_6.3V_X5R_04
C150
0.1u_16V_Y5V_04
C132
0.1u_10V_X7R_04
C154
0.1u_16V_Y5V_04
C155
10u_10V_Y5V _08
C152
0.1u_16V_Y5V_04
C130
0.1u_16V_Y 5V_04
C149
0.1u_16V_Y5V_04
C146
0.1u_16V_Y5V_04
R79 1K_1%_04
C147
0.1u_16V_Y5V_04
C153
0.1u_16V_Y5V_04
1.5V
3. 3VS
1.5V
V TT_MEM
VTT_MEM
1.5V
1.5V
DIMM1_ODT12
MEM_R AS#2,5
MEM_CLK_H32
MEM_C AS#2,5
MEM_CLK_L32
MEM_R ESE T#2,5
MEM_CLK_H22
DIMM1_ODT02
MEM_W E#2,5
MEM_DATA[63:0] 2,5
MEM _C KE12,5
MEM _C KE02,5
SD ATA05,10,16
MEM_EV EN T#2,5
MEM_CLK_L22
MEM_BA NK02,5
MEM_ADDR[15:0]2,5
MEM_DM[7:0]2,5
DIMM1_CS#12
DIMM1_CS#02MEM_ BA NK22,5
MEM_BA NK12,5
MEM_DQS_H72,5
MEM_DQS_H62,5
MEM_DQS_H42,5
MEM_DQS_H22,5
MEM_DQS_L62,5
MEM_DQS_L42,5
MEM_DQS_L22,5
MEM_DQS_H32,5
MEM_DQS_L72,5
MEM_DQS_L02,5
MEM_DQS_L12,5
MEM_DQS_H12,5
MEM_DQS_L52,5
MEM_DQS_H52,5
MEM_DQS_L32,5
MEM_DQS_H02,5
C LOSE TO SO-DIMM B
INAGUA DDR3 SO-DIMMS B
20mils
SO-DIMM B
3.3VS
+
C135
560u_2.5V_6. 6*6.6*5.9
SC L K05,10,16
R784.7K_04
(REV)8.0mm
SN:6-86-24204-XXX
Sheet 6 of 41
INAGUA DDR3 SO-
DIMMS B

Schematic Diagrams
B - 8 Robson S3 PCIE/ LVDS 1/6
B.Schematic Diagrams
Robson S3 PCIE/ LVDS 1/6
Sheet 7 of 41
Robson S3 PCIE/
LVDS 1/6

Schematic Diagrams
Robson S3 MAIN 2/6 B - 9
B.Schematic Diagrams
Robson S3 MAIN 2/6
VBIOS FLA SH ROM
R_DAC1
GPIO8
GPIO2 8_ TDO
GPIO2 4_ TRS TB
TM D S _T X1 P 21
TM D S _T X2 N 21
TM D S _T X2 P 21
TM D S _T X1 N 21
GPU _T A LE RT#10 , 17
TM D S _T X0 P 21
TM D S _T XC N 21
TM D S _T XC P 21
TM D S _T X0 N 21
*5.11K_1% _06
R 115
SB_MXM_CLKREQ#
*1 0K _ 04R68 5
ROBSON_GPIO16
NOTE: Designs t hat do not include an EEP RO M m ust still pr ovide
a ccess to the RO M interface signals for debug purposes
GEN_ B
1M bit SERIAL EEPROM is r equired for Par k/Robson GDDR5 Design
(1.0V@110m A DPC_VDD10)
For PX_EN, refer to t he BACO
reference schem atics for detail
(1 .8V @20m A TSVDD)
(1 . 0 V@1 25m A DPLL_ VDDC)
(1.8 V@7 5 m A DPLL_ PVDD)
GND Op tion If
XO_IN/XO_IN2
not used
TS_FDO
XTALIN
PLA CE VREFG DIVIDER A ND CAP
C LOSE TO ASIC
XTALOUT
COMPONENTS SHOWN ARE EXAMPLES ONLY
AND NOT NEC ESSAR ILY QUALIFIED
HPD121
SC L
SDA
Access to SCL and SDA is
mandatory on BACO designs
for debug purposes
DNI
ROM_SO
HPD_ 4
GPIO10 SCK/WEb
GPIO22
GPIO9
CSb
SI/A16
T E ST EN
0. 1"~ 0.5 "
(1 . 8 V@1 50m A DPC_ VDD18 )
PX_EN
(3.3V @130mA A2VDD)
For Seymour,
DPC_PVDD is DPC_VDD18
DPC_PVSS and all DPC_VSSR are DP_VSSR
(1 . 8V @2 mA A2 VD DQ)
1M bit SERIAL EEPROM is optional for Seymour GDDR5 Design
(1.8V @65m A AVDD)
(1 . 8V @1 00m A VDD1DI)
(1.8V @100mA V DD2 DI)
MEM_ID1
MEM_ID0
MEM_ID2
MEM_ID3
ME M_ I D 0
ME M_ I D 1
ME M_ I D 2
ME M_ I D 3
B_DAC2
G_DAC2
R_DAC2
NC on Seymour
DDC1 DAT A 2 1
DDC1 CLK 2 1
DDCDATA_AUX3N
AUX2N
AUX2P
DDC1DAT A
DDCDATA_AUX5N
DDCCLK_ AUX3P
DDC1CL K
AUX1N
AUX1P
DDC6CL K
DDC2DAT A
DDC2CL K
G P I O 24 _T R ST B
DDC6DAT A 21
DDC6CL K 21
DDCCLK_ AUX5P
DDC6DAT A
G P I O 25 _T D I
RB_DAC2
GB_DAC2
BB_DAC2
GPIO7_ BLON
G P I O 26 _T C K
G P I O 27 _T M S
SB_MXM_CLKREQ#
GPIO21
GPIO22
GPIO20
G P I O _1 9_ C TF
Se ym ou r
DAC2 i s NC on Se ymour
G P I O 26 _T C K
G P I O 24 _T R S TB
G P I O 25 _T D I
HPD1
G P I O 28 _T D O
G P I O 27 _T M S
GPIO6
GPIO0
GP IO7_ B LON
GPIO13
GPIO12
GPIO1
GPIO11
GPIO10
MX M_S DA TA
GPIO9
GPIO8
GPIO2
HPD2
ROBSON_GPIO15
GPU_ TALERT#
G P I O 18 _H P D 3
GPIO5
MX M_S CL K
ROBSON_GPIO1536
GEN_ A
R716 *150_1%_04
G_DAC1
* 5. 1 1K _1 %_ 06R1 16
512Kbit
XTALOUT
XTALIN
SB_MXM_CLKREQ#16 SB_MXM_CLKR EQ#
*2.2 K_ 04
R16 7
3. 3 VS_GPU
XTAL Option
*1u_6.3 V _X5 R _0 4
C 179
*1 0K _ 04R10 8
* 0 . 1u _10 V _X5 R _0 4
C2 03
*1 0K _ 04R11 0
*10u_6.3V_X5R_06
C1 97
*10u_6.3V_X5R_06
C19 3
*1K _0 4R11 3
*EN25P05-50GCP
U5
S
1
VCC
8
Q2
HOL D
7
VSS 4
D
5
C
6
W
3
L64 * H C B 16 08 KF - 12 1T 25
* 2 2p_ 50 V _N P O _0 4C2 00
*1u_6.3 V _X 5R _0 4
C1 75
*10u_6.3V_X5R_06
C20 1
*1u_6.3 V _X5 R _0 4
C 188
R715 *150_1%_04
L67
* HCB1608KF-121T25
*0_ 04R1 02
* 0 _04
R1 17
* 1 0u _6 .3 V _X 5R _0 6
C 186
* 10 u_6 . 3V _X 5R _ 06
C17 4
* 1 0u_ 6. 3 V_ X5 R _0 6
C1 80
*1 0K_ 04
R9 8
*0.1u _10V_X5R_04
C 182
* 1 50_ 1% _0 4R103
* 4 99 _1% _0 4
R1 12
* 2 2p_ 50 V _N P O _0 4C1 96
R717 *150_1%_04
BB_DAC1
B_DAC1
R94 * 33_ 04
* 0. 1 u_1 0V _ X5R _ 04
C17 6
G_DAC1 21
L70
* HCB1608KF-121T25
*1 0K _ 04R10 9
B_ DA C1 21
R_DAC1 21
* 1 u_ 6. 3V _ X5 R _04
C19 8
HSYNC_ DAC 1 10, 2 1
VSY NC_DAC1 1 0,21
*1 0K _ 04R10 6
*1u_6.3 V _X5 R _0 4
C 185
RB_DAC1
GB_DAC1
R92 * 33_ 04
* 4 99 _1 %_0 4
R1 18
*0.1u_10V_X5R_0 4
C1 84
X2
*F SX 8L _2 7M H z
12
* 2 49 _1 %_0 4
R1 20
*71 5_ 1%_ 04R1 19
* 1 0K _0 4
R99
*4 .7K_0 4
R1 04
L68
* HCB1608KF-121T25
* 1 u_ 6. 3V _ X5R _ 04
C19 0
*1 0K _ 04R10 7
*0.1u_10V_X5R_0 4
C17 8
L71
*HCB 1 60 8KF-1 21 T2 5
* 1 u_ 6. 3V _ X5R _ 04
C18 1
*1K _0 4R11 4
*1 0K _ 04R11 1
* 1 0u _6 .3 V _X 5R _0 6
C 183
*0 .1u_10V_X5R_04
C1 70
L6 5
*HCB 16 08 KF -12 1T25
L73
*HCB 1 60 8KF-1 21 T2 5
* 1u _6 . 3V _X 5R _ 04
C 194
*0.1u_10V_X5R_0 4
C1 87
*0.1u _10V_X5R_04
C1 71
* 1u _6 . 3V _X 5R _ 04
C17 2
GPIO7_ BLON20
DP A
DP B
DVO
I2 C
G ENE RA L PU RPO SE I /O
DA C1
DA C2
DD C/ AU X
THE RM AL
PL L/ CLO CK
DP C
* R O B S O N XT S3
U4 B
DMINUS
T2
DPL L_PVDD
AF1 4
DPL L_PVSS
AE14
DPL L_VD DC
AD14
DPL US
T4
DPC_ V SSR# 1
U1
DVDA TA_ 7
AC7
T X2 M _D P C 0N Y2
TX C C M _D P C 3N U5
DPC_ V SSR# 5
AA1
TX 1P _D P C 1 P Y4
DVDA TA_ 0
Y7
T X0 M _D P C 2N V2
DPC_ V DD18 #1
AC6
DPC_ P VDD
W6
DVDA TA_ 9
AD7
TX 2P _D P C 0 P AA3
DVDA TA_ 8
AC8
DPC_ V DD10 #1
AA5
DVDA TA_ 12
AE8
DPC_ V DD10 #2
AA6
DVCNT L_ 0
AE9
DVDA TA_ 3
AB4
DVDA TA_ 1
Y8
DVDA TA_ 11
AD9
DVDA TA_ 2
AB2
DVDA TA_ 10
AC10
DPC_ V DD18 #2
AC5
T XCCP_DPC3 P V4
DVDA TA_ 4
AB7
DPC_ V SSR# 2
W1
DVDA TA_ 5
AB8
TX 0P _D P C 2 P W3
DVDA TA_ 6
AB9
T X1 M _D P C 1N W5
GENERICA
AB13
GENERICB
W8
GENERICC
W9
GENERICD
W7
GENERICE_HPD4
AD10
GPIO_ 0
U6
GPIO_ 1
U1 0
GPIO_ 10 _ROMSCK
P2
GPIO_ 11
N6
GPIO_ 12
N5
GPIO_ 13
N3
GPIO_ 14 _HPD2
Y9
GPIO_ 15 _P WRCN TL_ 0
N1
GPIO_16_SSIN
M4
GPIO_17_THERMAL_INT
R6
GPIO_ 18 _HPD3
W1 0
GPIO_ 19 _CT F
M2
GPIO_ 2
T1 0
GPIO_ 20 _P WRCN TL_ 1
P8
GPIO_21_BB_EN
P7
GPIO_ 22 _R OMCS B
N8
GPIO_ 23 _CL KREQB
N7
GPIO_ 3_ SMBDA TA
U8
GPIO_ 4_ SMBCL K
U7
GPIO_ 5_ AC_ BAT T
T9
GPIO_ 6
T8
GPIO_7_BLON
T7
GPIO_ 8_ ROMSO
P1 0
GPIO_ 9_ ROMSI
P4
H2SYNC AL13
HPD1
AC14
HSYNC AH26
JT AG _ TC K
L3 JT AG _ TD I
L5
JT AG _ TD O
K4 JT AG _ TM S
L1
JT AG _ TR S TB
L6
DDCDAT A_ AUX 3N AC20
DDCCL K_AUX3 P AD20
TS _F D O
R5
TSVDD
AD17
TSVSS
AC17
VR E F G
AC16
VSS1 DI AD23
VSS2 DI AC19
XT AL I N
AM28
XT AL O U T
AK28
A2VDD AE2 0
A2 VDDQ AE17
A2VSSQ AE19
AUX1N AD4
AUX1 P AD2
AUX2N AD11
AUX2 P AD13
AVDD AG24
AVSSQ AE22
BAH24
B2 AK10
B2B AL9
BB AG25
CAH12
COMP AJ9
DDC1CL K AE6
DDC1DAT A AE5
DDC2CL K AC11
DDC2DAT A AC13
DDC6CL K AC1
DDC6DAT A AC3
DDCDAT A_ AUX 5N AD16
DDCCL K_AUX5 P AE1 6
GAL25
G2 AL11
G2 B AJ11
GB AJ25
RAM26
R2 AM12
R2 B AK1 2
R2SET AG13
RB AK26
RSET AD22
SC L
R1
SD A
R3
TX0 M_DPA2N AG5
TX0P_DPA2P AG3
TX1 M_DPA1N AH1
TX1P_DPA1P AH3
TX2 M_DPA0N AK1
TX2P_DPA0P AK3
TX3 M_DPB2N AM5
TX3P_DPB2P AK6
TX4 M_DPB1N AH6
TX4P_DPB1P AJ7
TX5 M_DPB0N AL7
TX5P_DPB0P AK8
TXCAM_DPA3N AF4
TX C A P_ D PA 3 P AF2
TXCBM_DPB3N AM3
TX C B P_ D PB 3 P AK5
V2SYNC AJ1 3
VDD1 DI AE23
VDD2 DI AD19
VSYNC AJ2 7
YAM10
XO _ IN2
AB22 XO _ IN
AC22
TESTEN_LEGACY
AF2 4
DVCNT L_ 2
N9
DPC_ V SSR# 3
U3
DPC_ P VSS
V6
DPC_ V SSR# 4
Y6
DVCNT L_ 1
L9 DVCL K
Y11
DPC_CALR J8
PX _E N
AB16
TESTEN
K7
* 1 0u _6 . 3V _X 5R _ 06
C173
R95 * 33_ 04
L69
* HCB1608KF-121T25
R93 * 33_ 04
* 1 0u _6 .3 V _X 5R _0 6
C1 89
* 0 . 1u _10 V _X5 R _0 4
C1 95
*4.7 K_ 04
R10 5
*10K_04
R97
*0_ 04R1 00
* 0. 1 u_1 0V _ X5R _ 04
C19 2
L7 2
*HCB 1 60 8KF-1 21 T2 5 *1 M_0 4
R1 21
L66
* HCB1608KF-121T25
* 0.1u_10V_X5R_04
C1 99
* 1 0u _6. 3 V _X5 R _0 6
C1 77
* 1 0K _0 4
R96
*1 0K _0 4
R10 1
*0.1u _10V_X5R_04
C 191
* 1 u_6 . 3V _X 5R _ 04
C20 2
DPC_ VDD1 8
1 . 0V _R E G
DPC_ VDD1 0
1. 0 V_REG
1. 8 V_REG
DPLL_PVDD
1. 8 V_REG
DPLL _PVDD
1 . 8V _R E G
TSVDD
D P LL _V D D C
3. 3V S _GP U
3.3VS_GPU3. 3V S _G P U
3. 3 VS _ GPU A2VDD
3. 3 VS _G PU
1.8V_REG
DPC_ VD D18
VDD2DI
A2VDDQ
VDD1 DI
AVDD
1.8V_REG
DPC_ V DD18 1. 8 V_ R E G
VDD1DI
AV D D
3.3VS_GPU
VD D 2 D I
A2VDDQ
A2VDD
GPU_DPLUS10
3. 3 VS _ GPU
SCL20
GPU_DMINUS10
SDA20
GP IO2 110
VSYNC_ DAC2 10
HSYNC_DAC2 1 0
GPIO010
GPIO510
GP IO2 210
GPIO910
GPIO210 GPIO110
GPIO1310 GP IO1210 GPIO1110
MXM_SDATA10
GENERICC10
GPIO810
ROBSON_GPIO1636
MXM_ S C LK10
Sheet 8 of 41
Robson S3 MAIN 2/
6

Schematic Diagrams
B - 10 Robson S3 MEM Interface 3/6
B.Schematic Diagrams
Robson S3 MEM Interface 3/6
Sheet 9 of 41
Robson S3 MEM
InTERFACE 3/6
RPD1
*4.99K_1%_04
T9 7
CSHUNT1
* 040 2_12 0pF_50 V_ 5%
RSER2
* 49. 9_1 %_ 04
MEMORY INTERFACE
GDDR5/DDR3
G DDR5 /DD R3
G DDR 5/DD R3
*ROBSON XT S3
U4C
D Q A0 _ 0 / D Q A_ 0
K2 7
D Q A0 _ 1 / D Q A_ 1
J2 9
DQ A0 _10/ DQA _10
A2 8
DQ A0 _11/ DQA _11
C28
DQ A0 _12/ DQA _12
E2 7
DQ A0 _13/ DQA _13
G2 6
DQ A0 _14/ DQA _14
D26
DQ A0 _15/ DQA _15
F2 5
DQ A0 _16/ DQA _16
A2 5
DQ A0 _17/ DQA _17
C25
DQ A0 _18/ DQA _18
E2 5
DQ A0 _19/ DQA _19
D24
D Q A0 _ 2 / D Q A_ 2
H30
DQ A0 _20/ DQA _20
E2 3
DQ A0 _21/ DQA _21
F2 3
DQ A0 _22/ DQA _22
D22
DQ A0 _23/ DQA _23
F2 1
DQ A0 _24/ DQA _24
E2 1
DQ A0 _25/ DQA _25
D20
DQ A0 _26/ DQA _26
F1 9
DQ A0 _27/ DQA _27
A1 9
DQ A0 _28/ DQA _28
D18
DQ A0 _29/ DQA _29
F1 7
D Q A0 _ 3 / D Q A_ 3
H32
DQ A0 _30/ DQA _30
A1 7
DQ A0 _31/ DQA _31
C17
D Q A1 _ 0 / D Q A_ 3 2
E1 7
D Q A1 _ 1 / D Q A_ 3 3
D16
D Q A1 _ 2 / D Q A_ 3 4
F1 5
D Q A1 _ 3 / D Q A_ 3 5
A1 5
D Q A1 _ 4 / D Q A_ 3 6
D14
D Q A1 _ 5 / D Q A_ 3 7
F1 3
D Q A1 _ 6 / D Q A_ 3 8
A1 3
D Q A1 _ 7 / D Q A_ 3 9
C13
D Q A0 _ 4 / D Q A_ 4
G2 9
D Q A1 _ 8 / D Q A_ 4 0
E1 1
D Q A1 _ 9 / D Q A_ 4 1
A1 1
DQ A1 _10/ DQA _42
C11
DQ A1 _11/ DQA _43
F1 1
DQ A1 _12/ DQA _44
A9
DQ A1 _13/ DQA _45
C9
DQ A1 _14/ DQA _46
F9
DQ A1 _15/ DQA _47
D8
DQ A1 _16/ DQA _48
E7
DQ A1 _17/ DQA _49
A7
D Q A0 _ 5 / D Q A_ 5
F2 8
DQ A1 _18/ DQA _50
C7
DQ A1 _19/ DQA _51
F7
DQ A1 _20/ DQA _52
A5
DQ A1 _21/ DQA _53
E5
DQ A1 _22/ DQA _54
C3
DQ A1 _23/ DQA _55
E1
DQ A1 _24/ DQA _56
G7
DQ A1 _25/ DQA _57
G6
DQ A1 _26/ DQA _58
G1
DQ A1 _27/ DQA _59
G3
D Q A0 _ 6 / D Q A_ 6
F3 2
DQ A1 _28/ DQA _60
J6
DQ A1 _29/ DQA _61
J1
DQ A1 _30/ DQA _62
J3
DQ A1 _31/ DQA _63
J5
D Q A0 _ 7 / D Q A_ 7
F3 0
D Q A0 _ 8 / D Q A_ 8
C30
D Q A0 _ 9 / D Q A_ 9
F2 7
MV R E F D A
K2 6
MV R E F SA
J2 6
ME M_ C AL R N 0
J2 5
ME M_ C AL R P 0
K2 5
C ASA0B G1 9
C ASA1B G1 6
CKEA0 K20
CKEA1 J1 7
CLKA0 H2 6
CLKA0B H2 5
CLKA1 G9
CLKA1B H9
C S A0 B_ 0 H2 2
C S A0 B_ 1 J2 2
C S A1 B_ 0 G1 3
C S A1 B_ 1 K13
WCKA0_0/DQMA_0 E32
W C KA 0 B _ 0 / D Q M A_ 1 E30
WCKA0_1/DQMA_2 A21
W C KA 0 B _ 1 / D Q M A_ 3 C2 1
WCKA1_0/DQMA_4 E13
W C KA 1 B _ 0 / D Q M A_ 5 D1 2
WCKA1_1/DQMA_6 E3
W C KA 1 B _ 1 / D Q M A_ 7 F4
MA A0 _ 0/ MA A_ 0 K17
MA A0 _ 1/ MA A_ 1 J2 0
MAA 1_ 2 /M AA _1 0 J1 1
MAA 1_ 3 /M AA _1 1 J1 3
MAA 1_ 4 /M AA _1 2 H1 1
MAA1_5/MAA_13/BA2 G1 1
MAA1_6/MAA_14/BA0 J1 6
MAA1_7/MAA_15/BA1 L1 5
MA A0 _ 2/ MA A_ 2 H2 3
MA A0 _ 3/ MA A_ 3 G2 3
MA A0 _ 4/ MA A_ 4 G2 4
MA A0 _ 5/ MA A_ 5 H2 4
MAA 0_ 6 /M AA 0_ 6 J1 9
MAA 0_ 7 /M AA 0_ 7 K19
MA A1 _ 0/ MA A_ 8 J1 4
MA A1 _ 1/ MA A_ 9 K14
ADBI A0/ODTA0 L1 8
ADBI A1/ODTA1 K16
R ASA0B G2 2
R ASA1B G1 7
EDCA 0_ 0/RD QSA_ 0 H2 8
EDCA 0_ 1/RD QSA_ 1 C2 7
EDCA 0_ 2/RD QSA_ 2 A23
EDCA 0_ 3/RD QSA_ 3 E19
EDCA 1_ 0/RD QSA_ 4 E15
EDCA 1_ 1/RD QSA_ 5 D1 0
EDCA 1_ 2/RD QSA_ 6 D6
EDCA 1_ 3/RD QSA_ 7 G5
MAA 1_8 _RSVD G1 4
MAA 0_ 8 /M AA _1 3 G2 0
DDBI A0_ 0/WD QSA_ 0 H2 7
DDBI A0_ 1/WD QSA_ 1 A27
DDBI A0_ 2/WD QSA_ 2 C2 3
DDBI A0_ 3/WD QSA_ 3 C1 9
DDBI A1_ 0/WD QSA_ 4 C1 5
DDBI A1_ 1/WD QSA_ 5 E9
DDBI A1_ 2/WD QSA_ 6 C5
DDBI A1_ 3/WD QSA_ 7 H4
WEA0B G2 5
WEA1B H1 0
DR AM_ RST
L1 0
CL KTESTA
K8
CL KTESTB
L7
* 0. 1u _ 10 V_ X5 R _ 04
C2 06
* 51. 1_1 %_0 4
R 129
* 40. 2_1%_0 4
R12 2
*0 .1u _10V_X5R_0 4
C204
* 100 _04
R12 3
RSER 1
* 10 _04
* 0. 1u_1 0V_X5R _04
C2 07
* 0. 1u_ 10V_X5 R_04
C 205
*100_04
R1 27
*2 43_1 %_ 04R12 5
*5 1.1 _1%_04R 128
* 40 .2_1 %_ 04
R1 26
*2 43_1 %_ 04R12 4
MVDDQ
MVDDQ
MV D DQ
QSA0_2 B 13
MAA [12 ..0] 1 3,14
CKEA0 13
CSA0b_0 13
QSA0_3 B 13
CLKA0 13
DQA0_[ 31. .0]13
DQ MA0_[3 ..0 ] 13
QSA0_0 B 13
ODT A0 13
MEM_RST 13, 14
QSA0_1 B 13
MAA 13 13 , 14
R AS A 0# 13
WEA0# 13
C AS A 0# 13
CKEA0
RASA0#
CS A0 b_0
CASA0#
CLKA0
ODTA0
QSA1 _[ 3 ..0 ] 14
A_BA0 13,14
A_BA2 13,14
A_BA1 13,14
CLKA1#
CASA1#
RASA1#
CLKA0#
CKEA1
WEA1# 14
CKEA1 14
R AS A 1# 14
DQMA1_ [3. . 0] 1 4
DQMA1_ 2
DQMA1_ 3
DQMA1_ 0
DQMA1_ 1
CLKA1# 14
C AS A 1# 14
WEA1#
CLKA0# 13
CLKA1 14
CLKA1
ODT A1 14
ODTA1
CSA1b_0 14
CS A1 b_0
DQA1_[ 31. .0]14
25mm (max)
DQA0_ 10
DQA0_ 3
DQA0_ 20
DQA0_ 19
DQA0_ 4
DQA0_ 22
DQA0_ 21
DQA0_ 24
DQA0_ 23
DQA0_ 5
DQA0_ 11
DQA0_ 0
DQA0_ 26
DQA0_ 25
DQA0_ 28
DQA0_ 27
DQA0_ 12
DQA0_ 6
DQA0_ 30
DQA0_ 29
DQA0_ 8
DQA0_ 1
DQA0_ 7
DQA0_ 2
DQA0_ 9
DQA0_ 31
DQA0_ 14
DQA0_ 13
DQA0_ 18
DQA0_ 17
DQA0_ 16
DQA0_ 15
COMPONENTS SHOWN ARE EXAMPLES ONLY
AND NOT NECESSARILY QUALIFIED
DME M_ RST
1 0.0
DDR3 Memory
Interface
From GPU
MA A1 _ 8
DD R3/GD DR 3 Me mory Stuff Optio n
WEA0#
MAA6
MAA1
MAA11
MAA9
MAA2
MAA10
MAA0
MAA8
MAA4
MAA7
MAA5
MAA3
DQMA0_ 3
DQMA0_ 0
DQMA0_ 1
DQMA0_ 2
Place all these components very close to GPU (Within
25mm) and keep all component close to each Other (within
5mm) except Rser2
MAA12
Ra
Ra
Ra
Rb
Rb
Rb
GDDR5
MVDDQ
5m m (m a x )
QSA1_0 B 14
QSA1_3 B 14
QSA1_2 B 14
QSA0_[ 3.. 0] 1 3
QSA1_1 B 14
QSA1 _3B
QSA1 _1B
QSA1 _2B
QSA1 _0B
MA A1 3
1.5V/1.8V
25mm (max)
This basi c topo logy s hould be use d for DRAM_ RST fo r DDR3 /GDDR5 .Thes e
Capa citor s and Resist or val ues ar e an exampl e only . The Series R an d
|| C ap va lues w ill de pend o n the DRAM load a nd wil l have to be
calc ulate d for diffe rent M emory ,DRAM Load and bo ard t o pass Rese t
Sign al Sp ec.
DDR3
DMEM_RST
1.5V
100R
40.2R
40.2R
100R
QSA0 _2B
QSA0 _3B
QSA0 _1B
QSA0 _2
QSA0 _0
QSA0 _1
QSA0 _3
QSA0 _0B
C LKTESTA
PLACE MVREF DIVIDERS
AND CAPS CLOSE TO ASIC
CLKTESTB
r oute 50o hms sin gle- ende d/1 00oh ms d iff
a nd k eep sho rt
D ebug onl y, for cloc k ob ser vati on, if n ot need ed, DNI
DQA1_ 6
DQA1_ 3
DQA1_ 2
DQA 1_11
DQA 1_10
DQA1_ 5
DQA1_ 4
DQA1_ 7
DQA1_ 9
DQA1_ 8
DQA 1_13
DQA 1_12
DQA 1_15
DQA 1_14
DQA 1_23
DQA 1_22
DQA 1_19
DQA 1_18
DQA1_ 0
DQA1_ 1
DQA 1_17
DQA 1_16
DQA 1_21
DQA 1_20
DQA 1_29
DQA 1_28
DQA 1_31
DQA 1_30
DQA 1_27
DQA 1_26
DQA 1_25
DQA 1_24
QSA1 _1
QSA1 _3
QSA1 _2
QSA1 _0

Schematic Diagrams
Robson S3 Straps 4/6 B - 11
B.Schematic Diagrams
Robson S3 Straps 4/6
Sheet 10 of 41
Robson S3 Straps
4/6
* 2.2K_04
R147
*W83L771AWG
U6
SCLK
8VDD1
AL ER T
6
THERM4
SDATA
7
GND
5
D+ 2
D- 3
*0_04R152
*0_04R153
*10K_04R145
*10K_04R135
*0_04R155
*0_04R154
R159
* 6.8K_1%_04
*2.2K_04R156
*10K_04R139
R160
* 6.8K_1%_04
*10K_04R137
*10K_04R136
*10K_04R140
*2.2K_04
R146
* 0_04R151
R158 *0_04
*10K_04R130
Q4
*MTN7002Z HS3
G
DS
*10K_04R134
*10K_04R144
*10K_04R131
Q5
*MTN7002ZHS3
G
DS
* 0_04R150
*10K_04R133
*10K_04R138
*10K_04R132
*1000p_50V_X7R_04
C208
*10K_04R141
*2200p_50V_X7R_04C209
*2. 2K _ 04R157
*10K_04R143
*10K_04R142
3 . 3VS_ G PU
3.3VS_GPU
3.3VS_GPU
3 . 3VS_ G PU
3.3V S_GPU
GPIO58
GPU_DMINUS8
GPU_DPLUS 8
HSYNC_DAC18,21
VS YN C _DAC18,21
GENERICC8
GPIO228
VSY N C_DAC28
HSY N C_DAC28
GPIO88
GPIO28
GPIO18
GPIO08
GPIO218
GPIO98
GPIO138
GPIO128
GPIO118
MXM_SCLK8
MXM_ SD ATA8
SC L K0 5,6,16
SD ATA0 5,6,16
MXM_ RST#7
SMC _ VGA_THER M27
SMD _ VGA_THER M27
GPU_TALERT# 8,17
W250BAQ
GP IO0 1
GP IO1 1
VGA_AL E RT# 27
GP IO2 0
GP IO8 0
GP IO9 0
GP IO1 1 1
GP IO1 2 0
GP IO1 3 0
V SY NC_ DA C1 1
H SY NC_ DA C1 1
GE NER ICC 1
V SY NC_ DA C2 0
H SY NC_ DA C2 0
GP IO2 1 0
GP IO2 2 0
GP IO5 1
MXM_SDATA
MXM_SCLK
MXM _SC L K
3.3VS_GPU
MXM_ SD ATA
SEE DA TABO OK FO R DE TAIL
SMBus gating circuit
XHSY N C
ALLOW FOR PULLUP PADS FOR THES E S TRAPS AND IF THES E GPI OS ARE US ED,
THEY MUS T NOT CON FLICT DURI NG RESET
X
AUD[1]
GPI O1
TX_PWRS_ENBPCIE FULL TX OUTP UT SWINGGPI O0
EN ABLE EXTER NA L BIO S R OM
XXX
PC IE TR AN SMI TTER DE - EMPH ASIS EN ABLEDTX_ D EEMPH _ EN
B I F_VG A DI S VGA EN AB LEDGPI O9 0
X
X
IGNOR E VI P DE VICE STRAP S (Removed on Seymour/Whistl er)V2SY NCV I P_ D EVI C E_ STR AP_ E NA
PI N D ESC R I PTI O N OF DEFAULT SETTINGSSTR APS
GPIO_22_ROMCSB
RECOMMENDED SETTI NGS
0= DO NO T I NSTAL L R ESI STOR
1 = I NSTA LL 3K R ESISTO R
X = DES I G N DEPENDANT
NA = NOT APPLICABLE
SER IAL RO M TYP E O R MEM O RY AP ER TUR E S IZE S ELEC T
ROMIDCFG(2:0) GPIO[13: 11]
BIOS_ROM_EN
CONFIGURATION STRAPS-- SEE EACH DATABOOK FOR STRAP DETAILS
H2SYNC
AUD[0] XVSY NC
X
ALLOW FOR P ULLUP P ADS FOR TH ESE STR APS B UT DO N OT I NST ALL RESI STOR. IF THESE GPI OS A RE US ED,
THEY MUS T K EEP "LO W " AND N OT CON F LIC T D URI NG RESET .
NOTE1: AMD RESERVED CONFIGURATION STRAPS
GPIO21 GENERICC
0RE SER VE DGPI O2RSVD
PIN STRAPS
GPI O8RSVD
GPU Thermal Sensor
GPI O21RSVD
0RE SER VE D
RSVD
0RE SER VE D
GEN ER I C CRSVD
0RE SER VE DH2SY NC
GPIO2
SEE DA TABO OK FO R DE TAIL
0RE SER VE D
GPIO21 MUST BE LOW DURING PERSTB WHEN BEING USED TO CONTROL MVDDQ
GPIO8

Schematic Diagrams
B - 12 Robson S3 Power 5/6
B.Schematic Diagrams
Robson S3 Power 5/6
Sheet 11 of 41
Robson S3 Power
5/6
*150_1%_04
R163
GND
*ROBSON XT S3
U4E
PCI E _ VSS# 1
AA27
PCIE _VSS#10
AF3 2
PCIE _VSS#11
AG27
PCIE _VSS#12
AH 3 2
PCIE _VSS#13
K28
PCIE _VSS#14
K32
PCIE _VSS#15
L27
PCIE _VSS#16
M32
PCIE _VSS#17
N25
PCIE _VSS#18
N27
PCIE _VSS#19
P25
PCI E _ VSS# 2
AB24
PCIE _VSS#20
P32
PCIE _VSS#21
R27
PCIE _VSS#22
T25
PCIE _VSS#23
T32
PCIE _VSS#24
U25
PCIE _VSS#25
U27
PCIE _VSS#26
V32
PCIE _VSS#27
W25
PCIE _VSS#28
W26
PCIE _VSS#29
W27
PCI E _ VSS# 3
AB32
PCIE _VSS#30
Y25
PCIE _VSS#31
Y32
PCI E _ VSS# 4
AC 2 4
PCI E _ VSS# 5
AC 2 6
PCI E _ VSS# 6
AC 2 7
PCI E _ VSS# 7
AD 2 5
PCI E _ VSS# 8
AD 3 2
PCI E _ VSS# 9
AE27
VSS _MECH#1 A32
VSS _MECH#2 AM1
VSS _MECH#3 AM32
GND#1 A3
GND#10 AD 8
GND#11 AE 7
GND#12 AG1 2
GND#13 AH 1 0
GND#14 AH 2 8
GND#15 B1 0
GND#16 B1 2
GND#17 B1 4
GND#18 B1 6
GND#19 B1 8
GND#2 A30
GND#20 B2 0
GND#21 B2 2
GND#22 B2 4
GND#23 B2 6
GND#24 B6
GND#25 B8
GND#26 C1
GND#27 C32
GND#28 E2 8
GND#29 F10
GND#3
AA 13
GND#30 F12
GND#31 F14
GND#32 F16
GND#33 F18
GND#34 F2
GND#35 F20
GND#36 F22
GND#37 F24
GND#38 F26
GND#39 F6
GND#4 AA 16
GND#40
F8
GND#41 G10
GND#42 G27
GND#43 G31
GND#44 G8
GND#45 H14
GND#46 H17
GND#47 H2
GND#48 H20
GND#49 H6
GND#5 AB 10
GND#50 J27
GND#51 J31
GND#52 K1 1
GND#53 K2
GND#54 K2 2
GND#55 K6
GND#56
M6
GND#57
N11
GND#58
N12
GND#59
N13
GND#6 AB 15
GND#60
N16
GND#61
N18
GND#62
N21
GND#63
P6
GND#64
P9
GND#65
R12
GND#66
R15
GND#67
R17
GND#68
R20
GND#69
T13
GND#7 AB 6
GND#70
T16
GND#71
T18
GND#72
T21
GND#73
T6
GND#74
U15
GND#75
U17
GND#76
U20
GND#77
U9
GND#78
V13
GND#8 AC 9
GND#79
V16
GND#80
V18
GND#81
Y10
GND#82
Y15
GND#83
Y17
GND#84
Y20
GND#9 AD 6
GND#85
R11
GND#86
T11
L75
*HCB1608KF -121T25
L74
*HCB1608KF-121T25
*1u_6.3V_X5R_04
C214
* 1u_6.3V_X5R_04
C215
*0.1u_10V_X5R_04
C221
L77
*HCB1608KF -121T25
* 0.1u_10V_X5R_04
C213
* 0.1u_10V_X5R_04
C210
* 10u_6. 3V_08_H125
C218
*1u_6.3V_X5R_04
C217
*0.1u_10V_X5R_04
C216
*10u_6.3V_08_H125
C219
*10u_6.3V_08_H125
C211
DP PLL POWER
DP A/B POWERDP E/F POWER
*R OBSON XT S3
U4G
DPA_PVDD AG8
DPA_P VSS AG7
DPA_VDD10#1 AF 6
DPA_VDD10#2 AF 7
DPA_VDD18#1 AE 11
DPA_VDD18#2 AF 11
DPA_VSSR#1 AE 1
DPA_VSSR#2 AE 3
DPA_VSSR#3 AG 1
DPA_VSSR#4 AG 6
DPA_VSSR#5 AH 5
DP AB_ C AL R AE 10
DPB_PVDD AG1 0
DPB_P VSS AG11
DPB_VDD10#1 AF 8
DPB_VDD10#2 AF 9
DPB_VSSR#1 AF 10
DPB_VSSR#2 AG 9
DPB_VSSR#3 AH 8
DPB_VSSR#4 AM6
DPB_VSSR#5 AM8
DPB_VDD18#1 AE 13
DPB_VDD18#2 AF 13
DPE_PVDD
AG18
DPE_PVSS
AF 19
DPE_VDD10#1
AG20
DPE_VDD10#2
AG21
DPE_VDD18#1
AG15
DPE_VDD18#2
AG16
DPE_VSSR#1
AG14
DPE_VSSR#2
AH 14
DPE_VSSR#3
AM14
DPE_VSSR#4
AM16
DPE_VSSR#5
AM18
DPEF_CALR
AF 17
DPF_PVDD
AG19
DPF_PVSS
AF 20
DPF_VDD10#1
AF 22
DPF_VDD10#2
AG22
DPF_VDD18#1
AF 16
DPF_VDD18#2
AG17
DPF_VSSR#1
AF 23
DPF_VSSR#2
AG23
DPF_VSSR#3
AM20
DPF_VSSR#4
AM22
DPF_VSSR#5
AM24
* 1u_6.3V_X5R_04
C220
*10u_6.3V_08_H125
C212
L76
*HCB1608KF- 121T25
*150_1%_04R162
DPAB_VDD18
DPAB_VDD18
1.8V_REG
D PEF _VDD18
D PEF _ VDD18
DPEF_VDD181.8V_REG
DPEF_VDD10
1.0V_REG
DPA B_ VD D10
DPA B_ VD D10
D PEF _ VDD18
1.0V_REG
DPAB_VDD18
D PAB _VDD18
D PEF _ VDD10
PARK/ROBSON- S3 (DP Power)
(1.8V@300mA DPEF_VDD18)
(1.0V@220mA DPEF_VDD10)
DP mode
LVDS mode
DP mode
LVDS mode
(1.0V@240mA DPEF_VDD10)
(1.8V@440mA DPEF_VDD18)
( 1.8V@ 300m A DPAB_V DD18 )
(1.0 V@220 mA DPAB_VDD1 0)

Schematic Diagrams
Robson S3 Power 6/6 B - 13
B.Schematic Diagrams
Robson S3 Power 6/6
1.0V_REG
2A 80mil
* 1 u_ 6. 3 V _X 5R _0 4
C28 9
*10u_6.3V_08_H125
C2 99
*1u_6.3V_X5R_04
C23 2
* 1 u_ 6. 3 V _X 5R _0 4
C2 84
* 1 0u _6 . 3V _ 0 8_ H 12 5
C252
* 0.1u_10V_X5R_04
C2 4 1
* 1u_6.3V_X5R_04
C258
L82
* H C B1 6 08 K F - 12 1T 25
*0 .1u_10V_X5R_04
C2 91
* 1 u_ 6. 3 V _X 5 R _0 4
C234
*1u_6.3V_X5R_04
C323
* 1 u_ 6. 3 V _X 5 R _0 4
C31 1
* 10u_6.3V_08_H125
C24 8
*1u_6.3V_X5R_04
C26 3
*1 u_ 6 .3V_X5R_04
C3 14
*10u_6.3V_08_H125
C2 98
* 0 . 1 u_ 10 V _X 5 R _0 4
C22 7
* 1 u_ 6. 3 V _X 5R _0 4
C273
*1u_6.3V_X5R_04
C3 12
* 1 u_ 6. 3 V _X 5 R _0 4
C2 79
* 1u_6.3V_X5R_04
C2 74
NC1
SH ORT
*10u_6.3V_08_H125
C3 02
* 0.1u_10V_X5R_04
C2 2 9
* 1u _ 6. 3 V _X 5R _0 4
C2 44
* HCB1608KF-121T25L7 9
*10u_6.3V_08_H125
C24 5
* 0.1u_10V_X5R_04
C22 2
* 1u_6.3V_X5R_04
C268
*0.1u_10V_X5R_04
C2 26
C3 0 5
*1u_6.3V_X5R_04
* 1 u_ 6. 3 V _X 5R _0 4
C27 5
* 1 u_ 6. 3 V _X 5 R _0 4
C254
*10u_6.3V_08_H125
C260
* 0.1u_10V_X5R_04
C2 23
* 1u_6.3V_X5R_04
C3 07
L78
*HC B1608KF-121T25
* 1u_6.3V_X5R_04
C233
* 1 u_ 6. 3 V _X 5R _0 4
C262
*1u_6.3V_X5R_04
C3 10
* 0. 1 u_ 10 V _X 5 R _0 4
C3 24
*1u_6.3V_X5R_04
C271
C304
*1u_6.3V_X5R_04
L80 * HCB1608KF-121T25
*1u_6.3V_X5R_04
C2 88
*10u_6.3V_08_H125
C3 16
* 1 u_ 6. 3 V _X 5R _0 4
C259
*1u_6.3V_X5R_04
C2 80
* 1u_6.3V_X5R_04
C2 8 7
*10u_6.3V_08_H125
C27 6
* 1 u_ 6. 3 V _X 5R _0 4
C242
*10u_6.3V_08_H125
C32 2
*1u_6.3V_X5R_04
C282
* 10u_6.3V_08_H125
C261
* 1u_6.3V_X5R_04
C3 09
* 1 u_ 6. 3 V _X 5 R _0 4
C2 56
* 1 u_ 6. 3 V _X 5R _0 4
C2 55
*10u_6.3V_08_H125
C317
*10u_6.3V_08_H125
C24 9
*10u_6.3V_08_H125
C3 0 3
R164 * 10mil_short
* 0. 1 u_ 10 V _X 5 R _0 4
C22 4
*10u_6.3V_08_H125
C3 15
*1u_6.3V_X5R_04
C2 65
*1u_6.3V_X5R_04
C3 21
*0.1u_10V_X5R _04
C240
* 1u_6.3V_X5R_04
C2 43
POWER
PLL
PCIE
CORE
MEM I/O
MEM CLK
I/O
LEVEL
TRANSLATION
ISOLATED
CORE I/O
*ROBSON XT S3
U4D
PCIE_PVD D
AM30
NC _MPV1 8
L8
SPV18
H7
PCIE_VDDC#1 L23
PCIE_VDD C#1 0 T22
PCIE_VDD C#1 1 U22
PCIE_VDD C#1 2 V22
PCIE_VDDC#2 L24
PCIE_VDDC#3 L25
PCIE_VDDC#4 L26
PCIE_VDDC#5 M22
PCIE_VDDC#6 N22
PCIE_VDDC#7 N23
PCIE_VDDC#8 N24
PCIE_VDDC#9 R22
PCIE_VDDR#1 AB23
PCIE_VDDR#2 AC23
PCIE_VDDR#3 AD24
PCIE_VDDR#4 AE24
PCIE_VDDR#5 AE25
PCIE_VDDR#6 AE26
PCIE_VDDR#7 AF25
PCIE_VDDR#8 AG26
SPV10
H8
SPVSS
J7
VDDR 1# 1
H1 3
V D D R 1# 10
K24
V D D R 1# 11
K9
V D D R 1# 12
L1 1
V D D R 1# 13
L1 2
V D D R 1# 14
L1 3
V D D R 1# 15
L2 0
V D D R 1# 16
L2 1
V D D R 1# 17
L2 2
VDDR 1# 2
H1 6
VDDR 1# 3
H1 9
VDDR 1# 4
J1 0
VDDR 1# 5
J2 3
VDDR 1# 6
J2 4
VDDR 1# 7
J9
VDDR 1# 8
K10
VDDR 1# 9
K23
VDDR 3# 1
AA17
VDDR 3# 2
AA18
VDDR 3# 3
AB17
VDDR 3# 4
AB18
VDDR 4# 1
V12
VDDR 4# 2
Y12
NC _VDDR HA
L1 7
NC _VSSRHA
L1 6
VDD_ CT #1
AA20
VDD_ CT #2
AA21
VDD_ CT #3
AB20
VDD_ CT #4
AB21 V DDC# 1 AA15
VDD C#10 T17
VDD C#11 T20
VDD C#12 U13
VDD C#13 U16
VDD C#14 U18
BIF _ VDDC # 2 U21
VDD C#16 V15
VDD C#17 V17
VDD C#18 V20
VDD C#15 V21
VDDC# 2 N15
VDD C#19 Y13
VDD C#20 Y16
VDD C#21 Y18
VDDC# 7 Y21
VDDC# 3 N17
VDDC# 4 R13
VDDC# 5 R16
VDDC# 6 R18
BIF _ VDDC # 1 R21
VDDC# 8 T12
VDDC# 9 T15
VDDCI # 1 M13
VDDCI # 2 M15
VDDCI # 3 M16
VDDCI # 4 M17
VDD C#22 M11
VDD C#23 M12
VDDCI # 5 M18
VDDCI # 7 M21
VDDCI # 6 M20
VDDCI # 8 N20
NC #1
AA11
NC #3
V11
NC #4
U1 1
VDDR 4# 3
U1 2
NC #2
AA12
*0.1u_10V_X5R_04
C3 20
* 1u_6.3V_X5R_04
C27 7
* 10 u _6 . 3V _ 08 _H 12 5
C25 1
L8 3
*HCB1608KF-121T25
* 1 u_ 6. 3 V _X 5R _0 4
C257
*10u_6.3V_08_H125
C3 00
*1u_6.3V_X5R_04
C29 0
*1u_6.3V_X5R_04
C231
*10u_6.3V_08_H125
C3 01
* 0. 1 u_ 10 V _X 5 R _0 4
C264
* 1u_6.3V_X5R_04
C253
*1u_6.3V_X5R _04
C283
* 1 u_ 6. 3 V _X 5R _0 4
C313
* 10 u _6 . 3V _ 08 _H 12 5
C306
*1u_6.3V_X5R_04
C281
L8 1
* HCB1608KF-121T25
* 0 . 1 u_ 10 V _X 5R _0 4
C30 8
*0 .1 u_ 10 V _X 5 R_0 4
C2 28
*1u_6.3V_X5R_04
C267
* 1u_6.3V_X5R_04
C23 0
* 1u_6.3V_X5R_04
C269
*1 u_ 6 .3V_X5R_04
C2 38
* 1 u_ 6. 3 V _X 5 R _0 4
C27 2
*0.1u_10V_X5R_04
C225
* 1 u_ 6. 3 V _X 5R _0 4
C2 70
* 1u_6.3V_X5R_04
C278
* 1u_6.3V_X5R_04
C2 35
L84
*HCB1608KF-121T25
*1u_6.3V_X5R_04
C2 66
VDD R4
MP V 18
3.3 VS_GPU
1.8V_REG
VDDR4
SPVSS
PCI E_ VD DR_ VG A
SPV18
VDDC _CT
PC IE _ VDDR_ V GA
BIF _ VDDC
1. 0 V _R E G
BIF_VDDC
1.8V_REG
1.0V_REG
VDDCI
VDDC
VDDC
MVDDQ
VDDC
SPVSS
SPV18
MPV18
MVDDQ
2.8A 210m il
PC I E_VDDR
400mA 20m il
V DDC
12.9A 520m il
3.3VS_GPU
60mA 4mil
VDDC_CT+VDDR4
187mA 10m il
VDD CI
2A 80mil
BIF_VDDC sho rts with VDDC if
BACO is not su ppor ted
+
C8 37
* 220u_4V_V_A
VD DC
1. No BACO Suppo rt:
Fo r Seym ou r,PCIE_PV DD is PC IE _ V DDR
2. BA CO Su pport :
Note 1
See Not e 1
VDDCI and VDDC share one common regulator
0.9-1.12V @2A (DDR3) ??(GDDR5)
Warning:Select the correct Bead to
support expected VDDCI current. See
databook for details.
Refer to the BACO r eferen ce schem atics/Application
no te for de tail a bout BIF_VDDC Rail if BACO is
Suppo rted
(Park: 1.8V@75m A MPV 18)
(1.8V @75mA SPV 18)
Sheet 12 of 41
Robson S3 Power
6/6

Schematic Diagrams
B - 14 Robson DDR3 MEM CH-A
B.Schematic Diagrams
Robson DDR3 MEM CH-A
QS A0_ 0
QS A0_ 0B
DQMA0 _0
VREFC_U 7
CHANNEL A: 64M X 16 bit X8 DDR3 (RANK0)
DQMA0 _3
DQMA0 _0
DQMA0 _1
DQMA0 _2
VREFD_U8
QS A0 _ 1B
QS A0 _ 2B
VREFC_U8
QSA0_2
QS A0 _ 3B
QSA0_0
QSA0_1
QSA0_3
QS A0 _ 0B
ODT A0
QS A0_ 0 B9
MA A 9
MAA11
MA A 7
MA A 2
MA A 3
MA A 6
MAA10
MA A 8
MA A 1
MAA12
MA A 4
MA A 5
MA A 0
MA A 13
DQA0_17
DQA0_20
DQA0_16
DQA0_19
DQA0_21
DQA0_23
DQA0_18
DQA0_22
DQA0_[23..16] 9
ODT A 0
MAA1 1
MA A 9
MA A 6
MA A 7
MA A 8
MA A 3
MA A 0
MA A 2
MA A 1
MA A 5
MA A 4
MAA1 0
VREFD_U 7
VREFC_U 7
MAA1 2
VREFD_U 7
MA A 13
MA A 2
MA A 1 1
MA A 7
MA A 1 3
MA A 3
MA A 6
MA A 8
MA A 1 0
MA A 9
VREFD _U8
VREFC _U8
MA A 0
MA A 1
MA A 5
MA A 4
MA A 1 2
ODT A 0
DQ A0 _ 31
DQ A0 _ 29
DQ A0 _ 30
DQ A0 _ 27
DQ A0 _ 25
DQ A0 _ 28
DQA0_ 8
DQA0_12 DQ A0 _ 24
DQ A0 _ 26DQA0_13
DQA0_15
DQA0_14
DQA0_9
DQA0_10
DQA0_ 11
QSA 0 _3 B
QS A0 _1 QS A0_ 3
QS A0 _1 B
DQ MA0_ 1 DQMA0 _3
* 4.99K_1% _04
R178
*10u_6.3V_X5R_06
C378
*0.1u_10V_X5R_04
C3 42
*0 .1u _1 0V _ X 5R_ 04
C34 1
*1u_6.3V_X5R_04
C334
* 4.99K_1% _04
R174
* 4.99K_1% _04
R170
*0 .1u _1 0V _ X5R _ 04
C36 2
* 4 . 99 K _1 %_ 04
R1 77
*0.1u_10V_X5R_04
C3 63
* 4 . 99 K _1 %_ 04
R1 73
*10u_6.3V_X5R _06
C376
*0 .1 u _1 0V _ X 5R _ 04
C360
* 0. 1 u_ 10 V _X 5R _0 4
C329
* 4 . 99 K _1 %_ 04
R1 69
*24 3_ 1 %_ 04R1 65
* 4.99K_1% _04
R182
*1u_6.3V_X5R _04
C33 3
* 1 u_ 6. 3 V _X 5R _0 4
C33 7
*1u_6.3V_X5R_04
C355
* 4 . 99 K _1 %_ 04
R1 81
*0 .1 u_ 10 V _X 5 R_0 4
C3 38
*0 .1 u_ 10 V _X 5 R_0 4
C3 59
*1u_6.3V_X5R_04
C357
10 0- B A LL
SD RAM DDR3
U7
* K 4W 1G 16 46 G - B C 11
WE
L3
RAS
J3
CAS
K3
CS
L2
CKE
K9
CK
J7
CK
K7
DQSU
B7
BA0
M2
BA1
N8
A2
P3
A3
N2
A4
P8
A5
P2
A6
R8
A7
R2
A8
T8
A9
R3
A10 /AP
L7
A11
R7
DQL0 E3
DQL1 F7
DQL2 F2
DQL3 F8
DQL4 H3
DQL5 H8
DQL6 G2
DQL7 H7
VSSQ#D1 D1
VSS#A9 A9
VSS#E1 E1
VSS#B3 B3
NC#J1
J1
VDD#B2 B2
VD D #D 9 D9
VDDQ# A1 A1
VDDQ# A8 A8
VDD Q#C1 C1
VDD Q#C9 C9
NC#L1
L1
NC#J9
J9
VDDQ# E9 E9
ZQ
L8
RESET
T2
DQSL
F3
DMU
D3 DML
E7
VSSQ#B1 B1
VSSQ#B9 B9
VSSQ#D8 D8
VSSQ#E2 E2
DQSU
C7
VSSQ#E8 E8
DQSL
G3
VDDQ# F1 F1
VSSQ#F9 F9
VSSQ#G1 G1
VDD Q#H2 H2
VDD Q#H9 H9
VSSQ#G9 G9
VREFCA
M8
VSS#G8 G8
VD D # G 7 G7
ODT
K1
A0
N3
A1
P7
VDD#K2 K2
A12 /BC
N7
VSS#J2 J2
VDD#K8 K8
DQU1 C3
DQU2 C8
DQU3 C2
DQU4 A7
DQU5 A2
DQU6 B8
DQU7 A3
DQU0 D7
A13
T3
A14
T7
A15
M7
BA2
M3
VREFDQ
H1
NC#L9
L9
VD D #N 1 N1
VD D #N 9 N9
VD D #R 1 R1
VD D #R 9 R9
VSS#J8 J8
VSS#M1 M1
VSS#M9 M9
VSS#P1 P1
VSS#P9 P9
VSS#T1 T1
VSS#T9 T9
VDD Q#D2 D2
*0 .1u _1 0V _ X5 R_ 04
C3 30
* 0 . 0 1u _1 6V _ X7 R _ 04
C353
* 10 u _6 . 3V _ X5 R _ 06
C37 5
*0 .1 u _1 0V _ X 5R _ 04
C339
* 0. 1 u_ 10 V _X 5R _0 4
C325
1 0 0- B A LL
SDR AM DDR3
U8
* K4 W 1G 1 6 46 G - B C 11
WE
L3
RAS
J3
CAS
K3
CS
L2
CKE
K9
CK
J7
CK
K7
DQSU
B7
BA0
M2
BA1
N8
A2
P3
A3
N2
A4
P8
A5
P2
A6
R8
A7
R2
A8
T8
A9
R3
A10 /AP
L7
A11
R7
DQL0 E3
DQL1 F7
DQL2 F2
DQL3 F8
DQL4 H3
DQL5 H8
DQL6 G2
DQL7 H7
VSSQ #D1 D1
VSS#A9 A9
VSS#E1 E1
VSS#B3 B3
NC#J1
J1
VD D #B 2 B2
VDD #D9 D9
VDD Q#A1 A1
VDD Q#A8 A8
VDDQ #C1 C1
VDDQ #C9 C9
NC#L1
L1
NC#J9
J9
VDD Q#E9 E9
ZQ
L8
RESET
T2
DQSL
F3
DMU
D3 DML
E7
VSSQ#B1 B1
VSSQ#B9 B9
VSSQ #D8 D8
VSSQ#E2 E2
DQSU
C7
VSSQ#E8 E8
DQSL
G3
VDD Q#F1 F1
VSSQ#F9 F9
VSSQ #G1 G1
VDDQ #H2 H2
VDDQ #H9 H9
VSSQ #G9 G9
VREFCA
M8
VSS#G8 G8
VDD #G7 G7
ODT
K1
A0
N3
A1
P7
VD D #K 2 K2
A12 /BC
N7
VS S # J 2 J2
VD D #K 8 K8
DQU1 C3
DQU2 C8
DQU3 C2
DQU4 A7
DQU5 A2
DQU6 B8
DQU7 A3
DQU0 D7
A13
T3
A14
T7
A15
M7
BA2
M3
VREFDQ
H1
NC#L9
L9
VDD #N1 N1
VDD #N9 N9
VDD #R1 R1
VDD #R9 R9
VS S # J 8 J8
VSS#M1 M1
VSS#M9 M9
VSS#P1 P1
VSS#P9 P9
VS S # T1 T1
VS S # T9 T9
VDDQ #D2 D2
*1u_6.3V_X5R _04
C35 4
*0.1u_10V_X5R_04
C3 40
*1u_6.3V_X5R _04
C35 6
*0.1u_10V_X5R_04
C3 61
*0 .1u _1 0V _ X5 R_ 04
C3 26
* 5 6_ 04
R18 5
* 243_1% _04R166
* 1 u_ 6. 3 V _X 5R _0 4
C35 8
*1u_6.3V_X5R_04
C336
*1u_6.3V_X5R _04
C33 5
* 10 u _6 . 3V _ X5 R _ 06
C37 7
MV D DQ
MV D DQ
MV D DQ
MVDDQ
MVDDQ
MVDD Q MVDDQ
MVDD Q MVDDQ
MVDDQ
MVDDQ
DQMA0_[3..0]9
QSA 0_ [3.. 0 ]9
ODT A09
MAA[13..0]9, 1 4
CL KA 0 #9
CL KA 09
CAS A0 #9
CKEA09
WEA0#9
CLK A0 #9
CSA0b _09
CLKA09
RAS A0 #9CSA0b_09
C LKA09
WEA0#9C ASA0 #9R ASA0#9
C LKA0#9C KEA09
DQA0_ [31 ..24 ] 9DQA0 _[1 5..8 ] 9
ME M_ R S T9, 1 4
A_BA29,14
ME M_R ST9, 1 4
A_BA09,14
A_BA29, 1 4 A_BA19, 1 4
A_BA09, 1 4
A_BA19,14
QS A0_ 1 B9
QS A0 _2
DQ MA0_ 2
QS A0 _2 B
QS A0_ 2 B9
* 5 6_ 04
R18 6
QS A0_ 3 B9
VREFD_U 7
VREFC_U 7
DQ A0 _ 3
DQ A0 _ 4
DQ A0 _ 0
DQ A0 _ 2
DQ A0 _ 5
DQ A0 _ 1
DQ A0 _ 7
DQ A0 _ 6
DQA0 _[7 ..0] 9
VREFC_U8
COMPONENTS SHOWN ARE EX AMPLES ONLY
AND NOT NECESSARILY QUALIFIED
VREFD_U8
Sheet 13 of 41
Robson DDR3 MEM
CH-A

Schematic Diagrams
Robson DDR3 MEM CH-B B - 15
B.Schematic Diagrams
Robson DDR3 MEM CH-B
CHANNEL A: 64M X 16 bit X8 DDR3 (RANK1)
VR EF C_U12
DQA1 _5
D QA1_3
D QA1_1
DQA1 _7
DQA1 _6
DQA1 _4
DQA1 _2
DQA1 _0 DQA1 _[1 5..8] 9
MAA13
QSA 1_ 3B
QSA 1_ 1B
QSA 1_ 2B
QSA 1_ 0B
QSA1_2B
DQMA1 _2
QSA1_2
QS A1 _ [3 ..0]9
QSA1_2
QSA1_0
QSA1_1
QSA1_3
DQA1_[31..24] 9
DQA1_[23..16] 9
DQA1 _2 0
DQA1 _1 8
DQA1 _2 1
DQA1 _2 3
DQA1 _1 6
DQA1 _1 7
DQA1 _1 9
DQA1 _2 2
DQA1 _2 4
DQA1 _2 5
DQA1 _2 8
DQA1 _2 6
DQA1 _3 0
DQA1 _3 1
DQA1 _2 9
DQA1 _2 7
+
C83 8
* 220u_4V_V_A
QSA1_1B9
MVDDQ
QSA1_2B9QSA1_3B9
DQ MA1 _ [3 ..0]9
QSA1_3
QSA1_3B
DQMA1 _3
VREFC_U11
D QA1_13
D QA1_15
D QA1_8
D QA1_11
D QA1_14
D QA1_10
D QA1_12
D QA1_9
DQA1 _[7 ..0] 9
ODT A1
QSA1 _0
QSA1 _0 B
DQ MA 1_ 0
*4.9 9K _ 1% _0 4
R22 4
100-BAL L
SDRAM DDR3
U12
* K 4W 1 G 16 46 G - B C 11
WE
L3
RAS
J3
CAS
K3 CS
L2
CKE
K9 CK
J7
CK
K7
DQSU
B7
BA0
M2
BA1
N8
A2
P3
A3
N2
A4
P8
A5
P2
A6
R8
A7
R2
A8
T8
A9
R3
A10/AP
L7
A11
R7
DQL0 E3
DQL1 F7
DQL2 F2
DQL3 F8
DQL4 H3
DQL5 H8
DQL6 G2
DQL7 H7
VSSQ #D1 D1
VSS#A9 A9
VSS#E1 E1
VSS#B3 B3
NC#J1
J1
VDD#B2 B2
VD D #D 9 D9
VDDQ#A1 A1
VDDQ#A8 A8
VDDQ #C1 C1
VDDQ #C9 C9
NC#L1
L1
NC#J9
J9
VDDQ#E9 E9
ZQ
L8 R ESET
T2
DQSL
F3
DMU
D3 DML
E7
VSSQ#B1 B1
VSSQ#B9 B9
VSSQ #D8 D8
VSSQ#E2 E2
DQSU
C7
VSSQ#E8 E8
DQSL
G3
VDDQ#F1 F1
VSSQ#F9 F9
VSSQ #G1 G1
VDDQ #H2 H2
VDDQ #H9 H9
VSSQ #G9 G9
VREFCA
M8
VSS#G8 G8
VD D #G 7 G7
ODT
K1
A0
N3
A1
P7
VDD#K2 K2
A12/BC
N7
VSS#J2 J2
VDD#K8 K8
DQU1 C3
DQU2 C8
DQU3 C2
DQU4 A7
DQU5 A2
DQU6 B8
DQU7 A3
DQU0 D7
A13
T3
A14
T7
A15
M7
BA2
M3
VREFDQ
H1
NC#L9
L9
VD D #N 1 N1
VD D #N 9 N9
VD D #R 1 R1
VD D #R 9 R9
VSS#J8 J8
VSS#M1 M1
VSS#M9 M9
VSS#P1 P1
VSS#P9 P9
VSS#T1 T1
VSS#T9 T9
VDDQ #D2 D2
100-BALL
SDRAM DDR3
U1 1
*K4W1G1646G-BC11
WE
L3
RAS
J3
CAS
K3 CS
L2
CKE
K9 CK
J7
CK
K7
DQSU
B7
BA0
M2
BA1
N8
A2
P3
A3
N2
A4
P8
A5
P2
A6
R8
A7
R2
A8
T8
A9
R3
A10/AP
L7
A11
R7
DQL0 E3
DQL1 F7
DQL2 F2
DQL3 F8
DQL4 H3
DQL5 H8
DQL6 G2
DQL7 H7
VSSQ#D1 D1
VSS#A9 A9
VSS#E1 E1
VSS#B3 B3
NC#J1
J1
VDD# B2 B2
VDD#D9 D9
VDDQ# A1 A1
VDDQ# A8 A8
VD D Q #C 1 C1
VD D Q #C 9 C9
NC#L1
L1
NC#J9
J9
VDDQ# E9 E9
ZQ
L8 RESET
T2
DQSL
F3
DMU
D3 DML
E7
VSSQ#B1 B1
VSSQ#B9 B9
VSSQ#D8 D8
VSSQ#E2 E2
DQSU
C7
VSSQ#E8 E8
DQSL
G3
VDDQ# F1 F1
VSSQ#F9 F9
VSSQ#G1 G1
VD D Q #H 2 H2
VD D Q #H 9 H9
VSSQ#G9 G9
VREFCA
M8
VSS#G8 G8
VDD#G7 G7
ODT
K1
A0
N3
A1
P7
VDD# K2 K2
A12/BC
N7
VSS#J2 J2
VDD# K8 K8
DQU1 C3
DQU2 C8
DQU3 C2
DQU4 A7
DQU5 A2
DQU6 B8
DQU7 A3
DQU0 D7
A13
T3
A14
T7
A15
M7
BA2
M3
VREFDQ
H1
NC#L9
L9
VDD#N1 N1
VDD#N9 N9
VDD#R1 R1
VDD#R9 R9
VSS#J8 J8
VSS#M1 M1
VSS#M9 M9
VSS#P1 P1
VSS#P9 P9
VSS#T1 T1
VSS#T9 T9
VD D Q #D 2 D2
* 1u_6.3V_X5R_04
C391
* 10u_6.3V_X5R_06
C434
* 0. 1 u_ 10 V _X 5 R _0 4
C39 8
* 0. 1 u_ 10 V _X 5R _0 4
C41 8
*0.1u_10V_X5R_04
C400
COMPONENTS SHOWN ARE EXAMPLES ONLY
AND NOT NECESSARILY QUALIFIED
*10u_6.3V_X5R_06
C43 5
* 1 0u _6 .3V_X5R_06
C43 6
*1u_6.3V_X5R_04
C3 95
*243_1% _04
R20 5
* 1 u_ 6. 3V _ X 5R _ 04
C41 4
MAA13MAA13
QSA1_0B9
MAA2
MA A1 1
MAA7
MAA3
MAA6
MA A1 2
MAA8
MA A1 0
MAA9
VREFC_U 12
MAA0
MAA1
MAA5
MAA4
VREFD_U 12
VREFD_U12
VREFD_U11
ODT A1
*56_04
R23 6
* 4. 9 9K _1 %_ 04
R235
*0.1u_10V_X5R_04
C3 87
* 0. 1 u_ 10 V_ X 5R _ 04
C3 96
* 0. 1 u_ 10 V _X 5R _ 04
C39 0
* 1u_6.3V_X5R_04
C412
* 1 u_ 6. 3V _ X 5R _ 04
C39 3
* 1 u_ 6. 3 V _X 5R _ 0 4
C4 15
*4.9 9K _ 1% _0 4
R23 2
*243_1% _04
R20 6
*4 .9 9 K_ 1% _0 4
R23 4
* 0. 1 u_ 10 V _X 5 R _0 4
C41 9
* 1 u_ 6. 3 V _X 5 R _0 4
C4 16
*0.1u_10V_X5R_04
C420
*4 .9 9 K_ 1% _0 4
R22 6
*0.1u_10V_X5R_04
C399
*0 .0 1u _ 1 6 V_ X7 R _ 0 4
C41 1
* 0. 1 u_ 10 V _X 5R _ 04
C38 8
* 0. 1 u_ 10 V _X 5R _0 4
C39 7
* 1 0u _6 . 3V _ X5 R _ 06
C4 37
* 0. 1 u_ 10 V_ X 5R _ 04
C4 17
* 4. 99 K _1 %_ 04
R2 33
*1u_6.3V_X5R_04
C41 3
* 1 u_ 6. 3 V _X 5R _ 0 4
C3 94
*0.1u_10V_X5R_04
C421
*0.1u_10V_X5R_04
C389
*1u_6.3V_X5R_04
C39 2
* 4. 9 9K _1 %_ 04
R227
* 4. 99 K _1 %_ 04
R2 25
*56_04
R23 7
MV D DQ
MVDDQ
MVDDQMVDDQ
MV D DQ
MV DD Q
MVDDQ
MV DD Q
MVDDQ
MVDDQ
DQ MA1_1
QSA1 _1 B
QSA1 _1
MVDDQ
ODTA19
MAA[13..0]9,13
ME M_ R S T9,13
A_BA29,13
ME M_ R S T9,13
A_BA09,13 A_BA19,13 A_BA09,13
A_BA29,13 A_BA19,13
CLKA19
CLKA1#9
DQMA1 _0
DQMA1 _1
VREFD_U11
CASA1#9
CKEA19
DQMA1 _2
DQMA1 _3
WEA1#9
CLKA1#9
CSA1b _09
CLKA19
CSA1 b_ 09
RASA1#9
WEA1#9CASA1 #9RASA1 #9
CLKA 1 #9CKEA19
CLKA19
VREFC_U11
ODT A 1
MAA6
MAA2
MA A1 1
MAA9
MAA7
MAA8
MA A1 0
MAA3
MAA0
MAA1
MAA5
MAA4
MAA1
MAA8
MAA7
MA A1 1
MAA9
MAA3
MAA2
MAA0
MAA4
MA A1 2
MA A1 0
MAA6
MAA5
VREFD_U 11
VREFC_U 11
MA A1 2
Sheet 14 of 41
Robson DDR3 MEM
CH-B

Schematic Diagrams
B - 16 HUDSON PCIE/ PCI/ CLOCK/ FCH
B.Schematic Diagrams
HUDSON PCIE/ PCI/ CLOCK/ FCH
R255
* 20K_04
3.3VS
PC I_ CLKRUN # 19
25M _X1
C_ UM I_ N_ RX 12C_ UM I_ P _R X12
C_ UM I_ N_ RX 02
C_ UM I_ P _R X32C_ UM I_ N_ RX22C_ UM I_ P _R X22
C_ UM I_ N_ RX 32
C_ U MI_ P_T X02
W 250 B AQ ad d R2 53 , R2 54
GPIO3 1
DISP_CLKP3
A P U _C LK N3
A P U _C LK P3
DISP_CLKN3
CLK_PCIE_JMC23
VGA_PC IECL K_N7
VGA_PC IECL K_P7
CLK_PCIE_WLAN#24 CLK_PCIE_WLAN24
CLK_PCIE_JMC#23
PCIE_USB30 _C LKN26
PCIE_USB30 _C LKP26
HU DS ON -1 PA RT 1 O F 5
PCI I/F
PCI EXP RE SS I /F
PCI CLKS
LP C
RTC
CL O CK G EN ERA T O R
CPU
HU DSON M1 A1 3
U19E
L2 7
25M _X2
L2 6
25M _X1
L2 5
14M _25M _48 M _OSC
T2 8
GPP _CLK8 N
T2 9
GPP _CLK8 P
N2 7
GPP _CLK7 N
N2 6
GPP _CLK7 P
P28
GPP _CLK6 N
P29
GPP _CLK6 P
M2 5
GPP _CLK5 N
P25
GPP _CLK5 P
L2 3
GPP _CLK4 N
L2 4
GPP _CLK4 P
V25
GPP _CLK3 N
T2 5
GPP _CLK3 P
M2 8
GPP _CLK2 N
M2 9
GPP _CLK2 P
N2 8
GPP _CLK1 N
N2 9
GPP _CLK1 P
L2 8
GPP _CLK0 N
L2 9
GPP _CLK0 P
T2 3
S L T_G FX_ CLKN
V23
S L T_G FX_ CLKP
T2 1
CPU_HT_CLKN
V21
CPU_HT_CLKP
T2 7
NB_HT _CLKN
T2 6
NB_HT _CLKP
U2 8
NB_DISP_CLKN
U2 9
NB_DISP_CLKP
P23
PCIE_RCLKN/N B_LNK _CLKN
M2 3
PCIE_RCLKP/N B_LNK _CLKP
W25
GPP_RX3N
W24
GPP_RX3P
V24
GPP_RX2N
W23
GPP_RX2P
AA24
GPP_RX1N
AA25
GPP_RX1P
Y21
GPP_RX0N
AA22
GPP_RX0P
W29
GPP_TX3N
W28
GPP_TX3P
Y27
GPP_TX2N
Y26
GPP_TX2P
Y28
GPP_TX1N
Y29
GPP_TX1P
AA29
GPP_TX0N
AA28
GPP_TX0P
AD28
PCIE_CALRN
AD29
PCIE_CALRP
AB24
UMI_RX 3N
AB25
UMI_RX 3P
AC25
UMI_RX 2N
AC24
UMI_RX 2P
AD24
UMI_RX 1N
AD25
UMI_RX 1P
AE23
UMI_RX 0N
AE24
UMI_RX 0P
AB27
UMI_TX3N
AB26
UMI_TX3P
AB28
UMI_TX2N
AB29
UMI_TX2P
AC29
UMI_TX1N
AC28
UMI_TX1P
AD27
UMI_TX0N
AD26
UMI_TX0P
L1
A_RST#
P1
PCIE_RST#
B1
VD DBT _ RTC _G
B2
INTRUDER_ALE RT#
D2
RTC CL K
C2
32 K_X2
C1
32 K_X1
J24
LDT_R ST#
G2 2
LDT_S TP#
K19
LDT_P G
H2 1
P RO CHO T#
G2 1
ALLO W_LDT STP / DM A_AC TI VE#
AB19
SERIRQ/GPIO48
AA18
LDR Q1#/ CLK _RE Q6#/ G PI O49
J25
LDR Q0#
G2 8
LF RAM E#
H2 8
LAD3
H2 9
LAD2
J26
LAD1
J27
LAD0
H2 5
LPC CLK1
H2 4
LPC CLK0
AJ 4
INTH#/GPIO35
AG4
INTG#/ G PI O34
AG6
INTF#/GPIO33
AJ 6
IN TE# / G PI O32
AD7
LO CK#
AB11
CL KR UN#
AB12
GNT3#/CLK_RE Q7#/ G PI O46
AH6
GNT2#/GPO45
AJ 5
GNT1#/GPO44
AD12
GNT0#
AC12
RE Q3#/ CLK _RE Q5#/ G PI O42
AH4
RE Q2#/ CLK _RE Q8#/ G PI O41
AH5
RE Q1#/ G PI O40
AE11
RE Q0#
AE4
SE RR#
AE6
PE RR#
AF5
STO P#
AC5
PAR
AE7
TR DY#
AJ 3
IRDY#
AB9
DEV S EL #
AE8
FRAME#
AA10
CBE3#
AD8
CBE2#
AD5
CBE1#
AA8
CBE0#
AH3
AD31 / G PI O31
AG2
AD30 / G PI O30
AH2
AD29 / G PI O29
AF3
AD28 / G PI O28
AF4
AD27 / G PI O27
AF6
AD26 / G PI O26
AC11
AD25 / G PI O25
AD9
AD24 / G PI O24
AE9
AD23 / G PI O23
AF2
AD22 / G PI O22
AG1
AD21 / G PI O21
AF1
AD20 / G PI O20
AE3
AD19 / G PI O19
AF8
AD18 / G PI O18
AE1
AD17 / G PI O17
AE2
AD16 / G PI O16
AC6
AD15 / G PI O15
AD2
AD14 / G PI O14
AD1
AD13 / G PI O13
AC1
AD12 / G PI O12
AC4
AD11 / G PI O11
AC3
AD10 / G PI O10
AC2
AD9/ G PI O9
AA6
AD8/ G PI O8
AB5
AD7/ G PI O7
AB6
AD6/ G PI O6
AB2
AD5/ G PI O5
AA5
AD4/ G PI O4
AB1
AD3/ G PI O3
AA3
AD2/ G PI O2
AA4
AD1/ G PI O1
AA1
AD0/ G PI O0
V2
PC IRST#
Y1
PC IC LK4/ 14M _OSC/GPO39
W4
PC ICLK3/GPO38
W3
PC ICLK2/GPO37
W1
PC ICLK1/GPO36
W2
PCICLK0
12/9
U1 7
* 74AH C1G08G W
1
2
5
4
3
A_R ST#_ C
3.3VS
J_RTC1
*85205-02701
1
2
R2 5 7
20K_04
1.8VS
C4 6 6
* 1u _6.3V_ X5R _04
MX M_ GP I O 1 7 , 3 6
C453 0.1u_10V_X7R_04
PC IE_R XN3_W LAN24 PC IE_R XP3_W LAN24
C454 *0.1u_10V_X7R _04
C455 *0.1u_10V_X7R _04
X5
FSX5L_25M HZ
12
R258
20K_04
X3
* MC-146_32.768KHz
14
3 2
5 NA NA
7 USB3 .0 7
2 NA NA
GF X_ CLK MX M G
FC H _G P P DEVICE CLKREQ#
1 WLAN 1
8 NA NA
6 NA NA
0 J MC2 61C 0
4 NA NA
R247 20K_04
3.3V
25M _X2
C_ U MI_ P_T X22
C_ U MI_ P_T X12
C_ U MI_ P_T X32
C_ U MI_ N_ TX 02
C_ U MI_ N_ TX 22
C_ U MI_ N_ TX 12
LPC_AD0 19,27
C_ U MI_ N_ TX 32
LPC_AD3 19,27
LPC_AD1 19,27
LPC_AD2 19,27
R 253 *33_04
R254 *0_04
C459
*150pF_N PO_50V_0402
SB_AR ST#_GATE
R805 *0_04
Zo= 50O? 5%
GPIO3 0
R242 22_04
R240 22_04
R243 22_04
R244 22_04 PCI_CLK3 16
PCI_CLK2 16
PCLK_KBC 16
PCI_CLK4 16
R2 6 0
10M_04
C462
22p_50V_NPO _04
C449 *150pF_NPO_50V_0402
C463
22p_50V_NPO _04
HUDSON PCI E/PCI /CLOCK /FCH
32K_X1
INTRUD ER_ALERT#
PCLK_KBC_RPCLK_KBC R513 *10_04 C7 50
*10p_50V_N PO_06
C465 22P_50V_NPO _04
R 595 *10K_04 R 263 1K_04
PCIE_ARST# 7
LP C _F R A M E # 1 9, 27
C444 0.1u_10V_X7R_04
PC LK_TPM 19
R687 * 10K_04
1 0 W 2 50BA Q
R 252 0_04
R688 * 10K_04
SERIR Q
R 249 590
RT C_ VBAT _1
U1 8
* 74AH C1G08G W
1
2
5
4
3
R271 * 0_043 NA NA
R2 56
*20K_04
R2 59
20K_04
LDT_STP#
C461
0.1u_16V_Y5V_04
3.3VS
10mils
20mils 20mils
MXM_P WRGD 36
R 250 2K_1%_04
R8 06 *0 _ 0 4
C467 22P_50V_NPO _04
R266
1K_04
Rese rve
1. 1 V S
X4
1TJ S1 25 DJ 4 A420 P_32 .7 6 8KH z
14
3 2
PCI _R ST#
R265
*1M_04
32 K _ X1
C822 0.1u_10V_X7R_04
32 K _ X2
C823 0.1u_10V_X7R_04
PCIE_ RXP0 _J MC23
PCIE_RXN0_JM C23
A_RST#_C
PCIE_USB 30_NB_RXN26
PCIE_USB 30_NB_RXP26
PCIE_RST#_G ATE16
C464 1u_6.3V_Y5V_04
C445 0.1u_10V_X7R_04
BT_ON 24,28
FCH _G PPTXN 3
FCH _G PPTXN 0
FCH _G PPTXN 1
FCH _G PPTXP0
VDD 3
A_VBAT
FCH _G PPTXP3
FCH _G PPTXP1
C443 0.1u_10V_X7R_04
D ISP_CLK : CPU (non-spread)
C446 0.1u_10V_X7R_04
C450 0.1u_10V_X7R_04
C448 0.1u_10V_X7R_04
J_R TC 2
AAA-BAT-022-K01
1
2
C451 0.1u_10V_X7R_04
C447 0.1u_10V_X7R_04
GPIO 30
GPIO 31
I NTRUD ER_ALERT#
L PCCL K_ 0
LDT_STP#
L PCCL K_ 1
PCIE_RST# IS FOR PCIE DEVICES ON HU DSON
MX M_ GP I O2
MX M_ GP I O1
MX M_ P R E S E N T 2#
PCIE_RST#_C
PCIR ST#_R
MX M_ GP I O0
PC IE_AR ST# IS FO R PC IE DEVIC ES ON FT1
PCI_CLK2_R
PCI_CLK1_R
PCI_CLK3_R
PCI_CLK4_R
SB_ARST#_G ATE
USB30_C LKREQ#
PCIE_TXP0_JM C23
CAL RN
CAL RP
U_ RX0 N_ C
U_ RX1 P _C
U_ RX2 N_ C
U_ RX0 P _C
U_ RX1 N_ C
U_ RX3 P _C
U_ RX3 N_ C
U_ RX2 P _C
GPIO 3 0
0 0 W 2 40BU
GPIO 31
3.3V
BOAR D ID
A_VBAT
R268 510_1%_04
R245 *33_04
C457
150pF_N PO_50V_0402
PC IE_R ST# _C
R267
1M _04
MXM_GPIO0 7
PC IE_RCLK : (Spread, FU SION MOD E)
PCIE_TXN 0_ J MC23
PCIE_NB_USB 30 _TXN26
PCIE_NB_USB 30 _TXP26
J OPEN 1
*O PEN_10m il-1M M
12
32K_X2
C468
1u_6.3V _X5R_04
R241 33_04
R812 *22_04
C_ UM I_ P _R X02
C441 150pF_N PO_50V_0402
VBAT_IN
W250BUQ
R 251 33_04 BUF_PLT_RST# 19,23,24,26,27
EC_RST#27
R689 22_04
P C I E _T X P 3_ W L A N24
C452 0.1u_10V_X7R_04
PC IE_TXN3_WLAN24
MX M_ P R E S E N T 1#
3.3V
C460
0.1u_16V_Y5V_04
L PC_ CL K0 1 6,2 7
L PC_ CL K1 1 6
R2 61 2 2 _0 4
R2 62 2 2 _0 4
C
A
A
D4 6
BAT54 C W GH
1
23
JM C_25M _IN23
SERIR Q 1 9,27
PR OCH OT# 3
ALLOW_LDTSTP 3
R6 8 6 * 0_ 0 4
LDT_RST# 3
APU _PW RGD 3,35
Sheet 15 of 41
HUDSON PCIE/
PCI/ CLOCK/ FCH

Schematic Diagrams
HUDSON GPIO/ USB/ STRAP B - 17
B.Schematic Diagrams
HUDSON GPIO/ USB/ STRAP
C470
*0.1u_16V_Y 5V_04
SB_MXM _C LKREQ #8
R290
10K_04
USB_PP2 24
USB _ PN 2 24
R696 0_04
USB_PN6 28
USB_PP6 28
HD A_S DIN025
R 310 10K_04
WLAN_CLKR EQ#24
R 312 10K_04
R283 10K_04
3.3V
R313 *2.2K_04
R314 *2.2K_04
PC LK_KBC15
PC I_CLK215
LPC_CLK015,27
PC I_CLK415
LPC_CLK115
PC I_CLK315
R3 84 *2 .2 K_0 4
R 3 82 10 K _ 0 4
R 3 85 2. 2 K _ 0 4
R 3 81 10 K _ 0 4
R3 83 *1 0K _0 4
R 3 79 10 K _ 0 4
R 3 80 10 K _ 0 4
R 3 77 10 K _ 0 4
R3 78 *1 0K _0 4
HDA_SDOUT
VD DIO _AZ
R 4 69 3 3 _0 4
3.3VS
Q8
* MTN 7002ZHS3
G
DS
R 6 95 3 3 _0 4
R 4 73 3 3 _0 4
R 4 70 3 3 _0 4
3.3V
STRAP PINS
R369
10K_04
R371
* 10K_04
R3 68
*1 0 K _ 04
R3 7 2
*10K_04
R370
*1 0 K _ 04
R373
*10K_04
R374
10K_04
R376
*1 0 K _0 4
R3 7 5
10K_04
R690 *0_04
MIN IPCI E_SLT2 _EN#
R691 0_04
EC
Ti merPC IE G en2
SB_BLON20
PC I_C LK4
H,L = SPI ROM
LPC_C LK0
CLOC K MODE
IGNORE
DEFAULT
A LLO W
PULL
DEFAULT
PCI_CLK 1 PC I_C LK2
FORCE
JM_D 3M OD E23
STRAP
MINIPCI E _SLT2 _EN#
DEF AULTSTRAP
CLOC K MO D E D I SAB LED
USE
DEF AULT
DEFAU LT
AZ_SDOUT
L, H = LPC ROM (DEFAULT)
LPC_C LK1
DEBUG
ENABLED
PCIE Gen1
DEFAULT
MODE
H,H = Reserved
HIGH
Ti mer
Disabled
GPI O199
DEFAULT
G PI O 200non_F usion E CLO W POW E R CLKGEN
USB_PP9 22
USB_PN9 22
Enabl ed
MODE
PULL
MINIPCI E _SLT3_ EN#
PERFORMANCE
DEBUG
LO W
ENABLED
D I SAB L ED
Wat chdog
Wat chdog CLKGENFU SI O N
PCI_CLK 3
L, L = FWH ROM
HUDSON-1
U SB O C
A CPI / W AK E UP EVENTS
U SB M I SC
USB 1. 1
USB 2. 0
GBE LAN
GPIO
EM BE DDE D CT RL
HD AUD IO
PART 4 OF 5
HUDSON M1 A13
U19A
E27
PS2M _ C L K/ G PI O19 2
F29
PS2M _ D AT / G PI O 191
F28
PS2K B_ C L K/ G PI O190
D27
PS2K B_ D AT /G PI O 189
G2 9
FC_R ST #/GPO160
F21
SPI _C S2 #/ G BE_S TA T 2/ G PI O166
E24
PS2_ CLK/ SC L4/ GPIO188
E23
PS2_ DAT /SDA4/GP IO 187
V7
GBE_PHY_INTR
M9
GBE_PHY_RST #
P4
GBE_PHY_PD
M7
GB E_T XCT L / TXE N
P7
GBE_TXD0
T7
GBE_TXD1
P9
GBE_TXD2
M5
GBE_TXD3
P5
GBE_TXCLK
V5
GB E_R XER R
T5
GB E_R XCT L / RXD V
U2
GBE_RXD0
T2
GBE_RXD1
U3
GBE_RXD2
U1
GBE_RXD3
T9
GBE_RXCLK
L5
GBE_MDIO
L6
GBE_MDCK
T4
GBE_CRS
T1
GBE_COL
P2
AZ_ R ST #
N2
AZ_ S YN C
M4
AZ_S DI N3/ G PI O 170
M1
AZ_S DI N2/ G PI O 169
M2
AZ_S DI N1/ G PI O 168
L2
AZ_S DI N0/ G PI O 167
N1
AZ _ S DO UT
M3
AZ_ B I TCLK
F8
USB _OC0#/TRST#/GEVENT12#
E7
USB _ O C1 # / T D I/ G EV ENT 13#
F7
USB _OC2#/TCK/GEVENT14#
E8
USB _ O C3 # / AC _ P RE S/ T D O /GEVEN T15#
D4
USB _OC4#/IR_RX0/GEVENT16#
E4
USB _OC5#/IR_TX 0/GEVENT17#
D1
USB _OC6#/IR_TX 1/GEVENT6#
H3
BLI NK /U SB_ OC 7# /G E VEN T18#
AA20
CLK_ REQG#/GPIO 65/ O SC IN
K3
GBE_STAT0/GEVENT11#
G5
GB E_LE D2/ G EVE NT 10#
D7
GB E_LE D1/ G EVE NT 9#
D5
GB E_LE D0/ G PI O18 3
H4
DDR 3_RS T#/ G EVE NT 7#
AJ21
SM AR TVO LT 2 /SHUTDOWN#/GP IO51
E1
IR_LED#/LLB #/ GPIO184
AB18
CL K_ REQ 1 # / F A NO UT 4/GP IO61
AH21
CL K_ REQ 2 # / F A NI N4 / G PI O 6 2
F4
SDA 1 / GPIO228
F5
SCL1 /GPIO227
AE22
SDA 0 / GPIO47
AD22
SCL0 /GPIO43
AF1 9
SPK R/ G PI O 66
AE19
SAT A_ I S5#/ F ANI N3 /GPIO59
AF2 0
SAT A_ I S4#/ F ANO U T3/ GPIO55
AC18
CL K_ REQ 0 # / SA T A_ IS 3#/GPIO60
AB21
SM AR TVO LT 1 /S AT A_I S2#/ G PI O 50
AA16
CL K_ REQ 3 # / SA T A_ IS 1#/GPIO63
AD19
CL K_ REQ 4 # / SA T A_ IS 0#/GPIO64
G1
RSM R ST #
AC19
NB_ P W RG D
J6
THR M TRI P# /SMBALERT# /GEVENT2#
F3
IR_RX1/G EV EN T20#
H6
WAK E#/ GEVENT8#
J1
SYS _RE SET # / GEVENT19#
H2
GEVENT5#
J2 9
LPC_ SM I#/ G EV ENT 23#
K2
LPC_ PM E#/ G EVE NT 3 #
AE21
KBR ST # /GEVENT1#
AD21
GA20IN/GEVENT0#
F6
TES T2
C4
TES T1/ TM S
B3
TES T0
G6
SUS _ST AT#
H5
PW R _ GOOD
F2
PW R _ BTN #
H1
SLP_ S5 #
F1
SLP_ S3 #
D3
SPI _C S3 #/ G BE_S TA T 1/ G EVE NT 2 1 #
K1
RI # /G E VEN T 22#
J2
PCI _P ME#/G E VEN T4 #
B22
K SO _17/ GPIO226
A22
K SO _16/ GPIO225
C2 2
K SO _15/ GPIO224
D2 2
K SO _14/ GPIO223
A23
K SO _13/ GPIO222
B23
K SO _12/ GPIO221
C2 4
K SO _11/ GPIO220
B24
K SO _10/ GPIO219
D2 4
K SO _9/ GPIO218
A25
K SO _8/ GPIO217
B25
K SO _7/ GPIO216
A24
K SO _6/ GPIO215
C2 6
K SO _5/ GPIO214
A26
K SO _4/ GPIO213
D2 6
K SO _3/ GPIO212
B27
K SO _2/ GPIO211
A27
K SO _1/ GPIO210
B28
K SO _0/ GPIO209
C2 8
K SI _7/ GPIO208
C2 9
K SI _6/ GPIO207
D2 8
K SI _5/ GPIO206
D2 9
K SI _4/ GPIO205
E29
K SI _3/ GPIO204
E28
K SI _2/ GPIO203
G2 5
K SI _1/ GPIO202
G2 4
K SI _0/ GPIO201
E21
EC_P W M 3/EC_TIME R3/GP IO200
F22
EC_P W M 2/EC_TIME R2/GP IO199
E22
EC_P W M 1/EC_TIME R1/GP IO198
F25
EC_P W M 0/EC_TIME R0/GP IO197
E26
S DA3 _ L V/ GPIO196
B26
SCL3_ LV/ GPIO195
F23
SD A2/ GPIO194
D2 5
SC L2/ GPIO193
B16
USB _ HS D0N
A16
USB _ HS D0P
A17
USB _ HS D1N
B17
USB _ HS D1P
J1 8
USB _ HS D2N
J1 6
USB _ HS D2P
E16
USB _ HS D3N
E18
USB _ HS D3P
A14
USB _ HS D4N
B14
USB _ HS D4P
C1 6
USB _ HS D5N
D1 6
USB _ HS D5P
G1 8
USB _ HS D6N
G1 6
USB _ HS D6P
G1 4
USB _ HS D7N
G1 2
USB _ HS D7P
C1 3
USB _ HS D8N
D1 3
USB _ HS D8P
B13
USB _ HS D9N
A13
USB _ HS D9P
J1 4
U S B _ HS D1 0 N
J1 2
U S B _ HS D1 0 P
E12
U S B _ HS D1 1 N
E14
U S B _ HS D1 1 P
E11
U S B _ HS D1 2 N
F11
U S B _ HS D1 2 P
A12
U S B _ HS D1 3 N
B12
U S B _ HS D1 3 P
J8
USB _ F S D0 N
H9
US B_ F SD 0 P/ GP I O185
H1 1
USB _ F S D1 N
J1 0
US B_ F SD 1 P/ GP I O186
G1 9
USB_RCOMP
A10
U SB CLK/ 14M _25M _48M _O SC
R 275 0_04
R 270 0_04
KBC_RS T#27
GA 2 027
R730 *0_04
LI D _ S W #20,27,29
Q6
*M TN7002 ZH S3
G
DS
EC _S MI#26,27
EC _S CI#27
PC IE_ W AKE#23,24, 26
C PU_ T HER MT RIP #3
SWI #
SUSB#19,26,27,30
3.3V S
SUSC #27,30,32
R 276 2.2K_04
MIN IPCI E_SLT3 _EN#
R 277 2.2K_04
R 278 4.7K_04
R 279 4.7K_04
APU_SID 3
SUS_STAT#
SDATA0
NB_ PW R GD
SCLK0
R 2 96 0 _ 04
3.3V
GB E_P HY_IN TR
R289
*10K_04
3.3V
WF_RADIO
R 284 2.2K_04
MXM_P WR_EN7
RSM RST_GA TE#27
H DA_SYN C25
R2 7 4
*20K_04
SCLK1
SDATA1
PWR_BTN#27
USB_PP5 22
USB_PN5 22
9/1 4
R 728 *0_04
R 752 *0_04
Closed to SB.
U SB4 POR T 3
PCIE_RS T#_GATE15 USB9 3G
U SB0 POR T 0
U SB6 BLUE TO OTH
U SB1 POR T 1
USB2 MINI CARD
USB5 CCD
SW I#27
HUDSON GPIO/USB/AUDIO/STRAP
3.3V
USB_PN0 29
USB_PP0 29
R731 0_04
SDATA05 , 6, 10
SCLK05 , 6, 10 H DA_ SPKR25
SW I#
3.3V
C471
1u_6.3V_Y5 V_ 0 4
R282
10K_04
3.3V
SY S_R ST#
GBE _ PH Y _ INT R
HDA_RST#25
OD D_ DA # _ FCH24
P LAC E CL O SE TO SO UTH B RID GE
R 291 10K_04
USB_O CP0_1#26 , 2 9
R742 *2.2K_04
R287 10K_04
SYS_R ST#
R281 *2.2K_04
USB30 _P W R_ EN26
HDA _BI TC LK25
8/18
R743 *2.2K_04
USB_PP1 29
USB_PN1 29
R744 *2.2K_04
EC_SC I#R 292 10K_04 EC_SM I#R 293 10K_04
3.3V
3.3V
SWI #
R280
* 20K_04
R273 * 22K_04
C469
* 2.2u_6.3V _X5R_04
S4_STATE #19
MXM_ PW R _ EN
R 693 *0_04
GEVE NT0#
GEVE NT1#
OD D_ DET EC T#24
R 692 0_04
M INIPC IE_SLT2_EN#
R 694 *0_04
M INIPC IE_SLT3_EN#
NB_ P W R GD
RSMRST#
RSM RST#
SB_AC_OK
SCLK1
SC LK 2
APU _SIC
SC LK2
SD ATA2
SDATA1
APU _SID
SD ATA2
SUS_STAT#
SYS_R ST#
SB_PW R GD19
USB_R COM P
WF_RAD IO
GBE _C RS
GBE _C OL
R8 1 3 *0 _0 4
USB_PP4 29
USB_PN4 29
SY S_RST#19
R272 11K_1%_04
HDA _SD OU T25
R 288 2.2K_04
SMC _C PU_THE RM 3,17,27
SMD _C PU_THE RM 3,17,27
GBE_RXERR
APU_SIC 3
R2 8 5 10 K_ 0 4
R2 8 6 10 K_ 0 4
AC _IN #27,29,37
R807
* 1 0K _0 4
Sheet 16 of 41
HUDSON GPIO/
USB/ STRAP

Schematic Diagrams
B - 18 HUDSON SATA/ DEBUG IO/ SPI
B.Schematic Diagrams
HUDSON SATA/ DEBUG IO/ SPI
SATA_ L ED #28
R333 * 0_04
R335 * 0_04
SB_ PR OCHOT#_C
C487
330p_50V _X7R_04
SB_P ROCHOT#3
C486
330p_50V_X7R_04
C488
* 0.1u_16V_Y 5V_04
R340 *11K_1%_04
R336 * 0_04
R337 * 0_04
R341 *10K_04
R576 * 10K _04
APU_TALERT# 3,27
GPU_TA LERT# 8, 10
H SPI _MSO 27
H SPI _MSI 27
H SPI _SCLK 27
H SPI _CE# 27
R799 10K_04
R350
*10K_04
SMD_CPU_THERM 3,16,27
SMC_CPU_THERM 3,16,27
3.3V
3.3VS
C490
* 0.1u_16V_Y 5V_04
R349
10K_04
SA TARXN 024
HUDSON-1 PA RT 2 OF 5
SPI ROM
GPIOD
S ER I AL AT A
HW MONITOR
U19B
HUDSON M1 A13
G2
RO M _ R S T # / GPIO161
K9
SP I _CS 1 # / G PI O 1 6 5
K4
SP I _ CLK / GPIO162
E2
SP I _ DO / G PI O 163
J5
SP I _DI / G PI O 16 4
AC 1 6
SA TA _ X2
AD 1 6
SA TA _ X1
AD 1 1
SA TA _ AC T# /GP IO67
AA 14
SA TA _ CA LR N
AB 14
SA TA _ CA LR P
AJ 1 9
SA TA _ RX 5P
AH 1 9
SA TA _ RX 5N
AH 1 8
SA TA _ TX 5 N
AJ 1 8
SA TA _ TX 5 P
AH 1 7
SA TA _ RX 4P
AJ 1 7
SA TA _ RX 4N
AF 17
SA TA _ TX 4 N
AG17
SA TA _ TX 4 P
AF 14
SA TA _ RX 3P
AG14
SA TA _ RX 3N
AJ 1 4
SA TA _ TX 3 N
AH 1 4
SA TA _ TX 3 P
AH 1 2
SA TA _ RX 2P
AJ 1 2
SA TA _ RX 2N
AF 12
SA TA _ TX 2 N
AG12
SA TA _ TX 2 P
AF 10
SA TA _ RX 1P
AG10
SA TA _ RX 1N
AJ 1 0
SA TA _ TX 1 N
AH 1 0
SA TA _ TX 1 P
AH 8
SA TA _ RX 0P
AJ8
SA TA _ RX 0N
AJ9
SA TA _ TX 0 N
AH 9
SA TA _ TX 0 P
Y2
NC
G27
NC
A8
VI N 7 / G BE _ L ED 3 / G PI O 182
B8
VIN6/GBE_STAT3/GPIO181
B7
VIN5/GPIO180
A7
VIN4/GPIO179
C5
VIN3/GPIO178
A4
VIN2/GPIO177
B4
VIN1/GPIO176
A3
VIN0/GPIO175
C7
TEMP_COMM
B5
TE MPIN3/T ALE RT #/GPI O174
A5
TEMPIN2/GPIO173
A6
TEMPIN1/GPIO172
B6
TEMPIN0/GPIO171
W8
FANIN2/GPIO58
V9
FANIN1/GPIO57
W7
FANIN0/GPIO56
Y9
FA NO UT 2 / G PI O 5 4
W6
FA NO UT 1 / G PI O 5 3
W5
FA NO UT 0 / G PI O 5 2
AH26
F C_A DQ 15/ G P IOD143
AG25
F C_A DQ 14/ G P IOD142
AJ25
F C_A DQ 13/ G P IOD141
AJ24
F C_A DQ 12/ G P IOD140
AF23
F C_A DQ 11/ G P IOD139
AJ23
F C_A DQ 10/ G P IOD138
AH22
F C_A DQ 9/ G P IOD137
AF21
F C_A DQ 8/ G P IOD136
AG21
F C_A DQ 7/ G P IOD135
AJ22
F C_A DQ 6/ G P IOD134
AH23
F C_A DQ 5/ G P IOD133
AG23
F C_A DQ 4/ G P IOD132
AH24
F C_A DQ 3/ G P IOD131
AH25
F C_A DQ 2/ G P IOD130
AJ26
F C_A DQ 1/ G P IOD129
AJ27
F C_A DQ 0/ G P IOD128
AH 2 7
FC_INT2/GPIOD147
AF 29
FC_INT1/GPIOD144
AE 29
F C_C E2#/ G P IOD150
AF 27
F C_C E1#/ G P IOD149
AG26
FC_WE#/GPIOD148
AG29
FC _AV D#/ G P IOD146
AF 28
FC _O E#/ G P IOD145
AF 26
FC _FB CLK I N
AG28
FC _F BC LKO U T
AH 2 8
FC _C LK
R386 0_04
R572 0_04
R571 0_04
NEAR U19
R573 0_04
R351 *10K_04
SPI _CS#_SEL
R800 10K_04
VI N _ VD DCR
HUDSON SATA/DEBUG IO/SPI
C492
* 0.1u_16V_Y5V_04
R352
10K_04
VI N _ VD DIO_SUS
Debug port
R732 *0_04
SA TATXN024
ODD_PWR24
U21
*25VF032B
CE# 1
SO 2
WP#
3
VSS 4
SI 5
SCK6
HOLD#
7
VD D
8
SA TARXP 024
SPI _DATAIN
R330 *10K_04
SA TATXN124 SA TATXP124
SA TARXP 124
SA TARXN 124
R79810K_04
3.3VS
R801 10K_04
R697 10K_04
R802 10K_04
Q9
*2N3904
B
E C
R342
10K_04
SA TATXP024
3.3VS
SPI _DATAOUT
R331 1K_1%_04
3.3VS
R332 931_1%_04
C491
*0.1u_16V_Y5V_04
PLACE Q600 UNDER DIMM
1.8VS
VDDCR_CPU
VDDCR_NB
1VS
AVDD_SATA
DEBUG ONLY
DNI R652 and R653 for customer board
Connect C7 and D8, then go to GND directly.
R346
*1K_04
R347
*10K_04
R803 10K_04
AS A 10MIL TRACE
NOTE: ROUTE TEMP_COMM
1.5V
to get aff ected wi th 2 vi as. AMD pl atf orms are val idat ed
customers can use 2vi as with GND via wi thin 150mils of
meet s SATA logo requirement s. Return loss is expected
si gnal vi a as l ong as they can ensure that thei r platfor m
SATA t r ace should use only 1via on the
trace.
with one via only
R344 *4.99K_1%_04
HDD0_PWR
HUDSON_FANOUT0
HUDSON_FANTACH0
R345 *4.99K_1%_04
MB_THRMD A_SB
MB_THRMD C_SB
HUDSON_ROM_RST#
ODD_PWR
SATA_CALN
SATA_CALP GPI O58
U20
* 74AHC1G08GW
1
2
5
4
3
SB_PROCHOT#_C
SB_TALERT#
SPI_CS#_SEL
SPI_CLK
D22 RB751V
A C
SPI_DATAIN
TE MPIN0
SPI_DATAOUT
VIN_VDDCR
VIN_VDDIO_SUS
VIN_VDDNB
VIN_VDDNB
SPI _CLK
Sheet 17 of 41
HUDSON SATA/
DEBUG IO/ SPI

Schematic Diagrams
HUDSON POWER DECOUPLING B - 19
B.Schematic Diagrams
HUDSON POWER DECOUPLING
VD DAN _3.3V_H WM
C503
0.1u_10V_X5R_04
600m A
C512
0.1u_10V _X5R_04
C511
1u_10V_Y5V_06
C543
1u_6.3V_X5R_04
658m A
C531
1u_10V_Y5V_06
C530
1u_10V _Y 5V_06
C529
* 0. 1u_10V_X7R_04
TBDm A
C504
0.1u_10V _X5R_04
C509
4.7u_6.3V_X5R _06
C506
0.1u_10V_X5R _04
131mA
.
L96 H CB1005KF-121T20
C497
* 0.1u_10V _X7R_04
C5 5 5
1u_10V _Y 5V_06
C556
*0 .1 u _1 0 V _ X 7R _ 04
71m A
43m A
510m A
93m A
TBDm A
567m A
5m A
17 m A
VDDCR_1.1V
VDD IO_18_FC
47m A
VDD PL_3.3V_PCIE
VDD PL_3.3V_SATA
VDD XL_ 3 .3V
TB D m A
VDD IO_AZ
62 m A
32mA
R 362 0_04
TBDm A
197m A
C557
1u_10V_Y5V_06
113m A
C552
0.1u_10V_X5R_04
.
L94 H CB1005KF- 121T20
C551
1u_10V_Y 5V_06
C494
22u_6.3V _X5R_08
C545
10u_6.3V_X5R_08
C4 96
0. 1u_10V_X5R_04
C495
0.1u_10V _X5R_04
12/9
3.3V S
C519
1u_6. 3V_X5R_04
.
L8 8 H C B 10 0 5 K F - 1 2 1T 2 0
C527
* 0.1u_10V_X7R_04
C528
1u_10V_Y 5V _06
.
L85 H CB1005K F-121T20
R 363 *0_04
C5 5 0
1u_10V_Y 5V_06
C549
0.1u_10V_X5R _04
.
L93 H CB1005KF -121T20
.
L95 H CB1005KF -121T20
HU DS O N- 1
PC I/GPIO I/O
PCI EX PRE SS
GBE LAN
FLA SH I/O
CO RE S5
CORE S0
CLK G EN I /O
3. 3V_S5 I /O
SE RI AL AT A
POWER
PLL
US B I /O
PAR T 3 OF 5
U19C
HU DSO N M 1 A1 3
D11
V DDA N_11_U SB _S
C11
V DDA N_11_U SB _S
E19
V DDA N_33_U SB _S
D20
V DDA N_33_U SB _S
D19
V DDA N_33_U SB _S
D18
V DDA N_33_U SB _S
C20
V DDA N_33_U SB _S
C18
V DDA N_33_U SB _S
B20
V DDA N_33_U SB _S
B19
V DDA N_33_U SB _S
B18
V DDA N_33_U SB _S
A20
V DDA N_33_U SB _S
A19
V DDA N_33_U SB _S
A18
V DDA N_33_U SB _S
AE16
V DDA N_11_ S AT A
AD18
V DDA N_11_ S AT A
AE18
V DDA N_11_ S AT A
AG19
V DDA N_11_ S AT A
AH20
V DDA N_11_ S AT A
AF1 8
V DDA N_11_ S AT A
AJ20
V DDA N_11_ S AT A
AD14
V DDP L_33_SA TA
W26
V DDA N_11_ P CI E
W22
V DDA N_11_ P CI E
V29
V DDA N_11_ P CI E
V28
V DDA N_11_ P CI E
V27
V DDA N_11_ P CI E
V26
V DDA N_11_ P CI E
V22
V DDA N_11_ P CI E
U26
V DDA N_11_ P CI E
AE28
V DDP L_33_PC I E
AC22
V DDI O _18_FC
AF2 4
V DDI O _18_FC
AE25
V DDI O _18_FC
AF2 2
V DDI O _18_FC
AA19
V DDI O _33_PC I GP
AF7
V DDI O _33_PC I GP
AA9
V DDI O _33_PC I GP
AA7
V DDI O _33_PC I GP
AC8
V DDI O _33_PC I GP
AB4
V DDI O _33_PC I GP
AA2
V DDI O _33_PC I GP
AC21
V DDI O _33_PC I GP
AE5
V DDI O _33_PC I GP
Y19
V DDI O _33_PC I GP
V6
V DDI O _33_PC I GP
AH1
V DDI O _33_PC I GP
L20
VD DX L_33_S
D6
V DDA N_33_H W M _S
F19
VDD PL_33_ USB _S
L22
VDD PL_11_ SYS _S
M21
VD DP L_33_SY S
B11
V DDC R_ 1 1 _ USB _S
A11
V DDC R_ 1 1 _ USB _S
M8
VDDIO_AZ_S
G26
VDD CR _11_S
F26
VDD CR _11_S
T8
VD DI O _33_S
T6
VD DI O _33_S
J9
VD DI O _33_S
L10
VD DI O _33_S
K10
VD DI O _33_S
B21
VD DI O _33_S
D21
VD DI O _33_S
A21
VD DI O _33_S
P8
VDDIO_GBE _S
M6
VDDIO_GBE _S
L9
VD DC R_ 1 1 _ G BE _ S
L7
VD DC R_ 1 1 _ G BE _ S
M10
V DDI O _33_G BE _S
V1
VD DR F_G BE _ S
J22
VD DA N_11_C LK
K21
VD DA N_11_C LK
J20
VD DA N_11_C LK
J21
VD DA N_11_C LK
K26
VD DA N_11_C LK
J28
VD DA N_11_C LK
K29
VD DA N_11_C LK
K28
VD DA N_11_C LK
W18
VD DC R_ 1 1
W12
VD DC R_ 1 1
V18
VD DC R_ 1 1
V12
VD DC R_ 1 1
U17
VD DC R_ 1 1
U13
VD DC R_ 1 1
N17
VD DC R_ 1 1
R15
VD DC R_ 1 1
N13
VD DC R_ 1 1
C498
22u_6.3V_X5R_08
C5 1 0
1u_6.3V_X5R _04
C508
1u_6.3V_X5R _04
C5 0 7
0.1u_10V_X5R_04
C505
0.1u_10V_X5R _04
HUDSON-1
PAR T 5 OF 5
GROUND
HUDSON M1 A13
U19D
J23
V SSI O _ PC I ECLK
V20
V SSI O _ PC I ECLK
T24
V SSI O _ PC I ECLK
T22
V SSI O _ PC I ECLK
T20
V SSI O _ PC I ECLK
P26
V SSI O _ PC I ECLK
P24
V SSI O _ PC I ECLK
P22
V SSI O _ PC I ECLK
M26
V SSI O _ PC I ECLK
M24
V SSI O _ PC I ECLK
M22
V SSI O _ PC I ECLK
P20
V SSI O _ PC I ECLK
P21
V SSI O _ PC I ECLK
M19
VSSXL
D8
VSSAN_HWM
Y4
EFUSE
H19
VSSIO_USB
K18
VSSIO_USB
K16
VSSIO_USB
K14
VSSIO_USB
K12
VSSIO_USB
J19
VSSIO_USB
J11
VSSIO_USB
H18
VSSIO_USB
H16
VSSIO_USB
H14
VSSIO_USB
H12
VSSIO_USB
D9
VSSIO_USB
F18
VSSIO_USB
G11
VSSIO_USB
C9
VSSIO_USB
F16
VSSIO_USB
F14
VSSIO_USB
F12
VSSIO_USB
F9
VSSIO_USB
E9
VSSIO_USB
D17
VSSIO_USB
D14
VSSIO_USB
D12
VSSIO_USB
D10
VSSIO_USB
B9
VSSIO_USB
K11
VSSIO_USB
B10
VSSIO_USB
A9
VSSIO_USB
AJ 16
V SSI O _ SA TA
AJ 13
V SSI O _ SA TA
AJ 11
V SSI O _ SA TA
AJ7
V SSI O _ SA TA
AH 16
V SSI O _ SA TA
AH 13
V SSI O _ SA TA
AH 11
V SSI O _ SA TA
AH7
V SSI O _ SA TA
AG8
V SSI O _ SA TA
AF 16
V SSI O _ SA TA
AF 13
V SSI O _ SA TA
AF 11
V SSI O _ SA TA
AF9
V SSI O _ SA TA
AE 14
V SSI O _ SA TA
AE 12
V SSI O _ SA TA
AC 14
V SSI O _ SA TA
AB 16
V SSI O _ SA TA
Y16
V SSI O _ SA TA
Y14
V SSI O _ SA TA
K20
VS SI O_P CI EC LK
L21
VS SI O_P CI EC LK
AE26
VS SI O_P CI EC LK
W20
VS SI O_P CI EC LK
W21
VS SI O_P CI EC LK
Y20
VS SI O_P CI EC LK
AC26
VS SI O_P CI EC LK
AA26
VS SI O_P CI EC LK
AD23
VS SI O_P CI EC LK
AB23
VS SI O_P CI EC LK
AA23
VS SI O_P CI EC LK
AA21
VS SI O_P CI EC LK
H26
VS SI O_P CI EC LK
H23
VS SI O_P CI EC LK
M20
V SS PL_SY S
L8
VS S
L4
VS S
N4
VS S
P6
VS S
V10
VS S
AH29
VS S
H7
VS S
AF25
VS S
M12
VS S
G9
VS S
G8
VS S
J4
VS S
G4
VS S
AA12
VS S
AA11
VS S
Y11
VS S
Y12
VS S
Y10
VS S
Y18
VS S
U4
VS S
B29
VS S
AJ28
VS S
W10
VS S
W9
VS S
V8
VS S
AC9
VS S
AB7
VS S
AD4
VS S
AD6
VS S
V4
VS S
P3
VS S
J7
VS S
L18
VS S
L12
VS S
M11
VS S
V19
VS S
M18
VS S
U15
VS S
V11
VS S
P10
VS S
T10
VS S
R17
VS S
R13
VS S
N15
VS S
F24
VS S
E6
VS S
E25
VS S
D23
VS S
E5
VS S
A2
VS S
A28
VS S
AJ2
VS S
C499
1u_6.3V_X5R_04
VD DPL_3.3V
C501
10u_6.3V_X5R_08
C5 0 2
0.1u_10V_X5R _04
.
L90 HCB1005KF-121T20
AVD D_U SB
VDD PL_1.1V
R771 * 10m il_ short
VD DAN _1.1V_U SB
C534
1u_6.3V_X5R _04
C553
1u_10V_Y 5V_06
C554
*0.1u_10V_X7R _04
R356 0_04
C5 4 0
0.1u_10V_X5R _04
C539
10u_6.3V_X5R_08
C541
0.1u_10V_X5R_04
C521
0.1u_10V_X5R _04
.
L91 HC B1005KF-121T20
C5 4 2
1u_6.3V_X5R_04
C544
10u_6.3V_X5R_08
C546
0.1u_10V_X5R_04
R361 0_04
C493
0.1u_10V_X5R _04
R 772 * 10m il_short
HUDSON POWER DECOUPLING
C5 1 8
* 1u_6.3V_X5R _04
C5 2 0
0.1u_10V_X5R_04
C517
22u_6.3V _X5R_08
R 773 * 10m il_short
.
L86 H CB1005KF -121T20
.
L89 HC B1005KF-121T20
C533
1u_6.3V_X5R _04
C5 3 5
0.1u_10V_X5R_04
C532
22u_6.3V _X5R_08
C5 0 0
1u_6.3V_X5R_04
C5 3 8
1u_6.3V_X5R _04
VDDCR_1.1_USB
C536
0.1u_10V_X5R _04
1. 8 V S
3.3VS
1.1VS
C537
1u_6.3V_X5R_04
1.1V S
3. 3V S
AVDD_SATA
12 /6 D el R8 27
3.3V AVDD_USB
1.1V
1.5V
VD DIO _AZ3.3V
3.3VS VD DPL_ 3. 3V VDD PL_1.1V1. 1 V
3. 3 V V DDA N_ 3.3V _H W M
1.1V
3.3V
.
L92 HCB1005KF-121T20
1.1V
3.3V
C548
1u_10V_ Y5 V_06
C547
0.1u_10V_X5R_04
1. 1 V S+1 . 1 V _ C K V D D
1.1VS
R355 0_04
Sheet 18 of 41
HUDSON POWER
DECOUPLING

Schematic Diagrams
B - 20 POWERGOOD/ TPM
B.Schematic Diagrams
POWERGOOD/ TPM
R776 *0_04
PW RG D_ V C ORE35
R819 *0_04
3.3V
SYS _PW R OK
SB_ PW RO K
BUF_PL T_R ST#15,23,24,26,27
LPC_AD315,27
LPC_AD115,27 LPC_AD015,27
PC LK_TPM15
LP C _ F R A M E #15 , 2 7
LPC_AD215,27
PCI_C LKR UN #15
S4_STATE #16
C841
1u_6.3V_Y 5V_04
R814 *0_04
R816 *0_04
R817 *0_04
R818 *0_04
1.1V_PWRG D33
R775 0_04
ON
3.3V
SUSB#1 6 , 2 6, 27 , 3 0
R774
10 K _ 0 4
R364 0_04
R365 0_04
3.3V
DDR1.5V_PWRGD32,35
R820 *0_04
SERIR Q15 , 2 7
C8 8 2
*18p_50V_N PO_04
XTAL O
X12 * 32.768KHz
14
3 2
XTAL I
C881
* 1 8p _ 5 0V _ N P O_ 0 4
R824 *10K_04
TPM_PP
PCLK_ TP M
R823 *10K_04
R8 21 *3 3_ 04
R822 *10K_04
LPC re se t t im ing:
TPM 1.2
HI: 4E/ 4F H
LOW: 2E/ 2F H
TP M_P P
TPM_BADD
LPCP D# inac tive to L RST# in act ive 3 2~96us
Ass er ted b efo re en te ring S3
HI: ACCESS
LOW: NORMAL ( Int ernal PD )
C 883 *10p_50V_04
3.3VS
C876
*0.1u_16V_ Y5 V_04
3.3VS
3.3VS
C877
*0.1u_16V_Y5V_04
C8 7 8
*0.1u_16V_Y 5V_04
C879
* 1u_16V_X5R_06
C880
*0.1u_16V_ Y5 V_04
TPM3005
TPM_BAD D
TPM
U50
* SLB9635TT
LAD3
17
LAD0
26
LAD1
23
LAD2
20
VDD 1 10
XTALI 13
VDD 3 24
VDD 2 19
LFRAM E#
22
LCLK
21
LRESE T#
16
SER IRQ
27
CLKRUN#
15
GN D_ 1 4
GN D_ 2 11
GN D_ 3 18
GN D_ 4 25
GPIO 6
GPIO 2 2
XT A L O 14
TESTI
8
TESTBI/BAD D
9
PP
7
NC_1
1
NC_2
3
NC_3
12
LPCPD #
28
VSB 5
TPM3002
TPM3004
TPM_PP
TPM3003
TPM3001
TPM_BAD D
X13 * 32.768KHz
14
3 2
U2 2 B
74LVC 08PW
4
5
6
147
3.3V
SYS_RS T#16
R3 6 7
*1 0 K_ 04
U2 2 C
74LVC08PW
9
10 8
147
U2 2 A
74LVC 08PW
1
23
147
3.3V
SB_ PW R GD 16
ALL_SYS_PWR GD 20,27
U22D
7 4 LV C 0 8P W
12
13
11
147
R815 *0_04
1.8V_PWRG D34
Sheet 19 of 41
POWERGOOD/
TPM

Schematic Diagrams
LVDS, INVERTER B - 21
B.Schematic Diagrams
LVDS, INVERTER
U25C
74LVC 08PW
9
10
8
147
R621 *0_04
R613 *0_04
R390
100K _04
R 608 0_04
R 610 0_04
D2 3
*B AV99 R ECTIFIER
A
C
AC
C565
0.1u_16V_Y 5V_04
C566
* 0.1u_16V_Y 5V_04
C567
*0.47u_10V_Y 5V_04
R 618 0_04
R577 2.2K_04
C563
0.1u_16V_Y5V_04
R 616 0_04
U2 4
APL3512A
VIN
4
VIN
5
EN
3
VOU T 1
GND 2
3.3V
VIN_LCD
3. 3 V
3.3V
3.3V
J_LC D2 For dual channe l
J_LC D1 For single chan nel
3. 3 V S
PLVDD
3.3VS
PLVDD
3. 3 V S
3.3V
V IN_LCD
3.3VS
PLVD D
LID _SW #16 , 2 7 , 29
ALL_SYS_PWR GD19,27
BRIGHTNESS 27
BKL_EN27
LVDS-L1P 3
LVDS-L1N 3
SCL 8
NB_ E N A VDD3
TXC LK_LP 7
LVDS-L0P 3
LVDS-L0N 3
LVDS-LC LKP 3
LVDS-L2N 3
TXO UT_L1P 7
TXO UT_L0N 7
LVDS-L2P 3
LVDS-LC LKN 3
TXO UT_L0P 7
TXO UT_L2P 7
TXO UT_L2N 7
LVDS_DD C_D ATA 3
SDA 8
TXO UT_L1N 7
TXC LK_LN 7
LVDS_DD C_C LK 3
TXO UT_U0N 7
TXO UT_U0P 7
TXO UT_U2N 7
TXO UT_U2P 7
RLVDS-L2P
C5590.1u_50V_Y5V_06
C5 6 00.01u_50V_X7R_04
R2 3 8
*10K_04
S
D
G
Q45B
*MTD N7002ZH S6R
5
34
R2 28
*200_1%_04
Q49
MTN7002ZHS3
G
DS
S
D
G
Q45A
*M TD N7002ZH S6R
2
61
3. 3 V
Q46
P 2003EVG
4
62
5
73
1
8
.
L1
*0_06
3A
VIN
C1 8
*0.1u_50V_Y5V_06
VIN_ L CD
EN AVDD
VIN
R586
1M_04
1108
LV D S _ D A T A
LVD S_CLK
BRIG HTNESS
RLVDS-L2N
INV_ BL ON
2A
RLVD S-L1N
RLVD S-L1P
RLVD S-L0N
RLVD S-L0P
GP IO 7_ BL O N8
R577, R578 W2 50BAQ Dele te
Default UMA
TXOU T_U 1N7
TX O U T _U 1 P7
W 25 0BAQ R7 00 Off , R7 01 On
W2 50 BAQ R69 8 Off, R6 99 On
RLVD S-LC LKP
RLVD S-LC LKN
TX C LK _ U P7
T XCL K_ UN7
SB_BLO N16
12 /7
PANEL CONNECTOR
2A
R LVDS-L0P
LV D S _ D A T A
R LVDS-L1P
RLVDS-LCLKN RL VDS -L2 N
R LVDS-L1N
INV_ BL ON
R LVDS-L0N
RLVDS-LCLKP RL VDS -L2 P
BRIG HTNES S
LVDS_DDC_DATA
SDA
R 698 0_04
80mils
LVD S_D ATA
EDID Mode
LVDS_DDC_CLK
SCL
LVD S_CLK
LVD S_C LK
EN AVDD
2A
LVDS-L1P
TXOUT_L1P
G 52 43 A 6- 02 -0 52 43 -9 C0
A PL 35 12 A 6- 02 -0 35 12 -9 C0
PANEL POWER
RLVDS-L1P
BRIG HTN ESS
TXOUT_L0N
VGA _D IGO N7
LVDS-L2N
TXOUT_L2N
RLVDS-L2N
LVDS-L2P
TXOUT_L2P
LVDS-L0N
LVDS-L0P
TXOUT_L0P
RLVDS-L2P
RLVDS-L0P
LV D S - L C L K N
TX C L K _ L N
RLVDS-LCLKN
LVDS-L1N
TXOUT_L1N
RLVDS-L0N
RLVDS-L1N
LV D S - L C L K P
TX C L K _ L P
RLVDS-LCLKP
12 /7
12/7
R 699 *0_04
IN V_B LO N
BKL_EN_R
Z1201
INVERTER CONNECTOR
BLON3R 700 0_04
R 701 * 0_04
Z1202
Z1203
R611 *0_04
R391 * 100K_04
R 602 0_04
R392
*1M_04
C569
0.1u_16V_Y 5V_04
R 620 0_04
U2 5 B
74LVC08PW
4
5
6
147
R603 *0_04
R388 *10mil_short_04
R578 2.2K_04
U2 5 D
74LVC08PW
12
13 11
147
R 606 0_04
R609 *0_04
C564
*0.01u_16V_X7R_04
C561
0 . 1u _ 1 6V _ Y 5V _0 4
R619 *0_04
U25A
74LVC08PW
1
23
147
R3 8 7
100K_04
J_LC D1
87216-3006
1
122
3
344
5
566
7
788
9
910 10
11
11 12 12
13
13 14 14
15
15 16 16
17
17 18 18
19
19 20 20
21
21 22 22
23
23 24 24
25
25 26 26
27
27 28 28
29
29 30 30
C562
4.7u_6.3V_X5R_06
R607 *0_04
R617 *0_04
R615 *0_04
R 604 0_04
R 614 0_04
J_LCD 2
* 87216-4006
1
3
5
7
9
11
13
15
17
19
21
23
25
27
29
31
33
35
37
39
2
4
6
8
10
12
14
16
18
20
22
24
26
28
30
32
34
36
38
40
Gn d 1 G1
Gnd 2 G2
R389
*100K_04
R605 *0_04
C568
*0.1u_16V_Y5V_04
R 612 0_04
Sheet 20 of 41
LVDS, INVERTER

Schematic Diagrams
B - 22 HDMI/ CRT
B.Schematic Diagrams
HDMI/ CRT
RHDMIB_ D2BP
RHDMIB_ D2BN
RHDMIB_ D1BN
RHDMIB_ CLKBN
RHDMIB_ D0BP
RHDMIB_ D1BP
R721 *0_ 04
RHDMIB_ CLKBP
Default UMA
CRT PORT
I P47 72C Z16 6- 02-4 772 1-B 60
T PD7 S01 9 6-0 2-07 019 -B2 0
DDCLKRDAC_ DDCACLK
CRT_H SYNC
DDCDATA
BL U E
GRN
RDAC_VSYNC
RDAC_HSYNC
VS Y N CCRT_VSYNC
RED
RDAC_ DDCADATA
HSYNC
Default UMA
R72 0
*1 00K _ 04
R 65 3 49 9_ 1% _04
R 65 4 49 9_ 1% _ 04
R4 06
* L VA R 0 40 2- 24 0E 0R 0 5P - LF
RD1
* BAV99 RECTIFIER
A
C
AC
.
L104 FCM1005MF-600T01
C58 9
0. 2 2u_ 10 V_ Y 5V _0 4
C582 10p_50V_NPO_04
C 5 83 10 p_ 50 V_ N P O _0 4
L1 02
*HD MI2012F2SF-900T04-short
1
4
2
3
C5 91
0.22u_10V_Y5V_04
RD2
*BAV99 R ECTIFIER
A
C
AC
R 579 2.2K_04
RN1
2. 2K _ 8P 4R _ 04
8 1
7 2
6
53
4
HDMIB_ DATA 1P
J_ C R T1
10 8A H 15 F ST 04 A1 C C
8
7
6
5
4
3
2
19
10
11
12
13
14
15
GND2
GND1
R 4 15 33 _04
R39 8
*LVAR0402-240E0R05P-LF
R4 00
* L VA R 04 02 - 24 0E 0R 0 5P - LF
.
L103 FCM1005MF-600T01
L99
*H D M I 2 012 F 2S F -900T04-short
1
4
2
3
L10 1
*H D M I 2 012 F 2S F -900T04-short
1
4
2
3
H D M I B _ E XT 1_ SC L
HDMIB_ DATA 1N
R4 05
* L VA R 04 02 - 24 0E 0R 0 5P - LF
C5 78
*0 . 1u_ 16 V _Y 5V _ 04
HDMI PORT
U27
TP D 7S 01 9
VCC_SYNC
1
VCC_VIDEO
2VI D E O _1 3
VI D E O _2 4
VI D E O _3 5
GND 6
VCC_DDC
7
BYP
8
DDC_ OUT1 9
DDC_IN1
10
DDC_IN2
11 DDC_ OUT2 12
SYNC_IN1
13 SY N C _ O U T1 14
SYNC_IN2
15 SY N C _ O U T2 16
HDMIB_ DATA 0P C570
1 0u_ 10 V_ Y 5V _ 08
HDMIB_ DATA 0N
R40 7
*LVAR0402-240E0R05P-LF
L1 00
* H D M I 2 01 2F 2S F - 90 0T0 4- s ho rt
1
4
2
3
R 4 16 33 _04
C586 220p_50V_NPO_04
R397
* L VA R 0 40 2- 24 0E 0R 0 5P - LF
HDMIB_E XT1_ HPD
For ESD
H D M I B _ E XT 1_ SD A
C 5 87 2 20 p_5 0V _N PO _ 04
R 580 2.2K_04
C 58 5 10 00 p_ 50 V_ X7 R _0 4
R40 4
* LV A R 040 2- 2 40 E0 R 05 P-L F
.
L105 FCM1005MF-600T01
J_ H D M I 1
C 1 28 17 -119A5-L
SHIELD2
2TMDS DA TA1 +
4TMDS DA TA1 -
6SHIELD0
8
TMDS CL OCK+
10
TMDS CL OCK-
12 RESERVED
14 SDA
16 +5V
18
TM D S D A TA 2 + 1
TMDS DATA2- 3
SH I E L D 1 5
TM D S D A TA 0 + 7
TMDS DATA0- 9
CL K SHIELD 11
CEC 13
SCL 15
DDC/CEC GND 17
HOT PL UG DETECT 19
L9 8
1_ 04
C5 71
22u_6.3V_X5R_08
C 58 4 10 p_ 50V _ N PO _ 04
C590
0.22u_10V_Y5V_04
C57 7
0.1u_16V_Y5V_04
R393
1 _04
RD3
* BAV99 RECT IFIE R
A
C
AC
R39 5
* LV A R 040 2- 2 40 E0 R 05 P- L F
C 58 8 10 00 p_5 0V _ X7 R _0 4
5V S _H D MI
5VS_HDMI
5V S
3. 3 VS
3.3VS
5V S
3. 3V S
3. 3 VS 5VS
HDMIB_ DATA 2P
HDMIB_ CLOCKP
R 647 499 _1 %_ 04
HDMIB_ DATA 2N
HDMIB_ CLOCKN
R6 62 *0_ 04
R6 64 *0_ 04
R 6 63 0_ 04
C 5 79 1 0p _50 V _N P O _0 4
C581 10p _5 0V _NP O_ 04
R414
150_1%_04
C 58 0 10 p_ 50 V_ N PO _04
R41 3
15 0_ 1%_ 04
R412
150_1%_04
RDAC_BLUE
RDAC_GREEN
R 6 65 0_ 04
R6 66 *0_ 04
RDAC_RED
R6 68 *0_ 04
R 6 67 0_ 04
DDCDATA
RED
DDCLK
VSYNC
HSY NC
24 mil
GRN
BLUE
6-20-14X30-015
R 6 69 0_ 04
R6 70 *0_ 04
R6 73 *0_ 04
R 6 71 0_ 04
R D AC _ V SY N C
RDAC_ DDCA DAT A
RDAC_ HSY NC
Q27
2N3904
B
E C
RDAC_ BLUE
R658
10 K _04
RDAC_ RED
R5 5 20 0K_0 4
RDAC_ DDCA CLK
R65 7
* 2 00 K _04
R 6 37 0_ 04
3.3VS
RDAC_ GREEN
R 6 29 0_ 04
R6 40 *0_ 04
CLOSE TO HD MI CO NN.
HDMI_ SCL
R 6 36 0_ 04
R 6 31 0_ 04
H D MI B _E XT 1_ SD A
R6 38 *0_ 04
R6 34 *0_ 04
5V S
Q2 6
MTN7002ZHS3
G
DS
R 6 39 0_ 04
R 6 41 0_ 04
R6 35 *0_ 04
R6 30 *0_ 04
R656
2. 2K _ 04
R65 9
4. 7 K _04
R 6 33 0_ 04
R6 32 *0_ 04
R65 5
4. 7 K _04
H D MI B _E XT 1_ SC L
HSYNC_DAC18, 1 0
DAC_VSYNC3
VSYNC_DAC18, 1 0
3.3VS
3.3VS
R6 42 *0_ 04
DDC6DATA8
DAC_HSYNC3
3.3VS
3.3VS
Q2 8
MTN7002ZHS3
G
DS
DAC_ BLUE3
B_ D A C 18
DAC_DDCADATA3
5V S
R660
2. 2K _ 04
DDC6CL K8
DAC_ RED3
R_DAC18
DAC_GREEN3
G_DAC18
DAC_DDCACLK3
R6 74 *0_ 04
R 6 72 0_ 04
R 6 25 0_ 04
R6 26 *0_ 04
HDMI_ DDC_CL K3
R6 28 *0_ 04
TM D S _T XC N8
DDC1CLK8
HDMIB_ D2BN3
TM D S _T X2 P8
HDMIB_CL KB N3
R 6 27 0_ 04
HDMIB_ D1BN3
TM D S _T X2 N8
TM D S _T XC P8
TM D S _T X1 P8
TM D S _T X1 N8
HDMIB_ D0BN3
HDMIB_ D2BP3
HDMIB_ D1BP3
HDMIB_CL KB P3
TM D S _T X0 N8
TM D S _T X0 P8
HDMIB_ D0BP3
RHDMIB_ CLKBN
HDMI_DDC_ DATA3
HDMI_SCL
DDC1DATA8
RHDMIB_ D2BN
RHDMIB_ D1BP
RHDMIB_ D0BN
RHDMIB_ CLKBP
RHDMIB_ D2BP
HDMI_SDA
RHDMIB_ D0BP
RHDMIB_ D1BN
R 6 75 0_ 04
R6 76 *0_ 04
W250BAQ Del R719, A dd R718
HPD18
RHDMIB_ D0BN
R 7 19 0_ 04
C 8 65 2 2p _50 V _N P O _0 4
C867 22p_50V_NPO_04
C 86 6 22 p_ 50 V_ N P O _04
C 83 6 0. 1u _1 0V _X 7R _ 04
C 82 9 0. 1u _1 0V _X 7R _ 04
C 83 1 0. 1u _1 0V _X 7R _ 04
C 83 0 0. 1u _1 0V _X 7R _ 04
C 83 3 0. 1u _1 0V _X 7R _ 04
C 83 2 0. 1u _1 0V _X 7R _ 04
C 83 4 0. 1u _1 0V _X 7R _ 04
C 83 5 0. 1u _1 0V _X 7R _ 04
PORTC_ HPD3
R7 18 *0_ 04 HDM IB_EXT1_HPD
3.3VS
Q 2 5 MT N 70 02 ZH S 3
G
D S
R648 499_1%_04
R 64 9 49 9_ 1% _04
R 65 0 49 9_ 1% _ 04
HDMIB_DA TA0 N
HDMIB_DA TA2 N
FO R EM IFO R EM I
HDMIB_ DATA1N
HDMIB_E XT1 _S CL
HDMIB_ DAT A0P
HDMIB_EXT1_ SDA
HDMIB_E XT1 _H PD
HDMI_ CEC
HDMIB_ DATA1P
HDMIB_ CLOCKN
HDMIB_ CLOCKP
HDMIB_ DAT A2P
5VS_HDMI
.
L 139 FC M 100 5M F - 60 0T 01
.
L 137 FC M 100 5M F - 60 0T 01
.
L 138 FC M 100 5M F - 60 0T 01
HDMI_SDA
R652 499_1%_04
R 651 499_1%_04
R 6 61 0_ 04
Sheet 21 of 41
HDMI/ CRT

Schematic Diagrams
CCD/ 3G B - 23
B.Schematic Diagrams
CCD/ 3G
60 mil s
CCD_EN
Layo ut Sh ow " 3.5G( HSDPA)" N ote
From H8 default HI
48 mil
CC D _ DET #
5
MJ_CCD1
1
CCD
UIM_DATA
M
INI CARD 3G(Port 6)
UIM_VPP
UIM_PWR
UIM_RST
UIM_CLK
Q32
A O3415
G
DS
C599
10u_10V_Y 5V_08
S
D
G
Q33A
RT3 K4 4M
2
61
+
C6 01
220 u _4 V_ V_B
(T OP VI EW )
LO CK
O PEN
J_SIM1
C 1770661-1
UIM_DATA C7
UIM_VPP C6
UIM_GND C5
UIM_PWR
C1 UIM_RST
C2 UIM_CLK
C3
C5 95
0.1 u _1 6 V_Y5 V_ 04
C611
0.1u_16V_Y5V_04
C610
1u_6.3V_Y5V_04
C598
0 . 1u _ 1 6V _ Y 5V _ 0 4
C5 9 2
0.1u_16V_Y 5V_04
R792
10_06
C6 02
*22p_50V_N PO_04
R424
100K_04
C 857 1u_6.3V_Y 5V_04
C603
*22p_50V _N PO_04
R426 330K_04
C604
* 22p_50V_NPO _04
R4 22
*10m il_s h or t_04
R790 0_06
L106 *WC M2012F2S-161T03-short
1
4
2
3
J _ CCD 1
85205-05001
1
2
3
4
5
+
C593
220u_4V_V_B
C612
* 1u_6.3V_Y 5V_04
C613
0.1u_16V_Y5V_04
C846
1u_6.3V_Y 5V_04
R793 100K_04
U4 7
*G 52 4 3 A
VIN
4
VIN
5
EN
3
VO UT 1
GN D 2
Q1 1
MTN7002ZH S3
G
DS
S
D
G
Q33B
R T3K44M
5
34
UIM _ VP P
R789 *0_06
C614
1u_6.3V_Y5V_04
UIM _C LK UIM _ DAT A
UIM _RST
UIM _ PW R
Q10
MTP3403N 3
G
DS
KEY
J_3G 1
88910-5204M-01
CO EX1
3
CO EX2
5
CLKREQ #
7
GN D0
9
REFC LK-
11
REFC LK+
13
W AKE#
1
GN D1
15
PETn0
23
PETp0
25
GN D2
21
GN D3
27
PERn0
31
PERp0
33
GN D4
29
Reserved0
17
Reserved1
19
W _D ISABL E# 20
GN D1 2
37
3.3VAU X_3
39
3.3VAU X_4
41
GN D1 3
43
Reserved2
45
Reserved3
47
Reserved4
49
Reserved5
51 LE D _ W LA N # 44
LED_WWAN # 42
GND 6 18
UIM _VP P 16
UIM _R ESET 14
3.3VAUX_0 2
UIM _C L K 12
UIM _D AT A 10
UIM_PWR 8
1. 5 V _ 0 6
GND 5 4
P ERSET# 22
3.3VAUX_1 24
GND 7 26
1. 5 V _ 1 28
SM B_C L K 30
SM B_D ATA 32
GND 8 34
USB_D - 36
U SB_D + 38
GND 9 40
L ED_ W PAN # 46
1. 5 V _ 2 48
GN D1 0 50
3.3VAUX_2 52
GN D1 1
35
R4 23
10 0 K _ 04
C6 0 5
*22p_50V_NPO_04
C600
*0.1u_16V_Y5V_04
C5 9 6
10u_10V_Y5V_08
R4 2 1
*10mil_short_04
C5 9 4
0. 1u_16V_Y5V_04
R791
20K_1%_04
R 419 *15m il_short_06
R420 *4.7K_04
3G_3.3V
3G_3.3V
3G _ 3. 3 V
5V
3G_3.3V
5V _ C C D
3.3V
3G _3 . 3 V
3.3V_3G
3.3VS
USB_PN 9 16
3G _EN 27
3G _ D E T #27
CCD_DET#27 USB _PP516
USB_PN516
USB_PP9 16
3G _ P O W E R27
CCD_EN27
SIMLOCK
D avid 8/25
SIM CONN
Layout?
1. SIM????????(10mil)
2. ????????GND
3. SIM hold ?????GND??
4. SIM CONN ? ? MINI CARD
CONN
3A 120mils
From SB GPIO P in default HI
Power Plane: Suspend
S3: Defined
AO3409( 90mohm) C hange
to AO3 415(45moh m).
3G POWER
AO3409? ? ?
ADD R128,Q2
So lut ion F or
PD A
BU G-When
Ba t t e r y
dis char ge to
sh utd ow n,
th e CMOS
so me time s
los s.
3A 120mils
1A
1A
CCD_EN
60 mils
C868
0.1u_16V_Y 5V_04
Sheet 22 of 41
CCD/ 3G

Schematic Diagrams
B - 24 Card Reader/ LAN JMC261C
B.Schematic Diagrams
Card Reader/ LAN JMC261C
Sheet 23 of 41
Card Reader/ LAN
JMC261C
MLMX0-_R
R828 0_04
10 /2 8 Mo dify valu e
SD_CD #
SD_D1
SD_D0
SD_CLK
SD_D2
SD_ W P
DVDD
MS _ I N S #
SD_D3
SD_CLK
SD_BS
SD_BS
SD_D3
SD_D1
SD_D0
SD_D2
Ca rd Re ad er
Po we r
4 IN 1 SOCKET SD/MMC/MS/MS Pro
ISON
VD DR EG
Pin#35
SD_D1
6- 22- 25 R0 0-1 B4
6- 22- 25 R0 0-1 B5
near Pin#41
LANXOU T
LANXIN
Pin#52
Pla ce all capacitors closed to chip.
The subscript in eac h CAP incica tes t he pin
nu mber of JMC251/JMC261 t hat s hou ld b e
closed to.
Pin#55
Pin#43
Pin#62
Pin#43
Pin#21Pin#59 Pin#2
LA N X I N
SD _CLK
LAN _M DIN 2
LAN _M DIN 0
LAN _M DIN 1
LAN _M DIP1
LAN _M DIP0
MDIO8
LAN _M DIP3
LAN _M DIP2
PC Ie D iff er en ti al
Pairs = 100 Ohm
SD _BS
JMC261 C
BU F_P LT_RST#
(>20mil)
MPD
LAN _SC L
CR _ CD1 N
MDIO13
LANX OUT
MDIO7
(>20mil)
ML M X1 +
ML M X1 -MLMX0-
LAN _SD A
LAN _ PCIE_ W AKE#
MDIO10
SD_D 0
MPD
SD XC_POWER
G9141
APL5603-12B(no R201,R198)
LAN_LED1
MDI O1 3
TD_C T
DVD D
MDIO9
MDIO11
REGLX
SD _CD#
REG L X DVDD
S wit ch in g Reg ul at or
c los e to P IN3 3
Pin#33Pin#33
(> 20m il )
(> 20m il )
For JMC251/261 only
LDO t ype ? J MC 26 1C ,
SD _D 2
MS_INS#
need to close to chip
BU F_PLT_RST#
LAN _M DIN 3
SD XC_POW ER
SD_D3
CR_CD1N
AVDD12_62
RD_CT
LAN _M DIN 0
LAN _M DIP0
ML MX 0 +
ML MX 0 -
DC _N P
DD _N P
ML MX 1 -
ML MX 1 +
W240BU 6-21-B4000-008
RX_ CTRX_ CT
L6 2 NC da vid 8 /25
MLM X1-_R
MLM X0-_R
MLM X0+_R
MLM X1+_R
TX_CT
LAN _M DIN 1
LAN _M DIP1
SD_CLK
Card Reader Pull High/Low
Resistors
LA N _ LE D 0
SD _ W P
SD_CD#
SD _ W P
MS _ I N S # R581
0_06
MLMX0+_R
Pin#13Pin#7
SE EDAT
need to close to chip
David 8/27
Pin#32
(>20mil)
Pin#31
(>20mil)
Pin#32 Pin#31
MLMX1-_R
LA N _ S C L
nee d t o cl os e to c h ip
PCIE_WAKE#
W250BUQ 6-21-B4040-008
VD D_IN
ML MX 1 + _R
Reserved
Pin#7
LA N _ S D A
R826 *0_04
R8 2 5
10K_04
Q7 9
M TN 7002ZHS 3
G
DS
3.3V
JM _D3MO DE 16
JM _D 3 MO D E
R584
0_06
Pin#59
AP L5 60 3- 12B Ch a nge A X66 10.
MLMX0+
Ra
Vout=0.8(1+Ra/Rb).
Rb
for D3E C991022
SEE DAT
1.2 V
for AX6 610 , Ra( 1. 69 K_1% ) ,
C816
0.1u_16V_Y5V_04
C800
* 0 . 1u _ 1 6V _Y 5V _0 4
R646 0_04
R601 *0_04
C489
0.01u_16V_X7R _04
C805
0.1u_16V_Y 5V_04
C8 08
0.1u_16V_Y5V_04
C8 17
0.1u_16V_Y5V_04
R583 * 0_04
C821
* 0.1u_16V_Y5V_04
C804
10 u _ 10 V _ Y 5 V _ 0 8
L36
P3012
RD+
1
RD-
2RX+ 16
RX- 15
RD_CT
3RX_CT 14
NC
4NC 12
NC
5
TD_C T
6
TD+
7
NC 13
TX- 9
TD-
8
TX_C T 11
TX+ 10
R4 4 7
*0 _ 0 6
(LQFP 64)
JMC261 C
U3 0
JM C 2 6 1 C
REXT
1
AVDD 33
2
XIN
3
XOU T
4
GND
10
LX 33
AVD D12
7
CPP EN 23
CLKN
5
CLKP
6
AVD D12
13
RXP
8
GND 22
TXN
11
TXP
12
PW RCR 30
RSTN 24
WAKEN 27
MPD 28
ISO N 45
LAN_LED2 26
CR_CD1N
16
CR_CD0N 17
RX N
9
MDIO8
51
LAN_LED0 47
MDIO7
15
MD IO6 20
GND 44
MDIO5 41
MDIO4 40
MDIO3 39
VD DIO 43
MDIO2 38
MDIO1 37
MDIO0 36
MDIO9
50 MDIO10
49
MD I O1 1 48
MDIO12 19
VD DREG 32
MDIO13
14
MDIO14 18
CR _LED 25
TEST 29
VDDIO 21
GND 34
VC C3V 31
FB12 35
LA N _ LE D 1 46
VDDO 42
VD D
52
VIP _1
53
VIN _1
54
AV DD12
55
VIP _2
56
VIN _2
57
GND
58
AV DD33
59
VIP _3
60
VIN _3
61
AV DD12
62
VIP _4
63
VIN _4
64
C647
2.2u_6.3V_X5R _06
C803
* 0.1u_16V_Y5V_04
R3 3 4
75_1%_04
C6 4 5
0.1u_16V_Y5V_04
R444 1K_04
R4 3 4
*0 _ 06
PJS-08SL3B
J_R J1
DD-
8DD+
7
DB-
6
DC-
5DC+
4
DB+
3DA-
2DA+
1shield GN D1
shield GN D2
U49
AX6610
GN D 1
VC NTL
6
VO UT
3
VIN 5
VO UT
4
VFB
2
POK 7
EN 8
VIN 9
R6 7 7 * 0_ 0 4
C646
* 0.1u_16V_Y 5V_04
R 440 0_04
R4 5 0
*0 _ 04
R4 4 6
*4 .7 K _ 04
C8 5 3
82p_50V_NPO _04
C810
* 10u_6. 3V_X5R_06
R436 *4.7K_04
R7 3 6
*7 5_ 1 % _0 4
R644 0_04
C650
10u_10V_Y5V_08
Rb( 2.7K_1% )
R 433 1K_04
C8 5 2
1u_10V_Y 5V_06
J_C ARD -REV1
MD R019-C 0-1042
DAT2 _SD
P2
VSS_MS
P21
CD/D A T3_ SD
P3
CMD _ SD
P4
VSS_SD
P5
VDD _SD
P6
CLK_SD
P7
VSS_SD
P8
DAT0 _SD
P9
DAT1 _SD
P10
WP_SD
P11
VSS_MS
P12
VCC _M S
P13
SCLK_MS
P14
DAT3 _M S
P15
INS _ MS
P16
DAT2 _M S
P17
SDIO /DAT0_M S
P18
DAT1 _M S
P19
BS_M S
P20
CD_ SD
P1
GND P23
GND P22
R645 0_04
R269
75_1%_04
C815
0.1u_16V_Y5V_04
C643
* 10p_50V_N PO_04
U43
*APL5603-12BI-TRG
IN 1
SET
4GN D 2
SHD N# 3
OUT
5
R3 43
75_1%_04
R4 3 2 * 1M _ 04
C652
10u_10V_Y 5V_08
R582 10K_04
C8 0 1
27 p _ 50 V _ N P O _ 04
C 819 0.1u_10V_X7R _04
R643 0_04
C813
0.1u_16V_Y5V_04
C8 54
0.1u_16V_Y5V_04
D45
RB751V
A C
R 438 *10K_04
C812
* 0.1u_10V_X7R _ 04
C820
0.1u_16V_Y5V_04
R445 10K_04
R348
75_1%_04
R588 0_04
C620 1000p_2KV_X7R_12_H 125
C8 0 7
0.1u_16V_Y 5V_04
C799
*10u_10V_Y5V_08
C806
0.1u_16V_Y5V_04
C649 0.1u_16V_Y5V_04
C8 0 9
0 . 1u _ 1 6V _Y 5V _0 4
.
L62
*S W F2520CF-4R7M -M
R 441 *0_06R4 3 5
12 K _ 1 %_ 0 4
L131
*WC M2012F2S-161T03
1
4
2
3
C839
10u_10V_Y5V_08
R4 3 7
*4.7K_04
L132
*WC M2012F2S-161T03
1
4
2
3
C619
*0.01u_16V_X7R _04
C 811 0.1u_10V_X7R _04
C651
0.1u_16V_Y 5V_04
R5 8 5
2.7K_1%_04
R 729 *0_06
C644
10u_10V_Y5V_08
C814
0.1u_16V_Y5V_04
C6 4 8
1u_6.3V_Y5V_04
R 443 0_04
R589 *4.7K_04
C818
0.1u_16V_Y5V_04
R4 4 2
1.69K_1%_04
U31
*A T 2 4C 0 2BN
SCL
6
A0 1
A1 2
A2 3
WP 7
SDA
5
VCC
8
GND
4
X8
FS X5L_25MH Z
12
C802
27 p _ 50 V _ N P O _ 04
DVDD
3. 3 V _ L A N
DVDD
DVD D
3.3V_LA N
3.3V_LAN
DVDD
3.3V_LAN
3.3VS
VC C_CAR D
3.3VS
3.3V_LA N
DVD D
DVD D
DVD D
VCC_CARD
VD D_IN
VDD 3 3.3V
DVD DDVD D
3 . 3V _L A N
3.3V_LAN
VCC _CARD
3.3V_LAN
VC C_CAR D
DVDD
3. 3 V S
5V
3.3V_LAN
VD D33.3V
3.3V
3. 3 V S VD D3
3.3V_LAN
VD D3
VDD 3
3.3V_LAN
DV DDDVDD
DVDDDVD D
BUF _PLT_RST# 15,19,24,26,27
PC IE_W AKE#16 , 2 4 , 26
VC C_CAR D
PCIE _TXN0_JM C 15
PCIE_RXN 0_ J MC 15
PCIE _TXP0 _J MC 15
LAN_PCIE _W AK E# 27
CLK_PCIE_JMC# 15
CLK_PCIE_JMC 15
PCIE_RXP0_JM C 15
JM C_25M _I N 15
VD DR EG
10 /21
need to close to chip
Fo r JM C2 51 C
Pin#2Pin#2
ISO N

Schematic Diagrams
MINI PCIE/ SATA HDD/ ODD B - 25
B.Schematic Diagrams
MINI PCIE/ SATA HDD/ ODD
Sheet 24 of 41
MINI PCIE/ SATA
HDD/ ODD
SA TA_ T XP0
SA TA_ T XN0
HDD_NC1
HDD_NC2
HDD_NC3
HDD_NC0
SATA HDD
A LLTO P -C166N 5-12205-L
SATA_TXN 1
SATA_RXN1
SATA_TXP1
SATA_RXP1
PIN GND1~2=GND
SATA ODD
W250BUQ 6-20-43750-022
W240BU 6-20-43730-122
20 mil
20 mil
SA TA_R XN 0
SA TA_R XP0
W LAN _CLKREQ #
PCIE_W AK E#
3.3VAU X_1
BUF _PLT_ RST#
20 mil
Port 2
20 mil
Layout Sho w "WLAN( Wim ax, 802. 11N) " Not e
R494 * 10K_04
SATATXN0 17
SATATXP0 17
SATARXN0 17
S ATAR XP0 17
SATATXP1 17
SATARXP1 17
SATARXN1 17
SATATXN 1 1 7
3IN1
C655 0.01u_16V_X7R_04
R4 5 2 *0 _ 04
R4 5 4 *0 _0 4
R704
*1 0 K_0 4
C672 0.1u_16V _Y5V_04
+
C 670 220u_6.3V_6.6*5.7
R456 * 10K_04
J_OD D1
C18553-11305-L
S1
S2
S3
S4
S5
S6
S7
P1
P2
P3
P4
P5
P6
KEY
J_ M I N I 1
BELLW ETH ER 80003-1021
COEX1
3
COEX2
5
C L KREQ #
7
GND0
9
REFCLK-
11
REFCLK+
13
WAKE#
1
GND1
15
PETn0
23
PETp0
25
GND2
21
GND3
27
PERn0
31
PERp0
33
GND4
29
Reserved0
17
Reserved1
19
W_D ISABLE# 20
GND12
37
3.3VAU X_3
39
3.3VAU X_4
41
GND13
43
Reserved2
45
Reserved3
47
Reserved4
49
Reserved5
51 LE D _ W L A N # 44
LED_WW AN# 42
GN D6 18
UIM _ VP P 16
UIM _R ESET 14
3.3VAU X_0 2
UIM _ CL K 12
UIM _D AT A 10
UIM_PWR 8
1.5V_0 6
GN D5 4
PERSET# 22
3.3VAU X_1 24
GN D7 26
1.5V_1 28
SM B_CLK 30
SM B_D ATA 32
GN D8 34
USB _D - 36
USB_D+ 38
GN D9 40
LED _WP AN# 46
1.5V_2 48
GN D1 0 50
3.3VAU X_2 52
GND11
35
C653 0.01u_16V_X7R_04
R722 100K_04
C675 22u_6. 3V_X5R_08
R 4 51 1 0 K _ 04
C 656 0.01u_16V_X7R _04
R458 0_04
C674 1u_6.3V_Y 5V_04
C6 6 5
0.1u_16V_Y5V_04
Q7*M TN 70 0 2 Z H S 3
G
DS
C673 0.1u_16V _Y5V_04
R703
*1M_04
C6 6 2
*10u_10V_Y5V_08
C6 6 6
1u_6.3V_Y5V_04
J_HD D1
ALLTOP-C 166N5-12205-L
S1
S2
S3
S4
S5
S6
S7
P1
P2
P3
P4
P5
P6
P7
P8
P9
P10
P11
P12
P13
P14
P15
C6 6 9
*0.1u _16V_Y5 V_ 04
C671 0.1u_16V_Y5V_04
R702 0_06
R727 0_04
R7 0 5 0_ 0 4 OD D_ DET EC T#
C654 0.01u_16V_X7R_04
C8 4 5
* 1 00 0 p _5 0 V _ X7 R _0 4
C6 77
0.01u_16V_X7R _04
R723 *10mil_short
R 726 * 10m il_short
R 725 * 10m il_short
R724 *10mil_short
C678
0.01u_16V_X7R_04
+
C668 * 220u_6.3V_6.6* 5.7
C 659 0.01u_16V_X7R _04
C6 6 3
*0.1u_16V_ Y5V_ 04
C658 0.01u_16V_X7R_04
C847
0.1u_16V_Y5V_04
R457 * 0_04
C 657 0.01u_16V_X7R _04
R4 5 3
*1 0 K _0 4
Q31
*MTN7002ZH S3
G
DS
C661
*0.01u_16V_X7R_04
C667
10 u _1 0 V_ Y5V_08
R7 3 8 *0 _0 4
C679
0.01u_16V _X7R_04
R7 0 7 * 1K _0 4
C 660 0.01u_16V_X7R _04
C664
0.1u_16V_Y5V_04
C676 22u_6.3V_X5R_08
R 706 *10K_04
Q3 0
*AO3409
G
DS
R7 3 9 *0 _0 4
OD D_ 5 V
5VS
3.3V S
5V S
5V S
3.3VS
OD D_ 5 V
3.3V
OD D_ 5 V
3.3V
3.3VS
3.3VS
3. 3 V
3.3V
VD D3
3. 3 V
ODD_DA#_FCH 16
ODD_DETE CT# 16
BT_EN27 , 2 8
BT_ON 15,28
OD D_ P W R17
WLAN_DET#27
C LK_PC IE_W LA N#15
WLAN_CLKR EQ#16
BT_D ET# 2 7 ,2 8
USB _ PN 2 1 6
C LK _PC IE_WLAN15
W LAN _LED # 27,28
USB _ PP 2 1 6
WLAN_EN 27,28
B U F _ P L T _R S T # 1 5 , 1 9, 23 , 2 6 , 27
PCIE_W AKE#16,23,26
80CLK 27
PC IE_RXN3 _W L AN15
PC IE_TXN 3_W LAN15 PC IE_T XP3 _W LAN15
BT_E N27,28
3I N 127
BT_ON15,28
P C I E _R X P 3_ W L A N15
80CLK 27
3IN 1R508 0_04
R496 0_04
R4 55 *1 0 K _ 04
R5 0 9 *0 _ 0 4
MINI CARD (WLAN,Port 5)
VD D3
12 /6 Re se rve

Schematic Diagrams
B - 26 AUDIO CODEC ALC261C
B.Schematic Diagrams
AUDIO CODEC ALC261C
Sheet 25 of 41
AUDIO CODEC
ALC261C
PD#
SPKOU TR+
SPKOU TR-
R464 39.2K_1% _04
L109 *H CB1005KF-121T20
1 2
R468 20K_1%_04
C691
0.1u_16V_Y5V_04
C7 1 2
*180p_50V_N PO_04
R461 *10m il_s hort
L111
H CB1005KF -121T20
1 2
R465
4.7K_04
C694
10u_10V_Y5V_08
R460 * 0_04
R 459 0_06
R476 2.2K_04
J _ INT M IC1
88266-02001
PCB F ootprint = 88266-2L
1
2
C6 9 2
10 u_10 V_Y 5V_08
C689
10u_10V_Y5V_08
J P1 *1 0 mil_ sh ort
C704 2.2u_6.3V_X5R _06
C7 0 6
1u_6.3V_Y5V_04
C690
0.1u_16V_Y5V_04
C
A
A
D28
BAT5 4CW G H
1
23
R466 * 100K_04
C 68 6 0. 1u _ 1 6V _ Y 5V _ 0 4
L110
H CB1005K F-121T20
1 2
R463 20K_1%_04
R472 1K_04
C710
* 1u _ 1 0V _Y 5 V _0 6
C6 8 3
0.1u_16V_Y5V_04 C6 8 5
*0.1u_16V_Y5V_04
C7 0 7
2.2u_6.3V_X5R_06
R474 1K_04
C696 4.7u_6.3V_X5R _06
L112
* FCM 1608K-121T06_s hort
R 471 22_04
C697 4.7u_6.3V_X5R _06
C711
* 1 8 0 p_ 5 0 V _N P O _ 0 4
C 702 22p_50V_NPO _04
Q13
* MTN7002Z HS3
G
DS
C680
10u_10V_Y5V_08
DIGITAL ANALOG
U32
A LC 2 69Q -VB6 -GR
DVD D1 1
GP IO0 -DM IC-D AT
2
GP IO1 -DM IC-C L K
3
PD #
4
SD ATA- OUT
5
BIT-CLK
6
DVS S2
7
SD ATA- IN
8
DVD D-IO 9
SY NC
10
RE SET#
11
PC BEEP
12
Sense A 13
LINE2-L 14
LINE2-R 15
MIC2-L 16
MIC2 -R 17
Sense-B 18
JDR EF 19
MON O-OUT 20
MIC1-L 21
MIC1 -R 22
LINE1-L 23
LINE1-R 24
AVSS1
26
VR EF 27
LD O _ C A P 28
MI C 2- V R E F O 29
MIC1-VR EFO-R 30
MI C 1 - V RE F O -L
31
HP -O UT -L 32
AVSS2
37
OPV EE 34
CBN 35
CBP 36
HP -OUT-R 33
PVD D1 39
SPK-L+
40
SPK-L-
41
PVSS1
42
PV SS2
43
SPK-R +
45 SPK-R -
44
PVDD2 46
SPD IFC2/EAPD
47
SPD IFO
48
AVDD2 38
AVD D1 25
GND
49
12/6
C699 * 100p_50V_NPO _04
C6 8 8
0 . 1u _ 1 6V _Y 5 V _0 4
C 68 7 0. 1u _ 1 6V _ Y 5V _ 0 4
C698
680p_50V _X7R_04
R475 2.2K_04
R4 7 8
4.7K_04
C7 0 9
100p_50V_NPO _04
R4 67 1 K _ 04
C681
0.1u_16V_Y5V_04
C684
* 1 0u _ 1 0V _ Y 5V _ 0 8
L113
* FCM 1608K-121T06_s hort
C6 9 3
0.1u_16V_Y 5V_04
J P2 *1 0 mil_ sh ort
R 477 47K_04
R462
10K_04
C6 9 5
1u_6 .3V_Y5V_ 04
C703 0.1u_16V_Y5V_04
C700 4.7u_6.3V_X5R _06
C705 10u_10V_Y5V_08
C6 8 2
10u_10V_Y 5V_08
C701 4.7u_6.3V_X5R _06
J_SPKL1
85204-02001
PCB Footprint = 85204-02R
1
2
Q12
*BSS13 8 _N L
G
DS
C708
2.2u_6.3V_X5R _06
5VS
DVD D_ IO
5V S
5VS
AUDG
3.3 VS_ AU D
AUDG
5VS
AU DG
3.3VS_AUD
AU DG
A UDG
3.3VS
1. 5V S
PVD D1_2
5VS_A UD
AU DG
AUD G
AUD G
KBC _M UTE#27
HEA DPH ONE -L 29
HDA _SP KR16
HDA _SD IN016
HD A_R ST#16
HDA_SYNC16
M IC_SEN SE 2 9
KBC_BEEP27
HEA DPH ONE -R 2 9
HP_SEN SE 29
H DA_SDO UT16
H DA_BITCLK16
SPKO UTR- 29
MIC 1 -L M 2 9
MIC 1-R M 2 9
SPKO UTR+ 29
For 3. 3V HDA Link.
L136 * FCM 1608K-121T06_short
L135 * FCM 1608K-121T06_short
VT1802P 10u
Sp ea k er 8 o h m - --- -- > 20 mil s
VT1802P
SPKOUTR+,R-,L+,L- Trace width
2
AZ_ RST#
AZ_RST# For 3.3V
HDA Li nk D e-pop
AUDIO CODEC
1
Layout note:
VT1802P
L75,C718 ? ? ?
Sp ea k er 4 o h m - --- -- > 40 mil s
9/8
For 1.5V HDA Link.
FOR VOLUMN
ADJUST
5VS
DIG ITAL
20ms
EMI Require
GN D a nd AUDG spa c e is
60 mil s ~ 100 mi ls
PD#
Speaker wire length less than 8000mils , It don't need LC Filter.
INT _ MIC _ OU TINT_ MIC
3.3V S_AUD
PC BEEP
MI C 2- V RE F O
ALC269 VB
EAPD
CO DEC _ GPIO 1
CO DEC _ GPIO 0
SPDI FO
HDA_RST#
Therm al Pad place 9
Via hole.
BE EP_R
AZ _SD IN0_R
SPKO UTL+
S PKOU TL -
MI C 1- V R E F O -R
MI C 2- V R E F O
VT1802P NC PIN
HEAD PHO NE- R
HEAD PHO NE- L
CO DEC _C BN
LI N E 1 _ R
MIC 1_ R _C
LI N E 1 _ L
AN ALOG
MIC1-VRE FO-L
MIC1-VRE FO-R
MIC 1-R
SENS E_B
MO NO _O UT
MIC 1_L_C
Please Let LC Filter
together and close to
C od e c. IF S pe a k er
w i re le ngt h is le ss
than 8000m ils It don't
need the LC Filter.
HP _SE NSE
MI C_SENSE
SPKO UTL+_L
MIC 2_ R
LI N E 2 _ L
MIC 2_ L
LI N E 2 _ R
J_SPK1
BEEP
SPKO UTR-
SPKO UTL+
SPKO UTR+
SPKO UTL-
EM I Requ ire
AZ _RST # F or 1. 5V
HDA Link De-pop
PD# Control
VT1802P 5.1K_1%_04
M IC1 -VRE F O-L
AUD G
AUD G
SPKOU TL-_L
C236 *180p_50V_NPO _04
PN: 6-20- 43130- 104
C239 *180p_50V_NPO _04
C237 *180p_50V_NPO _04
J _ SPK1
* 85 2 0 4- 0 4 0 01
1
2
3
4
C246 *180p_50V_NPO _04
SPK OUTR +_R
C
A
A
D3 3
BAT54AW G H
1
23
BEE P_C
MIC1-R _M
MIC1-L_M
SENS E_A
HD A _ RST #
SP KOU TL -_L
CO DEC _V REF
SPKO UTR+
HDA_RST#
SPK OUTR -_R
SPKOU TL+_L
VT1802P 4.7K_1%_04
VT1802P 75_1%_04
Reserve
LD O _ C A P
JD R E F
21
J_INTMIC1
VT1802P
2.2K_04
VT1802P
330P
SPKO UTR-
MIC 1-L
CO DEC _C BP

Schematic Diagrams
USB 3.0 VL800 B - 27
B.Schematic Diagrams
USB 3.0 VL800
Sheet 26 of 41
USB 3.0 VL800

Schematic Diagrams
B - 28 KBC- ITE IT8518
B.Schematic Diagrams
KBC- ITE IT8518
KBC _W R ESET#
6-22-32R76-0BG
6-22-32R76-0B2
R830 *0_04
EC_VCC
WLAN_LED#
CK32K
Co-layout X2, X3
CK32KE
R808 2.2K_04
( BEEP )
SM D_BAT
SM C_BAT
R 506 10K_04
R 507 *10K_04
.
L118
HC B1005KF-121T20
R5 2 8 1 K_ 0 4
R502
1 0 0K _0 4
C8 5 6
0.1u_16V_Y5V_04
C7 4 2
10u_10V_Y5V_08
R532 4.7K_04
C7 5 4
* 12 p _5 0 V _ N P O _0 4
R 501 *1 5m il_short_06
J _KB1
85201-24051
24
23
22
14
12
11
21
8
20
19
6
5
18
4
17
10
9
7
3
2
1
16
15
13
C 753 0.1u_16V_Y 5V_04
R533 *0_04
R530 47_04
R535 * 10m il_short_04
C751 1u_6.3V_X5R _04
R503 10K_04
K / B M A TR I X
FLASH
LPC
SMBUS
PS/2
PWM
UART
DAC
CLOCK
IT8518
CIR
ADC
WAKE UP
PWM/COUNTER
LPC/WAKE UP
E X T G P IO
GP INTERRUPT
WAKE UP
GPIO
U3 8
IT8518E
WR ST#
14
LPC CLK
13
LAD 0
10
LAD 1
9
LAD 2
8
LAD 3
7
LFR AME#
6
( PD )LPCPD #/WUI6 /GP E6 17
SER IRQ
5
EC SMI# /G PD4 ( PU )
15 EC SCI# /G PD3 ( PU )
23
GA20/GPB5
126
KBR ST#/G PB6 ( PU )
4
KSI0/STB# 58
KSI1/AFD # 59
KS I2/IN IT# 60
KS I3/SLIN # 61
KS I4 62
KS I5 63
KS I6 64
KS I7 65
KSO0/PD 0 36
KSO1/PD 1 37
KSO2/PD 2 38
KSO3/PD 3 39
KSO4/PD 4 40
KSO5/PD 5 41
KSO6/PD 6 42
KSO7/PD 7 43
KSO8/AC K# 44
KSO 9/BU SY 45
KSO 10 /PE 46
KSO11/ERR # 51
KSO 12/SLC T 52
KSO 1 3 53
KSO 1 4 54
KSO 1 5 55
VCC 11
VSTBY 26
VST BY 50
VSTBY 92
VSTB Y 114
VSTBY 127
VSTBY 121
VBAT 3
AVCC 74
PS2 C LK0/G PF0( PU )
85
PS2 D AT0/G PF1( PU )
86
PS2 C LK1/G PF2( PU )
87
( PD )TMR I0/W U I2/GPC 4 120
( PD )TMR I1/W U I3/GPC 6 124
LPC RST#/ WUI4/GPD 2( PU )
22
( PD )W UI5 /GP E5 35
PWR SW /G PE4( PU )
125
RI1#/WUI0/GPD0( PU )
18
RI2#/WUI1/GPD1( PU )
21
( PD )R I NG #/P W RF AIL # /L PCR S T# /GP B7 112
TXD/G PB1 ( PU )
109 RXD/GPB0( PU )
108
( PD )C TX /GP B 2 123
PS2 D AT1/G PF3( PU )
88
PS2 C LK2/G PF4( PU )
89
PS2 D AT2/G PF5( PU )
90
( PD )TACH 0/GPD 6 47
( PD )TACH 1/GPD 7 48
PW M 0/GPA0( PU )
24
PW M 1/GPA1( PU )
25
PW M 2/GPA2( PU )
28
PW M 3/GPA3( PU )
29
PW M 4/GPA4( PU )
30
PW M 5/GPA5( PU )
31
PW M 6/GPA6( PU )
32
PW M 7/GPA7( PU )
34
AD C0/GPI 0
66
AD C1/GPI 1
67
AD C2/GPI 2
68
AD C3/GPI 3
69
AD C4/GPI 4
70
AD C5/GPI 5
71
AD C6/GPI 6
72
AD C7/GPI 7
73
VSS
1
VSS
12
VSS
27
VSS
49
VSS
122 VSS
113
AVSS
75
CK32KE 2
CK32K 128
DAC3/GPJ3
79 DAC2/GPJ2
78 GPJ1
77 GPJ0
76
( PD )EG CS#/GP E2 83
( PD )EG CL K/GP E 3 84
( PD )EGA D/GP E1 82
G INT/GPD 5( PU )
33
L8 0L L AT/GPE7 ( PU )
20
VSS
91
DAC5/GPJ5
81 DAC4/GPJ4
80
PWUREQ#/GPC7( PU )
16
( P D )CR X/GPC 0 119
( PD )KSO16/GPC 3 56
( PD )KSO17/GPC 5 57
( PD )G P H0 /ID 0 93
( PD )G P H1 /ID 1 94
( PD )G P H2 /ID 2 95
( PD )G P H3 /ID 3 96
( PD )G P H4 /ID 4 97
( PD )G P H5 /ID 5 98
( PD )G P H6 /ID 6 99
( PD )G P G1 /ID 7 107
SM CLK0/GPB3
110
SM DAT0 /GPB4
111
SM CLK1/GPC 1
115
SM DAT1 /GPC 2
116
SM CLK2 /GPF6 ( PU )
117
SM DAT2/GPF7 ( PU )
118
FLFRAM E#/GPG 2 100
FL AD0/SC E# 101
FLAD1/SI 102
FLAD2/SO 103
FLAD 3/GPG 6 104
FLC LK/SCK 105
( PD )FLR ST# /WU I7/G PG0/TM 106
( PD )L 80 HL AT /GP E 0 19
C7 5 2
0.1u_16V_Y5V_04
R 505 10K_04
X11
* 1T J S 1 25 D J4 A 4 2 0P _ 3 2 . 76 8 K H z
1 4
32
C7 4 5
*0.1u_16V_Y 5V_04
C748
0.1u_16V_Y 5V_04
C743
0 . 1u _ 1 6V _ Y 5V _ 0 4
C749
1u_6.3V_X5R _04
C746
* 0.1u_1 6V_Y5V_0 4
R529 15_1%_04
C7 4 1
0.1u_16V_Y5V_04
R531 *10M_04
.
L117
H CB1005KF-121T20
X1 0
*MC -146_32.768KH z
1 4
32
C744
0.1u_16V _Y 5V_04
R 787 1K_04
C756 *0.1u_16V_Y 5V_04
NC 2 SH ORT
R7 8 5 *0 _0 4
L C D_ B RIG HT NESS
J_KB 2
* 85201- 24051
24
23
22
14
12
11
21
8
20
19
6
5
18
4
17
10
9
7
3
2
1
16
15
13
R526 47_04
R523 *0_04
R809 2.2K_04
U37
*AT25F512AN
CE# 1
SO 2
WP#
3
VSS 4
SI 5
SC K 6
HO L D#
7
VD D
8
R527 15_1%_04
C755
* 12p_50V_NPO _04
R 708 0_04
R504 *10K_04
U39
PC T25VF01 6B -75-4I-S2AF
CE# 1
SO 2
WP#
3
VSS 4
SI 5
SC K 6
HOLD#
7
VD D
8
R786 0_04
C747
0.1u_16V_Y 5V_04
R 709 0_04
R710 0_04
C8 5 5
0.1u_16V_Y 5V_04
VDD 3
VDD3
3.3VS
VD D3
VD D3
KBC _AGND
KBC _ AVDD V DD3
KBC_ A G ND
3.3VS
VD D3
VD D3
VDD3
WEB_WWW#29
SUSC # 16,30,32
VDD 3
HSPI_CE# 17
3IN124
SM D_ C P U_ TH ERM3, 1 6 , 1 7
HSPI _MS O 1 7
HSPI_SC LK 17
HSPI_MS I 17
C CD_EN 22
PW R_SW #30
BT_EN 24 ,28
J_80D EBUG 1
*85205-05001
1
2
3
4
5
LED_CAP#28
PW R_BTN#16
LID_SW#16 , 2 0 , 29
SMD _BA T37
SMC _VGA_THER M10
KBC_BEEP25
CCD _ DE T#22
LED_PWR28
BKL_EN 20
LPC _AD 015,19
LPC _AD 315,19 LPC _AD 215,19
3G_POWER 22
LPC_FR AME#15,19
LPC _AD 115,19
VCO RE_ON 3 5
SUSB# 16,19,26,30
BUF_ PLT_ R ST#15,19,23,24,26
WLAN_DET#24
RSM RST_GATE# 16
WLAN_LED#24,28
W EB_E MAIL#29
DD _O N 2 9 ,3 0,3 1
CPU_FANSEN 29
BAT_DET37
SMD _VGA_THER M10
KBC _MUTE#25
CPU _FAN29
80PORT
RX
0V
CH G_EN 37
L ED_ SC ROLL #28
EC_RST#15
AP _KEY #29
V CHG _SEL 37
LED_BAT_CHG28
EC MODULE CHOOSE (FOR DIFFERENCE K/B TYPE)
3G _E N22
AC_IN #16,29,37
SW I# 16
BT_DET#24,28
R5 03 10 K/ R5 04 X
MODEL_ID
LE D _ A C I N28
EC_SCI#16
3G_DET#22
MO DE L _ I D
3.3 VV1.0
W240BU
TH E R M _V O L T2
80 C L K24
WLAN _EN24,28
VER. V OLT AG E
SM C_ C P U_ TH ERM3, 1 6 , 1 7
CE L L _C ON TR OL 3 7
LED_NUM#28
RX
W250BU
TP_DATA29
LED_BAT_FULL28
TP_CLK29
L AN_ PCIE_W AKE#23
LP C _ C L K 015 , 1 6
EC_SMI#16,26
KBC_RST# 16
SERIR Q15,19
GA2 016
SMC _BA T37
ALL_SY S_PWRG D 19,20
BRIGHTNESS20
BAT_VOL T37
BAT_VO LT
W250BAQ
R 514 10K_04
CK3 2 K E
CK3 2 K
6 -2 2-3 2R 76 -0B 4
1.6 5V
V2.0
80CLK
3IN 1
V2.0
R829 *0_04
12/6 Reverse
KBC _SPI_SI
KBC _S PI_SO _R KBC _SPI_SO
KB C_ HO LD #
KBC _S PI_C E# _R
KBC _S PI_SI _R
KBC _S PI_SC L K_R
KBC _SPI_C E#
KBC_SPI_SCLK
U37 U39 Co-layout
80 D E T#
KB C_FLA SH
???
For 8512E
KBC_SPI_*_R = 0.1"~0.5"
1J_KB1
R5 03 X/ R 504 1 0K
24
R5 03 10 K/ R5 04 10 K
80DET#
Pin100 ,104&106 EXT ? ? Pu ll hi
& P ull L ow .
VG A_ AL ERT#10
KBC _SPI_S O
KBC _SPI_C E#
KBC_ S PI_ SCL K
KBC _SPI_S I
CPU_FAN
VG A_F AN
EGAD
KBC _W RESET#
3G _D E T #
CCD _DET#
KBC_BEEP
SMC _VGA_THERM
SMD _BAT
CCD_DET#
( SCI# )
( SMI# )
R5 34 F or IT8 518 BX&
IT85 19 BX On ly.
Pin87 3 IN1 m ult i
function pin
( VCH G-SE L )
BAT_DET
3G_DE T#
SMD _VGA_THERM
( 3G_PWR_EN )
PME#
BAT_VOLT
H_PECI
FOR W250BUQFOR W240BU
KB-SI1
KB-SO11
KB-SO6
KB-SI7
KB-SI3
KB-SI0
KB-SO10
KB-SO5
KB-SO15
KB-SO4
KB-SO7
KB-SO0
KB-SO13
KB-SI2
KB-SO2
KB-SO3
KB-SO8
KB-SO14
KB-SO9
KB-SO12
KB-SI4
KB-SO1
KB -SI2
KB -SO11
KB -SI3
KB -SO5
KB-SI5
KB-SI6
KB -SO2
KB -SI4
KB -SI7
KB -SO1
KB -SO15
KB -SO9
KB -SO14
KB -SO13
KB -SO10
KB -SI0
KB -SI1
KB -SO8
KB -SO12
KB -SO3
KB -SO4
KB -SO0
( W EB1# )
KB -SI6
KB -SO7
KB -SI5
KB -SO6
ME_W E#
( 80PORT_DET# )
WLAN _EN
LCD_BRIGHTNESS
R 797 0_04
80CLK
( KBC_PME# )
( PM_ PW RO K )
( W EB2# )
VGA_FANS EN
( APKEY# )
MODE L_ID
LAN_PC IE_W AKE#
GA20
SMC _BAT
WEB1 #- --W EB_EM AIL#
WEB2 #- --WE B_W WW #
0 _04 F OR IT 85 12C X/ EX
0 .1U _0 4 F OR I TE8 51 2- J(I TE 85 02- J W/ 0 CI R)
EC Cost Down
EC_VSS
KBC _ FLAS H
KBC _ HOLD #
U9 U28 Co-layout
KBC _SP I_SO _R
KBC _SP I_SI_R
KBC _SP I_C E#_R
KBC _SP I_SC LK_R
For 8502E
R 5 3 4 * 1 0m i l _s h or t
OC PPE# 26
ICPPE# 26
APU_ TAL ERT#3,17
Sheet 27 of 41
KBC- ITE IT8518

Schematic Diagrams
LED/ MDC/ BT B - 29
B.Schematic Diagrams
LED/ MDC/ BT
LED_BAT_FULL
L ED_ B AT _ CHG
LED_PWR
LED_ACI N
BT_EN#
50 mi l 5 0mi l
1
H2 5
MTH 315D111
3
4
5 6
7
8
9
M5
M-MARK1
1
H7
MTH 315D111
3
4
5 6
7
8
9
R540
22 0 _0 4
M2
M-M A RK 1
H3 6
ht6_0b7_0d3_7
M1
M-MARK1 H3 5
H C 6_ 0 d 3_ 7
Q1 7
DT C1 1 4E U A
CE
B
C7 5 7
* 180p_50V_N PO_04
R542
220_04
J_ T P 4
*85201-06051
1
2
3
4
5
6
H2 1
C1 10 D1 1 0 NP
SG
Y
D1 3
KPB-3025 YSG C
1
3
2
4
1
H13
MTH315D111
3
4
5 6
7
8
9
C7 5 9
*10u_10V_Y 5V _08
1
H24
MTH315D111
3
4
5 6
7
8
9
R537 * 0_0 4
C758
* 180p_50V_N PO_04
H3 4
ht6_0b7_0d3_7
R5 48
22 0 _0 4
Q1 4
*MTN 7002ZH S3
G
DS
R5 39
*15mil_short_06
1
H5
MTH 315D111
3
4
5 6
7
8
9
H31
H4_7B6_0D3_7
H15
H 4_7B6_0D3_7
H23
C67D67
SG
Y
D14
KPB- 3025Y SGC
1
3
2
4
H30
H4_7B6_0D3_7
C760
*0.1u_16V_Y5V_04
H29
H 4_7B6_0D3_7
H32
H4_7B 6_0D3_7
D2
RY -SP170YG34-5M
AC
H18
H6_0D3_7
R5 3 6
47 K _ 0 4
H33
H T 6_ 0 B S 1 D 3 _7
J_BT1
*87212-06G 0
1
2
3
4
5
6
R5 49
22 0 _ 04
H19
H4_0B7_0D3_7
1
H1 1
mt h315d111_3
3
4
5 6
1
H14
MTH 315D111
3
4
5 6
7
8
9
1
H3
MTH 315D111
3
4
5 6
7
8
9
R5 38
*1 0K _0 4
D5
RY- SP170YG34-5M
AC
1
H4
MTH315D111
3
4
5 6
7
8
9
S2
SMD80X80
1
1
H2
C110D110NP
M7
M-M A R K 1
H20
C110D110NP
M3
M- M A R K 1
M4
M-M A RK 1
R546
220_04
M8
M- M A R K 1
R5 4 5
220_04
S1
SMD 80X80
1
1
R5 5 0
* 10m il_s hort_04
D4
R Y-SP170YG 34-5M
AC
R541
220_04
R544
220_04
M6
M-M A R K 1
D3
R Y-SP170YG 34-5M
AC
H1
C1 10 D 11 0 NP
H17
* H4_7B6_0D 3_7
SG
Y
D1
KPB-3025 YSG C
1
3
2
4
R543
220_04
H6
C6 7 D6 7
R547
220_04
Q1 6
* DTC1 14EUA
CE
B
1
H9
MTH 315D111
3
4
5 6
7
8
9
3.3VS
3.3VS 3.3V S3.3VS
3V_BT3.3V
3.3VS
3.3VS
3.3V
3.3V
3V _B T
GN D
VD D3
GN D
For W250BUQ
LED_N UM# 27
BT_EN 24,27
W L A N _E N 2 4, 2 7
BT_ ON15,24
L ED_ CAP # 2 7 LED_SCR OLL# 27
USB _ PP 616 US B_ P N 616
BT_ DET#24,27
SATA_L ED # 17
W LAN _L ED # 2 4,2 7
BT_ EN24,27
LED_BAT_FU LL 27
LED_BAT_CH G 27
LED_PWR 27
LE D _A C I N 2 7
1
H26
MTH315D111
3
4
5 6
7
8
9
6- 52- 52 001 -0 27 6- 52 -52 00 1- 027 6-5 2- 520 01 -02 7 6-5 2- 520 01 -02 7
BT_ EN#
Bluetooth
BT_ DET#
1
NUM
LOCK
LED
2
CA P S
LO C K
LE D
LED
BAT LED
SCROLL
LOCK
LED POWER ON
LED
31
WLAN
LED
24
BT
LED
12/9
HDD/ODD
LED
For W240BU
Sheet 28 of 41
LED/ MDC/ BT

Schematic Diagrams
B - 30 USB/ FAN/ TP/ MULTI CON
B.Schematic Diagrams
USB/ FAN/ TP/ MULTI CON
R5 7 4 *0 _ 04
R733 0_06
USB PORT Charge
Port 1
80 mil
USB_PP0_R
USB_PN0_R
+
C740
220u_6. 3V_6.6*4.5
CTL1 CTL2 CTL3: X 1 0-----> Standard Downstream Po rt, USB 2.0 Mode.
CTL1 CTL2 CTL3: 1 1 1-----> C harg ing Down dtream Po rt, BC Spec 1.1
Reserve 9/8
CT L1 CTL 2 CT L3: 0 X 1- ----> Ded icat ed Ch argi ng Port, Au to-detect
PR 21 5
*47K_04
PC230
*0.1u_50V_Y 5V_06
12 /7
USB _ FL G#
100 MIL
VDD 3
60 mil
Port 0
R8 3 2 * 1 0K_ 0 4WEB _WWW #
W240BU 6-21-B49C0-104
VDD 5
R737 * 17.8K_1% _04
R7 4 5 *10K_04
R7 4 1 * 0_ 0 6
PV1
*V15AVLC0402
12
1.1A 60mils
M IC_SENS E
HEAD PHO NE-R
MIC1-R M
H P_SENSE
SPK _H P#
MIC1-L M
HEAD PHO NE-L
SPK OUTR+
SPKO UTR-
USBP4_R
USBN4_R
Audio/B CONN.(Port 2)
FOR AUDIO BOARD
USBP4_R
USBN4_R
AP_KEY # R8 3 1 1 0 K_ 04
CLICK CONN
FO R CLI CK B OA RD
R7 4 0 0 _ 06
M_ B T N #30
US B_PP016
USB_PN016
USB _ O CP0 _1 #
C7 64
*10u_6 .3V_X5 R_ 06
W250BUQ 6-21-B4410-004
L120
*W CM2012F2S-161T03
1
4
2
3
+
C7 6 9
*100u_6.3V_B_A
C777
0.01 u_ 1 6 V_X7 R_ 0 4
+
C772
*100u_6.3V_B_A
J_FAN1
85205-03701
1
2
3
C7 6 6
10u_10V_Y 5V_08
R558 *10m il_short_04
R552
10K_04
L1 2 1
* WCM 2012 F2S-161T03
1
4
2
3
R5 6 0
*1 0m i l _s h or t _0 4
R712 0_04
C7 6 8
0.1u_16V_Y5V_04
C778 0.01u_16V_X7R_04
R557
10 K _ 0 4
C7 74
47 p _ 50 V _ N P O _0 4
R5 56
10 K _ 0 4
C761
10u_10V_Y5V_08
J_USB2
US04036BCA081
V+
1
GN D1
GND1
DAT A _ L
2
DAT A _ H
3
GN D
4
GND2
GN D2
GND4
GND 4 GN D3
GND3
U41
AX99 5SA
VO UT
3
GN D 5
VIN
2FO N
1
VSET
4GN D 6
GN D 7
GN D 8
C770
*10u_10V_Y5V_08
R561 *10m il_short_04
J_ T P 1
85201-04051
1
2
3
4
R7 1 4 0 _0 4
C762
0.1u_16V_Y5V_04
R8 3 3 * 1 0K_ 0 4
C773
0.1u_16V_Y5V_04
Q18
*MTN7002ZHS3
G
DS
W EB _EM AIL#
C7 65
0.1u_16V_Y5V_04
R7 1 3 0 _0 4
R554 *0_04
R711 0_04
C7 7 6
0.01u_16V_X7R _04
J_SW1
* 50500- 01041-001L
1
2
3
4
5
6
7
8
9
10
L130
*15mil_short_06
100 mil
USBVC C0
J_AUDIO 1
85201-14051-01
1
2
3
4
5
6
7
8
10
11
12
13
14
9
C7 63
0.1u_16V_Y5V_04
C7 7 1
1u_6.3V _Y 5V_04
J_USB1
US04036BCA081
V+
1
GND1
GND1
DA TA_ L
2
DA TA_ H
3
GN D
4
GND 2
GN D2
GND 4
GN D4 GND3
GND3
R5 51 4.7 K_ 0 4
R 5 55 * 15 m il _ s ho r t _ 0 6
R5 53
*1 0K_ 0 4
J_ S W 2
88 4 8 6- 0 8 01
1
2
3
4
5
6
7
8
C775
47 p _ 50 V _ N P O _0 4
R562 *10m il_short_04
U40
RT9715BGS
VO UT1 6
VO UT3 8
VIN2
3
VIN1
2VO UT2 7
GND 1
EN#
4
FLG#
5
5V S
5VS
5V
3.3VS
5VS_FAN
5V S _ F A N
5VS_TP
5V S
3.3V3.3VS
VIN
3. 3 V3.3VS
USB VCC0
USB_VCC2
USBVCC1
3.3V3.3V
5V
U SB_VCC3
MIC_SENSE25
SP KOUTR -25 SP KOUTR +25
USBV CC1
MIC1-R M25 MIC1-L M25
H P_SENSE25
H EADPH ON E-R25
USB_ PP416
USB_ PN416
12 /8
12/8
N/A
CPU_FANSEN27
CPU _FA N27
H EADPH ON E-L25
TP_C LK 27
TP_D ATA 27
R 1 68 0_ 0 4
AP_KEY# 27
WEB _WWW # 27
LID_SW# 16,20,27
W EB _EM AIL # 2 7
DD_ON#30,32,33
AP_ON 30
USB_O CP0_1#16,26
USB_PP116
USB_PN116
W250BUQ 6-21-B4410-004
W240BU 6-21-B49C0-104
R 1 71 0_ 0 4
100 mil
12 /10 Dele te R5 59
USB PORT*2(Port 0,Port1)
USB_PN0
FAN CONTROL
G990P11U 6-02-99011-B20
P2793A 6-02-02793-B20
FON #
JFAN
3
1
Ch an ge co nne ct or
AP_ON
R7 3 4 *0 _ 0 6
AC_IN
R750 *10K_04
USB V CC1
LID_SW#
U10
*T P S 2 5 40
CTL1
6
NC 9
DM _IN 11
DM_O
2
DP _IN 10
IN
1
EN /DSC
5
DP_O
3
IL IM_ SE L
4
CTL2
7
CTL3
8
OUT 12
FAU LT# 13
GND 14
IL IM1 15
IL IM0 16
PPAD 17
M_BTN#_R M_ B TN #
AP_ KEY#
WEB_WWW#
W EB_ EM AIL#
POWER SWITCH CONN.
FOR POWER SWITCH BOARD
20 mi l
CLOSE TO J_SW1
M_ B T N #
W EB_ EMAIL #
LI D _ S W #
WEB_WWW#
AP_KEY#
MB T N
U SB_P P0
U SB_P N0
20mil
USB_PP0
USB_FLG#U SB_O CP0_1 #
I f sy st em ha s AP ON fu nc ti on , u se s J_ SW1
I f sy st em ha s no A PON f un ct ion , us es J_ SW 2
M_ B T N#
U SB_ PN0_R
U SB_ PP0_R
PV2
*V15AVLC0402
12
R751 *10K_04
USB_PN0_R
R747 * 10K_04
Q7 6
*M TN 70 0 2 Z HS 3
G
DS
R748 *10K_04
DD_ ON27 , 3 0 , 31
VDD5
AC _IN #16,27,37
VD D5
USB VCC1
R749 *10K_04
VDD 5
USB_PP0_R
R7 4 6 *1 0 K_0 4 VDD3
Sheet 29 of 41
USB/ FAN/ TP/
MULTI CON

Schematic Diagrams
5VS/ 3.3VS/ 1.8VS/ 1.5VS/ 1.1VS B - 31
B.Schematic Diagrams
5VS/ 3.3VS/ 1.8VS/ 1.5VS/ 1.1VS
SU SB
ON
12/8
ON
ON
PC22
10u_10V_Y5V_08
PQ2
MTN7002ZHS3
G
DS
PR20 8
100_1%_04
PR6
10 K _ 0 4
PR 17
1M_04
PR20 7
100_1%_04
PJ1
40m il
12
PC 229
10u_10V_Y5V_08
PC 227
10u_10V_Y5V_08
PR 3 10 0 K_04
PQ62
MTN7002ZH S3
G
DS
PQ 60
MTN7002ZHS3
G
DS
PQ 7
MTN 7002ZHS3
G
DS
PQ8B
MTNN20N 03Q8
6
5
4
PQ 5B
*M TN N20N03Q8
6
5
4
PR 15
100_1%_04
PQ6B
MTNN20N 03Q8
6
5
4
PR 19
100_1%_04
PQ13
* MTN 70 02ZHS3
G
DS
C779
0.01u_16V_X7R _04
PC14
*10u_10V_Y5V_08
PR11
1M_04
PR 4
10K_04
PQ8A
MT NN 20 N 03 Q 8
1
3
728
PC 16
10u_10V_Y5V_08
PC 20
0.01u_16V_X7R _04
PC18
470p_50V_X7R_04
PQ9A
MT NN 2 0N 0 3Q 8
1
3
728
PR 7
1 0 0K _0 4
PC21
0.1u_16V_Y5V_04
PC 10
* 0.1u_16 V_Y 5V_04
PC19
*0.1u_10V_X7R _04
PR16
1M _ 04
PQ3A
MT NN 20 N 03 Q 8
1
3
728
PR 13
1M_04
PC 226
0.1u_16V_Y 5V_04
PQ 5A
*M T NN 20 N 03 Q 8
1
3
7
28
PC17
470p_50V_X7R_04
PR 211 1K_ 0 4
PQ 10
MTN7002ZHS3
G
DS
PC 8
0.1u_50V_Y5V_06
PC 6
0.1u_50V_Y 5V_06
PC 9
* 0.1u_16V_Y 5V_04
PQ6A
MTNN20N 03Q8
1
3
7
28
C7 8 1
0.01u_16V_X7R _04
PR5
10K_04
PC25
220 0 p_50V_X7R _04
PR10
1M _ 04
PQ4B
MTN N20N03Q8
6
5
4
PC15
0.1u_16V_Y5V_04
PR12
*1 M_ 0 4
PC11
* 0.1u _ 1 6V_Y 5V_ 04
C780
0.01u_16V_X7R _04
C784
0.01u_16V _X7R_04
C7 8 3
0. 01 u _ 16 V _ X 7 R _ 0 4
PR9
10 0 K _ 04
PC12
0.1u_16V_Y 5V_04
PQ61
MTN7002ZH S3
G
DS
PQ9B
MT NN 2 0N 0 3Q 8
6
5
4
R563 1K_04
PC22 5
10u_10V _Y 5V_08
PR 8
100K_04
PC 26
2200p_50V_X7R_04
PJ 2
40m il
12
S
D
G
PQ1A
M TD N7002Z HS6R
2
61
S
D
G
PQ1B
M TD N7002Z HS6R
5
34
PC 7
0.1u_50V_Y5V_06
PC 228
0.1u_16V_Y 5V_04
PQ3B
MTNN20N 03Q8
6
5
4
PQ 4A
M TN N20N03Q8
1
3
728
C782
0.01u_16V_X7R_04
PR14
* 100_1% _04
PU 1
P2808B 0
VA
1
VIN
2
M_BTN#
3
IN STA NT -ON
4GND 5
PW R_SW # 6
DD _ ON _L AT CH 7
VIN1 8
PR 206
100_1%_04
PR 210 1K_ 0 4
PC13
*0.1u_16V_Y5V_04
VDD 5
3. 3 V S
VD D3
SYS 15V
SY S15V
5V SSY S15V
SYS 15V VDD 3
VDD 5
VIN 1
VIN
VA
SYS 15V 1.5V
VINVA
1.5V S
SY S5V
VIN 1
5V
3.3V
3. 3 V S
VDD 3
SY S5V
1.1VSY S15V 1.1VS
SYS 5V
3.3V
5V
PW R_SW # 2 7M_ B T N #29
AP_ON29
D D_O N# 29,32,33
SUSC #16,27,32
SU SB#16,19,26,27
SUSB 32 ,33,34 ,36
SUS C 33,35
DD_ON27,29,31
D D_O N 27,29,31
SU SB 3 2,33 ,34,36
SU SB
P R18 1K_04
DD _O N#
NMO S
1.1VS
NMOS
ON
SUS B
1.5VS
3A
3A 3A
3A
Power Plane
Power Plane
3.3VS
5VS
3.3V
5V
ON
DD _ON " L" T O
"H" FROM EC
ON
ON
12 /6
NMO S
NMO S
R8 1 0
*1 2 K _ 06
ON
ON
VI N
ON
SU SB
DD_ON#
10 /2 0
DD_ON#
SUSB
SUSC
ON
Sheet 30 of 41
5VS/ 3.3VS/ 1.8VS/
1.5VS/ 1.1VS

Schematic Diagrams
B - 32 POWER VDD3/ VDD5
B.Schematic Diagrams
POWER VDD3/ VDD5
12 /7
PC 174
2200p_50V _X7R _04
PR 146
5.1_06
5A
EN _ALL
Rb
5A
Ra
EN_3V
EN_5V
PD 3
* RB0540S2
A C
PL2
TMPC 0603H -4R7M-Z 01
1 2
PC 51
2200p_50V_X7R_04
PJ3
*5mm
12
PQ 14
P1203B V
4
62
5
73
1
8
PR21 * 0_04
PU 2
uP6182
VR EF 3
EN1 1
VFB1 2
TO N SEL 4
LDO 5
17
LG ATE1 19
PH ASE1 20
VFB2 5
UGATE2
10
VCLK
18
BOOT2
9
EN2 6
VO2
7
LD O3
8
PHASE2
11
LG ATE2
12
EN0
13
SKIPSEL
14
GND
15
VIN
16
UG ATE1 21
BO OT1 22
PO K 23
VO1 24
GN D P AD
25
PR31
0_04
PC29
1000p_50V_X7R_04
+
PC 40
220u_6. 3V _6.6* 5.7
PR24
10 0 K _ 0 4 PC 30
1000p_50V_X7R _04
PR33
2.2_06
PQ18
MTN 7002ZHS 3
G
DS
PR36 *0_04
PR216
68 0 K _ 1 % _ 06
PC44
0.1u_16V _Y 5V_04
PQ 19
M T N7 0 0 2 Z HS 3
G
DS
+
PC 45
220u_6.3V_6.6*4.5
PL1
TM PC0603H -4R7M -Z01
12
PR28
19.1K_1%_06
PJ5
*6 m i l
12
PJ 4
*5 m m
1 2
PR 37
10K _04
PR27
13K_1%_06
PR34 0_04
PC34
1u_10V_Y5V_06
PC 38
4.7u_25V_X5R_08
PR26
30K_1%_06
PQ 17
P120 3BV
4
62 5
73
1
8
PC28
1u_10V_Y5V_06
PR39 100K_04
PC36
1u_10V_Y5V_06
PC 55 0.1u_10V_X7R _04
PC39
0.1u_16V_Y5V_04
PC 50
0.01u_50V _X7R _04
PR38 0_04
PC 33
4.7u_25V_X5R _08
PD7
RB0540S2
AC
PC 41
1000p_50V_X7R _04
PR 32
*0 _ 0 4
PC 35
0.1u_10V_X7R_04
PR23
100K_04
C
A
A
PD6
BAT54SW GH
1
2
3
CA
A
PD5
BAT54SW GH
1
2
3
PR22 0_04
PC 32
4.7u_25V_X5R_08
PC 46
0.01u_50V _X7R _04
PC 48
4.7u_25V_X5R_08
PC37
0.1u_50V_Y5V_06
Z2418
PQ 15
P1203BV
4
62
5
73
1
8
PC 42
100p_50V_NPO _04
PR 25 *10K_04
PQ 16
P1203B V
4
62
5
73
1
8
PC31
4.7u_25V_X5R_08
PR29
20K_1%_04
PR35 *0_04
PC 49
1u_10V_Y 5V _06
PC 47
2200p_50V_X7R_04
PD 4
*RB0540S2
AC
SY S5V
PR 30
* 680K_1%_04
SY S15V
VR EF
VD D3
VIN
VD D5
VIN
SYS3V
VREG 3
SY S10V
VR EG 5
SY S5V
VR EF
VREG5VIN 1
VIN
VR EG 5
VREG5
SYS5V
DD_ON27,29,30
VR EG 5
EN _3V EN _5 V
AC IN37
PQ22
*M TN7002Z HS3
G
DS
Z2418
PR15 2
5. 1_ 0 6
PC23 8
22 0 0 p _ 50 V _ X 7 R _ 0 4
Sheet 31 of 41
POWER VDD3/
VDD5

Schematic Diagrams
Power 1.5V/ 0.75 B - 33
B.Schematic Diagrams
Power 1.5V/ 0.75
12 /6 Dis ab le
PC74
2200p_50V_X7R_06
PR50
5.1_06
Z 2621
PR60
100K_04
PD 12
R B0540S2
A C
PU 4
uP6163
VTTGN D
1
VLDO IN
23
VTT
24
VTTSNS
2
GN D
3
MO DE
4
VTTREF
5VC C5 14
PGO OD 13
S5 11
S3 10
VD DQ SET
9
VD DQ SNS
8
CO MP
6
CS 16
PG ND 18
DR VL 19
LL 20
DRVH 21
VBST 22
PVC C5 15
CS _G ND 17
NC
7
NC
12
GND
25
PR 68 * 22_04
PC66 *0.1u_50V_Y5V_06
PJ 7
* OP EN_2A
12
P C68 * 4.7u_25V_X5R _08
PR62
*10K_1% _04
PQ 23
MD S2659
4
62 73
8
5
1
PR 52 0_06
PC86
0. 1u_16V_Y5V_04
PR 57
0_06
PC67 *4.7u_25V_X5R _08
PQ26
*M TN7002ZHS 3
G
DS
PC 77 0.01u_16V_X7R_04
PC80 0.1u_10V_X7R_04
PC 71
10u_10V _Y 5V_08
P R65 47K _04
PC 75 0.1u_16V_Y5V_04
PQ 24
MD S2655
4
62 73
8
5
1
PC 84
*1000p_50V_X7R_04
PR58 0_06
PC 85
0.1u_16V_Y5V_04
PD 13
* SK34SA
A C
PC 73
* 10u_10V_Y5V_08
PQ 28
* MTN 7002ZH S3
G
DS
PL4
1.0U H_10*10*4.5
1 2
PQ 29
M TN 7002Z HS3
G
DS
PJ 8
* OPEN _ 8 A
1 2
PQ25
MTN 7002ZH S3
G
DS
PJ 9
*6 m i l
1 2
+
PC79
560u_2.5V_6.6*6.6* 5. 9
+
PC 76
*560u_2.5V_6.6* 6.6* 5.9
PR 67 100K _04
PR 63 10K _1%_06
PC 82
1u_10V_Y5V_06
PR 48
0_06
P R49 0_06
PR 56 2.2_04
PR 64
10K_1%_06
PR 69 *100K_04
P R53 *0_04
PC 72
10u_10V_Y 5V_08
PC 70 0.1u_10V_X7R _04
PR 47 0_06
PQ 27
M TN 7002ZH S3
G
DS
PC 83
* 1000p_50V _X 7R _04
PC81
1u_10V_Y5V_06
PR59 *10_04
PC 69
10u_10V _Y5V_08
PR 54 10K_1%_06
P R55 *0_04
P R66 100K_04
5V
VD DQ
VD DQ
5V
5V
5V
VIN
5V
VTT_MEM
1.5V
VD DQ
5V
3.3V
VTT_ ME M
5V
SU SC#16,27,30
DD_ON#29,30, 33
DD R1.5V_PW RG D 19,35
SU SB30,33,34,36
1.5VEN
11 /5
+1 .5S_C PU_PW RG D
SUSB
VTTEN
SU SB
10A
1.5V
DD R1.5V_PW RG D
11/5
Sheet 32 of 41
Power 1.5V/0.75V

Schematic Diagrams
B - 34 Power 1.1V/ 1VS
B.Schematic Diagrams
Power 1.1V/ 1VS
Sheet 33 of 41
Power 1.1V/ 1VS
1.1VS_VTT=0.75 X (1+PR101 / PR102)
O CP=1 0uA X RILI M / Rd son
SU SC
5A
1.1V
EN _1 .1V
3A
EN_1VS
1V S _ P W R G D
Vout = 0.8V ( 1 + Ra / Rb )
Ra
Rb
3A
OCP= 10u A X RIL IM / R dso n
SU SB
1VS
6.5A
EN_1VS
10/22 1.0V=>1.054V
1VS _P WR GD
PC 78
2200p_50V_X7R _04
PR 51
5.1_06
PQ 33
MTN 7002Z HS3
G
DS
PU11
AX6610
GND
1
VC NTL 6
VO UT 3
VIN
5
VO UT 4
VFB 2
POK
7
EN
8
VIN
9
PC95
*0.1u_10V_X7R_04
PR77
100K_1%_04
PC 107
* 0.1u_ 1 6 V_Y5 V_0 4
PU5
uP 6127
LX 1
BST 2
VC C 3
DL 4
GND
5
RTN
6
N.C
7
N.C
8
FB
9
VO UT
10
PG D
11
EN
12
ILIM 13
N.C 14
N.C 15
DH 16
PA D 17
PD16
*RB 0540S2
AC
PR 76
21K_1%_04
PL5
TM PC 0603H -4R7M -Z01
1 2
PC 102
* 4.7u _25V_X5 R_08
PC108
*0 .1u _ 10 V_X7 R _0 4
PR82
*1 .2 K_ 1 % _0 4
PC 92
0.1u_10V_X7R_04
PC 214
82p_50V_N PO_04
PC 87
4.7u_25V _X 5R _08
PU 6
*u P 6 1 2 7
LX 1
BS T 2
VC C 3
DL 4
GN D
5
RTN
6
N.C
7
N.C
8
FB
9
VO UT
10
PG D
11
EN
12
ILIM 13
N.C 14
N.C 15
DH 16
PAD 17
PR 74
* 10m il_s hort
PC94 0.1u_16V_Y5V_04
PC218
0.1u_16V_Y5V_04
PR 1 97 62K_1% _ 04
PC 213
1u_10V_Y 5V_06
PC 109
*1u_10V_Y5V_06
PC112
*20p_50V_N PO_04
PC 97
0.01u_16V_X7R _04
PC 89
0.1u_10V_X7R_04
PR 75
10K_1%_04
PL6
*2 .5 U H _ 6 .8 *7 .3 * 3
1 2
PC 90
*4 .7 u _ 2 5V _ X 5 R_ 0 8
PQ34
*M DS 2659
4
62
73
8
5
1
PR 81
*10mil_short
PC 110
*0. 01u_16V_X7R _04
PC105
* 0.1u_1 0V_X7 R_04
PC111
*20p_50V_N PO_04
PC 100
0.1u_10V_X7R_04
PD 17
*CSOD140SH
A C
PR 70
100K_1%_04
PC 98
* 20p_50V_NP O_04
PC88
0.1u_50V_Y5V_06
PR 7 9 *6.8K_ 1% _ 04
+
PC10 6
* 5 60 u _ 2 .5 V_ 6 .6 *6 .6 *5 .9
PC 99
* 20p_50V_NP O_04
PC104
0.1u_10V _X5R _04
PC216
10u_6.3V_X5R _06
PR83
*3K_1%_04
PC103
*4.7u_25V_X5R _08
PJ18
3mm
1 2
PQ32
MD S 2 6 5 8
4
62
73 8
5
1
PR 7 8 62 K _1% _ 04
PJ10
5m m
1 2
PQ 30
MTN7002Z HS3
G
DS
PR 195
10.2K_1%_04
PC 101
*0.1u_50V_Y5V_06
PR80
220K_1%_04
PC 219
10u_6.3V_X5R _06
PR73
220K_1%_04
PJ 1 1
5mm
1 2
PD 14
RB0540S2
AC
PC96
1u_10V_Y5V _06
PQ 35
*M DS 26 5 5
4
62
73
8
5
1
PJ 2 3
OPEN-1mm
12
PR 196
3.24K_1%_04
PQ 31
MDS2658
4
62
73 8
5
1
+
PC93
560u_2.5V_6.6*6.6*5.9
PC 91
0.1u_10V_X5R_04
PR71 10K _1% _04PR 72 *62K _1%_04
PC 215
10u_6.3V_X5R_06
VIN
1.1V3.3V
5V
V1.1
VIN
1VS
5V
V1.0S3.3V
5V
V1S _ R EG
5V
5V
1VS
1. 5V
SUSB30,32,34, 36
1.1 V _PWRGD19
1V S_ PW RGD35
DD_ON#29 , 3 0 , 3 2
SU SC30,35

Schematic Diagrams
Power 1.8VS B - 35
B.Schematic Diagrams
Power 1.8VS
EN_1. 8V
3A
3A
Vout = 0.8V ( 1 + Ra / Rb )
Rb
Ra
1.8V_PWRGD
EN _ 1. 8 V
1.8V_PWRGD
SU SB
1.8VS
O C P= 10 u A X R IL I M / R ds on
4A
PC 22 0
10u_6.3V_X5R_06
PR45
* 14K_1%_04
PL3
*TMPC0603H-4R7M-Z 01
1 2
PC 6 1
*1u_10V_Y5V_06
PJ6
5m m
1 2
PU 3
*uP6127
LX 1
BS T 2
VC C 3
DL 4
GND
5
RTN
6
N.C
7
N.C
8
FB
9
VOUT
10
PGD
11
EN
12
ILIM 13
N.C 14
N.C 15
DH 16
PA D 17
+
PC59
* 560u_2.5V_6. 6*6. 6* 5.9
PC63
* 20p_50V_N PO_04
PR46
* 10K_1%_04
PC64
* 0.01u_16V_X 7R_04
PU12
AX6610
GND
1
VCNTL 6
VO U T 3
VIN
5
VO U T 4
VFB 2
POK
7
EN
8
VIN
9
PC 53
* 4.7u_25V_X 5R_08
PR44
* 10mil _short
PQ21A
*AP6901GSM
7
8
1
2
PC 58
*0. 1u_10V_X7R_04
PQ20
MTN7002ZHS3
G
DS
PC 6 2
* 0.1u_10V_X7R_04
PC56
* 0.1u_10V _X7R_04
PD 10
*RB0540S2
AC
PC 22 4
1u_10V_Y5V_06
PR 20 4
12.7K_1%_1/16W_04
PC223
10u_6.3V_X5R_06
PC221
0.1u_16V_Y 5V_04
PR 4 3
220K_1 %_04
PC 5 4
* 4.7u_25V_X 5R_08
PR 20 5
10K_1%_04
PR41 *15K_1%_04
PC 22 2
82p_50V_NPO_04
PJ 2 2
3mm
1 2
PQ21B
*AP6901GSM
4
3
5
6
PC60
* 0.1u_16V _Y5V_04
PC57
0.01u_16V_X7R_04
PC217
10u_6.3V_X5R_06
PC 5 2
*. 1u_50V_Y5V_06
PR42 10K_ 1%_04
PC65
* 20p_50V_N PO_04
PR 4 0
100K_1%_04
VI N
1.8VS
V1.8S
3.3V
5V
5V
V1.8S_REG
5V
1.8V S
3.3V
SUSB30, 32,33,36
1.8V _PWRGD19
Sheet 34 of 41
Power 1.8VS

Schematic Diagrams
B - 36 APU CORE/ NB CORE
B.Schematic Diagrams
APU CORE/ NB CORE
Sheet 35 of 41
APU CORE/ NB
CORE
PR21 8
5 . 1_0 6
PC23 4
2 20 0p_ 50 V_ X7 R _0 4
PR21 7
5.1_06
PC15 8
2 20 0p_ 50 V_ X7 R _0 4
APU_PW RGD_R
PC 1 3 8
4 . 7u _2 5V _X 5R _ 08
PR 1 2 0
1_1 %_ 06
PC13 9
4.7u_25V_X5R_08
PQ43
MD S 26 55
4
62 73 8
5
1
P R 11 7 * 1 0m i l _s hor t
P C 14 7 3 3p_ 50 V_ N P O _0 4
PC17 1
* 0 . 1u _10 V _X7 R _0 4
PR140
4 . 02 K_ 1%_ 04
PR14 1
10 _0 4
P C 14 1 1 00 0p_ 50 V _X 7R _ 04
PR12 8
* 1 0m il _s ho rt
PR 1 4 5
10 0K _0 4
P R 12 3 * 10 K_ 06
P C 16 2 0. 0 1u _50 V _X 7R _ 04
P C 168 1 00 0p_ 50 V_ X7 R _0 4
PJ16
OPEN-1 mm
12
C790 * 0.01u_16V_X7R_04
P R 13 0 * 10m il _s ho r t
PC 1 59 10u _6 . 3V _X 5R _ 08
PC17 2
0.1u_10V_X7R_04
P C 16 0 0 . 22u _1 0V _Y 5 V_ 04
PR 125
1_ 1% _0 6
PQ45
MD S 26 55
4
62 73 8
5
1
P C 142 10 00 p_5 0V _ X7 R _0 4
PL9
TMPC0603H-R68M-Z01
1 2
C791 0.1u_10V_X5R_04
PD21
* C S O D 1 40S H
A C
P C 157
* 0. 1 u_ 50V _ Y 5V _0 6
P R 11 9 0_0 6
PC15 2
* 4 . 7u_ 25 V_ X 5R _ 08
PR112
* 1 0m i l _s hor t
R6 82
10K_04
PR11 1
10 _0 4
P R 13 5 1 K _1% _0 4
P R 115
44 . 2K _1 % _0 4
PQ44
MD S 26 59
4
62 73 8
5
1
PC 1 6 7
18 0p_ 50 V_ N P O _0 4
PC15 0
4. 7 u_2 5V _X 5 R _0 8
C789 0.1u_10V_X5R_04
PR 1 3 3
62 K_ 1%_ 04
PQ46
M T N 700 2Z H S 3
G
DS
P R 137 6 .8 K _1% _0 4
PR144 *0_04
P C 163
2. 2 u_6 . 3V _Y 5 V _06
Q29M TN 7 00 2Z H S 3
G
DS
P R 14 8 1 0K _1 % _ 04
P R 12 2 * 0_ 06
P C 153
* 4. 7 u_ 25V _ X5 R _0 8
PR12 9
* 1 0m il _s ho rt
PR 1 38 7. 5 K_ 1 % _0 4
PR14 9
10 _0 4
PC 1 5 1
4 . 7u _2 5V _X 5R _ 08
PR20 9 0 _04
+
PC140
*3 30 U_2 5V
12
PC15 5
0.22u_16V_06
PR136
54.9K_1%_04
PC145
10u_6.3 V _X 5R _0 8
PQ 4 7
M TN 7 00 2Z H S3
G
DS
PU9
ISL626 5C
PGND_1 28
PGND_NB 40
PHASE_ NB 38
UGATE_NB 37
PGND_0 32
RT N_ 1
17
PHASE_0 33
PHASE_1 27
UGATE_0 34
VSEN_1
18
RBIAS
7
ISN_0
14
COMP_0
11
VDIFF_0
9
VW_0
12
OCS ET
8
ISP_0
13
VSEN_0
15
ENABL E
6
RTN_ 0
16
SVC
5
PGOOD
2
SVD
4
UGATE_1 26
FB_0
10
LGATE_1 29
OFS/VFIXEN
1
PVCC 30
LGATE_0 31
B OOT _NB 36
BOOT_0 35
GND 49
PWROK
3
VDIFF_1
19
FB_1
20
COMP_1
21
LG A T E_ N B 39
VW _1
22
ISP_1
23
ISN_ 1
24
BOOT_1 25
OCSET_NB 41
RTN_ NB 42
VSEN_NB 43
FSET_NB 44
COMP_NB 45
FB_NB 46
VCC 47
VI N 48
PR 1 3 2
54 .9 K _1% _0 4
PR118 *10mil_short
PQ42
MD S 26 59
4
62 73 8
5
1
PC14 9
0. 1 u_ 50V _ Y 5V _0 6
PR10 9
10 _0 4
PC169
0 . 1u _5 0V _Y 5 V_ 06
PR113 22K_1%_04
PR12 1
10K_04
+
PC14 4
* 3 30 u_2 . 5V _V _ A
P R 12 7 * 10m il _s ho r t
PC146
0.1u_50V_Y5V_06
P R 143
*10mil_short
+
PC 1 61 560 u_ 2. 5 V_ 6. 6* 6. 6* 5 . 9
PC16 6
1000p_50V_X7R_04
PR14 2
* 1 0m i l _sh or t
+
PC16 4 *330u_2 .5V_V_ A
PJ 20
*8mm
1 2
PR134
255_1%_04
PHASE_ NB
PR11 0
10 _0 6
PR139 510K_04
+
PC15 4
* 1 5u _2 5V _6 . 3*4 .4_C
PC156
*0 .1u_50V_Y5V_06
+
P C 143
56 0u_ 2. 5 V_ 6. 6 * 6. 6* 5. 9
O
X
SV I
Z3301
P R 13 1 0 _0 6
PR11 4
10 _0 6
1
0.9
O
PC13 7
1 u_1 0V _Y 5V _0 6
PR116
8 . 2K _1 % _0 4
0
SV C
1
1.0
PR147 *0_04
P L8 T MP C 06 03H- R 6 8M- Z 01
1 2
0
1.1
SV D
0
U4 6 *74AHC1G08GW
1
2
5
4
3
PJ19
*8 mm
1 2
O utp ut
PC 1 4 8
0. 22 u_ 16V _ 06
0
PC16 5
4 70 0p_ 50 V_ X7 R _0 4
VDDCR_ CP U
0.811
PD 2 0
*CSOD140SH
A C
EN_ V CORE
M eta l VI D C ode s
11A
VDDCR_ CPU
5V
SV C
V FIX EN V ID Cod es
NB_VDDCR
0.8
0
SGND5
SGND5
SGND5
O utp ut
SGND5
SGND5
SGND5
1.4
1.0
3. 3V S
SGND5
1.2
1
VIN
1
VIN
5VS
5VS
1
VIN
1
3.3VS
CPU_VDDCR
SV D
0
0
5V S
0
+5V
Pin 49 is GND Pi n
O
VDDCR _NB
CPU_VDDCR
1.8VS
1.5V
NB_VDDCR
3. 3 VS
3. 3V S
LGATE_NB
CPU_ SV C3
CPU_VDD0_ RUN_F B_H3
PWRGD_ VCOR E19
CPU_ SV D3
ISP_0
X
CPU_VDD0 _RUN_ FB_ L3
ISP_1
VCORE_ON27
CPU_ V DDNB_ RUN_F B_H 3
CPU_ V DDNB_ RUN_F B_L 3
ISN_ 0
1VS_PWRGD33
AP U _ PW R G D3, 1 5
SUSC30,33
DDR1 .5V _P W RGD19 , 32
ISP_0
AP U _ PW R G D _ R
O FS/V FIX EN
GND
Of fse t &
Dr oop
PHASE_ 0
X
ISN_1
O
C los e to
CPU
s ock et
X
PR124 *10mil_short
+3 .3V
VF IX
ISN_ 0
UGATE_0
X
10 A
LGATE_0
EM I
UGAT E_ NB
P R 12 6 * 10m il _s ho r t
EN_ V CORE

Schematic Diagrams
VGA POWER B - 37
B.Schematic Diagrams
VGA POWER
SUSB
300mA
MX M_P W R E N#
SUSB
MX M_G P IO 1
2A
NMOS
ON
2A
120MIL
1 . 5V _P G
Rb
Vout = 0.8V ( 1 + Ra / Rb )
1.5A
Ra
FBVDDQ_PW R_EN
ON
200MIL
NMOS
MX M_P W R E N#
MXM_ PW R E N
???????????VGA?????
MXM_ PWRE N#
SU SB
? ? VGA default? ? ?
MXM_PW REN#
SUSB
1021 delete
ROBSON_GPIO15
12/10
PR86
*1 00 K_0 4
PD19
*CS OD1 40 SH
A C
PR 19 3
* 12 K _1 %_ 04
PR 97 * 10 . 2K _1 %_ 04
PR 19 8 *0_ 04
PC130
*1u_10V_Y5V_06
PR 9 8 * 18 . 7K _1 %_ 04
PC131
*0.1u_16V_ Y5V_04
PJ15
*OPEN_3A
1 2
Q23
* M T N 70 02 Z H S3
G
DS
PR87
*1 00 K_0 4
R56 7
* 1 00 _0 4
Q20 B
*MTN N 20 N03 Q8
6
5
4
PR91
* 10K_04
R684 *0_04
PQ39B
*M TNN2 0N0 3Q8
6
5
4
PU7
*u P6 12 2
BOOT 1
UG 2
POK 3
SS 4
EAP 5
SET3
6
SET2
7
SET1
8
SET0
9
FB
10
COM P
11
VID0
12
VID1
13
EN/PSM
14
CSN
15
CSP 16
RT 17
VCC 18
LG 19
PHASE 20
GND 21
PR 10 1 * 10 . 2K _1 %_ 04
C1 68
*10u_6.3V_08_H125
PR 95 *0_ 04
PC1 29
*0. 1 u_ 16 V_ Y 5V _ 04
PJ 25 * 6mil
12
R566
*100_04
Q3
*M TN7002ZHS3
G
DS
C78 5
*0. 1 u_ 16 V _Y 5 V_ 04
PC115
*4. 7 u_ 25 V _X5 R _ 08
PJ 14
*OP EN _5 A
1 2
ON
C7 87
* 1 0u _1 0V _ Y 5V _0 8
PR 20 0 *0_ 04
PR 9 3
*1K_ 1%_ 04
1
VID0
PR 20 1 *0_ 04
PC116
* 2 20 0p _5 0V _ X7 R _0 6
0
1.0V
PC132
* 8 2p _5 0V _ N PO _0 4
PC12 2
*2200p_50V_X7R_04
0.9V
1
1VID1
Q19
*P 12 03 B V
4
6 2
5
7 3
1
8
1.05V
0
Table: VDDC_OPT_VID
1.15V
Q2
*MTN7002ZHS3
G
DS
PR88 * 1 0K _0 4
0 0
1
P R 1 50 * 0_0 4
PR 9 4
*22_04
VGA_COR E
13A
PC11 7
*0.1u_50V_Y 5V_0 6
PR102 * 14.7K_1%_04
PR100 * 17.4K_1%_04
C7 88
*0.022u_50V_X7R_04
P R 1 51 * 0_ 04
Q22
*MTN 7 00 2Z H S 3
G
DS
PC114
*4. 7 u_ 25 V _X 5R _ 08
PC113
*0 .1u_50V_Y5V_06
PU8
*AX6610
GND
1
VCNTL 6
VOUT 3
VIN
5
VOUT 4
VFB 2
POK
7
EN
8
VIN
9
PR214
*10 K_0 4
R84 *100K_04
PC13 3
* 1 0u _6 . 3V _X 5R _ 08
PC 1 2 7
* 0. 0 1u _5 0V _X 7R _ 04
C786
*10u_10V_Y5V_08
PC 12 6 * 10 00 p_ 50 V _X 7R _ 04
PQ39A
*MTNN20N03Q8
1
3
728
R5 64
*1 M_0 4
PJ 12
*8mm
1 2
PD 1 8
* R B 0 54 0S 2
AC
PR89
* 3 3K _ 1%_ 04
PR108
*10K_1%_04
PR104
* 100K_1%_04
PR 9 6 * 21 . 5K _1 %_ 04
PQ36
* M E 4 89 4- G
4
62 73 8
5
1
PR107
*2 .61 K_1 %_0 4
P C 1 24 * 47 p_ 50 V_ N P O _0 4
PC125
* 0.01u_50V_X7R_04
PC 1 3 5
*1U_6.3V_Y5V_04
PC 1 2 8
*10u_6.3V_X5R_08
PR212 *0 _0 4
+
PC119 *560u_2.5V_6.6*6.6*5.9
R9 0
*1 M_0 4
PJ 24 * 6mil
12
Q20 A
*MTNN20 N03 Q8
1
3
728
PC118
* 100p_50V_NPO_04
PR84 * 100K_04
Q1
*A O3 40 9
G
DS
PR 20 3 *0_ 04
PL 7
*1. 0 U H _6 . 8* 7. 3* 3. 5
C1 69
* 2 20 0p _5 0V _ X7 R _0 4
P C 12 1 * 0 . 1u _1 0V _X 7 R _0 4
PR92
*5.1 _0 6
P R 19 4 * 3K _ 1% _0 4
PC134
* 1 0u _6 . 3V _X 5R _ 08
PC123
* 1 u_ 16 V_ X5 R _ 06
R91 *0_04
PC 17 0
* 0. 1 u_ 50 V _Y 5 V_ 06
R8 3
*1 K _0 4
R8 8
*10K_04
PR202 *0 _0 4
PR 99 * 10 . 2K _1 %_ 04
PC173
* 0.1u_50V_Y5V_06
PR199 *0 _0 4
PR105 *10 0K _ 04
P R 10 6 * 10 K _0 4
PQ4 0
*MTN7002ZHS3
G
DS
PC136
* 0.022u_50V_X7R_04
R5 65
*1M_04
PQ38
*ME4626-G
4
62 73 8
5
1
PR213 *0_04
PJ21
*OPEN_3A
1 2
PR 10 3 * 10 K _1 %_0 4
PQ63
* M T N 70 02 ZH S 3
G
DS
5V
3.3V
VGA_VC ORE VDDC
VI N
1.8VS
3. 3 V S_ G P U
1.5V
1. 8 V _R E G
SYS15 V
1.0V_REG
5V
MVD D Q
3. 3 VS
5V
1. 5 V
SYS15V
3.3VS_GPU
3.3V
REG_1.0V
MV D DQ
3. 3V S
3.3VS_GPU
3. 3 V
MXM_GPIO17,15
MX M_P W R E N 7
SUSB 30,32,33,34
MX M_ PWRGD15
ROBSON _GPIO158
ROBSON _GPIO168
12/7
SET 3SE T2SE T1SE T0
ROBSON_ GPIO1 6
1 2/8 Delete PC120
MX M_P W R GD
Sheet 36 of 41
VGA POWER

Schematic Diagrams
B - 38 CHARGER/ DC IN
B.Schematic Diagrams
CHARGER/ DC IN
P C236 0.1u_50V_Y5V_06
PC23 7
0. 1u_50V_Y5V_06
CU R_SENSE
TO T A L_ C U R
CELLS
CTL1
VO LT_SEL
VOLT_SEL
0. 5V/ 1A
0. 5V/ 1A
# Charg e Volt age 1 2.6V
# Charg e Current 1.5A
CHARGER
VH=4.2V
VL=4.3V
PR17 0 : 1 0K fo r 65 W
6-20-B3Z40-004 for 30W
PIN 25th
FOR 2S CONN EC T TO GND
FO R 3S C O NN EC T N.C .
FOR 4S CONN EC T TO V REF P IN
6-21-D34B0-105
CHARGE
CURRENT
ADJ
PIN 17t h CONNECT
TO BAT CONN.
AC IN31
FROM EC: #123/(PD)CTX/GPB2
CH G-C URR ENT
VL =4 S
CECLM
VH =3 S
CELLS
PC 232
30p_50V_N PO_04
PR17 0 : 3 .65 K f or 3 0W
PC235 0.1u_50V_Y5V_06
TOTAL
POWER
ADJ
PL13 HC B1005K F-121T20
PL14 HC B1005K F-121T20
PC 233
30p_50V_N PO_04
BAT_ DET
BAT_VO L TV_ BAT
W250BUQ
W240BU
SMC _BAT
SMD _BAT
PR 184
2M_1%_04
PR169 1M _04
PC180
4.7u_25V_X5R _08
PC 231
30p_50V_N PO_04
PC 212
0.01u_50V_X7R_04
PC 208 0.1u_50V_Y5V_06
PL12 HC B1005K F-121T20
PC195
1u_10V_Y5V_06
PC204
0.01u_50V_X7R_04
PR 18 1
60.4K_1% _04
PC194
0.1u_50V_Y5V_06
PC 197
0.1u_50V_Y 5V_06
PR155
0. 02_1% _32
PR156
10K_04
PR 191 *15m il_short_06
PC209
1000p_50V_X7R _04
PR 173
1K_1%_04
PQ55
MTN 7002ZH S3
G
DS
PC 192
0.1u_50V_Y 5V_06
PC198
* 0.1u_50V_Y5V_06
PR17 4 39.2K_ 1% _ 04
PC189
4.7u_25V_X5R _08
PC183
0.1u_50V_Y5V _06
PR183
102K_1%_04
D3 2
*BAV9 9 REC TIF IE R
A
C
AC
PQ 49A
AP6901G SM
7
8
1
2
PC199
* 0.1u_50V_Y5V_06
TRERMAL PAD
PU 10
M B 39 A 1 32
VCC
1
-INC1
2
+I N C 1
3
ACIN
4
ACOK
5
-INE3
6
ADJ 1
7
-IN E1
9
OUT C1
10
OUTC 2
11
+I N C 2
12
-INC 2
13
AD J 2
14
CO MP 2
15
BATT 17
ADJ 3 18
CS 19
RT 20
VR EF 21
GND 22
CT L 1 23
CELLS 25
PGN D 26
OUT-2 27
VB 28
LX 29
OUT-1 30
CB 31
COM P1
8
COMP3
16
VIN 24
CTL2 32
SG ND 33
PC 207 0.1u_50V_Y5V_06
D3 1
*BAV9 9 REC TIF IE R
A
C
AC
PQ 48
P2003EVG
4
62 5
73
1
8
PR160 0_04
PR170
3.65K_1%_04
PR 178
300K_1% _04
PR 157
20 0 K _ 1% _ 04
PQ 59
M TN 7002ZHS3
G
DS
PQ 50
P200 3EVG
4
6 2
5
7 3
1
8
PR171
200K_04
D2 9
*BAV9 9 REC TIF IE R
A
C
AC
PC 201
0.1u_50V_Y 5V_06
PJ 17
O PEN-1m m
12
PC206 *22p_50V_N PO_04
PQ53
MTN7002ZHS 3
G
DS
PC190
0. 1u_50V_Y5V_06
PC 175
0.1u_50V_Y5V_06
PR180
200K_1% _04
PC210
1000p_50V_X7R _04
PR168
10K_1% _04
PR 179
10K_1%_04
PQ 52
AO3409
G
DS
PR172
10K_1%_04
PQ56
MTN7002ZH S3
G
DS
PC200
0.1u_50V_Y5V_06
PC 196
0.1u_50V_Y5V_06
JB A TT A 2
B T D - 05 T I 1G
1
2
3
4
5
PR 186
* 17.4K_1% _04
PC 211
0.1u_50V_Y 5V_06
PR 188
1 0 0K _0 4
PR176
20K _1%_04
PR189
10K_04
PR166
10K_04
R568 10K_04
PQ54
DT A11 4 E UA
C E
B
PC202 0.1u_50V_Y5V_06
PR153
0.02_1%_32
PC181
0.1u_50V_Y5V_06
PL10
H CB4532KF-800T60
PD 22
RB 0540S2
AC
CTL1
S
D
G
PQ58B
MTDN 7002ZHS6R
5
3
4
PC178
*1u_25V_08
PC 205
* 0.1 u _5 0 V_Y5V_ 06
PC184
4. 7u_25V_X5R_08
PC 188
4.7u_25V_X5R_08
PQ51
MTN7002ZH S3
G
DS
PC 17 7
0.1u_50V_Y5V_06
PQ57
* MTN7002ZHS3
G
DS
PC203
100p_50V_N PO_04
PR182
*1 0m il_s h ort _0 4
PC182
4.7u_25V_X5R _08
JB A TT A 1
*BTD-05TC1B
1
2
3
4
5
PL11 BC IHP0730-6R8M
PC 193
0.1u_50V_Y 5V_06
PR187
76.8K_1%_04
PR167
49.9K_1%_04
PC 176
0.1u_50V_Y5V_06
PC 186
* 4.7 u _2 5 V_X5R _08
PC185
4.7u_25V_X5R _08
S
D
G
PQ 58A
MT DN 70 0 2Z H S6 R
2
6
1
PR165 *0_04
PR 185
100K_04
PR163 *0_04
PR190
1.5M_04
PC187
4.7u_25V_X5R _08
PQ 49B
AP6901G SM
4
3
5
6
PR 192
1M_04
PC179
0. 01u_16V_X7R_04
PR 177
22K_1%_04
D3 0
*BAV9 9 REC TIF IE R
A
C
AC
PR164 100K_1%_04
PR 154
1 3 0K _1 % _0 4
PC191 0.1u_50V_Y 5V_06
JACK1
J DD-5 20 48AS1 F- 1 65
GND 2
GND 1
2
1
PR 159
10K_1%_04
SGND 6
PR161 0_04
SGN D6
SG ND6
SG ND6
SGN D6
VDD 3
VA
VA
SGND 6
SG ND6
VA
V_BAT
VIN
VA
SG ND6
V_BAT
VIN
VA
V_BAT
VDD3
SGND6
SG ND 6
SY S3V
SYS3V SY S3V
A C_IN# 16,27,29
CH G_ EN27
VCH G_SEL 2 7
SM C_BAT27
BAT_ DET27
SM D_BAT27
CELL_CONTROL27
BAT_VO L T27
6-20-B3410-003 for 65W
Sheet 37 of 41
CHARGER/ DC IN

Schematic Diagrams
Click Board B - 39
B.Schematic Diagrams
Click Board
CLED_BAT_CHG
CLED_PWR
CLED_ACIN
CLED_BAT_FULL
C L ED _B AT_ F ULL
6- 20-9 4A50 -104
6-21 -91A 20-1 066- 21-9 1A20 -106 6-21 -91A 00-1 066- 21-9 1A00 -106
6-5 3-3 050B -0416-5 3-30 50B -0416-5 3-30 50B- 0416-53 -30 50B- 041
6- 20-9 4A70 -104
6- 20-9 4AA0 -104
1
B AT LED
POW ER O N
LED
2
For W250BUQ
CLED_ACIN
6-5 2-55 002 -04E
6-5 2-55 002 -042
C L ED _B AT_ C H G
CH5
C95D95 CH6
HO-165X94_5NP
CJ_ TP3
*85201- 06051
1
2
3
4
5
6
1
CH1
MTH237D91
2
3
4
5 6
7
8
9
CC2
*0. 1u_16V_Y5V_04
CR3
* 220_04
CSW2
TJG-533-S-T/R
3
14
2
5
6
CC1
0.1u_16V_Y5V_04
CR1
* 220_04
CSW3
*TJG- 533-S- T/R
3
14
2
5
6
CLICK BOARD
1
CH4
MTH237D91
2
3
4
5 6
7
8
9
CSW4
* TJG-533-S-T/R
3
14
2
5
6
CC3
* 0.1u_16V _Y 5V_04
CJ_TP1
85201-0 4051
1
2
3
4
CJ_TP2
85201- 06051
1
2
3
4
5
6
CSW1
TJG-533-S-T/R
3
14
2
5
6
SG
Y
CD26
*KPB-30 25YSGC
1
3
2
4
CR4
*220 _04
1
CH2
MTH237D91
2
3
4
5 6
7
8
9
SG
Y
CD27
*KPB-3025YSGC
1
3
2
4
CR2
* 220_04
1
CH3
MTH237D91
2
3
4
5 6
7
8
9
CGND
CGND
CGND CGND
CGND
CGNDCGND
CGNDCGND
CGNDCGNDCGND
C5VS
CGNDCGND
CGND
CGND
CGND
CVDD3
CGND
CGND
C5VS
CGND CGNDCGND
CTPBUTTON_RCTPBUTTON_L CTP BUTTON _RCTPBUTTON_L
LI FT
KE Y
RI GHT
KEY
LIF T
KEY
1
RIG HT
KE Y
3
42
CSW1~4
6-52 -550 02-0 4E
6-52 -550 02-0 42
CTP_CLK
CTP_DATA
CTP_DATA
CTPBUTTON_L
CTP_CLK
CTPBUTTON_R
CLED_PWR
Sheet 38 of 41
Click Board

Schematic Diagrams
B - 40 Audio Board/ USB
B.Schematic Diagrams
Audio Board/ USB
Sheet 39 of 41
Audio Board/ USB
AM IC1 -R
ASPKO UTR+_R
AH P_SENSE
AH EADPH ON E-R
AH EADPH ON E-L
AU SB_PN2
ASP KOUTR +
AM IC1 -L
AM IC1 -R
AM IC_ SEN SE
ASP KOUTR -
A USB_PP2
AU SB_PP2
AUSB_PN2
1
J_SPK1
J_SPK1
2
2
AR735 0_06
6-20-43110-102
AUSB_PP2 _R
6-20-43150-102
1
AUSB_PN2_R
A_AUDG
EMI Requir e
6-21-B49C0-104
AUDIO JACK
AC10
22u_6.3V_X5R _08
BLACK
BLACK
PHO NE_OU T_R
AM IC1 -L
NC _M IC1
M IC1_OUT_L
PHO NE_OU T_L
M IC1_OUT_R
AM IC_ SEN SE
PHO NE-R
PHO NE-L
AHEAD PHO NE-R
AHEAD PHO NE-L
AHP_SEN SE
ASPKOU TR -
ASPKOU TR +
ASPKO UTR-_R
3
5
2
4
1
6
10 /2 8 Mo dify value
6-20-B2800-106
HP -L
6-20-B2800-106
GND
EMI Requir e
VT1802P
33_1%_04
3* R/ L? ?
AL122
*WC M2012F2S-161T03
1
4
2
3
AC6 0.1u_16V _Y 5V_04
GND
AL126 FCM 1005KF-121T03
1 2
Headphone? ? ? ? > 10mils
? ? phone jack? ?
?? ?? ?? ?
R/L?? ?? GND?? ?? 3*??
AJ _ USB 1
US04036BCA081
V+
1
GND1
GND 1
DATA_L
2
DATA_H
3
GND
4
GN D2
GN D2
GN D4
GN D4 GND3
GND3
AC5
10u_10V_Y5V_08
AC797
*180p_50V_N PO_04
AC3
*0.1u_16V _Y 5V_04
AC795
*100p_50V_NPO _04
R esi sto r 3 2 or 3 3_0 4
meet WLK Test
AU 1
*RT9715BGS
VO UT1 6
VO UT3 8
VIN 2
3
VIN 1
2VO UT2 7
GND 1
EN#
4
FLG#
5AC2
0.1u_16V_Y 5V_04
HP -R
A R2 *10mil_short_04
AL12 8
*F CM1608K-121T06_short
Layout note:
AC4
0.1u_16V_Y5V_04
R
L
AJ _ HP1
2S J - T 3 51 - S 2 3
2
6
5
3
1
4
A R1 *10mil_short_04
AJ _ SPKR1
85204-02001
PC B Footprint = 85204-02R
1
2
AC 794
*100p_50V _N PO_04
AC7 0.1u_16V _Y 5V_04
AC8 0.1u_16V _Y 5V_04
AC9 0.1u_16V _Y 5V_04
AL1
H CB1608KF-121T25
AC793
*100p_50V_NPO _04
AH 1
C59D59
AC798
*180p_50V _N PO_04
AC 792
* 100p_50V_NPO _04
A L123 FC M1005KF-121T03
1 2
AH3
C59D59
1
AH2
M TH 276D111
2
3
4
5 6
7
8
9
AR570 180_1%_04
AR569 180_1%_04
R
L
AJ _ MIC1
2S J - T 3 51 - S 2 3
2
6
5
3
1
4
50m ils
AL125 FCM 1005KF-121T03
1 2
1
AH4
MTH276D111
2
3
4
5 6
7
8
9
AJ _ AUD IO1
85201-14051-01
1
2
3
4
5
6
7
8
9
10
11
12
13
14
AC796
*1u_10V_06
AL12 7
*F CM1608K-121T06_short
A L124 FC M1005KF-121T031 2
A_U SBVCC
A_ USB VC C2A_ USB V CC
AG NDAG NDAGN D
AGND
A_5V
AG ND AG NDAGND AGN D AG ND
AGND
AGND
A_5V
A_AU DG AG ND
AG ND
A_AU DG
A_AUD G
A_AUD G
A_AUDG
6 -02 -0 97 15- 92 0
ASPK_HP#
50mils
60 mil
USB PORT
HEADPHONE
ASP K_H P#
Reve rse
TO M/B
+
AC 1
* 100u_6.3V_B_A
MIC IN

Schematic Diagrams
Power Switch & LID Board B - 41
B.Schematic Diagrams
Power Switch & LID Board
20 mi l
1 0 p in & 8 pi n co- la y
20 mi l
SW EB_ W W W #
SW EB_ EM AIL#
SM _BTN#
SAP_ ON SL ID_ SW #
SAP_ON
SW EB_ EM AIL#
SM _BTN #
SL ID_ SW #
SW EB_ W W W #
6-20-94K10-108
HOT KEY
20 mi l
SU1, SU2
2
3
1
LID SWITCH IC
SLID _SW #
6-02-00268-LC1
6-02-00248-LC2
SW EB_EM AIL#SW EB_W WW #SM_BTN# SAP_ON
POWER SW & LED & HOT KEY
SPW R _ SW 1
TJG-533-S-T/R
3
14
2
5
6
SW W W _SW 1
*TJG-533-S-T/ R
3
14
2
5
6
SR4
*0_04
SPW R _ SW 2
*TJG-533-S-T/ R
3
1
4
2
5
6
1
SMH 4
MT H2 3 7D 1 18
2
3
4
5 6
7
8
9
SC6
*0.1u_10V_X7R_04
SR 3
*100K_1%_04
SR2
220_04
SC 4
* 0.1 u _ 16V_Y5 V_ 04
SD 1
HT-150N B-DT
AC
SC5
* 0.1u_16V_Y 5V_04
SC3
*0.1u_16V_Y 5V_04
S MAIL_SW1
* T JG -5 33 -S -T /R
3
14
2
5
6
SR1 100K_04
SU1
MH248-A LFA-E SO
VC C
1OU T 2
GND
3
SJ _ SW 1
* 50500-01 041-001L
1
2
3
4
5
6
7
8
9
10
SA P_SW 1
* T JG -53 3 -S -T /R
3
14
2
5
6
SC 2
0.1u_16V_Y 5V_04
SD3
* HT-150N B-DT
AC
SR 5
* 47K_04
SJ _ SW 2
88486-0801
1
2
3
4
5
6
7
8
SD2
*BAV 99 RE CT IFIER
C
AC
A
SC1
*100p_50V_NPO _04
SMH 5
H7 _ 0D 2 _3
SMH2
H7 _0 D 2_ 3
1
SMH3
MTH237D87
2
3
4
5 6
7
8
9
1
SM H1
MTH 237D87
2
3
4
5 6
7
8
9
SM GN D SM GND
SMG NDSM GN D SMG NDSM GN D SMGN D
S_VIN
SMGN D
SMG ND
S_VIN
S_3.3V
S_3.3V
SM GN D
SM GN D
S_3.3VS
S_3.3V
SMG ND
S_3.3VS
SMGND SMGN D SM GND
S_3.3V
SM GN D
SMGND
SM GNDSMG ND
SMG ND
S_3.3VS
SM GN D
SM GN D
SMG NDSMG ND SM GN DSMG ND
SMH6
T158B 118X87D118X87
SM_BTN#
POWER BUTTON
PSW1~8
4
3 1
2
6-53-3050B-241
6-53-3150B-245
6-53-3050B-240
Z4301
6-52-56001-022
6-52-56000-020
6-52-56001-028
6-52-56001-023
POWER
SWITCH
LED
20mil
FOR E5128Q
SMH 7
T158B91D 91
POWER BUTTON
FOR E5128Q FOR E4120Q/E5120Q
PSW1~8
WEB_WWW#
42
WEB_EMAIL#
1
AP_KEY#
3
FOR E5120Q
6- 5 2 -5 6 0 0 1- 0 2 8
6- 5 2 -5 6 0 0 1- 0 2 3
6- 5 2 -5 6 0 0 1- 0 2 2
6- 5 2 -5 6 0 0 0- 0 2 0
6-53-3150B-245
6-53-3050B-240
6-53-3050B-241
6-53-3150B-245
6-53-3050B-240
6-53-3050B-241
6-53-3050B-240
6-53-3050B-241
6-53-3150B-245
6-53-3050B-241
6-53-3150B-245
6-53-3050B-240
Sheet 40 of 41
Power Switch & LID
Board

Schematic Diagrams
B - 42
B.Schematic Diagrams
EXTERNAL ODD Board
QJ_SATA_TXP1
PIN
GND1~3=QGND
QJ_SATA_ODD_DA#
QJ_SATA_TXN1
PIN
GND1~2=WGND
QJ_SATA_RXP1
QJ_SATA_RXN1
QJ_ODD_DETECT#
QC2
*0. 1u_16V_Y5V_04
QJ_ODD1
242001-1
S1
S2
S3
S4
S5
S6
S7
P1
P2
P3
P4
P5
P6
QH1
C237D91
QC1
0.1u_16V_Y5V_04
QJ _O DD 2
1-162-100562
S1
S2
S3
S4
S5
S6
S7
P1
P2
P3
P4
P5
P6
QH 2
C67D67
QH 3
C67D67
QH4
C237D91
QGND
QG ND
QGND QGN D
Q_5VS
Q_5VS
QGN D
QGND
Q_5VS
QGN D
6-21-14030-013
6-21-14020-013
6-21-14010-013
6-21-13A00-013
Sheet 41 of 41
EXTERNAL ODD
Board

BIOS Update
C-1
C:BIOS Update
Appendix C:Updating the FLASH ROM BIOS
To update the FLASH ROM BIOS you must:
• Download the BIOS update from the web site.
• Unzip the files onto a bootable CD/DVD/USB Flash Drive.
• Reboot your computer from an external CD/DVD/USB Flash Drive.
• Use the flash tools to update the flash BIOS using the commands indicated below.
• Restart the computer booting from the HDD and press F2 at startup enter the BIOS.
• Load setup defaults from the BIOS and save the default settings and exit the BIOS to restart the computer.
• After rebooting the computer you may restart the computer again and make any required changes to the default BIOS
settings.
Download the BIOS
1. Go to www.clevo.com.tw and point to E-Services and click E-Channel.
2. Use your user ID and password to access the appropriate download area (BIOS), and download the latest BIOS files
(the BIOS file will be contained in a batch file that may be run directly once unzipped) for your computer model
(see sidebar for important information on BIOS versions).
Unzip the downloaded files to a bootable CD/DVD/ or USB Flash drive
1. Insert a bootable CD/DVD/USB flash drive into the CD/DVD drive/USB port of the computer containing the
downloaded files.
2. Use a tool such as Winzip or Winrar to unzip all the BIOS files and refresh tools to your bootable CD/DVD/USB
flash drive (you may need to create a bootable CD/DVD with the files using a 3rd party software).
Set the computer to boot from the external drive
1. With the bootable CD/DVD/USB flash drive containing the BIOS files in your CD/DVD drive/USB port, restart the
computer and press F2 (in most cases) to enter the BIOS.
2. Use the arrow keys to highlight the Boot menu.
3. Use the “+” and “-” keys to move boot devices up and down the priority order.
4. Make sure that the CD/DVD drive/USB flash drive is set first in the boot priority of the BIOS.
5. Press F4 to save any changes you have made and exit the BIOS to restart the computer.
BIOS Version
Make sure you down-
load the latest correct
version of the BIOS ap-
propriate for the com-
puter model you are
working on.
You should only
download BIOS ver-
sions that are
V1.01.XX or higher as
appropriate for your
computer model.
Note that BIOS versions
are not backward com-
patible and therefore
you may not down-
grade your BIOS to an
older version after up-
grading to a later ver-
sion (e.g if you upgrade
a BIOS to ver 1.01.05,
you MAY NOT then go
back and flash the BIOS
to ver 1.01.04).

BIOS Update
C - 2
C:BIOS Update
Use the flash tools to update the BIOS
1. Make sure you are not loading any memory management programs such as HIMEM by holding the F8 key as you
see the message “Starting MS-DOS”. You will then be prompted to give “Y” or “N” responses to the programs
being loaded by DOS. Choose “N” for any memory management programs.
2. You should now be at the DOS prompt e.g: DISK C:\> (C is the designated drive letter for the CD/DVD drive/USB
flash drive).
3. Type the following command at the DOS prompt:
C:\> Flash.bat
4. The utility will then proceed to flash the BIOS.
5. You should then be prompted to press any key to restart the system or turn the power off, and then on again but
make sure you remove the CD/DVD/USB flash drive from the CD/DVD drive/USB port before the computer
restarts.
Restart the computer (booting from the HDD)
1. With the CD/DVD/USB flash drive removed from the CD/DVD drive/USB port the computer should restart from
the HDD.
2. Press F2 as the computer restarts to enter the BIOS.
3. Use the arrow keys to highlight the Exit menu.
4. Select Load Setup Defaults (or press F3) and select “Yes” to confirm the selection.
5. Press F4 to save any changes you have made and exit the BIOS to restart the computer.
Your computer is now running normally with the updated BIOS
You may now enter the BIOS and make any changes you require to the default settings.
