CM1213A Datasheet. Www.s Manuals.com. On
User Manual: Marking of electronic components, SMD Codes D3, D3*, D3***, D3-***, D3.9, D30, D31, D32, D33, D36, D38, D38*, D38NH02L, D39, D3A, D3B, D3C, D3L, D3Q. Datasheets 1SS187, CM1213A-04S7, EMD3, EMD30, EMD38, IMD3A, MMSZ5228, RB400D, RB420D, RB421D, RB425D, RB495D, RT9011-MFPQW, RT9011-SPPQWB, STD38NH02L-1, STD38NH02LT4, Si2323DS, TZT30AW, TZT33AW, TZT36AW, TZT39AW, TZT3V9AW, TZT43AW, TZT47AW, TZT51AW, UMD3N.
Open the PDF directly: View PDF
.
Page Count: 13

Semiconductor Components Industries, LLC, 2012
January, 2012 − Rev. 8
1Publication Order Number:
CM1213A/D
CM1213A
1, 2 and 4-Channel
Low Capacitance
ESD Protection Arrays
Product Description
The CM1213A family of diode arrays has been designed to provide
ESD protection for electronic components or subsystems requiring
minimal capacitive loading. These devices are ideal for protecting
systems with high data and clock rates or for circuits requiring low
capacitive loading. Each ESD channel consists of a pair of diodes in
series which steer the positive or negative ESD current pulse to either
the positive (VP) or negative (VN) supply rail. A Zener diode is
embedded between VP and VN, offering two advantages. First, it
protects the VCC rail against ESD strikes, and second, it eliminates the
need for a bypass capacitor that would otherwise be needed for
absorbing positive ESD strikes to ground. The CM1213A will protect
against ESD pulses up to 8 kV per the IEC 61000−4−2 standard.
These devices are particularly well−suited for protecting systems
using high−speed ports such as USB 2.0, IEEE1394 (Firewire,
iLinkt), Serial ATA, DVI, HDMI and corresponding ports in
removable storage, digital camcorders, DVD−RW drives and other
applications where extremely low loading capacitance with ESD
protection are required in a small package footprint.
Features
One, Two, and Four Channels of ESD Protection
Note: For 6 and 8−channel Devices, See the CM1213 Datasheet
Provides ESD Protection to IEC61000−4−2 Level 4
8 kV Contact Discharge
Low Channel Input Capacitance of 0.85 pF Typical
Minimal Capacitance Change with Temperature and Voltage
Channel Input Capacitance Matching of 0.02 pF Typical is Ideal for
Differential Dignals
Zener Diode Protects Supply Rail and Eliminates the Need for
External By−pass Capacitors
Each I/O Pin Can Withstand Over 1000 ESD Strikes*
These Devices are Pb−Free and are RoHS Compliant**
Applications
USB2.0 Ports at 480 Mbps in Desktop PCs, Notebooks and Peripherals
IEEE1394 Firewire Ports at 400 Mbps/800 Mbps
DVI Ports, HDMI Ports in Notebooks, Set Top Boxes, Digital TVs,
LCD Displays
Serial ATA Ports in Desktop PCs and Hard Disk Drives
PCI Express Ports
General Purpose High−Speed Data Line ESD Protection
**Standard test condition is IEC61000−4−2 level 4 test circuit with each pin subjected to 8 kV contact discharge for 1000 pulses. Discharges
are timed at 1 second intervals and all 1000 strikes are completed in one continuous test run. The part is then subjected to standard production
test to verify that all of the tested parameters are within spec after the 1000 strikes.
**For additional information on our Pb−Free strategy and soldering details, please download the ON Semiconductor Soldering and Mounting
Techniques Reference Manual, SOLDERRM/D.
MSOP−10
(Pb−Free)
SC70−6
(Pb−Free)
3,000 /
Tape & Reel
SC−74
(Pb−Free)
MARKING DIAGRAM
Device Package Shipping†
ORDERING INFORMATION
SOT23−3
SO SUFFIX
CASE 318
http://onsemi.com
CM1213A−01SO SOT23−3
(Pb−Free)
3,000 /
Tape & Reel
SOT143−4
(Pb−Free)
3,000 /
Tape & Reel
CM1213A−02SR
3,000 /
Tape & Reel
CM1213A−02SO
CM1213A−04S7
4,000 /
Tape & Reel
CM1213A−04MR
†For information on tape and reel specifications,
including part orientation and tape sizes, please
refer to our Tape and Reel Packaging Specification
Brochure, BRD8011/D.
SOT143
SR SUFFIX
CASE 527AF
SC70−6
S7 SUFFIX
CASE 419AD
1
XXXMG
G
MSOP−10
MR SUFFIX
CASE 846AE
1
XXXMG
G
XXX = Specific Device Code
M = Date Code
G= Pb−Free Package
(Note: Microdot may be in either location)
SC−74
SO SUFFIX
CASE 318F

CM1213A
http://onsemi.com
2
CH4 VP
VN
CH3
CH1 CH2
CM1213A−04MR
CM1213A−04S7
VP
VN
CH1
CM1213A−02SR
CM1213A−02SO
CH2
BLOCK DIAGRAM
VP
VN
CH1
CM1213A−01SO

CM1213A
http://onsemi.com
3
Table 1. PIN DESCRIPTIONS
1−Channel, 3−Lead SOT23−3 Package (CM1213A−01SO)
Pin Name Type Description
1 CH1 I/O ESD Channel
2 VPPWR Positive Voltage Supply Rail
3 VNGND Negative Voltage Supply Rail
2−Channel, 4−Lead SOT143−4 Package (CM1213A−02SR)
Pin Name Type Description
1 VNGND Negative Voltage Supply Rail
2 CH1 I/O ESD Channel
3 CH2 I/O ESD Channel
4 VPPWR Positive Voltage Supply Rail
2−Channel, SC−74 Package (CM1213A−02SO)
Pin Name Type Description
1 NC −No Connect
2 VN GND Negative Voltage Supply Rail
3 CH1 I/O ESD Channel
4 CH2 I/O ESD Channel
5 NC −No Connect
6 VP PWR Positive Voltage Supply Rail
4−Channel, 6−Lead SC70−6 (CM1213A−04S7)
Pin Name Type Description
1 CH1 I/O ESD Channel
2 VNGND Negative Voltage Supply Rail
3 CH2 I/O ESD Channel
4 CH3 I/O ESD Channel
5 VPPWR Positive Voltage Supply Rail
6 CH4 I/O ESD Channel
4−Channel, 10−Lead MSOP−10 Package (CM1213A04MR)
Pin Name Type Description
1 CH1 I/O ESD Channel
2 NC −No Connect
3 VPPWR Positive Voltage Supply Rail
4 CH2 I/O ESD Channel
5 NC −No Connect
6 CH3 I/O ESD Channel
7 NC −No Connect
8 VNGND Negative Voltage Supply Rail
9 CH4 I/O ESD Channel
10 NC −No Connect
PACKAGE/PINOUT DIAGRAMS
Top View
CH1
NC
CH2
NC
CH4
NC
NC
VN
1
2
3
4
10
9
8
7
VP
CH356
10−Lead MSOP−10
Top View
CH1 (1)
VN (3)
1
23
4
3−Lead SOT23−3
VP (2)
Top View
CH1 (2)
VP (4)
4−Lead SOT143−4
VN (1)
CH2 (3)
Top View
CH2
VP
6−Lead SC70−6
VN
CH3
CH1 1
2
34
5
6 CH4
Top View
CH1 (3)
NC (5)
6−Lead SC−74
VN (2)
CH2 (4)
NC (1) VP (6)
1
2
3
1
2
34
5
6
231 D232 D38233 D238

CM1213A
http://onsemi.com
4
SPECIFICATIONS
Table 2. ABSOLUTE MAXIMUM RATINGS
Parameter Rating Units
Operating Supply Voltage (VP − VN) 6.0 V
Operating Temperature Range –40 to +85 C
Storage Temperature Range –65 to +150 C
DC Voltage at any channel input (VN − 0.5) to (VP + 0.5) V
Stresses exceeding Maximum Ratings may damage the device. Maximum Ratings are stress ratings only. Functional operation above the
Recommended Operating Conditions is not implied. Extended exposure to stresses above the Recommended Operating Conditions may affect
device reliability.
Table 3. STANDARD OPERATING CONDITIONS
Parameter Rating Units
Operating Temperature Range –40 to +85 C
Package Power Rating
SOT23−3, SOT143−4, SC−74, and SC70−6 Packages
MSOP−10 Package
225
400
mW
Table 4. ELECTRICAL OPERATING CHARACTERISTICS (Note1)
Symbol Parameter Conditions Min Typ Max Units
VPOperating Supply Voltage (VP−VN) 3.3 5.5 V
IPOperating Supply Current (VP−VN) = 3.3 V 8.0 mA
VFDiode Forward Voltage
Top Diode
Bottom Diode
IF = 8 mA; TA = 25C
0.60
0.60
0.80
0.80
0.95
0.95
V
ILEAK Channel Leakage Current TA = 25C; VP = 5 V, VN = 0 V 0.1 1.0 mA
CIN Channel Input Capacitance At 1 MHz, VP = 3.3 V, VN = 0 V, VIN = 1.65 V
(Note 2)
0.85 1.2 pF
DCIN Channel Input Capacitance Matching At 1 MHz, VP = 3.3 V, VN = 0 V, VIN = 1.65 V
(Note 2)
0.02 pF
VESD ESD Protection − Peak Discharge
Voltage at any channel input, in system
Contact discharge per
IEC 61000−4−2 standard TA = 25C (Notes 2 and 3) 8
kV
VCL Channel Clamp Voltage
Positive Transients
Negative Transients
TA = 25C, IPP = 1A, tP = 8/20 mS
(Note 2) +10
–1.7
V
RDYN Dynamic Resistance
Positive Transients
Negative Transients
IPP = 1A, tP = 8/20 mS
Any I/O pin to Ground
(Note 2)
0.9
0.5
W
1. All parameters specified at TA = –40C to +85C unless otherwise noted.
2. Standard IEC 61000−4−2 with CDischarge = 150 pF, RDischarge = 330 W, VP = 3.3 V, VN grounded.
3. These measurements performed with no external capacitor on VP (VP floating).

CM1213A
http://onsemi.com
5
PERFORMANCE INFORMATION
Input Channel Capacitance Performance Curves
Figure 1. Typical Variation of CIN vs. VIN
(f = 1 MHz, VP = 3.3 V, VN = 0 V, 0.1 F Chip Capacitor between VP and VN, 255C)
Figure 2. Typical Variation of CIN vs. Temp
(f = 1 MHz, VIN = 30 mV, VP = 3.3 V, VN = 0 V, 0.1 F Chip Capacitor between VP and VN)

CM1213A
http://onsemi.com
6
PERFORMANCE INFORMATION (Cont’d)
Typical Filter Performance (nominal conditions unless specified otherwise, 50 Ohm Environment)
Figure 3. Insertion Loss (S21) vs. Frequency (0 V DC Bias, VP=3.3 V)
Figure 4. Insertion Loss (S21) vs. Frequency (2.5 V DC Bias, VP=3.3 V)

CM1213A
http://onsemi.com
7
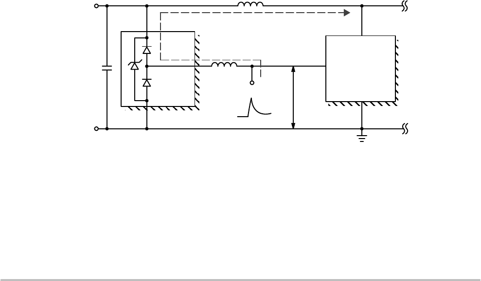
APPLICATION INFORMATION
Design Considerations
In order to realize the maximum protection against ESD pulses, care must be taken in the PCB layout to minimize parasitic
series inductances on the Supply/Ground rails as well as the signal trace segment between the signal input (typically
a connector) and the ESD protection device. Refer to Application of Positive ESD Pulse between Input Channel and Ground,
which illustrates an example of a positive ESD pulse striking an input channel. The parasitic series inductance back to the power
supply is represented by L1 and L2. The voltage VCL on the line being protected is:
VCL = Fwd Voltage Drop of D1 + VSUPPLY + L1 x d(IESD) / dt + L2 x d(IESD) / dt
where IESD is the ESD current pulse, and VSUPPLY is the positive supply voltage.
An ESD current pulse can rise from zero to its peak value in a very short time. As an example, a level 4 contact discharge
per the IEC61000−4−2 standard results in a current pulse that rises from zero to 30 Amps in 1 ns. Here d(IESD)/dt can be
approximated by DIESD/Dt, or 30/(1x10−9). So just 10 nH of series inductance (L1 and L2 combined) will lead to a 300 V
increment in VCL!
Similarly for negative ESD pulses, parasitic series inductance from the VN pin to the ground rail will lead to drastically
increased negative voltage on the line being protected.
The CM1213A has an integrated Zener diode between VP and VN. This greatly reduces the effect of supply rail inductance
L2 on VCL by clamping VP at the breakdown voltage of the Zener diode. However, for the lowest possible VCL, especially when
VP is biased at a voltage significantly below the Zener breakdown voltage, it is recommended that a 0.22 mF ceramic chip
capacitor be connected between VP and the ground plane.
As a general rule, the ESD Protection Array should be located as close as possible to the point of entry of expected
electrostatic discharges. The power supply bypass capacitor mentioned above should be as close to the VP pin of the Protection
Array as possible, with minimum PCB trace lengths to the power supply, ground planes and between the signal input and the
ESD device to minimize stray series inductance.
Additional Information
See also ON Semiconductor Application Note “Design Considerations for ESD Protection”, in the Applications section.
POSITIVE SUPPLY RAIL
CHANNEL
INPUT
GROUND RAIL
CHASSIS GROUND
SYSTEM OR
CIRCUITRY
BEING
PROTECTED
LINE BEING
PROTECTED
ONE
CHANNEL
OF
CM1213
D2
D1L1
L2VCC
VCL
VN
VP
0.22 mF
PATH OF ESD CURRENT PULSE IESO
0 A
25 A
Figure 5. Application of Positive ESD Pulse between Input Channel and Ground

CM1213A
http://onsemi.com
8
PACKAGE DIMENSIONS
SOT−23 (TO−236)
CASE 318−08
ISSUE AP
D
A1
3
12
NOTES:
1. DIMENSIONING AND TOLERANCING PER ANSI Y14.5M, 1982.
2. CONTROLLING DIMENSION: INCH.
3. MAXIMUM LEAD THICKNESS INCLUDES LEAD FINISH
THICKNESS. MINIMUM LEAD THICKNESS IS THE MINIMUM
THICKNESS OF BASE MATERIAL.
4. DIMENSIONS D AND E DO NOT INCLUDE MOLD FLASH,
PROTRUSIONS, OR GATE BURRS.
ǒmm
inchesǓ
SCALE 10:1
0.8
0.031
0.9
0.035
0.95
0.037
0.95
0.037
2.0
0.079
SOLDERING FOOTPRINT
VIEW C
L
0.25
L1
e
EE
b
A
SEE VIEW C
DIM
A
MIN NOM MAX MIN
MILLIMETERS
0.89 1.00 1.11 0.035
INCHES
A1 0.01 0.06 0.10 0.001
b0.37 0.44 0.50 0.015
c0.09 0.13 0.18 0.003
D2.80 2.90 3.04 0.110
E1.20 1.30 1.40 0.047
e1.78 1.90 2.04 0.070
L0.10 0.20 0.30 0.004
0.040 0.044
0.002 0.004
0.018 0.020
0.005 0.007
0.114 0.120
0.051 0.055
0.075 0.081
0.008 0.012
NOM MAX
L1
H
2.10 2.40 2.64 0.083 0.094 0.104
HE
0.35 0.54 0.69 0.014 0.021 0.029
c
0−−− 10 0 −−− 10

CM1213A
http://onsemi.com
9
PACKAGE DIMENSIONS
SOT−143, 4 Lead
CASE 527AF−01
ISSUE A
E1 E
A1
e
e1 b
b2
D
c
A
A2
TOP VIEW
SIDE VIEW END VIEW
L1
L2
L
Notes:
(1) All dimensions are in millimeters. Angles in degrees.
(2) Complies with JEDEC TO-253.
SYMBOL
θ
MIN NOM MAX
q
0° 8°
A
A1
A2
b
b2
c
D
E
e
L
L1
0.05
0.75
0.30
0.76
0.40
0.08
2.80
2.10
1.92 BSC
0.54 REF
1.22
0.15
1.07
0.50
0.89
0.60
0.20
3.04
2.64
0.50
0.90
2.90
e1 0.20 BSC
E1 1.20 1.401.30
L2 0.25
0.80
12
43

CM1213A
http://onsemi.com
10
PACKAGE DIMENSIONS
SC−88 (SC−70 6 Lead), 1.25x2
CASE 419AD−01
ISSUE A
E1
D
A
L
L1 L2
ee
bA1
A2
c
TOP VIEW
SIDE VIEW END VIEW
q1
q1
Notes:
(1) All dimensions are in millimeters. Angles in degrees.
(2) Complies with JEDEC MO-203.
E
q
SYMBOL MIN NOM MAX
θ
A
A1
b
c
D
E
E1
e
L
0º 8º
L2
0.00
0.15
0.10
0.26
1.80
1.80
1.15
0.65 BSC
0.15 BSC
1.10
0.10
0.30
0.18
0.46
2.20
2.40
1.35
L1
0.80
θ1 4º 10º
A2 0.80 1.00
0.42 REF
0.36
2.00
2.10
1.25

CM1213A
http://onsemi.com
11
PACKAGE DIMENSIONS
SC−74
CASE 318F−05
ISSUE M
SCALE 2:1
23
456
D
1
e
b
E
A1
A
0.05 (0.002)
NOTES:
1. DIMENSIONING AND TOLERANCING PER
ANSI Y14.5M, 1982.
2. CONTROLLING DIMENSION: INCH.
3. MAXIMUM LEAD THICKNESS INCLUDES
LEAD FINISH THICKNESS. MINIMUM LEAD
THICKNESS IS THE MINIMUM THICKNESS
OF BASE MATERIAL.
4. 318F−01, −02, −03, −04 OBSOLETE. NEW
STANDARD 318F−05.
C
L
0.7
0.028
1.9
0.074
0.95
0.037
2.4
0.094
1.0
0.039
0.95
0.037
ǒmm
inchesǓ
SCALE 10:1
*For additional information on our Pb−Free strategy and soldering
details, please download the ON Semiconductor Soldering and
Mounting Techniques Reference Manual, SOLDERRM/D.
SOLDERING FOOTPRINT*
HE
DIM
A
MIN NOM MAX MIN
MILLIMETERS
0.90 1.00 1.10 0.035
INCHES
A1 0.01 0.06 0.10 0.001
b0.25 0.37 0.50 0.010
c0.10 0.18 0.26 0.004
D2.90 3.00 3.10 0.114
E1.30 1.50 1.70 0.051
e0.85 0.95 1.05 0.034
0.20 0.40 0.60 0.008
0.039 0.043
0.002 0.004
0.015 0.020
0.007 0.010
0.118 0.122
0.059 0.067
0.037 0.041
0.016 0.024
NOM MAX
2.50 2.75 3.00 0.099 0.108 0.118
HE
− −
L
010010

CM1213A
http://onsemi.com
12
PACKAGE DIMENSIONS
MSOP 10, 3x3
CASE 846AE−01
ISSUE O
E1E
A2
A1 eb
D
c
A
TOP VIEW
SIDE VIEW
END VIEW
L1
L2
L
DETAIL A
DETAIL A
Notes:
(1) All dimensions are in millimeters. Angles in degrees.
(2) Complies with JEDEC MO-187.
q
SYMBOL MIN NOM MAX
θ
A
A1
A2
b
c
D
E
E1
e
L
0º 8º
L2
0.00
0.75
0.17
0.13
0.40
2.90
4.75
2.90
0.50 BSC
0.25 BSC
1.10
0.15
0.95
0.27
0.23
0.80
3.10
5.05
3.10
0.60
3.00
4.90
3.00
L1 0.95 REF
0.05
0.85
ON Semiconductor and are registered trademarks of Semiconductor Components Industries, LLC (SCILLC). SCILLC reserves the right to make changes without further notice
to any products herein. SCILLC makes no warranty, representation or guarantee regarding the suitability of its products for any particular purpose, nor does SCILLC assume any liability
arising out of the application or use of any product or circuit, and specifically disclaims any and all liability, including without limitation special, consequential or incidental damages.
“Typical” parameters which may be provided in SCILLC data sheets and/or specifications can and do vary in different applications and actual performance may vary over time. All
operating parameters, including “Typicals” must be validated for each customer application by customer’s technical experts. SCILLC does not convey any license under its patent rights
nor the rights of others. SCILLC products are not designed, intended, or authorized for use as components in systems intended for surgical implant into the body, or other applications
intended to support or sustain life, or for any other application in which the failure of the SCILLC product could create a situation where personal injury or death may occur. Should
Buyer purchase or use SCILLC products for any such unintended or unauthorized application, Buyer shall indemnify and hold SCILLC and its officers, employees, subsidiaries, affiliates,
and distributors harmless against all claims, costs, damages, and expenses, and reasonable attorney fees arising out of, directly or indirectly, any claim of personal injury or death
associated with such unintended or unauthorized use, even if such claim alleges that SCILLC was negligent regarding the design or manufacture of the part. SCILLC is an Equal
Opportunity/Affirmative Action Employer. This literature is subject to all applicable copyright laws and is not for resale in any manner.
PUBLICATION ORDERING INFORMATION
N. American Technical Support: 800−282−9855 Toll Free
USA/Canada
Europe, Middle East and Africa Technical Support:
Phone: 421 33 790 2910
Japan Customer Focus Center
Phone: 81−3−5817−1050
CM1213A/D
FireWire is a registered trademark of Apple Computer, Inc.
iLink is a trademark of S. J. Electro Systems, Inc.
LITERATURE FULFILLMENT:
Literature Distribution Center for ON Semiconductor
P.O. Box 5163, Denver, Colorado 80217 USA
Phone: 303−675−2175 or 800−344−3860 Toll Free USA/Canada
Fax: 303−675−2176 or 800−344−3867 Toll Free USA/Canada
Email: orderlit@onsemi.com
ON Semiconductor Website: www.onsemi.com
Order Literature: http://www.onsemi.com/orderlit
For additional information, please contact your local
Sales Representative
