Compal LA 1311 Schematics. Www.s Manuals.com. R1a Schematics
User Manual: Motherboard Compal LA-1311 ATW02 - Schematics. Free.
Open the PDF directly: View PDF
.
Page Count: 43

A
A
B
B
C
C
D
D
E
E
4 4
3 3
2 2
1 1
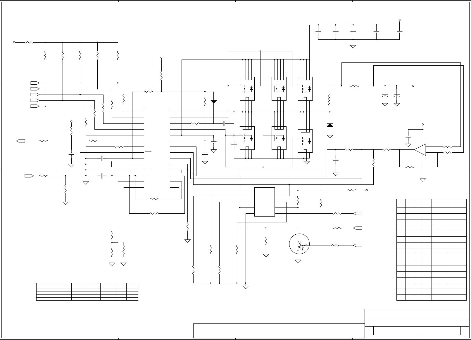
PAGE 15
PAGE 32
Embedded
Controller
PCI BUS
CS4299
PAGE 38,39
SO-DIMM * 2
TI PCI1420
PSB
PAGE 30
PAGE 8,9,10,11
Parallel
MAX1617MEE
PAGE 31
PAGE 4,5,6
PAGE 15
PAGE 17,18,19
625 BGA
HDD Connector
ICS9250-38
Audio Amplifier
FDD
Audio Jack
LPC
BATTERY
NS PC87591
PAGE 23
PAGE12
Charger
PAGE 36
Almador-M
GMCH-M
PAGE 26
POWER
Interface
Mobile Celeron
Coppermine-T
Thermal Sensor
HUB
Interface
ICH3-M
VCH
Scan KB
PAGE 31
PAGE 27
PAGE 20
Memory Bus
BANK 2,3,4,5
PAGE 5
CK TITAN
LPC47N227 AC'97
CODEC
CardBus
(uFCBGA/uFCPGA)
PAGE 37,40,41,42,43
DC/DC Interface
RTC Battery
PAGE 13,14
USB
Model Name : ATW02
BLOCK DIAGRAM
421 BGA
PAGE 20
PAGE 25
Super I/O
GM Bus Interface
PAGE 28
Mini PCI
Socket
PAGE 7
CPU VID & All
reference voltage
PAGE 34
FAN on controller &
TEMP. sensing circuit
PAGE 33
BIOS & I/O
PORT
830MG
Connector
PAGE 16
CRT
Connector
PAGE 20
CD-ROM Connector
USB & BlueTooth
PAGE 24
Slot 0/1
(Trualatin)
PAGE 16
TV-OUT
Connector
401204
1A
SCHEMATIC, M/B LA-1311
Custom
243, 26, 2001
!"# $#%
Compal Electronics, inc.
Title
Size Document Number Rev
Date: Sheet of
THIS SHEET OF ENGINEERING DRAWING IS THE PROPRIETARY PROPERTY OF COMPAL ELECTRONICS,INC. AND CONTAINS CONFIDENTIAL
AND TRADE SECRET INFORMATION . THIS SHEET MAY NOT BE TRANSFERRED FROM THE CUSTODY OF THE COMPETENT DIVISION OF R&D
DEPARTMENT EXCEPT AS AUTHORIZED BY COMPAL ELECTRONICS,INC. NEITHER THIS SHEET NOR THE INFORMATION CONTAINS MAY BE
USED BY OR DISCLOSED TO ANY THIRD PARTY WITHOUT PRIOR WRITTEN CONSENT OF COMPAL ELECTRONICS,INC.

A
A
B
B
C
C
D
D
E
E
1 1
2 2
3 3
4 4
PIR
Voltage Rails
VIN
B+
+VCC_H_CORE
+VTT
Adapter power supply (19V)
AC or battery power rail for power circuit.
Core voltage for CPU
1.2V switched power rail for CPU AGTL Bus
External PCI Devices
Device IDSEL# REQ#/GNT# Interrupts
CardBus
Mini-PCI
AD20
AD18
EC SM Bus1 address
Device
MAX1617MEE
Docking
S1 S3 S5
ON OFF
ON OFF
N/A N/A N/A
N/AN/AN/A
Power Plane Description
OFF
OFF
+5V ON
OFF
+3V
OFF
OFF
5V power rail
OFF
ON
OFF
1.8V switched power rail
3.3V power rail
RTCVCC
OFF
ON
+12VALW
ON
+5VALW
ON
ON
ON
Note : ON* means that this power plane is ON only with AC power available, otherwise it is OFF.
+3VALW
12V always on power rail
ON
ON*
5V always on power rail
ON
OFF
3.3V always on power rail ON*
ON
OFF
ON
ON
ON ON
ON
+2.5V
5V switched power rail
12V switched power rail
ON
OFF
ON*
2.5V power rail
3.3V switched power rail
RTC power
OFF
ON
OFF
ON
EC SM Bus2 address
Device
Smart Battery
2
1/4
PIRQA/PIRQB
PIRQC/PIRQD
ON
EEPROM(24C16/02)
DOT Board
1001 110X b
0011 011X b
XXXX XXXXb
0001 011X b
1010 000X b
+1.8V 1.8V power rail ON ON OFF
AGP 4X ON OFF OFF
+1.5V 1.5V power rail ON ON OFF
+1.5VS
+1.8VS
+3VS
+5VS
+12VS
(24C04)
1011 000Xb
Smart Battery
0001 011X b
ICH3-M SM Bus address
Device
Clock Generator ( ICS9238-50)
SDRAM Select ( 74HC4052 )
CPU Voltage VID select ( F3565 )
Address
0110 111Xb
Address Address
1101 0000
1010 0000
22
REV 0.1
DescriptionDate Page
9/26 1 First time modify for remove
OZ168
REV 0.2
DescriptionDate Page
10/23 Change R10 R12 R14 to 10Ohm
10/23 10
16 Change R229 to 255_1% Ohm
10/25 37 to 43 Integrate Power schematic rev0.4
10/29 35 Change H30 H31 H32 H33 H34
H35 H37 H38
Footprint to PAD_3_4X2_2MM
10/30 16 Remove @ on R199 R200 R201
10/30 26 Remove @ on R561
10/30 30 Remove @ on R81
10/30 23 Add @ on R473 C695
2910/30 Add @ on R536
710/30 Add @ on R460 R461 U49
3510/30 Delete H34
2811/01 Remove @ on U61
711/01 Change R288 to 499_1% R291 to 1K_1%
1211/05 Change R110 R111 from 330 to 1K
All11/22 Version update to 1.0
401204
1A
SCHEMATIC, M/B LA-1311
Custom
343, 26, 2001
!"# $#%
Compal Electronics, inc.
Title
Size Document Number Rev
Date: Sheet of
THIS SHEET OF ENGINEERING DRAWING IS THE PROPRIETARY PROPERTY OF COMPAL ELECTRONICS,INC. AND CONTAINS CONFIDENTIAL
AND TRADE SECRET INFORMATION . THIS SHEET MAY NOT BE TRANSFERRED FROM THE CUSTODY OF THE COMPETENT DIVISION OF R&D
DEPARTMENT EXCEPT AS AUTHORIZED BY COMPAL ELECTRONICS,INC. NEITHER THIS SHEET NOR THE INFORMATION CONTAINS MAY BE
USED BY OR DISCLOSED TO ANY THIRD PARTY WITHOUT PRIOR WRITTEN CONSENT OF COMPAL ELECTRONICS,INC.

A
A
B
B
C
C
D
D
E
E
1 1
2 2
3 3
4 4
Mobile
Address
Lines
Request
Signals
Interface
Error
Arbitration
Signals
VCC
Snoop
Signals VSS VCC
Data
Signals
Celeron
Coppermine-T
401204
1A
SCHEMATIC, M/B LA-1311
Custom
443, 26, 2001
!"# $#%
Compal Electronics, inc.
Title
Size Document Number Rev
Date: Sheet of
H_D#52
H_D#43
H_D#14
H_A#27
H_A#14
H_A#11
H_D#41
H_D#40
H_D#39
H_D#38
H_D#9
H_A#22
H_A#20
H_A#12
H_D#26
H_D#25
H_D#[0..63]
H_D#63
H_D#19
H_D#15
H_D#10
H_REQ#4
H_A#23
H_A#17
H_REQ#[0..4] H_D#33
H_D#16
H_A#30
H_A#21
H_A#9
H_A#3
H_D#51
H_D#50
H_D#42
H_D#32
H_D#31
H_D#30
H_D#12
H_A#16
H_A#26
H_A#24
H_A#18
H_D#62
H_D#8
H_D#6
H_D#11
H_D#5
H_D#3
H_A#31
H_A#29
H_D#57
H_D#56
H_D#55
H_D#54
H_D#53
H_D#49
H_D#48
H_D#47
H_D#46
H_D#45
H_D#44
H_D#18
H_D#29
H_D#1
H_D#0
H_REQ#3
H_D#28
H_D#27
H_REQ#2
H_REQ#1
H_REQ#0
H_A#28
H_A#15
H_A#7
H_A#6
H_A#4
H_D#24
H_D#23
H_D#22
H_D#21
H_D#20
H_D#17
H_D#13
H_D#2
H_A#25
H_A#10
H_A#5
H_A#[3..31]
H_D#61
H_D#60
H_D#7
H_D#4
H_A#13
H_A#8
H_D#59
H_D#58
H_D#37
H_D#36
H_D#35
H_D#34
H_A#19
+VCC_H_CORE
+1.5VS
+VCC_H_CORE
R331 1.5K
1 2
R87 10
1 2
THIS SHEET OF ENGINEERING DRAWING IS THE PROPRIETARY PROPERTY OF COMPAL ELECTRONICS,INC. AND CONTAINS CONFIDENTIAL
AND TRADE SECRET INFORMATION . THIS SHEET MAY NOT BE TRANSFERRED FROM THE CUSTODY OF THE COMPETENT DIVISION OF R&D
DEPARTMENT EXCEPT AS AUTHORIZED BY COMPAL ELECTRONICS,INC. NEITHER THIS SHEET NOR THE INFORMATION CONTAINS MAY BE
USED BY OR DISCLOSED TO ANY THIRD PARTY WITHOUT PRIOR WRITTEN CONSENT OF COMPAL ELECTRONICS,INC.
U9A
TUALATIN
K1
J1
G2
K3
J2
H3
G1
A3
J3
H1
D3
F3
G3
C2
B5
B11
C6
B9
B7
C8
A8
A10
B3
A13
A9
C3
C12
C10
A6
A15
A14
B13
A12
R1
L3
T1
U1
L1
T4
AA3
W2
AB3
P3
C14
AF23
AF4
L2
R2
AD23
C22
C4
A7
V3
T3
U2
AA2
A16
B17
A17
D23
B19
C20
C16
A20
A22
A19
A23
A24
C18
D24
B24
A18
E23
B21
B23
E26
C24
F24
D25
E24
B25
G24
H24
F26
L24
H25
C26
K24
G26
K25
J24
K26
F25
N26
J26
M24
U26
P25
L26
R24
R26
M25
V25
T24
M26
P24
AA26
T26
U24
Y25
W26
V26
AB25
T25
Y24
W24
Y26
AB24
AA24
V24
D22
F22
E21
H22
G21
K22
J21
M22
L21
P22
N21
T22
R21
V22
U21
Y22
W21
AB22
AA21
AC21
D20
F20
E19
AB20
AA19
AC19
D18
F18
E17
AB18
AA17
AC17
D16
F16
E15
AB16
AA15
AC15
D14
F14
E13
AB14
AA13
AC13
D12
F12
E11
AB12
AA11
AC11
D10
F10
E9
AB10
AA9
AC9
D8
F8
E7
AB8
AA7
AC7
D6
F6
E5
H6
G5
K6
J5
N5
T6
V6
U5
Y6
W5
AB6
AA5
AC5
M6
P6
E16
R4
E25
G25
J25
L25
N25
R25
U25
W25
AA25
AC25
AF25
AE26
C23
F23
H23
K23
M23
P23
T23
V23
Y23
AB23
AE23
B22
D21
F21
E22
H21
G22
K21
J22
M21
L22
P21
N22
T21
R22
V21
U22
Y21
W22
AB21
AA22
AC22
AE21
B20
D19
AB19
AA20
AC20
AE19
B18
D17
F17
E18
AB17
A#3
A#4
A#5
A#6
A#7
A#8
A#9
A#10
A#11
A#12
A#13
A#14
A#15
A#16
A#17
A#18
A#19
A#20
A#21
A#22
A#23
A#24
A#25
A#26
A#27
A#28
A#29
A#30
A#31
A#32
A#33
A#34
A#35
REQ#0
REQ#1
REQ#2
REQ#3
REQ#4
RP#
ADS#
AERR#
AP#0
AP#1
BERR#
BINIT#
IERR#
BNR#
BPRI#
NC
NC
NC
BREQ0#
LOCK#
DEFER#
HITM#
HIT#
D#0
D#1
D#2
D#3
D#4
D#5
D#6
D#7
D#8
D#9
D#10
D#11
D#12
D#13
D#14
D#15
D#16
D#17
D#18
D#19
D#20
D#21
D#22
D#23
D#24
D#25
D#26
D#27
D#28
D#29
D#30
D#31
D#32
D#33
D#34
D#35
D#36
D#37
D#38
D#39
D#40
D#41
D#42
D#43
D#44
D#45
D#46
D#47
D#48
D#49
D#50
D#51
D#52
D#53
D#54
D#55
D#56
D#57
D#58
D#59
D#60
D#61
D#62
D#63
VCC_0
VCC_1
VCC_2
VCC_3
VCC_4
VCC_5
VCC_6
VCC_7
VCC_8
VCC_9
VCC_10
VCC_11
VCC_12
VCC_13
VCC_14
VCC_15
VCC_16
VCC_17
VCC_18
VCC_19
VCC_20
VCC_21
VCC_22
VCC_23
VCC_24
VCC_25
VCC_26
VCC_27
VCC_28
VCC_29
VCC_30
VCC_31
VCC_32
VCC_33
VCC_34
VCC_35
VCC_36
VCC_37
VCC_38
VCC_39
VCC_40
VCC_41
VCC_42
VCC_43
VCC_44
VCC_45
VCC_46
VCC_47
VCC_48
VCC_49
VCC_50
VCC_51
VCC_52
VCC_53
VCC_54
VCC_55
VCC_56
VCC_57
VCC_58
VCC_59
VCC_61
VCC_62
VCC_63
VCC_64
VCC_65
VCC_66
VCC_67
VCC_68
VCC_69
VCC_70
VCC_71
VCC_72
VCC_73
VCC_74
VCC_75
VCC_76
VCC_77
VCC_78
VCC_79
VCC_80
VSS_0
VSS_1
VSS_2
VSS_3
VSS_4
VSS_5
VSS_6
VSS_7
VSS_8
VSS_9
VSS_10
VSS_11
VSS_12
VSS_13
VSS_14
VSS_15
VSS_16
VSS_17
VSS_18
VSS_19
VSS_20
VSS_21
VSS_22
VSS_23
VSS_24
VSS_25
VSS_26
VSS_27
VSS_28
VSS_29
VSS_30
VSS_31
VSS_32
VSS_33
VSS_34
VSS_35
VSS_36
VSS_37
VSS_38
VSS_39
VSS_40
VSS_41
VSS_42
VSS_43
VSS_44
VSS_45
VSS_46
VSS_47
VSS_48
VSS_49
VSS_50
VSS_51
VSS_52
VSS_53
VSS_54
VSS_55
VSS_56
VSS_57
H_A#[3..31]8
H_REQ#[0..4]8
H_D#[0..63] 8
H_ADS#8
H_BNR#8 H_BPRI#8
H_LOCK#8
H_HIT#8 H_HITM#8 H_DEFER#8

A
A
B
B
C
C
D
D
E
E
1 1
2 2
3 3
4 4
Place H_RESET#
R3<0.1" from U1
Note :
GHI# Pull-Up internally
Data
Compatibility
Signals
VTT Ref
Analog
VCCT VID
Test
Access
PORT
( ITP )
Debug
Break
Point
APIC
Request
Signals GND
Thermal Sensor
From 87591
Mobile
Celeron
Coppermine-T
401204
1A
SCHEMATIC, M/B LA-1311
Custom
543, 26, 2001
!"# $#%
Compal Electronics, inc.
Title
Size Document Number Rev
Date: Sheet of
H_THERMDA
H_IGNNE#
H_INTR
TESTHI2
H_THERMDC
H_A20M#
CLK_HCLK#
TESTLO2
TESTHI1
ITP_TRST#
CLK_HCLK
H_NMI
TESTHI1
TESTHI2 TESTLO1
TESTLO2
TESTLO1
CPUVTT_PWRGD
H_THERMDC
H_THERMDA
CPUVTT_PWRGD
+VCC_H_CORE
+V_AGTLREF
+VTT
+VTT
+5VALW
+VS_CMOSREF
+VTT
+1.5VS
+1.5VS
+1.5VS
+1.5VS
+1.8VS
+VTT
+VTT
+5VALW
+5VALW
+1.5VS
+VTT
+3VS +3V
R336
1.5K
12
R325
1.5K
12
R61
56.2_1%
12
R280
110_1%
1 2
R55
150
12
R68 56.2_1%
1 2
R76 14_1%
1 2
C40
.1UF
1 2
R335
3K
12
R62
150
12
R64 @0
1 2
R53 @0
1 2
RP23
8P4R_1K
1 8
2 7
3 6
4 5
L30 4.7UH
1 2
+
C520
33UF_16V_D2
THIS SHEET OF ENGINEERING DRAWING IS THE PROPRIETARY PROPERTY OF COMPAL ELECTRONICS,INC. AND CONTAINS CONFIDENTIAL
AND TRADE SECRET INFORMATION . THIS SHEET MAY NOT BE TRANSFERRED FROM THE CUSTODY OF THE COMPETENT DIVISION OF R&D
DEPARTMENT EXCEPT AS AUTHORIZED BY COMPAL ELECTRONICS,INC. NEITHER THIS SHEET NOR THE INFORMATION CONTAINS MAY BE
USED BY OR DISCLOSED TO ANY THIRD PARTY WITHOUT PRIOR WRITTEN CONSENT OF COMPAL ELECTRONICS,INC.
C39
@10PF
R41
@33_0402
1 2
U8
MAX6654
1
2
3
4
5
6
7
8 9
10
11
12
13
14
15
16
NC
VCC
DXP
DXN
NC
ADD1
GND
GND NC
ADD0
ALERT
SMBDATA
NC
SMBCLK
STBY
NC
R49
10K
12
R50
1K
12
R80
1K
1 2
R44
200
1 2
C70
2200PF
12
R482 1.5K
1 2
R517 200
1 2
R99
10K
12
R100
10K
12
U36F
74LVC14
1213
14
7
C105
.1UF
12
Q6
2N7002
2
13
U9B
TUALATIN
Y3
V1
U3
M5
W1
AC3
AF6
AF5
AD9
AD3
AB4
AE4
AF8
AD15
AE14
AE6
B15
Y1
W3
AF14
AF13
AF10
AE12
AF16
AE20
AF22
AD22
AD21
AD7
AD10
AD11
AF7
AF15
AF19
AE22
AD5
AF12
AE16
L5
AF21
AB26
H26
A21
AF9
A4
N1
AA1
Y4
R5
N3
N2
P1
P5
E1
F1
AC1
AD1
M1
AF18
AD16
AF11
AE8
N24
E2
P4
AD19
AD17
AF20
AE10
AE24
AD25
AE25
AC24
AF24
AD26
AC26
AD24
AD4
A5
D1
AD13
B1
P26
A11
E3
D26
AA18
AC18
AE17
B16
D15
F15
AB15
AA16
AC16
AE15
B14
D13
F13
E14
AB13
AA14
AC14
AE13
B12
D11
F11
E12
AB11
AA12
AC12
AE11
B10
D9
F9
E10
AB9
AA10
AC10
AE9
B8
D7
F7
E8
AB7
AA8
AC8
AE7
B6
F5
H5
G6
K5
J6
N6
L6
T5
R6
V5
U6
Y5
W6
AB5
AA6
AC6
AE5
B4
D4
F4
H4
K4
M3
U4
W4
B2
D2
F2
H2
K2
M2
P2
T2
V2
Y2
AB2
AD2
AE1
A25
C25
E20
F19
A26
G23
J23
L23
N23
R23
U23
W23
AA23
C21
C19
AD20
C17
AD18
C15
C13
AD14
C11
AD12
C9
C7
AD8
C5
AD6
AC23
AA4
E4
G4
J4
L4
AC4
V4
AE3
AF2
AF1
AE18
D5
E6
AB1
AC2
AE2
AF3
R3
B26
M4
AF26
C1
AF17
N4
RS#0
RS#1
RS#2
RSP#
TRDY#
A20M#
FERR#
FLUSH#
IGNNE#
SMI#
PWRGOOD
STPCLK#
DPSLP#
INTR/LINT0
NMI/LINT1
INIT#
RESET#
DRDY#
DBSY#
THERMDC
THERMDA
SELFSB1
SELFSB0
EDGECTRLP
RP3#
RP2#
BPM0#
BPM1#
TDI
TCK
TDO
TMS
TRST#
PREQ#
PRDY#
CMOSREF_0
CMOSREF_1
RTTIMPDEP
GHI#
VREF_1
VREF_2
VREF_3
VREF_4
VREF_5
VREF_6
VREF_7
VREF_8
TESTLO
VCC
PLL1
PLL2
NC
NC
NC
NC
CLK0
CLK0#
TESTLO
NC
NCHCTRLP
TESTHI
NC
NC
TESTHI
NC
PICD0
PICD1
PICCLK
NC
DEP#0
DEP#1
DEP#2
DEP#3
DEP#4
DEP#5
DEP#6
DEP#7
NC_1
NC_2
NC_3
NC_4
NC_5
NC_6
NC_7
VTTPWRGOOD
NC
VSS_58
VSS_59
VSS_60
VSS_61
VSS_62
VSS_63
VSS_64
VSS_65
VSS_66
VSS_67
VSS_68
VSS_69
VSS_70
VSS_71
VSS_72
VSS_73
VSS_74
VSS_75
VSS_76
VSS_77
VSS_78
VSS_79
VSS_80
VSS_81
VSS_82
VSS_83
VSS_84
VSS_85
VSS_86
VSS_87
VSS_88
VSS_89
VSS_90
VSS_91
VSS_92
VSS_93
VSS_94
VSS_95
VSS_96
VSS_97
VSS_98
VSS_99
VSS_100
VSS_101
VSS_102
VSS_103
VSS_104
VSS_105
VSS_106
VSS_107
VSS_108
VSS_109
VSS_110
VSS_111
VSS_112
VSS_113
VSS_114
VSS_115
VSS_116
VSS_117
VSS_118
VSS_119
VSS_120
VSS_121
VSS_122
VSS_123
VSS_124
VSS_125
VSS_126
VSS_127
VSS_128
VSS_129
VSS_130
VSS_131
VSS_132
VSS_133
VSS_134
VSS_135
VSS_136
VSS_137
VSS_138
VSS_139
VSS_140
VSS_141
VSS_142
VCCT_1
VCCT_2
VCCT_3
VCCT_4
VCCT_5
VCCT_6
VCCT_7
VCCT_8
VCCT_9
VCCT_10
VCCT_11
VCCT_12
VCCT_13
VCCT_14
VCCT_15
VCCT_16
VCCT_17
VCCT_18
VCCT_19
VCCT_20
VCCT_21
VCCT_22
VCCT_23
VCCT_24
VCCT_25
VCCT_26
VCCT_27
VCCT_28
VCCT_29
VCCT_30
VCCT_31
VCCT_32
VCCT_33
VCCT_34
VCCT_35
VCCT_36
VCCT_37
VCCT_38
VID0
VID1
VID2
VID3
VID4
VSS
VSS
VSS
NC
NC
NC
H_RS#08 H_RS#18 H_RS#28
H_TRDY#8
H_A20M#17
H_IGNNE#17 H_SMI#17
H_STPCLK#17 H_DPSLP#17,42 H_INTR17 H_NMI17 H_INIT#17
H_DBSY#8 H_DRDY#8
H_BSEL010,12 H_BSEL112
H_PICD017 H_PICD117 CLK_CPU_APIC12
PM_CPUPERF#17,19
CLK_HCLK 12
CLK_HCLK# 12
CPU_VR_VID4 7
CPU_VR_VID1 7
CPU_VR_VID2 7
CPU_VR_VID0 7
CPU_VR_VID3 7
EC_SMD2 32
H_PWRGD17
H_FERR#17
H_RESET#8
EC_SMC2 32
VTT_PWRGD# 12,32VTT_PWRGD43

A
A
B
B
C
C
D
D
E
E
1 1
2 2
3 3
4 4
Layout note :
Place .47uF caps underneath balls on solder side.
Use 2~3 vias per PAD.
Place 10uF caps on the peripheral near balls.
Place close to CPU, Use 2~3 vias per PAD.
Place close to CPU,
Use 2 vias per PAD.
Layout note :
401204
1A
SCHEMATIC, M/B LA-1311
Custom
643, 26, 2001
!"# $#%
Compal Electronics, inc.
Title
Size Document Number Rev
Date: Sheet of
+VCC_H_CORE
+VCC_H_CORE
+VCC_H_CORE
+VCC_H_CORE
+VCC_H_CORE
+VCC_H_CORE
+VTT
+VTT
C450
10UF_10V_1206
12
C449
10UF_10V_1206
12
C448
10UF_10V_1206
12
C447
10UF_10V_1206
12
C446
10UF_10V_1206
12
C445
10UF_10V_1206
12
C117
10UF_10V_1206
12
C30
10UF_10V_1206
12
C38
10UF_10V_1206
12
C33
10UF_10V_1206
12
+
C536
150UF_6.3V_D2
12
+
C537
150UF_6.3V_D2
12
+
C519
150UF_6.3V_D2
12
+
C549
150UF_6.3V_D2
12
+
C297
150UF_6.3V_D2
12
+
C308
150UF_6.3V_D2
12
+
C313
150UF_6.3V_D2
12
+
C310
150UF_6.3V_D2
12
+
C314
150UF_6.3V_D2
12
+
C309
150UF_6.3V_D2
12
+
C513
220UF_4V_D2
12
C41
1UF_10V_0603
12
C43
1UF_10V_0603
12
C37
1UF_10V_0603
12
+
C45
220UF_4V_D2
12
C79
1UF_10V_0603
12
C67
1UF_10V_0603
12
C48
1UF_10V_0603
12
C32
1UF_10V_0603
12
C72
1UF_10V_0603
12
C59
1UF_10V_0603
12
C34
1UF_10V_0603
12
+
C538
150UF_6.3V_D2
12
THIS SHEET OF ENGINEERING DRAWING IS THE PROPRIETARY PROPERTY OF COMPAL ELECTRONICS,INC. AND CONTAINS CONFIDENTIAL
AND TRADE SECRET INFORMATION . THIS SHEET MAY NOT BE TRANSFERRED FROM THE CUSTODY OF THE COMPETENT DIVISION OF R&D
DEPARTMENT EXCEPT AS AUTHORIZED BY COMPAL ELECTRONICS,INC. NEITHER THIS SHEET NOR THE INFORMATION CONTAINS MAY BE
USED BY OR DISCLOSED TO ANY THIRD PARTY WITHOUT PRIOR WRITTEN CONSENT OF COMPAL ELECTRONICS,INC.
C434
.47UF
12
C425
.47UF
12
C411
.47UF
12
C433
.47UF
12
C424
.47UF
12
C421
.47UF
12
C525
.47UF
12
C432
.47UF
12
C409
.47UF
12
C420
.47UF
12
C408
.47UF
12
C431
.47UF
12
C388
.47UF
12
C389
.47UF
12
C391
.47UF
12
C392
.47UF
12
C393
.47UF
12
C394
.47UF
12
C395
.47UF
12
C396
.47UF
12
C397
.47UF
12
C398
.47UF
12
C390
.47UF
12
C412
.47UF
12

A
A
B
B
C
C
D
D
E
E
1 1
2 2
3 3
4 4
Default for Resistors Should
be +VCC_CPU = 0.7V, for
Deeper Sleep Only.
HUB Interface Reference
GTL Reference Voltage
CMOS Reference Voltage
HUB Interface VSwing Voltage
1. Place R303 and R322 between and GMCH and CPU.
2. Place decoupling caps near CPU.(Within 500mils)
Layout note :
1. Place R288 and R291 between and GMCH and CPU.
2. Place decoupling caps near CPU.
Layout note :
Place capacitor close to GMCH.
System Memory Reference
1. Place R308 and R296 in middle of Bus.
2. Place capacitors near GMCH.
Layout note :
1. Place R93 and R94 in middle of Bus.
Place Reference Circuit near GMCH
1. Place R275 and R274 near GMCH.
CPU Voltege ID
PM_GMUXSEL = 1 : for Performance mode
0 : for CPU default power
249.9_1%
PM_DPRSLPVR = 1: for Deeper Sleep mode
0 : for Performance mode
Override# MUX_SEL A/B# MUX_outputs
Address 0110 111X
1
1
1
1 X MUX_inputs
0 0 From
Non-volatile
register(SOPRB)
From
Non-volatile
register(SOPRA)
01
D4 D3 D2 D1 D0 CPU_Core(V) QS( MP)
--------------------------------------------------------
0 0 1 1 1 1.40V (Performance)
0 1 1 0 0 1.15V (Battery)
1 0 1 0 1 0.85V (Deeper Sleep)
From Tualatin CPU
Mode
Battery
Deeper sleep
Performance
Mount R321 and RP30 if without support SpeedStep
Tualatin
401204
1A
SCHEMATIC, M/B LA-1311
Custom
743, 26, 2001
!"# $#%
Compal Electronics, inc.
Title
Size Document Number Rev
Date: Sheet of
CPU_VID1
CPU_VID0
CPU_VID4
CPU_VID3
CPU_VID2
MUX_SEL
CPU_VID0
CPU_VID1
CPU_VID2
CPU_VID3
CPU_VID4
+3V
+V_SMREF
+1.8VS
+VS_HUBREF
+1.8VS
+VS_HUBVSWING
+1.8VS
+VS_RIMMREF
+VTT
+V_AGTLREF
+1.5VS
+1.5VS
+VS_CMOSREF
+VAGP_BRDREF
+3VS
+3V
+3V
+3V
C213
.1UF
1 2
R288
499_1%
12
C439
.1UF
12
R291
1K_1%
12
C440
.1UF
12
R303
1K_1%
12
R322
2K_1%
12
C514
.1UF
12
C35
.1UF
12
C27
.1UF
12
C71
.1UF
12
R302
249_1%
12
C467
.1UF
12
R297
49.9_1%
12
R296
301_1%
12
R308
301_1%
12
R94
301_1%
12
R93
301_1%
12
C97
.1UF
12
R376
1K_1%
12
R370
1K_1%
12
R373
82.5_1%
12
R365
82.5_1%
12
R274
2K_1%
12
R275
576_1%
12
C453
.1UF
12
THIS SHEET OF ENGINEERING DRAWING IS THE PROPRIETARY PROPERTY OF COMPAL ELECTRONICS,INC. AND CONTAINS CONFIDENTIAL
AND TRADE SECRET INFORMATION . THIS SHEET MAY NOT BE TRANSFERRED FROM THE CUSTODY OF THE COMPETENT DIVISION OF R&D
DEPARTMENT EXCEPT AS AUTHORIZED BY COMPAL ELECTRONICS,INC. NEITHER THIS SHEET NOR THE INFORMATION CONTAINS MAY BE
USED BY OR DISCLOSED TO ANY THIRD PARTY WITHOUT PRIOR WRITTEN CONSENT OF COMPAL ELECTRONICS,INC.
R173
@10K
1 2
R321
0
12
R172
@100K
12
R460 @0
1 2
C555
470PF
1 2
C578
470PF
1 2
R461 @0
1 2
RP30
8P4R_0
18 27 36 45
U17
@FM3565
1
2
3
4
5
6
7
8
9
10
20
19
18
17
16
15
14
13
12
11
SCL
SDA
Override#
I_0
I_1
I_2
I_3
I_4
A/B#
GND
VCC
ASEL
WP
NC
MUX_SEL
Y_0
Y_1
Y_2
Y_3
Y_4
U49
@NC7SZ02
1
2
3 5
4
C647
.1UF
1 2
PM_DPRSLPVR17,42
PM_GMUXSEL17,42
CPU_VR_VID45
CPU_VR_VID05
CPU_VR_VID25
SMB_CLK12,14,17SMB_DATA12,14,17
CPU_VID4 42
CPU_VR_VID35
CPU_VID3 42
CPU_VR_VID15
CPU_VID2 42
CPU_VID1 42
CPU_VID0 42

A
A
B
B
C
C
D
D
E
E
1 1
2 2
3 3
4 4
Almador-M
GMCH
Host
Interface
Host
Interface
VSS
10 mils wide,length <=500 mils.
Close to Ball R6.
A3
Closely to C.G
401204
1A
SCHEMATIC, M/B LA-1311
Custom
843, 26, 2001
!"# $#%
Compal Electronics, inc.
Title
Size Document Number Rev
Date: Sheet of
H_A#3
H_A#4
H_A#5
H_A#6
H_A#7
H_A#8
H_A#9
H_A#10
H_A#11
H_A#12
H_A#13
H_A#14
H_A#15
H_A#16
H_A#17
H_A#18
H_A#19
H_A#20
H_A#21
H_A#22
H_A#23
H_A#24
H_A#25
H_A#26
H_A#27
H_A#28
H_A#29
H_A#30
H_A#31
H_A#[3..31]
H_D#3
H_D#40
H_D#23
H_D#31
H_D#6
H_D#38
H_D#34
H_D#4
H_D#19
H_D#14
H_D#28
H_D#24
H_D#17
H_D#[0..63]
H_D#8
H_D#25
H_D#29
H_D#21
H_D#10
H_D#22
H_D#12
H_D#26
H_D#36
H_D#16
H_D#13
H_D#15
H_D#37
H_D#1
H_D#9
H_D#0
H_D#35
H_D#20
H_D#7
H_D#41
H_D#11
H_D#2
H_D#30
H_D#27
H_D#18
H_D#5
H_D#33
H_D#32
H_D#39
H_D#42
H_D#43
H_D#44
H_D#45
H_D#46
H_D#47
H_D#48
H_D#49
H_D#50
H_D#51
H_D#52
H_D#53
H_D#54
H_D#55
H_D#56
H_D#57
H_D#58
H_D#59
H_D#60
H_D#61
H_D#62
H_D#63
HUB_PD0
HUB_PD1
HUB_PD2
HUB_PD3
HUB_PD4
HUB_PD5
HUB_PD7
HUB_PD6
HUB_PD8
HUB_PD9
HUB_PD10
H_RS#2
H_RS#0
H_REQ#0
H_REQ#[0..4]
H_REQ#4
H_REQ#3
H_REQ#2
H_REQ#1
H_RS#1
H_RS#[0..2]
+VS_HUBREF
+VAGP_CRDREF
+V_AGTLREF
R92 27.4_1%
1 2
R83 54.9_1%
1 2 R78 54.9_1%
12
C469
.1UF
12
R91 80.6_1%
1 2
C471
.1UF
12
R290 @0
1 2
THIS SHEET OF ENGINEERING DRAWING IS THE PROPRIETARY PROPERTY OF COMPAL ELECTRONICS,INC. AND CONTAINS CONFIDENTIAL
AND TRADE SECRET INFORMATION . THIS SHEET MAY NOT BE TRANSFERRED FROM THE CUSTODY OF THE COMPETENT DIVISION OF R&D
DEPARTMENT EXCEPT AS AUTHORIZED BY COMPAL ELECTRONICS,INC. NEITHER THIS SHEET NOR THE INFORMATION CONTAINS MAY BE
USED BY OR DISCLOSED TO ANY THIRD PARTY WITHOUT PRIOR WRITTEN CONSENT OF COMPAL ELECTRONICS,INC.
C381
@10PF
R276
@33_0402
1 2
R242
@33_0402
1 2
C322
@10PF
C373
.01UF
R158
240K
1 2
C470
.1UF
12
C476
.01UF
12
R26047
1 2
R246 54.9_1%
12
U7A
ALMADOR-M
U4
P1
W6
U2
U6
R1
N3
W5
V4
P3
R3
U1
V6
W4
T3
P2
V3
R2
T1
W3
U3
Y4
AA3
W1
V1
Y1
Y6
AD3
AB4
AB5
V2
Y3
Y2
AA4
AA1
AA6
AB1
AC4
AA2
AB3
AD2
AD1
AC2
AB6
AC6
AC1
AF3
AD4
AD6
AC3
AH3
AE5
AE3
AG2
AF4
AF2
AJ3
AE4
AG1
AE1
AG4
AH4
AG3
AF1
H2
E3
G3
N4
M6
F1
F2
J3
F3
P6
G1
N5
H1
P4
T4
M2
J2
L2
R4
K1
L3
L1
J1
N1
T5
H3
M3
M1
K3
R6
C1
E1
L4
G5
J4
F4
D3
D1
J6
G4
K6
M4
K5
K4
L6
H6
H4
G6
AJ4
AH5
AC19
AG26
AD24
G26
H28
H29
H27
F29
F27
E29
E28
G25
G27
H26
G29
H24
F28
AC22
F6
J23
J25
K24
AB24
AA7
J7
C2
AB23
AC23
M12
M13
M17
M18
N12
N13
N14
N15
N16
N17
N18
P13
P14
P15
P16
P17
R13
R14
R15
R16
R17
T13
T14
T15
T16
T17
U12
U13
U14
U15
U16
U17
U18
V12
V13
V17
V18
AJ5
D2
AC5
Y5
U5
P5
L5
H5
AH2
AE2
AB2
W2
T2
N2
K2
G2
AC7
AH19
AH20
AF5
G28
H25
AC26
AD22
AE28
AH24
AF25
AF27
AH26
G8
AD7
H_D#0
H_D#1
H_D#2
H_D#3
H_D#4
H_D#5
H_D#6
H_D#7
H_D#8
H_D#9
H_D#10
H_D#11
H_D#12
H_D#13
H_D#14
H_D#15
H_D#16
H_D#17
H_D#18
H_D#19
H_D#20
H_D#21
H_D#22
H_D#23
H_D#24
H_D#25
H_D#26
H_D#27
H_D#28
H_D#29
H_D#30
H_D#31
H_D#32
H_D#33
H_D#34
H_D#35
H_D#36
H_D#37
H_D#38
H_D#39
H_D#40
H_D#41
H_D#42
H_D#43
H_D#44
H_D#45
H_D#46
H_D#47
H_D#48
H_D#49
H_D#50
H_D#51
H_D#52
H_D#53
H_D#54
H_D#55
H_D#56
H_D#57
H_D#58
H_D#59
H_D#60
H_D#61
H_D#62
H_D#63
H_A#3
H_A#4
H_A#5
H_A#6
H_A#7
H_A#8
H_A#9
H_A#10
H_A#11
H_A#12
H_A#13
H_A#14
H_A#15
H_A#16
H_A#17
H_A#18
H_A#19
H_A#20
H_A#21
H_A#22
H_A#23
H_A#24
H_A#25
H_A#26
H_A#27
H_A#28
H_A#29
H_A#30
H_A#31
H_CPURST#
H_ADS#
H_BNR#
H_BPRI#
H_DBSY#
H_DEFER#
H_DRDY#
H_HIT#
H_HITM#
H_LOCK#
H_TRDY#
H_REQ#0
H_REQ#1
H_REQ#2
H_REQ#3
H_REQ#4
H_RS#0
H_RS#1
H_RS#2
CLK_HT
CLK_HT#
CLK_DREF
CLK_GBIN
CLK_GBOUT
HUB_PD0
HUB_PD1
HUB_PD2
HUB_PD3
HUB_PD4
HUB_PD5
HUB_PD6
HUB_PD7
HUB_PD8
HUB_PD9
HUB_PD10
HUB_PSTRB
HUB_REF
HUB_PSTRB#
DVO_RCOMP
SM_RCOMP
HUB_RCOMP
AGP_REF
AGP_RCOMP/DVOBC_RCOMP
RESET#
H_GTLREF1
H_GTLREF0
H_GTLRCOMP
VSS
VSS
VSS0
VSS1
VSS2
VSS3
VSS4
VSS5
VSS6
VSS7
VSS8
VSS9
VSS10
VSS11
VSS12
VSS13
VSS14
VSS15
VSS16
VSS17
VSS18
VSS19
VSS20
VSS21
VSS22
VSS23
VSS24
VSS25
VSS26
VSS27
VSS28
VSS29
VSS30
VSS31
VSS32
VSS33
VSS34
VSS35
VSS36
VSS_H0
VSS_H1
VSS_H2
VSS_H3
VSS_H4
VSS_H5
VSS_H6
VSS_H7
VSS_H8
VSS_H9
VSS_H10
VSS_H11
VSS_H12
VSS_H13
VSS_H14
VSS_H15
VSS_H16
VSSPCMOS_LM0
VSSPCMOS_LM1
VSSPCMOS_LM2
VSSP_HUB0
VSSP_HUB1
VSSP_IO0
VSSP_IO1
VSSP_IO2
VSSP_DVO0
VSSP_DVO1
VSSP_DVO2
VSSA_DAC
VSSA_CPLL
VSSA_HPLL
H_A#[3..31] 4H_D#[0..63]4
H_REQ#[0..4] 4
H_RESET# 5
H_ADS# 4
H_BNR# 4
H_BPRI# 4
H_DBSY# 5
H_DEFER# 4
H_DRDY# 5
H_HIT# 4
H_HITM# 4
H_LOCK# 4
H_TRDY# 5
HUB_PD[0..10]17 HUB_PSTRB17 HUB_PSTRB#17
H_RS#[0..2] 5
CLK_GHT# 12
CLK_DREF 12
CLK_GBIN 12
CLK_GBOUT 12
PCIRST# 15,17,19,20,21,22,23,24,25,28,29,34
H_RESETX#
CLK_GHT 12

A
A
B
B
C
C
D
D
E
E
1 1
2 2
3 3
4 4
Layout note :
Line length 0.15 inches +- 50mils
Place resistors & capacitors near GMCH
Layout note :
Almador-M
GMCH
SDRAM
System
Memory
SDRAM
System
Memory
VSS
VSS Power
Layout note :
near pin C24
For Almador-M A3 stepping requirement.
Close to Ball E5 and F24
Layout note :
1.Placement TP6 for Almador-M A2 stepping die.
2.The 0.1uF capacitor and connection to +3V
must be implanted for Almador-M A3 stepping
die.
XOR layout note:
F20,E20,F12,E11 add
testpoint for factory
SM_OCLK
A3
*
*
401204
1A
SCHEMATIC, M/B LA-1311
Custom
943, 26, 2001
!"# $#%
Compal Electronics, inc.
Title
Size Document Number Rev
Date: Sheet of
SM_DQM0
SM_DQM1
SM_DQM2
SM_DQM3
SM_DQM4
SM_DQM5
SM_DQM6
SM_DQM7
SM_CS#0
SM_CS#2
SM_D_CLK0
SM_CKE0
SM_CKE2
SM_CKE3
SM_D_MA3
SM_D_MA8
SM_D_MA4
SM_D_MA10
SM_D_MA9
SM_D_MA5
SM_D_MA12
SM_D_MA1
SM_D_MA[0..12]
SM_D_MA0
SM_D_MA11
SM_D_MA2
SM_D_MA6
SM_D_MA7
SM_CS#3
SM_RCLK
SM_D_CLK0
SM_D_CLK2
SM_D_CLK3
SM_D_CLK3
SM_D_CLK1
SM_CS#1
SM_D_CLK2
SM_D_CLK1
SM_CKE1
SM_DQ13
SM_DQ24
SM_DQ40
SM_DQ29
SM_DQ57
SM_DQ0
SM_DQ3
SM_DQ53
SM_DQ32
SM_DQ60
SM_DQ55
SM_DQ28
SM_DQ52
SM_DQ15
SM_DQ39
SM_DQ8
SM_DQ46
SM_DQ49
SM_DQ38
SM_DQ33
SM_DQ26
SM_DQ9
SM_DQ1
SM_DQ25
SM_DQ61
SM_DQ63
SM_DQ51
SM_DQ11
SM_DQ36
SM_DQ58
SM_DQ48
SM_DQ16
SM_DQ41
SM_DQ21
SM_DQ20
SM_DQ42
SM_DQ31
SM_DQ7
SM_DQ45
SM_DQ37
SM_DQ18
SM_DQ12
SM_DQ27
SM_DQ54
SM_DQ2
SM_DQ59
SM_DQ23
SM_DQ19
SM_DQ5
SM_DQ10
SM_DQ6
SM_DQ30
SM_DQ62
SM_DQ35
SM_DQ44
SM_DQ14
SM_DQ47
SM_DQ34
SM_DQ43
SM_DQ50
SM_DQ56
SM_DQ17
SM_DQ22
SM_DQ4
SM_DQ[0..63]
VSSA_DPLL0
VSSA_DPLL1
+VTT
+V_SMREF
+3V
+3V
+3V
R312 10
1 2
R311 10
1 2
R316 10
1 2
C506
@33PF
12
R318 10
1 2
R317 10
1 2
R315 10
1 2
C516
@33PF
12
C517
@33PF
12
R313 10
1 2
C515
@33PF
12
THIS SHEET OF ENGINEERING DRAWING IS THE PROPRIETARY PROPERTY OF COMPAL ELECTRONICS,INC. AND CONTAINS CONFIDENTIAL
AND TRADE SECRET INFORMATION . THIS SHEET MAY NOT BE TRANSFERRED FROM THE CUSTODY OF THE COMPETENT DIVISION OF R&D
DEPARTMENT EXCEPT AS AUTHORIZED BY COMPAL ELECTRONICS,INC. NEITHER THIS SHEET NOR THE INFORMATION CONTAINS MAY BE
USED BY OR DISCLOSED TO ANY THIRD PARTY WITHOUT PRIOR WRITTEN CONSENT OF COMPAL ELECTRONICS,INC.
C494
.1UF
12
C493
.1UF
12
R319 10
1 2
R310 10
1 2
C507 @22PF
1 2
C452 .1UF
1 2
C512 .1UF
1 2
R254 0
1 2
R306 0
1 2
U7B
ALMADOR-M
D29
C29
D27
C27
A27
B26
E24
C25
E23
B25
C23
F22
B23
C22
E21
B22
C12
D10
C11
A10
C10
C8
A7
E9
C7
E8
A5
F8
C5
D6
B4
C4
E27
C28
B28
E26
C26
D25
A26
D24
F23
A25
G22
D22
A23
F21
D21
A22
F11
A11
B11
F10
B10
B8
D9
B7
F9
A6
C6
D7
B5
E6
A4
D4
A20
B20
B19
C19
A18
A19
C17
C18
B17
A17
A16
C15
C14
F20
E20
F12
E11
C21
F19
E12
A12
B16
C16
F18
D18
D13
D12
E18
F17
F14
F13
E17
F16
D16
D15
E15
E14
A15
B2
B14
A3
A14
C3
A13
C9
C13
A9
B13
A8
C20
D19
A21
A24
C24
E5
F24
AD8
AD9
AD10
AJ21
AE8
AE9
AE10
AE11
AE12
AE13
AE17
AE19
AH21
AF8
AF9
AF10
AF11
AF12
AF13
AF14
AF15
AF16
AF17
AF18
AF19
AF20
AG7
AG15
AG16
AG21
AH6
AH8
AH9
AH11
AH12
AH14
AH17
AH18
B3
B6
B9
B12
B15
B18
B21
B24
B27
E7
E10
E13
E16
E19
E22
E25
G9
G21
E4
D28
K28
N28
T28
W28
AB28
L25
P25
U25
Y25
AE20
G24
H7
H23
K7
K23
L7
N6
T6
W7
Y7
AB7
M24
P24
T24
V24
Y23
M14
M15
M16
P12
R12
T12
P18
R18
T18
SM_DQ0
SM_DQ1
SM_DQ2
SM_DQ3
SM_DQ4
SM_DQ5
SM_DQ6
SM_DQ7
SM_DQ8
SM_DQ9
SM_DQ10
SM_DQ11
SM_DQ12
SM_DQ13
SM_DQ14
SM_DQ15
SM_DQ16
SM_DQ17
SM_DQ18
SM_DQ19
SM_DQ20
SM_DQ21
SM_DQ22
SM_DQ23
SM_DQ24
SM_DQ25
SM_DQ26
SM_DQ27
SM_DQ28
SM_DQ29
SM_DQ30
SM_DQ31
SM_DQ32
SM_DQ33
SM_DQ34
SM_DQ35
SM_DQ36
SM_DQ37
SM_DQ38
SM_DQ39
SM_DQ40
SM_DQ41
SM_DQ42
SM_DQ43
SM_DQ44
SM_DQ45
SM_DQ46
SM_DQ47
SM_DQ48
SM_DQ49
SM_DQ50
SM_DQ51
SM_DQ52
SM_DQ53
SM_DQ54
SM_DQ55
SM_DQ56
SM_DQ57
SM_DQ58
SM_DQ59
SM_DQ60
SM_DQ61
SM_DQ62
SM_DQ63
SM_MA0
SM_MA1
SM_MA2
SM_MA3
SM_MA4
SM_MA5
SM_MA6
SM_MA7
SM_MA8
SM_MA9
SM_MA10
SM_MA11
SM_MA12
NC
NC
NC
NC
VSS
VSS
VCC_SM
VCC_SM
SM_BA0
SM_BA1
SM_DQM0
SM_DQM1
SM_DQM2
SM_DQM3
SM_DQM4
SM_DQM5
SM_DQM6
SM_DQM7
SM_CS#0
SM_CS#1
SM_CS#2
SM_CS#3
VCCQ_SM
VSS
SM_CLK0
SM_CLK1
SM_CLK2
SM_CLK3
VSS
VSS
SM_CKE0
SM_CKE1
SM_CKE2
SM_CKE3
VSS
VCC_SM
SM_RAS#
SM_CAS#
SM_WE#
SM_OCLK
SM_RCLK
SM_VREF0
SM_VREF1
VSS_LM
VSS_LM
VSS_LM
VSS_LM
VSS_LM
VSS_LM
VSS_LM
VSS_LM
VSS_LM
VSS_LM
VSS_LM
VSS_LM
VSS_LM
VSS_LM
VSS_LM
VSS_LM
VSS_LM
VSS_LM
VSS_LM
VSS_LM
VSS_LM
VSS_LM
VSS_LM
VSS_LM
VSS_LM
VSS_LM
VSS_LM
VSS_LM
VSS_LM
VSS_LM
VSS_LM
VSS_LM
VSS_LM
VSS_LM
VSS_LM
VSS_LM
VSS_LM
VSS_LM
VSSP_SM0
VSSP_SM1
VSSP_SM2
VSSP_SM3
VSSP_SM4
VSSP_SM5
VSSP_SM6
VSSP_SM7
VSSP_SM8
VSSP_SM9
VSSP_SM10
VSSP_SM11
VSSP_SM12
VSSP_SM13
VSSP_SM14
VSSP_SM15
VSSP_SM16
VSSP_SM17
VSSP_SM18
VSSP_SM19
VSSP_AGP0
VSSP_AGP1
VSSP_AGP2
VSSP_AGP3
VSSP_AGP4
VSSP_AGP5
VSSP_AGP6
VSSP_AGP7
VSSP_AGP8
VSSA_DPLL0
VSSA_DPLL1
VCC
VCC
VCC
VCC
VCC
VCC
VCC
VCC
VCC
VCC
VCC
VCC
VCC
VCC
VCC
VCC
VCC
VCC
VCC
VCC
VCC
VCC
VCC
VCC
SM_D_MA[0..12] 13
SM_BA1 14
SM_BA0 14
SM_DQM[0..7] 14
SM_CS#0 14
SM_CS#2 14
SM_CS#3 14
SMD_CLK0 14
SMD_CLK2 14
SMD_CLK3 14
SM_CKE0 14
SM_CKE2 14
SM_CKE3 14
SM_RAS# 14
SM_CAS# 14
SM_WE# 14
SMD_CLK1 14
SM_CS#1 14
SM_CKE1 14
SM_DQ[0..63] 14
VSSA_DPLL0 10
VSSA_DPLL1 10

A
A
B
B
C
C
D
D
E
E
1 1
2 2
3 3
4 4
Almador-M
GMCH
Place close to AE16,
AE15 of GMCH
Layout note :
AGP
Interface
Local Memory
Interface
Local Memory
Interface
Interface
Display
Power
Interface
(DVOB/DVOC & ZV port)
(DVOA port)
AGP_PAR : Strapping option for SW detection of
AGP or DVO device.
0 -> DVO B/C device
1 -> AGP device
DVOA_D1 IOQD=2 IOQD=8
Strap Name Low High
DVOA_D6 Dual Ended Term Single Ended Term
DVOA_D5 Desktop Mobile
DVOA_D0 Reserved 133MHz
A3
**
**
*
**
*
*
XOR layout note: AE24,AJ25
add testpoint for factory
R551,R552: No stuff in AGP mode,
Stuff in VCH mode
401204
1A
SCHEMATIC, M/B LA-1311
Custom
10 43, 26, 2001
!"# $#%
Compal Electronics, inc.
Title
Size Document Number Rev
Date: Sheet of
AGP_SBSTB
AGP_ADSTB0
AGP_ADSTB#0
AGP_ADSTB1
AGP_ADSTB#1
AGP_SBSTB#
AGP_FRAME#
AGP_IRDY#
AGP_TRDY#
AGP_STOP#
AGP_DEVSEL#
AGP_PAR
AGP_REQ#
AGP_GNT#
DVOA_CLKIN
DVOA_INTR#
DVOA_INTR#
DVOA_FIELD
DVOA_D6
DVOA_D5
DVOA_D0
DVOA_D0
DVOA_D1
DVOA_D4
DVOA_D5
DVOA_D6 DVOA_FIELD
AGP_CBE#[0..3]
AGP_PAR
AGP_AD13
AGP_AD11
AGP_AD12
AGP_AD2
AGP_AD1
AGP_AD[0..31]
AGP_ST[0..2]
AGP_SBA[0..7]
AGP_AD5
AGP_AD4
AGP_AD27
AGP_AD10
AGP_AD7
AGP_AD8
AGP_AD6
AGP_AD28
AGP_AD9
AGP_AD26
AGP_ST2
AGP_ST0
AGP_SBA7
AGP_ST1
AGP_SBA1
AGP_SBA3
AGP_SBA6
AGP_SBA4
AGP_SBA2
AGP_SBA5
AGP_CBE#2
AGP_CBE#0
AGP_CBE#3
AGP_CBE#1
AGP_PIPE#
AGP_AD24
AGP_AD20
AGP_AD21
AGP_AD23
AGP_AD19
AGP_AD25
AGP_AD22
AGP_AD15
AGP_AD18
AGP_AD16
AGP_AD17
AGP_AD14
AGP_RBF#
AGP_AD30
AGP_AD29
AGP_AD31
AGP_SBA0
AGP_WBF#
AGP_AD0
AGP_AD3
AGP_BUSY#
DVOA_CLKIN
IO_DDC1DATA
IO_DDC1CLK
+VTT
+VTT
+1.8VS
+VTT
+VS_RIMMREF
+1.8VS
+3V
+1.5VS
+3V
+1.5VS
+1.8VS
+VTT
+3V
+1.8VS
+1.5VS
+1.5VS
+1.5VS
+3VS
+3VS
+3VS
+3VS
C413
68PF
12
C330 .1UF
12
C483 .1UF
12
R277 0_0805
1 2
R301 0
1 2
R299 0
1 2
THIS SHEET OF ENGINEERING DRAWING IS THE PROPRIETARY PROPERTY OF COMPAL ELECTRONICS,INC. AND CONTAINS CONFIDENTIAL
AND TRADE SECRET INFORMATION . THIS SHEET MAY NOT BE TRANSFERRED FROM THE CUSTODY OF THE COMPETENT DIVISION OF R&D
DEPARTMENT EXCEPT AS AUTHORIZED BY COMPAL ELECTRONICS,INC. NEITHER THIS SHEET NOR THE INFORMATION CONTAINS MAY BE
USED BY OR DISCLOSED TO ANY THIRD PARTY WITHOUT PRIOR WRITTEN CONSENT OF COMPAL ELECTRONICS,INC.
C354
68PF
12
C328
.1UF
12
R239 10K
1 2
C340
.1UF
12
R234 10K
1 2
R279
330
1 2
R272
@8.2K
1 2
C383
.01UF
12
C384
.1UF
12
R259 100K
1 2
R255 100K
1 2
R269 @2.2K
1 2
R226 2.2K
1 2
R240 @2.2K
1 2
R229 255_1%
1 2
R232@2.2K
1 2
R256 10K
1 2
C283
@.1UF
12
C282
@.1UF
12
C286
@220UF_4V_D2 C285
@220UF_4V_D2
L3 0_0805
1 2
L4 0_0805
1 2
R257
@10K
1 2
R261 10K
1 2
U7C
ALMADOR-M
AA29
AA24
AA25
Y24
Y27
Y26
W24
Y28
AB26
AB29
AB25
AC28
AC29
AB27
L29
L28
U29
U28
AA27
AA28
R29
P26
P27
N25
R28
AC27
AD29
P28
L27
P29
R27
T25
J29
J28
K26
K25
L26
J27
K29
K27
M29
M28
L24
M27
N29
M25
N26
N27
R25
R24
T29
T27
T26
U27
V27
V28
U26
V29
W29
V25
W26
W25
W27
Y29
AD21
AD20
AJ27
AD27
AE27
AH28
AG29
AF29
AE29
AH27
AG28
AF28
AD28
AF23
AF22
AD25
AC25
AG24
AJ24
AJ22
AH22
AG22
AJ23
AH23
AG23
AE23
AE24
AJ25
AH25
AG25
AJ26
AD26
AE26
AE21
AE22
AG17
AJ17
AG18
AJ18
AG19
AJ19
AG20
AJ20
AJ11
AH10
AJ10
AG10
AJ9
AG9
AJ8
AG8
AH7
AF7
AJ7
AG11
AJ12
AG12
AH13
AG13
AJ13
AG14
AJ14
AJ6
AG6
AD14
AE14
AC24
AH15
AJ15
AJ16
AH16
V14
V15
V16
AE16
AE15
AD15
AD16
AE25
AD23
J24
F26
N24
W23
J26
M26
R26
V26
AA26
L23
AA23
U24
AE6
G7
G10
G20
AF6
AE7
AC9
AC8
AF26
AG27
F5
J5
M5
R5
V5
AA5
AD5
AG5
E2
D5
D8
D11
D14
D17
D20
D23
D26
F7
F15
G11
G19
G23
AC10
AC11
AD11
AD12
AD13
AE18
AD17
AD18
AD19
AC20
F25
AC21
AF21
AF24
AGP_SBA0/ZV_D8
AGP_SBA1/ZV_D7
AGP_SBA2/ZV_D6
AGP_SBA3/ZV_D5
AGP_SBA4/ZV_D2
AGP_SBA5/ZV_D1
AGP_SBA6/ZV_D0
AGP_SBA7/ZV_HREF
AGP_PIPE#/ZV_D10
AGP_WBF#/ZV_D9
AGP_RBF#/ZV_D11
AGP_ST0/ZV_D14
AGP_ST1/ZV_D13
AGP_ST2/ZV_D12
AGP_ADSTB0/DVOB_CLK
AGP_ADSTB#0/DVOB_CLK#
AGP_ADSTB1/DVOC_CLK
AGP_ADSTB#1/DVOC_CLK#
AGP_SBSTB/ZV_D4
AGP_SBSTB#/ZV_D3
AGP_FRAME#/M_DDC1_DATA
AGP_IRDY#/M_I2C_CLK
AGP_TRDY#/M_DDC1_CLK
AGP_STOP#/M_DDC2_DATA
AGP_DEVSEL#/M_I2C_DATA
AGP_REQ#/ZV_CLK
AGP_GNT#/ZV_D15
AGP_PAR/DVO_DETECT
AGP_CBE#0/DVOB_D7
AGP_CBE#1/DVOB_BLANK#
AGP_CBE#2/ZV_VSYNC
AGP_CBE#3/DVOC_D5
AGP_AD0/DVOB_HSYNC
AGP_AD1/DVOB_VSYNC
AGP_AD2/DVOB_D1
AGP_AD3/DVOB_D0
AGP_AD4/DVOB_D3
AGP_AD5/DVOB_D2
AGP_AD6/DVOB_D5
AGP_AD7/DVOB_D4
AGP_AD8/DVOB_D6
AGP_AD9/DVOB_D9
AGP_AD10/DVOB_D8
AGP_AD11/DVOB_D11
AGP_AD12/DVOB_D10
AGP_AD13/DVOBC_CLKINT#
AGP_AD14/DVOB_FLD/STL
AGP_AD15/M_DDC2_CLK
AGP_AD16/DVOC_VSYNC
AGP_AD17/DVOC_HSYNC
AGP_AD18/DVOC_BLANK#
AGP_AD19/DVOC_D0
AGP_AD20/DVOC_D1
AGP_AD21/DVOC_D2
AGP_AD22/DVOC_D3
AGP_AD23/DVOC_D4
AGP_AD24/DVOC_D7
AGP_AD25/DVOC_D6
AGP_AD26/DVOC_D9
AGP_AD27/DVOC_D8
AGP_AD28/DVOC_D11
AGP_AD29/DVOC_D10
AGP_AD30/DVOBC_INTR#/DPMS_CLK
AGP_AD31/DVOC_FLD/STL
DVO_BLANK#
DVO_CLKIN
DAC_REFSET
IO_DDC1DATA
IO_DDC1CLK
DAC_BLUE
DAC_GREEN
DAC_RED
DAC_VSYNC
DAC_BLUE#
DAC_GREEN#
DAC_RED#
DAC_HSYNC
DVO_VSYNC
DVO_HSYNC
IO_I2CCLK
IO_I2CDATA
DVO_CLK#
DVO_CLK
DVO_D0
DVO_D1
DVO_D2
DVO_D3
DVO_D4
DVO_D5
DVO_D6
DVO_D7
DVO_D8
DVO_D9
DVO_D10
DVO_D11
IO_DDC2DATA
IO_DDC2CLK
DVO_INTR#
DVO_FIELD
LM_DQA0
LM_DQA1
LM_DQA2
LM_DQA3
LM_DQA4
LM_DQA5
LM_DQA6
LM_DQA7
LM_DQB0
LM_DQB1
LM_DQB2
LM_DQB3
LM_DQB4
LM_DQB5
LM_DQB6
LM_DQB7
LM_CMD
LM_SCK
LM_SIO
LM_RQ0
LM_RQ1
LM_RQ2
LM_RQ3
LM_RQ4
LM_RQ5
LM_RQ6
LM_RQ7
LM_RCLK
LM_GCLK
LM_RAMREF0
LM_RAMREF1
AGP_BUSY#
LM_CTM
LM_CTM#
LM_CFM
LM_CFM#
VDD_LM
VDD_LM
VDD_LM
VDD_LM
VDD_LM
VDD_LM
VDD_LM
VCCP_IO
VCCP_IO
VCCP_HUB
VCCP_HUB
VCCQ_AGP
VCCQ_AGP
VCCP_AGP
VCCP_AGP
VCCP_AGP
VCCP_AGP
VCCP_AGP
VCCP_AGP
VCCP_AGP
VCCP_AGP
VCCA_HPLL
VCCA_CPLL
VCCQ_SM
VCCQ_SM
VCCPCMOS_LM
VCCPCMOS_LM
VCCPCMOS_LM
VCCPCMOS_LM
VCCA_DAC
VCCA_DAC
VCC_H
VCC_H
VCC_H
VCC_H
VCC_H
VCC_H
VCC_H
VCC_H
VCC_H
VCCP_SM
VCCP_SM
VCCP_SM
VCCP_SM
VCCP_SM
VCCP_SM
VCCP_SM
VCCP_SM
VCCQ_SM
VCCQ_SM
VCCP_SM
VCCQ_SM
VCCP_SM
VCC_LM
VCC_LM
VCC_LM
VCC_LM
VCC_LM
VCC_LM
VCC_LM
VCC_LM
VCC_LM
VCCA_DPLL0
VCCA_DPLL1
VCCP_DVO
VCCP_DVO
VCCP_DVO
R552 0
1 2
R551 0
1 2
R252 10K
1 2
R262 10K
1 2
R263 10K
1 2
R251 10K
1 2
R250 10K
1 2
AGP_BUSY# 15,17
AGP_SBA[0..7]15
AGP_CBE#[0..3]15
AGP_ADSTB#015 AGP_ADSTB115 AGP_ADSTB#115
AGP_SBSTB15 AGP_SBSTB#15
AGP_ADSTB015
AGP_ST[0..2]15
AGP_PIPE#15 AGP_WBF#15 AGP_RBF#15
AGP_GNT#15
AGP_FRAME#15 AGP_IRDY#15 AGP_TRDY#15 AGP_STOP#15AGP_DEVSEL#15
AGP_PAR15
AGP_REQ#15
AGP_AD[0..31]15
H_BSEL0 5,12
VSSA_DPLL0 9
VSSA_DPLL1 9
DAC_BLUE 16
DAC_VSYNC 16
DAC_HSYNC 16
DAC_GREEN# 16
DAC_BLUE# 16
DAC_RED 16
DAC_GREEN 16
DAC_RED# 16
AGP_DDCDATA 15,16
AGP_DDCCLK 15,16
TV_OUT_DDC2CLK 15
TV_OUT_DDC2DATA 15
VCH_I2CCLK 15
VCH_I2CDATA 15

A
A
B
B
C
C
D
D
E
E
1 1
2 2
3 3
4 4
Layout note :
Distribute as close as possible
to GMCH Processor Quadrant .
Layout note :
Distribute as close as possible
to VCCPCMOS_LM .
Layout note :
Distribute as close as possible
to GMCH Local Memory Quadrant .
Distribute as close as possible
to GMCH AGP/DVO Quadrant .
Layout note :
Distribute as close as possible
to GMCH System Memory Quadrant .
Layout note :
Layout note :
Distribute as close as possible
to IO Quadrant .
401204
1A
SCHEMATIC, M/B LA-1311
Custom
11 43, 26, 2001
!"# $#%
Compal Electronics, inc.
Title
Size Document Number Rev
Date: Sheet of
+VTT
+VTT
+VTT
+VTT
+VTT
+VTT
+VTT
+3V
+3V
+1.5VS
+1.8VS
+1.8VS
C344
.1UF
12
C387
.1UF
12
C327
.1UF
12
C343
.1UF
12
C407
.1UF
12
C419
.1UF
12
C353
.1UF
12
C358
.1UF
12
C357
.1UF
12
C350
.1UF
12
+
C302
22UF_16V_1206
12
C474
.1UF
12
C427
.1UF
12
C459
.1UF
12
C435
.1UF
12
C437
.1UF
12
C454
.1UF
12
C462
.1UF
12
C460
.1UF
12
C466
.1UF
12
C438
.1UF
12
C363
.1UF
12
C364
.1UF
12
C365
.01UF
12
C334
.01UF
12
C418
.1UF
12
C429
.1UF
12
C399
.1UF
12
C436
.1UF
12
C405
.1UF
12
C404
.1UF
12
C423
.1UF
12
C386
.1UF
12
C403
.1UF
12
C372
.1UF
12
+
C127
220UF_4V_D2
12
+
C301
22UF_16V_1206
12
C359
.1UF
12
C355
.1UF
12
C356
.1UF
12
+
C298
68UF_4V_B2
12
+
C299
68UF_4V_B2
12
+
C319
68UF_4V_B2
12
+
C320
@68UF_4V_B2
12
+
C300
@68UF_4V_B2
12
+
C287
22UF_16V_1206
12
C382
.1UF
12
C400
.1UF
12
C336
.1UF
12
C335
.1UF
12
C366
.1UF
12
C406
.1UF
12
C442
.1UF
12
C244
.1UF
12
C443
.1UF
12
C477
.1UF
12
C502
.1UF
12
C503
.1UF
12
C482
.1UF
12
+
C523
22UF_16V_1206
12
C500
.1UF
12
C489
.1UF
12
C495
.1UF
12
C498
.1UF
12
C480
.1UF
12
C479
.1UF
12
C491
.1UF
12
C505
.1UF
12
+
C80
220UF_4V_D2
12
C401
.1UF
12
+
C36
220UF_4V_D2
12
C31
.1UF
12
+
C106
220UF_4V_D2
12
C422
.1UF
12
C475
.1UF
12
C472
.1UF
12
C456
.1UF
12
C78
.1UF
12
C81
.1UF
12
C402
.1UF
12
C414
.1UF
12
C417
.1UF
12
C74
.1UF
12
C468
.1UF
12
C465
.1UF
12
C484
.1UF
12
C380
.1UF
12
C458
.1UF
12
C410
.1UF
12
C451
.1UF
12
C490
.1UF
12
C88
.1UF
12
+
C62
220UF_4V_D2
12
C441
.1UF
12
C504
.1UF
12
C463
.1UF
12
C473
.1UF
12
C464
.1UF
12
C83
.1UF
12
C28
.1UF
12
+
C524
22UF_16V_1206
12
C499
.1UF
12
C511
.1UF
12
THIS SHEET OF ENGINEERING DRAWING IS THE PROPRIETARY PROPERTY OF COMPAL ELECTRONICS,INC. AND CONTAINS CONFIDENTIAL
AND TRADE SECRET INFORMATION . THIS SHEET MAY NOT BE TRANSFERRED FROM THE CUSTODY OF THE COMPETENT DIVISION OF R&D
DEPARTMENT EXCEPT AS AUTHORIZED BY COMPAL ELECTRONICS,INC. NEITHER THIS SHEET NOR THE INFORMATION CONTAINS MAY BE
USED BY OR DISCLOSED TO ANY THIRD PARTY WITHOUT PRIOR WRITTEN CONSENT OF COMPAL ELECTRONICS,INC.
C345
82PF
12
C361
82PF
12
C379
82PF
12
C415
82PF
12
C428
82PF
12
C457
82PF
12
C481
82PF
12
C501
82PF
12
C496
82PF
12
C497
82PF
12
C360
.1UF
12

A
A
B
B
C
C
D
D
E
E
1 1
2 2
3 3
4 4
Place Crystal within 500 mils of CK_Titan
348_1%
Place near CPU
caps are internal
to CK_TITAN
0 ohm resistor for ICH3 doesn't
need to support APIC function.
Place all these Block's
Components near CPU (U1)
Place all these Block's
Components near GMCH (U6)
Place caps. near
CK Titan (U5)
Place caps. near
CK_Titan (U5)
Check Bead Value
should be 19.6K
* 221_1%
* 33
* 33
Place all these Block's
Components near CK_Titan(U5)
Width=40 mils
SEL2 SEL1 SEL0 CPUCLKC[0..2] CPUCLKT[0..2]
1 0 0 66.67 66.67
1 0 1 100.00 100.00
1 1 0 200.00 200.00
1 1 1 133.33 133.33
R151: No stuff in AGP mode
Stuff in VCH mode
401204
1A
SCHEMATIC, M/B LA-1311
Custom
12 43, 26, 2001
!"# $#%
Compal Electronics, inc.
Title
Size Document Number Rev
Date: Sheet of
PCIF1
PCIF0
PCIF1
SEL0
CLK_BCLK#
SEL2 CLK_BCLK
SEL1
CLK_GCLK#
CLK_GCLK
PCIF0
+3VS
+3VS
+3VS
+3VS
+3VS
+3V_CLK
+3V
+3V
+3VS
R32 33
1 2
R149 22
1 2
R30 33
1 2
R33 61.9_1%
1 2
R31 61.9_1%
1 2
R324 33
1 2
R323 33
1 2
R334
475_1%
12
R329 61.9_1%
1 2
R328 61.9_1%
1 2
R141 22
1 2
R137 220_1%
1 2
R119 33
1 2
R143 33
1 2
C121
.01UF
12
C133
.01UF
12
C124
.01UF
12
C130
.01UF
12
C155
.01UF
12
C152
.01UF
12
C122
.01UF
12
C123
.01UF
12
C156
.01UF
12
L6
CHB2012U170
1 2
L5
CHB2012U170
1 2
+
C128
22UF_16V_1206
12
R118 33
1 2
R36 26.7_1%
1 2
R35
137_1%
12
R147 33
1 2
R150 33
1 2
R351
@51.1_1%
1 2
R352
0_0603
12
R108 33
1 2
R109 33
1 2
THIS SHEET OF ENGINEERING DRAWING IS THE PROPRIETARY PROPERTY OF COMPAL ELECTRONICS,INC. AND CONTAINS CONFIDENTIAL
AND TRADE SECRET INFORMATION . THIS SHEET MAY NOT BE TRANSFERRED FROM THE CUSTODY OF THE COMPETENT DIVISION OF R&D
DEPARTMENT EXCEPT AS AUTHORIZED BY COMPAL ELECTRONICS,INC. NEITHER THIS SHEET NOR THE INFORMATION CONTAINS MAY BE
USED BY OR DISCLOSED TO ANY THIRD PARTY WITHOUT PRIOR WRITTEN CONSENT OF COMPAL ELECTRONICS,INC.
C154
@10PF
R155
@33_0402
12
R153 33
1 2
R145
@0
12
R111
1K
12
R138 10K
1 2
R34
475_1%
12
R144 @33
1 2
R121 33
1 2
C120
.01UF
12
R112
@0
12
Y1
14.318MHZ
12
R110
1K
12
+
C115
22UF_16V_1206
12
R116 0
1 2
R146
10K
12
R122 33
1 2
R114
@0
12
R140 33
1 2
U10
ICS950805
1
8
14
19
32
37
46
50
26
4
9
15
20
31
36
41
47
273
2
40
55
54
25
34
53
28
43
29
30
33
35
42
45
44
49
48
52
51
24
23
22
21
7
6
5
18
17
16
13
12
11
10
39
38
56
VDD_REF
VDD_PCI
VDD_PCI
VDD_3V66
VDD_3V66
VDD_48MHZ
VDD_CPU
VDD_CPU
VDD_CORE
GND_REF
GND_PCI
GND_PCI
GND_3V66
GND_3V66
GND_48MHZ
GND_IREF
GND_CPU
GND_COREXTAL_OUT
XTAL_IN
SEL2
SEL1
SEL0
PWR_DWN#
PCI_STOP#
CPU_STOP#
VTT_PWRGD#
MULT0
SDATA
SCLK
3V66_0/DRCG
3V66_1/VCH_CLK
IREF
CPUCLKT2
CPU_CLKC2
CPUCLKT1
CPUCLKC1
CPUCLKT0
CPUCLKC0
66MHZ_IN/3V66_5
66MHZ_OUT2/3V66_4
66MHZ_OUT1/3V66_3
66MHZ_OUT0/3V66_2
PCICLK_F2
PCICLK_F1
PCICLK_F0
PCICLK6
PCICLK5
PCICLK4
PCICLK3
PCICLK2
PCICLK1
PCICLK0
48MHZ_USB
48MHZ_DOT
REF
R154 4.7K
1 2
R157 4.7K
1 2
R136 @33
1 2
C129 5PF
1 2
C118 5PF
1 2
C147
@10PF
12
C149
@10PF
12
C150
@10PF
12
C135
@10PF
12
C148
@10PF
12
R125 @33
1 2
R151 33
1 2
R528 0
1 2
R529 @0
1 2
R115 @33
1 2
D47 RB751V
21
R562 10K
1 2
CLK_DREF8
CLK_GHT 8
CLK_GHT# 8
CLK_HCLK 5
CLK_HCLK# 5
CLK_ICH4817
PM_SLP_S1#17,32
PM_STPPCI#17 PM_STPCPU#17
CLK_GBOUT 8
CLK_CPU_APIC 5
CLK_ICHHUB 17
CLK_ICHPCI 17
CLK_GBIN 8
CLK_ICHAPIC 17
CLK_ICH1417 CLK_SIO1425
SMB_CLK7,14,17SMB_DATA7,14,17
H_BSEL15 H_BSEL05,10
CLK_AGPCONN 15
VTT_PWRGD#5,32
CLK_PCI_CB 23
CLK_PCI_LAN 21
CLK_PCI_1394 22
CLK_LPC_EC 32
CLK_MINIPCI 28
CLK_LPC_SIO 25
CLK_VCH15
CLK_PCI_SD/SM 29
PM_SLP_S3#17,32

A
A
B
B
C
C
D
D
E
E
1 1
2 2
3 3
4 4
Layout note :
One .1uF cap per power pin .
Place each cap close to SODIMM(DIMM 0) pin .
Layout note :
One .1uF cap per power pin .
Place each cap close to SODIMM(DIMM 1) pin .
401204
1A
SCHEMATIC, M/B LA-1311
Custom
13 43, 26, 2001
!"# $#%
Compal Electronics, inc.
Title
Size Document Number Rev
Date: Sheet of
SM_DQ61 MD61
SM_DQ18 MD18
SM_DQ62 MD62
SM_DQ23 MD23
SM_DQ60 MD60
SM_DQ39 MD39
SM_DQ1 MD1
SM_DQ3 MD3
SM_DQ38 MD38
SM_DQ56 MD56
SM_DQ44 MD44
SM_DQ24 MD24
SM_DQ20 MD20
SM_DQ59 MD59
SM_DQ30 MD30
SM_DQ21 MD21
SM_DQ26 MD26
SM_DQ28 MD28
SM_DQ29 MD29
SM_D_MA12
MD13SM_DQ13
MD37SM_DQ37
MD47SM_DQ47
SM_D_MA1
SM_D_MA3
MD27SM_DQ27
MD14SM_DQ14
MD33SM_DQ33
SM_D_MA0
SM_D_MA11
SM_D_MA10
SM_D_MA9
SM_D_MA7
SM_D_MA6
SM_D_MA5
SM_D_MA8
MD55SM_DQ55
MD12SM_DQ12
MD17SM_DQ17
MD34SM_DQ34
MD22SM_DQ22
SM_D_MA4
MD54SM_DQ54
MD15SM_DQ15
SM_D_MA2
MD36SM_DQ36
MAA0
MAA1
MAA2
MAA3
MAA4
MAA5
MAA6
MAA7
MAA8
MAA9
MAA10
MAA11
MAA12
SM_DQ41 MD41
SM_DQ40 MD40
MD63SM_DQ63MD31SM_DQ31
MD25SM_DQ25 MD57SM_DQ57 MD58SM_DQ58
MD52SM_DQ52 MD53SM_DQ53
MD16SM_DQ16
MD19SM_DQ19
MD48SM_DQ48 MD49SM_DQ49 MD50SM_DQ50 MD51SM_DQ51
MD45SM_DQ45 MD46SM_DQ46
MD11SM_DQ11 MD10SM_DQ10 MD9SM_DQ9 MD8SM_DQ8
MD42SM_DQ42 MD43SM_DQ43
MD32SM_DQ32
MD35SM_DQ35
MD0SM_DQ0
MD2SM_DQ2
MD4SM_DQ4 MD5SM_DQ5 MD6SM_DQ6 MD7SM_DQ7
+3V
+3V
+3V
+3V
RP21
8P4R_10
1 8
2 7
3 6
4 5
RP22
8P4R_10
1 8
2 7
3 6
4 5
RP20
8P4R_10
1 8
2 7
3 6
4 5
R176 10
1 2
THIS SHEET OF ENGINEERING DRAWING IS THE PROPRIETARY PROPERTY OF COMPAL ELECTRONICS,INC. AND CONTAINS CONFIDENTIAL
AND TRADE SECRET INFORMATION . THIS SHEET MAY NOT BE TRANSFERRED FROM THE CUSTODY OF THE COMPETENT DIVISION OF R&D
DEPARTMENT EXCEPT AS AUTHORIZED BY COMPAL ELECTRONICS,INC. NEITHER THIS SHEET NOR THE INFORMATION CONTAINS MAY BE
USED BY OR DISCLOSED TO ANY THIRD PARTY WITHOUT PRIOR WRITTEN CONSENT OF COMPAL ELECTRONICS,INC.
C218
.1UF
12
C169
1000PF
C184
1000PF
C167
1000PF
C199
1000PF
C220
.1UF
12
C187
.1UF
12
C164
.1UF
12
+
C119
22UF_16V_1206
12
+
C126
22UF_16V_1206
12
C189
.1UF
12
C205
.1UF
12
C170
.1UF
12
C222
.1UF
12
C160
.1UF
12
C196
.1UF
12
C168
.1UF
12
C195
1000PF
C190
1000PF
C212
.1UF
12
C202
.1UF
12
C192
.1UF
12
C209
.1UF
12
C206
.1UF
12
C194
.1UF
12
C215
.1UF
12
C188
1000PF
C216
1000PF
C203
1000PF
C214
1000PF
C165
1000PF
C217
1000PF
C219
1000PF
C221
1000PF
C166
1000PF
C207
1000PF
C210
1000PF
C211
1000PF
SM_DQ[0..63]9,14 MD[0..63] 9,14
SM_D_MA[0..12]9 MAA[0..12] 14

A
A
B
B
C
C
D
D
E
E
1 1
2 2
3 3
4 4
SO-DIM 144 PINS
RAM MODULE CONN.
DIMM0
BANK 0/1
THIS SHEET OF ENGINEERING DRAWING IS THE PROPRIETARY PROPERTY OF COMPAL ELECTRONICS, INC. AND CONTAINS CONFIDENTIAL AND
TRADE SECRET INFORMATION. THIS SHEET MAY NOT BE TRANSFERRED FROM THE CUSTODY OF THE COMPETENT DIVISION OF R&D
DEPARTMENT EXCEPT AS AUTHORIZED BY COMPAL ELECTRONICS, INC. NEITHER THIS SHEET NOR THE INFORMATION IT CONTAINS MAY BE
USED BY OR DISCLOSED TO ANY THIRD PARTY WITHOUT PRIOR WRITTEN CONSENT OF COMPAL ELECTRONICS, INC.
PROPRIETARY NOTE
DIMM1
BANK 2/3
SM_SEL0 X/Y
0 SCKDIMM0
SCKDIMM11
401204
1A
SCHEMATIC, M/B LA-1311
Compal Electronics, inc.
B
14 43, 26, 2001
!"# $#%
Title
Size Document Number Rev
Date: Sheet of
MAA0
MAA1
MAA2
SM_CKE0
SM_RAS# SM_CAS#
SM_WE# SM_CKE1
SM_CS#0 MAA12
SM_CS#1
MAA6 MAA7
MAA8
MAA9
MAA10 MAA11
MAA[0..12]
SDADIMM0 SCKDIMM0
MD62
MD57
MD61
MD58
MD63
MD59
MD60
MD56
SM_DQM4
SM_DQM6
MD23
MD19
MD21
MD22
MD16
MD17
MD18
MD20
SM_DQM2
MD3
MD0
MD[0..63]
MD1
MD7
MD6
MD2
MD4
MD5
MD39
MD35
MD36
MD37
MD34
MD33
MD32
MD38
SM_DQM0
MD30
MD27
MD24
MD31
MD28
MD26
MD29
MD25
MD53
MD54
MD50
MD51
MD49
MD52
MD55
MD48
SM_BA0
SM_BA1
SM_DQM1
MD42
MD46
MD13
MD12
MD8
MAA5
MD40
MD47
MAA4
MD45
SM_DQM5
MD43
MAA3
MD41
MD11
MD44
MD14
MD15
MD9
MD10
MAA0
MAA1
MAA2
SM_CKE2
SM_RAS# SM_CAS#
SM_WE# SM_CKE3
SM_CS#2 MAA12
SM_CS#3
MAA6 MAA7
MAA8
MAA9
MAA10 MAA11
SCKDIMM1
MD62
MD57
MD61
MD58
MD63
MD59
MD60
MD56
SM_DQM7
SM_DQM3
SM_DQM4
SM_DQM6
MD23
MD19
MD21
MD22
MD16
MD17
MD18
MD20
SM_DQM2
MD3
MD0
MD1
MD7
MD6
MD2
MD4
MD5
MD39
MD35
MD36
MD37
MD34
MD33
MD32
MD38
SM_DQM0
MD30
MD27
MD24
MD31
MD28
MD26
MD29
MD25
MD53
MD54
MD50
MD51
MD49
MD52
MD55
MD48
SM_BA0
SM_BA1
MD43
MD8
MD11
MD45
MD40
MAA5
SM_DQM1
MD9
MD46
MD13
MD15
MD42
MD10
MD14
SM_DQM5
MD12
MD41
MD44
MD47
SDADIMM1
SCKDIMM0
SCKDIMM1
SDADIMM0
SDADIMM1
MAA3
MAA4
SCKDIMM0
SCKDIMM1
SDADIMM1
SDADIMM0
SM_DQM[0..7]
SM_DQM7
SM_DQM3
+3V +3V
+3V+3V
+3V +3V
+3V
+3V
+3V
R175
22
R174
22
C204 10PF
C223
10PF
+C143
10UF_10V_1206
JP26
SO-DIMM144-STANDRD
1
3
5
7
9
11
13
15
17
19
21
23
25
27
29
31
33
35
37
39
41
43
45
47
49
51
53
55
57
59
61
63
65
67
69
71
73
75
77
79
81
83
85
87
89
91
93
95
97
99
101
103
105
107
109
111
113
115
117
119
121
123
125
127
129
131
133
135
137
139
141
143
2
4
6
8
10
12
14
16
18
20
22
24
26
28
30
32
34
36
38
40
42
44
46
48
50
52
54
56
58
60
62
64
66
68
70
72
74
76
78
80
82
84
86
88
90
92
94
96
98
100
102
104
106
108
110
112
114
116
118
120
122
124
126
128
130
132
134
136
138
140
142
144
VSS
DQ0
DQ1
DQ2
DQ3
VCC
DQ4
DQ5
DQ6
DQ7
VSS
CE0#
CE1#
VCC
A0
A1
A2
VSS
DQ8
DQ9
DQ10
DQ11
VCC
DQ12
DQ13
DQ14
DQ15
VSS
RESVD/DQ64
RESVD/DQ65
RFU/CLK0
VCC
RFU
WE#
RE0#
RE1#
OE#/RESVD
VSS
RESVD/DQ66
RESVD/DQ67
VCC
DQ16
DQ17
DQ18
DQ19
VSS
DQ20
DQ21
DQ22
DQ23
VCC
A6
A8
VSS
A9
A10
VCC
CE2#/RESVD
CE3#/RESVD
VSS
DQ24
DQ25
DQ26
DQ27
VCC
DQ28
DQ29
DQ30
DQ31
VSS
SDA
VCC
VSS
DQ32
DQ33
DQ34
DQ35
VCC
DQ36
DQ37
DQ38
DQ39
VSS
CE4#
CE5#
VCC
A3
A4
A5
VSS
DQ40
DQ41
DQ42
DQ43
VCC
DQ44
DQ45
DQ46
DQ47
VSS
RESVD/DQ68
RESVD/DQ69
RFU/CKE0
VCC
RFU
RFU/CKE1
RFU
RFU
RFU/CLK1
VSS
RESVD/DQ70
RESVD/DQ71
VCC
DQ48
DQ49
DQ50
DQ51
VSS
DQ52
DQ53
DQ54
DQ55
VCC
A7
A11/BA0
VSS
A12/BA1
A13/A11
VCC
CE6#/RESVD
CE7#/RESVD
VSS
DQ56
DQ57
DQ58
DQ59
VCC
DQ60
DQ61
DQ62
DQ63
VSS
SCL
VCC
R170
22
C163 10PF
C193
10PF
+C132
10UF_10V_1206
JP27
SO-DIMM144 REVERSE
1
3
5
7
9
11
13
15
17
19
21
23
25
27
29
31
33
35
37
39
41
43
45
47
49
51
53
55
57
59
61
63
65
67
69
71
73
75
77
79
81
83
85
87
89
91
93
95
97
99
101
103
105
107
109
111
113
115
117
119
121
123
125
127
129
131
133
135
137
139
141
143
2
4
6
8
10
12
14
16
18
20
22
24
26
28
30
32
34
36
38
40
42
44
46
48
50
52
54
56
58
60
62
64
66
68
70
72
74
76
78
80
82
84
86
88
90
92
94
96
98
100
102
104
106
108
110
112
114
116
118
120
122
124
126
128
130
132
134
136
138
140
142
144
VSS
DQ0
DQ1
DQ2
DQ3
VCC
DQ4
DQ5
DQ6
DQ7
VSS
CE0#
CE1#
VCC
A0
A1
A2
VSS
DQ8
DQ9
DQ10
DQ11
VCC
DQ12
DQ13
DQ14
DQ15
VSS
RESVD/DQ64
RESVD/DQ65
RFU/CLK0
VCC
RFU
WE#
RE0#
RE1#
OE#/RESVD
VSS
RESVD/DQ66
RESVD/DQ67
VCC
DQ16
DQ17
DQ18
DQ19
VSS
DQ20
DQ21
DQ22
DQ23
VCC
A6
A8
VSS
A9
A10
VCC
CE2#/RESVD
CE3#/RESVD
VSS
DQ24
DQ25
DQ26
DQ27
VCC
DQ28
DQ29
DQ30
DQ31
VSS
SDA
VCC
VSS
DQ32
DQ33
DQ34
DQ35
VCC
DQ36
DQ37
DQ38
DQ39
VSS
CE4#
CE5#
VCC
A3
A4
A5
VSS
DQ40
DQ41
DQ42
DQ43
VCC
DQ44
DQ45
DQ46
DQ47
VSS
RESVD/DQ68
RESVD/DQ69
RFU/CKE0
VCC
RFU
RFU/CKE1
RFU
RFU
RFU/CLK1
VSS
RESVD/DQ70
RESVD/DQ71
VCC
DQ48
DQ49
DQ50
DQ51
VSS
DQ52
DQ53
DQ54
DQ55
VCC
A7
A11/BA0
VSS
A12/BA1
A13/A11
VCC
CE6#/RESVD
CE7#/RESVD
VSS
DQ56
DQ57
DQ58
DQ59
VCC
DQ60
DQ61
DQ62
DQ63
VSS
SCL
VCC
R162
22
C230 .1UF
RP4
8P4R_10K
1 8
2 7
3 6
4 5
U18
74HC4052
1
5
2
4
12
14
15
11
6
10
9
3
13
16
7
8
X0
X1
X2
X3
Y0
Y1
Y2
Y3
INH
A
B
X
Y
VCC
GND
GND
+C142
10UF_10V_1206
MD[0..63]9
SM_RAS#9
MAA[0..12]13
SMD_CLK09
SMD_CLK1 9
SM_WE#9
SM_CKE0 9
SM_CKE1 9
SMD_CLK29
SMD_CLK3 9
SM_CKE2 9
SM_CKE3 9
SM_SEL017
SMB_CLK7,12,17
SMB_DATA7,12,17
SM_BA0 9
SM_BA1 9
SM_CS#09SM_CS#19SM_CS#29SM_CS#39
SM_CAS# 9
SM_DQM[0..7]9

5
5
4
4
3
3
2
2
1
1
D D
C C
B B
A A
THIS SHEET OF ENGINEERING DRAWING IS THE PROPRIETARY PROPERTY OF COMPAL ELECTRONICS, INC. AND CONTAINS CONFIDENTIAL AND
TRADE SECRET INFORMATION. THIS SHEET MAY NOT BE TRANSFERRED FROM THE CUSTODY OF THE COMPETENT DIVISION OF R&D
DEPARTMENT EXCEPT AS AUTHORIZED BY COMPAL ELECTRONICS, INC. NEITHER THIS SHEET NOR THE INFORMATION IT CONTAINS MAY BE
USED BY OR DISCLOSED TO ANY THIRD PARTY WITHOUT PRIOR WRITTEN CONSENT OF COMPAL ELECTRONICS, INC.
PROPRIETARY NOTE
AGP CONN.
Int. Keyboard CONN.
MDC CONN.
In AGP mode : stuff RP38, no stuff RP39.
In VCH mode: stuff RP39, no stuff RP38.
401204
1A
SCHEMATIC, M/B LA-1311
Compal Electronics, inc.
B
15 43, 26, 2001
!"# $#%
Title
Size Document Number Rev
Date: Sheet of
AGP_SBA0
AGP_SBA2
AGP_SBA4
AGP_SBA6
AGP_AD29
AGP_AD31
AGP_AD25
AGP_AD27
AGP_AD23
AGP_AD21
AGP_AD19
AGP_AD17
AGP_IRDY#
AGP_DEVSEL#
AGP_AD12
AGP_AD14
AGP_AD10
AGP_AD7
AGP_AD8
AGP_AD3
AGP_AD5
AGP_AD1
AGP_SBA1
AGP_SBA3
AGP_SBA7
AGP_SBA5
AGP_AD28
AGP_AD30
AGP_AD26
AGP_AD24
AGP_AD22
AGP_AD16
AGP_AD18
AGP_AD20
AGP_FRAME#
AGP_AD13
AGP_AD11
AGP_AD15
AGP_AD6
AGP_AD9
AGP_AD2
AGP_AD4
AGP_AD0
AGP_CLK
STP_AGP#
PCI_RST#
INVT_PWM
ENBKL
ENVEE
AGP_AD[0..31]
AGP_SBA[0..7]
KSI0
KSI2
KSI4
KSI6
KSO6
KSO4
KSO12
KSO8
KSO0
KSO2
KSO14
KSO10
KSI1
KSI3
KSI5
KSI7
KSO1
KSO15
KSO5
KSO13
KSO9
KSO11
KSO7
KSO3
DAC_BRIG
KSI[0..7]
KS0[0..15]
AGP_CLK
CLK_VCH
CLK_VCH
STP_AGP#
SUS_STAT#
+3VS_MDC
+5VS_MDC
TVOUT_IO_DDC2CLK
TVOUT_IO_DDC2DATA
VCH_IO_I2CCLK
VCH_IO_I2CDATA
+5VALW
+5VS
+5V
+1.5V +1.5V
+5VALW
+2.5V
+12V
+3V+3V
+3VS
+1.5VS +1.5VS
+VAGP_BRDREF +VAGP_CRDREF
+3V
+3VS
+5VS
+3VS
+3.3VAUX
+5VS_MDC+3VS_MDC+3.3VAUX
+1.5V
JP11
HEADER 2X20
12
34
56
78
910
11 12
13 14
15 16
17 18
19 20
21 22
23 24
25 26
27 28
29 30
31 32
33 34
35 36
37 38
39 40
JP8
HEADER 2X60
1
3
5
7
9
11
13
15
17
19
21
23
25
27
29
31
33
35
37
39
41
43
45
47
49
51
53
55
57
59
61
63
65
67
69
71
73
75
77
79
81
83
85
87
89
91
93
95
97
99
101
103
105
107
109
111
113
115
117
119
2
4
6
8
10
12
14
16
18
20
22
24
26
28
30
32
34
36
38
40
42
44
46
48
50
52
54
56
58
60
62
64
66
68
70
72
74
76
78
80
82
84
86
88
90
92
94
96
98
100
102
104
106
108
110
112
114
116
118
120
1
3
5
7
9
11
13
15
17
19
21
23
25
27
29
31
33
35
37
39
41
43
45
47
49
51
53
55
57
59
61
63
65
67
69
71
73
75
77
79
81
83
85
87
89
91
93
95
97
99
101
103
105
107
109
111
113
115
117
119
2
4
6
8
10
12
14
16
18
20
22
24
26
28
30
32
34
36
38
40
42
44
46
48
50
52
54
56
58
60
62
64
66
68
70
72
74
76
78
80
82
84
86
88
90
92
94
96
98
100
102
104
106
108
110
112
114
116
118
120
R104
@33
1 2
C112
@15PF
1 2
R120
@33
1 2
C125
@15PF
1 2
U60
@7SH08FU
1
2
3
4
5
C727
.1UF
1 2
R544 0
1 2
R388 10K
1 2
L41 CHB1608B121
1 2
L39
CHB1608B121
1 2
R378 22
1 2
R381 10K
1 2
JP13
AMP-108-5424
1
3
5
7
9
11
13
15
23
21
17
19
25
27
29
2
4
6
8
10
12
14
16
18
20
22
24
26
28
30
MONO_OUT/PC_BEEP
GND
AUXA_RIGHT
AUXA_LEFT
CD_GND
CD_RIGHT
CD_LEFT
GND
AC97_SDATA_OUT
3.3Vmain
3.3Vaux
GND
AC97_RESET#
GND
AC97_MSTRCLK
AUDIO_PWDN
MONO_PHONE
RESERVED
GND
+5V
RESERVED
RESERVED
RESERVED
RESERVED
RESERVED
AC97_SYNC
AC97_SDATA_IN1
AC97_SDATA_IN0
GND
AC97_BITCLK
R548 @22
1 2
R383 22
1 2
C145
1UF_25V_0805
12
C159
1UF_25V_0805
12
C146
1UF_25V_0805
12
+
C101
22UF_16V_1206
RP38
@8P4R_0
1 8
2 7
3 6
4 5
RP39
8P4R_0
1 8
2 7
3 6
4 5
AGP_CBE#0 10
AGP_CBE#3 10
AGP_CBE#110
AGP_CBE#210
AGP_ADSTB010
AGP_ADSTB110
AGP_SBSTB10
AGP_ADSTB#0 10
AGP_ADSTB#1 10
AGP_SBSTB# 10
AGP_DEVSEL#10 AGP_IRDY#10
AGP_PAR 10
AGP_FRAME# 10
AGP_STOP# 10
AGP_TRDY# 10
AGP_WBF# 10
AGP_PIPE# 10
AGP_RBF#10
AGP_ST010 AGP_ST210 AGP_ST1 10
AGP_REQ#10 AGP_GNT# 10
PCIRST# 8,17,19,20,21,22,23,24,25,28,29,34
PIRQA# 17,19,22,23
AGP_BUSY#10,17
CLK_AGPCONN12
SUS_STAT#17,21,25,34
CRMA 16
LUMA 16
COMPS 16
TV_SYNC 16
ENVEE 32
INVT_PWM 32
ENBKL 32
AGP_AD[0..31]10
AGP_SBA[0..7]10
TP_DATA32 TP_CLK 32
DDC_MD216 M_SEN#16,18
AGP_HSYNC116 AGP_VSYNC116
AGP_R16 AGP_G16 AGP_B16
AGP_DDCDATA10,16 AGP_DDCCLK10,16
DAC_BRIG32
KSO[0..15]32
KSI[0..7]32
CBRST#21,22,23,24,28,29
CLK_VCH12
C3_STAT#17
MD_SPK 30
IAC_SYNC 17,30
MDC_DN# 33MD_MIC30
IAC_SDATAO17,30 IAC_RST#17,30
IAC_BITCLK 17,30
IAC_SDATAI1 17
PID0 25
PID1 25
PID2 25
TV_OUT_DDC2CLK 10
TV_OUT_DDC2DATA 10
VCH_I2CCLK 10
VCH_I2CDATA 10
PID3 25
RTCCLK17,23,24,29

A
A
B
B
C
C
D
D
E
E
1 1
2 2
3 3
4 4
CRT Connector
TV_OUT CONN.
*10PF *10PF
*
*
*
*
*
*
FROM GMCH
FROM AGP CONN.
In AGP mode: Stuff R16,R15,R7. No stuff R553,R554,R555.
In VCH mode: Stuff R553,R554,R555. No stuff R16,R15,R7
In AGP mode: No stuff C326,R245,C318,R231,C325,R230.
In VCH mode: Stuff C326,R245,C318,R231,C325,R230
In AGP mode: No stuff R6,R8,R10,R12,R14. Stuff R9,R11,R13,R549,R550
In VCH mode: Stuff R6,R8,R10,R12,R14. No stuff R9,R11,R13,R549,R550
R559 For CH7011 (VCH)
R560 For CH7007
401204
1A
SCHEMATIC, M/B LA-1311
Compal Electronics, inc.
Custom
16 43, 26, 2001
!"# $#%
Title
Size Document Number Rev
Date: Sheet of
CRT_VCC
5VDDCDA
5VDDCCL
TV_GND
+5VS
+12VS
+5VS
+5VS
CRT_VCCR_CRT_VCC
+5VS+5VS+12VS +3VS
CRT_VCC
CRT_VCC
+5VS
+3VS
THIS SHEET OF ENGINEERING DRAWING IS THE PROPRIETARY PROPERTY OF COMPAL ELECTRONICS,INC. AND CONTAINS CONFIDENTIAL
AND TRADE SECRET INFORMATION . THIS SHEET MAY NOT BE TRANSFERRED FROM THE CUSTODY OF THE COMPETENT DIVISION OF R&D
DEPARTMENT EXCEPT AS AUTHORIZED BY COMPAL ELECTRONICS,INC. NEITHER THIS SHEET NOR THE INFORMATION CONTAINS MAY BE
USED BY OR DISCLOSED TO ANY THIRD PARTY WITHOUT PRIOR WRITTEN CONSENT OF COMPAL ELECTRONICS,INC.
C291
@47PF
12
C269
@470PF
12
C261
@47PF
12
C262
@47PF
12
C270
@47PF
12
C293
@47PF
12
C292
@47PF
12
L21
@FBM-11-160808-121
1 2
L22
@FBM-11-160808-121
1 2
L20
@FBM-11-160808-121
1 2
R219
@75
12
R220
@75
12
R218
@75
12
L17
@FBM-11-160808-121
1 2 JP2
@S CONN._SUYIN
1
2
3
4
5
6
7
D11
@DAN217
1
2
3
D10
@DAN217
1
2
3
D9
@DAN217
1
2
3
D6
DAN217
1
2
3
D5
DAN217
1
2
3
D8
RB491D
2 1
C3
68PF
12
C264
18PF
12
L11
FCM2012C80_0805
1 2
C265
18PF
12
C4
68PF
12
C256
15PF
12
C252
220PF
12
L1
CHB1608B121
1 2
JP3
CRT-15P
6
11
1
7
12
2
8
13
3
9
14
4
10
15
5
C2
220PF
12
C255
15PF
12
C5
.1UF
12
D7
DAN217
1
2
3
C254
15PF
12
L2
CHB1608B121
1 2
C250
100PF
12
L10
FCM2012C80_0805
1 2
F1
FUSE_1A
21
C253
100PF
12
C266
18PF
12
R199
75
1 2
R201
75
1 2
R202 100K
L12
FCM2012C80_0805
1 2
R86
10K
12
Q17
2N7002
2
13
Q18
2N7002
2
13
R200
75
1 2
Q1
2N7002
2
1 3
R16
100K
12
R15
@ 2.2K
12
R245 37.5_1%
1 2
R231 37.5_1%
1 2
R230 37.5_1%
1 2
C326 0.1UF
1 2
C318 0.1UF
1 2
C325 0.1UF
1 2
R13 @ 0
1 2
R14 10_5%
1 2
R9 @ 0
1 2
R11 @ 0
1 2
R12 10_5%
1 2
R10 10_5%
1 2
R8 0
1 2
R6 0
1 2
R549 @ 0
R550 @ 0 Q3
2N7002
2
1 3
R7
@2.2K
12
R555
@2.2K
12
R554
2.2K
12
R553
2.2K
12
R559 @0
1 2
R560 @0
1 2
LUMA15
COMPS15
CRMA15
TV_SYNC15
M_SEN#15,18
DDC_MD215
AGP_DDCDATA 10,15
DAC_RED#10
DAC_GREEN#10
DAC_BLUE#10
DAC_GREEN10
DAC_BLUE10 AGP_B15
DAC_RED10
AGP_G15
AGP_R15
DAC_HSYNC10
DAC_VSYNC10
AGP_HSYNC115
AGP_VSYNC115
AGP_DDCCLK 10,15

A
A
B
B
C
C
D
D
1 1
2 2
3 3
4 4
(for use if CPU unable
to support DPSLP#)
ICH3-M (1/2)
Interface
PCI
Interface
LAN
PCI
Interface
HubLink
Interface
VSS
AC'97
Interface LPC
Interface
Clocks EEPROM
Interface
Interface
CPU
Interface
System
Managment
Interface
Interrupt
GPIO
unMUX
GeyservillePower Management
Place closely to ICH3-M
Place closely to ICH3-M
Close to ICH3-M.
401204
1A
SCHEMATIC, M/B LA-1311
Custom
17 43, 26, 2001
!"# $#%
Compal Electronics, inc.
Title
Size Document Number Rev
Date: Sheet of
IDE_PATADET
ICH_PID0
ICH_PID1
ICH_PID2
ICH_PID3
ECSMI#
ECSCI#
LID#
PIRQA#
PIRQB#
PIRQD#
PIRQC#
RTC_X1
ICH_PID3
RTC_X2
CLK_ICHAPIC
LID#
HUB_PD5
H_PICD0
PIRQB#
H_PICD0
HUB_PD0
HUB_PD[0..10]
CLK_ICH14
CLK_ICH14 HUB_ICH_RCOMP
ICH_PID1
HUB_PD10
HUB_PD4
RTC_VBIAS
HUB_PD9
HUB_PD3
HUB_PD2
RTC_VBIAS
RTC_X2
RTC_X1
H_PICD1
CLK_ICH48
IDE_PATADET
HUB_PD8
CLK_ICHPCI
ICH_PID0
ECSCI#
HUB_PD6
HUB_PD1
CLK_ICHPCI
CLK_ICHHUB
H_PICD1
PIRQA#
PIRQC#
ICH_PID2
ECSMI#
PM_LANPWROK
PIRQD#
HUB_PD7
PM_RSMRST#
CLK_ICH48
RTC_RST#
CLK_ICHHUB
CLK_ICHAPIC
IAC_BITCLK
IAC_RST#
IAC_SDATAI0
IAC_SYNC
IAC_SDATAI1 IAC_SDATAO
IAC_BITCLK
IAC_RST#
IAC_SDATAO
IAC_SYNC
IAC_SDATAI1
IAC_SDATAI0
PM_SUSCLK
PM_SUSCLK
PM_LANPWROK
GNTA#
GNTA#
PCI_AD27
PCI_AD16
PCI_AD13
PCI_AD12
PCI_AD8
PCI_AD3
PCI_AD2
PCI_AD1
PCI_AD14
PCI_AD9
PCI_AD26
PCI_AD20
PCI_AD17
PCI_AD11
PCI_AD10
PCI_AD7
PCI_AD6
PCI_AD22
PCI_AD31
PCI_AD30
PCI_AD21
PCI_AD28
PCI_AD23
PCI_AD19
PCI_AD4
PCI_AD25
PCI_AD24
PCI_AD29
PCI_AD15
PCI_AD18
PCI_AD5
PCI_AD0
GPIO_25
PM_RSMRST#
GPIO_25
+RTCVCC +RTCVCC
+VS_HUBVSWING
+1.5VS
+3V
+3VS
+3VS
+3V
+VS_HUBREF
R346 36.5_1%
1 2
R278
1K
12
C529
.01UF
12
R327
@10K
12
RP15
8P4R_4.7K
1 8
2 7
3 6
4 5
R77
@0
12
R338
1K
12
R339
1K
12
R370
1 2
C42
@15PF
12
R66
@10
12
R294 10M
1 2
R295 10M
1 2
C426
.047UF
1 2
R287 1K
1 2
X2
32.768KHZ
J1
JOPEN
12
C416
1UF_10V_0603
12
R286 15K
1 2
C541
@15PF
12
R337
@10
12
C534
@15PF
12
R340
@10
12
U33A
ICH3-M
J2
K1
J4
K3
H5
K4
H3
L1
L2
G2
L4
H4
M4
J3
M5
J1
F5
N2
G4
P2
G1
P1
F2
P3
F3
R1
E2
N4
D1
P4
E1
P5
K2
K5
N1
R2
A4
E3
D2
D5
B4
D3
F4
A3
R4
E4
U22
W23
Y21
AA23
AB23
AA21
J22
AB22
V23
Y22
AC5
AB5
AC4
AB2
AC3
Y6
H1
H2
L5
Y1
W1
M1
M2
G5
N3
B3
B6
D4
C4
F1
M3
T5
U23
Y23
W21
L22
M21
M23
N20
P21
R22
R20
T23
M19
P19
N19
T19
R19
N22
P23
K19
L20
L19
E9
D8
E8
D10
C8
A8
A9
B9
C10
A10
C9
D7
V4
Y5
AB3
V5
AC2
AB21
AB1
AA6
AA1
AA7
W20
AA5
AA2
V21
U21
AA4
AB4
U5
U20
Y20
V19
B7
D11
B11
C11
C7
A7
V1
U3
T3
U2
T2
U4
U1
V2
W2
Y4
Y2
W3
W4
Y3
AC6
AC7
Y7
F20
J23
AB7
H22
W19
AB14
A5
C5
B5
A6
A2
B2
C1
B1
J21
J20
J19
A1
A13
A16
A17
A20
A23
B8
B10
B13
B14
B15
B18
B19
B20
B22
C3
C6
F19
C14
C15
C16
C17
C18
C19
C20
C21
C22
D9
D13
D16
D17
D20
D21
D22
E5
PCI_AD0
PCI_AD1
PCI_AD2
PCI_AD3
PCI_AD4
PCI_AD5
PCI_AD6
PCI_AD7
PCI_AD8
PCI_AD9
PCI_AD10
PCI_AD11
PCI_AD12
PCI_AD13
PCI_AD14
PCI_AD15
PCI_AD16
PCI_AD17
PCI_AD18
PCI_AD19
PCI_AD20
PCI_AD21
PCI_AD22
PCI_AD23
PCI_AD24
PCI_AD25
PCI_AD26
PCI_AD27
PCI_AD28
PCI_AD29
PCI_AD30
PCI_AD31
PCI_C/BE#0
PCI_C/BE#1
PCI_C/BE#2
PCI_C/BE#3
PCI_GNT#0
PCI_GNT#1
PCI_GNT#2
PCI_GNT#3
PCI_GNT#4
PCI_REQ#0
PCI_REQ#1
PCI_REQ#2
PCI_REQ#3
PCI_REQ#4
CPU_RCIN#
CPU_PWRGOOD
CPU_NMI
CPU_INTR
CPU_INIT#
CPU_IGNNE#
CPU_FERR#
CPU_DPSLP#
CPU_A20M#
CPU_A20GATE
SMB_ALERT#/GPIO11
SMB_DATA
SMB_CLK
SMLINK1
SMLINK0
SM_INTRUDER#
PCI_TRDY#
STOP#
PCI_SERR#
PCI_RST#
PCI_PME#
PCI_LOCK#
PCI_PERR#
PCI_PAR
PCI_IRDY#
PCI_GPIO17/GNTB#/GNT5#
PCI_GPIO16/GNTA#
PCI_GPIO1/REQB#/REQ5#
PCI_GPIO0/REQA#
PCI_FRAME#
PCI_DEVSEL#
PCI_CLK
STPCLK#
CPU_SMI#
CPU_SLP#
HUB_PD0
HUB_PD1
HUB_PD2
HUB_PD3
HUB_PD4
HUB_PD5
HUB_PD6
HUB_PD7
HUB_PD8
HUB_PD9
HUB_PD10
HUB_CLK
HUB_PAR
HUB_PSTRB
HUB_PSTRB#
HUB_RCOMP
HUB_VREF
HUB_VSWING
EEP_CS
EEP_DIN
EEP_DOUT
EEP_SHCLK
LAN_RXD0
LAN_RXD1
LAN_RXD2
LAN_TXD0
LAN_TXD1
LAN_TXD2
LAN_JCLK
LAN_RSTSYNC
PM_AGPBUSY#/GPIO6
PM_AUXPWROK
PM_BATLOW#
PM_C3_STAT#/GPIO21
PM_CLKRUN#/GPIO24
PM_DPRSLPVR
PM_PWRBTN#
PM_PWROK
PM_RI#
PM_RSMRST#
PM_SLP_S1#/GPIO19
PM_SLP_S3#
PM_SLP_S5#
PM_STPCPU#/GPIO20
PM_STPPCI#/GPIO18
PM_SUS_CLK
PM_SUS_STAT#
PM_THRM#
PM_GMUXSEL/GPIO23
PM_CPUPREF#/GPIO22
PM_VGATE/VRMPWRGD
AC_BITCLK
AC_RST#
AC_SDATAIN0
AC_SDATAIN1
AC_SDATAOUT
AC_SYNC
LPC_AD0
LPC_AD1
LPC_AD2
LPC_AD3
LPC_DRQ#0
LPC_DRQ#1
LPC_FRAME#
GPIO_7
GPIO_8
GPIO_12
GPIO_13
GPIO_25
GPIO_27
GPIO_28
CLK_RTCX2
CLK_RTCX1
CLK_RTEST#
CLK_48
CLK_14
CLK_VBIAS
INT_SERIRQ
INT_IRQ15
INT_IRQ14
INT_PIRQH#/GPIO5
INT_PIRQG#/GPIO4
INT_PIRQF#/GPIO3
INT_PIRQE#/GPIO2
INT_PIRQD#
INT_PIRQC#
INT_PIRQB#
INT_PIRQA#
INT_APICD1
INT_APICD0
INT_APICCLK
VSS0
VSS1
VSS2
VSS3
VSS4
VSS5
VSS6
VSS7
VSS8
VSS9
VSS10
VSS11
VSS12
VSS13
VSS14
VSS15
VSS16
VSS17
VSS18
VSS19
VSS20
VSS21
VSS22
VSS23
VSS24
VSS25
VSS26
VSS27
VSS28
VSS29
VSS30
VSS31
VSS32
VSS33
VSS34
C543
5PF
R344
10
1 2
R342
@33_0402
1 2
C540
@10PF
R60 0
12
R59
100K
1 2 C44 .1UF
1 2
R69 47
1 2
R70 47
1 2
R65 @10K
1 2
R332 0
1 2
C444
12PF
12
C461
12PF
12
R72
22
12
C60
10PF
R54 10K
1 2
R67 10K
1 2
R521 22M
1 2
R522
2.4M
12
C530
.01UF
12
THIS SHEET OF ENGINEERING DRAWING IS THE PROPRIETARY PROPERTY OF COMPAL ELECTRONICS,INC. AND CONTAINS CONFIDENTIAL
AND TRADE SECRET INFORMATION . THIS SHEET MAY NOT BE TRANSFERRED FROM THE CUSTODY OF THE COMPETENT DIVISION OF R&D
DEPARTMENT EXCEPT AS AUTHORIZED BY COMPAL ELECTRONICS,INC. NEITHER THIS SHEET NOR THE INFORMATION CONTAINS MAY BE
USED BY OR DISCLOSED TO ANY THIRD PARTY WITHOUT PRIOR WRITTEN CONSENT OF COMPAL ELECTRONICS,INC.
CLK_ICH1412
PCIRST# 8,15,19,20,21,22,23,24,25,28,29,34
LPC_AD1 25,32
CLK_ICHPCI 12
HUB_PSTRB 8
PM_DPRSLPVR7,42
LPC_AD2 25,32
PCI_FRAME# 19,21,22,23,28,29
PCI_LOCK# 19
LPC_AD0 25,32
HUB_PD[0..10] 8
CLK_ICH4812
PCI_TRDY# 19,21,22,23,28,29
LPC_AD3 25,32
HUB_PSTRB# 8
PCI_SERR# 19,21,22,23,28
PCI_AD[0..31]21,22,23,28,29
PM_GMUXSEL7,42
CLK_ICHHUB 12
PCI_IRDY# 19,21,22,23,28,29
PCI_STOP# 19,21,22,23,28,29
PCI_REQB# 19
PCI_REQA# 19
PCI_PERR# 19,21,22,23,28
PCI_PAR 19,21,22,23,28,29
PCI_DEVSEL# 19,21,22,23,28,29
INT_SERIRQ 19,23,25,32
ATF_INT#32
PM_BATLOW#32
IDE_PATADET20
H_PICD0 5
H_PICD1 5
LPC_DRQ#0 19,32
CLK_ICHAPIC 12
RC# 32
PM_CPUPERF#5,19
SM_INTRUDER# 19
SMB_CLK 7,12,14
SMB_DATA 7,12,14
INT_IRQ14 19,20
INT_IRQ15 19,20
PBTN#19 SYS_PWROK35
PM_SLP_S3#12,32 PM_SLP_S1#12,32
PM_SLP_S5#32 PM_STPCPU#12 PM_STPPCI#12 SUS_STAT#15,21,25,34
ECSMI#19 ECSCI#19
H_DPSLP# 5,42
SMB_ALERT# 19
ICH_RI#19
LID#19
GATEA20 32
H_A20M# 5
H_SMI# 5
H_INIT# 5
SMLINK1 19
H_NMI 5
SMLINK0 19
H_STPCLK# 5
H_INTR 5
H_FERR# 5
H_PWRGD 5
H_IGNNE# 5
ICH_VGATE35
PIRQA# 15,19,22,23
PIRQB# 19,21,23
PIRQC# 19,28,29
PIRQD# 19,28,29
AGP_BUSY#10,15
C3_STAT#15
ICH_WAKE_UP# 32
PM_CLKRUN#19,22,23,25,28,29,32
LPC_FRAME# 25,32
LPC_DRQ#1 19,25
IAC_BITCLK15,30
IAC_SDATAO15,30
IAC_RST#15,30
IAC_SDATAI030 IAC_SDATAI115
IAC_SYNC15,30
PM_RSMRST#35
RTCCLK15,23,24,29
PCI_GNT#119,28
PCI_REQ#419,28
PCI_GNT#219,23
PCI_C/BE#021,22,23,28,29
PCI_REQ#019,22
PCI_C/BE#321,22,23,28,29
PCI_REQ#319,21
PCI_C/BE#121,22,23,28,29
PCI_REQ#119,28
PCI_C/BE#221,22,23,28,29
PCI_REQ#219,23
PCI_GNT#319,21
PCI_GNT#019,22
PCI_GNT#419,28
SM_SEL0 14
SIDEPWR 20

A
A
B
B
C
C
D
D
E
E
1 1
2 2
3 3
4 4
ICH3-M (2/2)
Interface
IDE
Interface
USB
Misc
Power
Power
VSS
CLOSE TO ICH3-M(< 1 inch)
Disable Timeout Feature
401204
1A
SCHEMATIC, M/B LA-1311
Custom
18 43, 26, 2001
!"# $#%
Compal Electronics, inc.
Title
Size Document Number Rev
Date: Sheet of
USB_OC#0
IDE_SDD10
IDE_SDD1
IDE_PDD0
IDE_PDD9
IDE_SDD11
IDE_SDD15
IDE_PDD6
IDE_PDD2
IDE_SDD8
IDE_SDD0
IDE_SDD14
IDE_PDD3
IDE_PDD13
IDE_PDD12
IDE_SDD12
USB_OC#1
IDE_PDD7
IDE_SDD13
IDE_PDD8
IDE_PDD1
IDE_SDD6
IDE_PDD11
IDE_SDD4
VCC5REF
IDE_SDD3
IDE_SDD2
IDE_PDD5
USB_D_PN0
USB_D_PP0
IDE_PDD4
IDE_SDD7
IDE_PDD10
IDE_SDD9
IDE_PDD15
IDE_PDD14
IDE_SDD5
USB_D_PP1
USB_D_PP1
USB_D_PP2
USB_D_PP3
USB_D_PN1
USB_D_PN1
USB_D_PN2
USB_D_PN3
USB_D_PN4
USB_D_PP4
USB_PP5
USB_PN5
USB_OC#2
USB_OC#3
USB_OC#4
USB_OC#5
USB_OC#2
USB_OC#5
ICH_SPKR
USB_RBIAS
ICH_ACIN
ICH_ACIN
VCC5REFSUS
USB_D_PP0
USB_D_PN0
USB_D_PN2
USB_D_PN3
USB_D_PP3
USB_D_PP2
USB_D_PN4
USB_D_PP4
USB_OC#4
ICH_SPKR
+3V
+5VS +3VS +3V
+3V +1.5VS
+1.8V
+RTCVCC
+V1.8_ICHLAN
+1.8V
+3VS +1.8VS
+3VS
+3V
+1.8VS
+3VS
+1.8VA_ICH
+V5S_ICHREF
+V3A_ICH
D26
1SS355
21
C455
1UF_10V_0603
12
C58
.1UF
12
R73
1K
12
R314
18.2_1%
12
L33
CHB2012U170
1 2
D32 RB751V
21
R326
100K
12
R305
0
12
C492
.1UF
12
U33B
ICH3-M
D19
A19
E17
B17
D15
A15
D18
A18
E16
B16
D14
A14
E12
D12
C12
B12
A12
A11
H20
G22
F21
G19
E22
E21
H21
G23
F23
G21
D23
E23
B21
AC15
AB15
AC21
AC22
AA14
AC14
AA15
AC20
AA19
AB20
W12
AB11
AA10
AC10
W11
Y9
AB9
AA9
AC9
Y10
W9
Y11
AB10
AC11
AA11
AC12
Y17
W17
AC17
AB16
W16
Y14
AA13
W15
W13
Y16
Y15
AC16
AB17
AA17
Y18
AC18
Y13
Y19
AB12
AB18
AC13
AC19
Y12
AA18
AB13
AB19
H23
E13
F14
K12
P10
V6
V7
F15
F16
F7
F8
K10
AB6
E6
W8
C13
W5
F9
F10
P14
U18
V22
C23
B23
E7
T21
D6
T1
C2
A21
A22
F6
G6
H6
J6
M10
R6
T6
U6
G18
H18
P12
V15
V16
V17
V18
J18
M14
R18
T18
U19
F17
F18
K14
E10
V8
V9
E11
K6
K18
P6
P18
V10
V14
E14
E15
E18
E19
E20
F22
G3
G20
H19
AA22
J5
K11
K13
K20
K21
K22
K23
L3
L10
L11
L12
L13
L14
L21
L23
M11
M12
M13
M20
M22
N5
N10
N11
N12
N13
N14
N21
N23
P11
P13
P20
P22
R3
R5
R21
R23
T4
T20
T22
V3
AC23
V20
W6
W7
W10
W14
W18
W22
Y8
AA3
AA8
AA12
AA16
AA20
AB8
AC1
AC8
USB_PP0
USB_PP1
USB_PP2
USB_PP3
USB_PP4
USB_PP5
USB_PN#0
USB_PN#1
USB_PN#2
USB_PN#3
USB_PN#4
USB_PN#5
USB_OC#0
USB_OC#1
USB_OC#2
USB_OC#3
USB_OC#4
USB_OC#5
USB_LEDA#0/GPIO32
USB_LEDA#1/GPIO33
USB_LEDA#2/GPIO34
USB_LEDA#3/GPIO35
USB_LEDA#4/GPIO36
USB_LEDA#5/GPIO37
USB_LEDG#0/GPIO38
USB_LEDG#1/GPIO39
USB_LEDG#2/GPIO40
USB_LEDG#3/GPIO41
USB_LEDG#4/GPIO42
USB_LEDG#5/GPIO43
USB_RBIAS
IDE_PDCS1#
IDE_PDCS3#
IDE_SDCS1#
IDE_SDCS3#
IDE_PDA0
IDE_PDA1
IDE_PDA2
IDE_SDA0
IDE_SDA1
IDE_SDA2
IDE_PDD0
IDE_PDD1
IDE_PDD2
IDE_PDD3
IDE_PDD4
IDE_PDD5
IDE_PDD6
IDE_PDD7
IDE_PDD8
IDE_PDD9
IDE_PDD10
IDE_PDD11
IDE_PDD12
IDE_PDD13
IDE_PDD14
IDE_PDD15
IDE_SDD0
IDE_SDD1
IDE_SDD2
IDE_SDD3
IDE_SDD4
IDE_SDD5
IDE_SDD6
IDE_SDD7
IDE_SDD8
IDE_SDD9
IDE_SDD10
IDE_SDD11
IDE_SDD12
IDE_SDD13
IDE_SDD14
IDE_SDD15
IDE_PDDACK#
IDE_SDDACK#
IDE_PDDREQ
IDE_SDDREQ
IDE_PDIOR#
IDE_SDIOR#
IDE_PDIOW#
IDE_SDIOW#
IDE_PIORDY
IDE_SIORDY
SPKR
VCC_SUS0
VCC_SUS1
VCC_SUS2
VCC_SUS3
VCC_SUS4
VCC_SUS5
VCC_USB0/VCC_SUS6
VCC_USB1/VCC_SUS7
VCC_AUX0/VCCLAN1_8
VCC_AUX1/VCCLAN1_8
VCC_AUX2/VCCLAN1_8
VCC_RTC
VCC5REF1
VCC5REF2
VCC5REFSUS1
VCC5REFSUS2
VCCPAUX0/VCCLAN3_3
VCCPAUX1/VCCLAN3_3
VCCPCPU0
VCCPCPU1
VCCPCPU2
VCCUSBBG/VCC_SUS8
VCCUSBPLL/VCC_SUS9
N/C0
N/C1
N/C2
N/C3
N/C4
VSS102
VSS103
VCCPPCI0
VCCPPCI1
VCCPPCI2
VCCPPCI3
VCCPPCI4
VCCPPCI5
VCCPPCI6
VCCPPCI7
VCCP0
VCCP1
VCCPIDE0
VCCPIDE1
VCCPIDE2
VCCPIDE3
VCCPIDE4
VCCPHL0
VCCPHL1
VCCPHL2
VCCPHL3
VCCA
VCCPSUS3/VCCPUSB0
VCCPSUS4/VCCPUSB1
VCCPSUS5/VCCPUSB2
VCCPSUS0
VCCPSUS1
VCCPSUS2
VCCCORE0
VCCCORE1
VCCCORE2
VCCCORE3
VCCCORE4
VCCCORE5
VCCCORE6
VSS35
VSS36
VSS37
VSS38
VSS39
VSS40
VSS41
VSS42
VSS43
VSS44
VSS45
VSS46
VSS47
VSS48
VSS49
VSS50
VSS51
VSS52
VSS53
VSS54
VSS55
VSS56
VSS57
VSS58
VSS59
VSS60
VSS61
VSS62
VSS63
VSS64
VSS65
VSS66
VSS67
VSS68
VSS69
VSS70
VSS71
VSS72
VSS73
VSS74
VSS75
VSS76
VSS77
VSS78
VSS79
VSS80
VSS81
VSS82
VSS83
VSS84
VSS85
VSS86
VSS87
VSS88
VSS89
VSS90
VSS91
VSS92
VSS93
VSS94
VSS95
VSS96
VSS97
VSS98
VSS99
VSS100
VSS101
THIS SHEET OF ENGINEERING DRAWING IS THE PROPRIETARY PROPERTY OF COMPAL ELECTRONICS,INC. AND CONTAINS CONFIDENTIAL
AND TRADE SECRET INFORMATION . THIS SHEET MAY NOT BE TRANSFERRED FROM THE CUSTODY OF THE COMPETENT DIVISION OF R&D
DEPARTMENT EXCEPT AS AUTHORIZED BY COMPAL ELECTRONICS,INC. NEITHER THIS SHEET NOR THE INFORMATION CONTAINS MAY BE
USED BY OR DISCLOSED TO ANY THIRD PARTY WITHOUT PRIOR WRITTEN CONSENT OF COMPAL ELECTRONICS,INC.
R320
0_0805
1 2
R298
0_0805
12
R341
0_0805
12
R309
0_0805
1 2
C509 @5PF
1 2
C508 @5PF
1 2
C91 @5PF
1 2
C197 @5PF
1 2
C86 @5PF
1 2
RP19
8P4R_10K
1 8
2 7
3 6
4 5
R343
@1K
1 2
R98 @0
1 2
IDE_PDDACK# 20
IDE_SIORDY 20
IDE_PDA1 20
IDE_SDCS3# 20
USB_PP027 USB_PN027
IDE_SDD[0..15] 20
IDE_PIORDY 20
USB_PN127
IDE_PDA0 20
USB_PP127
IDE_PDD[0..15] 20
IDE_SDCS1# 20
IDE_PDA2 20
USB_OC#027 USB_OC#127
IDE_PDIOW# 20
IDE_PDCS1# 20
IDE_SDDREQ 20
IDE_PDCS3# 20
IDE_SDIOR# 20
IDE_PDDREQ 20
IDE_SDA1 20
IDE_SDIOW# 20
IDE_SDA2 20
IDE_SDDACK# 20
IDE_PDIOR# 20
IDE_SDA0 20
USB_OC#327
ICH_SPKR31
ICH_IDE_PRST#20 ICH_IDE_SRST#20
FWH_TBL#19 FWH_WP#19
M_SEN#15,16
ACIN32,34,37,40
EC_FLASH#33
USB_PP327 USB_PN327
USB_PN227 USB_PP227
USB_PP4
USB_PN4

A
A
B
B
C
C
D
D
E
E
1 1
2 2
3 3
4 4
401204
1A
SCHEMATIC, M/B LA-1311
Custom
19 43, 26, 2001
!"# $#%
Compal Electronics, inc.
Title
Size Document Number Rev
Date: Sheet of
PBTN#
ICH_RI#
ECSMI#
ECSCI#
LID#
+3VS +3VS
+3VS +3VS
+3VS +3VS
+3VS
+3V
+RTCVCC
+3VS
+3V
+3VS
+3VS
+3V
+1.5VS
+1.8VS
+1.8VA_ICH
+3V
+3V
+3V
+3V
+VTT
+V5S_ICHREF
+V1.8_ICHLAN
+V3A_ICH
R289 10K
1 2
RP24
8P4R_10K
1 8
2 7
3 6
4 5
C49
.1UF
12
C64
.1UF
12
C102
.1UF
12
+
C84
1UF_10V_0603
12
C110
.1UF
12
C73
.1UF
12
+
C385
22UF_16V_1206
12
C51
.1UF
12
C57
.1UF
12
C100
.1UF
12
C47
.1UF
12
C55
.1UF
12
+
C362
22UF_16V_1206
12
C87
.1UF
12
C93
.1UF
12
C94
.1UF
12
C65
.1UF
12
C161
.1UF
12
C103
.1UF
12
C50
.1UF
12
C485
.1UF
12
+
C341
22UF_16V_1206
12
C486
.1UF
12
C488
.1UF
12
+
C75
1UF_10V_0603
12
RP13
10P8R_8.2K
10
9
8
7
6
1
2
3
4
5
RP18
10P8R_8.2K
10
9
8
7
6
1
2
3
4
5
RP14
10P8R_8.2K
10
9
8
7
6
1
2
3
4
5
R45 10K
1 2
R56 10K
1 2
R282 100K
1 2
R63 8.2K
1 2
R39 @8.2K
1 2
THIS SHEET OF ENGINEERING DRAWING IS THE PROPRIETARY PROPERTY OF COMPAL ELECTRONICS,INC. AND CONTAINS CONFIDENTIAL
AND TRADE SECRET INFORMATION . THIS SHEET MAY NOT BE TRANSFERRED FROM THE CUSTODY OF THE COMPETENT DIVISION OF R&D
DEPARTMENT EXCEPT AS AUTHORIZED BY COMPAL ELECTRONICS,INC. NEITHER THIS SHEET NOR THE INFORMATION CONTAINS MAY BE
USED BY OR DISCLOSED TO ANY THIRD PARTY WITHOUT PRIOR WRITTEN CONSENT OF COMPAL ELECTRONICS,INC.
R71 @100
1 2
C85
.1UF
12
C52
47PF
12
C95
.1UF
12
C96
.1UF
12
C98
.1UF
12
C76
47PF
12
C99
.1UF
12
+
C317
150UF_6.3V_D2
12
C531
.1UF
12
C533
.1UF
12
+
C527
22UF_16V_1206
12
C532
.1UF
12
R57 8.2K
1 2
D15 @RB751V
21
D14 RB751V
21
R38 10K
1 2
D13 RB751V
21
R47 10K
1 2
D16 RB751V
21
R42 10K
1 2
D17 RB751V
21
D18 RB751V
21
R40 10K
1 2
R58 8.2K
1 2
R300 @10K
1 2
C46
47PF
12
C56
47PF
12
C77
47PF
12
C89
47PF
12
C162
47PF
12
C487
47PF
12
C69
.1UF
C63
.1UF
C54
.1UF
C92
.1UF
C82
.1UF
C61
.1UF
C66
.1UF
C104
.01UF
C68
.01UF
R516 4.7K
1 2
R515 4.7K
1 2
PCI_STOP#17,21,22,23,28,29
PCI_GNT#217,23
PCI_FRAME#17,21,22,23,28,29
PCI_TRDY#17,21,22,23,28,29 PCI_IRDY#17,21,22,23,28,29 PCI_SERR# 17,21,22,23,28
PCI_DEVSEL# 17,21,22,23,28,29
PCI_PERR# 17,21,22,23,28
PCI_LOCK# 17
PCI_REQA#17 PCI_REQB#17 PCI_REQ#3 17,21
PCI_REQ#2 17,23
PCI_REQ#117,28 PCI_REQ#017,22 PCI_REQ#4 17,28
INT_IRQ1417,20
INT_IRQ15 17,20
PIRQA# 15,17,22,23
PIRQC# 17,28,29
PIRQD#17,28,29 SMB_ALERT#17
SM_INTRUDER#17
FWH_TBL#18
PCI_GNT#117,28
FWH_WP#18
INT_SERIRQ 17,23,25,32
LPC_DRQ#017,32
PCI_GNT#317,21
PCI_PAR17,21,22,23,28,29
PM_CLKRUN#17,22,23,25,28,29,32
SMLINK117
PCI_GNT#017,22
PIRQB# 17,21,23
LPC_DRQ#117,25
SMLINK017
ON/OFF32,34
PBTN_OUT#32 PBTN# 17
EC_RIOUT#32 ICH_RI# 17
EC_SMI#32
EC_SCI#32
ECSMI# 17
ECSCI# 17
EC_LID_OUT#32 LID# 17
PCI_GNT#417,28
PM_CPUPERF#5,17
PCIRST#8,15,17,20,21,22,23,24,25,28,29,34

IDE,CD-ROM Module CONN.
W=80mils
Place component's closely IDE CONN.
Place component's closely CD-ROM CONN.
HDD Manual ATA Type Selection:
ATA33 : populate R43, de-populate R46.
ATA66/100 : populate R46, de-populate R43.
SI3456DV: N CHANNEL
VGS: 4.5V, RDS: 65 mOHM
Id(MAX): 5.1A
VGS,+-20V
401204
1A
SCHEMATIC, M/B LA-1311
Compal Electronics, inc.
B
20 43, 26, 2001
!"# $#%
Title
Size Document Number Rev
Date: Sheet of
CDD[0..15]
IDE_SDD12
SHDD_LED#
IDE_SDD13
IDE_SDD9
IDE_SDD11
IDE_SDD7
IDE_SDD5
IDE_SDD1
IDE_SDD0
IDE_SIORDY
IDE_SDD14
IDE_SDD10
IDE_SDD15
SIDE_RST#
IDE_SDD4
IDE_SDD3
IDE_SDD6
IDE_SDD2
IDE_PDD11
IDE_PDD13
PCSEL
IDE_PDD10
IDE_PDD8
IDE_PDD14
IDE_PDD9
IDE_PDD12
IDE_PDD15
CD_AGND
IDE_PIORDY
IDE_PDD0
IDE_PDD1
IDE_PDD4
IDE_PDD7
IDE_PDD2
PIDE_RST#
IDE_PDD5
IDE_PDD3
IDE_PDD6
IDE_PDDREQ
PIDE_RST#
PCIRST#
PCIRST#
INT_IRQ14
CD_AGND
EXTID2
EXTID1
EXTID0
EXTCSEL
EXTCSEL
WDATA#
MTR0#
FDDIR#
HDSEL#
WGATE#
RDATA#
STEP#
DSKCHG#
WP#
TRACK0#
INDEX#
DRV0#
EXTID0
EXTID1
EXTID2
SHDD_LED#
STEP#
MTR0#
WDATA#
TRACK0#
WP#
RDATA#
DRV0#
DSKCHG#
HDSEL#
INDEX#
WGATE#
FDDIR#
3MODE#
IDE_PDD[0..15]
IDE_PDD7
IDE_SDD7
IDE_PIORDY
IDE_SIORDY
IDE_PDDREQ
IDE_SDDREQ
SIDE_RST#
IDE_SDD8
IDE_SDDREQ
EXTIDE_EN#
+5VS
+5VS
+5VS +5VS
+5VS
+5VS
+5VS
+5VS +3VALW
+5VS
+5VS
+3VS
+12VALW
+5VMOD
+5VS
+5VMOD
+5VMOD
+5VMOD
+5VMOD
R95 100K
1 2
C186
1000PF
12
C107
.1UF
12
R84 470
1 2
C109
1000PF
12
C114
1UF_25V_0805
12
C182
1UF_25V_0805
12
C518
10UF_16V_1206
C183
10UF_16V_1206
JP7
HDD 44P SUYIN 20225A-44G5-A
12
34
56
78
910
11 12
13 14
15 16
17 18
19 20
21 22
23 24
25 26
27 28
29 30
31 32
33 34
35 36
37 38
39 40
41 42
43 44
U12
7SH08FU
1
2
3
4
5
JP17
HEADER 2X30
12
34
56
78
910
11 12
13 14
15 16
17 18
19 20
21 22
23 24
25 26
27 28
29 30
31 32
33 34
35 36
37 38
39 40
41 42
43 44
45 46
47 48
49 50
51 52
53 54
55 56
57 58
59 60
R166 470
1 2
RP1
10P8R_1K
10
9
8
7
6
1
2
3
4
5
R253 1K
1 2
RP2
8P4R_1K
18 27 36 45
RP3
8P4R_100K
1 8
2 7
3 6
4 5
R167 100K
1 2
R43
@10K
12
R46
10K
12
U13
7SH08FU
1
2
3
4
5
C139
.1UF
1 2
R75 10K
1 2
R429 10K
1 2
R88 1K
1 2
R428 1K
1 2
R82 5.6K
1 2
R152 5.6K
1 2
C140
.1UF
1 2
R556 @0
1 2
+
C174
4.7UF_16V_1206
{1st Part Field}
12
R161
1K
12
C176
0.01UF
12
R412 1K
47K
47K
Q39
DTC144EKA
1
2
3
Q9
SI3456DV
3
6
5
24
1
R165
100K
12
G1
D1 S1
Q41A
SI1906DL
2
61
G2
D2
S2
Q41B
SI1906DL
5
34
THIS SHEET OF ENGINEERING DRAWING IS THE PROPRIETARY PROPERTY OF COMPAL ELECTRONICS,INC. AND CONTAINS CONFIDENTIAL
AND TRADE SECRET INFORMATION . THIS SHEET MAY NOT BE TRANSFERRED FROM THE CUSTODY OF THE COMPETENT DIVISION OF R&D
DEPARTMENT EXCEPT AS AUTHORIZED BY COMPAL ELECTRONICS,INC. NEITHER THIS SHEET NOR THE INFORMATION CONTAINS MAY BE
USED BY OR DISCLOSED TO ANY THIRD PARTY WITHOUT PRIOR WRITTEN CONSENT OF COMPAL ELECTRONICS,INC.
C185
.1UF
12
INT_IRQ1417,19
PHDD_LED#33
IDE_PDA118 IDE_PDA018 IDE_PDCS1#18 IDE_PDCS3# 18
IDE_PDA2 18
IDE_SDD[0..15]18
IDE_SDIOW#18 IDE_SIORDY18 INT_IRQ1517,19
IDE_SDCS1#18 IDE_SDA018 IDE_SDA118
INT_CD_L30 INT_CD_R 30
IDE_SDIOR# 18
IDE_SDDACK# 18
IDE_SDA2 18
IDE_SDCS3# 18
CD_AGND30
IDE_PDDACK#18 IDE_PIORDY18
IDE_PDIOW#18 IDE_PDDREQ18
IDE_PDIOR#18
IDE_SDDREQ 18
PCIRST#8,15,17,19,21,22,23,24,25,28,29,34
ICH_IDE_PRST#18
ICH_IDE_SRST#18
EXTID0 33
EXTID1 33
EXTID2 33
MTR0#25
WDATA#25 STEP#25
DSKCHG#25
WP#25 RDATA#25
DRV0#25,33
TRACK0#25
SHDD_LED#33
INDEX# 25
3MODE# 25
FDDIR# 25
WGATE# 25
HDSEL# 25
IDE_PDD[0..15]18
IDE_PATADET 17
SIDEPWR17
EXTIDEPWR#33

5
5
4
4
3
3
2
2
1
1
D D
C C
B B
A A
THIS SHEET OF ENGINEERING DRAWING IS THE PROPRIETARY PROPERTY OF COMPAL ELECTRONICS, INC. AND CONTAINS CONFIDENTIAL AND
TRADE SECRET INFORMATION. THIS SHEET MAY NOT BE TRANSFERRED FROM THE CUSTODY OF THE COMPETENT DIVISION OF R&D
DEPARTMENT EXCEPT AS AUTHORIZED BY COMPAL ELECTRONICS, INC. NEITHER THIS SHEET NOR THE INFORMATION IT CONTAINS MAY BE
USED BY OR DISCLOSED TO ANY THIRD PARTY WITHOUT PRIOR WRITTEN CONSENT OF COMPAL ELECTRONICS, INC.
PROPRIETARY NOTE
Termination plane should be copled to chassis ground
For 3V LAN only
Layout Note
H0013 pls close to
conn.
*BOM 16.9K_1%
401204
1A
SCHEMATIC, M/B LA-1311
Compal Electronics, inc.
B
21 43, 26, 2001
!"# $#%
Title
Size Document Number Rev
Date: Sheet of
RJ45_RX-
RJ45_RX+
RJ45_TX-
RJ45_TX+
LAN_RD-
RJ45_TX+
RJ45_TX-
LAN_X1 LAN_X2
CLK_PCI_LAN
LAN_TD+
LAN_TD-
LAN_IDSELPCI_AD17
PCI_AD[0..31]
PCI_AD25
CLK_PCI_LAN
PCI_AD26
PCI_AD24
PCI_AD31
PCI_AD29
PCI_AD30
PCI_AD27
PCI_AD28
PCI_AD23
PCI_AD4
PCI_AD7
PCI_AD6
LAN_EECS
PCI_AD0
PCI_AD2
LAN_EEDO
PCI_AD5
LAN_EECLK
LAN_EEDI
PCI_AD1
PCI_TRDY#
PCI_AD14
PCI_DEVSEL#
PCI_AD22
PCI_AD18
PCI_AD20
PCI_AD12
PCI_AD8
PCI_AD16
PCI_AD17
PCI_AD9
PCI_AD21
PCI_AD10
PCI_AD11
PCI_AD13
PCI_AD15
PCI_AD19
PCI_SERR#
PCI_AD3
PCI_IRDY#
PCI_STOP#
PCI_PERR#
PCI_PAR
AUX
AVDD-1
AVDD-3
LAN_RD+
LAN_X2
LAN_X1
PCI_FRAME#
PCI_C/BE#2
LAN_TD+
LAN_TD-
LAN_RD-
LAN_RD+
RJ45_RX-
RJ45_RX+
ACTIVITY#
LINK10_100#
ACTIVITY#
LAN_GND
LINK10_100#
LANGND
LAN_GND
AVDD-2
LAN_IDSEL
LAN_IDSEL
+3VLAN
+3V
+12VALW
+3V
+3V
+3V
+3V+3VLAN
+2.5VLAN
+2.5VLAN
+2.5VLAN
+3VLAN
+3VLAN
+3VLAN
+3VS
+2.5VLAN
+3V
+3V
+2.5VLAN
C249
@0.1UF
12
C257
@4.7UF_10V_0805
12
C19
@ 0.1UF
12
C18
@ 0.1UF
12
U23
@ Pulse H0013
1
2
3
4
5
6
16
15
14
13
12
11
7 10
98
RD+
RD-
CT
NC
NC
CT
RX+
RX-
CT
NC
NC
CT
TD+ TX+
TX-TD-
C12
@0.1UF
12
Y2
@ 25 MHz
R238
@22
12
C324
@10PF
12
C348
@ 0.1UF
12
C368
@ 0.1UF
12
C21
@ 0.1UF
12
R18
@ 75
12
R17
@ 75
12
C248
@1000P_2KV_1206
R184
@ 75
12
R24
@ 50
12
R25
@ 50
12
R21
@ 50
12
R22
@ 50
12
Q23
@ FDV301
2
1 3
Q24
@ 2N7002
2
1 3
R241
@ 470K
1 2
R271
@ 100K
12
C312
@ 18PF
12
C311
@ 18PF
12
L25 @ 4.7UH
1 2
L27 @ 4.7UH
1 2
R217
@ 1.69K_1%
12
U5
@ 9346
1
2
3
4
8
7
6
5
CS
SK
DI
DO
VCC
NC
NC
GND
L28 @ 4.7UH
1 2
U6
@ RTL8100-L
1
2
3
4
5
6
7
8
9
10
11
12
13
14
15
16
17
18
19
20
21
22
23
24
25
26
27
28
29
30
50
49
48
47
46
45
44
43
42
41
40
39
38
37
36
35
34
33
32
31
80
79
78
77
76
75
74
73
72
71
70
69
68
67
66
65
64
63
62
61
60
59
58
57
56
55
54
53
52
51
81
82
83
84
85
86
87
88
89
90
91
92
93
94
95
96
97
98
99
100
AD22
GND
AD21
AD20
AD19
VDD
VDD25
AD18
AD17
AD16
CBE2B
FRAMEB
IRDYB
TRDYB
DEVSELB
GND
STOPB
PERRB
SERRB
PAR
CBE1B
VDD
AD15
AD14
AD13
AD12
AD11
AD10
AD9
AD8
AUX
EECS
EESK
EEDI
EEDO
AD0
AD1
GND
AD2
AD3
VDD25
VDD
AD4
AD5
AD6
VDD25
VDD
AD7
CBE0B
GND
LED0
LED1
NC
LED2
AVDD25
AVDD
ISOLATEB
GND
TXD+
TXD-
AVDD
AVDD25
RXIN+
RXIN-
GND
RTSET
RTT2
RTT3
GND
X1
X2
AVDD
AVDD25
PMEB
GND
VCTRL
NC
NC
NC
VDD25
INTAB
RSTB
CLK
GNTB
REQB
AD31
AD30
GND
AD29
VDD
AD28
AD27
AD26
AD25
AD24
VDD25
VDD
CBE3B
IDSEL
AD23
R52
@ 0_1206
1 2
R224
@ 5.6K
12
C295
@ 0.1UF
12
C306
@ 0.1UF
12
C304
@ 0.1UF
12
R222
@15K
12
R227 @1K
1 2
C370
@ 0.1UF
12
C352
@0.1UF
12
C11 @ 0.1UF
1 2
C29
@ 0.1UF
12
C333
@4.7UF_10V_1206
C288
@ 4.7UF_10V_1206
R187
@ 510_0603
1 2
47K
10K
C
B
E
Q20
@ DTA114YKA
2
3 1
R185
@ 75
12
R186
@ 510_0603
1 2
47K
10K
C
B
E
Q21
@ DTA114YKA
2
3 1
JP5
AMP RJ45/RJ11 with LED
2
1
3
4
5
6
7
8
9
10
11
12
13
14
16
15
PR1-
PR1+
PR2+
PR3+
PR3-
PR2-
PR4+
PR4-
Green LED+
Green LED-
Amber LED-
Amber LED+
SHLD1
SHLD2
SHLD4
SHLD3
R484@ 0
1 2 R485
@ 0
1 2
R270 @ 100
1 2
C367
@ 0.1UF
12
C369
@ 1000PF
12
C351
@ 1000PF
12
C347
@ 1000PF
12
C371
@ 0.1UF
12
C349
@ 0.1UF
12
C332
@ 0.1UF
12
C329
@ 1000PF
12
EN_LAN#33
LAN_PME#32
CLK_PCI_LAN12
PCI_DEVSEL#17,19,22,23,28,29
PCI_IRDY#17,19,22,23,28,29 PCI_TRDY#17,19,22,23,28,29
PCI_STOP#17,19,22,23,28,29
PCI_PAR17,19,22,23,28,29
PCI_PERR#17,19,22,23,28 PCI_SERR#17,19,22,23,28
PCI_C/BE#317,22,23,28,29 PCI_C/BE#0 17,22,23,28,29
PIRQB#17,19,23
PCI_C/BE#117,22,23,28,29
PCI_REQ#317,19 PCI_GNT#317,19
PCI_FRAME#17,19,22,23,28,29 PCI_C/BE#217,22,23,28,29
PCI_AD[0..31]17,22,23,28,29
SUS_STAT#15,17,25,34
PCIRST#8,15,17,19,20,22,23,24,25,28,29,34 CBRST#15,22,23,24,28,29

A
A
B
B
C
C
D
D
E
E
1 1
2 2
3 3
4 4
TSB43AB22 USE
For TSB43AA22
C657,C605
change to 0
ohm to short
to GND
THIS SHEET OF ENGINEERING DRAWING IS THE PROPRIETARY PROPERTY OF COMPAL ELECTRONICS, INC. AND CONTAINS CONFIDENTIAL AND
TRADE SECRET INFORMATION. THIS SHEET MAY NOT BE TRANSFERRED FROM THE CUSTODY OF THE COMPETENT DIVISION OF R&D
DEPARTMENT EXCEPT AS AUTHORIZED BY COMPAL ELECTRONICS, INC. NEITHER THIS SHEET NOR THE INFORMATION IT CONTAINS MAY BE
USED BY OR DISCLOSED TO ANY THIRD PARTY WITHOUT PRIOR WRITTEN CONSENT OF COMPAL ELECTRONICS, INC.
PROPRIETARY NOTE
401204
1A
SCHEMATIC, M/B LA-1311
Compal Electronics, inc.
B
22 43, 26, 2001
!"# $#%
Title
Size Document Number Rev
Date: Sheet of
PCI_C/BE#2
PCI_C/BE#3
PCI_PAR
1394_IDSEL
PCI_AD16
PCI_SERR#
CLK_PCI_1394
1394_PME#
PCIRST# TPA0-
TPA0+
TPBIAS0
TPB0+
TPB0-
TPB0-
TPB0+
TPA0+
TPA0-
PCI_AD[0..31]
CLK_PCI_1394
1394_IDSEL
PLLVDD
PCI_AD0
PCI_AD1
PCI_AD2
PCI_AD3
PCI_AD4
PCI_AD5
PCI_AD6
PCI_AD7
PCI_AD8
PCI_AD9
PCI_AD10
PCI_AD11
PCI_AD12
PCI_AD13
PCI_AD14
PCI_AD15
PCI_AD16
PCI_AD17
PCI_AD18
PCI_AD19
PCI_AD20
PCI_AD21
PCI_AD22
PCI_AD23
PCI_AD24
PCI_AD25
PCI_AD26
PCI_AD27
PCI_AD31
PCI_AD30
PCI_AD29
PCI_AD28
PCI_C/BE#0
PCI_C/BE#1
+3V
+3V
+3V
+3V
+3V
+3V
Y4
@ 24.576MHz C655
@ 15PF
1 2
C656
@ 15PF
1 2
R453 @ 6.34K_1%
R475 @ 100
1 2
R399
@ 56.2_1%
R394 @ 56.2_1%
R387 @ 5.11K_1%
C585 @ 220PF
R400 @ 56.2_1%
R395 @ 56.2_1%
JP12
@Molex SD-54030-0411
1
2
3
4
1
2
3
4
R434 @ 1K
1 2
C650 @ 0.1UF
1 2
C654
@10PF
R462
@22
12
RP31
@ 8P4R_4.7K
1 8
2 7
3 6
4 5
R423 @ 220
1 2
R422 @ 220
1 2
R437 @ 220
1 2
R439 @ 220
1 2
R441 @ 220
1 2
R442 @ 220
1 2
R424 @ 220
1 2
R459 @ 1K
1 2
R458 @ 1K
1 2
C657
@.1UF
1 2
C605
@.1UF
1 2
C632
.1UF
12
C653
@ 4.7UF_10V_0805
12
R411
@ 220
1 2
R410
@ 220
1 2
L45
@ 0_0805
1 2
C652
@ 0.01UF
12
TSB43AB22
POWER CLASS
OSCILLATOR
PHY PORT 2
BIAS CURRENT
FILTER
PHY PORT 1
EEPROM 2 WIRE BUS
PCI BUS INTERFACE
U48
@ TSB43AB22
13
16
18
19
21
22
24
25
26
28
29
31
32
36
37
38
40
41
42
43
45
46
49
50
52
53
54
56
84
82
81
80
79
77
76
74
71
70
69
67
66
65
63
61
58
57
106
125
124
123
122
121
116
115
114
113
112
3
4
118
119
7
15
27
39
51
59
72
88
100
1
2
107
108
120
109
110
111
117
126
127
44
55
64
68
8
9
75
83
93
103
128
10
11
86
94
95
96
101
87
85
14
17
23
30
33
102
104
105
89
90
12
6
5
20
35
48
62
78
92
91
99
98
97
34
47
60
73
PCI_INTA
PCI_CLK
PCI_GNT
PCI_REQ
PCI_PME
PCI_AD31
PCI_AD30
PCI_AD29
PCI_AD28
PCI_AD27
PCI_AD26
PCI_AD25
PCI_AD24
PCI_IDSEL
PCI_AD23
PCI_AD22
PCI_AD21
PCI_AD20
PCI_AD19
PCI_AD18
PCI_AD17
PCI_AD16
PCI_FRAME
PCI_IRDY
PCI_TRDY
PCI_DEVSEL
PCI_STOP
PCI_PERR
PCI_AD0
PCI_AD1
PCI_AD2
PCI_AD3
PCI_AD4
PCI_AD5
PCI_AD6
PCI_AD7
PCI_AD8
PCI_AD9
PCI_AD10
PCI_AD11
PCI_AD12
PCI_AD13
PCI_AD14
PCI_AD15
PCI_PAR
PCI_SERR
CPS
TPBIAS1
TPA1+
TPA1-
TPB1+
TPB1-
TPBIAS0
TPA0+
TPA0-
TPB0 +
TPB0 -
FILTER0
FILTER1
R0
R1
PLLVDD
DVDD
DVDD
DVDD
DVDD
DVDD
DVDD
DVDD
DVDD
AVDD
AVDD
AVDD
AVDD
AVDD
AGND
AGND
AGND
AGND
AGND
AGND
DGND
DGND
DGND
DGND
PLLGND1
PLLGND2
DGND
DGND
DGND
DGND
AGND
TEST17
TEST16
CYCLEOUT
TEST9
TEST8
TEST7
TEST3
CYCLEIN
PCI_RST
G_RST
DGND
DGND
DGND
DGND
TEST2
TEST1
TEST0
GPIO3
GPIO2
PCI_CLKRUN
X0
X1
VDDP
VDDP
VDDP
VDDP
VDDP
SDA
SCL
PC0
PC1
PC2
PCI_C/BE3
PCI_C/BE2
PCI_C/BE1
PCI_C/BE0
C590
@ 0.33UF
12
R425 @ 220
1 2
C651
.1UF
12
C631
.01UF
12
C609
.1UF
12
C614
.01UF
12
C645
.01UF
12
C640
.01UF
12
C642
.1UF
12
C649
.01UF
12
C646 @ 0.1UF
1 2
PCI_C/BE#017,21,23,28,29 PCI_C/BE#117,21,23,28,29 PCI_C/BE#217,21,23,28,29 PCI_C/BE#317,21,23,28,29
PCI_PAR17,19,21,23,28,29
PCI_REQ#017,19 PCI_GNT#017,19
PCI_SERR#17,19,21,23,28
CLK_PCI_139412
1394_PME#32
PM_CLKRUN#17,19,23,25,28,29,32 PCIRST#8,15,17,19,20,21,23,24,25,28,29,34
PIRQA#15,17,19,23
PCI_AD[0..31]17,21,23,28,29
PCI_FRAME#17,19,21,23,28,29 PCI_IRDY#17,19,21,23,28,29 PCI_TRDY#17,19,21,23,28,29
PCI_DEVSEL#17,19,21,23,28,29 PCI_STOP#17,19,21,23,28,29 PCI_PERR#17,19,21,23,28
CBRST#15,21,23,24,28,29

A
A
B
B
C
C
D
D
E
E
1 1
2 2
3 3
4 4
Slot
B
Slot
A
PCI
Interface
Power
GND
PCI1420
CARDBUS
IRQ/DMA
Placement near
to PCMCIA
controller
Placement near
to PCMCIA
controller
401204
1A
SCHEMATIC, M/B LA-1311
Compal Electronics, inc.
B
23 43, 26, 2001
!"# $#%
Title
Size Document Number Rev
Date: Sheet of
S2_D0 S1_D0
S2_D1 S1_D1
S2_D2 S1_D2
S2_D3 S1_D3
S2_D4 S1_D4
S2_D5 S1_D5
S2_D6 S1_D6
S2_D7 S1_D7
S2_D8 S1_D8
S2_D9 S1_D9
S2_D10 S1_D10
S2_D11 S1_D11
S2_D12 S1_D12
S2_D13 S1_D13
S2_D14 S1_D14
S2_D15 S1_D15
S2_A0 S1_A0
S2_A1 S1_A1
S2_A2 S1_A2
S2_A3 S1_A3
S2_A4 S1_A4
S2_A5 S1_A5
S2_A6 S1_A6
S2_A7 S1_A7
S2_A8 S1_A8
S2_A9 S1_A9
S2_A10 S1_A10
S2_A11 S1_A11
S2_A12 S1_A12
S2_A13 S1_A13
S2_A14 S1_A14
S2_A15 S1_A15
S2_A16 SB_A16 SA_A16 S1_A16
S2_A17 S1_A17
S2_A18 S1_A18
S2_A19 S1_A19
S2_A20 S1_A20
S2_A21 S1_A21
S2_A22 S1_A22
S2_A23 S1_A23
S2_A24 S1_A24
S2_A25 S1_A25
S2_BVD1 S1_BVD1
S2_BVD2 S1_BVD2
S2_CD1# S1_CD1#
S2_CD2# S1_CD2#
S2_RDY# S1_RDY#
S2_WAIT# S1_WAIT#
S2_WP S1_WP
S2_INPACK# S1_INPACK#
S1_VS2
S2_RST
PCM_PME#
S1_A[0..25]
S2_D[0..15]
S1_D[0..15]
S2_A[0..25]
S2_WP
S1_WP
S1_A23
S2_A23
S1_VS1S2_VS1
S2_VS2
S1_RST
PCM_INTB#
PCM_INTA#
PCM_INTB#
PCM_INTA#
CBRST#
PCM2_LED
PCM1_LED
PCI_AD5
PCI_AD20
PCI_AD4
PCI_AD1
PCI_AD3
PCI_AD2
PCI_AD12
PCI_AD14
PCI_AD8
PCI_AD15
PCI_AD0
PCI_AD22
PCI_AD21
PCI_AD19
PCI_AD[0..31]
PCI_AD20
PCI_AD31
PCI_AD11
PCI_AD10
PCI_AD28
PCI_AD27
PCI_AD7
PCI_AD30
PCI_AD25
PCI_AD26
PCI_AD16
PCI_AD29
PCI_AD18
PCI_AD13
PCI_AD9
PCI_AD17
PCI_AD24
PCI_AD23
PCI_AD6
+3V
+3V
+3V
+3V
+3V
+3V
+12VS
S2_VCC
S1_VCC
+3V
S1_VCC
S1_VCC
S2_VCC
S2_VCC
+3V
+3V
Q60 2N7002
2
13
R478
100K
1 2
R463
47
1 2
R474
100
12
R466
47
1 2
R473
33
12
C669
.1UF
12
C666
.1UF
12
C690
1000PF
12
C692
1000PF
12
C691
.1UF
12
C693
.1UF
12
C687
1000PF
12
C688
1000PF
12
C664 .1UF
1 2
C681 .1UF
1 2
C668
.1UF
12
C667
.1UF
12
C695
10PF
12
D27 RB751V
2 1
R470 22K
1 2
R468 22K
R435 22K
1 2
R177 22K
R307 22K
R477
22K
D41 RB751V
21
D40 RB751V
21
R472
22K
U51
PCI1420-GHK
B12
A12
B11
C11
E13
C14
F11
E10
F10
A9
B9
F9
A8
F1
F6
B5
E6
A4
C12
E3
F5
G6
E1
F2
A13
G5
H6
G3
G1
T19
U14
P18
N17
U15
N19
M18
P15
M19
H19
F19
K17
P11
G17
H15
J19
P12
K14
J5
K15
R19
L15
L17
U13
L19
V12
M15
V13
W16
R12
K19
L18
H18
U12
R11
H17
J17
E12
G14
G18
H14
N18
R17
P17
N14
P19
L14
U11
P2
L6
P6
R3
M6
W4
N2
N6
P7
V9
W11
P8
L2
H1
R10
K6
V10
R8
J6
W7
K2
V7
P3
W6
W5
V6
U6
K5
V5
J2
P9
U5
K3
N1
K1
W8
J3
J1
R9
H2
V8
P10
U10
W10
L5
N3
R1
P1
R2
T1
R7
E9
W13
R13
W15
B8
G2
J14
U9
V14
K18
E18
F12
B10
E8
F13
E14
C15
B13
C6
B6
A6
F7
A7
B7
A14
C7
F8
A10
E2
A5
C8
A15
C13
E19
G15
F14
F17
W12
N15
G19
B14
A11
C9
E7
L3
M3
L1
M1
R14
W14
P14
W9 J15
F15
C5
H5
C10
E17
D19
A16
B15
E11
U7
M17
M5
D1
F3
P5
N5
R6
H3
M2
U8
M14
R18
V11
V15
J18
P13
F18
AD29
AD28
AD27
AD26
AD25
RIOUT#/PME#
AD24
AD23
AD22
AD21
AD20
AD19
AD17
AD4
AD15
AD14
AD13
AD12
AD11
AD10
AD9
AD8
AD7
AD6
AD31
AD5
AD3
AD2
AD1
A_A18/RSVD
A_OE#/CAD11
A_A16/CCLK
A_A23/CFRAME#
A_A17/CAD16
A_A24/CAD17
A_A25/CAD19
A_A19/CBLOCK#
A_VS2#/CVS2
A_BVD1/CSTSCHG
A_D10/CAD31
A_REG#/CC/BE3#
A_D11/CAD2
A_D9/CAD30
A_D8/CAD28
A_A0/CAD26
A_D13/CAD6
A_A1/CAD25
GND
A_A2/CAD24
A_WE#/CGNT#
A_A4/CAD22
A_A5/CAD21
A_D15/CAD8
A_A6/CAD20
A_D12/CAD4
A_A7/CAD18
A_D7/CAD7
A_A8/CC/BE1#
A_D6/CAD5
A_A3/CAD23
A_RESET/CRST#
A_WP/CCLKRUN#
A_D5/CAD3
A_D4/CAD1
A_CD2#/CCD2#
A_READY/CINT#
AD30
A_D2/RSVD
A_D1/CAD29
A_D0/CAD27
A_A12/CC/BE2#
A_A13/CPAR
A_A21/CDEVSEL#
A_A14/CPERR#
A_A22/TRDY#
A_INPACK/CREQ#
A_D3/CAD0
GND
B_OE#/CAD11
B_A16/CCLK
B_A23/CFRAME#
B_A17/CAD16
B_A24/CAD17
B_A18/RSVD
B_A19/CBLOCK#
B_VS2#/CVS2
B_BVD1/CSTSCHG
B_D10/CAD31
B_REG#/CC/BE3#
B_CE2#/CAD10
B_D11/CAD2
B_D9/CAD30
B_CE1#/CC/BE0#
B_D8/CAD28
B_A0/CAD26
B_D13/CAD6
B_A1/CAD25
B_D14/RSVD
B_A2/CAD24
B_WE#/CGNT#
B_A3/CAD23
B_RESET/CRST#
B_A4/CAD22
B_A5/CAD21
B_D15/CAD8
B_A6/CAD20
B_D12/CAD4
GND
B_A7/CAD18
B_D7/CAD7
B_A8/CC/BE1#
B_D6/CAD5
B_WAIT#/CSERR#
B_D5/CAD3
B_D4/CAD1
B_CD2#/CCD2#
B_D3/CAD0
B_READY/CINT#
B_D2/RSVD
B_D1/CAD29
B_D0/CAD27
B_IORD#/CAD13
B_A13/CPAR
B_A21/CDEVSEL#
B_A14/CPERR#
B_A22/CTRDY#
B_A12/CC/BE2#
B_INPACK/CREQ#
AD18
A_D14/RSVD
A_CE2#/CAD10
A_IORD#/CAD13
AD16
GND
A_WAIT#/CSERR#
B_WP/CCLKRUN#
GND
GND
GND
GND
GND
GND
DMAGNT#/MFUNC5
LOCK#/MFUNC4
IRQSER/MFUNC3
REQ#
PAR
SERR#
PERR#
STOP#
IRDY#
TRDY#
RSTIN#
DEVSEL#
FRAME#
PCLK
C/BE0#
C/BE1#
C/BE2#
C/BE3#
GNT#
CLOCK
SPKOUT
DATA
LATCH
VCC
VCC
VCC
VCC
GRST#
VCC
VCC
VCC
B_A9/CAD14
B_A10/CAD9
B_A11/CAD12
A_A9/CAD14
A_A10/CAD9
A_A11/CAD12
B_BVD2/CAUDIO A_BVD2/CAUDIO
INTA#/MFUNC0
GND
AD0
IDSEL
INTB#/MFUNC1
SUSPEND#
DMAREQ#/MFUNC2
CLKRUN#/MFUNC6
VCCP
VCC
VCCA
VCCB
VCCP
VCC
B_A15/CIRDY#
B_A20/CSTOP#
B_A25/CAD19
B_CD1#/CCD1#
B_IOWR#/CAD15
B_VS1#/CVS1
A_A15/CIRDY#
A_A20/CSTOP#
A_CD1#/CCD1#
A_IOWR#/CAD15
A_VS1#/CVS1
A_CE1#/CC/BE0#
VCCI
THIS SHEET OF ENGINEERING DRAWING IS THE PROPRIETARY PROPERTY OF COMPAL ELECTRONICS,INC. AND CONTAINS CONFIDENTIAL
AND TRADE SECRET INFORMATION . THIS SHEET MAY NOT BE TRANSFERRED FROM THE CUSTODY OF THE COMPETENT DIVISION OF R&D
DEPARTMENT EXCEPT AS AUTHORIZED BY COMPAL ELECTRONICS,INC. NEITHER THIS SHEET NOR THE INFORMATION CONTAINS MAY BE
USED BY OR DISCLOSED TO ANY THIRD PARTY WITHOUT PRIOR WRITTEN CONSENT OF COMPAL ELECTRONICS,INC.
S1_D[0..15]24
S2_D[0..15]24
S1_A[0..25]24
S2_A[0..25]24
PCI_SERR#17,19,21,22,28
S2_BVD124 S2_BVD224 S2_CD1#24 S2_CD2#24
S2_RDY#24 S2_WAIT#24 S2_WP24 S2_INPACK#24
S2_CE1#24 S2_CE2#24 S2_WE#24 S2_IORD#24 S2_IOWR#24
S2_OE#24
S2_REG#24 S2_RST24
S2_VS124 S2_VS224
PCI_AD[0..31]17,21,22,28,29
PCM_SUSP# 32
PM_CLKRUN# 17,19,22,25,28,29,32
INT_SERIRQ 17,19,25,32
PCM_PME# 32
S1_BVD1 24
S1_BVD2 24
S1_CD1# 24
S1_CD2# 24
S1_RDY# 24
S1_WAIT# 24
S1_WP 24
S1_INPACK# 24
S1_CE1# 24
S1_CE2# 24
S1_WE# 24
S1_IORD# 24
S1_IOWR# 24
S1_OE# 24
S1_REG# 24
S1_RST 24
S1_VS1 24
S1_VS2 24
PCM_SPK# 31
CLK_PCI_CB12
SLATCH24
SLDATA24 PCI_GNT#217,19 PCI_REQ#217,19 PCI_C/BE#317,21,22,28,29 PCI_C/BE#217,21,22,28,29 PCI_C/BE#117,21,22,28,29 PCI_C/BE#017,21,22,28,29
PCI_FRAME#17,19,21,22,28,29 PCI_DEVSEL#17,19,21,22,28,29
PCI_TRDY#17,19,21,22,28,29 PCI_IRDY#17,19,21,22,28,29 PCI_STOP#17,19,21,22,28,29 PCI_PERR#17,19,21,22,28
PCI_PAR17,19,21,22,28,29
PCIRST#8,15,17,19,20,21,22,24,25,28,29,34
RTCCLK15,17,24,29
PIRQA# 15,17,19,22
PIRQB# 17,19,21
CBRST# 15,21,22,24,28,29
PCM2_LED 33
PCM1_LED 33
PCM_RI# 29

SOCKET
PCMCIA POWER CTRL.
CARDBUS
W=40mils
W=40mils
W=30mils
W=30mils
+3V POWER
1.25V
4.926V
80 mils80 mils
401204
1A
SCHEMATIC, M/B LA-1311
Compal Electronics, inc.
B
24 43, 26, 2001
!"# $#%
Title
Size Document Number Rev
Date: Sheet of
S2_VPP
S2_D[0..15]
S1_A[0..25]
S2_A[0..25]
S1_D[0..15]
S1_VPP
CBRST#
S1_A8
S2_A18
S1_A21
S1_VS1
S2_A19
S2_A10
S1_A0
S2_CD2#
S1_A20
S2_A8
S2_D10
S2_RST
S2_RDY#
S2_D15
S1_A25
S2_D4
S1_IORD#
S2_A16
S1_BVD2
S2_A2
S1_CE2#
S1_D15
S2_A12
S1_D1
S1_A12
S1_D7
S1_A11
S1_INPACK#
S2_CD1#
S2_VS2
S1_D6
S2_A17
S2_A25
S2_A0
S1_A19
S2_BVD2
S1_IOWR#
S2_A15
S1_BVD1
S2_D5
S2_D7
S1_VS2
S1_RDY#
S2_WAIT#
S2_D6
S2_A14
S1_RST
S1_D10
S2_D8
S2_D1
S2_IORD#
S2_D11
S1_REG#
S2_A24
S1_A7
S1_D5
S1_D14
S1_A15
S1_D0
S1_A13
S2_CE1#
S1_A9
S1_OE#
S1_A18
S1_A6
S2_D2
S1_CD1#
S2_A9
S1_CD2#
S1_A5
S1_A16
S1_D12 S2_D12
S2_INPACK#
S2_A23
S1_A17
S2_VS1
S1_A24
S2_IOWR#
S2_A20
S1_D13
S1_D3
S1_A1
S1_D9
S2_WP
S1_A2
S2_D0
S1_D4
S2_D13
S1_D2
S1_D8
S2_D9
S2_A21
S2_A3
S1_WE#
S2_A4
S2_A13
S2_WE#
S1_A4
S1_D11
S2_A5
S1_A14
S1_A22
S2_BVD1
S2_D14
S1_WAIT#
S2_CE2#
S1_A3
S1_CE1#
S2_A7
S2_A1
S1_A10
S1_WP
S2_REG#
S2_A11
S2_A22
S2_A6
S2_OE#
S2_D3
S1_A23
S1_CD1#
S2_CD1#
S2_CD2#
S1_CD2#
CBRST#
+12V
+3V
S1_VCC
S2_VCC
S1_VPP
S2_VPP
S2_VPP
S1_VPP
S1_VPP S2_VPP
S1_VCC S2_VCC
S2_VCC
S1_VCC
+3V
+3V
+3V
+5V +5V_CBS
+5V_CBS
PCMC154PIN
JP19
A1
A2
A3
A4
A5
A6
A7
A8
A9
A10
A11
A12
A13
A14
A15
A16
A17
A18
A19
A20
A21
A22
A23
A24
A25
A26
A27
A28
A29
A30
A31
A32
A33
A34
A35
A36
A37
A38
A39
A40
A41
A42
A43
A44
A45
A46
A47
A48
A49
A50
A51
A52
A53
A54
A55
A56
A57
A58
A59
A60
A61
A62
A63
A64
A65
A66
A67
A68
A69
A70
A71
A72
A73
A74
A75
A76
A77
B1
B2
B3
B4
B5
B6
B7
B8
B9
B10
B11
B12
B13
B14
B15
B16
B17
B18
B19
B20
B21
B22
B23
B24
B25
B26
B27
B28
B29
B30
B31
B32
B33
B34
B35
B36
B37
B38
B39
B40
B41
B42
B43
B44
B45
B46
B47
B48
B49
B50
B51
B52
B53
B54
B55
B56
B57
B58
B59
B60
B61
B62
B63
B64
B65
B66
B67
B68
B69
B70
B71
B72
B73
B74
B75
B76
B77
a1
a35
a2
a36
a3
a37
a4
a38
GND
a5
a39
a6
a40
a7
a41
GND
a8
a42
a9
a43
a10
GND
a44
a11
a45
a12
a46
GND
a13
a47
a14
a48
a15
a49
a16
a50
a17
a51
a18
a52
a19
GND
a53
a20
a54
a21
a55
a22
GND
a56
a23
a57
a24
a58
a25
a59
GND
a26
a60
a27
a61
a28
a62
a29
GND
a63
a30
a64
a31
a65
a32
a66
GND
a33
a67
a34
a68
b1
b35
b2
b36
b3
b37
b4
b38
GND
b5
b39
b6
b40
b7
b41
GND
b8
b42
b9
b43
b10
GND
b44
b11
b45
b12
b46
GND
b13
b47
b14
b48
b15
b49
b16
b50
b17
b51
b18
b52
b19
GND
b53
b20
b54
b21
b55
b22
GND
b56
b23
b57
b24
b58
b25
b59
GND
b26
b60
b27
b61
b28
b62
b29
GND
b63
b30
b64
b31
b65
b32
b66
GND
b33
b67
b34
b68
C226
.1UF
1 2
C638
.1UF
1 2
C660
.1UF
1 2
C227
.1UF
1 2
C225
.1UF
1 2
C237
4.7UF_10V_0805
12
C240
4.7UF_10V_0805
12
C231
1UF_25V_0805
1 2
C641
.1UF
1 2
C229
.01UF
12
C659
1UF_25V_0805
12
C233
.01UF
12
R455
100K
1 2
C661
.1UF
12
C228
1UF_25V_0805
12
C674
1000PF
12
C673
.1UF
12
C234
56PF
12
C662
1000PF
12
U19
TPS2206AI/TPS2216
24
1
2
30
15
16
17
3
5
4
23
20
21
22
26
27
28
29
25
7
8
9
10
11
6
14
19
13
18 12
12V
5V
5V
5V
3.3V
3.3V
3.3V
DATA
LATCH
CLOCK
BVPP
BVCC
BVCC
BVCC
NC
NC
NC
NC
VCC_5V
12V
AVPP
AVCC
AVCC
AVCC
RESET
RESET#
BPWR_GOOD#
APWR_GOOD#
OC# GND
C671
10UF_16V_1206
C665
@1000PF
1 2
C670
@1000PF
1 2
C689
@1000PF
1 2
C686
@1000PF
1 2
U37A
74LVC125
2 3
1
14
7
C116
.1UF
12
R348 0
1 2
R349 @0
1 2
R354
10K
12
C678
10UF_16V_1206
C663
56PF
12
U58
@MAX1857
1
4
8
5
7
3 6
2
IN
SHDN#
OUT
GND
OUT
RST# SET
IN
U59
@MAX1857
1
4
8
5
7
3 6
2
IN
SHDN#
OUT
GND
OUT
RST# SET
IN
R533 @10K
1 2
R534 @10K
1 2
C718
@1UF_10V_0603
12
R531
@100K_1%
1 2
R532
@34K_1%_0603
1 2
C719
@2.2UF_0805
12
JP29
PAD-OPEN 4x4m
1 2
THIS SHEET OF ENGINEERING DRAWING IS THE PROPRIETARY PROPERTY OF COMPAL ELECTRONICS,INC. AND CONTAINS CONFIDENTIAL
AND TRADE SECRET INFORMATION . THIS SHEET MAY NOT BE TRANSFERRED FROM THE CUSTODY OF THE COMPETENT DIVISION OF R&D
DEPARTMENT EXCEPT AS AUTHORIZED BY COMPAL ELECTRONICS,INC. NEITHER THIS SHEET NOR THE INFORMATION CONTAINS MAY BE
USED BY OR DISCLOSED TO ANY THIRD PARTY WITHOUT PRIOR WRITTEN CONSENT OF COMPAL ELECTRONICS,INC.
OCCB#33
S1_D[0..15]23
S2_D[0..15]23
SLDATA23 SLATCH23 RTCCLK15,17,23,29
S2_A[0..25]23
S1_A[0..25]23
S1_CD1#23
S1_CE1#23
S2_CD2# 23
S2_WP 23
S2_BVD1 23
S2_BVD2 23
S2_REG# 23
S2_INPACK# 23
S2_WAIT# 23
S2_VS2 23
S2_RST 23
S2_RDY# 23
S2_WE# 23
S2_IOWR# 23
S2_IORD# 23
S2_VS1 23
S2_OE# 23
S2_CE2# 23
S2_CD1# 23
S2_CE1# 23
S1_IORD#23
S1_OE#23 S1_CE2#23
S1_VS123
S1_IOWR#23
S1_WE#23
S1_VS223
S1_RDY#23
S1_RST23
S1_WAIT#23
S1_INPACK#23
S1_REG#23
S1_BVD223
S1_BVD123
S1_WP23 S1_CD2#23
PCMRST# 33
PCIRST#8,15,17,19,20,21,22,23,25,28,29,34
G_RST#32
CBRST# 15,21,22,23,28,29

A
A
B
B
C
C
D
D
E
E
1 1
2 2
3 3
4 4
SUPER I/O SMsC FDC47N227
10V
THIS SHEET OF ENGINEERING DRAWING IS THE PROPRIETARY PROPERTY OF COMPAL ELECTRONICS, INC. AND CONTAINS CONFIDENTIAL AND
TRADE SECRET INFORMATION. THIS SHEET MAY NOT BE TRANSFERRED FROM THE CUSTODY OF THE COMPETENT DIVISION OF R&D
DEPARTMENT EXCEPT AS AUTHORIZED BY COMPAL ELECTRONICS, INC. NEITHER THIS SHEET NOR THE INFORMATION IT CONTAINS MAY BE
USED BY OR DISCLOSED TO ANY THIRD PARTY WITHOUT PRIOR WRITTEN CONSENT OF COMPAL ELECTRONICS, INC.
PROPRIETARY NOTE
Base I/O Address
0 = 02Eh
1 = 04Eh
*
401204
1A
SCHEMATIC, M/B LA-1311
Compal Electronics, inc.
B
25 43, 26, 2001
!"# $#%
Title
Size Document Number Rev
Date: Sheet of
LPD[0..7]
CTS#2
DSR#2
DCD#2
RI#2
DCD#1
RI#1
DTR#1
CTS#1
RTS#1
DSR#1
TXD1
RXD1
DCD#1
RI#1
CTS#1
DSR#1
LPC_AD[0..3]
LPTSLCT
LPD3
LPD6
LPD7
CTS#2
RTS#1
CTS#1
INDEX#
MTR0#
FDDIR#
DSKCHG#
CLK_SIO14
DSR#2
CLK_LPC_SIO
LPC_AD0
LPD1
LPD2
RXD1
WP#
WDATA#
WGATE#
CLK_SIO14
LPTERR#
LPTBUSY
LPTPE
CLK_LPC_SIO
RDATA#
LPD0
LPC_AD1
LPC_AD2
LPC_AD3
STEP#
RI#1
TXD1
DRV0#
TRACK0#
HDSEL#
DSR#1
DTR#1
LPTACK#
LPD4
LPD5
RI#2
DCD#2
DCD#1
LPC_RST#
LPC_RST#
LPCRST
LPCRST
+3VS
+3VS
+5V
+3VS
+3VS
+5VS
+3VS
+3VS
+3V
R249
10
1 2
R228
@33
1 2
RP10
8P4R_4.7K
1 8
2 7
3 6
4 5
RP11
8P4R_4.7K
1 8
2 7
3 6
4 5
R209 10K
1 2
R247 10K
12
R248 10K
1 2
D45
RB751V
21
R518 10K
1 2
R520 10K
1 2
R524
10K
1 2
C294
.1UF
12
R195 10K
1 2
C714
.1UF
12
C339
15PF
1 2
R213 1K
1 2
C278
4.7UF_10V_0805
C713
.1UF
1 2
C307
@22PF
1 2
C276
.1UF
12
R223 1K
1 2
U55
NC7WZ14
1
3
5 6
4
2
A1
A2
VCC Y1
Y2
GND
U29
SMsC LPC47N227
30
28
1
13
3
5
8
9
10
11
14
15
16
12
4
2
83
82
81
66
67
80
79
78
77
68
69
70
71
72
73
74
75
19
95
92
96
94
97
98
99
100
84
91
90
85
86
87
88
89
7
31
60
76
65
29
63
61
62
53
20
21
22
23
24
25
26
27
18
17
93
6
32
33
34
35
36
37
38
39
40
41
42
43
44
45
46
47
48
49
50
51
52
54
55
56
57
58
59
64
SIRQ
CLKRUN#
DRVDEN0
INDEX#
MTR0#
DS0#
DIR#
STEP#
WDATA#
WGATE#
TRK0#
WRTPRT#
RDATA#
HDSEL#
DSKCHG#
DRVDEN1
STROBE#/DS0#
AUTOFD#/DRVDEN0#
ERROR#/HDSEL#
INIT#/DIR#
SLCTIN#/STEP#
ACK#/DS1#
BUSY/MTR1#
PE/WDATA#
SLCT/WGATE#
PD0/INDEX#
PD1/TRK0
PD2/WRTPRT#
PD3/RDATA#
PD4/DSKCHG#
PD5
PD6/MTR0#
PD7
CLK14
RXD2
RI2#
TXD2
DCD2#
DSR2#
RTS2#
CTS2#
DTR2#
RXD1
DCD1#
RI1#
TXD1
DSR1#
RTS1#
CTS1#
DTR1#
VSS
VSS
VSS
VSS
VCC
PCICLK
IRMODE/IRRX3
IRRX2
IRTX2
VCC
LAD0
LAD1
LAD2
LAD3
LFRAME#
LDRQ#
PCIRST#
LPCPD#
VTR
IO_PME#
VCC
GPIO24
GPIO30
GPIO31
GPIO32
GPIO33
GPIO34
GPIO35
GPIO36
GPIO37
GPIO40
GPIO41
GPIO42
GPIO43
GPIO44
GPIO45
GPIO46
GPIO47
GPIO10
GPIO11/SYSOPT
GPIO12/IO_SMI#
GPIO13/IRQIN1
GPIO14/IRQIN2
GPIO15
GPIO16
GPIO17
GPIO20
GPIO21
GPIO22
GPIO23/FDC_PP
R196 10K
1 2
R208 1K
1 2
JP24
@96212-1011S
1
2
3
4
5
6
7
8
9
10
1
2
3
4
5
6
7
8
9
10
C338
.1UF
12
LPD[0..7] 26
LPTBUSY 26
LPTPE 26
LPTSLCT 26
LPTERR# 26
LPTACK# 26
INIT# 26
LPTAFD# 26
LPTSTB# 26
SLCTIN# 26
CLK_LPC_SIO12
LPC_FRAME#17,32 LPC_DRQ#117,19
LPC_AD[0..3]17,32
IRMODE 26
IRTXOUT 26
IRRX 26
3MODE# 20
WP# 20
PID115
MTR0# 20
RDATA# 20
PCIRST#8,15,17,19,20,21,22,23,24,28,29,34
PID015
INDEX# 20
INT_SERIRQ17,19,23,32
DRV0# 20,33
PM_CLKRUN#17,19,22,23,28,29,32
STEP# 20
FDDIR# 20
WGATE# 20
CLK_SIO1412
WDATA# 20
TRACK0# 20
PID315
HDSEL# 20
DSKCHG# 20
SUS_STAT#15,17,21,34
PID215
RXD129 TXD129 DSR#129 RTS#129 CTS#129 DTR#129 RI#129 DCD#129
LPC_RST# 32
BT_DET#27

PARALLEL PORT
FIR Module
The component's most place
cloely IRDA MODULE.
W=40mils
1/4W
W=40mils
(R561 For VCH ONLY)
401204
1A
SCHEMATIC, M/B LA-1311
Compal Electronics, inc.
26 43, 26, 2001
!"# $#%
Title
Size Document Number Rev
Date: Sheet of
LPD3 FD3
LPD2 FD2
LPD1 FD1
LPD0 FD0
LPD7 FD7
LPD6 FD6
LPD5 FD5
LPD4 FD4
LPD[0..7]
LPTSTB#
AFD#/3M#
LPTSLCTIN#
FD3FD1
FD3
LPTSLCTIN#
LPTINIT#
LPTERR#
FD1
FD0
FD2
FD6
FD7
FD5
FD4
LPTERR#
FD1
FD2
LPTSLCTIN#
LPTINIT#
FD0
AFD#/3M#
LPTERR#
FD2
LPTINIT#
AFD#/3M#
FD3
FD0
LPTSLCTIN#
LPTINIT#
FD7
FD6
LPTSLCT
LPTBUSY
LPTACK#
FD5
FD4
LPTBUSY
FD7
FD6
LPTPE
LPTACK#
LPTSLCT
LPTPE
FD5
FD4
IRTXOUT
IRMODE
IRRX
LPTPE
LPTACK#
LPTSLCT
LPTBUSY
+5V_PRN
+5V_PRN
+5V_PRN
+5V_PRN
+5V_PRN
+5VS
+3VS
+3VS
FIR_VCC
RP5
8P4R_68
1 8
2 7
3 6
4 5
RP6
8P4R_68
1 8
2 7
3 6
4 5
R188
33
1 2
R189
33
1 2
CP2
8P4C_220PF
1 8
2 7
3 6
4 5
C251
220PF
R190
33
R192
2.2K
RP8
10P8R_2.7K
10
9
8
7
6
1
2
3
4
5
RP7
10P8R_2.7K
10
9
8
7
6
1
2
3
4
5
CP1
8P4C_220PF
1 8
2 7
3 6
4 5
CP4
8P4C_220PF
1 8
2 7
3 6
4 5
CP3
8P4C_220PF
1 8
2 7
3 6
4 5
JP4
LPTCN-25
13
25
12
24
11
23
10
22
9
21
8
20
7
19
6
18
5
17
4
16
3
15
2
14
1
R191
33
D4
RB420D
2 1
R2
@4.7_1206
12
R4 @10K
1 2
R3 @10K
1 2
R5
@4.7_1206
12
+
C259
@68UF_4V_B2
12
+
C7
@68UF_4V_B2
12
R561
10K
12
U1
@HSDL-3600
1
27
10
5
4
3
8
9
6
VCC
AGNDGND
LEDA
MODE1
MODE0
FIR_SEL
RXD
TXD
N.C
C1
@0.47UF
12
THIS SHEET OF ENGINEERING DRAWING IS THE PROPRIETARY PROPERTY OF COMPAL ELECTRONICS,INC. AND CONTAINS CONFIDENTIAL
AND TRADE SECRET INFORMATION . THIS SHEET MAY NOT BE TRANSFERRED FROM THE CUSTODY OF THE COMPETENT DIVISION OF R&D
DEPARTMENT EXCEPT AS AUTHORIZED BY COMPAL ELECTRONICS,INC. NEITHER THIS SHEET NOR THE INFORMATION CONTAINS MAY BE
USED BY OR DISCLOSED TO ANY THIRD PARTY WITHOUT PRIOR WRITTEN CONSENT OF COMPAL ELECTRONICS,INC.
LPTACK#25
LPTBUSY25
LPTSLCT25
LPTERR#25
LPD[0..7]25
LPTPE25
INIT#25
SLCTIN#25
LPTSTB#25
LPTAFD#25
IRRX 25
IRTXOUT 25
IRMODE25

4516
4516
4516
Bluetooth
USB PORT
401204
1A
SCHEMATIC, M/B LA-1311
Compal Electronics, inc.
B
27 43, 26, 2001
!"# $#%
Title
Size Document Number Rev
Date: Sheet of
USB0_D-
USB0_D+
USB_AGND
USB2_D-
USB3_D-
USB3_D+
USB2_D+
USB_BGND
USB_CGND
USB1_D-
USB1_D+
+5VS
USB_VCCA
+5VS
USB_VCCB
BT_VCC
BT_VCC
+3VALW+5VALW
+5VS
USB_VCCC
F4
POLYSWITCH_0.75A
L35
CHB4516G750_1806
12
L36
FBM-160808-121T
1 2
L34
FBM-160808-121T
1 2
+
C153
150UF_E
JP9
SUYIN USB Connector 2569A-04G3T-B
1
2
3
4
C208
.1UF
12
C535
.1UF
12
R353
470K
12
R355
560K
12
C560
1000PF
12
F2
POLYSWITCH_0.75A
L14
CHB4516G750_1806
12
L15
FBM-160808-121T
1 2
+
C281
150UF_E
C272
.1UF
12
R203
470K
12
R204
560K
12
C273
1000PF
12
C198
@0.1UF
12
22K
22K
Q40
@DTC124EK
2
13
R163
@100K
1 2
C171
@0.1UF
12
C172
@0.1UF
12
Q10
@SI2301DS
21
3
+
C201
@4.7UF_10V_1206
12
R171
@100K
12
F3
POLYSWITCH_0.75A
L13
CHB4516G750_1806
12
L19
FBM-160808-121T
1 2
L18
FBM-160808-121T
1 2
+
C267
150UF_E
C263
.1UF
12
C271
.1UF
12
R194
470K
12
R197
560K
12
C279
1000PF
12
JP15
@ HRS DF15-08-20DS-065V
12
34
56
78
910
12
14
11
13
15 16
17
19 18
20
C275
.1UF
12
JP1
SUYIN 2553A-0BG5T-A
1
2
3
4
5
6
7
8
L16
FBM-160808-121T
1 2
C721
47PF
12
C720
47PF
12
C723
47PF
12
C722
47PF
12
C725
47PF
12
C724
47PF
12
THIS SHEET OF ENGINEERING DRAWING IS THE PROPRIETARY PROPERTY OF COMPAL ELECTRONICS,INC. AND CONTAINS CONFIDENTIAL
AND TRADE SECRET INFORMATION . THIS SHEET MAY NOT BE TRANSFERRED FROM THE CUSTODY OF THE COMPETENT DIVISION OF R&D
DEPARTMENT EXCEPT AS AUTHORIZED BY COMPAL ELECTRONICS,INC. NEITHER THIS SHEET NOR THE INFORMATION CONTAINS MAY BE
USED BY OR DISCLOSED TO ANY THIRD PARTY WITHOUT PRIOR WRITTEN CONSENT OF COMPAL ELECTRONICS,INC.
USB_PN018 USB_PP018
USB_OC#018
USB_PP118 USB_PN118
USB_OC#118
RFOFF#33,34
BT_RESET#33
USB_PN218
BT_WAKE_UP33 BT_DETACH33
USB_PP318 USB_PN318
USB_OC#318
USB_PP218 BT_DET# 25

LAN RESERVED
W=40mils
TIP
0603
LAN RESERVED
W=40mils
W=20mils
0603
W=30mils
W=40mils
RING
0603
W=30mils
W=30mils
401204
1A
SCHEMATIC, M/B LA-1311
Compal Electronics, inc.
B
28 43, 26, 2001
!"# $#%
Title
Size Document Number Rev
Date: Sheet of
PCIRST#
PCI_AD18
PCI_C/BE#1
PCI_AD17
PCI_C/BE#2
PIRQD#
PCI_AD19
PCI_AD23
CLK_MINIPCI
PCI_REQ#1
PCI_AD25
PCI_C/BE#3
PCI_AD12
PCI_AD5
PCI_PERR#
MINI_RST#
PCI_AD27
PM_CLKRUN#
PCI_AD14
PCI_AD3
PCI_AD7
PCI_IRDY#
PCI_SERR#
MINI_RST#
PIRQC#
PCI_AD21
PCI_AD8
MINI_IDSEL
CLK_MINIPCI
PCI_AD31
PCI_AD29
PCI_AD10
PCI_AD1
PCI_STOP#
PCI_AD16
PCI_DEVSEL#
PCI_AD2
PCI_AD20
PCI_PAR
PCI_C/BE#0
PCI_AD15
PCI_AD13
PCI_AD9
PCI_AD6
PCI_AD0
PCI_AD4
PCI_AD11
PCI_AD18
PCI_FRAME#
PCI_TRDY#
PCI_AD22
PCI_AD24
PCI_AD30
PCI_AD26
PCI_AD28
PCI_REQ#4
+3V
+3.3VAUX
+3VALW
+5VALW
+3V
+3.3VAUX
+5VS_MINIPCI
+5VS
+3VS_MINIPCI
+3V +3VS_MINIPCI
+5VS_MINIPCI
+5VS_MINIPCI
+3.3VAUX
+3V
+3VS_MINIPCI
+5VS_MINIPCI
C181
.1UF
C232
.1UF
C592
@1UF_25V_0805
12
C629
@1UF_25V_0805
12
R454
@100K
1 2
C200
.1UF
12
C191
.1UF
12
D
S
G
Q54
@SI2301DS
2
13
R385
0
1 2
R168 0
1 2
R164 @0
1 2
L9
CHB1608B121
1 2
C180
@33PF
12
L8
CHB1608B121
1 2
R169
@10
12
C179
.1UF
12
KEY KEY
JP18
Mini-PCI SLOT
1 2
3 4
5 6
7 8
9 10
11 12
13 14
15 16
17 18
19 20
21 22
23 24
25 26
27 28
29 30
31 32
33 34
35 36
37 38
39 40
41 42
43 44
45 46
47 48
49 50
51 52
53 54
55 56
57 58
59 60
61 62
63 64
65 66
67 68
69 70
71 72
73 74
75 76
77 78
79 80
81 82
83 84
85 86
87 88
89 90
91 92
93 94
95 96
97 98
99 100
101 102
103 104
105 106
107 108
109 110
111 112
113 114
115 116
117 118
119 120
121 122
123 124
12
34
56
78
910
11 12
13 14
15 16
17 18
19 20
21 22
23 24
25 26
27 28
29 30
31 32
33 34
35 36
37 38
39 40
41 42
43 44
45 46
47 48
49 50
51 52
53 54
55 56
57 58
59 60
61 62
63 64
65 66
67 68
69 70
71 72
73 74
75 76
77 78
79 80
81 82
83 84
85 86
87 88
89 90
91 92
93 94
95 96
97 98
99 100
101 102
103 104
105 106
107 108
109 110
111 112
113 114
115 116
117 118
119 120
121 122
123 124
L7 0_0603
1 2
R48 100
1 2
U61
@7SH08FU
1
2
3
4
5
C728
.1UF
1 2
C224
.1UF
12
C177
10UF_16V_1206
C236
@.1UF
12
C175
@.1UF
12
C178
@10UF_16V_1206
C173
@1000PF
12
THIS SHEET OF ENGINEERING DRAWING IS THE PROPRIETARY PROPERTY OF COMPAL ELECTRONICS,INC. AND CONTAINS CONFIDENTIAL
AND TRADE SECRET INFORMATION . THIS SHEET MAY NOT BE TRANSFERRED FROM THE CUSTODY OF THE COMPETENT DIVISION OF R&D
DEPARTMENT EXCEPT AS AUTHORIZED BY COMPAL ELECTRONICS,INC. NEITHER THIS SHEET NOR THE INFORMATION CONTAINS MAY BE
USED BY OR DISCLOSED TO ANY THIRD PARTY WITHOUT PRIOR WRITTEN CONSENT OF COMPAL ELECTRONICS,INC.
PCIRST# 8,15,17,19,20,21,22,23,24,25,29,34
EN_WOL#32
CBRST# 15,21,22,23,24,29
PIRQC# 17,19,29
CLK_MINIPCI12
PCI_AD1417,21,22,23,29
PCI_AD1217,21,22,23,29
PCI_AD517,21,22,23,29
PM_CLKRUN#17,19,22,23,25,29,32
PCI_AD317,21,22,23,29
PCI_AD2717,21,22,23,29
WLANPME# 32
PCI_IRDY#17,19,21,22,23,29
PCI_AD2917,21,22,23,29
PCI_AD817,21,22,23,29
PCI_GNT#1 17,19
PCI_C/BE#217,21,22,23,29
PCI_REQ#117,19
PCI_C/BE#317,21,22,23,29
PCI_AD3117,21,22,23,29
PCI_AD1717,21,22,23,29
PCI_SERR#17,19,21,22,23
PCI_C/BE#117,21,22,23,29 PCI_PERR#17,19,21,22,23
PCI_AD717,21,22,23,29
PCI_AD1017,21,22,23,29
PCI_AD2517,21,22,23,29
PIRQD#17,19,29
PCI_AD2317,21,22,23,29
PCI_AD2117,21,22,23,29 PCI_AD1917,21,22,23,29
PCI_AD117,21,22,23,29
PCI_AD0 17,21,22,23,29
PCI_AD2 17,21,22,23,29
PCI_AD4 17,21,22,23,29
PCI_AD6 17,21,22,23,29
PCI_C/BE#0 17,21,22,23,29
PCI_AD9 17,21,22,23,29
PCI_AD11 17,21,22,23,29
PCI_AD13 17,21,22,23,29
PCI_AD15 17,21,22,23,29
PCI_DEVSEL# 17,19,21,22,23,29
PCI_STOP# 17,19,21,22,23,29
PCI_TRDY# 17,19,21,22,23,29
PCI_FRAME# 17,19,21,22,23,29
PCI_AD16 17,21,22,23,29
PCI_AD18 17,21,22,23,29
PCI_PAR 17,19,21,22,23,29
PCI_AD20 17,21,22,23,29
PCI_AD22 17,21,22,23,29
PCI_AD24 17,21,22,23,29
PCI_AD26 17,21,22,23,29
PCI_AD28 17,21,22,23,29
PCI_AD30 17,21,22,23,29
PCI_GNT#4 17,19PCI_REQ#417,19
WL_OFF#33
KILL_SW33,34

SD Transfer Conn.
When the serial
ROM interface is
not applied need
pull up.
401204
1A
SCHEMATIC, M/B LA-1311
B
29 43, 26, 2001
!"# $#%
Compal Electronics, inc.
Title
Size Document Number Rev
Date: Sheet of
PCI_AD0
PCI_AD1
PCI_AD2
PCI_AD3
PCI_AD4
PCI_AD5
PCI_AD6
PCI_AD7
PCI_AD8
PCI_AD9
PCI_AD10
PCI_AD11
PCI_AD12
PCI_AD13
PCI_AD14
PCI_AD15
PCI_AD16
PCI_AD17
PCI_AD18
PCI_AD19
PCI_AD20
PCI_AD21
PCI_AD22
PCI_AD23
PCI_AD24
PCI_AD25
PCI_AD26
PCI_AD27
PCI_AD31
PCI_AD30
PCI_AD29
PCI_AD28
PCI_C/BE#2
PCI_C/BE#3
PCI_C/BE#0
PCI_C/BE#1
PCTRST#
CLK_PCI_SD/SM
PCI_AD22 IDSEL0
PCI_AD22 IDSEL1
PCI_AD[0..31]
CLK_PCI_SD/SM
FCMODE
PWRST#
SMD0
SMD1
SMD2
SMD3
SMD4
SMD5
SMD6
SMD7
SM_CLE
SM_ALE
SM_CE#
SMWE#
SM_RE#
SM_WP#
SM_R/B#
SMCD#
SM_LVD
SMVC3EN
SMD0
SMD1
SMD2
SMD3
SMD4
SMD5
SMD6
SMD7
SM_CLE
SM_ALE
SM_WP#
SM_LVD
SDCD0
SDCD1
SDCD2
SDCD3
SDCMD
SDCD0
SDCD2 SDCLKSDCMD
SDCD# SDWP
SDPWR
SDCD3
SDCD1
DCD#1 RI#1
DTR#1
CTS#1 RTS#1
DSR#1 TXD1
RXD1
SUSP# COM_RI#
IDSEL1
SMCD# SMEJSW#
SDLED
IDSEL0
SMEJSW#
SMWP D#
SM_R/B#
SM_RE#
SMWE#
SM_CE#
SM_LED
PWRST#
FCMODE SMD7
SMWPD#
SM_LVD
SMD2
SM_ALE
SM_R/B#
SM_CE#
SM_RE#
SMD1
SMD6
SMWE#
SMD5
SM_CLE
SMD4
SMD3
SM_WP#
SMD0
SMCD#
SMVC3EN
SM_LED
COM_RI#
+3V
+3V
+3V
+3V
+5V
+3V
+3V
+3V
+3V
+3V
+3V
+3V
SMC_VCC
SMC_VCC
SMC_VCC
+3V+3V
+3V
+3V
+3V
+3V
SMC_VCC
+3V SMC_VCC
+5VS
+3V+3V
R497 @100
1 2
R496 @100
1 2
C711
@10PF
R511
@22
1 2
R491 @100K
1 2
R492 @100K
1 2
R490 @100K
1 2
R499 @100K
1 2
R500 @100K
1 2
R502 @100K
1 2
R501 @100K
1 2
R504 @100K
1 2
R498 @100K
1 2
R514 @100K
1 2
R523 @ 0
1 2
R536
@0
1 2
R537 @100K
1 2
R538 @100K
1 2
R539 @100K
1 2
R540 @100K
1 2
R541 @100K
1 2
R542 @0
1 2
R546 @0
1 2
R547 @0
1 2
RP35
@8P4R_100K *
1 8
2 7
3 6
4 5
R508 @0
1 2
R505 @100K
1 2
JP28
@SD/COM
12
34
56
78
910
11 12
13 14
15 16
17 18
19 20
21 22
23 24
25 26
27 28
29 30
RP36
@8P4R_100K *
1 8
2 7
3 6
4 5
RP34
@8P4R_100K *
1 8
2 7
3 6
4 5
R503 @100K
1 2
PCI I/F SD CARD I/F
SmartMedia I/FSystem I/FGPIO I/FTest Pins
Power
GND
U53
@TC6371AF
53
52
51
50
48
47
46
45
42
41
40
38
37
36
35
34
22
21
20
19
18
16
15
14
10
9
8
7
5
4
3
2
43
32
31
11
30
24
25
26
29
13
120
55
27
125
123
121
122
128
101
102
83
85
89
98
104
105
69
86
90
93
95
99
96
94
91
75
78
77
80
79
84
82
100
88
73
74
107
109
106
72
71
61
62
63
64
59
56
57
58
68
67
66
6
17
28
39
49
60
70
81
92
103
113
124
1
12
23
33
44
54
65
76
87
97
108
118
110
111
112
114
115
116
117
119
126
127
AD0
AD1
AD2
AD3
AD4
AD5
AD6
AD7
AD8
AD9
AD10
AD11
AD12
AD13
AD14
AD15
AD16
AD17
AD18
AD19
AD20
AD21
AD22
AD23
AD24
AD25
AD26
AD27
AD28
AD29
AD30
AD31
CBE0#
CBE1#
CBE2#
CBE3#
PAR
FRAME#
IRDY#
TRDY#
STOP#
IDSEL0
IDSEL1
CLKRUN#
DEVSEL#
PCICLK
PCIRST#
INTA#
INTB#
PME#
SDCD0
SDCD1
SDCD2
SDCD3
SDCMD
SDCLK
SDCD#
SDWP
SDPWR
SMD0
SMD1
SMD2
SMD3
SMD4
SMD5
SMD6
SMD7
SMCLE
SMALE
SMCE#
SMWE#
SMRE#
SMWP#
SMRB#
SMCD#
SMLVD
SMWPD#
SMEJSW#
SMLED#
SMLOCK#
SMEJCT#
SMVC3EN
SMVC5EN
TEST0
TEST1
TEST2
TEST3
CLK32
PWRST#
SUSPEND#
FCMODE
ROM_CS
ROM_SK
ROM_D
VDD
VDD
VDD
VDD
VDD
VDD
VDD
VDD
VDD
VDD
VDD
VDD
VSS
VSS
VSS
VSS
VSS
VSS
VSS
VSS
VSS
VSS
VSS
VSS
GPIO0
GPIO1
GPIO2
GPIO3
GPIO4
GPIO5
GPIO6
GPIO7
NC
NC
R506 @100K
1 2
R494 @10K
1 2
RP37
@8P4R_100K *
1 8
2 7
3 6
4 5
R486 @1M
1 2
@NC7S14
U62
5
4
3
2
1
VCC
OUTPUT
GND
INPUT
NC
C729
@.1UF
1 2
R545
@1K
12
C699
1000PF
12
C700
.1UF
12
C707
.1UF
12
C702
.1UF
12
C698
.1UF
12
C703
.1UF
12
C706
1000PF
12
C701
1000PF
12
C705
.1UF
12
C704
1000PF
12
R526 @0
1 2
R493 @10K
1 2
R525 @10K
1 2
C716 @ 0.1UF
12
R488 @10K
1 2
R487 @100K
1 2
C726 @1000PF
1 2 JP14
@SmartMedia Slot
1
2
3
4
5
6
7
8
9
10
11
12
13
14
15
16
17
18
19
20
21
22
23
24
VSS
CLE
ALE
WE#
WP#
I/O0
I/O1
I/O2
I/O3
VSS
PCD#
VCC
I/O4
I/O5
I/O6
I/O7
LVD
GND
RDY
RD#
CE#
VCC
GND
WPRO#
U52
@RT9701- CB
3
41
5
2
VIN
VIN/CE VOUT
VOUT
GND C708
@ 0.1UF
12
R535
@1K
12
C717
@10UF_16V_ 1206
C709
@1000PF
12
D46
@HSMB-C110 BLUE
21
10K
47K
Q64
@DTC114YKA
2
13
R543 @110
12
D43
@RB751V
2 1
R510
@10K
1 2
R509
@10K
1 2
G
D
S
Q62
@2N7002
2
13
THIS SHEET OF ENGINEERING DRAWING IS THE PROPRIETARY PROPERTY OF COMPAL ELECTRONICS,INC. AND CONTAINS CONFIDENTIAL
AND TRADE SECRET INFORMATION . THIS SHEET MAY NOT BE TRANSFERRED FROM THE CUSTODY OF THE COMPETENT DIVISION OF R&D
DEPARTMENT EXCEPT AS AUTHORIZED BY COMPAL ELECTRONICS,INC. NEITHER THIS SHEET NOR THE INFORMATION CONTAINS MAY BE
USED BY OR DISCLOSED TO ANY THIRD PARTY WITHOUT PRIOR WRITTEN CONSENT OF COMPAL ELECTRONICS,INC.
PCI_C/BE#017,21,22,23,28 PCI_C/BE#117,21,22,23,28 PCI_C/BE#217,21,22,23,28 PCI_C/BE#317,21,22,23,28 PCI_PAR17,19,21,22,23,28
SM/SD_PME#32
PM_CLKRUN#17,19,22,23,25,28,32
PCIRST#8,15,17,19,20,21,22,23,24,25,28,34 PIRQD#17,19,28
PCI_FRAME#17,19,21,22,23,28 PCI_IRDY#17,19,21,22,23,28 PCI_TRDY#17,19,21,22,23,28
PCI_DEVSEL#17,19,21,22,23,28
PIRQC#17,19,28
CLK_PCI_SD/SM12
PCI_STOP#17,19,21,22,23,28
PCI_AD[0..31]17,21,22,23,28
RTCCLK 15,17,23,24
SUSP# 32,36,40
RXD125
TXD1 25
DSR#125
RTS#1 25
CTS#125 DTR#125 RI#1 25DCD#125
CBRST#15,21,22,23,24,28
SM_LED 34
PCM_RI#23 RING# 32

AC97 Codec
NPO
NPO
NPO
NPO
NPO
401204
1A
SCHEMATIC, M/B LA-1311
B
30 43, 26, 2001
!"# $#%
Compal Electronics, inc.
Title
Size Document Number Rev
Date: Sheet of
MIC
CD_GNA
RIGHT
LEFT
CD_GNA
LINEL
LINER
CD_L_R
CD_R_R
AUD_VREF
VDDA VDDC
+3VS
AVDD_AC97
AUD_VREF
AUD_VREF
AUD_VREF
VDDA
+5VS+5VS
C573
1000PF
1 2
C571
1000PF
12
R408 6.8K
12
R404 2.4K
12
C565
.1UF
12
C584
1UF_25V_0805
12
R374 22
1 2
C596 1UF_25V_0805
1 2
R379 100
12
R407 20K
12
R393 10K
12
R405 6.8K
12
R406 20K
12 C595 1UF_25V_0805
1 2
Y3
24.576MHz
C599
4.7UF_10V_0805
12
C568
4.7UF_10V_0805
12
C579
.1UF
12
C570
22PF
C602 1UF_25V_0805
1 2
C567
4.7UF_10V_0805
1 2 C566
4.7UF_10V_0805
1 2
R416
3.3K
12
R415
3.3K
12
R380
@100K
1 2
R377
22
1 2
R396 0
1 2
C572
22PF
U41
CS4299A
14
15
17
16
23
24
18
20
19
21
22
13
12
35
36
37
11
10
6
5
8
2
3
29
30
28
27
1
9
25
38
32
46
47
48
4
7
39
41
31
33
34
43
44
45
40
26
42
AUX_L
AUX_R
VIDEO_R
VIDEO_L
LIN_IN_L
LIN_IN_R
CD_L
CD_R
CD_GNA
MIC1
MIC2
PHONE
PC_BEEP
LINE_OUT_L
LINE_OUT_R
MONO_OUT
RESET#
SYNC
BIT_CLK
SDATA_OUT
SDATA_IN
XTL_IN
XTL_OUT
AFLT1
AFLT2
VREFOUT
REFFLT
VCC
VCC
AVCC
AVCC
FLT3D
ID1#
EAPD#
S/PDIF_OUT
GND
GND
HP_OUT_L
HP_OUT_R
BPCFG
FLTI
FLTO
NC
NC
ID0#
NC
AGND
AGND
C600 1UF_25V_0805
1 2
C591
.1UF
12
C593
.1UF
12
C594
4.7UF_10V_0805
12
L37
CHB2012U170
1 2
L44 CHB2012U170
1 2
L40 CHB2012U170
1 2
L38 CHB2012U170
1 2
C604 1UF_25V_0805
1 2
C606 1000PF
1 2
R427
0
12
C581
.01UF
12
C597 1UF_25V_0805
1 2
C598 1UF_25V_0805
1 2
R402 6.8K
12
R403 6.8K
12
R418 6.8K
12
R417 6.8K
12 C557
1UF_25V_0805
1 2 C559
1000PF
12
C574
1UF_25V_0805
12
R124
0_0603
1 2
C603 1UF_25V_0805
1 2
C576
1000PF
12
C589 1000PF
1 2
C583 1000PF
1 2
R81 10K
1 2
U40
SI9182
4
8
5
3
6
7 1
2
VIN
ON/OFF#
VOUT
GND
SENSE
ERROR CNOISE
DELAY
C564
.1UF
12
C552
4.7UF_10V_0805
12
C577
.1UF
12
C580
4.7UF_10V_0805
12
THIS SHEET OF ENGINEERING DRAWING IS THE PROPRIETARY PROPERTY OF COMPAL ELECTRONICS,INC. AND CONTAINS CONFIDENTIAL
AND TRADE SECRET INFORMATION . THIS SHEET MAY NOT BE TRANSFERRED FROM THE CUSTODY OF THE COMPETENT DIVISION OF R&D
DEPARTMENT EXCEPT AS AUTHORIZED BY COMPAL ELECTRONICS,INC. NEITHER THIS SHEET NOR THE INFORMATION CONTAINS MAY BE
USED BY OR DISCLOSED TO ANY THIRD PARTY WITHOUT PRIOR WRITTEN CONSENT OF COMPAL ELECTRONICS,INC.
MD_SPK15
IAC_BITCLK 15,17
IAC_SYNC15,17
MONO_IN31
RIGHT 31
IAC_SDATAO15,17
CD_AGND20
IAC_RST#15,17
EAPD31
MIC31
LEFT 31
LINE_IN_R31
LINE_IN_L31 MD_MIC 15
IAC_SDATAI0 17
INT_CD_L20
INT_CD_R20

A
A
B
B
C
C
D
D
E
E
4 4
3 3
2 2
1 1
+3V POWER
+3V POWER
AMP & Audio Jack
W=40Mil
EXT.
MICPHONE
JACK
LINE_IN JACK
SPEAKER OUT
JACK
+3V POWER
401204
1A
SCHEMATIC, M/B LA-1311
B
31 43, 26, 2001
!"# $#%
Compal Electronics, inc.
Title
Size Document Number Rev
Date: Sheet of
MONO_IN
INTSPK_R2
NBA_PLUG
SHUTDOWN#
U3-5
U3-6
U3-20
U3-23
VOL_OP
INTSPK_L1
INTSPK_R1
INTSPK_L2
NBA_PLUG
MIC
INTSPK_L1-3INTSPK_L1
INTSPK_R1
INTSPK_R1
INTSPK_R2
INTSPK_R1-3
INTSPK_L1
INTSPK_L2
INTSPK_R1
INTSPK_R2
INTSPK_L1
INTSPK_L2
VOL_OP
+3V
+3V
VDDA
+3V
AVDD_AC97
AVDD_AC97
VDDA
+5VS
+5VS
+5VS
+5VS
R409
2.4K
1 2
D33
RB751V
2 1
Q34
2SC2411K
23
1
R397
10K
12
C588
1UF_10V_0603
1 2
C586
1UF_10V_0603
1 2
C528
1UF_10V_0603
1 2
R390
560
1 2
R333
560
1 2
R391
560
1 2
R350 8.2K
1 2
R345
100K
12
C539
.22UF
12
C587
1UF_10V_0603
1 2
R389
10K
12
C551
.1UF
1 2
C622
.47UF
12
C625
.47UF
12
C618
.47UF
12
R432 100K
1 2
Q30
2N7002
2
1
3
R401
100K
12
C615 .47UF
1 2
C644 .47UF
1 2
C610 .47UF
1 2
C643 .47UF
1 2
U46
TPA0132
2
3
4
21
5
6
20
7
18
19
23
24
13
12
1
8
10
16
9
11
14
15
17
22
PC-ENABLE
VOLUME
LOUT+
ROUT+
LLINEIN
LHPIN
RHPIN
PVDD
PVDD
VDD
RLINEIN
GND
GND
GND
GND
RIN
LIN
ROUT-
LOUT-
BYPASS
PC-BEEP
SE/BTL#
CLK
SHUTDOWN#
C630
.047UF_0805
12
C637 .1UF
1 2
C613
@.1UF
12
C601
.1UF
12
C612
4.7UF_10V_0805
12
R479 1K
1 2
R448 100K
12
C696
330PF
12
C697
330PF
12
JP21
PHONEJACK
1
2
3
4
5
6
C694
220PF
12
R476
2.2K
12
C648
1UF_10V_0603
12
R457
18K_1%
1 2 Q47
2SC2411K
23
1
R456
18K_1%
1 2
R464
100K_1%
12
U36A
74LVC14
21
14
7
U36B
74LVC14
43
14
7
L50
FBM-11-160808-700T
1 2
L49
FBM-11-160808-700T
1 2
L48
FBM-11-160808-700T
1 2
R392
10K
12
C611
10UF_16V_1206
12
JP23
PHONEJACK
1
2
3
4
5
6
R481 47
1 2
+
C623
150UF_6.3V_D2
1 2
R480 47
1 2
+
C633
150UF_6.3V_D2
1 2
JP20
PHONEJACK
1
2
3
4
5
6
L47
FBM-11-160808-700T
1 2
L46
FBM-11-160808-700T
1 2
C680
330PF
12
C685
330PF
12
JP16
ACES 85205-0400
1
2
3
4
U37B
74LVC125
5 6
4
D39
DAN217
1
2
3
Q42
2SB1188
1
32
C620
10UF_16V_1206
12
C626
4.7UF_10V_0805
12
10K
Q52 DTC314TK
2
1 3
10K
Q53 DTC314TK
2
1 3
10K
Q44 DTC314TK
2
1 3
10K
Q43 DTC314TK
2
1 3
R430
2.2K
12
R420 2.2K
1 2
R419
4.7K
12
R444 33
1 2
R443 33
1 2
R446 33
1 2
R447 33
1 2
C712
@1000PF
+
-
U56
LM7111
3
4
1
25
R512
1.65K
1 2
R513
10K
1 2
L51
CHB3216U121
1 2
THIS SHEET OF ENGINEERING DRAWING IS THE PROPRIETARY PROPERTY OF COMPAL ELECTRONICS,INC. AND CONTAINS CONFIDENTIAL
AND TRADE SECRET INFORMATION . THIS SHEET MAY NOT BE TRANSFERRED FROM THE CUSTODY OF THE COMPETENT DIVISION OF R&D
DEPARTMENT EXCEPT AS AUTHORIZED BY COMPAL ELECTRONICS,INC. NEITHER THIS SHEET NOR THE INFORMATION CONTAINS MAY BE
USED BY OR DISCLOSED TO ANY THIRD PARTY WITHOUT PRIOR WRITTEN CONSENT OF COMPAL ELECTRONICS,INC.
PCM_SPK#23
ICH_SPKR18
BEEP#32
MONO_IN 30
EAPD 30
LEFT30
RIGHT30
MIC30
LINE_IN_R30
LINE_IN_L30
VOL_AMP 32

5
5
4
4
3
3
2
2
1
1
D D
C C
B B
A A
THIS SHEET OF ENGINEERING DRAWING IS THE PROPRIETARY PROPERTY OF COMPAL ELECTRONICS, INC. AND CONTAINS CONFIDENTIAL AND
TRADE SECRET INFORMATION. THIS SHEET MAY NOT BE TRANSFERRED FROM THE CUSTODY OF THE COMPETENT DIVISION OF R&D
DEPARTMENT EXCEPT AS AUTHORIZED BY COMPAL ELECTRONICS, INC. NEITHER THIS SHEET NOR THE INFORMATION IT CONTAINS MAY BE
USED BY OR DISCLOSED TO ANY THIRD PARTY WITHOUT PRIOR WRITTEN CONSENT OF COMPAL ELECTRONICS, INC.
PROPRIETARY NOTE
I/O Address
SHBM(KBA5)=1: Enable shared memory with host BIOS
0
1
0
4E
Reserved
ENV1 (KBA1)
0
ENV0 (KBA0) TRIS (KBA4)
(HCFGBAH, HCFGBAL) (HCFGBAH, HCFGBAL)+1
11
PROG 0
2E 2F
4F
DEV 0
0
Data
OBD 0
1
Index
IRE
TRIS(KBA4)=1: While in IRE and OBD, float all the
signals for clip-on ISE use
0
0
1
BADDR1(KBA3) BADDR0(KBA2)
0
0
01
11
VTT_ON
VTT_PWRGD#
For PWM
EN_DFAN
SCR_LED#
BATT_CHGI
ADP_I
OEM
PS2_CLK
PS2_DATA
KBD_DATA
KBD_CLK
KBA19
VBATTA
VGA_SUSP#
VBATTB
OEM
*
*
KSO16
KSO17
A/B#USE
BATT_TEMPB
BLI/MH#
TRICKLE
401204
1A
SCHEMATIC, M/B LA-1311
Compal Electronics, inc.
B
32 43, 26, 2001
!"# $#%
Title
Size Document Number Rev
Date: Sheet of
LPC_AD[0..3] LPC_AD0
LPC_AD1
LPC_AD2
LPC_AD3
KSO[0..15]
KSI[0..7]
KBA[0..18]
ADB[0..7]
KSO0
KSI0
KSI2
KSI3
KSI7
KSO4
KSO11
KSO13
KSI1
KSI5
KSO9
KSO8
KSO5
KSO6
KSO14
KSO10
KSO12
KSO3
KSI4
KSO7
KSO15
KSO1
KSI6
KSO2
G20
RCL# CRY1
CRY2
CRY2CRY1
KBA2
KBA0
KBA4
KBA17
KBA8
KBA10
KBA6
KBA2
KBA1
KBA11
KBA16
KBA13
KBA5
KBA3
KBA15
KBA7
KBA12
KBA9
KBA18
KBA14
FRD#
ADB0
SELIO#
ADB7
ADB2
ADB4
ACIN ADB3
FSEL#
ADB1
ADB5
ADB6
INVT_PWM
ATFOUT#
EC_SMC1
EC_SMD1
ENBKL
EC_USCLK
EC_SMC2
EC_SMD2
RING#
BATT_TEMPA SYSON
MMO_ON
PC7
51RST#
KBA4
G20
RCL#
MMO_ON
ATFOUT#
SUSP#
ENVEE
TP_CLK
TP_DATA
PCI_PME#
PCI_PME#
BATT_TEMPA
BATT_TEMPB
51VDD
EC_SMC2
EC_SMD2
KBA1
KBA3
ECAGND
ECAGND
ECAGND
EC_TINIT#
EC_TCK
EC_TDO
EC_TDI
EC_TMS
EC_URXD
EC_UTXD
EC_TINIT#
EC_TCK
EC_TDI
EC_TDO
EC_TMS
EC_USCLK
EC_URXD
EC_UTXD
KBA5
G_RST#
FRD#
SELIO#
FSEL#
KBA0
+3VALW
+3VS
+3V
+3VS
+3VALW +3VALW EC_AVCC +RTCVCC
+RTCVCC EC_AVCC
+3VALW
+3VS
+3VALW
+5VALW
+3VALW
+3VALW
+3VALW
C478 @22PF
1 2 R304 @33
1 2
X1
32.768KHZ C346
12PF
12
C376
10PF
12
R266
20M
1 2
R267
120K
1 2
R133 @1K
R131 @1K
D25
RB751V
2 1
R292
10K
1 2
D24
RB751V
2 1
R285
10K
1 2
C521 .01UF
1 2
D22 RB751V
21
R258 10K
1 2
R283 10K
12
C377
1000PF
12
C90
1000PF
12
C378
.1UF
12
C374
.1UF
12
C430
.1UF
12
C108
.1UF
12
L32
CHB1608U800
1 2
C510
.1UF
12
C375
.1UF
12
D23 RB751V
21
R265 10K
1 2
C522 .01UF
1 2
C53
.1UF
12
U34
PC87591VPC
32
33
36
37
38
39
40
43
153
154
162
163
164
165
168
169
170
171
172
175
176
1
26
29
30
41
42
54
55
62
63
69
70
75
76
81
82
83
84
87
88
89
90
2
44
93
94
99
100
101
102
124
125
126
127
128
131
132
133
143
142
135
134
130
129
121
120
113
112
104
103
48
138
139
140
141
144
145
146
147
150
151
152
173
174
148
149
155
156
3
4
27
28
110
111
114
115
116
117
118
119
15
14
13
10
9
8
7
19
22
23
24
25
31
5
6
18
11
12
20
21
85
86
91
92
97
98
158
160
47
34
45
123
136
157
166
16
95
161
17
35
46
122
137
159
167
96
71
72
73
74
77
78
79
80
49
50
51
52
53
56
57
58
59
60
61
64
65
66
67
68
105
106
107
108
109
IOPA0/PWM0
IOPA1/PWM1
IOPA2/PWM2
IOPA3/PWM3
IOPA4/PWM4
IOPA5/PWM5
IOPA6/PWM6
IOPA7/PWM7
IOPB0/URXD
IOPB1/UTXD
IOPB2/USCLK
IOPB3/SCL1
IOPB4/SDA1
IOPB7/RING#/PFAIL#
IOPC0
IOPC1/SCL2
IOPC2/SDA2
IOPC3/TA1
IOPC4/TB1/EXWINT22
IOPC5/TA2
IOPC6/TB2/EXWINT23
IOPC7/CLKOUT
IOPD0/RI1#/EXWINT20
IOPD1/RI2#/EXWINT21
IOPD2/EXWINT24
IOPD4
IOPD5
IOPD6
IOPD7
IOPJ2/BST0
IOPJ3/BST1
IOPJ4/BST2
IOPJ5/PFS#
IOPJ6/PLI
IOPJ7/BRKL_RSTO#
AD0
AD1
AD2
AD3
IOPE0AD4
IOPE1/AD5
IOPE2/AD6
IOPE3/AD7
IOPE4/SWIN
IOPE5/EXWINT40
DP/AD8
DN/AD9
DA0
DA1
DA2
DA3
IOPH0/A0/ENV0
IOPH1/A1/ENV1
IOPH2/A2/BADDR0
IOPH3/A3/BADDR1
IOPH4/A4/TRIS
IOPH5/A5/SHBM
IOPH6/A6
IOPH7/A7
IOPK0/A8
IOPK1/A9
IOPK2/A10
IOPK3/A11
IOPK4/A12
IOPK5/A13/BE0
IOPK6/A14/BE1
IOPK7/A15/CBRD
IOPL0/A16
IOPL1/A17
IOPL2/A18
IOPL3/A19
IOPL4/WR1#
IOPI0/D0
IOPI1/D1
IOPI2/D2
IOPI3/D3
IOPI4/D4
IOPI5/D5
IOPI6/D6
IOPI7/D7
IOPJ0/RD#
IOPJ1/WR0#
SELIO#
SEL0#
SEL1#
IOPM0/D8
IOPM1/D9
IOPM2/D10
IOPM3/D11
IOPM4/D12
IOPM5/D13
IOPM6/D14
IOPM7/D15
PSCLK1/IOPF0
PSDAT1/IOPF1
PSCLK2/IOPF2
PSDAT2/IOPF3
PSCLK3/IOPF4
PSDAT3/IOPF5
PSCLK4/IOPF6
PSDAT4/IOPF7
LAD0
LAD1
LAD2
LAD3
LFRAME#
LDRQ#
SERIRQ
LREST#
SMI#
PWUREQ#
IOPE6/LPCPD#/EXWIN45
IOPE7/CLKRUN#/EXWINT46
IOPD3/ECSCI#
GA20/IOPB5
KBRST#/IOPB6
LCLK
NC1
NC2
NC3
NC4
NC5
NC6
NC7
NC8
NC9
NC10
32KX1/32KCLKOUT
32KX2
CLK
VCC1
VCC2
VCC3
VCC4
VCC5
VCC6
VDD
AVCC
VBAT
GND1
GND2
GND3
GND4
GND5
GND6
GND7
AGND
KBSIN0
KBSIN1
KBSIN2
KBSIN3
KBSIN4
KBSIN5
KBSIN6
KBSIN7
KBSOUT0
KBSOUT1
KBSOUT2
KBSOUT3
KBSOUT4
KBSOUT5
KBSOUT6
KBSOUT7
KBSOUT8
KBSOUT9
KBSOUT10
KBSOUT11
KBSOUT12
KBSOUT13
KBSOUT14
KBSOUT15
TINT#
TCK
TDO
TDI
TMS
R74 @0
1 2
R79 0
1 2
R237 4.7K
1 2
R236 4.7K
1 2
R130 1K
1 2
R132 1K
1 2
JP25
@96212-1011S
1
2
3
4
5
6
7
8
9
10
1
2
3
4
5
6
7
8
9
10
R134 1K
1 2
L31
CHB1608U800
1 2
RP16
8P4R_10K
1 8
2 7
3 6
4 5
R293 @0
1 2
R129 @1K
1 2
D20
RB717F
1
23
D21
RB717F
1
23
D19 RB751V
21
D44 RB751V
21
LPC_AD[0..3]17,25
ADB[0..7]33 KBA[0..18]33
LPC_FRAME#17,25 LPC_DRQ#017,19 INT_SERIRQ17,19,23,25
PM_CLKRUN#17,19,22,23,25,28,29
LPCPD#34
CLK_LPC_EC12
EC_RST#34
FRD# 33
FWR# 33
INVT_PWM15
NUM_LED#34 CAPS_LED#34 ARROW_LED#34
51ON34
EC_SMC133,39 EC_SMD133,39
EN_WOL#28
EC_SMC25 EC_SMD25
RING#29
PM_SLP_S5#17
PM_SLP_S3#12,17
PM_SLP_S1#12,17
ON/OFF19,34
BATT_TEMPA39
DAC_BRIG15 VOL_AMP31
EN_DFAN34
SYSON 36
GATEA2017
RC#17
VR_ON 42
ATF_INT# 17
EC_SMI#19
EC_SCI#19
KSO[0..15]15 KSI[0..7]15
PC734
ACIN18,34,37,40
SUSP# 29,36,40
ENVEE 15
BEEP#31
ACOFF38
PM_BATLOW#17
FSTCHG 38
ALI/MH#39
IREF38
LID_SW# 34
PBTN_OUT#19
EC_RIOUT#19
1394_PME#22
WLANPME#28
LAN_PME#21
EC_LID_OUT#19 PCM_SUSP#23
G_RST#24
FAN_SPEED34
MP3#34
TP_DATA 15
SELIO# 33
FSEL# 33
ENBKL 15
TP_CLK 15
CDON#/MP3 34
VTT_ON 43
VTT_PWRGD# 5,12
ICH_WAKE_UP#17
LPC_RST#25
PCM_PME#23
SM/SD_PME#29

401204
1A
SCHEMATIC, M/B LA-1311
Compal Electronics, inc.
B
33 43, 26, 2001
!"# $#%
Title
Size Document Number Rev
Date: Sheet of
ADB[0..7]
KBA[0..18]
ADB0
ADB0
ADB1
ADB1
ADB2
ADB2
ADB3
ADB5
ADB7
AA
SELIO# LARST#
CC
SELIO#
AA
CC
ADB0
ADB1
ADB2
ADB3
ADB4
ADB5
BB
SELIO# LARST#
KBA18
KBA16
KBA15
KBA17
KBA12
KBA14
KBA7
KBA13
KBA6
KBA8
KBA5
KBA9
KBA4
KBA11
KBA3
FRD#
KBA2
KBA10
KBA1
FSEL#
ADB7
ADB0
ADB6
ADB5
ADB2
KBA3
SELIO# DD
ADB0
ADB1
ADB2
ADB3
ADB4
ADB5
ADB6
ADB7
ADB6
ADB7
ADB4
ADB3
ADB5 BB
DD ADB4
KBA2
ADB7
ADB6
KBA4
KBA1
ADB4
ADB3
ADB1
KBA0
ADB6
FWE#
FWE#
PCM_LED
PCM_LED
KBA18
KBA16
KBA15 KBA17
KBA12 KBA14
KBA7 KBA13
KBA6 KBA8
KBA5 KBA9
KBA4 KBA11
KBA3 FRD#
KBA2 KBA10
KBA1 FSEL#
ADB7
ADB0 ADB6
ADB5
ADB2 ADB4
ADB3
ADB1
KBA0
FWE#
ADB0
ADB1
ADB2
ADB3
ADB4
ADB5
ADB6
ADB7
KBA5
SELIO#
BID
KBA18
KBA16
KBA15
KBA17
KBA12
KBA14
KBA7
KBA13
KBA6
KBA8
KBA5
KBA9
KBA4
KBA11
KBA3
FRD#
KBA2
KBA10
KBA1
FSEL#
ADB7
ADB0
ADB6
ADB5
ADB2
ADB4
ADB3
ADB1
KBA0
FWE#
+12VS
+5VALW
+3VALW
+3VALW
+5VALW
+3VALW
+3VALW
+3VALW
+3VALW
FLASH_VCC
+3VALW
+3VALW
+5VALW
+3VALW
+5VALW
+5VALW
+5VALW +5VALW
+3VALW
+3VALW
+3VALW
+5VALW
FLASH_VCC
FLASH_VCC
+3VALW
R433
100K
1 2
C151
.1UF
1 2
U25A
74LVC32
1
23
14
7
R398
100K
12
U32
74LVC244
2 18
4 16
6 14
8 12
11 9
13 7
15 5
17 3
1
19
20
10
1A1 1Y1
1A2 1Y2
1A3 1Y3
1A4 1Y4
2A1 2Y1
2A2 2Y2
2A3 2Y3
2A4 2Y4
1G
2G
VCC
GND
U25B
74LVC32
4
56
14
7
U25C
74LVC32
9
10 8
14
7
U25D
74LVC32
12
13 11
14
7
U26
74HCT273
2
4 5
7 6
8 9
13 12
14 15
17 16
18 19
3
11
20
1
10
Q0
D1 Q1
D2 Q2
D3 Q3
D4 Q4
D5 Q5
D6 Q6
D7 Q7
D0
CLK
VCC
CLR
GND
C280
.1UF
1 2
G
D
S
Q36
2N7002
2
1 3
R198
100K
12
R205
100K
12
RP12
8P4R_100K
1 8
2 7
3 6
4 5
C315
.1UF
1 2 C289
.1UF
1 2
U27
74HCT273
2
4 5
7 6
8 9
13 12
14 15
17 16
18 19
3
11
20
1
10
Q0
D1 Q1
D2 Q2
D3 Q3
D4 Q4
D5 Q5
D6 Q6
D7 Q7
D0
CLK
VCC
CLR
GND
C284
.1UF
1 2
C342
1UF_25V_0805
1 2
R268
20K
1 2
C243
.1UF
1 2
C316
.1UF
1 2
U15
@SST39VF040_TSOP
1
2
3
4
5
6
7
8
9
10
11
12
13
14
15 17
18
19
20
21
22
23
24
25
26
27
28
29
31
32
16
30
A11
A9
A8
A13
A14
A17
WE#
VCC
A18
A16
A15
A12
A7
A6
A5 A3
A2
A1
A0
DQ0
DQ1
DQ2
VSS
DQ3
DQ4
DQ5
DQ6
DQ7
A10
OE#
A4
CE#
U44
7SH32FU
2
1
4
3 5
R243
100K
12
D12
DAN202U
1
23
U21
NM24C16
1
2
5
6
8
3
4
7A0
A1
SDA
SCL
VCC
A2
GND
WC
U14
29F040/SST39VF040_PLCC
1
2
3
4
5
6
7
8
9
10
11
12
13
14
15 17
18
19
20
21
22
23
24
25
26
27
28
29
31
32
16
30
NC
A16
A15
A12
A7
A6
A5
A4
A3
A2
A1
A0
DQ0
DQ1
DQ2 DQ3
DQ4
DQ5
DQ6
DQ7
CE*
A10
OE*
A11
A9
A8
A13
A14
WE*
VCC
VSS
A17
R214
4.7K
12
R206
4.7K
12
U31
74LVC244
2 18
4 16
6 14
8 12
11 9
13 7
15 5
17 3
1
19
20
10
1A1 1Y1
1A2 1Y2
1A3 1Y3
1A4 1Y4
2A1 2Y1
2A2 2Y2
2A3 2Y3
2A4 2Y4
1G
2G
VCC
GND
C290
.1UF
1 2
U30
7SH32FU
2
14
3 5
C331
.1UF
1 2
R27 100K
1 2
R26 100K
1 2
R28 100K
1 2
R29 @100K
1 2
U24
74LVC244
2 18
4 16
6 14
8 12
11 9
13 7
15 5
17 3
1
19
20
10
1A1 1Y1
1A2 1Y2
1A3 1Y3
1A4 1Y4
2A1 2Y1
2A2 2Y2
2A3 2Y3
2A4 2Y4
1G
2G
VCC
GND
R156 0
1 2
R159 @0
1 2
U16
@29F040_TSOP
1
2
3
4
5
6
7
8
9
10
11
12
13
14
15 17
18
19
20
21
22
23
24
25
26
27
28
29
31
32
16
30
A11
A9
A8
A13
A14
A17
WE#
VCC
A18
A16
A15
A12
A7
A6
A5 A3
A2
A1
A0
DQ0
DQ1
DQ2
VSS
DQ3
DQ4
DQ5
DQ6
DQ7
A10
OE#
A4
CE#
C608 .1UF
1 2
C158 .1UF
1 2
R221 0
1 2
R557 @100K
12
R558 @100K
12
THIS SHEET OF ENGINEERING DRAWING IS THE PROPRIETARY PROPERTY OF COMPAL ELECTRONICS,INC. AND CONTAINS CONFIDENTIAL
AND TRADE SECRET INFORMATION . THIS SHEET MAY NOT BE TRANSFERRED FROM THE CUSTODY OF THE COMPETENT DIVISION OF R&D
DEPARTMENT EXCEPT AS AUTHORIZED BY COMPAL ELECTRONICS,INC. NEITHER THIS SHEET NOR THE INFORMATION CONTAINS MAY BE
USED BY OR DISCLOSED TO ANY THIRD PARTY WITHOUT PRIOR WRITTEN CONSENT OF COMPAL ELECTRONICS,INC.
SELIO#32
KBA[0..18]32
FRD# 32
FSEL# 32
FWR# 32
ADB[0..7]32
EC_FLASH# 18
OCCB#24
PCM1_LED23
BUTTON1#34
PCM2_LED23
HDD_LED# 34
EC_SMD132,39 EC_SMC132,39
INTERNET#34
VOL_UP#34 VOL_DW#34
PHDD_LED#20 SHDD_LED#20
MDC_DN# 15
BT_RESET# 27
BT_DETACH 27
2ND_CHGI_CD_FDD_LED# 34
PWR_LED# 34
KILL_SW28,34
DRV0#20,25
EXTID020
EXTID220 EXTID120
BT_WAKE_UP27
BATT_LOW_LED# 34
BATT_CHGI_LED# 34
PCMRST# 24
EN_LAN# 21
2nd_BATT_LOW_LED# 34
WL_OFF# 28
RFOFF# 27,34
EXTIDEPWR# 20

5
5
4
4
3
3
2
2
1
1
D D
C C
B B
A A
For PC87591 REV 0.A Only
FAN CONN.
Switch Board Connector
401204
1A
SCHEMATIC, M/B LA-1311
Compal Electronics, inc.
B
34 43, 26, 2001
!"# $#%
Title
Size Document Number Rev
Date: Sheet of
LPCPD#
LPCPD#
EC_RST#
FAN1
EN_DFAN
SMLED
+3VALW
+3VALW
+5V
+12V
+3V
+5V
+3VALW
+3VALW+5VALW
+3VS+3V
Q26
2N7002
2
13
R273
470K
12
R233 @0
U28
7SH08FU
1
2
3
4
5
C321 .1UF
1 2
D35
1N4148
2 1
Q33
2SA1036K
C
B
E
Q29
FMMT619
1
2
3
D38
1SS355
2 1
C569
@10UF_16V_1206
12
C157
.1UF
12
R160
3.6K
12
D37
1N4148
21
JP10
53398-0310-FAN
1
2
3
R369
10K
12
VCC
VEE
U39
LMV321_SOT23-5
1
3
2
5
4
C556 .1UF
1 2
R113
13K_1%
1 2
R347
7.32K_1%
1 2
C548
.1UF
12
R85
470K
12
R19 @0
1 2
JP6
SUYIN-80065A-040G2T
12
34
56
78
910
11 12
13 14
15 16
17 18
19 20
21 22
23 24
25 26
27 28
29 30
31 32
33 34
35 36
37 38
39 40
THIS SHEET OF ENGINEERING DRAWING IS THE PROPRIETARY PROPERTY OF COMPAL ELECTRONICS,INC. AND CONTAINS CONFIDENTIAL
AND TRADE SECRET INFORMATION . THIS SHEET MAY NOT BE TRANSFERRED FROM THE CUSTODY OF THE COMPETENT DIVISION OF R&D
DEPARTMENT EXCEPT AS AUTHORIZED BY COMPAL ELECTRONICS,INC. NEITHER THIS SHEET NOR THE INFORMATION CONTAINS MAY BE
USED BY OR DISCLOSED TO ANY THIRD PARTY WITHOUT PRIOR WRITTEN CONSENT OF COMPAL ELECTRONICS,INC.
PC732
PCIRST#8,15,17,19,20,21,22,23,24,25,28,29
SUS_STAT#15,17,21,25 LPCPD# 32
FAN_SPEED32
EN_DFAN32
EC_RST# 32
51ON32 ON/OFF19,32
ACIN18,32,37,40
KILL_SW28,33
CDON#/MP332
INTERNET#33 VOL_DW#33
ARROW_LED#32
BATT_LOW_LED#33 HDD_LED#33
RFOFF#27,33
51ON# 37
LID_SW# 32
BUTTON1# 33
VOL_UP# 33
MP3# 32
CAPS_LED# 32
NUM_LED# 32
PWR_LED# 33
BATT_CHGI_LED# 33
2ND_CHGI_CD_FDD_LED# 33
SM_LED 29
2nd_BATT_LOW_LED#33

A
A
B
B
C
C
D
D
E
E
1 1
2 2
3 3
4 4
THIS SHEET OF ENGINEERING DRAWING IS THE PROPRIETARY PROPERTY OF COMPAL ELECTRONICS, INC. AND CONTAINS CONFIDENTIAL AND
TRADE SECRET INFORMATION. THIS SHEET MAY NOT BE TRANSFERRED FROM THE CUSTODY OF THE COMPETENT DIVISION OF R&D
DEPARTMENT EXCEPT AS AUTHORIZED BY COMPAL ELECTRONICS, INC. NEITHER THIS SHEET NOR THE INFORMATION IT CONTAINS MAY BE
USED BY OR DISCLOSED TO ANY THIRD PARTY WITHOUT PRIOR WRITTEN CONSENT OF COMPAL ELECTRONICS, INC.
PROPRIETARY NOTE
+3V POWER +3V POWER
RTC Batt. Connector
W=30mils
-+
W=30mils
Place near ICH3-M
+3V POWER
+3V POWER
401204
1A
SCHEMATIC, M/B LA-1311
Compal Electronics, inc.
B
35 43, 26, 2001
!"# $#%
Title
Size Document Number Rev
Date: Sheet of
PM_RSMRST#
+3V
+3V +3V
+3V
+5VS
+3VS
+5V +3V
+RTCVCC
CHGRTC
+RTC_BATT
+3V
R101
330K
R105
47K U36C
74LVC14
65
14
7
U36D
74LVC14
89
14
7
U36E
74LVC14
1011
14
7
R126
100K
12
R127
240K
12
C137
.01UF
12
C138
.1UF
12
C136 .1UF
1 2
R106
47K
12
C113
.1UF
12
R102
330K
1 2
U35
7SH32FU
2
14
3 5
C111
.1UF
1 2
R103
10K
12
U11
MAX6342
5
3
6
4
12
MR#
PFI
RST#
PFO#
VCCGND
C526
.22UF
12
U37C
74LVC125
9 8
10
CF11
SMD40M80
1
FD2
FIDUCAL
1
CF18
SMD40M80
1
CF15
SMD40M80
1
CF13
SMD40M80
1
CF16
SMD40M80
1
CF2
SMD40M80
1
CF4
SMD40M80
1
CF1
SMD40M80
1
CF9
SMD40M80
1
CF10
SMD40M80
1
CF6
SMD40M80
1
CF7
SMD40M80
1
CF8
SMD40M80
1
CF19
SMD40M80
1
CF5
SMD40M80
1
CF20
SMD40M80
1
CF3
SMD40M80
1
CF17
SMD40M80
1
CF12
SMD40M80
1
FD1
FIDUCAL
1
FD3
FIDUCAL
1
FD5
FIDUCAL
1
FD6
FIDUCAL
1
FD4
FIDUCAL
1
C131
.1UF
12
D3
RB751V
21
D1
RB751V
21
C141
.1UF
1 2
BATT1
RTCBATT
12
ST2
Stand-Off 053
1
ST3
Stand-Off 053
1
ST1
Screw Boss 070
1
ST4
Stand-Off 090
1
H18
Stand-Off 090
1
H8
Stand-Off 053
1
H2
Stand-Off 115
1
H12
J CPU Thermal Plane Screw Hold
1
H10
J CPU Thermal Plane Screw Hold
1
H27
J CPU Thermal Plane Screw Hold
1
H9
J CPU Thermal Plane Screw Hold
1
H20
I Fixed Position Hold
1
H22
M Fixed Position Hold
1
H5
F Fixed Position Hold
1
H3
A Screw Hold
1
H28
C Screw Hold
1
H23
D Screw Hold
1
H29
I Screw Hold
1
H24
M Screw Hold
1
H11
L Screw Hold
1
H1
F Screw Hold
1
H4
G Screw Hold
1
H14
N Screw Hold
1
H13
O Screw Hold
1
H7
O Screw Hold
1
H17
O Screw Hold
1
H25
E HDD Frame Hold
1
H16
E HDD Frame Hold
1
H15
E HDD Frame Hold
1
H6
E HDD Frame Hold
1
H21
O Screw Hold
1
H19
O Screw Hold
1
H26
O Screw Hold
1
U37D
74LVC125
12 11
13
R107 @0
1 2
R97
100K
12
H30
EMI FINGER
1
H31
EMI FINGER
1
H32
EMI FINGER
1
H33
EMI FINGER
1
H35
EMI FINGER
1
H37
EMI FINGER
1
H38
EMI FINGER
1
PM_RSMRST# 17
SYS_PWROK 17
VGATE42 ICH_VGATE 17

A
A
B
B
C
C
D
D
E
E
1 1
2 2
3 3
4 4
+1.8V_ALW TO +1.8V_SW Transfer
+1.5V TO +1.5V_SW Transfer
+3VALW To +3V Transfer
+3VALW To +3VS Transfer
+5VALW To +5VS Transfer
+12VALW To +12V Transfer +12VALW To +12VS Transfer
+5VALW To +5V Transfer
401204
1A
SCHEMATIC, M/B LA-1311
Custom
36 43, 26, 2001
!"# $#%
Compal Electronics, inc.
Title
Size Document Number Rev
Date: Sheet of
SUSP
SUSP#
SYSON#
+5VS_GATE
SUSP
+5VS_GATE
SUSP
ON_GATESYSON#
SUSP
+5VS_GATE
+5VS_GATE
SUSP
SYSON
SUSP#
SYSON#
SUSP
SYSON#
SUSPSYSON#
SUSPSYSON#
SYSON#
ON_GATE
SUSP
+1.8V +1.8VS
+3VALW +3VALW
+1.5V +1.5VS
+12VALW
+3V+3VALW
+3VALW
+3VS
+12V
+5VALW +5VS
+12VALW
+12V
+12VALW
+12VALW
+12VS
+12VALW
+5V+5VALW
+3VS+3V
+5VS+5V
+12VS+12V
+1.8V
C14
4.7UF_10V_0805
12
U3
SI4800
1
2
3
4
8
7
6
5
S
S
S
G
D
D
D
D
G
D
S
Q56
2N7002
2
13
R23
1K
12
C16
4.7UF_10V_0805
12
U4
SI4800
1
2
3
4
8
7
6
5
S
S
S
G
D
D
D
D
G
D
S
Q5
2N7002
2
13
R20
1K
12
C20
1UF_10V_0603
12
C25
4.7UF_10V_0805
12
C23
4.7UF_10V_0805
12
C17
4.7UF_10V_0805
12
C24
4.7UF_10V_0805
12
C22
1UF_10V_0603
12
R440
1M
12
R438
100K
12
C636
4.7UF_10V_0805
12
C628
4.7UF_10V_0805
12
C639
1UF_25V_0805
12
C624
.01UF
12
R212 100K
1 2
C26
.1UF
12
C268
1UF_10V_0603
12
R211
1M
12
C323
4.7UF_10V_0805
12
C260
10UF_16V_1206
12
C6
10UF_16V_1206
12
C277
10UF_16V_1206
12
C258
10UF_16V_1206
12
C672
4.7UF_10V_0805
12
C658
4.7UF_10V_0805
12
C621
.01UF
12
C675
.1UF
12
R436
330K
12
C677
4.7UF_25V_1206
12
C676
4.7UF_25V_1206
12
C679
4.7UF_25V_1206
12
G
D
S
Q13
2N7002
2
13
R180
100K
12
C239
.1UF_25V_0805
1 2
R179
47K
12
C235
1UF_25V_0805
12
C238
1UF_25V_0805
12
C241
1000PF
12
D
S
G
Q11
NDS352P
2
1 3
C682
.1UF_25V_0805
12
C683
1UF_25V_0805
12
R471
51K
12
R469
100K
12
G
D
S
Q59
2N7002
2
13
D
S
G
Q58
NDS352P
2
1 3
C684
1UF_25V_0805
12
C247
1UF_25V_0805
12
C242
.01UF
12
C246
4.7UF_10V_0805
12
C245
4.7UF_10V_0805
12
R193
1K
12
G
D
S
Q19
2N7002
2
13
R183
470
G
D
S
Q16
2N7002
2
13
R465
1K
12
G
D
S
Q55
2N7002
2
13
R182
470
G
D
S
Q15
2N7002
2
13
R178
1K
12
R467
1K
12
G
D
S
Q14
2N7002
2
13
G
D
S
Q57
2N7002
2
13
R216
4.7K
12
R210
10K
12
C13
4.7UF_10V_0805
12
C10
4.7UF_10V_0805
12
C9
4.7UF_10V_0805
12
C8
1UF_10V_0603
12
G
D
S
Q12
2N7002
2
13
G
D
S
Q2
2N7002
2
13
G1
D1 S1
Q22A
SI1906DL
2
61
G2
D2 S2
Q22B
SI1906DL
5
34
U47
SI4702DY
1
2
3
4
7
6
5 8
S1
VON/OFF
S2
S2
VIN
VIN
VIN VHV
U22
SI4702DY
1
2
3
4
7
6
5 8
S1
VON/OFF
S2
S2
VIN
VIN
VIN VHV
U50
SI4702DY
1
2
3
4
7
6
5 8
S1
VON/OFF
S2
S2
VIN
VIN
VIN VHV
U20
SI4702DY
1
2
3
4
7
6
5 8
S1
VON/OFF
S2
S2
VIN
VIN
VIN VHV
THIS SHEET OF ENGINEERING DRAWING IS THE PROPRIETARY PROPERTY OF COMPAL ELECTRONICS,INC. AND CONTAINS CONFIDENTIAL
AND TRADE SECRET INFORMATION . THIS SHEET MAY NOT BE TRANSFERRED FROM THE CUSTODY OF THE COMPETENT DIVISION OF R&D
DEPARTMENT EXCEPT AS AUTHORIZED BY COMPAL ELECTRONICS,INC. NEITHER THIS SHEET NOR THE INFORMATION CONTAINS MAY BE
USED BY OR DISCLOSED TO ANY THIRD PARTY WITHOUT PRIOR WRITTEN CONSENT OF COMPAL ELECTRONICS,INC.
SUSP#29,32,40
SYSON32
SYSON# 41

A
A
B
B
C
C
D
D
1 1
2 2
3 3
4 4
B
(120mA,20mils ,Via NO.= 1)
(5A,200mils ,Via NO.= 10)
(5A,200mils ,Via NO.= 10)
(1.5A,60mils ,Via NO.= 3)
(3A,120mils ,Via NO.= 6)
Vin Detector
High 16.265 15.526 14.808 V
Low 15.628 14.919 14.198 V
(6A,240mils ,Via NO.= 12)
3.3V
3.3V
*
401204
1A
SCHEMATIC, M/B LA-1311
Compal Electronics, inc.
37 43, 26, 2001
!"# $#%
Title
Size Document Number Rev
Date: Sheet of
CHGRTCP
VIN
VS
RTCVREF
CHGRTC
+3VALWP
+12VALWP
+5VALW
+3VALW
+12VALW +1_5VP +1.5V
+5VALWP
VIN
+1_8VP +1.8V
RTCVREF
VIN VS
+VTTP +VTT
BATT+
PJP6
3MMA/CPU_IO
2 1
PC5
1000PF_50V
12
PZD2
RLZ3.6B
12
PC6
0.1UF_50V
12
PR7
24K_1%
12
PR4
84.5K_1%
12
PR8
10K
12
PR6
22K
1 2
PR5
1K
1 2
PR11
10K
12
PR2
1M_1%
1 2
+
-
PU1A
LM393M
3
21
84
PR3
10K
12
PC1
1000PF_50V
3
1
2
PCN1
2DC-S026B201 2.5D 5P
1
2
3
PZD1
@RLZ24B
12
PL2
CHC4532U800_1812
1 2
PC2
100PF_50V PC3
1000PF_50V PC4
100PF_50V
PC13
10UF_1206_10V
PR18
200_0805
PZD4
RLZ16B
2 1
PC12
1UF_0805_25V
PJP5
3MMA/CPU_IO
2 1
PJP2
JOPEN/+12V
2 1
PR19
200
1 2
PR1
@10_1206
12
PL1
CHC4532U800_1812
1 2
PJP3
PAD-OPEN 4x4m
1 2
PJP4
PAD-OPEN 4x4m
1 2
PJP1
3MM
1 2
PF1
5A 32V UL/CSA FAST
PD1
BYS10-45
12
PJP7
PAD-OPEN 4x4m
1 2
PC10
0.22UF_1206_25V
12
PZD3
RLZ6.2C
12
PR17
22K
1 2
PR15
33_1206
PR16
100K
12
PQ1
TP0610T
13
2
PC11
0.1UF_0805_25V
12
PD2
RLS4148
21
PD3
RB751V
2 1
PU2
S-81233SGUP (SOT-89)
2
1
32
1
3
THIS SHEET OF ENGINEERING DRAWING IS THE PROPRIETARY PROPERTY OF COMPAL ELECTRONICS,INC. AND CONTAINS CONFIDENTIAL
AND TRADE SECRET INFORMATION . THIS SHEET MAY NOT BE TRANSFERRED FROM THE CUSTODY OF THE COMPETENT DIVISION OF R&D
DEPARTMENT EXCEPT AS AUTHORIZED BY COMPAL ELECTRONICS,INC. NEITHER THIS SHEET NOR THE INFORMATION CONTAINS MAY BE
USED BY OR DISCLOSED TO ANY THIRD PARTY WITHOUT PRIOR WRITTEN CONSENT OF COMPAL ELECTRONICS,INC.
ACIN 18,32,34,40
PACIN 38
51ON#34

A
A
B
B
C
C
D
D
1 1
2 2
3 3
4 4
Iadp=0~2.9A
CC=0.5~2.0A
B
CV=14.4V(8 CELLS)
IREF=0.73~2.63V
IREF=1.31*Icharge
4.2V
401204
1A
SCHEMATIC, M/B LA-1311
Compal Electronics, inc.
38 43, 26, 2001
!"# $#%
Title
Size Document Number Rev
Date: Sheet of
ACOFF#
ACOFF#
LXCHRG
VIN
VIN
BATT+
P2 P3 B+ B++
PD5
1SS355
1 2
PR26
150K
12
PR28
10K
1 2
G
D
S
PQ7
2N7002
2
13
PL3
FBM-L11-453215-900LMAT_1812
1 2
PR21
10K
12
PD8
RB051L-40
12
PC22
0.1UF_50V
1 2
PQ5
FDS4435
36
5
7
82
4
1
PL4
22UH_SPC-1205P-220A
1 2
PC27
1500PF_50V
1 2
PC24
2200PF_50V
1 2
PU3
MB3878
1
2
3
4
24
23
22
21
5
6
7
8
9
10
11
12
20
19
18
17
16
15
14
13
-INC2
OUTC2
+INE2
-INE2
+INC2
GND
CS
VCC(o)
FB2
VREF
FB1
-INE1
+INE1
OUTC1
OUTD
-INC1
OUT
VH
VCC
RT
-INE3
FB3
CTL
+INC1
PC18
220PF_50V
1 2
PC21
4700PF_50V
1 2
PR34
68K
1 2
PC28
4.7UF_1210_25V
12
+
PC26
100UF_EC_25V
12
PC29
4.7UF_1210_25V
12
PC14
4.7UF_1210_25V
12
PC15
4.7UF_1210_25V
12
PC23
0.1UF_16V
12
PR31
10K
1 2
PR27
10K
12
PR41
47K_1%
12
PR39
100K_1%
12
PD6
1SS355
1 2
PC19
0.1UF_0805_25V
1 2
PR32
10K
1 2
PR25
0
12
PR20
0.02_2512_1%
12
PR35
0.02_2512_1%
1 2
PR38
47K
1 2
PR29
24.9K_1%
12
PR37 10K
12
PQ2
SI4835DY
36
5
7
82
4
1
PR22
200K
12
PR30
10K_1%
12
PQ3
SI4835DY
3 6
5
7
8
2
4
1
PQ4
SI4835DY
3 6
5
7
8
2
4
1
PR40
47K
12
PC25
0.1UF_0805_25V
1 2
100K
100K
PQ6
DTC115EK
2
13
PC16
0.1UF_0805_25V
12
PC17
@1000PF
12
PR23 10K
1 2
PR24 47K
1 2
PR42
115K_1%
12
PC20
0.1UF_16V
12
PC30
0.1UF_16V
12
PR36
162K_1%
1 2
THIS SHEET OF ENGINEERING DRAWING IS THE PROPRIETARY PROPERTY OF COMPAL ELECTRONICS,INC. AND CONTAINS CONFIDENTIAL
AND TRADE SECRET INFORMATION . THIS SHEET MAY NOT BE TRANSFERRED FROM THE CUSTODY OF THE COMPETENT DIVISION OF R&D
DEPARTMENT EXCEPT AS AUTHORIZED BY COMPAL ELECTRONICS,INC. NEITHER THIS SHEET NOR THE INFORMATION CONTAINS MAY BE
USED BY OR DISCLOSED TO ANY THIRD PARTY WITHOUT PRIOR WRITTEN CONSENT OF COMPAL ELECTRONICS,INC.
ACOFF 32
PACIN37
FSTCHG 32
IREF32

A
A
B
B
C
C
D
D
1 1
2 2
3 3
4 4
B
PH2 near main Battery CONN :
Recovery at 50(51) degree C
BAT. thermal protection at 73 degree C
Recovery at 50(51) degree C
CPU thermal protection at 82 degree C
PH1 under CPU botten side :
*
*
*
401204
1A
SCHEMATIC, M/B LA-1311
Compal Electronics, inc.
39 43, 26, 2001
!"# $#%
Title
Size Document Number Rev
Date: Sheet of
TM_REF1
AB/I
ALI/NIMH#
EC_SMD1
EC_SMC1
TSA
TM_REF2
MAINPWON
VL
VL
VS
+3VALWP
BATT+
+5VALWP
+3VALWP
VL
VL
VS
PR12
16.9K_1%
PC8
1000PF_50V
PR9
2.15K_1%
PC9
0.22UF_0805_16V
PR13
100K_1%
PC7
0.1UF_50V
12
PR14
100K_1%
PH1
10K_1%
+
-
PU1B
LM393M
5
67
84
PR10
47K_1%
PC31
1000PF_50V
12
PL5
BLM41P600S_1806
12
PD15
@BAS40-04
1
3
2
PR47
100
12
PJP8
SUYIN 25063A-07G1-E 7P P2.5
1
2
3
4
5
6
7
PF2
7A 24V UL/CSA FAST
PR48
100
12
PR59
25.5K_1%
1 2
PR43
1K
12
PR63
1K
12
PD10
@BAS40-04
1
3
2
PD9
@BAS40-04
1
3
2
PR66
1K
12
PD16
@BAS40-04
1
3
2
PR61
47K
1 2 PC33
0.01UF_50V
12
PR173 100K_1%
PR172
10K_1%
+
-
PU9A
LM393M
3
21
84
PC119
0.22UF_0805_16V
PC118 1000PF_50V
PR170
2.37K_1% PR171
47K_1%
PR174
100K_1%
PH2
10K_1%
PC117
0.1UF_50V
12
THIS SHEET OF ENGINEERING DRAWING IS THE PROPRIETARY PROPERTY OF COMPAL ELECTRONICS,INC. AND CONTAINS CONFIDENTIAL
AND TRADE SECRET INFORMATION . THIS SHEET MAY NOT BE TRANSFERRED FROM THE CUSTODY OF THE COMPETENT DIVISION OF R&D
DEPARTMENT EXCEPT AS AUTHORIZED BY COMPAL ELECTRONICS,INC. NEITHER THIS SHEET NOR THE INFORMATION CONTAINS MAY BE
USED BY OR DISCLOSED TO ANY THIRD PARTY WITHOUT PRIOR WRITTEN CONSENT OF COMPAL ELECTRONICS,INC.
EC_SMD1 32,33
EC_SMC1 32,33
ALI/MH# 32
BATT_TEMPA 32
MAINPWON40

A
A
B
B
C
C
D
D
1 1
2 2
3 3
4 4
B
+5V : Ipeak = 6.66A ~ 10A
+3.3V : Ipeak = 6.66A ~10A
401204
1A
SCHEMATIC, M/B LA-1311
Compal Electronics, inc.
40 43, 26, 2001
!"# $#%
Title
Size Document Number Rev
Date: Sheet of
5V_STBY MAINPWON
SCP
SCP
5V_STBY
VL
VS
+5VALWP
VS
B++
0.85VREF
+5VALWP
+3VALWP
VL B++
VIN
B++
VL
VS
VL
+3VALWP
+12VALWP
PR89
57.6K_1%
PC59 0.1UF_16V
PR202
100K
PC69 0.01UF_50V
PC49
470PF_0805_100V
PD23
BYS10-45
12
PC122
1UF_0805_25V
PR93 430
PR102 150K
PD22
BYS10-45
12
PC44
4.7UF_1210_25V
PR90
33.2K_1%
PC54
@1000PF_50V
PU6
TPS5120
26
24
25
27
1
2
3
10
8
4
5
18
16
17
19
20
14
13
12
15
9
6
11
23
7
28
21
22
29
30
OUTGND1
VCC
TRIP1
OUT1_D
INV1
FB1
SOFT1
STBY2
REF
SKIP/PWM #
CT
LL2
LH2
OUT2_U
OUT2_D
OUTGND2
FB2
SOFT2
PGOD
INV2
STBY1
5V_STBY
SCP
TRIP2
GND
LL1
REG5V_IN
VREF5
OUT1_U
LH1
PR92
330
PR105
330
12
PR85 0
PR97
11.5K_1%
PQ20
SI4800
1
3
4
8
7
6
5
2
S
S
G
D
D
D
D
S
PC67
10PF_50V
PR203
47K
PC43
2200PF_50V
12
PC72
0.1UF_0805_25V
12
PR88 0
+PC62
150UF_D_6.3V
PQ25
TP0610T
2
1
3
PC57
3300P_50V
PC50
4.7UF_1206_16V
PC40
4.7UF_1210_25V
+
PC66
150UF_D_6.3V
PC56 0.01UF_50V
PR86 0
PC46
2.2UF_0805_16V
PC47
0.1UF_0805_25V
PC52
0.1UF_0805_25V
PR94
220
PQ19
SI4800
1
3
4
8
7
6
5
2S
S
G
D
D
D
D
S
PR83
15K_1%
PR96
11.5K_1%
PR205
47K
PD20
DAP202U
1
2
3
PR101
47K
PT1
10UH_SDT-1205P-100-118
14
32
PQ45
FMMT3904
23
1
PZD7
RLZ4.3B
12
PR82
15K_1%
PC61
2200PF_50V
PC60 4700PF_50V
PC70
0.047U_16V
PR87 0
PR100
47K
PC58 47P_50V
PL7
10UH_SPC_1205P_100
12
PQ44
FMMT3904
23
1
PZD8
RLZ7.5B
12
PQ22
SI4810DY
1
3
4
8
7
6
5
2
S
S
G
D
D
D
D
S
PC55
@1000PF_50V
+
PC65
@150UF_D_6.3V
PR207
10K
PC71
0.01UF_50V
12
PR204
100K
PD21 EC11FS2
1 2
PR99
@100K
PC51 0.1UF_0805_25V
PC64
2200PF_50V
PR84
22_1206
PC53
2.2UF_1206_25V
PR104 10K
1 2
PC42
4.7UF_1210_25V
PZD6
RLZ6.2C
12
PC48
0.1UF_0805_25V
PC121
1UF_0805_25V
100K
100K
PQ23
DTC115EK
2
13
22K
47K
PQ43
DTA144WKA
31
2
PZD5
RLZ16B
12
+PC63
150UF_D_6.3V
PR91
330
PQ21
SI4810DY
1
3
4
8
7
6
5
2S
S
G
D
D
D
D
S
PC41
0.1UF_0805_25V
PC45
4.7UF_1210_25V
PR103
100K
PQ24
2N7002
2
13
PU7
XC6202
2
1 3
GND
VOUT VIN
PC68
4.7UF_1206_16V
THIS SHEET OF ENGINEERING DRAWING IS THE PROPRIETARY PROPERTY OF COMPAL ELECTRONICS,INC. AND CONTAINS CONFIDENTIAL
AND TRADE SECRET INFORMATION . THIS SHEET MAY NOT BE TRANSFERRED FROM THE CUSTODY OF THE COMPETENT DIVISION OF R&D
DEPARTMENT EXCEPT AS AUTHORIZED BY COMPAL ELECTRONICS,INC. NEITHER THIS SHEET NOR THE INFORMATION CONTAINS MAY BE
USED BY OR DISCLOSED TO ANY THIRD PARTY WITHOUT PRIOR WRITTEN CONSENT OF COMPAL ELECTRONICS,INC.
ACIN18,32,34,37
SUSP#29,32,36
MAINPWON 39

A
A
B
B
C
C
D
D
1 1
2 2
3 3
4 4
+1.8V+-5%
B
+1.5V+-5%
*
401204
1A
SCHEMATIC, M/B LA-1311
Compal Electronics, inc.
41 43, 26, 2001
!"# $#%
Title
Size Document Number Rev
Date: Sheet of
LX18
VL
0.85VREF
+5VALWP
+5VALWP
+1_5VP
+1_8VP
+1_8VP
+5VALWP
PD25
RB051L-40
12
PC85
0.01UF_50V
12
PR115
1K
1 2
PL8
5UH-SPC-06704-5R0
1 2
+
-
PU8A
LM358A 3
2
1
84
PQ30
HMBT2222A
21
3
PR107
0
1 2
PR114
10K
12
PC75
0.1UF_50V
12
PC80
4.7UF_1206_25V
12
PR117
162K_1%
12
PC81
2200PF_50V
12
PR112
191K_1%
12
PC78
68PF_50V
PC76
220PF_50V
PQ32
2SA1036K 2
3
1
100K
100K PQ27
DTC115EK
2
13
+
PC79
150UF_D_4V_FP
12
+ PC73
47UF_D_6.3V
PR106
5.1K
1 2
PR109
30.1K_1%
1 2
S
G
D
PQ28
SI3445DV
3
6
2
4 5
1
PD24
RB751V
1 2
PR108
69.8K_1%
12
S
G
D
PQ26
SI3442DV
3
6
245
1
PR111 5.1K
1 2
PC74
4.7UF_1206_25V
+
-
PU13A
LM393M
3
2
1
84
PC77
0.01UF_50V
PR123 10K
1 2
100K
100K PQ33
DTC115EK
2
13
PR110 0
1 2
THIS SHEET OF ENGINEERING DRAWING IS THE PROPRIETARY PROPERTY OF COMPAL ELECTRONICS,INC. AND CONTAINS CONFIDENTIAL
AND TRADE SECRET INFORMATION . THIS SHEET MAY NOT BE TRANSFERRED FROM THE CUSTODY OF THE COMPETENT DIVISION OF R&D
DEPARTMENT EXCEPT AS AUTHORIZED BY COMPAL ELECTRONICS,INC. NEITHER THIS SHEET NOR THE INFORMATION CONTAINS MAY BE
USED BY OR DISCLOSED TO ANY THIRD PARTY WITHOUT PRIOR WRITTEN CONSENT OF COMPAL ELECTRONICS,INC.
SYSON# 36

A
A
B
B
C
C
D
D
1 1
2 2
3 3
4 4
B
1
0
0.7500
D3
1.20
0.875
1
0
1 1.700
0.625
1.00
0
D1
0
0.850
0.950
1
0.775
0
1
0
1.55
0
1
0
0.650
0
1
1
0.600
0.725
1
D0
0.700
1.05
1
0
1.25
0
10
0
1
0.975
0
1.35
1
D4=0D2
1
D4=1
1
1
VOLTS
0.825
0
0
1.45
1
1
1
1.50
1.10
1.30
0
1.65
0
0
0
0
1
1
1.75
11
1
CPU_COREP OUTPUT_ MODE
0
0
1
0
0.925
0
CPU CONTROL MODE
MODE
DEEPER SLEEP
BATTEY SLEEP
BATTERY MODE
PERFORMANCE MODE
OFFSET
0mV
-56mV
-51mV
-16mV
-1.8mV
RBOTTOM
X
16.2K
19.6K
61.9K
604K
Vout(0A)
0.850
1.094
1.199
1.134
1.248
ADDA
X
1
1
0
0
ADDB
X
0
1
0
1
PERFORMANCE SLEEP
0011 0.900 1.60
1100 0.675 1.15
1110 0.800 1.40
401204
1A
SCHEMATIC, M/B LA-1311
Compal Electronics, inc.
42 43, 26, 2001
!"# $#%
Title
Size Document Number Rev
Date: Sheet of
GL2
GL3
BL2
COM
BL1
LC
+3V
+3VALWP
+5VALWP
+VCC_H_CORE
+3V
B++
+5VALWP
PC96
0.1UF_0805_25V
PR135
20
1 2
PR128
10K
1 2
PU11 @MAX4524
1
2
3
4
5 6
7
8
9
10
NO2
NO3
NO1
INH
GND ADDB
ADDA
NO0
COM
V+
PR133 0
1 2
PR137 0
1 2
PR141 0
1 2
PL9
0.7UF HK-RM136-22A0R7
PQ36
SI4894DY
3 6
5
7
8
2
4
1
PD27
1SS355
21
PC101 4.7UF_1206_16V
PR130
10K
1 2
PR140 0
1 2
PD28
EC10QS04
2 1
PR132 10
1 2
PR142 0
1 2
PR148
0
12
PC103
1000PF_50V
PR146
100
1 2
PR136 0
1 2
PQ34
SI4894DY
3 6
5
7
8
2
4
1
PQ39
SI4404DY
3 6
5
7
8
2
4
1
PC104 470PF_50V
PQ38
SI4404DY
3 6
5
7
8
2
4
1
PR162 @0
12
PR138 0
1 2
PR129
10K
1 2
PC100 @0.01UF_50V
PR127
10K
1 2
PR147
150K
1 2
PQ40
SI4404DY
3 6
5
7
8
2
4
1
PR126
10K
1 2
PQ35
SI4894DY
3 6
5
7
8
2
4
1
PC99 0.1UF_0805_25V
PR125
0
12
+
PC97
220UF_D_4V
+
PC98
220UF_D_4V
PR131
0_0805
1 2
PR149 @0
1 2
PR158
@19.6K_1%
1 2
PR159
@604K_1%
1 2
PR161
@61.9K_1%
1 2
PR160
@16.2K_1%
1 2
PR153
@0
1 2
PR152
0
1 2
PR145 51K
12
PC102 4.7UF_1206_16V
PR144
@0
1 2
PR143
@10K
12
PR151
@10K
1 2
100K
100K
PQ41
@DTC115EK
2
13
PR157 @0
12
PR156 @0
12
PU10 MAX1718
21
22
23
24
25
14
3
2
17
6
20
11
12
15 10
7
8
18
19
5
13
4
1
16
26
28
27
9
D4
D3
D2
D1
D0
VGATE
TIME
SDN/SKIP
VDD
CC
OVP
REF
ILIM
GND TON
S0
S1
SUS
ZMODE
NEG
POS
FB
V+
DL
BST
DH
LX
VCC
PR175
180K
12
PC92
4.7UF_1210_25V
PC93
4.7UF_1210_25V
PC91
4.7UF_1210_25V
PC95
2200PF_50V
PC94
4.7UF_1210_25V
-
+
PU14
MAX4322
1
2
3
4
5
PR177
499_1%
12
PR178
1K_1%
12
PC120
0.1UF_0805_25V
PR176
1K_1%
12
PR139
0.002_21515_1%(2W)
12
PR201 0
PR200 0
PC105 1UF_0805_16V
PR154
0
PR155
150K_1%
PR150
249K_1%
PC123
@0.01UF_50V
PR206 @1K
1 2
PR208
0
1 2
THIS SHEET OF ENGINEERING DRAWING IS THE PROPRIETARY PROPERTY OF COMPAL ELECTRONICS,INC. AND CONTAINS CONFIDENTIAL
AND TRADE SECRET INFORMATION . THIS SHEET MAY NOT BE TRANSFERRED FROM THE CUSTODY OF THE COMPETENT DIVISION OF R&D
DEPARTMENT EXCEPT AS AUTHORIZED BY COMPAL ELECTRONICS,INC. NEITHER THIS SHEET NOR THE INFORMATION CONTAINS MAY BE
USED BY OR DISCLOSED TO ANY THIRD PARTY WITHOUT PRIOR WRITTEN CONSENT OF COMPAL ELECTRONICS,INC.
CPU_VID07
VR_ON32
VGATE
3
5
CPU_VID27
CPU_VID47
CPU_VID17
CPU_VID37
H_DPSLP# 5,17
PM_GMUXSEL 7,17
PM_DPRSLPVR 7,17

5
5
4
4
3
3
2
2
1
1
D D
C C
B B
A A
FB 1.0V
(+1.25V : I_peak = 6A)
Vref 2.0V
401204
1A
SCHEMATIC, M/B LA-1311
B
43 43, 26, 2001
!"# $#%
Compal Electronics, inc.
Title
Size Document Number Rev
Date: Sheet of
IO_FB
IO_GL5
IO_LX
IO_GL4
IO_BST
+5VALWP
B++
+VTTP
PC113
0.1UF_16V
PR168
15K_1%
1 2
PR169
84.5K_1%
12
PC110
4.7UF_1206_16V
PD29
1SS355
21
PC114
@150PF_ 50V
PR163
0_0805
1 2
PR166 0
PR164 10
PC115
@0.1UF
PC108
4.7UF_1210_25V
PC107
4.7UF_1210_25V
+
PC112
150UF_D_6.3V
PD30
EC10QS04
2 1
PC109
4.7UF_1206_16V
PR165
2.49K_1%
PR167
10K_1%
PC111
0.1UF_0805_25V
PC106
0.1UF_0805_25V
PU12
MAX1714A
14
19
20
13
1
12
11
9
5
48
2
7
16
18
6
3
10
17
15 VDD
BST
LX
DL
DH
PGND
N/C
N/C
OUT
FBAGND
N/C
REF
TON
SKIP
ILIM
SHDN
PGOOD
V+
VCC PL10
10UH_SPC-1205P-10 0
PQ42
SI4834DY
1
2
3
4
8
7
6
5
THIS SHEET OF ENGINEERING DRAWING IS THE PROPRIETARY PROPERTY OF COMPAL ELECTRONICS,INC. AND CONTAINS CONFIDENTIAL
AND TRADE SECRET INFORMATION . THIS SHEET MAY NOT BE TRANSFERRED FROM THE CUSTODY OF THE COMPETENT DIVISION OF R&D
DEPARTMENT EXCEPT AS AUTHORIZED BY COMPAL ELECTRONICS,INC. NEITHER THIS SHEET NOR THE INFORMATION CONTAINS MAY BE
USED BY OR DISCLOSED TO ANY THIRD PARTY WITHOUT PRIOR WRITTEN CONSENT OF COMPAL ELECTRONICS,INC.
VTT_ON32
VTT_PWRGD5
